ARP3110 PDPR03E
User Manual: PDPR03E
Open the PDF directly: View PDF
.
Page Count: 112 [warning: Documents this large are best viewed by clicking the View PDF Link!]

ORDER NO.
PIONEER CORPORATION 4-1, Meguro 1-chome, Meguro-ku, Tokyo 153-8654, Japan
PIONEER ELECTRONICS (USA) INC. P.O. Box 1760, Long Beach, CA 90801-1760, U.S.A.
PIONEER EUROPE NV Haven 1087, Keetberglaan 1, 9120 Melsele, Belgium
PIONEER ELECTRONICS ASIACENTRE PTE. LTD. 253 Alexandra Road, #04-01, Singapore 159936
PIONEER CORPORATION 2001
ARP3110
MEDIA RECEIVER
PDP-R03E
1. SAFETY INFORMATION ...................................... 3
2. EXPLODED VIEWS AND PARTS LIST ................ 4
3. BLOCKDIAGRAM AND SCHEMATIC DIAGRAM ... 8
4. PCB CONNECTION DIAGRAM .......................... 64
5. PCB PARTS LIST ............................................... 71
6. ADJUSTMENT .................................................... 96
CONTENTS 7. GENERAL INFORMATION .............................. 102
7.1 DIAGNOSIS ............................................... 102
7.1.1 TROUBLE SHOOTING ...................... 102
7.1.2 DISASSEMBLY .................................. 107
7.2 EXPLANATION.......................................... 108
7.2.1 IC DESCRIPTIONS ............................ 108
8. PANEL FACILITIES AND SPECIFICATIONS .. 110
THIS MANUAL IS APPLICABLE TO THE FOLLOWING MODEL(S) AND TYPE(S).
T – ZZK NOV. 2001 Printed in Japan
POWER
STANDBY/ON
MEDIA RECEIVER
PDP-R03E
Type Model Power Requirement Remarks
PDP-R03E
WYVI6 AC220-240V
For details, refer to "Important symbols for good services" on the next page.
Component System Service Manual Remarks
PLASMA DISPLAY SYSTEM PDP-503HDE PDP-433HDE –––
PLASMA DISPLAY PDP-503PE ––– ARP3107, ARP3108
––– PDP-433PE ARP3111, ARP3112
MEDIA RECEIVER PDP-R03E ARP3110 This manual.
¶Please connect it to the PLASMA DISPLAY PDP-503PE or PDP-433PE, for adjustment
and operation inspection.

PDP-R03E
2
[ Important symbols for good services ]
In this manual, the symbols shown-below indicate that adjustments, settings or cleaning should be made securely.
When you find the procedures bearing any of the symbols, be sure to fulfill them:
2. Adjustments
To keep the original performances of the product, optimum adjustments or specification confirmation is indispensable.
In accordance with the procedures or instructions described in this manual, adjustments should be performed.
3. Cleaning
For optical pickups, tape-deck heads, lenses and mirrors used in projection monitors, and other parts requiring cleaning,
proper cleaning should be performed to restore their performances.
5. Lubricants, glues, and replacement parts
Appropriately applying grease or glue can maintain the product performances. But improper lubrication or applying
glue may lead to failures or troubles in the product. By following the instructions in this manual, be sure to apply the
prescribed grease or glue to proper portions by the appropriate amount.For replacement parts or tools, the prescribed
ones should be used.
4. Shipping mode and shipping screws
To protect the product from damages or failures that may be caused during transit, the shipping mode should be set or
the shipping screws should be installed before shipping out in accordance with this manual, if necessary.
1. Product safety
You should conform to the regulations governing the product (safety, radio and noise, and other regulations), and
should keep the safety during servicing by following the safety instructions described in this manual.

PDP-R03E
3
1. SAFETY INFORMATION
This service manual is intended for qualified service technicians; it is not meant for the casual
do-it-yourselfer. Qualified technicians have the necessary test equipment and tools, and have been
trained to properly and safely repair complex products such as those covered by this manual.
Improperly performed repairs can adversely affect the safety and reliability of the product and may
void the warranty. If you are not qualified to perform the repair of this product properly and safely, you
should not risk trying to do so and refer the repair to a qualified service technician.
WARNING
This product contains lead in solder and certain electrical parts contain chemicals which are known to the state of California to
cause cancer, birth defects or other reproductive harm.
Health & Safety Code Section 25249.6 – Proposition 65
NOTICE
(FOR CANADIAN MODEL ONLY)
Fuse symbols (fast operating fuse) and/or (slow operating fuse) on PCB indicate that replacement
parts must be of identical designation.
REMARQUE
(POUR MODÈLE CANADIEN SEULEMENT)
Les symboles de fusible (fusible de type rapide) et/ou (fusible de type lent) sur CCI indiquent que
les pièces de remplacement doivent avoir la même désignation.
ANY MEASUREMENTS NOT WITHIN THE
LIMITS OUTLINED ABOVE ARE INDICATIVE
OF A POTENTIAL SHOCK HAZARD AND
MUST BE CORRECTED BEFORE RETURN-
ING THE APPLIANCE TO THE CUSTOMER.
2. PRODUCT SAFETY NOTICE
Many electrical and mechanical parts in the appliance
have special safety related characteristics. These are
often not evident from visual inspection nor the
protection afforded by them necessarily can be obtained
by using replacement components rated for voltage,
wattage, etc. Replacement parts which have these
special safety characteristics are identified in this
Service Manual.
Electrical components having such features are
identified by marking with a on the schematics and
on the parts list in this Service Manual.
The use of a substitute replacement component which
does not have the same safety characteristics as the
PIONEER recommended replacement one, shown in the
parts list in this Service Manual, may create shock, fire,
or other hazards.
Product Safety is continuously under review and new
instructions are issued from time to time. For the latest
information, always consult the current PIONEER
Service Manual. A subscription to, or additional copies
of, PIONEER Service Manual may be obtained at a
nominal charge from PIONEER.
(FOR USA MODEL ONLY)
1. SAFETY PRECAUTIONS
The following check should be performed for the
continued protection of the customer and service
technician.
LEAKAGE CURRENT CHECK
Measure leakage current to a known earth ground
(water pipe, conduit, etc.) by connecting a leakage
current tester such as Simpson Model 229-2 or
equivalent between the earth ground and all exposed
metal parts of the appliance (input/output terminals,
screwheads, metal overlays, control shaft, etc.). Plug
the AC line cord of the appliance directly into a 120V
AC 60 Hz outlet and turn the AC power switch on. Any
current measured must not exceed 0.5 mA.
Device
under
test
Leakage
current
tester
Earth
ground
Reading should
not be above
0.5 mA
Also test with
plug reversed
(Using AC adapter
plug as required)
Test all
exposed metal
surfaces
AC Leakage Test

PDP-R03E
4
2.1 PACKING
2. EXPLODED VIEWS AND PARTS LIST
FRONT
10. Packing Case
14. No. Label
4. Remote Control Unit
11. Buffer Material
11. Buffer Material
12. Packing Material
13. Polyethylene Bag
6. Operation Instructions
7. Operation Instructions
8. System Cable Caution
9. Caution Card
5. Batteries
1. Power Cord
2. Power Cord
3. System Cable
Parts marked by "NSP" are generally unavailable because they are not in our Master Spare Parts List.
The mark found on some component parts indicates the importance of the safety factor of the part.
Therefore, when replacing, be sure to use parts of identical designation.
Screws adjacent to mark on product are used for disassembly.
For the applying amount of lubricants or glue, follow the instructions in this manual.
(In the case of no amount instructions, apply as you think it appropriate.)
NOTES:

PDP-R03E
5
• PACKING PARTS LIST
Mark No. Description Part No.
1 Power Cord (For Europe) QACCBA005WJZZ
2 Power Cord (For U.K.) QACCVA002WJZZ
3 System Cable QCNW-6117CEZZ
4 Remote Control Unit RRMCG1677CESA
NSP 5 Battery (AA) • • • • • •
6 Operation Instructions TINS-7495CEZZ
7 Operation Instructions TINS-7597CEZZ
8 System Cable Caution TCAUH1226CEZZ
9 Caution Card TCAUH1230CEZZ
10 Packing Case SPAKC5584CEZZ
11 Buffer Material SPAKX2077CEZZ
12 Packing Material SPAKF0515CEZZ
13 Polyethylene Bag SSAKH0173CEZZ
14 No. Label TLABK0016CEZZ

PDP-R03E
6
28
23
21
9
26 26
1-2
1-1
1
18
25
14 15 19
29
4
37
25
17
16
8
24
25
24
3-3
13
36
35
11
32
25
6
3-1
3
3-2
24
25
25
1-3
25
12
33
30
31
18
2-10
27
2-2
2-15
2-1
2-13
2-8
2-12
29
9
2
10
2-17
5
25
1-4
20
22
2-11
2-14
2-16
2-17
2-9
2-3
2-6
2-7
2-4
5
22
7
2-5
34
46
44
47
48
42
41
43
45
A
C
G
B
F
H
D
E
2.2 EXTERIOR SECTION

PDP-R03E
7
• EXTERIOR SECTION PARTS LIST
Mark No. Description Part No. Mark No. Description Part No.
NSP 1 Bottom Cabinet Assy. • • • • • •
NSP 1-1 Bottom Cabinet • • • • • •
1-2 Indicator HINDP5955CESA
NSP 1-3 Fixing Metal • • • • • •
1-4 Wire Holder LHLDW1021GE00
2 Front Panel Assy. CWAKP1467CE01
NSP 2-1 Front Panel • • • • • •
2-2 LED Cover GCOVA2015CEKA
2-3 Door GDORF3026CEKA
NSP 2-4 Pioneer Badge • • • • • •
2-5 Decoration Plate HDECP0171CESA
2-6 Control Indicator HINDP5840CESA
2-7 Door Indicator HINDP5852CESA
2-8 Power Button JBTN-2073CEKA
NSP 2-9 Fixing Metal(Door) • • • • • •
NSP 2-10 Fixing Metal • • • • • •
NSP 2-11 Fixing Metal(Damper) • • • • • •
2-12 Screw LX-HZ3111CEFN
2-13 Spring MSPRC0061CEFW
2-14 Damper PDMPF1009CEZZ
2-15 Ratch PKAI-0004GEZZ
2-16 Screw XBPSD20P05000
2-17 Screw XEBSD30P08000
NSP 3 Shield Assy • • • • • •
NSP 3-1 Shield • • • • • •
3-2 Wire Holder LHLDW1021GE00
3-3 Heat Sink PRDAR1567CEFW
3-4 Spacer PSPAH0720CEZZ
4 Top Cabinet GCABB3078CESA
5 Leg GLEGP9133CESA
NSP 6 Fixing Metal • • • • • •
7 Holder LHLDW1009CEZZ
8 Holder LHLDW1060CEZZ
9 Shaft NSFTZ0134CEFW
NSP 10 Shield • • • • • •
11 Connecting Cord (Front-PC Boad)QCNW-6074CEZZ
12 Connecting Cord (SR-PC Boad) QCNW-6078CEZZ
13 Connecting Cord (main-PC Boad) QCNW-6080CEZZ
14 FFC (Main-AV) QCNW-6081CEZZ
15 FFC (Main-AV) QCNW-6082CEZZ
16 FFC (Main-PB_BD)) QCNW-6083CEZZ
17 FFC (Main-PB_BD)) QCNW-6084CEZZ
NSP 18 Ground-Part (Cabi) • • • • • •
NSP 19 Ground-Part (Tuner) • • • • • •
20 No. Label TLABN0382CEZZ
21 Screw LX-BZ3434CEFN
22 Screw LX-LZ1005AEZZ
23 Nut LX-NZ3182CEFN
24 Screw XBBSN30P06000
25 Screw XBPSD30P06JS0
26 Screw XBPSN30P06000
27 Screw XBSSD30P06000
28 Screw XEBSF30P08000
29 Screw XJPSN30P08XS0
NSP 30 AC Inlet Angle LANGK3000SNEZ
NSP 31 Screw XBSSF30P06000
NSP 32 Screw XBPBN40P06K00
NSP 33 Screw LX-BZ1001SNEZ
NSP 34 Screw XBPSD30P6R00
NSP 35 Cooling Sheet PSPAZ0464CEKZ
NSP 36 Cooling Sheet PSPAZ0465CEKZ
NSP 37 RCA Shield PSLDM4715CEFW
38 • • • • • •
39 • • • • • •
40 • • • • • •
41 MAIN UNIT DUNTKA535FE01
42 FRONT UNIT DUNTKA536DE01
43 AV UNIT DUNTKA537DE01
44 SR CONNECT UNIT DUNTKA594DE01
45 LED UNIT DUNTKA649DE01
46 PC I/F UNIT CPCI-0056CE11
47 POWER UNIT RDENC0331CEZZ
48 EMC UNIT RDENCA006WJZZ

A
B
C
D
1234
1234
16
PDP-R03E
V0
A/D
Amp
PLL
IC4
CXA3506R
I
2
C=CH2
5V->3.3V Reg
IC8 PQ20VZ11
X4
25MHz
CVIC
IC25
V1
A/D
IC310
TLC5733A
12V->5VReg
IC7 PQ05TZ11
PC_ C3
HV SEL
OV0 _H
V1
PLL
IC328
TLC2933IPW
12V->9V R eg
IC415 BA09FP
OV0_CLP
CPCI-00 56CE
V0
Sync
Sel
IC411
74LCX157
1B
2B
4B
1A
2A
4A
-A /+B
1Y
2Y
4Y
CN8
7
9
10
PC _H
PC_V
PC_C
CN6
18
17
29,3
0
MAIN _H
D
MAIN_VD
5
1
3
PC_R
RIN2
GIN2
BIN2
PC _G
PC_B
RIN1
GIN1
BIN1
25,2
6
21,2
2
MAI N_
B
MAI N_
G
MAI N_
R
ROUT
GOUT
BOUT
SYNCIN1
SYNCIN2
HOLD
CLPIN
DIVOUT
1/2C LK
XPOWERSAVE
RA[7..0]
RB[7..0]
GA[7..0]
GB[7..0]
BA[7..0]
BB[7..0]
AIN
BIN
CIN
RT
RB
3.27V
1.17V
AO[8..1]
BO[8..1]
CO[8..1]
EXTCLP
CLK
-OE
FIN-A
FIN-B
PFDINH
VCOOUT
V1
Sync&
Clock
Sel
IC421
74LCX157
1B
2B
4B
1A
2A
4A
-A /+B
1Y
2Y
4Y
13,1
4
9,10
5,6
SUB _Y
SUB_ Cb
SUB_ Cr
SUB_ HD
2
1
SUB _VD
About 60MHz
CN10
19
18
21
CD_ HD
CD _VD
CD_CLK
SEL _CD
16
12pin TO CONNECTOR PWB
5
6
THERMO
BSREQ
11
PXOE
CAR D_RST
C 30..23
Y 39..32
SDRAM
512Kx128bitx4 BANK
8
V0_HSYNC
V0_VSYNC
V0_CSYNC
OV0_V
V0_HSYNR
OV0_HSYNR
V0_PDEN
OV0_PDEN
V0_CLP
OV0_CLP
V0_HSYNC2
V0_VDCLK_I
OV0_HSC2
OVCLK(Max60MHz)
V0_RA[7..0]
V0_RB[7..0]
V0_GA[7..0]
V0_GB[7..0]
V0_BA[7..0]
V0_BB[7..0]
8
8
8
8
8
XPW R_SV
V1_GA[7..0]
V1_BA[7..0]
V1_RA[7..0]
8
8
8
OV1_VCKO
( = 15M
..Hz) V1_VDCLK_O
OV1_CLP V1_CLP
SAD C_OE
V1_HSYNR
V1_HSYNF
V1_PDEN
OV1_HSNR
OV1_HSNF
OV1_PDEN
V1_HSYNC
V1_VSYNC
V1_VDCLK_I
OV1 _H
OV1_V
OV1_VCLK
SDRAM BUS
D:128,A:11,BA:2,Ctrl:13
SDCLK=100MHz
DO_RA[9..2]
DO_GA[9..2]
DO_BA[9..2]
DO_HSYNC
DO_VSYNC
DO_HDISP
DCLKMCK_REF
LCLK
BINT
BCLK
XBCS
BWAIT
XRESET
PLL_S
BD,BA
ACL_S IG
12 CLR_ SW
12
14 RXD 1_T
TXD 1_T
FPC 30pin TO MAIN PWB
FPC 40pin (TO PC CARD UNIT)
MOUNTED ON CE10 ONLY I2C=CH4, SERIAL=CH1
CXA3506R
VCO
WHISKER
CORRECTIO
N CIRCUIT
IC423, IC424
VIDEO SIGNAL
PEAK DETECTION
V1 ADC
RT, RB SETTING
CIRCUIT
IC319-322
HY57V653220BTC-7 4 PCS.
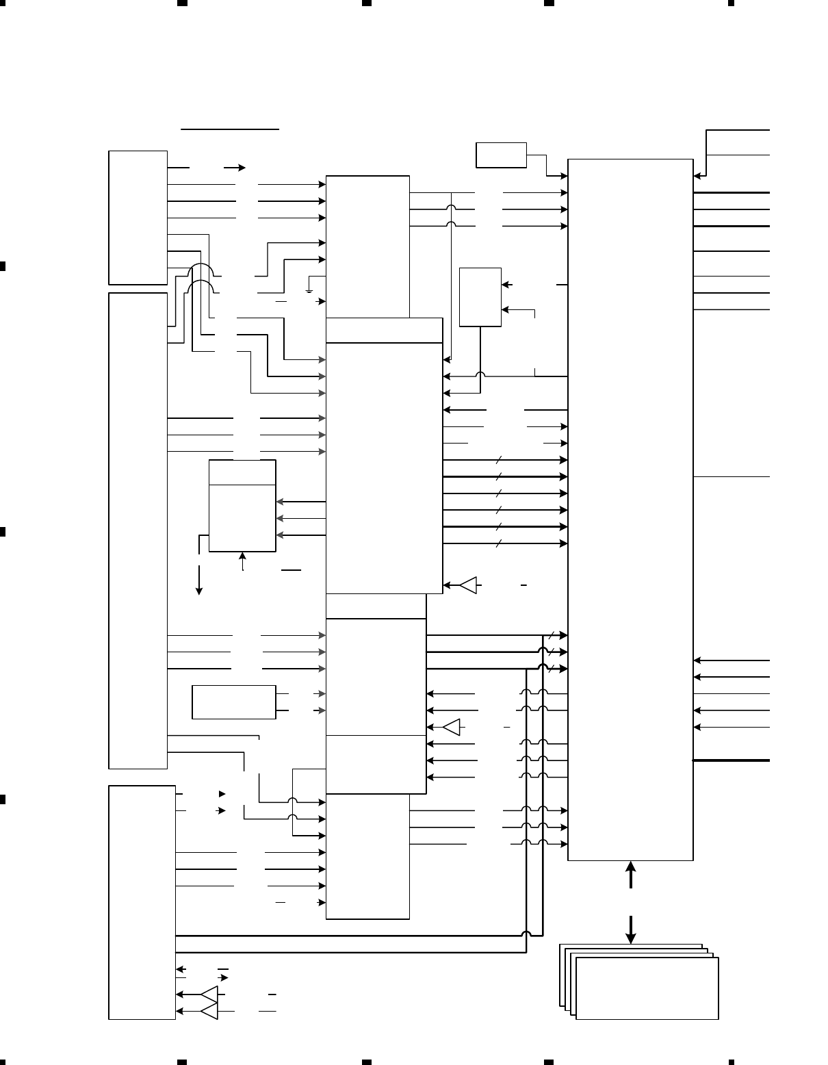
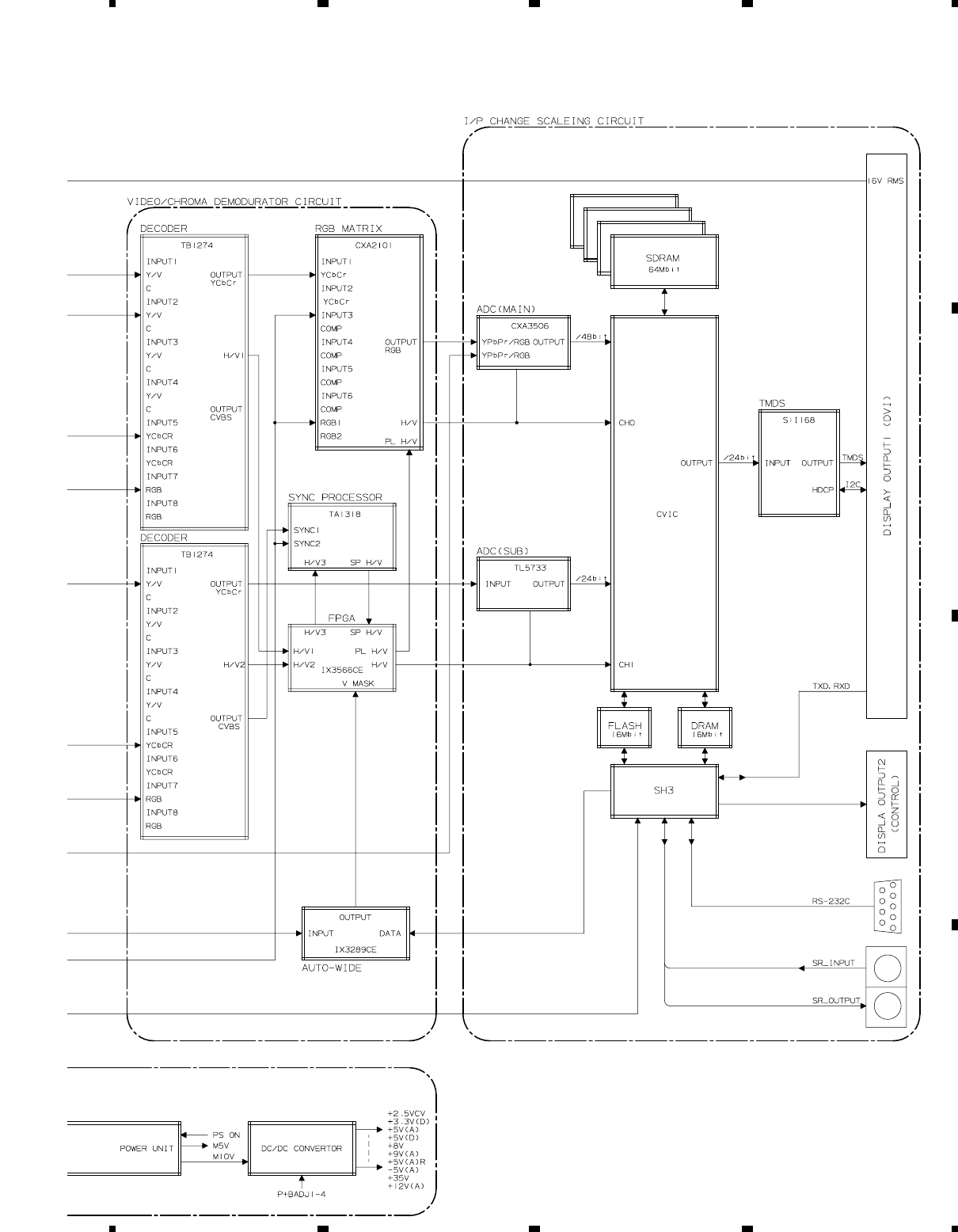
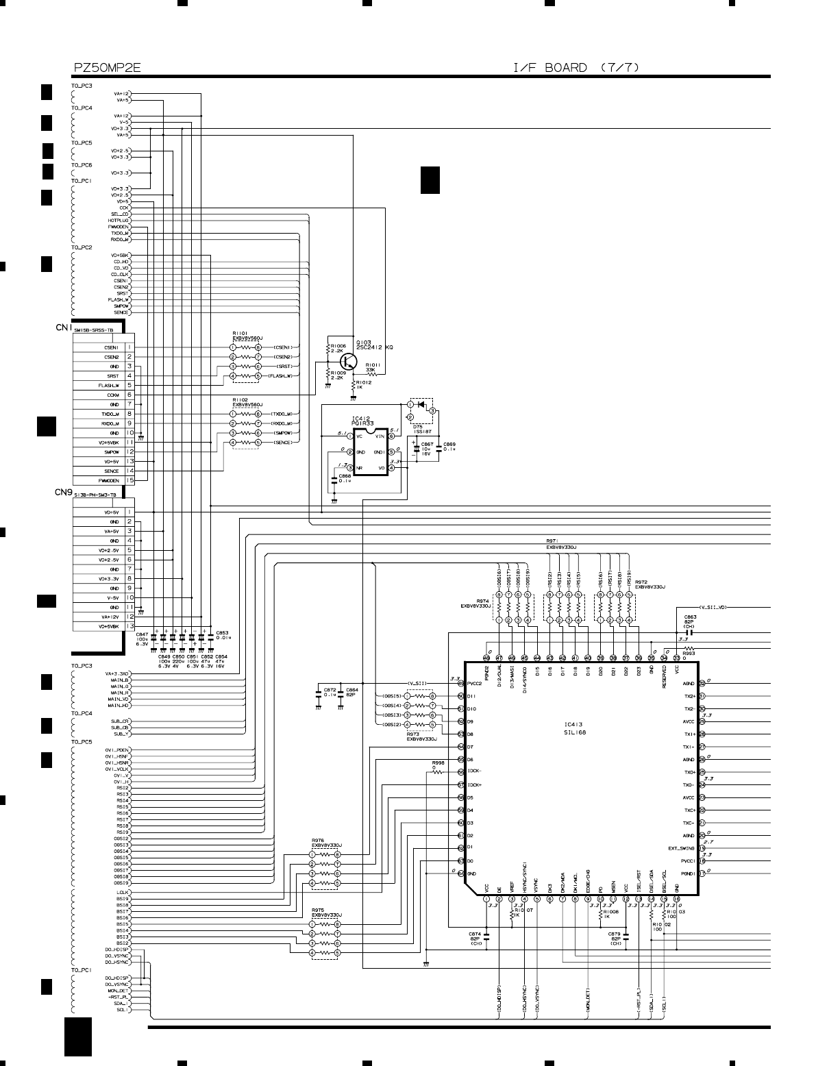
3.1.5 PC I/F BLOCK DIAGRAM

A
B
C
D
5678
5678
17
PDP-R03E
X5
79.794MHz
DO_VS YNC
DO_HS YNC
LCLK(79.79 4MHz)
EEPROM
IC3
AT24C128N
I
2
C=CH3
TMDS(4ch)
PanelLink
HDCP
Transmitter
IC413
SiI168
I2C=CH1
CPU
IC1
SH7709
I
2
C PORT
CH1 Do:PTB4,Di:PTG5,Clk:PTB5
CH2 Do:PTC1,Di:PTF2,Clk:PTC2
CH3 Do:PTA6,Di:PTG6,Clk:PTA7
CH4 Do:PTD0,Di:PTG4,Clk:PTA4
5V->3.3V R eg
IC412 PQ1R33
DO_HD ISP
EEPROM
IC414
M24C32
X3
1.8432MHz
-RESET_C1
-
RST_P LL
-C1_I NT
XPWR_SV
-CS2
-WAIT _C1
8
8
8
D[23..16]
D[15..8]
D[7..0]
HSYNC
VSYNC
DE
IDCK+
EDGE
RST
TX
MDA
MCK
PTB3
PTA1
MON_DET
-RST _PL
PTC5
HVSEL PTA0
PTD7
PTE6
SEL _CD
SAD C_OE
CAR D_RST
PXOE
THER MO
B SREQ
CKIO(24MHz)
IRQ4
IRQ3
PTB7
PTC7
AN7
PTE6
CKIO
IRQ0
CS2
WAIT
PTD2
PTD5
CPU BUS D:16,A:26
D[15..0],A[25..0]
SCK1
SCK2
EXTAL
XTAL
RESETP
CN3
DVI
RS232C
Driver&
Reciever
IC405
uPD4721G
TXD2
RXD2
CTS2
RTS2
CN8
FPC 50pin (TO MAIN PWB)
I2C=CH1,2,3, SERIAL=CH1
IRQ1 4
SSYSTEM
PC_V
10
IO_STB
CN1
15pin
SERIAL=CH0
PTB6
PTE7
FLASH_W
SRST 4
5
23
1CSEN1
2
CSEN2
14
1235
9SENCE
SMPOW
7
AN2
6CCKM
S1 15FWMODEN
PTD1
PTF0
FLAS HWP
PTE1
FST ATUS
FLWP
FLASH
2Mx16bit
IC27
LH28F320S3NS
-C S0
DRAM 1Mx16bit
IC28
MSM51V18165D
PTD6
16
HOTPLUG
ACL_S IG44
5PTG2 KOUTEI
CLR_ SW PTD4
DAC_DATA
PTJ4 13
16PTJ5 DAC_CLK 8PTE3 ACL_SW 25PTE2 RES_OUT3
PTE1 3
SRESET
PTG1 15
AW_ DATA
PTC4 1
TV_COL2
PTC0 2
TV_COL1
PTB2 26
HPMUTE
1
PTB0 24
LMUTE
PTJ7 14
SH_ON
PTA5 18
AWC S_R
PTA3 17
AWC S_W
48AN0 AG C1
AN1 47
AG C2 50
49
AN4
AN3 AF T1
AF T2 20
19
AN6
AN5 PSE L1
PSE L2
6
WP
STS
VPP
A20
A20
CN9
1:VD+5
3:VA+5
5,6:VD+2.5
8:VD+3.3
10:V-5
12:VA+12
13:VD+5BK
X1
6MHz
TXD1
RXD1
TXD0
RXD0
RXD 1_T
TXD 1_T
RXD0_M
TXD0_M
RXD 1_T
TXD 1_T
8
9
42
41 RXD 1_T
TXD 1_T
R1077R1078
R1105R1106
PTC6
X6
25.175MHz VGA_OE
WXGA_OE
VGA_ OE
WXGA_OE
CE2A
CKE
RESET CIRCUIT
+2.5V IC19 PST623XW
+3.3V IC2 PST600IW
I
2
C=CH1
(TO MONITOR)
13pin (TO MAIN PWB)
POWER CONNECTOR
CN5
RS232C
SERIAL=CH2
INTERNAL 72MHz
EXTERNAL 24MHz
SERIAL CONNECTION FOR
CE01 ONLY
(R1081, R1080)
CVIC INTERNAL SUPPLY VOLTAGE
SELECTOR
R1077 MOUNTED: VD+2.5V=2.5V
R1078 MOUNTED: VD+2.5V=1.8V
CVIC INTERNAL SUPPLY VOLTAGE
MONITOR
R1105 MOUNTED: VD+2.5V=2.5V
R1106 MOUNTED: VD+2.5V=1.8V
PC
DDC
DETECT
FLASH WRITE AT FWMODEN=LOW

A
B
C
D
1234
1234
18
PDP-R03E
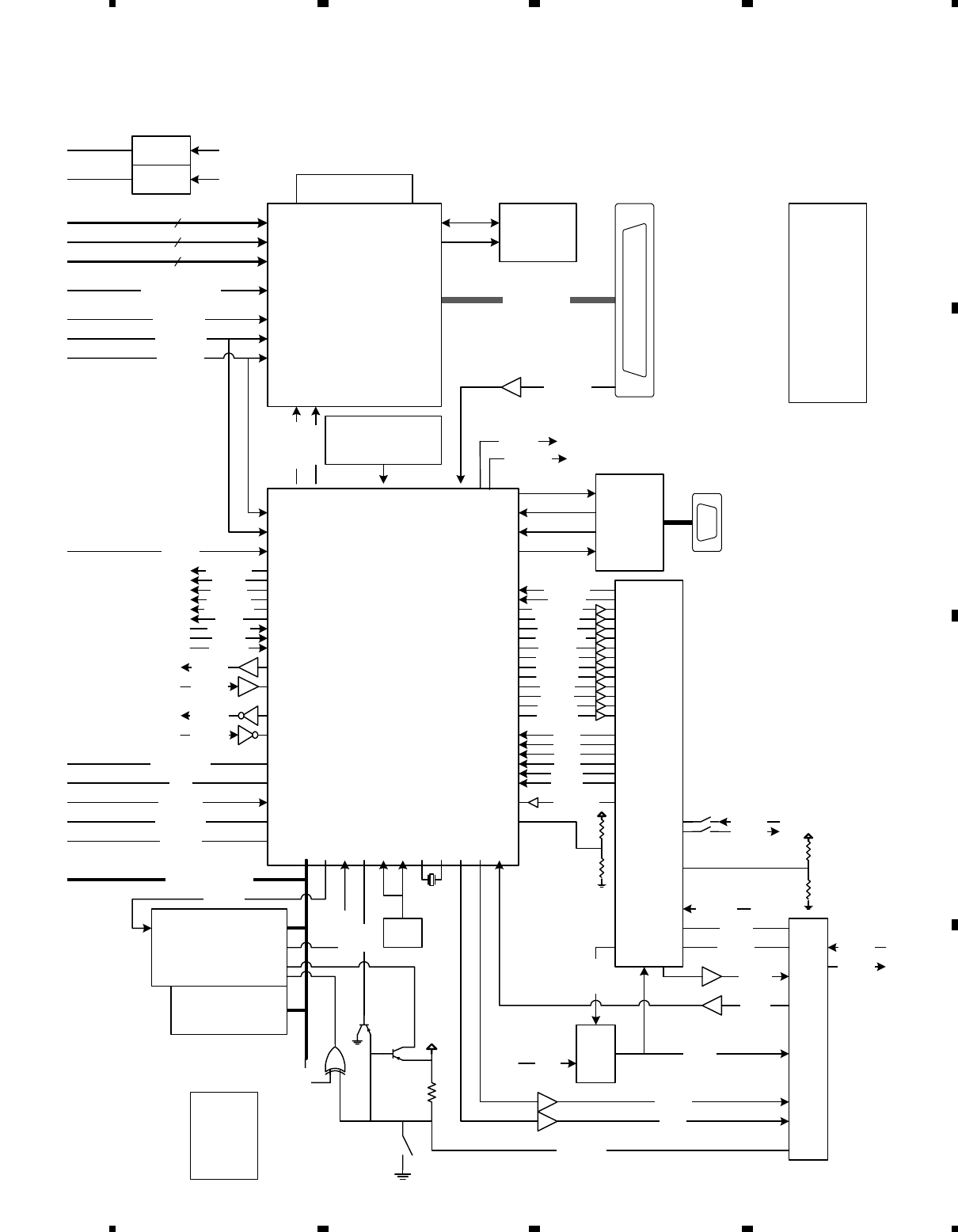
3.1.6 PRINTED WIRING BOARD BLOCK DIAGRAM
U/V TUNER
IC1601
TELTEXT
IC1602
FLASH MEMORY
IC1603
S
R
A
M
IC2501
MULTI SOUND
P2502
CONNECTOR
IC1301
AV SWITCH
P1301
CONNECTOR
SC1401
CONNECTOR
SC1402
CONNECTOR
P2503
CONNECTOR P2501
CONNECTOR
IC1401
AV SWITCH
SC1101
SCART-1 TERMINAL
SC1102
SCART-2/3 TERMINAL
J1101
COMP IN/MONI-OUT TERMINAL
IC1102
CONTROL
J1102
MONITOR S-OUT
TELTEXT & AV LINK
CIRCUIT
COMP. AV SWITCH
CIRCUIT
ANALOG AV SWITCH
CIRCUIT
CPCI-0056CECPCI-0 0 5 6 CE
CPCI-0 0 5 6 CECPCI-0056CE
CN1
CONNECTOR
CN7
CONNECTOR
CN6
CONNECTOR
IC25
CIVIC
IC1
CPU
IC310
A/D CONV
IC4
VIDEO MAIN/PC
A/D CONV
IC413
PANEL LINK
IC319
SDRAM
IC320
SDRAM
CN9
CONNECTOR
CN8
CONNECTOR
IC7
REG.
IC8
REG.
CN5
RS-232C
CN3
DISPLAY OUT-1
IC405
RS-323 RECIVER
PANEL LINK
OUTPUT
CIRCUIT
RS-232C LINE
DRIVER I/F
CIRCUIT
VIDEO IN A/D
CONVERTER
CIRCUIT
POWER REG.
CIRCUIT
PC R,G,B INPUT
CIRCUIT
CPU CIRCUIT
VIDEO PROCESSOR
CIRCUIT
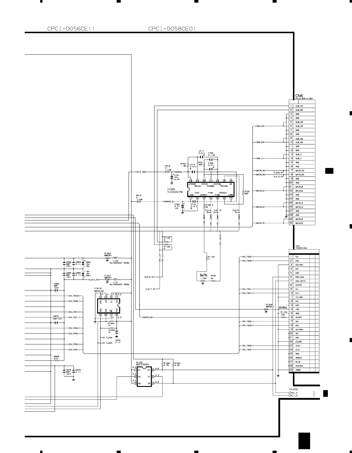
PC I/F UNIT
AV UNIT
F
C

A
B
C
D
5678
5678
19
PDP-R03E
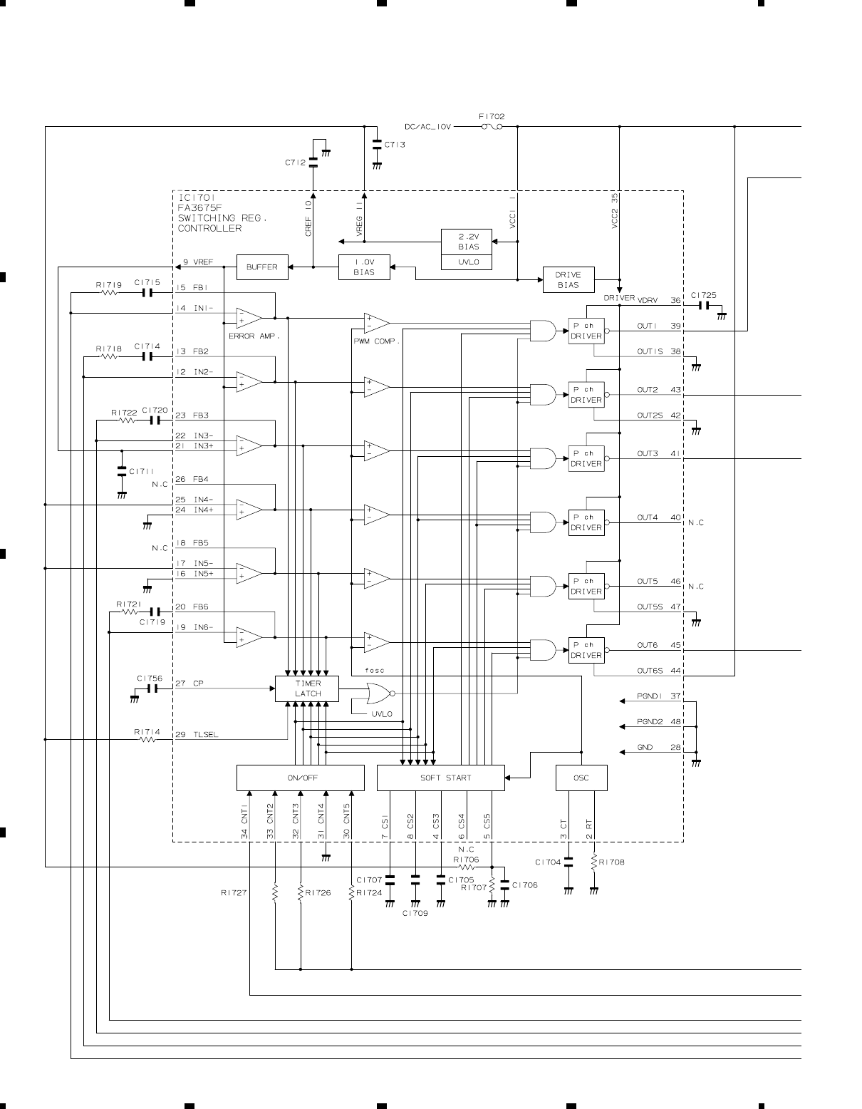
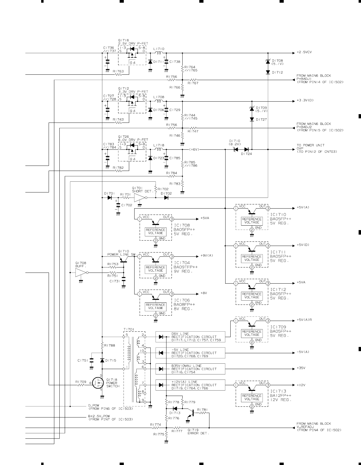
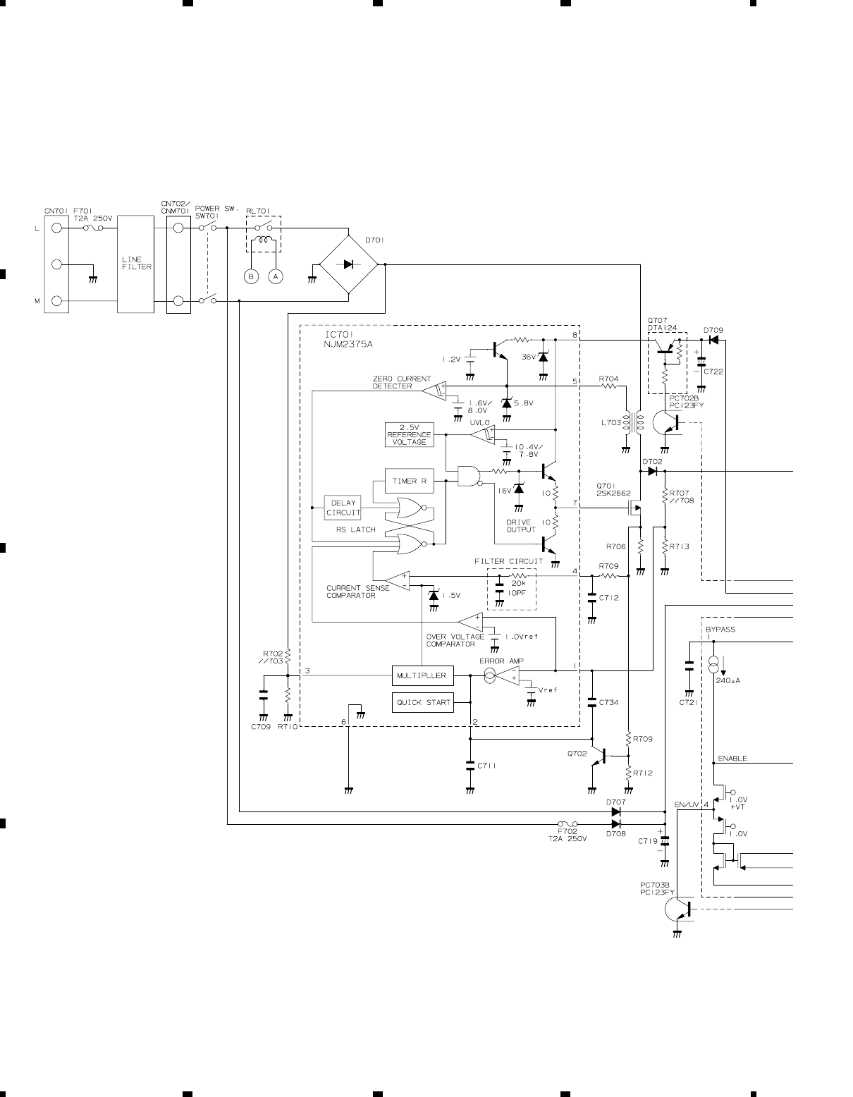
DC/DC CONVERTER
CIRCUIT
P1703
CONNECTOR
IC1502
DAC
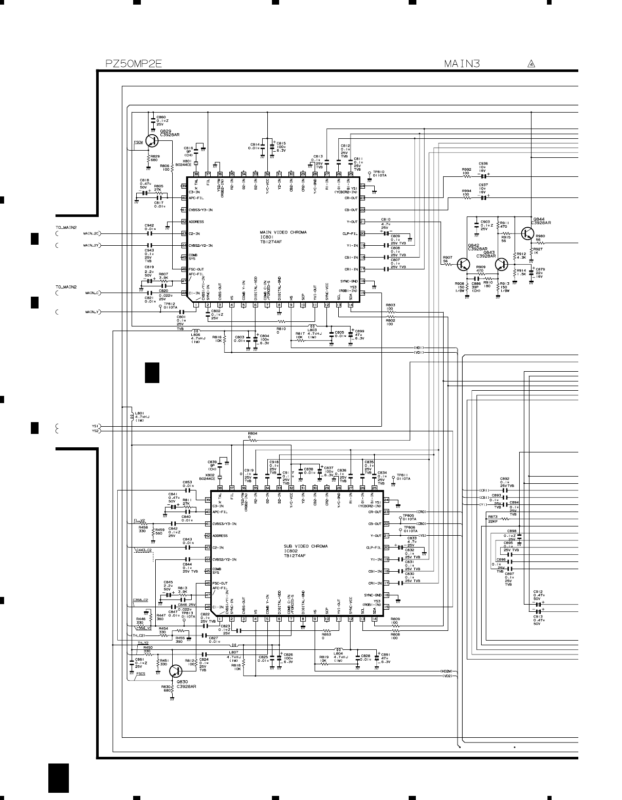
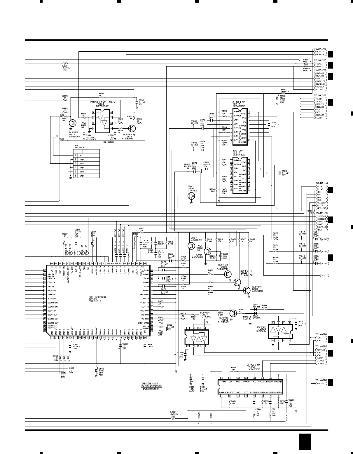
IC801
MAIN VIDEO
CHROMA
IC604
SYNC SEP.
IC803
RGB DECODER
P1502
CONNECTOR
P901
ADJUSTING
CONNECTOR
P1702
CONNECTOR
SC1502
CONNECTOR
SC1501
CONNECTOR
IC403
CONTROL
IC406
CONTROL
IC802
SUB VIDEO
CHROMA
SC1503
CONNECTOR
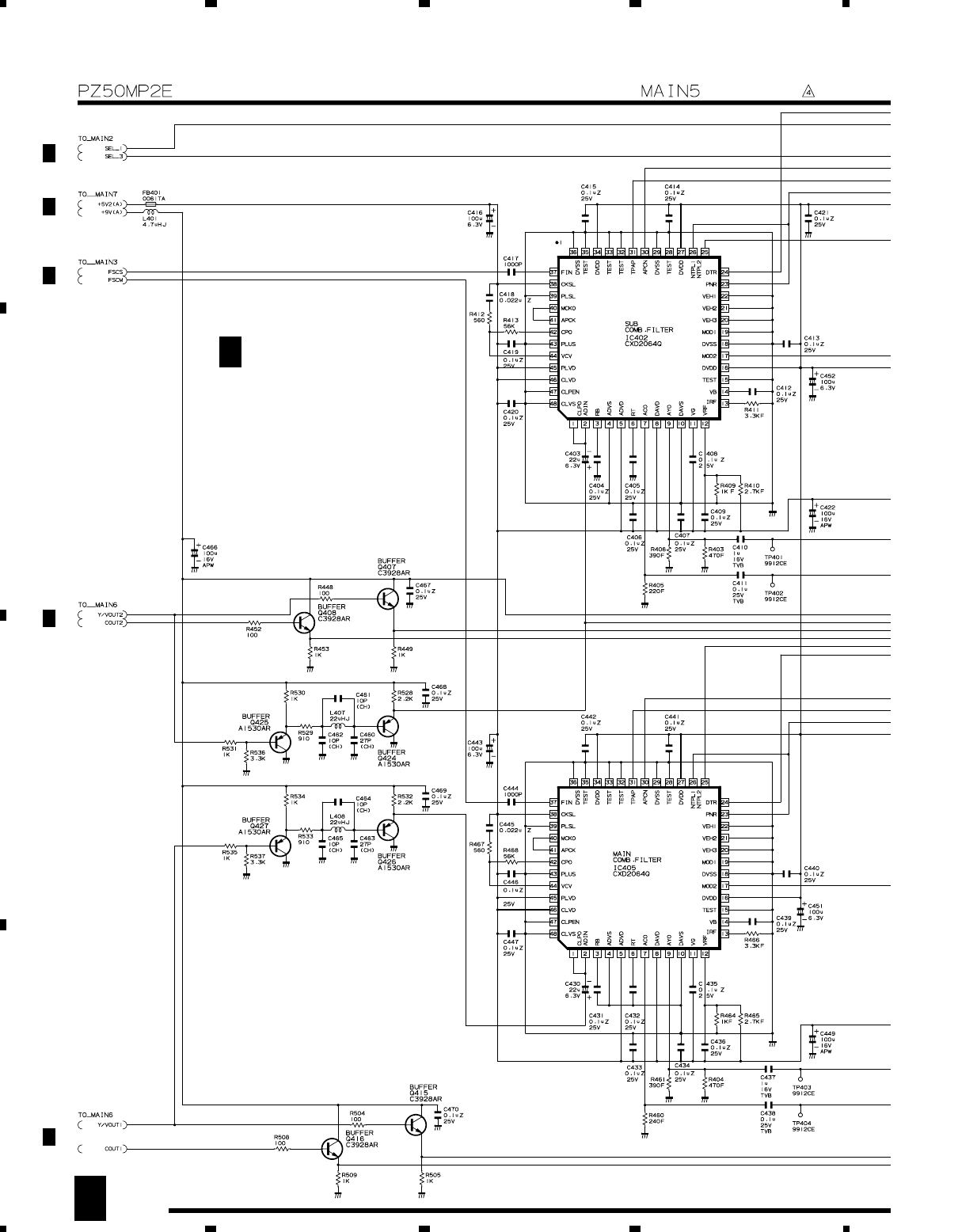
IC402
SUB COMB FIL.
IC405
MAIN COMB FIL.
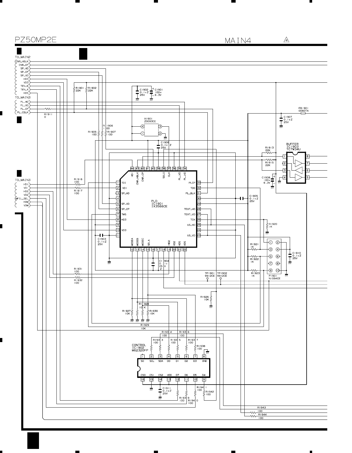
IC901
PLD
SC1504
CONNECTOR
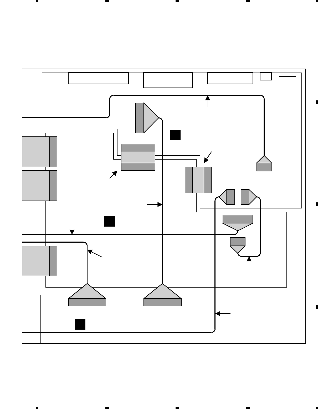
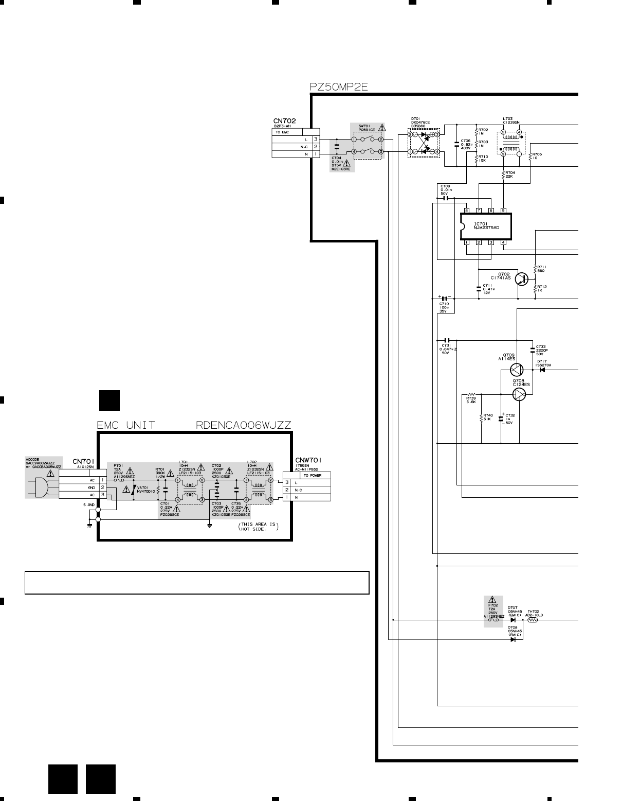
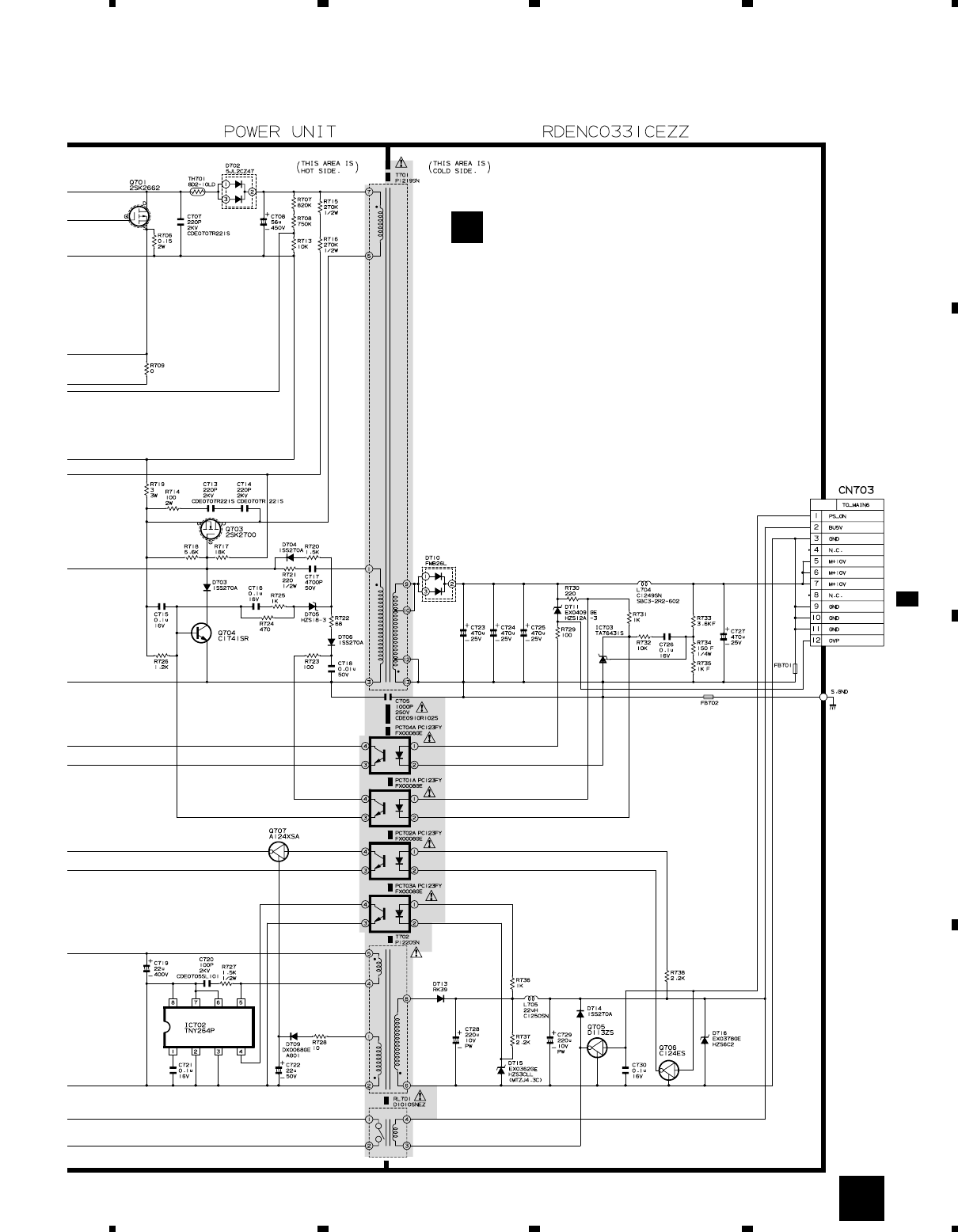
POWER SUPPLY
MAIN UNIT
A

20
PDP-R03E
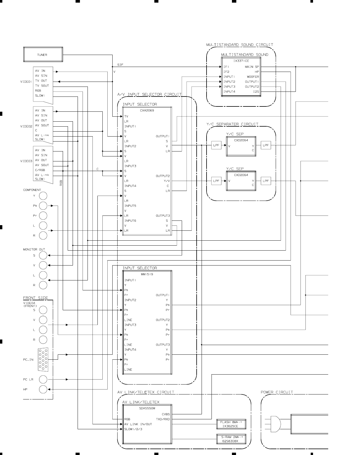
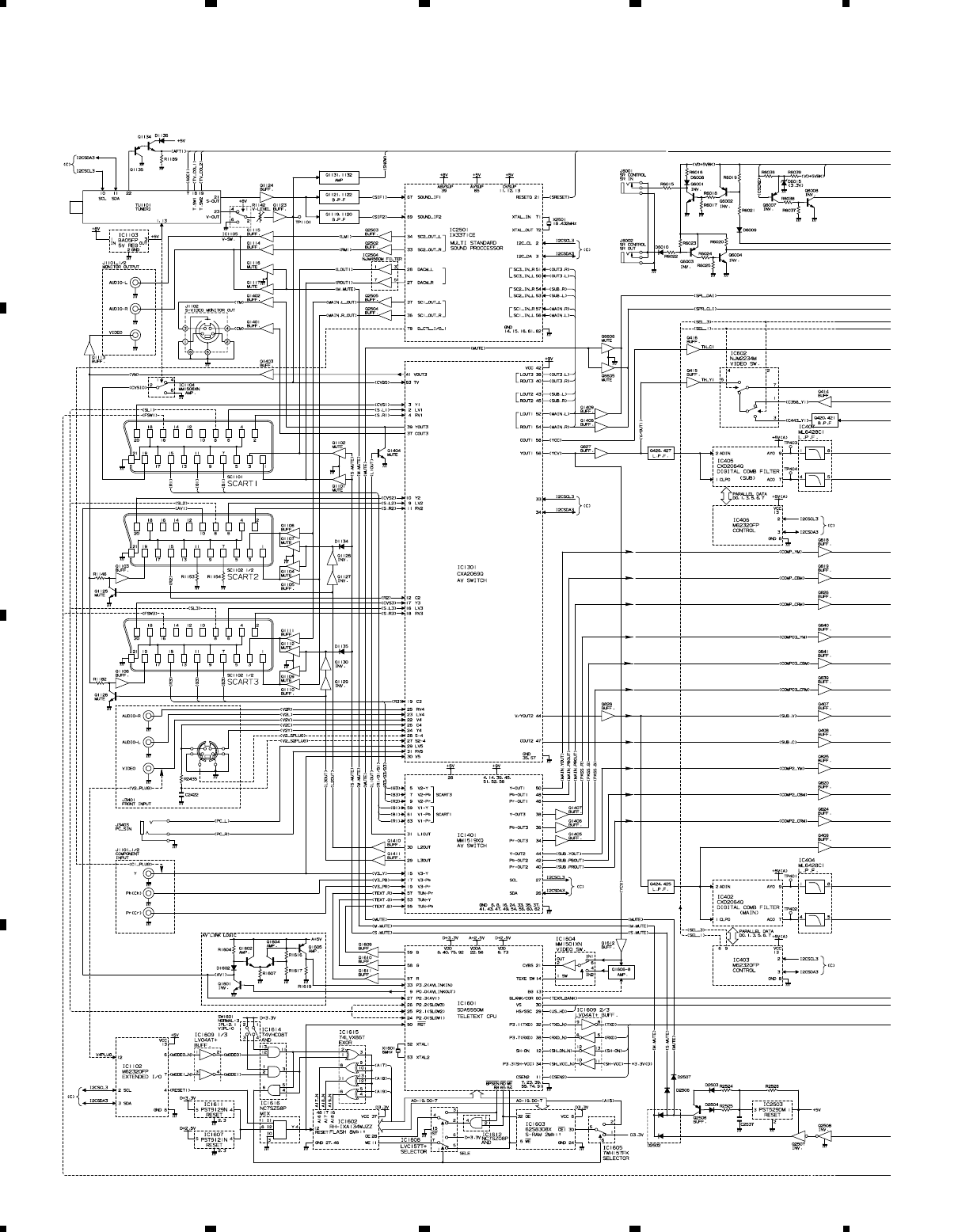
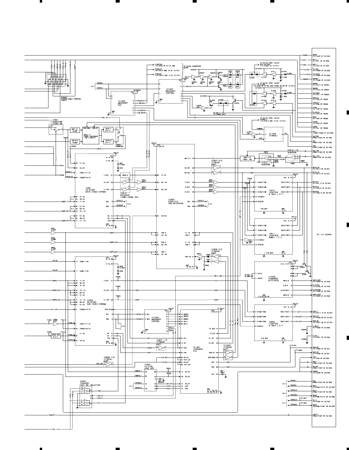
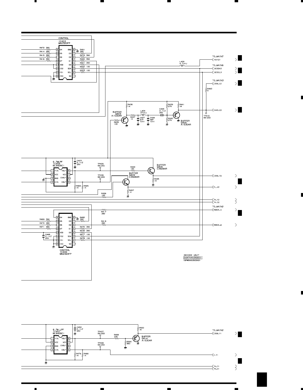
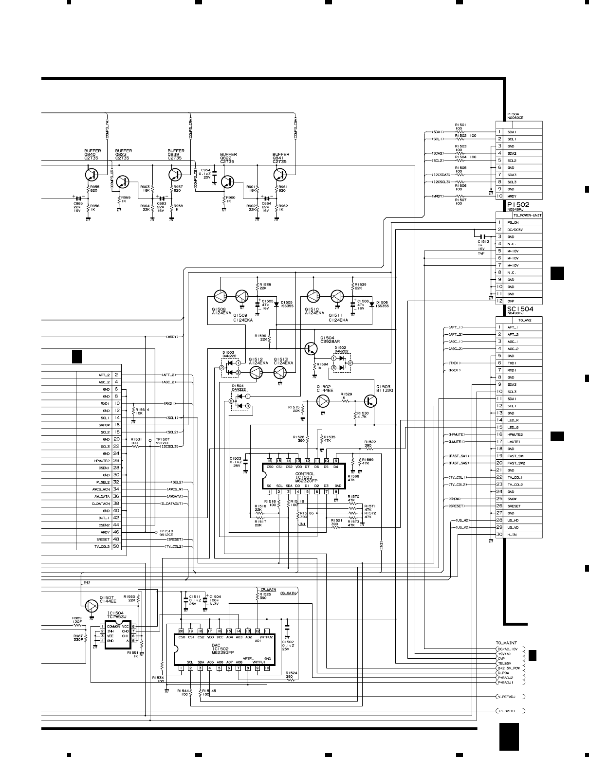
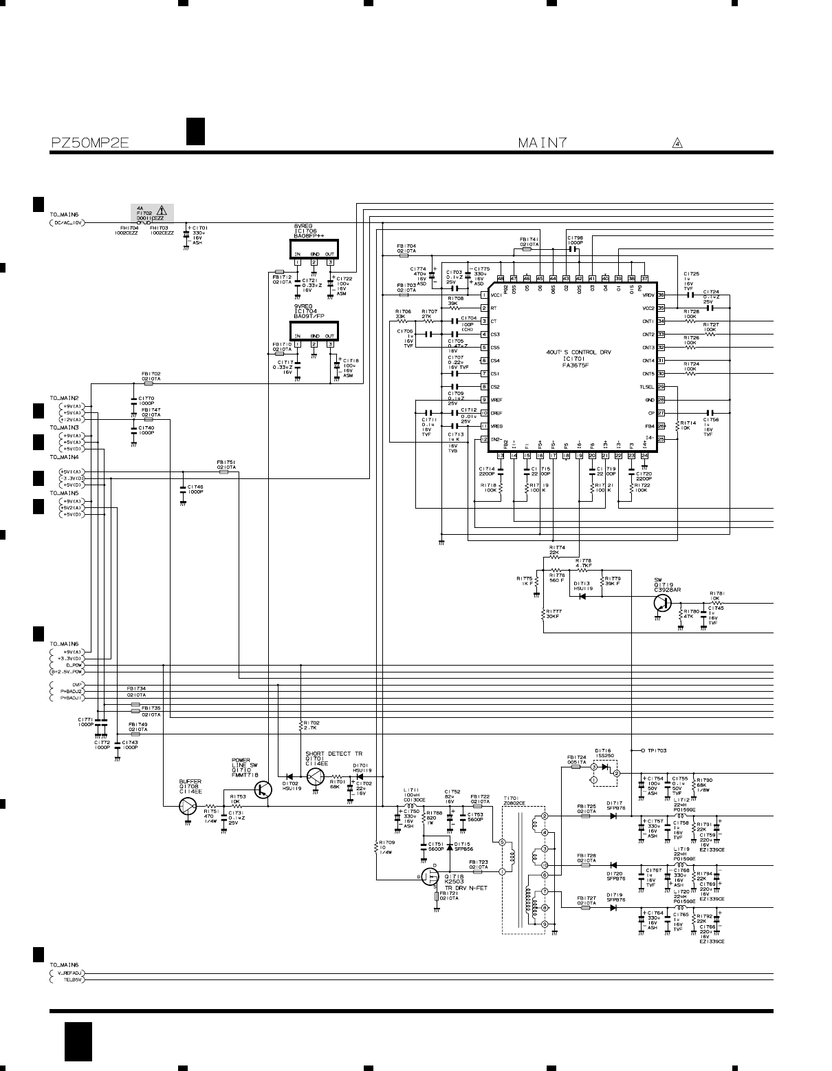
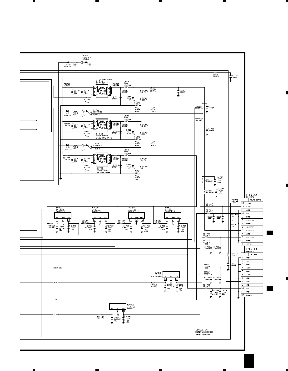
DESCRIPTION OF SCHEMATIC DIAGRAM
VOLTAGE MEASUREMENT CONDITION:
1. When the exclusive-use AC adapter is used, the colour bar signal
of colour bar generator for service is input to get the normal screen.
When the audio is minimized, the voltage value is measured with
the 20 kΩ/V tester.
WAVEFORM MEASUREMENT CONDITION:
1. When the exclusive-use AC adapter is used, the colour density,
lightness and colour hue are set to the center position, and the
signal of colour bar generator for service is observed to get
waveform.
2. indicates waveform check points (See chart, waveforms are
measured from point indicated to chassis ground.)
INDICATION OF RESISTOR & CAPACITOR:
RESISTOR
1. The unit of resistance “Ω” is omitted.
(K=kΩ=1000 Ω, M=MΩ).
2. All resistors are ± 5%, unless otherwise noted.
(J= ± 5%, F= ± 1%, D= ± 0.5%)
3. All resistors are Carbon type, unless otherwise noted.
C: Solid W: Cement
S: Oxide Film T: Special
N: Metal Coating
CAPACITOR
1. All capacitors are mF, unless otherwise noted.
(P=pF=mmF).
2. All capacitors are Ceramic type, unless otherwise noted.
(ML) : Mylar (TA) : Tantalum
(PF) : Polypro Film (ST) : Styrol
CAUTION:
This circuit diagram is original one, therefore there may be a
slight difference from yours.
IMPORTANT SAFETY NOTICE:
PARTS MARKED WITH “ ”
( )ARE
IMPORTANT FOR MAINTAINING THE SAFETY OF
THE SET. BE SURE TO REPLACE THESE PARTS
WITH SPECIFIED ONES FOR MAINTAINING THE
SAFETY AND PERFORMANCE OF THE SET.

21
PDP-R03E
WAVEFORMS
1
IC1301 63-pin
V: 200mV/div H: 10µsec/div
2
IC1301 56-pin
V: 500mV/div H: 10µsec/div
3
IC405 1, 2-pin
V: 500mV/div H: 10µsec/div
4
IC801 1-pin
V: 200mV/div H: 10µsec/div
5
IC803 TP801
V: 200mV/div H: 20µsec/div
6
IC803 TP802
V: 200mV/div H: 20µsec/div
7
IC803 TP803
V: 200mV/div H: 20µsec/div
8
IC803 31-pin
V: 1V/div H: 20µsec/div
9
IC810 13-pin
V: 500mV/div H: 20µsec/div
0
IC810 11-pin
V: 500mV/div H: 20µsec/div
-
IC810 10-pin
V: 500mV/div H: 20µsec/div

A
B
C
D
5678
5678
23
PDP-R03E
Note : When ordering service parts, be sure to refer to "EXPLODED VIEWS and PARTS LIST" or "PCB PARTS LIST".
TUNER
P2401 P2402
P1703
SC1503
SC1401
P1301
P2502
P2501
P2503
SC1402
SC1504
SC1502
SC1501
P1702
P1502
QCNW-6073CEZZ
QCNW-6075CEZZ
QCNW-6082CEZZ
QCNW-6079CEZZ
QCNW-6076CEZZ
QCNW-6074CEZZ
QCNW-6081CEZZ
QCNW-6080CEZZ
QCNW-6078CEZZ
MAIN UNIT
A
AV UNIT
FRONT UNIT
C
B

A
B
C
D
1234
1234
46
PDP-R03E
D
3.14 SR CONNECT UNIT
P2502
C2/3
CN1
F7/7
SR CONNECT UNIT (DUNTKA594DE01)
D

A
B
C
D
1234
1234
47
PDP-R03E
E
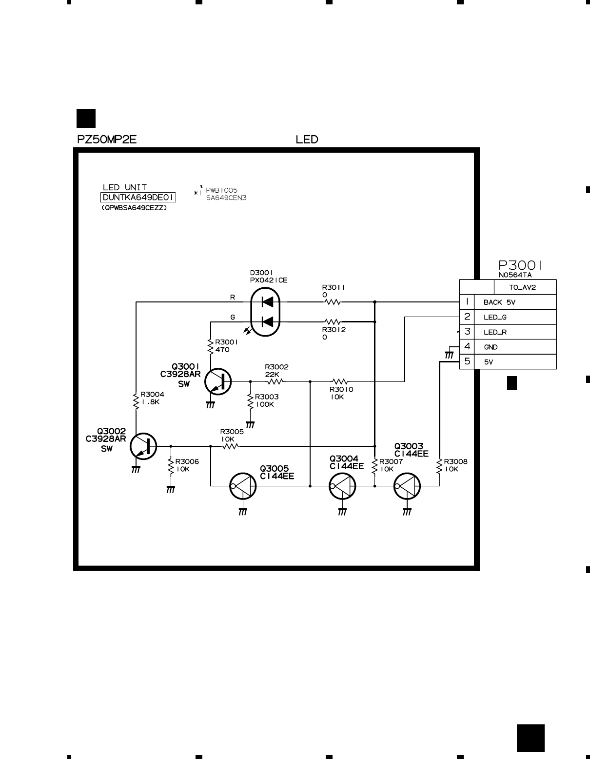
3.15 LED UNIT
LED UNIT (DUNTKA649DE01)
E
P2503
C2/3

A
B
C
D
1234
1234
64
PDP-R03E
IC1706
IC1704
IC1502
Q7001
Q424
Q427
Q616
Q619
IC7001
IC7004
IC405
IC402
IC604
IC603
IC801
IC406
IC403
IC803
IC7200
IC802
IC807
IC1903
IC1901
MAIN UNIT
A
SIDE A
CN7
F
SC1402
C
CN9
F
P2501
C
SC1401
C
CN6
FCN703
G
NOTE FOR PCB DIAGRAMS :
•Part numbers in PCB diagrams match those in the schematic
diagrams.
•The parts mounted on this PCB include all necessary parts for
several destinations.
For further information for respective destinations, be sure to
check with the schematic diagram.
•View point of PCB diagrams.
Capacitor
Connector
P.C.Board Chip Part
SIDE A
SIDE B
Q818
Q827
Q1508
Q1511
4.1 MAIN UNIT
A
4. PCB CONNECTION DIAGRAM

A
B
C
D
1234
1234
65
PDP-R03E
Q1710
Q1718
Q1701
Q1708
Q1719
Q1713
Q1716
Q1726
Q1712
IC1701
IC1713
IC1504
IC1710
IC1711
IC1712
Q601
Q615
Q621
IC7003
IC7002
IC602
IC1708
IC404
IC605
IC814
IC7201
IC1902
IC1503
IC804
IC813
IC812
IC811
IC810
SIDE B
MAIN UNIT
A
Q801
Q813
Q803
Q806
Q7202
Q7205
Q1502
Q1503
Q1504
Q7002
Q7010
IC407
Q408
Q407
Q414
Q415
Q416
Q420
Q421
Q428
A

A
B
C
D
1234
1234
66
PDP-R03E
B D
4.2 FRONT, LED and SR CONNECT UNITS
E
LED UNIT
E
SR CONNECT UNIT
D
FRONT UNIT
B
SIDE A
CN1
F
P2503
C
P2502
C
CN8
F
P1301
C
IC3401 Q3403 Q3402 Q3401
Q6001
Q6004
Q6003
Q6002
Q6006
Q6005

A
B
C
D
1234
1234
67
PDP-R03E
AV UNIT
C
SIDE A
SC1504
A
SC1503
A
P3402
B
P1703
A
P3001
E
P6001
D
IC1401
IC1301
IC1102
IC1606
IC1605
IC1012
IC1602
IC1611
IC1603
IC1601
IC1604
IC1606
IC2504
IC2501
IC1105
IC1103
IC1104
IC1615
IC1614
IC1609
IC1613
IC2503
Q1101
Q1406
Q1405
Q1407
Q1103
Q1108
Q1102
Q1125
Q1127
Q1130
Q1109
Q1106
Q1107
Q1104
Q1105
Q1105
Q1133
Q1124
Q1120
Q1106
Q1107
Q1610
Q1611
Q1609
Q1112
Q1109
Q1112
Q1113
Q1117
Q1131
Q1135
C
4.3 AV UNIT

A
B
C
D
1234
1234
68
PDP-R03E
PC I/F UNIT
F
SIDE A
P1702
AP3401
B
SC1502
A
SC1501
A
P6000
D
IC413
IC405
IC53
IC418
IC400
IC25
IC1
IC319
IC320
IC4
IC324
IC326
IC323
IC316
IC327
IC411
IC8
IC7
IC310
IC423
Q12
Q102
F
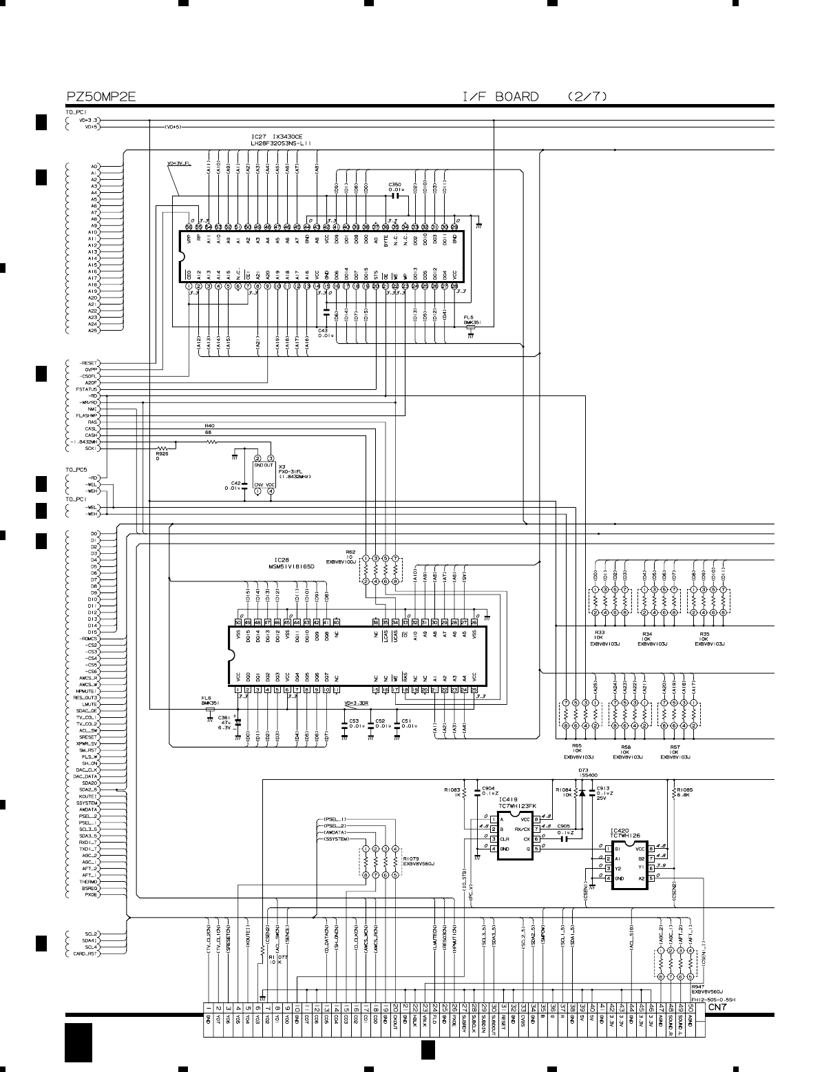
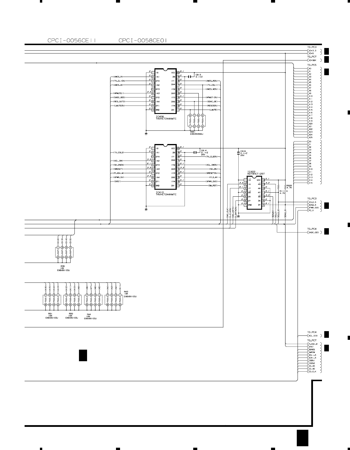
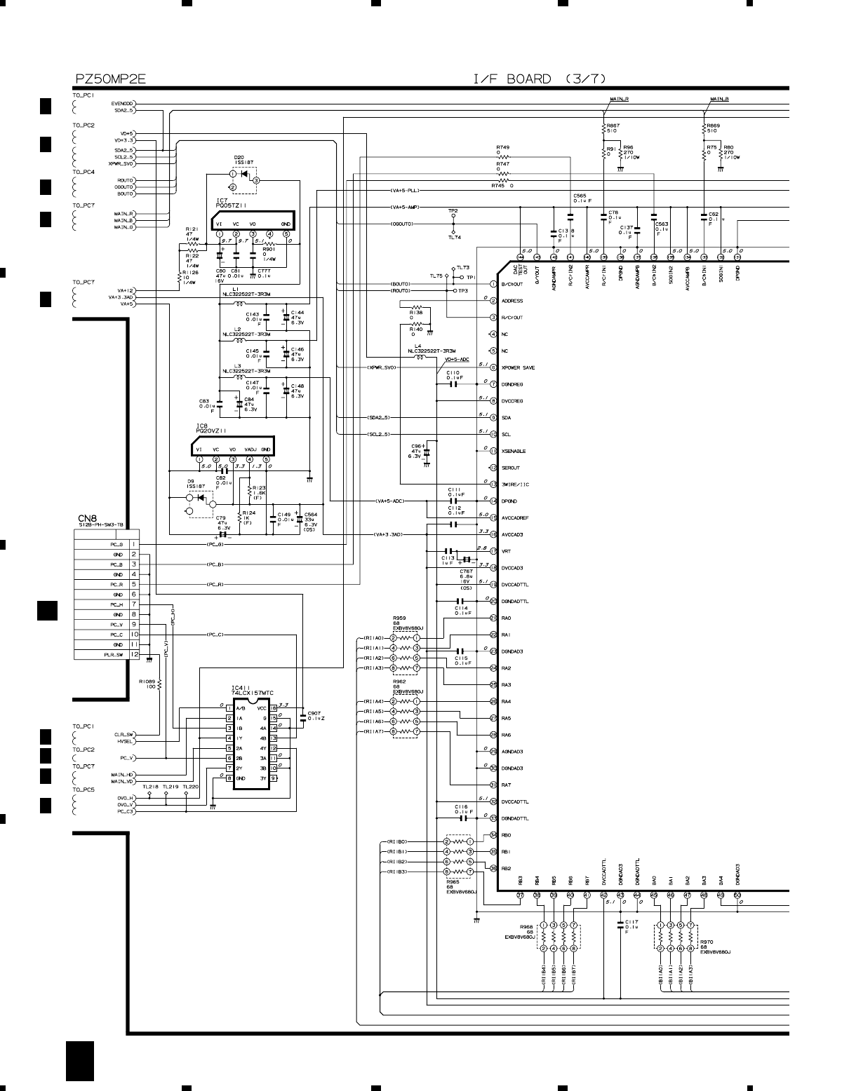
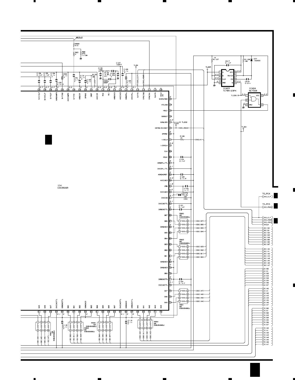
4.4 PC I/F UNIT

A
B
C
D
1234
1234
69
PDP-R03E
F
PC I/F UNIT
F
SIDE B
Q103
Q120
Q101
Q104
Q119
IC414
IC27
IC28
IC321
IC404
IC402
IC422
IC408
IC410
IC328
IC415
IC421
IC420
IC419
IC407
IC322
IC19
IC2
IC3

A
B
C
D
1234
1234
70
PDP-R03E
EMC UNIT
H
POWER UNIT
G
SIDE A
LIVE
NEUTRAL
AC IN
P1502
A
Q708
Q709
Q701
Q703
Q704
Q702
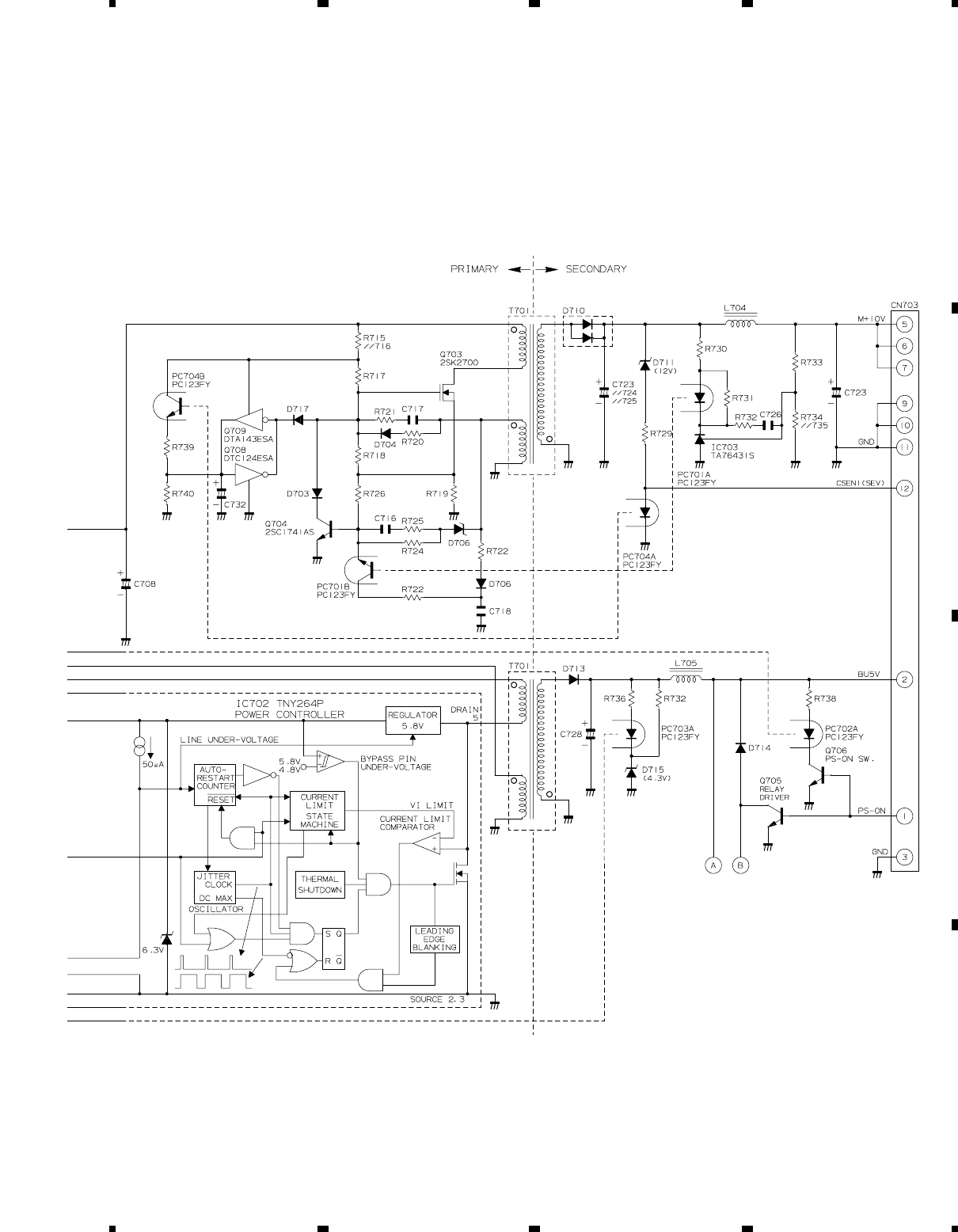
IC701
IC702
IC703
Q707
Q706
Q705
4.5 POWER and EMC UNITS
G H

Mark No. Description Part No. Mark No. Description Part No.
71
PDP-R03E
Mark No. Description Part No. Mark No. Description Part No.
5. PCB PARTS LIST
NOTES: •Parts marked by "NSP" are generally unavailable because they are not in our Master Spare Parts List.
•The mark found on some component parts indicates the importance of the safety factor of the part.
Therefore, when replacing, be sure to use parts of identical designation.
•When ordering resistors, first convert resistance values into code form as shown in the following examples.
Ex.1 When there are 2 effective digits (any digit apart from 0), such as 560 ohm and 47k ohm (tolerance is shown by J=5%,
and K=10%).
560 Ω→56 × 101→561 ........................................................ RD1/4PU 5 6
1
J
47k Ω→47 × 103→473 ........................................................ RD1/4PU 4 7
3
J
0.5 Ω→R50 ..................................................................................... RN2H
R
5
0 K
1 Ω→1R0 ..................................................................................... RS1P 1 R
0
K
Ex.2 When there are 3 effective digits (such as in high precision metal film resistors).
5.62k Ω→ 562 × 101→5621 ...................................................... RN1/4PC
5
6
2
1
F
A
LIST OF ASSEMBLIES
MAIN UNIT DUNTKA535FE01
FRONT UNIT DUNTKA536DE01
AV UNIT DUNTKA537DE01
SR CONNECT UNIT DUNTKA594DE01
LED UNIT DUNTKA649DE01
PC I/F UNIT CPCI-0056CE11
EMC UNIT RDENCA006WJZZ
POWER UNIT RDENC0331CEZZ
MAIN UNIT
INTEGRATED CIRCUITS
IC402 CXD2064Q VHiCXD2064Q-1
IC403 M62320FP VHiM62320FP-1
IC404 I.C. VHiML6428C1-1
IC405 CXD2064Q VHiCXD2064Q-1
IC406 M62320FP VHiM62320FP-1
IC407 I.C. VHiML6428C1-1
IC601 NJM2233V VHiNJM2233V-1
IC602 NJM2234M VHiNJM2234M-1
IC603 NJM2233V VHiNJM2233V-1
IC604 TA1318AF VHiTA1318AF-1
IC605 TC4052BF VHiTC4052BF1E
IC606 74HCT74F VHi74HCT74F-1
IC801 TB1274AF VHiTB1274AF-1
IC802 TB1274AF VHiTB1274AF-1
IC803 CXA2101AQ-Tl VHiCXA2101Q-1
IC804 Ml6426CS-1 RH-iX3473CEZZ
IC807 TC7W34FU VHiTC7W34U/-1
IC808 TC7W34FU VHiTC7W34U/-1
IC810 Ml6426CS-1 RH-iX3473CEZZ
IC811 Ml6426CS-4 RH-iX3474CEZZ
IC812 NJM353M VHiNJM353M/-1
IC814 BA7655AF VHiBA7655AF-1
IC1502 M62393FP VHiM62393FP-1
IC1503 M62320FP VHiM62320FP-1
IC1504 TC7W53FU VHiTC7W53U/-1
IC1701 FA3675F VHiFA3675F/-1
IC1704 BA09FP-E2 VHiBA09T/FP-1
IC1706 BA08FP VHiBA08FP++-1
IC1708 BA05FP VHiBA05FP++-1
IC1709 BA05FP VHiBA05FP++-1
IC1710 BA05FP VHiBA05FP++-1
IC1711 BA05FP VHiBA05FP++-1
IC1712 BA05FP VHiBA05FP++-1
IC1713 I.C. VHiBA12FP++-1
IC1901 I.C. RH-iX3566CEZZ
IC1902 M62320FP VHiM62320FP-1
IC1903 TC7W34FU VHiTC7W34U/-1
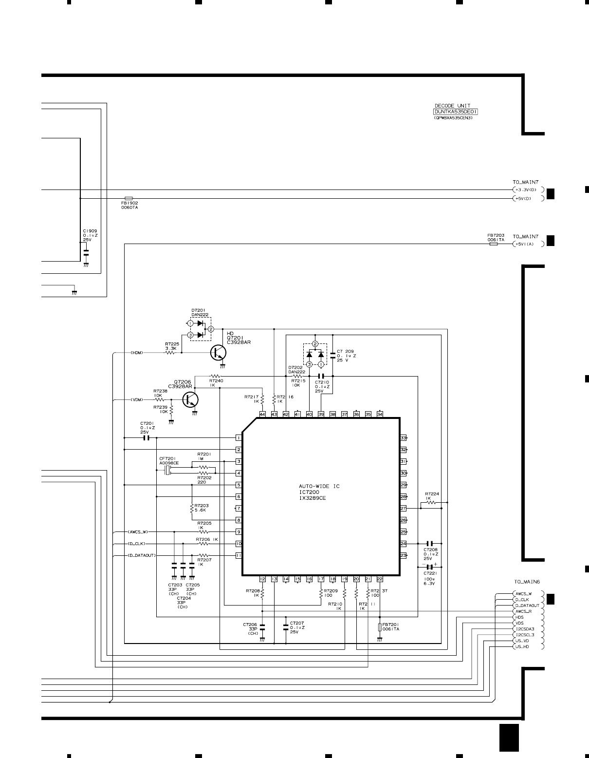
IC7200 IX3289CE RH-iX3289CEZZ
TRANSISTORS
Q403 2SA1530AR VS2SA1530AR-1
Q405 2SA1530AR VS2SA1530AR-1
Q406 2SC3928AR VS2SC3928AR-1
Q407 2SC3928AR VS2SC3928AR-1
Q408 2SC3928AR VS2SC3928AR-1
Q409 2SC3928AR VS2SC3928AR-1
Q414 2SA1530AR VS2SA1530AR-1
Q415 2SC3928AR VS2SC3928AR-1
Q416 2SC3928AR VS2SC3928AR-1
Q424 2SA1530AR VS2SA1530AR-1
Q425 2SA1530AR VS2SA1530AR-1
Q426 2SA1530AR VS2SA1530AR-1
Q427 2SA1530AR VS2SA1530AR-1
Q601 2SC3928AR VS2SC3928AR-1
Q602 2SC3928AR VS2SC3928AR-1
Q603 2SC3928AR VS2SC3928AR-1
Q604 2SC3928AR VS2SC3928AR-1
Q605 2SC3928AR VS2SC3928AR-1
Q606 2SC3928AR VS2SC3928AR-1
Q607 2SC3928AR VS2SC3928AR-1
Q608 2SC3928AR VS2SC3928AR-1
Q609 2SC3928AR VS2SC3928AR-1
Q610 2SK1467 VS2SK1467//-1
Q611 2SC3928AR VS2SC3928AR-1
Q612 2SC3928AR VS2SC3928AR-1
Q613 2SC3928AR VS2SC3928AR-1
Q614 2SC3928AR VS2SC3928AR-1
Q615 2SC3928AR VS2SC3928AR-1
Q616 2SC3928AR VS2SC3928AR-1
Q617 2SA1530AR VS2SA1530AR-1
Q618 2SC3928AR VS2SC3928AR-1
Q619 2SA1530AR VS2SA1530AR-1
Q622 DTC144TE VSDTC144TE/-1
Q623 DTC144TE VSDTC144TE/-1
Q624 DTC144EE VSDTC144EE/-1
Q925 DTC144EE VSDTC144EE/-1
Q801 2SA1530AR VS2SA1530AR-1
Q802 2SA1530AR VS2SA1530AR-1
Q803 2SA1530AR VS2SA1530AR-1
Q804 2SA1530AR VS2SA1530AR-1

Mark No. Description Part No. Mark No. Description Part No.
72
PDP-R03E
Q805 DTC144EE VSDTC144EE/-1
Q807 2SC3928AR VS2SC3928AR-1
Q808 2SA1530AR VS2SA1530AR-1
Q809 2SC3928AR VS2SC3928AR-1
Q810 2SA1530AR VS2SA1530AR-1
Q811 2SA1530AR VS2SA1530AR-1
Q812 2SA1530AR VS2SA1530AR-1
Q813 DTC124EK VSDTC124EK/-1
Q814 2SA1530AR VS2SA1530AR-1
Q815 2SA1530AR VS2SA1530AR-1
Q818 2SA1530AR VS2SA1530AR-1
Q819 2SA1530AR VS2SA1530AR-1
Q820 2SA1530AR VS2SA1530AR-1
Q821 2SC2735 VS2SC2735//1E
Q822 2SC2735 VS2SC2735//1E
Q823 2SC2735 VS2SC2735//1E
Q824 2SA1530AR VS2SA1530AR-1
Q825 2SA1530AR VS2SA1530AR-1
Q826 2SA1530AR VS2SA1530AR-1
Q827 2SA1530AR VS2SA1530AR-1
Q828 2SA1530AR VS2SA1530AR-1
Q829 2SC3928AR VS2SC3928AR-1
Q830 2SC3928AR VS2SC3928AR-1
Q837 2SC3928AR VS2SC3928AR-1
Q838 2SA1530AR VS2SA1530AR-1
Q839 2SC2735 VS2SC2735//1E
Q840 2SC2735 VS2SC2735//1E
Q841 2SC2735 VS2SC2735//1E
Q842 2SC3928AR VS2SC3928AR-1
Q843 2SC3928AR VS2SC3928AR-1
Q844 2SC3928AR VS2SC3928AR-1
Q1502 DTC144EE VSDTC144EE/-1
Q1503 2SB1132Q VS2SB1132Q/-1
Q1504 2SC3928AR VS2SC3928AR-1
Q1507 DTC144EE VSDTC144EE/-1
Q1508 DTA124EKA VSDTA124EKA-1
Q1509 DTA124EKA VSDTC124EKA-1
Q1510 DTA124EKA VSDTA124EKA-1
Q1511 DTA124EKA VSDTC124EKA-1
Q1701 DTC114EE VSDTC114EE/-1
Q1708 DTC114EE VSDTC114EE/-1
Q1710 FMMT718 VSFMMT718//-1
Q1712 GF4435+++ VSGF4435+++-1
Q1716 GF4435+++ VSGF4435+++-1
Q1718 2SK2503 VS2SK2503//-1
Q1719 2SC3928AR VS2SC3928AR-1
Q1726 GF4435+++ VSGF4435+++-1
Q7201 2SC3928AR VS2SC3928AR-1
Q7206 2SC3928AR VS2SC3928AR-1
DIODES
D601 Diode VHD1SS355//-1
D801 Diode VHD1SS355//-1
D802 Diode VHD1SS355//-1
D1502 Diode VHDDAN222//-1
D1503 Diode VHDDAN222//-1
D1504 Diode VHDDAN222//-1
D1505 Diode VHD1SS355//-1
D1506 Diode VHD1SS355//-1
D1701 Diode VHDHSU119//-1
D1702 Diode VHDHSU119//-1
D1706 Diode VHDSFPB74//2E
D1708 Zener Diode RH-EX0501CEZZ
D1709 Zener Diode RH-EX0501CEZZ
D1710 Zener Diode RH-EX0523CEZZ
D1711 Diode VHDSFPB74//2E
D1712 Diode VHDHSU119//-1
D1713 Diode VHDHSU119//-1
D1715 Diode VHDSFPB56//2E
D1716 Diode VHD1SS250//1E
D1717 Diode VHDSFPB76//2E
D1719 Diode VHDSFPB76//2E
D1720 Diode VHDSFPB76//2E
D1723 Diode VHDSFPB74//2E
D1724 Diode VHDHSU119//-1
D1727 Diode VHDHSU119//-1
D7201 Diode VHDDAN222//-1
D7202 Diode VHDDAN222//-1
PACKAGED CIRCUITS
X601 Crystal RFiLA0034CEZZ
X801 Crystal RCRSB0244CEZZ
X802 Crystal RCRSB0244CEZZ
X1901 Crystal RCRSZ0093CEZZ
FILTER AND COILS
CF7201 Filter RFiLA0098CEZZ
L401 Peaking 4.7µH VP-1M4R7J1R2N
L404 Peaking 27µH VP-1M270J3R8N
L407 Peaking 22µH VP-1M220J2R9N
L408 Peaking 22µH VP-1M220J2R9N
L409 Peaking 4.7µH VP-1M4R7J1R2N
L601 Peaking 12µH VP-1M120J1R9N
L602 Peaking 6.8µH VP-1M6R8J1R4N
L603 Peaking 47µH VP-1M470J5R4N
L604 Peaking 6.8µH VP-1M6R8J1R4N
L605 Peaking 5.6µH VP-1M5R6J1R2N
L606 Peaking 8.2µH VP-1M8R2J1R5N
L607 Peaking 47µH VP-1M470J5R4N
L608 Peaking 3.9µH VP-1M3R9J1R0N
L609 Peaking 1.8µH VP-1M1R8JR70N
L610 Peaking 3.9µH VP-1M3R9J1R0N
L801 Peaking 4.7µH VP-1M4R7J1R2N
L802 Peaking 4.7µH VP-1M4R7J1R2N
L803 Peaking 4.7µH VP-1M4R7J1R2N
L804 Peaking 4.7µH VP-1M4R7J1R2N
L805 Peaking 4.7µH VP-1M4R7J1R2N
L806 Peaking 4.7µH VP-1M4R7J1R2N
L807 Peaking 4.7µH VP-1M4R7J1R2N
L1708 Coil RCiLC0175CEZZ
L1710 Coil RCiLC0175CEZZ
L1711 Coil RCiLC0130CEZZ
L1712 Coil RCiLP0159GEZZ
L1718 Coil RCiLC0170CEZZ
L1719 Coil RCiLP0159GEZZ
L1720 Coil RCiLP0159GEZZ
L1721 Coil RCiLP0160GEZZ
L1722 Coil RCiLP0166GEZZ
TRANSFORMER
T1701 Transformer RTRNZ0802CEZZ

Mark No. Description Part No. Mark No. Description Part No.
73
PDP-R03E
CAPACITORS
C403 22 6.3V Electrolytic VCEAPF0JW226M
C404 0.1 25V Ceramic VCKYCY1EF104Z
C405 0.1 25V Ceramic VCKYCY1EF104Z
C406 0.1 25V Ceramic VCKYCY1EF104Z
C407 0.1 25V Ceramic VCKYCY1EF104Z
C408 0.1 25V Ceramic VCKYCY1EF104Z
C409 0.1 25V Ceramic VCKYCY1EF104Z
C410 1.0 16V Ceramic VCKYTV1CB105K
C411 0.1 25V Ceramic VCKYTV1EB104K
C412 0.1 25V Ceramic VCKYCY1EF104Z
C413 0.1 25V Ceramic VCKYCY1EF104Z
C414 0.1 25V Ceramic VCKYCY1EF104Z
C415 0.1 25V Ceramic VCKYCY1EF104Z
C416 100 6.3V Electrolytic VCEAPF0JN107M
C417 1000p 50V Ceramic VCKYCY1HB102K
C418 0.022 50V Ceramic VCKYCY1HF223Z
C419 0.1 25V Ceramic VCKYCY1EF104Z
C420 0.1 25V Ceramic VCKYCY1EF104Z
C421 0.1 25V Ceramic VCKYCY1EF104Z
C422 100 16V Electrolytic VCEAPW1CN107M
C423 0.1 25V Ceramic VCKYCY1EF104Z
C427 27p 50V Ceramic VCCCCY1HH270J
C428 56p 50V Ceramic VCCCCY1HH560J
C429 0.1 25V Ceramic VCKYCY1EF104Z
C430 22 6.3V Electrolytic VCEAPF0JW226M
C431 0.1 25V Ceramic VCKYCY1EF104Z
C432 0.1 25V Ceramic VCKYCY1EF104Z
C433 0.1 25V Ceramic VCKYCY1EF104Z
C434 0.1 25V Ceramic VCKYCY1EF104Z
C435 0.1 25V Ceramic VCKYCY1EF104Z
C436 0.1 25V Ceramic VCKYCY1EF104Z
C437 1.0 16V Ceramic VCKYTV1CB105K
C438 0.1 25V Ceramic VCKYTV1EB104K
C439 0.1 25V Ceramic VCKYCY1EF104Z
C440 0.1 25V Ceramic VCKYCY1EF104Z
C441 0.1 25V Ceramic VCKYCY1EF104Z
C442 0.1 25V Ceramic VCKYCY1EF104Z
C443 100 6.3V Electrolytic VCEAPF0JN107M
C444 1000p 50V Ceramic VCKYCY1HB102K
C445 0.022 50V Ceramic VCKYCY1HF223Z
C446 0.1 25V Ceramic VCKYCY1EF104Z
C447 0.1 25V Ceramic VCKYCY1EF104Z
C448 0.1 25V Ceramic VCKYCY1EF104Z
C449 100 16V Electrolytic VCEAPW1CN107M
C450 0.1 25V Ceramic VCKYCY1EF104Z
C451 100 6.3V Electrolytic VCEAPF0JN107M
C452 100 6.3V Electrolytic VCEAPF0JN107M
C460 27p 50V Ceramic VCCCCY1HH270J
C461 10p 50V Ceramic VCCCCY1HH100D
C462 10p 50V Ceramic VCCCCY1HH100D
C463 27p 50V Ceramic VCCCCY1HH270J
C464 10p 50V Ceramic VCCCCY1HH100D
C465 10p 50V Ceramic VCCCCY1HH100D
C466 100 16V Electrolytic VCEAPW1CN107M
C467 0.1 25V Ceramic VCKYCY1EF104Z
C468 0.1 25V Ceramic VCKYCY1EF104Z
C469 0.1 25V Ceramic VCKYCY1EF104Z
C470 0.1 25V Ceramic VCKYCY1EF104Z
C601 0.1 25V Ceramic VCKYCY1EF104Z
C603 0.01 50V Ceramic VCKYCY1HB103K
C606 0.01 50V Ceramic VCKYCY1HB103K
C609 33 10V Electrolytic VCEAPF1AW336M
C611 33 10V Electrolytic VCEAPF1AW336M
C612 33 10V Electrolytic VCEAPF1AW336M
C614 4.7 50V Electrolytic VCEAPF1HW475M
C615 0.01 50V Ceramic VCKYCY1HB103K
C616 1.0 50V Electrolytic VCEAPF1HW105M
C617 0.1 25V Ceramic VCKYCY1EF104Z
C618 330 16V Electrolytic RC-EZ0538CEZZ
C619 0.1 25V Ceramic VCKYCY1EF104Z
C620 220 6.3V Electrolytic VCEASH0JN227M
C621 0.1 25V Ceramic VCKYCY1EF104Z
C622 0.01 50V Ceramic VCKYCY1HB103K
C623 0.1 25V Ceramic VCKYCY1EF104Z
C624 47 16V Electrolytic VCEAPF1CW476M
C625 0.1 25V Ceramic VCKYCY1EF104Z
C626 47 16V Electrolytic VCEAPF1CW476M
C627 0.1 25V Ceramic VCKYCY1EF104Z
C628 220p 50V Ceramic VCCCCY1HH221J
C629 820p 50V Ceramic VCCCCY1HH821J
C630 3900p 50V Ceramic VCKYCY1HB392K
C631 1200p 50V Ceramic VCKYCY1HB122K
C632 120p 50V Ceramic VCCCCY1HH121J
C633 0.01 50V Ceramic VCKYCY1HB103K
C634 22 16V Electrolytic VCEAPF1CW226M
C635 10 16V Electrolytic VCEAPF1CW106M
C636 0.1 25V Ceramic VCKYCY1EF104Z
C637 0.1 25V Ceramic VCKYCY1EF104Z
C638 0.1 25V Ceramic VCKYCY1EF104Z
C639 10 16V Electrolytic VCEAPF1CW106M
C640 10 16V Electrolytic VCEAPF1CW106M
C641 22 16V Electrolytic VCEAPF1CW226M
C642 0.1 25V Ceramic VCKYCY1EF104Z
C643 0.1 25V Ceramic VCKYCY1EF104Z
C644 47 16V Electrolytic VCEAPF1CW476M
C645 0.1 25V Ceramic VCKYCY1EF104Z
C646 4.7 50V Electrolytic VCEAPF1HW475M
C647 33 10V Electrolytic VCEAPF1AW336M
C648 100 16V Electrolytic VCEAPF1CW107M
C649 0.1 25V Ceramic VCKYCY1EF104Z
C650 150p 50V Ceramic VCCCCY1HH151J
C651 120p 50V Ceramic VCCCCY1HH121J
C652 270p 50V Ceramic VCCCCY1HH271J
C653 0.01 50V Ceramic VCKYCY1HB103K
C654 0.1 25V Ceramic VCKYCY1EF104Z
C655 0.01 50V Ceramic VCKYCY1HB103K
C656 0.1 25V Ceramic VCKYCY1EF104Z
C657 180p 50V Ceramic VCCCCY1HH181J
C658 220p 50V Ceramic VCCCCY1HH221J
C659 220p 50V Ceramic VCCCCY1HH221J
C660 0.01 50V Ceramic VCKYCY1HB103K
C661 0.1 25V Ceramic VCKYCY1EF104Z
C662 0.01 50V Ceramic VCKYCY1HB103K
C663 0.1 25V Ceramic VCKYCY1EF104Z
C801 0.1 25V Ceramic VCKYTV1EB104K
C802 0.1 25V Ceramic VCKYCY1EF104Z
C803 0.01 50V Ceramic VCKYCY1HB103K
C804 100 6.3V Electrolytic VCEAPF0JW107M
C805 0.01 50V Ceramic VCKYCY1HB103K
C807 0.1 25V Ceramic VCKYTV1EB104K

Mark No. Description Part No. Mark No. Description Part No.
74
PDP-R03E
C808 0.1 25V Ceramic VCKYTV1EB104K
C809 0.1 25V Ceramic VCKYTV1EB104K
C810 4.7 25V Electrolytic VCEAPF1EW475M
C811 0.1 25V Ceramic VCKYTV1EB104K
C812 0.1 25V Ceramic VCKYTV1EB104K
C813 0.1 25V Ceramic VCKYTV1EB104K
C814 0.01 50V Ceramic VCKYCY1HB103K
C815 100 6.3V Electrolytic VCEAPF0JW107M
C816 7.0p 50V Ceramic VCCCCY1HH7R0D
C817 0.01 50V Ceramic VCKYCY1HB103K
C818 0.47 50V Electrolytic VCEAPF1HW474M
C819 2.2 50V Electrolytic VCEAPF1HW225M
C820 0.022 50V Ceramic VCKYCY1HF223Z
C821 0.01 50V Ceramic VCKYCY1HB103K
C822 0.1 25V Ceramic VCKYTV1EB104K
C823 0.1 25V Ceramic VCKYCY1EF104Z
C824 0.1 25V Ceramic VCKYTV1EB104K
C825 0.01 50V Ceramic VCKYCY1HB103K
C826 100 6.3V Electrolytic VCEAPF0JW107M
C827 0.01 50V Ceramic VCKYCY1HB103K
C828 0.01 50V Ceramic VCKYCY1HB103K
C829 10 16V Electrolytic VCEAPF1CW106M
C830 0.1 25V Ceramic VCKYTV1EB104K
C831 0.1 25V Ceramic VCKYTV1EB104K
C832 0.1 25V Ceramic VCKYTV1EB104K
C833 4.7 25V Electrolytic VCEAPF1EW475M
C834 0.1 25V Ceramic VCKYTV1EB104K
C835 0.1 25V Ceramic VCKYTV1EB104K
C836 0.1 25V Ceramic VCKYTV1EB104K
C837 100 6.3V Electrolytic VCEAPF0JW107M
C838 0.01 50V Ceramic VCKYCY1HB103K
C839 7.0p 50V Ceramic VCCCCY1HH7R0D
C840 0.01 50V Ceramic VCKYCY1HB103K
C841 0.47 50V Electrolytic VCEAPF1HW474M
C842 0.1 25V Ceramic VCKYCY1EF104Z
C843 0.01 50V Ceramic VCKYCY1HB103K
C844 0.1 25V Ceramic VCKYTV1EB104K
C845 2.2 50V Electrolytic VCEAPF1HW225M
C846 0.022 50V Ceramic VCKYCY1HF223Z
C847 0.01 50V Ceramic VCKYCY1HB103K
C848 1.0 50V Electrolytic VCEAPF1HN105M
C849 1.0 50V Electrolytic VCEAPF1HN105M
C850 1.0 50V Electrolytic VCEAPF1HN105M
C851 0.1 25V Ceramic VCKYCY1EF104Z
C852 470 16V Electrolytic VCEASD1CN477M
C853 0.01 50V Ceramic VCKYCY1HB103K
C854 220 6.3V Electrolytic VCEAPF0JW227M
C855 220 6.3V Electrolytic VCEAPF0JW227M
C856 220 6.3V Electrolytic VCEAPF0JW227M
C860 0.1 25V Ceramic VCKYCY1EF104Z
C861 0.1 25V Ceramic VCKYCY1EF104Z
C866 0.1 25V Ceramic VCKYCY1EF104Z
C868 0.01 50V Ceramic VCKYCY1HB103K
C869 0.1 25V Ceramic VCKYCY1EF104Z
C870 0.1 25V Ceramic VCKYCY1EF104Z
C871 0.1 25V Ceramic VCKYCY1EF104Z
C872 0.1 25V Ceramic VCKYCY1EF104Z
C873 1.0 16V Ceramic VCKYTV1CB105K
C874 1.0 16V Ceramic VCKYTV1CB105K
C875 1.0 16V Ceramic VCKYTV1CB105K
C876 2200p 50V Ceramic VCKYCY1HB222K
C877 0.47 16V Ceramic VCKYTV1CB474K
C878 0.47 16V Ceramic VCKYTV1CB474K
C879 22 16V Electrolytic VCEAPF1CW226M
C880 0.1 25V Ceramic VCKYTV1EB104K
C881 0.1 25V Ceramic VCKYTV1EB104K
C882 0.1 25V Ceramic VCKYTV1EB104K
C883 22 16V Electrolytic VCEAPF1CW226M
C884 22 16V Electrolytic VCEAPF1CW226M
C885 22 16V Electrolytic VCEAPF1CW226M
C886 39p 50V Ceramic VCCCCY1HH390J
C887 10 16V Electrolytic VCEAPF1CN106M
C888 0.47 16V Ceramic VCKYTV1CB474K
C890 1 10V Ceramic RC-KZ1025CEZZ
C891 47 6.3V Electrolytic VCEAPF0JW476M
C892 0.1 25V Ceramic VCKYTV1EB104K
C893 0.1 25V Ceramic VCKYTV1EB104K
C894 0.1 25V Ceramic VCKYTV1EB104K
C895 0.1 25V Ceramic VCKYTV1EB104K
C896 0.1 25V Ceramic VCKYTV1EB104K
C897 0.1 25V Ceramic VCKYTV1EB104K
C898 0.1 25V Ceramic VCKYCY1EF104Z
C899 47 6.3V Electrolytic VCEAPF0JW476M
C900 100 6.3V Electrolytic VCEAPF0JN107M
C901 0.1 25V Ceramic VCKYCY1EF104Z
C902 1.0 50V Electrolytic VCEAPF1HN105M
C903 0.1 25V Ceramic VCKYCY1EF104Z
C912 0.47 50V Electrolytic VCEAPF1HN474M
C913 0.47 50V Electrolytic VCEAPF1HN474M
C915 0.1 25V Ceramic VCKYCY1EF104Z
C916 0.1 25V Ceramic VCKYCY1EF104Z
C917 0.1 25V Ceramic VCKYTV1EB104K
C918 0.1 25V Ceramic VCKYTV1EB104K
C919 0.1 25V Ceramic VCKYTV1EB104K
C920 1.0 16V Ceramic VCKYTV1CB105K
C921 1.0 16V Ceramic VCKYTV1CB105K
C922 1.0 16V Ceramic VCKYTV1CB105K
C923 0.1 25V Ceramic VCKYCY1EF104Z
C924 0.1 25V Ceramic VCKYCY1EF104Z
C925 0.1 25V Ceramic VCKYCY1EF104Z
C926 0.1 25V Ceramic VCKYCY1EF104Z
C927 0.1 25V Ceramic VCKYCY1EF104Z
C928 47 16V Electrolytic VCEAPF1CW476M
C929 47 16V Electrolytic VCEAPF1CW476M
C930 0.1 25V Ceramic VCKYCY1EF104Z
C931 10 16V Electrolytic VCEAPF1CW106M
C932 10 16V Electrolytic VCEAPF1CW106M
C933 0.1 25V Ceramic VCKYCY1EF104Z
C934 22 16V Electrolytic VCEAPF1CW226M
C935 220 6.3V Electrolytic VCEASH0JN227M
C936 10 16V Electrolytic VCEAPF1CW106M
C937 10 16V Electrolytic VCEAPF1CW106M
C938 0.1 25V Ceramic VCKYCY1EF104Z
C942 0.01 50V Ceramic VCKYCY1HB103K
C943 0.1 25V Ceramic VCKYTV1EB104K
C944 1 10V Ceramic RC-KZ1025CEZZ
C950 0.1 25V Ceramic VCKYCY1EF104Z
C951 0.1 25V Ceramic VCKYCY1EF104Z
C952 0.1 25V Ceramic VCKYCY1EF104Z
C953 0.1 25V Ceramic VCKYCY1EF104Z

Mark No. Description Part No. Mark No. Description Part No.
75
PDP-R03E
C954 0.1 25V Ceramic VCKYCY1EF104Z
C1502 0.1 25V Ceramic VCKYCY1EF104Z
C1503 0.1 25V Ceramic VCKYCY1EF104Z
C1504 100 6.3V Electrolytic VCEAPF0JN107M
C1505 47 16V Electrolytic VCEAPF1CW476M
C1506 47 16V Electrolytic VCEAPF1CW476M
C1511 0.1 25V Ceramic VCKYCY1EF104Z
C1512 1.0 16V Ceramic VCKYTV1CF105Z
C1701 330 16V Electrolytic VCEASH1CN337M
C1702 22 16V Electrolytic VCEAPF1CW226M
C1703 0.1 25V Ceramic VCKYCY1EF104Z
C1704 100p 50V Ceramic VCCCCY1HH101J
C1705 0.47 16V Ceramic VCKYCY1CF474Z
C1706 1.0 16V Ceramic VCKYTV1CF105Z
C1707 0.22 16V Ceramic VCKYTV1CF224Z
C1709 0.1 25V Ceramic VCKYCY1EF104Z
C1711 0.1 16V Ceramic VCKYTV1CF104Z
C1712 0.1 25V Ceramic VCKYCY1EF104Z
C1713 0.1 25V Ceramic VCKYCY1EF104Z
C1714 2200p 50V Ceramic VCKYCY1HB222K
C1715 2200p 50V Ceramic VCKYCY1HB222K
C1717 0.33 16V Ceramic VCKYCY1CF334Z
C1718 100 16V Electrolytic VCEASM1CN107M
C1719 2200p 50V Ceramic VCKYCY1HB222K
C1720 2200p 50V Ceramic VCKYCY1HB222K
C1721 0.33 16V Ceramic VCKYCY1CF334Z
C1722 100 16V Electrolytic VCEASM1CN107M
C1724 0.1 25V Ceramic VCKYCY1EF104Z
C1725 1.0 16V Ceramic VCKYTV1CF105Z
C1727 39 16V Electrolytic VCAAPF1CJ396M
C1728 82 16V Electrolytic VCAAPF1CJ826M
C1729 220 6.3V Electrolytic VCAAPF0JJ227M
C1731 0.1 25V Ceramic VCKYCY1EF104Z
C1732 470 16V Electrolytic VCEASD1CN477M
C1733 0.33 16V Ceramic VCKYCY1CF334Z
C1734 100 16V Electrolytic VCEASM1CN107M
C1735 470 16V Electrolytic VCEASD1CN477M
C1736 39 16V Electrolytic VCAAPF1CJ396M
C1737 82 16V Electrolytic VCAAPF1CJ826M
C1738 330 4.0V Electrolytic VCAAPF0GJ337M
C1740 1000p 50V Ceramic VCKYCY1HB102K
C1741 0.33 16V Ceramic VCKYCY1CF334Z
C1742 100 16V Electrolytic VCEASM1CN107M
C1743 1000p 50V Ceramic VCKYCY1HB102K
C1745 1.0 16V Ceramic VCKYTV1CF105Z
C1746 1000p 50V Ceramic VCKYCY1HB102K
C1748 0.33 16V Ceramic VCKYCY1CF334Z
C1749 100 16V Electrolytic VCEAPF1CN107M
C1750 330 16V Electrolytic VCEASH1CN337M
C1751 5600p 50V Ceramic VCKYCY1HB562K
C1752 82 16V Electrolytic VCAAPF1CJ826M
C1753 5600p 50V Ceramic VCKYCY1HB562K
C1754 100 50V Electrolytic VCEASH1HN107M
C1755 0.1 50V Ceramic VCKYTV1HF104Z
C1756 1.0 16V Ceramic VCKYTV1CF105Z
C1757 330 16V Electrolytic VCEASH1CN337M
C1758 1.0 16V Ceramic VCKYTV1CF105Z
C1759 220 16V Electrolytic RC-EZ1339CEZZ
C1764 330 16V Electrolytic VCEASH1CN337M
C1765 1.0 16V Ceramic VCKYTV1CF105Z
C1766 220 16V Electrolytic RC-EZ1339CEZZ
C1767 1.0 16V Ceramic VCKYTV1CF105Z
C1768 330 16V Electrolytic VCEASH1CN337M
C1769 220 16V Electrolytic RC-EZ1339CEZZ
C1770 1000p 50V Ceramic VCKYCY1HB102K
C1771 1000p 50V Ceramic VCKYCY1HB102K
C1772 1000p 50V Ceramic VCKYCY1HB102K
C1773 1000p 50V Ceramic VCKYCY1HB102K
C1774 470 16V Electrolytic VCEASD1CN477M
C1775 330 16V Electrolytic VCEASD1CN337M
C1776 1000p 50V Ceramic VCKYCY1HB102K
C1777 1000p 50V Ceramic VCKYCY1HB102K
C1778 100 6.3V Electrolytic VCEAPF0JW107M
C1779 0.1 25V Ceramic VCKYCY1EF104Z
C1780 1000p 50V Ceramic VCKYCY1HB102K
C1781 1000p 50V Ceramic VCKYCY1HB102K
C1782 1000p 50V Ceramic VCKYCY1HB102K
C1783 39 16V Electrolytic VCAAPF1CJ396M
C1784 82 16V Electrolytic VCAAPF1CJ826M
C1785 150 10V Electrolytic VCAAPF1AJ157M
C1787 1000p 50V Ceramic VCKYCY1HB102K
C1788 1000p 50V Ceramic VCKYCY1HB102K
C1789 1000p 50V Ceramic VCKYCY1HB102K
C1790 1000p 50V Ceramic VCKYCY1HB102K
C1791 1000p 50V Ceramic VCKYCY1HB102K
C1792 0.33 16V Ceramic VCKYCY1CF334Z
C1793 100 16V Electrolytic VCEASM1CN107M
C1794 0.33 16V Ceramic VCKYCY1CF334Z
C1795 100 16V Electrolytic VCEASM1CN107M
C1796 0.33 16V Ceramic VCKYCY1CF334Z
C1797 100 16V Electrolytic VCEASM1CN107M
C1798 1000p 50V Ceramic VCKYCY1HB102K
C1901 100 6.3V Electrolytic VCEAPF0JW107M
C1902 0.1 25V Ceramic VCKYCY1EF104Z
C1903 0.1 25V Ceramic VCKYCY1EF104Z
C1904 0.1 25V Ceramic VCKYCY1EF104Z
C1905 0.1 25V Ceramic VCKYCY1EF104Z
C1906 0.1 25V Ceramic VCKYCY1EF104Z
C1907 0.1 25V Ceramic VCKYCY1EF104Z
C1908 100 6.3V Electrolytic VCEAPF0JW107M
C1909 0.1 25V Ceramic VCKYCY1EF104Z
C1910 0.1 25V Ceramic VCKYCY1EF104Z
C1911 0.1 25V Ceramic VCKYCY1EF104Z
C7201 0.1 25V Ceramic VCKYCY1EF104Z
C7203 33p 50V Ceramic VCCCCY1HH330J
C7204 33p 50V Ceramic VCCCCY1HH330J
C7205 33p 50V Ceramic VCCCCY1HH330J
C7206 33p 50V Ceramic VCCCCY1HH330J
C7207 0.1 25V Ceramic VCKYCY1EF104Z
C7208 0.1 25V Ceramic VCKYCY1EF104Z
C7209 0.1 25V Ceramic VCKYCY1EF104Z
C7210 0.1 25V Ceramic VCKYCY1EF104Z
C7221 100 6.3V Electrolytic VCEAPF0JW107M
RESISTORS
R403 470 1/16W Metal Oxide VRS-CY1JF471F
R404 470 1/16W Metal Oxide VRS-CY1JF471F
R405 220 1/16W Metal Oxide VRS-CY1JF221F
R406 390 1/16W Metal Oxide VRS-CY1JF391F
R409 1.0k 1/16W Metal Oxide VRS-CY1JF102F

Mark No. Description Part No. Mark No. Description Part No.
76
PDP-R03E
R410 2.7k 1/16W Metal Oxide VRS-CY1JF272F
R411 3.3k 1/16W Metal Oxide VRS-CY1JF332F
R412 560 1/16W Metal Oxide VRS-CY1JF561J
R413 56k 1/16W Metal Oxide VRS-CY1JF563J
R414 390 1/16W Metal Oxide VRS-CY1JF391J
R415 390 1/16W Metal Oxide VRS-CY1JF391J
R416 390 1/16W Metal Oxide VRS-CY1JF391J
R417 390 1/16W Metal Oxide VRS-CY1JF391J
R418 390 1/16W Metal Oxide VRS-CY1JF391J
R420 390 1/16W Metal Oxide VRS-CY1JF391J
R421 390 1/16W Metal Oxide VRS-CY1JF391J
R422 100 1/16W Metal Oxide VRS-CY1JF101J
R423 100 1/16W Metal Oxide VRS-CY1JF101J
R424 1.0k 1/16W Metal Oxide VRS-CY1JF102J
R425 1.0k 1/16W Metal Oxide VRS-CY1JF102J
R435 100 1/16W Metal Oxide VRS-CY1JF101J
R436 1.0k 1/16W Metal Oxide VRS-CY1JF102J
R437 1.0k 1/16W Metal Oxide VRS-CY1JF102J
R439 27k 1/16W Metal Oxide VRS-CY1JF273J
R440 27k 1/16W Metal Oxide VRS-CY1JF273J
R441 1.0k 1/16W Metal Oxide VRS-CY1JF102J
R442 0 1/16W Metal Oxide VRS-CY1JF000J
R444 100 1/16W Metal Oxide VRS-CY1JF101J
R445 1.0k 1/16W Metal Oxide VRS-CY1JF102J
R446 330 1/16W Metal Oxide VRS-CY1JF331J
R447 360 1/16W Metal Oxide VRS-CY1JF361J
R448 100 1/16W Metal Oxide VRS-CY1JF101J
R449 1.0k 1/16W Metal Oxide VRS-CY1JF102J
R450 330 1/16W Metal Oxide VRS-CY1JF331J
R451 330 1/16W Metal Oxide VRS-CY1JF331J
R452 100 1/16W Metal Oxide VRS-CY1JF101J
R453 1.0k 1/16W Metal Oxide VRS-CY1JF102J
R454 330 1/16W Metal Oxide VRS-CY1JF331J
R455 390 1/16W Metal Oxide VRS-CY1JF391J
R456 100 1/16W Metal Oxide VRS-CY1JF101J
R457 1.0k 1/16W Metal Oxide VRS-CY1JF102J
R458 330 1/16W Metal Oxide VRS-CY1JF331J
R459 560 1/16W Metal Oxide VRS-CY1JF561J
R460 240 1/16W Metal Oxide VRS-CY1JF241F
R461 390 1/16W Metal Oxide VRS-CY1JF391F
R464 1.0k 1/16W Metal Oxide VRS-CY1JF102F
R465 2.7k 1/16W Metal Oxide VRS-CY1JF272F
R466 3.3k 1/16W Metal Oxide VRS-CY1JF332F
R467 560 1/16W Metal Oxide VRS-CY1JF561J
R468 56k 1/16W Metal Oxide VRS-CY1JF563J
R469 390 1/16W Metal Oxide VRS-CY1JF391J
R470 390 1/16W Metal Oxide VRS-CY1JF391J
R471 390 1/16W Metal Oxide VRS-CY1JF391J
R472 390 1/16W Metal Oxide VRS-CY1JF391J
R474 390 1/16W Metal Oxide VRS-CY1JF391J
R475 390 1/16W Metal Oxide VRS-CY1JF391J
R476 390 1/16W Metal Oxide VRS-CY1JF391J
R477 100 1/16W Metal Oxide VRS-CY1JF101J
R478 100 1/16W Metal Oxide VRS-CY1JF101J
R479 1.0k 1/16W Metal Oxide VRS-CY1JF102J
R480 1.0k 1/16W Metal Oxide VRS-CY1JF102J
R481 390 1/16W Metal Oxide VRS-CY1JF391J
R482 390 1/16W Metal Oxide VRS-CY1JF391J
R483 0 1/16W Metal Oxide VRS-CY1JF000J
R484 0 1/16W Metal Oxide VRS-CY1JF000J
R485 0 1/16W Metal Oxide VRS-CY1JF000J
R499 330 1/16W Metal Oxide VRS-CY1JF331J
R500 1.0k 1/16W Metal Oxide VRS-CY1JF102J
R501 0 1/16W Metal Oxide VRS-CY1JF000J
R504 100 1/16W Metal Oxide VRS-CY1JF101J
R505 1.0k 1/16W Metal Oxide VRS-CY1JF102J
R506 330 1/16W Metal Oxide VRS-CY1JF331J
R507 360 1/16W Metal Oxide VRS-CY1JF361J
R508 100 1/16W Metal Oxide VRS-CY1JF101J
R509 1.0k 1/16W Metal Oxide VRS-CY1JF102J
R528 2.2k 1/16W Metal Oxide VRS-CY1JF222J
R529 910 1/16W Metal Oxide VRS-CY1JF911J
R530 1.0k 1/16W Metal Oxide VRS-CY1JF102J
R531 1.0k 1/16W Metal Oxide VRS-CY1JF102J
R532 2.2k 1/16W Metal Oxide VRS-CY1JF222J
R533 910 1/16W Metal Oxide VRS-CY1JF911J
R534 1.0k 1/16W Metal Oxide VRS-CY1JF102J
R535 1.0k 1/16W Metal Oxide VRS-CY1JF102J
R536 3.3k 1/16W Metal Oxide VRS-CY1JF332J
R537 3.3k 1/16W Metal Oxide VRS-CY1JF332J
R564 360 1/16W Metal Oxide VRS-CY1JF361J
R601 0 1/16W Metal Oxide VRS-CY1JF000J
R602 100 1/16W Metal Oxide VRS-CY1JF101J
R603 100 1/16W Metal Oxide VRS-CY1JF101J
R604 100 1/16W Metal Oxide VRS-CY1JF101J
R605 100 1/16W Metal Oxide VRS-CY1JF101J
R606 100 1/16W Metal Oxide VRS-CY1JF101J
R607 12k 1/16W Metal Oxide VRS-CY1JF123J
R608 12k 1/16W Metal Oxide VRS-CY1JF123J
R609 100 1/16W Metal Oxide VRS-CY1JF101J
R610 100 1/16W Metal Oxide VRS-CY1JF101J
R611 6.8k 1/16W Metal Oxide VRS-CY1JF682J
R612 390 1/16W Metal Oxide VRS-CY1JF391J
R613 100 1/16W Metal Oxide VRS-CY1JF101J
R614 100 1/16W Metal Oxide VRS-CY1JF101J
R615 100 1/16W Metal Oxide VRS-CY1JF101J
R616 100 1/16W Metal Oxide VRS-CY1JF101J
R618 100 1/16W Metal Oxide VRS-CY1JF101J
R619 100 1/16W Metal Oxide VRS-CY1JF101J
R620 3.3k 1/16W Metal Oxide VRS-CY1JF332J
R621 47 1/16W Metal Oxide VRS-CY1JF470J
R622 3.3k 1/16W Metal Oxide VRS-CY1JF332J
R623 330 1/16W Metal Oxide VRS-CY1JF331J
R624 470 1/16W Metal Oxide VRS-CY1JF471F
R625 1.2k 1/16W Metal Oxide VRS-CY1JF122J
R626 3.3k 1/16W Metal Oxide VRS-CY1JF332J
R627 680 1/16W Metal Oxide VRS-CY1JF681J
R628 47 1/16W Metal Oxide VRS-CY1JF470J
R629 3.3k 1/16W Metal Oxide VRS-CY1JF332J
R630 470 1/16W Metal Oxide VRS-CY1JF471J
R631 100 1/16W Metal Oxide VRS-CY1JF101J
R632 330 1/16W Metal Oxide VRS-CY1JF331J
R633 6.8k 1/16W Metal Oxide VRS-CY1JF682J
R634 1.8k 1/16W Metal Oxide VRS-CY1JF182J
R635 100 1/16W Metal Oxide VRS-CY1JF101J
R636 820 1/16W Metal Oxide VRS-CY1JF821J
R637 15k 1/16W Metal Oxide VRS-CY1JF153J
R638 1.0k 1/16W Metal Oxide VRS-CY1JF102J
R639 820 1/16W Metal Oxide VRS-CY1JF821J
R640 1.8k 1/16W Metal Oxide VRS-CY1JF182J

Mark No. Description Part No. Mark No. Description Part No.
77
PDP-R03E
R641 6.8k 1/16W Metal Oxide VRS-CY1JF682J
R642 47 1/16W Metal Oxide VRS-CY1JF470J
R643 680 1/16W Metal Oxide VRS-CY1JF681J
R644 2.2k 1/16W Metal Oxide VRS-CY1JF222J
R645 0 1/16W Metal Oxide VRS-CY1JF000J
R646 47 1/16W Metal Oxide VRS-CY1JF470J
R647 330 1/16W Metal Oxide VRS-CY1JF331J
R648 100 1/16W Metal Oxide VRS-CY1JF101J
R649 18k 1/16W Metal Oxide VRS-CY1JF183J
R650 47 1/16W Metal Oxide VRS-CY1JF470J
R651 5.1k 1/16W Metal Oxide VRS-CY1JF512J
R652 6.8k 1/16W Metal Oxide VRS-CY1JF682J
R653 470 1/16W Metal Oxide VRS-CY1JF471J
R654 220 1/16W Metal Oxide VRS-CY1JF221J
R655 15k 1/16W Metal Oxide VRS-CY1JF153J
R656 5.1k 1/16W Metal Oxide VRS-CY1JF512J
R657 330 1/16W Metal Oxide VRS-CY1JF331J
R658 47 1/16W Metal Oxide VRS-CY1JF470J
R659 1.2k 1/16W Metal Oxide VRS-CY1JF122J
R660 100 1/16W Metal Oxide VRS-CY1JF101J
R661 680 1/16W Metal Oxide VRS-CY1JF681J
R663 390 1/16W Metal Oxide VRS-CY1JF391J
R664 300 1/16W Metal Oxide VRS-CY1JF301F
R665 1.2k 1/16W Metal Oxide VRS-CY1JF122J
R666 820 1/16W Metal Oxide VRS-CY1JF821J
R667 47 1/16W Metal Oxide VRS-CY1JF470J
R668 3.3k 1/16W Metal Oxide VRS-CY1JF332J
R669 2.2k 1/16W Metal Oxide VRS-CY1JF222J
R670 2.2k 1/16W Metal Oxide VRS-CY1JF222J
R674 0 1/16W Metal Oxide VRS-CY1JF000J
R675 33k 1/16W Metal Oxide VRS-CY1JF333J
R676 22k 1/16W Metal Oxide VRS-CY1JF223J
R677 47 1/16W Metal Oxide VRS-CY1JF470J
R678 2.2k 1/16W Metal Oxide VRS-CY1JF222J
R679 470 1/16W Metal Oxide VRS-CY1JF471J
R680 10k 1/16W Metal Oxide VRS-CY1JF103J
R681 330 1/16W Metal Oxide VRS-CY1JF331J
R682 47k 1/16W Metal Oxide VRS-CY1JF473J
R683 18k 1/16W Metal Oxide VRS-CY1JF183J
R684 47 1/16W Metal Oxide VRS-CY1JF470J
R685 2.2k 1/16W Metal Oxide VRS-CY1JF222J
R686 47 1/16W Metal Oxide VRS-CY1JF470J
R687 2.2k 1/16W Metal Oxide VRS-CY1JF222J
R688 820 1/16W Metal Oxide VRS-CY1JF821J
R689 10k 1/16W Metal Oxide VRS-CY1JF103J
R690 470 1/16W Metal Oxide VRS-CY1JF471J
R691 47k 1/16W Metal Oxide VRS-CY1JF473J
R692 18k 1/16W Metal Oxide VRS-CY1JF183J
R693 47 1/16W Metal Oxide VRS-CY1JF470J
R694 2.2k 1/16W Metal Oxide VRS-CY1JF222J
R695 100 1/16W Metal Oxide VRS-CY1JF101J
R698 0 1/16W Metal Oxide VRS-CY1JF000J
R704 0 1/16W Metal Oxide VRS-CY1JF000J
R706 22k 1/16W Metal Oxide VRS-CY1JF223J
R707 22k 1/16W Metal Oxide VRS-CY1JF223J
R708 100 1/16W Metal Oxide VRS-CY1JF101J
R709 22k 1/16W Metal Oxide VRS-CY1JF223J
R710 100 1/16W Metal Oxide VRS-CY1JF101J
R711 22k 1/16W Metal Oxide VRS-CY1JF223J
R802 100 1/16W Metal Oxide VRS-CY1JF101J
R803 100 1/16W Metal Oxide VRS-CY1JF101J
R805 27k 1/16W Metal Oxide VRS-CY1JF273J
R806 100 1/16W Metal Oxide VRS-CY1JF101J
R807 3.9k 1/16W Metal Oxide VRS-CY1JF392J
R808 100 1/16W Metal Oxide VRS-CY1JF101J
R809 100 1/16W Metal Oxide VRS-CY1JF101J
R810 0 1/16W Metal Oxide VRS-CY1JF000J
R811 27k 1/16W Metal Oxide VRS-CY1JF273J
R812 100 1/16W Metal Oxide VRS-CY1JF101J
R813 3.9k 1/16W Metal Oxide VRS-CY1JF392J
R816 10k 1/16W Metal Oxide VRS-CY1JF103J
R817 10k 1/16W Metal Oxide VRS-CY1JF103J
R818 10k 1/16W Metal Oxide VRS-CY1JF103J
R819 10k 1/16W Metal Oxide VRS-CY1JF103J
R820 75 1/8W Metal Oxide VRS-TQ2BD750J
R821 75 1/8W Metal Oxide VRS-TQ2BD750J
R822 75 1/8W Metal Oxide VRS-TQ2BD750J
R823 0 1/16W Metal Oxide VRS-CY1JF000J
R824 0 1/16W Metal Oxide VRS-CY1JF000J
R825 0 1/16W Metal Oxide VRS-CY1JF000J
R829 680 1/16W Metal Oxide VRS-CY1JF681J
R830 680 1/16W Metal Oxide VRS-CY1JF681J
R831 470 1/16W Metal Oxide VRS-CY1JF471J
R832 47k 1/16W Metal Oxide VRS-CY1JF473F
R833 100 1/16W Metal Oxide VRS-CY1JF101J
R834 100 1/16W Metal Oxide VRS-CY1JF101J
R835 47 1/16W Metal Oxide VRS-CY1JF470J
R836 47 1/16W Metal Oxide VRS-CY1JF470J
R837 1.0k 1/16W Metal Oxide VRS-CY1JF102J
R841 47 1/16W Metal Oxide VRS-CY1JF470J
R842 5.6k 1/16W Metal Oxide VRS-CY1JF562J
R844 6.8k 1/16W Metal Oxide VRS-CY1JF682J
R846 47 1/16W Metal Oxide VRS-CY1JF470J
R847 1.0k 1/16W Metal Oxide VRS-CY1JF102J
R850 47 1/16W Metal Oxide VRS-CY1JF470J
R851 1.0k 1/16W Metal Oxide VRS-CY1JF102J
R853 00 1/16W Metal Oxide VRS-CY1JF000J
R854 4.7k 1/16W Metal Oxide VRS-CY1JF472J
R855 3.3M 1/16W Metal Oxide VRS-CY1JF335J
R856 1.0k 1/16W Metal Oxide VRS-CY1JF102J
R857 10k 1/16W Metal Oxide VRS-CY1JF103J
R858 10k 1/16W Metal Oxide VRS-CY1JF103J
R859 00 1/16W Metal Oxide VRS-CY1JF000J
R864 100 1/16W Metal Oxide VRS-CY1JF101J
R865 100 1/16W Metal Oxide VRS-CY1JF101J
R866 4.7k 1/16W Metal Oxide VRS-CY1JF472J
R867 4.7k 1/16W Metal Oxide VRS-CY1JF472J
R868 4.7k 1/16W Metal Oxide VRS-CY1JF472J
R869 10k 1/16W Metal Oxide VRS-CY1JF103J
R873 22k 1/16W Metal Oxide VRS-CY1JF223F
R874 10k 1/16W Metal Oxide VRS-CY1JF103J
R875 10k 1/16W Metal Oxide VRS-CY1JF103J
R876 10k 1/16W Metal Oxide VRS-CY1JF103J
R877 10k 1/16W Metal Oxide VRS-CY1JF103J
R886 2.2k 1/16W Metal Oxide VRS-CY1JF222J
R888 0 1/16W Metal Oxide VRS-CY1JF000J
R889 0 1/16W Metal Oxide VRS-CY1JF000J
R891 100 1/16W Metal Oxide VRS-CY1JF101J
R892 100 1/16W Metal Oxide VRS-CY1JF101J
R894 100 1/16W Metal Oxide VRS-CY1JF101J

Mark No. Description Part No. Mark No. Description Part No.
78
PDP-R03E
R896 2.2k 1/16W Metal Oxide VRS-CY1JF222J
R898 10k 1/16W Metal Oxide VRS-CY1JF103J
R899 10k 1/16W Metal Oxide VRS-CY1JF103J
R900 10k 1/16W Metal Oxide VRS-CY1JF103J
R901 18k 1/16W Metal Oxide VRS-CY1JF183J
R902 22k 1/16W Metal Oxide VRS-CY1JF223J
R903 18k 1/16W Metal Oxide VRS-CY1JF183J
R904 22k 1/16W Metal Oxide VRS-CY1JF223J
R905 18k 1/16W Metal Oxide VRS-CY1JF183J
R906 22k 1/16W Metal Oxide VRS-CY1JF223J
R907 56 1/16W Metal Oxide VRS-CY1JF560J
R908 150 1/8W Metal Oxide VRS-TQ2BD151J
R909 470 1/16W Metal Oxide VRS-CY1JF471J
R910 180 1/16W Metal Oxide VRS-CY1JF181J
R911 470 1/16W Metal Oxide VRS-CY1JF471J
R912 4.3k 1/16W Metal Oxide VRS-CY1JF432J
R913 150 1/8W Metal Oxide VRS-TQ2BD151J
R914 1.5k 1/16W Metal Oxide VRS-CY1JF152J
R915 56 1/16W Metal Oxide VRS-CY1JF560J
R921 0 1/16W Metal Oxide VRS-CY1JF000J
R922 0 1/16W Metal Oxide VRS-CY1JF000J
R923 56 1/16W Metal Oxide VRS-CY1JF560J
R924 6.8k 1/16W Metal Oxide VRS-CY1JF682J
R925 10k 1/16W Metal Oxide VRS-CY1JF103J
R926 3.3k 1/16W Metal Oxide VRS-CY1JF332J
R927 1.0k 1/16W Metal Oxide VRS-CY1JF102J
R928 1.0k 1/16W Metal Oxide VRS-CY1JF102J
R929 56 1/16W Metal Oxide VRS-CY1JF560J
R930 56 1/16W Metal Oxide VRS-CY1JF560J
R931 1.0k 1/16W Metal Oxide VRS-CY1JF102J
R932 100 1/16W Metal Oxide VRS-CY1JF101J
R933 1.0k 1/16W Metal Oxide VRS-CY1JF102J
R934 1.0k 1/16W Metal Oxide VRS-CY1JF102J
R935 820 1/16W Metal Oxide VRS-CY1JF821J
R936 1.0k 1/16W Metal Oxide VRS-CY1JF102J
R937 100 1/16W Metal Oxide VRS-CY1JF101J
R938 1.0k 1/16W Metal Oxide VRS-CY1JF102J
R939 820 1/16W Metal Oxide VRS-CY1JF821J
R940 1.0k 1/16W Metal Oxide VRS-CY1JF102J
R941 1.0k 1/16W Metal Oxide VRS-CY1JF102J
R942 1.0k 1/16W Metal Oxide VRS-CY1JF102J
R943 820 1/16W Metal Oxide VRS-CY1JF821J
R944 1.0k 1/16W Metal Oxide VRS-CY1JF102J
R945 820 1/16W Metal Oxide VRS-CY1JF821J
R946 1.0k 1/16W Metal Oxide VRS-CY1JF102J
R947 1.0k 1/16W Metal Oxide VRS-CY1JF102J
R948 1.0k 1/16W Metal Oxide VRS-CY1JF102J
R949 820 1/16W Metal Oxide VRS-CY1JF821J
R950 1.0k 1/16W Metal Oxide VRS-CY1JF102J
R951 820 1/16W Metal Oxide VRS-CY1JF821J
R952 1.0k 1/16W Metal Oxide VRS-CY1JF102J
R953 1.0k 1/16W Metal Oxide VRS-CY1JF102J
R954 1.0k 1/16W Metal Oxide VRS-CY1JF102J
R955 820 1/16W Metal Oxide VRS-CY1JF821J
R956 1.0k 1/16W Metal Oxide VRS-CY1JF102J
R957 820 1/16W Metal Oxide VRS-CY1JF821J
R958 1.0k 1/16W Metal Oxide VRS-CY1JF102J
R959 1.0k 1/16W Metal Oxide VRS-CY1JF102J
R960 1.0k 1/16W Metal Oxide VRS-CY1JF102J
R961 820 1/16W Metal Oxide VRS-CY1JF821J
R962 1.0k 1/16W Metal Oxide VRS-CY1JF102J
R963 47 1/16W Metal Oxide VRS-CY1JF470J
R964 4.7k 1/16W Metal Oxide VRS-CY1JF472J
R965 47 1/16W Metal Oxide VRS-CY1JF470J
R966 4.7k 1/16W Metal Oxide VRS-CY1JF472J
R967 22k 1/16W Metal Oxide VRS-CY1JF223J
R968 4.7k 1/16W Metal Oxide VRS-CY1JF472J
R969 47 1/16W Metal Oxide VRS-CY1JF470J
R970 11k 1/16W Metal Oxide VRS-CY1JF113F
R971 6.8k 1/16W Metal Oxide VRS-CY1JF682F
R972 1.5k 1/16W Metal Oxide VRS-CY1JF152F
R973 47 1/16W Metal Oxide VRS-CY1JF470J
R974 1.0M 1/16W Metal Oxide VRS-CY1JF105J
R975 4.7k 1/16W Metal Oxide VRS-CY1JF472J
R976 4.7k 1/16W Metal Oxide VRS-CY1JF472J
R977 10k 1/16W Metal Oxide VRS-CY1JF103J
R978 8.2k 1/16W Metal Oxide VRS-CY1JF822J
R979 33k 1/16W Metal Oxide VRS-CY1JF333F
R980 56 1/16W Metal Oxide VRS-CY1JF560J
R981 10k 1/16W Metal Oxide VRS-CY1JF103J
R982 10k 1/16W Metal Oxide VRS-CY1JF103J
R983 10k 1/16W Metal Oxide VRS-CY1JF103J
R984 22k 1/16W Metal Oxide VRS-CY1JF223J
R985 100 1/16W Metal Oxide VRS-CY1JF101J
R986 0 1/16W Metal Oxide VRS-CY1JF000J
R987 330 1/16W Metal Oxide VRS-CY1JF331F
R988 1.0k 1/16W Metal Oxide VRS-CY1JF102F
R989 120 1/16W Metal Oxide VRS-CY1JF121F
R990 39k 1/16W Metal Oxide VRS-CY1JF393F
R991 47 1/16W Metal Oxide VRS-CY1JF470J
R992 100 1/16W Metal Oxide VRS-CY1JF101J
R993 100 1/16W Metal Oxide VRS-CY1JF101J
R994 100 1/16W Metal Oxide VRS-CY1JF101J
R995 100 1/16W Metal Oxide VRS-CY1JF101J
R996 1.0k 1/16W Metal Oxide VRS-CY1JF102J
R997 56 1/16W Metal Oxide VRS-CY1JF560J
R998 56 1/16W Metal Oxide VRS-CY1JF560J
R999 100 1/16W Metal Oxide VRS-CY1JF101J
R1501 100 1/16W Metal Oxide VRS-CY1JF101J
R1502 100 1/16W Metal Oxide VRS-CY1JF101J
R1503 100 1/16W Metal Oxide VRS-CY1JF101J
R1504 100 1/16W Metal Oxide VRS-CY1JF101J
R1505 100 1/16W Metal Oxide VRS-CY1JF101J
R1506 100 1/16W Metal Oxide VRS-CY1JF101J
R1507 100 1/16W Metal Oxide VRS-CY1JF101J
R1515 22k 1/16W Metal Oxide VRS-CY1JF223J
R1516 22k 1/16W Metal Oxide VRS-CY1JF223J
R1517 22k 1/16W Metal Oxide VRS-CY1JF223J
R1518 100 1/16W Metal Oxide VRS-CY1JF101J
R1519 100 1/16W Metal Oxide VRS-CY1JF101J
R1521 390 1/16W Metal Oxide VRS-CY1JF391J
R1522 390 1/16W Metal Oxide VRS-CY1JF391J
R1524 390 1/16W Metal Oxide VRS-CY1JF391J
R1525 390 1/16W Metal Oxide VRS-CY1JF391J
R1526 390 1/16W Metal Oxide VRS-CY1JF391J
R1528 390 1/16W Metal Oxide VRS-CY1JF391J
R1529 1.0k 1/16W Metal Oxide VRS-CY1JF102J
R1530 4.7k 1/16W Metal Oxide VRS-CY1JF472J
R1531 100 1/16W Metal Oxide VRS-CY1JF101J
R1533 100 1/16W Metal Oxide VRS-CY1JF101J

Mark No. Description Part No. Mark No. Description Part No.
79
PDP-R03E
R1534 100 1/16W Metal Oxide VRS-CY1JF101J
R1535 47k 1/16W Metal Oxide VRS-CY1JF473J
R1538 22k 1/16W Metal Oxide VRS-CY1JF223J
R1539 22k 1/16W Metal Oxide VRS-CY1JF223J
R1544 100 1/16W Metal Oxide VRS-CY1JF101J
R1545 100 1/16W Metal Oxide VRS-CY1JF101J
R1550 22k 1/16W Metal Oxide VRS-CY1JF223J
R1551 1.0k 1/16W Metal Oxide VRS-CY1JF102J
R1564 10k 1/16W Metal Oxide VRS-CY1JF103J
R1565 390 1/16W Metal Oxide VRS-CY1JF391J
R1566 1.0k 1/16W Metal Oxide VRS-CY1JF102J
R1568 47k 1/16W Metal Oxide VRS-CY1JF473J
R1569 47k 1/16W Metal Oxide VRS-CY1JF473J
R1570 47k 1/16W Metal Oxide VRS-CY1JF473J
R1571 47k 1/16W Metal Oxide VRS-CY1JF473J
R1572 47k 1/16W Metal Oxide VRS-CY1JF473J
R1573 47k 1/16W Metal Oxide VRS-CY1JF473J
R1594 1.0k 1/16W Metal Oxide VRS-CY1JF102J
R1596 22k 1/16W Metal Oxide VRS-CY1JF223J
R1701 68k 1/16W Metal Oxide VRS-CY1JF683J
R1702 2.7k 1/16W Metal Oxide VRS-CY1JF272J
R1706 33k 1/16W Metal Oxide VRS-CY1JF333J
R1707 27k 1/16W Metal Oxide VRS-CY1JF273J
R1708 39k 1/16W Metal Oxide VRS-CY1JF393J
R1709 10 1/4W Metal Oxide VRS-TW2ED100J
R1711 100 1/16W Metal Oxide VRS-CY1JF101J
R1712 100 1/16W Metal Oxide VRS-CY1JF101J
R1713 100 1/16W Metal Oxide VRS-CY1JF101J
R1714 10k 1/16W Metal Oxide VRS-CY1JF103J
R1718 100k 1/16W Metal Oxide VRS-CY1JF104J
R1719 100k 1/16W Metal Oxide VRS-CY1JF104J
R1721 100k 1/16W Metal Oxide VRS-CY1JF104J
R1722 100k 1/16W Metal Oxide VRS-CY1JF104J
R1724 100k 1/16W Metal Oxide VRS-CY1JF104J
R1726 100k 1/16W Metal Oxide VRS-CY1JF104J
R1727 100k 1/16W Metal Oxide VRS-CY1JF104J
R1728 100k 1/16W Metal Oxide VRS-CY1JF104J
R1736 4.7k 1/16W Metal Oxide VRS-CY1JF472J
R1743 12 1/4W Metal Oxide VRS-TW2ED120J
R1744 3.3k 1/16W Metal Oxide VRS-CY1JF332F
R1745 330 1/16W Metal Oxide VRS-CY1JF331F
R1746 1.5k 1/16W Metal Oxide VRS-CY1JF152F
R1747 47k 1/16W Metal Oxide VRS-CY1JF473F
R1751 470 1/4W Metal Oxide VRS-TW2ED471J
R1753 10k 1/16W Metal Oxide VRS-CY1JF103J
R1756 4.7k 1/16W Metal Oxide VRS-CY1JF472J
R1763 12 1/4W Metal Oxide VRS-TW2ED120J
R1764 2.7k 1/16W Metal Oxide VRS-CY1JF272F
R1765 330 1/16W Metal Oxide VRS-CY1JF331F
R1766 1.8k 1/16W Metal Oxide VRS-CY1JF182F
R1767 12k 1/16W Metal Oxide VRS-CY1JF123F
R1774 22k 1/16W Metal Oxide VRS-CY1JF223J
R1775 1.0k 1/16W Metal Oxide VRS-CY1JF102F
R1776 560 1/16W Metal Oxide VRS-CY1JF561F
R1777 30k 1/16W Metal Oxide VRS-CY1JF303F
R1778 4.7k 1/16W Metal Oxide VRS-CY1JF472F
R1779 39k 1/16W Metal Oxide VRS-CY1JF393F
R1780 47k 1/16W Metal Oxide VRS-CY1JF473J
R1781 10k 1/16W Metal Oxide VRS-CY1JF103J
R1782 12 1/4W Metal Oxide VRS-TW2ED120J
R1783 1.0k 1/16W Metal Oxide VRS-CY1JF102F
R1784 12k 1/16W Metal Oxide VRS-CY1JF123J
R1785 4.7k 1/16W Metal Oxide VRS-CY1JF472J
R1786 0 1/16W Metal Oxide VRS-CY1JF000J
R1788 820 1W Metal Oxide VRS-CR3AD821J
R1790 68k 1/8W Metal Oxide VRS-TQ2BD683J
R1791 22k 1/16W Metal Oxide VRS-CY1JF223J
R1792 22k 1/16W Metal Oxide VRS-CY1JF223J
R1794 22k 1/16W Metal Oxide VRS-CY1JF223J
R1901 22k 1/16W Metal Oxide VRS-CY1JF223J
R1902 22k 1/16W Metal Oxide VRS-CY1JF223J
R1905 100 1/16W Metal Oxide VRS-CY1JF101J
R1906 100 1/16W Metal Oxide VRS-CY1JF101J
R1907 100 1/16W Metal Oxide VRS-CY1JF101J
R1911 0 1/16W Metal Oxide VRS-CY1JF000J
R1913 22k 1/16W Metal Oxide VRS-CY1JF223J
R1915 22k 1/16W Metal Oxide VRS-CY1JF223J
R1916 100 1/16W Metal Oxide VRS-CY1JF101J
R1917 100 1/16W Metal Oxide VRS-CY1JF101J
R1920 1.0k 1/16W Metal Oxide VRS-CY1JF102J
R1921 1.0k 1/16W Metal Oxide VRS-CY1JF102J
R1922 1.0k 1/16W Metal Oxide VRS-CY1JF102J
R1923 1.0k 1/16W Metal Oxide VRS-CY1JF102J
R1926 10k 1/16W Metal Oxide VRS-CY1JF103J
R1927 10k 1/16W Metal Oxide VRS-CY1JF103J
R1928 10k 1/16W Metal Oxide VRS-CY1JF103J
R1929 10k 1/16W Metal Oxide VRS-CY1JF103J
R1930 10k 1/16W Metal Oxide VRS-CY1JF103J
R1931 100 1/16W Metal Oxide VRS-CY1JF101J
R1932 100 1/16W Metal Oxide VRS-CY1JF101J
R1933 100 1/16W Metal Oxide VRS-CY1JF101J
R1934 100 1/16W Metal Oxide VRS-CY1JF101J
R1935 100 1/16W Metal Oxide VRS-CY1JF101J
R1936 100 1/16W Metal Oxide VRS-CY1JF101J
R1937 100 1/16W Metal Oxide VRS-CY1JF101J
R1938 100 1/16W Metal Oxide VRS-CY1JF101J
R1939 100 1/16W Metal Oxide VRS-CY1JF101J
R1940 100 1/16W Metal Oxide VRS-CY1JF101J
R1941 100 1/16W Metal Oxide VRS-CY1JF101J
R1942 100 1/16W Metal Oxide VRS-CY1JF101J
R1943 100 1/16W Metal Oxide VRS-CY1JF101J
R1944 100 1/16W Metal Oxide VRS-CY1JF101J
R7201 1.0M 1/16W Metal Oxide VRS-CY1JF105J
R7202 220 1/16W Metal Oxide VRS-CY1JF221J
R7203 5.6k 1/16W Metal Oxide VRS-CY1JF562J
R7205 1.0k 1/16W Metal Oxide VRS-CY1JF102J
R7206 1.0k 1/16W Metal Oxide VRS-CY1JF102J
R7207 1.0k 1/16W Metal Oxide VRS-CY1JF102J
R7208 1.0k 1/16W Metal Oxide VRS-CY1JF102J
R7209 100 1/16W Metal Oxide VRS-CY1JF101J
R7210 1.0k 1/16W Metal Oxide VRS-CY1JF102J
R7211 1.0k 1/16W Metal Oxide VRS-CY1JF102J
R7215 10k 1/16W Metal Oxide VRS-CY1JF103J
R7216 1.0k 1/16W Metal Oxide VRS-CY1JF102J
R7217 1.0k 1/16W Metal Oxide VRS-CY1JF102J
R7224 1.0k 1/16W Metal Oxide VRS-CY1JF102J
R7225 3.3k 1/16W Metal Oxide VRS-CY1JF332J
R7237 100 1/16W Metal Oxide VRS-CY1JF101J
R7238 10k 1/16W Metal Oxide VRS-CY1JF103J
R7239 10k 1/16W Metal Oxide VRS-CY1JF103J
R7240 1.0k 1/16W Metal Oxide VRS-CY1JF102J

Mark No. Description Part No. Mark No. Description Part No.
80
PDP-R03E
MISCELLANEOUS PARTS
F1702 Fuse 4A QFS-D0011CEZZ
FB401 Ferrite Bead RBLN-0061TAZZ
FB601 Ferrite Bead RBLN-0061TAZZ
FB602 Ferrite Bead RBLN-0061TAZZ
FB603 Ferrite Bead RBLN-0061TAZZ
FB801 Ferrite Bead RBLN-0061TAZZ
FB802 Ferrite Bead RBLN-0061TAZZ
FB803 Ferrite Bead RBLN-0061TAZZ
FB1701 Ferrite Bead RBLN-0210TAZZ
FB1702 Ferrite Bead RBLN-0210TAZZ
FB1703 Ferrite Bead RBLN-0210TAZZ
FB1704 Ferrite Bead RBLN-0210TAZZ
FB1705 Ferrite Bead RBLN-0210TAZZ
FB1706 Ferrite Bead RBLN-0210TAZZ
FB1707 Ferrite Bead RBLN-0210TAZZ
FB1709 Ferrite Bead RBLN-0210TAZZ
FB1710 Ferrite Bead RBLN-0210TAZZ
FB1711 Ferrite Bead RBLN-0210TAZZ
FB1712 Ferrite Bead RBLN-0210TAZZ
FB1713 Ferrite Bead RBLN-0210TAZZ
FB1714 Ferrite Bead RBLN-0210TAZZ
FB1715 Ferrite Bead RBLN-0210TAZZ
FB1716 Ferrite Bead RBLN-0210TAZZ
FB1717 Ferrite Bead RBLN-0210TAZZ
FB1718 Ferrite Bead RBLN-0210TAZZ
FB1719 Ferrite Bead RBLN-0210TAZZ
FB1720 Ferrite Bead RBLN-0210TAZZ
FB1721 Ferrite Bead RBLN-0210TAZZ
FB1722 Ferrite Bead RBLN-0210TAZZ
FB1723 Ferrite Bead RBLN-0210TAZZ
FB1724 Ferrite Bead RBLN-0051TAZZ
FB1725 Ferrite Bead RBLN-0210TAZZ
FB1727 Ferrite Bead RBLN-0210TAZZ
FB1728 Ferrite Bead RBLN-0210TAZZ
FB1729 Ferrite Bead RBLN-0210TAZZ
FB1730 Ferrite Bead RBLN-0210TAZZ
FB1731 Ferrite Bead RBLN-0006TAZZ
FB1732 Ferrite Bead RBLN-0210TAZZ
FB1733 Ferrite Bead RBLN-0210TAZZ
FB1734 Ferrite Bead RBLN-0210TAZZ
FB1735 Ferrite Bead RBLN-0210TAZZ
FB1736 Ferrite Bead RBLN-0210TAZZ
FB1737 Ferrite Bead RBLN-0210TAZZ
FB1740 Ferrite Bead RBLN-0210TAZZ
FB1741 Ferrite Bead RBLN-0210TAZZ
FB1742 Ferrite Bead RBLN-0210TAZZ
FB1744 Ferrite Bead RBLN-0210TAZZ
FB1745 Ferrite Bead RBLN-0210TAZZ
FB1746 Ferrite Bead RBLN-0210TAZZ
FB1747 Ferrite Bead RBLN-0210TAZZ
FB1748 Ferrite Bead RBLN-0210TAZZ
FB1749 Ferrite Bead RBLN-0210TAZZ
FB1751 Ferrite Bead RBLN-0210TAZZ
FB1752 Ferrite Bead RBLN-0210TAZZ
FB1901 Ferrite Bead RBLN-0060TAZZ
FB1902 Ferrite Bead RBLN-0060TAZZ
FB7201 Ferrite Bead RBLN-0061TAZZ
FB7203 Ferrite Bead RBLN-0061TAZZ
FH1703 Fuse Holder QFSHD1002CEZZ
FH1704 Fuse Holder QFSHD1002CEZZ
P1502 Plug 12-pin QPLGN0549FJZZ
P1504 Plug 10-pin QPLGN0060CEZZ
P1702 Plug 13-pin QPLGN0550FJZZ
P1703 Plug 12-pin QPLGN0062CEZZ
P1901 Plug 10-pin QPLGN1094CEZZ
SC1501 Socket 30-pin QSOCN0490FJZZ
SC1502 Socket 50-pin QSOCN0464FJZZ
SC1503 Socket 30-pin QSOCN0550FJZZ
SC1504 Socket 30-pin QSOCN0490FJZZ
Connecting Cord QCNW-6077CEZZ
FRONT UNIT
INTEGTATED CIRCUIT
IC3401 24LC21T VHi24LC21//-1
TRANSISTORS
Q3401 2SC2735 VS2SC2735//1E
Q3402 2SC2735 VS2SC2735//1E
Q3403 2SC2735 VS2SC2735//1E
DIODES
D3401 Zener Diode RH-EX1264CEZZ
D3402 Diode VHDMA3120WA-1
D3403 Diode VHDMA3120WA-1
D3404 Diode VHDMA3120WA-1
D3405 Zener Diode RH-EX1264CEZZ
D3406 Zener Diode RH-EX1264CEZZ
D3407 Zener Diode RH-EX1271CEZZ
D3408 Zener Diode RH-EX1271CEZZ
D3409 Diode VHDDAN222//-1
FILTERS AND COIL
FL3401 Filter RFiLN0003TAZZ
FL3402 Filter RFiLN0003TAZZ
FL3403 Filter RFiLN0003TAZZ
FL3412 Filter RFiLN0017TAZZ
FL3413 Filter RFiLN0017TAZZ
FL3414 Filter RFiLN0017TAZZ
L3401 Peaking 10µH VP-1M100J1R6N
CAPACITORS
C3401 100 6.3V Electrolytic VCEAPF0JW107M
C3402 0.01 50V Ceramic VCKYCY1HF103Z
C3403 0.1 25V Ceramic VCKYCY1EF104Z
C3404 47 16V Electrolytic VCEAPF1CW476M
C3405 0.01 50V Ceramic VCKYCY1HB103K
C3406 10 16V Electrolytic VCEAPF1CW106M
C3407 0.01 50V Ceramic VCKYCY1HB103K
C3408 10 16V Electrolytic VCEAPF1CW106M
C3409 0.01 50V Ceramic VCKYCY1HB103K
C3410 10 16V Electrolytic VCEAPF1CW106M
C3411 10 16V Electrolytic VCEAPF1CN106M
C3412 10 16V Electrolytic VCEAPF1CN106M
C3414 10p 50V Ceramic VCCCCY1HH100D
C3415 10 16V Electrolytic VCEAPF1CN106M
C3416 0.1 25V Ceramic VCKYCY1EF104Z
C3417 10p 50V Ceramic VCCCCY1HH100D
C3418 10 16V Electrolytic VCEAPF1CW106M
C3420 0.01 50V Ceramic VCKYCY1HB103K
C3421 0.01 50V Ceramic VCKYCY1HB103K
C3422 0.01 50V Ceramic VCKYCY1HB103K
B

Mark No. Description Part No. Mark No. Description Part No.
81
PDP-R03E
C3423 0.1 25V Ceramic VCKYCY1EF104Z
C3426 10 25V Electrolytic VCEAPW1EN106M
C3427 10 25V Electrolytic VCEAPW1EN106M
C3428 100p 50V Ceramic VCCCCY1HH101J
C3429 100p 50V Ceramic VCCCCY1HH101J
C3430 56p 50V Ceramic VCCCCY1HH560J
C3431 56p 50V Ceramic VCCCCY1HH560J
C3432 100p 50V Ceramic VCCCCY1HH101J
C3433 1000p 50V Ceramic VCKYCY1HB102K
C3434 1000p 50V Ceramic VCKYCY1HB102K
C3435 100p 50V Ceramic VCCCCY1HH101J
RESISTORS
R3401 560 1/8W Metal Oxide VRS-TQ2BD561J
R3402 100 1/16W Metal Oxide VRS-CY1JF101J
R3403 5.6k 1/16W Metal Oxide VRS-CY1JF562J
R3404 10k 1/16W Metal Oxide VRS-CY1JF103J
R3405 560 1/8W Metal Oxide VRS-TQ2BD561J
R3406 100 1/16W Metal Oxide VRS-CY1JF101J
R3407 5.6k 1/16W Metal Oxide VRS-CY1JF562J
R3408 10k 1/16W Metal Oxide VRS-CY1JF103J
R3409 560 1/8W Metal Oxide VRS-TQ2BD561J
R3410 100 1/16W Metal Oxide VRS-CY1JF101J
R3411 5.6k 1/16W Metal Oxide VRS-CY1JF562J
R3412 10k 1/16W Metal Oxide VRS-CY1JF103J
R3413 100 1/16W Metal Oxide VRS-CY1JF101J
R3414 100 1/16W Metal Oxide VRS-CY1JF101J
R3415 2.2k 1/16W Metal Oxide VRS-CY1JF222J
R3416 100 1/16W Metal Oxide VRS-CY1JF101J
R3417 47k 1/16W Metal Oxide VRS-CY1JF473J
R3418 47k 1/16W Metal Oxide VRS-CY1JF473J
R3422 75 1/4W Metal Oxide VRS-TW2ED750J
R3423 75 1/4W Metal Oxide VRS-TW2ED750J
R3424 75 1/4W Metal Oxide VRS-TW2ED750J
R3425 100 1/16W Metal Oxide VRS-CY1JF101J
R3427 0 1/16W Metal Oxide VRS-CY1JF000J
R3428 1.0k 1/16W Metal Oxide VRS-CY1JF102J
R3429 1.0k 1/16W Metal Oxide VRS-CY1JF102J
R3430 100k 1/16W Metal Oxide VRS-CY1JF104J
R3431 100k 1/16W Metal Oxide VRS-CY1JF104J
R3432 75 1/8W Metal Oxide VRS-TQ2BD750J
R3433 100 1/16W Metal Oxide VRS-CY1JF101J
R3434 75 1/4W Metal Oxide VRS-TW2ED750J
R3435 10k 1/16W Metal Oxide VRS-CY1JF103J
R3436 270k 1/16W Metal Oxide VRS-CY1JF274F
R3437 75 1/8W Metal Oxide VRS-TQ2BD750J
R3439 47 1/16W Metal Oxide VRS-CY1JF470J
R3440 47 1/16W Metal Oxide VRS-CY1JF470J
R3441 47 1/16W Metal Oxide VRS-CY1JF470J
R3442 100k 1/16W Metal Oxide VRS-CY1JF104J
R3443 100k 1/16W Metal Oxide VRS-CY1JF104J
R3444 100 1/16W Metal Oxide VRS-CY1JF101J
R3445 4.7 1/4W Metal Oxide VRS-TW2ED4R7J
R3446 1.0k 1/16W Metal Oxide VRS-CY1JF102J
R3447 1.0k 1/16W Metal Oxide VRS-CY1JF102J
R3448 4.7 1/4W Metal Oxide VRS-TW2ED4R7J
R3449 100 1/16W Metal Oxide VRS-CY1JF101J
R3450 100 1/16W Metal Oxide VRS-CY1JF101J
R3451 100 1/16W Metal Oxide VRS-CY1JF101J
R3453 2.2k 1/16W Metal Oxide VRS-CY1JF222J
R3454 2.2k 1/16W Metal Oxide VRS-CY1JF222J
SWITCHE
SW3401 CLEAR Button QSW-K0069CEZZ
MISCELLANEOUS PARTS
FB3401 Ferrite Bead RBLN-0076TAZZ
FB3402 Ferrite Bead RBLN-0060TAZZ
FB3403 Ferrite Bead RBLN-0060TAZZ
FB3404 Ferrite Bead RBLN-0060TAZZ
FB3405 Ferrite Bead RBLN-0062TAZZ
FB3406 Ferrite Bead RBLN-0062TAZZ
FB3407 Ferrite Bead RBLN-0062TAZZ
FB3408 Ferrite Bead RBLN-0062TAZZ
FB3409 Ferrite Bead RBLN-0062TAZZ
FB3410 Ferrite Bead RBLN-0062TAZZ
FB3411 Ferrite Bead RBLN-0062TAZZ
J3401 Jack, INPUT 4 QJAKZ0102PEZZ
(S-VIDEO/VIDEO/AUDIO)
J3403 Jack, PC INPUT (AUDIO) QJAKJ0047CEZZ
P3401 Plug, 12-pin QPLGN1278GEZZ
P3402 Plug, 18-pin QPLGN0428FJZZ
SC3401 Socket, PC INPUT QSOCN1594CEZZ
(ANALOG RGB)
AV UNIT
TUNER
TU1101 Tuner VTUVT4T5FD203
INTEGRATED CIRCUITS
IC1102 M62320FP VHiM62320FP-1
IC1103 BA05FP VHiBA05FP++-1
IC1104 MM1506XNRE VHiMM1506XN-1
IC1105 MM1506XNRE VHiMM1506XN-1
IC1301 CXA2069Q VHiCXA2069Q-1
IC1401 MM1519XQ VHiMM1519XQ-1
IC1601 I.C. VHiSDA5550M-1
IC1602 I.C. RH-iXA134WJN1
IC1603 I.C. VHi62S8308X-1
IC1604 MM1501XNRE VHiMM1501XN-1
IC1605 TC7WH157FK VHi7WH157FK-1
IC1606 BA033FP-E2 VHiBA033FP/-1
IC1607 IC-PST9121NR VHiPST9121N-1
IC1608 SN74LVC157APWR VHiLVC157T+-1
IC1609 SN74LVC04APWR VHiLVC04AT+-1
IC1611 IC-PST9128NR VHiPST9128N-1
IC1612 I.C. VHiTC7SZ08U-1
IC1613 BA25BC0FP VHiBA025FP+-1
IC1614 TC74VHC08FT VHiTCVHC08T-1
IC1615 TC74LVX86FT VHi74LVX86T-1
IC1616 I.C. VHiNC7SZ58P-1
IC2501 MSP3410G-QA-B5 RH-iX3371CEZZ
IC2503 PST529DMT VHiPST529DM-1
IC2504 NJM4560M VHiNJM4560M-1
TRANSISTORS
Q1101 DTC314TK VSDTC314TK/-1
Q1102 DTC314TK VSDTC314TK/-1
Q1103 2SC3928AR VS2SC3928AR-1
Q1104 DTC314TK VSDTC314TK/-1
Q1105 2SC3928AR VS2SC3928AR-1
C

Mark No. Description Part No. Mark No. Description Part No.
82
PDP-R03E
Q1106 2SC3928AR VS2SC3928AR-1
Q1107 DTC314TK VSDTC314TK/-1
Q1108 2SC3928AR VS2SC3928AR-1
Q1109 DTC314TK VSDTC314TK/-1
Q1110 2SC3928AR VS2SC3928AR-1
Q1111 2SC3928AR VS2SC3928AR-1
Q1112 DTC314TK VSDTC314TK/-1
Q1113 2SC3928AR VS2SC3928AR-1
Q1114 2SC3928AR VS2SC3928AR-1
Q1115 2SC3928AR VS2SC3928AR-1
Q1116 DTC314TK VSDTC314TK/-1
Q1117 DTC314TK VSDTC314TK/-1
Q1119 2SC3928AR VS2SC3928AR-1
Q1120 2SC3928AR VS2SC3928AR-1
Q1121 2SC3928AR VS2SC3928AR-1
Q1122 2SC3928AR VS2SC3928AR-1
Q1123 2SA1530AR VS2SA1530AR-1
Q1124 2SC3928AR VS2SC3928AR-1
Q1125 2SC3928AR VS2SC3928AR-1
Q1126 2SC3928AR VS2SC3928AR-1
Q1127 DTC144EE VSDTC144EE/-1
Q1128 DTA144EE VSDTA144EE/-1
Q1129 DTC144EE VSDTC144EE/-1
Q1130 DTA144EE VSDTA144EE/-1
Q1131 2SA1530AR VS2SA1530AR-1
Q1132 2SC3928AR VS2SC3928AR-1
Q1134 2SC3928AR VS2SC3928AR-1
Q1135 2SA1530AR VS2SA1530AR-1
Q1401 2SC3928AR VS2SC3928AR-1
Q1402 2SC3928AR VS2SC3928AR-1
Q1403 2SA1530AR VS2SA1530AR-1
Q1404 2SC3928AR VS2SC3928AR-1
Q1405 2SA1530AR VS2SA1530AR-1
Q1406 2SA1530AR VS2SA1530AR-1
Q1407 2SA1530AR VS2SA1530AR-1
Q1601 2SC3928AR VS2SC3928AR-1
Q1602 2SC3928AR VS2SC3928AR-1
Q1604 2SC3928AR VS2SC3928AR-1
Q1605 2SA1530AR VS2SA1530AR-1
Q1606 2SC3928AR VS2SC3928AR-1
Q1607 2SA1530AR VS2SA1530AR-1
Q1608 DTC144TE VSDTC144TE/-1
Q1609 2SA1530AR VS2SA1530AR-1
Q1610 2SA1530AR VS2SA1530AR-1
Q1611 2SA1530AR VS2SA1530AR-1
Q1612 2SA1530AR VS2SA1530AR-1
Q2502 2SA1530AR VS2SA1530AR-1
Q2503 2SA1530AR VS2SA1530AR-1
Q2504 2SA1530AR VS2SA1530AR-1
Q2505 2SA1530AR VS2SA1530AR-1
Q2506 2SA1530AR VS2SA1530AR-1
Q2507 DTA144EE VSDTA144EE/-1
Q2508 DTC144EE VSDTC144EE/-1
Q2509 2SC3928AR VS2SC3928AR-1
Q2510 2SC3928AR VS2SC3928AR-1
DIODES
D1102 Zener Diode RH-EX1264CEZZ
D1105 Zener Diode RH-EX1264CEZZ
D1114 Zener Diode RH-EX1264CEZZ
D1119 Zener Diode RH-EX1264CEZZ
D1122 Zener Diode RH-EX1264CEZZ
D1128 Zener Diode RH-EX0674GEZZ
D1130 Zener Diode RH-EX0882CEZZ
D1131 Zener Diode RH-EX0882CEZZ
D1132 Zener Diode RH-EX0882CEZZ
D1133 Zener Diode RH-EX0882CEZZ
D1134 Diode VHDHSU119//-1
D1135 Diode VHDHSU119//-1
D1136 Diode VHDHSU119//-1
D1302 Zener Diode RH-EX1264CEZZ
D1303 Zener Diode RH-EX1264CEZZ
D1305 Zener Diode RH-EX1264CEZZ
D1306 Zener Diode RH-EX1264CEZZ
D1308 Zener Diode RH-EX1264CEZZ
D1309 Zener Diode RH-EX1264CEZZ
D1310 Zener Diode RH-EX1264CEZZ
D1311 Zener Diode RH-EX1264CEZZ
D1312 Zener Diode RH-EX1264CEZZ
D1313 Zener Diode RH-EX1264CEZZ
D1401 Zener Diode RH-EX1264CEZZ
D1402 Zener Diode RH-EX1264CEZZ
D1403 Zener Diode RH-EX1264CEZZ
D1406 Diode VHDMA157A//-1
D1407 Diode VHDMA157A//-1
D1411 Zener Diode RH-EX1264CEZZ
D1412 Zener Diode RH-EX1264CEZZ
D1413 Zener Diode RH-EX1264CEZZ
D1602 Diode VHDHSU119//-1
D2502 Diode VHDDAN222//-1
D2503 Diode VHD1SS250//1E
D2504 Diode VHD1SS250//1E
D2505 Diode VHDMA157A//-1
D2506 Diode VHDHSU119//-1
D2507 Diode VHDHSU119//-1
PACKAGED CIRCUITS
X1601 Crystal RCRSCA002WJZZ
X2501 Crystal RCRSB0250GEZZ
FILTERS AND COILS
FL1105 Filter RFiLN0017TAZZ
FL1106 Filter RFiLN0017TAZZ
FL1107 Filter RFiLN0017TAZZ
FL1108 Filter RFiLN0017TAZZ
FL1109 Filter RFiLN0017TAZZ
FL1112 Filter RFiLN0017TAZZ
FL1113 Filter RFiLN0017TAZZ
FL1114 Filter RFiLN0017TAZZ
FL1118 Filter RFiLN0017TAZZ
FL1119 Filter RFiLN0017TAZZ
FL1120 Filter RFiLN0017TAZZ
FL1121 Filter RFiLN0017TAZZ
FL1122 Filter RFiLN0017TAZZ
FL1125 Filter RFiLN0017TAZZ
FL1126 Filter RFiLN0017TAZZ
FL1127 Filter RFiLN0017TAZZ
FL1128 Filter RFiLN0017TAZZ
FL1133 Filter RFiLN0017TAZZ
FL1134 Filter RFiLN0017TAZZ
L1101 Peaking 4.7µH VP-1M4R7J1R2N
L1102 Peaking 2.7µH VP-1M2R7JR85N
L1103 Peaking 4.7µH VP-1M4R7J1R2N
L1104 Peaking 3.3µH VP-1M3R3JR93N
L1105 Peaking 5.6µH VP-1M5R6J1R2N
L1106 Peaking 3.3µH VP-1M3R3JR93N

Mark No. Description Part No. Mark No. Description Part No.
83
PDP-R03E
L1107 Peaking 4.7µH VP-1M4R7J1R2N
L1108 Peaking 2.7µH VP-1M2R7JR85N
L1109 Peaking 4.7µH VP-1M4R7J1R2N
L1110 Peaking 4.7µH VP-1M4R7J1R2N
L1111 Peaking 10µH VP-1M100J1R6N
L1401 Peaking 10µH VP-1M100J1R6N
L1601 Peaking 27µH VP-1M270J3R8N
L2501 Peaking 100µH VP-1M101J7R7N
L2502 Peaking 4.7µH VP-1M4R7J1R2N
L2503 Peaking 100µH VP-1M101J7R7N
CONTROL
R1142 1k (B) Video level adj. RVR-M7997TAZZ
CAPACITORS
C1101 100p 50V Ceramic VCCCCY1HH101J
C1102 1.0 16V Ceramic VCKYTV1CB105K
C1103 10p 50V Ceramic VCCCCY1HH100D
C1104 220p 50V Ceramic VCCCCY1HH221J
C1105 1.0 16V Ceramic VCKYTV1CB105K
C1106 1000p 50V Ceramic VCKYCY1HB102K
C1107 1000p 50V Ceramic VCKYCY1HB102K
C1108 56p 50V Ceramic VCCCCY1HH560J
C1109 56p 50V Ceramic VCCCCY1HH560J
C1110 1.0 16V Ceramic VCKYTV1CB105K
C1111 10p 50V Ceramic VCCCCY1HH100D
C1112 1.0 16V Ceramic VCKYTV1CB105K
C1113 1.0 16V Ceramic VCKYTV1CB105K
C1114 1.0 16V Ceramic VCKYTV1CB105K
C1115 330p 50V Ceramic VCKYCY1HB331K
C1116 330p 50V Ceramic VCKYCY1HB331K
C1117 470p 50V Ceramic VCKYCY1HB471K
C1118 470p 50V Ceramic VCKYCY1HB471K
C1119 1.0 16V Ceramic VCKYTV1CB105K
C1120 1.0 16V Ceramic VCKYTV1CB105K
C1121 1.0 16V Ceramic VCKYTV1CB105K
C1122 1.0 16V Ceramic VCKYTV1CB105K
C1123 100p 50V Ceramic VCCCCY1HH101J
C1124 1.0 16V Ceramic VCKYTV1CB105K
C1125 10p 50V Ceramic VCCCCY1HH100D
C1126 220p 50V Ceramic VCKYCY1HB221K
C1127 1.0 16V Ceramic VCKYTV1CB105K
C1128 1000p 50V Ceramic VCKYCY1HB102K
C1129 1000p 50V Ceramic VCKYCY1HB102K
C1130 56p 50V Ceramic VCCCCY1HH560J
C1131 56p 50V Ceramic VCCCCY1HH560J
C1132 1.0 16V Ceramic VCKYTV1CB105K
C1133 47 16V Electrolytic VCEAPF1CW476M
C1134 0.1 25V Ceramic VCKYCY1EF104Z
C1135 10p 50V Ceramic VCCCCY1HH100D
C1136 0.1 25V Ceramic VCKYCY1EF104Z
C1137 330p 50V Ceramic VCKYCY1HB331K
C1138 330p 50V Ceramic VCKYCY1HB331K
C1139 470p 50V Ceramic VCKYCY1HB471K
C1140 470p 50V Ceramic VCKYCY1HB471K
C1141 1.0 16V Ceramic VCKYTV1CB105K
C1142 1.0 16V Ceramic VCKYTV1CB105K
C1143 1.0 16V Ceramic VCKYTV1CB105K
C1144 1.0 16V Ceramic VCKYTV1CB105K
C1145 100p 50V Ceramic VCCCCY1HH101J
C1146 1.0 16V Ceramic VCKYTV1CB105K
C1147 10p 50V Ceramic VCCCCY1HH100D
C1148 220p 50V Ceramic VCKYCY1HB221K
C1149 1.0 16V Ceramic VCKYTV1CB105K
C1150 1000p 50V Ceramic VCKYCY1HB102K
C1151 1000p 50V Ceramic VCKYCY1HB102K
C1152 56p 50V Ceramic VCCCCY1HH560J
C1153 56p 50V Ceramic VCCCCY1HH560J
C1154 1.0 16V Ceramic VCKYTV1CB105K
C1155 10p 50V Ceramic VCCCCY1HH100D
C1156 1.0 16V Ceramic VCKYTV1CB105K
C1157 1.0 16V Ceramic VCKYTV1CB105K
C1158 1.0 16V Ceramic VCKYTV1CB105K
C1159 330p 50V Ceramic VCKYCY1HB331K
C1160 330p 50V Ceramic VCKYCY1HB331K
C1161 470p 50V Ceramic VCKYCY1HB471K
C1162 470p 50V Ceramic VCKYCY1HB471K
C1163 1.0 16V Ceramic VCKYTV1CB105K
C1164 1.0 16V Ceramic VCKYTV1CB105K
C1165 1.0 16V Ceramic VCKYTV1CB105K
C1166 1.0 16V Ceramic VCKYTV1CB105K
C1167 10 16V Electrolytic VCEAPF1CN106M
C1168 470 16V Electrolytic VCEAPW1CN477M
C1169 10 16V Electrolytic VCEAPF1CN106M
C1170 1.0 16V Ceramic VCKYTV1CB105K
C1171 1.0 16V Ceramic VCKYTV1CB105K
C1172 10 16V Electrolytic VCEAPF1CN106M
C1173 1.0 16V Ceramic VCKYTV1CB105K
C1174 1.0 16V Ceramic VCKYTV1CB105K
C1175 0.01 50V Ceramic VCKYCY1HB103K
C1176 470 16V Electrolytic VCEAPW1CN477M
C1177 470 16V Electrolytic VCEAPW1CN477M
C1178 0.1 25V Ceramic VCKYCY1EF104Z
C1179 47 16V Electrolytic VCEAPF1CW476M
C1180 0.1 25V Ceramic VCKYCY1EF104Z
C1181 47 16V Electrolytic VCEAPF1CW476M
C1182 0.01 50V Ceramic VCKYCY1HB103K
C1183 56p 50V Ceramic VCCCCY1HH560J
C1184 56p 50V Ceramic VCCCCY1HH560J
C1185 270p 50V Ceramic VCCCCY1HH271J
C1187 120p 50V Ceramic VCCCCY1HH121J
C1188 82p 50V Ceramic VCCCCY1HH820J
C1189 18p 50V Ceramic VCCCCY1HH180J
C1190 150p 50V Ceramic VCCCCY1HH151J
C1191 120p 50V Ceramic VCCCCY1HH121J
C1192 0.01 50V Ceramic VCKYCY1HB103K
C1193 47 16V Electrolytic VCEAPF1CW476M
C1194 0.1 25V Ceramic VCKYCY1EF104Z
C1195 0.1 25V Ceramic VCKYCY1EF104Z
C1196 100 6.3V Electrolytic VCEAPF0JW107M
C1197 100p 50V Ceramic VCCCCY1HH101J
C1198 100p 50V Ceramic VCCCCY1HH101J
C1199 470 6.3V Electrolytic VCEAPW0JN477M
C1200 0.1 25V Ceramic VCKYCY1EF104Z
C1201 0.01 50V Ceramic VCKYCY1HF103Z
C1202 1000p 50V Ceramic VCKYCY1HB102K
C1203 0.1 25V Ceramic VCKYCY1EF104Z
C1204 10 16V Electrolytic VCEAPF1CW106M
C1205 0.1 25V Ceramic VCKYCY1EF104Z
C1206 0.01 50V Ceramic VCKYCY1HB103K

Mark No. Description Part No. Mark No. Description Part No.
84
PDP-R03E
C1207 470 16V Electrolytic VCEAPW1CN477M
C1208 470 16V Electrolytic VCEAPW1CN477M
C1209 1.0 50V Electrolytic VCEAPF1HW105M
C1210 33p 50V Ceramic VCCCCY1HH330J
C1211 33p 50V Ceramic VCCCCY1HH330J
C1212 10 16V Electrolytic VCEAPF1CW106M
C1213 0.1 25V Ceramic VCKYCY1EF104Z
C1215 100p 50V Ceramic VCCCCY1HH101J
C1216 100p 50V Ceramic VCCCCY1HH101J
C1217 0.1 25V Ceramic VCKYCY1EF104Z
C1218 100 16V Electrolytic VCEAPW1CN107M
C1219 100 6.3V Electrolytic VCEAPW0JN107M
C1220 0.1 25V Ceramic VCKYCY1EF104Z
C1222 10 16V Electrolytic VCEAPF1CW106M
C1224 10 16V Electrolytic VCEAPF1CW106M
C1225 270p 50V Ceramic VCCCCY1HH271J
C1226 10 16V Electrolytic VCEAPF1CW106M
C1227 1000p 50V Ceramic VCKYCY1HB102K
C1228 120p 50V Ceramic VCCCCY1HH121J
C1229 220p 50V Ceramic VCCCCY1HH221J
C1231 0.1 25V Ceramic VCKYCY1EF104Z
C1232 0.1 25V Ceramic VCKYCY1EF104Z
C1233 10 16V Electrolytic(N.P) VCE9PF1CW106M
C1234 1000p 50V Ceramic VCKYCY1HB102K
C1235 10 16V Electrolytic(N.P) VCE9PF1CW106M
C1301 470p 50V Ceramic VCKYCY1HB471K
C1302 470p 50V Ceramic VCKYCY1HB471K
C1303 470p 50V Ceramic VCKYCY1HB471K
C1304 470p 50V Ceramic VCKYCY1HB471K
C1305 470p 50V Ceramic VCKYCY1HB471K
C1306 470p 50V Ceramic VCKYCY1HB471K
C1307 470p 50V Ceramic VCKYCY1HB471K
C1308 470p 50V Ceramic VCKYCY1HB471K
C1309 0.1 25V Ceramic VCKYCY1EF104Z
C1310 0.1 25V Ceramic VCKYCY1EF104Z
C1311 22 16V Electrolytic VCEAPF1CW226M
C1312 10 10V Electrolytic(N.P) VCE9PF1AW106M
C1316 1.0 16V Ceramic VCKYTV1CB105K
C1317 10 16V Electrolytic VCEAPF1CW106M
C1318 0.01 50V Ceramic VCKYCY1HB103K
C1320 1000p 50V Ceramic VCKYCY1HB102K
C1321 1000p 50V Ceramic VCKYCY1HB102K
C1322 0.01 50V Ceramic VCKYCY1HB103K
C1323 1.0 16V Ceramic VCKYTV1CB105K
C1401 0.1 16V Ceramic VCKYCY1CB104K
C1402 0.1 16V Ceramic VCKYCY1CB104K
C1403 0.1 16V Ceramic VCKYCY1CB104K
C1404 0.1 16V Ceramic VCKYCY1CB104K
C1405 0.1 25V Ceramic VCKYCY1EF104Z
C1406 0.1 25V Ceramic VCKYCY1EF104Z
C1407 0.1 25V Ceramic VCKYCY1EF104Z
C1408 0.1 25V Ceramic VCKYCY1EF104Z
C1409 100 16V Electrolytic VCEAPF1CW107M
C1410 0.1 16V Ceramic VCKYCY1CB104K
C1411 0.1 16V Ceramic VCKYCY1CB104K
C1412 1.0 16V Ceramic VCKYTV1CB105K
C1413 1.0 16V Ceramic VCKYTV1CB105K
C1414 1.0 16V Ceramic VCKYTV1CB105K
C1415 0.1 25V Ceramic VCKYCY1EF104Z
C1417 0.1 25V Ceramic VCKYCY1EF104Z
C1418 1.0 16V Ceramic VCKYTV1CB105K
C1419 0.1 25V Ceramic VCKYCY1EF104Z
C1422 100 16V Electrolytic VCEAPE1CW107M
C1601 100 6.3V Electrolytic VCEAPF0JW107M
C1602 0.1 25V Ceramic VCKYCY1EF104Z
C1603 0.01 50V Ceramic VCKYCY1HB103K
C1604 0.01 50V Ceramic VCKYCY1HB103K
C1605 22 6.3V Electrolytic(N.P) VCE9PF0JW226M
C1606 100 16V Electrolytic VCEAPF1CW107M
C1607 0.01 50V Ceramic VCKYCY1HF103Z
C1608 1.0 10V Ceramic VCKYCY1AF105Z
C1609 0.33 16V Ceramic VCKYCY1CF334Z
C1610 0.1 25V Ceramic VCKYCY1EF104Z
C1611 47 6.3V Electrolytic VCEAPF0JW476M
C1612 47 6.3V Electrolytic VCEAPF0JW476M
C1613 22 16V Electrolytic VCEAPF1CW226M
C1614 100 6.3V Electrolytic VCEAPF0JW107M
C1616 180p 50V Ceramic VCCCCY1HH181J
C1617 47 6.3V Electrolytic VCEAPF0JW476M
C1618 47 6.3V Electrolytic VCEAPF0JW476M
C1619 0.1 25V Ceramic VCKYCY1EF104Z
C1621 0.1 25V Ceramic VCKYCY1EF104Z
C1622 0.1 25V Ceramic VCKYCY1EF104Z
C1623 22 6.3V Electrolytic(N.P) VCE9PF0JW226M
C1624 0.1 25V Ceramic VCKYCY1EF104Z
C1625 0.1 25V Ceramic VCKYCY1EF104Z
C1626 0.1 25V Ceramic VCKYCY1EF104Z
C1627 1.0 16V Ceramic VCKYTV1CB105K
C1628 0.1 25V Ceramic VCKYCY1EF104Z
C1629 0.1 25V Ceramic VCKYCY1EF104Z
C1630 0.1 25V Ceramic VCKYCY1EF104Z
C1631 0.1 25V Ceramic VCKYCY1EF104Z
C1632 0.1 25V Ceramic VCKYCY1EF104Z
C1633 33p 50V Ceramic VCCCCY1HH330J
C1634 33p 50V Ceramic VCCCCY1HH330J
C1635 0.1 25V Ceramic VCKYCY1EF104Z
C1636 0.1 25V Ceramic VCKYCY1EF104Z
C1637 0.1 25V Ceramic VCKYCY1EF104Z
C1638 0.1 25V Ceramic VCKYCY1EF104Z
C1639 0.1 25V Ceramic VCKYCY1EF104Z
C1640 0.1 25V Ceramic VCKYCY1EF104Z
C1641 220 6.3V Electrolytic VCEAPF0JW227M
C1642 0.1 25V Ceramic VCKYCY1EF104Z
C1644 0.1 25V Ceramic VCKYCY1EF104Z
C1645 0.1 25V Ceramic VCKYCY1EF104Z
C1646 0.1 25V Ceramic VCKYCY1EF104Z
C1647 0.33 16V Ceramic VCKYCY1CF334Z
C1648 0.1 25V Ceramic VCKYCY1EF104Z
C1649 0.1 25V Ceramic VCKYCY1EF104Z
C1650 0.1 25V Ceramic VCKYCY1EF104Z
C1653 220 6.3V Electrolytic VCEAPF0JW227M
C1654 220 6.3V Electrolytic VCEAPF0JW227M
C2501 0.1 25V Ceramic VCKYCY1EF104Z
C2502 100 6.3V Electrolytic VCEAPF0JW107M
C2503 0.1 25V Ceramic VCKYCY1EF104Z
C2504 100 16V Electrolytic VCEAPF1CW107M
C2508 1500p 50V Ceramic VCKYCY1HB152K
C2509 560p 50V Ceramic VCKYCY1HB561K
C2510 2.2 50V Electrolytic VCEAPF1HW225M
C2511 2.2 50V Electrolytic VCEAPF1HW225M

Mark No. Description Part No. Mark No. Description Part No.
85
PDP-R03E
C2512 3300p 50V Ceramic VCKYCY1HB332K
C2513 3300p 50V Ceramic VCKYCY1HB332K
C2514 3300p 50V Ceramic VCKYCY1HB332K
C2515 3300p 50V Ceramic VCKYCY1HB332K
C2516 10 16V Electrolytic VCEAPF1CW106M
C2517 10 16V Electrolytic VCEAPF1CW106M
C2518 0.1 25V Ceramic VCKYCY1EF104Z
C2519 100 16V Electrolytic VCEAPF1CW107M
C2520 100 16V Electrolytic VCEAPF1CW107M
C2521 3.3 50V Electrolytic VCEAPF1HW335M
C2522 0.1 25V Ceramic VCKYCY1EF104Z
C2523 1.0 16V Ceramic VCKYTV1CB105K
C2524 1.0 16V Ceramic VCKYTV1CB105K
C2525 1.0 16V Ceramic VCKYTV1CB105K
C2526 1.0 16V Ceramic VCKYTV1CB105K
C2527 0.1 25V Ceramic VCKYCY1EF104Z
C2528 10 16V Electrolytic VCEAPF1CW106M
C2529 1.0 16V Ceramic VCKYTV1CB105K
C2530 100 6.3V Electrolytic VCEAPF0JW107M
C2531 56p 50V Ceramic VCCCCY1HH560J
C2532 56p 50V Ceramic VCCCCY1HH560J
C2533 56p 50V Ceramic VCCCCY1HH560J
C2534 5.0p 50V Ceramic VCCCCY1HH5R0C
C2535 5.0p 50V Ceramic VCCCCY1HH5R0C
C2536 470 6.3V Electrolytic VCEAPW0JN477M
C2537 1 50V Ceramic RC-KZ1025CEZZ
C2538 1.0 16V Ceramic VCKYTV1CB105K
C2539 1.0 16V Ceramic VCKYTV1CB105K
C2540 0.01 50V Ceramic VCKYCY1HB103K
C2541 10 16V Electrolytic VCEAPF1CN106M
C2542 560p 50V Ceramic VCKYCY1HB561K
C2543 1500p 50V Ceramic VCKYCY1HB152K
RESISTORS
R1103 1.0k 1/16W Metal Oxide VRS-CY1JF102J
R1104 75 1/4W Metal Oxide VRS-TW2ED750J
R1105 4.7 1/4W Metal Oxide VRS-TW2ED4R7J
R1106 75 1/4W Metal Oxide VRS-TW2ED750J
R1108 1.0k 1/16W Metal Oxide VRS-CA1JF102J
R1109 100k 1/16W Metal Oxide VRS-CY1JF104J
R1110 100k 1/16W Metal Oxide VRS-CY1JF104J
R1111 1.0k 1/16W Metal Oxide VRS-CA1JF102J
R1114 68 1/2W Metal Oxide VRS-TX2HF680J
R1115 1.0k 1/16W Metal Oxide VRS-CY1JF102J
R1116 100 1/16W Metal Oxide VRS-CY1JF101J
R1117 100 1/16W Metal Oxide VRS-CY1JF101J
R1118 100 1/16W Metal Oxide VRS-CY1JF101J
R1122 75 1/4W Metal Oxide VRS-TW2ED750J
R1123 75 1/4W Metal Oxide VRS-TW2ED750J
R1124 75 1/4W Metal Oxide VRS-TW2ED750J
R1125 220 1/16W Metal Oxide VRS-TV1JD221J
R1126 220 1/16W Metal Oxide VRS-TV1JD221J
R1127 100k 1/16W Metal Oxide VRS-CY1JF104J
R1128 100k 1/16W Metal Oxide VRS-CY1JF104J
R1129 100 1/16W Metal Oxide VRS-CY1JF101J
R1130 100 1/16W Metal Oxide VRS-CY1JF101J
R1131 560k 1/16W Metal Oxide VRS-CY1JF564J
R1132 1.0k 1/16W Metal Oxide VRS-CY1JF102J
R1133 5.6k 1/16W Metal Oxide VRS-CY1JF562J
R1134 100 1/16W Metal Oxide VRS-CY1JF101J
R1135 4.7 1/4W Metal Oxide VRS-TW2ED4R7J
R1136 75 1/4W Metal Oxide VRS-TW2ED750J
R1138 1.0k 1/16W Metal Oxide VRS-CA1JF102J
R1139 100k 1/16W Metal Oxide VRS-CY1JF104J
R1140 100k 1/16W Metal Oxide VRS-CY1JF104J
R1141 1.0k 1/16W Metal Oxide VRS-CA1JF102J
R1143 560 1/16W Metal Oxide VRS-CY1JF561J
R1144 560k 1/16W Metal Oxide VRS-CY1JF564J
R1145 1.0k 1/16W Metal Oxide VRS-CY1JF102J
R1146 1.0k 1/16W Metal Oxide VRS-CY1JF102J
R1147 220 1/4W Metal Oxide VRS-TW2ED221J
R1148 68 1/2W Metal Oxide VRS-TX2HF680J
R1149 1.0k 1/16W Metal Oxide VRS-CY1JF102J
R1150 100 1/16W Metal Oxide VRS-CY1JF101J
R1152 75 1/4W Metal Oxide VRS-TW2ED750J
R1153 75 1/4W Metal Oxide VRS-TW2ED750J
R1154 75 1/4W Metal Oxide VRS-TW2ED750J
R1155 220 1/16W Metal Oxide VRS-TV1JD221J
R1156 220 1/16W Metal Oxide VRS-TV1JD221J
R1157 100k 1/16W Metal Oxide VRS-CY1JF104J
R1158 100k 1/16W Metal Oxide VRS-CY1JF104J
R1159 100 1/16W Metal Oxide VRS-CY1JF101J
R1160 100 1/16W Metal Oxide VRS-CY1JF101J
R1161 560k 1/16W Metal Oxide VRS-CY1JF564J
R1162 1.0k 1/16W Metal Oxide VRS-CY1JF102J
R1163 100 1/16W Metal Oxide VRS-CY1JF101J
R1164 1.0k 1/16W Metal Oxide VRS-CY1JF102J
R1165 100 1/16W Metal Oxide VRS-CY1JF101J
R1166 1.0k 1/16W Metal Oxide VRS-CY1JF102J
R1167 1.0k 1/16W Metal Oxide VRS-CY1JF102J
R1168 560k 1/16W Metal Oxide VRS-CY1JF564J
R1171 4.7 1/4W Metal Oxide VRS-TW2ED4R7J
R1172 75 1/4W Metal Oxide VRS-TW2ED750J
R1173 1.0k 1/8W Metal Oxide VRS-TQ2BD102J
R1174 75 1/4W Metal Oxide VRS-TW2ED750J
R1176 1.0k 1/16W Metal Oxide VRS-CA1JF102J
R1178 100k 1/16W Metal Oxide VRS-CY1JF104J
R1179 100k 1/16W Metal Oxide VRS-CY1JF104J
R1180 1.0k 1/16W Metal Oxide VRS-CA1JF102J
R1182 1.0k 1/16W Metal Oxide VRS-CY1JF102J
R1183 220 1/4W Metal Oxide VRS-TW2ED221J
R1184 68 1/2W Metal Oxide VRS-TX2HF680J
R1185 1.0k 1/16W Metal Oxide VRS-CY1JF102J
R1186 100 1/16W Metal Oxide VRS-CY1JF101J
R1187 100 1/16W Metal Oxide VRS-CY1JF101J
R1188 100 1/16W Metal Oxide VRS-CY1JF101J
R1189 2.2k 1/16W Metal Oxide VRS-CY1JF222J
R1191 2.2k 1/16W Metal Oxide VRS-CY1JF222J
R1192 75 1/4W Metal Oxide VRS-TW2ED750J
R1193 75 1/4W Metal Oxide VRS-TW2ED750J
R1194 75 1/4W Metal Oxide VRS-TW2ED750J
R1195 220 1/16W Metal Oxide VRS-TV1JD221J
R1196 220 1/16W Metal Oxide VRS-TV1JD221J
R1197 100k 1/16W Metal Oxide VRS-CY1JF104J
R1198 100k 1/16W Metal Oxide VRS-CY1JF104J
R1199 100 1/16W Metal Oxide VRS-CY1JF101J
R1200 100 1/16W Metal Oxide VRS-CY1JF101J
R1201 560k 1/16W Metal Oxide VRS-CY1JF564J
R1202 1.0k 1/16W Metal Oxide VRS-CY1JF102J
R1203 100 1/16W Metal Oxide VRS-CY1JF101J
R1204 1.0k 1/16W Metal Oxide VRS-CY1JF102J
R1205 100 1/16W Metal Oxide VRS-CY1JF101J
R1206 1.0k 1/16W Metal Oxide VRS-CY1JF102J
R1207 1.0k 1/16W Metal Oxide VRS-CY1JF102J

Mark No. Description Part No. Mark No. Description Part No.
86
PDP-R03E
R1208 560k 1/16W Metal Oxide VRS-CY1JF564J
R1209 75 1/8W Metal Oxide VRS-TQ2BD750J
R1210 100 1/16W Metal Oxide VRS-CY1JF101J
R1211 100k 1/16W Metal Oxide VRS-TV1JD104J
R1212 68 1/2W Metal Oxide VRS-TX2HF680J
R1213 75 1/8W Metal Oxide VRS-TQ2BD750J
R1214 560 1/2W Metal Oxide VRS-TX2HF561J
R1215 220 1/4W Metal Oxide VRS-TW2ED221J
R1216 100 1/16W Metal Oxide VRS-CY1JF101J
R1217 270 1/16W Metal Oxide VRS-CY1JF271J
R1218 560 1/16W Metal Oxide VRS-CY1JF561J
R1219 1.0k 1/16W Metal Oxide VRS-CY1JF102J
R1220 75 1/8W Metal Oxide VRS-TQ2BD750J
R1222 270 1/16W Metal Oxide VRS-CY1JF271J
R1223 560k 1/16W Metal Oxide VRS-CY1JF564J
R1224 560k 1/16W Metal Oxide VRS-CY1JF564J
R1225 560 1/16W Metal Oxide VRS-CY1JF561J
R1226 100 1/16W Metal Oxide VRS-CY1JF101J
R1227 1.0k 1/16W Metal Oxide VRS-CY1JF102J
R1228 100 1/16W Metal Oxide VRS-CY1JF101J
R1229 1.0k 1/16W Metal Oxide VRS-CY1JF102J
R1230 1.0k 1/16W Metal Oxide VRS-CY1JF102J
R1231 68 1/2W Metal Oxide VRS-TX2HF680J
R1232 100k 1/16W Metal Oxide VRS-CY1JF104J
R1233 100k 1/16W Metal Oxide VRS-CY1JF104J
R1234 68 1/2W Metal Oxide VRS-TX2HF680J
R1235 220k 1/16W Metal Oxide VRS-CY1JF224J
R1236 220k 1/16W Metal Oxide VRS-CY1JF224J
R1237 1.0k 1/16W Metal Oxide VRS-CY1JF102J
R1238 2.2k 1/16W Metal Oxide VRS-CY1JF222J
R1239 2.2k 1/16W Metal Oxide VRS-CY1JF222J
R1240 1.0k 1/16W Metal Oxide VRS-CY1JF102J
R1241 220 1/16W Metal Oxide VRS-CY1JF221J
R1242 1.5k 1/16W Metal Oxide VRS-CY1JF152J
R1243 680 1/16W Metal Oxide VRS-CY1JF681J
R1244 1.0k 1/16W Metal Oxide VRS-CY1JF102J
R1245 180 1/16W Metal Oxide VRS-CY1JF181J
R1246 560 1/16W Metal Oxide VRS-CY1JF561J
R1247 10k 1/16W Metal Oxide VRS-CY1JF103J
R1248 3.3k 1/16W Metal Oxide VRS-CY1JF332J
R1249 220 1/16W Metal Oxide VRS-CY1JF221J
R1250 1.5k 1/16W Metal Oxide VRS-CY1JF152J
R1251 2.2k 1/16W Metal Oxide VRS-CY1JF222J
R1252 1.0k 1/16W Metal Oxide VRS-CY1JF102J
R1253 2.2k 1/16W Metal Oxide VRS-CY1JF222J
R1254 220 1/16W Metal Oxide VRS-CY1JF221J
R1256 0 1/16W Metal Oxide VRS-CY1JF000J
R1257 100 1/16W Metal Oxide VRS-CY1JF101J
R1258 100 1/16W Metal Oxide VRS-CY1JF101J
R1259 1.0k 1/16W Metal Oxide VRS-CY1JF102J
R1260 1.0k 1/16W Metal Oxide VRS-CY1JF102J
R1261 1.2k 1/16W Metal Oxide VRS-CY1JF122J
R1262 1.0k 1/16W Metal Oxide VRS-CY1JF102J
R1263 1.0k 1/16W Metal Oxide VRS-CY1JF102J
R1264 4.7k 1/16W Metal Oxide VRS-CY1JF472J
R1265 4.7k 1/16W Metal Oxide VRS-CY1JF472J
R1266 470 1/2W Metal Oxide VRS-TX2HF471J
R1267 100 1/16W Metal Oxide VRS-CY1JF101J
R1268 100 1/16W Metal Oxide VRS-CY1JF101J
R1269 100 1/16W Metal Oxide VRS-CY1JF101J
R1270 22k 1/16W Metal Oxide VRS-CY1JF223J
R1272 100 1/16W Metal Oxide VRS-CY1JF101J
R1273 100 1/16W Metal Oxide VRS-CY1JF101J
R1274 100 1/16W Metal Oxide VRS-CY1JF101J
R1275 100 1/16W Metal Oxide VRS-CY1JF101J
R1277 100 1/16W Metal Oxide VRS-CY1JF101J
R1278 22k 1/16W Metal Oxide VRS-CY1JF223J
R1281 220 1/16W Metal Oxide VRS-CY1JF221J
R1282 1.0k 1/16W Metal Oxide VRS-CY1JF102J
R1283 1.0k 1/16W Metal Oxide VRS-CY1JF102J
R1284 560 1/16W Metal Oxide VRS-CY1JF561J
R1285 560 1/16W Metal Oxide VRS-CY1JF561J
R1286 560 1/16W Metal Oxide VRS-CY1JF561J
R1287 560 1/16W Metal Oxide VRS-CY1JF561J
R1288 560 1/16W Metal Oxide VRS-CY1JF561J
R1289 560 1/16W Metal Oxide VRS-CY1JF561J
R1290 6.8k 1/16W Metal Oxide VRS-CY1JF682J
R1291 220 1/16W Metal Oxide VRS-CY1JF221J
R1292 16k 1/16W Metal Oxide VRS-CY1JF163J
R1293 1.5k 1/16W Metal Oxide VRS-CY1JF152J
R1294 560 1/16W Metal Oxide VRS-CY1JF561J
R1295 5.6k 1/16W Metal Oxide VRS-CY1JF562J
R1296 22k 1/16W Metal Oxide VRS-CY1JF223J
R1297 12k 1/16W Metal Oxide VRS-CY1JF123J
R1298 1.0k 1/16W Metal Oxide VRS-CY1JF102J
R1302 6.8k 1/16W Metal Oxide VRS-CY1JF682J
R1303 100 1/16W Metal Oxide VRS-CY1JF101J
R1304 6.8k 1/16W Metal Oxide VRS-CY1JF682J
R1309 6.8k 1/16W Metal Oxide VRS-CY1JF682J
R1310 100 1/16W Metal Oxide VRS-CY1JF101J
R1311 6.8k 1/16W Metal Oxide VRS-CY1JF682J
R1312 100 1/16W Metal Oxide VRS-CY1JF101J
R1314 6.8k 1/16W Metal Oxide VRS-CY1JF682J
R1315 100 1/16W Metal Oxide VRS-CY1JF101J
R1316 6.8k 1/16W Metal Oxide VRS-CY1JF682J
R1317 100 1/16W Metal Oxide VRS-CY1JF101J
R1319 100 1/16W Metal Oxide VRS-CY1JF101J
R1320 6.8k 1/16W Metal Oxide VRS-CY1JF682J
R1321 100 1/16W Metal Oxide VRS-CY1JF101J
R1322 6.8k 1/16W Metal Oxide VRS-CY1JF682J
R1323 100 1/16W Metal Oxide VRS-CY1JF101J
R1324 1.0k 1/16W Metal Oxide VRS-CY1JF102J
R1325 1.0k 1/16W Metal Oxide VRS-CY1JF102J
R1326 6.8k 1/16W Metal Oxide VRS-CY1JF682J
R1327 6.8k 1/16W Metal Oxide VRS-CY1JF682J
R1328 220 1/4W Metal Oxide VRS-TW2ED221J
R1329 220 1/4W Metal Oxide VRS-TW2ED221J
R1330 1.0k 1/16W Metal Oxide VRS-TV1JD102J
R1331 100 1/16W Metal Oxide VRS-CA1JF101J
R1334 100 1/16W Metal Oxide VRS-CY1JF101J
R1335 100 1/16W Metal Oxide VRS-CY1JF101J
R1336 100 1/16W Metal Oxide VRS-CY1JF101J
R1337 0 1/16W Metal Oxide VRS-CY1JF000J
R1338 100 1/16W Metal Oxide VRS-CY1JF101J
R1339 0 1/16W Metal Oxide VRS-CY1JF000J
R1340 100 1/16W Metal Oxide VRS-CY1JF101J
R1341 0 1/16W Metal Oxide VRS-CY1JF000J
R1342 0 1/16W Metal Oxide VRS-CY1JF000J
R1343 100 1/16W Metal Oxide VRS-CY1JF101J
R1344 0 1/16W Metal Oxide VRS-CY1JF000J

Mark No. Description Part No. Mark No. Description Part No.
87
PDP-R03E
R1345 0 1/16W Metal Oxide VRS-CY1JF000J
R1346 1.0k 1/16W Metal Oxide VRS-CY1JF102J
R1347 47k 1/16W Metal Oxide VRS-CY1JF473J
R1348 1.0k 1/16W Metal Oxide VRS-CY1JF102J
R1405 22 1/16W Metal Oxide VRS-CY1JF220J
R1406 22 1/16W Metal Oxide VRS-CY1JF220J
R1407 22 1/16W Metal Oxide VRS-CY1JF220J
R1411 22 1/16W Metal Oxide VRS-CY1JF220J
R1412 22 1/16W Metal Oxide VRS-CY1JF220J
R1413 22 1/16W Metal Oxide VRS-CY1JF220J
R1418 10k 1/16W Metal Oxide VRS-CY1JF103J
R1421 100 1/16W Metal Oxide VRS-CA1JF101J
R1422 10 1/16W Metal Oxide VRS-CY1JF100J
R1423 10 1/16W Metal Oxide VRS-CY1JF100J
R1424 10 1/16W Metal Oxide VRS-CY1JF100J
R1425 10 1/16W Metal Oxide VRS-CY1JF100J
R1429 10 1/16W Metal Oxide VRS-CY1JF100J
R1430 10 1/16W Metal Oxide VRS-CY1JF100J
R1431 10 1/16W Metal Oxide VRS-CY1JF100J
R1432 10 1/16W Metal Oxide VRS-CY1JF100J
R1433 10 1/16W Metal Oxide VRS-CY1JF100J
R1434 22 1/16W Metal Oxide VRS-CY1JF220J
R1435 22 1/16W Metal Oxide VRS-CY1JF220J
R1436 22 1/16W Metal Oxide VRS-CY1JF220J
R1437 22 1/16W Metal Oxide VRS-CY1JF220J
R1438 22 1/16W Metal Oxide VRS-CY1JF220J
R1439 22 1/16W Metal Oxide VRS-CY1JF220J
R1443 100 1/16W Metal Oxide VRS-CY1JF101J
R1444 100 1/16W Metal Oxide VRS-CY1JF101J
R1445 100 1/16W Metal Oxide VRS-CY1JF101J
R1446 100 1/16W Metal Oxide VRS-CY1JF101J
R1455 100 1/16W Metal Oxide VRS-CY1JF101J
R1456 100 1/16W Metal Oxide VRS-CY1JF101J
R1457 1.0k 1/16W Metal Oxide VRS-CY1JF102J
R1458 10 1/16W Metal Oxide VRS-CY1JF100J
R1459 1.0k 1/16W Metal Oxide VRS-CY1JF102J
R1460 10 1/16W Metal Oxide VRS-CY1JF100J
R1461 1.0k 1/16W Metal Oxide VRS-CY1JF102J
R1462 10 1/16W Metal Oxide VRS-CY1JF100J
R1463 33k 1/16W Metal Oxide VRS-CY1JF333J
R1464 33k 1/16W Metal Oxide VRS-CY1JF333J
R1465 33k 1/16W Metal Oxide VRS-CY1JF333J
R1602 2.0k 1/16W Metal Oxide VRS-CY1JF202J
R1603 2.0k 1/16W Metal Oxide VRS-CY1JF202J
R1604 27k 1/16W Metal Oxide VRS-CY1JF273J
R1605 3.3k 1/16W Metal Oxide VRS-CY1JF332J
R1607 10k 1/16W Metal Oxide VRS-CY1JF103J
R1609 680 1/16W Metal Oxide VRS-CY1JF681J
R1611 22k 1/16W Metal Oxide VRS-CY1JF223J
R1613 1.3k 1/16W Metal Oxide VRS-CY1JF132J
R1616 10k 1/16W Metal Oxide VRS-CY1JF103J
R1617 10k 1/16W Metal Oxide VRS-CY1JF103J
R1618 00 1/16W Metal Oxide VRS-CY1JF000J
R1619 1.0k 1/16W Metal Oxide VRS-CY1JF102J
R1620 22k 1/16W Metal Oxide VRS-CY1JF223J
R1621 22k 1/16W Metal Oxide VRS-CY1JF223J
R1622 0 1/16W Metal Oxide VRS-CY1JF000J
R1623 1.0k 1/16W Metal Oxide VRS-CY1JF102F
R1624 1.5k 1/16W Metal Oxide VRS-CY1JF152F
R1625 68k 1/16W Metal Oxide VRS-CY1JF683F
R1626 1.0k 1/16W Metal Oxide VRS-CY1JF102J
R1627 1.0k 1/16W Metal Oxide VRS-CY1JF102F
R1628 680 1/16W Metal Oxide VRS-CY1JF681F
R1629 680 1/16W Metal Oxide VRS-CY1JF681F
R1630 1.0k 1/16W Metal Oxide VRS-CY1JF102F
R1634 33k 1/16W Metal Oxide VRS-CY1JF333J
R1635 33k 1/16W Metal Oxide VRS-CY1JF333J
R1636 33k 1/16W Metal Oxide VRS-CY1JF333J
R1640 0 1/16W Metal Oxide VRS-CY1JF000J
R1641 0 1/16W Metal Oxide VRS-CY1JF000J
R1642 220 1/16W Metal Oxide VRS-CY1JF221J
R1643 33k 1/16W Metal Oxide VRS-CY1JF333J
R1645 10k 1/16W Metal Oxide VRS-CY1JF103F
R1648 47k 1/16W Metal Oxide VRS-CY1JF473F
R1649 33k 1/16W Metal Oxide VRS-CY1JF333F
R1650 47k 1/16W Metal Oxide VRS-CY1JF473F
R1651 10k 1/16W Metal Oxide VRS-CY1JF103F
R1652 0 1/16W Metal Oxide VRS-CY1JF000J
R1653 47k 1/16W Metal Oxide VRS-CY1JF473F
R1654 10k 1/16W Metal Oxide VRS-CY1JF103F
R1655 220 1/16W Metal Oxide VRS-CY1JF221J
R1656 220 1/16W Metal Oxide VRS-CY1JF221J
R1661 22k 1/16W Metal Oxide VRS-CY1JF223J
R1662 0 1/16W Metal Oxide VRS-CY1JF000J
R1663 0 1/16W Metal Oxide VRS-CY1JF000J
R1664 0 1/16W Metal Oxide VRS-CY1JF000J
R1665 0 1/16W Metal Oxide VRS-CY1JF000J
R1666 33k 1/16W Metal Oxide VRS-CY1JF333J
R1667 33k 1/16W Metal Oxide VRS-CY1JF333J
R1668 3.3k 1/16W Metal Oxide VRS-CB1JF332J
R1669 3.3k 1/16W Metal Oxide VRS-CB1JF332J
R1670 470 1/16W Metal Oxide VRS-CY1JF471J
R1671 1.0k 1/16W Metal Oxide VRS-CY1JF102J
R1672 470 1/16W Metal Oxide VRS-CY1JF471J
R1673 1.0k 1/16W Metal Oxide VRS-CY1JF102J
R1674 100 1/16W Metal Oxide VRS-CY1JF101J
R1675 1.0k 1/16W Metal Oxide VRS-CY1JF102J
R1990 68k 1/16W Metal Oxide VRS-CY1JF683J
R2501 100 1/16W Metal Oxide VRS-CA1JF101J
R2502 22k 1/16W Metal Oxide VRS-CY1JF223J
R2503 22k 1/16W Metal Oxide VRS-CY1JF223J
R2505 1.0k 1/16W Metal Oxide VRS-CY1JF102J
R2506 47k 1/16W Metal Oxide VRS-CY1JF473J
R2507 8.2k 1/16W Metal Oxide VRS-CY1JF822F
R2508 8.2k 1/16W Metal Oxide VRS-CY1JF822F
R2509 8.2k 1/16W Metal Oxide VRS-CY1JF822F
R2510 3.3k 1/16W Metal Oxide VRS-CY1JF332J
R2511 5.6k 1/16W Metal Oxide VRS-CY1JF562J
R2512 47k 1/16W Metal Oxide VRS-CY1JF473J
R2513 1.0k 1/16W Metal Oxide VRS-CY1JF102J
R2514 1.0k 1/16W Metal Oxide VRS-CY1JF102J
R2515 1.0k 1/16W Metal Oxide VRS-CY1JF102J
R2516 1.0k 1/16W Metal Oxide VRS-CY1JF102J
R2517 1.0k 1/16W Metal Oxide VRS-CY1JF102J
R2518 1.0k 1/16W Metal Oxide VRS-CY1JF102J
R2519 1.0k 1/16W Metal Oxide VRS-CY1JF102J
R2520 1.0k 1/16W Metal Oxide VRS-CY1JF102J
R2521 0 1/16W Metal Oxide VRS-CA1JF000J
R2522 0 1/16W Metal Oxide VRS-CA1JF000J
R2523 1.0M 1/16W Metal Oxide VRS-CY1JF105J

Mark No. Description Part No. Mark No. Description Part No.
88
PDP-R03E
R2524 2.2k 1/16W Metal Oxide VRS-CY1JF222J
R2525 22k 1/16W Metal Oxide VRS-CY1JF223J
R2526 5.6k 1/16W Metal Oxide VRS-CY1JF562J
R2527 0 1/16W Metal Oxide VRS-CY1JF000J
R2528 0 1/16W Metal Oxide VRS-CA1JF000J
R2529 10 1/16W Metal Oxide VRS-CY1JF100J
R2530 10 1/16W Metal Oxide VRS-CY1JF100J
R2531 8.2k 1/16W Metal Oxide VRS-CY1JF822F
R2532 1.0k 1/8W Metal Oxide VRS-TQ2BD102J
R2533 1.0k 1/8W Metal Oxide VRS-TQ2BD102J
R2542 0 1/16W Metal Oxide VRS-CY1JF000J
R2547 1.0k 1/16W Metal Oxide VRS-CY1JF102J
R2548 10k 1/16W Metal Oxide VRS-CY1JF103J
SWITCH
SW1601 Switch QSW-C0049CEZZ
MISCELLANEOUS PARTS
FB1101 Ferrite Bead RBLN-0051TAZZ
FB1102 Ferrite Bead RBLN-0051TAZZ
FB1103 Ferrite Bead RBLN-0051TAZZ
FB1104 Ferrite Bead RBLN-0062TAZZ
FB1105 Ferrite Bead RBLN-0077TAZZ
FB1106 Ferrite Bead RBLN-0051TAZZ
FB1107 Ferrite Bead RBLN-0051TAZZ
FB1108 Ferrite Bead RBLN-0077TAZZ
FB1109 Ferrite Bead RBLN-0051TAZZ
FB1110 Ferrite Bead RBLN-0062TAZZ
FB1111 Ferrite Bead RBLN-0062TAZZ
FB1112 Ferrite Bead RBLN-0051TAZZ
FB1113 Ferrite Bead RBLN-0077TAZZ
FB1114 Ferrite Bead RBLN-0051TAZZ
FB1115 Ferrite Bead RBLN-0062TAZZ
FB1116 Ferrite Bead RBLN-0062TAZZ
FB1117 Ferrite Bead RBLN-0062TAZZ
FB1118 Ferrite Bead RBLN-0051TAZZ
FB1119 Ferrite Bead RBLN-0006TAZZ
FB1120 Ferrite Bead RBLN-0006TAZZ
FB1123 Ferrite Bead RBLN-0062TAZZ
FB1124 Ferrite Bead RBLN-0062TAZZ
FB1130 Ferrite Bead RBLN-0062TAZZ
FB1131 Ferrite Bead RBLN-0062TAZZ
FB1132 Ferrite Bead RBLN-0062TAZZ
FB1401 Ferrite Bead RBLN-0061TAZZ
FB1402 Ferrite Bead RBLN-0061TAZZ
FB1601 Ferrite Bead RBLN-0006TAZZ
FB1602 Ferrite Bead RBLN-0006TAZZ
FB1604 Ferrite Bead RBLN-0006TAZZ
FB1605 Ferrite Bead RBLN-0006TAZZ
FB1608 Ferrite Bead RBLN-0006TAZZ
FB1609 Ferrite Bead RBLN-0006TAZZ
FB1610 Ferrite Bead RBLN-0063TAZZ
FB1611 Ferrite Bead RBLN-0063TAZZ
FB1612 Ferrite Bead RBLN-0063TAZZ
FB1613 Ferrite Bead RBLN-0063TAZZ
FB1616 Ferrite Bead RBLN-0063TAZZ
FB1617 Ferrite Bead RBLN-0063TAZZ
FB1619 Ferrite Bead RBLN-0063TAZZ
FB2501 Ferrite Bead RBLN-0051TAZZ
FB2502 Ferrite Bead RBLN-0060TAZZ
FB2503 Ferrite Bead RBLN-0051TAZZ
FB2504 Ferrite Bead RBLN-0051TAZZ
FB2505 Ferrite Bead RBLN-0051TAZZ
FB2506 Ferrite Bead RBLN-0051TAZZ
FB2507 Ferrite Bead RBLN-0051TAZZ
J1101 Terminal, INPUT3 QTANJ0657CEZZ
(Y.Pb.Pr), MONITOR OUTPUT (VIDEO/AUDIO)
J1102 Socket QSOCD0430CEZZ
MONITOR OUTPUT (S-VIDEO)
P1301 Plug, 18-pin QPLGN0428FJZZ
P2501 Plug, 12-pin QPLGN0062CEZZ
P2502 Plug, 4-pin QPLGN0478GEZZ
P2503 Plug, 5-pin QPLGN0578GEZZ
SC1101 Socket, INPUT 1 (SCART)QSOCZ2160CEZZ
SC1102 Socket, INPUT 2-3 QSOCZ2161CEZZ
(SCART)
SC1401 Socket, 30-pin QSOCN0550FJZZ
SC1402 Socket, 30-pin QSOCN0490FJZZ
Connecting Cord QCNW-6073CEZZ
Connecting Cord QCNW-6079CEZZ
SR CONNECT UNIT
TRANSISTORS
Q6001 2SC3928AR VS2SC3928AR-1
Q6002 2SA1530AR VS2SA1530AR-1
Q6003 2SA1530AR VS2SA1530AR-1
Q6004 2SC3928AR VS2SC3928AR-1
Q6005 DTC314TK VSDTC314TK/-1
Q6006 DTC314TK VSDTC314TK/-1
Q6007 2SA1530AR VS2SA1530AR-1
Q6008 2SC3928AR VS2SC3928AR-1
DIODES
D6000 Diode VHDMA157A//-1
D6001 Diode VHDMA157A//-1
D6002 Diode VHDMA157A//-1
D6003 Diode VHDMA157A//-1
D6004 Diode VHDMA157A//-1
D6006 Diode VHDMA157A//-1
D6007 Diode VHDMA157A//-1
D6008 Diode VHD1SS355//-1
D6009 Diode VHD1SS355//-1
D6010 Diode VHD1SS355//-1
D6011 Zener Diode RH-EX1264CEZZ
D6012 Zener Diode RH-EX1264CEZZ
D6013 Diode VHDMA157A//-1
D6014 Diode VHDMA157A//-1
CAPACITORS
C6000 10 16V Electrolytic VCEAPF1CW106M
C6001 10 16V Electrolytic VCEAPF1CW106M
C6002 0.1 25V Ceramic VCKYCY1EF104Z
C6003 1.0 10V Ceramic VCKYCY1AF105Z
C6004 1.0 10V Ceramic VCKYCY1AF105Z
RESISTORS
R6000 56 1/16W Metal Oxide VRS-CY1JF560J
R6001 56 1/16W Metal Oxide VRS-CY1JF560J
R6002 56 1/16W Metal Oxide VRS-CY1JF560J
R6003 47k 1/16W Metal Oxide VRS-CY1JF473J
R6004 56 1/16W Metal Oxide VRS-CY1JF560J
R6005 56 1/16W Metal Oxide VRS-CY1JF560J
R6006 1k 1/16W Metal Oxide VRS-CY1JF102J
R6007 56 1/16W Metal Oxide VRS-CY1JF560J
R6011 470 1/16W Metal Oxide VRS-CY1JF471J
R6012 470 1/16W Metal Oxide VRS-CY1JF471J
D

Mark No. Description Part No. Mark No. Description Part No.
89
PDP-R03E
R6013 0 1/8W Metal Oxide VRS-TQ2BD000J
R6014 0 1/8W Metal Oxide VRS-TQ2BD000J
R6015 220 1/16W Metal Oxide VRS-CY1JF221J
R6016 4.7k 1/16W Metal Oxide VRS-CY1JF472J
R6017 10k 1/16W Metal Oxide VRS-CY1JF103J
R6018 10k 1/16W Metal Oxide VRS-CY1JF103J
R6019 2.2k 1/16W Metal Oxide VRS-CY1JF222J
R6020 4.7k 1/16W Metal Oxide VRS-CY1JF472J
R6021 4.7k 1/16W Metal Oxide VRS-CY1JF472J
R6022 10k 1/16W Metal Oxide VRS-CY1JF103J
R6023 220k 1/16W Metal Oxide VRS-CY1JF224J
R6024 10k 1/16W Metal Oxide VRS-CY1JF103J
R6025 10k 1/16W Metal Oxide VRS-CY1JF103J
R6030 100k 1/16W Metal Oxide VRS-CY1JF104J
R6031 100k 1/16W Metal Oxide VRS-CY1JF104J
R6032 1.0k 1/16W Metal Oxide VRS-CY1JF102J
R6033 1.0k 1/16W Metal Oxide VRS-CY1JF102J
MISCELLANEOUS PARTS
FB6000 Frrite Bead RBLN-0060TAZZ
FB6001 Frrite Bead RBLN-0060TAZZ
FB6002 Frrite Bead RBLN-0060TAZZ
J6001 Jack, CONTROL-IN QJAKJ0110CEZZ
J6002 Jack, CONTROL-OUT QJAKJ0110CEZZ
P6000 Plug, 14-pin QPLGN1474TAZZ
P6001 Plug, 4-pin QPLGN0480GEZZ
SC6000 Socket QSOCZ2015CEZZ
SYSTEM CABLE (GRAY)
Connecting Cord QCNW-A280WJZZ
LED UNIT
TRANSISTORS
Q3001 2SC3928AR VS2SC3928AR-1
Q3002 2SC3928AR VS2SC3928AR-1
Q3003 DTC144EE VSDTC144EE/-1
Q3004 DTC144EE VSDTC144EE/-1
Q3005 DTC144EE VSDTC144EE/-1
DIODE
D3001 Photodiode RH-PX0421CEZZ
RESISTORS
R3001 470 1/16W Metal Oxide VRS-CY1JF471J
R3002 22k 1/16W Metal Oxide VRS-CY1JF223J
R3003 100k 1/16W Metal Oxide VRS-CY1JF104J
R3004 1.8k 1/16W Metal Oxide VRS-CY1JF182J
R3005 10k 1/16W Metal Oxide VRS-CY1JF103J
R3006 10k 1/16W Metal Oxide VRS-CY1JF103J
R3007 10k 1/16W Metal Oxide VRS-CY1JF103J
R3008 10k 1/16W Metal Oxide VRS-CY1JF103J
R3010 10k 1/16W Metal Oxide VRS-CY1JF103J
R3011 0 1/16W Metal Oxide VRS-CY1JF000J
R3012 0 1/16W Metal Oxide VRS-CY1JF000J
MISCELLANEOUS PARTS
P3001 Plug, 5-pin QPLGN0564TAZZ
Connecting Cord QCNW-6076CEZZ
PC I/F UNIT
INTEGRATED CIRCUITS
IC1 HD6417709 RH-iX3270CEZZ
IC2 PST600IM 9DK001-15061
IC3 AT24C128N-10SC-1.8 9DK001-11020
IC4 CXA3506R 9DK001-15079
IC7 PQ05TZ11 9DK001-15038
IC8 PQ20VZ11 9DK001-15071
IC19 PST623XW 9DK001-15060
IC25 CViC RH-iX3434CZZZQ
IC27 LH28F320S3NS-L11 RH-iX3430CEZZ
IC28 MSM51V181865F-60TS-K 9DK001-11027
IC53 74LVX86MTC 9DK001-12079
IC310 TLC5733A 9DK001-15082
IC316 TL431CPS 9DK001-15053
IC319 HY57V653220BTC-7 9DK001-11024
IC320 HY57V653220BTC-7 9DK001-11024
IC321 HY57V653220BTC-7 9DK001-11024
IC322 HY57V653220BTC-7 9DK001-11024
IC327 NJM4560M 9DK001-15084
IC328 TLC2933IPW 9DK001-15054
IC400 74LVX86MTC 9DK001-12079
IC402 74LVX125MTC 9DK001-12105
IC404 74LVX125MTC 9DK001-12105
IC405 uPD4721G 9DK001-15107
IC408 HD74HCT244T 9DK001-12085
or 74VHCT244AMTC 9DK001-12086
IC410 HD74HCT244T 9DK001-12085
or 74VHCT244AMTC 9DK001-12086
IC411 74LCX157MTC 9DK001-12103
IC412 PQ1R33 9DK001-15093
IC413 SiL168 9DK001-15106
IC414 M24C32-WMN6 9DK001-11026
IC415 BA09FP 9DK001-15109
IC419 TC7WH123FK 9DK001-12102
IC420 TC7WH126FK 9DK001-12096
IC422 HD74HCT125T 9DK001-12070
IC423 TC7WH123FK 9DK001-12102
IC424 NC7S08P5 9DK001-12106
TRANSISTORS
Q12 IMB3A 9DK001-20025
Q13 2SC2412KQ 9DK001-20011
Q15 2SA1037AKQ 9DK001-20012
Q102 NDC7002N 9DK001-20036
Q103 2SC2412KQ 9DK001-20011
Q104 2SC2412KQ 9DK001-20011
Q105 2SC2412KQ 9DK001-20011
Q107 2SC2412KQ 9DK001-20011
Q108 2SC2412KQ 9DK001-20011
Q109 2SC2412KQ 9DK001-20011
Q110 2SC2412KQ 9DK001-20011
Q111 2SA1037AKQ 9DK001-20012
Q112 2SA1037AKQ 9DK001-20012
Q113 2SA1037AKQ 9DK001-20012
Q114 2SC2412KQ 9DK001-20011
Q117 2SC2412KQ 9DK001-20011
Q118 2SC2412KQ 9DK001-20011
Q119 2SC2412KQ 9DK001-20011
Q120 NDC7002N 9DK001-20036
F
E

Mark No. Description Part No. Mark No. Description Part No.
90
PDP-R03E
DIODES
D9 Diode 1SS187 9DK001-30018
D20 Diode 1SS187 9DK001-30018
D50 Diode 1SS193 9DK001-30001
D51 Diode 1SS193 9DK001-30001
D52 Diode 1SS193 9DK001-30001
D53 Diode 1SS193 9DK001-30001
D54 Diode MA3120WA 9DK001-30022
D55 Diode MA3120WA 9DK001-30022
D56 Diode MA3120WA 9DK001-30022
D57 Diode MA3120WA 9DK001-30022
D70 Diode 1SS355 9DK001-30020
D71 Diode 1SS355 9DK001-30020
D72 Diode 1SS355 9DK001-30020
D73 Diode 1SS400 9DK001-30021
D75 Diode 1SS187 9DK001-30018
D76 Diode 1SS187 9DK001-30018
D77 Diode 1SS400 9DK001-30021
PACKAGED CIRCUITS
X1 Crystal, 6MHz 9DK001-80012
X3 Crystal 9DK001-80011
FXO-31FL (1.8432MHz)
X4 Crystal 9DK001-80018
FXO-31FL (25MHz)
X5 Crystal 9DK001-80029
DS07515V (79.794MHz)
X6 Crystal, 25.175MHz 9DK001-80031
FILTERS AND COILS
FL5 Fiter BMK351 9DK001-81020
FL6 Fiter BMK351 9DK001-81020
FL10 Fiter BMK351 9DK001-81020
FL20 Fiter BMK351 9DK001-81020
FL21 Fiter BMK351 9DK001-81020
FL22 Fiter BMK351 9DK001-81020
FL23 Fiter BMK351 9DK001-81020
FL29 Fiter BMK351 9DK001-81020
FL30 Fiter BMK351 9DK001-81020
FL31 Fiter BMK351 9DK001-81020
FL32 Fiter BMK351 9DK001-81020
FL94 Fiter BMK351 9DK001-81020
FL95 Fiter BMK351 9DK001-81020
FL96 Fiter BMK351 9DK001-81020
FL97 Fiter BMK351 9DK001-81020
FL200 Fiter BMK351 9DK001-81020
FL201 Fiter BMK351 9DK001-81020
FL204 Fiter BMK351 9DK001-81020
L1 Inductor NLC322522T-3R3M 9DK001-81052
L2 Inductor NLC322522T-3R3M 9DK001-81052
L3 Inductor NLC322522T-3R3M 9DK001-81052
L4 Inductor NLC322522T-3R3M 9DK001-81052
L22 Inductor NLC322522T-3R3M 9DK001-81052
L100 Inductor NLC322522T-3R3M 9DK001-81052
L101 Inductor NLC322522T-3R3M 9DK001-81052
CAPACITORS
C1 0.1 25V Ceramic 9DK001-42094
C2 0.1 25V Ceramic 9DK001-42094
C6 0.01 50V Ceramic 9DK001-42096
C7 0.01 50V Ceramic 9DK001-42096
C8 0.01 50V Ceramic 9DK001-42096
C9 0.01 50V Ceramic 9DK001-42096
C10 10 10V Ceramic 9DK001-42131
or 10 25V Ceramic 9DK001-42118
C12 15p 50V Ceramic 9DK001-42103
C13 15p 50V Ceramic 9DK001-42103
C14 0.01 50V Ceramic 9DK001-42096
C15 10 10V Ceramic 9DK001-42131
or 10 25V Ceramic 9DK001-42118
C17 0.01 50V Ceramic 9DK001-42096
C18 0.01 50V Ceramic 9DK001-42096
C19 470p 50V Ceramic 9DK001-42104
C20 470p 50V Ceramic 9DK001-42104
C21 0.01 50V Ceramic 9DK001-42096
C22 0.01 50V Ceramic 9DK001-42096
C23 0.01 50V Ceramic 9DK001-42096
C24 10 16V Electrolytic 9DK001-40077
C25 0.01 50V Ceramic 9DK001-42096
C26 0.01 50V Ceramic 9DK001-42096
C27 0.01 50V Ceramic 9DK001-42096
C28 0.01 50V Ceramic 9DK001-42096
C29 0.01 50V Ceramic 9DK001-42096
C30 0.047 50V Ceramic 9DK001-42105
C31 0.1 25V Ceramic 9DK001-42094
C32 0.1 25V Ceramic 9DK001-42094
C33 0.1 25V Ceramic 9DK001-42094
C34 0.01 50V Ceramic 9DK001-42096
C35 0.01 50V Ceramic 9DK001-42096
C36 0.01 50V Ceramic 9DK001-42096
C37 0.01 50V Ceramic 9DK001-42096
C38 0.01 50V Ceramic 9DK001-42096
C42 0.01 50V Ceramic 9DK001-42096
C43 0.01 50V Ceramic 9DK001-42096
C51 0.01 50V Ceramic 9DK001-42096
C52 0.01 50V Ceramic 9DK001-42096
C53 0.01 50V Ceramic 9DK001-42096
C62 0.1 25V Ceramic 9DK001-42094
C70 0.1 25V Ceramic 9DK001-42094
C78 0.1 25V Ceramic 9DK001-42094
C79 47 6.3V Electrolytic 9DK001-40089
C80 47 16V Electrolytic 9DK001-40079
C81 0.01 50V Ceramic 9DK001-42096
C82 0.01 50V Ceramic 9DK001-42096
C83 0.01 50V Ceramic 9DK001-42096
C84 47 6.3V Electrolytic 9DK001-40089
C96 47 6.3V Electrolytic 9DK001-40089
C110 0.1 25V Ceramic 9DK001-42094
C111 0.1 25V Ceramic 9DK001-42094
C112 0.1 25V Ceramic 9DK001-42094
C113 1 10V Ceramic 9DK001-42111
C114 0.1 25V Ceramic 9DK001-42094
C115 0.1 25V Ceramic 9DK001-42094
C116 0.1 25V Ceramic 9DK001-42094
C117 0.1 25V Ceramic 9DK001-42094
C118 0.1 25V Ceramic 9DK001-42094
C119 0.1 25V Ceramic 9DK001-42094
C120 0.1 25V Ceramic 9DK001-42094
C121 0.1 25V Ceramic 9DK001-42094
C122 1 10V Ceramic 9DK001-42111
C123 0.1 25V Ceramic 9DK001-42094
C124 0.1 25V Ceramic 9DK001-42094

Mark No. Description Part No. Mark No. Description Part No.
91
PDP-R03E
C125 0.1 25V Ceramic 9DK001-42094
C126 0.1 25V Ceramic 9DK001-42094
C127 100p 50V Ceramic 9DK001-42099
C128 0.33 16V Film 9DK001-42149
C130 100p 50V Ceramic 9DK001-42099
C131 0.1 25V Ceramic 9DK001-42094
C132 0.1 25V Ceramic 9DK001-42094
C133 0.1 25V Ceramic 9DK001-42094
C134 0.1 25V Ceramic 9DK001-42094
C135 0.1 25V Ceramic 9DK001-42094
C136 0.1 25V Ceramic 9DK001-42094
C137 0.1 25V Ceramic 9DK001-42094
C138 0.1 25V Ceramic 9DK001-42094
C143 0.01 50V Ceramic 9DK001-42096
C144 47 6.3V Electrolytic 9DK001-40089
C145 0.01 50V Ceramic 9DK001-42096
C146 47 6.3V Electrolytic 9DK001-40089
C147 0.01 50V Ceramic 9DK001-42096
C148 47 6.3V Electrolytic 9DK001-40089
C149 0.01 50V Ceramic 9DK001-42096
C350 0.01 50V Ceramic 9DK001-42096
C361 47 6.3V Electrolytic 9DK001-40089
C366 100 6.3V Electrolytic 9DK001-40080
C367 100 4V Electrolytic 9DK001-40091
C531 47 6.3V Electrolytic 9DK001-40089
C532 0.01 50V Ceramic 9DK001-42096
C537 10 16V Electrolytic 9DK001-40077
C538 0.1 25V Ceramic 9DK001-42094
C542 10 16V Electrolytic 9DK001-40077
C543 0.1 25V Ceramic 9DK001-42094
C544 2200p 50V Ceramic 9DK001-42102
C545 2200p 50V Ceramic 9DK001-42102
C546 2200p 50V Ceramic 9DK001-42102
C550 10 16V Electrolytic 9DK001-40077
C551 0.1 25V Ceramic 9DK001-42094
C552 0.1 25V Ceramic 9DK001-42094
C553 0.1 25V Ceramic 9DK001-42094
C554 10 16V Electrolytic 9DK001-40077
C555 0.1 25V Ceramic 9DK001-42094
C556 0.1 25V Ceramic 9DK001-42094
C557 0.1 25V Ceramic 9DK001-42094
C558 0.1 25V Ceramic 9DK001-42094
C559 10 10V Ceramic 9DK001-42131
or 10 25V Ceramic 9DK001-42118
C562 0.1 25V Ceramic 9DK001-42094
C563 0.1 25V Ceramic 9DK001-42094
C564 33 6.3V OS 9DK001-40106
C565 0.1 25V Ceramic 9DK001-42094
C566 330p 50V Ceramic 9DK001-42123
C573 47 6.3V Electrolytic 9DK001-40089
C574 47 6.3V Electrolytic 9DK001-40089
C575 0.01 50V Ceramic 9DK001-42096
C576 0.01 50V Ceramic 9DK001-42096
C577 0.01 50V Ceramic 9DK001-42096
C578 0.01 50V Ceramic 9DK001-42096
C579 0.01 50V Ceramic 9DK001-42096
C580 0.01 50V Ceramic 9DK001-42096
C581 0.01 50V Ceramic 9DK001-42096
C582 0.01 50V Ceramic 9DK001-42096
C583 0.01 50V Ceramic 9DK001-42096
C584 0.01 50V Ceramic 9DK001-42096
C585 0.01 50V Ceramic 9DK001-42096
C586 0.01 50V Ceramic 9DK001-42096
C587 47 6.3V Electrolytic 9DK001-40089
C588 47 6.3V Electrolytic 9DK001-40089
C589 0.01 50V Ceramic 9DK001-42096
C590 0.01 50V Ceramic 9DK001-42096
C591 0.01 50V Ceramic 9DK001-42096
C592 0.01 50V Ceramic 9DK001-42096
C593 0.01 50V Ceramic 9DK001-42096
C594 0.01 50V Ceramic 9DK001-42096
C595 0.01 50V Ceramic 9DK001-42096
C596 0.01 50V Ceramic 9DK001-42096
C597 0.01 50V Ceramic 9DK001-42096
C598 0.01 50V Ceramic 9DK001-42096
C599 0.01 50V Ceramic 9DK001-42096
C600 0.01 50V Ceramic 9DK001-42096
C697 0.01 50V Ceramic 9DK001-42096
C698 0.47 16V Ceramic 9DK001-42152
C700 0.47 16V Ceramic 9DK001-42152
C702 0.47 16V Ceramic 9DK001-42152
C704 1 10V Ceramic 9DK001-42111
C705 0.1 16V Film 9DK001-42145
C706 0.01 50V Ceramic 9DK001-42096
C715 0.01 50V Ceramic 9DK001-42096
C716 0.01 50V Ceramic 9DK001-42096
C717 0.01 50V Ceramic 9DK001-42096
C741 47 6.3V Electrolytic 9DK001-40089
C757 4.7 10V Ceramic 9DK001-42113
C759 0.01 50V Ceramic 9DK001-42096
C762 0.1 25V Ceramic 9DK001-42094
C763 0.1 25V Ceramic 9DK001-42094
C764 0.1 25V Ceramic 9DK001-42094
C766 0.1 25V Ceramic 9DK001-42094
C767 6.8 10V OS 9DK001-40104
C768 1 10V Ceramic 9DK001-42111
C769 4.7 10V Ceramic 9DK001-42113
C776 6.8 10V OS 9DK001-40104
C777 0.1 25V Ceramic 9DK001-42094
C800 0.1 25V Ceramic 9DK001-42094
C802 0.1 25V Ceramic 9DK001-42094
C803 0.1 25V Ceramic 9DK001-42094
C804 2.2 50V Electrolytic 9DK001-40103
C805 2.2 50V Electrolytic 9DK001-40103
C806 2.2 50V Electrolytic 9DK001-40103
C807 2.2 50V Electrolytic 9DK001-40103
C808 2.2 50V Electrolytic 9DK001-40103
C813 0.1 25V Ceramic 9DK001-42094
C814 0.1 25V Ceramic 9DK001-42094
C815 0.1 25V Ceramic 9DK001-42094
C816 0.1 25V Ceramic 9DK001-42094
C817 0.1 25V Ceramic 9DK001-42094
C818 0.1 25V Ceramic 9DK001-42094
C819 0.1 25V Ceramic 9DK001-42094
C820 0.1 25V Ceramic 9DK001-42094
C821 0.1 25V Ceramic 9DK001-42094
C822 0.1 25V Ceramic 9DK001-42094
C823 0.1 25V Ceramic 9DK001-42094
C824 0.1 25V Ceramic 9DK001-42094
C825 0.1 25V Ceramic 9DK001-42094

Mark No. Description Part No. Mark No. Description Part No.
92
PDP-R03E
C826 0.1 25V Ceramic 9DK001-42094
C827 0.1 25V Ceramic 9DK001-42094
C828 0.1 25V Ceramic 9DK001-42094
C829 0.1 25V Ceramic 9DK001-42094
C830 0.1 25V Ceramic 9DK001-42094
C831 0.1 25V Ceramic 9DK001-42094
C832 0.1 25V Ceramic 9DK001-42094
C833 0.1 25V Ceramic 9DK001-42094
C834 0.1 25V Ceramic 9DK001-42094
C835 0.1 25V Ceramic 9DK001-42094
C836 0.1 25V Ceramic 9DK001-42094
C837 0.1 25V Ceramic 9DK001-42094
C838 0.1 25V Ceramic 9DK001-42094
C839 0.1 25V Ceramic 9DK001-42094
C840 0.1 25V Ceramic 9DK001-42094
C841 0.1 25V Ceramic 9DK001-42094
C842 0.1 25V Ceramic 9DK001-42094
C843 0.1 25V Ceramic 9DK001-42094
C844 0.1 25V Ceramic 9DK001-42094
C845 0.1 25V Ceramic 9DK001-42094
C846 0.1 25V Ceramic 9DK001-42094
C847 100 6.3V Electrolytic 9DK001-40080
C848 0.1 25V Ceramic 9DK001-42094
C849 100 6.3V Electrolytic 9DK001-40080
C850 220 4V Electrolytic 9DK001-40092
C851 100 6.3V Electrolytic 9DK001-40080
C852 47 6.3V Electrolytic 9DK001-40089
C853 0.01 50V Ceramic 9DK001-42096
C854 47 16V Electrolytic 9DK001-40079
C855 82p 50V Ceramic 9DK001-42133
C856 0.1 25V Ceramic 9DK001-42094
C857 10 16V Electrolytic 9DK001-40077
C858 82p 50V Ceramic 9DK001-42133
C859 0.1 25V Ceramic 9DK001-42094
C860 10 16V Electrolytic 9DK001-40077
C863 82p 50V Ceramic 9DK001-42133
C864 82p 50V Ceramic 9DK001-42133
C865 82p 50V Ceramic 9DK001-42133
C867 10 16V Electrolytic 9DK001-40077
C868 0.1 25V Ceramic 9DK001-42094
C869 0.1 25V Ceramic 9DK001-42094
C870 82p 50V Ceramic 9DK001-42133
C872 0.1 25V Ceramic 9DK001-42094
C874 82p 50V Ceramic 9DK001-42133
C875 82p 50V Ceramic 9DK001-42133
C876 0.1 25V Ceramic 9DK001-42094
C878 0.1 25V Ceramic 9DK001-42094
C879 82p 50V Ceramic 9DK001-42133
C880 0.47 16V Ceramic 9DK001-42152
C881 0.1 25V Ceramic 9DK001-42094
C882 22 16V Electrolytic 9DK001-40078
C883 0.1 25V Ceramic 9DK001-42094
C884 0.1 25V Ceramic 9DK001-42094
C885 0.1 25V Ceramic 9DK001-42094
C886 0.47 16V Ceramic 9DK001-42152
C887 120p 50V Ceramic 9DK001-42151
C888 120p 50V Ceramic 9DK001-42151
C889 120p 50V Ceramic 9DK001-42151
C890 10 16V Electrolytic 9DK001-40077
C891 10 16V Electrolytic 9DK001-40077
C894 0.1 25V Ceramic 9DK001-42094
C895 0.1 25V Ceramic 9DK001-42094
C896 0.1 25V Ceramic 9DK001-42094
C897 0.1 25V Ceramic 9DK001-42094
C898 100p 50V Ceramic 9DK001-42099
C899 100p 50V Ceramic 9DK001-42099
C900 100p 50V Ceramic 9DK001-42099
C904 0.1 25V Ceramic 9DK001-42094
C905 0.1 25V Ceramic 9DK001-42094
C907 0.1 25V Ceramic 9DK001-42094
C908 0.01 50V Ceramic 9DK001-42096
C913 0.1 25V Ceramic 9DK001-42094
C916 0.1 25V Ceramic 9DK001-42094
C917 0.01 50V Ceramic 9DK001-42096
C918 0.01 50V Ceramic 9DK001-42096
RESISTORS
R10 10k 1/16W Resistor Array 9DK001-51030
R11 10k 1/16W Resistor Array 9DK001-51030
R16 1.69k 1.16W Chip1608 9DK001-50198
R17 33k 1/16W Chip1608 9DK001-50210
R18 2.15k 1/16W Chip1608 9DK001-50199
R19 10k 1/16W Resistor Array 9DK001-51030
R21 0 1/16W Chip1608 9DK001-50149
R22 10k 1/16W Chip1608 9DK001-50185
R27 27k 1/16W Chip1608 9DK001-50209
R29 10k 1/16W Resistor Array 9DK001-51030
R33 10k 1/16W Resistor Array 9DK001-51030
R34 10k 1/16W Resistor Array 9DK001-51030
R35 10k 1/16W Resistor Array 9DK001-51030
R36 10k 1/16W Resistor Array 9DK001-51030
R40 68 1/16W Chip1608 9DK001-50163
R43 10k 1/16W Resistor Array 9DK001-51030
R44 10k 1/16W Resistor Array 9DK001-51030
R50 10k 1/16W Resistor Array 9DK001-51030
R51 10k 1/16W Resistor Array 9DK001-51030
R57 10k 1/16W Resistor Array 9DK001-51030
R58 10k 1/16W Resistor Array 9DK001-51030
R62 10 1/16W Resistor Array 9DK001-51029
R65 10k 1/16W Resistor Array 9DK001-51030
R75 0 1/16W Chip1608 9DK001-50149
R80 270 1/10W Chip2125 9DK001-50103
R83 0 1/16W Chip1608 9DK001-50149
R88 270 1/10W Chip2125 9DK001-50103
R91 0 1/16W Chip1608 9DK001-50149
R96 270 1/10W Chip2125 9DK001-50103
R121 47 1/4W Chip3216 9DK001-50065
R122 47 1/4W Chip3216 9DK001-50065
R123 1.6k 1/16W Chip1608 9DK001-50256
R124 1.0k 1/16W Chip1608 9DK001-50237
R128 10 1/16W Chip1608 9DK001-50150
R132 3.3k 1/16W Chip1608 9DK001-50156
R133 3k 1/16W Chip1608 9DK001-50155
R138 0 1/16W Chip1608 9DK001-50149
R140 0 1/16W Chip1608 9DK001-50149
R289 4.7k 1/16W Chip1608 9DK001-50183
R340 10k 1/16W Chip1608 9DK001-50185
R650 10k 1/16W Chip1608 9DK001-50185
R651 6.8k 1/16W Resistor Array 9DK001-51037
R652 10k 1/16W Resistor Array 9DK001-51030
R654 150 1/16W Chip1608 9DK001-50204
R656 4.7k 1/16W Chip1608 9DK001-50183

Mark No. Description Part No. Mark No. Description Part No.
93
PDP-R03E
R664 15k 1/16W Chip1608 9DK001-50259
R665 15k 1/16W Chip1608 9DK001-50259
R671 15k 1/16W Chip1608 9DK001-50259
R677 470 1/16W Chip1608 9DK001-50173
R678 1.2k 1/16W Chip1608 9DK001-50254
R680 3k 1/16W Chip1608 9DK001-50155
R681 3k 1/16W Chip1608 9DK001-50155
R682 1.2k 1/16W Chip1608 9DK001-50254
R687 470 1/16W Chip1608 9DK001-50173
R688 15 1/16W Chip1608 9DK001-50201
R689 470 1/16W Chip1608 9DK001-50173
R690 1.8k 1/16W Chip1608 9DK001-50205
R691 1.8k 1/16W Chip1608 9DK001-50205
R692 22 1/16W Chip1608 9DK001-50159
R693 22 1/16W Chip1608 9DK001-50159
R694 22 1/16W Chip1608 9DK001-50159
R695 22 1/16W Chip1608 9DK001-50159
R696 10k 1/16W Chip1608 9DK001-50185
R697 10k 1/16W Chip1608 9DK001-50185
R698 10k 1/16W Chip1608 9DK001-50185
R699 10k 1/16W Chip1608 9DK001-50185
R702 10k 1/16W Resistor Array 9DK001-51030
R708 10k 1/16W Resistor Array 9DK001-51030
R730 680 1/16W Chip1608 9DK001-50175
R731 620 1/16W Chip1608 9DK001-50271
R733 10k 1/16W Chip1608 9DK001-50185
R734 10k 1/16W Chip1608 9DK001-50185
R735 10k 1/16W Chip1608 9DK001-50185
R736 10k 1/16W Chip1608 9DK001-50185
R737 10k 1/16W Chip1608 9DK001-50185
R738 10k 1/16W Chip1608 9DK001-50185
R739 10k 1/16W Chip1608 9DK001-50185
R740 10k 1/16W Chip1608 9DK001-50185
R742 0 1/16W Chip1608 9DK001-50149
R743 1.8k 1/16W Chip1608 9DK001-50205
R745 0 1/16W Chip1608 9DK001-50149
R747 0 1/16W Chip1608 9DK001-50149
R749 0 1/16W Chip1608 9DK001-50149
R757 0 1/16W Chip1608 9DK001-50149
R758 0 1/16W Chip1608 9DK001-50149
R758 10k 1/16W Chip1608 9DK001-50185
R759 1k 1/16W Chip1608 9DK001-50177
R760 1k 1/16W Chip1608 9DK001-50177
R763 0 1/16W Chip1608 9DK001-50149
R764 0 1/16W Chip1608 9DK001-50149
R765 0 1/16W Chip1608 9DK001-50149
R867 510 1/16W Chip1608 9DK001-50217
R868 510 1/16W Chip1608 9DK001-50217
R869 510 1/16W Chip1608 9DK001-50217
R876 0 1/16W Chip1608 9DK001-50149
R877 10k 1/16W Chip1608 9DK001-50185
R879 0 1/16W Chip1608 9DK001-50149
R881 0 1/16W Chip1608 9DK001-50149
R883 0 1/16W Chip1608 9DK001-50149
R885 0 1/16W Chip1608 9DK001-50149
R887 0 1/16W Chip1608 9DK001-50149
R901 0 1/4W Chip3216 9DK001-50113
R911 10 1/10W Chip2125 9DK001-50121
R912 10 1/10W Chip2125 9DK001-50121
R920 100 1/16W Chip1608 9DK001-50165
R921 100 1/16W Chip1608 9DK001-50165
R922 10k 1/16W Chip1608 9DK001-50185
R924 4.7k 1/16W Chip1608 9DK001-50183
R925 4.7k 1/16W Chip1608 9DK001-50183
R926 0 1/16W Chip1608 9DK001-50149
R927 100 1/16W Chip1608 9DK001-50165
R928 100 1/16W Chip1608 9DK001-50165
R929 100 1/16W Chip1608 9DK001-50165
R930 100 1/16W Chip1608 9DK001-50165
R934 68 1/16W Resistor Array 9DK001-51040
R936 68 1/16W Resistor Array 9DK001-51040
R937 68 1/16W Resistor Array 9DK001-51040
R939 68 1/16W Resistor Array 9DK001-51040
R940 68 1/16W Resistor Array 9DK001-51040
R941 68 1/16W Resistor Array 9DK001-51040
R947 56 1/16W Resistor Array 9DK001-51039
R951 6.8k 1/16W Resistor Array 9DK001-51037
R959 68 1/16W Resistor Array 9DK001-51040
R960 68 1/16W Resistor Array 9DK001-51040
R961 68 1/16W Resistor Array 9DK001-51040
R962 68 1/16W Resistor Array 9DK001-51040
R963 68 1/16W Resistor Array 9DK001-51040
R964 68 1/16W Resistor Array 9DK001-51040
R965 68 1/16W Resistor Array 9DK001-51040
R966 68 1/16W Resistor Array 9DK001-51040
R967 68 1/16W Resistor Array 9DK001-51040
R968 68 1/16W Resistor Array 9DK001-51040
R969 68 1/16W Resistor Array 9DK001-51040
R970 68 1/16W Resistor Array 9DK001-51040
R971 33 1/16W Resistor Array 9DK001-51042
R972 33 1/16W Resistor Array 9DK001-51042
R973 33 1/16W Resistor Array 9DK001-51042
R974 33 1/16W Resistor Array 9DK001-51042
R975 33 1/16W Resistor Array 9DK001-51042
R976 33 1/16W Resistor Array 9DK001-51042
R977 10k 1/16W Chip1608 9DK001-50185
R978 68 1/16W Chip1608 9DK001-50163
R979 0 1/16W Chip1608 9DK001-50149
R980 0 1/16W Chip1608 9DK001-50149
R993 0 1/16W Chip1608 9DK001-50149
R998 0 1/16W Chip1608 9DK001-50149
R999 510 1/16W Chip1608 9DK001-50217
R1000 4.7k 1/16W Chip1608 9DK001-50183
R1001 4.7k 1/16W Chip1608 9DK001-50183
R1002 100 1/16W Chip1608 9DK001-50165
R1003 100 1/16W Chip1608 9DK001-50165
R1004 1k 1/16W Chip1608 9DK001-50177
R1005 1k 1/16W Chip1608 9DK001-50177
R1006 2.2k 1/16W Chip1608 9DK001-50179
R1007 1k 1/16W Chip1608 9DK001-50177
R1008 1k 1/16W Chip1608 9DK001-50177
R1009 2.2k 1/16W Chip1608 9DK001-50179
R1011 33k 1/16W Chip1608 9DK001-50210
R1012 1k 1/16W Chip1608 9DK001-50177
R1013 47 1/16W Chip1608 9DK001-50161
R1015 47 1/16W Chip1608 9DK001-50161
R1017 47 1/16W Chip1608 9DK001-50161
R1019 2.2k 1/16W Chip1608 9DK001-50179
R1022 3.3k 1/16W Chip1608 9DK001-50181
R1023 3.3k 1/16W Chip1608 9DK001-50181

Mark No. Description Part No. Mark No. Description Part No.
94
PDP-R03E
R1024 3.3k 1/16W Chip1608 9DK001-50181
R1025 0 1/16W Chip1608 9DK001-50149
R1026 220 1/16W Chip1608 9DK001-50169
R1027 220 1/16W Chip1608 9DK001-50169
R1028 220 1/16W Chip1608 9DK001-50169
R1029 1M 1/16W Chip1608 9DK001-50190
R1030 1k 1/16W Chip1608 9DK001-50177
R1031 22k 1/16W Chip1608 9DK001-50186
R1032 100k 1/16W Chip1608 9DK001-50212
R1033 1k 1/16W Chip1608 9DK001-50177
R1034 1k 1/16W Chip1608 9DK001-50177
R1035 100k 1/16W Chip1608 9DK001-50212
R1036 1k 1/16W Chip1608 9DK001-50177
R1037 22k 1/16W Chip1608 9DK001-50186
R1038 100k 1/16W Chip1608 9DK001-50212
R1042 1k 1/16W Chip1608 9DK001-50177
R1043 1k 1/16W Chip1608 9DK001-50177
R1044 1k 1/16W Chip1608 9DK001-50177
R1045 560 1/16W Chip1608 9DK001-50174
R1048 47 1/16W Chip1608 9DK001-50161
R1049 47 1/16W Chip1608 9DK001-50161
R1050 47 1/16W Chip1608 9DK001-50161
R1051 4.7k 1/16W Chip1608 9DK001-50183
R1052 4.7k 1/16W Chip1608 9DK001-50183
R1053 4.7k 1/16W Chip1608 9DK001-50183
R1054 4.7k 1/16W Chip1608 9DK001-50183
R1055 4.7k 1/16W Chip1608 9DK001-50183
R1056 4.7k 1/16W Chip1608 9DK001-50183
R1058 4.7k 1/16W Chip1608 9DK001-50183
R1059 4.7k 1/16W Chip1608 9DK001-50183
R1060 4.7k 1/16W Chip1608 9DK001-50183
R1061 4.7k 1/16W Chip1608 9DK001-50183
R1062 4.7k 1/16W Chip1608 9DK001-50183
R1077 6.8k 1/16W Chip1608 9DK001-50207
R1079 56 1/16W Resistor Array 9DK001-51039
R1082 22 1/16W Chip1608 9DK001-50159
R1083 1k 1/16W Chip1608 9DK001-50177
R1084 10k 1/16W Chip1608 9DK001-50185
R1085 6.8k 1/16W Chip1608 9DK001-50207
R1089 100 1/16W Chip1608 9DK001-50165
R1099 0 1/16W Chip1608 9DK001-50149
R1101 56 1/16W Resistor Array 9DK001-51039
R1102 56 1/16W Resistor Array 9DK001-51039
R1104 100 1/16W Chip1608 9DK001-50165
R1105 10k 1/16W Chip1608 9DK001-50185
R1107 1k 1/16W Chip1608 9DK001-50177
R1108 16k 1/16W Chip1608 9DK001-50214
R1110 4.7k 1/16W Chip1608 9DK001-50183
R1120 0 1/16W Chip1608 9DK001-50149
R1121 0 1/16W Chip1608 9DK001-50149
R1122 0 1/16W Chip1608 9DK001-50149
R1123 0 1/16W Chip1608 9DK001-50149
R1124 0 1/16W Chip1608 9DK001-50149
R1125 0 1/16W Chip1608 9DK001-50149
R1126 10 1/4W Chip3216 9DK001-50088
R1127 10k 1/16W Chip1608 9DK001-50185
R1128 47 1/16W Chip1608 9DK001-50161
FB15 0 1/10W Chip2125 9DK001-50110
FB18 0 1/10W Chip2125 9DK001-50110
FB19 0 1/10W Chip2125 9DK001-50110
FL1 0 1/10W Chip2125 9DK001-50110
FL98 33 1/10W Chip2125 9DK001-50080
FL99 0 1/10W Chip2125 9DK001-50110
FL102 0 1/10W Chip2125 9DK001-50110
FL110 0 1/10W Chip2125 9DK001-50110
SWITCH
S1 Switch Slide 9DK001-70012
MISCELLANEOUS PARTS
FB50 Ferrite Bead Chip2125 9DK001-81060
FB51 Ferrite Bead Chip2125 9DK001-81060
FB52 Ferrite Bead Chip2125 9DK001-81060
FB53 Ferrite Bead Chip2125 9DK001-81060
CN1 Connector, 15-pin 9DK001-60074
CN3 Connector, 29-pin 9DK001-60053
CN5 Connector, JEY-9P-1A3F 9DK001-60066
CN6 Connector, 30-pin 9DK001-60067
CN7 Connector, 50-pin 9DK001-60058
CN8 Connector, 12-pin 9DK001-60070
CN9 Connector, 13-pin 9DK001-60071
POWER UNIT
INTEGRATED CIRCUITS
IC701 NJM2375AD VHiNJM2375AD1
IC702 TNY264P VHiTNY264P/-1
IC703 TA76431 VHiTA76431S15
TRANSISTORS
Q701 2SK2662 VS2SK2662//-1
Q702 2SC1741AS VS2SC1741AS-1
Q703 2SK2700 VS2SK2700//-1
Q704 2SC1741AS VS2SC1741AS-1
Q705 DTD113ZS VSDTD113ZS/-1
Q706 DTC124ESA VSDTC124ESA-1
Q707 DTA124XSA VSDTA124XSA-1
Q708 DTC124ESA VSDTC124ESA-1
Q709 DTA114ESA VSDTA114ESA-1
DIODES
D701 Diode VHDD3SB60//-1
D702 Diode VHD5JL2CZ47-1
D703 Diode VHD1SS270ATE1
D704 Diode VHD1SS270ATE1
D705 Zener Diode VHEHZS18-3/-1
D706 Diode VHD1SS270ATE1
D707 Diode VHD05NH45//-1
D708 Diode VHD05NH45//-1
D709 Diode VHDAG01////-1
D710 Diode VHDFMB26L//-1
D711 Zener Diode VHEHZS12A3/-1
D713 Diode VHDRK39LFC3-1
D714 1SS270A VHD1SS270ATE1
D715 Zener Diode VHEHZS3CLL/-1
D716 Zener Diode VHEHZS6C2//-1
D717 Diode VHD1SS270ATE1
PACKAGED CIRCUITS
PC701 Photo Coupler PC123FY VHPPC123FY2-1
PC702 Photo Coupler PC123FY VHPPC123FY2-1
PC703 Photo Coupler PC123FY VHPPC123FY2-1
PC704 Photo Coupler PC123FY VHPPC123FY2-1
G

Mark No. Description Part No. Mark No. Description Part No.
95
PDP-R03E
FILTERS AND COILS
L703 Coil RCiLC1239SNEZ
L704 Coil RCiLC1249SNEZ
L705 Coil RCiLC1250SNEZ
FB702 Ferrite Bead RCORF1011SNEZ
FB701 Ferrite Bead RCORF1011SNEZ
TRANSFORMERS
T701 Transformer RTRNP1219SNEZ
T702 Transformer RTRNP1220SNEZ
TH701 Power Thermistor VHS8D2-10LD-1
TH702 Power Thermistor VHS8D2-10LD-1
CAPACITORS
C704 0.01 275V Film RC-M2E103RESC
C705 1000p 250V Ceramic RCDE0910R102S
C706 0.82 400V Film RC-M2G824MDSC
C707 220p 2kV Ceramic RCDE0707R221S
C708 56 450V Electrolytic RC-E2W566KMMZ
C709 0.01 50V Ceramic RCDD350BC103K
C710 100 35V Electrolytic RC-E1V107SNPW
C711 0.47 12V Ceramic RC-DD312F474Z
C713 220p 2kV Ceramic RCDE0707R221S
C714 220p 2kV Ceramic RCDE0707R221S
C715 0.1 16V Ceramic RCDD407SR104K
C716 0.1 16V Ceramic RCDD407SR104K
C717 4700p 50V Ceramic RCDD107-B472K
C718 0.01 50V Ceramic RCDD350BC103K
C719 22 400V Electrolytic RC-E2G226KMXZ
C720 100p 2kV Ceramic RCDE0705SL101
C721 0.1 16V Ceramic RCDD407SR104K
C722 22 50V Electrolytic RC-E1H226SNPJ
C723 470 25V Electrolytic RC-E1E477SNPW
C724 470 25V Electrolytic RC-E1E477SNPW
C725 470 25V Electrolytic RC-E1E477SNPW
C726 0.1 16V Ceramic RCDD407SR104K
C727 470 25V Electrolytic RC-E1E477SNPW
C728 220 10V Electrolytic RC-E1A227SNPW
C729 220 10V Electrolytic RC-E1A227SNPW
C730 0.1 16V Ceramic RCDD407SR104K
C731 0.047 50V Ceramic RCDD407SR473K
C732 1 50V Electrolytic RC-E1H105SNPR
C733 2200p 50V Ceramic RCDD106-B222K
RESISTORS
R702 1M 1/4W Carbon VRD-HT2EY105J
R703 1M 1/4W Carbon VRD-HT2EY105J
R704 22k 1/4W Carbon VRD-HT2EY223J
R705 10 1/4W Carbon VRD-HT2EY100J
R706 0.15 2W Metal Oxide RR-HRNMR15J2C
R707 820k 1/4W Carbon VRD-HT2EY824J
R708 750k 1/4W Carbon VRD-HT2EY754J
R709 0 1/4W Carbon VRD-HT2EY000J
R710 15k 1/4W Carbon VRD-HT2EY153J
R711 560 1/4W Carbon VRD-HT2EY561J
R712 1k 1/4W Carbon VRD-HT2EY102J
R713 10k 1/4W Carbon VRD-HT2EY103J
R714 100 2W Metal Oxide VRS-RE3DA101J
R715 270k 1/2W Carbon VRD-HT2HY274J
R716 270k 1/2W Carbon VRD-HT2HY274J
R717 18k 1/4W Carbon VRD-HT2EY183J
R718 5.6k 1/4W Carbon VRD-HT2EY562J
R719 3 3W Metal Oxide RR-HRSM3R0J3C
R720 1.5k 1/4W Carbon VRD-HT2EY152J
R721 220 1/2W Carbon VRD-HT2HY221J
R722 68 1/4W Carbon VRD-HT2EY680J
R723 100 1/4W Carbon VRD-HT2EY101J
R724 470 1/4W Carbon VRD-HT2EY471J
R725 1k 1/4W Carbon VRD-HT2EY102J
R726 1.2k 1/4W Carbon VRD-HT2EY122J
R727 1.5k 1/2W Carbon VRD-HT2HY152J
R728 10 1/4W Carbon VRD-HT2EY100J
R729 100 1/4W Carbon VRD-HT2EY101J
R730 220 1/4W Carbon VRD-HT2EY221J
R731 1k 1/4W Carbon VRD-HT2EY102J
R732 10k 1/4W Carbon VRD-HT2EY103J
R733 3.6k 1/4W Carbon VRNHT2EK3601F
R734 150 1/4W Carbon VRNHT2EK1500F
R735 1k 1/4W Carbon VRNHT2EY1001F
R736 1k 1/4W Carbon VRD-HT2EY102J
R737 2.2k 1/4W Carbon VRD-HT2EY222J
R738 2.2k 1/4W Carbon VRD-HT2EY222J
R739 5.6k 1/4W Carbon VRD-HT2EY562J
R740 51k 1/4W Carbon VRD-HT2EY513J
SWITCH
SW701 Switch QSW-P0591CEZZ
MISCELLANEOUS PARTS
RL701 Relay RRLYD1010SNEZ
F702 Fuse T2A 250V TR-5 QFS-A1129SNEZ
CN702 Connector, 3-pin QCNCM1003SNEZ
CN703 Connector, 12-pin QCNCM1766SNEZ
Heat Sink PRDAF1085SNEZ
Heat Sink PRDAF1073SNEZ
EMC UNIT
DIODE
VA701 Varistor VHVNV470D10-C
FILTERS
L701 Filter RCiLZ1232SNEZ
L702 Filter RCiLZ1232SNEZ
CAPACITORS
C701 0.22 275V Film RC-M2EE224RESC
C702 1000p 250V Ceramic RCDE0910R102S
C703 1000p 250V Ceramic RCEDE0910R102S
C735 0.22 275V Film RC-M2E224RESC
RESISTOR
R701 390k 1/2W Carbon VRD-HT2HY394J
MISCELLANEOUS PARTS
F701 Fuse T2A 250V TR-5 QFS-A1129SNEZ
CN701 Socket, 3-pin QSOCA1012SNEZ
CNW701 Connecting Cord QCNW-1765SNEZ
NF Cable
CNW702 Connecting Cord QCNW-1769SNEZ
Earth Cable
H

96
PDP-R03E
6. ADJUSTMENT
• Procedure for turning ON the power
1. Connecting the system
•Using the system cable, connect the plasma display and the media receiver.
•Connect the plasma display to the AC power source.
•Connect the media receiver to the AC power source.
2. Procedure for turning ON the power
•Turn ON the AC power switch located on the plasma display.
The power indicator on the plasma display will start blinking in red.
(When the AC power switch on the media receiver is not ON, the power indicator on the plasma display always
blinks in red.)
•Turn ON the power switch located on the media receiver.
The power indicator on the media receiver will be illuminated in green. Simultaneously, the power indicator on
the plasma display will change from blinking in red to illumination in green. Now the system has started up.
•If the power indicator on the media receiver is illuminated in red, press the 10 key located on the remote controller
and the STANDBY/ON button located on the plasma display. The power indicators on the plasma display and
the media receiver will change from red to green. Now the system has started up.
• Procedure for adjusting each part of media receiver
•The adjustments were made to the best settings at factory. If any setting deviates or if any readjustment is
regarded as necessary when any part is replaced, perform the following steps.
•Any parameter that has been changed within the process adjustment is stored on the memory. If any readjustment
is required, write down the current value before changing it.
1. Preparation for adjustment
•Use a stable AC power source.
•If the program is upgraded, it will take approximately 1 minute for the EEPROM to be initialized before any video
appears. Therefore, you will need to wait for this time period. Do not turn OFF the power or operate the system
during the period.
•If the program is rewritten, write down the parameters that have been changed within the process adjustment
(see “5.OSD menu and parameters displayed at manual adjustment), initialize the EEPROM, and then reenter
the recorded values.
2. Procedure for upgrading the software
(1) With the power being OFF, open the top cabinet for the media receiver and then set the slide switch from the
NORMAL position to the WRITE position by inserting a needle-like insulator into the cutout located between
the WHITE port on the rear of the shield case for the I/F board and the RS-232C port.
(2) Connect the PC having the program installed, to the media receiver using the cross cable for the RS-232C port
(for the details of the program, see Appendix).
(3) Open the MS-DOS window on the PC and then go to the directory in which the software is installed.
(4) Start up the system to which the media receiver and plasma display have been connected.
(5) Run “vup.bat at the MS-DOS prompt. The software will be upgraded.
(6) Load the file “civic_XXXa.bhx/main.bhx/osd.bhx”. It will take approximately 7 minutes until the file has been
loaded. Never turn OFF the power or operate the system during this rewriting period.
(7) After the file has been loaded, turn OFF the plasma display and the media receiver and then return the slide
switch in the above step 1 from the WRITE position to the NORMAL position. Now the software has been
upgraded.
97
PDP-R03E
3. Entering a special mode
1Entering the process adjustment mode
[Steps]
(1) When using the remote controller:
Using the system cable, properly connect the plasma display and the media receiver, and then turn ON
the power.
After the system has started up, press the PROCESS ADJ button located on the remote controller.
(2) When using buttons on the main unit:
Using the system cable, properly connect the plasma display and the media receiver.
Turn ON the power while holding down the INPUT SELECT button and Vol UP button located the plasma
display.
[Description]
Various adjustments can be made manually.
2Entering the inspection process mode
[Steps]
After the system has started up, press the PROCESS ADJ button located on the remote controller.
Set the parameter SIGNAL INFO to 1 on page 6 of the PROCESS ADJUSTMENT A MODE MENU.
Subsequently, make the necessary adjustments in accordance with the above menu.
3Procedure for setting up delivery
[Steps]
After the system has started up, press the DELIVERY SETUP button located on the remote controller.
(Within the adjustment process, the channel settings remain unchanged. Once you exit the process adjustment
mode, the channel settings entered in the delivery adjustment mode become valid.)
[Description]
The user’s adjustment parameters and others will be set to the default values. The channel settings will also
be initialized.
4. Exiting a special mode
(1) Process adjustment mode: Press the PROCESS ADJ button located on the remote controller or turn OFF the
power.
(2) Inspection process mode: Set the parameter SIGNAL INFO to 0 on page 6 of the PROCESS ADJ A MODE
MENU or turn OFF the power.
(3) Delivery setup: After the delivery setup has been finished, the process adjustment mode is automatically
selected. To exit the process adjustment mode, press the PROCESS ADJ button located on the remote controller
or turn OFF the power.
5. OSD menu and parameters displayed at manual adjustment
* The default values may slightly differ depending upon the program version to be rewritten.
* The settings are not initialized to the default values by merely rewriting the program. (See the paragraph for
Preparation for adjustment.)
(1) Descriptions of special buttons in process adjustment mode
Cursor UP key : Proceeds to the next page.
Cursor DOWN key : Returns to the previous page.
Vol UP key : Increases the adjusted value by 1.
Vol DOWN key : Decreases the adjusted value by 1.
Cursor LEFT key : Increases the adjusted value by 10.
Cursor RIGHT key : Decreases the adjusted value by 10.
Tuning UP key : Moves up the cursor.
Tuning DOWN key : Moves down the cursor.

98
PDP-R03E
(2) Organization of process adjustment screen
This indicates that the process adjustment A mode is currently selected.
↓
A Process program version Input source Color system 1/6
CENTER VERSION 2001 06 21A ↑
MONITOR VERSION XXXX Page
PANEL VERSION XXXX
••
••
••
2nd page
Parameter displaye
•+BAdj3.3V
•+BAdj2.5V
•PAL Y CONTRAST
•PAL COLOR GAIN
•MAIN CR GAIN PAL
•MAIN SUBBRIGHT 15K
•MAIN CONTRAST 15K
•SUB PAL Y
•SUB PAL COLOR GAIN
•PEAK ACL SW
Setting range
0 ~ 255
0 ~ 255
0~ 63
0~ 63
0 ~ 255
0~ 63
0~ 15
-30 ~ 30
0~ 63
OFF/ON
Description
3.3 V adjustment
2.2 V adjustment
PAL Y level adjustment
PAL color density adjustment
PAL Cr level adjustment
Pedestal level adjustment (15 k)
PCB input amplitude adjustment (15 k)
Sub PAL Y level adjustment
Sub PAL color density adjustment
3rd page
Parameter displaye
•SECAM Y CONTRAST
•SECAM COLOR GAIN
•MAIN CR GAIN SECAM
•N358 Y CONTRAST
•N358 COLOR GAIN
•MAIN CR GAIN N358
•N358 TINT
•COMP 15K Y CONTRAST
•COMP 15K COLOR GAIN
•MAIN CR GAIN COMP15K
•COMP HDTV SUB BRIGHT
•COMP HDTV CONTRAST
•DATA COPY
Setting range
0~ 63
0~ 63
0 ~ 255
0~ 63
0~ 63
0 ~ 255
-30 ~ 30
0~ 63
0~ 68
0 ~ 255
0~ 63
0~ 15
OFF/ON
Description
SECAM Y level adjustment
SECAM color density level adjustment
SECAM Cr level adjustment
N358 Y level adjustment
N358 color density adjustment
N358 Cr level adjustment
N358 tone adjustment
COMP 15 k Y level adjustment
COMP 15 k color density adjustment
COMP 15 k Cr level adjustment
COMP HDTV black level adjustment
COMP HDTV Y level adjustment
COMP HDTV color density adjustment
The values for the above parameters should be written down before the EEPROM is replaced on
the media receiver.

99
PDP-R03E
6. Procedures before and after replacing the I/F board
1) Before replacing the I/F board, write down the values for the parameters listed on the 2nd and 3rd pages of the
Adjustment Process A screen.
If the values for the parameters cannot be written down because the I/F board is completely broken or for any
other reason, make all the adjustments in accordance with the paragraph for Adjustment procedure and
parameters, rather than the following procedures. (End)
Set the parameters listed on the 2nd and 3rd pages of the Adjustment Process A screen to the values you have
written down.
7. Adjustment parameters
1) Analog adjustment
(1) Prior adjustment for AVC system chassis
(2) PAL signal adjustment
1 Destination check 1. Call the process adjustment mode.
2. For the A2PZ50MP2E, check that the destination is
“Europe”.
Adjustment item Description Adjustment procedure
2 AVC center 3.3V
adjustment Connect DC voltmeter to TP7008
(Change TP No. to TP1702
starting with 2nd lot).
Adjust output voltage of DC/DC 5 V line to
3.3 ±0.02 V.
Adjusted value: 3.3 ±0.02 V
3 AVC center 2.5V
adjustment Connect DC voltmeter to TP7007
(Change TP No. to TP1702
starting with 2nd lot).
Adjust output voltage of DC/DC 2.5 V line to
2.6 ±0.02 V.
Adjusted value: 2.6 ±0.02 V
1 Setup 1. Set color system to “PAL”.
2. Select PAL source.
Color bar signal including 100% white, such as split
field color bar
Adjustment item Description Adjustment procedure
2 Tuner Y level
adjustment 1. Adjust TP1101 so that the Y signal without the
chroma component should be 1.0 Vp-p (between
the bottom of sync signal and the white peak).
Adjustment value: 1.00 ±0.05 V
3 MAIN PAL Y level
adjustment 1. Adjust TB1274_MAIN output (TP803) to 0.35 Vp-p.
Adjusted value: 0.7 ±0.05 V
4 MAIN PAL color
density adjustment 1. Adjust TB1274_MAIN output
(TP802) to 0.35 Vp-p.
Adjusted value:
0.35 ±0.025 V
5 MAIN PAL Cr level
adjustment 1. Adjust TB1274_MAIN output
(TP801) to 0.35 Vp-p.
Adjusted value:
0.35 ±0.05 V
6 MAIN CONTRAST
adjustment 1. Turn off the PEAK ACL control. Adjust the output
(TP815) of IC810 to have 1.1 Vp-p from the
pedestal level.
Adjusted value: 1.1 ±0.05 V
Press the 2-screen key. 1. Select the special 2-screen settings for adjustment
(so that the same video source is reflected on
MAIN/SUB).
7 SUB PAL Y level
adjustment 1. Adjust TB1274_SUB output (TP806) to 0.9 Vp-p.
Adjusted value: 0.9 ±0.05 V
8 SUB PAL color density
adjustment 1. Adjust TB1274_SUB output (TP805) to 0.9 Vp-p.
Adjusted value: 0.9 ±0.05 V
0.35V
0.35V

100
PDP-R03E
(3) SECAM signal adjustment
(4) N358 signal adjustment
1 Setup 1. Set color system to SECAM.
2. Select SECAM source.
Color bar signal including 100% white, such as split
field color bar
Adjustment item Description Adjustment procedure
2 MAIN SECAM Y level
adjustment 1. Adjust TB1274_MAIN output (TP803) to 0.7 Vp-p.
Adjusted value: 0.7 ±0.05 V
3 MAIN SECAM color
density adjustment 1. Adjust TB1274_MAIN output
(TP802) to 0.35 Vp-p.
Adjusted value:
0.35 ±0.025 V
4 MAIN SECAM Cr level
adjustment 1. Adjust TB1274_MAIN output
(TP801) to 0.35 Vp-p.
Adjusted value:
0.35 ±0.025 V
0.35V
0.35V
1 Setup 1. Set color system to N358.
2. Select N358 source.
SMPTE color bar or similar color bar signal
including 100% white.
Adjustment item Description Adjustment procedure
2 MAIN N368 Y level
adjustment 1. Adjust TB1274_MAIN output (TP803) to 0.7 Vp-p.
Adjusted value: 0.7 ±0.05 V
3 MAIN N368 color
density adjustment 1. Adjust TB1274_MAIN output
(TP802) to 0.35 Vp-p.
Adjusted value:
0.35 ±0.025 V
4 MAIN N368 Cr level
adjustment 1. Adjust TB1274_MAIN output
(TP801) to 0.35 Vp-p.
Adjusted value:
0.35 ±0.025 V
0.35V
0.35V
5 MAIN N368 hue
adjustment 1. Adjust TB1274_MAIN output (TP802) so that
waveform becomes as illustrated below:
Smoothed

101
PDP-R03E
(5) Component 15 kHz signal adjustment
(6) Component HDTV signal adjustment
2. Factory settings
(1) Data Copy
(2) Delivery setup
1 Setup 1. Select component 15 kHz.
2. Select component source.
Color bar signal including 100% white, like split
field color bar
Adjustment item Description Adjustment procedure
2 MAIN component
15 K Y level
adjustment
Adjust TB1274_MAIN output (TP803) to 0.7 Vp-p.
Adjusted value: 0.7 ±0.05 V
3 MAIN component
15 K color density
adjustment
Adjust TB1274_MAIN output
(TP802) to 0.35 Vp-p.
Adjusted value:
0.35 ±0.025 V
4 MAIN component
15 K Cr level
adjustment
Adjust TB1274_MAIN output
(TP801) to 0.35 Vp-p.
Adjusted value:
0.35 ±0.025 V
0.35V
0.35V
1 Setup 1. Input HDTV (1080i) component signal.
2. Select component source.
Color bar signal including 100% white, like split
field color bar
Adjustment item Description Adjustment procedure
2 MAIN component
HDTV contrast
adjustment
Turn off the PEAK ACL control.
Adjust the output (TP815) of IC810 (11) to have
1.1 Vp-p from the pedestal level.
Adjusted value: 1.1 ±0.05 V
1 Data Copy 1. Using the adjustment key, set “ON” in the DATA
COPY line. Wait until “OFF” is displayed instead.
Finally turn off the power to quit the process
adjustment mode.
Adjustment item Description Adjustment procedure
1 Delivery setup Press the Delivery Setup button located on the remote
controller, or position the cursor on the INDUSTRY
INIT line, set the line to ON with the ADJ key, and then
press the ENTER key. The adjustment is finished
when the line turns OFF,
Adjustment item Description Adjustment procedure
* Finally turn off the power to exit from the process adjustment mode.

102
PDP-R03E
No sound
No sound from speaker
NO
YES
YES YES
Does output icon denote speaker when
operating audio volume control?
NO
NO
Does output icon denote lineout when
operating audio volume control? Monitor output in the main menu is set
to "Variable". Switch it to "Fixed".
YES
Is normal audio output available at
each related pin on IC2501
(MULTI SOUND PROCESSOR)?
IC2501 Pins (36) and (37) (SC1 OUT L/R)
YES
Check Q2505 and 2504 (Buffer) and
peripheral circuits
YES
Check PC I/F Unit and peripheral
circuits.
No audio output (SCART1)
YES
Is normal audio output available at
each related pin on IC2501
(MULTI SOUND PROCESSOR)?
IC2501 Pins (27) and (28)
(DACM L/R)
YES
Check the circuit between IC2501 Pins
(27), (28) and SCART1 Pins (3), (1),
as well as audio mute circuit.
NO
Is normal tuner audio input available at
each related pin on IC2501
(MULTI SOUND PROCESSOR)?
IC2501 Pin (67) (SOUND IF1)
IC2501 Pin (69) (SOUND IF2)
NO
NO
Is normal audio output available at each related
pin on IC1301 (AV SWITCH)?
IC1301 Pins (52) and (54)(LOUT1/ROUT1)
IC1301 Pins (43) and (45)(LOUT2/ROUT2)
IC1301 Pins (38) and (40)(LOUT3/ROUT3)
NO
No audio output (SCART2/3)
YES
Is normal audio output available at
each related pin on IC2501
(MULTI SOUND PROCESSOR)?
IC2501 Pins (36) and (37)
(SC1 OUT L/R)
YES
Check the circuit between IC2501 Pins
(36), (37) and SCART2/3 Pins (3), (1),
as well as audio mute circuit.
No monitor audio output
YES
Is normal audio output available at
each related pin on IC2501
(MULTI SOUND PROCESSOR)?
IC2501 Pins (34) and (33)
(SC2 OUT L/R)
YES
Check the circuit between IC2501 Pins
(34), (33) and monitor audio output
(J1101), as well as audio mute circuit.
Check the plasma display section.
On TV reception On external input / PC input
Check IC2501 (MULTI SOUND PROCESSOR) and peripheral circuits.
Check B.P.F. of SIF1 and SIF2 respectively.
Check TU1 (U/V tuner) and peripherals.
Is each audio input circuit normal on IC1301
(AV SWITCH)?
Between SCART1 Pins (6), (2) and IC1301 Pins (2), (4)
Between SCART2 Pins (6), (2) and IC1301 Pins (9), (11)
Between SCART3 Pins (6), (2) and IC1301 Pins (16), (18)
Between front input (J3401) and IC1301 Pins (23), (25)
Between PC input (J3403) and IC1301 Pins (29), (31)
Check IC1301 (AV SWITCH) and peripherals.
7. GENERAL INFORMATION
7.1 DIAGNOSIS
7.1.1 TROUBLE SHOOTING

103
PDP-R03E
No Video Output (1)
YES
NO
YES
No external input <SCART1 AV>
Check the line between
pin (20) of SCART1 and
pin (3) of IC1301.
YES
YES
No external input <SCART2 AV>
Check the line between
pin (20) of SCART2 and
pin (10) of IC1301.
YES
NO
YES
No external input <SCART3 AV>
NO Check IC1301 (AV
SWITCH) and its
peripheral circuits.
Is there AV signal input
at pin (17) of IC1301 (AV
SWITCH)?
Is there AV signal input
at pin (10) of IC1301 (AV
SWITCH)?
Is there AV signal input
at pin (3) of IC1301 (AV
SWITCH)?
YES
Are there R, G and B MAIN signal inputs at pins (5),
(7) and (9) of IC811 (30MHz L.P.F.), respectively?
YES
NO Check IC811 (30MHz
L.P.F.) and its
peripheral circuits.
YES
YES YES
NO Check IC810 (6.7MHz
L.P.F.) and its
peripheral circuits.
Are there R, G and B SUB signal
outputs at pins (13), (11) and (10) of
IC810, respectively? (in STD mode)
Are there R, G and B SUB signal
outputs at pins (13), (11) and (10) of
IC811, respectively? (in HDTV mode)
Check the line between
pin (20) of SCART3 and
pin (17) of IC1301.
YES
NO Check the line between
IC405 and IC801.
YES
Are there MAIN-Y signal inputs at pins (1) and (44) of IC801
(MAIN VIDEO CHROMA) as well as MAIN-C signal inputs at pins
(43) and (48)(composite signal at pin (44) in SECAM system)?
NO Check the line between
IC402 and IC802.
Are there SUB-Y signal input at pin (44) of IC802 (SUB
VIDEO CHROMA) at pin (1) in NTSC system) as well as
SUB-C signal input at pin (43) at pin (48) in NTSC system)?
YES
NO Check IC801 (MAIN
VIDEO CHROMA) and its
peripheral circuits.
YES
Are there Y, Cb and Cr MAIN signal outputs at pins
(21), (22) and (23) of IC801, respectively?
NO Check IC802 (SUB
VIDEO CHROMA) and
its peripheral circuits.
Are there Y, Cb and Cr SUB signal outputs at pins
(21), (22) and (23) of IC802, respectively?
YES
NO Check the line between
IC801 and IC803.
YES
Are there Y, Cb and Cr MAIN signal inputs at pins (69),
(68) and (67) of IC803 (RGB DECODER), respectively?
NO Check the line between
IC802 and IC804.
Are there Y, Cb and Cr SUB signal inputs at pins (5),
(9) and (7) of IC804 (6.7MHz L.P.F.), respectively?
YES
NO Check IC803
(RGB DECODER) and its
peripheral circuits.
YES
YES
Are there R, G and B MAIN signal outputs at pins
(35), (37) and (39) of IC803, respectively? NO Check IC804 (6.7MHz
L.P.F.) and its peripheral
circuits.
Are there R, G and B SUB signal outputs at pins
(13), (11) and (10) of IC804, respectively?
NO
NO
NO
Select INPUT1 AV on
the menu screen. Select INPUT2 AV on
the menu screen.
NO
Is INPUT3 AV selected
on the Input Select
menu screen?
Is INPUT2 AV selected
on the Input Select
menu screen?
Is INPUT1 AV selected
on the Input Select
menu screen?
Select INPUT3 AV on
the menu screen.
Are there MAIN and SUB video signal outputs at pins (56) and (44) of IC1301, respectively?
YES NO Check the lines between
IC1301, IC405 and
IC402.
Are there video signal inputs at pins (1) and (2) of IC405 (MAIN COMB FILTER) and IC402 (SUB COMB FILTER)?
Check the PC I/F unit.
<MAIN system> <SUB system>
<HDTV mode> <STD mode>
Are there R, G and B MAIN signal inputs at pins (5),
(7) and (9) of IC810 (6.7MHz L.P.F.), respectively?
C
A
D
F
B
E

104
PDP-R03E
No picture (2)
NO
YES
NO
YES
No external input picture (SCART2 Y/C)
Is INPUT2 Y/C selected on
Input/Select menu screen?
Select INPUT2 Y/C on
menu selection screen.
Is Y signal input available at
Pin (10) and C signal input
at Pin (12) respectively on
IC1301 (AV SWITCH)?
Check the circuit between
SCART2 Pins (20), (15)
and IC1301 Pins (10), (12).
NO
YES
NO
YES
NO
No external input picture (SCART3 Y/C)
Is INPUT3 Y/C selected on
Input/Select menu screen?
Select INPUT3 Y/C on
menu selection screen.
Is Y signal input available at
Pin (17) and C signal input
at Pin (19) respectively on
IC1301 (AV SWITCH)?
Check the circuit between
SCART3 Pins (20), (15)
and IC1301 Pins (17), (19).
Check IC1301 (AV
SWITCH) and
peripheral circuits.
YES
YES
NO
YES
No TV picture
Is video output available at
Pin 23 of TU1 (U/V tuner)?
Check TU1 (U/V tuner)
and peripherals.
Is video input signal
available at Pin (63) on
IC1301 (AV SWITCH)?
Check the circuit
between TUNER Pin (23)
and IC1301 Pin (63).
No picture (3)
NO
YES
NO
YES
No external input picture (SCART1 RGB)
Is INPUT1 RGB selected
on Input/Select menu
screen?
Select INPUT1 RGB on
menu selection screen.
Is RGB signal input
available at Pins (59),
(61) and (63) on IC1401
(AV SWITCH)?
Check the circuit between
SCART1 Pins (15), (11),
(7) and IC1401 Pins (59),
(61), (63).
NO
YES
NO
YES
No external input picture (SCART3 RGB)
Is INPUT3 RGB selected
on Input/Select menu
screen?
Select INPUT3 RGB on
menu selection screen.
Is RGB signal input
available at Pins (5), (7)
and (9) on IC1401 (AV
SWITCH)?
Check the circuit
between SCART3 Pins
(15), (11), (7) and
IC1401 Pins (5), (7), (9).
NO
YES
NO
YES
No component picture
Is INPUT3 COMPONENT
selected on Input/Select
menu screen?
Select INPUT3
COMPONENT on menu
selection screen.
Is component signal input
available at Pins (15), (17)
and (19) on IC1401 (AV
SWITCH)?
Check the circuit between
component signal input
terminal (J1101) and IC1401
Pins (15), (17) and (19).
NO
YES
Is RGB signal output
available at Pins (50), (48)
and (46) on IC1401?
Check IC1401 (AV
SWITCH) and peripheral
circuits.
NO
YES
Is RGB signal output
available at Pins (44), (42)
and (40) on IC1401?
Check IC1401 (AV
SWITCH) and peripheral
circuits.
NO
YES
YES YES YES
Is component signal output
available at Pins (38), (36)
and (34) on IC1401?
Check IC1401 (AV
SWITCH) and peripheral
circuits.
NO
Is RGB signal input available
at Pins (27), (26) and (25)
respectively on IC801
(MAIN VIDEO CHROMA)?
Check the circuit between
IC1401 Pins (50), (48),
(46) and IC801 Pins (27),
(26), (25).
NO
Is RGB signal input available at
Pins (27), (35), (26), (34), (25)
and (33) respectively on IC802
(SUB VIDEO CHROMA)?
Check the circuit between
IC1401 Pins (44), (42), (40)
and IC802 Pins (27), (35),
(26), (34), (25) and (33).
NO
Is component signal input
available at Pins (3), (4)
and (5) respectively on
IC803 (RGB DECODER)?
Check the circuit between
IC1401 Pins (38), (36),
(34) and IC803 Pins (3),
(4) and (5).
C
A
B
Is MAIN-Y signal output available at Pin (56) and MAIN-C signal output at Pin (58) respectively on IC1301?
Is SUB-Y signal output available at Pin (44) and SUB-C signal output at Pin (47) respectively on IC1301?
DEF

105
PDP-R03E
No picture (4)
NO
YES
Is INPUT4
selected in Input
Source?
Select INPUT4
in Input Source.
NO
YES
Is INPUT4
selected in Input
Source?
Select INPUT4
in Input Source.
NO
YES
Is video signal
input available at
Pin (22) on IC1301
(AV SWITCH)?
Check the circuit
between front
INPUT4 (J3401)
AV terminal and
Pin (22) on IC1301.
NO
YES
Is Y signal input
available at Pin (24)
and C signal input at
Pin (26) respectively
on IC1301 (AV
SWITCH)?
Check the circuit
between front
INPUT4 (J3401) S
terminal Pins (2), (1)
and Pins (24), (26) on
IC1301.
NO
Is MAIN-Y signal output
available at Pin (56) and
MAIN-C signal output at
Pin (58) respectively on
IC1301?
Is SUB-Y signal output
available at Pin (44) and
SUB-C signal output at
Pin (47) respectively on
IC1301?
Check IC1301
(AV SWITCH)
and peripheral
circuits.
Synchronization failure
NO
YES
Is VDM/HDM output
available at Pins (28)
and (29) on IC803
(RGB DECODER)?
Check IC803 (RGB
DECODER) and
peripheral circuits.
NO
NO
YES
Is HI/VI input
available at Pins (66)
and (65) on IC803
(RGB DECODER)?
Check the circuit
between IC1901 Pins
(34), (35) and IC803
Pins (66), (65).
NO
YES
Is PL HD/VD output
available at Pins (34) and
(35) on IC1901 (PLD)?
Check IC1901
(PLD) and
peripheral circuits.
YES
MAIN: Is HD1/VD1 input available at Pins (44) and (2) on IC1901 (PLD)?
SUB: Is HD2/VD2 input available at Pins (19) and (20) on IC1901 (PLD)?
COMPONENT: Is SP HD/VD input available at Pins (40) and (5) on IC1901 (PLD)?
NO
Is HD1/VD1 output available
at Pins (9) and (4) on IC801
(MAIN VIDEO CHROMA)?
Check IC801 (MAIN VIDEO
CHROMA) and peripheral circuits.
YES
NO
Is SP HD/VD output
available at Pins (16) and
(28) on IC604 (SYNC SEP)?
Check IC604 (SYNC SEP) and
peripheral circuits.
YES
NO
Is HD2M/VD2 output available
at Pins (9) and (4) on IC802
(SUB VIDEO CHROMA)?
YES
Is video signal input
available at Pin (21) on
IC1601 (TELETEXT CPU)?
Is TELETEXT compatible broadcast received (or are signals from other TELETEXT compatible
equipment received at video input terminal), and is TELETEXT selected on remote controller?
Check the circuit between
IC1301 Pin (56) and IC1601
Pin (2).
NO
YES
Is signal input available at Pins
(57), (58) and (59) on IC1601? Check IC1601 (TELETEXT
CPU) and periph eral
NO
Is signal input available at
Pins 57, 53 and 55 on
IC1301 (AV SWITCH)?
Check the circuit between IC1601
Pins (57), (58) and (59) and
C1301 Pins (57), (53) and (55).
YES NO
Select TELETEXT in
accordance with the
specified procedure.
Check IC802 (SUB VIDEO
CHROMA) and peripheral circuits.
No TELETEXT screen
NO
YES
Is HDS/VDS output
available at Pins
(21) and (22) on
IC1901 (PLD)?
Check IC1901
(PLD) and
peripheral
circuits.
NO
No external input picture (INPUT4 AV) No external input picture (INPUT4 S-IN)
No picture (5)
NO
Is video signal
output available at
Pin (41) on IC1301
(AV SWITCH)?
Check IC1301
(AV SWITCH)
and peripheral
circuits.
NO
Is Y signal output
available at Pin
(39) and C signal
output at Pin (37)
respectively on
IC1301 (AV
SWITCH)?
YES
YES
YES
Check the circuit
between IC1401
Pin (41) and
SCART1 monitor
video output
terminal (J1101).
Check the circuit
between IC1301
Pins (39), (37) and
monitor S-OUT
terminal Pins 3/4.
Confirm input
signal is S-
INPUT.
No monitor picture (AV) No monitor picture (S-OUT)
Check IC1301
(AV SWITCH)
and peripheral
circuits.
MAIN SUB
Check the
circuit between
IC802 Pins (9),
(4) and IC1901
Pins (19), (20).
C
A
B

106
PDP-R03E
No picture
NO
YES
No TV, video and component picture
Is normal input available
at Pins (124), (133) and
(139) on IC4?
Check CN6 and
peripherals.
NO
YES
Are TL207, TL208 and
TL211 normal? Check CN6 and
peripherals.
NO
YES
Is digital output section
normal on IC4?
Check IC4 and
peripherals.
NO
YES
Is digital output section
normal on IC310? Check IC310 and
peripherals.
NO
YES
Is digital output of IC25
normal? Check IC25 and
peripherals.
No PC picture
YES
Is signal available at Pins (21), (22), (24), (25), (27), (28), (30)
and (31) on IC413? (The signal is of high frequency (a little
less than 1GHz). Pay due attention to it during observation.)
Monitor problem is likely.
NO
PC I/F Unit (CPCi-
0056CE) internal problem
is likely.
No MAIN picture on single screen and dual screen. No SUB picture on dual screen NO
YES
Is normal input available
at Pins (126), (136) and
(141) on IC4?
Check CN8 and
peripherals.
NO
YES
Is digital output section
normal on IC4? Check IC4 and
peripherals.
NO
YES
Is digital output of IC25
normal? Check IC25 and
peripherals.

107
PDP-R03E
MAIN Unit
AV Unit
FRONT Unit
POWER Unit
LED Unit
SR
CONNECT
Unit
PC I/F Unit
EMC Unit
Bottom cabinet
1
7
Top cabinet
6-2
8-1
6-1
9-1
6-3
6-5
6-4
8-2
9-2
10
6-7
5
2
3
23
3
6-6
4
A
G
B
F
H
D
E
C
7.1.2 DISASSEMBLY
1. Remove the six lock screws from the back of the top cabinet. Slide the top cabinet backward and detach it.
2. Remove the three lock screws from the front panel. Undo the three hooks at the top and the four hooks at the
bottom, and detach the front panel.
3. Remove the two hexagonal shafts from the front shield. Undo the two hooks on both sides and detach the
front shield.
4. Remove the three lock screws from the front unit and detach this unit.
5. Remove the one lock screw from the LED unit and detach this unit.
6. Remove the PC I/F unit and SR connect unit assemblies.
6-1. Remove the two hexagonal shafts each from the system cable (white) terminal and the RS-232C terminal,
both on the PC I/F unit.
6-2. Remove the two lock nuts from the control terminal on the SR connect unit, and the two lock screws from
the system cable (gray) terminal also on the SR connect unit.
6-3. Remove the two lock screws from the PC I/F unit bracket.
6-4. Remove the four lock screws from the PC I/F unit and SR connect unit assemblies. Take out these
assemblies.
6-5. Remove the three lock screws from the brackets of the PC I/F unit and SR connect unit assemblies.
Detach the shield.
6-6. Remove the six lock screws from the PC I/F unit. Detach this unit from the bracket.
6-7. Remove the two lock screws from the SR connect unit. Detach this unit from the bracket.
7. Remove the seven lock screws from the main unit and detach this unit.
8. Remove the AV unit.
8-1. Remove the six lock screws from the AV unit.
8-2. Remove the six lock screws from the AV unit and detach this unit.
9. Remove the EMC unit assemblies.
9-1. Remove the two lock screws from the EMC unit bracket.
9-2. Remove the two lock screws from the EMC unit and detach this unit.
10. Remove the three lock screws from the power unit and detach this unit.
SERVICE JIGS
Extension Cable (30-Pin) QCNW-6099CEZZ
Extension Cable (50-Pin) QCNW-6100CEZZ
Extension Cable (4-Pin) QCNW-6101CEZZ
Extension Cable (13-Pin) QCNW-6102CEZZ
Extension Cable (12-Pin) QCNW-6103CEZZ
108
PDP-R03E
7.2 EXPLANATION
7.2.1 IC DESCRIPTIONS
•Description of Functions of Main ICs on PC I/F Unit
•IC4 (CXA3506R)
This IC is an A/D converter that incorporates a 3-channel, 8-bit, 120 MSPS amplifier and PLL. It is used for the
video signals input to the I/F board on the main channel in the 1-screen and 2-screen modes, and also for the
video signals input from the front for the PC.
The video signals (analog RGB) from the CN6 are input to IN1 of IC4.
For the PC, the video signals (analog RGB) from CN8 are input to IN2 of IC4.
The input video signals are converted into digital signals and then sent to IC25.
•IC310 (TLC5733A)
This IC is a 3-channel, 8-bit, 20 MSPS A/D converter.
It is used for the sub-channel of the video signals input to the I/F board in the 2-screen mode.
The video signals (analog YCbCr) from CN6 are input to IC310.
The video signals input to this IC are converted into digital signals and then sent to IC25.
•IC25 (IX3434CE)
This IC performs the I/P conversion and scaling to match the digitalized video with the output resolution, and also
the data conversion.
It has two input lines, V0 and V1. The V0 line is used to process the RGB, composite, and skirt signals input to the
480i and 580i components for the sub-channel in the 2-screen mode. The V1 line is used to process all the signals
as well as V1 for the main channel in the 1-screen and 2-screen modes.
The IC25 detects what resolution is input from the input synchronizing signal; creates H synchronization in
accordance with the frequency division ratio; creates the clamp signal in accordance with the input synchronizing
signal; and performs the data matrix conversion.
The video signals input to this IC is sent to IC413.
•IC413 (SiI168)
This IC is a panel link transmitter.
It converts the 8-bit RGB video data output from IC25 into the differential TMDS signals and then digitally transmits
the converted signals to the monitor.
The TMDS signals are transmitted at the frequency 10 times higher than the clock frequency.
•IC1 (IX3270CE)
This IC is a 1-chip RISC microprocessor.
It performs communication with the monitor and operates the system.
The IC1 also controls each IC in the media receiver and partially manages the power source.
•IC405 (uPD4721)
This IC is an RS-232 line driver receiver conforming to the EIA/TIA-232-E standard.
The IC405, when connected to a PC, allows for externally controlling the system.
It is also applicable for upgrading IC1.
109
PDP-R03E
•Description of Main ICs on Company P’s PDP Destined for Europe
•IC1301 (CXA2069Q)
This IC is a 7-input, 3-output selector.
The video signals other than those for the PC and components, which have been input from each input connector
and the tuner, and all the audio signals are sent to the IC1301 and then selected.
Output 1 is used internally and output 3 in the monitor output.
When the S video input is output to the monitor, Y and C signals are mixed in this IC.
The video signals sent to the IC1301 are then input to the YC separation circuits, IC405 (main) and IC402 (sub).
The audio signals are input to the I/F board via IC2501 (sound processor).
•IC1401 (MM1519XQ)
This IC is a 4-input, 8-output video selector for component input.
The AV3 component input, AV1, RGB input, and Teletext RGB signals are input to the IC1401. The output signals
go to the main, sub, and component channels.
•IC1601 (SDA5550M).
This IC is a microcomputer for Teletext.
Video signals are input to the IC1601, which then decodes the Teletex data and outputs it as RGB data.
•IC2501 (IX3371CE)
This IC is used to decode audio signals.
It serves as both the S IF decoder and the selector for the input audio data.
•IC801/IC802 (TB1274AF)
This IC synchronizes video and chroma signals for PAL/NTSC/SECAM color televisions.
Its video circuit includes a high-performance image quality compensation circuit and its chroma circuit a PAL/
NTSC/SECAM automatic selection circuit. The M/N-PAL clock signals at 4.43 and 8.58 MHz are internally generated
for color demodulation.
The PAL/SECAM demodulation circuit uses a base band signal processing system with built-in IH DL and is
therefore adjustment-free.
The IC801/IC802 has 4 lines for YC signal input, 2 lines for RGB signal input, and 2 lines for color difference signal
input. It receives color different signals for the main and sub channels from IC405 (main), IC402 (sub), and
IC1401 in the former stage, and provides 1 line for color difference signal output.
•IC803 (CXA2101Q)
This IC consists of a base band signal processing section for color different input, an RGB signal processing
section, and a 4-line video switch (including HV synchronizing signal processing).
Input selection is performed by INPUT-SEL (HC BUS). YcbCx, HD YphPr, GBR and their respective HV synchronizing
signals are input to each line.
As the multi-scanning compliance range, a horizontal scanning frequency of 15~60 kHz can be input.
•IC1901 (IX3566CE)
This IC is FPGA for the synchronizing system.
It creates sand castle pulses for IC803 and generates horizontal blanking signals.
•IC604 (TA1318N)
This IC synchronizes TV component signals.
The IC804 incorporates the necessary functions for measuring the frequency of input signals and synchronous
replay into a single chip, and is applicable for horizontal synchronous replay (15.75, 31.5, 33.75, and 45 kHz) and
vertical synchronous replay (525I, 525P, 625I, 750P, 1125I, 1125P, PAL 100 Hz, and NTSC 120 Hz).
•IC405/IC402 (CXD2064Q)
This IC is a comb filter in the applicable field for both the NTSC and PAL systems. It performs the Y/C separation
of the main and sub channel video signals that have been output from IC1801.
•IC407/IC404 (ML6428C1)
This IC is a 6.7 MHz low-pass filter.
•IC810/IC804 (IX3473CE)
This IC is a 6.7 MHz low-pass filter incorporating a 6 dB amplifier.
•IC811 (IX3474CE)
This IC is a 80 MHz low-pass filter incorporating a 6 dB amplifier.

110
PDP-R03E
MONITOR OUTPUT
S-VIDEO VIDEO R–AUDIO–L
(GRAY)
RS-232C
IN OUT
CONTROL
INPUT 3
INPUT 2
YPBPR
COMPONENT
AC INLET
SYSTEM
CABLE (WHITE)
INPUT 1
POWER
STANDBY/ON
MEDIA RECEIVER
PDP-R03E
Front view
INPUT 1 terminal
(SCART)
INPUT 3 terminals (Y, P
B
, P
R
)
INPUT 2 terminal
(
SCART
)
MONITOR OUTPUT
terminal (S-VIDEO) SYSTEM CABLE terminal
(GRAY)
SYSTEM CABLE terminal
(WHITE)
AC INPUT terminal
CLEAR button*
POWER button
RS-232C terminal
(used in the factory setup)
INPUT 4 terminal (S-VIDEO)
INPUT 4 terminal (VIDEO)
PC INPUT terminal (AUDIO) INPUT 4 terminals (AUDIO)
INPUT 3 terminal (SCART)
MONITOR OUTPUT
terminal
(
VIDEO
)
MONITOR OUTPUT
terminals (AUDIO)
PC INPUT terminal (ANALOG RGB)
CONTROL terminal
Media Receiver
If you’re having problems operating the Media Receiver and want to return to normal screen, even when it stays
on (the indicator lights green), press CLEAR on the Media Receiver. Pressing CLEAR resets the System as
shown below.
• AV SELECTION resets to STANDARD
• TV channel resets to channel 1
• Multiscreen resets to normal
• Audio setting initialises
• SRS resets to Off.
• Image position is initialises
NOTE
• Pressing CLEAR will not work if the System is in standby mode but the indicator lights red.
• Pressing CLEAR will not delete channel preset or password. See initialising factory preset settings when you know your
password. See initialising factory preset values when you have forgotten your password.
Rear view
Antenna input terminal
8. PANEL FACILITIES AND SPECIFICATIONS
8.1 PANEL FACILITIES

111
PDP-R03E

112
PDP-R03E
8.2 SPECIFICATIONS
Item Media Receiver, Model:PDP-R03E
Colour System PAL/SECAM/NTSC 3.58/NTSC 4.43/PAL 60
TV
Function B/G, D/K, I, L/L’
VHF/UHF E2–E69ch, F2–F10ch, I21–I69ch, IR A–IR Jch
CATV Hyper-band, S1–S41ch
Auto Channel Preset 99 ch, Auto Preset, Auto Label, Auto Sort
STEREO NICAM/A2
Terminals SCART (AV in, RGB in, TV out)
INPUT 2 SCART (AV in/out, S-VIDEO in, AV Link)
INPUT 3 SCART (AV in/out, S-VIDEO in, RGB in), Component
Antenna 75Ω Din Type for VHF/UHF in
INPUT 4 S-VIDEO, AV in
PC 15 Pin mini D-Sub, Audio in
Monitor Out Terminal Audio (Variable, Fixed), S-VIDEO out, AV out
Power Requirement AC 220–240 V, 50/60 Hz, 40 W (0.8 W Standby)
Dimensions 420 (W), 70 (H), 330 (D) mm
Weight 4.4 kg
Accessories Power Cord, Remote control unit, Two AA size batteries, System Cable,
Two Operating Instructions
Receiving System
Tuner
Rear INPUT 1
Front
Rear
• Design and specifications are subject to change without notice.
Power cord (QACCBA005WJZZ, QACCVA002WJZZ)
(For Europe, except U.K. and Eire) (For U.K., and Eire) Remote control unit
(RRMCG1677CESA)
Two AA size batteries
(Alkaline battery) System cable
(QCNW-6085CEZZ) Two operating instructions
(TINS-7495CEZZ, TINS-7597CEZZ)
Accessories














































