Tech Catalog 2009 RCP80 PHP Manual
User Manual: RCP80
Open the PDF directly: View PDF .
Page Count: 268 [warning: Documents this large are best viewed by clicking the View PDF Link!]

Catalog #22T
Technical Service
Manual
Manual Price: $9.95
Breakdowns
Propane Heaters
Radiant Heaters
Tent HeatersWiring DiagramsConvection Heaters
Natural Gas Heaters
Tanktop Heaters
Heater Parts Oil-Fired Heaters
Phone Toll Free: 800-362-6951
Fax Toll Free: 800-255-7985
www.phpdistribution.com
Hours 7:30 am - 5:00 pm (CST)
www.phpdistribution.com

—2— Phone: 800-362-6951 • Fax: 800-255-7985
www.phpdistribution.com
Oil Fired Heater
Service Manual
• Includes info on Desa
HSI heaters
• It also covers all three
manufacturers of low
pressure oil fired
heaters; Desa, Toro,
and National Riverside
Part #
SM70106
$9.95
SM7
01
06
®
2
006
P
ortable
Heater
Pa
rts
V
ersion
V
ersion
V
3
SERVICE MANUAL
for
Oil Fired Heaters
Low Pressure High Pressure Indirect Fired
Gas Fired
Service Manual
• Gives an understanding
of gas fired heaters,
parts description
& troubleshooting
• It also covers three
manufacturers of gas
fired heaters: Desa,
National Riverside and L.B. White
Part #
GM70103
Part
#GM70103
Portable
Heater
Parts
®
2007
Ve
rsion
2
Gas Fired
Heaters
SERVICE
MANU
AL
for
Part #CDTECH
Part #CDTS
Part #CD70101
Tech Service
Manual On CD
Interactive Heater
Troubleshooting CD
Part #CDGF
Gas Fired
Manual On CD
Low Pressure
Manual On CD
At PHP we understand the importance of technical service support. Our Technical Service Manual can
provide you with the most up-to-date technical information for all brands and types of portable heaters.
Important features of this catalog include:
Part breakdowns for hundreds of portable heaters.
Technical service tips and troubleshooting.
Additional service materials offered by PHP. See page 71
Information about the annual PHP service school. See page 265
Should you require manuals or part lists for any equipment that PHP offers we would be glad to assist you.
Please call, fax or e-mail us with your request.
PHP technical service: 1-800-362-6951 extension 2
For customer service and orders use extension 1
Website: phpdistribution.com
Fax: 1-800-255-7985
In addition to our Technical Service Manual, our service technicians are available to assist you with
questions that may arise. Our highly skilled technical and customer service staff has been through rigorous
technical training to assure you are getting accurate and timely assistance.
How to use this manual:
Always begin with the make and model number of the heater. For ENERCO brand heaters which include
Heatstar and Mr. Heater, the serial number from the heater will be needed. The part lists are divided into
sections for each make or manufacturer. Turn to the index for the manufacturer and locate the model or btu
size next. The most common heaters have an exploded part breakdown view. Following these breakdowns
are Quick Part Reference sections which list the most commonly replaced parts for hundreds of models.
PHP also maintains an extensive library of heater and equipment part lists available upon request.

—3— Phone: 800-362-6951 • Fax: 800-255-7985
www.phpdistribution.com
Table of Contents
Oil Heater Service Information (Part Descriptions, Tips, Troubleshooting) . . . . . . . . . . . . . . . . . . . . . . . .5
Gas Heater Service Information (Part Descriptions,Tips, Troubleshooting) . . . . . . . . . . . . . . . . . . . . . .120
Common Replacement Parts . . . . . . . . . . . . . . . . . . . . . . . . . . . . . . . . . . . . . . . . . . . . . . . . . . . . . . . . .22
Heater Breakdowns
Desa (Master, Reddy, Remington, Sears, John Deere, Etc.)
Oil . . . . . . . . . . . . . . . . . . . . . . . . . . . . . . . . . . . . . . . . . . . . . . . . . . . . . . . . . . . . . . . . . . . . . . . .49
Gas . . . . . . . . . . . . . . . . . . . . . . . . . . . . . . . . . . . . . . . . . . . . . . . . . . . . . . . . . . . . . . . . . . . . . . .180
Enerco (Mr. Heater, HeatStar, Tractor Supply)
Oil . . . . . . . . . . . . . . . . . . . . . . . . . . . . . . . . . . . . . . . . . . . . . . . . . . . . . . . . . . . . . . . . . . . . . . . .24
Gas . . . . . . . . . . . . . . . . . . . . . . . . . . . . . . . . . . . . . . . . . . . . . . . . . . . . . . . . . . . . . . . . . . . . . . .131
Heat Wagon / Sure Flame
Oil . . . . . . . . . . . . . . . . . . . . . . . . . . . . . . . . . . . . . . . . . . . . . . . . . . . . . . . . . . . . . . . . . . . . . . .245
Gas . . . . . . . . . . . . . . . . . . . . . . . . . . . . . . . . . . . . . . . . . . . . . . . . . . . . . . . . . . . . . . . . . . . . . . .251
L.B. White (Foreman, Guardian, Tradesman, Workman, Premier)
Oil . . . . . . . . . . . . . . . . . . . . . . . . . . . . . . . . . . . . . . . . . . . . . . . . . . . . . . . . . . . . . . . . . . . . . . . .42
Gas . . . . . . . . . . . . . . . . . . . . . . . . . . . . . . . . . . . . . . . . . . . . . . . . . . . . . . . . . . . . . . . . . . . . . . .156
Patio Comfort
Gas . . . . . . . . . . . . . . . . . . . . . . . . . . . . . . . . . . . . . . . . . . . . . . . . . . . . . . . . . . . . . . . . . . . . . . .208
Pro Temp (Heat Hog)
Oil . . . . . . . . . . . . . . . . . . . . . . . . . . . . . . . . . . . . . . . . . . . . . . . . . . . . . . . . . . . . . . . . . . . . . . .117
Gas . . . . . . . . . . . . . . . . . . . . . . . . . . . . . . . . . . . . . . . . . . . . . . . . . . . . . . . . . . . . . . . . . . . . . . .239
Scheu (All-Pro, Universal, National Riverside)
Oil . . . . . . . . . . . . . . . . . . . . . . . . . . . . . . . . . . . . . . . . . . . . . . . . . . . . . . . . . . . . . . . . . . . . . . . .98
Gas . . . . . . . . . . . . . . . . . . . . . . . . . . . . . . . . . . . . . . . . . . . . . . . . . . . . . . . . . . . . . . . . . . . . . . .209
Space Ray
Gas . . . . . . . . . . . . . . . . . . . . . . . . . . . . . . . . . . . . . . . . . . . . . . . . . . . . . . . . . . . . . . . . . . . . . . .242
Toro (Century, Champion, Porta Heat, Gilson, Lawn Boy, etc.)
Oil . . . . . . . . . . . . . . . . . . . . . . . . . . . . . . . . . . . . . . . . . . . . . . . . . . . . . . . . . . . . . . . . . . . . . . .103
Miscellaneous Service, Equipment, & Supplies (Fittings, LP, Etc) . . . . . . . . . . . . . . . . . . . . . . . . . . . . . .253
Wick Heaters (Wicks and Accessories) . . . . . . . . . . . . . . . . . . . . . . . . . . . . . . . . . . . . . . . . . . . . . . . . . . . . .257
Credit Application . . . . . . . . . . . . . . . . . . . . . . . . . . . . . . . . . . . . . . . . . . . . . . . . . . . . . . . . . . . . . . . . . . . . .264
PHP Service School . . . . . . . . . . . . . . . . . . . . . . . . . . . . . . . . . . . . . . . . . . . . . . . . . . . . . . . . . . . . . . . . . . . .265

Phone Orders:
1-800-362-6951 (Press 1)
7:30 a.m. - 5:00 p.m. (CST)
Fax Orders:
1-800-255-7985
24 hours a day, 7 days a week
Internet Orders:
www.phpdistribution.com
24 hours a day, 7 days a week
Mail Orders:
PHP
342 N. Co. Rd. 400 E.
Valparaiso, IN 46383
ORDERING
—4— Phone: 800-362-6951 • Fax: 800-255-7985
www.phpdistribution.com
PHP ships through UPS. Our warehouse is located in Valparaiso, Indiana. The map below
shows the average delivery time via UPS. If you live on the border of this area, you may get
next day or 2nd day service.
Ground Time-in-Transit Map
From Valparaiso, IN 46383
1 DAY
2 DAYS
3 DAYS
4 DAYS
5 DAYS
Order Parts
Online
Order Parts
Online
Visit
www.phpdistribution.com!
✔ Brand new look
✔ Order from a secure site
✔ Check account status
✔ Look up individual parts

—5—
This section is designed to give you the information you will need when you service your customers’
heaters. You will find useful information including test procedures for split phase motors and trouble
shooting for various heaters.
The information contained in this section has been compiled using techniques that have been proven
and tested in the field.
PHP recommends that these tests and procedures be performed by a certified technician or mechanic.
Some of the tests and procedures may be dangerous should they be performed inaccurately or
carelessly.
Use common sense in handling anything with electrical current or that has exposed moving parts
when performing tests or procedures. Always wear proper safety equipment, such as safety glasses and
gloves when necessary.
If you have questions, contact the PHP technical service department at 800-362-6951 ext. 2 or email
us at techservice@phpdistribution.com.
Description Page No.
General Precautions 6
Preparation/Tools Required 6
Low Pressure Oil Troubleshooting 7
H.S.I. Component Description and Operation 8
H.S.I. Tips 9
Component Description and Operation 10
Desa Common Safety Controls 13
High Pressure Oil Troubleshooting 14
High Pressure Parts Information 15
Toro Service Information 16
Troubleshooting Flame Out Safety 17
Enerco Service Information 20
L.B. White Service Information 21
Oil Heater Service Information
INDEX
Oil Heater Service Info.
Phone: 800-362-6951 • Fax: 800-255-7985
www.phpdistribution.com

—6—
Oil Fired Heaters
General Precautions
Direct–fired forced air heaters
Direct-Fired means that all of the combustion products enter the heated space. Even though this heater operates very close
to 100 percent combustion efficiency, it still produces small amounts of carbon monoxide. Carbon monoxide (called CO)
is toxic. We can tolerate small amounts, but not a lot. OSHA says that 50 parts per million (ppm) in the air we breathe is
okay if it does not average more than that during an 8 hour working period. Regardless, CO can build up in a heated space
and failure to provide adequate ventilation could result in death. The symptoms of inadequate ventilation are:
headache
dizziness
burning eyes and nose
nausea
dry mouth or sore throat
So be sure to follow advice about ventilation in these operating instructions.
Forced air means that a blower or fan pushes the air through the heater. Proper combustion depends upon this air
flow; therefore, the heater must not be revised, modified, or operated with parts removed or missing. Likewise, safety
systems must not be circumvented or modified in order to operate the heater.
Preparation/Tools Required
Low Pressure Oil Heaters have many small parts: Start by making a clean work area. This will give you an area to layout the
disassembled parts. Gather the tools required before work is started. You will need the following: 1/4" and 5/16" Nut
drivers, 1/8" Allen wrench, common size open end wrenches and screwdrivers, 0-15 PSI Pressure gauge (HA1180),
flashlight, oil drain pan, .001 to .1 Feeler gauge, AC250V/RX1 Volt/Ohm meter,and a few gallons of fresh clean kerosene.
In addition to the tools mentioned above, every shop should have an HA1170 Tester. It is equipped with a three-position
switch (off, solid, flashing) for a red LED and a set of alligator clips.
The HA1170 Tester is designed to take the guess work out of repairing HSI heaters. The HA1170 Tester will troubleshoot
HSI photocells and Ignition Control Boards. It is an essential tool when telling the difference between a good part and a
bad part in HSI heaters. Specific instructions on using the HA1170 Tester are found in the Photocell Section and the
Ignition Control Board Section. The HA1170 Tester can also be used to test components for a heater with solid state
ignition, making it more practical to own.
Oil Heater Service Info.
Phone: 800-362-6951 • Fax: 800-255-7985
www.phpdistribution.com

—7—
Oil Heater Service Info.
DESA Service Information
Low Pressure Solid State Oil Heaters
Helpful Hints For Problems
PROBLEM POSSIBLE CAUSE REMEDY
Pulsation or 1. Low fuel level or unit not level 1. Level unit. Keep tank filled.
uneven firing 2. Air leak 2. Check air & fuel lines for air leaks.Filter not tight. No filter
gasket.
3. Water in fuel 3. Drain, flush & refill with clean,water-free fuel
4. Low air pressure 4. Adjust air pressure. Clean or replace air filters.
5. Nozzle leaking air into oil passages 5. Replace nozzle seal/O-Ring
Motor does not start 1. No power to unit 1. Check outlet & fuse. Check power cord for good contact.
2. Defective motor 2. Replace motor
3. Circuit breaker tripped 3. Depress reset button
4. Loose circuit breaker connections 4. Check terminals on circuit breaker for good contact
5. Defective circuit breaker 5. Replace circuit breaker
Motor runs slowly 1. Low voltage 1. Check voltage. Check length & size of extension cord
2. Tight compressor 2. With unit unplugged turn fan by hand. If fan does not turn
freely, adjust compressor ring.
3. Motor defective 3. With unit unplugged fan turns freely. Replace motor
Cannot adjust 1. Air leak 1. Check air line, replace with O.E.M. airline if necessary. No “O”
air pressure ring between filter body & compressor plate. Filter gasket not in
place.
2. Air line fitting or filter body loose 2. Tighten
3. Compressor ring out of adjustment 3. Adjust gap between rotor and compressor ring. Gap too wide.
4. Plugged nozzle 4. Clean
5. Defective nozzle seal 5. Replace
6. Dirty output filter 6. Clean filter or replace
7. Dirty seat for ball in relief valve or 7. Clean relief valve and seat. Replace valve ball.
dirty relief valve ball
8.Spring in relief valve stuck or defective 8. Replace spring and ball
9. Worn or broken compressor vanes. 9. Replace rotor and vanes
10.Rotor worn 10. Replace worn rotor and blades
Runs indoors, not
outdoors in 1. Water in fuel 1. Drain, flush & refill with clean water-free fuel
cold weather 2. Improper fuel 2. If weather is below 0˚F (-18˚C) kerosene should be used as fuel.
It may also be necessary to add a de-icer.
3.Low air pressure 3. Adjust pressure. Clean or replace air filters. Check for air leaks.
4. Incorrect nozzle or spark plug adjustment 4. Adjust nozzle spacing. Check spark plug alignment
Heater starts then 1. Low fuel level. 1. Check that sufficient fuel is in fuel tank
shuts off, does not 2. Defective transformer 2. Replace
fire. 3. Dirty or plugged nozzle 3. Clean nozzle
4. Low air pressure 4. Clean filters & or nozzle. Adjust proper air pressure
5. Loose connectors 5. Check transformer-to-spark plug wire. Check fuel & air lines.
6. Defective spark plug 6. Check for wear or adjust properly/replace.
7. Water in fuel 7. Drain , flush , & refill tank.
Flames shoot from 1. Wrong Fuel 1. Use proper fuel only
end of heater. 2. Excess air pressure 2. Adjust pressure
3. Improper air flow 3. Dirty or loose fan, air entrance at rear of heater blocked
4. Air leak in oil line 4. Replace
Excessive spark 1. Incorrect nozzle-to-spark plug spacing 1. Replace spark plug. (Nozzle adapter pulled back to far)
plug wear. 2. Excessive air pressure 2. Adjust air pressure
Smoking or odors 1. Dirty filters 1. Clean or replace
2. Low air pressure 2. Adjust to proper setting. Check for air leaks
3. Contaminated or incorrect fuel 3. Drain fuel tank, flush and fill with clean fuel. Use proper fuel
4. Insufficient air flow 4. Check that fan is tight on shaft. Check for dirt in fan or burner
area or blocked air entrance.
5. Dirty nozzle 5. Clean nozzle
Phone: 800-362-6951 • Fax: 800-255-7985
www.phpdistribution.com

—8— Phone: 800-362-6951 • Fax: 800-255-7985
www.phpdistribution.com
DESA Service Information
H.S.I. Oil Fired Heaters
Component Description and Operation
Hot Surface Ignition Heaters (HSI)
On hot surface ignition (HSI) heaters the ignition control board (ICB) is what controls the entire heater electronically.
There is no reset button and no motor start relay, with exception to some older HSI models. The ICB takes care of those
components internally. Older HSI models have a motor start relay inline with motor and the ICB. The ICB needs to
maintain a reading from the photocell to keep the heater running. All boards are now equipped with an inline fuse that is
located on the board or in the main voltage supply line to the board. The fuse is a common GMA-10 fuse that can be
found at a local automotive parts retail store or electrical supply store. The ICB should be handled with care. Always
handle the board by its edges and never touch the male terminals or the electronics on the board. The oils from your skin
can transfer to the ICB and cause a hot spot and will result in failure in the operation of the board. When a board
becomes dirty, you should wipe it with a clean cotton cloth. Rubbing alcohol can be used if a solvent is needed.
A photocell for a Hot Surface heater works entirely differently than one from a Solid State heater. An HSI photocell
actually looks at the COLOR of the flame inside the combustion chamber. Under normal operating conditions, the flame
will be orange in color. If the heater begins to burn lean, the flame begins to turn a blue in color. The photocell reacts
almost immediately and shuts down the heater. A drop in pressure will cause the change in color of the flame thus causing
a changed light intensity. This sequence will cause the photocell to build up enough resistance to force the heater to shut
down in less than ONE SECOND. This makes proper air pressure adjustment crucial. See specs on the proper air pressure
adjustment on your model.
Glowbar
Proper Handling
Handle the glowbar with care. Do not touch the heating element with bare fingers. The oils from your skin can cause a
hot spot on the heating element, which could result in the glowbar disintegrating. Handle the glowbar by its ceramic
mounting block only. If a glowbar becomes dirty, use a clean cotton cloth to wipe debris or dust off the heating element.
When installing the glowbar, it is important not to strike the heating element on any surface. Doing so will cause the
glowbar to shatter. Carefully follow the recommended instructions when installing a new glowbar.
Installation
1. Unplug the heater from the 120 volt source.
2. Remove the two wires for the existing glowbar from the pc board mounted inside the access panel.
3. Disconnect the air line and fuel line from the fittings on the nozzle adapter or burner head. Note the location
placement of the hoses to avoid confusion on reconnection. If you have an older heater with a burner head, skip step
4 and go to step 5.
4. Leave the nozzle bracket attached to the combustion chamber and
carefully remove the nozzle by twisting the nozzle adapter in a counter clockwise motion.
5. Remove the combustion chamber from the lower shell of the heater.
6. Stand the combustion chamber up on a workbench in a vertical position, nose cone down.
7. Loosen the set screw from ceramic mounting block on glowbar and carefully remove the glowbar.
8. Install new glowbar into combustion chamber, taking special care not to strike the heating element upon entry.
9. Replace the set screw with a black oxide mounting screw to avoid future vibration problems with original set screw.
Repeat steps 2 – 5 in reverse order to re-install combustion chamber.
Oil Heater Service Info.

—9— Phone: 800-362-6951 • Fax: 800-255-7985
www.phpdistribution.com
Photocell/H.S.I.
The photocell works by sending a pulsating signal back to the PC board. The more intense
the flame, the more intense the signal will be to the board. If the signal drops below a
maintainable level, the photocell will tell the PC board to shut down the heater. A
common symptom involving the photocell will be that the heater fires for five seconds, and
then shuts down. Make sure that the pump pressure is set to factory specifications, since the pressure can
drastically change the output of the flame and confuse the photocell. There are two ways to test the HSI
photocell: 1) Use an HA1170 tester to effectively bypass the photocell, OR, 2) Replace the suspected bad
photocell with a known working photocell. For instructions on using an HA1170, please refer to repair manual
SM70101. Without an HA1170, the photocell CANNOT be bypassed.
Glowbar/HSI
There are two types of glowbars: an older 85 VAC elongated glowbar, a 120 VAC “L-Shaped” glowbar, and a
newer 85 VAC elongated glowbar made in heaters after 2004. The descriptions refer to the shape of the ceramic
portion of the glowbars. The glowbar heats up to about 2,500oF and radiates enough heat to ignite the fuel
spraying from the nozzle. Power will remain at the glowbar, coming from the PC board, for approximately 7
seconds. The glowbar will not come on again unless the thermostat calls for heat. The main symptom that
occurs with the glowbar is that motor comes on, but the glowbar will not glow.
Testing the Glowbar
Disconnect the glowbar leads from the PC board and carefully remove the glowbar from the combustion
chamber. Set a multi-meter to the 1000 ohm setting and connect the leads to each of the wires on the glowbar.
The multi-meter should show a reading of 30 – 175 ohms. Next, gently tap the CERAMIC portion of the
glowbar against your hand and observe the needle on the multi-meter. If you see any movement in the needle,
the glowbar has developed a hair line crack. The glowbar is defective and should be replaced immediately.
PC/HSI BOARD
The PC board is basically the brains of the hot surface ignition heater. The PC board
works specifically by timing when certain components will receive power. The PC board
also is the recipient of the signal from the photocell, which determines if the heater is
operating safely. When the heater is plugged into a 120VAC, the board sends power to
the glowbar. Approximately five seconds later, the board sends power to the motor. The
motor rotates and reaches full RPM, sending air to the nozzle. The nozzle siphons fuel
from the tank and is ignited from the radiant heat on the glowbar. Power is then
removed from the glowbar and ignition has occurred. The board senses the photocell
signal and keeps the heater operating. The main symptom that will occur with the PC board is that the heater
does nothing when the thermostat calls for heat or the heater is connected to a power source. The PC board
should be the main focus of the testing. Make sure that the heater is connected to a reliable 120VAC source.
The first thing to do is check for power coming from the terminals that the glowbar is connected to on the PC
board. Remove the pressure gauge port plug to assure that there is no pressure to generate fuel spray during the
test. Set a multi-meter to the 200VAC level and connect the leads to the terminals on the board. Plug the heater
into a 120VAC source and observe the multi-meter. Almost immediately, the multi-meter should register either
85VAC or 110VAC and maintain the voltage for approximately seven seconds. Which reading should appear will
depend on which type of glowbar is in the heater. (See the glowbar paragraph for the descriptions.) Power
should then cut off to zero, showing no voltage being sent to the glowbar. If the test performs as stated, then the
glowbar should be tested for defects. Next, remove the leads running to the motor and perform the same test as
above. This time, there will not be any voltage at the motor terminals for the first five seconds. After five
seconds, there should be a constant supply of 120VAC to the multi-meter. The meter will eventually drop to
zero volts because there is not a flame present in the combustion chamber for the photocell to send the signal to
the PC board. If the test is performed as stated and the motor still will not come on, the motor should be bench
tested and replaced if necessary. If the board fails any part of this test, the PC board should be replaced.
DESA Service Information
Hot Surface Ignition Tips
Photocell
PC Board/H.S.I.
Fuse Part#
113752-01
Oil Heater Service Info.

—10— Phone: 800-362-6951 • Fax: 800-255-7985
www.phpdistribution.com
DESA Service Information
Oil Fired Heaters
Component Description and Operation
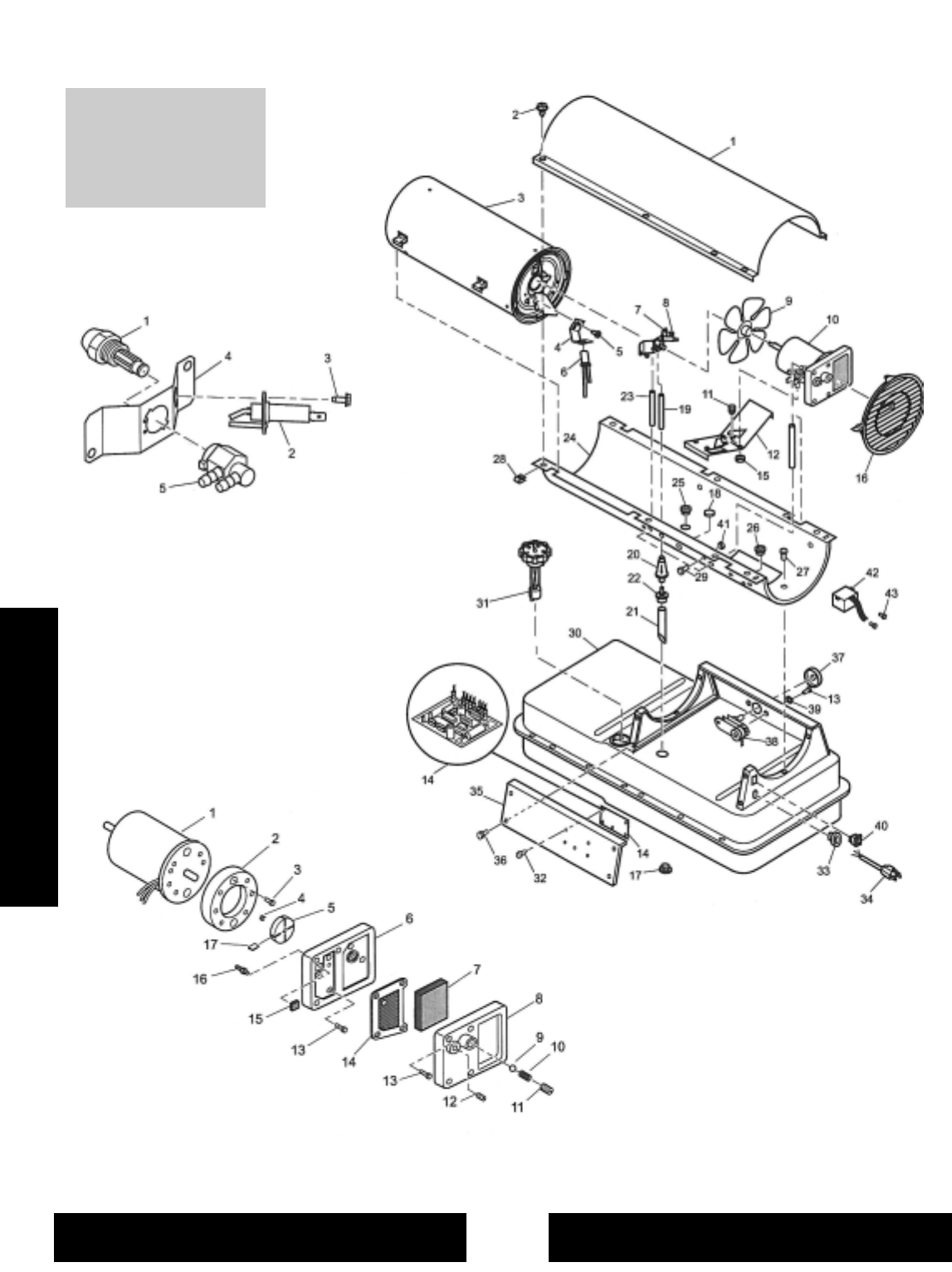
Motors
The motors used on the low pressure heaters are fractional horsepower
motors ranging from 1/35 HP on the smallest heaters to 1/4 HP on the
largest heaters. The motors used can be grouped into two categories. The
first category is the shaded pole motor(FIG. 5.1). The shaded pole motor contains a single winding and does not require an
external start relay for operation.
These motors are used on the smaller heaters (30,000, 35,000 & 50,000 BTU) and are easily identified by observing that only two
wires (usually red and white) are necessary for operation.
The second category is the split-phase motor(FIG. 5.2). This motor contains two separate windings. The first winding being the
auxiliary or start winding and the second being the main or run winding. This motor requires an external means of switching the
power off to the auxiliary winding after the motor reaches a predetermined speed. This power off switching is accomplished by a
motor start relay or solid state relay. These motors are identified by observing that three wires (black, red and white) are routed
from the motor.
Motor Relay
The motor start relay is used to de-energize the start winding on split-phase motors. As
mentioned in the Motor Section, remember that split-phase motors have both an auxiliary
(start) and a main (run) winding. For proper motor operation, both the auxiliary and main
winding are energized during start-up. After the motor starts and reaches approximately
80% of rated speed, the auxiliary winding must be de-energized to prevent overheating. This
is accomplished by the use of a motor start relay. The operation of the relay functions
because the main winding amperage decreases as the motor speed increases. The coil of the
relay is wired in series with the main winding. The contacts of the relay are in series with the
auxiliary winding. When voltage is applied to the motor, the high inrush current through
the main winding creates a magnetic force in the relay coil and closes the contacts of the
relay, which energized the auxiliary winding. As the motor speed increases, the current
through the relay decreases and the contacts open, with gravity, de-energizing the auxiliary
winding.
Solid State Relay (Applicable models use 097061-01 Solid State Relay)
The solid state relay is used to de-energize the start winding on split-phase motors. As mentioned in the Motor Section,
remember that split-phase motors have both an auxiliary (start) and a main (run) winding. For proper motor operation,
both the auxiliary and main winding are energized during start up. After the motor starts and reaches
approximately 80% of rated speed, the auxiliary winding must be de-energized to prevent overheating.
This is accomplished by the use of a solid state relay. The operation of the relay functions as a positive
temperature coefficient resistor. When voltage is applied to the motor, the main and auxiliary windings
are energized as current flows through the solid state relay which is connected in series with the auxiliary
winding only. The resistance is increased over time in the solid state relay where it eventually rises to the point theoretically
no current flows, de-energizing the auxiliary winding.
Safety Control
The safety control circuit consists of a photocell (light sensitive cell) and a safety control. The photocell is used to sense the
presence of light inside the combustion chamber. The photocell varies its electrical resistance in relation to the light rays
which contact its surface. When the heater is operating properly, the photocell sees sufficient and the proper color light,
which keeps its resistance low. When the photocell does not sense the proper color or amount of light, the resistance of the
photocell increases and ceases current to flow to the solid state trigger circuit, which in turn sends current flows into the
circuit breaker and heats a (bimetal) bar causing the bar to warp. The warpage releases the spring loaded reset button,
which brakes all power to the heater. As a service technician, it is important to understand the operation of the safety
control. In the past, it has been the single most misdiagnosed part of the heater. It is suggested that all controls be checked
per instructions listed in the Troubleshooting Section, prior to replacement.
FIG. 5.1
FIG. 6
FIG. 5.2
Oil Heater Service Info.

DESA Service Information
Oil Fired Heaters
Component Description and Operation
Air Pump
The heater's air pump consists of a rotor (c) with four
carbon blades (d) rotating inside a pump body(b). The
rotor is driven directly by the motor (a) and is attached to
the motor shaft by means of a plastic insert (f). As the
motor rotates, the carbon blades travel outward rubbing
against the inside surface of the steel pump body (d). The
rotor's position inside the pump body is such that it is off
centered with the pump body and a .003/.004 of an inch
gap is set at the uppermost quadrant (g). As the motor
rotates, the air between the blades (h) is compressed and
routed to the nozzle through the air line.
Air Filters
The air filtering system consists of an air input filter and air output filter. The air input
filter is located at the right rear of the motor and its purpose is to filter all incoming air
prior to entering the air pump.
The filter design is such that it can be cleaned in a mild, soapy solution, thoroughly
dried and used over again.
The air output filter is located under the plastic end cover. This filters purpose is to
prevent any carbon dust (from rotor or blade wear) from entering the air passages in the nozzle. This filter is non-cleanable
and should be replaced when considerable build-up of carbon dust is observed.
Nozzle
As mentioned previously, the purpose of the air pump is
to compress air and deliver it to the nozzle. The
compressed air, as it travels through the nozzle, creates a
negative pressure and lifts the fuel from the fuel tank.
The fuel from the fuel tank and the compressed air are
mixed at the nozzle which results in a very fine mist of
fuel being sprayed into the combustion chamber. The air
pump/nozzle combination eliminates the need for a
conventional type fuel pump. It is important for the
service technician to understand the nozzle operation.
In many cases concerning improper operation of a
heater, the problem is the result of a seal leak or a restriction (dust/dirt) being present within the nozzle. It should also be
pointed out that each model heater requires different nozzles due to different fuel flow rates.
Combustion System (Burner Head)
The burner head is mounted to the rear of the combustion chamber. The purpose of the burner
head is to meter and mix the amount of air entering the chamber to obtain proper combustion
characteristics. The nozzle is mounted in the chamber from the burner head and is surrounded by
fins, so that the amount of air entering the chamber from the burner head is equal and balanced.
The size of the slots in the burner head differ between models.
(A) Back of Motor
(B) Pump Body Ring
(C) Rotor
(D) Blade or Vane
(E) Mount screw
(Pump body ring)
(F) Rotor Insert
(H) Large Gap
(G) .003 to .005 Gap
6 o'clock
FIG. 2
FIG. 3
FIG. 4
—11— Phone: 800-362-6951 • Fax: 800-255-7985
www.phpdistribution.com
Oil Heater Service Info.

—12—
Oil Heater Service Info.
DESA Service Information
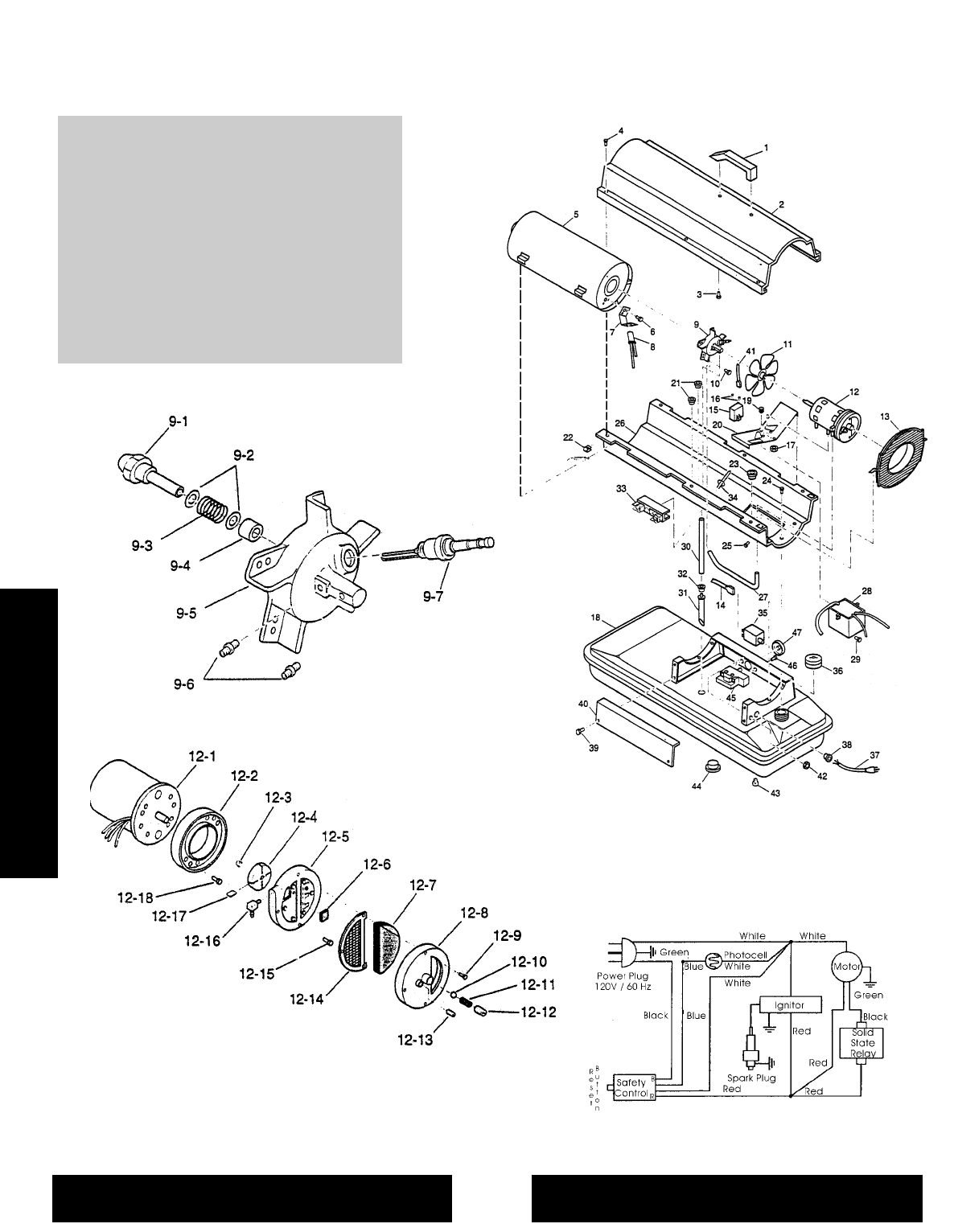
Oil Fired Heaters
Component Description and Operation
Desa Spark Plug
The spark plug is the igniter for the fuel. The electrical energy from the ignition transformer causes a spark to jump across the gap
between the electrodes of the spark plug. The proper spark gap is shown in FIG 7.
Spark plugs suffer from a number of maladies including dirty electrodes, gap wear or erosion, cracked ceramic, etc. Spark plugs should be
inspected frequently and replaced
periodically if faulty. Some heaters use two independent electrodes. Independent electrodes also require proper setting (FIG. 8)
Electrode Settings
Models:
B80 & B99 75,000
B120 120,000
Models:
B100 100,000 BTU
B125 125,000 BTU
Electric Igniter
(Applicable models use 079870-01 or 102482-01 Electronic Igniter)
The electronic igniter operates on 120V60 Hz. It delivers approximately 15,000 volts average to the spark plug causing the
kerosene sprayed from the nozzle assembly to ignite. The igniter operates on a pulse basis. The igniter has no internal
service parts and must be replaced when found defective.
Note: It is important for the service technician to be cautious
when working with the electronic igniter due to its high voltage
output.
Spark Plug Gap—.050 inches or
1.27 Millimeters
(For single post electrode use 1/16” gap
or .063)
FIG. 7
1/8 IN. BETWEEN
ELECTRODE
3/8 IN.
1/4 IN.
3/16” BETWEEN
ELECTRODES
1/4” out
3/8”
FIG. 8
Phone: 800-362-6951 • Fax: 800-255-7985
www.phpdistribution.com

—13—
One of the most common questions we get
concerns converting the old 3 Wire Safety
Controls, with the new 2 Wire Safety Control.
The adjoining space has the step by
step instructions and the proper
wiring diagram.
Flame Out Safety Control
Instructions
! WARNING: Never service heater while it is plugged in, operating, or hot. Severe
burns and electrical shock can occur.
Wiring Diagram
TOOLS REQUIRED
• 5/16" Nut Driver
• 9/16" Socket
1. Unplug Heater
2. Locate safety control by
removing upper shell, side
cover, or end cover. The
location will vary depending
on model.
3. Disconnect all electrical
terminals connected to old
safety control. Disconnect
blue wire connected to
photocell wire. Disconnect
the white wire connected to
terminal board or wire nut
(depending on model).
4. Remove old safety control.
5. Install new safety control.
6. Refer to wiring diagram
above, and connect wiring
to new safety control
as follows:
A. Red wire to "R" terminal
of safety control.
B. Black wire to"B" terminal of
safety control.
C. Blue safety control wire to
blue photocell wire.*
D. White safety control wire with
remaining white wires.*
*NOTE: If heater is equipped with
terminal board and blue and white wires
on old safety control have terminals
installed, the following instructions
must be followed:
A. Connect terminal on blue safety
control wire with terminal on blue
photocell wire.
B. Connect terminal on white safety
control wire to terminal block as
shown in wiring diagram above.
If heater is equipped with wire nuts,
and blue and white wires on old safety
control do not have terminals installed,
the following instructions must be
followed:
A.Using old safety control as a
guide, cut off both terminals on
new safety control.
B.Strip wire insulation back 3/8"
on blue wire and 9/16" on white
wire of new safety control.
C.If white power cord wire has a
terminal, cut terminal off and
strip insulation to 9/16".
D.Make all connections with wire
nuts previously used.
7. Install upper shell, side cover, or
end cover that was removed in
step 2.
Open Design Enclosed Design
Printed Circuit Board
Both are used primarily on older 100,000 BTU Reddy, Master and Knipco Heaters.
DESA Service Information
Desa Common Safety Controls
Flameout Safety Controls
NOTE: This wiring diagram shows the
new style motor start relay which may not
be in your heater.
If you have this
Old part no. M30719
or M28898-03 . . .
If you have this
Old part no. M51060-03
or M50671-02 . . .
. . . the replacement part
is Part #HA3003
. . . the replacement part
is Kit #097528-01
Solid State Relay
097061-01
Oil Heater Service Info.
Phone: 800-362-6951 • Fax: 800-255-7985
www.phpdistribution.com

—14— Phone: 800-362-6951 • Fax: 800-255-7985
www.phpdistribution.com
Oil Heater Service Info.
DESA Service Information
350,000 & 600,000 BTU Heaters made by Desa
Master, Reddy, Dayton, Koehring, Knipco, & Others
Troubleshooting - Problem Solving
Observed Problem
Motor starts, but heater will not ignite
Possible Cause
If No Spark Observed at Spark Plug
A. Spark plug has incorrect gap
B. Defective transformer or transformer not
grounded properly.
C. Cracked spark plug
Possible Cause
If Spark Observed at Spark Plug
D. Incorrect fuel pump pressure
E. Defective fuel solenoid valve
F. Fuel line leak on suction side of pump
G. Dirty or damaged nozzle
H. Dirty fuel filter
Test Procedures
A. Spark Plug has incorrect gap
1. Unplug heater.
2. Remove upper shell of heater
3. Remove spark plug from burner head
4. Check gap between spark plug electrodes
with feeler gage. Correct gap for spark
plug is .05/.06 inch. Reset gap if needed.
5. Follow steps in procedure “B” to test for
spark at spark plug electrodes.
B. Defective transformer
1. Unplug heater.
2. Remove upper shell of heater.
3. Remove spark plug from burner head.
Make sure spark plug is properly gapped
(see test procedure “A” for spark plug gap)
4. Check to make sure the transformer is
properly grounded by the 2 mounting
screws. Look for loose fasteners,
corrosion, broken tabs, etc.
5. Connect the transformer secondary lead to
the spark plug.
6. Establish a good ground between the
spark plug body and heater. To do this,
attach a grounding wire to heater shell.
Clip grounding wire to grounding (outer)
electrode on spark plug. Use insulated
pliers to hold spark plug at spark plug
hex. Note: Only use pliers with plastic or
rubber sleeved handles.
7. Connect heater to electrical supply
8. Look for spark between electrodes. If the
ground is good and there is no spark
between electrodes, the transformer is
defective.
Note: No spark between electrodes may be caused by
cracked porcelain on spark plug. Before replacing
transformer, see test procedure “C”. If porcelain on spark
plug is not cracked, proceed with replacing defective
transformer.
C. Cracked spark plug
Follow steps under DEFECTIVE TRANSFORMER
procedure, to test for spark at spark plug electrodes. If
spark is seen at any place on the spark plug other than
the electrodes, the porcelain insulator is cracked. Replace
spark plug.
D. Defective fuel solenoid valve
1. Remove upper shell of heater
2. Check for fuel flow to nozzle. Do this by
turning thermostat knob to warmest
position and connecting heater to
electrical supply. With motor running,
look through air openings on rear of
combustion chamber. See if nozzle is
spraying out fuel. If nozzle is spraying out
fuel, solenoid valve is working properly. If
nozzle is not spraying out fuel, unplug
heater and follow steps below to determine
if solenoid valve is defective.
3. Disconnect yellow and white wires from
solenoid valve.
4. Set ohmmeter on the 250VAC position.
5. Connect ohmmeter test leads to yellow
and white wires that were connected to
solenoid valve.
6. Connect heater to electrical supply. If
120VAC is being sent to solenoid valve and
fuel pump pressure is correct, the
solenoid valve is defective. Replace
defective solenoid valve.
E. Fuel line leak on suction side of pump
Check all fuel lines on the suction side of the pump for
tightness. An air leak in one of these fittings can allow
air to enter the system. This will result in improper
pump pressure.

DESA Service Information
High Pressure Heater - Parts Information
You can replace this solenoid valve (part no. M50077,)
with this general purpose solenoid valve (part no. 50010).
This can be used on ANY brand of high pressure oil fired
heater. (120 volt)
These also can be used on steam cleaners!
Part No. M50077
General Purpose
Solenoid Valve Part No. 50010
Part No. M51102-01
(includes gasket)
This "string type"
filter was used on the
older 350's and 600's.
This is the filter element
from the filter canister
part no. M50398
If you have this
You may replace
it with this filter
General
Purpose Oil
Filter
PART NO. 098102-01
This filter will replace any filter on an oil fired
heater with an operating range of 5 gallons
per hour or less. NO more high price
cartridge filters! The steel element is
washable!
Filter element with gaskets part no. 098103-01
Part No. M50398
Part No. M51102-01
—15—
Oil Heater Service Info.
Phone: 800-362-6951 • Fax: 800-255-7985
www.phpdistribution.com

—16— Phone: 800-362-6951 • Fax: 800-255-7985
www.phpdistribution.com
Two styles of back plates, and inner housings were used at time of production. Determine which style the heater
involved contains to insure proper Assembly and Operation.
Toro Service Information
Possible Brands: Champion, Porta Heat, Lawn Boy, Arctic Flame, Stone, Other
Top of Motor
Note the Position of
these 3 Holes. Inlet Slot
Inlet Slot
INLET
HOLES
Part No.
154797
Part No.
6832NR
Part No.
154710
Part No.
6836NR
(Small holes must be
in Upper Right when
mounted correctly.
Polished side of plate
should be toward the
Motor.)
New “Quite” Style
1990 & Newer
Backing plate has slot in it instead
of holes and housing half has inlet
hole moved to location shown.
Original Style
1983-1989
Inlet holes on R.H.
side of plate and
housing half.
NOTE: The start windings are burned out when the motor turns slowly
and does not increase speed after Step C.
The motor is no longer usable if during Step C the motor comes up to
speed but stops when black motor wire is released from the power lead.
Threads
Part No. 148647
Used on 40,000
and 55,000 BTU
Toro heaters.
To Test 3 Wire Motor (Split Phase)
Connect wires as illustrated
A. White motor wire - to white power cord lead
B. Red motor wire - to black power cord lead
C.Momentarily (2-3 seconds maximum) touch black
motor wire to the black power cord then release. This
engages the “Start” winding long enough to bring
motor up to speed for the “Run” windings to take over
and continue running.
Fuel Filter
Annually (or as needed), remove the filter from the fuel line and blow
compressed air through it in the opposite direction of fuel flow. Safety
glassed should be worn when using compressed air. If compressed air
does not clean the filter, flow through filter is restricted. Filter must be
placed.
Back plates and housings are not interchangeable!
Toro Service Info.

—17— Phone: 800-362-6951 • Fax: 800-255-7985
www.phpdistribution.com
Toro Service Info.
BREAKER ASSEMBLY
CAD CELL ASSEMBLY
Toro Service Information
Troubleshooting the Flame Out Safety
The Safety Flameout Control operates on the photoelectric principle
whereby the presence or absence of light is changed to OHMs of
resistance by the cad cell and monitored by the PC Board. The system
consists of the flame detector (cad cell), printed circuit board (PCB) and
the circuit breaker.
The function of these parts as a whole is to monitor the flame in the
combustion chamber and to shut off power to the heater if no flame is
present after about 20 seconds.
All power is supplied to the heater through the circuit breaker. The circuit
breaker is controlled by the printed circuit board (PCB) which receives a
sensing signal from the flame detector (cad cell) based upon the amount
of light it “sees”.
During normal operation the flame detector is energized by the light of
the burner flame and the safety circuit is not activated. When the absence
of flame exists the flame detector does not sense light and activates the
safety circuit. When the safety circuit is energized the small neon light on
the PC Board will light up. This indicates that the timed cycle for
automatic shut down has started and if the burner does not ignite within
20-35 seconds the main circuit breaker will trip shutting off all power to
the heater.
If you find one of these parts are defective, they are no longer available.
Please call for assistance.
There are two conditions that will alert you to a malfunctioning system:
1. The heater will continue to run after cool down cycle is completed
with no flame in combustion chamber.
2. The circuit breaker will trip prematurely with a well established flame
present in the combustion chamber.

—18— Phone: 800-362-6951 • Fax: 800-255-7985
www.phpdistribution.com
Toro Service Information
Toro Service Info.
7 Terminal Safety Control for Toro
Used on newer heaters
Old Part No. 88336
New Part No. 0854
Comes without plastic cover.
Wiring Diagram With
Motor Relay
If there is no motor relay see page 84.
Old style Jefferson Transformer
Cat. # on transformer is 638-001-132. This exact transformer is no
longer available. If you want to order the newer style transformer, the
part # is 154009.
The newer style transformer is less expensive and it will last longer.
If the mounting tabs are where the “*” is, your part# is 102482-01
Parts for 40K & 55K Toro Heaters (1992 & 1993)
Part No. 148420
Filter Housing
*
*
Part No. 154822
Output Filter Kit
Part No. 148419
Filter End Cover
97,000 - 150,000 BTU
1986 - Current

—19— Phone: 800-362-6951 • Fax: 800-255-7985
www.phpdistribution.com
Toro Service Info.
Toro Service Information
Oil Fired Heaters
Component Description and Operation
Toro Spark Plug
The spark plug must be positioned all the way in against the housing; line up the red line of the spark plug with the casting
line on the burner. Gap the spark plug to .062"(FIG. 9). If plug is fouled, clean or replace.
Test spark plug by removing top cover, remove air gauge plug, loosen setscrew and remove spark plug from the burner.
Leave the wire attached to the spark plug and lay the plug across the sheet metal of the heater. Loosen setscrew and remove
fan blade, plug in the heater and the spark should jump continuously across the electrodes.
Fuel System (Fuel Filters)
There are several types of fuel filters used on different model heaters. The filters are always located in line with the fuel pickup
tube (FIG. 10). The purpose of the filter is to eliminate the possibility of dirt, dust, etc. from entering the nozzle and restricting
the flow. The filters should be inspected and cleaned whenever a heater is brought in for service. It is also important that the
bottom of the tank be inspected for sedimentation or dirt build-up. The filters design is such that a possible restriction in the
filter screen can be present during operation and be dislodged back into the tank when the heater is shut off.
0.62"
THICKNESS OF A DIME
Red line on spark plug must be
in alignment with the mark on
the casting.
Important: Spark
plug is secured in
burner casting with
a setscrew only.
Burner casting has
no threads. Do not
"unscrew" spark
plug to remove.
Pick up tube
Drop in Filter
Pickup Tube
Filter & pick up Tube assembly
Inline Filter
FIG. 9
FIG. 10

—20— Phone: 800-362-6951 • Fax: 800-255-7985
www.phpdistribution.com
Enerco Service Information
Diagnostic Safety Shutdown and Troubleshooting
These instructions are applicable for HS50K, HS75KT, HS125KT, HS175KT, HS210KT
Enerco Service Info.

—21— Phone: 800-362-6951 • Fax: 800-255-7985
www.phpdistribution.com
L.B. White Service Info.
L.B. White Service Information
Troubleshooting

—22— Phone: 800-362-6951 • Fax: 800-255-7985
www.phpdistribution.com
Common Parts
This section focuses on the parts that will commonly fail in oil and gas
fired heaters. There are many parts that you can put into a heater.
Hopefully, this portion of the tech book will give you a better
understanding of what common parts you will need to stock in your
repair shop for expedient repair service.
Of course, you can call one of our technicians at PHP at 800-362-6951
for advice on servicing your heaters and getting set up to repair your
customers heaters.
One of the most common things to replace in an oil fired heater is the Filter Kit. This replacement
should be done AT LEAST once per season, or on an as needed basis. Dirty filters will cause poor
performance in your heater.
Common Replacement Parts Page No.
Pre-Packaged Kits/Parts 23
Common Replacement Parts
REPLACEMENT PARTS INDEX
Brand Names Include:
Desa
Master
Reddy
Remington
Knipco
Sears

Common Parts
—23— Phone: 800-362-6951 • Fax: 800-255-7985
www.phpdistribution.com
Pre-Packaged Parts
These pre-packaged parts are for the following brands: Master, Dayton, Desa, Knipco, Remington, Reddy
Below are the part numbers for the individual blister packs, the part it contains, and where used.
Helpful Hint: It is usually less expensive to order HA part kits, than ordering all of the individual parts
inside each kit.
Part# Description Compatibility
PP203 M50671-03 Safety control Non HSI models
PP204 M22456-1 Rotor (1/2"), (4) M8643 Blades, M22009 Various
PP205 M22456-2 Rotor (5/8"),(4) M8643-2 Blades, M22009 Insert Various
PP206 079744-01 Nozzle 35,000 BTU
PP207 M50597 Nozzle 50,000 BTU
PP208 M50880-01 Nozzle, M8882 Seal 70,000 BTU
PP209 M51120-01 Nozzle, M8882 Seal 100-110,000 BTU
PP210 M18022 Nozzle, M8882 Seal 150,000 BTU before 1992
PP211 M10962-2 Spark plug 70, 100, 150 - non HSI
PP212 M29835 Spark plug 35, 50 - non HSI
PP213 M29632 Filter, M29633 Filter, M29612-01 Filter 35, 50, 70
PP214 M12179 Filter, M12244-1 Filter 100,000 BTU
M11637 Filter, M51150-01 Fuel Filter after 1992 150,000 BTU
PP215 M12179 Filter, M12244-1 Filter, M11637 Filter, M19630 Fuel Filter 150,000 BTU before 1992
PP216 M16656-4 Photo Cell Various
PP217 M8940 Ball, M10993-1 Spring, M27694 Adj. Screw, M22997 Plug All models
PP218 100070-01 Nozzle Kit 55,000 BTU
PP219 Nozzle 60,000 BTU
PP220 Nozzle 70,000 BTU
PP221 Nozzle 110-115,000 BTU
PP222 Nozzle 150-155,000 BTU
PP223 Nozzle 165,000 BTU
HA1170 (Safety Control / Photo Cell) Tester All Models
PP232 Heavy Duty Wheel Kit 35, 50, 70
PP234 Thermostat with numbers on dial All models w/o thermostat
PP200 Ignitor (L-shaped block type) Most HSI models
PP201 Ignitor (cigarette type) Few HSI models
PP228 Pilot ODS LP
PP236 Photocell M16656-24

—24—
Always remember to match the serial number of your heater with
the serial number of the individual breakdowns in this section.
The breakdowns in this manual refer to the model specifically
listed on each individual page. Use a breakdown only if you have
the exact serial number match for your particular heater. If your
serial number does not appear in the breakdowns, please call one
of our technicians for assistance.
If you need technical assistance, feel free to call PHP at 1-800-362-6951 or e-mail
us at techservice@phpdistribution.com. Whenever possible, please have your
serial number and the nature of your problem before you place a call for technical
service.
Brand Names Include:
Enerco
Mr. Heater
HeatStar
Tractor Supply
BTU and Description Serial Number Range Page No.
50,000 (2003-2004) 0 - 0117000 25
75-175,000 (2003-2004) 0 - 0117000 26
50-175,000 (2004-2005) 0117001 - 0148811 28
50-210,000 (2005-2006) 0149000 - 0215151 30
50-210,000 (2006-2007) 0215152 - 0253699 32
50-210,000 (2007-2008) 0253700 - 0296656 34
50-210,000 (2008-2009) 08001001 - 08005632 36
50-210,000 HeatStar (2009-2010) 09001001 - Present 38
50-210,000 Mr. Heater (2009-2010) 09001001 - Present 40
Enerco Oil Fired Heaters
HEATER INDEX
HeatStar Oil Heaters
Phone: 800-362-6951 • Fax: 800-255-7985
www.phpdistribution.com

—25— Phone: 800-362-6951 • Fax: 800-255-7985
www.phpdistribution.com
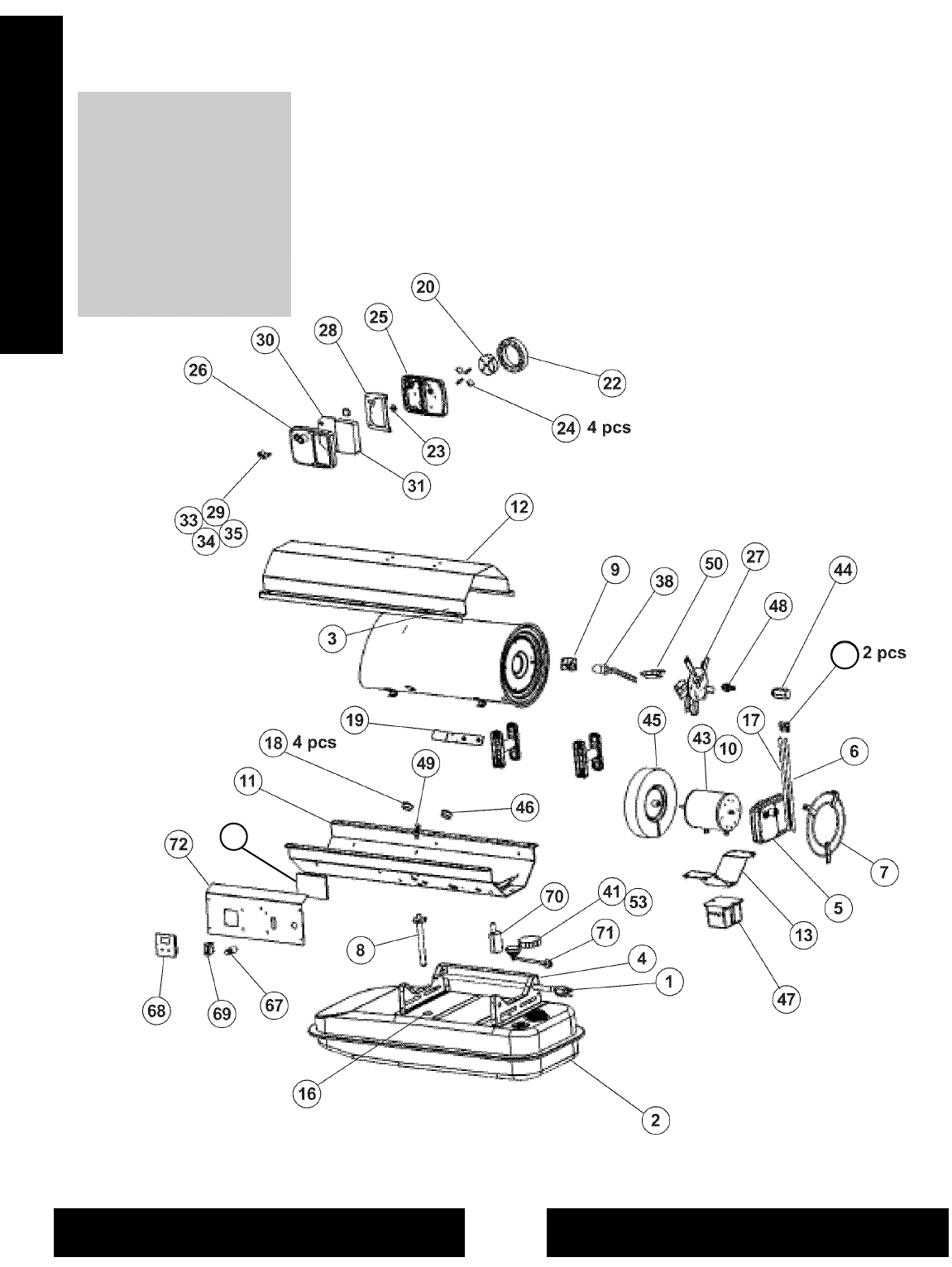
Enerco Oil 50,000 BTU
Model Numbers
HS/MH/TS50K
Serial Numbers Range
0 to 0117000
Key Part
No. No. Description
1 1036 Power Cord Assembly
2 1676 Fuel Tank Assembly
3 1679 Radiation Shield Assy.
4 1688 Control Box Assy.
5 1682 Power Pac Assembly
6 1686 fuel Tube Assy.
7 1685 Grille Assembly
8 - Fuel Filter Assembly
9 4011 Oil Cad Cell Bracket
10 3449 Motor Cord Sleeve
11-1 1802 Bottom Shell
12-1 3701 Top Shell
13 3704 Motor Mounting Brkt.
14 3705 Ignition Mounting Brkt.
15 - Access Panel
16 - Start Relay
17 3725 Air Tube
18 6225 Snap Bushing
19 1796 High Limit Control Assembly
20 6831 Air Pump Rotor
21 6832 Backing Plate
22 6833 Air Pump Cylinder
23 6834 Nylon air Pump Insert
24 6835 Air Pump Vane
25 6836 Lower Housing
26 6837 Upper Housing
27 4171 Nozzle Mounting Plate
28 6839 Gasket
29 6842 Adjusting Screw
30 6843 Outlet Filter
31 6844 Inlet Filter
32 6848 O Ring
33 6849 Nylon Pipe Plug
34 6850 Relief Ball, 1/4” Dia.
35 6851 Spring, 24 O.D. x .58
37 6863 Oil Flame Cntrl Assembly
38 6865 Cad Cell Flame Sensor
39 - Comb. Cmbr. Cyl. Assembly
40 3843 Electrode Mtg. Brkt.
41 6993 Oil Fuel Cap
42 - Start Relay Brkt.
43 7399 Motor, 1/4 HP
44 7790 Nozzle Adapter
Key Part
No. No. Description
45 7421 Fan
46 7095 Handle
47 1684 Ignitor Assembly
48 7416 Fuel Air Aspir. Nozzle
49 6223 Strain Relief Bushing
50 1803 Electrode Assembly
51 7429 Extrnl. Retaining Ring
53 3487 Fuel Cap Gasket
54 6847 Hose Barb Fitting
61 7424 Snap Bushing, Nylon
64 6838 Screw, Tapping #9 x 1-1/4”
65 6908 Screw, Machine #10 x 1-1/4”
66 6906 Screw, Tapping #10 x 1/2”
Old Style Board
7 Terminals (0854)
50,000 BTU Forced Air Enerco Oil Fired Heater
2003-2004 Model Year
Pump Pressure Setting
BTU PSI
50 3.5

—26—
Model Numbers
HS/MH/TS75KT
HS/MH/TS125KT
HS/MH/TS175KT
Serial Number Range
0 to 0117000
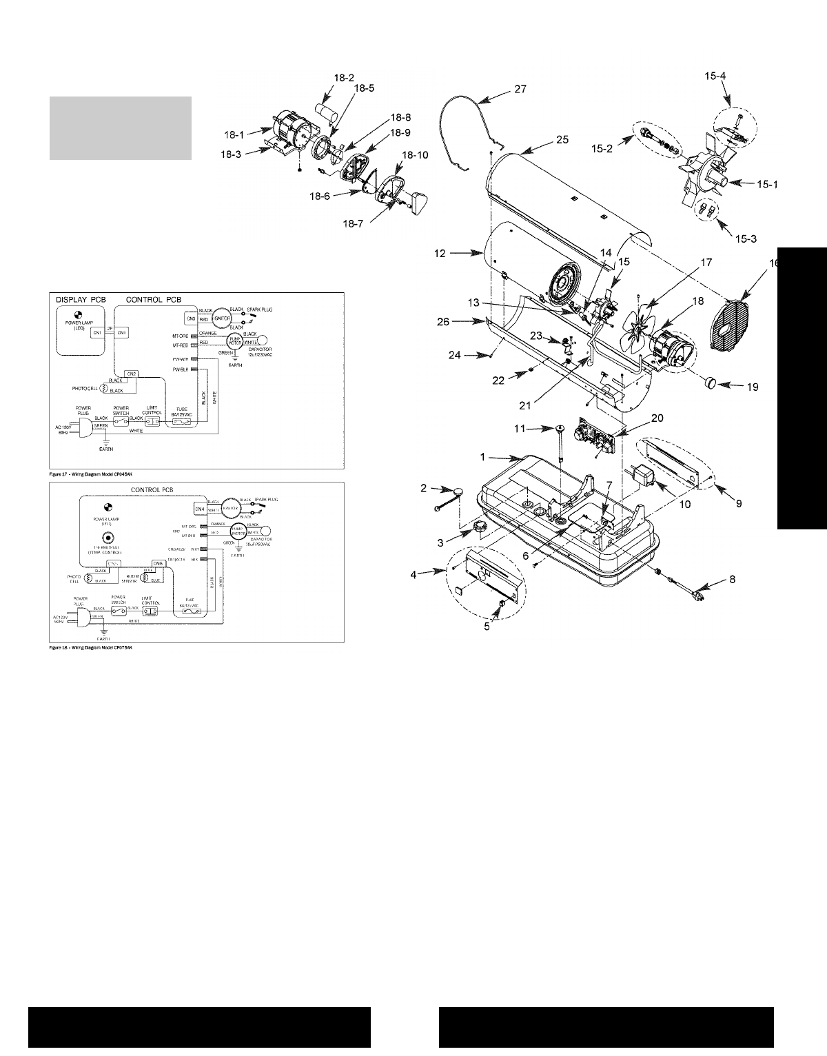
Enerco Oil 75-175,000 BTU
75-175,000 BTU Forced Air Enerco Oil Fired Heater
2003 - 2004 Model Year
Pump Pressure Settings
BTU PSI
75 4.2
125 5.0
175 5.8
Phone: 800-362-6951 • Fax: 800-255-7985
www.phpdistribution.com

—27— Phone: 800-362-6951 • Fax: 800-255-7985
www.phpdistribution.com
75-175,000 BTU Forced Air Enerco Oil Fired Heater
2003 - 2004 Model Year
Key 75KT 125KT 175KT
No. Part No. Part No. Part No. Description
75KT 125KT 175KT
1 ........1036 ....... 1036 ........... 1036 ......... Power Cord
2 ........2213 ....... 2214 ........... 2214 ......... Fuel Tank Assembly
3 ........2215 ....... 2216 ........... 1783 ......... Radiation Shield Ass'y
4 ........2217 ....... 2218 ........... 2219 ......... Control Box Ass'y
5 ........2058 ....... 2059 ........... 2059 ......... Power Pac Ass'y
6 ........4343 ....... 4346 ........... 4346 ......... Fuel Tube
7 ........8734 ....... 1771 ........... 1768 ......... Grille Assembly
8 ........8779 ....... 8780 ........... 8780 ......... Fuel Filter Assy
9 ........4011 ....... 4011 ........... 4011 ......... Oil Cad Cell Bracket
10 ...... 3449 ....... 3449 ........... 3449 ......... Motor Cord Sleeve
11-1 ...2224 ....... 1805 ........... 3846 ......... Bottom Shell
12-1 ...2226 ....... 3845 ........... 3847 ......... Top Shell
13 ...... 4332 ....... 4333 ........... 4334 ......... Motor Mounting Bracket
14 ...... 3705 ....... 3818 ........... 3705 ......... Ignition Mounting Brkt
16 ...... 8735 ....... 8735 ........... 8735 ......... Start Capacitor
17 ...... 4344 ....... 4345 ........... 4345 ......... Air Tube
18 ...... 6225 ....... 6225 ........... 6225 ......... Snap Bushing
19 ...... 1796 ....... 1797 ........... 1798 ......... High Limit Control
20 ...... 6831 ....... 6831 ........... 6831 ......... Air Pump Rotor
21 ...... 6832 ....... 6832 ........... 6832 ......... Backing Plate
22 ...... 6833 ....... 6833 ........... 6833 ......... Air Pump Cylinder
23 ...... 6834 ....... 6834 ........... 6834 ......... Nylon Air Pump Insert
24 ...... 6835 ....... 6835 ........... 6835 ......... Air Pump Vane (4 ea.)
25 ...... 6836 ....... 6836 ........... 6836 ......... Lower Housing
26 ...... 6837 ....... 6837 ........... 6837 ......... Upper Housing
27 ...... 2257 ....... 2257 ........... 2257 ......... Burner
28 ...... 6839 ....... 6839 ........... 6839 ......... Gasket
29 ...... 6842 ....... 6842 ........... 6842 ......... Adjusting Screw
30 ...... 6843 ....... 6843 ........... 6843 ......... Outlet Filter
31 ...... 6844 ....... 6844 ........... 6844 ......... Inlet Filter
32 ...... 6848 ....... 6848 ........... 6848 ......... O Ring
33 ...... 6849 ....... 6849 ........... 6849 ......... Nylon Pipe Plug
34 ...... 6850 ....... 6850 ........... 6850 ......... Relief Ball, 1/4" Dia.
35 ...... 6851 ....... 6851 ........... 6851 ......... Spring, 24 O.D. x .58
37 ...... 6863 ....... 6863 ........... 6863 ......... Oil Flame Control Assembly
38 ...... 6865 ....... 6865 ........... 6865 ......... Cad Cell Flame Sensor
39 ...... 2232 ....... 2233 ........... 2234 ......... Comb. Chamber Cyl. Ass'y
Key 75KT 125KT 175KT
No. Part No. Part No. Part No. Description
75KT 125KT 175KT
41 ...... 8736 ....... 8736 ........... 8736 ......... Oil Fuel Cap
43 ...... 8737 ....... 8738 ........... 8738 ......... Motor, 1/4 HP
44 ...... 8739 ....... 8739 ........... 8739 ......... Nozzle Adapter
45 ...... 8740 ....... 6865 ........... 6866 ......... Fan
46 ...... ------ ......... 6227 ........... 6227 ......... Snap Bushing
47 ...... 2138 ....... 2138 ........... 2138 ......... Ignitor Assembly
48 ...... 8741 ....... 8742 ........... 8743 ......... Fuel Air Aspir. Nozzle
49 ...... 6223 ....... 6223 ........... 6223 ......... Strain Relief Bushing
50 ...... 2235 ....... 2235 ........... 2235 ......... Electrode Assembly
51 ...... 7429 ....... 7429 ........... 7429 ......... Extrnl. Retaining Ring
53 ...... 3487 ....... 3487 ........... 3487 ......... Fuel Cap Gasket
54 ...... 8744 ....... 8744 ........... 8744 ......... Hose Barb Adapter
* ....... 7094 ....... ------ .............. ------ ............ Clip Hanle Mtg.
* ....... 7095 ....... ------ .............. ------ ............ Handle
* ....... 1683 ....... 1683 ........... 1683 ......... Lead Wire Ass'y Green
* ....... 1040 ....... 1040 ........... 1040 ......... Lead Wire Ass'y Black
* ....... ------ .......... ------ .............. 6225 ......... Snap Busing Nylon
* ....... 8745 ....... 6862 ........... 6862 ......... Fuel Filter Bushing
64 ...... 6838 ....... 6838 ........... 6838 ......... Screw, Tapping #9 x 1-1/4"
65 ...... 6908 ....... 6908 ........... 6908 ......... Screw, Machine #10 x 1-1/4"
66 ...... 6906 ....... 6906 ........... 6906 ......... Screw, Machine #10 x 1/2"
67 ...... 1942 ....... 1942 ........... 1942 ......... Thermostat Knob
* ....... 3441 ....... 3441 ........... 3441 ......... Bracket Thermostat Mtg.
68 ...... 1734 ....... 1734 ........... 1734 ......... Thermostat Assembly
* ....... 6070 ....... 6070 ........... 6070 ......... Clamp Loop
69 ...... 8785 ....... 8785 ........... 8785 ......... ON/OFF Switch
70 ...... 8782 ....... 8781 ........... 8781 ......... Pressure Guage
71 ...... 8778 ....... 8778 ........... 8778 ......... Fuel Guage
72 ...... 4341 ....... 4342 ........... 4342 ......... Access Panel
73 ...... 8783 ....... 8783 ........... 8783 ......... Hose Barb Adaptor
* .......M8682 .... M8683 ....... M8683 ..... Logo, Mr. Heater
* Not shown on exploded view
Enerco Oil 75-175,000 BTU

—28—
Model Numbers
HS/MH/TS50KT
HS/MH/TS75KT
HS/MH/TS125KT
HS/MH/TS175KT
Serial Number Range
0117001 to 0148811
Enerco Oil 50-175,000 BTU
50-175,000 BTU Forced Air Enerco Oil Fired Heater
2004-2005 Model Year
Pump Pressure Settings
BTU PSI
50 3.5
75 4.2
125 5.0
175 5.8
Phone: 800-362-6951 • Fax: 800-255-7985
www.phpdistribution.com

—29— Phone: 800-362-6951 • Fax: 800-255-7985
www.phpdistribution.com
50-175,000 BTU Forced Air Enerco Oil Fired Heater
2004-2005 Model Year
Key 50K 75KT 125KT 175KT
No. Part No. Part No. Part No. Part No. Description
1 M1036 M1036 M1036 M1036 Power Cord
2 M1676 M2213 M2214 M2214 Fuel Tank Assembly
3 M1679 M2215 M2216 M1783 Radiation Shield Ass’y
4 M1688 M2217 M2218 M2219 Control Box Ass’y
5 M1682 M2258 M2259 M2259 Power Pac Ass’y
6 M1686 M4343 M4346 M4346 Fuel Tube
7 M1685 M8734 M1771 M1768 Grille Assembly
8 —— M8779 M8780 M8780 Fuel Filter Ass’y
9 M4011 M4011 M4011 M4011 Oil Cad Cell Bracket
10 M3449 M3449 M3449 M3449 Motor Cord Sleeve
11 M1050 M1075 M1125 M1175 Bottom Shell
12 M2050 M2075 M2125 M2175 Top Shell
13 M3704 4332 M4333 M4334 Motor Mounting Bracket
14 M3705 M3705 M3818 M3705 Ignition Mounting Brkt.
16 ——— M8788 M8735 M8735 Start Capacitor
17 M3725 M3725 M4345 M4345 Air Tube
18 M6225 M6225 M6225 M6225 Snap Bushing
19 M1796 M1796 M1797 M1798 High Limit Control
20 M6831 M6831 M6831 M6831 Air Pump Rotor
22 M6833 M6833 M6833 M6833 Air Pump Cylinder
23 M6834 M6834 M6834 M6834 Nylon Air Pump Insert
24 M6835 M6835 M6835 M6835 Air Pump Vane (4 ea.)
25 M3250 M3250 M3250 M3250 Outlet Housing
26 M3255 M3255 M3255 M3255 Inlet Housing
27 —— ——— M2257 M2257 Burner
28 M3260 M3260 M3260 M3260 Gasket
29 M3265 M3265 M3265 M3265 Adjusting Screw
30 M3270 M3270 M3270 M3270 Outlet Filter
31 M3275 M3275 M3275 M3275 Inlet Filter
32 —— —— —— —— ——
33 M6849 M6849 M6849 M6849 Nylon Pipe Plug
34 M6850 M6850 M6850 M6850 Ball,. Pressure adj.
35 M6851 M6851 M6851 M6851 Spring, Pressure adj.
37 M6863 M6863 M6863 M6863 Oil Flame Control Ass’y
38 M6865 M6865 M6865 M6865 Cad Cell Flame Sensor
39 ——— M2232 M2233 M2234 Comb. Chamber Cyl. Ass’y
41 M6993 M8736 M8736 M8736 Oil Fuel Cap
43 M7339 M8737 M8738 M8738 Motor
44 M7790 M7790 M8739 M8739 Nozzle Adapter
45 M7421 M8740 M6885 M6866 Fan
46 ——— ——— M6227 M6227 Snap Bushing
47 M1684 M2138 M2138 M2138 Igniter Assembly
48 M7416 M8715 M8714 M8710 Fuel Air Aspir. Nozzle
49 M6223 M6223 M6223 M6223 Strain Relief Bushing
50 M1803 M1803 M2235 M2235 Electrode Assembly
51 M7429 M7429 M7429 M7429 Extrnl. Retaining Ring
53 M3487 M3487 M3487 M3487 Fuel Cap Gasket
54 M6847 M6847 M8744 M8744 Hose Barb Adapter
64 M6838 M6838 M6838 M6838 Screw, Tapping #9 x 1-1/4"
65 M6908 M6908 M6908 M6908 Screw, Machine #10 x 1-1/4"
66 M6906 M6906 M6906 M6906 Screw, Machine #10 x 1/2"
67 ——— M1942 M1942 M1942 Thermostat Knob
68 ——— M1734 M1734 M1734 Thermostat Assembly
69 —— M8785 M8785 M8785 ON/OFF Switch
70 ——— M8782 M8781 M8781 Pressure Gauge
71 ——— M8791 M8778 M8778 Fuel Gauge
72 M3707 M4341 M4342 M4342 Access Panel
73 —— ——— M8783 M8783 Hose Barb Adaptor
* M3843 Electrode Mtg. Brkt.
* AC Recepticle
* M7094 M7094 ——— ——— Clip Handle Mtg.
* M7095 M7095 ——— ——— Handle
* M1683 M1683 M1683 M1683 Lead Wire Ass’y Green
* —— M1040 M1040 M1040 Lead Wire Ass’y Black
* M7424 ——— ——— M6225 Snap Busing Nylon
* —— M8745 M6862 M6862 Fuel Filter Bushing
* ——— M3441 M3441 M3441 Bracket Thermostat Mtg.
* —— M6070 M6070 6070 Clamp Loop
* —— M8682 M8683 M8683 Logo, Mr. Heater
* —— M8790 M8790 Adapter, T-hose barb
* M4171 M4171 ——— ——— Nozzle mtg. plate
Key
No. Part No. Description
1 M4365 Handle, Front 1
2 M4338 Handle, Rear 1
3 M4339 Wheel Support Frame 1
4 M6977 Machine Screw Blk (long) 8
5 M6037 Kep Nut Blk 12
6 M8746 Axle 1
7 M8752 Wheel 2
8 M8751 Cap 2
9 M8748 Spacer 2
10 M8747 Washer, Small 4
11 M8749 Washer, Large 2
12 M8750 Cotter Pin 2
13 M8754 Ext. Cord Caddy 2
14 M7336 Machine Screw Blk (Small) 4
* Not shown in the drawing
Enerco Oil 50-175,000 BTU

—30—
Model Numbers
HS/MH/TS50K
HS/MH/TS75KT
HS/MH/TS125KT
HS/MH/TS175KT
HS/MH/TS210KT
Serial Number Range
0149000 to 0215151
Enerco Oil 50-210,000 BTU
50-210,000 BTU Forced Air Enerco Oil Fired Heater
2005 - 2006 Model Year
Pump Pressure Settings
BTU PSI
50 3.5
75 4.2
125 5.0
175 5.8
210 8.5
Phone: 800-362-6951 • Fax: 800-255-7985
www.phpdistribution.com
37
54

—31— Phone: 800-362-6951 • Fax: 800-255-7985
www.phpdistribution.com
50-210,000 BTU Forced Air Enerco Oil Fired Heater
2005 - 2006 Model Year
Key 50K 75KT 125KT 175KT 210KT
No. Part No.Part No. Part No.Part No. Part No. Description
1 21036 21036 21036 21036 21036 Power Cord
2 21676 22213 22214 22214 22214 Fuel Tank Assembly
3 21679 22215 22216 21783 22099 RadiationShield Ass’y
4 21688 22217 22218 22219 22218 Control Box Ass’y
5 21682 22258 22259 22259 22259 Power Pac Ass’y
6 21686 24343 24346 24346 24346 Fuel Tube
7 21685 28734 21771 21768 21771 Grille Assembly
8—— 28779 28780 28780 28780 Fuel Filter Ass’y
9 24011 24011 24011 24011 24011 Oil Cad Cell Bracket
10 23449 23449 23449 23449 23449 Motor Cord Sleeve
11 21050 21075 21125 21175 22127 Bottom Shell
12 22050 22075 22125 22175 22102 Top Shell
13 23704 24332 24333 24334 24333 Motor Mounting Brkt
14 ——— 22103 22103 22103 22103 AC Receptacle
16 ——— 28788 28735 28735 28735 Start Capacitor
17 23725 23725 24345 24345 24345 Air Tube
18 26225 26225 26225 26225 26225 Snap Bushing
19 21796 21796 21797 21798 22105 High Limit Control
20 26831 26831 26831 26831 26831 Air Pump Rotor
21 ——— 22104 22104 22104 22104 AC Receptacle Cover
22 26833 26833 26833 26833 26833 Air Pump Cylinder
23 26834 26834 26834 26834 26834 Nylon Air Pump Insert
24 26835 26835 26835 26835 26835 Air Pump Vane(4 ea.)
25 22106 22106 22106 22106 22106 Outlet Housing
26 23255 23255 23255 23255 23255 Inlet Housing
27 —— ——— 22257 22257 22257 Burner Head Ass’y
28 23260 23260 23260 23260 23260 Gasket
29 23265 23265 23265 23265 23265 Adjusting Screw
30 23270 23270 23270 23270 23270 Outlet Filter
31 23275 23275 23275 23275 23275 Inlet Filter
32 —— —— —— —— ——
33 26849 26849 26849 26849 26849 Nylon Pipe Plug
34 26850 26850 26850 26850 26850 Ball,. Pressure adj.
35 26851 26851 26851 26851 26851 Spring, Pressure adj.
37 22141 22141 22141 22141 22141 Oil Flame Control Ass’y
38 26865 26865 26865 26865 26865 Cad Cell Flame Sensor
39 ——— 22232 22233 22234 22107 Comb.Chamber
Cyl.Ass’y
Key 50K 75KT 125KT 175KT 210KT
No. Part No.Part No. Part No.Part No. Part No. Description
41 26993 28736 28736 28736 28736 Oil Fuel Cap
43 27339 28737 28738 28738 28738 Motor
44 27790 27790 28739 28739 28739 Nozzle Adapter
45 27421 28740 26885 26866 22108 Fan
46 ——— ——— 26227 26227 26227 Snap Bushing
47 22142 22142 22142 22142 22142 Igniter Assembly
48 27416 28741 28742 28743 22109 Fuel Air Aspir. Nozzle
49 26223 26223 26223 26223 26223 Strain Relief Bushing
50 22143 22143 22144 22144 22144 Electrode Assembly
51 27429 27429 27429 27429 27429 Extrnl. Retaining Ring
53 22145 22145 22145 22145 22145 Fuel Cap Gasket
54 26847 26847 28744 28744 28744 Hose Barb Adapter
* 27094 27094 ——— ——— ——— Clip Hanle Mtg.
* 27095 27095 ——— ——— ——— Handle
* 21683 21683 21683 21683 21683 Lead Wire Ass’y Green
* ——— 21040 21040 21040 21040 Lead Wire Ass’y Black
* ——— 28745 26862 26862 26862 Fuel Filter Bushing
* ——— 22146 22146 22146 22146 Bracket Thermostat Mtg.
* ——— 28790 28790 28790 Adapter,T-hose barb
* ——— 26070 26070 26070 26070 Clamp Loop
* 24171 24171 ——— ——— ——— Nozzle mtg. plate
64 26838 26838 26838 26838 26838 Screw, Tapping #9 x1-1/4"
65 26908 26908 26908 26908 26908 Screw,Machine#10x1-1/4"
66 26906 26906 26906 26906 26906 Screw, Machine#10 x 1/2"
67 ——— 21942 21942 21942 21942 Thermostat Knob
68 ——— 21734 21734 21734 21734 Thermostat Assembly
69 ——— 28785 28785 28785 28785 ON/OFF Switch
70 ——— 28782 28781 28781 28781 Pressure Gauge
71 ——— 28791 28778 28778 28778 Fuel Gauge
72 22147 22148 22149 22149 22149 Control Panel
73 ——— ——— 28783 28783 28783 Hose Barb Adaptor
* ——— 28682 28683 28683 28683 Logo, Mr. Heater
* Not shown on exploded view
Enerco Oil 50-210,000 BTU

—32—
Model Numbers
HS/MH/TS50K
HS/MH/TS75KT
HS/MH/TS125KT
HS/MH/TS175KT
HS/MH/TS210KT
Serial Number Range
0215152 to 0253699
Enerco Oil 50-210,000 BTU
50-210,000 BTU Forced Air Enerco Oil Fired Heater
2006 - 2007 Model Year
Pump Pressure Settings
BTU PSI
50 3.5
75 4.2
125 5.0
175 5.8
210 8.5
Phone: 800-362-6951 • Fax: 800-255-7985
www.phpdistribution.com

—33— Phone: 800-362-6951 • Fax: 800-255-7985
www.phpdistribution.com
50-210,000 BTU Forced Air Enerco Oil Fired Heater
2006 - 2007 Model Year
Key 50K 75KT 125KT 175KT 210KT
No. Part No.Part No. Part No.Part No. Part No. Description
1 21036 21036 21036 21036 21036 Power Cord
2 21676 22213 22214 22214 22214 Fuel Tank Assembly
3 21679 22215 22216 21783 22099 RadiationShield Ass’y
4 26904 26904 26904 26904 26904 Pump Adj. Screw Cap
5 21682 22258 22259 22259 22259 Power Pac Ass’y
6 21686 24343 24346 24346 24346 Fuel Tube
7 21685 28734 21771 21768 21771 Grille Assembly
8 28779 28779 28780 28780 28780 Fuel Filter
9 24011 24011 24011 24011 24011 Oil Cad Cell Bracket
10 23449 23449 23449 23449 23449 Motor Cord Sleeve
11 21050 21075 21125 21175 22127 Bottom Shell
12 22050 22075 22125 22175 22102 Top Shell
13 23704 24332 24333 24334 24333 Motor Mounting Brkt
14 26898 26898 26898 26898 26898 Receptacle, 110V
16 ——— 28788 28735 28735 28735 Start Capacitor
17 23725 23725 24345 24345 24345 Air Tube
18 26225 26225 26225 26225 26225 Snap Bushing
19 21794 21794 26901 26902 22105 High Limit Control
20 26831 26831 26831 26831 26831 Air Pump Rotor w/
Vanes
21 ——— 22104 22104 22104 22104 AC Receptacle Cover
22 26833 26833 26833 26833 26833 Air Pump Cylinder
23 26834 26834 26834 26834 26834 Nylon Air Pump Insert
24 26899 26899 26899 26899 26899 Receptacle Cover
25 22106 22106 22106 22106 22106 Outlet Housing
26 23255 23255 23255 23255 23255 Inlet Housing
27 —— ——— 22257 22257 22257 Burner Head Ass’y
29 23265 23265 23265 23265 23265 Adjusting Screw
30 23270 23270 23270 23270 23270 Outlet Filter
31 20234 20234 20234 20234 20234 Inlet Filter
33 26849 26849 26849 26849 26849 Nylon Pipe Plug
34 26850 26850 26850 26850 26850 Ball,. Pressure adj.
35 26851 26851 26851 26851 26851 Spring, Pressure adj.
37 22221 22221 22221 22221 22221 Flame Control Ass’y
38 26903 26903 26903 26903 26903 Cad Cell Flame Sensor
39 ——— 22232 22233 22234 22107 Comb.Chamber
Cyl.Ass’y
41 26909 26909 26909 26909 26909 Fuel Cap
Key 50K 75KT 125KT 175KT 210KT
No. Part No.Part No. Part No.Part No. Part No. Description
43 27339 28737 28738 28738 28738 Motor
44 27790 27790 28739 28739 28739 Nozzle Adapter
45 27421 28740 26885 26866 22108 Fan
46 ——— ——— 26227 26227 26227 Snap Bushing
47 22142 22142 22142 22142 22142 Igniter Assembly
48 27416 28741 28742 28743 22109 Fuel Air Aspir. Nozzle
49 26223 26223 26223 26223 26223 Strain Relief Bushing
50 22143 22143 22144 22144 22144 Electrode Assembly
51 27429 27429 27429 27429 27429 Extrnl. Retaining Ring
52 26886 26886 26886 26886 26886 Reset Button
53 26910 26910 26910 26910 26910 Fuel Cap Gasket
54 26847 26847 28744 28744 28744 Hose Barb Adapter
* 27094 27094 ——— ——— ——— Clip Hanle Mtg.
* 27095 27095 ——— ——— ——— Handle
* 28745 28745 ——— ——— ——— Fuel Line Bushing
* ——— 22146 22146 22146 22146 Bracket Thermostat Mtg.
* ——— 26070 26070 26070 26070 Clamp Loop
* 24171 24171 ——— ——— ——— Nozzle mtg. plate
* 26905 26905 26905 26905 26905 Flame Control Mtg. Brk.
67 ——— 21942 21942 21942 21942 Thermostat Knob
68 ——— 21734 21734 21734 21734 Thermostat Assembly
69 ——— 28785 28785 28785 28785 ON/OFF Switch
70 ——— 28782 28781 28781 28781 Pressure Gauge
71 ——— 28791 28778 28778 28778 Fuel Gauge
72 22147 22148 22149 22149 22149 Control Panel
* ——— 28682 28683 28683 28683 Logo, Mr. Heater
75 26887 26887 26888 26888 26888 Control Panel Back
Enerco Oil 50-210,000 BTU

—34—
Model Numbers
HS/MH/TS50K
HS/MH/TS75KT
HS/MH/TS125KT
HS/MH/TS175KT
HS/MH/TS210KT
Serial Number Range
0253700 to 0296656
Enerco Oil 50-210,000 BTU
50-210,000 BTU Forced Air Enerco Oil Fired Heater
2007 - 2008 Model Year
Pump Pressure Settings
BTU PSI
50 3.5
75 4.2
125 5.0
175 5.8
210 8.5
Phone: 800-362-6951 • Fax: 800-255-7985
www.phpdistribution.com

—35— Phone: 800-362-6951 • Fax: 800-255-7985
www.phpdistribution.com
50-210,000 BTU Forced Air Enerco Oil Fired Heater
2007 - 2008 Model Year
Key 50K 75KT 125KT 175KT 210KT
No. Part No.Part No. Part No.Part No. Part No. Description
1 21036 21036 21036 21036 21036 Power Cord
2 21676 22213 22214 22214 22214 Fuel Tank Assembly
3 21679 22215 22216 21783 22099 RadiationShield Ass’y
4 26904 26904 26904 26904 26904 Pump Adj. Screw Cap
5 21682 22258 22259 22259 22259 Power Pac Ass’y
6 21686 24343 24346 24346 24346 Fuel Tube
7 21685 28734 21771 21768 21771 Grille Assembly
8 28779 28779 28780 28780 28780 Fuel Filter
9 24011 24011 24011 24011 24011 Oil Cad Cell Bracket
10 23449 23449 23449 23449 23449 Motor Cord Sleeve
11 21050 21075 21125 21175 22127 Bottom Shell
12 22050 22075 22125 22175 22102 Top Shell
13 23704 24332 24333 24334 24333 Motor Mounting Brkt
14 26898 26898 26898 26898 26898 Receptacle, 110V
16 ——— 28788 28735 28735 28735 Start Capacitor
17 23725 23725 24345 24345 24345 Air Tube
18 26225 26225 26225 26225 26225 Snap Bushing
19 21794 21794 26901 26902 22105 High Limit Control
20 26831 26831 26831 26831 26831 Air Pump Rotor w/
Vanes
21 ——— 22104 22104 22104 22104 AC Receptacle Cover
22 26833 26833 26833 26833 26833 Air Pump Cylinder
23 26834 26834 26834 26834 26834 Nylon Air Pump Insert
24 26899 26899 26899 26899 26899 Receptacle Cover
25 22106 22106 22106 22106 22106 Outlet Housing
26 23255 23255 23255 23255 23255 Inlet Housing
27 —— ——— 22257 22257 22257 Burner Head Ass’y
29 23265 23265 23265 23265 23265 Adjusting Screw
30 23270 23270 23270 23270 23270 Outlet Filter
31 20234 20234 20234 20234 20234 Inlet Filter
33 26849 26849 26849 26849 26849 Nylon Pipe Plug
34 26850 26850 26850 26850 26850 Ball,. Pressure adj.
35 26851 26851 26851 26851 26851 Spring, Pressure adj.
37 22221 22221 22221 22221 22221 Flame Control Ass’y
38 26903 26903 26903 26903 26903 Cad Cell Flame Sensor
39 ——— 22232 22233 22234 22107 Comb.Chamber
Cyl.Ass’y
Key 50K 75KT 125KT 175KT 210KT
No. Part No.Part No. Part No.Part No. Part No. Description
41 26909 26909 26909 26909 26909 Fuel Cap
43 27339 28737 28738 28738 28738 Motor
44 27790 27790 28739 28739 28739 Nozzle Adapter
45 27421 28740 26885 26866 22108 Fan
46 ——— ——— 26227 26227 26227 Snap Bushing
47 22142 22142 22142 22142 22142 Igniter Assembly
48 27416 28741 28742 28743 22109 Fuel Air Aspir. Nozzle
49 26223 26223 26223 26223 26223 Strain Relief Bushing
50 22143 22143 22144 22144 22144 Electrode Assembly
51 27429 27429 27429 27429 27429 Extrnl. Retaining Ring
52 26886 26886 26886 26886 26886 Reset Button
53 26910 26910 26910 26910 26910 Fuel Cap Gasket
54 26847 26847 28744 28744 28744 Hose Barb Adapter
* 27094 27094 ——— ——— ——— Clip Hanle Mtg.
* 27095 27095 ——— ——— ——— Handle
* 28745 28745 ——— ——— ——— Fuel Line Bushing
* ——— 22146 22146 22146 22146 Bracket Thermostat Mtg.
* ——— 26070 26070 26070 26070 Clamp Loop
* 24171 24171 ——— ——— ——— Nozzle mtg. plate
* 26905 26905 26905 26905 26905 Flame Control Mtg. Brk.
67 ——— 21942 21942 21942 21942 Thermostat Knob
68 ——— 21734 21734 21734 21734 Thermostat Assembly
69 ——— 28785 28785 28785 28785 ON/OFF Switch
70 ——— 28782 28781 28781 28781 Pressure Gauge
71 ——— 28791 28778 28778 28778 Fuel Gauge
72 22147 22148 22149 22149 22149 Control Panel
* ——— 28682 28683 28683 28683 Logo, Mr. Heater
75 26887 26887 26888 26888 26888 Control Panel Back
Enerco Oil 50-210,000 BTU

—36—
Model Numbers
HS/MH/TS50K
HS/MH/TS75KT
HS/MH/TS125KT
HS/MH/TS175KT
HS/MH/TS210KT
Serial Number Range
08001001 to 08005632
Enerco Oil 50-210,000 BTU
50-210,000 BTU Forced Air Enerco Oil Fired Heater
2008 - 2009 Model Year
Pump Pressure Settings
BTU PSI
50 3.5
75 4.2
125 5.0
175 5.8
210 8.5
Phone: 800-362-6951 • Fax: 800-255-7985
www.phpdistribution.com

—37— Phone: 800-362-6951 • Fax: 800-255-7985
www.phpdistribution.com
50-210,000 BTU Forced Air Enerco Oil Fired Heater
2008 - 2009 Model Year
Key 50K 75KT 125KT 175KT 210KT
No. Part No.Part No. Part No.Part No. Part No. Description
1 21036 21036 21036 21036 21036 Power Cord
2 21676 22213 22214 22214 22214 Fuel Tank Assembly
3 21679 22215 22216 21783 22099 RadiationShield Ass’y
4 26904 26904 26904 26904 26904 Pump Adj. Screw Cap
5 21682 22258 22259 22259 22259 Power Pac Ass’y
6 21686 24343 24346 24346 24346 Fuel Tube
7 21685 28734 21771 21768 21771 Grille Assembly
8 28779 28779 28780 28780 28780 Fuel Filter
9 24011 24011 24011 24011 24011 Oil Cad Cell Bracket
10 23449 23449 23449 23449 23449 Motor Cord Sleeve
11 21050 21075 21125 21175 22127 Bottom Shell
12 22050 22075 22125 22175 22102 Top Shell
13 23704 24332 24333 24334 24333 Motor Mounting Brkt
14 26898 26898 26898 26898 26898 Receptacle, 110V
16 ——— 28788 28735 28735 28735 Start Capacitor
17 23725 23725 24345 24345 24345 Air Tube
18 26225 26225 26225 26225 26225 Snap Bushing
19 21794 21794 26901 26902 22105 High Limit Control
20 26831 26831 26831 26831 26831 Air Pump Rotor w/
Vanes
21 ——— 22104 22104 22104 22104 AC Receptacle Cover
22 26833 26833 26833 26833 26833 Air Pump Cylinder
23 26834 26834 26834 26834 26834 Nylon Air Pump Insert
24 26899 26899 26899 26899 26899 Receptacle Cover
25 22106 22106 22106 22106 22106 Outlet Housing
26 23255 23255 23255 23255 23255 Inlet Housing
27 —— ——— 22257 22257 22257 Burner Head Ass’y
29 23265 23265 23265 23265 23265 Adjusting Screw
30 23270 23270 23270 23270 23270 Outlet Filter
31 20234 20234 20234 20234 20234 Inlet Filter
33 26849 26849 26849 26849 26849 Nylon Pipe Plug
34 26850 26850 26850 26850 26850 Ball,. Pressure adj.
35 26851 26851 26851 26851 26851 Spring, Pressure adj.
37 22221 22221 22221 22221 22221 Flame Control Ass’y
38 26903 26903 26903 26903 26903 Cad Cell Flame Sensor
39 ——— 22232 22233 22234 22107 Comb.Chamber
Cyl.Ass’y
Key 50K 75KT 125KT 175KT 210KT
No. Part No.Part No. Part No.Part No. Part No. Description
41 26909 26909 26909 26909 26909 Fuel Cap
43 27339 28737 28738 28738 28738 Motor
44 27790 27790 28739 28739 28739 Nozzle Adapter
45 27421 28740 26885 26866 22108 Fan
46 ——— ——— 26227 26227 26227 Snap Bushing
47 22142 22142 22142 22142 22142 Igniter Assembly
48 27416 28741 28742 28743 22109 Fuel Air Aspir. Nozzle
49 26223 26223 26223 26223 26223 Strain Relief Bushing
50 22143 22143 22144 22144 22144 Electrode Assembly
51 27429 27429 27429 27429 27429 Extrnl. Retaining Ring
52 26886 26886 26886 26886 26886 Reset Button
53 26910 26910 26910 26910 26910 Fuel Cap Gasket
54 26847 26847 28744 28744 28744 Hose Barb Adapter
* 27094 27094 ——— ——— ——— Clip Hanle Mtg.
* 27095 27095 ——— ——— ——— Handle
* 28745 28745 ——— ——— ——— Fuel Line Bushing
* ——— 22146 22146 22146 22146 Bracket Thermostat Mtg.
* ——— 26070 26070 26070 26070 Clamp Loop
* 24171 24171 ——— ——— ——— Nozzle mtg. plate
* 26905 26905 26905 26905 26905 Flame Control Mtg. Brk.
67 ——— 21942 21942 21942 21942 Thermostat Knob
68 ——— 21734 21734 21734 21734 Thermostat Assembly
69 ——— 28785 28785 28785 28785 ON/OFF Switch
70 ——— 28782 28781 28781 28781 Pressure Gauge
71 ——— 28791 28778 28778 28778 Fuel Gauge
72 22147 22148 22149 22149 22149 Control Panel
* ——— 28682 28683 28683 28683 Logo, Mr. Heater
75 26887 26887 26888 26888 26888 Control Panel Back
Enerco Oil 50-210,000 BTU

—38—
Model Numbers
HS50K, HS75KT,
HS125KT, HS175KT,
HS210KT
Serial Number Range
09001001 to present
Pump Pressure Settings
BTU PSI
50 3.5
75 4.2
125 5.5
175 5.8
210 8.5
Enerco Oil 50-210,000 BTU
50-210,000 BTU Forced Air Enerco Oil Fired Heater
2009 - 2010 Model Year
Phone: 800-362-6951 • Fax: 800-255-7985
www.phpdistribution.com

—39— Phone: 800-362-6951 • Fax: 800-255-7985
www.phpdistribution.com
50-210,000 BTU Forced Air Enerco Oil Fired Heater
2009 - 2010 Model Year
Key HS50K HS75KT HS125KT HS175KT HS210KT
No. Part No. Part No. Part No. Part No. Part No. Description
1 21036 21036 21036 21036 21036 Power Cord
2 21676 22213 22214 22214 22214 Fuel Tank Assembly
3 **** 22215 22216 21783 22099 Radiation Shield Ass’y
4 21807 21808 21809 21809 21809 Power Pac Ass’y
5 21686 24343 24346 24346 24346 Fuel Tube
6 21685 28734 21771 21768 21771 Grille Assembly
7 24011 24011 24011 24011 24011 Oil cad cell Bracket
8 28779 28779 28780 28780 28780 Fuel Filter
9 23449 23449 23449 23449 23449 Motor Cord Sleeve
10 21050 21075 21125 21175 22127 Bottom Shell
11 22050 22075 22125 22175 22102 Top Shell
12 23704 24332 24333 22334 24333 Motor Mounting Brkt
13 **** 28788 28735 28735 28735 Start Capacitor
14 23725 23725 24345 24345 24345 Air Tube
15 26225 26225 26225 26225 26225 Snap Bushing
16 21794 21794 26901 26902 22105 High Limit Control
17 F226831 F226831 F226831 F226831 F226831 Kit, Rotor
- Air Pump Rotor w/Vanes
- Nylon Air Pump Insert
18 26833 26833 26833 26833 26833 Air Pump Cylinder
19 21810 21810 21810 21810 21810 Outlet Housing
20 21812 21812 21812 21812 21812 Inlet Housing
21 **** **** 22257 22257 22257 Burner Head Ass’y
22 F21887 F21887 F21887 F21887 F21887 Kit, Filter
23 21813 21813 21813 21813 21813 Gasket, Outlet Filter
24 21814 21814 21814 21814 21814 Outlet Filter
25 21815 21815 21815 21815 21815 Inlet Filter
26 F266842 F266842 F266842 F266842 F266842 Kit, Pump Adjustment
- Nylon Pipe Plug
- Pump Adj. Screw Cap
- Ball,. Pressure adj.
- Spring, Pressure adj.
27 21866 21866 21866 21866 21866 Flame Control Ass’y
28 21816 21816 21816 21816 21816 Flame Control Bracket
29 26903 26903 26903 26903 26903 Cad Cell Flame Sensor
30 21679 22232 22233 22234 22107 Comb.Chamber Cyl. Ass’y
31 26909 26909 26909 26909 26909 Fuel Cap
32 26910 26910 26910 26910 26910 Fuel Cap Gasket
33 27339 21817 21818 21818 21818 Motor
34 27790 27790 28739 28739 28739 Nozzle Adapter
35 27421 28740 26885 26866 22108 Fan
36 22142 22142 22142 22142 22142 Igniter Assembly
37 27416 28741 28742 28743 22109 Fuel Air Aspir. Nozzle
38 26223 26223 26223 26223 26223 Strain Relief Bushing
39 21819 21819 21819 21819 21819 Electrode Assembly
40 21820 21820 21820 21820 21820 Electrode Insulated Cover
41 21821 21821 21821 21821 21821 Hose Barb Adapter
42 **** 21823 21823 21823 21823 Thermostat Knob
43 **** 21734 21734 21734 21734 Thermostat Assembly
44 28785 28785 28785 28785 28785 ON/OFF Switch
45 **** 28791 28778 28778 28778 Fuel Gauge
46 21829 21889 21825 21825 21825 Control Panel
47 26887 26887 26888 26888 26888 Control Panel Back
48 27094 27094 **** **** **** Clip Hanle Mtg.
49 27095 27095 **** **** **** Handle
* 24171 24171 **** **** **** Nozzle mtg. plate
* 26227 26227 26227 Snap Bushing
* 27429 27429 27429 27429 27429 Nozzle Extrnl. Retaining Ring
* 28745 28745 **** **** **** Fuel Line Bushing
* **** 22146 22146 22146 22146 Bracket Thermostat Mtg.
* **** 26070 26070 26070 26070 Clamp Loop
* Not shown in the drawing
Key HS125KT HS175KT HS210KT
No. Part No. Part No. Part No. Description
1 21873 21873 21873 Handle, Front
2 21874 21874 21874 Handle, Rear
3 21875 21875 21875 Wheel Support Fr.
4 21876 21876 21876 Axle
5 22169 22169 22169 Wheel Ass’y
6 28749 28749 28749 Retainer Washer
7 28750 28750 28750 Cotter Pin
8 28751 28751 28751 Hub Cap
9 28754 28754 28754 Ext. Cord Caddy
10 21897 21897 21897 Wheel Spacer
* 28787 28787 28787 Hardware Kit
* Not shown in the drawing
Enerco Oil 50-210,000 BTU

—40—
Model Numbers
MH50KR, MH75KTR,
MH125KTR, MH175KTR,
MH210KTR
Serial Number Range
09001001 to present
Enerco Oil 50-210,000 BTU
50-210,000 BTU Forced Air Mr. Heater Oil Fired Heater
2009-2010 Model Year
Pump Pressure Settings
BTU PSI
50 3.5
75 4.2
125 5.5
175 5.8
210 8.5
Phone: 800-362-6951 • Fax: 800-255-7985
www.phpdistribution.com

—41— Phone: 800-362-6951 • Fax: 800-255-7985
www.phpdistribution.com
50-210,000 BTU Forced Air Mr. Heater Oil Fired Heater
2009-2010 Model Year
Key MH50KR MH75KTR MH125KTR MH175KTR MH210KTR
No. Part No. Part No. Part No. Part No. Part No. Description
1 21036 21036 21036 21036 21036 Power Cord
2 21832 21833 21915 21834 21834 Fuel Tank Assembly
3 **** 21883 21884 21885 21886 RadiationShield Ass’y
4 21807 21808 21809 21809 21809 Power Pac Ass’y
5 21686 24343 24346 24346 24346 Fuel Tube
6 21835 21836 21837 21837 21837 Grille Assembly
7 24011 24011 24011 24011 24011 Oil cad cell Bracket
8 28779 28779 28780 28780 28780 Fuel Filter
9 23449 23449 23449 23449 23449 Motor Cord Sleeve
10 21839 21840 21841 21842 21843 Bottom Shell
11 21844 21846 21848 21850 21852 Top Shell, Burner
12 21854 21856 21858 21860 21862 Top Shell, Insp. Cover
13 21864 21864 21865 21865 21865 Motor Mounting Brkt
14 **** 28788 28735 28735 28735 Start Capacitor
15 23725 23725 24345 24345 24345 Air Tube
16 26225 26225 26225 26225 26225 Snap Bushing
17 21794 21794 26901 26902 22105 High Limit Control
18 F226831 F226831 F226831 F226831 F226831 Kit, Rotor
19 **** 26898 26898 26898 26898 Receptacle, 110V
20 **** 22104 22104 22104 22104 AC Receptacle Cover
21 26833 26833 26833 26833 26833 Air Pump Cylinder
22 21810 21810 21810 21810 21810 Outlet Housing
23 21812 21812 21812 21812 21812 Inlet Housing
24 **** **** 22257 22257 22257 Burner Head Ass’y
25 F221887 F221887 F221887 F221887 F221887 Kit, Filter
26 21814 21814 21814 21814 21814 Outlet Filter
27 21815 21815 21815 21815 21815 Inlet Filter
28 F266842 F266842 F266842 F266842 F266842 Kit, Pump Adjustment
29 21866 21866 21867 21867 21867 Flame Control Ass’y
30 21816 21816 21816 21816 21816 Flame Control Bracket
31 26903 26903 26903 26903 26903 Cad Cell Flame Sensor
32 21882 21868 21869 21870 21871 Comb.Chamber Cyl.Ass’y
33 26909 26909 26909 26909 26909 Fuel Cap
34 26910 26910 26910 26910 26910 Fuel Cap Gasket
35 27339 21817 21818 21818 21818 Motor
36 27790 27790 28739 28739 28739 Nozzle Adapter
37 27421 28740 26885 26866 22108 Fan
38 22142 22142 22142 22142 22142 Igniter Assembly
39 27416 28741 28742 28743 22109 Fuel Air Aspir. Nozzle
40 26223 26223 26223 26223 26223 Strain Relief Bushing
41 21819 21819 21819 21819 21819 Electrode Assembly
42 21820 21820 21820 21820 21820 Electrode Insulated Cover
43 21821 21821 21821 21821 21821 Hose Barb Adapter
44 **** 21822 21822 21822 21822 Thermostat Knob
45 **** 21734 21734 21734 21734 Thermostat Assembly
46 28785 28785 28785 28785 28785 ON/OFF Switch
47 **** 28791 28778 28778 28778 Fuel Gauge
48 21830 21888 21826 21826 21826 Control Panel
49 21892 21892 21893 21893 21893 Control Panel Back
50 28786 28786 28786 28786 28786 Pressure Gauge, Round
51 27094 27094 **** **** **** Clip Handle Mtg.
52 27095 27095 **** **** **** Handle
53 21813 21813 21813 21813 21813 Gasket, Outlet Filter
* 24171 24171 **** **** **** Nozzle mtg. plate
* 26227 26227 26227 Snap Bushing
* 27429 27429 27429 27429 27429 Nozzle Ext. Retaining Ring
* 28745 28745 **** **** **** Fuel Line Bushing
* **** 22146 22146 22146 22146 Bracket Thermostat Mtg.
* **** 26070 26070 26070 26070 Clamp Loop
* Not shown in the drawing
Key MH125KTR MH175KTR MH210KTR
No. Part No. Part No. Part No. Description
1 22169 22169 22169 Wheel Assembly, 10”
2 22172 22172 22172 Upper Handle
w/Spring Clips
* 22173 22173 22173 Lower Handle, Right
3 22174 22174 22174 Lower Handle, Left
* 22176 22176 22176 Leg Support, Right
4 22177 22177 22177 Leg Support, Left
5 22178 22178 22178 Support Leg
6 22179 22179 22179 Front Handle w/Axle
7 28749 28749 28749 Retainer Washer
8 28750 28750 28750 Cotter Pin
9 28751 28751 28751 Hub Cap
10 28754 28754 28754 Ext. Cord Caddy
11 21897 21897 21897 Wheel Spacer
* 28787 28787 28787 Hardware Package
Enerco Oil 50-210,000 BTU

—42—
Always remember to match the model number of your heater with
the model number of the individual breakdowns in this section.
The breakdowns in this manual refer to the model specifically
listed on each individual page. Use a breakdown only if you have
the exact model match for your particular heater. If your model
number does not appear in the breakdowns, please call one of our
technicians for assistance.
If you need technical assistance, feel free to call PHP at 1-800-362-6951 or e-mail
us at techservice@phpdistribution.com. Whenever possible, please have your
model number and the nature of your problem before you place a call for
technical service.
Brand Names Include:
Tradesman
BTU and Description Ignition Type Fuel Type Page No.
70,000 BTU Hot Surface (HSI) Kerosene 43
165,000 BTU Hot Surface (HSI) Kerosene 44
45-75,000 BTU Solid State Kerosene 45
125-170,000 BTU Solid State Kerosene 46
210,000 BTU Solid State Kerosene 47
Quick Parts Reference 48
L.B. White Oil Fired Heaters
HEATER INDEX
Phone: 800-362-6951 • Fax: 800-255-7985
www.phpdistribution.com
L.B. White Oil Heaters

—43— Phone: 800-362-6951 • Fax: 800-255-7985
www.phpdistribution.com
L.B. White Oil 70,000 BTU
Model Numbers
CP070CK
Key Part
No. No. Description
1 130-20783 Handle
2 130-22958 Upper Shell (service part will be black)
3 130-20807 Screw, #10-16 x 3/4”
4 130-20805 Screw, #10-16 x 1-1/2”
5 130-24786 Combustion Chamber
6 130-20808 Screw, #6-32 x 3/8”
7 130-22960 Photocell Bracket
8 120-21925 Photocell Assembly
9 See below Burner Head Assembly
10 130-20806 Screw, #10-16 x 3/8”
11 130-22964 Fan
12 See page 48 Motor and Pump Assembly
13 130-20929 Fan Guard
14 120-24783 Power Cord
15 130-20947 Strain Relief Bushing
16 130-20818 Hex Lock Nut, 1/4-20
17 130-20806 Screw, #10-16 x 3/8”
18 130-20924 Rubber Bumper
19 130-22968 Side Cover
20 130-20864 Motor Bracket
21 130-22969 Bushing
22 130-20936 Clip Nut
23 130-20932 Bushing
24 130-20806 Screw, #10-16 x 3/8”
25 130-20810 Screw, #8-32 x 3/8”
26 130-22970 Lower Shell ( service part will be black)
27 130-22971 Rubber Airline
28 130-20949 Fuel Line
29 130-20950 Fuel Filter with bushing
30 130-20933 Rubber Bushing
31 130-21920 PCB Support
32 120-21919 Ignition Control Assembly
33 130-24778 Fuel Cap with Gauge (includes gasket)
34 130-24779 Fuel Tank Kit
35 130-22973 Shell Heat Shield
36 130-24130 Thermostat
37 130-24126 Screw, #8-32 x 7/8”
38 130-24131 Thermostat Knob
39 130-24129 Lock Washer, Ext #8
40 120-24782 Lighted On/Off Switch
70,000 BTU Forced Air L.B. White Oil Fired Heater
Pump Pressure Setting
4.7 PSI
Burner Head Assembly
Key Part
No. No. Description
1 130-22961 Nozzle Assembly CP070CK
130-21926 Nozzle Assembly CP165DK
2 120-21933 Ignitor Kit
3 130-21928 Screw
4 130-21917 Nozzle Adapter Bracket
5 130-22962 Nozzle Adapter
6 130-22963 Washer

—44—
Model Numbers
CP165DK
165,000 BTU Forced Air L.B. White Oil Fired Heater
Pump Pressure Setting
5.6 PSI
Phone: 800-362-6951 • Fax: 800-255-7985
www.phpdistribution.com
L.B. White Oil 165,000 BTU
Key Part
No. No. Description
1 130-24121 Upper Shell (service part will be black)
2 130-20805 Screw, #10-16 x 1-1/2”
3 130-24786 Combustion Chamber
4 130-24127 Photocell Bracket
5 130-20808 Screw, #6-32 x 3/8”
6 130-21935 Photocell Assembly
7 See below Burner Head Assembly
8 130-20806 Screw, #10-16 x 3/8”
9 130-24120 Fan
10 See page 48 Motor and Pump Assembly
11 130-20924 Rubber Bumper
12 130-20863 Motor Mounting Bracket
13 130-24126 Screw, #8-32 x 7/8”
14 120-21919 Ignition Control Assembly
15 130-20818 Hex Lock Nut, 1/4-20
16 130-25140 Fan Guard
17 130-20945 Drain Plug (includes “o” rings)
18 130-24125 Button Plug
19 130-21939 Fuel Line
20 130-20953 Fuel Filter
21 130-20954 Fuel Line Tube
22 130-20933 Rubber Bushing
23 130-20955 Airline
24 130-24122 Lower Shell
25 130-24128 Bushing
26 130-20935 Bushing
27 130-20806 Screw, #10-16 x 3/8”
28 130-20936 Clip Nut
29 130-20810 Screw, #8-32 x 3/8”
30 130-24781 Fuel Tank Kit
31 130-24780 Fuel Cap with Gauge
32 130-21920 PCB Support
33 130-20947 Strain Relief Bushing
34 120-24783 Power Cord
35 130-21937 Side Cover
36 130-20806 Screw, #10-16 x 3/8”
37 130-24131 Thermostat Knob
38 130-24130 Thermostat
39 130-24129 Lock Washer, Ext #8
40 120-24782 Lighted On/Off Switch
Burner Head Assembly
Key Part
No. No. Description
1 130-22961 Nozzle Assembly CP070CK
130-21926 Nozzle Assembly CP165DK
2 120-21933 Ignitor Kit
3 130-21928 Screw
4 130-21917 Nozzle Adapter Bracket
5 130-22962 Nozzle Adapter
6 130-22963 Washer

—45— Phone: 800-362-6951 • Fax: 800-255-7985
www.phpdistribution.com
Key CP045AK CP075AK
No. Description Part No.
1 Fuel Tank Assembly 572143 572144
2 Fuel Gauge ----------572150----------
3 Fuel Cap ----------572157----------
4 Panel Right Side Assembly 572253 572256
5 Power Switch ----------572251----------
6 Thermostat Wire ------ 572149
7 Display P.C.B. Assembly 572162 -----
8 Power Cord ---------572159----------
9 Panel Left Side Assembly 572254 572257
10 Ignition Transformer ----------572243----------
11 Fuel Filter ---------572154----------
12 Combustion Chamber 572177 572178
13 Photocell Bracket 572184 572185
14 Photocell Assembly ----------572186----------
15 Burner Head Assembly See Above
15-1 Burner Head ----------572188----------
15-2 Nozzle Assembly 572192 572193
15-3 Air/Fuel Line Fittings ----------572280----------
15-4 Spark Plug Assembly ----------572200----------
16 Fan Guard ----------572265----------
17 Fan Assembly 572232 572233
18 Motor and Pump Assembly ----------572204----------
Key CP045AK CP075AK
No. Description Part No.
18-1 Motor ----------572208----------
18-2 Capacitor ----------572214----------
18-3 Motor Support ----------572218----------
18-5 Pump Body ----------572223----------
18-6 Filter Kit* ----------572227----------
18-7 Pump Adjustment Kit*** ----------572230----------
18-8 Rotor Kit** ----------572225----------
18-9 Pump Cover ----------572228----------
18-10 Filter Cover ----------572229----------
19 Pressure Gauge ----------572231----------
20 Main P.C.B. Assembly 572238 572239
21 Air/Fuel Lines - ---------572169----------
22 Clip Nut (6-Pack) ----------572284----------
23 Temperature Limit Assembly ----------572173----------
24 Screw (12-Pack) ----------572282----------
25 Upper Shell ----------572255----------
26 Lower Shell ----------572163----------
27 Front Guard ----------572270----------
Hardware Kit ----------572285----------
Pump/Filter Cover Screws (10-Pack) ----------572283----------
45-75,000 BTU Forced Air L.B. White Oil Fired Heater
Model Number
CP045AK
CP075AK
Pump Pressure Settings
BTU PSI
45 2.8
75 3.8
L.B. White Oil 45-75,000 BTU
Motor & Pump
Assembly
Burner Head
Assembly
CP045AK
CP075AK

—46—
Key CP125AK CP170AK
No. Description Part No.
1 Fuel Tank Assembly 572145 572146
2 Fuel Gauge ----------572151----------
3 Fuel Cap ----------572157----------
4 Panel Right Side Assembly 572258 572261
5 Power Switch ----------572251----------
6 Thermostat Wire ----------572149----------
7 Drain Plug ----------572176----------
8 Power Cord ----------572160----------
9 Panel Left Side Assembly 572259 572262
10 Ignition Transformer 572243 572235
11 Fuel Filter ----------572155----------
12 Combustion Chamber 572179 572180
13 Photocell Bracket ----------572185----------
14 Photocell Assembly ----------572186----------
15 Burner Head Assembly See Above
15-1 Burner Head 572189 572190
15-2 Nozzle Assembly 572194 572195
15-3 Air/Fuel Line Fittings ----------572278----------
15-4 Spark Plug Assembly ----------572201----------
16 Fan Guard ----------572266----------
17 Fan Assembly 572234 572235
18 Motor and Pump Assembly 572205 572206
Key CP125AK CP170AK
No. Description Part No.
18-1 Motor 572209 572210
18-2 Capacitor ----------572215----------
18-3 Motor Support ----------572219----------
18-4 Capacitor Band ----------572248----------
18-5 Pump Body ----------572223----------
18-6 Filter Kit* ----------572227----------
18-7 Pump Adjustment Kit ----------572230----------
18-8 Rotor Kit ----------572225----------
18-9 Pump Cover ----------572228----------
18-10 Filter Cover ----------572229----------
19 Pressure Gauge ----------572231----------
20 Main P.C.B. Assembly ----------572240----------
21 Air/Fuel Lines 572170 572171
22 Clip Nut (6-Pack) ----------572284----------
23 Temperature Limit Assembly ----------572174----------
24 Screw (12-Pack) ----------572282----------
25 Upper Shell 572260 572263
26 Lower Shell 572164 572165
Hardware Kit ----------572285----------
Pump/Filter Cover Screws (10-Pack) ----------572283----------
125-170,000 BTU Forced Air L.B. White Oil Fired Heater
Model Number
CP125AK
CP170AK
L.B. White Oil 125-170,000
Pump Pressure Settings
BTU PSI
125 5.5
170 6.5
Phone: 800-362-6951 • Fax: 800-255-7985
www.phpdistribution.com
Motor & Pump
Assembly
Burner Head
Assembly

—47— Phone: 800-362-6951 • Fax: 800-255-7985
www.phpdistribution.com
L.B. White Oil 210,000 BTU
Key
No. Description Part No.
1 Fuel Tank Assembly 572146
2 Fuel Gauge 572151
3 Fuel Cap 572157
4 Panel Right Side Assembly 572264
5 Power Switch 572251
6 Thermostat Wire 572149
7 Drain Plug 572176
8 Power Cord 572160
9 Panel Left Side Assembly 572262
10 Ignition Transformer 572246
11 Fuel Filter Assembly 572155
12 Combustion Chamber 572181
13 Photocell Bracket 572185
14 Photocell Assembly 572186
15 Temperature Limit Assembly 572175
16 Burner Assembly See above
16-1 Nozzle Assembly 572196
16-2 Bracket Burner 572191
16-3 Air/Fuel Line Adapters 572279
16-4 Nozzle Adapter 572199
16-5 Spark Plug Assembly 572202
17 Fan Assembly 572235
Key
No. Description Part No.
18 Motor and Pump Assembly 572207 - See above
18-1 Motor 572211
18-2 Motor Support 572220
18-3 Capacitor Holder 572249
18-4 Capacitor 572215
18-5 Pump Body 572224
18-6 Rotor Kit 572226
18-7 Pump Cover 572228
18-8 Filter Kit 572227
18-9 Filter Cover 572229
18-10 Pump Adjustment Kit 572230
19 Pressure Gauge 572231
20 Fan Guard 572267
21 Screw (12-Pack) 572282
22 Main P.C.B. Assembly 572240
23 Air/Fuel Lines 572172
24 Clip Nut (6-Pack) 572284
25 Lower Shell 572166
26 Upper Shell 572263
Hardware Kit 572285
Pump/Filter Cover Screws 572283
(10-Pack)
210,000 BTU Forced Air L.B. White Oil Fired Heater
Model Number
CP210AK
Pump Pressure Settings
8.5 PSI
Motor & Pump
Assembly
Burner Head
Assembly

—48—
L.B. White Oil Quick Parts
L.B. WHITE LOW PRESSURE OIL
Model Motor Control Board Transformer Fan Capacitor Electrode Air Filer Kit Nozzle Photo Cell Rotor Kit Fuel Filter Fuel Tank
CP045AK 572208 572238 572243 572232 572214 572200 572227 572192 572186 572225 572154 572143
CP075AK 572208 572239 572243 572233 572214 572200 572227 572913 572186 572225 572154 572144
CP075CK 22965 21919 NA 22964 NA 21933 20903 22961 21925 20900 20950 24779
CP125AK 572209 572240 572243 572234 572215 572201 572227 572194 572186 572225 572155 572145
CP165DK 22965 21919 NA 24120 NA 21933 20901 21926 21925 20900 20953 24781
CP170AK 572210 572240 572235 572235 572215 572201 572227 572195 572186 572225 572155 572146
CP210AK 572211 572240 572246 572235 572215 572202 572227 572196 572186 572226 572155 572146
L.B. WHITE HIGH PRESSURE OIL
Model Motor Control Board Transformer Fan Capacitor Electrode Fuel Pump Solenoid Nozzle Photo Cell Fan Switch Fuel Filter
CP400AK 572212 572241 572299 572236 572216 572201 572306 572308 572197 572187 572297 572312
CP650AK 572213 572242 572300 572237 572217 572203 572307 572308 572198 572187 572298 572312
Phone: 800-362-6951 • Fax: 800-255-7985
www.phpdistribution.com
Key Part
No. No. Description
1 120-22965 Motor
2 130-20857 Pump Body
3 130-20814 Screw, #10-32 x 5/8”
4 130-20858 Rotor Insert
5 130-20859 Pump Rotor
6 130-20877 Pump End Cover
7 130-20879 Intake Filter
8 130-20882 Filter End Cover
9 130-20915 Steel Ball, 1/4” Dia.
10 130-20916 Relief Spring
11 130-20917 Adjusting Screw
12 130-20918 Plug
13 130-20813 Screw, #10-32 x 1”
14 130-20920 Output Filter
15 130-20880 Lint Filter
16 130-20832 Barb Fitting
17 130-20860 Blade
CP165DK
Motor & Pump Assembly
Key Part
No. No. Description
1 120-22965 Motor
2 130-20857 Pump Body
3 130-20858 Insert
4 130-20859 Rotor
5 130-20876 Pump End Cover
6 130-20981 Lint Filter
7 130-20878 Intake Filter
8 130-20881 Filter End Cover
9 130-20813 Screw, #10-32 x 1”
10 130-20917 Adjusting Screw
11 130-20916 Pressure Relief Spring
12 130-20918 Plug
13 130-20915 Steel Ball, 1/4” Diameter
14 130-20919 Output Filter
15 130-20813 Screw, #10-32 x 1”
16 130-22966 Nylon Elbow, 90º
17 130-20860 Blade
18 130-20814 Screw, #10-32 x 5/8”
19 130-22967 Plastic Cap
CP070DK
Motor & Pump Assembly

—49— Phone: 800-362-6951 • Fax: 800-255-7985
www.phpdistribution.com
Desa Oil Fired
As a general definition, heaters with a transformer, spark plug,
and a reset button are referred to as Solid State. Heaters that
have a glowbar and a PC board are referred to as Hot Surface
Ignition (HSI) heaters.
Always remember to match the model number of your heater with
the model number of the individual breakdowns in this section.
The breakdowns in this manual refer to the model specifically listed
on each individual page. Use a breakdown only if you have the
exact model match for your particular heater. If your model
number does not appear in the breakdowns, please refer to the
Quick Reference Parts Guide for common replacement parts.
If you need technical assistance, feel free to call 1-800-362-6951
ext2. Whenever possible, please have your model number and the
nature of your problem before you place a call for technical service.
BTU Size/Description Ignition Type Reset Button Page No.
35-70,000 Hot Surface(HSI) No 50
40-70,000 Hot Surface(HSI) No 52
40,000 Hot Surface(HSI) No 54
50-70,000 Hot Surface(HSI) No 55
110-165,000 Hot Surface(HSI) No 56
110-165,000 Hot Surface(HSI) No 58
110-165,000 Hot Surface(HSI) No 60
110-155,000 with Thermostat Direct Spark No 62
200,000 with Thermostat Hot Surface(HSI) No 64
200,000 with Thermostat Hot Surface(HSI) No 66
125,000-200,000 Pro Plus Series Hot Surface(HSI) No 68
35-50,000 Solid State Yes 72
70,000 Solid State Yes 74
100-165,000 Solid State Yes 76
100 - 200,000 TA Series Solid State Yes 78
200,000 with Thermostat Solid State Yes 80
350,000 High Pressure Solid State Yes 82
600,000 High Pressure Solid State Yes 84
Burner Assemblies 70
Handle & Wheel Kit Assembly 70
Quick Parts Reference Guide Both Both 85
Desa Oil Fired Heaters
Desa Name Brands Include:
Amoco
Cenex
Co-op
Dart
Dayton
Desa
Handy Master
Homelite
John Deere
Knipco
Koehring
L.B. White
Master
Queen Bee
Reddy
Remington
Sears
TSC
HEATER INDEX

—50—
Model Numbers
Reddy Remington Master
R35D REM35B B50H
R35E REM35C B55T
R40 REM40 B60
R40T REM50C B70D
R55A REM55A B70DT
R55B REM55B
R55BT REM55BT
R60 REM60
RM60
R70D
R70DT
35,000-70,000 BTU Forced Air Desa Oil Fired Heater
(Hot Surface Ignition)
WIRING DIAGRAM WITH
THERMOSTAT
If so
equipped
Desa 35-70,000 BTU HSI
Pump Pressure Settings
BTU PSI
35 3.0
40 3.0
50 3.6
55 3.6
60 3.6
70 4.7
Phone: 800-362-6951 • Fax: 800-255-7985
www.phpdistribution.com

—51— Phone: 800-362-6951 • Fax: 800-255-7985
www.phpdistribution.com
Key Part
No. Number Description
1 M51104-01 Handle
2 098511-67 Upper Shell (Available in black only)
3 M11084-29 Screw, #10-16 x 3/4”
4 100647-01 Screw, #10-16 x 1/2”
5 098512-47 Combustion Chamber (35,000 BTU’s)
098512-58 Combustion Chamber (40,000 BTU’s)
098512-39 Combustion Chamber (50,000 BTU’s)
098512-50 Combustion Chamber (55-60,000 BTU’s)
098512-51 Combustion Chamber (70,000 BTU’s)
6 M10908-2 Screw, #6-32 x 3/8”
7 103154-03 Photocell Bracket
8 M16656-24 Photocell Assembly
9BURNER HEAD ASSEMBLY
9-1 HA3006 Nozzle (35-40,000)
HA3021 Nozzle (50-55,000)
HA3024 Nozzle (R55BT, 60,000)
HA3026 Nozzle (70,000)
9-2 HA1000 Ignitor Kit/Glowbar
9-3 079980-01 Nozzle Adapter (35,50,55,000)
104056-01 Nozzle Adapter (40,60,70,000)
9-4 102336-02 Nozzle Adapter Bracket(Rem 55BT only)
102336-01 Nozzle Adapter Bracket(All others)
9-5 M11084-42 Screw,#10-20 x 3/4” (35,50,55,000)
104023-01 Screw/Washer Assembly (40,60,70,000)
10 M11084-26 Screw, #10-16 x 3/8”
11 Fan
M30884 (R35D,R35E,R55A,REM35B,REM50C,
REM55A,B50H)
103684-01 B70DT & R70DT and All Remaining Non
70,000 BTU Models
M29678 All Other 70,000 BTU Models
12 MOTOR & PUMP ASSEMBLY
12-1 102001-01 All Non 70,000 BTU Models
102001-21 All 70,000 BTU Models
12-2 079975-02 Pump Body Ring (35,40,70,000) 1/2” thick
079975-03 Pump Body Ring (50,55,60,000) 5/8” thick
12-3 M22009 Rotor Insert
12-4 M22456-1 Rotor 1/2” (35,40,70,000 BTU)
M22456-2 Rotor 5/8” (50,55,60,000 BTU)
12-5 M29608 Pump End Cover (Metal)
12-6 M29632 Lint Filter
12-7 M29633 Intake Filter (sponge)
12-8 M29609 Filter End Cover (Plastic)
12-9 M12461-31 Screw, #10-32 x 1”
12-10 M27694 Adjusting Screw
12-11 M10993-1 Pressure Relief Spring
12-12 M22997 Plug
12-13 M8940 Steel Ball, 1/4” Diameter
12-14 M29612-01 Output Filter
12-15 M12461-31 Screw, #10-32 x 1” (35,40,50,55,70,000)
M12461-32 Screw, #10-32 x 1 1/8” (R55BT, 60,000)
12-16 M50016 Elbow (35,50,55,000)
103676-01 Elbow (40,R55BT,60,70,000)
12-17 M8643 1/2” Vane-Set of 4 (35,40,70,000)
M8643-2 5/8” Vane-Set of 4 (50,55,60,000)
12-18 FHPF3-5C Screw, #10-32 x 5/8” (35,40,55,60,000)
FHPF3-6C Screw, #10-32 x 3/4” (50,55,60,000)
13 M51105-01 Fan Guard
14 098219-31 Power Cord Non-Thermostat Models 6”
098219-38 Power Cord Thermostat Models
15 M11143-1 Strain Relief Bushing
16 NTC-4C Hex Lock Nut, 1/4-20
Key Part
No. Number Description
17 107992-01 Screw, #10-16 x 3/8”
18 M50631 Rubber Bumper
19 097461-03AA Side Cover-All Pre-2001 Models
097461-09 Side Cover-2001 Models-Present
20 101205-01 Motor Bracket
21 M30865-02 Bushing-All Pre-2001 Models
M50104-06 Bushing-2001 Models-Present
22 M11271-8 Clip Nut
23 M50104-02 Bushing
24 M11084-26 Screw, #10-16 x 3/8”
25 M10908-14 Screw, #8-32 x 3/8”
26 098511-234 Lower Shell (Available in black only)
27 M29652-04 Rubber Airline (R35D, R35E, R55A,
REM35B, REM50C, REM55A,B50H)
M50814-06 Rubber Airline (All Others)
28 M29652-05 Fuel Line (All 35,000 BTU’s)
079973-01 Fuel Line (All Others)
29 M50876-04 Fuel Filter w/Bushing (All 35,40,000)
M50876-02 Fuel Filter w/Bushing (All 50,000)
M50876-05 Fuel Filter w/Bushing (All 55-70,000)
30 M10990-3 Rubber Bushing
31 102349-01 PCB Support
32 104068-02 Ignition Control Assy
33 097702-01 Fuel Cap with Gasket
34 108088-01 Fuel Tank (35,40,000)
108088-02 Fuel Tank (50,000)
108088-03 Fuel Tank (55,000-70,000)
35 M51108-01 Shell, Heat Shield
36 097657-03 Thermostat (All 70,000 BTU Units)
104458-01 Thermostat (All 55,000 BTU Units)
37 M10908-01 Screw, #6-32 x 1/4” (All 70,000 BTU Units)
M12461-18 Screw, #6-32 x 1/4”(All Other Units)
38 104905-01 Thermostat Knob (All 70,000 BTU Units)
104460-01 Thermostat Knob (All Other Units)
PARTS AVAILABLE - NOT SHOWN
097204-01 Tradename Decal (R35D)
097764-01 Tradename Decal (REM35B)
097964-02 Tradename Decal (REM50C)
097646-01 Tradename Decal (B50H)
097204-08 Tradename Decal (R55A)
097764-05 Tradename Decal (REM55A)
097204-18 Tradename Decal (R55BT)
097204-03 Tradename Decal (R70D)
097646-02 Tradename Decal (B70D, B70DT)
097204-14 Tradename Decal (R70DT)
100621-06 Thermostat Decal (R55BT, R70DT, B70DT)
103814-01 Wire Tie (groups wires connected to ignition
control assembly, all models)
098493-01 General Information Decal
099650-01 Wire Clips (secures wires of thermostat,
All thermostat models)
OPTIONAL ACCESSORIES
HA1210 Remote Thermostat (more accurate)
PT100HTST Remote Thermostat (warmer/cooler dial)
HA1202 Heavy Duty Wheel & Handle Kit (All Models)
HA1206 Standard Duty Wheel & Handle Kit (All models)
HA1180 Air Gauge Kit (All models)
HA3014 Filter Kit
HA1170 Ignition Control/Photo Cell Tester
35,000-70,000 BTU Forced Air Desa Oil Fired Heater
Desa 35-70,000 BTU HSI

—52—
40,000-70,000 BTU Forced Air H.S.I. Desa Oil Fired Heater
Model Numbers
Standard Thermostat
R40 R40T
REM40 REM40T
R55B R55BT
R60 R60T
B55B B55BT
REM60 REM60T
R70D R70DT
B70D B70DT
RM60 RM60T
Desa 40-70,000 BTU HSI
Pump Pressure Settings
BTU PSI
40 3.0
55 3.6
60 3.6
70 4.7
Phone: 800-362-6951 • Fax: 800-255-7985
www.phpdistribution.com

—53— Phone: 800-362-6951 • Fax: 800-255-7985
www.phpdistribution.com
40,000-70,000 BTU Forced Air Desa H.S.I. Oil Fired Heater
Key Part
No. Number Description
1 M51104-01 Handle
2 098511-67 Upper Shell (Service Part
Will Be Black)
3 M11084-29 Screw, #10-16 x 3/4" (qty. 2)
4 M15823-27 Screw, #10-16 x 1 1/2" (qty. 6)
5 098512-58 Combustion Chamber (40)
098512-50 Combustion Chamber (55/60)
098512-51 Combustion Chamber (70)
6 M10908-2 Screw, #6-32 x 3/8" (qty. 2)
7 103154-03 Photocell Bracket
8 M16656-24 Photocell Assembly
9 ∆Burner Head Assembly
9-1 HA3006 Nozzle Assembly (40)
HA3024 Nozzle Assembly (55/60)
HA3026 Nozzle Assembly (70)
9-2 102548-03 Ignitor Kit
9-3 104056-01 Nozzle Adapter
9-4 102336-01 Nozzle Adapter Bracket
9-5 M10908-75 Screw, Hex Head, Tapping
9-6 103347-01 Belleville Washer
10 M11084-26 Screw, #10-16 x 3/8" (qty. 2)
11 103684-01 Fan (40/55/60)
M29678 Fan (70)
12 ∆Motor and Pump Assembly
12-1 102001-28 Motor (40/55/60)
102001-29 Motor (70)
12-2 079975-03 Pump Body (55/60)
079975-02 Pump Body (40/70)
12-3 M22009**, *** Insert
12-4 M22456-2** Rotor (55/60)
M22456-1*** Rotor (40/70)
12-5 M29608 Pump End Cover
12-6 M29632 + Lint Filter
12-7 M29633 + Intake Filter
12-8 M29609 Filter End Cover
12-9 M12461-31 Screw, #10-32 x 1" (qty. 3)
12-10 M27694 ^ Adjusting Screw
12-11 M10993-1 ^ Pressure Relief Spring
12-12 M22997 ^ Plug
12-13 M8940 ^ Steel Ball, 1/4" Diameter
12-14 M29612-01 + Output Filter
12-15 M12461-32 Screw, #10-32 x 1 1/8" (55/60) (qty. 6)
M12461-31 Screw, #10-32 x 1" (40/70) (qty. 6)
12-16 103676-01 Nylon Elbow, 90°
12-17 M8643-2** Blade (55/60) (qty. 4)
M8643*** Blade (40/70) (qty. 4)
12-18 FHPF3-6C Screw, #10-32 x 3/4" (55/60) (qty. 2)
FHPF3-5C Screw, #10-32 x 5/8" (40/70) (qty. 2)
12-19 105780-01 Plastic Cap
13 M51105-01 Fan Guard
14 098219-38 Power Cord 6”
15 M11143-1 Strain Relief Bushing
16 NTC-4C Hex Lock Nut, 1/4-20 (qty. 2)
17 M11084-26 Screw, #10-16 x 3/8" (qty. 8)
18 M50631 Rubber Bumper (qty. 2)
19 097461-16 Side Cover (qty. 2)
20 101205-01 Motor Bracket
Key Part
No. Number Description
21 M50104-06 Bushing
22 M11271-8 Clip Nut (qty. 6)
23 M50104-02 Bushing
24 M11084-26 Screw, #10-16 x 3/8" (qty. 6)
25 M10908-14 Screw, #8-32 x 3/8"
26 098511-234 Lower Shell (Service Part
Will Be Black)
27 M50814-06 Rubber Airline
28 079973-01 Fuel Line
29 M50876-04 Fuel Filter with bushing (40)
M50876-05 Fuel Filter with bushing
(55/60/70)
30 M10990-3 Rubber Bushing
31 102349-01 PCB Support (qty. 5)
32 104068-02 Ignition Control Assembly
33 097702-01 Fuel Cap (Includes Gasket)
097663-04 Fuel Gauge (Includes Gasket
RM60 Only, If Equipped)
34 108088-01 Fuel Tank (40)
108088-03 Fuel Tank (55/60/70)
108088-16 Fuel Tank (RM60 Only, if
Equipped with Fuel Gauge)
35 M51108-01 Shell Heat-Shield
36 104458-01 Thermostat
37 M12461-18 Screw, #8-32 x 7/8"
38 104460-01 Thermostat Knob
39 WLE-2 Lock Washer, EXT #8
PARTS AVAILABLE - NOT SHOWN
103814-01 Wire Tie (For Ignition
Control Assembly)
M9900-170 Wire Assembly
(Thermostat to Ignition Control Assembly)
∆Not available as an assembly
+ Included in Filter Kit (Part No. HA3014)
** Included in Rotor Kit (Part No. HA3005)
^ Included in Pump Adjustment Kit (Part No. HA3020)
*** Included in Rotor Kit (Part No. HA3004)
Desa 40-70,000 BTU HSI

—54—
40,000 BTU Forced Air H.S.I. Desa Oil Fired Heater
Model Numbers
Standard Thermostat
R40 R40T
REM40 REM40T
PK40 PK40T
UK40 UK40T
TK40 TK40T
N40 N40T
Key Part
No. Number Description
1 M51104-01 Handle
2 098511-67 Upper Shell (Service Part Will Be Black)
3 M11084-29 Screw, #10-16 x 3/4" (qty. 2)
4 M15823-27 Screw, #10-16 x 1 1/2" (qty. 6)
5 098512-58 Combustion Chamber
6 M10908-2 Screw, #6-32 x 3/8" (qty. 2)
7 103154-03 Photocell Bracket
8 M16656-24 Photocell Assembly
9 (See page 41) Burner Head Assembly
10 M11084-26 Screw, #10-16 x 3/8" (qty. 2)
11 103684-01 Fan
12 (See page 44) Motor and Pump Assembly
13 M51105-01 Fan Guard
14 098219-38 Power Cord
15 M11143-1 Strain Relief Bushing
16 NTC-4C Hex Lock Nut, 1/4-20 (qty. 2)
17 M11084-26 Screw, #10-16 x 3/8" (qty. 8)
18 M50631 Rubber Bumper (qty. 2)
19 097461-16 Side Cover (qty. 2)
20 101205-01 Motor Bracket
21 M50104-06 Bushing
22 M11271-8 Clip Nut (qty. 6)
23 M50104-02 Bushing
24 M11084-26 Screw, #10-16 x 3/8" (qty. 6)
25 M10908-14 Screw, #8-32 x 3/8"
26 098511-234 Lower Shell (Service Part Will Be Black)
27 M50814-06 Rubber Airline
28 079973-01 Fuel Line
29 M50876-04 Fuel Filter with bushing
30 M10990-3 Rubber Bushing
31 102349-01 PCB Support (qty. 5)
32 104068-02 Ignition Control Assembly
33 097702-01 Fuel Cap (Includes Gasket)
Key Part
No. Number Description
34 108088-01 Fuel Tank
35 M51108-01 Shell Heat-Shield
36 104458-01 Thermostat
37 M12461-18 Screw, #8-32 x 7/8"
38 104460-01 Thermostat Knob
39 WLE-2 Lock Washer, EXT #8
PARTS AVAILABLE - NOT SHOWN
103814-01 Wire Tie
M9900-170 Wire Assembly
Desa 40,000 BTU HSI
Pump Pressure Setting
BTU PSI
40 3.0
Phone: 800-362-6951 • Fax: 800-255-7985
www.phpdistribution.com

—55— Phone: 800-362-6951 • Fax: 800-255-7985
www.phpdistribution.com
50 - 70,000 BTU Forced Air H.S.I. Desa Oil Fired Heater
Model Numbers
Standard
R50 PK60 RM60A B70E
REM50 UK60 PK70 UK70
R55C R60A PK55 UK55
TK55 B55C REM60A R70E
Thermostat
R50T PK60T RM60T B70ET
REM50T UK60T PK70T UK70T
R55CT R60AT PK55T UK55T
TK55T B55CT REM60AT R70ET
Key Part
No. Number Description
1 M51104-01 Handle
2 098511-67 Upper Shell (Service Part Will Be Black)
3 M11084-29 Screw, #10-16 x 3/4" (qty. 2)
4 M1582 3-27 Screw, #10-16 x 1 1/2" (qty. 6)
5 098512-50 Combustion Chamber (50/55/60) for use with
Ignitor HA1000
098512-76 Combustion Chamber (50/55/60) for use with
Ignitor 102548-08
098512-51 Combustion Chamber (70)
6 M10908-2 Screw, #6-32 x 3/8" (qty. 2)
7 103154-03 Photocell Bracket
8 M16656-24 Photocell Assembly
9 (See page 41) Burner Head Assembly
10 M11084-26 Screw, #10-16 x 3/8" (qty. 2)
11 103684-01 Fan (50/55/60)
M29678 Fan (70)
12 (See page 42) Motor and Pump Assembly
13 M51105-01 Fan Guard
14 113065-01 Power Cord
15 M11143-1 Strain Relief Bushing
16 NTC-4C Hex Lock Nut, 1/4-20 (qty. 2)
17 M11084-26 Screw, #10-16 x 3/8" (qty. 8)
18 M50631 Rubber Bumper (qty. 2)
19 097461-16 Side Cover (qty. 2)
20 101205-01 Motor Bracket
21 M50104-06 Bushing
22 M11271-8 Clip Nut (qty. 2)
23 M50104-02 Bushing
24 M11084-26 Screw, #10-16 x 3/8" (qty. 2)
25 M10908-14 Screw, #8-32 x 3/8"
26 098511-234 Lower Shell (Service Part Will Be Black)
27 M50814-06 Rubber Airline
28 079973-01 Fuel Line
29 M50876-05 Fuel Filter with bushing
30 M10990-3 Rubber Bushing
31 102349-01 PCB Support (qty. 2)
32 104068-02 Ignition Control Assembly
33 097663-04 Fuel Cap w/ Gauge (includes Gasket) (Use
with Fuel Tank 108088-16)
113280-01 Fuel Cap w/ Gauge (includes Gasket) (Use
with Fuel Tank 113279-01)
Key Part
No. Number Description
34 108088-16 Fuel Tank (Metal Filler Neck)
113279-01 Fuel Tank (Plastic Filler Neck)
35 M51108-01 Shell Heat-Shield
36 104458-01 Thermostat
37 M12461-18 Screw, #8-32 x 7/8"
38 104460-01 Thermostat Knob
39 WLE-2 Lock Washer, EXT #8
40 113461-01 ON/OFF Switch
PARTS AVAILABLE - NOT SHOWN
103814-01 Wire Tie (For Ignition Control Assembly) 1
M9900-170 Wire Assembly (Thermostat to Ignition Control Assembly)
1079010-46 Wire Assembly (Connects Switch to Thermostat or Ignition
Desa 50-70,000 BTU HSI
Pump Pressure Settings
BTU PSI
50 3.6
55 3.6
60 3.6
70 4.7

Desa 110-165,000 BTU HSI
—56—
Item
#41
Item
#42
“New Style” Wiring Diagram
“Old Style” Burner Head
(It would go where #7 is)
See page 70, item #39
“New Style” Burner Head
See page 70, item #40
Model Numbers
Reddy Remington Master
R110A REM110A B110A
R110B REM110B B110B
R110BT REM110BT B110BT
R115 REM115 B115T
RM115 REM115T B150H
RM115T REM150D B150J
R150E REM150E B150JT
R155A REM155A B150JT
R155B REM155B B155T
RM155 B165AT
R165A L.B. White
R165AT K155
110-165,000 BTU Forced Air H.S.I. Desa Oil Fired Heater
Tester: #HA1170
Air Gauge: #HA1180
10-1
10-2
10-3
10-4
10-5
10-6
37
42
10-7
10-8
10-9
10-10
10-11
10-12
10-13
10-14
10-13
10-15
10-16
10-17
Phone: 800-362-6951 • Fax: 800-255-7985
www.phpdistribution.com

—57— Phone: 800-362-6951 • Fax: 800-255-7985
www.phpdistribution.com
Key Part
No. Number Description
1 098511-66 Upper Shell (Replacement part will be black)
2 100647-01 Screw, #10-16 x 1/2” (qty. 8)
3Combustion Chambers
098512-45 B110, R110A, REM110A
098512-54 All other 110,000 - 115,000 units
098512-46 B150H, R150E, REM150D, R155, R155A,
REM155A
098512-59 All other 150,000 - 155,000 units
098512-60 All 165,000 units
4Photocell Bracket
M16660 B110A, R110A, REM110A
103971-01 All other 110,000 - 115,000 units
103154-05 All other 150,000 - 165,000 units
5 M10908-2 Screw, #6-32 x 3/8” (qty. 2)
6 M16656-24 Photocell
8 M11084-27 Screw, #10-16 x 1/2” All “old style” burner head
models (qty. 3)
107992-01 Screw, #10-16 x 3/8” All “new style” burner
head models (qty. 2)
9Fan
097293-01 All 110,000 - 115,000 units and B150H,
R150E, REM150D, R155, R155A, REM155A
102042-01 All others
10 MOTOR & PUMP ASSEMBLY
10-1 Motor
097308-06 B110A, R110A, REM110A, B150H, R150E,
REM150D, R155, R155A, REM155A
102001-21 All others
10-2 079975-02 1/2” Pump Body Ring (metal)
10-3 FHPF3-5C Screw, #10-32 x 5/8” (qty. 2)
10-4 M22009 Rotor Insert
10-5 M22456-1 1/2” Rotor
10-6 M50545 Metal Pump End Cover
10-7 M12179 Foam Intake Filter
10-8 M16545 Plastic End Cover
10-9 M8940 Steel Ball, 1/4” diameter
10-10 M10993-1 Relief Spring
10-11 M27694 Pressure Adjusting Screw
10-12 M22997 Plug
10-13 M12461-31 Screw, #10-32 x 1” (qty. 10)
10-14 M12244-1 Output Filter
10-15 M11637 Lint Filter
10-16 Barb Fitting
M50820-02 Brass
104096-01 Nylon
105880-02 Ignition Control Fuse
10-17 M8643 1/2” Blade (Vanes) (Come in set of 4)\
11 M50631 Rubber Bumper (qty. 2)
12 101206-01 Motor Mounting Bracket
13 099213-01 Button Plug
14 Ignition Control Assembly
104065-01 B110A, R110A, REM110A, B150H, R150E,
REM150A, R155, R155A, REM155A
104068-02 All others (fuse part# 105880-02)
15 NTC-4C Hex Lock nut, 1/4-20 (qty 2)
16 M51114-01 Fan Guard
17 M27147 Drain Plug
18 099213-01 Button Plug
Key Part
No. Number Description
19 Fuel Line
M51345-01 B110A, R110A, REM110A, B150H, R150E,
REM150D, R155, R155A, REM155A
M51345-06 All others
20 M51150-01 Fuel Filter
21 Fuel Line Tube
M51151-01 All 110,000 - 115,000 units
M51151-02 All 150,000 - 165,000 units
22 M10990-3 Rubber Bushing
23 M50814-03 Air Line
24 098511-236 Lower Shell (replacement part will be black)
25 M50104-03 Bushing (qty. 2)
26 M50104-01 Bushing (qty. 2)
27 M11084-27 Screw, #10-16 x 1/2” (qty. 6)
28 M11271-8 Clip Nut (qty. 8)
29 M10908-14 Screw, #8-32 x 3/8” (qty. 1)
30 Fuel Tank
108088-04 All 110,000 - 115,000 units
108088-05 All 150,000 - 165,000 units
31 097702-01 Fuel Cap (includes gasket)
32 102349-01 PC Board Support (qty. 5)
33 M11143-1 Strain Relief Bushing
34 098219-38 Power Cord
35 M51077-09AA Side Cover
36 M11084-27 Screw, #10-16 x 1/2” -till 2000 (qty. 4)
M11084-26 Screw, #10-16 x 1/2” -2000 on
37 104905-01 Thermostat knob
38 097657-03 Thermostat
39 M10908-2 Screw, #6-32 x 1/4” (qty. 2)
41 Old Style Burner Assembly - see page 70
42 New Style Burner Assembly - see page 70
“Old Style” Wiring Diagram
110-165,000 BTU Forced Air H.S.I. Desa Oil Fired Heater
Burner Assemblies are on page 70.
Desa 110-165,000 BTU HSI
Pump Pressure Settings
BTU PSI
110 5.3
115 5.3
150 5.0
155 5.2
165 5.6

—58—
Desa 110-165,000 BTU HSI
Model Numbers
Standard Thermostat
R110C R110CT
R115C R115CT
B115C B115CT
REM115C REM115CT
RM115C RM115CT
B155C B155CT
REM155C REM155CT
R165C R165CT
RM155C RM155CT
B165C B165CT
R155C R155CT
B110C B110CT
RM110C RM110CT
RM165C RM165CT
REM110C REM110CT
REM165C REM165CT
SB115CT
110-165,000 BTU Forced Air H.S.I. Desa Oil Fired Heater
Pump Pressure Settings
BTU PSI
110 5.3
115 5.3
155 5.2
165 5.6
Phone: 800-362-6951 • Fax: 800-255-7985
www.phpdistribution.com

—59— Phone: 800-362-6951 • Fax: 800-255-7985
www.phpdistribution.com
Key Part
No. Number Description
1 098511-292 Upper Shell (Service Part Will Be Black)
2 M15823-27 Screw, #10-16 x 1/2" (qty. 8)
3 098512-71 Combustion Chamber (110/115)
098512-74 Combustion Chamber (155)
098512-75 Combustion Chamber (165)
4 103154-05 Photocell Bracket (110/115)
M16660-02 Photocell Bracket (155/165)
5 M10908-2 Screw, #6-32 x 3/8" (qty. 2)
6 M16656-24 Photocell Assembly
7 ∆Burner Head Assembly
7-1 HA3027 Nozzle Assembly (110/115)
HA3028 Nozzle Assembly (155/165)
7-2 102548-03 Ignitor Kit
7-3 M10908-75 Screw, #6-32 x 7/8"
7-4 102336-01 Nozzle Adapter Bracket
7-5 104054-01 Nozzle Adapter
7-6 103347-01 Washer
8 M11084-26 Screw, #10-16 x 3/8" (qty. 2)
9 097293-01 Fan (110/115/155)
102042-01 Fan (165)
10 ∆Motor and Pump Assembly
10-1 102001-30 Motor
10-2 079975-02 Pump Body
10-3 FHPF3-5C Screw, #10-32 x 5/8" (qty. 2)
10-4 M22009** Rotor Insert
10-5 M22456-1** Pump Rotor
10-6 M50545 Pump End Cover
10-7 M12179*** Intake Filter
10-8 M16545 Filter End Cover
10-9 M8940 ^ Steel Ball, 1/4" Diameter
10-10 M10993-1 ^ Relief Spring
10-11 M27694 ^ Adjusting Screw
10-12 M22997 ^ Plug
10-13 M12461-31 Screw, #10-32 x 1" (qty. 10)
10-14 M12244-1*** Output Filter
10-15 M11637*** Lint Filter
10-16 104096-01 Fitting, Straight Nylon Barb
10-17 M8643** Blade 4
11 M50631 Rubber Bumper (qty. 2)
12 101206-01 Motor Mounting Bracket
13 M12461-18 Screw, #8-32 x 7/8"
14 104068-02 Ignition Control Assembly
15 NTC-4C Hex Lock Nut, 1/4-20 (qty. 2)
16 111037-01 Fan Guard
17 M27417 Drain Plug (Includes “o” Ring)
18 107878-02 Button Plug
19 M51345-06 Fuel Line
Key Part
No. Number Description
20 106896-01 Fuel Filter
21 M51151-01 Fuel Line Tube (110/115)
M51151-02 Fuel Line Tube (155/165)
22 M10990-3 Rubber Bushing
23 M50814-03 Airline
24 098511-293 Lower Shell (Service Part Will Be Black)
25 M50104-06 Bushing
26 M50104-01 Bushing
27 M11084-26 Screw, #10-16 x 3/8" (qty. 6)
28 M11271-8 Clip Nut (qty. 8)
29 M10908-14 Screw, #8-32 x 3/8"
30 108088-04 Fuel Tank (110/115)
108088-11 Fuel Tank (RM115CT Only)
108088-05 Fuel Tank (155/165)
31 097702-01 Fuel Cap (Includes Gasket)
097663-02 Fuel Gauge (Includes Gasket,
RM115CT Only)
32 102349-01 P.C. Board Support (qty. 5)
33 M11143-1 Strain Relief Bushing
34 098219-38 Power Cord
35 M51077-18 Side Cover (qty. 2)
36 M11084-26 Screw, #10-16 x 3/8" (qty. 8)
37 104460-01 Thermostat Knob
38 104458-01 Thermostat
39 WLE-2 Lock Washer, EXT #8
PARTS AVAILABLE NOT SHOWN
103814-01 Wire Tie - Groups
wires connected to Ignition
Control Assembly
M9900-77 Wire (Connects thermostat to
Ignition Control Assembly)
∆Not available as an assembly
** Included in Rotor Kit (Part No. HA3004)
^ Included in Pump Adjustment Kit (Part No. HA3020)
*** Included in Filter Kit (Part No. HA3017)
110-165,000 BTU Forced Air H.S.I. Desa Oil Fired Heater
Desa 110-165,000 BTU HSI

—60—
110-165,000 BTU Forced Air H.S.I. Desa Oil Fired Heater
Model Numbers
Standard
PK110 R110D R115D
B115D PK115 UK110
TK110 TK115 REM115D
RM115D B155D REM155D
R165D RM155D PK155
UK155 TK155 B165D
R155D B110D RM110D
RM165D REM110D REM165D
PK165 UK165
Thermostat
R110DT R115DT B115DT
REM115DT RM115DT PK115T
UK110T TK110T TK115T
B155DT REM155DT R165DT
RM155DT B165DT PK155T
UK155T TK155T R155DT
B110DT RM110DT RM165DT
PK165T UK165T TK165T
REM110DT REM165DT SB115DT
SB165DT
Motor & Pump
Assembly
Desa 110-165,000 BTU HSI
10-1
10-2
10-3
10-4 10-5 10-6
10-7
10-8
10-9
10-10
10-11
10-12
10-13
10-14
10-13
10-15
10-16
10-17
Pump Pressure Settings
BTU PSI
110 5.3
115 5.3
155 5.2
165 5.6
Phone: 800-362-6951 • Fax: 800-255-7985
www.phpdistribution.com

—61— Phone: 800-362-6951 • Fax: 800-255-7985
www.phpdistribution.com
Key Part
No. Number Description
1 098511-292 Upper Shell (Service Part Will Be Black)
2 M15823-27 Screw, #10-16 x 1/2" (qty. 8)
3 098512-71 Combustion Chamber (110/115)
098512-74 Combustion Chamber (155)
098512-75 Combustion Chamber (165)
4 103154-05 Photocell Bracket (110/115)
M16660-02 Photocell Bracket (155/165)
5 M10908-2 Screw, #6-32 x 3/8" (qty. 2)
6 M16656-24 Photocell Assembly
7 (See page 70) Burner Head Assembly
8 M11084-26 Screw, #10-16 x 3/8" (qty. 2)
9 097293-01 Fan (110/115/155)
102042-01 Fan (165)
10 Motor and Pump Assembly
1 102001-30 Motor
2 079975-02 Pump Body
3 FHPF3-5C Screw, #10-32 x 5/8" (qty. 2)
4 M22009 Rotor Insert
5 M22456-1 Pump Rotor
6 M50545 Pump End Cover
7 M12179 Intake Filter
8 M16545 Filter End Cover
9 M8940 Steel Ball, 1/4" Diameter
10 M10993-1 Relief Spring
11 M27694 Adjusting Screw
12 M22997 Plug
13 M12461-31 Screw, #10-32 x 1" (qty. 10)
14 M12244-1 Output Filter
15 M11637 Lint Filter
16 104096-01 Fitting, Straight Nylon Barb
17 M8643 Blade (qty. 4)
11 M50631 Rubber Bumper (qty. 2)
12 101206-01 Motor Mounting Bracket
13 M12461-18 Screw, #8-32 x 7/8"
14 104068-02 Ignition Control Assembly
15 NTC-4C Hex Lock Nut, 1/4-20 (qty. 2)
16 111037-01 Fan Guard
17 M27417 Drain Plug (Includes “o” Ring)
18 107878-02 Button Plug
19 M51345-06 Fuel Line
20 106896-01 Fuel Filter
21 M51151-01 Fuel Line Tube (110/115)
M51151-02 Fuel Line Tube (155/165)
22 M10990-3 Rubber Bushing
23 M50814-03 Airline
24 098511-293 Lower Shell (Service Part Will Be Black)
25 M50104-06 Bushing
Key Part
No. Number Description
26 M50104-01 Bushing
27 M11084-26 Screw, #10-16 x 3/8" (qty. 6)
28 M11271-8 Clip Nut (qty. 8)
29 M10908-14 Screw, #8-32 x 3/8"
30 108088-11 Fuel Tank (Metal Filler Neck) 110/115
108088-10 Fuel Tank (Metal Filler Neck) 155/165
113279-02 Fuel Tank (Plastic Filler Neck) 110/115
113279-03 Fuel Tank (Plastic Filler Neck) 155/165
31 097663-02 Fuel Cap w/ Gauge (includes Gasket) 110/115
(Use with Fuel Tank 108088-11)
097663-03 Fuel Cap w/ Gauge (includes Gasket) 155/165
(Use with Fuel Tank 108088-10)
113280-02 Fuel Cap w/ Gauge (includes Gasket) 110/115
(Use with Fuel Tank 113279-02)
113280-03 Fuel Cap w/ Gauge (includes Gasket) 110/115
(Use with Fuel Tank 113279-03) 155-165
32 102349-01 P.C. Board Support (qty. 5)
33 M11143-1 Strain Relief Bushing
34 113065-01 Power Cord
35 M51077-18 Side Cover (qty. 2)
36 M11084-26 Screw, #10-16 x 3/8" (qty. 8)
37 104460-01 Thermostat Knob
38 104458-01 Thermostat
39 WLE-2 Lock Washer, EXT #8
40 113461-01 ON/OFF Switch with Light
PARTS AVAILABLE NOT SHOWN
113137-01 Fuel Gasket
103814-01 Wire Tie - Groups
wires connected to Ignition
Control Assembly
M9900-77 Wire (Connects thermostat to
Ignition Control Assembly)
079010-46 Wire (Connects ON/OFF Switchto Ignition
Control Assembly or Thermostat if Equipped)
110-165,000 BTU Forced Air H.S.I. Desa Oil Fired Heater
Desa 110-165,000 BTU HSI

—62—
110-155,000 BTU Forced Air Desa Oil Fired Heater
Model Numbers
B110DST
B155DST
Motor & Pump
Assembly
Desa 110-155,000 BTU HSI
Nozzle Assembly
Pump Pressure Settings
BTU PSI
110 5.1
155 5.1
Phone: 800-362-6951 • Fax: 800-255-7985
www.phpdistribution.com

—63— Phone: 800-362-6951 • Fax: 800-255-7985
www.phpdistribution.com
110-155,000 BTU Forced Air Desa Oil Fired Heater
Desa 110-155,000 BTU HSI
Key Part
No. No. Description 110K 155K Qty.
1 098511-292 Upper Shell (Service Part Will Be Black) ••1
2 M15823-27 Screw, #10-16 x 1/2" ••8
3 098512-82 Combustion Chamber
098512-83 Combustion Chamber
4 M16660-02 Photocell Bracket •1
103154-05 Photocell Bracket •1
5 M10908-2 Screw, #6-32 x 3/8" 6 ••3
6 PP236 Photocell Assembly ••1
7 (See page 62) Nozzle/Bracket Assembly ••1
8 M11084-26 Screw, #10-16 x 3/8" ••2
9 097293-01 Fan •1
102042-01 Fan •1
10 (See page 62) Motor and Pump Assembly ••1
11 M50631 Rubber Bumper ••2
12 101206-01 Motor Mounting Bracket ••1
13 M12461-18 Screw, #8-32 x 7/8" ••1
14 104068-02 Ignition Control Assembly ••1
15 NTC-4C Hex Lock Nut, 1/4-20 ••2
16 111037-01 Fan Guard ••1
17 M27417 Drain Plug (Includes “o” Ring) ••1
18 107878-02 Button Plug ••1
19 M51345-06 Fuel Line ••1
20 106896-01 Fuel Filter ••1
21 M51151-01 Fuel Line Tube •1
M51151-02 Fuel Line Tube •1
22 M10990-3 Rubber Bushing ••1
23 M50814-03 Airline ••1
24 098511-296 Lower Shell (Service Part Will Be Black) ••1
25 M30865-02 Bushing ••3
26 M50104-01 Bushing ••1
27 M11084-26 Screw, #10-16 x 3/8" ••6
28 M11271-8 Clip Nut ••8
29 M10908-14 Screw, #8-32 x 3/8" ••1
30 113279-02 Fuel Tank •1
113279-03 Fuel Tank •1
31 113280-02 Fuel Cap w/ Gauge (includes Gasket) •1
113280-03 Fuel Cap w/ Gauge (includes Gasket) •1
32 102349-01 P.C. Board Support ••5
33 M11143-1 Strain Relief Bushing ••1
34 113065-01 Power Cord ••1
35 M51077-18 Side Cover ••2
36 M11084-26 Screw, #10-16 x 3/8" ••8
37 104460-01 Thermostat Knob ••1
38 104458-01 Thermostat ••1
39 WLE-2 Lock Washer, EXT #8 ••1
40 113461-01 ON/OFF Switch with Light ••1
41 097384-01 Nut, 8-32 ••1
42 101901-14 Electronic Ignitor ••1
43 M11084-29 Screw, #10-16 x 3/4 ••2
PARTS AVAILABLE NOT SHOWN
103814-01 Wire Tie ••1
M9900-77 Wire (T-stat toIgnition Control Assembly) ••1
079010-46 Wire (ON/OFF Switchto Ignition ••1
Control Assembly or Thermostat if Equipped)
Nozzle Bracket Assembly
Key# Part Description
1 PP221 Nozzle Assembly (B110DST)
PP223 Nozzle Assembly (B155DST)
2 117000-02 Spark Ignitor
3 M10908-2 Screw, #6-32 x 3/8”
4 118390-03 Nozzle Adapter Bracket
5 104054-01 Nozzle Adapter
Motor and Pump Assembly
Key# Part Description
1 102001-33 Motor
2 079975-02 Pump Body
3 FHPF3-5C Screw, #10-32 x 5/8”
4 M22009** Rotor Insert
5 M22456-1** Pump Rotor
6 M50545 Pump End Cover
7 M12179*** Intake Filter
8 M16545 Filter End Cover
9 M8950+ Steel Ball, 1/4” Diameter
10 M10993-1+ Relief Spring
11 M27694+ Adjusting Screw
12 M22997+ Plug
13 M12461-31 Screw, #10-32 x 1”
14 M12244-1*** Output Filter
15 M11637*** Lint Filter
16 104096-01 Fitting, Straight Nylon Barb
17 M8643** Blade
** Included in Rotor Kit (PP204)
*** Included in Filter Kit (PP214)
+ Included in Pump Adjustment Kit (PP217)

Desa 200,000 BTU HSI
—64—
Nozzle Assembly
Motor & Pump Assembly
Fuel Valve Assembly
Model Numbers
Reddy Remington Master
RM200AT REM200AT B200AT
R200A
200,000 BTU Forced Air H.S.I. Desa Oil Fired Heater
Pump Pressure Setting
6.2 PSI
Phone: 800-362-6951 • Fax: 800-255-7985
www.phpdistribution.com

—65— Phone: 800-362-6951 • Fax: 800-255-7985
www.phpdistribution.com
Key Part
No. Number Description
1 107353-10 Upper Shell
2 100647-01 Screw, #10-16 x 3/8” (qty. 8)
3 098512-69 Combustion Chamber
4 103154-05 Photocell Bracket
5 M10908-2 Screw, #6-32 x 3/8” (qty. 2)
6 M16656-24 Photocell Assembly
7BURNER HEAD ASSEMBLY
7-1 100735-13 Nozzle
7-2 M10659-1 Nozzle Washer (qty. 2)
7-3 M10809-1 Nozzle Spring
7-4 M8882 Nozzle Sleeve
7-5 107272-01 Retaining Ring
7-6 102336-04 Nozzle Adapter Bracket
7-7 HA1000 Ignitor Kit
7-8 103347-01 Belleville Washer
7-9 M10908-75 Screw, #6-32 x .88
7-10 107273-01 Nozzle Adapter
7-11 M50820-02 Barb Fitting (qty. 2)
8 M11084-27 Screw, #10-16 x 1/2” (qty. 2)
9 102042-01 Fan
10 MOTOR & PUMP ASSEMBLY
10-1 102001-27 Motor
10-2 079975-03 Pump Body Ring (5/8” metal)
10-3 FHPF3-6C Screw, #10-32 x 5/8” (qty. 2)
10-4 M22009 Rotor Insert
10-5 M22456-2 Pump Rotor (5/8”)
10-6 M50545 Pump End Cover (metal)
10-7 M12179 Intake Filter (sponge)
10-8 M16545 Filter End Cover (plastic)
10-9 M8940 Steel Ball, 1/4” diameter
10-10 M10993-1 Pressure Relief Spring
10-11 M27694 Pressure Adjusting Screw
10-12 M22997 Plug
10-13 M12461-31 Screw, #10-32 x 1” (qty. 4)
10-14 M12244-1 Output Filter
10-15 M11637 Lint Filter (sponge)
10-16 M50820-02 Barb Fitting
10-17 M8643-2 Vanes (5/8”) set of 4
10-18 M12461-32 Screw, #10-32 x 1.12” (qty. 6)
11 M50631 Rubber Bumper (qty. 2)
12 101206-01 Motor Mounting Bracket
13 101695-01 Button Plug
14 104068-02 Ignition Control Assembly
15 NTC-4C Hex Lock Nut, 1/4-20 (qty. 2)
16 102756-01 Fan Guard
17 M27417 Drain Plug (includes “O”Ring)
18 103523-01 Rubber Bushing
19 M51345-03 Fuel Line
Key Part
No. Number Description
20 M51150-200 Fuel Filter
21 M51345-04 Fuel Line Tube
22 M10990-3 Rubber Bushing
23 M50814-03 Air Line
24 107353-11 Lower Shell
25 M30865-02 Bushing
26 M50104-01 Bushing
27 M11084-27 Screw, #10-16 x 1/2” (qty. 6)
28 M11271-8 Clip Nut (qty. 8)
29 M10908-14 Screw, #8-32 x 3/8”
30 FUEL TANK
108088-06 Fuel Tank (R200A)
098513-105 Fuel Tank (RM200AT, B200AT)
31 097702-01 Fuel Cap (includes gasket)
32 102349-01 PC Board Support (qty. 5)
33 M11143-1 Strain Relief Bushing
34 098219-38 Power Cord
35 107333-04AA Sidecover
36 M11084-27 Screw, #10-16 x 1/2” (qty. 4)
37 099230-01 Special Screw, (qty. 2)
38 M11084-27 Screw, #10-16 x 1/2” (qty. 2)
39 FUEL VALVE ASSEMBLY - if applicable
39-1 105939-01 Fuel Valve (always order with #39-2)
39-2 107336-01 Fuel Valve Bracket
39-3 M12461-13 Hex Head Screw, #8-32 x 1/4” (qty. 2)
39-4 M50820-02 Fitting Barb (qty. 2)
39-5 M11084-38 Hex Tpg Screw, #8-18 x 3/8” (qty. 2)
39-6 WLE-2 Lock Washer (qty. 2)
39-7 107274-01 Wire Assembly (Red)
39-8 107274-02 Wire Assembly (White)
40 097785-04 Foam Gasket (qty. 2)
41 097657-03 Thermostat (If Applicable)
42 M10908-1 Screw, #6-32 x 1/4” (qty. 2)
43 104905-01 Thermostat Knob (If Applicable)
44 079010-35 Wire Assembly
PARTS AVAILABLE-NOT SHOWN
HA1180 Air Gauge Kit
HA2210 Fuel Tank Filter Screen
HA3005 Rotor Kit
HA3017 Filter Kit
HA3020 Pump Kit
HA2204 Handles (qty. 2)
M12345-33 Screw, #10-24 x 1 3/4” (qty. 8)
M12831-3 Wheel Support Frame
NTC-3C Hex Nut, #10-24 (qty. 8)
097896-04 Wheel (qty. 2)
M28526 Cap Nut (qty. 2)
M16801-2 Axle
200,000 BTU Forced Air H.S.I. Desa Oil Fired Heater
Output Rating 200,000 BTU/Hr
Fuel K1 or No. 1 Fuel Oil
Fuel Tank Capacity 13.5 (US Gal.)
Fuel Consumption 1.4 GPH
Pump Pressure 6.2 PSI
Electric Requirements 120V/60Hz
Amperage 3.6
Hot Air Output (CFM) 600
Motor RPM 3400
Motor HP 1/4 (If Applicable)
Desa 200,000 BTU HSI

—66—
200,000 BTU Forced Air H.S.I. Desa Oil Fired Heater
Model Numbers
Standard
R200B PK200
UK200 TK200
Thermostat
RM200BT B200BT
PK200T UK200T
TK200T REM200BT
R200BT
Motor & Pump
Assembly
Desa 200,000 BTU HSI
10-1
10-2
10-3
10-4 10-5
10-6
10-7
10-8
10-9
10-10
10-19
10-11
10-12
10-13
10-14
10-18
10-15
10-16
10-17
Pump Pressure Setting
6.2 PSI
Phone: 800-362-6951 • Fax: 800-255-7985
www.phpdistribution.com

—67— Phone: 800-362-6951 • Fax: 800-255-7985
www.phpdistribution.com
Key Part
No. Number Description
1 107353-10 Upper Shell (Service Part Will Be Black)
2 M15823-27 Screw, #10-16 x 1/2" (qty. 8)
3 098512-78 Combustion Chamber
4 M16660 Photocell Bracket
5 M10908-2 Screw, #6-32 x 3/8" (qty. 2)
6 M16656-24 Photocell Assembly
7 (See page 70) Burner Head Assembly
8 M11084-26 Screw, #10-16 x 3/8" (qty. 2)
9 102042-01 Fan
10 Motor and Pump Assembly
1 102001-27 Motor
2 079975-03 Pump Body
3 FHPF3-6C Screw, #10-32 x 5/8" (qty. 2)
4 M22009 Rotor Insert
5 M22456-2 Pump Rotor
6 M50545 Pump End Cove
7 M12179 Intake Filter
8 M16545 Filter End Cover
9 M8940 Steel Ball, 1/4" Diameter
10 M10993-1 Relief Spring
11 M27694 Adjusting Screw
12 M22997 Plug
13 M12461-31 Screw, #10-32 x 1" (qty. 4)
14 M12244-1 Output Filter
15 M11637 Lint Filter
16 M50820-02 Barb Fitting
17 M8643-2 Blade (qty. 4)
18 M12461-32 Screw, #10-32 x 1.12" (qty. 6)
19 105780-01 Plastic Cap
11 M50631 Rubber Bumper (qty. 2)
12 101206-01 Motor Mounting Bracket
13 097785-04 Foam Gasket (qty. 2)
14 104068-02 Ignition Control Assembly
15 NTC-4C Hex Lock Nut, 1/4-20 (qty. 2)
16 102756-01 Fan Guard
17 M27417 Drain Plug (Includes “o” Ring)
18 103523-01 Rubber Bushing
19 M51345-03 Fuel Line (Models with Fuel Valve Assembly)
M51345-04 Fuel Line (Models without Fuel Valve Assembly)
20 M51150-01 Fuel Filter
21 M51345-04 Fuel Line Tube (Models with Fuel Valve Assembly)
M51151-02 Fuel Line Tube (Models without Fuel Valve
Assembly)
22 M10990-3 Rubber Bushing
23 M50814-03 Airline
24 107353-11 Lower Shell (Service Part Will Be Black)
25 M50104-06 Bushing (qty. 2)
26 M50104-01 Bushing
27 M11084-26 Screw, #10-16 x 3/8" (qty. 6)
28 M11271-8 Clip Nut (qty. 8)
29 M10908-14 Screw, #8-32 x 3/8"
30 108088-17 Fuel Tank (Metal Filler Neck)
113279-04 Fuel Tank (Plastic Filler Neck)
Key Part
No. Number Description
31 097663-03 Fuel Cap w/ Gauge (includes Gasket)
(Use with Fuel Tank 108088-17)
113280-03 Fuel Cap w/ Gauge (includes Gasket)
(Use with Fuel Tank 113279-04)
32 102349-01 P.C. Board Support (qty. 5)
33 M11143-1 Strain Relief Bushing
34 113065-01 Power Cord
35 107333-04AA Side Cover
36 M11084-26 Screw, #10-16 x 3/8" (qty. 8)
37 099230-01 Screw, Special (qty. 2)
38 M11084-27 Screw, #10-16 x 1/2" (qty. 2)
39 113461-01 ON/OFF Switch with Cover
40 104458-01 Thermostat
41 M12461-18 Screw, #8-32 x 7/8"
42 104460-01 Thermostat Knob
43 079010-35 Wire Assembly
44 WLE-2 Lock Washer, EXT #8
PARTS AVAILABLE-NOT SHOWN
103814-01 Wire Tie (Not Shown - For Ignition Control
Assembly)
100621-06 Thermostat Decal (Not Shown)
079010-46 Wire (Not Shown - For ON/OFF Switch)
113137-01 Fuel Gasket
200,000 BTU Forced Air H.S.I. Desa Oil Fired Heater
Desa 200,000 BTU HSI

Desa Pro Plus Series
—68—
Motor & Pump
Assembly
Non-Digital
Bard
Model Numbers
125T Models 170T Models 200T Models
RH125T RH170T RHD200T
RHD125T RHD170T M200T
RL125T RL170T
M125T M170T
Desa Pro Plus Series Heaters
Key Part
No. Number Description
1 108461-02 Control cover
2 113606-01 Temp. sensor
3 113607-01 Therm. control
4 116111-01 Ignition Control
5 108480-01 Knob
6 113379-01 Screw, #8
7 113378-01 Plastic Clip
8 108394-01 Switch Cover
9 M9900-170 Wire Assembly
10 113339-01 Rubber Grommet
11 113752-01 Fuse
Burner Head
Assembly
for 200 Series
Control Cover
Assembly
Digital Display
Version
Burner Head
Assembly
for 125 &170
Pump Pressure Settings
BTU PSI
125 6.0
170 6.0
200 6.2
Phone: 800-362-6951 • Fax: 800-255-7985
www.phpdistribution.com

—69— Phone: 800-362-6951 • Fax: 800-255-7985
www.phpdistribution.com
Key Part
No. Number Description
1 107353-01 Upper Shell (Black)
2 108631-01 Screw, #10-16 x 1” (qty. 3)
3 COMBUSTION CHAMBER
098512-71 All 125T’s
098512-73 All 170T’s
098512-69 All 200T’s
4 PHOTOCELL BRACKET
103154-05 All 125T’s and 170T’s
107791-01 All 200T’s
5 M10908-2 Screw, #6-32 x 3/8” (qty. 2)
6 M16656-21 Photocell Assembly
7BURNER HEAD ASSEMBLY
200T MODELS
7-1 100735-13 Nozzle
7-2 M10659-1 Nozzle Washer (qty. 2)
7-3 M10809-1 Nozzle Spring
7-4 M8882 Nozzle Sleeve
7-5 107272-01 Retaining Ring
7-6 102336-04 Nozzle Adapter Bracket
7-7 HA1000 Ignitor Kit
7-8 103347-01 Belleville Washer
7-9 M10908-75 Screw, #6-32 x .88
7-10 107273-01 Nozzle Adapter
7-11 M50820-02 Barb Fitting (qty. 2)
125T & 170T MODELS
7-1 HA3027 Nozzle (125T)
HA3029 Nozzle Assembly (170T)
7-2 102548-07 Ignitor Kit
7-3 M10908-75 Screw
7-4 102336-01 Nozzle Adapter Bracket
7-5 104054-01 Nozzle Adapter
7-6 103347-01 Washer
8 M11084-26 Screw, #10-16 x 3/8” (qty. 2)
9FAN
097293-01 All 125T’s
102042-01 All Others
10 MOTOR & PUMP ASSEMBLY
10-1 MOTOR
102001-30 All 125T’s
102001-27 All 200T’s and 170T’s
10-2 PUMP BODY RING
079975-02 All 125T’s
079975-03 All 200T’s and 170T’s
10-3 FHPF3-5C Screw, #10-32 x 5/8” (qty. 2)
FHPF3-6C Screw, #10-32 x 3/4” (qty. 2)
10-4 M22009 Rotor Insert
10-5 PUMP ROTOR
M22456-1 All 125T’s
M22456-2 All 200T’s and 170T’s
10-6 M50545 Pump End Cover (metal)
10-7 M12179 Intake Filter (sponge)
10-8 M16545 Filter End Cover (plastic)
10-9 M8940 Steel Ball, 1/4” diameter
10-10 M10993-1 Pressure Relief Spring
10-11 M27694 Pressure Adjusting Screw
10-12 M22997 Plug
10-13 M12461-31 Screw, #10-32 x 1” (qty. 4)
10-14 M12244-1 Output Filter
10-15 M11637 Lint Filter (sponge)
10-16 FITTING BARB
104096-01 All 125T’s
M50820-02 All 200T’s and 170T’s
10-17 BLADE
M8643 All 125T’s (qty. 4)
M8643-2 All 200T’s and 170T’s (qty. 4)
10-18 M12461-32 Screw, #10-32 x 1 1/8” (qty. 6)
11 M50631 Rubber Bumper (qty. 2)
12 101206-01 Motor Mounting Bracket
13 M11084-29 Screw, #10-16 x 3/4”
14 104068-02 Ignition Control Assembly
Key Part
No. Number Description
15 NTC-4C Hex Lock Nut, 1/4-20 (qty. 2)
16 108460-01 Fan Guard
17 M27417 Drain Plug (includes “O”Ring)
18 108457-01 Shroud
19 FUEL LINE
M51345-12 All 125T’s
M51345-09 All 170T’s
M51345-04 All 200T’s
20 M51150-01 Fuel Filter
21 M51151-02 Fuel Line Tube
22 M10990-3 Rubber Bushing
23 AIR LINE
M50814-08 All 125T’s
M50814-03 All 170T’s and 200T’s
24 107353-11 Lower Shell (Black)
25 M50104-06 Bushing (qty. 2)
26 M50104-01 Bushing
27 M12461-51 Screw, #10-16 x 1/2” (qty. 1)
28 108708-01 Clip Nut (qty. 13)
29 M10908-14 Screw, #8-32 x 1/4”
30 108088-12 Fuel Tank
31 097663-03 Fuel Cap / Gauge
32 108668-01 PC Board Support (qty. 5)
33 108394-01 On/Off Switch
34 107994-01 Power Cord
35 108461-01 Control Cover
36 M9900-170 Wire Assembly, Black (qty. 2)
37 104460-01 Knob
38 104458-01 Thermostat
39 108458-01 Rear Panel
40 M12461-18 Screw, #8-32 x 7/8”
41 097785-08 Foam Gasket
42 108739-01 Filler Neck Screen
43 097467-02 Button Plug
44 M9900-197 Wire Assembly, Green
PARTS AVAILABLE-NOT SHOWN
HA1180 Air Gauge Kit
HA1170 Safety control/Photocell tester
105880-02 Ignition control fuse
M11143-1 Strain relief bushing
Desa Pro Plus Series Heaters
Desa Pro Plus Series
Wheels & Handle
Key Part
No. Number Description
1 108459-01 Handle/Support
2 WP4C Washer (qty. 6)
3 108630-01 Screw (qty. 6)
4 108463-01 Extension Cord Wrap (qty. 2)
5 M16801-5 Axle
6 108468-01 Washer (qty. 2)
7 107426-01 Wheel Kit
(Contains: 2 wheels & cap nuts)
8 M28526 Cap Nut (qty. 2)

—70— Phone: 800-362-6951 • Fax: 800-255-7985
www.phpdistribution.com
Key Part
No. Number Description
1 HA3009 Nozzle: B110A, R110A, REM110A
HA3011 Nozzle: B150H, R150E, REM150A/D, R155A
2 M10659-1 Nozzle Washer (qty. 2)
3 M10809-1 Nozzle Spring
4 M8882 Nozzle Sleeve
5 M50924-04 Burner Head: B110A, R110A, REM110A
M50924-06 Burner Head: B150H, R150E, REM150A/D, R155A
6 M50820-02 Barb Fitting (qty. 2)
7 102548-02 Glowbar Ignitor
8 M10908-2 Screw, #10-16 x 1/2”
Figure #1 (Old Style Burner Assembly)
Figure #2 (Newer Style Burner Assembly) Handle & Wheel Kit Assembly
39
1
2
34
5
6
7
8
40 1
2
3
54
7
6
PARTS AVAILABLE NOT SHOWN
105880-02 Fuse for 104068-02 ignition control
HA1180 Low pressure gauge
HA1210 Remote thermostat (most accurate)
PT100HTST Remote thermostat (high-low)
103814-01 Wire tie-groups wires connected to
ignition control assembly
HA3004 1/2” rotor kit
HA3017 Filter kit
HA3020 Pump kit
HA1170 Safety control/photocell tester
40/50/55/60/70 MODELS WITH HA1000 IGNITOR
Key# Part Description
1 HA3006 Nozzle Assembly (40)
HA3024 Nozzle Assembly (50/55/60)
HA3026 Nozzle Assembly (70)
2 HA1000 Ignitor Kit
3 104056-01 Nozzle Adapter
4 102336-01 Nozzle Adapter Bracket
5 M10908-75 Screw, Hex Head, Tapping
6 103347-01 Belleville Washer
50/55/60 MODELS WITH 102548-08 IGNITOR
Key# Part Description
1 HA3024 Nozzle Assembly
2 HA1100 Ignitor Kit
3 102336-05 Nozzle Adapter Bracket
4 104056-01 Nozzle Adapter
110/115/155/165 MODELS
Key#Part Description
1 HA3027 Nozzle Assembly (110/115)
HA3028 Nozzle Assembly (155/165)
2 HA1000 Ignitor Kit
3 M10908-75 Screw, #6-32 x 7/8"
4 102336-01 Nozzle Adapter Bracket
5 104054-01 Nozzle Adapter
6 103347-01 Washer
200 MODELS
Key# Part Description
1 100735-13 Nozzle Assembly
2 M10659-1 Nozzle Washer (qty. 2)
3 M10809-1 Nozzle Spring
4 M8882 Nozzle Sleeve
5 107272-01 Retaining Ring
6 102336-03 Nozzle Adapter Bracket
7 HA1000 Ignitor Kit
8 103347-01 Belleville Washer
9 M10908-75 Screw, #6-32 x .88
10 107273-01 Nozzle Adapter
11 M50820-02 Barb Fitting
Key Part
No. Number Description
1 HA2203 Handle (110-115,000) (qty. 2)
HA2204 Handle (150-165,000) (qty. 2)
2 M12345-33 Screw, #10-24 x 1 3/4” (qty. 8)
3 M12342-3 Wheel support frame (110/115)
M12831-3 Wheel support frame (150/165)
4 NTC-3C Hex Nut, #10-24 (qty. 8)
5 097896-01 Wheel (white) with push nut ( 2)
107426-01 Wheel (black) with push nut ( 2)
6 M28526 Cap nut (qty. 2)
7 M51015-01 Axle (110-115,000)
M16801-2 Axle (150-165,000)
Desa Burners & Wheel Kit

—71— Phone: 800-362-6951 • Fax: 800-255-7985
www.phpdistribution.com
Oil Fired
Service Manual
• Includes info on Desa HSI heaters
• It also covers all three
manufacturers of low pressure oil
fired heaters; Desa, Toro, and
National Riverside
Part # List Price Dealer Gold Key
SM70106 $9.95 $4.95 $4.95
$9.95
SM7
01
06
®
2
006
P
ortable
Heater
Pa
rts
V
ersion
V
ersion
V
3
SERVICE MANUAL
for
Oil Fired Heaters
Low Pressure High Pressure Indirect Fired
Gas Fired Service
Manual
• Gives an understanding of gas
fired heaters, parts description
& photos and troubleshooting
• It also covers three
manufacturers of gas fired
heaters: Desa, National
Riverside and L.B. White
Part # List Price Dealer Gold Key
GM70103 $9.95 $4.95 $4.95
Part
#GM70103
Portable
Heater
Parts
®
2007
Ve
rsion
2
Gas Fired
Heaters
SERVICE
MANU
AL
for
Let Us
Give You
A Hand
Fixing That
Heater!
Part #CDTECH
Part #CDTS
Part #CD70101
Tech Service
Manual On CD
Interactive Heater
Troubleshooting CD
Part #CDGF
Gas Fired
Manual On CD
Low Pressure
Manual On CD

—72— Phone: 800-362-6951 • Fax: 800-255-7985
www.phpdistribution.com
35,000-50,000 BTU Forced Air Desa Oil Fired Heater
Wiring Diagram without
Terminal Board Wiring Diagram with
Terminal Board
Motor & Pump Assembly
Model Numbers
Reddy Remington Desa
R35A REM35A C35B
R35B REM50A C50F
R50B REM55
R55
Master Knipco
B50F F50G
Desa Oil 35-50,000 BTU
Pump Pressure Settings
BTU PSI
35 3.0
50 3.6
55 3.4

—73—
Key Part
No. Number Description
1 M51104-01 Handle
2Upper Shell
098511-36 R35B, R50B, R55A Reddy (White)
098511-70 C35B, C50F Desa
098511-67 REM35A, REM50A, REM55 Remington (Black)
098511-54 B50F Master (Yellow)
098511-73 F50G Knipco
3 M11084-29 Screw, #10-16 x 3/4” (qty. 2)
4 100647-01 Screw, #10-16 x 1/2” (qty. 6)
5Combustion Chamber
098512-05 R35A/B, C35B, REM35A
098512-13 B50F, R50B, C50F, F50G, REM50A, R55, REM55
6 M10908-2 Screw, #6-32 x 3/8” (qty. 2)
7 M16660 Photocell Bracket
8 HA3019 Photocell Assembly
9BURNER HEAD ASSEMBLY
9-1 Nozzle
HA3006 R35B, C35B, R35A, REM35A
HA3007 B50F, R50B,C50F, F50G, REM50A, R55, REM55
9-2 HA3013 Spark Plug
9-3 079980-01 Nozzle Adapter
147082 Nozzle O-ring (for all nozzles)
9-4 Bracket
097125-01 R35A/B, C35B, REM35A, B50F, R50B, F50G, REM50A
097124-01 R55,REM55
9-5 M29824 Nut, 14mm
10 M11084-26 Screw, #10-16 x 3/8” (qty. 2)
11 M30884 Fan
12 MOTOR AND PUMP ASSEMBLY
12-1 102001-01 Motor
12-2 Pump Body Ring
079975-01 1/2”-R35A/B, C35B, REM35A, B50F, R50B,
C50F, F50G, REM50FA
079975-03 5/8”-R55, REM55
12-3 M22009 Insert
12-4 Rotor
M22456-1 1/2”- R35A/B, C35B, REM35A, B50F, R50B,
C50F, F50G, REM50FA
M22456-2 5/8” - R55, REM55
12-5 M29608 Pump End Cover (Metal)
12-6 M29632 Lint Filter
12-7 M29633 Intake Filter
12-8 M29609 Filter End Cover (Plastic)
12-9 M12461-31 Screw, #10-32 x 1” (qty. 3)
12-10 M27694 Adjusting Screw
12-11 M10993-1 Pressure Relief Spring
12-12 M22997 Plug
12-13 M8940 1/4” Steel Ball
12-14 M29612-01 Output Filter
12-15 Screw
M12461-31 Screw, #10-32 x 1” (R35A/B,C35B, REM35A,
B50F, R50B, C50F, F50G, REM50A) (qty. 6)
M12461-32 Screw, #10-32 x 3/4” (R55, REM55) (qty. 6)
12-16 M50016 Elbow 90˚
12-17 Vanes (set of 4)
M8643 1/2”(R35A/B, C35B, REM35A, B50F, R50B,
C50F, F50G, REM50A)
M8643-2 5/8” (R55, REM55)
12-18 Screw
FHPF3-2C #10-32 x 1/4”(R35A/B, C35B, REM35A, B50F,
R50B, C50F, F50G, REM50A) (qty. 2)
FHPF3-6C #10-32 x 3/4” (R55, REM55) (qty. 2)
Key Part
No. Number Description
13 M51105-01 Fan Guard
14 Power Cord
098219-19 Power Cord
15 M11143-1 Strain Relief Bushing
16 NTC-4C Hex Lock Nut, 1/4-20 (qty. 2)
17 M11084-26 Screw, #10-16 x 3/8” (qty. 2)
18 M50631 Rubber Bumper (qty. 2)
19 M50899-03AA Side Cover
20 101205-01 Motor Bracket
21 M30865-02 Bushing (qty. 2)
22 M11271-8 Clip Nut (qty. 6)
23 M50104-02 Bushing
24 M11084-26 Screw, #10-16 x 3/8” (qty. 6)
25 M15823-37 Screw, #8-18 x 1/4”
26 Lower Shell
098511-18 Reddy - R35B, R50B, R55
098511-91 Desa - C35B,C50F
098511-81 Remington - REM35A, REM50A, REM55
098511-12 Master - B50F
098511-93 Knipco - F50G
27 M29652-04 Rubber Airline 17”
28 102482-01 Ignitor Kit (transformer)
29 M11084-29 Screw, #10-16 x 3/4”
30 Fuel Line
M29652-05 R35A/B, C35B, REM35A
079973-01 B50F, R50B,C50F, F50G, REM50A,R55,REM55
31 Fuel Filter
M50876-04 R35A/B, C35B, REM35A
M50876-02 B50F, R50B, C50F, F50G, REM50A
M50876-05 R55, REM55
32 M10990-3 Rubber Bushing
33 M16841-57 Wire Assembly (Red, 6”)
34 099125-02 Terminal Board
35 099157-01 Rivet
36 HA3003 Safety Control
37 097702-01 Fuel cap with gasket (2-1/8”)
38 Fuel Tank
108088-01 R35A/B, C35B, REM35A
108088-02 B50F (Only)
098513-20 R50B, F50G, REM50A
108088-03 R55, REM55
39 M51108-01 Heat Shield
40 NLA No longer available
PARTS AVAILABLE - NOT SHOWN
M27417 Drain Plug with O ring
M51017-01 Cushion Grommet (B50F only)(qty 2)
079871-01 Tradename Decal (C35B, Desa)
098493-01 General Info Decal (All 35K listed)
097204-02 Tradename Decal (R50B Reddy)
079863-01 Tradename Decal (C50F, Desa)
079514-01 Tradename Decal (F50G, Knipco)
098493-01 General Info Decal (All 50K listed)
097204-08 Tradename Decal (R55, Reddy)
097764-05 Tradename Decal (REM55 Remington)
098493-01 General Info Decal (All 55K listed)
OPTIONAL ACCESSORIES
PT100HTST Thermostat, warmer-cooler dial
HA1210 Thermostat, degrees on dial
HA1202 Heavy Duty Wheel & Handle Kit
HA1206 Standard Wheel & Handle Kit
HA1180 Pressure Gauge, Low Pressure
HA3014 Filter Kit
HA1170 Safety Control/Photocell Tester
35,000-50,000 BTU Forced Air Desa Oil Fired Heater
Desa Oil 35-50,000 BTU
Phone: 800-362-6951 • Fax: 800-255-7985
www.phpdistribution.com

Desa Oil 70,000 BTU
—74— Phone: 800-362-6951 • Fax: 800-255-7985
www.phpdistribution.com
Model Numbers
Reddy Master L.B. White
R70 B70 K70(T)
R70A(T) B70B
R70B(T) B70T
R70T
R70CT
Handy Master
HM70
Wiring Diagram-No Thermostat
70,000 BTU Forced Air Desa Oil Fired Heater Parts
Motor & Pump Assembly
Burner Head Assembly
Pump Pressure Settings
4.0 PSI

—75—
Key Part
No. Number Description
1 M51104-01 Handle
2Upper Shell
098511-36 White
098511-54 Yellow
098511-159 HM70
3 M11084-29 Screw, #10-16 x 3/4” (qty. 2)
4 100647-01 Screw, #10-16 x 1/2” (qty. 6)
5 098512-12 Combustion Chamber
6 M10908-2 Screw, #6-32 x 3/8” (qty. 2)
7 M16660 Photocell Bracket
8 HA3019 Photocell Assembly
9 BURNER HEAD ASSEMBLY
9-1 HA3008 Nozzle
9-2 M10659-1 Washer, Nozzle Seal (qty. 2)
9-3 M10809-1 Spring Nozzle Seal
9-4 M8882 Nozzle Seal
9-5 M51098-02 Burner Head Body
9-6 M50820-01 Fitting Barb (qty. 2)
9-7 M10962-2 Spark Plug
10 M11084-27 Screw, #10-16 x 1/2” (qty. 3)
11 M51107-01 Fan
12 MOTOR & PUMP ASSEMBLY
12-1 097308-05 Motor
12-2 079975-02 Pump Body Ring (1/2”)
12-3 M22009 Insert
12-4 M22456-1 Rotor (1/2”)
12-5 M29608 Cover, End Pump (Metal)
12-6 M29632 Lint Filter
12-7 M29633 Intake Filter
12-8 M29609 Filter End Cover (Plastic)
12-9 M12461-31 Screw, #10-32 x 1” (qty. 3)
12-10 M27694 Adjusting Screw
12-11 M10993-1 Pressure Relief Spring
12-12 M22997 Plug
12-13 M8940 Steel Ball, 1/4” diameter
12-14 M29612-01 Output Filter, (cork edge)
12-15 M12461-31 Screw, #10-32 x 1” (qty. 9)
12-16 M50016 Elbow, 90˚ Barb Fitting
12-17 M8643 Vanes (1/2”) package of 4
12-18 FHPF3-2C Screw, #10-32 x 1/2” (qty. 2)
13 M51105-01 Fan Guard
14 M16841-57 Wire Assembly
15 097061-01 Solid State Relay
16 M15823-39 Screw, #8-18 x 1/” (qty. 2)
17 NTC-4C Hex Lock Nut, 1/4”-20 (qty. 2)
18 108088-03 Fuel Tank
19 M50631 Rubber Bumper (qty. 2)
20 101205-01 Motor Bracket
21 M30865-02 Bushing
22 M11271-8 Clipnut (qty. 6)
23 M50104-02 Bushing
24 M11084-26 Screw, #10-16 x 3/8” (qty. 6)
25 Grounding Screw
M15823-37 #8x18x1/4” (B70/B, HM70, R70/A/B)
M10908-14 #8x32x3/8” (B70BT, R70CT, K70)
Key Part
No. Number Description
26 Lower Shell
098511-81 (B70/B/T)(HM70)
098511-18 (R70/A/B, R70CT)
27 M29652-04 Air Line
28 102482-01 Transformer
29 M11084-29 Screw, #10-16 x 3/4” (qty. 2)
30 079973-01 Fuel Line
31 M50876-05 Fuel Filter (with bushing)
32 M10990-3 Rubber Bushing
33 099125-03 Terminal Board
34 099157-01 Rivet
35 HA3003 Safety Control
36 097702-01 Fuel cap w/gasket
37 Power Cord
098219-19 All non-thermostat models
098219-27 All thermostat models
38 M11143-1 Strain Relief Bushing
39 M11084-26 Screw, #10-16 x 3/8” (qty. 2)
40 M50899-03AA Side Cover
41 079010-18 Red Wire Assembly
42 099177-01 Hex Nut
43 M51017-01 Cushion Grommet (qty. 3)
44 M27417 Drain Plug (B70BT, includes O-ring)
45 097657-02 Thermostat (thermostat models only)
46 M10908-1 Screw, #6-32 x 1/4” (thermostat models only)
47 097658-02 Thermostat knob (thermostat models only)
PARTS AVAILABLE - NOT SHOWN
099650-01 Wire Clip (thermostat models only)
M9900-192 Combustion Chamber Ground Wire
098493-01 General Info Decal (All non-thermostat models)
101118-01 General Info Decal (R70T)
101118-02 General Info Decal (B70T)
097646-02 Tradename Decal (Master)
097204-03 Tradename Decal (Reddy)
078949-02 Tradename Decal (Handy Master)
HA1202 Heavy-duty Wheel Kit
HA1206 Standard Wheel Kit
PT100HTST Optional Remote Thermostat
HA1210 Optional Remote Thermostat
HA1180 Air Gauge
HA3014 Filter Kit
HA1170 Safety Control/Photocell Tester
Wiring Diagram-Thermostat
70,000 BTU Forced Air Desa Oil Fired Heater Parts
Desa Oil 70,000 BTU
Phone: 800-362-6951 • Fax: 800-255-7985
www.phpdistribution.com

Desa Oil 100-165,000 BTU
—76— Phone: 800-362-6951 • Fax: 800-255-7985
www.phpdistribution.com
Model Numbers
Reddy Remington Master
R100A REM100 B100B
R100B REM100A B100G
R110 REM110 B110
R150AT REM150A B110T
R150B REM150B B150F
R150BT REM155 B150FT
R150D REM165 B150GT
R155 B150T
R165 B165
R165T B165G
B165T
Desa Knipco L.B. White
C100E F110G K150
C100F F110H
C150F F150H
100,000-165,000 BTU Forced Air Desa Oil Fired Heater
Burner Head Assembly
Wiring Diagram
If so
equipped
Motor & Pump
Assembly

—77—
Output Rating 100,000 110,000 150,000 165,000
Fuel Kerosene or #1 Fuel Oil Kerosene or #1 Fuel Oil
Fuel Tank Capacity 9 gallons 9 gallons 13.5 gallons 13.5 gallons
Fuel Consumption 0.74 GPH 0.83 GPH 1.10 GPH 1.20 GPH
Electric Requirements 120V/60hZ 120V/60hZ 120V/60hZ 120V/60hZ
Amperage (normal run) 4.5 4.5 4.5 4.5
Starting Amps 10 10 10 10
Output Rating 100,000 110,000 150,000 165,000
Motor Output 3450 RPM 3450 RPM 3450 RPM 3450 RPM
Hot Air Output 480 CFM 480 CFM 600 CFM 500 CFM
Air Pump Pressure 4.0 PSI 4.5 PSI 5.0 PSI 5.4 PSI
Shipping Weight 56 LBS 56 LBS 65 LBS 66 LBS
Weight without fuel 47 LBS 47 LBS 54 LBS 55 LBS
Duct Not Recommended Not Recommended
SPECIFICATIONS
Key Part
No. Number Description
1 098511-66 Upper Shell-Replacement part will be black
2 M15823-27 Screw, #10-16 x 1/2” (qty. 8)
3Combustion Chamber
098512-07 All 100,000 BTU Models
098512-31 All 110,000 BTU Models
098512-29 All 150,000 BTU Models
098512-37 All 155,000 BTU Models
098512-36 All 165,000 BTU Models
4Photocell Bracket
M16660 All 100-110,000 BTU Models
099229-01 All 150-155,000 BTU Models
5 M10908-2 Screw, #6-32 x 3/8” (qty. 2)
6 HA3019 Photocell Assembly
7BURNER HEAD ASSEMBLY
7-1 Nozzle
HA3009 All 100-110,000 BTU Models
HA3011 All 150-155,000 BTU Models
HA3023 All 165,000 BTU Models
7-2 M10659-1 Nozzle Washer (qty. 2)
7-3 M10809-1 Nozzle Spring
7-4 M8882 Nozzle Sleeve
7-5 Burner Head Body
M50924-03 Burner Head Body - 100-155,000 BTU’s
M50924-07 Burner Head Body - 165,000 BTU’s
7-6 M50820-02 Barb Fitting (qty. 2)
7-7 HA3012 Spark Plug
8 M11084-27 Screw, #10-16 x 1/2” (qty. 3)
9Fan Blade
097293-01 Fan, 8 1/4” - 110-155,000 BTU’s
101897-01 Fan, 8 3/8” - 165,000 BTU’s
10 MOTOR & PUMP ASSEMBLY
10-1 Motor
097308-06 Motor, split phase - 100-155,000 BTU’s
102001-07 Motor, split phase - 165,000 BTU’s
10-2 079975-02 1/2” Pump Body Ring
10-3 FHPF3-5C Screw - 165,000 BTU’s (qty. 2)
10-4 M22009 Rotor Insert
10-5 M22456-1 Rotor , 1/2”
10-6 M50545 Pump End Cover (metal)
10-7 M12179 Intake Filter (sponge)
10-8 M16545 Filter End Cover (plastic)
10-9 M8940 Steel Ball, 1/4” diameter
10-10 M10993-1 Relief Spring
10-11 M27694 Adjusting Screw
10-12 M22997 Plug
10-13 M12461-31 Screw, #10-32 x 1” (qty. 10)
10-14 M12244-1 Output Filter
10-15 M11637 Lint Filter
10-16 M50820-02 Barb Fitting
10-17 M8643 Blades 1/2” - Set of 4
11 M50631 Rubber Bumper (qty. 2)
12 101206-01 Motor Mounting Bracket
13 097061-01 Solid State Relay
14 M15823-39 Screw, #8-18 x 1/2” (qty. 2)
15 NTC-4C Hex Lock Nut, 1/4-20 (qty. 2)
16 M51114-01 Fan Guard
Key Part
No. Number Description
17 102482-01 Black Plastic Igniter
18 M11084-29 Screw, #10-16 x 3/4” (qty. 2)
19 M51345-06 Fuel Line - 100-155,000 BTU’s
M51345-01 Fuel Line - 165,000 BTU’s
20 M51150-01 Fuel Filter
21 M51151-01 Fuel Line Tube - 100-110,000 BTU’s
M51151-02 Fuel Line Tube - 150-165,000 BTU’s
22 M10990-3 Rubber Bushing
23 M50814-03 Airline
24 098511-82 Lower Shell-Replacement part will be black
25 Bushing
M30865-02 Bushing, 100-155,000 BTU’s (qty. 3) 165K (qty.2)
M50104-03 Bushing, 165,000 BTU’s (qty. 2)
26 M50104-01 Bushing, 165,000 BTU’s (qty. 2)
M50104-02 Bushing, 100-155,000 BTU’s (qty. 2)
27 M11084-27 Screw, #10-16 x 1/2” (qty. 8)
28 M11271-8 Clip Nut (qty. 8)
29 M10908-14 Screw, #8-32 x 3/8”
30 Fuel Tank
108088-04 Fuel Tank (100-110,000 BTU)
108088-05 Fuel Tank (150-165,000 BTU)
31 097702-01 Fuel Cap with gasket
32 HA3003 Safety Control
33 M11143-1 Strain Relief Bushing
34 098219-38 Power Cord 6”
35 M51077-12 Painted Side Cover
36 M11084-27 Screw, #10-16 x 1/2” (qty. 4)
37 099125-03 Terminal Board
38 099157-01 Rivet
39 079010-20 Wire Assembly (red, 18”)
40 M16841-57 Wire Assembly (red, 6”)
41 M27417 Drain Plug, includes o-ring
42 099177-01 Hex Nut, 3/8”-27
43 099213-01 Button Plug
44 097657-02 Thermostat (thermostat models only)
45 M10908-1 Screw, #6-32 x 1/4” (thermostat models only)
46 097658-02 Thermostat Knob “thermostat models only”
PARTS AVAILABLE NOT SHOWN
097896-01 Wheels (replacement will be white)(qty. 2)
M51015-01 Axle (100-110,000 BTU)
M16801-2 Axle (150-165,000 BTU)
M12342-3 Wheel Support Frame (100-110,000 BTU)
M12831-3 Wheel Support Frame (150-165,000 BTU
HA2203 Front Handle (100-110,000 BTU)
HA2204 Front Handle (150-165,000 BTU)
M12345-33 Screw, #10-24 x 1 3/4” (qty. 8)
M28526 Nutcap (qty. 2)
NTC-3C Hex Lock Nut #10-24 (qty. 8)
OPTIONAL ACCESSORIES
PT100HTST Thermostat, warmer-cooler dial
HA1210 Thermostat with degrees on dial
HA1180 Air Gauge, 0-15 psi
100,000-165,000 BTU Forced Air Desa Oil Fired Heater
Desa Oil 100-165,000 BTU
Phone: 800-362-6951 • Fax: 800-255-7985
www.phpdistribution.com

—78—
Model Numbers
TA100, TA103, TA106, TA111, TA101,
TA104, TA107, TA112, TA102, TA105,
TA108, TA113
100,000-200,000 BTU Forced Air Desa Oil Fired Heater
Desa Oil 100-200,000 BTU
Phone: 800-362-6951 • Fax: 800-255-7985
www.phpdistribution.com
Pump Pressure Settings
BTU PSI
100 5.9
150 6.4
200 7.1

—79— Phone: 800-362-6951 • Fax: 800-255-7985
www.phpdistribution.com
100,000-200,000 BTU Forced Air Desa Oil Fired Heater
Key Part
No. No. Description 100K 150K 200K
1 118375-01 Upper Shroud • • •
2 107353-17 Upper Shell • • •
(service part will be black)
3 098512-79 Chamber Assembly •
098512-80 Chamber Assembly •
098512-81 Chamber Assembly •
4 107353-16 Lower Shell • • •
5 122096-01 Lower Shroud Kit • • •
6 108088-17 Fuel Tank • • •
7 113606-01 Temperature Sensor • • •
8 113339-01 Grommet • • •
9 120336-01 Rocker Lighted Switch • • •
10 121593-01 Thermostat Push Pad with Decal • • •
11 117766-01 Microprocessor Control • •
117766-02 Microprocessor Control •
12 122187-01 Control Clip • • •
13 M16656-26 Photocell • • •
14 103154-03 Photocell Bracket • •
107791-01 Photocell Bracket •
15 097785-13 Gasket qyt. 2 • •
16 M11271-8 Nut Clip qty. 6 •••
17 118393-01 Blower Coupling • • •
097785-12 Coupling Gasket • • •
18 M30865-02 Bushing • • •
19 097776-01 Bushing • • •
20 120326-01 Motor and Blower Assembly • •
120326-02 Motor and Blower Assembly •
21 122095-01 Blower Sleeve Kit • • •
22 122097-01 Ignition Module Kit • • •
23 118422-01 Fuel Filter • • •
24 M10990-3 Fuel Filter Bushing • • •
25 118428-01 Fuel Cap with Gasket •• •
26 121600-01 Tank Remote Plug • • •
27 121543-01 Fuel Gauge with Gasket • • •
28 M51151-03 Lower Fuel Tube • • •
29 118445-01 Lower Shroud Screw • • •
30 M11084-29 Upper Shroud Screw • • •
31 M15823-27 Shell Screw qty. 6 • • •
32 M12461-62 Blower Bolts 1/4-20 x 5/8 qty. 4 • • •
33 103880-01 Blower Nuts 1/4 20 qty. 4 • • •
Parts available - not Shown
M51345-14 Upper Fuel Tube • •
M51345-09 Upper Fuel Tube •
M50814-08 Air Line • •
M50814-06 Air Line •
120337-01 Cable Assembly Switch • • •
M9900-197 Ignitor Ground Wire • • •
118418-01 Power Cord • • •
WHEELS AND HANDLES
1 118404-01 Front Handle • • •
2 118414-01 Rear Handle qty. 2 • • •
3 118800-01 Left Rear Leg • • •
4 118800-02 Right Rear Leg •••
5 118411-01 Cross Support • • •
6 118433-01 Rubber Foot qty. 2 • • •
7 118407-01 Wheel • • •
8 M51015-05 Axle • • •
9 118446-01 Extension Cord Wrap qty. 2 • • •
10 118425-01 Handle Grip qty. 2 • • •
11 113497-02 Spacers qty. 2 • • •
12 120365-01 Wire Guard • ••
NOZZLE ASSEMBLY 100,000 AND 150,000 BTU
Key Part
No. No. Description
1 100735-35 Nozzle Assembly (100)
100735-36 Nozzle Assembly (150)
2 117000-01 Ignitor Electrode
3 M10908-2 Ignitor Screw
4 118390-01 Nozzle Adapter Bracket
5 104054-01 Nozzle Adapter
NOZZLE ASSEMBLY 200,000 BTU MODELS
1 100735-37 Nozzle Assembly
2 M10659-1 Nozzle Washer qty. 2
3 M10809-1 Nozzle Spring
4 M8882 Nozzle Sleeve
5 107272-01 Retaining Ring
6 118390-02 Nozzle Adapter Bracket
7 117000-01 Ignitor Electrode
8 M10908-2 Ignitor Screw
9 120254-01 Nozzle Adapter
10 M50820-02 Barb Fitting qty. 2
MOTOR ASSEMBLY
1 120326-02 Motor Blower (100)
120326-01 Motor Blower (150/200)
2 079975-02 Pump Body (100)
079975-03 Pump Body (150/200)
3 M22009 Insert
4 M22456-1 Rotor (100)
M22456-2 Rotor (150/200)
5 M29608 Pump Cover (100/150)
M29608-02 Pump Cover (200)
6 M29632 Lint Filter
7 M29633 Intake Filter
8 M29609 Pump End Cover
9 M12461-31 Screw, #10-32 x 1" qty. 3
10 M27694 Adjusting Screw
11 M10993-1 Pressure Relief Spring
12 M22997 Plug
13 M8940 Steel Ball, 1/4" Diameter
14 M29612-01 Output Filter
15 M12461-31 Screw, #10-32 x 1" (100) qty. 6
M12461-33 Screw, #10-32 x 1 1/8" (150/200) qty. 6
16 103676-01 Plastic Elbow
17 M8643 Blade (100) qty. 4
M8643-2 Blade (150/200) qty. 4
18 FHPF3-5C Screw (100) qty. 2
FHPF3-6C Screw (150/200) qty. 2
19 105780-01 Plug Cap
20 121519-01 Rain Shield
Desa Oil 100-200,000 BTU

—80— Phone: 800-362-6951 • Fax: 800-255-7985
www.phpdistribution.com
Model Numbers
Reddy Remington Master
R200 REM200 B200
RM200T REM200T B200T
200,000 BTU Forced Air Desa Oil Fired Heater
Desa Oil 200,000 BTU
Pump Pressure Settings
6.0 PSI

—81—
Key Part
No. Number Description
1UPPER SHELL
098511-229 Upper Shell (Yellow)
098511-230 Upper Shell (White)
107353-01 Upper Shell (Black)
2 M15823-27 Screw, #10-16 x 3/8” (qty. 8)
3 098512-48 Combustion Chamber
4 099229-01 Photocell Bracket
5 M10908-2 Screw, #6-32 x 3/8” (qty. 2)
6 HA3019 Photocell Assembly
7BURNER HEAD ASSEMBLY
7-1 100735-13 Nozzle
7-2 M10659-1 Nozzle Washer (qty. 2)
7-3 M10809-1 Nozzle Spring
7-4 M8882 Nozzle Sleeve
7-5 M50924-08 Burner Head Body
7-6 M50820-02 Barb Fitting (qty. 2)
7-7 HA3012 Spark Plug
7-8 103409-01 Washer, Wave Spring
8 M11084-27 Screw, #10-16 x 1/2” (qty. 3)
9 102042-01 Fan
10 MOTOR & PUMP ASSEMBLY
10-1 102001-07 Motor
10-2 079975-03 Pump Body Ring (5/8” metal)
10-3 FHPF3-6C Screw, #10-32 x 5/8” (qty. 2)
10-4 M22009 Rotor Insert
10-5 M22456-2 Pump Rotor (5/8”)
10-6 M50545 Pump End Cover (metal)
10-7 M12179 Intake Filter (sponge)
10-8 M16545 Filter End Cover (plastic)
10-9 M8940 Steel Ball, 1/4” diameter
10-10 M10993-1 Pressure Relief Spring
10-11 M27694 Pressure Adjusting Screw
10-12 M22997 Plug
10-13 M12461-31 Screw, #10-32 x 1” (qty. 4)
10-14 M12244-1 Output Filter
10-15 M11637 Lint Filter (sponge)
10-16 M50820-02 Barb Fitting
10-17 M8643-2 Vanes (5/8”) set of 4
10-18 M12461-32 Screw, #10-32 x 1.12” (qty. 6)
11 M50631 Rubber Bumper (qty. 2)
12 101206-01 Motor Mounting Bracket
13 097061-01 Solid State Relay
14 M15823-39 Screw, #8-18 x 1/2” (qty. 2)
15 NTC-4C Hex Lock Nut, 1/4-20 (qty. 2)
16 102756-01 Fan Guard
17 102482-01 Plastic Ignitor (transformer)
18 M11084-29 Screw, #10-16 x 3/4” (qty. 2)
19 M51345-03 Fuel Line
20 M51150-200 Fuel Filter
21 M51345-04 Fuel Line Tube
22 M10990-3 Rubber Bushing
23 M50814-03 Air Line
Key Part
No. Number Description
24 LOWER SHELL
098511-210 Lower Shell (Yellow)
098511-211 Lower Shell (White)
098511-230 Lower Shell (Black)
25 M50104-03 Bushing (qty. 2)
26 M50104-01 Bushing (qty. 2)
27 M11084-27 Screw, #10-16 x 1/2” (qty. 6)
28 M11271-8 Clip Nut (qty. 8)
29 M10908-14 Screw, #8-32 x 3/8” (qty. 1)
30 FUEL TANK
098513-86 Fuel Tank (B200, R200, REM200)
098513-88 Fuel Tank (B200T, REM200T, RM200T)
31 097702-01 Fuel Cap (includes gasket)
32 HA3003 Flameout Safety Control
33 M11143-1 Strain Relief Bushing
34 POWER CORD
098219-19 Power Cord (B200, R200, REM200) 6”
098219-38 Power Cord (B200T, REM200T, RM200T) 6”
35 102562-01AA Sidecover (qty. 1)
36 M11084-27 Screw, #10-16 x 1/2” (qty. 4)
37 099125-12 Terminal Board
38 099157-01 Rivet
39 079010-20 Wire Assembly (Red, 18”)
40 M16841-57 Wire Assembly (Red, 6”)
41 M27417 Drain Plug (includes “O” ring)
42 099177-01 Hex Nut, 3/8”-27
43 103523-01 Rubber Bushing
44 FUEL VALVE ASSEMBLY
44-1 105939-01 Fuel Valve (always order with #44-2)
44-2 103129-01 Fuel Valve Bracket
44-3 M12461-13 Hex Head Screw, #8-32 x 1/4” (qty. 2)
44-4 M50820-02 Fitting Barb (qty. 2)
44-5 M11084-38 Hex Tpg Screw, #8-18 x 3/8” (qty. 2)
44-6 WLE-2 Lock Washer (qty. 2)
44-7 079010-31 Wire Assembly (Red)
44-8 079010-32 Wire Assembly (White)
45 097785-04 Foam Gasket (qty. 2)
46 097657-03 Thermostat (thermostat models only)
47 104905-01 Thermostat Knob (thermostat models only)
48 M10908-1 Screw, #6-32 x 1/4”(thermostat models only)(qty. 2)
49 099230-01 Screws, Special (qty. 2)
50 M11084-27 Screw, #10-16 x 1/2”(qty. 2)
PARTS AVAILABLE-NOT SHOWN
099650-01 Clip (Secures thermostat & power cord wires)
M9900-192 Combustion Chamber Grounding Wire
100621-02 Thermostat Decal
HA2204 Handles (qty. 2 if equipped)
M12831-3 Wheel Frame Support
M16801-2 Axle
097896-01 Wheel with pushnut (qty. 2)
M28526 Cap Nut (qty. 2)
M12345-33 Screw, #10-24 x 1 3/4” (qty. 8)
NTC-3C Hex Nut, #10-24 (qty. 8)
HA3017 Filter Kit
Output Rating 200,000 BTU/Hr
Fuel K1 or No. 1 Fuel Oil
Fuel Tank Capacity 13.5 (US Gal.)
Fuel Consumption 1.4 GPH
Pump Pressure 6 PSI
Electric Requirements 120V/60Hz
Amperage 4.5
Hot Air Output (CFM) 600
Motor RPM 3450
Motor HP 1/4
200,000 BTU Forced Air Desa Oil Fired Heater
Desa Oil 200,000 BTU
Phone: 800-362-6951 • Fax: 800-255-7985
www.phpdistribution.com

Desa Oil 350,000 BTU
—82— Phone: 800-362-6951 • Fax: 800-255-7985
www.phpdistribution.com
Key Part
No. Number Description
1 099329-02 Upper Shell (Yellow)
M50060AC Upper Shell (White)
2 M11084-27 Screw, #10-16 x 1/2
3 M50097-01AA Fan Guard
4 M50086 Air Deflector
5 M30865-02 Bushing
6Burner Head Assembly-see next page
7 M50121 Fan
8 M50230 Safety Control
9 M51336-02 Fan Switch Kit
10 M50104-02 Shorty Bushing (qty. 3)
11 M11084-27 Screw (10-16 x 1/2)
12 M50295 Fuel Line
13 M50391-02 Wire Harness Assembly
14 Motor & Pump Assembly (see next page)
15 098219-19 Extension Cord Assembly
M10813-88 6 foot Power Cord
16 M50050 Ignition Boot
17 102482-04 Transformer
18 M50061AB Lower Shell
19 M11271-8 Clip Nut
20 M50062-03 Front Handle
21 M51043-01 Screw
22 HC4-18C Screw
Key Part
No. Number Description
23 M50062 Rear Handle
24 M11084-26 Screw (qty. 3)
25 M11143-1 Strain Relief Bushing
26 M50115-04 Fuel Line Assembly
27 098513-05 Fuel Tank Assembly
28 097702-01 Fuel Cap Kit - 2 1/8"
29 NTC-4C Hex Nut
30 099895-01 Thermostat Assembly
31 M50063 Wheel Support Frame
32 WP-10C Flat Washer
33 M50389 Wheel
34 C5-10C Cotter Pin
35 M18774 Axle
36 M11084-26 Screw
37 M10908-27 Screw
38 HA3019 Photocell Assembly
39 M51160-01 Fan Switch Cover
40 M50542-01 Heat Deflector & Comb. Chamber Assy.
41 M18053 Filler Neck Screen
42 M50278 Sleeve
43 M50274 Deflector Brace
44 M27417 Drain Plug
45 NLA Screw
#M50230 Safety Control for
heaters made before 1990.
Newer style safety control is on
the following page.
This is the old style fuel cap, it
is no longer available.
Model Numbers
Reddy Master Knipco
R350 B350 F350
Koehring Dayton L.B. White
K350 3E358 K350
350,000 BTU Forced Air Desa Oil Fired Heater
20
Pump Pressure Setting
100 PSI
See page 83 for
wiring diagram

—83—
Key Part
No. Number Description
1 097495-02AA Wiring cover
2 HF5-5C Screw , 5/16-24 x 5/16 (qty. 4)
3 WLE-5 External lockwasher,5/16 (qty. 4)
4 M11084-26 Screw, #10,16 x 3/8 (qty. 3)
5 099562-01 Motor (350,000 BTU/HR)
099562-02 Motor (600,000 BTU/HR)
6 M50116 Flange Clamp (holds pump to motor)
7 097506-01AA Motor support (350,000 BTU/HR)
097506-02AA Motor support (600,000 BTU/HR)
8 57413 Street elbow (qty. 2)
9 M17499-2 Pipe nipple
10 098102-01 Fuel filter assembly (small, 3" tall)
098103-01 Steel filter element(inside fuel filter
assembly, includes rubber gaskets)
11 M50114-02 90˚ Male elbow
12 M50297 Compression elbow
13 M50113-02 Straight fitting
14 098560-01 Fuel pump
15 WLM-5C Lockwasher 5/16 (qty. 4)
16 NPF-5C Hex nut 5/16-24 (qty. 4)
17 HA3003 Safety control
18 097491-01 Power relay
19 M50104-02 Shorty bushing (qty. 3)
20 M10908-2 Screw, #6-32 x 3/8 (qty. 2)
21 M11143-1 Strain relief bushing
22 097211-01 Screw #8-32 x 1/4
Key Part
No. Number Description
1 M10908-2 Screw, #6-32 x 3/8 (qty. 2)
2 099229-01 Photocell Bracket
3 M10962-2 Spark plug
4 M50112 Nozzle (350,000 BTU/HR)
M30765 Nozzle (600,000 BTU/HR)
5 M51170-01 Plug
6 M50924-02 Burner Head Body
7 69246 Straight Nipple
8 M50077 Solenoid Valve
9 M50297 Compression Elbow
See page 15 for picture of old
style fuel filter and filter element
New Style Pump for
B350D, R350D,
B600D, R600D
Part #098560-02
Wiring Diagram for 350,000 & 600,000 BTU
Wiring Diagram with White Rogers/
Robertshaw Flame Control
Wiring Diagram with newer style (1990+) Flame Control
350 & 600,000 BTU Forced Air Desa Oil Fired Heater
Desa 350 & 600,000 BTU
Phone: 800-362-6951 • Fax: 800-255-7985
www.phpdistribution.com

Desa Oil 600,000 BTU
—84— Phone: 800-362-6951 • Fax: 800-255-7985
www.phpdistribution.com
Key Part
No. Number Description
1 099329-04 Upper Shell (Yellow)
M50167AC Upper Shell (White)
2 M11084-27 Screw, #10-16 x 1/2
3 M50543-01 Combustion chamber & shield
4 M30865-02 Bushing
5 M50157 Air Deflector
6 HA3019 Photocell Assembly
7 M50194 Fan
8 M50186-01AA Fan Guard
9 M11271-8 Clip Nut
10 NTC-4C Hex Nut, 1/4-20
11 M51336-02 Fan Switch
12 M50104-02 Bushing
13 M11084-26 Screw, #10-16 x 3/8
14 M51160-01 Fan Switch Cover
15 M50278 Sleeve
16 See page 41 Burner Head Assembly
17 See page 39 Motor & Pump Assembly
18 HC4-3C Screw, 1/4-20 x 3/8
19 M11084-27 Screw, #12-14 x 1/2
20 M50388AB Support Bracket (Yellow)
M50388AC Support Bracket (White)
21 099329-03 Lower Shell (Yellow)
M50168AC Lower Shell (White)
22 M50119-01 Fuel line
23 099055-02 Power Cord
M10813-88 6 foot Power Cord
24 102482-04 Transformer, 5000 Volt
25 M50050 Ignition Boot
26 M50115-02 Fuel Line Assembly
27 M28872-01 Rear Handle
28 * Wire Connector (large)
29 * Wire Connector (small)
30 * Wire Connector (medium)
31 097494-02 Wire Harness
32 M50224 Front Handle
33 M51043-01 Screw, 1/4-20 x 1 1/2
Key Part
No. Number Description
34 098513-07 Fuel Tank
35 HA2210 Filler neck screen
36 097702-01 Fuel cap
37 HC4-22C Screw, 1/4-20 x 2 3/4
38 M25121B Thermostat bracket
39 M27417 Drain plug
40 099895-01 Thermostat
41 M18774 Axle
42 M28140-02 Wheel Support frame
43 WP-10C Flat washer 5/8
44 C5-10C Cotter pin
45 M50389 Wheel
46 ∆Screw, #6-32 x 3/8
∆Internal lock washer No.6
∆Nut, 6-32
47 M50296 Wheel Spacer
Wiring diagrams are on page 83.
#M50230 Safety Control for
heaters made before 1990.
This is the old
style fuel cap, it is
no longer
available.
Model Numbers
Reddy Master Knipco
R600 B600 F600
Koehring Dayton
K600 3E359
600,000 BTU Forced Air Desa Oil Fired Heater
83
38
Pump Pressure Setting
110 PSI
See page 83 for:
- Motor and pump assembly
- Burner head assembly

—85—
Model# Motor Transformer/ Safety/Flame Out Fan Relay Spark Plug / Electrode Intake Filter Output Filter Nozzle Photo Cell Rotor Kit Fuel Filter Fuel Tank
Ignition Control
F30 102762-01 102482-01 HA3003 M29678 NA HA3013 M29633 M29612-01 M29681 HA3019 HA3004 M50876-01 098513-41
F50 M31316 154009** HA3003 M12431 M12462-5 HA3012 M11146-1 M15241 M11054-1 HA3019 HA3004 079725-01 M10716-1A
F50A 107262-01 102482-01 HA3003 M30884 NA HA3013 M29633 M29612-01 M30875 HA3019 HA3004 M50876-01 098513-42
F50D M31316 154009** HA3003 M12431 M12462-5 HA3012 M11146-1 M15241 M11054-1 HA3019 HA3004 079725-01 M10716-1A
F50E 102001-01 102482-01 HA3003 M30884 NA HA3013 M29633 M29612-01 HA3007 HA3019 HA3004 M50876-02 098513-20
F50F 102001-01 102482-01 HA3003 M30884 NA HA3013 M29633 M29612-01 HA3007 HA3019 HA3004 M50876-02 098513-22
F50G 102001-01 102482-01 HA3003 M30884 NA HA3013 M29633 M29612-01 HA3007 HA3019 HA3004 M50876-02 098513-20
F50S 102001-14 102482-01 HA3003 M25727 107850-01 HA3012 M12179 M12244-1 M26316 HA3019 HA3004 M19630 M27553-02C
FV60S 102001-14 102482-01 HA3003 M28730 107850-01 HA3012 M12179 M12244-1 M26316 HA3019 HA3004 M19630 M27553-04A
F65 / F65D M31316 154009** HA3003 M20517 M12462-5 HA3012 M11146-1 M15241 M11054-1 HA3019 HA3004 M19630 M17016-1S
F66D 102001-14 102482-01 HA3003 M25727 107850-01 HA3012 M12179 M12244-1 M26316 HA3019 HA3004 M19630 M27533-010A
F70 / F75 M5721 M5301-1 NA M4502 M5727 M4752-2 NA NA M6638 NA M5703 M5855 M5723 / M6620
F80/F85/F85C M21023-1 M27827-3 NA M14529 M12462-5 M8989 (Left) M8849 M9942G1 M18048 NA HA3004 M8976-2 M8634
M8990 (Right)
F85E M9922 M27827-3 NA M9726 M9725 M8989 (Left) M8849 M9942G1 M18048 NA HA3004 M8976 M8634
M8990 (Right)
F88 M21023-1 M27827-3 NA M14529 M12462-5 M8989 (Left) M8849 M9942G1 M18048 NA HA3004 M10808-1 M10780-1
M8990 (Right)
F98 M31316 102482-01 HA3003 M14529 M12462-5 HA3012 M12179 M12244-1 M18048 HA3019 HA3004 M13846-1 M12321-1
F98 M31316 M27827-3 NA M14529 M12462-5 M8989 (Left) M12179 M12244-1 M18048 NA HA3004 M19630 M12321-1
M8990 (Right)
F98C M31316 M27827-3 M12013 M12464 M12462-5 M8989 (Left) M12179 M12244-1 M18048 M9211-4 HA3004 M13846-1 M12321-1
M8990 (Right)
F98D M31316 102482-01 HA3003 M14529 M12462-5 HA3012 M12179 M12244-1 M18048 HA3019 HA3004 M19630 098513-04
F110 M31316 102482-01 HA3003 M23147 M12462-9 HA3012 M12179 M12244-1 100735-05 HA3019 M22465-3 Rotor M19630 098513-04
M8643-3 Blades
F110D M31316 102482-01 HA3003 M23147 M12462-9 HA3012 M12179 M12244-1 100735-05 HA3019 HA3004 M19630 098513-04
F110E 097308-06 102482-01 097528-01 M51153-01 097061-01 HA3012 M12179 M12244-1 HA3009 HA3019 HA3004 M51150-01 098513-31
F110F / F110G 097308-06 102482-01 HA3003 M51153-01 097061-01 HA3012 M12179 M12244-1 HA3009 HA3019 HA3004 M51150-01 108088-04
KNIPCO LOW PRESSURE
Desa Oil Quick Parts Ref.
**154009 is closest fit

Desa Oil Quick Parts Ref.
—86—
KNIPCO LOW PRESSURE (CONT.)
Model# Motor Transformer/ Safety/Flame Out Fan Relay Spark Plug / Electrode Intake Filter Output Filter Nozzle Photo Cell Rotor Kit Fuel Filter Fuel Tank
Ignition Control
F110H 097308-06 102482-01 HA3003 097293-01 097061-01 HA3012 M12179 M12244-1 HA3009 HA3019 HA3004 M51150-01 108088-04
F120 097308-04 M27827-3 NA M13038 M12462-5 M12951 (Left) M12179 M12244-1 M14293 NA HA3004 M14259-1 M12820-4
M12952 (Right)
F120D 097308-04 M27827-3 HA3003 M13038 M12462-5 M12951 (Left) M12179 M12244-1 M14293 HA3019 HA3004 M14259-1 M12820-4
M12952 (Right)
FV125C 097308-04 102482-01 M50230 M27982 Call HA3012 M12179 M12244-1 100735-05 097059-01 M22456-3 Rotor 079722-01 098513-11
M8643-3 Blades
FV125S 097308-04 102482-01 M50230 M27982 Call HA3012 M12179 M12244-1 100735-05 HA3019 M22456-3 Rotor 079722-01 098513-11
M8643-3 Blades
F140 097308-04 M27827-3 NA M13038 Call M12951 (Left) M12179 M12244-1 HA3011 NA M22456-3 Rotor M16667-1 M12820-4
M12952 (Right) M8643-3 Blades
F140D 097308-04 M27827-3 HA3003 M13038 Call M12951 (Left) M12179 M12244-1 HA3011 HA3019 M22456-3 Rotor M16667-1 M12820-4
M12952 (Right) M8643-3 Blades
F150 / F150D 097308-04 102482-01 HA3003 M17058 Call HA3012 M12179 M12244-1 HA3011 HA3019 M22456-3 Rotor M19630 098513-11
M8643-3 Blades
50E 097308-04 102482-01 HA3003 M17058 097061-01 HA3012 M12179 M12244-1 HA3011 HA3019 M22456-3 Rotor M19630 098513-11
M8643-3 Blades
F105F 097308-04 102482-01 HA3003 M17058 097061-01 HA3012 M12179 M12244-1 HA3011 HA3019 HA3004 M19630 098513-11
F150S 097308-04 102482-01 HA3003 M17058 Call HA3012 M12179 M12244-1 HA3011 HA3019 M22456-3 Rotor M19630 098513-11
M8643-3 Blades
F150G 097308-04 102482-01 HA3003 M17058 097061-01 HA3012 M12179 M12244-1 HA3011 HA3019 HA3004 M19630 098513-11
F150H 097308-06 102482-01 HA3003 097293-01 097061-01 HA3012 M12179 M12244-1 HA3011 HA3019 HA3004 M51150-01 108088-05

—87—
REDDY LOW PRESSURE OIL
Desa Oil Quick Parts Ref.
Model# Motor Transformer/ Safety/Flame Out Fan Relay Spark Plug / Electrode Intake Filter Output Filter Nozzle Photo Cell Rotor Kit Fuel Filter Fuel Tank
Ignition Control
M30 102762-01 102482-01 HA3003 M29678 NA HA3013 M29633 M29612-01 M29681 HA3019 HA3004 M50876-01 098513-41
R30 102001-28 102482-01 HA3003 M30884 NA HA3013 M29633 M29612-01 M29681 HA3019 HA3004 M50876-04 108088-01
R35/R35A/R35B 102001-28 102482-01 HA3003 M30884 NA HA3013 M29633 M29612-01 HA3006 HA3019 HA3004 M50876-04 108088-01
R35D 102001-28 104068-02 NA M30884 NA HA1000 M29633 M29612-01 HA3006 M16656-24 HA3004 M50876-04 108088-01
R35E 102001-28 104068-02 NA 103684-01 NA HA1000 M29633 M29612-01 HA3006 M16656-24 HA3004 M50876-04 108088-01
R40 / R40T 102001-28 104068-02 NA 103684-01 NA HA1000 M29633 M29612-01 HA3006 M16656-24 HA3004 M50876-04 108088-01
Mini Furnace M31316 154009** NA M20941 M12462-5 HA3012 M11146-1 M15241 M11054-1 NA HA3004 M19630 108088-01
Mark 50D M31316 154009** HA3003 M12431 M12462-5 HA3012 M11146-1 M15241 M11054-1 HA3019 HA3004 M11146-1 M17016-(H)
M50 M31316 154009** HA3003 M12431 M12462-5 HA3012 M11146-1 M15241 M11054-1 HA3019 HA3004 M19630 M17016-1B
M50A 102762-01 102482-01 HA3003 M30884 NA HA3013 M29633 M29612-01 M30875 HA3019 HA3004 M50876-01 098513-42
M50D M31316 154009** HA3003 M12431 M12462-5 HA3012 M11146-1 M15241 M11054-1 HA3019 HA3004 M19630 M17016-1B
M50S 102001-14 102482-01 HA3003 M25727 107850-01 HA3012 M12179 M12244-1 M26316 HA3019 HA3004 M19630 M27553-02AA
R50 / R50A/ R50B102001-28 102482-01 HA3003 M30884 NA HA3013 M29633 M29612-01 HA3007 HA3019 HA3004 M50876-02 098513-20
R55 102001-28 102482-01 HA3003 M30884 NA HA3013 M29633 M29612-01 HA3021 HA3019 HA3005 M50876-05 108088-03
R55A 102001-28 104068-02 NA M30884 NA HA1000 M29633 M29612-01 HA3027 M16656-24 HA3005 M50876-05 108088-03
R55B / R55BT 102001-28 104068-02 NA 103684-01 NA HA1000 M29633 M29612-01 HA3024 M16656-24 HA3005 M50876-05 108088-03
R55M 102001-02 100777-02 NA M30884 NA HA3013 M29633 M29612-01 HA3021 M16656-20 HA3005 M50876-05 108088-03
R60/R60T/ 102001-28 104068-02 NA 103684-01 NA 102548-03 M29633 M29612-01 HA3024 M16656-24 HA3005 M50876-05 108088-03
RM60/RM60T
R60A 102001-28 104068-02 NA 103684-01 NA "L" Shaped - HA1000 M29633 M29612-01 HA3024 M16656-24 HA3005 M50876-05 108088-16 Metal
"Pencil" Shaped - HA1100 113279-01 Plastic
MC60 102001-14 102482-01 M50230 M25727 107850-01 HA3012 M12179 M12244-1 M26316 097059-01 HA3004 079725-02 M27553-03AA
M65 / M65D M31316 154009** HA3003 M25727 M12462-5 HA3012 M11146-1 M15241 M26316 HA3019 HA3004 M19630 M10716-1B
M66D/Round 102001-14 102482-01 HA3003 M25727 097061-01 HA3012 M29633 M29612-01 M26313 HA3019 HA3004 M19630 M27553-01AA
End Cover
M66D/Rectangal 102001-14 102482-01 HA3003 M25727 107850-01 HA3012 M12179 M12244-1 M26313 HA3019 HA3004 M19630 M27553-01AA
End Cover
R70 097308-02 102482-01 HA3003 M51107-01 107850-01 HA3012 M29633 M29612-01 HA3008 HA3019 HA3004 M50876-05 108088-03
R70A/ R70AT 097308-02 102482-01 HA3003 M51107-01 097061-01 HA3012 M29633 M2612-01 HA3008 HA3019 HA3004 M50876-02 108088-03
R70B/R70BT/ 097308-02 102482-01 HA3003 M51107-01 097061-01 HA3012 M29633 M2612-01 HA3008 HA3019 HA3004 M50876-05 108088-03
R70CT
R70D 102001-20 104068-02 NA M29678 NA HA1000 M29633 M29612-01 HA3026 M16656-24 HA3004 M50876-05 108088-03
R70DT 102001-20 104068-02 NA 103684-01 NA HA1000 M29633 M29612-01 HA3026 M16656-24 HA3004 M50876-05 108088-03
Mark 75D M31316 M27827-3 HA3003 M13580 M12462-5 M8989 (Left) M12179 M12244-1 M18048 HA3019 HA3004 M13846-1 M12321-1
M899 (Right)
R75 M23622-1 M3501-3 M6657 M4502 M5727 M8035 NA NA M4966 NA M8243 / NA M8616 M8490
MS80 M31316 M27827-3 NA M12464 097061-01 M8989 (Left) M12179 M12244-1 M18048 NA M22456-3 Rotor M13846-1 M11636-1
M899 (Right) M8643-3 Blades
M85 / M85D M31316 102482-01 HA3003 M14529 M12462-5 HA3012 M12179 M12244-1 100735-05 HA3019 HA3004 M19630 098513-04
M100 M31316 102482-01 HA3003 M23147 M12462-5 HA3012 M12179 M12244-1 100735-05 HA3019 HA3004 M19630 098513-04

Desa Oil Quick Parts Ref.
REDDY LOW PRESSURE OIL (CONT)
—88—
Model# Motor Transformer/ Safety/Flame Out Fan Relay Spark Plug / Electrode Intake Filter Output Filter Nozzle Photo Cell Rotor Kit Fuel Filter Fuel Tank
Ignition Control
M100D M31316 102482-01 HA3003 M23147 M12462-6 HA3012 M12179 M12244-1 100735-05 HA3019 HA3004 M19630 098513-04
R100 097308-06 102482-01 097528-01 M51153-01 097061-01 HA3012 M12179 M12244-1 HA3009 HA3019 HA3004 M51150-01 108088-04
R100A/ R100B 097308-06 102482-01 HA3003 M51153-01 097061-01 HA3012 M12179 M12244-1 HA3009 HA3019 HA3004 M51150-01 108088-04
RH100VT 102001-30 104068-06 NA 097293-01 NA HA1000 M12179 M12244-1 100735-32 M16656-21 HA3004 106896-01 108088-12
R110 097308-06 102482-01 HA3003 097293-01 097061-01 HA3012 M12179 M12244-1 HA3009 HA3019 HA3004 M51150-01 108088-04
R110A 097308-06 104065-01 NA 097293-01 NA 102548-02 M12179 M12244-1 HA3009 M16656-24 HA3004 M51150-01 108088-04
R110B(T)/R110C(T) 102001-30 104068-02 NA 097293-01 NA HA1000 M12179 M12244-1 HA3027 M16656-24 HA3004 M51150-01 108088-04
RM110C(T)
R110M3 097308-06 101551-02 NA 097293-01 NA HA3012 M12179 M12244-1 HA3009 M16656-21 HA3004 M51150-01 108088-04
R115(T)/ RM115 102001-30 104068-02 NA 097293-01 NA HA1000 M12179 M12244-1 HA3027 M16656-24 HA3004 M51150-01 108088-04
R115C/R115CT/RM115C
R115CT 102001-30 104068-02 NA 097293-01 NA HA1000 M12179 M12244-1 HA3027 M16656-24 HA3004 M51150-01 108088-11
R115DT 102001-30 104068-02 NA 097293-01 NA PP200 M12179 M12244-1 PP221 PP236 PP204 106896-01 108088-11
113279-02
RH115DT 102001-30 104068-02 NA 097293-01 NA HA1000 M12179 M12244-1 HA3027 M16656-24 HA3004 103896-01 108088-10 Metal
113279-03 Plastic
Mark 120D 097308-04 M27827-3 HA3003 M13038 M12462-5 M12951 (Left) M12179 M12244-1 M14293 HA3019 M22456-3 Rotor M14259-1 M12820-4
M12952 (Right) M8643-3 Blades
RD125T 102001-30 116111-01 NA 097293-01 NA HA1000 M12179 M12244-1 HA3027 M16656-21 HA3004 106896-01 108088-12
RE125T 102001-30 104068-02 NA 097293-01 NA HA1000 M12179 M12244-1 HA3027 M16656-21 HA3004 106896-01 108088-12
RE125AT 102001-30 116111-01 NA 097293-01 NA HA1000 M12179 M12244-1 HA3027 M16656-21 HA3004 106896-01 108088-12
RH125T/RHD125/ 102001-30 104068-02 NA 097293-01 NA HA1000 M12179 M12244-1 HA3027 M16656-21 HA3004 M51150-01 108088-12
RL125T
RH125AT 102001-30 104068-02 NA 097293-01 NA HA1100 M12179 M12244-1 HA3027 M16656-21 HA3004 M51150-01 108088-12
RHD125AT 102001-30 116111-01 NA 097293-01 NA HA1100 M12179 M12244-1 HA3027 M16656-21 HA3004 M51150-01 108088-12
RL125AT 102001-30 116111-01 NA 097293-01 NA HA1100 M12179 M12244-1 HA3027 M16656-21 HA3004 M51150-01 108088-12
PKHD125T 102001-30 116111-01 NA 097293-01 NA HA1100 M12179 M12244-1 HA3027 M16656-21 HA3004 M51150-01 108088-12
TKU125T 102001-30 116111-01 NA 097293-01 NA HA1100 M12179 M12244-1 HA3027 M16656-21 HA3004 M51150-01 108088-12
UKU125T 102001-30 116111-01 NA 097293-01 NA HA1100 M12179 M12244-1 HA3027 M16656-21 HA3004 M51150-01 108088-12
RH140VT 102001-30 104068-06 NA 102042-01 NA HA1000 M12179 M12244-1 100735-24 M16656-21 HA3004 106896-01 108088-12
Mark 140D 097308-04 M27827-3 HA3003 M14529 M12462-5 M12951 (Left) M12179 M12244-1 M18048 HA3019 M22456-3 Rotor M16667-1 M12820-4
M12952 (Right) M8643-3 Blades
M150D / M150S 097308-04 102482-01 HA3003 M17058 Call HA3012 M12179 M12244-1 HA3011 HA3019 M22456-3 Rotor M19630 098513-11
M8643-3 Blades
R150/R150A/ 097308-04 102482-01 HA3003 M17058 097061-01 HA3012 M12179 M12244-1 HA3011 HA3019 HA3004 M19630 098513-11
R150AT
R150B/R150BT 097308-06 102482-01 HA3003 097293-01 097061-01 HA3012 M12179 M12244-1 HA3011 HA3019 HA3004 M51150-01 108088-05
R150D/R155
R150E 097308-06 104065-01 NA 097293-01 NA 102548-02 M12179 M12244-1 HA3011 M16656-24 HA3004 M51150-01 108088-05
R150M 102762-02 100777-02 NA 097293-01 NA HA3012 M12179 M12244-1 HA3011 103696-01 HA3004 M51150-01 098513-68
R150M2 097308-06 101551-02 NA 097293-01 NA HA3012 M12179 M12244-1 HA3011 M16656-21 HA3004 M51150-01 079503-13AA

—89—
Desa Oil Quick Parts Ref.
REDDY LOW PRESSURE OIL (CONT)
Model# Motor Transformer/ Safety/Flame Out Fan Relay Spark Plug / Electrode Intake Filter Output Filter Nozzle Photo Cell Rotor Kit Fuel Filter Fuel Tank
Ignition Control
Mark 150D 097308-04 102482-01 HA3003 M17058 M12462-6 HA3012 M12179 M12244-1 HA3011 HA3019 M22456-3 Rotor M16790-12 098513-11
M8643-3 Blades
PKHD170T 102001-30 116111-01 NA 102042-01 NA HA1000 M12179 M12244-1 HA3029 M16656-21 HA3004 106896-01 108088-12
R155A 097308-06 104065-01 NA 097293-01 NA 102548-02 M12179 M12244-1 HA3011 M16656-24 HA3004 M51150-01 108088-05
R155B / RM155 102001-30 104068-02 NA 102042-01 NA HA1000 M12179 M12244-1 HA3028 M16656-24 HA3004 M51150-01 108088-05
R155C(T)/ 102001-30 104068-02 NA 097293-01 NA HA1000 M12179 M12244-1 HA3028 M16656-24 HA3004 M51150-01 108088-05
RM155C(T)
R155D 102001-30 104068-02 NA 097293-01 NA HA1000 M12179 M12244-1 HA3028 M16656-24 HA3004 106896-01 108088-10Metal
113279-03 Plastic
R165 / R165T 102001-07 102482-01 HA3003 101897-01 097061-01 HA3012 M12179 M12244-1 HA3023 HA3019 HA3004 M51150-01 108088-05
R165A/ R165AT 102001-30 104068-02 NA 102042-01 NA HA1000 M12179 M12244-1 HA3029 M16656-24 HA3004 M51150-01 108088-05
R165C(T)/ 102001-30 104068-02 NA 102042-01 NA HA1000 M12179 M12244-1 HA3028 M16656-24 HA3004 M51150-01 108088-05
RM165C(T)
R165DT 102001-30 104068-02 NA 102042-01 NA PP200 M12179 M12244-1 PP222 PP236 PP204 106896-01 108088-10
113279-03
RD170T 102001-30 116111-01 NA 102042-01 NA HA1000 M12179 M12244-1 HA3029 M16656-21 HA3004 106896-01 108088-12
RE170T 102001-30 104068-02 NA 102042-01 NA HA1000 M12179 M12244-1 HA3029 M16656-21 HA3004 106896-01 108088-12
RE170AT 102001-30 116111-01 NA 102042-01 NA HA1000 M12179 M12244-1 HA3029 M16656-21 HA3004 106896-01 108088-12
RH170T/RHD170T/ 102001-30 104068-02 NA 102042-01 NA HA1000 M12179 M12244-1 HA3029 M16656-21 HA3004 106896-01 108088-12
RL170T
RL170AT 102001-30 116111-01 NA 102042-01 NA HA1000 M12179 M12244-1 HA3029 M16656-21 HA3004 106896-01 108088-12
RH170AT 102001-30 104068-02 NA 102042-01 NA HA1000 M12179 M12244-1 HA3029 M16656-21 HA3005 106896-01 108088-12
RHD170AT 102001-30 116111-01 NA 102042-01 NA HA1000 M12179 M12244-1 HA3029 M16656-21 HA3005 106896-01 108088-12
TKU170T 102001-30 116111-01 NA 102042-01 NA HA1000 M12179 M12244-1 HA3029 M16656-21 HA3005 106896-01 108088-12
UKU170T 102001-30 116111-01 NA 102042-01 NA HA1000 M12179 M12244-1 HA3029 M16656-21 HA3005 106896-01 108088-12
R200 102001-07 102482-01 HA3003 102042-01 097061-01 HA3012 M12179 M12244-1 100735-13 HA3019 HA3005 M51150-200 098513-86
R200A/R200AT 102001-27 104068-02 NA 102042-01 NA HA1000 M12179 M12244-1 100735-13 M16656-24 HA3005 M51150-200 108088-06
R200BT/RM200AT
RD200T 102001-27 116111-01 NA 102042-01 NA HA1000 M12179 M12244-1 100735-13 M16656-21 HA3005 M51150-200 108088-12
RE200T 102001-27 104068-02 NA 102042-01 NA HA1000 M12179 M12244-1 100735-13 M16656-21 HA3005 M51150-200 108088-12
RE200AT 102001-27 116111-01 NA 102042-01 NA HA1000 M12179 M12244-1 100735-13 M16656-21 HA3005 M51150-200 108088-12
RH200VT/ 102001-27 104068-07 NA 102042-01 NA HA1000 M12179 M12244-1 100735-13 M16656-21 HA3005 M51150-200 108088-12
RHD200VT
RH200AT / RHD200AT102001-27 116111-01 NA 102042-01 NA HA1000 M12179 M12244-1 100735-13 M16656-21 HA3005 M51150-200 108088-12
RHD200T 102001-27 104068-02 NA 102042-01 NA HA1000 M12179 M12244-1 100735-13 M16656-24 HA3005 M51150-200 108088-12
RL200AT 102001-27 116111-01 NA 102042-01 NA HA1000 M12179 M12244-1 100735-13 M16656-21 HA3005 M51150-200 108088-12
RM200T 102001-07 102482-01 HA3003 102042-01 097061-01 HA3012 M12179 M12244-1 100735-13 HA3019 HA3005 M51150-200 108088-06
PKHD200T 102001-27 116111-01 NA 102042-01 NA HA1000 M12179 M12244-1 100735-13 M16656-21 HA3005 M51150-200 108088-12
TKU200T 102001-27 116111-01 NA 102042-01 NA HA1000 M12179 M12244-1 100735-13 M16656-21 HA3005 M51150-200 108088-12
UKU200T 102001-27 116111-01 NA 102042-01 NA HA1000 M12179 M12244-1 100735-13 M16656-21 HA3005 M51150-200 108088-12

MASTER LOW PRESSURE OIL
Model# Motor Transformer/ Safety/Flame Out Fan Relay Spark Plug / Electrode Intake Filter Output Filter Nozzle Photo Cell Rotor Kit Fuel Filter Fuel Tank
Ignition Control
B30 102762-01 102482-01 HA3003 M29678 NA HA3013 M29633 M29612-01 M29681 HA3019 HA3004 M50876-01 098513-41
B30C 102762-01 102482-01 M50230 M26317 NA HA3013 M29633 M29612-01 M29681 HA3019 HA3004 M50876-01 098513-41
B50 M31316 154009** HA3003 M12431 M12462-5 HA3012 M11146-1 M15241 M11054-1 HA3019 HA3004 M20371-1 098513-42
B50A 102762-01 102482-01 HA3003 M30884 NA HA3013 M29633 M29612-01 M30875 HA3019 HA3004 M50876-01 M30873-01BA
B50B 102762-01 102482-01 HA3003 M30884 NA HA3013 M29633 M29612-01 M30875 HA3019 HA3004 M50876-03 098513-42
B50D (Square Shell) M31316 154009** HA3003 M12431 M12462-5 HA3012 M11146-1 M15241 M11054-1 HA3019 HA3004 M50876-02 108088-02
B50D (Round Shell)102001-28 102482-01 HA3003 M30884 NA HA3013 M29633 M29612-01 HA3007 HA3019 HA3004 M50876-02 108088-02
B50E/B50F/B50G 102001-28 102482-01 HA3003 M30884 NA HA3013 M29633 M29612-01 HA3007 HA3019 HA3004 M50876-02 108088-02
B50H 102001-28 104068-02 NA M30884 NA HA1000 M29633 M29612-01 HA3021 M16656-24 HA3005 M50876-02 108088-02
B50J/B55/B55B/ 102001-28 104068-02 NA 103684-01 NA HA1000 M29633 M29612-01 HA3024 M16656-24 HA3005 M50876-05 108088-03
B55B /B55T/B60
B55CT 102001-28 104068-02 NA 103684-01 NA "L" Shaped - HA1000 M29633 M29612-01 HA3024 M16656-24 HA3005 M50876-05 Metal 108088-19
"Pencil" Shaped - HA1100 Plastic 113279-01
BV60S 102001-14 102482-01 HA3003 M28730 107850-01 HA3012 M12179 M12244-1 M26313 HA3019 HA3004 M19630 M27553-04A
B65 / B65D M31316 154009** HA3003 M20517 M12462-5 HA3012 M11146-1 M15241 M26316 HA3019 HA3004 M19630 M10716-1A
B66D 102001-14 102482-01 HA3003 M25727 097061-01 HA3012 M29633 M29612-01 M26316 HA3019 HA3004 M19630 M27553-01AA
(Round End Cover)
B66D 102001-14 102482-01 HA3003 M25727 097061-01 HA3012 M12179 M12244-1 M26313 HA3019 HA3004 M19630 NLA
(Rectangular End Cover)
B70 M5721 M5301-1 M5761 M4502 NA M4752-2 NA NA M5669 NA M5703 M5763 M5723
B70B / B70BT 097308-02 102482-01 HA3003 M51107-01 097061-01 HA3012 M29633 M29612-01 HA3008 HA3019 HA3004 M50876-05 108088-03
B70D 102001-20 104068-02 NA M29678 NA HA1000 M29633 M29612-01 HA3026 M16656-24 HA3004 M50876-05 108088-03
B70DT 102001-20 104068-02 NA 103684-01 NA HA1000 M29633 M29612-01 HA3026 M16656-24 HA3004 M50876-05 108088-03
B70ET 102001-29 104068-02 NA M29678 NA "L" Shaped - HA1000 M29633 M29612-01 HA3026 M16656-24 HA3004 M50876-05 Metal 108088-16
"Pencil" Shaped - HA1100 Plastic 113279-01
B75 M5721 M5301-1 M5761 M4502 NA M4752-2 NA NA M5669 NA M5703 M5855 M6620
B80 M21023-1 M27827-3 M3480 M14529 M12462-5 M8989 (Left) M8849 M8764 M18048 M9211 M8644 M8796 M9228
M8990 (Right) M8643 Blades
B90 M21023-1 M27827-3 M3480 M14529 M12462-5 M8989 (Left) M8849 M8764 M18048 M9211 M8644 M10808-1 M10780-1
M8990 (Right)
B99 (With Electrodes)M31316 M27827-3 NA M14529 M12462-6 M8989 (Left) M12179 M12244-1 M18049 NA HA3004 M11932-1 M12377-1
M8990 (Right)
B99 (With Spark Plug)M31316 102482-01 100508-01 M14529 M12462-5 HA3012 M12179 M12244-1 100735-05 HA3019 HA3004 M19630 098513-04
B99D M31316 102482-01 HA3003 M14529 M12462-6 HA3012 M12179 M12244-1 M18048 HA3019 HA3004 M11932-1 M12321-1
B100 M31316 102482-01 HA3003 M23147 M12462-6 HA3012 M12179 M12244-1 100735-05 HA3019 HA3004 M51150-01 M3292
B100AK 097308-06 102482-01 HA3003 M51153-01 097061-01 HA3012 M12179 M12244-1 HA3009 HA3019 HA3004 M51150-01 108088-04
B100A/ B100B 097308-06 102482-01 097528-01 M51153-01 097061-01 HA3012 M12179 M12244-1 HA3009 HA3019 HA3004 M51150-01 108088-04
B100D M31316 102482-01 097528-01 M23147 M12462-6 HA3012 M12179 M12244-1 100735-05 HA3019 HA3004 M19630 098513-04
—90—
Desa Oil Quick Parts Ref.

—91—
MASTER LOW PRESSURE OIL (CONT)
Model# Motor Transformer/ Safety/Flame Out Fan Relay Spark Plug / Electrode Intake Filter Output Filter Nozzle Photo Cell Rotor Kit Fuel Filter Fuel Tank
Ignition Control
B100G 097308-06 102482-01 HA3003 M51153-01 097061-01 HA3012 M12179 M12244-1 HA3009 HA3019 HA3004 M51150-01 108088-04
B100KD 097308-06 102482-01 HA3003 M23147 M12462-6 HA3012 M12179 M12244-1 100735-05 HA3019 HA3004 M19630 098513-04
B110 / B110T 097308-06 102482-01 HA3003 097293-01 097061-01 HA3012 M12179 M12244-1 HA3009 HA3019 HA3004 M51150-01 108088-04
B110A 097308-06 104065-01 NA 097293-01 NA 102548-02 M12179 M12244-1 HA3009 M16656-24 HA3004 M51150-01 108088-04
B110B(T) / B110C(T) 102001-30 104068-02 NA 097293-01 NA HA1000 M12179 M12244-1 HA3027 M16656-24 HA3004 M51150-01 108088-04
B110DST 102001-33 1101901-14 NA 097293-01 NA 117000-02 M12179 M12244-1 PP221 PP236 PP204 106896-01 113279-02
104068-08
B115B(T) / B115C(T) 102001-30 104068-02 NA 097293-01 NA HA1000 M12179 M12244-1 HA3027 M16656-24 HA3004 M51150-01 108088-04
B115DT 102001-30 104068-02 NA 097293-01 NA HA1000 M12179 M12244-1 HA3027 M16656-24 HA3004 106896-0 Metal 108088-11
Plastic 113279-02
B115T 102001-30 102482-03 NA 097293-01 NA HA1000 M12179 M12244-1 HA3027 M16656-24 HA3004 M51150-01 108088-04
BC100 M31316 102482-01 M50230 M23147 M12462-6 HA3012 M12179 M12244-1 100735-05 HA3019 HA3004 079725-03 098513-04
M100VT 102001-30 104068-06 NA 097293-01 NA HA1000 M12179 M12244-1 100735-32 M16656-21 HA3004 106896-01 108088-12
B120 097308-04 M27827-3 HA3003 M13038 Call M12951 (Left) M12179 M12244-1 M14293 HA3019 M22456-3 Rotor M14259-1 M12820-4
M12952 (Right) M8643-3 Blades
BV125/BV125S 097308-04 102482-01 HA3003 M27982 Call HA3012 M12179 M12244-1 100735-05 HA3019 M22456-3 Rotor 079725-03 098513-04
M8643-3 Blades
M125T 102001-30 104068-02 NA 097293-01 NA HA1000 M12179 M12244-1 HA3027 M16656-21 HA3004 M51150-01 108088-12
M125AT 102001-30 104068-02 NA 097293-01 NA HA1100 M12179 M12244-1 HA3027 M16656-21 HA3004 M51150-01 108088-12
B140 / B140D 097308-04 102482-01 HA3003 M17058 Call HA3012 M12179 M12244-1 HA3011 HA3019 M22456-3 Rotor M19630 098513-11
M8643-3 Blades
M140VT 102001-30 104068-06 NA 102042-01 NA HA1000 M12179 M12244-1 100735-24 M16656-21 HA3004 106896-01 108088-12
B150 097308-04 102482-01 HA3003 M17058 M12462-6 HA3012 M12179 M12244-1 HA3011 HA3019 M22456-3 Rotor M19630 098513-11
M8643-3 Blades
B150A 097308-04 102482-01 HA3003 M17058 097061-01 HA3012 M12179 M12244-1 HA3011 HA3019 M22456-3 Rotor M19630 098513-11
M8643-3 Blades
B150B/B150C/ 097308-04 102482-01 HA3003 M17058 097061-01 HA3012 M12179 M12244-1 HA3011 HA3019 HA3004 M19630 098513-11
B150CAK
B150D/B150KD 098308-04 102482-01 HA3003 M17058 M12462-6 HA3012 M12179 M12244-1 HA3011 HA3019 M22456-3 Rotor M19630 098513-11
M8643-3 Blades
B150F/B150FT 097308-06 102482-01 HA3003 097293-01 097061-01 HA3012 M12179 M12244-1 HA3011 HA3019 HA3004 M51150-01 108088-05
B150G/B150GT
B150H 097308-06 104065-01 NA 097293-01 NA 102548-02 M12179 M12244-1 HA3011 M16656-24 HA3004 M51150-01 108088-05
B150J / B150JT 102001-30 104068-02 NA 102042-01 NA HA1000 M12179 M12244-1 HA3028 M16656-24 HA3004 M51150-01 108088-05
B150KD 097308-04 102482-01 HA3003 M17058 M12462-6 HA3012 M12179 M12244-1 HA3011 HA3019 M22456-3 Rotor M19630 098513-11
M8643-3 Blades
B150M 102762-02 100777-02 NA 097293-01 NA HA3012 M12179 M12244-1 HA3011 103698-01 HA3004 M51150-01 098513-68
B155T 102001-30 104068-02 NA 102042-01 NA HA1000 M12179 M12244-1 HA3028 M16656-24 HA3004 M51150-01 108088-05
B155BT 102001-30 104068-02 NA 102042-01 NA HA1000 M12179 M12244-1 HA3028 M16656-24 HA3004 M51150-01 108088-05
Desa Oil Quick Parts Ref.

—92—
Desa Oil Quick Parts Ref.
MASTER LOW PRESSURE OIL (CONT)
Model# Motor Transformer/ Safety/Flame Out Fan Relay Spark Plug / Electrode Intake Filter Output Filter Nozzle Photo Cell Rotor Kit Fuel Filter Fuel Tank
Ignition Control
B155DT 102001-30 104068-02 NA 097293-01 NA HA1000 M12179 M12244-1 HA3028 M16656-24 HA3004 M51150-01 Metal 108088-10
Plastic113279-03
B155DST 102001-33 101901-14 NA 102042-01 NA 117000-02 M12179 M12244-1 PP223 PP236 PP204 106896-01 113279-03
104068-08
B165 / B165T 102001-07 102482-01 HA3003 101897-01 097061-01 HA3012 M12179 M12244-1 HA3023 HA3019 HA3004 M51150-01 108088-05
B165AT / B165C(T) 102001-30 104068-02 NA 102042-01 NA HA1000 M12179 M12244-1 HA3029 M16656-24 HA3004 M51150-01 108088-05
B165DT 102001-30 104068-02 NA 102042-01 NA PP200 M12179 M12244-1 PP222 PP236 PP204 106896-01 108088-10
113279-03
M170T 102001-30 104068-02 NA 102042-1 NA HA1000 M12179 M12244-1 HA3029 M16656-21 HA3004 M51150-01 108088-12
M170AT 102001-30 104068-02 NA 102042-1 NA HA1000 M12179 M12244-1 HA3029 M16656-21 HA3005 M51150-01 108088-12
B200 102001-07 102482-01 HA3003 102042-01 097061-01 HA3012 M12179 M12244-1 100735-13 HA3019 HA3005 M51150-200 098513-86
B200T 102001-07 102482-01 HA3003 102042-01 097061-01 HA3012 M12179 M12244-1 100735-13 HA3019 HA3005 M51150-200 108088-06
B200AT 102001-27 104068-02 NA 102042-01 NA HA1000 M12179 M12244-1 100735-13 M16656-24 HA3005 M51150-200 108088-06
B200BT 102001-27 104068-02 NA 102042-01 NA HA1000 M12179 M12244-1 100735-13 M16656-24 HA3005 M51150-200 Metal108088-17
Plastic113279-04
M200T 102001-27 104068-02 NA 102042-01 NA HA1000 M12179 M12244-1 100735-13 M16656-21 HA3005 M51150-200 108088-12
M200AT 102001-27 104068-02 NA 102042-01 NA HA1000 M12179 M12244-1 100735-13 M16656-21 HA3005 106896-01 108088-12
M200VT 102001-27 104068-07 NA 102042-01 NA HA1000 M12179 M12244-1 100735-13 M16656-21 HA3005 M51150-200 108088-12
MASTER LOW PRESSURE OIL (TA SERIES)
Model# Motor Transformer/ Ignition Control Fan Relay Spark Plug / Electrode Intake Filter Output Filter Nozzle Photo Cell Rotor Kit Fuel Filter Fuel Tank
TA110 102001-30 NA 104068-02 097293-01 NA PP200 M12179 M12244-1 PP221 PP236 PP204 106896-01 108088-12
PP201
TA100 120326-02 122097-01 117766-01 122313-02 NA 117000-01 M12179 M12244-1 100735-35 PP236 PP204 118422-01 108088-01
TA103 120326-02 122097-01 117766-01 122313-02 NA 117000-01 M12179 M12244-1 100735-35 PP236 PP204 118422-01 108088-01
TA106 120326-02 122097-01 117766-01 122313-02 NA 117000-01 M12179 M12244-1 100735-35 PP236 PP204 118422-01 108088-01
TA111 120326-02 122097-01 117766-01 122313-02 NA 117000-01 M12179 M12244-1 100735-35 PP236 PP204 118422-01 108088-01
TA101 120326-01 122097-01 117766-01 122313-01 NA 117000-01 M12179 M12244-1 100735-36 PP236 PP205 118422-01 108088-18
TA104 120326-01 122097-01 117766-01 122313-01 NA 117000-01 M12179 M12244-1 100735-36 PP236 PP205 118422-01 108088-18
TA107 120326-01 122097-01 117766-01 122313-01 NA 117000-01 M12179 M12244-1 100735-36 PP236 PP205 118422-01 108088-18
TA112 120326-01 122097-01 117766-01 122313-01 NA 117000-01 M12179 M12244-1 100735-36 PP236 PP205 118422-01 108088-18
TA102 120326-01 122097-01 117766-02 122313-01 NA 117000-01 M12179 M12244-1 100735-37 PP236 PP205 118422-01 108088-01
TA105 120326-01 122097-01 117766-02 122313-01 NA 117000-01 M12179 M12244-1 100735-37 PP236 PP205 118422-01 108088-01
TA108 120326-01 122097-01 117766-02 122313-01 NA 117000-01 M12179 M12244-1 100735-37 PP236 PP205 118422-01 108088-01
TA113 120326-01 122097-01 117766-02 122313-01 NA 117000-01 M12179 M12244-1 100735-37 PP236 PP205 118422-01 108088-01

—93—
REMINGTON LOW PRESSURE OIL
Desa Oil Quick Parts Ref.
Model# Motor Transformer/ Safety/Flame Out Fan Relay Spark Plug / Electrode Intake Filter Output Filter Nozzle Photo Cell Rotor Kit Fuel Filter Fuel Tank
Ignition Control
REM35 / REM35A102001-28 102482-01 HA3003 M30884 NA HA3013 M29633 M29612-01 HA3003 HA3019 HA3004 M50876-04 108088-01
REM35B 102001-28 104068-02 NA M30884 NA HA1000 M29633 M29612-01 HA3006 M16656-24 HA3004 M50876-04 108088-01
REM35C 102001-28 104068-02 NA 103684-01 NA HA1000 M29633 M29612-01 HA3006 M16656-24 HA3004 M50876-04 108088-01
REM40 / REM40T102001-28 104068-02 NA 103684-01 NA HA1000 M29633 M29612-01 HA3006 M16656-24 HA3004 M50876-02 108088-01
REM50 / REM50A102001-28 102482-01 HA3003 M30884 NA HA3013 M29633 M29612-01 HA3007 HA3019 HA3004 M50876-02 098513-20
REM50B 102001-28 102482-01 HA3003 M30884 NA HA3013 M29633 M29612-01 HA3021 HA3019 HA3005 M50876-02 108088-02
REM50C 102001-28 104068-02 NA M30884 NA HA1000 M29633 M29612-01 HA3021 M16656-24 HA3005 M50876-02 108088-02
REM55 102001-28 102482-01 HA3003 M30884 NA HA3013 M29633 M29612-01 HA3021 HA3019 HA3005 M50876-05 108088-03
REM55-W 102001-28 102482-01 HA3003 M30884 NA HA3013 M29633 M29612-01 HA3021 HA3019 HA3005 M50876-05 108088-03
REM55A 102001-28 104068-02 NA M30884 NA HA1000 M29633 M29612-01 HA3021 M16656-24 HA3005 M50876-05 108088-03
REM55B 102001-28 104068-02 NA 103684-01 NA HA1000 M29633 M29612-01 HA3024 M16656-24 HA3005 M50876-05 108088-03
REM60/REM60T 102001-28 104068-02 NA 103684-01 NA HA1000 M29633 M29612-01 HA3024 M16656-24 HA3005 M50876-05 108088-03
REM100/REM100A 097308-06 102482-01 HA3003 M51153-01 097061-01 HA3012 M12179 M12244-1 HA3009 HA3019 HA3004 M51150-01 108088-04
REM110 097308-06 102482-01 HA3003 097293-01 097061-01 HA3012 M12179 M12244-1 HA3009 HA3019 HA3004 M51150-01 108088-04
REM110A 097308-06 104065-01 NA 097293-01 NA 102548-02 M12179 M12244-1 HA3009 M16656-24 HA3004 M51150-01 108088-04
Model# Motor Transformer/ Safety/Flame Out Fan Relay Spark Plug / Electrode Intake Filter Output Filter Nozzle Photo Cell Rotor Kit Fuel Filter Fuel Tank
Ignition Control
REM110B(T)/ 102001-30 104068-02 NA 097293-01 NA HA1000 M12179 M12244-1 HA3027 M16656-24 HA3004 M51150-01 108088-04
REM110C(T)
REM115(T)/ 102001-30 104068-02 NA 097293-01 NA HA1000 M12179 M12244-1 HA3027 M16656-24 HA3004 M51150-01 108088-04
REM115C(T)
REM150 097308-04 102482-01 HA3003 M17058 097061-01 HA3012 M12179 M12244-1 HA3011 HA3019 HA3004 M19630 098513-11
REM150A/ REM150B 097308-06 102482-01 HA3003 097293-01 097061-01 HA3012 M12179 M12244-1 HA3011 HA3019 HA3004 M51150-01 108088-05
REM150D 097308-06 104065-01 NA 097293-01 NA 102548-02 M12179 M12244-1 HA3011 M16656-24 HA3004 M51150-01 108088-05
REM150E 102001-30 104068-02 NA 102042-01 NA HA1000 M12179 M12244-1 HA3028 M16656-24 HA3004 M51150-01 108088-05
REM155 097308-06 102482-01 HA3003 097293-01 097061-01 HA3012 M12179 M12244-1 HA3011 HA3019 HA3004 M51150-01 108088-05
REM155A 097308-06 104065-01 NA 097293-01 NA 102548-02 M12179 M12244-1 HA3011 M16656-24 HA3004 M51150-01 108088-05
REM155B 102001-30 104068-02 NA 102042-01 NA HA1000 M12179 M12244-1 HA3028 M16656-24 HA3004 M51150-01 108088-05
REM155C(T) 102001-30 104068-02 NA 097293-01 NA HA1000 M12179 M12244-1 HA3028 M16656-24 HA3004 M51150-01 108088-05
REM165 102001-07 102482-01 HA3003 101897-01 097061-01 HA3012 M12179 M12244-1 HA3023 HA3019 HA3004 M51150-01 108088-05
REM165C(T) 102001-30 104068-02 NA 102042-01 NA HA1000 M12179 M12244-1 HA3028 M16656-24 HA3004 M51150-01 108088-05
REM200(T) 102001-07 102482-01 HA3003 102042-01 097061-1 HA3012 M12179 M12244-1 100735-13 HA3019 HA3005 M51150-200 098513-86
REM200AT 102001-30 104068-02 NA 102042-01 NA HA1000 M12179 M12244-1 100735-13 M16656-24 HA3005 M51150-200 108088-06

Desa Oil Quick Parts Ref.
QUEEN BEE LOW PRESSURE
—94—
DESA LOW PRESSURE
KOEHRING LOW PRESSURE
**154009 is closest fit
Model# Motor Transformer/ Safety/Flame Out Fan Relay Spark Plug / Electrode Intake Filter Output Filter Nozzle Photo Cell Rotor Kit Fuel Filter Fuel Tank
Ignition Control
C35 / C35B 102001-28 102482-01 HA3003 M30884 NA HA3013 M29633 M29612-01 HA3006 HA3019 HA3004 M50876-04 108088-01
C35A 102001-28 102482-01 HA3003 M30884 NA HA3013 M29633 M29612-01 HA3006 HA3019 HA3004 M50876-02 108088-01
C50D / C50E 102001-28 102482-01 HA3003 M30884 NA HA0313 M29633 M29612-01 HA3007 HA3019 HA3004 M50876-02 098513-20
C50F 102001-28 102482-01 HA3003 M30884 NA HA0313 M29633 M29612-01 HA3007 HA3019 HA3004 M50876-02 108088-02
C100D 097308-06 102482-01 097528-01 M51153-01 097061-01 HA3012 M12179 M12244-1 HA3009 HA3019 HA3004 M51150-01 108088-04
C100E / C100F 097308-06 102482-01 HA3003 M51153-01 097061-01 HA3012 M12179 M12244-1 HA3009 HA3019 HA3004 M51150-01 108088-04
C150D / C150E 097308-04 102482-01 HA3003 M17058 097061-01 HA3012 M12179 M12244-1 HA3011 HA3019 HA3004 M19630 098513-11
C150F 097308-06 102482-01 HA3003 097293-01 097061-01 HA3012 M12179 M12244-1 HA3011 HA3019 HA3004 M51150-01 108088-05
Model# Motor Transformer/ Safety/Flame Out Fan Relay Spark Plug / Electrode Intake Filter Output Filter Nozzle Photo Cell Rotor Kit Fuel Filter Fuel Tank
Ignition Control
K30 102762-01 102482-01 HA3003 M29678 NA HA3013 M29633 M29612-01 M29681 HA3019 HA3004 M50876-01 098513-41
K50 / K50A 102762-01 102482-01 HA3003 M30884 NA HA3013 M29633 M29612-01 M29681 HA3019 HA3004 M50876-01 098513-42
KV60 102001-14 102482-01 HA3003 M28730 107850-01 HA3012 M29633 M29612-01 M26316 HA3019 HA3004 M19630 M27553-04BA
K100 M31316 102482-01 HA3003 M23147 Call HA3012 M12179 M12244-1 HA3009 HA3019 HA3004 M19630 098513-04
K100A 097308-06 102482-01 097528-01 M51153-01 097061-1 HA3012 M12179 M12244-1 HA3009 HA3019 HA3004 M51150-01 108088-04
KV125 097308-04 102482-01 HA3003 M27982 Call HA3012 M12179 M12244-1 HA3009 HA3019 M22456-3 Rotor 079725-03 098513-11
M8643-3 Blades
K150 097308-04 102482-01 HA3003 M17058 M12462-6 HA3012 M12179 M12244-1 HA3011 HA3019 M22456-3 Rotor M19630 098513-11
M8643-3 Blades
Model# Motor Transformer/ Safety/Flame Out Fan Relay Spark Plug / Electrode Intake Filter Output Filter Nozzle Photo Cell Rotor Kit Fuel Filter Fuel Tank
Ignition Control
SB50 / SB50D M31316 154009** HA3003 M12431-2 M12462-5 HA3012 M12179 M12244-1 HA3011 HA3019 HA3004 M20371-1 M17016-2
SB66 / SB66D 102001-14 102482-01 HA3003 M25727 107850-01 HA3012 M1217+9 M12244-1 M26313 HA3019 HA3004 M19630 M26224-1B
HB85 / HB85B M31316 102482-01 HA3003 M14529 M12462-9 HA3012 M12179 M12244-1 100735-05 HA3019 HA3004 M19630 098513-04
HB100 / HB100D M31316 102482-01 HA3003 M23147 M12462-9 HA3012 M12179 M12244-1 M18048 HA3019 HA3004 M19630 098513-04
BB150 / BB150D 097308-04 102482-01 HA3003 M17058 097061-01 HA3012 M12179 M12244-1 HA3011 HA3019 M22456-3 Rotor M19630 NLA
M8643-3 Blades

—95—
Desa Oil Quick Parts Ref.
KNIPCO HIGH PRESSURE
DART HIGH PRESSURE
Model# Motor Transformer Safety/Flame Out Fan Relay Spark Plug/Electrode Fuel Filter Fuel Pump Nozzle Photo Cell Solenoid Switch: Fan/Limit
F105 M9809-2 M27827-3 M3371 M3979 NA M3981 (Qty 2) M51102-01 M18972 M3295 NA M50077 NA
F125 M9809-2 M27827-3 M4896 M3243 NA M3981 (Qty 2) M51102-01 M18972 M3107 NA M50077 NA
F125C
F150 M9809-2 M27827-3 M5654 M3243 NA M3981 (Qty 2) M51102-01 M18972 M3107 NA M50077 NA
F150C
F155 M9809-2 M27827-3 M5654 M9928 NA M3981 (Qty 2) M51102-01 M18972 M3107 NA M50077 NA
F155C
FV200 M18398 M22827-3 M11231 M11230-1 NA M3981 (Qty 2) M51102-01 M18972 M3107 NA M50077 NA
F220 M18398 M27827-3 M50230 M18878 M20302 M3981 (Qty 2) M51102-01 M18972 M18876 NA M50077 NA
F250 M18398 M27827-3 M5654 M6303 NA M3981 (Qty 2) M51102-01 M18972 M22626 NA M50077 NA
F350 099562-01 102482-04 M50230 M50121 NA HA3012 M51102-01 098560-01 M50112 HA3019 M50077 M51336-02
Model# Motor Transformer Safety/Flame Out Fan Relay Spark Plug/Electrode Fuel Filter Fuel Pump Nozzle Photo Cell Solenoid Switch: Fan/Limit
DVB250C M23357-1 M27827-3 M50230 M27555 M20302 M3981 (Qty 2) M51102-01 M18972 M27828 097059-01 M50077 NA
DB300 M23357-1 M27827-3 M50230 M27555 M21686 M3981 (Qty 2) M51102-01 M18972 M27828 097059-01 M50077 NA
DB500A M16006 M27827-3 M50230 M14968 M20302 M3981 (Qty 2) M51102-01 M18972 M124969 097059-01 M50077 NA
DB600 M16006 M27827-3 M50230 M14968 M20302 M3981 (Qty 2) M51102-01 M18972 M30765 097059-01 M50077 M51336-02
Model# Motor Transformer Safety/Flame Out Fan Relay Spark Plug/Electrode Fuel Filter Fuel Pump Nozzle Photo Cell Solenoid Switch: Fan/Limit
KV250 M23357-1 M27827-3 M50230 M23377 M20302 M3981 (Qty 2) M51102-01 M18972 M25119 097059-01 M50077 NA
K350 099562-01 102482-04 M50230 M50121 NA HA3012 M51102-01 098560-01 M50112 HA3019 M50077 M51336-02
K350A
K600 099562-02 102482-04 M50230 M50194 NA HA3012 M51102-01 098560-01 M30765 HA3019 M50077 M51336-02
KOEHRING HIGH PRESSURE

—96—
MASTER HIGH PRESSURE
Desa Oil Quick Parts Ref.
Model# Motor Transformer Safety/Flame Out Fan Relay Spark Plug/Electrode Fuel Filter Fuel Pump Nozzle Photo Cell Solenoid Switch: Fan/Limit
B100 / B100C M3294 M27827-3 M3374 M3243 M3480 M3268 (Left) M51102-01 M3295 M3292 NA M3338 NA
B100F M3269 (Right)
B125 / B125C M3909 M27827-3 M5839 M3243 NA M3981 (Qty 2) M51102-01 M18972 M3107 M5654 M50077 NA
B150 / B150C M9809-2 M27827-3 M4896 M3243 NA M3981 (Qty 2) M51102-01 M18972 M9108 M5654 M50077 M5895
B155 / B155A M9809-2 M27827-3 M11309 M9928 M3480 M3981 (Qty 2) M3301-1 M18972 M9108 NA M3296 NA
B155C M9808 M27827-3 M5653 M9928 M3480 M3981 (Qty 2) M3301-1 M18972 M9108 M5654 M50077 NA
BV200 M18398 M27827-3 M13675 M11230-1 NA M3981 (Qty 2) M51102-01 M18972 M3107 M23802-2 M50077 NA
B220 M18894-2 M27827-3 M50230 M18878 M20302 M3981 (Qty 2) M3301-1 M18972 M18876 NA M50077 NA
B220S M18894-2 M27827-3 M50230 M18878 M20302 M3981 (Qty 2) M51102-01 M18972 M18876 NA M50077 NA
BV250 M23357-1 M27827-3 M12657 M23377 M20302 M3981 (Qty 2) M51102-01 Call M27828 097059-01 M50077 NA
BV250AS M23357-1 M27827-3 M50230 M23377 M20302 M3981 (Qty 2) M51102-01 M18972 M25119 M29935 M50077 NA
B300 M23357-3 M27827-3 M50230 M23377 M20302 M3981 (Qty 2) M51102-01 M18972 M25119 M29935 M50077 NA
B300C
B300D M23357-1 M27827-3 M50230 M27555 M20302 M3981 (Qty 2) M51102-01 M18972 M22626 097059-01 M50077 NA
B320 M6301 M27827-3 NA M6303 NA M3981 (Qty 2) M51102-01 M18972 M22626 NA M50077 NA
B325A M18894-6 M27827-3 M50230 M19458 M20302 M3981 (Qty 2) M51102-01 M18972 M22626 M29935 M50077 NA
B325AS
B350 099562-01 102482-04 M50230 M50121 NA HA3012 M51102-01 098560-01 M50112 HA3019 M50077 M51336-02
B350A
B350B 099562-01 102482-04 HA3003 M50121 097491-01 HA3012 M51102-01 098560-01 M50112 HA3019 M50077 M51336-02
B350D 099562-01 102482-04 HA3003 M50121 097491-01 HA3012 098102-01 098560-01 M50112 HA3019 M50077 M51336-02
SB350D 099562-01 102482-04 HA3003 M50121 097491-01 HA3012 110381-01 098560-02 M50112 M16656-17 M50077 M51336-02
BV400A M16006 M27827-3 M50230 M16050 M20302 M3981 (Qty 2) M51102-01 M18972 M18303 M29935 M50077 NA
BV400AS
B500 M16006 M27827-3 M50230 M14968 M20302 M3981 (Qty 2) 098102-01 M18972 M14969 M29935 M50077 NA
B500A
B600 099562-02 102482-04 M50230 M50194 NA M10962-2 M51102-01 098560-01 M30765 HA3019 M50077 M51336-02
B600A
B600B 099562-02 102482-04 HA3003 M50194 097491-01 M10962-2 M51102-01 098560-01 M30765 HA3019 M50077 M51336-02
B600D 099562-02 102482-04 HA3003 M50194 097491-01 M10962-2 098102-01 098560-01 M30765 HA3019 M50077 M51336-02
SB600D 099562-02 102482-04 HA3003 M50194 097491-01 M10962-2 110381-01 098560-02 M30765 104679-01 M50077 M51336-02

—97— Phone: 800-362-6951 • Fax: 800-255-7985
www.phpdistribution.com
PHP IS LOOKING FOR SALES REPS
PHP is currently seeking
sales representation in the
states identified in blue.
Please, contact John Leurck
at 1-800-362-6951 or
jleurck@phpdistribution.com
to see if you qualify.
NEED PHP CREDIT
NEED PHP CREDIT
In order to serve your need to obtain credit for your PHP
purchases, you are, now, able to visit www.phpdistribution.com
and complete a PHP Credit Application online.
It’s fast, easy and safe!!
No computer or internet access? Contact a PHP customer service
representative to receive a credit application via facsimile. Otherwise,
we would be happy to mail you a PHP Credit Application.
?
?
NO COMPUTER
NO COMPUTER
?
?

Scheu Oil Fired
—98— Phone: 800-362-6951 • Fax: 800-255-7985
www.phpdistribution.com
National Riverside made some heaters to fire using a spark plug
and others to fire using an electrode. It is important to verify that
you have a new style or an old style heater prior to making any
kind of service repairs or parts replacement. New style heaters have
an octagon cover and old style heaters have a round cover.
Always remember to match the model number of your heater with
the model number of the individual breakdowns in this section.
The breakdowns in this manual refer to the model specifically
listed on each individual page. Use a breakdown only if you have the exact model match for
your particular heater. You can use the Quick Parts Reference Parts Guide located in the back of this
section as an easy way to locate parts. If your model number does not appear in the breakdowns,
please refer to the Quick Parts Reference Parts Guide for common replacement parts.
If you need technical assistance, feel free to call PHP at 1-800-362-6951. Whenever possible, please
have your model number and the nature of your problem before you place a call for technical
service. You may also email your technical service questions to us at
techservice@phpdistribution.com.
Scheu Oil Fired Heaters
National Riverside
Name Brands Include:
All-Pro
Scheu Products
Universal
BTU Size and Description Ignition Type Reset Button Page No.
50,000 - 150,000 New Style (Octagon cover) Solid State Yes 99
100,000 - 150,000 Old Style (Round cover) Solid State Yes 100
75,000 - 175,000 Solid State Yes 101
Quick Parts Reference 102
HEATER INDEX

—99—
Key 50K BTU 100K BTU 150K BTU
No. Part No. Part No. Part No. Description
1 1036NR 1036NR 1036NR Power Cord Assembly
2 1676NR 1400NR 1400NR Fuel Tank Assembly
3 1679NR 1773NR 1783NR Radiation Shield Assy.
4 1688NR 1779NR 1782NR Control Box Assembly
5 1682NR 1407NR 1407NR Power Pac Assembly
6 1686NR 3429NR 3429NR Fuel Tube
7 1685NR 1771NR 1768NR Grille Assembly
8 ------- 1408NR 1408NR Fuel Filter Assembly
9 4011NR 4011NR 4011NR Oil Cad Cell Bracket
11 1756NR 1777NR 3795NR Bottom Shell
12 3715NR 3822NR 3810NR Top Shell
13 3704NR 3500NR 3417NR Motor Mounting Brkt.
14 3705NR 3818NR 3705NR Ignition Mounting Brkt.
15 ------ 3427NR 3427NR Access Panel
16 ------ 6864NR 6864NR Start Relay
17 3725NR 3430NR 3421NR Air Tube
18 6225NR 6225NR 6225NR Snap Bushing
19 1796NR 1797NR 1798NR High Limit Control Assy.
27 3761NR 3761NR 3761NR Nozzle Mounting Plate
36 6856NR 6856NR 6856NR Hose Barb Fitting
37 0854NR 0854NR 0854NR Oil Flame Cntrl Assy.
38 6865NR 6865NR 6865NR Cad Cell Flame Snsr.
39 ------ 1775NR 1719NR Comb.Cmbr.Cyl. Assy.
Key 50K BTU 100K BTU 150K BTU
No. Part No. Part No. Part No. Description
40 3843NR 3843NR 3843NR Electrode Mtg. Brkt.
41 6993NR 6993NR 6993NR Oil Fuel Cap
42 ------ 3423NR 3423NR Start Relay Brkt.
44 7417NR 7417NR 7417NR Nozzle Adapter
45 7421NR 6885NR 6866NR Fan
46 ------ 6227NR 6227NR Snap Bushing
47 2138NR 2138NR 2138NR Ignitor Assembly
48 7416NR 7538NR 7537NR Fuel Air Aspir. Nozzle
49 6223NR 6223NR 6223NR Strain Relief Bushing
50 1803NR 1803NR 1803NR Electrode Assembly
51 7429NR 7429NR 7429NR Extrnl. Retaining Ring
53 3487NR 3487NR 3487NR Fuel Cap Gasket
* 3707NR ------ ------ Left Side Panel
* 7094NR ------ ------ Clip Handle Mtg.
* 7095NR ------ ------ Handle, 3 piece
* 1942NR 1942NR Knob Assembly
* 2098NR 2098NR Thermostat Panel Assy.
* 3441NR 3441NR Bracket Thermostat Mtg.
* 1734NR 1734NR Thermostat Assembly
* 6070NR 6070NR Clamp Loop
PARTS AVAILABLE - NOT SHOWN
APOS Tune-up Kit
HA1180 0-15 P.S.I. Air Gauge
7399NR Motor for SPCK50FA
6862 Fuel Grommet
Motor & Pump
Assembly
Breakdown can
be found on
page 100.
New Style with Octagon
Cover & Electrode
K100/K150
Wiring Diagram
K50
Wiring
Diagram
Model Numbers
Universal All Pro
K50FA/T SPCK50
K100FA/T SPCK100
K150FA/T SPCK150
50-150,000 BTU Scheu Oil Fired Heater
electrode
Scheu Oil 50-150,000 BTU
Phone: 800-362-6951 • Fax: 800-255-7985
www.phpdistribution.com
Pump Pressure Settings
BTU PSI
50 3.6
100 4.25
150 5.25

—100— Phone: 800-362-6951 • Fax: 800-255-7985
www.phpdistribution.com
Burner Assembly
Motor & Pump Assembly
K100FA K150FA
Key No. Part No. Part No. Description
1 1400NR 1400NR Fuel Tank
2 1411NR 1403NR Control Box
3 3427NR 3427NR Panel Access
4 1036NR 1036NR Power Cord
5 6863NR 6863NR Flame Control Assy
6 6993NR 6993NR Fuel Cap
7 6861NR 6861NR Fuel Filter
8 6862NR 6862NR Bushing, Filter
9 3419NR 3419NR Hose Suction
10 3575NR 3574NR Housing Bottom
11 6871NR 6871NR Nut, U-Type (qty. 6)
12 3429NR 3429NR Fuel Tube
13 3430NR 3421NR Air Tube
14 1412NR 1405NR Comb. Chamber Assy
14-1 1537NR 1536NR Shield Radiation Assy
15 Burner Assy
15-1 6883NR 6853NR Casting
15-2 6855NR 6855NR Spark Plug
15-3 6884NR 6854NR Nozzle
15-4 6856NR 6856NR Fitting, Hose Barb (qty. 2)
16 6865NR 6865NR Flame Sensor
17 3414NR 3506NR Bracket, Cad Cell
18 6885NR 6866NR Fan Blade
19 1407NR 1407NR Power Pac Assy.
19-1 154341 154341 Motor
19-2 6834NR 6834NR Insert, Nylon
19-3 6831NR 6831NR Rotor
19-4 6835NR 6835NR Vanes
19-5 6833NR 6833NR Cylinder, Air Pump
19-6 6906NR 6906NR Screw, Machine (qty. 2)
19-7 6832NR 6832NR Plate, Backing
19-8 6847NR 6847NR Fitting, Hose Adapt.
19-9 6848NR 6848NR O-Ring
19-10 6836NR 6836NR Housing, Lower
19-11 6908NR 6908NR Screw, Machine (qty. 6)
19-12 6844NR 6844NR Inlet Filter
19-13 6843NR 6843NR Outlet Filter
K100FA K150FA
Key No. Part No. Part No. Description
19-14 6839NR 6839NR Gasket
19-15 6837NR 6837NR Housing, Upper
19-16 6850NR 6850NR Relief Ball
19-17 6851NR 6851NR Spring
19-18 6842NR 6842NR Adjusting Screw
19-19 6849NR 6849NR Plug
19-20 6838NR 6838NR Screw (qty. 5)
20 3437NR 3417NR Bracket, Motor
21 6225NR 6225NR Bushing, Snap (qty. 4)
22 6447NR 6447NR Screw, Tapping (qty. 6)
23 6864NR 6864NR Relay, Start
24 6048NR 6048NR Lock Nut
26 6014NR 6014NR Screw, Tapping
27 6015NR 6015NR Screw, Tapping
28 154009 154009 Transformer
3818NR 3818NR Mounting Plate
29 3495NR 3495NR Housing Top
30 6223NR 6223NR Bushing, Strain Relief
31 7097NR 7096NR Grille
32 6021NR 6021NR Screw (qty. 3)
33 6037NR 6037NR Nut (qty. 3)
34 NLA NLA Screw
PARTS AVAILABLE - NOT SHOWN
HA1180 0-15 P.S.I. Air Gauge
Model Numbers
Universal
K100FA
K150FA
100-150,000 BTU Scheu Oil Fired Heater
Old Style
Round Cover
Spark Plug
Scheu Oil 100-150,000 BTU
Pump Pressure Settings
BTU PSI
100 4.25
150 5.25

—101—
Model Numbers
Universal All-Pro
K75 SPCK75
K125 SPCK125
K175 SPCK175
K75 K125 K175
Key No. Part Part Part Description
1 1036NR 1036NR 1036NR Power Cord
2 2213NR 2214NR 2214NR Fuel Tank Assembly
3 2215NR 2216NR 1783NR Radiation Shield Ass'y
4 2217NR 2218NR 2219NR Control Box Ass'y
5 2258NR 2259NR 2259NR Power Pac Ass'y
6 1686NR 4346NR 4346NR Fuel Tube
7 8734NR 1771NR 1768NR Grille Assembly
8 8779NR 8780NR 8780NR Fuel Filter Assy
9 4011NR 4011NR 4011NR Oil Cad Cell Bracket
10 3449NR 3449NR 3449NR Motor Cord Sleeve
11 2223NR 1777NR 3795NR Bottom Shell (Universal)
11-1 2224NR 1805NR 3846NR Bottom Shell (All-Pro)
12 2225NR 3822NR 3810NR Top Shell (Universal)
12-1 2226NR 3845NR 3847NR Top Shell (All-Pro)
13 4332NR 4333NR 4334NR Motor Mounting Bracket
14 3705NR 3818NR 3705NR Ignition Mounting Brkt
16 8735NR 8735NR 8735NR Start Capacitor
17 3725NR 4345NR 4345NR Air Tube
18 6225NR 6225NR 6225NR Snap Bushing
19 1796NR 1797NR 1798NR High Limit Control
20 6831 6831 6831 Rotor Kit (includes #6834,6835)
21 6832NR 6832NR 6832NR Backing Plate
22 6833NR 6833NR 6833NR Air Pump Cylinder
23 6834 6834 6834 Nylon Air Pump Insert
24 6835 6835 6835 Air Pump Vane (4 ea.)
25 6836NR 6836NR 6836NR Lower Housing
26 6837NR 6837NR 6837NR Upper Housing
27 2257NR 2257NR 2257NR Burner
28 6839NR 6839NR 6839NR Gasket
29 6842NR 6842NR 6842NR Adjusting Screw
30 6843NR 6843NR 6843NR Outlet Filter
31 6844NR 6844NR 6844NR Inlet Filter
32 6848NR 6848NR 6848NR O Ring
33 6849NR 6849NR 6849NR Nylon Pipe Plug
34 6850NR 6850NR 6850NR Relief Ball, 1/4" Dia.
35 6851NR 6851NR 6851NR Spring, 24 O.D. x .58
37 0854NR 0854NR 0854NR Oil Flame Control Assembly
38 6865NR 6865NR 6865NR Cad Cell Flame Sensor
39 2232NR 2233NR 2234NR Comb. Chamber Cyl. Ass'y
41 6993C 6993C 6993C Oil Fuel Cap
43 8737NR 8738NR 8738NR Motor, 1/4 HP
44 7790NR 8739NR 8739NR Nozzle Adapter
45 8740NR 6885NR 6866NR Fan
46 ------ 6227NR 6227NR Snap Bushing
47 2138NR 2138NR 2138NR Ignitor Assembly
48 8715NR 8714NR 8710NR Fuel Air Aspir. Nozzle
K75 K125 K175
Key No. Part Part Part Description
49 6223NR 6223NR 6223NR Strain Relief Bushing
50 1803NR 2235NR 2235NR Electrode Assembly
51 7429NR 7429NR 7429NR Extrnl. Retaining Ring
53 3487NR 3487NR 3487NR Fuel Cap Gasket
54 8744NR 8744NR 8744NR Hose Barb Adapter
* 8745NR 6862NR 6862NR Fuel Filter Bushing
64 6838NR 6838NR 6838NR Screw, Tapping #9 x 1-1/4"
65 6908NR 6908NR 6908NR Screw, Machine #10 x 1-1/4"
66 6906NR 6906NR 6906NR Screw, Machine #10 x 1/2"
67 1942NR 1942NR 1942NR Thermostat Knob
* 3441NR 3441NR 3441NR Bracket Thermostat Mtg.
68 1734NR 1734NR 1734NR Thermostat Assembly
* 6070NR 6070NR 6070NR Clamp Loop
69 8785NR 8785NR 8785NR ON/OFF Switch
70 8782NR 8781NR 8781NR Pressure Gauge
71 8778NR 8778NR 8778NR Fuel Gauge
72 4341NR 4342NR 4342NR Access Panel
73 ------- 8783NR 8783NR Hose Barb Adaptor
75-175,000 BTU Scheu Oil Fired Heater
Scheu Oil 75-175,000 BTU
Phone: 800-362-6951 • Fax: 800-255-7985
www.phpdistribution.com
Pump Pressure Settings
BTU PSI
75 3.9
125 5.0
175 5.75

Scheu Oil Quick Parts Ref.
—102— Phone: 800-362-6951 • Fax: 800-255-7985
www.phpdistribution.com
Scheu Quick Parts Reference Low Pressure Oil
Scheu Quick Parts Reference High Pressure Oil
Model# Motor Power Pack Transformer Fan Blade Relay/Capacitor Spark Plug/Electrode Nozzle High Limit Thermostat Other
K50FA 7399NR 1682NR 2138NR & 7421NR NA 1803NR Electrode 7416NR 1796NR NA 7417NR Nozzle Adapter
(1994 ON) 3705NR Mtg Plate 1685NR Grill Assy
1676NR Fuel Tank
SPCK75 8737NR 2058NR 2138NR 8740NR 8735NR Capacitor 2235NR Electrode 8741NR 1796NR 1734NR 8778NR Fuel Gage
K75 8782NR Pressure Gage
(2003) 8785NR On/Off Switch
K100FA 6841NR 1407NR 2138NR & 6885NR 6882NR Relay 6855NR Plug 6884NR NA NA Round Shell Model
(Pre 1994) 3818NR Mtg Plate 7417NR Nozzle Adapter
6869NR Wheel (Qty 2)
SPCK100FAS 6841NR 1407NR 2138NR 6885NR 6882NR Relay 1803NR Electrode 7538NR 1797NR NA Octagon Shell
(Post 1994) 6869NR Wheel (Qty 2)
7417NR Nozzle Adapter
SPCK100FAT 6841NR 1407NR 2138NR 6885NR 6882NR Relay 1803NR Electrode 7538NR 1797NR 1734NR 1400NR Fuel Tank
1942NR Thermostat Knob
6869NR Wheel (Qty 2)
SPCK125 8738NR 2059NR 2138NR 6865NR 8735NR Capacitor 2235NR Electrode 8742NR 1797NR 1734NR 8785NR On/Off Switch
K125 8781NR Pressure Gage
(2003) 8778NR Fuel Gage
K150FA 6841NR 1407NR 2138NR & 6866NR 6868NR Relay 6855NR Plug 6854NR NA NA 6869NR Wheel (Qty 2)
(Pre 1994) 3705NR Mtg Plate 1696NR Grill Assy
1412NR Combustion Chamber
SPCK150FAS 6841NR 1407NR 2138NR 6866NR 6868NR Relay 1803NR Electrode 7537NR 1798NR NA 7417NR Nozzle Adapter
(Post 1994) 6869NR Wheel (Qty 2)
1768NR Grill Assy
SPCK150FAT 6841NR 1407NR 2138NR 6866NR 6868NR Relay 1803NR Electrode 7537NR 1798NR 1734NR 1942NR Thermostat Knob
7417NR Nozzle Adapter
6869NR Wheel (Qty 2)
SPCK175 8738NR 2059NR 2138NR 6866NR 8735NR Capacitor 2235NR Electrode 8743NR 1798NR 1734NR 8785NR On/Off Switch
K175FAT 8781NR Pressure Gage
(2003) 8778NR Fuel Gage
All Of The Above Scheu Kerosene Heaters Have These Popular Parts In Common:
6863NR Safety Control, 6865NR Photo Cell, 6831NR Rotor, 6835NR Blades (Set of 4),
6844 Intake Filter, 6843 Output Filter, 6839 Pump Gasket, and 6861 Fuel Filter
Model# Motor Transformer Safety/Flame Control Fan Relay Electrode Nozzle Pump Fuel Filter Other
K150FAI 8428NR 8444NR 8440NR 8424NR 8446NR 8436NR 8437NR 8432NR 8449NR 8439NR Flame Sensor
8426NR Capacitor, 8441NR Switch,
8477NR Aftercooling Thermostat
8452NR Fuse, 8430NR Coupling
K275FAI 8429NR 8444NR 8440NR 8425NR 8446NR 8436NR 8438NR 8433NR 8449NR 8439NR Flame Sensor
8427NR Capacitor, 8442NR Switch,
8477NR Aftercooling Thermostat
8448NR Fuse, 8431NR Coupling
K350FAT 7939NR 2052NR 6863NR 7954NR 7944NR 7788NR 7950NR 7941NR 7942NR 6865NR Photocell
2061NR Solenoid Valve
7949NR Fan Switch
7951NR Wheel (Qty 2)
K650FAT 7939NR 2052NR 6863NR 7940NR 7944NR 7788NR 7945NR 7941NR 7942NR 6865NR Photocell
2061NR Solenoid Valve
7494NR Fan Switch
2258NR
2259NR
2259NR

Always remember to match the model number of your heater with
the model number of the individual breakdowns in this section.
The breakdowns in this manual refer to the model specifically listed
on each individual page. Use a breakdown only if you have the
exact model match for your particular heater.
If you need technical assistance, feel free to call PHP at
1-800-362-6951or e-mail us at techservice@phpdistribution.com.
Whenever possible, please have your model number and the nature
of your problem before you place a call for technical service.
Toro Name Brands Include:
—103—
BTU Size and Description Fuel Type Page Number
40,000 Made prior to 1992 Kerosene 104
40,000 Made in 1992-1993 Kerosene 104
55,000 Made in 1992-1993 Kerosene 104
55,000 Made prior to 1992 Kerosene 106
60,000 Old Style IEF Series Model #I60EF Kerosene 105
97,000 Old Style IEF Series Model #I101EF Kerosene 105
100,000 Model Kerosene 106
120,000 Air Scoop Transformer Flips to left Kerosene 112
150,000 Old Style IEF Series Model #I151EF Kerosene 105
150,000 Model Kerosene 106
155,000 Air Scoop Transformer flips to the Left Kerosene 112
155,000 Air Scoop Transformer flips to the Rear Kerosene 114
230,000 Air Scoop Transformer flips to the Left Kerosene 112
230,000 Air Scoop Transformer flips to the Rear Kerosene 114
Motor/Compressor Assembly 108-109
Toro Replacement Parts 18
Toro Service Information 16
Toro Troubleshooting 17
Ace
Agway
Allis
Chalmers
Arctic Heat
Central
Tractor
Century
Champion
Farm Heat
Five Points
Ford
Gilson
Green Line
Guardian
Huskee
Jim Dandy
Lawn Boy
Little Champ
Montgomery
Ward
Mr. Heat
Porta Heat
Red Line
Stone
Toro
Wheatbelt
HEATER INDEX
Toro Portable Heaters
Toro Portable Heaters
Phone: 800-362-6951 • Fax: 800-255-7985
www.phpdistribution.com

—104—
Key Part
No. No. Description
1 148538 Handle
2 147000 Screw
3 148585 Jacket, Upper
4 148552 Deflector, Rear Head
5 148684 Cad Cell bracket
6 154874 Cad Cell Assy
7 148539 Nut
8 73-7100 Transformer - NLA
9 147158 Nut
10 147635 Spark Plug Nut
11 148545 Bracket, Nozzle Plug
12 148544 Spark Plug (RN13LYC5)
13 154930 Ground Wire Assy
14 154900 Fan Assembly (40,000 BTU)
154929 Fan Assembly (55,000 BTU)
15 154879 Compressor & Motor Assy
16 148537 Grille
17 154027 Nozzle Assembly (40,000 BTU)
154881 Nozzle Assembly (55,000 BTU)
18 148530 Nozzle Adapter Kit
19 148648 Hose, Fuel Line
20 148647 Fuel Filter
21 148546 Grommet
22 148645 Pickup Tube (40,000 BTU)
148646 Pickup Tube (55,000 BTU)
23 148649 Hose-Air Line
24 154878 Power Cord Assembly
25 147053 Strain Relief
26 154021 Fuel Cap (includes 148317 fuel gasket)
27 154867 Fuel Tank Assy (40,000 BTU)
154868 Fuel Tank Assy (55,000 BTU)
Key Part
No. No. Description
28 148650 Front Guard
29 148586 Lower Jacket
30 702365 Rivet
31 154884 Combustion chamber & heat shield Assy
32 148547 Screw
33 148540 Handle Support
34 154348 P.C. Board w/Breaker Assy
35 148531 Motor Mount
36 147004 Nut
37 154877 Wire Assembly
38 147082 O-Ring
39 154685 Strainer-Fuel (Optional)
40 147083 Rivet
MOTOR & COMPRESSOR ASSEMBLY
15-1 154876 Motor 1/15 H.P., 115V 60Hz
15-2 154797 Backing Plate
15-3 73-6420 Rotor 5/8”
15-4 147003 Body Ring 5/8”
15-5 73-6430 Insert (Black)
15-6 154616 Vane 5/8” (Set of 4)
15-7 73-6440 O-Ring
15-8 147009 Plug 1/4 NPT
15-9 147010 Adjusting Screw
15-10 148420 Filter Housing-Bottom
15-11 148419 Filter Housing-Top
15-12 148442 Input Filter
15-13 154822 Output Filter Kit
15-15 147022 Relief Ball
15-16 147021 Relief Spring
15-18 148233 Screw (qty. 4)
15-19 148394 Screw
40-55,000 BTU Forced Air Toro Heaters (1992-1993)
Motor &
Compressor
Assembly
Model Number
Toro
53400
53401
53412
Toro Oil 40-55,000 BTU
Phone: 800-362-6951 • Fax: 800-255-7985
www.phpdistribution.com
Pump Pressure Settings
BTU PSI
40 3.0
55 4.1

—105— Phone: 800-362-6951 • Fax: 800-255-7985
www.phpdistribution.com
Heater Size 60,000 btu 97,000 btu 150,000 btu
Ref Possible Model I-60EF I-101EF I-151EF
No. Description Part No. Part No. Part No.
A Tank Assembly 154371 154372 154372
B Jacket Bottom Ay 220567 154437 220569
C Jacket Top 147752 147756 147754
D Handle 147775 147123 147123
E Front Support 147735 147761 147761
F Axle 147776 147122 147122
G Wheel 154902 154902 154902
H Push Nut 147157 147157 147157
J Spacer 147688 147688 147688
K Combustion Chamber 154022 73-8620 154055
L Com. Cham. Shield N/A N/A 154382
M Nozzle 147862 147863 147840
N Nozzle Adapter 147798 147798 147798
O Nozzle Seal 154603 154603 154603
P Nozzle Seal Spring 147692 147692 147692
Q Fuel Lift Tube Ay. 154512 154364 154364
R Motor & Comp Ay. See page 108
S Motor Mount 154511 154511 222126
T Fan 154023 154032 154043
U Air Line 147799 147800 147802
V Transformer 154009 154009 154009
Heater Size 60,000 btu 97,000 btu 150,000 btu
Ref Possible Model I-60EF I-101EF I-151EF
No. Description Part No. Part No. Part No.
W Insulator 222924 222924 222924
X Spark Plug 147080 147080 147080
Z Burner 147730 147769 147769
AA Fuel Cap 154021 154021 154021
BB 1/4 CC x 1/8 IP Elbow 147014 147014 147014
CC Relay 154600 154600 154383
DD Cad Cell Bracket 147699 147699 147699
EE Cad Cell 154709 154709 154709
FF Junction Box Ay. 154514 154514 154514
GG Reset Breaker 154012 154012 154012
HH Terminal Block 154502 154502 154502
JJ Cord Assembly 154423 154423 154423
KK Strain Relief 147921 147921 147921
LL Circuit Board 154361 154361 154361
MM Hood 147367 147367 147367
NN 1/4 FL x 1/8 IP Elbow 219999 219999 219999
SS Strap Assembly 221894 221894 222010
TT Strap 221895 221895 222009
UU Cover Plate N/A N/A N/A
VV Cover, Junction Box 147922 147922 147922
WW Screw N/A N/A N/A
If your heater has a different model
number, yet looks like this one, these
parts should work.
60, 97, 150,000 BTU Forced Air Toro Heaters
(Older Style "Champion" Heaters)
See page 108 for Compressor
Assembly Parts.
Model Numbers
Toro
I-60EF Inline
I-101EF Inline
I-151EF Inline
PSI Setting
I60EF 4
I101EF 5
I151EF 5
Toro Oil 60-150,000 BTU

—106—
40-150,000 BTU Forced Air Toro Heater
Wiring Diagram
40,000 & 55,000 BTU
1986 - Current
Wiring Diagram
97,000 - 150,000 BTU
1986 - Current
Note: Spark Plug is Secured in
Place with a Setscrew only.
Line up red mark on plug with
notch on burner head.
Part #147080 Spark Plug
See page 108 for motor/pump assembly
Gapping Instructions:
.062 - Thickness of a dime
Toro Oil 40-150,000 BTU
Phone: 800-362-6951 • Fax: 800-255-7985
www.phpdistribution.com

—107— Phone: 800-362-6951 • Fax: 800-255-7985
www.phpdistribution.com
40,000 to 150,000 Toro Heater Parts Listing
Key Part
No. No. Description
1 154009 Transformer
2 154006 Fan (40,000 BTU)
154023 Fan (55,000 BTU)
154032 Fan (97-100,000 BTU)
154043 Fan (150,000 BTU)
3 147028 Cad Cell Bracket
4 154709 Cad Cell
5 147047 Fan Guard (40,000 BTU)
147098 Fan Guard (55-100,000 BTU)
147153 Fan Guard(150,000 BTU)
6 147053 Strain Relief Bushing
7 147005 Motor Mount
8 73-6460 Transformer Mount
9 147054 Bushing
10 154008 Cord Assembly
11 154348 Printed Circuit Board with Breaker
12 154019 Burner with Set Screw
13 147080 Spark Plug
14 154027 Nozzle (40,000 BTU)
154028 Nozzle (55,000 BTU)
154030 Nozzle (100,000 BTU)
154060 Nozzle (150,000 BTU)
15 147081 Nozzle Adapter
16 73-6520 Airline
17 147046 Fuel Filter
18 73-6520 Upper Fuel Tube
19 73-6450 Copper Fuel Tube (40-55,000 BTU)
147126 Copper Fuel Tube (100-150,000 BTU)
20 147038 Lower Fuel Tube
21 154020 Combustion Chamber (40,000 BTU)
154022 Combustion Chamber (55,000 BTU)
154031 Combustion Chamber (100,000 BTU)
154055 Combustion Chamber (150,000 BTU)
22 154138 Tank Assembly w/Decal (40,000 BTU)
154141 Tank Assembly w/Decal (55,000 BTU)
154140 Tank Assembly w/Decal (100,000 BTU)
154139 Tank Assembly w/Decal (150,000 BTU)
23 154017 Jacket Assembly (40,000 BTU)
154024 Jacket Assembly (55,000 BTU)
154034 Jacket Assembly (100,000 BTU)
154453 Jacket Assembly (150,000 BTU)
24 73-7030 Grille Assembly (40,000 BTU)
73-7010 Grille Assembly (55,000 & 100,000 BTU)
73-7020 Grille Assembly (150,000 BTU)
25 154131 Access Cover w/Label (Red 40,000 BTU)
154135 Access Cover w/Label (Red 55,000 BTU)
154137 Access Cover w/Label (Green 100,000 BTU)
154130 Access Cover w/Label
(Lawn Boy Green 100 BTU)
154131 Access Cover w/Label (Red 100,000 BTU)
154129 Access Cover w/Label (Silver 100,000 BTU)
154137 Access Cover w/Label (Green 150,000 BTU)
154130 Access Cover w/Label
(Lawn Boy Green 150 BTU)
154409 Access Cover w/Label (Red 150,000 BTU)
154129 Access Cover w/Label (Silver 150,000 BTU)
Key Part
No. No. Description
26 147025 Clip, Tinnerman
27 147049 Insert
28 147001 Jacket Brace (40,000 BTU)
147120 Jacket Brace (55-100,000 BTU)
147133 Jacket Brace (150,000 BTU)
29 147002 Grip, Jacket Brace
30 154021 Cap, Tank
31 Motor/Compressor Assembly (available as parts only)
See page 109 for individual part numbers
154368 40,000-55,000 BTU
154345 100,000 B TU
154342 150,000 BTU
32 147082 Nozzle “O” Ring
33 700218 Rivet
34 146489 Rivet
35 147024 Cap Screw, #8 x 3/8”
36 147000 Cap Screw, #10-24 x 1/2”
37 154796 Drain Plug (100-150,000 BTU Only)
38 154039 Relay (Black Motor - 100,000 BTU)
154600 Relay (Gray Motor - 100,000 BTU)
154052 Relay (Black Motor - 150,000 BTU)
154383 Relay (Gray Motor - 150,000 BTU)
39 154040 Wire Assembly
40 147118 Screw, Hex Head #8 x 3/8”
41 147229 Super Clip (150,000 BTU Only)
42 147119 Washer, Ext Tooth lock #10
43 700324 Washer, Flat SAE 1/4-20
44 147004 Nut, Ext Tooth Lock #8
45 147041 Washer, Ext Tooth Lock #8
46 146502 Washer
47 NLA Screw
Parts Available Not Shown
154423 6’ Power Cord
154902 Wheels (100,000 & 150,000 BTU Only)
147122 Axle (100,000 & 150,000 BTU Only)
147157 Pushnut for wheel
(100,000 & 150,000 BTU Only)
147123 Top Handle(100,000 & 150,000 BTU Only)
147125 Tank Support (100,000 & 150,000 BTU Only)
147121 Screw for handle
(100,000 & 150,000 BTU Only)
147158 Nut for handle (100,000 & 150,000 BTU Only)
HA1210 Thermostat - Degrees on Dial
KT121 Thermostat - Warmer/Colder
Air Pressure Settings
BTU PSI
40-55,000 3
100,000 5.5
150,000 6.25
Toro Oil 40-150,000 BTU

—108—
Key Part BTU SIZES
No. No. Description 40 60 94-97 150
1 154876 Motor (40) X
154369 Motor (60-97,000) X X
154341 Motor (150) X
2 147753 Body Ring 1/2" X X
147003 Body Ring 5/8" X X
3 73-6430 Insert XXXX
4 154616 Vane 5/8" X X
154598 Vane 1/2" X X
5 147757 Rotor 1/2" X X
73-6420 Rotor 5/8" X X
6 FHPF3-5C 1/2” Screw X X
FHPF3-6C 5/8” Screw X X
7 154601 Cover Plate XXXX
8 147693 Gasket XXXX
9 154467 Filter XXXX
10 147837 Filter Body XXXX
11 147014 Elbow XXXX
12 147009 Plug XXXX
13 147814 Screw XXXX
14 147022 Ball XXXX
15 147021 Spring XXXX
16 147010 Adjusting Screw XXXX
17 147778 Pin XXXX
18 70641 Washer XXXX
19 148394 Screw XXXX
20 147790 Filter XXXX
21 147731 Cover XXXX
22 147779 Retaining Wire XXXX
If you order a new motor, you must get the new style relay also.
154369 motor = 154039 relay
154341 motor = 154052 relay
Black motor wire goes to terminal 2.
Red motor wire goes to terminal 5.
The new relay is position sensitive, make sure top is up.
Replacement parts for Motor/Compressor Assembly
(Old Style)
Possible Brands
Champion, Redline
Century, Greenline
Stone, Ford
Jim Dandy
Phone: 800-362-6951 • Fax: 800-255-7985
www.phpdistribution.com
Toro Motor Assembly

—109— Phone: 800-362-6951 • Fax: 800-255-7985
www.phpdistribution.com
Key Part BTU SIZES
No. No. Description 40 55 75 94-97 100 150/220
A 154367 Motor X X
154369 Motor X X X
154341 Motor X
B 147753 Body Ring 1/2" X X
147003 Body Ring 5/8" X X X X
C 73-6430 Insert X X X X X X
D 147757 Rotor 1/2" X X
73-6420 Rotor 5/8" X X X X
E 154616 Vane (set of 4) 5/8" X X X X
154598 Vane (set of 4) 1/2" X X
G 154797 Backing Plate X X X X X X
H 73-6440 O Ring X X X X X X
I 148234 Filter Housing X X X X X
148420 Filter Housing X
J 148394 Screw X X X X X X
K 147052 Adapter X X X X X X
L 147019 Input Filter X X X X X X
M 154003 Output Filter X X X X X
154822 Output Filter X
N 147012 Gasket X X X X X X
O 148115 Filter Cover X X X X X X
148419 Filter Cover X X
P 148233 Screw X X X X X X
Q 147009 Plug X X X X X X
R 147022 Ball X X X X X X
S 147021 Spring X X X X X X
T 147010 Adjusting Screw X X X X X X
Part No.
148420
used
w/40K &
55K
Part No.
148442
used
w/40K &
55K
Part No.
148419
used
w/40K &
55K
Part No. 154822-Kit
used w/40K & 55K
Motor/Compressor Assembly (New Style)
Toro Motor Assembly

—110— Phone: 800-362-6951 • Fax: 800-255-7985
www.phpdistribution.com
Can be used on most Lawn
Boy/Toro, Low Pressure heaters. It
may even replace the older style
filter assembly
Top of Motor
Note the Position
of these 3 Holes.
Position of old backing plate.
Complete Compressor Assembly Part No. 154863
Key Part
No. No. Description
B 147753 1 Body Ring (includes 2 screws)
C 73-6430 1 Insert
D 147757 1 Rotor
E 154598 4 Vane
G 154797 1 Backing Plate
H 73-6440 1 O Ring
I 154710 1 Filter Housing
J 148394 6 Screw
K 147052 1 Adapter
L 147019 1 Input Filter
M 154003 1 Output Filter
N 147012 1 Gasket
O 148115 1 Filter Cover
P 148233 5 Screw
Q 147009 1 Plug
R 147022 1 Ball
S 147021 1 Spring
T 147010 1 Adjusting Screw
Can be used on most Toro/Lawn
Boy low pressure heaters, even
the older style.
Toro/Porta Heat Filter Assembly
Other brands:
Champion, Gilson, Redline,
Green Line, Arctic Flame,
Top of Motor
Inlet Slot
Use w/backing plate #148234 Use w/backing plate #6836NR
Position of new backing plate.
Part #
154797
Part #
6832NR
Filter Assembly Kit No. 154354
Kit includes:
Key Part
No. No. Description
G 154797 1 Backing Plate
H 73-6440 1 O-Ring
I 148234 1 Filter Housing
J 148394 6 Screw
K 147052 1 Adapter
L 147019 1 Input Filter
M 154003 1 Output Filter
N 147012 1 Gasket
O 148115 1 Filter Cover
P 148233 5 Screw
Tune Up Kit Part No. 154891
Kit includes:
1 147080 Spark Plug
1 147082 Nozzle O Ring
1 147012 Gasket
1 147019 Input Filter
1 154003 Output Filter
These 2 are not
interchangeable
Toro Filter Assembly

—111— Phone: 800-362-6951 • Fax: 800-255-7985
www.phpdistribution.com
PHP ships through UPS. Our warehouse is located in Valparaiso, Indiana. The map below
shows the average delivery time via UPS. If you live on the border of this area, you may get
next day or 2nd day service.
Ground Time-in-Transit Map
From Valparaiso, IN 46383
1 DAY
2 DAYS
3 DAYS
4 DAYS
5 DAYS
Phone Orders:
1-800-362-6951 (Press 1)
7:30 a.m. - 5:00 p.m. (CST)
Fax Orders:
1-800-255-7985
24 hours a day, 7 days a week
Internet Orders:
www.phpdistribution.com
24 hours a day, 7 days a week
Mail Orders:
PHP
342 N. Co. Rd. 400 E.
Valparaiso, IN 46383
ORDERING
Order Parts
Online
Order Parts
Online
Visit
www.phpdistribution.com!
✔ Brand new look
✔ Order from a secure site
✔ Check account status
✔ Look up individual parts

—112— Phone: 800-362-6951 • Fax: 800-255-7985
www.phpdistribution.com
120-155-230,000 BTU Forced Air “Old Style” Air Scoop Heater
When ordering item
#BV, if it is not in
stock, you must use a
thermostat to get your
heater to work.
Toro Oil 120-230,000 BTU
Pump Pressure Setting
100 PSI

—113—
Forced Air “Old Style” Air Scoop Heater Parts Listing
Ref New 120 155 230
No. Part# Description BTU BTU BTU
A 154384 Lift Tube Assembly 1
154470 Lift Tube Assembly 1
147463 Lift Tube Assembly 1
B 147270 Terminal Block 1
C 147782 Burner Mounting Gasket 1 1 1
D 147697 Asbestos Washer 2 2
E 154021 Filler Cap 1 1 1
F 147228 Tank Support 1 1 1
G 147329 Switch Plate 1 1 1
H 154415 Radiation Shield 1
154847 Radiation Shield 1
154844 Radiation Shield 1
I 147207 Air Intake Grille 1
154205 Air Intake Grille 1
154433 Air Intake Grille 1
J 147257 Axle 1 1
147803 Axle 1
K 147210 Front Handle 1
221499 Front Handle 1
147462 Front Handle 1
L 147208 Rear Handle 1 1
147461 Rear Handle 1
M 147209 Air Intake Cover 1
148626 Air Intake Cover 1
154070 Air Intake Cover 1
N 154081 Combustion Chamber 1
154204 Combustion Chamber 1
154416 Combustion Chamber 1
O 154083 Fuel Tank 1
154207 Fuel Tank 1
221484 Fuel Tank 1
P 154082 Burner Support 1
154208 Burner Support 1
221509 Burner Support 1
Q 154061 Wheel 2 2
154062 Wheel 2
R 154116 Fan 1
154214 Fan 1
154432 Fan 1
S 154587 Burner Fan, 1725 RPM 1 1 1
147625 Burner Fan, 3450 RPM 1 1 1
T 222604 Air Tube 1 1 1
U 154273 Electrode R.H. 1 1 1
W 154274 Electrode L.H. 1 1 1
X 147909 Oil Line Tube 1 1 1
Y 154589 Air Stabilizer 1 1 1
Z 147914 Air Stabilizer 1 1 1
AA 154576 Electrode Buss Bar 2 2 2
AB 147913 Oil Line Fitting 1 1 1
AC 154586 Burner Motor, 1725 RPM 1 1 1
154279 Burner Motor, 3450 RPM 1 1 1
AD 147326 Connector 1/2" 1 1 1
AE 147893 Coupling 1 1 1
AF 147903 Inner Air Band 1 1 1
AG 147902 Outside Adj. Air Band 1 1 1
AH 147901 Oil Line Slot Cover 1 1 1
*AI 147236 Fuel Filter 1 1 1
AK 71040 Washer INT Tooth 1/4" 1 1 1
AJ 147892 Oil Line Elbow 1 1 1
*AL 154295 Filter Head 1 1 1
AM 154102 High Limit Switch 1 1 1
AN 154103 Fan Motor Switch 1 1 1
AP 147707 Drain Gasket 1 1 1
AQ 147900 Burner Support Flange 1 1 1
AR 147206 End Ring 1
73-6500 End Ring 1
147759 End Ring 1
AS 147333 Screw 10-24 x 1-1/4M 2
AT 147820 Screw 10-24 x 2-1/4M 8 10 8
AU 221185 Fan Housing 1 1 1
AV 221352 Transformer Hold Clip 1 1 1
AW 154070 Therm. Jumper Outlet 2 2 2
AX 154902 Push Nut 2 2 2
AZ 154423 Power Cord 1 1 1
Ref New 120 155 230
No. Part# Description BTU BTU BTU
BA 154108 Fan Motor 1
154213 Fan Motor 1
154414 Fan Motor 1
BB 154006 Fan Motor Support 1
154215 Fan Motor Support 1
154477 Fan Motor Support 1
BC 220219 Fan Motor Leads Bushing 1 1 1
BD 154288 Outer Housing 1
154289 Outer Housing 1
221551 Outer Housing 1
BE 147203 Fan/Limit Switch Cover 1 1 1
BF 147701 Cell Mounting Bracket 1 1 1
BH 154588 Transformer 1 1 1
BI 147335 Cover & Label Assembly 1 1 1
BJ 70701 Flatwasher 5/16" 3 3 3
BK 70104 Capscrew 1/4-20 x 1-1/4 4 4 4
BL 147164 Screw 6-32 x 3/16 3 3 3
BM 147912 Insulator Bushing 2 2 2
BN 147899 Burner Motor Cord Cover 1 1 1
BO 147898 Air Band Nut 1 1 1
BP 220267 Conduit Locknut 1/2" 1 1 1
BQ 147689 Conduit Nipple 1/2" 1 1 1
BR 222605 Baffle Plate 3" 1 1
222606 Baffle Plate 2-1/2" 1
BS 222607 Air Cone 2" 1 1
147896 Air Cone 2-1/4" 1
BT 147533 Screw 10-24 x 3/8 1 1 1
BU 154155 Switch 1 1 1
BV 147195 Thermostat Jumper Plug 1 1 1
BW 154389 Nozzle .85 x 80˚1
154387 Nozzle 1.10 x 80˚1
154388 Nozzle 1.65 x 60˚1
BX 147024 Screw 8 x 1/2 AB 21 25 24
BY 70484 Screw 5/16-18 x 1 5 5 5
BZ 147192 Wire Bushing 1 1 1
CA 154109 Wire Assembly 1 1
154111 Wire Assembly 1
CB 220108 Screw 5/16-18 x 3/4 1 1 1
CC 700057 Screw 5/16-18 x 1/2 2 2 2
CD 221373 Screw 5/16-18 x 3/4 FL 3 3 3
CE 220268 Screw 10-32 x 1/2 1 1 1
CF 147053 Strain Relief 1 1 1
CG 147815 Screw 10-24 x 1/2RD 3 3 4
CI 227637 Return Line Tube 1 1 1
CJ 147732 Suction Line Tube 1 1 1
CK 221370 Fuel Line 1 1 1
CM 154362 Circuit Breaker & PC Brd 1 1 1
154361 Printed Circuit Board 1 1 1
154012 Circuit Breaker 1 1 1
CN 222635 Screw 10-32 x 3/8 2 2 2
CO 147327 Terminal Block Bracket 1 1 1
CP 13666 Cad Cell 1 1 1
CQ 147908 Screw 4-40 x 5/16 1 1 1
CR 147182 Nipple 1/4 NPT Close 1 1 1
CS 147762 Junction Box 1 1 1
CT 70549 Hex Keps Nut 5/16-18 3 3 3
CU 147004 Hex Keps Nut 1/4-20 4 4 4
CV 147373 Elbow 1/4NPT x 1/4 CC 2 2 2
CW 154239 Fitting 1/4NPT x 1/4CC 1 1 1
CX 154796 Drain Plug 1 1 1
CY 147196 Strain Relief 1 1 1
CZ 154180 Pump, 1725 RPM 7000 Series 1 1 1
154276 Pump, 3450 RPM 7000 Series 1 1 1
DA 221357 Palnut 5-40 2 2 2
DB 220143 Hex Jam Nut 7 16-29 1 1 1
DC 147158 Keps Nut 10-24 13 13 13
DD 71133 Keps Nut 8-32 2
DF KT121 Thermostat (Optional)
DM 154067 Wire Assembly 1 1 1
DN 147016 Screw 1 1 1
*Can be purchased as an assembly, part #154521
Toro Oil 120-230,000 BTU
Phone: 800-362-6951 • Fax: 800-255-7985
www.phpdistribution.com

Toro Oil 155-230,000 BTU
—114— Phone: 800-362-6951 • Fax: 800-255-7985
www.phpdistribution.com
155-230,000 BTU Forced Air“New Style” Air Scoop Heater
Pump Pressure Settings
100 PSI

—115—
See page 116 for burner assembly part numbers.
Key Part 155,000 230,000
No. No. Description BTU BTU
1 NLA Lift Tube X
147463 Lift Tube X
2 147270 Terminal Block X X
3 147181 Spacer X X
4 154021 Fuel Cap with gasket X X
5 147228 Tank Support X X
6 147329 Switch Plate X X
7 154847 Radiation Shield X
7 154844 Radiation Shield X
8 147207 Intake Grille X
154205 Intake Grille X
9 147257 Axle X X
10 147210 Front Handle X
147462 Front Handle X
11 147208 Rear Handle X
147461 Rear Handle X
12 148624 Air Intake Cover X
148626 Air Intake Cover X
13 154204 Combustion Chamber X
154081 Combustion Chamber X
14 154083 Fuel Tank X
154207 Fuel Tank X
15 154913 Burner Support X
154208 Burner Support X
16 154061 Air Scoop Wheel X X
17 154116 Fan 155 X
154214 Fan 230 X
18 147326 Romex Connector X X
19 147236 Filter Cartridge X X
20 147334 Lock Washer X X
21 154295 Filter Head X X
22 154594 Limit Switch X X
23 154472 Limit Switch X X
24 147206 End Ring X
73-6500 End Ring X
25 147333* Screw X X
26 147771* Screw X X
27 70682 Washer X X
28 154070 2 Prong Outlet X X
29 147157 Push Nut X X
30 154423 Cord X X
31 154108 Motor 155 X
154213 Motor 230 X
32 154114 Motor Support X
154215 Motor Support X
Key Part 155,000 230,000
No. No. Description BTU BTU
33 700156 Bushing X X
34 154915 Housing Assembly X
154289 Housing Assembly X
35 154288 Limit Switch Cover X X
36 154283 Junction Box Cover X X
37 146366* Screw X X
38 147164 Screw X X
39 71121 Screw X X
40 154155 On-Off Switch X X
41 147195 Jumper Plug X X
42 147024 Screw X X
43 147192 Snap Bushing X X
44 154109 Wire X
154111 Wire X
45 154113 Wire X X
46 147053 Strain Relief X X
47 147000 Screw X X
48 73-6520 Return Hose X X
49 73-6520 Suction Hose X X
50 154361 Circuit Board X X
51 154012 Circuit Breaker X X
52 147197 Mounting Tape X X
53 147327 Bracket X X
54 147182 Nipple X X
55 154284 Junction Box X X
56 147004* Nut X X
57 147183 Nylon Elbow X X
58 147184 Nylon Fitting X X
59 154796 Drain Plug X X
60 147196 Strain Relief X X
61 147158* Nut X X
62 147324* Nut X X
63 147171 Terminal X X
64 70496 Set Screw X X
65 147198 Cable Tie X X
66 147179 End Cap X X
67 700049 Flat Washer X X
68 154074 Fitting X X
69 154067 Wire X X
70 147016* Screw X X
71 HA1210 Thermostat X X
72 NLA Screw X X
* Common hardware may be purchased locally.
“New Style” Air Scoop Heater Parts Listing
If you are ordering item #41 and we do not have it in stock
you must use a thermostat to get your heater to work.
Toro Oil 155-230,000 BTU
Phone: 800-362-6951 • Fax: 800-255-7985
www.phpdistribution.com

Toro 155-230,000 Burner
—116— Phone: 800-362-6951 • Fax: 800-255-7985
www.phpdistribution.com
Key Old New
No. Part No. Part No. Description
1 240962 154275 Fan Housing
2 154180 Pump, 1725 RPM (7000 Series)
154276 Pump, 3450 RPM (7000 Series)
3 240968 154279 Motor Assembly-Burner
4 154587 Burner Fan, 1725 RPM
240961 147625 Burner Fan, 3450 RPM
5 240958 147624 Coupling Pump
6 240953 147619 Band Inner Air
7 240954 147620 Band Adjust. Air
8 240967 154278 Gun Assembly
9 240960 154273 Electrode Assembly L.H.
10 240959 154273 Electrode Assembly R.H.
11 240957 147623 Air Tube
12 240973 154282 Transformer
13 240963 147626 Fan Housing Cover
14 13666 13666 Cad Cell Assembly
Key Old New
No. Part No. Part No. Description
15 240955 73-6540 Air Cone 2"
16 240969 154280 Burner Support Flange
17 240965 147627 Gasket Mounting
18 240970 154281 Fuel Line Assembly
19 240972 147629 Cover Oil Line Slot
20 240971 147628 Elbow Oil Line
21 70701 146205 *Washer 5/16 Flat
22 70549 146259 *Nut 5/16-18 Hd. Plated
23 220207 147527 Terminal Spade
24 220079 147000 Screw
25 222108 147701 Bracket-Cell Mount
26 222602 154387 Nozzle (155) 1.10 x 80˚
26 220304 154388 Nozzle (230) 1.65 x 65˚
* May be purchased at a hardware store.
155,000 and 230,000 BTU Forced Air “New Style” Air Scoop
Heater Burner Assembly Parts Listing

—117—
Pro Temp Oil Heaters
Phone: 800-362-6951 • Fax: 800-255-7985
www.phpdistribution.com
Always remember to match the model number of your heater with
the model number of the individual breakdowns in this section. The
breakdowns in this manual refer to the model specifically listed on
each individual page. Use a breakdown only if you have the exact
model match for your particular heater. If your model number does
not appear in the breakdowns, please call one of our technicians for
assistance.
If you need technical assistance, feel free to call PHP at 1-800-362-6951 or e-mail
us at techservice@phpdistribution.com. Whenever possible, please have your
model number and the nature of your problem before you place a call for
technical service.
Brand Names Include:
Pro Temp
Heat Hog
BTU and Description Fuel Type Page No.
45-215,000 Kerosene 118-119
Pro Temp Oil Fired Heaters
HEATER INDEX

—118— Phone: 800-362-6951 • Fax: 800-255-7985
www.phpdistribution.com
Forced Air Pro Temp Oil Fired Heater
Model Numbers
PT45KFA PT70KFA
PT125KFA PT175KFA
PT215KFA
Pro Temp 45-215,000 BTU
Pump Pressure Settings
BTU PSI
45 3.0
70 4.0
125 5.0
175 7.5
215 9.0

—119— Phone: 800-362-6951 • Fax: 800-255-7985
www.phpdistribution.com
Key
No. Description PT45KFA PT70KFA PT125KFA PT175KFA PT215KFA
1 Fuel Tank Assembly 70-002-0100 70-002-0100 70-002-0200 70-002-0300 70-002-0300
2 Drain Plug - - 70-002-0105 70-002-0105 70-002-0105
3 Fuel Gauge Assembly 70-007-0100 70-007-0100 70-007-0200 70-007-0200 70-007-0200
4 Fuel Filter Assembly 70-003-0100 70-003-0100 70-003-0200 70-003-0200 70-003-0200
5 Fuel Cap 70-006-0100 70-006-0100 70-006-0100 70-006-0100 70-006-0100
6 Power Cord 70-034-0100 70-034-0100 70-034-0200 70-034-0200 70-034-0200
7 Power Switch 70-038-0100 70-038-0100 70-038-0100 70-038-0100 70-038-0100
8 Window Display - - 70-040-0100 70-040-0100 70-040-0100
9 Thermostat Control Knob - 70-031-0100 70-031-0100 70-031-0100 70-031-0100
10 Lower Shell 70-001-0102 70-001-0102 70-001-0202 70-002-0302 70-002-0402
11 Air Line 70-035-0100 70-035-0200 70-035-0300 70-035-0400 70-035-0500
12 Termostat Limit Control 70-019-0100 70-019-0100 70-019-0100 70-019-0100 70-019-0200
13 Combustion Chamber 70-010-0100 70-010-0200 70-010-0300 70-010-0400 70-010-0500
14 Photocell Bracket 70-010-0101 70-010-0101 70-010-0101 70-010-0101 70-010-0101
15 Fuel Line 70-036-0100 70-036-0200 70-036-0300 70-036-0400 70-036-0500
16 Photocell Assembly 70-016-0100 70-016-0100 70-016-0100 70-016-0100 70-016-0100
17 Burner Head Assembly 70-014-0100 70-014-0200 70-014-0300 70-014-0400 70-014-0500
18 Nozzle 70-015-0100 70-015-0200 70-015-0300 70-015-0400 70-015-0500
19 Nozzle Seal Washer 70-015-0101 70-015-0101 70-015-0101 70-015-0101 70-015-0101
20 Nozzle Seal Spring 70-015-0102 70-015-0102 70-015-0102 70-015-0102 70-015-0102
21 Nozzle Sleeve 70-015-0103 70-015-0103 70-015-0103 70-015-0103 70-015-0103
22 Burner Head 70-014-0101 70-014-0101 70-014-0301 70-014-0401 70-014-0401
23 Spak Plug 70-052-0100 70-052-0100 70-052-0200 70-052-0200 70-052-0200
24 Motor and Pump Assembly 70-020-0100 70-020-0100 70-020-0300 70-020-0400 70-020-0500
25 Motor 70-021-0100 70-021-0100 70-021-0200 70-021-0300 70-021-0400
26 Pump Body 70-020-0101 70-020-0101 70-020-0101 70-020-0101 70-020-0401
27 Rotor Kit 70-022-0100 70-022-0100 70-022-0100 70-022-0100 70-022-0200
28 Blade 70-022-0102 70-022-0102 70-022-0102 70-022-0102 70-022-0202
29 End Pump Cover 70-020-0102 70-020-0102 70-020-0102 70-020-0102 70-020-0102
30 Filter Kit 70-054-0100 70-054-0100 70-054-0100 70-054-0100 70-054-0100
31 Lint Filter 70-054-0102 70-054-0102 70-054-0102 70-054-0102 70-054-0102
32 Output Filter 70-023-0100 70-023-0100 70-023-0100 70-023-0100 70-023-0100
33 End Filter Cover 70-020-0103 70-020-0103 70-020-0103 70-020-0103 70-020-0103
34 Plug/Pump Adj.Kit 70-055-0100 70-055-0100 70-055-0100 70-055-0100 70-055-0100
35 Ball 70-020-0104 70-020-0104 70-020-0104 70-020-0104 70-020-0104
36 Spring 70-020-0105 70-020-0105 70-020-0105 70-020-0105 70-020-0105
37 Adjust Screw 70-020-0106 70-020-0106 70-020-0106 70-020-0106 70-020-0106
38 Nipple 70-014-0104 70-014-0104 70-014-0104 70-014-0104 70-014-0104
39 Capacitor 70-020-0107 70-020-0107 70-020-0201 70-020-0201 70-020-0201
40 Fan Assembly 70-024-0100 70-024-0200 70-024-0300 70-024-0400 70-024-0400
41 Ignitor 70-037-0100 70-037-0200 70-037-0300 70-037-0400 70-037-0500
42 Right Side Cover 70-008-0100 70-008-0200 70-008-0300 70-008-0400 70-008-0400
43 Left Side Cover 70-009-0100 70-009-0100 70-009-0200 70-009-0300 70-009-0300
44 Fan Guard 70-016-0100 70-016-0100 70-016-0200 70-016-0200 70-016-0200
45 Main PCB Assembly 70-027-0100 70-027-0200 70-027-0300 70-027-0300 70-027-0300
46 Fuse 70-027-0101 70-027-0101 70-027-0101 70-027-0101 70-027-0101
47 Clip Nut 70-001-0105 70-001-0105 70-001-0105 70-001-0105 70-001-0105
48 Upper Shell 70-001-0101 70-001-0101 70-001-0201 70-001-0301 70-001-0301
49 Storage Box - - 70-053-0100 70-053-0100 70-053-0100
50 Bushing Gromment 70-017-0100 70-017-0100 70-017-0100 70-017-0100 70-017-0100
51 Socket Cover 70-030-0100 70-030-0100 70-030-0100 70-030-0100 70-030-0100
52 Air Pressure Gauge 70-025-0100 70-025-0100 70-025-0100 70-025-0100 70-025-0100
53 Cord Bushing 70-033-0100 70-033-0100 70-033-0200 70-033-0200 70-033-0200
54 Electric Outlet 70-029-0100 70-029-0100 70-029-0100 70-029-0100 70-029-0100
55 Handle 70-001-0103 70-001-0103 - - -
56 Front Handle - - 70-042-0100 70-042-0200 70-042-0200
57 Rear Handle - - 70-043-0100 70-043-0200 70-043-0200
58 Wheel Support Frame - - 70-041-0101 70-041-0201 70-041-0201
59 Wheel Axle - - 70-041-0103 70-041-0203 70-041-0203
60 Wheel - - 70-041-0102 70-041-0102 70-041-0102
61 Wheel Cap - - 70-041-0104 70-041-0104 70-041-0104
62 Hardware Kit 70-056-0100 70-056-0100 70-056-0200 70-056-0200 70-056-0200
Forced Air Pro Temp Oil Fired Heater
Pro Temp 45-215,000 BTU

—120— Phone: 800-362-6951 • Fax: 800-255-7985
www.phpdistribution.com
This section is designed to give you the information you will need when you service your customers’
heaters. You will find useful information including test procedures and trouble shooting for various
heaters.
The information contained in this section has been compiled using techniques that have been proven
and tested in the field.
PHP recommends that these tests and procedures be performed by a certified technician or mechanic.
Some of the tests and procedures may be dangerous should they be performed inaccurately or
carelessly.
Use common sense in handling anything with electrical current or that has exposed moving parts
when performing tests or procedures. Always wear proper safety equipment, such as safety glasses and
gloves when necessary.
If you have questions, contact the PHP technical service department at 800-362-6951 ext. 2 or email
us at techservice@phpdistribution.com.
Description Page No.
Types of Propane Heaters 121
Component Description and Operation 122
Intro to Natural Gas Heaters 126
Technical Issues with Natural Gas Heaters 126
Types of Natural Gas Heaters 126
Ignition Control Boards (D.S.I.) 127
Propane Hoses 127
Propane Tanks 127
Propane Supplies 129-130
Tank Vaporization Charts 129
Gas Heater Service Information
INDEX
Gas Heater Service Info.

—121—
Gas Fired Heaters
The Three Types of Propane Heaters
Forced Air
These heaters use an internal motor and fan to distribute heat. These are the ones commonly called “torpedo” heaters.
Forced air propane heaters are available in sizes ranging from 30,000 BTU’S to 750,000
BTU’S through PHP. The advantages of the forced air heater are as follows. The whole
unit does not have to be in the area to be heated (only the discharge end of the unit has
to be in the area to be heated). This allows clean air exchanges with outside air. In
addition, the forced air heater is also a “directional “ heater. This means heat can be
focused on a certain item or place (but never at a propane cylinder). The forced air
heater usually has multiple safety features. These usually consist of high limit switches,
sail switches, air proving switches, tip switches (usually found on older L.P. units), spark
plugs, igniter electrodes, ignition control boards, valves, and even thermocouples. In
addition, some of the forced air heaters can use a thermostat for temperature control.
Moreover, a few models may even be ducted. As with all heating systems, there are a few disadvantages associated with
forced air units. The first disadvantage is the fact that electricity is required for operation. Another disadvantage is that
forced air is more of a complex unit to troubleshoot and repair. Lastly, forced air units rely on three components to work
properly. Those components are the timed delivery of air, spark, and fuel (in that order).
Radiant
These heaters work on the principle of transferring heat from one object to another without heating
the space in between. For instance, the roof of a black car that has been sitting in the sun on a cool
60 degree day is much warmer than the surrounding air. Therefore, the radiant heat from the sun
heated the roof of the car without heating the space in between. That is the concept of radiant heat.
As with all heating systems, there are advantages as well as disadvantages. The first advantage is that
most radiant heaters require no external electricity. The second advantage of radiant heat is that the
ground level is heated first, this way you do not waste as many BTU’s as in other heating sources. The
third advantage is that the most popular radiant heaters are in the 100,000 BTU range, making them
ideal for using the standard 100 pound propane cylinder. The disadvantages are few. First, very few
models have a thermostatic gas valve (meaning not thermostat capable). Second, there are relatively
few BTU sizes available, mainly 100,000 BTU and 250,000 BTU units.
Convection
These heaters work on the principle of heat stratification. Heat stratification means heating
the topmost areas first, then forcing the heat down in layers until it reaches the comfort zone
(usually from ground level to 6’ off the ground). The main advantage of convection heaters
is that they are the least expensive heaters to purchase (in other words, the most BTU’S for
the buck!). The disadvantages of convection heaters are twofold. First, since convection
heaters work on the theory of heat stratification, most of your fuel dollars quickly rise with
the heat to the ceiling and away from the comfort zone. Second, with very little difference in
price between the 80,000 BTU models and the 200,000 BTU models, people usually buy the
most BTU’s for the buck. What people do not realize is the fact that the 200,000 BTU model
needs two or three 100 pound cylinders manifolded together to attain full fire in most
heating applications. In general, people who buy these heaters plan to use their 20-pound
barbeque cylinders as their fuel source. For an explanation on why the 20 pound cylinder
will not work properly, please see the “BOILING PROCESS”. A good majority of the technical issues related to these heaters
is fuel supply related.
Phone: 800-362-6951 • Fax: 800-255-7985
www.phpdistribution.com
Gas Heater Service Info.

—122— Phone: 800-362-6951 • Fax: 800-255-7985
www.phpdistribution.com
Gas Fired Heaters
Component Description and Operation
Thermocouple
The thermocouple is a safety feature that works with a thermoelectric gas valve to allow or
interrupt the flow of fuel. The thermocouple works on a principle of two dissimilar metals, that
generates D.C. electricity, when heated. Because of this technology, it is important that the
thermocouple’s sensing bulb is in the hottest portion of the flame pattern to work properly. The
D.C. electricity is rated in millivolts. The D.C. electricity passes down the thermocouple until it
reaches the power coil located inside of the thermoelectric gas valve. The thermocouple needs to
generate and send at least 17 millivolts of D.C. electricity to the thermoelectric gas valve to keep
the power coil compressed or energized, and let allows gas to pass through. A thermocouple
may also have an electrical interrupter connection. An electrical interrupter connection is an
electrical interrupter located between the tip of the thermocouple and the nut that threads into the gas valve. The purpose of this
interrupter is that it allows the manufacturer to install a safety feature on the thermocouple to break the D.C. circuit in case of a unit
malfunction. The most common use of the interrupter connection is to install a high limit switch. For example, if your heater has a
high limit switch attached to the interrupter, and the switch gets too hot, the limit switch will open up contacts and break the polarity
between the thermocouple and power coil, thereby shutting down the flow of fuel.
D.S.I. Control
Some people call this part the “brain box” of the heater. Actually, D.S.I. stands for Direct Spark
Igniter. However, this part controls a lot more than ignition. It controls the following circuits.
Ignition - The board produces the secondary voltage during the ignition process.
Flame sensing - The board monitors the flame through a spark plug, electrode, or flame rod.
Electronic delay timer (pre-ignition purge cycle).
Supplies the solenoid circuit with power.
The most common brand names for D.S.I. controls are:
Ram controls - Ram controls have come in three different colors, blue, white, or gray.
Gaslighter controls - Gaslighter boards have usually been black in color.
Fenwall controls - Fenwall controls are usually gray in color.
The last point to mention about D.S.I. controls is that if you have one in your heater, two things are true. 1) your heater can use a
thermostat, and 2) your heater will not have a thermocouple.
Gas Valves
Gas Valves are used for two main purposes. The first is to shut off the flow
of fuel in case of malfunction, the second is to determine manifold gas
pressure.
There are two different types of gas valves (thermoelectric & solenoid) used in
portable heaters.
Thermoelectric - Thermoelectric gas valves work on the principle of D.C. voltage being generated by a thermocouple. Thermoelectric
valves are sometimes known as the “push button” valves. The thermoelectric valve receives the D.C. voltage generated by the heated
thermocouple and then energizes (magnetizes) the power coil located inside of the valve body. The power coil
needs this voltage to stay compressed (magnetized) to allow gas to flow through to the burner. The minimum
voltage required to keep the power coil energized is 17 millivolts of D.C. electricity.
Solenoid valves - Solenoid valves require A.C. voltage (usually 120 volts) to electronically close, and to physically
open. When the solenoid valve closes, it is actually electronically closing (magnetizing) the coil to allow gas to flow
thru. Power to the solenoid valve never comes directly from the cord. It usually passes through a D.S.I. control first.
By passing through the D.S.I. first, it allows the D.S.I. to shut off the voltage to the solenoid if it senses a problem
such as an open electrical circuit, lack of flame sensing, or lack of fuel to name a few.
Thermocouple with
Interrupter
Thermoelectric Valve with Power Coil
Solenoid Valve
Gas Heater Service Info.

—123—
Gas Fired Heaters
Component Description and Operation
High Limit Switch
High limit switches are switches that are normally
electronically closed, but will open electrical contacts at
a certain temperature. It accomplishes this with a bi-
metal sensing element. A bi-metal is a temperature
sensitive metal that expands with heat. Therefore, as
the heater runs, and as the bi-metal gets warm, it begins
to warp. When it reaches a certain temperature it will
open up the electrical contacts. The temperature varies from switch to
switch, and is listed on each switch. For example, if the markings on a limit
switch read L240, than the limit switch opens up electronically at 240 degrees and will lead to an open circuit shutdown.
Regulator
A regulator, by definition, is a means to adjust to a standard rate and /or to adjust to make your work accurate.
A regulator takes tank pressure and breaks that down to give you a known and consistent lower pressure out of
the regulator’s outlet. Every propane heater, regardless of how big or small, has to have at least one pressure
regulator. Each propane heater should indicate the inlet pressure ratings on the specification plate to assist in
selecting the appropriate regulator(s) for your application. For the purposes of this manual, there are three
basic types of regulators: the first stage regulator, the second stage regulator, and the appliance regulator. Your
heater may need to use any or all three of these regulators, depending on your heater and your application. Again, if you have any
questions about regulators, please call your local propane dealer or you can contact PHP anytime.
Tank Connectors
Tank connectors are the devices used to connect the first stage regulator to the vapor withdraw propane cylinder.
While all tank connectors serve the same function, the current industry standard is to use certain connectors with
certain applications only (certain applications meaning capable BTU output, whether or not there is an excess flow
valve, and whether it has left hand or right hand pipe threads). While there are many types of tank connectors on
the market, we are going to discuss just a few of the more popular ones only. The most popular tank connector is
the soft nose P.O.L., followed by the Acme tank connector.
Soft nose P.O.L. - The soft nose P.O.L. fitting is the fitting that most service people are familiar with and is still in
use today on all vapor withdraw cylinders over 40 pounds. The soft nose P.O.L. consists of the following component parts: The right
hand thread P.O.L. nipple which actually goes into the L.P. vapor withdraw valve on the top of the cylinder, the 7/8” hex nut (G1643)
which tightens the nipple into the withdraw valve, the o-ring (G1653-3) to help maintain a tight seal inside the valve, and lastly, the
excess flow valve which will shut off the flow of fuel to the unit if there is a cut or rupture of the gas supply hose. The excess flow valve
is the only non- replaceable part in the P.O.L. assembly. Soft nose P.O.L. fittings vary by BTU output as well as thread type, so it is
important to use the correct part number listed on the heater’s breakdown.
Acme Tank Connector - The Acme tank connector has become more popular because of the new code requiring
the O.P.D. (overflow protection device) withdraw valve on cylinders of 40 pounds and under. The Acme tank
connector has a spring assembly mounted on the inside of the fitting itself to measure backpressure. The Acme
tank connector will allow only a limited amount of propane to pass through it until the gas hose is pressurized.
Once the hose is pressurized, the backpressure on the spring assembly will compress and allow the proper
amount of propane needed for the burn to pass through. In order to get this tank connector to compress the
spring assembly and allow the proper amount of fuel through, you need to close all the gas connections past the
supply hose. Then turn the propane cylinder on, and let the unit set until the fuel supply hose pressurizes. This
pressurization can take anywhere from 15 seconds to an hour. The Acme tank connector is actually available as a whole unit only, with
no user serviceable components. If any part of the Acme tank connector ever breaks or fails, then the fitting needs to be replaced. This
fitting also has an excess flow valve that will shut down the flow of fuel to the unit if there is a cut or rupture of the gas supply line.
Acme tank connectors come in two different varieties. The black handled Acme is rated for outputs of 71,000 BTU’s or less, while the
green handled Acme is rated from 71,000 BTU’s to 200,000 BTU’s.
Various High Limit
Switch Examples
Phone: 800-362-6951 • Fax: 800-255-7985
www.phpdistribution.com
Gas Heater Service Info.

—124— Phone: 800-362-6951 • Fax: 800-255-7985
www.phpdistribution.com
Gas Fired Heaters
Component Description and Operation
Spark Igniter
Spark igniters are small, self-contained controls whose sole purpose is to provide secondary voltage
to the spark plug/electrode. You can look at spark igniters as the spark generators. These controls
are found on propane forced air heaters that use thermoelectric gas valves but do not have push
button (Piezo) ignition. If the unit has a thermoelectric gas valve, then the heater will automatically
have a thermocouple. Spark igniters are continuous ignition, generating a constant spark at up to
25,000 volts. If the heater has a spark igniter and a thermoelectric gas valve, then the heater cannot
use a thermostat. There are two different spark igniters being used in the industry today. The first
one is the Eaton spark igniter, and the second one is the Hi-LO 801. Both of these igniters have no user
serviceable parts.
Eaton Spark Igniter - Both Desa (Master, Reddy, Remington, etc) and Scheu Products (National
Riverside, All Pro, and Universal) use the Eaton spark igniter. They are blue in color and have four
wire connections consisting of an ignition lead, a hot wire, a common wire, and a ground wire. The
Eaton is an enclosed spark igniter with only the 1/4” electrical connections exposed.
Hi-Lo 801 spark igniter is used by Scheu Products exclusively. The Hi-Lo 801 is an open spark
igniter with the resistors and diodes visible. The Hi-LO 801 is also a four-wire spark igniter. The Hi-
LO 801 has one exception to the application rule listed earlier. The exception is that the HI-LO 801
was actually used on National Riverside forced air heaters made from 1978 to 1991 that could use a
thermostat. At different times during that period those heater model numbers included the 80FA,
the 150FA, and the 3500FA.
Piezo Igniter - The Piezo igniter is what is commonly referred to as the “push button” igniter. Piezo igniters are
found on both Desa and Scheu heaters. The Piezo is also found on all three types of propane heaters: radiant, convection, and forced air
models. The Piezo igniter generates a spark when an internal spring-mounted piece of metal is pushed across a crystal when the “push
button” is depressed. There are no user serviceable parts inside a Piezo igniter. There is one rule of thumb when it comes to Piezo
igniters; if the heater has a Piezo igniter, then it also has a thermoelectric gas valve, a thermocouple. If a heater has these components, it
cannot use a thermostat.
Flame Rods/Sensors
Flame rods and flame sensors are parts that work to prove the existence of flame. Although they both try to prove the
existence of flame, flame rods and flame sensors go about accomplishing this in different ways. It is important
to note that there are no user serviceable parts on either of these parts.
Flame Rod - The flame rod is a metal probe that protrudes into the area of combustion. The
flame rod conducts the current from the ions that are naturally occurring. Ions are the static electricity that is in the air. The
explosions from the combustion process straighten out the ions and the burner becomes negatively charged, and the flame rod becomes
positively charged. It delivers the charge to the control board to prove the existence of combustion. Because flame rods vary by
manufacturer, it is important to use the factory authorized replacement only. In addition, flame rods usually have only one wiring post.
Flame Sensors - Like the flame rod, the flame switch is also a probe that protrudes into
the combustion chamber. However, that is where the similarity ends. The flame switch is
not usually all metal, for there is a sensing element located inside of the metal probe. The
flame switch is a normally electronically open, but when the unit is exposed to heat, the
sensing element expands to close the circuit. Unlike the flame rod, the flame switch has
two wiring posts attached to them. Since flame switches vary by manufacturer, by
temperature, by length, and by application, it is important to use the factory authorized replacement only.
Hi-Lo801
Spark Igniter
Eaton Spark Igniter
Piezo Igniter with Nut
Gas Heater Service Info.

—125—
Gas Fired Heaters
Component Description and Operation
Control Relay
The control relay is a safety feature added to some of the newer forced air propane heaters that use a
thermocouple and a thermoelectric valve. Two of the major propane heater manufactures mentioned in
this manual use control relays. What the control relay’s purpose is to allow the D.C. electric circuit (the
thermocouple, the high limit switch, and the thermoelectric gas valve) and the A.C. electric circuit to
interface with each other. In other words, if the high limit switch opens contacts, then the whole unit
will shut down.
Fan Blades
(Forced Air Heaters Only) The fan blade in the propane forced air heater plays an extremely important role in the operation of the entire
heating system. It has many purposes. First, its job is to pull air in through the back of the unit to cool the internal components. Next,
(and most importantly) the fan blade circulates air around and thru the combustion chamber. Not only is the fan blade responsible for
producing the hot, forced air, but also it is extremely important in determining WHERE the burn takes place in the combustion chamber.
Since a propane forced air heater has no nose cone, the air movement delivered by the fan blade is of extreme importance in determining
where the combustion takes place. All of your safety components in your forced air heater rely on the burn occurring at a particular
place in the combustion chamber for proper monitoring and proving.
Pilot Orifice
(Radiant and Convection Models Only) The pilot orifice is used on radiant and convection heaters that utilize a thermoelectric (push
button) gas valve. There are two main purposes of the pilot orifice. The first (and most important) reason is to heat the thermocouple
for safety monitoring. The second reason is so that every time you want heat, you do not have to go through the ignition process. Since
the pilot orifice requires the least amount of propane, and has the smallest diameter, it is usually the first place to
become restricted or obstructed during normal operation.
Burner Orifice
All propane heaters have a burner orifice. Whether the burner orifice is a single-port (having one gas opening
and a flame deflector) or a multi-port (having six or more smaller openings and may or may not have a
flame deflector), they both serve the same purpose. That purpose is to deliver propane into the area of
combustion in a way to allow for safe, even, and proper combustion. All burner orifices have a certain
outlet size that is determined by the manufacturer and should NEVER be altered.
Motor
The motor in a forced air propane heater has a multitude of functions. One of the motor’s responsibilities is to bring fresh air around
and through the combustion chamber for combustion and equal distribution of heat. The motor also cools down the heater’s internal
components with that same inlet air. By turning the fan blade, the motor has as much to do with where the burn takes place in the
combustion chamber as any other component in the heater.
Phone: 800-362-6951 • Fax: 800-255-7985
www.phpdistribution.com
Gas Heater Service Info.

—126— Phone: 800-362-6951 • Fax: 800-255-7985
www.phpdistribution.com
Gas Fired Heaters
Introduction to Natural Gas Heaters
Natural gas heaters will have distinct advantages and disadvantages when compared to the propane heaters mentioned earlier. The main
advantage of using natural gas heaters is the availability of fuel supply. Natural gas is available in most communities, as well as in most
industrial situations. With the fuel supply already on site and always available, natural gas may be the best alternative. As the availability
for natural gas increases, so will the natural gas heater’s share of the portable heater market. However, natural gas does have some
disadvantages. First, natural gas is not available in all areas. Second, the portability of natural gas heaters is limited by the gas pressure,
as well as by the length and diameter of the fuel supply hose. Next, it is important to maintain the proper volume of natural gas. The
last two disadvantages of natural gas heat are that there are not many heating applications where high pressure (pounds of pressure)
natural gas is available, and that there are not as many different model numbers available for natural gas as there are for propane.
However, there will be situation where the best heater option is to use natural gas.
Technical Issues with Natural Gas Heaters
The number one technical issue with natural gas heaters is the ability to get the proper natural gas volume. Most natural gas heaters
usually do not come with a fuel supply hose because the inside diameter (I.D.) of the hose size will vary depending on the available gas
supply pressure. That happens to be the number one technical issue with natural gas heaters: having the correct natural gas volume.
The Three Types of Natural Gas Heaters
Forced Air
These heaters are heaters that use an internal motor and fan to distribute heat. Forced air heaters are commonly called “torpedo”
heaters. Forced air natural gas heaters range in size from 150,000 BTU’S to 750,000 BTU’S through PHP. The advantages of the forced
air heater are many. The whole unit does not have to be in the area to be heated; only the discharge end of the unit has to be in the area
to be heated. This allows clean air exchanges with outside air. In addition, the forced air heater is also a “directional” heater. This
means heat can be focused on a certain item or place. The forced air heater usually has multiple safety features. These usually consist of
high limit switches, sail switches, air proving switches, tip switches (normally found on older units), spark plugs, igniter electrodes,
ignition control boards, valves, and even thermocouples. In addition, forced air heaters that do not have a thermocouple can use a
thermostat for temperature control. As with all heating systems, there are a few disadvantages associated with forced air units. The first
disadvantage is the fact that electricity is required for operation. Another disadvantage is that forced air is more of a complex unit to
troubleshoot and repair. Lastly, forced air units rely on three components to work properly: the timed delivery of air, spark, and fuel (in
that order).
Radiant
These heaters work on the principle of transferring heat from one object to another without heating the space in between. For instance,
the roof of a black car that has been sitting in the sun on a cool 60 degree day is much warmer than the surrounding air. Therefore, the
radiant heat from the sun heated the roof of the car without heating the space in between. That is the concept of radiant heat. As with
all heating systems, there are advantages as well as disadvantages.
The first advantage is that most radiant heaters require no external electricity. The second advantage of radiant heat is that the ground
level is heated first, maximizing the BTU efficiency more so than other heating sources. The third advantage is that the most popular
radiant heaters are in the 100,000 BTU range, making them ideal for using standard residential natural gas pressure. The disadvantages
are few. First, very few models have a thermostatic gas valve which means you cannot use a thermostat. Second, there are relatively few
BTU sizes available, mainly low pressure 100,000 BTU models and high pressure 250,000 BTU models.
Convection
These heaters work on the principle of heat stratification. Heat stratification means heating the topmost areas first, then forcing the heat
down in layers until it reaches the comfort zone (usually from ground level to 6’ off the ground). The main advantage of convection
heaters is that they are the most inexpensive heaters to purchase, providing the most BTU’S for the buck! The disadvantages of
convection heaters are twofold. First, since convection heaters work on the theory of heat stratification, most of the fuel dollars quickly
rise with the heat to the ceiling and away from the comfort zone. Second, with very few convection models available for natural gas,
large heating applications are not usually practical.
Gas Heater Service Info.

—127— Phone: 800-362-6951 • Fax: 800-255-7985
www.phpdistribution.com
Various Ignition Control Boards (D.S.I.’s)
The 7801NR was the Scheu replacement
for the 7499NR Ram. This ignition
control was the first control to eliminate
the second common wire. In other
words, instead of having a 120 volt return
and a valve return, you just have the one
common (white) return. This board
requires a wiring harness for operation.
This ignition control does flame sensing
thru the top of the board via the electrode
(or spark plug) and ignition lead. The
7808NR listed to the right is the direct
replacement for this control unit.
The Fenwal 7808NR is the same as the
Gasliter 7808NR to the left except that at
the time of printing, Scheu is the only
company using it.
The 7499NR
(Ram1M5-
01) was used
by Scheu
exclusively.
This ignition
control does flame sensing thru the
1/4" male spade connection located
on top of the board via the electrode
(or spark plug) and ignition lead. It
has individual wires running to 1/4"
male spade connections on the side
of the unit.
Desa, Scheu,
L.B. White, and
even Toro used the Ram-1 control
extensively in heaters. This control unit
required a wiring harness that attached to
the side of the unit. This ignition control
does flame sensing thru the top (base
stud) of the board via the electrode (or
spark plug) and ignition lead.
The 08810 is a
control board that
is used by L.B.
White exclusively.
This board is a
diagnostic board.
That means that
the board is
capable of
sending an electrical pulse signal to a small
light (L.E.D.) that will flash for a certain
amount of times, depending on what is
wrong with the heater. This board
monitors and delivers 24 volts to the gas
valve, 120 volts to the motor, and it
generates and delivers approximately
15,000 volts to the electrode for the
ignition sequence. This board also utilizes
a base stud located on top of the board to
attach the ignition lead.
The 7808NR (or the 110287-01), Made by
Gasliter, is the most common ignition
control unit used by both Scheu and Desa
for heater production at the time of this
printing (though they use different wiring
harnesses). This control is a "potted"
control. The term "potted" means that
the board has a jell coating to give a
degree of moisture resistance. This
control requires a wiring harness for
operation. This ignition control does
flame sensing thru the 1/4" male spade
located on top of the board, via the
electrode (or spark plug) and ignition
lead. 7808NR is the replacement for the
7801NR.
The 22301 from L B
White works the same
way as the 08810
listed on top right.
The M51605-01 control was used by Desa
only. What makes this control stand out
from the other Gasliters is that it does not
do flame monitoring thru the ignition
lead, and the ignition lead connection is
only an 1/8" male spade connection. The
flame monitoring is accomplished thru a
1/4" male spade located on the front of
the board itself (on the terminal labeled
"SENS") which will attach to the flame
sensor.
The M51605-02
(or 7219NR) was
once the most
common control
board used by
both Desa and
Scheu. This was
the first Gasliter
board that did
the flame
sensing thru the ignition post located on
the top of the board. In addition, this was
the first Gasliter to include all of the
individual control wires.
The 05549 control
was used by L B
White exclusively.
This control was
used for a few
select heater
models (some of
the 292’s and
296’s mainly).
This control also utilizes the base stud to
attach the ignition lead.
RAM-1M5-01 RAM-1
MARK10DN-117-3-8.5-8.5-P0062
10DN-117-3-8.5-8.5-Q011
10DN-117-3-8.5-8.5-Q012
MARK10X-117-3-7-7-Q010
24VAC 1016-400 SERIES
RAM-3MC2-01
Gas Heater Service Info.

—128—
Propane Tanks
Propane Hoses
We listed the total BTU content so you could determine approximately how long a heater or any other
appliance would last. For example, if you operate a 150,000 BTU heater on 2-100 lb tanks the heater should
operate over 14 hours, however, only 90% (approximate) of the contents can be used, so the heater will
operate 13+ hours.
Part No. Description Where Used
2510LH 1/4" X 10' w/Left Hand Sure Flame Torches,
9/16" x 18 fittings L.B. White Heaters
2510LHFTG Fitting to connect 2510LH or 2525 LH hoses together
2510 1/4" x 10' w/1/4" MPT 3500FA, 250, 250A, BLP375
x 1/4" Female Flair Swivel TC250, TC275
2525 1/4" x 25' w/1/4" MPF Same as above
x 1/4" Female Flair Swivel
2525LH 1/4” x 25 w/Left Hand Torches
2525FTG Fitting to connect 2510’s or 2525 together
3810 3/8" x 10' w/3/8" MPT
x 3/8" Female Flair Swivel BLP80, BLP150,150FA, 80FA,150FAS
381050 3/8" X 10' w/3/8" MPT BLP155
x 1/2" Female Swivel
382550 3/8” x 25’ 1/2” FFIR swivel insert
3825 3/8" X 25' w/3/8" MPT Optional Hose for LP Heaters
3/8" Female Flair Swivel up to150,000 BTU's
3850 3/8” x 50’ x 3/8” MPT
3810FTG Fitting to connect 3810’s, 3825’s or 3850’s together
5010 1/2” x 10’ w/1/2” MPT x 1/2” MPT
5025 1/2" x 25' w/1/2" MPT x 1/2" MPT
5050 1/2" X 50' w/1/2" MPT x 1/2" MPT
54 1/2” x 1/2” Swivel Connector
7510P 3/4" x 10' w/3/4" MPT Optional Hose for Heaters
each end with Female over 375,000 BTU's
Swivel Adapter
7525P 3/4" x 25' w/3/4" MPT Optional Hose for Heaters
each end with Female over 375,000 BTU's
Swivel Adapter
7550P 3/4” x 50’ x w/3/4” MPT each end with Female Swivel Adapter
ALL HOSES MEET OR EXCEED O.E.M.
SPECIFICATIONS. ALL HOSES UL APPROVED.
* With O.P.D. All tanks will ship UPS.
1/2” Hoses should be used
with low pressure Natural
Gas Heaters.
3/4” Hoses should be used
with high pressure Natural
Gas Heaters.
Part# Description BTU Content Wt.
C5 5# Tank 108,000 5
C10 10# Tank 215,000 10*
C20 20# Tank 430,000 20*
C30 30# Tank 645,000 28*
C40 40# Tank 860,000 37*
C50 50# Tank 1,080,000 45
C60 60# Tank 1,300,000 55
OPD Valves
• In accordance with the April 1, 2002
National Fire Safety Standards
• All propane cylinders 4# to 40# are
now required to contain overfill
protection devices
Propane Supplies
Phone: 800-362-6951 • Fax: 800-255-7985
www.phpdistribution.com

Single Tank
Vaporization
2+ Cylinders
Vaporization
—129— Phone: 800-362-6951 • Fax: 800-255-7985
www.phpdistribution.com
Propane Supplies
Part No. HR1053P
Adjustable High Pressure Regulator
Capacity: 7,500,000 BTU/HR Propane
Outlet Pressure Range: 5-50 PSIG Color: Red
This tee handle adjustable regulator is used on high
pressure gas heaters
over 1,000,000 BTU's and as a main supply when
several small heaters are
run off of one tank.
Part No. 230-00
Marshall 230 Regulator
11" W.C. Outlet Pressure 1/4" x 3/8" F.P.T.
This regulator is used on
National Riverside Models:
150FA, 150FAS, 150FAST, 80VC,80FA,100RA.
Master ,Reddy Models:
BLP45,RLP45,BLP80,RLP80,BLP150,BLP155,BLP155
T.
REGULATOR CAP (230-00)
Part No. 100-22B Blue
Part No. 130-00
Marshall 130 Regulator
1/4 x 1/4 FPI Replaces Marshall 300
This regulator is used on
National Riverside Models:250,250A.
Master/Reddy Models;
TC250,RC250,TC250A, RC250A, TC275,RC275.
REGULATOR CAP: Part No. 100-22R Red
Part No. LV4403TR4
First Stage High Pressure Regulator
Reduces LP tank pressure to 5-10 P.S.I.
Outlet Pressure: 2,500,000 BTU/hr Propane
Connections: 1/2” Female NPT Inlet and Outlet
Color:Red
Factory set outlet pressure: 10 PSIG
Part No. LV4403B4
Second Stage Low Pressure Regulator
Reduces the Outlet Pressure from First Stage levels
down to Burner Pressure,
normally 11” W.C.. Equipped with an Integral Relief
Valve.
Capacity: 935,000 BTU/hr Propane
Connections: 1/2” Female NPT Inlet and Outlet
Adjustment Range: 9-13” W.C. (Factory set at 11”
W.C.)
Color: Brown
Part No. 597FB
Torch Regulator
This handle adjustable regulator is widely used on
Propane Torches
and High Pressure Gas Heaters under 1,000,000
BTU's.
Capacity: 820,000 BTU/HR Propane
Outlet Pressure Range: 5-25 PSIG
Connections: 1/4" Female NPT Inlet and Outlet
Color: Red
Part No. 230-00
Part No. 130-00
Part No. LV4403TR4
Part No. LV4403B4
Part No. 597FB
Part No. HR1053P
Propane Supplies

—130— Phone: 800-362-6951 • Fax: 800-255-7985
www.phpdistribution.com
POL Pigtail’s
Part No. 1662
30” Long x 1/4” O.D. Tubing
Part No. 1630RU
30” Rubber Hose
Part No. 1648RU
48” Rubber Hose
CONNECTION: POL X POL
T-Block Manifold
Part No. P400
Inlet Connection: Male POL
Outlet Connection: Female POL
For multiple tank connections
Gas Pressure Test Set
Part No. G24507
This test set employs a 2
1/2" dial. Fig. 83K gauge
with a dual scale of 0 to 20 ounces and 0 to 35
inches water column. The gauge is mounted
securely in a polyethylene box with a hinged
cover and gray finish.
Propane Test Gauge - Low Pressure
Part No. G24503
0-15 IN. W.C. Low Pressure
Gauge
Utilizes highly effective
diaphragm sensing to give
accurate indication in low
pressure applications. 2 1/2" dial, 1/8" NPT
lower mount connection.
Recommended for use on Sure Flame Models
SL11B, S1500, S1505 and S2000. Can be
used on any Low Pressure Gas Portable
Heater.
Part No. HV1027P
0-30 High Pressure Gauge
Propane Supplies
Gas Fired Service Manual
New service manual! Gives an
understanding of gas fired heaters,
parts description & photos and
troubleshooting. It also covers three
manufacturers of gas fired heaters:
Desa, Scheu and L.B. White.
Part No. GM70103
Regulator
Kit #
E76162 (1/4”)
E76163 (3/8”)
E76163 = 3/8” Quick Connect Kit
E76162 = 1/4” Quick Connect Kit
Kit consists of a fitting to attach quick
connect to regulator, and a male quick
plug that you connect to hose.
Hose
Propane Quick Disconnects
Part No. TTS8
Brushable Teflon Sealant
This is what our service people use.
Not Suitable for oxygen.
Propane Supplies
Flame Control Tester
Part No. 0402NR
Use to test DSI boards
• Easy to connect to almost any board
• Tests & proves operation of:
gas valve, spark & flame sensing
• Save hundreds of dollars on
replacment flame contorl boards!
Part
#GM70103
Portable
Heater
Parts
®
2007
Ve
rsion
2
Gas Fired
Heaters
SERVICE
MANU
AL
for

—131— Phone: 800-362-6951 • Fax: 800-255-7985
www.phpdistribution.com
Enerco Gas Fired
Always remember to match the model number of your heater with
the model number of the individual breakdowns in this section. The
breakdowns in this manual refer to the model specifically listed on
each individual page. Use a breakdown only if you have the exact
model match for your particular heater. If your model number does
not appear in the breakdowns, please call one of our technicians for
assistance.
If you need technical assistance, feel free to call PHP at 1-800-362-6951 or e-mail
us at techservice@phpdistribution.com. Whenever possible, please have your
model number and the nature of your problem before you place a call for
technical service.
Brand Names Include:
Enerco
Mr. Heater
HeatStar
Model and Description Fuel Type Heater Type Page No.
HS35LP Propane Infrared 134
HS/MH/PA35FA Propane Forced Air 137
HS55FAV Propane Forced Air 140
HS80CV Propane/Nat.Gas Convection 144
HS85FAV Propane Forced Air 140
HS125FAV Propane Forced Air 140
HS125NG, HS125LP Propane/Nat.Gas Infrared 146
HS125NG, HS125LP (2009-2010) Propane/Nat.Gas Infrared 147
HS/MH/PA170FAVT Propane Forced Air 150
HS200CV Propane Convection 145
HS/MH/400FAVT Propane Forced Air 153
MH90B, SPC9 - Handi-Heater Propane Radiant 132
MH9BX - Mr. Heater Buddy Heater Propane Radiant 133
MH12T, MH12TS - Tank Top Propane Infrared 134
MH18B - Big Buddy Propane Radiant 135
MH24TS - Tank Top Propane Infrared 136
MH42T Propane Infrared 136
MHU45, MHU75 Propane Garage 138
MH55FAV Propane Forced Air 139
MH80CV Propane/Nat.Gas Convection 142 & 144
MH85FAV Propane Forced Air 143
MH125LP Propane Infrared 146
MH125FAV Propane Forced Air 148
MH170FAVT Propane Forced Air 149-150
MH200CV Propane Convection 145 & 152
TS170FAV Propane Forced Air 151
Enerco Gas Fired Heaters
HEATER INDEX

—132— Phone: 800-362-6951 • Fax: 800-255-7985
www.phpdistribution.com
4,000 & 9,000 Scheu Propane Handi-Heater
Model Numbers
SPC9
MH9B
Key Part
No. No. Description
1 E73234 PIEZOIGNITER
2 E73236 WIRE,IGNITER
3 E73237 WIRE,GROUND
4 E73405 COVER,RHPLASTIC
5 E73418 KNOB,FUEL CONTROL
6 E73423 COVER,FRONT
7 E73424 COVER,REAR
8 E73426 COVER,LHPLASTIC
9 E73428 BASESUPPORT TUBES (qty. 2)
10 E73449P GUARD, WIRE
11 E73452 HANDLETUBE
12 E98959 SCREW, BURNER MT.
13 E11410 REGULATOR
Key Part
No. No. Description
14 E73432 OWNER’S MANUAL
(Required when ordering parts.)
15 E73416 CONTROL VALVE
16 E73404 PILOT ASSEMBLY
17 E73403 TIP SWITCH
18 E73413 ORIFICE,BURNER
19 E71113 O-RING,BURNERORIFICE
20 E73446 COMPLETEBURNER ASSEMBLY
(Includes assembled items 21- 25)
21 E73458 PLENUM,BURNER
22 E73429 CLIP, BUNER TILE (qty. 2)
23 E73433 GASKET,BURNER TILE
24 E73439 BURNERTILE
25 E73460 REFLECTOR,BURNER
* E73702 12’ Accessory Gas Hose
Enerco LP 9,000 BTU

—133— Phone: 800-362-6951 • Fax: 800-255-7985
www.phpdistribution.com
Enerco LP 9,000 BTU
4,000 & 9,000 Mr. Heater Propane Handi-Heater
Model Numbers
MH9BX
Starting Serial#
EZ-320000001001
EZ-320100001001
EZ-320200001001
EZ-320400001001
EZ-320600001001
Key Part
No. No. Description
1. 32017 Knob, Valve, Safety, Red
32019 Knob, Valve, Safety, Green
2. 32054 Valve, Assy, Control
3. 32056 Tube, Burner, Main
4. 32053 Tube, Inlet, Assy
5. 32051 Guard, Wire
32061 Guard, Wire, Heavy
6. 33092 Panel, Front, Metal, Red
33094 Panel, Front, Metal, Yellow
33093 Panel, Front, Metal, Green
7. 75191 Panel, Back, Metal, w/32004, Red
75194 Panel, Back, Metal, w/32004, Yellow
75196 Panel, Back, Metal, w/32004, Green
8. 32027 Brkt, Valve
9. 32028 Heat, Shield
10. 32015 Handle, Back, Plastic, Gray
32074 Handle, Back, Plastic, Black
11. 32014 Handle, Front, Plastic, Gray
32072 Handle, Front, Plastic, Black
Key Part
No. No. Description
12. 75198 Assy, Regulator, w/Support
13. 32080 Housing, Left, Plastic, Gray
32085 Housing, Left, Plastic, Black
14. 32021 Reflector, Metal
15. 33088 Tile, Replacement Kit, MH9BX
16. 32032 Burner, Assy
17. 33090 Housing, Right, Plastic, Gray
33091 Housing, Right, Plastic, Black
18. 32068 Orifice, Assy with O-Ring
19. 32052 Orifice, Holder
20. 32023 Floor, Panel, Metal
21. 73403 Switch, Tipover
22. 32046 Brkt,ODS (Oxygen Depletion Sensor)
23. 73404 ODS, Pilot, Assy
24. 32057 Tube, Pilot, Assy
25. 32067 Magnet, Tank

Enerco LP 12-35,000 BTU
—134—
12,000 BTU Infrared Enerco Propane Heater
Model Numbers
MH12T
MH12TS
Key Part
No. No. Description
1 F273116 Replacement Safety Shutoff with Orifice Assembly
2 F273117 Thermocouple Lead – 12” Long
3 73122 Plenum Assembly (MH12T only)
4 73107 Plenum Assembly (MH12TS only)
5 F273164 Grid Screen Assembly
6 F273606 Replacement Regulator with Soft Nose POL
7 75102 Wire Faceguard
8 75113 Knurled Lock Nut
9 75128 Reflector (MH12T only)
10 75128S Reflector (MH12TS only)
11 73120 Repl. Reg. H-M-L w/S.S. Tank Union T/C and Orifice
12 75784 Orifice - .018
13 73235 Sparklite Assembly (MH12TS only)
14 73233 Electrode Assembly (MH12TS only)
Phone: 800-362-6951 • Fax: 800-255-7985
www.phpdistribution.com
35,000 BTU Enerco Infrared Propane Heater
Key Part
No. No. Description
1 23525 CONT M-N SS PORT 3/8MPXI/4MP
2 23526 BURNR/LTFR PORTABLES/D1096
3 23527 ORIFICE/BURNER #55 DRILL
4 23513 THERMOCOUPLE ASSY/18”
5 21920 TIP-OVER SWITCH 6” LEAD(PORT)
7 11663 REC.L/P 21” WC OUT
8 23531 IGNITOR, MODEL#35
9 20735 PIEZO, MODEL#35
15 70722 MAIN FRAME LOWER ASSEMBLY
16 14504 THERMOCOUPLE BRACKET
Model Numbers
HS35LP
Serial Numbers:
270700-09001001

Enerco LP 24,000 BTU
—135— Phone: 800-362-6951 • Fax: 800-255-7985
www.phpdistribution.com
24,000 BTU Enerco Propane Heater
“Big Buddy”
Key Part
No. No. Description
1 78402 HANDLE, ASSEMBLY
2 78403 FAN, SWITCH
3 78404 BACK, FAN, COVER
4 78405 FAN, MOTOR
5 78406 FAN, BLOWER, WHEEL
6 78407 FAN, INTAKE, COVER
7 78408 DOOR, BATTERY, COVER
8 78409 BATTERY, TERMINALS
9 78410 DOOR LEFT SIDE COVER
10 78411 LEFT, SIDE, COVER
11 78412 (2) REGULATORS, MH18B
12 78413 TIE, WRAPS
13 78414 BRACKET, LEFT, SIDE, REG,
14 78415 LEFT, SIDE, GAS, SUPPLY, LINE
15 78416 FRAME, ASSEMBLY
16 78417 BRACKET, RIGHT, SIDE, REG,
17 78418 KNOB, CONTROL
18 78419 DOOR, RIGHT, SIDE, COVER
19 78420 RIGHT, SIDE, COVER
20 78421 VALVE, CONTROL, ASSEMBLY
21 78422 PILOT, ASSEMBLY
22 78423 SHIELD, HEAT, BACK
23 78424 SHIELD, HEAT, FRONT
24 78425 COVER, FRONT
25 78426 GUARD, WIRE, FACE
26 78427 BRACKET, BOTTOM
27 78428 PILOT, BRACKET
28 78429 REFLECTOR
29 73439 TILE
30 73433 TILE, GASKET (NOT SHOWN)
31 78431 PLENUM, BODY
32 78432 BRACKET, TOP
Accessories
F273701 5 ft. PROPANE HOSE ASSEMBLY (Swivel
1”-20 Male Throwaway Cyl. Thd. X P.O.L.
w/Handwheel)
F273702 12 ft. PROPANE HOSE ASSEMBLY
(Swivel 1”-20 Male Throwaway Cyl. Thd.
X P.O.L. w/Handwheel)
F273699 Fuel Filter (Replace Annually)
F271802 12 ft. PROPANE HOSE ASSEMBLY
w/quick disconnect fittings and 3/8”
female flare fitting
F271803 12 ft. PROPANE HOSE ASSEMBLY
w/quick disconnect fittings and 11” W.C.
regulator w/Acme nut.
Model Numbers
MH18B

Enerco LP 24-42,000 BTU
—136—
24,000 & 42,000 BTU Enerco Infrared Propane Heater
Key Part
No. No. Description
1 73610 Manifold Assembly, 2 Valve
Orifice and Thermocouple
2 F273117 Thermocouple Lead – 12” Lone
3 73122 Plenum Assembly Complete
4 F273164 Grid Screen Assembly
5 73214 Bolt – 1/-20 with Seal Washer
6 F273606 Replacement Regulator with
Soft Nose POL
7 75603 Reflector (MH24T Only)
7A 75603S Reflector (MH24TS) only)
8 75602 Wire Face Guard
9 75607 Metal Ring
10 75628 Collar Mounting Bracket
11 73658 Hose Assembly (11” Long)
12 73213 Replacement Safety Shutoff with Orifice
13 75613 Locking Knob
14 73234 Igniter/Sparklite
15 73233 Spark Electrode/Bottom
16 73231 Spark Electrode/Side
Model Numbers
MH24TS
42,000 BTU Enerco Infrared Propane Heater
Model Numbers
MH42T
Phone: 800-362-6951 • Fax: 800-255-7985
www.phpdistribution.com
Key Part
No. No. Description
1 73960 Manifold with safety shutoffs
and orifices
2 F273117 12 inch thermocouple lead
3 73122 Plenum Assembly, Complete
4 F273164 Screen Assembly
5 73941 Bolt set (#10-32 x 1/4 Phillips HD
Mach Screws)
6 F273606 Replacement Regulator with
Soft Nose POL
7 73743 Reflector
8 73742 Wire Guard
9 75607 Metal Ring
10 73938 Collar Mounting Bracket Assembly
11 73658 Hose Assembly/Less Regulator (11” Long)
12 73213 Replacement Safety Shutoff with Orifice
13 75613 Locking Knob
14 73214 Bolt – 1/-20 with Seal Washer
15 73322 Plenum Assembly with Clip –Center Only

Enerco LP 35,000 BTU
—137— Phone: 800-362-6951 • Fax: 800-255-7985
www.phpdistribution.com
35,000 BTU Enerco Forced Air Propane Heater
Model Numbers
MH35FA
Key Part
No. No. Description
1 10720 Heater Body Kit
2 2100 Control Box Assy
3 8079 Valve w/Thermocouple
* 1007 Hose & Regulator Assembly
* 2130 Wire Assembly
7 8080 Electrode
8 6168 High Limit Switch 240oF (116oC)
10 8091 Nut Hex M8 x 1 Fine Thd Thermocouple (qty. 2)
11 8076 Motor 0.74 A
12 2101 Grille Assembly
13 8077 Fan Blade, 6.75 x .75 Pitch
14 2113 Power Cord Assembly
15 8136 Bushing Strain Relief
16 8116 Nut Hex 5-28 TE Valve (qty. 2)
17 7161 Nut, Piezo
18 6473 Piezo Ignitor
19 7094 Clip Handle (qty. 2)
20 7095 Handle
* M8494 Label, Model Warnings
* 70036 Label, Operating Instructions
* 8649 Manual, Operating Instructions/Parts List
* M8497 Label, Model
* 8204 Label, Hang Tag, LP
* Not shown on exploded view
35,000 BTU Enerco Forced Air Propane Heater
Key Part
No. No. Description
1 10720 Heater Body, MH/HS
28084 Heater Body, PA
2 22100 Control Box Assy 1
3 28081 Valve 1
* 21007 Hose & Regulator Assembly 1
* 21007-20 Hose & Regulator Assembly, 20' 1
* 22130 Wire Assembly 1
7 28080 Electrode 1
8 26168 High Limit Switch 240oF (116oC) 1
9 28082 Thermocouple 1
10 28091 Nut Hex M8 x 1 Fine Thd Thermocouple 2
11 28076 Motor 0.74 A 1
12 22101 Grille Assembly 1
13 28077 Fan Blade, 6.75 x .75 Pitch 1
14 22113 Power Cord Assembly 1
15 82136 Bushing Strain Relief 1
16 28116 Nut Hex 5-28 TE Valve 2
17 27161 Nut, Piezo 1
18 26473 Piezo Ignitor 1
19 28074 Clip Handle 2
20 28075 Handle, plastic 1
* 28494 Label, Model Warnings 1
* 28495 Label, Operating Instructions 1
* 70036 Manual, Operating Instructions/Parts List 1
* 28497 Label, Model 1
* 28204 Label, Hang Tag, LP 1
* Not shown on exploded view
Model Numbers
HS/MH/PA35FA
Starting Serial #
MHC-700350034202

Enerco LP 45-75,000 BTU
—138—
45,000 & 75,000 BTU Enerco Propane Unit Heater
Model Numbers
MHU45
MHU75
Key
No. MHU45 MHU75 Description
1 60105 60105 CIRCUIT BOARD
2 60015 60015 LIMIT SENSOR
3 60035 60035 ELECTRODE IGNITER
4 60040 60040 ELECTRODE SENSOR
5 60050 60050 BURNER
6 60045 60045 IGNITION LEAD
7 60046 60046 SENSOR LEAD
8 60049 60049 ORIFICE (NAT)
9 60056 60056 ORIFICE (LP)
10 02812 02812 GAS VALVE (NAT)
11 02811 02811 GAS VA LVE (LP)
12 60025 60025 TRANSFORMER
13 60030 60030 PRESSURE SWITCH
14 60022 60022 HI LIMIT SENSOR HEAT EXCH.
15 60031 60031 PRESSURE SWITCH TUBE
16 60020 60020 INDUCED DRAFT MOTOR
Key
No. MHU45 MHU75 Description
17 60130 60140 VENT ADAPTER
18 60135 60135 INDUCED DRAFT MOTOR GA SKET
19 60075 60075 BACK BRACKET
20 60080 60080 FR ONT BRACKET
21 60100 60100 LOUVERS
22 60103 60103 LOUVER SPRING
23 60085 60087 FLUE BOX
24 60090 60092 FLUE BOX GA SKET
25 60065 60068 HEAT EXCHANGER
26 60070 60072 ACCESS DOOR
27 60095 60097 FRONT
28 60110 60112 SIDE DOOR
29 60115 60117 WRAPPER
30 60055 60054 FAN MOTOR
31 60120 60122 FAN GUARD
32 60125 60127 FAN ASSEMBLY
Phone: 800-362-6951 • Fax: 800-255-7985
www.phpdistribution.com

Enerco LP 55,000 BTU
—139— Phone: 800-362-6951 • Fax: 800-255-7985
www.phpdistribution.com
55,000 BTU Enerco Forced Air Propane Heater
Model Numbers
MH55FAV
Key Part
No. No. Description
1 6152 Hose Assy, LP
2 6257 Regulator 28” WC
3 6433 POL Excess Flow 1/4 MPT
4 3955 Panel, Bottom
5 1036 Power Cord Assy
6 6223 Strain Relief Bushing
7 1904 Control Box Assy
8 3275 Ignitor HYLO 801
9 6127 Ftg, Male Connector
10 6133 Ftg, Coupling (qty. 2)
11 6265 Ftg, Elbow Street (qty. 2)
12 7285 Thermoelectric Valve
13 6641 Terminal Board
14 7431 Ball Valve
* 6189 Terminal “Y” (qty. 2)
16 1811 Relay Assembly
17 3141 Ftg., Female Connector
18 1935 Fuel Tube Assy
19 1654 Motor Grille Assy
20 3676 Brkt, Motor Mounting
21 1652 Motor Assy
22 6086 Fan, 7”
23 1729 Outer Cylinder Assy
24 7094 Clip Handle Mounting (qty. 2)
25 7095 Handle
Key Part
No. No. Description
26 6225 Snap Bushing, 5/8
27 6226 Universal Bushing
28 6224 Snap Bushing 1/2
29 6654 Thermocouple 13” Lg w/J.B.
30 1082 Spark Plug
31 3037 Spark Plug Nut (qty. 2)
32 6121 Ftg, Male Elbow
33 3038 Orifice Nut Mtg
34 1751 High Limit Control Assy
35 1930 Orifice Assy, LP
36 1651 Middle Cylinder Assy
37 1931 Flame Holder Assy
* 70056 Manual, Operating Instructions
* M8733 Label, Model
* 7783 Label, Operating Instructions
* 6374 Label, Electrical Grounding
* 7651 Label, Fuel
* 7503 Label, Wiring Diagram
* 6373 Label, Fan Rotation
* 1667 Hose & Regulator Assembly
* 8203 Label Hang Tag, LP
* 7709 Label, Fuel
* 7704 Label, Warning
* Not shown on exploded view

—140—
Enerco LP 55-125,000 BTU
55, 85, 125,000 BTU Enerco Forced Air Propane Heater
Model Numbers
HS55FAV
HS85FAV
HS125FAV
Phone: 800-362-6951 • Fax: 800-255-7985
www.phpdistribution.com

55, 85, 125,000 BTU Enerco Forced Air Propane Heater
Key
No. 55FAV 85FAV 125FAV Description
1 21654 21671 21671 Motor Grille Assy 1
2 21652 21551 21551 Motor Assy 1
3 26086 26086 27898 Fan 1
4 21729 21670 21998 Outer Shell 1
21730 21672 21999 Outer Shell - Model TS 1
5 28075 28075 28075 Handle, plastic 1
6 28074 28074 28074 Clip Handle Mounting, 2
7 26121 27433 27433 Ftg, Male Elbow 1
8 21082 21083 21083 Spark Plug 1
9 21751 21751 22003 High Limit Control Assy 1
10 --- 23036 23036 Bracket Thermocouple 1
11 - - - 23787 23787 Spacer Thermocouple 1
12 21930 21673 22002 Orifice Assy, LP 1
13 21651 21674 22001 Middle Cylinder Assy 1
14 23037 23037 23037 Spark Plug Nut (2-55FAV) 3
15 21931 21750 22004 Flame Holder Assy 1
16 23038 23038 23038 Orifice Nut Mtg 1
17 21941 21655 21655 Fuel Tube Assy 1
18 26655 26655 26655 Thermocouple 10" Lg w/JB. 1
19 23045 23045 23045 Bracket Ignition / Relay 1
20 23276 23276 23276 Ignition / Relay Module 1
21 26134 26134 26134 Compression Block, Relay 1
22 27093 27093 27093 Cover, Cup, Valve 1
23 25027 25027 25027 Knob, Variable Rate 1
24 26079 26079 26079 Spacer PC Standoff 3
26 27422 27414 27418 Variable Rate Valve 1
28 26225 --- 26227 Snap Bushing 1
29 26224 --- 27158 Snap Bushing, 1/2 1
31 26127 26127 26127 Ftg, Male Connector 1
Key
No. 55FAV 85FAV 125FAV Description
32 27285 27285 27285 Thermoelectric Valve 1
33 26223 26223 26223 Strain Relief Bushing 1
34 21036 21036 21036 Power Cord Assy 1
35 26433 26433 26433 POL Excess Flow 1/4 MPT 1
36 26257 26257 26257 Regulator 28" WC W/POL 1
37 26152 26152 26152 Hose Assy, LP, 12' 1
* 26152-20 - - - - - - - - - - - - Hose Ass'y, 20' 1
* 21667 21667 21667 Hose & Regulator Ass'y 1
38 24017 24019 24019 Panel, Bottom 1
40 24020 24022 24022 Control Box Assy 1
41 24023 24025 24025 Elevation Plate 1
42 25026 25026 25026 Elevation Knob 1
43 26656 26656 26656 Thermocouple, connector 1
* 26189 --- --- Terminal “Y” 2
* 23676 --- --- Brkt, Motor Mounting 1
* 26226 --- --- Universal Bushing 1
* 70056 70056 70056 Manual, Operating Instr 1
* 28733 28507 28510 Label, Model 1
* 27783 28784 28784 Label, Operating Instr. 1
* 26374 26374 26374 Label, Electrical Grounding 1
* 27709 27709 27709 Label, Fuel 1
* 27503 27503 27503 Label, Wiring Diagram 1
* 26373 26373 26373 Label, Fan Rotation 1
* 28203 28203 28203 Label Hang Tag, LP 1
* 27704 27704 27704 Label, Warning 1
* 26375 26375 26375 Label Elevation Adjustment 1
* 26376 26376 26376 Label Btu/hr Adjustment 1
* Not shown on exploded view
—141— Phone: 800-362-6951 • Fax: 800-255-7985
www.phpdistribution.com
Enerco LP 55-125,000 BTU

Enerco LP 80,000 BTU
—142—
80,000 BTU Enerco Convection Propane Heater
Model Numbers
MH80CV
Key Part
No. No. Description
1 8634 Pilot LP Ass'y
2 6152 Hose Ass'y
3 8635 Burner Ring
4 8636 Ring Shield
5 8637 Fuel Tube Ass'y
6 8638 Pilot Tube Ass'y
7 2239 Upper Shell
8 8639 Orifice Adapter
9 8640 Bracket, Pilot Mounting
10 8641 Orifice, LP
11 8642 Base
12 4223 Cap
13 6045 Clip, TC
14 6104 TE Valve
15 6137 Ftg., Elbow Female 1/4 FLRx1/8 FPT
16 2237 Lower Shell
17 8643 Thermocouple
18 6433 POL Excess Flow
19 6255 Regulator
20 8654 Valve, Ball
21 6473 Piezo Ignitor
22 6503 Nut Hex 1/2-28 TE Valve
23 7172 Ftg., Elbow Female 1/4 FPTx 3/8 FLR (qty. 3)
24 8162 External Retaining Ring
25 7161 Piezo Nut
Key Part
No. No. Description
26 7652 Electrode w/7" wire
27 4293 Heat Shield
28 8644 Pilot Orifice
29 6689 Washer, Flat 1/16 SAE
30 8187 Ftg., Elbow 1/8 FPT x 1/4 CPSN
* 6568 Fitting Adapter 1/4 FPTx1/4 MPT
* 8018 Fitting Adapter 1/8 FPT x 1/4 MPT
* 70486 Manual, Operating Instructions
* M8760 Label, Model
* 8758 Label, Safety Precautions
* 8759 Label, Safety Precautions
* 8757 Label, Installation
* 8502 Label, Warning
* 8679-80 Label, BTU
* 8206 Hang Tag
* 8651 Ball Valve Knob
* 8655 Ball Valve Knob Insert
* Not shown on exploded view
Phone: 800-362-6951 • Fax: 800-255-7985
www.phpdistribution.com

Enerco LP 85,000 BTU
—143— Phone: 800-362-6951 • Fax: 800-255-7985
www.phpdistribution.com
85,000 BTU Enerco Forced Air Propane Heater
Model Numbers
MH85FAV
Key Part
No. No. Description
1 1670 Cylinder, Outer Assembly
2 6086 Fan, 7”
3 1551 Motor Assembly, 80-FAS
4 1671 Grille, Motor Mtg/Inlet Assy.
5 1750 Flame Holder Assembly
6 1674 Cylinder, Middle Assembly
7 3038 Nut, Orifice Mounting 3/4-16
8 7433 Fitting, Male Elbow
9 26654 Thermocouple
10 1751 High Limit Control Assembly
11 1083 Spark Plug, 1/8 Gap
12 3037 Nut-Spark Plug (qty. 3)
13 1673 Orifice Assembly
14 1752A Control Box Assembly
15 3044 Ignition Relay Bracket
16 6641 terminal Board
17 3275 Spark Ignition, 115V
18 1668 Fuel tube Assembly
19 6133 Fitting, Coupling
20 3787 Spacer, TC Bracket
21 6127 Fitting, Male Connector
22 7285 TE Valve
23 7404 Ball Valve, Variable Rate
24 7405 Fitting, Female Connector
25 3690 Control Panel Assembly
Key Part
No. No. Description
26 6223 Strain Relief Bushing
27 1036 Power Cord
28 6152 Hose Assembly
29 6257 Regulator, 28” W.C.
30 6433 POL Excess Flow
31 7094 Clip Handle Mounting, 3 pcs. (qty. 2)
32 7095 Handle, 3 pcs.
33 1811 Relay
35 7503 Label, Wiring
36 6265 Fitting Elbow (qty. 2)
37 3036 Bracket, TC
38 3775 Side Panel
* 70056 Label, Model
* M8507 Label, Operating Instructions
* 6374 Label, Electrical Grounding
* 6373 Label, Fan Rotation
* 8203 Label Hang Tag, LP
* 7709 Label, Fuel
* 7704 Label, Warning
* 8508 Label, Operating Instructions
* 7432 Label, BTU Rating (qty. 2)
* Not shown on exploded view

—144—
Enerco LP 80,000 BTU
80,000 BTU Enerco Convection Propane/Natural Gas Heater
Model Numbers
MH80CV
HS80CV
Starting Serial #
MHC-7048000334063
Key Part
No. No. Description
1 28634 Pilot Lp Ass'y 1
2 26152 Hose Ass'y 1
3 28635 Burner ring 1
4 28636 Ring Shield 1
5 28656 Fuel, Tube, Assembly,
80CV, 200CV,Lp/NG, 2008 1
6 28638 Pilot Tube Ass'y 1
7 22239 Upper Shell 1
8 28633 Adapter, Orifice, 80CV, 200CV, 2008 1
9 28640 Bracket, pilot Mounting 1
10 28652 Orifice, Lp, 80CV, 2008 1
28658 Orifice, NG, 80CV, 2008 1
11 28653 Base,80CV, 200CV, 2008 1
12 24223 Cap 1
13 26045 Clip, TC 1
14 26104 TE Valve (Safety Valve) 1
15 26137 Ftg., Elbow female 1/4 fLrx1/8 fpT 1
16 26657 Ftg., Elbow 90°, 200CV, 2008 1
17 28643 Thermocouple 1
18 26433 POL Excess flow 1
* 26568 Fitting Adapter 1/4 fpTx1/4 MpT 1
* 28018 Fitting Adapter 1/8 fpT x 1/4 MpT 1
* 70486 Manual, operating Instructions 1
19 26255 Regulator 1
20 21894 Valve, Main burner 80CV, 2009 & New 1
Key Part
No. No. Description
21 20735 Piezo Ignitor 1
22 26503 Nut Hex 1/2-28 TE Valve 1
23 27142 Ftg., Elbow 90°, 80CV, 200CV, 2008 1
25 27161 Piezo Nut 1
26 27652 Electrode w/7" wire 1
27 24293 Heat Shield 1
28 28674 Pilot, Orifice, 80CV, Lp, 2008 1
28677 Pilot, Orifice, 80CV, NG, 2008 1
29 26689 Washer, flat 1/16 SAE 1
31 22237 Lower Shell 1
32 28165 Cover, bottom 1
* 28760 Label, Model 1
* 28758 Label, Safety precautions 1
* 28759 Label, Safety precautions 1
* 28757 Label, Installation 1
* 28502 Label, Warning 1
* 28132 Label, bTu 1
* 28206 Hang Tag 1
* 21911 Main burner Valve Knob 1
* 28655 Main burner Valve Knob Insert 1
* Item not shown
Phone: 800-362-6951 • Fax: 800-255-7985
www.phpdistribution.com

—145— Phone: 800-362-6951 • Fax: 800-255-7985
www.phpdistribution.com
200,000 BTU Enerco Convection Propane Heater
Model Numbers
MH200CV
HS200CV
Starting Serial #
MHC-706000026059
Key Part
No. No. Description
1 28645 Pilot Lp Assembly 1
2 21591 Hose Ass'y, Lp 1
3 28635 Burner ring Assembly 1
4 28636 Ring Shield 1
5 28656 Fuel, Tube, Assembly,
80CV, 200CV,Lp/NG, 2008 1
6 28638 Pilot Tube Assembly 1
7 22240 Upper Shell 1
8 28633 Adapter, Orifice, 80CV, 200CV, 2008 1
9 28640 Bracket, pilot Mounting 1
10 28632 Orifice, Lp, 200CV, 2008 1
11 28653 Base,80CV, 200CV, 2008 1
12 24223 Cap 1
13 26045 Clip, TC (Safety Valve) 1
14 26104 TE Valve (Safety Valve) 1
15 26137 Ftg., Elbor female 1/4 fLrx1/8 fpT 1
16 26657 Ftg., Elbow 90°, 200CV, 2008 1
17 28643 Thermocouple 1
18 26252 POL Excell flow 1
19 26256 Regulator 1
20 21895 Valve, Main burner 80CV, 2009 & New 1
21 20735 Piezo Ignitor 1
22 26503 Nut, Hex 1/2-28 TE Valve 1
Key Part
No. No. Description
23 27142 Ftg., Elbow 90°, 80CV, 200CV, 2008 1
24 28162 External retaining ring 1
25 27161 Piezo Nut 1
26 27652 Electrode w/7" Wire 1
27 24293 Heat Shield 1
28 28677 Pilot, Orifice, 200CV, Lp, 2008 1
29 26689 Washer, flat 9/16 SAE 1
30 28187 Fitting, Elbow 1/8 fpTx1/4 CpSN 1
31 22238 Lower Shell 1
32 28165 Cover, bottom 1
* 70486 Manual, operating Instructions 1
* 28758 Label, Safety precautions 1
* 28759 Label, Safety precautions 1
* 28757 Label, Installation 1
* 28756 Label, Model 1
* 28502 Label, Warning 1
* 28502 Label, bTu 1
* 28204 Hang Tag 1
* 21911 Main Burner Valve Knob 1
* 28655 Main Burner Valve Knob Insert 1
* Items not shown
Enerco LP 200,000 BTU

Enerco LP/NG 125,000 BTU
—146—
125,000 BTU Enerco Infrared Propane/Natural Gas Heater
Model Numbers
MH125LP
HS125NG
HS125LP
Key Part
No. No. Description
1 23510 Manual Control Valve
2 23511 Knob Control Valve
3 04466 Filter/Diffuser
4 23512 Orifice Pilot(MH125LP/HS125LP)
5 23513 Thermocouple
6 23514 Pilot Burner
7 11663 Regulator (MH125LP/HS125LP)
8 11666 Regulator (HS125NG)
9 05374 Orifice Pilot (HS125NG)
10 23515 Ignitor
11 20735 Piezo
Key Part
No. No. Description
12 23523 Axle With Brackets
13 23517 Handle
14 23518 Wheel
15 23519 Valve Supply Tube
16 23520 Valve Supply Tube Clamp
17 23521 Burner Manifold
18 23522 Burner
19 11412 Hose Assembly 12’
20 11420 Hose Assembly 20’
Phone: 800-362-6951 • Fax: 800-255-7985
www.phpdistribution.com

Model Numbers
HS125NG
HS125LP
Starting Serial # NG
170950-09001001 to present
Starting Serial # LP
170800-09001001 to present
Key Part
No. No. Description
1 23510 manual Control Valve
2 2351 Knob Control Valve
3 04466 filter/Diffuser
4 23512 Orifice Pilot (HS125LP)
*4a 05374 Orifice Pilot (HS125NG)
5 21925 Thermocouple, 13”
6 23514 Pilot Burner
7 26255 Regulator (HS125LP)
8 11666 Regulator (HS125NG)
9 23515 Ignitor
10 20735 Piezo
Key Part
No. No. Description
15 23519 Valve Supply Tube
16 23520 Valve Supply Tube Clamp
17 23521 Burner manifold
18 23522 Burner (L/P)
*18a 29025 Burner (NG)
*19 11412 Hose Assembly 12’
*19a 11420 Hose Assembly 20’
* Not Shown Figure 2
Enerco LP/NG 125,000 BTU
—147— Phone: 800-362-6951 • Fax: 800-255-7985
www.phpdistribution.com
125,000 BTU Enerco Infrared Propane/Natural Gas Heater
2009 - 2010 Model Year

—148— Phone: 800-362-6951 • Fax: 800-255-7985
www.phpdistribution.com
125,000 BTU Enerco Forced Air Propane Heater
Model Numbers
MH125FAV
Key Part
No. No. Description
1 1671 Grille, Motor Mtg/Inlet Assy.
2 1551 Motor Assembly, 80-FAS
3 7898 Fan, 8”
4 1998 Cylinder, Outer Assembly
5 7095 Handle
6 7094 Clip Handle Mounting, 3 pcs. (qty. 2)
7 7433 Fitting, Male Elbow
8 1083 Spark Plug, 1/8 Gap
9 2003 Control, High Limit Switch Assy.
10 3036 Brcket, Thermocouple
11 3787 Spacer, TC Bracket
12 2002 Orifice, LP Assembly
13 2001 Cylinder, Middle Assembly
14 3037 Nut-Spark Plug (qty. 3)
15 2004 FLame Holder Assembly
16 3038 Nut, Orifice Mounting 3/4-16
17 1668 Fuel tube Assembly
18 26654 Thermocouple
19 3044 Ignition Relay Bracket
20 6641 terminal Board
21 6065 Spacer, Steel
22 1811 Relay
23 3275 Spark Ignition, 115V
24 6079 Spacer, PC Standoff Nylon
25 6265 Fitting Elbow (qty. 2)
26 7897 Ball Valve, Variable Rate
27 7405 Fitting, Female Connector
Key Part
No. No. Description
28 6227 Snap Bushing, 1-1/4 Nylon
29 7158 Snap Bushing, 3/4 Nylon
30 6133 Fitting, Coupling
31 6127 Fitting, Male Connector
32 7285 TE Valve
33 6223 Strain Relief Bushing
34 1036 Power Cord
35 6433 POL Excess Flow
36 6257 Regulator, 28” W.C.
37 6152 Hose Assembly
38 4019 Bottom Control Box
39 7843 Washer, Flat
40 2005 Control Box Assembly
* 70056 Label, Model
* 6374 Label, Electrical Grounding
* 6373 Label, Fan Rotation
* 8784 Label, Operating Instructions
* 8371 label, BTU Rating (qty. 2)
* 7503 Label, Wiring
* M8510 Label, Model
* 8203 Label Hang Tag, LP
* 7709 Label, Fuel
* 7704 Label, Warning
* 09054 Hose (Duct) Clamp
* Not shown on exploded view
Enerco LP 125,000 BTU

170,000 BTU Enerco Forced Air Propane Heater
Model Numbers
MH170FAVT
Key Part
No. No. Description
1 22248 Outer Shell
2 2272 Outer Shell - Model TS
2 22249 Middle Cylinder
3 22250 Orifice Assembly
4 21146 Flame Holder Assembly
5 26168 High Limit Switch
6 23038 Orifice Nut
7 27095 Handle
8 27094 Handle Mounting Clips (qty. 2)
9 26010 Set Screw, Nyloc
10 26074 Fan
11 22251 Motor Assembly
12 22252 Grille, Inlet/Motor Mounting
13 26152 Hose Assembly
14 26257 Regulator, 28" WC
15 26433 POL Excess Flow Valve
16 26122 Male Fitting Conn.
3/8MPT x 3/8SAE FLR
17 26101 Solenoid Valve, Goyen
18 28775 Fitting Close Nipple
19 28777 Burn Rate Adjustment Valve
20 28776 Fitting, Elbow
3/8MPT x 1/2 SAE FLR
21 22253 Fuel Tube Assembly
22 28774 Spark Plug, Flame Sensor
23 23037 Spark Plug Nut
24 24340 Thermostat Mounting Bracket
Key Part
No. No. Description
25 22254 Thermostat Assembly
26 26070 Loop Clamp, 5/16
27 27808 Flame Control, Potted
28 21036 Power Cord Assembly
29 28771 Terminal Board
30 26223 Bushing Strain Relief
31 28772 Knob, Thermostat
32 28773 Knob, Burn Rate Adjustment
33 22255 Control Box
34 22273 Base, Control Box
* 22274 Elevation Plate
* 22275 Elevation knob
* 26375 Label, Elevation Adjustment
* 28769 Label, Safety Precautions
* 28755 Label, General Hazard Warning
* 28733 Label, Model
* 28731 Label, Operating Instructions
* 26410 Label, Thermostate Warning
* 27704 Label, Warning Massachusetts
* 26374 Label, Warning Electrical
* 27789 Label, Wiring Schmatic
* 28203 Label, Hang Tag
* 28679 Label, BTU 170,000
* 70176 Manual, Operating Instructions
* 26225 Snap Bushing, 5/8 (qty. 2)
* Not shown on exploded view
—149— Phone: 800-362-6951 • Fax: 800-255-7985
www.phpdistribution.com
Enerco LP 170,000 BTU

—150—
170,000 BTU Enerco Forced Air Propane Heater
Model Numbers
HS/MH/PA170FAVT
(with thermostat)
STARTING SERIAL#:
MHC-701700029861
Key Part
No. No. Description
1 22248 Outer Shell 1
2 22272 Outer Shell - Model TS 1
2 22249 Middle Cylinder 1
3 22250 Orifice Assembly 1
4 21146 Flame Holder Assembly 1
5 26168 High Limit Switch 1
6 23038 Orifice Nut 1
7 28075 Handle, plastic 1
8 28074 Handle Mounting Clips 2
9 26010 Set Screw, Nyloc 1
10 26074 Fan 1
11 22251 Motor Assembly 1
12 22252 Grille, Inlet/Motor Mounting 1
13 26152 Hose Assembly 1
* 26152-20 Hose Assembly, 20’ 1
14 26257 Regulator, 28” WC 1
15 26433 POL Excess Flow Valve 1
16 26122 Male Fitting Conn. 1
3/8MPT x 3/8SAE FLR
17 26101 Solenoid Valve, Goyen 1
18 28775 Fitting Close Nipple 1
19 28777 Burn Rate Adjustment Valve 1
20 28776 Fitting, Elbow
3/8MPT x 1/2 SAE FLR 1
21 22253 Fuel Tube Assembly 1
22 28774 Spark Plug, Flame Sensor 1
23 23037 Spark Plug Nut 1
Key Part
No. No. Description
24 24340 Thermostat Mounting Bracket 1
25 22254 Thermostat Assembly 1
26 26070 Loop Clamp, 5/16 1
27 27808 Flame Control, Potted 1
28 21036 Power Cord Assembly 1
29 28771 Terminal Board 1
30 26223 Bushing Strain Relief 1
31 28772 Knob, Thermostat 1
32 28773 Knob, Burn Rate Adjustment 1
33 22255 Control Box 1
34 22273 Base, Control Box 1
35 22274 Elevation Plate 1
36 22275 Elevation knob 1
* 26375 Label, Elevation Adjustment 1
* 28769 Label, Safety Precautions 1
* 28755 Label, General Hazard Warning 1
* 28733 Label, Model 1
* 28731 Label, Operating Instructions 1
* 26410 Label, Thermostate Warning 1
* 27704 Label, Warning Massachusetts 1
* 26374 Label, Warning Electrical 1
* 27789 Label, Wiring Schmatic 1
* 28203 Label, Hang Tag 1
* 28679 Label, BTU 170,000 1
* 70176 Manual, Operating Instructions 1
* 26225 Snap Bushing, 5/8 2
* Item not shown on exploded view
Enerco LP 170,000 BTU
Phone: 800-362-6951 • Fax: 800-255-7985
www.phpdistribution.com

—151— Phone: 800-362-6951 • Fax: 800-255-7985
www.phpdistribution.com
170,000 BTU Enerco Forced Air Propane Heater
Model Numbers
TS170FAV
(without thermostat)
STARTING SERIAL#:
MHC-701700029861
Key Part
No. No. Description
1 21898 Motor Support Ring 1
2 22252 Grill, Inlet/Motor Mounting 1
3 21899 Support, Motor Stablizer 1
4 22251 Motor 1
5 26074 Fan 1
6 26655 Thermocouple, 10” w/JB 1
7 23036 Bracket, Thermocouple 1
8 21900 Nut, Thermocouple 1
9 23038 Nut, Orifice 1
10 26168 High Limit Switch 2
11 21901 Bracket, High Limit Switch 1
12 21146 Flame Holder Assembly 1
13 21902 Orifice Assembly 1
14 22249 Middle Cyl. Assembly 1
15 22272 Outer Shell TS 1
16 28074 Clips, Handle Mounting 2
17 28075 Handle, Plastic 1
20 23037 Nut, Spark Plug 1
21 28774 Spark Plug/Flame Sensor 1
22 21903 Flame Tube Assembly 1
23 28776 Elbow, Flame Tube 1
24 25027 Knob, Variable Rate 1
25 28777 Valve, Variable Rate 1
26 21905 Ftg. Connector 1
27 27285 Valve, Thermoelectric 1
28 26127 Ftg. Male Connector 1
29 21906 Nut, TE Valve Retainer 1
Key Part
No. No. Description
30 21907 Bracket, ThermoValve Mt. 1
31 23045 Bracket, Ignition/Relay 1
32 26079 Spacer, Standoff 4
35 23276 Ignition/Relay Module 1
36 26134 Compression Block, Relay 1
37 26656 Thermocouple, Connector 1
38 21908 Control Box Assembly 1
39 26223 Strain Relief Bushing 1
40 21036 Power Cord Assembly 1
41 21912 Cover, Cup, Valve 1
42 25026 Knob, Elevation 1
43 22274 Plate, Elevation 1
44 21909 Nut, Elev. Plate Retaining 2
45 22273 Base, Control Box 1
* 26375 Label, Elevation Adjust. 1
* 28769 Label, Safety Precautions 1
* 28755 Label, General Hazard Warning 1
* 28733 Label, Model 1
* 28784 Label, Operating Inst. 1
* 27704 Label, Warning Massachusetts 1
* 26374 Label, Electrical Grounding 1
* 21910 Label, Wiring Diagram 1
* 28203 Label, Hang Tag 1
* 26373 Label, Fan Rotation 1
* 27709 Label, Fuel Button 1
* 70176 Manual, Operating Inst. 1
* 26225 Snap Bushings, 5/8” 2
Enerco LP 170,000 BTU

—152—
Enerco LP 200,000 BTU
Phone: 800-362-6951 • Fax: 800-255-7985
www.phpdistribution.com
200,000 BTU Enerco Convection Propane Heater
Model Numbers
MH200CV
Key Part
No. No. Description
1 8645 Pilot LP Assemby
2 1591 Hose Ass'y, LP
3 8635 Burner Ring Assembly
4 8636 Ring Shield
5 8637 Fuel Tube Assembly
6 8638 Pilot Tube Assembly
7 2240 Upper Shell
8 8639 Orifice Adapter
9 8640 Bracket, Pilot Mounting
10 8646 Orifice, LP
11 8642 Base
12 4223 Cap
13 6045 Clip, TC
14 6104 TE VAlve
15 6137 Ftg., Elbor Female 1/4 FLRx1/8 FPT
16 6138 Ftg., Elbow Female 1/4 FPTx1/4 FLR
17 8643 Thermocouple
18 6252 POL Excell Flow
19 6256 Regulator
20 8654 Valve, Ball
21 6473 Piezo Ignitor (225-VCA/VCB Only)
22 6503 Nut, Hex 1/2-28 TE Valve
23 7172 Ftg., Elbow Female 1/4 FPTx3/8 FLR (qty. 2)
24 8162 External Retaining Ring
25 7161 Piezo Nut
Key Part
No. No. Description
26 7652 Electrode w/7" Wire
27 4293 Heat Shield
28 8647 Pilot Orifice
29 6689 Washer, Flat 9/16 SAE
30 8187 Fitting, Elbow 1/8 FPTx1/4 CPSN
31 2238 Lower Shell
* 70486 Manual, Operating Instructions
* 8758 Label, Safety Precautions
* 8759 Label, Safety Precautions
* 8757 Label, Installation
* M8756 Label, Model
* 8502 Label, Warning
* 8679-200 BTU
* 8204 Hang Tag
* 8651 Ball Valve knob
* 8655 Ball Valve Knob Insert
* Not shown on exploded view

—153— Phone: 800-362-6951 • Fax: 800-255-7985
www.phpdistribution.com
Enerco LP 400,000 BTU
400,000 BTU Enerco Forced Air Propane Heater
Model Numbers
MH400FAVT
HS400FAVT
Key Part
No. No. Description
1 20100 Outer Shell 1
2 20102 Middle Cylinder 1
3 20104 Orifice (2.35 mm port) 1
4 20106 Flame Holder Assembly 1
5 26168 High Limit Switch 1
6 20108 Orifice Screw, Type F 1
7 27095 Handle 1
8 27094 Handle Mounting Clips 2
9 20110 Fan Spacer, Nylon 2
10 20112 Fan 1
11 20114 Motor Assembly 1
12 20116 Grille, Inlet 1
13 20118 Machine Screw, Burner SS 4
14 20120 Burner, Outer Plate 1
15 20122 Burner, Ceramic Grids 4
16 20124 Male Fitting Conn. 1/4 MPT x 1/4 SAE FLR 1
17 20126 Solenoid Valve, Goyen 1
18 20128 Male Fitting Conn. 1/8 MPT x 1/4 SAE FLR, LG. 1
19 20130 Burn Rate Adjustment Valve 1
20 20132 Fitting, TEE 1/4 NPT, Female 1
21 20134 Fuel Tube Assembly 1
22 20136 Electrode, Flame Sensor 1
23 20138 Burner, Fiber-Frax Gasket 1
24 20140 Thermostat Mounting Bracket 1
25 20142 Thermostat Assembly 1
26 20144 Burner, Inner Plate 1
27 20146 Flame Control, Potted 1
28 20148 Burner, SS Spacer 4
29 20150 Terminal Board 1
30 20152 Burner, Mixing Tube 1
31 20154 Knob, Thermostat 1
32 20156 Knob, Burn Rate Adjustment 1
33 20158 Control Box, Exit Panel 1
34 20160 Control Box, Base Panel 1
35 20162 Motor Mounting 1
36 20164 Fitting, Plug 1/4 MPT 1
37 20166 Inlet Filter Screen 1
38 20168 Control Mounting Bracket 1
39 20170 Control Box. CRTL Panel
40 20172 Male Fitting Conn. 1/4 MPT x 1/4 SAE FLR 1
41 20174 Set Screw, Nyloc 2
42 20176 Control Box, Inlet Panel 1
43 20184 Bracket, lift 1
Key Part
No. No. Description
* 26225 Snap Bushing, 5/8 1
* 20178 Control Box, Right Panel 1
* 26223 Bushing Strain Relief 1
* 21036 Power Cord Assembly 1
* 26070 Loop Clamp, 5/16 1
* 21008 Hose Assembly 1
* 11671 Regulator,20psig
* 26433 POL Excess Flow Valve 1
* 72427 Label, Safety Precautions 1
* 28755 Label, General Hazard Warning 1
* 72429 Label, Model 1
* 28731 Label, Operating Instructions 1
* 26410 Label, Thermostat Warning 1
* 72432 Label, Warning Massachusetts 1
* 26374 Label, Warning Electrical 1
* 72434 Label, Wiring Schematic 1
* 72435 Label, Hang Tag 1
* 72436 Label, BTU 400,000 1
* 72426 Manual, Operating Instructions 1

—154—
Enerco Gas Quick Parts Ref.
Enerco Quick Parts Reference (Propane)
Model# Motor Thermocouple Ignition Control Valve Fan Blade Safety Igniter/ Regulator Orifice: Pilot Hose Hose/Reg Spark
/Flame Sensor /Dsi Switches Electrode /Burner Assembly Generator
MH35FA 28076 28082 NA 28081 28077 26168 28080 NA See Valve NA 21007 26473
HS35FA 28076 28082 NA 28081 28077 26168 28080 NA See Valve NA 21007 26473
MH55FAV 21652 26655 NA 27285 26086 21751 21082 26257 21930 26152 21667 23276
HS55FAV 21652 26655 NA 27285 26086 21751 21082 26257 21930 26152 21667 23276
TS55FAV 21652 26655 NA 27285 26086 21751 21082 26257 21930 26152 21667 23276
MH85FAV 21551 26655 NA 27285 26086 21751 21083 26257 21673 26152 21667 23276
HS85FAV 21551 26655 NA 27285 26086 21751 21083 26257 21673 26152 21667 23276
MH125FAV 21551 26655 NA 27285 27898 22003 21083 26257 22002 26152 21667 23276
HS125FAV 21551 26655 NA 27285 27898 22003 21083 26257 22002 26152 21667 23276
TS125FAV 21551 26655 NA 27285 27898 22003 21083 26257 22002 26152 21667 23276
MH170FAVT 22251 NA 27808 26101 26074 26168 28774 26257 22250 26152 NA NA
HS170FAVT 22251 NA 27808 26101 26074 26168 28774 26257 22250 26152 NA NA
TS170FAVT 22251 NA 27808 26101 26074 26168 28774 26257 22250 26152 NA NA
MH400FAVT 20114 NA 20146 20126 20112 26168 20136 20180 20104 21008 NA NA
HS400FAVT 20114 NA 20146 20126 20112 26168 20136 20180 20104 21008 NA NA
Enerco Quick Parts Reference (Propane - Convection)
Model Thermocouple T E Safety Ignitor/ Regulator Orifice: Pilot Hose Other
Valve Electrode /Burner
MH80CV 8643 6104 6473 6255 8644 6152 8654 Manual
6045 Clip 7652 8641 Control Valve
HS80CV 8643 6104 6473 6255 8644 6152 8654 Manual
6045 Clip 7652 8641 Control Valve
MH200CV 8643 6104 6473 6256 8647 1591 8654 Manual
6045 Clip 7652 8646 Control Valve
HS200CV 8643 6104 6473 6256 8647 1591 8654 Manual
6045 Clip 7652 8646 Control Valve

—155— Phone: 800-362-6951 • Fax: 800-255-7985
www.phpdistribution.com
Enerco Gas Quick Parts Ref.
Enerco Quick Parts Reference (Propane - Radiant)
Model Thermocouple T E Safety Ignitor/ Regulator Orifice: Pilot Other
Valve Electrode /Burner
MH4B 15155 15161 15155 15161 15151
MH9B E73404 E73416 E73404 E11410 E73413
MH9BX E73404 32054 E73404 75198 32068
MH18B 78422 78421 78422 78422 NA
MH25LP 09360 00025 NA* 00025 05573 10367 thermostat
05455 04435Aburner grid
HS25LP 09360 00025 NA* 00025 05573 10367 thermostat
05455 04435Aburner grid
MH40LP 09360 00025 NA* 00025 05573 10357 thermostat
05450 02523Aburner assy.
HS40LP 09360 00025 NA* 00025 05573 10357 thermostat
05450 02523Aburner assy.
*Light pilot with match
Enerco Quick Parts Reference (Natural Gas - Radiant)
Model Thermocouple T E Safety Ignitor/ Regulator Orifice: Pilot Other
Valve Electrode /Burner
MH25NG 09360 00024 NA* 00024 05576 10367 thermostat
05445 04435Aburner grid
HS25NG 09360 00024 NA* 00024 05576 10367 thermostat
05445 04435Aburner grid
MH40NG 09360 00024 NA* 00024 05574 10357 thermostat
05437 02523Aburner assy.
HS40NG 09360 00024 NA* 00024 05574 10357 thermostat
05437 02523Aburner assy.
* Light pilot with match
Enerco Quick Parts Reference (Tank Top)
Model Thermocouple Orifice Gas Valve Hose Regulator Other
MH12C F273117 75784 F273116 NA F273320
MH12CS F273117 75784 F273116 NA F273320 73235 Piezo
73233 Electrode
MH12T F273117 75784 F273116 NA F273606
MH12TS F273117 75784 F273116 NA F273606
MH24T F273117 NA 73213 73658 F273606
MH24TS F273117 NA 73213 73658 F273606 73234 Piezo
73233 Electrode
MH42T F273117 NA 73213 73658 F273606

L.B. White Gas Heaters
—156—
Always remember to match the model number of your heater with
the model number of the individual breakdowns in this section. The
breakdowns in this manual refer to the model specifically listed on
each individual page. Use a breakdown only if you have the exact
model match for your particular heater. If your model number does
not appear in the breakdowns, please refer to the Quick Parts
Reference Parts Guide for common replacement parts.
If you need technical assistance, feel free to call 1-800-362-6951 ext. 2 or e-mail us at
techservice@phpdistribution.com. Whenever possible, please have your model number and the
nature of your problem before you place a call for technical service.
BTU Size and Description Fuel Type Heater Type Page No.
341H Propane Convection 160
CP100 Propane Forced Air 161
CP155D Propane Forced Air 162
CP400 Propane Forced Air 164
CS170DF, 170DF Propane Forced Air 169
CV225 Propane Convection 157
CV225B Propane Convection 158
CV100B Natural Gas Convection 159
Workman 225 Plus Propane Convection 158
Workman 100N Plus Natural Gas Convection 159
Norseman 250 Propane Convection 160
Tradesman 400, 400 Ultra Propane Forced Air 164
Tradesman 155, 155 Ultra Propane/Natural Gas Forced Air 162
TS080 Propane/Natural Gas Forced Air 166
TS170 Propane/Natural Gas Forced Air 167
TS350 Propane/Natural Gas Forced Air 171
Premier 80 Propane/Natural Gas Forced Air 168
Premier 170 Propane/Natural Gas Forced Air 170
Premier 350DF, TS350C Propane/Natural Gas Forced Air 172
Premier 350, TS350D Propane/Natural Gas Forced Air 173
Quick Parts Reference List Both All Types 174
L.B. White Gas Heaters
L.B. White
Brand Names Include
Foreman
Norseman
Tradesman
Workman
Premier
HEATER INDEX
Phone: 800-362-6951 • Fax: 800-255-7985
www.phpdistribution.com

L.B. White 225,000 BTU
Model Numbers
CV225
225,000 BTU L.B. White Propane Heater
Key Part
No. Number Description
1 23463 Regulator with P.O.L.
2 08435 Adapter, Hose, 1/4 NPT x 9/16-18 L.H. w/Plug
3 23731 Hose, 1/4 in. x 10 ft. w/Adapter
4 01300 Ell, 1/4 NPT
5 20185 Nut, Jam
6 07966 Valve, Pilot Safety
7 20229 Burner Shut Off Valve
8 01425 Ell, Street, 1/4 NPT
9 20280 Igniter, Piezo
10 23375 Base
11 09271 Plug, 1/8 NPT
12 01079 Pilot Head
13 20228 Nipple, 1/4 NPT x 6 in.
14 23392 Orifice, Burner
15 03555 Thermocouple, 18 in.
Key Part
No. Number Description
16 22257 Bracket
17 23380 Burner, w/Electrode
18 20184 Electrode with Wire (Piezo)
19 01722 Filter
20 01230 Orifice, Pilot
21 23730 Tube, Copper w/Compression Nuts & Sleeves
22 23393 Adapter, 1/4” Compression x 1/8 NPT
23 20064 Top
24 23421 Barrel w/Top
25 21183 Screw, #8 x 1/2 (qty. 4)
Parts Available, Not Shown
* 7111NR Power Coil
—157— Phone: 800-362-6951 • Fax: 800-255-7985
www.phpdistribution.com

L.B. White LP 225,000 BTU
—158—
Model Numbers
Workman 225 Plus
CV225B
225,000 BTU L.B. White Propane Heater
Key Part
No. Description Number
1 Regulator, w/ POL 23463
2 Adapter, Hose, 1/4 NPT x 9/16-18 L.H.
w/ Plug 08435
3 Hose, 1/4 in. x 10 ft w/ Adapter 23731
4 Ell, 1/4 NPT 01300
5 Nut, Jam 20185
6 Valve, Pilot Safety 07966
7 Valve, Main Burner 20229
8 Ell, Street, 1/4 NPT 01425
9 Igniter, Piezo 20280
10 Base 23375
11 Plug, 1/8 NPT 09271
12 Pilot Head 01079
13 Nipple, 1/4 NPT x 6 in. 20228
14 Orifice, Burner 23392
Key Part
No. Description Number
15 Thermocouple, 18 in. 23728
16 Bracket 22257
17 Burner, w/ Electrode 23380
18 Electrode with Wire (Piezo) 20184
19 Filter 01722
20 Orifice, Pilot 01230
21 Tube, Copper w/ Compression
Nuts & Sleeves 23730
22 Adapter, 1/4” Compression x 1/8 NPT 23393
23 Top 20064
24 Barrel - w/ Top 23421
25 Screw, #8 x 1/2 21183
26 Bushing 04817
Phone: 800-362-6951 • Fax: 800-255-7985
www.phpdistribution.com

L.B. White LP 100,000 BTU
—159— Phone: 800-362-6951 • Fax: 800-255-7985
www.phpdistribution.com
Model Numbers
Workman 100N Plus
Model CV100B
100,000 BTU L.B. White Natural Gas Heater
Key Part
No. Description Number
1 Regulator, Natural Gas 25031
2 Nipple 3/8 in. x 1 1/2 in. 02421
3 Valve, Pilot Safety Control 22250
4 Igniter w/Nut 20280
5 Spacer 22298
6 Tube, Pilot w/Nuts and Sleeves 22330
7 Ell, 3/8 in. 01175
8 Bushing 01544
9 Thermocouple 03555
10 Orifice, Pilot 22260
11 Head, Pilot 22258
12 Bracket 22257
13 Nipple, 5 in. 80854
14 Orifice, Burner 22252
15 Burner, Assembly w/Electrode 22244
16 Electrode 20184
17. Barrel, Case, w/ Top 22253
18 Base, Case, w/ Labels 23673
19 Shield 22297

—160—
L.B. White LP 250,000 BTU
Model Numbers
Norseman 250
341H
250,000 BTU L.B. White Propane Heater
Key Part
No. Description Number
1 Regulator 550-21788
2 Adapter, Hose 310-01098
3 Hose, 1/4 in. x 10 ft. 400-20242
4 Adapter, Hose 310-07970
5 Valve, Pilot Safety 130-07966
6 Ell, w/ Nut and Sleeve 130-07968
7 Valve, Manual Burner 130-20229
8 Thermocouple 120-01090
9 Orifice Burner 310-01329
10 Tube, Pilot w/Nuts & Sleeves 550-20529
11 Nut and Sleeve 550-01168
12 Screen 130-01722
13 Orifice, Pilot w/ Screen 400-01230
14 Screw 130-03068
15 Bracket, Pilot 400-03202
16 Head, Pilot 400-01079
17 Burner, Casting 320-03989
18 Case, Assembly w/Labels 500-22338
19 Bolt, 1/4-20 x 1/2 130-01151
Phone: 800-362-6951 • Fax: 800-255-7985
www.phpdistribution.com

—161— Phone: 800-362-6951 • Fax: 800-255-7985
www.phpdistribution.com
L.B. White LP 100,000 BTU
Model Numbers
CP100
100,000 BTU L.B. White Propane Heater
Key Part
No. Description Number
1 Regulator, Single Stage 21856
2 Hose, 3/8 in. ID x 10 ft. 21841
3 Adapter, Hose 06654
4 Cord, Power 09139
5 Panel, Left with Marking 21795
6 Case, Back 21794
7 Panel, Right 21796
8 Case, Front 21798
9 Control, Ignition 21813
10 Relay with Clips and Screws 21816
11 Tube, Manifold with
Nuts and Sleeves 21805
12 Union 21809
13 Valve, Heat Adjustment 21806
14 Ell, 1/4 in. 01425
15 Valve, Safety Control with Screen 21808
16 Screen 20391
17 Elbow 21807
18 Case, Barrel Bottom 21794
19 Switch, Backflash 21855
20 Bolt 03140
21 Nut 04955
22 Mount, Motor 21828
23 Motor 21830
24 Fan 21829
25 Thermocouple with
Retaining Sleeve 21811
25A Sleeve, Thermocouple Retaining
(Not Illustrated) 21812
26 Igniter 21803
27 Ring, Bowed 08460
28 Ring, Flat 05847
29 Orifice with Rings 21802
30 Chamber, Heat with Igniter,
Orifice and Burner Plate 21799
31 Guard, Inlet 21792
32 Case, Top 21793
33 Handle with Screws 03941
34 Ignition Lead 21826

—162—
L.B. White LP 155,000 BTU
155,000 BTU L.B. White Propane/Natural Gas Heater
Model Numbers
Tradesman 155
Tradesman 155 Ultra
CP155D
Phone: 800-362-6951 • Fax: 800-255-7985
www.phpdistribution.com

—163— Phone: 800-362-6951 • Fax: 800-255-7985
www.phpdistribution.com
L.B. White LP 155,000 BTU
Model Numbers
Tradesman 155
Tradesman 155 Ultra
CP155D
155,000 BTU L.B. White Propane/Natural Gas Heater
Key Part Number
No. Description 155 155ULTRA
1 Regulator with POL (Propane Gas) -----------------21856---------------
Regulator (Natural Gas) -----------------06713---------------
2 Hose, Fixed X Swivel, 3/8 in. x 10 ft. Propane -----------------21841---------------
Hose, Fixed X Swivel, 1/2 in. x 10 ft. Natural Gas -----------------20504------------
3 Adaptor, Hose, 3/8 in. (Propane Gas) -----------------06654---------------
Adaptor, Hose, 1/2 in. (Natural Gas) -----------------02894---------------
4 Nipple -----------------02421---------------
5 Bushing, Pipe -----------------01195---------------
6 Nipple, 1/2 in. Close -----------------01305---------------
7 Valve, Manual -----------------05548---------------
8 Thermostat Knob -----------------22214---------------
9 Thermostat -----------------24676---------------
10 Power Cord ----------------05795---------------
11 Switch, ON/OFF ----------------03834-----------------
12 Lens, L.E.D. 22299
13 Case, Right Side -----------------07162--------------
14 Case, Left Side -----------------06316---------------
15 Case Back 22388 22389
16 Solenoid Valve, 120V ----------------24642---------------
17 Bracket, Solenoid Valve ----------------05774----------------
18 Union, Half -----------------04786---------------
19 Sleeve, Compression -----------------03879---------------
20 Nut, Compression -----------------05772---------------
21 Tube, Formed Copper, w/ Nuts and Sleeves -----------------24641---------------
22 Case, Front -----------------06218--------------
23 Direct Spark Ignition Control, 24640 24665
24 Screw, Ignition Control ----------------09043---------------
25 Nut ----------------86169---------------
26 Air Inlet Guard ----------------22387---------------
27 Switch, Backflash, Assembly --------------- 06687---------------
28 Switch, Air-proving, Assembly with Bracket --------------- 06739---------------
29 Case, Barrel Bottom --------------- 22391---------------
30 Bracket, Motor Mount ----------------06400---------------
31 Motor ----------------03830---------------
32 Fan ----------------21575---------------
33 Wire, Igniter ----------------09347---------------
34 Igniter ----------------08834---------------
35 Burner Plate, ----------------06429---------------
36 Orifice with Retaining Clips, (Propane) ----------------06685---------------
Orifice with Retaining Clips, (Natural Gas) ----------------06686---------------
37 Burner Assembly, LP Gas ----------------22366---------------
Natural Gas ----------------22368---------------
38 Case, Top ----------------06222---------------
39 Handle ----------------03941---------------
40 Screws ----------------03973---------------
41 Nut ----------------04955---------------
42 Screw, Thermostat ----------------04955---------------
43 Harness, LED 22300
44 Bolt, Motor ----------------03140---------------
45 Nut, Motor ----------------04955---------------
46 Bushing ----------------05768---------------
47 Bolt ----------------01151---------------
48 Wire,Black, 12 in. ----------------24596---------------
49 Wire, Red, 14 in. ----------------22630---------------
50 Wire, Red, 18 in. ----------------24595---------------
51 Wire Harness ----------------24597---------------

—164—
L.B. White LP 400,000 BTU
400,000 BTU L.B. White Propane Heater
Model Numbers
Tradesman 400
Tradesman 400 Ultra
CP400
Phone: 800-362-6951 • Fax: 800-255-7985
www.phpdistribution.com

—165— Phone: 800-362-6951 • Fax: 800-255-7985
www.phpdistribution.com
L.B. White LP 400,000 BTU
Model Numbers
Tradesman 400
Tradesman 400 Ultra
CP400
400,000 BTU L.B. White Propane Heater
Key Part Number
No. Description 400 400ULTRA
1 Regulator with POL ---------------22315---------------
2 Hose, Fixed X Swivel, 3/8 in. x 10 ft. ---------------22128---------------
3 Adaptor, Hose ---------------21997---------------
4 Thermostat Knob ---------------22214---------------
5 Thermostat ---------------24676---------------
6 Power Cord ---------------05795---------------
7 Switch, ON/OFF ---------------03834---------------
8 Lens, L.E.D. 22299
9 Screw ---------------07288---------------
10 Screw,Thermostat ---------------03778---------------
11 Case, Right Side ---------------08017---------------
12 Case, Left Side ---------------08016---------------
13 Case Back 22292 22293
14 Solenoid Valve, 120V ---------------24644---------------
15 Bracket ,Solenoid Valve ---------------22295---------------
16 Union, Half ---------------08894---------------
17 Compression Sleeve and Nut ---------------24689--------------
18 Tube, Formed Copper, w/ Nuts and Sleeves ---------------23422--------------
19 Case, Front ---------------22291--------------
20 Direct Spark Ignition Control 24640 24665
21 Screw, Ignition Control ---------------09843---------------
22 Nut ---------------86169---------------
23 Fan Guard ---------------06307---------------
24 Switch, Backflash, Assembly ---------------24691---------------
25 Switch, Air-proving, Assembly with Bracket ---------------24692---------------
26 Case, Barrel Bottom ---------------22290 --------------
27 Bracket, Motor Mount ---------------06717---------------
28 Motor ---------------04719---------------
29 Fan ---------------22302---------------
30 Wire, Igniter ---------------20409---------------
31 Igniter ---------------20312---------------
32 Burner Plate ---------------06314---------------
33 Orifice with Retaining Rings ---------------20410---------------
34 Burner Assembly ---------------20416---------------
35 Case, Top ---------------08013---------------
36 Handle ---------------03941---------------
37 Screws ---------------03973---------------
38 Nut ---------------04955---------------
39 Harness, LED 22300
40 Bolt, Motor ---------------03140---------------
41 Nut, Motor ---------------04955---------------
42 Wire,Black, 12 in. ---------------24596---------------
43 Wire Harness ---------------24597---------------
44 Capacitor Bracket with Screw ---------------04721---------------
45 Capacitor ---------------04720---------------
46 Boot, Capacitor ---------------04938---------------
47 Clip, Thermostat Bulb Mounting ---------------22215---------------
48 Screen, Valve Inlet ----------------06702---------------

L.B. White 80,000 BTU
—166—
Key Part
No. Number Description
1 08990 Regulator (LP Gas)
21999 Regulator (Nat.Gas)
2 06655 Adapter, 3/8” NPT x 1/2” NPS (LP Gas)
3 20531 Hose, 1/2” x 10’ (LP Gas)
20704 Hose, 1/2” x 10’ (Nat Gas)
4 02894 Adapter, 1/2” NPT x 1/2”NPS
5 09309 Ell
6 09425 Screw
7 09760 Bracket
8 09368 Valve, Gas Control (LP Gas)
09428 Valve, Gas Control (Nat Gas)
9 01519 Bushing
10 02453 Nipple
11 01425 Street Elbow, 1/4”
12 09759 Holder, Orifice
13 09753 Orifice, Burner (LP Gas)
09754 Orifice Burner (Nat Gas)
14 07905 Spacer, Burner
15 01589 Washer
16 02692 Bolt
17 08932 Bumper
18 08944 Screw
19 08810 Control Ignition
19A 09348 Wire, Ignition Control
20 08922 Transformer
21 08253 Terminal Strip
22 09454 Thermostat Kit
23 06479 Igniter
24 08906 Bracket
25 01213 Screw
26 06479 Burner
27 02688 Screw
28 02687 Spacer
29 08942 Bracket Flame Arrestor
30 08933 Bracket, Burner
31 08952 Chamber, Heat
32 08909 Base
33 09139 Cord, Power
34 03933 Switch, High Limit, Burner End (275 F)
35 08534 Handle
36 08936 Hanger, Hose
37 01254 Bolt
38 03054 Washer
Key Part
No. Number Description
39 08917 Case Access Panel, Burner End
40 08916 Case Access Panel, Motor End
41 09970 Case Assembly w/Access Panels
42 08920 Motor
43 08146 Mount, Motor
44 03531 Fan
45 09821 Switch, High Limit (250 F)
46 09961 Housing Fan w/Motor, Fan & High Limit Switch
(LP Gas)
22067 Housing Fan w/Motor, Fan & High Limit Switch
(Nat Gas)
47 21186 Switch, Air Proving w/Bracket
48 09915 Switch, Heat/Vent (Toggle)
48A 09916 Boot
49 08811 Light, LED w/Leads
50 03109 Nut
* 08978 12” x 12’ Black Duct
* 20865 12” x 12’ White Duct
* 21177 Diffuser for Duct (attach to duct)
* 09389 Diffuser for Heater (attach to heater)
80,000 BTU Forced Air L.B. White Propane/Natural Gas Heater
Model Numbers
TS080
Phone: 800-362-6951 • Fax: 800-255-7985
www.phpdistribution.com

L.B. White 170,000 BTU
Key Part
No. Number Description
1 09911 Regulator (LP Gas)
09795 Regulator (Nat.Gas)
2 02894 Adapter, 1/2” NPT x 1/2” NPS (LP Gas)
3 20704 Hose, 1/2” x 10’
4 20960 Kit, Leg Bracket
5 07187 Cap, Hub
6 01095 Nut
7 09160 Wheel
8 07905 Spacer
9 06421 Axle
10 09150 Base
11 09309 Ell
12 09368 Valve, Gas Control (LP Gas)
09428 Valve, Gas Control (Nat Gas)
13 01519 Bushing
14 03115 Nipple
15 09759 Holder, Orifice
16 09786 Orifice, Burner (LP Gas)
09787 Orifice, Burner (Nat Gas)
17 08810 Control Ignition
18 08964 Cover
19 08963 Bracket
20 08922 Transformer
21 01589 Washer
22 02692 Bolt
23 09783 Bracket, Igniter
24 08253 Terminal Strip
25 02330 Screw
26 09348 Wire, Igniter
27 06479 Igniter
28 02688 Screw
29 02687 Spacer
30 03453 Burner
31 03933 Switch, High Limit, Burner End (275 F)
32 09133 Chamber Heat
33 11267 Bolt
34 02513 Washer
35 07708 Cage Nut
36 09917 Cord, Power
37 21790 Thermostat Kit, w/20 ft. Cord
38 07288 Screw
39 09919 Bracket, Regulator Storage
40 08936 Hanger, Hose
41 11254 Bolt
42 03054 Washer
43 08534 Handle
44 09927 Case, Assembly
45 20169 Motor
46 08647 Mount, Motor
Key Part
No. Number Description
47 09784 Switch, High Limit Motor End (190 F)
48 09050 Fan
49 09925 Switch, Air Proving
50 09789 Housing, Fan w/Motor, Fan, High Limit and Air
Proving Switches
51 09239 Bolt, 7-1/2”
52 09915 Switch, Heat/Vent, Toggle
52A 09916 Boot
52B 22017 Switch, Heat/Vent, Rocker w/LED
53 08811 Light, LED w/Leads
54 09760 Bracket, Gas Control
* 08978 12” x 12’ Black Duct
* 20865 12” x 12’ White Duct
* 21177 Diffuser for Duct (attach to duct)
* 09389 Diffuser for Heater (attach to heater)
170,000 BTU Forced Air L.B. White Propane/Natural Gas Heater
Model Numbers
TS170
—167— Phone: 800-362-6951 • Fax: 800-255-7985
www.phpdistribution.com

—168—
L.B. White 80,000 BTU
80,000 BTU Forced Air L.B. White Propane/Natural Gas Heater
Model Numbers
PREMIER 80
Key Part
No. Description Number
1 Regulator Propane Gas 26377
Natural Gas 21999
2 Handwheel w/Spring Propane 26395
3 Universal Hose Kit, 15 ft. Hose w/ Adapters 24600
4 Adapter 1/2 NPT x 5/8 - 18 06655
5 Ell 09309
6 Screw 09425
7 Valve, Gas Control Propane Gas 22076
Natural Gas 22078
8 Manifold Assembly w/ Orifice Propane Gas 26391
Natural Gas 26438
9 Orifice, Burrner Propane Gas 571625
Natural Gas 571626
10 Transformer 26412
11 Thermostat Kit 09454
12 Washer, Bolt, Spacer 25866
13 Harness, Wire, Burner End 26383
14 Wire, Igniter 25840
15 Control Ignition 25865
16 Bracket, Ignition Control 26411
17 Support Leg 26378
18 Harness, Wire, Motor End 26382
19 Base 26380
20 Bracket,Igniter/Sensor 571663
21 Igniter 25841
22 Burner 26484
23 Screws and Spacers 571211
24 Switch, High Limit, Burner End (275°F) 03933
25 Chamber, Heat 571666
26 Harness, Wire, Status Lights 26381
27 Switch, Selector 26385
28 Cord, Power 26379
29 Light,Status, 24 Volt 26392
30 Light,Status, 120 Volt 26393
31 Hanger, Hose 571619
32 Door Assembly, Burner End Propane Gas 26434
Natural Gas 26433
33 Handle 25859
34 Case Assembly Propane Gas 26389
Natural Gas 26387
35 Door Assembly, Fan End 26435
36 Thermostat Bracket 26401
37 Latch, Door 26437
38 Fan Assembly 26384
39 Motor 20292
40 Motor Mount 571686
41 Fan 570304
42 Switch, High Limit, Fan End (250°F) 571671
43 Housing,Fan 571612
44 Switch, Air Proving 26485
45 Bracket, Burner 571649
46 Bracket, Flame Arrestor 571609
47 Handle,Door 26479
Phone: 800-362-6951 • Fax: 800-255-7985
www.phpdistribution.com

—169— Phone: 800-362-6951 • Fax: 800-255-7985
www.phpdistribution.com
Key Part
No. Description Number
1 Regulator 26423
2 Hand Wheel with Spring 26395
3 Universal Hose Kit, 15 ft. 24600
4 Wheel Kit 26418
5 Axle 26415
6 Cotter Pin 26417
7 Kit, Leg Bracket 26413
8 Bolt and Washer 25866
9 Handle,Bracket, Burner End 26426
10 Handle, Bracket, Motor End 26427
10A Nut,Bolt, and Washer 26443
11 Wire Harness, Motor End 26406
12 Wire Harness, Burner and
Gas Control end 26407
13 Transformer 26412
14 Adapter, Hose, !/2 NPT x 5/18-18 06655
15 Ell 09309
16 Valve, Gas Control 25831
17 Screw 09425
18 Manifold Assembly with Orifice 25871
19 Bracket, Ignition Control 26410
20 Ignition Control 25865
21 Orifice 25870
22 Wire, Igniter 25840
23 Igniter 25841
24 Bracket, Igniter 25843
25 Burner with Mounting Hardware 25842
26 Burner Mounting Hardware 571211
27 Swtich, High Limit,Burner End (275°F) 25869
28 Chamber, Heat 25844
29 Cord, Power 26379
30 Thermostat with 20 ft. Cord 09454
31 Wire Harness,Status Lights 26408
32 Light,Status,120 Volt 26393
33 Light,Status,24 Volt 26392
34 Switch,heat/Vent,Rocker 26385
35 Plug 25747
36 Bracket,Regulator Storage 26442
37 Bracket,Thermostat,Storage 26401
38 Handle,Sliding 571760
39 Hanger,Hose 571619
40 Latch,Door 26437
41 Door,Burner End 26429
42 Case Assembly 26436
43 Door,Louvered,Motor End 26430
44 Housing Assembly with Motor,Fan,
High limit, and Air Proving Switches 26439
45 Motor 25839
46 Mount, Motor 25835
47 Fan 25849
48 Switch,High Limit, Motor End (190°F) 25846
49 Switch,Air Proving 25858
50 Housing,Fan 26440
51 Base 26425
52 Handle,Door 26479
170,000 BTU Forced Air L.B. White Propane Heater
Model Numbers
CS170DF
170DF
L.B. White 170,000 BTU

—170—
L.B. White 170,000 BTU
Phone: 800-362-6951 • Fax: 800-255-7985
www.phpdistribution.com
Key Part
No. Description Number
1 Regulator Propane Gas 26419
Natural Gas 09795
2 Hand Wheel w/Spring Propane Gas 26395
3 Universal Hose Kit, 15 ft. Hose
w/ Adapters 24600
4 Wheel Kit 26418
5 Axle 26415
6 Cotter Pin 26417
7 Kit, Leg Bracket 26413
8 Bolt and Washer 25866
9 Handle, Bracket, Burner End 26426
10 Handle, Bracket, Motor End 26427
10A Nut, Bolt & Washer 26443
11 Wire Harness, Motor End 26406
12 Wire Harness, Burner and
Gas Control End 26407
13 Transformer 26412
14 Adapter,Hose, 1/2 NPT x 5/8-18
Propane Gas 06655
Natural Gas 25873
15 Ell 09309
16 Valve, Gas Control Propane Gas 22076
Natural Gas 22078
17 Screw 09425
18 Manifold Assembly with Orifice
Propane Gas 26404
Natural Gas 26441
19 Bracket, Ignition Control 26410
20 Ignition Control 25865
21 Orifice Propane Gas 21573
Natural gas 09787
22 Wire, Igniter 25840
23 Igniter 25841
24 Bracket, Igniter 25843
25 Burner with Mounting Hardware 25842
26 Burner Mounting Hardware 571211
27 Switch, High Limit, Burner End (275°F) 25869
28 Chamber, Heat 26403
29 Cord, Power 26379
30 Thermostat Kit w/ 20 ft. Cord 09454
31 Wire Harness, Status Lights 26408
32 Light,Status, 120 Volt 26393
33 Light,Status, 24 Volt 26392
34 Switch, Heat/Vent, Rocker 26385
35 Plug 25747
36 Bracket, Regulator Storage 26402
37 Bracket, Thermosat Storage 26401
38 Handle, Sliding 571760
39 Hanger, Hose 571619
40 Latch, Door 26437
41 Door, Burner End Propane Gas 26432
Natural Gas 26431
42 Case Assembly Propane Gas 26398
Natural Gas 26397
43 Door, Louvered, Motor End 26430
44 Housing Assembly w/ Motor, Fan,
High Limit and Air Proving Switches 26439
45 Motor 25834
46 Mount, Motor 25835
47 Fan 25849
48 Switch, High Limit, Motor End (190°F) 25846
49 Switch, Air Proving 25858
50 Housing, Fan 26440
51 Base 26414
52 Handle,Door 26479
170,000 BTU Forced Air L.B. White Propane/Natural Gas Heater
Model Numbers
Premier 170

—171— Phone: 800-362-6951 • Fax: 800-255-7985
www.phpdistribution.com
L.B. White 350,000 BTU
Key Part
No. Number Description
1 22919 Regulator (LP Gas)
23136 Regulator (Nat.Gas)
2 23078 Hose, 3/4” x 15’
23079 Hose, 3/4” x 10’
3 22426 Adapter, 3/4 NPT x 3/4 NPS
4 22404 Elbow
5 23143 Nipple, 3/4 x 4-1/2”
6 23132 Bracket, Gas Control
8 22897 Valve, Gas Control (LP Gas)
22900 Valve, Gas Control (Nat. Gas)
9 01359 Elbow, 1/2 NPT
10 07148 Nipple
11 01426 Elbow, 1/2 NPT
12 09291 Manifold
13 22898 Orifice, Burner (LP Gas)
22901 Orifice, Burner (Nat. Gas)
14 21781 Burner
14A 02692 Bolt, Burner
14B 01589 Washer
15 06479 Igniter
16 22948 Lead, Ignition
17 02688 Screw, Burner Mounting
18 02687 Spacer, Burner
19 22903 Panel, Burner Access
20 22890 Chamber, Heat
21 81108 Switch, High Limit, Burner End, 325 F
22 22877 Case Assembly w/Control Panel & Access Door
23 22881 Panel, Case Access, Burner
24 22880 Panel, Case Access, Motor
25 22875 Panel, Control Box Cover
26 09199 Latch
27 09615 Transformer
28 08685 Relay
29 08810 Control Ignition
30 22017 Switch, Selectro w/L.E.D.
31 22905 Terminal Strip
32 08936 Hose and Thermostat Hanger
33 07708 Cage Nut
34 03054 Washer, 1/4
35 11254 Bolt, 1/4 - 20 x 3/4
36 22917 Bracket, Regulator Storage
37 07288 Screws, Regulator Storage Bracket & Thermostat
Storage Bracket
38 23058 Guard, Belt
39 23129 Belt
40 23096 Belt Tensioner
40A 23098 Idler
41 23037 Sheave, Fan
42 22889 Bracket, Support
43 22888 Platform, Bearing
44 22949 Bearing, Pillow Block
45 03147 Bolt, 3/8 - 16 x 1-1/4
46 05100 Nut, 3/8 - 16
47 01589 Washer, 3/8
48 22950 Shaft, 3/4 Dia. with 3/16 keyway
49 22887 Panel, Fan Access
50 22868 Fan
Key Part
No. Number Description
50A 22955 Key, 3/16”, Fan & Motor Sheaves & Fan Shaft
51 22946 Switch, Air Proving
52 22882 Housing, Fan
53 09784 Switch, High Limit, Fan End, 190 F
54 22908 Motor
55 23038 Sheave, Motor
56 22951 Axle, Wheel
57 07905 Spacer
58 07187 Hub Cap
59 22914 Wheel
60 01095 Cap, Retaining
61 22904 Base
62 22920 Thermostat Kit w/20 ft. Cord
62A 09785 Thermostat
62B 22921 Cord, Thermostat
62C 08948 Connector, Liquid Tight
63 22907 Cord, Power, 10 ft.
64 23111 Bracket, Thermostat Storage
65 23130 Wheel, Caster
66 03141 Bolt, 5/16 - 18
67 08534 Handle, Case
68A 23112 Bracket, Axle Mount
68B 23113 Bracket, Axle
69 23110 Support Motor
350,000 BTU Forced Air L.B. White Propane/Natural Gas Heater
Model Numbers
TS350

L.B. White 350,000 BTU
—172—
350,000 BTU Forced Air L.B. White Propane/Natural Gas Heater
Model Numbers
Premier 350 DF
TS350C
Phone: 800-362-6951 • Fax: 800-255-7985
www.phpdistribution.com
Key Part
No. Description Number
1 Regulator 25141
1A Pigtail Connector Propane Gas 25774
1B Bushing Propane Gas 25775
2 Hose, 3/4 ID x 15 Ft. 23078
3 Union 25272
5 Nipple, 1/2 x 4 In. 03128
5A Bushing 08955
5b Street Ell 25273
6 Bracket, Gas Control 21768
6A Screws 09425
8 Valve, Gas Control 24025
9 Elbow, 1/2 NPT 01359
10 Nipple 02706
11 Gas Selector Valve 25826
12 Manifold with Burner Orifice 25828
14 Burner 23176
14A Bolt, Burner 02692
14B Washer 01589
15 Igniter 06479
15A Bracket 22895
15B Screws 07288
16 Lead, Ignition 24810
17 Screw, Burner Mounting 02688
18 Spacer, Burner 02687
19 Panel, Burner Access 24012
20 Chamber, Heat 22890
21 Switch, High Limit, Burner End, 325º81108
22 Case Assembly 22877
23 Panel, Case Access, Burner 22881
24 Panel, Case Access, Motor 22880
25 Panel, Control Box Cover 22875
26 Latch 09199
27 Transformer 09615
28 Relay 08685
29 Control Ignition 25590
30 Switch, Selector w/ L.E.D. 22017
31 Terminal Strip 22905
32 Hose Hanger 08936
33 Cage Nut 07708
34 Washer, 1/4 03054
35 Bolt, 1/4 - 20 x 3/4 11254
36 Bracket, Regulator Storage 22917
37 Screws. Regulator Storage Bracket 07288
and Thermostat Storage Bracket
38 Guard, Belt 24021
39 Belt 24031
40 Belt Tensioner 25135
41 Pulley, Fan 23037
42 Drive Platform 25277
43 Bolt, 3/8 - 16 x 1 23128
44 Bearing, Pillow Block 25132
45 Bolt, 3/8 - 16 x 1 1/4 03147
46 Nut, 3/8 - 16 05100
47 Washer, 3/8 01589
48 Shaft, 3/4 Dia. with 3/16 keyway 25133-A
49 Panel, Fan Access 22887
50 Fan 22868
50A Key, 3/16 in., Fan & Motor 22955
Sheaves, & Fan Shaft (Not Illustrated)
51 Switch, Air Proving 09925
52 Housing, Fan 22882
53 Switch, High Limit, Fan End, 190ºF 25822
54 Motor 22908
55 Pulley, Motor 23038
56 Axle, Wheel 22951
57 Spacer 07905
58 Hub Cap 07187
59 Wheel 22914
60 Cap, Retaining 01095
61 Base 24013
62 Thermostat Kit w/ 20 Ft. Cord 24041
62A Thermostat 09381
62B Cord, Thermostat 20164
62C Connector, Liquid Tight 08948
63 Cord, Power, 10 Ft. 22907
64 Bracket, Thermostat Storage 23186
65 Wheel, Caster 23130
66 Bolt, 5/16 - 18 03141
67 Handle, Case 08534
68 Bracket, Axle Mount 25274
68A Bracket, Axle 23113
76 Nut, 5/16 - 18 01680
77 Motor Mount 25276
79 Wire Harness, LED 24685

L.B. White 350,000 BTU
—173— Phone: 800-362-6951 • Fax: 800-255-7985
www.phpdistribution.com
350,000 BTU Forced Air L.B. White Propane/Natural Gas
Model Numbers
Premier 350
TS350D
Key Part
No. Description Number
1A Regulator Propane Gas 25767
1B Pigtail Connector Propane Gas 25774
1C Regulator Natural Gas 25108
2 Hose, 3/4 ID x 15 Ft. 23078
3 Union 25272
5 Nipple, 3/4 x 4 In. 22403
5A Street Ell 25273
6 Bracket, Gas Control 21768
6A Screws 09425
8 Valve, Gas Control Propane Gas 23153
Natural Gas 23154
9 Ell 01359
10 Nipple 07148
11 Elbow, 1/2 NPT 01426
12 Manifold 09291
13 Orifice, Burrner Propane Gas 22898
Natural Gas 22901
14 Burner 23176
14A Bolt, Burner 02692
14B Washer 01589
15 Igniter 06479
15A Bracket 22895
15B Screws 07288
16 Lead, Ignition 24810
17 Screw, Burner Mounting 02688
18 Spacer, Burner 02687
19 Panel, Burner Access 24012
20 Chamber, Heat 22890
21 Switch, High Limit, Burner End, 325ºF81108
22 Case Assembly 22877
23 Panel, Case Access, Burner 22881
24 Panel, Case Access, Motor 22880
25 Panel, Control Box Cover 22875
26 Latch 09199
27 Transformer 09615
28 Relay 08685
29 Control Ignition 25590
30 Switch, Selector w/ L.E.D. 22017
31 Terminal Strip 22905
32 Hose Hanger 08936
33 Cage Nut 07708
34 Washer, 1/4 03054
35 Bolt, 1/4 - 20 x 3/4 11254
36 Bracket, Regulator Storage 22917
37 Screws. Regulator Storage Bracket 07288
and Thermostat Storage Bracket
38 Guard, Belt 24021
39 Belt 24031
40 Belt Tensioner 25135
41 Pulley, Fan 23037
42 Drive Platform 25277
43 Bolt, 3/8 - 16 x 1 23128
44 Bearing, Pillow Block 25132
45 Bolt, 3/8 - 16 x 1 1/4 03147
46 Nut, 3/8 - 16 05100
47 Washer, 3/8 01589
48 Shaft, 3/4 Dia. with 3/16 keyway 25133-A
49 Panel, Fan Access 22887
50 Fan 22868
50A Key, 3/16 in., Fan & Motor Sheaves, 22955
& Fan Shaft (Not Illustrated)
51 Switch, Air Proving 09925
52 Housing, Fan 22882
53 Switch, High Limit, Fan End, 190ºF 25822
54 Motor 22908
55 Pulley, Motor 23038
56 Axle, Wheel 22951
57 Spacer 07905
58 Hub Cap 07187
59 Wheel 22914
60 Cap, Retaining 01095
61 Base 24013
62 Thermostat Kit w/ 20 Ft. Cord 22920
62A Thermostat 09785
62B Cord, Thermostat 20164
62C Connector, Liquid Tight 08948
63 Cord, Power, 10 Ft. 22907
64 Bracket, Thermostat Storage 23186
65 Wheel, Caster 23130
66 Bolt, 5/16 - 18 03141
67 Handle, Case 08534
68 Bracket, Axle Mount 25274
68A Bracket, Axle 23113
76 Nut, 5/16 - 18 01680
77 Motor Mount 25276
79 Wire Harness, LED 24685

L.B. White Quick Parts
—174—
L.B. White Construction Heater Quick Parts Reference (LP Gas Only)
Model# Motor Thermocouple/ Ignition Control/ Valve: Safety/ Fan/Squirrel Safety Switches Igniter/Electrode Regulator Orifice: Pilot/Burner Hose Transformer Other
D.S.I. Auto Control Cage
286 20290 NA 098884-01 05547 02808 05550 Air Proving 06479 06772 05560 20704 (10ft) NA 05548 Manual Shut-Off Valve
286A 05559 Flapper 05568 Thermostat With Bracket
07264 Limit(286A) 07027 Wiring Harness
286B 20290 NA 098884-01 05547 02808 05550 Air Proving 06479 06772 05560 20704 (10ft) NA 05548 Manual Shut-Off Valve
05559 Flapper 05568 Thermostat With Bracket
05566 Limit (350) 07027 Wiring Harness
290 20554 NA 098884-01 05547 02684 07264 Limit (350) 06479 09911 02691 20704 (10ft) NA 05548 Manual Shut-Off Valve
290A 02680 Air Proving 05568 Thermostat With Bracket
02441 Flapper 09160 Wheel (Qty 2)
290B 20554 NA 098884-01 05547 02684 05566 Limit (350) 06479 09911 02691 20704 (10ft) NA 05548 Manual Shut-Off Valve
02680 Air Proving 05568 Thermostat With Bracket
02441 Flapper 07027 Wiring Harness
292A 03830 NA 05145 (Call) 05144 03831 03933 Limit (275) 03849 04655 05303 04784 (10ft) 06979 03834 On-Off Switch
04605 Air Flow 05148 Wiring Harness
03948 Flame Rod 04724 Valve Cock Assy
292E 03830 NA 098884-01 05309 21575 06739 Air Proving 07160 06772 05851 20704 (10ft) NA 03834 On-Off Switch
06687 Backflash 07027 Wiring Harness
296 03830 NA 03327 03837 03831 03933 Limit (275) 03849 03836 03860 03535 (10ft) 06979 03834 On-Off Switch
296A 04605 Air Flow
03948 Flame Rod
296B 03830 NA 05145 (Call) 05144 03831 03933 Limit (275) 03849 04655 03860 04784 (10ft) 06979 03834 On-Off Switch
04605 Air Flow 05148 Wiring Harness
03948 Flame Rod
296D 03830 NA 05549 05144 21575 05688 Flame Rod 05687 06772 05849 20704 (10ft) NA 03834 On-Off Switch
07161 Sail Switch 05845 Valve Cock Assy
05854 Fuse, Thermal Assy
296E 03830 NA 098884-01 05309 21575 06739 Air Proving 07160 06772 06685 20704 (10ft) NA 03834 On-Off Switch
06687 Backflash 07027 Wiring Harness
301A 03830 NA 03327 03986 03831 03933 Limit (275) 03849 03836 03860 03535 (10ft) 06979 03834 On-Off Switch
04605 Air Flow
03843 Flame Rod
304B 04785 NA 05145 (Call) 05867 04794 03933 Limit (275) 03849 04791 04665 20704 (10ft) 06979 03834 On-Off Switch
03326 Air Flow 04977 Valve Cock Assy
03843 Flame Rod 05829 Thermostat
09224 Tilt 05149 Wiring Harness
304D 04719 NA 098884-01 08022 06697 06664 Backflash 06873 Plug OR 08997 06571 20704 (10ft) NA 03834 On-Off Switch
07161 Sail 20312 Electrode 05829 Thermostat
09224 Tilt 04720 Capacitor
06871 Throttling Valve
324 07181 01090 NA 02990 Solenoid AND 01227 NA NA 21788 01230 Pilot 01229 (10ft) NA 06537 Thermostat
20356 Thermo Electric 01591 Burner 2525LH (25ft) 01099 Wheel
7111NR Power Coil 20598 Manual Shut Off Valve
324E 07181 01090 NA 20356 Thermo Electric 01227 NA NA 01106 01230 Pilot 01229 (10ft) NA 20598 Manual Shut Off Valve
324F 7111NR Power Coil 01591 Burner 2525LH (25ft) 01098 Hose Adapter
01099 Wheel
324G 07181 01020 NA 02812 Solenoid AND 01227 NA NA 01106 01230 Pilot 01229 (10ft) NA 20598 Manual Shut Off Valve
20356 Thermo Electric 01591 Burner 2525LH (25ft) 01098 Hose Adapter
7111NR Power Coil 01099 Wheel
324H 07181 01090 NA 07966 Thermo Electric 01227 NA NA 01106 01230 Pilot 01229 (10ft) NA 20229 Manual Shut Off Valve
7111NR Power Coil 01591 Burner 2525LH (25ft) 01098 Hose Adapter
01099 Wheel

L.B. White Quick Parts
Ref.
L.B. White Construction Heater Quick Parts Reference (LP Gas Only)
—175—
Model# Motor Thermocouple/ Ignition Control/ Valve: Safety/ Fan/Squirrel Safety Switches Igniter/Electrode Regulator Orifice: Pilot/Burner Hose Transformer Other
D.S.I. Auto Control Cage
326 07181 01020 NA 02990 Solenoid AND 01227 NA NA 21788 01230 Pilot 01229 (10ft) NA 06537 Thermostat
20356 Thermo Electric 01591 Burner 2525LH (25ft) 20598 Manual Shut Off Valve
7111NR Power Coil
326H 07181 01020 NA 02812 Solenoid AND 01227 NA NA 01106 01230 Pilot 01229 (10ft) NA 06537 Thermostat
20356 Thermo Electric 01591 Burner 2525LH (25ft) 01098 Hose Adapter
7111NR Power Coil 01099 Wheel
326J 07181 01020 NA 02990 Solenoid AND 01227 NA NA 01106 01230 Pilot 01229 (10ft) NA 07339 Thermostat
07966 Thermo Electric 01591 Burner 2525LH (25ft) 01098 Hose Adapter
7111NR Power Coil 01099 Wheel
328 07181 01090 NA 02990 Solenoid AND 01227 NA NA 21788 01230 Pilot 01229 (10ft) NA 06537 Thermostat
20356 Thermo Electric 03415 Burner 2525LH (25ft) 20598 Manual Shut Off
7111NR Power Coil 01098 Hose Adapter
328F 07181 01090 NA 02990 Solenoid AND 01227 NA NA 01106 01230 Pilot 01229 (10ft) NA 06537 Thermostat
20356 Thermo Electric 03415 Burner 2525LH (25ft) 20598 Manual Shut Off Valve
7111NR Power Coil 01099 Wheel
330 07181 01020 NA 02990 Solenoid AND 01227 NA NA 21788 01230 Pilot 01229 (10ft) NA 06537 Thermostat
330G 20356 Thermo Electric 03415 Burner 2525LH (25ft) 01098 Hose Adapter
7111NR Power Coil 01099 Wheel
334 07181 01020 NA 20356 Thermo Electric 01342 NA NA 21788 01230 Pilot 01229 (10ft) NA 01098 Hose Adapter
334G 7111NR Power Coil 03416 Burner 2525LH (25ft) 20229 Manual Shut Off Valve
01099 Wheel (Qty 2)
334H 07181 01020 NA 20356 Thermo Electric 01342 NA NA 01106 01230 Pilot 01229 (10ft) NA 01098 Hose Adapter
7111NR Power Coil 03416 Burner 2525lh (25ft) 20229 Manual Shut Off Valve
01099 Wheel (Qty 2)
343G 20290 03497 NA 02309 02808 05566 Limit (350) NA 01225 02689 Pilot 01229 (10ft) NA 05568 Thermostat
03411 Burner 2525lh (25ft) 05548 Manual Shut Off Valve
346A 01174 01036 NA 01196 02808 02662 Limit NA 01225 02729 Pilot 01229 (10ft) NA 01208 Thermostat
02805 Burner 2525lh (25ft)
346E 20290 03497 NA 02309 02808 05566 Limit (350) NA 06772 02729 Pilot 20543 (10ft) NA 05548 Manual Shut Off Valve
346F 03418 Burner 05567 High Limit Switch Cover
00815 Sediment Trap
346G 20290 03497 NA 02309 02808 05566 Limit (350) NA 01225 02689 Pilot 01229 (10ft) NA 05568 Thermostat
346H 03418 Burner 2525lh (25ft) 05548 Manual Shut Off Valve
346J
346K 20290 03497 NA 86302 02808 05566 Limit (350) NA 06772 02729 Pilot 20543 (10ft) NA 05548 Manual Shut Off Valve
03418 Burner 05567 High Limit Switch Cover
00815 Sediment Trap
350 01174 01036 NA 02309 01190 02662 Limit NA 06772 02689 Pilot 5010 (10ft) NA 3850FTG Hose to Regulator Fitting
01296 Burner 5025 (25ft) 01208 Thermostat
01420 Manual Shut Off Valve
377J 20554 03497 NA 02309 03531 05566 Limit (350) NA 06772 02689 Pilot 20704 (10ft) NA 06537 Thermostat
377J-3 02680 Sail Switch 03518 Burner 05548 Manual Shut Off Valve
377J-4 03535 Hose to Regulator Fitting
408J 20554 01090 NA 02309 02684 05566 Limit (350) NA 09911 02689 Pilot 20704 (10ft) NA 06537 Thermostat
408J-3 02680 Sail Switch 02691 Burner 05548 Manual Shut Off Valve
408J-4
CP100 21830 21811 NA 21808 21829 21855 21803 21856 21802 21841 21813
CP100A 03830 NA 08810 (24Volt) 22039 21575 06739 Air Proving 07160 06772 05851 20704 (10ft) 08260 08240 On-Off Switch
CP100B 06687 Back Flash 08811 L.E.D. With Leads
03536 Hose to Regulator Fitting
CP100BSP 03830 NA 08810 (24Volt) 22039 21575 07161 Sail Switch 07160 06772 05851 20704 (10ft) 08260 08240 On-Off Switch
06687 Back Flash 08811 L.E.D. With Leads
03536 Hose to Regulator Adapter

L.B. White Quick Parts
—176—
L.B. White Construction Heater Quick Parts Reference (LP Gas Only)
Model# Motor Thermocouple/ Ignition Control/ Valve: Safety/ Fan/Squirrel Safety Switches Igniter/Electrode Regulator Orifice: Pilot/Burner Hose Transformer Other
D.S.I. Auto Control Cage
CP100C 21830 21811 NA 21808 21829 21855 Back Flash 21803 21856 21802 21841 (10ft) 21813 Spark Igniter 21816 Relay with Clips
7111NR Power Coil 21806 Heat Adjustment Valve
06654 Hose Adapter
CP155A 03830 NA 08810 (24Volt) 22039 21575 06739 Air Proving 07160 06772 06685 20704 (10ft) 08260 08240 On-Off Switch
CP155B 06687 Back Flash 08811 L.E.D. With Leads
03536 Hose to Regulator Adapter
CP155BSP 03830 NA 08810 (24Volt) 22039 21575 07161 Sail Switch 07160 06772 06685 20704 (10ft) 08260 08240 On-Off Switch
06687 Back Flash 08811 L.E.D. With Leads
03536 Hose to Regulator Adapter
CP155C 03830 NA 22301 (24 Volt) 22400 (24 Volt) 21575 06687 Back Flash 07160 06772 06685 21841 (10ft) 06979 22213 Thermostat
06739 Air Proving 03834 On-Off Switch
CP155C 03830 NA 07637 (120 Volt) 05144 (120 Volt) 21575 06687 Back Flash 07160 06772 06685 21841 (10ft) NA 07027 Wire Harness
06739 Air Proving 03834 On-Off Switch
22213 Thermostat
CP155C 03830 NA 22301 (24 Volt) 22400 (24 Volt) 09347 06687 Back Flash 07160 06772 06685 21841 (10ft) 06979 22299 L.E.D. Lens
(Diagnostic) 06739 Air Proving 05549 Manual Valve
22213 Thermostat
CP155D 03830 NA 24640 24642 21575 06687 08834 21856 06685 21841 NA
Tradesman 155 03830 NA 24665 24642 21575 06687 08834 21856 06685 21841 NA
CP380A 04719 NA 08810 (24Volt) 08813 (Qty 2) or 06697 06664 Back Flash 20312 08997 20410 20719 (10ft) 08958 04720 Capacitor
CP380B 08814 Kit 06739 Air Proving 08811 L.E.D. With Leads
08240 On/Off Switch
CP380BSP 04719 NA 08810 (24Volt) 08813 (Qty 2) or 06697 06664 Back Flash 07160 Plug OR 08997 06751 20704 (10ft) 08958 06871 Throttle Valve
08814 Kit 07161 Air Flow 20312 Electrode 04720 Capacitor
20076 Tilt Switch 08811 L.E.D. With Leads
CP400A 04719 NA 098884-01 08022 06697 06739 Air Proving 20312 08997 20410 20704 (10ft) NA 04720 Capacitor
06664 Back Flash 06871 Throttle Valve
05829 Thermostat
CP400B 04719 NA 07637 08022 22302 22526 Air Proving 20312 22315 20410 21841 (10ft) NA 06971 Throttle Valve
22294 Back Flash 04720 Capacitor
03834 On/Off Switch
CP400B 04719 NA 22301 (24 Volt) 22313 22302 22526 Air Proving 20312 22315 20410 21841 (10ft) 06979 22213 Thermostat
(Diagnostic) 22294 Back Flash 04720 Capacitor
22299 L.E.D.
CP400D 04719 NA 24640 24644 22302 24691 20312 22315 20410 22128 NA
CP400T 04719 NA 07637 08802 06697 06739 Sail 20312 08997 20410 20704 (10ft) NA 03834 On/Off Switch
20411 Back Flash 05829 Thermostat
04720 Capacitor
CP400T 04719 NA 08810 (24Volt) 08813 (Qty 2) or 06697 06739 Sail 20312 08997 20410 20704 (10ft) 08958 05829 Thermostat
(Diagnostic) 08814 Kit 20411 Back Flash 04720 Capacitor
08811 L.E.D.
CS060 20290 03497 NA 02309 02808 05566 Limit (350) NA 06772 02689 Pilot 01517 (10ft) NA 05548 Manual Valve
03418 Burner 06537 Thermostat
CS080C 08920 NA 08810 (24Volt) 22076 03531 03933 Limit (275) 06479 08990 09753 20704 (10ft) 08922 09454 Thermostat
CS080D 09821 Limit (250)
CS080E 08920 NA 08810 (24Volt) 22076 03531 03933 Limit (275) 06479 08990 09753 20704 (10ft) 08922 09454 Thermostat
09821 Limit (250)
21186 Air Proving
CS170 25839 NA 25865 25831 25849 25869 25841 26423 25870 24600 NA
CS170D 20169 NA 08810 (24Volt) 22076 09050 03933 Limit (275) 06479 09911 09786 20704 (10ft) 08922 09160 Wheel (Qty 2)
CS170E 09784 Limit (190) 06421 Axle
09925 Air Proving 09454 Thermostat
CS170DF 25839 NA 25865 25831 25849 25869 25841 26423 25870 24600 NA
25846

L.B. White Quick Parts
Ref.
—177—
L.B. White Construction Heater Quick Parts Reference (LP Gas Only)
Model# Motor Thermocouple/ Ignition Control/ Valve: Safety/ Fan/Squirrel Safety Switches Igniter/Electrode Regulator Orifice: Pilot/Burner Hose Transformer Other
D.S.I. Auto Control Cage
CT080A 08920 NA 08810 (24Volt) 22039 03531 03933 Limit (275) 06479 08990 08918 20704 (10ft) 08922 09454 Thermostat
CT080B 08872 L.E.D. With Leads
CT170A 22112 NA 08810 (24Volt) 22039 09050 03933 Limit (275) 06479 09911 09130 20704 (10ft) 08922 09160 Wheel (Qty 2)
CT170B 09454 Thermostat
08872 L.E.D. With Leads
TS080C 08920 NA 08810 (24Volt) 22076 03531 03933 Limit(275) 06479 08990 09753 20243 (10ft) 08922 09454 Thermostat
TS080D 09821 Limit (250) 09915 Heat/Vent Toggle Switch
08811 L.E.D. With Leads
TS080E 20292 NA 08810 (24Volt) 22076 03531 03933 Limit (275) 06479 08990 09753 20243 (10ft) 08922 09454 Thermostat
09821 Limit (250) 22017 Heat/Vent Rocker Switch
21186 Air Proving 08811 L.E.D With Leads
TS170C 20169 NA 08810 (24Volt) 22076 09050 03933 Limit (275) 06479 09911 09786 20704 (10ft) 08922 09160 Wheel (Qty 2)
09784 Limit (190) 09915 Heat/Vent Toggle
09925 Air Proving 09454 Thermostat
TS170D 20169 NA 08810 (24Volt) 22076 09050 03933 Limit (275) 06479 09911 09786 20704 (10ft) 08922 22017 Rocker Switch (with L.E.D.)
09784 Limit(190) 09454 Thermostat
09925 Air Proving 09160 Wheel (Qty 2)
TS350 22908 NA 08810 (24Volt) 22897 22868 81108 Limit (325) 06479 22919 22898 23079 (10ft) 09615 08685 Relay
09784 Limit (190) 23078 (15ft) 22017 Rocker Switch (with L.E.D.)
22946 Air Proving 22914 Wheel (Qty 2)
23130 Caster (Qty 2)
23129 Belt
22920 Thermostat
TS350C 22908 NA 25590 24025 22868 81108 06479 25141 25828 23078 NA
25822
TS350D 22908 NA 25590 23153 22868 81108 06479 25767 22898 23078 NA
25822
Tradesman400
Ultra 04719 NA 24665 24644 22302 24691 20312 22315 20410 22128 NA
L.B. White Premier Heater Series Quick Parts Reference
Model# Motor Thermocouple/ Ignition Control/ Valve: Safety/ Fan/Squirrel Safety Switches Igniter/Electrode Regulator Orifice: Pilot/Burner Hose Transformer Other
D.S.I. Auto Control Cage
PREMIER 80 20292 NA 25865 22076 570304 03933 25841 26377 571625 24600 NA
571671
PREMIER 170 25834 NA 25865 22076 25849 25869 25841 26419 21573 24600 NA
25846
PREMIER 350DF 22908 NA 25590 24025 22868 81108 06479 25141 25828 23078 NA
25822
PREMIER 350 US22908 NA 25590 23153 22868 81108 06479 25767 22898 23078 NA
25822

L.B. White Quick Parts
—178—
L.B. White Quick Parts Reference (Natural Gas)
Model# Motor Thermocouple/ Ignition Control/ Valve: Safety/ Fan/Squirrel Safety Switches Igniter/Electrode Regulator Orifice: Pilot/Burner Hose Transformer Other
D.S.I. Auto Control Cage
298E 03830 NA 098884-01 05309 21575 06739 Air Flow 07160 06713 06686 20704 NA 03834 On-Off Switch
06687 Back Flash 07028 Wiring Harness
303A 04785 NA 6183NR (Call) 05335 05336 03933 Limit 03849 04799 05323 NA 06979 03934 On-Off Switch
(With Capacitor) 03326 Air Flow 05829 Thermostat
03843 Flame Rod 04805 Thermostat Knob
04803 Tip Switch
336 07181 03066 NA 20356 Thermo Electric 01342 NA NA 01104 01520 Pilot 20704 NA 09698 Manual Control Valve
336F 7111NR Power Coil 01081 Burner 01099 Wheel (Qty 2)
336G
345G 20290 03497 NA 02309 02808 05566 Limit NA 01326 02740 Pilot 05301 NA 05568 Thermostat
03412 Burner 05548 Manual Shut-Off Valve
348A 01174 01036 NA 01196 02808 02662 Limit NA 01326 02740 Pilot 20704 NA 01208 Thermostat
01514 Burner 02741 Pilot Mixer
348E 20290 03497 NA 02309 02808 05566 Limit NA 01326 02740 Pilot 20504 NA 05548 Manual Shut-Off Valve
348F 01297 Burner 05568 Thermostat
05567 High Limit Switch Cover
348G 20290 03497 NA 02309 02808 05566 Limit NA 01326 02740 Pilot 05301 NA 05568 Thermostat
348H 01297 Burner 05548 Manual Shut-Off Valve
348J 05567 High Limit Switch Cover
348K 20290 03497 NA 86302 02808 05566 Limit NA 01326 02740 Pilot 05301 NA 05568 Thermostat
01297 Burner 05548 Manual Shut-Off Valve
05567 High Limit Switch Cover
352 01174 01036 NA 02309 01190 02326 Limit NA 01326 02740 Pilot NA NA 01208 Thermostat
01297 Burner 01420 Valve Cock
02741 Pilot Mixer
379J 20554 03497 NA 02309 03531 05566 Limit NA 02736 02740 Pilot 20704 NA 05548 Manual Shut-Off Valve
379J-3 02680 Sail Switch 03519 Burner 06537 Thermostat
379J-4
410J 02683 01090 NA 02309 02684 05566 Limit NA 02736 06978 Pilot 20704 NA 05548 Manual Shut-Off Valve
410J-3 02680 Sail Switch 02735 Burner 06537 Thermostat
410J-4
CP155BSN 03830 NA 08810 06623 21575 06687 Back Flash 07160 06713 06683 20704 08260 08240 On-Off Switch
05689 Sail Switch 08810 L.E.D. With Leads
CP155C 03830 NA 22301 (24 Volt) 22400 (24 Volt) 21575 06687 Back Flash 07160 06713 06686 20504 06979 05548 Manual Shut-Off Valve
06739 Air Proving 22213 Thermostat
03834 On-Off Switch
CP155C 03830 NA 07637 (120 Volt) 05144 (120 Volt) 21575 06687 Back Flash 07160 06713 06686 20504 NA 05548 Manual Shut-Off Valve
06739 Air Proving 22213 Thermostat
03834 On-Off Switch
CP155D (NG) 03830 N/A 24640 24642 21575 06687 08834 06713 06686 20504 N/A
CP155C 03830 NA 22301 22400 09347 06887 Back Flash 07160 06713 06686 20504 06979 22299 L.E.D. Lens
(Diagnostic) 06739 Air Proving 05548 Manual Shut-Off Valve
08240 On-Off Switch
CS060 20290 03497 NA 02309 02808 05566 Limit NA 01326 02740 Pilot 20704 NA 06537 Thermostat
01297 Burner 05548 Manual Shut-Off Valve
CS080C 08920 NA 08810 09368 03531 03933 Limit (275) 06479 21999 09754 20531 08922 09454 Thermostat
CS080D 09821 Limit (250)
CS080E 20292 NA 08810 09368 03531 03933 Limit 06479 21999 09754 20531 08922 09454 Thermostat
21186 Air Proving
Premier 80 NG 20292 N/A 25865 22078 570304 03933 25841 21999 571626 24600 N/A
571671
Premier 170 NG 25834 N/A 25865 22078 25849 25869 25841 09795 9787 24600 N/A
25846
Premier 350 US NG 22908 NA 25590 23154 22868 81108 06479 25108 22901 23078 NA
25822
TS350D NG 22908 NA 25590 23154 22868 81108 06479 25108 22901 23078 NA
25822

L.B. White Quick Parts
Ref.
—179—
L.B. White Quick Parts Reference LP & Natural Gas (Convection)
Model# Thermocouple T.E. Safety Valve Igniter/Electrode Regulator Orifice: Pilot/Burner Hose Other
320 01090 20356 NA 06228 01230 Pilot 01229 (10ft) 20598 Manual Shut-Off Valve
7111NR Power Coil 01329 Burner 2525LH (25ft) 01098 Hose Adapter
01722 Pilot Screen
320B 01090 07966 NA 21788 01230 Pilot 01229 (10ft) 20229Burner Shut-Off Valve
7111NR Power Coil 22353 Burner 2525LH (25ft) 01098 Hose Adapter
01722 Pilot Screen
322 01090 20356 NA 21788 01230 Pilot 01229 (10ft) 20598 Burner Shut-Off Valve
7111NR Power Coil 01591 Burner 2525LH (25ft) 01098 Hose Adapter
01722 Pilot Screen
322F 01090 20356 NA 01106 01230 Pilot 01229 (10ft) 20598 Burner Shut-Off Valve
7111NR Power Coil 01591 Burner 2525LH (25ft) 01098 Hose Adapter
01722 Pilot Screen
322G 01090 07966 NA 01106 01230 Pilot 01229 (10ft) 20229 Burner Shut-Off Valve
7111NR Power Coil 01591 Burner 2525LH (25ft) 01098 Hose Adapter
01722 Pilot Screen
340 03497 07966 NA 07960 01230 Pilot 01229 (10ft) 07969 Burner Shut-Off Valve
7111NR Power Coil 07942 Burner 2525LH (25ft) 01098 Hose Adapter
01722 Pilot Screen
340A 03497 07966 06434 Piezo 07960 01230 Pilot 01223 (10ft) 07969 Burner Shut-Off Valve
7111NR Power Coil 07975 Electrode 07942 Burner 2525LH (25ft) 01098 Hose Adapter
01722 Pilot Screen
340 03497 07966 20280 Piezo 21722 01230 Pilot 20703 (10ft) 07969 Burner Shut-Off Valve
340A 7111NR Power Coil 07975 Electrode 07942 Burner 01098 Hose Adapter
G1629 P.O.L. Fitting
341 01090 20356 NA 21788 01230 Pilot 01229 (10ft) 20598 Manual Shut-Off Valve
7111NR Power Coil 01329 Burner 2525LH (25ft) 01098 Hose Adapter
01722 Pilot Screen
341G 01090 20356 NA 01106 01230 Pilot 01229 (10ft) 20598 Manual Shut-Off Valve
7111NR Power Coil 01329 Burner 2525LH (25ft) 01098 Hose Adapter
01722 Pilot Screen
341H 01090 20356 NA 21788 01230 Pilot 01229 (10ft) 20598 Manual Shut-Off Valve
342G 7111NR Power Coil 01329 Burner 2525LH (25ft) 01098 Hose Adapter
01722 Pilot Screen
380 03497 01540 NA 06772 02689 Pilot 20704 (10ft) 03536 Hose Adapter
380J 06237 Burner
CV100 03555 07966 20280 Piezo 21722 20213 Pilot 20496 (10ft) 20229 Burner Shut-Off Valve
7111NR Power Coil 20184 Electrode 20187 Burner 01098 Hose Adapter
20391 Inlet Screen
CV100B 03555 22250 20184 25031 22260 NA
22252
CV200 03497 07966 20280 Piezo 21722 01230 Pilot 20703 (10ft) 07969 Burner Shut-Off Valve
7111NR Power Coil 07975 Electrode 07942 Burner 01098 Hose Adapter
01722 Inlet Screen
CV225 03555 07966 20280 Piezo 23463 01230 Pilot 23731 (10ft) 20229 Burner Shut-Off Valve
7111NR Power Coil 20184 Electrode 23392 Burner 08435 Hose Adapter
CV225B 23728 07966 20184 23463 01230 23731
23392
CV250 03555 07966 20280 Piezo 21722 20212 Pilot 20496 (10ft) 20229 Burner Shut-Off Valve
7111NR Power Coil 20184 Electrode 20189 Burner 01098 Hose Adapter
Norseman 250 `01090 07966 NA 21788 01230 20242
01329
Workman 100N 03555 22250 20184 25031 22260 NA
22252
Plus (NG)
Workman 225 23728 07966 20184 23463 01230 23731
Plus 23392

Desa Gas Fired Heaters
—180— Phone: 800-362-6951 • Fax: 800-255-7985
www.phpdistribution.com
You will need (1) 100 l.b.. Cylinder for every 100,000 BTU’s your
heater produces.
Always remember to match the model number of your heater with
the model number of the individual breakdowns in this section. Use
a breakdown only if you have the exact model match for your
particular heater. If your model number does not appear in the
breakdowns, please refer to the Quick Parts Reference Guide for
common replacement parts.
If you need technical assistance, feel free to call 1-800-362-6951
or e-mail us at techservice@phpdistribution.com. Whenever
possible, please have your model number and the nature of your
problem before you place a call for technical service.
BTU Size and Description Fuel Type Heater Type Page No.
25,000 Propane Convection 181
30,000 Propane Forced Air 182
35-50,000 Propane Forced Air 183
50,000 (50V) Propane Forced Air 184
50,000 (50VA) Propane Forced Air 185
55,000 Pro Tough Series Propane Forced Air 186
55,000 Propane Forced Air 187
80,000 (80V) Propane Convection 190
85,000 Propane Forced Air 188
85,000 Pro Tough Series Propane Forced Air 189
100,000 Propane Forced Air 191
125,000 Pro Tough Series Propane Forced Air 192
150,000 (155A & 155AT) Propane Forced Air 195
100 - 200,000 (200V) Propane Convection 197
170,000 Pro Tough Series Propane Forced Air 193
170,000 Propane Forced Air 196
375,000 (375A, 375AT) Propane Forced Air 199
150,000 with a Thermostat Natural Gas Forced Air 194
250,000 Natural Gas Radiant 198
Quick Parts Reference Guide Both All 200
Desa Gas Fired Heaters
Desa Name Brands Include:
Amoco
Cenex
Co-op
Dart
Dayton
Desa
Handy Master
Homelite
John Deere
Knipco
Koehring
Master
Queen Bee
Reddy
Remington
Sears
TSC
HEATER INDEX

—181— Phone: 800-362-6951 • Fax: 800-255-7985
www.phpdistribution.com
Desa LP 25,000 BTU
101880-01 Shell Assembly
101864-01 Burner Assembly Kit
Includes automatic control valve,
hardware, powercoil (7111NR) and
instruction sheet
099236-01
Thermocouple Kit
099237-01
Thermocouple Clip
101878-01 Ignitor
electrode with lead
LPA2025 Regulator
Complete with regulator
and fuel gas connector
102445-01 Piezo Ignitor
Includes nut
LPA3025
Regulator/Fuel Gas
Connector/Hose Assembly
Note: Screws are
standard hardware
items
LPA1025
10’ Rubber hose
w/ Brass Fitting
Model Numbers
Reddy Master
RCP25 TC25
15-25,000 BTU Convection Desa Propane Heater

Desa LP 30,000 BTU
—182— Phone: 800-362-6951 • Fax: 800-255-7985
www.phpdistribution.com
Key Part
No. Number Description
1 104154-01 Combustion Chamber
2 104152-01 Unichassis
3 M11143-1 Bushing, Strain Relief
4 M11084-27 Screw (qty. 5)
5 099237-01 Thermocouple Clip (qty. 1)
6 103894-01 Target Bracket Kit
7 104162-01 Electrode Ignitor with lead
8 M11084-38 Hex Tap Screw, #8-18 x 3/8”
9 101478-02 Fan
10 104156-01 Motor Assembly
11 103863-01 Fan Guard
12 097384-02 Captive Washer Nut (qty. 2)
13 097968-05 Hex Screw, #4-40 x 1/2” (qty. 2)
14 NPC-00C Hex Nut, #4-40 (qty. 2)
15 101732-05 Thermal Switch Kit
16 103895-01 Rear Head Kit
17 098219-17 Cord, Power Supply
18 104146-01 Thermocouple
19 104144-01 Valve/Orifice/Burner Tube Assembly
20 102445-01 Piezo Ignitor
21 104153-01 Filler Panel
22 M12461-14 Hex Screw, 8-32 x 3/8 (qty. 4)
23 102334-01 Piezo Ignitor Hex Nut
24 101480-12 Wire Assembly (qty. 2)
25 104786-01 Handle Assembly
PARTS AVAILABLE - NOT SHOWN
097647-09 Tradename Decal (BLP30) (qty. 2)
097941-26 Tradename Decal (RLP30) (qty. 2)
099596-15 Tradename Decal (REM30LP) (qty. 2)
104161-01 General Info Decal
104160-01 Operation Decal
ACCESSORIES
1591NR Regulator & Hose Assembly
LPA1020 10’ Hose
LPA2170 Regulator
6252NR POL Connector
2525 25’ Hose
G1851 Acme (new style) Tank Connector
TFI Tank Stabilizer
C20 20 lb. Propane Cylinder
C40 40 lb. Propane Cylinder
7111NR Control Valve Powercoil
Model Numbers
Reddy Master Remington
RLP30 BLP30 REM30LP
30,000 BTU Forced Air Desa Propane Heater
4

—183— Phone: 800-362-6951 • Fax: 800-255-7985
www.phpdistribution.com
Key Part
No. Number Description
1 099568-01 Inner Shell (Combustion Chamber)
2 M11084-26 Hex Tap Screw, #10-16 x 3/8" (qty. 7)
Outer Shell
3 099599-01AC REM35LP - Black
099599-01AB BLP35 - Yellow
099599-01AC RLP35 - White
099599-01AD RLP35,VLP35 - Green
099599-01AC HM35LP
099599-01BJ C35LP
099599-02AA REM50LP - Black
099599-02AB BLP50LP - Master
099599-02AC RLP50 - White
099599-02AD VLP50 - Green
099599-02BJ C50LP - Green
4 M51104-01 Handle
5 099230-01 Hex Tap Shoulder Screw (qty. 4)
6 M11084-29 Hex Tap Screw, #10-16 x 3/4" (qty. 2)
7 M11084-3 Hex Tap Screw, #12-14 x 1/2" (qty. 3)
8 099237-01 Thermocouple Clip
9 099727-01 Burner Assembly
10 099539-01 Electrode Ignitor w/lead (All 35,000 BTU units)
100588-01 Electrode Ignitor w/lead (All 50,000 BTU units)
11 M11084-38 Hex Tap Screw, #8-18 x 3/8" (qty. 8)
12 099537-01 Fan (All 35,000 BTU models)
099537-03 Fan (All 50,000 BTU models)
Motor Assembly (Includes Rubber Washer & Fan Nut)
13 099521-01 All 35,0000 BTU Models
100589-01 All 50,000 BTU Models
14 099540-01 Fan Guard
15 097384-02 Captive Washer Nut (qty. 3)
16 097968-05 Hex Screw, #4-40 x 1/4" (qty. 2)
17 NPC-00C Hex Nut, #4-40 (qty. 2)
18 101732-02 Thermal Switch Assembly
(All 35,000 BTU Models)
097952-09 Thermal Switch Assembly
(All 50,000 BTU Models)
19 097776-01 Universal Bushing
20 099542-01 Wire Clip
21 099538-01 Thermocouple
22 099728-01 Valve/Orifice Assembly
(All 35,000 BTU Models)
100591-01 Valve/Orifice Assembly
(All 50,000 BTU Models)
23 097159-01 Piezo Ignitor
24 078978-03 Sleeve Cap
25 099598-01AA Base
26 100397-01 Lock Washer #4 (qty. 4)
27 099202-02 Steel Rivet 1/8”
28 100594-01AA Painted Cover (50,000 BTU Models Only)
29 100184-02 Relay (50,000 BTU Models Only)
30 098219-25 Power Supply Cord Assembly
(50,000 BTU Models Only)
31 099125-01 Terminal Board (50,000 BTU Models Only)
32 099157-01 Rivet (50,000 BTU Models Only)
33 097968-01 Hex Screw (qty. 2) (50,000 BTU Models Only)
34 098835-01 Hex Nut (50,000 BTU Models Only)
35 M50104-01 Shorty Bushing (50,000 BTU Models Only)
36 M11143-1 Strain Relief Bushing
(50,000 BTU Models Only)
37 100596-01AB Wire Guard (BLP50)
(50,000 BTU Models Only)
100596-01AC Wire Guard (RLP50)(50,000 BTU Models Only)
100596-01AA Wire Guard (REM50LP)
(50,000 BTU Models Only)
38 M11084-37 Hex Screw (50,000 BTU Models Only)
39 079010-14 Wire Assembly, Red 9 (qty. 2)
40 079010-21 Wire Assembly, White
41 099460-01 Hex Cap, 1/8-27 NPTF
ACCESSORIES
LPA3090 Regulator & Hose Assembly (All 35,000 Units)
LPA1020 10' Hose (All Models)
7111NR Control Valve Power Coil
LPA2110 Regulator (All 35,000 BTU Models)
LPA2140 Regulator (All 50,000 BTU Models)
G1690 POL Connector
TFI Tank Stabilizer
2525 25 Foot Hose (All Models)
G1851 Acme (new style) POL Connector
LPA3055 Regulator & Hose Assy (All 50,000 Models)
PARTS AVAILABLE - NOT SHOWN
097647-02 Tradename Decal (BLP50) Master (qty. 2)
097941-05 Tradename Decal (RLP50) Reddy (qty. 2)
079718-05 Tradename Decal (VLP50) Vanguard (qty. 2)
099596-02 Tradename Decal(REM50LP -left) Remington
099596-01 Tradename Decal(REM50LP -right) Remington
079871-02 Tradename Decal (C50LP) Desa (qty. 2)
079663-01 LP Warning Decal
099672-01 Notice Decal
Model Numbers
Reddy Master Remington
RLP35 BLP35 REM35LP
RLP50 BLP50 REM50LP
Desa Vanguard
C35LP VLP35
C50LP VLP50
35/50,000 BTU Forced Air Desa Propane Heaters
Desa LP 35-50,000 BTU

Desa LP 50,000 BTU
—184— Phone: 800-362-6951 • Fax: 800-255-7985
www.phpdistribution.com
Key Part
No. Number Description
1 099568-01 Inner Shell (Combustion Chamber)
2 M11084-26 Hex Tap Screw, #10-16 x 3/8” (qty. 7)
3Outer Shell
099599-01AB Outer Shell (BLP50V)
099599-01AA Outer Shell (REM50PV)
099599-01AC Outer Shell (RLP50V)
4 M51104-01 Handle
5 099230-01 Hex Tap Shoulder Screw (qty. 4)
6 M11084-29 Hex Tap Screw, #10-16 x 3/4” (qty. 2)
7 M11084-27 Hex Tap Screw, #12-14 x 1/2” (qty. 3)
8 099393-03 Knob, Control
9 103931-01 Burner Assembly
10 099539-01 Electrode Ignitor with lead
11 M11084-38 Hex tap Screw, #8-18 x 3/8”
12 099537-03 Fan
13 103864-01 Motor Assy
(Includes Rubber Washer & Fan Nut)
14 099540-01 Fan Guard
15 097384-02 Captive Washer Nut (qty. 3)
16 097968-05 Hex Screw, #4-40 x 1/2” (qty. 2)
17 NPC-00C Hex Nut, #4-40 (qty. 2)
18 101481-05 Thermal Switch Kit
19 097776-01 Universal Bushing
20 099542-01 Wire Clip
21 103919-01 Thermocouple Kit
22 103921-01 Valve/Orifice Assembly
23 102445-01 Piezo Ignitor with nut
24 078978-03 Sleeve Cap
25 103922-01 Base Assembly
26 100397-01 Lock Washer #4 (qty. 4)
27 099202-02 Steel Rivet, 1/8”
PARTS AVAILABLE - NOT SHOWN
097941-18 Tradename Decal (RLP50V) (qty. 2)
097647-07 Tradename Decal (BLP50V) (qty. 2)
099596-11 Tradename Decal (REM50PV)
099596-12 Tradename Decal (REM50PV)
103867-01 General Information Decal
103869-01 Operation Decal
079663-01 LP Warning Decal
099672-01 Notice Decal
ACCESSORIES
LPA3055 Regulator & Hose Assembly
LPA1020 10’ Hose
LPA2140 Regulator
LPA4020 Fuel Gas Connector
2525 25 Foot Hose (All Models)
G1851 Acme (new style) Tank Connector
C20 20 lb. Propane Cylinder
C40 40 lb. Propane Cylinder
TF1 Propane Tank Stabilizer
Model Numbers
Reddy Master Remington
RLP50V BLP50V REM50PV
50,000 BTU Forced Air Desa Propane Heater
Output Rating 30-50,000 BTU/Hr
Fuel Propane Vapor
Fuel Consumption 2.19 GPH
Supply Pressure to Regulator
Min. (for input adjustment) 10 PSI
Max. 200 PSI
Hot Air Output 275 CFM
Motor 3300 RPM
Amperage 2
Ignition Piezo
SPECIFICATIONS

—185— Phone: 800-362-6951 • Fax: 800-255-7985
www.phpdistribution.com
Key Part
No. Number Description
1 104154-01 Combustion Chamber
2 M11084-26 Hex Tap Screw, #10-16 x 3/8” (qty. 7)
3Outer Shell
105333-03AB Outer Shell (BLP50VA)
105333-02 Outer Shell (REM50PVA)
105333-01 Outer Shell (RLP50VA)
4 104786-01 Handle Kit
5 M11143-1 Bushing Strain Relief
6 101480-12 Wire Assembly (qty. 2)
7 M11084-27 Hex Tap Screw, #12-14 x 1/2” (qty. 3)
8 099393-03 Control Knob
9 105341-01 Burner Assembly
10 099539-01 Electrode Ignitor with lead
11 M11084-38 Hex Tap Screw, #8-18 x 3/8”
12 101478-03 Fan
13 105332-01 Motor
14 103863-01 Fan Guard
15 097384-02 Captive Washer Nut (qty. 3)
16 097968-05 Hex Screw, #4-40 x 1/2” (qty. 2)
17 NPC-00C Hex Nut, #4-40 (qty. 2)
18 101481-04 Thermal Switch
19 097776-01 Universal Bushing
20 099237-01 Thermocouple Clip (qty. 2)
21 104146-01 Thermocouple
22 103921-01 Valve/Orifice Assembly
Key Part
No. Number Description
23 102445-01 Piezo Ignitor
24 078978-03 Sleeve Cap
25 105335-01 Base Assembly
26 099202-02 Steel Rivet, 1/8”
27 M12461-14 Hex Screw, 8-32 x 3/8 (qty. 2)
28 098219-25 Cord, Power Supply
PARTS AVAILABLE - NOT SHOWN
097941-28 Tradename Decal (RLP50VA)(qty. 2)
097647-10 Tradename Decal (BLP50VA)(qty. 2)
099596-16 Tradename Decal (REM50PVA)(qty. 2)
103867-05 General Information Decal
103869-03 Operation Decal
099672-01 Notice Decal
ACCESSORIES
LPA3055 Regulator & Hose Assembly
LPA4020 Fuel Gas Connector
LPA2140 Regulator Only
LPA1020 1/4” x 10’ Hose
2525 1/4” x 25’ Hose
G1851 Acme (new style) Tank Connector
C20 20 lb. Propane Cylinder
C40 40 lb. Propane Cylinder
7111NR Control Valve Powercoil
Model Numbers
Reddy
RLP50VA
Master
BLP50VA
Remington
REM50PVA
50,000 BTU Forced Air Desa Propane Heater
Desa LP 50,000 BTU

—186—
Model Numbers
TB100 TB104
TB106 TB110
55,000 BTU Forced Air Desa Propane Heater
Phone: 800-362-6951 • Fax: 800-255-7985
www.phpdistribution.com
Key Part
No. No. Description
1 118476-01 Handle
2 118472-01 Control Box
3 M11143-2 Strain Relief Bushing
4 098219-42 Power Supply Cord Assembly
5 100145-03 Fuel Tube
6 118796-01 Female Compression Fitting
7 114159-05 Ball Valve Assembly
8 113810-01 Ball Valve Knob Insert
9 118773-01 Ball Valve Knob
10 113870-01 Elbow Fitting qty. 2
11 116981-01 Female Cap Fitting
12 113871-01 Control Valve
13 113869-01 Coupling Fitting
14 097809-04 Male Fitting
15 113794-01 Valve Nut
16 078978-03 Cap Sleeve
17 119401-01 Terminal Block
18 118506-01 Heat Shield
19 113867-01 Hi-Lo Mini Ignitor
20 114150-01 Steel Spacer
21 118802-01 Printed Circuit Board Support qty. 3
22 113875-02 Relay Assembly
23 118780-01 Motor Grill Assembly
24 113880-02 Motor Assembly
25 113881-01 Fan
26 097805-04 Ignitor
27 097806-03 Ignitor Cable
28 101481-12 Thermal Limit Switch
29 098249-01 Nut
30 118497-02 Rear Plate
31 104146-05 Thermocouple
32 118514-01 Burner Assembly
33 118685-01 Injector
34 100146-01 Female Elbow
35 119496-01 Shell (Black)
36 118471-01 End Cap • • • •
37 119459-01 Hold Down Bracket qty. 4
38 119497-01 Combustion Chamber
39 118477-03 Steel Tube qty. 4
40 118475-01 Cord Cleat qty. 2
41 118478-03 Foot Leg qty. 2
42 118474-01 Foot
43 119631-01 Nut
Parts available - not Shown
M9900-199 Wire Assembly, Black
M9900-200 Wire Assembly, White
101480-14 Wire Assembly, Blue
118774-04 Hose and Regulator Assembly
118687-03 Operation Decal
119144-01 Model Data Decal
119146-01 Wiring Decal
Desa LP 55,000 BTU

—187— Phone: 800-362-6951 • Fax: 800-255-7985
www.phpdistribution.com
Model Numbers
BLP55V REM55PV
RLP55V
55,000 BTU Forced Air Desa Propane Heater
Key Part
No. No. Description
1 113878-01 Grille Assembly
2 115772-01 Motor Mounting Bracket
3 113880-01 Motor Assembly
4 113881-01 Fan
5 113882-01 Outer Cylinder, Red
113882-02 Outer Cylinder, Orange
113882-03 Outer Cylinder, Yellow
113882-04 Outer Cylinder, Black
6 097917-01 Handle
7 097918-01 Clip Handle Mounting qty. 2
8 113883-01 Snap Bushing, 5/8
9 118651-01 Universal Bushing
10 114162-01 Snap Bushing, 1/2
11 113887-01 Male Elbow Fitting
12 113885-01 Spark Plug
13 113889-01 High Limit Switch Control Assembly
14 113886-01 Nut, Spark Plug qty. 2
15 113892-01 Flame Holder Assembly
16 113888-01 Nut orifice Mounting
17 113890-01 Orifice, LP Assembly
18 ** Middle Cylinder Assembly
19 113884-01 Thermocouple
20 113877-01 Fuel Tube Assembly
21 113875-01 Relay Assembly
22 113867-01 Ignitor
23 113872-01 Terminal Board
24 113870-01 Elbow Street Fitting qty. 2
25 113869-01 Coupling Fitting qty. 2
26 113868-01 Male Connector Fitting
27 113876-01 Female Connector Fitting
28 113873-01 Ball Valve
29 113871-01 Valve
30 113866-01 Control Box Assembly
31 113863-01 Bottom Panel
32 113865-01 Strain Relief Bushing
33 113864-01 Power Cord
34 113791-01 POL Excess Flow 1/4 MPT
35 113862-01 Regulator, 28" W.C.
36 113776-01 Hose Assembly, LP
PARTS AVAILABLE - NOT SHOWN
113909-01 Wiring Decal
113802-18 Model Data Decal
113933-07 Operating Instructions Decal, English/Spanish
113984-07 Warning Decal, English
113858-01 Tradename Decal, All-Pro
113858-02 Tradename Decal, Universal
097650-01 Tradename Decal, Master
109111-02 Tradename Decal, Reddy
110789-01 Tradename Decal, Remington
113914-01 Hang Tag, English
113927-01 Fan Label
** Not a field replaceable part.
Desa LP 55,000 BTU

—188— Phone: 800-362-6951 • Fax: 800-255-7985
www.phpdistribution.com
Model Numbers
BLP85V REM85PV
RLP85V
85,000 BTU Forced Air Desa Propane Heater
Key Part
No. No. Description
1 113918-01 Outer Cylinder Assembly, Orange
113918-02 Outer Cylinder Assembly, Red
113918-03 Outer Cylinder Assembly, Yellow
113918-04 Outer Cylinder Assembly, Black
2 113881-01 Fan
3 113860-01 Motor Assembly
4 113919-01 Motor Grill
5 113922-01 Flame Holder Assembly
6 ** Middle Cylinder Assembly
7 113888-01 Nut orifice Mounting 3/4-16
8 113931-01 Male Elbow Fitting
9 113884-01 Thermocouple
10 113889-01 High Limit Control Assembly
11 113885-02 Spark Plug, 1/8 Gap
12 113886-01 Nut-Spark Plug qty. 3
13 113920-01 Orifice Assembly
14 113935-01 Control Box Assembly
15 113924-01 Ignition Relay Bracket
16 113872-01 Terminal Board
17 113867-01 Spark Ignition, 115V
18 113917-01 Fuel Tube Assembly
19 113869-01 Fitting, Coupling
20 113936-01 Spacer, TC Bracket
21 113868-01 Fitting, Male Connector
22 113871-01 Valve
23 113928-01 Ball Valve, Variable Rate
24 113929-01 Female Connector Fitting
25 113925-01 Control Panel Assembly
26 113865-01 Strain Relief Bushing
27 113864-01 Power Cord
28 113776-01 Hose Assembly
29 113862-01 Regulator, 28" W.C. (6.97 kPa)
30 113791-01 POL Excess Flow
31 097918-01 Clip Handle Mounting qty. 2
32 097917-01 Handle
33 113875-01 Relay
34 113870-01 Fitting, Elbow qty. 2
35 113923-01 racket, TC
36 113926-01 Access Panel
PARTS AVAILABLE - NOT SHOWN
113909-01 Wiring Decal
113802-05 Model Data Decal
113933-02 Operating Instructions Decal, English/Spanish
113984-01 Warning Decal, English
113915-01 Tradename Decal, All-Pro
113908-01 Tradename Decal, Universal
109111-02 Tradename Decal, Reddy
097650-01 Tradename Decal, Master
110789-01 Tradename Decal, Remington
113914-01 Hang Tag, English
113927-01 Fan Label
** Not a field replaceable part.
Desa LP 85,000 BTU

—189— Phone: 800-362-6951 • Fax: 800-255-7985
www.phpdistribution.com
Model Numbers
TB102 TB111
TB114
85,000 BTU Forced Air Desa Propane Heater
Key Part
No. No. Description
1 118476-01 Handle
2 118472-01 Control Box
3 M11143-2 Strain Relief Bushing
4 098219-42 Power Supply Cord Assembly
5 100145-03 Fuel Tube
6 118796-01 Female Compression Fitting
7 114159-05 Ball Valve Assembly
8 113810-01 Ball Valve Knob Insert
9 118773-01 Ball Valve Knob
10 113870-01 Elbow Fitting qty. 2
11 116981-01 Female Cap Fitting
12 113871-01 Control Valve
13 113869-01 Coupling Fitting
14 097809-04 Male Fitting
15 113794-01 Valve Nut
16 078978-03 Sleeve Cap
17 119401-01 Terminal Block
18 118506-01 Heat Shield
19 113867-01 Hi-Lo Mini Ignitor
20 114150-01 Steel Spacer
21 118802-01 Printed Circuit Board Support qty. 3
22 113875-02 Relay Assembly
23 118473-01 Fan Guard
24 118482-01 Motor Mount
25 113860-02 Motor Assembly
26 113881-01 Fan 7"
27 097805-04 Ignitor
28 097806-03 Ignitor Cable
29 101481-04 Thermal Limit Switch
30 098249-01 Nut
31 118497-03 Rear Plate
32 104146-05 Thermocouple
33 118514-01 Burner Assembly
34 118685-02 Injector
35 100146-01 Female Elbow
36 119496-02 Shell (Black)
37 118471-01 End Cap qty. 2
38 119459-01 Hold Down Bracket qty. 4
39 119497-02 Combustion Chamber
40 118477-01 Steel Tube qty. 4
41 118475-01 Cord Cleat qty. 2
42 118478-01 Foot Leg qty. 2
43 118474-01 Foot
44 119631-01 Nut
Parts available - not shown
M9900-199 Wire Assembly, Black
M9900- 00 Wire Assembly, White
101480-14 Wire Assembly, Blue
118774-01 Hose and Regulator Assembly
118687-03 Operation Decal
119144-02 Model Data Decal
119146-01 Wiring Decal
Desa LP 85,000 BTU

Desa LP 80,000 BTU
—190— Phone: 800-362-6951 • Fax: 800-255-7985
www.phpdistribution.com
Key Part
No. Number Description
1 103928-01 Top and Shell Assembly
2 103929-01 Burner Assembly
3 103904-01 Ignitor Electrode with lead
4 103032-01 Nozzle
5 103031-01 Base
6 103036-01 Stealth Knob
7 102445-01 Piezo Ignitor with nut
8 099236-01 Thermocouple Kit with clip
9 103854-01 Thermocouple Bracket
10 103037-01 Nozzle Locator
11 103930-01 Valve Assembly
12 078978-03 Cap Sleeve
PARTS AVAILABLE - NOT SHOWN
098853-06 Tradename Decal (TC80V)
098851-05 Tradename Decal (RCP80V)
099681-03 Information Decal
099683-02 Operation Decal
ACCESSORIES
LPA3110 Regulator & Hose Assembly
LPA2160 Regulator
LPA4020 POL Connector
7111NR Control Valve Powercoil
C100 100 lb. Propane Cylinder
LPA1020 10’ Hose
2525 25’ Hose
099237-01 Thermocouple Clip
7161NR Piezo Igniter Nut
Screws Are Standard Hardware Items
Model Numbers
Reddy Master
RCP80V TC80V
80,000 BTU Convection Desa Propane Heater

—191— Phone: 800-362-6951 • Fax: 800-255-7985
www.phpdistribution.com
Desa LP 100,000 BTU
Key Part
No. Number Description
1 102362-01 Base Tray
2 M11084-26 Hex TPG Screw (qty. 15)
3 102361-01AA Base
4 099138-02 Nozzle
5 098511-216 Shell Kit
6 M11084-29 Screw (qty. 2)
7 M51104-01 Handle
8 098512-61 Combustion Chamber Kit
9 099538-01 Thermocouple
10 099237-01 Thermocouple Clip
11 099334-02 Fuel Tube Kit
12 M51153-01 Fan
13 102366-01 Motor
14 102380-01 Motor Bracket
15 NTC-4C Hex Lock Nut (qty. 2)
16 102315-02 Fan Guard
17 099393-03 Control Knob
18 101732-04 Thermal Switch Kit
19 102487-01 Ignitor Electrode
20 097806-02 Ignitor Cable
21 M11084-38 Screw (qty. 2)
22 098219-17 Power Cord
23 M11143-1 Strain Relief Bushing
24 103846-01 Valve Kit
25 102601-01 Ignition Control
26 079010-30 Wire Assembly (Relay)
27 079010-19 Wire Assembly (Relay)
28 097951-14 Wire Assembly (Relay)
29 103847-01 Relay Kit
30 102602-01 U-Clip Nut (qty. 2)
31 097951-13 Wire Assembly (Ignition Ctrl)
32 M16841-56 Wire Assembly (Ignition Ctrl)
33 M16841-68 Wire Assembly (Ignition Ctrl)
34 099125-11 Terminal Board
35 099157-01 Rivet
PARTS AVAILABLE - NOT SHOWN
102370-01 Owners Manual
079231-01 Service Center List
097940-06 Tradename Decal (BLP100)
097941-17 Tradename Decal (RLP100)
099596-09 Tradename Decal (REM100LP)
099596-10 Tradename Decal (REM100LP)
102600-01 Operation Decal
102604-01 General Information Decal
102599-01 Electrical Decal
LPA3100 Regulator & Hose Assy
LPA1000 10’ Hose
LPA2150 Regulator
LPA4020 Fuel Gas Connector
3825 25’ Hose
C100 100 lb. Propane Cylinder
7111NR Control Valve Powercoil
Model Numbers
Reddy Remington Master
RLP100 REM100LP BLP100
100,000 BTU Forced Air Desa Propane Heater

—192—
Model Numbers
TB101 TB105
TB107 TB112
125,000 BTU Forced Air Desa Propane Heater
Key Part
No. No. Description
1 118476-01 Handle
2 118472-01 Control Box
3 M11143-2 Strain Relief Bushing
4 098219-42 Power Supply Cord Assembly
5 100145-03 Fuel Tube
6 118796-01 Female Compression Fitting
7 114159-03 Ball Valve Assembly
8 113810-01 Ball Valve Knob Insert
9 118773-01 Ball Valve Knob
10 113870-01 Elbow Fitting qty. 2
11 116981-01 Female Cap Fitting
12 113871-01 Control Valve
13 113869-01 Coupling Fitting
14 097809-04 Male Fitting
15 113794-01 Valve Nut
16 078978-03 Sleeve Cap
17 119401-01 Terminal Block
18 118506-01 Heat Shield
19 113867-01 Hi-Lo Mini Ignitor
20 114150-01 Steel Spacer
21 118802-01 Printed Circuit Board Support qty. 3
22 113875-02 Relay Assembly
23 118473-01 Fan Guard
24 113860-02 Motor Assembly
25 114160-01 Fan 8"
26 097805-03 Ignitor
27 097806-03 Ignitor Cable
28 101481-13 Thermal Limit Switch
29 098249-01 Nut
30 118497-01 Rear Plate
31 104146-05 Thermocouple
32 118765-02 Burner Assembly
33 118685-03 Injector
34 100146-01 Female Elbow
35 119496-02 Shell (Black)
36 118471-01 End Cap qty. 2
37 119459-01 Hold Down Bracket qty. 4
38 119497-02 Combustion Chamber
39 118477-01 Steel Tube qty. 4
40 118475-01 Cord Cleat qty. 2
41 118478-01 Foot Leg qty. 2
42 118474-01 Foot
Parts available - not shown
M9900-199 Wire Assembly, Black
M9900- 00 Wire Assembly, White
101480-14 Wire Assembly, Blue
118774-02 Hose and Regulator Assembly
118687-03 Operation Decal
119144-03 Model Data Decal
119146-01 Wiring Decal
Desa LP 125,000 BTU
Phone: 800-362-6951 • Fax: 800-255-7985
www.phpdistribution.com

—193— Phone: 800-362-6951 • Fax: 800-255-7985
www.phpdistribution.com
Model Numbers
TB103 TB108
TB113
170,000 BTU Forced Air Desa Propane Heater
Key Part
No. No. Description
1 118476-01 Handle
2 118770-01 Control Box
3 M11143-2 Strain Relief Bushing
4 098219-42 Power Supply Cord Assembly
5 118767-01 Fuel Tube
6 100146-01 Female Elbow
7 118685-04 Injector
8 M50114-02 Male Elbow
9 114159-04 Ball Valve Assembly
10 113810-01 Ball Valve Knob Insert
11 118773-02 Ball Valve Knob
12 098276-01 Plug
13 118768-01 Street Tee
14 098201-01 Solenoid Valve
15 097809-04 Male Fitting
16 078978-03 Sleeve Cap
17 118766-01 Solenoid Valve Bracket
18 113944-01 Thermostat Assembly
19 119401-01 Terminal Block
20 099123-01 Thermobulb Clip
21 M50104-02 Shorty Bushing
22 118473-01 Fan Guard
23 118482-01 Motor Mount
24 113941-02 Motor Assembly
25 113950-01 Fan
26 097805-03 Ignitor
27 097806-03 Ignitor Cable
28 101481-05 Thermal Limit Switch
29 098249-01 Nut
30 118497-01 Rear Plate
31 118765-02 Burner Assembly
32 119496-03 Shell (Black)
33 118471-01 End Cap qty. 2
34 119459-01 Hold Down Bracket qty. 4
35 119497-03 Combustion Chamber
36 118477-02 Steel Tube qty. 4
37 110287-01 DSI Control
38 097776-01 Universal Bushing
39 113961-01 Thermostat Knob
40 118919-01 Heat Shield
41 118475-01 Cord Cleat qty. 2
42 118478-02 Foot Leg qty. 2
43 118474-01 Foot
44 119631-01 Nut
Parts available - not shown
M16841-80 Wire Assembly, White
M9900-170 Wire Assembly, Black
101480-15 Wire Assembly, Blue
118774-03 Hose and Regulator Assembly
118687-04 Operation Decal
119144-04 Model Data Decal
119146-02 Wiring Decal
099504-08 Warning Decal
110267-02 DSI Control Harness
Desa LP 170,000 BTU

Model Numbers
Master
BNG150T
150,000 BTU Desa Natural Gas Heater
Key Part
No. Number Description
1 098511-114 Upper Shell
2 100647-01 Screw, #10-16 x 1/2” (qty. 8)
3 098512-53 Combustion Chamber Kit
4 103891-01 Nozzle
5 103934-01 Ignitor
6 M11084-39 Screw, #8-18 x 3/8” (qty. 2)
7 099334-03 Fuel Tube Kit
8 097806-02 Ignitor Cable
9 M51108-01 Heat Shield
10 M51153-01 Fan
11 103404-01 Motor
12 097776-01 Universal Bushing
13 078978-01 Sleeve Cap
14 103401-01 Male Connector
15 103403-01 Solenoid Valve
16 097966-12AA Base
17 078896-02 Washer, Baffle
18 M12461-7 Screw, #6-32 x 1” (qty. 2)
19 099432-01 Hex Nut, #6-32 (qty. 2)
20 M11084-27 Screw, #10-16 x 1/2” (qty. 10)
21 M50104-05 Shorty Bushing
22 M50104-01 Shorty Bushing
23 101481-05 Thermal Limit Switch
24 097968-05 Screw, #4-40 x 1/2” (qty. 2)
25 097384-04 Hex Nut, #4-40 Captive Washer (qty. 2)
26 098511-129 Lower Shell
27 097965-02AA Side Cover
28 098226-01 On/Off Switch
29 079010-38 Wire Assembly
30 103406-01 Regulator
31 M51104-01 Handle
32 M11084-29 Screw, #10-16 x 3/4” (qty. 2)
33 097964-03AA Fan Guard
34 101206-01 Motor Support Brkt Assy
35 M11143-1 Strain Relief Bushing
36 098219-17 Power Cord
37 M50631 Rubber Bumper (qty. 2)
38 NTC-4C Lock Nut (qty. 2)
39 099157-01 Break Mandrell Rivet, 3/16”
40 099125-01 Terminal Board
41 M12461-25 Screw, #10-32 x 1/4” (qty. 2)
42 103407-01 Fitting, Union 1/2 NPT to 1/2 NPT
43 M11271-8 Clip Nut (qty. 8)
44 101480-10 High Temperature Wire Assembly
45 101480-11 High Temperature Wire Assembly
46 098276-01 Plug 1/8 NPTF Hex
47 M10908-1 Screw, Hex TPG “F” 6-32 x .25 (qty. 2)
48 097657-03 Built-in Thermostat
49 104905-01 Thermostat Knob
50 103400-02 Screw, Baffle
51 M51605-02 DSI Control
52 110287-01 DSI Control No. 2003-45 1 Potted
53 110267-01 Wire Harness for 110267-01 Only
PARTS AVAILABLE - NOT SHOWN
097940-09 Tradename Decal (qty. 2)
103886-01 General Info Decal
099504-01 Warning Decal (qty. 2)
103402-01 Wiring Decal
103021-01 Thermostat Decal
103889-01 NG Warning Decal
5010 1/2” x 10’ Hose
54 1/2” x 1/2” Swivel Union
10444 Hose Adaptor Fitting - 1/2” FFIR x 1/2” MPT
Desa NG 150,000 BTU
—194— Phone: 800-362-6951 • Fax: 800-255-7985
www.phpdistribution.com

—195— Phone: 800-362-6951 • Fax: 800-255-7985
www.phpdistribution.com
Key Part
No. Number Description
1 098511-116 Upper Shell (Replacement Part
Will Be Black)
2 M15823-27 Screw, #10-16 x 1/2" (qty. 8)
3 098512-35 Combustion Chamber Kit
4 099138-01 Nozzle
5 099133-01 Ignitor
6 M11084-38 Screw, #8-18 x 3/8" (qty. 2)
7 099334-01 Fuel Tube Kit
8 097806-02 Ignitor Cable
9 098276-01 Plug 1/8 NPTF Hex
10 M51153-01 Fan
11 105336-01 Motor
12 097776-01 Universal Bushing
13 078978-01 Sleeve Cap
14 M51572-02 Male Connector
15 103015-01 Solenoid Valve
16 098450-03 Side Cover (thermostat side)
17 099161-10 Base
18 M12461-7 Screw, #6-32 x 1" (qty. 2)
19 099432-01 Hex Nut, #6-32 (qty. 2)
20 107992-01 Screw, #10-16 x 3/8" (qty. 13)
21 M50104-05 Shorty Bushing
22 M50104-01 Shorty Bushing
23 101481-07 Thermal Limit Switch
24 097968-05 Screw, #4-40 x 1/2" (qty. 2)
25 097384-04 Hex Nut, #4-40 Captive Washer (qty. 2)
26 098511-129 Lower Shell (Replacement Part
Will Be Black)
27 098447-03 Side Cover (solenoid side)
28 098226-01 On/Off Switch
29 097657-03 Built-in Thermostat (if applicable)
30 104905-01 Thermostat Knob
31 M51104-01 Handle
32 M11084-29 Screw, #10-16 x 3/4" (qty. 2)
33 097964-03AA Fan Guard
34 101206-01 Motor Support Brkt Assy
35 M11143-1 Strain Relief Bushing
36 098219-17 Power Cord
37 M50631 Rubber Bumper (qty. 2)
38 NTC-4C Lock Nut (qty. 2)
39 099157-01 Break Mandrell Rivet, 3/16"
40 099125-01 Terminal Board
41 M12461-25 Screw, #10-32 x 1/4" (qty. 2)
42 M10908-1 Screw Hex TPG “F” 6-32 x .25 (qty. 2)
43 M11271-8 Clip Nut (qty. 8)
44 101480-10 High Temperature Wire Assy
45 101480-11 High Temperature Wire Assy
46 M51605-02 DSI Control No. 2003-19
47 110287-01 DSI Control No. 2003-45
48 110267-01 DSI Wire Harness (2003-45 Only)
PARTS AVAILABLE - NOT SHOWN
097940-07 Tradename Decal (qty. 2)
103017-01 General Info Decal
LPA3070 Regulator & Hose Assy
LPA1010 10’ Hose Assy
LPA2100 Regulator
G1690 Fuel Gas Connector (POL Fitting)
099504-01 Warning Decal (qty. 2)
102967-01 Wiring Decal
103021-01 Thermostat Decal (if applicable)
HA1210 Thermostat w/numbers on dial (non T-stat units)
KT121 Thermostat with warmer-colder
382550 25’ Hose Assembly
P400 T-Block Manifold
1630RU 30” Propane Tank Pigtail
C100 100# LP cylinder (qty. 2)
*If you change the motor, eliminate the relay. If your relay goes bad, you
have to change motors. New motors are equipped with a capacitor.
DSI Control
Heater Part # M51605-02
Part number on DSI
Control Box:
10N-117-3-8.5-8.5-Q012
Key #46
150,000 BTU Desa Propane Heater
Model Numbers
Reddy Vanguard Master
RLP155 VLP155 BLP155
RLP155A BLP155A
BLP155AT
Desa
C155LP
Desa LP 150,000 BTU

Key Part
No. Number Description
1 113938-01 Outer Shell Orange
113938-02 Outer Shell, Red
113938-03 Outer Shell, Yellow
113938-04 Outer Shell, Green
113938-05 Outer Shell, Black
2 ** Middle Cylinder
3 113940-01 Ori•ce Assembly
4 113937-01 Flame Holder Assembly
5 115324-01 High Limit Switch
6 113888-01 Ori•ce Nut
7 097917-01 Handle
8 097918-01 Handle Mounting Clips 2
9 113948-01 Set Screw, Nyloc
10 113950-01 Fan
11 113941-01 Motor Assembly
12 113942-01 Inlet/Motor Mounting Grille
13 113776-01 Hose Assembly
14 113862-01 Regulator, 28" WC
15 113791-01 POL Excess Flow Valve
16 113952-01 Male Fitting Conn. 3/8 MPT x 3/8 SAE FLR
17 113951-01 Solenoid Valve, Goyen
18 113964-01 Fitting Close Nipple
19 113966-01 Burn Rate Adjustment Valve
20 113965-01 Elbow Fitting, 3/8 MPT x 1/2 SAE FLR
21 113943-01 Fuel Tube Assembly
22 113963-01 Spark Plug, Flame Sensor
23 113886-01 Spark Plug Nut
24 113947-01 Thermostat Mounting Bracket
25 113944-01 Thermostat Assembly
26 113949-01 Loop Clamp, 5/16
27 110287-01 Flame Control
28 113864-01 Power Cord Assembly
29 113960-01 Terminal Board
30 113865-01 Bushing Strain Relief
31 113961-01 Knob, Thermostat
32 113962-01 Burn Rate Adjustment Knob
33 113945-01 Control Box
34 113946-01 Access Panel
PARTS AVAILABLE - NOT SHOWN
113883-01 Snap Bushing, 5/8 2
113802-07 Model Data Decal
113933-04 Operating Instructions Decal
113984-03 Warning Decal, English/Spanish
099504-08 Thermostat Warning Decal
113907-01 Warning Electrical Decal
113953-01 Wiring Schematic Decal
097650-01 Tradename Decal, Master
113858-04 Tradename Decal, All-Pro
113858-05 Tradename Decal, Universal
109111-03 Tradename Decal, Reddy
110789-01 Tradename Decal, Remington
113914-01 Hang Tag, English
Model Numbers
Reddy Remington Master
RLP170VT REM170VT BLP170VT
All-Pro Universal
SPC170 170F
170,000 BTU Desa Propane Heater
Desa LP 170,000 BTU
—196— Phone: 800-362-6951 • Fax: 800-255-7985
www.phpdistribution.com

—197— Phone: 800-362-6951 • Fax: 800-255-7985
www.phpdistribution.com
Desa LP 200,000 BTU
Key Part
No. Number Description
1 103925-01 Top and Shell Assembly
2 103923-01 Burner Ring Assembly
3 101263-01 Burner Plate
4 097162-02 Burner Nozzle
5 103031-02 Base
6 103924-01 Knob Assembly
7 102445-01 Piezo Ignitor With Nut
8 099236-01 Thermocouple Kit
9 103906-01 Thermocouple Bracket
10 103927-01 Fuel Tube Kit
11 103926-01 Valve Assembly
12 103398-01 Ignitor Electrode With Lead
13 103396-01 Heat Shield
PARTS AVAILABLE - NOT SHOWN
098853-07 Tradename Decal (TC200V)
098851-06 Tradename Decal (RCP100V)
098831-03 Information Decal
101284-02 Operation Decal
7161NR Piezo Nut
ACCESSORIES
LPA3005 Regulator & Hose Assembly
LPA2005 Regulator
LPA4020 Fuel Gas Connector
LPA1020 10 foot Hose
2525 25 foot Hose
C100 100# LP Bottle (qty. 2)
099237-01 Thermocouple Clip
P400 T-Block Manifold
G1630RU 30” Rubber Pigtail
7111NR Control Valve Powercoil
Screws Are Standard Hardware Items
Model Numbers
Reddy Master
RCP200V TC200V
200,000 BTU Convection Desa Propane Heater

—198— Phone: 800-362-6951 • Fax: 800-255-7985
www.phpdistribution.com
Desa NG 250,000 BTU
Key Part
No. Number Description
1 104145-02 Top Disk
2 103897-02 Emitter
3 103898-02 Shell
4 104116-01 Insulation Ring
5 104137-01 Outer Base Assembly
6 103935-01 Rear Burner Shield
7 103902-01 Leg (qty. 3)
8 103903-01 Spacer (qty. 6)
9 103900-02 Burner Shield
10 099138-05 Nozzle
11 104114-01 Burner Tube Assembly
12 104118-01 Ignitor Electrode
13 097163-07 Pilot Burner Assembly
14 099237-01 Thermocouple Clip
15 097161-01 Pilot Burner Orifice
16 M5788 Sleeve
17 M5787 Hex Nut
18 103028-02 Pilot Tube
19 097152-01 Manual Control Valve
20 103901-01 Burner Support
21 099461-01 Tee Compression Gauge
22 099460-01 Brass Hex Cap
23 097155-01 Automatic Control Valve
24 097157-03 1/4”FPT x 1/2” MFLR Connector
25 104142-01 Fuel Tube 1/2” MFIR x 1/2” MFIR
26 104141-01 Regulator (Fisher Type R522H)
200PSI Max., 4PSI Min.
27 102445-01 Piezo Ignitor
28 099236-01 Thermocouple With Clip
29 104143-02 Pilot Shield
30 103401-01 1/2 NPT to 1/2 45˚ Male Connector
31 103899-01 Base Shield
PARTS AVAILABLE - NOT SHOWN
104120-01 Hose Fitting Regulator Assembly
098853-10 Tradename Decal
104128-01 Operation Decal
5010 Hose 1/2” x 10’
099237-01 Thermocouple Nut
7161NR Piezo Nut
7111NR Control Valve Powercoil
Screws Are Standard Hardware Items
Remember, this is a high pressure heater meaning household
natural gas pressure will not work with this heater!
Model Numbers
Master
TC250RNG
250,000 BTU Radiant Desa Natural Gas Heater
Output Rating 250,000 BTU/Hr
Fuel Natural Gas Only
Fuel Consumption
Cubic Feet per hour 243
Supply Pressure to Regulator
Maximum 200 PSI
Supply Pressure to Heater
Minimum 4 PSI
Maximum without regulator 4 PSI
Manifold Pressure 3.5 PSI
Weight 33 lbs
Shipping Weight 40 lbs
Size (L/W/H) 46 x 16 x 16
SPECIFICATIONS

—199— Phone: 800-362-6951 • Fax: 800-255-7985
www.phpdistribution.com
Key Part
No. Number Description
1 097844-02 Outer Shell Assembly -yellow only
2 097847-01 Combustion Chamber Assembly
3 097849-01 Burner Assembly
4 097805-01 Ignitor
5 097918-01 Cleat (qty. 2)
6 097917-01 Handle
7 097806-02 Ignitor Cable
8 097811-01 Fan
9 097802-01 Motor
10 M50104-02 Shorty Bushing
11 097838-02 Fan Guard
12 M11143-1 Strain Relief Bushing
13 098219-17 Cord Assembly
14 097809-01 Male Fitting
15 097828-01 Solenoid Bracket
16 098201-01 Solenoid Valve
17 100145-01 Fuel Tube
18 099679-01 Nozzle
19 097833-04 Side Cover (thermostat side)
20 097833-03 Side Cover (solenoid side)
21 101732-03 Thermal Switch Kit
22 097829-02 Motor Mount
23 098226-01 On/Off Switch
24 M50941-01 Indicator Plate
25 099125-01 Terminal Board
26 100408-03 Base
27 097848-01 Rear Plate Assembly
29 098827-01 Compression Fitting
30 M10908-1 Screw, Hex TPG "F" 6-32x.25 (qty. 2)
31 097657-03 Thermostat
32 104905-01 Thermostat Knob
33 M51605-02 DSI Control No. 2003-19
34 110287-01 DSI Control No. 2003-45
35 110267-01 DSI Wire Harness (2003-45 Only)
PARTS AVAILABLE - NOT SHOWN
LPA3030 Regulator & Hose Assembly
103018-01 Owner’s Manual
102971-01 Electrical Decal
103019-01 General Info Decal
097941-09 Tradename Decal (RLP375A)
097895-05 Tradename Decal (BLP375A) (qty. 2)
097916-01 Baffle
LPA1020 10’ Hose
2525 25’ Hose
LPA2020 Regulator
LPA4020 Fuel Gas Connector
099504-01 Warning Decal
103021-01 Thermostat Decal
Model Numbers
Reddy Master
RLP375AT BLP375AT
375,000 BTU Forced Air Desa Propane Heater
Output Rating 225,000 to 375,000 BTU/Hr
Fuel Propane Vapor
Fuel Consumption (Approx.)
Gallons per hour 2.5 Min/4.0 Max
Pounds per hour 10.4 Min/17.4 Max
Gas Supply Pressure for the purpose of Input Adjustment
Minimum 25 psi
Maximum Bottle Pressure
Regulator Outlet Pressure 7-20 psi
Hot Air Output Apprx (CFM) 1500
Motor (Thermally Protected) 1725 RPM, 1/5 hp
Electrical Input 120V, 60 Hz
Amperage 4.2
Ignition Direct Spark
Weight Apprx (Lbs) 42
Shipping Weight Apprx (Lbs) 49
Size - Inches
Length x Width x Height 32 x 13 x 19 1/2
SPECIFICATIONS
Desa LP 375,000 BTU

Desa Gas Quick Parts Ref.
—200—
REDDY LP GAS
Model# Motor Thermocouple/ Ignition Control/ Valve: Safety/ Fan Blade Safety Switches Igniter/Electrode Regulator Orifice: Pilot/Burner Hose Hose/Reg Assy Spark Generator
Flame Sensor D.S.I. Auto Control
RLP30 104156-01 104146-02 Thermocouple NA 104144-01 101478-02 101732-05 Limit 104784-01 LPA2170 See Valve LPA1020 (10ft) LPA3120 102445-01 Piezo
100898-01 Nut (qty 2) 7111NR Power Coil 2525 (25ft)
RLP30A 113849-01 115264-01 NA 113834-03 113851-01 113848-01 113847-01 113819-01 See Valve LPA1020 113835-01 102445-01
RLP35 099521-01 099538-01 Thermocouple NA 099728-01 099537-01 101732-05 Limit 099539-01 LPA2110 See Valve LPA1020 (10ft) LPA3090 102445-01 Piezo
7111NR Power Coil 2525 (25ft)
RLLP35A 113849-01 115264-01 NA 113834-01 113851-01 113848-01 113847-01 113819-01 See Valve LPA1020 113835-01 102445-01
RM40LP 104156-01 104146-02 Thermocouple NA 104144-03 101478-02 101732-05 Limit 104784-01 LPA2170 See Valve LPA1020 (10ft) LPA2170 102445-01 Piezo
100898-01 Nut (qty 2) 7111NR Power Coil 2525 (25ft)
RLP40 113849-01 115264-01 NA 113834-02 113851-01 113848-01 113847-01 113819-01 See Valve LPA1020 113835-01 102445-01
SPC35 113849-01 115264-01 NA 113834-02 113851-01 113848-01 113847-01 113819-01 See Valve LPA1020 113835-01 102445-01
35FAC 113849-01 115264-01 NA 113834-01 113851-01 113848-01 113847-01 113819-01 See Valve LPA1020 113835-01 102445-01
RLP45 079054-01 M51580-01 Flame Sensor M51605-01 079473-02 M50893-01 079147-02 Sail HA3013 LPA2070 078980-03 LPA1000 (10ft) LPA3010 NA
3825 (25ft)
RLP50 100589-01 099538-01 Thermocouple NA 100591-01 099537-03 101732-01 Limit 100588-01 See Hose/Reg assy See Valve LPA1020 (10ft) LPA3055 102445-01 Piezo
7111NR Power Coil 2525 (25ft)
RLP50A 103864-01 099538-01 Thermocouple NA 100591-01 103861-01 101732-01 Limit 100588-01 See Hose/Reg assy See Valve LPA1020 (10ft) LPA3055 102445-01 Piezo
7111NR Power Coil 2525 (25ft)
RLP50V 103864-01 099538-01 Thermocouple NA 103921-01 099537-03 101481-05 Limit 100588-01 See Hose/Reg assy See Valve LPA1020 (10ft) LPA3055 102445-01 Piezo
7111NR Power Coil 2525 (25ft)
RLP50VA 105332-01 104146-02 Thermocouple NA 103921-01 101478-03 101481-01 Limit 099539-01 See Hose/Reg assy See Valve LPA1020 (10ft) LPA3055 102445-01 Piezo
100898-01 Nut (qty 2) 7111NR Power Coil 2525 (25ft)
RLP55V 113880-01 113884-01 NA 113871-01 113881-01 113889-01 113885-01 113862-01 113890-01 113776-01 NA 113867-01
RLP55VA 121206-01 113884-01 NA 121230-01 121209-01 121244-01 121213-01 113862-01 121245-01 LPA1000 121205-01 113867-01
RLP80 079054-01 M51580-01 Flame Sensor M51605-01 079473-02 M51107-01 079147-01 Sail HA3013 LPA2080 078980-02 LPA1000 (10ft) LPA3080 NA
3825 (25ft)
RLP85V 113860-01 113884-01 NA 113871-01 113881-01 113889-01 113885-02 113862-01 113920-01 113776-01 NA 113867-01
RLP100 102366-01 099538-01 Thermocouple NA 103846-01 M51153-01 101732-01 Limit 102487-01 LPA2150 099138-02 LPA1000 (10ft) LPA3100 102601-01 Eaton
7111NR Power Coil 103847-01 Relay Kit 3825 (25ft)
RLP100A 107373-01 104146-02 Thermocouple NA 102367-02 M51153-02 101481-04 Limit 099133-02 See Hose/Reg Assy 106188-01 See Hose/Reg Assy 079060-06 102601-01 Eaton
100898-01 Nut (qty 2) 7111NR Power Coil
RLP125V 113860-01 113884-01 NA 113871-01 114160-01 113889-02 113885-02 113862-01 113890-02 113776-01 NA 113867-01
RLP125VA 121207-01 113884-01 NA 113871-01 121210-01 121244-01 121213-02 113862-01 121245-02 LPA1000 121205-01 113867-01
RLP150 105336-01 M51580-01 Flame Sensor M51605-01 079473-01 M23147 079147-01 Sail HA3013 LPA2090 078980-01 LPA1000 (10ft) LPA3020 NA
3825 (25ft)
RLP155 105336-01 NA M51605-02 099132-01 M51153-01 097952-03 Limit 099133-01 LPA2100 099138-01 LPA1010(10ft) LPA3070 NA
382550 (25ft)
RLP155A 105336-01 NA M51605-02 099132-01 M51153-01 101732-01 Limit 099133-01 LPA2100 099138-01 LPA1010(10ft) LPA3070 NA
382550 (25ft)
RLP155AT 105336-01 NA 110287-01 103015-01 M51153-01 101732-01 Limit 099133-01 LPA2100 099138-01 LPA1010(10ft) LPA3070 NA
(2003) 110267-01 Wire Harness 382550 (25ft)
RLP170VTA 121208-01 NA 121233-01 113951-01 121211-01 113848-01 121213-03 113862-01 121245-04 LPA1000 121205-01 NA
RLP375A 097802-01 NA M51605-02 098201-01 097811-01 101732-03 Limit 097805-01 LPA2020 099679-01 LPA1020 (10ft) LPA3030 NA
RLP375AT 2525 (25ft)
RLP375AT 097802-01 NA 110287-01 098201-01 097811-01 101732-03 Limit 097805-01 LPA2020 099679-01 LPA1020 (10ft) LPA3030 NA
(2003) 110267-01 Wire Harness 2525 (25ft)

—201—
MASTER LP GAS
Model# Motor Thermocouple/ Ignition Control/ Valve: Safety/ Fan Blade Safety Switches Igniter/Electrode Regulator Orifice: Pilot/Burner Hose Hose/Reg Assy Spark Generator
Flame Sensor D.S.I. Auto Control
BLP30 104156-01 104146-02 Thermocouple NA 104144-01 101478-02 101732-05 Limit 104784-01 LPA2170 See Valve LPA1020 (10ft) LPA3120 102445-01 Piezo
100898-01 Nut (qty 2) 7111NR Power Coil 2525 (25ft)
BLP35 099521-01 099538-01 Thermocouple NA 099728-01 099537-01 101723-02 Limit 099539-01 LPA2110 See Valve LPA1020 (10ft) LPA3090 102445-01 Piezo
7111NR Power Coil 2525 (25ft)
BLP42 104156-01 104146-02 Thermocouple NA 104144-03 101478-02 101732-05 104784-01 LPA2170 See Valve LPA1020 (10ft) LPA3120 102445-01 Piezo
100898-01 Nut (qty 2) 2525 (25ft)
BLP42A 113849-01 115264-01 NA 113834-02 113851-01 113848-01 113847-01 113819-01 See Valve LPA1020 113835-01 102445-01
SPC40A 113849-01 115264-01 NA 113834-02 113851-01 113848-01 113847-01 113819-01 See Valve LPA1020 113835-01 102445-01
BLP45 079054-01 M51580-01 Flame Sensor M51605-01 079473-02 M50893-01 079147-02 Sail HA3013 LPA2070 078980-03 LPA1000 (10ft) LPA3010 NA
3825 (25ft)
BLP50 100589-01 099538-01 Thermocouple NA 100591-01 099537-03 101732-01 Limit 100588-01 See Hose/Reg assy See Valve LPA1020 (10ft) LPA3055 102445-01 Piezo
7111NR Power Coil 2525 (25ft)
BLP50A 103864-01 099538-01 Thermocouple NA 100591-01 103865-01 101732-01 Limit 100588-01 See Hose/Reg assy See Valve LPA1020 (10ft) LPA3055 102445-01 Piezo
7111NR Power Coil 2525 (25ft)
BLP50V 103864-01 099538-01 Thermocouple NA 103921-01 099537-03 101481-01 Limit 100588-01 See Hose/Reg assy See Valve LPA1020 (10ft) LPA3055 102445-01 Piezo
7111NR Power Coil 2525 (25ft)
BLP50VA 105332-01 104146-02 Thermocouple NA 103921-01 101478-01 101481-04 Limit 099539-01 See Hose/Reg assy See Valve LPA1020 (10ft) LPA3055 102445-01 Piezo
100898-01 Nut (qty 2) 7111NR Power Coil 2525 (25ft)
BLP55V 113880-01 113884-01 NA 113871-01 113881-01 113889-01 113885-01 113862-01 113890-01 113776-01 NA 113867-01
SPC55 113880-01 113884-01 NA 113871-01 113881-01 113889-01 113885-01 113862-01 113890-01 113776-01 NA 113867-01
55F 113880-01 113884-01 NA 113871-01 113881-01 113889-01 113885-01 113862-01 113890-01 113776-01 NA 113867-01
BLP55VA 121206-01 113884-01 NA 121230-01 121209-01 121244-01 121213-01 113862-01 121245-01 LPA1000 121205-01 113867-01
BLP80 079054-01 M51580-01 Flame Sensor M51605-01 079473-02 M51107-01 079147-01 Sail HA3013 LPA2080 078980-02 LPA1000 (10ft) LPA3010 NA
3825 (25ft)
BLP85V 113860-01 113884-01 NA 113871-01 113881-01 113889-01 113885-02 113862-01 113920-01 113776-01 NA 113867-01
SPC85 113860-01 113884-01 NA 113871-01 113881-01 113889-01 113885-02 113862-01 113920-01 113776-01 NA 113867-01
85FAC 113860-01 113884-01 NA 113871-01 113881-01 113889-01 113885-02 113862-01 113920-01 113776-01 NA 113867-01
BLP100 102366-01 099538-01 Thermocouple NA 103846-01 M51153-01 101732-04 Limit 102487-01 LPA2150 099138-02 LPA1000 (10ft) LPA3100 102601-01 Eaton
7111NR Power Coil 103847-01 Relay Kit 3825 (25ft)
BLP100A 107373-01 104146-02 Thermocouple NA 102367-02 M51153-02 101481-04 Limit 099133-02 See Hose/Reg Assy 106188-01 See Hose/Reg Assy 079060-06 102601-01 Eaton
100898-01 Nut (qty 2)
BLP125V 113860-01 113884-01 NA 113871-01 114160-01 113889-02 113885-02 113862-01 113890-02 113776-01 NA 113867-01
SPC125 113860-01 113884-01 NA 113871-01 114160-01 113889-02 113885-02 113862-01 113890-02 113776-01 NA 113867-01
BLP125VA 121207-01 113884-01 NA 113871-01 121210-01 121244-01 121213-02 113862-01 121245-02 LPA1000 121205-01 113867-01
SPC125VA 121207-01 113884-01 NA 113871-01 121210-01 121244-01 121213-02 113862-01 121245-02 LPA1000 121205-01 113867-01
125FA 121207-01 113884-01 NA 113871-01 121210-01 121244-01 121213-02 113862-01 121245-02 LPA1000 121205-01 113867-01
BLP150 105336-01 M51580-01 Flame Sensor M51605-01 079473-01 M23147 079147-01 Sail HA3013 LPA2090 078980-01 LPA1000 (10ft) LPA3020 NA
3825 (25ft)
BLP155 105336-01 NA M51605-02 099132-01 M51153-01 079752-03 Limit 099133-01 LPA2100 099138-01 LPA1010(10ft) LPA3070 NA
382550 (25ft)
BLP155A 105336-01 NA M51605-02 099132-01 M51153-01 101732-01 Limit 099133-01 LPA2100 099138-01 LPA1010(10ft) LPA3070 NA
382550 (25ft)
BLP155AT 105336-01 NA M51605-02 103015-01 M51153-01 101732-01 Limit 099133-01 LPA2100 099138-01 LPA1010(10ft) LPA3070 NA
382550 (25ft)
BLP155AT 105336-01 NA 110287-01 103015-01 M51153-01 101481-07 Limit 099133-01 LPA2100 099138-01 LPA1010(10ft) LPA3070 NA
(2003) 110267-01 Wire Harness 382550 (25ft)
BLP170VT 113941-01 NA 110287-01 113951-01 113950-01 6168NR 113963-01 113862-01 113940-01 6152NR NA 113954-01
BLP170VTA 121208-01 NA 121233-01 113951-01 121211-01 113848-01 121213-03 113862-01 121245-04 LPA1000 121205-01 NA
SPC170FA 121208-01 NA 121233-01 113951-01 121211-01 113848-01 121213-03 113862-01 121245-04 LPA1000 121205-01 NA
170FA 121208-01 NA 121233-01 113951-01 121211-01 113848-01 121213-03 113862-01 121245-04 LPA1000 121205-01 NA
BLP375 097802-01 NA 098884-01 098201-01 097811-01 097952-01 Limit 097805-01 LPA2020 097810-01 LPA1020 (10ft) LPA3030 NA
2525 (25ft)
BLP375A 097802-01 NA M51605-02 098201-01 097811-01 097952-01 Limit 097805-01 LPA2020 097810-01 LPA1020 (10ft) LPA3030 NA
BLP375AT 2525 (25ft)
BLP375AT 097802-01 NA 110287-01 098201-01 097811-01 101732-03 Limit 097805-01 LPA2020 099679-01 LPA1020 (10ft) LPA3030 NA
(2003) 110267-01 Wire Harness 2525 (25ft)
Desa Gas Quick Parts Ref.

—202—
REMINGTON LP GAS
Model# Motor Thermocouple/ Ignition Control/ Valve: Safety/ Fan Blade Safety Switches Igniter/Electrode Regulator Orifice: Pilot/Burner Hose Hose/Reg Assy Spark Generator
Flame Sensor D.S.I. Auto Control
REM30LP 104156-01 104146-02 Thermocouple NA 104144-01 101478-02 101732-05 Limit 104784-01 LPA2170 See Valve LPA1020 (10ft) LPA3120 102445-01 Piezo
100898-01 Nut (qty 2) 7111NR Power Coil 2525 (25ft)
REM30LPA 113849-01 115264-01 NA 113834-03 113851-01 113848-01 113847-01 113819-01 See Valve LPA1020 113835-01 102445-01
REM35LP 099521-01 099538-01 Thermocouple NA 099728-01 099537-01 101732-02 Limit 099539-01 LPA2110 See Valve LPA1020 (10ft) LPA3090 102445-01 Piezo
7111NR Power Coil 2525 (25ft)
REM50LP 100589-01 099538-01 NA 100591-01 099537-03 101732-01 Limit 100588-01 See Hose/Reg assy See Valve LPA1020 (10ft) LPA3055 102445-01 Piezo
7111NR Power Coil 2525 (25ft)
REM50LPA 103864-01 099538-01 NA 100591-01 103865-01 101732-01 Limit 100588-01 See Hose/Reg assy See Valve LPA1020 (10ft) LPA3055 102445-01 Piezo
7111NR Power Coil 2525 (25ft)
REM50PV 103864-01 099538-01 NA 103921-01 099537-03 101732-01 Limit 100588-01 See Hose/Reg assy See Valve LPA1020 (10ft) LPA3055 102445-01 Piezo
7111NR Power Coil 2525 (25ft)
REM50PVA 105332-01 104146-02 Thermocouple NA 103921-01 101478-03 101481-04 Limit 099539-01 See Hose/Reg assy See Valve LPA1020 (10ft) LPA3055 102445-01 Piezo
100898-01 Nut (qty 2) 7111NR Power Coil 2525 (25ft)
REM55PV 113880-01 113884-01 NA 113871-01 113881-01 113889-01 113885-01 113862-01 113890-01 113776-01 NA 113867-01
REM55PVA 121206-01 113884-01 NA 121230-01 121209-01 121244-01 121213-01 113862-01 121245-01 LPA1000 121205-01 113867-01
REM85PV 113860-01 113884-01 NA 113871-01 113881-01 113889-01 113885-02 113862-01 113920-01 113776-01 NA 113867-01
REM100LP 102366-01 099538-01 NA 103846-01 M51153-01 103847-01 Relay 102487-01 LPA2150 099138-02 LPA1000 (10ft) LPA3100 102601-01
7111NR Power Coil 101732-04 Limit 3825 (25ft)
REM100LPA 107373-01 104146-02 Thermocouple NA 102367-02 M51153-02 101481-04 Limit 099133-02 See Hose/Reg Assy 106188-01 See Hose/Reg Assy 079060-06 102601-01 Eaton
100898-01 Nut (qty 2)
REM125PV 113860-01 113884-01 NA 113871-01 114160-01 113889-02 113885-02 113862-01 113920-01 113776-01 NA 113867-01
REM125PVA 121207-01 113884-01 NA 113871-01 121210-01 121244-01 121213-02 113862-01 121245-02 LPA1000 121205-01 113867-01
REM150LP 105336-01 M51580-01 M51605-01 079473-01 M23147 079147-01 Sail HA3013 LPA2090 078980-01 LPA1000 (10ft) LPA3020 NA
3825 (25ft)
REM170VTA 121208-01 NA 121233-01 113951-01 121211-01 113848-01 121213-03 113862-01 121245-04 LPA1000 121205-01 NA
BLP375 097802-01 NA 098884-01 098201-01 097811-01 097952-01 Limit 097805-01 LPA2020 097810-01 LPA1020 (10ft) LPA3030 NA
2525 (25ft)
BLP375A 097802-01 NA M51605-02 098201-01 097811-01 097952-01 Limit 097805-01 LPA2020 097810-01 LPA1020 (10ft) LPA3030 NA
BLP375AT 2525 (25ft)
BLP375AT 097802-01 NA 110287-01 098201-01 097811-01 101732-03 Limit 097805-01 LPA2020 099679-01 LPA1020 (10ft) LPA3030 NA
(2003) 110267-01 Wire Harness 2525 (25ft)
Desa Gas Quick Parts Ref.
MASTER LP GAS (TB SERIES)
Model# Motor Thermocouple/ Ignition Control/ Valve: Safety/ Fan Blade Safety Switches Igniter/Electrode Regulator Orifice: Pilot/Burner Hose Hose/Reg Assy Spark Generator
Flame Sensor D.S.I. Auto Control
TB100 113880-02 104146-05 NA 113871-01 113881-01 101481-12 097805-04 NA 118685-01 LPA1020 118774-04 113867-01
TB104 113880-02 104146-05 NA 113871-01 113881-01 101481-12 097805-04 NA 118685-01 LPA1020 118774-04 113867-01
TB106 113880-02 104146-05 NA 113871-01 113881-01 101481-12 097805-04 NA 118685-01 LPA1020 118774-04 113867-01
TB110 113880-02 104146-05 NA 113871-01 113881-01 101481-12 097805-04 NA 118685-01 LPA1020 118774-04 113867-01
TB102 113860-02 104146-05 NA 113871-01 113881-01 101481-04 097805-04 NA 118685-02 LPA1020 118774-01 113867-01
TB111 113860-02 104146-05 NA 113871-01 113881-01 101481-04 097805-04 NA 118685-02 LPA1020 118774-01 113867-01
TB114 113860-02 104146-05 NA 113871-01 113881-01 101481-04 097805-04 NA 118685-02 LPA1020 118774-01 113867-01
TB101 113860-02 104146-05 NA 113871-01 114160-01 101481-13 097805-03 NA 118685-03 LPA1020 118774-02 113867-01
TB105 113860-02 104146-05 NA 113871-01 114160-01 101481-13 097805-03 NA 118685-03 LPA1020 118774-02 113867-01
TB107 113860-02 104146-05 NA 113871-01 114160-01 101481-13 097805-03 NA 118685-03 LPA1020 118774-02 113867-01
TB112 113860-02 104146-05 NA 113871-01 114160-01 101481-13 097805-03 NA 118685-03 LPA1020 118774-02 113867-01
TB103 113941-02 NA 110287-01 098201-01 113950-01 101481-05 097805-03 NA 118685-04 LPA1020 118774-03 NA
TB108 113941-02 NA 110287-01 098201-01 113950-01 101481-05 097805-03 NA 118685-04 LPA1020 118774-03 NA
TB113 113941-02 NA 110287-01 098201-01 113950-01 101481-05 097805-03 NA 118685-04 LPA1020 118774-03 NA
TB115 113880-01 113884-01 NA 113871-01 113881-01 113889-01 113885-01 113862-01 113890-01 113776-01 NA 113867-01
TB115A 121206-01 113884-01 NA 113871-01 121209-01 121244-01 121213-01 113862-01 121245-01 LPA1000 121205-01 113867-01
TB116 119753-01 NA M51605-05 103015-01 See Motor 101481-12 103934-01 LPA2100 103845-15 381050 078923-04 NA
TB116A 119753-01 NA M51605-05 103015-01 See Motor 101481-12 103934-01 LPA2100 103845-15 381050 078923-04 NA
TB117 119753-01 NA M51605-05 103015-01 See Motor 101481-12 103934-01 LPA2100 103845-15 381050 078923-04 NA
TB117A 119753-01 NA M51605-05 103015-01 See Motor 101481-12 103934-01 LPA2100 103845-15 381050 078923-04 NA
TB118 119753-01 NA M51605-05 103015-01 See Motor 101481-12 103934-01 LPA2100 103845-15 381050 078923-04 NA
TB118A 119753-01 NA M51605-05 103015-01 See Motor 101481-12 103934-01 LPA2100 103845-15 381050 078923-04 NA

—203—
MASTER NATURAL GAS
DESA LP GAS
SUNBELT LP GAS
Model# Motor Thermocouple/ Ignition Control/ Valve: Safety/ Fan Blade Safety Switches Igniter/Electrode Regulator Orifice: Pilot/Burner Hose Hose/Reg Assy Spark Generator
Flame Sensor D.S.I. Auto Control
C35LP 099521-01 099538-01 NA 099728-01 099537-01 101732-02 Limit 099539-01 LPA2110 See Valve LPA1020 (10ft) LPA3090 102445-01 Piezo
7111NR Power Coil 2525 (25ft)
C155LP 105336-01 NA M51605-02 099132-01 M51153-01 097952-03 Limit 099133-01 LPA2100 099138-01 LPA1010 (10ft) LPA3070 NA
382550 (25ft)
C375LP 097802-01 NA 098884-01 098201-01 097811-01 097952-01 Limit 097805-01 LPA2020 097810-01 LPA1020 (10ft) LPA3030 NA
2525 (25ft)
Model# Motor Thermocouple/ Ignition Control/ Valve: Safety/ Fan Blade Safety Switches Igniter/Electrode Regulator Orifice: Pilot/Burner Hose Hose/Reg Assy Spark Generator
Flame Sensor D.S.I. Auto Control
SBLP155AT 105336-01 NA 110287-01 103015-01 M51153-01 101487-01 Limit 099133-01 LPA2100 099138-01 LPA1010(10ft) LPA3070 NA
110267-01 Wire Harness 382550 (25ft)
SBLP170VTA 121208-01 NA 121233-01 113951-01 121211-01 113848-01 121213-03 113862-01 121245-04 LPA1000 121205-01 NA
SBLP375AT 097802-01 NA 110287-01 098201-01 097811-01 101732-03 Limit 097805-01 LPA2020 099679-01 LPA1020 (10ft) LPA3030 NA
110267-01 Wire Harness 2525 (25ft)
Model# Motor Thermocouple Ignition Control/D.S.I. Valve:Solenoid/Thermoelectric Safety Switches FAN Igniter/Electrode Regulator Orifice: Pilot/Burner
BNG150T 105336-01 NA M51605-02 103403-01 Solenoid 101481-05 High Limit M51153-01 103934-01 103406-01 103891-01 Nozzle
BNG150T 105336-01 NA 110287-01 103403-01 Solenoid 101481-05 High Limit M51153-01 103934-01 103406-01 103891-01 Nozzle
(2003) 110267-01 Harness
TC100RNG NA 099237-01 NA 104119-01 Thermoelectric NA NA 102445-01 Piezo 103936-01 097161-04 Pilot
099236-01 Clip 104118-01 Electrode 099138-03 Burner
TC100VRNG NA 107374-01 NA 103930-03 Thermoelectric NA NA 102445-01 Piezo 103406-02 106184-02 Burner Kit
7111NR Power Coil 106174-02 Electrode
TC250RNG NA 097151-01 NA 097155-01 Thermoelectric NA NA 102445-01 Piezo 104141-01 097161-01 Pilot
7111NR Power Coil 104118-01 Electrode 099138-05 Burner
Desa Gas Quick Parts Ref.
VANGUARD LP GAS
Model# Motor Thermocouple/ Ignition Control/ Valve: Safety/ Fan Blade Safety Switches Igniter/Electrode Regulator Orifice: Pilot/Burner Hose Hose/Reg Assy Spark Generator
Flame Sensor D.S.I. Auto Control
VLP35 099521-01 099538-01 NA 099728-01 099537-01 101732-02 Limit 099539-01 LPA2110 See Valve LPA1020 (10ft) LPA3090 102445-01
7111NR Power Coil 2525 (25ft)
VLP45 079054-01 M51580-01 M51605-01 079473-02 M50893-01 079147-02 Sail HA3013 LPA2070 078980-03 LPA1000 (10ft) LPA3010 NA
3825 (25ft)
VLP80 079054-01 M51580-01 M51605-01 079473-02 M51107-01 079147-01 Sail HA3013 LPA2080 078980-02 LPA1000 (10ft) LPA3010 NA
3825 (25ft)
VLP150 105336-01 M51580-01 M51605-01 079473-01 M23147 079147-01 Sail HA3013 LPA2090 078980-01 LPA1000 (10ft) LPA3020 NA
3825 (25ft)
VLP155 105336-01 M51580-01 M51605-02 099132-01 M51153-01 097952-03 Limit 099133-01 LPA2100 099138-01 LPA1010(10ft) LPA3070 NA
382550 (25ft)
VLP375 097802-01 NA 098884-01 098201-01 097811-01 097952-01 Limit 097805-01 LPA2020 097810-01 LPA1020 (10ft) LPA3030 NA
2525 (25ft)
VLP375A 097802-01 NA M51605-02 098201-01 097811-01 097952-01 Limit 097805-01 LPA2020 097810-01 LPA1020 (10ft) LPA3030 NA

VANGUARD PROPANE CONVECTION & RADIANT HEATERS
REMINGTON PROPANE CONVECTION & RADIANT HEATERS
Model# Thermocouple T.E. Safety Valve Igniter/Electrode Regulator Orifice: Pilot/Burner Hose Other
REM25LP 099236-01 101864-01 102445-01 Piezo LPA2025 097161-01 Pilot LPA1025 (10ft) LPA3025 Hose & Reg Assy
099237-01 Nut 7111NR Power Coil 101878-01 Electrode 097162-01 Burner 101864-01 Complete Burner Assy
REM200LP 099236-01 097155-01 LPA4000 Piezo LPA2010 097161-01 Pilot LPA1020 (10ft) LPA3005 Hose & Reg Assy
099237-01 Nut 7111NR Power Coil 097150-01 Electrode 097162-02 Burner 2525 (25ft) 097152-01 Manual Control Valve
REM2000 099236-01 097155-01 102445-01 Piezo LPA2005 097161-01 Pilot LPA1020 (10ft) LPA3060 Hose & Reg Assy
099237-01 Nut 7111NR Power Coil 101278-01 Electrode 097162-02 Burner 2525 (25ft) 097152-01 Manual Control Valve
REM275 099236-01 097155-01 102445-01 Piezo LPA2010 097161-01 Pilot LPA1020 (10ft) LPA3000 Hose & Reg Assy
099237-01 Nut 7111NR Power Coil 097150-01 Electrode 097162-02 Burner 2525 (25ft) 097152-01 Manual Control Valve
Model# Thermocouple T.E. Safety Valve Igniter/Electrode Regulator Orifice: Pilot/Burner Hose Other
VCP80 099236-01 097155-01 102445-01 Piezo LPA2130 097163-01 Pilot LPA1000 (10ft) LPA3035 Hose & Reg Assy
099237-01 Nut 7111NR Power Coil 099539-02 Electrode 099679-01 Burner 3825 (25ft) 097152-01 Manual Control Valve
VCP200 099236-01 097155-01 LPA4000 Piezo LPA2050 097161-01 Pilot LPA1020 (10ft) LPA3060 Hose & Reg Assy
099237-01 Nut 7111NR Power Coil 097150-01 Electrode 097162-02 Burner 2525 (25ft) 097152-01 Manual Control Valve
VCP250 099236-01 097155-01 102445-01 Piezo LPA2010 097163-03 Pilot Assy LPA1020 (10ft) LPA3000 Hose & Reg Assy
099237-01 Nut 7111NR Power Coil 097150-01 Electrode 097162-01 Burner 2525 (25ft) 097152-01 Manual Control Valve
VCP250A 099236-01 097155-01 LPA4000 Piezo LPA2010 097161-01 Pilot LPA1020 (10ft) LPA3000 Hose & Reg Assy
099237-01 Nut 7111NR Power Coil 097150-01 Electrode 097162-01 Burner 2525 (25ft) 097152-01 Manual Control Valve
VCP275 099236-01 097155-01 LPA4000 Piezo LPA2010 097161-01 Pilot LPA1020 (10ft) LPA3000 Hose & Reg Assy
099237-01 Nut 7111NR Power Coil 097150-01 Electrode 097162-01 Burner 2525 (25ft) 097152-01 Manual Control Valve
Desa Gas Quick Parts Ref.
—204—
REDDY PROPANE CONVECTION & RADIANT HEATERS
Model# Thermocouple T.E. Safety Valve Igniter/Electrode Regulator Orifice: Pilot/Burner Hose Other
RCP25 099236-01 101864-01 LPA4000 Piezo LPA2025 097161-01 Pilot LPA1025 (10ft) LPA3025 Hose & Reg Assy
099237-01 Nut 7111NR Power Coil 101878-01 Electrode 097162-01 Burner 101864-01 Complete Burner Assy
RCP80 099236-01 097155-01 LPA4000 Piezo LPA2130 097163-03 Pilot Assy LPA1000 (10ft) LPA3035 Hose & Reg Assy
099237-01 Nut 7111NR Power Coil 099539-02 Electrode 099679-01 Burner 3825 (25ft)
RCP80V 099236-01 103030-01 102445-01 Piezo LPA2160 103032-01 Burner LPA1020 (10ft) LPA3110 Hose & Reg Assy
099237-01 Nut 7111NR Power Coil 103904-01 Electrode 2525 (25ft) 103036-01 Stealth Knob
RCP80VA 113790-01 113787-01 113797-01 113792-01 See Valve 113776-01 (10ft) 113793-01 Ball Valve
3825 (25ft) 113809-01= Ball Valve Knob
RCP80VB 113790-01 113787-01 102445-01 Piezo 113792-01 113799-01 Pilot LPA1000
113786-01 Clip 113797-01 Electrode 113784-01 Burner
RCP80VC 113790-01 116554-01 102445-01 Piezo 113862-01 116556-01 LPA1000 115626-01 Hose & Reg Assy
100898-01 Nut 116617-01 Electrode
RCP200 099236-01 097155-01 LPA4000 Piezo LPA2050 097161-01 Pilot LPA1020 (10ft) LPA3060 Hose & Reg Assy
099237-01 Nut 7111NR Power Coil 097150-01 Electrode 097162-01 Burner 2525 (25ft) 097152-01 Manual Control Valve
RCP2000 099236-01 097155-01 LPA4000 Piezo LPA2005 097161-01 Pilot LPA1020 (10ft) LPA3005 Hose & Reg Assy
099237-01 Nut 7111NR Power Coil 101278-01 Electrode 097162-02 Burner 2525 (25ft) 097152-01 Manual Control Valve
RCP200V 099236-01 103926-01 102445-01 Piezo LPA2005 097162-01 Burner LPA1020 (10ft) LPA3005 Hose & Reg Assy
099237-01 Nut 7111NR Power Coil 103398-01 Electrode 2525 (25ft) 103924-01 Knob
RCP200VA 113790-01 113787-01 113797-01 113819-01 See Valve 113815-01 (10ft) 113793-01 Ball Valve
2525 (25ft) 113809-01= Ball Valve Knob
RCP200VB 113790-01 113787-01 102445-01 Piezo 113819-01 113799-01 Pilot LPA1020 113793-01 Manual Control Valve
113786-01 Clip 113797-01 Electrode 113784-01
RCP250 099236-01 097155-01 LPA4000 Piezo LPA2010 097163-03 Pilot Assy LPA1020 (10ft) LPA3000 Hose & Reg Assy
RCP275 099237-01 Nut 7111NR Power Coil 097150-01 Electrode 097162-01 Burner 2525 (25ft) 097152-01 Manual Control Valve

—205—
MASTER PROPANE CONVECTION & RADIANT HEATERS
Model# Thermocouple T.E. Safety Valve Igniter/Electrode Regulator Orifice: Pilot/Burner Hose Other
TC25 099236-01 101864-01 102445-01 Piezo LPA2025 097161-01 Pilot LPA1025 (10ft) LPA3025 Hose & Reg Assy
099237-01 Nut 7111NR Power Coil 101878-01 Electrode 097162-01 Burner 101864-01 Complete Burner Assy
TC80 099236-01 097155-01 102445-01 Piezo LPA2130 097163-03 Pilot Assy LPA1000 (10ft) LPA3035 Hose & Reg Assy
099237-01 Nut 7111NR Power Coil 099539-02 Electrode 099682-01 Burner 3825 (25ft) 097152-01 Manual Control Valve
TC80V 099236-01 103030-01 102445-01 Piezo LPA2160 103032-01 Burner LPA1020 (10ft) LPA3110 Hose & Reg Assy
099237-01 Nut 7111NR Power Coil 103904-01 Electrode 2525 (25ft) 103036-01 Stealth Knob
TC80VA 113790-01 113787-01 113797-01 113792-01 See Valve 113776-01 (10ft) 113793-01 Ball Valve
3825 (25ft) 113809-01= Ball Valve Knob
TC80VB 113790-01 113787-01 102445-01 Piezo 113792-01 113799-01 Pilot LPA1000
113786-01 Clip 113797-01 Electrode 113784-01 Burner
SPC80C 113790-01 113787-01 102445-01 Piezo 113792-01 113799-01 Pilot LPA1000
113786-01 Clip 113797-01 Electrode 113784-01 Burner
SPC80CB 113790-01 113787-01 102445-01 Piezo 113792-01 113799-01 Pilot LPA1000
113786-01 Clip 113797-01 Electrode 113784-01 Burner
80GB 113790-01 113787-01 102445-01 Piezo 113792-01 113799-01 Pilot LPA1000
113786-01 Clip 113797-01 Electrode 113784-01 Burner
TC80VC 113790-01 116554-01 102445-01 Piezo 113862-01 116556-01 LPA1000 115626-01 Hose & Reg Assy
100898-01 Nut 116617-01 Electrode
SPC80CC 113790-01 116554-01 102445-01 Piezo 113862-01 116556-01 LPA1000 115626-01 Hose & Reg Assy
100898-01 Nut 116617-01 Electrode
80C 113790-01 113787-01 102445-01 Piezo 113792-01 113799-01 Pilot LPA1000
113786-01 Clip 113797-01 Electrode 113784-01 Burner
80CB 113790-01 113787-01 102445-01 Piezo 113792-01 113799-01 Pilot LPA1000
113786-01 Clip 113797-01 Electrode 113784-01 Burner
80CC 113790-01 116554-01 102445-01 Piezo 113862-01 116556-01 LPA1000 115626-01 Hose & Reg Assy
100898-01 Nut 116617-01 Electrode
TC100R 099236-01 097155-01 102445-01 Piezo LPA2150 097161-03 Pilot Assy LPA1000 (10ft) LPA3100 Hose & Reg Assy
099237-01 Nut 7111NR Power Coil 104118-01 Electrode 099138-03 Burner 3825 (25ft) 097152-01 Manual Control Valve
TC100VR 107374-01 109930-02 102445-01 Piezo LPA2160 103032-02 Burner LPA1000 (10ft) LPA3110 Hose & Reg Assy
106174-01 Electrode 3825 (25ft) 099393-03 Control Knob
TC106 113790-01 116554-01 102445-01 NA 116556-01 LPA1000 115626-01 Hose & Reg Assy
116617-01
TC112 113790-01 116554-01 102445-01 NA 116556-01 LPA1000 115626-01 Hose & Reg Assy
116617-01
TC113 113790-01 116554-01 102445-01 NA 116556-01 LPA1000 115626-01 Hose & Reg Assy
116617-01
TC114 113790-01 116554-01 102445-01 NA 116556-01 LPA1000 115626-01 Hose & Reg Assy
116617-01
TC115 113790-01 116554-01 102445-01 NA 116556-01 LPA1000 115626-01 Hose & Reg Assy
116617-01
TC101 099236-01 101864-01 102445-01 Piezo NA See Valve NA LPA3025 Hose & Reg Assy
101878-01 Electrode
TC102 099236-01 101864-01 102445-01 Piezo NA See Valve NA LPA3025 Hose & Reg Assy
101878-01 Electrode
TC103 099236-01 101864-01 102445-01 Piezo NA See Valve NA LPA3025 Hose & Reg Assy
101878-01 Electrode
TC104 099236-01 101864-01 102445-01 Piezo NA See Valve NA LPA3025 Hose & Reg Assy
101878-01 Electrode
TC105 099236-01 101864-01 102445-01 Piezo NA See Valve NA LPA3025 Hose & Reg Assy
101878-01 Electrode
TC106A 113790-01 116554-01 102445-01 Piezo NA 121513-01 LPA1000 121992-01 Hose & Reg Assy
100898-01 Nut 116617-01
Desa Gas Quick Parts Ref.

—206—
Desa Gas Quick Parts Ref.
MASTER PROPANE CONVECTION & RADIANT HEATERS (CONTINUED)
Model# Thermocouple T.E. Safety Valve Igniter/Electrode Regulator Orifice: Pilot/Burner Hose Other
TC112A 113790-01 116554-01 102445-01 Piezo NA 121513-01 LPA1000 121992-01 Hose & Reg Assy
100898-01 Nut
TC113A 113790-01 116554-01 102445-01 Piezo NA 121513-01 LPA1000 121992-01 Hose & Reg Assy
100898-01 Nut
TC114A 113790-01 116554-01 102445-01 Piezo NA 121513-01 LPA1000 121992-01 Hose & Reg Assy
100898-01 Nut
TC115A 113790-01 116554-01 102445-01 Piezo NA 121513-01 LPA1000 121992-01 Hose & Reg Assy
100898-01 Nut
TC107 113790-01 113787-01 102445-01 Piezo 113819-01 113820-01 Pilot LPA1020 113835-01 Hose & Reg Assy
100898-01 Nut 113797-01 Electrode 113816-01 Burner 113793-01 Manual Control Valve
TC200 099236-01 097155-01 LPA4000 Piezo LPA2050 097161-03 Pilot Assy LPA1020 (10ft) LPA3060 Hose & Reg Assy
099237-01 Nut 7111NR Power Coil 097150-01 Electrode 097162-01 Burner 2525 (25ft) 097152-01 Manual Control Valve
TC200V 099236-01 103926-01 102445-01 Piezo LPA2005 097161-01 Pilot LPA1020 (10ft) LPA3005 Hose & Reg Assy
099237-01 Nut 7111NR Power Coil 103398-01 Electrode 097162-01 Burner 2525 (25ft) 103924-01 Knob
TC200VA 113790-01 113787-01 113797-01 113819-01 See Valve 113815-01 (10ft) 113793-01 Ball Valve
2525 (25ft) 113809-01= Ball Valve Knob
TC200VB 113790-01 113787-01 102445-01 Piezo 113819-01 113799-01 Pilot LPA1020 113793-01 Manual Control Valve
113786-01 Clip 113797-01 Electrode 113784-01
SPC200C 113790-01 113787-01 102445-01 Piezo 113819-01 113799-01 Pilot LPA1020 113793-01 Manual Control Valve
113786-01 Clip 113797-01 Electrode 113784-01
SPC200CB 113790-01 113787-01 102445-01 Piezo 113819-01 113799-01 Pilot LPA1020 113793-01 Manual Control Valve
113786-01 Clip 113797-01 Electrode 113784-01
TC250 099236-01 097155-01 LPA4000 Piezo LPA2010 097163-03 Pilot Assy LPA1020 (10ft) LPA3000 Hose & Reg Assy
099237-01 Nut 7111NR Power Coil 097150-01 Electrode 097162-01 Burner 2525 (25ft) 097152-01 Manual Control Valve
TC250A 099236-01 097155-01 LPA4000 Piezo LPA2010 097161-01 Pilot LPA1020 (10ft) LPA3000 Hose & Reg Assy
099237-01 Nut 7111NR Power Coil 097150-01 Electrode 097162-01 Burner 2525 (25ft) 097152-01 Manual Control Valve
TC275 099236-01 097155-01 102445-01 Piezo LPA2010 097161-01 Pilot LPA1020 (10ft) LPA3000 Hose & Reg Assy
099237-01 Nut 7111NR Power Coil 097150-01 Electrode 097162-01 Burner 2525 (25ft) 097152-01 Manual Control Valve
TC275J 099236-01 097155-01 102445-01 Piezo LPA2005 097161-01 Pilot LPA1020 (10ft) LPA3005 Hose & Reg Assy
099237-01 Nut 7111NR Power Coil 101278-01 Electrode 097162-02 Burner 2525 (25ft) 097152-01 Manual Control Valve
DESA PROPANE CONVECTION & RADIANT HEATERS
Model# Thermocouple T.E. Safety Valve Igniter/Electrode Regulator Orifice: Pilot/Burner Hose Other
CP200 099236-01 097155-01 LPA4000 Piezo LPA2050 097163-01 Pilot LPA1020 (10ft) LPA3060 Hose & Reg Assy
099237-01 Nut 7111NR Power Coil 097150-01 Electrode 097162-01 Burner 2525 (25ft) 097152-01 Manual Control Valve
CP250 099236-01 097155-01 LPA4000 Piezo LPA2010 097161-01 Pilot LPA1020 (10ft) LPA3060 Hose & Reg Assy
099237-01 Nut 7111NR Power Coil 097150-01 Electrode 097162-01 Burner 2525 (25ft) 097152-01 Manual Control Valve
DESA250 099236-01 097155-01 LPA4000 Piezo LPA2010 097161-01 Pilot LPA1020 (10ft) LPA3060 Hose & Reg Assy
099237-01 Nut 7111NR Power Coil 097150-01 Electrode 097162-01 Burner 2525 (25ft) 097152-01 Manual Control Valve
CP275 099236-01 097155-01 LPA4000 Piezo LPA2010 097161-01 Pilot LPA1020 (10ft) LPA3060 Hose & Reg Assy
099237-01 Nut 7111NR Power Coil 097150-01 Electrode 097162-01 Burner 2525 (25ft) 097152-01 Manual Control Valve

—207—
TANK TOPS
Model# Thermocouple Orifice Gas Valve Hose Regulator
HD12 100886-01 NA NA NA LPA2025
HD12A E73117 NA NA NA E73410
HD12B 100886-01 100889-01 NA NA LPA2025
HD12C 100886-01 NA NA NA LPA2025
HD12C-A E73117 NA NA P4122 NA
HD12C-B 100886-01 NA NA NA LPA2025
HD15 100886-01 100889-03 NA NA LPA2025
HD15A 114100-01 NA NA NA LPA2025
HD15G 114100-01 NA NA NA LPA2025
TC108 114100-01 NA NA NA LPA2025
TC110 100886-01 NA NA NA LPA2025
TC111 100886-01 NA NA NA LPA2025
HD24A E73117 NA NLA NA E73410
7111NR Power Coil (Qty 2)
HD24B 100886-01 108889-01 NLA 100921-01 (Qty 2) LPA2025
7111NR Power Coil (Qty 2)
HD30 114100-01 NA NA NA LPA2025
HD30B 100886-01 NA NA NA LPA2025
HD30G 114100-01 NA NA NA LPA2025
TC109 114100-01 NA NA NA LPA2025
TT15 100886-01 100889-03 NLA NA LPA2025
7111NR Power Coil
TT15A 114100-01 NA NA NA LPA2025
TT15G 114100-01 NA NA NA LPA2025
TT24B 100886-01 108889-01 NLA 100921-01 (Qty 2) LPA2025
7111NR Power Coil (Qty 2)
TT30B 100886-01 NA NA NA LPA2025
TT30G 114100-01 NA NA NA LPA2025
Desa Gas Quick Parts Ref.

Paito Comfort
Patio Comfort Heater
—208— Phone: 800-362-6951 • Fax: 800-255-7985
www.phpdistribution.com
40,000 BTU Radiant Patio Comfort Patio Heater
Key Part
No. No. Description
1 1001PC Mex-Nut M8 S/S
2 1002PC Flat Washer 8mm dia. S/S
3 1003PC Reflector
4 1004PC Lock Washer 8mm dia. S/S
5 1005PC Hex-Bolt M8 x 20 mm S/S
6 1006PC Emitter Grid
7 1007PC Burner Assy with shield
8 1008PC Self-tapping T Screw for Pilot Shield M4 x 8mm S/S
9 1009PC Screw for Burner Retention M4 x 6mm S/S
10 1010-07PC Base Fitting for Orifice/Main Burner
11 1011PC Pan Head Screw M5 x 8mm S/S
12 1012PC Pan Assy S/S
13 1013PC Perforated Body
14 1014PC Pilot Shield
15 1015PC Electrode
16 1016PC Pilot Assy
17 1017PC Wire Insulation
18 1018PC Thermocouple
19 1019PC Pilot Tube Assy
20 1020-07PC Orifice for Main Burner
21 1010-07PC Base Fitting for Orifice/Main Burner
22 1022-07PC Tube Assy for Burner
23 1023PC Thermoelectric Control Valve
24 1024PC Extension Fitting at Valve Base
25 1025PC Bracket for Valve Mounting
26 1026PC Bracket for Fuel-Tube
27 1027PC Base Assy for Heater Head
28 1028PC Flat Washer 6mm dia. S/S
29 1029PC Lock Washer 6mm dia. S/S
30 1030PC Faceplate for Lighting Instruction S/S
31 1031PC Knob
32 1032PC Specific Nut for Valve
33 1033PC Piezo Igniter
34 1034PC Pan Head Screw M6 x 12mm S/S
35 1035PC Specific Nut for Igniter
36 1036PC Pilot Orifice
37 1037PC Self-tapping Pan Head Screw M5x10 S/S
Key Part
No. No. Description
1 4101PC Post 3” x 36” S/S
2 1102PC Fuel Tube
3 4103PC Slip Socket Cover S/S
4 1104-04PC Hex Bolt M6 x 20mm S/S
5 1105PC Flat Washer 6mm dia. S/S
6 4106PC Socket Assy for S/S
7 4107PC “L” Brackt for S/S
8 1108PC Lock Washer 6mm dia. S/S
9 1109PC Hex-Nut M6 S/S
10 1110PC Chain Assy for Tank Restraint
11 1111PC Hex-Bolt M6 x 40mm S/S
12 4112PC Base S/S
13 1113PC Ballast Weight for all Bases
14 1114PC Regulator with type 1 QCC Tank Adapter
15 1115PC Hose Assy 3/8” Female Flare
16 1116PC Molding for Decorative Socket
18 4118PC Decorative Cover S/S
19 4119PC Wheel Assy w/Bracket (1 ea.) S/S
20 NSNPC Flat Washer 6mm dia. S/S
21 1122PC Pan Head Screw M6 x 12mm S/S
22 1123PC Molding for Base Bottom
Model Number
PC02SS

—209—
The bestway to replace the ignition control board in your heater
is to obtain the manufacturer’s part number off of the top of the
board for reference.
Always remember to match the model number of your heater with
the model number of the individual breakdowns in this section.
The breakdowns in this manual refer to the model specifically listed on each individual page. Use a
breakdown only if you have the exact model match for your particular heater. If your model
number does not appear in the breakdowns, please refer to the Quick Parts Reference Parts Guide
for common replacement parts.
If you need technical assistance, feel free to call PHP Technical Service at 1-800-362-6951 ext 2.
Whenever possible, please have your model number and the nature of your problem before you
place a call for technical service. You may also email your technical service questions to us at
techservice@phpdistribution.com.
Model# and Description Fuel Type Heater Type Page No.
30FAS, SPC30 (Excluding “D” models) Propane Forced Air 210
35SPC Propane Forced Air 211
54PHW Propane Radiant 212
55PHS Propane Radiant 213
80FAS Propane Forced Air 215
80VCA Propane Convection 214
85FAC, SPC85 Propane Forced Air 216
150FA Propane Forced Air 218
150FAST Propane Forced Air 217
150FAS Propane Forced Air 219
170FAST Propane Forced Air 220
200C Propane Convection 221
250/250A High Pressure Propane Convection 222
3500FA High Pressure Propane Forced Air 223
3500FAS High Pressure Propane Forced Air 224
3500FACV High Pressure Propane Forced Air 225
80FASNG Natural Gas Forced Air 226
150FASNG (80-150,000 FASNG) Natural Gas Forced Air 226
Wiring Diagrams Both All 227
Quick Parts Reference List Both All 233
Scheu Gas Fired Heaters
Name Brands Include:
All-Pro
Universal
HEATER INDEX
Phone: 800-362-6951 • Fax: 800-255-7985
www.phpdistribution.com
Scheu Gas Fired

Scheu LP 30,000 BTU
—210— Phone: 800-362-6951 • Fax: 800-255-7985
www.phpdistribution.com
30,000 BTU Forced Air Scheu Heater
Model Numbers
Universal AllPro
30FAS SPC30
Key Part
No. No. Description
1 1036NR Power Cord Assembly
2 1368NR Motor Assembly
3 0540NR Relay Board Assembly - 1811NR Relay
4 1345NR Flame Holder Assembly
5 1640NR Fuel Tube Assembly
6 1042NR Lead Wire Assy. Blue 6" FS x R (qty. 2)
* 1370NR HT Wire Assy. Red 7" F x FF (qty. 2)
8 3455NR Front Cover Assembly (30FAS)
3486NR Front Cover Assembly (SPC30)
9 3480NR Base
10 3456NR Relax Mounting Bracket, 30FAS
11 3478NR Burner Box
12 3371NR Motor Plate Mounting
13 3372NR Blower Exit Bracket
14 3388NR Blower Bracket
16 3392NR Housing, (30FAS)
3367NR Housing, (SPC30)
17 3393NR Rear Cover, Housing (30FAS)
3369NR Rear Cover, Housing (SPC30)
18 7095NR Handle (Handle Clip #7094NR qty. 2)
19 6671NR PC Standoff Nylon Spacer (qty. 4)
20 Call LP Hose Assembly, 1/4" ID
21 6168NR High Limit Control 240˚F
22 6223NR Strain Relief Bushing, 5/8
23 6252NR P.O.L. Excess Flow Check Valve
24 6255NR Regulator, 11" W.C.
* 7492NR Label, Fuel/Ignition
* 6369NR Label, Warning Fuel
* 6373NR Label, Fan Rotation
* 6374NR Label, Electrical Grounding
Key Part
No. No. Description
29 Call Fitting, Bushing
30 6171NR Switch, Push Button
31 6652NR Fitting, Male Conn 1/4 FLR x 1/8 FPT
32 7285NR Thermoelectric Valve
33 6566NR Fitting, Male Elbow 1/4 FLR x 1/8 MPT
* 6916NR Label, Universal 7"
* 6938NR Label, All Pro
* 6712NR Label, Hangtag LP Hose
36 6721NR "U" Bolt, 1.25 Diameter
37 1377NR Electrode Assembly
* 6725NR Label Warning Start-up
* 6419NR Label, Wiring 30FAS
40 6730NR Blower Inlet Ring
41 6731NR Blower Housing
42 6732NR Blower, 3.75" CCW
43 6788NR Fitting, Elbow 1/8 FPT x FPT
44 6803NR Thermocouple, 15" with Junction Box
* 6811NR Label, Model/Opr Instructions
* 6813NR Operating Instruction Manual
47 3275NR Ignitor Hi Lo 801 Mini
48 6823NR Fitting Nipple 1/8 MPT x 1.5 Long
49 6825NR Foil AL 2-3 Adhesive Back
50 N/A Screw
* C20 20 lb. Propane Cylinder
* C40 40 lb. Propane Cylinder
* 7111NR Control Valve Powercoil
* TFI Propane Tank Stabilizer
* Not shown on exploded view

—211—
35,000 BTU Forced Air Scheu Propane Heater
Model Numbers
SPC35
Key Part
No. No. Description
1 10720NR Heater Body Kit
2 2100NR Control Box Assembly
3 8079NR Thermocouple and Valve Assembly
7 8080NR Electrode
8 6168NR High Limit Switch 240˚F
9 8079NR Thermocouple 17.5” in Fast Reacting
10 8091NR Nut Hex M8 x 1 Fine Thd Thermocouple (qty. 2)
11 8076NR Motor 0.74A
12 2101NR Grille Assembly
13 8077NR Fan Blade, 6.75 x .75 Pitch
14 2113NR Power Cord Assembly
15 8136NR Bush Strain Relief, .25
16 6503NR Nut Hex 5-28 TE Valve (qty. 2)
17 7161NR Nut, Piezo
18 6473NR Piezo Ignitor
19 7094NR Clip Handle (qty. 2)
20 7095NR Handle
* 8098NR Parts List/Wiring Diagram
* 6256NR Regulator
* 1591NR Hose
* 6252NR P.O.L.
* 1007NR Hose & Regulator Assembly
* C20 20 lb. Propane Cylinder
* C40 40 lb. Propane Cylinder
* 7111NR Control Valve Powercoil
* TFI Propane Tank Stabilizer
*Not shown on exploded view
Phone: 800-362-6951 • Fax: 800-255-7985
www.phpdistribution.com
Scheu LP 35,000 BTU

Scheu LP 40,000 BTU
Key Part
No. No. Description
1 8603NR Valve
* 8604NR Bolt, 1/8-40 (qty. 2)
3 8605NR Tip Switch
4 8607NR Fuel Tube
5 8608NR Adiabatic Plate
6 8708NR Mushroom Burner Assembly
7 8616NR Burner Cover Bottom
8 8611NR Orifice, Main Burner
9 8602NR Valve Housing Cover
10 8600NR Pilot Tube
11 8599NR Bracket, Valve Mtg
12 8598NR Valve Cover Base
13 8597NR Fuel Line Adaptor
14 2209NR Tank Cover Assembly (White)
2209BNR Tank Cover Assembly (Black)
2209TNR Tank Cover Assembly (Bronze)
15 8705NR Guards, Rubber Handle
* 8567NR Nut, M8 (qty. 6)
17 8617NR Reflector
* 8618NR Bolt, Bi-Convex (qty. 3)
* 8601NR Bolt, 3/16-24 (qty. 23)
21 2241NR Emitter Assemly
22 8573NR Front Cover Panel
* 8574NR Bolt, 3/16-24 (qty. 2)
24 8575NR Shield, Pilot Wind
25 8576NR Pilot Ass'y (electrode, pilot, thermocouple)
26 6473NR Ignitor, piezo
27 8578NR Ignition Wire
28 8579NR Knob
29 8580NR Nut - 1, G1/4
Key Part
No. No. Description
* 8583NR Nut, M10
* 8584NR Lock Washer, Ø = 10
32 8585NR Ballast Plate
* 8586NR Nut, 1/4-20 (qty. 12)
* 8587NR Lock Washer, Ø = 6 (qty. 12)
35 8625NR Base (White)
8625T NR Base (Bronze)
8587NR Base (Black)
* 8589NR Carriage Bolt
* 8590NR Bolt, 1/4-20 (qty. 12)
38 8690NR Base Legs (White) (qty. 3)
8690TNR Base Legs (Bronze)
8591NR Base Legs (Black)
39 8592NR Set Screws, 1/4-20 (qty. 6)
40 8691NR Pole Support (White)
8691TNR Pole Support (Bronze)
8593NR Pole Support (Black)
41 2242NR Manifold (fuel line), hose, regulator
42 8626NR Pole (White)
8626B NR Pole (Black)
8626TNR Pole (Bronze)
* 8596NR Bolt, 3/16-24 (qty. 3)
* 8764NR Instructions & Parts List
* 8630NR Label, Operating Instruction
* 8628NR Label, Model SPC-54
* 8627NR Label, Warning
* 8692NR Wheel Assembly
* 8698NR Nut and Bolt Pack
* G1851 Acme Tank Connector
40,000 BTU Radiant Scheu Propane Heater
Model Numbers
Scheu
SPC54PHW
SPC54PHB
SPC54PHT
—212— Phone: 800-362-6951 • Fax: 800-255-7985
www.phpdistribution.com

—213—
Scheu LP 40,000 BTU
Key Part
No. No. Description
1 8603NR Valve
* 8604NR Bolt, 1/8-40 (qty. 2)
3 8605NR Tip Switch
* 8606NR Nut, 1/8-40 (qty. 2)
5 8607NR Fuel Tube
6 8608NR Adiabatic Plate
7 8609NR Mushroom Burner Ass'y
8 8610NR Burner Cover Bottom
9 8611NR Orifice, Main Burner
10 8602NR Valve Housing Cover
* 8601NR Bolt, 3/16-24 (qty. 6)
12 8600NR Pilot Tube
13 8599NR Bracket, Valve Mtg
14 8598NR Valve Cover Base
15 8597NR Fuel Line Adaptor
16 8705NR Guards, Rubber Handle
17 2208NR Tank Cover Ass'y
* 8567NR Nut, M8 (qty. 6)
19 8617NR Reflector
20 8569NR Reflector Support (qty. 3)
21 8570NR Heat Insulator
* 8571NR Bolt, 5/32-32 (qty. 6)
23 2244NR Emitter Ass'y
24 8572NR Front Cover Panel
* 8574NR Bolt, 3/16-24 (qty. 2)
26 8575NR Shield, Pilot Wind
27 8576NR ODS Pilot Assy. (electrode, pilot, thermocouple)
Key Part
No. No. Description
28 8577NR Pulse Ignitor
29 8578NR Ignition Wire
30 8579NR Knob
* 8580NR Nut - 1, G1/4
* 8583NR Nut, M10
* 8584NR Lock Washer, Ø = 10
34 8585NR Ballast Plate
* 8586NR Nut, 1/4-20 (qty. 12)
* 8587NR Lock Washer, Ø = 6 (qty. 12)
37 8588NR Base
* 8589NR Carriage Bolt
* 8590NR Bolt, 1/4-20 (qty. 12)
40 8591NR Base Legs 3
41 8592NR Set Screws, 1/4-20 (qty. 6)
42 8593NR Pole Support
43 2242NR Manifold (fuel line, hose, regulator)
44 8595NR Pole
* 8596NR Bolt, 3/16-24 (qty. 3)
* 8764NR Instructions & Parts List
* 8628NR Label, Operating Instruction
* 8631NR Label, Model SPC-55
* 8627NR Label, Warning
* 8693NR Wheel Ass'y
* 8699NR Nut and Bolt Pack
* G1851 Acme Tank Connector
* Not shown on exploded view
40,000 BTU Radiant Scheu Propane Heater
Model Numbers
Scheu
55PHS
SPC55S
Phone: 800-362-6951 • Fax: 800-255-7985
www.phpdistribution.com

Scheu LP 30-80,000 BTU
Key Part
No. Number Description
1 1510NR Pilot LP Assembly
2 6152NR Hose Assembly
3 1889NR Burner Ring
4 2160NR Ring Shield
5 2156NR Fuel Tube Assembly
6 2157NR Pilot Tube Assembly
7 2161NR Outer Cylinder
8 4279NR Orifice Adapter
9 3865NR Bracket, Pilot Mounting
10 3557NR Orifice, LP
11 4250NR Base
12 4223NR Cap
13 6045NR Clip, TC
14 6104NR TE Valve
15 6137NR Ftg., Elbow Female 1/4 FLR x 1/8 FPT
* 8217NR Manual, Operating Instructions
17 6233NR Thermocouple
18 6433NR POL Excess Flow
* 6568NR Fitting, Adapter 1/4 FPT x 1/4 MPT
* 8018NR Fitting, Elbow 1/8 FPT x 1/4 MPT
19 6255NR Regulator
20 6269NR Valve, Ball
21 6473NR Piezo Ignitor
22 6503NR Nut Hex 1/2-28 TE Valve
23 7172NR Ftg., Elbow Femaile 1/4 FPT x 3/8 FLR (qty. 3)
24 8162NR External Retaining Ring
25 7161NR Piezo Nut
26 7652NR Electrode with 7” wire
27 4293NR Heat Shield
* 8216NR Label, Model
Key Part
No. Number Description
28 7157NR Pilot Orifice
29 6689NR Washer, Flat 9/16 SAE
30 8187NR Ftg., Elbow 1/8 FPT x 1/4 CPSN
* 8213NR Label, Safety Precautions
* 8214NR Label, Start Instructions
* 8215NR Label, Warnings
* 8218NR Label, Safety Precautions
* 8216NR Label, Model
* 7438NR Label, BTU Rating
* 7111NR Thermoelectric Valve Powercoil
* C100 100 lb. Propane Cylinder
* 3825 25’ Gas Hose
* 6045NR Thermocouple Nut
* Not shown on exploded view
Screws are standard hardware items
30-80,000 BTU Propane Convection
Scheu Heater
Model Number
Scheu
80VCA
SPC80-VCA
—214— Phone: 800-362-6951 • Fax: 800-255-7985
www.phpdistribution.com

—215—
Scheu LP 80,000 BTU
Phone: 800-362-6951 • Fax: 800-255-7985
www.phpdistribution.com
80,000 BTU Forced Air Scheu Propane Heater
Model Number
Scheu
80FAS
For wiring diagram see page. 228.
Key Part
No. Number Description
1 1060NR Burner Shell Assembly
3 1061NR Middle Cylinder Assembly
4 1146NR Flame Holder Assembly
7 1082NR Spark Plug
9 1063NR Orifice Assembly
10 1161NR Control Box Assembly
14 6170NR Toggle Switch
16 Call DSI
17 6100NR Solenoid Valve
18 6122NR Fitting, 3/8" MFIR x 3/8" MPT
19 6143NR Fitting, Male Conn,
5/16" MFLR x 3/8" MPT
20 1036NR Power Cord Assembly
21 6223NR Bushing, Strain Relief, 5/8"
22 6168NR High Limit Switch, 240˚F
* 6369NR Label, Warning, Fuel
* 6373NR Label, Fan Rotation
* 6422NR Label, On/Off Switch
26 1162NR Fuel Tube Assembly
27 1371NR Motor Shell Assembly
28 1361NR Motor Assembly
29 6086NR Fan
30 3132NR Support, Motor Saddle
31 6068NR Washer (qty. 4)
32 7095NR Handle
Key Part
No. Number Description
33 6152NR Hose Assembly, 10'
34 6255NR Regulator, 11" W.C.
35 6252NR POL/Excess Flow Check Valve
36 3087NR Grill
37 6364NR Label, Model, Operating Instr.
* 6374NR Label, Electrical Ground
39 3037NR Nut, Spark Plug 14mm (qty. 2)
40 6995NR Label, Wiring
41 6010NR Set Screw, Nylock, 1/4-28
42 3038NR Nut, Orifice 3/4-16
* 6994NR Parts List / Wiring Diagram
* 7065NR Label, BTU
45 6444NR Terminal Board
46 6383NR Label, Universal Logo
47 3133NR Support, Motor Strap (qty. 2)
* 6332NR Manual, Operating Instructions
* 6712NR Label, Hangtag, Hose
48 6030NR Screw, Machine 5/16"-18 x 1 Hex Head
49 6041NR Nut Lock 5/16 x 18
* 7094NR Clip, Handle
50 NLA Screw (qty. 2)
51 1362NR Wire Ign Assy (11in)
52 7094NR Handle Clip (qty. 2)
* C100 100# L.P. Bottle
* KT121 Thermostat, warmer-cooler dial
* HA1210 Thermostat with degrees on dial
* 3825 3/8” x 25’ Hose
52
52
51

Scheu LP 50-80,000 BTU
—216— Phone: 800-362-6951 • Fax: 800-255-7985
www.phpdistribution.com
50-80,000 BTU Forced Air Scheu Propane Heater
SPC-85 85-FAC
Key No. Part No. Part No. Description
1 1670NR 1730NR Cylinder, Outside Assy.
2 6086NR 6086NR Fan, 7 inch
3 1551NR 1551NR Motor Assembly, 80-FAS
4 1671NR 1671NR Grille, Motor Mtg
5 1750NR 1750NR Flame Holder Assy
6 1674NR 1674NR Cylinder, Middle Assy
7 3038NR 3038NR Nut, Orifice Mounting
8 7433NR 7433NR Fitting, Male Elbow
9 6654NR 6654NR Thermocouple
10 1751NR 1751NR High Limit Control Assy
11 1083NR 1083NR Spark Plug
12 3037NR 3037NR Nut-Spark Plug (qty. 3)
13 1673NR 1673NR Orifice Assembly
14 1752NR 1752NR Control Box Assembly
15 3044NR 3044NR Ignition Relay Bracket
16 6641NR 6641NR Terminal Board
17 3275NR 3275NR Spark Ignition, 115V
18 1668NR 1668NR Fuel Tube Assembly
19 6133NR 6133NR Fitting, Coupling
20 3787NR 3787NR Spacer, TC Bracket
21 6127NR 6127NR Fitting, Male Connector
22 7285NR 7285NR TE Valve
23 7404NR 7404NR Ball Valve, Variable Rate
SPC-85 85-FAC
Item Part No. Part No. Description
24 7405NR 7405NR Fitting, Female Conctr
25 3690NR 3690NR Control Panel Assy
26 6223NR 6223NR Strain Relief Bushing
27 1036NR 1036NR Power Cord
28 6152NR 6152NR Hose Assembly
29 6257NR 6257NR Regulator 28” W.C.
30 6433NR 6433NR POL Excess Flow
31 7094NR 7094NR Clip Handle Mounting
32 7095NR 7095NR Handle
33 1811NR 1811NR Relay
34 6752NR 6383NR Label, Logo
35 7503NR 7503NR Label, Wiring
36 6265NR 6265NR Fitting Elbow (qty. 2)
37 3036NR 3036NR Bracket, TC
* 7385NR 7385NR Manual,Operating Inst.
* 7450NR 7450NR Label , Model
* 7451NR 7451NR Label, Operating Inst
* 7432NR 7432NR Label, BTU Rating (qty. 2)
* 6374NR 6374NR Label, Elec.Grounding
* 7491NR 7491NR Label, Fuel Ignition
* 3825 3825 3/8”x25’ Hose
* C100 C100 100 lb. L.P. Bottle
For wiring diagram see page 227.
Model Number
Universal All Pro
85FAC SPC85

—217—
Scheu LP 150,000 BTU
Phone: 800-362-6951 • Fax: 800-255-7985
www.phpdistribution.com
For wiring diagram see page 230.
150,000 BTU Forced Air Scheu Propane Heater
Key Part
No. No. Description
1 1700NR Burner Shell Assembly (150FAST)
1712NR Burner Shell Assembly (SPC150FAST)
2 1672NR Middle Cylinder Assembly
3 1168NR Orifice Assembly
4 1146NR Flame Holder Assembly
5 1550NR High Limit Control Assembly
6 3038NR Nut, Orifice
7 7095NR Handle
8 7094NR Handle Mounting Clip (qty. 2)
9 1939NR Motor Shell Assembly (150FAST)
1940NR Motor Shell Assembly (SPC150FAST)
10 6010NR Set Screw, Nyloc
11 6074NR Fan
12 6041NR Nut, Lock
13 6030NR Screw, Machine
14 3133NR Support, Motor Strap (qty. 2)
15 1561NR Motor Assembly
16 3087NR Grille Inlet
17 6225NR Snap Bushing, 5/8”
18 3132NR Saddle, Motor Support
19 6152NR Hose Assembly
20 6255NR Regulator, 11” WC
21 6433NR POL Excess Flow
22 6122NR Fitting, Male Connector
23 6100NR Solenoid Valve
24 6123NR Fitting, Male Connector
25 1171NR Fuel Tube Assembly
26 1083NR Spark Plug
Key Part
No. No. Description
27 3037NR Nut, Spark Plug 14 mm (qty. 3)
28 3441NR Thermostat Mounting Bracket
29 6070NR Clamp Loop, 5/16
30 1734NR Thermostat Assembly
31 M51605-02 DSI Control, 10N-117-3-8.5-8.5-Q012
7499NR White or Gray Ram 1M5-01
7801NR Black gaslighter, 4 wire
7808NR Black gaslighter, Potted, 4 wire
32 3333NR Flame Control Bracket (7499)
3210NR Bracket (M51605-02)
3983NR Bracket (7801NR,7808NR)
33 6223NR Bushing, Strain Relief, 1/4
34 1036NR Power Cord Assembly
35 1942NR Thermostat Knob Assembly
36 1937NR Control Box Assembly
* 5189NR Terminal, “Y” Adaptor (qty. 2)
* 6712NR Label, Hangtag
* 7744NR Label, Operating Instructions
* 6374NR Label, Electrical Ground
* 7789NR Label, Wiring Diagram
* 7067NR Label, BTU Rating (qty. 2)
* 6383NR Label, Logo (150FAST) (qty. 2)
* 6752NR Label, Logo (SPC150FAST) (qty. 2)
* 7743NR Manual, Operating Instructions
* 6410NR Label, Thermostat
* 6641NR Terminal Board (7801NR,7808NR)
* 3825 3/8” x 25’ Hose
* C100 100 lb. Porpane Cylinder
* Not shown on exploded view
Model Number
Universal All Pro
150FAST SPC150FAST
(with built-in thermostat)

Scheu LP 150,000 BTU
—218— Phone: 800-362-6951 • Fax: 800-255-7985
www.phpdistribution.com
150,000 BTU Forced Air Scheu Propane Heater
For wiring diagram see page 228.
Key Part
No. No. Description
1 1078NR Burner Shell Assembly
2 6225NR Grommet, 5/8"(qty. 4)
3 3750NR Middle Liner Assembly
4 1080NR Burner Intake Assembly
5 NLA Combustion Chamber Assembly
6 6168NR High Limit Switch, 240˚F
7 1111NR Wire Assembly, Spark Plug
8 1083NR Spark Plug, 1/8" Gap
9 6169NR Flame Sensor
10 3122NR Orifice, w/Retaining Ring
11 3124NR Flame Spreader
12 N/A Control Box Assembly
13 See Key #17
14 6244NR Terminal Board
15 6170NR Toggle Switch
16 6065NR Spacer
17 10742NR Conversion Kit
18 6100NR Gas Valve
19 6122NR Male Connector, 3/8" MPT x 3/8" Flare
20 6123NR Male Connector, 3/8" MPT x 1/2" Flare
21 1036NR Power Cord Assembly
22 6223NR Power Cord Grommet (qty. 2)
23 1089NR Amber Light Assembly
24 1090NR Resistor Assembly
25 1226NR Wire Assembly, Limit Switch, Red
26 1153NR Wire Assembly, Limit Switch, Black
27 1044NR Wire Assembly, Flame Sensor, White (qty. 2)
28 1099NR Fuel Line Assembly
29 1096NR Motor Shell Assembly
30 1166NR 5 Wire Motor Assembly, 1/12hp, 3000rpm
31 6074NR Fan Blade w/Set Screw
32 3132NR Saddle, Motor
33 3133NR Strap, Motor (qty. 2)
Key Part
No No Description
34 7095NR Handle (#7094NR Handle Clip qty. 2)
35 6152NR Hose Assembly, 10'
3825NR 3/8" x 25' Hose
36 6255NR Regulator
37 6252NR POL/Excess Flow Check Valve
38 3087NR Grill, Inlet
39 6423NR Label, Model Plate w/Instruction
40 3129NR Rain Shield, Plastic
41 3037NR Nut, Spark Plug,14mm
42 6389NR Label, Wiring Diagram
* 6422NR Label, On/Off Switch
* 6044NR Locknut, Switch
* 6185NR Terminal, U Adapter, 1/4"
* 1109NR Wire Assembly, Black, Ignitor
* 1110NR Wire Assembly, Green, Ignitor
48 6010NR Set Screw, 1/4-28 Nylock
49 3038NR Nut, Orifice 3/4-16
* 1100NR Wire Assembly, White, Valve
* 1101NR Wire Assembly, Grey, Toggle Switch
* 1102NR Wire Assembly, Blue, Valve
* 1103NR Wire Assembly, Purple, Relay
* 1104NR Wire Assembly, Orange, Relay
* 1100NR Wire Assembly, White, Ignitor
56 6226NR Grommet, Spark Plug Wire
60 6383NR Label, Universal Trademark
62 6079NR Standoff (qty. 4)
63 3128NR Support, Ignitor
* 6369NR Label, Safety
* 6373NR Label, Fan Rotation
* 6374NR Label, Electrical Grounding
* KT121 Thermostat
* C100 100 lb. L.P. Bottle
Model Number
Scheu
150FA
6041NR
Lock Nut
6030NR
Screw

—219—
150,000 BTU Forced Air Scheu Propane Heater
For wiring diagram see page 229.
Key No. Part No. Description
1 1078NR Burner Shell
2 6225NR Grommet, 5/8" (qty. 2)
3 1672NR Combustion Chamber Assembly
4 1146NR Flame Holder Assembly
5 6168NR High Limit Switch, 240˚F
6 1154NR Wire Assembly, Spark Plug
7 1082NR Spark Plug
8 6172NR Flame Rod
9 1168NR Orifice Assembly
10 1167NR Control Box Assembly
11 6576NR Rubber Bumper Feet (qty. 2)
14 6170NR Toggle Switch
15 3210NR Bracket, Flame Control
16 10741NR Ignition Control
17 6100NR Solenoid Valve
18 6122NR Fitting Male Connector
3/8" FLR x 3/8" MPT
19 6123NR Fitting Male Connector
1/2" Flare x 3/8" MPT
20 1036NR Power Cord Assembly
21 6223NR Bushing, Strain Relief, 5/8"
(Power Cord)
* 6369NR Label, Warning Fuel
* 6373NR Label, Fan Rotation
24 1160NR Wire Harness, Flame Control (For
6183NR Fenwal Only)
26 1171NR Fuel Tube Assembly
27 1096NR Motor Shell Assembly
Key No. Part No. Description
28 1166NR Motor Assembly - 5 Wire
29 6074NR Fan
30 3132NR Saddle, Motor Support
31 3133NR Strap, Motor Support (qty. 2)
32 7095NR Handle (# 7094NR Handle Clip qty. 2)
33 6152NR Hose
3825 3/8" x 25' Hose
34 6255NR Regulator, 11" W.C.
35 6252NR POL/Excess Flow Check Valve
36 3087NR Grill
37 6423NR Label, Model/Operating Instructions
* 6374NR Label, Electrical Ground
39 3037NR Nut, Spark Plug, 14mm
40 NLA Label, Wiring
41 6010NR Set Screw, Nylock 1/4-28
42 3038NR Nut, Orifice, 3/4-16
43 6226NR Bushing, Universal, 5/8" (Spark Wire)
44 1145NR Transformer Assembly
45 6444NR Terminal Board
46 6383NR Label, Logo
* 6386NR Label, On/Off Valve
* 6422NR Label, On/Off Switch
* 6044NR Locknut, Switch, 15/32-32
* HA1210 Thermostat w/temp on dial
47 N/A Screw
* C100 100 lb. Propane Cylinder
* KT121 Thermostat Warmer/Cooler
* Not shown on drawing.
#6183NR
Fenwall
Gray
Model Number
Scheu
150FAS
(with Fenwall Ignition Control)
Scheu LP 150,000 BTU
41
6041NR
Lock
Nut
6030NR
Machine
Screw
Phone: 800-362-6951 • Fax: 800-255-7985
www.phpdistribution.com

Scheu LP 170,000 BTU
Key
No. Part No. Description
1 2247NR Outer Shell -Universal (Red)
2248NR Outer Shell - All Pro (Orange)
2 2249NR Middle Cylinder
3 2250NR Orifice Assembly
4 1146NR Flame Holder Assembly
5 6168NR High Limit Switch
6 3038NR Orifice Nut
7 7095NR Handle
8 7094NR Handle Mounting Clips (qty. 2)
9 6010NR Set Screw, Nyloc
10 6074NR Fan
11 2251NR Motor Assembly
12 2252NR Grille, Inlet/Motor Mounting
13 6152NR Hose Assembly
14 6257NR Regulator, 28" WC
15 6433NR POL Excess Flow Valve
16 6122NR Male Fitting Conn. 3/8MPT x 3/8SAE FLR
17 6101NR Solenoid Valve, Goyen
18 8775NR Fitting Close Nipple
19 8777NR Burn Rate Adjustment Valve
20 8776NR Fitting, Elbow, 3/8MPT x 1/2 SAE FLR
21 2253NR Fuel Tube Assembly
22 8774NR Spark Plug, Flame Sensor
23 3037NR Spark Plug Nut (qty. 2)
24 4340NR Thermostat Mounting Bracket
Key
No. Part No. Description
25 2254NR Thermostat Assembly
26 6070NR Loop Clamp, 5/16
27 7808NR Flame Control, Potted
28 1036NR Power Cord Assembly
29 8771NR Terminal Board
30 6223NR Bushing Strain Relief
31 1507NR Knob, Thermostat
32 8773NR Knob, Burn Rate Adjustment
33 2255NR Control Box
34 2256NR Base, Control Box
* 8769NR Label, Safety Precautions
* 8755NR Label, General Hazard Warning
* 8733NR Label, Model
* 8731NR Label, Operating Instructions
* 6410ANR Label, Thermostat Warning
* 7704NR Label, Warning Massachusetts
* 6374NR Label, Warning Electrical
* 7789NR Label, Wiring Schematic
* 8203NR Label, Hang Tag
* 8679NR Label, BTU 170,000
* 8770NR Manual, Operating Instructions
* 6225NR Snap Bushing, 5/8 (qty. 2)
* C100 100 lb. Propane Cylinder (qty. 2)
* 1630RU 30” Propane Tank Pigtail
* P400 T-Block Manifold
* Item not shown on exploded view
Model Number
Universal AllPro
170FAST SPC170
23
125-170,000 BTU Forced Air Propane
Scheu Heater
—220— Phone: 800-362-6951 • Fax: 800-255-7985
www.phpdistribution.com

—221—
Scheu LP 200,000 BTU
Phone: 800-362-6951 • Fax: 800-255-7985
www.phpdistribution.com
75-200,000 BTU Convection Scheu Propane Heater
Output Rating 75-200,000 BTU/Hr
Fuel Propane Vapor
Manifold Pressure 10 PSIG
Orifice Size .0320”
Model Number
Scheu
200C - Universal
SPC200C - All Pro
Key Part
No. No. Description
1 113814-01 Pilot Assembly
2 113815-01 Hose Assembly, 10 foot
3 113777-01 Burner Ring Assembly
4 113778-01 Ring Shield
5 113779-01 Fuel Tube Assembly
6 113780-01 Pilot Tube Assembly
7 113781-01 Upper Shell
8 113782-01 Orifice Adapter
9 113783-01 Bracket, Pilot Mounting
10 113816-01 Orifice, LP
11 ** Base
12 113875-01 Cap
13 113876-01 Thermocouple Clip
14 113787-01 Control Valve
15 113788-01 Female Elbow Fitting, 1/4 FLR x 1/8 FPT
16 113789-01 Female Elbow Fitting, 1/4 FLR x 1/4 FPT
17 113790-01 Thermocouple
18 113818-01 POL, Excess Flow
19 113819-01 Regulator
20 113793-01 Ball Valve
21 102445-01 Piezo Ignitor
22 113794-01 Valve Nut, 1/2-28
23 113795-01 Female Elbow Fitting, 1/4 FPT x 3/8 FLR (qty. 3)
24 113796-01 Retaining Ring
25 113797-01 Ignitor Electrode
26 113798-01 Heat Shield
27 113799-01 Pilot Ori•ce
28 113800-01 Washer, Flat
29 113801-01 Elbow Fitting, 1/8 FPT x 1/4 CPSN
30 113821-01 Lower Shell
31 113812-01 Fitting, 1/4 FPT x 1/4 MPT
PARTS AVAILABLE - NOT SHOWN
113809-01 Ball Valve Knob
113810-01 Ball Valve Knob Insert
113822-03 Tradename Decal, Reddy
113822-04 Tradename Decal, Master
113822-07 Tradename Decal, All-Pro
113822-08 Tradename Decal, Universal
113822-10 Tradename Decal, Remington
113808-01 Hang Tag (English)
113808-02 Hang Tag (Spanish)
113808-03 Hang Tag (French)
113805-01 Installation Decal (English)
113805-02 Installation Decal (Spanish)
113805-03 Installation Decal (French)
113802-18 Model Decal
*Items not shown on exploded view
**Not a field replaceable part.
Screws Are Standard Hardware Items

Scheu LP 200,000 BTU
—222— Phone: 800-362-6951 • Fax: 800-255-7985
www.phpdistribution.com
75-200,000 BTU Convection Scheu Propane Heater
Key Part
No. No. Description
1 1530NR Hood Assembly
3 3348NR Outer Shell
4 3145NR Orifice
5 6689NR Flat Washer (qty. 2)
6 1525NR Base Assembly
7 7163NR Operating Instructions (250A)
7 7180NR Operating Instructions (250)
8 7012NR Fitting, Orifice Mtg
9 6566NR Fitting, Male Elbow
10 1523NR Fuel Tube Assembly
11 6473NR Piezo Ignitor (250A only)
(#7161NR Piezo Nut)
12 7181NR Label, Model
13 6138NR Fitting, Female Elbow (qty. 2)
14 6269NR Valve, Ball
15 6104NR TE Valve
(Power Coil for Valve #7111NR)
16 6233NR Thermocouple
(#6045NR Thermocouple Clip)
17 1004NR Pilot, LP Assembly
18 6714NR Fitting, Coupling
19 6716NR Orifice
20 3550NR Pilot, TC Bracket
22 7160NR Electrode w/ Wire (250A only)
23 7177NR Label, BTU Rating
24 6369NR Label, Warning Fuel
25 6712NR Label, Hangtag, LP Hose
26 6252NR POL Excess Flow
27 6256NR Regulator
28 1591NR Hose Assembly, LP
* C100 100 lb. Propane Cylinder (qty. 2)
* P400 Propane Tank Manifold
* 1630RU 30” Propane Tank Pigtail
* Not Shown
Screws Are Standard Hardware Items
Type of Gas For use with Propane Only
Input Rating 75,000-250,000 BTU/hr
Manifold Pressure 10 psig
Orifice Size No. 64 Drill - 6 Holes
Model Number
Universal
250
250A

Scheu LP 350,000 BTU
—223— Phone: 800-362-6951 • Fax: 800-255-7985
www.phpdistribution.com
Key Part
No. No. Description
1 1114NR Body Shell
2 6225NR Grommet, 5/8" (qty. 5)
3 6224NR Grommet, 1/2" (qty. 3)
4 7095NR Handle (Handle Clips #7094NR qty. 2)
5 6148NR Burner Casting
6 3219NR Flame Holder, Stainless Steel
7 3173NR Spacer, Stainless Steel, 1" Long (qty. 4)
8 6025NR Screw, 10-24 x 1-7/8" Stainless Steel (qty. 4)
9 3172NR Flame Spreader, Stainless Steel
10 1116NR Support Member Assembly
11 3176NR Burner Support Arm
12 1118NR High Limit Switch Assembly, 240˚F
13 1083NR Spark Plug, 1/8" gap
* 6226NR Grommet, 5/8", Spark Plug
15 1120NR Inner Liner
16 1133NR Wire Assembly, Spark Plug
* 1206NR Wire Assembly, Limit Switch, Black
18 3178NR Motor, Mounting Plate
19 NLA Heat Shield, Thermostat Bulb
20 1174NR Motor, 1/6 hp, 1725 rpm
21 6073NR Fan Blade w/Set Screws
22 6124NR Male Connector, 1/4" MPT x 1/4" Flare (qty. 2)
23 1119NR Motor Cord Assembly
24 1121NR Control Panel
25 6142NR Street EI, 1/4" Short Taper 1/4 MPT x 1/4 FPT
26 6119NR Filter
* 3186NR Filter Bracket
28 6254NR Regulator (second stage)
29 1125NR Solenoid Gas Valve Assembly
30 3188NR Gas Valve Bracket
31 6132NR Tee, Brass, 1/4" MPT x 1/4" Flare x 1/4" Flare
32 1129NR Tubing Assembly, Pressure Gauge
33 6388NR Label, Wiring Diagram
34 6271NR Pressure Gauge (1/4" Flare Inlet)
35 1122NR Thermostat Assembly
36 1507NR Thermostat Knob
37 1089NR Amber Light Assembly
38 1123NR Red Light Assembly
39 1036NR Power Cord Assembly
Key Part
No. No. Description
40 6223NR Power Cord Grommet
41 6071NR 3/8 Loop Clamp (Thermostat Bulb) qty. 3
42 3187NR Component Platform
43 10741NR Ignition Control
* 0945NR Tipover Switch Assembly
45 10741NR Replacement Conversion Kit
46 6169NR Flame Sensor Switch
47 6244NR Terminal Board
48 1127NR Resistor Assembly (1000 Ohm)
49 3191NR Orifice #45 Drill
50 1130NR Fuel Line Assembly
51 1131NR Cover Assembly Control Box
52 6252NR POL/Excess Flow Valve
53 6253NR Pressure Regulator, 40 psi, Preset
54 6151NR 1/4" x 10' Hose
2525 1/4" x 25' Hose
55 3180NR Grill
56 1137NR Manifold, Filter to Regulator
58 1128NR Tube, Valve-Filter
59 6136NR Elbow, 90˚, 1/4" MPT x 1/4" Inverted Flare
60 6426NR Label, Operating Instructions
* 6382NR Label, Thermostat Knob
62 1117NR Heat Shield, Flame Sensor
* 1134NR Wire Assembly, Flame Sensor, Brown
* 1135NR Wire Assembly, Flame Sensor, Yellow
65 3037NR Nut, Spark Plug, 14mm
66 6010NR Set Screw, Nylock 1/4-28 (qty. 2)
67 6229NR Spacer, Fan Retention
68 6383NR Label, Universal Trademark
* 6410NR Label, Thermostat Warning
70 6387NR Label, Filter
* 6070NR Loop Clamp, 5/16"(Flame Sensor)
72 6079NR Standoff (qty. 3)
73 Screw, N/A
* 6065NR Spacer, .2ID x 1/2"
* 6185NR Terminal, "U" Adapter
* C100 100 lb. Propane Cylinder (qty. 3)
* P400 Propane Cylinder Manifold (qty. 2)
* 1630RU 30” Rubber Pigtail (qty. 2)
175-350,000 BTU Forced Air Scheu Propane Heater
Wiring diagram
is on page 232.
Model Number
Universal
3500FA
16

Scheu LP 175-350,000 BTU
175-350,000 BTU Forced Air Scheu Propane Heater
Wiring diagram is on page 231.
Key Part
No. No. Description
1 1119NR Motor Cord Assembly
2 1174NR Motor Assembly
3 3178NR Motor Support
4 6073NR Fan 12”, CCW 1/2 ID HUB
5 6225NR Snap bushing, 5/8” Nylon (qty. 3)
6 6229NR Spacer, Fan 1/2 x 5/8
7 1036NR Power Cord Assembly
8 1122NR Thermostat Assembly
9 3441NR Bracket Thermostat Mounting
10 1451NR Panel Control Assembly Ram
11 Call
12 1193NR Valve Assembly
13 6118NR Filter 1/4 pipe insert
14 6124NR FTG Male Conn 1/4 FLR x 1/4 MPT (qty. 2)
15 3516NR Valve Mounting Bracket
16 1507NR Thermostat Knob Assembly
17 6223NR Strain Relief Bushing, 5/8”
18 6641NR Terminal Board
19 6946NR Tip Switch Mounting, Nylon
(use 0945NR conversion assembly)
20 1114NR Outer Shell Assembly
21 1120NR Middle Cylinder Assembly
22 1083NR Spark Plug, 1/8” gap
23 1116NR Support Assembly, Venturi/Orifice
24 1176NR High Limit Control Assembly
25 3037NR Nut, Spark Plug, 14mm
26 3172NR Flame Spreader
27 3173NR Spacer, Flame Spreader 1/4 x 1 (qty. 4)
28 3216NR Burner Support
Key Part
No. No. Description
29 3219NR Flame Holder
30 6148NR Venturi Casting
31 1177NR Fuel Tube Assembly
32 6151NR Hose Assembly LP 1/4 x 1/4 MPT x 1/4 FPT
33 6252NR POL Excess Flow
34 6258NR Regulator 5-20 psi 1/4”x1/4”FPT
35 1372NR Control Box Assembly
36 3180NR Inlet Grill Assembly
37 3191NR Orifice LP #45 Drill
38 7095NR Handle
39 6224NR Snap Bushing, 1/2”
40 6226NR Universal Bushing, 5/8” Nylon
41 6576NR Bumper Rubber Feet (qty. 2)
42 6010NR Set Screw, 1/4-28 Nyloc*
* 6025NR Screw, 1-7/8” S.S.
* 6070NR Loop Clamp, 5/16” (qty. 2)
43 7094NR Clip Handle Mounting (qty. 2)
* 6312NR Manual,Operating Instructions
* 6052NR Nut, Flex Lock #10-24 Thin
* 2525 25’ Hose
* C100 100 lb. Propane Cylinder (qty. 3)
* P400 Propane Cylinder Manifold (qty. 2)
* 1630RU 30” Rubber Pigtail (qty. 2)
Model Number
Universal
3500FAS
43
—224— Phone: 800-362-6951 • Fax: 800-255-7985
www.phpdistribution.com

—225—
Scheu LP 175-350,000 BTU
Phone: 800-362-6951 • Fax: 800-255-7985
www.phpdistribution.com
175-350,000 BTU Forced Air Scheu Propane Heater
Wiring diagram is on page 232.
Key No. Part No. Description
1 3178NR Motor Support
2 1174NR Motor Assembly
3 6229NR Spacer, Fan
4 6010NR Set Screw (qty. 2)
5 6073NR Fan 12” CCW 1/2 ID HUB
6 6225NR Snap Bushing (qty. 3)
7 7095NR Handle
8 1486NR Burner Shell Assy (3500FACV)
1466NR Burner Shell Assy (SPC350)
9 1546NR Burner Tube Assembly
10 1491NR Flame Holder Assembly
11 1487NR Middle Cylinder
12 1663NR Grid Assembly
13 3017NR Keeper (qty. 4)
14 7121NR Spacer (qty. 4)
15 7118NR Electrode (#1617-Wire Assembly)
16 6168NR High Limit Control Assembly
17 3652NR Fuel Nozzle
18 6224NR Snap Bushing
19 6226NR Universal Bushing
20 1616NR Fuel Tube Assembly
21 7343NR Fitting, Female Tee, 1/4”
22 1125NR Valve Assembly
23 7355NR Fitting, Male Plug, 1/4 MPT
24 6121NR Male Elbow, 1/4 FLR x 1/4 MPT
25 1734NR Thermostat Control Assembly - NLA
26 3441NR Bracket, Thermostat Mounting
27 1507NR Thermostat Knob Assembly
28 6223NR Strain Relief Bushing
Key No. Part No. Description
29 1036NR Power Cord Assembly
30 3180NR Inlet Grill Assembly
31 6118NR Filter, 1/4 Pipe Insert
32 1614NR Panel, Control Assembly Ram
*
34 6151NR Hose Assembly LP
35 7406NR Regulator 20 psi
36 6252NR POL Excess Flow
37 Call DSI
38 1731NR Control Box Assembly
40 6144NR Male Connector 5/16 FLR x 1/4 MPT
41 7094NR Clip Handle Mounting (qty. 2)
42 Call
43 7372NR Male Connector 5/16 FLR x 1/8 MPT
* 6070NR Loop Clamp, 5/16” (qty. 2)
* 7338NR Manual, Operating Instruction
44 7431NR Ball Valve
* C100 100 lb. Propane Cylinder (qty. 3)
* P400 Propane Cylinder Manifold (qty. 2)
* 1630RU 30” Rubber Pigtail (qty. 2)
* 2525 25’ Gas Hose
* 1617 Electrode Wire Assembly
Model Number
Universal
3500FACV
All Pro
SPC350

Scheu NG 80-150,000 BTU
—226— Phone: 800-362-6951 • Fax: 800-255-7985
www.phpdistribution.com
80-150,000 BTU Forced Air Natural Gas
Scheu Heater
Key 80FAS-NG 150FAS-NG
No. Part No. Part No. Description
1 1060NR 1078NR Burner Shell Assy
2 6225NR 6225NR Snap Bushing 5/8"
3 1061NR 3750NR Middle Cylinder Asy
4 1146NR 1146NR Flame Holder Assy
5 6168NR 6168NR High Limit Switch,240˚F
* 6384NR 6384NR Label, Natural Gas Only
7 1082NR 1083NR Spark Plug
9 1227NR 1216NR Orifice Assembly
10 1161NR 1167NR Control Box Assembly
11 6576NR Rubber Bumper Feet(qty. 2)
14 6170NR 6170NR Toggle Switch
16 Call DSI
17 6100NR 6100NR Solenoid Valve
19 6143NR Fitting Male Connector
6123NR Fitting Male Connector
20 1036NR 1036NR Power Cord Assembly
21 6223NR 6223NR Bushing Strain Relief
(Power Cord)
* 6369NR 6369NR Warning Label, Fuel
* 6373NR 6373NR Label, Fan Rotation
* 6422NR 6422NR Label, On/Off Switch
26 1162NR 1171NR Fuel Tube Assembly
27 1064NR 1096NR Motor Shell Assembly
28 1361NR 1166NR Motor Assembly (5 Wire)
1561NR Motor Assy (3 Wire)
29 6086NR 6074NR Fan
Key 80FAS-NG 150FAS-NG
No. Part No. Part No. Description
30 3132NR 3132NR Lower Motor Support
31 3133NR 3133NR Strap, Motor Support (qty. 2)
32 7095NR 7095NR Handle
33 6146NR 6146NR Fitting, Reducing Nple
34 6259NR 6259NR Regulator, 4" W.C.
35 6125NR 6125NR Fitting, Male
36 3087NR 3087NR Grill
37 6418NR 6428NR Label,Model/Operating
* 6374NR 6374NR Label, Electrical Grnd
39 3037NR 3037NR Spark Plug Nut 14mm(qty. 3)
40 6646NR 6646NR Label, Wiring
41 6010NR 6010NR Set Screw, Nylock
42 3038NR 3038NR Nut, Orifice 3/4-16
43 Ignition Lead (call)
45 6444NR 6444NR Terminal Board
46 6383NR 6383NR Label, Universal Logo
* 6044NR 6044NR Nut,Thin Hex, Switch
* 6328NR 6328NR Manual, Op. Inst.
* 6189NR 6189NR Terminal, "Y" Adptr
* 7094NR 7094NR Clip, Handle
5010 5010 1/2” x 10 ft Hose
5025 5025 1/2” x 25 ft Hose
KT121 KT121 Thermostat, warmer-cooler dial
* 10444 10444 1/2” FFIR x 1/2” FPT
* 54 54 1/2” Swivel Union
* Not shown on exploded view.
Model Number
Scheu
80/150FASNG
For wiring diagram see page 230.
31

—227—
Universal Wiring Diagrams
If you do not see your exact schematic, please call 800-362-6951.
Model 30FAS/SPC30/SPC55/55F
Model 40FAC/45FAC/85FAC/SPC85/125FAC/SPC125
Hy-Lo Ignitor
Wiring Diagram
Eaton (Blue)
Wiring Diagram
Scheu Wiring Diagrams
B or O
B
B
G
Phone: 800-362-6951 • Fax: 800-255-7985
www.phpdistribution.com

Scheu Wiring Diagrams
Model 150FA
—228— Phone: 800-362-6951 • Fax: 800-255-7985
www.phpdistribution.com
Universal Wiring Diagrams
If you do not see your exact schematic, please call 800-362-6951.
Remember, you can place your parts order at our website.
Just fill out the form at www.phpdistribution.com and
submit. It’s that easy!
Model 80FAS

Model 150FAS (with 5 wire control)
Model 150FAS w/Fenwall
—229—
Universal Wiring Diagrams
If you do not see your exact schematic, please call 800-362-6951.
Scheu Wiring Diagrams
Phone: 800-362-6951 • Fax: 800-255-7985
www.phpdistribution.com

Scheu Wiring Diagrams
—230— Phone: 800-362-6951 • Fax: 800-255-7985
www.phpdistribution.com
Model 150FASNG
Universal Wiring Diagrams
If you do not see your exact schematic, please call 800-362-6951.
Model 150FAST
(7801NR +
7808NR)
(4 wire control) (5 wire control)
W
R

—231—
Universal Wiring Diagrams
If you do not see your exact schematic, please call 800-362-6951.
Model 3500FAS
Model SPC170T/170FAST
Scheu Wiring Diagrams
Phone: 800-362-6951 • Fax: 800-255-7985
www.phpdistribution.com

—232— Phone: 800-362-6951 • Fax: 800-255-7985
www.phpdistribution.com
Model 3500FACV
Model 3500FACNG
Model 3500FA/3500FANG
Universal Wiring Diagrams
If you do not see your exact schematic, please call 800-362-6951.
Scheu Wiring Diagrams

Scheu Quick Parts Reference (Propane)
—233—
Scheu Gas Quick Parts Ref.
Model# Motor Thermocouple/ Ignition Control/ Valve: Safety/ Fan/Squirrel Safety Switches Igniter/Electrode Regulator Orifice: Pilot/Burner Hose Spark Generator Other
D.S.I. Auto Control Cage
30FAS/SPC30 0751NR 6803NR NA 1641NR Valve 6732NR 6168NR Limit 1377NR Electrode 6255NR 1640NR 7152NR (10ft) 6473NR Peizo 0966NR Relay Replacement
1986 7111NR Power Coil 6171NR Push Button
Cannot Use AThermostat
30FAS/SPC30 0751NR 6803NR NA 1641NR Valve 6732NR 6168NR Limit 1377NR Electrode 6255NR 1640NR 7152NR (10ft) 6250NR Eaton or 0966NR Relay Replacement
1987 7111NR Power Coil 3275NR HY-LO 801 6171NR Push Button
Cannot Use AThermostat
30FAS/SPC30 1368NR 6803NR NA 1641NR Valve 6732NR 1440NR Limit 1377NR Electrode 6255NR 1640NR 7152NR (10ft) 6250NR Eaton or 1811 Relay
(1988-1992) 7111NR Power Coil 3275NR HY-LO 801 6171NR Push Button
6641NR Terminal Board
30FAS/SPC30 1368NR 6803NR NA 7285NR Valve 6732NR 1440NR Limit 1377NR Electrode 6255NR 1640NR 7152NR (10ft) 6250NR Eaton or 1811NR Relay
(1993-2002) 7111NR Power Coil 3275NR HY-LO 801 6171NR Push Button
6641NR Terminal Board
30DFAS 1429NR NA 1446NR (Call) 6974NR 6732NR 1440NR Limit 6172NR Flame Rod 6255NR 1426NR 6151NR NA Can Use AThermostat
1988 2525 (25ft)
30DFAS 1429NR NA 1446NR (Call) 6100NR 6732NR 1440NR Limit 6172NR Flame Rod 6255NR 3618NR 6151NR NA Can Use AThermostat
(1988-1991) 2525 (25ft)
30DFAS 1429NR NA M51605-02 (Call) 6100NR 6732NR 6168NR Limit 1565NR Electrode 6255NR 3618NR 6151NR NA Can Use AThermostat
(1992-1995) 2525 (25ft)
35FAC/SPC35 8076NR 8090NR NA 8079NR 8077NR 6168NR Limit 8080NR Electrode 6256NR See Valve 1591NR (10ft) 6473NR Peizo Cannot Use AThermostat
(1997-2002) 7111NR Power Coil 1007NR Hose and Regulator Assy
40FA 1037NR 6542NR NA 6105NR 6086NR 6168NR Limit 1083NR Spark Plug 6255NR 1259NR 6152NR (10ft) 0761NR Hi-Lo 801 Kit 0540NR Relay
(1978-1982) 7111NR Power Coil 3825 (25ft) 6171NR Push Button
Cannot Use AThermostat
40FAS 1037NR 6654NR NA 1641NR 6086NR 6168NR Limit 1082NR Spark Plug 6255NR 1032NR 7152NR (10ft) 3275NR HY-LO 801 0540NR Relay
(1981-1983) 7111NR Power Coil 6171NR Push Button
Cannot Use AThermostat
40FAS 1037NR 6654NR NA 1641NR 6086NR 6168NR Limit 1082NR Spark Plug 6255NR 1032NR 7152NR (10ft) 6250NR Eaton 1068NR Relay
(1983-1988) 7111NR Power Coil 6171NR Push Button
Cannot Use AThermostat
40FAS 1652NR 6654NR NA 1641NR 6086NR 6168NR Limit 1082NR Spark Plug 6255NR 1032NR 7152NR (10ft) 6250NR Eaton 1811NR Relay
(1988-1994) 7111NR Power Coil 6171NR Push Button
6641NR Terminal Board
40FAC/SPC40 1652NR 6654NR NA 7285NR 6086NR 6168NR Limit 1082NR Spark Plug 6255NR 1032NR 7152NR (10ft) 3275NR HY-LO 801 1811NR Relay
(1995-2002) 7111NR Power Coil Cannot Use AThermostat
45FAC/SPC45 1652NR 6654NR NA 7285NR 6086NR 1751NR Limit 1082NR Spark Plug 6257NR 1930NR 6152NR (10ft) 3275NR HY-LO 801 1811NR Relay
(1997-2002) 7111NR Power Coil 3825 (25ft) 7431NR Ball Control Valve
Cannot Use AThermostat
55F/SPC55 1652NR 6654NR NA 7285NR 6086NR 1751NR Limit 1082NR Spark Plug 6257NR 2236NR 6152NR (10ft) 3275NR HY-LO 801 1811NR Relay
2003 7111NR Power Coil 3825 (25ft) 7431NR Ball Control Valve
Cannot Use AThermostat
60FA-BE 1315NR 6238NR NA 6106NR 6084NR 6175NR Limit 1057NR (Manual) 6255NR 6107NR Pilot 6152NR (10ft) NA Can Use Thermostat
1984 6111NR Burner 3825 (25ft) Limit Switch Is 350 Degrees
60FAS 1315NR 6540NR NA 1047NR Combo Valve 6085NR 6535NR Limit 6657NR Electrode 6255NR 6108NR Pilot 6152NR (10ft) 6473NR Peizo Can Use Thermostat
(1978-1989) 1301NR Burner Tube 3825 (25ft) Limit Swich Is 250 Degrees
60DFAS 1315NR NA 1475NR (Call) 6100NR 6084NR 1316NR Limit 1083NR Spark Plug 6255NR 1310NR Burner Tube6152NR (10ft) NA Can Use Thermostat
(1985-1991) 3825 (25ft)

Scheu Gas Quick Parts Ref.
—234—
Scheu Quick Parts Reference (Propane)
Model# Motor Thermocouple/ Ignition Control/ Valve: Safety/ Fan/Squirrel Safety Switches Igniter/Electrode Regulator Orifice: Pilot/Burner Hose Spark Generator Other
D.S.I. Auto Control Cage
75FAS 1431NR NA 1303NR 6100NR 6953NR 1440NR Limit 6172NR Flame Rod 6255NR 1433NR Burner Tube6152NR (10ft) NA Can Use Thermostat
(1990-1991) 1436NR Sail 3825 (25ft) 6961NR Capacitor
75DFAS 1431NR NA 1303NR 6100NR 6953NR 6168NR Limit 6172NR Flame Rod 6255NR 1433NR Burner Tube6152NR (10ft) NA Can Use Thermostat
(1988-1991) 3825 (25ft) 6961NR Capacitor
75DFAS 1065NR NA M51605-02 6101NR 6953NR 6168NR Limit 1565NR Electrode 6255NR 3617NR 6152NR (10ft) NA Can Use Thermostat
(1992-1995) 3825 (25ft) 6961NR Capacitor
80FA 0751NR NA 10741NR Conversion 6100NR 6086NR 6168NR Limit 1083NR Spark Plug 6255NR 1257NR 6152NR (10ft) 0761NR (Call) 1245NR 115 Volt Transformer (Call)
(1979-1981) 1165NR Flame Rod 3825 (25ft) 6170NR Toggle Switch
6180NR Time Delay Relay (Call)
VX80 0751NR NA 10741NR Conversion 6100NR 6086NR 6168NR Limit 1082NR Spark Plug 6557NR 1063NR 6152NR (10ft) 0761NR (Call) 1145NR 24Volt Transformer (Call)
(1981-1982) 1165NR Flame Rod 3825 (25ft) 6170NR Toggle Switch
1243NR Amber Light Assembly
80FAS 0751NR NA 10741NR Conversion 6100NR 6086NR 6168NR Limit 1082NR Spark Plug 6255NR 1063NR 6152NR (10ft) 0761NR (Call) 1145NR 24 Volt Transformer (Call)
(1981-1984) 6172NR Flame Rod 3825 (25ft) 6170NR Toggle Switch
Can Use Thermostat
80FAS 0751NR NA 1303NR (Call) 6100NR 6086NR 3207NR Air Switch1082NR Spark Plug 6255NR 1063NR 6152NR (10ft) NA 6170NR Toggle Switch
1885 6172NR Flame Rod 3825 (25ft) Can Use Thermostat
80FAS 0751NR NA 1303NR (Call) 6100NR 6086NR 6168NR Limit 1082NR Spark Plug 6255NR 1063NR 6152NR (10ft) NA 6170NR Toggle Switch
(1986-1987) 3207NR Air Switch 3825 (25ft) Can Use Thermostat
80FAS 1361NR NA 1303NR (Call) 6100NR 6086NR 6168NR Limit 1082NR Spark Plug 6255NR 1063NR 6152NR (10ft) NA 6170NR Toggle Switch
(1988-1990) 3825 (25ft) Can Use Thermostat
80FAS 1551NR NA M51605-02 6100NR 6086NR 1550NR Limit 1082NR Spark Plug 6255NR 1063NR 6152NR (10ft) NA 6170NR Toggle Switch
(1991-1993) 3825 (25ft) Can Use Thermostat
80FAC 1551NR NA M51605-02 or 7499NR (Call)6100NR 6086NR 1550NR Limit 1083NR Spark Plug 6255NR 1755NR 6152NR (10ft) NA 6170NR Toggle Switch
(1994-1999) 3825 (25ft) 1671NR Motor Mounting Grill
Can Use Thermostat
80FAC 1551NR NA 7808NR 6100NR 6086NR 1550NR Limit 1083NR Spark Plug 6255NR 1755NR 6152NR (10ft) NA 6170NR Toggle Switch
(2000-2002) 3825 (25ft) 1959NR Wiring Harness
Can Use Thermostat
85FAC/SPC85 1551NR 6654NR NA 7285NR 6086NR 1751NR Limit 1083NR Spark Plug 6257NR 1673NR 6152NR (10ft) 6250NR Eaton 1811NR Relay
1992 7111NR Power Coil 3825 (25ft) 7404NR Variable Ball Valve
6171NR Push Button Switch
85FAC/SPC85 1551NR 6654NR NA 7285NR 6086NR 1751NR Limit 1083NR Spark Plug 6257NR 1673NR 6152NR (10ft) 3275NR HI-LO 801 1811NR Relay
(1993-2002) 7111NR Power Coil 3825 (25ft) 7404NR Variable Ball Valve
Cannot Use AThermostat
125FAC/SPC125 1551NR 6654NR NA 7285NR 7898NR 2003NR Limit 1083NR Spark Plug 6257NR 2002NR 6152NR (10ft) 3275NR HI-LO 801 1811NR Relay
(1997-2002) 7111NR Power Coil 3825 (25ft) 7897NR Variable Control Valve
Cannot Use AThermostat
150FA 1166NR NA 10742NR Conversion 6100NR 6074NR 6168NR Limit 1083NR Spark Plug 6255NR 3122NR 6152NR (10ft) 0761NR (Call) 6170NR Toggle Switch
(1975-1983) 6169NR Flame Sensor 3825 (25ft) 1090NR Resistor Assy
Can Use Thermostat
150FAS 1166NR NA 10741NR Conversion 6100NR 6074NR 6168NR Limit 1082NR Spark Plug 6255NR 1168NR 6152NR (10ft) NA 1145NR 24Volt Transformer
(1988-1991) 6172NR Flame Rod 3825 (25ft) 6170NR Toggle Switch
6269NR Ball Control Valve
150FAS/SPC150FA1561NR NA M51605-02 / 7499NR (Call) 6100NR 6074NR 1550NR Limit 1083NR Spark Plug 6255NR 1168NR 6152NR (10ft) NA 6170NR Toggle Switch
(1992-1996) 3825 (25ft) Can Use Thermostat

—235—
Scheu Quick Parts Reference (Propane)
Scheu Quick Parts Reference (Propane Convection)
Scheu Gas Quick Parts Ref.
Model# Motor Thermocouple/ Ignition Control/ Valve: Safety/ Fan/Squirrel Safety Switches Igniter/Electrode Regulator Orifice: Pilot/Burner Hose Spark Generator Other
D.S.I. Auto Control Cage
150FAST/SPC150T 1561NR NA M51605-02 / 7499NR (Call) 6100NR 6074NR 1550NR Limit 1083NR Spark Plug 6255NR 1168NR 6152NR (10ft) NA 1734NR Thermostat
(1997-1998) 3825 (25ft) 1942NR Thermostat Knob
3087NR Inlet Grill
150FAST/SPC150T 1561NR NA 7801NR / 7808NR 6100NR 6074NR 1550NR Limit 1083NR Spark Plug 6255NR 1168NR 6152NR (10ft) NA 1959NR Wiring Harness
(1999-2002) 3825 (25ft) 1734NR Thermostat
1924NR Thermostat Knob
170FAST/SPC170T 2251NR NA 7808NR 6101NR 6074NR 6168NR Limit 8774NR 6257NR 2250NR 6152NR (10ft) NA 2254NR Thermostat
2003 3825 (25ft) 8777NR Burn Rate Adjustment Valve
8773NR Burn Rate Adjustment Knob
3500FA 1174NR NA 10741NR Conversion 1125NR 6073NR 1118NR Limit 1083NR Spark Plug6254NR Interior 5-20psi 3191NR 6151NR (10ft) 3275NR HI-LO 801 1122NR Thermostat
6169NR Flame Sensor 6253NR Exterior 40psi 2525 (25ft) 6119NR J S Filter
0945NR Tip Switch 1127NR 1000 Ohm Resistor
3500FAS 1174NR NA 1303NR (Call) 1125NR 6073NR 1176NR Limit 1083NR Spark Plug 6258NR 3191NR 6151NR (10ft) NA 1122NR Thermostat
0945NR Tip Switch 2525 (25ft) 6118NR Filter, Pipe Insert 1/4"
1507NR Thermostat Knob
3500FAC 1174NR NA Call 1125NR 6073NR 1316NR Limit 7118NR Electrode 6258NR 3652NR 6151NR (10ft) NA 1663NR Ceramic Burner Grid Assy
2525 (25ft) 1122NR Thermostat
6118NR Filter, Pipe Insert 1/4"
3500FACV 1174NR NA Call 1125NR 6073NR 6168NR Limit 7118NR Electrode 7406NR 3652NR 6151NR (10ft) NA 1663NR Ceramic Burner Grid Assy
2525 (25ft) 7431NR Ball Adjustment Valve
1734NR Thermostat
7000FACV 7618NR NA 7499NR 7721NR (qty 2) 7619NR 7661NR Limit 7118NR 7723NR 3913NR 7659NR (10ft) NA 1856NR Ceramic Burner Grid Assy
(1996-1998) 7722NR Air Switch 6689NR Wheel (qty 2)
1734NR Thermostat
7000FACV 7618NR NA 7499NR (1999) 7970NR (qty 2) 7619NR 7661NR Limit 7118NR 7723NR 3913NR 7659NR (10ft) NA 7660NR P.O.L Fitting
(1999-2002) 7801NR (2000-2002) 7722NR Air Switch 7663NR Ball Adjustment Valve
1734NR Thermostat
Model Thermocouple T.E. Safety Valve Igniter/Electrode Regulator Orifice: Pilot/Burner Hose Other
SPC25VC 6233NR 6104NR 6473NR Piezo 7919NR 4034NR Pilot 7918NR (10ft) 7161NR Piezo Nut
6045NR Clip 7111NR Power Coil 7916NR Electrode 4035NR Burner
SPC80C 8643NR 6104NR 6473NR Piezo 6255NR 8644NR Pilot 6152NR (10ft) 8654NR Ball Valve
80C 6045NR Clip 7111NR Power Coil 7652NR Electrode 8641NR Burner 3825 (25ft) 8651NR Ball Valve Nut
(2003) 8655NR Ball Valve Insert
80VC 6233NR 6104NR 6473NR Piezo 6255NR 7157NR Pilot 6152NR (10ft) 6655NR Ball Valve
(Pre 1999) 6045NR Clip 7111NR Power Coil 7160NR Electrode 3557NR Burner 3825 (25ft) 7161NR Piezo Nut
80VCA 6233NR 6104NR 6473NR Piezo 6255NR 7157NR Pilot 6152NR (10ft) 6269NR Ball Valve
6045NR Clip 7111NR Power Coil 7652NR Electrode 3557NR Burner 3825 (25ft) 7161NR Piezo Nut
80VCB 8643NR 6104NR 6473NR Piezo 6255NR 8644NR Pilot 6152NR (10ft) 8654NR Ball Valve
6045NR Clip 7111NR Power Coil 7652NR Electrode 8641NR Burner 3825 (25ft) 8651NR Ball Valve Nut
8655NR Ball Valve Insert
101 6235NR 6103NR (Brushed Aluminum) NA 6255NR 6108NR Pilot 6152NR (10ft) 6433NR P.O.L. Fitting
6515NR Knob 6112NR Burner 3825 (25ft)
SPC200C 8643NR 6104NR 6473NR Piezo 6256NR 8647NR Pilot 1591NR (10ft) 8654NR Ball Valve
200C 6045NR Clip 7111NR Power Coil 7652NR Electrode 8646NR Burner 8651NR Ball Valve Nut
(2003) 6252NR P.O.L. Fitting
SPC200VC 6234NR 6104NR 6473NR Piezo 6256NR 7708NR Pilot 6151NR (10ft) 6269NR Ball Valve
6045NR Clip 7111NR Power Coil 7652NR Electrode 3988NR Burner 2525 (25ft) 7161NR Piezo Nut
6252NR P.O.L. Fitting

Scheu Gas Quick Parts Ref.
—236—
Scheu Quick Parts Reference (Propane Convection)
Scheu Quick Parts Reference (Propane Radiant)
Model Thermocouple T.E. Safety Valve Igniter/Electrode Regulator Orifice: Pilot/Burner Hose Other
SPC225VC 6233NR 6104NR 6473NR Piezo 6256NR 7708NR Pilot 1591NR (10ft) 6252NR Ball Valve
6045NR Clip 7111NR Power Coil 7652NR Electrode 3988NR Burner 7161NR Piezo Nut
6252NR P.O.L. Fitting
SPC225VCA 6233NR 6104NR 6473NR Piezo 6256NR 7708NR Pilot 1591NR (10ft) 6269NR Ball Valve
6045NR Clip 7111NR Power Coil 7652NR Electrode 3988NR Burner 7161NR Piezo Nut
6252NR P.O.L. Fitting
SPC225VCB 8643NR 6104NR 6473NR Piezo 6256NR 8647NR Pilot 1591NR (10ft) 8654NR Ball Valve
6045NR Clip 7111NR Power Coil 7652NR Electrode 8646NR Burner 8651NR Ball Valve Knob
8655NR Ball Valve Insert
250 6233NR 6104NR NA 6256NR 3140NR Pilot 6151NR (10ft) 6269NR Ball Valve
(1985-1988) 6045NR Clip 7111NR Power Coil 3145NR Burner 2525 (25ft) 6252NR P.O.L. Fitting
250 6233NR 6104NR NA 6256NR 6716NR Pilot 1591NR (10ft) 6655NR Ball Valve
(1994-On) 6045NR Clip 7111NR Power Coil 3145NR Burner 6252NR P.O.L. Fitting
250A 6233NR 6104NR NA 6256NR 6716NR Pilot 6151NR (10ft) 6269NR Ball Valve
1986 6045NR Clip 7111NR Power Coil 3145NR Burner 2525 (25ft) 6252NR P.O.L. Fitting
250A 6233NR 6104NR 6473NR Piezo 6256NR 6716NR Pilot 1591NR (10ft) 6655NR Ball Valve
(1994-2000) 6045NR Clip 7111NR Power Coil 7160NR Electrode 3145NR Burner 7161NR Piezo Nut
6252NR P.O.L. Fitting
250H 6234NR 6104NR NA 6256NR 3140NR Pilot 6151NR (10ft) 6655NR Ball Valve
(1977-1994) 6045NR Clip 7111NR Power Coil 3159NR Burner 2525 (25ft) 6252NR P.O.L. Fitting
250P 6233NR 6104NR Valve 6473NR Piezo 6256NR 6716NR Pilot 6151NR (10ft) 6655NR Ball Valve
1991 6045NR Clip 7111NR Power Coil 7160NR Electrode 3145NR Burner 2525 (25ft) 7161NR Piezo Nut
6252NR P.O.L. Fitting
SPC250VC 6243NR 6104NR Valve 6473NR Piezo 6256NR 6716NR Pilot 6151NR (10ft) 6269NR Ball Valve
6045NR Clip 7111NR Power Coil 7652NR Electrode 3145NR Burner 2525 (25ft) 7161NR Piezo Nut
6252NR P.O.L. Fitting
Model# Thermocouple T.E. Safety Valve Switch: Safety Ignitor/Electrode Regulator Orifice: Pilot/Burner Hose Other
SPC9R E73404 O.D.S. Pilot Assy E73416 E73403 Tip Switch E73234 Piezo E11410 See Thermocouple E73701 (5ft-optional) E73439 Burner Tile
See Thermocouple E73414 Burner E73702 (12ft-optional) E73446 Complete Burner Assy
E73418 Burner Control Knob
11PHTT 8390NR 8401NR 8361NR Tilt Switch 8386NR Electrode 8360NR 8392NR 8397NR Knob
8403NR Ignition Wire
F273702 12" Ext Hose
SPC12IR 6233NR 7285NR NA NA 6257NR 3008NR 1016NR 0566NR Ceramic Grid
6045NR Nut 7111NR Power Coil 3017NR Grid Keeper (Qty 2)
1010NR Complete Burner Assy
SPC15R 8661NR NA NA 8663NR 8660NR Burner Head Assy NA 8664NR Grill
8662NR Nut (Qty 2) 7111NR Power Coil
SPC21PHTTS 8551NR 8553NR 8555NR Tilt Switch 8550NR Electrode 8552NR 8539NR NA 8554NR Knob
8541NR Nut 8557NR Door Knob
8558NR Door Latch
SPC24IR 6233NR 7285NR NA 6473NR Piezo (24P Only) 6257NR 3008NR (Qty 2) 1016NR 0566NR Ceramic Grid (Qty 2)
SPC24IRP 6045NR Nut 7111NR Power Coil 7395NR Electrode (24P Only) 3017NR Grid Keeper (Qty 3)
1010NR Complete Burner Assy (Qty 2)
SPC30R 8661NR (Qty 2) NA 8672NR Piezo 8663NR 8660NR Burner Head Assy (Qty 2) 8665NR (Qty 2) 8664NR Grill (Qty 2)
8662NR Nut (Qty 2) 7111NR Power Coil (Qty 2) 8666NR Electrode (Qty 2) 8673NR Piezo Nut
SPC35R 09352 00333 09357 Tip Switch CR375 Piezo 11695 05455 Call CR710 Wheel (Qty 2)
CR705 Ignitor CR725 Handle
CR720 Axle

—237—
Scheu Quick Parts Reference (Propane Radiant)
Scheu Gas Quick Parts Ref.
Model# Thermocouple T.E. Safety Valve Switch: Safety Ignitor/Electrode Regulator Orifice: Pilot/Burner Hose Other
SPC36AP 6233NR 7285NR NA 6473NR Piezo 6257NR 3008NR (Qty 3) 7309NR 0566NR Ceramic Grid (Qty 3)
6045NR Nut 7111NR Power Coil 7395NR Electrode 3017NR Grid Keeper (Qty 2)
8129NR Flat Tip Electrode 1010NR Complete Burner Assy (Qty 3)
SPC36IR 6233NR 7285NR NA NA 6257NR 3008NR (Qty 3) 1016NR 0566NR Ceramic Grid (Qty 3)
6045NR Nut 7111NR Power Coil 3017NR Grid Keeper (Qty 2)
1010NR Complete Burner Assy (Qty 3)
SPC42PH 8001NR 7999NR NA 6473NR Piezo 2075NR Assy 8063NR Pilot 2075NR Assy 8004NR Patio Knob
2085NR Electrode 4176NR Burner G1851 Acme Withdrawal Valve
SPC44PHW 8301NR 8304NR NA 8251NR Piezo 2075NR Assy 8306NR Pilot 8248NR 8004NR Knob
8302NR Electrode 8303NR Burner G1851 Acme Withdrawal Valve
SPC45PHS 8301NR 8304NR NA 8251NR Piezo 2075NR Assy 8306NR Pilot 8248NR 8004NR Knob
8302NR Electrode 8303NR Burner G1851 Acme Withdrawal Valve
SPC48IR 6233NR 7285NR NA 6473NR Piezo 6257NR 3008NR (QTY 4) 1016NR 0566NR Ceramic Grid (Qty 4)
6045NR Nut 7111NR Power Coil 7395NR Electrode 3017NR Grid Keeper (Qty 3)
8129NR Flat Tip Electrode 1010NR Complete Burner Assy (Qty 4)
SPC54PHW 8576NR (O.D.S.) 8603NR 8605NR Tip Switch 6473NR Piezo 2242NR Assy 8576NR Pilot (O.D.S.) 2242NR Assy 8692NR Wheel Assy
SPC54PHB Electrode Part Of 8576NR (O.D.S.) 8611NR Burner 8579NR Knob
8617NR Reflector (Dome)
SPC55PHS 8576NR (O.D.S.) 8603NR 8605NR Tip Switch 8577NR Pulse Igniter 2243NR Assy 8576NR Pilot (O.D.S.) 2243NR Assy 8579NR Knob
SPC55PHT Electrode Part Of 8576NR (O.D.S.) 8611NR Burner 8693NR Wheel Assy
8617NR Reflector (Dome)
SPC100RA 6235NR 6103NR (Brushed Aluminum) NA NA 6255NR 6108NR Pilot 6152NR (10ft) 6433NR P.O.L. Fitting
(Pre 1991) 6515NR Knob 6112NR Burner 3825 (25ft)
SPC100RA 6234NR 6104NR NA 6473NR Piezo 6255NR 7157NR Pilot 6152NR (10ft) 6269NR Ball Control Valve
(Post 1991) 6045NR Clip 7111NR Power Coil 3451NR Electrode 6112NR Burner 3825 (25ft) 6433NR P.O.L. Fitting
SPC125R 09352 00332 NA CR835 Piezo 11695 05363 Pilot Call CR810 Wheel (Qty 2)
CR805 Igniter CR820 Axle
SPC250RA 6234NR 6104NR NA NA 6256NR 7481NR Pilot 1591NR (10ft) 1007NR Hose & Reg Assy
6045NR Clip 7111NR Power Coil 7480NR Burner 6433NR P.O.L. Fitting

—238—
Scheu Quick Parts Reference (Natural Gas Radiant & Convection)
Scheu Quick Parts Reference (Natural Gas Forced Air)
Model# Motor Thermocouple Ignition control/ Valve: Safety/ Fan/ Safety Switches Igniter/Electrode Regulator Orifice: Pilot/Burner Hose Spark Other
D.S.I. Auto Control Squirrel Cage (Optional) Generator
80FASNG 1551NR NA 7499NR 6100NR 6086NR 1550NR Limit 1083NR Spark Plug 6259NR 1227NR 5010 10ft* NA Can Use Thermostat
(1996-1999) 6170NR Toggle Switch
6444NR Terminal Board
80FASNG 1551NR NA 7808NR 6100NR 6086NR 1550NR Limit 1083NR Spark Plug 6259NR 1227NR 5010 10ft* NA Can Use Thermostat
(2000-2002) 1959NR Wiring Harness
6170NR Toggle Switch
150FANG 1166NR NA 10742NR Conversion 6100NR 6074NR 6168NR Limit 1083NR Spark Plug 6259NR 3122NR 5010 10ft* 3275NR HI-LO 801 Can Use Thermostat
6169NR Flame Sensor 1243NR Amber Light
1251NR Resistor
150FASNG 1166NR NA 10741NR 6100NR 6074NR 6168NR Limit 1083NR Spark Plug 6259NR 1216NR 5010 10ft* 3275NR HI-LO 801 Can Use Thermostat
(1978-1990) 6172NR Flame Rod 6170NR Toggle Switch
150FASNG 1561NR NA M51605-02 (Call) 6100NR 6074NR 1550NR Limit 1083NR Spark Plug 6259NR 1216NR 5010 10ft* NA Can Use Thermostat
(1991-1998) 6170NR Toggle Switch
150FASNG 1561NR NA 7808NR 6100NR 6074NR 1550NR Limit 1083NR Spark Plug 6259NR 1216NR 5010 10ft* NA Can Use Thermostat
(1999-2002) 6170NR Toggle Switch
1959NR Wiring Harness
3500FA 1174NR NA 10741NR (Call) 1125NR 6073NR 1118NR Limit 1083NR Spark Plug 6254NR 3104NR CALL 3275NR HI-LO 801 1122NR Thermostat
6169NR Flame Switch 6119NR J & S Filter
0945NR Tip Switch 6271NR 30lb Guage
3500FACNG 1174NR NA CALL 1125NR 6073NR 6168NR Limit 7118NR Electrode 6258NR 3841NR CALL NA 1122NR Thermostat
1663NR Ceramic Burner
6118NR 1/2" Pipe Filter Insert
* You may need to use part #'s 54 and 10444 to adapt hoses for use
Model# Thermocouple T.E. Safety Valve Igniter/Electrode Regulator Orifice: Pilot/Burner Hose (Optional) Other
Scheu Natural Gas Convection
80VCNG 6233NR 6104NR 6473NR Piezo 6259NR 7253NR Pilot 5010 (10ft)* 6655NR Adjuster Valve
6045NR Clip 7111NR Power Coil 7160NR Electrode 3621NR Burner Low Pressure
101NG 6235NR 6103NR Brushed Aluminum NA 6259NR 6109NR Pilot 5010 (10ft)* Manual Ignition
6515NR Knob 6112NR Burner Low Pressure
Scheu Natural Gas Radiant
100RNG 6235NR 6103NR Brushed Aluminum NA 6259NR 6109NR Pilot 5010 (10ft)* Manual Ignition
(Pre 1992) 6515NR Knob 6113NR Burner Low Pressure
100RANG 6234NR 6103NR Brushed Aluminum NA 6259NR 7253NR Pilot 5010 (10ft)* Manual Ignition
(1992-1998) 6045NR Nut 6515NR Knob 6113NR Burner Low Pressure
100RANG 6234NR 7616NR Brushed Aluminum 6473NR Piezo 6259NR 7253NR Pilot 5010 (10ft)* 7161NR Piezo Nut
(1999-2002) 6045NR Nut 6515NR Knob 3451NR Electrode 6113NR Burner Low Pressure
125RN 09352 00332 CR835 Piezo 11666 05374 Pilot Call CR810 Wheel (Qty 2)
CR805 Igniter CR820 Axle
CR815 Axle Brackets
250RANG 6234NR 6104NR NA 7531NR 7479NR Pilot 5010 (10ft)* 6655NR Burner Valve
6045NR Nut 7111NR Power Coil 3743NR Burner 7496NR Burner Valve Handle
* You may need to use part#'s 54 and 10444 to adapt hoses for propper application
Scheu Gas Quick Parts Ref.

—239—
Always remember to match the model number of your heater with
the model number of the individual breakdowns in this section.
The breakdowns in this manual refer to the model specifically
listed on each individual page. Use a breakdown only if you have
the exact model match for your particular heater. If your model
number does not appear in the breakdowns, please call one of our technicians for
assistance.
If you need technical assistance, feel free to call PHP at 1-800-362-6951 or e-mail
us at techservice@phpdistribution.com. Whenever possible, please have your
model number and the nature of your problem before you place a call for
technical service.
Brand Names Include:
Pro Temp
Heat Hog
BTU’s and Description Fuel Type Heater Type Page No.
40,000 Propane Forced Air 240
50,000 Propane Forced Air 240
100,000 Propane Forced Air 240
150,000 Propane Forced Air 240
Wiring Diagrams` 241
Pro Temp Gas Fired Heaters
HEATER INDEX
Phone: 800-362-6951 • Fax: 800-255-7985
www.phpdistribution.com
Pro Temp Gas Heaters

—240— Phone: 800-362-6951 • Fax: 800-255-7985
www.phpdistribution.com
Pro Temp Propane Heaters
Model Numbers
Pro Temp Dayton
PT40GFA 3VE55A
PT50VGFA 3VE54A
PT100VGFA 3VE57A
PT150VGFA 3VE58A
Key
No. Description PT-40-GFA PT-50V-GFA PT-100V-GFA PT-150V-GFA
1 Out Shell 22-524-0006 22-524-0007 22-524-0008 22-524-0008
2 Inner shell Ass’y 22-524-0004 22-524-0004 22-524-0005 22-524-0005
3 Base 22-501-0001 22-501-0001 22-501-0002 22-501-0002
4 Height Controller 22-512-0001 22-512-0001 22-512-0002 22-512-0002
5 Base Cover 22-508-0001 22-508-0001 22-508-0002 22-508-0002
6 Inner Shell Cap 22-505-0001 22-505-0001 22-505-0002 22-505-0002
7 Thermocouple/Electrode Ass’y 22-504-0002 22-504-0002 22-504-0003 22-504-0003
8 Thermal Switch 22-603-0001 22-603-0002 22-603-0001 22-603-0001
9 Tubing Ass’y 22-605-0001 22-605-0001 22-605-0002 22-605-0003
10 Nozzle 22-081-0001 22-081-0002 22-081-0003 22-081-0004
11 Nozzle Nut 22-518-0001 22-518-0001 22-518-0001 22-518-0002
12 Handle 22-511-0001 22-511-0001 22-511-0001 22-511-0001
13 Flange Hexa Nut 22-518-0003 22-518-0003 22-518-0003 22-518-0003
14 Fan 22-514-0001 22-514-0001 22-514-0002 22-514-0002
15 Cushion Pad 22-509-0001 22-509-0001 22-509-0001 22-509-0001
16 Motor Ass’y 22-061-0001 22-061-0001 22-061-0002 22-061-0002
17 Guard 22-101-0003 22-101-0003 22-101-0004 22-101-0004
18 Round Bolt 22-503-0002 22-503-0002 22-503-0002 22-503-0002
19 Valve Ass’y 22-011-0001 22-011-0002 22-011-0003 22-011-0004
20 Inlet Connector 22-507-0001 22-507-0001 22-507-0001 22-507-0001
21 Spark Moudle 22-604-0001 22-604-0001 22-604-0001
22 PCB 22-521-0001 22-521-0002 22-521-0002 22-521-0002
23 PCB Case 22-506-0001 22-506-0001 22-506-0001 22-506-0001
24 Valve Knob 22-516-0001 22-516-0001 22-516-0001 22-516-0001
25 Power Cord Ass’y 22-131-0001 22-131-0001 22-131-0001 22-131-0001
26 Thermal Switch Cable 22-601-0001 22-601-0001 22-601-0001 22-601-0001
27 Hexa Nut 22-518-0004 22-518-0004 22-518-0004 22-518-0004
28 Regulator Ass’y 22-041-0001 22-041-0001 22-041-0002 22-041-0002
Pro Temp LP 40-150,000 BTU

—241— Phone: 800-362-6951 • Fax: 800-255-7985
www.phpdistribution.com
Pro Temp Propane Heaters
Pro Temp Wiring

—242—
Always remember to match the model number of your heater
with the model number of the individual breakdowns in this
section. The breakdowns in this manual refer to the model
specifically listed on each individual page. Use a breakdown only
if you have the exact model match for your particular heater. If
your model number does not appear in the breakdowns, please
call one of our technicians for assistance.
If you need technical assistance, feel free to call PHP at
1-800-362-6951 or e-mail us at
techservice@phpdistribution.com. Whenever possible, please
have your model number and the nature of your problem before
you place a call for technical service.
Brand Names Include:
Space Ray
Model and Description Fuel Type Heater Type Page No.
Space Ray RFPA10B, RFPA21A LP or NG Radiant 243
Space Ray RFPA25 LP or NG Radiant 244
Space Ray Heaters
HEATER INDEX
Phone: 800-362-6951 • Fax: 800-255-7985
www.phpdistribution.com
Space Ray Heaters

—243— Phone: 800-362-6951 • Fax: 800-255-7985
www.phpdistribution.com
Key Part
No. Number Description
1 0411400 Upper Head
2 0459302 Expanded Metal
Guard (short) (RFPA10B)
4 0436202 Heat Exchanger Assembly
(short) (RFPA10B)
6 0438000 Main Burner Assembly
(complete)
7 4185800 Burner Base
8 4185900 Burner Cap
9 0409401 Shutter Plate - Fixed
10 4058400 Burner Alignment Bracket
Assembly
11 0478301 Base Assembly
13 4180600 Warning Plate
14 4179502 Pilot Shield - Outer (RFPA10B)
15 4179501 Pilot Shield - Inner (RFPA10B)
16 0339902 Pilot Burner & Orifice FItting - Nat
#J129DDA3223 (RFPA10B-N6,N6C)
21 3033501 Pilot Burner & Orifice Fitting - Nat.
#J181EKA7221 (RFPA21A-N6)
26 0340103 Thermocouple (RFPA10B, RFPA21A)
27 0465900 Pilot Tubing - Baso Valve
28 4179900 Pilot Tubing - White-Rodgers valve
29 0352700 Break Away Fitting -
Comes w/valve & pilot orifice
32 0333902 Plug - 1/8” (Pressure Tap)
33 4183400 Burner Fitting Assembly
34 0325812 Main Burner Orifice (Nat.) #12
(RFPA10B-N6,N6C)
38 0369500 Gas Valve - Baso #H43BA-5D
40 0330710 Regulator - RV48 (Nat.)
42 0333304 Nipple 1/2 x 1-12
43 0333310 Nipple 1/2 x 3
44 0306800 Union (Complete)
45 0306803 Nut (Union)
46 0306801 Union Half - Female
47 0306802 Union Half - Male
Key Part
No. Number Description
48 4313600 Manifold Support & Nameplate Bracket
49 4135701 Instruction Manual (not shown)
50 4198800 Nameplate (State Gas Type) (RFPA10B-6)
53 4291801 Pilot Shield - Inner (RFPA21A)
57 0212715 Nut - Hex 1/2-13
58 0212916 Washer - Flat 1/2
59 4184700 Washer - Burner Fitting
60 0224701 Machine screw 1/2-13 x 1
61 4187701 Control Arm Kit - Nat (RFPA10B-N6)
RFPA10B - L6 (4247702)
RFPA10B - L6C (4247706)
RFPA10B - N6 (4247701)
RFPA10B - N6C (4114302)
RFPA21A - L6 (4115001)
RFPA21A - N6 (4114901)
CODE REFERENCE
N - Natural Gas L - LP Gas
6 - 100% Gas Shutoff Control - Manually Operated (Baso Valve)
6C - 100% Gas Shutoff Control - Manually Operated (White-Rodgers valve)
Model Numbers
RFPA10B
RFPA21A
2
4
34
20
Space Ray Propane or Natural Gas Radiant Heater
Space Ray 100-212,000 BTU

—244—
Space Ray 250,000 BTU
Space-Ray Propane or Natural Gas Radiant Heater
Key Part
No. No. Description
1 0411400 Upper Head
2 0459303 Expanded Metal Guard
3 0448500 Heat Exchanger Assembly
4 4125800 Burner Assembly (Complete-Incl. 5,6,7)
5 4201100 Burner Top & Bracket Assembly
6 0702200 Burner Tube
7 0430400 Air Shutter
8 4033800 Burner Target
9 0478301 Base Assembly
10 4180601 Warning Plate
11 0212715 Nut, Hex 1/2-13
12 0212916 Washer, Flat 1/2
13 4184700 Washer, Burner Fitting
14 0224701 Machine Screw, 1/2-13 x 1
15 4179501 Pilot Shield - Inner
16 4179502 Pilot Shield - Outer
17 0339902 Pilot Shield & Orifice Fitting Nat
#J129DDA3223
18 0339903 Pilot Shield & Orifice Fitting LP
#J129DDA4212
19 0334501 Pilot Orifice - Nat (.023”)
#Y90AA-3223
20 0334502 Pilot Orifice - LP (.012”)
#Y90AA-4212
21 0343700 Pilot Burner less Orifice #J129DDA
22 4168401 Pilot Tubing
23 0352700 Break Away Fitting (comes w/pilot orifice)
24 0360101 Nut,Compression 1/4” (comes w/Pilot valve)
25 0360001 Sleeve, Compression 1/4”(comes w/Pilot valve)
26 0306800 Union, 1/2 NPT (Complete)
27 0306801 Union Half, 1/2 FPT
28 0306802 Union Half, 1/2 MPT
29 0306803 Union Nut, 1/2” FPT
30 0316600 Pilot Safety Gas Valve #H19LA-1
31 0325833 Main Burner Orifice (Nat.) #33
32 0325842 Main Burner Orifice (LP) #42
33 0333004 Nipple, 3/8 NPT x 1-1/2”Long
34 0333810 Reducing Bushing, 1/2 x 1/4 NPT
35 0333820 Reducing Bushing, 1/4 x 1/8 NPT
36 0333904 Plug, 1/4 NPT (pressure tap)
37 0334008 Cross, 1/2 NPT
38 0334706 Locknut, 3/8 Conduit
39 0338402 Pilot Valve, 1/8 MPT x 1/4” OD Tube
40 0340103 Thermocouple 18” Long #K16BA-18
41 0408800 Bracket, Radiation Shield
42 0409800 Burner/Orifice Fitting
43 3028501 Manual Ball Valve 3/8”
44 3052401 Pilot Regulator #140T
45 3052700 Nipple, Hex Reducing 1/4 MPT x 1/8 MPT
46 3052701 Nipple, Hex Reducing 1/2 MPT x 3/8 MPT
47 3052800 Adapter, Reducing 1/2 FPT x 3/8 MPT
48 4184900 Manifold Holder Stud
49 0450802 Nameplate/Shield Assembly (State Gas Type)
50 4135801 Instruction Manual (Not Shown)
51 4187727 Control Arm Kit - Natural Gas
52 4187728 Control Arm Kit - LP Gas
CODE REFERENCE
N - Natural Gas
L - LP Gas
6A - 100% Gas Shutoff Control -
Manually Operated
Screws, nuts & washers are standard hardware items and can be
purchased at any local hardware store.
Model Number
4115101 - (RFPA25 - N6A) 250,000 Nat. Gas
4115200 - (RFPA25 - L6) 250,000 Propane
Phone: 800-362-6951 • Fax: 800-255-7985
www.phpdistribution.com

—245— Phone: 800-362-6951 • Fax: 800-255-7985
www.phpdistribution.com
Always remember to match the model number of your heater with
the model number of the individual breakdowns in this section. The
breakdowns in this manual refer to the model specifically listed on
each individual page. Use a breakdown only if you have the exact
model match for your particular heater. If your model number does
not appear in the breakdowns, please call one of our technicians for
assistance.
If you need technical assistance, feel free to call PHP at 1-800-362-6951 or e-mail
us at techservice@phpdistribution.com. Whenever possible, please have your
model number and the nature of your problem before you place a call for
technical service.
Brand Names Include:
Heat Wagon
Sure Flame
Model and Description Fuel Type Heater Type Page No.
Heat Wagon LVF90 Kerosene Forced Air 246
Heat Wagon HVF110 Kerosene Forced Air 247
Heat Wagon HVF180 (Present) Kerosene Forced Air 248
Heat Wagon HVF210 Kerosene Forced Air 249
Heat Wagon HVF300 (Present) Kerosene Forced Air 250
Heat Wagon HVF310 Kerosene Forced Air 249
Sure Flame S405P LP or NG Forced Air 251
Sure Flame S1505P LP or NG Forced Air 252
Heat Wagon/SureFlame Heaters
HEATER INDEX
Heat Wagon / Sure Flame

—246— Phone: 800-362-6951 • Fax: 800-255-7985
www.phpdistribution.com
Heat Wagon 90,000 BTU
90,000 BTU Heat Wagon Indirect Oil Fired Heater
Model Numbers
LVF90
Key Part
No. No. Description
1 1006000311 REAR GUARD
2 1086001711 AIR INLET FILTER
3 1094007311 PLATE
4 1002001311 GASKET
5 1086000111 AIR OUTLET FILTER
6 1094007211 COVER
7 1094008211 STATOR RING
8 1099001811 ROTOR
9 1099001411 BLADE
10 1001008311 JOINT
11 MANT#GRY4020 HANDLE
12 1040009411 MOTOR
13 1094006111 MOTOR SUPPORT
14 1033004411 IGNITION TRANSFORMER
15 1094143711 LOWER CASING
16 1094104211 FLAME SENSOR SUPPORT
17 1050000711 FLAME SENSOR
18 1087004611 FAN
19 1094143811 UPPER CASING
20 1039033211 HT CABLE
21 1030001111 IGNITION ELECTRODE
22 1094138011 COMBUSTION HEAD
23 1001017011 NOZZLE HOLDER
24 1088014311 NOZZLE
25 1078000211 HOSE
26 1078001611 HOSE
27 1086001911 OIL FILTER
28 1036001611 SAFETY THERMOSTAT
29 1043002655 CABLE + CONNECTOR
30 CAMERA#GRY025 COMBUSTION CHAMBER
31 SERBGRYP#040STD20 TANK
Key Part
No. No. Description
32 1022000911 WHEEL RING
33 1004000200 WHEEL
34 ASSALE#GRY4020 AXLE
35 1094004311 FILLING CAP
36 TELAIOT#GRY04020 FRAME
37 CAVAL#USA0180USAP2 POWER CORD
38 CRUSCGRYP#025F20 LEFT SIDE PANEL
39 1016001600 SCREW
42 1035001511 FUSE
43 1001016711 COVER
44 1047004111 CONTROL BOARD
45 1002005711 GASKET
46 1002002100 RUBBER GASKET
47 1023002411 BALL
48 1023004511 SPRING
49 1023002511 SCREW
50 1017002111 NUT
51 1067006911 CAP
52 1067007000DRAIN CAP
53 CRUSCGRYP#028C20 SIDE RIGHT PANEL
59 1001014711 SUCTION FITTING
60 1078000411 RUBBER HOSE
61 1067005800 HOSE HOLDER
62 1042003811 SOLENOID VALVE
63 1094138733 EXHAUST HOOD
64 1001015680 SPACER
65 1032001900 SWITCH
66 1002002755 SWITCH COVER
67 1043000600 SOCKET CASING
68 1043000400 SOCKET
69 1052001800 CAP
Pump Pressure Setting
4.8 PSI

—247— Phone: 800-362-6951 • Fax: 800-255-7985
www.phpdistribution.com
110,000 BTU Heat Wagon Indirect Oil Fired Heater
Model Numbers
HVF110
Key Part
No. No. Description
1 G06075-9010 Outlet cone
2 G06077 Chimney
3 G06079 Comb.chamber support
4 G06081 Combustion chamber
5 G06083-9010 Upper body
6 G06085-9010 Lower body
7 E10677-110 Motor with capacitor
8 E11208 Capacitor 20 uf
9 G06067 Motor flange
10 G06070-9010 Fan protection ring
11 T10207 Fan
12 M20402 Elastic plate
13 P30165 Inlet grille
14 I40330 Tube
15 I20104 Nipple
16 T20239 Filter with cartridge
17 G06104-9005 Filter support
18 I40329 Tube
19 C30307 Protection cable
20 P20174-9005 Handle
21 C30319 Plug
22 P20175-9005 Foot
23 I40331 Tube
24 I30695 Tube
25 I30737 Nipple
26 G06068-9005 Power lead hook
27 G08110-9005 Fuel tank
28 C30363 Fuel gauge
29 G06105-9005 Wheel axle
30 G06106-9005 Wheel axle support
31 C10548 Wheel
32 M20202 Spring washer
33 I25019 Drain plug
34 C30350 O-ring for drain plug
35 G00212 Control assembly
36 C30425 Seal
37 P50127 Control box cover
38 G06108-9010 Base
39 E50101 Limit switch
40 G06087 Blast tube
41 E50102 Fan switch
42 G06072 Sleeve
43 P50126 Control panel
44 E20508 Fuse holder
45 E10308 Fuse 10 amp
Key Part
No. No. Description
46 G06102 Switch support
47 E50437 Pressure switch
48 E20319 Terminal board
49 E20305 Terminal board
50 E11125 Relay
51 E10917-2 Transformer
52 G06109 Support for transformer
53 G06103 Support
54 E40107 Base for control board
55 E40113 Control board
56 G06073 Plate for components
57 E10102-P Switch, on-off
58 E20640 Thermostat plug
59 E20665 Thermostat socket cap
60 E30443 Power cord
61 E11030 Power indicator light
62 T20339 Nozzle .60 GPH 80 deg
63 I33001 Holder, nozzle
64 P20526 Burner flange
65 I31034 Nut 14mm
66 E10248 Electrode
67 G02078 HT cable connector
68 I40192 Fuel line
69 E50306 Photocell
70 E50307 Fixing clamp
71 E50308 Flange, photocell
72 C30352 Cable protector
73 T20429-1 Pump
74 T20118 Solenoid spool
75 T20117 Solenoid valve
76 I20115 Nipple
77 E10513 Coupling
78 E20953 Cable holder
79 E20854 Ring nut
80 I20325 Connection
81 I31130 Straight connector
82 I40332 Plastic tube
83 G06111-9005 Lifting bracket
84 C30319 Rubber tap
85 T20241 O-ring kit for filter
86 T20242 Filter Element
87 T20201 Filter with cartridge
88 T20234 O-ring kit for filter
89 T20208 Filter with cartridge
90 T20212 Filter housing
Accessories:
Duct 25 ft.: WD1225
Duct ring: AR110
Diffuser: 26350
Thermostat: THIDF
Heat Wagon 110,000 BTU

—248—
Heat Wagon 180,000 BTU
Phone: 800-362-6951 • Fax: 800-255-7985
www.phpdistribution.com
180,000 BTU Heat Wagon Indirect Oil Fired Heater
Model Numbers
HVF180
(Present)
Key No. Part No. Description
1 1087008133 FAN
2 1040012900 MOTOR
3 1001001300 JOINT
5 1089007200 COIL
6 1043004500 CABLE + CONNECTOR
7 1076004300 MICROHOSE
8 1067004100 FITTING
9 1089007100 PUMP
10 1018002900 WASHER
11 1066001300 FITTING
12 1067009100 OGIVE
13 1066001600 FITTING
14 1078000600 BACKFLOW HOSE
15 1078000100 INFLOW HOSE
16 1050001000 FLAME SENSOR
17 1039043600 HT CABLE
18 1094135533 BURNER HEAD
19 1088012100 NOZZLE
20 1030002100 ELECTRODE
21 1001017700 COVER
22 1033004600 TRANSFORMER
23 1032005500 LAMP
24 1032001700 ON/OFF SWITCH
25 1002002600 CAP
26 CAVAL#US10400USAP2 POWER SUPPLY CABLE
27 1035001800 FUSE
28 1002002855 CAP
29 1032005500 RESET PUSHBUTTON
30 1052001800 SOCKET CAP
31 1043000400 SOCKET BODY
32 1043000600 SOCKET CASING
33 1001017200 CONTROL PANEL
34 1001015680 SPACER
35 1047004600 BURNER CONTROL
36 1078000300 SUCTION HOSE
37 1066001700 FITTING
38 1067009100 OGIVE
39 1017002800 NUT
40 1094134900 FILTER BRACKET
41 1066001500 FITTING
42 1086000800 OIL FILTER
Key No. Part No. Description
42/1 1135000500 COVER
42/2 1002004200 O-RING
42/3 1002005100 GASKET
42/4 1086002800 CARTRIDGE
42/5 1002005200 O-RING
42/6 1052004900 HEATING ELEMENT
42/7 1135000600 FILTER GLASS
43 1066001300 FITTING
44 1067009100 OGIVE
45 1066001600 FITTING
46 1066001600 FITTING
47 1067009100 OGIVE
48 1066001200 SUCTION FITTING
49 1095011800 HANDLE
50 1090007533 GUARD
51 CONVGEN#MIR05536 AIR INLET
52 PORTISP#TOMM436 INSPECTION COVER
53 COPGEN#MIR05536 UPPER SHELL
54 1005000100 TANK CAP
55 1002002000 GASKET
56 1002002100 GASKET
57 1086001000 FILLING FILTER
58 1005000900 HANDLE CAP
59 1094046500 TANK SUPPORT
60 1023001500 SPRING
61 1005002000 WHEEL CAP
62 1022000300 SEEGER RING
63 1004001300 WHEEL
64 1094134100 AXLE
65 1094135733 AIR LOCK
66 1095011233 CHAMBER INLET
67 CAMGEN#MIR055 COMBUSTION CHAMBER
68 PROCAMGEN#MIR5H CHAMBER SHIELD
69 CONOMIR#055A36 AIR OUTLET
70 1094138733 FLUE COLLAR
71 1017002200 FIXING CLIP
72 CRPGEN#MIR18036 LOWER SHELL
73 SERBGEN#MU20 TANK
74 1046001500 AIR PRESSURE SWITCH
75 1080002600 AIR HOSE
76 1094171300 PLATE
77 1046001036 HOSE FITTING
Pump Pressure Setting
175 PSI

Heat Wagon 210-310,000 BTU
—249— Phone: 800-362-6951 • Fax: 800-255-7985
www.phpdistribution.com
210 - 310,000 BTU Heat Wagon Indirect Oil Fired Heater
Model Numbers
HVF210
HVF310
Key
No. HVF210 HVF310 Description
1 G08113-9010 G06114-9010 Outlet cone
2 G06077 G06077 Chimney
3 G06115 G06116 Comb. Chamber support
4 G06117 G06118 Combustion chamber
5 G08119-9010 G06120-9010 Upper body
6 G06121-9010 G06122-9010 Inspection cover
7 G06123-9010 G06124-9010 Lower body
8 E10678-110 E10679-110 Motor with capacitor
9 E11230 E11229 Capacitor 40 uf
10 G06125-9010 G06126-9010 Motor flange
11 T10260 T10261 Fan 18"
12 P30169 P30129 Inlet grille
13 I40330 I40330 Tube
14 I20104 I20104 Nipple
15 T20239 T20239 Fuel filter, heated
16 G06104-9005 G06104-9005 support, filter
17 I40329 I40329 Hose
18 P20174-9005 P20176-9005 Handle
19 C30319 C30319 Plug
20 P20175-9005 P20177-9005 Foot
21 I40331 I40331 Hose
22 I30369 I30369 Line
23 I30737 I30737 Nipple
24 G06068-9005 G06068-9005 Power lead hook
25 G06127-9005 G06128-9005 Fuel tank
26 C30363 C30364 Fuel gauge
27 G06105-9005 G06129-9005 Wheel axle
28 G06106-9005 G06106-9005 Wheel axle support
29 C10546 C10546 Wheel
30 M20202 M20202 Spring washer
31 I25019 I25019 Drain plug
32 C30350 C30350 Wheel cap
33 G00213 G00213 Components drawer
34 C30425 C30425 Seal
35 P50127 P50127 Control box cover
36 G06130-9010 G06131-9010 Base
37 I31130 I31130 Connector
38 I40332 I40332 Tube
39 I30325-1 I20325 Connector
40 I20235 I20235 Connector
41 I31130 I31130 Connector
42 E20953 E20953 Cable holder
43 E20954 E20954 Ring nut
44 C30307 C30307 Cable protector
45 E50102 E50102 Limit switch
Key
No. HVF210 HVF310 Description
46 M20107 M20107 Washer
47 E50101 E 50104 Fa n switch
48 G06132 G06132 Blast tube
49 G06133 G06133 Clip for duct
50 I40801 I40802 Duct
51 G06134 G06134 Air flap
52 P50126 P50126 Control panel
53 E20508 E20508 Fuse holder
54 E10313 E10313 Fuse 20 amp
55 G06102 G06102 Switch support
56 E50437 E50437 Pressure switch
57 E20319 E20319 Terminal board
58 E11125 E11125 Relay
59 E20305 E20305 Terminal board
60 E10917-2 E10917-2 Transformer
61 G08109 G08109 Transformer flange
62 G06103 G06103 Support
63 E40107 E40107 Base for control board
64 E40113 E40113 Control board
65 G06073 G06073 Plate
66 E10102-P E10102-P On-off switch
67 E20640 E20640 Thermostat plug
68 E20665 E20665 Thermostat socket cap
69 E30443 E30443 Power cord
70 E11030 E11030 Power indicator light
71 T20354 T20351 Nozzle 1.00 GPH 45deg
72 P10137 T10138 Burner head and electr.
73 E10254 E10254 Electrodes
74 P10134 P10134 Electrodes stirrup
75 I33002 I33002 Nozzle holder
76 I30685 I30685 Washer
77 P20529 P20529 Burner flange
78 G02076 G02076 H T cabble connectors
79 I40192 I40192 Hose
80 E50306 E50306 Photocell
81 E50307 E50307 Fixing clamp
82 E50308 E50308 Photocell flange
83 T20439-1 T20440-1 Pump
84 T20118 T20118 Solenoid spool
85 T20129 T20129 Solenoid valve (no)
86 T20117 T20117 Solenoid valve (nc)
87 I20115 I20115 Nipple
88 E10513 E10514 Coupling
89 T20241 T20241 O-ring kit for filter
90 T20242 T20242 Filter element
Accessories:
HVF210
Duct 25 ft.: WD1425
Duct ring: AR210
Diffuser: 26350
Thermostat: THIDF
Two-way adapter: AR212
HVF310
Duct 25 ft.: WD1825
Duct ring: AR310
Diffuser: 23189
Thermostat: THIDF
Two-way adapter: AR312

Key No. Part No. Description
1 1087008233 FAN
2 1040013000 MOTOR
3 1001017400 JOINT
5 1089007200 COIL
6 1043004500 CABLE + CONNECTOR
7 1076004300 MICROHOSE
8 1067004100 FITTING
9 1089006100 PUMP
10 1018002900 WASHER
11 1066001300 FITTING
12 1067009100 OGIVE
13 1066001600 FITTING
14 1078000500 BACKFLOW HOSE
15 1078000100 INFLOW HOSE
16 1050001000 FLAME SENSOR
17 1039043600 HT CABLE
18 1094135633 BURNER HEAD
19 1088014000 NOZZLE
20 1030002100 ELECTRODE
21 1001017700 COVER
22 1033004600 TRANSFORMER
23 1032005500 LAMP
24 1032001700 ON/OFF SWITCH
25 1002002600 CAP
26 CAVAL#US10400USAP2 POWER SUPPLY CABLE
27 1035000800 FUSE
28 1002002855 CAP
29 1032005500 RESET PUSHBUTTON
30 1052001800 SOCKET CAP
31 1043000400 SOCKET BODY
32 1043000600 SOCKET CASING
33 1001017200 CONTROL PANEL
34 1001015680 SPACER
35 1047004600 BURNER CONTROL
36 1078001000 SUCTION HOSE
37 1066001700 FITTING
38 1067009100 OGIVE
39 1017002800 NUT
40 1094134900 FILTER BRACKET
41 1066001500 FITTING
42 1086000800 OIL FILTER
42/1 1135000500 COVER
Key No. Part No. Description
42/2 1002004200 O-RING
42/3 1002005100 GASKET
42/4 1086002800 CARTRIDGE
42/5 1002005200 O-RING
42/6 1052004900 HEATING ELEMENT
42/7 1135000600 FILTER GLASS
43 1066001300 FITTING
44 1067009100 OGIVE
45 1066001600 FITTING
46 1066001600 FITTING
47 1067009100 OGIVE
48 1066001200 SUCTION FITTING
49 1095011700 HANDLE
50 1090007633 GUARD
51 CONVGEN#MIR08536 AIR INLET
52 PORTISP#TOMG436 INSPECTION COVER
53 COPGEN#MIR08536 UPPER SHELL
54 1005000100 TANK CAP
55 1002002000 GASKET
56 1002002100 GASKET
57 1086001000 FILLING FILTER
58 1005000900 HANDLE CAP
59 1094141600 TANK SUPPORT
60 1023001500 SPRING
61 1005002000 WHEEL CAP
62 1022000300 SEEGER RING
63 1004001300 WHEEL
64 1094141500 AXLE
65 1094135733 AIR LOCK
66 1095011333 CHAMBER INLET
67 CAMGEN#MIR085 COMBUSTION CHAMBER
68 PROCAMGEN#MIR8H CHAMBER SHIELD
69 CONOMIR#085A36 AIR OUTLET
70 1094138733 FLUE COLLAR
71 1017002200 FIXING CLIP
72 CRPGEN#MIR08536 LOWER SHELL
73 SERBGEN#G420 TANK
74 1046001500 AIR PRESSURE SWITCH
75 1080002600 AIR HOSE
76 1094171300 PLATE
77 1046001036 HOSE FITTING
—250—
300,000 BTU Heat Wagon Indirect Oil Fired Heater
Model Numbers
HVF300
(Present)
Phone: 800-362-6951 • Fax: 800-255-7985
www.phpdistribution.com
Heat Wagon 300,000 BTU
Pump Pressure Setting
175 PSI

—251— Phone: 800-362-6951 • Fax: 800-255-7985
www.phpdistribution.com
Propane or Natural Gas Sureflame Forced Air Heater
Key Part
No. No. Description
1 40SV01P Strainer (S400-80)
2 2524P Low Pressure Regulator
3 4514P Solenoid Shut Off Valve 24V
4 40SV04P Gas Selector Valve (S400-73)
5 2538P Manual Shut Off Valve 3/4” valve
6 2430P Motor 1/4 H.P.
7 2420P Fan Blade
8 40SB26P Burner
9 2142P Spark Plug
10 40SB28P Flame Rod
11 7465P 24VAC 5-Second Delay-ON-Break Timer
12 4519P Control Relay 24V
13 4510P Transformer 24V
14 5943P Direct Spark Ignition Control
15 5124P Air Switch
16 4519P Motor Relay 24V
17 2446P Hi Limit Thermoswitch
18 4518P Indicator Light 24V
19 2453P Thermostat
20 3337RP OFF Switch (Red)
Key Part
No. No. Description
20A 3337GP On Switch (Green)
21 5768P Terminal Block
22 S400-2P Heat Shield
23 S400-57P Front Leg Assembly
24 S400-47P Rear Leg Assembly
(less motor mount & screen)
25 4517P Control Box Lid
26 SC400-38P Valve Train Cover
27 S400-53P Heater Body Includes 22, 23 & 29
28 SFP3859P Motor Mount (with screen & rear legs)
29 S400-3P Nose Cone
30 SWK1P Wheel Kit (Optional)
31 40SV06P Regulator (Optional)
Parts Available - Not Shown
7510P 3/4” x 10’ Gas Hose with swivel (Optional)
HC1020P 6’ Powercord (14 GA)
HC1005P Ignition wire assy. w/fittings
Model Number
S405P
Sure Flame 400,000 BTU
For wiring diagram or
owners manual go to
www.heatwagon.com

—252— Phone: 800-362-6951 • Fax: 800-255-7985
www.phpdistribution.com
Sureflame Propane or Natural Gas Forced Air Heater
Key Part
No. No. Description
A1 S1505-56 Heater Body (Includes A10 & A11)
A2 2446 Limit Switch, 180ºF
A3 S1500-104 Control Box Lid
A4 S1500-501 Control Box
A5 7723 Control Box Seal
A6 2423 24” Fan Blade
A7 9262 Motor, 1HP
A8 Sl11B-53 Screen
A9 6119 Wheel
A10 SL11B-13 Nose Cone
A11 Sl11B-90 Heat Shield
B1 BV85-50 Burner
B2 2143 Spark Plug
B3 SL11B-86 Flame Rod
B4 2539 Manual Shut-Off Valve, 1-1/2”
B5 S1505-81 Gas Selector Valve, 1-1/2”
B6 2537 1.5” Solenoid Valve
B7 4490 2-Stage Regulator, 1-1/4”
B8 S1500-86 Strainer Assembly, 1-1/4”
B9 2528 Regulator (optional)
B10 4509 Gas Pressure Switch
C1 9625 Flame Controller
C3 S1500-108 Wiring Duct, 3”
C4 9612 Start Button Assembly
C5 S1500-718 Start Contact Block Assembly
C6 9611 Stop Button Assembly
C7 S1500-717 Stop Contact Block Assembly
C8 S1500-713 Thermostat Jumper Assembly
C9 8682 Thermostat Receptacle
C10 3868 Power Cord, 24”
C11 S1500-107 Wiring Duct, 7”
C12 5509 Snap Bushing, 1/2”
C13 S1500-710 Adjusted Air Switch
C14 9294 Vinyl Tube, 3/16”
C15 S1500-109 Air Tube
C16 5515 Rubber Grommet
C17 2554 Compression Fitting, 1/4” MNPT
C18 S1500-502 Air Tube Bracket
C19 9348 Connector, 1/8” MNPT x .170” 90º Elbow
C20 S1500-716 Remote Thermostat Assembly w/cable
D1 S1500-105 Mounting Rail
D2 9443 Ground Terminal Block green/yellow
D3 9264 Power Relay, 120V
D4 9826 Relay Clip
D5 9280 End Plate, Green
D6 9275 Terminal Block, Green
D7 9279 End Plate, Gray
D8 9277 Terminal Block, Red
D9 9283 Cross Connector, 2 Pole
D10 9284 Cross Connector, 3 Pole
D11 9285 Cross Connector, 5 Pole
D12 9276 Terminal Block, Gray
D13 9274 Terminal Block, Gray
D14 9278 Terminal Block, Gray
D15 9271 Fuse Holder
D16 9270 Fuse, 2A
D17 9273 Terminal Block, Gray
D18 9281 End Plate, Gray
D19 9282 End Plate, Gray
D20 9272 Terminal Block, Gray
D21 8659 Utility Box
Model Number
S1505B
Sure Flame 1,500,000 BTU
For wiring diagram
or owners manual
go to
www.heatwagon.com

—253—
This section focuses on the tools and supplies that are needed in
order to service oil and gas fired heaters. Hopefully, this portion
of the book will give you a better understanding of the common
supplies you will need to stock in your repair shop for expedient
repair services.
Of course, you can call one of our technicians at PHP at
800-362-6951 ext. 2 for advice on servicing your heaters and
getting set up to repair your customers heaters.
Repair shops can never have too many manuals and gauges on
hand. They will help you in servicing your heaters on a more
accurate basis. The CD Rom’s can assist you in training
employees, especially your new mechanics
Equipment and Supplies Page No.
Cable Ties 254
CD Rom’s 256
Electrode Setting Gauge 256
Gauge, High Pressure 0-160 PSI 256
Gauge, Low Pressure 0-15 PSI 256
Gauge, Low Pressure Liquid Filled 256
Ignition Wire Lead 254
Nozzles 255
Photocell/Safety Control Test Kit 256
Service Manual, Gas 256
Service Manual, Low Pressure 256
Wire Terminals 254
Troubleshooting CD 256
Miscellaneous Service Equip. & Supplies
Gauges
Hoses
Tools
Manuals
CD Roms
MISCELLANEOUS INDEX
Misc. Service Equipment
Phone: 800-362-6951 • Fax: 800-255-7985
www.phpdistribution.com

Ignitor/Electrode Terminals
—254— Phone: 800-362-6951 • Fax: 800-255-7985
www.phpdistribution.com
These are the most common types of terminals used on portable oil and gas heaters.
Belden Type GTO-15 Ignition Wire
15,000 Volt Rated; UL Listed
#41648
10' Ignition Wire #41650
25' Ignition Wire
•
Standard Nylon Cable Ties
Qty Minimum Overall
Cat. No. Per Bag Tensile Strength Length Color
33NCT4 25 18 lbs. 4" Clear
CV200S 100 50 lbs. 7”Clear
CV292 100 50 lbs. 11”Clear
CV432 100 50 lbs. 14”Clear
33NCT18 50 50 lbs. 18” Clear
90˚ Electrode Terminal
Part No. 55211
Package of 5
90˚ Non-Insulated Terminal
Part No. 55321
Package of 5
Straight Insulated Terminal
Part No. 55231
Package of 5 Straight Non-Insulated Base Stud
Part No. 55021
Package of 5
Straight Non-Insulated Terminal
Part No. 55221
Package of 5
#55211
#55321
#55231
Ignitor / Electrode Wire Terminals
Solderless - Reusable
Electrode leads for 6000V to 15000V transformers can be made to
order, call for details.

—255—
Other nozzles in stock, call for availability.
GPH - Gallons Per Hour
* The SG500 used dual nozzles at that time
Replacing the nozzle should be part of every high pressure oil tune up!
Nozzles
Desa High Pressure
Part# GPH x Degree Model#
M3292 .75 x 80˚A Old B100’s
M4792 .90 x 80˚B B125
M9108 1.00 x 90˚A B150, B155, F155
M27828 1.40 x 70˚A BV250
1000854 1.50 x 60˚H231
1001347-5 1.50 x 80˚B240
M18876 1.75 x 70˚A B220
M4857 1.75 x 80˚A B250
M51070-01 2.00 x 70˚A BV400/C
M50112 2.50 x 70˚A B350’s
M18303 2.75 x 70˚BV400CA
1000489-4 3.00 x 60˚B400
M14969 3.50 x 70˚AB500’s
M30765 4.00 x 80˚A B600’s
Stone High Pressure
46291 .65 x 80˚B SG100, SG120
46238 .85 x 80˚B SG150, SG160
46216 1.50 x 80˚B SG500 (1974-1977)
46215 2.00 x 80˚B SG300 (pre 1979)
46215 2.00 x 80˚B SG500 (pre 1976)
46294 3.25 x 80˚B SG500 (1977-on)
Kelly High Pressure
32206 .65 x 80˚B 90KSHS
32233 .85 x 80˚B 120KSHS
30266 1.20 x 80˚B 175KSHS
32014 2.25 x 70˚B 300KSHS
32101 3.00 x 80˚B 450KSHS
Toro High Pressure
Part # GPH x Degree Model#
154613 .50 x 90˚A
154466 .60 x 60˚W CH85, Lil Champ (+)
154615 .75 x 60˚B CH100 Air Scoop
154608 .75 x 90˚B CH100 Inline
154610 .85 x 60˚B CH120 (pre-1977)
Champ Ven-Tec
154389 .85 x 80˚B CH120 Air Scoop
VAL 6
154612 1.00 x 90˚A CH150 Inline
154611 1.10 x 60˚B CH155 (pre-1978)
154609 1.10 x 70˚B CPH160 Inline
154387 1.10 x 80˚B CH155’s
154614 1.10 x 90˚B CH155’s with high
speed burners
1.35 x 60 1.35 x 60˚ CH200/C
CH210 Air Scoop
154607 1.35x 70˚B
1000854 1.50 x 60˚CH210 Air Scoops
154388 1.65 x 60˚B CH230 (pre-1977)
154840 1.65 x 70˚B CH230
154744 1.65 x 80˚B CH230
147377 2.00 x 60˚B CH320’s
147531 4.50 x 80˚B CH650’s
Aeroil High Pressure
30266 1.20 x 80˚B HE-S-163
30279 4.50 x 80˚B 651TS
Universal High Pressure
M50112 2.50 x 70˚A K350
Phone: 800-362-6951 • Fax: 800-255-7985
www.phpdistribution.com
Nozzles

Heater Service Equipment
—256— Phone: 800-362-6951 • Fax: 800-255-7985
www.phpdistribution.com
Master Safety Control/Photocell Tester Part No. HA1170
Portable battery operated
(9V battery not included, available as our part no. HD-9V).
Check all low pressure safety controls and low pressure photo cells for proper operation.
A new tool that is a must for all Portable Heater servicemen, especially for the new HSI heaters.
(HSI ignition controls, photocells and glowbars)
Electrode Setting Gauge Part No. 40445
Just slide over nozzle and set electrode.
Works great on Wayne Burners and Champion, Century,
Porta Heat, and Guardian Heaters.
Part No.
HA1170
High Pressure Gauge 0-160 PSI
Part No. G14494
For Oil Fired Heaters. This test gauge is used to set
pump pressure on oil heaters equipped with a high
pressure pump (100+ PSI).
Liquid Filled Low Pressure Gauge
Part No. 559L-153438
For Oil Fired Heaters. Mounting is on back of gauge instead of bottom of
gauge. Most accurate and longest lasting gauge available today! (0-15 PSI)
Essential Tool Kit For Repair Shop
Part No. RS100
Kit Includes
•HA1170-Safety control tester
•HA1180-Low pressure gauge
•40445-Electrode setting gauge
•22T-Technical service catalog
Low Pressure Gauge 0-15PSI
Part No. HA1180
For Oil Fired Heaters. Test gauge is used when
adjusting the pump pressure on low pressure oil
fired heaters. A must for use on HSI heaters!
Heater Service Equipment
Heater Service
CD Roms
Low Pressure Oil Fired Service Manual
We have developed our own 160 page service manual that
covers all three manufacturers of low pressure oil fired
heaters; Desa, Toro, Scheu.
Part No. SM70106
Part #CDTECH
Part #CDTS
Part #CD70101
Tech
Service
Manual
On CD
Interactive
Heater
Troubleshooting
CD
Part #CDGF
Gas
Fired
Manual
On CD
Low
Pressure
Manual
On CD
$9.95
SM7
01
06
®
2
006
P
ortable
Heater
Pa
rts
V
ersion
V
ersion
V
3
SERVICE MANUAL
for
Oil Fired Heaters
Low Pressure High Pressure Indirect Fired

—257—
Equipment and Supplies Page No.
Batteries 258
Chimney Glass Selection Chart 262
How to clean a wick 261
Ignitors 258
Kerosene Additive 258
Mica Windows 258
Wick Selection Chart 259
Siphon Pumps 258
Wick Heater Accessories
Kerosene Wick Sales Ideas for Independent Dealers
AT PHP we sell wicks from Cans Unlimited. Cans offers the most attractively packaged wicks, and they
are the most thoroughly tested.
Their English laboratory maintains over 200 different heater models to insure that the wicks fit perfectly
and burn at maximum BTU outputs using American fuel.
Some of this year’s production lot was tested in 20 different heaters in June 1995. The average
percentage above the heaters rated BTU output was 9%. This is very important for customer satisfaction
because a heater with a new wick should give the proper BTU output on the low setting. As a wick builds
up tar, it must be turned up a little higher to maintain normal combustion. When the heater is turned as
high as possible to burn normally, it is time to dry burn. Dry burning cleans the tar from the top of the
wick. This lowest setting is used again for normal burning as the cycle starts over.
This is great advice for your customer, but he needs to buy your superior quality wick to take advantage
of it. There are many cheap generic wicks which cannot provide the proper combustion on the lower
settings.
Some customers want to know if graphite coated fiberglass will accumulate less tar than white fiberglass.
One factory that made that claim conducted a test using 80% kerosene and 20% diesel. After 15 1/2
hours the black top had 1,051 milligrams of tar and the white top had 1,651 milligrams. Besides proving
nothing about using 100% kerosene, the test may really show that fuel transference to the top of the
wick was better with the white top. The white top averaged 9,074 BTU; the black top was 8,840 BTU.
Not bad for a dirtier wick.
ACCESORIES INDEX
Phone: 800-362-6951 • Fax: 800-255-7985
www.phpdistribution.com
Wick Heater Accessories

Wick Heater Accessories
—258— Phone: 800-362-6951 • Fax: 800-255-7985
www.phpdistribution.com
Siphon Pumps
Mica Windows
#58 - Universal - Can be cut to fit all wick heaters
Batteries
Part #A60 Battery Operated
Requires 2 “D” cell batteries, not included
AL-D - 6 pack “D” cell batteries
Battery Operated Pump Manual Siphon Pumps
Part #SI60 Individual Bag
Part #A40 12 Pack
Wick Ignitors
Part# Models Ignitor Fits
P10A Most popular plug fits Aladdin, Corona,
Kero Sun, etc.
P20A For heater you must pull a knob to light.
Fits Sanyo 30, 41, 42, 300, 420, 510
Yuasa J10, 40, 50 etc.
P30A Fits Crestline, Noble Warm Knight,
Sanyo 28H, 240, 280, Hamai 24,
Turco, Yuasa J5, J20, J45, J46
Please consult your manual to make sure you get the correct ignitor.
Scented Kerosene Additive
A high quality kerosene treatment. Will help
eliminate water and reduce odor! There are
24, 8 oz bottles in a case.
Six each of the following:
A09P - Pine
A09H- Honeysuckle
A09HB - Holly Berry
A09R - Rose
Individual bottles are available for sale.
One bottle treats 80 gallons.
For use in wick heaters only.
Ray-O-Vac Alkaline Batteries
-sold by pkg only
Part# Description Ctn. Qty.
AL-C Size C, 6 pack 12 pkgs.
AL-D Size D, 6 pack 12 pkgs.
AL-AA Size AA, 8 pack 12 pkgs.
AL-AAASize AAA, 8 pack 12 pkgs.
AL-9V Size 9 volt, 6 pack 12 pkgs.
Ray-O-Vac Heavy-Duty Batteries
-sold by pkg. only
Part# Description Ctn Qty.
HD-D Size D, 6 per pack 12 pkgs.
HD-AA Size AA, 8 per pack12 pkgs.
PHP
accepts
No Extra Fee

—259—
Wick
Part # Make/Model Igniter#
ALADDIN
6 B-131 Temp-Rite 8 (SW1820) P10A
7 B-231 Temp-Rite 95 P10A
7 B-331 Temp-Rite 11 P10A
23 B-431 Temp-Rite 15 P10A
23 B-531 Temp-Rite 16 (SW5720) P10A
23 B-631 Temp-Rite 20 P10A
1A C-381U Temp-Rite 9 P10A
20 C-581 U Equator P10A
19 J-175 Silver WIng P10A
7B J-180 Pet (PN1020) P10A
37 J-280 Blue Flame (Japan) P10A
6A J-380 Young II (YW3020) P10A
7 J-480 Happy II P10A
7 P-32001 (HN 4020 B)
7B Happy Heater (HN 4020A)
7A J-580 Mark II (MW 5020) P10A
17 J-680 Lassie (LW 6020) P10A
1A S-131 Supra 200 (SW 2020) P10A
6 S-181 Tropic P10A
1A S-231 Supra Fan P10A
6 S-281 Temp-Rite 7 (SW 1120) P10A
23 S-331 Supra 300 P10A
1A S381U Temp-Rite 9 (SW 3120) P10A
23 S-431 Supra 400 P10A
7 S-471 Temp-Rite 95 (SW 4720) P10A
7 S-481 Temp-Rite 10 (SW 4120) P10A
23 S-571 Temp-Rite 15 (SW 5620) P10A
20 S-581 Equator (SW 5120) P10A
23 S-681 Equator II P10A
41 TR-2000 (TR2020) P15A
42 TR-3000 (TR3020) P15A
30 TR-4000 (TR4020) P10A
23 TR-5000 P10A
3 TR-6000 (TR6020) P10A
23 TR-7000 P10A
37 Blue Flame 3" Dia. Heater Wick
with rectangular clip fittings
37A Blue Flame 3" Dia. Heater WIck
with two round pin fittings
37A Series 8 and Series 15 Blue Flame
(Made in U.K. or Iran) H210, 42202
37A P159905, P150056 Standard
Blue Flame
37A P150060 Deluxe Blue Flame
37A P150080 Economy Cooker Heater
37A Outdoor Cooker Heater, H2201
Pastel Green
37 JH210 (P169901) Series 16 and
25 (U.K.)
49 001 Silhouette, 0002, 0003
49 Aladdinette P2902, Series II,
new series
49 Aladdinaire Double Two 0004; Duet
49 2901, 2902, 3901 Kindeler
49 No. 201 and 202 Burners, P939907
50 Greenhouse Series 22
50 Master Gardener Deluxe w/2" Burner
50 No. 203 Burners, P929905, P330001
50 Aladdinique Series 26
50 Treble-O-One, Trebel-O-Two
50 Treble-O-Three, Trebel-O-Four
51 Part N-230, Ref #51, Series 23 Burners
51 Deluxe Greenhouse w/1" Burner
52 1" Ref #55, Series 21, 21c; Part R-199
52 Aladdinette P2901, Greenhouse w/1" Burner
53 1" Lamp Wick, Model B-C-21C
53 Part No. P989986
54 Model 14, P989902, 1" Wick
55 Model 11, 12; P989952, 1" Wick
56 1/2" Diameter Wick, Model 32 Blue Flame,
P999908
N/A BiAladdin Sahara
N/A Model 51, Model 61, Model 63
N/A Model S-1, Model S-2
ALLIED
7B YD-789NA, YD-789
7 JG-221, SunRed, TD-815
4 YD-818
ALOHA
21 JY-1120 P10A
3JY-1130 P10A
7B JY-4265, JY-426 P10A
7 JY-7475, JY747S P10A
31 JY-505 P10A
AMERICANA
24 AR-68 P30A
2 AR-100 (9,500 BTU) P30A
3A AR-140, AC-200 P20A
Wick
Part # Make/Model Igniter#
AMERICAN WICK HEATER
8 AWHC-2230
1A AWHR-1100
7C AWCS-8500
ARTIFEX
6 S-100 P10A
2 S-200
3A S-300
A.P.I. ARTURO
4 YD-818 P10A
21 JY-1120 P10A
3JY-1130 P10A
7B JY-426A; YD-789NA P10A
7A KF-3200A P10A
AVANTI
2 KH-10 P30A
3A KH-20 P30A
BANDO
1 BK-96 P10A
5 BK-195 P10A
BASIC
47 145
45 650,700
BOMBARDIER
7 CR-10, R-12 P10A
23 R-15, C-20 P10A
BOSS
39 Boss 8
BUTTERFLY
5A Cookstove 2688
CANDLE
22 12,000 Btu Conv.
10 8,000 Btu Radiant
CITATION
6 SCJ2012, 2013
7 SCJ2015, 2016
23 SCJ2017, 2020
CODEP
25700 P30A
3A 5800 P30A
COMFORT GLOW
8 C20000, C20000A P10A
3 C22,600 (WA3090) P10A
3B C22,800 (pins)
38 GRW-6 (6800 Btu) P10A
15* GRB-8, GRW-8, A P10A
16* GR-8X, GRW-8B P10A
16* GR-9, GR-9A, GR-9B P10A
16* GRF-9,9A,GRF-9B P10A
12 GC-11 (WA3000) P10A
12 GC-11A;11B (WA3030) P10A
8 GC-19 (holes)WA3050 P10A
8A GC-19A (pins) WA3010 P10A
8A GC-19B (holes)WA3040 P10A
16-2P R10,000 (WA3080) P10A
42 R10,500 P15A
8 R15000 (WA3060) P10A
3A SC-20 (WA6020) P30A
2 SR-10 (WA6000) P30A
3A SR-14 (WA6010) P30A
42A SX-2E (WA3095) clips
15-2P WA1000 (RT-4)
15T WA1010 (RT-4A)
16-2P WA2000 (RT-5)
16T WA2010 (RT-5A)
COMFORTEMP (GOLDEN GLO)
3 GG 8440 P10A
21 GG 8445 P10A
9 GG 8420 P30A
COMFORTOR (Litwin)
2 110, 150
8200
COMMANDER
1 CH-96 P10A
1C CH-100 P10A
COSY
5A 100 P10A
4 200A P10A
2 260, 500 P30A
3A 420,510 P20A
Kerosene Heater Wick Selection Chart Listed By Heater
Wick
Part # Make/Model Igniter#
CORONA
21A 18-DK P10A
21 11-DK, A; 17-DK,A, B,C P10A
30 12-DK, SL-5 P10A
3 22-DK, A, B, C; XL-DK P10A
3B 23-DK P10A
28 SP-DK, SP-DX, A, B P10A
28 SX-3, C, F; SX-5 P10A
4 SS-DK, SS-DX P10A
29 ST-DK P10A
31 SX-1; SX-2, C; SX-L P10A
32 SY-13; SY-35 P10A
42A SX-2E, SX-2EF P10A
CRESTLINE
25 3000,3010, 4000, 4010 P30A
26 3500, 3510, 4500, 4510 P30A
26B 3520, 3521 P30A
16* 3530,3531,63206,63205 P10A
16* 63203 P10A
27 3600, 3650, 4600, 3601 P30A
26A 3700,4700 P30A
20A 3800, 3801 P30A
12 63304
3 3870 P30A
8 3880, 3881, 63305 P10A
DANRICH
24 Danrich I P30A
10 Danrich II P10A
DESIGN HOUSE
9 11-2602-49, 11-2605-38 P30A
9 11-2604-38,11-2609-04 P30A
40 11-2606-38 P30A
9A 11-2607-38, 11-2608-58 P30A
9 11-2609-04
40 11-2612-04
DIXIE ( See Everglow)
DYNA GLOW
1 14-2601-32, 14-2602-32 P10A
1 Radiant 20 P10A
3C RMC95-C P30A
9 14-2602-38; Radiant 30 P10A
9A 14-2602-45 P10A
8 14-2603-32; Maxi 20,000 P10A
EASY
1 EZ 2200; EZ 2220 P10A
5A EZ 4750; 100 P10A
EGAWA
3A HKS-50; HK-350
EMERSON (Sunshine)
6 R-800 P10A
7 R-1200 P10A
23 C-1500 P10A
ENERGY MART
15* EM-22A, EM-25 P10A
16* EM-M221, EM-F221 P10A
8 EM-51C (holes) P10A
8A EM-51C (pins) P10A
12 OSO31 P10A
6 EM-1702-RX P10A
38 EM-1720-EX P10A
ENERGY STAR
17 EKS-123R P10A
3A EKS-146C P10A
5 EKS-198C P10A
ENVIROTEMP
24 30460 (6800 Btu) P30A
2 30462 (9500Btu) P30A
2A Radiant 101, 30497 P10A
2A Radiant Fan 111, 30494 P10A
3A 30464 (18000 Btu) P20A
8B Omni 230 (23,000 Btu)30495 P10A
5C Omni 200 (20,000 Btu)30498 P10A
1C Radiant Fan 110, 30499 P10A
8 CV-2230, 30496 P30A
1A CT1100 (30492),CT1200(31495)P30A
1A CT1100F,RF 1300 (31495) P30A
3B 23-DK (22,800 BTU) ,30441 P10A
3C CV-2300 (31493) P30A
EVERGLOW (Evergo)
7B P-E1, P-E3, PE-12 (30486) P10A
6A P-E2 P10A
7A PT-E4 (30487) P10A
17 PT-E5, PT-E16 (30489) P10A
18 P-E8 (30488) P10A
EVERSPLENDOR
1HT-2
FANCO
8 Warm Air Series 22, Conv.22P10A
1 96, 9600; 100 P10A
Wick
Part # Model Igniter#
FLAMEGLO
490
5910
2 920, 926 P30A
3A 942,950 P20A
FUJIKA (FUJICA)
7 New Family KRF225 P10A
7B KSP222, 231 Hi Pet, KS-10 P10A
7B KSP-1 KSP229 New Pet P10A
7B KS-3, KS225 Hi Family,KSC-221A
33 OSJ3 Jumbo P10A
7A OSL-21; Mark II; KF-3200A P10A
7A KS-4A, KS-4AD P10A
6A KS-2A P10A
18 KS-8, KS-8A P10A
17 KSL-301A New Lassie P10A
FUJISUN
2KK-01 P30A
3 KK-02 P30A
FUTURA
18 E-8 Emporer P10A
7B FH-11 The Duke (E-3) P10A
6A FH-21 The Duchess (E-2) P10A
7A FH-31 The Queen (E-4) P10A
17 FH-41 The King (E-5) P10A
33 FH-51 Jumbo P10A
4 RB-2 Rainbow P10A
GEMINI III
1 10,000 P10A
5 20,000 P10A
7 Family P10A
3 Trojan Model 17000 P10A
GENERAL
11 YG3750, YK586
GERALD
45 GH-6,GH-7,GH-11,GH-15 N/A
2 GH-12, GH-14, GHR-95 P30A
3A GH-16, GH-18, GHC-180 P20A
GOLDEN GLO(See Comfor-Temp)
GLO
31 GLO 70 P10A
HALLMARK
7 HTR-95 P10A
2 HSC-98
3 HSC-180 P20A
HAMAI
2 HKS-25; HKF-100 P30A
3A HKS-50; HKS-60 P30A
HANDY MASTER
38A HM-8 P10A
16T HM-10 (Top Piece) P10A
16-2P HM-10 (Complete) P10A
8 HM-19 P10A
HANSON
25700 P30A
3A 5800 P20A
HEAT BUSTER
9 HB 105 P10A
5 HB 1950 P10A
HEAT-GLO
9 TS-106 P30A
6SK-80 P10A
5 SK-200C P10A
14 TS-200J, TS-201J P30A
3A SK-150, SK-152C P20A
HEAT MATE
10 400, 400E,500 P10A
11 450, 600E, 600EW (K-950) P10A
10 650GE, 650GEW;670GED P10A
10 670GEDW,700EF;810(K850) P10A
22 800 (K-950C) P10A
11 1010, 1050 P10A
3A KA-1 2000 P10A
1 K-5 P10A
2K-10 P10A
8 K-20, 2200 P10A
HEAT-MOR
2 A7000, A9600 Sanyei
HENRY ISLAND (See Futura)
HIKARI
11 KS-98
HITACHI
26 OVH-230GE; OVH-231GE
26 K-9200
25 OVH-185GE; OVH-186GE
27 OVH-220
*15T & 16T are Top piece only
15-2P & 16-2P are complete two part assemblies
Phone: 800-362-6951 • Fax: 800-255-7985
www.phpdistribution.com
Wick Selection Chart

Wick Selection Chart
—260— Phone: 800-362-6951 • Fax: 800-255-7985
www.phpdistribution.com
Wick
Part # Make/Model Igniter#
HUSKY II
3 Husky II
IMARFLEX
1 10,000; 10,500, 11,000 P10A
8 20,000, 21,000, 22,000 P10A
INTERNATIONAL
7 T-204 Cook Stove
KAI (Kupanoff)
3A 2000 P30A
KERO HEAT
3C CV-2300 P30A
1 CT-1000, IT-1000 P30A
2 BT-1000, CT-1400, CT-1500 P30A
8 CV-2000, CV-2200, CV-2230 P30A
1A CT-1100 P30A
KENROY (Kero Heat)
7A 10-5R, 10,500 P10A
7B 10-2R, 10,200 P10A
6A 7-2R, 7,200 P10A
17 12-3R, G-104, 12,300 P10A
KERO KNIGHT
7B Kero Knight D 789 P10A
KERO SOLAR
4 KMI-80 P10A
1 KMI-82, Master VM-180 P10A
KERO SUN
5C DC-90 P10A
5 Director pre-A,A,B (#008076) P10A
5A Director pre-A, A, B P10A
48 Model K cook stove (#013024) N/A
4 (cotton) Moonlighter D,E,F,G P10A
4A (fiberglass) Moonlighter D,E,F,G P10A
4B (pins) Moonlighter H,I,J P10A
4 Omni 15 pre-A,A,B,C (#005025) P10A
1B (pins) Omni 85B, C, 1978 P10A
model (#007024)
1D Omni 85D,E,F,G,H (#007075) P10A
2A (pins) Omni 85I,J,K,L (#20450013) P10A
5B Omni 105D (pins) 1978 P10A
model (#008024)
5 Omni 105,E,F,G,H,I P10A
5 (no pins) #008076 (#20451913) P10A
5C (pins) Omni 105J,K,L (#20450113)P10A
8B Omni 230 (Toyoset), Omni 105 M P10A
8B Omni 120 A, B (#20451513) P10A
5C Omni 200 Toyoset (#20450113) P10A
1 Radiant 8 pre-H, H, I (#001024) P10A
1 Radiant 10G, H, I, J (#20451613) P10A
1D Radiant 10K, L, M (#20452513) P10A
2A Radiant 40, Radiant 10, Type N,O P10A
(#20450013)
1 Radiant 22 P10A
1C Radiant 36 B,C,D,E,F,G (#004024)P10A
1C Radiant 100 (#20451613) P10A
2A Radiant 101, Radiant Fan 111 P10A
1C Radiant Fan 110 (Toyoset) P10A
2A (pins) Sunstream II P10A
1C Sunstream pre-A,A,B,C P10A
KERO-TECH (K-Tech)
22 35 Beacon P30A
3A 45 Beacon, 180 Beacon P20A
24 Calor P30A
2 Companion, Resident, Sable P30A
IMPORTANT INFORMATION ON WICKS
FOR KERO-SUN: Models Omni 105,
Omni 85 & Rad 10
A. LETTER DESIGNATION: This can be
found as part of the lot number on
heater.
B. Pin Wicks 2A and 5C fit newer heaters
that have wick drop type shut-off
mechanisms.The wick is automatically
lowered by pushing a button to the left of
the knob (2A) or turning a little knob to
the left of the wick knob (5C). All these
heaters have a feature called a "wick life
extender".
C. Wicks 1, 1D, and 5 do not have pins.
The wick does NOT automatically drop.
These heaters have SLIDE shut off
assemblies that smother the flame by
covering the wick with a metal cover.
Omni heaters have a handle on the right
side for this purpose. Radiant heaters
have a slide handle on the left.
D. Wicks 1B and 5B have pins. The shut
off mechanisms are the same as
described in section C. These heaters
were made before 1979.
NOTE: Numbers in () are original wick numbers.
Wick
Part # Make/Model Igniter
KEROTEMP
5 Kero Temp P10A
KEROVIC
9 Kerovic 98-KV01 P30A
KEROWORLD
3 KW-23 P10A
3B KW-23B (pins) P10A
3C KW-24 P30A
21A KW-18 P10A
42A KW-10 P10A
KERRAY (KER-O-RAY)
1A Hawaiian P10A
3 Husky II P10A
6A Survivor II P10A
8 Survivor III P10A
7 Tahitian, Tahitian-DX P10A
7B Texan, Texan II P10A
33A Sahara P10A
KETAC
1 Ketac KHF-100 P10A
KEYMAR
25 K-7200 P30A
26 K-9200 P30A
4 KM80 Sundowner P10A
30 KM120 Sundance P10A
21 KM180 Sunfire P10A
28 RM1270 Sunseeker P10A
31 RM920 Sunglow P10A
46 SSM-150, Sunstove SM-740P10A
KOEHRING
15* KRB-8, KRW-8, KRB-93 P10A
16* KRB-93A, KR-9, KRD-93, A P10A
16* KRF-9A, KRF-93, A P10A
8 KC-19 (holes) KCM-200 P10A
8A KC-19A, KCM-200 P10A
12 KC-11,A,B; KHL-120,A; P10A
12 KCM-120 P10A
38 KRB-68 P10A
KNAPP MONARCH
9 18-2614-91 (11,500 BTU)
40 18-2515-91 (22,500 BTU)
9 18-2616-58; 11,000
40 18-2617-32 (20,000 BTU)
9 18-2619-91 (11,000 BTU)
40 18-2606-38, 2612-32
KOGY and KOZY
5A 100 P10A
4 200A P10A
2A 500 P10A
KUPANOFF
3A KAI 2000
LEO PET
1A LKH-22E P10A
LESLIE LOCKE (WarmUp Squad)
7B KH-1; KH-4 P10A
7A KH-7 P10A
17 KH-10 P10A
18 KH-15 P10A
LITWIN (see Comfortor)
LOUDI
7B F-100 Badger P10A
7 F-115 Arctic Sun P10A
3 E-196 Huski II P10A
6A E-720 Alaskan P10A
1A E-960 Yukon P10A
MAGNUM
3 Magnum 23 P10A
MAXIM
7 ICC 747, 737, IMCC 797 *
7 KSF-225, KSP-225 *
MEGA (See Futura for P-E Nos.)
(See Hamai for HKS Nos.)
MITAKA
5 Mitaka 7-201 P10A
MULTIPLEX
4 YD-818 P10A
1 HT-02 P10A
7B YD-789NA; YD-815 P10A
NATIONAL
16* OS 222; 2300R P10A
15* OS2201RX; OS2202RX P10A
38A OS161 P10A
N.E.C.
7B N.E.C.
NESCO
Nesco 4215
Wick
Part # Make/Model Igniter
NOBLE
5 King P10A
4 Queen P10A
36 Warm Knight P30A
NORTHERN
2 3601, 3602 P30A
NORTH STAR
5 KSA-105
1 KSA-851
2 NS-95
3 NS-22
4 RB-2 Rainbow P10A
NORTHERN ELECTRIC
(See Sunbeam)
NORTHERN LIGHT
4 RB-2 Rainbow P10A
3 Magnum 23 Thousand P10A
NOVA
5 One P10A
9 Nine P10A
PACICO
7A OSL-21
PANASONIC
16* OS-26X, OS-26XB, OS-26 P10A
OS-224X, OS-224, OS-224XB
OS-224XC, OS-F224X, 224
15* OS-10RF, OS-10R, OS-9R P10A
12 OS-34CX3, OS-13C, OS-35CX P10A
8A* OS-54CX32, 54CX1, 2; CXB, P10A
CXC, OS-351
38A OS-161, OS-161X, OS-161XB P10A
38 OS-14X P10A
* Use wick with holes if wick sleeve is used.
PERFECTION
6 PSR-8; 80W P10A
1A PSR-10, 100 W P10A
20 PSR-15; 150W P10A
39 "500" Wick; 525, 700, 730, 735, N/A
(700X) 770
39 750G, 780, 790, 810, 822
39B Cook Stove, 331X
PDQ
21 PDQ Furnace
PORTA HEAT
5 SYK 20,000 P10A
1 SYK 10,000 P10A
PREMIER
2KK-01 P30A
3A KK-02 P20A
PROSPERITY II
4 HT--01 P10A
1 HT-02; CKH-4900 P10A
QUAKER
44 Deluxe
RADIANT KING
7 RK-55 P10A
6 RK-70,RK-75,RK-110 (W261F) P10A
1A RK-100S (W361F) P10A
7 RK-120, RK-155 (W511F) P10A
7 RK-220, RK-250 (W713F) P10A
23 RK-420, RK-450 (W713F) P10A
20 RK-500C (W712F) P10A
RELYAN
8 22 Convection
9A Signet 8000
ROBESON
1 RAD 20
1 03-2601-32 (Rad 9600) P10A
1 03-2602-32 (***Rad 10,500)P10A
9 03-2602-35, 38, 49 P30A
9A 03-2602-45 P30A
8 03-2603-32 (***Conv 20,000) P10A
9 03-2604-38 Fan Force 10,800 P30A
9 03-2605-38 10,500 Steam Heat P30A
40 03-2606-38 (*** 20,000) P30A
9A 02-2607-38 Rad 10,800 P30A
9A 03-2608-58 (Part #2607-0101)
9 03-2609-59, 03-2610-58 P30A
9 03-2611-58 (Part #18-2638-0304)
40 03-2612-32, 38 P10A
9 03-2614-91; (11,500)
9 03-2616-58, 03-2619-91 (11000) P10A
40 03-2615-91;03-2617-32 (22,500)P10A
9 KH1-2619WG (11,000)
Wick
Part # Make/Model Igniter
40 KG3-2615WK Kleen Burn II
1 Part #KS-S0001
8 Part #KS-S0008,2620
8 KH2-2620WG (22,000)
2 2622, KH4-2622WG (10,000)
3B KH5-2623WG (23,000)
42A KH6-2624WG
1990 model 10,000
*** IMPORTANT INFORMATION ABOUT
WICKS FOR ROBESON HEATERS
A. RAD 10,500 - Many times the only designation
found on the heater is RAD 10,500.
- If your heater has a slide shut-off
mechanism and the chimney glass is
3-1/2" high: use Wick #1
- If your heater has a wick drop type
shut-off and the chimney glass is 4-1/2"
high: use Wick #9.
B. CONV 20,000
- If your heater has the ignition knob
under the tank and does not have a
chimney glass: use Wick #8.
- If your heater has an ignition lever just
to the right of the wick control knob and has a glass
chimney: use Wick #40.
SAGA
6100
2200
3A 300
SAM-HWA
7B ICC747
SAMARITAN
4 S-8700 P10A
1 S-13000, SR8200, SRT9600 P10A
5 S-19,500 P10A
1C SR-9600 P10A
SANYEI (see Heat-Mor)
SANYO
24 OHR-H16A; OHR-G23H, Cabit P30A
2 OHR-G25A; OHR-G28H P30A
7 OHR-G28S
3A OHR-G30A;OFC-G41A;OHC-41J P20A
3A OHC-42A; P20A
(Wick OHW-120A,B,C,D)
24 OHR-240; (Wick OHW-65A,B) P30A
2 OHR-261; (Wick OHW-85A,B),262 P30A
2 OHR-280 P30A
3A OHR-300; OHC-420; OHC-510 P20A
2 OHR-1010, OHR-1020 P30A
3A OHR-1410, 1420, OHC-2010,2020 P30A
2 OHR-1010, OHR-1020 P30A
43 Auxiliary string wick
SEARS (564,------)
2 350010, 350011 P30A
3A 350020, 350021, 351010, 351011 P30A
3A 403160 (SC-10), 403180, 403190 P30A
2 402200 (SC-10) P30A
(583.------)
16* 35000, 402020, 402040, 402050 P10A
835100
15* 402010, 402060 P10A
38 402030 P10A
16* 402080, 402090, 402110, 402120 P10A
38A 402140, 402150 P10A
16* 402160, 402170 P10A
12 403010 P10A
8 403020 P10A
12 403030, 403040 P10A
8A 403050, 403090, 403110 P10A
12 403070, 403080 P10A
8 403140, 403150, 403160, 403170 P10A
16* 404220, 404260, 404710
15* 404230, 404250,402060
12 404270, 404290
8A 404280
8 404730
42 942.350110 P30A
42 35110 P10A
3 942.351110 P10A
3B 942.351112
8B 699.351020 (SC230)
2A 699.350210, 350211, 351350 P10A
5C 699.351750 (SC200)
SHARP
6 HSR-23F; HSR-24F P10A
7 HSR-31F,48D,88F,HSR-200 P10A
1A HSR-36G, HSR-37G P10A
7B HSR-70 P10A
Kerosene Heater Wick Selection Chart Listed By Heater
* 15T &16T are top only.
15-2P & 16-2P are complete 2 piece assy.

—261—
Wick
Part # Make/Model Igniter
STA-GLO
31 RH-10 P10A
SHETLAND
1A KHR-96
SUN AIR GLO
3 US-23-5 P10A
31 US-8-5 P10A
28 US-9-5; US-11-15 P10A
30 US-12-5 P10A
21 US-18-7 P10A
SUNBEAM
2 3601, 3602, 3603 P10A
4 3621 P10A
3A 3623, 3625-2, 3627; 5800 P30A
SUNCREST
25 4000, 4010 P30A
26 4500, 4510 P30A
27 4600, 4601 P30A
26A 4700 P30A
3 4870 P30A
20A 4800, 4801 P30A
SUN HOUSEWARES
6A K-72
7 K-100
7A K-102
18 K-200
SUNNY (see Cosy)
SUNNY-VOX
9 SU-9805 P10A
SUNSHINE (see Emerson)
SUNSTAR
1 EZ 2220 P10A
5 BK 195 P10A
SUNWISE
2 SPR-10, SPR-95 P30A
22 SPC-12 P30A
3A SPC-180 P20A
TAKO
3 5DK P10A
5 KSA105F P10A
TATUNG
4 8,000 Btu
TEKNIKA
10 TKH-800E,800EU P10A
11 TKH-1000E,1000EU; TKH-1010E P10A
10 TKH-810E,TKH-1050GE P10A
22 TKH-1200GE; TKC-1200E** P10A
8 TKC-2000 P10A
** a few of these models require a different
wick: 20 or 35
TOSHIBA
9 KSE-2150 P10A
14 KSE-2200, KSE-2850
N/A KSR363
TOYOKUNI
7 TSK-23U, TSK30E, 64U P10A
34 TSK-26EA, TSK26EGQ P10A
1A TSK-26EU P10A
7B TSK-80EU P10A
35 TSK-80EA, TSK-80EGQ P10A
23 TSK-90EU (no metal band) P10A
31 84EU P10A
20 TSK-90EA, TSK-90EGQ P10A
20 TSK-90EU (metal band) P10A
7B 101EU P10A
20B 200EU (30483), 96EU P10A
7 608 P10A
TOYOSET (by KeroSun)
1C Radiant 100; Radiant Fan 110 P10A
2A Radiant 101, Radiant Fan 111 P10A
5C Omi 200 P10A
8B Omni 230 P10A
TOYOSTOVE-TOYOTOMI-TOYOSET
2A DC-60, DC-80 P10A
5C DC-90, A, B; DC-100 P10A
2A DR-86, DR-86F P10A
5C KRA-105 Double Kleen P10A
1B KSA-85C, 851C (pins) P10A
1D KSA-85D pre-I; KSA-851D P10A
5B KSA-105D (pins) 1978 model P10A
5 KSA-105E, F, G, H, I P10A
8B KSA-120 P10A
5A Model G Cooker P10A
5C Omni 200 (by KeroSun) P10A
8B Omni 230, B (by KeroSun) P10A
1C Radiant 100 (by KeroSun) P10A
2A Radiant 101 (by KeroSun) P10A
1C Radiant Fan 110 (by KeroSun) P10A
2A Radiant Fan 111 (by KeroSun) P10A
2A R-400 P10A
4 RB-2 Rainbow (cotton) P10A
Wick
Part # Make/Model Igniter
4A RB-2 Rainbow (fiberglass) P10A
4B (pins) Rainbow B, C P10A
1D RC-11 pre-C P10A
34A RCA 25, RC-25A (024907) P10A
5A RCA-28B P10A
2A RC-11 Type D P10A
1C RCA-36, 36F Warm Breeze P10A
1C RC-37 B, C; RC-37F P10A
2A RC-41, 41F; RCA-87 P10A
1 RSA-8, RSA-10 G, H, I, J P10A
1 RSA 21, 23, 24, 50, 85, 850 P10A
2A SC-150, A, B; SC-400 P10A
5C SC-200, A, B P10A
8B SO-230 P10A
4 TSC-15 P10A
5C WC-105, WC-105R P10A
8B WC120, WC-120R,WC-105,E,F P10A
TOUCH 'N GLOW
38A CR7
16* CR8, CR9, CRF9
12 K13
8 K20, CR15
TURCO
9 2000 Villager, 2001 P10A
9 2005 Colony, 2006 Estate P10A
9 2007 Plantation II P30A
9 2008 Estate 2010 P30A
9 2016 Carlton P30A
13 2300 Homestead P30A
14 3100 Tradition, 3105 Heritage 3205 P30A
9 4020 Citadel; 4025 Citadel II P30A
9 4030 Tempvent P30A
14 4506 Vintage P30A
UNION
9 Therma 10 (30482) P30A
9 Therma 12F (30484) P30A
14 Therma 21 (30483) P30A
UNITED AMERICA HARDWARE
7B Air Warmer (8,000 Btu)
7B Air Warmer - 379 (10,500 Btu)
U.S. STOVE CO. COOK STOVE
44 Cook Stoves (Various)
39 US-89A, US-89P; Boss 8
VALOR
47 140 Radiant Deluxe; 141 Sunrise
47 145 Super Fyrside (8 pieces)
45 Heatmiser 100, 200, 420
45 Valmin, No. 14, L Type (& No.,33)
45 Valiant, L60,L207,L210,100,210
45 51 Viceroy, Valor Vector 1&2,
420 Cheap Heatio
45 Viking Vulcan, Valormatic
109 (Valorheat wick)Autoheat 1& 2
109 239 Gardin Lover, Heatmiser 150
Auto, Super Viking
110 (200F wick) 64G,64W Cooking
Stove, (300F wick)65,65S Boiling
Stove
122 ("22" wick) 56,106R, 623R, 104
126 (600R wick) 625,685,785
133W12, 32K Elite Albion, 210
139 Kindler 6139,410 Safeway,
626-627, 16-17-19 cookers
39 525-585,525R,10R (500F)
135W(Valmax wick) 160 Majestic Mk I &
MK II, 160 Auto Majestic (199359)
L180 Log-Glo, Auto.
VAN WYCK (same as Robeson)
VORTEC FTTA Ltd.
5A 19,000 P10A
4 10,000 P10A
WARM MATE
11 600EW; 670E P10A
10 650GEW; 670GEDW P10A
22 850 P10A
WARM-UP SQUAD(see Leslie Locke)
WESTERN AUTO (see Citation)
WHITE GATE
1A Model 100, 9600 Btu, K192 KET P30A
3A 20,000 Btu P30A
YUASA
24 J-5; Danrich I
2 J-10 P20A
2 J-20 P30A
22 J-30;(pre-1981, no metal band)J-35 (No Metal Band)P10A
10 J-30;Danrich II (with metal band)P10A
3A J-37; J-40,J-45,J-46, J-50 P30A
10 J-35 (with metal band) P10A
19 20 Sunglow P10A
7A 30 Sunglow P10A
7B 100 Sunglow P10A
33 Super Sunglow
43 Auxiliary String Wick
RAY-O-VAC Heavy Duty Batteries
Part # Desc.
HD-AA Size AA
HD-C Size C
HD-D Size D
The battery most commonly used in wick heaters is size D.
How to clean the wick:
1) Take the heater outdoors on a windless day
2) Remove the cartridge tank from the heater.
(If so equipped)
3) Ignite the heater letting it burn at full capacity.
4) Keep the heater burning until the fuel runs out and
the flame dies out naturally. (Wait approximately
30 minutes for the unit to cool and then remove
the wick)
5) If the wick is hardened due to the presence of
degenerated or contaminated fuel, cleaning it once
is not enough to eliminate its carbon content
entirely. So clean the wick two or three times by
brushing with a medium hardness toothbrush.
6) After you have cleaned the wick, put the cartridge
tank back in the heater. Wait 30 minutes or longer
to allow the wick to absorb fuel fully, and then
ignite the heater.
7) If cleaning does not make an improvement in the
wick and remains hard at its upper part, then
replace it.
Phone: 800-362-6951 • Fax: 800-255-7985
www.phpdistribution.com
Wick Selection Chart

Wick Heater Chimney Glass
—262— Phone: 800-362-6951 • Fax: 800-255-7985
www.phpdistribution.com
Wick Heater Chimney Glass by Size
Height Outside Diameter Description Part#
2 1/4" 4-5/8" DR86 Lower, Toyostove N56
2 5/8" 4-1/2" Crestline 3000,3010; Keymar K7200 M10
2 7/16" 4 13/16" Turco 2005,2006, 2008, 2010 N49
2 1/2 5" Sanyo OHRG28H,Yuasa J10 NLA
2 1/2" 5 11/16" Corona SPDX;Sun Air US9-5 M35
2 9/16" 4 3/16" Sanyo OHR23; Calor N86
2 3/4" 4 1/8" Handymaster HM8;Sears 40214; CR-7 N87
2 13/16”5”Kerosun/Toyostove Radiant 8; S8200;670GE N66
2 13/16" 4 13/16" DC-80 Lower (toyostove) N93
2 7/8" 4 3/4" Crestline 230GE, Toyo DC80 lower M84
2 15/16”3 7/8”Sanyo 240; Yuasa J5; AR-68,30460 M77
2 15/16”5 1/16”HM500K;650-GED;670-GED N69
3 1/16" 4 3/4" Toyokuni 26EA, 26EGQ M65
3 1/8" 4 11/16" Alad J380,Ever PE2, Fujika KS2A M20
3 1/8" 5 7/16" Alad J580,Mark II, Old PTE4,12 M14
3 1/8" 5 5/8" Toyostove DC90,100;KRA105 lower N96
3 1/8" 5 13/16" Sanyo 10600,41,42,300,1410;J37 M22
3 1/8" 5 7/8" Toyostove DR86 upper M81
3 1/8" 6 3/8" Citation 2013 N64
3 5/16" 4 13/16" Rad9600;Toyokuni 26EU,HM 700 M70
3 5/16" 4 7/16" Toyokuni 84EU;Glo70;Artifex S100 M64
3 5/16" 4 9/16" Sanyo 25,240(113-00); C Glow, Sears M60
3 3/8" 4 1/2" Alad B131; TR7 Chimney N/A
3 3/8" 5 3/16" Crest 250GE; 80EU,HM800,J35,1200GE N80
3 3/8" 6 5/16" S581U; RK500,Perf PSR15;90EGQ M82
3 7/16" 7 13/16" Toyostove DC90,100,KRA105 Upper N74
3 3/8”4 1/2”Aladdin B131, TR-7 Chimney N59
3 7/16" 4 13/16" Alad S381;Perf PSR10;RK100S N76
3 9/16" 5 1/4" Alad S481,TR10,11; Arctic Sun; RK250 M50
3 9/16" 5 7/8" Kerosun Director A,B N85
3 13/16" 4" Turco 2007,Union Therma 10 M67
3 13/16" 5 1/16" KeroSun R10,36;Rad100,110 M79
3 15/16" 5 5/16 Everglow PE12 M16
3 7/8" 6 3/8" Everglow PTE16 (new style) M31
3 7/8" 7 3/8" Toyostove DC80 upper N91
3 15/16" 4 15/16" Toyoset Rad101, Rad40 M54
4 5/16" 4 13/16" Robeson radiants with 9-9A wicks M63
4 5/16" 5 7/8" Sanyo OHC420; Yuasa J40, SunB3625 M25
4 5/16" 6 3/16" Sanyo 2010, Yuasa J45,46;SunB 3627 M40
4 5/16" 6 5/16" Toyokuni 96EU,200EU; CGlow R15000 M38
4 3/8" 5 7/8" KeroSun Director (Pre-A) M28
4 7/16" 6 5/16" Alad Equator II,TR20;RKing450 M83
4 7/16" 9 1/8" Robeson 2615 Outer Glass NLA
4 9/16" 5 15/16" Turco 2300 Homestead G327
4 5/8" 4 13/16" Turco 2015,16,18,4020,25;Union 12F M90
4 11/16" 6 5/16" Robeson 2606,2612,2617 M18
4 7/8" 3 1/2" Aladdin TR2000 M68
5 1/16" 5" Toyostove RCA87; Kogy500 C300
5 7/8" 4 1/16" Corona SX2E,K World KW10 N88
5 7/16" 4 1/8" Aladdin TR3000 N61
5 15/16" 4 11/16" Corona SX2; Sun Air Glow US8-5 M33
6 1/2" 5 15/16" Corona SX3;Sun Air Glow US 11-5 M89
7 1/16" 5 13/16" KeroSun Moonlighter,Toyostove RB2 M57
7 5/16" 8 9/16" Koehring KHL120,A;Sears 40304,8 N100
8 1/4" 4 11/16" Lasor Clean LR350 N53
8 7/8" 6 5/8" Lasor Clean LR450 N94

—263— Phone: 800-362-6951 • Fax: 800-255-7985
www.phpdistribution.com
PHP IS LOOKING FOR SALES REPS
PHP is currently seeking
sales representation in the
states identified in blue.
Please, contact John Leurck
at 1-800-362-6951 or
jleurck@phpdistribution.com
to see if you qualify.
NEED PHP CREDIT
NEED PHP CREDIT
In order to serve your need to obtain credit for your PHP
purchases, you are, now, able to visit www.phpdistribution.com
and complete a PHP Credit Application online.
It’s fast, easy and safe!!
No computer or internet access? Contact a PHP customer service
representative to receive a credit application via facsimile. Otherwise,
we would be happy to mail you a PHP Credit Application.
?
?
NO COMPUTER
NO COMPUTER
?
?

—264— Phone: 800-362-6951 • Fax: 800-255-7985
www.phpdistribution.com
*Freight Allowed - Applies to any order of $3,000 or more (not including tax, freight or
handling fees). You will be charged freight but may deduct it from the (final) invoice if
paid within terms of program level at time of purchase. Continental U.S. only .
**Gold Key - THE LOWEST PRICE! - As a Gold Key Account, you are entitled to buy
at the lowest cost available on every product in our catalog, through March 31. As an
added bonus, you will receive exclusive of fers through our Preferred Customer flyers
that include special promotions, closeout items and more.
Terms subject to change. Please call for current terms.
Minimum
Order $750-
$1499 $1500-
$2999 $3000
$5999 $6000 +
Terms 2 Equal
Payments 3 Equal
Payments 4 Equal
Payments 5 Equal
Payments
Freight Prepaid &
Add Prepaid &
Add Allowed* Allowed*
Pricing Dealer Gold Key** Gold Key** Gold Key**
Winter Program valid from
October 1, through
March 31.
Here’s What You Need To Do!
1. Place any single qualifying order
2. Earn these benefits. . .It’ s that simple!
For Example
Order This Amount . . .
And Get These
Terms!
12

—265— Phone: 800-362-6951 • Fax: 800-255-7985
www.phpdistribution.com
Who:
What:
When:
Where:
Cost:
2-Day education of hands-on training
Two separate schools are typically held in the fall
PHP customers who want to learn how
to repair portable heaters
Harold Coates Education Facility, on the
campus of PHP, 342 N. 400 E. Valparaiso, IN
Call for current rates
Fee Includes:
One night hotel accommodations for one room,
double occupancy.
Two days of comprehensive instruction
Instructional materials
Catered lunch both days
Dinner on the first evening
Troubleshooting CD-ROM
Hands on training
Call Toll Free 800-362-6951
For more information, contact Melissa Culbertson @ Ext. 7275
SERVICE
SCHOOL
❑Yes, we would like to sign up for the two-day service school.
Company Name____________________________________________
Your Name __________________________________________
Phone _________________ Fax # _____________________________
Attendee Names________________________________________
________________________________________
*Will you need to stay more than one night?
PHP is extending our corporate rate for additional nights. You will be billed by PHP, not the hotel.
Arrival Date_________________ Departing Date__________________
FOR INTERNAL USE ONLY
Acct_________ GK_____ Amt Billed __________ Inv Date________
Pkg Mailed___________________ Pmt Rcv’d______________
Fax Toll Free: 800-255-7985

—266— Phone: 800-362-6951 • Fax: 800-255-7985
www.phpdistribution.com
Notes:

—267— Phone: 800-362-6951 • Fax: 800-255-7985
www.phpdistribution.com
Notes:

Thanks to you,
PHP
continues to be the largest supplier
of heater parts in the U.S.
MASTER
L.B. WHITE
HEATSTAR
TORO
REDDY
ALL PRO
SPACE RAY
and many more!
Why Choose
PHP?
Name Brand
Product
Selection . . .
Master, HeatStar, L.B.
White and Space Ray
just to name a few . . .
We carry thousands of
products featuring the names you look for and
trust for quality and dependability.
Same Day
Shipping . . .
Our warehouse is
strategically located in
the Midwest. Because
we ship the same day,
in most cases you will
receive your order within 24 - 48 hours
depending on your location.
Superior
Customer
Service . . .
Our state-of-the-art call
center is staffed by
knowledgeable customer
service representatives!
Our CSR’s attend product education courses
specifically designed to help you make
informed purchasing decisions.
Top-of-the-
Line Technical
Service . . .
We understand how
frustrating it can be
when something doesn’t
work and you need it fixed yesterday. Our
highly trained technical service team is
always ready to answer any questions you
have to help you get your equipment back in
working order FAST.
Phone Orders:
1-800-362-6951 (Press 1)
7:30 a.m. - 5:00 p.m. (CST)
Fax Orders:
1-800-255-7985
24 hours a day, 7 days a week
Internet Orders:
www.phpdistribution.com
24 hours a day, 7 days a week
Mail Orders:
PHP
342 N. Co. Rd. 400 E.
Valparaiso, IN 46383
ORDERING