T1 Parts Manual 9003706 Rev05 (CHN MFG) EMEA, APAC
User Manual:
Open the PDF directly: View PDF
.
Page Count: 41
- HOW TO ORDER PARTS
- RECOMMENDED MAINTENANCE ITEMS
- STANDARD PARTS
- HANDLE GROUP, 120V
- HANDLE GROUP, 230V
- FRAME GROUP, 120V
- FRAME GROUP, 230V
- TANKS AND SHROUD GROUP
- TANK COVER GROUP
- VACUUM FAN GROUP
- SOLUTION GROUP
- SCRUB HEAD GROUP, 120V (S/N 60012391- )
- SCRUB HEAD GROUP, 120V (S/N 60000000- 60012390)
- SCRUB HEAD GROUP, 230V (S/N 60012391- )
- SCRUB HEAD GROUP, 230V (S/N 60000000- 60012390)
- SCRUB HEAD LIFT GROUP
- SQUEEGEE GROUP, FRONT AND REAR
- ELECTRICAL DIAGRAM, 120V
- ELECTRICAL DIAGRAM, 230V

T1
*9003392*
www.tennantco.com
Parts Manual
9003706
Rev. 05 (02-2014)
North America / International / Japan
Corded Floor Scrubber
Models
9004191 - 120V
9004195 - 230V
(S/N 60000000- 70000000)
For the latest Parts manuals and other
language Operator manuals, visit:
www.tennantco.com/manuals
Home
Find...
Go To..

Ref Part No. Serial Number Description Qty.
1 82681 (000000- ) Bracket Wldt, Lpg Mount 1
o2 63810 (000000- ) Latch Assy, Lpg Tank Mtg, W/Nut 4
Y3 51839 (000000- ) Nut Adjustable, Lpg Tank Mtg 2
4 49263 (000000- ) Tie, Cable 3
5 82556 (000000- 001039) Bracket, Vaporizer 1
6 54930 (000000- ) Vaporizer, LPG 1
B
A
C
D
HOW TO ORDER PARTS - See diagram above
Only use TENNANT Company supplied or equivalent parts. Parts and supplies may be ordered online,
by phone, by fax or by mail.
Follow the steps below to ensure prompt delivery.
1. (A) Identify the machine model.
2. (B) Identify the machine serial number from the data label.
3. (C) Ensure the proper serial number is used from
the parts list.
4. Identify the part number and quantity.
Do not order by page or reference numbers.
5. Provide your name, company name, customer ID number,
billing and shipping address, phone number and
purchase order number.
6. Provide detail shipping instructions.
(D) - identifies an assembly
Y- identifies parts included in assembly
Please fill out at time of installation for
future reference.
Model No. -
Serial No. -
Machine Options -
Sales Rep. -
Sales Rep. phone no. -
Customer ID Number -
Installation Date -
Tennant Company
PO Box 1452
Minneapolis, MN 55440
Phone: (800) 553- 8033 or (763) 513- 2850
www.tennantco.com
Specifications and parts are subject to change without notice.
Copyright E2008 - 2014 TENNANT Company, Printed in China.
Home
Find...
Go To..

КАК ДА ПОРЪЧВАМЕ ЧАСТИ -Вижте схемата по-горе
Използвайте само части,доставени от TENNANT или техни еквиваленти.Частите и доставките могат да се поръчат онлайн,
по телефон,факс или по пощата.
Следвайте долупосочените стъпки,за да си осигурите бърза и точна доставка.
1. (A) Посочете модела на машината.
2. (B) Посочете серийния номер на машината от табелката с техническите данни.
3. (C) Уверете се,че сте използвали точния сериен номер от списъка с части.
4. Посочва номера на частта и количеството.Не поръчвайте части
според страницата или референтните номера.
5. Посочете своето име,наименованието на фирмата,клиентския
номер,адреса за получаване на сметката и доставката,тел.номер и номера на поръчката.
6. Посочете подробни инструкции за доставката.
(D) o-посочва начин на монтаж
Y-посочва частите,включени в монтажа
BG
Моля,попълнете по време на монтажа за бъдеща справка.
Модел Э -
Сериен Э -
Опции на машината -
Търговски представител -
Те л .Энатърг.представител -
Клиентски Э -
Дата на монтаж -
CN
o
Y
OBJEDNÁVÁNÍ DÍLŮ- Viz schéma výše.
Pou ívejte pouze díly dodané společností TENNANT Company nebo jim odpovídající. Díly a materiál lze objednat online,
telefonem, faxem nebo poštou.
Aby bylo zajištěno rychlé dodání, postupujte podle krokůuvedených ní e.
1. (A) Zjistěte model stroje.
2. (B) Zjistěte sériové číslo stroje z výrobního štítku.
3. (C) Pou ijte správné sériové číslo ze seznamu dílů.
4. Určete číslo a mno ství dílů.
Neobjednávejte podle stran nebo referenčních čísel.
5. Uveďte jméno, název společnosti, číslo ID zákazníka, fakturační a
dodací adresu, telefonní číslo a číslo objednávky.
6. Uveďte podrobné pokyny pro dodání.
(D) o-označuje sestavu
Y-označujedílyvsestavě
CZ
Vyplňte během sestavování pro budoucí potřebu.
Číslo modelu -
Sériové číslo -
Doplňky zařízení -
Obchodní zástupce -
Tel. č. obchodního zástupce -
Číslo ID zákazníka -
Datum instalace -
BESTELLEN VON ERSATZTEILEN - Siehe oben stehendes Diagramm.
Verwenden Sie nur von TENNANT gelieferte oder gleichwertige Ersatzteile. Ersatz- und Verschleißteile können online, telefonisch, per Fax oder per E- Mail bestellt werden.
Befolgen Sie für eine umgehende Lieferung die folgenden Schritte.
1. (A) Geben Sie das Modell der Maschine an.
2. (B) Geben Sie die Seriennummer der Maschine an (auf dem Datenaufkleber).
3. (C) Achten Sie darauf, dass die richtigen Seriennummer aus der Ersatzteilliste verwendet wird.
4. Geben Sie die Ersatzteilnummer und die Menge an.
Bestellen Sie nicht nach Seitenzahl oder Referenznummern.
5. Geben Sie Ihren Namen, den Firmennamen, die Kundennummer,
die Rechnungs- und Lieferadresse, die Telefonnummer und die Einkaufsauftragsnummer an.
6. Erteilen Sie genaue Versandanweisungen.
(D) o- steht für eine Einheit
Y- steht für Einzelteile einer Einheit
DE
Bitte bei der Inbetriebnahme als Referenzangabe ausfüllen.
Modellnr. -
Seriennr. -
Maschinenoptionen -
Verkäufer -
Telefonnummer des Verkäufers -
Kundennummer -
Installationsdatum -
Home
Find...
Go To..

BESTILLING AF RESERVEDELE - Se ovenstående tabel.
Brug kun reservedele, der er fremstillet af TENNANT, eller dele af tilsvarende kvalitet. Reservedele og tilbehør kan bestilles online, pr. telefon, pr. fax eller pr. brev.
Følg nedenstående trin for at sikre hurtig levering.
1. (A) Identificér maskinmodellen.
2. (B) Identificér maskinens serienummer på datamærkaten.
3. (C) Kontrollér, at det rigtige serienummer bruges i reservedelslisten.
4. Identificér reservedelsnummeret og antallet. Bestil ikke efter side- eller referencenumre.
5. Angiv dit navn, firmanavn, kunde- id- nummer, faktureringsadresse
og leveringsadresse, telefonnummer og indkøbsordrenummer.
6. Angiv detaljerede instruktioner til forsendelse.
(D) o- identificerer en enhed
Y- identificerer reservedele i en enhed
DK
Udfyld venligst på installationstidspunktet til fremtidig brug.
Modelnr. -
Serienr. -
Maskinekstraudstyr -
Salgskonsulent. -
Salgskonsulentens tlf. -
Kunde- id- nr. -
Installationsdato -
KUIDAS VARUOSI TELLIDA – vaadake alltoodud joonist
Kasutage ainult TENNANT Company poolt tarnitud või samaväärseid varuosi. Varuosi ja tarvikuid saab tellida Interneti, telefoni, faksi või posti teel.
Kiire kohaletoimetamise tagamiseks järgige alltoodud juhiseid.
1. (A) Märkige masina mudel.
2. (B) Märkige andmesildil olev masina seerianumber.
3. (C) Veenduge, et olete valinud varuosade loendist õige seerianumbri.
4. Märkige varuosa number ja kogus.
Ärge tellige lehekülje- või viitenumbri alusel.
5. Märkige oma nimi, ettevõtte nimi, kliendinumber, arveldus- ja saatmisaadress,
telefoninumber ja ostutellimuse number.
6. Lisage täpsed saatmisjuhised.
(D) -tähistabkomplekti
Y- tähistab komplektis olevaid osii
EE
Palun täitke paigaldamise ajal edaspidiseks viitamiseks.
Mudeli number -
Seerianumber -
Masina lisavarustus -
Müügiesindus -
Müügiesinduse telefoninumber -
Kliendinumber -
Paigaldamise kuupäev -
CÓMO SOLICITAR PIEZAS - Consulte el diagrama anterior.
Utilice sólo las piezas suministradas por TENNANT Company o piezas equivalentes. Puede solicitar las piezas a través de internet,
por teléfono, por fax o por correo.
Siga los siguientes pasos para que la entrega sea rápida.
1. (A) Indique el modelo de máquina.
2. (B) Indique el número de serie de la etiqueta de datos.
3. (C) Asegúrese de que indica el número de serie correcto de la lista de piezas.
4. Indique la cantidad y el número de la pieza.
No realice el pedidoindicando el número de página o el de referencia.
5. Incluya su nombre, el nombre de la empresa, el ID de cliente,
las direcciones de envío y facturación, el número de teléfono y el número del pedido de compra.
6. Facilite instrucciones de envío.
(D) o- identifica un conjunto
Y- identifica piezas de un conjunto
ES
Rellene estos datos cuando realice la instalación para utilizarlos
como referencia en el futuro.
Nº modelo -
Nº serie -
Opciones de la máquina -
Vendedor -
Nº teléfono vendedor -
Nº cliente -
Fecha de instalación -
KUINKA VARAOSIA TILATAAN - katso kuvaa yllä.
Käytä ainoastaan TENNANTIN toimittamia tai niitä vastaavia varaosia. Voit tilata varaosia ja tarvikkeita internetistä,
puhelimitse, faksilla tai sähköpostilla.
Noudata seuraavia ohjeita täsmällisen toimituksen varmistamiseksi.
1. (A) Katso koneen malli.
2. (B) IKatso koneen sarjanumero sen tunnustarrasta.
3. (C) Varmista, että osaluettelosta, että käytät oikeaa sarjanumeroa.
4. Katso osanumero ja kappalemäärä. Älä tilaa ilmoittamalla sivu- tai viitenumeroita.
5. Ilmoita nimesi, yrityksesi nimi, asiakasnumero, laskutus- ja
toimitusosoite, puhelinnumero ja ostotilauksen numero.
6. Ilmoita yksityiskohtaiset toimitusosoitteet.
(D) o- tarkoittaa kokoonpanoa
Y- tarkoittaa kokoonpanoon sisältyviä osia
FI
Ole hyvä ja täytä ottaessasi koneen käyttöön
myöhempiä tarpeita varten.
Mallinumero -
Sarjanumero -
Koneen lisävarusteet -
Myyntiedustaja -
Myyntiedustajan puhelinnumero -
Asiakasnumero -
Asennuspäivä -
Home
Find...
Go To..

COMMENT COMMANDER DES PIÈCES DÉTACHÉES - Voir le schéma ci- dessus.
Utilisez uniquement des pièces fournies par la société TENNANT ou équivalentes. Les pièces et fournitures peuvent être commandées en ligne, par téléphone, fax, ou par
courrier.
Suivez les étapes ci- dessous pour assurer une livraison rapide.
1. (A) Identifiez le modèle de la machine.
2. (B) Identifiez le numéro de série de la machine, à partir de l’étiquette signalétique.
3. (C) Assurez- vous que le numéro de série correct est utilisé à partir de la liste de pièces détachées.
4. Identifiez le numéro de pièce et la quantité. Ne commandez pas par page ou numéros de référence.
5. Fournissez votre nom, le nom de votre société, votre numéro d’identification de client, l’adresse
de facturation et d’expédition, le numéro de téléphone et le numéro du bon de commande.
6. Fournissez des instructions d’expédition détaillées.
(D) o- identifie un assemblage
Y- identifie les pièces composant l’assemblage
FR
A remplir au moment de l’installation à titre de référence.
Nº du modèle -
Nº de série -
Optionsdelamachine-
Agent commercial -
Nº tél. de l’agent commercial -
Numéro d’identification client -
Date d’installation -
ÚÔÌÓÌÒ ÓflÔfl··„ÈÁflÒflÎÚflÈÈflËÚÁ˘ΠJ ‡ÝK ס¹ˇ×˙ÞğŠÐ˙ł¹ˇýýˇ.
ı¹ž³Ðý−×−и³½š ýşÞ−ˇÞ½ˇÝݡð½Ðð˙ס¹š₣şýšÞˇˇ×ş½žÞ qbkk^kq `çãé~åó ¸ Ð³−ŠĆÞˇýˇKÚˇˇÞ½ˇÝݡð½Ðð˙ðˇÐˇÞˇÝć³Ðýˇý×−¹−ĆÞÞˇ×ˇ¹ˇłłšÝ¦−ĆÞ çåäáåÉI
½žÝš¾ğÞÐð˙Iýš¾ˇþ¸½ˇ₣¼Š¹−ýÐð˙K
flð−Ý−¼¦¸³½š ½ˇ×ˇ¹ˇð˙½ğُýˇ½ˇłÐˇÞˇšþˇ³¾ˇÝ˝³š½š ½žÞ ˚łðˇÐ¹ž ˇ×−³½−ݸ ½−¼²K
1. (A) ‡¹š˝½š ½−ý−Þ½˚Ý−ýž₣ˇÞ¸ýˇ½−²K
2. (B) ‡¹š˝½š ½−Þˇ¹Ð¦ýş³šÐ¹˙²½−¼ýž₣ˇÞ¸ýˇ½−²ˇ×ş½žÞ š½Ðð˚½ˇ³½−Ð₣š˝ğÞK
3. (C) ‡šŁˇÐğ¦š˝½š ş½Ð ₣¹ž³Ðý−×−К˝½ˇÐ−³ğ³½ş²ˇ¹Ð¦ýş²³šÐ¹˙²ˇ×ş
½−Þðˇ½˙Ý−ł− ˇÞ½ˇÝݡð½ÐðćÞK
4. ‡¹š˝½š ðğŠÐðşˇÞ½ˇÝݡð½Ðð−Ć ðˇÐ×−³ş½ž½ˇK
ÍžÞ ×ˇ¹ˇłł˚ÝÞš½š Ł˙³šÐ ³šÝ˝Šˇ²¸ˇ¹Ð¦ýćÞˇÞˇ¾−¹˙²K
5. ‚ć³½š ½−şÞ−ýˇ³ˇ²I şÞ−ýˇš½ˇÐ¹š˝ˇ²I fa EðğŠÐðşFךÝ˙½žI ŠÐšĆ¦¼Þ³ž ½Ðý−Ýşłž³ž²
ðˇÐˇ×−³½−ݸ²I ˇ¹Ð¦ýş½žÝš¾ćÞ−¼ðˇÐˇ¹Ð¦ýşšÞ½−ݸ² ×¹−ý¸¦šÐˇ²K
6. ‚ć³½š Ýš×½−ýš¹š˝²×Ýž¹−¾−¹˝š² ˇ×−³½−ݸ²K
(D) o-¼×−ŠžÝćޚР¼×−³Ć³½žýˇ
Y-¼×−ŠžÝćޚР½ˇý˚¹ž ×−¼×š¹ÐݡýŁ˙Þ−Þ½ˇÐ³½−
¼×−³Ć³½žýˇ
GR
Óˇ¹ˇðˇÝ−Ćýš ³¼ý×Ýž¹ć³½š ðˇ½˙½žÞ 㹎½ž² šłðˇ½˙³½ˇ³ž² łÐˇ
ýšÝÝ−Þ½Ðð¸ ˇÞˇ¾−¹˙K
fl¹K Í−Þ½˚Ý−¼-
fl¹K ³šÐ¹˙²-
„×ÐÝ−ł˚²Íž₣ˇÞ¸ýˇ½−²-
„ð×K ×ğݸ³šğÞ-
ÚžÝK šð×¹−³ć×−¼×ğݸ³šğÞ-
fl¹Ð¦ýş²×šÝ˙½ž -
Âýš¹−ýžÞ˝ˇ šłðˇ½˙³½ˇ³ž² -
HOGYAN RENDELJÜNK ALKATRÉSZEKET - Lásd: fenti diagramm.
Kizárólag TENNANT vagy azzal egyenértékűcserealkatrészeket használjon. Az alkatrészeket és anyagokat meg lehet rendelni az Interneten keresztül, vagy telefonon, faxon és
e-mailben.
A pontos szállítás érdekében kövesse az alábbi lépéseket.
1. (A) Adja meg a gép típusát.
2. (B) Az adatcímke alapján adja meg a gép gyártási számát.
3. (C) Ügyeljen arra, hogy a megfelelőgyártási számot válassza ki az alkatrészlistáról.
4. Adja meg a rendelési számot és a mennyiséget. A rendeléshez ne az oldalszámot vagy a
hivatkozási számot használja.
5. Adja meg a nevét, a cége nevét, az ügyfélazonosító számát,
a számlázási és szállítási címét, a telefonszámát és a rendelési számot.
6. Adjon részletes szállítási utasításokat.
(D) o-a jel csomagra utal
Y-a jel a csomagban található alkatrészekre utal
HU
A későbbi visszakeresések érdekében kérjük,
hogy a rovatokat az elsőüzembehelyezéskor töltse ki.
Típusszám -
Gyártási szám. -
A gép felszereltsége -
Kereskedelmi képviselő-
Kereskedelmi képviselőtelefonszáma -
Ügyfél azonosító száma -
Üzembehelyezés dátuma -
COME ORDINARE LE PARTI - Vedere schema precedente.
Utilizzare solo ricambi forniti da TENNANT o equivalenti. Ricambi e forniture possono essere ordinati online, per telefono, via fax o per posta elettronica.
Per ottenere una consegna rapida, seguire i passaggi indicati di seguito.
1. (A) Identificare il modello della macchina.
2. (B) Identificare il numero di serie della macchina dall’etichetta dei dati.
3. (C) Utilizzare il numero di serie corretto presente nell’elenco delle parti di ricambio.
4. Identificare numero di parte e quantità. Non ordinare per numero di pagina o di riferimento.
5. Fornire nome del contatto, nome della società, numero di ID cliente, indirizzo di fatturazione e
di spedizione, numero di telefono e numero di ordine di acquisto.
6. Fornire istruzioni dettagliate per la spedizione.
(D) o- identifica un gruppo
Y- identifica parti comprese in un gruppo
IT
Compilare il modulo al momento dell’installazione
per poterlo consultare in futuro in caso di necessità.
N. Modello -
N. Serie -
Opzioni della macchina -
Venditore -
Tel. venditore -
Numero ID cliente -
Data di installazione -
Home
Find...
Go To..

JP
o
Y
KAIP UŽSISAKYTI DALIS - žr. diagramà viršuje
Naudokite tik ”Tennant” kompanijos tiekiamas arba lygiavertes joms dalis. Dalis galite užsisakyti internetu, telefonu, faksu bei elektroniniu paštu.
Kad užsakymas būtųgreitai įvykdytas, laikykitėsišvardytųtaisyklių.
1. (A) Nurodykite mašinos modelį.
2. (B) Norodykite mašinos serijos numerį,kurįrasite ant duomenųžymės.
3. (C) Įsitikinkite, kad nurodomas tikslus serijos numeris iš daliųsàrašo.
4. Nurodykite dalies numerįir reikiamà kiekį.
Neužsakinėkite pagal puslapius ar nuorodos numerius.
5. Nurodykite savo vardà, kompanijos pavadinimà, kliento ID numerį,
sàskaitos išrašymo ir vežimo adresà, telefono numerįir
pirkimoužsakymonumerį.
6. Nurodykite išsamias gabenimo instrukcijas.
(D) -žymisistemà
Y- nurodo sistemos dalis
LT
Prašome užpildyti montavimo metu,
siekiant gauti informacijà ateityje.
Modelio nr. -
Serijos nr. -
Mašinos parinktys -
Prekybos atstovas -
Komivojažieriaus tel. nr. -
Pirkėjo ID numeris -
Sumontavimo data -
KĀPASŪTĪT REZERVES DETAĻAS - Skat. diagrammu iepriekš
izmantojiet tikai TENNANT Company piegādātāsvaitāmlīdzvērtīgas rezerves detaļas. Daļas un piegādi var pasūtītinternetā,patālruni, pa faksu vai pastu.
Lai nodrošinātu savlaicīgu piegādi, sekojiet zemākaprakstītajiem soļiem.
1. (A) Nosakiet mašīnas modeli.
2. (B) Nosakiet mašīnas sērijas numuru uz tehnisko datu uzlīmes.
3. (C) Pārliecinieties, ka tiek uzrakstīts attiecīgais sērijas numurs no detaļu saraksta.
4. Nosakiet detaļas numuru un skaitu.
Veicot pasūtījumus neatsaucieties uz lappušu vai norādes numuriem.
5. Uzrakstiet savu vārdu, uzņēmuma nosaukumi, klienta identitātes numuru, adresi rēķina
piesūtīšanai un piegādei un pirkuma pasūtījuma numuru.
6. Sniedziet detalizētu informāciju par piegādi.
(D) -nosakaierīci i
Y-nosakadetaļas, kas ir komplektāar ierīci
LV
Veicot uzstādīšanu, lūdzam pierakstīst attiecīgo informāciju
izmantošanai turpmāk.
ModeļaNr.-
Sērijas Nr. -
Iekārtas papildaprīkojums-
Pārdošanas pārst. -
Pārdošanas pārst. tālr. Nr. -
Klienta identitātes numuru-
Uzstādīšanas datums-
HOE ONDERDELEN TE BESTELLEN - Zie schema hierboven.
Gebruik alleen onderdelen die door TENNANT Company zijn geleverd of soortgelijke onderdelen. Onderdelen en voorraden kunnen online, per telefoon, fax of schriftelijk besteld
worden.
Volg de stappen hieronder om een juiste levering te garanderen.
1. (A) Bepaal het machinemodel.
2. (B) Lees het serienummer van de machine af van het gegevenslabel.
3. (C) Zorg dat het juiste serienummer wordt gebruikt uit de onderdelenlijst.
4. Bepaal het artikelnummer en het aantal. Bestel niet aan de hand van pagina’s of referentienummers.
5. Geef uw naam, bedrijfsnaam, klantnummer, factuur- en leveringsadres,
telefoonnummer en bestelnummer op.
6. Geef gedetailleerde leveringsinstructies op.
(D) o- geeft een eenheid aan
Y- geeft de onderdelen van de eenheid aan
NL
Vul tijdens installatie de onderstaande gegevens in voor eventueel
toekomstig gebruik.
Modelnr. -
Serienr. -
Machine- opties -
Verkoopvert. -
Telnr. verkoopvert. -
Klantnummer -
Installatiedatum -
Home
Find...
Go To..

HVORDAN BESTILLE DELER - Se diagram over.
Bruk kun deler levert av TENNANT Company eller ekvivalente deler. Deler og forsyninger kan bestilles online, per telefon, per faks
eller per post.
Følg trinnene under for å sikre rask levering.
1. (A) Angi maskinmodellen.
2. (B) Angi maskinens serienummer fra typeskiltet.
3. (C) Forsikre deg om at korrekt serienummer brukes fra delelisten.
4. Angi delenummer og antall. Bestill ikke ut fra side- eller referansenumre.
5. Angi ditt navn, firmanavn, kunde- ID- nummer, fakturerings- og
forsendelsesadresse, telefonnummer og innkjøpsordrenummer.
6. Angi detaljerte forsendelsesinstruksjoner.
(D) o- angir en delegruppe
Y- angir deler inkludert i en delegruppe
NO
Fyll ut ved installasjonstidspunkt for fremtidig bruk.
Modellnr. -
Serienr.. -
Maskinens tillegg -
Salgsrep. -
Salgsrep. telefonnr. -
Kunde- ID- nummer -
Installasjonsdato -
JAK ZAMAWIAĆCZĘŒCI - patrz schemat powyżej.
Należyużywaćwyłącznie części dostarczanych przez firmęTENNANT Company lub równoważnych. Częściidostawymogąbyćzamawiane online, przez telefon, faksem lub
pocztą.
Aby zapewnićszybkądostawę,należyprzestrzegaćnastępujących wskazówek.
1. (A) Określićmodel maszyny.
2. (B) Określićnumer seryjny maszyny znajdujący sięna tabliczce znamionowej.
3. (C) Odszukaćten numer seryjny w wykazie części.
4. Określićnumer części i ilość. Nie zamawiaćna podstawie numeru strony lub liczby porządkowej
wykazu.
5. Podaćswoje nazwisko, nazwęfirmy, numer identyfikacyjny klienta, adres dostawy i
dostarczenia rachunku, numer telefonu i numer zamówienia zakupu.
6. Podaćdokładne instrukcje dotyczące dostawy.
(D) o-oznacza zespół
Y-oznacza część wzespole
PL
Prosimy wpisaćdatęinstalacji do póŸniejszego wykorzystania.
Nr modelu-
Nr seryjny -
Opcje maszyny -
Przedst. sprzedaży-
Nr tel. przedst. sprzed. -
Nr ident. klienta -
Data instalacji -
COMO ENCOMENDAR PEÇAS - Consulte o diagrama acima.
Utilize apenas peças fornecidas pela TENNANT Company ou equivalentes. As peças e consumíveis podem ser encomendados online,
por telefone, fax ou correio.
Siga os passos abaixo para garantir uma entrega rápida.
1. (A) Identifique o modelo da máquina.
2. (B) Identifique o número de série da máquina que se encontra na etiqueta de dados.
3. (C) Certifique- se de que usa o número de série correcto da lista de peças.
4. Identifique o número de produto e a quantidade. Não encomende através de números de
página ou de referência.
5. Forneça o seu nome, o nome da empresa, o número de ID do cliente,
os endereços de facturação e entrega, o número de telefone e
o número da nota de encomenda.
6. Forneça instruções de entrega detalhadas.
(D) o- identifica uma unidade
Y- identifica peças incluídas numa unidade
PT
G
Preencha na altura da instalação para futura referência.
Modelo nº -
Nº de série -
Opções da máquina -
Vendedor -
Telefone do vendedor -
Número de ID do cliente -
Data de instalação -
КАК ЗАКАЗАТЬ ЗАПЧАСТИ -См.схему ниже.
Используйте только запчасти,поставляемые компанией TENNANT или их аналоги.Запасные части и расходные материалы можно заказать в режиме онлайн,
телефоном,факсом или электронной почтой.
Для своевременной доставки следуйте описанным ниже инструкциям.
1. (A) Укажите модель машины.
2. (B) Укажите серийный номер машины,обозначенный на табличке технических данных.
3. (C) Удостоверьтесь,что надлежащий серийный номер перечислен в списке запчастей.
4. Укажите номер детали и нужное количество.Не используйте номера страниц или ссылок.
5. Укажите свое имя,название компании,идентификационный номер
покупателя,расчетный адрес и адрес доставки,телефонный номер
и номер заказа на покупку.
6. Укажите подробные сведения о доставке.
(D) o-означает узел
Y-обозначает деталь узла
RU
Во время установки заполните,пожалуйста,эти сведения для
того,чтобы ссылаться в дальнейшем.
Модель Э -
Серийный Э -
Опции машины -
Торговый представитель -
Телефон торгового представителя -
Идент.номер покупателя -
Дата установки -
Home
Find...
Go To..

BESTÄLLNING AV RESERVDELAR - Se ovanstående schema.
Använd endast delar från Tennant Company eller likvärdiga. Delar och material kan beställas online, telefoniskt, per fax eller post.
Följ nedanstående steg för en snabb leverans.
1. (A) Identifiera maskinens modell.
2. (B) Identifiera maskinens serienummer på typskylten.
3. (C) Kontrollera att rätt serienummer används från dellistan.
4. Identifiera artikelnumret och mängden. Beställ inte med hjälp av sido- eller referensnummer.
5. Uppge ditt namn, företagets namn, kundens ID- nummer, faktura- och leveransadress,
telefonnummer och ordernumret vid inköp.
6. Ge detaljerade transportanvisningar.
(D) o- identifierar en modul
Y- identifierar delar som ingår i en modul
SE
Fyll i vid installation och spar för framtida bruk.
Modellnr. -
Serienr. -
Tilvalsutrustning -
Försäljare -
Försäljarens tel.nr. -
Kundnummer -
Installationsdatum -
POSTUP PRI OBJEDNÁVANÍ ČASTÍ - Pozri vyššie uvedený diagram.
Vyu ívajte výhradne dielce dodané spoločnos ou TENNANT, alebo ich ekvivalenty. Dielce a polo ky je mo né objedna online,
telefonicky, faxom, alebo poštou.
Na zabezpečenie promptného doručenia sa riaďte nasledovnými krokmi.
1. (A) Identifikujte model stroja.
2. (B) Z etikety s údajmi identifikujte sériové číslo stroja.
3. (C) Ubezpečte sa, e ste zadali správne sériové číslo zo zoznamu dielcov.
4. Identifikujte číslo dielu a mno stvo. Neobjednávajte pomocou čísel strán, alebo referenčných čísel.
5. ZadajteVašemeno,menospoločnosti, ID číslo zákazníka, fakturačnú a
prepravnú adresu, telefónne číslo a objednávacie číslo dielu.
6. Uveďte podrobné prepravné pokyny.
(D) o-identifikuje sadu
Y-identifikuje časti sady
SK
Vyplňte prosím pri inštalácii pre prípad potreby v budúcnosti.
č.modelu-
Sériové č.-
Zvláštne príslušenstvo stroja -
Obchodné zastúpenie -
Obch. zastúpenie tel. č.-
ID č. zákazníka -
Dátum inštalácie -
NAROČANJE NADOMESTNIH DELOV - glejte zgornjo sliko.
Uporabljajte samo originalne nadomestne dele Tennant ali enakovredne dele. Dele in potrošni material lahko naročite prek spleta,
po telefonu, faksu ali pošti.
Za zagotovitev čimbolj hitre dostave sledite spodnjim navodilom.
1. (A) Ugotovite model stroja.
2. (B) Na ploščici s podatki poiščite serijsko številko stroja.
3. (C) Poskrbite, da na seznamu nadomestnih delov poiščete pravilno serijsko številko.
4. Poiščite številko dela in potrebno količino. Pri naročilih ne navajajte strani ali referenčne številke.
5. Navedite svoje ime, ime podjetja, ID številko stranke, naslova za dostavo
in izdajo računa, telefonsko številkoin številko naročila.
6. Navedite podrobna navodila za dostavo.
(D) o-označuje sklop
Y-označujedelesklopa
SL
Prosimo, da ob vgradnji izpolnite te podatke, da vam bodo v
prihodnje na voljo.
Št. modela -
Serijska številka -
Dodatna oprema stroja -
Prodajni predstavnik -
Telefonska št. prodajnega predstavnika -
Številka stranke -
Datum vgradnje -
PARÇALARIN SÝPARÝÞ EDÝLMESÝ - Yukarýdaki þemaya bakýn.
Yalnýzca TENNANT Company'den saðlanan veya eþdeðerde parçalar kullanýn. Parça veya sarf malzemeleri çevrimiçi olarak,
telefonla, faksla veya postayla sipariþ edilebilir.
Zamanýnda teslimatý saðlamak için aþaðýdaki adýmlarý izleyin.
1. (A) Makine modelini belirtin.
2. (B) Veri etiketinden makine seri numarasýný belirtin.
3. (C) Parça listesinden uygun seri numarasýnýn kullanýldýðýndan emin olun.
4. Parça numarasýný ve miktarýný belirtin. Sayfa veya referans numaralarýný kullanarak sipariþ vermeyin.
5. Adýnýzý, þirketinizin adýný, müþteri kimlik numaranýzý, faturalama ve sevkýyat adreslerini,
telefon numarasýný ve satýn alma sipariþi numarasýný belirtin.
6. Ayrýntýlý sevkýyat talimatlarýný belirtin.
(D) o-bir tertibatý belirtir
Y-tertibattaki parçalarý belirtir
TR
Ýleri tarihlerde baþvurmak için lütfen kurulum sýrasýnda doldurun.
Model No. -
Seri No. -
Makine Seçenekleri -
Satýþ Temsilcisi -
Satýþ Temsilcisi telefon no. -
Müþteri Kimlik Numarasý -
Kurulum Tarihi -
Home
Find...
Go To..

TABLE OF CONTENTS
Tennant T1 (02- 2014) 9
STANDARD PARTS
RECOMMENDED MAINTENANCE ITEMS 11.....
HANDLE GROUP, 120V 12......................
HANDLE GROUP, 230V 14......................
FRAME GROUP, 120V 16.......................
FRAME GROUP, 230V 18.......................
TANKS AND SHROUD GROUP 20...............
TANK COVER GROUP 22......................
VACUUM FAN GROUP 24......................
SOLUTION GROUP 26.........................
SCRUB HEAD GROUP, 120V
(S/N 60012391- ) 28...................
SCRUB HEAD GROUP, 120V
(S/N 60000000- 60012390) 30.................
SCRUB HEAD GROUP, 230V
(S/N 60012391- ) 32...................
SCRUB HEAD GROUP, 230V
(S/N 60000000- 60012390) 34.................
SCRUB HEAD LIFT GROUP 36.................
SQUEEGEE GROUP, FRONT AND REAR 38.....
ELECTRICAL DIAGRAM, 120V 40...............
ELECTRICAL DIAGRAM, 230V 41...............
Home
Find...
Go To..

RECOMMENDED MAINTENANCE ITEMS
Tennant T1 Battery (05- 2011)
10
Home
Find...
Go To..

RECOMMENDED MAINTENANCE ITEMS
Tennant T1 Battery (03- 2012) 11
GENERAL RECOMMENDED MAINTENANCE ITEMS
Ref. Part No. Serial Number Description Qty.
1014918 (60000000- 70000000 )Wheel, 03.0d 0.88w 0.31b, W/ Bshg, Rbr 3
601443 (60000000- 70000000 )Caster, Swivel, 3.0d 1.3w, .50- 13 Stem 2
9004283 (60000000- 70000000 )Belt Kit, W/ Installation Tool 1
1037197 (60000000- 70000000 )Brush, Scrub, 89mm Od X 386mm, Nylon (Standard) 1
1037277 (60000000- 70000000 )Brush, Scrub, 89mm Od X 386mm, Poly (Optional) 1
1037278 (60000000- 70000000 )Brush, Scrub, 89mm Od X 386mm, Grit (Optional) 1
9008581 (60000000- 70000000 )Wheel Kit, Sqge, W/ Hdwr 1
1057241 (60000000- 70000000 )Blade Assy, Sqge, Inner, Ure 2
1050943 (60000000- 70000000 )Blade Assy, Sqge, Outer, Ure 2
1052876 (60000000- 70000000 )Gasket, Tank 2
Home
Find...
Go To..

STANDARD PARTS
Tennant T1 (03- 2008)
12
HANDLE GROUP, 120V
355051
1
4
5
67
8
9
10
11
12
13
14
12
15
16 17
18
22
19 20 21
23
24
25
26
27
28
29
30
31
32
32
29
28
27
26
30
16
8
2
3
33
Home
Find...
Go To..

STANDARD PARTS
Tennant T1 (03- 2012) 13
HANDLE GROUP, 120V
Ref. Part No. Serial Number Description Qty.
9005505 (60000000- 70000000 )Handle, Tennant T1[120 Volt] 1
Y19004320 (60000000- 70000000 )Cover, Handle Front/Rear Tennant T1 Kit 1
YY 21042589 (60000000- 70000000 )Label, Logo, 02.50l, White [Tennant] 1
YY 31037324 (60000000- 70000000 )Label, Opertnl, Instrmt Panl, Scrubber 1
Y4602919 (60000000- 70000000 )Switch, Rocker, Dpdt, On / On 2
Y542368 (60000000- 70000000 )Nut, Hex, Std, M4 X 0.70, 8 2
Y6140061 (60000000- 70000000 )Washer, Lock, Ext, 08, Pl 2
Y71034952 (60000000- 70000000 )Screw, Hex, M4 X 0.7 X 12, Dbl Thrd 1
Y81043573 (60000000- 70000000 )Screw, #10- 14 X 0.675, Spl[Shcs,Selftap] 7
Y9130166 (60000000- 70000000 )Grip, Cord, Strainrelief Pg- 11 W/Nut Bk 1
Y10 1042410 (60000000- 70000000 )Cord, 14ga /3, 16.0l, W/ Receptacle, Yel 1
Y11 1037147 (60000000- 70000000 )Clip, Cord, Strainrelief, Black 1
Y12 1033893 (60000000- 70000000 )Lever, Cntrl, Switch [Trex] 2
Y13 9008568 (60000000- 70000000 )Switch Kit, W/ Washers, Fr/ F/1063165 1
Y14 1034945 (60000000- 70000000 )Lever, Adjmt, Handle 1
Y15 1034181 (60000000- 70000000 )Cover, Handle, Tennant [Trex] 1
Y16 1043572 (60000000- 70000000 )Screw, #10- 14 X 01.5, Spl[Shcs Selftap] 2
Y17 1034176 (60000000- 70000000 )Bushing, Flng, 5mmb 12mmd 8mml, Pa6 1
Y18 1034180 (60000000- 70000000 )Rod, Release [Trex] 1
Y19 603104 (60000000- 70000000 )Hook, Cord, Blk [Quick- Release] 1
Y20 603108 (60000000- 70000000 )Spring, Cmpr, Switch 1
Y21 140239 (60000000- 70000000 )Bolt, Shld, .38d X 1.75, .31- 18 1
Y22 1045239 (60000000- 70000000 )Tube, Assy, Handle 1
Y23 1013295 (60000000- 70000000 )Spring, Cmpr [2100 Series] 1
Y24 9006059 (60000000- 70000000 )Plunger Kit, Handle 1
Y25 1034924 (60000000- 70000000 )Pin, Roll, 04mmd X 40mml 1
Y26 1016399 (60000000- 70000000 )Screw, Hex, M8 X 1.25 X 30, Nl, Ss 4
Y27 140027 (60000000- 70000000 )Washer, Flat, 0.35b 0.75d .04, Ss 4
Y28 49609 (60000000- 70000000 )Screw, Soc, M8 X 1.25 X 16, 12.9 4
Y29 1000307 (60000000- 70000000 )Handle, Pivot, Half 2
Y30 1034155 (60000000- 70000000 )Pin, Roll, 06mmd X 36mml 2
Y31 1034872 (60000000- 70000000 )Gear, Lock, Handle 1
Y32 612422 (60000000- 70000000 )Seal, Org, Gear Seat 2
33 1042403 (60000000- 70000000 )Cord, Power, 1.5mm /3 Yel[2x15m 50ft Us] 1
ASSEMBLY
YINCLUDED IN ASSEMBLY
Home
Find...
Go To..

STANDARD PARTS
Tennant T1 (03- 2008)
14
HANDLE GROUP, 230V
355053
1
4
5
67
8
9
10
11
12
13
14
12
15
16
17 18
19
20 21 22
23
24
25
26
27
28
29
30
31
32
33
33
30
29
28
27
31
17
8
2
3
34
35
36
Home
Find...
Go To..

STANDARD PARTS
Tennant T1 (03- 2012) 15
HANDLE GROUP, 230V
Ref. Part No. Serial Number Description Qty.
9005508 (60000000- 70000000 )Handle, Tennant T1[230 Volt] 1
Y19004320 (60000000- 70000000 )Cover, Handle Front/Rear Tennant T1 Kit 1
YY 21042589 (60000000- 70000000 )Label, Logo, 02.50l, White [Tennant] 1
YY 31037324 (60000000- 70000000 )Label, Opertnl, Instrmt Panl, Scrubber 1
Y4602919 (60000000- 70000000 )Switch, Rocker, Dpdt, On / On 2
Y542368 (60000000- 70000000 )Nut, Hex, Std, M4 X 0.70, 8 2
Y6140061 (60000000- 70000000 )Washer, Lock, Ext, 08, Pl 2
Y71034952 (60000000- 70000000 )Screw, Hex, M4 X 0.7 X 12, Dbl Thrd 1
Y81043573 (60000000- 70000000 )Screw, #10- 14 X 0.675, Spl[Shcs,Selftap] 7
Y9130166 (60000000- 70000000 )Grip, Cord, Strainrelief Pg- 11 W/Nut Bk 1
Y10 1040343 (60000000- 70000000 )Cord, 14ga /3, 16.0l, W/ Receptacle, Blk 1
Y11 1037147 (60000000- 70000000 )Clip, Cord, Strainrelief, Black 1
Y12 1033893 (60000000- 70000000 )Lever, Cntrl, Switch [Trex] 2
Y13 9008568 (60000000- 70000000 )Switch Kit, W/ Washers, Fr/ F/1063165 1
Y14 1034945 (60000000- 70000000 )Lever, Adjmt, Handle 1
Y15 1054252 (60000000- 70000000 )Filter, Handle, 250 Vac, 50/60hz, 8 Amp 1
Y16 1034181 (60000000- 70000000 )Cover, Handle, Tennant [Trex] 1
Y17 1043572 (60000000- 70000000 )Screw, #10- 14 X 01.5, Spl[Shcs Selftap] 2
Y18 1034176 (60000000- 70000000 )Bushing, Flng, 5mmb 12mmd 8mml, Pa6 1
Y19 1034180 (60000000- 70000000 )Rod, Release [Trex] 1
Y20 603104 (60000000- 70000000 )Hook, Cord, Blk [Quick- Release] 1
Y21 603108 (60000000- 70000000 )Spring, Cmpr, Switch 1
Y22 140239 (60000000- 70000000 )Bolt, Shld, .38d X 1.75, .31- 18 1
Y23 1045239 (60000000- 70000000 )Tube, Assy, Handle 1
Y24 1013295 (60000000- 70000000 )Spring, Cmpr [2100 Series] 1
Y25 9006059 (60000000- 70000000 )Plunger Kit, Handle 1
Y26 1034924 (60000000- 70000000 )Pin, Roll, 04mmd X 40mml 1
Y27 1016399 (60000000- 70000000 )Screw, Hex, M8 X 1.25 X 30, Nl, Ss 4
Y28 140027 (60000000- 70000000 )Washer, Flat, 0.35b 0.75d .04, Ss 4
Y29 49609 (60000000- 70000000 )Screw, Soc, M8 X 1.25 X 16, 12.9 4
Y30 1000307 (60000000- 70000000 )Handle, Pivot, Half 2
Y31 1034155 (60000000- 70000000 )Pin, Roll, 06mmd X 36mml 2
Y32 1034872 (60000000- 70000000 )Gear, Lock, Handle 1
Y33 612422 (60000000- 70000000 )Seal, Org, Gear Seat 2
34 1035571 (60000000- 70000000 )Cord, Extn, 1.5mm /3 [2x20m, Ce] 1
35 1036912 (60000000- 70000000 )Cord, Power, 1.5mm /3 Blk [2x15m, Aus] 1
36 1036891 (60000000- 70000000 )Cord, Power, 1.5mm /3 Blk [2x20m,Uk] 1
ASSEMBLY
YINCLUDED IN ASSEMBLY
Home
Find...
Go To..

STANDARD PARTS
Tennant T1 (03- 2012)
16
FRAME GROUP, 120V
355056
1
2
34
5
7
6
8
9
10
11
12
13 14
14
15 16
17
16
15
18
19
20
21
22
23
24
22
25
Home
Find...
Go To..

STANDARD PARTS
Tennant T1 (03- 2012) 17
FRAME GROUP, 120V
Ref. Part No. Serial Number Description Qty.
11064038 (60000000- 70000000 )Gauge, Hourmeter, 05- 277 Volt, Ac / Dc 1
286726 (60000000- 70000000 )Grommet, Rbr, 0.44id, F/0.5h, .19 Matl 1
3383720 (60000000- 70000000 )Circuitbreaker, 05.0a, Resetable 1
4383722 (60000000- 70000000 )Circuitbreaker, 15.0a, Resetable 1
574027 (60000000- 70000000 )Screw, Pan, Phl, M6 X 1.00 X 12, Nl, Pl 1
69004277 (60000000- 70000000 )Cover Kit, Column, W/ Label [3gal 120v] 1
Y71039105 (60000000- 70000000 )Label,Warning,Ac Scrb/Extr [En/Fr/Es/Jp] 1
Y8NA (60000000- 70000000 )Label, Safety, 120vac [Etl] 1
91044427 (60000000- 70000000 )Nut, Hex, Lock, #8- 32, Nl, Ss 1
10 41578 (60000000- 70000000 )Washer, Flat, 06, Ss 1
11 02938 (60000000- 70000000 )Washer, Lock, Int, 08, Ss 1
12 9004276 (60000000- 70000000 )Column Kit, Sppt, W/ Label [3 Gal] 1
13 1030718 (60000000- 70000000 )Cover, Frame, Rear [Trex] 1
14 02931 (60000000- 70000000 )Nut, Hex, Lock, .50- 13, Nl, Ss 2
15 1035137 (60000000- 70000000 )Pin, Clevis, Grvd 0.31d X 2.00l, Ss 2
16 1014918 (60000000- 70000000 )Wheel, 03.0d 0.88w 0.31b, W/ Bshg, Rbr 2
17 1035139 (60000000- 70000000 )Ring, Retaining, Ext, 0.31d, E- Type 2
18 1020341 (60000000- 70000000 )Screw, Hex, M8 X 1.25 X 20, Ss, Sems 4
19 601443 (60000000- 70000000 )Caster, Swivel, 3.0d 1.3w, .50- 13 Stem 2
20 1034013 (60000000- 70000000 )Frame (Machined) 1
21 08713 (60000000- 70000000 )Nut, Hex, Lock, M8 X 1.25, Nl, Ss 1
22 140027 (60000000- 70000000 )Washer, Flat, 0.35b 0.75d .04, Ss 3
23 1014918 (60000000- 70000000 )Wheel, 03.0d 0.88w 0.31b, W/ Bshg, Rbr 1
24 49826 (60000000- 70000000 )Screw, Hex, M8 X 1.25 X 16, Nl, Ss 2
25 1034805 (60000000- 70000000 )Bracket, Bumper Wheel 1
N/S 1033825 (60000000- 70000000 ) Harness, Chassis, Ele, Scrbr, [T- Rex] 1
ASSEMBLY
YINCLUDED IN ASSEMBLY
N/S = NOT SHOWN
Home
Find...
Go To..

STANDARD PARTS
Tennant T1 (03- 2012)
18
FRAME GROUP, 230V
355057
1
2
34
5
6
10
9
8
7
11
12
13
14
15 16
16
17 18
18
19
17
20
21
22
23
24
25
26
24
27
20
Home
Find...
Go To..

STANDARD PARTS
Tennant T1 (03- 2012) 19
FRAME GROUP, 230V
Ref. Part No. Serial Number Description Qty.
11064038 (60000000- 70000000 )Gauge, Hourmeter, 05- 277 Volt, Ac / Dc 1
286726 (60000000- 70000000 )Grommet, Rbr, 0.44id, F/0.5h, .19 Matl 1
31037100 (60000000- 70000000 )Circuitbreaker, 2.5 Amp, 230 Volt 1
41037086 (60000000- 70000000 )Circuitbreaker, 7.5 Amp, 230 Volt 1
574027 (60000000- 70000000 )Screw, Pan, Phl, M6 X 1.00 X 12, Nl, Pl 1
69004295 (60000000- 70000000 )Column, Cover W/ Labels 3 Gal 230v Kit 1
Y7NA (60000000- 70000000 )Label, Safety, 230Vac [Ce, C- Tic] 1
Y81030494 (60000000- 70000000 )Label, Hzrd, Flammable Matl, Ce 1
Y91028077 (60000000- 70000000 )Label [Read Manual, Iso] 1
Y10 993852 (60000000- 70000000 )Label, Warning [Electrical Hazard] 1
11 1044427 (60000000- 70000000 )Nut, Hex, Lock, #8- 32, Nl, Ss 1
12 41578 (60000000- 70000000 )Washer, Flat, 06, Ss 1
13 02938 (60000000- 70000000 )Washer, Lock, Int, 08, Ss 1
14 9004276 (60000000- 70000000 )Column Kit, Sppt, W/ Label [3 Gal] 1
15 1030718 (60000000- 70000000 )Cover, Frame, Rear [Trex] 1
16 02931 (60000000- 70000000 )Nut, Hex, Lock, .50- 13, Nl, Ss 2
17 1035137 (60000000- 70000000 )Pin, Clevis, Grvd 0.31d X 2.00l, Ss 2
18 1014918 (60000000- 70000000 )Wheel, 03.0d 0.88w 0.31b, W/ Bshg, Rbr 2
19 1035139 (60000000- 70000000 )Ring, Retaining, Ext, 0.31d, E- Type 2
20 1020341 (60000000- 70000000 )Screw, Hex, M8 X 1.25 X 20, Ss, Sems 4
21 601443 (60000000- 70000000 )Caster, Swivel, 3.0d 1.3w, .50- 13 Stem 2
22 1034013 (60000000- 70000000 )Frame (Machined) 1
23 08713 (60000000- 70000000 )Nut, Hex, Lock, M8 X 1.25, Nl, Ss 1
24 140027 (60000000- 70000000 )Washer, Flat, 0.35b 0.75d .04, Ss 3
25 1014918 (60000000- 70000000 )Wheel, 03.0d 0.88w 0.31b, W/ Bshg, Rbr 1
26 49826 (60000000- 70000000 )Screw, Hex, M8 X 1.25 X 16, Nl, Ss 2
27 1034805 (60000000- 70000000 )Bracket, Bumper Wheel 1
N/S 1033825 (60000000- 70000000 ) Harness, Chassis, Ele, Scrbr, [T- Rex] 1
ASSEMBLY
YINCLUDED IN ASSEMBLY
N/S = NOT SHOWN
Home
Find...
Go To..

STANDARD PARTS
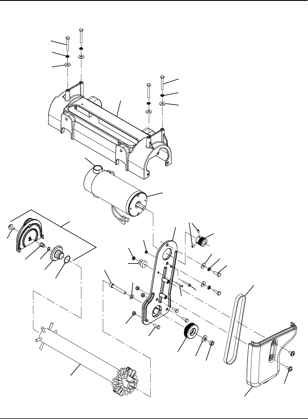
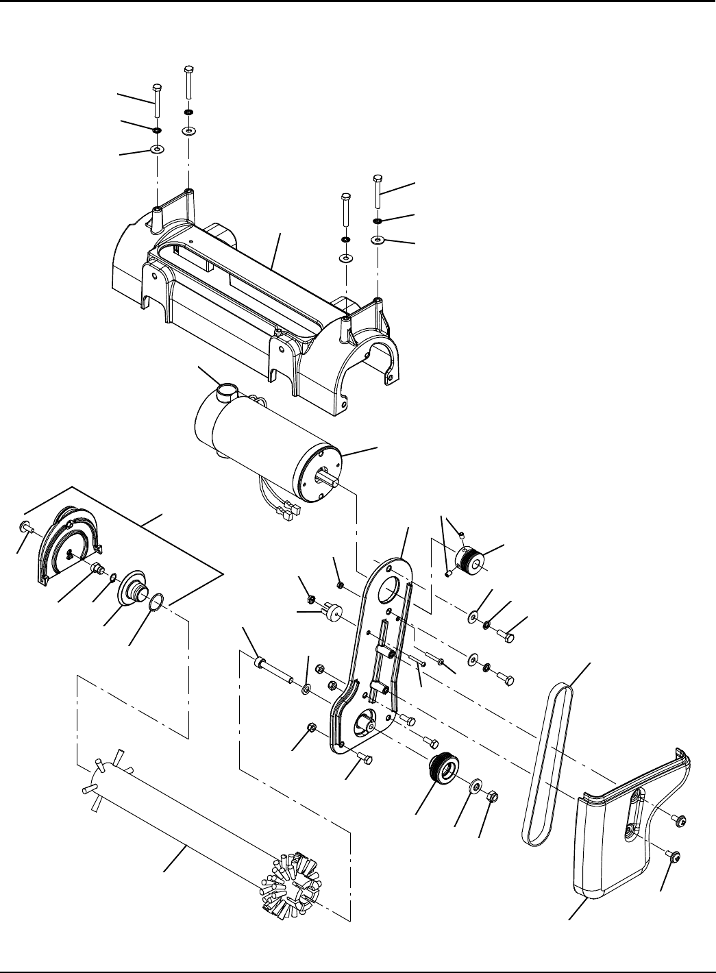
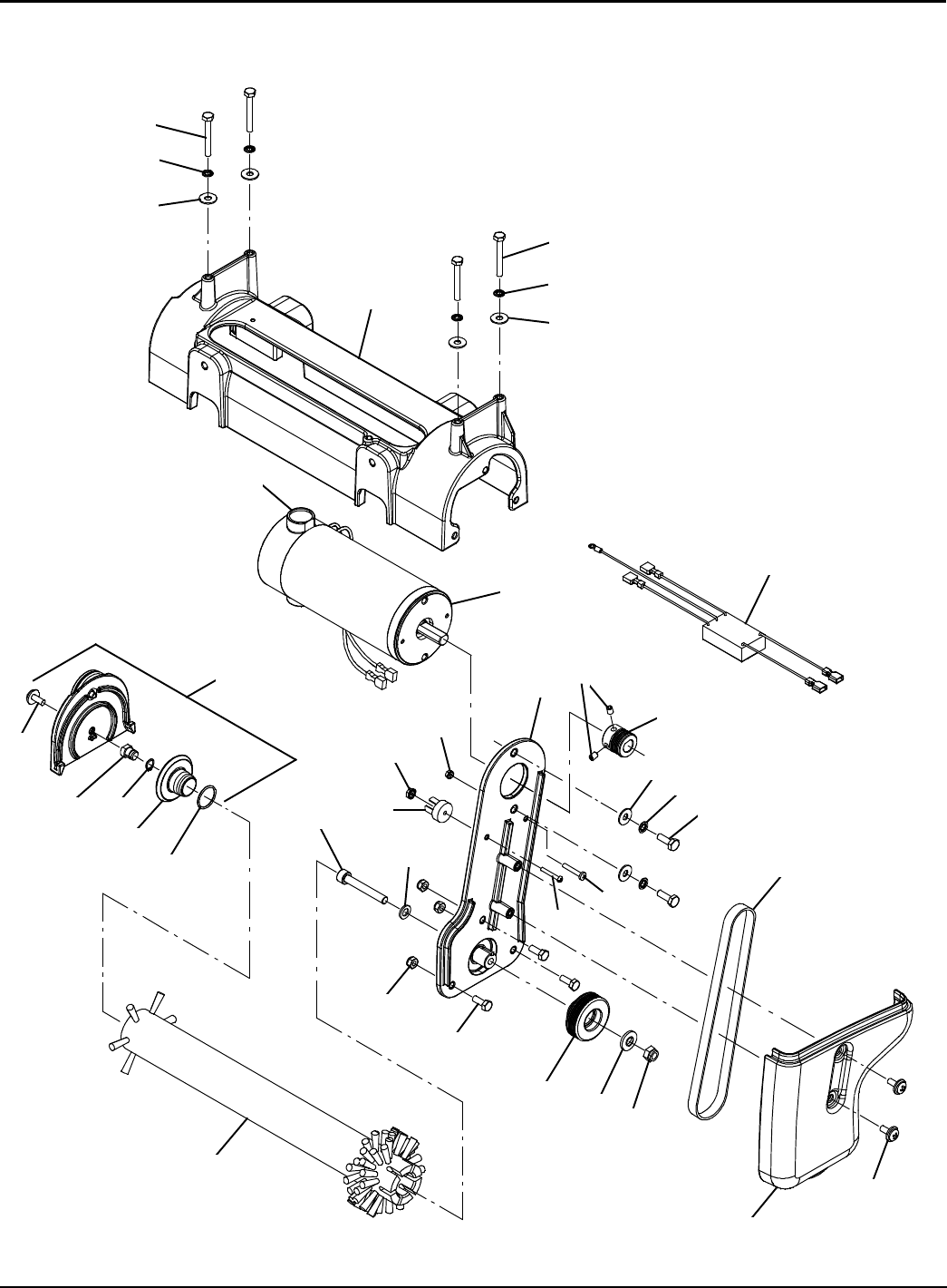
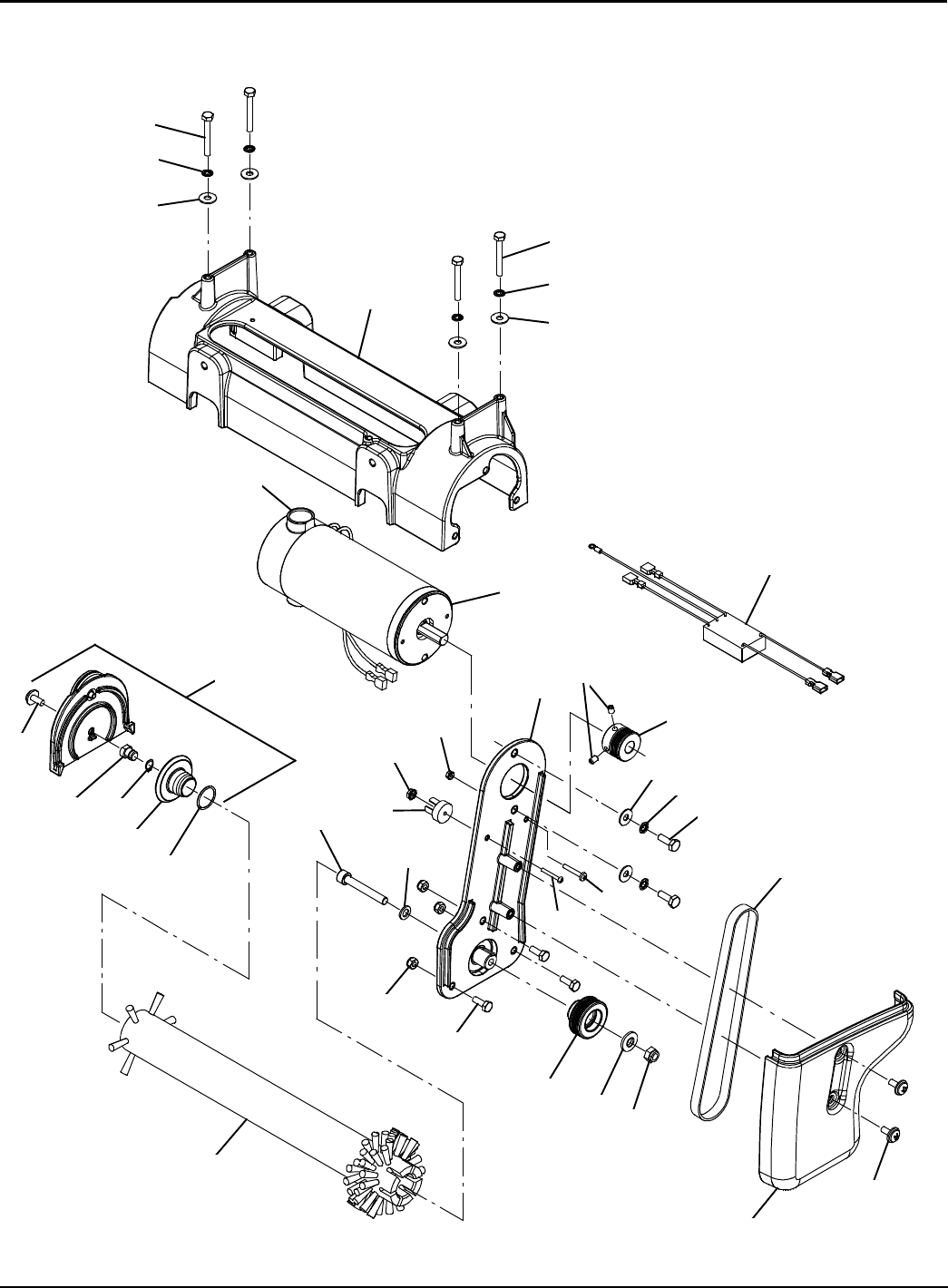
Tennant T1 (02- 2014)
20
TANKS AND SHROUD GROUP
355062
3
10
4
11
1
2
5
7
8
9
12
13
14
14
12
15
6
12
Home
Find...
Go To..

STANDARD PARTS
Tennant T1 (02- 2014) 21
TANKS AND SHROUD GROUP
Ref. Part No. Serial Number Description Qty.
19004312 (60000000- 70000000 )Tank, Rec W/ Labels Tennant 3 Gal Kit 1
Y21039085 (60000000- 70000000 )Label, Side [T1 Scrubber] 1
Y39004285 (60000000- 70000000 )Handle, Tank Kit 1
YY 424265 (60000000- 70000000 )Screw, Pan, Phl, M4 X 0.70 X 16, Ss 2
59004314 (60000000- 70000000 )Tank, Sol W/ Labels Tennant 3 Gal Kit 1
Y61044865 (60000000- 70000000 )Label, Solution, Tank, Max. Fill, 3 Gal. 1
Y71039138 (60000000- 70000000 )Label, Tank, Soltn, 3.0gal 1
Y81040112 (60000000- 70000000 )Label, Oper, Instr [Scrubber] 1
Y91039085 (60000000- 70000000 )Label, Side [T1 Scrubber] 1
Y10 9004285 (60000000- 70000000 )Handle, Tank Kit 1
YY 11 24265 (60000000- 70000000 )Screw, Pan, Phl, M4 X 0.70 X 16, Ss 2
12 1019349 (60000000- 70000000 )Screw, Trs, M6 X 1.00 X 16, Ss, Sems 3
13 9004301 (60000000- 70000000 )Shroud, W/ Labels Tennant 3 Gal Kit 1
Y14 578769 (60000000- 70000000 )Decal, Moving Parts Textless 2
Y15 1039084 (60000000- 70000000 )Label, Logo, White, Tennant, 5.5”Lg 1
ASSEMBLY
YINCLUDED IN ASSEMBLY
Home
Find...
Go To..

STANDARD PARTS
Tennant T1 (05- 2011)
22
TANK COVER GROUP
355055
1
2
3
2
3
4
5
6
4
5
7
8
8
9
10
11
8
8
12 13
14
15
8
16
17
18
8
19
20
21
16
22
11
Home
Find...
Go To..

STANDARD PARTS
Tennant T1 (03- 2012) 23
TANK COVER GROUP
Ref. Part No. Serial Number Description Qty.
11031638 (60000000- 70000000 )Cover , Tank, Upper, Tennant [Trex] 1
2 1035358 (60000000- 70000000 ) Pin, Grvd, 0.375d, 1.25l 2
3 24555 (60000000- 70000000 ) Ring, Retaining, Ext, 0.38d, [E- Ring] 2
4 1016399 (60000000- 70000000 ) Screw, Hex, M8 X 1.25 X 30, Nl, Ss 4
5 140027 (60000000- 70000000 ) Washer, Flat, 0.35b 0.75d .04, Ss 4
61034346 (60000000- 70000000 ) Bracket, Pivot, Cover, Mtg 1
71036078 (60000000- 70000000 )Hose, Soltn, .25 Id, .453 Od, 41.25 L 1
8140340 (60000000- 70000000 )Screw, Pan, Phl, 10- 24 X 0.62, Ss[Typ25] 13
91042715 (60000000- 70000000 )Fitting, Brs, Str, Bm04/Pm02 1
10 1032556 (60000000- 70000000 )Filter, Soltn Tube, 80 Mesh 1
11 140011 (60000000- 70000000 )Washer, Flat, 0.21b 0.45d .03, Ss 2
12 1051274 (60000000- 70000000 )Gasket, Shield, Float 1
13 1042277 (60000000- 70000000 )Shield, Float 1
14 1044370 (60000000- 70000000 )Ball, Float, W/O Cage 1
15 9005924 (60000000- 70000000 )Cover, Tank, Inner W/ Seals, Kit 1
Y16 1036090 (60000000- 70000000 )Seal, Vacuum [Trex] 2
Y17 1052876 (60000000- 70000000 )Gasket, Tank 2
Y18 602849 (60000000- 70000000 )Strainrelief, Cord, Ele, Pm08, Blk Nyl 1
19 1035866 (60000000- 70000000 )Hose, Recvy, Formed [Trex] 1
20 1037756 (60000000- 70000000 )Hose, Vacuum, 1.5od, 18.0l [Wire- Reinf] 1
21 140308 (60000000- 70000000 )Clamp, Hose, Wormdrive, 1.31- 2.25d, .50w 4
22 1054345 (60000000- 70000000 )Clip, Retaining, Seal 2
ASSEMBLY
YINCLUDED IN ASSEMBLY
Home
Find...
Go To..

STANDARD PARTS
Tennant T1 (03- 2008)
24
VACUUM FAN GROUP
355061
1
2
3
4
5
65
7
75
8
9
10
12
11
13
12
11
12
11
11
14
14
11
12
11
15
Home
Find...
Go To..

STANDARD PARTS
Tennant T1 (02- 2014) 25
VACUUM FAN GROUP
Ref. Part No. Serial Number Description Qty.
11031960 (60000000- 70000000 )Plate, Mtg, Vacuum 1
2 1026454 (60000000- 70000000 ) Screw, Pan, Phl, M5 X 0.80 X 10, Ss 3
3 610144 (60000000- 70000000 ) Spacer, Fan 2
4 1038394 (60000000- 70000000 ) Hose, Vacuum, 38.0id X 380.0l, 1cuff 1
5 79381 (60000000- 70000000 ) Clamp, Hose, Wormdrive, 1.25- 2.00d, .50w 3
61031965 (60000000- 70000000 )Fitting, Brb, Pvc, 1.5in 3 Way X 90 1
7 1038391 (60000000- 70000000 ) Hose, Vacuum, 38.0id X 330.0l, 1cuff 2
8 390677 (60000000- 70000000 ) Muffler, Exhaust, Vacfan, Long 1
9 130773 (60000000- 70000000 ) Tie, Cable, Nyl, 11.0l, .14w, 3.0 Max. D 1
10 1071839 (xxxxxxxx- 70000000 )Fan, Vacuum, 5.7d, 120vac, 2 Stage [Bpt] 1
Y1071842 (xxxxxxxx- 70000000 )Vr, Brush Kit, Vac Fan 1071839 1
10 1037541 (60000000- xxxxxxxx ) Fan, Vacuum, 5.7d, 120 Vac, 2 Stage
(Replaced by 1071839) 1
10 1071840 (xxxxxxxx- 70000000 )Fan, Vacuum, 5.7d, 240vac, 2 Stage [Bpt] 1
Y1071843 (xxxxxxxx- 70000000 )Vr, Brush Kit, Vac Fan 1071840 1
10 1038018 (60000000- xxxxxxxx ) Fan, Vacuum, 5.7d, 240 Vac, 2 Stage
(Replaced by 1071840) 1
11 01684 (60000000- 70000000 )Washer, Flat, 0.27b 0.69d .05, Ss 6
12 08708 (60000000- 70000000 ) Nut, Hex, Lock, M6 X 1.00, Nl 4
13 630010 (60000000- 70000000 ) Gasket, 12.7mm Th, 43mmid 73mmod 1
14 09007 (60000000- 70000000 ) Screw, Hex, M6 X 1.00 X 25, Ss 2
15 1034069 (60000000- 70000000 )Plate, Vac Mounting 1
ASSEMBLY
YINCLUDED IN ASSEMBLY
Home
Find...
Go To..

STANDARD PARTS
Tennant T1 (03- 2009)
26
SOLUTION GROUP
355060
1
2
3
4
23
5
5
6
57
8
9
10
11
10
12
13
14
15
16
17
14
13
12
3
3
Home
Find...
Go To..

STANDARD PARTS
Tennant T1 (06- 2009) 27
SOLUTION GROUP
Ref. Part No. Serial Number Description Qty.
106933 (60000000- 70000000 )Screw, Pan, Phl, M5 X 0.80 X 16, 4.8 4
2 1036121 (60000000- 70000000 ) Mount, Pump, Cp6 2
3 07789 (60000000- 70000000 ) Nut, Hex, Flng, M5 X 0.80 4
41035850 (60000000- 70000000 )Pump, Solution, Solenoid 120v 1
41035862 (60000000- 70000000 )Pump, Solution, Solenoid 230v [T- Rex] 1
543844 (60000000- 70000000 )Clamp, Hose, Wormdrive, 0.25- 0.62d, .31w 3
6613435 (60000000- 70000000 )Hose, Pvc, Brd, 0.25id 0.50od 25.9l,Gray (160204) 1
71028773 (60000000- 70000000 )Fitting, Brs, E90, Bm04/Pf04 1
81035296 (60000000- 70000000 )Washer, Flat, Belleville, .567 1
91042714 (60000000- 70000000 )Washer, Wavy, 0.59b 1.01d .02 1
10 140262 (60000000- 70000000 )Rivet, Plstc, .250d, Blk [Xmas Tree] 3
11 1037573 (60000000- 70000000 ) Shield, Access [Trex] 1
12 579237 (60000000- 70000000 ) Screw, Pan, Phl, M4 X 0.70 X 12, Ss 2
13 02938 (60000000- 70000000 ) Washer, Lock, Int, 08, Ss 2
14 41579 (60000000- 70000000 ) Washer, Flat, 08, Ss 2
15 1034395 (60000000- 70000000 )Shroud, Splash, Nozzle [Trex] 1
16 1034582 (60000000- 70000000 ) Nozzle Adapter, Qppm 1
17 1033942 (60000000- 70000000 ) Nozzle [Qmvv 110- 015] 1
Home
Find...
Go To..

STANDARD PARTS
Tennant T1 (05- 2011)
28
SCRUB HEAD GROUP, 120V (S/N 60012391- )
355156
1
2
3
4
1
2
3
5
6
17 7
8
910
11
12
13
14
15
16
18
19
20
23
24
21
22
28
30
31
32
33
29
34 27
26
25
Home
Find...
Go To..

STANDARD PARTS
Tennant T1 (02- 2014) 29
SCRUB HEAD GROUP, 120V (S/N 60012391- )
Ref. Part No. Serial Number Description Qty.
11045325 (60000000- 70000000 ) Screw, Hex, M6 X 1.00 X 45, Ss 4
207515 (60000000- 70000000 )Washer, Lock, Int, 0.25, Ss 4
301684 (60000000- 70000000 )Washer, Flat, 0.27b 0.69d .05, Ss 4
41034380 (60000000- 70000000 )Housing, Brush, Sngl, 40cm 1
51072719 (60018569- 70000000 )Motor, Ele, 115vdc 2200rpm .33hp 1
Y61067897 (60018569- 70000000 )Vr, Brush Kit, Motor 2
51034457 (60012391- 60018568 )Motor, .25hp, 115vdc, 2.5a, 2400 Rpm
(Replaced by 1072719) 1
Y61045234 (60000000- 60018568 )Brush, Carbon (Pk=2) Ref Part 1034457 2
709162 (60000000- 70000000 ) Screw, Set, Soc, M6 X 1.00 X 8, Nl 2
81063530 (60012391- 70000000 )Sheave, 07grv, 25.8pd [Ph] 1
901684 (60000000- 70000000 )Washer, Flat, 0.27b 0.69d .05, Ss 2
10 07515 (60000000- 70000000 )Washer, Lock, Int, 0.25, Ss 2
11 34323 (60000000- 70000000 )Screw, Hex, .25- 20 X 0.75, Nl 2
12 1033197 (60000000- 70000000 )Screw, Pan, Phl, M4 X 0.70 X 25, Ss 1
13 1007109 (60000000- 70000000 )Nut, Hex, Lock, M4 X 0.70, Kep, Ext 1
14 9004283 (60000000- 70000000 )Belt Kit, W/ Installation Tool 1
15 1019349 (60000000- 70000000 )Screw, Trs, M6 X 1.00 X 16, Ss, Sems 2
16 1064396 (60000000- 70000000 )Cover, Belt, Bl- Gr (Single Roller) 1
17 9008296 (60012391- 70000000 )Bracket, Motor Mount W/ Bearing/Seal Kit 1
Y18 08713 (60007386- 70000000 )Nut, Hex, Lock, M8 X 1.25, Nl, Ss 1
Y19 41186 (60000000- 70000000 )Washer, Flat, Belleville, .31 1
Y20 1030625 (60012391- 70000000 )Sheave, 07grv, 49.3pd 1
Y21 1057482 (60007386- 70000000 )Washer, Flat, 0.328b 0.571d 0.063, Ss 1
Y22 1057476 (60007386- 70000000 ) Screw, Soc, M8 X 1.25 X 55, Ss 1
23 15678 (60000000- 70000000 ) Screw, Hex, M6 X 1.00 X 16, Ss 3
24 08712 (60000000- 70000000 )Nut, Hex, Lock, M6 X 1.00, Nl, Ss 3
25 140946 (60000000- 70000000 )Screw, Rnd, Sltd, 06- 32 X 1.00, Nyl 1
26 130288 (60000000- 70000000 )Rectifier, Bridge, Rnd, 12a 1000volt, Ce 1
27 140534 (60000000- 70000000 )Nut, Hex, #06- 32, Nyl 1
28 1037197 (60000000- 70000000 )Brush, Scrub, 89mm Od X 386mm, Nylon (Standard) 1
28 1037277 (60000000- 70000000 )Brush, Scrub, 89mm Od X 386mm, Poly (Optional) 1
28 1037278 (60000000- 70000000 )Brush, Scrub, 89mm Od X 386mm, Grit (Optional) 1
29 9007962 (60000000- 70000000 )Door Kit, Brush, W/ Hdwr 1
Y30 1042312 (60000000- 70000000 )Seal, Org, .070 X .875 Id, 020 1
Y31 1030680 (60000000- 70000000 )Hub, Idler, Brush 1
Y32 01543 (60000000- 70000000 )Ring, Retaining, Ext, 0.39d, Basic 1
Y33 1030682 (60000000- 70000000 )Shaft, Idler Plug 1
Y34 1019349 (60000000- 70000000 )Screw, Trs, M6 X 1.00 X 16, Ss, Sems 1
ASSEMBLY
YINCLUDED IN ASSEMBLY
Home
Find...
Go To..

STANDARD PARTS
Tennant T1 (05- 2011)
30
SCRUB HEAD GROUP, 120V (S/N 60000000- 60012390)
355058
1
2
3
4
1
2
3
5
6
17 7
8
910 11
12
13
14
15
16
18
19
20
23
24
21
22
28
30
31
32
33
29
34 27
26
25
Home
Find...
Go To..

STANDARD PARTS
Tennant T1 (05- 2011) 31
SCRUB HEAD GROUP, 120V (S/N 60000000- 60012390)
Ref. Part No. Serial Number Description Qty.
11045325 (60000000- 70000000 ) Screw, Hex, M6 X 1.00 X 45, Ss 4
207515 (60000000- 70000000 )Washer, Lock, Int, 0.25, Ss 4
301684 (60000000- 70000000 )Washer, Flat, 0.27b 0.69d .05, Ss 4
41034380 (60000000- 70000000 )Housing, Brush, Sngl, 40cm 1
59008295 (60000000- 60012390 )Motor Kit, Sheaves, 115vdc [T1] 1
Y61045234 (60000000- 70000000 )Brush, Carbon (Pk=2) Ref Part 1034457 2
709162 (60000000- 70000000 ) Screw, Set, Soc, M6 X 1.00 X 8, Nl 2
89008249 (60000000- 60012390 )Sheave Kit, Cover [T1] 1
901684 (60000000- 70000000 )Washer, Flat, 0.27b 0.69d .05, Ss 2
10 07515 (60000000- 70000000 )Washer, Lock, Int, 0.25, Ss 2
11 34323 (60000000- 70000000 )Screw, Hex, .25- 20 X 0.75, Nl 2
12 1033197 (60000000- 70000000 )Screw, Pan, Phl, M4 X 0.70 X 25, Ss 1
13 1007109 (60000000- 70000000 )Nut, Hex, Lock, M4 X 0.70, Kep, Ext 1
14 9004283 (60000000- 70000000 )Belt Kit, W/ Installation Tool 1
15 1019349 (60000000- 70000000 )Screw, Trs, M6 X 1.00 X 16, Ss, Sems 2
16 1064396 (60000000- 70000000 )Cover, Belt, Bl- Gr (Single Roller) 1
17 9008301 (60000000- 60012390 )Bracket, Motor Mount W/ Bearing/Seal Kit 1
Y18 08713 (60007386- 70000000 )Nut, Hex, Lock, M8 X 1.25, Nl, Ss 1
Y19 41186 (60000000- 70000000 )Washer, Flat, Belleville, .31 1
Y20 9008249 (60000000- 60012390 )Sheave Kit, Cover [T1] 1
Y21 1057482 (60007386- 70000000 )Washer, Flat, 0.328b 0.571d 0.063, Ss 1
Y22 1057476 (60007386- 70000000 ) Screw, Soc, M8 X 1.25 X 55, Ss 1
23 15678 (60000000- 70000000 ) Screw, Hex, M6 X 1.00 X 16, Ss 3
24 08712 (60000000- 70000000 )Nut, Hex, Lock, M6 X 1.00, Nl, Ss 3
25 140946 (60000000- 70000000 )Screw, Rnd, Sltd, 06- 32 X 1.00, Nyl 1
26 130288 (60000000- 70000000 )Rectifier, Bridge, Rnd, 12a 1000volt, Ce 1
27 140534 (60000000- 70000000 )Nut, Hex, #06- 32, Nyl 1
28 1037197 (60000000- 70000000 )Brush, Scrub, 89mm Od X 386mm, Nylon (Standard) 1
28 1037277 (60000000- 70000000 )Brush, Scrub, 89mm Od X 386mm, Poly (Optional) 1
28 1037278 (60000000- 70000000 )Brush, Scrub, 89mm Od X 386mm, Grit (Optional) 1
29 9007962 (60000000- 70000000 )Door Kit, Brush, W/ Hdwr 1
Y30 1042312 (60000000- 70000000 )Seal, Org, .070 X .875 Id, 020 1
Y31 1030680 (60000000- 70000000 )Hub, Idler, Brush 1
Y32 01543 (60000000- 70000000 )Ring, Retaining, Ext, 0.39d, Basic 1
Y33 1030682 (60000000- 70000000 )Shaft, Idler Plug 1
Y34 1019349 (60000000- 70000000 )Screw, Trs, M6 X 1.00 X 16, Ss, Sems 1
ASSEMBLY
YINCLUDED IN ASSEMBLY
Home
Find...
Go To..

STANDARD PARTS
Tennant T1 (05- 2011)
32
SCRUB HEAD GROUP, 230V (S/N 60012391- )
355157
1
2
3
4
1
2
3
5
6
17 7
8
910
11
12
13
14
15
16
18
19
20
23
24
21
22
28
30
31
3233
29
34 27
26
25
35
Home
Find...
Go To..

STANDARD PARTS
Tennant T1 (02- 2014) 33
SCRUB HEAD GROUP, 230V (S/N 60012391- )
Ref. Part No. Serial Number Description Qty.
11045325 (60000000- 70000000 ) Screw, Hex, M6 X 1.00 X 45, Ss 4
207515 (60000000- 70000000 )Washer, Lock, Int, 0.25, Ss 4
301684 (60000000- 70000000 )Washer, Flat, 0.27b 0.69d .05, Ss 4
41034380 (60000000- 70000000 )Housing, Brush, Sngl, 40cm 1
51072720 (60018569- 70000000 )Motor, Ele, 230vdc 2200rpm .33hp 1
Y61067897 (60018569- 70000000 )Vr, Brush Kit, Motor 2
51036630 (60012391- 60018568 )Motor, .25hp, 230vdc, 1.3 A, 2400 Rpm
(Replaced by 1072720) 1
Y61045464 (60000000- 60018568 )Brush, Carbon [1036630, 1pick=1set Of 2] 2
709162 (60000000- 70000000 ) Screw, Set, Soc, M6 X 1.00 X 8, Nl 2
81063530 (60012391- 70000000 )Sheave, 07grv, 25.8pd [Ph] 1
901684 (60000000- 70000000 )Washer, Flat, 0.27b 0.69d .05, Ss 2
10 07515 (60000000- 70000000 )Washer, Lock, Int, 0.25, Ss 2
11 34323 (60000000- 70000000 )Screw, Hex, .25- 20 X 0.75, Nl 2
12 1033197 (60000000- 70000000 )Screw, Pan, Phl, M4 X 0.70 X 25, Ss 1
13 1007109 (60000000- 70000000 )Nut, Hex, Lock, M4 X 0.70, Kep, Ext 1
14 9004283 (60000000- 70000000 )Belt Kit, W/ Installation Tool 1
15 1019349 (60000000- 70000000 )Screw, Trs, M6 X 1.00 X 16, Ss, Sems 2
16 1064396 (60000000- 70000000 )Cover, Belt, Bl- Gr (Single Roller) 1
17 9008296 (60012391- 70000000 )Bracket, Motor Mount W/ Bearing/Seal Kit 1
Y18 08713 (60007386- 70000000 )Nut, Hex, Lock, M8 X 1.25, Nl, Ss 1
Y19 41186 (60000000- 70000000 )Washer, Flat, Belleville, .31 1
Y20 1030625 (60012391- 70000000 )Sheave, 07grv, 49.3pd 1
Y21 1057482 (60007386- 70000000 )Washer, Flat, 0.328b 0.571d 0.063, Ss 1
Y22 1057476 (60007386- 70000000 ) Screw, Soc, M8 X 1.25 X 55, Ss 1
23 15678 (60000000- 70000000 ) Screw, Hex, M6 X 1.00 X 16, Ss 3
24 08712 (60000000- 70000000 )Nut, Hex, Lock, M6 X 1.00, Nl, Ss 3
25 140946 (60000000- 70000000 )Screw, Rnd, Sltd, 06- 32 X 1.00, Nyl 1
26 130288 (60000000- 70000000 )Rectifier, Bridge, Rnd, 12a 1000volt, Ce 1
27 140534 (60000000- 70000000 )Nut, Hex, #06- 32, Nyl 1
28 1037197 (60000000- 70000000 )Brush, Scrub, 89mm Od X 386mm, Nylon (Standard) 1
28 1037277 (60000000- 70000000 )Brush, Scrub, 89mm Od X 386mm, Poly (Optional) 1
28 1037278 (60000000- 70000000 )Brush, Scrub, 89mm Od X 386mm, Grit (Optional) 1
29 9007962 (60000000- 70000000 )Door Kit, Brush, W/ Hdwr 1
Y30 1042312 (60000000- 70000000 )Seal, Org, .070 X .875 Id, 020 1
Y31 1030680 (60000000- 70000000 )Hub, Idler, Brush 1
Y32 01543 (60000000- 70000000 )Ring, Retaining, Ext, 0.39d, Basic 1
Y33 1030682 (60000000- 70000000 )Shaft, Idler Plug 1
Y34 1019349 (60000000- 70000000 )Screw, Trs, M6 X 1.00 X 16, Ss, Sems 1
35 1036953 (60000000- 70000000 )Filter, Brush, 270 Vdc, 3a 1
ASSEMBLY
YINCLUDED IN ASSEMBLY
Home
Find...
Go To..

STANDARD PARTS
Tennant T1 (05- 2011)
34
SCRUB HEAD GROUP, 230V (S/N 60000000- 60012390)
355059
1
2
3
4
1
2
3
5
6
17 7
8
910 11
12
13
14
15
16
18
19
20
23
24
21
22
28
30
31
32
33
29
34 27
26
25
35
Home
Find...
Go To..

STANDARD PARTS
Tennant T1 (05- 2011) 35
SCRUB HEAD GROUP, 230V (S/N 60000000- 60012390)
Ref. Part No. Serial Number Description Qty.
11045325 (60000000- 70000000 ) Screw, Hex, M6 X 1.00 X 45, Ss 4
207515 (60000000- 70000000 )Washer, Lock, Int, 0.25, Ss 4
301684 (60000000- 70000000 )Washer, Flat, 0.27b 0.69d .05, Ss 4
41034380 (60000000- 70000000 )Housing, Brush, Sngl, 40cm 1
59008299 (60000000- 60012390 )Motor Kit, Sheaves, 230vdc [T1] 1
Y61045234 (60000000- 70000000 )Brush, Carbon (Pk=2) Ref Part 1034457 2
709162 (60000000- 70000000 ) Screw, Set, Soc, M6 X 1.00 X 8, Nl 2
89008249 (60000000- 60012390 )Sheave Kit, Cover [T1] 1
901684 (60000000- 70000000 )Washer, Flat, 0.27b 0.69d .05, Ss 2
10 07515 (60000000- 70000000 )Washer, Lock, Int, 0.25, Ss 2
11 34323 (60000000- 70000000 )Screw, Hex, .25- 20 X 0.75, Nl 2
12 1033197 (60000000- 70000000 )Screw, Pan, Phl, M4 X 0.70 X 25, Ss 1
13 1007109 (60000000- 70000000 )Nut, Hex, Lock, M4 X 0.70, Kep, Ext 1
14 9004283 (60000000- 70000000 )Belt Kit, W/ Installation Tool 1
15 1019349 (60000000- 70000000 )Screw, Trs, M6 X 1.00 X 16, Ss, Sems 2
16 1064396 (60000000- 70000000 )Cover, Belt, Bl- Gr (Single Roller) 1
17 9008301 (60000000- 60012390 )Bracket Kit, Mount, Motor, W/ Brg [T1] 1
Y18 08713 (60007386- 70000000 )Nut, Hex, Lock, M8 X 1.25, Nl, Ss 1
Y19 41186 (60000000- 70000000 )Washer, Flat, Belleville, .31 1
Y20 9008249 (60000000- 60012390 )Sheave Kit, Cover [T1] 1
Y21 1057482 (60007386- 70000000 )Washer, Flat, 0.328b 0.571d 0.063, Ss 1
Y22 1057476 (60007386- 70000000 ) Screw, Soc, M8 X 1.25 X 55, Ss 1
23 15678 (60000000- 70000000 ) Screw, Hex, M6 X 1.00 X 16, Ss 3
24 08712 (60000000- 70000000 )Nut, Hex, Lock, M6 X 1.00, Nl, Ss 3
25 140946 (60000000- 70000000 )Screw, Rnd, Sltd, 06- 32 X 1.00, Nyl 1
26 130288 (60000000- 70000000 )Rectifier, Bridge, Rnd, 12a 1000volt, Ce 1
27 140534 (60000000- 70000000 )Nut, Hex, #06- 32, Nyl 1
28 1037197 (60000000- 70000000 )Brush, Scrub, 89mm Od X 386mm, Nylon (Standard) 1
28 1037277 (60000000- 70000000 )Brush, Scrub, 89mm Od X 386mm, Poly (Optional) 1
28 1037278 (60000000- 70000000 )Brush, Scrub, 89mm Od X 386mm, Grit (Optional) 1
29 9007962 (60000000- 70000000 )Door Kit, Brush, W/ Hdwr 1
Y30 1042312 (60000000- 70000000 )Seal, Org, .070 X .875 Id, 020 1
Y31 1030680 (60000000- 70000000 )Hub, Idler, Brush 1
Y32 01543 (60000000- 70000000 )Ring, Retaining, Ext, 0.39d, Basic 1
Y33 1030682 (60000000- 70000000 )Shaft, Idler Plug 1
Y34 1019349 (60000000- 70000000 )Screw, Trs, M6 X 1.00 X 16, Ss, Sems 1
35 1036953 (60000000- 70000000 )Filter, Brush, 270 Vdc, 3a 1
ASSEMBLY
YINCLUDED IN ASSEMBLY
Home
Find...
Go To..

STANDARD PARTS
Tennant T1 (03- 2012)
36
SCRUB HEAD LIFT GROUP
355073
123
4
5
1
6
7
8
10
11
12
13 14
3
1
9
15
16
17
18
19
18
17
20
1
21 14
22
23
7
24
9
Home
Find...
Go To..

STANDARD PARTS
Tennant T1 (03- 2012) 37
SCRUB HEAD LIFT GROUP
Ref. Part No. Serial Number Description Qty.
1630446 (60000000- 70000000 )Washer, Flat, 0.31b 0.75d .06, Nyl 3
2140027 (60000000- 70000000 )Washer, Flat, 0.35b 0.75d .04, Ss 1
308713 (60000000- 70000000 )Nut, Hex, Lock, M8 X 1.25, Nl, Ss 2
41034420 (60000000- 70000000 )Lever, Pedal, Wheel Release 1
5605812 (60000000- 70000000 )Spring, Extn 1
61053751 (60010992- 70000000 )Bolt, Carriage, .31- 18 X 1.25, Ss 1
7140548 (60000000- 70000000 )Nut, Hex, Jam, Fin .31, Ss 1
81034376 (60000000- 70000000 )Pedal, Foot 1
908085 (60000000- 70000000 )Pin, Cotter, Hair, 0.31d .058 Wir 3
10 71274 (60000000- 70000000 )Pin, Clevis, 0.31d X 2.62l 1
11 386987 (60000000- 70000000 )Pin, Clevis, 0.31d X 0.88l 1
12 1034368 (60000000- 70000000 )Arm, Linkage, Transport 1
13 222516 (60000000- 70000000 )Sleeve, P/M, 0.32b 0.50d 0.3l [430ss] 1
14 1034371 (60000000- 70000000 )Bracket, Transport, Wheel 2
15 1034513 (60000000- 70000000 )Pin, Clevis, 0.31d X 3.50l 1
16 59156 (60000000- 70000000 )Nut, Hex, Lock, .38- 16, Nl, Ss 1
17 1034351 (60000000- 70000000 )Guard, Thread, Wheel (NLA - Replaced By 1034351) 2
18 140045 (60000000- 70000000 )Washer, Flat, 0.51b 1.25d .06, Ss
(NLA - Replaced By 1034351) 2
19 1034355 (60000000- 70000000 )Wheel, 02.5d 1.25w 0.38b, Rbr, Gray 1
20 27992 (60000000- 70000000 )Screw, Hex, .38- 16 X 2.50, G5 1
21 09010 (60000000- 70000000 ) Screw, Hex, M8 X 1.25 X 25, Ss 1
22 140402 (60000000- 70000000 )Spring, Extn, 0.375od 0.045wir 01.8l, Mw 1
23 41128 (60000000- 60010991 )Nut, Low Crown, .31- 18 1
24 240191 (60000000- 60010991 )Knob, Rnd, 1.00d 0.41l, .31- 18x2.0l Stud 1
Home
Find...
Go To..

STANDARD PARTS
Tennant T1 (05- 2011)
38
SQUEEGEE GROUP, FRONT AND REAR
355158
1
2
345
2
3
4
5
6
7
8
89
10
9
10
11
12
13
14
15
10
9
8
8
9
10
16
Home
Find...
Go To..

STANDARD PARTS
Tennant T1 (03- 2012) 39
SQUEEGEE GROUP, FRONT AND REAR
Ref. Part No. Serial Number Description Qty.
11034109 (60000000- 70000000 )Housing, Squeegee 2
201697 (60000000- 70000000 )Screw, Hex, .25- 20 X 0.62, Ss 4
301684 (60000000- 70000000 )Washer, Flat, 0.27b 0.69d .05, Ss 4
409294 (60000000- 70000000 )Screw, Soc, M8 X 1.25 X 60, 12.9 4
539349 (60000000- 70000000 )Washer, Flat, 0.31, Sae 4
61030427 (60000000- 70000000 )Spring, Cmpr, 0.92id .05wir 02.0l 4
733931 (60000000- 70000000 )Screw, Pan, Phl, M4 X 0.70 X 30, Ss 12
Y9008581 (60000000- 70000000 )Wheel Kit, Sqge, W/ Hdwr 1
YY 81035647 (60000000- 70000000 )Ring, Retaining, Ext, 0.25”, [E- Ring] 8
YY 91030852 (60000000- 70000000 )Roller, Squeegee 8
YY 10 1065608 (60000000- 70000000 )Pin, Grv, 6.22d, 23.0l, Ss 8
11 1036706 (60000000- 70000000 )Retainer, Sqge, Outer, Acetal, Ig 2
12 1050943 (60000000- 70000000 )Blade Assy, Sqge, Outer, Ure 2
13 1036676 (60000000- 70000000 )Frame, Squeegee 2
14 1057241 (60000000- 70000000 )Blade Assy, Sqge, Inner, Ure 2
15 1057243 (60000000- 70000000 )Retainer, Sqge, Inner, Acetal, Blk 2
16 33932 (60000000- 70000000 )Nut, Hex, Lock, M4 X 0.70, Nl, Ss 12
ASSEMBLY
YINCLUDED IN ASSEMBLY
Home
Find...
Go To..

STANDARD PARTS
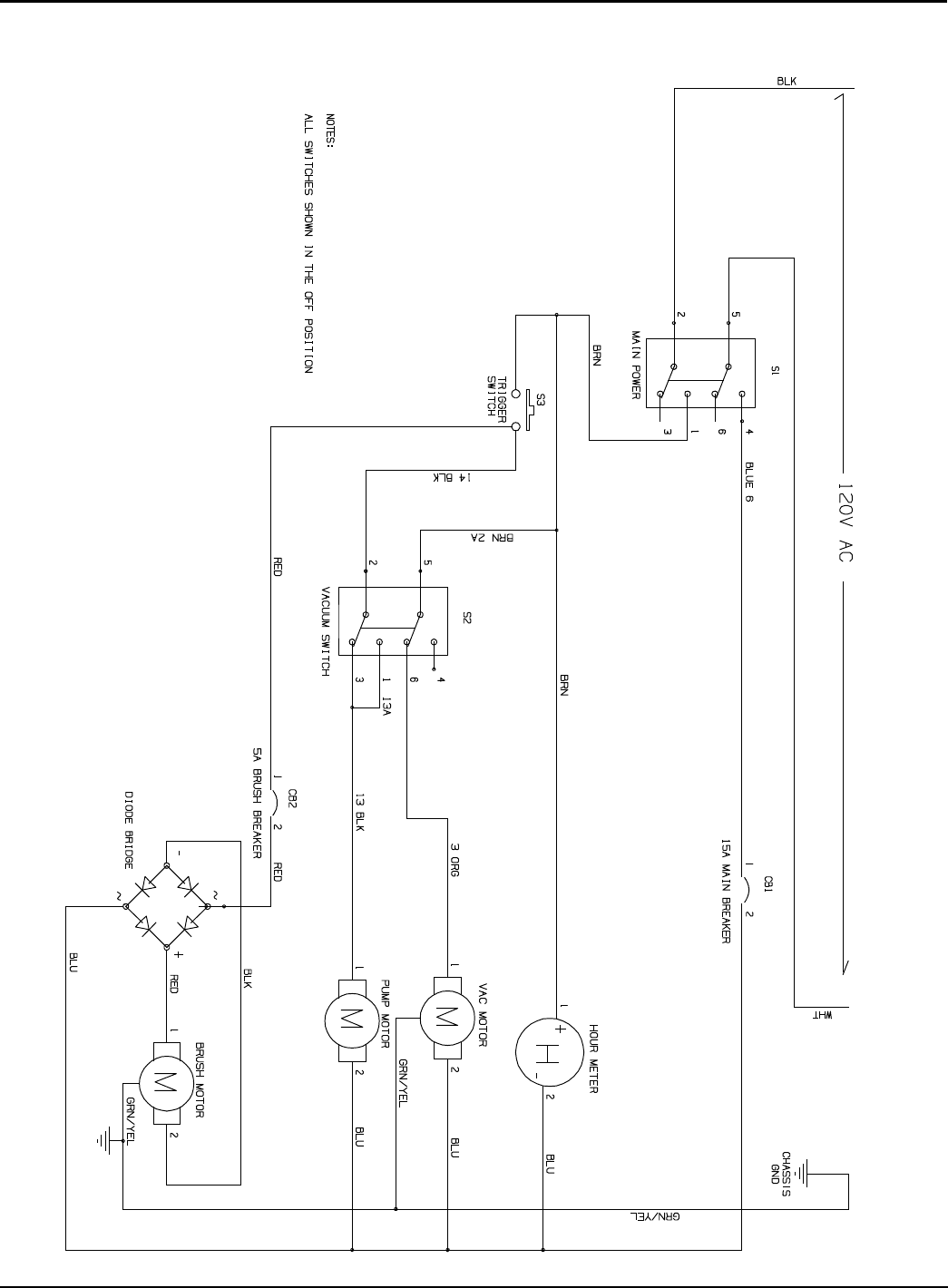
Tennant T1 (03- 2009)
40
ELECTRICAL DIAGRAM, 120V
1046178
Home
Find...
Go To..

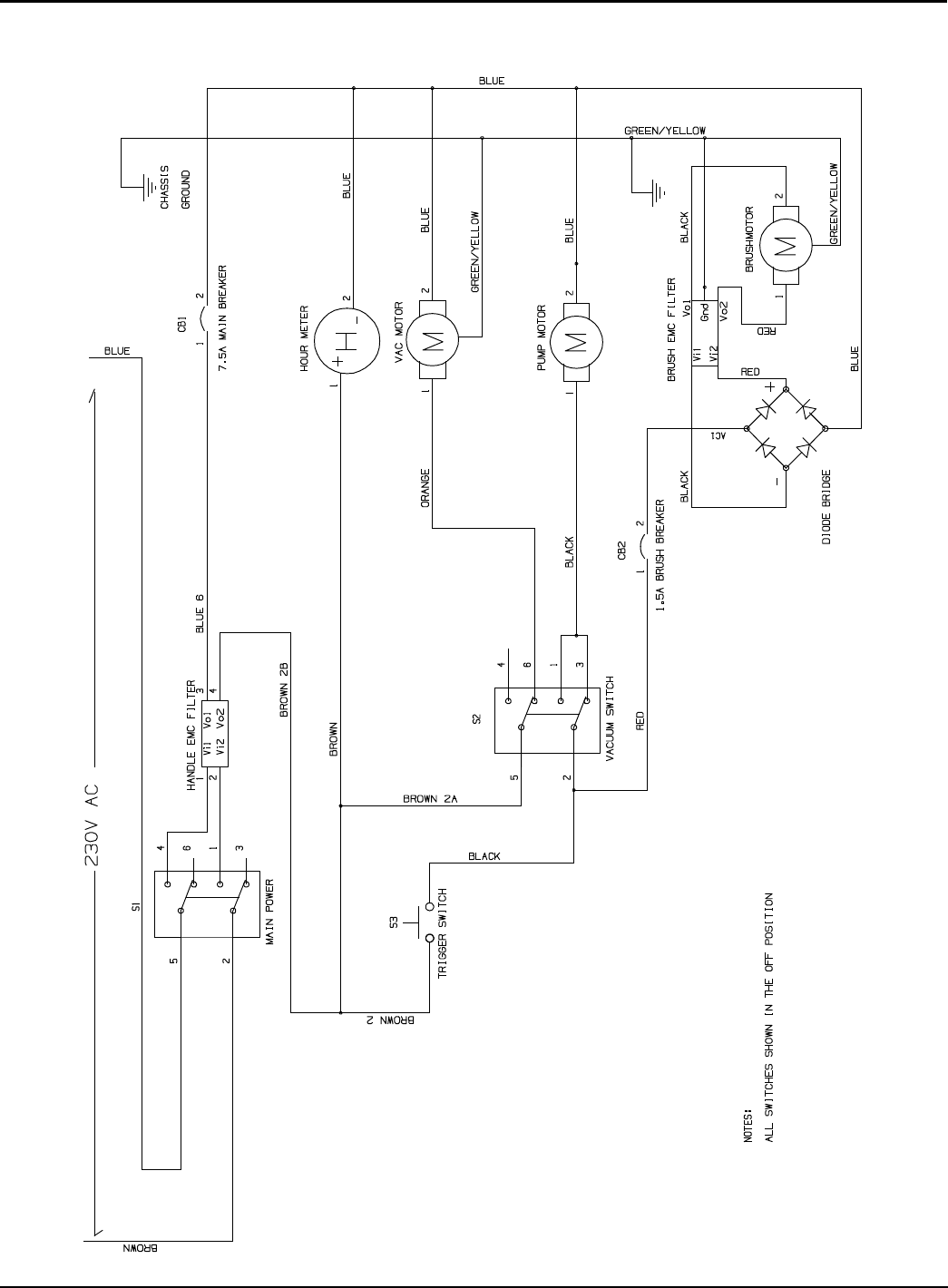
STANDARD PARTS
Tennant T1 (03- 2009) 41
ELECTRICAL DIAGRAM, 230V
1046179
Home
Find...
Go To..