SK5.0L_CA_312278517460 29PT9457 Philips 55 Chasis SK5.0L.CA
User Manual: 29PT9457
Open the PDF directly: View PDF
.
Page Count: 54
- Content
- 1. Technical Specifications, Connections, and Chassis Overview
- 2. Safety Instructions, Warnings, and Notes
- 3. Directions for Use
- 4. Mechanical Instructions
- 5. Service Modes, Error Codes, and Fault Finding
- 5.1 Test Points
- 5.2 Service Modes
- 5.3 Error Codes
- 5.4 Fault Finding
- 5.4.1 Power on Failure
- 5.4.2 Horizontal Deflection Transistor Defective: No Picture, No Sound.
- 5.4.3 Picture Interference
- 5.4.4 Can't find any TV program
- 5.4.5 No Good Picture or Double Image
- 5.4.6 Picture not or incorrect Coloured
- 5.4.7 Picture with Horizontal Bright Line and Sound
- 5.4.8 Remote Control Malfunction
- 5.4.9 No Sound
- 5.4.10 Poor Sound Quality
- 6. Block Diagrams, Test Point Overview, and Waveforms
- 7. Circuit Diagrams and PWB Layouts
- Mono Carrier: Power Supply
- Mono Carrier: Line Deflection
- Mono Carrier: Frame Deflection
- Mono Carrier: Tuner IF
- Mono Carrier: AV Switch
- Mono Carrier: Tone Control (Optional)
- Mono Carrier: Audio Amplifier
- Mono Carrier: CPU & Decoder
- Layout Mono Carrier (Top Side)
- Layout Mono Carrier (Bottom Side)
- CRT Board
- Keyboard Control Panel
- Layout Keyboard Control Panel (Top Side)
- Layout Keyboard Control Panel (Bottom Side)
- Mains Filter Panel
- Layout Mains Filter (Top Side)
- Layout Mains Filter (Bottom Side)
- Side A/V Panel
- Layout Side A/V Panel
- BTSC Panel
- Layout BTSC Panel (Top Side)
- Layout BTSC Panel (Bottom Side)
- 8. Alignments
- 9. Circuit Descriptions, Abbreviation List, and IC Data Sheets
- 9.1 Introduction
- 9.2 The various circuits
- 9.3 Abbreviation List
- 9.4 IC Data Sheets
- 10. Spare Parts List
- 11. Revision List

Published by JY 0768 BU CD Customer Service Printed in the Netherlands Subject to modification EN 3122 785 17460
©
Copyright 2007 Philips Consumer Electronics B.V. Eindhoven, The Netherlands.
All rights reserved. No part of this publication may be reproduced, stored in a
retrieval system or transmitted, in any form or by any means, electronic,
mechanical, photocopying, or otherwise without the prior permission of Philips.
Colour Television 29PT9457/55 Chasis
SK5.0L
CA
H_17220_000.eps
210607
Contents Page
1. Technical Specifications, Connections, and Chassis
Overview 2
2. Safety Instructions, Warnings, and Notes 4
3. Directions for Use 5
4. Mechanical Instructions 6
5. Service Modes, Error Codes, and Fault Finding 8
6. Block Diagrams, Test Point Overview, and
Waveforms
Block Diagram Chassis 9
Schematic Overview Chassis 10
7. Circuit Diagrams and PWB Layouts
Mono Carrier: Power Supply (A1) 11 19-20
Mono Carrier: Line Deflection (A2) 12 19-20
Mono Carrier: Frame Deflection (A3) 13 19-20
Mono Carrier: Tuner IF (A4) 14 19-20
Mono Carrier: AV Switch (A5) 15 19-20
Mono Carrier: Tone Control (Optional) (A6) 16 19-20
Mono Carrier: Audio Amplifier (A7) 17 19-20
Mono Carrier: CPU & Decoder (A8) 18 19-20
CRT Board (B) 21 19-20
Keyboard Control Panel (D) 22 23
Mains Filter Panel (E) 24 24
Side A/V Panel (G) 25 25
8. Alignments 29
9. Circuit Descriptions, Abbreviation List, and IC Data
Sheets 34
Abbreviation List 35
IC Data Sheets 36
10. Spare Parts List 51
11. Revision List 54

Technical Specifications, Connections, and Chassis Overview
EN 2 SK5.0l CA1.
1. Technical Specifications, Connections, and Chassis Overview
Index of this chapter:
1.1 Technical Specifications
1.2 Connection Overview
1.3 Chassis Overview (Mechanical chassis)
Note: Data below can deviate slightly from the actual situation,
due to the different set executions.
1.1 Technical Specifications
1.1.1 Vision
Display type : CRT
Screen size : 29” (72 cm), 4:3
Tuning system : PLL
TV Colour systems : NTSC, PAL M, N
Video playback : NTSC,
Presets/channels : 181 channels
Tuner bands : VHF
: UHF
1.1.2 Sound
Sound systems : Stereo, SAP
Maximum power (WRMS):2 x 5
1.1.3 Miscellaneous
Power supply:
- Mains voltage (VAC) : 100 - 240
- Mains frequency (Hz) : 50 / 60
Ambient conditions:
- Temperature range (°C) : -5 to +45
- Maximum humidity : 90% R.H.
Power consumption
- Normal operation (W) : ≈ 105
- Stand-by (W) : < 3
1.2 Connection Overview
Note: The following connector colour abbreviations are used
(acc. to DIN/IEC 757): Bk= Black, Bu= Blue, Gn= Green, Gy=
Grey, Rd= Red, Wh= White, and Ye= Yellow.
1.2.1 Rear and Side Connections
Figure 1-1 Rear and Side Connections
Aerial - In
- - F-connector Coax, 75 ohm D
Cinch: Video YPbPr - In
Gn - Video Y 1 VPP / 75 ohm jq
Bu - Video Pb 0.7 VPP / 75 ohm jq
Rd - Video Pr 0.7 VPP / 75 ohm jq
Wh - Audio L 0.5 VRMS / 10 kohm jq
Rd - Audio R 0.5 VRMS / 10 kohm jq
Cinch: Video CVBS - In, Audio - In
Ye - Video CVBS 1 VPP / 75 ohm jq
Wh - Audio L 0.5 VRMS / 10 kohm jq
Rd - Audio R 0.5 VRMS / 10 kohm jq
Cinch: Video CVBS - Out, Audio - Out
Ye - Video CVBS 1 VPP / 75 ohm kq
Wh - Audio L 0.5 VRMS /10 kohm kq
Rd - Audio R 0.5 VRMS / 10 kohm kq
H_17220_035.eps
280607

Technical Specifications, Connections, and Chassis Overview EN 3SK5.0l CA 1.
1.3 Chassis Overview (Mechanical chassis)
Figure 1-2 PWB location
H_17220_024.eps
280607
POWER SUPPLY
LINE DEFLECTION
A1
A2
FRAME DEFLECTION
A3
TUNER IF
A4
AV SWITCH
CRT BOARD
A5
TONE CONTROL
A6
AUDIO AMPLIFIER
A7
CPU & DECODER
A8
B
MAINS FILTER
E
CONTROL PANEL
D
MONO CARRIER
A
SIDE AV PANEL
G
BTSC PANEL
M

Safety Instructions, Warnings, and Notes
EN 4 SK5.0l CA2.
2. Safety Instructions, Warnings, and Notes
Index of this chapter:
2.1 Safety Instructions
2.2 Maintenance Instructions
2.3 Warnings
2.4 Notes
2.1 Safety Instructions
Safety regulations require the following during a repair:
• Connect the set to the Mains/AC Power via an isolation
transformer (> 800 VA).
• Replace safety components, indicated by the symbol h,
only by components identical to the original ones. Any
other component substitution (other than original type) may
increase risk of fire or electrical shock hazard.
• Wear safety goggles when you replace the CRT.
Safety regulations require that after a repair, the set must be
returned in its original condition. Pay in particular attention to
the following points:
• General repair instruction: as a strict precaution, we advise
you to re-solder the solder connections through which the
horizontal deflection current flows. In particular this is valid
for the:
1. Pins of the line output transformer (LOT).
2. Fly-back capacitor(s).
3. S-correction capacitor(s).
4. Line output transistor.
5. Pins of the connector with wires to the deflection coil.
6. Other components through which the deflection current
flows.
Note: This re-soldering is advised to prevent bad connections
due to metal fatigue in solder connections, and is therefore only
necessary for television sets more than two years old.
• Route the wire trees and EHT cable correctly and secure
them with the mounted cable clamps.
• Check the insulation of the Mains/AC Power lead for
external damage.
• Check the strain relief of the Mains/AC Power cord for
proper function, to prevent the cord from touching the CRT,
hot components, or heat sinks.
• Check the electrical DC resistance between the Mains/AC
Power plug and the secondary side (only for sets that have
a Mains/AC Power isolated power supply):
1. Unplug the Mains/AC Power cord and connect a wire
between the two pins of the Mains/AC Power plug.
2. Set the Mains/AC Power switch to the "on" position
(keep the Mains/AC Power cord unplugged!).
3. Measure the resistance value between the pins of the
Mains/AC Power plug and the metal shielding of the
tuner or the aerial connection on the set. The reading
should be between 4.5 Mohm and 12 Mohm.
4. Switch "off" the set, and remove the wire between the
two pins of the Mains/AC Power plug.
• Check the cabinet for defects, to prevent touching of any
inner parts by the customer.
2.2 Maintenance Instructions
We recommend a maintenance inspection carried out by
qualified service personnel. The interval depends on the usage
conditions:
• When a customer uses the set under normal
circumstances, for example in a living room, the
recommended interval is three to five years.
• When a customer uses the set in an environment with
higher dust, grease, or moisture levels, for example in a
kitchen, the recommended interval is one year.
• The maintenance inspection includes the following actions:
1. Perform the “general repair instruction” noted above.
2. Clean the power supply and deflection circuitry on the
chassis.
3. Clean the picture tube panel and the neck of the picture
tube.
2.3 Warnings
• In order to prevent damage to ICs and transistors, avoid all
high voltage flashovers. In order to prevent damage to the
picture tube, use the method shown in figure “Discharge
picture tube”, to discharge the picture tube. Use a high
voltage probe and a multi-meter (position VDC). Discharge
until the meter reading is 0 V (after approx. 30 s).
Figure 2-1 Discharge picture tube
• All ICs and many other semiconductors are susceptible to
electrostatic discharges (ESD w). Careless handling
during repair can reduce life drastically. Make sure that,
during repair, you are connected with the same potential as
the mass of the set by a wristband with resistance. Keep
components and tools also at this same potential.
• Be careful during measurements in the high voltage
section.
• Never replace modules or other components while the unit
is switched "on".
• When you align the set, use plastic rather than metal tools.
This will prevent any short circuits and prevents circuits
from becoming unstable.
2.4 Notes
2.4.1 General
• Measure the voltages and waveforms with regard to the
chassis (= tuner) ground (H), or hot ground (I), depending
on the tested area of circuitry. The voltages and waveforms
shown in the diagrams are indicative. Measure them in the
Service Default Mode (see chapter 5) with a colour bar
signal and stereo sound (L: 3 kHz, R: 1 kHz unless stated
otherwise) and picture carrier at 475.25 MHz for PAL, or
61.25 MHz for NTSC (channel 3).
• Where necessary, measure the waveforms and voltages
with (D) and without (E) aerial signal. Measure the
voltages in the power supply section both in normal
operation (G) and in stand-by (F). These values are
indicated by means of the appropriate symbols.
• The semiconductors indicated in the circuit diagram and in
the parts lists, are interchangeable per position with the
semiconductors in the unit, irrespective of the type
indication on these semiconductors.
• Manufactured under license from Dolby Laboratories.
“Dolby”, “Pro Logic” and the “double-D symbol”, are
trademarks of Dolby Laboratories.
V
E_06532_007.eps
250304

Directions for Use EN 5SK5.0l CA 3.
2.4.2 Schematic Notes
• All resistor values are in ohms, and the value multiplier is
often used to indicate the decimal point location (e.g. 2K2
indicates 2.2 kohm).
• Resistor values with no multiplier may be indicated with
either an "E" or an "R" (e.g. 220E or 220R indicates
220 ohm).
• All capacitor values are given in micro-farads (μ= x10-6),
nano-farads (n= x10-9), or pico-farads (p= x10-12).
• Capacitor values may also use the value multiplier as the
decimal point indication (e.g. 2p2 indicates 2.2 pF).
• An "asterisk" (*) indicates component usage varies. Refer
to the diversity tables for the correct values.
• The correct component values are listed in the Spare Parts
List. Therefore, always check this list when there is any
doubt.
2.4.3 Lead-free Soldering
Due to lead-free technology some rules have to be respected
by the workshop during a repair:
• Use only lead-free soldering tin Philips SAC305 with order
code 0622 149 00106. If lead-free solder paste is required,
please contact the manufacturer of your soldering
equipment. In general, use of solder paste within
workshops should be avoided because paste is not easy to
store and to handle.
• Use only adequate solder tools applicable for lead-free
soldering tin. The solder tool must be able:
– To reach a solder-tip temperature of at least 400°C.
– To stabilize the adjusted temperature at the solder-tip.
– To exchange solder-tips for different applications.
• Adjust your solder tool so that a temperature of around
360°C - 380°C is reached and stabilized at the solder joint.
Heating time of the solder-joint should not exceed ~ 4 sec.
Avoid temperatures above 400°C, otherwise wear-out of
tips will increase drastically and flux-fluid will be destroyed.
To avoid wear-out of tips, switch “off” unused equipment or
reduce heat.
• Mix of lead-free soldering tin/parts with leaded soldering
tin/parts is possible but PHILIPS recommends strongly to
avoid mixed regimes. If this cannot be avoided, carefully
clear the solder-joint from old tin and re-solder with new tin.
2.4.4 Alternative BOM identification
In September 2003, Philips CE introduced a change in the way
the serial number (or production number, see Figure 2-2) is
composed. From this date on, the third digit in the serial
number (example: AG2B0335000001) indicates the number of
the alternative BOM (Bill of Materials used for producing the
specific model of TV set). It is possible that the same TV model
on the market is produced with e.g. two different types of
displays, coming from two different O.E.M.s.
By looking at the third digit of the serial number, the service
technician can see if there is more than one type of B.O.M.
used in the production of the TV set he is working with. He can
then consult the At Your Service Web site, where he can type
in the Commercial Type Version Number of the TV set (e.g.
28PW9515/12), after which a screen will appear that gives
information about the number of alternative B.O.M.s used.
If the third digit of the serial number contains the number 1
(example: AG1B033500001), then there is only one B.O.M.
version of the TV set on the market. If the third digit is a 2
(example: AG2B0335000001), then there are two different
B.O.M.s. Information about this is important for ordering the
correct spare parts!
For the third digit, the numbers 1...9 and the characters A...Z
can be used, so in total: 9 plus 26 = 35 different B.O.M.s can
be indicated by the third digit of the serial number.
2.4.5 Practical Service Precautions
•It makes sense to avoid exposure to electrical shock.
While some sources are expected to have a possible
dangerous impact, others of quite high potential are of
limited current and are sometimes held in less regard.
•Always respect voltages. While some may not be
dangerous in themselves, they can cause unexpected
reactions that are best avoided. Before reaching into a
powered TV set, it is best to test the high voltage insulation.
It is easy to do, and is a good service precaution.
3. Directions for Use
You can download this information from the following websites:
http://www.philips.com/support
http://www.p4c.philips.com

Mechanical Instructions
EN 6 SK5.0l CA4.
4. Mechanical Instructions
Index of this chapter:
4.1 Set Disassembly
4.2 Assembly / Board Removal
4.3 Set Re-assembly
Note: Figures below can deviate slightly from the actual
situation, due to the different set executions.
4.1 Set Disassembly
Follow the disassemble instructions in described order.
4.1.1 Rear Cover Removal
Warning: disconnect the mains power cord before you remove
the rear cover.
1. Remove all the fixation screws of the rear cover.
2. Now, pull the rear cover backwards and remove it.
Figure 4-1 Rear Cover removal
4.2 Assembly / Board Removal
4.2.1 Power Switch and Control Panel removal
1. From the mono carrier disconnect the main power and the
keyboard circuit cables. Release the main power cord and
the keyboard circuit cable from it’s strain reliefs.
2. Then, remove the six fixation screws [1] of the power
switch and control panel and remove the board.
Figure 4-2 Power Switch and Control Panel removal
H_17220_036.eps
280607
H_17230_027.eps
290607
1

Mechanical Instructions EN 7SK5.0l CA 4.
4.2.2 Side I/O Panel removal
Figure 4-3 Side-I/O panel removal
1. Disconnect the side panel cable from the mono carrier and
remove the cable from it’s strain reliefs.
2. Then, remove the four fixation screws [1] and remove the
board.
4.3 Set Re-assembly
To re-assemble the whole set, do all processes in reverse
order.
Be sure that, before the rear cover is mounted:
• The mains cord is positioned correctly in its guiding
brackets (make sure that the strain reliefs are replaced in
its correct position and that it will function correctly!).
• All wires/cables are returned in their original positions.
H_17220_023.eps
210607
1

Service Modes, Error Codes, and Fault Finding
EN 8 SK5.0l CA5.
5. Service Modes, Error Codes, and Fault Finding
Index of this chapter:
5.1 Test Points
5.2 Service Modes
5.3 Error Codes
5.4 Fault Finding
5.1 Test Points
See chapter 6 "Block Diagrams, Testpoint Overviews, and
Waveforms".
Perform measurements under the following conditions:
• Service Default Mode.
• Video: colour bar signal.
• Audio: 3 kHz left, 1 kHz right.
5.2 Service Modes
This chassis does not contain a specific Service Mode. Service
and Alignment of the TV set can be done via the Factory Mode
by the service technician, see further down in this manual.
5.3 Error Codes
Not applicable.
5.4 Fault Finding
5.4.1 Power on Failure
Check whether the power supply is working properly and
whether the values of voltages normal. If those are correct,
check line transistor and transformer are working properly or
check fore or back line for defects.
5.4.2 Horizontal Deflection Transistor Defective: No Picture, No
Sound.
To find the fault for a defect horizontal deflection transistor
please check the following items:
• Over voltage to breakdown.
• Over current to burn.
• Horizontal frequency too low.
• Horizontal drive inefficient.
5.4.3 Picture Interference
• Check if the signal line contact is good.
• Change Tuner if is necessary.
5.4.4 Can't find any TV program
Checking method: Check the closed circuit from tuner to
picture decoder IC to detect whether there are defective
components. Or check whether the resistance of R117, R118,
R203 and R204 has increased which also could cause the
problem.
5.4.5 No Good Picture or Double Image
Check the correctness of the signal from IF1/IF2 to Q101 and
relevant circuit. In this case the problem can be Q101 and/or
SAW101.
5.4.6 Picture not or incorrect Coloured
• Check the circuit from IC201 to R.G.B. three gun circuit.
• Check the IC soldering and relevant circuitry on physical
damage or check for defective capacitors.
5.4.7 Picture with Horizontal Bright Line and Sound
Check both supply voltages of vertical IC301 and relevant
circuitry on correctness. Also check the vertical synchronizing
signal from IC201.
5.4.8 Remote Control Malfunction
Check the voltage on pin 64 of IC201. The normal value should
be 5.15 V. If this is correct check front control panels soldering
connections. If can't be solved, check the remote control,
crystal or transmitting diode of the remote control are in good
condition.
5.4.9 No Sound
Check power supply of sound IC (IC402) and relevant circuitry.
Check as well the BTSC board, check the power supply of
IC801 and relevant output signal pins 21 and 27 of this IC. Do
not exclude IC801 and/or IC402 to be defective. If needed
replace the speakers.
5.4.10 Poor Sound Quality
Check the sound system after searching the channel which
should set at NTSC or AUTO. If still has problem, check
accompany board circuit on chassis good or not.

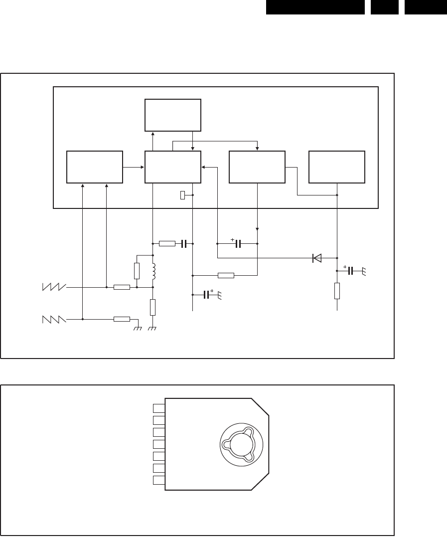
Block Diagrams, Test Point Overview, and Waveforms EN 9SK5.0L CA 6.
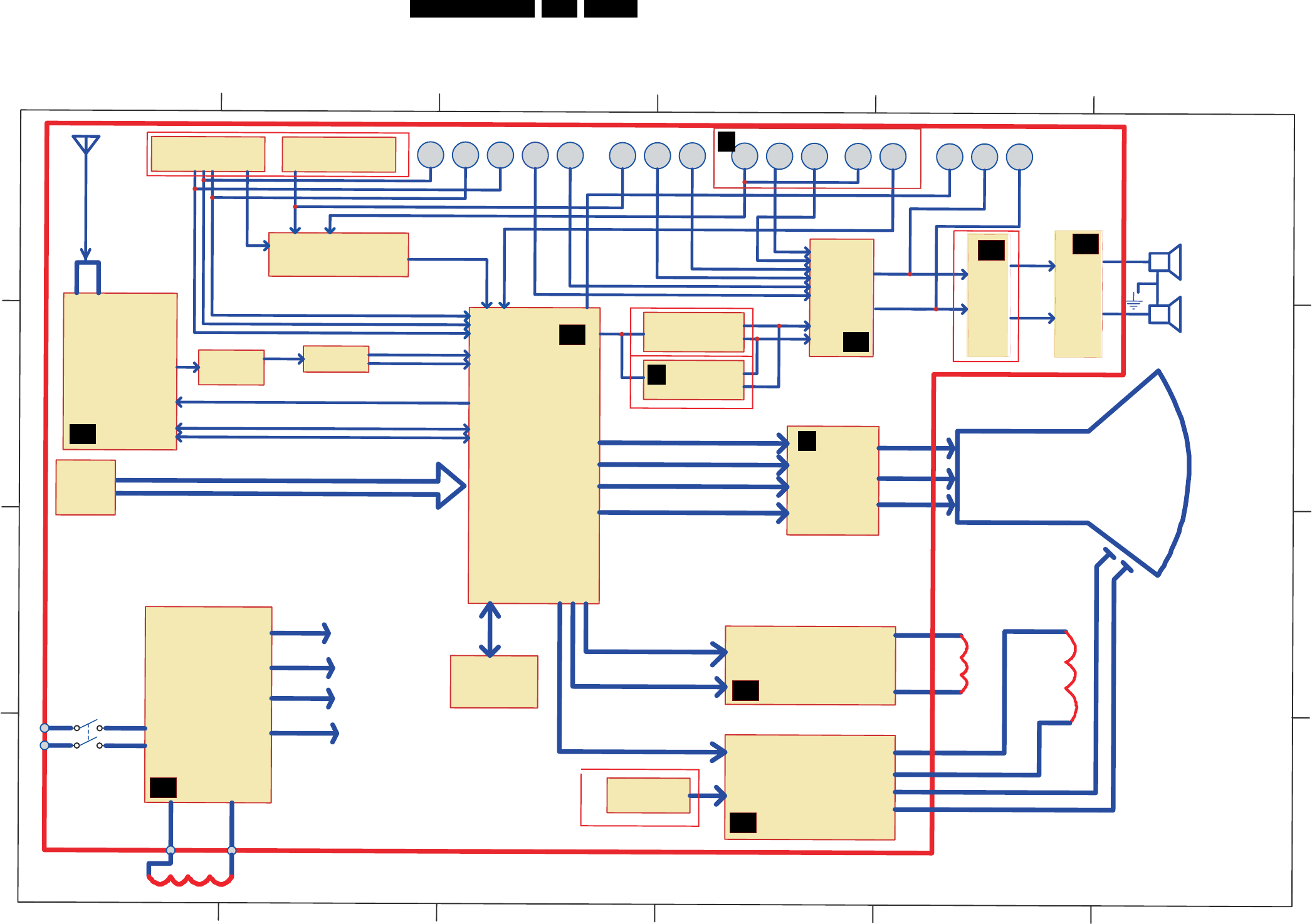
6. Block Diagrams, Test Point Overview, and Waveforms
Block Diagram Chassis
$
%
&
'
'
&
%
$
DLGQ,
$'7
75$&6 75$&
6
<
%*5
9
8
QL9 QL9
9$
5
$(5 6+969$(',6
QL
&
Q
L
9
$
$1
1
(
7
1
$
30$
)
,
5
(
187 :$
6
)
,
)
,
$'7
0$&,1
$'7
670
$96: +()
/
5
782
9$
95/
&<5/9
5
/
9
5
/
$037'$
/
5
721( &21752/
2,'8$
5
*
%
9
&
$:
-
$
$
'
7
30$
9
(9,5
'
+
/36
536
'
5
$
2
%
75
&
75&
9'<
+'<
7825
7
8
2*
7
82%
:6
99
/,2&*('
</
3
3865
(
:
23
/&6
$'6
&28
6
3
,
/
,+
3
%5
2
)
9
HY
L
U
G+
52
)
9
1
,$
0
5
2
)9
30$5
2
)9
9HGLV
&9%6 287
75$
3
0
,
/
6
7'$$3?0(
OR
UWQ
R&\
H.
7'$
&
*
$UH
QX7
)
(
+
:
6
RHGL
9
W
XR
+
W
X
R
D
9
W
X
R
E
9
)55
2
0,/6
A1A1
A2A2
A3A3
4
A4A4
A5A5
A6A6 A7A7
A8A8
B
M
G
H_17460_008.eps
280907

EN 10SK5.0L CA 6.
Block Diagrams, Test Point Overview, and Waveforms
Schematic Overview Chassis
12345
A
B
C
D
E
5
4321
E
D
C
B
A
R453
270 1W
C456
0.1uF/100V
100V
R460
100
C461
1nF
R459
1K8
50V
100V
Q401
C2482
R405
5K6
C402
2200pF
T401
500V
C403
220pF
500V
C404
4.7uF
50V
N401
D2553
R454
33
R433
0.33
D433
BA158
C432
7n2
C431
3n9
D430
BY228
2KV 2KV
C433
33nF
D431
RU4B
L430
36uH
L440 2.8mH
C463
0.39uF/ 400V
R440
2.2 2W
R441
56K
C441
0.01uF
50V
Q440
F630
ZD440
8.2V
R443
470
C437
10uF
C436
560pF
R420
1K
C443
0.056uF
D402
1N4148
FBP
B+
180V
R450
0.22
470pF
D450
BYW36
C453
2200uF/25V
250V
SCREEN
FOCUS
HV TO C RT
CN301
H-DE F
+16.2V
4
3
2
10
17
8
9
T402
FLYBACK
R423
6.2 2W
R424
2K
R416
1K
+135V_VCC
ABL
C410
10uF/16V
1
2
3
4
CN401
CONNECT TO H502
+48V_VCC R406
1K/1W
D404
1N4148
R419
270K
ZD402
18V
X-ray
X-ray
1W
2KV
630V
50V
250V
HEATER
+16.2V
ABL
35V
R421
180
R422
680
R404
100
R403
NC
!
!
!
!
!
!
!
!
!
1
2
CN601
F601
T3.15A
L601
25mH
C601
0.22uF/250V
L603
25mH
R601
2.2M 1/2W
C602
0.22uF/250V
D1
S/GND 3
VCC 4
OLP/SS 5
FB 6
OCP/BD 7
IC601
STR-W6556A
RL601
RELAY
C603D
4700pF
C603C
4700pF
C603B
4700pF
C603A
4700pF
C607
220uF
IC622
OPTOISO1
R607
22
D605
BA158
C609
10nF
R610 8.2M
C610 0.0022uF
C627
1000uF
25V
R622
0.22 2W
D623
RU4YX
C624
680pF 500V
C626
1000uF
16V
D622
BYW36
C623
680pF 500V
R621
0.22 2W
D621
BA158
C620
680pF 500V
C622
470uF
50V
D620
RU4B
C462
560pF 2KV 200V
<45V>
<12V>
<20V>
<135V>
R630
680
IC621
SE120 Q621
C1815
Q622
C1815
Q624
A1013
D626
BA158
R639
10K
R649
2K2
R627
6.2K
Q623
C1815 J615
10K
+135V_VCC
+32V_BT
L:S TANDBY
H:WO RKIN G
D627
1N4148
R640
0
C634
0.1uF
R644
10K
+12V_VCC
+8V_VCC
R645
390
+12V
AC250V
AC250V
450V
AC90-270V
16V
16V
50V
ZD620
5V1
L604
R631
1K
CN603
DEGAUSSING
Rs
Rp
1
23
9RM
PTC601
BL
B
G
R
GND
HEATER
GND
+180V
CRT
R
G
B
CRT AMPLIFY CIRCUIT
H501
H502
STANDBY
1
SCL
2
SDA
3
AV3/TUNING
4
SCART ID
5
KEY
6
VOL
7
BAND
8
Vss C/ P
9
MUTE
10
PAL/NTSC
11
VssA
12
SECPLL
13
Vp2
14
DECDIG
15
PH2LF
16
PH1LF
17
GND3
18
DECBG
19
AVL/ EWD
20
VDRB
21
VDRA
22
IF1
23
IF2
24
IREF
25
VSC
26
TUNER AGC
27
AUDEE M/SIF 1
28
DECSDEM/ SIF2
29
GND2
30
SNDPLL/SIFAGC
31
AVL/ REF O
32 H. OUT 33
FBISO 34
AUDEXT/Q SS O 35
EHTO 36
PLL IF 37
IFVO/SVO 38
Vp1 39
CVBSINT 40
GND1 41
CVBS/Y IN 42
C IN 43
AUDOUT/AMOUT 44
BLANK 45
R / V IN 46
G / Y IN 47
B / U IN 48
BCL IN 49
BLANKI NG 50
R OUT 51
G OUT 52
B OUT 53
VddA 54
VpE 55
VddC 56
OscGnd 57
XTAL IN 58
XTAL OUT 59
RESET 60
VddP 61
AV1 62
AV2 63
IRin 64
IC201
TDA9363 for AP
1
2
3
4
5
E
6
Vee
7
Vss
89
10
11
12
13
14
15
Vdd 16
0
1
2
30
1
2
3
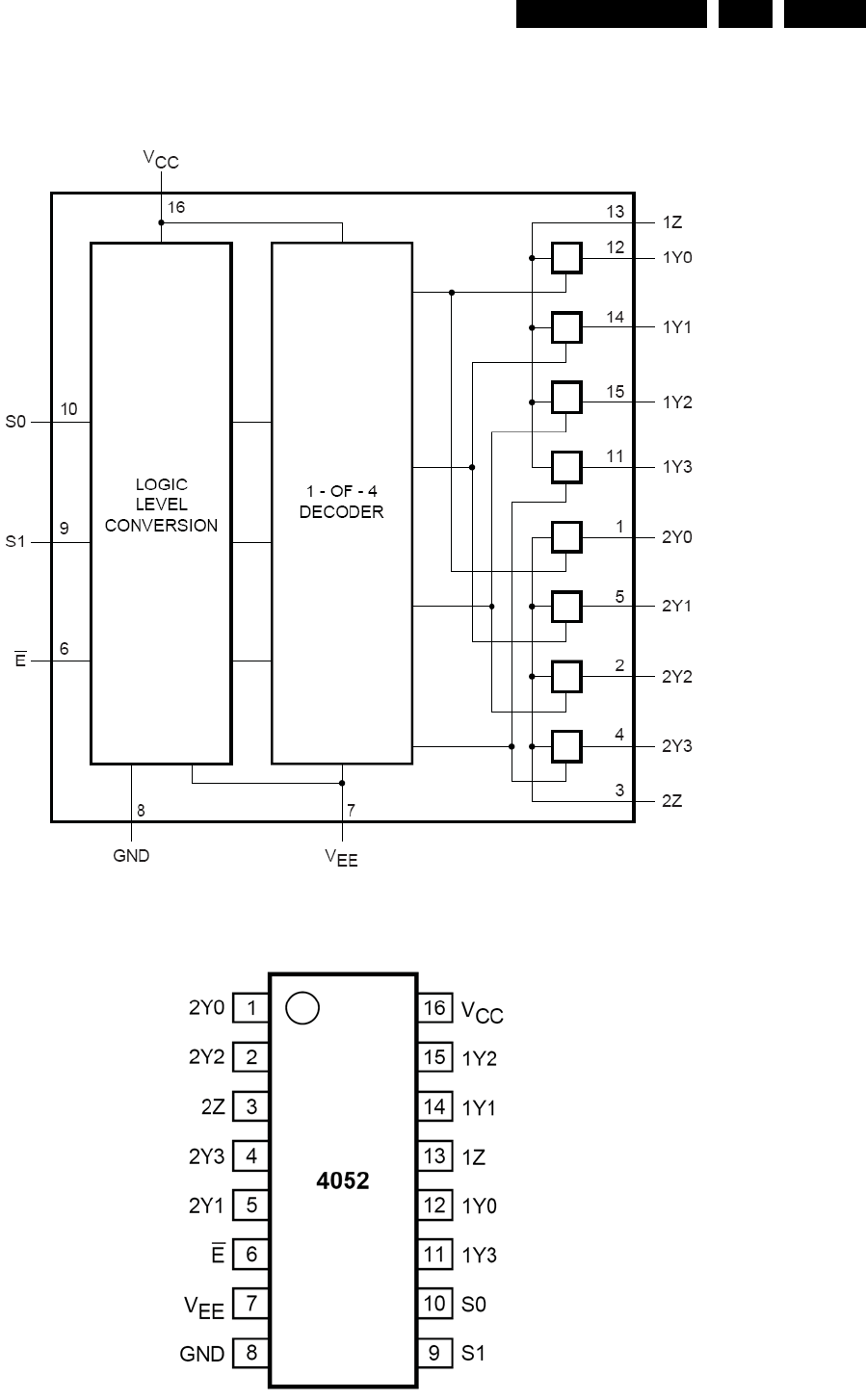
IC761
HEF4052
C765
4700PF
SPL
4RM 10W
SPR
4RM 10W
CN760
SW2
SW2
L OUT
Q761
C1815
D763 IN4148
R766
47K
R137
1K
D762
1N4148
MUTE
+8V_VCC
1
2
3
4
5
6
7
8
9
1
2
1
2
IC760
TFA9843AJ---10W
C766
4700PF
R OUT
R770 1K
R769 1K
PWM
L out
VO
V
Y
U
LO
RO
R643
47K
ZD703
8V2
ZD701
8V2
ZD714
8V2
8V2
ZD713
8V2
ZD705
8V2
R721
75
R722
100
R723
75
R701
47K
R702
47K
1
2
3
4
5
E
6
Vee
7
Vss
89
10
11
12
13
14
15
Vdd 16
0
1
2
30
1
2
3
IC762
HEF4052
Q702
C1815
R708
20K
R705
1K8
R706
1K8
R709
20K
Q701
C1815
R710
20K
R707
20K
AGC
1
NC
2
SAS
3
SCL
4
SDA
5
NC
6
BM +5V
7
NC
8
BT +33V
9
IFGND
10
IF
11
U101
45.75MHz
R113
47K
C110
NC
C111
100pF
R111
100
1
2
3
4
5
SAW101
Q1976M
C105
10nF
Q101
C2717
R102
1K2
R106
NG
L101
0.82uH
R105
22
R103
5.6K
C101
0.01u
R101
75
R112
100
C103
NG
C130 220nF
C131 2200pC132 4n7
+
C133
1uF/50V R138
18K
C128 10nF
+
C129
10uF/16V
L205
10uH
+8V
C120
0.1U/63V
+
C119
10uF/16V
C127 220nF
X101
12MHz
C147
33pF
C148
33pF
+3.3V
L105 10uH
+
C150
100uF
+
C145
100uF
C149
10nF
C146
0.1uF
L106
10uH
C135
0.1U/63V
R151
39K
C139
330pF
C138
4.7nF
R139
3.9K
C136
33PF
HY
R149
3.3K
R148
3.3K
R144 100
R143 100
R142 100
GND
R141 10K
+8V
ZD104
8V2 1
2
3
4
5BL
R
G
B
C727 0.1uF
R414
39K
R425
27K ZD108
8V2
ZD107
8V2
ZD106
8V2
C726 0.1uF
C725 0.1uF
R724
33K
+
C116 1uF
+12V
+8V
R729
1K2
R728
1K
GND
R127
100
R126
180
L103
12uH
XT155
XT-4.5
Q107
C1815
Q703
C1815
R711
75
R713
22K
R712
22K
R451
0.22
D451
BYW36
470pF
C452
2200uF/25V
-16.2V
WP
1
n.c.
2
A2
3
Vss
4
Vdd 8
PTC 7
SCL 6
SDA 5
IC102
24C08
R133 100
R134 100
C118
100nF R130
3.3K
R131
3.3K
C117
100uF R132
3.3K
ZD706
8V2 ZD709
8V2
ZD711
8V2
R780
47K
R777
47K
R778
100
R125
220 R147
390
C144
0.1U/63V
C407
NC
R413
100K
R418
NC
ABL
R135 47
R122
10K
BROWN
BLUE
N
L
R603
VDR601
GAS DI SCHARGE
TUBE
L602
PFC 15mH×2
D603
123
M001
RD2
2K7
RD4
18K
RD5
10K
RR1
100
1
2
3
4
5
KEYBOARD CIRCUIT
LED
KEY
5V
IR
LED
LED
SW003
VOL-
SW002
PRO+
SW004
VOL+
SW001
PRO-
RD3
100
RD1
100
CR1
10uF/16V
GND
SCIN_L 1
P1 2
MIN_L 3
C_SMO 4
MIN_R 5
V_P 6
SCOUT_R 7
GND 8
MOUT_R 9
LIN_R 10
C_BR1 11
C_BR2 12
N.C. 13
C_TR 14
LOUT_R 15
SCL 16
SDA
17
LOUT_L
18
C_TL
19
N.C.
20
C_BL2
21
C_BL1
22
LIN_L
23
MOUT_L
24
MAD
25
SCOUT_L
26
C_PS2
27
AIN_L
28
C_PS1
29
AIN_R
30
P2
31
SCIN_R
32
IC740
TDA9859
VEO
VEI
Cnr
Cm
Cdec
AGND
DGND
SDA
SCL
Vcc
COMP
Vcap
Cp1
Cp2
Cph
Cadj CER
Cmo
Css
Cr
OUTR
Csde
SAP
Vref
CL
Cnd
OUTL
MAD
Ctw
Cts
Cw
Cs
1
2
3
4
5
6
7
8
9
10
11
12
13
14
15
16 17
18
19
20
21
22
23
24
25
26
27
28
29
30
31
32
IC851
TDA9850
C604
1000pF
C606
470pF
R608
2K2
C600
0.1uF/250V
P702
S-VHS
V IN
L IN
R IN
L
P701
ZD702
8V2
Y
U
V
P701
R
V out
L out
R out
P701
ZD712
8V2 ZD708
8V2 ZD710
8V2
R775
47K
R776
47K
R719
100
V IN
L IN
R IN
P701
ZD707
8V2
R779
75
SIDE AV IN
REAR AV IN
BCL
BLANK
V / R in
Y / G in
U / B in
C IN
CVBS/Y IN
C?
220PF/50V
R413
100K
R412
27K
C864
10uF
C865
0.1uF
C866
4.7uF
C853
4.7uF
C869
100uF
C856
4.7uF
C877
4.7uF
C868
100uF
C809
10uF
C877
10uF
C855
10uF
C860
10uF
C874
2.2uF
C873
2.2uF
R855 100
R856 100
R852
8K2
R851
2K2
R853
150
C852
0.47uF
C854
0.22uF
C871
1uF
C867
0.1uF
C858
15nF
C872
1uF
C878
0.1uF
C863
47nF
C861
1uF
C862
1uF
X851
503KHz
C409
0.1uF
+20V_VCC
RI RO
Rout
Lout
L in
R768
91K
50V
R764
6.2KR763
15K C760
10uF/16V
D761
1N4148
INP
7
INN
6
V out
5
VP4 -17.5V
4
Vp3 pump
3
VP3-
2
VP1 +17.5V
1
IC301
TDA4865AJ
R461
5.6 1/4W
5
6
J408
1K8
2W
R457
100
C460
1nF/50V
VDRB
C459
0.1uF/100V
R452
5.6
R462
0.82
R463
220/2W
C455
100uF/50V
D452
BA158
2W
R417
3K3
8V
R412
27K
R407
22K
R409
27K
ZD401
8V2
C444
39PF/50V
AFC
R727
100
ZD102
5V1
C740
100uF/16V
ZD715
8V2
R748
150
C746
0.15uF
C745
68nF
R743
13K
C748
5n6
C752
6n8
C753
0.15uF/63V
C754
68nF
R742
13K
C744
15nF
C743
15nF
AUDIO L
AUDIO R
SDA
SCL
+12V_VCC
C876
100pF
C875
100pF
R854
10
In Out
Gnd
IC852
L7809
Q851
C1815
C879
1uF
R857
47K
R858
47K
R860
1K
C851
1uF
BTSC out R
SCL
SDA
+12V
QSS
C109
10uF
C112
100pF
C163
220uF
ZD101
5V1
R109
10K
R110
180
1
R108
33
R510
22 Q504
C4544
R511
2K2
R512
22
R513
270
D503
1N4148
C502
330PF
2
R515
15K
Q506
BF420
Q505
BF421
1
R516
220
D504
BA158
R517
2K7 KR
R527
2K7
R508
2K7
1
R514
270
R521
22 Q507
C4544
R520
2K2
R522
22
R523
270
D505
1N4148
C503
330PF
2
R525
15K
Q509
BF420
Q508
BF421
1
R526
220
D506
BA158
1
R524
270
R501
22 Q501
C4544
R502
2K2
R504
22
R503
270
D501
1N4148
C501
330PF
2
R506
15K
Q503
BF420
Q502
BF421
1
R507
220
D502
BA158
1
R505
270
ZD501
8V2
C508
1000PF
KG
KB
C507
NC
C506
NC
2
R528
220K
L501
10uH
SCREEN
FOCUS
R401
4K7
+8V_VCC
R432
270
C442
2200PF
!!
L431
160uH
C464
0.18uF
FOR SLIM
S
C108
100pF
C107
100pF
C603
0.22uF AB
CD
2
R602
200K
D604
0
C605
0.1uF
R604
39K
100V
ZD602
18V
R606
6K8
R605
220
C608
10uF
3
R609
0.18 / 5W C632
47uF
250V
C629
1500uF
50V
R633
5K1
50V
R647
0.51 2W
C625
1000uF
16V
C438
2n7 /2KV
C435
0.56uF C465
0.47uF
L432
790uH
ZD103
8V2
+3.3V
C140
4.7uF
R140
100
CN102
R725
10K
8V
TV AUDIO OUT
TV CVBS IN
X-RAY
AFC
H-out
CVBS OUT
AV OUT
YUV
STANDBY
SCL
SDA
KEY
VOL
MUTE
EW
VDRB
VDRA
IF
AGC
VIDEO SWITCH
AUDIO SWITCH
C778
10uF
C770
10uF
C773
10uF
+12V_VCC
C777
10uF
C772
10uF
C774
10uF
C785
10uF
C IN
SIDE L SIDE R
REAR R
REAR L
C717
10uF
C716
10uF
L
R
BTSC out L
C775
10uF
C771
10uF
TV R
TV L
TV L
TV R
TV L+R
A2
A1
A2
A1
C741
10uF
C742
10uF
R745
47K
R746
47K
R744
47K
R747
47K
AUDIO L
AUDIO R
C720
10uF
C710
470uF
R717
68
R?
ELECTRO1
R?
ELECTRO1
C708
10uF C707
10uF
A2
A1
C780
100uF
C779
10uF
CVBS/Y IN
+12V_VCC
TV CVBS OUT
TV CVBS IN
CVBS OUT
REAR AV
SIDE AV
OUT
OUT R
OUT L
AUDIO R out
AUDIO L out
VIDEO OUT
OPTION
V in
Y in
U in
BTSC BOARD
TONE CONTROL
-16.2V
VDRA
C440
4.7uF
EW
H-out
+8V_VCC
C445
2n2F/100V
AFC
AFC
only for scart
RCA : R724 33K
R725 10K
SCART: R724 10K
R725 75
47uF
C405 C105
10nF
R107
820
C137
10UF
AGC
SCL
SDA
+8V_VCC
+32V_BT
+5V
IF
Q106
C1815
R121
10K
R120
1K
KEY
+5V_VCC
C728
100uF
Q626
C1815
89
10
11
12
13
14
15
16 1
2
3
4
5
6
7
T603
TRANSF ORM ER
C621
100uF
R624
0.22 2W
C641
2200uF
ZD621
3V9
ZD622
3V9
R638
22
R650
430
In Out
Gnd
IC104
L7808
R632
1
C628
1000uF
25v
Q625
C1815
C640
220uF
C639
47uF
R114
39K
IC103
33V
C114
47uF
R635
22K
R634
10K
R648
22K
+5V_VCC
ZD105
5V1
+3.3V_VCC
+21V_VCC
+48V_VCC
STANDBY
R765
1K
R771
10K
C761
1uF
R145
22K
Q760
A1015
C750
1uF
C749
1uF
C764
47uF
C767
220uF C769
470uF
C768
470uF
D403
8V2
EHT
FOCUS
SCREEN
EHT
+5V_VCC
1
3
4
5
CN602
CN604 L
L
N
N
R600
NTC
5RM
FOR CB
FOR EMC
8RM 6W
8RM 6W
TFA 9842AJ---6W
MENU
1
L109
100uH
TDA9384 for India
5
6
TDA9373 FOR Latam
L701
33uH
L002
15uH
L706
15uH
L705
15uH
L702
33uH
L003
15uH
L704
15uH
L703
15uH
C701
1000pF
C702
1000p
C776
1000p
C783
1000p
C002
1000p
C003
1000p
C160
470P
C161
470P
R468
5.1
R469
5 OHM
R466
39K
NTC
R464
50K
NTC
R467
33K
+8V
FOR SLIM
R462 1 OHM ( 2W )
FOR RF Tube
R417 4.7K ( 1/6W)
R419 390K (1/6W)
C463 0.36uF (400V)
C438 1500pF (2000V)
C431 6800pF (2000V)
C432 6800pF (2000V)
L440 790uH
L430 30uH
R423 5.6 (2W)
C435 0 OHM
C464 not used
L431 not used
L432 not used
C465 not used
R441 75K (1/6W)
R440 6.8 (2W)
FOR LATAM
V - DEF
C433 18nF (630V)
+8V_VCC
L107
10uH
Y
C
1
2
CN601A
SW601
1
2
CN601B
C612
AC220V 470PF
C611
AC220V 470PF
C164
100nF
+C151
100uF/16V
H_17460_002.eps
240907

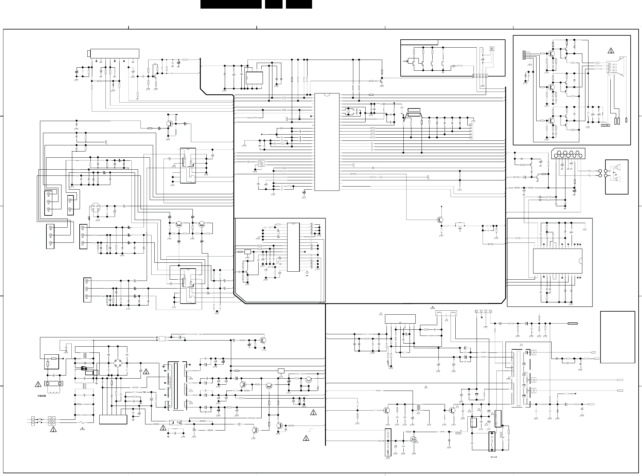
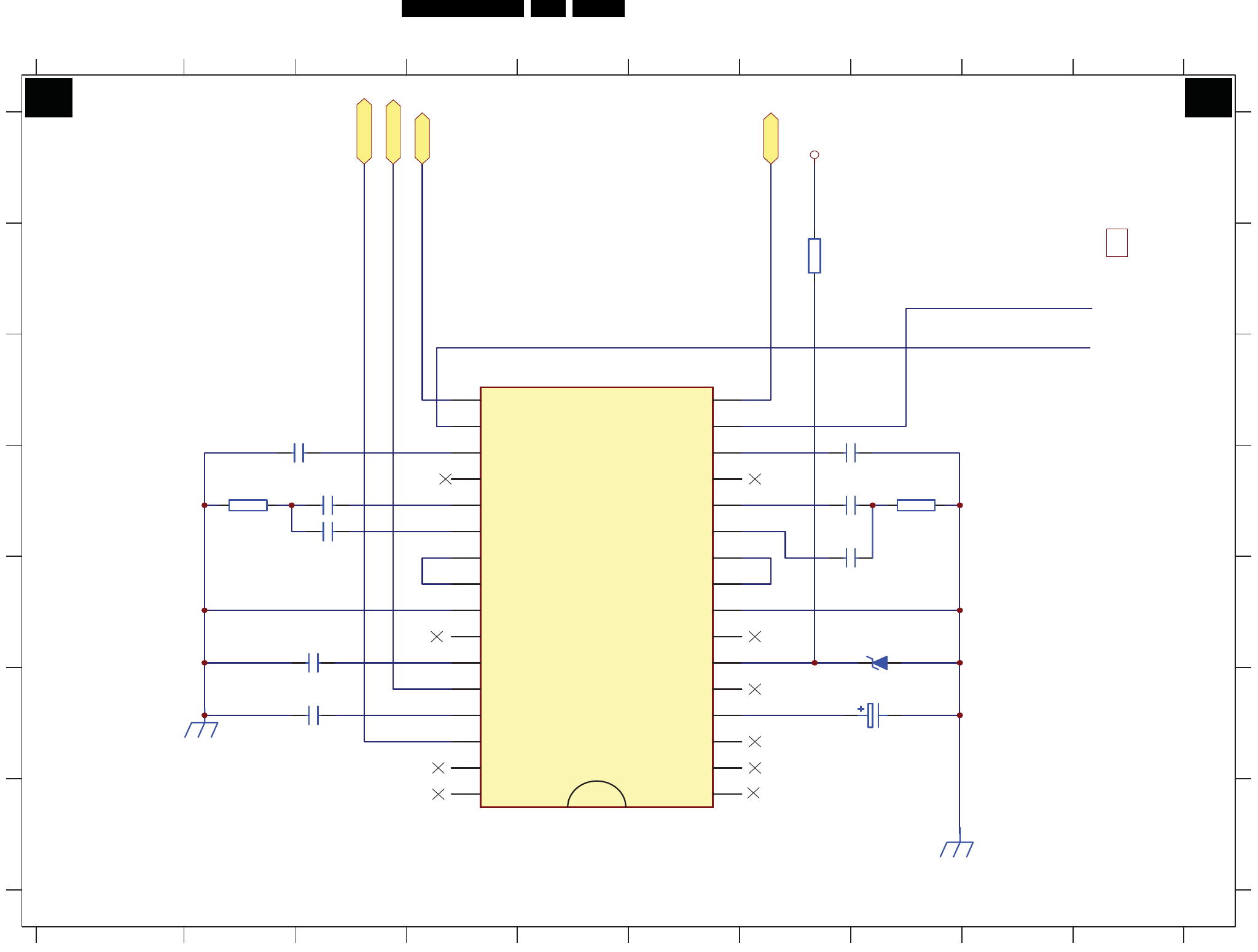
Circuit Diagrams and PWB Layouts EN 11SK5.0L CA 7.
7. Circuit Diagrams and PWB Layouts
Mono Carrier: Power Supply
1 2 3 4 65
A
B
C
D
6
54321
D
C
B
A
1
2
CN601 F601
T3.15A
L601
15mH
C601
0.22uF/250V
T601
R601
2.2M 1/2W
C602
0.22uF/250V
D1
S/GND 3
VCC 4
OLP/SS 5
FB 6
OCP/BD 7
IC601
STR-W6556A
RL601
RELAY
C603D
4700pF
C603C
4700pF
C603B
4700pF
C603A
4700pF
C607
220uF
IC622
OPTOISO1
R607
22
D605
BA158
C609
10nF
R610 8.2M
C610 0.0022uF
C627
1000uF
25V
R622
0.22 2W
D623
RU4YX
C624
680pF 500V
C626
1000uF
16V
D622
BYW36
C623
680pF 500V
R621
0.22 2W
D621
BA158
C620
680pF 500V
C622
470uF
50V
D620
RU4B
C462
560pF 2KV200V
<45V>
<12V>
<20V>
<135V>
R630
680
IC621
SE120 Q621
C1815
Q622
C1815
Q624
A1013
D626
BA158
R639
10K
R649
2K2
R627
6.2K
Q623
C1815 J615
10K
+135V_VCC
+32V_BT
L:STANDBY
H:WORKING
D627
1N4148
R640
0
C634
0.1uF
R644
10K
+12V_VCC
+8V_VCC
R645
390
+12V
AC250V
AC250V
450V
AC90-270V
16V
16V
50V
ZD620
5V1
L604
R631
1K
CN603
DEGAUSSING
????
Rs
Rp
1
23
9RM
PTC601
R643
47K
BROWN
BLUE N
L
R603
VDR601
GAS DISCHARGE
TUBE
L602
PFC 15mH×2
D603
C604
1000pF
C606
470pF
R608
2K2
C600
0.1uF/250V
C603
0.22uF AB
CD
2
R602
200K
D604
0
C605
0.1uF
R604
39K
100V
ZD602
18V
R606
6K8
R605
220
C608
10uF
3
R609
0.18 / 5W C632
47uF
250V
C629
1500uF
50V
R633
5K1
50V
R647
0.51 2W
C625
1000uF
16V
Q626
C1815
89
10
11
12
13
14
15
16 1
2
3
4
5
6
7
T603
TRANSFORMER
C621
100uF
R624
0.22 2W
C641
2200uF
ZD621
3V9
ZD622
3V9
R638
22
R650
430
In Out
Gnd
IC104
L7808
R632
1
C628
1000uF
25v
Q625
C1815
C640
220uF
C639
47uF
R114
39K
IC103
33V
C114
47uF
R635
22K
R634
10K
R648
22K
+5V_VCC
ZD105
5V1
+3.3V_VCC
+20V_VCC
+48V_VCC
STANDBY
CN602
CN604 L
L
N
N
R600
NTC
5RM
FOR CB
FOR EMC
+20V_VCC
+12V_VCC
+5V_VCC
+3.3V_VCC
+32V_BT
+135V_VCC
+8V_VCC
+48V_VCC
STANDBY
POWER SUPPLY
A1 A1
H_17220_001.eps
180607
5800-A5P190-00

EN 12SK5.0L CA 7.
Circuit Diagrams and PWB Layouts
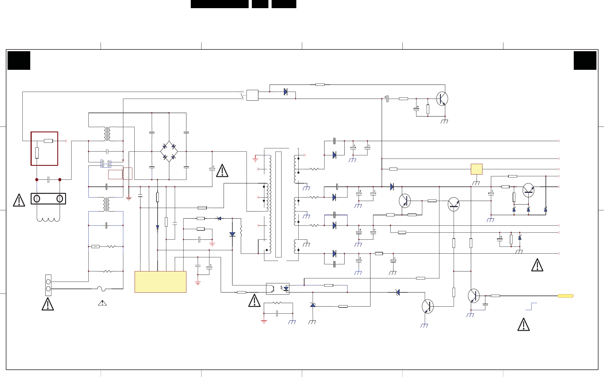
Mono Carrier: Line Deflection
1 2 3 4
A
B
C
D
4
321
D
C
B
A
Q401
C2482
R405
5K6
C402
2200pF
T401
500V
C403
220pF
500V
C404
4.7uF
50V
N401
D2553
R454
33
R433
0.33
D433
BA158
C432
8n2
C431
6n8
D430
BY228
2KV2KV
C433
33nF
D431
RU4B
L430
20uH
L440790uH
C463
0.33uF
250V
R440
6.8 2W
R441
75K
C441
0.01uF
50V
Q440
F630
ZD440
8.2V
R443
470
0.01uF
C437
10uF
C436
560pF
R420
1K
C443
0.056uF
D402
1N4148
FBP
B+
180V
R450
0.22
250V
SCREEN
FOCUS
HV TO CRT
CN301
H-DEF
4
3
2
10
1 7
8
9
T402
FLYBACK
R423
3.9 2W
R424
1K
R416
1K
ABL
C410
10uF/16V
1
2
3
4
CN401
TO CRT
R406
1K/1W
D404
1N4148
R419
560K
ZD402
18V
X-ray
X-ray
1W
2KV
630V
100V
50V
250V
HEATER
+13V
ABL
R421
180
R422
680
R404
100
R403
NC
!
!
!
!
!
!
!
!
HY
R451
0.22 -13V
C407
NC
R413
100K
R418
NC
ABL
C409
0.1uF
5
6
2W
R417
5K6
8V
R412
27K
R407
22K
R409
27K
ZD401
8V2
C444
27PF/50V
AFC
R401
4K7
R432
270
C442
2200PF
D432
BA158
R430
15K
C406
1uF
!!
!
L431
160uH
C464
0.18uF
FOR SLIM TUBE
S????
C438
2n7 /2KV
C435
0.47uF C465
0.47uF
L432
1.12mH
C440
4.7uF
+8V_VCC
C445
2n2F/100V
AFC
AFC
D403
8V2
FOCUS
SCREEN
EHT
1
3
4
5
5
6
Port
+V
-V
+48V_VCC
+8V_VCC
H-out
LINE DEFLECTION
A2 A2
H_17220_002.eps
180607
5800-A5P190-00

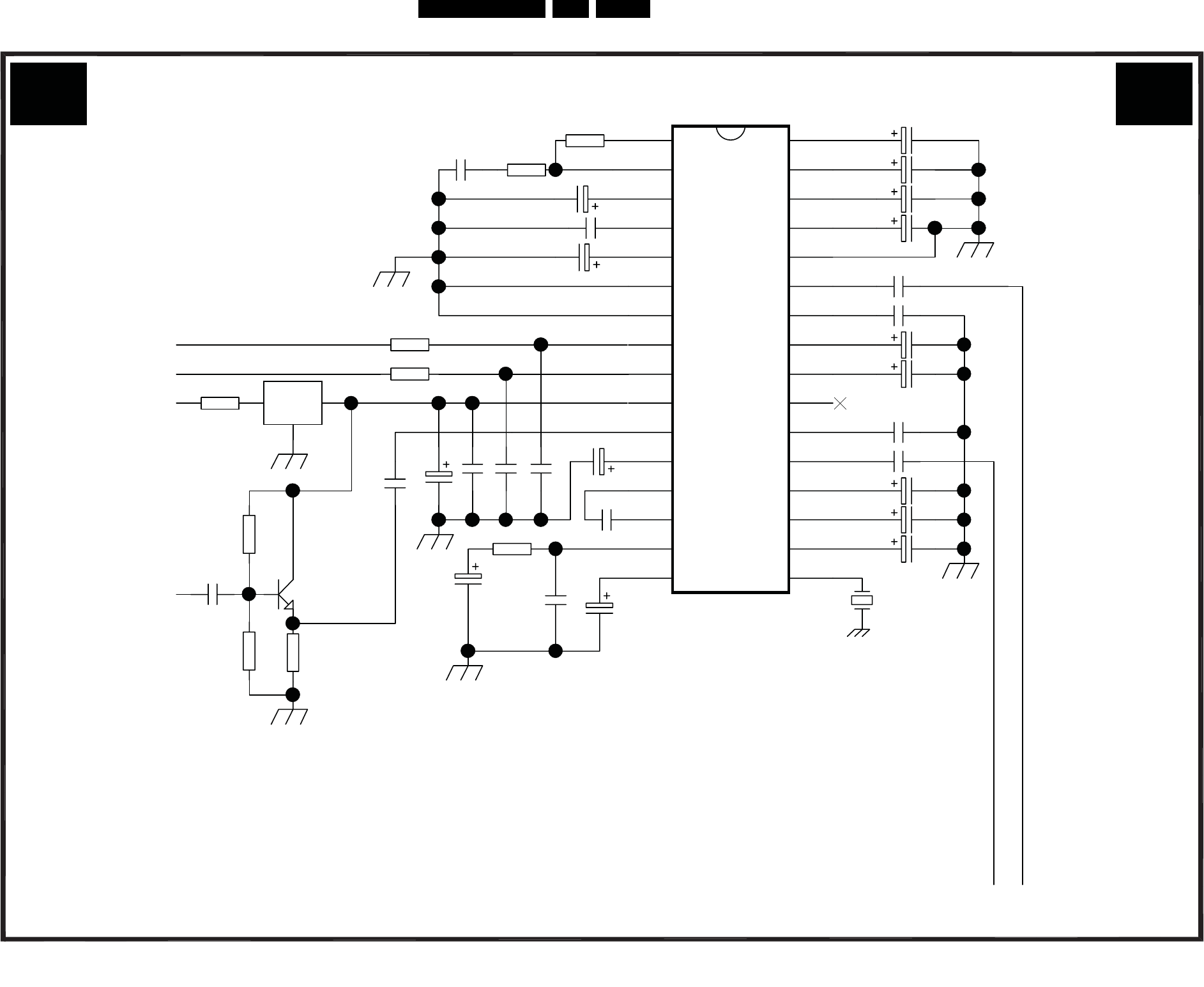
Circuit Diagrams and PWB Layouts EN 13SK5.0L CA 7.
Mono Carrier: Frame Deflection
1 2 43
A
B
C
D
4
321
D
C
B
A
R453
270 1W
C456
0.1uF/100V
100V
R460
100
C461
1nF
R459
1K8
50V
100V
470pF
D450
BYW36
C453
1000uF/25V
0.1uF
CN301
+14V
35V
!
!
D451
BYW36
470pF
0.1uF
C452
1000uF/25V
INP
7
INN
6
V out
5
VP4 -13V
4
Vp3 pump
3
VP3-
2
VP1 +13V
1
IC301
TDA4863AJ
R461
5.6 1/4W
5
6
J408
1K8
2W
R457
100
C460
1nF/50V
VDRB
C459
0.1uF/100V
R452
5.6
R462
1
R463
220/2W
C455
100uF/50V
D452
BA158
-14V
VDRA
VDRA
VDRB
+V
+V
FRAME DEFLECTION
A3 A3
H_17220_003.eps
180607
5800-A5P190-00

EN 14SK5.0L CA 7.
Circuit Diagrams and PWB Layouts
Mono Carrier: Tuner IF
12345
A
B
C
D
E
5
4321
E
D
C
B
A
TUNER IF
AGC
1
NC
2
SAS
3
SCL
4
SDA
5
NC
6
BM +5V
7
NC
8
BT +33V
9
IFGND
10
IF
11
U101
38.9MHz
R113
47K
C110
NC
C111
100pF
R111
100
Q101
C2717
R102
1K5
R106
1K
L101
1uH
R105
22
R103
5.1K
C101
0.01u
R101
75
R112
100
C103
10nF
C109
10uF
C112
100pF
C113
220uF
ZD101
5V1
R109
10K
R110
180
1
R108
33
47uF
C405 C105
10nF
R107
470
C106
10nF
C102
10nF
L102
31.9MHz
R116
10K
C115
10nF
Q102
C1815
R117
10K
AGC SCL SDA
+8V_VCC
+32V_BT
+5V
+5V
IF
SIF
SYSTEM
NTSC
1
R104
220
SCL
SDA
+8V_VCC +32V_BT
AGC
SYSTEM
SIF
IF
+5V
A4 A4
H_17220_004.eps
180607
5800-A5P190-00

Circuit Diagrams and PWB Layouts EN 15SK5.0L CA 7.
Mono Carrier: AV Switch
1234
A
B
C
D
4
321
D
C
B
A
1
2
3
4
5
E
6
Vee
7
Vss
89
10
11
12
13
14
15
Vdd 16
0
1
2
30
1
2
3
IC761
HEF4052
GND
VI
VO
VIG
VOG
BL
V / R
BG
RGND
NC
Y / G
NC
GGND
OPT
U / B
L in
BGND
GND
LO
R in
RO 1
2
3
4
5
6
7
8
9
10
11
12
13
14
15
16
17
18
19
20
21
P701 21PIN
ZD703
8V2
ZD701
8V2
ZD714
8V2
8V2
ZD713
8V2
8V2
ZD705
8V2
R721
75
R715
75
R722
75
R723
75
R701
47K
R702
47K
1
2
3
4
5
E
6
Vee
7
Vss
89
10
11
12
13
14
15
Vdd 16
0
1
2
30
1
2
3
IC762
HEF4052
Q702
C1815
R708
20K
R705
1K8
R706
1K8
R709
20K
Q701
C1815
R710
20K
R707
20K
+8V
Q703
C1815
R711
75
R713
20K
R712
ZD706
8V2ZD709
8V2
ZD711
8V2
R780
47K
R777
47K
R778
75
1
2
3
4
5
6
7
8
9
10
11
12
13
14
15
16
17
18
19
20
21
P701 21PIN
R
L
GND
V in
VO
VIG
VOG
BL
R
BG
RG
NC
G
NC
GG
OPT
B
LI
BG
GND
LO
RI
RO
P702
S-VHS
V IN
L IN
R IN
L
P701
ZD702
8V2
Y
U
V
P701
R
V out
L out
R out
P701
ZD712
8V2ZD708
8V2ZD710
8V2
R775
47K
R776
47K
R719
75
V IN
L IN
R IN
P701
ZD707
8V2
R779
75
SIDE AV IN
REAR AV IN
R731
820
J743
10K
AV OUT
YUV
VIDEO SWITCH
AUDIO SWITCH
C778
10uF
C770
10uF
C773
10uF
+8V_VCC
C777
10uF
C772
10uF
C774
10uF
C785
10uF
C IN
SIDE L SIDE R
REAR R
REAR L
C719
10uF
C717
10uF
C716
10uF
L
R
C775
10uF
C771
10uF
TV R
TV L
A2
A1
C741
10uF
C742
10uF
R745
47K
R746
47K
R744
47K
R747
47K
AUDIO L
AUDIO R
C720
10uF
C710
470uF
R717
68
R?
ELECTRO1
R?
ELECTRO1
C708
10uF
C707
10uF
A2
A1
C780
100uF
C779
10uF
C784
10uF
CVBS/Y IN
+8V_VCC
CVBS OUT
REAR AV
SIDE AV
SCART1 AV
TV
OUT
OUT R
OUT L
AUDIO R out
AUDIO L out
VIDEO OUT
BLANK
OPTION
V / R in
Y / G in
U / B in
only for scart
only for scart
NO USE
NO USE
CVBS OUT
A1
A2
BLANK
OPTION
V / R in
Y / G in
U / B in
CVBS/Y IN
C IN
TV L
AUDIO L
AUDIO R
TV R
A1
A2
+8V_VCC
+8V_VCC
AV SWITCH
A5 A5
H_17220_005.eps
180607
5800-A5P190-00

EN 16SK5.0L CA 7.
Circuit Diagrams and PWB Layouts
Mono Carrier: Tone Control (Optional)
678910
A
B
C
D
E
F
G
A
B
C
D
E
F
G
1 2345678910
12345
SCIN_L 1
P1 2
MIN_L 3
C_SMO 4
MIN_R 5
V_P 6
SCOUT_R 7
GND 8
MOUT_R 9
LIN_R 10
C_BR1 11
C_BR2 12
N.C. 13
C_TR 14
LOUT_R 15
SCL 16
SDA
17
LOUT_L
18
C_TL
19
N.C.
20
C_BL2
21
C_BL1
22
LIN_L
23
MOUT_L
24
MAD
25
SCOUT_L
26
C_PS2
27
AIN_L
28
C_PS1
29
AIN_R
30
P2
31
SCIN_R
32
IC740
TDA9859
C740
100uF/16V
ZD715
8V2
R748
0
C746
0.15uF
C745
68nF
R743
13K
C748
5n6
C752
6n8
C753
0.15uF/63V
C754
68nF
R742
13K
C744
15nF
C743
15nF
AUDIO L
AUDIO R
SDA
SCL
+8V_VCC
+8V_VCC
AUDIO R
AUDIO L
SDA
SCL
Audion Amplifier
R OUT
L OUT
TONE CONTROL
A7
A6 A6
H_17220_006.eps
180607
5800-A5P190-00

Circuit Diagrams and PWB Layouts EN 17SK5.0L CA 7.
Mono Carrier: Audio Amplifier
1 2
34
A
B
C
D
4
321
D
C
B
A
AUDIO AMPLIFIER
C765
4700PF
L OUT
Q761
C1815
D763 IN4148
R766
47K
R137
1K
D762
1N4148
MUTE
+8V_VCC
1
2
3
4
5
6
7
8
9
IC760
TFA9843AJ---10W
C766
4700PF
R OUT
R770 1K
R769 1K
PWM
L out
+20V_VCC
RI RO L in
R768
100K
50V
R764
10K
R763
15K C760
10uF/16V
D761
1N4148
C728
100uF
R765
1K
R771
10K
C761
1uF
Q760
A1015
C750
1uF
C749
1uF
C764
47uF
C767
220uF C769
470uF
C768
470uF
TFA 9842AJ---6W
SPL
4RM 10W
SPR
4RM 10W
CN760
SW2
SW2
1
2
1
2
Rout
Lout 8RM 6W
8RM 6W
+20V_VCC
+8V_VCC
MUTE
PWM
Tone Control
Pin 15
Pin 18
IC740 TDA9859
A6
A7 A7
H_17220_007.eps
180607
5800-A5P190-00

EN 18SK5.0L CA 7.
Circuit Diagrams and PWB Layouts
Mono Carrier: CPU & Decoder
1 2 3 4
A
B
C
D
4321
D
C
B
A
STANDBY
1
SCL
2
SDA
3
AV3/TUNING
4
SCART ID
5
KEY
6
VOL
7
BAND
8
Vss C/P
9
MUTE
10
PA L/ N T S C
11
VssA
12
SECPLL
13
Vp2
14
DECDIG
15
PH2LF
16
PH1LF
17
GND3
18
DECBG
19
AVL/EWD
20
VDRB
21
VDRA
22
IF1
23
IF2
24
IREF
25
VSC
26
TUNER AGC
27
AUDEEM/SIF1
28
DECSDEM/SIF2
29
GND2
30
SNDPLL/SIFAGC
31
AVL/REFO
32 H. OUT 33
FBISO 34
AUDEX T/ QSSO 35
EHTO 36
PLL IF 37
IFVO/SVO38
Vp1 39
CVBSINT 40
GND1 41
CVBS/Y IN 42
C IN 43
AUDOUT/AMOUT 44
BLANK 45
R / V IN 46
G / Y IN 47
B / U IN 48
BCL IN 49
BLANKING 50
R OUT 51
G OUT 52
B OUT 53
VddA 54
VpE 55
VddC 56
OscGnd 57
XTAL IN 58
XTAL OUT 59
RESET 60
VddP 61
AV162
AV263
IRin 64
IC201
TDA9363 for AP
1
2
3
4
5
SAW101
SW02B
C105
10nF
C130 220nF
C131 2200pC132
4n7
+
C133
1uF/50V
R138
18K
C12810nF
+
C129
10uF/16V
L205
10uH
+8V
C120
0.1U/63V
+
C119
10uF/16V
C127 220nF
X101
12MHz
C147
33pF
C148
33pF
+3.3V
L105
10uH
+
C150
100uF/16V
+
C145
100uF
C149
10nF
C146
0.1uF
L106
10uH
C135
0.1U/63V
R151
39K
C139
330pF
C138
1.5nF
R139
2.7K
C136
2n2
R149
3.3K
R148
3.3K
R144100
R143
100
R142
100
GND
R141
10K
+8V
ZD104
8V21
2
3
4
5BL
R
G
B
C7270.1uF
R414
39K
R425
27K ZD108
8V2
ZD107
8V2
ZD106
8V2
C7260.1uF
C7250.1uF
R724
33K
+
C116 1uF
WP
1
n.c.
2
A2
3
Vss
4
Vdd 8
PTC 7
SCL 6
SDA 5
IC102
24C08
R133 100
R134 100
C118
100nF R130
3.3K
R131
3.3K
C117
100uF/16VR132
3.3K
R125
220 R147
390
C144
0.1U/63V
R135 47
R122
10K
BCL
BLANK
V / R in
Y / G in
U / B in
C IN
CVBS/Y IN
R413
100K
R412
27K
ZD102
5V1C108
100pF
C107
100pF
ZD103
8V2
+3.3V
C140
4.7uF
R140
100
CN102
R725
10K
8V
TV AUDIO OUT
TV CVBS IN
X-RAY
AFC
H-out
Q103
C1815
R119
3K3
R115
4K7
+5V
SYSTEM
STANDBY
SCL
SDA
KEY
VOL
MUTE
EW
VDRB
VDRA
IF
AGC
A2
A1
OPTION only for scart
RCA : R724 33K
R725 10K
SCART:R724 10K
R725 75
1
2
3
4
5
SAW102
Q9362M C137
10uF
SIF
NICAM
NO NICAM
NTSC
Q106
C1815
R121
10K
R120
1K
R145
22K
TDA9384 for India
TDA9373 FOR Latam
LED
IR
A2
A1
BCL
U / B in
Y / G in
V / R in
BLANK
TV AUDIO OUT
C IN
CVBS/Y IN
TV CVBS IN
X-RAY
AFC
H-out
+8v
SIF
AGC
IF
VDRA
VDRB
EW
Q104
C1815
+8V
R729
1K2
Q105
C1815
R728
1K
GND
GND
R127
100
R126
180
L103
8.2uH
XT165
XT-6.5
Q107
C1815
XT160
XT-6.0
XT145
XT-4.5
GND
R124
4K7
R123
4K7
GND
XT155
XT-5.5
C?
220PF/50V
R727
100
SYSTEM
CVBS OUT
TV CVBS OUT
TV CVBS IN
NTSC
TV CVBS IN
CVBS OUT
SYSTEM
AUDEXT
STANDBY
SCL
SDA
OPTION
KEY
VOL
MUTE
SYSTEM
+5V
+3.3V
CPU & DECODER
A8 A8
H_17220_008.eps
180607
5800-A5P190-00

Circuit Diagrams and PWB Layouts EN 19SK5.0L CA 7.
Layout Mono Carrier (Top Side)
H_17220_011.eps
280607
5800-A5P190-00

EN 20SK5.0L CA 7.
Circuit Diagrams and PWB Layouts
Layout Mono Carrier (Bottom Side)
5800-A5P190-00
H_17220_012.eps
280607

Circuit Diagrams and PWB Layouts EN 21SK5.0L CA 7.
CRT Board
678910
A
B
C
D
E
F
G
A
B
C
D
E
F
G
1 2345678910
12345
CRT BOARD
BL
B
G
R
GND
HEATER
GND
+180V
CRT
R
G
B
CRT AMPLIFY CIRCUIT
H501
H502
R510
22 Q504
C4544
R511
2K2
R512
22
R513
270
D503
1N4148
C502
470PF
2
R515
15K
Q506
BF420
Q505
BF421
1
R516
220
D504
BA158
R517
2K7 KR
R527
2K7
R508
2K7
1
R514
270
R521
22 Q507
C4544
R520
2K2
R522
22
R523
270
D505
1N4148
C503
470PF
2
R525
15K
Q509
BF420
Q508
BF421
1
R526
220
D506
BA158
1
R524
270
R501
22 Q501
C4544
R502
2K2
R504
22
R503
270
D501
1N4148
C501
470PF
2
R506
15K
Q503
BF420
Q502
BF421
1
R507
220
D502
BA158
1
R505
270
ZD501
8V2
C508
82PF
KG
KB
C507
NC
C506
NC
2
R528
220K
L501
10uH
SCREEN
FOCUS
EHT
B B
H_17220_013.eps
190607
5800-C3P512-00

EN 22SK5.0L CA 7.
Circuit Diagrams and PWB Layouts
Keyboard Control Panel
678910
A
B
C
D
E
F
G
A
B
C
D
E
F
G
1 2345678910
12345
KEY CONTROL
123
M001
RD2
2K7
RD4
18K
RD5
10K
RR1
100
1
2
3
4
5
KEYBOARD CIRCUIT
LED
KEY
5V
IR
LED
LED
SW003
VOL-
SW002
PRO+
SW004
VOL+
SW001
PRO-
RD3
100
RD1
100
CR1
10uF/16V
GND
MENU
LED
KEY
+5V_VCC
IR
KEYBOARD CIRCUIT
D D
H_17220_014.eps
190607
5800-D9SL7Y-05

Circuit Diagrams and PWB Layouts EN 23SK5.0L CA 7.
Layout Keyboard Control Panel (Top Side)
H_17220_015.eps
190607
5800-D9SL7Y-05
Layout Keyboard Control Panel (Bottom Side)
H_17220_038.eps
290607
5800-D9SL7Y-05

EN 24SK5.0L CA 7.
Circuit Diagrams and PWB Layouts
Mains Filter Panel
1
2
CN601 F601
T3.15A
L601
15mH
C601
0.22uF/250V
T601
R601
2.2M 1/2W
C602
0.22uF/250V
D1
S/GND 3
VCC 4
OLP/SS 5
FB 6
OCP/BD 7
IC601
STR-W6556A
C603D
4700pF
C603C
4700pF
C603B
4700pF
C603A
4700pF
C607
220uF
D605
BA158
C609
10nF
AC250V
AC250V
450V
AC90-270V
L604
CN603
DEGAUSSING
Rs
Rp
1
23
9RM
PTC601
BROWN
BLUE N
L
R603
VDR601
GAS DISCHARGE
TUBE
L602
PFC 15mH×2
D603
C604
1000pF
C606
470pF
C600
0.1uF/250V
C603
0.22uF AB
CD
2
R602
200K
D604
0
C605
0.1uF
R604
39K
100V
ZD602
18V
R606
6K8
R605
220
C608
10uF
CN602
CN604 L
L
N
N
R600
NTC
5RM
FOR CB
FOR EMC
MAINS FILTER
E E
H_17220_017.eps
270607
5800-5P190-00
Layout Mains Filter (Top Side)
Layout Mains Filter (Bottom Side)
H_17220_033.eps
180607
5800-5P190-00
H_17220_034.eps
270607
5800-5P190-00

Circuit Diagrams and PWB Layouts EN 25SK5.0L CA 7.
Side A/V Panel
G G
H_17220_018.eps
250607
ZD706
8V2
ZD709
8V
ZD711
8V2
R780
R777
47K
R778
75
P702
S-VHS
V IN
L IN
R IN
P701
ZD707
8V2
R779
75
SIDE AV IN
C777
10uF
C772
10uF
C774
10uF
C785
10uF
Side AV Panel
5800-G9SL7Y-05
Layout Side A/V Panel
Side AV Bottom Layer
Side AV Top Layer
H_17220_019.eps
250607
5800-G9SL7Y-05

EN 26SK5.0L CA 7.
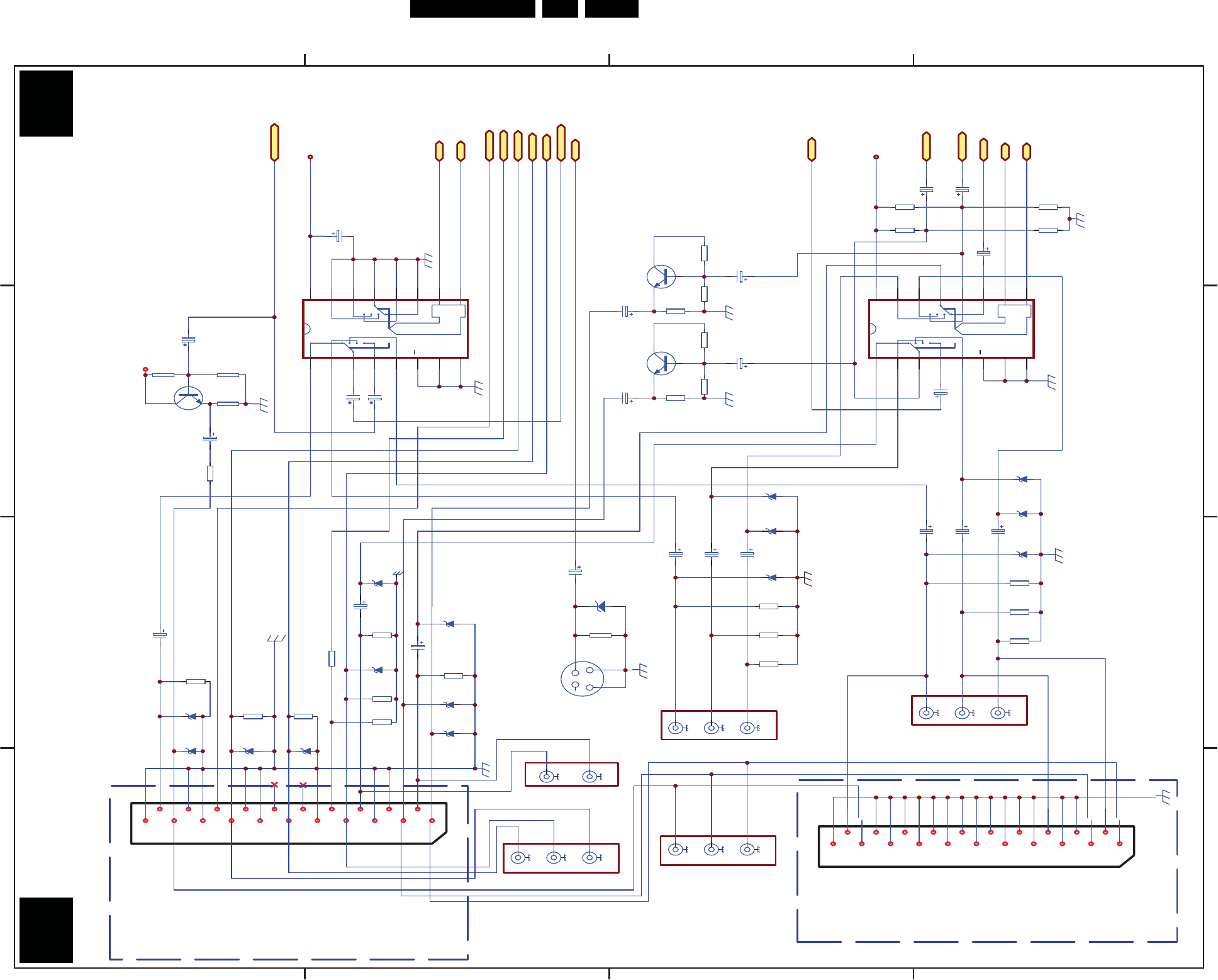
Circuit Diagrams and PWB Layouts
BTSC Panel
H_17460_003.eps
240907
M M
VEO
VEI
Cnr
Cm
Cdec
AGND
DGND
SDA
SCL
Vcc
COMP
Vcap
Cp1
Cp2
Cph
Cadj CER
Cmo
Css
Cr
OUTR
Csde
SAP
Vref
CL
Cnd
OUTL
MAD
Ctw
Cts
Cw
Cs
1
2
3
4
5
6
7
8
9
10
11
12
13
14
15
16 17
18
19
20
21
22
23
24
25
26
27
28
29
30
31
32
IC851
TDA9850
C864
10uF
C865
0.1uF
C866
4.7uF
C853
4.7uF
C869
100uF
C856
4.7uF
C877
4.7uF
C868
100uF
C809
10uF
C877
10uF
C855
10uF
C860
10uF
C874
2.2uF
C873
2.2uF
R855 100
R856 100
R852
8K2
R851
2K2
R853
150
C852
0.47uF
C854
0.22uF
C871
1uF
C867
0.1uF
C858
15nF
C872
1uF
C878
0.1uF
C863
47nF
C861
1uF
C862
1uF
X851
503KHz
C876
100pF
C875
100pF
R854
10
In Out
Gnd
IC852
L7809
Q851
C1815
C879
1uF
R857
47K
R858
47K
R860
1K
C851
1uF
BTSC out R
SCL
SDA
+12V
QSS
BTSC out L
TV L
TV R
BTSC BOARD
FOR LATAM
5800-M5P190-00

Circuit Diagrams and PWB Layouts EN 27SK5.0L CA 7.
Layout BTSC Panel (Top Side)
H_17460_004.eps
240907
5800-M5P190-00
Layout BTSC Panel (Bottom Side)
H_17460_005.eps
240907
5800-M5P190-005800-M5P190-00

EN 28SK5.0L CA 7.
Circuit Diagrams and PWB Layouts
Personal Notes:
E_06532_013.eps
131004

Alignments EN 29SK5.0L CA 8.
8. Alignments
Index of this chapter:
8.1 General Alignment Conditions
8.2 Hardware Alignments
8.3 Software Alignments
8.4 Factory mode Settings
8.1 General Alignment Conditions
8.1.1 Default Alignment Settings
Perform all electrical adjustments under the following
conditions:
• Power supply voltage: 230 VAC / 50 Hz (± 10%).
• Connect the set to the mains via an isolation transformer
with low internal resistance.
• Allow the set to warm up for approximately 20 to 30
minutes.
• Measure voltages and waveforms in relation to chassis
ground (with the exception of the voltages on the primary
side of the power supply).
Caution: never use heatsinks as ground.
• Test probe: 100: 1, Ri > 10 Mohm, Ci < 3.5 pF.
• Use an isolated trimmer/screwdriver to perform
alignments.
8.2 Hardware Alignments
For this TV set there are no hardware alignments.
8.3 Software Alignments
Put the set in its MENU mode (factory mode) as follows (see
also figure “Factory Mode” on the next page):
• Press the keys [i+], “smart sound” and “smart picture” to
enter the factory menu.
• Press the keys [i+] again and “ADJUST” appear on screen.
• Press the number keys to enter the adjust page, press B/
y to choose the items that to be adjusted, Press z/A to
adjust its value.
• Press [i+] to quit factory mode.
The different alignment parameters are described further on.
8.3.1 Rf AGC Voltage Adjust
1. Provide a 294.25 MHz, 60 dB half colour bar signal.
2. Enter factory mode and press key 1.
3. Measure tuner AGC point voltage, adjust AGC item till the
voltage is 2.2 V, or till picture noise just disappears. (typical
value is at 32).
8.3.2 Focus Fine Adjust
1. Provide a cross-hatch pattern signal.
2. Set state to “Rich” mode.
3. Adjust flyback transformers Focus knob till picture is clear.
8.3.3 Screen Voltage Adjust
1. Set picture to “Standard” mode, without signal input.
2. Press the keys [i+], “Smart sound” and “Smart picture” to
enter the factory menu. When in “B/W BALANCE” page,
press “mute” on the RC. There will be a level light line
displays.
3. Adjust flyback transformers Screen knob till the level bright
line just can be seen.
4. When in the light-line screen, CUT R and CUT G can be
adjusted if needed with the following RC key mapping:
To increase /decrease CUT R (See table 8-1)
To increase /decrease CUT G (See table 8-2)
5. Press “MUTE” key to return to the “B/W BALANCE” page.
Table 8-1 To increase /decrease CUT R
Table 8-2 To increase /decrease CUT G
8.3.4 Horizontal Adjustment (Key 1)
1. Provide a 50 Hz monoscope pattern.
– Press the keys [i+], “Smart sound” and “Smart picture”
to enter the factory menu.
– Press the keys [i+] again and “ADJUST” appear on
screen.
2. Press key “0” and adjust “HPH” to set picture horizontal
centre to CRT horizontal centre.
8.3.5 Vertical & YUV/RGB Horizontal Adjust (Key 2)
1. Provide a 50 Hz cross hatch signal, set TV to standard
mode. Adjust VSL so that half picture of the pane cross
appears. The picture’s vertical line is just at the bottom of
the half picture. Adjust VSL to make the centre of the
picture’s vertical line and the kinescope are in
superposition.
2. Adjust VSI to obtain picture’s vertical re-display ratio more
than 90%.
3. Provide a 60 Hz cross hatch signal, do step 1 and 2 again
to adjust.
4. If necessary, fine adjust above items.
8.3.6 OSD Position (Key 4)
1. Menu OSD position adjustment: Provide a 50/60 Hz cross
hatch pattern. Put the set in MENU mode.
– Press the keys [i+], “Smart sound” and “Smart picture”
to enter the factory menu.
– Press the keys [i+] again and “ADJUST” appears on
screen.
2. Press key 4 to enter the factory mode. Adjust VP and HP
item, to obtain menu OSD at the centre of CRT screen.
3. Provide a RGB or YUV cross hatch signal, set the TV in the
standard mode, adjust “YUV OSD HS” till picture horizontal
centre is at the CRT centre (optional).
Function CUT R+ CUT R-
RC key 1 4
Function CUT G+ CUT G-
RC key 2 5

Alignments
EN 30 SK5.0L CA8.
Figure 8-1 Software Alignments
H_17460_007.eps
270907
Enter Factory Mode:
Press sequentially:
I
+
---> Smart Sound ---> Smart Picture
Main Menu in red box.
Navigation:
Navigate parameters in "Main Page" : From the first menu, use the arrow Up or Down to navigate to different pages.
Navigate to individual Service page:
Selecting the number "0 - 8", "Smart Picture" and "Smart Sound" on the remote control to go directly to the pages.
Changing value
Move to the intended parameter with the arrow "up" and "down" key on the RC.
Use the arrow "Right" and "Left" to increse and decrease the value respectively.
Exit
Enter " I+ " on the RC to exit factory mode.
Main Page
B/W BALANCE
2 ECIVRES1 ECIVRES0 ECIVRES
DRI R
32
FREQUENC
Y
60H
Z
S LOV COU>EDOMPIHS
W
OFF
DRI G
26
H PH 36-T
V
A
04LOV LWP/COU23CG
DRI B
39
V
SL 35
A
25NIAG ONOM1DEEPS CG
CUT R
35
V
25NIAG OERETSM57.54FI92HS
CUT G
35
V
RI&CRH15IS
C
35NIAG PASFF0
BT 34 84niag VAFFOMETSYS ITLUM72CS V
CT
35
WP43HTDIW WE
L
UPNI 9589551
T
0
COOL DR
+
6
EW PAR
A
59 XD
T
1 VOL 10 45
COOL DG
+
6
UP CORNE
R
33 XDT Coun
t
30 VOL 25 55
COOL DB
+
11
LO CORNE
R
SUSVM13
A
VOL 50 80
COOL CR
+
1
H -PAR
A
NOTAM83 VPL 80 90
COOL CG
+
0
H-BO
W
1BPB53 VOL 100 100
WARM DR
+
7
EW TRAP
E
0SWMF3GNIROC52
WARM DG
+
2
FFOTPO LVAFFOOSO
WARM DB
-
4
WARM CR
-
4
WARM CG
+
3
ZOOM 44
ADJUS
T
ECIVRES3 ECIVRES
4
SERVICE
5
AV OPT 0
V
oeretSEDOM-CSTB35P
S-CSTB04PH3GFC VA
T
0
2 A
V
OFF
Y
S-CSTB44SH DSO VU
P
0
Y
9IL-CSTB0L DSOFFODVD/C
V
511A-CSTBNOENOTFLAHSBVCTUO OEDI
18070-2YKS-REBYSCSTN5 NIP
0
BTSC-A2 19
PIN 7
V
OL1 BTSC-TC 4
PIN 8 MUTE BTSC-ST
S
ON
MUTEPIN OFF BTSC-ADJ Start
CC HP 13 MTS DETECT 50
CC LINE 21 MTS FILTER 20
CC DELA
Y
12 W: 00 00 40 09 0F 93 04
HCO ON R: 0F 13
OSVE OFF D: MONO ST SAP
SERVICE
6
8 ECIVRES7 ECIVRES
PO
W
3IRB BUS2 YUV D
R
+0
2NOC BUS21MIT NO REWOP YUV DG +2
03LOC BUSNOBKA YUV DB +0
HS BUSNOLBN
A
32 YUV C
R
+0
21IT BUSNOGODHCTAW YUV CG +0
PHILIPS RC ON
Y
DL PA
L
NOHSILGNE01
V
CHIP OFF
Y
DL NTS
C
NOHSIAPS4
GAME OFF
Y
DL A
V
FFOHCNARF0
CALENDA
R
SEUGUTROP3EHTACFFO
E
ON
25IRB XAMNOTPO MOOZ
BLUE BAC
K
72IRB DIMNO
36NOC XAM1+HTDIW BB
BLACK BAC
K
82NOC DIMFFO
8IRB .CSFFOBTS
Soft
V
oice
BRIGHT 50 BASS 30
CONTRAST 70 TREBLE 50
COLOR 50 SURROUND OFF
SHARP 70
YUV SHARP 70
COLOR TEMP WARM
cisuMhciR
BRIGHT 55 BASS 55
CONTRAST 100 TREBLE 60
COLOR 55 SURROUND OFF
SHARP 90
YUV SHARP 90
COLOR TEMP COOL
ertaehTlarutaN
BRIGHT 55 BASS 80
CONTRAST 80 TREBLE 70
COLOR 50 SURROUND ON
SHARP 80
YUV SHARP 80
COLOR TEMP NORMAL
"I+" "1""0" "2"
"3" "4" "5"
"6" "7" "8"
"Smart Sound"
"Smart Picture"
"Smart Sound"
"Smart Picture"
"Smart Sound"
"Smart Picture"
"dnuoS tramS""erutciP tramS"

Alignments EN 31SK5.0L CA 8.
8.4 Factory mode Settings
Description of the factory menu Storage address Display string Range (Index value) Default SK5.0L CA
B/W balance
White point R adjustment. 0x00d DRI R 0-63 32 32
White point G adjustment 0x00e DRI G 0-63 32 32
White point B adjustment 0x00f DRI B 0-63 32 32
Black level off-set R adjustment 0x010 CUT R 0-63 32 32
Black level off-set G adjustment. 0x011 CUT G 0-63 32 32
“BRIGHTNESS” of “White Balance Adjustment page” setting 0x02f BT 0-63 32 32
“CONTRAST” of “White Balance Adjustment page” setting 0x030 CT 0-63 32 32
COOL offset according to “DRI R” value of tv, white point R of “COOL” 0x017 COOL DR 0-63 -2 6
COOL offset according to “DRI G” value of tv, white point G of “COOL” 0x018 COOL DG 0-63 0 6
COOL offset according to “DRI B” value of tv, white point B of “COOL” 0x019 COOL DB 0-63 10 13
COOL offset according to “CUT R” value of tv, black level off-set R of “COOL” 0x01a COOL CR 0-63 0 0
COOL offset according to “CUT G” value of tv, black level off-set R of “COOL” 0x01b COOL CG 0-63 0 0
WARM offset according to “DRI R” value of tv, white point R of “COOL” 0x01c WARM DR 0-63 10 7
Warm offset according to “DRI G” value of tv, white point G of “COOL” 0x01d WARM DG 0-63 0 0
Warm offset according to “DRI B” value of tv, white point B of “COOL” 0x01e WARM DB 0-63 0 -6
Warm offset according to “CUT R” value of tv, black level off-set R of “COOL” 0x01f WARM CR 0-63 0 0
Warm offset according to “CUT G” value of tv, black level off-set R of “COOL” 0x020 WARM CG 0-63 0 0
Direct key “0”
50hz/60hz Frequency 60 Hz
Horizontal center ox008 H PH 0-TV-63-TV 31-TV 33-TV
Vertical slope ox009 V SL 0-63 24 40
Vertical center ox00a V SH 0-63 21 28
Vertical amplitude. ox00b V SI 0-63 33 51
Vertical s-correction. ox00c V SC 0-63 27 27
EW WIDTH 0x04b EW WIDTH 0-63 32 45
EW parabola/width 0x04c EW PARA 0-63 32 49
EW upper/lower corner parabola 0x04d UP CORNER 0-63 32 28
Bottom curve 0x04e LO CORNER 0-63 32 34
Horizontal parallelogram 0x04f H-PARA 0-63 32 35
Horizontal bow 0x050 H-BOW 0-63 32 39
EW trapezium 0x051 EW TRAPE 0-63 32 21
Expand 4:3 mode horizontal WIDTH adjust 0x0ed(bit4) ZOOM 0-63 44 44
50hz/60hz Frequency 50 Hz
Horizontal center 0x003 H PH 0-TV-63-TV 31-TV 31-TV
Vertical slope 0x004 V SL 0-63 24 40
Vertical center 0x006 V SH 0-63 21 28
Vertical amplitude. 0x005 V SI 0-63 33 52
Vertical s-correction. 0x007 V SC 0-63 27 27
EW WIDTH 0x044 EW WIDTH 0-63 32 45
EW parabola/width 0x045 EW PARA 0-63 32 48
EW upper/lower corner parabola 0x046 UP CORNER 0-63 32 32
Bottom curve 0x047 LO CORNER 0-63 32 32
Horizontal parallelogram 0x048 H-PARA 0-63 32 35
Horizontal bow 0x049 H-BOW 0-63 32 32
EW trapezium 0x04a EW TRAPE 0-63 32 26
Expand 4:3 mode horizontal WIDTH adjust 0x062 ZOOM 0-63 44 44
Horizontal center in AV source. 0x05e H PH +5-AV 32 32
Horizontal center in AV source. 0x05f H PH +5-AV 32 32
Horizontal center in YUV source. 0x05c H PH +0-YUV 32 32
Horizontal center in YUV source. 0x05d H PH +0-YUV 32 32
Direct key “1”
Out of box setting, Smart Picture: Rich, Contrast +: On, NR: Off,
Smart Sound: Theatre, Tuner Mode: Auto, Volume: 30, CC: Off SHIPMODE OFF ON
RF.AGC adjust 0x002 AGC 0-63 24 32
AGC speed 0x0de (bit5, bit4) AGC SPEED 0-63 1 1
IF choose 0x0dd (bit7, bit6) IF 58.75 Mhz 45.75 Mhz 45.75 Mhz 45.75 Mhz
HRC and IRC of N system for auto search selection 0x0ea (bit4) HRC & IRC OFF ON OFF OFF
ON: PAL M/N ON, OFF: PAL M/N OFF 0x0ea (bit1) MULTI SYSTEM OFF ON ON ON
White apex limit 0x0cb (bit7-bit4) PWL 0-15 0 15
X ray protect 0x0e1 (bit2, bit3) XDT 0-2 1 1
X ray protection detect count 0x073 XDT COUNT 0-255 30 30
NTSC decode matrix 0x0e7(bit2) MUS USA JAP USA USA
PAL, NTSC decode matrix 0x0ed (bit0) MAT OFF ON OFF ON
Bypass of sound bandpass filter 0x0e1 (bit5, bit4) BPB 0-2 1 1
Video dependent coring 0x0de (bit3, bit2) CORING 0-3 3 3
Switch-off in vertical overscan 0x0e7 (bit7) OSO OFF ON ON ON
Direct key “2”
UOC control volume switch 0x0e8 (bit7) UOC VOL SW OFF ON OFF OFF
UOC/PWM modify volume value 0x02e UOC/PWM VOL 0-63 41 40
Volume of 9859 modify value when sound is mono 0x052 MONO GAIN 0-63 48 52

Alignments
EN 32 SK5.0L CA8.
Volume of 9859 modify value when sound is stereo 0x053 STEREO GAIN 0-63 48 52
Volume of 9859 modify value when sound is SAP 0x054 SAP GAIN 0-63 48 50
Volume of 9859 modify value when system is AV state 0x055 AV GAIN 0-63 48 48
9859 control pin output state 0x0e0 (bit3, bit2) 9859INPUT 0-2 2 0
10% volume point 0x026 VOL 10 0-100 25 20
25% volume point 0x027 VOL 25 0-100 50 45
50% volume point 0x028 VOL 50 0-100 75 60
80% volume point 0x029 VOL 80 0-100 90 80
100% volume point 0x02a VOL 100 0-100 100 100
FM demodulate frequency width 0x0de (bit1, bit0) FMWS 0-2 0 0
AVL function switch 0x0e8 (bit6) AVL OPT OFF ON OFF OFF
Direct key “3”
AV control logic choose 0x0e1 (bit7, bit6) AV OPT 0-3 1 0
AV choose 0x0cc (bit7-bit4) AV CFG 0-7 3 3
AV2 choose 0x0ea (bit5) 2 AV OFF ON OFF OFF
DVD choose 0x0e9 (bit4) YC/DVD OFF ON OFF OFF
Video output 0x0e7 (bit4) VIDEO OUT IF CVBS CVBS CVBS
Pin 5 choose function 0x0cc (bit3-bit0) PIN 5 NTSC NTSC
Pin 7 choose function 0x0cd (bit7-bit4) PIN 7 VOL1 VOL1
Pin 8 choose function 0x0cd (bit3-bit0) PIN 8 MUTE MUTE
MUTE pin mode 0x0e9 (bit0) MUTEPIN
MODE OFF ON OFF
OFF: Pin 7 control volume curve
ON: Pin 4 control volume curve
0x0ee (bit6) MUTEPIN SEL OFF
CCD Horizontal width adjust 0x05a CC HP 0-15 13 13
CCD scan Horizontal row when PAL N system 0x060 CC LINE 0-60 21 21
CCD delay adjustment 0x0d1 (bit3-bit0) CC DELAY 8-23 20 12
Direct key “4”
OSD up down position 0x02b VP 0-63 52 51
OSD left right position 0x02c HP 0-63 54 42
RGB/YUV OSD Horizontal Center 0x05b YUV OSD HS 0-60 38 44
OSD output contrast 0x0df (bit7, bit6) OSD L 0-3 0 0
Menu translucence 0x0e9 (bit1) HALFTONE OFF ON ON ON
Software version number SOFTWARE
VERSION
NUMBER
Direct key “5”
Sound mode BTSC-MODE MONO STEREO SAP
Stereo noise limit 0x0ce (bit7-bit4) BTSC-ST 0-15 0 0
SAP noise limit 0x0ce(bit3-bit0) BTSC-SP 0-15 0 0
Sound input level adjustment 0x040 BTSC-LI 0-15 7 9
Separate 0x041 BTSC-A1 0-31 23 14
Separate 0x042 BTSC-A2 0-31 22 6
Time constant 0x0cf (bit7-bit4) BTSC-TC 0-7 4 3
Stereo level switch 0x0e8 (bit3) BTSC-STS OFF ON OFF ON
Stereo adjustment on/off 0x0e8 (bit2) BTSC-ADJ BUSY START START START
MTS detect time delay 0x001 MTS DETECT 0-255 50 50
STEREO and SAP detect count 0x072 MTS FILTER 0-255 20 20
MONO detect count 0x074 MTS FILTER2 0-255 20 3
Direct key “6”
POWER ON MODE 0x0dd (bit3, bit2) POW 0-2 2 2
POWER ON time delay 0x0cb (bit3-bit0) POWER ON TIM 2-17 12 12
Black current stabilization 0x0e8 (bit0) AKB OFF ON ON ON
Black current loop detect 0x0e9 (bit7) NBL OFF ON ON ON
WATCH DOG 0x0eb (bit7) WATCHDOG OFF ON OFF ON
ON: Philips RC
OFF: Skyworth RC
0x0eb (bit6) PHILIPS RC OFF ON ON ON
VCHIP FUNCTION SWITCH 0x0ea (bit7) VCHIP OFF ON OFF OFF
GAME FUNCTION SWITCH 0x0eb (bit5) GAME OFF ON OFF OFF
CALENDER FUNCTION SWITCH 0x0eb (bit4) CALENDER OFF ON OFF OFF
4:3 expand function choose 0x0ec (bit6) ZOOM OPT OFF ON ON ON
ON: Blue Screen
OFF: Black Screen
0x0e9 (bit6) BLUE BLACK OFF ON ON ON
EW WIDTH offset according to “EW WIDTH” value when TV is no signal 0x06d BB WIDTH 53-10 +0 1
Video mute during change to program 0x0e1 (bit1, bit0) BLACK BACK 0-2 0 0
RGB BLANKING 0x0ee (bit7) RGB BLANKING OFF ON ON ON
Direct key “7”
Sub contrast 0x057 SUB BRI 0-63 0 3
Sub brightness 0x059 SUB CON 0-63 0 2
Sub color 0x023 SUB COL 0-63 30 30
Description of the factory menu Storage address Display string Range (Index value) Default SK5.0L CA

Alignments EN 33SK5.0L CA 8.
Sub Sharpness 0x024 SUB SHA 0-63 32 32
TV Sub tint 0x025 SUB TIN 0-31 16 16
AV Sub tint 0x075 SUB TIN-AV 0-31 16 16
PAL Luminance delay 0x0c9 (bit3-bit0) YDL PAL 0-15 2 10
NTSC Luminance delay 0x0c9 (bit7-bit4) YDL NTSC 0-15 2 10
AV Luminance delay 0x0ca(bit7-bit4) YDL AV 0-15 4 10
Maximum brightness 0x056 MAX BRI 0-63 63 52
Middle brightness 0x021 MID BRI 0-63 18 27
Maximum contrast 0x058 MAX CON 0-63 63 63
Middle contrast 0x022 MID CON 0-63 15 28
Line-level of brightness 0x02d SC.BRI 0-63 8 8
Direct key “8”
YUV offset according to “DRI R” value of TV, white point R of YUV. 0x012 YUV DR (-32) - (+31) +0 +0
YUV offset according to “DRI G” value of TV, white point G of YUV 0x013 YUV DG (-32) - (+31) +0 +0
YUV offset according to “DRI B” value of TV, white point B of YUV 0x014 YUV DB (-32) - (+31) +0 +0
YUV offset according to “CUT R” value of TV, black level offset R of YUV 0x015 YUV CR (-32) - (+31) +0 +0
YUV offset according to “CUT G” value of TV, black level offset G of YUV 0x016 YUV CG (-32) - (+31) +0 +0
English OSD switch 0x0eb (bit3) ENGLISH OFF ON ON ON
Spanish OSD switch 0x0eb (bit2) SPANISH OFF ON ON ON
French OSD switch 0x0eb (bit1) FRANCE OFF ON OFF OFF
Portuguese OSD switch 0x0eb (bit0) PORTUGUESE OFF ON ON ON
External Y (Luminance) input gain during YPRPB.
OFF: gain 0 dB reduced, ON: gain 3 dB reduced
0x0ee (bit4) YGN OFF ON OFF ON
Cathode drive level 0x0ca (bit3-bit0) CATHE 33
EHT tracking mode 0x0ea (bit6) HCO ON ON
Black current measuring lines in overscan 0x0e9 (bit2) OSVE OFF OFF
Manual INIT E2PROM
INITEEP
Key “Smart sound”
BASS set value in Voice state 0x064 BASS 30 30
TREBLE set value in Voice state 0x065 TREBLE 50 50
SURROUND set value in Voice state 0x066 SURROUND OFF OFF
BASS set value in Music state 0x067 BASS 55 55
TREBLE set value in Music state 0x068 TREBLE 60 60
SURROUND set value in Music state 0x069 SURROUND OFF OFF
BASS set value in Theatre state 0x06a BASS 80 80
TREBLE set value in Theatre state 0x06b TREBLE 70 70
SURROUND set value in Theatre state 0x06c SURROUND ON ON
Key “Smart image”
Bright set value in Soft state 0x036 BRIGHT 55 55
Contrast set value in Soft state 0x037 CONTRAST 50 50
Color set value in Soft state 0x038 COLOR 45 45
Sharpness set value in Soft state 0x039 SHARP 45 45
Sharpness set value in Soft state of YUV 0x070 YUV SHARP 50 50
COLOR TEMP set value in Soft state 0x03a COLOR TEMP WARM WARM
Bright set value in Rich state 0x03b BRIGHT 70 70
Contrast set value in Rich state 0x03c CONTRAST 85 85
Color set value in Rich state 0x03d COLOR 70 70
Sharpness set value in Rich state 0x03e SHARP 70 70
Sharpness set value in Rich state of YUV 0x071 YUV SHARP 80 80
COLOR TEMP set value in Rich state 0x03f COLOR TEMP COOL COOL
Bright set value in Natural state 0x031 BRIGHT 50 50
Contrast set value in Natural state 0x032 CONTRAST 75 75
Color set value in Natural state 0x033 COLOR 50 50
Sharpness set value in Natural state 0x034 SHARP 50 50
Sharpness set value in Natural state of YUV 0x06f YUV SHARP 50 50
COLOR TEMP set value in Natural state 0x035 COLOR TEMP NORMAL NORMAL
Description of the factory menu Storage address Display string Range (Index value) Default SK5.0L CA

Circuit Descriptions, Abbreviation List, and IC Data Sheets
EN 34 SK5.0L CA9.
9. Circuit Descriptions, Abbreviation List, and IC Data Sheets
Index of this chapter:
9.1 Introduction
9.2 The various circuits
9.3 Abbreviation List
9.4 IC Data Sheets
9.1 Introduction
The SK5.0L CA is a CRT TV for the year 2007, based on the
5P19 platform. In this chapter, only a general description of the
various circuits is given. For more detailed information, see the
circuit diagrams in this manual.
9.2 The various circuits
9.2.1 Tuner
The function of the tuner is to select the channel to be received
and suppress the interference of neighboring channels, to
amplify the high frequency signal, to improve the receiving
sensitivity and SNR, and to generate a PIF signal through
frequency conversion.
9.2.2 IF Channel
The IF Channel mainly ensures the sensitivity and selectivity of
the complete TV set. The IF AMP integrated in the UOCIII is
made up of a three-stage dual-differential amplifier with a gain
value above 70dB, a SNR of 55dB and a bandwidth of 7 MHz.
The video demodulation circuit is made from the built-in PLL
Sync Detector. The spectrum of the demodulation carrier is
unitary and it is not affected by the content of the video signal.
The tuner features stable receptivity while the signal output
from the video detector features high fidelity. The built-in PLL
circuit of the UOCIII generates a 38.0 MHz or 38.9 MHz
demodulation reference signal for the sync detector to
demodulate the video signal; this is called “PLL sync
demodulation”.
9.2.3 Sound Channel
An external ceramic filter is used to select the second SIF
signal for the sound channel of UOCIII from the signal output of
the video detector. The audio signal is obtained after limiting
amplification and demodulation by the intermediate frequency
detector for the SIF signal, and then the audio signal is fed to
the BTSC stereo/SAP decoder TDA9850. From that it is output
to the audio amplifier TFA9842, which drives the speakers to
provide the sound. The intermediate frequency detector and
volume-control attenuator that are built in the UOCIII are set
and adjusted via the CPU.
9.2.4 BTSC stereo/SAP decoder
Input Level Adjustment
The composite input signal is fed to the input level adjustment
stage. The control range is from -3.5 to +4.0 dB in steps of
0.5 dB. The maximum input signal voltage is 2 V (RMS).
Stereo Decoder
The output signal of the level adjustment stage is coupled to a
low-pass filter which suppresses the baseband noise above
125 kHz. The composite signal is then fed into a pilot detector/
pilot cancellation circuit and into the MPX demodulator. The
main L + R signal passes a 75 ms fixed de-emphasis filter and
is fed into the dematrix circuit. The decoded sub-signal L - R is
sent to the stereo/SAP switch. To generate the pilot signal the
stereo demodulator uses a PLL circuit including a ceramic
resonator. The stereo channel separation is adjusted by an
automatic procedure to be performed during set production.
The stereo identification can be read by the I2C-bus. Two
different pilot thresholds (data STS = 1; STS = 0) can be
selected via the I2C-bus.
SAP Demodulator
The composite signal is fed from the output of the input level
adjustment stage to the SAP demodulator circuit through a 5fH
band-pass filter. The demodulator level is automatically
controlled. The SAP demodulator includes an internal field
strength detector that mutes the SAP output in the event of
insufficient signal conditions. The SAP identification signal can
be read by the I2C-bus.
Noise Detector
The composite input noise increases with decreasing antenna
signal. This makes it necessary to switch stereo or SAP off at
certain thresholds. These thresholds can be set via the I2C-
bus. With ST0 to ST3 the stereo threshold can be selected and
with SP0 to SP3 the SAP threshold. A hysteresis can be
achieved via software by making the threshold dependent of
the identification bits STP and SAPP.
Mode Selection
The stereo/SAP switch feeds either the L - R signal or the SAP
demodulator output signal via the internal dbx noise reduction
circuit to the dematrix/switching circuit. Different switch modes
provided at the output pins OUTR and OUTL are available.
dbx Decoder
The dbx circuit includes all blocks required for the noise
reduction system in accordance with the BTSC system
specification. The output signal is fed through a 73 ms fixed de-
emphasis circuit to the dematrix block.
SAP Output
Independent of the stereo/SAP switch, the SAP signal is also
available at pin SAP. At SAP, the SAP signal is not dbx
decoded. The capacitor at SDE provides a recommended de-
emphasis (150 ms) at SAP.
Integrated Filters
The filter functions necessary for stereo and SAP demodulation
and part of the dbx filter circuits are provided on-chip using
transconductor circuits. The required filter accuracy is attained
by an automatic filter alignment circuit.
9.2.5 CRT Drive Circuit
In the driver circuit, both the voltage and current of the R/G/B
signal are amplified, after which the CRT drive circuit
modulates the cathode beam current of the CRT. The R/G/B
signal input into the driver circuit is of negative polarity.
9.2.6 Power Supply Circuit
The function of the power supply circuit is to supply various
stabilized operating voltages and to provide protections against
excessive voltages and currents.

Circuit Descriptions, Abbreviation List, and IC Data Sheets EN 35SK5.0L CA 9.
9.3 Abbreviation List
2CS 2 Carrier Sound
A2 Commonly known as 2 Carrier Sound
(2CS) system
AC Alternating Current
ACI Automatic Channel Installation:
algorithm that installs TV channels
directly from a cable network by
means of a predefined TXT page
ADC Analogue to Digital Converter
AFC Automatic Frequency Control: control
signal used to tune to the correct
frequency
AGC Automatic Gain Control: algorithm that
controls the video input of the feature
box
AM Amplitude Modulation
ANC Automatic Noise Reduction; One of
the algorithms of Auto TV
AP Asia Pacific
AR Aspect Ratio: 4 by 3 or 16 by 9
AV Audio Video
AVL Automatic Volume Level control
B/G Monochrome TV system. Sound
carrier distance is 5.5 MHz
BCL Beam Current Limiter
CBA Circuit Board Assembly (or PWB)
CFR Carbon Film Resistor
ComPair Computer aided rePair
CRT Cathode Ray Tube (or picture tube)
CVBS Composite Video Blanking and
Synchronisation
CVI Component Video Input
D/K Monochrome TV system. Sound
carrier distance is 6.5 MHz. D= VHF-
band, K= UHF-band
DAC Digital to Analogue Converter
DC Direct Current
DC-filament Filament supply voltage
DFU Directions For Use: owner's manual
DPL Dolby Pro Logic
DRAM Dynamic RAM; dynamically refreshed
RAM
DVD Digital Versatile Disc
EEPROM Electrically Erasable and
Programmable Read Only Memory
EHT Extreme High Tension; the voltage
between the cathode and the shadow
mask that accelerates the electrons
towards the screen (around 25 kV)
EMI Electro Magnetic Interference;
Leakage of high-frequency radiation
from a transmission medium
EU EUrope
EW East West, related to horizontal
deflection of the set
EW-DRIVE East -West correction drive signal.
EXT EXTernal (source), entering the set by
SCART or by cinches (jacks)
FBL Fast Blanking: DC signal
accompanying RGB signals
FE Front End; Tuner and RF part together
Field Each interlaced broadcast FRAME is
composed of two Fields, each Field
consists of either Odd or Even lines
Filament Filament of CRT
FM Field Memory / Frequency Modulation
Frame A complete TV picture comprising all
lines (625/525)
FTV Flat TeleVision
G Green
H H_sync to the module
H-DRIVE Horizontal Drive
H-FLYBACK Horizontal Flyback
H-OUT H_sync output of the module /
Horizontal Output pulse
HA Horizontal Acquisition; horizontal sync
pulse
HFB Horizontal Flyback Pulse; Horizontal
sync pulse from large signal deflection
HW Hardware
I Monochrome TV system. Sound
carrier distance is 6.0 MHz. VHF- and
UHF-band
I2C Inter IC bus (also called IIC)
I2S Inter IC Sound bus
IC Integrated Circuit
IF Intermediate Frequency
IIC Inter IC bus (also called I2C)
Interlaced Scan mode where two fields are used
to form one frame. Each field contains
half the number of the total amount of
lines. The fields are written in "pairs",
causing line flicker.
IO In/Out
IR Infra Red
L Left audio channel
L/L’ Monochrome TV system. Sound
carrier distance is 6.5 MHz. L' is Band
I, L is all bands except for Band I
LATAM LATin AMerica
LED Light Emitting Diode
LOT Line Output Transformer (also called
FBT); The transformer in which the
EHT is generated
LS Loud Speaker
M/N Monochrome TV system. Sound
carrier distance is 4.5 MHz. M= 525
lines @ 60 Hz, N= 625 lines @ 50 Hz
MOFR Metal Oxide Film Resistor
MOSFET Metal Oxide Semiconductor Field
Effect Transistor
MPX MultiPleX
NAFTA North American Free Trade
Association: Trade agreement
between Canada, USA and Mexico
NC Not Connected
NICAM Near Instantaneously Companded
Audio Multiplexing; This is a digital
sound system, mainly used in Europe
NTC Negative Temperature Coefficient,
non-linear resistor (resistance
decreases if temperature increases)
NTSC National Television Standard
Committee. Colour system used
mainly in North America and Japan.
Colour carrier NTSC M/N = 3.579545
MHz, NTSC 4.43 = 4.433619 MHz
(this is a VCR norm, it is not
transmitted off-air)
NVM Non Volatile Memory; IC containing
data such as alignment values, preset
stations
OB Option Byte
OC Open Circuit
OP OPtion byte
OSD On Screen Display
P50 Project 50; Communication protocol
between TV and peripherals
PAL Phase Alternating Line; Colour system
mainly used in West Europe (colour
carrier= 4.433619 MHz) and South
America (colour carrier PAL M=
3.575612 MHz and PAL N= 3.582056
MHz)
PCB Printed Circuit Board (or PWB)
PLL Phase Locked Loop; Used for e.g.
FST tuning systems. The customer

Circuit Descriptions, Abbreviation List, and IC Data Sheets
EN 36 SK5.0L CA9.
can directly provide the desired
frequency
Progressive Scan Scan mode where all scan lines are
displayed in one frame at the same
time, creating a double vertical
resolution.
PTC Positive Temperature Coefficient, non
linear resistor (resistance increases if
temperature increases)
PWB Printed Wiring Board (also called PCB
or CBA)
QSS Quasi Split Sound
R Right audio channel / Red
RAM Random Access Memory
RC Remote Control transmitter
RC5 (6) Remote Control system 5 (6), the
signal from the remote control receiver
RF Real Flat (picture tube) or Radio
Frequency
RGB Red, Green, and Blue colour space;
The primary colour signals for TV. By
mixing levels of R, G, and B, all colours
(Y/C) are reproduced
RGBHV Red, Green, Blue, Horizontal sync,
and Vertical sync
RMS Root Mean Square value
ROM Read Only Memory
SAP Secondary Audio Program; Generally
used to transmit audio in a second
language
SAW Surface Acoustic Wave
SC SandCastle: two-level pulse derived
from sync signals
S/C Short Circuit
SCL Serial Clock signal on I2C bus
SD Standard Definition
SDA Serial Data line of I2C bus
SDRAM Synchronous DRAM
SIF Sound Intermediate Frequency
SMC Surface Mounted Component
SMD Surface Mounted Device
SMPS Switched Mode Power Supply
SND SouND
SRAM Static RAM
STBY STandBY
SVHS Super Video Home System
TBD To Be Defined
TXT Teletext; TXT is a digital addition to
analogue TV signals that contain
textual and graphical information (25
rows x 40 columns). The information is
transmitted within the first 25 lines
during the Vertical Blank Interval (VBI)
µC Microcontroller
UOC Ultimate One Chip
µP Microprocessor
UV Colour difference signals
VV_sync
V-BAT Main supply for deflection (usually 141
V)
VA Vertical Acquisition
VBI Vertical Blanking Interval; Time during
which the video signal is blanked when
going from bottom to top of the display
VCR Video Cassette Recorder
VGA Video Graphics Array
VIF Video Intermediate Frequency
WE Write Enable control line
WST World System Teletext
XTAL Quartz crystal
Y Luminance signal
9.4 IC Data Sheets
This section shows the internal block diagrams and pin layouts
of ICs that are drawn as “black boxes” in the electrical
diagrams.

Circuit Descriptions, Abbreviation List, and IC Data Sheets EN 37SK5.0L CA 9.
9.4.1 Diagram A1, W6554A, (IC601)
Figure 9-1 Block Diagram and Pin Configuration
H_17210_039.eps
120607

Circuit Descriptions, Abbreviation List, and IC Data Sheets
EN 38 SK5.0L CA9.
9.4.2 Diagram A1, P412, (IC602)
Figure 9-2 Block Diagram and Pin Configuration
H_17210_039.eps
120607

Circuit Descriptions, Abbreviation List, and IC Data Sheets EN 39SK5.0L CA 9.
9.4.3 Diagram A3, TDA486x, (IC301)
Figure 9-3 Block Diagram and Pin Configuration
Block diagram of TDA4865AJ
RS1 CS1 CF
RP
C1
R5
D1
TDA4865AJ
R3
R2 R1
R6
C2
7
INP INN
deflection
coil
from
deflection controller
VOUT GND VP2
VNVP
VP1
VP3
65432 1
DIFFERENTIAL
INPUT
STAGE
VERTICAL
OUTPUT
FLYBACK
GENERATOR
REFERENCE
CIRCUIT
THERMAL
PROTECTION
Pin configuration for DBS7P
(TDA4865AJ)
TDA4865AJ
VP1
VP3
VP2
GND
VOUT
INN
INP
1
2
3
4
5
6
7
Block Diagram
Pin Configuration
H_17210_038.eps
120607

Circuit Descriptions, Abbreviation List, and IC Data Sheets
EN 40 SK5.0L CA9.
Figure 9-4 Block Diagram
H_17210_035.eps
120607

Circuit Descriptions, Abbreviation List, and IC Data Sheets EN 41SK5.0L CA 9.
9.4.4 Diagram A5, 4052, (IC102)
Figure 9-5 Block Diagram and Pin Configuration
Block Diagram
Pin Configuration
H_17210_041.eps
120607

Circuit Descriptions, Abbreviation List, and IC Data Sheets
EN 42 SK5.0L CA9.
9.4.5 Diagram A7, TDA9842, (IC402)
Figure 9-6 Block Diagram and Pin Configuration
Block Diagram
Pin Configuration
VOLUME
CONTROL
SHORT-CIRCUIT
AND
TEMPERATURE
PROTECTION
VREF
0.5V
CC
V
CC
V
CC
9
4
IN1
IN2
OUT1
OUT2
SVR
CIV
VC
1
3
7
8
2
6
5
GND
TFA9842AJ
60
kΩ
60
kΩ
TFA9842AJ
OUT2
CIV
IN1
GND
SVR
VC
OUT1
IN2
V
CC
2
1
3
4
5
6
7
8
9
H_17210_033.eps
110607

Circuit Descriptions, Abbreviation List, and IC Data Sheets EN 43SK5.0L CA 9.
9.4.6 Diagram A7, TDA9850, (IC801)
Figure 9-7 Block Diagram and Pin Configuration
composite
baseband
input
+
+
C2
13 14 15
C5
16
Q1 ceramic
resonator
17
DEMATRIX
+
MODE
SELECT
+
C6
18
+
C7
19
DE-EMPHASIS
L+R
L−R/SAP
OUTL
OUTR
27
21
STEREO DECODER
SAP without DBX
23
C8
22
R1
C3
C4
LOGIC, I
2
C-
TRANSCEIVER
MAD
28
7
stereo
mono
SAP
to
audio
processing
9
8
SDA SCL
SUPPLY
+
C18
24
6
+
C19
12
10
V
ref
V
CAP
V
CC
SAP
DEMODULATOR
+
C16
5
C15
4
INPUT
LEVEL
ADJUST
+
11
C1
NOISE
DETECTOR
STEREO/SAP
SWITCH
C17
26
TDA9850
STEREO
ADJUST
DBX
+
C14
3
C13
R3
R2
12
+
32
+
31
+
30
+
29
C12 C11 C10 C9
+
25
+
20
C
L
C
R
only during
adjustment
TDA9850
1
2
3
4
5
6
7
8
9
10
11
12
13
14
15
16
32
31
30
29
28
27
26
25
24
23
22
21
20
19
18
17
VEO CS
CW
CTS
CTW
CND
CSDE
CL
CR
CSS
CMO
Vref
VEI
CNR
CM
CDEC
LTUODNGA
SAP
OUTR
CER
MAD
DGND
SDA
SCL
VCC
COMP
VCAP
CP1
CP2
CPH
CADJ
Block Diagram
Pin Configuration
H_17450_004.eps
200907

Circuit Descriptions, Abbreviation List, and IC Data Sheets
EN 44 SK5.0L CA9.
9.4.7 Diagram A8, OM837x (IC201)
Figure 9-8 Block Diagram
H_17210_034.eps
130607
Block Diagram

Circuit Descriptions, Abbreviation List, and IC Data Sheets EN 45SK5.0L CA 9.
Figure 9-9 Pin Configuration
H_17210_029.eps
130607
Pin Configuration

Circuit Descriptions, Abbreviation List, and IC Data Sheets
EN 46 SK5.0L CA9.
Figure 9-10 Pin Configuration
H_17210_030.eps
130607

Circuit Descriptions, Abbreviation List, and IC Data Sheets EN 47SK5.0L CA 9.
Figure 9-11 Pin Configuration
H_17210_031.eps
130607
Pinning

Circuit Descriptions, Abbreviation List, and IC Data Sheets
EN 48 SK5.0L CA9.
9.4.8 Diagram A8, TDA937x (IC201)
Figure 9-12 Block diagram and pin configuration
SOUND
TRAP
TUNERAGC
+8V
HOUT V-DRIVE
RO
GO
BO
BCLIN
BLKIN
CVBS/Y
IFIN
C
SDA
SCL
VISION IF
ALIGNMENT-FREE
PLL DEMOD.
AGC/AFC
VIDEO AMP.
VIDEO SWITCH
VIDEO IDENT.
VIDEO FILTERS
PAL/NTSC
DECODER
LUMA DELAY
PEAKING
BLACK STRETCH
BASE-BAND
DELAY LINE
H/V SYNC SEP.
H-OSC. + PLL
H-DRIVE
2nd LOOP
H-SHIFT
V-DRIVE +
CONTR/BRIGHTN
OSD/TEXT INSERT
CCC
WHITE-P. ADJ.
80C51 CPU
I2C-BUS
TRANSCEIVER
ROM/RAM
CLOSED CAPTION
ACQUISITION
MEMORY
OSD
DISPLAY
RG BBL
Y
U
V
H
V
REF
ENHANCED
VST PWM-DAC
VST OUT
I/O PORTS
I/O PORTS (4x)
+3.3 V
RESET
LED OUT (2x)
ADC IN (4x)
VPE
EW GEOMETRY
GEOMETRY
EHTO EWD R/V G/Y B/U BL
RGB/YUV INSERT
RGB
REF
CVBS
SYNC
H
V
COR
RGB/YUV MATRIX
SATURATION
YUV/RGB MATRIX
QSS SOUND IF
AGC
QSS MIXER
AM DEMODULTOR
SIFIN
QSSO/AMOUT/AUDEXT
AUDOUT/AMOUT
IFVO/SVO
(REFOUT)
Block Diagram
Pin Configuration
H_17450_012.eps
210907
handbook, halfpage
XXX
1
2
3
4
5
6
7
8
9
10
11
12
13
14
15
16
17
18
19
20
21
22
23
24
25
26
27
28
29
30
31
32
64
63
62
61
60
59
58
57
56
55
54
53
52
51
50
49
48
47
46
45
44
43
42
41
40
39
38
37
36
35
34
33
TDA937X PS/N2 series (SDIP-64)
P1.3/T1
P1.6/SCL
P1.7/SDA
P2.0/TPWM
P3.0/ADC0/PWM0
P3.1/ADC1/PWM1
P3.2/ADC2/PWM2
P3.3/ADC3/PWM3
VSSC/P
P0.5
P0.6
VSSA
I.C.
VP2
DECDIG
HOUT
FBISO
PH2LF
PH1LF
GND3
AVL/EWD/
VDRB
VDRA
IFIN1
IFIN2
EHTO
IREF
VSC
AGCOUT
AUDEEM/SIFIN1
DECSDEM/SIFIN2
PLLIF
IFVO/SVO
DECBG
CVBS1
VP1
C
CVBS/Y
GND1
AUDOUT
AVL/SNDIF/REFO/
BLKIN
BO
GO
RO
BCLIN
R2/V/PRIN
B2/U/PBIN
G2/YIN
INSSW2
VDDA
VPE
VDDC
OSCGND
XTALIN
XTALOUT
RESET
VDDP
P1.0/INT1
P1.1/T0
P1.2/INT0
GND2 AUDEXT/QSSO
SNDPLL/SIFAGC
AUDEEM
DECSDEM

Circuit Descriptions, Abbreviation List, and IC Data Sheets EN 49SK5.0L CA 9.
9.4.9 Diagram A8, 24C08 (IC202)
Figure 9-13 Block Diagram
H_17210_035.eps
120607

Circuit Descriptions, Abbreviation List, and IC Data Sheets
EN 50 SK5.0L CA9.
Figure 9-14 Pin Configuration
Pin Configuration
H_17210_036.eps
120607

Spare Parts List EN 51SK5.0L CA 10.
10. Spare Parts List
CTN’s Listed:
1) 8670 000 34071 29PT9457/44
2) 8670 000 34069 29PT9457/55
Mono Carrier [A]
Various
F601 9965 000 40615 Fuse T3.15A 250V
P702 9965 200 31263 RCA Jack
PTC601 9965 100 04865 Ther Resistor 9Ω for 29"
S501 9965 100 05376 CRT Socket GZS10
SAW101 9965 100 07702 SAW SW05 45.75MHz
X101 9965 000 40264 Xtal 12.0MHz HC-49/U
X851 9965 100 07714 Ceramic Res. 503kHz
XT155 9965 100 07703 Ceramic Trap 4.5MHz
ZD101 9965 000 40221 Zener 5V1 1/2W 5%
ZD102 9965 000 40221 Zener 5V1 1/2W 5%
ZD103 9965 000 40224 Zener 8V2 1/2W 5%
ZD104 9965 000 40224 Zener 8V2 1/2W 5%
ZD105 9965 000 40221 Zener 5V1 1/2W 5%
ZD106 9965 000 40224 Zener 8V2 1/2W 5%
ZD107 9965 000 40224 Zener 8V2 1/2W 5%
ZD108 9965 000 40224 Zener 8V2 1/2W 5%
ZD401 9965 000 40224 Zener 8V2 1/2W 5%
ZD402 9965 100 04909 Zener Diode 18V 1/2W
ZD440 9965 000 40224 Zener 8V2 1/2W 5%
ZD501 9965 000 40224 Zener 8V2 1/2W 5%
ZD602 9965 100 04909 Zener Diode 18V 1/2W
ZD620 9965 000 40221 Zener 5V1 1/2W 5%
ZD621 9965 000 40220 Zener 3V9 1/2W 5%
ZD622 9965 000 40220 Zener 3V9 1/2W 5%
ZD701 9965 000 40224 Zener 8V2 1/2W 5%
ZD702 9965 000 40224 Zener 8V2 1/2W 5%
ZD705 9965 000 40224 Zener 8V2 1/2W 5%
ZD706 9965 000 40224 Zener 8V2 1/2W 5%
ZD707 9965 000 40224 Zener 8V2 1/2W 5%
ZD708 9965 000 40224 Zener 8V2 1/2W 5%
ZD709 9965 000 40224 Zener 8V2 1/2W 5%
ZD710 9965 000 40224 Zener 8V2 1/2W 5%
ZD711 9965 000 40224 Zener 8V2 1/2W 5%
ZD712 9965 000 40224 Zener 8V2 1/2W 5%
ZD713 9965 000 40224 Zener 8V2 1/2W 5%
ZD714 9965 000 40224 Zener 8V2 1/2W 5%
ZD715 9965 000 40224 Zener 8V2 1/2W 5%
g
C101 9965 000 40156 0.01μF 50V
C103 9965 000 40156 0.01μF 50V
C105 9965 000 40156 0.01μF 50V
C107 9965 000 41097 100pF 50V
C108 9965 000 41097 100pF 50V
C109 9965 000 40171 10μF 20% 16V
C111 9965 000 41097 100pF 50V
C112 9965 000 41097 100pF 50V
C113 9965 000 40174 220μF 20% 16V
C114 9965 100 04885 0.47uF 20% 50V
C116 9965 000 40178 1μF 20% 50V
C117 9965 000 40172 100μF 20% 16V
C118 9965 000 40156 0.01μF 50V
C119 9965 000 40171 10μF 20% 16V
C120 9965 100 04891 0.1μF 5% 63-100V
C126 9965 000 40157 0.1μF 50V
C127 9965 100 04892 0.22μF 5% 63-100V
C128 9965 000 40156 0.01μF 50V
C129 9965 000 40171 10μF 20% 16V
C130 9965 100 04892 0.22μF 5% 63-100V
C131 9965 100 04867 0.0022μF +80-20% 50V
C132 9965 100 04870 0.0047μF +80-20% 50V
C133 9965 000 40178 1μF 20% 50V
C135 9965 100 04891 0.1μF 5% 63-100V
C136 9965 100 07709 180pF 50V
C137 9965 000 40171 10μF 20% 16V
C138 9965 000 40208 Mylar 0.0015μF 100V
C139 9965 000 40159 330pF 50V
C140 9965 000 41112 4.7μF 20% 16V
C144 9965 100 05386 0.01μF 5% 100V
C145 9965 000 40172 100μF 20% 16V
C146 9965 000 40157 0.1μF 50V
C147 9965 000 40529 33pF 50V
C148 9965 000 40529 33pF 50V
C149 9965 000 40156 0.01μF 50V
C150 9965 000 40172 100μF 20% 16V
C160 9965 000 40531 470pF 50V
C161 9965 000 40531 470pF 50V
C162 9965 000 40529 33pF 50V
C402 9965 000 40164 0.0022μF 500V
C403 9965 000 40163 220pF 500V
C404 9965 000 40181 4.7μF 50V-100V 20%
C405 9965 100 04885 0.47uF 20% 50V
C409 9965 000 40157 0.1μF 50V
C410 9965 000 40179 10μF 20% 50V-63V
C431 9965 000 40557 0.0039μF 5% 2kV
C432 9965 100 04895 0.0072uF 5% 2kV
C433 9965 000 41145 PFC 0.033μF 5% 630V
C435 9965 100 07716 0.56µF 5% 400V
C436 9965 100 05384 560pF 10% 2kV
C437 9965 000 40185 10μF 20% 250V
C438 9965 100 04894 0.0027μF 5% 2kV
C440 9965 100 05402 4.7μF 5%
C441 9965 000 40156 0.01μF 50V
C442 9965 100 05383 0.0022μF 10% 2kV
C443 9965 000 40202 MP 0.056μF 250V 5%
C444 9965 100 05367 39pF 5% 50V
C445 9965 000 40209 Mylar 0.0022μF 100V
C452 9965 100 07700 2200µF
C453 9965 100 07700 2200µF
C455 9965 100 07710 220μF
C456 9965 000 40560 Mylar 0.1μF 100V
C459 9965 000 40560 Mylar 0.1μF 100V
C460 9965 000 40526 0.001μF 50V
C461 9965 000 40526 0.001μF 50V
C462 9965 100 05384 560pF 10% 2kV
C463 9965 100 07715 PFC.0.39uF 400V +/-5%
C464 9965 100 05626 PFC
C465 9965 100 05627 0.47μF 5% 400V
C501 9965 000 40159 330pF 50V
C502 9965 000 40159 330pF 50V
C503 9965 000 40159 330pF 50V
C504 9965 100 04876 0.001μF 10% 2kV
C508 9965 100 04866 0.001uF 5% 50V
C600 9965 000 40567 0.1μF A C250V-500V
C601 9965 000 40217 0.22μF 250V - 500V
C602 9965 000 40217 0.22μF 250V - 500V
C603 9965 000 40217 0.22μF 250V - 500V
C603A 9965 000 41100 0.0047μF 500V
C603B 9965 000 41100 0.0047μF 500V
C603C 9965 100 05399 0.0047μF 10% 500V
C603D 9965 000 41100 0.0047μF 500V
C604 9965 000 41105 CerCap 0.001mF 2kV
C605 9965 100 04891 0.1μF 5% 63-100V
C606 9965 100 04874 470pF 10% 500V
C607 9965 000 40564 220μF
C608 9965 000 40179 10μF 20% 50V-63V
C609 9965 100 05386 0.01μF 5% 100V
C610 9965 000 40216 Safety CerCap 0.002μF
C611 9965 000 40566 470pF 10% 400Vac
C612 9965 000 40566 470pF 10% 400Vac
C620 9965 000 40166 680pF 500V
C621 9965 100 05401 100μF 2% 200V
C622 9965 100 05400 1000μF 20% 63V
C623 9965 000 40166 680pF 500V
C624 9965 000 40166 680pF 500V
C625 9965 000 40173 1000μF
C626 9965 000 40173 1000μF
C627 9965 100 04883 1000μF 20% 25V
C628 9965 100 04883 1000μF 20% 25V
C629 9965 100 05400 1000μF 20% 63V
C631 9965 000 40172 100μF 20% 16V
C632 9965 100 05317 47μF 20% 250V
C634 9965 000 40157 0.1μF 50V
C639 9965 000 40175 47μF 20% 16V
C640 9965 000 40174 220μF 20% 16V
C641 9965 000 41109 2200μF 20% 16V
C642 9965 000 40173 1000μF
C701 9965 100 04866 0.001uF 5% 50V
C702 9965 100 04866 0.001uF 5% 50V
C705 9965 000 40171 10μF 20% 16V
C706 9965 000 40171 10μF 20% 16V
C707 9965 000 40171 10μF 20% 16V
C708 9965 000 40171 10μF 20% 16V
C710 9965 000 40176 470μF 20% 16V
C716 9965 000 40171 10μF 20% 16V
C717 9965 000 40171 10μF 20% 16V
C720 9965 000 40171 10μF 20% 16V
C725 9965 100 04891 0.1μF 5% 63-100V
C726 9965 100 04891 0.1μF 5% 63-100V
C727 9965 100 04891 0.1μF 5% 63-100V
C728 9965 000 40172 100μF 20% 16V
C740 9965 000 40172 100μF 20% 16V
C741 9965 100 05388 1μF 20% 50V
C742 9965 100 05388 1μF 20% 50V
C743 9965 000 40561 Mylar 0.015μF 100V
C744 9965 000 40561 Mylar 0.015μF 100V
C745 9965 100 05389 0.068μF 10% 100V
C746 9965 100 05387 0.15μF 5% 100V
C747 9965 000 41097 100pF 50V
C748 9965 000 40563 Mylar 0.0056UF 100V
C749 9965 100 05388 1μF 20% 50V
C750 9965 100 05388 1μF 20% 50V
C751 9965 000 41097 100pF 50V
C752 9965 000 40563 Mylar 0.0056UF 100V
C753 9965 100 05387 0.15μF 5% 100V
C754 9965 100 05389 0.068μF 10% 100V
C760 9965 000 40171 10μF 20% 16V
C761 9965 000 40178 1μF 20% 50V
C762 9965 000 40172 100μF 20% 16V
C764 9965 100 04885 0.47uF 20% 50V
C765 9965 100 04870 0.0047μF +80-20% 50V
C766 9965 100 04870 0.0047μF +80-20% 50V
C767 9965 000 40545 220μF 20% 25V
C768 9965 100 05385 470μF 20% 35V
C769 9965 100 05385 470μF 20% 35V
C770 9965 000 40171 10μF 20% 16V
C771 9965 000 40171 10μF 20% 16V
C772 9965 000 40171 10μF 20% 16V
C773 9965 000 40171 10μF 20% 16V
C774 9965 000 40171 10μF 20% 16V
C775 9965 000 40171 10μF 20% 16V
C776 9965 100 04866 0.001uF 5% 50V
C777 9965 000 40171 10μF 20% 16V
C778 9965 000 40171 10μF 20% 16V
C779 9965 000 40178 1μF 20% 50V
C780 9965 000 40172 100μF 20% 16V
C783 9965 100 04866 0.001uF 5% 50V
C785 9965 000 40171 10μF 20% 16V
C851 9965 100 05388 1μF 20% 50V
C852 9965 100 07708 0.47μF 10% 63-100V
C853 9965 000 41112 4.7μF 20% 16V
C854 9965 100 07706 0.22μF 50V
C855 9965 000 40171 10μF 20% 16V
C856 9965 000 41112 4.7μF 20% 16V
C857 9965 000 41112 4.7μF 20% 16V
C858 9965 000 40561 Mylar 0.015μF 100V
C859 9965 000 40171 10μF 20% 16V
C860 9965 000 40171 10μF 20% 16V
C861 9965 000 40178 1μF 20% 50V
C862 9965 000 40178 1μF 20% 50V
C863 9965 100 07707 0.047μF 50V
C864 9965 000 40171 10μF 20% 16V
C865 9965 000 40157 0.1μF 50V
C866 9965 000 41112 4.7μF 20% 16V
C867 9965 000 40157 0.1μF 50V
C868 9965 000 40172 100μF 20% 16V
C869 9965 000 40172 100μF 20% 16V
C871 9965 100 05388 1μF 20% 50V
C872 9965 100 05388 1μF 20% 50V
C873 9965 000 40180 2.2μF20% 50V
C874 9965 000 40180 2.2μF20% 50V
C875 9965 000 41097 100pF 50V
C876 9965 000 41097 100pF 50V
C877 9965 000 40171 10μF 20% 16V
C878 9965 000 40157 0.1μF 50V
C879 9965 100 05388 1μF 20% 50V
f
R101 9965 000 39984 CFR 75Ω 1/16W
R102 9965 000 40685 CFR 1.5kΩ 1/16W
R103 9965 100 05144 5.1kΩ 5% 1/16-1/6W
R104 9965 000 40691 CFR 220Ω 1/16W
R105 9965 000 40690 CFR 22Ω 1/16W
R106 9965 000 40304 CFR 1KΩ 1/16W
R107 9965 000 40699 CFR 470Ω 1/16W
R108 9965 100 05396 RESIS 33 OHM 1W 5%
R109 9965 000 39976 CFR 10kΩ 1/16W
R110 9965 100 04838 180Ω 5% 1/16-1/6W
R111 9965 000 39975 CFR 100Ω 1/16W
R112 9965 000 39975 CFR 100Ω 1/16W
R113 9965 000 40701 CFR 47kΩ 1/16W
R114 9965 000 40698 CFR 39kΩ 1/16W
R120 9965 000 40304 CFR 1KΩ 1/16W
R121 9965 000 39976 CFR 10kΩ 1/16W
R122 9965 000 39976 CFR 10kΩ 1/16W
R125 9965 000 40691 CFR 220Ω 1/16W
R126 9965 100 04838 180Ω 5% 1/16-1/6W
R127 9965 000 39975 CFR 100Ω 1/16W
R130 9965 000 40695 CFR 3.3kΩ 1/16W
R131 9965 000 40695 CFR 3.3kΩ 1/16W
R132 9965 000 40695 CFR 3.3kΩ 1/16W
R133 9965 000 39975 CFR 100Ω 1/16W
R134 9965 000 39975 CFR 100Ω 1/16W
R135 9965 000 40311 Peaking coil 33μH 10%

Spare Parts List
EN 52 SK5.0L CA10.
R137 9965 000 40304 CFR 1KΩ 1/16W
R138 9965 000 40688 CFR 18kΩ 1/16W
R139 9965 000 40693 CFR 2.7kΩ 1/16W
R140 9965 000 39975 CFR 100Ω 1/16W
R141 9965 000 39976 CFR 10kΩ 1/16W
R142 9965 000 39975 CFR 100Ω 1/16W
R143 9965 000 39975 CFR 100Ω 1/16W
R144 9965 000 39975 CFR 100Ω 1/16W
R145 9965 000 39980 CFR 22kΩ 1/8W
R147 9965 000 40687 CFR 1.8kΩ 1/16W
R148 9965 000 40695 CFR 3.3kΩ 1/16W
R149 9965 000 40695 CFR 3.3kΩ 1/16W
R151 9965 000 40122 MOFR 39kΩ
R401 9965 000 40700 CFR 4.7kΩ 1/16W
R404 9965 000 39975 CFR 100Ω 1/16W
R405 9965 100 04848 5.6kΩ 5% 1/16-1/6W
R406 9965 000 40774 MOFR 1kΩ
R407 9965 000 40001 CFR 22kΩ
R409 9965 100 04841 27kΩ 5% 1/16-1/6W
R412 9965 100 04841 27kΩ 5% 1/16-1/6W
R413 9965 000 39977 CFR 100kΩ
R414 9965 000 40698 CFR 39kΩ 1/16W
R416 9965 000 40304 CFR 1KΩ 1/16W
R417 9965 000 40695 CFR 3.3kΩ 1/16W
R419 9965 100 05142 270kΩ 5W 1/16-1/6W
R420 9965 000 39988 CFR 1kΩ 1/4W
R421 9965 100 04838 180Ω 5% 1/16-1/6W
R422 9965 100 04849 680Ω 5% 1/16-1/6W
R423 9965 100 07328 6.2Ω 5% 2W
R424 9965 000 40689 CFR 2kΩ 1/16W
R425 9965 100 04841 27kΩ 5% 1/16-1/6W
R432 9965 000 40491 CFR 270Ω 1W
R433 9965 000 40520 Fusible Res. 0.33Ω 1W
R440 9965 100 07699 Fusible Res. 2.2Ω 2W
R441 9965 100 05218 56kΩ 5% 1/16-1/6W
R443 9965 000 40699 CFR 470Ω 1/16W
R450 9965 100 05160 0.22Ω 5% 2W
R451 9965 100 05160 0.22Ω 5% 2W
R452 9965 100 05395 RESIS 5.6 OHM 1W 5%
R453 9965 000 41086 MOFR 270Ω
R454 9965 000 41087 MOFR 33Ω
R457 9965 000 39975 CFR 100Ω 1/16W
R459 9965 000 40687 CFR 1.8kΩ 1/16W
R460 9965 000 39975 CFR 100Ω 1/16W
R461 9965 000 39985 CFR 5.6Ω
R462 9965 100 05312 0.82Ω 2W
R463 9965 000 40138 MOFR 220Ω
R464 9965 100 05624 NTC 50kΩ 5%
R466 9965 000 40698 CFR 39kΩ 1/16W
R467 9965 000 39980 CFR 22kΩ 1/8W
R468 9965 100 07705 MOFR
R469 9965 000 40524 NTC 5/5A
R501 9965 000 39998 CFR 22Ω 1/4W
R502 9965 000 40000 CFR 2.2kΩ
R503 9965 000 40491 CFR 270Ω 1W
R504 9965 000 39998 CFR 22Ω 1/4W
R505 9965 000 40509 MOFR 270Ω
R506 9965 000 40517 MOFR 15kΩ
R507 9965 000 40129 MOFR 220Ω
R508 9965 000 40525 CCR 2.7kΩ
R510 9965 000 39998 CFR 22Ω 1/4W
R511 9965 000 40000 CFR 2.2kΩ
R512 9965 000 39998 CFR 22Ω 1/4W
R513 9965 000 40491 CFR 270Ω 1W
R514 9965 000 40509 MOFR 270Ω
R515 9965 000 40517 MOFR 15kΩ
R516 9965 000 40129 MOFR 220Ω
R517 9965 000 40525 CCR 2.7kΩ
R520 9965 000 40000 CFR 2.2kΩ
R521 9965 000 39998 CFR 22Ω 1/4W
R522 9965 000 39998 CFR 22Ω 1/4W
R523 9965 000 40491 CFR 270Ω 1W
R524 9965 000 40509 MOFR 270Ω
R525 9965 000 40517 MOFR 15kΩ
R526 9965 000 40129 MOFR 220Ω
R527 9965 000 40525 CCR 2.7kΩ
R528 9965 000 40503 CFR 220kΩ 1W
R529 9965 000 40492 CFR 33Ω 0.25W
R600 9965 000 40524 NTC 5/5A
R601 9965 100 05373 2.2MΩ 5% 1/2W
R602 9965 100 05397 200kΩ 5% 2W
R604 9965 000 40698 CFR 39kΩ 1/16W
R605 9965 000 40691 CFR 220Ω 1/16W
R606 9965 000 40706 CFR 6.8kΩ 1/16W
R607 9965 000 40128 MOFR 22Ω
R608 9965 000 40000 CFR 2.2kΩ
R609 9965 100 05410 Coke 200μH
R610 9965 000 40154 High Volt. 8.2MΩ 1W
R621 9965 100 05160 0.22Ω 5% 2W
R622 9965 100 05160 0.22Ω 5% 2W
R624 9965 100 05160 0.22Ω 5% 2W
R627 9965 100 05366 6.2kΩ 5% 1/4W
R630 9965 000 40113 CFR 680Ω
R631 9965 000 39988 CFR 1kΩ 1/4W
R632 9965 000 40513 MOFR 1Ω
R633 9965 000 40108 CFR 5.1kΩ
R634 9965 000 39976 CFR 10kΩ 1/16W
R635 9965 000 39980 CFR 22kΩ 1/8W
R638 9965 000 41085 MOFR 22Ω
R639 9965 000 39976 CFR 10kΩ 1/16W
R643 9965 000 40701 CFR 47kΩ 1/16W
R644 9965 000 39976 CFR 10kΩ 1/16W
R645 9965 100 04844 390Ω 5% 1/6W
R647 9965 100 05394 RESIS 0.51 OHM 1W 5%
R648 9965 000 39980 CFR 22kΩ 1/8W
R649 9965 000 40000 CFR 2.2kΩ
R650 9965 100 05380 430Ω 5% 1/16-1/6W
R701 9965 000 40701 CFR 47kΩ 1/16W
R702 9965 000 40701 CFR 47kΩ 1/16W
R705 9965 000 40687 CFR 1.8kΩ 1/16W
R706 9965 000 40687 CFR 1.8kΩ 1/16W
R707 9965 000 40701 CFR 47kΩ 1/16W
R708 9965 000 40701 CFR 47kΩ 1/16W
R709 9965 000 40701 CFR 47kΩ 1/16W
R710 9965 000 40701 CFR 47kΩ 1/16W
R711 9965 000 39984 CFR 75Ω 1/16W
R713 9965 000 39980 CFR 22kΩ 1/8W
R717 9965 000 40705 CFR 68Ω 1/16W
R719 9965 000 39975 CFR 100Ω 1/16W
R721 9965 000 39984 CFR 75Ω 1/16W
R722 9965 000 39975 CFR 100Ω 1/16W
R723 9965 000 39984 CFR 75Ω 1/16W
R724 9965 000 39982 CFR 33kΩ 1/16W
R725 9965 000 39976 CFR 10kΩ 1/16W
R727 9965 000 39975 CFR 100Ω 1/16W
R728 9965 000 40304 CFR 1KΩ 1/16W
R729 9965 100 04836 1.2kΩ 5% 1/16-1/6W
R742 9965 100 05138 13kΩ 5% 1/16-1/6W
R743 9965 100 05138 13kΩ 5% 1/16-1/6W
R744 9965 000 40701 CFR 47kΩ 1/16W
R745 9965 000 40701 CFR 47kΩ 1/16W
R746 9965 000 40701 CFR 47kΩ 1/16W
R747 9965 000 40701 CFR 47kΩ 1/16W
R748 9965 000 39979 CFR 150Ω 1/6W
R763 9965 000 40686 CFR 15kΩ 1/16W
R764 9965 000 40704 CFR 6.2kΩ 1/16W
R765 9965 000 40304 CFR 1KΩ 1/16W
R766 9965 000 40701 CFR 47kΩ 1/16W
R768 9965 100 05150 91kΩ 5% 1/4W
R769 9965 000 40304 CFR 1KΩ 1/16W
R770 9965 000 40304 CFR 1KΩ 1/16W
R771 9965 000 39976 CFR 10kΩ 1/16W
R775 9965 000 40701 CFR 47kΩ 1/16W
R776 9965 000 40701 CFR 47kΩ 1/16W
R777 9965 000 40701 CFR 47kΩ 1/16W
R778 9965 000 39975 CFR 100Ω 1/16W
R779 9965 000 39984 CFR 75Ω 1/16W
R780 9965 000 40701 CFR 47kΩ 1/16W
R851 9965 100 04839 2.2kΩ 5% 1/6W
R852 9965 100 05146 8.2kΩ 5% 1/16-1/6W
R853 9965 000 39979 CFR 150Ω 1/6W
R854 9965 000 39986 CFR 10Ω 1/4W
R855 9965 000 39975 CFR 100Ω 1/16W
R856 9965 000 39975 CFR 100Ω 1/16W
R857 9965 000 39976 CFR 10kΩ 1/16W
R858 9965 000 39976 CFR 10kΩ 1/16W
R860 9965 000 40304 CFR 1KΩ 1/16W
RL601 9965 100 05413 OMIT-SS-112LM
VDR601 9965 000 40275 Gas Tube CMQX0680
b
L101 9965 000 40602 Peaking coil 1μH 10%
L103 9965 100 07711 Peaking coil 12μH 10%
L104 9965 000 40252 Peaking coil 10μH 10%
L105 9965 000 40252 Peaking coil 10μH 10%
L106 9965 000 40252 Peaking coil 10μH 10%
L430 9965 100 07718 Linear Coil 36μH
L431 9965 100 05629 Chock Coil 160μH 10%
L432 9965 100 04924 Choke Coil 790μH
L440 9965 100 07717 Choke Coil 2.8MHz 10%
L501 9965 000 40252 Peaking coil 10μH 10%
L601 9965 000 40607 AC Line Filter 15MHz
L603 9965 100 05411 AC Line Filter 15mH
L604 9965 000 41227 Bead 3.5 x 1 x 9mm
L701 9965 000 40311 Peaking coil 33μH 10%
L702 9965 000 40311 Peaking coil 33μH 10%
L703 9965 000 40254 Peaking coil 15μH 10%
L704 9965 000 40254 Peaking coil 15μH 10%
L705 9965 000 40254 Peaking coil 15μH 10%
L706 9965 000 40254 Peaking coil 15μH 10%
T401 9965 100 05412 Transformer BCT-19G
T402 9965 100 05371 29" Flyback Transformer
T603 9965 100 05372 Switching Transformer
d
D402 9965 000 40218 1N4148 150mA/100V
D403 9965 000 40224 Zener 8V2 1/2W 5%
D404 9965 000 40218 1N4148 150mA/100V
D430 9965 000 40569 BY228
D431 9965 100 04906 3A/800V(DO-27)
D433 9965 000 40219 BA158 600V/1A
D450 9965 100 05390 TBYW362A/600V
D451 9965 100 05390 TBYW362A/600V
D452 9965 000 40219 BA158 600V/1A
D501 9965 000 40218 1N4148 150mA/100V
D502 9965 000 40219 BA158 600V/1A
D503 9965 000 40218 1N4148 150mA/100V
D504 9965 000 40219 BA158 600V/1A
D505 9965 000 40218 1N4148 150mA/100V
D506 9965 000 40219 BA158 600V/1A
D603A 9965 100 05391 Rectifier 800V/1.5A
D603B 9965 100 05391 Rectifier 800V/1.5A
D603C 9965 100 05391 Rectifier 800V/1.5A
D603D 9965 100 05391 Rectifier 800V/1.5A
D605 9965 000 40219 BA158 600V/1A
D620 9965 100 07483 High Speed Rect. RU4
D621 9965 000 40219 BA158 600V/1A
D622 9965 100 05390 TBYW362A/600V
D623 9965 100 05406 HSRD 200V/3A
D626 9965 000 40219 BA158 600V/1A
D627 9965 000 40218 1N4148 150mA/100V
D761 9965 000 40218 1N4148 150mA/100V
D762 9965 000 40218 1N4148 150mA/100V
D763 9965 000 40218 1N4148 150mA/100V
ce
IC101 9965 100 07701 uP
IC102 9965 000 40597 8k-BIT IIC EEPROM
IC103 9965 000 40249 KA33V
IC104 9965 000 40247 L7808CV
IC301 9965 100 04918 TDA4865AJ DBS7P
IC601 9965 100 05407 W6556A SANKEN
IC621 9965 100 05369 SE120N SANKEN (120V)
IC622 9965 000 40601 PC817C Sharp
IC740 9965 000 40596 TDA9859
IC760 9965 100 04917 TFA9842AJ PHILIPS
IC761 9965 000 40309 HCF4052BF SGS
IC762 9965 000 40309 HCF4052BF SGS
IC851 9965 100 07712 TDA9850 (IIC Bus)
IC852 9965 100 07713 L78L09CZ SGS TO-92
Q101 9965 000 40237 2SC2717
Q106 9965 000 40232 2SC1815Y/2PC1815
Q107 9965 000 40232 2SC1815Y/2PC1815
Q401 9965 000 40234 2SC2482/3DG2482Y
Q440 9965 000 41191 Trans. FQPF630
Q501 9965 000 40585 2SC4544/3DA4544Y
Q502 9965 000 40239 BF423 PNP (-250V)
Q503 9965 000 40238 BF422 NPN (250V)
Q504 9965 000 40585 2SC4544/3DA4544Y
Q505 9965 000 40239 BF423 PNP (-250V)
Q506 9965 000 40238 BF422 NPN (250V)
Q507 9965 000 40585 2SC4544/3DA4544Y
Q508 9965 000 40239 BF423 PNP (-250V)
Q509 9965 000 40238 BF422 NPN (250V)
Q621 9965 000 40232 2SC1815Y/2PC1815
Q622 9965 000 40232 2SC1815Y/2PC1815
Q623 9965 000 40232 2SC1815Y/2PC1815
Q624 9965 100 04912 2SA1013
Q625 9965 000 40232 2SC1815Y/2PC1815
Q626 9965 000 40232 2SC1815Y/2PC1815
Q701 9965 000 40232 2SC1815Y/2PC1815
Q702 9965 000 40232 2SC1815Y/2PC1815
Q703 9965 000 40232 2SC1815Y/2PC1815
Q760 9965 000 40231 2SA1015Y\2PA1015
Q761 9965 000 40232 2SC1815Y/2PC1815
Q851 9965 000 40232 2SC1815Y/2PC1815
A101 9965 100 07704 TUNER
J120 9965 000 40304 CFR 1KΩ 1/16W
J615 9965 000 39976 CFR 10kΩ 1/16W
N401 9965 000 40588 2SD2553/3DD2553 1.7
Keyboard & Control Panel [D]
Various
SW001 9965 100 05199 Tact Switch
SW002 9965 100 05199 Tact Switch
SW003 9965 100 05199 Tact Switch
SW004 9965 100 05199 Tact Switch
SW601 9965 100 05423 MPS.SDDF-3-03 W

Spare Parts List EN 53SK5.0L CA 10.
g
C001 9965 000 40529 33pF 50V
CR1 9965 100 04879 10μF 20% 10V
f
RD1 9965 000 39986 CFR 10Ω 1/4W
RD2 9965 000 40003 CFR 2.7kΩ
RD3 9965 000 39987 CFR 100Ω
RD4 9965 000 40489 CFR 18kΩ 1W
RD5 9965 000 39989 CFR 10kΩ 1/4W
RR1 9965 000 39986 CFR 10Ω 1/4W
b
LED 9965 000 40273 LED 3.1mm red
d
D001 9965 000 40221 Zener 5V1 1/2W 5%
M001 9965 100 05378 IR Rec. HS0038B 38KHz

Revision List
EN 54 SK5.0L CA11.
11. Revision List
Manual xxxx xxx xxxx.0
• First release.