PowerProbe Power Probe
Power Probe Power Probe
User Manual: PowerProbe
Open the PDF directly: View PDF
.
Page Count: 8

Power Probe
Model PP115
Operations and Use Manual
1450 Lakeside Drive, Waukegan, IL 60085
Phone (847) 596-7000 (In Illinois), Toll Free (800) 369-7179
Fax (847) 596-7100
In Europe +44 (0) 1793-786050, Fax +44 (0) 1793-782250
On the Web – www.powervar.com

Introduction
Thank you for purchasing a POWERVAR Model
PP115 Power Probe. The Power Probe provides a
convenient, inexpensive, and safe way to diagnose AC
power contamination that is a harmful to electronic
equipment and system performance. The PP115 when used
with a standard oscilloscope makes it possible to visually
monitor power line noise and wave shapes. The operator
now has the ability to detect low level voltage noise as well
as higher significant line disturbances. The display is
presented in real time, unlike a power line analyzer that
prints a paper tape or strip after each event.
The Power Probe is designed to provide output levels
compatible with any commonly available oscilloscope. An
important feature is complete isolation from the power line
being tested thanks to the transformer isolation of all 3 input
channels. Three output channels provide display of the AC
voltage wave form, line to neutral conductor noise (Normal
Mode) and neutral to ground conductor noise (Common
Mode). The Power Probe can also be used to measure
noise super imposed on DC sources such as Switch Mode
Power Supplies (SMPS). Of course, using a higher
bandwidth oscilloscope, will permit more noise frequencies
to be viewed.
The Power Probe is a vital tool for diagnosing
power problems on site in a timely manner. Power
contamination becomes evident and a visual illustration
is displayed to show your customers. The suspected
electrical culprit can be found and eliminated.
Specifications
Input voltage – 250 VAC (RMS) maximum @ 50/60 Hz.
300 VDC maximum
AC + DC: 400 V peak (maximum 300 VDC)
Output Signals – Signal (Wave shape), Line to Neutral
Sensitivity: V in – V out = 100:1
Bandwidth: 10 Hz to 150 KHz
Normal Mode, Line to Neutral
Sensitivity: V in – V out = 10:1
Bandwidth: 5 KHz to 2 MHz
Common Mode, Neutral to Ground
Sensitivity: V in – V out = 10:1
Bandwidth: 5 KHz to 2 Mhz
Surge Voltage – ANSI C62.41; IEEE587, 1980 Part A
ringwave 2000 volt maximum
Input Connector – 6 ft. long molded power cord with NEMA
5-15P plug ( in North America)
Isolation Voltage – (V in – V out) 2000 VAC (RMS) Max for
1 minute. 280 VAC (RMS) steady state
Output Connectors – Three female BNC. Three male/male
BNC 18” long coaxial cables provided
Dimensions – 2.25 “ High, 5.9” Long, 3.2” Wide
Unit Weight – 2 lbs. (.9 Kg.)
Shipping Weight – 3.5 lbs. (1.5 Kg) inc. carrying case and
connecting coaxial cables
Warranty – Standard POWERVAR five-year limited warranty

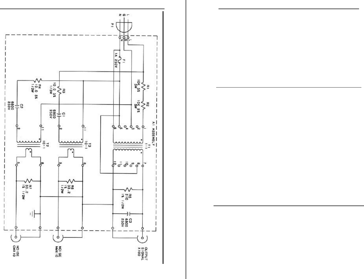
PP115 Power Probe Electrical Schematic
Who Should Use the Power Probe ?
The Power Probe can be used by:
• Field Engineers
• Site Preparation Technicians
• Facilities Engineers
• Bio Medical Engineers
• Electricians
Why Should I Use the Power Probe ?
The effect of the electrical environment on electronic
equipment/system performance and reliability has been
greatly underestimated. There is a significant correlation
between the quality of the AC power supplied to electronics
and its ultimate reliability, performance, and longevity.
Power contamination inevitably results in
hardware and software failures including power
supplies, hard disks, integrated circuitry, data and logic
corruption, and mysterious unexplained reasons for
disruption.
Use of the Power Probe can expose contamination so
that preventative measures can be taken to protect the
electronics from costly repairs.
When Should I Use the Power Probe ?
Ø Before system installation to predict the possibility of
future reliability problems.
Ø After installations to verify any adverse effect on AC
power induced by the system
Ø Trouble sites, where repeated hardware and software
failures, system lockups, and no trouble found service
calls have been a problem

Ø To test the output of a power conditioning, UPS, TVSS or
other similar device to evaluate its protection ability
Ø To convince your customer that poor power quality is
present at their site
Getting Started
Open and unpack the shipping container. Check
carefully for visible damage, which may have occurred
during shipping. If the unit has been damaged due to
shipping, you will need to file a claim with the carrier. If
everything is in order, then open the carrying case and
inspect the contents. The following pieces should be
present:
• Power Probe PP115
• Three 18” long male/male BNC Coaxial Cables
• Carrying Case
• Instruction Manual
If any of the items is missing, contact your sales
representative or call POWERVAR directly at one of the
numbers on the back of this manual.
Getting to Know the Power Probe
The outputs are three female type BNC connectors
labeled:
SIGNAL – NM x 100 : This connector allows the
operator to view the power line waveform under inspection.
This channel of the Power Probe looks at the signal on the
Line to Neutral conductors.
Noise -- NM x 10 : This connector allows the
operator to view the Normal Mode noise riding on the power
line between the Line and Neutral conductors.
Noise -- CM x 10 : This connector allows the
operator to view the Common Mode noise riding on the
power line between the Neutral and Safety Ground
conductors.
Power Probe BNC Output Connectors
Be Safe – Some Words of Caution
Caution: Input voltage to the Power Probe must
never be allowed to exceed 250 VAC (RMS) or
300 VDC. Connecting the Power Probe to an input voltage
higher than recommended specifications can result in
internal damage and void the warranty. If in doubt, check
the input source voltage with a voltage meter or equivalent
equipment before connecting the Power Probe.
Caution: In order to assure operator and Power
Probe safety, check the receptacle for correct
polarity before plugging in the Power Probe. This
can be accomplished with a circuit checker available from
most electrical supply houses or by using a digital volt meter

and the following chart. Line to Neutral and Line to Ground
measurements should indicate nominal voltage. Neutral to
Ground measurements should indicate no more than
approximately 1 volt. If higher voltages are indicated, then
the possibility of a wiring error exists. This should be
corrected before you proceed.
Caution: There are no user serviceable parts
inside the Power Probe. Tampering with this
device will void the warranty.
Setting Up the Power Probe for Diagnosis
The use of a modern dual trace oscilloscope with a
bandwidth of 20 MHz. or greater is recommended. This will
result in a high quality display. The greater the bandwidth of
the oscilloscope, the more noise frequencies can be viewed.
In addition, using the Power Probe with an oscilloscope
capable of capturing, storing and then printing or
downloading the waveforms to a personal computer can be
invaluable when preparing a report on your findings to a
customer, site manager, electrician, or other interested party.
To begin, set the oscilloscope to the following initial
settings for viewing Normal Mode and Common Mode noise:
• Coupling Mode -- All AC
• Trigger Source -- Line
• Trigger Mode -- Auto
• Horizontal Mode -- No delay
• Time/Div -- 2 msec.
• Vertical Mode -- Chop
• Volts/Div -- .1 volt
Initial recommended control settings for viewing the
signal wave form (NM x 100) are the same except you
should set the Volts/Div to 1 volt.
After becoming familiar with the initial set up, there
will be times when you will want to take a closer look by
changing the Volts/Div or Time/Div controls in order to
inspect an entire transient waveform on the screen of the
oscilloscope.
Understanding Power Probe Signals
Viewing the AC Sine Wave
Connect the NM x 100 output channel to the
oscilloscope. Plug the Power Probe into a circuit being
tested. Since the Power Probe divides the power line by a
factor of 100:1, and with the initial settings (shown above),
each vertical division represents 100 volts. The peak to
peak voltage of the AC sine wave form in North America
should be 340 volts or approximately 3.4 divisions on the
oscilloscope. One half of peak to peak voltage is called
peak voltage and is equal to 170 volts. The RMS value of
North American voltage is calculated by multiplying peak
voltage by .707 (i.e. 170 volts times .707 = 120 volts RMS).
This is how we arrive at the 120 volt value to which we
commonly refer. Using the oscilloscope and Power Probe,

along with this formula, you will easily be able to determine
the RMS voltage of an AC circuit even without a voltmeter.
The following photograph illustrates a sample waveform from
the NM x 100 BNC connector.
Wave form free from spikes and distortion.
Voltage: 340 volts Peak to Peak, 120 volts RMS
Note that the peaks on the above wave form are
smooth and the waveform is free from distortion. This
indicates that the circuit under test is not overloaded and is
supported by an adequate utility or distribution transformer.
If, however, the waveform appeared distorted or showed
considerable “flat topping” or low voltage, an overloaded
branch circuit or distribution transformer might be suspected.
In such circumstances, circuit loading should be reduced.
Alternately, if the low voltage condition affects numerous
circuits (or perhaps an entire distribution panel or panels) it
might be necessary to provide a distribution transformer
capable of supplying a larger amount of power.
You may also notice “notches” or spikes near the
peaks of the waveform. These are indications that switch
mode power supplies are operating on this circuit. Switch
mode power supplies are capable of generating substantial
electrical noise that is injected back into a facility’s electrical
system. Low voltage and switch mode supply generated
noise are present in the photograph below.
Waveform characterized by low voltage and noise
created by switch mode power supplies.
Monitoring Normal Mode and Common Mode
It is often convenient to use the dual trace feature of
the oscilloscope to monitor both Normal Mode (NM) noise
components and Common Mode (CM) noise components
simultaneously. For easy reference, POWERVAR
recommends establishing a pattern of always viewing the
NM trace on the top and the CM trace on the bottom. That
way, you’ll never forget which trace is which.
Connect the NM x 10 and CM x 10 outputs to the
oscilloscope by connecting NM x 10 to channel 1 and CM x
10 to channel 2 (refer to the specific settings in the Setting
Up the Probe for Diagnosis section. Plug the Power Probe
into the circuit being tested. The Power Probe will now be
monitoring high frequency noise contamination within a
bandwidth of 5 KHz to 2 MHz between the line and neutral
conductors (NM) on channel 1 and the neutral and ground
conductors (CM) on channel 2.

With the oscilloscope set to the initial settings, each
vertical division equals the Volts/Div display multiplied by a
factor of 10. That means that the display vertical scale is
actually 1 volt per division (initial setting of .1volts/div x 10 =
1 volt).
Please note: Some oscilloscopes have the ability to
calibrate each channel to reflect an input multiplier. If
your oscilloscope has this ability, you may choose to
program the channels to reflect the fact that the probe
requires a 10x multiplier. Calibrating your oscilloscope
in this manner will allow you to read waveform
amplitudes directly from the screen at the Volts/Div
shown on the oscilloscope’s vertical control.
The following photograph illustrates “typical” normal
mode and common mode noise signals viewed on an
oscilloscope using the Power Probe. Notice the noise
contamination.
Top Trace – Normal Mode – 4 volts peak to peak
Bottom Trace – Common Mode – 2 volts peak to peak
Each horizontal division is simply the Time displayed
on the Time/Div control. ( For example, a 60 Hz sine wave
form has a duration of 16.7 msec. Therefore, with the initial
settings of 2 msec. per division on the Time/Div control, you
would expect a complete 60 Hz. sinewave to occupy a little
more than 8 divisions on the display.) The Time/Div setting
allows you to determine the duration, rise-time, frequency,
and repetition of normal mode and common mode noise
disturbances.
With the Power Probe and oscilloscope, you now
have the ability to determine the effectiveness of a range of
power treatment devices. By plugging TVSS units (surge
diverters), filters, UPS systems or other devices into the
circuit you’re testing and then monitoring their output with the
Power Probe, you can judge how well each will correct the
noise problems you’ve discovered.
The following photograph shows the same test circuit
after the noisy power has been conditioned by a
POWERVAR ABC model power conditioner.
Top Trace – Normal Mode – 4/10 volt peak to peak
Bottom Trace – Common Mode – Reduced to 0 volt

Where Does AC Power Line
Contamination Come From?
There are many devices in a facility that contribute to
AC power contamination. As a matter of fact, most power
disturbances are created by all the different devices that use
electricity. For example, internal building sources such as
copy machines, vending machines, air conditioners,
microwaves, shredders, fluorescent lighting, and elevator
motors all can cause disturbances that result in mysterious
electronic system malfunctions. External building sources
like lightning, power line damage, utility grid switching, and
power factor correction activities can also cause
troublesome power disturbances. These problems can also
cause disruption, damage, and/or outright destruction of
sensitive electronics.
The very tools that are so important to our daily
productivity can cause havoc and damage to sophisticated
electronic systems. The susceptibility of sophisticated
electronics to electrical contamination varies from system to
system. However, in some cases, it has been found that
system reliability can be compromised by noise disturbances
that exceed 10 volts normal mode or .5 (one half of one volt)
common mode. This is understandable when considering
that most electronic logic (DC Bus) and safety ground are
tied to chassis. Common mode noise becomes very critical.
Given the trend toward electronic systems with higher
density integrated circuits, larger RAM memory, lower
voltage logic circuitry, and ever increasing clock speeds, the
need for consistently clean, dependable quality electrical
power is increasing daily. Because it would be unproductive
to remove either the devices that cause power problems or
the computer systems that experience power problems from
our daily lives, it has become necessary to be proactive in
protecting our electronic systems. POWERVAR’s Power
Probe makes it possible to easily identify the presence of
objectionable power disturbances. POWERVAR’s complete
family of power quality products can provide the solution.
Maintenance
Because the Power Probe is a passive instrument,
maintenance is not required. The Power Probe contains no
user serviceable parts, and opening it or tampering with it in
any way may void the warranty.
If you suspect that your Power Probe is not
functioning properly, then a signal generator test with a
known input should be performed. In addition, you should try
interchanging coaxial test leads or try another coaxial test
lead equipped with BNC connectors. If these attempts prove
that test leads are not at fault, and if the test results with a
known input signal prove negative, then contact your local
POWERVAR representative for assistance. You may also
contact POWERVAR direct by:
Calling toll free – (800) 369-7179
Calling in Illinois – (847) 596-7000
By Fax in North America – (847) 596-7100
Calling in Europe – +44 (0) 1793 786050
Fax in Europe -- +44 (0) 1793 782250
or by emailing us from our website @ www.powervar.com
Warranty
POWERVAR warrants the Power Probe (called the “product”) to be free
from defects in material and workmanship for a period of five years from
the date of shipment. The product will be repaired or (at POWERVAR's
option) replaced at no charge during this warranty period. The product
must be returned prepaid to the factory. POWERVAR makes no
warranties, expressed or implied, of merchantability, fitness for a
particular purpose, performance, condition, capacity, or otherwise.
POWERVAR is not liable for incidental or consequential damages,
monetary loss, loss of sales, or loss of business resulting from the failure
or malfunction of the product. Warranty is void on product that is
misused, misapplied, abused, altered by unauthorized personnel or
where evidence of tampering exists. The foregoing constitutes the sole
and exclusive remedy of the purchaser and is in lieu of all other
warranties. No greater degree of liability is imposed on POWERVAR,
Inc.