Q4000 Loewe
User Manual: Q4000 loewe
Open the PDF directly: View PDF
.
Page Count: 70

Variantenbestückung 390-86907G
Var.1:050 29Z./8MHz-BG
051 29Z./8MHz-M/NICAM-L
062 29Z./SAT-V
Var.2:052 28Z./8MHz-BG/16:9
053 28Z./8MHz-M/NICAM-L/16:9
Var.3:054 28Z./8MHz-BG
055 28Z./8MHz-M/NICAM-L
Var.4:056 24Z./8MHz-BG
057 24Z./8MHz-M/NICAM-L
Var.5:058 21Z./8MHz-BG
059 21Z./8MHz-M/NICAM-L
Var.6:063 28Z./SAT-V/1mA
064 28Z./8MHz-BG/1mA
Var.7:065 28Z./8MHz-M/NICAM-L/16:9/DOLBY
066 28Z./8MHz-BG/16:9/DOLBY
1
1
2
2
3
3
4
4
5
5
6
6
7
7
8
8
9
9
10
10
A A
B B
C C
D D
E E
F F
G G
H H
I I
U29
U5
U29
U10
IndexCode-Teile-Nr. Lpl.:
LOEWE.
Benennung:
Variante:
alle Varianten
UNF+
UNF-
U12
UNF+
UNF-
UNF+
FOCUS
U5
UB
U29
U12
UV-
U29
U12
U5
UNF+
UNF-
U12
UNF-
U5
U10
U29
U5
UNF-
UB
U29
UV+
UB
UNF+
1
2
3
4
5
1
2
3
4
5
1
2
3
4
5
6
7
FLYBACK
GENERATOR
+
-
1
2
3
4
5
1
2
3
4
5
6
78
1
2
3
IN OUT
GND
2
3
4
6
8
9
10
11
12
13
1
6
9
10
11
12
13
14
15
16
17
18
2
1
2
5
6
7
8
17
18
20
21
25
26
27
28
1234 56 78 910111213
1
2
3
1
2
3
4
5
6
7
8
1234 56 78 910111213
1
2
3
4
1
2
3
4
1
2
1
2
1234 56 78 910111213
1
2
1
2
1
2
3
4
5
1
2
3
4
U5
VPROT
FP
HFLB
H
EW
V-
UV-
V+
UV+
VFLB
29KV
= Primär GND
= Analog GND
= NF GND
SMUTE
B540
F0611
D0671
W213
W214
3W3W
2W
2W
Netzspannungs-Potential
Supply voltage potential Set potential (off ground)
Geräte-Potential (erdfrei)
I0474
I0484
I0594
I0666
I0676
BUZ91
Q0624
BUZ71A
Q0663
BUZ71
Q0674
T0528
W0489
W0534
W0548
L165
TDA4605-3
B150
rt
W0479
D0539
Hor.
W0569
B0078
I0691
B0471
B0472
100n
C0202
100n
C0204
22n
C0467
22n
C0469
C0474 1n
C0475
220n
C0477
C0478
220n
C0479
C0484 1n
C0485
220n
C0487
C0488
220n
C0489
1µ
C0524
68n
C0527
C0528
560n
C0531
C0533
C0537
C0541
100p
C0547
100p
C0556
100p
C0557
220n
C0562
1n
C0567
220n
C0568
220n
C0569
C0578
100n
C0586
C0592
100n
C0594
330p
C0595
C0596
220n
C0623
470p
C0626
15n
C0629
4n7
C0631
C0632
4n7
C0636
C0637
33n
C0638
470p
C0650
680p
C0656
22n
C0666
330n
C0673
330p
C0682
330n
C0689
330n
C0692
47µ
C0201
220µ
C0203
C0466C0468
22µ
C0472
1µ
C0476
22µ
C0482
1µ
C0486
4µ7
C0492
100µ
C0521
C0543
22µ
C0548
C0558 C0559
220µ
C0563
100µ
C0581
4µ7
C593
47µ
C0622
1µ
C0634
47u
C0651
47u
C0652
470µ
C0657
470µ
C0662
220µ
C0668
C0672
220µ
C0677
220µ
C0681
470µ
C0687
C0691
C0694
C0697
D0477D0478D0487D0488
D0491
D526
EU02
D0527
BA157
D0532
D0547
BA159
D0557
BA159
D0558
BA157
D0590
D0622
BYW96-D
D0624
D0630
D0636
BYW96-D
D0651
D0652
D0656
BYW98
D0661
ZPD12
D0663
D0681
BY398
D0686
BY398
D0687
L0541
6µ8
L0201
L0204
L0479
L0489
22µ
L0521
L0538
L0542
L0553
22µ
L0581
L0594
150µ
L0651
1k
P0633
2SC3311
Q0496
2SC3311
Q0498
Q0526
470R
R0466
470R
R0468
470R
R0471
10k
R0472
1k
R0473
33k
R0474
33k
R0478
R0479
470R
R0481
10k
R0482
1k
R0483
33k
R0484
33k
R0488
R0489
1k
R0492
1k
R0496
1k
R0498
56R
R0526
R0527
R0528
R0529
R0530
R0531
R0532
R533
R0536
R0537
1k5
R0541
R0546
R0548
R0549
R0551
R0563
R0565
R0566
R0567
1R5
R0568
10k
R0572
3k3
R0573
R0578
R0579
R0583R0584
R0585
R0586
390k
R0592
1R5
R0593
10R
R0618
56k/1W
R0621
820k
R0622
4k7
R0623
120R
R0624
R625
56k/1W
R0626
10k
R0627
R0628
47R
R0629
R0630
1k
R0631
150R
R0632
3k3
R0633
R634
10M
R0639
100k
R0651
4k7
R0667
18k/1%
R0668
4k7/1%
R0669
22k
R0674
10k/1%
R0677
10k/1%
R0678
R0679
R0681
33R
R0682
470R
R0683
R0684
68R
R0685
68R
R0688
R0696
R0697
R0698
L0536
L0539
L0626
L0650
L0686
L0687
39k
3W
Q0681
BD536
Q0682
22n
4700µ
3k3
4n7
8k2
10n
4k7
1m6
470R
470R
1n
1k8
1k8
C0549
680p
12R
33n
UVID
UF
Ablenk-
einheit
Hor.
Vert.
rt
2200µ2200µ
SIF SAT
M
SIF Terr.
SAT
SCL3
GND-ZF
FBAS
SDA'
SCL1
SCL2
/ON
UMUTE
VFLB
VPROT
V-
V+
EW
HFLB
FP
H
LS-L
LS-R
/ON
L78S10
2SC3944
W0660
L0203
R0569
470R
R0564
D0665
D0573
bl
W0650
BA157
D0561
D0568
Entmag.
W0619
R0619
PTC
C0619
100n
T0639
2x18m
T0618
2x18m
T0612
1R5/7W
R0613
D0613
B250C3200
C0618
330µ
330n
C0617
2n2
C0614
150n
C0613
220n
C0612
Netz in
W0611
TL431AC
TL431AC
MA750
10n10n
10µ
2200µ2200µ
100µ
330n
47µ
RGP10RGP10RGP10RGP10
MA167TA5
1N4148
1N4148
1N4148
1N4148
BA159
BY398
BR
BA157
lin
47µ
Typ-Var.
1R
1R
2k2
2k2
2k2
2k2
40k2
680k
10R
680k
3R3
10k
3k3
2SA1309ATA
4k7
82k
82k
40k2
1µ
Tr
47µ
W-TRAFO
L0535
L0205 L0206
Tuner 260-86974.050/051:
1k
W0549
W3301 CRT-PCB
W3152 CRT-PCB
R0206
22k/5W
D0206
MA4300TA
C0207
100n
C0206
10µ
W0216
na
M
SIF SAT
bl
W0250
SAT
SCL3
SDA'
SCL2
*
W0471
gn
W0481
ge
Tuner 260-86984.050:
(Basic Board 051,053,055,057,059,065)
W5181 SAT
W5188 SAT
W5201 SAT
TDA2030
TDA2030
21.7.97
Br.
sw
56R
56R
10n
B0100
B0087
3R3
R0574
0R1
R0687
0R1
R0686
T630mA
F0681
T6.3A
F0671
T2.5A
F0661
T1.25A
F0656
3R3
R0691
10R
R0491
3R3
R0521
47R
R0542
4R7
R0547
1R5
R0558
1R5
R0557
2W
1D
2D
2E
7B
6B
7A
7C
8C
8D
8E
6H 7H
8G
8F
7F
10G
Br.
Br.
0R68
MS5C7390 C0534
C0538
4n7
470R
an,to,a,su Signal-Board W1971 an,to,a,su Signal-Board W1701
an,to,a,su Signal-Board W1003
an,to,a,su
an,to,a,su
an,to,a,su
an,to,a,su
an,to,a,su
T3.15A
an Bedienteil
to Control unit
a Bloc de commande
su Unita di comando
an Entmagnetisierung
to Degaussing
a Desaimantation
su Demagnetizzazione
Potentiale della tension rete
Potentiel de tension secteur Potentiel d' appareils (sans mise a la terre)
Potentiale della apparecchio
RU2M
L0537 L0534
2SC4542
Q0534
C0536
220k
220n
Typ-Var.
Typ-Var.
Typ-Var.
Typ-Var.
Typ-Var.
Typ-Var.
Typ-Var.
Typ-Var.Typ-Var.
Typ-Var.
Typ-Var.
(Basic Board 050,052,054,056,058,064)
L
R
I0611
I0561
TDA8177
T0531
U201
W211
W511
W0610
Stereoendstufe
Final stage stereo
Etage final stereo
Stadio finale stereo
Tuner di iperbanda
Hyperband-Tuner
Hyperband tuner
Tuner de hyperbande
Basic-Board
Basic board
Platine de fondation
Piastra di fondazione
Hor. Endstufe
Vert.-Ablenkung
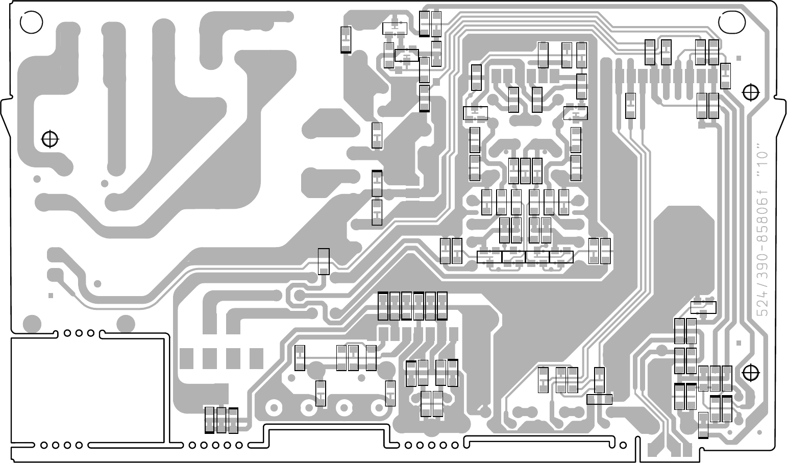
524/390-86907
Q4000
* = nicht bestueckt
Hor. final stage
Vert. deflection
Stadio finale orriz.
Netzteil
Power supply
Bloc secteur
Sezione rete
Deflexion vert.
Deflessione vert.
O/W-Korrektur
E/W-correction
Correction E/W
Correzione E/W
Etage final horiz.
g
UG2
Typ-Var.
Typ-Var.Typ-Var.
B0006
Tuner 260-86984.052:
(Basic Board 066)
NS
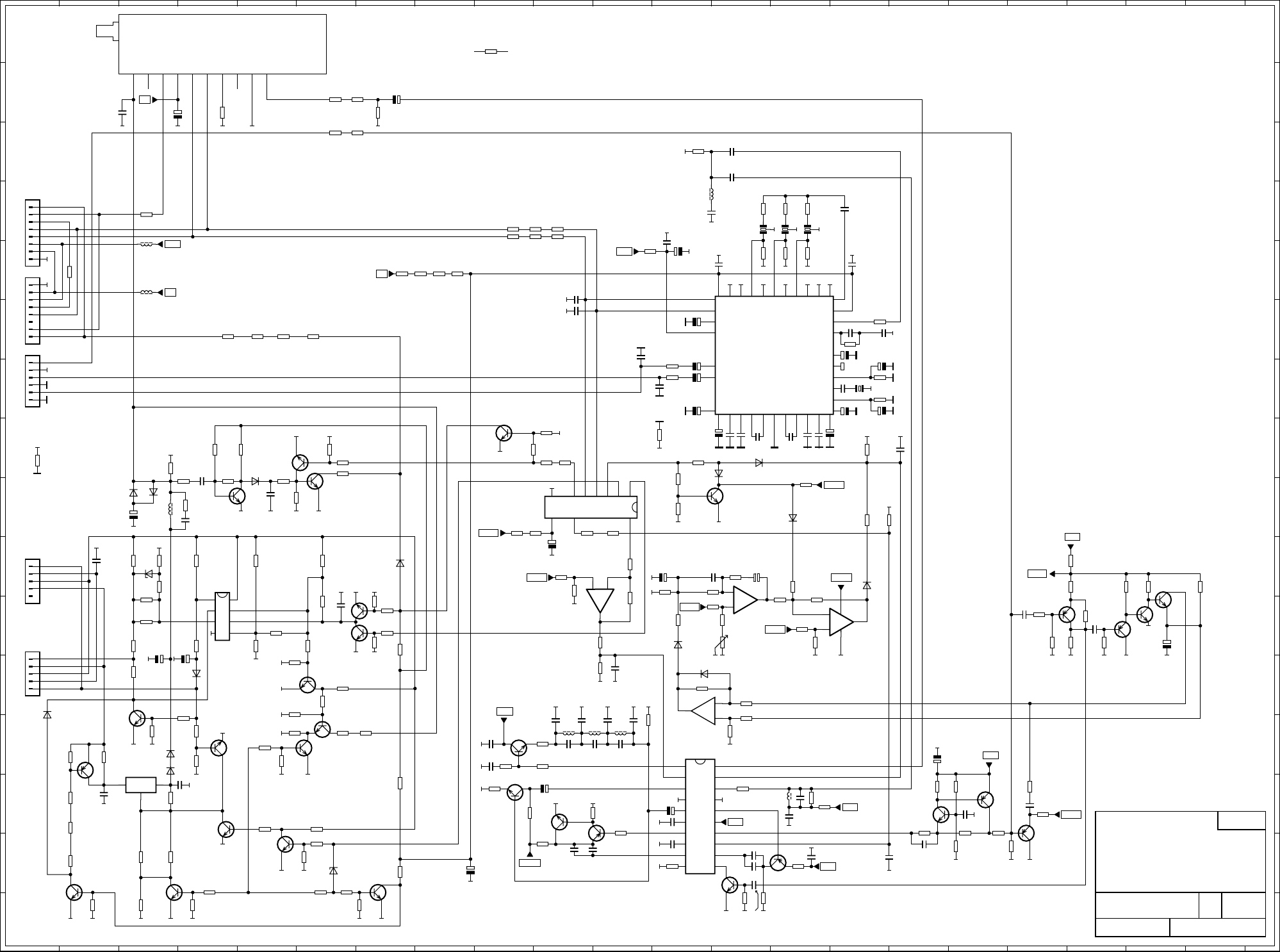
Schaltbild Basic Board 396-86907G.050-059/062-066 Schematic diagram Basic Board 396-86907G.050-059/062-066
Oszillogramme
Oscillograms
Oscillogrammes
Oscillogrammi
0
1D
2V/Div DC;
5 us/Div
0
2D
100V/Div DC;
5 us/Div
0
2E
500mV/Div DC;
5 us/Div
0
6B
5V/Div DC;
2 ms/Div
0
7A
500mV/Div DC;
2 ms/Div
0
7B
10V/Div DC;
2 ms/Div
0
7C
500mV/Div DC;
2 ms/Div
0
6H
500mV/Div DC;
5 ms/Div
0
7F
10V/Div DC;
10 us/Div
0
7H
500mV/Div DC;
10 us/Div
0
8C
500mV/Div DC;
5 ms/Div
0
8D
5V/Div DC;
5 ms/Div
0
8E
50V/Div DC;
5 us/Div
0
8F
2V/Div DC
5 us/Div
0
8G
200V/Div DC
10 us/Div
0
10G
10V/Div DC
20 us/Div
Varianten-Tabelle: 86907g 17.7.1997
Pos. Var. 1 Var. 2 Var. 3 Var. 4 Var. 5 Var. 6 Var. 7
C0478 2n2 2n2 2n2 2n2 2n2 2n2 2n2
C0488 2n2 2n2 2n2 2n2 2n2 2n2 2n2
C0534 820p 820p 1n2 1n2 1n2 1n2 820p
C0536 11n 11n 10n 8n8 4n7 10n 11n
C0537 22n 22n 22n 22n 10n 22n 22n
C0538 600n 520n 520n 470n 520n 520n 520n
C0541 900n 900n 900n 900n 600n 900n 900n
L0479 Jump. Jump. Jump. Jump. Jump. Jump. 3µ8
L0489 Jump. Jump. Jump. Jump. Jump. Jump. 3µ8
L0538 200µ200µ200µ200µ510µ200µ200µ
L0553 27µ27µ30µ30µ27µ30µ27µ
R0532 0R68 0R68 0R68 0R68 3R9 0R68 0R68
R0546 4M7 4M7 4M7 4M7 * * 4M7
R0549 150k 150k 150k 150k 220k 220k 150k
R0574 0R56 0R82 0R56 0R56 1R2 0R56 0R82

Chassis Q 4000 / Basic Board 396-86907G
Bestückungsseite
T0528
R0679
B0048
E
C
S
B0050
B0046
C0477
R0473
C0474
C0472
R0479
B0017
D0478
B0022
D0477
D0487
B0016
D0488
C0487
R0489
C0479
B0028
C0484
B0047
B0025
C0489
B0026
T3.15A
R0619
W0611
C0617
C0619
T0540
W0534
C0524
B0088
R0533
R0686
R0687
C0693
C0692
C0673
C0694
C0691
D0663
R0668
D0665
C0677
B0011
B0076
W0214
W0213
R0482
C0482
C0486
R0488
R0484
R0483
D0687
C0475
R0478
R0474
C0469
C0467
B0032
B0055
B0089
B0035
R0492
C0657
D0656
B0060
C0656
C0650
L0651
D0651
R0639
R0651
C0639
R0532
Q0663
Q0674
I0676
R0688
Q0496
R0466
R0468
R0685
D0671
Q0534
C0476
C0687
C0689
R0481
R0472
Q0498
B0019
B0004
R0498
R0496
R0471
B0030
B0067
B0001
B0015
R0536
R0537
B0106
C0612
C0613
C0203
B0091
C0204
D0206
1
1
K
1
4
321
34
2
1
2
B
2
1
1
B0041
R0674
R0677
R0491
D0491
D0661
D0545
1
R0669
A
G
G
F0681
T1,25A
C0208
L0203
( )= Variantenbestückung
R0623
I0611
R0621
R0626
R0628
C0638
C0626
D0624
D0622
D0630
R0630
R0624
Q0624
R0627
D0636
C0636 R0633
C0628
C0623
R0637
R0632
C0634
C0631
P0633
C0629
C0632
R0631
C0637
C0545
2
1
3
2
4
D0546
C0538
B0540
R0541
L0541
B0084
C0527
D0527
R0530
R0529
R0527
R0528
C0521
C0536
C0534
1
3
2
32
3
3
B0107
C0548
R0599
R0597
C0596
L0521
W0489
L0489
C0488
L0479
C0478
C0201
C0202
L0201
C0206
C0207
W0479
1
C0579
B0054
B0090
B0065
B0074 B0085
B0083
R0696
B0096
R0636
C0544
C0537
D0544
B0049
B0057
B0071
C0485
A8
B0007
B0008
B0027
B0538
B0072
B0075
C0209
1
CB
E
CB
E
SG
D
GDS
W0612
B0077
C0627
B0059
C0531
B0053
F0656
B0024
B0021
B0105
B0104
T0612
L0594
21
+
s
s
-
D0561
B0068
C0562
L0581
R0549 R0547
B0063
C0547
L0204
U201
B0034
CB
E
R0681
Q0682
Q0681
R0683
R0682
R0684
B0070
B0009
B0012
B0010
B0079
B0073
B0086
R0526
D0526
B0036
B0037
Q0526
(R0546)
B0018
R0557
B0003
W0211 W0610 W0511
B
C
E
L0553
1
4
W0544
C0541
3
L0542
R0542
C0543
6
21
W0250
81
8
1
1
3
1
C0662
1
1
2
14
W0640
R0697
B0052
C0492
R0691
B0044
C0697
Q0697
R0676
B
E
C
B0038
B0039
R0593
R0584
B0150
W0521
1
13 113
13
131
W0251
1
41
W0548
D0613
W0545
L0538
R0678
C0668
13
12
W0670
T0639
1
2
6
910
11
12
13
14
15
16
17
18
7
3
I0484I0474
I0594
41
T630mA
T6,3A
F0671
(F0671)
(T6,3A)
B0151
(B0152)
R0629
B0153
W0215
C0592
R0583
B0058
R0568
F0611
C0614
C0615
L0650
R0521
T2.5A
F0661
B0614
B0613
R0613
W0212
rot
gelb
grün
grün
L0686
B0014
L0626
C0563
W0619
81
61
B0020
B0061
B0471
B0029
B0472
W0470
1
W0546
C0528
B0045
C0569
C0622
R0622
R0625
R0634
1
L0205
L0206
D0686
D0532
GA K
Q0651
B0033
R0698
R0667
B0005
B0043
I0666
D0694
C0666
G
A
K
B0697
C0549
C0533
B0040
R0565
R0566
C0591
R0596
C0593
C0595
R0592
R0586
R0585
C0581
D0590
C0586
D0537
L0539
C0682
L0537
L0536
L0535
B0042
R0618
B0618
2
3
4
68
9
10
11
12
T0531
R0548
B0069
D0652
1
1
2
R0551
12
W0549
C0651
C0652
C0672
C0468
B0023
C0466
B0013
C0594
B0108
C0681
LIVE CIRCUIT
B0102
B0093
D0557
C0556
R0569
R0573
W0569
R0579
C0578
R0578
R0571
B0002
R0572
C0567
B0080
C0558
C0559
B0056
B0094
B0031
I0561
C0577
C0568
B0064
B0078
I0691
D0558 R0558
B0051
C0618
21
B0006
W0660
B0066
W0216
3
1
R0563
R0567
5
W0650
51
8
3
2
1
R0531
R0574
C0557
(R0531)
D0552
B0101
D0573
R0564
D0568
B0087
B0100
B0062
R0552
B0092
D0681
R0206
D0539
L0687
D0547
T0618
L0534
7f
8f
8g
8e
2e
1d
2d
NF1
NF2
SIF
GND
29
28
27
26
25
21
UNF - UNF +
14
8d
5
10g
2
4
6
6b
7a
8c
7c
6b
Uvid
U29
U5
U12
U5
U12
U5
U10
U12
U5
U12
U5
1
2
5
6
7
8
AGC
U12
UD (33V)
U5
SCL
SDA
20
18
17
U5
AGC
FBAS
U10
U29
U29
!
!
!
!
!
!
!
U29
!
!
!!
!
!
!
!
!
A
K
A
1
3
5D
!
U5
135
7b
Chassis Q 4000 / Basic Board 396-86907G
Components side

K
A
G
B
C
E
B
C
E
B
C
E
K
A
G
U5
U10
U145
U29
T528
E C B
Q526
D527
D526
D539
B
C
E
Q534
R 619
T 531
Hyperband - Tuner / ZF
W 489
R/D/D
W 479
L/S/G
1
2
3
4
5
I 474
TDA 2051
I 484
TDA 2051
1
2
3
4
5
1 13 1 13
1 13
1
8
6
1
2 1
1 5
1
4
1
2
5 3 1
4 2
1 2 3 4
W534
W569
W650
D652
D561
W548
W549
W511
I666
Q674
D663
D665 U12
S
D
G
S D G
123
W250
W211 W610
W251
D206
D278
D277
D287
D288
I676
I691
Q698
D661 D656
D651
L651
F656
F661
F671
F681
1,25AT
2,5AT
6,3AT
0,63AT
D681
R466
D686
UNF+
B C E
Q682
Q681
Q496
D624
UNF+UNF–
R468
F611
3,15AT
-
~
~
+
D613
U5
D687
Q624
S D G
D630 D622
D636
D557
D547
UV+
UV–
Uvid
I 561
TDA 8175
I 594
L165
1
2
W611
W213
W214 W212
I 611
TDA4605-15
4
5
1
8
R686
R687
P633
UB
96 12
181716151413121110
T 639
Q663
L203
U33
7 5 3 1
6 4 2
W544
D671
W619
2 1
D558
W
470
W545
UG2
W215
1 2 1 2
W471W481
Zeilen Trafo
Trasfo di riga
Line Transformer
Transfo de lignes
Antenne
Antenna
Arial
d’antenne
Wandler Trafo
Trasfo separatore
S.M. Transformer
Transfo séparateur
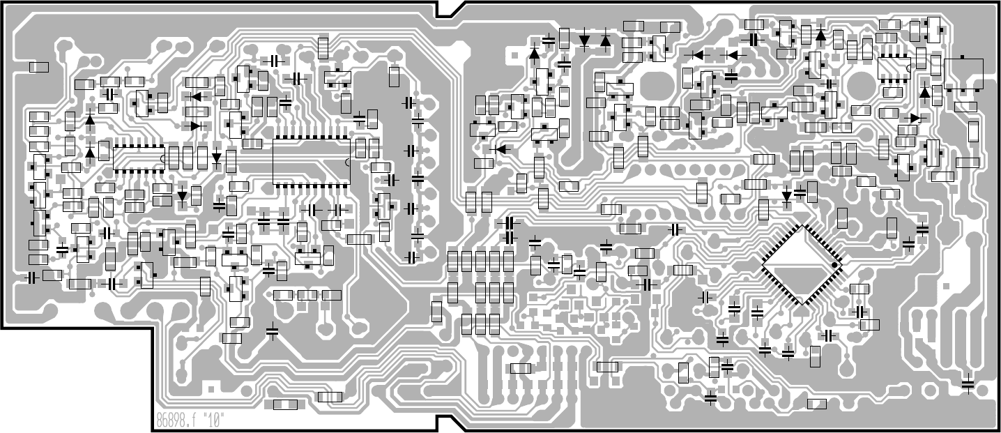
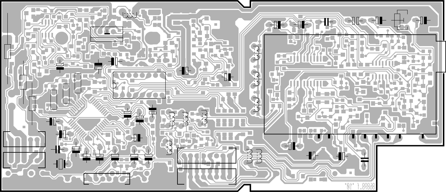
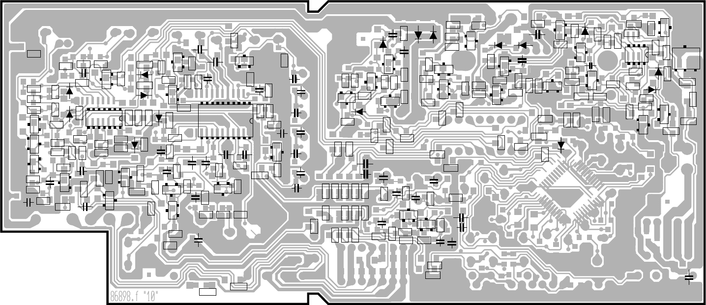
Service-Lageplan Basic-Board Q4000
Bestückungsseite
Service layout diagram Basic Board Q4000
Components side

Basic Board ARTIKEL 86907.050-066
Pos.Nr. Bestell-Bezeichnung Description Bestell-Nummer
Item N°.List Part N°.
SPULEN/LAUTSPRECHER COILS,SPEAKERS
L0000 Ferrit-Dämpf. Perle ferrox bead 522-18793 (D0547/L0526/T0526)
L0479 3uH8 coil 298-24023 sh. Tabelle / see Table
L0489 3uH8 coil 298-24023 sh. Tabelle / see Table
L0538 Spule 200uH K coil 297-23662 sh. Tabelle / see Table
L0538 Spule 510uH K coil 297-14691 sh. Tabelle / see Table
L0541 Lin-Regler linearity regulator 278-26787 Var.50,51,62
L0541 Lin-Regler linearity regulator 278-24475 Var.52-57,63-66
L0541 Lin-Regler linearity regulator 278-26981 Var.58,59
L0553 Spule 27uH coil 298-79598 sh. Tabelle / see Table
L0553 Spule 30uH coil 298-23144 sh. Tabelle / see Table
L0594 Spule 1mH6 coil 297-24810
T0528 Spule Treiber coil 297-23664
T0531 Zeilentrafo Q4000 line transformer 276-26526
T0612 Drossel 18m5 choke 298-22306
T0618 Drossel 18m5 choke 298-22306
T0639 Wandlertrafo Q2100 transducer transfor. 490-25586 Var.50-53,62,65,66
T0639 Wandlertrafo Q2100 transducer transfor. 490-25588 Var. 54-59/63,64
T0639 Wandlertrafo Q2100 transducer transfor. 490-26863 Var. 51
T0639 Wandlertrafo Q2100 transducer transfor. 490-26865 Var. 56-59
T5101 N-S Korrekturtrafo 680uH transformer 490-25674 Var.51
ALLGEM. MECHAN. TEILE COMMON MECHANICAL PARTS
H0000 Clamper spring 530-20813
H0000 Halter N/S holder 602-86095.101 Var.51
H0474 Bügelfeder bow spring 739-87148.001
H0484 Bügelfeder bow spring 739-87148.001
H0534 Montageclip clamp clips 739-24452

Basic Board ARTIKEL 86907.050-066
Pos.Nr. Bestell-Bezeichnung Description Bestell-Nummer
Item N°.List Part N°.
ALLGEM. MECHAN. TEILE COMMON MECHANICAL PARTS
H0560 Glimmerscheibe 21x11 mica washer 421-10881
H0561 Montageclip clamp clips 739-24452
H0594 Montageclip clamp clips 739-24452
H0611 Sicherungshalter fuse holder 730-20061
H0624 Feder spring 739-19049
H0626 Glimmerscheibe 21x11 mica washer 421-10881
H0663 Feder spring 739-19049
H0671 Sicherungshalter fuse holder 730-23036
H0672 Feder spring 739-19049
H0674 Feder spring 739-19049
H0676 Distanzstück spacer piece 503-85113.101
INTEGR. SCHALTUNGEN INTEGRATED CIRCUITS
I0010 L 78 S 10 CV integrated circuit 349-21961
I0474 TDA 2030 A integrated circuit 349-15866
I0484 TDA 2030 A integrated circuit 349-15866
I0561 TDA 8177 integrated circuit 349-26528
I0594 L165 STM (TDA2030AV) integrated circuit 349-22130
I0611 TDA 4605-3 integrated circuit 349-22113
I0666 TL 431 ACLP integrated circuit 349-19817.020
I0676 TL 431 ACLP integrated circuit 349-19817.020
I0691 L 78 S 10CV integrated circuit 349-21961.040
I0701 TDA9810T (SMD) integrated circuit 350-26632
BUCHSEN/FASSUNGEN SOCKETS
W0479 Lautspr. Buchse socket 323-20909
W0489 Lautspr. Buchse socket 323-20909

Basic Board ARTIKEL 86907.050-066
Pos.Nr. Bestell-Bezeichnung Description Bestell-Nummer
Item N°.List Part N°.
TRANSISTOREN TRANSISTORS
Q0010 2 SC 4542 transistor 346-25708
Q0496 2SC 3311 ATA transistor 346-20066.020
Q0498 2SC 3311 ATA transistor 346-20066.020
Q0526 2 SC 3944 RLB transistor 346-20796
Q0534 2 SC 4542 transistor 346-25708.050
Q0624 BUZ 91 A-E3162 transistor 346-22395
Q0663 BUZ 71AF1 transistor 346-18528
Q0674 BUZ 71AF1 transistor 346-18528
Q0681 2SA 1309 ATA transistor 346-20065.020
Q0682 BD 536 transistor 346-11458
Q5101 2 SD 965 RTA transistor 346-23.488.020
Q5102 2 SD 965 RTA transistor 346-23.488.020
DIODEN DIODES
D0206 MA 4300 TA diode 352-20287
D0474 1 N 4148 diode 352-31818
D0477 RGP 10 diode 352-18460
D0478 RGP 10 diode 352-18460
D0487 RGP 10 diode 352-18460
D0488 RGP 10 diode 352-18460
D0491 MA 167 TA5 diode 352-20682
D0526 1 N 4148 diode 352-31818
D0527 EU 02 V0 diode 352-20289
D0532 BA 157 diode 352-44799
D0539 ESC011M-15-F156 diode 352-23667
D0547 RU 2M diode 352-20685
D0557 RU 2M diode 352-20685

Basic Board ARTIKEL 86907.050-066
Pos.Nr. Bestell-Bezeichnung Description Bestell-Nummer
Item N°.List Part N°.
DIODEN DIODES
D0558 RU 2M diode 352-20685
D0561 BA 157 diode 352-44799
D0590 BA 157 diode 352-44799
D0613 B250 C3200/2200 rectifier 354-22394
D0622 1 N 4148 diode 352-31818
D0624 BYW 96-D diode 352-22712
D0630 1 N 4148 diode 352-31818
D0636 1 N 4148 diode 352-31818
D0651 BYW 96-D diode 352-22712
D0656 BY 398 diode 352-11109
D0661 BYW 98-100 C1 STM diode 352-20535
D0663 ZPD 12 diode 352-44202
D0671 MA 750 LT diode 352-20296
D0681 BA 157 diode 352-44799
D0686 BY 398 diode 352-11109
D0687 BY 398 diode 352-11109
D5104 MA 723 TA5 diode 352-23487
D5105 MA 723 TA5 diode 352-23487
D5107 BA 157 diode 352-44799
QUARZE/FILTER QUARTZES
X0501 4,0 MHz crystal oscillator 385-17297
POTENTIOMETER POTENTIOMETERS
P0633 Pot. 470R** potentiometer 375-18866.020 Var.50-59,62-66
P0633 Pot. 1K* potentiometer 375-22863.020 Var.50-59,62-66
P0711 Pot. 22K potentiometer 375-26624

Basic Board ARTIKEL 86907.050-066
Pos.Nr. Bestell-Bezeichnung Description Bestell-Nummer
Item N°.List Part N°.
SICHERUNGEN FUSES
F0611 Feinsich. T3,15A 250V 5X20 fuse 380-37669
F0656 Einlötsicherung T1,25A 250V fuse 380-17123.020
F0661 Einlötsich. T2,5A 250V 8X8 fuse 380-15825.020
F0671 Feinsich. T6,3A 250V 5X20 fuse 380-11199
F0681 Einlötsich. T0,63A 250V 8X8 fuse 380-13837.020
KONDENSATOREN CAPACITORS
C0465 100P/500V capacitor 357-20272.020
C0466 2200u/50V electrolytic capacitor 360-20251
C0468 2200u/50V electrolytic capacitor 360-20251
C0527 68N/160V capacitor 359-20644
C0528 680P/500V capacitor 357-21183.020
C0531 560N/250V capacitor 359-79036
C0534 1N2/1600V capacitor 359-24639 sh. Tabelle / see Table
C0534 820P/1600V capacitor 359-26529 sh. Tabelle / see Table
C0536 11N/1600V capacitor 359-24471 sh. Tabelle / see Table
C0536 9N1/1600V capacitor 359-26619 sh. Tabelle / see Table
C0536 4N7/1600V capacitor 359-26373 sh. Tabelle / see Table
C0537 10N/630V capacitor 359-26487 sh. Tabelle / see Table
C0537 22N/630V capacitor 359-26531 sh. Tabelle / see Table
C0537 25N/630V capacitor 359-27012 sh. Tabelle / see Table
C0538 600N/250V capacitor 359-24450 sh. Tabelle / see Table
C0538 470N/250V capacitor 359-25257 sh. Tabelle / see Table
C0538 520N/250V capacitor 359-25886 sh. Tabelle / see Table
C0541 600N/250V capacitor 359-24450
C0541 900N/160VAC capacitor 359-73806 sh. Tabelle / see Table
C0543 10U/350V electrolytic capacitor 360-25023.020
C0547 100P/500V capacitor 357-20272.020

Basic Board ARTIKEL 86907.050-066
Pos.Nr. Bestell-Bezeichnung Description Bestell-Nummer
Item N°.List Part N°.
KONDENSATOREN CAPACITORS
C0548 22U/250V electrolytic capacitor 360-20255
C0556 100P/500V capacitor 357-20272.020
C0557 100P/500V capacitor 357-20272.020
C0612 220N/275VAC capacitor 359-77769
C0613 150N/275VAC capacitor 359-11322
C0614 2N2/400VAC capacitor 357-14192
C0617 330N/400V capacitor 359-20280
C0618 330u/400V electrolytic capacitor 360-17500
C0619 100N/250VAC capacitor 359-23372
C0626 470P/1500V capacitor 359-18821
C0636 3N9/63V capacitor 359-14850.020
C0650 470P/1000V capacitor 357-23994.020
C0651 47U/250V electrolytic capacitor 360-22941
C0652 47U/250V electrolytic capacitor 360-22941
C0656 680P/500V capacitor 357-21183.020
C0656 470P/1000V capacitor 357-23994.020
C0672 4700U/25V electrolytic capacitor 360-21221
C0682 330P/500V capacitor 357-16875.020
WIDERSTÄNDE RESISTORS
B0087 3R3/0,25W resistor 366-77754
R0206 22K/2W resistor 368-20073
R0466 470R/3W resistor 367-20648
R0468 470R/3W resistor 367-20648
R0491 10R resistor 366-20353
R0521 3R3 resistor 366-20651
R0527 2K2 resistor 367-19161
R0528 2K2 resistor 367-19161

Basic Board ARTIKEL 86907.050-066
Pos.Nr. Bestell-Bezeichnung Description Bestell-Nummer
Item N°.List Part N°.
WIDERSTÄNDE RESISTORS
R0529 2K2 resistor 367-19161
R0530 2K2 resistor 367-19161
R0531 0R68/4W resistor 368-21294
R0532 3R9/4W resistor 368-15984 sh. Tabelle / see Table
R0532 3R9/4W resistor 368-15984 sh. Tabelle / see Table
R0532 0R68/4W resistor 368-21294
R0533 12R resistor 367-21330
R0541 1K5/1W resistor 367-20657
R0547 4R7/0,5W resistor 366-20364
R0548 1K8 resistor 367-20334
R0549 220K resistor 366-48759
R0549 150K resistor 367-10898
R0557 1R5/0,5W resistor 366-20386
R0558 1R5/0,5W resistor 366-20386
R0564 470R resistor 366-20661
R0565 40K2 resistor 367-26914
R0566 82K/0,4W resistor 367-10885
R0567 470R resistor 366-20661
R0568 1R5 resistor 366-20319
R0569 470R resistor 366-20661
R0574 0R82/4W resistor 368-11091 sh. Tabelle / see Table
R0574 1R2 resistor 368-20654 sh. Tabelle / see Table
R0574 0R56 resistor 368-21086 sh. Tabelle / see Table
R0574 1R2/2W resistor 368-27001 sh. Tabelle / see Table
R0578 82K/0,4W resistor 367-10885
R0579 40K2 resistor 367-26914
R0583 3K3 resistor 367-14897

Basic Board ARTIKEL 86907.050-066
Pos.Nr. Bestell-Bezeichnung Description Bestell-Nummer
Item N°.List Part N°.
WIDERSTÄNDE RESISTORS
R0584 8K2 resistor 367-20336
R0585 4K7 resistor 367-20346
R0586 4K7 resistor 367-20346
R0592 390K resistor 367-16791
R0593 1R5 resistor 366-20319
R0613 1R5/7W resistor 368-24602
R0619 18R resistor 372-16662 Var.65/66
R0619 DUO-PTC-Widerstand ptc resistor 372-73056
R0621 56K/1W resistor 367-22396
R0622 820K resistor 366-16437
R0625 680K/0,5W resistor 366-25713
R0626 56K/1W resistor 367-22396
R0628 39K/3W resistor 367-22403
R0629 47R resistor 366-23621
R0631 470R resistor 366-93028.018 P633**
R0631 1K resistor 366-93036.018 P633*
R0632 75R resistor 366-93009.018 P633**
R0632 150R resistor 366-93016.018 P633*
R0633 1K5 resistor 366-93040.018 P633**
R0633 3K3 resistor 366-93048.018 P633**
R0634 680K/0,5W resistor 366-25713
R0639 10M resistor 367-19664
R0668 18K resistor 367-18527
R0669 4K7 resistor 367-20346
R0677 10K resistor 367-20347
R0678 10K resistor 367-20347
R0681 3R3 resistor 366-20665

Basic Board ARTIKEL 86907.050-066
Pos.Nr. Bestell-Bezeichnung Description Bestell-Nummer
Item N°.List Part N°.
WIDERSTÄNDE RESISTORS
R0682 33R resistor 366-22944
R0683 470R resistor 366-20661
R0685 68R/3W resistor 367-22942
R0686 0R1 resistor 366-10905
R0687 0R1 resistor 366-10905
R0688 68R/3W resistor 367-22942
R0691 3R3 resistor 366-11790
R5104 2R2 J resistor 366-22233 Var.51
SMD-BAUTEILE SMD PARTS
D0101 BA 592 (SMD) diode 351-25810
D0105 BB 640 (SMD) diode 351-26568
D0107 BB 640 (SMD) diode 351-26568
D0110 BB 535 (SMD) diode 351-26570
D0113 BB 640 (SMD) diode 351-26568
D0116 BB 640 (SMD) diode 351-26568
D0117 BB 535 (SMD) diode 351-26570
D0203 BA 592 (SMD) diode 351-25810
D0206 BB 639 (SMD) diode 351-26571
D0208 BB 535 (SMD) diode 351-26570
D0211 BB 535 (SMD) diode 351-26570
D0212 BB 639 (SMD) diode 351-26571
D0215 BB 639 (SMD) diode 351-26571
D0302 BA 592 (SMD) diode 351-25810
D0304 BB 535 (SMD) diode 351-26570
D0309 BB 535 (SMD) diode 351-26570
D0314 BB 535 (SMD) diode 351-26570
D0418 BB 639 (SMD) diode 351-26571

Basic Board ARTIKEL 86907.050-066
Pos.Nr. Bestell-Bezeichnung Description Bestell-Nummer
Item N°.List Part N°.
SMD-BAUTEILE SMD PARTS
D0419 BB 535 (SMD) diode 351-26570
D0420 BB 640 (SMD) diode 351-26568
D0533 LS4148-GS08 diode 351-15015
D0534 LS4148-GS08 diode 351-15015
D0701 BAT 1805 diode 351-25268
D0716 BA 592 (SMD) diode 351-25810
D0801 BAT 1805 diode 351-25268
D0804 LS4148-GS08 diode 351-15015
D0808 BA 592 (SMD) diode 351-25810
D0811 BAT 1805 diode 351-25268
Q0101 BF 998 R (SMD) transistor 344-19451
Q0202 BF 998 R (SMD) transistor 344-19451
Q0303 BF 998 MO (SMD) transistor 344-17118
Q0520 BC 847 B (SMD) transistor 344-14974
Q0561 BC 847 B (SMD) transistor 344-14974
Q0701 BC 847 B (SMD) transistor 344-14974
Q0702 BC 847 B (SMD) transistor 344-14974
Q0751 BC 847 B (SMD) transistor 344-14974
Q0751 BC 847 B (SMD) transistor 344-14974
Q0801 BC 847 B (SMD) transistor 344-14974
Q0802 BC 847 B (SMD) transistor 344-14974
Q0806 BC 857 B (SMD) transistor 344-14979
Q0810 BC 847 B (SMD) transistor 344-14974
Q0811 BC 847 B (SMD) transistor 344-14974
Q0812 BC 847 B (SMD) transistor 344-14974
Q0826 BC 847 B (SMD) transistor 344-14974

0
1V/Div DC
100 ns/Div
0
2E1
1V/Div DC
10 us/Div
0
1V/Div DC
500 ns/Div
0
1V/Div DC
20 ns/Div
0
1V/Div DC
20 ns/Div
0
1V/Div DC
100 ns/Div
0
1V/Div DC
250 ns/Div
0
1V/Div DC
50 ns/Div
0
1V/Div DC
500 ns/Div
0
1V/Div DC
20 us/Div
0
1V/Div DC
10 us/Div
0
1V/Div DC
10 us/Div
0
1V/Div DC
5 us/Div
0
1V/Div DC
20 ns/Div
0
4G
1V/Div DC
1000 ns/Div
0
500mV/Div DC
20 ns/Div
0
1V/Div DC
50 ms/Div
0
1V/Div DC
50 us/Div
0
1V/Div DC
5 ms/Div
0
1V/Div DC
5 ms/Div
0
1V/Div DC
20 ns/Div
0
1V/Div DC
10 us/Div
0
500mV/Div DC
500 ns/Div
0
500mV/Div DC
20 us/Div
0
500mV/Div DC
20 us/Div
0
500mV/Div DC
10 us/Div
0
1V/Div DC
10 us/Div
0
2V/Div DC
10 us/Div
0
7E3
1V/Div DC
20 us/Div
0
1V/Div DC
10 us/Div
0
1V/Div DC
10 us/Div
0
1V/Div DC
20 us/Div
0
1V/Div DC
20 us/Div
0
1V/Div DC
2 us/Div
0
1V/Div DC
20 us/Div
0
1V/Div DC
50 us/Div
0
1V/Div DC
50 ms/Div
0
1V/Div DC
50 us/Div
0
1V/Div DC
20 ms/Div
0
1V/Div DC
10 us/Div
0
1V/Div DC
10 us/Div
2I 4I 7F1
3B1 4L 7F2
3B3 4M 7F3
3C1 4N 7F4
3C2 5C1 7O1
3D1 5C2 7O2
3D2 5C3 8H
3D3 5N 8I
3F 5O2 8N
3G 5O3 8P
3I 6M 9F
4D 7E1 9I
4F 7E2
1
1
2
2
3
3
4
4
5
5
6
6
7
7
8
8
9
9
A A
B B
C C
D D
E E
F F
G G
H H
I I
J J
K K
L L
M M
N N
O O
P P
Q Q
R R
S S
T T
U U
V V
W W
X X
Y Y
Z Z
U8
U10
U8S
U5SB
U5S U10A
U5
U10
U10
U5
U5SB
U10
Code-Teile-Nr.:
LOEWE.Benennung:
U5
U10
U12
U10
U10
U10
U10
1
2
3
4
5
9
10
11
12
13 14
15
16
17
18
22
23
24
25
26
1
2
3
4
5
6
7
8
9
10
11
12 13
14
15
16
17
18
19
20
21
22
23
24
1
2
3
4
5
6
7
8
9
10 11
12
13
14
15
16
17
18
19
20 1
2
3
4
5
6
7
8
9
10 11
12
13
14
15
16
17
18
19
20
1
2
3
4
5
6
7
8
9
10
11
12
13
14
15
16
17
18
19
20
21
22
23
24
25
26
27
28
29
30
31
32
33
34
35
36
37
38
39
40
41
42
43
44
45
46
47
48
49
50
51
52
53
54
55
56
57
58
59
60
61
62
63
64
65
66
67
68
1
2
3
IN OUT
GND
1
2
3
4
5
6
7
8
9
10
11
12
13
14
15
16
17
18
19
20
21
22
23
24
25
26
27
28
29
30
31
32
33
34
35
36
37
38
39
40
41
42
43
44
45
46
47
48
49
50
51
52
53
54
55
56
57
58
59
60
61
62
63
64
65
66
67
68
1
2
3
4
5
6
7
8
9
10
11
12
13
14
15
16
17
18
19
20
21
22
23
24
25
26
27
28
29
30
31
32
33
34
35
36
37
38
39
40
41
42
43
44
45
46
47
48
49
50
51
52
53
54
55
56
57
58
59
60
61
62
63
64
65
66
67
68
1
2
3
4
5
6
7
8
9
10
11
12
13
14
15
16
17
18
19
20
21
22
23
24
25
26
27
28
29
30
31
32
33
34
35
36
37
38
39
40
41
42
43
44
1
2
3
4
5
6
7
8
9
10
11
12
13
1415
16
17
18
19
20
21
22
23
24
25
26
27
281
2
3
4
5
6
7
8
9
10
11
12
13
1415
16
17
18
19
20
21
22
23
24
25
26
27
281
2
3
4
5
6
7
8
9
10
11
12
13
14
15
16
17
18
19
20
21
22
23
24
25
26
27
28
1
2
3
4
5
6
7
8
9
10
11
12
13
14
15
16
17
18
19
20
21
22
23
24
25
26
27
28
29
30
31
32
33
34
35
36
37
38
39
40
41
42
43
44
45
46
47
48
49
50
51
52
53
54
55
56
57
58
59
60
61
62
63
64
65
66
67
68
1
2
3INOUT
GND
1
2
3
4
5
6
7
8
9
10
11
12
13
14 15
16
17
18
19
20
21
22
23
24
25
26
27
28
1
2
3
4
5
6
7
8
9
10
11
12
13
14
15
16
17
18
19
20
21
22
23
24
25
26
27
28
29
30
31
32
33
34
35
36
37
38
39
40
41
42
43
44
1
2
3
4
5
6
7
8
9
10
11
12
13
14
15
16
17
18
19
20
21
22
23
24
25
26
27
28
29
30
31
32
33
34
35
36
37
38
39
40
41
42
43
44
1
2
3
4
5
6
7
8
9
10
11
12
13
14
15
16
17
18
19
20
21
22
23
24
25
26
27
28
29
30
31
32
33
34
35
36
37
38
39
40
41
42
43
44
45
46
47
48
49
50
51
52
53
54
55
56
57
58
59
60
61
62
63
64
65
66
67
68
12
3
1
2
3
4
5
6
7
8
9
10
11
12
13
14
15
16
17
18
19
20
21
22
23
24
25
26
27
28
29
30
31
32
1
2
3
45
6
7
8
1
2
3
4
5
6
7
8
9
10
11
1213
14
15
16
17
18
19
20
21
22
23
24
12345678910111213
12345678910111213
1
2
3
1
2
3
4
5
6
7
8
9
10
11
12
13
14
15
16
17
18
19
20
1
2
3
4
5
6
7
8
9
10
11
12
13
14
15
16
17
18
19
20
1
2
3
4
5
6
7
8
1
2
3
4
5
6
1
2
3
1
2
3
4
5
6
7
12345678910111213 12 3 4 5 6 7 8 910
12345678
U12
U12
U12
U12
U12
U12
U12
U12
U12
ONOFF
U8
GND-ZF
GND-ZF
C0
C0
U5
U5
U5
U5
U5
U5
U5
U5
U5
U5
U5
U5
U5
U5
U5
U5
U5
U5
U5
U5
U5
U5
U5
U5
U5
U5
U5
U5
U5
U5
U5
U5
U5
C3
C3
C1
C1
SCL3
C2
C2
C4
C4
C5
C5
U5SB
U5SB
U5SB
U5SB
U5SB
U5SB
C6
C6
C7
C7
L0
L0
L2
L2
L1
L1
L3
L3
U5S
L4
L4
L5
L5
L6
L6
L7
L7
U8A
U8A
U8A
U8A
YQ4
YQ4
YQ5
YQ5
AT9
AT9
YQ6
YQ6
YQ7
YQ7
YQ0
YQ0
YQ1
YQ1
YQ2
YQ2
YQ3
YQ3
YB0
YB0
YB1
YB1
YB2
YB2
YB3
YB3
YB4
YB4
YB5
YB5
YB6
YB6
YB7
YB7
UVQ4
UVQ4
UVB4
UVB4
UVQ5
UVQ5
AT0
AT0
AT1
AT1
AT2
AT2
UVQ6
UVQ6
AT3
AT3
UVQ7
UVQ7
AT4
AT4
/R
/R
UVB5
UVB5
AT5
AT5
SDA
SDA
UVB6
UVB6
AT6
AT6
UVB7
UVB7
AT7
AT7
Y4
Y4
Y6
Y6
TRAS
TRAS
Y5
Y5
Y7
Y7
TCAS
TCAS
TWE
TWE
Y0
Y0
TDATA
TDATA
Y2
Y2
Y1
Y1
Y3
Y3
UV4
UV4
UV5
UV5
UV6
UV6
UV7
UV7
SCA
SCA
SCA SCA
LL3X
LL3X
LL3X
LL3X LL3XLL3X
SAR
SAR SAR SAR
SAC
SAC SACSAC
WTN
WTN WTN WTN
REN
REN RENREN
SCAD
SCAD SCAD SCAD
RAN
RAN RAN
RBN
RBN RBNRBN
DA6
DA6
R
G
DA0
DA0
DA1
DA1
DA2
DA2
DA3
DA3
/RES
/RES
/RES
/RES
SCL1
DA4
DA4
DA5
DA5
SDA'
SCL2
VS2
VS2
AT8
AT8
HS2
HS2
2R
2R
2R
2B
2B
2B
2G
2G
2G
RCSW
U8S U8S
TA1
TA2
RSIG
SAT
SAT
VS
VS
2FB
2FB
2FB
A17
UEB
VBL
TA0
IIC1
A15
A15
A14
A14
A13
A13
A12 A12
A11
A11
A10
A10
A9 A9
A8
A8
A7
A7
A6
A6
A5
A5
A4
A4
A3
A3
A2
A2
DA7
DA7
A0
A0
A1
A1
Y+SYNC
CHROMA
CUTOFF
CUTOFF
A16
DEFL
AT10
SB
IR-OUT
U10A
U10A
U10A
U10A
U10A
U10A
HSYND2
CHR
FBAS
Ta0
Ta1
Ta2
RSIG
gruen
rot
AVON2
Geo2
Geo1
RSIG
AI1(L)
AI2(R)
A01(L)
A02(R)
R1
L1
FB
out Rout L
G
R
B
AV2
Video
L
R
SB-LED
SAT-LED
SB-LED
rot,redweiß,white
R-ger.
L-ger.
SMODE
SMODE
AV1
AVON1
AT10
BC847B
BC847B
BC857B
BC847B
BC847B
Scart2
SMode
IRS
27C010
UEB-TA4
S
TC511000
I796
100n
220p
220p
220p
220p
100n
47n
47n
47n
1n
47n
47n
100n
100p 100p
100p
10n
1n 1n
100p
100n
33n
33n
10n
100p
1n 1n
47p
10n
10n
56p
56p
10n
10n
100µ
47µ
47µ
470n
470n
47µ
47µ
47µ47µ
47µ
47µ
47µ
1µ
1µ
1µ
1µ
1µ
1µ
4µ7
47µ
47µ
47µ
4µ7
4µ7
4µ7
BC817
BC847B
BC847B
BC847B
BC857B
100R
100R
15k
15k
100R
100R
100R
100R
330R 330R
47k 47k
100R100R
1k5 1k5
100R
100R
47R
75R
75R
47R
75R
470R
47R
75R
75R
100R
100R
47R
47R
68R
R262
47R
10k
10k
75R
1k
68R
47R
47k
100R
100R
100R
100R
27R
27R
75R
470R
4k7
4k7
100R
47k1k
4k7 47k
100R
56k
4k7
1k
4k7
4k7
10k
10k
10k
4k7
4k7
4k7
4k7
22k
4k7
4k7
4k7
10k
10R
10R
10R
10k
100n
470p
10µ
1p 1p
100n
10µ
10µ
100n
10µ
470p
390p
1k
1n
KH
LS
SC2_O
SC1_O
SC1_I
100n
M
56p
100n
47µ
1n
1n
2k2
10k
47p
47k 100n
47µ
100n
75R
680n
10µ
10n
100n
100n
SDA9251
SDA9251
SDA9251
100n
100n
100n
100n
33p
100n
100n
100n
18p
100p
1u5
1u5
100p
18p
100p
47n
100p
100n
150R
100n
10k
100n
100n 100n
47n
47n
100p
100p
47n
47n
47n
100n
100µ
10µ
47µ
220n
220n
R
G
B
75R
75R
75R
100R
1k
220n
1µ
47p
FB
/ON
EW
HFLB
FP
10µ
LL4148
V-
V+
H
100R
10k 15k
BC857B LL4148
LL4148
100µ
470µ
10k 10k
47n
BC847B
10n
33p
100p
10µ
100n
10µ
47n
10n
10n
20MHz
20MHz
10µ
10n
100n
100µ
100R
SCL2
SCL2
R
10k
47R
68R
75R
BC847B
100n
1k
75R
TEA6415
100n
100µ
4k7
39k
100n
100n
100n
HPROT
IBEAM
EW
VD+
VD-
HD
27MHz
SCP
100n
100R
100R
1n
10n
1n
10p
UMute
VPROT
4µ7
4k7
3n3
100n
100p
3n3
3n3
3n3
10n
10n
100R
330R
100R
100R
100R
330R
47n
VFLB
1n
MUTE
2k2
47µ
10R
1n
10k
4µ7
4µ7
3µ3
47µBC857
BC857
100R
100R
100n
100n
BLN
27MHz
100µ
10µ
LL
LL
BLN
SDAH
10µ
VRT
10µ
100n
BLN
LL
C
V
100n
27MHz
BLK
FC
U
UGND
V
VGND
Y
YGND
10µ
10µ
100n
TDA4780
47n
U
V
Y
100R
560R
560R
560R
blank
BC847B BC847B
BC857B
47k
/RES
SCLH1
SDAH
SCLH1
SDAH
SCLH1
SCLH1 SDAH
SDAH
SCLH1
SDAH
SCLH2
SCLH1
SDAH
10R
10R
10R
SDAH
SCLH2
SCLH1
SCLH1
SDAH
4k7
1k
1k8
4n7
100n
100n
100R
100R
22n
22n
47R
47R
1k
220R
220R
1k
100R
100R
220k
47k
10R
100R
100R
220k
47k 10R
BC857
BC857
BC847
BC847
1n
47µ
22n
22n
1n
47µ
47µ
M
SIF Terr.
SIF SAT
56p
4µ7
56p
3µ3
470R
100p
Scart1
75R
75R
100R
100R
15k
15k
75R 75R
470n
470n
TDA8501
R
G
B
47n
47n
220n
220n
47n
22n
47µ
220n
47µ
1k
1k2
1k8
BC847
BC847
47µ
22n
1k2
22n
47n
SCL2
SDAH
SCLH1
SCL1
SCL1
SCL1
4µ7
10k
SDA'
SCL1
SDA'
SDA'
SCL1
SDA'
SCL1
4k7
SCLH2
SCLH1
SDAH
56p
10k
75R
BC847B
1k8
1k8
75R LL4148
100R
220k
56p
SCL3
18p
100n
SDA'
L
R
L
R
L
R
L
R
R
R
L
L
100n
390p
1n
1n
47µ100n 330n
4µ7
47µ
150R
150R
0R
150R
33R
120R
82k
R1555
*
150k
100p
120k
10n
0R
1n5
4µ7
10µ
1k8
SCLH2
1µ
1k
4n7
1k8
100n
4n7
SCL3
10n
BC847B
BC847B
680R
680R
680R
* = nicht bestueckt
LS-L
LS-R
SMute
sw
Service
L1
L2
L3
L4
L5
R1
R2
R3
R4
R5
chr.
Y+Syn.
S
18,4MHz
6,75MHz
470n
L7808
470n
470n
470n
470n
470n
470n
4,43MHz
78L08
BC857
BC847
BC847
47n
47n
470n 47µ
LL4148
BC857
15k
15k
75R
2k7
4k7
10k
56k
27k
10k
120k
150k
10k
220R
120k
150k
10k
100R
4µ7
12k
BC847
BC857
10µ
10µ
470n
470n
10µ
100R
1k
10µ
0R
10n
100p
10k
100n
100n
100n
100R
0R
BC857
BC847
2k7
1k5
0R
56p
1k5
BC817
470R
BC857
10k
1n
10k
6k8
470R
BC847B
47R
68R
1n
BC857
BC847B
68R
47R
10k
470R
6k8
10k
560R 560R
100n
47µ
75R
33k
10n
10k
47k
47k
47n
TEA6415
47n
47R
75R
0R
75R
10k
1k
47n 470p
1n
47R
75R 47k
47k
47k
47k
47k
47k
1n
47k
47k
470n
470n
15k
15k
100R
100R
L
R
Y
C
100R
100R 470n47µ
47µ
47n 18p
10k
270p
1µ5
3µ3
100p
100n 47n
LL4148
100p
100n
10n
10n
LL4148
100R
100n
100n
TEA6420
150R
10k
47R
68R
75R
BC847B
47n 47µ
10k
150R
150k
47k
10k
1k
C5V6
C5V6
C5V6
C4V7
SDA9360
1n
100R
470R
470R
82k
15k
22k
22k 1n
0R
0R
0R
0R
0R
270p
82R 82R
1M
470µ
C4V7
0R
0R
0R
22k
22k
4µ7
100n
56p
4p7
4p7
SC2_I
R
L
SC3_I
470R
0R
0R
10n 10n
100p
2k2
2k22k2
10R
0R
C5V6
47µ10n
10k
BC847B BC847B
470p 390R
10R
10k
BC847
LL4148
220p
10k
1n
100µ
1n5
10µ1n5
2k2
2k2
BC847B
220R
56R
18k
100R
LL4148
100R
100R
100R
1k2
22k
22k
1k
120k
bl
an SAT-Empfangseinheit
KH
CRT
10n
4µ7
1k
10k
100R
1n5
22k 22k
3k3 3k3
0R
0R
LL4148 LL4148
10µ
47µ
47µ
20,25MHz
RES
1n5
HUE
FP
BCL
VPROT
02
BLK
PIP-Modul
3µ3
3µ3
3µ3
18p
18p
18p 18p
4n7
sw
21,09MHz
5p6
5p6
10n
10n
10n
10n
100R
10R
10R
10R
10R
10R
10R
3B2
3B3
3C1
3C2
3D1
3D2
3D3
2E2
2E1
3F
3G
2I
3I
4F
4G
4D
5C1
5C2
5C3
7F1
7F2
7E1
7F3
7F4
7E2
7E3
7D
9F
9I
8I
8H
8N
8P
6M
5N
5O1
5O2
5O3
4L
4M
4N
10T
7O1
7O2
4I
2k2
A17
A16
10R
75R
33p
56p
2k7
100n
18p
100R
100R
1µ5
1µ5
270p
1n
330n
1µ
470p
10k
15p
1µ5
1k
68R
68R
68R 68R
68R
68R
100R
390p
390p
100R
3µ3
100R
33p
470p
47µ
10n
100R
3B1
C5V6
C5V6
C5V6
0R
68R
X24325P
33R
33R
33R
33R
33R
33R
33R
68R
3µ3
4µ7
4µ7
FBAS
33p
100n
100n
270p
1µ5
270p
2k2
1k
27k
27k
1k
22k
100k
10p
100R
100n
LL4148
390R
10k
UEB
330n
1k
47k
1k
4µ7
C20
LL4148
10µ
4µ7
47p
LL4148
C33
LL4148
100k
22n
100k
220k
100k
100k
BC847B
LL4148
LL4148
LL4148
LL4148
100n
100n BC847B
BC847B
100k
LL4148
27k
100p
1n
4n7
an,to,a,su
to SAT Receiver
su Predisposizione SAT
a Recepteur SAT
150p
470p
330p
C6V2
1k
100n
ge
33R 33R
4k7
2k2
1k
100n
10k
LL4148
LL4148
BC847B
1k
100p
6k8
3k3
33k
3k3
EXCELDR35V
33k
3k9
15k
C1651
L1651
D1671
R1671
R1673
R1674 R1684
C1674
R1676
R1641
C1662
X1661
C1661
L1668
R1668
R1679
R1683
D1677
R1677
D1678
R1672
D1672
C1652
C1644
C1646
C1643
C1647
C1653
R1691R1662
R1642
C1654
R1657
R1661
Q1666
R1678
R1686
R1687
R1689
R1688
R1669
C1683
C1672
C1686
C1741
C1689
C1669
C1688
C1726
L1726
C1677
I1641
an,to,a,su W0511 Basic-Board
R1462
D1624
D1623
L1641
C1641
C1642
C1658
R1659
C1659
R1698
R1697
R1696
L1521
C1521
C1522
C1523
I1521
L1561
C1562
R1639
R1566
C1566
D1639
D1638
R1638
C1636 R1634 C1621
R1631
R1622
D1622
D1634
C1638
C1601
C1602
R1604
D1602
D1603
C1567
R1617
C1617
R1764
R1763
R1762
C1764
C1762
C1763
C1568
C1604
R1596 C1608 C1607
R1586
C1591
C1561
C1613
C1611
C1581
C1571
R1576
C1609
W1601
R1605
C1605
R1607
Q1606
R1606
Q1567
R1568
R1567
R1563
R1564
R1613
R1612
R1611
I1561
R1651
R1653
C1612
an,to,a,su W3201 CRT-PCB
L1601
R1461
R1503R1502
R1464
R1501
C1519
R1519
C1556
R1554
R1556
C1546
R1544
R1546
C1543
L1543
C1544
C1472
X1471
C1471
L1466
C1467
C1476
R1476
C1477
C1466
C1463
C1464
R1463
R1467
R1468
R1471
R1472
R1469
C1469
C1461
L1461
R1466
C1493
L1491 C1492 C1506
C1504
I1491
I1486
C1487
C1488
L1486
C1503
C1528 L1508 C1509
C1514
L1514 C1508
R1523
C1553
L1553
C1517
R1517
R1551
C1552
C1554
R1541
L1513
R1516
L1512
C1511
C1542
L1533
R1531
C1532 C1533 C1534
R1534
C1505
C1512
C1513
C1502
C1453
C1451
R1456
R1452
R1451
R1536
C1536
C1899
R1899 R1851
I1941 C1943
R1947
R1948
R1946
C1941C1942
D1941
R1941
L1941
R1747
R1748
C1748
D1748
C1749
R1749
D1749
R1557
R1666
C1666 Q1667
R1751
Q1751
R1754
Q1756
C1754 R1752
R1665
R1667
C1665 R1819 R1817
Q1816
R1818
Q1818
R1816 Q1918
R1918
D1917
R1919
Q1917
R1916
R1917
R1908
R1907
Q1908
R1909
Q1911
R1822
R1821
R1828
R1826
R1827
Q1827
Q1824
Q1831
R1831
R1829
R1807
C1888
L1888
C1879
R1663R1664
Q1664
R1874
R1873
R1881
L1871
C1872
C1871
R1756
R1623
R1624
C1010
C1624
Q1626
R1626
D1628
I1871
R1876
R1808
Q1628
R1619 D1619
R1628
Q1619
R1618
C1619
C1618
D1616
C1616 D1618 R1616
R1744
L1796
C1796
C1797
R1773
R1772
R1743
C1743
R1742
D1409 D1408 L1408
L1526
C1409
C1408
C1411
C1407
L1406
R1413
C1482
L1481
C1483
I1481
R1412
C1372
C1406
L1451
C1452
C1454
C1904
C1903
L1903
C1902
L1902
C1901 C1389 R1389 R1388
D1391
C1378
R1378
C1373
R1373
C1374 C1379
an,to,a,su W0610 Basic-Board
D1382
Q1382
C1382
C1315
C1316
C1348
C1347
C1302
C1301
L1301
R1382
R1381
C1351
L1351
C1352
I1351
C1353
C1312
C1314
C1313 C1311 C1308
C1310
C1309
C1307
C1332
C1331
C1328
C1329
C1322
X1321
C1321
C1341
D1341
D1342
D1344
R1317
R1316
R1377
Q1377
C1377
R1372
Q1372
C1404
R1417
R1418
X1421
C1421
C1422 C1417
C1416
L1402
C1403
L1401
C1402
C1401
C1426
R1824 R1912 R1911
R1866
R1867
D1866
R1861
C1865
R1865R1864
Q1864
R1809
R1892
R1882
R1837
R1884
R1886
R1823 R1832
R1841
R1843
R1846
L1837
R1811
R1925
R1922
R1838
C1841
C1843
C1846
C1836
C1811
C1925
C1922
C1838
C1854
C1851
C1812
L1931
C1931
C1933
R1839
R1840
R1863
R1834
R1891
R1848
R1893
R1842
R1844
R1847
R1812
R1921
R1923
C1801C1802
L1801
R1849
C1849
R1858
C1858
C1857
R1857
I1856
C1856
C1855
D1783
R1722R1723
Q1723
R1729
C1729
D1724
R1724
D1726
C1727
D1774
R1775
C1775
C1779
C1774
R1793
R1792
R1796
R1798
R1797
L1771
L1774
R1411
C1786
C1784
C1782
C1781
C1772
C1771
C1424
C1433
C1423
C1427
R1728
Q1728
C1431
R1427
R1431 R1428
C1369
R1369
R1367
R1368
C1368
C1367
Q1297
Q1294
R1298
R1296
C1296
R1293
R1294
R1297
C1298
R1292
C1286 R1286
R1288
R1323
R1356 R1338
R1291
C1280
C1293
R1318
C1318
C1304
C1339
R1346
C1346
C1342
C1345
L1345
R1342
C1340
L1343
C1343
R1349
C1349
C1303
R1344
C1853
L1853
C1845
L1845
R1343
L1528
L1523
L1303
C1325
C1326
R1324
C1056
C1053
C1054
R1165
R1161
L1001
C1001
C1003
C1006
C1002
C1004 C1007
an,to,a,su W0211 Basic-Board
C1344
C1356
C1357
R1336
R1357
C1057
C1338
C1336
R1731 C1731
C1806
R1806 R1281
R1282
R1284
C1283 R1283
R1287
Q1284
Q1287
C1288
C1363 R1363
R1362
C1362
R1364
C1364
C1434
C1437 L1432
L1438 C1438
C1432
C1425
L1429
R1107
R1108
C1133
C1156
R1101
C1101
C1102
C1181
R1181
W1181
W1091
I1101
C1059 C1161
an W8403 Bedienteil
to W8403 Control unit
a W8403 Bloc de commande
su W8403 Unita di comando
L1779
C1429
R1781
L1781
R1171
R1172
R1176
R1174
Q1172
R1173
C1173
R1166 R1164
Q1166
R1168
R1167
C1182 C1180
R1180
R1169
R1271
C1162
R1232
C1232
R1229
R1230
R1252
C1251
R1254
R1253
C1227
R1227
R1226
R1201
C1201
C1202 C1205
R1008
C1008
C1009
R1279
R1276
R1273
Q1273
R1274
R1272 C1272
C1274
C1203
I1201
R1202
C1208
R1208
R1207
R1210
R1211 C1204
R1854 Q1856
R1856
C1887 C1885
L1887
L1885 L1889
C1889
L1995
C1986
R1987
C1985
L1987
R1985 C1990
C1987
R1989
C1988
C1989
L1988
R1990
R1986
D1991
C1982
Q1981
R1982
R1981
R1984 Q1983
R1983
C1977
R1976
C1976
C1975
C1241
L1241
R1242
C1242
R1243
R1263
R1261
Q1262
R1264
R1267
R1268
C1267
R1266
C1262
R1109
R1951
R1952
R1953
R1954
R1956
R1957
R1994
R1993
Q1993
D1992
C1981
L1981
C1995
C1980 X1980
R1977
R1974
R1978
I1971
C1973
R1972
C1966
C1967
C1968
C1972
C1971
C1974
L1971
L1968
L1967
L1966
C1816 C1826
R1815
R1825
R1231
C1212
R1212
R1204
R1203
R1103
R1128
C1104
C1103
R1120R1118
Q1117 R1119
Q1123
Q1126 C1129
R1129
R1127
R1126
R1125
R1124
R1123
R1117
R1116
R1111
R1112
R1099
R1098R1097
W1111
W1151 R1021
R1022
R1096
R1023
C1021
R1024
C1022
R1044 C1042
R1043
C1041
R1041
R1042
R1106
R1148
C1149
R1149
R1147
R1146
Q1146
R1143
R1144
R1142
Q1142
R1139
R1138
Q1137
R1137
C1111
C1151
R1152
R1141
C1106
C1107
an W8302 Bedienteil
a W8302 Bloc de commande
to W8302 Control unit
su W8302 Unita di comando
R1136
W1131
R1132
C1131
R1237
C1236
R1236
C1207 C1206
R1131
R1206
R1233
R1234
Q1231
C1231
R1222 Q1222
Q1221
R1221
D1221
D1222
C1036
R1036
C1037
R1037
R1032
R1034
C1032
R1033 C1031
R1082
C1082
R1084
R1086
R1031
R1081
R1092
Q1092
C1081
R1083
R1087
Q1091
R1091
Q1093
C1033
C1023
C1027
C1026
R1026
R1027
W1087 W1086
R1093
R1156
R1061
C1062
C1034
R1062
C1024 C1013 C1061
R1013
R1014
I1010
W1156
R1011
C1012
C1011
an W8001 Bedienteil
to W8001 Control unit
a W8001 Bloc de commande
su W8001 Unita di comando
BC847B
Q1822
Picture-
Display-
Memory-
Sync-
Central-
Control-Unit
SDA9220
TPU3040
SDA9290
Multistandard-
Controller
RAM
Sound-Processor
Processor
Processor
Deflection-
Processor-Unit
Video-
Processor
RAM
RAM
RAM
Switch
Video-
Matrix-
Video-
Matrix-
Switch
Audio-
Matrix-
Switch
PAL-Encoder
SDA9280
MSP3400 (050)
MSP3410 (051,NICAM)
Teletext-
Video Processor
Comb Filter
Controller
W1003
W1971
EPROM
VPC3210A
EAROM
CCU3000i
I1461
I1501
I1451
W1701
I1401
I1301
I1801
W1933
I1771
W1951
S-VHS
Signal
554/391-86906.050/051
Q4000
Signal-Board
Signal board
Platine signal
Piastra segnale
150497E
Schematic diagram Signal-Board 396-86906.050, 86906.051Schaltbild Signal-Board 396-86906.050, 86906.051
Oszillogramme
Oscillograms

I1010
I1201
I1801
L1774
L1796
L1801
R1001
R1103
R1106
W1003
W1087
W1701
W1951
W1971
W1131
C1012 C1013
C1021 C1026
C1027
C1031
C1032
C1036
C1037
C1041
C1053
C1054
C1056
C1057
C1061
C1062
C1081
C1082
C1101
C1103
C1106
C1111
C1131
C1156
C1161
C1181
C1201
C1206
C1378
C1784
C1797
I1797
1
1
1
1
1
weiß
rot
W1086
W1181W1151
Video
Audio
L1889
I1351
I1401
I1481
C1641
L1533L1543L1553
I1561
I1796
L1771
L1902
C1402
C1729
C1001
C1727
W1601
W1111
R1201
C1042
C1283
C1293
C1363 C1368
L1523
31
W1091
I1971
L1971
W1973
I1641
L1726
I1871
I1856
CBE
C1802
C1849
L1931
L1461
L1486
L1301
R1011
C1022
R1101
W1933
C1006
L1837
L1406
I1101
L1466
L1641
L1888
L1521
I1521
OGI
L1508
L1512
L1526
L1481
L1561
C1772
C1528
L1513
L1601
C1521
C1562
C1280
C1288 C1298
C1301
C1303
C1308 C1309
C1310
C1312
C1315
C1351
C1509
I1941
C1942
C1452
L1451
L1303
L1903
C1566
C1568
C1523
C1567
C1347
C1571
C1581
C1591
C1973
C1974
C1975
C1373
I1301
I1771
L1514
I1461
R1206
L1869
W1761
L1343
C1002
C1977
C1872
C1008
R1008
C1636
L1345
I1491 I1486
C1403
C1417
C1971
C1981
W1869
L1987
L1988
L1981
C1461
C1467
X1321
X1980
X1807
L1651
C1855
W1156
L1241
X1421
C1151 C1180
R1180
L1491
L1408
L1941
L1871
C1651
L1432
L995
L1968
L967
L966
L1781
L1779
L1758
L1018
L1438
I1501
C1407
C1409
L1528
B1001
L1668
B1002
X1661
X1471
I1451
C1353
L1351
C1431
L1401
C1988
L1887
Signal-Board 396-86906D
Bestückungsseite
Signal Board 396-86906D
Component side

D1027
D1026
R1013
R1014
R1099
R1098
R1097
R1021
R1022
R1023
R1024
R1026R1027 R1031
R1032
R1033
R1034
R1036 R1037
R1041
R1042
R1043
R1096
R1115
R1061
R1062
R1081
R1082
R1083
R1084R1086R1087 R1091
R1092R1093
R1107
R1108
R1112
R1113
R1114
R1116
R1117
R1118
R1119
R1125
R1131
R1132
R1136
R1137
R1139
R1151
R1152
R1156
R1161
R1164
R1165
R1166
R1168
R1169
R1171 R1172
R1173 R1174
R1176
R1181
R1183
R1184 R1186
R1207
R1208
R1212
R1221
R1222
R1231
R1232
R1233
R1234 R1236
R1237
R1243
R1251
R1252
R1261
R1262
R1263
R1264
R1266
R1267
R1268
R1271
R1272
R1273 R1274
R1276
R1279
R1282
R1283
R1284
R1286
R1287
R1288
R1291R1292
R1316
R1317
R1318
R1323
R1336
R1346
R1348
R1356
R1357
R1362R1363
R1367R1368
R1369
R1373
R1377
R1378
R1382
R1388
R1389
R1431
R1523
R1531
R1534
R1536
R1541
R1544
R1546
R1551
R1554
R1556
R1563
R1564
R1576
R1586
R1596 R1566
R1606
R1607
R1612
R1613
R1617
R1622
R1623
R1624
R1626
R1628
R1631R1634
R1636
R1639
R1651R1652
R1653R1654
R1656R1657
R1665
R1669
R1671
R1672
R1673
R1674
R1682
R1683
R1686
R1688
R1689
R1696
R1698
R1722
R1723
R1724
R1728
R1729
R1743
R1747
R1748
R1752
R1754R1756
R1762
R1764
R1773
R1792 R1793
R1796
R1797
R1798
R1807
R1808
R1811
R1812 R1817
R1818
R1819
R1821
R1822
R1823
R1824
R1826
R1827
R1828
R1829
R1831
R1832
R1833
R1835
R1837
R1838
R1840
R1841
R1842
R1843
R1844
R1846
R1847
R1848
R1849
R1857
R1858
R1863 R1864
R1865
R1876
R1881
R1882
R1884
R1886
R1893
R1897
R1898
R1899
R1906
R1907
R1908
R1911
R1912
R1916
R1917
R1918
R1919
R1921
R1922
R1923
R1925
R1951
R1952
R1953
R1954
R1956
R1974
R1976 R1977
R1979
R1981
R1982
R1983
R1984
C1003
C1011
C1208
C1114
C1023 C1024
C1033
C1034
C1853
C1271
C1059
C1102
C1104
C1162
C1173
C1202
C1204
C1207
C1212
C1232
C1236
C1241
C1242
C1251
C1262
C1267
C1304
C1307
C1311 C1313
C1314
C1316
C1318
C1321 C1322
C1326
C1328
C1329
C1331
C1332
C1336
C1341
C1342
C1344
C1345
C1348
C1352
C1356 C1357
C1362
C1369
C1372
C1377
C1371
C1389
C1401
C1406C1408
C1436
C1416
C1421C1422
C1427
C1432
C1433
C1451
C1454
C1462
C1472
C1476
C1487
C1502
C1503
C1504C1505
C1513
C1514
C1522
C1532
C1533
C1534
C1536
C1542
C1543
C1546
C1552
C1553
C1554
C1556
C1561
C1608
C1604
C1611
C1612
C1613
C1617
C1010
C1624
C1643
C1646
C1647
C1662
C1668
C1669
C1672
C1683
C1686
C1688
C1689
C1726
C1741
C1743
C1754
C1762
C1763
C1764
C1771
C1774
C1775
C1781
C1782
C1786
C1796
C1801C1811
C1812C1836
C1838
C1841
C1843
C1846
C1854
C1858
C1865
C1885
C1888
C1889
C1642
C1902
C1904
C1922
C1925
C1933
C1932
C1966
C1967
C1968
C1976
C1979
C1982
C1995
C1374
C1748
C1482
C1464
C1477
R1947
R1781 C1302
C1286
R1834
R1909
R1816
C1382
C1506
R1281
R1519
C1519
C1512
R1517
C1517
C1508
R1957
C1980
R1772
C1943
C1941
R1941
R1994R1948
R1946
R1381
C1346
R1324
C1349
C1364
C1343
C1338
R1815
R1806
C1845
C1816
C1806
C1483
R1298
R1297
R1296
R1294
R1293
C1296
D1036
D1037
D1043
D1044
D1081 D1082
D1111
D1116
D1132
D1136
D1212
D1221
D1222
D1232
D1251
D1382
D1391
D1623
D1624
D1628
D1671
D1672
D1724
D1726
D1742
D1743
D1748
D1783
D1917
D1941
C1320
C1411
C1469
C1658
C1659
C1699
D1634
R1411
R1555
R1659
D1622
R1763
D1603
C1603
R1676
R1691
C1424
C1423
C1661
R1349
C1325
R1896
R1894
R1809
R1836
R1699
R1044
C1274
C
B
E
Q1113
C
B
E
Q1091
C
B
E
Q1092
C
B
E
Q1093
C
B
E
Q1117
C
B
E
Q1137
CB
E
Q1166
CB
E
Q1183
CB
E
Q1221
C
B
E
Q1222
C
B
E
Q1231
C
B
E
Q1262
C
B
E
Q1273
C
B
E
Q1284
CB
E
Q1287
C
B
E
Q1294
C
B
E
Q1297
C
B
E
Q1372
C
B
E
Q1377
C
B
E
Q1382
C
B
E
Q1606
C
B
E
Q1626
CB
E
Q1628
C
B
E
Q1723
C
B
E
Q1728
CB
E
Q1751
CB
E
Q1756
CB
E
Q1816
C
B
E
Q1818
CB
E
Q1822
C
B
E
Q1824
CB
E
Q1827
C
B
E
Q1831
C
B
E
Q1839
C
B
E
Q1894
C
B
E
Q1898
C
B
E
Q1908
C
B
E
Q1911
C
B
E
Q1917
C
B
E
Q1918
CB
E
Q1981
CB
E
Q1983
CB
E
Q1993
C1109
C1115
C1129 C1149
C1203
C1205
C1227
C1272
C1638
C1652
C1653
C1654
C1779
C1985
C1989C1990L1979
C
B
E
Q1126
C
B
E
Q1142
C
B
E
Q1146
C
B
E
Q1567
CB
E
Q1869
R1978
R1109
R1120
R1123
R1124
R1126
R1127
R1128
R1129 R1143
R1144
R1147
R1148
R1149
R1202
R1416R1417
R1418
R1456R1457
R1851
R1852
R1866
R1867
R1868
R1869
C1009
R1697
C1674
C1434
C1453
R1993
R1989
R1567
D1797
D1796
R1973
R1972 C1972
C1644
C1426
R1428
R1342
C1339
R1254
R1227
R1229
R1230
R1253
R1204
R1211
R1138
R1146
R1142
R1141
C1107
Q1664
E
B
C
R1121
R1122
R1110
R1111
R1226
R1210
R1182
R1242
C
B
E
Q1123
C1606
C1602
C1607
C1609
L1885
R1604
C1758
C1319
C1731
C1340
C1901
R1839
R1568
C1492
R1372
C1379
C1518
C1601
C1931
C1004
C1007
C1903
C1182
C1167
C1425
C1826
C1471
R1476
R1461
R1462 C1466
C1460
R1638
R1427
C1231
C1404
C1621
C1463
C1871
C1857
C1856
C1851
D1866
R1856
Q1864
E
B
C
R1891
R1892
Q1856
E
BC
R1854
R1343
R1344
C1665
C1807
C1808
R1746
R1861
R1203
R1677
D1678
C1133
C1414
D1341
D1342
D1344
R1553 R1663
R1874
R1873
C1879
C1887
C1361
R1364
C1367
D1408
D1409
R1412 C1412
L1845
C1413
R1413
C1441
C1442
C1944
L1402
R1661
R1742
C1478
R1516
C1511
D1152
R1167
C1493
D1991
R1986
D1992
C1605
C1946
C1947
R1605
R1664
R1678
R1751
D1677
R1662
R1667
C
B
E
Q1667
R1666 R1557
R1684
R1679
C1677
R1670
C
B
E
Q1666
R1825
L1853
C1437 C1438
L1429
C1429
C1428
C1419
C1439
R1668
D1747
R1611
C1544
R1338
R1731
C1899
R1775
C1600
C1703
C1704
C1666
R1501
R1503
R1502
R1452
R1451
R1463
R1466
R1464
C1488
R1467
R1468
R1471
R1472
R1641
R1642
R1469
Q1172
E
B
C
R1744
D1602
KA
C1987R1985 C1986
R1987
R1990
C1749
D1749
R1749
D1774
R1774
C1616
C1619
D1616
D1618
D1619
CB
E
Q1619
R1616
R1618
R1619
R1687
R1741
C1618
Signal Board 396-86906D
Solder side
Signal-Board 396-86906D
Lötseite

GEHÄUSETEILE CABINET MOUNTING
H0000 Halter holder 602-20711
ALLGEM.MECHAN.TEILE COMMON MECHANICAL PARTS
H0000 Clamper cable support 530-21423
H1921 U-klammer clamp 739-20522
H1922 U-klammer clamp 739-20522
H1923 U-klammer clamp 739-20522
INTEGR.SCHALTUNGEN INTEGRATED CIRCUITS
I0010 L 7808 ACV STM integrated circuit 349-21780
I1010 TEA 6420 integrated circuit 349-25483
I1101 TEA 6415-A/B ODER C integrated circuit 349-19361
I1201 TEA 6415-A/B ODER C integrated circuit 349-19361
I1301 MSP 3400 C-PS-C6 integrated circuit 350-26631 Var.050
I1301 MSP 3410-15 SB integrated circuit 350-26371 Var.051
I1351 MC 78 L08 ACP integrated circuit 349-24725.020
I1401 VCP 3210A-PS-D4 SMD integrated circuit 350-26771
I1451 SDA 9290 SMD integrated circuit 350-26555
I1461 SDA 9220 SMD integrated circuit 350-26552
I1481 SDA 9251 SMD integrated circuit 350-26554
I1486 SDA 9251 SMD integrated circuit 350-26554
I1491 SDA 9251 SMD integrated circuit 350-26554
I1501 SDA 9280 SMD integrated circuit 350-26551
I1521 L 7808 ACV STM integrated circuit 349-21780.001
I1561 TDA 4780-V3 integrated circuit 349-25436
I1641 SDA 9360-B41 P-MQFP integrated circuit 350-26894
I1771 TPU 3040-20 SMD integrated circuit 350-25344
I1796 TC511000AJ-80 SMD integrated circuit 350-22653
I1801 CCU 3000I-04/05/07S integrated circuit 350-25738
I1856 MN 1280-T integrated circuit 349-24278
I1871 27C010 Q4000 - A2.1 integrated circuit 349-25888.301
I1971 TDA 8501-T SMD integrated circuit 350-24917
BUCHSEN/FASSUNGEN SOCKETS
H1871 IC-Fassung 32-pol. socket 320-22087
H1941 IC-Fassung 8-pol. socket 320-80503
W1086 Chinch-buchse Rt socket 323-20957
W1087 Chinch-buchse Ws socket 323-20959
W1111 Scartbuchse socket 323-19542
W1131 Scartbuchse socket 323-19542
QUARZE/FILTER QUARTZES
X1321 18,432 MHZ crystal oscillator 385-21042 Var.051
X1321 18,432 MHZ crystal oscillator 385-25502 Var.050
X1421 20,25MHZ crystal oscillator 385-26686
X1471 6,7500MHZ HC18 crystal oscillator 385-26559
X1980 4,433619 MHZ crystal oscillator 385-10292
SMD TEILE SMD PARTS
BC 817-25 SMD transistor 344-17765
BC 847 B SMD transistor 344-14974
BC 857 B SMD transistor 344-14979
LS4148-GS08 diode 351-15015
TZM C 4 V 7 SMD diode 351-18302
TZM C 5 V 6 SMD diode 351-16758
D1602 BZX 84 C6 V2 diode 351-26935
D1622 TZM C20 SMD diode 351-22138
D1623 TZM C33 diode 351-18312
SPEZIALTEILE SPECIAL PARTS
H1901 Rahmen/signal-board frame 549-85108.021
H1902 Rahmen Signal-board Ii frame 549-85276.001
H1911 Abschirmung Oberteil screening 509-85106.012
H1912 Abschirmung Unterteil screening 509-85107.012
H1913 Abstandshalter holder 602-85104.101
H1914 Abstandshalter holder 602-85104.101
H1916 Abstandshalter holder 602-85104.101
H1917 Abstandshalter holder 602-85104.101
H1918 Halter Signal-board holder 602-85103.102
H1919 Halter Signal-board holder 602-85103.102
Signal Board ARTIKEL 86906.050/051
Pos.Nr. Bestell-Bezeichnung Description Bestell-Nummer
Item N°. List Part N°.
Signal Board ARTIKEL 86906.050/051
Pos.Nr. Bestell-Bezeichnung Description Bestell-Nummer
Item N°. List Part N°.

D225
LL4148
AB CDEF GHI J K L MNOPQRST U
1
2
3
4
5
6
7
8
9
0
1
2
3
4
5
6
AB CDEF GHI J K L MNOPQRST U
1
2
3
4
5
6
7
8
9
0
1
2
3
4
5
6
U12A
U12
U5
U12
U12A
U12A
U12A
U5
U12A
U12A
U12
U12A
U5
U12
U12
U12A
U12
U12
U12
1
2
3
45
6
7
8
1
2
3
EA
GND
1
2
3
4
5
6
7
8
9
10
11
12
13
14
15
16
17
18
19
20
21
22
23
24
25
26
27
28
29
30
31
32
33
34
35
36
37
38
39
40
41
42
43
44
1
2
3
4
5
6
7
8
9
10 11
12
13
14
15
16
17
18
19
20
1
2
3
4
5
6
7
89
10
11
12
13
14
15
16
1
2
3
–
+
5
6
7-
+
89
10
-
+
4
11
12
13 14
+
–
1
23
1
23
1
23
567891011121314
LNC A
(LNC B)
U30
U5
SCL
SDA
ADR.sel.
AGC
KPI
CVBS BB.
A
1
2
3
4
5
6
7
8
1
2
3
4
5
6
1
2
3
4
5
6
7
8
1
2
3
4
5
1
2
3
4
5
SDA
SCL
1k
TL074
SDA
U5
U12
L512 L516 L519
C864
P871
L762
U33
Audio L
Audio R
FBAS
I850C
I850A
TL074
DiSEqC
U5
U12
SDA
U33
FBAS
SCL2
SCL3
SCL3
GND
GND
U29
U29
ULNC-off
ULNC-off
ULNC-out
ULNC-in
ULNC-in
L291
I260
LM317
1µ5
56p
C152
56p
C157
4n7
C202
100n
270p
C288
22n
C302
100n
C441
470p
C503
47n
C508
180p
C511
C513
C514
C517
C518
C521
C522
47n
C525
47n
C541
100n
C557
330n
C558
470p
C573
47n
C576
220n
C583
220n
C585 12p
C601
C763
1µ
C803
100n
C831
56p
C839
100p
C862
C114
C277
C294
4µ7
C528
C607
C694
10µ
C701
47µ
C847
C858
D1F60
D292
D1F60
D291
D1F60
D296
D1F60
D297
LL4148
D312
LL4148
D356
LL4148
D856
LL4148
D881
LL4148
D887 LL4148
D891
LL4148
D892
TZMB5V6
D211
TZMC3V0
D260
100R
R100
0R
R111
22k
R116
10k
R131
150R
R151
0R
R153
0R
R156
0R
R157
3R3
R203
2R2
R204
6k8
R212
150k
R213
56k
R214
100k
R216
6k8
R217
100R
R218
150k
R219
10k
R222
100k
R223
39k
R227
10R
R251
8k2
R254
1k
R257 1k
R258
R261
R262
10k
R263
1k8
R264
470R
R265
10k
R268 100k
R269
1k
R270
0R
R271
10k
R272
22k
R273
1k
R274
100k
R281
100k
R282
120k
R284
2k7
R286
6k8
R287
R289
10k
R293
6k8
R295
33k
R303
150k
R304
R311
4k7
R314
R318
1k2
R326
22k
R348
0R
R349 0R
R351
4k7
R353
0R
R356
ULNC
22k
R359
0R
R400
0R
R451 0R
R452 0R
R453
820R
R501
200R
R502
100R
R509
R523
1k
R524
1k
R527
220R
R542
2k2
R553
1k5
R559
560R
R561
10k
R572
R579
560R
R584
1k
R602
6k8
R606
1k5
R611
75R
R613
1k
R614
0R
R615
1k
R651 1k
R652
82k
R653
120k
R656
560k
R657
75R
R692
330R
R693
0R
R701
1k
1k8
R802
56k
R804
1k
R832
4M7
R833
0R
R835
3k3
R836 10R
R837
1k
R838
22k
R841
10k
R843
0R
R844
5k6
R846
1k8
R848
22R
R849
1k
R851
270k
R855
22k
R859 39k
R861
18k
R863
22k
R866
1k5
R872
6k8
R876
6k8
R877
22k
R878
1k
R882
1k8
R884
5k6
R888
22k
R893
18k
R894
D220
LL4148
BC847B
Q226
Q252
BC847B
Q559 BC847B
Q266
BC847B
Q263
BC847B
Q267
560R
R266
BC847B
Q271
BC847B
Q278
BC847B
Q277
BC847B
Q289
BC847B
Q327
BC847B
Q269
R354
4k7
R301
BC847B
Q306
BC847B
Q357
BC847B
Q317
0R
R341
L162
SF1216 IEC/HM
U110
L163
R346
0R 0R
R342
0R
R344
R581
0R
R358
100k
R702
0R
100k
R347
BC847B
Q346
0R
R154
R691
75R
R454
0R
I850B
TL074
R883
22k
R879
1k
R577
3k9
R259
10k
R256
1k
R442
10R
R441
0R
R439
470R
R438
330R
R436
330R
R431
330R
R419
680R
R417
150R
R416
680R
R414
470k
R413
150R
R410
470k
R403
6k8
K439 K436
4,0MHz
K402
C443
47n
C442
100n
C435
10n
C432
C431
47n
C427
C426
C424
C423
4n7 C422
10n
C421
C420
220n C419
4n7
C418
10n
4n7
C417
C416
220n
C415 C414
C413
4n7 C412
C411
C410
C409
C408
C406
1µ
C404
33n
22p
C401
K432
150R
R152
R654
330k
R873
3k9
D854
LL4148
100n
C896
BC847B
Q525
BC847B
Q561
BC857B
Q556
Q506
BC847B
R564
0R
R545
0R
C562 47n
C552 100n
C529
0R
R616
BC847B
Q571 BC857B
Q581
L544
R161
0R
BC847B
Q603
R604
470R
C609
10n
R608
10k
Q612
BC857B
Q801
BC857B
Q834
BC857B
Q842
BC847B
Q844
BC847B
Q846
BC847B
Q886
W201
W209
W183
DiSEqC
100µ
470µ
220µ
4µ7
22µ
2µ2
10µ
10µ
1µ
10µ
10µ
10µ
1µ
1µ1µ
10µ
100µ4µ7
10µ
220µ
47µH
47µH
47µH
5µH66µH88µH2
22µH
10.7MHz
180kHz
10.7MHz
280kHz
180kHz
10.52MHz
an,to,à,su
an,to,à,su
Signal-Board Basic-Board
an,to,à,sµ
Basic-Board an,to,à,sµ
SAT-Tµner 2
W181
Kennung
f. Fabrik
W650 W250
W1156
an,to,à,su
W201
TDA8442
I700
TDA6151-5X
I500
LM2903D
I230
R283
100k
TDA8745
I400
5k6
47k
100k
22k
Q294
BC847B
R299
100k
R278
R296
560
R260
120R120R
75R R280
R297
22k
560R
4k7
R279
R294
R277 R276
4k7
82p 39p 18p
330R
56p33p120p
W182
1k5
0R
R400
0R
4k7
1n
C295
47n
C543
R582
470R
R544
C544
10p
3k3
C751
12p
27p
R761
R857
BCXP69-25
BC857B
4k7
10n
C313
R316
10k
15R
1µ
C275 R288
100n
C261
C276
C221
47µ
10µ
C290
SAT-Tµner 2 W181
PIP-Tµner W2901
Benennung:
Datum:
IndexCode/Teile-Nr.: Schlüssel:
27.07.97
LOEWE.
SAT-Empfangseinheit V
U199D396-86898.050
SAT Receiver
U12A

2 - 17
254
257
256
218
223
754
544
542
502
559
863
861
857
859
872
838
843
846 657 653
876
878
877
578
894
614
604
691 692 693
841
836
833 832
873
848
804
293
553
D
891
161 615
453
545
100 116
I 500
I 850
761
131
217
287
258
227
212
C
C
C
C
E
E
E
1
5
4
8
B
B
B
Q559
C
E
B
Q269
Q226
C
E
B
Q525
Q886
C
E
B
Q846Q844
C
C
E
E
Q801
C
E
B
E
B
Q842
C
Q834
CE
B
Q612
Q603
C
CE
E
B
B
Q581
C
EB
B
B
Q571
C
E
B
Q561
C
E
B
Q556
C
E
B
C
B
E
Q506
Q252
I 230
C441
C202
C763
C
751
C
544
C543
C152
C511
C503
1
10
17
814
11
20
C862
C295 C831
C541
C
896
C
609
C573
C552
C557
C513
C562
C839
C576
C583
C585
C508
C
601
C525 D211
D225
282
452
156
157
701
352
451
154
153
151
152
346
344
616
523
524
651
561
888
579
882
613
D856
D881
D892
D854
D
887
883
879
656
844
802
835
866
564
554
884
572
577
584
582
602
606
608
855
849
893
611
111
837
654
851
501
509
652
527
269
284
283 213
214
216
281
353
273
351
C
C
E
B
E
B
Q289
C
C
C
C
C
C
C
C
C
C
E
E
E
E
E
E
E
E
EE
B
B
B
B
B
B
B
B
B
B
B
C
E
Q327
C157
C514
C518
C522
C517
C521
C288
D260
D220
D356
259
260
263
581
454
349
702
341
270
354
326
296
280
268
222
277
276
295
299
219
279
297
348
264
278
271
359
403
436
431
438
410
441
442
400
318
356
Q271
Q278
Q294
Q263
Q267
Q317
Q306
Q357
Q346
Q266
Q277
C313
C261
C276
C302
D296
D312
D297
D292
266
272
289
286
414
419
416
439
413
417
347
294
314
316
304
303
311
358
274
261
262
288
301
265
D291
C416
C442
C435
C413
C443
C417
C419
C418
C404
C401
C420
C423
C431
C422
Ltpl. SAT Empfangseinheit V 396-86898.050 (291-87006.050)
SAT Receiver V P.C.B.
Lötseite • Solder side
12
22
23
33 34
44
11
1
I 400

2 - 18
204
203
251
54321
1234 56 78
16 1514 13 12 11 10 9
W201
W209
L762
L756
C277
C290
C701
C694
C528 C858 P871 C847
C529
C294
C607 C114
C803
5
7
8
910
11
13
14
I 700
I 260
AE
C221
C864
C558
L744
L519
L512
L516
SF 1216/FHM
L163
L162
L759
SAT-Tuner
L291
87654 321
12345678
123456
12345
W182
C411
C415
C432
C426
C427
C424
C
414
C410
C409
C408
K402
K436
2
3
1
2
3
1
2
3
1
K439
K432
C406
C412
C421
W191
W181
Ltpl. SAT Empfangseinheit V 396-86898.050 (291-87006.050)
SAT Receiver V P.C.B.
Bestückungsseite • Components side

AB CDEF GHI J K L MNOPQRST U
1
2
3
4
5
6
7
8
9
0
1
2
3
4
5
6
AB CDEF GHI J K L MNOPQRST U
1
2
3
4
5
6
7
8
9
0
1
2
3
4
5
6
U12
U12
U12
U12A
U12A
U12
U12
U12A
U12A
U12A
U12
U12A
U12A
U12A
U12A
U5
U12
Benennung:
Datum:
IndexCode/Teile-Nr.: Schlüssel:
1
2
3
45
6
7
8
1
2
3
EA
GND
1
2
3
4
5
6
7
8
9
10 11
12
13
14
15
16
17
18
19
20
1
2
3
4
5
6
7
89
10
11
12
13
14
15
16
1
2
3
-
+
5
6
7-
+
89
10
-
+
4
11
12
13 14
+
-
567891011121314
LNC A
(LNC B)
U30
U5
SCL
SDA
ADR.sel.
AGC
KPI
CVBS BB.
A
1
2
3
4
5
SDA
SCL
1k
TL074
L512 L516 L519
C864
P871
L762
I850C
I850A
TL074
L291
I260
LM317
1µ5
56p
C152
56p
C157
100n
270pC288
22n
C302
470p
C503
47n
C508
180p
C511
C513
C514
C517
C518
C521
C522
47n
C525
47n
C541
100n
C557
330n
C558
470p
C573
47n
C576
220n
C583
220n
C585
12p
C601
C761
C763
C764
1µ
C803
100n
C831
56p
C839
100p
C862
C114
4µ7
C528
C607
C694
10µ
C701
47µ
C847
C858
LL4148
D312
LL4148
D356
LL4148
D856
LL4148
D881
LL4148
D887 LL4148
D891
LL4148
D892
TZMC3V0
D260
100R
R100
0R
R111
22k
R116
10k
R131
150R
R151
0R
R153
0R
R156
0R
R157
6k8
R217100R
R218
150k
R219
10k
R222
100k
R223
10R
R251
8k2
R254
1k
R257 1k
R258
R261
R262
10k
R263
1k8
R264
470R
R265
10k
R268 100k
R269
1k
R270
0R
R271
10k
R272
22k
R273
1k
R274
100k
R281
100k
R282
120k
R284
2k7
R286
6k8
R287
R289
6k8
R295
33k
R303
150k
R304
R311
4k7
R314
R318
1k2
R326
22k
R348
0R
R349 0R
R351
4k7
R353
0R
R356
22k
R359
820R
R501
200R
R502
100R
R509
R523
1k
R524
1k
R527
220R
R542
2k2
R553
1k5
R559
560R
R561
10k
R572
R579
560R
R584
1k
R602
6k8
R606
1k5
R611
75R
R613
1k
R614
0R
R615
1k
R651 1k
R652
82k
R653
120k
R656
560k
R657
75R
R692
330R
R693
0R
R701
1k
R754
68
R757
1k8
R802
56k
R804
1k
R832
4M7
R833
0R
R835
3k3
R836 10R
R837
1k
R838
22k
R841
10k
R843
0R
R844
5k6
R846
1k8
R848
22R
R849
1k
R851
270k
R855
22k
R859 39k
R861
18k
R863
22k
R866
1k5
R872
6k8
R876
6k8
R877
22k
R878
1k
R882
1k8
R884
5k6
R888
22k
R893 18k
R894
D220
D225
LL4148
LL4148
BC847B
Q226
Q252
BC847B
Q559
BC847B
Q266
BC847B
Q263
BC847B
Q267
560R
R266
BC847B
Q271
BC847B
Q278
BC847B
Q277
BC847B
Q289
BC847B
Q327
BC847B
Q269
R354
4k7
R301
BC847B
Q306
BC847B
Q357
BC847B
Q317
0R
R341
SF1216 IEC/HM
U110
R346
0R 0R
R342
0R
R344
R581
0R
R358
100k
R702
0R
100k
R347
BC847B
Q346
0R
R154
R691
75R
I850B
TL074
R883
22k
R879
1k
R577
3k9
R259
10k
R256
1k
BC847B
R753R752
150R
R152
R654
330k
R873
3k9
D854
LL4148
100n
C896
BC847B
Q525
BC847B
Q561
BC857B
Q556
Q506
BC847B
R564
0R
R545
0R
C562 47n
C552 100n
C529
0R
R616
BC847B
Q571 BC857B
Q581
L544
BC847B
Q603
R604
470R
C609
10n
R608
10k
Q612
BC857B
Q801
BC857B
Q834
BC857B
Q842
BC847B
Q844
BC847B
Q846
BC847B
Q886
220µ
4µ7
100µ4µ7
10µ
220µ
47µH
5µH66µH88µH2
22µH
Kennung
f. Fabrik
TDA8442
I700
TDA6151-5X
I500
LM2903D
I230
R283
100k
5k6
47k
100k
22k
Q294
BC847B
R299
100k
R278
R296
560
R260
120R120R75R R280
R297
22k
560R
4k7
R279
R294
R277 R276
4k7
82p 39p 18p
330R
56p33p120p
1k5
0R
4k7
1n
C295
47n
C543
R582
470R
R544
C544
10p
3k3
BC847B
Q754
0R
R762
270p
100p
47k47k
100R
Q752
R755
L756
4µH7
1n
C758
0µH47 390p
C759
L759
10n
C755 C751
12p
27p
1k
R759
R857
BCXP69-25
BC857B
4k7
10n
C313
R316
10k
15R
1µ
C275 R288
100n
C261
C276
C221
47µ
W650
W191
Basic-Board
an,to,à,su
ULNC-in
ULNC-out
ULNC-off
U29
GND
W201
R293
10k
R227
39k
R216
100k
R214
56k
R213
150k
R212
6k8
R204
2R2 R203
3R3
D297
D1F60
D296
D1F60
D211
TZMB5V6
470µ
C294
C290
10µ
C202
4n7
27.07.97
LOEWE.
SAT-Empfangseinheit V
U199D396-86898.051
SAT Receiver
U5
U12
1
2
3
4
5
6
7
8
SDA
U5
U12
U33
DiSEqC
FBAS
SIF
SCL2
SCL3
L162
L163
47µH
47µH
an,to,à,su
Basic-Board
W181
W250
1
2
3
an,to,à,su
Signal-Board
W186
W1181
1
2
3
an,to,à,su
Basic-Board
W188
W216
D1F60
D292
D1F60
D291
ULNC
U5
C277
0R
R451
0R
R452
0R
R453R454
0R
100µ

2 - 19
Ltpl. SAT Empfangseinheit V 396-86898.051 (291-87006.051)
SAT Receiver V P.C.B.
Lötseite • Solder side
254
257
256
218
223
754
755
544
542
757
502
559
863
861
857
859
872
838
843
846 657 653
876
878
877
578
894
614
604
691 692 693
841
836
833 832
873
848
804
293
553
D
891
345
615
453
545
100 116
I 500
I 850
761
759752
753 756
131
217
287
258
227
212
C
C
C
C
E
E
E
1
5
4
8
B
B
B
Q754
C
E
B
Q752
C
E
B
Q559
C
E
B
Q269
Q226
C
E
B
Q525
Q886
C
E
B
Q846Q844
C
C
E
E
Q801
C
E
B
E
B
Q842
C
Q834
CE
B
Q612
Q603
C
CE
E
B
B
Q581
C
EB
B
B
Q571
C
E
B
Q561
C
E
B
Q556
C
E
B
C
B
E
Q506
Q252
I 230
C764
C761
C202
C759
C758
C763
C755
C
751
C
544
C543
C152
C511
C503
1
10
17
814
11
20
C862
C295 C831
C541
C
896
C
609
C573
C552
C557
C513
C562
C839
C576
C583
C585
C508
C
601
C525 D211
D225
282
452
156
157
701
352
451
154
153
151
152
346
344
616
523
524
651
561
888
579
882
613
D856
D881
D892
D854
D
887
883
879
656
844
802
835
866
564
554
884
572
577
584
582
602
606
608
855
849
893
611
111
837
654
851
501
509
652
527
269
284
283 213
214
216
281
353
273
351
C
C
E
B
E
B
Q289
C
C
C
C
C
C
C
C
C
C
E
E
E
E
E
E
E
E
EE
B
B
B
B
B
B
B
B
B
B
B
C
E
Q327
C157
C514
C518
C522
C517
C521
C288
D260
D220
D356
259
260
263
581
454
349
702
341
270
354
326
296
280
268
222
277
276
295
299
219
279
297
348
264
278
271
359
318
356
Q271
Q278
Q294
Q263
Q267
Q317
Q306
Q357
Q346
Q266
Q277
C313
C261
C276
C302
D296
D312
D297
D292
266
272
289
286
347
294
314
316
304
303
311
358
274
261
262
288
301
265
D291

2 - 20
204
203
251
54321
123 123
1234 56 78
16 1514 13 12 11 10 9
W201
W186 W188
L762
L756
C277 C701
C694
C528 C858 P871 C847
C529
C294
C607 C114
C803
5
7
8
910
11
13
14
I 700
I 260
AE
C221
C864
C558
L744
L519
L512
L516
SF 1216/FHM
L163 L162
L759
SAT-Tuner
L291
87654321
C290
Ltpl. SAT Empfangseinheit V 396-86898.051 (291-87006.051)
SAT Receiver V P.C.B.
Bestückungsseite • Components side
W191
W181

3 - 29
SAT V - EINHEIT Artikel-Nr. 86898.050/51
Pos. Nr.Bestell-Bezeichnung Description Bestell-Nr. Var.
Item N
°
. List Part N
°
. Var.
BAUGRUPPEN UNITS
U 0110Sat-Tuner SF1216/FHM........................tuner..............................................260-26646
INTEGR.SCHALTUNGEN INTEGRATED CIRCUITS
I 0230 LM 2903 D SMD....................................integrated circuit............................350-21674
I 0400 TDA 8745 QFP44 SMD.........................integrated circuit............................350-26772 50
I 0700 TDA 8442..............................................integrated circuit............................349-21106
I 0850 TL 074 SMD..........................................integrated circuit............................350-21113
QUARZE/FILTER QUARTZES
K 04024,0 MHz R5...........................................crystal oscillator.............................385-20171 50
POTENTIOMETER POTENTIOMETERS
P 08711K..........................................................potentiometer................................375-18289
KONDENSATOREN CAPACITORS
C 08644U7 R 16V BP.......................................electrolyt capacitor.........................360-79039
WIDERSTÄNDE RESISTORS
R 02033R3 F 1 W.............................................resistor..........................................368-26773
R 02042R2 G 0414...........................................resistor..........................................367-24806
R 025110R K 4 W.............................................resistor..........................................368-15730
R 02911R J 0207..............................................resistor..........................................367-24709.020
SMD TEILE SMD PARTS
BC 847 B SMD......................................transistor........................................344-14974
BC 857 B SMD......................................transistor........................................344-14979
D1F60 SMD..........................................diode.............................................351-20547
LS4148-GS08.......................................diode.............................................351-15015
D 0211TZM B5 V6 SMD...................................diode.............................................351-22580
D 0260TZM C3V0 SMD....................................diode.............................................351-22085
Q 0252BCP 69-25 SMD....................................transistor........................................344-26738
SPEZIALTEILE SPECIAL PARTS
H 0000Abschirmung Sat Iv...............................screening.......................................509-86877.001
H 0000Kühlkörper 65,3x25x18mm....................heat sink........................................509-24351
H 0000Schraube...............................................screw.............................................432-24287
DUO-TAP-TITCM3,5x10 DIN 7500 ST
I 0030 Integr. Schaltung LM 317 STM..............integrated circuit............................349-18975
I 0500 Integr. Schaltung...................................integrated circuit............................350-23124
TDA 6151-5X SMD
NS Korrektur
Schaltplan
Layout
Ersatzteil Liste
Bildrohrplatine
Demontageanleitung
Tuner
Technisch Daten
Verdratungsplan
Schaltplan
Schaltplan
Layout
Layout
Ersatzteil Liste
Ersatzteil Liste
Lageplan
Bedienteil
Fernbedienung
Abgleich Anweisung
Optionbytes
Schaltplan
Schaltplan
Layout
Layout
Ersatzteil Liste
Ersatzteil Liste
Ersatzteil Liste
ENDE

12
Hinweis zum Schutz gegen Elektrostatik
1. Elektrostatisch gesicherte MOS-Arbeitsplätze.
Der Umgang mit gegen Elektrostatik empfindlichen Bautei-
len muß an einem elektrostatisch gesicherten MOS-Arbeits-
platz erfolgen.
Ein elektrostatisch gesicherter MOS-Arbeitsplatz erdet über
Entladungswiderstände sämtliche leitende Materialien ein-
schließlich der Person. Nichtleiter werden durch Luftionisation
entladen. Die Integration von Lötkolben und Meßgeräten in
den gesicherten MOS-Arbeitsplatz ist nur mit Trenntrafo in
jedem der verwendeten Geräte möglich. Die Meßgeräte-
Massen werden ebenfalls mit Entladungswiderständen ge-
erdet.
2. Gesicherte Verpackung durch leitfähige Materialien.
Zum Schutz gegen Elektrostatik werden elektrisch leitende
Kunststoffe für Verpackung und Transportmittel verwendet.
Leitende Kunststoffe gibt es als schwarze oder transparente
Schutzbeutel, Schaumstoff, Folien und als Behälter.
Empfindliche Bauteile dürfen nur am gesicherten MOS-Ar-
beitsplatz aus der Verpackung entfernt bzw. verpackt wer-
den.
Sicherheitsvorkehrungen
Allgemeine Richtlinien
1. Diese Geräte sind über einen Wandler-Trafo vom Netz ge-
trennt. Bei Service-Arbeiten an der Primärseite dieses Tra-
fos ist ein Trenntransformator erforderlich.
2. Bei der Durchführung von Servicearbeiten dürfen die ur-
sprünglichen Kabelanschlüsse nicht vertauscht werden. Dies
gilt insbesondere für die Anschlüsse im Hochspannungsteil.
Hat sich ein Kurzschluß ereignet, dann sind alle Teile, an
denen Spuren von Überhitzung sichtbar sind, auszuwech-
seln.
3. Da verschiedene Teile dieser Geräte Sicherheitsfunktionen
aufweisen nur Original-Hersteller-Ersatzteile verwenden.
Kritische Teile im Netzteil sollten nicht durch ähnliche Teile
anderer Hersteller ersetzt werden. Alle kritischen Teile sind
im Schaltbild und in der Platinendarstellung mit dem Symbol
!
gekennzeichnet.
4. Nach Beenden der Servicearbeiten ist sicher zustellen, daß
alle Sicherheitsvorrichtungen, wie Isolationsstege, Isolations-
papiere, Abschirmungen und Isolations R-C Glieder wieder
richtig eingesetzt sind.
5. Wenn der Fernseher während längerer Zeit nicht in Betrieb
gesetzt wird, sollte der Netzstecker aus der Netzsteckdose
gezogen werden.
6. Im Betrieb sind Spannungen bis zu 29,9kV in diesem Gerät
vorhanden. Die Inbetriebnahme des Fernsehers ohne auf-
gesetzte Rückwand bringt die Gefahr eines elektrischen
Schlages der Fernsehstromversorgung mit sich. Service-
arbeiten sollten daher auch nicht von Personen durchgeführt
werden, die nicht in vollem Umfang mit den Sicherheitsvor-
kehrungen beim Umgang mit Hochspannungsgeräten ver-
traut sind. Vor der Handhabung mit der Bildröhre ist die An-
ode der Bildröhre immer an dem Empfängerchassis zu ent-
laden.
7. Nach Beenden der Servicearbeiten sind die folgenden
Kriechstrom-Prüfungen durchzuführen, um den Kunden vor
der Gefahr eines elektrischen Schlages zu schützen.
Safety Precautions
General Guide Lines
1. These television sets are isolated from the electric power
mains by the power transformer. An additional isolation trans-
former is necessary for servicing work on the primary side of
the power transformer.
2. When servicing, observe the original lead dress in the high
voltage circuits. If a short circuit is found, replace all parts
which have been overheated or damaged by the short cir-
cuit.
3. Since many parts in the unit have special safely related char-
acteristics, always use genuine producer replacement parts.
Especially critical parts in the power circuit block should not
be replaced with other makers. Critical parts marked with
!
in the circuit diagram and printed wiring board.
4. After servicing, see that all the protective devices such as
insulation barriers, insulation papers, shields and isolation
R-C combinations are correctly installed.
5. When the receiver is not being used for a long period of time,
unplug the power cord from the AC outlet.
6. Potentials as high as 29.9kV are present when this receiver
is in operation. Operation of the receiver without the rear cover
involves the danger of a shock hazard from the receiver power
supply. Servicing should not be attempted by anyone who is
not familiar with the precautions necessary when working on
high voltage equipment. Always discharge the anode of the
picture tube to the chassis before handling the tube.
7. After servicing make the following leakage current checks to
prevent the customer from being exposed to shock hazards.
Note on electrostatic shielding
1. Electrostatically shielded MOS workstations
Components sensitive to electrostatic discharge must be
handled at workstation with electrostatic shielding. An elec-
trostatically shielded MOS workstation is fitted with discharge
resistor which earth all conductive materials, including the
technician working there. Dielectrics are discharged by air
ionisation. The use of soldering irons and measuring equip-
ment at shielded workstation is only possible in conjunction
with isolating transformer in each of the devices used. Meas-
uring equipment chassis are also earthed with discharge re-
sistors.
2. Shielded packaging using conductive materials
To protect against electrostatic charges, electrically conduc-
tive plastics are used for packaging and transport purposes.
Conductive plastics are available in the form of transparent
protective bags, foam plastic, film sheeting or containers.
Sensitive components requiring the use of protective pack-
aging must only be packed and unpacked at shielded
workstations.

13
Norme di sicurezza
Direttive generali
1. Questi apparecchi sono separati dalla rete tramite il trasfor-
matore corvertitore. Per i lavori di manutenzione alla parte
primaria di questo trasformatore occorre un trasformatore di
separazione.
2. Per l’esecuzione di lavori di servizio fare attenzione a non
scambiare i cablaggi, specialmente quelli della parte ad alta
tensione. In caso di cortocircuito sostituire tutti i componenti
con tracce di surriscaldamento.
3. Siccome diverse componenti di questo apparecchio hanno
funzioni di sicurezza, usare solo pezzi di ricambio originali
del fabbricante. Componenti critici dell’alimentatore non do-
vrebbero venire sostituite con componenti analoghe di altri
fabbricanti. Tutte le parti critiche sono evidenziare nello sche-
ma e nel diagramma dei circuiti stampati con il simbolo
!
.
4. Al termine dei lavori di servizio controllare che tutti i dispositivi
di sicurezza come listelli isolanti, carte isolanti, schermaggi
e gruppi RC di isolamento siano rimontati in modo giusto.
5. Staccare la spina dalla presa di rete se il televisore resta
spento per lungo tempo.
6. Durante il funzionamento, nell’apparecchio si generano ten-
sioni fino a 29,9kV. L’accensione del televisore senza il pan-
nello posteriore presenta il rischio di una scossa elettrica at-
traverso il sistema di alimentazione corrente. I lavori di servi-
zio non devono perciò essere eseguiti da persone che non
conoscono alla perfezione le norme di sicurezza per lavori
su apparecchi ad alta tensione. Prima di toccare il cinesco-
pio scaricare l‘anodo mettendolo a contatto con il telaio del
ricevitore.
7. Alla fine dei lavori di servizio eseguire le seguenti prove di
corrente parassita per evitare che l’utente sia esposto a sca-
riche elettriche.
Nota per la protezione da scariche elettrosta-
tiche
1. Posti di lavoro MOS protetti elettrostaticamente
La manipolazione di componenti sensibili alle scariche elet-
trostatiche deve essere eseguita a posti di lavoro MOS pro-
tetti da queste scariche. Un posto di lavoro MOS protetto
dalle scariche elettrostatiche convoglia a terra tutti i materiali
conduttori compresa la persona mediante resistenze di sca-
rica. Gli isolatori vengono scaricati mediante ionizzazione
dell'aria. L'integrazione di saldatoi e apparecchi di misura nel
posto di lavoro MOS protetto é possibile solo attraverso tra-
sformatori di separazione in ogni apparecchio usato. Anche
le massa degli apparecchi di misura vengono scaricate a ter-
ra mediante resistente di scarica.
2. Imballaggio protetto mediante materiali conduttori
Per proteggere le componenti dalle scariche elettrostatiche
vengono usati degli imballaggi e dei mezzi di trasporto di
materiale sintetico conduttore. Esistono imballaggi di mate-
riale sintetico conduttore sottoforma di sacchetti di protezio-
ne trasparenti o neri, materiale schiumoso, fogli e
contenitori.Componenti sensibili devono essere tolti, risp.
messi negli imballaggi di materiale conduttore solo in un po-
sto di lavoro MOS protetto.
Recommandations pour la protection con tre
les charges électrostatiques
1. Postes de travail MOS protégés électrostatiquement
La manipulation de composants sensibles aux charges
électrostatiques doit impérativement se faire a un poste de
travail MOS protégé électrostatiquement. Un tel poste de
travail MOS protégé électrostatiquement met tous les
matéraux conducteurs à la masse par l’intermédiaire de ré-
sistances de décharge, y compris la personne qui y travaille.
Les nonconducteurs sont déchargés par ionisation de l'air.
L'intégration de fers 3 souder et d'appareils de mesure dans
le poste de travail MOS protégé électrostatiquement n'est
admissible que par l’intermédiaire de transformateurs de sé-
paration intégrés à chacun des appareils. Les terres des ap-
pareils de mesure sont également mises 3 la masse par l'in-
termédiaire de résistance de décharge.
2. Emballages de sécurité faits de matériaux conducteurs
Pou les protéger contre les charges électrostatiques, les com-
posants sensibles sont emballes et transportes dans des
matières plastiques conductrices d’électricité. Les matières
plastiques conductrises existent en tant que sachets de pro-
tection noirs ou transparents, mousses, feuilles et aussi en
tant que conteneurs. Les composants sensibles ne doivent
être sortis de leu emballage conducteur ou y être emballes
qu'au poste de travail MOS électrostatiquement protégé.
Consignes de sécurité
Généralités
1. Ces appareils sont séparés du secteur par un transforma-
teur-convertisseur. Pour les travaux d'entretien côté primaire
de ce transformateur, un transformateur de séparation est
nécessaire.
2. Pendant les travaux d’entretien, les raccords de câbles ini-
tiaux ne doivent pas être intervertis. Ceci s'applique en parti-
culier aux raccords dans la partie haute tension. En cas de
court-circuit, toutes les pièces portant des traces visibles de
surchauffe doivent être remplacées.
3. Comme diverses pièces de ces appareils ont des fonctions
de sécurité, n’utiliser que des pièces de rechange d’origine.
Les pièces critiques dans le bloc d'alimentation secteur ne
doivent pas être remplacées par des pièces d’autres cons-
tructeurs. Dans le schéma des connexions et sur la figure
illustrant la carte, toutes les pièces critiques portent le
symbole
!
.
4. A la fin des travaux d’entretien, s’assurer que tous les dispo-
sitifs de sécurité tels que les baguettes et papiers isolants,
les écrans et les éléments d'isolation R-C sont bien remis en
place.
5. Quand le téléviseur reste longtemps inutilisé, débrancher le
connecteur de a prise secteur.
6. En service, des tensions allant jusqu’à 20,9 kV sont en pré-
sence dans l’appareil. La mise en service du téléviseur sans
le cache arrière entraîne un risque de choc électrique dans
l’alimentation en courant du téléviseur. Les travaux d’entre-
tien ne doivent pour cette raison pas être exécutés par les
personnes non entièrement informées des consignes de sé-
curité et non familiarisées avec les appareils haute tension.
Avant de toucher aux tubes images, leur anode doit toujours
être déchargée sur le châssis du récepteur.
7. Une fois les travaux d’entretien achevés, réaliser les tests de
courant de fuite pour protéger le client contre les dangers
d’un éventuel choc électrique.

14
Messung des Isolationswiderstandes im
abgeschalteten Zustand
1. Den Netzstecker aus der Netzsteckdose ziehen und die bei-
den Steckerstifte kurzschließen.
2. Den Geräteschalter des Fernsehgerätes einschalten.
3. Mit einem Ohmmeter den Widerstandswert zwischen dem
überbrückten Netzkabelstecker und jedem zugänglichen
Metallteil am Gehäuse des Fernsehgerätes, wie Schrauben-
köpfe, Antennen, Achsen der Regler, Griffassungen usw.
messen. Wenn ein zugängliches Metallteil eine Rückleitung
zum Chassis hat, sollte die Anzeige zwischen 4MΩ und 20MΩ
betragen. Wenn ein zugängliches Metallteil keine Rückleitung
zum Chassis hat, muß die Anzeige unendlich betragen.
Messung des Kriechstromes im eingeschalte-
ten Zustand
1. Den Netzstecker direkt in eine Netzsteckdose stecken. Für
diese Messung keinen Trenntransformator verwenden.
2. Einen 2kΩ/10W-Widerstand in Serie mit einem von außen
zugänglichen Metallteil am Fernsehgerät und einer guten
Erdung, z.B. Wasserleitung, anschließen (Abb.1a).
3. Ein Wechselstrom-Voltmeter mit einem Eingangswiderstand
von 1000 Ω/Volt oder größer verwenden, um die Spannung
über dem Widerstand zu messen.
4. Jedes zugängliche Metallteil prüfen, und an jedem Punkt die
Spannung messen.
5. Den Netzstecker umgekehrt in die Steckdose stecken und
jede der obigen Messungen wiederholen.
6. Die Spannung darf an keinem der Punkte 1,4Veff. überschrei-
ten. Wird dieser Wert nicht eingehalten, besteht die Gefahr
eines elektrischen Schlages, und das Fernsehgerät sollte
daher repariert und nachgeprüft werden, bevor es an den
Kunden zurückgegeben wird.
Achtung, Röntgenstrahlung!
1. Potentielle Quellen von Röntgenstrahlung in Fernsehgerä-
ten sind das Hochspannungsteil und die Bildröhre.
2. Bei Verwendung eines Bildröhren-Prüfgerätes für den Ser-
vice ist sicherzustellen, daß es für die Belastung von 31,0kV
geeignet ist, ohne daß eine Röntgenstrahlung verursacht wird.
Messung der Hochspannung
1. Helligkeit auf Minimum stellen.
2. Die Hochspannung messen. Die Anzeige des Instrumentes
sollte 29,0kV ± 0,7kV betragen. Falls die Anzeige diese Tole-
ranzgrenzen überschreitet, ist die sofortige Behebung nötig,
um die Möglichkeit vorzeitigen Komponentenausfalls zu ver-
hüten.
3. Um die Möglichkeit von Röntgenstrahlung zu begrenzen, ist
es wichtig, daß nur die vorgeschriebene Bildröhre verwen-
det wird.
Anmerkung: Es ist wichtig, daß ein präzises, regelmäßig ge-
prüftes Voltmeter verwendet wird.
Leakage current cold check
1. Unplug the AC cord and connect a jumper between the two
prongs of the plug.
2. Turn on the receiver's power switch.
3. Measure the resistance value with an ohmmeter, between
the jumpered AC plug and each exposed metallic cabinet part
on the receiver, such as screw heads, aerials, connectors,
control shafts etc. When the exposed metallic part has a re-
turn path to the chassis the reading should be between 4MΩ
and 20MΩ. When the exposed metal does not have are turn
path to the chassis the reading must be infinite.
Leakage current hot check
1. Plug the AC cord directly into the AC outlet. Do not use an
isolation transformer for this check.
2. Connect a 2kΩ/10W resistor in series with an exposed me-
tallic part on the receiver and an earth such as a water pipe
(fig.1a).
3. Use an AC voltmeter with high impedance to measure the
potential across the resistor.
4. Check each exposed Metallic part and check the voltage at
each point.
5. Reverse the AC plug at the outlet and repeat each of the
above measurements.
6. The potential at any point should not exceed 1.4Vrms. In case
a measurement is outside the limits specified, there is a pos-
sibility of a shock hazard, and the receiver should be repaired
and rechecked before it is returned to the customer.
An zugängliche
Metallteile des
TV-Gerätes
To instrument’s
exposed
metallic parts
Schaltungsaufbau für Prüfung im eingeschalteten Zustand
Hot check circuit
Wechselstrom-Voltmeter
A.C. Voltmeter
Wasserleitung
(Erdung)
2k Ohm 10W Water Pipe
(Earth)
Abb.1a Messung des Kriechstromes
Fig.1a Leakage current hot check
X-Radiation warning
1. The potential sources of X-Radiation in TV sets are the high
voltage section and the picture tube.
2. When using a picture tube test jig for service ensure that the
jig is capable of handling 31.0kV without causing X-Radia-
tion.
Measuring high voltage
1. Set the brightness to minimum.
2. Measure the high voltage. The meter should indicate 29.0kV
± 0.7kV if the meter indication is out of tolerance, immediate
service and correction is required to prevent the possibility of
premature component failure.
3. To prevent any X-Radiation possibility, it is essential to use
the specified tube.
NOTE: It is important to use an accurate periodically cali-
brated high voltage meter

15
Misurazione della resistenza di isolamento
ad apparecchio spento
1. Estrarre la spina dalla presa di rete e cortocircuitare i due
spinotti.
2. Commutare in posizione di accensione l’interruttore princi-
pale del televisore.
3. Misurare la resistenza fra la spina cortocircuitata e ogni par-
te metallica accessibile del televisore come teste delle viti,
antenne, alberini dei regolatori, incastonature delle manopo-
le, ecc. Se una parte metallica accessibile è collegata con un
cavo al telaio, lo strumento deve indicare da 4MΩ a 20MΩ.
Se una parte metallica accessibile non è collegata al telaio,
lo strumento deve indicare valore infinito.
Misurazione delle correnti parassite ad
apparecchio acceso
1. Inserire la spina direttamente in una presa di corrente, senza
usare un trasformatore di separazione.
2. Montare in serie una resistenza di 2kΩ/10Watt fra una parte
metallica accessibile all’esterno del televisore e un buon con-
tatto di terra, p.es. tubazione dell’acqua (fig.1b).
3. Usare un voltometro per corrente alternata con una resisten-
za di ingresso di 1000Ω/Volt o più per misurare la tensione
sulla resistenza.
4. Controllare ogni parte metallica accessibile e misurare la ten-
sione in ogni punto.
5. Estrarre la spina dalla presa di corrente e riinserirla con gli
spinotti invertiti. Ripetere tutte le misurazioni precedenti.
6. La tensione non deve superare in nessun punto 1,4Veff. In
caso contrario sussiste il pericolo di scossa elettrica: control-
lare e riparare il televisore prima di restituirlo al cliente.
Pièses métalli-
ques accesibeles
du téléviseur
Verso parti
accessibili
dell’apparecchio
Configuration du circuit pour le contrôle une fois
l’appareil en service
Schema di prova sotto tensione
Voltmètre C.A.
Voltometro CA
Tuyauterie
d’eau
(mise à
la terre)
2 kohms 10W
Tubazione
dell’acqua
(terra)
Fig.1b Mesure du courant de fuite
Fig.1b Misurazione delle correnti parassite
Attenzione, Raggi X!
1. La parte ad alta tensione e il cinescopio sono generatori po-
tenziali di raggi X.
2. Per l’uso di un apparecchio di prova del cinescopio si deve
garantire che esso sia idoneo per un carico di 31,0kV, senza
generare raggi X.
Misurare l’alta tensione
1. Portare al minimo la luminosità.
2. Misurare l’alta tensione. Lo strumento dovrebbe indicare
29,0kV ± 0,7kV. Se l’indicazione supera questi limiti di tolle-
ranza, eliminare immediatamente il difetto per non danneg-
giare altri componenti.
3. Per limitare la generazione di raggi X, è importante che ven-
ga usato esclusivamente il cinescopio previsto.
Nota: E’ importante usare un voltometro preciso, regolarmen-
te tarato.
Mesure de la résistance d’isolement quand
l’appareil est arrêté
1. Débrancher le connecteur de la prise secteur et court-circuiter
les deux broches du connecteur.
2. Actionner l’interrupteur du téléviseur.
3. Avec un ohmmètre, mesurer la résistance entre le connecteur
de câble secteur ponte et chaque pièce métallique accessi-
ble du téléviseur, tels que les têtes de vis, les antennes, les
axes du régulateur, les poignées, etc. Quand une pièce mé-
tallique accessible possède une ligne de retour au châssis,
I’affichage doit indiquer entre 4MΩ et 20MΩ. Dans le cas
contraire, I’affichage doit indiquer l’infini.
Mesure du courant de fuite quand l’appareil
est en service
1. Brancher le connecteur directement à une prise secteur. Pour
cette mesure, ne pas utiliser de transformateur de sépara-
tion.
2. Raccorder une résistance 2kΩ/10W en série à une pièce
métallique accessible de l’extérieur du téléviseur et réaliser
une mise à la terre appropriée, p. ex. tuyauterie d’eau (fig.1b).
3. Utiliser un voltmètre a courant alternatif avec une résistance
d’entrée de 1000 Ω/volt ou plus pour mesurer la tension par
la résistance.
4. Tester chaque pièce métallique accessible et mesurer la ten-
sion àchaque point.
5. Brancher le connecteur de façon inversée dans la prise et
répéter toutes les mesures précédentes.
6. A aucun des points, la tension ne doit dépasser 1,4Veff. Si
cette valeur n’est pas observée, un danger de choc électri-
que existe et le téléviseur doit être réparé et contrôlé avant
de le rendre au client.
Attention, Rayons X!
1. La partie haute tension et le tube image sont des sources
potentielles d’émission de rayons X dans les téléviseurs.
2. Quand on utilise un instrument de test des tubes images pour
l’entretien, s’assurer qu’il peut supporter une charge de
31,0kV sans entraîner de rayonnement X.
Mesurer la haute tension
1. Régler la luminosité au minimum.
2. Mesurer la haute tension. L’affichage de l’instrument doit in-
diquer 29,0kV ± 0,7kV. En cas de dépassement de cette to-
lérance, une réparation immédiate est nécessaire pour évi-
ter un endommagement précoce des composants.
3. Pour limiter une émission éventuelle de rayons X, il est es-
sentiel de n’utiliser que des tubes images prescrits.
Remarque: Il est essentiel d’utiliser un voltmètre précis et
régulièrement contrôlé.

16
Rear panel removal
Unscrew the five rear panel screws R to remove the rear panel. Insert screw
driver into recess V. Depress interlocking and at the same time slide rear panel
to the rear (fig. A).
How to move the chassis into the service
position
1. Hold and lift the rear of the chassis and gently pull the chas-
sis toward you (fig. 1).
2. Undo the cable fixtures. Turn the chassis through 90°anti-
clockwise and place the chassis behind the set (fig. 2).
3. After servicing ensure all wiring is returned to its original po-
sition and fixed.
Demontage der Rückwand
Zum Abnehmen der Rückwand werden die fünf Rückwandschrauben R her-
ausgedreht. Schraubenzieher in die Aussparung V einführen. Verriegelung
nach unten drücken und gleichzeitig Rückwand nach hinten schieben (Abb. A).
Gerätechassis in Reparaturstellung bringen
1. Das Chassis hinten leicht anheben und vorsichtig nach hin-
ten aus dem Gerät herausziehen (Abb. 1).
2. Lösen Sie die Kabelfixierungen. Drehen Sie jetzt das Chas-
sis um 90° entgegen dem Uhrzeiger und stellen Sie das Chas-
sis hinter dem Gerät ab (Abb. 2).
3. Nach erfolgter Reparatur/Einstellung müssen die Leitungen
wieder in ihre ursprüngliche Lage gebracht und fixiert wer-
den.
Abb. A: Demontage der Rückwand
Fig. A: Rear panel removal
Fig. A: Démontage du panneau arrière
Fig. A: Smontaggio del pannello posteriore
VV
RR
Abb.A
Fig.A
R
R
R
AUDIO OUT
S-VHS OUT
EURO AV1
ENTREE
VHF UHF
RGB
SAT
EURO AV2
L
R
R
L

17
Démontage du panneau arrière
Pour enlever la paroi arrière, dévissez les cinq vis R. Introduire un petit tournevis
dans l’ouverture V. Pousser le verrouillage vers le bas et faire glisser en même
temps le paroi arrière vers l’arrière (fig. A).
Châssis d'appareil en position de réparation
1. Lever légèrement le châssis a l’arrière et le sortir avec pré-
cautions de l’appareil vers l’arrière (fig. 1).
2. Desserrer les serre-câble. Tourner le châssis à 90° dans le
sens inverse des aiguilles d’une montre et placer le châssis
derrière l’appareil (fig. 2).
3. Une fois la reparation/réglage effectuée, les câbles doivent
être remis dans leur position initiale et fixes.
Smontaggio del pannello posteriore
Per togliere il pannello si svitano le cinque viti R del pannello posteriore.
Introdurre la punta del cacciavite nelle fessure V. Spingere il bloccaggio verso
il basso e contemporaneamente far scivolare il pannello posteriore indietro
(fig. A).
Come si porta il telaio in posizione di ripara-
zione
1. Alzare leggermente il telaio sulla parte posteriore ed estrarlo
cautamente dalla parte posteriore dell’apparecchio (fig. 1).
2. Allentare i fissaggi dei cavi. Girare il telaio di 90° verso sini-
stra e appoggiare il telaio dietro l’apparecchio (fig. 2).
3. Dopo la riparazione/regolazione riportare i cablaggi nella
posizione originaria e fissarli.
Abb. 3/4: Chassis-Servicestellung
Fig. 3/4: Chassis service position
Fig. 3/4: Position de maintenance châssis
Fig. 3/4: Posizione di servizio del telaio
Abb.1
Fig.1
90°Abb.2
Fig.2

18
Service position for the signal board
1. Remove the signal board from the main chassis (Basic board),
ensuring all leads are disconnected.
2. Remove the two screws (A) (fig. 3) from the plastic AV cover
and unclip the AV cover from the signal board.
3. Remove the three metal clips (B) (fig. 3) from the metal cover.
4. Unclip the plastic clips (F) at each corner of the front metal
cover (fig. 4) and remove from the signal board (fig. 5). Do
the same for the rear metal cover (fig. 6).
5. Fit the three extension leads to the signal board making sure
that the signal board does not touch the basic board (fig. 7).
6. After servicing ensure all wiring is returned to its original po-
sition and fixed.
Note:
The extension lead wire kit is supplied as a service kit. (Part number 291-
90274.920).
Repair information for the signal board
Q4000
If there is any error on the signal board, please proceed as described:
- Remove the EAROM (I1941) from the printed circuit board.
The TV is able to keep running (only at Deflection Controller
SDA9360B51).
- If you get a static picture, the EAROM is out of order (possi-
ble geometry errors remain unconsidered).
- If the error is still there, it's because of another component
on the signal board.
- If you want to change the signal board at the service head
office in Kronach, insert the EAROM from the damaged sig-
nal board into the new one. So you don't need to make the
alignment and the programming of the TV set.
Important!
Please remove the four plastic clamps and the shielding case at the damaged
signal board and the AV cover.
Reparaturstellung für die Leiterplatte Signal-
Board
1. Die Leiterplatte Signal-Board vom Hauptchassis (Basic-
Board) abnehmen; vorher müssen alle Anschlußkabel abge-
zogen werden.
2. Die beiden Schrauben (A) (Abb. 3) aus der AV-Abdeckung
aus Kunstoff herausschrauben und die AV-Abdeckung durch
Ausclipsen von der Leiterplatte Signal-Board abnehmen.
3. Die drei Metallclips (B) (Abb. 3) von der Metallabdeckung
entfernen.
4. Die Plastikclips (F) an den Ecken der vorderen Metallab-
deckung (Abb. 4) ausclipsen und die Metallabdeckung von
der Leiterplatte Signal-Board abnehmen (Abb. 5). Den glei-
chen Vorgang bei der hinteren Metallabdeckung wiederho-
len (Abb. 6).
5. Die drei Verlängerungskabel an die Leiterplatte Signal-Board
anschließen; darauf achten, daß die Leiterplatte Signal-Board
die Leiterplatte Basic-Board nicht berührt (Abb. 7).
6. Nach erfolgter Reparatur/Einstellung müssen sämtliche Ka-
bel wieder in ihre ursprüngliche Lage gebracht und fixiert
werden.
Hinweis:
Die Verlängerungskabel werden als Reparatur-Teilesatz unter der Bestell-Nr.
291-90274.920 geliefert.
Reparaturhinweis Signal-Board Q4000
Bei Fehlern auf dem Signal-Board gehen Sie bitte folgender maßen vor:
- Nehmen Sie den EAROM (I1941) aus der Leiterplatte her-
aus. Das Gerät ist weiterhin spielfähig (nur bei Deflection
Controller SDA9360B51).
- Bekommen Sie jetzt ein stehendes Bild, ist der EAROM de-
fekt, (etwaige Geometriefehler bleiben dabei unberücksich-
tigt).
- Ist der Fehler weiterhin vorhanden, liegt das an einem ande-
ren Bauteil auf dem Signal-Board.
- wenn Sie das Signal-Board bei der Kundendienst-Zentrale
Kronach tauschen wollen, setzen Sie den EAROM aus dem
defekten Signal-Board in das neue ein. So ersparen sie sich
den Geräteabgleich und die Programmierung.
Wichtig!
Am defekten Signal-Board entfernen Sie bitte die vier Kunststoffhalter, sowie
das Abschirmblech und die AV-Abdeckung.
Abb. 5
Fig. 5
Abb. 3
Fig. 3
Metallclips (B)
Metal clips (B)
Schrauben (A)
Screws (A)
AV Abdeckung
AV Cover
Abb. 4
Fig. 4
Metallabdeckung (vorne)
Metal cover (front)
Plastikclip (F)
Plastic clip (F)
AV Abdeckung
AV Cover
AV2
AV1
AV2
AV1

19
Réparation de la carte à circuits imprimes
«Signaux»
1. Enlever la carte signaux du châssis principal (carte mère);
auparavant, tous les câbles de raccordement doivent être
débranchés.
2. Dévisser les deux vis (A) (fig. 3) du recouvrement AV en plas-
tique et retirer celui-ci de la carte signaux en ôtant les clips.
3. Enlever les trois clips métalliques (B) (fig. 3) du recouvre-
ment métallique.
4. Oter les clips de plastique (F) aux coins du recouvrement
métallique frontal (fig. 4) et retirer celui-ci de la carte signaux
(fig. 5). Procéder de la même manière pour le recouvrement
métallique arrière (fig. 6).
5. Raccorder les trois câbles de rallonge à la carte signaux; ce
faisant, veiller à ce que la carte signaux ne touche pas à la
carte mère (fig. 7).
6. Une fois la réparation/réglage effectuée, tous les câbles doi-
vent être remis dans leur position initiale et fixes.
Remarque:
les câbles de rallonge sont fournis comme jeu de pièces de réparation sous le
numéro de référence 291-90274.920.
Note d’information pour la maintenance du
circuit signal Q4000.
En cas de panne sur la platine signal veuillez procéder comme suit:
- Retirer l’EAROM (I1941) de son support. L’appareil est tou-
jours apte à fonctionner (seulement pour Deflection Controller
SDA9360B51).
- Si vous obtenez une image statique, l’EAROM est défec-
tueuse (erreurs possibles et inconsidérées de la géométrie
d’ image).
- Si la panne persiste, c’est qu’il s’agit d’un autre composant
sur le module signal.
- Si vous voulez changer la platine signal auprès de votre four-
nisseur Loewe Kronach, conservez l’EAROM de la platine
défectueuse afin de l’insérer dans la nouvelle platine. De ce
fait, vous n’aurez pas besoin de réaligner et de reprogrammer
le téléviseur.
Important!
Oter aussi les quatres clips en plastique et le boîtier écran de la platine
défectueuse que vous conserverez et le couverture AV.
Posizione di riparazione della piastra segnale
1. Staccare la piastra segnale dal telaio principale (piastra di
base). Prima staccare tutti i cablaggi.
2. Togliere le due viti (A) (fig. 3) dal coperchio di plastica dell’AV
e, premendo i clip, smontare il coperchio dell’AV dalla pia-
stra segnale.
3. Togliere i fabbia di metallo (B) (fig. 3) dal coperchio di metal-
lo.
4. Premere i fabbia di plastica (F) sugli angoli del coperchio di
metallo anteriore (fig. 4) e togliere il coperchio di metallo dal-
la piastra segnale (fig. 5). Ripetere l’operazione per il coper-
chio di metallo posteriore (fig. 6).
5. Collegare i tre cavi di prolunga alla piastra segnale facendo
attenzione che la piastra di base non tocchi la piastra segna-
le (fig. 7).
6. Dopo la riparazione/regolazione, riportare i cablaggi nella
posizione originaria e fissarli.
NOTA:
cavi di prolunga sono forniti come set di riparazione con il N° di codice 291-
90274.920.
Nota di riparazione della piastra segnale
Q4000
In caso di guasto della piastra segnale seguire le seguenti indicazioni:
- Estraete EAROM (I1941) dal modulo. L'apparecchio è anco-
ra funzionante (solo per Deflection Controller SDA9360B51).
- Se adesso, l’immagine è ferma l'EAROM è difettoso,
(eventuali errori sulla geometria non sono da prendere in
considerazione).
- Se il guasto si presenta ancora, esso è da ricercare su un
altro componente della piastra segnale.
- In caso di permuta della piastra difettosa, tramite la Loewe
Kronach, trattenete presso di voi l’EAROM, onde evitare la
perdita dei dati memorizzati.
Importante:
Trattenete dal modulo difettoso, anche i quattro supporti di plastica e la lamiera
schermante e coperchio AV.
Metallabdeckung (hinten)
Metal cover (rear)
Verlängerungskabel (Bestell-Nr. 291-90274.920)
Extension cable (Part number 291-90274.920)
Verlängerungskabel (Bestell-Nr. 171-90314.999)
Extension cable (Part number 171-90314.999)
Abb. 6
Fig. 6
Abb. 7
Fig. 7
Signal-Board
Basic-Board
W211 W511
W610
W1971
W1971
W1701
W1933
W1156 W1601
W1701
W1601
W1933
W1003
W1003
Signal-Board
an Bildrohrplatte W 3201
to CRT board W 3201
Technische Daten
Calida 5672 Z
mit Micro-Digital-Chassis Q 4000 / 8 bit
Bildröhre: Super Flat Line 29”, Bildschirm-Diagonale 72 cm (sichtbar 68 cm),
Ablenkwinkel 110°, Heizspannung 6,3Veff, (28Vss)/310 mA, Entma-
gnetisierung nach jedem Einschalten
Stromversorgung: 200-260 V~, 50/60 Hz
Leistungsaufnahme: 145 W??? (SB-Betrieb 1 W)
Vertikalfrequenz: 100 Hz ,120 Hz NTSC-M
Horizontalfrequenz: 31250 Hz, 31500 Hz (NTSC-M)
Maße: 68 x 62 x 50,5 (B x H x T)
Gewicht: 42,5 kg
Anschlüsse
(vorne): Kopfhörerbuchse getrennt vom Lautsprecher regelbar, 2 Cinch-
Buchsen als Toneingang, Hosidenbuchse als Videoeingang
(hinten) EURO-Buchse 1: für RGB, Y/C-Eingangssignale, RC 5, FBAS- und
Ton-Ein/Ausgang, EURO-Buchse 2: RC 5, FBAS, Y/C- und Ton-Ein/
Ausgang, zwei Cinch-Buchsen für Ton-Ausgang (regelbar), (Buch-
sen programmierbar via Dialog-Control-System), AV über Anten-
nenbuchse, Zweitlautsprecher-Buchsen
Besonderheiten: TV-Timer-Programmierung mit VPT, Videokopierfunktion, Dialog-
Control System IDC, Zweiton-Decoder, digitales Abstimm- und Spei-
cher-System, automatische Senderprogrammierung ACP, Sender-
suchlauf, digitale Kanalanwahl, 100 (200*) Programmspeicherplät-
ze 00-99 (00-199*), OSD Anzeige, Sharpness Control System (SCS),
DTI Plus, automatische Lautstärkeanpassung AVC, Maximum Volu-
me Control, Kindersicherung Plus, automatische Normerkennung,
automatische SVHS/Hi8-Umschaltung, Digital Noise Reduction
(DNR), Digitaler Kammfilter, Photo CD, Panorama, Cinema, Zoom,
Extern 16:9, Automatic Signal Switch (ASS), elektronischer Abgleich
mit Fernbedienung,
#) Hyperband-Tuner Multistandard 8 MHz:
47 MHz - 861 MHz
PAL B/G/D/K/L/I/M/N + 60Hz • SECAM B/G/D/K/L
NTSC-VIDEO (4,43) • NTSC-M ( 3,58)
Hyperband-Tuner Standard 8 MHz:
47 MHz - 861 MHz
PAL B/G + 60Hz • SECAM B/G/D/K • NTSC-Video (4,43)
*) SAT-Tuner: 954 MHz - 2150 MHz
Normenumschaltung erfolgt mit der Fernbedienung, serienmäßig
Videotext-Decoder (TOP/FLOF)
Tonsystem: Nennleistung bei 1 kHz Tonmodulation 2 x 25 W an 4 Ohm, Klirrfaktor
≤ 1 %, 2 Lautsprecher, Basisverbreiterung bei Stereo, Raumklang
bei Mono
Nachrüstsatz: Stereo-Satelliten-Tuner
#) nur NICAM-Geräte
*) nur SAT-Geräte
Technical specifications
Calida 5672 Z
with micro digital chassis Q 4000 / 8 bit
Picture tube: Super Flat Line 29”, picture diagonal length: 72 cm (visible 68 cm),
deflection angle 110°, heating voltage 6.3 Vrms (28Vp-p)/310 mA,
degaussing each time the set is switched on
Power requirement: 200 to 260 V~, 50 or 60 Hz
Power consumption: 145 W (SB mode 1 W)
Vertical frequency: 100 Hz ,120 Hz NTSC-M
Horizontal freq.: 31250 Hz, 31500 Hz NTSC-M
Dimensions: 68 x 62 x 50.5 (W x H x D)
Weight: 42.5 kg
Connections
(front): Headphones jack with separate setting from loudspeaker, two cinch
jacks for sound input, hosiden jack for video input
(back) EURO jack 1: for RGB, Y/C input signals, RC 5, CVBS and sound
input/output, EURO jack 2: RC 5, CVBS, Y/C and sound input/output,
two cinch jacks for sound output (regulable), (jacks programmable
via dialogue control system), AV through antenna jack, secondary
loudspeaker jacks
Features: TV Timer programming with VPT, Video Copy function, Dialogue
control system IDC, dual-sound decoder, tuning and memory system
digital, digital channel selector ACP, 1OO (200*) programme loca-
tions in memory 00 to 99 (00-199*), OSD indication, Sharpness
Control System (SCS), DTI Plus, Automatic Volume Control AVC,
Maximum Volume Control, Child Lock, Auto Standard Detection,
Auto S-VHS/Hi8, Digital Noise Reduction (DNR), Digital Comb
Filter, Photo CD, Panorama, Cinema, Zoom, Extern 16:9, electronic
alignment with the remote control,
#) hyperband tuner Multi Standard 8 MHz:
47 MHz - 861 MHz
PAL B/G/D/K/L/I/M/N + 60Hz • SECAM B/G/D/K/L
NTSC-VIDEO (4.43) • NTSC-M (3.58)
hyperband tuner Standard 8 MHz:
47 MHz - 861 MHz
PAL B/G + 60Hz • SECAM B/G/D/K • NTSC-Video (4.43)
*) SAT tuner: 954 MHz - 2150 MHz
Standard selection by means with the remote control, teletext decod-
er as standard feature (TOP/FLOF)
Audio system: Rated power at an audio modulation frequency of 1 kHz: 2 x 8 W for
an impedance of 4 ohms, harmonic distortion less then 1 per cent,
2 loudspeakers, base broadening for stereo, spatial sound for mono
Retrofit kit: Stereo Satellite Tuner
#) only at NICAM equipment
*) only at SAT equipment
Calida 5663 Z
Technische Daten (abweichend von Calida 5672 Z)
Bildröhre: Black Line S 24”, Bildschirm-Diagonale 63 cm (sichtbar 59 cm)
Maße: 59,5 x 56 x 45 (B x H x T)
Gewicht: 28,5 kg
Besonderheiten: ohne Sharpness Control System SCS
Calida 5655 Z
Technische Daten (abweichend von Calida 5672 Z)
Bildröhre: Black Matrix 21”, Bildschirm-Diagonale 55 cm (sichtbar 51 cm)
Maße: 53 x 49,5 x 48,5 (B x H x T)
Gewicht: 25 kg
Besonderheiten: ohne Sharpness Control System SCS
Calida 5663 Z
Technical specifications (deviating from Calida 5672 Z)
Picture tube: Black Line S 24”, picture diagonal length: 63 cm (visible 59 cm)
Dimensions: 59.5 x 56 x 45 (W x H x D)
Weight: 28.5 kg
Features: w/o Sharpness Control System (SCS)
Calida 5655 Z
Technical specifications (deviating from Calida 5672 Z)
Picture tube: Black Matrix 21”, picture diagonal length: 55 cm (visible 51 cm)
Dimensions: 53 x 49.5 x 48.5 (W x H x D)
Weight: 25 kg
Features: w/o Sharpness Control System (SCS)
Caractéristiques techniques
Calida 5672 Z
avec châssis micro digital Q 4000 / 8 bit
Tube image: Super Flat Line 29”, diagonale de l’écran 72 cm (visible 68 cm), angle
de déviation 110 degrés, tension de chauffage 6,3Veff, tension de
crête à crête 28V, 310 mA, démagnétisation après chaque mise sous
tension
Alimentation: 200 - 260 V~, 50 / 60 Hz
Puissance absor.: 145 W (Fonctionnement SB 1 W)
Fréquence vert.: 100 Hz, 120 Hz NTSC-M
Fréquence horiz.: 31250 Hz, 31500 Hz NTSC-M
Dimensions: 68 x 62 x 50,5 (L x H x P)
Poids: 42,5 kg
Connexions
(devant): Prise d'écouteur réglable séparément de haut-parleur, deux prises
Cinch pour les signaux d'entrée son, prise hosiden pour video entrée
(derrière) Prise péritélévision 1: pour les signaux d'entrée RVB et Y/C, entrée/
sortie signal RC 5, composé Y/C et son, prise péritélévision 2: pour
entrée/sortie signal RC 5, composé Y/C et son, deux prises Cinch
pour les signaux d'sortie son (réglable), (prises programmable par
système de commande dialogue), AV pour prise d'antenne, prises
haut-parleur secondaire
Particularités: Programmation de TV Timer avec VPT, fonction à copier, Système
de commande dialogue IDC, décodeur sons, système de syntonisation
et de mémoire numérique ACP, sélection de canal numérique, 100
(200*) emplacements de mémoire 00-99 (00-199*), affichage de
OSD, Sharpness Control System (SCS), DTI Plus, Automatic
Volume Control AVC, Maximum Volume Control, Verrouillage Enfants,
Auto Standard Detection, Auto S-VHS/Hi8, Digital Comb Filter,
Photo CD, Panorama, Cinema, Zoom, 16:9 ext., réglage électronique
avec télécommande,
#) tuner hyperbande Multi Standard 8 MHz:
47 MHz - 861 MHz
PAL B/G/D/K/L/I/M/N + 60Hz • SECAM B/G/D/K/L
NTSC-VIDEO (4,43) • NTSC-M ( 3,58)
tuner hyperbande Standard 8 MHz:
47 MHz - 861 MHz
PAL B/G + 60Hz • SECAM B/G/D/K • NTSC-Video (4,43)
*) Tuner SAT: 954 MHz - 2150 MHz
La commutation de norme avec télécommande, décodeur télétexte
en série (TOP/FLOF)
Système audio: Puissance nominale pour une modulation du son de 1 kHz 2 x 8 W
dans 4 Ohm, facteur de distortion ≤ 1 %, 2 haut-parleurs, propagation
de base (stéréo), son spatial (mono)
Lot de rattrapage: Stereo SAT Tuner
#) seulement pour appareils NICAM
*) seulement pour appareils SAT
Dati tecnici
Calida 5672 Z
con telaio micro-digitale Q 4000 / 8 bit
Cinescopio: Super Flat Line 29”, diagonale 72 cm (visibile 68 cm), angolo di
deflessione 110 gradi, tensione riscaldamento 6,3 Veff (28Vpp)/310
mA, Smagnetizzazione ad ogni accensione dell’ apparecchio
Alimentatore: 200-260 V~, 50/60 Hz
Assorbimento: 145 W (Esercizio SB 1 W)
Frequenza verticale: 100 Hz, 120 Hz NTSC-M
Frequenza orizz.: 31250 Hz, 31500 Hz NTSC-M
Dimensioni: 68 x 62 x 50,5 (L x A x P)
Peso: 42,5 kg
Allacci
(davanti): Presa cuffia con regolazione separata per diffusori, due prese Cinch
per l'ingresso tono, presa hosiden per video ingresso
(dietro) Presa EURO 1: RVB, segnali di ingresso Y/C, RC 5, per l’ingresso e
l’uscita FBAS, presa EURO 2: RC 5, FBAS, per l'ingresso e l'uscita
FBAS e del tono, due prese Cinch per l'uscita tono (regolabile),
(prese programmabili con sistema di comando dialogo), AV tramite
la presa di antenna, presa del secondo altoparlante
Particolarità: Programmazione con VPT, doppiaggio, sistema di comando dialogo
IDC, decodificatore doppio audio, sistema di taratura e
memorizzazione digitale ACP, selezione digitale canali, 100 (200*)
posti di memoria programmi 00-99 (00-199*), indicatore di OSD,
Sharpness Control System (SCS), DTI Plus, Automatic Volume
Control AVC, Maximum Volume Control, Sicura bambini, Auto
Standard Detection, Auto S-VHS/Hi8, Digital Comb Filter, Photo CD,
Panorama, Cinema, Zoom, 16:9 ext., taratura elettronica con
telecomando
#) tuner di iperbanda multi standard 8 MHz:
47 MHz - 861 MHz
PAL B/G/D/K/L/I/M/N + 60Hz • SECAM B/G/D/K/L
NTSC-VIDEO (4,43) • NTSC-M ( 3,58)
tuner di iperbanda Standard 8 MHz:
47 MHz - 861 MHz
PAL B/G + 60Hz • SECAM B/G/D/K • NTSC-Video (4,43)
*) Tuner SAT: 954 MHz - 2150 MHz
La commutazione di norma si effettua con telecomando, decodificatore
televideo di serie (TOP/FLOF)
Sistema audio: Potenza nominale a 1 kHz modulazione audio 2 x 8 W su 4 Ohm,
fattore di distorsione ≤ 1 %, 2 diffusori, ampliamento di base (stereo),
tono spaziale (mono)
Kit di equip. succ.: Stereo SAT Tuner
#) solo per apparecchi NICAM
*) solo per apparecchi SAT
Calida 5663 Z
Caractéristiques techniques (différents du Calida 5672 Z)
Tube image: Black Line S 24”, diagonale de l’écran 63 cm (visible 59 cm)
Dimensions: 59,5 x 56 x 45 (L x H x P)
Poids: 28,5 kg
Particularités: sans Sharpness Control System (SCS)
Calida 5655 Z
Caractéristiques techniques (différents du Calida 5672 Z)
Tube image: Black Matrix 21”, diagonale de l’écran 55 cm (visible 51 cm)
Dimensions: 53 x 49.5 x 48.5 (L x H x P)
Poids: 25 kg
Particularités: sans Sharpness Control System (SCS)
Calida 5663 Z
Dati tecnici (diversi da Calida 5672 Z)
Cinescopio: Black Line S 24”, diagonale 63 cm (visibile 59 cm)
Dimensioni: 59,5 x 56 x 45 (L x A x P)
Peso: 28,5 kg
Particolarità: senza Sharpness Control System (SCS)
Calida 5655 Z
Dati tecnici (diversi da Calida 5672 Z)
Cinescopio: Black Matrix 21”, diagonale 55 cm (visibile 51 cm)
Dimensioni: 53 x 49.5 x 48.5 (L x A x P)
Peso: 25 kg
Particolarità: senza Sharpness Control System (SCS)

W650
W549
W548
W511
W610
W211
W250
W619
W0213
W0611
W1933
W1601
W1156
W1111
W1131
W1951
W1003 W1971 W1701
Hyperband - Tuner / ZF
W1086
W1087
Signal - Board
U4000
U4001
W569
W534
W212
W1151
W215
Servicestecker
Service plug
Fiche de service
Spina di servizio
W1181 W1091
W471W481
Extern • External
Extérieur • Esterno
R/D/D L/S/G
Chassis Q4000 / Basic board
Châssis Q 4000 / Platine de fondation
Telaio Q 4000 / Piastra di fondazione
Chassis Q 4000 / Basic - Board
Entmagnetisierung
Degaussing
Désaimantation
Demagnetizzazione an Hor. Abl.
to hor. defl.
à dév. hor.
su def. orizz.
an Vert. Abl.
to vert. defl.
à dév. vert.
su def. vert.
SAT -Nachrüstsatz
SAT retrofit kit
Lot de rattrapage SAT
Kit di equipaggiamento successivo SAT
291-87006.050
W3201
W3258
Calida 5672 Z
W3152
W3301
Focus
UG2
U3371
an Bildrohrerdung
to Picture tube earthing
à terre del tube image
su terra del cinescopio
Booster Spule
Booster coil
Bobine booster
Bobina booster
Picture tubeboard & SVM
Platine tube image et SVM
Piastra cinescopio e SVM
Bildrohrplatte + SVM
SAT-Tuner
U 199
W5182
W5183
W5191
W5191
W5181 W5201
W5209
SAT Receiver V
Récepteur SAT V
Predisposizione SAT V
SAT- Empfangseinheit V
I 5260
UG2
Foc.
T 531
W214
W216
SAT -Nachrüstsatz
SAT retrofit kit
Lot de rattrapage SAT
Kit di equipaggiamento successivo SAT
291-87006.051
U 199
W5186
W5181 W5188
W5201
SAT Receiver V
Récepteur SAT V
Predisposizione SAT V
SAT- Empfangseinheit V
I 5260
SAT-Tuner
W3201
Calida 5663/5655 Z
W3301
Focus
UG2
U3371
an Bildrohrerdung
to Picture tube earthing
à terre del tube image
su terra del cinescopio
Picture tubeboard
Platine tube image
Piastra cinescopio
Bildrohrplatte
1. SAT
2. SAT
W8001
W8401
W8101
W8104
W8010
W8301
L8101
Control unit
Bloc de commande
Unità di comando
Bedienteil
U8211
230 V~
170-
25132.001
L/S/G
R/D/D
ntern
Internal
Intérieur
Interno
N471
N481
171-87018
171-85936
171-87017
171-87017.001
171-87018
171-87018
171-86543
171-84613
171-85815.001
171-85932
171-87197
171-86191.002
171-86973
171-86185
171-86186
171-86477
171-
87019.001
171-85964
Verdrahtungsplan Calida 5655 Wiring diagram Calida 5655

AB CDEF GHI J KL MNOP QRS T
1
2
3
4
5
6
7
8
9
0
1
2
3
4
AB CDEF GHI J KL MNOP QRS T
1
2
3
4
5
6
7
8
9
0
1
2
3
4
Index SchlüsselCode-Teile-Nr. Lpl.:
LOEWE.
Benennung:
Variante:
BG/DK + Multinorm
1
2
3
4
5
6
7
8
9
10
11
1213
14
15
16
17
18
19
20
21
22
23
24
1
2
3
4
5
6
7
8
9
10 11
12
13
14
15
16
17
18
19
20
1
2
3
4
5
6
7
89
10
11
12
13
14
15
16
1
2
3
4
5
6
7
8
9
10
11
12 13
14
15
16
17
18
19
20
21
22
23
24
12345
67810
12345
67810
12345
12345
gedr.
gedr.
+33V SDASCL Ton-ZFFBAS/BB
L1
L
MB/G
U5 ZFU12 TUN U5 TUN NF1
U5
C4747
C4724
100n
10p
100n
C4811
C4847
10p
C4304
L4307
C4313
R4304
C4312
5p6
47k
5p6
L4304
C4322
R4317
C4319
470p
47k
10p
47k
R4320
R4309 R4308
2k2
2k2
C4314
C4325
4n7
4n7 C4328
R4321
4n7
220R
C4331
R4325
R4336
4n7
47k
L4312
J4309
J4308
0R
0R
C4337
8p2 L4313
L4317
L4315
56p
C4334
L4324
R4329
C4343
47k
8p2
C4356
C4355
470p
470p
C4310
4n7
R4203
L4206
L4209C4211
150p
47k
R4212
R4213
2k2
2k2
R4206
C4221
4n7
BF998R
R4219
R4215
47k
47k
C4118
4n7
D4206
C4216
4n7
C4217
C4224
4n7
4n7
J4210
0R
C4230
4n7
L4214
L4221
C4250
4n7
C4209
4n7
R4107
47k
C4103
C4106
4n7
4n7
R4102
R4105
R4110
R4111
2k2
2k2
C4120
C4117
R4114
R4118
BF998R
4n7
4n7
47k
R4116
C4126
47k
4n7
4k7
4n7
C4123 J4103
R4122
820R
0R
0R
J4114
R4126
47k
L4118
47k
R4134
C4153
4n7
C4140
R4131
4n7
47k
D4110
R4130
L4122
C4149
4n7
10k
22k
5k6
5k6
4n7
4n7
4n7
4n7
100p
100p
22k
47n
150n
22k
4,0MHz 18p
0R
10p
0R
10k
10k
R4440
47k10k
J4417
0R
R4444
R4450 C4466
C4465
C4479
L4433
47k
22R 1p8
1p8
R4445
C4481
4p7 3p9
3p9
4p7
1p2
1p2
1p2
1p2
L4431
47k
56p
L4434
C4487
470p
4p7
L4432
2
1
4
3
C4316
0p47
33k
C4105
100p
SDA3402
C4534
C4531
C4533
C4536
C4546
C4547
C4548
R4562
R4559
I4550
C4566
C4502
C4501
C4503
J4520
C4519
C4518
C4517
C4516
J4513
R4511
R4512
I4500
C4580
R4501
R4502
R446
R4448
R4449
R4447
R4521
12 5678 17 18 20 25 26 28
100p
9
C4562
100p
U12x
R4533
47k
2R2
2R2
3p3
C4135
1p2
C4332
68p
C4345
D4105
D4116
D4215
TUA2009
I4401
W4502
47p
C4492
C4454
Q4101
Q4202
Q4520
BC847B
D4101 D4302
LL4148
D4533
4n7
C4205
5%
C4532
C4107
D4212
1p
C4233
3p3
C4236
150p
C4246
4n7
C4248
AFC
U12
M
B/G
M
U12
M
L1
U12
AFC
330p
C4101
R4561
HF
C4241
C4521
X4501
20
21
U12
ZF-Einspeisung
U12
D4804
Q4812Q4811
Q4806
Q4802Q4801
D4808
C4813
C4804
C4802
L1
C4711
C4713
C4732
C4741
C4744
C4821
P4711
22k
C4603
C4803
U5
L4701
BC847B
Q4751
C4751
Q4702
Q4701
L4100
C4812
C4601
U12
C4806C4814
C4701
C4604
U12
C4816
D4811
D4801
D4701
GND
W4501
f. OFW
AGCAGC
2µ2
2µ2
10µF
BF998
Q4303
mech. Stuetz-B.
47n
47n
10µF
0µ47H
10R
Q4561
U5
C4721
47n
U12
U5
1µH
AGC
U12 U12
L4601
nur bei B/G
L.-Kont.
L.-Kont.
L4732
ZF1
ZF2
ZF1
Q4810
4n7
4n7
R4816
R4814
R4813
R4812
R4811
R4809 R4808
R4807
R4806
R4805
R4804
R4803
R4801
R4753
180R
75R
R4752
R4751
220R
R4721
R4712
R4708
R4707
R4706
R4704
R4703
R4702
R4701
R4603
100R
100R
R4602
R4601
R4564
R4548
220R
10k
R4532
22k
R4531
47k
R4442
47k
R4441
47k
R4231
47k
R4228
47k
R4227
R4224
56R
47k
5k6
R4101
J4803
J4801
J4724
J4707
0R
J4569
J4534
0R
J4531
0R
0R
J4445
0R
J4302
0R
J4206
LL4148
D4534
M
820p
R4827
Q4826
C4827
AFC
E3000-2V
C93-2.5V
0R
J4752
J4601
C4602
J4807
C4491
4n7
D4203
(U5/BD)
trimco
C4338
(mit TDA9814-33k)
R4718
R4717
R4716
D4716
C4718
C4717
C4716
C4712
220n
47n
C4742
C4801
R4810
X4801
X4811
X4701
X4711
BB640
BB535
BB640
BB639
BB639
BA592 BA592
BB639
BA592
10R
R4123
0R
J4511
J4117
0R
4p7
J4101
0R
TDA9810
I4701
470R
R4826
4n7
4n7
4n7
4n7
C4493
4n7
C4457
4n7
C4144
BB640
D4107
BB640
D4113
BB535
D4117
BB535
D4208
BB535
D4211
BB535
D4304
BB535
D4309
BB535
D4314
BB639
D4418
BB535
D4419
BB640
D420
AGC
8p2
10µ
2k2
18k
27.3.96
28.5.97
R4566
U12
R4551
R4552
0R
J4824
R4563
R4711
C4485
68p
5p6
C4486
R4709
X4716
R4722
27k
R4714
X
B4511
B4701
B4703
B4721
B4747
B4811
B4824
B4841
R4828
X
C4482
C4474
C4473
C4472
C4471
C4470
C4469
C4468
C4467
4µ7H
L4103
L4326
L4325
L4230
L4229
L4101
L4108
L4105
L4123
L4210
L4302
L4311
J4304
0R
0R
J4305
220R
R4547
R4133
220R
L4122
4n7
C4514
C4513
4n7
L4219
4n7
C4115
C4218
47p47p
C4116
R4802
X
X
X
X
X
X
0R(X)
XX
X
X
X
X
X
X
X
XX
X
X
X
X
X
XX
X
X
X
X
X
X
X
X
X
X
X
X
X
X
X
X
XX
XX
X
X
X
X
X
X
X
X
X
X
X
X
X
XX
X
X
XX
X
X
X
X
X
X
X
100R
BC847B
100n
100R
X
X
X
X
X
X
X
TPS5.5MW(X)
100R
X
ZF
Bestückung: Multinorm BG/DK
260-86974.051 260-86984.052
L4716
B
B(2.5V)
B
B
10µH/Drossel(X)
X
X
X
X
XX
554/390-86967
Hyperband-Tuner/ZF-"96"
C U199
X
U5
U5
U12
U12
U12
Schaltbild Tuner/ZF 86974.050/051, 86984.050/052 Tuner/IF schematic 86974.050/051, 86984.050/052

Tuner: ............................ 86974050 .. 86984050 ... 86984052
B4511................................. X
B4703................................. X
B4811................................. X
B4824................................. X
B4826........................................................ X
C4481 / 56P ....................... X ......................................... X
C4481 / 68P .............................................. X
C4483 / 5P6 ....................... X ......................................... X
C4562 / 100P ..................... X
C4566 / 100N..................... X
C4601 / 68P ....................... X
C4602 / 4N7....................... X
C4603 / 4N7....................... X
C4604 / 100N..................... X
C4711 / 100N..................... X
C4713 / 47N....................... X
C4716 / 180P ..................... X
C4717 / 180P ..................... X
C4718 / 150P ..................... X .................. X
C4801 / 4N7....................... X
C4802 / 4N7....................... X
C4803 / 4N7....................... X
C4804 / 4N7....................... X
C4806 / 3P3 ....................... X
C4811 / 2N2....................... X
C4812 / 4N7....................... X
C4813 / 4N7....................... X
C4814 / 4N7....................... X
C4816 / 47N....................... X
C4827 / 100N..................... X ......................................... X
D4701 / BAT 1805 ............. X
D4716 / BA 592 ................. X
D4801 / BAT 1805 ............. X
D4804 / LS4148-GS08 ...... X
D4808 / BA 592 ................. X
D4811 / BAT 1805 ............. X
I4550 / HEF 4051 .............. X
J4534 / 0R ......................... X
J4601 / 0R ................................................ X................... X
J4707 / 0R ......................... X
J4801 / 0R ......................... X
J4803 / 0R ......................... X
J4807 / 0R ......................... X
J4826 / 0R ................................................ X
L4601 ................................. X
L4716 / 5.5 MHz ................ X .................. X
L4716 / 10UH................................................................... X
Q4561 / BC 847 B ............. X
Q4701 / BC 847 B ............. X
Q4702 / BC 847 B ............. X
Q4801 / BC 847 B ............. X
Ltpl. Tuner/ZF 396-86967C (86974C / 86984C)
Lötseite
Tuner/IF PCB 396-86967C (86974C / 86984C)
Solder side
Ltpl. Tuner/ZF 396-86967C (86974C / 86984C)
Bestückungsseite
Tuner/IF PCB 396-86967C (86974C / 86984C)
Components side
Q4202
Q4101
C4101
C4103
C4105
C4106
C4107
C4115
C4116
C4117
C4118
C4120
C4123
C4126
C4135
C4140
C4144
C4149
C4205
C4209
C4211
C4216
C4217
C4218
C4221
C4224
C4230
C4233
C4236
C4241
C4246
C4248
C4250
C4304
C4310
C4312
C4313
C4314
C4316
C4319
C4322
C4325
C4328
C4331
C4332
C4334
C4337
C4343
C4345
C4355
C4356
C4439
C4454
C4457
C4465
C4466
C4467
C4468
C4469
C4470
C4471
C4472
C4473
C4474
C4479
C4481
C4482
C4485
C4487
C4491
C4492
C4493
C4502
C4503
C4513
C4514
C4516
C4517
C4518
C4519
C4521
C4531
C4533
C4534
C4536
C4546
C4547
C4548
C4601
C4602
C4603
C4604
C4701
C4711
C4713
C4724
C4742
C4747
C4801
C4802
C4804
C4806
C4811
C4812
C4813
C4814
C4816
C4827
C4847
D4101
D4105
D4107
D4110
D4113
D4116
D4117
D4203
D4206
D4208
D4211
D4212
D4215
D4302
D4304
D4309
D4314
D4418
D4419
D4420
D4533
D4534
K
A2
A1
D4701
D4716
K
A2
A1
D4801
D4804
D4808 K
A2
A1
D4811
I4401
J4101
J4103
J4117
J4206
J4210
J4302
J4304
J4305
J4308
J4309
J4417
J4445
J4511
J4513
J4520
J4531
J4534
J4569
J4601
J4707
J4724
J4752
J4801
J4803
J4807
J4810
J4811
J4826
S
D
G1
G2
S
D
G1
G2
G1
G2
D
S
Q4303
CE
B
Q4520
CE
B
Q4561
C
E
B
Q4701
C
E
B
Q4702
CE
B
Q4751
C
E
B
Q4801
C
E
B
Q4802
C
E
B
Q4806
CE
Q4810
C
E
B
Q4811
C
E
B
Q4812
C
E
B
Q4826
R4101
R4102 R4105
R4107
R4110
R4111
R4114
R4116
R4118
R4122
R4123
R4126
R4130
R4131
R4133
R4134
R4203
R4206
R4212
R4213
R4215
R4219
R4224
R4227
R4228
R4231
R4304
R4308
R4309
R4317
R4320
R4321
R4325
R4329
R4336
R4440
R4441
R4442
R4444 R4445
R4447
R4448
R4449
R4450
R4501
R4502
R4521
R4531
R4533
R4547
R4548
R4559
R4561
R4562
R4563
R4564
R4566
R4601
R4602
R4603
R4701
R4702
R4706
R4707
R4708
R4709
R4712
R4718
R4721
R4752
R4753
R4805
R4806
R4807
R4808
R4809
R4810
R4813
R4814
R4816
R4827
R4828
C4717
R4716
C4719
C4566
R4719
C4580 J4824
C4562
C4486
R4711
R4512
R4532
R4552
R4703
R4704
R4446
R4717
R4801
R4802
R4803
R4804
R4811
R4812
R4551
C4714
I4701
R4722
R4751
C4721
R4511
I4500
C4153
C4712
J4114
C4731
C4803
C4732
C4718
C4716
R4714
C4715
I4550
(GND)
B4701
B4702
B4703
B4811
C4338
C4501 C4532
C4741
C4751
C4821
L4100
L4101
L4103
L4105
L4108
L4118
L4122
L4123
L4206
L4209
L4210
L4214
L4219
L4221
L4229
L4230 L4302
L4304
L4307
L4311
L4312
L4313
L4315
L4317
L4324
L4325
L4326
L4431
L4432
L4433
L4434
L4601
L4701
L4732
P4711
P4712
X4501
X4701
1
X4711
1
X4801
1
X4811
1
B4721
(U5)
(AFC)
B4569
(SIF)
(AGC)
R4826
B4824
B4747
B4826
C4744
B4841
(NF)
W4501
B4511
W4502
X4716
L4716
Tuner: ............................ 86974050 .. 86984050 ... 86984052
Q4802 / BC 847 B ............. X
Q4806 / BC 857 B ............. X
Q4810 / BC 847 B ............. X
Q4811 / BC 847 B ............. X
Q4812 / BC 847 B ............. X
Q4826 / BC 847 B ............. X ......................................... X
R4551 / 5K6 ....................... X
R4552 / 10K ....................... X
R4559 / 33K ....................... X
R4561 / 33K ....................... X
R4562 / 33K ....................... X
R4563 / 22K ....................... X
R4564 / 33K ....................... X
R4566 / 10R....................... X
R4601 / 2K2 ....................... X
R4701 / 2K2 ....................... X
R4702 / 2K2 ....................... X
R4703 / 10K ....................... X
R4704 / 10K ....................... X
R4706 / 22K ....................... X
R4707 / 68K ....................... X
R4708 / 10K ....................... X
R4711 / 22K ....................... X
R4714 / 0R......................... X
R4714 / 270R................................................................... X
R4716 / 10K ....................... X
R4717 / 10K ....................... X
R4801 / 10K ....................... X
R4802 / 10K ....................... X
R4803 / 10K ....................... X
R4804 / 10K ....................... X
R4805 / 27K ....................... X
R4806 / 22K ....................... X
R4807 / 47K ....................... X
R4808 / 22K ....................... X
R4809 / 27K ....................... X
R4810 / 68K ....................... X
R4811 / 10K ....................... X
R4812 / 10K ....................... X
R4813 / 22K ....................... X
R4814 / 22K ....................... X
R4816 / 5K6 ....................... X
R4826 / 100R..................... X ......................................... X
R4827 / 100R..................... X ......................................... X
R4828 / 2K2 .............................................. X
R4828 / 100R..................... X ......................................... X
X4701 / OFW K6263 ......... X
X4711 / OFW G 3355-K ........................... X ................... X
X4716 / 5,5MHZ............................................................... X
X4801 / OFW K9463M ...... X
X4811 / OFW K9461-M ..... X

D3367
1N4007
R3367
1M
W20
R3368
2k2
12
41
976
58
10 11
R3362
820R
C3367
22µ
C3368
10n
C3360
10n
29kV
V3001
33u
UG2
U12
Uvid
Focus
C3342
470µ
C3341
10n
C3383
100n
7
6
5
4
3
2
1
1
2
3
4
1759
10
8
1
2
3
4
5
6
7
8
9
6
11
4
3
2
1
0
9
8
7
6
5
4
3
2
1
4
3
2
1
0
9
8
7
6
5
4
3
2
1
AB C D E F G H J
AB C D E F G H J
Q3343
BC847B
+
I3381
TDA6111
-
Q3341
BC857B
R3343
10k
R3388
820R
R3342
100k
R3344
47k
R3364
33R
C3386
1n
R3341
10k D3341
LL4148
D3342
LL4148
D3386
LL4148
R
33t
G/V
33s
B
Uvid
C3387
100n
R3384
91k
R3381
1k
C3384
150p
C3351
1000µ
C3366
47µ
an Signal-Board
to signal board
à platine signal
su piastra segnale
W1601
D3354
LL4148
R3391
1k
R3366
270R
!
L3366
4µH7
C3393
100n
1
2
3
4
5
6
7
8
9
+
I3391
TDA6111
-
R3398
820R
L3398
0R
C3396
1n
D3396
LL4148
R3354
5k6 B
U12
G/V
R
FB
CUTOFF
U12
U12
C3397
100n
R3394
91k
C3394
150p
D3351
SD103C
C3373
100n
1
2
3
4
5
6
7
8
9
+
I3371
TDA6111
-
R3378
820R
L3378
0R
C3376
1n
D3376
LL4148
R3376
100R
U12
U12
C3377
100n
R3374
91k
✴C3203
56p
✴C3201
56p
✴C3202
56p
R3353
390R
2%
R3352
1k5
2%
R3356
330k
R3371
1k
✴L3371
80ns
C3374
150p
C3352
470µ
D3353
TZMC5V6 C3375
10n
D3371
LL4148
D3381
LL4148
D3391
LL4148
D3219
BA582
D3218
BA582
R3372
1k5
R3377
1k
R3387
1k
R3375
0R
R3382
1k5
R3397
1k
✴C3391
22p
✴R3393
0R
R3392
1k5
R3380
100R
R3390
100R
R3370
100R
C3219
100n
R3218
220R
R3217
12k
R3220
12k
R3156
33R
D3153
BA157
R3219
10R
W3201
W3301
W3152
Ausschaltblitzunterdrückung
Interrupting flash suppression
Éclair d’interuption suppression
Fulmine d’interuzione soppressione
✴SVM Modul
✴Scan velocity modulator
✴Modulateur de vitesse
✴Modulatore di velocita
Grün/green/vert/verde
Rot/red/rouge/rosso
Blau/blue/bleu/blu
050897C
✴L3381
80ns
✴L3391
80ns
R3221
680R
R3229
1R
R3209
12k
R3204
120R
R3216
4k7
R3223
56k R3222
56k
R3224
680R
R3150
33R
R3228
1R
C3208
47n
C3151
10nn
Q3221
BC640
Q3216
BC847B
Q3213
BC847B
Q3211
BC857B
Q3157
BC856B
Q3204
BC847B
Q3181
BC847B
Q3222
BC639
C3221
100n
C3153
100p
C3204
56p
C3158
470µ
C3154
22µ
C3216
47n
C3212
680p
C3157
100n
C3223
10n
C3222
10n
C3210
100n
C3156
100n
R3215
10R
R3214
10R
R3185
1k
R3213
10k
R3225
0R
R3208
1k5
R3207
18k
R3206
3k9
R3212
4R7
R3211
220R
R3379
8R2
R3181
100R
C3181
100n
R3227
470R
R3226
470R
an Booster-Spule
to Booster coil
à bobine booster
su bobina booster
W3258
1
2
3
2
1
L3226
2X33µH
130Vss
33t
130Vss 130Vss
33s
33u
C3161
100n
Q3171
BC847B
R3175
1k
R3171
100R
R3172
0R
R3205
0R
R3200
0R
R3199
0R
U12
Q3161
BC847B
R3165
1k
R3161
100R
!
R3153
3R3
R3386
100R R3396
100R
an Basic-Board
to Basic board
à platine de fondation
su piastra di base
W0548
an Basic-Board
to Basic board
à platine de fondation
su piastra di base
W0549
R3210
0R
U12
U12A
U12A
U12A
U12
R3399
10R
U12
U12B
U12B
U12B L3388
0R
Uvid
1
3
2
1
3
2
1
3
2
#Br.
#Br.
#Br.
Uvid
Uvid
✴C3381
22p
✴R3383
0R
✴C3371
22p
✴R3373
0R
✴nur bei
only at
seulement pour
solo per
Var. 061
#nur bei
only at
seulement pour
solo per
Var. 062
Schaltplan Bildrohr & SVM 396-86928.061/62
CRT & SVM schematic 396-86928.061/62

B3302
R3388
R3378
R3398
G2
KG
G1
f
KB KR
B
RG
1
4
C3393
UG2
7
R
G
B
GND
C.O.
12V
GND
GND
f
200V
C3373
R3367
HV-GND
I3371
I3381 I3391
L3366
W3201
1
R3368
EBC
Q3222
EBC
Q3221
L3371
L3381
D3351
W3301
B3301
B3303
B3304
R3394
R3384
R3374
V3001
L3226
C3367
C3352
C3158
12
W3152
C3366
80mAT
C3360
C3153
D3153
R2000
13
W3258
FB
C3368
R3362
C3154
L3391
B3213
W3361
D3367
C3342
C3351
C3383
F3153
R3153
R3364
R3366
Ltpl. Bildrohr 396-86928C
Bestückungsseite
CRT PCB 396-86928C
Components side

Ltpl. Bildrohr 396-86928C
Lötseite
CRT PCB 396-86928C
Solder side
C3341
C3374
C3384
C3386
C3394
C3396
R3341
R3399
R3353
R3356
R3371
R3372
R3373
R3381
R3382
R3392
D3341
D3342
D3381
Q3341
CE
B
C3156
C3204
C3208
C3210
C3219
Q3171
CE
B
Q3181
CE
B
Q3204
C
E
B
R3165
R3171 R3175
R3181
R3206
R3207
R3208
R3213
R3220
R3222
R3226
R3227
R3228
R3218 D3219
D3218
R3223
B
E
C
Q3211
R3215
B
E
C
Q3216
CB
E
Q3161
Q3157
C
E
B
R3211
R3212
R3204
B
E
C
Q3343
C3397
C3387
R3225
C3371
R3387
R3209
D3371
R3185
C3181
R3383
R3391
R3343
C3221
C3223
R3219
R3156
C3213
C3212 B
E
C
Q3213
R3150
C3151
R3216
C3216
R3224
C3157
R3217
D3353
R3229
R3221
C3222
C3377
R3370
R3380
R3390
D3391
C3391
R3393
R3397
C3381
R3214
R3377
C3375
R3375
R3200
R3210
R3342
CB
E
Q3386
C3202
C3376
Q3376
E
B
C
L3378
L3398
D3376
D3386
D3396
C3201
CB
E
Q3396
R3205
R3199
R3376
R3396
R3386
C3203
R3161
R3344
C3161
R3352
R3379
L3388
D3354
R3354
C3162
C3172
C3182
C3354

Bildrohrplatte ARTIKEL 86928.061/062
Pos.Nr. Bestell-Bezeichnung Description Bestell-Nr.
Item N°.List Part N°.
ALLGEM.MECHAN.TEILE COMMON MECHANICAL PARTS
Montageclip clamp clips 739-23415
INTEGR.SCHALTUNGEN INTEGRATED CIRCUITS
I3371 TDA 6111 integrated circuit 349-23123
I3381 TDA 6111 integrated circuit 349-23123
I3391 TDA 6111 integrated circuit 349-23123
BUCHSEN/FASSUNGEN SOCKETS
Bildrohrfassung picture tube socket 320-24766
TRANSISTOREN TRANSISTORS
Q3221 BC 640 transistor 346-25720.020
Q3222 BC 639 transistor 346-75622.020
DIODEN DIODES
D3153 BA 157 diode 352-44799
D3351 SD 103 C diode 352-17741
D3367 1 N 4007 diode 352-79585
KONDENSATOREN CAPACITORS
100N K 250V capacitor 359-74632
10N M 2000V capacitor 357-21868
22U S 250 V electrolyt capacitor 360-11762.020
C3153 100P K 500V capacitor 357-20272.020
WIDERSTÄNDE RESISTORS
R3153 3R3 K 0207 resistor 366-11790
R3362 820R K 0411 resistor 365-77681
R3366 270R J 0309 resistor 366-27623
R3367 1M J 0617 resistor 366-16901
R3368 2K2 K 0411 resistor 365-21331
R3374 91K F 0207 resistor 367-26993
R3378 820R K 0411 resistor 365-77681

Bildrohrplatte Artikel-Nr. 86928.061/062 Article No. 86928.061/062
Pos.Nr. Bestell-Bezeichnung Description Bestell-Nr.
Item N°.List Part N°.
WIDERSTÄNDE RESISTORS
R3384 91K F 0207 resistor 367-26993
R3388 820R K 0411 resistor 365-77681
R3394 91K F 0207 resistor 367-26993
R3398 820R K 0411 resistor 365-77681
SMD TEILE SMD PARTS
BA 582 SMD diode 351-17995
BC 847 B SMD transistor 344-14974
BC 857 B SMD transistor 344-14979
LS4148-GS08 diode 351-15015
D3353 TZM C 5 V 6 SMD diode 351-16758
Q3157 BC 865 B SMD transistor 344-26954
Q3341 BC 857 B SMD transistor 344-14979
SPULEN COILS
L3366 4µH7 coil 298-14991

Lageplan Bildrohrplatte & SVM Layout diagram CRT PCB & SVM
B
HV-GND
GR
KR
G2
KG
G1
ff KB
33u
33t
33s
I3391
UG2
I3381
I3371
W3301 W3152
W3258
W3201
R
FB
G
B
U12
CUTOFF
U200
Uf
11
12
9
810
V 001
7
6
5
41
2
Foc.2
Foc.1

1
2
R5105
10k
T5101
3
4
1
Q5101
2SD965
Q5102
2SD965
D5107
BA157
L5101
330µH
R5107
2k2
an, to, à, su
Basic-Board
W0569
an, to, à, su
Basic-Board
T0531/Pin10
R5106
15k
R5109
2k2
B5101
W5104
C5103
10n
R5104
2R2
D5104
MA723
D5105
MA723
Vertikal
Ablenk-
spule
1
2
7
6
5
4
3
2
1
7
6
5
4
3
2
1
AB C D E F G H I
AB C D E F G H I
290996C
U510
Schaltplan N/S-Korrektur 396-86094.053
N/S correction schematic 396-86094.053

Leiterplatte N/S-Korrektur 396-86094.053
Bestückungsseite
N/S correction PCB 396-86094.053
Components side
D5107
D5104
D5105
T5101
W5104
an, to, à, su
Basic-Board
W0569
an, to, à, su
Basic-Board
T0531/Pin9
C5103
5105
5104
2
1
2
1
5109
5106
5107
34
1
L5101 B5101
Q5101
Q5102
B C E
B C E
86094. c L
NS-Korrektur Artikel-Nr. 86094.053 Article No. 86094.053
Pos.Nr. Bestell-Bezeichnung Description Bestell-Nr.
Item N°.List Part N°.
SPULEN/LAUTSPRECHER COILS,SPEAKERS
T5101 N-S Korrekturtrafo 680uH transformer 490-25674
TRANSISTOREN TRANSISTORS
2 SD 965 RTA transistor 346-23488.020
DIODEN DIODES
MA 723 TA5 diode 352-23487
D5107 BA 157 diode 352-44799
WIDERSTÄNDE RESISTORS
R5104 2R2 J 0207 resistor 366-22233
SPEZIALTEILE SPECIAL PARTS
H0000 Halter holder 602-86095.001
L5101 Drossel 330uH J choke 298-23503

ABCDEFGHI J KL
1
2
3
4
5
6
7
ABCDEFGHI J KL
1
2
3
4
5
6
7
U5SB
U5SB
U5SB
Benennung:
Datum:
erst.: gepr.:
Code-Teile-Nr.: Index Schlüssel:
Datum:
U5SB
U5SB
12
3
1
2
3
IN OUT
GND
12
3
4
34
34
34
1
2
3
4
5
6
7
8
9
10
1
2
12
1
2
3
4
5
6
7
8
12 34
1
2
3
GND1
GND1 GND1
GND-KHV
L
R
RSIG
GND2
GND2
GND2
Video-GNDTon-GND
L
R
stand-byon
S1S2S3
Kestel Wahl
ON/OFF
SB
S/VHS
BC847B
rot
grün
4µ7
330n 100µ
270p
270p
10n
10n
270p
LL4148
LL4148
LL4148
LL4148
LL4148
LL4148LL4148
LL4148
78L05
6µ8
6µ8
BC847B
10k
10k
4k7
10k
330R
0R
470µ
100µ
LL4148
0R
0R
47k
BC847B
150R
RC5
U5SB
Ueberhub
+
-
F
GND-DIG
0R
an Chassis
220V/AC in
220V/AC out
270p
S/VHS L
S/VHS R
75R
75R
47R
47R
TZMC12V
TZMC12V
vom Netzstecker
Kopfh.-Buchse TMFS5360
TZMC5V6
1k
TZMC5V6
0R
0R
0R
0R
330R
270p GND-DIG
100n
1k
EE20
B40C1000
8pol.sw
TZMC5V6
TZMC5V6
10pol.
L8447
D8336
R8337
R8336
R8331
R8332
D8331
C8448
L8417
C8418
D8491
C8491
D8492
D8381
C8381
D8382
D8391
D8211
R8112
Q8111
R8114
Q8114 R8113 C8102
R8111
D8201
R8215
D8202
R8005
R8007
D8206
D8204D8205
R8222
C8103
C8104
R8103
R8102
D8103
Q8002
C8016 R8016 W1933
R8012 R8013
R8017
R8018
R8216
R8019
D8207
C8311
C8321
D8106
R8106
C8106
C8101 D8101
B8001
L8101
R8311
47R
R8321
47R
C8391
D8392
R8436 R8406
0R0R
B8002
B8004
B8401
B8402
25.9.92
U12
3pol.
an,to,a,su
Sig.-Board
an,to,a,su
Sig.-Board W1091
an,to,a,su
Sig.-Board W1151
17.7.97 Ex
an,to,a,su
Chassis-GND
F
-
+
ESD-Schutzmassnahmen
IR-Empfänger
Stand by-Netzteil
F
W8461
W8331
W8010
I8016
W8001
W8321
W8311
W8301
W8101
I8101
T8101
S8101
W8104
524/390-85806.055
W8401
Bedienung JWL
Q4000
Schaltbild Bedienteil 396-85806.055
Control Board schematic 396-85806.055

W8001 W8401
L8101
B8101
W8103
W8101
W8104
W8104
T8101
D8101
an Sig.-Board W1933
an Sig.-Board W1091
JST
stehend
3-pol.
1
6
3
1
1
10
JST
stehend
C8406
C8436
C8106
C8101
C8401
C8402
R8401
R8402
C8102
I8101
S8101
L8461
L8447
L8417
B8001
C8104
an Sig.-Board W1151
W8010
Draht-Br. bei pass. KH.
Draht-Br. bei pass. KH.
C8408
C8417
C8447 C8438
C8016
B8002
an GND-
Chassis
W8301
JST
stehend
1
8
D8206
D8207
rot
grün
I8016
S8001 S8002 S8003
W8331
W8311 W8321
W8461
Ltpl. Bedienteil 396-885806F
Bestückungsseite
Control Board PCB 396-85806F
Components side

D8106
R8114
Q8111
Q8114
D8211
R8220R8111
R8421
R8422
C8403
R8102
R8018
R8103
R8113
R8216
R8007
R8019
R8017
R8403
Q8403
R8406
R8436
R8433
Q8433
D8103 R8112
R8106
R8437
R8407C8407
R8416
R8400
R8446
C8437
D8102
C8103
R8442
R8438
R8447
R8417
R8408
R8412
R8413
R8411
R8441
R8443
R8101
C8448
R8448
Q8447 Q8443 Q8413 Q8417
R8418
C8418
D8381
C8381
D8382
D8391
C8391
D8392
Q8002
R8009
R8005
R8321
R8314
R8315
R8311
D8331
R8331
R8336
D8336
R8013
R8011
R8010
R8012
R8016
R8008
R8215D8204
D8202 R8206
R8222D8205
D8201
D8203
R8014
R8337
R8332
C8311
C8321
D8492
C8491
D8491
Ltpl. Bedienteil 396-885806F
Lötseite
Control Board PCB 396-85806F
Solder side

Bedienteil Artikel-Nr.: 85806.055
Pos.Nr. Bestell-Bezeichnung Description Bestell-Nr.
Item N°.List Part N°.
SPULEN/LAUTSPRECHER COILS,SPEAKERS
L8101 Relais relay 387-25050
T8101 Netztrafo power transformer 490-22142
ALLGEM. MECHAN. TEILE COMMON MECHANICAL PARTS
Halter/Diode holder 602-84535.012
INTEGR. SCHALTUNGEN INTEGRATED CIRCUITS
I8016 FMS 5360 ir receiver unit 291-22155
I8101 78 L 05 ACP integrated circuit 349-15209.020
BUCHSEN/FASSUNGEN SOCKETS
W8311 Chinch-Buchse rot socket 323-17952
W8321 Chinch-Buchse weiß socket 323-17954
W8331 Mini-DIN-Buchse socket 323-18108
W8461 Kopfhörerbuchse (Klinke) headphones socket 323-15966
DIODEN DIODES
D8101 B 40 C1000 L5B rectifier 354-80785
D8206 LR 3369-H rot diode 353-22140
D8207 LG 3369-H grün diode 353-22141
SCHALTER SWITCHES
S8001 Taster für C,-,+ switch 467-17895
S8002 Taster für C,-,+ switch 467-17895
S8003 Taster für C,-,+ switch 467-17895
S8101 Netzschalter power switch 471-84423
SMD-BAUTEILE SMD PARTS
D8103 LS4148-GS08 diode 351-15015
D8106 LS4148-GS08 diode 351-15015
D8201 TZM C 5 V 6 (SMD) diode 351-16758
D8202 TZM C 5 V 6 (SMD) diode 351-16758
D8204 TZM C 5 V 6 (SMD) diode 351-16758

Bedienteil Artikel-Nr. 85806.055 Article No. 85806.055
Pos.Nr. Bestell-Bezeichnung Description Bestell-Nr.
Item N°.List Part N°.
SMD-BAUTEILE SMD PARTS
D8205 TZM C 5 V 6 (SMD) diode 351-16758
D8211 LS4148-GS08 diode 351-15015
D8331 TZM C12 (SMD) diode 351-17532
D8336 TZM C12 (SMD) diode 351-17532
D8381 LS4148-GS08 diode 351-15015
D8382 LS4148-GS08 diode 351-15015
D8391 LS4148-GS08 diode 351-15015
D8392 LS4148-GS08 diode 351-15015
D8491 LS4148-GS08 diode 351-15015
D8492 LS4148-GS08 diode 351-15015
Q8002 BC 847 B (SMD) transistor 344-14974
Q8111 BC 847 B (SMD) transistor 344-14974
Q8114 BC 847 B (SMD) transistor 344-14974

A
6
5
4
3
2
1
6
5
4
3
2
1
BCDEF GHI JK
ABC
DEFGHIJK
Q4000 / 97IR-Fernbedienung FB 300
Infrared remote control FB 300
200996A
I0111
84C122
12
11
10
9
8
7
6
5
4
3
2
1
P16X
P05Y
P04Y
XT1
XT2
VDD
RES
T1
T0
P00Y
P01Y
P14X
13
14
15
16
17
18
19
20
21
22
23
24
P17X
P06Y
P07Y
P13X
P12X
P11X
P10X
VSS
Lou
P03Y
P02Y
P15X
Q0121
BCX17
R0122
12R R0121
1k
R0111
100R
X0111
4,3MHz
D0121
TSUS5222
2x Micro LR 03
Alkali / Mangan
+
C0122
220µ
C0111
22p
C0112
22p
C0121
220µ
Z
35
Z
36
Z
3
Z
2
Z
1
Z
13
Z
12
Z
39
Z
30
Z
27
Z
33
Z
37
Z
40
Z
18
Z
11
Z
4
Z
24
Z
42
Z
31
Z
32
Z
6
Z
5
Z
7
Z
34
Z
28
Z
29
Z
9
Z
8
Z
10
Z
38
Z
41
Z
25
Z
26
Z
19
Z
17
Z
16
Z
18
Z
43
Z
44
Z
21
Z
14
Z
23
Z
20
Z
22
Schaltplan IR-Fernbedienung 396-86656.050
Infrared remote control schematic 396-86656.050

Ltpl. IR-Fernbedienung 396-86656.050
Lötseite
544 / 390
-86656a
FB300
2 x Micro LR 03
Alkali / Mangan
1 2 3
4 5 6
7 8 9
0
P+P-
VTVTTVTV
Z1
Z4 Z5 Z6
Z7 Z8 Z9
Z10 Z11 Z12
Z13 Z14 Z15
Z16 Z17 Z18
Z20 Z21 Z22
Z33 Z34 Z35
Z37 Z38 Z99
Z42Z41 Z43
Z24 Z25
Z27 Z28
Z30 Z31
Z2 Z3
EC
B
Q0121
D0121
R0111
C0112
I0111
1
24
13 12
X0111
C0111
C0121
C0122
R0121
R0122
?
–X
MENMEN
–
+
+
–
+
–
+
00:00
Z19
Z23
Z36
Z40
Z44
Z26
Z29
Z32
IR-Fernbed. Artikel-Nr. 85000.056 Article No. 85000.056
Pos.Nr. Bestell-Bezeichnung Description Bestell-Nummer
Item N°.List Part N°.
GEHÄUSETEILE CABINET MOUNTING
IR-Fenster window 666-84526.101
DIODEN DIODES
D0121 TSUS 5222 diode 353-17924
GEBER-ERSATZTEILE SPARE PARTS FOR TRANSMITTER
Batteriedeckel bedruckt battery lid 756-84525.105
Gehäuse-Oberteil bedruckt cabinet upper part 756-85999.102
Gehäuse-Unterteil cabinet lower part 756-84523.111
Batteriefeder 2-fach battery spring 739-85279.001
Batteriefeder III battery spring 739-85995.001
I0111 Integr.Schaltg.(MOS) PCA84C122-AT SMD integrated circuit 350-25510
Kontaktmatte contact mat 309-84527.011
SMD TEILE SMD PARTS
Q0121 BCX 17 SOT-23 SMD transistor 344-25509
SPEZIALTEILE SPECIAL PARTS
X0111 Keram.filter ceramic filter 386-25511
Infrared remote control PCB 396-86656.050
Solder side

22
Auswahl der Abgleichfunktionen
Calling of the alignment functions
Selection des fontions de réglage
Selezione delle funzioni taratura
Option Bit-Nr. 0...7
Umschalten einzelner Gerätefunktionen:
Switch-over for individual set functions
Commutation des différentes fonctions
d’ appareil
Commutazione di segnale funzioni
Einschalten TV-Service-Mode 1 )
Switching to TV-Service Mode 1 )
Enclenchement du mode TV-Service 1 )
Inserimento TV-Service-Mode 1 )
Abgleichwert abspeichern
Storing of alignment value in memory
Memorisation de la valeur reglée
Memorizzazione dei valore di taratura
Abgleich der angewählten Funktionen
Alignment of the function called
Réglage de la fonction selectionnée
Taratura della funzione selezaionata
Service Mode AUS/Off/Arrêt/Spento
zurück in den TV-Betrieb
Return to TV operating mode
Retour au mode TV
Ritorna su TV
1 ) Funktionstaste auf der Ortsbedienung viermal drücken (Anzeige „Service“ erscheint), anschlies-
send innerhalb 1 sec. Taste „MEN” auf der Fernbedienung drücken.
1 ) On the local control press function key four times (indication „Service“ will appear), afterwards
within a sec. press key „MEN” on the remote control.
1 ) Poussez quatre fois la touche function sur la commande locale (indication „Service“ appareît),
suivant en une sec. poussez la touche „MEN” sur la télécommande.
1 ) Su comando locale premere quattro volte il tasto funzione (indicatori „Service“ appare),
successivo centro uno sec. premere il tasto „MEN” con il telecomando.
Anordung der SERVICE-Mode-Befehle auf der Fernbedienung
Arrangement of the SERVICE Mode commands on the remote control
Arrangement des instructionsdu mode SERVICE sur la télécommande
Ordine dei comandi del "modo di servizio" sul telecomando

23
S E R V I C E 1
P r o g r a m
E x t >> T V
Gerät erwartet Programmierung von Extern durch EAROM-Program-
mer) (Set expects external programming via the EAROM programmer)
3. Operation within Service Mode
–Select functions:
Yellow cursor keys
– Change value:
With small "+/-"
(not for option bytes)
With number keys "0-9"
(only for option bytes)
–Store value:
With the "X" key
–Return to start:
With the "Menu" key
–Exit from Service mode:
With the "TV" key
3. Bedienung innerhalb des Service-Mode
–Funktion wählen:
Gelbe "Cursor" -Tasten
–Wert verändern:
Mit den kleinen "+/-" -Tasten
(nicht bei Option-Byte)
Mit den Ziffern-Tasten "0-9"
(nur bei Option-Byte)
–Wert speichern:
Mit der "X" -Taste
–In Grundstellung:
Mit der "Menü" -Taste
–Service-Mode verlassen:
Mit der "TV" -Taste
Abgleich-Anweisung
Service-Mode Q 4000 4.8.97
1. Funktion
Der Service-Mode macht den Abgleich variabler EAROM-Werte möglich und
gestattet die Geräteprogrammierung über die EAROM-Programmierschnitt-
stelle (via Scart 2) mittels "EAROM-Programmer". Mit Hilfe des Programmers
ist es dem Außendienstmitarbeiter möglich, eine für seinen Bezirk übliche
Standard-Geräteprogrammierung (Kanalnummern, Programmnamen und Ana-
logwerte z. B. im Bereich von Kabelnetzen) in wenigen Sekunden mühelos und
fehlerfrei durchzuführen. Beziehen Sie bitte den "EAROM-Programmer" über
die LOEWE-Kundendienstzentrale Kronach.
Eine detaillierte Gebrauchsanweisung liegt dieser nützlichen Servicehilfe bei,
so daß an dieser Stelle nähere Ausführungen entfallen können. Es sei aber
darauf hingewiesen, daß jeder EAROM-Programmer jeweils nur für einen
LOEWE-Chassistyp verwendet werden darf. Das heißt, ein bisher für das
Chassis C9003, eingesetzter Programmer darf nicht bei Geräten mit Chassis
Q 4000 angewendet werden - und umgekehrt. Wird dies nicht befolgt, droht
Gerätedefekt!
Der Programmer kann jedoch weiterverwendet werden, indem er durch ein
Gerät mit Chassis Q 4000 überschrieben wird. Im Chassis Q4000 können dabei
nur die Programmplätze von 00 bis 99 programmiert werden.
2. Einstieg in den Service-Mode
Die Einstellfolge für den Service-Mode entnehmen Sie bitte vom Text des
Bildes: "Anordnung der Service-Mode Befehle auf der Fernbedienung”.
Befindet sich nun das Gerät in der Service-Mode-Grundeinstellung "Aktionen
mit dem EAROM-Programmer", wird dies mit folgender OSD-Einblendung
dokumentiert (hier im Rahmen dargestellt!).
Beispiel:
L O E W E . Q4000 Ax.x 25888.xxx Xxxx
(Herst. Chassis Softw. Teile-Nr. Softw. EAROM-Kennung)
(EPROM)
Adjustment procedures
Service Mode Q 4000 4.8.97
1. Function
Service mode permits the calibration of variable EAROM values and allows the
set to be programmed via the EAROM programmer interface (via Scart 2) using
the "EAROM programmer". Using the programmer, a service engineer can
carry out a normal standard set programming for his district (channel numbers,
programme names and analog values, e.g. in areas with cable networks) with
a few seconds with no effort and no mistakes. Order the "EAROM Programmer"
via the LOEWE Service Department Kronach!
Detailed operating instructions are supplied with this useful service so that no
further details or descriptions are necessary at this point. It should be pointed
out, however, that each EAROM programmer may only be used for one LOEWE
chassis type. This means that a programmer previously used for the chassis
C9003 must not be used for sets with chassis Q 4000 - and vice versa. If this
is not observed, set damage may result!
The programmer can be used again, when data are copied from a set with
Q 4000 chassis! In chassis Q4000 only the programme locations from 00 to 99
are programmable!
2. Entering Service Mode
The Adjustment sequence for the service mode is indicated in the pictures:
"Arrangement of the service mode commands on the remote control".
The set is now in the service mode basic routine "Actions with the EAROM
programmer" and documents this with the following on-screen display (here
shown in a frame!).
Example:
L O E W E . Q4000 Ax.x 25888.xxx Xxxx
(prod. chassis softw. Part No. softw. EAROM identification)
(EPROM)

24
S E R V I C E 1
P r o g r a m
E x t >> T V
Istruzioni Allineamento
Service-Mode Q 4000 4.8.97
1. Funzione
La modalità Service consente l’allineamento di valori EAROM variabili e
permette la programmazione dell’apparecchio tramite l’interfaccia di program-
mazione EAROM (via Scart 2) mediante lo "EAROM-Programmer". Con questo
Programmer il tecnico di assistenza clienti può eseguire la programmazione
standard degli apparecchi in pochi secondi senza alcuna fatica nè errore, cioè
la programmazione usuale per la sua zona (numeri di canale, nomi dei
programmi e valori analogici, ad es. nell’ambito della filodiffusione). Per
ordinare lo "EAROM-Programmer" rivolgetevi alla Centrale di Assistenza
Tecnica LOEWE Kronach.
A questo utile dispositivo di manutenzione sono allegate dettagliate istruzioni
per l’uso, per cui non occorre in questa sede fornire ulteriori dettagli. Tuttavia
vorremmo ricordare che ogni EAROM-Programmer si può usare solo per un
tipo di chassis LOEWE. Cioè un Programmer utilizzato finora per lo chassis
C9003 non può essere usato negli apparecchi con chassis Q 4000 - e
viceversa. Se non si rispettasse questa regola, si potrebbe danneggiare
l’apparecchio!
Il Programmer si può comunque continuare a usare ricoprendolo con un
apparecchio con chassis Q 4000. Nel telaio Q4000 possono essere program-
mate in questo caso specifico unicamente le posizioni da 00 a 99.
2. Attivazione del modo di servizio
L’ordine del lavori di regolazione nel modo di servizio riportato nel testo del
quadro "Ordine dei comandi di servizio sul telecomando".
Adesso l’apparecchio si trova in modalità Service - Posizione iniziale "Azioni
con l’EAROM-Programmer", il che viene dimostrato dal seguente messaggio
OSD (qui riportato all’interno del riquadro!).
Esempio:
L O E W E . Q4000 Ax.x 25888.xxx Xxxx
(fabbr. telaio softw. No. matr. caratteristica EAROM)
(EPROM)
Instructions d'alignement
Service-Mode Q 4000 4.8.97
1. Fonction
Le mode maintenance permet l’alignement des valeurs variables EAROM et la
programmation des appareils par l’interface de programmation EAROM (via
Scart 2) au moyen de "programmeurs EAROM". A l’aide du programmeur,
l’employé du service extérieur peut exécuter en quelques secondes, sans peine
et sans erreur, une programmation ordinaire standard des appareils pour son
secteur (numéros de canal, noms de programme et valeurs analogues, par ex.
dans la marge des réseaux par canal). Veuillez vous procurer le "program-
meurs EAROM", de la Centrale de Service Après-Vente LOEWE à Kronach.
Un mode d’emploi détaillé est joint à cette assistance de service utile de telle
sorte que nous pouvons nous dispenser, ici, de plus amples explication. Mais,
nous tenons à attirer l’attention sur le fait que chaque programmeur EAROM ne
doit être utilisé à chaque fois que pour un seul type de châssis LOEWE. Cela
veut dire qu’un programmeur utilisé jusqu’à maintenant pour le châssis C9003
ne doit pas être applique sur les appareils ayant un châssis Q 4000 et vice versa.
Si vous n’en tenez pas compte, il y aura risque de pannes des appareils!
Vous pouvez cependant continuer à utiliser le programmeur en le surécrivant
avec un appareil à châssis Q 4000. Dans le châssis Q4000 on ne peut
programmer que les places de programme de 00 à 99.
2. Entrée dans le mode maintenance
La série des réglages en mode service vous est donnée par le texte de l’image:
"Arrangement des instructions du mode service sur la télécommande".
L’appareil se trouve alors en position de base du service maintenance "Actions
avec le programmeur EAROM" et le documente par la superposition OSD
suivante (représentée ici dans le cadre!).
Exemple:
L O E W E . Q4000 Ax.x 25888.xxx Xxxx
(fabr. châssis logiciel Réf. pi. softw. identification EAROM)
(EPROM)
(L’appareil attend la programmation de l’extérieur par le program-
meur EAROM). (L’apparecchio attende la programmazione esterna tramite l’EAROM-
programmer)
3. Comm. à l’intérieur du mode maintenance
–Sélectionner les fonctions:
touches "Curseur" jaunes
–Modifier les valeurs:
avec les petites touches "+/-"
(pas sur Option-Bytes)
avec les touches numériques "0-9"
(seulement sur Option-Bytes)
–Mémoriser les valeurs:
avec la touche "X"
–En position de base:
avec la touche "Menu"
–Quitter le mode maintenance:
avec la touche "TV"
3. Comandi nel modo di servizio
–Scegliere le funzioni:
tasti "direzionali" gialli
–Modificare il valore:
con i piccoli tasti "+/-"
(non in Option Bytes)
con i tasti numerici "0-9"
(solo in Option Bytes)
–Memorizzare il valore:
con il Tasto "X"
–In posizione iniziale:
con il tasto "Menu"
–Uscita dal modo di servizio:
con il tasto "TV"

25
4. Hinweise zum Geometrieabgleich
Vertikalamplitude, Vertikal-Position, V-Linearität, V-Symmetrie, Horizontal-
Amplitude, H-Phase, Ost/West , Trapez usw.
werden getrennt für 50/60Hz Bildfrequenzen abgespeichert und müssen
deshalb getrennt eingestellt werden:
Bildröhre: 4:3 16:9
Testbild: Testbild:
- 50Hz 4:3 16:9
- 60Hz 4:3 16:9
4. Instructions on Geometry Alignment
Vertical amplitude, Vertical position, Vertical linearity, Vertical symmetrie, Hor.
amplitude, Hor. phase, E-W corr., Trapezium comp., etc will be adjustet
separately for 50/60Hz vertical frequencies. Therefore they have to be
regulated separately.
CRT: 4:3 16:9
Test pattern: Test pattern:
- 50Hz 4:3 16:9
- 60Hz 4:3 16:9
5. Alignment functions (0-13)5. Abgleichfunktionen (0-13)
noitknufhcielgbAnoitknufhcielgbA noitknufhcielgbA noitknufhcielgbAnoitknufhcielgbA
noitnuftnemngilAnoitnuftnemngilA noitnuftnemngilA noitnuftnemngilAnoitnuftnemngilA
.B.zerhördliB-egieznA.B.zerhördliB-egieznA .B.zerhördliB-egieznA .B.zerhördliB-egieznA.B.zerhördliB-egieznA
.g.eebuterutcip-yalpsiD.g.eebuterutcip-yalpsiD .g.eebuterutcip-yalpsiD .g.eebuterutcip-yalpsiD.g.eebuterutcip-yalpsiD
netiehrednoseB/etrewlletsniEnetiehrednoseB/etrewlletsniE netiehrednoseB/etrewlletsniE netiehrednoseB/etrewlletsniEnetiehrednoseB/etrewlletsniE
serutaeflaiceps/sgnitteSserutaeflaiceps/sgnitteS serutaeflaiceps/sgnitteS serutaeflaiceps/sgnitteSserutaeflaiceps/sgnitteS
0remmargorPMORAE
remmargorPMORAE
1ECIVRES
margorP
VT>>txE
:"-/+"netsaTenielk(nrehcieps/nedalnetadmmargorP:nekcürd.ces2"X"etsaT
).txE>VT/VT>.txEnetlahcsmu
revo-hctiws:"-/+"syekllams(atademmargorperots/daol:.ces2rofyek"X"hsuP
).txE>VT/VT>.txE
1edutilpmA-lakitreV
edutilpmAlacitreV
1ECIVRES
pmA-V
xxx
dlibtsetbraF-KBuFgnulletsniEelamitpO
)KBuF(nrettaptsetroloCgnittesmumitpO
2eirtemmyS-lakitreV
yrtemmySlacitreV
1ECIVRES
myS-V
xxx
3tätiraeniL-lakitreV
ytiraeniLlacitreV
1ECIVRES
niL-V
xxx
4egaL-lakitreV
noitisoPlacitreV
1ECIVRES
soP-V
xxx
5edutilpmA-latnoziroH
edutilpmAlatnoziroH
1ECIVRES
pmA-H
xxx
6egaL-latnoziroH
noitisoPlatnoziroH
1ECIVRES
soP-H
xxx
.negnulletsniemrihcsdliBnenedeihcsreveidrüfnegnulletsniEetnnerteG
.sgnittesneercssuoiravehtrofstnemtsujdaetarapeS
7edutilpmA-WO
edutilpmAW-E
1ECIVRES
pmA-WE
xxx
gnulletsniEelamitpO
sgnittesmumitpO
8neboWO
puW-E
1ECIVRES
pUWE
xxx
9netnuWO
nwodW-E
1ECIVRES
nwoDWE
xxx
01 rutkerroK-zeparT
.pmoCmuizeparT
1ECIVRES
zeparT
xxx
11elgnAlacitreV
1ECIVRES
elgnA.treV
xxx
21woBlacitreV
1ECIVRES
woB.treV
xxx
31 redocnE-.zreV-Y
redocnEyaleDY
1ECIVRES
yaleDBGR !nemhenrovgnulletsniEenieK
!tsujdat'noD

26
4. Istruzione per l’allineamento geometrico
Ampiezza verticale, Posizione verticale, Linearita verticale, Simmetria vertica-
le, Ampiezza orizzontale, Fase orizzontale, E-O, Correz. trapezoidale etc
vengono memorizzati separatamente per le frequenze d'immagine 50/60Hz e
quindi si devono impostare a parte.
Cinescopio: 4:3 16:9
Immagine di prova: Immagine di prova:
- 50Hz 4:3 16:9 und 4:3
- 60Hz 4:3 16:9 und 4:3
5. Funzione d’allineamento (0-13)
4. Remarques concernant l’alignement de la géométrie
Ampl. verticale, Position verticale, Linéarité verticale, Symétrie verticale, Ampl.
horizontale, phase horizontale, Correction E-O , Correction trapéze etc sont
mémorisés séparément pour les fréquences d'image 50/60Hz et doivent donc
être réglés séparément.
Écran: 4:3 16:9
Mire de couleur: Mire de couleur:
- 50Hz 4:3 16:9 und 4:3
- 60Hz 4:3 16:9 und 4:3
5. Fonction d’alignement (0-13)
tnemengila'dnoitcnoFtnemengila'dnoitcnoF tnemengila'dnoitcnoF tnemengila'dnoitcnoFtnemengila'dnoitcnoF
otnemaenilla'denoiznuFotnemaenilla'denoiznuF otnemaenilla'denoiznuF otnemaenilla'denoiznuFotnemaenilla'denoiznuF
.xe.pnarcéegahciffA.xe.pnarcéegahciffA .xe.pnarcéegahciffA .xe.pnarcéegahciffA.xe.pnarcéegahciffA
.se.poipocsenicerotacidnI.se.poipocsenicerotacidnI .se.poipocsenicerotacidnI .se.poipocsenicerotacidnI.se.poipocsenicerotacidnI
sétiralucitraP/egalgéredsruelaVsétiralucitraP/egalgéredsruelaV sétiralucitraP/egalgéredsruelaV sétiralucitraP/egalgéredsruelaVsétiralucitraP/egalgéredsruelaV
.sopidirolaV/arutanoizisopalledatiralocitraP.sopidirolaV/arutanoizisopalledatiralocitraP .sopidirolaV/arutanoizisopalledatiralocitraP .sopidirolaV/arutanoizisopalledatiralocitraP.sopidirolaV/arutanoizisopalledatiralocitraP
0MORAEruemmargorP
remmargorPMORAE
1ECIVRES
margorP
VT>>txE
edseénnodselresiromém/regrahc:sednoces2tnadnep"X"ehcuotalrusreyuppA
emmargorp
)txE>VT/VT>txEnoitatummoc:"-/+"sehcuotsetiteP(
ilocciP(ammargorpitaderazziromem/eracirac:idnoceseudrep"X"otsatlieremerP
)txE>VT/VT>txEenoizatummoc:"-/+"itsat
1elacitreVedutilpmA
elacitreVazzeipmA
1ECIVRES
pmA-V
xxx
)KBuF(rueluocederiMlamitpoegalgéR
)KBuF(erolocavorpidenigammIelamittoenoizalogeR
2elacitreVeirtémyS
elacitreVairtemmiS
1ECIVRES
myS-V
xxx
3elacitreVétiraéniL
elacitreVatiraeniL
1ECIVRES
niL-V
xxx
4elacitreVnoitisoP
elacitreVenoizisoP
1ECIVRES
soP-V
xxx
5elatnoziroHedutilpmA
elatnozzirOazzeipmA
1ECIVRES
pmA-H
xxx
6elatnoziroHnoitisoP
elatnozzirOenoizisoP
1ECIVRES
soP-H
xxx
.narcé'ledsegalgérstneréffidselruoptnemérapésegalgéR
.oedivledinoizatsopmiesrevidelrepitarapesenoizalogeR
7OEedutilpmA
OEazzeipmA
1ECIVRES
pmA-WE
xxx
lamitpoegalgéR
elamittoenoizalogeR
8pUtseWtsaE
1ECIVRES
pUWE
xxx
9nwoDtseWtsaE
1ECIVRES
nwoDWE
xxx
01 ezéparTnoitcerroC
eladiozeparT.zerroC
1ECIVRES
zeparT
xxx
11elgnAlacitreV
1ECIVRES
elgnA.treV
xxx
21woBlacitreV
1ECIVRES
woB.treV
xxx
31 redocnEYdrateR
redocnEYodratiR 1ECIVRES
yaleDBGR
!egalgéredsapzeutceffe'N
!enoizatsopmianuclaeriugesenoN

27
5. Abgleichfunktionen (14-26) 5. Alignment functions (14-26)
noitknufhcielgbAnoitknufhcielgbA noitknufhcielgbA noitknufhcielgbAnoitknufhcielgbA
noitcnuftnemngilAnoitcnuftnemngilA noitcnuftnemngilA noitcnuftnemngilAnoitcnuftnemngilA
.B.zerhördliB-egieznA.B.zerhördliB-egieznA .B.zerhördliB-egieznA .B.zerhördliB-egieznA.B.zerhördliB-egieznA
.g.eebuterutcip-yalpsiD.g.eebuterutcip-yalpsiD .g.eebuterutcip-yalpsiD .g.eebuterutcip-yalpsiD.g.eebuterutcip-yalpsiD
netiehrednoseB/etrewlletsniEnetiehrednoseB/etrewlletsniE netiehrednoseB/etrewlletsniE netiehrednoseB/etrewlletsniEnetiehrednoseB/etrewlletsniE
serutaeflaiceps/sgnitteSserutaeflaiceps/sgnitteS serutaeflaiceps/sgnitteS serutaeflaiceps/sgnitteSserutaeflaiceps/sgnitteS
41 TVegaL-latnoziroH
TT.soPlatnoziroH
1ECIVRES
.soPtxeT
xxx
gnulletsniEelamitpO
sgnittesmumitpO
51 gnuregözreV-Y
yaleDY
1ECIVRES
yaleD-Y
xxx
)MACES,CSTN,LAPrüftnnerteg(gnulletsniEelamitpO
)MACES,CSTN,LAProfstnemtsujdaetarapes(gnittesmumitpO
61 .zsO-regärtsflihbraF
.csOreirrac-buS
1ECIVRES
OCV
xxx
)hcielgbA.motua(nelletsniellunsgnubewhcS
)tnemtsujda.motua(taeboreztsujdA
a71
slupmißeM-ffotuC
gnirusaeMffo-tuC
esluP
1ECIVRES
ffotuC
BGR
xxxxxxxxx
relgeR-2gUtiM.tgiezgnunnapSetshcöheidehclew,)u33,t33,s33PM(nessemnefutsdnebraFnednA
fuatsartnoKßumgnulletsniEreseidroV[CDV5,2±851=ffotuC:nelletsniekcolbrelgeRredoTSDmi
fuaffotuCßumnebraF3ellarüF.nedrewtlletsegnie04fuagnugittäsbraFdnu32fuatiekgilleH,05
].niestetlahcsegnie9:61ßumetäreG9:61rüF!nehets36fua)81(trewßieWdnu02
2gUesU.noisnetdeyalpsidehtfotsehgihehtkcehc)u33,t33,s33PM(egatstuptuoruoloctA
tsartnoctnemtsujdatahterofeB[CDV5.2±851=ffotuC:tsujdaottinurellortnocroTSDnirellortnoc
yalpsidtsumffotuCsruoloc3llaroF.04otnoitarutasruolocdna32otssenthgirb,05ottesebotsah
]!edom9:61ottesebotevahstesVT9:61llA!36)81(leveLetihWdna02
b71
trewznerefeR-ffo-tuC
ecnerefeRffo-tuC
eulaV
1ECIVRES
ffotuC
BGR
xxxxxxxxx
,tniehcsrezrawhcsmroNsib,nehöhretiewosnebraFnednelhefnediebeidehcälfuarGrednI
.nrehciepsba"X"etsaTtimdneßeilhcsna
seulavesehterotsneht,dradnatssemocebkcalblitnusruolocowtgnissimehtesiraerayergehtnI
.yek"X"htiw
81 trewßieW
leveLetihW
1ECIVRES
etihW
BGR
xxxxxxxxx
,tniehcsreßiewmroNsib,nereizudertiewosnebraFnednereinimodnediebeidehcälfßieWrednI
.nrehciepsba"X"etsaTtimetreWdneßeilhcsna
esehterotsneht,dradnatssemocebkcalblitnusruolocowttnanimodehtecuderaeraetihwehtnI
.yek"X"htiwseulav
91
egaL-latnoziroHPiP
latnoziroHPiP
noitisoP
1ECIVRES
soPHPiP
01234567
xxxxxxxx
gnulletsniEelamitpO
gnittesmumitpO
02 tesffO-stiekgilleH
tesffOssenthgirB
1ECIVRES
ssenthgirBbuS
01234567
xxxxxxxx
!nemhenrovgnulletsniEenieK
!tsujdat'noD
12 tiehlietS-tsartnoK
tsartnoCbuS
1ECIVRES
tsartnoCbuS
01234567
xxxxxxxx
!nemhenrovgnulletsniEenieK
!tsujdat'noD
221etyBnoitpO
1ECIVRES
1noitpO
01234567
xxxxxxxx
!gnuthcA
:nemhenrovgnurehciepSdnunehcamnebagniErunreiH
llafrutarapeRnegidnewtonmi)a
negnurednämroN/-mmargorPnethcsnüwegieb)b
ellebaTsetyBnoitpOeheistrahcielgbA
!noituaC
:gniziromemdnastupniereH
sriaperyrassecenfotneveehtni)a
smron/smargorpretlaothsiwuoyfi)b
elbaTsetyBnoitpOeesdohtemtnemngilaroF
322etyBnoitpO
1ECIVRES
2noitpO
01234567
xxxxxxxx
423etyBnoitpO
1ECIVRES
3noitpO
01234567
xxxxxxxx
524etyBnoitpO
1ECIVRES
4noitpO
01234567
xxxxxxxx
625etyBnoitpO
1ECIVRES
5noitpO
01234567
xxxxxxxx
Bildaustastlücke (0,1msec) / V Blank (0.1msec)
CUT OFF
Schwarzwert
Black Level
0 V

28
5. Funzione d'llineamento (14-26)5. Fonction d'alignement (14-26)
tnemengila'dnoitcnoFtnemengila'dnoitcnoF tnemengila'dnoitcnoF tnemengila'dnoitcnoFtnemengila'dnoitcnoF
otnemaenilla'dinoiznuFotnemaenilla'dinoiznuF otnemaenilla'dinoiznuF otnemaenilla'dinoiznuFotnemaenilla'dinoiznuF
.xe.pnarcÉegahciffA.xe.pnarcÉegahciffA .xe.pnarcÉegahciffA .xe.pnarcÉegahciffA.xe.pnarcÉegahciffA
.se.poipocsenicerotacidnI.se.poipocsenicerotacidnI .se.poipocsenicerotacidnI .se.poipocsenicerotacidnI.se.poipocsenicerotacidnI
sétiralucitraP/egalgéredsruelaVsétiralucitraP/egalgéredsruelaV sétiralucitraP/egalgéredsruelaV sétiralucitraP/egalgéredsruelaVsétiralucitraP/egalgéredsruelaV
.sopidirolaV/arutanoizisopalledatiralocitraP.sopidirolaV/arutanoizisopalledatiralocitraP .sopidirolaV/arutanoizisopalledatiralocitraP .sopidirolaV/arutanoizisopalledatiralocitraP.sopidirolaV/arutanoizisopalledatiralocitraP
41 TTelatnoziroHnoitisoP
VTelatnozzirOenoizisoP
1ECIVRES
.soPtxeT
xxx
lamitpoegalgéR
elamittoenoizalogeR
51 YdrateR
YodratiR
1ECIVRES
yaleD-Y
xxx
)MACES,CSTN,LAPruoptnemérapésegalgér(lamitpoegalgéR
)MACES,CSTN,LAPrepitarapesinoizaloger(elamittoenoizalogeR
61
rueluoCesuetrop-suoS
etnatropottosled.csO
eroloc
1ECIVRES
OCV
xxx
).motuatnemengila(oréztnemettabrelgéR
).motuaotnemaenilla(orezotnemittaberalogeR
a71
-tuCerusemednoislupmI
ffo
ffo-tuCarusimidoslupmI
1ECIVRES
ffotuC
BGR
xxxxxxxxx
relgéR.seéhciffanoisnetffotuCednargleuq,)u33,t33,s33PM(rueluocedlanifegatéàreruseM
ectnavA[CDV5,2±851=ffotuC:noitalugéredcolbuoTSDsnad2gUruetalugérelceva
el,srueluoc3selruoP.04àrueluocte32àétisonimulal,05àélgérertêtiodetsartnocel,egalgér
tuafli,9:61slierappaselruoP.36rus)81(cnalbudruelavalte02rusertêtioderupuocedtniop
]:9:61ecivresneerttem
noceralogeR.itacidniomissamenoisnetelauq,)u33,t33,s33PM(irolocidelanifoidatsusarusiM
atseuqeriugeseidamirP[CDV5,2±851=ffotuC:erotalogeroccolboTSDni2gUerotalogerli
isirolocertireP.04aeroloce32aàtisonimulal,05aotsartnoclieralogerevedisenoizatsopmi
eresseeved9:61ihccerappailguS.36a)81(ocnaiblederolavlie02affotuclieratsopmieved
].omrehcsidàtiladomatseuqavitta
b71
-tuCecneréféRedruelaV
ffo
otnemirefiriderolaV
ffotuC
1ECIVRES
ffotuC
BGR
xxxxxxxxx
,essiarappalamronrioneleuqecà'uqsujselbiafsrueluocxuedselretnemgua,esirgecafrusalsnaD
."X"ehcuotalcevaresiromémsiup
ioP.amronidorenlierirapparafaonifilobedùipiroloceudieratnemua,aigirgeicifrepusalleN
."X"otsatlinocerazziromem
81 cnalBudruelaV
ocnaiBolleviL
1ECIVRES
etihW
BGR
xxxxxxxxx
lamroncnalbeleuqecà'uqsujsetnanimodsrueluocxuedseleriudér,ehcnalbecafrusalsnaD
."X"ehcuotalcevaresiromçmsiup,essiarappa
ioP.amronidocnaiblierenettodaonifitnanimodiroloceudierrudir,acnaibeicifrepusalleN
."X"otsatlinocerazziromem
91 PiPelatnoziroHnoitisoP
PiP.zzirOenoizisoP
1ECIVRES
soPHPiP
01234567
xxxxxxxx
lamitpoegalgéR
elamittoenoizalogeR
02ssenthgirBbuS
1ECIVRES
ssenthgirBbuS
01234567
xxxxxxxx
!egalgéredsapzeutceffe'N
!enoizatsopmianuclaeriugesenoN
12tsartnoCbuS
1ECIVRES
tsartnoCbuS
01234567
xxxxxxxx
!egalgéredsapzeutceffe'N
!enoizatsopmianuclaeriugesenoN
221etyBnoitpO
1ECIVRES
1noitpO
01234567
xxxxxxxx
!noitnettA
:noitasiromémalàredécorpteseértnesedeuqicieriafeN
eriassecéntsenoitarapérùosacelsnad)a
eétiahuosemron/emmargorpednoitacifidomenu'dsacelsnad)b
noitpo'dsetybseduaelbatriov,tnemengila'derneG
!enoiznettA
:inoizaziromemeissergnioloserautteffeiuQ
enoizarapiridatissecenidosacni)a
amron/ammargorpidehcifidomrep)b
setyballebatenoizpo'lidevainotnisidopitlireP
322etyBnoitpO
1ECIVRES
2noitpO
01234567
xxxxxxxx
423etyBnoitpO
1ECIVRES
3noitpO
01234567
xxxxxxxx
524etyBnoitpO
1ECIVRES
4noitpO
01234567
xxxxxxxx
625etyBnoitpO
1ECIVRES
5noitpO
01234567
xxxxxxxx
Bildaustastlücke (0,1msec) / V Blank (0.1msec)
CUT OFF
Schwarzwert
Black Level
0 V

29
6. Abgleich analog 6. Analog adjustments
Lageplan Bildrohrpl. Layout diagram CRT PCB Plan de localisation platine tube image Schema pratico piastra cinescopio
B
HV-GND
GR
KR
G2
KG
G1
ff KB
33u
33t
33s
I3391
UG2
I3381
I3371
W3301 W3152
W3258
W3201
R
FB
G
B
U12
CUTOFF
U200
Uf
11
12
9
810
V 001
7
6
5
41
2
Foc.2
Foc.1
)etknuphcielgbAegolana=(edoM-ecivreSsedblahreßuanenoitknufhcielgbA )etknuphcielgbAegolana=(edoM-ecivreSsedblahreßuanenoitknufhcielgbA )etknuphcielgbAegolana=(edoM-ecivreSsedblahreßuanenoitknufhcielgbA )etknuphcielgbAegolana=(edoM-ecivreSsedblahreßuanenoitknufhcielgbA )etknuphcielgbAegolana=(edoM-ecivreSsedblahreßuanenoitknufhcielgbA
)stnioptnemngilagolana=(edoMecivreSedistuosnoitcnuftnemngilA )stnioptnemngilagolana=(edoMecivreSedistuosnoitcnuftnemngilA )stnioptnemngilagolana=(edoMecivreSedistuosnoitcnuftnemngilA )stnioptnemngilagolana=(edoMecivreSedistuosnoitcnuftnemngilA )stnioptnemngilagolana=(edoMecivreSedistuosnoitcnuftnemngilA
hcielgbAhcielgbA hcielgbA hcielgbAhcielgbA
tnemtsujdAtnemtsujdA tnemtsujdA tnemtsujdAtnemtsujdA
langiSlangiS langiS langiSlangiS
langiSlangiS langiS langiSlangiS
gnuztessuaroVgnuztessuaroV gnuztessuaroV gnuztessuaroVgnuztessuaroV
noitidnoCnoitidnoC noitidnoC noitidnoCnoitidnoC
,tknupßeM,tknupßeM ,tknupßeM ,tknupßeM,tknupßeM
rotakidnIrotakidnI rotakidnI rotakidnIrotakidnI
,tniop.tsM,tniop.tsM ,tniop.tsM ,tniop.tsM,tniop.tsM
.cidnI.cidnI .cidnI .cidnI.cidnI
gnulletsniEgnulletsniE gnulletsniE gnulletsniEgnulletsniE
stnemtsujdAstnemtsujdA stnemtsujdA stnemtsujdAstnemtsujdA
netiehrednoseB,etrewlletsniEnetiehrednoseB,etrewlletsniE netiehrednoseB,etrewlletsniE netiehrednoseB,etrewlletsniEnetiehrednoseB,etrewlletsniE
serutaeflaiceps,sgnitteSserutaeflaiceps,sgnitteS serutaeflaiceps,sgnitteS serutaeflaiceps,sgnitteSserutaeflaiceps,sgnitteS
,.rgollizsO,.rgollizsO ,.rgollizsO ,.rgollizsO,.rgollizsO
.tsradmrihcsdliB.tsradmrihcsdliB .tsradmrihcsdliB .tsradmrihcsdliB.tsradmrihcsdliB
neercs,.rgollicsOneercs,.rgollicsO neercs,.rgollicsO neercs,.rgollicsOneercs,.rgollicsO
yalpsidyalpsid yalpsid yalpsidyalpsid
gnunnapssbeirteB
egatlovgnitarepO
dlibtseT
nrettaptseT ~V032/022~V032/022 ~V032/022 ~V032/022~V032/022 mrihcsdliB
neercS
336P
)draoBcisaB(
)"82,"42/3:4(V5,0±V241
,"82/9:61(V5,0±V831
)"92/3:4
edutilpmA.rohdneßeilhcsna.fgG
!nereigirrok
)"82,"42/3:4(V5.0±V241
,"82/9:61(V5.0±V831
)"92/3:4
.rohtcerrocyrassecenfI
!sdrawretfaedutilpma
sucoF
sucoF
dlibtseT
nrettaptseT
mrihcsdliB
neercS
masucoF
redoofartnelieZ
tiehnierelgeR
ehttasucoF
-snartenil
roremrof
tinurellortnoc
gnulletsniEelamitpO
sgnittesmumitpO
UB

30
6. Allineamento analogici6. Alignement analogue
UB
Bildbestandteile
1) Graufeld (30% weiß)
2) Gitternetz (15 hor.- 19 vert. Linien)
3) Farbbalken
(75% weiß, gelb, cyan, grün, purpur, rot, blau, schwarz)
4) Graustufe (0-25-50-75-100% weiß)
5) Frequenzgruppe (1-2-3 MHz)
6) Orangefeld (4,43 MHz/Phase G-Y=0)
7) Rotkeil (±V Sägezahn)
8) Blaukeil (+U Sägezahn)
9) Graufeld (+V)
10) Graufeld (±U)
Picture components
1) Grey field (30% white)
2) Grid network (15 hor.- 19 vert. Line)
3) Colour bar
(75% white, yellow, cyan, green, purple, red, blue, black)
4) Shade of grey (0-25-50-75-100% white)
5) Frequency group (1-2-3 MHz)
6) Orange field (4,43 MHz/Phase G-Y=0)
7) Red wedge (±V Sawtooth)
8) Blue wedge (+U Sawtooth)
9) Grey field (+V)
10) Grey field (±U)
6
4
3
2
1
5
7
8
Sender - Kennung
9
10
FuBK-Farbtestbild Colour test pattern (FuBK) Mire de couleur (FuBK) Immagina di prova colore (FuBK)
)tnemengila'dstniopeugolana(ecnanetniamecivresudsrohedneegalgéredsnoitcnoF )tnemengila'dstniopeugolana(ecnanetniamecivresudsrohedneegalgéredsnoitcnoF )tnemengila'dstniopeugolana(ecnanetniamecivresudsrohedneegalgéredsnoitcnoF )tnemengila'dstniopeugolana(ecnanetniamecivresudsrohedneegalgéredsnoitcnoF )tnemengila'dstniopeugolana(ecnanetniamecivresudsrohedneegalgéredsnoitcnoF
)icigolanaotnemaenillaiditnup=(oizivresidodomallediroufotnemaenillaidinoiznuF )icigolanaotnemaenillaiditnup=(oizivresidodomallediroufotnemaenillaidinoiznuF )icigolanaotnemaenillaiditnup=(oizivresidodomallediroufotnemaenillaidinoiznuF )icigolanaotnemaenillaiditnup=(oizivresidodomallediroufotnemaenillaidinoiznuF )icigolanaotnemaenillaiditnup=(oizivresidodomallediroufotnemaenillaidinoiznuF
tnemengilAtnemengilA tnemengilA tnemengilAtnemengilA
otnemaenillAotnemaenillA otnemaenillA otnemaenillAotnemaenillA
langiSlangiS langiS langiSlangiS
elangeSelangeS elangeS elangeSelangeS
noitidnoCnoitidnoC noitidnoC noitidnoCnoitidnoC
essemerPessemerP essemerP essemerPessemerP
,.semed.P,.semed.P ,.semed.P ,.semed.P,.semed.P
.cidnI.cidnI .cidnI .cidnI.cidnI
,.simid.otP,.simid.otP ,.simid.otP ,.simid.otP,.simid.otP
.cidnI.cidnI .cidnI .cidnI.cidnI
egalgéRegalgéRegalgéRegalgéRegalgéR
enoizalogeRenoizalogeR enoizalogeR enoizalogeRenoizalogeR
,egalgéredsruelaV,egalgéredsruelaV ,egalgéredsruelaV ,egalgéredsruelaV,egalgéredsruelaV
sétiralucitraPsétiralucitraP sétiralucitraP sétiralucitraPsétiralucitraP
idirolaV,.sopalledatiralocitraPidirolaV,.sopalledatiralocitraP idirolaV,.sopalledatiralocitraP idirolaV,.sopalledatiralocitraPidirolaV,.sopalledatiralocitraP
.sop.sop .sop .sop.sop
.sérpeR,.rgollicsO.sérpeR,.rgollicsO .sérpeR,.rgollicsO .sérpeR,.rgollicsO.sérpeR,.rgollicsO
narcé'dnarcé'd narcé'd narcé'dnarcé'd
.tsullI,.rgollicsO.tsullI,.rgollicsO .tsullI,.rgollicsO .tsullI,.rgollicsO.tsullI,.rgollicsO
omrehcsomrehcs omrehcs omrehcsomrehcs
ecivresednoisneT
enoisneT
oizicrese'd
eriM
idenigammI
avorp
~V032/022~V032/022 ~V032/022 ~V032/022~V032/022 narcÉ
omrehcS
336P
)draoBcisaB(
)"82,"42/3:4(V5,0±V241
,"82/9:61(V5,0±V831
)"92/3:4
etiusneregirroc,tnaéhcésaceL
.elatnozirohedutilpma'l
)"82,"42/3:4(V5,0±V241
,"82/9:61(V5,0±V831
)"92/3:4
etnemlautneveereggerroC
.elatnozziroenidutilpma'l
sucoF
ocouF
eriM
idenigammI
avorp
narcÉ
omrehcS
elrusreyoF
-amrofsnart
-alabedruet
latnoz-irohegay
edétinuuo
!egalgér
usocouF
erotamrofsart
idàtinuoehgir
!enoizaloger
lamitpoegalgéR
elamittoenoizalogeR

31
Option Byte TableOption Byte-Tabelle Tableau Option Byte Tabella Byte di Opzione
noitknufhcielgbAnoitknufhcielgbA noitknufhcielgbA noitknufhcielgbAnoitknufhcielgbA noitcnuftnemengilAnoitcnuftnemengilA noitcnuftnemengilA noitcnuftnemengilAnoitcnuftnemengilA tnemengila'dnoitcnoFtnemengila'dnoitcnoF tnemengila'dnoitcnoF tnemengila'dnoitcnoFtnemengila'dnoitcnoF .pmocidenoiznuF.pmocidenoiznuF .pmocidenoiznuF .pmocidenoiznuF.pmocidenoiznuF
.rN-tiB.rN-tiB .rN-tiB .rN-tiB.rN-tiB
NN
N
NN.o.o.o.o.o.°N.°N.°N.°N.°N
.oN.oN .oN .oN.oN
gnutuedeBgnutuedeB gnutuedeB gnutuedeBgnutuedeB gninaeMgninaeM gninaeM gninaeMgninaeM noitacifingiSnoitacifingiS noitacifingiS noitacifingiSnoitacifingiS otacifingiSotacifingiS otacifingiS otacifingiSotacifingiS "0""0" "0" "0""0""1""1" "1" "1""1"
kreWbagnulletsniEkreWbagnulletsniE kreWbagnulletsniE kreWbagnulletsniEkreWbagnulletsniE yrotcafehtnidetsujdAyrotcafehtnidetsujdA yrotcafehtnidetsujdA yrotcafehtnidetsujdAyrotcafehtnidetsujdA enisuneegalgéRenisuneegalgéRenisuneegalgéRenisuneegalgéRenisuneegalgéR
cirbbafnienoizartsigeRcirbbafnienoizartsigeR cirbbafnienoizartsigeR cirbbafnienoizartsigeRcirbbafnienoizartsigeRaa
a
aa
adilaC
Z2765
adilaC
3665
adilaC
5565
030600060006
1etyB1etyB 1etyB 1etyB1etyB
00
0
00
---
00
0
0000
0
0000
0
0000
0
0000
0
0000
0
00
11
1
11
---
00
0
0000
0
0000
0
0000
0
0000
0
0000
0
00
22
2
22
---
00
0
0000
0
0000
0
0000
0
0000
0
0000
0
00
33
3
33
N/MmetsyS
trrepseg dekcolb nessaleguz devorppa
11
1
1111
1
1100
0
0011
1
1100
0
0011
1
11
44
4
44
LmetsyS
trrepseg dekcolb nessaleguz devorppa
11
1
1111
1
1100
0
0011
1
1100
0
0011
1
11
55
5
55
K/DmetsyS
trrepseg dekcolb nessaleguz devorppa
11
1
1111
1
1111
1
1111
1
1111
1
1111
1
11
66
6
66
ImetsyS
trrepseg dekcolb nessaleguz devorppa
11
1
1111
1
1100
0
0011
1
1100
0
0011
1
11
77
7
77
G/BmetsyS
trrepseg dekcolb nessaleguz devorppa
11
1
1111
1
1111
1
1111
1
1111
1
1111
1
11
2etyB2etyB 2etyB 2etyB2etyB
00
0
00
VTAMSrüfCqESiD
VTAMSrofCqESiD
aj
sey
nien
on
11
1
1111
1
1111
1
1111
1
1111
1
1111
1
11
11
1
11
)neloP(TV
)dnaloP(TT
nien
on
aj
sey
00
0
0000
0
0000
0
0000
0
0000
0
0000
0
00
22
2
22
CPVedoMkcoL nien
on
aj
sey
11
1
1111
1
1111
1
1111
1
1111
1
1111
1
11
33
3
33
gnutsatleknuD).../fualhcuS(
gniknalB).../hcraeS( nieno sua ffo
00
0
0000
0
0000
0
0000
0
0000
0
0000
0
00
44
4
44
rossezorpknelbA
rossecorPnoitcelfeD 3639/0639ADS2639ADS
00
0
0000
0
0000
0
0000
0
0000
0
0000
0
00
55
5
55
yromeMCGA sua
ffo
nie
no
11
1
1111
1
1111
1
1111
1
1111
1
1111
1
11
66
6
66
ebagniEregillets-1gnunnekrE
dnammoctigid1fonoitceteD sm054sm008
00
0
0000
0
0000
0
0000
0
0000
0
0000
0
00
77
7
77
.gtlahcsmutamroF(gnutrewsuA-SSW
)sulPLAP
revo-hctiwstamroF(noitceteDSSW
)sulPLAProf
gnutlahcsmU.motua
revo-hctiws.motua
gnutlahcsmU.motuaeniek
revo-hctiws.motuaon
00
0
0000
0
0000
0
0000
0
0000
0
0000
0
00
3etyB3etyB 3etyB 3etyB3etyB
00
0
00
)etrewdradnatS(tamrofdliB
)seulavdradnats(oitarerutciP nessaleguz devorppa trrepseg dekcolb
00
0
0000
0
0000
0
0000
0
0000
0
0000
0
00
11
1
11
erhördliB
TRC 3:49:61
00
0
0000
0
0000
0
0000
0
0000
0
0000
0
00
22
2
22
.motuatlahcsbA).hcnySenho(
.motuaffo-hctiwS)cnySo/w( nieno sua ffo
00
0
0000
0
0000
0
0000
0
0000
0
0000
0
00
33
3
33
knalBtsaF)BGR.txe.fgnarroV(
)BGRnretxerofytiroirp(
tsitlhäweg1VAnnewrun
detcelessi1VAfiylno nessaleguzremmi devorppasyawla
00
0
0000
0
0000
0
0000
0
0000
0
0000
0
00
44
4
44
"edohtaK-i"gnulegertsartnoK "edohtac-i"lortnoctsartnoC lamron
lamron
.taK-i.fdnegietsnamasgnal
edohtac-irofgnisiraylwols
00
0
0000
0
0000
0
0000
0
0000
0
0000
0
00
55
5
55
)sudomkirbaF(sudomfualmraW
)edoMyrotcaF(edompu-mraW sua ffo nieno
00
0
0000
0
0000
0
0000
0
0000
0
0000
0
00
66
6
66
etnatsnoktieZ-CVA
tnatsnocemitCVA
masgnal
wols
llenhcs
tsaf
00
0
0000
0
0000
0
0000
0
0000
0
0000
0
00
77
7
77
K/D.f.tnedI-MF
K/DrofnoitacifitnedIMF sua ffo nieno
00
0
0000
0
0000
0
0000
0
0000
0
0000
0
00
4etyB4etyB 4etyB 4etyB4etyB
00
0
00
)nereirfniedliBmidliB(
)ezeerferutcipnierutciP( )gnol()gnal( )trohs()zruk(
00
0
0000
0
0000
0
0000
0
0000
0
0000
0
00
11
1
11
täreghesnreFnetlahcssuA
tesVTffo-gnihctiwS
gnahroVtim
niatruchtiw
gnahroVenho
niatructuohtiw
00
0
0000
0
0000
0
0000
0
0000
0
0000
0
00
22
2
2200
0
0000
0
0000
0
0000
0
0000
0
0000
0
00
33
3
33
LLPCLL dekcol-Vnnew,nierun
dekcol-Vfiylno"no"ottes nosyawlanieremmi
00
0
0000
0
0000
0
0000
0
0000
0
0000
0
00
44
4
44
essülhcsnatnorF-SHV-S slanimrettnorfSHV-S nednahrov elbaliava nednahrovthcin elbaliavaton
00
0
0000
0
0000
0
0000
0
0000
0
0000
0
00
55
5
55
)sudomkirbaF(sudomfualmraW
)edoMyrotcaF(edompu-mraW nessaleguz devorppa netobrev neddibrof
11
1
1111
1
1111
1
1111
1
1111
1
1111
1
11
66
6
66
gnunnekrEteseR noitcetedteseR trrepseg dekcolb nessaleguz devorppa
11
1
1111
1
1111
1
1111
1
1111
1
1111
1
11
77
7
77
sünemtratSsedgnureivitkA etavitcaunemtratS trrepseg dekcolb nessaleguz devorppa
11
1
1111
1
1111
1
1111
1
1111
1
1111
1
11
5etyB5etyB 5etyB 5etyB5etyB
00
0
00
dnuorruSybloD nien
on
aj
sey
00
0
0000
0
0000
0
0000
0
0000
0
0000
0
00
11
1
11
)renuTPiP( )rehto()reredna()875VNE(
00
0
0000
0
0000
0
0000
0
0000
0
0000
0
00
22
2
22
sthceR/skniLdnuorruStseT
thgiR/tfeLdnuorruStseT
tnnerteg
detarapes
nemmasuz
rehtegot
00
0
0000
0
0000
0
0000
0
0000
0
0000
0
00
33
3
33
RECILSHCNYSCPVlamron%05≤
00
0
0000
0
0000
0
0000
0
0000
0
0000
0
00
44
4
44
gnutlahcsmUDMA
revo-hctiwsDMA
llenhcs
tsaf
masgnal
wols
11
1
1111
1
1111
1
1111
1
1111
1
1111
1
11
55
5
55
.hcnyS-V
cnySV leehwylf retsneF
wodniw
00
0
0000
0
0000
0
0000
0
0000
0
0000
0
00
66
6
66
)kclCoiduA(edoMPSM lamron
lamron edoMtseTedoM-tseT
00
0
0000
0
0000
0
0000
0
0000
0
0000
0
00
77
7
77
)3.1Aba(MFnoitakifitnedI-noT
)3.1Amorf(MFnoitacifitnedIdnuoS )lamroN(ces2)arrodnA(ces8
00
0
0000
0
0000
0
0000
0
0000
0
0000
0
00

0004Q
neppurguaBstnenopmoC
XXMACIN,NM,"92draoBcisaB draoBcisaBMACIN,NM,"92150.70968-693
XdraoBcisaBGB,"42 draoBcisaBGB,"42 650.70968-693
XMACIN,NM,"42draoBcisaB draoBcisaBMACIN,NM,"42750.70968-693
XGB,"12draoBcisaB GB,"12draoBcisaB 850.70968-693
XMACIN,NM,"12draoBcisaB MACIN,NM,"12draoBcisaB 950.70968-693
XXX TVdraoBlangiS TVdraoBlangiS 050.60968-693
XX X MACIN,TVdraoBlangiS MACIN,TVdraoBlangiS 150.60968-693
XXXXmroNitluMdnabrepyHrenuT mroNitluMdnabrepyHrenuT 150.47968-693
X X GBdnabrepyHzHM8renuT GBdnabrepyHzHM8renuT 250.48968-062
XXXXXXgnuneideB.lptL B.C.PlortnoC 550.60858-693
XXMVS&ettalprhordliB MVS&B.C.PebuterutciP 160.82968-693
XXXXettalprhordliB B.C.PebuterutciP 260.82968-693
XXerhördliB34X200FSE-86A,"92 ,"92ebuterutciP34X200FSE-86A01932-543
XX2erhördliB44X252KAE-95A,"4 )79.3.41≤( 44X252KAE-95A,"42ebuterutciP )79.3.41≤( 93952-543
XX44X255KAE-95A,"42erhördliB )79.3.51≥( 44X255KAE-95A,"42ebuterutciP )79.3.51≥( 60962-543
XX05X571EHE-15A,"12erhördliB 05X571EHE-15A,"12ebuterutciP 43362-543
XXXXXX003BFrebeG-RI 003BFlortnoCetomeR 650.00058-362
XXrutkerroK-SN B.C.PnoitcerroCS-N 350.49068-693
XXXXXXrehcerpstuaL rekaepsduoL 47068-272
XXXXXX.lpmok,SRNrenuT-netilletaS .lpmoc,renuTTAS 050.60078-192
XXXXXX)V(TAS.lptL B.C.P)V(TAS 050.89868-693
Baugruppenübersicht Components chart
Nachrüstsatz
Retrofit Kit
Geräte Baugruppen
Set components
Gerätetype und Art.-Nr.
Set type and Art. No.
Calida 5672 Z 56420.30
Calida 5672 Z 56420.60
Calida 5663 Z 56419.00
Calida 5663 Z 56419.60
Calida 5655 Z 56418.00
Calida 5655 Z 56418.60

0004Q
stnasopmoCetnenopmoC
XXMACIN,mroNitluM,"92noitadnofedenitalP enoitadnofidartsaiPMACIN,mroNitluM,"92150.70968-693
XGB,"42noitadnofedenitalP enoitadnofidartsaiPGB,"42 -693650.70968
XMACIN,mroNitluM,"42noitadnofedenitalP enoitadnofidartsaiPMACIN,mroNitluM,"42-693750.70968
XGB,"12noitadnofedenitalP GB,"12enoitadnofidartsaiP -693850.70968
XMACIN,mroNitluM,"12noitadnofedenitalP mroNitluM,"12enoitadnofidartsaiP-693950.70968
XX X TV,langisenitalP TV,elangesartsaiP 050.60968-693
X X X MACIN,TV,langisenitalP MACIN,TV,elangesartsaiP-693150.60968
XXXXmroNitluMdnabrepyHzHM8renuT mroNitluMzHM8adnabrepiidrenuT -693150.47968
XXGBdnabrepyHzHM8renuT GBzHM8adnabrepiidrenuT 250.48968-062
XXXXXXednammocenitalP odnamocartsaiP 450.72768-693
XXMVS&egamiebutenitalP oipocsenicartsaiPMVS&450.82968-693
XXXXegamiebutenitalP oipocsenicartsaiP 550.82968-693
XXegamiebuT34X200FSE-86A,"92oipocseniC34X200FSE-86A,"9277362-543
XXegamiebuT44X252KAE-95A,"42 )79.3.41≤( oipocseniC44X252KAE-95A,"42 )79.3.41≤( 01932-543
XXegamiebuT44X255KAE-95A,"42 )79.3.51≥( oipocseniC44X255KAE-95A,"42 )79.3.51≥( 30362-543
XX05X571EHE-15A,"12egamiebuT 05X571EHE-15A,"12oipocseniC 850.00058-362
XXXXXX003BFeguorarfniàednammocéléT 003BFossorarfniodnamoceleT 350.49068-693
XXS-NnoitcerrocenitalP S-NenoizerrocartsaiP 050.24968-693
XXXXXXruelrap-tuaH etnalrapotlA 47068-272
XXXXXX.lpc,renuTTAS .lpmoc,TASrenuT 050.60078-192
XXXXXX )V(TASenitalP B.C.P)V(artsaiP 050.89868-693
Correspondances des modules Ordinamento dei gruppi
Module d'appareils
Gruppi di apparecchi
Modello e No. dell'art.
Typ d'app. et No. d'art. Lot de rattrapage
Kit di equip. succ.
Calida 5672 Z 56420.30
Calida 5672 Z 56420.60
Calida 5663 Z 56419.00
Calida 5663 Z 56419.60
Calida 5655 Z 56418.00
Calida 5655 Z 56418.60

Calida 5655 Z Artikel-Nr.: 56418.*00/**60
Pos.Nr. Bestell-Bezeichnung Description Bestell-Nummer
Item N
°
. List Part N
°
.
BAUGRUPPEN UNITS
U 1100 Tuner 8MHz-BG/DK .................. tuner ........................... 260-86984.052T .. *00
U 1100 Tuner E30/Q205/22/40/8M-MN . tuner ........................... 260-86974.050T . **60
U 3371 Bildrohrplatte o. SVM/ 4:3 ......... crt board ..................... 396-86928.062
U 4000 Basic Board VT/8M-BG/ 21" ..... print. circuit board ....... 396-86907.058T .. *00
U 4000 Basic Board 8M-MN/25W/ 21" .. print. circuit board ....... 396-86907.059T . **60
U 4001 Digital-Einheit Q4000 ................ digital unit ................... 291-86906.700T .. *00
U 4001 Digital-Einheit Q4000 NICAM ... digital unit ................... 291-86906.710T . **60
U 8211 Bedienteilplatte Q4000/Q2200 .. control c.b.a. ............... 396-85806.055
DRUCKSACHEN OPERATING INSTRUCTIONS
N 0001 Bed.-Anltg. -D-I- Q4000 ............operating instruct. ....... 233-26685.002 ... **60
CONTUR/PLANUS
N 0001 BAN -NL-GB-F-E- Q4000 ......... operating instruct. ....... 233-26685.011 ... **60
PLANUS/PROFIL
N 0001 BAN -NL-GB-F-E- Q4000 ......... operating instruct. ....... 233-26685.012 ... **60
CONTUR/PLANUS
N 0001 Bed.-Anltg. -D-I- Q4000 ............ operating instruct. ....... 233-26685.001
PLANUS/PROFIL
GERÄTEBEIPACK SET SUPPLEMENT
Mikrozelle 1,5V Alkali-Mangan .. battery ......................... 280-13411
U 9111 IR-Fernbedienung FB300 ......... remote control ............. 263-85000.056
VERPACKUNGSMATERIAL PACKING MATERIAL
Verpackungskarton LO-Druck ... packing case ............... 245-86391.002
Packschalen-Satz ..................... cushion set ................. 252-86392.050
Schutzstreifen 1200 x 800mm .. protective strip ............ 253-84666.001
Schutzstreifen 350 x 160 mm ...protective strip ............ 253-84666.004
(IR-G.)
VERBINDUNGSLEITUNG CONNECTING CABLES
N 8102 Netzkabel schwarz .................... power cord .................. 170-25132.001
2250lg. 2x0,5mH
KNÖPFE BUTTONS
Knopf/Taster schwarz ............... button ......................... 682-85081.111
Knopf II Netzschalter ................ button ......................... 682-85749.101
Knopf außen blau Netzschalter . button ......................... 682-85877.101
GEHÄUSETEILE CABINET MOUNTING
Klappe/Bedienung mittelgrau .... door assy. ................... 706-86304.104 ... **60
Einlage f. Ziergitter .................... insert ........................... 411-86394.001
IR-Fenster ................................. window ....................... 666-84526.101
Infrarot-Fenster für Bedienteil ...window ....................... 666-84571.101
Klappe/Bed. .............................. door assy. ................... 706-86304.103
schwarz bedr. hellblau
G 0100 FFS-Gehäuse mint 21" ............. cabinet ........................ 750-86397.003 ... **60
G 0100 FFS-Gehäuse platin 21" ........... cabinet ........................ 750-86397.004 ... **60
G 0100 FFS-Gehäuse graphit 21" ......... cabinet ........................ 750-86397.002
G 0101 Zwischenpolster natur ............... distance piece ............. 568-85727.101 ... **60
G 0101 Zwischenpolster schwarz ..........distance piece ............. 568-85727.102
G 0110 Rückwand mittelgrau 21" .......... backcover ................... 775-86398.003 ... **60
G 0110 Rückwand schwarz 21" ............. backcover ................... 775-86398.002
G 0111 Zwischenpolster natur ............... distance piece ............. 568-85727.101 ... **60
G 0111 Zwischenpolster schwarz ..........distance piece ............. 568-85727.102
G 0310 Klappe/Bedien. vorm. ............... door assy. ................... 706-86304.054 ... **60
mittelgrau bedr.
G 0310 Klappe/Bedien. vorm. ............... door assy. ................... 706-86304.053
schwarz bedr.
G 0350 Ziergitter mint ............................ornamental grille ......... 708-86396.003 ... **60
G 0350 Ziergitter platin ..........................ornamental grille ......... 708-86396.004 ... **60
G 0350 Ziergitter graphit ........................ ornamental grille ......... 708-86396.002
Schraube 7x40 vzkt. ................. screw .......................... 440-18058
f. Bildrohrbefestig.
EJOT-PT-Schraube sw ............. screw .......................... 440-25382
KB40x20 f. Rückwand
Distanzstück f. Bildrohrbefestg. . spacer piece ............... 503-17983
Halter Digital-Einheit ................. holder ......................... 602-20711
Halter/Entmag. .......................... holder ......................... 602-84286.101
Halter/RW ................................. holder ......................... 602-85723.101
Zugfeder f. Bildrohrerdung ........ tension spring ............. 725-74176.002
H 1996 Abdeckung/SCART ................... cover ........................... 703-86979.001
Bildröhre PH 21" ...................... picture tube ................. 345-26334
A51-EHE175X50
SPULEN/LAUTSPRECHER COILS,SPEAKERS
Lautspr. 8 Ohm 11W ................. loudspeaker ................ 272-86074
L 6001 Spule Entmagnet. 21" ............... demagnetizing coil ...... 297-86596.001
ALLGEM. MECHAN. TEILE COMMON MECHANICAL PARTS
Clamper .................................... spring .......................... 530-20813
Clamper .................................... cable support .............. 530-21237
Clamper Digital-Einheit ............. cable support .............. 530-21423
Kabelklemmhalter ..................... cable support .............. 530-81707.101
mit Steckfuß 4-pol.
Calida 5655 Z Artikel-Nr.: 56418.*00/**60
Pos.Nr. Bestell-Bezeichnung Description Bestell-Nummer
Item N
°
. List Part N
°
.
ALLGEM. MECHAN. TEILE COMMON MECHANICAL PARTS
Halter/Diode .............................. holder ......................... 602-84535.112
Montageclip Bildr.-Pl. IC's .........clamp clips .................. 739-23415
H 0474 Bügelfeder ................................ bow spring .................. 739-86651.001
H 0474 Bügelfeder ................................ bow spring .................. 739-87148.001
H 0484 Bügelfeder ................................ bow spring .................. 739-86651.001
H 0484 Bügelfeder ................................ bow spring .................. 739-87148.001
H 0534 Montageclip .............................. clamp clips .................. 739-24452
H 0560 Glimmerscheibe 21x11 .............mica washer ............... 421-10881
H 0561 Montageclip .............................. clamp clips .................. 739-24452
H 0594 Montageclip .............................. clamp clips .................. 739-24452
H 0611 Sicherungshalter ....................... fuse holder .................. 730-20061
H 0624 Feder ........................................ spring .......................... 739-19049
H 0626 Glimmerscheibe 21x11 .............mica washer ............... 421-10881
H 0663 Feder ........................................ spring .......................... 739-19049
H 0671 Sicherungshalter ....................... fuse holder .................. 730-23036
H 0672 Feder ........................................ spring .......................... 739-19049
H 0674 Feder ........................................ spring .......................... 739-19049
H 0676 Distanzstück ............................. spacer piece ............... 503-85113.101
H 1921 U-Klammer ............................... clamp .......................... 739-20522
H 1922 U-Klammer ............................... clamp .......................... 739-20522
H 1923 U-Klammer ............................... clamp .......................... 739-20522
Calida 5663 Z Artikel-Nr.: 56419.*00/**60
Pos.Nr. Bestell-Bezeichnung Description Bestell-Nummer
Item N
°
. List Part N
°
.
BAUGRUPPEN UNITS
U 1100 Tuner 8MHz-BG/DK .................. tuner ........................... 260-86984.052T .. *00
U 1100 Tuner E30/Q205/22/40/8M-MN . tuner ........................... 260-86974.050T . **60
U 3371 Bildrohrplatte o. SVM/ 4:3 ......... crt board ..................... 396-86928.062
U 4000 Basic Board VT/8M-BG/ 24" ..... print. circuit board ....... 396-86907.056 .... *00
U 4000 Basic Board VT/8M-MN/ 24" .....print. circuit board ....... 396-86907.057 ... **60
U 4001 Digital-Einheit Q4000 ................ digital unit ................... 291-86906.700T .. *00
U 4001 Digital-Einheit Q4000 NICAM ... digital unit ................... 291-86906.710T . **60
U 8211 Bedienteilplatte Q4000/Q2200 ..control c.b.a. ............... 396-85806.055
DRUCKSACHEN OPERATING INSTRUCTIONS
N 0001 Bed.-Anltg. -D-I- Q4000 ............ operating instruct. ....... 233-26685.002 ... **60
CONTUR/PLANUS
N 0001 BAN -NL-GB-F-E- Q4000 ......... operating instruct. ....... 233-26685.011 ... **60
PLANUS/PROFIL
N 0001 BAN -NL-GB-F-E- Q4000 ......... operating instruct. ....... 233-26685.012 ... **60
CONTUR/PLANUS
N 0001 Bed.-Anltg. -D-I- Q4000 ............ operating instruct. ....... 233-26685.001
PLANUS/PROFIL
GERÄTEBEIPACK SET SUPPLEMENT
Mikrozelle 1,5V Alkali-Mangan .. battery ......................... 280-13411
U 9111 IR-Fernbedienung FB300 ......... remote control ............. 263-85000.056
VERPACKUNGSMATERIAL PACKING MATERIAL
Verpackungskarton LO-Druck ... packing case ............... 245-85746.002
Packschalen-Satz ..................... cushion set ................. 252-85745.050
Schutzstreifen 1200 x 800mm .. protective strip ............ 253-84666.001
Schutzstreifen 350 x 160 mm ... protective strip ............ 253-84666.004
(IR-G.)
VERBINDUNGSLEITUNG CONNECTING CABLES
N 8102 Netzkabel schwarz .................... power cord .................. 170-25132.001
2250lg. 2x0,5mH
KNÖPFE BUTTONS
Knopf/Taster schwarz ............... button ......................... 682-85081.111
Knopf II Netzschalter ................ button ......................... 682-85749.101
Knopf außen blau Netzschalter . button ......................... 682-85877.101
GEHÄUSETEILE CABINET MOUNTING
Klappe/Bedienung mittelgrau .... door assy. ................... 706-86304.104 ... **60
Einlage ...................................... insert ........................... 411-85874.001
IR-Fenster ................................. window ....................... 666-84526.101
Infrarot-Fenster für Bedienteil ... window ....................... 666-84571.101
Klappe/Bed. .............................. door assy. ................... 706-86304.103
schwarz bedr. hellblau
G 0100 FFS-Gehäuse mint 24" ............. cabinet ........................ 750-85741.003 ... **60
G 0100 FFS-Gehäuse platin 24" ........... cabinet ........................ 750-85741.004 ... **60
G 0100 FFS-Gehäuse schwarz 24" .......cabinet ........................ 750-85741.002
G 0101 Zwischenpolster natur ............... distance piece ............. 568-85727.101 ... **60
G 0101 Zwischenpolster schwarz ..........distance piece ............. 568-85727.102
G 0110 Rückwand mittelgrau 24" .......... backcover ................... 775-85742.003 ... **60
G 0110 Rückwand schwarz 24" ............. backcover ................... 775-85742.002
G 0111 Zwischenpolster natur ............... distance piece ............. 568-85727.101 ... **60
G 0111 Zwischenpolster schwarz ..........distance piece ............. 568-85727.102

Calida 5663 Z Artikel-Nr.: 56419.*00/**60
Pos.Nr. Bestell-Bezeichnung Description Bestell-Nummer
Item N
°
. List Part N
°
.
GEHÄUSETEILE CABINET MOUNTING
G 0310 Klappe/Bedien. ......................... door assy. ................... 706-86304.054 ... **60
vorm. mittelgrau bedr.
G 0310 Klappe/Bedien. ......................... door assy. ................... 706-86304.053
vorm. schwarz bedr.
G 0350 Ziergitter grün-blau ................... ornamental grille ......... 708-85743.003 ... **60
G 0350 Ziergitter platin .......................... ornamental grille ......... 708-85743.004 ... **60
G 0350 Ziergitter schwarz ..................... ornamental grille ......... 708-85743.002
Schraube 7x40 vzkt. ................. screw .......................... 440-18058
f. Bildrohrbefestig.
Distanzstück f. Bildrohrbefestg. . spacer piece ............... 503-17983
Zugentlastung für Netzkabel ..... pull relief ..................... 530-83106.131
Träger/Bedienung ..................... supporter .................... 541-85747.102
Gewindelasche M4 ................... thread strap ................ 561-81547.101
f. Chassishalter
Halter Digital-Einheit ................. holder ......................... 602-20711
Chassishalter links .................... chassis holder ............. 602-81481.101
Chassishalter rechts ................. chassis holder ............. 602-81482.121
Halter, einfach Entmag.-Spule .. holder ......................... 602-83057.101
Schlangenband ......................... holder ......................... 602-83061.101
ohne Rasthalter
Halter Entmag. .......................... holder ......................... 602-84023.111
Halter/RW ................................. holder ......................... 602-85723.101
Zugfeder f. Bildrohrerdung ........ tension spring ............. 725-74176.002
H 1996 Abdeckung/SCART ................... cover ........................... 703-86979.001
Bildröhre PH 24" ...................... picture tube ................. 345-25939
A59-EAK252X44
Bildröhre PH 24" ...................... picture tube ................. 345-26906
A59-EAK552X44
SPULEN/LAUTSPRECHER COILS,SPEAKERS
Lautspr. 8 Ohm 11W ................. loudspeaker ................ 272-86074
L 6001 Spule Entmagnet. 24" ............... demagnetizing coil ...... 297-86598.001
ALLGEM. MECHAN. TEILE COMMON MECHANICAL PARTS
Clamper .................................... spring .......................... 530-20813
Clamper .................................... cable support .............. 530-21237
Clamper Digital-Einheit ............. cable support .............. 530-21423
Kabelklemmhalter ..................... cable support .............. 530-81707.101
mit Steckfuß 4-pol.
Halter/Diode .............................. holder ......................... 602-84535.112
Montageclip Bildr.-Pl. IC's .........clamp clips .................. 739-23415
H 0474 Bügelfeder ................................ bow spring .................. 739-86651.001
H 0474 Bügelfeder ................................ bow spring .................. 739-87148.001
H 0484 Bügelfeder ................................ bow spring .................. 739-86651.001
H 0484 Bügelfeder ................................ bow spring .................. 739-87148.001
H 0534 Montageclip .............................. clamp clips .................. 739-24452
H 0560 Glimmerscheibe 21x11 ............. mica washer ............... 421-10881
H 0561 Montageclip .............................. clamp clips .................. 739-24452
H 0594 Montageclip .............................. clamp clips .................. 739-24452
H 0611 Sicherungshalter ....................... fuse holder .................. 730-20061
H 0624 Feder ........................................ spring .......................... 739-19049
H 0626 Glimmerscheibe 21x11 ............. mica washer ............... 421-10881
H 0663 Feder ........................................ spring .......................... 739-19049
H 0671 Sicherungshalter ....................... fuse holder .................. 730-23036
H 0672 Feder ........................................ spring .......................... 739-19049
H 0674 Feder ........................................ spring .......................... 739-19049
H 0676 Distanzstück ............................. spacer piece ............... 503-85113.101
H 1921 U-Klammer ............................... clamp .......................... 739-20522
H 1922 U-Klammer ............................... clamp .......................... 739-20522
H 1923 U-Klammer ............................... clamp .......................... 739-20522
Calida 5672 Z Artikel-Nr.: 56420.*30/**60
Pos.Nr. Bestell-Bezeichnung Description Bestell-Nummer
Item N
°
. List Part N
°
.
BAUGRUPPEN UNITS
U 0001 Digital-Einheit Q4000 ................ digital unit ................... 291-86906.700T .. *30
U 0510 NS-Korrekturplatte .................... print. circuit board ....... 396-86094.053
U 1100 Tuner E30/Q205/22/40/8M-MN . tuner ........................... 260-86974.050T
U 3371 Bildrohrplatte/SVM Q4000 4:3 .. crt board ..................... 396-86928.061
U 4000 Basic Board VT/8M-MN/ 29" .....print. circuit board ....... 396-86907.051
U 4001 Digital-Einheit Q4000 NICAM ... digital unit ................... 291-86906.710T . **60
U 8211 Bedienteilplatte Q4000/Q2200 ..control c.b.a. ............... 396-85806.055
DRUCKSACHEN OPERATING INSTRUCTIONS
N 0001 Bed.-Anltg. -D-I- Q4000 ............ operating instruct. ....... 233-26685.002 ... **60
CONTUR/PLANUS
N 0001 BAN -NL-GB-F-E- Q4000 ......... operating instruct. ....... 233-26685.010 ... **60
PLANUS/PROFIL
N 0001 BAN -NL-GB-F-E- Q4000 ......... operating instruct. ....... 233-26685.011 ... **60
PLANUS/PROFIL
Calida 5672 Z Artikel-Nr.: 56420.*30/**60
Pos.Nr. Bestell-Bezeichnung Description Bestell-Nummer
Item N
°
. List Part N
°
.
DRUCKSACHEN OPERATING INSTRUCTIONS
N 0001 BAN -NL-GB-F-E- Q4000 ......... operating instruct. ....... 233-26685.012 ... **60
CONTUR/PLANUS
N 0001 Bed.-Anltg. -D-I- Q4000 ............ operating instruct. ....... 233-26685
PLANUS/PROFIL
N 0001 Bed.-Anltg. -D-I- Q4000 ............ operating instruct. ....... 233-26685.001
PLANUS/PROFIL
GERÄTEBEIPACK SET SUPPLEMENT
Mikrozelle 1,5V Alkali-Mangan .. battery ......................... 280-13411
U 9111 IR-Fernbedienung FB300 ......... remote control ............. 263-85000.056
VERPACKUNGSMATERIAL PACKING MATERIAL
Verpackungskarton FFS 28/29 . packing case ............... 245-85739.002
Packschalen-Satz CALIDA 29" . cushion set ................. 252-85737.050
Schutzstreifen 1200 x 800mm .. protective strip ............ 253-84666.001
Schutzstreifen 350 x 160 mm ... protective strip ............ 253-84666.004
(IR-G.)
VERBINDUNGSLEITUNG CONNECTING CABLES
N 8102 Netzkabel schwarz .................... power cord .................. 170-25132.001
2250lg. 2x0,5mH
KNÖPFE BUTTONS
Knopf/Netzschalter ................... button ......................... 682-85724.001 ... **60
Knopf/Taster schwarz ............... button ......................... 682-85081.111
Knopf/Netzschalter ................... button ......................... 682-85724.101
GEHÄUSETEILE CABINET MOUNTING
FFS-Gehäuse schwarz 29" .......cabinet ........................ 750-90.264.940 ... *30
Klappe/Bed. mittelgrau ............ cover plate .................. 706-85748.112 ... **60
FFS-Gehäuse metallic 29" ........ cabinet ........................ 750-90270.910 ... **60
Einlage f. Ziergitter .................... insert ........................... 411-85736.001
IR-Fenster ................................. window ....................... 666-84526.101
Infrarot-Fenster für Bedienteil ... window ....................... 666-84571.101
Klappe/Bedienung schwarz ...... door assy. ................... 706-85748.111
G 0100 FFS-Gehäuse schwarz 29" .......cabinet ........................ 750-86163.002 ... **60
G 0100 FFS-Gehäuse grün-blau 29" .....cabinet ........................ 750-86163.003 ... **60
G 0100 FFS-Geh. hellgrau (platin) 29" . cabinet ........................ 750-86163.004 ... **60
G 0101 Zwischenpolster natur ............... distance piece ............. 568-85727.101 ... **60
G 0101 Zwischenpolster schwarz .......... distance piece ............. 568-85727.102
G 0110 Rückwand grau 29" .................. backcover ................... 775-85734.015 ... **60
G 0110 Rückwand schwarz 29" ............. backcover ................... 775-85734.014
G 0111 Zwischenpolster natur ............... distance piece ............. 568-85727.101 ... **60
G 0111 Zwischenpolster schwarz .......... distance piece ............. 568-85727.102
G 0310 Klappe/Bedien. vorm. ............... door assy. ................... 706-85748.062 ... **60
mittelgrau
G 0310 Klappe/Bedien. vorm. schwarz . door assy. ................... 706-85748.060
G 0350 Ziergitter grün-blau mint ............ornamental grille ......... 708-85735.003 ... **60
G 0350 Ziergitter hellgrau platin .......... ornamental grille ......... 708-85735.004 ... **60
G 0350 Ziergitter metallic ...................... ornamental grille ......... 708-85735.008 ... **60
G 0350 Ziergitter schwarz ..................... ornamental grille ......... 708-85735.002
Kabelhalter ............................... holder ......................... 602-18262 .......... **60
f. Entmagnetisierung
Magnet f. Klappe ....................... magnet ....................... 303-85893.004
Magnet f. Gehäuse ................... magnet ....................... 303-85893.005
Schraube 7x40 vzkt. ................. screw .......................... 440-18058
f. Bildrohrbefestig.
Distanzstück f. Bildrohrbefestg. . spacer piece ............... 503-17983
Zugentlastung für Netzkabel ..... pull relief ..................... 530-83106.131
Träger/Bedienung ..................... supporter .................... 541-85747.102
Gewindelasche M4 ................... thread strap ................ 561-81547.101
f. Chassishalter
Halter Digital-Einheit ................. holder ......................... 602-20711
Chassishalter links .................... chassis holder ............. 602-81481.101
Chassishalter rechts ................. chassis holder ............. 602-81482.121
Halter/Entmag. .......................... holder ......................... 602-84286.101
Halter/RW ................................. holder ......................... 602-85723.101
Lagerbock (Scharnier) f. Klappe bearing bracket ........... 642-82773.101
Zugfeder f. Bildrohrerdung ....... tension spring ............. 725-74176.004
H 1996 Abdeckung/SCART ................... cover ........................... 703-86979.001
Bildröhre PH 29" ...................... picture tube ................. 345-23910
A68-ESF002X43
SPULEN/LAUTSPRECHER COILS,SPEAKERS
Lautspr. 8 Ohm 11W ................. loudspeaker ................ 272-86074
L 6001 Spule Entmagnet. 29" ............... demagnetizing coil ...... 297-86.625.001
ALLGEM. MECHAN. TEILE COMMON MECHANICAL PARTS
Clamper .................................... spring .......................... 530-20813
Clamper .................................... cable support .............. 530-21237
Clamper Digital-Einheit ............. cable support .............. 530-21423
Kabelklemmhalter ..................... cable support .............. 530-81707.101
mit Steckfuß 4-pol.
Halter/Diode .............................. holder ......................... 602-84535.112
Halter N/S ................................. holder ......................... 602-86095.101

Calida 5672 Z Artikel-Nr.: 56420.*30/**60
Pos.Nr. Bestell-Bezeichnung Description Bestell-Nummer
Item N
°
. List Part N
°
.
ALLGEM. MECHAN. TEILE COMMON MECHANICAL PARTS
Montageclip Bildr.-Pl. IC's .........clamp clips .................. 739-23415
H 0474 Bügelfeder ................................ bow spring .................. 739-86651.001
H 0474 Bügelfeder ................................ bow spring .................. 739-87148.001
H 0484 Bügelfeder ................................ bow spring .................. 739-86651.001
H 0484 Bügelfeder ................................ bow spring .................. 739-87148.001
H 0534 Montageclip .............................. clamp clips .................. 739-24452
H 0560 Glimmerscheibe 21x11 .............mica washer ............... 421-10881
H 0561 Montageclip .............................. clamp clips .................. 739-24452
H 0594 Montageclip .............................. clamp clips .................. 739-24452
H 0611 Sicherungshalter ....................... fuse holder .................. 730-20061
H 0624 Feder ........................................ spring .......................... 739-19049
H 0626 Glimmerscheibe 21x11 .............mica washer ............... 421-10881
H 0663 Feder ........................................ spring .......................... 739-19049
H 0671 Sicherungshalter ....................... fuse holder .................. 730-23036
H 0672 Feder ........................................ spring .......................... 739-19049
H 0674 Feder ........................................ spring .......................... 739-19049
H 0676 Distanzstück ............................. spacer piece ............... 503-85113.101
H 1921 U-Klammer ............................... clamp .......................... 739-20522
H 1922 U-Klammer ............................... clamp .......................... 739-20522
H 1923 U-Klammer ............................... clamp .......................... 739-20522
NOTIZEN • NOTES • NOTES • ANNOTAZIONI
NOTIZEN • NOTES • NOTES • ANNOTAZIONI

1750–86397.003 Gehäuse, mint 21”
Cabinet, mint 21”
1750–86397.004 Gehäuse, platin 21”
Cabinet, platinum 21”
1750–86397.002 Gehäuse, graphit 21”
Cabinet, graphite 21”
1750–85741.003 Gehäuse, mint 24”
Cabinet, mint 24”
1750–85741.004 Gehäuse, platin 24”
Cabinet, platinum 24”
1750–85741.002 Gehäuse, schwarz 24”
Cabinet, black 24”
1750–90264.940 Gehäuse, schwarz 29”
Cabinet, black 29”
1750–90270.910 Gehäuse, metallic 29”
Cabinet, metallic 29”
1750–86163.002 Gehäuse, schwarz 29”
Cabinet, black 29”
1750–86163.003 Gehäuse, grün-blau 29”
Cabinet, green-blue 29”
1750–86163.004 Gehäuse, hellgrau (platin) 29”
Cabinet, light grey (platinum) 29”
2775–86398.002 Rückwand, schwarz 21”
Rear panel, black 21”
2775–86398.003 Rückwand, mittelgrau 21”
Rear panel, middle grey 21”
2775–85742.002 Rückwand, schwarz 24”
Rear panel, black 24”
2775–85742.003 Rückwand, mittelgrau 24”
Rear panel, middle grey 24”
2775–85734.014 Rückwand, schwarz 29”
Rear panel, black 29”
2775–85734.015 Rückwand, grau 29”
Rear panel, grey 29”
3706–86304.054 Klappe, mittelgrau 21"/24”
Flap, middle grey 21"/24"
3706–86304.053 Klappe, schwarz 21"/24”
Flap, black 21"/24"
3706–85748.062 Klappe, mittelgrau 29"”
Flap, middle grey 29"
3706–85748.060 Klappe, schwarz 29"”
Flap, black 29"
4708–86396.003 Ziergitter, mint 21”
Decorativ grid, mint 21”
4708–86396.004 Ziergitter, platin 21”
Decorativ grid, platinum 21”
4708–86396.002 Ziergitter, graphit 21”
Decorativ grid, graphite 21”
4708–85743.003 Ziergitter, grün-blau 24”
Decorativ grid, green-blue 24”
4708–85743.004 Ziergitter, platin 24”
Decorativ grid, platinum 24”
4708–85743.002 Ziergitter, schwarz 24”
Decorativ grid, black 24”
4708–85735.003 Ziergitter, grün-blau (mint) 29”
Decorativ grid, green-blue (mint) 29”
4708–85735.004 Ziergitter, hellgrau (platin) 29”
Decorativ grid, light grey (platinum) 29”
4708–85735.008 Ziergitter, metallic 29”
Decorativ grid, metallic 29”
4708–85735.002 Ziergitter, schwarz 29”
Decorativ grid, black 29”
5345–26334 Bildröhre A51-EHE175X50 / 21"
Picture tube A51-EHE175X50 / 21"
5345–25939 Bildröhre A59-EAK252X44 / 24"
Picture tube A59-EAK252X44 / 24"
5345–23910 Bildröhre A68-ESF002X43 / 29"
Picture tube A68-ESF002X43 / 29"
6682–85749.101 Knopf für Netzschalter, innen, blau
Button for main switch, inside, blue
6682–85724.001 Knopf für Netzschalter (Calida 5672)
Button for main switch (Calida 5672)
7682–85081.111 Knopf für Taster (3-fach)
Button for key switch (triple)
8353–22140 LED LR 3369-H rot
LED LR 3369-H red
9353–22141 LED LG 3369-H grün
LED LG 3369-H green
0323–15966 Kopfhörerbuchse
Headphone socket
“323–17952 Cinch-Buchse, rot
Cinch socket, red
„323–17954 Cinch-Buchse, weiß
Cinch socket, white
"323–18108 Mini DIN Buchse
Mini DIN socket (SVHS)
¿682–85877.101 Knopf für Netzschalter, außen, blau
Button for main switch, outside, blue
Montageteile (Tabelle) Mounting parts (Table)

Montageteile (Abbildungen des Gehäuses) Mounting parts (illustration of cabinet)
1
5
3
2
4
¿3
–+
S-TERMINAL
L AUDIO R
8
9
7
"„“0
6
Montageteile (Abbildung des Bedienteiles) Mounting parts (illustration of control unit)
nur Calida 5655/5663
only Calida 5655/5663