Nissan Skyline R32 GT R Workshop Manual R32_GTR_Service_Manual GTR Service
User Manual: R32_GTR_Service_Manual
Open the PDF directly: View PDF .
Page Count: 804 [warning: Documents this large are best viewed by clicking the View PDF Link!]
- Contents
- General Information
- Engine
- B1 Engine Specifications
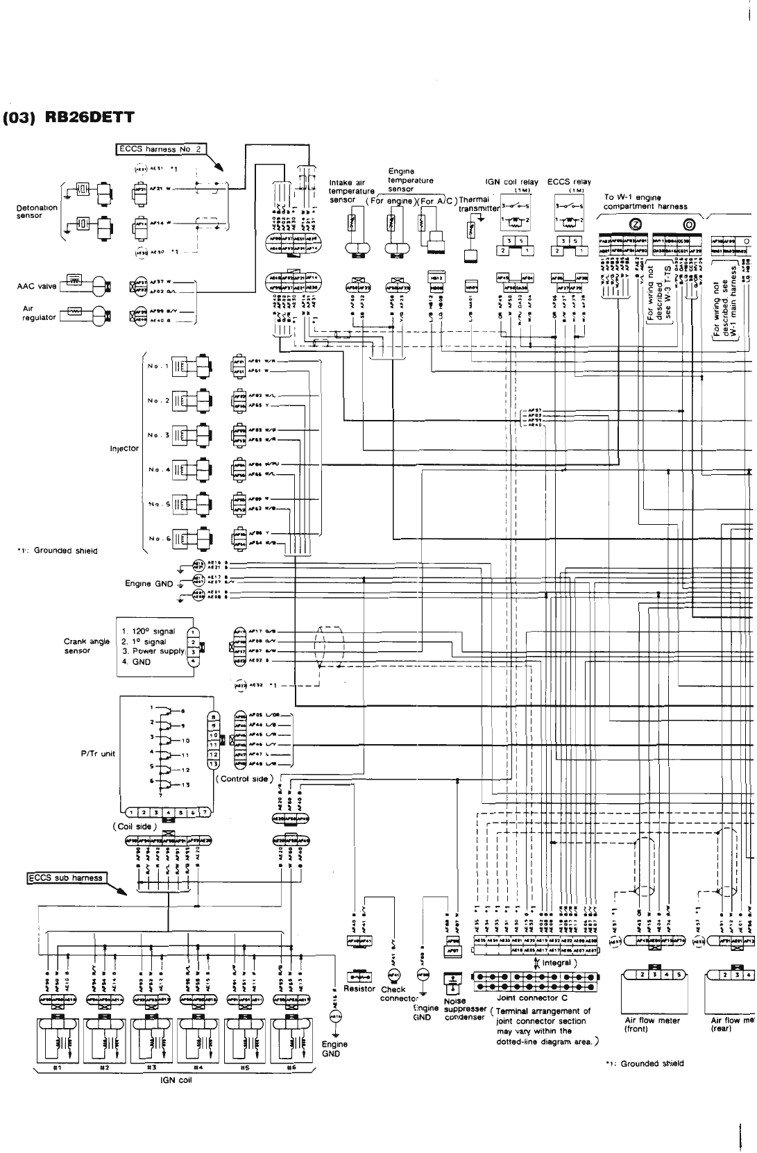
- B2 RB26 DOHC EGI (ECCS) Twin-Turbocharger Engine
- 1. Idle Inspection and Adjustment
- 2. Compression Pressure Inspection
- 3. Belt Tension Inspection and Adjustment
- 4. Valve Clearance Inspection and Adjustment
- 5. Lubrication System Inspection
- 6. Exhaust System Inspection
- 7. Fuel System Inspection
- 8. Evaporative Gas Control System Inspection
- 9. Blowby Gas Reduction Equipment Inspection
- 10. Removal and Installation of On-vehicle Parts
- 10-1 Intercooler Air Duct Assembly
- 10-2 Air Cleaner Element
- 10-3 Collector Assembly
- 10-4 6 In-line Throttle Chamber Removal and Installation
- 10-5 6 In-Line Throttle Chamber Linkage Adjustment
- 10-6 Intake Manifold Assembly
- 10-7 Turbocharger Assembly
- 10-8 Exhaust Manifold Assembly Removal and Installation
- 10-9 Spark Plugs
- 10-10 Rocker Cover Removal and Installation
- 10-11 Timing Belt Removal and Installation
- 10-12 Cylinder Head Assembly
- 10-13 Water Pump Removal and Installation
- 10-14 Termostate Removal and Installation
- 10-15 Oil Cooler, Oil Filter Removal and Installation
- 11. Engine Removal and Installation
- 12. Oil Pan, Oil Pump and Oil Strainer Removal and Installation
- 13. Engine Overhaul
- B3 ECCS (Electronically Concentrated Engine Control System)
- 1. Trouble Diagnosis
- 2. Diagnostic System
- 3. Basic Inspection
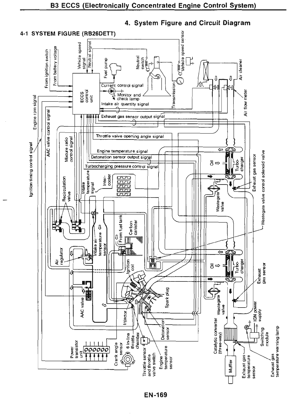
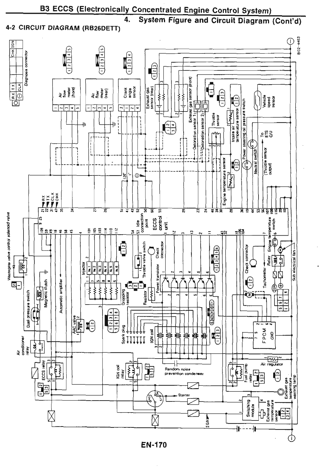
- 4. System Figure and Circuit Diagram
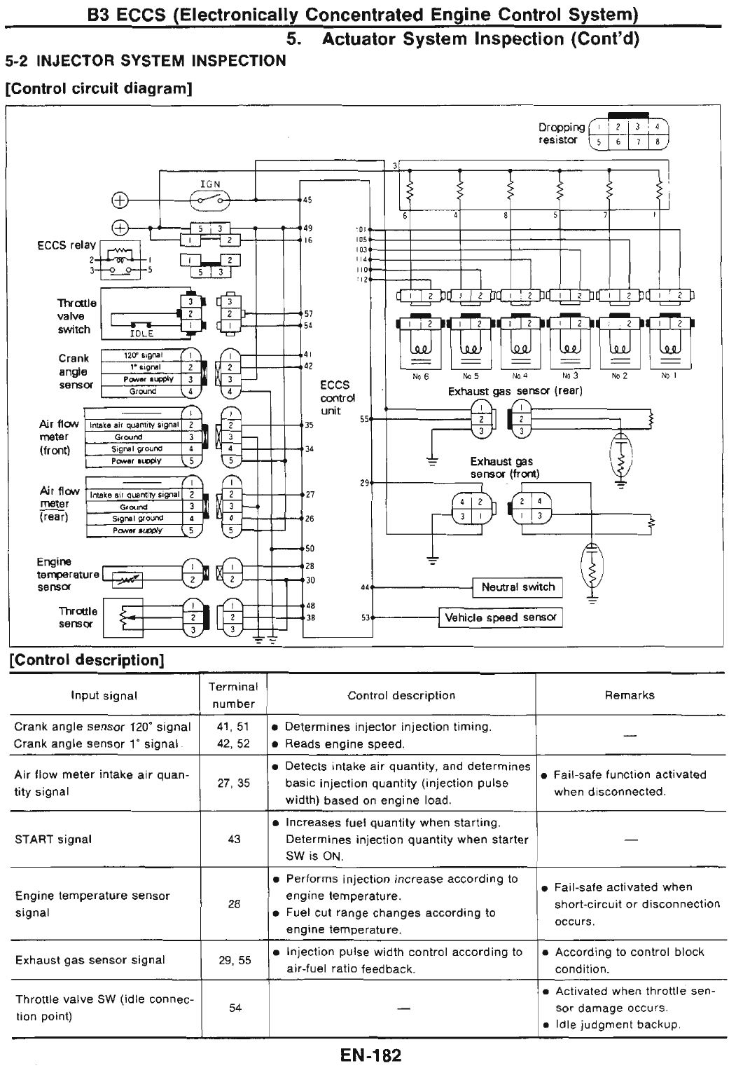
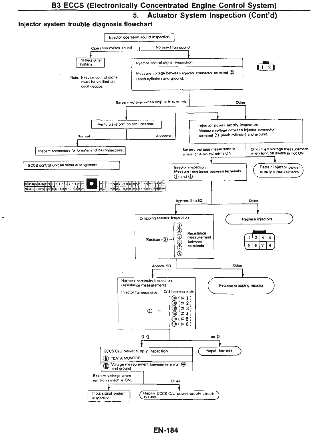
- 5. Actuator System Inspection
- 6. Sensor System Inspection
- 6-1 Crack Angle Sensor System Inspection
- 6-2 Air Flow Meter System Inspection
- 6-3 Throttle Valve Switch System Inspection
- 6-4 Throttle Sensor System Inspection
- 6-5 Intake Air Temperature Sensor System Inspection
- 6-6 Engine Temperature Sensor System Inspection
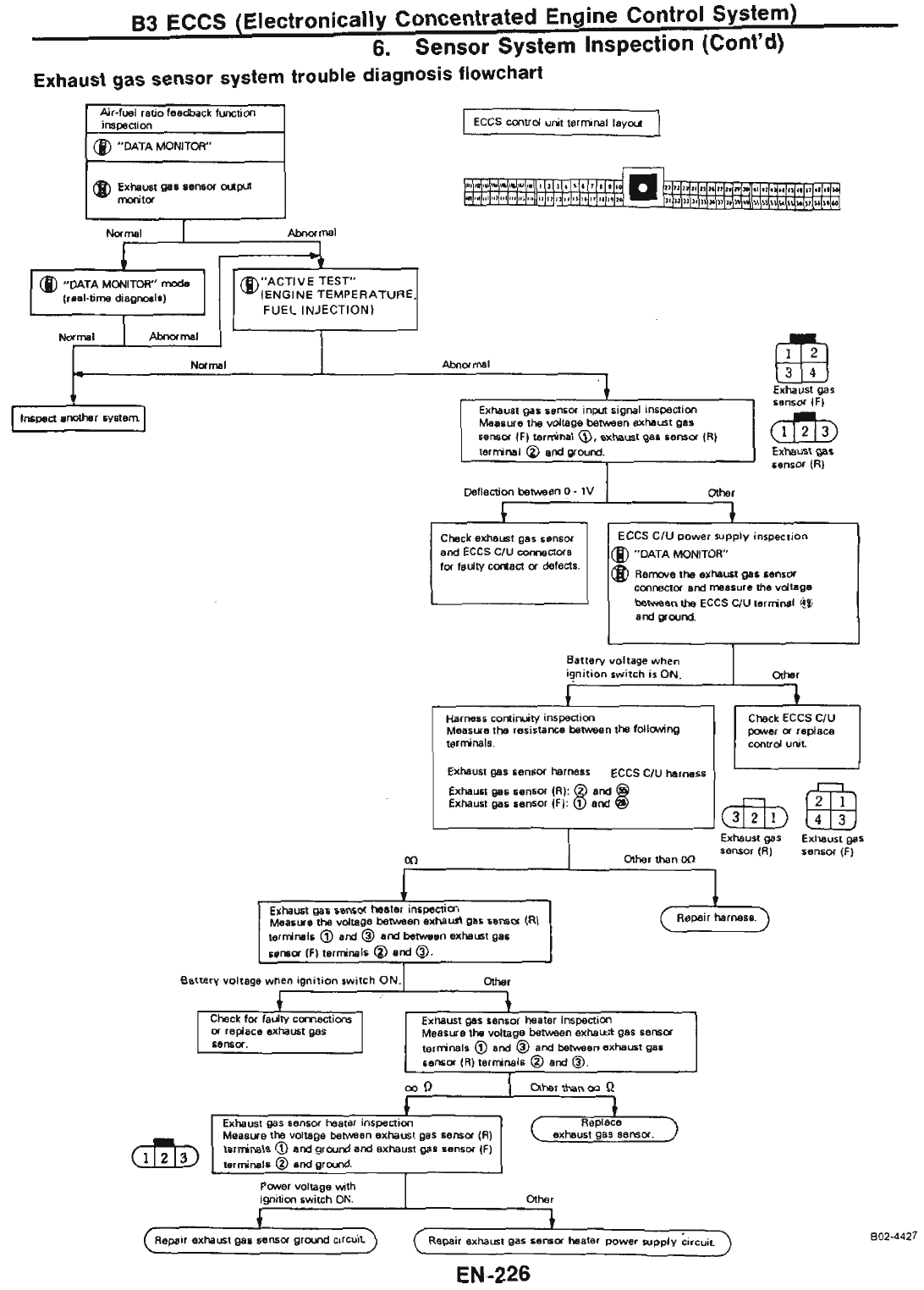
- 6-7 Exhaust Gas Sensor System Inspection
- 6-8 Detonation Sensor System Inspection
- 6-9 Vehicle Speed Sensor System Inspection
- 6-10 Ignition Switch (Start Switch) Signal Inspection
- 6-11 Air Conditioner Signal Inspection
- 6-12 Neutral Switch Signal Inspection
- 6-13 Power Steering Oil Pressure Switch Signal Inspection
- 7. ECCS COntrol Unit Input/Output Signals (RB26DETT)
- 8. Deceleration Exhaust Gas Emission Control Equipment Inspection
- 9. Air Conditioner Cut System Inspection
- B4 Engine Electrical Equipment
- B5 Cooling System
- B6 Fuel System
- B7 Exhaust System
- B8 Engine Control
- B9 Engine Mounting (4WD)
- Chassis
- C1 Clutch
- 1. Summary
- 2. On-vehicle Inspection and Adjustment
- 2-1 Clutch Pedal Adjustment
- 2-2 Air Bleeding
- 2-3 Clutch Fluid Inspection
- 2-4 Leaking, Damage and Installation Inspection
- 2-5 Vacuum Pipe Inspection (Vehicles Equipped with RB26DETT)
- 2-6 Booster Function Inspection (Vehicles Equipped with RB26DETT Engine)
- 2-7 Booster Sealing Inspection (Vehicles Equipped with RB26DETT Engine)
- 2-8 Check Valve Inspection (RB26DETT Engine)
- 3. Component Parts Removal and Installation Assembly and Disassembly
- 3-1 Clutch Piping Removal and Installation
- 3-2 Seperation Pipe Removal and Insallation
- 3-3 Booster and Vacuum Piping Removal and Installation
- 3-4 Master Cylinder Assembly and Disassembly
- 3-5 Operating Cylinder Removal and Installation, Assembly and Disassembly
- 3-6 Clutch Pedal Removal and Insallation, Assembly and Disassembly
- 3-7 Clutch Release Mechanism Removal and Installation
- 3-8 Clutch Cover Inspection and Disk, Inspection and Adjustment
- C2 Manual Transmission
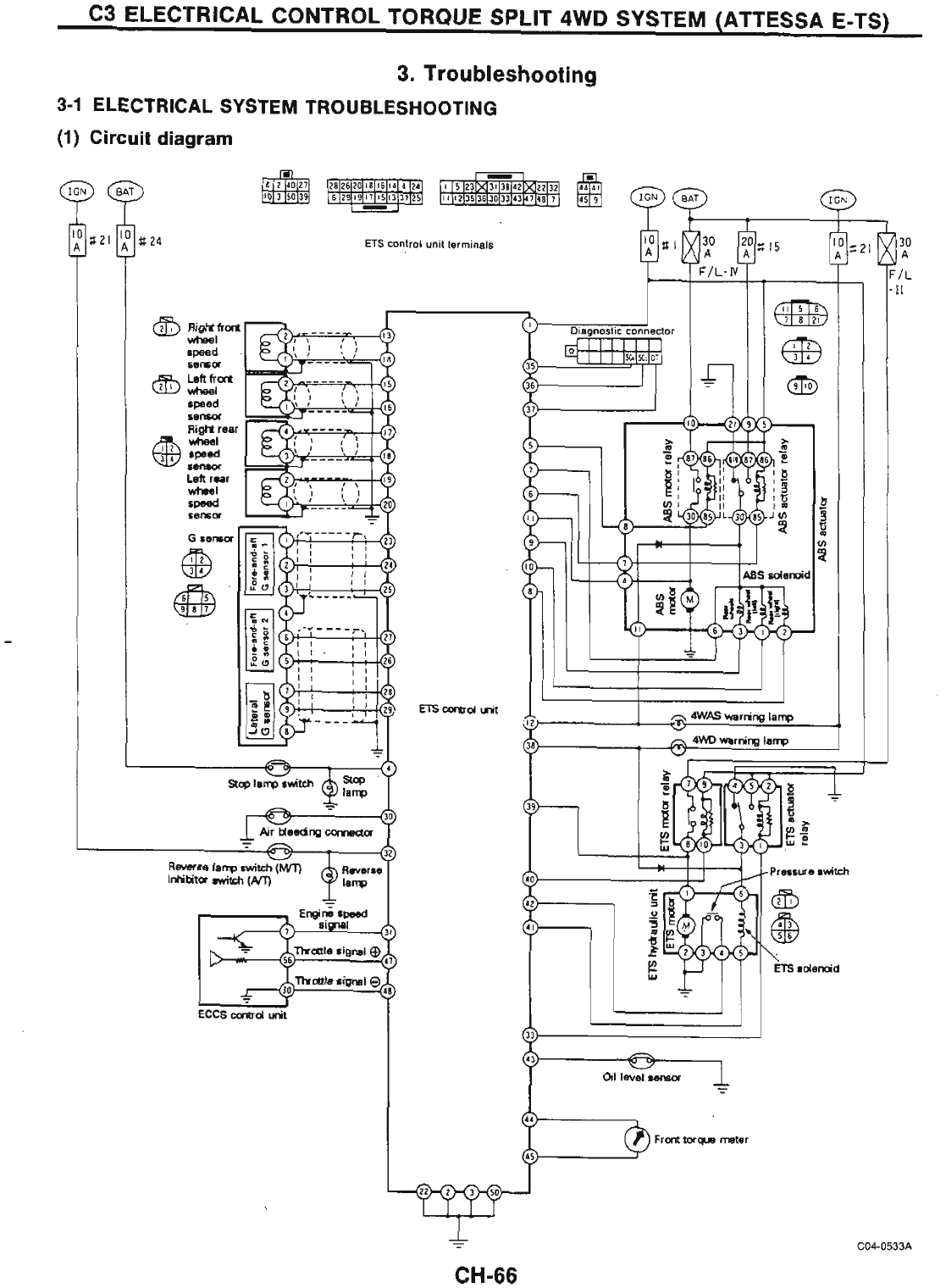
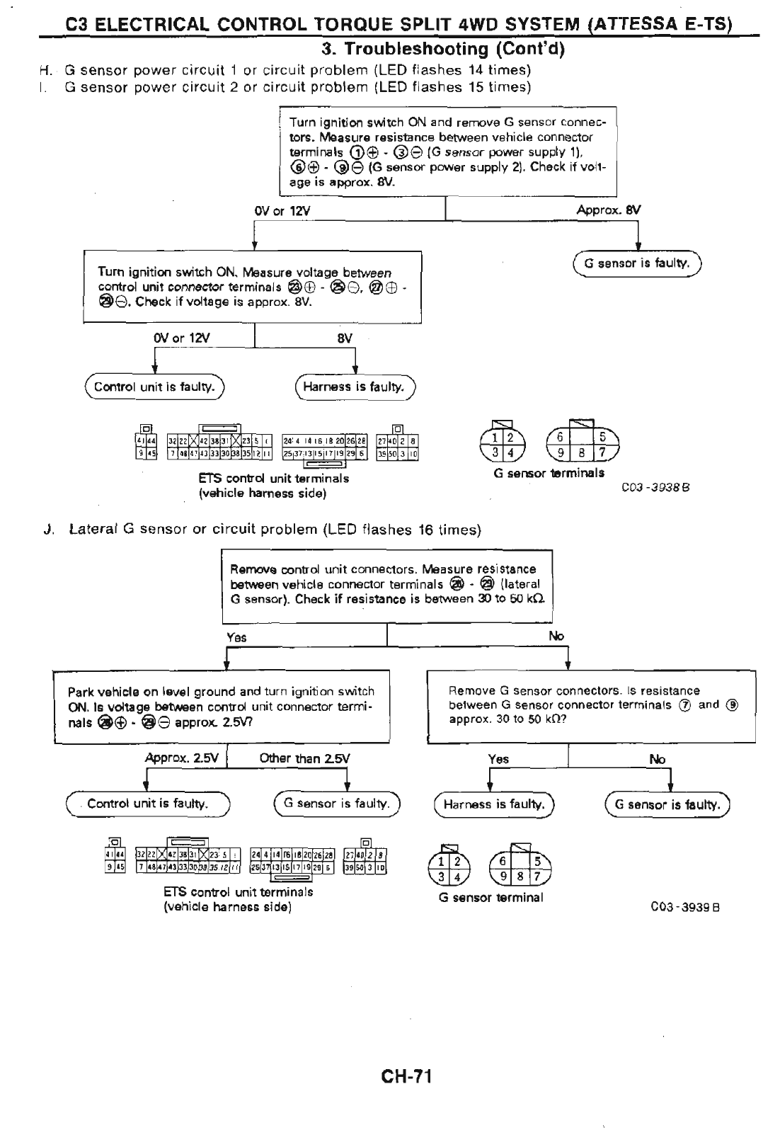
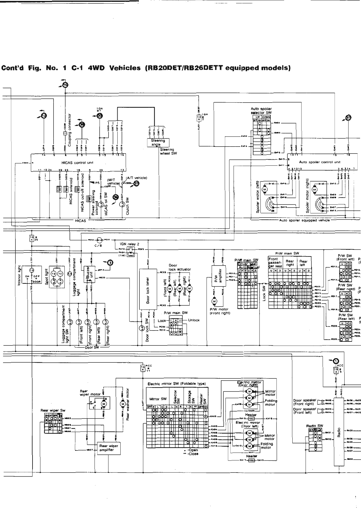
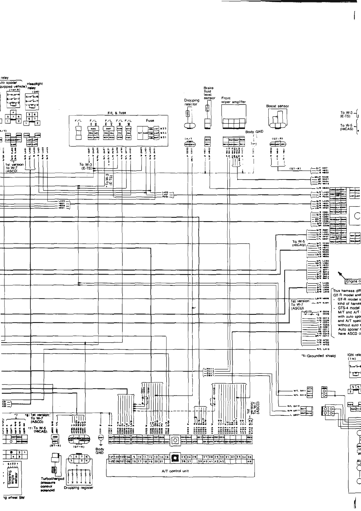
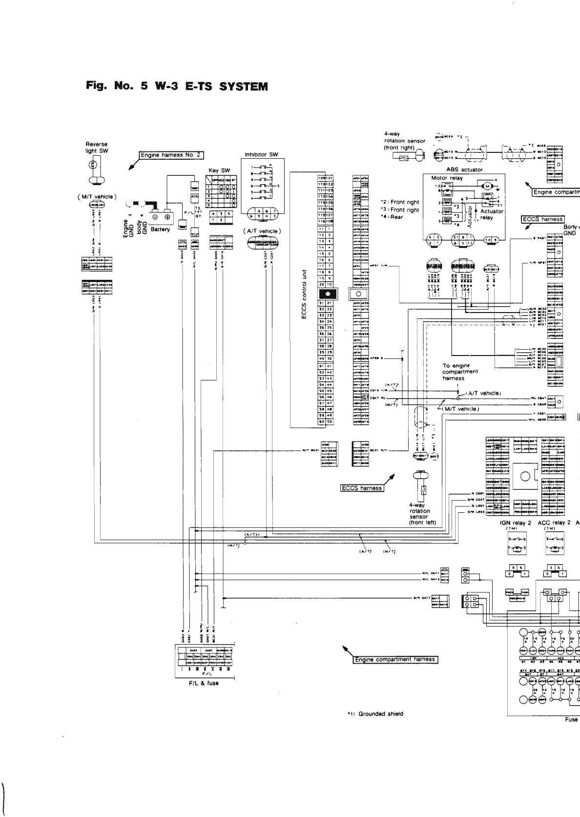
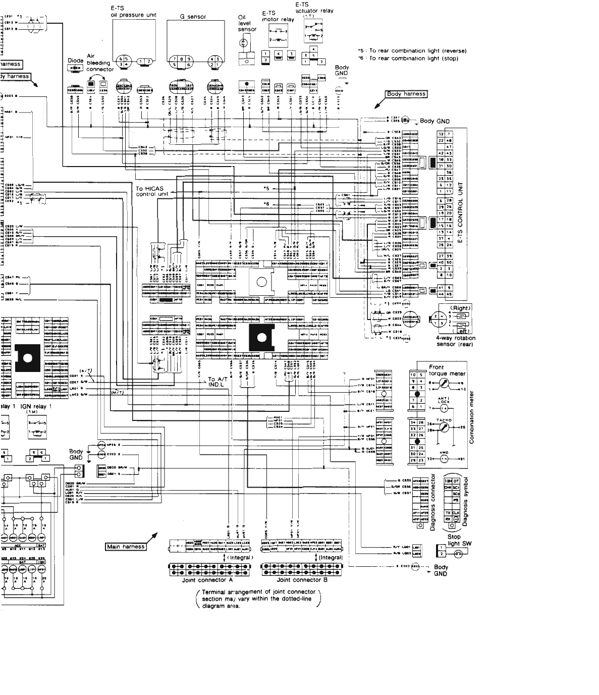
- C3 Electrical Control Torque Split 4WD System (ATTESSA E-TS)
- C4 Propeller Shaft
- C5 Final Drive
- C6 Drive Shaft
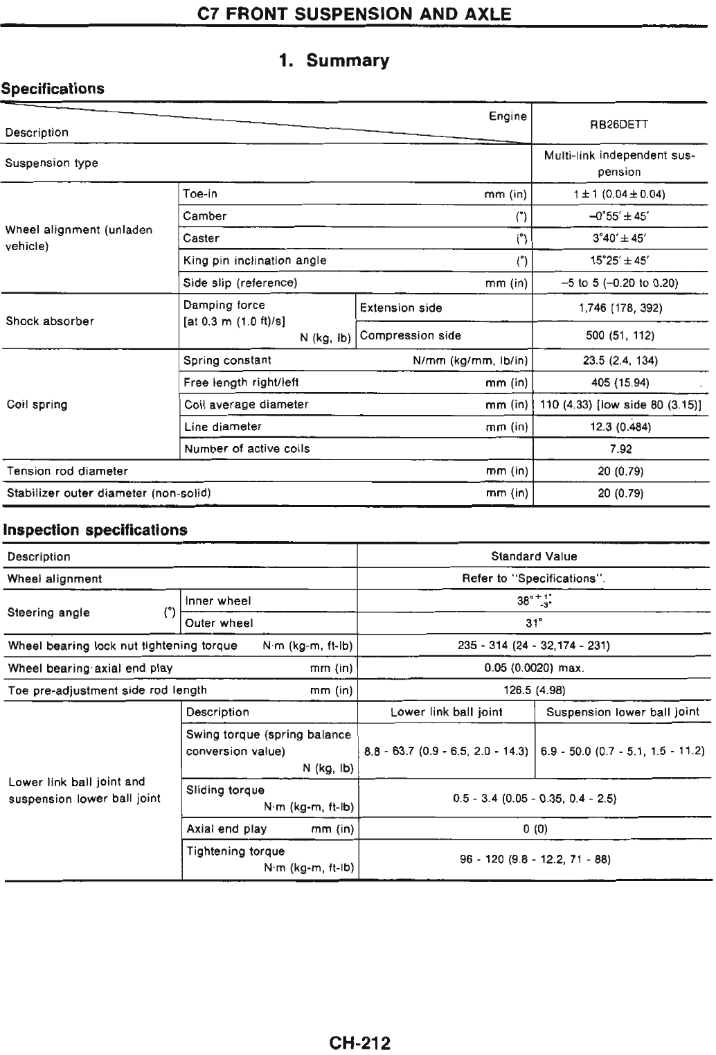
- C7 Front Suspension and Axle
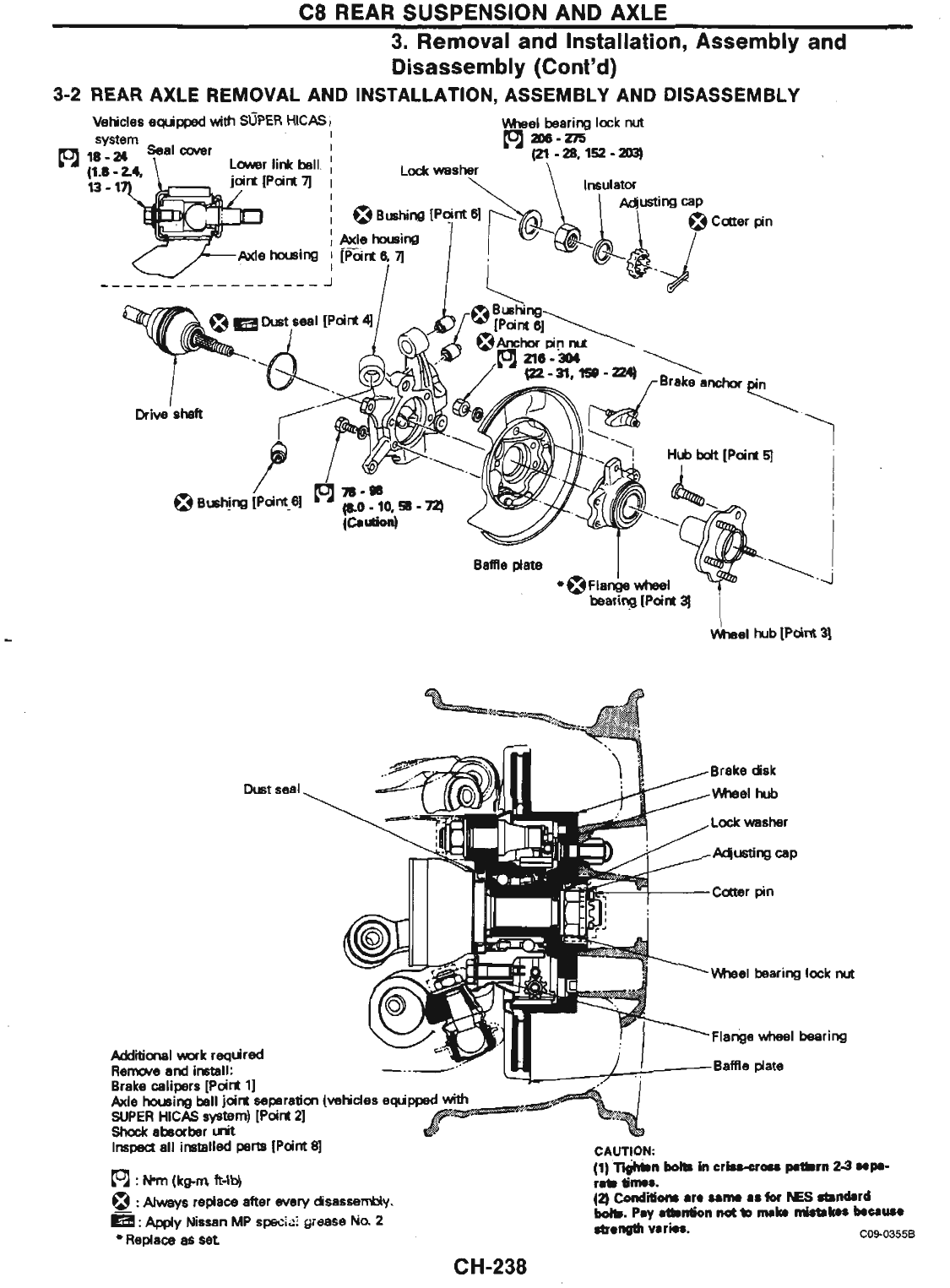
- C8 Rear Suspension and Axle
- C9 Wheels and Tires
- C10 Brakes
- 1. Summary
- 2. On-vehicle Inspection
- 2-1 Checking Brake Fluid Level
- 2-2 Checking Brake System
- 2-3 Brake Fluid and Air Bleeding
- 2-4 Brake Pedal Inspection and Adjustment
- 2-5 Vacuum Piping Inspection
- 2-6 Booster Operating Check
- 2-7 Booster Function Inspection
- 2-8 Booster Airtightness
- 2-9 Check Valve Inspection
- 2-10 Rear Control Equipment Function Inspection
- 2-11 Disk Pad Thickness Inspection
- 2-12 Disc Rotor Inspection
- 2-13 Brake Drum Inspection
- 2-14 Brake Shoe Inspection
- 2-15 Parking Brake Inspection and Adjustment
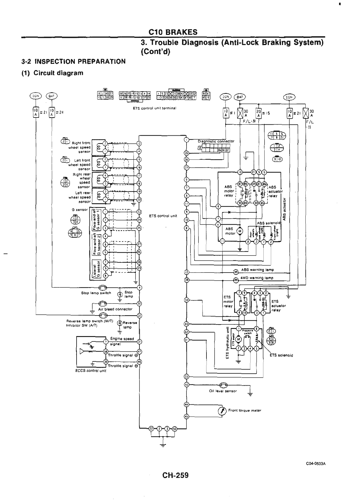
- 3. Trouble Diagnosis (Anti-Lock Braking System)
- 4. Removal and Installation, Assembly and Disassembly
- 4-1 Brake Piping
- 4-2 Brake Pedal Bracket Removal and Installation, Assembly and Disassembly
- 4-3 Vacuum Pipe Removal and Installation (Vehicles Equipped with RB26DETT Engine)
- 4-4 Master Cylinder and Booster
- 4-5 Front Brake
- 4-6 Rear Brake
- 4-7 Parking Brake
- 4-8 Electrical Control 4WD ABS Module Removal and Installation
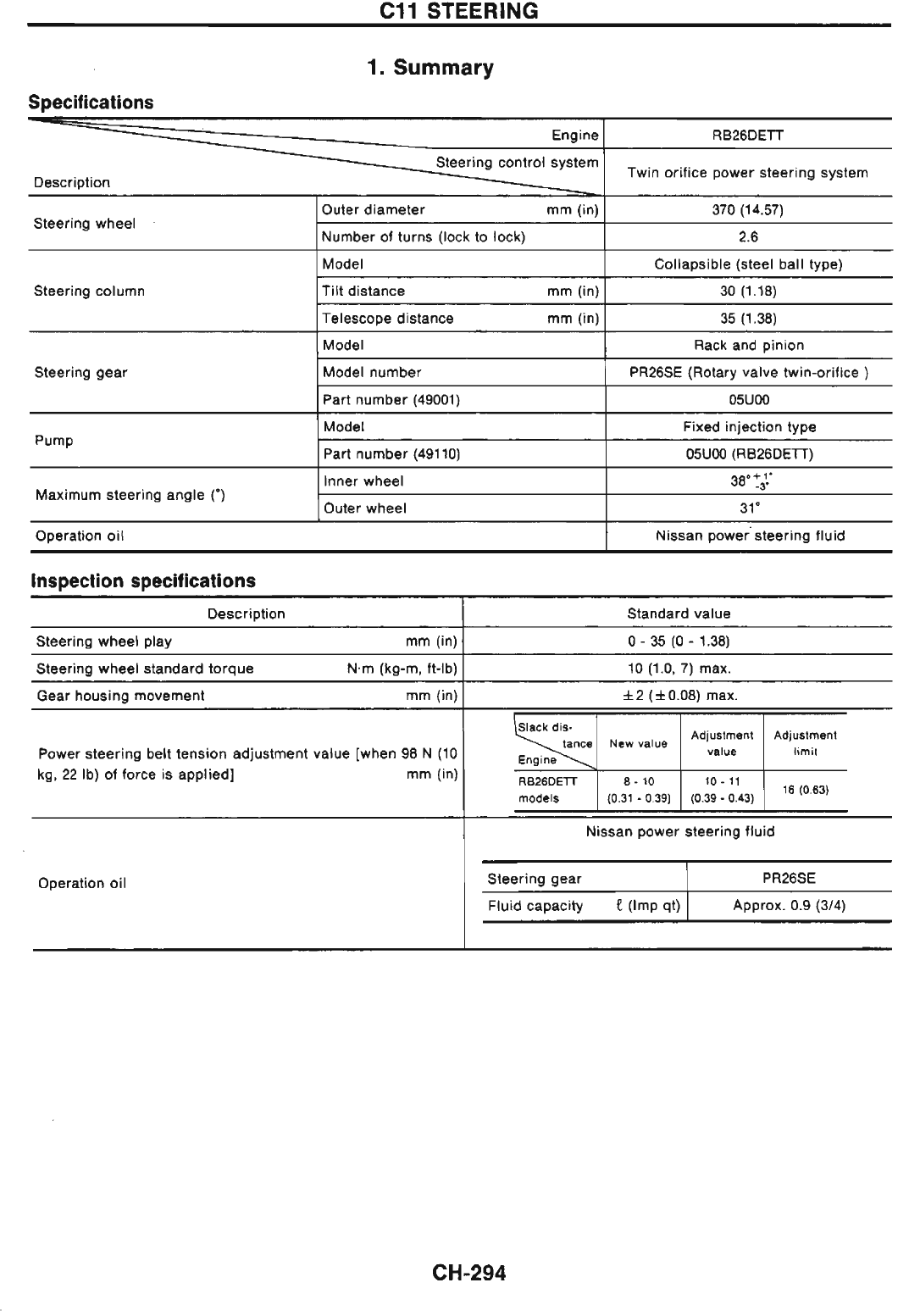
- C11 Steering
- 1. Summary
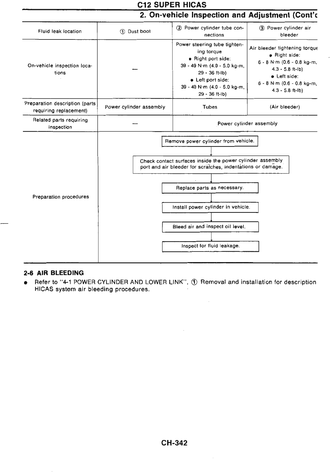
- 2. On-vehicle Inspection and Adjustment
- 2-1 Maximum Steering Wheel Play Inspection
- 2-2 Steering Wheel Neutral Position Inspection
- 2-3 Steering Wheel Play Inspection
- 2-4 Steering Wheel Standard Torque Inspection
- 2-5 Fluid Level Inspection
- 2-6 Oil Pump Relief Pressure Inspection
- 2-7 Adjusting Screw Inspection
- 2-8 Gear Housing Movement Inspection
- 2-9 Belt Tension Inspection and Adjustment
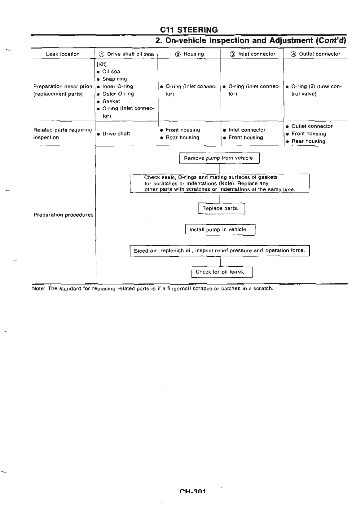
- 2-10 Leakage Inspection
- 2-11 Steering Force Inspection
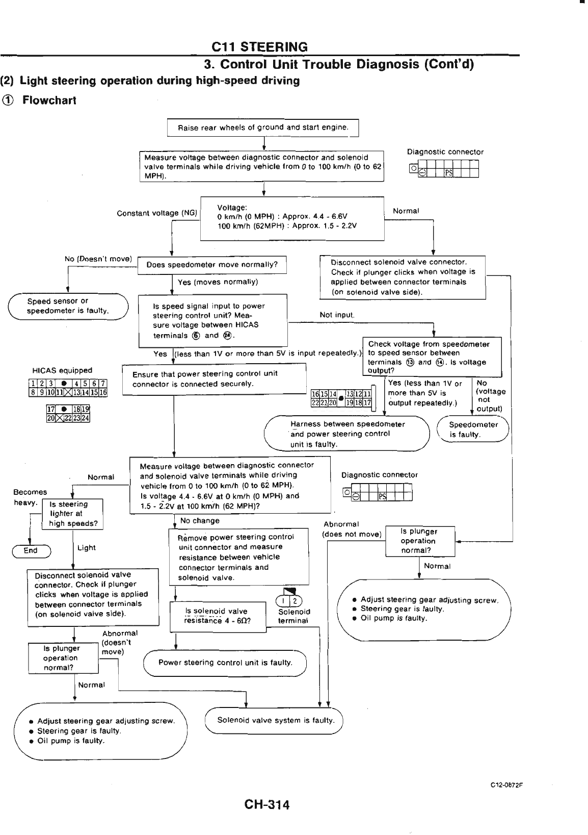
- 3. Control Unit Trouble Diagnosis
- 4. Removal and Installation, Assembly and Disassembly
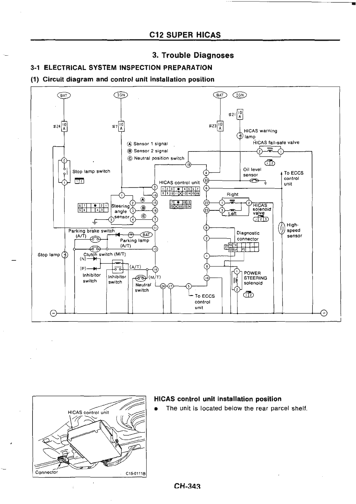
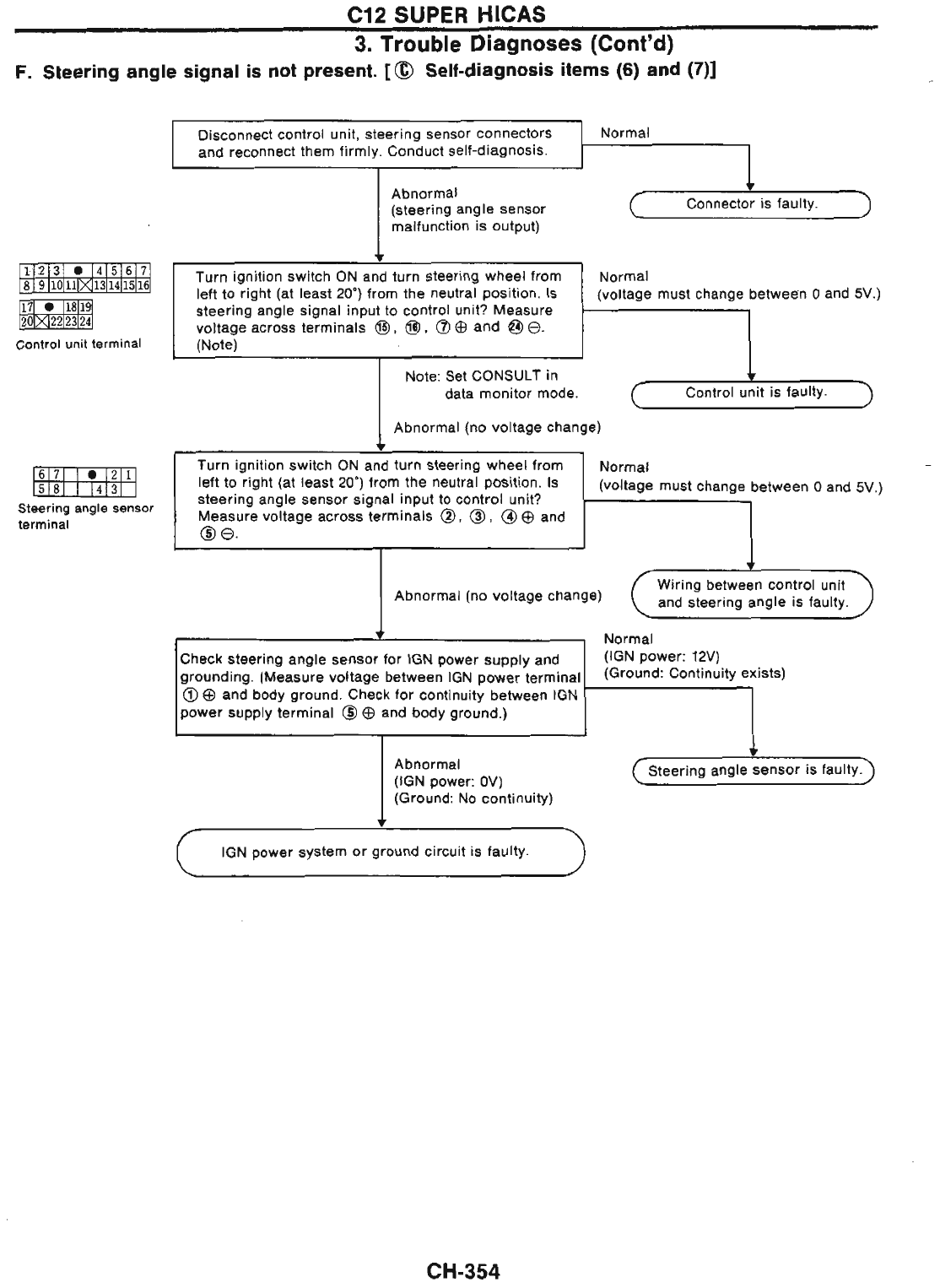
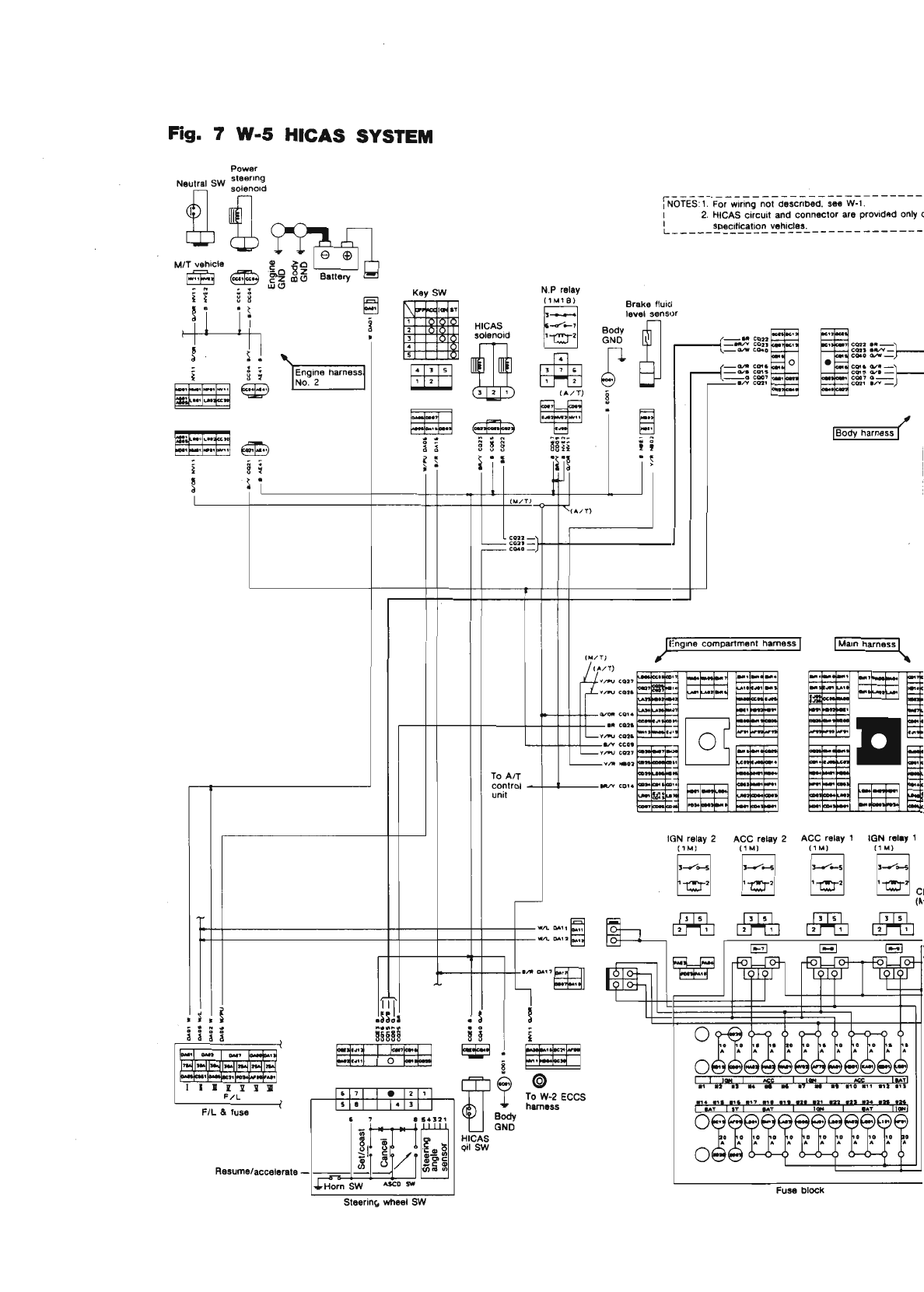
- C12 Super HICAS
- C1 Clutch
- Body
- D1 Body
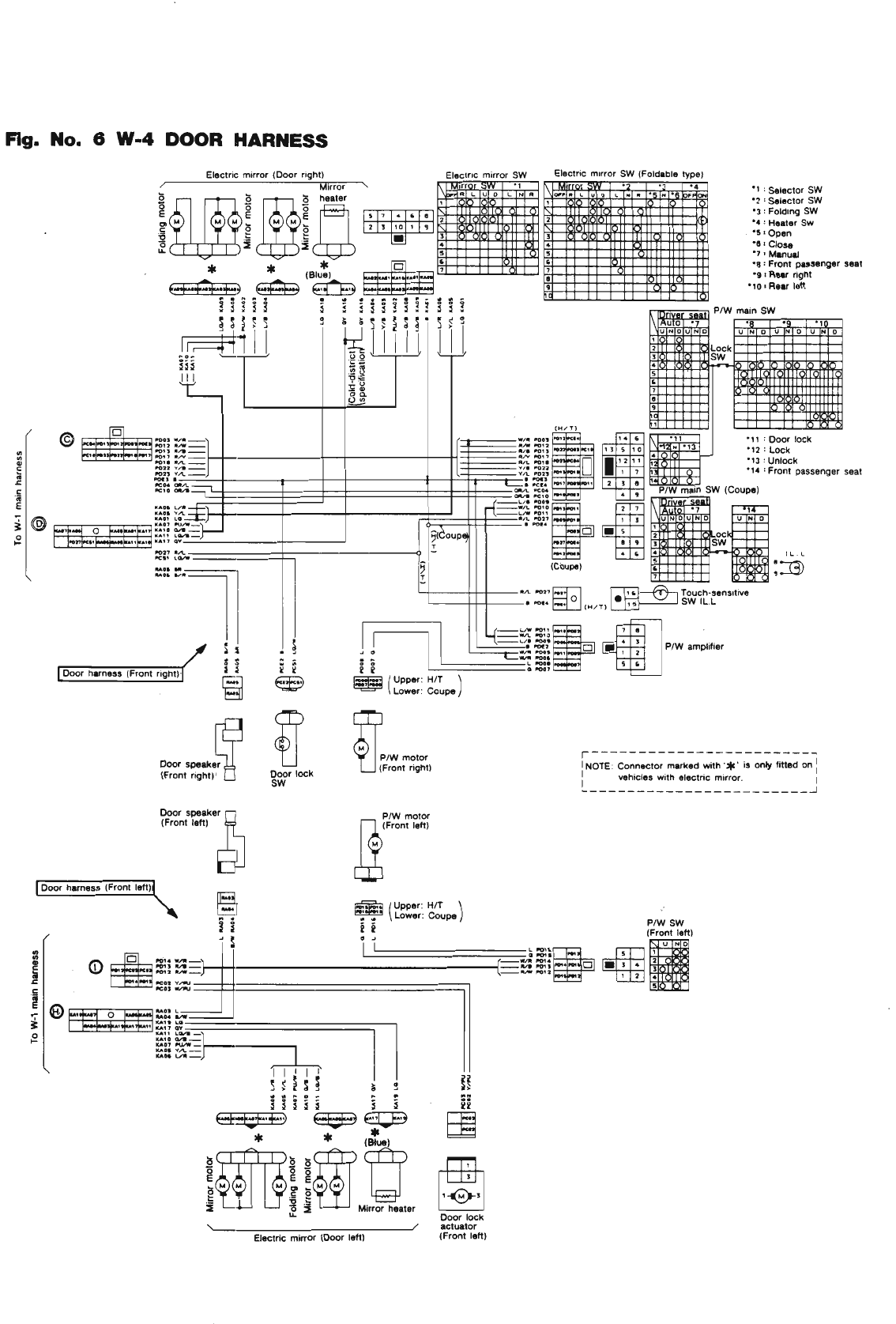
- D2 Body Exterior
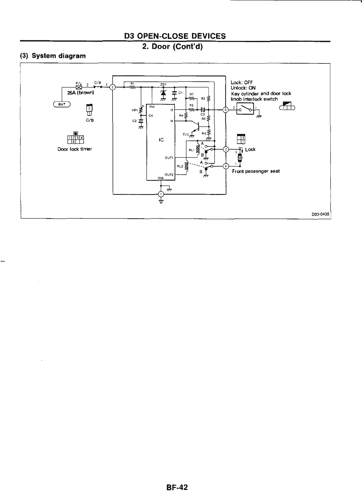
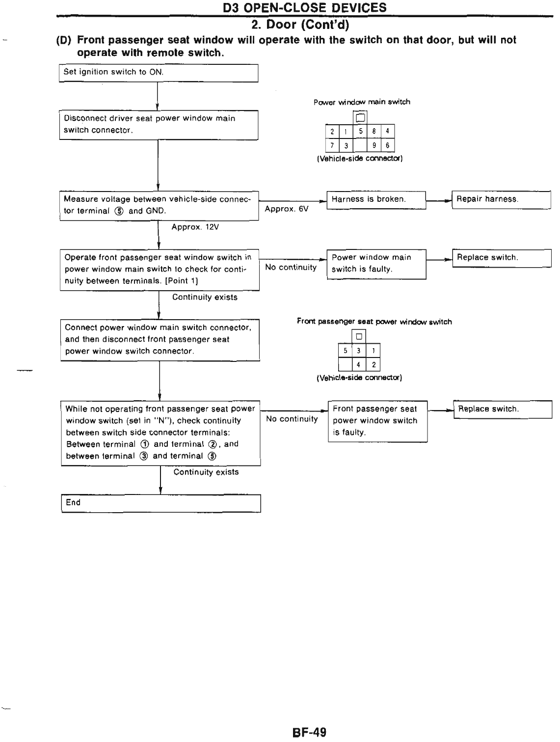
- D3 Open-Close Devices
- 1. Hood
- 2. Door
- 2-1 Fitting Standard and Adjustment
- 2-2 Door Assembly Removal and Installation
- 2-3 Front Door Trim Removal and Installation
- 2-4 Front Door Lock and Remote Control Removal and Installation
- 2-5 Front Door Window and Regulator Removal and Installation
- 2-6 Power Door Lock Trouble Diagnosis
- 2-7 Power Window Trouble Diagnosis
- 3. Trunk Lid
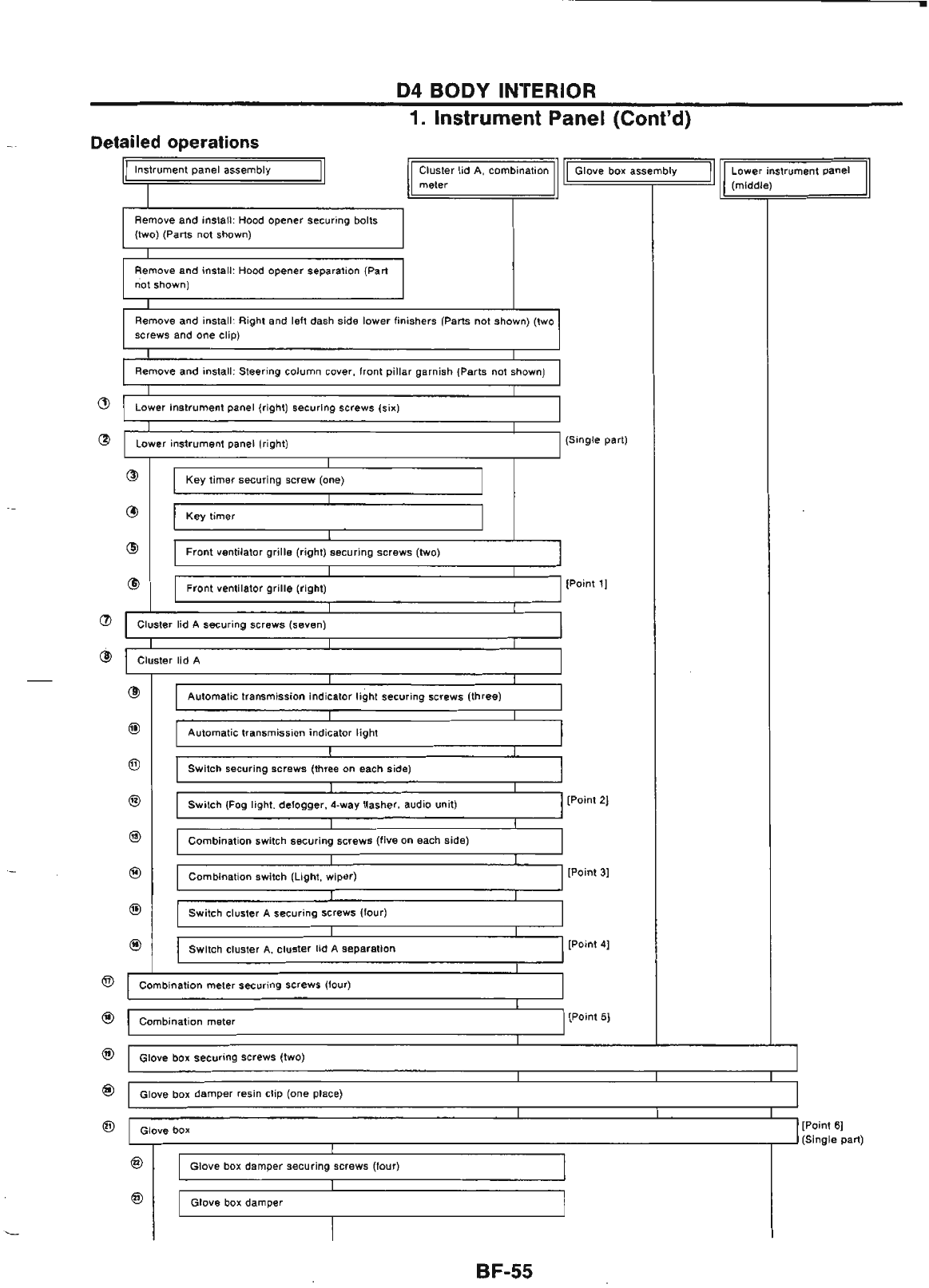
- D4 Body Interior
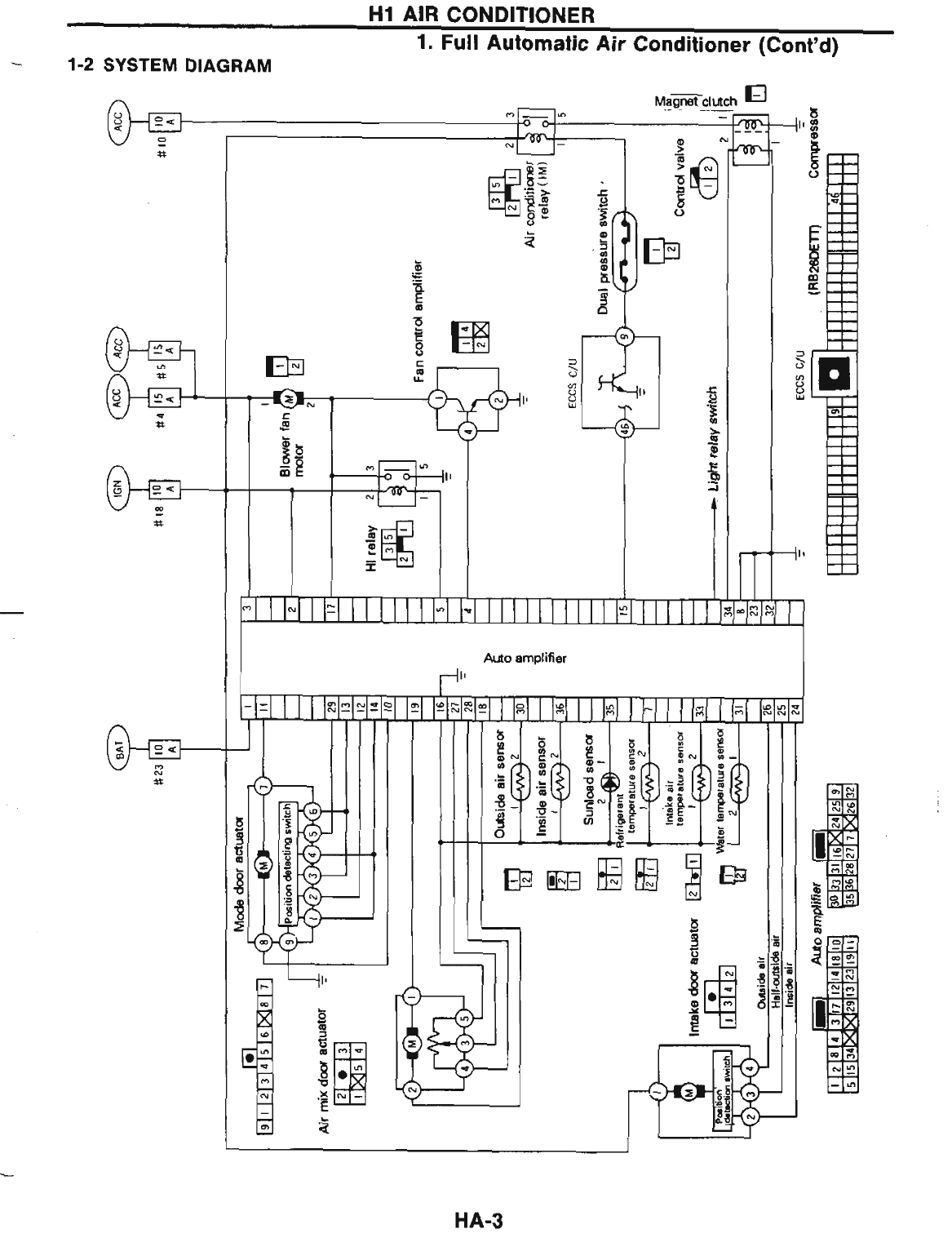
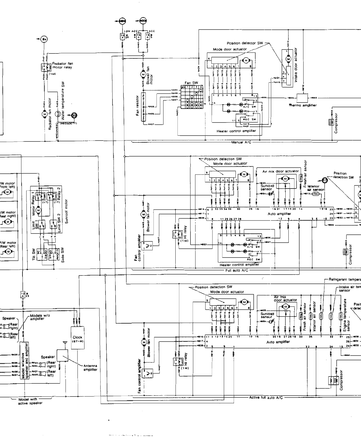
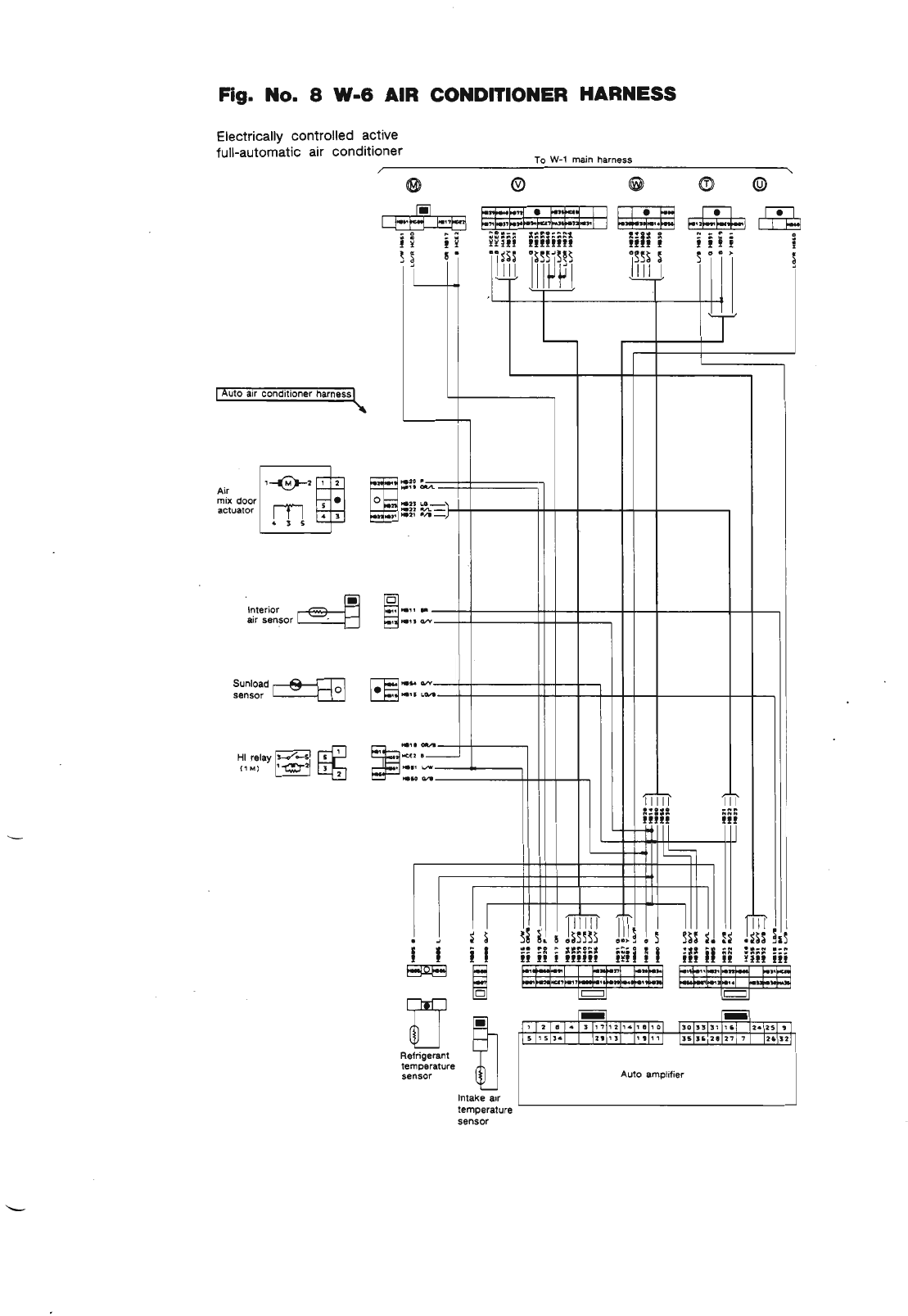
- Heater & Air Conditioner
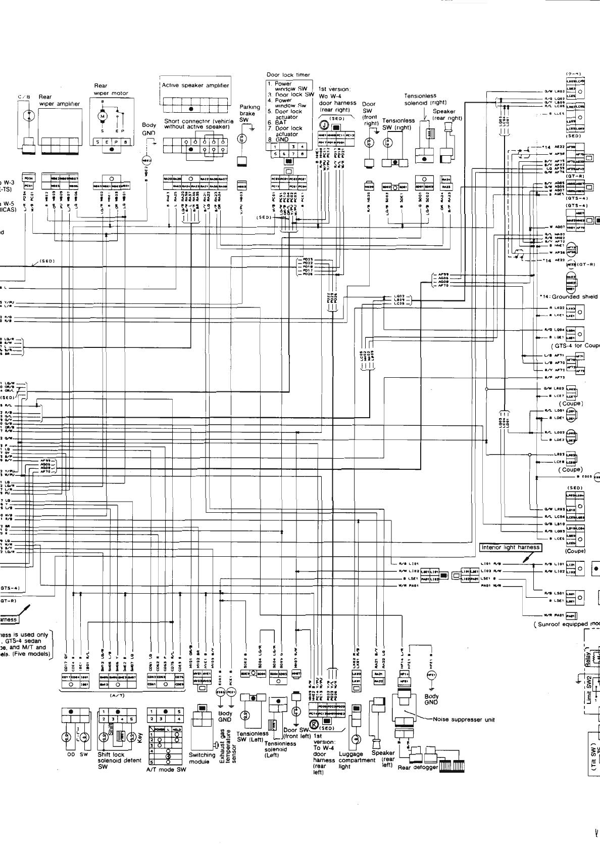
- Electrical System
- Service Data
- Miscellaneous



































































































































































































































































































































































































































































































































































































































































































































































































































