R410A V4+ Indoor Unit 2011 09 V4
User Manual: R410A V4+ Indoor unit 2011-09
Open the PDF directly: View PDF
.
Page Count: 278 [warning: Documents this large are best viewed by clicking the View PDF Link!]
- 00 Content
- 01 V4+ 50Hz One-way Cassette Type service manual
- 02 V4+ 50Hz four way cassette service manual
- 03 V4+ 50Hz compact four way cassette service manual
- 04 V4+ 50Hz Two-way Cassette Type service manual
- 05 V4+ 50Hz T3 Type Low Static Pressure Duct service manual
- 06 V4+ 50Hz A5 type concealed duct unit service manual
- 07 V4+ 50Hz High static pressure duct unit service manual
- 08 V4+ 50Hz S type Wall-mounted service manual
- 09 V4+ 50Hz C type Wall-mounted service manual
- 10 V4+ 50Hz Ceiling & floor type service manual
- 11 V4+ 50Hz Floor standing type service manual
- 12 V4+ 50Hz New Exposed Floor standing type service manual
- 13 V4+ 50Hz Console type service manual
- Fresh Air Processing unit service manual 50Hz+110430

Midea Commercial Air Conditioner
R410A Full DC Inverter V4 Plus
Indoor Unit
Technical Service Manual
(50Hz)
2011.09
R-410A
HEAT PUMP TYPE DC INVERTER VRF
Indoor Units
One-way Cassette ......................................................................... 1
Two-way Cassette ....................................................................... 17
Compact Four-way Cassette Type .......................................... 39
Four-way Cassette Type ......................................................... 53
Low Static Pressure Duct Type .............................................. 68
Medium Static Pressure Duct Type ........................................ 87
High Static Pressure Duct Type .......................................... 111
Wall-mounted – S Type(EXV Integrated) .............................. 140
Wall-mounted – C Type(EXV Integrated) .............................. 156
Ceiling & Floor Type ............................................................. 172
Exposed & Concealed Floor-standing Type ......................... 192
New Exposed Floor-standing Type ......................................... 212
Console Type ........................................................................ 231
Fresh air processing unit ......................................................... 246

MCAC-VTSM-2011-09 One-way Cassette Type
Indoor Unit 1
One-way Cassette Type
1. Feature ............................................................................................... 2
2. Specifications ................................................................................... 3
3. Dimensions ....................................................................................... 5
4. Service Space ................................................................................... 7
5. Piping Diagrams ............................................................................... 8
6. Wiring Diagram ................................................................................. 9
7. Capacity Tables ............................................................................... 10
8. Electric Characteristics .................................................................. 14
9. Sound Levels .................................................................................. 15
10. Accessories ................................................................................... 16

One-way Cassette Type MCAC-VTSM-2011-09
2 Indoor Unit
1. Feature
1.1 Lower noise level
1.2 Smoother air flow with less turbulence
1.3 Single-flow type allows effective air discharge from corner or from drop-ceiling.
---Quick cooling
1.4 Stylish design
---Be harmonious with any interior decoration and creates an elegant environment
1.5 Ultra-thin main body
Slim body needs only 235 mm space above the ceiling.
/198mm /198mm
1.6 Convenient installation
----One direction air flow guarantee quick cooling, flexible installation position.
---Standardized sectional module
1.7 Built-in water pumping with 750mm pumping head.
1.8 Easier to do cleaning and maintenance
---Flat type suction grille of easy cleaning

MCAC-VTSM-2011-09 One-way Cassette Type
Indoor Unit 3
2. Specifications
Model MDV-D28Q1/N1-C MDV-D36Q1/N1-C
Power supply V- Ph-Hz 220-240V~, 1Ph, 50Hz
Cooling
Capacity kW 2.8 3.6
Input W 53 53
Rated current A 0.3 0.3
Heating
Capacity kW 3.2 4.0
Input W 53 53
Rated current A 0.3 0.3
Indoor fan motor
Model YSK20-4
Type Centrifugal fan
Brand Welling
Input W 44/42/40 44/42/40
Capacitor μF 1.2/450v 1.2/450v
Speed (hi/mid/lo) r/min 970/900/820
Indoor coil
Number of rows 3 3
Tube pitch(a)x row pitch(b) mm 25.4x22 25.4x22
Fin spacing mm 1.8 1.8
Fin type Hydrophilic aluminum
Tube outside dia. and type mm Ф9.52 Inner groove tube
Coil length x height x width mm 600x208x66
Number of circuits 2 2
Indoor air flow (H/M/L) m3/h 500/450/410
Indoor noise level (Hi/Mid/Lo) dB(A) 36/34/30
Indoor unit
Dimension (W×H×D) mm 850×235×400
Packing (W×H×D) mm 1080X320X460
Net/Gross weight kg 23/27 23/27
panel
Dimension (W×H×D) mm 1050x18x470
Packing (W×H×D) mm 1100x40x520
Net/Gross weight Kg 4/6 4/6
Refrigerant type R410A
Throttle Type Electrical expand valve
Model IPF-24D24 (EXV beside)
Design pressure MPa 4.4/2.6 4.4/2.6
Refrigerant piping Liquid side/ Gas side mm Ф6.35/ Ф12.7 Ф6.35/ Ф12.7
Connecting wiring Power wiring mm2 2.0 2.0
Signal wiring mm2 0.75 0.75
Drainage water pipe dia. mm ODФ16
Controller Wireless remote controller (RM05/BG(T)E-A) to set address
Operation temp ℃ 17-30 17-30
Notes: 1. Nominal cooling capacities are based on the following conditions: return air temp. : 27°CDB,19°CWB,
outdoor temp.:35°CDB,equivalent ref. Piping: 8m(horizontal)
2. Nominal heating capacities are based on the following conditions: return air temp.: 20°CDB,
outdoor temp.: 7°CDB,6°CWB,equivalent ref. Piping: 8m(horizontal)

One-way Cassette Type MCAC-VTSM-2011-09
4 Indoor Unit
Model MDV-D45Q1/N1-C MDV-D56Q1/N1-C MDV-D71Q1/N1-C
Power supply V- Ph-Hz 220-240V~, 1Ph, 50Hz
Cooling
Capacity kW 4.5 5.6 7.1
Input W 86 86 86
Rated current A 0.4 0.41 0.45
Heating
Capacity kW 5.0 6.3 8.0
Input W 86 86 86
Rated current A 0.42 0.42 0.45
Indoor fan
motor
Model YSK55-4
Type Centrifugal fan
Brand Welling
Input W 82/80/73 82/80/73 82/80/73
Capacitor μF 2.5/450v 2.5/450v 2.5/450v
Speed (hi/mid/lo) r/min 1180/1120/990
Indoor coil
Number of rows 3 3 3
Tube pitch(a)x row pitch(b) mm 25.4X14.4 25.4X14.4 25.4X14.4
Fin spacing mm 1.6 1.6 1.6
Fin type Hydrophilic aluminum
Tube outside dia. and type mm Ф7.94 Inner groove tube
Coil length x height x width mm 1040X200X43.2
Number of circuits 6 6 6
Indoor air flow (H/M/L) m3/h 894/800/750 919/850/760 1080/980/900
Indoor noise level (Hi/Mid/Lo) dB(A) 41/38/35 41/38/35 41/38/35
Indoor unit
Dimension (W×H×D) mm 1200×198×655
Packing (W×H×D) mm 1380X265X775
Net/Gross weight kg 31/38 31/38 31/38
panel
Dimension (W×H×D) mm 1420×10×755
Packing (W×H×D) mm 1470×50×805
Net/Gross weight Kg 9/11 9/11 9/11
Refrigerant type R410A
Throttle Type Electrical expand valve
Model IPF-24D24 (EXV beside)
Design pressure MPa 4.4/2.6 4.4/2.6 4.4/2.6
Refrigerant
piping Liquid side/ Gas side mm Ф6.35/ Ф12.7 Ф9.52/ Ф15.9 Ф9.52/ Ф15.9
Connecting
wiring
Power wiring mm2 2.0 2.0 2.0
Signal wiring mm2 0.75 0.75 0.75
Drainage water pipe dia. mm ODФ16
Standard Controller Wireless remote controller (RM05/BG(T)E-A) to set address
Operation temp ℃ 17-30 17-30 17-30
Notes: 1. Nominal cooling capacities are based on the following conditions: return air temp. : 27°CDB,19°CWB,
outdoor temp.:35°CDB,equivalent ref. Piping: 8m(horizontal)
2. Nominal heating capacities are based on the following conditions: return air temp.: 20°CDB,
outdoor temp.: 7°CDB,6°CWB,equivalent ref. Piping: 8m(horizontal)

MCAC-VTSM-2011-09 One-way Cassette Type
Indoor Unit 5
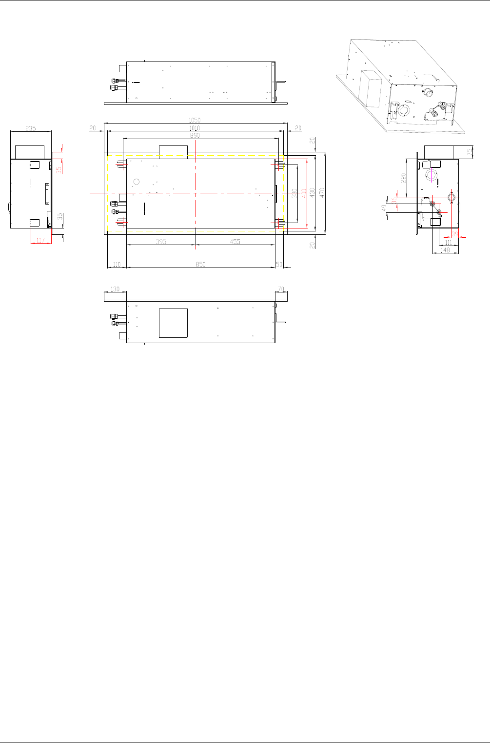
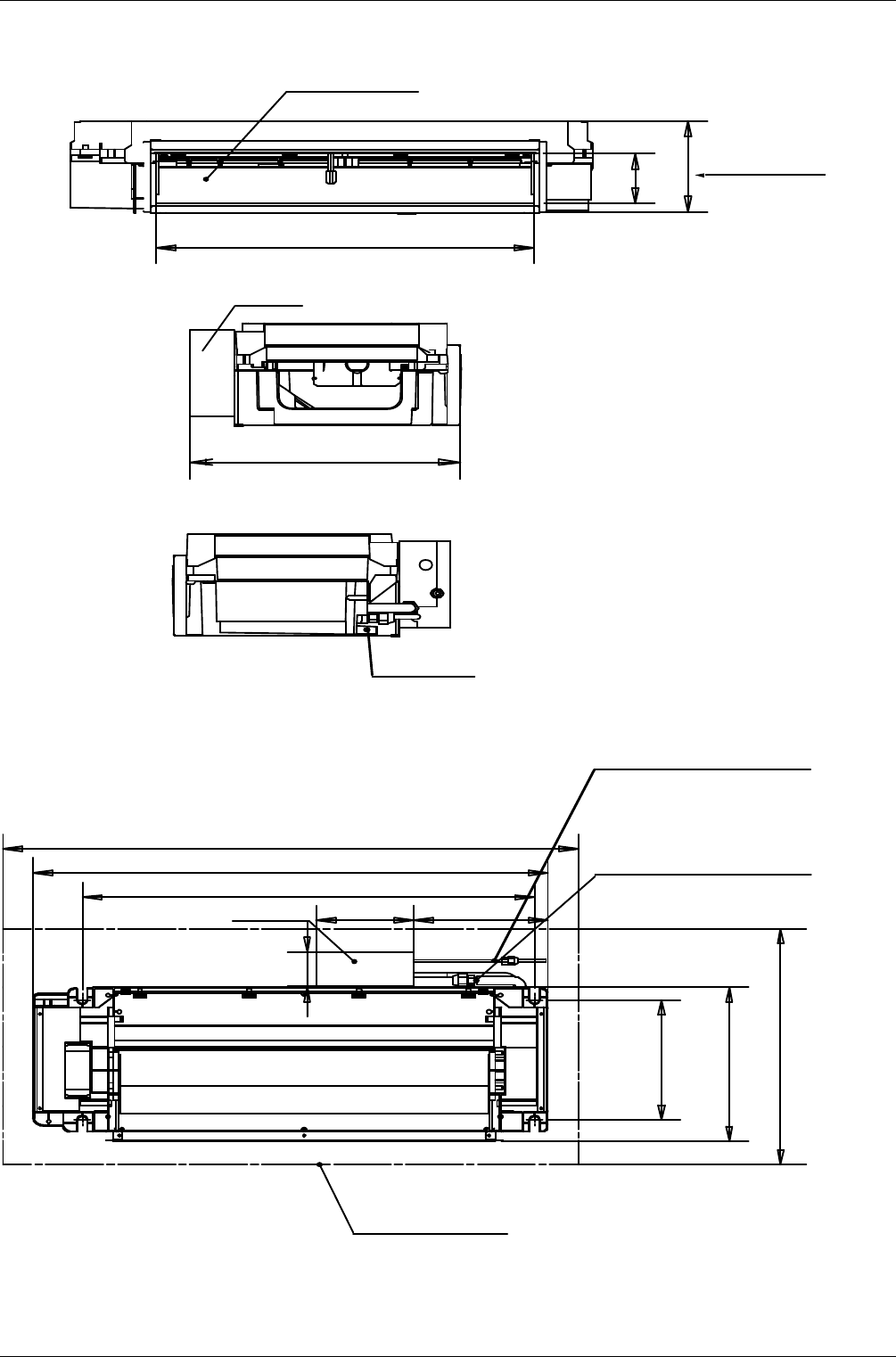
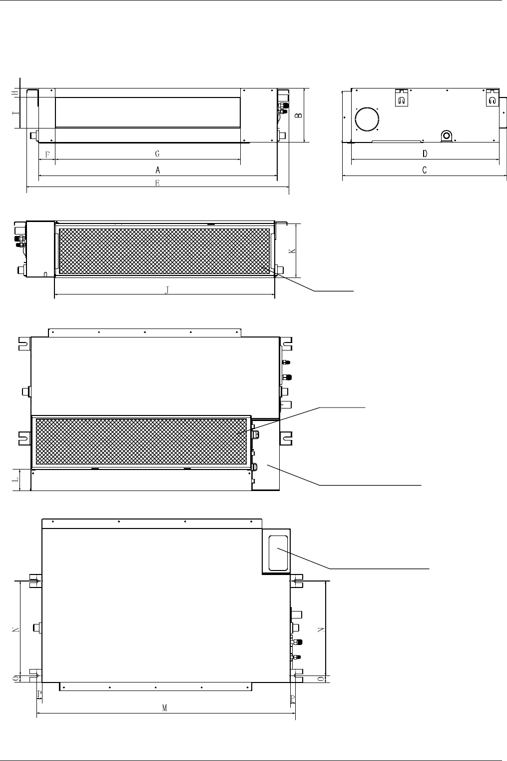
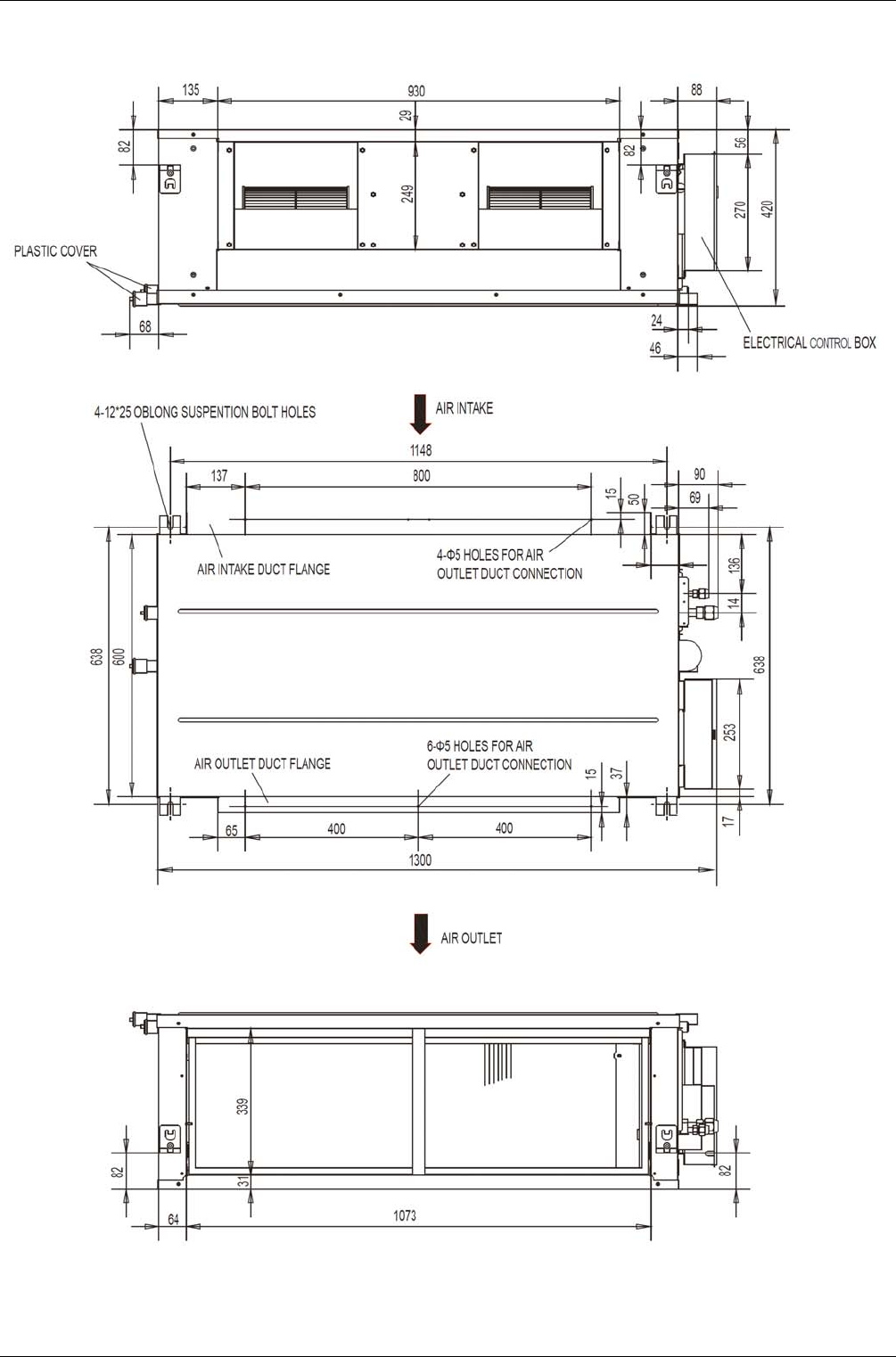
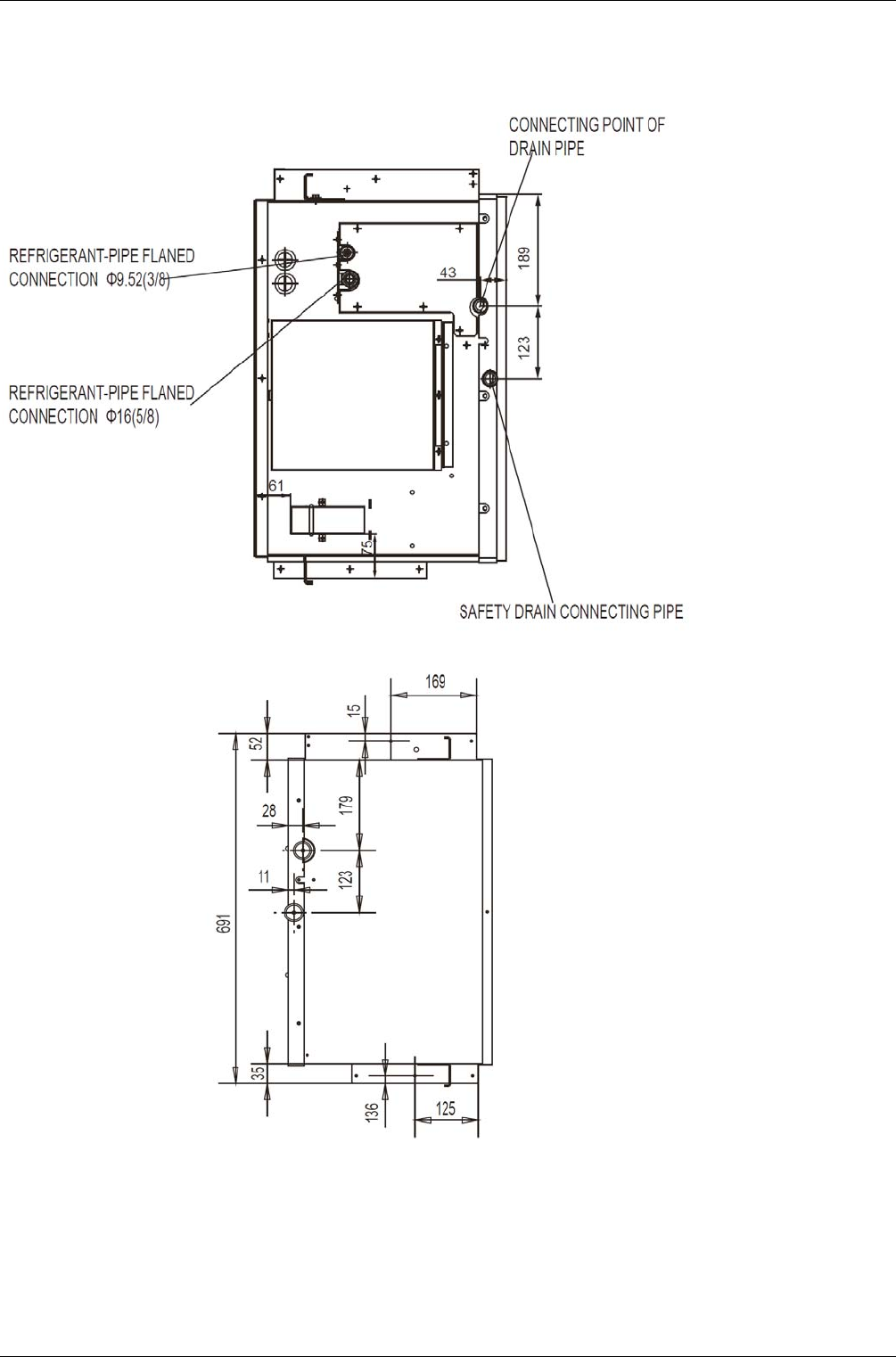
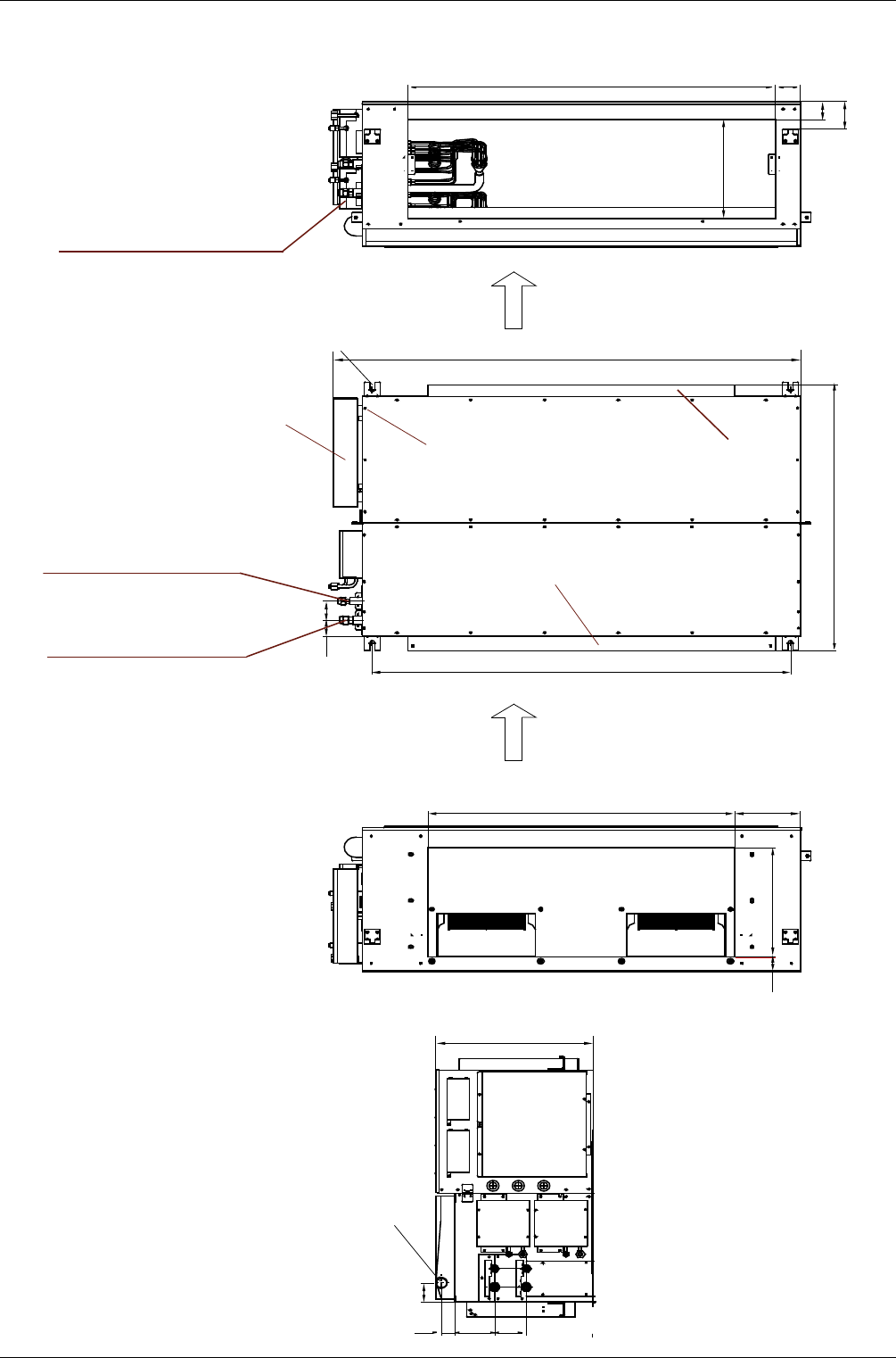
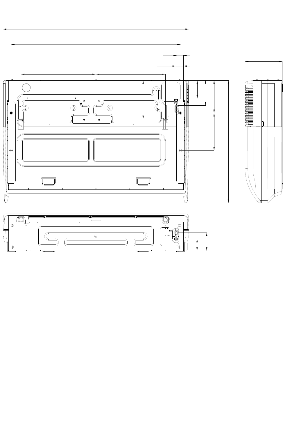
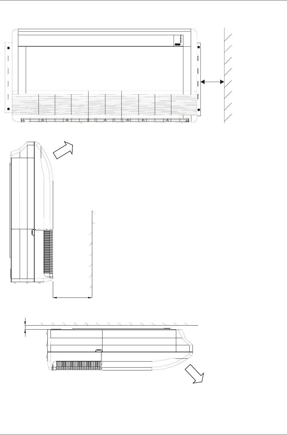
3. Dimensions
3.1 MDV-D28Q1/N1-C MDV-D36Q1/N1-C

One-way Cassette Type MCAC-VTSM-2011-09
6 Indoor Unit
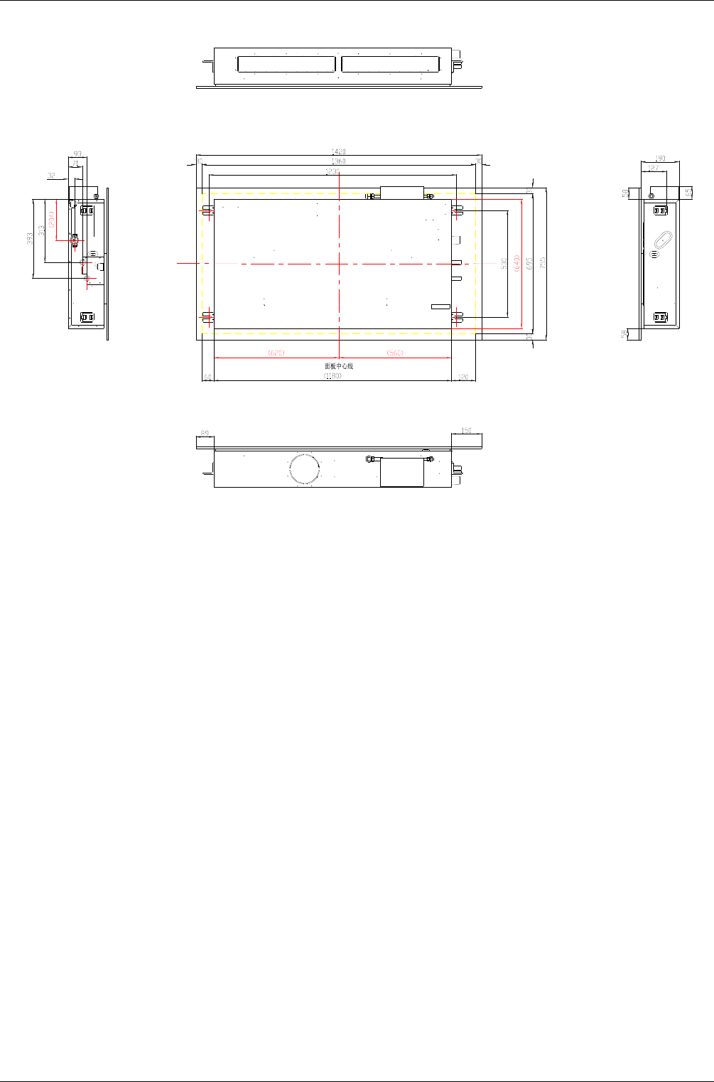
3.2 MDV-D45Q1/N1-C MDV-D56Q1/N1-C MDV-D71Q1/N1-C

MCAC-VTSM-2011-09 One-way Cassette Type
Indoor Unit 7
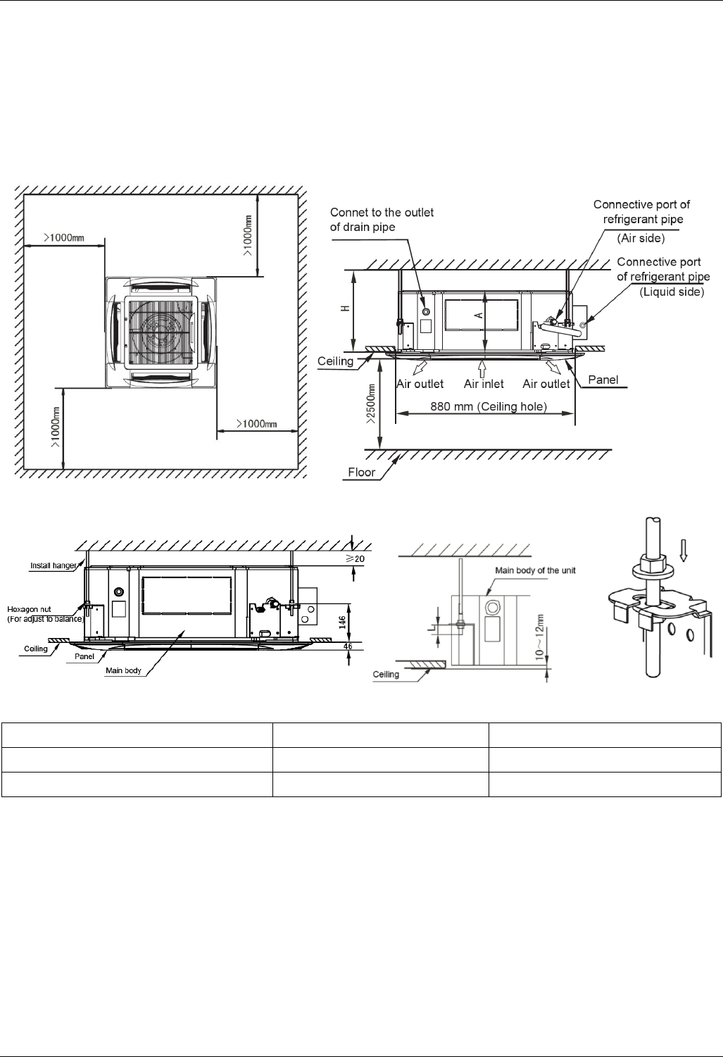
4. Service Space
MDV-D28Q1/N1-C MDV-D36Q1/N1-C
MDV-D45Q1/N1-C MDV-D56Q1/N1-C MDV-D71Q1/N1-C

One-way Cassette Type MCAC-VTSM-2011-09
8 Indoor Unit
5. Piping Diagram
flare nut
flare nut
T2B
gas side
motor
heat exchanger
fan
EXV
liquid side
T2
T1

MCAC-VTSM-2011-09 One-way Cassette Type
Indoor Unit 9
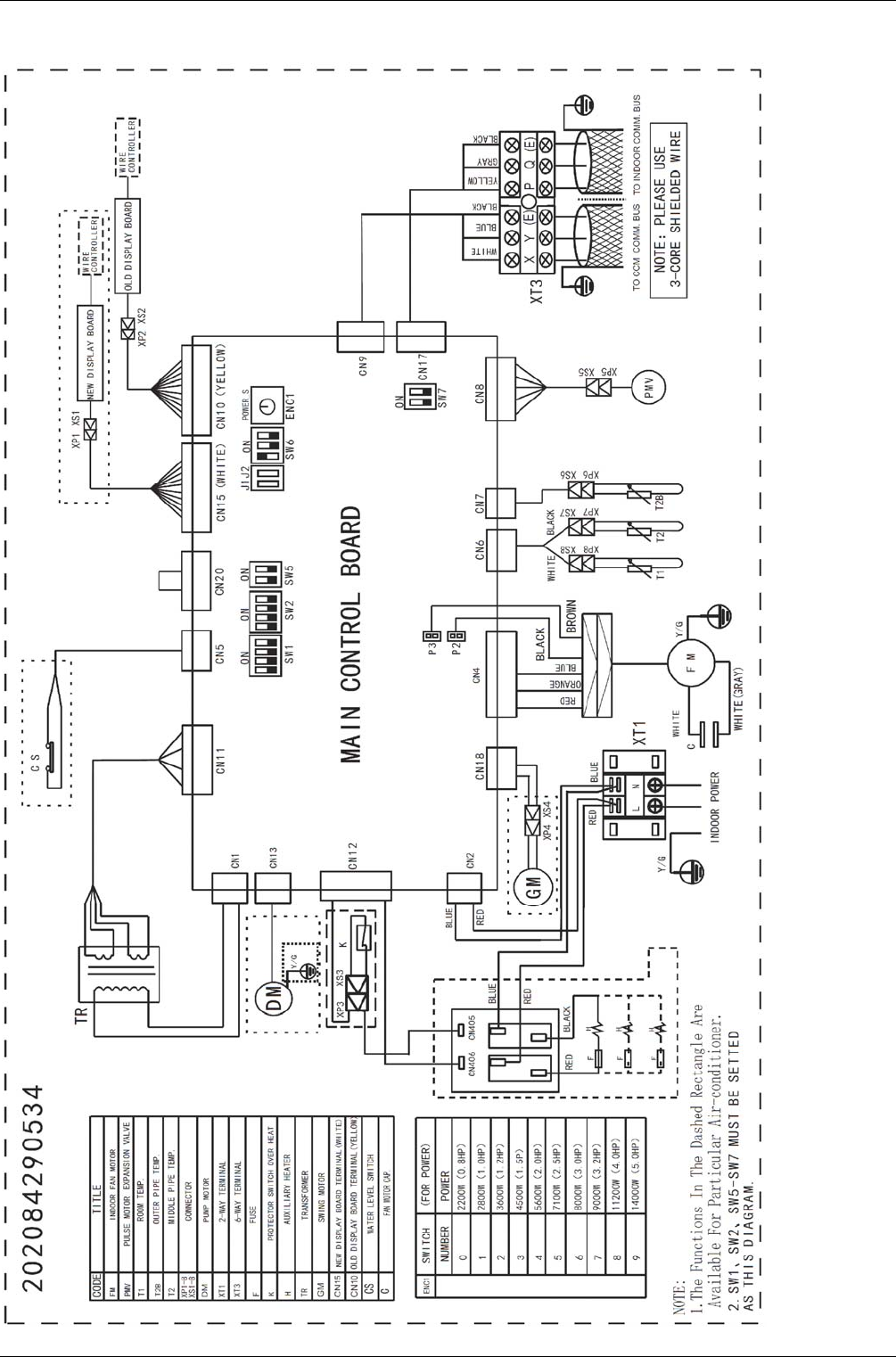
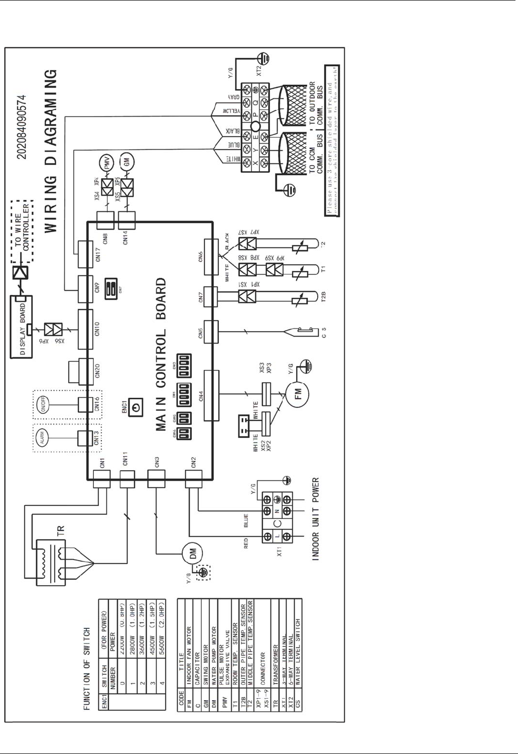
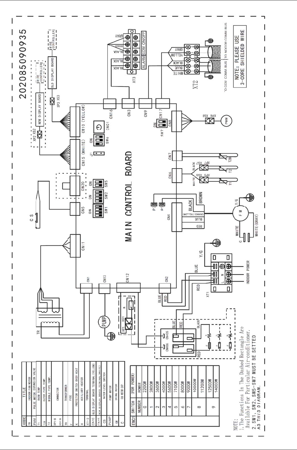
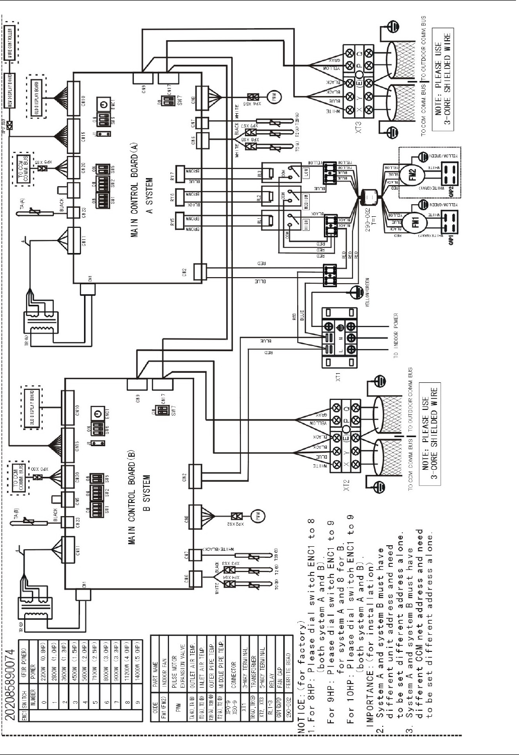
6. Wiring Diagram
MDV-D28Q1/N1-C MDV-D36Q1/N1-C MDV-D45Q1/N1-C MDV-D56Q1/N1-C MDV-D71Q1/N1-C

One-way Cassette Type MCAC-VTSM-2011-09
10 Indoor Unit
7. Capacity Tables
7.1 Cooling TC: total capacity SC: sensible capacity
WB: wet-bulb temperature DB: dry-bulb temperature
Indoor
Unit size
(kW)
Outdoor
temperature
(℃ DB)
Indoor temperature (℃ WB/DB)
14/20 16/23 18/26 19/27 20/28 22/30 24/32
TC SC TC SC TC SC TC SC TC SC TC SC TC SC
kW kW kW kW kW kW kW kW kW kW kW kW kW kW
2.8
10.0 1.9 1.6 2.3 1.8 2.6 1.9 2.8 1.9 3.0 1.9 3.3 2.0 3.7 2.0
12.0 1.9 1.6 2.3 1.8 2.6 1.9 2.8 1.9 3.0 1.9 3.3 2.0 3.6 2.0
14.0 1.9 1.6 2.3 1.8 2.6 1.9 2.8 1.9 3.0 1.9 3.3 2.0 3.6 2.0
16.0 1.9 1.6 2.3 1.8 2.6 1.9 2.8 1.9 3.0 1.9 3.3 2.0 3.5 1.9
18.0 1.9 1.6 2.3 1.8 2.6 1.9 2.8 1.9 3.0 1.9 3.3 2.0 3.5 1.9
20.0 1.9 1.6 2.3 1.8 2.6 1.9 2.8 1.9 3.0 1.9 3.3 2.0 3.4 1.9
21.0 1.9 1.6 2.3 1.8 2.6 1.9 2.8 1.9 3.0 1.9 3.3 2.0 3.4 1.9
23.0 1.9 1.6 2.3 1.8 2.6 1.9 2.8 1.9 3.0 1.9 3.3 2.0 3.4 1.9
25.0 1.9 1.6 2.3 1.8 2.6 1.9 2.8 1.9 3.0 1.9 3.2 1.9 3.3 1.9
27.0 1.9 1.6 2.3 1.8 2.6 1.9 2.8 1.9 3.0 1.9 3.2 1.9 3.3 1.9
29.0 1.9 1.6 2.3 1.8 2.6 1.9 2.8 1.9 3.0 1.9 3.1 1.8 3.2 1.8
31.0 1.9 1.6 2.3 1.8 2.6 1.9 2.8 1.9 3.0 1.9 3.1 1.8 3.2 1.7
33.0 1.9 1.6 2.3 1.8 2.6 1.9 2.8 1.9 3.0 1.9 3.1 1.8 3.1 1.7
35.0 1.9 1.6 2.3 1.8 2.6 1.9 2.8 1.9 2.9 1.9 3.0 1.8 3.1 1.7
37.0 1.9 1.6 2.3 1.8 2.6 1.9 2.8 1.9 2.9 1.9 3.0 1.8 3.0 1.7
39.0 1.9 1.6 2.3 1.8 2.6 1.9 2.8 1.9 2.9 1.9 3.0 1.9 3.0 1.7
42.0 1.9 1.6 2.3 1.8 2.6 1.9 2.8 1.9 2.9 1.9 3.0 1.9 3.0 1.7
44.0 1.9 1.6 2.3 1.8 2.6 1.9 2.8 1.9 2.9 1.9 3.0 1.9 3.0 1.7
46.0 1.9 1.6 2.3 1.8 2.6 1.9 2.8 1.9 2.9 1.9 3.0 1.9 3.0 1.7
3.6
10.0 2.5 1.9 2.9 2.1 3.4 2.3 3.6 2.4 3.8 2.5 4.3 2.4 4.7 2.5
12.0 2.5 1.9 2.9 2.1 3.4 2.3 3.6 2.4 3.8 2.5 4.3 2.4 4.7 2.5
14.0 2.5 1.9 2.9 2.1 3.4 2.3 3.6 2.4 3.8 2.5 4.3 2.4 4.6 2.4
16.0 2.5 1.9 2.9 2.1 3.4 2.3 3.6 2.4 3.8 2.5 4.3 2.4 4.5 2.4
18.0 2.5 1.9 2.9 2.1 3.4 2.3 3.6 2.4 3.8 2.5 4.3 2.4 4.5 2.4
20.0 2.5 1.9 2.9 2.1 3.4 2.3 3.6 2.4 3.8 2.5 4.3 2.4 4.4 2.3
21.0 2.5 1.9 2.9 2.1 3.4 2.3 3.6 2.4 3.8 2.5 4.3 2.4 4.4 2.3
23.0 2.5 1.9 2.9 2.1 3.4 2.3 3.6 2.4 3.8 2.5 4.1 2.3 4.3 2.2
25.0 2.5 1.9 2.9 2.1 3.4 2.3 3.6 2.4 3.8 2.5 4.1 2.3 4.2 2.2
27.0 2.5 1.9 2.9 2.1 3.4 2.3 3.6 2.4 3.8 2.5 4.0 2.2 4.2 2.2
29.0 2.5 1.9 2.9 2.1 3.4 2.3 3.6 2.4 3.8 2.5 4.0 2.2 4.1 2.2
31.0 2.5 1.9 2.9 2.1 3.4 2.3 3.6 2.4 3.8 2.5 4.2 2.6 4.1 2.2
33.0 2.5 1.9 2.9 2.1 3.4 2.3 3.6 2.4 3.8 2.5 4.2 2.6 3.9 2.1
35.0 2.5 1.9 2.9 2.1 3.4 2.3 3.6 2.4 3.8 2.5 4.2 2.6 3.9 2.1
37.0 2.5 1.9 2.9 2.1 3.4 2.3 3.6 2.4 3.7 2.4 3.8 2.3 3.9 2.1
39.0 2.5 1.9 2.9 2.1 3.4 2.3 3.6 2.4 3.7 2.4 3.8 2.3 3.8 2.1
42.0 2.5 1.9 2.9 2.1 3.4 2.3 3.6 2.4 3.7 2.4 3.8 2.3 3.8 2.1
44.0 2.5 1.9 2.9 2.1 3.4 2.3 3.6 2.4 3.7 2.4 3.8 2.3 3.8 2.1
46.0 2.5 1.9 2.9 2.1 3.4 2.3 3.6 2.4 3.7 2.4 3.8 2.3 3.8 2.1
4.5
10.0 3.1 2.4 3.7 2.6 4.2 2.8 4.5 2.9 4.8 3.0 5.3 3.4 5.9 3.0
12.0 3.1 2.4 3.7 2.6 4.2 2.8 4.5 2.9 4.8 3.0 5.3 3.4 5.9 3.0
14.0 3.1 2.4 3.7 2.6 4.2 2.8 4.5 2.9 4.8 3.0 5.3 3.4 5.8 3.0
16.0 3.1 2.4 3.7 2.6 4.2 2.8 4.5 2.9 4.8 3.0 5.3 3.4 5.6 2.9
18.0 3.1 2.4 3.7 2.6 4.2 2.8 4.5 2.9 4.8 3.0 5.3 3.4 5.7 3.0
20.0 3.1 2.4 3.7 2.6 4.2 2.8 4.5 2.9 4.8 3.0 5.3 3.4 5.7 3.0
21.0 3.1 2.4 3.7 2.6 4.2 2.8 4.5 2.9 4.8 3.0 5.3 3.4 5.6 3.0

MCAC-VTSM-2011-09 One-way Cassette Type
Indoor Unit 11
23.0 3.1 2.4 3.7 2.6 4.2 2.8 4.5 2.9 4.8 3.0 5.3 3.4 5.5 3.0
25.0 3.1 2.4 3.7 2.6 4.2 2.8 4.5 2.9 4.8 3.0 5.2 3.0 5.4 2.9
27.0 3.1 2.4 3.7 2.6 4.2 2.8 4.5 2.9 4.8 3.0 5.1 3.0 5.2 2.8
29.0 3.1 2.4 3.7 2.6 4.2 2.8 4.5 2.9 4.8 3.0 5.1 2.9 5.2 2.8
31.0 3.1 2.4 3.7 2.6 4.2 2.8 4.5 2.9 4.8 3.0 5.0 2.9 5.1 2.7
33.0 3.1 2.4 3.7 2.6 4.2 2.8 4.5 2.9 4.8 3.0 4.9 2.8 5.1 2.7
35.0 3.1 2.4 3.7 2.6 4.2 2.8 4.5 2.9 4.8 3.0 4.8 2.8 5.0 2.7
37.0 3.1 2.4 3.7 2.6 4.2 2.8 4.5 2.9 4.8 3.0 4.8 2.9 4.9 2.6
39.0 3.1 2.4 3.7 2.6 4.2 2.8 4.5 2.9 4.6 2.8 4.7 2.8 4.8 2.6
42.0 3.1 2.4 3.7 2.6 4.2 2.8 4.5 2.9 4.6 2.8 4.7 2.8 4.8 2.6
44.0 3.1 2.4 3.7 2.6 4.2 2.8 4.5 2.9 4.6 2.8 4.7 2.8 4.8 2.6
46.0 3.1 2.4 3.7 2.6 4.2 2.8 4.5 2.9 4.6 2.8 4.7 3.1 4.8 2.6
5.6
10.0 3.9 2.7 4.6 3.0 5.3 3.3 5.6 3.4 5.9 3.5 6.6 3.6 7.3 3.5
12.0 3.9 2.7 4.6 3.0 5.3 3.3 5.6 3.4 5.9 3.5 6.6 3.6 7.2 3.5
14.0 3.9 2.7 4.6 3.0 5.3 3.3 5.6 3.4 5.9 3.5 6.6 3.6 7.1 3.5
16.0 3.9 2.7 4.6 3.0 5.3 3.3 5.6 3.4 5.9 3.5 6.6 3.6 7.0 3.4
18.0 3.9 2.7 4.6 3.0 5.3 3.3 5.6 3.4 5.9 3.5 6.6 3.6 6.8 3.4
20.0 3.9 2.7 4.6 3.0 5.3 3.3 5.6 3.4 5.9 3.5 6.6 3.6 6.7 3.3
21.0 3.9 2.7 4.6 3.0 5.3 3.3 5.6 3.4 5.9 3.5 6.6 3.6 6.6 3.3
23.0 3.9 2.7 4.6 3.0 5.3 3.3 5.6 3.4 5.9 3.5 6.6 3.6 6.6 3.3
25.0 3.9 2.7 4.6 3.0 5.3 3.3 5.6 3.4 5.9 3.5 6.6 3.6 6.5 3.2
27.0 3.9 2.7 4.6 3.0 5.3 3.3 5.6 3.4 5.9 3.5 6.4 3.5 6.4 3.2
29.0 3.9 2.7 4.6 3.0 5.3 3.3 5.6 3.4 5.9 3.5 6.3 3.5 6.4 3.3
31.0 3.9 2.7 4.6 3.0 5.3 3.3 5.6 3.4 5.9 3.5 6.2 3.4 6.2 3.2
33.0 3.9 2.7 4.6 3.0 5.3 3.3 5.6 3.4 5.9 3.5 6.2 3.4 6.2 3.2
35.0 3.9 2.7 4.6 3.0 5.3 3.3 5.6 3.4 5.9 3.5 6.0 3.3 6.0 3.1
37.0 3.9 2.7 4.6 3.0 5.3 3.3 5.6 3.4 5.9 3.5 5.9 3.2 6.0 3.1
39.0 3.9 2.7 4.6 3.0 5.3 3.3 5.6 3.4 5.7 3.4 5.8 3.2 6.0 3.1
42.0 3.9 2.7 4.6 3.0 5.3 3.3 5.6 3.4 5.7 3.4 5.8 3.2 6.0 3.1
44.0 3.9 2.7 4.6 3.0 5.3 3.3 5.6 3.4 5.7 3.4 5.8 3.2 6.0 3.1
46.0 3.9 2.7 4.6 3.0 5.3 3.3 5.6 3.4 5.7 3.7 5.8 3.2 6.0 3.1
7.1
10.0 4.9 3.6 5.8 4.0 6.7 4.3 7.1 4.5 7.5 4.4 8.4 4.5 9.2 4.6
12.0 4.9 3.6 5.8 4.0 6.7 4.3 7.1 4.5 7.5 4.4 8.4 4.5 9.1 4.5
14.0 4.9 3.6 5.8 4.0 6.7 4.3 7.1 4.5 7.5 4.4 8.4 4.5 9.0 4.5
16.0 4.9 3.6 5.8 4.0 6.7 4.3 7.1 4.5 7.5 4.4 8.4 4.5 8.9 4.4
18.0 4.9 3.6 5.8 4.0 6.7 4.3 7.1 4.5 7.5 4.4 8.4 4.5 8.7 4.3
20.0 4.9 3.6 5.8 4.0 6.7 4.3 7.1 4.5 7.5 4.4 8.4 4.5 8.5 4.2
21.0 4.9 3.6 5.8 4.0 6.7 4.3 7.1 4.5 7.5 4.4 8.4 4.5 8.4 4.2
23.0 4.9 3.6 5.8 4.0 6.7 4.3 7.1 4.5 7.5 4.4 8.4 4.5 8.3 4.1
25.0 4.9 3.6 5.8 4.0 6.7 4.3 7.1 4.5 7.5 4.4 8.4 4.5 8.2 4.1
27.0 4.9 3.6 5.8 4.0 6.7 4.3 7.1 4.5 7.5 4.4 8.1 4.3 8.2 4.1
29.0 4.9 3.6 5.8 4.0 6.7 4.3 7.1 4.5 7.5 4.5 8.0 4.3 8.1 4.1
31.0 4.9 3.6 5.8 4.0 6.7 4.3 7.1 4.5 7.5 4.5 7.9 4.3 7.8 4.0
33.0 4.9 3.6 5.8 4.0 6.7 4.3 7.1 4.5 7.5 4.5 7.8 4.2 7.8 4.0
35.0 4.9 3.6 5.8 4.0 6.7 4.3 7.1 4.5 7.5 4.5 7.6 4.1 7.7 3.9
37.0 4.9 3.6 5.8 4.0 6.7 4.3 7.1 4.5 7.4 4.4 7.5 4.1 7.6 4.0
39.0 4.9 3.6 5.8 4.0 6.7 4.3 7.1 4.5 7.2 4.3 7.4 4.1 7.6 4.0
42.0 4.9 3.6 5.8 4.0 6.7 4.3 7.1 4.5 7.2 4.3 7.4 4.1 7.6 4.0
44.0 4.9 3.6 5.8 4.0 6.7 4.3 7.1 4.5 7.2 4.3 7.4 4.1 7.6 4.0
46.0 4.9 3.6 5.8 4.0 6.7 4.3 7.1 4.5 7.2 4.3 7.4 4.1 7.6 4.0

One-way Cassette Type MCAC-VTSM-2011-09
12 Indoor Unit
7.2 Heating TC: total capacity WB: wet-bulb temperature DB: dry-bulb temperature
Indoor Unit size
(kW)
Outdoor temperature
()℃
Indoor temperature (℃ DB)
16.00 18.00 20.00 21.00 22.00 24.00
TC TC TC TC TC TC
WB DB kW kW kW kW kW kW
2.80
-20 -19.8 1.79 1.79 1.79 1.79 1.79 1.79
-19 -18.8 1.92 1.92 1.92 1.92 1.92 1.92
-17 -16.7 2.02 2.02 2.02 2.02 2.02 2.02
-15 -14.7 2.02 2.02 2.02 2.02 2.02 2.02
-13.00 -12.60 2.14 2.14 2.14 2.14 2.14 2.14
-11.00 -10.50 2.24 2.24 2.24 2.24 2.24 2.24
-10.00 -9.50 2.34 2.34 2.34 2.34 2.34 2.34
-9.10 -8.50 2.40 2.40 2.40 2.40 2.40 2.40
-7.60 -7.00 2.43 2.43 2.43 2.43 2.43 2.43
-5.60 -5.00 2.53 2.53 2.53 2.53 2.53 2.53
-3.70 -3.00 2.66 2.66 2.66 2.66 2.66 2.66
-0.70 0.00 2.85 2.85 2.85 2.85 2.85 2.69
2.20 3.00 3.01 3.01 3.01 3.01 2.94 2.69
4.10 5.00 3.10 3.10 3.10 3.10 2.94 2.69
6.00 7.00 3.20 3.20 3.20 3.10 2.94 2.69
7.90 9.00 3.30 3.30 3.20 3.10 2.94 2.69
9.80 11.00 3.39 3.39 3.20 3.10 2.94 2.69
11.80 13.00 3.52 3.46 3.20 3.10 2.94 2.69
13.70 15.00 3.62 3.46 3.20 3.10 2.94 2.69
3.60
-20 -19.8 2.24 2.24 2.24 2.24 2.24 2.24
-19 -18.8 2.40 2.40 2.40 2.40 2.40 2.40
-17 -16.7 2.52 2.52 2.52 2.52 2.52 2.52
-15 -14.7 2.60 2.60 2.60 2.60 2.60 2.60
-13.00 -12.60 2.68 2.68 2.68 2.68 2.68 2.68
-11.00 -10.50 2.80 2.80 2.80 2.80 2.80 2.80
-10.00 -9.50 2.92 2.92 2.92 2.92 2.92 2.92
-9.10 -8.50 3.00 3.00 3.00 3.00 3.00 3.00
-7.60 -7.00 3.04 3.04 3.04 3.04 3.04 3.04
-5.60 -5.00 3.16 3.16 3.16 3.16 3.16 3.16
-3.70 -3.00 3.32 3.32 3.32 3.32 3.32 3.32
-0.70 0.00 3.56 3.56 3.56 3.56 3.56 3.36
2.20 3.00 3.76 3.76 3.76 3.76 3.68 3.36
4.10 5.00 3.88 3.88 3.88 3.88 3.68 3.36
6.00 7.00 4.00 4.00 4.00 3.88 3.68 3.36
7.90 9.00 4.12 4.12 4.00 3.88 3.68 3.36
9.80 11.00 4.24 4.24 4.00 3.88 3.68 3.36
11.80 13.00 4.40 4.32 4.00 3.88 3.68 3.36
13.70 15.00 4.52 4.32 4.00 3.88 3.68 3.36
4.50
-20 -19.8 2.80 2.80 2.80 2.80 2.80 2.80
-19 -18.8 3.00 3.00 3.00 3.00 3.00 3.00
-17 -16.7 3.15 3.15 3.15 3.15 3.15 3.15
-15 -14.7 3.25 3.25 3.25 3.25 3.25 3.25
-13.00 -12.60 3.35 3.35 3.35 3.35 3.35 3.35
-11.00 -10.50 3.50 3.50 3.50 3.50 3.50 3.50
-10.00 -9.50 3.65 3.65 3.65 3.65 3.65 3.65
-9.10 -8.50 3.75 3.75 3.75 3.75 3.75 3.75

MCAC-VTSM-2011-09 One-way Cassette Type
Indoor Unit 13
-7.60 -7.00 3.80 3.80 3.80 3.80 3.80 3.80
-5.60 -5.00 3.95 3.95 3.95 3.95 3.95 3.95
-3.70 -3.00 4.15 4.15 4.15 4.15 4.15 4.15
-0.70 0.00 4.45 4.45 4.45 4.45 4.45 4.20
2.20 3.00 4.70 4.70 4.70 4.70 4.60 4.20
4.10 5.00 4.85 4.85 4.85 4.85 4.60 4.20
6.00 7.00 5.00 5.00 5.00 4.85 4.60 4.20
7.90 9.00 5.15 5.15 5.00 4.85 4.60 4.20
9.80 11.00 5.30 5.30 5.00 4.85 4.60 4.20
11.80 13.00 5.50 5.40 5.00 4.85 4.60 4.20
13.70 15.00 5.65 5.40 5.00 4.85 4.60 4.20
5.60
-20 -19.8 3.53 3.53 3.53 3.53 3.53 3.53
-19 -18.8 3.78 3.78 3.78 3.78 3.78 3.78
-17 -16.7 3.97 3.97 3.97 3.97 3.97 3.97
-15 -14.7 4.10 4.10 4.10 4.10 4.10 4.10
-13.00 -12.60 4.22 4.22 4.22 4.22 4.22 4.22
-11.00 -10.50 4.41 4.41 4.41 4.41 4.41 4.41
-10.00 -9.50 4.60 4.60 4.60 4.60 4.60 4.60
-9.10 -8.50 4.73 4.73 4.73 4.73 4.73 4.73
-7.60 -7.00 4.79 4.79 4.79 4.79 4.79 4.79
-5.60 -5.00 4.98 4.98 4.98 4.98 4.98 4.98
-3.70 -3.00 5.23 5.23 5.23 5.23 5.23 5.23
-0.70 0.00 5.61 5.61 5.61 5.61 5.61 5.29
2.20 3.00 5.92 5.92 5.92 5.92 5.80 5.29
4.10 5.00 6.11 6.11 6.11 6.11 5.80 5.29
6.00 7.00 6.30 6.30 6.30 6.11 5.80 5.29
7.90 9.00 6.49 6.49 6.30 6.11 5.80 5.29
9.80 11.00 6.68 6.68 6.30 6.11 5.80 5.29
11.80 13.00 6.93 6.80 6.30 6.11 5.80 5.29
13.70 15.00 7.12 6.80 6.30 6.11 5.80 5.29
7.10
-20 -19.8 4.48 4.48 4.48 4.48 4.48 4.48
-19 -18.8 4.80 4.80 4.80 4.80 4.80 4.80
-17 -16.7 5.04 5.04 5.04 5.04 5.04 5.04
-15 -14.7 5.20 5.20 5.20 5.20 5.20 5.20
-13.00 -12.60 5.36 5.36 5.36 5.36 5.36 5.36
-11.00 -10.50 5.60 5.60 5.60 5.60 5.60 5.60
-10.00 -9.50 5.84 5.84 5.84 5.84 5.84 5.84
-9.10 -8.50 6.00 6.00 6.00 6.00 6.00 6.00
-7.60 -7.00 6.08 6.08 6.08 6.08 6.08 6.08
-5.60 -5.00 6.32 6.32 6.32 6.32 6.32 6.32
-3.70 -3.00 6.64 6.64 6.64 6.64 6.64 6.64
-0.70 0.00 7.12 7.12 7.12 7.12 7.12 6.72
2.20 3.00 7.52 7.52 7.52 7.52 7.36 6.72
4.10 5.00 7.76 7.76 7.76 7.76 7.36 6.72
6.00 7.00 8.00 8.00 8.00 7.76 7.36 6.72
7.90 9.00 8.24 8.24 8.00 7.76 7.36 6.72
9.80 11.00 8.48 8.48 8.00 7.76 7.36 6.72
11.80 13.00 8.80 8.64 8.00 7.76 7.36 6.72
13.70 15.00 9.04 8.64 8.00 7.76 7.36 6.72

One-way Cassette Type MCAC-VTSM-2011-09
14 Indoor Unit
8. Electric Characteristics
Model Indoor Unit Power Supply IFM
Hz Voltage Min. Max. MCA MFA KW FLA
MDV-D28Q1/N1-C 50 220-240V 198V 254V 0.2675 5 0.020 0.214
MDV-D36Q1/N1-C 50 220-240V 198V 254V 0.2675 5 0.020 0.214
MDV-D45Q1/N1-C 50 220-240V 198V 254V 0.5025 5 0.055 0.402
MDV-D56Q1/N1-C 50 220-240V 198V 254V 0.5025 5 0.055 0.402
MDV-D71Q1/N1-C 50 220-240V 198V 254V 0.5025 5 0.055 0.402
Remark:
MCA: Min. Current Amps. (A)
MFA: Max. Fuse Amps. (A)
KW: Fan Motor Rated Output (kW)
FLA: Full Load Amps. (A)
IFM: Indoor Fan Motor

MCAC-VTSM-2011-09 One-way Cassette Type
Indoor Unit 15
9. Sound Levels
9.1 Test condition
ONE-WAY CASSETTE TYPE
Microphone
1.0m
9.2 Test value
MDV-D28Q1/N1-C MDV-D36Q1/N1-C MDV-D45Q1/N1-C MDV-D56Q1/N1-C MDV-D71Q1/N1-C
Octave band center frequency(Hz)
Sound pressure level dB(0dB=0.0002μ bar)
Audibility limits of
continuous white
sound
Octave band center frequency(Hz)
Sound pressure level dB(0dB=0.0002μ bar)
Audibility limits of
continuous white
sound
Model Noise test value dB(A)
Hi Mid Low
MDV-D28Q1/N1-C 36 34 30
MDV-D36Q1/N1-C 36 34 30
MDV-D45Q1/N1-C 36 34 30
MDV-D56Q1/N1-C 41 38 35
MDV-D71Q1/N1-C 41 38 35

One-way Cassette Type MCAC-VTSM-2011-09
16 Indoor Unit
10. Accessories
Standard accessories
Name Quantity Shape Usage
Installation manual 1 / /
Pipe insulation material 2 Heat insulation
Remote controller 1 /
7# alkaline battery 2 /
Installation pattern paper 1 / Adjust ceiling hole and position of indoor unit (only
for 2800-3600W type)
Installation indicator 1
Adjust main unit position(only for 4500-7100W
type)
Holder for remote controller 1 Hold the remote controller
Mounting screw(ST2.9x10-C-H) 2 Insulation Holder for remote controller
Screw M4×16(including flat spring
gasket) 5
For fixing the installation pattern paper
and panel(only for 2800-3600W type)
Fixing belt 10 Fixing and tightening
Straight pipe 2 Drainage
Elbow 2 Connect drain pipe and straight pipe
Big gasket 8 Hang the indoor unit

MCAC-VTSM-2011-09 Four-way Cassette Type
Indoor Units
17
Four-way Cassette Type
1. Features ........................................................................................... 18
2. Specifications .................................................................................. 21
3. Dimensions ...................................................................................... 24
4. Service Space .................................................................................. 25
5. Piping Diagram ................................................................................ 26
6. Wiring Diagram ................................................................................ 27
7. Capacity Tables ............................................................................... 28
8. Electric Characteristics .................................................................. 35
9. Sound Levels ................................................................................... 36
10. Accessories ................................................................................... 38

Four-way Cassette Type MCAC-VTSM-2011-09
Four-way Cassette Type
18
1. Features
(1) Low operation noise
—Streamline plate ensures quietness
—Creates natural and comfortable environment
(2) Efficient cooling——Equal, fast and wide range cooling
(3) Excellent performance. Higher heat-exchanging efficiency and lower noise.
The optimal evaporator & sufficient airflow volume guarantees the excellent capacity
(4) The adoption of the most advanced 3- Dimensional Screw fan
—Reduces the air resistance passing through
—Smoothes the air flow
—Makes air speed distribution to the heat exchange uniform
(5) Adding digital tube displaying on the display board. LED can display the Error Code to make the
malfunction checking easier.
(6) Fresh air makes life healthier and more comfortable.
(7) Drainage pump can take up the condenser water to 750mm.
(8) Ultra-thin machine body to easy installation and maintenance:
2.8kW~8.0kW:230mm, 9.0kW~14kW:300mm.

MCAC-VTSM-2011-09 Four-way Cassette Type
Four-way Cassette Type
19
(9) Different color panels for choose: White、Gray、Blue、Black
(White) Standard (Black) Optional (Gray) Optional (Blue) Optional
(10) Swing angle of louver
1) Add one more swing motor, one motor driving two louvers. Controlling the interspace of each part,
minimizing the angle loss.
2) The swing angle of the first louver are 40~42 degrees and the second louver are 37~38 degrees. New
evaporator and inner configuration designed can acquire high heat-exchanger effect.
(11) More strengthening rib design around the panel, preventing the distortion for the panel.
(12) New outlet frame design to make the phenomena of coagulation great improvement: prevent the
condensing water from damaging the air guide strip.
(13) Adding rib on the panel of fan outlet, which can avoid the air outlet direct flow to people.
(14) 4 speeds available, optional super high fan speed design suitable for the large building over 3m
high.
(15) Reserve spaces for air side-outlet, it is available to connect duct pipe hence Air supplying from the
four sides to nearby small room.

Four-way Cassette Type MCAC-VTSM-2011-09
Four-way Cassette Type
20
(16) Optimal design, smaller Control Box, Space saving and convenient for wiring,
Using fire resistance galvanized steel for E-box material. Metal box make the control part more stable and
prevent damaging

MHVAC-DTSM-2011-09 Specifications
Four-way Cassette Type 21
2. Specifications
Model
MDV-D28Q4/N1-D
MDV-D36Q4/N1-D
MDV-D45Q4/N1-D
Power supply
V-Ph-Hz
220-240V, 1Ph, 50Hz
Cooling
Capacity
kW
2.8
3.6
4.5
Input
W
80
80
90
Rated current
A
0.4
0.4
0.4
Heating
Capacity
kW
3.2
4.0
5.0
Input
W
80
80
90
Rated current
A
0.4
0.4
0.4
Indoor fan motor
Model
YDK60-6F-3
YDK60-6F-3
YDK60-6F-3
Type
AC motor
AC motor
AC motor
Brand
Welling
Welling
Welling
Input
W
98/85/75/70
98/85/75/70
98/85/75/70
Capacitor
uF
2.5
2.5
3
Speed (hi/mid/lo)
r/min
(782)/600/509/422
(782)/600/509/422
(808)/652/547/467
Indoor coil
Number of rows
1
1
2
Tube pitch(a)x row pitch(b)
mm
21x13.37
21x13.37
21x13.37
Fin spacing
mm
1.5
1.5
1.5
Fin type
Hydrophilic Aluminum
Hydrophilic Aluminum
Hydrophilic Aluminum
Tube outside dia. and type
mm
Ф7,Innergroove Tube
Coil length x height x width
mm
1930x168x13.37
1930x168x13.37
1961x168x26.74
Number of circuits
4
4
8
Indoor air flow (H/M/L)
m3/h
847/766/640
847/766/640
864/755/658
Indoor noise level (Hi/Mid/Lo)
dB(A)
42/38/35
42/38/35
42/38/35
Indoor unit
Dimension (WxHxD)
mm
840x230x840
840x230x840
840x230x840
Packing (WxHxD)
mm
955X247X955
955X247X955
955X247X955
Net/Gross weight
kg
24/28
24/28
26/30
Panel
Dimension (WxHxD)
mm
950x46x950
950x46x950
950x46x950
Packing (WxHxD)
mm
1000x60x1000
1000x60x1000
1000x60x1000
Net/Gross weight
kg
6/8
6/8
6/8
Refrigerant type
R410A
R410A
R410A
Throttle
Electric expansive valve
Design pressure
MPa
4.2/2.0
4.2/2.0
4.2/2.0
Refrigerant piping
Liquid side/ Gas side
mm
Φ6.4/Φ12.7
Φ6.4/Φ12.7
Φ6.4/Φ12.7
Connecting wiring
Power wiring
Nb×mm2
3×2.5(L≤20m);3×3.5(L≤50m)
Signal wiring
Nb×mm2
3×0.75
3×0.75
3×0.75
Drainage water pipe dia.
mm
IDФ28.5 ODФ32
IDФ28.5 ODФ32
IDФ28.5 ODФ32
Standard Controller
Wireless remote controller (RM05/BG(T)E-A) , to set address
Operation temp
℃
17~30
Notes:
1. Nominal cooling capacities are based on the following conditions: return air temp.: 27°CDB, 19°CWB, and outdoor
temp.:35°CDB, equivalent ref. piping: 8m (horizontal)
2. Nominal heating capacities are based on the following conditions: return air temp.: 20°CDB, outdoor temp.: 7°CDB, 6°CWB,
and equivalent ref. Piping: 8m (horizontal)

Specifications MHVAC-DTSM-2011-09
22 Four-way Cassette Type
Model
MDV-D56Q4/N1-D
MDV-D71Q4/N1-D
MDV-D80Q4/N1-D
Power supply
V- Ph-Hz
220-240V, 1Ph, 50Hz
Cooling
Capacity
kW
5.6
7.1
8.0
Input
W
75
82
97
Rated current
A
0.4
0.5
0.5
Heating
Capacity
kW
6.3
8.0
9.0
Input
W
75
82
97
Rated current
A
0.4
0.5
0.5
Indoor fan motor
Model
YDK60-6F-3
YDK80-6E-2
YDK80-6E-2
Type
AC motor
AC motor
AC motor
Brand
Welling
Welling
Welling
Input
W
98/85/75/70
120/110/100/90
120/110/100/90
Capacitor
uF
3
3
3
Speed (hi/mid/lo)
r/min
(808)/652/547/467
(877)/755/627/490
(800)/777/662/525
Indoor coil
Number of rows
2
2
2
Tube pitch(a)x row pitch(b)
mm
21x13.37
21x13.37
21x13.37
Fin spacing
mm
1.5
1.5
1.5
Fin type
Hydrophilic Aluminum
Hydrophilic Aluminum
Hydrophilic Aluminum
Tube outside dia. and type
mm
Ф7, Innergroove Tube
Coil length x height x width
mm
1961x168x26.74
1961x168x26.74
1961x168x26.74
Number of circuits
8
8
8
Indoor air flow (H/M/L)
m3/h
864/755/658
1157/955/749
1236/973/729
Indoor noise level (Hi/Mid/Lo)
dB(A)
42/38/35
45/42/39
45/42/39
Indoor unit
Dimension (WxHxD)
mm
840x230x840
840x230x840
840x230x840
Packing (WxHxD)
mm
955X247X955
955X247X955
955X247X955
Net/Gross weight
kg
26/30
26/30
26/30
Panel
Dimension (WxHxD)
mm
950x46x950
950x46x950
950x46x950
Packing (WxHxD)
mm
1000x60x1000
1000x60x1000
1000x60x1000
Net/Gross weight
kg
6/8
6/8
6/8
Refrigerant type
R410A
R410A
R410A
Throttle
Electric expansive valve
Design pressure
MPa
4.4/2.6
4.4/2.6
4.4/2.6
Refrigerant piping
Liquid side/ Gas side
mm
Φ9.5/Φ15.9
Φ9.52/Φ15.9
Φ9.52/Φ15.9
Connecting wiring
Power wiring
Nb×mm2
3×2.5(L≤20m);3×3.5(L≤50m)
Signal wiring
Nb×mm2
3×0.75
3×0.75
3×0.75
Drainage water pipe dia.
mm
IDФ28.5 ODФ32
IDФ28.5 ODФ32
IDФ28.5 ODФ32
Standard Controller
Wireless remote controller (RM05/BG(T)E-A) , to set address
Operation temp
℃
17~30
Notes:
1. Nominal cooling capacities are based on the following conditions: return air temp.: 27°CDB, 19°CWB, and outdoor
temp.:35°CDB, equivalent ref. piping: 8m (horizontal)
2. Nominal heating capacities are based on the following conditions: return air temp.: 20°CDB, outdoor temp.: 7°CDB, 6°CWB,
and equivalent ref. Piping: 8m (horizontal)

MHVAC-DTSM-2011-09 Specifications
Four-way Cassette Type 23
Model
MDV-D90Q4/N1-D
MDV-D100Q4/N1-D
MDV-D112Q4/N1-D
MDV-D140Q4/N1-D
Power supply
V- Ph-Hz
220-240V, 1Ph, 50Hz
Cooling
Capacity
kW
9.0
10.0
11.2
14.0
Input
W
160
160
160
170
Rated current
A
0.7
0.7
0.7
0.8
Heating
Capacity
kW
10.0
11.0
12.5
15.0
Input
W
160
160
160
170
Rated current
A
0.7
0.7
0.7
0.8
Indoor fan motor
Model
YDK90-6E-1
YDK90-6E-1
YDK90-6E-1
YDK90-6E-1
Type
AC motor
AC motor
AC motor
AC motor
Brand
Welling
Welling
Welling
Welling
Input
W
165/143/114/93
165/143/114/93
165/143/114/93
204/175/140/120
Capacitor
uF
3.5
3.5
3.5
4
Speed (hi/mid/lo)
r/min
770/640/550
770/640/550
770/640/550
820/750/620
Indoor coil
Number of rows
2
2
2
2
Tube pitch(a)x row pitch(b)
mm
21x13.37
21x13.37
21x13.37
21x13.37
Fin spacing
mm
1.5
1.5
1.5
1.5
Fin type
Hydrophilic Aluminum
Tube outside dia. and type
mm
Ф7, Innergroove Tube
Coil length x height x width
mm
1955x252x26.74
1955x252x26.74
1955x252x26.74
1955x252x26.74
Number of circuits
8
8
8
12
Indoor air flow (H/M/L)
m3/h
1540/1300/1120
1540/1300/1120
1540/1300/1120
1800/1500/1280
Indoor noise level (Hi/Mid/Lo)
dB(A)
48/45/43
48/45/43
48/45/43
50/47/44
Indoor unit
Dimension (WxHxD)
mm
840x300x840
840x300x840
840x300x840
840x300x840
Packing (WxHxD)
mm
955X317X955
955X317X955
955X317X955
955X317X955
Net/Gross weight
kg
32/37
32/37
32/37
32/37
Panel
Dimension (WxHxD)
mm
950x46x950
950x46x950
950x46x950
950x46x950
Packing (WxHxD)
mm
1000x60x1000
1000x60x1000
1000x60x1000
1000x60x1000
Net/Gross weight
kg
6/8
6/8
6/8
6/8
Refrigerant type
R410A
Throttle
Electronical expansive valve
Design pressure
MPa
4.4/2.6
4.4/2.6
4.4/2.6
4.4/2.6
Refrigerant piping
Liquid side/ Gas side
mm
Φ9.52/Φ15.9
Φ9.52/Φ15.9
Φ9.52/Φ15.9
Φ9.52/Φ15.9
Connecting wiring
Power wiring
Nb×mm2
3×2.5(L≤20m);3×3.5(L≤50m)
Signal wiring
Nb×mm2
3×0.75
3×0.75
3×0.75
3×0.75
Drainage water pipe dia.
mm
IDФ28.5 ODФ32
IDФ28.5 ODФ32
IDФ28.5 ODФ32
IDФ28.5 ODФ32
Standard Controller
Wireless remote controller (RM05/BG(T)E-A) , to set address
Operation temp
℃
17~30
Notes:
1. Nominal cooling capacities are based on the following conditions: return air temp.: 27°CDB, 19°CWB, and outdoor
temp.:35°CDB, equivalent ref. piping: 8m (horizontal)
2. Nominal heating capacities are based on the following conditions: return air temp.: 20°CDB, outdoor temp.: 7°CDB, 6°CWB,
and equivalent ref. Piping: 8m (horizontal)

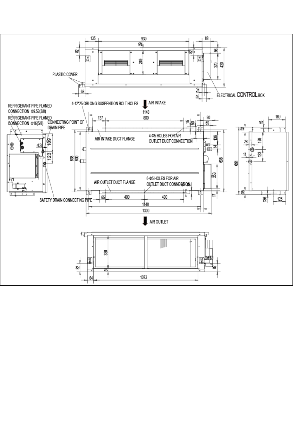
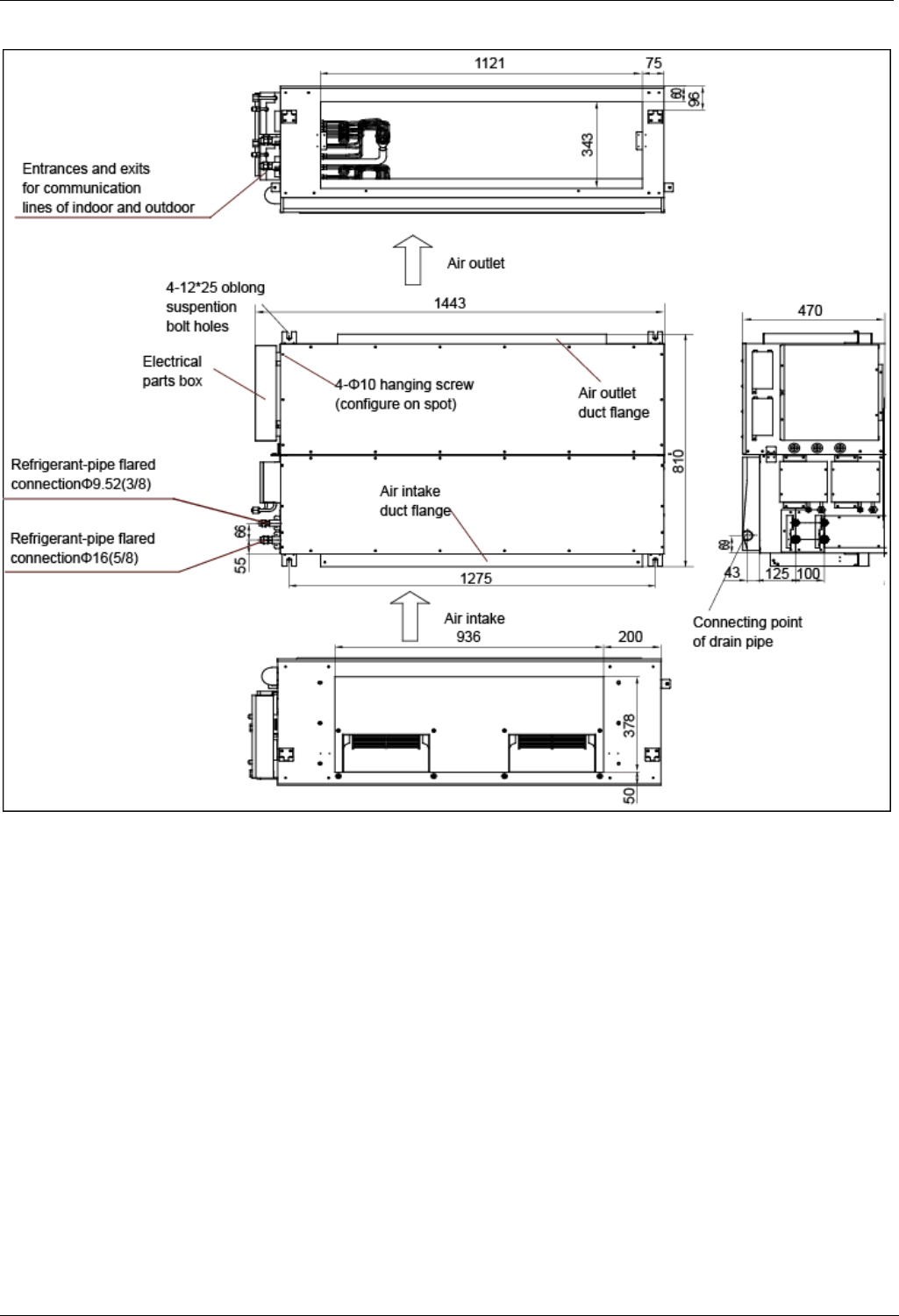
Dimensions MHVAC-DTSM-2011-09
24 Four-way Cassette Type
3. Dimensions
Indoor unit model
A(mm)
B(mm)
C(mm)
D(mm)
MDV-D28Q4/N1-D ~ MDV-D45Q4/N1-D
230
170
Φ6.35
Φ12.7
MDV-D56Q4/N1-D ~ MDV-D80Q4/N1-D
230
170
Φ9.52
Φ15.9
MDV-D90Q4/N1-D ~ MDV-D140Q4/N1-D
300
190
Φ9.52
Φ15.9

MHVAC-DTSM-2011-09 Service Space
Four-way Cassette Type 25
4. Service Space
1) There is enough room for installation and maintenance.
2) The ceiling is horizontal, and its structure can endure the weight of the indoor unit.
3) The outlet and the inlet are not impeded, and the influence of external air is the least.
4) The air flow can reach throughout the room.
5) The connecting pipe and drainpipe could be extracted out easily.
6) There is no direct radiation from heaters.
Indoor unit
A(mm)
H(mm)
MDV-D28Q4/N1-D ~ MDV-D80Q4/N1-D
230
≥260
MDV-D90Q4/N1-D ~ MDV-D140Q4/N1-D
300
≥330

Piping Diagram MHVAC-DTSM-2011-09
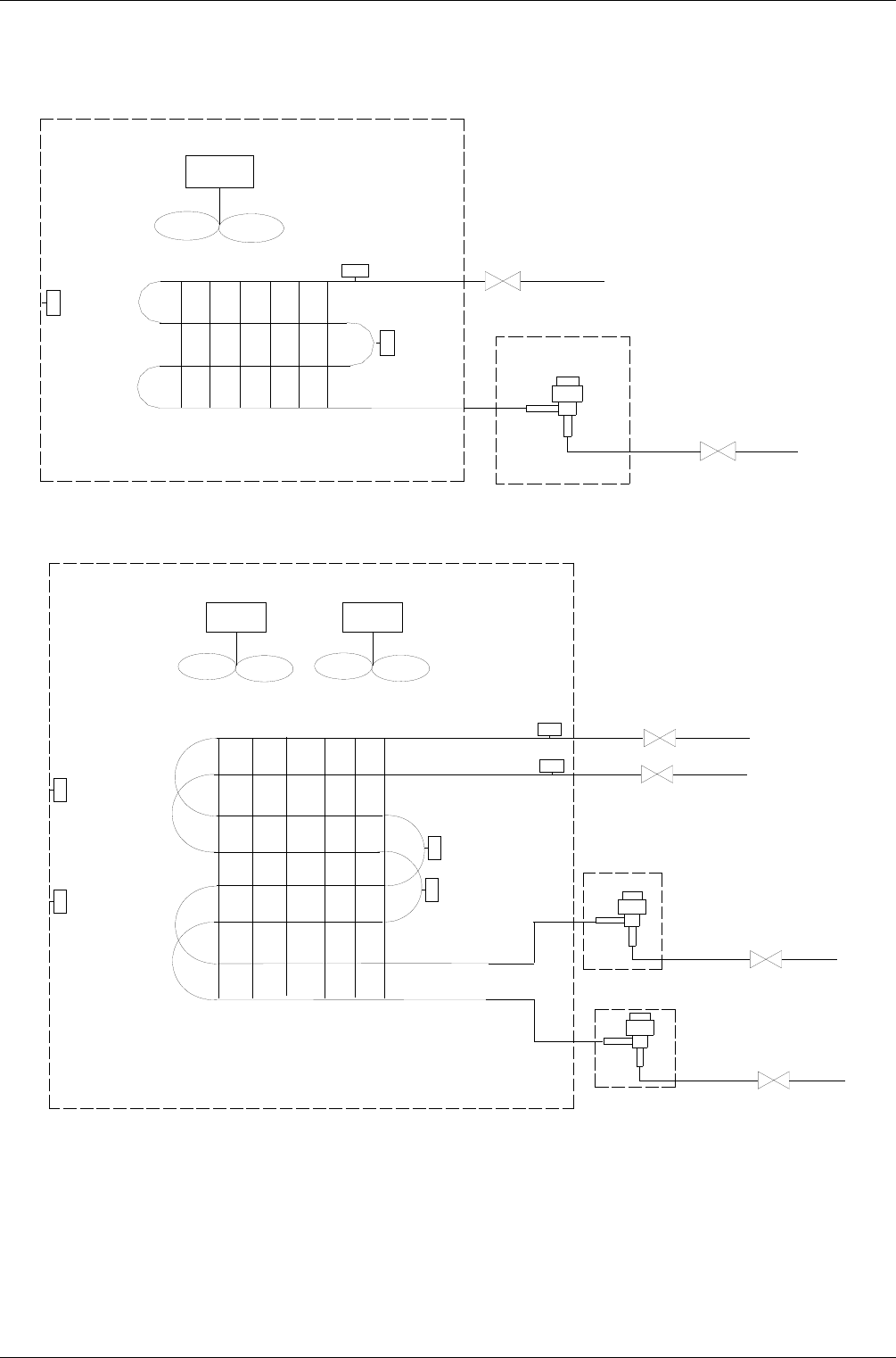
26 Four-way Cassette Type
5. Piping Diagram
flare nut
flare nut
T2B
gas side
motor
heat exchanger
fan
EXV
liquid side
T2
T1

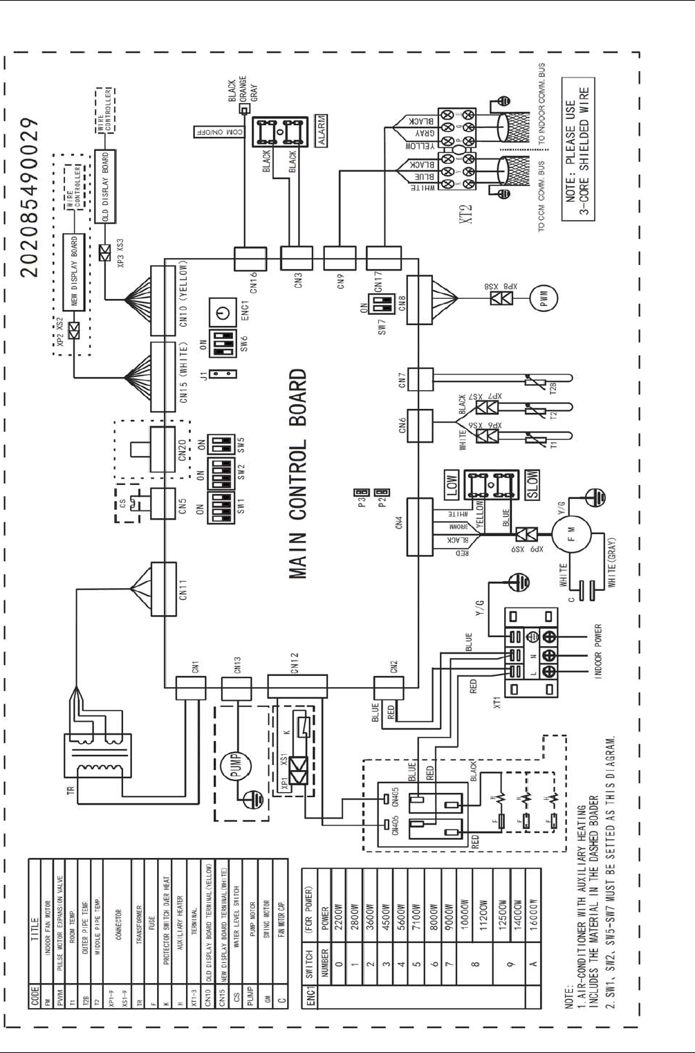
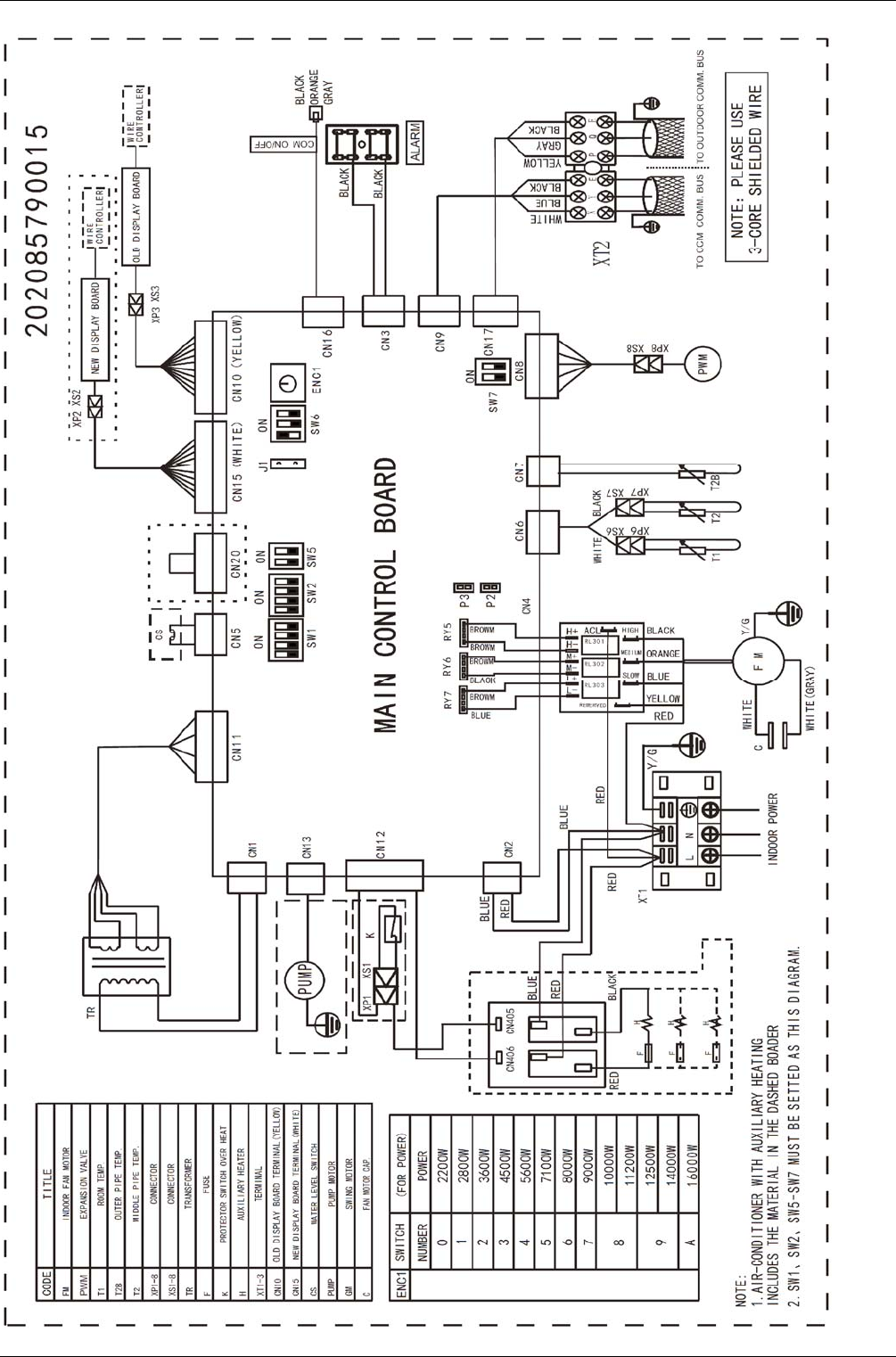
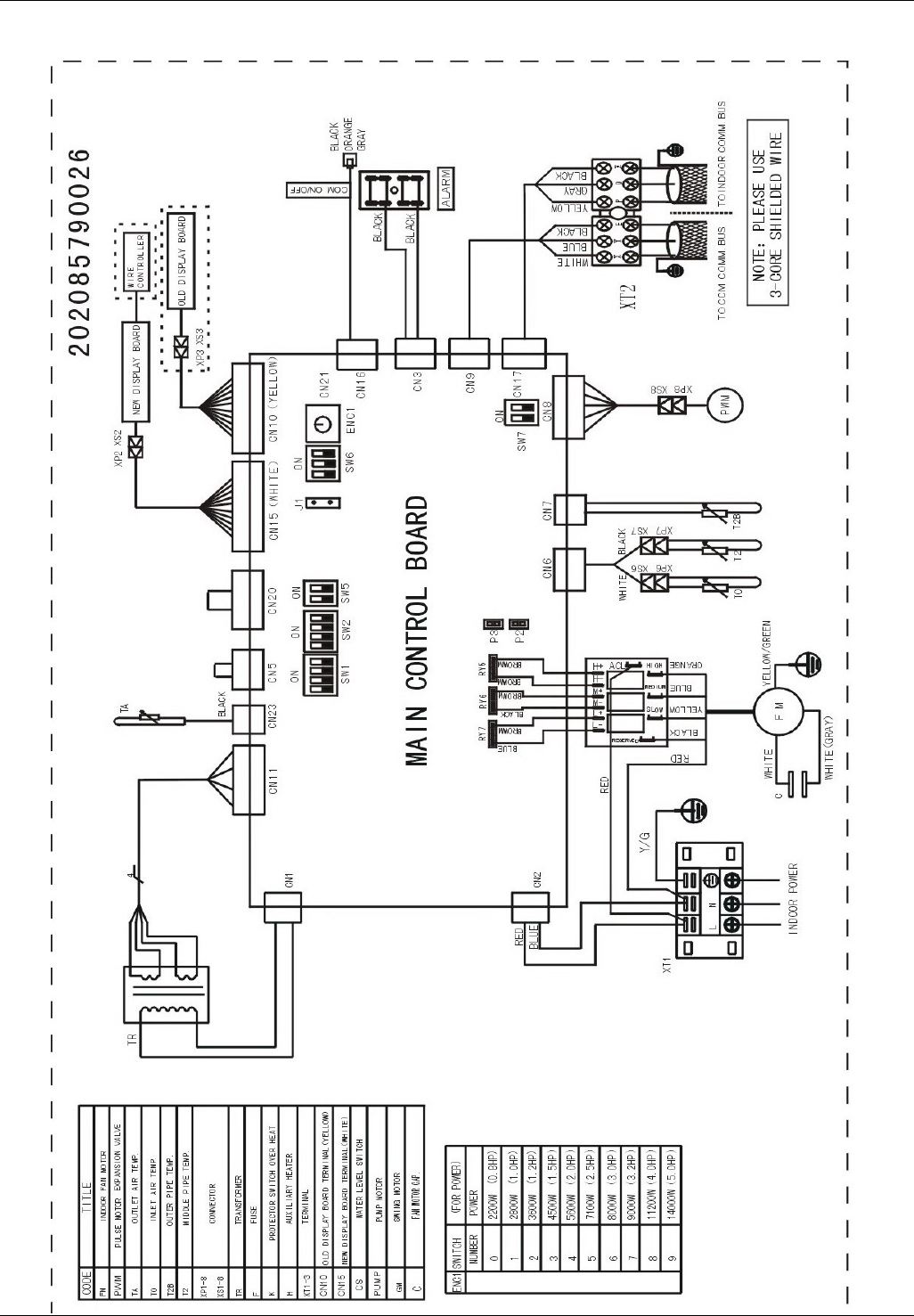
MHVAC-DTSM-2011-09 Wiring Diagram
Four-way Cassette Type 27
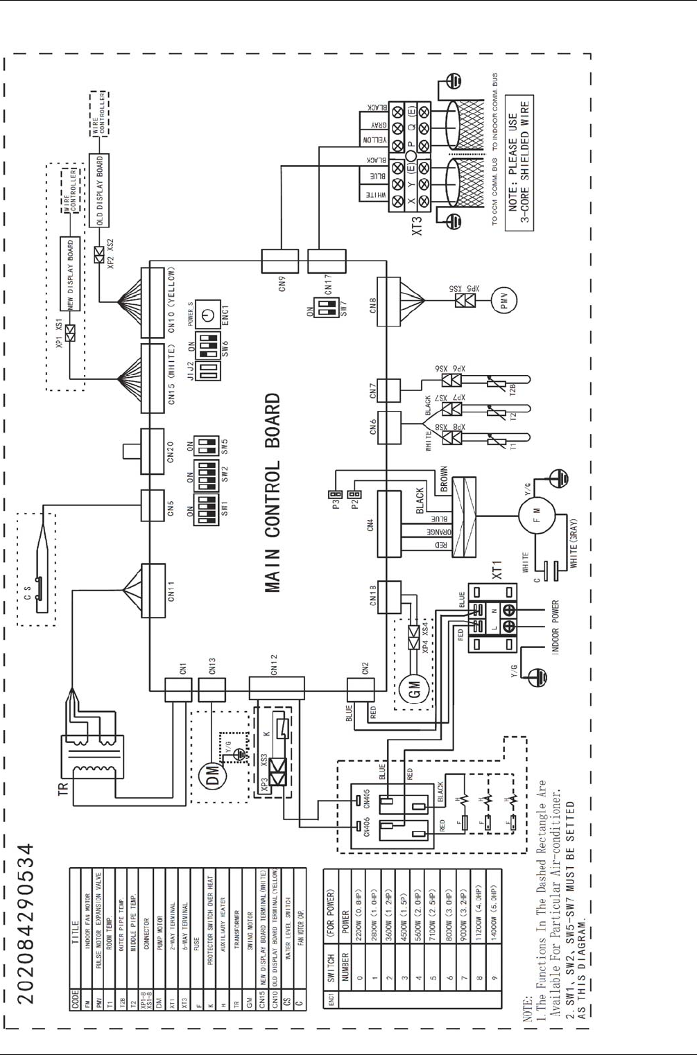
6. Wiring Diagram
MDV-D28Q4/N1-D MDV-D36Q4/N1-D MDV-D45Q4/N1-D MDV-D56Q4/N1-D MDV-D71Q4/N1-D
MDV-D80Q4/N1-D MDV-D90Q4/N1-D MDV-D100Q4/N1-D MDV-D112Q4/N1-D MDV-D140Q4/N1-D

Capacity Tables MHVAC-DTSM-2011-09
28 Four-way Cassette Type
7. Capacity Tables
7.1 Cooling
TC: total capacity SC: sensible capacity WB: wet-bulb temperature DB: dry-bulb temperature
Indoor
Unit size
(kW)
Outdoor
temperature
(℃ DB)
Indoor temperature (℃ WB/DB)
14/20
16/23
18/26
19/27
20/28
22/30
24/32
TC
SC
TC
SC
TC
SC
TC
SC
TC
SC
TC
SC
TC
SC
kW
kW
kW
kW
kW
kW
kW
kW
kW
kW
kW
kW
kW
kW
2.8
10.0
1.9
1.6
2.3
1.8
2.6
1.9
2.8
1.9
3.0
1.9
3.3
2.0
3.7
2.0
12.0
1.9
1.6
2.3
1.8
2.6
1.9
2.8
1.9
3.0
1.9
3.3
2.0
3.6
2.0
14.0
1.9
1.6
2.3
1.8
2.6
1.9
2.8
1.9
3.0
1.9
3.3
2.0
3.6
2.0
16.0
1.9
1.6
2.3
1.8
2.6
1.9
2.8
1.9
3.0
1.9
3.3
2.0
3.5
1.9
18.0
1.9
1.6
2.3
1.8
2.6
1.9
2.8
1.9
3.0
1.9
3.3
2.0
3.5
1.9
20.0
1.9
1.6
2.3
1.8
2.6
1.9
2.8
1.9
3.0
1.9
3.3
2.0
3.4
1.9
21.0
1.9
1.6
2.3
1.8
2.6
1.9
2.8
1.9
3.0
1.9
3.3
2.0
3.4
1.9
23.0
1.9
1.6
2.3
1.8
2.6
1.9
2.8
1.9
3.0
1.9
3.3
2.0
3.4
1.9
25.0
1.9
1.6
2.3
1.8
2.6
1.9
2.8
1.9
3.0
1.9
3.2
1.9
3.3
1.9
27.0
1.9
1.6
2.3
1.8
2.6
1.9
2.8
1.9
3.0
1.9
3.2
1.9
3.3
1.9
29.0
1.9
1.6
2.3
1.8
2.6
1.9
2.8
1.9
3.0
1.9
3.1
1.8
3.2
1.8
31.0
1.9
1.6
2.3
1.8
2.6
1.9
2.8
1.9
3.0
1.9
3.1
1.8
3.2
1.7
33.0
1.9
1.6
2.3
1.8
2.6
1.9
2.8
1.9
3.0
1.9
3.1
1.8
3.1
1.7
35.0
1.9
1.6
2.3
1.8
2.6
1.9
2.8
1.9
2.9
1.9
3.0
1.8
3.1
1.7
37.0
1.9
1.6
2.3
1.8
2.6
1.9
2.8
1.9
2.9
1.9
3.0
1.8
3.0
1.7
39.0
1.9
1.6
2.3
1.8
2.6
1.9
2.8
1.9
2.9
1.9
3.0
1.9
3.0
1.7
42.0
1.9
1.6
2.3
1.8
2.6
1.9
2.8
1.9
2.9
1.9
3.0
1.9
3.0
1.7
44.0
1.9
1.6
2.3
1.8
2.6
1.9
2.8
1.9
2.9
1.9
3.0
1.9
3.0
1.7
46.0
1.9
1.6
2.3
1.8
2.6
1.9
2.8
1.9
2.9
1.9
3.0
1.9
3.0
1.7
3.6
10.0
2.5
1.9
2.9
2.1
3.4
2.3
3.6
2.4
3.8
2.5
4.3
2.4
4.7
2.5
12.0
2.5
1.9
2.9
2.1
3.4
2.3
3.6
2.4
3.8
2.5
4.3
2.4
4.7
2.5
14.0
2.5
1.9
2.9
2.1
3.4
2.3
3.6
2.4
3.8
2.5
4.3
2.4
4.6
2.4
16.0
2.5
1.9
2.9
2.1
3.4
2.3
3.6
2.4
3.8
2.5
4.3
2.4
4.5
2.4
18.0
2.5
1.9
2.9
2.1
3.4
2.3
3.6
2.4
3.8
2.5
4.3
2.4
4.5
2.4
20.0
2.5
1.9
2.9
2.1
3.4
2.3
3.6
2.4
3.8
2.5
4.3
2.4
4.4
2.3
21.0
2.5
1.9
2.9
2.1
3.4
2.3
3.6
2.4
3.8
2.5
4.3
2.4
4.4
2.3
23.0
2.5
1.9
2.9
2.1
3.4
2.3
3.6
2.4
3.8
2.5
4.1
2.3
4.3
2.2
25.0
2.5
1.9
2.9
2.1
3.4
2.3
3.6
2.4
3.8
2.5
4.1
2.3
4.2
2.2
27.0
2.5
1.9
2.9
2.1
3.4
2.3
3.6
2.4
3.8
2.5
4.0
2.2
4.2
2.2
29.0
2.5
1.9
2.9
2.1
3.4
2.3
3.6
2.4
3.8
2.5
4.0
2.2
4.1
2.2
31.0
2.5
1.9
2.9
2.1
3.4
2.3
3.6
2.4
3.8
2.5
4.2
2.6
4.1
2.2
33.0
2.5
1.9
2.9
2.1
3.4
2.3
3.6
2.4
3.8
2.5
4.2
2.6
3.9
2.1
35.0
2.5
1.9
2.9
2.1
3.4
2.3
3.6
2.4
3.8
2.5
4.2
2.6
3.9
2.1
37.0
2.5
1.9
2.9
2.1
3.4
2.3
3.6
2.4
3.7
2.4
3.8
2.3
3.9
2.1
39.0
2.5
1.9
2.9
2.1
3.4
2.3
3.6
2.4
3.7
2.4
3.8
2.3
3.8
2.1
42.0
2.5
1.9
2.9
2.1
3.4
2.3
3.6
2.4
3.7
2.4
3.8
2.3
3.8
2.1
44.0
2.5
1.9
2.9
2.1
3.4
2.3
3.6
2.4
3.7
2.4
3.8
2.3
3.8
2.1
46.0
2.5
1.9
2.9
2.1
3.4
2.3
3.6
2.4
3.7
2.4
3.8
2.3
3.8
2.1
4.5
10.0
3.1
2.4
3.7
2.6
4.2
2.8
4.5
2.9
4.8
3.0
5.3
3.4
5.9
3.0
12.0
3.1
2.4
3.7
2.6
4.2
2.8
4.5
2.9
4.8
3.0
5.3
3.4
5.9
3.0
14.0
3.1
2.4
3.7
2.6
4.2
2.8
4.5
2.9
4.8
3.0
5.3
3.4
5.8
3.0
16.0
3.1
2.4
3.7
2.6
4.2
2.8
4.5
2.9
4.8
3.0
5.3
3.4
5.6
2.9
18.0
3.1
2.4
3.7
2.6
4.2
2.8
4.5
2.9
4.8
3.0
5.3
3.4
5.7
3.0
20.0
3.1
2.4
3.7
2.6
4.2
2.8
4.5
2.9
4.8
3.0
5.3
3.4
5.7
3.0
21.0
3.1
2.4
3.7
2.6
4.2
2.8
4.5
2.9
4.8
3.0
5.3
3.4
5.6
3.0
23.0
3.1
2.4
3.7
2.6
4.2
2.8
4.5
2.9
4.8
3.0
5.3
3.4
5.5
3.0
25.0
3.1
2.4
3.7
2.6
4.2
2.8
4.5
2.9
4.8
3.0
5.2
3.0
5.4
2.9
27.0
3.1
2.4
3.7
2.6
4.2
2.8
4.5
2.9
4.8
3.0
5.1
3.0
5.2
2.8
29.0
3.1
2.4
3.7
2.6
4.2
2.8
4.5
2.9
4.8
3.0
5.1
2.9
5.2
2.8
31.0
3.1
2.4
3.7
2.6
4.2
2.8
4.5
2.9
4.8
3.0
5.0
2.9
5.1
2.7
33.0
3.1
2.4
3.7
2.6
4.2
2.8
4.5
2.9
4.8
3.0
4.9
2.8
5.1
2.7
35.0
3.1
2.4
3.7
2.6
4.2
2.8
4.5
2.9
4.8
3.0
4.8
2.8
5.0
2.7
37.0
3.1
2.4
3.7
2.6
4.2
2.8
4.5
2.9
4.8
3.0
4.8
2.9
4.9
2.6
39.0
3.1
2.4
3.7
2.6
4.2
2.8
4.5
2.9
4.6
2.8
4.7
2.8
4.8
2.6
42.0
3.1
2.4
3.7
2.6
4.2
2.8
4.5
2.9
4.6
2.8
4.7
2.8
4.8
2.6

MHVAC-DTSM-2011-09 Capacity Tables
Four-way Cassette Type 29
44.0
3.1
2.4
3.7
2.6
4.2
2.8
4.5
2.9
4.6
2.8
4.7
2.8
4.8
2.6
46.0
3.1
2.4
3.7
2.6
4.2
2.8
4.5
2.9
4.6
2.8
4.7
3.1
4.8
2.6
5.6
10.0
3.9
2.7
4.6
3.0
5.3
3.3
5.6
3.4
5.9
3.5
6.6
3.6
7.3
3.5
12.0
3.9
2.7
4.6
3.0
5.3
3.3
5.6
3.4
5.9
3.5
6.6
3.6
7.2
3.5
14.0
3.9
2.7
4.6
3.0
5.3
3.3
5.6
3.4
5.9
3.5
6.6
3.6
7.1
3.5
16.0
3.9
2.7
4.6
3.0
5.3
3.3
5.6
3.4
5.9
3.5
6.6
3.6
7.0
3.4
18.0
3.9
2.7
4.6
3.0
5.3
3.3
5.6
3.4
5.9
3.5
6.6
3.6
6.8
3.4
20.0
3.9
2.7
4.6
3.0
5.3
3.3
5.6
3.4
5.9
3.5
6.6
3.6
6.7
3.3
21.0
3.9
2.7
4.6
3.0
5.3
3.3
5.6
3.4
5.9
3.5
6.6
3.6
6.6
3.3
23.0
3.9
2.7
4.6
3.0
5.3
3.3
5.6
3.4
5.9
3.5
6.6
3.6
6.6
3.3
25.0
3.9
2.7
4.6
3.0
5.3
3.3
5.6
3.4
5.9
3.5
6.6
3.6
6.5
3.2
27.0
3.9
2.7
4.6
3.0
5.3
3.3
5.6
3.4
5.9
3.5
6.4
3.5
6.4
3.2
29.0
3.9
2.7
4.6
3.0
5.3
3.3
5.6
3.4
5.9
3.5
6.3
3.5
6.4
3.3
31.0
3.9
2.7
4.6
3.0
5.3
3.3
5.6
3.4
5.9
3.5
6.2
3.4
6.2
3.2
33.0
3.9
2.7
4.6
3.0
5.3
3.3
5.6
3.4
5.9
3.5
6.2
3.4
6.2
3.2
35.0
3.9
2.7
4.6
3.0
5.3
3.3
5.6
3.4
5.9
3.5
6.0
3.3
6.0
3.1
37.0
3.9
2.7
4.6
3.0
5.3
3.3
5.6
3.4
5.9
3.5
5.9
3.2
6.0
3.1
39.0
3.9
2.7
4.6
3.0
5.3
3.3
5.6
3.4
5.7
3.4
5.8
3.2
6.0
3.1
42.0
3.9
2.7
4.6
3.0
5.3
3.3
5.6
3.4
5.7
3.4
5.8
3.2
6.0
3.1
44.0
3.9
2.7
4.6
3.0
5.3
3.3
5.6
3.4
5.7
3.4
5.8
3.2
6.0
3.1
46.0
3.9
2.7
4.6
3.0
5.3
3.3
5.6
3.4
5.7
3.7
5.8
3.2
6.0
3.1
7.1
10.0
4.9
3.6
5.8
4.0
6.7
4.3
7.1
4.5
7.5
4.4
8.4
4.5
9.2
4.6
12.0
4.9
3.6
5.8
4.0
6.7
4.3
7.1
4.5
7.5
4.4
8.4
4.5
9.1
4.5
14.0
4.9
3.6
5.8
4.0
6.7
4.3
7.1
4.5
7.5
4.4
8.4
4.5
9.0
4.5
16.0
4.9
3.6
5.8
4.0
6.7
4.3
7.1
4.5
7.5
4.4
8.4
4.5
8.9
4.4
18.0
4.9
3.6
5.8
4.0
6.7
4.3
7.1
4.5
7.5
4.4
8.4
4.5
8.7
4.3
20.0
4.9
3.6
5.8
4.0
6.7
4.3
7.1
4.5
7.5
4.4
8.4
4.5
8.5
4.2
21.0
4.9
3.6
5.8
4.0
6.7
4.3
7.1
4.5
7.5
4.4
8.4
4.5
8.4
4.2
23.0
4.9
3.6
5.8
4.0
6.7
4.3
7.1
4.5
7.5
4.4
8.4
4.5
8.3
4.1
25.0
4.9
3.6
5.8
4.0
6.7
4.3
7.1
4.5
7.5
4.4
8.4
4.5
8.2
4.1
27.0
4.9
3.6
5.8
4.0
6.7
4.3
7.1
4.5
7.5
4.4
8.1
4.3
8.2
4.1
29.0
4.9
3.6
5.8
4.0
6.7
4.3
7.1
4.5
7.5
4.5
8.0
4.3
8.1
4.1
31.0
4.9
3.6
5.8
4.0
6.7
4.3
7.1
4.5
7.5
4.5
7.9
4.3
7.8
4.0
33.0
4.9
3.6
5.8
4.0
6.7
4.3
7.1
4.5
7.5
4.5
7.8
4.2
7.8
4.0
35.0
4.9
3.6
5.8
4.0
6.7
4.3
7.1
4.5
7.5
4.5
7.6
4.1
7.7
3.9
37.0
4.9
3.6
5.8
4.0
6.7
4.3
7.1
4.5
7.4
4.4
7.5
4.1
7.6
4.0
39.0
4.9
3.6
5.8
4.0
6.7
4.3
7.1
4.5
7.2
4.3
7.4
4.1
7.6
4.0
42.0
4.9
3.6
5.8
4.0
6.7
4.3
7.1
4.5
7.2
4.3
7.4
4.1
7.6
4.0
44.0
4.9
3.6
5.8
4.0
6.7
4.3
7.1
4.5
7.2
4.3
7.4
4.1
7.6
4.0
46.0
4.9
3.6
5.8
4.0
6.7
4.3
7.1
4.5
7.2
4.3
7.4
4.1
7.6
4.0
8.0
10.0
5.5
4.4
6.6
4.9
7.5
5.3
8.0
5.5
8.4
5.4
9.4
5.5
10.4
5.6
12.0
5.5
4.4
6.6
4.9
7.5
5.3
8.0
5.5
8.4
5.4
9.4
5.5
10.2
5.5
14.0
5.5
4.4
6.6
4.9
7.5
5.3
8.0
5.5
8.4
5.4
9.4
5.5
10.2
5.5
16.0
5.5
4.4
6.6
4.9
7.5
5.3
8.0
5.5
8.4
5.4
9.4
5.5
10.0
5.4
18.0
5.5
4.4
6.6
4.9
7.5
5.3
8.0
5.5
8.4
5.4
9.4
5.5
9.8
5.3
20.0
5.5
4.4
6.6
4.9
7.5
5.3
8.0
5.5
8.4
5.4
9.4
5.5
9.6
5.2
21.0
5.5
4.4
6.6
4.9
7.5
5.3
8.0
5.5
8.4
5.4
9.4
5.5
9.4
5.1
23.0
5.5
4.4
6.6
4.9
7.5
5.3
8.0
5.5
8.4
5.4
9.4
5.5
9.4
5.1
25.0
5.5
4.4
6.6
4.9
7.5
5.3
8.0
5.5
8.4
5.4
9.4
5.5
9.3
5.0
27.0
5.5
4.4
6.6
4.9
7.5
5.3
8.0
5.5
8.4
5.4
9.1
5.3
9.2
5.1
29.0
5.5
4.4
6.6
4.9
7.5
5.3
8.0
5.5
8.4
5.5
9.0
5.3
9.1
5.0
31.0
5.5
4.4
6.6
4.9
7.5
5.3
8.0
5.5
8.4
5.5
8.9
5.2
8.8
4.8
33.0
5.5
4.4
6.6
4.9
7.5
5.3
8.0
5.5
8.4
5.5
8.8
5.2
8.8
4.8
35.0
5.5
4.4
6.6
4.9
7.5
5.3
8.0
5.5
8.4
5.5
8.6
5.1
8.6
4.8
37.0
5.5
4.4
6.6
4.9
7.5
5.3
8.0
5.5
8.3
5.4
8.4
5.0
8.6
4.9
39.0
5.5
4.4
6.6
4.9
7.5
5.3
8.0
5.5
8.1
5.3
8.3
5.0
8.6
4.9
42.0
5.5
4.4
6.6
4.9
7.5
5.3
8.0
5.5
8.1
5.3
8.3
5.0
8.6
4.9
44.0
5.5
4.4
6.6
4.9
7.5
5.3
8.0
5.5
8.1
5.3
8.3
5.0
8.6
4.9
46.0
5.5
4.4
6.6
4.9
7.5
5.3
8.0
5.5
8.1
5.3
8.3
5.0
8.6
4.9
9.0
10.0
6.2
4.9
7.3
5.3
8.4
5.8
9.0
5.9
9.6
6.0
10.6
6.1
11.7
6.0
12.0
6.2
4.9
7.3
5.3
8.4
5.8
9.0
5.9
9.6
6.0
10.6
6.1
11.5
5.9
14.0
6.2
4.9
7.3
5.3
8.4
5.8
9.0
5.9
9.6
6.0
10.6
6.1
11.4
5.9
16.0
6.2
4.9
7.3
5.3
8.4
5.8
9.0
5.9
9.6
6.0
10.6
6.1
11.3
5.8
18.0
6.2
4.9
7.3
5.3
8.4
5.8
9.0
5.9
9.6
6.0
10.6
6.1
11.0
5.8
20.0
6.2
4.9
7.3
5.3
8.4
5.8
9.0
5.9
9.6
6.0
10.6
6.1
10.8
5.7

Capacity Tables MHVAC-DTSM-2011-09
30 Four-way Cassette Type
21.0
6.2
4.9
7.3
5.3
8.4
5.8
9.0
5.9
9.6
6.0
10.6
6.1
10.6
5.6
23.0
6.2
4.9
7.3
5.3
8.4
5.8
9.0
5.9
9.6
6.0
10.6
6.1
10.5
5.5
25.0
6.2
4.9
7.3
5.3
8.4
5.8
9.0
5.9
9.6
6.0
10.6
6.1
10.4
5.5
27.0
6.2
4.9
7.3
5.3
8.4
5.8
9.0
5.9
9.6
6.0
10.3
5.9
10.4
5.4
29.0
6.2
4.9
7.3
5.3
8.4
5.8
9.0
5.9
9.6
6.0
10.1
5.7
10.3
5.4
31.0
6.2
4.9
7.3
5.3
8.4
5.8
9.0
5.9
9.6
6.0
10.0
5.7
9.9
5.3
33.0
6.2
4.9
7.3
5.3
8.4
5.8
9.0
5.9
9.6
6.0
9.9
5.6
9.9
5.3
35.0
6.2
4.9
7.3
5.3
8.4
5.8
9.0
5.9
9.5
6.0
9.6
5.5
9.7
5.3
37.0
6.2
4.9
7.3
5.3
8.4
5.8
9.0
5.9
9.3
5.8
9.5
5.4
9.6
5.3
39.0
6.2
4.9
7.3
5.3
8.4
5.8
9.0
5.9
9.2
5.7
9.4
5.3
9.6
5.3
42.0
6.2
4.9
7.3
5.3
8.4
5.8
9.0
5.9
9.2
5.7
9.4
5.3
9.6
5.3
44.0
6.2
4.9
7.3
5.3
8.4
5.8
9.0
5.9
9.2
5.7
9.4
5.3
9.6
5.3
46.0
6.2
4.9
7.3
5.3
8.4
5.8
9.0
5.9
9.2
5.7
9.4
5.3
9.6
5.3
10.0
10.0
6.9
5.6
8.1
6.2
9.4
6.9
10.0
7.0
10.6
7.0
11.9
7.3
13.0
7.3
12.0
6.9
5.6
8.1
6.2
9.4
6.9
10.0
7.0
10.6
7.0
11.9
7.3
12.8
7.2
14.0
6.9
5.6
8.1
6.2
9.4
6.9
10.0
7.0
10.6
7.0
11.9
7.3
12.7
7.1
16.0
6.9
5.6
8.1
6.2
9.4
6.9
10.0
7.0
10.6
7.0
11.9
7.3
12.5
7.0
18.0
6.9
5.6
8.1
6.2
9.4
6.9
10.0
7.0
10.6
7.0
11.9
7.3
12.2
6.8
20.0
6.9
5.6
8.1
6.2
9.4
6.9
10.0
7.0
10.6
7.0
11.9
7.3
12.0
6.7
21.0
6.9
5.6
8.1
6.2
9.4
6.9
10.0
7.0
10.6
7.0
11.9
7.3
11.8
6.6
23.0
6.9
5.6
8.1
6.2
9.4
6.9
10.0
7.0
10.6
7.0
11.7
7.3
11.7
6.6
25.0
6.9
5.6
8.1
6.2
9.4
6.9
10.0
7.0
10.6
7.0
11.6
7.2
11.6
6.5
27.0
6.9
5.6
8.1
6.2
9.4
6.9
10.0
7.0
10.6
7.0
11.5
7.1
11.5
6.6
29.0
6.9
5.6
8.1
6.2
9.4
6.9
10.0
7.0
10.6
7.0
11.4
7.1
11.4
6.5
31.0
6.9
5.6
8.1
6.2
9.4
6.9
10.0
7.0
10.6
7.0
11.3
7.0
11.0
6.3
33.0
6.9
5.6
8.1
6.2
9.4
6.9
10.0
7.0
10.6
7.0
11.2
6.9
11.0
6.3
35.0
6.9
5.6
8.1
6.2
9.4
6.9
10.0
7.0
10.5
6.9
10.8
6.7
10.8
6.3
37.0
6.9
5.6
8.1
6.2
9.4
6.9
10.0
7.0
10.4
6.9
10.8
6.7
10.7
6.2
39.0
6.9
5.6
8.1
6.2
9.4
6.9
10.0
7.0
10.2
6.7
10.4
6.6
10.7
6.3
42.0
6.9
5.6
8.1
6.2
9.4
6.9
10.0
7.0
10.2
6.7
10.4
6.6
10.7
6.3
44.0
6.9
5.6
8.1
6.2
9.4
6.9
10.0
7.0
10.2
6.7
10.4
6.6
10.7
6.3
46.0
6.9
5.6
8.1
6.2
9.4
6.9
10.0
7.0
10.2
6.7
10.4
6.6
10.7
6.3
11.2
10.0
7.7
5.9
9.1
6.5
10.5
7.1
11.2
7.2
11.9
7.4
13.3
7.6
15.5
8.2
12.0
7.7
5.9
9.1
6.5
10.5
7.1
11.2
7.2
11.9
7.4
13.3
7.6
14.4
7.7
14.0
7.7
5.9
9.1
6.5
10.5
7.1
11.2
7.2
11.9
7.4
13.3
7.6
14.2
7.6
16.0
7.7
5.9
9.1
6.5
10.5
7.1
11.2
7.2
11.9
7.4
13.3
7.6
14.1
7.5
18.0
7.7
5.9
9.1
6.5
10.5
7.1
11.2
7.2
11.9
7.4
13.3
7.6
14.0
7.5
20.0
7.7
5.9
9.1
6.5
10.5
7.1
11.2
7.2
11.9
7.4
13.3
7.6
13.9
7.4
21.0
7.7
5.9
9.1
6.5
10.5
7.1
11.2
7.2
11.9
7.4
13.3
7.6
13.8
7.4
23.0
7.7
5.9
9.1
6.5
10.5
7.1
11.2
7.2
11.9
7.4
13.1
7.5
13.7
7.3
25.0
7.7
5.9
9.1
6.5
10.5
7.1
11.2
7.2
11.9
7.4
13.0
7.4
13.6
7.2
27.0
7.7
5.9
9.1
6.5
10.5
7.1
11.2
7.2
11.9
7.4
12.9
7.3
13.4
7.2
29.0
7.7
5.9
9.1
6.5
10.5
7.1
11.2
7.2
11.9
7.4
12.8
7.3
13.3
7.2
31.0
7.7
5.9
9.1
6.5
10.5
7.1
11.2
7.2
11.9
7.4
12.7
7.2
12.8
6.9
33.0
7.7
5.9
9.1
6.5
10.5
7.1
11.2
7.2
11.9
7.4
12.5
7.2
12.5
6.8
35.0
7.7
5.9
9.1
6.5
10.5
7.1
11.2
7.2
11.8
7.4
12.4
7.1
12.3
6.7
37.0
7.7
5.9
9.1
6.5
10.5
7.1
11.2
7.2
11.6
7.3
12.3
7.0
12.1
6.6
39.0
7.7
5.9
9.1
6.5
10.5
7.1
11.2
7.2
11.4
7.1
12.2
7.0
11.9
6.6
42.0
7.7
6.0
9.1
6.6
10.4
7.2
11.2
7.3
11.4
7.1
11.6
6.6
12.0
6.6
44.0
7.7
6.0
9.1
6.6
10.4
7.2
11.2
7.3
11.4
7.1
11.6
6.6
12.0
6.6
46.0
7.7
6.0
9.1
6.6
10.4
7.2
11.2
7.3
11.4
7.1
11.6
6.6
12.0
6.6
14.0
10.0
9.7
7.2
11.3
7.9
13.2
8.8
14.0
9.0
14.8
9.0
16.7
9.3
18.2
9.4
12.0
9.7
7.2
11.3
7.9
13.2
8.8
14.0
9.0
14.8
9.0
16.7
9.3
17.9
9.2
14.0
9.7
7.2
11.3
7.9
13.2
8.8
14.0
9.0
14.8
9.0
16.7
9.3
17.8
9.2
16.0
9.7
7.2
11.3
7.9
13.2
8.8
14.0
9.0
14.8
9.0
16.7
9.3
17.5
9.0
18.0
9.7
7.2
11.3
7.9
13.2
8.8
14.0
9.0
14.8
9.0
16.7
9.3
17.1
8.8
20.0
9.7
7.2
11.3
7.9
13.2
8.8
14.0
9.0
14.8
9.0
16.7
9.3
16.8
8.7
21.0
9.7
7.2
11.3
7.9
13.2
8.8
14.0
9.0
14.8
9.0
16.7
9.3
16.5
8.5
23.0
9.7
7.2
11.3
7.9
13.2
8.8
14.0
9.0
14.8
9.0
16.4
9.3
16.4
8.4
25.0
9.7
7.2
11.3
7.9
13.2
8.8
14.0
9.0
14.8
9.0
16.2
9.3
16.2
8.4
27.0
9.7
7.2
11.3
7.9
13.2
8.8
14.0
9.0
14.8
9.0
16.1
9.2
16.1
8.4
29.0
9.7
7.2
11.3
7.9
13.2
8.8
14.0
9.0
14.8
9.0
16.0
9.1
16.0
8.4
31.0
9.7
7.2
11.3
7.9
13.2
8.8
14.0
9.0
14.8
9.0
15.8
9.0
15.4
8.1
33.0
9.7
7.2
11.3
7.9
13.2
8.8
14.0
9.0
14.8
9.0
15.7
8.9
15.4
8.1
35.0
9.7
7.2
11.3
7.9
13.2
8.8
14.0
9.0
14.7
8.9
15.1
8.6
15.1
8.1

MHVAC-DTSM-2011-09 Capacity Tables
Four-way Cassette Type 31
37.0
9.7
7.2
11.3
7.9
13.2
8.8
14.0
9.0
14.6
8.8
15.1
8.6
15.0
8.0
39.0
9.7
7.2
11.3
7.9
13.2
8.8
14.0
9.0
14.3
8.7
14.6
8.4
15.0
8.1
42.0
9.7
7.2
11.3
7.9
13.2
8.8
14.0
9.0
14.3
8.7
14.6
8.4
15.0
8.1
44.0
9.7
7.2
11.3
7.9
13.2
8.8
14.0
9.0
14.3
8.7
14.6
8.4
15.0
8.1
46.0
9.7
7.2
11.3
7.9
13.2
8.8
14.0
9.0
14.3
8.7
14.6
8.4
15.0
8.1
7.2 Heating
TC: total capacity WB: wet-bulb temperature DB: dry-bulb temperature
Indoor Unit size
(kW)
Outdoor temperature
(℃)
Indoor temperature (℃ DB)
16.00
18.00
20.00
21.00
22.00
24.00
TC
TC
TC
TC
TC
TC
WB
DB
kW
kW
kW
kW
kW
kW
2.80
-20
-19.8
1.79
1.79
1.79
1.79
1.79
1.79
-19
-18.8
1.92
1.92
1.92
1.92
1.92
1.92
-17
-16.7
2.02
2.02
2.02
2.02
2.02
2.02
-15
-14.7
2.02
2.02
2.02
2.02
2.02
2.02
-13.00
-12.60
2.14
2.14
2.14
2.14
2.14
2.14
-11.00
-10.50
2.24
2.24
2.24
2.24
2.24
2.24
-10.00
-9.50
2.34
2.34
2.34
2.34
2.34
2.34
-9.10
-8.50
2.40
2.40
2.40
2.40
2.40
2.40
-7.60
-7.00
2.43
2.43
2.43
2.43
2.43
2.43
-5.60
-5.00
2.53
2.53
2.53
2.53
2.53
2.53
-3.70
-3.00
2.66
2.66
2.66
2.66
2.66
2.66
-0.70
0.00
2.85
2.85
2.85
2.85
2.85
2.69
2.20
3.00
3.01
3.01
3.01
3.01
2.94
2.69
4.10
5.00
3.10
3.10
3.10
3.10
2.94
2.69
6.00
7.00
3.20
3.20
3.20
3.10
2.94
2.69
7.90
9.00
3.30
3.30
3.20
3.10
2.94
2.69
9.80
11.00
3.39
3.39
3.20
3.10
2.94
2.69
11.80
13.00
3.52
3.46
3.20
3.10
2.94
2.69
13.70
15.00
3.62
3.46
3.20
3.10
2.94
2.69
3.60
-20
-19.8
2.24
2.24
2.24
2.24
2.24
2.24
-19
-18.8
2.40
2.40
2.40
2.40
2.40
2.40
-17
-16.7
2.52
2.52
2.52
2.52
2.52
2.52
-15
-14.7
2.60
2.60
2.60
2.60
2.60
2.60
-13.00
-12.60
2.68
2.68
2.68
2.68
2.68
2.68
-11.00
-10.50
2.80
2.80
2.80
2.80
2.80
2.80
-10.00
-9.50
2.92
2.92
2.92
2.92
2.92
2.92
-9.10
-8.50
3.00
3.00
3.00
3.00
3.00
3.00
-7.60
-7.00
3.04
3.04
3.04
3.04
3.04
3.04
-5.60
-5.00
3.16
3.16
3.16
3.16
3.16
3.16
-3.70
-3.00
3.32
3.32
3.32
3.32
3.32
3.32
-0.70
0.00
3.56
3.56
3.56
3.56
3.56
3.36
2.20
3.00
3.76
3.76
3.76
3.76
3.68
3.36
4.10
5.00
3.88
3.88
3.88
3.88
3.68
3.36
6.00
7.00
4.00
4.00
4.00
3.88
3.68
3.36
7.90
9.00
4.12
4.12
4.00
3.88
3.68
3.36
9.80
11.00
4.24
4.24
4.00
3.88
3.68
3.36
11.80
13.00
4.40
4.32
4.00
3.88
3.68
3.36
13.70
15.00
4.52
4.32
4.00
3.88
3.68
3.36
4.50
-20
-19.8
2.80
2.80
2.80
2.80
2.80
2.80
-19
-18.8
3.00
3.00
3.00
3.00
3.00
3.00
-17
-16.7
3.15
3.15
3.15
3.15
3.15
3.15
-15
-14.7
3.25
3.25
3.25
3.25
3.25
3.25
-13.00
-12.60
3.35
3.35
3.35
3.35
3.35
3.35
-11.00
-10.50
3.50
3.50
3.50
3.50
3.50
3.50
-10.00
-9.50
3.65
3.65
3.65
3.65
3.65
3.65
-9.10
-8.50
3.75
3.75
3.75
3.75
3.75
3.75
-7.60
-7.00
3.80
3.80
3.80
3.80
3.80
3.80
-5.60
-5.00
3.95
3.95
3.95
3.95
3.95
3.95
-3.70
-3.00
4.15
4.15
4.15
4.15
4.15
4.15
-0.70
0.00
4.45
4.45
4.45
4.45
4.45
4.20
2.20
3.00
4.70
4.70
4.70
4.70
4.60
4.20
4.10
5.00
4.85
4.85
4.85
4.85
4.60
4.20

Capacity Tables MHVAC-DTSM-2011-09
32 Four-way Cassette Type
6.00
7.00
5.00
5.00
5.00
4.85
4.60
4.20
7.90
9.00
5.15
5.15
5.00
4.85
4.60
4.20
9.80
11.00
5.30
5.30
5.00
4.85
4.60
4.20
11.80
13.00
5.50
5.40
5.00
4.85
4.60
4.20
13.70
15.00
5.65
5.40
5.00
4.85
4.60
4.20
5.60
-20
-19.8
3.53
3.53
3.53
3.53
3.53
3.53
-19
-18.8
3.78
3.78
3.78
3.78
3.78
3.78
-17
-16.7
3.97
3.97
3.97
3.97
3.97
3.97
-15
-14.7
4.10
4.10
4.10
4.10
4.10
4.10
-13.00
-12.60
4.22
4.22
4.22
4.22
4.22
4.22
-11.00
-10.50
4.41
4.41
4.41
4.41
4.41
4.41
-10.00
-9.50
4.60
4.60
4.60
4.60
4.60
4.60
-9.10
-8.50
4.73
4.73
4.73
4.73
4.73
4.73
-7.60
-7.00
4.79
4.79
4.79
4.79
4.79
4.79
-5.60
-5.00
4.98
4.98
4.98
4.98
4.98
4.98
-3.70
-3.00
5.23
5.23
5.23
5.23
5.23
5.23
-0.70
0.00
5.61
5.61
5.61
5.61
5.61
5.29
2.20
3.00
5.92
5.92
5.92
5.92
5.80
5.29
4.10
5.00
6.11
6.11
6.11
6.11
5.80
5.29
6.00
7.00
6.30
6.30
6.30
6.11
5.80
5.29
7.90
9.00
6.49
6.49
6.30
6.11
5.80
5.29
9.80
11.00
6.68
6.68
6.30
6.11
5.80
5.29
11.80
13.00
6.93
6.80
6.30
6.11
5.80
5.29
13.70
15.00
7.12
6.80
6.30
6.11
5.80
5.29
7.10
-20
-19.8
4.48
4.48
4.48
4.48
4.48
4.48
-19
-18.8
4.80
4.80
4.80
4.80
4.80
4.80
-17
-16.7
5.04
5.04
5.04
5.04
5.04
5.04
-15
-14.7
5.20
5.20
5.20
5.20
5.20
5.20
-13.00
-12.60
5.36
5.36
5.36
5.36
5.36
5.36
-11.00
-10.50
5.60
5.60
5.60
5.60
5.60
5.60
-10.00
-9.50
5.84
5.84
5.84
5.84
5.84
5.84
-9.10
-8.50
6.00
6.00
6.00
6.00
6.00
6.00
-7.60
-7.00
6.08
6.08
6.08
6.08
6.08
6.08
-5.60
-5.00
6.32
6.32
6.32
6.32
6.32
6.32
-3.70
-3.00
6.64
6.64
6.64
6.64
6.64
6.64
-0.70
0.00
7.12
7.12
7.12
7.12
7.12
6.72
2.20
3.00
7.52
7.52
7.52
7.52
7.36
6.72
4.10
5.00
7.76
7.76
7.76
7.76
7.36
6.72
6.00
7.00
8.00
8.00
8.00
7.76
7.36
6.72
7.90
9.00
8.24
8.24
8.00
7.76
7.36
6.72
9.80
11.00
8.48
8.48
8.00
7.76
7.36
6.72
11.80
13.00
8.80
8.64
8.00
7.76
7.36
6.72
13.70
15.00
9.04
8.64
8.00
7.76
7.36
6.72
8.00
-20
-19.8
5.04
5.04
5.04
5.04
5.04
5.04
-19
-18.8
5.40
5.40
5.40
5.40
5.40
5.40
-17
-16.7
5.67
5.67
5.67
5.67
5.67
5.67
-15
-14.7
5.85
5.85
5.85
5.85
5.85
5.85
-13.00
-12.60
6.03
6.03
6.03
6.03
6.03
6.03
-11.00
-10.50
6.30
6.30
6.30
6.30
6.30
6.30
-10.00
-9.50
6.57
6.57
6.57
6.57
6.57
6.57
-9.10
-8.50
6.75
6.75
6.75
6.75
6.75
6.75
-7.60
-7.00
6.84
6.84
6.84
6.84
6.84
6.84
-5.60
-5.00
7.11
7.11
7.11
7.11
7.11
7.11
-3.70
-3.00
7.47
7.47
7.47
7.47
7.47
7.47
-0.70
0.00
8.01
8.01
8.01
8.01
8.01
7.56
2.20
3.00
8.46
8.46
8.46
8.46
8.28
7.56
4.10
5.00
8.73
8.73
8.73
8.73
8.28
7.56
6.00
7.00
9.00
9.00
9.00
8.73
8.28
7.56
7.90
9.00
9.27
9.27
9.00
8.73
8.28
7.56
9.80
11.00
9.54
9.54
9.00
8.73
8.28
7.56
11.80
13.00
9.90
9.72
9.00
8.73
8.28
7.56
13.70
15.00
10.17
9.72
9.00
8.73
8.28
7.56
9.00
-20
-19.8
5.60
5.04
5.60
5.60
5.60
5.60
-19
-18.8
6.00
5.40
6.00
6.00
6.00
6.00
-17
-16.7
6.30
6.30
6.30
6.30
6.30
6.30

MHVAC-DTSM-2011-09 Capacity Tables
Four-way Cassette Type 33
-15
-14.7
6.50
6.50
6.50
6.50
6.50
6.50
-13.00
-12.60
6.70
6.70
6.70
6.70
6.70
6.70
-11.00
-10.50
7.00
7.00
7.00
7.00
7.00
7.00
-10.00
-9.50
7.30
7.30
7.30
7.30
7.30
7.30
-9.10
-8.50
7.50
7.50
7.50
7.50
7.50
7.50
-7.60
-7.00
7.60
7.60
7.60
7.60
7.60
7.60
-5.60
-5.00
7.90
7.90
7.90
7.90
7.90
7.90
-3.70
-3.00
8.30
8.30
8.30
8.30
8.30
8.30
-0.70
0.00
8.90
8.90
8.90
8.90
8.90
8.40
2.20
3.00
9.40
9.40
9.40
9.40
9.20
8.40
4.10
5.00
9.70
9.70
9.70
9.70
9.20
8.40
6.00
7.00
10.00
10.00
10.00
9.70
9.20
8.40
7.90
9.00
10.30
10.30
10.00
9.70
9.20
8.40
9.80
11.00
10.60
10.60
10.00
9.70
9.20
8.40
11.80
13.00
11.00
10.80
10.00
9.70
9.20
8.40
13.70
15.00
11.30
10.80
10.00
9.70
9.20
8.40
10.00
-20
-19.8
6.16
6.16
6.16
6.16
6.16
6.16
-19
-18.8
6.60
6.60
6.60
6.60
6.60
6.60
-17
-16.7
6.93
6.93
6.93
6.93
6.93
6.93
-15
-14.7
7.15
7.15
7.15
7.15
7.15
7.15
-13.00
-12.60
7.37
7.37
7.37
7.37
7.37
7.37
-11.00
-10.50
7.70
7.70
7.70
7.70
7.70
7.70
-10.00
-9.50
8.03
8.03
8.03
8.03
8.03
8.03
-9.10
-8.50
8.25
8.25
8.25
8.25
8.25
8.25
-7.60
-7.00
8.36
8.36
8.36
8.36
8.36
8.36
-5.60
-5.00
8.69
8.69
8.69
8.69
8.69
8.69
-3.70
-3.00
9.13
9.13
9.13
9.13
9.13
9.13
-0.70
0.00
9.79
9.79
9.79
9.79
9.79
9.24
2.20
3.00
10.34
10.34
10.34
10.34
10.12
9.24
4.10
5.00
10.67
10.67
10.67
10.67
10.12
9.24
6.00
7.00
11.00
11.00
11.00
10.67
10.12
9.24
7.90
9.00
11.33
11.33
11.00
10.67
10.12
9.24
9.80
11.00
11.66
11.66
11.00
10.67
10.12
9.24
11.80
13.00
12.10
11.88
11.00
10.67
10.12
9.24
13.70
15.00
12.43
11.88
11.00
10.67
10.12
9.24
11.20
-20
-19.8
7.00
7.00
7.00
7.00
7.00
7.00
-19
-18.8
7.50
7.50
7.50
7.50
7.50
7.50
-17
-16.7
7.88
7.88
7.88
7.88
7.88
7.88
-15
-14.7
8.13
8.13
8.13
8.13
8.13
8.13
-13.00
-12.60
8.38
8.38
8.38
8.38
8.38
8.38
-11.00
-10.50
8.75
8.75
8.75
8.75
8.75
8.75
-10.00
-9.50
9.13
9.13
9.13
9.13
9.13
9.13
-9.10
-8.50
9.38
9.38
9.38
9.38
9.38
9.38
-7.60
-7.00
9.50
9.50
9.50
9.50
9.50
9.50
-5.60
-5.00
9.88
9.88
9.88
9.88
9.88
9.88
-3.70
-3.00
10.38
10.38
10.38
10.38
10.38
10.38
-0.70
0.00
11.13
11.13
11.13
11.13
11.13
10.50
2.20
3.00
11.75
11.75
11.75
11.75
11.50
10.50
4.10
5.00
12.13
12.13
12.13
12.13
11.50
10.50
6.00
7.00
12.50
12.50
12.50
12.13
11.50
10.50
7.90
9.00
12.88
12.88
12.50
12.13
11.50
10.50
9.80
11.00
13.25
13.25
12.50
12.13
11.50
10.50
11.80
13.00
13.75
13.50
12.50
12.13
11.50
10.50
13.70
15.00
14.13
13.50
12.50
12.13
11.50
10.50
14.0
-20
-19.8
8.68
8.68
8.68
8.68
8.68
8.68
-19
-18.8
9.30
9.30
9.30
9.30
9.30
9.30
-17
-16.7
9.77
9.77
9.77
9.77
9.77
9.77
-15
-14.7
10.08
10.08
10.08
10.08
10.08
10.08
-13.0
-12.6
10.4
10.4
10.4
10.4
10.4
10.4
-11.0
-10.5
10.9
10.9
10.9
10.9
10.9
10.9
-10.0
-9.5
11.3
11.3
11.3
11.3
11.3
11.3
-9.1
-8.5
11.6
11.6
11.6
11.6
11.6
11.6
-7.6
-7.0
11.8
11.8
11.8
11.8
11.8
11.8
-5.6
-5.0
12.3
12.3
12.3
12.3
12.3
12.3
-3.7
-3.0
12.9
12.9
12.9
12.9
12.9
12.9

Capacity Tables MHVAC-DTSM-2011-09
34 Four-way Cassette Type
-0.7
0.0
13.8
13.8
13.8
13.8
13.8
13.0
2.2
3.0
14.6
14.6
14.6
14.6
14.3
13.0
4.1
5.0
15.0
15.0
15.0
15.0
14.3
13.0
6.0
7.0
15.5
15.5
15.5
15.0
14.3
13.0
7.9
9.0
16.0
16.0
15.5
15.0
14.3
13.0
9.8
11.0
16.4
16.4
15.5
15.0
14.3
13.0
11.8
13.0
17.1
16.7
15.5
15.0
14.3
13.0
13.7
15.0
17.5
16.7
15.5
15.0
14.3
13.0

MHVAC-DTSM-2011-09 Electric Characteristics
Four-way Cassette Type 35
9. Electric Characteristics
Model
Indoor Unit
Power Supply
IFM
Hz
Voltage
Min.
Max.
MCA
MFA
kW
FLA
MDV-D28Q4/N1-D
50Hz
220-240V
198V
254V
0.5
15A
0.06
0.38
MDV-D36Q4/N1-D
50Hz
220-240V
198V
254V
0.5
15A
0.06
0.38
MDV-D45Q4/N1-D
50Hz
220-240V
198V
254V
0.5
15A
0.06
0.38
MDV-D56Q4/N1-D
50Hz
220-240V
198V
254V
0.5
15A
0.06
0.38
MDV-D71Q4/N1-D
50Hz
220-240V
198V
254V
0.65
15A
0.080
0.5
MDV-D80Q4/N1-D
50Hz
220-240V
198V
254V
0.65
15A
0.080
0.5
MDV-D90Q4/N1-D
50Hz
220-240V
198V
254V
0.85
15A
0.09
0.67
MDV-D100Q4/N1-D
50Hz
220-240V
198V
254V
0.85
15A
0.09
0.67
MDV-D112Q4/N1-D
50Hz
220-240V
198V
254V
0.85
15A
0.09
0.67
MDV-D140Q4/N1-D
50Hz
220-240V
198V
254V
0.85
15A
0.09
0.67
Remark:
MCA: Min. Current Amps. (A)
MFA: Max. Fuse Amps. (A)
kW: Fan Motor Rated Output (kW)
FLA: Full Load Amps. (A)
IFM: Indoor Fan Motor

Sound Levels MHVAC-DTSM-2011-09
36 Four-way Cassette Type
10. Sound Levels
10.1 Test condition
Note:
1, during actual operation, these values are normally somewhat higher as a result of ambient conditions.
2, Anechoic chamber conversion value, measured at a point 1m in front of the unit at a height of 1.4m
10.2 Test data (Sound Pressure Levels)
Model
Noise level under three speeds of fan (dB(A))
H
M
L
MDV-D28Q4/N1-D
42
38
35
MDV-D36Q4/N1-D
42
38
35
MDV-D45Q4/N1-D
42
38
35
MDV-D56Q4/N1-D
42
38
35
MDV-D71Q4/N1-D
45
42
39
MDV-D80Q4/N1-D
45
42
39
MDV-D90Q4/N1-D
48
45
43
MDV-D100Q4/N1-D
48
45
43
MDV-D112Q4/N1-D
48
45
43
MDV-D140Q4/N1-D
50
47
44
10.3 Octave Band Level
MDV-D28(36,45,56) Q4/N1-D MDV-D71(80) Q4/N1-D
Octave band center frequency(Hz)
Sound pressure level dB(0dB=0.0002μ bar)
Audibility limits of
continuous white
sound
Octave band center frequency(Hz)
Sound pressure level dB(0dB=0.0002μ bar)
Audibility limits of
continuous white
sound

MHVAC-DTSM-2011-09 Sound Levels
Four-way Cassette Type 37
MDV-D90(100,112) Q4/N1-D MDV-D140 Q4/N1-D
Octave band center frequency(Hz)
Sound pressure level dB(0dB=0.0002μ bar)
Audibility limits of
continuous white
sound
Octave band center frequency(Hz)
Sound pressure level dB(0dB=0.0002μ bar)
Audibility limits of
continuous white
sound

Sound Levels MHVAC-DTSM-2011-09
38 Four-way Cassette Type
11. Accessories
Name
Quantity
Shape
Purpose
Installation manual for indoor unit
1
Must deliver to customer
Insulation sheath
2
Thermal insulation for the jointing part of
piping
Installation paper board
1
For confirming the ceiling site and unit
location
Installation gauge
1
For confirming the ceiling site (Integrated
on installation paper board)
Installation screw for paper board
4
For installing paper board
Thermal insulated material
1
Thermal insulation for the jointing part of
drain pipe
Bushing
8
Hanger assembly
Flexible hose tube
1
For drain pipe
Thermal insulation material
1
For sealing the jointing part of piping
Remote controller
1
For remove controlling the air conditioner
Mounting screw
4
For installing defrosting tray
Drain pipe clasp
1
For installing drain pipe
Connective pipe for restriction
assembly
1
/
Tightening band
5
/
Electric throttle (That have been
installed at the unit)
1
/

MCAC-VTSM-2011-09 Compact Four-way Cassette Type
Compact Four-way Cassette Type
39
Compact Four-way Cassette Type
1. Features ........................................................................................... 40
2. Specifications .................................................................................. 41
3. Dimensions ...................................................................................... 43
4. Service Space .................................................................................. 44
5. Piping Diagram (EXV beside) ......................................................... 45
6. Wiring Diagram ................................................................................ 46
7. Capacity Tables ............................................................................... 47
8. Electric Characteristics .................................................................. 50
9. Sound Levels ................................................................................... 51
10. Accessories ................................................................................... 52

C
o
40
1
.
(1
)
(2
)
(3
)
(4
)
(5
)
(6
)
U
s
pr
e
(7
)
o
mpact Fou
r
.
Featu
r
)
Low oper
a
---Stream
---Create
s
)
Efficient
---Equal,
f
)
The ado
p
---Reduc
e
---Smoot
h
---Makes
)
Improve
m
---Little s
p
---Extrem
stand
a
---Becau
s
installe
)
360°Air
F
---3600 air
o
)
Optimal d
e
s
ing fire res
e
vent dama
g
)
Drain up
p
r
-way Cass
e
r
es
a
tion noise
,
line plate e
n
s
natural an
d
cooling
f
ast and wi
d
p
tion of the
e
s the air re
s
h
es air flow
air speed d
i
m
ent for ea
p
ace is requ
ely compac
t
a
rd architec
t
s
e of the c
o
d without a
F
low Panel
o
utlet make
e
sign, sma
istance gal
v
g
ing
p
ump with
5
e
tte Type
,
quiet desi
n
sures quie
t
d
comforta
b
d
e—range c
o
most adv
a
s
istance pa
s
i
stribution t
o
sy installa
t
ired for inst
a
t
casing (57
0
t
ural modul
e
o
mpactness
hoist
s equal, fas
t
ller Contro
l
v
anized ste
e
5
00mm pu
m
gn for use
r
t
ness
b
le environ
m
o
oling
a
nced 3- Di
m
s
sing throu
g
o
the heat e
x
ion and m
a
a
llation into
0
mm in wi
d
e
s
and weig
h
t
and wide
r
l
Box, Spa
c
e
l for E-box
m
phead fitt
e
r
comfort
m
ent
m
ensional
S
g
h
x
change uni
a
intenance
a shallow c
e
d
th and de
p
h
t reduction
r
ange coolin
c
e saving a
n
x
material.
M
e
d as stan
d
S
crew fan
form
e
iling,
p
th) enable
s
of the mai
g
n
d conveni
M
etal box
m
d
ard, max.
u
unit to fit fl
u
n unit and
ent for wiri
ake the co
n
u
p to 600m
MCAC
-
u
sh into ceil
i
panel, all
m
i
ng,
n
trol part m
m head.
-
VTSM-201
1
Feat
u
ngs and m
a
m
odels can
ore stable
a
1
-09
u
res
a
tch
be
a
nd

MCAC-VTSM-2011-09 Compact Four-way Cassette Type
Specifications 41
2. Specifications
Model MDV-D22Q4/N1-A3 MDV-D28Q4/N1-A3
Power supply V-ph-Hz 220~240-1-50 220~240-1-50
Cooling
Capacity kW 2.2 2.8
Input W 51 52
Rated current A 0.175 0.175
Heating
Capacity kW 2.4 3.2
Input W 43 44
Rated current A 0.175 0.175
Indoor fan motor
Model YDK15-6M YDK15-6M
Type AC Motor AC Motor
Input W 34.3 34.3
Capacitor uF 1.2uF/450V 1.2uF/450V
Speed(hi/mi/lo) r/min 658/586/485 658/586/485
Indoor coil
Number of rows 1 1
Tube pitch(a)x row pitch(b) Mm 21*13.37 21*13.37
Fin spacing Mm 1.3 1.3
Fin type (code) Hydrophilic aluminium
Tube outside dia. and type Mm
Ф7 Ф7
Inner groove tube
Coil length x height x width Mm 1310×210×13.37 1310×210×13.37
Number of circuits 2 2
Indoor air flow (Hi/Me/Lo) m3/h 522/414/313 522/414/313
Sound level (sound pressure) dB(A) 35.8/33.4/23.4 35.8/33.4/23.4
Indoor unit
Dimension (W x H x D) Mm 630*265*575 630*265*575
Packing (W x H x D) Mm 675*285*675 675*285*675
Net/Gross weight Kg 17.5/22 17.5/22
Panel
Dimension (W x H x D) Mm 647*50*647 647*50*647
Packing (W x H x D) Mm 705*113*705 705*113*705
Net/Gross weight Kg 3/5 3/5
Refrigerant Type R410a R410a
Throttle Electric expansive valve
Design pressure MPa 4.4/2.6 4.4/2.6
Refrigerant piping Liquid side/ Gas side Mm 6.35/12.7 6.35/12.7
Connection wiring
Power wiring mm2 3*2.0
Signal wiring mm2 3*0.75(3-core shielded wire)
Drainage water pipe dia. Mm ID Ф20 ODФ25 ID Ф20 ODФ25
Wireless remote controller Wireless remote controller (RM05/BG(T)E-A) (Standard)
Operation temp ℃17~32
Notes:
1. Nominal cooling capacities are based on the following conditions: return air temp.: 27°CDB, 19°CWB, and outdoor
temp.:35°CDB, equivalent ref. piping: 8m (horizontal)
2. Nominal heating capacities are based on the following conditions: return air temp.: 20°CDB, outdoor temp.: 7°CDB, 6°CWB,
and equivalent ref. Piping: 8m (horizontal)

Compact Four-way Cassette Type MCAC-VTSM-2011-09
42 Specifications
Model MDV-D36Q4/N1-A3 MDV-D45Q4/N1-A3
Power supply V-ph-Hz 220~240-1-50 220~240-1-50
Cooling
Capacity kW 3.6 4.5
Input W 58 58
Rated current A 0.21 0.21
Heating
Capacity kW 4.0 5.0
Input W 50 51
Rated current A 0.21 0.21
Indoor fan motor
Model YDK15-6P YDK15-6P
Type AC MOTOR AC MOTOR
Input W 47.1 47.1
Capacitor uF 1.5uF/450V 1.5uF/450V
Speed(hi/mi/lo) r/min 780/670/540 780/670/540
Indoor coil
Number of rows 2 2
Tube pitch(a)x row pitch(b) Mm 21*13.37 21*13.37
Fin spacing Mm 1.3 1.3
Fin type (code) Hydrophilic aluminium
Tube outside dia. and type Mm
Ф7 Ф7
Inner groove tube
Coil length x height x width Mm 1310×210×26.74 1310×210×26.74
Number of circuits 4 4
Indoor air flow (Hi/Me/Lo) m3/h 610/521/409 610/521/409
Sound level (sound pressure) dB(A) 41.5/35.6/28.8 41.5/35.6/28.8
Indoor unit
Dimension (W x H x D) Mm 630*265*575 630*265*575
Packing (W x H x D) Mm 675*285*675 675*285*675
Net/Gross weight Kg 19/23.5 19/23.5
Panel
Dimension (W x H x D) Mm 647*50*647 647*50*647
Packing (W x H x D) Mm 705*113*705 705*113*705
Net/Gross weight Kg 3/5 3/5
Refrigerant Type R410a R410a
Throttle Electric expansive valve
Design pressure MPa 4.4/2.6 4.4/2.6
Refrigerant piping Liquid side/ Gas side Mm 6.35/12.7 6.35/12.7
Connection wiring
Power wiring mm2 3*2.0 3*2.0
Signal wiring mm2 3*0.75(3-core shielded wire)
Drainage water pipe dia. Mm ID Ф20 ODФ25 ID Ф20 ODФ25
Wireless remote controller Wireless remote controller (R05/BGE) (Standard)
Operation temp ℃17~32
Notes:
1. Nominal cooling capacities are based on the following conditions: return air temp.: 27°CDB, 19°CWB, and outdoor
temp.:35°CDB, equivalent ref. piping: 8m (horizontal)
2. Nominal heating capacities are based on the following conditions: return air temp.: 20°CDB, outdoor temp.: 7°CDB, 6°CWB,
and equivalent ref. Piping: 8m (horizontal)

M
C
Di
m
3
.
Dr
a
C
AC-VTSM
-
m
ensions
.
Dimen
a
in side
-
2011-09
sions
545(Hoo
k
570(B
o
647(P
a
A
60
k
-location)
o
dy)
a
nel)
523(Hook-location)
(U
n
570(Body)
647(Panel)
n
it: mm)
Compa
a
ct Fou
r
-wa
y
y
Cassette
T
T
ype
43

C
o
44
4
.
1)
2)
3)
4)
5)
6)
o
mpact Fou
r
.
Servic
There is
e
The ceili
n
The outle
t
The air fl
o
The conn
There is
n
Keep mo
r
Keep at l
e
r
-way Cass
e
e Spac
e
e
nough roo
m
n
g is horizo
n
t and the inl
o
w can reac
ecting pipe
n
o direct ra
d
r
e than 2.3
m
e
ast 1m to t
h
e
tte Type
e
m
for install
a
n
tal, and its
s
et are not i
m
h througho
u
and drainpi
p
d
iation from
m
distance b
h
e wall of e
a
a
tion and m
a
s
tructure ca
n
m
peded, an
d
u
t the room.
p
e could be
heaters.
etween the
a
ch side.
a
intenance.
n
endure th
e
d
the influe
n
extracted o
panel and
g
\
e
weight of
t
n
ce of exter
n
ut easily.
g
round of th
e
t
he indoor u
n
al air is the
e
room.
MCAC
-
S
nit.
least.
-
VTSM-201
1
S
ervice Sp
a
1
-09
a
ce

MCAC-VTSM-2011-09 Compact Four-way Cassette Type
Piping diagram 45
5. Piping Diagram (EXV beside)
flare nut
flare nut
T2B
gas side
motor
heat exchanger
fan
EXV
liquid side
T2
T1

C
o
4
6
6
.
M
D
o
mpact Fou
r
.
Wirin
g
DV
-D22Q4/
N
r
-way Cass
e
g
Diagr
a
N
1-A3 MD
V
e
tte Type
a
m
V
-D28Q4/N1
-
-
A3 MDV-
D
D
36Q4/N1-
A
3 MDV-D4
5
5
Q4/N1-A3
MCAC
-
W
-
VTSM-201
1
W
iring diagr
a
1
-09
a
m

MCAC-VTSM-2011-09 Compact Four-way Cassette Type
Capacity tables 47
7. Capacity Tables
7.1 Cooling
TC: total capacity SC: sensible capacity WB: wet-bulb temperature DB: dry-bulb temperature
Indoor
Unit size
(kW)
Outdoor
temperature
(℃ DB)
Indoor temperature (℃ WB/DB)
14/20 16/23 18/26 19/27 20/28 22/30 24/32
TC SC TC SC TC SC TC SC TC SC TC SC TC SC
kW kW kW kW kW kW kW kW kW kW kW kW kW kW
2.2
10.0 1.5 1.4 1.8 1.5 2.1 1.6 2.2 1.6 2.3 1.7 2.6 1.7 2.9 1.7
12.0 1.5 1.4 1.8 1.5 2.1 1.6 2.2 1.6 2.3 1.7 2.6 1.7 2.8 1.6
14.0 1.5 1.4 1.8 1.5 2.1 1.6 2.2 1.6 2.3 1.7 2.6 1.7 2.8 1.6
16.0 1.5 1.4 1.8 1.5 2.1 1.6 2.2 1.6 2.3 1.7 2.6 1.7 2.8 1.6
18.0 1.5 1.4 1.8 1.5 2.1 1.6 2.2 1.6 2.3 1.7 2.6 1.7 2.8 1.6
20.0 1.5 1.4 1.8 1.5 2.1 1.6 2.2 1.6 2.3 1.7 2.6 1.7 2.7 1.5
21.0 1.5 1.4 1.8 1.5 2.1 1.6 2.2 1.6 2.3 1.7 2.6 1.7 2.7 1.5
23.0 1.5 1.4 1.8 1.5 2.1 1.6 2.2 1.6 2.3 1.7 2.5 1.6 2.7 1.5
25.0 1.5 1.4 1.8 1.5 2.1 1.6 2.2 1.6 2.3 1.7 2.5 1.6 2.6 1.5
27.0 1.5 1.4 1.8 1.5 2.1 1.6 2.2 1.6 2.3 1.7 2.5 1.6 2.6 1.5
29.0 1.5 1.4 1.8 1.5 2.1 1.6 2.2 1.6 2.3 1.7 2.4 1.5 2.5 1.5
31.0 1.5 1.4 1.8 1.5 2.1 1.6 2.2 1.6 2.3 1.7 2.4 1.5 2.5 1.5
33.0 1.5 1.4 1.8 1.5 2.1 1.6 2.2 1.6 2.3 1.7 2.4 1.5 2.4 1.5
35.0 1.5 1.4 1.8 1.5 2.1 1.6 2.2 1.6 2.3 1.7 2.3 1.5 2.4 1.5
37.0 1.5 1.4 1.8 1.5 2.1 1.6 2.2 1.6 2.3 1.7 2.3 1.5 2.3 1.5
39.0 1.5 1.4 1.8 1.5 2.1 1.6 2.2 1.6 2.2 1.6 2.3 1.5 2.3 1.5
42.0 1.5 1.4 1.8 1.5 2.1 1.6 2.2 1.6 2.2 1.6 2.3 1.5 2.3 1.5
44.0 1.5 1.4 1.8 1.5 2.1 1.6 2.2 1.6 2.2 1.6 2.3 1.5 2.3 1.5
46.0 1.5 1.4 1.8 1.5 2.1 1.6 2.2 1.6 2.2 1.6 2.3 1.5 2.3 1.5
2.8
10.0 1.9 1.6 2.3 1.8 2.6 1.9 2.8 1.9 3.0 1.9 3.3 2.0 3.7 2.0
12.0 1.9 1.6 2.3 1.8 2.6 1.9 2.8 1.9 3.0 1.9 3.3 2.0 3.6 2.0
14.0 1.9 1.6 2.3 1.8 2.6 1.9 2.8 1.9 3.0 1.9 3.3 2.0 3.6 2.0
16.0 1.9 1.6 2.3 1.8 2.6 1.9 2.8 1.9 3.0 1.9 3.3 2.0 3.5 1.9
18.0 1.9 1.6 2.3 1.8 2.6 1.9 2.8 1.9 3.0 1.9 3.3 2.0 3.5 1.9
20.0 1.9 1.6 2.3 1.8 2.6 1.9 2.8 1.9 3.0 1.9 3.3 2.0 3.4 1.9
21.0 1.9 1.6 2.3 1.8 2.6 1.9 2.8 1.9 3.0 1.9 3.3 2.0 3.4 1.9
23.0 1.9 1.6 2.3 1.8 2.6 1.9 2.8 1.9 3.0 1.9 3.3 2.0 3.4 1.9
25.0 1.9 1.6 2.3 1.8 2.6 1.9 2.8 1.9 3.0 1.9 3.2 1.9 3.3 1.9
27.0 1.9 1.6 2.3 1.8 2.6 1.9 2.8 1.9 3.0 1.9 3.2 1.9 3.3 1.9
29.0 1.9 1.6 2.3 1.8 2.6 1.9 2.8 1.9 3.0 1.9 3.1 1.8 3.2 1.8
31.0 1.9 1.6 2.3 1.8 2.6 1.9 2.8 1.9 3.0 1.9 3.1 1.8 3.2 1.7
33.0 1.9 1.6 2.3 1.8 2.6 1.9 2.8 1.9 3.0 1.9 3.1 1.8 3.1 1.7
35.0 1.9 1.6 2.3 1.8 2.6 1.9 2.8 1.9 2.9 1.9 3.0 1.8 3.1 1.7
37.0 1.9 1.6 2.3 1.8 2.6 1.9 2.8 1.9 2.9 1.9 3.0 1.8 3.0 1.7
39.0 1.9 1.6 2.3 1.8 2.6 1.9 2.8 1.9 2.9 1.9 3.0 1.9 3.0 1.7
42.0 1.9 1.6 2.3 1.8 2.6 1.9 2.8 1.9 2.9 1.9 3.0 1.9 3.0 1.7
44.0 1.9 1.6 2.3 1.8 2.6 1.9 2.8 1.9 2.9 1.9 3.0 1.9 3.0 1.7
46.0 1.9 1.6 2.3 1.8 2.6 1.9 2.8 1.9 2.9 1.9 3.0 1.9 3.0 1.7
3.6
10.0 2.5 1.9 2.9 2.1 3.4 2.3 3.6 2.4 3.8 2.5 4.3 2.4 4.7 2.5
12.0 2.5 1.9 2.9 2.1 3.4 2.3 3.6 2.4 3.8 2.5 4.3 2.4 4.7 2.5
14.0 2.5 1.9 2.9 2.1 3.4 2.3 3.6 2.4 3.8 2.5 4.3 2.4 4.6 2.4
16.0 2.5 1.9 2.9 2.1 3.4 2.3 3.6 2.4 3.8 2.5 4.3 2.4 4.5 2.4
18.0 2.5 1.9 2.9 2.1 3.4 2.3 3.6 2.4 3.8 2.5 4.3 2.4 4.5 2.4
20.0 2.5 1.9 2.9 2.1 3.4 2.3 3.6 2.4 3.8 2.5 4.3 2.4 4.4 2.3
21.0 2.5 1.9 2.9 2.1 3.4 2.3 3.6 2.4 3.8 2.5 4.3 2.4 4.4 2.3
23.0 2.5 1.9 2.9 2.1 3.4 2.3 3.6 2.4 3.8 2.5 4.1 2.3 4.3 2.2
25.0 2.5 1.9 2.9 2.1 3.4 2.3 3.6 2.4 3.8 2.5 4.1 2.3 4.2 2.2
27.0 2.5 1.9 2.9 2.1 3.4 2.3 3.6 2.4 3.8 2.5 4.0 2.2 4.2 2.2
29.0 2.5 1.9 2.9 2.1 3.4 2.3 3.6 2.4 3.8 2.5 4.0 2.2 4.1 2.2
31.0 2.5 1.9 2.9 2.1 3.4 2.3 3.6 2.4 3.8 2.5 4.2 2.6 4.1 2.2
33.0 2.5 1.9 2.9 2.1 3.4 2.3 3.6 2.4 3.8 2.5 4.2 2.6 3.9 2.1
35.0 2.5 1.9 2.9 2.1 3.4 2.3 3.6 2.4 3.8 2.5 4.2 2.6 3.9 2.1
37.0 2.5 1.9 2.9 2.1 3.4 2.3 3.6 2.4 3.7 2.4 3.8 2.3 3.9 2.1
39.0 2.5 1.9 2.9 2.1 3.4 2.3 3.6 2.4 3.7 2.4 3.8 2.3 3.8 2.1

Compact Four-way Cassette Type MCAC-VTSM-2011-09
48 Capacity tables
42.0 2.5 1.9 2.9 2.1 3.4 2.3 3.6 2.4 3.7 2.4 3.8 2.3 3.8 2.1
44.0 2.5 1.9 2.9 2.1 3.4 2.3 3.6 2.4 3.7 2.4 3.8 2.3 3.8 2.1
46.0 2.5 1.9 2.9 2.1 3.4 2.3 3.6 2.4 3.7 2.4 3.8 2.3 3.8 2.1
4.5
10.0 3.1 2.4 3.7 2.6 4.2 2.8 4.5 2.9 4.8 3.0 5.3 3.4 5.9 3.0
12.0 3.1 2.4 3.7 2.6 4.2 2.8 4.5 2.9 4.8 3.0 5.3 3.4 5.9 3.0
14.0 3.1 2.4 3.7 2.6 4.2 2.8 4.5 2.9 4.8 3.0 5.3 3.4 5.8 3.0
16.0 3.1 2.4 3.7 2.6 4.2 2.8 4.5 2.9 4.8 3.0 5.3 3.4 5.6 2.9
18.0 3.1 2.4 3.7 2.6 4.2 2.8 4.5 2.9 4.8 3.0 5.3 3.4 5.7 3.0
20.0 3.1 2.4 3.7 2.6 4.2 2.8 4.5 2.9 4.8 3.0 5.3 3.4 5.7 3.0
21.0 3.1 2.4 3.7 2.6 4.2 2.8 4.5 2.9 4.8 3.0 5.3 3.4 5.6 3.0
23.0 3.1 2.4 3.7 2.6 4.2 2.8 4.5 2.9 4.8 3.0 5.3 3.4 5.5 3.0
25.0 3.1 2.4 3.7 2.6 4.2 2.8 4.5 2.9 4.8 3.0 5.2 3.0 5.4 2.9
27.0 3.1 2.4 3.7 2.6 4.2 2.8 4.5 2.9 4.8 3.0 5.1 3.0 5.2 2.8
29.0 3.1 2.4 3.7 2.6 4.2 2.8 4.5 2.9 4.8 3.0 5.1 2.9 5.2 2.8
31.0 3.1 2.4 3.7 2.6 4.2 2.8 4.5 2.9 4.8 3.0 5.0 2.9 5.1 2.7
33.0 3.1 2.4 3.7 2.6 4.2 2.8 4.5 2.9 4.8 3.0 4.9 2.8 5.1 2.7
35.0 3.1 2.4 3.7 2.6 4.2 2.8 4.5 2.9 4.8 3.0 4.8 2.8 5.0 2.7
37.0 3.1 2.4 3.7 2.6 4.2 2.8 4.5 2.9 4.8 3.0 4.8 2.9 4.9 2.6
39.0 3.1 2.4 3.7 2.6 4.2 2.8 4.5 2.9 4.6 2.8 4.7 2.8 4.8 2.6
42.0 3.1 2.4 3.7 2.6 4.2 2.8 4.5 2.9 4.6 2.8 4.7 2.8 4.8 2.6
44.0 3.1 2.4 3.7 2.6 4.2 2.8 4.5 2.9 4.6 2.8 4.7 2.8 4.8 2.6
46.0 3.1 2.4 3.7 2.6 4.2 2.8 4.5 2.9 4.6 2.8 4.7 3.1 4.8 2.6
7.2 Heating
TC: total capacity WB: wet-bulb temperature DB: dry-bulb temperature
Indoor Unit
size (kW)
Outdoor temperature
()℃
Indoor temperature (℃ DB)
16.00 18.00 20.00 21.00 22.00 24.00
TC TC TC TC TC TC
WB DB kW kW kW kW kW kW
2.20
-20 -19.8 1.34 1.34 1.34 1.34 1.34 1.34
-19 -18.8 1.44 1.44 1.44 1.44 1.44 1.44
-17 -16.7 1.51 1.51 1.51 1.51 1.51 1.51
-15 -14.7 1.56 1.56 1.56 1.56 1.56 1.56
-13.00 -12.60 1.66 1.66 1.66 1.66 1.66 1.66
-11.00 -10.50 1.68 1.70 1.70 1.70 1.70 1.70
-10.00 -9.50 1.75 1.75 1.75 1.75 1.75 1.75
-9.10 -8.50 1.80 1.80 1.80 1.80 1.80 1.80
-7.60 -7.00 1.82 1.82 1.82 1.82 1.82 1.82
-5.60 -5.00 1.90 1.90 1.90 1.90 1.90 1.90
-3.70 -3.00 1.99 1.99 1.99 1.99 1.99 1.99
-0.70 0.00 2.14 2.14 2.14 2.14 2.14 2.02
2.20 3.00 2.26 2.26 2.26 2.26 2.21 2.02
4.10 5.00 2.33 2.33 2.33 2.33 2.21 2.02
6.00 7.00 2.40 2.40 2.40 2.33 2.21 2.02
7.90 9.00 2.47 2.47 2.40 2.33 2.21 2.02
9.80 11.00 2.54 2.54 2.40 2.33 2.21 2.02
11.80 13.00 2.64 2.59 2.40 2.33 2.21 2.02
13.70 15.00 2.71 2.59 2.40 2.33 2.21 2.02
2.80
-20 -19.8 1.79 1.79 1.79 1.79 1.79 1.79
-19 -18.8 1.92 1.92 1.92 1.92 1.92 1.92
-17 -16.7 2.02 2.02 2.02 2.02 2.02 2.02
-15 -14.7 2.02 2.02 2.02 2.02 2.02 2.02
-13.00 -12.60 2.14 2.14 2.14 2.14 2.14 2.14
-11.00 -10.50 2.24 2.24 2.24 2.24 2.24 2.24
-10.00 -9.50 2.34 2.34 2.34 2.34 2.34 2.34
-9.10 -8.50 2.40 2.40 2.40 2.40 2.40 2.40
-7.60 -7.00 2.43 2.43 2.43 2.43 2.43 2.43
-5.60 -5.00 2.53 2.53 2.53 2.53 2.53 2.53
-3.70 -3.00 2.66 2.66 2.66 2.66 2.66 2.66
-0.70 0.00 2.85 2.85 2.85 2.85 2.85 2.69
2.20 3.00 3.01 3.01 3.01 3.01 2.94 2.69
4.10 5.00 3.10 3.10 3.10 3.10 2.94 2.69
6.00 7.00 3.20 3.20 3.20 3.10 2.94 2.69
7.90 9.00 3.30 3.30 3.20 3.10 2.94 2.69

MCAC-VTSM-2011-09 Compact Four-way Cassette Type
Capacity tables 49
9.80 11.00 3.39 3.39 3.20 3.10 2.94 2.69
11.80 13.00 3.52 3.46 3.20 3.10 2.94 2.69
13.70 15.00 3.62 3.46 3.20 3.10 2.94 2.69
3.60
-20 -19.8 2.24 2.24 2.24 2.24 2.24 2.24
-19 -18.8 2.40 2.40 2.40 2.40 2.40 2.40
-17 -16.7 2.52 2.52 2.52 2.52 2.52 2.52
-15 -14.7 2.60 2.60 2.60 2.60 2.60 2.60
-13.00 -12.60 2.68 2.68 2.68 2.68 2.68 2.68
-11.00 -10.50 2.80 2.80 2.80 2.80 2.80 2.80
-10.00 -9.50 2.92 2.92 2.92 2.92 2.92 2.92
-9.10 -8.50 3.00 3.00 3.00 3.00 3.00 3.00
-7.60 -7.00 3.04 3.04 3.04 3.04 3.04 3.04
-5.60 -5.00 3.16 3.16 3.16 3.16 3.16 3.16
-3.70 -3.00 3.32 3.32 3.32 3.32 3.32 3.32
-0.70 0.00 3.56 3.56 3.56 3.56 3.56 3.36
2.20 3.00 3.76 3.76 3.76 3.76 3.68 3.36
4.10 5.00 3.88 3.88 3.88 3.88 3.68 3.36
6.00 7.00 4.00 4.00 4.00 3.88 3.68 3.36
7.90 9.00 4.12 4.12 4.00 3.88 3.68 3.36
9.80 11.00 4.24 4.24 4.00 3.88 3.68 3.36
11.80 13.00 4.40 4.32 4.00 3.88 3.68 3.36
13.70 15.00 4.52 4.32 4.00 3.88 3.68 3.36
4.50
-20 -19.8 2.80 2.80 2.80 2.80 2.80 2.80
-19 -18.8 3.00 3.00 3.00 3.00 3.00 3.00
-17 -16.7 3.15 3.15 3.15 3.15 3.15 3.15
-15 -14.7 3.25 3.25 3.25 3.25 3.25 3.25
-13.00 -12.60 3.35 3.35 3.35 3.35 3.35 3.35
-11.00 -10.50 3.50 3.50 3.50 3.50 3.50 3.50
-10.00 -9.50 3.65 3.65 3.65 3.65 3.65 3.65
-9.10 -8.50 3.75 3.75 3.75 3.75 3.75 3.75
-7.60 -7.00 3.80 3.80 3.80 3.80 3.80 3.80
-5.60 -5.00 3.95 3.95 3.95 3.95 3.95 3.95
-3.70 -3.00 4.15 4.15 4.15 4.15 4.15 4.15
-0.70 0.00 4.45 4.45 4.45 4.45 4.45 4.20
2.20 3.00 4.70 4.70 4.70 4.70 4.60 4.20
4.10 5.00 4.85 4.85 4.85 4.85 4.60 4.20
6.00 7.00 5.00 5.00 5.00 4.85 4.60 4.20
7.90 9.00 5.15 5.15 5.00 4.85 4.60 4.20
9.80 11.00 5.30 5.30 5.00 4.85 4.60 4.20
11.80 13.00 5.50 5.40 5.00 4.85 4.60 4.20
13.70 15.00 5.65 5.40 5.00 4.85 4.60 4.20

MCAC-VTSM-2011-09 Compact Four-way Cassette Type
50 Capacity tables
8. Electric Characteristics
Model Indoor Unit Power Supply IFM
Hz Voltage Min. Max. MFA kW FLA
MDV-D22Q4/N1-A3 50 220-240 198 254 15 0.039 0.175
MDV-D28Q4/N1-A3 50 220-240 198 254 15 0.039 0.175
MDV-D36Q4/N1-A3 50 220-240 198 254 15 0.049 0.21
MDV-D45Q4/N1-A3 50 220-240 198 254 15 0.049 0.21
Remark:
MCA: Min. Current Amps. (A)
MFA: Max. Fuse Amps. (A)
kW: Fan Motor Rated Output (kW)
FLA: Full Load Amps. (A)
IFM: Indoor Fan Motor

MCAC-VTSM-2011-09 Compact Four-way Cassette Type
Electrical Characteristics 51
9. Sound Levels
9.1 Test condition
Note:
1, During actual operation, these values are normally somewhat higher as a result of ambient conditions.
2, Anechoic chamber conversion value, measured at a point 1m in front of the unit at a height of 1.4m.
9.2 Test value
Model Noise level dB(A)
H M L
MDV-D22Q4/N1-A3 38.1 33.4 23.4
MDV-D28Q4/N1-A3 38.1 33.4 23.4
MDV-D36Q4/N1-A3 41.5 35.6 28.8
MDV-D45Q4/N1-A3 41.5 35.6 28.8
9.3 Octave Band Level
MDV-D22(28) Q4/N1-A3 MDV-D36(45) Q4/N1-A3
Octave band center frequency(Hz)
Sound pressure level dB(0dB=0.0002μ bar)
Audibility limits of
continuous white
sound
Octave band center frequency(Hz)
Sound pressure level dB(0dB=0.0002μ bar)
Audibility limits of
continuous white
sound

M
C
52
1
0
1
2
3
4
5
6
7
8
9
1
1
1
1
1
1
1
C
AC-VTSM
-
0
. Acce
s
1
.Nut M10
2
.WasherΦ
1
3
. Installatio
n
4
. Bolt M6
5
. Soundpro
o
6
. Out-let pi
p
7
. Out-let pi
p
8
. Out-let pi
p
9
. Tightenin
g
1
0. Remote
c
1
1. Frame
1
2. Mountin
g
1
3. Alkaline
d
1
4. Installati
o
1
5. Signal li
n
1
6. Connecti
-
2011-09
s
sories
1
0
n
paper boa
r
o
f / insulatio
n
p
e pipe
p
e sheath
p
e clasp
g
band
c
ontroller
g
screw (ST
2
d
ry batteries
o
n manual
n
e
ve pipe for r
e
Name
r
d
n
sheath
2
.9×10-C-H)
(AM4)
e
striction as
s
s
embly
Quanti
t
10
10
1
-
1
1
-
1
5
1
1
2
2
1
1
1
Compa
t
y
a
ct Fou
r
-wa
y
Outl
y
Cassette
T
Noise Le
v
ine
T
ype
v
el

MCAC-VTSM-2011-09 One-way Cassette Type
Features 53
Two-ways Cassette Type
1. Feature ............................................................................................. 54
2. Specifications ................................................................................. 55
3. Dimensions ..................................................................................... 57
4. Service Space ................................................................................. 58
5. Piping Diagrams ............................................................................. 59
6. Wiring Diagram ............................................................................... 60
7. Capacity Tables ............................................................................... 61
8. Electric Characteristics .................................................................. 65
9. Sound Levels .................................................................................. 66
10. Accessories ................................................................................... 67

Two-way Cassette Type MCAC-VTSM-2011-09
54 Specifications
1. Feature
1.1 Lower noise level
1.2 Smoother air flow with less turbulence
1.3 Double-flow type allows effective air discharge from corner or from drop-ceiling.
---Quick cooling
1.4 Stylish design
---Be harmonious with any interior decoration and creates an elegant environment
1.5 Thin main body
Slim body needs 300 mm space above the ceiling, reduces the suspended ceiling space.
Installation is free of floor height, which is flexible to room decoration
1.6 Convenient installation
----double direction air flow guarantee quick cooling, flexible installation position.
---Standardized sectional module
---Matching the center of main unit and panel
1.7 Built-in water pumping with 750mm pumphead.
1.8 Easier to do cleaning and maintenance
---Flat type suction grille of easy cleaning

MCAC-VTSM-2011-09 Two-way Cassette Type
Features 55
2. Specifications
Model MDV-D22Q2/N1 MDV-D28Q2/N1 MDV-D36Q2/N1
Power supply V-Ph-Hz 220-240V-1ph-50Hz
Cooling
Capacity kW 2.2 2.8 3.6
Input W 57 57 60
Rated current A 0.35 0.45 0.45
Heating
Capacity kW 2.6 3.2 4
Input W 57 57 60
Rated current A 0.35 0.45 0.45
Indoor fan &
motor
Model YSK31-6-1 YSK31-6-1 YSK31-6
Type AC motor AC motor AC motor
Brand Welling Welling Welling
Input W 60 60 67
Capacitor uF 2 2 2.5
Fan blower material ABS-GF15 ABS-GF15 ABS-GF15
Speed (hi/mid/lo) r/min 670/550/450 670/550/450 730/590/470
Indoor coil
Number of rows 1 1 1
Tubepitch(a)x row pitch(b) mm 21*3.37 21*3.37 21*3.37
Fin spacing mm 1.5 1.5 1.5
Fin type Hydrophilic Aluminum
Tube outside dia. and type mm Ф7, Inner-groove Tube
Number of circuits 4 4 4
Indoor air flow (H/M/L) m3/h 654/530/410 654/530/410 725/591/458
Indoor noise level (Hi/Mid/Lo) dB(A) 33/29/24 36/32/29 36/32/29
Indoor unit
Dimension (WxHxD) mm 1172×300×592 1172×300×592 1172×300×592
Packing (WxHxD) mm 1355×400×675 1355×400×675 1355×400×675
Net/Gross weight kg 34/42.5 34/42.5 34/42.5
Panel
Model CE-MBQ2-01(MBQ2-01)
Dimension (WxHxD) mm 1430×90×680 1430×90×680 1430×90×680
Packing (WxHxD) mm 1525×130×765 1525×130×765 1525×130×765
Net/Gross weight kg 10.5/15 10.5/15 10.5/15
Throttle Electric expansive valve
Design pressure MPa 4.4/2.6
Refrigerant Liquid side/ Gas side mm Φ6.4/Φ12.7
Connecting
wiring
Power wiring Nb×mm23×2.5(L≤20m);3×3.5(L≤50m)
Signal wiring Nb×mm23×0.75
Drainage water pipe dia. mm ID Ф25, OU Ф32
Controller Wireless remote controller (RM05/BG(T)-A) (Standard)
Operation temp ℃ Cooling:17~32;Heating:10~28
Notes:1. Nominal cooling capacities are based on the following conditions: return air temp. : 27°CDB,19°CWB,
outdoor temp.:35°CDB,equivalent ref. Piping: 8m(horizontal)
2. Nominal heating capacities are based on the following conditions: return air temp.: 20°CDB,
outdoor temp.: 7°CDB,6°CWB,equivalent ref. Piping: 8m(horizontal)

Two-way Cassette Type MCAC-VTSM-2011-09
56 Specifications
Model MDV-D45Q2/N1 MDV-D56Q2/N1 MDV-D71Q2/N1
Power supply V-Ph-Hz 220-240V-1ph-50Hz
Cooling
Capacity kW 4.5 5.6 7.1
Input W 92 108 154
Rated current A 0.55 0.55 0.75
Heating
Capacity kW 5 6.3 8
Input W 92 108 154
Rated current A 0.55 0.55 0.75
Indoor fan &
motor
Model YSK58-4-1 YSK58-4 YSK91-4
Type AC motor AC motor AC motor
Brand Welling Welling Welling
Input W 106 128 162
Capacitor uF 2 3.5 3.5
Fan Blower type ABS-GF15 ABS-GF15 ABS-GF15
Speed (hi/mid/lo) r/min 801/645/542 910/755/642 1159/1032/795
Indoor coil
Number of rows 2 2 2
Tubepitch(a)x row pitch(b) mm 21*3.37 21*3.37 21*3.37
Fin spacing mm 1.5 1.5 1.5
Fin type Hydrophilic Aluminum
Tube outside dia. and type mm Ф7,Inner-groove Tube
Number of circuits 6 6 6
Indoor air flow (H/M/L) m3/h 850/670/550 980/800/670 1200/1000/770
Indoor noise level (Hi/Mid/Lo) dB(A) 39/35/30 39/35/30 44/40/34
Indoor unit
Dimension (WxHxD) mm 1172×300×592 1172×300×592 1172×300×592
Packing (WxHxD) mm 1355×400×675 1355×400×675 1355×400×675
Net/Gross weight kg 36.5/45 36.5/45 36.5/45
Panel
Model CE-MBQ2-01(MBQ2-01)
Dimension (WxHxD) mm 1430×90×680 1430×90×680 1430×90×680
Packing (WxHxD) mm 1525×130×765 1525×130×765 1525×130×765
Net/Gross weight kg 10.5/15 10.5/15 10.5/15
Throttle Electric expansive valve
Design pressure MPa 4.4/2.6
Refrigerant Liquid side/ Gas side mm Φ6.4/Φ12.7 Φ9.52/Φ15.9 Φ9.52/Φ15.9
Connecting
wiring
Power wiring Nb×mm23×2.5(L≤20m);3×3.5(L≤50m)
Signal wiring Nb×mm23×0.75
Drainage water pipe dia. mm ID Ф25, OU Ф32
Controller Wireless remote controller (RM05/BG(T)-A) (Standard)
Operation temp ℃ Cooling:17~32;Heating:10~28
Notes:1. Nominal cooling capacities are based on the following conditions: return air temp. : 27°CDB,19°CWB,
outdoor temp.:35°CDB,equivalent ref. Piping: 8m(horizontal)
2. Nominal heating capacities are based on the following conditions: return air temp.: 20°CDB,
outdoor temp.: 7°CDB,6°CWB,equivalent ref. Piping: 8m(horizontal)

MCAC-VTSM-2011-09 Two-way Cassette Type
Capacity tables 57
3. Dimensions
Fresh air connector 257
Φ160
Φ32
Φ32
Φ125
117
57
Unit:mm
45
1172
1430
701 129 129
192
151
299
299
176
171
91
51
44
42~45
591
436
241
185
120 104
44
91
680
701 129
44 151
20
The panel contour
dimension 680
The ceiling opening
dimension 640
Machine body
size 591
Hanging screw
bolts distance 520
20
The ceiling opening (1390*640)
20
The panel contour dimension 1430
The ceiling opening dimension 1390
Hanging screw bolts distance 1207
Machine body size 1172
20
Water pump outlet
Electronic expansion
valve inspection hole
Water inlet hole and the water
level switch inspection hole
Lifting lug
Liquid side connecting pipe
Air side connecting pipe
Maintenance water outlet
Indoor unit
Fresh air connector
Both sides reserved air outlet
Lifting lug
Panel

Two-way Cassette Type MCAC-VTSM-2011-09
58 Capacity tables
4. Service Space
MDV-D22Q2/N1 MDV-D28Q2/N1 MDV-D36Q2/N1 MDV-D45Q2/N1 MDV-D56Q2/N1 MDV-D71Q2/N1
≥1500 ≥1500
≥1000
≥350
>2500mm
Ceiling
Floor
≥100 ≥100

MCAC-VTSM-2011-09 Two-way Cassette Type
Capacity tables 59
5. Piping Diagram
flare nut
flare nut
T2B
gas side
motor
heat exchanger
fan
EXV
liquid side
T2
T1

Two-way Cassette Type MCAC-VTSM-2011-09
60 Capacity tables
6. Wiring Diagram
MDV-D22Q2/N1MDV-D28Q2/N1 MDV-D36Q2/N1 MDV-D45Q2/N1 MDV-D56Q2/N1MDV-D71Q2/N1

MCAC-VTSM-2011-09 Two-way Cassette Type
Capacity tables 61
7. Capacity Tables
7.1 Cooling TC: total capacity SC: sensible capacity
WB: wet-bulb temperature DB: dry-bulb temperature
Indoor
Unit size
(kW)
Outdoor
temperature
( DB)℃
Indoor temperature ( WB℃/DB)
14/20 16/23 18/26 19/27 20/28 22/30 24/32
TC SC TC SC TC SC TC SC TC SC TC SC TC SC
kW kW kW kW kW kW kW kW kW kW kW kW kW kW
2.2
10.0 1.5 1.3 1.8 1.4 2.1 1.5 2.2 1.5 2.3 1.6 2.6 1.6 2.9 1.5
12.0 1.5 1.3 1.8 1.4 2.1 1.5 2.2 1.5 2.3 1.6 2.6 1.6 2.8 1.5
14.0 1.5 1.3 1.8 1.4 2.1 1.5 2.2 1.5 2.3 1.6 2.6 1.6 2.8 1.5
16.0 1.5 1.3 1.8 1.4 2.1 1.5 2.2 1.5 2.3 1.6 2.6 1.6 2.8 1.5
18.0 1.5 1.3 1.8 1.4 2.1 1.5 2.2 1.5 2.3 1.6 2.6 1.6 2.8 1.4
20.0 1.5 1.3 1.8 1.4 2.1 1.5 2.2 1.5 2.3 1.6 2.6 1.6 2.7 1.4
21.0 1.5 1.3 1.8 1.4 2.1 1.5 2.2 1.5 2.3 1.6 2.6 1.6 2.7 1.4
23.0 1.5 1.3 1.8 1.4 2.1 1.5 2.2 1.5 2.3 1.6 2.5 1.5 2.7 1.4
25.0 1.5 1.3 1.8 1.4 2.1 1.5 2.2 1.5 2.3 1.6 2.5 1.5 2.6 1.4
27.0 1.5 1.3 1.8 1.4 2.1 1.5 2.2 1.5 2.3 1.6 2.5 1.5 2.6 1.4
29.0 1.5 1.3 1.8 1.4 2.1 1.5 2.2 1.5 2.3 1.6 2.4 1.4 2.5 1.4
31.0 1.5 1.3 1.8 1.4 2.1 1.5 2.2 1.5 2.3 1.6 2.4 1.4 2.5 1.4
33.0 1.5 1.3 1.8 1.4 2.1 1.5 2.2 1.5 2.3 1.6 2.4 1.4 2.4 1.4
35.0 1.5 1.3 1.8 1.4 2.1 1.5 2.2 1.5 2.3 1.6 2.3 1.3 2.4 1.4
37.0 1.5 1.3 1.8 1.4 2.1 1.5 2.2 1.5 2.3 1.6 2.3 1.3 2.3 1.4
39.0 1.5 1.3 1.8 1.4 2.1 1.5 2.2 1.5 2.2 1.5 2.3 1.3 2.3 1.4
42.0 1.5 1.3 1.8 1.4 2.1 1.5 2.2 1.5 2.2 1.5 2.3 1.3 2.3 1.4
44.0 1.5 1.3 1.8 1.4 2.1 1.5 2.2 1.5 2.2 1.5 2.3 1.3 2.3 1.4
46.0 1.5 1.3 1.8 1.4 2.1 1.5 2.2 1.5 2.2 1.5 2.3 1.3 2.3 1.4
2.8
10.0 1.9 1.6 2.3 1.8 2.6 1.9 2.8 1.9 3.0 1.9 3.3 2.0 3.7 2.0
12.0 1.9 1.6 2.3 1.8 2.6 1.9 2.8 1.9 3.0 1.9 3.3 2.0 3.6 2.0
14.0 1.9 1.6 2.3 1.8 2.6 1.9 2.8 1.9 3.0 1.9 3.3 2.0 3.6 2.0
16.0 1.9 1.6 2.3 1.8 2.6 1.9 2.8 1.9 3.0 1.9 3.3 2.0 3.5 1.9
18.0 1.9 1.6 2.3 1.8 2.6 1.9 2.8 1.9 3.0 1.9 3.3 2.0 3.5 1.9
20.0 1.9 1.6 2.3 1.8 2.6 1.9 2.8 1.9 3.0 1.9 3.3 2.0 3.4 1.9
21.0 1.9 1.6 2.3 1.8 2.6 1.9 2.8 1.9 3.0 1.9 3.3 2.0 3.4 1.9
23.0 1.9 1.6 2.3 1.8 2.6 1.9 2.8 1.9 3.0 1.9 3.3 2.0 3.4 1.9
25.0 1.9 1.6 2.3 1.8 2.6 1.9 2.8 1.9 3.0 1.9 3.2 1.9 3.3 1.9
27.0 1.9 1.6 2.3 1.8 2.6 1.9 2.8 1.9 3.0 1.9 3.2 1.9 3.3 1.9
29.0 1.9 1.6 2.3 1.8 2.6 1.9 2.8 1.9 3.0 1.9 3.1 1.8 3.2 1.8
31.0 1.9 1.6 2.3 1.8 2.6 1.9 2.8 1.9 3.0 1.9 3.1 1.8 3.2 1.7
33.0 1.9 1.6 2.3 1.8 2.6 1.9 2.8 1.9 3.0 1.9 3.1 1.8 3.1 1.7
35.0 1.9 1.6 2.3 1.8 2.6 1.9 2.8 1.9 2.9 1.9 3.0 1.8 3.1 1.7
37.0 1.9 1.6 2.3 1.8 2.6 1.9 2.8 1.9 2.9 1.9 3.0 1.8 3.0 1.7
39.0 1.9 1.6 2.3 1.8 2.6 1.9 2.8 1.9 2.9 1.9 3.0 1.9 3.0 1.7
42.0 1.9 1.6 2.3 1.8 2.6 1.9 2.8 1.9 2.9 1.9 3.0 1.9 3.0 1.7
44.0 1.9 1.6 2.3 1.8 2.6 1.9 2.8 1.9 2.9 1.9 3.0 1.9 3.0 1.7
46.0 1.9 1.6 2.3 1.8 2.6 1.9 2.8 1.9 2.9 1.9 3.0 1.9 3.0 1.7
3.6
10.0 2.5 1.9 2.9 2.1 3.4 2.3 3.6 2.4 3.8 2.5 4.3 2.4 4.7 2.5
12.0 2.5 1.9 2.9 2.1 3.4 2.3 3.6 2.4 3.8 2.5 4.3 2.4 4.7 2.5
14.0 2.5 1.9 2.9 2.1 3.4 2.3 3.6 2.4 3.8 2.5 4.3 2.4 4.6 2.4
16.0 2.5 1.9 2.9 2.1 3.4 2.3 3.6 2.4 3.8 2.5 4.3 2.4 4.5 2.4
18.0 2.5 1.9 2.9 2.1 3.4 2.3 3.6 2.4 3.8 2.5 4.3 2.4 4.5 2.4
20.0 2.5 1.9 2.9 2.1 3.4 2.3 3.6 2.4 3.8 2.5 4.3 2.4 4.4 2.3
21.0 2.5 1.9 2.9 2.1 3.4 2.3 3.6 2.4 3.8 2.5 4.3 2.4 4.4 2.3
23.0 2.5 1.9 2.9 2.1 3.4 2.3 3.6 2.4 3.8 2.5 4.1 2.3 4.3 2.2
25.0 2.5 1.9 2.9 2.1 3.4 2.3 3.6 2.4 3.8 2.5 4.1 2.3 4.2 2.2
27.0 2.5 1.9 2.9 2.1 3.4 2.3 3.6 2.4 3.8 2.5 4.0 2.2 4.2 2.2
29.0 2.5 1.9 2.9 2.1 3.4 2.3 3.6 2.4 3.8 2.5 4.0 2.2 4.1 2.2
31.0 2.5 1.9 2.9 2.1 3.4 2.3 3.6 2.4 3.8 2.5 4.2 2.6 4.1 2.2
33.0 2.5 1.9 2.9 2.1 3.4 2.3 3.6 2.4 3.8 2.5 4.2 2.6 3.9 2.1
35.0 2.5 1.9 2.9 2.1 3.4 2.3 3.6 2.4 3.8 2.5 4.2 2.6 3.9 2.1
37.0 2.5 1.9 2.9 2.1 3.4 2.3 3.6 2.4 3.7 2.4 3.8 2.3 3.9 2.1
39.0 2.5 1.9 2.9 2.1 3.4 2.3 3.6 2.4 3.7 2.4 3.8 2.3 3.8 2.1
42.0 2.5 1.9 2.9 2.1 3.4 2.3 3.6 2.4 3.7 2.4 3.8 2.3 3.8 2.1
44.0 2.5 1.9 2.9 2.1 3.4 2.3 3.6 2.4 3.7 2.4 3.8 2.3 3.8 2.1
46.0 2.5 1.9 2.9 2.1 3.4 2.3 3.6 2.4 3.7 2.4 3.8 2.3 3.8 2.1

Two-way Cassette Type MCAC-VTSM-2011-09
62 Capacity tables
4.5
10.0 3.1 2.4 3.7 2.6 4.2 2.8 4.5 2.9 4.8 3.0 5.3 3.4 5.9 3.0
12.0 3.1 2.4 3.7 2.6 4.2 2.8 4.5 2.9 4.8 3.0 5.3 3.4 5.9 3.0
14.0 3.1 2.4 3.7 2.6 4.2 2.8 4.5 2.9 4.8 3.0 5.3 3.4 5.8 3.0
16.0 3.1 2.4 3.7 2.6 4.2 2.8 4.5 2.9 4.8 3.0 5.3 3.4 5.6 2.9
18.0 3.1 2.4 3.7 2.6 4.2 2.8 4.5 2.9 4.8 3.0 5.3 3.4 5.7 3.0
20.0 3.1 2.4 3.7 2.6 4.2 2.8 4.5 2.9 4.8 3.0 5.3 3.4 5.7 3.0
21.0 3.1 2.4 3.7 2.6 4.2 2.8 4.5 2.9 4.8 3.0 5.3 3.4 5.6 3.0
23.0 3.1 2.4 3.7 2.6 4.2 2.8 4.5 2.9 4.8 3.0 5.3 3.4 5.5 3.0
25.0 3.1 2.4 3.7 2.6 4.2 2.8 4.5 2.9 4.8 3.0 5.2 3.0 5.4 2.9
27.0 3.1 2.4 3.7 2.6 4.2 2.8 4.5 2.9 4.8 3.0 5.1 3.0 5.2 2.8
29.0 3.1 2.4 3.7 2.6 4.2 2.8 4.5 2.9 4.8 3.0 5.1 2.9 5.2 2.8
31.0 3.1 2.4 3.7 2.6 4.2 2.8 4.5 2.9 4.8 3.0 5.0 2.9 5.1 2.7
33.0 3.1 2.4 3.7 2.6 4.2 2.8 4.5 2.9 4.8 3.0 4.9 2.8 5.1 2.7
35.0 3.1 2.4 3.7 2.6 4.2 2.8 4.5 2.9 4.8 3.0 4.8 2.8 5.0 2.7
37.0 3.1 2.4 3.7 2.6 4.2 2.8 4.5 2.9 4.8 3.0 4.8 2.9 4.9 2.6
39.0 3.1 2.4 3.7 2.6 4.2 2.8 4.5 2.9 4.6 2.8 4.7 2.8 4.8 2.6
42.0 3.1 2.4 3.7 2.6 4.2 2.8 4.5 2.9 4.6 2.8 4.7 2.8 4.8 2.6
44.0 3.1 2.4 3.7 2.6 4.2 2.8 4.5 2.9 4.6 2.8 4.7 2.8 4.8 2.6
46.0 3.1 2.4 3.7 2.6 4.2 2.8 4.5 2.9 4.6 2.8 4.7 3.1 4.8 2.6
5.6
10.0 3.9 2.7 4.6 3.0 5.3 3.3 5.6 3.4 5.9 3.5 6.6 3.6 7.3 3.5
12.0 3.9 2.7 4.6 3.0 5.3 3.3 5.6 3.4 5.9 3.5 6.6 3.6 7.2 3.5
14.0 3.9 2.7 4.6 3.0 5.3 3.3 5.6 3.4 5.9 3.5 6.6 3.6 7.1 3.5
16.0 3.9 2.7 4.6 3.0 5.3 3.3 5.6 3.4 5.9 3.5 6.6 3.6 7.0 3.4
18.0 3.9 2.7 4.6 3.0 5.3 3.3 5.6 3.4 5.9 3.5 6.6 3.6 6.8 3.4
20.0 3.9 2.7 4.6 3.0 5.3 3.3 5.6 3.4 5.9 3.5 6.6 3.6 6.7 3.3
21.0 3.9 2.7 4.6 3.0 5.3 3.3 5.6 3.4 5.9 3.5 6.6 3.6 6.6 3.3
23.0 3.9 2.7 4.6 3.0 5.3 3.3 5.6 3.4 5.9 3.5 6.6 3.6 6.6 3.3
25.0 3.9 2.7 4.6 3.0 5.3 3.3 5.6 3.4 5.9 3.5 6.6 3.6 6.5 3.2
27.0 3.9 2.7 4.6 3.0 5.3 3.3 5.6 3.4 5.9 3.5 6.4 3.5 6.4 3.2
29.0 3.9 2.7 4.6 3.0 5.3 3.3 5.6 3.4 5.9 3.5 6.3 3.5 6.4 3.3
31.0 3.9 2.7 4.6 3.0 5.3 3.3 5.6 3.4 5.9 3.5 6.2 3.4 6.2 3.2
33.0 3.9 2.7 4.6 3.0 5.3 3.3 5.6 3.4 5.9 3.5 6.2 3.4 6.2 3.2
35.0 3.9 2.7 4.6 3.0 5.3 3.3 5.6 3.4 5.9 3.5 6.0 3.3 6.0 3.1
37.0 3.9 2.7 4.6 3.0 5.3 3.3 5.6 3.4 5.9 3.5 5.9 3.2 6.0 3.1
39.0 3.9 2.7 4.6 3.0 5.3 3.3 5.6 3.4 5.7 3.4 5.8 3.2 6.0 3.1
42.0 3.9 2.7 4.6 3.0 5.3 3.3 5.6 3.4 5.7 3.4 5.8 3.2 6.0 3.1
44.0 3.9 2.7 4.6 3.0 5.3 3.3 5.6 3.4 5.7 3.4 5.8 3.2 6.0 3.1
46.0 3.9 2.7 4.6 3.0 5.3 3.3 5.6 3.4 5.7 3.7 5.8 3.2 6.0 3.1
7.1
10.0 4.9 3.6 5.8 4.0 6.7 4.3 7.1 4.5 7.5 4.4 8.4 4.5 9.2 4.6
12.0 4.9 3.6 5.8 4.0 6.7 4.3 7.1 4.5 7.5 4.4 8.4 4.5 9.1 4.5
14.0 4.9 3.6 5.8 4.0 6.7 4.3 7.1 4.5 7.5 4.4 8.4 4.5 9.0 4.5
16.0 4.9 3.6 5.8 4.0 6.7 4.3 7.1 4.5 7.5 4.4 8.4 4.5 8.9 4.4
18.0 4.9 3.6 5.8 4.0 6.7 4.3 7.1 4.5 7.5 4.4 8.4 4.5 8.7 4.3
20.0 4.9 3.6 5.8 4.0 6.7 4.3 7.1 4.5 7.5 4.4 8.4 4.5 8.5 4.2
21.0 4.9 3.6 5.8 4.0 6.7 4.3 7.1 4.5 7.5 4.4 8.4 4.5 8.4 4.2
23.0 4.9 3.6 5.8 4.0 6.7 4.3 7.1 4.5 7.5 4.4 8.4 4.5 8.3 4.1
25.0 4.9 3.6 5.8 4.0 6.7 4.3 7.1 4.5 7.5 4.4 8.4 4.5 8.2 4.1
27.0 4.9 3.6 5.8 4.0 6.7 4.3 7.1 4.5 7.5 4.4 8.1 4.3 8.2 4.1
29.0 4.9 3.6 5.8 4.0 6.7 4.3 7.1 4.5 7.5 4.5 8.0 4.3 8.1 4.1
31.0 4.9 3.6 5.8 4.0 6.7 4.3 7.1 4.5 7.5 4.5 7.9 4.3 7.8 4.0
33.0 4.9 3.6 5.8 4.0 6.7 4.3 7.1 4.5 7.5 4.5 7.8 4.2 7.8 4.0
35.0 4.9 3.6 5.8 4.0 6.7 4.3 7.1 4.5 7.5 4.5 7.6 4.1 7.7 3.9
37.0 4.9 3.6 5.8 4.0 6.7 4.3 7.1 4.5 7.4 4.4 7.5 4.1 7.6 4.0
39.0 4.9 3.6 5.8 4.0 6.7 4.3 7.1 4.5 7.2 4.3 7.4 4.1 7.6 4.0
42.0 4.9 3.6 5.8 4.0 6.7 4.3 7.1 4.5 7.2 4.3 7.4 4.1 7.6 4.0
44.0 4.9 3.6 5.8 4.0 6.7 4.3 7.1 4.5 7.2 4.3 7.4 4.1 7.6 4.0
46.0 4.9 3.6 5.8 4.0 6.7 4.3 7.1 4.5 7.2 4.3 7.4 4.1 7.6 4.0

MCAC-VTSM-2011-09 Two-way Cassette Type
Capacity tables 63
7.2 Heating
TC: total capacity WB: wet-bulb temperature DB: dry-bulb temperature
Indoor Unit size
(kW)
Outdoor temperature
()℃
Indoor temperature (℃ DB)
16.00 18.00 20.00 21.00 22.00 24.00
TC TC TC TC TC TC
WB DB kW kW kW kW kW kW
2.2
-20 -19.8 1.46 1.46 1.46 1.46 1.46 1.46
-19 -18.8 1.56 1.56 1.56 1.56 1.56 1.56
-17 -16.7 1.64 1.64 1.64 1.64 1.64 1.64
-15 -14.7 1.69 1.69 1.69 1.69 1.69 1.69
-13.00 -12.60 1.79 1.79 1.79 1.79 1.79 1.79
-11.00 -10.50 1.82 1.85 1.85 1.85 1.85 1.85
-10.00 -9.50 1.90 1.90 1.90 1.90 1.90 1.90
-9.10 -8.50 1.95 1.95 1.95 1.95 1.95 1.95
-7.60 -7.00 1.98 1.98 1.98 1.98 1.98 1.98
-5.60 -5.00 2.05 2.05 2.05 2.05 2.05 2.05
-3.70 -3.00 2.16 2.16 2.16 2.16 2.16 2.16
-0.70 0.00 2.31 2.31 2.31 2.31 2.31 2.18
2.20 3.00 2.44 2.44 2.44 2.44 2.39 2.18
4.10 5.00 2.52 2.52 2.52 2.52 2.39 2.18
6.00 7.00 2.60 2.60 2.60 2.52 2.39 2.18
7.90 9.00 2.68 2.68 2.60 2.52 2.39 2.18
9.80 11.00 2.76 2.76 2.60 2.52 2.39 2.18
11.80 13.00 2.86 2.81 2.60 2.52 2.39 2.18
13.70 15.00 2.94 2.81 2.60 2.52 2.39 2.18
2.8
-20 -19.8 1.79 1.79 1.79 1.79 1.79 1.79
-19 -18.8 1.92 1.92 1.92 1.92 1.92 1.92
-17 -16.7 2.02 2.02 2.02 2.02 2.02 2.02
-15 -14.7 2.02 2.02 2.02 2.02 2.02 2.02
-13.00 -12.60 2.14 2.14 2.14 2.14 2.14 2.14
-11.00 -10.50 2.24 2.24 2.24 2.24 2.24 2.24
-10.00 -9.50 2.34 2.34 2.34 2.34 2.34 2.34
-9.10 -8.50 2.40 2.40 2.40 2.40 2.40 2.40
-7.60 -7.00 2.43 2.43 2.43 2.43 2.43 2.43
-5.60 -5.00 2.53 2.53 2.53 2.53 2.53 2.53
-3.70 -3.00 2.66 2.66 2.66 2.66 2.66 2.66
-0.70 0.00 2.85 2.85 2.85 2.85 2.85 2.69
2.20 3.00 3.01 3.01 3.01 3.01 2.94 2.69
4.10 5.00 3.10 3.10 3.10 3.10 2.94 2.69
6.00 7.00 3.20 3.20 3.20 3.10 2.94 2.69
7.90 9.00 3.30 3.30 3.20 3.10 2.94 2.69
9.80 11.00 3.39 3.39 3.20 3.10 2.94 2.69
11.80 13.00 3.52 3.46 3.20 3.10 2.94 2.69
13.70 15.00 3.62 3.46 3.20 3.10 2.94 2.69
3.6
-20 -19.8 2.24 2.24 2.24 2.24 2.24 2.24
-19 -18.8 2.40 2.40 2.40 2.40 2.40 2.40
-17 -16.7 2.52 2.52 2.52 2.52 2.52 2.52
-15 -14.7 2.60 2.60 2.60 2.60 2.60 2.60
-13.00 -12.60 2.68 2.68 2.68 2.68 2.68 2.68
-11.00 -10.50 2.80 2.80 2.80 2.80 2.80 2.80
-10.00 -9.50 2.92 2.92 2.92 2.92 2.92 2.92
-9.10 -8.50 3.00 3.00 3.00 3.00 3.00 3.00
-7.60 -7.00 3.04 3.04 3.04 3.04 3.04 3.04
-5.60 -5.00 3.16 3.16 3.16 3.16 3.16 3.16
-3.70 -3.00 3.32 3.32 3.32 3.32 3.32 3.32
-0.70 0.00 3.56 3.56 3.56 3.56 3.56 3.36
2.20 3.00 3.76 3.76 3.76 3.76 3.68 3.36
4.10 5.00 3.88 3.88 3.88 3.88 3.68 3.36
6.00 7.00 4.00 4.00 4.00 3.88 3.68 3.36
7.90 9.00 4.12 4.12 4.00 3.88 3.68 3.36
9.80 11.00 4.24 4.24 4.00 3.88 3.68 3.36
11.80 13.00 4.40 4.32 4.00 3.88 3.68 3.36
13.70 15.00 4.52 4.32 4.00 3.88 3.68 3.36
4.5 -20 -19.8 2.80 2.80 2.80 2.80 2.80 2.80
-19 -18.8 3.00 3.00 3.00 3.00 3.00 3.00

Two-way Cassette Type MCAC-VTSM-2011-09
64 Capacity tables
-17 -16.7 3.15 3.15 3.15 3.15 3.15 3.15
-15 -14.7 3.25 3.25 3.25 3.25 3.25 3.25
-13.00 -12.60 3.35 3.35 3.35 3.35 3.35 3.35
-11.00 -10.50 3.50 3.50 3.50 3.50 3.50 3.50
-10.00 -9.50 3.65 3.65 3.65 3.65 3.65 3.65
-9.10 -8.50 3.75 3.75 3.75 3.75 3.75 3.75
-7.60 -7.00 3.80 3.80 3.80 3.80 3.80 3.80
-5.60 -5.00 3.95 3.95 3.95 3.95 3.95 3.95
-3.70 -3.00 4.15 4.15 4.15 4.15 4.15 4.15
-0.70 0.00 4.45 4.45 4.45 4.45 4.45 4.20
2.20 3.00 4.70 4.70 4.70 4.70 4.60 4.20
4.10 5.00 4.85 4.85 4.85 4.85 4.60 4.20
6.00 7.00 5.00 5.00 5.00 4.85 4.60 4.20
7.90 9.00 5.15 5.15 5.00 4.85 4.60 4.20
9.80 11.00 5.30 5.30 5.00 4.85 4.60 4.20
11.80 13.00 5.50 5.40 5.00 4.85 4.60 4.20
13.70 15.00 5.65 5.40 5.00 4.85 4.60 4.20
5.6
-20 -19.8 3.53 3.53 3.53 3.53 3.53 3.53
-19 -18.8 3.78 3.78 3.78 3.78 3.78 3.78
-17 -16.7 3.97 3.97 3.97 3.97 3.97 3.97
-15 -14.7 4.10 4.10 4.10 4.10 4.10 4.10
-13.00 -12.60 4.22 4.22 4.22 4.22 4.22 4.22
-11.00 -10.50 4.41 4.41 4.41 4.41 4.41 4.41
-10.00 -9.50 4.60 4.60 4.60 4.60 4.60 4.60
-9.10 -8.50 4.73 4.73 4.73 4.73 4.73 4.73
-7.60 -7.00 4.79 4.79 4.79 4.79 4.79 4.79
-5.60 -5.00 4.98 4.98 4.98 4.98 4.98 4.98
-3.70 -3.00 5.23 5.23 5.23 5.23 5.23 5.23
-0.70 0.00 5.61 5.61 5.61 5.61 5.61 5.29
2.20 3.00 5.92 5.92 5.92 5.92 5.80 5.29
4.10 5.00 6.11 6.11 6.11 6.11 5.80 5.29
6.00 7.00 6.30 6.30 6.30 6.11 5.80 5.29
7.90 9.00 6.49 6.49 6.30 6.11 5.80 5.29
9.80 11.00 6.68 6.68 6.30 6.11 5.80 5.29
11.80 13.00 6.93 6.80 6.30 6.11 5.80 5.29
13.70 15.00 7.12 6.80 6.30 6.11 5.80 5.29
7.1
-20 -19.8 4.48 4.48 4.48 4.48 4.48 4.48
-19 -18.8 4.80 4.80 4.80 4.80 4.80 4.80
-17 -16.7 5.04 5.04 5.04 5.04 5.04 5.04
-15 -14.7 5.20 5.20 5.20 5.20 5.20 5.20
-13.00 -12.60 5.36 5.36 5.36 5.36 5.36 5.36
-11.00 -10.50 5.60 5.60 5.60 5.60 5.60 5.60
-10.00 -9.50 5.84 5.84 5.84 5.84 5.84 5.84
-9.10 -8.50 6.00 6.00 6.00 6.00 6.00 6.00
-7.60 -7.00 6.08 6.08 6.08 6.08 6.08 6.08
-5.60 -5.00 6.32 6.32 6.32 6.32 6.32 6.32
-3.70 -3.00 6.64 6.64 6.64 6.64 6.64 6.64
-0.70 0.00 7.12 7.12 7.12 7.12 7.12 6.72
2.20 3.00 7.52 7.52 7.52 7.52 7.36 6.72
4.10 5.00 7.76 7.76 7.76 7.76 7.36 6.72
6.00 7.00 8.00 8.00 8.00 7.76 7.36 6.72
7.90 9.00 8.24 8.24 8.00 7.76 7.36 6.72
9.80 11.00 8.48 8.48 8.00 7.76 7.36 6.72
11.80 13.00 8.80 8.64 8.00 7.76 7.36 6.72
13.70 15.00 9.04 8.64 8.00 7.76 7.36 6.72

MCAC-VTSM-2011-09 Two-way Cassette Type
Noise Level 65
8. Electric Characteristics
Model Indoor Unit Power Supply IFM
Hz Voltage Min. Max. MCA MFA KW FLA
MDV-D22Q2/N1 50 220-240V 198V 254V 0.28 5A 0.025 0.35
MDV-D28Q2/N1 50 220-240V 198V 254V 0.36 5A 0.025 0.45
MDV-D36Q2/N1 50 220-240V 198V 254V 0.36 5A 0.03 0.45
MDV-D45Q2/N1 50 220-240V 198V 254V 0.44 5A 0.038 0.55
MDV-D56Q2/N1 50 220-240V 198V 254V 0.44 5A 0.058 0.55
MDV-D71Q2/N1 50 220-240V 198V 254V 0.60 5A 0.091 0.75
Remark:
MCA: Min. Current Amps. (A)
MFA: Max. Fuse Amps. (A)
KW: Fan Motor Rated Output (kW)
FLA: Full Load Amps. (A)
IFM:Indoor Fan Motor

Two-way Cassette Type MCAC-VTSM-2011-09
66 Accessories
9. Sound Levels
9.1 Test condition
9.2 Test value
MDV-D22Q2/N1MDV-D28Q2/N1MDV-D36Q2/N1
Octave band center frequency(Hz)
Sound pressure level dB(0dB=0.0002μ bar)
Audibility limits of
continuous white
sound
Octave band center frequency(Hz)
Sound pressure level dB(0dB=0.0002μ bar)
Audibility limits of
continuous white
sound
MDV-D45Q2/N1MDV-D56Q2/N1 MDV-D71Q2/N1
Octave band center frequency(Hz)
Sound pressure level dB(0dB=0.0002μ bar)
Audibility limits of
continuous white
sound
Octave band center frequency(Hz)
Sound pressure level dB(0dB=0.0002μ bar)
Audibility limits of
continuous white
sound
Model Noise test value dB(A)
Hi Mid Low
MDV-D22Q2/N1 33 29 24
MDV-D28Q2/N1 36 32 29
MDV-D36Q2/N1 36 32 29
MDV-D45Q2/N1 39 35 30
MDV-D56Q2/N1 39 35 30
MDV-D71Q2/N1 44 40 34

MCAC-VTSM-2011-09 Two-way Cassette Type
Noise Level 67
10. Accessories
Standard accessories
Name Quantity Shape Purpose
Installation manual for indoor unit 1
Guidance of installation for indoor unit and
Must deliver to customer
Insulation sheath 2 Thermal insulation for the jointing part of
piping
Installation paper board 1 For confirming the ceiling site and unit
location
Installation gauge 1 For confirming the ceiling site (Integrated on
installation paper board)
Installation screw for paper board 4 For installing paper board
Nut 8 Hanging component
Thermal insulated material 1 Thermal insulation for the jointing part of
drain pipe
Bushing 8 Hanger assembly
Flexible hose tube 1 For drain pipe
Thermal insulation material 1 For sealing the jointing part of piping
Remote controller 1 For remove controlling the air conditioner
Mounting screw 4 For installing defrosting tray
Drain pipe clasp 1 For installing drain pipe
Connective pipe for restriction
assembly 1 /
Tightening belt 5 /

Low Static Pressure Duct MCAC-VTSM-2011-09
68 Features
Low Static Pressure Duct
1. Feature ............................................................................. 69
2. Specifications .................................................................. 70
3. Dimension ........................................................................ 72
4. Service Space .................................................................. 75
5. Piping Diagrams.............................................................. 76
6. Wiring Diagram ............................................................... 77
7. Capacity Tables ............................................................... 78
8. Electric Characteristics .................................................. 84
9. Noise Levels .................................................................... 85
10. Accessories ................................................................... 86

MCAC-VTSM-2011-09 Low Static Pressure Duct
Low Static Pressure Duct 69
1. Feature
1.1 Lower noise level
—Utilize the cross blow fan, the lowest noise is 21dB(A).
1.2 Smoother airflow with less turbulence
—Owing to the multiple-blade fan rotor and the air guide design, the airflow is getting smoother and more
comfortable
1.3More light weight and super thin
—The whole body adopt fireproof plastic material
—Flat design for easy fit when ceilinggover head space is minimal.Only 190 mm in height, this model can
be installed in rooms with as little as 200 mm depth between the drop-ceiling and ceiling slab.
—Great for hotel use!
1.4 wider capacity range
—The capacity range from 1.8KW to 5.6KW, six model.
1.5 Convenient installation
1.5.1 The EXV is fixed beside of the indoor unit
1.5.2 The connection pipe is flexible pipe, so it can change the connection direction conveniently.
1.5.3.Suction chamber is included as standard equipment,
1.5.4Optional drain pump
with a drain-up pump (750 mm pumphead) as an optional accessory,

Low Static Pressure Duct MCAC-VTSM-2011-09
70 Features
2. Specifications
Model MDV-D18T3/N1-B MDV-D22T3/N1-B MDV-D28T3/N1-B
Power supply V- Ph-Hz 220-240V~, 1Ph, 50Hz
Cooling
Capacity kW 1.8 2.2 2.8
Input W 40 40 40
Rated current A 0.17 0.17 0.17
Heating
Capacity kW 2.2 2.6 3.2
Input W 40 40 40
Rated current A 0.17 0.17 0.17
Indoor fan
motor
Model RPS15D RPS15D RPS15D
Type Asynchronism motor
Brand Welling
Input W 30.6/29.2/25.8/22.3 30.6/29.2/25.8/22.3 32.8/30.8/26/23
Capacitor μF 0.8μF/450V 0.8μF/450V 1.0μF/450V
Speed (hi/mid/lo) r/min 885/819/653/545 885/819/653/545 985/890/707/598
Indoor coil
Number of rows 2 2 2
Tube pitch(a)x row pitch(b) mm 21*13.37 21*13.37 21*13.37
Fin spacing mm 1.5 1.5 1.5
Fin type Hydrophilic aluminum
Tube outside diameter and
type mm Ф7,
Inner groove tube
Coil length x height x width mm 635X283.5 X26.74 635X283.5 X26.74 635X283.5 X26.74
Number of circuits 2 2 4
Indoor air flow (H/M/L) m3/h 446/323/250 446/323/250 527/359/267
Indoor external static pressure (Hi) Pa 5 5 5
Indoor noise level (Hi/Mid/Lo) dB(A) 33/27/21 34/29/21 36/34/30
Indoor unit
Dimension (W×H×D) mm 850×190×405 850×190×405 850×190×405
Packing (W×H×D) mm 903*277*445 903*277*445 903*277*445
Net/Gross weight kg 11.5/14.5 11.5/14.5 11.5/14.5
Refrigerant type R410A
Throttle Type Electrical expand valve
Model CE-J20AB1/N1-C
Design pressure MPa 4.4/2.6
Refrigerant
piping Liquid side/ Gas side mm Ф6.35/ Ф12.7 Ф6.35/ Ф12.7 Ф6.35/ Ф12.7
Connecting
wiring
Power wiring mm2 3*2
Signal wiring mm2 4*0.75
Drainage water pipe diameter ODΦ20 IDΦ15
Controller Wireless remote controller (RM05/BG(T)E-A) (Standard), to set
address
Operation temp ℃ Cooling:17~32;Heating:10~28
Notes: 1. Nominal cooling capacities are based on the following conditions: return air temp. : 27°CDB, 19°CWB, outdoor
temp.:35°CDB,equivalent ref. Piping: 8m(horizontal)
2. Nominal heating capacities are based on the following conditions: return air temp.: 20°CDB,outdoor temp.:
7°CDB,6°CWB,equivalent ref. Piping: 8m(horizontal)

MCAC-VTSM-2011-09 Low Static Pressure Duct
Specifications 71
Model MDV-D36T3/N1-B MDV-D45T3/N1-B MDV-D56T3/N1-B
Power supply V- Ph-Hz 220-240V~, 1Ph, 50Hz
Cooling
Capacity kW 3.6 4.5 5.6
Input W 40 40 56
Rated current A 0.17 0.17 0.24
Heating
Capacity kW 4 5 6.3
Input W 40 40 56
Rated current A 0.17 0.24 0.24
Indoor fan
motor
Model RPS15D YDK22-4 YDK22-4
Type Asynchronism motor
Brand Welling
Input W 32.8/30.8/26/23 50.8/46.7/41.8/36.8 50.8/46.7/41.8/36.8
Capacitor μF 1.0μF/450V 1.5μF/450V 1.5μF/450V
Speed (hi/mid/lo) r/min 985/890/707/598 1055/930/790/650 1055/930/790/650
Indoor coil
Number of rows 2 2 2
Tube pitch(a)x row pitch(b) mm 21*13.37 21*13.37 21*13.37
Fin spacing mm 1.5 1.5 1.5
Fin type Hydrophilic aluminum
Tube outside diameter and type mm
Ф7
nner groove tube
Coil length x height x width mm 635X283.5 X26.74 785X325.5 X26.74 785X325.5 X26.74
Number of circuits 4 4 4
Indoor air flow (H/M/L) m3/h 527/359/267 767/634/512 767/634/512
Indoor external static pressure (Hi) Pa 5 5 5
Indoor noise level (Hi/Mid/Lo) dB(A) 36/34/30 37/35/31 37/35/31
Indoor unit
Dimension (W×H×D) mm 850×190×405 1030×190×430 1030×190×430
Packing (W×H×D) mm 903*277*445 1084*277*472 1084*277*472
Net/Gross weight kg 11.5/14.5 14 /17.5 14/17.5
Refrigerant type R410A
Throttle
Type Electrical expand valve
Model CE-J20BB1/N1-C
Design pressure MPa 4.4/2.6
Refrigerant
piping
Liquid side/ Gas side mm Ф6.35/ Ф12.7 Ф9.52/ Ф12.7 Ф9.52/ Ф15.9
Connecting
wiring
Power wiring mm2 3x2
Signal wiring mm2 4x0.75
Drainage water pipe diameter ODΦ20 IDΦ15
Controller Wireless remote controller (RM05/BG(T)E-A) (Standard), to set address
Operation temp ℃ Cooling:17~32;Heating:10~28
Notes: 1. Nominal cooling capacities are based on the following conditions: return air temp. : 27°CDB, 19°CWB, outdoor
temp.:35°CDB,equivalent ref. Piping: 8m(horizontal)
2. Nominal heating capacities are based on the following conditions: return air temp.: 20°CDB,outdoor temp.:
7°CDB,6°CWB,equivalent ref. Piping: 8m(horizontal)

Low Static Pressure Duct MCAC-VTSM-2011-09
72 Dimensions
3. Dimension
MDV-D18T3/N1-B MDV-D22T3/N1-BMDV-D28T3/N1-BMDV-D36T3/N1-BMDV-D45T3/N1-BMDV-D56T3/N1-B
190mm
105mm
E
side sending
A
i
r out
l
et
Direction A
t
h
ro
t
t
l
e
drainage
J
Direction A
I
C
D
75mm
H
A
B
throttle
ceiling placket
220mm
Connecting point of
refrigerant pipe
Connecting point of
refrigerant pipe
80mm
ΦF Liquid side
ΦGGasside

MCAC-VTSM-2011-09 Low Static Pressure Duct
Dimensions 73
MODEL
(MDV-D**T3/N1-B) A B C D E
18 850 744 330 260 630
22 850 744 330 260 630
28 850 744 330 260 630
36 850 744 330 260 630
45 1030 894 355 285 780
56 1030 894 355 285 780
MODEL
(MDV-D**T3/N1-B) F G H I J
18 6.4 12.7 950 505 405
22 6.4 12.7 950 505 405
28 6.4 12.7 950 505 405
36 6.4 12.7 950 505 405
45 9.5 15.9 1150 530 430
56 9.5 15.9 1150 530 430

MCAC-VTSM-2011-09 Low Static Pressure Duct
Installation Space 75
4. Service Space
Ensure the needed spaces for installation and maintenance.
The ceiling is horizontal, and its structure can endure the weight of the indoor unit.
The outlet and the inlet are not impeded, and the influence of external air is the least.
The air flow can reach throughout the room.
The connecting pipe and drainpipe could be extracted out easily.
There is no direct radiation from heaters.
Air outlet
Air return box
Refrigerant
pipe
>500mm
>500mm
Direction
A
>250mm
Air return box
Throttle
Direction A
>250mm
Air outlet
Duct
>200mm
<500mm
<3m
>1000mm
<
500mm
>200mm

Low Static Pressure Duct MCAC-VTSM-2011-09
76 Capacity table
5. PipingDiagrams
MDV-D18T3/N1-B MDV-D22T3/N1-BMDV-D28T3/N1-BMDV-D36T3/N1-BMDV-D45T3/N1-BMDV-D56T3/N1-B
flare nut
flare nut
T2B
gas side
motor
heat exchanger
fan
EXV
liquid side
T2
T1

MCAC-VTSM-2011-09 Low Static Pressure Duct
Capacity Table 77
6. Wiring Diagram

Low Static Pressure Duct MCAC-VTSM-2011-09
78 Capacity table
7. Capacity Tables
7.1 Cooling TC: total capacity SC: sensible capacity WB: wet-bulb temperature DB:dry-bulb temperature
Indoor
Unit size
(kW)
Outdoor
temperature
( DB)℃
Indoor temperature ( WB℃/DB)
14/20 16/23 18/26 19/27 20/28 22/30 24/32
TC SC TC SC TC SC TC SC TC SC TC SC TC SC
kW kW kW kW kW kW kW kW kW kW kW kW kW kW
1.8
10.0 1.2 1.1 1.5 1.1 1.7 1.2 1.8 1.2 1.9 1.3 2.1 1.3 2.4 1.3
12.0 1.2 1.1 1.5 1.1 1.7 1.2 1.8 1.2 1.9 1.3 2.1 1.3 2.3 1.2
14.0 1.2 1.1 1.5 1.1 1.7 1.2 1.8 1.2 1.9 1.3 2.1 1.3 2.3 1.2
16.0 1.2 1.1 1.5 1.1 1.7 1.2 1.8 1.2 1.9 1.3 2.1 1.3 2.3 1.2
18.0 1.2 1.1 1.5 1.1 1.7 1.2 1.8 1.2 1.9 1.3 2.1 1.3 2.3 1.2
20.0 1.2 1.1 1.5 1.1 1.7 1.2 1.8 1.2 1.9 1.3 2.1 1.3 2.2 1.1
21.0 1.2 1.1 1.5 1.1 1.7 1.2 1.8 1.2 1.9 1.3 2.1 1.3 2.2 1.1
23.0 1.2 1.1 1.5 1.1 1.7 1.2 1.8 1.2 1.9 1.3 2.1 1.2 2.2 1.1
25.0 1.2 1.1 1.5 1.1 1.7 1.2 1.8 1.2 1.9 1.3 2.1 1.2 2.1 1.1
27.0 1.2 1.1 1.5 1.1 1.7 1.2 1.8 1.2 1.9 1.3 2.1 1.2 2.1 1.1
29.0 1.2 1.1 1.5 1.1 1.7 1.2 1.8 1.2 1.9 1.3 2.0 1.2 2.1 1.1
31.0 1.2 1.1 1.5 1.1 1.7 1.2 1.8 1.2 1.9 1.3 2.0 1.2 2.1 1.1
33.0 1.2 1.1 1.5 1.1 1.7 1.2 1.8 1.2 1.9 1.3 2.0 1.2 2.0 1.2
35.0 1.2 1.1 1.5 1.1 1.7 1.2 1.8 1.2 1.9 1.3 1.9 1.1 2.0 1.2
37.0 1.2 1.1 1.5 1.1 1.7 1.2 1.8 1.2 1.9 1.3 1.9 1.1 1.9 1.1
39.0 1.2 1.1 1.5 1.1 1.7 1.2 1.8 1.2 1.8 1.2 1.9 1.1 1.9 1.1
42.0 1.2 1.1 1.5 1.1 1.7 1.2 1.8 1.2 1.8 1.2 1.9 1.1 1.9 1.1
44.0 1.2 1.1 1.5 1.1 1.7 1.2 1.8 1.2 1.8 1.2 1.9 1.1 1.9 1.1
46.0 1.2 1.1 1.5 1.2 1.7 1.2 1.8 1.2 1.8 1.2 1.9 1.1 1.9 1.1
2.2
10.0 1.5 1.3 1.8 1.4 2.1 1.5 2.2 1.5 2.3 1.6 2.6 1.6 2.9 1.5
12.0 1.5 1.3 1.8 1.4 2.1 1.5 2.2 1.5 2.3 1.6 2.6 1.6 2.8 1.5
14.0 1.5 1.3 1.8 1.4 2.1 1.5 2.2 1.5 2.3 1.6 2.6 1.6 2.8 1.5
16.0 1.5 1.3 1.8 1.4 2.1 1.5 2.2 1.5 2.3 1.6 2.6 1.6 2.8 1.5
18.0 1.5 1.3 1.8 1.4 2.1 1.5 2.2 1.5 2.3 1.6 2.6 1.6 2.8 1.4
20.0 1.5 1.3 1.8 1.4 2.1 1.5 2.2 1.5 2.3 1.6 2.6 1.6 2.7 1.4
21.0 1.5 1.3 1.8 1.4 2.1 1.5 2.2 1.5 2.3 1.6 2.6 1.6 2.7 1.4
23.0 1.5 1.3 1.8 1.4 2.1 1.5 2.2 1.5 2.3 1.6 2.5 1.5 2.7 1.4
25.0 1.5 1.3 1.8 1.4 2.1 1.5 2.2 1.5 2.3 1.6 2.5 1.5 2.6 1.4
27.0 1.5 1.3 1.8 1.4 2.1 1.5 2.2 1.5 2.3 1.6 2.5 1.5 2.6 1.4
29.0 1.5 1.3 1.8 1.4 2.1 1.5 2.2 1.5 2.3 1.6 2.4 1.4 2.5 1.4
31.0 1.5 1.3 1.8 1.4 2.1 1.5 2.2 1.5 2.3 1.6 2.4 1.4 2.5 1.4
33.0 1.5 1.3 1.8 1.4 2.1 1.5 2.2 1.5 2.3 1.6 2.4 1.4 2.4 1.4
35.0 1.5 1.3 1.8 1.4 2.1 1.5 2.2 1.5 2.3 1.6 2.3 1.3 2.4 1.4
37.0 1.5 1.3 1.8 1.4 2.1 1.5 2.2 1.5 2.3 1.6 2.3 1.3 2.3 1.4
39.0 1.5 1.3 1.8 1.4 2.1 1.5 2.2 1.5 2.2 1.5 2.3 1.3 2.3 1.4
42.0 1.5 1.3 1.8 1.4 2.1 1.5 2.2 1.5 2.2 1.5 2.3 1.3 2.3 1.4
44.0 1.5 1.3 1.8 1.4 2.1 1.5 2.2 1.5 2.2 1.5 2.3 1.3 2.3 1.4
46.0 1.5 1.3 1.8 1.4 2.1 1.5 2.2 1.5 2.2 1.5 2.3 1.3 2.3 1.4
2.8
10.0 1.9 1.6 2.3 1.8 2.6 1.9 2.8 1.9 3.0 1.9 3.3 2.0 3.7 2.0
12.0 1.9 1.6 2.3 1.8 2.6 1.9 2.8 1.9 3.0 1.9 3.3 2.0 3.6 2.0
14.0 1.9 1.6 2.3 1.8 2.6 1.9 2.8 1.9 3.0 1.9 3.3 2.0 3.6 2.0
16.0 1.9 1.6 2.3 1.8 2.6 1.9 2.8 1.9 3.0 1.9 3.3 2.0 3.5 1.9
18.0 1.9 1.6 2.3 1.8 2.6 1.9 2.8 1.9 3.0 1.9 3.3 2.0 3.5 1.9
20.0 1.9 1.6 2.3 1.8 2.6 1.9 2.8 1.9 3.0 1.9 3.3 2.0 3.4 1.9
21.0 1.9 1.6 2.3 1.8 2.6 1.9 2.8 1.9 3.0 1.9 3.3 2.0 3.4 1.9

MCAC-VTSM-2011-09 Low Static Pressure Duct
Capacity Table 79
23.0 1.9 1.6 2.3 1.8 2.6 1.9 2.8 1.9 3.0 1.9 3.3 2.0 3.4 1.9
25.0 1.9 1.6 2.3 1.8 2.6 1.9 2.8 1.9 3.0 1.9 3.2 1.9 3.3 1.9
27.0 1.9 1.6 2.3 1.8 2.6 1.9 2.8 1.9 3.0 1.9 3.2 1.9 3.3 1.9
29.0 1.9 1.6 2.3 1.8 2.6 1.9 2.8 1.9 3.0 1.9 3.1 1.8 3.2 1.8
31.0 1.9 1.6 2.3 1.8 2.6 1.9 2.8 1.9 3.0 1.9 3.1 1.8 3.2 1.7
33.0 1.9 1.6 2.3 1.8 2.6 1.9 2.8 1.9 3.0 1.9 3.1 1.8 3.1 1.7
35.0 1.9 1.6 2.3 1.8 2.6 1.9 2.8 1.9 2.9 1.9 3.0 1.8 3.1 1.7
37.0 1.9 1.6 2.3 1.8 2.6 1.9 2.8 1.9 2.9 1.9 3.0 1.8 3.0 1.7
39.0 1.9 1.6 2.3 1.8 2.6 1.9 2.8 1.9 2.9 1.9 3.0 1.9 3.0 1.7
42.0 1.9 1.6 2.3 1.8 2.6 1.9 2.8 1.9 2.9 1.9 3.0 1.9 3.0 1.7
44.0 1.9 1.6 2.3 1.8 2.6 1.9 2.8 1.9 2.9 1.9 3.0 1.9 3.0 1.7
46.0 1.9 1.6 2.3 1.8 2.6 1.9 2.8 1.9 2.9 1.9 3.0 1.9 3.0 1.7
3.6
10.0 2.5 1.9 2.9 2.1 3.4 2.3 3.6 2.4 3.8 2.5 4.3 2.4 4.7 2.5
12.0 2.5 1.9 2.9 2.1 3.4 2.3 3.6 2.4 3.8 2.5 4.3 2.4 4.7 2.5
14.0 2.5 1.9 2.9 2.1 3.4 2.3 3.6 2.4 3.8 2.5 4.3 2.4 4.6 2.4
16.0 2.5 1.9 2.9 2.1 3.4 2.3 3.6 2.4 3.8 2.5 4.3 2.4 4.5 2.4
18.0 2.5 1.9 2.9 2.1 3.4 2.3 3.6 2.4 3.8 2.5 4.3 2.4 4.5 2.4
20.0 2.5 1.9 2.9 2.1 3.4 2.3 3.6 2.4 3.8 2.5 4.3 2.4 4.4 2.3
21.0 2.5 1.9 2.9 2.1 3.4 2.3 3.6 2.4 3.8 2.5 4.3 2.4 4.4 2.3
23.0 2.5 1.9 2.9 2.1 3.4 2.3 3.6 2.4 3.8 2.5 4.1 2.3 4.3 2.2
25.0 2.5 1.9 2.9 2.1 3.4 2.3 3.6 2.4 3.8 2.5 4.1 2.3 4.2 2.2
27.0 2.5 1.9 2.9 2.1 3.4 2.3 3.6 2.4 3.8 2.5 4.0 2.2 4.2 2.2
29.0 2.5 1.9 2.9 2.1 3.4 2.3 3.6 2.4 3.8 2.5 4.0 2.2 4.1 2.2
31.0 2.5 1.9 2.9 2.1 3.4 2.3 3.6 2.4 3.8 2.5 4.2 2.6 4.1 2.2
33.0 2.5 1.9 2.9 2.1 3.4 2.3 3.6 2.4 3.8 2.5 4.2 2.6 3.9 2.1
35.0 2.5 1.9 2.9 2.1 3.4 2.3 3.6 2.4 3.8 2.5 4.2 2.6 3.9 2.1
37.0 2.5 1.9 2.9 2.1 3.4 2.3 3.6 2.4 3.7 2.4 3.8 2.3 3.9 2.1
39.0 2.5 1.9 2.9 2.1 3.4 2.3 3.6 2.4 3.7 2.4 3.8 2.3 3.8 2.1
42.0 2.5 1.9 2.9 2.1 3.4 2.3 3.6 2.4 3.7 2.4 3.8 2.3 3.8 2.1
44.0 2.5 1.9 2.9 2.1 3.4 2.3 3.6 2.4 3.7 2.4 3.8 2.3 3.8 2.1
46.0 2.5 1.9 2.9 2.1 3.4 2.3 3.6 2.4 3.7 2.4 3.8 2.3 3.8 2.1
4.5
10.0 3.1 2.4 3.7 2.6 4.2 2.8 4.5 2.9 4.8 3.0 5.3 3.4 5.9 3.0
12.0 3.1 2.4 3.7 2.6 4.2 2.8 4.5 2.9 4.8 3.0 5.3 3.4 5.9 3.0
14.0 3.1 2.4 3.7 2.6 4.2 2.8 4.5 2.9 4.8 3.0 5.3 3.4 5.8 3.0
16.0 3.1 2.4 3.7 2.6 4.2 2.8 4.5 2.9 4.8 3.0 5.3 3.4 5.6 2.9
18.0 3.1 2.4 3.7 2.6 4.2 2.8 4.5 2.9 4.8 3.0 5.3 3.4 5.7 3.0
20.0 3.1 2.4 3.7 2.6 4.2 2.8 4.5 2.9 4.8 3.0 5.3 3.4 5.7 3.0
21.0 3.1 2.4 3.7 2.6 4.2 2.8 4.5 2.9 4.8 3.0 5.3 3.4 5.6 3.0
23.0 3.1 2.4 3.7 2.6 4.2 2.8 4.5 2.9 4.8 3.0 5.3 3.4 5.5 3.0
25.0 3.1 2.4 3.7 2.6 4.2 2.8 4.5 2.9 4.8 3.0 5.2 3.0 5.4 2.9
27.0 3.1 2.4 3.7 2.6 4.2 2.8 4.5 2.9 4.8 3.0 5.1 3.0 5.2 2.8
29.0 3.1 2.4 3.7 2.6 4.2 2.8 4.5 2.9 4.8 3.0 5.1 2.9 5.2 2.8
31.0 3.1 2.4 3.7 2.6 4.2 2.8 4.5 2.9 4.8 3.0 5.0 2.9 5.1 2.7
33.0 3.1 2.4 3.7 2.6 4.2 2.8 4.5 2.9 4.8 3.0 4.9 2.8 5.1 2.7
35.0 3.1 2.4 3.7 2.6 4.2 2.8 4.5 2.9 4.8 3.0 4.8 2.8 5.0 2.7
37.0 3.1 2.4 3.7 2.6 4.2 2.8 4.5 2.9 4.8 3.0 4.8 2.9 4.9 2.6
39.0 3.1 2.4 3.7 2.6 4.2 2.8 4.5 2.9 4.6 2.8 4.7 2.8 4.8 2.6
42.0 3.1 2.4 3.7 2.6 4.2 2.8 4.5 2.9 4.6 2.8 4.7 2.8 4.8 2.6
44.0 3.1 2.4 3.7 2.6 4.2 2.8 4.5 2.9 4.6 2.8 4.7 2.8 4.8 2.6
46.0 3.1 2.4 3.7 2.6 4.2 2.8 4.5 2.9 4.6 2.8 4.7 3.1 4.8 2.6
5.6 10.0 3.9 2.7 4.6 3.0 5.3 3.3 5.6 3.4 5.9 3.5 6.6 3.6 7.3 3.5
12.0 3.9 2.7 4.6 3.0 5.3 3.3 5.6 3.4 5.9 3.5 6.6 3.6 7.2 3.5

Low Static Pressure Duct MCAC-VTSM-2011-09
80 Capacity table
14.0 3.9 2.7 4.6 3.0 5.3 3.3 5.6 3.4 5.9 3.5 6.6 3.6 7.1 3.5
16.0 3.9 2.7 4.6 3.0 5.3 3.3 5.6 3.4 5.9 3.5 6.6 3.6 7.0 3.4
18.0 3.9 2.7 4.6 3.0 5.3 3.3 5.6 3.4 5.9 3.5 6.6 3.6 6.8 3.4
20.0 3.9 2.7 4.6 3.0 5.3 3.3 5.6 3.4 5.9 3.5 6.6 3.6 6.7 3.3
21.0 3.9 2.7 4.6 3.0 5.3 3.3 5.6 3.4 5.9 3.5 6.6 3.6 6.6 3.3
23.0 3.9 2.7 4.6 3.0 5.3 3.3 5.6 3.4 5.9 3.5 6.6 3.6 6.6 3.3
25.0 3.9 2.7 4.6 3.0 5.3 3.3 5.6 3.4 5.9 3.5 6.6 3.6 6.5 3.2
27.0 3.9 2.7 4.6 3.0 5.3 3.3 5.6 3.4 5.9 3.5 6.4 3.5 6.4 3.2
29.0 3.9 2.7 4.6 3.0 5.3 3.3 5.6 3.4 5.9 3.5 6.3 3.5 6.4 3.3
31.0 3.9 2.7 4.6 3.0 5.3 3.3 5.6 3.4 5.9 3.5 6.2 3.4 6.2 3.2
33.0 3.9 2.7 4.6 3.0 5.3 3.3 5.6 3.4 5.9 3.5 6.2 3.4 6.2 3.2
35.0 3.9 2.7 4.6 3.0 5.3 3.3 5.6 3.4 5.9 3.5 6.0 3.3 6.0 3.1
37.0 3.9 2.7 4.6 3.0 5.3 3.3 5.6 3.4 5.9 3.5 5.9 3.2 6.0 3.1
39.0 3.9 2.7 4.6 3.0 5.3 3.3 5.6 3.4 5.7 3.4 5.8 3.2 6.0 3.1
42.0 3.9 2.7 4.6 3.0 5.3 3.3 5.6 3.4 5.7 3.4 5.8 3.2 6.0 3.1
44.0 3.9 2.7 4.6 3.0 5.3 3.3 5.6 3.4 5.7 3.4 5.8 3.2 6.0 3.1
46.0 3.9 2.7 4.6 3.0 5.3 3.3 5.6 3.4 5.7 3.7 5.8 3.2 6.0 3.1

MCAC-VTSM-2011-09 Low Static Pressure Duct
Capacity Table 81
7.2 Heating
TC: total capacity WB: wet-bulb temperature DB: dry-bulb temperature
Indoor Unit size
(kW)
Outdoor temperature
()℃
Indoor temperature (℃ DB)
16.00 18.00 20.00 21.00 22.00 24.00
TC TC TC TC TC TC
WB DB kW kW kW kW kW kW
1.8
-20 -19.8 1.23 1.23 1.23 1.23 1.23 1.23
-19 -18.8 1.32 1.32 1.32 1.32 1.32 1.32
-17 -16.7 1.39 1.39 1.39 1.39 1.39 1.39
-15 -14.7 1.43 1.43 1.43 1.43 1.43 1.43
-13.00 -12.60 1.52 1.52 1.52 1.52 1.52 1.52
-11.00 -10.50 1.54 1.56 1.56 1.56 1.56 1.56
-10.00 -9.50 1.61 1.61 1.61 1.61 1.61 1.61
-9.10 -8.50 1.65 1.65 1.65 1.65 1.65 1.65
-7.60 -7.00 1.67 1.67 1.67 1.67 1.67 1.67
-5.60 -5.00 1.74 1.74 1.74 1.74 1.74 1.74
-3.70 -3.00 1.83 1.83 1.83 1.83 1.83 1.83
-0.70 0.00 1.96 1.96 1.96 1.96 1.96 1.85
2.20 3.00 2.07 2.07 2.07 2.07 2.02 1.85
4.10 5.00 2.13 2.13 2.13 2.13 2.02 1.85
6.00 7.00 2.20 2.20 2.20 2.13 2.02 1.85
7.90 9.00 2.27 2.27 2.20 2.13 2.02 1.85
9.80 11.00 2.33 2.33 2.20 2.13 2.02 1.85
11.80 13.00 2.42 2.38 2.20 2.13 2.02 1.85
13.70 15.00 2.49 2.38 2.20 2.13 2.02 1.85
2.2
-20 -19.8 1.46 1.46 1.46 1.46 1.46 1.46
-19 -18.8 1.56 1.56 1.56 1.56 1.56 1.56
-17 -16.7 1.64 1.64 1.64 1.64 1.64 1.64
-15 -14.7 1.69 1.69 1.69 1.69 1.69 1.69
-13.00 -12.60 1.79 1.79 1.79 1.79 1.79 1.79
-11.00 -10.50 1.82 1.85 1.85 1.85 1.85 1.85
-10.00 -9.50 1.90 1.90 1.90 1.90 1.90 1.90
-9.10 -8.50 1.95 1.95 1.95 1.95 1.95 1.95
-7.60 -7.00 1.98 1.98 1.98 1.98 1.98 1.98
-5.60 -5.00 2.05 2.05 2.05 2.05 2.05 2.05
-3.70 -3.00 2.16 2.16 2.16 2.16 2.16 2.16
-0.70 0.00 2.31 2.31 2.31 2.31 2.31 2.18
2.20 3.00 2.44 2.44 2.44 2.44 2.39 2.18
4.10 5.00 2.52 2.52 2.52 2.52 2.39 2.18
6.00 7.00 2.60 2.60 2.60 2.52 2.39 2.18
7.90 9.00 2.68 2.68 2.60 2.52 2.39 2.18
9.80 11.00 2.76 2.76 2.60 2.52 2.39 2.18
11.80 13.00 2.86 2.81 2.60 2.52 2.39 2.18
13.70 15.00 2.94 2.81 2.60 2.52 2.39 2.18
2.8
-20 -19.8 1.79 1.79 1.79 1.79 1.79 1.79
-19 -18.8 1.92 1.92 1.92 1.92 1.92 1.92
-17 -16.7 2.02 2.02 2.02 2.02 2.02 2.02
-15 -14.7 2.02 2.02 2.02 2.02 2.02 2.02
-13.00 -12.60 2.14 2.14 2.14 2.14 2.14 2.14
-11.00 -10.50 2.24 2.24 2.24 2.24 2.24 2.24
-10.00 -9.50 2.34 2.34 2.34 2.34 2.34 2.34
-9.10 -8.50 2.40 2.40 2.40 2.40 2.40 2.40
-7.60 -7.00 2.43 2.43 2.43 2.43 2.43 2.43
-5.60 -5.00 2.53 2.53 2.53 2.53 2.53 2.53
-3.70 -3.00 2.66 2.66 2.66 2.66 2.66 2.66
-0.70 0.00 2.85 2.85 2.85 2.85 2.85 2.69
2.20 3.00 3.01 3.01 3.01 3.01 2.94 2.69
4.10 5.00 3.10 3.10 3.10 3.10 2.94 2.69
6.00 7.00 3.20 3.20 3.20 3.10 2.94 2.69
7.90 9.00 3.30 3.30 3.20 3.10 2.94 2.69
9.80 11.00 3.39 3.39 3.20 3.10 2.94 2.69
11.80 13.00 3.52 3.46 3.20 3.10 2.94 2.69
13.70 15.00 3.62 3.46 3.20 3.10 2.94 2.69
3.6 -20 -19.8 2.24 2.24 2.24 2.24 2.24 2.24
-19 -18.8 2.40 2.40 2.40 2.40 2.40 2.40

Low Static Pressure Duct MCAC-VTSM-2011-09
82 Capacity table
-17 -16.7 2.52 2.52 2.52 2.52 2.52 2.52
-15 -14.7 2.60 2.60 2.60 2.60 2.60 2.60
-13.00 -12.60 2.68 2.68 2.68 2.68 2.68 2.68
-11.00 -10.50 2.80 2.80 2.80 2.80 2.80 2.80
-10.00 -9.50 2.92 2.92 2.92 2.92 2.92 2.92
-9.10 -8.50 3.00 3.00 3.00 3.00 3.00 3.00
-7.60 -7.00 3.04 3.04 3.04 3.04 3.04 3.04
-5.60 -5.00 3.16 3.16 3.16 3.16 3.16 3.16
-3.70 -3.00 3.32 3.32 3.32 3.32 3.32 3.32
-0.70 0.00 3.56 3.56 3.56 3.56 3.56 3.36
2.20 3.00 3.76 3.76 3.76 3.76 3.68 3.36
4.10 5.00 3.88 3.88 3.88 3.88 3.68 3.36
6.00 7.00 4.00 4.00 4.00 3.88 3.68 3.36
7.90 9.00 4.12 4.12 4.00 3.88 3.68 3.36
9.80 11.00 4.24 4.24 4.00 3.88 3.68 3.36
11.80 13.00 4.40 4.32 4.00 3.88 3.68 3.36
13.70 15.00 4.52 4.32 4.00 3.88 3.68 3.36
4.5
-20 -19.8 2.80 2.80 2.80 2.80 2.80 2.80
-19 -18.8 3.00 3.00 3.00 3.00 3.00 3.00
-17 -16.7 3.15 3.15 3.15 3.15 3.15 3.15
-15 -14.7 3.25 3.25 3.25 3.25 3.25 3.25
-13.00 -12.60 3.35 3.35 3.35 3.35 3.35 3.35
-11.00 -10.50 3.50 3.50 3.50 3.50 3.50 3.50
-10.00 -9.50 3.65 3.65 3.65 3.65 3.65 3.65
-9.10 -8.50 3.75 3.75 3.75 3.75 3.75 3.75
-7.60 -7.00 3.80 3.80 3.80 3.80 3.80 3.80
-5.60 -5.00 3.95 3.95 3.95 3.95 3.95 3.95
-3.70 -3.00 4.15 4.15 4.15 4.15 4.15 4.15
-0.70 0.00 4.45 4.45 4.45 4.45 4.45 4.20
2.20 3.00 4.70 4.70 4.70 4.70 4.60 4.20
4.10 5.00 4.85 4.85 4.85 4.85 4.60 4.20
6.00 7.00 5.00 5.00 5.00 4.85 4.60 4.20
7.90 9.00 5.15 5.15 5.00 4.85 4.60 4.20
9.80 11.00 5.30 5.30 5.00 4.85 4.60 4.20
11.80 13.00 5.50 5.40 5.00 4.85 4.60 4.20
13.70 15.00 5.65 5.40 5.00 4.85 4.60 4.20
5.6
-20 -19.8 3.53 3.53 3.53 3.53 3.53 3.53
-19 -18.8 3.78 3.78 3.78 3.78 3.78 3.78
-17 -16.7 3.97 3.97 3.97 3.97 3.97 3.97
-15 -14.7 4.10 4.10 4.10 4.10 4.10 4.10
-13.00 -12.60 4.22 4.22 4.22 4.22 4.22 4.22
-11.00 -10.50 4.41 4.41 4.41 4.41 4.41 4.41
-10.00 -9.50 4.60 4.60 4.60 4.60 4.60 4.60
-9.10 -8.50 4.73 4.73 4.73 4.73 4.73 4.73
-7.60 -7.00 4.79 4.79 4.79 4.79 4.79 4.79
-5.60 -5.00 4.98 4.98 4.98 4.98 4.98 4.98
-3.70 -3.00 5.23 5.23 5.23 5.23 5.23 5.23
-0.70 0.00 5.61 5.61 5.61 5.61 5.61 5.29
2.20 3.00 5.92 5.92 5.92 5.92 5.80 5.29
4.10 5.00 6.11 6.11 6.11 6.11 5.80 5.29
6.00 7.00 6.30 6.30 6.30 6.11 5.80 5.29
7.90 9.00 6.49 6.49 6.30 6.11 5.80 5.29
9.80 11.00 6.68 6.68 6.30 6.11 5.80 5.29
11.80 13.00 6.93 6.80 6.30 6.11 5.80 5.29
13.70 15.00 7.12 6.80 6.30 6.11 5.80 5.29
7.1
-20 -19.8 4.48 4.48 4.48 4.48 4.48 4.48
-19 -18.8 4.80 4.80 4.80 4.80 4.80 4.80
-17 -16.7 5.04 5.04 5.04 5.04 5.04 5.04
-15 -14.7 5.20 5.20 5.20 5.20 5.20 5.20
-13.00 -12.60 5.36 5.36 5.36 5.36 5.36 5.36
-11.00 -10.50 5.60 5.60 5.60 5.60 5.60 5.60
-10.00 -9.50 5.84 5.84 5.84 5.84 5.84 5.84
-9.10 -8.50 6.00 6.00 6.00 6.00 6.00 6.00
-7.60 -7.00 6.08 6.08 6.08 6.08 6.08 6.08
-5.60 -5.00 6.32 6.32 6.32 6.32 6.32 6.32

MCAC-VTSM-2011-09 Low Static Pressure Duct
Capacity Table 83
-3.70 -3.00 6.64 6.64 6.64 6.64 6.64 6.64
-0.70 0.00 7.12 7.12 7.12 7.12 7.12 6.72
2.20 3.00 7.52 7.52 7.52 7.52 7.36 6.72
4.10 5.00 7.76 7.76 7.76 7.76 7.36 6.72
6.00 7.00 8.00 8.00 8.00 7.76 7.36 6.72
7.90 9.00 8.24 8.24 8.00 7.76 7.36 6.72
9.80 11.00 8.48 8.48 8.00 7.76 7.36 6.72
11.80 13.00 8.80 8.64 8.00 7.76 7.36 6.72
13.70 15.00 9.04 8.64 8.00 7.76 7.36 6.72

Low Static Pressure Duct MCAC-VTSM-2011-09
84 Accessories
8. Electric Characteristics
Model Indoor Unit Power Supply IFM
Hz Voltage Min. Max. MCA MFA KW FLA
MDV-D18T3/N1-B 50 230 207 253 0.175 15 0.03 0.14
MDV-D22T3/N1-B 50 230 207 253 0.175 15 0.03 0.14
MDV-D28T3/N1-B 50 230 207 253 0.187 15 0.032 0.15
MDV-D36T3/N1-B 50 230 207 253 0.175 15 0.032 0.15
MDV-D45T3/N1-B 50 230 207 253 0.35 15 0.053 0.28
MDV-D56T3/N1-B 50 230 207 253 0.35 15 0.053 0.28
Remark:
MCA: Min. Current Amps. (A)
MFA: Max. Fuse Amps. (A)
KW: Fan Motor Rated Output (kW)
FLA: Full Load Amps. (A)
IFM:Indoor Fan Motor

MCAC-VTSM-2011-09 Low Static Pressure Duct
Sound level 85
9. Noise Levels
9.1 Test condition
9.2 Test value
Model Noise test value dB(A)
Hi Mid Low
MDV-D18T3/N1-B 33 27 21
MDV-D22T3/N1-B 34 29 21
MDV-D28T3/N1-B 36 34 30
MDV-D36T3/N1-B 36 34 30
MDV-D45T3/N1-B 37 35 31
MDV-D56T3/N1-B 37 35 31
MDV-D18T3/N1-B MDV-D22T3/N1-B
Octave band center frequency(Hz)
Sound pressure level dB(0dB=0.0002μ bar)
Audibility limits of
continuous white
sound
Octave band center frequency(Hz)
Sound pressure level dB(0dB=0.0002μ bar)
Audibility limits of
continuous white
sound
MDV-D28T3/N1-B MDV-D36T3/N1-B MDV-D45T3/N1-BMDV-D56T3/N1-B
Octave band center fre
q
uenc
y
(Hz)
Sound pressure level dB(0dB=0.0002μ bar)
Audibility limits of
continuous white
sound
Octave band center frequency(Hz)
Sound pressure level dB(0dB=0.0002μ bar)
Audibility limits of
continuous white
sound

Low Static Pressure Duct MCAC-VTSM-2011-09
86 Accessories
10. Accessories
10.1 Standard accessories
Name Quantity Shape Usage
Installation manual 1 / /
Pipe insulation material 2 Heat insulation
washer 8 Overhang indoor units
Remote controller 1 /
7# alkaline battery 2 /
Holder for remote controller 1 Hold the remote controller
Constriction bandage 10 —
Network matching wire 1
The indoor unit witch at the terminal of
communication system should connect a
impedance between port p and port Q
Remoter controller manual 1 —
Controlling discreteness installation plot 1 — —
Installation spring 2 Fix water outlet
Water outlet joint 1 For drainage
Signal receiver display board 1 Receive signal
10.2Optional accessories
Name Model Code Usage
Drain pump kit SBH-03 210095700120 To lift the drain water up
Wired remote controller KJR-10B/DP(T)-E 203355190000 With a standard 5m long cable to connect to
display board.
(Follow me) Wired remote
controller KJR-12B/DP(T)-E 203355100010 With an extra Built-in room temp. sensor, all
others are same as KJR-10B

MCAC-VTSM-2011-09 Concealed Duct Unit (A5 Type)
Concealed Duct Unit (A5 Type) 87
Concealed Duct Unit (A5 Type)
1. Feature ............................................................................. 88
2. Specifications .................................................................. 90
3. Dimension ......................................................................933
4. Service Space ................................................................101
5. Piping Diagram ..............................................................102
6. Wiring Diagram .............................................................103
7. Fan Performance ..........................................................104
8. Capacity Tables .............................................................100
9. Electric Characteristics ................................................107
10. Noise Levels ................................................................108
11. Accessories ................................................................. 110

C
8
8
1
C
oncealed Du
c
8
. Feature
1.1
Com
p
1.1.1 Onl
y
rooms wit
h
1.1.2 The
1.2
Wid
e
—The ca
p
1.3
Four
1.4
Two
e
j
ust exch
a
the right
s
1.5
Con
v
1.5.1 The
1.5.2Stan
d
downwar
d
1.5.3.Suc
t
1.5.4 Fla
n
1.5.4Air i
n
Size of t
h
makes it i
s
c
t Type (A5 T
y
p
act size
y
210 mm (
2
h as little a
s
EXV is bui
e
capacity
r
p
acity rang
e
speed fan
e
xternal st
a
nge the w
i
s
ide diagra
m
v
enient ins
t
EXV is fixe
d
d
ard filter w
d
from botto
m
t
ion chamb
e
n
ge for air in
/
n
let from b
a
h
e plate fro
m
s
possible t
o
y
pe)
2
2~56 mod
e
s
240mm~3
0
lt-in design
r
ange
e
s from 2.2
K
motor(Su
p
atic press
u
i
ring conne
c
m
.
t
allation
d
inside of t
h
ith aluminu
m
m
.
e
r is include
d
/outlet duct
a
ck standa
r
m
bottom a
n
o
easily con
v
e
ls) or 270m
m
0
0 mm dept
h
of the indo
o
K
W to 14.0K
W
p
er High ‘
S
u
re setting
c
tion of ‘S
H
h
e indoor u
n
m
frame, w
h
d
as standa
r
connection
r
d and fro
m
n
d flange f
r
v
ert the air
r
m (71 to 14
0
h
between t
o
r unit, mak
e
W
, totally te
S
H’ speed
a
s for adde
d
H
’ and ‘Hi’.
P
n
it
h
ich is remo
v
rd equipme
n
is standard
.
m
bottom o
p
r
om back is
r
eturn from
b
0
model) in
he drop-ceil
e
s the main
n
models.
a
s an optio
d
flexibilit
y
P
2 and P3
a
v
able
n
t
.
p
tional.
same, whi
c
b
ack to bott
o
height, this
ing and ceil
body witho
u
n
)
y
a
s
c
h
o
m by insta
l
MCA
C
model can
b
ing slab.
u
t an extra t
h
ller.
C
-VTSM-2011
-
Featu
r
b
e installed
h
rottle kit b
o
-
09
r
es
in
o
x.

M
F
M
CAC-VTSM-
2
e
atures
1.5.5Stan
d
Drain pu
m
1.6
Flexi
1.6.1 Sta
con
t
1.6.2 The
LE
D
22
~
1.6.3 The
the
CA
C
1.6.4 The
pip
e
1.6.5 Sta
n
2
011-09
d
ard built-i
n
m
p is equipp
ble contro
l
ndard Wir
e
t
roller R05 i
s
display bo
a
D
display.
~
56 model(
S
71~140
m
Electrical c
o
small spac
e
C
in factory)
EXV is fixe
d
e
which is v
e
n
dard functi
o
n
drain pum
ed as stand
l
and conv
e
d remote
c
s
as an opti
o
a
rd is conne
c
S
tandard)
m
odel
o
ntrol box i
s
e
hard to m
a
d
inside of t
h
e
ry conveni
e
o
nal port su
c
p
ard access
o
e
nient for
m
c
ontroller
K
o
n.
c
ted with th
e
possible to
a
intain *.( sh
h
e indoor u
n
e
nt for main
t
c
h as Remo
t
o
ry with 75
0
m
aintenan
K
JR-12B (F
e
E-box in f
a
22~56
m
remove 1m
ould be req
u
n
it, which is
t
enance.
te On/Off D
r
mm pump
h
ce
OLLOW M
E
a
ctor
y
, whic
h
m
odel(Optio
n
far away fr
o
u
ired by cli
e
screw con
r
y contact s
w
Pum
p
h
ead.
E
)/ KJR-10
h
makes tro
u
n
)
o
m the mai
n
e
nt in advan
c
n
ected, ca
n
w
itch, and
A
p
B, and wi
r
uble-shooti
n
n
unit, which
c
e and don
e
n
unscrew f
r
A
larm signal
r
eless rem
o
n
g easier b
y
is suitable
f
e
by Midea
r
om the liqui
output (220
V
89
o
te
y
f
or
d
V
)

Concealed Duct Type (A5 Type) MCAC-VTSM-2011-09
90 Specifications
2. Specifications
Model MDV-D22T2/N1X-BA5 MDV-D28T2/N1X-BA5 MDV-D36T2/N1X-BA5
Power supply V- Ph-H
z
220-240V~, 1Ph, 50Hz
Cooling
Capacity kW
2.2 2.8 3.6
Input W
59 57 61
Rated current A 0.28 0.28 0.28
Heating
Capacity kW
2.6 3.2 4.0
Input W
59 57 61
Rated current A 0.28 0.28 0.28
Indoor fan
motor
Model YSK27-4C YSK27-4C YSK27-4C
Type AC Motor
Brand Welling
Input W 50.4 50.4 51.2
Capacitor μF 1.5uF/450V 1.5UF/450V 2UF/450V
Speed (hi/mid/lo) r/min 1180/960/830/730 1180/960/830/730 1270/1090/960/860
Indoor coil
Number of rows 2 2 3
Tube pitch(a)* row
pitch(b) mm 21*13.5 21*13.5 21*13.5
Fin spacing mm 1.5 1.5 1.5
Fin type Hydrophilic aluminum
Tube outside diameter
and type mm Ф7,
Inner groove tube
length * height * width mm 515*41*254 515*41*254 735x40.1x252
Number of circuits 3 3 3
Indoor air flow (H/M/L) m3/h 570/530/410/320 570/530/410/320 570/530/410/320
Indoor external static pressure (Hi) Pa 10(10~30)
Indoor noise level (Hi/Mid/Lo) dB(A) 38/35/32 38/35/32 40/38/36
Indoor unit
Dimension (W×H×D) mm 700x210x570 700x210x570 700x210x570
Packing (W×H×D) mm 915*290*655 915*290*655 915*290*655
Net/Gross weight kg 21.5/26 21.5/26 22/27
Fresh Air intake hole diameter (round) mm Ф92 Ф92 Ф92
Refrigerant type R410A
Throttle Type Removable EXV (screw connection)
Model BD20FKS(L)
Design pressure MPa 4.4/2.6
Refrigerant piping Liquid / Gas mm Ф6.35/ Ф12.7 Ф6.35/ Ф12.7 Ф6.35/ Ф12.7
Connecting wiring Power wiring mm2 3*2.5(L≤20m); 3*3.5(L≤50m)
Signal wiring mm2 3*0.75
Drainage water pipe diameter Ф32 (ID Ф25, OD Ф32)
Controller Wired controller KJR-12B/DP(T)-E/ KJR-10B/DP(T)-E
(6 meters connection wire)
Operation temp ℃ Cooling:17~32;Heating:10~28
Notes: 1. Nominal cooling capacities are based on the following conditions: return air temp. : 27°CDB, 19°CWB, outdoor
temp.:35°CDB,equivalent ref. Piping: 8m(horizontal)
2. Nominal heating capacities are based on the following conditions: return air temp.: 20°CDB,outdoor temp.:
7°CDB,6°CWB,equivalent ref. Piping: 8m(horizontal)

MCAC-VTSM-2011-09 Concealed Duct Unit (A5 Type)
Specifications 91
Model MDV-D45T2/N1X-BA5 MDV-D56T2/N1X-BA5 MDV-D71T2/N1X-BA5
Power supply V- Ph-Hz 220-240V~, 1Ph, 50Hz
Cooling
Capacity kW
4.5 5.6 7.1
Input W
92 92 149
Rated current A 0.5 0.5 0.7
Heating
Capacity kW
5 6.3 8
Input W
92 92 149
Rated current A 0.5 0.5 0.7
Indoor
fan motor
Model YSK68-4P YSK68-4P YSK74-4P
Type AC MOTOR
Brand Welling
Input W 91 91 120
Capacitor μF 3.5UF/450V 3.5UF/450V 3.5UF/450V
Speed (hi/mid/lo) r/min 1150/1020/800/700 1150/1020/800/700 1000/870/750/680
Indoor
coil
Number of rows 3 3 4
Tube pitch(a)* row
pitch(b) mm 21X13.37 21X13.37 21X13.37
Fin spacing mm 1.5 1.5 1.5
Fin type Hydrophilic aluminum
Tube outside diameter
and type mm Ф7
inner groove tube
length * height * width mm 735*40.1*254 735*40.1*254 735*53.5*254
Number of circuits 4 4 6
Indoor air flow (H/M/L) m3/h 958/850/667/583 958/850/667/583 1207/1050/905/821
Indoor external static pressure (Hi) Pa 10(10~30)
Indoor noise level (Hi/Mid/Lo) dB(A) 41/38.9/36 41/38.9/36 43.4/40/36
Indoor
unit
Dimension (W×H×D) mm 920×210×570 920×210×570 920×210×570
Packing (W×H×D) mm 1135×290×655 1135×290×655 1135×350×655
Net/Gross weight kg 27/32 27/32 30/34
Fresh Air intake hole diameter (round) mm Ф92 Ф92 Ф92
Refrigerant type R410A
Throttle Type Removable EXV (screw connection)
Model BD20FKS(L)
Design pressure MPa 4.4/2.6
Refrigerant piping Liquid / Gas mm Ф6.35/ Ф12.7 Ф9.52/ Ф15.9 Ф9.52/ Ф15.9
Connecting wiring Power wiring mm2 3*2.5(L≤20m); 3*3.5(L≤50m)
Signal wiring mm2 3*0.75
Drainage water pipe diameter Ф32 (ID Ф25, OD Ф32)
Controller Wired controller KJR-12B/DP(T)-E/ KJR-10B/DP(T)-E
(6 meters connection wire)
Operation temp ℃ Cooling:17~32;Heating:10~28
Notes: 1. Nominal cooling capacities are based on the following conditions: return air temp. : 27°CDB, 19°CWB, outdoor
temp.:35°CDB,equivalent ref. Piping: 8m(horizontal)
2. Nominal heating capacities are based on the following conditions: return air temp.: 20°CDB,outdoor temp.:
7°CDB,6°CWB,equivalent ref. Piping: 8m(horizontal)

Concealed Duct Type (A5 Type) MCAC-VTSM-2011-09
92 Specifications
Model MDV-D80N1X
-BA5
MDV-D90N1X
-BA5
MDV-D112N1X
-BA5
MDV-D140N1X
-BA5
Power supply V- Ph-Hz 220-240V~, 1Ph, 50Hz
Cooling
Capacity kW 8 9 11.2 14
Input W
198 200 313 274
Rated current A 1 1 1.8 1.8
Heating
Capacity kW 9 10 12.5 15.5
Input W
198 200 313 274
Rated current A 1.16 1.16 1.65 1.8
Indoor fan
motor
Model YSK100-4P YSK100-4P YSK200-4P YSK180-4P
Type AC MOTOR
Brand Welling
Input W 179 179 300 255
Capacitor μF 10UF/450V 10UF/450V 10UF/450V 10UF/450V
Speed (hi/mid/lo) r/min 935/810/700/620 935/810/700/620 1130/1000/870/77
0
1080/960/830/710
Indoor coil
Number of rows 4 4 4 4
Tube
pitch(a)*rowpitch(b) mm 21X13.5 21X13.5 21X13.5 25.4X22
Fin spacing mm 1.5 1.5 1.5 1.5
Fin type Hydrophilic aluminum
Tube outside
diameter and type mm Ф7
inner groove tube
length * height * width mm 955*54*336 955*54*336 955*54*336 103088*457.2
Number of circuits 5 8 8 8
Indoor air flow ( (SH)/H/M/L) m3/h (1400)1226/101
8/861
(1400)1226/101
8/861
(1750)/1752/15
52/1389
(2138)/
1918/1539/1250
Indoor external static pressure (Hi) Pa 20(10~50)) 20(10~50)) 40(10~80)) 40(10~80)
Indoor noise level (Hi/Mid/Lo) dB(A) 45.4/39.8/37 45.4/39.8/37 48.0 /41.9/38 47.7/43.2/39.0
Indoor unit
Dimension (W×H×D) mm 1140*270*710 1140*270*710 1140*270*710 1200*300*800
Packing (W×H×D) mm 1355*350*795 1355*350*795 1355*350*795 1385*375*920
Net/Gross weight kg 38/46.5 40/48 40/48 49/58
Fresh Air intake hole diameter (round) mm Ф125 Ф125 Ф125 Ф125
Refrigerant type R410A
Throttle Type Removable EXV (screw connection)
Model BD24FKS(L)
Design pressure MPa 4.4/2.6
Refrigerant piping Liquid / Gas mm Ф9.53/Ф15.9 9.53/Ф15.9 Ф9.53/Ф15.9 Ф9.53/Ф15.9
Connecting wiring Power wiring mm2 3×2.5(L≤20m); 3×3.5(L≤50m)
Signal wiring mm2 3*0.75
Drainage water pipe diameter Ф32 (ID Ф25, OU Ф32)
Controller Wired controller KJR-12B/DP(T)-E/ KJR-10B/DP(T)-E
(6 meters connection wire)
Operation temp ℃ Cooling:17~32;Heating:10~28
Notes: 1. Nominal cooling capacities are based on the following conditions: return air temp. : 27°CDB, 19°CWB, outdoor
temp.:35°CDB,equivalent ref. Piping: 8m(horizontal)
2. Nominal heating capacities are based on the following conditions: return air temp.: 20°CDB,outdoor temp.:
7°CDB,6°CWB,equivalent ref. Piping: 8m(horizontal)

MCAC-VTSM-2011-09 Concealed Duct Unit (A5 Type)
Dimensions 93
3. Dimension
MDV-D22T2/NX1-BA5 MDV-D28T2/NX1-BA5 MDV-D36T2/NX1-BA5 MDV-D45T2/NX1-BA5
MDV-D56T2/NX1-BA5 MDV-D71T2/NX1-BA5 MDV-D80T2/NX1-BA5 MDV-D90T2/NX1-BA5
MDV-D112T2/NX1-BA5 MDV-D140T2/NX1-BA5
Outline dimension and air outlet opening size
Air return opening size:
Position size of declensional ventilation opening
Size of mounted lug
Air filter
Air filter
Electric control cabinet
Electric control cabinet

Concealed Duct Type (A5 Type) MCAC-VTSM-2011-09
94 Dimensions
MODEL
(MDV-D**T2/N1-B)
Outline dimension Air outlet opening size
A B C D E F G H
22~36 700 210 635 570 790 65 493 35
45~56 920 210 635 570 1010 65 713 35
71 920 210 635 570 1010 65 713 35
80~112 1140 270 775 710 1230 65 933 35
140 1200 300 865 800 1290 80 968 40
MODEL
(MDV-D**T2/N1-B)
Air return opening size Size of mounted lug
I J K L M N O P
22~36 119
595 200 80 740 350 26 20
45~56 119 815 200 80 960 350 26 20
71 179 815 260 20 960 350 26 20
80~112 179 1035 260 20 1180 490 26 20
140 204 1094 288 45 1240 500 26 20
Note: Fresh air intake connection size is Ф125 mm.

MCAC-VTSM-2011-09 Concealed Duct Unit (A5 Type)
Installation Space 95
4. Service Space
Ensure the needed spaces for installation and maintenance.
The ceiling is horizontal, and its structure can endure the weight of the indoor unit.
The outlet and the inlet are not impeded, and the influence of external air is the least.
The air flow can reach throughout the room.
The connecting pipe and drainpipe could be extracted out easily.
There is no direct radiation from heaters.
Below is the recommended duct installation method:
Keep min. 600*600 space for checking &maintenance:
Canvas tie-in Canvas tie-in
Air outlet
Isolation booth
Isolation booth
checking orifice
Air inlet
Air dust filter
Maint ena nce space
Maint ena nce space
checking port
60 0m m* 60 0mm
500mm or up
600mm or up

Concealed Duct Type (A5 Type) MCAC-VTSM-2011-09
96 Piping diagram
5. PipingDiagram
flare nut
flare nut
T2B
gas side
motor
heat exchanger
fan
EXV
liquid side
T2
T1

M
W
6
M
CAC-VTSM-
2
W
iring diagra
m
6
. Wiring
D
2
011-09
m
D
iagram
C
C
oncealed Du
c
c
t Unit (A5 Ty
p
p
e)
97

C
9
8
7
C
oncealed Du
c
8
7
. Fan Per
f
How to R
e
The vertic
a
The chara
c
The name
Therefore
position. I
f
MD
V
c
t Type (A5 T
y
f
ormance
e
ad the Dia
g
a
l axis is the
c
teristic cur
v
plate values
in the case
o
f
30Pa need
e
V
-D22(28)(36
)
MDV-D71T
2
y
pe)
g
ram
External St
a
v
e for the “Hi
are shown
b
o
f 22T2Type
,
e
d, the airflo
w
)
T2/N1X-BA5
2
/N1X-BA5
M
a
tic Pressur
e
,” “Med, ” an
b
ased on th
e
,
the air flow
w
is at ‘S
H
M
D
V
-D80(90)
T
e
(Pa) while
t
n
d “Lo ” fan s
e
“Hi ” air flo
w
is 530 CMH
H
’
T2/N1X-BA5
t
he horizont
a
peed contro
l
w
.
, while the
E
MDV-
D
a
l axis repre
s
l
, as well the
E
xternal Stat
i
D
45(56)T2/N1
X
MCA
C
F
s
ents theAir
e
reserved “
S
ic Pressure i
X
-BA5
C
-VTSM-2011
-
an performa
n
Flow (CMH)
.
S
H” speed.
s 10Pa at “
H
-
09
n
ce
.
H
i ”

M
F
M
CAC-VTSM-
2
a
n performan
c
If the ext
may dro
p
So there
’
volume,
t
A
s well,
t
duct for
a
E.g.for
M
set to SH
120Pa, s
h
2
011-09
c
e
MDV-D112T
2
ernal static
p
p
too low at
e
’s a limit air
t
he fan achi
e
t
here’s a lim
i
a
ir-inlet and
o
M
D
V
-D140T2/
H
, it should b
e
h
ould set to
S
2
/N1X-BA5
p
ressure is t
o
e
ach air outl
e
flow volu
m
e
ve the max
.
i
t airflow vol
u
o
utlet, to pr
e
NX1-BA5 mo
e
at least 20
P
S
H.
o
o great (du
e
e
t.
eline for ea
c
ESP, and i
n
u
me, which i
s
e
vent damag
e
del, if at hig
h
P
a duct.Simil
a
e
to long ext
e
c
h speed, w
h
n
door evapo
r
s
the max.
V
e from the h
i
h
speed, it is
a
rly , it only
a
MD
e
nsion of du
h
ich is the m
i
r
ator may pr
o
V
alue at eac
h
i
gh temp. of
required to
c
a
llow max. 1
0
C
V
-D140T2/N1
c
t, for exam
p
n. airflow of
o
tect by low
t
speed. It re
q
motor/evap
o
onnect duct
w
0Pa duct res
C
oncealed Du
c
X-BA5
p
le), the air
f
this duct un
i
temp.
quest the u
n
o
rator.
with min. 10
P
s
istence @ Hi
c
t Unit (A5 Ty
p
f
lowvolume
t. At this flo
w
n
it to connec
t
P
a resistenc
e
speed. If ne
e
p
e)
99
w
t
e
.If
e
d

Concealed Duct Type (A5 Type) MCAC-VTSM-2011-09
100 Capacity table
8. Capacity Tables
8.1 Cooling TC: total capacity SC: sensible capacity WB: wet-bulb temperature DB:dry-bulb temperature
Indoor
Unit size
(kW)
Outdoor
temperature
( DB)℃
Indoor temperature ( WB℃/DB)
14/20 16/23 18/26 19/27 20/28 22/30 24/32
TC SC TC SC TC SC TC SC TC SC TC SC TC SC
kW kW kW kW kW kW kW kW kW kW kW kW kW kW
2.2
10.0 1.5 1.4 1.8 1.5 2.1 1.6 2.2 1.6 2.3 1.7 2.6 1.7 2.9 1.7
12.0 1.5 1.4 1.8 1.5 2.1 1.6 2.2 1.6 2.3 1.7 2.6 1.7 2.8 1.6
14.0 1.5 1.4 1.8 1.5 2.1 1.6 2.2 1.6 2.3 1.7 2.6 1.7 2.8 1.6
16.0 1.5 1.4 1.8 1.5 2.1 1.6 2.2 1.6 2.3 1.7 2.6 1.7 2.8 1.6
18.0 1.5 1.4 1.8 1.5 2.1 1.6 2.2 1.6 2.3 1.7 2.6 1.7 2.8 1.6
20.0 1.5 1.4 1.8 1.5 2.1 1.6 2.2 1.6 2.3 1.7 2.6 1.7 2.7 1.5
21.0 1.5 1.4 1.8 1.5 2.1 1.6 2.2 1.6 2.3 1.7 2.6 1.7 2.7 1.5
23.0 1.5 1.4 1.8 1.5 2.1 1.6 2.2 1.6 2.3 1.7 2.5 1.6 2.7 1.5
25.0 1.5 1.4 1.8 1.5 2.1 1.6 2.2 1.6 2.3 1.7 2.5 1.6 2.6 1.5
27.0 1.5 1.4 1.8 1.5 2.1 1.6 2.2 1.6 2.3 1.7 2.5 1.6 2.6 1.5
29.0 1.5 1.4 1.8 1.5 2.1 1.6 2.2 1.6 2.3 1.7 2.4 1.5 2.5 1.5
31.0 1.5 1.4 1.8 1.5 2.1 1.6 2.2 1.6 2.3 1.7 2.4 1.5 2.5 1.5
33.0 1.5 1.4 1.8 1.5 2.1 1.6 2.2 1.6 2.3 1.7 2.4 1.5 2.4 1.5
35.0 1.5 1.4 1.8 1.5 2.1 1.6 2.2 1.6 2.3 1.7 2.3 1.5 2.4 1.5
37.0 1.5 1.4 1.8 1.5 2.1 1.6 2.2 1.6 2.3 1.7 2.3 1.5 2.3 1.5
39.0 1.5 1.4 1.8 1.5 2.1 1.6 2.2 1.6 2.2 1.6 2.3 1.5 2.3 1.5
42.0 1.5 1.4 1.8 1.5 2.1 1.6 2.2 1.6 2.2 1.6 2.3 1.5 2.3 1.5
44.0 1.5 1.4 1.8 1.5 2.1 1.6 2.2 1.6 2.2 1.6 2.3 1.5 2.3 1.5
46.0 1.5 1.4 1.8 1.5 2.1 1.6 2.2 1.6 2.2 1.6 2.3 1.5 2.3 1.5
2.8
10.0 1.9 1.7 2.3 1.9 2.6 2.1 2.8 2.1 3.0 2.1 3.3 2.2 3.7 2.2
12.0 1.9 1.7 2.3 1.9 2.6 2.1 2.8 2.1 3.0 2.1 3.3 2.2 3.6 2.1
14.0 1.9 1.7 2.3 1.9 2.6 2.1 2.8 2.1 3.0 2.1 3.3 2.2 3.6 2.1
16.0 1.9 1.7 2.3 1.9 2.6 2.1 2.8 2.1 3.0 2.1 3.3 2.2 3.5 2.1
18.0 1.9 1.7 2.3 1.9 2.6 2.1 2.8 2.1 3.0 2.1 3.3 2.2 3.5 2.1
20.0 1.9 1.7 2.3 1.9 2.6 2.1 2.8 2.1 3.0 2.1 3.3 2.2 3.4 2.1
21.0 1.9 1.7 2.3 1.9 2.6 2.1 2.8 2.1 3.0 2.1 3.3 2.2 3.4 2.1
23.0 1.9 1.7 2.3 1.9 2.6 2.1 2.8 2.1 3.0 2.1 3.3 2.1 3.4 2.1
25.0 1.9 1.7 2.3 1.9 2.6 2.1 2.8 2.1 3.0 2.1 3.2 2.1 3.3 2.0
27.0 1.9 1.7 2.3 1.9 2.6 2.1 2.8 2.1 3.0 2.1 3.2 2.1 3.3 2.0
29.0 1.9 1.7 2.3 1.9 2.6 2.1 2.8 2.1 3.0 2.1 3.1 2.0 3.2 1.9
31.0 1.9 1.7 2.3 1.9 2.6 2.1 2.8 2.1 3.0 2.1 3.1 2.0 3.2 1.9
33.0 1.9 1.7 2.3 1.9 2.6 2.1 2.8 2.1 3.0 2.1 3.1 2.0 3.1 1.9
35.0 1.9 1.7 2.3 1.9 2.6 2.1 2.8 2.1 2.9 2.0 3.0 2.0 3.1 1.9
37.0 1.9 1.7 2.3 1.9 2.6 2.1 2.8 2.1 2.9 2.0 3.0 2.0 3.0 1.8
39.0 1.9 1.7 2.3 1.9 2.6 2.1 2.8 2.1 2.9 2.0 3.0 2.1 3.0 1.9
42.0 1.9 1.7 2.3 1.9 2.6 2.1 2.8 2.1 2.9 2.0 3.0 2.1 3.0 1.9
44.0 1.9 1.7 2.3 1.9 2.6 2.1 2.8 2.1 2.9 2.0 3.0 2.1 3.0 1.9
46.0 1.9 1.7 2.3 1.9 2.6 2.1 2.8 2.1 2.9 2.0 3.0 2.1 3.0 1.9
3.6
10.0 2.5 2.1 2.9 2.3 3.4 2.5 3.6 2.6 3.8 2.7 4.3 2.6 4.7 2.7
12.0 2.5 2.1 2.9 2.3 3.4 2.5 3.6 2.6 3.8 2.7 4.3 2.6 4.7 2.7
14.0 2.5 2.1 2.9 2.3 3.4 2.5 3.6 2.6 3.8 2.7 4.3 2.6 4.6 2.6
16.0 2.5 2.1 2.9 2.3 3.4 2.5 3.6 2.6 3.8 2.7 4.3 2.6 4.5 2.6
18.0 2.5 2.1 2.9 2.3 3.4 2.5 3.6 2.6 3.8 2.7 4.3 2.6 4.5 2.6
20.0 2.5 2.1 2.9 2.3 3.4 2.5 3.6 2.6 3.8 2.7 4.3 2.6 4.4 2.5
21.0 2.5 2.1 2.9 2.3 3.4 2.5 3.6 2.6 3.8 2.7 4.3 2.6 4.4 2.5
23.0 2.5 2.1 2.9 2.3 3.4 2.5 3.6 2.6 3.8 2.7 4.1 2.5 4.3 2.4
25.0 2.5 2.1 2.9 2.3 3.4 2.5 3.6 2.6 3.8 2.7 4.1 2.5 4.2 2.4
27.0 2.5 2.1 2.9 2.3 3.4 2.5 3.6 2.6 3.8 2.7 4.0 2.4 4.2 2.4
29.0 2.5 2.1 2.9 2.3 3.4 2.5 3.6 2.6 3.8 2.7 4.0 2.4 4.1 2.4
31.0 2.5 2.1 2.9 2.3 3.4 2.5 3.6 2.6 3.8 2.7 4.2 2.8 4.1 2.4
33.0 2.5 2.1 2.9 2.3 3.4 2.5 3.6 2.6 3.8 2.7 4.2 2.8 3.9 2.3
35.0 2.5 2.1 2.9 2.3 3.4 2.5 3.6 2.6 3.8 2.7 4.2 2.8 3.9 2.3
37.0 2.5 2.1 2.9 2.3 3.4 2.5 3.6 2.6 3.7 2.6 3.8 2.5 3.9 2.3
39.0 2.5 2.1 2.9 2.3 3.4 2.5 3.6 2.6 3.7 2.6 3.8 2.5 3.8 2.3
42.0 2.5 2.1 2.9 2.3 3.4 2.5 3.6 2.6 3.7 2.6 3.8 2.5 3.8 2.3
44.0 2.5 2.1 2.9 2.3 3.4 2.5 3.6 2.6 3.7 2.6 3.8 2.5 3.8 2.3
46.0 2.5 2.1 2.9 2.3 3.4 2.5 3.6 2.6 3.7 2.6 3.8 2.5 3.8 2.3
4.5 10.0 3.1 2.6 3.7 2.8 4.2 3.1 4.5 3.2 4.8 3.2 5.3 3.7 5.9 3.3

MCAC-VTSM-2011-09 Concealed Duct Unit (A5 Type)
Capacity table 101
12.0 3.1 2.6 3.7 2.8 4.2 3.1 4.5 3.2 4.8 3.2 5.3 3.7 5.9 3.3
14.0 3.1 2.6 3.7 2.8 4.2 3.1 4.5 3.2 4.8 3.2 5.3 3.7 5.8 3.3
16.0 3.1 2.6 3.7 2.8 4.2 3.1 4.5 3.2 4.8 3.2 5.3 3.7 5.6 3.2
18.0 3.1 2.6 3.7 2.8 4.2 3.1 4.5 3.2 4.8 3.2 5.3 3.7 5.7 3.3
20.0 3.1 2.6 3.7 2.8 4.2 3.1 4.5 3.2 4.8 3.2 5.3 3.7 5.7 3.3
21.0 3.1 2.6 3.7 2.8 4.2 3.1 4.5 3.2 4.8 3.2 5.3 3.7 5.6 3.3
23.0 3.1 2.6 3.7 2.8 4.2 3.1 4.5 3.2 4.8 3.2 5.3 3.7 5.5 3.2
25.0 3.1 2.6 3.7 2.8 4.2 3.1 4.5 3.2 4.8 3.2 5.2 3.3 5.4 3.2
27.0 3.1 2.6 3.7 2.8 4.2 3.1 4.5 3.2 4.8 3.2 5.1 3.2 5.2 3.0
29.0 3.1 2.6 3.7 2.8 4.2 3.1 4.5 3.2 4.8 3.2 5.1 3.2 5.2 3.0
31.0 3.1 2.6 3.7 2.8 4.2 3.1 4.5 3.2 4.8 3.2 5.0 3.1 5.1 2.9
33.0 3.1 2.6 3.7 2.8 4.2 3.1 4.5 3.2 4.8 3.2 4.9 3.1 5.1 2.9
35.0 3.1 2.6 3.7 2.8 4.2 3.1 4.5 3.2 4.8 3.2 4.8 3.0 5.0 2.9
37.0 3.1 2.6 3.7 2.8 4.2 3.1 4.5 3.2 4.8 3.2 4.8 3.1 4.9 2.8
39.0 3.1 2.6 3.7 2.8 4.2 3.1 4.5 3.2 4.6 3.1 4.7 3.1 4.8 2.8
42.0 3.1 2.6 3.7 2.8 4.2 3.1 4.5 3.2 4.6 3.1 4.7 3.1 4.8 2.8
44.0 3.1 2.6 3.7 2.8 4.2 3.1 4.5 3.2 4.6 3.1 4.7 3.1 4.8 2.8
46.0 3.1 2.6 3.7 2.8 4.2 3.1 4.5 3.2 4.6 3.1 4.7 3.1 4.8 2.8
5.6
10.0 3.9 3.0 4.6 3.3 5.3 3.6 5.6 3.7 5.9 3.8 6.6 3.9 7.3 3.9
12.0 3.9 3.0 4.6 3.3 5.3 3.6 5.6 3.7 5.9 3.8 6.6 3.9 7.2 3.8
14.0 3.9 3.0 4.6 3.3 5.3 3.6 5.6 3.7 5.9 3.8 6.6 3.9 7.1 3.8
16.0 3.9 3.0 4.6 3.3 5.3 3.6 5.6 3.7 5.9 3.8 6.6 3.9 7.0 3.7
18.0 3.9 3.0 4.6 3.3 5.3 3.6 5.6 3.7 5.9 3.8 6.6 3.9 6.8 3.7
20.0 3.9 3.0 4.6 3.3 5.3 3.6 5.6 3.7 5.9 3.8 6.6 3.9 6.7 3.6
21.0 3.9 3.0 4.6 3.3 5.3 3.6 5.6 3.7 5.9 3.8 6.6 3.9 6.6 3.6
23.0 3.9 3.0 4.6 3.3 5.3 3.6 5.6 3.7 5.9 3.8 6.6 3.9 6.6 3.5
25.0 3.9 3.0 4.6 3.3 5.3 3.6 5.6 3.7 5.9 3.8 6.6 3.9 6.5 3.5
27.0 3.9 3.0 4.6 3.3 5.3 3.6 5.6 3.7 5.9 3.8 6.4 3.8 6.4 3.5
29.0 3.9 3.0 4.6 3.3 5.3 3.6 5.6 3.7 5.9 3.8 6.3 3.8 6.4 3.6
31.0 3.9 3.0 4.6 3.3 5.3 3.6 5.6 3.7 5.9 3.8 6.2 3.7 6.2 3.4
33.0 3.9 3.0 4.6 3.3 5.3 3.6 5.6 3.7 5.9 3.8 6.2 3.7 6.2 3.4
35.0 3.9 3.0 4.6 3.3 5.3 3.6 5.6 3.7 5.9 3.8 6.0 3.6 6.0 3.4
37.0 3.9 3.0 4.6 3.3 5.3 3.6 5.6 3.7 5.9 3.8 5.9 3.5 6.0 3.4
39.0 3.9 3.0 4.6 3.3 5.3 3.6 5.6 3.7 5.7 3.7 5.8 3.5 6.0 3.4
42.0 3.9 3.0 4.6 3.3 5.3 3.6 5.6 3.7 5.7 3.7 5.8 3.5 6.0 3.4
44.0 3.9 3.0 4.6 3.3 5.3 3.6 5.6 3.7 5.7 3.7 5.8 3.5 6.0 3.4
46.0 3.9 3.0 4.6 3.3 5.3 3.6 5.6 3.7 5.7 3.7 5.8 3.5 6.0 3.4
7.1
10.0 4.9 3.9 5.8 4.3 6.7 4.7 7.1 4.9 7.5 4.8 8.4 4.9 9.2 5.0
12.0 4.9 3.9 5.8 4.3 6.7 4.7 7.1 4.9 7.5 4.8 8.4 4.9 9.1 4.9
14.0 4.9 3.9 5.8 4.3 6.7 4.7 7.1 4.9 7.5 4.8 8.4 4.9 9.0 4.9
16.0 4.9 3.9 5.8 4.3 6.7 4.7 7.1 4.9 7.5 4.8 8.4 4.9 8.9 4.8
18.0 4.9 3.9 5.8 4.3 6.7 4.7 7.1 4.9 7.5 4.8 8.4 4.9 8.7 4.7
20.0 4.9 3.9 5.8 4.3 6.7 4.7 7.1 4.9 7.5 4.8 8.4 4.9 8.5 4.6
21.0 4.9 3.9 5.8 4.3 6.7 4.7 7.1 4.9 7.5 4.8 8.4 4.9 8.4 4.5
23.0 4.9 3.9 5.8 4.3 6.7 4.7 7.1 4.9 7.5 4.8 8.4 4.9 8.3 4.5
25.0 4.9 3.9 5.8 4.3 6.7 4.7 7.1 4.9 7.5 4.8 8.4 4.9 8.2 4.4
27.0 4.9 3.9 5.8 4.3 6.7 4.7 7.1 4.9 7.5 4.8 8.1 4.7 8.2 4.5
29.0 4.9 3.9 5.8 4.3 6.7 4.7 7.1 4.9 7.5 4.8 8.0 4.7 8.1 4.5
31.0 4.9 3.9 5.8 4.3 6.7 4.7 7.1 4.9 7.5 4.8 7.9 4.6 7.8 4.3
33.0 4.9 3.9 5.8 4.3 6.7 4.7 7.1 4.9 7.5 4.8 7.8 4.6 7.8 4.3
35.0 4.9 3.9 5.8 4.3 6.7 4.7 7.1 4.9 7.5 4.8 7.6 4.5 7.7 4.2
37.0 4.9 3.9 5.8 4.3 6.7 4.7 7.1 4.9 7.4 4.8 7.5 4.5 7.6 4.3
39.0 4.9 3.9 5.8 4.3 6.7 4.7 7.1 4.9 7.2 4.7 7.4 4.4 7.6 4.3
42.0 4.9 3.9 5.8 4.3 6.7 4.7 7.1 4.9 7.2 4.7 7.4 4.4 7.6 4.3
44.0 4.9 3.9 5.8 4.3 6.7 4.7 7.1 4.9 7.2 4.7 7.4 4.4 7.6 4.3
46.0 4.9 3.9 5.8 4.3 6.7 4.7 7.1 4.9 7.2 4.7 7.4 4.4 7.6 4.3
8.0
10.0 5.5 6.4 6.6 5.9 7.5 5.6 8.0 5.5 8.4 5.1 9.4 4.6 10.4 5.6
12.0 5.5 6.4 6.6 5.9 7.5 5.6 8.0 5.5 8.4 5.1 9.4 4.6 10.2 5.5
14.0 5.5 6.4 6.6 5.9 7.5 5.6 8.0 5.5 8.4 5.1 9.4 4.6 10.2 5.5
16.0 5.5 6.4 6.6 5.9 7.5 5.6 8.0 5.5 8.4 5.1 9.4 4.6 10.0 5.4
18.0 5.5 6.4 6.6 5.9 7.5 5.6 8.0 5.5 8.4 5.1 9.4 4.6 9.8 5.3
20.0 5.5 6.4 6.6 5.9 7.5 5.6 8.0 5.5 8.4 5.1 9.4 4.6 9.6 5.2
21.0 5.5 6.4 6.6 5.9 7.5 5.6 8.0 5.5 8.4 5.1 9.4 4.6 9.4 5.1
23.0 5.5 6.4 6.6 5.9 7.5 5.6 8.0 5.5 8.4 5.1 9.4 4.6 9.4 5.1
25.0 5.5 6.4 6.6 5.9 7.5 5.6 8.0 5.5 8.4 5.1 9.4 4.6 9.3 5.0

Concealed Duct Type (A5 Type) MCAC-VTSM-2011-09
102 Capacity table
27.0 5.5 6.4 6.6 5.9 7.5 5.6 8.0 5.5 8.4 5.1 9.1 4.6 9.2 5.1
29.0 5.5 6.4 6.6 5.9 7.5 5.6 8.0 5.5 8.4 5.2 9.0 4.7 9.1 5.0
31.0 5.5 6.4 6.6 5.9 7.5 5.6 8.0 5.5 8.4 5.2 8.9 4.7 8.8 4.8
33.0 5.5 6.4 6.6 5.9 7.5 5.6 8.0 5.5 8.4 5.2 8.8 4.7 8.8 4.8
35.0 5.5 6.4 6.6 5.9 7.5 5.6 8.0 5.5 8.4 5.2 8.6 4.7 8.6 4.8
37.0 5.5 6.4 6.6 5.9 7.5 5.6 8.0 5.5 8.3 5.2 8.4 4.8 8.6 4.9
39.0 5.5 6.4 6.6 5.9 7.5 5.6 8.0 5.5 8.1 5.2 8.3 4.8 8.6 4.9
42.0 5.5 6.4 6.6 5.9 7.5 5.6 8.0 5.5 8.1 5.2 8.3 4.8 8.6 4.9
44.0 5.5 6.4 6.6 5.9 7.5 5.6 8.0 5.5 8.1 5.2 8.3 4.8 8.6 4.9
46.0 5.5 6.4 6.6 5.9 7.5 5.6 8.0 5.5 8.1 5.2 8.3 4.8 8.6 4.9
9.0
10.0 6.2 5.3 7.3 5.8 8.4 6.3 9.0 6.4 9.6 6.5 10.6 6.6 11.7 6.6
12.0 6.2 5.3 7.3 5.8 8.4 6.3 9.0 6.4 9.6 6.5 10.6 6.6 11.5 6.5
14.0 6.2 5.3 7.3 5.8 8.4 6.3 9.0 6.4 9.6 6.5 10.6 6.6 11.4 6.4
16.0 6.2 5.3 7.3 5.8 8.4 6.3 9.0 6.4 9.6 6.5 10.6 6.6 11.3 6.3
18.0 6.2 5.3 7.3 5.8 8.4 6.3 9.0 6.4 9.6 6.5 10.6 6.6 11.0 6.3
20.0 6.2 5.3 7.3 5.8 8.4 6.3 9.0 6.4 9.6 6.5 10.6 6.6 10.8 6.2
21.0 6.2 5.3 7.3 5.8 8.4 6.3 9.0 6.4 9.6 6.5 10.6 6.6 10.6 6.1
23.0 6.2 5.3 7.3 5.8 8.4 6.3 9.0 6.4 9.6 6.5 10.6 6.6 10.5 6.0
25.0 6.2 5.3 7.3 5.8 8.4 6.3 9.0 6.4 9.6 6.5 10.6 6.6 10.4 6.0
27.0 6.2 5.3 7.3 5.8 8.4 6.3 9.0 6.4 9.6 6.5 10.3 6.4 10.4 5.9
29.0 6.2 5.3 7.3 5.8 8.4 6.3 9.0 6.4 9.6 6.5 10.1 6.2 10.3 5.8
31.0 6.2 5.3 7.3 5.8 8.4 6.3 9.0 6.4 9.6 6.5 10.0 6.2 9.9 5.7
33.0 6.2 5.3 7.3 5.8 8.4 6.3 9.0 6.4 9.6 6.5 9.9 6.1 9.9 5.7
35.0 6.2 5.3 7.3 5.8 8.4 6.3 9.0 6.4 9.5 6.5 9.6 6.0 9.7 5.7
37.0 6.2 5.3 7.3 5.8 8.4 6.3 9.0 6.4 9.3 6.3 9.5 5.9 9.6 5.8
39.0 6.2 5.3 7.3 5.8 8.4 6.3 9.0 6.4 9.2 6.2 9.4 5.8 9.6 5.8
42.0 6.2 5.3 7.3 5.8 8.4 6.3 9.0 6.4 9.2 6.2 9.4 5.8 9.6 5.8
44.0 6.2 5.3 7.3 5.8 8.4 6.3 9.0 6.4 9.2 6.2 9.4 5.8 9.6 5.8
46.0 6.2 5.3 7.3 5.8 8.4 6.3 9.0 6.4 9.2 6.2 9.4 5.8 9.6 5.8
11.2
10.0 7.7 6.4 9.1 7.1 10.5 7.7 11.2 7.8 11.9 8.1 13.3 8.3 15.5 9.0
12.0 7.7 6.4 9.1 7.1 10.5 7.7 11.2 7.8 11.9 8.1 13.3 8.3 14.4 8.4
14.0 7.7 6.4 9.1 7.1 10.5 7.7 11.2 7.8 11.9 8.1 13.3 8.3 14.2 8.2
16.0 7.7 6.4 9.1 7.1 10.5 7.7 11.2 7.8 11.9 8.1 13.3 8.3 14.1 8.2
18.0 7.7 6.4 9.1 7.1 10.5 7.7 11.2 7.8 11.9 8.1 13.3 8.3 14.0 8.1
20.0 7.7 6.4 9.1 7.1 10.5 7.7 11.2 7.8 11.9 8.1 13.3 8.3 13.9 8.1
21.0 7.7 6.4 9.1 7.1 10.5 7.7 11.2 7.8 11.9 8.1 13.3 8.3 13.8 8.0
23.0 7.7 6.4 9.1 7.1 10.5 7.7 11.2 7.8 11.9 8.1 13.1 8.1 13.7 7.9
25.0 7.7 6.4 9.1 7.1 10.5 7.7 11.2 7.8 11.9 8.1 13.0 8.1 13.6 7.9
27.0 7.7 6.4 9.1 7.1 10.5 7.7 11.2 7.8 11.9 8.1 12.9 8.0 13.4 7.8
29.0 7.7 6.4 9.1 7.1 10.5 7.7 11.2 7.8 11.9 8.1 12.8 7.9 13.3 7.9
31.0 7.7 6.4 9.1 7.1 10.5 7.7 11.2 7.8 11.9 8.1 12.7 7.8 12.8 7.5
33.0 7.7 6.4 9.1 7.1 10.5 7.7 11.2 7.8 11.9 8.1 12.5 7.8 12.5 7.4
35.0 7.7 6.4 9.1 7.1 10.5 7.7 11.2 7.8 11.8 8.0 12.4 7.7 12.3 7.3
37.0 7.7 6.4 9.1 7.1 10.5 7.7 11.2 7.8 11.6 7.9 12.3 7.6 12.1 7.1
39.0 7.7 6.4 9.1 7.1 10.5 7.7 11.2 7.8 11.4 7.8 12.2 7.6 11.9 7.1
42.0 7.7 6.6 9.1 7.2 10.4 7.8 11.2 8.0 11.4 7.8 11.6 7.2 12.0 7.2
44.0 7.7 6.6 9.1 7.2 10.4 7.8 11.2 8.0 11.4 7.8 11.6 7.2 12.0 7.2
46.0 7.7 6.6 9.1 7.2 10.4 7.8 11.2 8.0 11.4 7.8 11.6 7.2 12.0 7.2
14.0
10.0 9.7 7.8 11.3 8.6 13.2 9.6 14.0 9.8 14.8 9.8 16.7 10.2 18.2 10.2
12.0 9.7 7.8 11.3 8.6 13.2 9.6 14.0 9.8 14.8 9.8 16.7 10.2 17.9 10.0
14.0 9.7 7.8 11.3 8.6 13.2 9.6 14.0 9.8 14.8 9.8 16.7 10.2 17.8 10.0
16.0 9.7 7.8 11.3 8.6 13.2 9.6 14.0 9.8 14.8 9.8 16.7 10.2 17.5 9.8
18.0 9.7 7.8 11.3 8.6 13.2 9.6 14.0 9.8 14.8 9.8 16.7 10.2 17.1 9.6
20.0 9.7 7.8 11.3 8.6 13.2 9.6 14.0 9.8 14.8 9.8 16.7 10.2 16.8 9.4
21.0 9.7 7.8 11.3 8.6 13.2 9.6 14.0 9.8 14.8 9.8 16.7 10.2 16.5 9.3
23.0 9.7 7.8 11.3 8.6 13.2 9.6 14.0 9.8 14.8 9.8 16.4 10.2 16.4 9.2
25.0 9.7 7.8 11.3 8.6 13.2 9.6 14.0 9.8 14.8 9.8 16.2 10.1 16.2 9.1
27.0 9.7 7.8 11.3 8.6 13.2 9.6 14.0 9.8 14.8 9.8 16.1 10.0 16.1 9.2
29.0 9.7 7.8 11.3 8.6 13.2 9.6 14.0 9.8 14.8 9.8 16.0 9.9 16.0 9.1
31.0 9.7 7.8 11.3 8.6 13.2 9.6 14.0 9.8 14.8 9.8 15.8 9.8 15.4 8.8
33.0 9.7 7.8 11.3 8.6 13.2 9.6 14.0 9.8 14.8 9.8 15.7 9.7 15.4 8.8
35.0 9.7 7.8 11.3 8.6 13.2 9.6 14.0 9.8 14.7 9.7 15.1 9.4 15.1 8.8
37.0 9.7 7.8 11.3 8.6 13.2 9.6 14.0 9.8 14.6 9.6 15.1 9.4 15.0 8.7
39.0 9.7 7.8 11.3 8.6 13.2 9.6 14.0 9.8 14.3 9.4 14.6 9.2 15.0 8.8
42.0 9.7 7.8 11.3 8.6 13.2 9.6 14.0 9.8 14.3 9.4 14.6 9.2 15.0 8.8

MCAC-VTSM-2011-09 Concealed Duct Unit (A5 Type)
Capacity table 103
44.0 9.7 7.8 11.3 8.6 13.2 9.6 14.0 9.8 14.3 9.4 14.6 9.2 15.0 8.8
46.0 9.7 7.8 11.3 8.6 13.2 9.6 14.0 9.8 14.3 9.4 14.6 9.2 15.0 8.8
8.2 Heating
TC: total capacity WB: wet-bulb temperature DB: dry-bulb temperature
Indoor Unit size
(kW)
Outdoor temperature
()℃
Indoor temperature (℃ DB)
16.00 18.00 20.00 21.00 22.00 24.00
TC TC TC TC TC TC
WB DB kW kW kW kW kW kW
2.2
-20 -19.8 1.46 1.46 1.46 1.46 1.46 1.46
-19 -18.8 1.56 1.56 1.56 1.56 1.56 1.56
-17 -16.7 1.64 1.64 1.64 1.64 1.64 1.64
-15 -14.7 1.69 1.69 1.69 1.69 1.69 1.69
-13.00 -12.60 1.79 1.79 1.79 1.79 1.79 1.79
-11.00 -10.50 1.82 1.85 1.85 1.85 1.85 1.85
-10.00 -9.50 1.90 1.90 1.90 1.90 1.90 1.90
-9.10 -8.50 1.95 1.95 1.95 1.95 1.95 1.95
-7.60 -7.00 1.98 1.98 1.98 1.98 1.98 1.98
-5.60 -5.00 2.05 2.05 2.05 2.05 2.05 2.05
-3.70 -3.00 2.16 2.16 2.16 2.16 2.16 2.16
-0.70 0.00 2.31 2.31 2.31 2.31 2.31 2.18
2.20 3.00 2.44 2.44 2.44 2.44 2.39 2.18
4.10 5.00 2.52 2.52 2.52 2.52 2.39 2.18
6.00 7.00 2.60 2.60 2.60 2.52 2.39 2.18
7.90 9.00 2.68 2.68 2.60 2.52 2.39 2.18
9.80 11.00 2.76 2.76 2.60 2.52 2.39 2.18
11.80 13.00 2.86 2.81 2.60 2.52 2.39 2.18
13.70 15.00 2.94 2.81 2.60 2.52 2.39 2.18
2.8
-20 -19.8 1.79 1.79 1.79 1.79 1.79 1.79
-19 -18.8 1.92 1.92 1.92 1.92 1.92 1.92
-17 -16.7 2.02 2.02 2.02 2.02 2.02 2.02
-15 -14.7 2.02 2.02 2.02 2.02 2.02 2.02
-13.00 -12.60 2.14 2.14 2.14 2.14 2.14 2.14
-11.00 -10.50 2.24 2.24 2.24 2.24 2.24 2.24
-10.00 -9.50 2.34 2.34 2.34 2.34 2.34 2.34
-9.10 -8.50 2.4 2.4 2.4 2.4 2.4 2.4
-7.60 -7.00 2.43 2.43 2.43 2.43 2.43 2.43
-5.60 -5.00 2.53 2.53 2.53 2.53 2.53 2.53
-3.70 -3.00 2.66 2.66 2.66 2.66 2.66 2.66
-0.70 0.00 2.85 2.85 2.85 2.85 2.85 2.69
2.20 3.00 3.01 3.01 3.01 3.01 2.94 2.69
4.10 5.00 3.1 3.1 3.1 3.1 2.94 2.69
6.00 7.00 3.2 3.2 3.2 3.1 2.94 2.69
7.90 9.00 3.3 3.3 3.2 3.1 2.94 2.69
9.80 11.00 3.39 3.39 3.2 3.1 2.94 2.69
11.80 13.00 3.52 3.46 3.2 3.1 2.94 2.69
13.70 15.00 3.62 3.46 3.2 3.1 2.94 2.69
3.6
-20 -19.8 2.24 2.24 2.24 2.24 2.24 2.24
-19 -18.8 2.4 2.4 2.4 2.4 2.4 2.4
-17 -16.7 2.52 2.52 2.52 2.52 2.52 2.52
-15 -14.7 2.6 2.6 2.6 2.6 2.6 2.6
-13.00 -12.60 2.68 2.68 2.68 2.68 2.68 2.68
-11.00 -10.50 2.8 2.8 2.8 2.8 2.8 2.8
-10.00 -9.50 2.92 2.92 2.92 2.92 2.92 2.92
-9.10 -8.50 3 3 3 3 3 3
-7.60 -7.00 3.04 3.04 3.04 3.04 3.04 3.04
-5.60 -5.00 3.16 3.16 3.16 3.16 3.16 3.16
-3.70 -3.00 3.32 3.32 3.32 3.32 3.32 3.32
-0.70 0.00 3.56 3.56 3.56 3.56 3.56 3.36
2.20 3.00 3.76 3.76 3.76 3.76 3.68 3.36
4.10 5.00 3.88 3.88 3.88 3.88 3.68 3.36
6.00 7.00 4 4 4 3.88 3.68 3.36
7.90 9.00 4.12 4.12 4 3.88 3.68 3.36
9.80 11.00 4.24 4.24 4 3.88 3.68 3.36
11.80 13.00 4.4 4.32 4 3.88 3.68 3.36

Concealed Duct Type (A5 Type) MCAC-VTSM-2011-09
104 Capacity table
13.70 15.00 4.52 4.32 4 3.88 3.68 3.36
4.5
-20 -19.8 2.8 2.8 2.8 2.8 2.8 2.8
-19 -18.8 3 3 3 3 3 3
-17 -16.7 3.15 3.15 3.15 3.15 3.15 3.15
-15 -14.7 3.25 3.25 3.25 3.25 3.25 3.25
-13.00 -12.60 3.35 3.35 3.35 3.35 3.35 3.35
-11.00 -10.50 3.5 3.5 3.5 3.5 3.5 3.5
-10.00 -9.50 3.65 3.65 3.65 3.65 3.65 3.65
-9.10 -8.50 3.75 3.75 3.75 3.75 3.75 3.75
-7.60 -7.00 3.8 3.8 3.8 3.8 3.8 3.8
-5.60 -5.00 3.95 3.95 3.95 3.95 3.95 3.95
-3.70 -3.00 4.15 4.15 4.15 4.15 4.15 4.15
-0.70 0.00 4.45 4.45 4.45 4.45 4.45 4.2
2.20 3.00 4.7 4.7 4.7 4.7 4.6 4.2
4.10 5.00 4.85 4.85 4.85 4.85 4.6 4.2
6.00 7.00 5 5 5 4.85 4.6 4.2
7.90 9.00 5.15 5.15 5 4.85 4.6 4.2
9.80 11.00 5.3 5.3 5 4.85 4.6 4.2
11.80 13.00 5.5 5.4 5 4.85 4.6 4.2
13.70 15.00 5.65 5.4 5 4.85 4.6 4.2
5.6
-20 -19.8 3.53 3.53 3.53 3.53 3.53 3.53
-19 -18.8 3.78 3.78 3.78 3.78 3.78 3.78
-17 -16.7 3.97 3.97 3.97 3.97 3.97 3.97
-15 -14.7 4.1 4.1 4.1 4.1 4.1 4.1
-13.00 -12.60 4.22 4.22 4.22 4.22 4.22 4.22
-11.00 -10.50 4.41 4.41 4.41 4.41 4.41 4.41
-10.00 -9.50 4.6 4.6 4.6 4.6 4.6 4.6
-9.10 -8.50 4.73 4.73 4.73 4.73 4.73 4.73
-7.60 -7.00 4.79 4.79 4.79 4.79 4.79 4.79
-5.60 -5.00 4.98 4.98 4.98 4.98 4.98 4.98
-3.70 -3.00 5.23 5.23 5.23 5.23 5.23 5.23
-0.70 0.00 5.61 5.61 5.61 5.61 5.61 5.29
2.20 3.00 5.92 5.92 5.92 5.92 5.8 5.29
4.10 5.00 6.11 6.11 6.11 6.11 5.8 5.29
6.00 7.00 6.3 6.3 6.3 6.11 5.8 5.29
7.90 9.00 6.49 6.49 6.3 6.11 5.8 5.29
9.80 11.00 6.68 6.68 6.3 6.11 5.8 5.29
11.80 13.00 6.93 6.8 6.3 6.11 5.8 5.29
13.70 15.00 7.12 6.8 6.3 6.11 5.8 5.29
7.1
-20 -19.8 4.48 4.48 4.48 4.48 4.48 4.48
-19 -18.8 4.8 4.8 4.8 4.8 4.8 4.8
-17 -16.7 5.04 5.04 5.04 5.04 5.04 5.04
-15 -14.7 5.2 5.2 5.2 5.2 5.2 5.2
-13.00 -12.60 5.36 5.36 5.36 5.36 5.36 5.36
-11.00 -10.50 5.6 5.6 5.6 5.6 5.6 5.6
-10.00 -9.50 5.84 5.84 5.84 5.84 5.84 5.84
-9.10 -8.50 6 6 6 6 6 6
-7.60 -7.00 6.08 6.08 6.08 6.08 6.08 6.08
-5.60 -5.00 6.32 6.32 6.32 6.32 6.32 6.32
-3.70 -3.00 6.64 6.64 6.64 6.64 6.64 6.64
-0.70 0.00 7.12 7.12 7.12 7.12 7.12 6.72
2.20 3.00 7.52 7.52 7.52 7.52 7.36 6.72
4.10 5.00 7.76 7.76 7.76 7.76 7.36 6.72
6.00 7.00 8 8 8 7.76 7.36 6.72
7.90 9.00 8.24 8.24 8 7.76 7.36 6.72
9.80 11.00 8.48 8.48 8 7.76 7.36 6.72
11.80 13.00 8.8 8.64 8 7.76 7.36 6.72
13.70 15.00 9.04 8.64 8 7.76 7.36 6.72
8.0
-20 -19.8 5.04 5.04 5.04 5.04 5.04 5.04
-19 -18.8 5.4 5.4 5.4 5.4 5.4 5.4
-17 -16.7 5.67 5.67 5.67 5.67 5.67 5.67
-15 -14.7 5.85 5.85 5.85 5.85 5.85 5.85
-13.00 -12.60 6.03 6.03 6.03 6.03 6.03 6.03
-11.00 -10.50 6.3 6.3 6.3 6.3 6.3 6.3
-10.00 -9.50 6.57 6.57 6.57 6.57 6.57 6.57

MCAC-VTSM-2011-09 Concealed Duct Unit (A5 Type)
Capacity table 105
-9.10 -8.50 6.75 6.75 6.75 6.75 6.75 6.75
-7.60 -7.00 6.84 6.84 6.84 6.84 6.84 6.84
-5.60 -5.00 7.11 7.11 7.11 7.11 7.11 7.11
-3.70 -3.00 7.47 7.47 7.47 7.47 7.47 7.47
-0.70 0.00 8.01 8.01 8.01 8.01 8.01 7.56
2.20 3.00 8.46 8.46 8.46 8.46 8.28 7.56
4.10 5.00 8.73 8.73 8.73 8.73 8.28 7.56
6.00 7.00 9 9 9 8.73 8.28 7.56
7.90 9.00 9.27 9.27 9 8.73 8.28 7.56
9.80 11.00 9.54 9.54 9 8.73 8.28 7.56
11.80 13.00 9.9 9.72 9 8.73 8.28 7.56
13.70 15.00 10.17 9.72 9 8.73 8.28 7.56
9.0
-20 -19.8 5.6 5.04 5.6 5.6 5.6 5.6
-19 -18.8 6 5.4 6 6 6 6
-17 -16.7 6.3 6.3 6.3 6.3 6.3 6.3
-15 -14.7 6.5 6.5 6.5 6.5 6.5 6.5
-13.00 -12.60 6.7 6.7 6.7 6.7 6.7 6.7
-11.00 -10.50 7 7 7 7 7 7
-10.00 -9.50 7.3 7.3 7.3 7.3 7.3 7.3
-9.10 -8.50 7.5 7.5 7.5 7.5 7.5 7.5
-7.60 -7.00 7.6 7.6 7.6 7.6 7.6 7.6
-5.60 -5.00 7.9 7.9 7.9 7.9 7.9 7.9
-3.70 -3.00 8.3 8.3 8.3 8.3 8.3 8.3
-0.70 0.00 8.9 8.9 8.9 8.9 8.9 8.4
2.20 3.00 9.4 9.4 9.4 9.4 9.2 8.4
4.10 5.00 9.7 9.7 9.7 9.7 9.2 8.4
6.00 7.00 10 10 10 9.7 9.2 8.4
7.90 9.00 10.3 10.3 10 9.7 9.2 8.4
9.80 11.00 10.6 10.6 10 9.7 9.2 8.4
11.80 13.00 11 10.8 10 9.7 9.2 8.4
13.70 15.00 11.3 10.8 10 9.7 9.2 8.4
11.2
-20 -19.8 7 7 7 7 7 7
-19 -18.8 7.5 7.5 7.5 7.5 7.5 7.5
-17 -16.7 7.88 7.88 7.88 7.88 7.88 7.88
-15 -14.7 8.13 8.13 8.13 8.13 8.13 8.13
-13.00 -12.60 8.38 8.38 8.38 8.38 8.38 8.38
-11.00 -10.50 8.75 8.75 8.75 8.75 8.75 8.75
-10.00 -9.50 9.13 9.13 9.13 9.13 9.13 9.13
-9.10 -8.50 9.38 9.38 9.38 9.38 9.38 9.38
-7.60 -7.00 9.5 9.5 9.5 9.5 9.5 9.5
-5.60 -5.00 9.88 9.88 9.88 9.88 9.88 9.88
-3.70 -3.00 10.38 10.38 10.38 10.38 10.38 10.38
-0.70 0.00 11.13 11.13 11.13 11.13 11.13 10.5
2.20 3.00 11.75 11.75 11.75 11.75 11.5 10.5
4.10 5.00 12.13 12.13 12.13 12.13 11.5 10.5
6.00 7.00 12.5 12.5 12.5 12.13 11.5 10.5
7.90 9.00 12.88 12.88 12.5 12.13 11.5 10.5
9.80 11.00 13.25 13.25 12.5 12.13 11.5 10.5
11.80 13.00 13.75 13.5 12.5 12.13 11.5 10.5
13.70 15.00 14.13 13.5 12.5 12.13 11.5 10.5
14.0
-20 -19.8 8.68 8.68 8.68 8.68 8.68 8.68
-19 -18.8 9.3 9.3 9.3 9.3 9.3 9.3
-17 -16.7 9.77 9.77 9.77 9.77 9.77 9.77
-15 -14.7 10.08 10.08 10.08 10.08 10.08 10.08
-13.00 -12.60 10.4 10.4 10.4 10.4 10.4 10.4
-11.00 -10.50 10.9 10.9 10.9 10.9 10.9 10.9
-10.00 -9.50 11.3 11.3 11.3 11.3 11.3 11.3
-9.10 -8.50 11.6 11.6 11.6 11.6 11.6 11.6
-7.60 -7.00 11.8 11.8 11.8 11.8 11.8 11.8
-5.60 -5.00 12.3 12.3 12.3 12.3 12.3 12.3
-3.70 -3.00 12.9 12.9 12.9 12.9 12.9 12.9
-0.70 0.00 13.8 13.8 13.8 13.8 13.8 13
2.20 3.00 14.6 14.6 14.6 14.6 14.3 13
4.10 5.00 15 15 15 15 14.3 13
6.00 7.00 15.5 15.5 15.5 15 14.3 13

Concealed Duct Type (A5 Type) MCAC-VTSM-2011-09
106 Capacity table
7.90 9.00 16 16 15.5 15 14.3 13
9.80 11.00 16.4 16.4 15.5 15 14.3 13
11.80 13.00 17.1 16.7 15.5 15 14.3 13
13.70 15.00 17.5 16.7 15.5 15 14.3 13

MCAC-VTSM-2011-09 Concealed Duct Unit (A5 Type)
Accessories 107
9. Electric Characteristics
Model Indoor Unit Power Supply IFM
Hz Voltage Min. Max. MCA MFA KW FLA
MDV-D22T2/N1X-BA5 50 220-240 198 264 0.28 15 0.027 0.28
MDV-D28T2/N1X-BA5 50 220-240 198 264 0.28 15 0.027 0.28
MDV-D36T2/N1X-BA5 50 220-240 198 264 0.28 15 0.027 0.28
MDV-D45T2/N1X-BA5 50 220-240 198 264 0.6 15 0.107 0.48
MDV-D56T2/N1X-BA5 50 220-240 198 264 0.6 15 0.107 0.48
MDV-D71T2/N1X-BA5 50 220-240 198 264 0.92 15 0.163 0.73
MDV-D80T2/N1X-BA5 50 220-240 198 264 1.25 15 0.227 1
MDV-D90T2/N1X-BA5 50 220-240 198 264 1.25 15 0.227 1
MDV-D112T2/N1X-BA5 50 220-240 198 264 1.9 15 0.393 1.51
MDV-D140T2/N1X-BA5 50 220-240 198 264 2 15 0.355 1.55
Electric Characteristics
Remark:
MCA: Min. Current Amps. (A)
MFA: Max. Fuse Amps. (A)
KW: Fan Motor Rated Output (kW)
FLA: Full Load Amps. (A)
IFM:Indoor Fan Motor

C
1
0
1
1
1
C
oncealed Du
c
0
8
0. Noise
L
0.1 Test
c
0.2 Test
v
M
o
MDV-D22
T
MDV-D28
T
MDV-D36
T
MDV-D45
T
MDV-D56
T
MDV-D71
T
MDV-D80
T
MDV-D90
T
MDV-D112
T
MDV-D140
T
Sound pressure level dB
(
0dB=0.0002
μ
bar
)
Audibi
l
contin
u
sound
c
t Type (A5 T
y
L
evels
c
ondition
v
alue
o
del
T
2/N1X-BA5
T
2/N1X-BA5
T
2/N1X-BA5
T
2/N1X-BA5
T
2/N1X-BA5
T
2/N1X-BA5
T
2/N1X-BA5
T
2/N1X-BA5
T
2/N1X-BA5
T2/N1X-BA5
MDV-D
2
Octa
v
l
ity limits of
u
ous white
y
pe)
2
2(28)T2/N1X
-
v
e band center fre
q
Hi
38
38
40
41
41
43.4
45.4
45.4
48.0
47.7
-
BA5MDV-D3
6
q
uency
(
Hz
)
N
o
6T2/N1X-BA
5
Sound pressure level dB
(
0dB=0.0002
μ
bar
)
o
ise test valu
e
Mid
35
35
38
38.9
38.9
40
39.8
39.8
41.9
43.2
5
Audibility limits of
continuous white
sound
e
dB(A)
Octave band cen
t
MCA
C
L
o
3
3
3
3
3
3
3
3
3
3
t
er frequency
(
Hz
)
C
-VTSM-2011
-
Sound le
o
w
3
2
3
2
3
6
3
6
3
6
3
6
3
7
3
7
3
8
3
9
)
-
09
vel

MCAC-VTSM-2011-09 Concealed Duct Unit (A5 Type)
Sound level 109
MDV-D45(56)T2/N1X-BA5MDV-D71T2/N1X-BA5
Octave band center frequency(Hz)
Sound pressure level dB(0dB=0.0002μ bar)
Audibility limits of
continuous white
sound
Octave band center frequency(Hz)
Sound pressure level dB(0dB=0.0002μ bar)
Audibility limits of
continuous white
sound
MDV-D80(90)T2/N1X-BA5MDV-D112T2/N1X-BA5
Octave band center fre
q
uenc
y
(Hz)
Sound pressure level dB(0dB=0.0002μ bar)
Audibility limits of
continuous white
sound
Octave band center frequency(Hz)
Sound pressure level dB(0dB=0.0002μ ba
r
)
Audibility limits of
continuous white
sound
MDV-D140T2/N1X-BA5
Octave band center frequency(Hz)
Sound pressure level dB(0dB=0.0002μ bar)
Audibility limits of
continuous white
sound

C
1
1
1
1
A
W
W
f
1
W
C
oncealed Du
c
1
0
1. Acces
s
1.1 Stand
Installation m
a
Pipe insulatio
A
dhesive tap
e
W
ired control
l
Network mat
c
W
ater outlet j
o
Clasp
Signal receiv
e
f
ixed inside
c
1.2 Optio
n
N
a
W
ireless rem
o
c
t Type (A5 T
y
s
ories
ard acce
s
Name
a
nual
n material
e
for seal
l
er
c
hing wire
o
int
e
r display boa
c
ontrol box)
n
al acces
s
a
me
o
te controller
y
pe)
s
sories
rd (already
s
ories
M
RM05/B
Quantity
1
2
2
1
1
1
1
1
M
odel
G(T)E-A
Shape
/
Cod
e
203355
0
c
C
h
ho
e
0
91418
W
H
To c
o
The indoor u
n
c
ommunicatio
n
impedance b
e
F
h
ucking the jo
s
e and the ou
R
W
hich can be
u
MCA
C
Usage
/
H
eat insulation
o
nnect drain
p
/
n
it witch at th
e
n
system sho
u
etween port
p
F
or drainage
o
int which co
n
u
tlet of indoor
u
R
eceive signal
Usage
u
sed to set th
e
address
C
-VTSM-2011
-
Sound le
p
ipe
e
terminal of
u
ld connect a
p
and port Q
n
nect the drai
n
u
nit
e
indoor unit’s
-
09
vel
n

MCAC-VTSM-2011-09 High static pressure duct unit
High static pressure duct unit 111
High static pressure duct unit
1. Feature ........................................................................... 112
2. Specifications ................................................................ 114
3. Dimension ...................................................................... 117
4. Service Space ................................................................123
5. Piping Diagram ..............................................................124
6. Wiring Diagram .............................................................125
7. Fan Performance ..........................................................128
8. Capacity Tables .............................................................130
9. Electric Characteristics ................................................136
10. Noise Levels ................................................................137
11. Accessories .................................................................139

High static pressure duct unit MCAC-VTSM-2011-03
112 Features
1. Feature
1.1 High static pressure allows flexible duct design
1.1.1 External static pressure of Indoor Unit can be up to 196 Pa(71~160 model) (220Pa for 20kW and up),
which allows extensive duct work for flexible applications. so the cool air can be delivered to every indoor
corner even in a super-high ceiling.
1.1.2 The max. distance of air supply is about 14m, the height of air supply is about 6.5m.
1.1.3 With 420mm (71~160 model) thickness body, not occupied much ceiling space which is 450mm
only.
1.2 Wide capacity range
—The capacity ranges from 7.1KW to28.0KW, totally nine models.
1.3 Four speed fan motor(MediumHi speed as an option) * (for
71~160 model)
1.4 Two external static pressure settings for added flexibility
just exchange the wiring connection of ‘MH’ and ‘Me’. P2 and P3 as
the right side diagram.*(for 71~160 model)
1.5 Convenient installation
1.5.1 The EXV is fixed inside the indoor unit ((for 71~160 model), no

MCAC-VTSM-2011-09 High static pressure duct unit
Features 113
need extra connection.
1.5.2Standard filter with aluminum frame, which is removable downward from bottom.
1.5.3.Suction chamber is included as standard equipment
1.5.4 Flange for air in/outlet duct connection is standard.
1.5.5Optional drain pump * (for 71~160 model)
Drain pump is equipped as optional accessory with 750 mm pumphead.
1.5.6 Easy to access the motor and do the maintenance. Possible to replace the motor without
removing the whole unit.
1.6 Flexible control and convenient for maintenance
1.6.1 Standard Wired remote controller KJR-10B, and wireless remote controller R05 is as an option.
1.6.2 The display board is connected with the E-box in factory, which makes trouble-shooting easier by
LED display.
1.6.4Standard functional port such as Remote On/Off Dry contact.

High static pressure duct unit MCAC-VTSM-2011-03
114 Specifications
2. Specifications
Model MDV-D71T1/N1-B MDV-D80T1/N1-B MDV-D90T1/N1-B
Power supply V- Ph-Hz 220-240V~, 1Ph, 50Hz
Cooling
Capacity kW
7.1 8 9
Input W
263 263 423
Rated current A 1.1 1.1 1.8
Heating
Capacity kW
8 9 10
Input W
263 263 423
Rated current A 1.1 1.1 1.8
Max. input consumption W 269 269 437
Max. current A 1.23 1.23 1.8
Indoor
fan motor
Model YDK100-4X-2 YDK100-4X-2 YDK160-4C
Type AC Motor
Brand YongAn Yon gAn WELLING
Input W
247 247 391
Capacitor μF 12 12 10
Speed (hi/mid/lo) r/min 975/923//847 975/923//847 1282/1213/1035
Indoor
coil
Number of rows 2 2 3
Tube pitch(a)* row pitch(b) mm 25.4×22 25.4×22 25.4×22
Fin spacing mm 1.5 1.5 1.6
Fin type Hydrophilic aluminum
Tube outside diameter and
type mm Ф9.52
inner groove tube
length * height * width mm 700*356×44 700*356×44 700*356×66
Number of circuits 3 3 3
Indoor air flow (H/M/L) m3/h 1510/1399/1236 1500/1396/1221 1936/1721/1511
Indoor external static pressure (Hi) Pa 40(30~ 196) 40(30~ 196) 40(30~ 196)
Indoor noise level (Hi/Mid/Lo) dB(A) 48/46/44 48/46/44.5 52/49/47
Indoor
unit
Dimension (W×H×D) mm 952*420*690 952*420*690 952*420*690
Packing (W×H×D) mm 1102*450*768 1102*450*768 1102*450*768
Net/Gross weight kg 45/50 45/50 46.5/52.4
Refrigerant type R410A
Throttle Type EXV
Model BD20FKS, (Winding: DZF20XQ-1000-XHP-6)
Design pressure (Hi/Lo) MPa 4.4/2.6
Refrigerant piping Liquid / Gas mm Ф9.52/ Ф15.9 Ф9.52/ Ф15.9 Ф9.52/ Ф15.9
Connecting wiring Power wiring mm2 3*2.5(L≤20m); 3*3.5(L≤50m)
Signal wiring mm2 3*0.75
Drainage water pipe diameter Ф32 (ID Ф25, OU Ф32)
Controller Wired controller KJR-10B/DP(T)-E(6 meters connection wire)
Operation temp ℃ Cooling:17~32;Heating:10~28
Notes: 1. Nominal cooling capacities are based on the following conditions: return air temp. : 27°CDB, 19°CWB, outdoor
temp.:35°CDB,equivalent ref. Piping: 8m(horizontal)
2. Nominal heating capacities are based on the following conditions: return air temp.: 20°CDB,outdoor temp.:
7°CDB,6°CWB,equivalent ref. Piping: 8m(horizontal)

MCAC-VTSM-2011-03 High static pressure duct unit
Specifications 115
Model MDV-D112T1/N1-B MDV-D140T1/N1-B MDV-D160T1/N1-B
Power supply V- Ph-Hz 220-240V~, 1Ph, 50Hz
Cooling
Capacity kW 11.2 14 16
Input W 524 627 832
Rated current A 2.3 2.7 3.6
Heating
Capacity kW 12.5 16 18
Input W 524 627 832
Rated current A 2.3 2.7 3.6
Max. input consumption W 528 660 891
Max. current A 2.3 2.85 4.77
Indoor
fan motor
Model YSK200-4F-1 YSK300-4C-1 YSK400-4C-2
Type AC MOTOR
Brand WELL ING YongAn YongAn
Input W
490 588 798
Capacitor μF 15 12 15
Speed (hi/mid/lo) r/min 1000/930/774 956/853/697 1087/953/836
Indoor
coil
Number of rows 3 4 4
Tube pitch(a)* row
pitch(b) mm 25.4×22 25.4×22 25.4×22
Fin spacing mm 1.6 1.6 1.6
Fin type Hydrophilic aluminum
Tube outside diameter
and type mm Ф9.52
inner groove tube
length * height * width mm 700*356×66 996*355.6×88 996*355.6×88
Number of circuits 7 7 7
Indoor air flow (H/M/L) m3/h 2117/1950/1644 2988/2670/2229 3890/3200/2700
Indoor external static pressure (Hi) Pa 50(30~ 196) 50(30~ 196) 50(30~ 196)
Indoor noise level (Hi/Mid/Lo) dB(A) 52/49/47 53/50/48 54/52/50
Indoor
unit
Dimension (W×H×D) mm 952*420*690 1200*400*600 1200*400*600
Packing (W×H×D) mm 1102*450*768 1430*450*768 1430*450*768
Net/Gross weight kg 50.6/56 68/70 70/77.5
Refrigerant type R410A
Throttle Type EXV
Model BD20FKS, (Winding: DZF20XQ-1000-XHP-6)
Design pressure MPa 4.4/2.6
Refrigerant piping Liquid / Gas mm Ф9.52/ Ф15.9 Ф9.52/ Ф15.9 Ф9.52/ Ф15.9
Connecting wiring Power wiring mm2 3*2.5(L≤20m); 3*3.5(L≤50m)
Signal wiring mm2 3*0.75
Drainage water pipe diameter Ф32 (ID Ф25, OU Ф32)
Controller Wired controller KJR-12B/DP(T)-E(6 meters connection wire)
Operation temp ℃ Cooling:17~32;Heating:10~28
Notes: 1. Nominal cooling capacities are based on the following conditions: return air temp. : 27°CDB, 19°CWB, outdoor
temp.:35°CDB,equivalent ref. Piping: 8m(horizontal)
2. Nominal heating capacities are based on the following conditions: return air temp.: 20°CDB,outdoor temp.:
7°CDB,6°CWB,equivalent ref. Piping: 8m(horizontal)

High static pressure duct unit MCAC-VTSM-2011-03
116 Specifications
Model MDV-D200T1/N1-B MDV-D250T1/N1-B MDV-D280T1/N1-B
Power supply V- Ph-Hz 220-240V~, 1Ph, 50Hz
Cooling
Capacity kW 20.0 25.0 28.0
Input W 1516 1516 1516
Rated current A 6.6 6.6 6.6
Heating
Capacity kW 22.5 26.0 31.5
Input W 1516 1516 1516
Rated current A 6.6 6.6 6.6
Max. input consumption W 1978 1978 1978
Max. current A 8.6 8.6 8.6
Indoor fan
motor
Model YDK550-4X (×2) YDK550-4X (×2) YDK550-4X (×2)
Type AC Motor
Brand YongAn
Input W
900/820/630(×2) 900/820/630(×2) 900/820/630(×2)
Capacitor μF 12(×2) 12(×2) 15(×2)
Speed (hi/mid/lo) r/min 1300/1100/900(×2) 1300/1100/900(×2) 1300/1100/900(×2)
Indoor
coil
Number of rows 4 4 4
Tube pitch(a)* row mm 25.4×22 25.4×22 25.4×22
Fin spacing mm 1.8 1.8 1.8
Fin type Hydrophilic aluminum
Tube outside diameter
and type mm Ф9.52
inner groove tube
length * height * width mm 1125×512×88 1125×512×88 1125×512×88
Number of circuits 20 20 20
Indoor air flow (H/M/L) m3/h 4268/3780/3200 4280/3820/3200 4400/3708/3200
Indoor external static pressure (Hi) Pa 140(50~250) 140(50~250) 140(50~250)
Indoor noise level (Hi/Mid/Lo) dB(A) 59/55/52 59/55/52 59/55/52
Indoor
unit
Dimension (W×H×D) mm 1425×500×928 1425×500×928 1425×500×928
Packing (W×H×D) mm 1509×522×964 1509×522×964 1509×522×964
Net/Gross weight kg 115/129 115/129 115/129
Refrigerant type R410A
Throttle
Type EXV (2 sets throttle boxes each unit)
Model BD24FKS(L) (Winding: PXR-6-L400-XHP6R/AMP6BL-P)
Design pressure MPa 4.4/2.6
Refrigerant piping Liquid / Gas mm Ф9.52/ Ф15.9 *2 Ф9.52/ Ф15.9 *2 Ф9.52/ Ф15.9 *2
Connecting wiring
Power wiring mm2 3*2.5(L≤20m); 3*3.5(L≤50m)
Signal wiring mm2 3*0.75
Drainage water pipe diameter Ф32 (ID Ф25, OU Ф32)
Controller Wired controller KJR-12B/DP(T)-E(6 meters connection wire)
Operation temp ℃ Cooling:17~32;Heating:10~28
Notes: 1. Nominal cooling capacities are based on the following conditions: return air temp. : 27°CDB, 19°CWB, outdoor
temp.:35°CDB,equivalent ref. Piping: 8m(horizontal)
2. Nominal heating capacities are based on the following conditions: return air temp.: 20°CDB,outdoor temp.:
7°CDB,6°CWB,equivalent ref. Piping: 8m(horizontal)

MCAC-VTSM-2011-03 High static pressure duct unit
Dimensions 117
3. Dimension
MDV-D71T1/N1-B MDV-D80T1/N1-B MDV-D90T1/N1-B MDV-D112T1/N1-B
Front view, top view and rear view:
72265
642
420
85
856
214
86
800
44253155
65
PLASTIC COVER
ELECTRICAL
CONTROL
BOX
4-12*25 OBLONG SUSPENTION BOLT HOLES AIR INTAKE
AIR OUTLET DUCT FLANGE
4-Φ5HOLES FOR AIR
INTAKE DUCT CONNECTION
AIR OUTLET
339
690
952

High static pressure duct unit MCAC-VTSM-2011-03
118 Dimensions
Side view:
Left side
75
61
43
189123
REFRIGERANT-PIPE FLANED
CONNECTION Φ16(5/8)
REFRIGERANT-PIPE FLANED
CONNECTION Φ9.52(3/8)
SAFETY DRAIN C
O
NNECTING PIPE
C
O
N
N
E
C
T
I
N
G
P
O
I
N
T
O
F
DRAIN PIPE
Right side
189123
26
255 33

MCAC-VTSM-2011-03 High static pressure duct unit
Dimensions 119
MDV-D140T1/N1-BMDV-D160T1/N1-B
Front view, top view and rear view:

High static pressure duct unit MCAC-VTSM-2011-03
120 Dimensions
Side view:
Left side
Right side

MCAC-VTSM-2011-03 High static pressure duct unit
Dimensions 121
MDV-D200T1/N1-BMDV-D250T1/N1-BMDV-D280T1/N1-B
Front view, top view and rear view:
1121 75
343
96
60
4-Φ10 hanging screw
(configureonspot)
Air intake
Air outlet
Refrigerant-pipe flared
connectionΦ16(5/8)
Refrigerant-pipe flared
connectionΦ9.52(3/8)
Air outlet
duct flange
4-12*25 oblong
suspention
bolt holes
Electrical
parts box
Entrances and exits
for communication
lines of indoor and outdoor
Air intake
duct flange
378
55
810
66
50
936
1275
1443
200
Side view:
Connecting point
of drain pipe
69
125 100
43
470

High static pressure duct unit MCAC-VTSM-2011-03
122 Dimensions
Key points about the 200, 250, 280 model installation:
There’re two sets of EXV boxes, as well two groups of pipes (Gas/Liquid), it’s necessary to connect the two
gas pipes together with the attached branch header BY101N1, as well the liquid pipes.
The branch header (1 set) already includes 1 gas and 1 liquid branch joint. Please kindly check the
accessory and follow the instructions while install the indoor units and piping.
Low-pressure pipe
Hi-pressure pipe
Electric throttle part
Liquid branch pipe Φ9.5
Φ9.5 Φ15.9
Φ15.9
Gas branch pipe
≤10m
Φ25.4
Φ12.7

MCAC-VTSM-2011-03 High static pressure duct unit
Installation Space 123
4. Service Space
Ensure the needed spaces for installation and maintenance.
The ceiling is horizontal, and its structure can endure the weight of the indoor unit.
The outlet and the inlet are not impeded, and the influence of external air is the least.
The air flow can reach throughout the room.
The connecting pipe and drainpipe could be extracted out easily.
There is no direct radiation from heaters.
Below is the recommended duct installation method:
Air outlet Air inlet
Canvas tie-in Canvas tie-in
Air dust filter
checking orifice
Isolation booth
Isolation booth
Keep min. 600*600 space for checking &maintenance:
Maintenance space
Maintenance space
checking port
60 0mm * 60 0mm
500mm or up
600 mm or up
checking orifice
Confirm the minimum
drain tilt is 1/100 or more

High static pressure duct unit MCAC-VTSM-2011-03
124 Piping diagram
5. PipingDiagram
MDV-D71T1/N1-B ,MDV-D80T1/N1-B ,MDV-D90T1/N1-B ,MDV-D112T1/N1-B ,MDV-D140T1/N1-B ,
MDV-D160T1/N1-B,
flare nut
flare nut
T2B
gas side
motor
heat exchanger
fan
EXV
liquid side
T2
T1
MDV-D200T1/N1-B,MDV-D250T1/N1-B,MDV-D280T1/N1-B,
flare nut
flare nut
motor
heat exchanger
EXV
liquid side
flare nut
gas side
flare nut
liquid side
motor
fan
T2B
T2B
T2
T2
T1
T1
EXV

MCAC-VTSM-2011-03 High static pressure duct unit
Wiring diagram 125
6. Wiring Diagram
MDV-D71T1/N1-B,MDV-D80T1/N1-B,MDV-D90T1/N1-B,

High static pressure duct unit MCAC-VTSM-2011-03
126 Wiring diagram
MDV-D112T1/N1-B, MDV-D140T1/N1-B, MDV-D160T1/N1-B,

MCAC-VTSM-2011-03 High static pressure duct unit
Wiring diagram 127
MDV-D200T1/N1-B, MDV-D250T1/N1-B, MDV-D280T1/N1-B,

High static pressure duct unit MCAC-VTSM-2011-03
128 Fan performance
7. Fan Performance
How to Read the Diagram
The vertical axis is the External Static Pressure (Pa) while the horizontal axis represents theAir Flow (CMH).
The characteristic curve for the “Hi,” “Med, ” and “Lo ” fan speed control, The nameplate values are shown
based on the “Hi ” air flow.
Therefore in the case of 112T1Type, the air flow is 1544 CMH , while the External Static Pressure is 90Pa at
“Lo ” position. And 2117 CMH @ 90Pa, at‘ Hi‘ position.
MDV-D71(80)T1/N1-BMDV-D90T1/N1-B
MDV-D112T1/N1-BMDV-D140T1/N1-B

MCAC-VTSM-2011-03 High static pressure duct unit
Fan performance 129
MDV-D160T1/N1-BMDV-D200(250)T1/N1-B
MDV-D280T1/N1-B
If the external static pressure is too great (due to long extension of duct, for example), the air flowvolume may
drop too low at each air outlet.
So there’s a limit air flow volumeline for each speed, which is the min. airflow of this duct unit. At this flow
volume, the fan achieve the max. ESP, and indoor evaporator may protect by low temp.
As well, there’s a limit airflow volume, which is the max. Value at each speed. It request the unit to connect
duct for air-inlet and outlet, to prevent damage from the high temp. of motor/evaporator.

High static pressure duct unit MCAC-VTSM-2011-03
130 Capacity table
8. Capacity Tables
8.1 Cooling TC: total capacity SC: sensible capacity WB: wet-bulb temperature DB:dry-bulb temperature
Indoor
Unit size
(kW)
Outdoor
temperature
( DB)℃
Indoor temperature ( WB℃/DB)
14/20 16/23 18/26 19/27 20/28 22/30 24/32
TC SC TC SC TC SC TC SC TC SC TC SC TC SC
kW kW kW kW kW kW kW kW kW kW kW kW kW kW
7.1
10.0 4.9 4.2 5.8 4.7 6.7 5.0 7.1 5.3 7.5 5.2 8.4 5.2 9.2 5.4
12.0 4.9 4.2 5.8 4.7 6.7 5.0 7.1 5.3 7.5 5.2 8.4 5.2 9.1 5.3
14.0 4.9 4.2 5.8 4.7 6.7 5.0 7.1 5.3 7.5 5.2 8.4 5.2 9.0 5.3
16.0 4.9 4.2 5.8 4.7 6.7 5.0 7.1 5.3 7.5 5.2 8.4 5.2 8.9 5.2
18.0 4.9 4.2 5.8 4.7 6.7 5.0 7.1 5.3 7.5 5.2 8.4 5.2 8.7 5.1
20.0 4.9 4.2 5.8 4.7 6.7 5.0 7.1 5.3 7.5 5.2 8.4 5.2 8.5 5.0
21.0 4.9 4.2 5.8 4.7 6.7 5.0 7.1 5.3 7.5 5.2 8.4 5.2 8.4 4.9
23.0 4.9 4.2 5.8 4.7 6.7 5.0 7.1 5.3 7.5 5.2 8.4 5.2 8.3 4.8
25.0 4.9 4.2 5.8 4.7 6.7 5.0 7.1 5.3 7.5 5.2 8.4 5.2 8.2 4.8
27.0 4.9 4.2 5.8 4.7 6.7 5.0 7.1 5.3 7.5 5.2 8.1 5.1 8.2 4.9
29.0 4.9 4.2 5.8 4.7 6.7 5.0 7.1 5.3 7.5 5.2 8.0 5.1 8.1 4.8
31.0 4.9 4.2 5.8 4.7 6.7 5.0 7.1 5.3 7.5 5.2 7.9 5.0 7.8 4.6
33.0 4.9 4.2 5.8 4.7 6.7 5.0 7.1 5.3 7.5 5.2 7.8 5.0 7.8 4.6
35.0 4.9 4.2 5.8 4.7 6.7 5.0 7.1 5.3 7.5 5.2 7.6 4.8 7.7 4.6
37.0 4.9 4.2 5.8 4.7 6.7 5.0 7.1 5.3 7.4 5.2 7.5 4.8 7.6 4.7
39.0 4.9 4.2 5.8 4.7 6.7 5.0 7.1 5.3 7.2 5.0 7.4 4.8 7.6 4.7
42.0 4.9 4.2 5.8 4.7 6.7 5.0 7.1 5.3 7.2 5.0 7.4 4.8 7.6 4.7
44.0 4.9 4.2 5.8 4.7 6.7 5.0 7.1 5.3 7.2 5.0 7.4 4.8 7.6 4.7
46.0 4.9 4.2 5.8 4.7 6.7 5.0 7.1 5.3 7.2 5.0 7.4 4.8 7.6 4.7
8.0
10.0 5.5 6.8 6.5 6.3 7.4 6.0 8.0 5.7 8.6 5.4 9.4 5.0 10.4 4.5
12.0 5.5 6.8 6.5 6.3 7.4 6.0 8.0 5.7 8.6 5.4 9.4 5.0 10.2 4.5
14.0 5.5 6.8 6.5 6.3 7.4 6.0 8.0 5.7 8.6 5.4 9.4 5.0 10.2 4.5
16.0 5.5 6.8 6.5 6.3 7.4 6.0 8.0 5.7 8.6 5.4 9.4 5.0 10.0 4.5
18.0 5.5 6.8 6.5 6.3 7.4 6.0 8.0 5.7 8.6 5.4 9.4 5.0 9.8 4.6
20.0 5.5 6.8 6.5 6.3 7.4 6.0 8.0 5.7 8.6 5.4 9.4 5.0 9.6 4.6
21.0 5.5 6.8 6.5 6.3 7.4 6.0 8.0 5.7 8.6 5.4 9.4 5.0 9.4 4.6
23.0 5.5 6.8 6.5 6.3 7.4 6.0 8.0 5.7 8.6 5.4 9.4 5.0 9.4 4.6
25.0 5.5 6.8 6.5 6.3 7.4 6.0 8.0 5.7 8.6 5.4 9.4 5.0 9.3 4.6
27.0 5.5 6.8 6.5 6.3 7.4 6.0 8.0 5.7 8.6 5.4 9.1 5.0 9.2 4.6
29.0 5.5 6.8 6.5 6.3 7.4 6.0 8.0 5.7 8.6 5.4 9.0 5.0 9.1 4.6
31.0 5.5 6.8 6.5 6.3 7.4 6.0 8.0 5.7 8.6 5.4 8.9 5.0 8.8 4.6
33.0 5.5 6.8 6.5 6.3 7.4 6.0 8.0 5.7 8.6 5.4 8.8 5.0 8.8 4.6
35.0 5.5 6.8 6.5 6.3 7.4 6.0 8.0 5.7 8.5 5.4 8.6 5.0 8.6 4.7
37.0 5.5 6.8 6.5 6.3 7.4 6.0 8.0 5.7 8.2 5.4 8.4 5.0 8.6 4.8
39.0 5.5 6.8 6.5 6.3 7.4 6.0 8.0 5.7 8.2 5.4 8.3 5.0 8.6 4.8
42.0 5.5 6.8 6.5 6.3 7.4 6.0 8.0 5.7 8.2 5.4 8.3 5.0 8.6 4.8
44.0 5.5 6.8 6.5 6.3 7.4 6.0 8.0 5.7 8.2 5.4 8.3 5.0 8.6 4.8
46.0 5.5 6.8 6.5 6.3 7.4 6.0 8.0 5.7 8.2 5.4 8.3 5.0 8.6 4.8
9.0
10.0 6.2 5.7 7.3 6.2 8.4 6.8 9.0 6.9 9.6 7.1 10.6 7.1 11.7 7.1
12.0 6.2 5.7 7.3 6.2 8.4 6.8 9.0 6.9 9.6 7.1 10.6 7.1 11.5 7.0
14.0 6.2 5.7 7.3 6.2 8.4 6.8 9.0 6.9 9.6 7.1 10.6 7.1 11.4 6.9
16.0 6.2 5.7 7.3 6.2 8.4 6.8 9.0 6.9 9.6 7.1 10.6 7.1 11.3 6.8
18.0 6.2 5.7 7.3 6.2 8.4 6.8 9.0 6.9 9.6 7.1 10.6 7.1 11.0 6.8
20.0 6.2 5.7 7.3 6.2 8.4 6.8 9.0 6.9 9.6 7.1 10.6 7.1 10.8 6.6
21.0 6.2 5.7 7.3 6.2 8.4 6.8 9.0 6.9 9.6 7.1 10.6 7.1 10.6 6.5
23.0 6.2 5.7 7.3 6.2 8.4 6.8 9.0 6.9 9.6 7.1 10.6 7.1 10.5 6.5
25.0 6.2 5.7 7.3 6.2 8.4 6.8 9.0 6.9 9.6 7.1 10.6 7.1 10.4 6.4
27.0 6.2 5.7 7.3 6.2 8.4 6.8 9.0 6.9 9.6 7.1 10.3 6.9 10.4 6.4
29.0 6.2 5.7 7.3 6.2 8.4 6.8 9.0 6.9 9.6 7.1 10.1 6.7 10.3 6.3
31.0 6.2 5.7 7.3 6.2 8.4 6.8 9.0 6.9 9.6 7.1 10.0 6.7 9.9 6.2
33.0 6.2 5.7 7.3 6.2 8.4 6.8 9.0 6.9 9.6 7.1 9.9 6.6 9.9 6.2
35.0 6.2 5.7 7.3 6.2 8.4 6.8 9.0 6.9 9.5 7.0 9.6 6.4 9.7 6.2
37.0 6.2 5.7 7.3 6.2 8.4 6.8 9.0 6.9 9.3 6.8 9.5 6.3 9.6 6.2
39.0 6.2 5.7 7.3 6.2 8.4 6.8 9.0 6.9 9.2 6.7 9.4 6.3 9.6 6.2
42.0 6.2 5.7 7.3 6.2 8.4 6.8 9.0 6.9 9.2 6.7 9.4 6.3 9.6 6.2
44.0 6.2 5.7 7.3 6.2 8.4 6.8 9.0 6.9 9.2 6.7 9.4 6.3 9.6 6.2
46.0 6.2 5.7 7.3 6.2 8.4 6.8 9.0 6.9 9.2 6.7 9.4 6.3 9.6 6.2
11.2 10.0 7.7 6.9 9.1 7.6 10.5 8.3 11.2 8.5 11.9 8.7 13.3 8.9 15.5 9.7

MCAC-VTSM-2011-03 High static pressure duct unit
Capacity table 131
12.0 7.7 6.9 9.1 7.6 10.5 8.3 11.2 8.5 11.9 8.7 13.3 8.9 14.4 9.1
14.0 7.7 6.9 9.1 7.6 10.5 8.3 11.2 8.5 11.9 8.7 13.3 8.9 14.2 8.9
16.0 7.7 6.9 9.1 7.6 10.5 8.3 11.2 8.5 11.9 8.7 13.3 8.9 14.1 8.8
18.0 7.7 6.9 9.1 7.6 10.5 8.3 11.2 8.5 11.9 8.7 13.3 8.9 14.0 8.8
20.0 7.7 6.9 9.1 7.6 10.5 8.3 11.2 8.5 11.9 8.7 13.3 8.9 13.9 8.7
21.0 7.7 6.9 9.1 7.6 10.5 8.3 11.2 8.5 11.9 8.7 13.3 8.9 13.8 8.6
23.0 7.7 6.9 9.1 7.6 10.5 8.3 11.2 8.5 11.9 8.7 13.1 8.8 13.7 8.6
25.0 7.7 6.9 9.1 7.6 10.5 8.3 11.2 8.5 11.9 8.7 13.0 8.7 13.6 8.5
27.0 7.7 6.9 9.1 7.6 10.5 8.3 11.2 8.5 11.9 8.7 12.9 8.6 13.4 8.4
29.0 7.7 6.9 9.1 7.6 10.5 8.3 11.2 8.5 11.9 8.7 12.8 8.5 13.3 8.5
31.0 7.7 6.9 9.1 7.6 10.5 8.3 11.2 8.5 11.9 8.7 12.7 8.5 12.8 8.1
33.0 7.7 6.9 9.1 7.6 10.5 8.3 11.2 8.5 11.9 8.7 12.5 8.4 12.5 8.0
35.0 7.7 6.9 9.1 7.6 10.5 8.3 11.2 8.5 11.8 8.6 12.4 8.3 12.3 7.9
37.0 7.7 6.9 9.1 7.6 10.5 8.3 11.2 8.5 11.6 8.6 12.3 8.2 12.1 7.7
39.0 7.7 6.9 9.1 7.6 10.5 8.3 11.2 8.5 11.4 8.4 12.2 8.2 11.9 7.7
42.0 7.7 7.1 9.1 7.7 10.4 8.4 11.2 8.6 11.4 8.4 11.6 7.8 12.0 7.8
44.0 7.7 7.1 9.1 7.7 10.4 8.4 11.2 8.6 11.4 8.4 11.6 7.8 12.0 7.8
46.0 7.7 7.1 9.1 7.7 10.4 8.4 11.2 8.6 11.4 8.4 11.6 7.8 12.0 7.8
14.0
10.0 9.7 8.5 11.3 9.3 13.2 10.4 14.0 10.6 14.8 10.6 16.7 11.0 18.2 11.0
12.0 9.7 8.5 11.3 9.3 13.2 10.4 14.0 10.6 14.8 10.6 16.7 11.0 17.9 10.8
14.0 9.7 8.5 11.3 9.3 13.2 10.4 14.0 10.6 14.8 10.6 16.7 11.0 17.8 10.8
16.0 9.7 8.5 11.3 9.3 13.2 10.4 14.0 10.6 14.8 10.6 16.7 11.0 17.5 10.6
18.0 9.7 8.5 11.3 9.3 13.2 10.4 14.0 10.6 14.8 10.6 16.7 11.0 17.1 10.3
20.0 9.7 8.5 11.3 9.3 13.2 10.4 14.0 10.6 14.8 10.6 16.7 11.0 16.8 10.2
21.0 9.7 8.5 11.3 9.3 13.2 10.4 14.0 10.6 14.8 10.6 16.7 11.0 16.5 10.0
23.0 9.7 8.5 11.3 9.3 13.2 10.4 14.0 10.6 14.8 10.6 16.4 11.0 16.4 9.9
25.0 9.7 8.5 11.3 9.3 13.2 10.4 14.0 10.6 14.8 10.6 16.2 10.9 16.2 9.8
27.0 9.7 8.5 11.3 9.3 13.2 10.4 14.0 10.6 14.8 10.6 16.1 10.8 16.1 9.9
29.0 9.7 8.5 11.3 9.3 13.2 10.4 14.0 10.6 14.8 10.6 16.0 10.7 16.0 9.8
31.0 9.7 8.5 11.3 9.3 13.2 10.4 14.0 10.6 14.8 10.6 15.8 10.6 15.4 9.5
33.0 9.7 8.5 11.3 9.3 13.2 10.4 14.0 10.6 14.8 10.6 15.7 10.5 15.4 9.5
35.0 9.7 8.5 11.3 9.3 13.2 10.4 14.0 10.6 14.7 10.5 15.1 10.1 15.1 9.5
37.0 9.7 8.5 11.3 9.3 13.2 10.4 14.0 10.6 14.6 10.4 15.1 10.1 15.0 9.4
39.0 9.7 8.5 11.3 9.3 13.2 10.4 14.0 10.6 14.3 10.2 14.6 9.9 15.0 9.5
42.0 9.7 8.5 11.3 9.3 13.2 10.4 14.0 10.6 14.3 10.2 14.6 9.9 15.0 9.5
44.0 9.7 8.5 11.3 9.3 13.2 10.4 14.0 10.6 14.3 10.2 14.6 9.9 15.0 9.5
46.0 9.7 8.5 11.3 9.3 13.2 10.4 14.0 10.6 14.3 10.2 14.6 9.9 15.0 9.5
16.0
10.0 11.0 13.0 13.0 12.2 15.0 11.7 16.0 11.2 17.0 10.6 19.0 9.8 20.8 9.0
12.0 11.0 13.0 13.0 12.2 15.0 11.7 16.0 11.2 17.0 10.6 19.0 9.8 20.5 9.0
14.0 11.0 13.0 13.0 12.2 15.0 11.7 16.0 11.2 17.0 10.6 19.0 9.8 20.3 9.0
16.0 11.0 13.0 13.0 12.2 15.0 11.7 16.0 11.2 17.0 10.6 19.0 9.8 20.0 9.0
18.0 11.0 13.0 13.0 12.2 15.0 11.7 16.0 11.2 17.0 10.6 19.0 9.8 19.5 9.0
20.0 11.0 13.0 13.0 12.2 15.0 11.7 16.0 11.2 17.0 10.6 19.0 9.8 19.2 9.0
21.0 11.0 13.0 13.0 12.2 15.0 11.7 16.0 11.2 17.0 10.6 19.0 9.8 18.9 9.0
23.0 11.0 13.0 13.0 12.2 15.0 11.7 16.0 11.2 17.0 10.6 18.7 9.9 18.7 9.0
25.0 11.0 13.0 13.0 12.2 15.0 11.7 16.0 11.2 17.0 10.6 18.6 9.9 18.6 9.0
27.0 11.0 13.0 13.0 12.2 15.0 11.7 16.0 11.2 17.0 10.6 18.4 9.9 18.4 9.1
29.0 11.0 13.0 13.0 12.2 15.0 11.7 16.0 11.2 17.0 10.6 18.2 9.9 18.2 9.1
31.0 11.0 13.0 13.0 12.2 15.0 11.7 16.0 11.2 17.0 10.6 18.1 9.9 17.6 9.1
33.0 11.0 13.0 13.0 12.2 15.0 11.7 16.0 11.2 17.0 10.6 17.9 9.9 17.6 9.1
35.0 11.0 13.0 13.0 12.2 15.0 11.7 16.0 11.2 16.8 10.6 17.3 9.9 17.3 9.3
37.0 11.0 13.0 13.0 12.2 15.0 11.7 16.0 11.2 16.6 10.6 17.3 9.9 17.1 9.3
39.0 11.0 13.0 13.0 12.2 15.0 11.7 16.0 11.2 16.3 10.6 16.6 10.1 17.1 9.4
42.0 11.0 13.0 13.0 12.2 15.0 11.7 16.0 11.2 16.3 10.6 16.6 10.1 17.1 9.4
44.0 11.0 13.0 13.0 12.2 15.0 11.7 16.0 11.2 16.3 10.6 16.6 10.1 17.1 9.4
46.0 11.0 13.0 13.0 12.2 15.0 11.7 16.0 11.2 16.3 10.6 16.6 10.1 17.1 9.4
20.0
10.0 13.8 16.2 16.2 15.2 18.8 14.6 20.0 14.0 21.2 13.2 23.8 12.2 26.0 11.2
12.0 13.8 16.2 16.2 15.2 18.8 14.6 20.0 14.0 21.2 13.2 23.8 12.2 25.6 11.2
14.0 13.8 16.2 16.2 15.2 18.8 14.6 20.0 14.0 21.2 13.2 23.8 12.2 25.4 11.2
16.0 13.8 16.2 16.2 15.2 18.8 14.6 20.0 14.0 21.2 13.2 23.8 12.2 25.0 11.2
18.0 13.8 16.2 16.2 15.2 18.8 14.6 20.0 14.0 21.2 13.2 23.8 12.2 24.4 11.2
20.0 13.8 16.2 16.2 15.2 18.8 14.6 20.0 14.0 21.2 13.2 23.8 12.2 24.0 11.2
21.0 13.8 16.2 16.2 15.2 18.8 14.6 20.0 14.0 21.2 13.2 23.8 12.2 23.6 11.2
23.0 13.8 16.2 16.2 15.2 18.8 14.6 20.0 14.0 21.2 13.2 23.4 12.4 23.4 11.2
25.0 13.8 16.2 16.2 15.2 18.8 14.6 20.0 14.0 21.2 13.2 23.2 12.4 23.2 11.2

High static pressure duct unit MCAC-VTSM-2011-03
132 Capacity table
27.0 13.8 16.2 16.2 15.2 18.8 14.6 20.0 14.0 21.2 13.2 23.0 12.4 23.0 11.4
29.0 13.8 16.2 16.2 15.2 18.8 14.6 20.0 14.0 21.2 13.2 22.8 12.4 22.8 11.4
31.0 13.8 16.2 16.2 15.2 18.8 14.6 20.0 14.0 21.2 13.2 22.6 12.4 22.0 11.4
33.0 13.8 16.2 16.2 15.2 18.8 14.6 20.0 14.0 21.2 13.2 22.4 12.4 22.0 11.4
35.0 13.8 16.2 16.2 15.2 18.8 14.6 20.0 14.0 21.0 13.2 21.6 12.4 21.6 11.6
37.0 13.8 16.2 16.2 15.2 18.8 14.6 20.0 14.0 20.8 13.2 21.6 12.4 21.4 11.6
39.0 13.8 16.2 16.2 15.2 18.8 14.6 20.0 14.0 20.4 13.2 20.8 12.6 21.4 11.8
42.0 13.8 16.2 16.2 15.2 18.8 14.6 20.0 14.0 20.4 13.2 20.8 12.6 21.4 11.8
44.0 13.8 16.2 16.2 15.2 18.8 14.6 20.0 14.0 20.4 13.2 20.8 12.6 21.4 11.8
46.0 13.8 16.2 16.2 15.2 18.8 14.6 20.0 14.0 20.4 13.2 20.8 12.6 21.4 11.8
25.0
10.0 17.3 20.3 20.3 19.0 23.5 18.3 25.0 17.5 26.5 16.5 29.8 15.3 32.5 14.0
12.0 17.3 20.3 20.3 19.0 23.5 18.3 25.0 17.5 26.5 16.5 29.8 15.3 32.0 14.0
14.0 17.3 20.3 20.3 19.0 23.5 18.3 25.0 17.5 26.5 16.5 29.8 15.3 31.8 14.0
16.0 17.3 20.3 20.3 19.0 23.5 18.3 25.0 17.5 26.5 16.5 29.8 15.3 31.3 14.0
18.0 17.3 20.3 20.3 19.0 23.5 18.3 25.0 17.5 26.5 16.5 29.8 15.3 30.5 14.0
20.0 17.3 20.3 20.3 19.0 23.5 18.3 25.0 17.5 26.5 16.5 29.8 15.3 30.0 14.0
21.0 17.3 20.3 20.3 19.0 23.5 18.3 25.0 17.5 26.5 16.5 29.8 15.3 29.5 14.0
23.0 17.3 20.3 20.3 19.0 23.5 18.3 25.0 17.5 26.5 16.5 29.3 15.5 29.3 14.0
25.0 17.3 20.3 20.3 19.0 23.5 18.3 25.0 17.5 26.5 16.5 29.0 15.5 29.0 14.0
27.0 17.3 20.3 20.3 19.0 23.5 18.3 25.0 17.5 26.5 16.5 28.8 15.5 28.8 14.3
29.0 17.3 20.3 20.3 19.0 23.5 18.3 25.0 17.5 26.5 16.5 28.5 15.5 28.5 14.3
31.0 17.3 20.3 20.3 19.0 23.5 18.3 25.0 17.5 26.5 16.5 28.3 15.5 27.5 14.3
33.0 17.3 20.3 20.3 19.0 23.5 18.3 25.0 17.5 26.5 16.5 28.0 15.5 27.5 14.3
35.0 17.3 20.3 20.3 19.0 23.5 18.3 25.0 17.5 26.3 16.5 27.0 15.5 27.0 14.5
37.0 17.3 20.3 20.3 19.0 23.5 18.3 25.0 17.5 26.0 16.5 27.0 15.5 26.8 14.5
39.0 17.3 20.3 20.3 19.0 23.5 18.3 25.0 17.5 25.5 16.5 26.0 15.8 26.8 14.8
42.0 17.3 20.3 20.3 19.0 23.5 18.3 25.0 17.5 25.5 16.5 26.0 15.8 26.8 14.8
44.0 17.3 20.3 20.3 19.0 23.5 18.3 25.0 17.5 25.5 16.5 26.0 15.8 26.8 14.8
46.0 17.3 20.3 20.3 19.0 23.5 18.3 25.0 17.5 25.5 16.5 26.0 15.8 26.8 14.8
28.0
10.0 19.3 22.7 22.7 21.3 26.3 20.4 28.0 19.6 29.7 18.5 33.3 17.1 36.4 15.7
12.0 19.3 22.7 22.7 21.3 26.3 20.4 28.0 19.6 29.7 18.5 33.3 17.1 35.8 15.7
14.0 19.3 22.7 22.7 21.3 26.3 20.4 28.0 19.6 29.7 18.5 33.3 17.1 35.6 15.7
16.0 19.3 22.7 22.7 21.3 26.3 20.4 28.0 19.6 29.7 18.5 33.3 17.1 35.0 15.7
18.0 19.3 22.7 22.7 21.3 26.3 20.4 28.0 19.6 29.7 18.5 33.3 17.1 34.2 15.7
20.0 19.3 22.7 22.7 21.3 26.3 20.4 28.0 19.6 29.7 18.5 33.3 17.1 33.6 15.7
21.0 19.3 22.7 22.7 21.3 26.3 20.4 28.0 19.6 29.7 18.5 33.3 17.1 33.0 15.7
23.0 19.3 22.7 22.7 21.3 26.3 20.4 28.0 19.6 29.7 18.5 32.8 17.4 32.8 15.7
25.0 19.3 22.7 22.7 21.3 26.3 20.4 28.0 19.6 29.7 18.5 32.5 17.4 32.5 15.7
27.0 19.3 22.7 22.7 21.3 26.3 20.4 28.0 19.6 29.7 18.5 32.2 17.4 32.2 16.0
29.0 19.3 22.7 22.7 21.3 26.3 20.4 28.0 19.6 29.7 18.5 31.9 17.4 31.9 16.0
31.0 19.3 22.7 22.7 21.3 26.3 20.4 28.0 19.6 29.7 18.5 31.6 17.4 30.8 16.0
33.0 19.3 22.7 22.7 21.3 26.3 20.4 28.0 19.6 29.7 18.5 31.4 17.4 30.8 16.0
35.0 19.3 22.7 22.7 21.3 26.3 20.4 28.0 19.6 29.4 18.5 30.2 17.4 30.2 16.2
37.0 19.3 22.7 22.7 21.3 26.3 20.4 28.0 19.6 29.1 18.5 30.2 17.4 30.0 16.2
39.0 19.3 22.7 22.7 21.3 26.3 20.4 28.0 19.6 28.6 18.5 29.1 17.6 30.0 16.5
42.0 19.3 22.7 22.7 21.3 26.3 20.4 28.0 19.6 28.6 18.5 29.1 17.6 30.0 16.5
44.0 19.3 22.7 22.7 21.3 26.3 20.4 28.0 19.6 28.6 18.5 29.1 17.6 30.0 16.5
46.0 19.3 22.7 22.7 21.3 26.3 20.4 28.0 19.6 28.6 18.5 29.1 17.6 30.0 16.5

MCAC-VTSM-2011-03 High static pressure duct unit
Capacity table 133
8.2 Heating
TC: total capacity WB: wet-bulb temperature DB: dry-bulb temperature
Indoor Unit size
(kW)
Outdoor temperature
()℃
Indoor temperature (℃ DB)
16.00 18.00 20.00 21.00 22.00 24.00
TC TC TC TC TC TC
WB DB kW kW kW kW kW kW
7.1
-20 -19.8 4.48 4.48 4.48 4.48 4.48 4.48
-19 -18.8 4.8 4.8 4.8 4.8 4.8 4.8
-17 -16.7 5.04 5.04 5.04 5.04 5.04 5.04
-15 -14.7 5.2 5.2 5.2 5.2 5.2 5.2
-13.00 -12.60 5.36 5.36 5.36 5.36 5.36 5.36
-11.00 -10.50 5.6 5.6 5.6 5.6 5.6 5.6
-10.00 -9.50 5.84 5.84 5.84 5.84 5.84 5.84
-9.10 -8.50 6 6 6 6 6 6
-7.60 -7.00 6.08 6.08 6.08 6.08 6.08 6.08
-5.60 -5.00 6.32 6.32 6.32 6.32 6.32 6.32
-3.70 -3.00 6.64 6.64 6.64 6.64 6.64 6.64
-0.70 0.00 7.12 7.12 7.12 7.12 7.12 6.72
2.20 3.00 7.52 7.52 7.52 7.52 7.36 6.72
4.10 5.00 7.76 7.76 7.76 7.76 7.36 6.72
6.00 7.00 8 8 8 7.76 7.36 6.72
7.90 9.00 8.24 8.24 8 7.76 7.36 6.72
9.80 11.00 8.48 8.48 8 7.76 7.36 6.72
11.80 13.00 8.8 8.64 8 7.76 7.36 6.72
13.70 15.00 9.04 8.64 8 7.76 7.36 6.72
8.0
-20 -19.8 5.04 5.04 5.04 5.04 5.04 5.04
-19 -18.8 5.4 5.4 5.4 5.4 5.4 5.4
-17 -16.7 5.67 5.67 5.67 5.67 5.67 5.67
-15 -14.7 5.85 5.85 5.85 5.85 5.85 5.85
-13.00 -12.60 6.03 6.03 6.03 6.03 6.03 6.03
-11.00 -10.50 6.3 6.3 6.3 6.3 6.3 6.3
-10.00 -9.50 6.57 6.57 6.57 6.57 6.57 6.57
-9.10 -8.50 6.75 6.75 6.75 6.75 6.75 6.75
-7.60 -7.00 6.84 6.84 6.84 6.84 6.84 6.84
-5.60 -5.00 7.11 7.11 7.11 7.11 7.11 7.11
-3.70 -3.00 7.47 7.47 7.47 7.47 7.47 7.47
-0.70 0.00 8.01 8.01 8.01 8.01 8.01 7.56
2.20 3.00 8.46 8.46 8.46 8.46 8.28 7.56
4.10 5.00 8.73 8.73 8.73 8.73 8.28 7.56
6.00 7.00 9 9 9 8.73 8.28 7.56
7.90 9.00 9.27 9.27 9 8.73 8.28 7.56
9.80 11.00 9.54 9.54 9 8.73 8.28 7.56
11.80 13.00 9.9 9.72 9 8.73 8.28 7.56
13.70 15.00 10.17 9.72 9 8.73 8.28 7.56
9.0
-20 -19.8 5.6 5.04 5.6 5.6 5.6 5.6
-19 -18.8 6 5.4 6 6 6 6
-17 -16.7 6.3 6.3 6.3 6.3 6.3 6.3
-15 -14.7 6.5 6.5 6.5 6.5 6.5 6.5
-13.00 -12.60 6.7 6.7 6.7 6.7 6.7 6.7
-11.00 -10.50 7 7 7 7 7 7
-10.00 -9.50 7.3 7.3 7.3 7.3 7.3 7.3
-9.10 -8.50 7.5 7.5 7.5 7.5 7.5 7.5
-7.60 -7.00 7.6 7.6 7.6 7.6 7.6 7.6
-5.60 -5.00 7.9 7.9 7.9 7.9 7.9 7.9
-3.70 -3.00 8.3 8.3 8.3 8.3 8.3 8.3
-0.70 0.00 8.9 8.9 8.9 8.9 8.9 8.4
2.20 3.00 9.4 9.4 9.4 9.4 9.2 8.4
4.10 5.00 9.7 9.7 9.7 9.7 9.2 8.4
6.00 7.00 10 10 10 9.7 9.2 8.4
7.90 9.00 10.3 10.3 10 9.7 9.2 8.4
9.80 11.00 10.6 10.6 10 9.7 9.2 8.4
11.80 13.00 11 10.8 10 9.7 9.2 8.4
13.70 15.00 11.3 10.8 10 9.7 9.2 8.4
11.2 -20 -19.8 7 7 7 7 7 7
-19 -18.8 7.5 7.5 7.5 7.5 7.5 7.5

High static pressure duct unit MCAC-VTSM-2011-03
134 Capacity table
-17 -16.7 7.88 7.88 7.88 7.88 7.88 7.88
-15 -14.7 8.13 8.13 8.13 8.13 8.13 8.13
-13.00 -12.60 8.38 8.38 8.38 8.38 8.38 8.38
-11.00 -10.50 8.75 8.75 8.75 8.75 8.75 8.75
-10.00 -9.50 9.13 9.13 9.13 9.13 9.13 9.13
-9.10 -8.50 9.38 9.38 9.38 9.38 9.38 9.38
-7.60 -7.00 9.5 9.5 9.5 9.5 9.5 9.5
-5.60 -5.00 9.88 9.88 9.88 9.88 9.88 9.88
-3.70 -3.00 10.38 10.38 10.38 10.38 10.38 10.38
-0.70 0.00 11.13 11.13 11.13 11.13 11.13 10.5
2.20 3.00 11.75 11.75 11.75 11.75 11.5 10.5
4.10 5.00 12.13 12.13 12.13 12.13 11.5 10.5
6.00 7.00 12.5 12.5 12.5 12.13 11.5 10.5
7.90 9.00 12.88 12.88 12.5 12.13 11.5 10.5
9.80 11.00 13.25 13.25 12.5 12.13 11.5 10.5
11.80 13.00 13.75 13.5 12.5 12.13 11.5 10.5
13.70 15.00 14.13 13.5 12.5 12.13 11.5 10.5
14.0
-20 -19.8 8.68 8.68 8.68 8.68 8.68 8.68
-19 -18.8 9.3 9.3 9.3 9.3 9.3 9.3
-17 -16.7 9.77 9.77 9.77 9.77 9.77 9.77
-15 -14.7 10.08 10.08 10.08 10.08 10.08 10.08
-13.00 -12.60 10.4 10.4 10.4 10.4 10.4 10.4
-11.00 -10.50 10.9 10.9 10.9 10.9 10.9 10.9
-10.00 -9.50 11.3 11.3 11.3 11.3 11.3 11.3
-9.10 -8.50 11.6 11.6 11.6 11.6 11.6 11.6
-7.60 -7.00 11.8 11.8 11.8 11.8 11.8 11.8
-5.60 -5.00 12.3 12.3 12.3 12.3 12.3 12.3
-3.70 -3.00 12.9 12.9 12.9 12.9 12.9 12.9
-0.70 0.00 13.8 13.8 13.8 13.8 13.8 13
2.20 3.00 14.6 14.6 14.6 14.6 14.3 13
4.10 5.00 15 15 15 15 14.3 13
6.00 7.00 15.5 15.5 15.5 15 14.3 13
7.90 9.00 16 16 15.5 15 14.3 13
9.80 11.00 16.4 16.4 15.5 15 14.3 13
11.80 13.00 17.1 16.7 15.5 15 14.3 13
13.70 15.00 17.5 16.7 15.5 15 14.3 13
16.0
-20 -19.8 9.2 9.2 9.2 9.2 9.2 9.2
-19 -18.8 9.9 9.9 9.9 9.9 9.9 9.9
-17 -16.7 10.4 10.4 10.4 10.4 10.4 10.4
-15 -14.7 10.7 10.7 10.7 10.7 10.7 10.7
-13.00 -12.6 11.4 11.4 11.4 11.4 11.4 11.4
-11.00 -10.5 11.6 11.7 11.7 11.7 11.7 11.7
-10.00 -9.5 12.0 12.0 12.0 12.0 12.0 12.0
-9.10 -8.5 12.4 12.4 12.4 12.4 12.4 12.4
-7.60 -7 12.5 12.5 12.5 12.5 12.5 12.5
-5.60 -5 13.0 13.0 13.0 13.0 13.0 13.0
-3.70 -3 13.7 13.7 13.7 13.7 13.7 13.7
-0.70 0 14.7 14.7 14.7 14.7 14.7 13.9
2.20 3 15.5 15.5 15.5 15.5 15.2 13.9
4.10 5 16.0 16.0 16.0 16.0 15.2 13.9
6.00 7 16.5 16.5 16.5 16.0 15.2 13.9
7.90 9 17.0 17.0 16.5 16.0 15.2 13.9
9.80 11 17.5 17.5 16.5 16.0 15.2 13.9
11.80 13 18.2 17.8 16.5 16.0 15.2 13.9
13.70 15 18.6 17.8 16.5 16.0 15.2 13.9
20.0
-20 -19.8 12.6 12.6 12.6 12.6 12.6 12.6
-19 -18.8 13.5 13.5 13.5 13.5 13.5 13.5
-17 -16.7 14.2 14.2 14.2 14.2 14.2 14.2
-15 -14.7 14.6 14.6 14.6 14.6 14.6 14.6
-13.00 -12.6 15.5 15.5 15.5 15.5 15.5 15.5
-11.00 -10.5 15.8 16.0 16.0 16.0 16.0 16.0
-10.00 -9.5 16.4 16.4 16.4 16.4 16.4 16.4
-9.10 -8.5 16.9 16.9 16.9 16.9 16.9 16.9
-7.60 -7 17.1 17.1 17.1 17.1 17.1 17.1
-5.60 -5 17.8 17.8 17.8 17.8 17.8 17.8

MCAC-VTSM-2011-03 High static pressure duct unit
Capacity table 135
-3.70 -3 18.7 18.7 18.7 18.7 18.7 18.7
-0.70 0 20.0 20.0 20.0 20.0 20.0 18.9
2.20 3 21.2 21.2 21.2 21.2 20.7 18.9
4.10 5 21.8 21.8 21.8 21.8 20.7 18.9
6.00 7 22.5 22.5 22.5 21.8 20.7 18.9
7.90 9 23.2 23.2 22.5 21.8 20.7 18.9
9.80 11 23.9 23.9 22.5 21.8 20.7 18.9
11.80 13 24.8 24.3 22.5 21.8 20.7 18.9
13.70 15 25.4 24.3 22.5 21.8 20.7 18.9
25.0
-20 -19.8 14.56 14.56 14.56 14.56 14.56 14.56
-19 -18.8 15.6 15.6 15.6 15.6 15.6 15.6
-17 -16.7 16.38 16.38 16.38 16.38 16.38 16.38
-15 -14.7 16.9 16.9 16.9 16.9 16.9 16.9
-13.00 -12.6 17.94 17.94 17.94 17.94 17.94 17.94
-11.00 -10.5 18.2 18.46 18.46 18.46 18.46 18.46
-10.00 -9.5 18.98 18.98 18.98 18.98 18.98 18.98
-9.10 -8.5 19.5 19.5 19.5 19.5 19.5 19.5
-7.60 -7 19.76 19.76 19.76 19.76 19.76 19.76
-5.60 -5 20.54 20.54 20.54 20.54 20.54 20.54
-3.70 -3 21.58 21.58 21.58 21.58 21.58 21.58
-0.70 0 23.14 23.14 23.14 23.14 23.14 21.84
2.20 3 24.44 24.44 24.44 24.44 23.92 21.84
4.10 5 25.22 25.22 25.22 25.22 23.92 21.84
6.00 7 26 26 26 25.22 23.92 21.84
7.90 9 26.78 26.78 26 25.22 23.92 21.84
9.80 11 27.56 27.56 26 25.22 23.92 21.84
11.80 13 28.6 28.08 26 25.22 23.92 21.84
13.70 15 29.38 28.08 26 25.22 23.92 21.84
28.0
-20 -19.8 17.6 17.6 17.6 17.6 17.6 17.6
-19 -18.8 18.9 18.9 18.9 18.9 18.9 18.9
-17 -16.7 19.8 19.8 19.8 19.8 19.8 19.8
-15 -14.7 20.5 20.5 20.5 20.5 20.5 20.5
-13.00 -12.6 21.7 21.7 21.7 21.7 21.7 21.7
-11.00 -10.5 22.1 22.4 22.4 22.4 22.4 22.4
-10.00 -9.5 23.0 23.0 23.0 23.0 23.0 23.0
-9.10 -8.5 23.6 23.6 23.6 23.6 23.6 23.6
-7.60 -7 23.9 23.9 23.9 23.9 23.9 23.9
-5.60 -5 24.9 24.9 24.9 24.9 24.9 24.9
-3.70 -3 26.1 26.1 26.1 26.1 26.1 26.1
-0.70 0 28.0 28.0 28.0 28.0 28.0 26.5
2.20 3 29.6 29.6 29.6 29.6 29.0 26.5
4.10 5 30.6 30.6 30.6 30.6 29.0 26.5
6.00 7 31.5 31.5 31.5 30.6 29.0 26.5
7.90 9 32.4 32.4 31.5 30.6 29.0 26.5
9.80 11 33.4 33.4 31.5 30.6 29.0 26.5
11.80 13 34.7 34.0 31.5 30.6 29.0 26.5
13.70 15 35.6 34.0 31.5 30.6 29.0 26.5

High static pressure duct unit MCAC-VTSM-2011-03
136 Electric Characteristics
9. Electric Characteristics
Model Indoor Unit Power Supply IFM
Hz Voltage Min. Max. MCA MFA KW FLA
MDV-D71T1/N1-B 50 220-240V 198V 254V 1.23 5 0.1 1.17
MDV-D80T1/N1-B 50 220-240V 198V 254V 1.23 5 0.1 1.17
MDV-D90T1/N1-B 50 220-240V 198V 254V 1.87 5 0.16 1.71
MDV-D112T1/N1-B 50 220-240V 198V 254V 2.3 5 0.2 2.18
MDV-D140T1/N1-B 50 220-240V 198V 254V 2.85 5 0.3 2.56
MDV-D160T1/N1-B 50 220-240V 198V 254V 4.77 6 0.4 3.52
MDV-D200T1/N1-B 50 220-240V 198V 254V 8.6 10 0.55(*2)3.1(*2)
MDV-D250T1/N1-B 50 220-240V 198V 254V 8.6 10 0.55(*2)3.1(*2)
MDV-D280T1/N1-B 50 220-240V 198V 254V 8.6 10 0.55(*2)3.25(*2)
Remark:
MCA: Min. Current Amps. (A)
MFA: Max. Fuse Amps. (A)
KW: Fan Motor Rated Output (kW)
FLA: Full Load Amps. (A)
IFM:Indoor Fan Motor

MCAC-VTSM-2011-03 High static pressure duct unit
Sound level 137
10. Noise Levels
10.1 Test condition
10.2 Test value
Model Noise test value dB(A)
Hi Mid Low
MDV-D71T1/N1-B 48 46 44.5
MDV-D80T1/N1-B 48 46 44.5
MDV-D90T1/N1-B 52 49 47
MDV-D112T1/N1-B 52 49 47
MDV-D140T1/N1-B 53 50 48
MDV-D160T1/N1-B 54 52 50
MDV-D200T1/N1-B 58 55 52
MDV-D250T1/N1-B 58 55 52
MDV-D280T1/N1-B 58 55 52
MDV-D71T1/N1-BMDV-D80T1/N1-BMDV-D90T1/N1-BMDV-D112T1/N1-B
Octave band center frequency(Hz)
Sound pressure level dB(0dB=0.0002μ bar)
Audibility limits of
continuous white
sound
Octave band center frequency(Hz)
Sound pressure level dB(0dB=0.0002μ bar)
Audibility limits of
continuous white
sound

High static pressure duct unit MCAC-VTSM-2011-03
138 Sound level
MDV-D140T1/N1-BMDV-D160T1/N1-B
Octave band center frequency(Hz)
Sound pressure level dB(0dB=0.0002μ bar)
Audibility limits of
continuous white
sound
Octave band center frequency(Hz)
Sound pressure level dB(0dB=0.0002μ bar)
Audibility limits of
continuous white
sound
MDV-D200T1/N1-BMDV-D250T1/N1-BMDV-D280T1/N1-B
Octave band center frequency(Hz)
Sound pressure level dB(0dB=0.0002μ bar)
Audibility limits of
continuous white
sound

MCAC-VTSM-2011-03 High static pressure duct unit
Accessories 139
11. Accessories
11.1 Standard accessories
Name Qty. Shape Usage
Installation manual 1 / /
Pipe insulation material
71~160 2
Heat insulation
200 and up 4
Adhesive tape for seal 2 To connect drain pipe
Branch header (for 200 and up model)
package
Code: 201609891015
Model:CE-MDV-BY101N1(MDV-BY101N1)
1
1 liquid and 1 gas branch
To connect the two circuits of
indoor unit as one system.
Wired controller 1
/
Network matching wire 1
The indoor unit witch at the
terminal of communication system
should connect a impedance
between port p and port Q
Water outlet joint 1 For drainage
Clasp 1
Chucking the joint which connect
the drain hose and the outlet of
indoor unit
Signal receiver display board (already fixed
inside control box) 1 Receive signal
11.2 Optional accessories
Name Model Code Usage
Wireless remote controller RM05/BG(T)E-A 203355091418
Which can be used to set the indoor
unit’s address
Drain pump kit SBH-04 210095700140 To lift the drain water up

Wall mounted Type (S Type) MCAC-VTSM-2011-09
140 Features
Wall Mounted Type (S Type)
1. Feature ...........................................................................141
2. Specifications ................................................................143
3. Dimension ......................................................................146
4. Piping Diagrams............................................................147
5. Wiring Diagram .............................................................148
6. Capacity Tables .............................................................149
7. Electric Characteristics ................................................153
8. Noise Levels ..................................................................154
9. Accessories ...................................................................155

MCAC-VTSM-2011-09 Wall mounted Type (S Type)
Features 141
1. Feature
1.1 New panels design, with LED display.
1.2 Convenient for installation
1.2.1 Multi-refrigerant outlet pipe method: left\right\rear, more flexible for installation.
1.2.2 Longer the connection pipe, Gas pipe: 468mm/Liquid pipe: 550mm, more flexible for the installation
1.2.3 Adopts new type fixing plate, easy for installation and stable.
1.2.4 The EXV is built-in the indoor unit, compact size, and convenient for the installation.
1.2.5 The Panel assembly of S type indoor unit can be exchanged with C type indoor unit, alternative
panel.
1.2.6 Reserved the socket on main control board for water pump and PCB can be customized if you need
water pump function.
1.2.7 The front panel can be lifted up to max. 65 degree and maintain, or be removed, Easy access for
wiring and service.
1.3 Auxiliary electrical heating type is available.
1.4 Three air flow speed: high/middle/low, double air guides.
RearLeft Right

Wall mounted Type (S Type) MCAC-VTSM-2011-09
142 Features
1.5 Low noise, creates quiet and comfortable environment.
1.5.1 Adoption of the Fujikoki brand mechanical expansion valve which has 2000 stages element
positioning, ensure precise flow control, as well lower modulation noise when EXV operating.
1.5.2 Smoother airflow with less turbulence. Owing to the multiple-blade fan and the air guide design, the
airflow is getting smoother and more comfortable
1.5.3 Louver’s air swing angle can be up to 90º
1.6 Wired control compatible. RM05 remote wireless controller which can set the indoor unit
address is standard, and wired controller is optional.

MCAC-VTSM-2011-09 Wall mounted Type (S Type)
Features 143
2. Specifications
Model MDV-D22G/N1-S MDV-D22G/DN1-S MDV-D28G/N1-S MDV-D28G/DN1-S
Power supply V- Ph-Hz 220-240V~, 1Ph, 50Hz
Cooling
Capacity kW 2.2 2.2 2.8 2.8
Input W
28 28 28 28
Rated current A 0.14 0.14 0.14 0.14
Heating
Capacity kW 2.6 2.6 3.2 3.2
Input W
28 28 28 28
Rated current A 0.14 0.14 0.14 0.14
Electrical heating capacity kW - 0.75 - 0.75
Indoor fan
motor
Model YDK15-6 YDK15-6 YDK15-6 YDK15-6
Type AC motor
Brand Welling
Input W
30/24/22 30/24/22 30/24/22 30/24/22
Capacitor μF 1.2 1.2 1.2 1.2
Speed (hi/mid/lo) r/min 810/760/700 810/760/700 810/760/700 810/760/700
Indoor coil
Number of rows 2 2 2 2
Tube pitch*row pitch mm 21*13.37 21*13.37 21*13.37 21*13.37
Fin spacing mm 1.5 1.5 1.5 1.5
Fin type Hydrophilic aluminum
Tube outside
diameter and type mm Ф7
Inner groove tube
length *height *width mm 635*283.5*26.74
Number of circuits 3 3 3 3
Indoor air flow (H/M/L) m3/h 525/480/430 525/480/4300 525/480/430 525/480/430
Indoor noise level (Hi/Mid/Lo) dB(A) 35/32/29 35/32/29 35/32/29 35/32/29
Indoor unit
Dimension (W×H×D) mm 915×290×230 915×290×230 915×290×230 915×290×230
Packing (W×H×D) mm 1020×390×315 1020×390×315 1020×390×315 1020×390×315
Net/Gross weight kg 13/16.5 13/16.5 13/16.5 13/16.5
Refrigerant type R410A
Throttle Type EXV (Mechanical gear modulation, Integrated with the evaporator)
Model EFM-25YGMISZ-6M-A
Design pressure MPa 4.4/2.6
Refrigerant
piping Liquid side/ Gas side mm Ф6.35/ Ф12.7
Connecting
wiring
Power wiring mm2 3*2
Signal wiring mm2 3*0.75
Drainage water pipe diameter ODФ16.5
Controller Wireless remote controller (RM05/BG(T)E-A) (Standard), to set address
Operation temp ℃ Cooling:17~32;Heating:10~28
Notes: 1. Nominal cooling capacities are based on the following conditions: return air temp. : 27°CDB, 19°CWB, outdoor
temp.:35°CDB,equivalent ref. Piping: 8m(horizontal)
2. Nominal heating capacities are based on the following conditions: return air temp.: 20°CDB,outdoor temp.:
7°CDB,6°CWB,equivalent ref. Piping: 8m(horizontal)

Wall mounted Type (S Type) MCAC-VTSM-2011-09
144 Specification
Model MDV-D36G/N1-S MDV-D36G/DN1-S MDV-D45G/N1-S MDV-D45G/DN1-S
Power supply V- Ph-Hz 220-240V~, 1Ph, 50Hz
Cooling
Capacity kW 3.6 3.6 4.5 4.5
Input W
28 28 45 45
Rated current A 0.14 0.14 0.2 0.2
Heating
Capacity kW 4 4 5 5
Input W
28 28 45 45
Rated current A 0.14 0.14 0.2 0.2
Electrical heating capacity kW - 0.75 - 0.9
Indoor fan
motor
Model YDK15-6 YDK15-6 YDK18-4 YDK18-4
Type AC motor
Brand Welling
Input W
30/24/22 30/24/22 44/42/39 44/42/39
Capacitor μF 1.2 1.2 1.2 1.2
Speed (hi/mid/lo) r/min 810/760/700 810/760/700 980/880/760 980/880/760
Indoor coil
Number of rows 2 2 2 2
Tube pitch*row pitch mm 21*13.37 21*13.37 21 x13.37 21*13.37
Fin spacing mm 1.5 1.5 1.5 1.5
Fin type Hydrophilic aluminum
Tube outside
diameter and type mm Ф7
Inner groove tube
length *height *width mm 635*283.5*26.74 785*357*26.74
Number of circuits 3 3 6 6
Indoor air flow (H/M/L) m3/h 590/520/480 590/520/480 860/755/630 860/755/630
Indoor noise level (Hi/Mid/Lo) dB(A) 35/32/29 35/32/29 40/38/34 40/38/34
Indoor unit
Dimension (W×H×D) mm 915 ×290×230 915 ×290×230 1072×315×230 1072×315×230
Packing (W×H×D) mm 1020×390×315 1020×390×315 1180×415×315 1180×415×315
Net/Gross weight kg 13/16.5 13/16.5 15.1/18.8 15.1/18.8
Refrigerant type R410A
Throttle Type EXV (Mechanical gear modulation, Integrated with the evaporator)
Model EFM-25YGMISZ-6M-A
Design pressure MPa 4.4/2.6
Refrigerant
piping Liquid side/ Gas side mm Ф6.35/ Ф12.7
Connecting
wiring
Power wiring mm2 3*2
Signal wiring mm2 3*0.75
Drainage water pipe diameter ODФ16.5
Controller Wireless remote controller (RM05/BG(T)E-A) (Standard), to set address
Operation temp ℃ Cooling:17~32;Heating:10~28
Notes: 1. Nominal cooling capacities are based on the following conditions: return air temp. : 27°CDB, 19°CWB, outdoor
temp.:35°CDB,equivalent ref. Piping: 8m(horizontal)
2. Nominal heating capacities are based on the following conditions: return air temp.: 20°CDB,outdoor temp.:
7°CDB,6°CWB,equivalent ref. Piping: 8m(horizontal)

MCAC-VTSM-2011-09 Wall mounted Type (S Type)
Specification 145
Model MDV-D56G/N1-S
MDV-D56G/DN1-S
Power supply V- Ph-Hz 220-240V~, 1Ph, 50Hz
Cooling
Capacity kW 5.6 5.6
Input W 45 45
Rated current A 0.2 0.2
Heating
Capacity kW 6.3 6.3
Input W 45 45
Rated current A 0.2 0.2
Electrical heating capacity kW - 0.9
Indoor fan
motor
Model YDK18-4 YDK18-4
Type AC motor
Brand Welling
Input W
44/42/39 44/42/39
Capacitor μF 1.2 1.2
Speed (hi/mid/lo) r/min 980/880/760 980/880/760
Indoor coil
Number of rows 2 2
Tube pitch*row pitch mm 21 x13.37 21*13.37
Fin spacing mm 1.5 1.5
Fin type Hydrophilic aluminum
Tube outside
diameter and type mm Ф7
Inner groove tube
length *height *width mm 785*357*26.74
Number of circuits 6 6
Indoor air flow (H/M/L) m3/h 925/860/755 925/860/755
Indoor noise level (Hi/Mid/Lo) dB(A) 40/38/34 40/38/34
Indoor unit
Dimension (W×H×D) mm 1072×315×230 1072×315×230
Packing (W×H×D) mm 1180×415×315 1180×415×315
Net/Gross weight kg 15.1/18.8 15.1/18.8
Refrigerant type R410A
Throttle Type EXV (Mechanical gear modulation, Integrated with the evaporator)
Model EFM-25YGMISZ-6M-A
Design pressure MPa 4.4/2.6
Refrigerant
piping Liquid side/ Gas side mm Ф9.53/Ф16
Connecting
wiring
Power wiring mm2 3*2
Signal wiring mm2 3*0.75
Drainage water pipe diameter ODФ16.5
Controller Wireless remote controller (RM05/BG(T)E-A) (Standard), to set address
Operation temp ℃ Cooling:17~32;Heating:10~28
Notes: 1. Nominal cooling capacities are based on the following conditions: return air temp. : 27°CDB, 19°CWB, outdoor
temp.:35°CDB,equivalent ref. Piping: 8m(horizontal)
2. Nominal heating capacities are based on the following conditions: return air temp.: 20°CDB,outdoor temp.:
7°CDB,6°CWB,equivalent ref. Piping: 8m(horizontal)

Wall mounted Type (S Type) MCAC-VTSM-2011-09
146 Dimensions
3. Dimension
Outline dimension and air outlet opening size
MDV-D22G/N1-S MDV-D28G/N1-S MDV-D36G/N1-S
MDV-D22G/DN1-S MDV-D28G/DN1-S MDV-D36G/DN1-S
Main dimension:
Outer Length: 915mm, Height: 290mm, Depth: 230mm
Filter length: 663mm
Gas tube: Ф12.7mm, length: Approx. 468mm
Liquid tube:Ф6.35mm,length: Approx.550mm,
MDV-D45G/N1-S MDV-D56G/N1-SMDV-D45G/DN1-S MDV-D56G/DN1-S
Outer Length: 1072mm, Height: 315mm, Depth: 230mm
Filter length: 813mm
Gas tube:Ф12.7mm, length: Approx. 468mm
Liquid tube: Ф9.53 length: Approx.550mm

MCAC-VTSM-2011-03 Wall mounted Type (S Type)
Capacity table 147
4. Piping Diagrams
MDV-D22G/N1-SMDV-D28G/N1-SMDV-D36G/N1-SMDV-D45G/N1-SMDV-D56G/N1-S
MDV-D22G/DN1-SMDV-D28G/DN1-SMDV-D36G/DN1-SMDV-D45G/DN1-SMDV-D56G/DN1-S
flare nut
flare nut
T2B
gas side
motor
heat exchanger
fan
EXV
liquid side
T2
T1

Wall mounted Type (S Type) MCAC-VTSM-2011-09
148 Piping diagram
5. Wiring Diagram
MDV-D22G/N1-SMDV-D28G/N1-SMDV-D36G/N1-SMDV-D45G/N1-SMDV-D56G/N1-S
MDV-D22G/DN1-SMDV-D28G/DN1-SMDV-D36G/DN1-SMDV-D45G/DN1-SMDV-D56G/DN1-S

MCAC-VTSM-2011-03 Wall mounted Type (S Type)
Capacity table 149
6. Capacity Tables
6.1 Cooling TC: total capacity SC: sensible capacity WB: wet-bulb temperature DB: dry-bulb temperature
Indoor
Unit size
(kW)
Outdoor
temperature
( DB)℃
Indoor temperature ( WB℃/DB)
14/20 16/23 18/26 19/27 20/28 22/30 24/32
TC SC TC SC TC SC TC SC TC SC TC SC TC SC
kW kW kW kW kW kW kW kW kW kW kW kW kW kW
2.2
10.0 1.5 1.3 1.8 1.4 2.1 1.5 2.2 1.5 2.3 1.6 2.6 1.6 2.9 1.5
12.0 1.5 1.3 1.8 1.4 2.1 1.5 2.2 1.5 2.3 1.6 2.6 1.6 2.8 1.5
14.0 1.5 1.3 1.8 1.4 2.1 1.5 2.2 1.5 2.3 1.6 2.6 1.6 2.8 1.5
16.0 1.5 1.3 1.8 1.4 2.1 1.5 2.2 1.5 2.3 1.6 2.6 1.6 2.8 1.5
18.0 1.5 1.3 1.8 1.4 2.1 1.5 2.2 1.5 2.3 1.6 2.6 1.6 2.8 1.4
20.0 1.5 1.3 1.8 1.4 2.1 1.5 2.2 1.5 2.3 1.6 2.6 1.6 2.7 1.4
21.0 1.5 1.3 1.8 1.4 2.1 1.5 2.2 1.5 2.3 1.6 2.6 1.6 2.7 1.4
23.0 1.5 1.3 1.8 1.4 2.1 1.5 2.2 1.5 2.3 1.6 2.5 1.5 2.7 1.4
25.0 1.5 1.3 1.8 1.4 2.1 1.5 2.2 1.5 2.3 1.6 2.5 1.5 2.6 1.4
27.0 1.5 1.3 1.8 1.4 2.1 1.5 2.2 1.5 2.3 1.6 2.5 1.5 2.6 1.4
29.0 1.5 1.3 1.8 1.4 2.1 1.5 2.2 1.5 2.3 1.6 2.4 1.4 2.5 1.4
31.0 1.5 1.3 1.8 1.4 2.1 1.5 2.2 1.5 2.3 1.6 2.4 1.4 2.5 1.4
33.0 1.5 1.3 1.8 1.4 2.1 1.5 2.2 1.5 2.3 1.6 2.4 1.4 2.4 1.4
35.0 1.5 1.3 1.8 1.4 2.1 1.5 2.2 1.5 2.3 1.6 2.3 1.3 2.4 1.4
37.0 1.5 1.3 1.8 1.4 2.1 1.5 2.2 1.5 2.3 1.6 2.3 1.3 2.3 1.4
39.0 1.5 1.3 1.8 1.4 2.1 1.5 2.2 1.5 2.2 1.5 2.3 1.3 2.3 1.4
42.0 1.5 1.3 1.8 1.4 2.1 1.5 2.2 1.5 2.2 1.5 2.3 1.3 2.3 1.4
44.0 1.5 1.3 1.8 1.4 2.1 1.5 2.2 1.5 2.2 1.5 2.3 1.3 2.3 1.4
46.0 1.5 1.3 1.8 1.4 2.1 1.5 2.2 1.5 2.2 1.5 2.3 1.3 2.3 1.4
2.8
10.0 1.9 1.6 2.3 1.8 2.6 1.9 2.8 1.9 3.0 1.9 3.3 2.0 3.7 2.0
12.0 1.9 1.6 2.3 1.8 2.6 1.9 2.8 1.9 3.0 1.9 3.3 2.0 3.6 2.0
14.0 1.9 1.6 2.3 1.8 2.6 1.9 2.8 1.9 3.0 1.9 3.3 2.0 3.6 2.0
16.0 1.9 1.6 2.3 1.8 2.6 1.9 2.8 1.9 3.0 1.9 3.3 2.0 3.5 1.9
18.0 1.9 1.6 2.3 1.8 2.6 1.9 2.8 1.9 3.0 1.9 3.3 2.0 3.5 1.9
20.0 1.9 1.6 2.3 1.8 2.6 1.9 2.8 1.9 3.0 1.9 3.3 2.0 3.4 1.9
21.0 1.9 1.6 2.3 1.8 2.6 1.9 2.8 1.9 3.0 1.9 3.3 2.0 3.4 1.9
23.0 1.9 1.6 2.3 1.8 2.6 1.9 2.8 1.9 3.0 1.9 3.3 2.0 3.4 1.9
25.0 1.9 1.6 2.3 1.8 2.6 1.9 2.8 1.9 3.0 1.9 3.2 1.9 3.3 1.9
27.0 1.9 1.6 2.3 1.8 2.6 1.9 2.8 1.9 3.0 1.9 3.2 1.9 3.3 1.9
29.0 1.9 1.6 2.3 1.8 2.6 1.9 2.8 1.9 3.0 1.9 3.1 1.8 3.2 1.8
31.0 1.9 1.6 2.3 1.8 2.6 1.9 2.8 1.9 3.0 1.9 3.1 1.8 3.2 1.7
33.0 1.9 1.6 2.3 1.8 2.6 1.9 2.8 1.9 3.0 1.9 3.1 1.8 3.1 1.7
35.0 1.9 1.6 2.3 1.8 2.6 1.9 2.8 1.9 2.9 1.9 3.0 1.8 3.1 1.7
37.0 1.9 1.6 2.3 1.8 2.6 1.9 2.8 1.9 2.9 1.9 3.0 1.8 3.0 1.7
39.0 1.9 1.6 2.3 1.8 2.6 1.9 2.8 1.9 2.9 1.9 3.0 1.9 3.0 1.7
42.0 1.9 1.6 2.3 1.8 2.6 1.9 2.8 1.9 2.9 1.9 3.0 1.9 3.0 1.7
44.0 1.9 1.6 2.3 1.8 2.6 1.9 2.8 1.9 2.9 1.9 3.0 1.9 3.0 1.7
46.0 1.9 1.6 2.3 1.8 2.6 1.9 2.8 1.9 2.9 1.9 3.0 1.9 3.0 1.7
3.6
10.0 2.5 1.9 2.9 2.1 3.4 2.3 3.6 2.4 3.8 2.5 4.3 2.4 4.7 2.5
12.0 2.5 1.9 2.9 2.1 3.4 2.3 3.6 2.4 3.8 2.5 4.3 2.4 4.7 2.5
14.0 2.5 1.9 2.9 2.1 3.4 2.3 3.6 2.4 3.8 2.5 4.3 2.4 4.6 2.4
16.0 2.5 1.9 2.9 2.1 3.4 2.3 3.6 2.4 3.8 2.5 4.3 2.4 4.5 2.4
18.0 2.5 1.9 2.9 2.1 3.4 2.3 3.6 2.4 3.8 2.5 4.3 2.4 4.5 2.4
20.0 2.5 1.9 2.9 2.1 3.4 2.3 3.6 2.4 3.8 2.5 4.3 2.4 4.4 2.3
21.0 2.5 1.9 2.9 2.1 3.4 2.3 3.6 2.4 3.8 2.5 4.3 2.4 4.4 2.3
23.0 2.5 1.9 2.9 2.1 3.4 2.3 3.6 2.4 3.8 2.5 4.1 2.3 4.3 2.2
25.0 2.5 1.9 2.9 2.1 3.4 2.3 3.6 2.4 3.8 2.5 4.1 2.3 4.2 2.2
27.0 2.5 1.9 2.9 2.1 3.4 2.3 3.6 2.4 3.8 2.5 4.0 2.2 4.2 2.2
29.0 2.5 1.9 2.9 2.1 3.4 2.3 3.6 2.4 3.8 2.5 4.0 2.2 4.1 2.2
31.0 2.5 1.9 2.9 2.1 3.4 2.3 3.6 2.4 3.8 2.5 4.2 2.6 4.1 2.2
33.0 2.5 1.9 2.9 2.1 3.4 2.3 3.6 2.4 3.8 2.5 4.2 2.6 3.9 2.1
35.0 2.5 1.9 2.9 2.1 3.4 2.3 3.6 2.4 3.8 2.5 4.2 2.6 3.9 2.1
37.0 2.5 1.9 2.9 2.1 3.4 2.3 3.6 2.4 3.7 2.4 3.8 2.3 3.9 2.1
39.0 2.5 1.9 2.9 2.1 3.4 2.3 3.6 2.4 3.7 2.4 3.8 2.3 3.8 2.1
42.0 2.5 1.9 2.9 2.1 3.4 2.3 3.6 2.4 3.7 2.4 3.8 2.3 3.8 2.1
44.0 2.5 1.9 2.9 2.1 3.4 2.3 3.6 2.4 3.7 2.4 3.8 2.3 3.8 2.1
46.0 2.5 1.9 2.9 2.1 3.4 2.3 3.6 2.4 3.7 2.4 3.8 2.3 3.8 2.1
4.5 10.0 3.1 2.4 3.7 2.6 4.2 2.8 4.5 2.9 4.8 3.0 5.3 3.4 5.9 3.0

Wall mounted Type (S Type) MCAC-VTSM-2011-09
150 Capacity table
12.0 3.1 2.4 3.7 2.6 4.2 2.8 4.5 2.9 4.8 3.0 5.3 3.4 5.9 3.0
14.0 3.1 2.4 3.7 2.6 4.2 2.8 4.5 2.9 4.8 3.0 5.3 3.4 5.8 3.0
16.0 3.1 2.4 3.7 2.6 4.2 2.8 4.5 2.9 4.8 3.0 5.3 3.4 5.6 2.9
18.0 3.1 2.4 3.7 2.6 4.2 2.8 4.5 2.9 4.8 3.0 5.3 3.4 5.7 3.0
20.0 3.1 2.4 3.7 2.6 4.2 2.8 4.5 2.9 4.8 3.0 5.3 3.4 5.7 3.0
21.0 3.1 2.4 3.7 2.6 4.2 2.8 4.5 2.9 4.8 3.0 5.3 3.4 5.6 3.0
23.0 3.1 2.4 3.7 2.6 4.2 2.8 4.5 2.9 4.8 3.0 5.3 3.4 5.5 3.0
25.0 3.1 2.4 3.7 2.6 4.2 2.8 4.5 2.9 4.8 3.0 5.2 3.0 5.4 2.9
27.0 3.1 2.4 3.7 2.6 4.2 2.8 4.5 2.9 4.8 3.0 5.1 3.0 5.2 2.8
29.0 3.1 2.4 3.7 2.6 4.2 2.8 4.5 2.9 4.8 3.0 5.1 2.9 5.2 2.8
31.0 3.1 2.4 3.7 2.6 4.2 2.8 4.5 2.9 4.8 3.0 5.0 2.9 5.1 2.7
33.0 3.1 2.4 3.7 2.6 4.2 2.8 4.5 2.9 4.8 3.0 4.9 2.8 5.1 2.7
35.0 3.1 2.4 3.7 2.6 4.2 2.8 4.5 2.9 4.8 3.0 4.8 2.8 5.0 2.7
37.0 3.1 2.4 3.7 2.6 4.2 2.8 4.5 2.9 4.8 3.0 4.8 2.9 4.9 2.6
39.0 3.1 2.4 3.7 2.6 4.2 2.8 4.5 2.9 4.6 2.8 4.7 2.8 4.8 2.6
42.0 3.1 2.4 3.7 2.6 4.2 2.8 4.5 2.9 4.6 2.8 4.7 2.8 4.8 2.6
44.0 3.1 2.4 3.7 2.6 4.2 2.8 4.5 2.9 4.6 2.8 4.7 2.8 4.8 2.6
46.0 3.1 2.4 3.7 2.6 4.2 2.8 4.5 2.9 4.6 2.8 4.7 3.1 4.8 2.6
5.6
10.0 3.9 2.7 4.6 3.0 5.3 3.3 5.6 3.4 5.9 3.5 6.6 3.6 7.3 3.5
12.0 3.9 2.7 4.6 3.0 5.3 3.3 5.6 3.4 5.9 3.5 6.6 3.6 7.2 3.5
14.0 3.9 2.7 4.6 3.0 5.3 3.3 5.6 3.4 5.9 3.5 6.6 3.6 7.1 3.5
16.0 3.9 2.7 4.6 3.0 5.3 3.3 5.6 3.4 5.9 3.5 6.6 3.6 7.0 3.4
18.0 3.9 2.7 4.6 3.0 5.3 3.3 5.6 3.4 5.9 3.5 6.6 3.6 6.8 3.4
20.0 3.9 2.7 4.6 3.0 5.3 3.3 5.6 3.4 5.9 3.5 6.6 3.6 6.7 3.3
21.0 3.9 2.7 4.6 3.0 5.3 3.3 5.6 3.4 5.9 3.5 6.6 3.6 6.6 3.3
23.0 3.9 2.7 4.6 3.0 5.3 3.3 5.6 3.4 5.9 3.5 6.6 3.6 6.6 3.3
25.0 3.9 2.7 4.6 3.0 5.3 3.3 5.6 3.4 5.9 3.5 6.6 3.6 6.5 3.2
27.0 3.9 2.7 4.6 3.0 5.3 3.3 5.6 3.4 5.9 3.5 6.4 3.5 6.4 3.2
29.0 3.9 2.7 4.6 3.0 5.3 3.3 5.6 3.4 5.9 3.5 6.3 3.5 6.4 3.3
31.0 3.9 2.7 4.6 3.0 5.3 3.3 5.6 3.4 5.9 3.5 6.2 3.4 6.2 3.2
33.0 3.9 2.7 4.6 3.0 5.3 3.3 5.6 3.4 5.9 3.5 6.2 3.4 6.2 3.2
35.0 3.9 2.7 4.6 3.0 5.3 3.3 5.6 3.4 5.9 3.5 6.0 3.3 6.0 3.1
37.0 3.9 2.7 4.6 3.0 5.3 3.3 5.6 3.4 5.9 3.5 5.9 3.2 6.0 3.1
39.0 3.9 2.7 4.6 3.0 5.3 3.3 5.6 3.4 5.7 3.4 5.8 3.2 6.0 3.1
42.0 3.9 2.7 4.6 3.0 5.3 3.3 5.6 3.4 5.7 3.4 5.8 3.2 6.0 3.1
44.0 3.9 2.7 4.6 3.0 5.3 3.3 5.6 3.4 5.7 3.4 5.8 3.2 6.0 3.1
46.0 3.9 2.7 4.6 3.0 5.3 3.3 5.6 3.4 5.7 3.7 5.8 3.2 6.0 3.1

MCAC-VTSM-2011-03 Wall mounted Type (S Type)
Capacity table 151
6.2 Heating
TC: total capacity WB: wet-bulb temperature DB: dry-bulb temperature
Indoor Unit size
(kW)
Outdoor temperature
()℃
Indoor temperature (℃ DB)
16.00 18.00 20.00 21.00 22.00 24.00
TC TC TC TC TC TC
WB DB kW kW kW kW kW kW
2.2
-20 -19.8 1.46 1.46 1.46 1.46 1.46 1.46
-19 -18.8 1.56 1.56 1.56 1.56 1.56 1.56
-17 -16.7 1.64 1.64 1.64 1.64 1.64 1.64
-15 -14.7 1.69 1.69 1.69 1.69 1.69 1.69
-13.00 -12.60 1.79 1.79 1.79 1.79 1.79 1.79
-11.00 -10.50 1.82 1.85 1.85 1.85 1.85 1.85
-10.00 -9.50 1.90 1.90 1.90 1.90 1.90 1.90
-9.10 -8.50 1.95 1.95 1.95 1.95 1.95 1.95
-7.60 -7.00 1.98 1.98 1.98 1.98 1.98 1.98
-5.60 -5.00 2.05 2.05 2.05 2.05 2.05 2.05
-3.70 -3.00 2.16 2.16 2.16 2.16 2.16 2.16
-0.70 0.00 2.31 2.31 2.31 2.31 2.31 2.18
2.20 3.00 2.44 2.44 2.44 2.44 2.39 2.18
4.10 5.00 2.52 2.52 2.52 2.52 2.39 2.18
6.00 7.00 2.60 2.60 2.60 2.52 2.39 2.18
7.90 9.00 2.68 2.68 2.60 2.52 2.39 2.18
9.80 11.00 2.76 2.76 2.60 2.52 2.39 2.18
11.80 13.00 2.86 2.81 2.60 2.52 2.39 2.18
13.70 15.00 2.94 2.81 2.60 2.52 2.39 2.18
2.8
-20 -19.8 1.79 1.79 1.79 1.79 1.79 1.79
-19 -18.8 1.92 1.92 1.92 1.92 1.92 1.92
-17 -16.7 2.02 2.02 2.02 2.02 2.02 2.02
-15 -14.7 2.02 2.02 2.02 2.02 2.02 2.02
-13.00 -12.60 2.14 2.14 2.14 2.14 2.14 2.14
-11.00 -10.50 2.24 2.24 2.24 2.24 2.24 2.24
-10.00 -9.50 2.34 2.34 2.34 2.34 2.34 2.34
-9.10 -8.50 2.40 2.40 2.40 2.40 2.40 2.40
-7.60 -7.00 2.43 2.43 2.43 2.43 2.43 2.43
-5.60 -5.00 2.53 2.53 2.53 2.53 2.53 2.53
-3.70 -3.00 2.66 2.66 2.66 2.66 2.66 2.66
-0.70 0.00 2.85 2.85 2.85 2.85 2.85 2.69
2.20 3.00 3.01 3.01 3.01 3.01 2.94 2.69
4.10 5.00 3.10 3.10 3.10 3.10 2.94 2.69
6.00 7.00 3.20 3.20 3.20 3.10 2.94 2.69
7.90 9.00 3.30 3.30 3.20 3.10 2.94 2.69
9.80 11.00 3.39 3.39 3.20 3.10 2.94 2.69
11.80 13.00 3.52 3.46 3.20 3.10 2.94 2.69
13.70 15.00 3.62 3.46 3.20 3.10 2.94 2.69
3.6
-20 -19.8 2.24 2.24 2.24 2.24 2.24 2.24
-19 -18.8 2.40 2.40 2.40 2.40 2.40 2.40
-17 -16.7 2.52 2.52 2.52 2.52 2.52 2.52
-15 -14.7 2.60 2.60 2.60 2.60 2.60 2.60
-13.00 -12.60 2.68 2.68 2.68 2.68 2.68 2.68
-11.00 -10.50 2.80 2.80 2.80 2.80 2.80 2.80
-10.00 -9.50 2.92 2.92 2.92 2.92 2.92 2.92
-9.10 -8.50 3.00 3.00 3.00 3.00 3.00 3.00
-7.60 -7.00 3.04 3.04 3.04 3.04 3.04 3.04
-5.60 -5.00 3.16 3.16 3.16 3.16 3.16 3.16
-3.70 -3.00 3.32 3.32 3.32 3.32 3.32 3.32
-0.70 0.00 3.56 3.56 3.56 3.56 3.56 3.36
2.20 3.00 3.76 3.76 3.76 3.76 3.68 3.36
4.10 5.00 3.88 3.88 3.88 3.88 3.68 3.36
6.00 7.00 4.00 4.00 4.00 3.88 3.68 3.36
7.90 9.00 4.12 4.12 4.00 3.88 3.68 3.36
9.80 11.00 4.24 4.24 4.00 3.88 3.68 3.36
11.80 13.00 4.40 4.32 4.00 3.88 3.68 3.36
13.70 15.00 4.52 4.32 4.00 3.88 3.68 3.36
4.5 -20 -19.8 2.80 2.80 2.80 2.80 2.80 2.80
-19 -18.8 3.00 3.00 3.00 3.00 3.00 3.00

Wall mounted Type (S Type) MCAC-VTSM-2011-09
152 Capacity table
-17 -16.7 3.15 3.15 3.15 3.15 3.15 3.15
-15 -14.7 3.25 3.25 3.25 3.25 3.25 3.25
-13.00 -12.60 3.35 3.35 3.35 3.35 3.35 3.35
-11.00 -10.50 3.50 3.50 3.50 3.50 3.50 3.50
-10.00 -9.50 3.65 3.65 3.65 3.65 3.65 3.65
-9.10 -8.50 3.75 3.75 3.75 3.75 3.75 3.75
-7.60 -7.00 3.80 3.80 3.80 3.80 3.80 3.80
-5.60 -5.00 3.95 3.95 3.95 3.95 3.95 3.95
-3.70 -3.00 4.15 4.15 4.15 4.15 4.15 4.15
-0.70 0.00 4.45 4.45 4.45 4.45 4.45 4.20
2.20 3.00 4.70 4.70 4.70 4.70 4.60 4.20
4.10 5.00 4.85 4.85 4.85 4.85 4.60 4.20
6.00 7.00 5.00 5.00 5.00 4.85 4.60 4.20
7.90 9.00 5.15 5.15 5.00 4.85 4.60 4.20
9.80 11.00 5.30 5.30 5.00 4.85 4.60 4.20
11.80 13.00 5.50 5.40 5.00 4.85 4.60 4.20
13.70 15.00 5.65 5.40 5.00 4.85 4.60 4.20
5.6
-20 -19.8 3.53 3.53 3.53 3.53 3.53 3.53
-19 -18.8 3.78 3.78 3.78 3.78 3.78 3.78
-17 -16.7 3.97 3.97 3.97 3.97 3.97 3.97
-15 -14.7 4.10 4.10 4.10 4.10 4.10 4.10
-13.00 -12.60 4.22 4.22 4.22 4.22 4.22 4.22
-11.00 -10.50 4.41 4.41 4.41 4.41 4.41 4.41
-10.00 -9.50 4.60 4.60 4.60 4.60 4.60 4.60
-9.10 -8.50 4.73 4.73 4.73 4.73 4.73 4.73
-7.60 -7.00 4.79 4.79 4.79 4.79 4.79 4.79
-5.60 -5.00 4.98 4.98 4.98 4.98 4.98 4.98
-3.70 -3.00 5.23 5.23 5.23 5.23 5.23 5.23
-0.70 0.00 5.61 5.61 5.61 5.61 5.61 5.29
2.20 3.00 5.92 5.92 5.92 5.92 5.80 5.29
4.10 5.00 6.11 6.11 6.11 6.11 5.80 5.29
6.00 7.00 6.30 6.30 6.30 6.11 5.80 5.29
7.90 9.00 6.49 6.49 6.30 6.11 5.80 5.29
9.80 11.00 6.68 6.68 6.30 6.11 5.80 5.29
11.80 13.00 6.93 6.80 6.30 6.11 5.80 5.29
13.70 15.00 7.12 6.80 6.30 6.11 5.80 5.29
Note: The above table is only the heat pump heating capacity, for the type with Electrical heater, the total
capacity should plus the additional electrical heating capacity, which is a constant data.

MCAC-VTSM-2011-03 Wall mounted Type (S Type)
Sound level 153
7. Electric Characteristics
Model Indoor Unit Power Supply IFM
Hz Voltage Min. Max. MCA MFA KW FLA
MDV-D22G/N1-S 50 220-240V 198 254 0.3 15 0.013 0.225
MDV-D28G/N1-S 50 220-240V 198 254 0.3 15 0.013 0.225
MDV-D36G/N1-S 50 220-240V 198 254 0.3 15 0.013 0.225
MDV-D45G/N1-S 50 220-240V 198 254 0.3 15 0.028 0.24
MDV-D56G/N1-S 50 220-240V 198 254 0.3 15 0.028 0.24
MDV-D22G/DN1-S 50 220-240V 198 254 3.6 15 0.013 0.225
MDV-D28G/DN1-S 50 220-240V 198 254 3.6 15 0.013 0.225
MDV-D36G/DN1-S 50 220-240V 198 254 3.6 15 0.013 0.225
MDV-D45G/DN1-S 50 220-240V 198 254 4.3 15 0.028 0.24
MDV-D56G/DN1-S 50 220-240V 198 254 4.3 15 0.028 0.24
Remark:
MCA: Min. Current Amps. (A)
MFA: Max. Fuse Amps. (A)
KW: Fan Motor Rated Output (kW)
FLA: Full Load Amps. (A)
IFM:Indoor Fan Motor

Wall mounted Type (S Type) MCAC-VTSM-2011-09
154 Electrical Characteristic
8. Noise Levels
8.1 Test condition
8.2 Test value
Model Noise test value dB(A)
Hi Mid Low
MDV-D22G/(D)N1-S 35 32 29
MDV-D28G/(D)N1-S 35 32 29
MDV-D36G/(D)N1-S 35 32 29
MDV-D45G/(D)N1-S 40 38 34
MDV-D56G/(D)N1-S 40 38 34
MDV-D22G/(D)N1-SMDV-D28G/(D)N1-SMDV-D36G/(D)N1-SMDV-D45G/(D)N1-SMDV-D56G/(D)N1-S
Octave band center frequency(Hz)
Sound pressure level dB(0dB=0.0002μ bar)
Audibility limits of
continuous white
sound
Octave band center frequency(Hz)
Sound pressure level dB(0dB=0.0002μ bar)
Audibility limits of
continuous white
sound

MCAC-VTSM-2011-03 Wall mounted Type (S Type)
Sound level 155
9. Accessories
9.1 Standard accessories
Name Quantity Shape Usage
Installation manual 1 / /
Pipe insulation material 2 Heat insulation
Remote controller 1 /
7# alkaline battery 2 /
Holder for remote controller 1 Hold the remote controller
Remoter controller manual 1 —
Mounting screw(ST2.9 10-C-H) 2 Installation Holder for remote controller
Controlling discreteness installation plot 1 — —
Installation spring 2 Fix water outlet
Water outlet joint 1 For drainage
Wrapping tape 1
Plastic expanded tube 3
Screw ST3.9x25 for installation board 3 Secure the installation board
Network matching wire 1
The indoor unit which at the terminal of
communication system should connect a
impedance between port P and port Q.
9.2 Optional accessories
Name Model Code Usage
Wired remote controller KJR-10B/DP(T)-E 203355190000 With a standard 5m long cable to connect to
display board.
(Follow me) Wired remote
controller KJR-12B/DP(T)-E 203355100010 With an extra Built-in room temp. sensor, all
others are same as KJR-10B

Wall Mounted Type (C Type) MCAC-VTSM-2011-09
156 Features
Wall Mounted Type (C Type)
1. Feature ...........................................................................157
2. Specifications ................................................................159
3. Dimension ......................................................................162
4. Piping Diagrams............................................................163
5. Wiring Diagram .............................................................164
6. Capacity Tables .............................................................165
7. Electric Characteristics ................................................169
8. Noise Levels ..................................................................170
9. Accessories ...................................................................171

MCAC-VTSM-2011-09 Wall mounted Type (C Type)
Features 157
1. Feature
1.1 Panel with LED display.
The front panel and display panel have different colors for choose: white and brown for big panel, blue and
brown for small panel, and the other colors can be customized according to the customers’ demands.
1.2 Convenient for installation
1.2.1 Multi-refrigerant outlet pipe method: left\right\rear, more flexible for installation.
1.2.2 Longer the connection pipe, Gas pipe: 468mm/Liquid pipe: 550mm, more flexible for the installation
1.2.3 Adopts new type fixing plate, easy for installation and stable.
1.2.4 The EXV is built-in the indoor unit, compact size, and convenient for the installation.
1.2.5 The Panel assembly of C type indoor unit can be exchanged with S type indoor unit, alternative
panel.
1.2.6 Reserved the socket on main control board for water pump and PCB can be customized if you need
water pump function.
1.3 Auxiliary electrical heating type is available.
RearLeft Right

Wall Mounted Type (C Type) MCAC-VTSM-2011-09
158 Features
1.4 Three air flow speed: high/middle/low, double air guides.
1.5 Low noise, creates quiet and comfortable environment.
1.5.1 Adoption of the Fujikoki brand mechanical expansion valve which has 2000 stages element
positioning, ensure precise flow control, as well lower modulation noise when EXV operating.
1.5.2 Smoother airflow with less turbulence. Owing to the multiple-blade fan and the air guide design, the
airflow is getting smoother and more comfortable
1.6 Wired control compatible. RM05 remote wireless controller which can set the indoor unit
address is standard, and wired controller is optional.

MCAC-VTSM-2011-09 Wall mounted Type (C Type)
Features 159
2. Specifications
Model MDV-D22G/N1YB MDV-D22G/DN1YB MDV-D28G/N1YB MDV-D28G/DN1YB
Power supply V- Ph-Hz 220-240V~, 1Ph, 50Hz
Cooling
Capacity kW 2.2 2.2 2.8 2.8
Input W
28 28 28 28
Rated current A 0.14 0.14 0.14 0.14
Heating
Capacity kW 2.6 2.6 3.2 3.2
Input W
28 28 28 28
Rated current A 0.14 0.14 0.14 0.14
Electrical heating capacity kW - 0.75 - 0.75
Indoor fan
motor
Model YDK15-6 YDK15-6 YDK15-6 YDK15-6
Type AC motor
Brand Welling
Input W
30/24/22 30/24/22 30/24/22 30/24/22
Capacitor μF 1.2 1.2 1.2 1.2
Speed (hi/mid/lo) r/min 810/760/700 810/760/700 810/760/700 810/760/700
Indoor coil
Number of rows 2 2 2 2
Tube pitch*row pitch mm 21 *13.37 21 *13.37 21*13.37 21 *13.37
Fin spacing mm 1.5 1.5 1.5 1.5
Fin type Hydrophilic aluminum
Tube outside
diameter and type mm Ф7
Inner groove tube
length *height *width mm 635*283.5*26.74
Number of circuits 3 3 3 3
Indoor air flow (H/M/L) m3/h 520/480/430 520/480/430 520/480/430 520/480/430
Indoor noise level (Hi/Mid/Lo) dB(A) 35/32/29 35/32/29 35/32/29 35/32/29
Indoor unit
Dimension (W×H×D) mm 915 ×290×210 915×290×210 915×290×210 915×290×210
Packing (W×H×D) mm 1020×385×300 1020×385×300 1020×385×300 1020×385×300
Net/Gross weight kg 12/16 12/16 12/16 12/16
Refrigerant type R410A
Throttle Type EXV (Mechanical gear modulation, Integrated with the evaporator)
Model EFM-25YGMISZ-6M-A
Design pressure MPa 4.4/2.6
Refrigerant
piping Liquid side/ Gas side mm Ф6.35/ Ф12.7
Connecting
wiring
Power wiring mm2 3*2.5
Signal wiring mm2 3*0.75
Drainage water pipe diameter ODФ16.5
Controller Wireless remote controller (RM05/BG(T)E-A) (Standard), to set address
Operation temp ℃ Cooling:17~32;Heating:10~28
Notes: 1. Nominal cooling capacities are based on the following conditions: return air temp. : 27°CDB, 19°CWB, outdoor
temp.:35°CDB,equivalent ref. Piping: 8m(horizontal)
2. Nominal heating capacities are based on the following conditions: return air temp.: 20°CDB, outdoor temp.:
7°CDB,6°CWB,equivalent ref. Piping: 8m(horizontal)

Wall Mounted Type (C Type) MCAC-VTSM-2011-09
160 Specification
Model MDV-D36G/N1YB MDV-D36G/DN1YB MDV-D45G/N1YB MDV-D45G/DN1YB
Power supply V- Ph-Hz 220-240V~, 1Ph, 50Hz
Cooling
Capacity kW 3.6 3.6 4.5 4.5
Input W
28 28 45 45
Rated current A 0.14 0.14 0.2 0.2
Heating
Capacity kW 4 4 5 5
Input W
28 28 45 45
Rated current A 0.14 0.14 0.2 0.2
Electrical heating capacity kW - 0.75 - 0.9
Indoor fan
motor
Model YDK15-6 YDK15-6 YDK18-4 YDK18-4
Type AC motor
Brand Welling
Input W
30/24/22 30/24/22 44/42/39 44/42/39
Capacitor μF 1.2 1.2 1.2 1.2
Speed (hi/mid/lo) r/min 810/760/700 810/760/700 980/880/760 980/880/760
Indoor coil
Number of rows 2 2 2 2
Tube pitch*row pitch mm 21 *13.37 21 *13.37 21 x13.37 21 *13.37
Fin spacing mm 1.5 1.5 1.5 1.5
Fin type Hydrophilic aluminum
Tube outside
diameter and type mm Ф7
Inner groove tube
length *height *width mm 635*283.5*26.74 785*357*26.74
Number of circuits 3 3 6 6
Indoor air flow (H/M/L) m3/h 520/480/430 520/480/430 860/755/630 860/755/630
Indoor noise level (Hi/Mid/Lo) dB(A) 35/32/29 35/32/29 40/38/34 40/38/34
Indoor unit
Dimension (W×H×D) mm 915×290×210 915×290×210 1070×315×210 1070×315×210
Packing (W×H×D) mm 1020X385X300 1020X385X300 1165×395×285 1165×395×285
Net/Gross weight kg 12/16 12/16 16/19 16/19
Refrigerant type R410A
Throttle Type EXV (Mechanical gear modulation, Integrated with the evaporator)
Model EFM-25YGMISZ-6M-A
Design pressure MPa 4.4/2.6
Refrigerant
piping Liquid side/ Gas side mm Ф6.35/ Ф12.7
Connecting
wiring
Power wiring mm2 3*2.5
Signal wiring mm2 3*0.75
Drainage water pipe diameter ODФ16.5
Controller Wireless remote controller (RM05/BG(T)E-A) (Standard), to set address
Operation temp ℃ Cooling:17~32;Heating:10~28
Notes: 1. Nominal cooling capacities are based on the following conditions: return air temp. : 27°CDB, 19°CWB, outdoor
temp.:35°CDB,equivalent ref. Piping: 8m(horizontal)
2. Nominal heating capacities are based on the following conditions: return air temp.: 20°CDB, outdoor temp.:
7°CDB,6°CWB,equivalent ref. Piping: 8m(horizontal)

MCAC-VTSM-2011-09 Wall mounted Type (C Type)
Specification 161
Model MDV-D56G/N1YB
MDV-D56G/DN1YB
Power supply V- Ph-Hz 220-240V~, 1Ph, 50Hz
Cooling
Capacity kW 5.6 5.6
Input W 45 45
Rated current A 0.2 0.2
Heating
Capacity kW 6.3 6.3
Input W 45 45
Rated current A 0.2 0.2
Electrical heating capacity kW - 0.9
Indoor fan
motor
Model YDK18-4 YDK18-4
Type AC motor
Brand Welling
Input W
44/42/39 44/42/39
Capacitor μF 1.2 1.2
Speed (hi/mid/lo) r/min 980/880/760 980/880/760
Indoor coil
Number of rows 2 2
Tube pitch*row pitch mm 21 x13.37 21 *13.37
Fin spacing mm 1.5 1.5
Fin type Hydrophilic aluminum
Tube outside
diameter and type mm Ф7
Inner groove tube
length *height *width mm 785*357*26.74
Number of circuits 6 6
Indoor air flow (H/M/L) m3/h 925/860/755 925/860/755
Indoor noise level (Hi/Mid/Lo) dB(A) 40/38/34 40/38/34
Indoor unit
Dimension (W×H×D) mm 1070×315×210 1070×315×210
Packing (W×H×D) mm 1165×395×285 1165×395×285
Net/Gross weight kg 16/19 16/19
Refrigerant type R410A
Throttle Type EXV (Mechanical gear modulation, Integrated with the evaporator)
Model EFM-25YGMISZ-6M-A
Design pressure MPa 4.4/2.6
Refrigerant
piping Liquid side/ Gas side mm Ф9.53/Ф16
Connecting
wiring
Power wiring mm2 3*2.5
Signal wiring mm2 3*0.75
Drainage water pipe diameter ODФ16.5
Controller Wireless remote controller (RM05/BG(T)E-A) (Standard), to set address
Operation temp ℃ Cooling:17~32;Heating:10~28
Notes: 1. Nominal cooling capacities are based on the following conditions: return air temp. : 27°CDB, 19°CWB, outdoor
temp.:35°CDB,equivalent ref. Piping: 8m(horizontal)
2. Nominal heating capacities are based on the following conditions: return air temp.: 20°CDB, outdoor temp.:
7°CDB,6°CWB,equivalent ref. Piping: 8m(horizontal)

Wall Mounted Type (C Type) MCAC-VTSM-2011-09
162 Dimensions
3. Dimension
Outline dimension and air outlet opening size
Model 2.2kW 2.8 kW 3.6 kW 4.5 kW 5.6 kW
A 915 915 915 1070 1070
B 290 290 290 315 315
C 725 725 725 885 885
D 670 670 670 815 815
Main dimension:
MDV-D22G/N1YB MDV-D28G/N1YB MDV-D36G/N1YB MDV-D22G/DN1YB
MDV-D28G/DN1YB MDV-D36G/DN1YB
Outer Length: 915mm, Height: 290mm, Depth: 210mm
Filter length: 670mm
Gas tube: Ф12.7mm, length: Approx. 468mm
Liquid tube: Ф6.35mm length: Approx.550mm
MDV-D45G/N1YB MDV-D56G/N1YB MDV-D45G/DN1YB MDV-D56G/DN1YB
Outer Length: 1072mm, Height: 315mm, Depth: 230mm
Filter length: 815mm
Gas tube: Ф12.7mm, length: Approx. 468mm
Liquid tube: Ф9.53, length: Approx.550mm

MCAC-VTSM-2011-09 Wall mounted Type (S Type)
Capacity table 163
4. Piping Diagrams
MDV-D22G/N1YB MDV-D28G/N1YB MDV-D36G/N1YB MDV-D45G/N1YB MDV-D56G/N1YB
MDV-D22G/DN1YB MDV-D28G/DN1YB MDV-D36G/DN1YB MDV-D45G/DN1YB MDV-D56G/DN1YB
flare nut
flare nut
T2B
gas side
motor
heat exchanger
fan
EXV
liquid side
T2
T1

Wall Mounted Type (C Type) MCAC-VTSM-2011-09
164 Piping diagram
5. Wiring Diagram
MDV-D22G/N1YB MDV-D28G/N1YB MDV-D36G/N1YB MDV-D45G/N1YB MDV-D56G/N1YB
MDV-D22G/DN1YB MDV-D28G/DN1YB MDV-D36G/DN1YB MDV-D45G/DN1YB MDV-D56G/DN1YB

MCAC-VTSM-2011-09 Wall mounted Type (S Type)
Capacity table 165
6. Capacity Tables
6.1 Cooling TC: total capacity SC: sensible capacity
WB: wet-bulb temperature DB: dry-bulb temperature
Indoor
Unit size
(kW)
Outdoor
temperature
(℃ DB)
Indoor temperature (℃ WB/DB)
14/20 16/23 18/26 19/27 20/28 22/30 24/32
TC SC TC SC TC SC TC SC TC SC TC SC TC SC
kW kW kW kW kW kW kW kW kW kW kW kW kW kW
2.2
10.0 1.5 1.3 1.8 1.4 2.1 1.5 2.2 1.5 2.3 1.6 2.6 1.6 2.9 1.5
12.0 1.5 1.3 1.8 1.4 2.1 1.5 2.2 1.5 2.3 1.6 2.6 1.6 2.8 1.5
14.0 1.5 1.3 1.8 1.4 2.1 1.5 2.2 1.5 2.3 1.6 2.6 1.6 2.8 1.5
16.0 1.5 1.3 1.8 1.4 2.1 1.5 2.2 1.5 2.3 1.6 2.6 1.6 2.8 1.5
18.0 1.5 1.3 1.8 1.4 2.1 1.5 2.2 1.5 2.3 1.6 2.6 1.6 2.8 1.4
20.0 1.5 1.3 1.8 1.4 2.1 1.5 2.2 1.5 2.3 1.6 2.6 1.6 2.7 1.4
21.0 1.5 1.3 1.8 1.4 2.1 1.5 2.2 1.5 2.3 1.6 2.6 1.6 2.7 1.4
23.0 1.5 1.3 1.8 1.4 2.1 1.5 2.2 1.5 2.3 1.6 2.5 1.5 2.7 1.4
25.0 1.5 1.3 1.8 1.4 2.1 1.5 2.2 1.5 2.3 1.6 2.5 1.5 2.6 1.4
27.0 1.5 1.3 1.8 1.4 2.1 1.5 2.2 1.5 2.3 1.6 2.5 1.5 2.6 1.4
29.0 1.5 1.3 1.8 1.4 2.1 1.5 2.2 1.5 2.3 1.6 2.4 1.4 2.5 1.4
31.0 1.5 1.3 1.8 1.4 2.1 1.5 2.2 1.5 2.3 1.6 2.4 1.4 2.5 1.4
33.0 1.5 1.3 1.8 1.4 2.1 1.5 2.2 1.5 2.3 1.6 2.4 1.4 2.4 1.4
35.0 1.5 1.3 1.8 1.4 2.1 1.5 2.2 1.5 2.3 1.6 2.3 1.3 2.4 1.4
37.0 1.5 1.3 1.8 1.4 2.1 1.5 2.2 1.5 2.3 1.6 2.3 1.3 2.3 1.4
39.0 1.5 1.3 1.8 1.4 2.1 1.5 2.2 1.5 2.2 1.5 2.3 1.3 2.3 1.4
42.0 1.5 1.3 1.8 1.4 2.1 1.5 2.2 1.5 2.2 1.5 2.3 1.3 2.3 1.4
44.0 1.5 1.3 1.8 1.4 2.1 1.5 2.2 1.5 2.2 1.5 2.3 1.3 2.3 1.4
46.0 1.5 1.3 1.8 1.4 2.1 1.5 2.2 1.5 2.2 1.5 2.3 1.3 2.3 1.4
2.8
10.0 1.9 1.6 2.3 1.8 2.6 1.9 2.8 1.9 3.0 1.9 3.3 2.0 3.7 2.0
12.0 1.9 1.6 2.3 1.8 2.6 1.9 2.8 1.9 3.0 1.9 3.3 2.0 3.6 2.0
14.0 1.9 1.6 2.3 1.8 2.6 1.9 2.8 1.9 3.0 1.9 3.3 2.0 3.6 2.0
16.0 1.9 1.6 2.3 1.8 2.6 1.9 2.8 1.9 3.0 1.9 3.3 2.0 3.5 1.9
18.0 1.9 1.6 2.3 1.8 2.6 1.9 2.8 1.9 3.0 1.9 3.3 2.0 3.5 1.9
20.0 1.9 1.6 2.3 1.8 2.6 1.9 2.8 1.9 3.0 1.9 3.3 2.0 3.4 1.9
21.0 1.9 1.6 2.3 1.8 2.6 1.9 2.8 1.9 3.0 1.9 3.3 2.0 3.4 1.9
23.0 1.9 1.6 2.3 1.8 2.6 1.9 2.8 1.9 3.0 1.9 3.3 2.0 3.4 1.9
25.0 1.9 1.6 2.3 1.8 2.6 1.9 2.8 1.9 3.0 1.9 3.2 1.9 3.3 1.9
27.0 1.9 1.6 2.3 1.8 2.6 1.9 2.8 1.9 3.0 1.9 3.2 1.9 3.3 1.9
29.0 1.9 1.6 2.3 1.8 2.6 1.9 2.8 1.9 3.0 1.9 3.1 1.8 3.2 1.8
31.0 1.9 1.6 2.3 1.8 2.6 1.9 2.8 1.9 3.0 1.9 3.1 1.8 3.2 1.7
33.0 1.9 1.6 2.3 1.8 2.6 1.9 2.8 1.9 3.0 1.9 3.1 1.8 3.1 1.7
35.0 1.9 1.6 2.3 1.8 2.6 1.9 2.8 1.9 2.9 1.9 3.0 1.8 3.1 1.7
37.0 1.9 1.6 2.3 1.8 2.6 1.9 2.8 1.9 2.9 1.9 3.0 1.8 3.0 1.7
39.0 1.9 1.6 2.3 1.8 2.6 1.9 2.8 1.9 2.9 1.9 3.0 1.9 3.0 1.7
42.0 1.9 1.6 2.3 1.8 2.6 1.9 2.8 1.9 2.9 1.9 3.0 1.9 3.0 1.7
44.0 1.9 1.6 2.3 1.8 2.6 1.9 2.8 1.9 2.9 1.9 3.0 1.9 3.0 1.7
46.0 1.9 1.6 2.3 1.8 2.6 1.9 2.8 1.9 2.9 1.9 3.0 1.9 3.0 1.7
3.6
10.0 2.5 1.9 2.9 2.1 3.4 2.3 3.6 2.4 3.8 2.5 4.3 2.4 4.7 2.5
12.0 2.5 1.9 2.9 2.1 3.4 2.3 3.6 2.4 3.8 2.5 4.3 2.4 4.7 2.5
14.0 2.5 1.9 2.9 2.1 3.4 2.3 3.6 2.4 3.8 2.5 4.3 2.4 4.6 2.4
16.0 2.5 1.9 2.9 2.1 3.4 2.3 3.6 2.4 3.8 2.5 4.3 2.4 4.5 2.4
18.0 2.5 1.9 2.9 2.1 3.4 2.3 3.6 2.4 3.8 2.5 4.3 2.4 4.5 2.4
20.0 2.5 1.9 2.9 2.1 3.4 2.3 3.6 2.4 3.8 2.5 4.3 2.4 4.4 2.3
21.0 2.5 1.9 2.9 2.1 3.4 2.3 3.6 2.4 3.8 2.5 4.3 2.4 4.4 2.3
23.0 2.5 1.9 2.9 2.1 3.4 2.3 3.6 2.4 3.8 2.5 4.1 2.3 4.3 2.2
25.0 2.5 1.9 2.9 2.1 3.4 2.3 3.6 2.4 3.8 2.5 4.1 2.3 4.2 2.2
27.0 2.5 1.9 2.9 2.1 3.4 2.3 3.6 2.4 3.8 2.5 4.0 2.2 4.2 2.2
29.0 2.5 1.9 2.9 2.1 3.4 2.3 3.6 2.4 3.8 2.5 4.0 2.2 4.1 2.2
31.0 2.5 1.9 2.9 2.1 3.4 2.3 3.6 2.4 3.8 2.5 4.2 2.6 4.1 2.2
33.0 2.5 1.9 2.9 2.1 3.4 2.3 3.6 2.4 3.8 2.5 4.2 2.6 3.9 2.1
35.0 2.5 1.9 2.9 2.1 3.4 2.3 3.6 2.4 3.8 2.5 4.2 2.6 3.9 2.1
37.0 2.5 1.9 2.9 2.1 3.4 2.3 3.6 2.4 3.7 2.4 3.8 2.3 3.9 2.1
39.0 2.5 1.9 2.9 2.1 3.4 2.3 3.6 2.4 3.7 2.4 3.8 2.3 3.8 2.1
42.0 2.5 1.9 2.9 2.1 3.4 2.3 3.6 2.4 3.7 2.4 3.8 2.3 3.8 2.1
44.0 2.5 1.9 2.9 2.1 3.4 2.3 3.6 2.4 3.7 2.4 3.8 2.3 3.8 2.1
46.0 2.5 1.9 2.9 2.1 3.4 2.3 3.6 2.4 3.7 2.4 3.8 2.3 3.8 2.1
4.5 10.0 3.1 2.4 3.7 2.6 4.2 2.8 4.5 2.9 4.8 3.0 5.3 3.4 5.9 3.0

Wall Mounted Type (C Type) MCAC-VTSM-2011-09
166 Capacity table
12.0 3.1 2.4 3.7 2.6 4.2 2.8 4.5 2.9 4.8 3.0 5.3 3.4 5.9 3.0
14.0 3.1 2.4 3.7 2.6 4.2 2.8 4.5 2.9 4.8 3.0 5.3 3.4 5.8 3.0
16.0 3.1 2.4 3.7 2.6 4.2 2.8 4.5 2.9 4.8 3.0 5.3 3.4 5.6 2.9
18.0 3.1 2.4 3.7 2.6 4.2 2.8 4.5 2.9 4.8 3.0 5.3 3.4 5.7 3.0
20.0 3.1 2.4 3.7 2.6 4.2 2.8 4.5 2.9 4.8 3.0 5.3 3.4 5.7 3.0
21.0 3.1 2.4 3.7 2.6 4.2 2.8 4.5 2.9 4.8 3.0 5.3 3.4 5.6 3.0
23.0 3.1 2.4 3.7 2.6 4.2 2.8 4.5 2.9 4.8 3.0 5.3 3.4 5.5 3.0
25.0 3.1 2.4 3.7 2.6 4.2 2.8 4.5 2.9 4.8 3.0 5.2 3.0 5.4 2.9
27.0 3.1 2.4 3.7 2.6 4.2 2.8 4.5 2.9 4.8 3.0 5.1 3.0 5.2 2.8
29.0 3.1 2.4 3.7 2.6 4.2 2.8 4.5 2.9 4.8 3.0 5.1 2.9 5.2 2.8
31.0 3.1 2.4 3.7 2.6 4.2 2.8 4.5 2.9 4.8 3.0 5.0 2.9 5.1 2.7
33.0 3.1 2.4 3.7 2.6 4.2 2.8 4.5 2.9 4.8 3.0 4.9 2.8 5.1 2.7
35.0 3.1 2.4 3.7 2.6 4.2 2.8 4.5 2.9 4.8 3.0 4.8 2.8 5.0 2.7
37.0 3.1 2.4 3.7 2.6 4.2 2.8 4.5 2.9 4.8 3.0 4.8 2.9 4.9 2.6
39.0 3.1 2.4 3.7 2.6 4.2 2.8 4.5 2.9 4.6 2.8 4.7 2.8 4.8 2.6
42.0 3.1 2.4 3.7 2.6 4.2 2.8 4.5 2.9 4.6 2.8 4.7 2.8 4.8 2.6
44.0 3.1 2.4 3.7 2.6 4.2 2.8 4.5 2.9 4.6 2.8 4.7 2.8 4.8 2.6
46.0 3.1 2.4 3.7 2.6 4.2 2.8 4.5 2.9 4.6 2.8 4.7 3.1 4.8 2.6
5.6
10.0 3.9 2.7 4.6 3.0 5.3 3.3 5.6 3.4 5.9 3.5 6.6 3.6 7.3 3.5
12.0 3.9 2.7 4.6 3.0 5.3 3.3 5.6 3.4 5.9 3.5 6.6 3.6 7.2 3.5
14.0 3.9 2.7 4.6 3.0 5.3 3.3 5.6 3.4 5.9 3.5 6.6 3.6 7.1 3.5
16.0 3.9 2.7 4.6 3.0 5.3 3.3 5.6 3.4 5.9 3.5 6.6 3.6 7.0 3.4
18.0 3.9 2.7 4.6 3.0 5.3 3.3 5.6 3.4 5.9 3.5 6.6 3.6 6.8 3.4
20.0 3.9 2.7 4.6 3.0 5.3 3.3 5.6 3.4 5.9 3.5 6.6 3.6 6.7 3.3
21.0 3.9 2.7 4.6 3.0 5.3 3.3 5.6 3.4 5.9 3.5 6.6 3.6 6.6 3.3
23.0 3.9 2.7 4.6 3.0 5.3 3.3 5.6 3.4 5.9 3.5 6.6 3.6 6.6 3.3
25.0 3.9 2.7 4.6 3.0 5.3 3.3 5.6 3.4 5.9 3.5 6.6 3.6 6.5 3.2
27.0 3.9 2.7 4.6 3.0 5.3 3.3 5.6 3.4 5.9 3.5 6.4 3.5 6.4 3.2
29.0 3.9 2.7 4.6 3.0 5.3 3.3 5.6 3.4 5.9 3.5 6.3 3.5 6.4 3.3
31.0 3.9 2.7 4.6 3.0 5.3 3.3 5.6 3.4 5.9 3.5 6.2 3.4 6.2 3.2
33.0 3.9 2.7 4.6 3.0 5.3 3.3 5.6 3.4 5.9 3.5 6.2 3.4 6.2 3.2
35.0 3.9 2.7 4.6 3.0 5.3 3.3 5.6 3.4 5.9 3.5 6.0 3.3 6.0 3.1
37.0 3.9 2.7 4.6 3.0 5.3 3.3 5.6 3.4 5.9 3.5 5.9 3.2 6.0 3.1
39.0 3.9 2.7 4.6 3.0 5.3 3.3 5.6 3.4 5.7 3.4 5.8 3.2 6.0 3.1
42.0 3.9 2.7 4.6 3.0 5.3 3.3 5.6 3.4 5.7 3.4 5.8 3.2 6.0 3.1
44.0 3.9 2.7 4.6 3.0 5.3 3.3 5.6 3.4 5.7 3.4 5.8 3.2 6.0 3.1
46.0 3.9 2.7 4.6 3.0 5.3 3.3 5.6 3.4 5.7 3.7 5.8 3.2 6.0 3.1

MCAC-VTSM-2011-09 Wall mounted Type (S Type)
Capacity table 167
6.2 Heating
TC: total capacity WB: wet-bulb temperature DB: dry-bulb temperature
Indoor Unit size
(kW)
Outdoor temperature
()℃
Indoor temperature (℃ DB)
16.00 18.00 20.00 21.00 22.00 24.00
TC TC TC TC TC TC
WB DB kW kW kW kW kW kW
2.2
-20 -19.8 1.46 1.46 1.46 1.46 1.46 1.46
-19 -18.8 1.56 1.56 1.56 1.56 1.56 1.56
-17 -16.7 1.64 1.64 1.64 1.64 1.64 1.64
-15 -14.7 1.69 1.69 1.69 1.69 1.69 1.69
-13.00 -12.60 1.79 1.79 1.79 1.79 1.79 1.79
-11.00 -10.50 1.82 1.85 1.85 1.85 1.85 1.85
-10.00 -9.50 1.90 1.90 1.90 1.90 1.90 1.90
-9.10 -8.50 1.95 1.95 1.95 1.95 1.95 1.95
-7.60 -7.00 1.98 1.98 1.98 1.98 1.98 1.98
-5.60 -5.00 2.05 2.05 2.05 2.05 2.05 2.05
-3.70 -3.00 2.16 2.16 2.16 2.16 2.16 2.16
-0.70 0.00 2.31 2.31 2.31 2.31 2.31 2.18
2.20 3.00 2.44 2.44 2.44 2.44 2.39 2.18
4.10 5.00 2.52 2.52 2.52 2.52 2.39 2.18
6.00 7.00 2.60 2.60 2.60 2.52 2.39 2.18
7.90 9.00 2.68 2.68 2.60 2.52 2.39 2.18
9.80 11.00 2.76 2.76 2.60 2.52 2.39 2.18
11.80 13.00 2.86 2.81 2.60 2.52 2.39 2.18
13.70 15.00 2.94 2.81 2.60 2.52 2.39 2.18
2.8
-20 -19.8 1.79 1.79 1.79 1.79 1.79 1.79
-19 -18.8 1.92 1.92 1.92 1.92 1.92 1.92
-17 -16.7 2.02 2.02 2.02 2.02 2.02 2.02
-15 -14.7 2.02 2.02 2.02 2.02 2.02 2.02
-13.00 -12.60 2.14 2.14 2.14 2.14 2.14 2.14
-11.00 -10.50 2.24 2.24 2.24 2.24 2.24 2.24
-10.00 -9.50 2.34 2.34 2.34 2.34 2.34 2.34
-9.10 -8.50 2.40 2.40 2.40 2.40 2.40 2.40
-7.60 -7.00 2.43 2.43 2.43 2.43 2.43 2.43
-5.60 -5.00 2.53 2.53 2.53 2.53 2.53 2.53
-3.70 -3.00 2.66 2.66 2.66 2.66 2.66 2.66
-0.70 0.00 2.85 2.85 2.85 2.85 2.85 2.69
2.20 3.00 3.01 3.01 3.01 3.01 2.94 2.69
4.10 5.00 3.10 3.10 3.10 3.10 2.94 2.69
6.00 7.00 3.20 3.20 3.20 3.10 2.94 2.69
7.90 9.00 3.30 3.30 3.20 3.10 2.94 2.69
9.80 11.00 3.39 3.39 3.20 3.10 2.94 2.69
11.80 13.00 3.52 3.46 3.20 3.10 2.94 2.69
13.70 15.00 3.62 3.46 3.20 3.10 2.94 2.69
3.6
-20 -19.8 2.24 2.24 2.24 2.24 2.24 2.24
-19 -18.8 2.40 2.40 2.40 2.40 2.40 2.40
-17 -16.7 2.52 2.52 2.52 2.52 2.52 2.52
-15 -14.7 2.60 2.60 2.60 2.60 2.60 2.60
-13.00 -12.60 2.68 2.68 2.68 2.68 2.68 2.68
-11.00 -10.50 2.80 2.80 2.80 2.80 2.80 2.80
-10.00 -9.50 2.92 2.92 2.92 2.92 2.92 2.92
-9.10 -8.50 3.00 3.00 3.00 3.00 3.00 3.00
-7.60 -7.00 3.04 3.04 3.04 3.04 3.04 3.04
-5.60 -5.00 3.16 3.16 3.16 3.16 3.16 3.16
-3.70 -3.00 3.32 3.32 3.32 3.32 3.32 3.32
-0.70 0.00 3.56 3.56 3.56 3.56 3.56 3.36
2.20 3.00 3.76 3.76 3.76 3.76 3.68 3.36
4.10 5.00 3.88 3.88 3.88 3.88 3.68 3.36
6.00 7.00 4.00 4.00 4.00 3.88 3.68 3.36
7.90 9.00 4.12 4.12 4.00 3.88 3.68 3.36
9.80 11.00 4.24 4.24 4.00 3.88 3.68 3.36
11.80 13.00 4.40 4.32 4.00 3.88 3.68 3.36
13.70 15.00 4.52 4.32 4.00 3.88 3.68 3.36
4.5 -20 -19.8 2.80 2.80 2.80 2.80 2.80 2.80
-19 -18.8 3.00 3.00 3.00 3.00 3.00 3.00

Wall Mounted Type (C Type) MCAC-VTSM-2011-09
168 Capacity table
-17 -16.7 3.15 3.15 3.15 3.15 3.15 3.15
-15 -14.7 3.25 3.25 3.25 3.25 3.25 3.25
-13.00 -12.60 3.35 3.35 3.35 3.35 3.35 3.35
-11.00 -10.50 3.50 3.50 3.50 3.50 3.50 3.50
-10.00 -9.50 3.65 3.65 3.65 3.65 3.65 3.65
-9.10 -8.50 3.75 3.75 3.75 3.75 3.75 3.75
-7.60 -7.00 3.80 3.80 3.80 3.80 3.80 3.80
-5.60 -5.00 3.95 3.95 3.95 3.95 3.95 3.95
-3.70 -3.00 4.15 4.15 4.15 4.15 4.15 4.15
-0.70 0.00 4.45 4.45 4.45 4.45 4.45 4.20
2.20 3.00 4.70 4.70 4.70 4.70 4.60 4.20
4.10 5.00 4.85 4.85 4.85 4.85 4.60 4.20
6.00 7.00 5.00 5.00 5.00 4.85 4.60 4.20
7.90 9.00 5.15 5.15 5.00 4.85 4.60 4.20
9.80 11.00 5.30 5.30 5.00 4.85 4.60 4.20
11.80 13.00 5.50 5.40 5.00 4.85 4.60 4.20
13.70 15.00 5.65 5.40 5.00 4.85 4.60 4.20
5.6
-20 -19.8 3.53 3.53 3.53 3.53 3.53 3.53
-19 -18.8 3.78 3.78 3.78 3.78 3.78 3.78
-17 -16.7 3.97 3.97 3.97 3.97 3.97 3.97
-15 -14.7 4.10 4.10 4.10 4.10 4.10 4.10
-13.00 -12.60 4.22 4.22 4.22 4.22 4.22 4.22
-11.00 -10.50 4.41 4.41 4.41 4.41 4.41 4.41
-10.00 -9.50 4.60 4.60 4.60 4.60 4.60 4.60
-9.10 -8.50 4.73 4.73 4.73 4.73 4.73 4.73
-7.60 -7.00 4.79 4.79 4.79 4.79 4.79 4.79
-5.60 -5.00 4.98 4.98 4.98 4.98 4.98 4.98
-3.70 -3.00 5.23 5.23 5.23 5.23 5.23 5.23
-0.70 0.00 5.61 5.61 5.61 5.61 5.61 5.29
2.20 3.00 5.92 5.92 5.92 5.92 5.80 5.29
4.10 5.00 6.11 6.11 6.11 6.11 5.80 5.29
6.00 7.00 6.30 6.30 6.30 6.11 5.80 5.29
7.90 9.00 6.49 6.49 6.30 6.11 5.80 5.29
9.80 11.00 6.68 6.68 6.30 6.11 5.80 5.29
11.80 13.00 6.93 6.80 6.30 6.11 5.80 5.29
13.70 15.00 7.12 6.80 6.30 6.11 5.80 5.29
Note: The above table is only the heat pump heating capacity, for the type with Electrical heater, the total
capacity should plus the additional electrical heating capacity, which is a constant data.

MCAC-VTSM-2011-09 Wall mounted Type (S Type)
Sound level 169
7. Electric Characteristics
Model Indoor Unit Power Supply IFM
Hz Voltage Min. Max. MCA MFA KW FLA
MDV-D22G/N1YB 50 220-240V 198 254 0.3 15 0.013 0.225
MDV-D28G/N1YB 50 220-240V 198 254 0.3 15 0.013 0.225
MDV-D36G/N1YB 50 220-240V 198 254 0.3 15 0.013 0.225
MDV-D45G/N1YB 50 220-240V 198 254 0.3 15 0.028 0.24
MDV-D56G/N1YB 50 220-240V 198 254 0.3 15 0.028 0.24
MDV-D22G/DN1YB 50 220-240V 198 254 3.6 15 0.013 0.225
MDV-D28G/DN1YB 50 220-240V 198 254 3.6 15 0.013 0.225
MDV-D36G/DN1YB 50 220-240V 198 254 3.6 15 0.013 0.225
MDV-D45G/DN1YB 50 220-240V 198 254 4.3 15 0.028 0.24
MDV-D56G/DN1YB 50 220-240V 198 254 4.3 15 0.028 0.24
Remark:
MCA: Min. Current Amps. (A)
MFA: Max. Fuse Amps. (A)
KW: Fan Motor Rated Output (kW)
FLA: Full Load Amps. (A)
IFM: Indoor Fan Motor

Wall Mounted Type (C Type) MCAC-VTSM-2011-09
170 Electrical Characteristic
8. Noise Levels
8.1 Test condition
8.2 Test value
Model Noise test value dB(A)
Hi Mid Low
MDV-D22G/(D)N1YB 35 32 29
MDV-D28G/(D)N1YB 35 32 29
MDV-D36G/(D)N1YB 35 32 29
MDV-D45G/(D)N1YB 40 38 34
MDV-D56G/(D)N1YB 40 38 34
MDV-D22G/(D)N1YB MDV-D28G/(D)N1YB MDV-D36G/(D)N1YB MDV-D45G/(D)N1YB MDV-D56G/(D)N1YB
Octave band center frequency(Hz)
Sound pressure level dB(0dB=0.0002μ bar)
Audibility limits of
continuous white
sound
Octave band center frequency(Hz)
Sound pressure level dB(0dB=0.0002μ bar)
Audibility limits of
continuous white
sound

MCAC-VTSM-2011-09 Wall mounted Type (S Type)
Sound level 171
9. Accessories
9.1 Standard accessories
Name Quantity Shape Usage
Installation manual 1 / /
Pipe insulation material 2 Heat insulation
Remote controller 1 /
7# alkaline battery 2 /
Holder for remote controller 1 Hold the remote controller
Remoter controller manual 1 —
Mounting screw(ST2.9 10-C-H) 2 Installation Holder for remote controller
Controlling discreteness installation plot 1 — —
Installation spring 2 Fix water outlet
Water outlet joint 1 For drainage
Wrapping tape 1
Plastic expanded tube 3
Screw ST3.9x25 for installation board 3 Secure the installation board
Network matching wire 1
The indoor unit which at the terminal of
communication system should connect a
impedance between port P and port Q.
9.2 Optional accessories
Name Model Code Usage
Wired remote controller KJR-10B/DP(T)-E 203355190000 With a standard 5m long cable to connect to
display board.
(Follow me) Wired remote
controller KJR-12B/DP(T)-E 203355100010 With an extra Built-in room temp. sensor, all
others are same as KJR-10B

Ceiling & Floor Type MCAC-VTSM-2011-09
172 Features
Ceiling & Floor Type
1. Feature ...........................................................................173
2. Specifications ................................................................174
3. Dimension ......................................................................176
4. Service Space ................................................................179
5. Piping Diagrams............................................................180
6. Wiring Diagram .............................................................181
7. Capacity Tables .............................................................182
8. Electric Characteristics ................................................188
9. Noise Levels ..................................................................189
10. Accessories .................................................................191

M
F
1
1
T
b
1
1
1
1
1
1
1
1
1
1
1
M
CAC-VTSM-
2
e
aturesCeilin
g
. Feature
.1 P
a
T
he front pa
n
rown for s
m
.2 C
o
.2.1 The
c
.2.2 It is
e
due t
o
.2.3 The
E
.2.4 Res
e
wate
r
.3 Three a
i
.4 Two dir
e
angle ai
.5 Low no
i
.5.1 Adopti
o
ensur
e
when
E
.5.2 Smoot
h
multipl
e
getting
.6 Wired c
o
addres
s
2
011-09
g
& Floor Typ
e
a
nel with L
E
n
el and disp
m
all panel, a
n
o
nvenient
f
c
eiling type
c
e
specially u
s
o a structur
e
E
XV is built
-
e
rved the so
c
r
pump fun
c
i
r flow spe
e
e
ction aut
o
i
r flow
i
se, create
s
o
n of the F
u
e
precise flo
w
E
XV operati
n
h
er airflow
e
-blade fan
smoother
a
o
ntrol com
s
is standa
r
e
E
D display.
lay panel h
a
n
d the othe
r
f
or installat
i
c
an be easi
l
s
eful when i
n
e
such as o
n
-
in the indo
o
c
ket on mai
n
c
tion.
e
d: high
/
mi
o
swing (ve
r
s
quiet and
u
jikoki bran
w
control, a
n
g.
with less
and the ai
a
nd more c
o
patible. R
M
r
d, and wir
e
a
ve differen
t
r
colors can
i
on
l
y installed i
n
n
stallation
o
n
e lighting
o
r unit, com
p
n
control bo
d
dle/low, d
o
r
tical & hor
i
comfortab
l
d
electroni
c
s well lowe
r
turbulenc
e
r guide de
s
o
mfortable
M
05 remote
e
d controll
e
t
colors for
c
be customi
z
nto a corne
r
o
f an air con
d
p
act size, a
n
ard for wat
e
ouble air g
u
izontal) an
d
l
e environ
m
c
expansion
r
modulatio
n
e
. Owing
t
s
ign, the ai
r
wireless c
o
e
r is option
a
c
hoose: whi
t
z
ed accordi
n
r
of the ceili
n
d
itioner in t
h
n
d convenie
n
e
r pump an
d
u
ides.
d
wide
m
ent.
valve,
n
noise
t
o the
r
flow is
o
ntroller w
h
a
l.
t
e and brow
n
n
g to the cu
s
n
g even if t
h
h
e center of
n
t for the in
s
PCB can b
h
ich can se
Wall mount
e
n
for big pa
n
s
tomers’ de
m
h
e ceiling is
the ceiling i
s
tallation.
b
e customiz
e
e
t the indo
o
e
d Type (C Ty
p
1
n
el, blue an
d
m
ands.
very narro
w
s impossibl
e
e
d if you ne
e
o
r unit
p
e)
73
d
w
e
e
d

Ceiling & Floor Type MCAC-VTSM-2011-09
174 Specification
2. Specifications
Model MDV-D36DL/N1-C MDV-D45DL/N1-C MDV-D56DL/N1-C MDV-D71DL/N1-C
Power supply V- Ph-Hz 220-240V~, 1Ph, 50Hz
Cooling
Capacity kW 3.6 4.5 5.6 7.1
Input W
49 120 122 125
Rated current A 0.55 0.55 0.55 0.57
Heating
Capacity kW 4 5 6.3 8
Input W
49 120 122 125
Rated current A 0.55 0.55 0.55 0.57
Indoor fan
motor
Model YSK25-6L-1 YSK55-4L-1 YSK55-4L-1 YSK55-4L-1
Type AC motor
Brand Welling
Input W 33.4/31.1/29.5 125/105/85 125/105/85 125/105/85
Capacitor μF 1.2uF/450V 2UF/450V 2.5UF/450V 2.5UF/450V
Speed (hi/mid/lo) r/min 756/666/592 1310/1190/1040 1310/1190/1040 1310/1190/1040
Indoor coil
Number of rows 2 3 3 3
Tube pitch*row pitch mm 25.4x22 25.4x22 25.4x22 25.4x22
Fin spacing mm 1.8 1.8 1.8 1.8
Fin type Hydrophilic aluminum
Tube outside
diameter and type mm Ф9.53
Inner groove tube
length *height *width mm 804*254*44 804*254*66 804*254*66 804*254*66
Number of circuits 3 3 3 3
Indoor air flow (H/M/L) m3/h 650/570/500 800/600/500 800/600/500 800/600/500
Indoor noise level (Hi/Mid/Lo) dB(A) 40/38/36 43/41/38 43/41/38 43/41/38
Indoor unit
Dimension (W×H×D) mm 990x660x206 990x660x206 990x660x206 990x660x206
Packing (W×H×D) mm 1089x744x296 1089x744x296 1089x744x296 1089x744x296
Net/Gross weight kg 26/32 28/34 28/34 28/34
Refrigerant type R410A
Throttle Type EXV (Built-in)
Model BD20FKS(L)
Design pressure MPa 4.4/2.6
Refrigerant
piping Liquid side/ Gas side mm Ф6.35/ Ф12.7 Ф9.53/ Ф16
Connecting
wiring
Power wiring mm2 3*2.5(L≤20m); 3*3.5(L≤50m)
Signal wiring mm2 3*0.75
Drainage water pipe diameter ODФ16
Controller Wireless remote controller (RM05/BG(T)E-A) (Standard), to set address
Operation temp ℃ Cooling:17~32;Heating:10~28
Notes: 1. Nominal cooling capacities are based on the following conditions: return air temp. : 27°CDB, 19°CWB, outdoor
temp.:35°CDB,equivalent ref. Piping: 8m(horizontal)
2. Nominal heating capacities are based on the following conditions: return air temp.: 20°CDB, outdoor temp.:
7°CDB,6°CWB,equivalent ref. Piping: 8m(horizontal)

MCAC-VTSM-2011-09 Wall mounted Type (C Type)
SpecificationCeiling & Floor Type 175
Model MDV-D80DL/N1-C MDV-D90DL/N1-C MDV-D112DL/N1-C MDV-D140DL/N1-C
Power supply V- Ph-Hz 220-240V~, 1Ph, 50Hz
Cooling
Capacity kW 8 9 11.2 14
Input W
130 130 182 182
Rated current A 0.6 0.6 0.83 0.83
Heating
Capacity kW 9 10 12.5 15.5
Input W
130 130 182 182
Rated current A 0.6 0.6 0.83 0.83
Indoor fan
motor
Model YSK80-4A-1 YSK80-4A-1 YSK59-4D x2 YSK59-4D x2
Type AC motor
Brand Welling
Input W 143/122/110 143/122/110 (89.5/81.5/77.5) x 2 (89.5/81.5/77.5) x 2
Capacitor μF 3.5UF/450V 3.5UF/450V 2.5UF/450V x2 2.5UF/450V x2
Speed (hi/mid/lo) r/min 1310/1210/1115 1310/1210/1115 1170/1070/995 1170/1070/995
Indoor coil
Number of rows 3 3 3 3
Tube pitch*row pitch mm 25.4x22 25.4x22 25.4x22 25.4x22
Fin spacing mm 1.8 1.8 1.8 1.8
Fin type Hydrophilic aluminum
Tube outside
diameter and type mm Ф9.53
Inner groove tube
length *height *width mm 1094*254*66 1360*254*66
Number of circuits 5 5 5 5
Indoor air flow (H/M/L) m3/h 1200/900/700 1200/900/700 1980/1860/1730 1980/1860/1730
Indoor noise level (Hi/Mid/Lo) dB(A) 45/43/40 45/43/40 47/45/42 47/45/42
Indoor unit
Dimension (W×H×D) mm 1280 x 660x206 1280 x 660x206 1670x680x244 1670x680x244
Packing (W×H×D) mm 1379x744x296 1379x744x296 1764x760x329 1764x760x329
Net/Gross weight kg 34.5/41 34.5/41 54/59 54/59
Refrigerant type R410A
Throttle Type EXV (Built-in)
Model BD20FKS(L) BD24FKS(L)
Design pressure MPa 4.4/2.6
Refrigerant
piping Liquid side/ Gas side mm Ф9.53/ Ф16
Connecting
wiring
Power wiring mm2 3*2.5(L≤20m); 3*3.5(L≤50m)
Signal wiring mm2 3*0.75
Drainage water pipe diameter ODФ16
Controller Wireless remote controller (RM05/BG(T)E-A) (Standard), to set address
Operation temp ℃ Cooling:17~32;Heating:10~28
Notes: 1. Nominal cooling capacities are based on the following conditions: return air temp. : 27°CDB, 19°CWB, outdoor
temp.:35°CDB,equivalent ref. Piping: 8m(horizontal)
2. Nominal heating capacities are based on the following conditions: return air temp.: 20°CDB, outdoor temp.:
7°CDB,6°CWB,equivalent ref. Piping: 8m(horizontal)

Ceiling & Floor Type MCAC-VTSM-2011-09
176 Dimensions
3. Dimension
3.1 Outline dimension of MDV-D36DL/N1-C MDV-D45DL/N1-C MDV-D56DL/N1-C MDV-D71DL/N1-C
906.5
995
175200
655
198.2
39.5
35
98
133.5
371401
207
63.5
96.5
3.2 Main dimension:
MDV-D36DL/N1-C MDV-D45DL/N1-C
Outer Length: 995mm, Height: 665mm, Depth: 200mm
Gas tube: Ф12.7mm,Liquid tube: Ф6.35mm
MDV-D56DL/N1-C MDV-D71DL/N1-C
Outer Length: 995mm, Height: 665mm, Depth: 200mm
Gas tube: Ф15.9mm Liquid tube:Ф9.53

MCAC-VTSM-2011-09 Wall mounted Type (C Type)
Dimensions 177
3.3 Outline dimension of MDV-D80DL/N1-C MDV-D90DL/N1-C
1284.5
655
198.2
1194.5
98
133.5
175200
207
39.5
37
547 515
63.5
96.5
Φ9.53mm
Φ15.9mm
3.4 Main dimension:
MDV-D80DL/N1-C MDV-D90DL/N1-C
Outer Length: 1285mm, Height: 665mm, Depth: 200mm
Gas tube: Ф15.9mm Liquid tube: Ф9.53

Ceiling & Floor Type MCAC-VTSM-2011-09
178 Dimensions
3.5 Outline dimension of MDV-D112DL/N1-C MDV-D140DL/N1-C
1542.3
112.5
69.5
724.5 630.5
1670
144
184.5
255.2
675
115.8
235
Φ9.53mm
Φ15.9mm
3.6 Main dimension:
MDV-D112DL/N1-C MDV-D140DL/N1-C
Outer Length: 1670mm, Height: 675mm, Depth: 235mm
Gas tube: Ф15.9mm, Liquid tube: Ф9.53

MCAC-VTSM-2011-09 Ceiling & Floor Type
Capacity table 179
4. Service Space
MDV-D36DL/N1-C MDV-D45DL/N1-C MDV-D56DL/N1-C MDV-D71DL/N1-C
MDV-D80DL/N1-C MDV-D90DL/N1-C MDV-D112DL/N1-C MDV-D140DL/N1-C
>600mm
Keep more than 600mm clearance between the unit and left/right side wall.
600mm
As well 600mm and up between the front panel and wall. For well ventilation.
>20
Keep 20mm up between the rear and wall if standing installed. As well 20mm between top and the drop
ceiling if under ceiling installed
Note:
This indoor unit may be installed on ceilings up to 3.5 m in height. However, if the ceiling is higher
than 2.7m, the remote control will have to be set locally.
Air Outlet
Obstacle
Piping connection
Obstacle
Drop ceiling
Air Outlet

Ceiling & Floor Type MCAC-VTSM-2011-09
180 Dimensions
5. Piping Diagrams
MDV-D36DL/N1-C MDV-D45DL/N1-C MDV-D56DL/N1-C MDV-D71DL/N1-C
MDV-D80DL/N1-C MDV-D90DL/N1-C MDV-D112DL/N1-C MDV-D140DL/N1-C
flare nut
flare nut
T2B
gas side
motor
heat exchanger
fan
EXV
liquid side
T2
T1

M
W
6
M
M
M
CAC-VTSM-
2
W
iring diagra
m
6
. Wiring
D
M
DV-D36DL
/
M
DV-D90DL
/
2
011-09
m
D
iagram
/
N1-C
M
/
N1-C MD
M
DV-D45DL
/
V-D112DL/
N
/
N1-C M
D
N
1-C MD
V
D
V-D56DL/
N
V
-D140DL/
N
N
1-C M
D
N
1-C
D
V-D71DL/
N
Ceil
N
1-C MD
V
i
ng & Floor T
y
1
V
-
D80DL/N1
-
y
pe
81
-
C

Ceiling & Floor Type MCAC-VTSM-2011-09
182 Capacity table
7. Capacity Tables
7.1 Cooling TC: total capacity SC: sensible capacity
WB: wet-bulb temperature DB: dry-bulb temperature
Indoor
Unit size
(kW)
Outdoor
temperature
(℃ DB)
Indoor temperature (℃ WB/DB)
14/20 16/23 18/26 19/27 20/28 22/30 24/32
TC SC TC SC TC SC TC SC TC SC TC SC TC SC
kW kW kW kW kW kW kW kW kW kW kW kW kW kW
3.6
10.0 2.5 1.9 2.9 2.1 3.4 2.3 3.6 2.4 3.8 2.5 4.3 2.4 4.7 2.5
12.0 2.5 1.9 2.9 2.1 3.4 2.3 3.6 2.4 3.8 2.5 4.3 2.4 4.7 2.5
14.0 2.5 1.9 2.9 2.1 3.4 2.3 3.6 2.4 3.8 2.5 4.3 2.4 4.6 2.4
16.0 2.5 1.9 2.9 2.1 3.4 2.3 3.6 2.4 3.8 2.5 4.3 2.4 4.5 2.4
18.0 2.5 1.9 2.9 2.1 3.4 2.3 3.6 2.4 3.8 2.5 4.3 2.4 4.5 2.4
20.0 2.5 1.9 2.9 2.1 3.4 2.3 3.6 2.4 3.8 2.5 4.3 2.4 4.4 2.3
21.0 2.5 1.9 2.9 2.1 3.4 2.3 3.6 2.4 3.8 2.5 4.3 2.4 4.4 2.3
23.0 2.5 1.9 2.9 2.1 3.4 2.3 3.6 2.4 3.8 2.5 4.1 2.3 4.3 2.2
25.0 2.5 1.9 2.9 2.1 3.4 2.3 3.6 2.4 3.8 2.5 4.1 2.3 4.2 2.2
27.0 2.5 1.9 2.9 2.1 3.4 2.3 3.6 2.4 3.8 2.5 4.0 2.2 4.2 2.2
29.0 2.5 1.9 2.9 2.1 3.4 2.3 3.6 2.4 3.8 2.5 4.0 2.2 4.1 2.2
31.0 2.5 1.9 2.9 2.1 3.4 2.3 3.6 2.4 3.8 2.5 4.2 2.6 4.1 2.2
33.0 2.5 1.9 2.9 2.1 3.4 2.3 3.6 2.4 3.8 2.5 4.2 2.6 3.9 2.1
35.0 2.5 1.9 2.9 2.1 3.4 2.3 3.6 2.4 3.8 2.5 4.2 2.6 3.9 2.1
37.0 2.5 1.9 2.9 2.1 3.4 2.3 3.6 2.4 3.7 2.4 3.8 2.3 3.9 2.1
39.0 2.5 1.9 2.9 2.1 3.4 2.3 3.6 2.4 3.7 2.4 3.8 2.3 3.8 2.1
42.0 2.5 1.9 2.9 2.1 3.4 2.3 3.6 2.4 3.7 2.4 3.8 2.3 3.8 2.1
44.0 2.5 1.9 2.9 2.1 3.4 2.3 3.6 2.4 3.7 2.4 3.8 2.3 3.8 2.1
46.0 2.5 1.9 2.9 2.1 3.4 2.3 3.6 2.4 3.7 2.4 3.8 2.3 3.8 2.1
4.5
10.0 3.1 2.4 3.7 2.6 4.2 2.8 4.5 2.9 4.8 3.0 5.3 3.4 5.9 3.0
12.0 3.1 2.4 3.7 2.6 4.2 2.8 4.5 2.9 4.8 3.0 5.3 3.4 5.9 3.0
14.0 3.1 2.4 3.7 2.6 4.2 2.8 4.5 2.9 4.8 3.0 5.3 3.4 5.8 3.0
16.0 3.1 2.4 3.7 2.6 4.2 2.8 4.5 2.9 4.8 3.0 5.3 3.4 5.6 2.9
18.0 3.1 2.4 3.7 2.6 4.2 2.8 4.5 2.9 4.8 3.0 5.3 3.4 5.7 3.0
20.0 3.1 2.4 3.7 2.6 4.2 2.8 4.5 2.9 4.8 3.0 5.3 3.4 5.7 3.0
21.0 3.1 2.4 3.7 2.6 4.2 2.8 4.5 2.9 4.8 3.0 5.3 3.4 5.6 3.0
23.0 3.1 2.4 3.7 2.6 4.2 2.8 4.5 2.9 4.8 3.0 5.3 3.4 5.5 3.0
25.0 3.1 2.4 3.7 2.6 4.2 2.8 4.5 2.9 4.8 3.0 5.2 3.0 5.4 2.9
27.0 3.1 2.4 3.7 2.6 4.2 2.8 4.5 2.9 4.8 3.0 5.1 3.0 5.2 2.8
29.0 3.1 2.4 3.7 2.6 4.2 2.8 4.5 2.9 4.8 3.0 5.1 2.9 5.2 2.8
31.0 3.1 2.4 3.7 2.6 4.2 2.8 4.5 2.9 4.8 3.0 5.0 2.9 5.1 2.7
33.0 3.1 2.4 3.7 2.6 4.2 2.8 4.5 2.9 4.8 3.0 4.9 2.8 5.1 2.7
35.0 3.1 2.4 3.7 2.6 4.2 2.8 4.5 2.9 4.8 3.0 4.8 2.8 5.0 2.7
37.0 3.1 2.4 3.7 2.6 4.2 2.8 4.5 2.9 4.8 3.0 4.8 2.9 4.9 2.6
39.0 3.1 2.4 3.7 2.6 4.2 2.8 4.5 2.9 4.6 2.8 4.7 2.8 4.8 2.6
42.0 3.1 2.4 3.7 2.6 4.2 2.8 4.5 2.9 4.6 2.8 4.7 2.8 4.8 2.6
44.0 3.1 2.4 3.7 2.6 4.2 2.8 4.5 2.9 4.6 2.8 4.7 2.8 4.8 2.6
46.0 3.1 2.4 3.7 2.6 4.2 2.8 4.5 2.9 4.6 2.8 4.7 3.1 4.8 2.6
5.6
10.0 3.9 2.7 4.6 3.0 5.3 3.3 5.6 3.4 5.9 3.5 6.6 3.6 7.3 3.5
12.0 3.9 2.7 4.6 3.0 5.3 3.3 5.6 3.4 5.9 3.5 6.6 3.6 7.2 3.5
14.0 3.9 2.7 4.6 3.0 5.3 3.3 5.6 3.4 5.9 3.5 6.6 3.6 7.1 3.5
16.0 3.9 2.7 4.6 3.0 5.3 3.3 5.6 3.4 5.9 3.5 6.6 3.6 7.0 3.4
18.0 3.9 2.7 4.6 3.0 5.3 3.3 5.6 3.4 5.9 3.5 6.6 3.6 6.8 3.4
20.0 3.9 2.7 4.6 3.0 5.3 3.3 5.6 3.4 5.9 3.5 6.6 3.6 6.7 3.3
21.0 3.9 2.7 4.6 3.0 5.3 3.3 5.6 3.4 5.9 3.5 6.6 3.6 6.6 3.3
23.0 3.9 2.7 4.6 3.0 5.3 3.3 5.6 3.4 5.9 3.5 6.6 3.6 6.6 3.3
25.0 3.9 2.7 4.6 3.0 5.3 3.3 5.6 3.4 5.9 3.5 6.6 3.6 6.5 3.2
27.0 3.9 2.7 4.6 3.0 5.3 3.3 5.6 3.4 5.9 3.5 6.4 3.5 6.4 3.2
29.0 3.9 2.7 4.6 3.0 5.3 3.3 5.6 3.4 5.9 3.5 6.3 3.5 6.4 3.3
31.0 3.9 2.7 4.6 3.0 5.3 3.3 5.6 3.4 5.9 3.5 6.2 3.4 6.2 3.2
33.0 3.9 2.7 4.6 3.0 5.3 3.3 5.6 3.4 5.9 3.5 6.2 3.4 6.2 3.2
35.0 3.9 2.7 4.6 3.0 5.3 3.3 5.6 3.4 5.9 3.5 6.0 3.3 6.0 3.1
37.0 3.9 2.7 4.6 3.0 5.3 3.3 5.6 3.4 5.9 3.5 5.9 3.2 6.0 3.1
39.0 3.9 2.7 4.6 3.0 5.3 3.3 5.6 3.4 5.7 3.4 5.8 3.2 6.0 3.1
42.0 3.9 2.7 4.6 3.0 5.3 3.3 5.6 3.4 5.7 3.4 5.8 3.2 6.0 3.1
44.0 3.9 2.7 4.6 3.0 5.3 3.3 5.6 3.4 5.7 3.4 5.8 3.2 6.0 3.1
46.0 3.9 2.7 4.6 3.0 5.3 3.3 5.6 3.4 5.7 3.7 5.8 3.2 6.0 3.1
10.0 4.9 3.6 5.8 4.0 6.7 4.3 7.1 4.5 7.5 4.4 8.4 4.5 9.2 4.6

MCAC-VTSM-2011-09 Ceiling & Floor Type
Capacity table 183
7.1 12.0 4.9 3.6 5.8 4.0 6.7 4.3 7.1 4.5 7.5 4.4 8.4 4.5 9.1 4.5
14.0 4.9 3.6 5.8 4.0 6.7 4.3 7.1 4.5 7.5 4.4 8.4 4.5 9.0 4.5
16.0 4.9 3.6 5.8 4.0 6.7 4.3 7.1 4.5 7.5 4.4 8.4 4.5 8.9 4.4
18.0 4.9 3.6 5.8 4.0 6.7 4.3 7.1 4.5 7.5 4.4 8.4 4.5 8.7 4.3
20.0 4.9 3.6 5.8 4.0 6.7 4.3 7.1 4.5 7.5 4.4 8.4 4.5 8.5 4.2
21.0 4.9 3.6 5.8 4.0 6.7 4.3 7.1 4.5 7.5 4.4 8.4 4.5 8.4 4.2
23.0 4.9 3.6 5.8 4.0 6.7 4.3 7.1 4.5 7.5 4.4 8.4 4.5 8.3 4.1
25.0 4.9 3.6 5.8 4.0 6.7 4.3 7.1 4.5 7.5 4.4 8.4 4.5 8.2 4.1
27.0 4.9 3.6 5.8 4.0 6.7 4.3 7.1 4.5 7.5 4.4 8.1 4.3 8.2 4.1
29.0 4.9 3.6 5.8 4.0 6.7 4.3 7.1 4.5 7.5 4.5 8.0 4.3 8.1 4.1
31.0 4.9 3.6 5.8 4.0 6.7 4.3 7.1 4.5 7.5 4.5 7.9 4.3 7.8 4.0
33.0 4.9 3.6 5.8 4.0 6.7 4.3 7.1 4.5 7.5 4.5 7.8 4.2 7.8 4.0
35.0 4.9 3.6 5.8 4.0 6.7 4.3 7.1 4.5 7.5 4.5 7.6 4.1 7.7 3.9
37.0 4.9 3.6 5.8 4.0 6.7 4.3 7.1 4.5 7.4 4.4 7.5 4.1 7.6 4.0
39.0 4.9 3.6 5.8 4.0 6.7 4.3 7.1 4.5 7.2 4.3 7.4 4.1 7.6 4.0
42.0 4.9 3.6 5.8 4.0 6.7 4.3 7.1 4.5 7.2 4.3 7.4 4.1 7.6 4.0
44.0 4.9 3.6 5.8 4.0 6.7 4.3 7.1 4.5 7.2 4.3 7.4 4.1 7.6 4.0
46.0 4.9 3.6 5.8 4.0 6.7 4.3 7.1 4.5 7.2 4.3 7.4 4.1 7.6 4.0
8.0
10.0 5.5 4.4 6.6 4.9 7.5 5.3 8.0 5.5 8.4 5.4 9.4 5.5 10.4 5.6
12.0 5.5 4.4 6.6 4.9 7.5 5.3 8.0 5.5 8.4 5.4 9.4 5.5 10.2 5.5
14.0 5.5 4.4 6.6 4.9 7.5 5.3 8.0 5.5 8.4 5.4 9.4 5.5 10.2 5.5
16.0 5.5 4.4 6.6 4.9 7.5 5.3 8.0 5.5 8.4 5.4 9.4 5.5 10.0 5.4
18.0 5.5 4.4 6.6 4.9 7.5 5.3 8.0 5.5 8.4 5.4 9.4 5.5 9.8 5.3
20.0 5.5 4.4 6.6 4.9 7.5 5.3 8.0 5.5 8.4 5.4 9.4 5.5 9.6 5.2
21.0 5.5 4.4 6.6 4.9 7.5 5.3 8.0 5.5 8.4 5.4 9.4 5.5 9.4 5.1
23.0 5.5 4.4 6.6 4.9 7.5 5.3 8.0 5.5 8.4 5.4 9.4 5.5 9.4 5.1
25.0 5.5 4.4 6.6 4.9 7.5 5.3 8.0 5.5 8.4 5.4 9.4 5.5 9.3 5.0
27.0 5.5 4.4 6.6 4.9 7.5 5.3 8.0 5.5 8.4 5.4 9.1 5.3 9.2 5.1
29.0 5.5 4.4 6.6 4.9 7.5 5.3 8.0 5.5 8.4 5.5 9.0 5.3 9.1 5.0
31.0 5.5 4.4 6.6 4.9 7.5 5.3 8.0 5.5 8.4 5.5 8.9 5.2 8.8 4.8
33.0 5.5 4.4 6.6 4.9 7.5 5.3 8.0 5.5 8.4 5.5 8.8 5.2 8.8 4.8
35.0 5.5 4.4 6.6 4.9 7.5 5.3 8.0 5.5 8.4 5.5 8.6 5.1 8.6 4.8
37.0 5.5 4.4 6.6 4.9 7.5 5.3 8.0 5.5 8.3 5.4 8.4 5.0 8.6 4.9
39.0 5.5 4.4 6.6 4.9 7.5 5.3 8.0 5.5 8.1 5.3 8.3 5.0 8.6 4.9
42.0 5.5 4.4 6.6 4.9 7.5 5.3 8.0 5.5 8.1 5.3 8.3 5.0 8.6 4.9
44.0 5.5 4.4 6.6 4.9 7.5 5.3 8.0 5.5 8.1 5.3 8.3 5.0 8.6 4.9
46.0 5.5 4.4 6.6 4.9 7.5 5.3 8.0 5.5 8.1 5.3 8.3 5.0 8.6 4.9
9.0
10.0 6.2 4.9 7.3 5.3 8.4 5.8 9.0 5.9 9.6 6.0 10.6 6.1 11.7 6.0
12.0 6.2 4.9 7.3 5.3 8.4 5.8 9.0 5.9 9.6 6.0 10.6 6.1 11.5 5.9
14.0 6.2 4.9 7.3 5.3 8.4 5.8 9.0 5.9 9.6 6.0 10.6 6.1 11.4 5.9
16.0 6.2 4.9 7.3 5.3 8.4 5.8 9.0 5.9 9.6 6.0 10.6 6.1 11.3 5.8
18.0 6.2 4.9 7.3 5.3 8.4 5.8 9.0 5.9 9.6 6.0 10.6 6.1 11.0 5.8
20.0 6.2 4.9 7.3 5.3 8.4 5.8 9.0 5.9 9.6 6.0 10.6 6.1 10.8 5.7
21.0 6.2 4.9 7.3 5.3 8.4 5.8 9.0 5.9 9.6 6.0 10.6 6.1 10.6 5.6
23.0 6.2 4.9 7.3 5.3 8.4 5.8 9.0 5.9 9.6 6.0 10.6 6.1 10.5 5.5
25.0 6.2 4.9 7.3 5.3 8.4 5.8 9.0 5.9 9.6 6.0 10.6 6.1 10.4 5.5
27.0 6.2 4.9 7.3 5.3 8.4 5.8 9.0 5.9 9.6 6.0 10.3 5.9 10.4 5.4
29.0 6.2 4.9 7.3 5.3 8.4 5.8 9.0 5.9 9.6 6.0 10.1 5.7 10.3 5.4
31.0 6.2 4.9 7.3 5.3 8.4 5.8 9.0 5.9 9.6 6.0 10.0 5.7 9.9 5.3
33.0 6.2 4.9 7.3 5.3 8.4 5.8 9.0 5.9 9.6 6.0 9.9 5.6 9.9 5.3
35.0 6.2 4.9 7.3 5.3 8.4 5.8 9.0 5.9 9.5 6.0 9.6 5.5 9.7 5.3
37.0 6.2 4.9 7.3 5.3 8.4 5.8 9.0 5.9 9.3 5.8 9.5 5.4 9.6 5.3
39.0 6.2 4.9 7.3 5.3 8.4 5.8 9.0 5.9 9.2 5.7 9.4 5.3 9.6 5.3
42.0 6.2 4.9 7.3 5.3 8.4 5.8 9.0 5.9 9.2 5.7 9.4 5.3 9.6 5.3
44.0 6.2 4.9 7.3 5.3 8.4 5.8 9.0 5.9 9.2 5.7 9.4 5.3 9.6 5.3
46.0 6.2 4.9 7.3 5.3 8.4 5.8 9.0 5.9 9.2 5.7 9.4 5.3 9.6 5.3
10.0
10.0 6.9 5.6 8.1 6.2 9.4 6.9 10.0 7.0 10.6 7.0 11.9 7.3 13.0 7.3
12.0 6.9 5.6 8.1 6.2 9.4 6.9 10.0 7.0 10.6 7.0 11.9 7.3 12.8 7.2
14.0 6.9 5.6 8.1 6.2 9.4 6.9 10.0 7.0 10.6 7.0 11.9 7.3 12.7 7.1
16.0 6.9 5.6 8.1 6.2 9.4 6.9 10.0 7.0 10.6 7.0 11.9 7.3 12.5 7.0
18.0 6.9 5.6 8.1 6.2 9.4 6.9 10.0 7.0 10.6 7.0 11.9 7.3 12.2 6.8
20.0 6.9 5.6 8.1 6.2 9.4 6.9 10.0 7.0 10.6 7.0 11.9 7.3 12.0 6.7
21.0 6.9 5.6 8.1 6.2 9.4 6.9 10.0 7.0 10.6 7.0 11.9 7.3 11.8 6.6
23.0 6.9 5.6 8.1 6.2 9.4 6.9 10.0 7.0 10.6 7.0 11.7 7.3 11.7 6.6
25.0 6.9 5.6 8.1 6.2 9.4 6.9 10.0 7.0 10.6 7.0 11.6 7.2 11.6 6.5

Ceiling & Floor Type MCAC-VTSM-2011-09
184 Capacity table
27.0 6.9 5.6 8.1 6.2 9.4 6.9 10.0 7.0 10.6 7.0 11.5 7.1 11.5 6.6
29.0 6.9 5.6 8.1 6.2 9.4 6.9 10.0 7.0 10.6 7.0 11.4 7.1 11.4 6.5
31.0 6.9 5.6 8.1 6.2 9.4 6.9 10.0 7.0 10.6 7.0 11.3 7.0 11.0 6.3
33.0 6.9 5.6 8.1 6.2 9.4 6.9 10.0 7.0 10.6 7.0 11.2 6.9 11.0 6.3
35.0 6.9 5.6 8.1 6.2 9.4 6.9 10.0 7.0 10.5 6.9 10.8 6.7 10.8 6.3
37.0 6.9 5.6 8.1 6.2 9.4 6.9 10.0 7.0 10.4 6.9 10.8 6.7 10.7 6.2
39.0 6.9 5.6 8.1 6.2 9.4 6.9 10.0 7.0 10.2 6.7 10.4 6.6 10.7 6.3
42.0 6.9 5.6 8.1 6.2 9.4 6.9 10.0 7.0 10.2 6.7 10.4 6.6 10.7 6.3
44.0 6.9 5.6 8.1 6.2 9.4 6.9 10.0 7.0 10.2 6.7 10.4 6.6 10.7 6.3
46.0 6.9 5.6 8.1 6.2 9.4 6.9 10.0 7.0 10.2 6.7 10.4 6.6 10.7 6.3
11.2
10.0 7.7 5.9 9.1 6.5 10.5 7.1 11.2 7.2 11.9 7.4 13.3 7.6 15.5 8.2
12.0 7.7 5.9 9.1 6.5 10.5 7.1 11.2 7.2 11.9 7.4 13.3 7.6 14.4 7.7
14.0 7.7 5.9 9.1 6.5 10.5 7.1 11.2 7.2 11.9 7.4 13.3 7.6 14.2 7.6
16.0 7.7 5.9 9.1 6.5 10.5 7.1 11.2 7.2 11.9 7.4 13.3 7.6 14.1 7.5
18.0 7.7 5.9 9.1 6.5 10.5 7.1 11.2 7.2 11.9 7.4 13.3 7.6 14.0 7.5
20.0 7.7 5.9 9.1 6.5 10.5 7.1 11.2 7.2 11.9 7.4 13.3 7.6 13.9 7.4
21.0 7.7 5.9 9.1 6.5 10.5 7.1 11.2 7.2 11.9 7.4 13.3 7.6 13.8 7.4
23.0 7.7 5.9 9.1 6.5 10.5 7.1 11.2 7.2 11.9 7.4 13.1 7.5 13.7 7.3
25.0 7.7 5.9 9.1 6.5 10.5 7.1 11.2 7.2 11.9 7.4 13.0 7.4 13.6 7.2
27.0 7.7 5.9 9.1 6.5 10.5 7.1 11.2 7.2 11.9 7.4 12.9 7.3 13.4 7.2
29.0 7.7 5.9 9.1 6.5 10.5 7.1 11.2 7.2 11.9 7.4 12.8 7.3 13.3 7.2
31.0 7.7 5.9 9.1 6.5 10.5 7.1 11.2 7.2 11.9 7.4 12.7 7.2 12.8 6.9
33.0 7.7 5.9 9.1 6.5 10.5 7.1 11.2 7.2 11.9 7.4 12.5 7.2 12.5 6.8
35.0 7.7 5.9 9.1 6.5 10.5 7.1 11.2 7.2 11.8 7.4 12.4 7.1 12.3 6.7
37.0 7.7 5.9 9.1 6.5 10.5 7.1 11.2 7.2 11.6 7.3 12.3 7.0 12.1 6.6
39.0 7.7 5.9 9.1 6.5 10.5 7.1 11.2 7.2 11.4 7.1 12.2 7.0 11.9 6.6
42.0 7.7 6.0 9.1 6.6 10.4 7.2 11.2 7.3 11.4 7.1 11.6 6.6 12.0 6.6
44.0 7.7 6.0 9.1 6.6 10.4 7.2 11.2 7.3 11.4 7.1 11.6 6.6 12.0 6.6
46.0 7.7 6.0 9.1 6.6 10.4 7.2 11.2 7.3 11.4 7.1 11.6 6.6 12.0 6.6
14.0
10.0 9.7 7.2 11.3 7.9 13.2 8.8 14.0 9.0 14.8 9.0 16.7 9.3 18.2 9.4
12.0 9.7 7.2 11.3 7.9 13.2 8.8 14.0 9.0 14.8 9.0 16.7 9.3 17.9 9.2
14.0 9.7 7.2 11.3 7.9 13.2 8.8 14.0 9.0 14.8 9.0 16.7 9.3 17.8 9.2
16.0 9.7 7.2 11.3 7.9 13.2 8.8 14.0 9.0 14.8 9.0 16.7 9.3 17.5 9.0
18.0 9.7 7.2 11.3 7.9 13.2 8.8 14.0 9.0 14.8 9.0 16.7 9.3 17.1 8.8
20.0 9.7 7.2 11.3 7.9 13.2 8.8 14.0 9.0 14.8 9.0 16.7 9.3 16.8 8.7
21.0 9.7 7.2 11.3 7.9 13.2 8.8 14.0 9.0 14.8 9.0 16.7 9.3 16.5 8.5
23.0 9.7 7.2 11.3 7.9 13.2 8.8 14.0 9.0 14.8 9.0 16.4 9.3 16.4 8.4
25.0 9.7 7.2 11.3 7.9 13.2 8.8 14.0 9.0 14.8 9.0 16.2 9.3 16.2 8.4
27.0 9.7 7.2 11.3 7.9 13.2 8.8 14.0 9.0 14.8 9.0 16.1 9.2 16.1 8.4
29.0 9.7 7.2 11.3 7.9 13.2 8.8 14.0 9.0 14.8 9.0 16.0 9.1 16.0 8.4
31.0 9.7 7.2 11.3 7.9 13.2 8.8 14.0 9.0 14.8 9.0 15.8 9.0 15.4 8.1
33.0 9.7 7.2 11.3 7.9 13.2 8.8 14.0 9.0 14.8 9.0 15.7 8.9 15.4 8.1
35.0 9.7 7.2 11.3 7.9 13.2 8.8 14.0 9.0 14.7 8.9 15.1 8.6 15.1 8.1
37.0 9.7 7.2 11.3 7.9 13.2 8.8 14.0 9.0 14.6 8.8 15.1 8.6 15.0 8.0
39.0 9.7 7.2 11.3 7.9 13.2 8.8 14.0 9.0 14.3 8.7 14.6 8.4 15.0 8.1
42.0 9.7 7.2 11.3 7.9 13.2 8.8 14.0 9.0 14.3 8.7 14.6 8.4 15.0 8.1
44.0 9.7 7.2 11.3 7.9 13.2 8.8 14.0 9.0 14.3 8.7 14.6 8.4 15.0 8.1
46.0 9.7 7.2 11.3 7.9 13.2 8.8 14.0 9.0 14.3 8.7 14.6 8.4 15.0 8.1

MCAC-VTSM-2011-09 Ceiling & Floor Type
Capacity table 185
7.2 Heating
TC: total capacity WB: wet-bulb temperature DB: dry-bulb temperature
Indoor Unit size
(kW)
Outdoor temperature
()℃
Indoor temperature (℃ DB)
16.00 18.00 20.00 21.00 22.00 24.00
TC TC TC TC TC TC
WB DB kW kW kW kW kW kW
3.6
-20 -19.8 2.24 2.24 2.24 2.24 2.24 2.24
-19 -18.8 2.40 2.40 2.40 2.40 2.40 2.40
-17 -16.7 2.52 2.52 2.52 2.52 2.52 2.52
-15 -14.7 2.60 2.60 2.60 2.60 2.60 2.60
-13.00 -12.60 2.68 2.68 2.68 2.68 2.68 2.68
-11.00 -10.50 2.80 2.80 2.80 2.80 2.80 2.80
-10.00 -9.50 2.92 2.92 2.92 2.92 2.92 2.92
-9.10 -8.50 3.00 3.00 3.00 3.00 3.00 3.00
-7.60 -7.00 3.04 3.04 3.04 3.04 3.04 3.04
-5.60 -5.00 3.16 3.16 3.16 3.16 3.16 3.16
-3.70 -3.00 3.32 3.32 3.32 3.32 3.32 3.32
-0.70 0.00 3.56 3.56 3.56 3.56 3.56 3.36
2.20 3.00 3.76 3.76 3.76 3.76 3.68 3.36
4.10 5.00 3.88 3.88 3.88 3.88 3.68 3.36
6.00 7.00 4.00 4.00 4.00 3.88 3.68 3.36
7.90 9.00 4.12 4.12 4.00 3.88 3.68 3.36
9.80 11.00 4.24 4.24 4.00 3.88 3.68 3.36
11.80 13.00 4.40 4.32 4.00 3.88 3.68 3.36
13.70 15.00 4.52 4.32 4.00 3.88 3.68 3.36
4.5
-20 -19.8 2.80 2.80 2.80 2.80 2.80 2.80
-19 -18.8 3.00 3.00 3.00 3.00 3.00 3.00
-17 -16.7 3.15 3.15 3.15 3.15 3.15 3.15
-15 -14.7 3.25 3.25 3.25 3.25 3.25 3.25
-13.00 -12.60 3.35 3.35 3.35 3.35 3.35 3.35
-11.00 -10.50 3.50 3.50 3.50 3.50 3.50 3.50
-10.00 -9.50 3.65 3.65 3.65 3.65 3.65 3.65
-9.10 -8.50 3.75 3.75 3.75 3.75 3.75 3.75
-7.60 -7.00 3.80 3.80 3.80 3.80 3.80 3.80
-5.60 -5.00 3.95 3.95 3.95 3.95 3.95 3.95
-3.70 -3.00 4.15 4.15 4.15 4.15 4.15 4.15
-0.70 0.00 4.45 4.45 4.45 4.45 4.45 4.20
2.20 3.00 4.70 4.70 4.70 4.70 4.60 4.20
4.10 5.00 4.85 4.85 4.85 4.85 4.60 4.20
6.00 7.00 5.00 5.00 5.00 4.85 4.60 4.20
7.90 9.00 5.15 5.15 5.00 4.85 4.60 4.20
9.80 11.00 5.30 5.30 5.00 4.85 4.60 4.20
11.80 13.00 5.50 5.40 5.00 4.85 4.60 4.20
13.70 15.00 5.65 5.40 5.00 4.85 4.60 4.20
5.6
-20 -19.8 3.53 3.53 3.53 3.53 3.53 3.53
-19 -18.8 3.78 3.78 3.78 3.78 3.78 3.78
-17 -16.7 3.97 3.97 3.97 3.97 3.97 3.97
-15 -14.7 4.10 4.10 4.10 4.10 4.10 4.10
-13.00 -12.60 4.22 4.22 4.22 4.22 4.22 4.22
-11.00 -10.50 4.41 4.41 4.41 4.41 4.41 4.41
-10.00 -9.50 4.60 4.60 4.60 4.60 4.60 4.60
-9.10 -8.50 4.73 4.73 4.73 4.73 4.73 4.73
-7.60 -7.00 4.79 4.79 4.79 4.79 4.79 4.79
-5.60 -5.00 4.98 4.98 4.98 4.98 4.98 4.98
-3.70 -3.00 5.23 5.23 5.23 5.23 5.23 5.23
-0.70 0.00 5.61 5.61 5.61 5.61 5.61 5.29
2.20 3.00 5.92 5.92 5.92 5.92 5.80 5.29
4.10 5.00 6.11 6.11 6.11 6.11 5.80 5.29
6.00 7.00 6.30 6.30 6.30 6.11 5.80 5.29
7.90 9.00 6.49 6.49 6.30 6.11 5.80 5.29
9.80 11.00 6.68 6.68 6.30 6.11 5.80 5.29
11.80 13.00 6.93 6.80 6.30 6.11 5.80 5.29
13.70 15.00 7.12 6.80 6.30 6.11 5.80 5.29
7.1 -20 -19.8 4.48 4.48 4.48 4.48 4.48 4.48
-19 -18.8 4.80 4.80 4.80 4.80 4.80 4.80

Ceiling & Floor Type MCAC-VTSM-2011-09
186 Capacity table
-17 -16.7 5.04 5.04 5.04 5.04 5.04 5.04
-15 -14.7 5.20 5.20 5.20 5.20 5.20 5.20
-13.00 -12.60 5.36 5.36 5.36 5.36 5.36 5.36
-11.00 -10.50 5.60 5.60 5.60 5.60 5.60 5.60
-10.00 -9.50 5.84 5.84 5.84 5.84 5.84 5.84
-9.10 -8.50 6.00 6.00 6.00 6.00 6.00 6.00
-7.60 -7.00 6.08 6.08 6.08 6.08 6.08 6.08
-5.60 -5.00 6.32 6.32 6.32 6.32 6.32 6.32
-3.70 -3.00 6.64 6.64 6.64 6.64 6.64 6.64
-0.70 0.00 7.12 7.12 7.12 7.12 7.12 6.72
2.20 3.00 7.52 7.52 7.52 7.52 7.36 6.72
4.10 5.00 7.76 7.76 7.76 7.76 7.36 6.72
6.00 7.00 8.00 8.00 8.00 7.76 7.36 6.72
7.90 9.00 8.24 8.24 8.00 7.76 7.36 6.72
9.80 11.00 8.48 8.48 8.00 7.76 7.36 6.72
11.80 13.00 8.80 8.64 8.00 7.76 7.36 6.72
13.70 15.00 9.04 8.64 8.00 7.76 7.36 6.72
8.0
-20 -19.8 5.04 5.04 5.04 5.04 5.04 5.04
-19 -18.8 5.40 5.40 5.40 5.40 5.40 5.40
-17 -16.7 5.67 5.67 5.67 5.67 5.67 5.67
-15 -14.7 5.85 5.85 5.85 5.85 5.85 5.85
-13.00 -12.60 6.03 6.03 6.03 6.03 6.03 6.03
-11.00 -10.50 6.30 6.30 6.30 6.30 6.30 6.30
-10.00 -9.50 6.57 6.57 6.57 6.57 6.57 6.57
-9.10 -8.50 6.75 6.75 6.75 6.75 6.75 6.75
-7.60 -7.00 6.84 6.84 6.84 6.84 6.84 6.84
-5.60 -5.00 7.11 7.11 7.11 7.11 7.11 7.11
-3.70 -3.00 7.47 7.47 7.47 7.47 7.47 7.47
-0.70 0.00 8.01 8.01 8.01 8.01 8.01 7.56
2.20 3.00 8.46 8.46 8.46 8.46 8.28 7.56
4.10 5.00 8.73 8.73 8.73 8.73 8.28 7.56
6.00 7.00 9.00 9.00 9.00 8.73 8.28 7.56
7.90 9.00 9.27 9.27 9.00 8.73 8.28 7.56
9.80 11.00 9.54 9.54 9.00 8.73 8.28 7.56
11.80 13.00 9.90 9.72 9.00 8.73 8.28 7.56
13.70 15.00 10.17 9.72 9.00 8.73 8.28 7.56
9.0
-20 -19.8 5.60 5.04 5.60 5.60 5.60 5.60
-19 -18.8 6.00 5.40 6.00 6.00 6.00 6.00
-17 -16.7 6.30 6.30 6.30 6.30 6.30 6.30
-15 -14.7 6.50 6.50 6.50 6.50 6.50 6.50
-13.00 -12.60 6.70 6.70 6.70 6.70 6.70 6.70
-11.00 -10.50 7.00 7.00 7.00 7.00 7.00 7.00
-10.00 -9.50 7.30 7.30 7.30 7.30 7.30 7.30
-9.10 -8.50 7.50 7.50 7.50 7.50 7.50 7.50
-7.60 -7.00 7.60 7.60 7.60 7.60 7.60 7.60
-5.60 -5.00 7.90 7.90 7.90 7.90 7.90 7.90
-3.70 -3.00 8.30 8.30 8.30 8.30 8.30 8.30
-0.70 0.00 8.90 8.90 8.90 8.90 8.90 8.40
2.20 3.00 9.40 9.40 9.40 9.40 9.20 8.40
4.10 5.00 9.70 9.70 9.70 9.70 9.20 8.40
6.00 7.00 10.00 10.00 10.00 9.70 9.20 8.40
7.90 9.00 10.30 10.30 10.00 9.70 9.20 8.40
9.80 11.00 10.60 10.60 10.00 9.70 9.20 8.40
11.80 13.00 11.00 10.80 10.00 9.70 9.20 8.40
13.70 15.00 11.30 10.80 10.00 9.70 9.20 8.40
10.0
-20 -19.8 6.16 6.16 6.16 6.16 6.16 6.16
-19 -18.8 6.60 6.60 6.60 6.60 6.60 6.60
-17 -16.7 6.93 6.93 6.93 6.93 6.93 6.93
-15 -14.7 7.15 7.15 7.15 7.15 7.15 7.15
-13.00 -12.60 7.37 7.37 7.37 7.37 7.37 7.37
-11.00 -10.50 7.70 7.70 7.70 7.70 7.70 7.70
-10.00 -9.50 8.03 8.03 8.03 8.03 8.03 8.03
-9.10 -8.50 8.25 8.25 8.25 8.25 8.25 8.25
-7.60 -7.00 8.36 8.36 8.36 8.36 8.36 8.36
-5.60 -5.00 8.69 8.69 8.69 8.69 8.69 8.69

MCAC-VTSM-2011-09 Ceiling & Floor Type
Capacity table 187
-3.70 -3.00 9.13 9.13 9.13 9.13 9.13 9.13
-0.70 0.00 9.79 9.79 9.79 9.79 9.79 9.24
2.20 3.00 10.34 10.34 10.34 10.34 10.12 9.24
4.10 5.00 10.67 10.67 10.67 10.67 10.12 9.24
6.00 7.00 11.00 11.00 11.00 10.67 10.12 9.24
7.90 9.00 11.33 11.33 11.00 10.67 10.12 9.24
9.80 11.00 11.66 11.66 11.00 10.67 10.12 9.24
11.80 13.00 12.10 11.88 11.00 10.67 10.12 9.24
13.70 15.00 12.43 11.88 11.00 10.67 10.12 9.24
11.2
-20 -19.8 7.00 7.00 7.00 7.00 7.00 7.00
-19 -18.8 7.50 7.50 7.50 7.50 7.50 7.50
-17 -16.7 7.88 7.88 7.88 7.88 7.88 7.88
-15 -14.7 8.13 8.13 8.13 8.13 8.13 8.13
-13.00 -12.60 8.38 8.38 8.38 8.38 8.38 8.38
-11.00 -10.50 8.75 8.75 8.75 8.75 8.75 8.75
-10.00 -9.50 9.13 9.13 9.13 9.13 9.13 9.13
-9.10 -8.50 9.38 9.38 9.38 9.38 9.38 9.38
-7.60 -7.00 9.50 9.50 9.50 9.50 9.50 9.50
-5.60 -5.00 9.88 9.88 9.88 9.88 9.88 9.88
-3.70 -3.00 10.38 10.38 10.38 10.38 10.38 10.38
-0.70 0.00 11.13 11.13 11.13 11.13 11.13 10.50
2.20 3.00 11.75 11.75 11.75 11.75 11.50 10.50
4.10 5.00 12.13 12.13 12.13 12.13 11.50 10.50
6.00 7.00 12.50 12.50 12.50 12.13 11.50 10.50
7.90 9.00 12.88 12.88 12.50 12.13 11.50 10.50
9.80 11.00 13.25 13.25 12.50 12.13 11.50 10.50
11.80 13.00 13.75 13.50 12.50 12.13 11.50 10.50
13.70 15.00 14.13 13.50 12.50 12.13 11.50 10.50
14.0
-20 -19.8 8.68 8.68 8.68 8.68 8.68 8.68
-19 -18.8 9.30 9.30 9.30 9.30 9.30 9.30
-17 -16.7 9.77 9.77 9.77 9.77 9.77 9.77
-15 -14.7 10.08 10.08 10.08 10.08 10.08 10.08
-13.0 -12.6 10.4 10.4 10.4 10.4 10.4 10.4
-11.0 -10.5 10.9 10.9 10.9 10.9 10.9 10.9
-10.0 -9.5 11.3 11.3 11.3 11.3 11.3 11.3
-9.1 -8.5 11.6 11.6 11.6 11.6 11.6 11.6
-7.6 -7.0 11.8 11.8 11.8 11.8 11.8 11.8
-5.6 -5.0 12.3 12.3 12.3 12.3 12.3 12.3
-3.7 -3.0 12.9 12.9 12.9 12.9 12.9 12.9
-0.7 0.0 13.8 13.8 13.8 13.8 13.8 13.0
2.2 3.0 14.6 14.6 14.6 14.6 14.3 13.0
4.1 5.0 15.0 15.0 15.0 15.0 14.3 13.0
6.0 7.0 15.5 15.5 15.5 15.0 14.3 13.0
7.9 9.0 16.0 16.0 15.5 15.0 14.3 13.0
9.8 11.0 16.4 16.4 15.5 15.0 14.3 13.0
11.8 13.0 17.1 16.7 15.5 15.0 14.3 13.0
13.7 15.0 17.5 16.7 15.5 15.0 14.3 13.0

Ceiling & Floor Type MCAC-VTSM-2011-09
188 Sound level
8. Electric Characteristics
Model Indoor Unit Power Supply IFM
Hz Voltage Min. Max. MCA MFA KW FLA
MDV-D36DL/N1-B 50 220-240V 198 254 0.21 15 0.025 0.15
MDV-D45DL/N1-B 50 220-240V 198 254 0.64 15 0.055 0.57
MDV-D56DL/N1-B 50 220-240V 198 254 0.64 15 0.055 0.57
MDV-D71DL/N1-B 50 220-240V 198 254 0.64 15 0.055 0.57
MDV-D80DL/N1-B 50 220-240V 198 254 0.8 15 0.08 0.63
MDV-D90DL/N1-B 50 220-240V 198 254 0.8 15 0.08 0.63
MDV-D112DL/N1-B 50 220-240V 198 254 1.05 15 0.059*2 0.39*2
MDV-D140DL/N1-B 50 220-240V 198 254 1.05 15 0.059*2 0.39*2
Remark:
MCA: Min. CircuitAmps. (A)
MFA: Max. Fuse Amps. (A)
KW: Fan Motor Rated Output (kW)
FLA: Full Load Amps. (A)
IFM: Indoor Fan Motor

M
S
9
9
N
9
9
M
CAC-VTSM-
2
ound level
9
. Noise L
e
9
.1 Test c
o
N
ote:
1, during ac
t
2, Anechoic
9
.2 Test d
a
MDV-D
3
MDV-D
4
MDV-D
5
MDV-D
7
MDV-D
8
MDV-D
9
MDV-D1
MDV-D1
9
.3 Octave
Sound pressure level dB
(
0dB=0.0002
μ
bar
)
Audibilit
y
continuou
sound
2
011-09
e
vels
o
ndition
t
ual operation
,
chamber con
v
a
ta (Soun
d
Model
3
6DL/N1-C
4
5DL/N1-C
5
6DL/N1-C
7
1DL/N1-C
8
0DL/N1-C
9
0DL/N1-C
12DL/N1-C
40DL/N1-C
e
Band Le
v
MDV-
D
Octave
y
limits o
f
s white
,
these value
s
v
ersion value
,
d
Pressur
e
v
el
D
36DL/N1-C
band center frequ
e
s
are normally
measured at
e
Levels)
N
H
40
43
43
43
45
45
47
47
e
ncy
(
Hz
)
somewhat hi
g
a point 1m
N
oise level u
n
Sound pressure level dB
(
0dB=0.0002
μ
bar
)
g
her as a res
u
in front of the
n
der three s
p
M
38
41
41
41
43
43
45
45
Audibility limits
o
continuous white
sound
u
lt of ambient
c
unit at a heig
h
p
eeds of fan (
MD
V
-D45(56
)
Octave band
of
Ceil
conditions.
h
t of 1.5m
(
dB(A))
L
36
38
38
38
40
40
42
42
)
(71)DL/N1-C
center frequency
i
ng & Floor T
y
1
(
Hz
)
y
pe
89

Ceiling & Floor Type MCAC-VTSM-2011-09
190 Sound level
MDV-D80(90)DL/N1-C MDV-D112(140)DL/N1-C
Octave band center fre
q
uenc
y
(Hz)
Sound pressure level dB(0dB=0.0002μ bar)
Audibility limits of
continuous white
sound
Octave band center frequency(Hz)
Sound pressure level dB(0dB=0.0002μ bar)
Audibility limits of
continuous white
sound

M
S
1
1
W
W
1
W
M
CAC-VTSM-
2
ound level
0. Acces
s
0.1 Stand
Installation m
a
Hook
Hanging arm
Pipe insulatio
Remote cont
r
7# alkaline b
a
Holder for re
m
Remoter cont
Mounting scr
e
W
ater outlet j
o
W
rapping tap
e
Network mat
c
0.2 Optio
n
N
a
W
ired remote
(Follow me)
W
controller
(Follow me)
W
controller
2
011-09
s
ories
ard acce
s
Name
a
nual
n material
r
oller RM05
a
ttery
m
ote controlle
r
roller manual
e
w(ST2.9 10-
C
o
int
e
c
hing wire
n
al acces
s
a
me
controller
W
ired remote
W
ired remote
s
sories
r
C
-H)
s
ories
M
KJR-1
0
KJR-1
2
KJR-12B
Quantity
1
2
2
2
1
2
1
1
2
1
1
1
M
odel
B/DP(T)-E
B/DP(T)-E
/DPBG(T)-E
Shape
/
Cod
e
2033551
9
2033551
0
2033551
0
I
Th
e
co
m
im
p
e
9
0000
Wi
0
0010
W
i
0
0503
Wi
H
e
Hold th
e
nstallation H
o
F
e
indoor unit
w
m
munication s
y
edance betw
e
t
h a standard
d
th an extra B
u
others a
r
t
h Follow Me
f
Ba
c
Ceil
Usage
/
e
at insulation
/
/
e
remote con
t
—
o
lder for remo
t
F
or drainage
w
hich at the te
ystem should
e
en port P an
d
Usage
5m long cabl
e
d
isplay board.
u
ilt-in room te
m
r
e same as K
J
function, built
-
c
k ground lig
h
i
ng & Floor T
y
1
roller
t
e controller
r
minal of
connect a
d
port Q.
e
to connect t
o
m
p. sensor, a
l
J
R-10B
-
in sensor, an
d
h
t.
y
pe
91
o
l
l
d

Exposed & Concealed Floor Standing MCAC-VTSM-2011-09
192 Features
Exposed & Concealed Floor Standing
1. Feature ...........................................................................193
2. Specifications ................................................................194
3. Dimension ......................................................................197
4. Service Space ................................................................200
5. Piping Diagrams............................................................201
6. Wiring Diagram .............................................................202
7. Capacity Tables .............................................................203
8. Electric Characteristics ................................................208
9. Noise Levels ..................................................................209
10. Accessories ................................................................. 211

M
E
1
1
1
1
1
M
CAC-VTSM-
2
xposed & Co
n
. Feature
.1 E
x
.1.1. Easy
Floor
main
t
Clea
n
.1.2. Easy
Filter
sophi
Strea
of co
m
.2. Conc
e
F3 se
r
2
011-09
n
cealed Floor
x
posed flo
o
installatio
n
standing ty
p
t
enance mu
c
n
ing under t
h
maintenan
c
is equippe
d
sticated des
mlined app
e
m
mercial gr
a
e
aled floor
s
r
ies concea
Standing
o
r standing
n
p
es can be h
c
h more eas
h
e unit, wher
e
c
e
d
as standa
r
ign as well
a
e
arance mak
a
de galvaniz
e
s
tanding ty
led t
y
pe
type
ung on the
w
ily. Running
e
dust tends
r
d accessor
y
s the remov
a
es it much
m
e
d steel, pro
v
p
e
1.2.1.
S
The bod
y
interior.
W
perimeter
1.2.2.
exposed
w
all or install
the piping
f
to accumul
a
y
; and it ca
n
a
ble blades.
m
ore harmo
n
viding maxi
m
So compac
t
y
is conceal
e
W
ith 212mm
r
zone.
Low noise
in the roo
m
ed on the fl
o
f
rom the ba
c
a
te, is consi
d
n
be remov
e
n
ious with th
e
m
um protecti
t
that it fits
e
d in the sk
i
depth of bo
d
l
evel due t
o
m
space.
Expose
d
o
or. The for
m
c
k allows th
e
d
erably easi
e
e
d and clea
n
e
decoration
o
n against c
i
nto even a
rting-wall to
d
y dimensio
n
o
special in
s
d
& Conceale
d
m
er can mak
e
e
unit to be
h
e
r.
n
ed easily
d
n
. All metal
p
c
orrosion.
tiny space.
pursue har
n
, it can be
i
s
tallation
m
d
Floor Stand
i
1
e
cleaning a
n
h
ung on wal
d
ue to Mide
a
p
arts are ma
d
mony with t
h
i
nstalled in t
h
ethod for n
i
ng
93
n
d
ls.
a
’s
d
e
h
e
h
e
ot

Exposed & Concealed Floor Standing MCAC-VTSM-2011-09
194 Specifications
2. Specifications
Model
MDV-D22Z/N1-F1B MDV-D28Z/N1-F1B MDV-D36Z/N1-F1B
MDV-D22Z/N1-F2B MDV-D28Z/N1-F2B MDV-D36Z/N1-F2B
MDV-D22Z/N1-F3B MDV-D28Z/N1-F3B MDV-D36Z/N1-F3B
Power supply V- Ph-Hz 220-240V, 1Ph, 50Hz
Cooling
Capacity kW 2.2 2.8 3.6
Input W 40 46 40
Rated current A 0.19 0.2 0.19
Heating
Capacity kW 2.6 3.2 4.0
Input W 40 46 35
Rated current A 0.19 0.2 0.15
Indoor
fan motor
Model YSK20-4A YSK20-4A YSK20-6
Type AC motor
Brand Welling Yongan
Input W 42/37/34 42/37/34 49/40/34
Capacitor μF 0.8 1 1.2
Speed (hi/mid/lo) r/min 795/753/670 935/810/720 830/750/470
Indoor
coil
Number of rows 2 2 3
Tube pitch(a)x row pitch(b) mm 25.4*22 25.4*22 25.4*22
Fin spacing mm 1.8 1.8 1.8
Fin type Hydrophilic aluminum
Tube outside diameter and mm Ф9.52 Inner grooved tube
Coil length×height×width mm 568×254×44 568×254×44 768×254×66
Number of circuits 3 3 3
Indoor air flow (H/M/L) m3/h 530/456/400 569/485/421 624/522/375
External static pressure Pa 12 12 12
Indoor noise level (Hi/Mid/Lo)
F1B
dB(A)
36/33/29 36/33/29 37/34/30
F2B 36/33/29 36/33/29 37/34/30
F3B 36/33/29 36/33/29 37/34/30
Indoor
unit
Dimension (W×H×D)
F1B
mm
1000×625×220 1000×625×220 1200×625×220
F2B 1000×625×220 1000×625×220 1200×625×220
F3B 840×545×212 840×545×212 1036×212×545
Packing (W×H×D)
F1B
mm
1089×722×312 1089×722×312 1289×722×312
F2B 1182×722×312 1182×722×312 1382×722×312
F3B 925×639×305 925×639×305 1125×639×305
Net/Gross weight
F1B
kg
30/35 30/35 37/43
F2B 30/38 30/38 37/46
F3B 26/29.5 26/29.5 29.5/34
Refrigerant type R410A
Throttle Type EXV (Built-in)
Model D20MISZ-1R(L)
Design pressure MPa 4.4/2.6
Refrigerant piping Liquid side/ Gas side mm Ф6.35/Ф12.7 Ф6.35/Ф12.7 Ф6.35/Ф12.7
Connecting wiring Power wiring mm2 3*2.5(L≤20m); 3*3.5(L≤50m)
Signal wiring mm2 4×0.75
Drainage water pipe diameter mm ODФ16
Controller Wireless remote controller (RM05/BG(T)E-A)(Standard)to set address
Operation temp. ℃ Cooling:17~32;Heating:10~28
Notes: 1. Nominal cooling capacities are based on the following conditions: return air temp. : 27°CDB, 19°CWB, outdoor
temp.:35°CDB,equivalent ref. Piping: 8m(horizontal)
2. Nominal heating capacities are based on the following conditions: return air temp.: 20°CDB,outdoor temp.:
7°CDB,6°CWB,equivalent ref. Piping: 8m(horizontal)

MCAC-VTSM-2011-09 Exposed & Concealed Floor Standing
Specification 195
Model
MDV-D45Z/N1-F1B MDV-D56Z/N1-F1B
MDV-D45Z/N1-F2B MDV-D56Z/N1-F2B
MDV-D45Z/N1-F3B MDV-D56Z/N1-F3B
Power supply V- 220-240V, 1Ph, 50Hz
Cooling
Capacity kW 4.5 5.6
Input W 49 88
Rated current A 0.22 0.38
Heating
Capacity kW 5.0 6.3
Input W 49 88
Rated current A 0.22 0.38
Indoor
fan
motor
Model YSK20-6 YSK28-4E
Type AC motor
Brand Yongan Welling
Input W 49/40/34 95/77/67
Capacitor μF 2 2.5
Speed (hi/mid/lo) r/min 880/790/555 915/770/660
Indoor
coil
Number of rows 3 2
Tube pitch(a)x row pitch(b) mm 25.4×22 25.4×22
Fin spacing mm 1.8 1.8
Fin type Hydrophilic aluminum
Tube outside diameter and mm Ф9.52 Inner grooved tube
Coil length×height×width mm 768×254×66 1068×254×44
Number of circuits 3 4
Indoor air flow (H/M/L) m3/h 660/542/440 1150/970/830
External static pressure Pa 12 12
Indoor noise level (Hi/Mid/Lo)
F1B
dB(A)
37/34/30 41/35/31
F2B 37/34/30 41/35/31
F3B 37/34/30 41/35/31
Indoor
unit
Dimension (W×H×D)
F1B
mm
1200×625×220 1500×625×220
F2B 1200×625×220 1500×625×220
F3B 1036×212×545 1336×212×545
Packing (W×H×D)
F1B
mm
1289×722×312 1589×722×312
F2B 1289×722×312 1682×722×312
F3B 1125×639×305 1425×639×305
Net/Gross weight
F1B
kg
37/43 44/50
F2B 37/46 44/53
F3B 29.5/34 36/40
Refrigerant type R410A
Throttle Type EXV (Built-in)
Model D20MISZ-1R(L)
Design pressure MPa 4.4/2.6
Refrigerant piping Liquid side/ Gas mm Ф6.35/Ф12.7 Ф9.52/Ф16
Connecting wiring Power wiring mm2 3*2.5(L≤20m); 3*3.5(L≤50m)
Signal wiring mm2 4×0.75
Drainage water pipe diameter mm ODФ16
Controller Wireless remote controller (RM05/BG(T)E-A) (Standard),to set address
Operation temp. ℃ Cooling:17~32;Heating:10~28
Notes: 1. Nominal cooling capacities are based on the following conditions: return air temp. : 27°CDB, 19°CWB, outdoor
temp.:35°CDB,equivalent ref. Piping: 8m(horizontal)
2. Nominal heating capacities are based on the following conditions: return air temp.: 20°CDB,outdoor temp.:
7°CDB,6°CWB,equivalent ref. Piping: 8m(horizontal)

Exposed & Concealed Floor Standing MCAC-VTSM-2011-09
196 Specifications
Model
MDV-D71Z/N1-F1B MDV-D80Z/N1-F1B
MDV-D71Z/N1-F2B MDV-D80Z/N1-F2B
MDV-D71Z/N1-F3B MDV-D80Z/N1-F3B
Power supply V- 220-240V, 1Ph, 50Hz
Cooling
Capacity kW 7.1 8.0
Input W 130 130
Rated current A 0.57 0.57
Heating
Capacity kW 8.0 9.0
Input W 130 130
Rated current A 0.57 0.57
Indoor
fan
motor
Model YSK74-4E YSK74-4E
Type AC motor
Brand Yongan Yongan
Input W 138.5/119/97 138.5/119/97
Capacitor μF 3 3
Speed (hi/mid/lo) r/min 1120/1020/880 1120/1020/880
Indoor
coil
Number of rows 2 3
Tube pitch(a)x row pitch(b) mm 25.4×22 25.4×22
Fin spacing mm 1.8 1.8
Fin type Hydrophilic aluminum
Tube outside diameter and type mm Φ9.52 inner grooved tube
Coil length×height×width mm 1068×254×44 1068×254×66
Number of circuits 4 3
Indoor air flow (H/M/L) m3/h 1380/1100/870 1380/1100/870
Indoor external static pressure (Hi) Pa 12 12
Indoor noise level (Hi/Mid/Lo)
F1B
dB(A)
44/39/33 44/39/33
F2B 44/39/33 44/39/33
F3B 44/39/33 44/39/33
Indoor
unit
Dimension (W×H×D)
F1B
mm
1500×625×220 1500×625×220
F2B 1500×625×220 1500×625×220
F3B 1336×545×212 1336×545×212
Packing (W×H×D)
F1B
mm
1589×722×312 1589×722×312
F2B 1682×722×312 1682×722×312
F3B 1425×639×305 1425×639×305
Net/Gross weight
F1B
kg
44/50 44/50
F2B 44/53 44/53
F3B 36/40 36/40
Refrigerant type R410A
Throttle Type EXV (Built-in)
Model D20MISZ-1R(L)
Design pressure MPa 4.4/2.6
Refrigerant piping Liquid side/ Gas mm Ф9.52/Ф16 Ф9.52/Ф16
Connecting wiring Power wiring mm2 3*2.5(L≤20m); 3*3.5(L≤50m)
Signal wiring mm2 4×0.75
Drainage water pipe diameter mm ODФ16
Controller Wireless remote controller (RM05/BG(T)E-A)(Standard), to set address
Operation temp. ℃ Cooling:17~32;Heating:10~28
Notes: 1. Nominal cooling capacities are based on the following conditions: return air temp. : 27°CDB, 19°CWB, outdoor
temp.:35°CDB,equivalent ref. Piping: 8m(horizontal)
2. Nominal heating capacities are based on the following conditions: return air temp.: 20°CDB,outdoor temp.:
7°CDB,6°CWB,equivalent ref. Piping: 8m(horizontal)

MCAC-VTSM-2011-09 Exposed & Concealed Floor Standing
Dimensions 197
3. Dimension
3.1 Exposed Floor-standing (air inlet from front)
Mounting hole, 4
Air inlet grille
Liquid side
connector
Gas side
connector
EXV
Air outlet grille
Left
Cover Right
Cover
149.5 149.5
A
B
C
D
E
F
G
H
I
4×Φ11
4×Φ18
Unit: mm
MODEL
(MDV-D**Z/N1-F1B) A B C D E F G H I
22
1000 725 625 284 232 112 345 94 224.5
28
36
1200 925 625 310 258 112 345 100 220.0
45
56
1500 1225 625 310 258 112 345 100 224.5
71
80

Exposed & Concealed Floor Standing MCAC-VTSM-2011-09
198 Dimensions
3.2 Exposed Floor-standing (air inlet from bottom)
Mounting hole, 4
Air inlet grille
Liquid side
connector
Gas side
connector
EXV
Air outlet grille
Left
Cover Right
Cover
A
B
C
D
E
F
G
H
I
J
149.5 149.5
4Φ11
4XΦ18
Unit: mm
MODEL
(MDV-D**Z/N1-F2B) A B C D E F G H I J
22
1000 725 705 625 284 232 345 94 220 150
28
36
1200 925 705 625 310 258 345 100 220 150
45
56
1500 1225 625 566 310 258 345 100 220 150
71
80

MCAC-VTSM-2011-09 Exposed & Concealed Floor Standing
Dimensions 199
3.3 Concealed Floor-standing
MODEL
(MDV-D**Z/N1-F3B) A B C (mm)
22 Φ6.4 Φ12.7 725
28
36 Φ6.4 Φ12.7 925
45
56
Φ9.5 Φ15.9 1225
71
80
Connecting point of
refrigerant pipe
(Liquid side ΦA)
Connecting point of
refrigerant pipe
(Gas side ΦB)
177
C
345
544
212

Exposed & Concealed Floor Standing MCAC-VTSM-2011-09
200 Capacity table
4. Service Space
VersionⅠ(F1B series)
Vertical unit with casing , with air intake from front and air
outlet on top, for installation on a wall or on feet on the floor.
VersionⅡ(F2B series)
Vertical unit with casing , with air intake from below and air
outlet on top, for installation on a wall or on feet on the floor.
Version Ⅲ (F3B series)
Vertical unit for building-in, with air intake from below and air
delivery at the top, for installation on a wall.
Required clearance for above 3 versions:
Additionally, it is required to keep 20mm between the rear and wall; 600mm between the front face and the
obstacle. 1700mm vertical distance between the top of unit(outlet) and the upper obstacle.
Model VersionⅠ VersionⅡ Version Ⅲ
a (mm) ≥150 ≥150 ≥200
b (mm) - (with bottom feet) ≥80
a
a
a
a
a
a
b

MCAC-VTSM-2011-09 Exposed & Concealed Floor Standing
Dimensions 201
5. Piping Diagrams
flare nut
flare nut
T2B
gas side
motor
heat exchanger
fan
EXV
liquid side
T2
T1

E
2
0
6
xposed & Co
n
0
2
6
. Wiring
D
n
cealed Floor
D
iagram
Standing MCA
C
C
-VTSM-2011
-
Capacity ta
-
09
ble

MCAC-VTSM-2011-09 Exposed & Concealed Floor Standing
Capacity table 203
7. Capacity Tables
7.1 Cooling TC: total capacity SC: sensible capacity WB: wet-bulb temperature DB: dry-bulb temperature
Indoor
Unit size
(kW)
Outdoor
temperature
( DB)℃
Indoor temperature ( WB℃/DB)
14/20 16/23 18/26 19/27 20/28 22/30 24/32
TC SC TC SC TC SC TC SC TC SC TC SC TC SC
kW kW kW kW kW kW kW kW kW kW kW kW kW kW
2.2
10.0 1.5 1.3 1.8 1.4 2.1 1.5 2.2 1.5 2.3 1.6 2.6 1.6 2.9 1.5
12.0 1.5 1.3 1.8 1.4 2.1 1.5 2.2 1.5 2.3 1.6 2.6 1.6 2.8 1.5
14.0 1.5 1.3 1.8 1.4 2.1 1.5 2.2 1.5 2.3 1.6 2.6 1.6 2.8 1.5
16.0 1.5 1.3 1.8 1.4 2.1 1.5 2.2 1.5 2.3 1.6 2.6 1.6 2.8 1.5
18.0 1.5 1.3 1.8 1.4 2.1 1.5 2.2 1.5 2.3 1.6 2.6 1.6 2.8 1.4
20.0 1.5 1.3 1.8 1.4 2.1 1.5 2.2 1.5 2.3 1.6 2.6 1.6 2.7 1.4
21.0 1.5 1.3 1.8 1.4 2.1 1.5 2.2 1.5 2.3 1.6 2.6 1.6 2.7 1.4
23.0 1.5 1.3 1.8 1.4 2.1 1.5 2.2 1.5 2.3 1.6 2.5 1.5 2.7 1.4
25.0 1.5 1.3 1.8 1.4 2.1 1.5 2.2 1.5 2.3 1.6 2.5 1.5 2.6 1.4
27.0 1.5 1.3 1.8 1.4 2.1 1.5 2.2 1.5 2.3 1.6 2.5 1.5 2.6 1.4
29.0 1.5 1.3 1.8 1.4 2.1 1.5 2.2 1.5 2.3 1.6 2.4 1.4 2.5 1.4
31.0 1.5 1.3 1.8 1.4 2.1 1.5 2.2 1.5 2.3 1.6 2.4 1.4 2.5 1.4
33.0 1.5 1.3 1.8 1.4 2.1 1.5 2.2 1.5 2.3 1.6 2.4 1.4 2.4 1.4
35.0 1.5 1.3 1.8 1.4 2.1 1.5 2.2 1.5 2.3 1.6 2.3 1.3 2.4 1.4
37.0 1.5 1.3 1.8 1.4 2.1 1.5 2.2 1.5 2.3 1.6 2.3 1.3 2.3 1.4
39.0 1.5 1.3 1.8 1.4 2.1 1.5 2.2 1.5 2.2 1.5 2.3 1.3 2.3 1.4
42.0 1.5 1.3 1.8 1.4 2.1 1.5 2.2 1.5 2.2 1.5 2.3 1.3 2.3 1.4
44.0 1.5 1.3 1.8 1.4 2.1 1.5 2.2 1.5 2.2 1.5 2.3 1.3 2.3 1.4
46.0 1.5 1.3 1.8 1.4 2.1 1.5 2.2 1.5 2.2 1.5 2.3 1.3 2.3 1.4
2.8
10.0 1.9 1.6 2.3 1.8 2.6 1.9 2.8 1.9 3.0 1.9 3.3 2.0 3.7 2.0
12.0 1.9 1.6 2.3 1.8 2.6 1.9 2.8 1.9 3.0 1.9 3.3 2.0 3.6 2.0
14.0 1.9 1.6 2.3 1.8 2.6 1.9 2.8 1.9 3.0 1.9 3.3 2.0 3.6 2.0
16.0 1.9 1.6 2.3 1.8 2.6 1.9 2.8 1.9 3.0 1.9 3.3 2.0 3.5 1.9
18.0 1.9 1.6 2.3 1.8 2.6 1.9 2.8 1.9 3.0 1.9 3.3 2.0 3.5 1.9
20.0 1.9 1.6 2.3 1.8 2.6 1.9 2.8 1.9 3.0 1.9 3.3 2.0 3.4 1.9
21.0 1.9 1.6 2.3 1.8 2.6 1.9 2.8 1.9 3.0 1.9 3.3 2.0 3.4 1.9
23.0 1.9 1.6 2.3 1.8 2.6 1.9 2.8 1.9 3.0 1.9 3.3 2.0 3.4 1.9
25.0 1.9 1.6 2.3 1.8 2.6 1.9 2.8 1.9 3.0 1.9 3.2 1.9 3.3 1.9
27.0 1.9 1.6 2.3 1.8 2.6 1.9 2.8 1.9 3.0 1.9 3.2 1.9 3.3 1.9
29.0 1.9 1.6 2.3 1.8 2.6 1.9 2.8 1.9 3.0 1.9 3.1 1.8 3.2 1.8
31.0 1.9 1.6 2.3 1.8 2.6 1.9 2.8 1.9 3.0 1.9 3.1 1.8 3.2 1.7
33.0 1.9 1.6 2.3 1.8 2.6 1.9 2.8 1.9 3.0 1.9 3.1 1.8 3.1 1.7
35.0 1.9 1.6 2.3 1.8 2.6 1.9 2.8 1.9 2.9 1.9 3.0 1.8 3.1 1.7
37.0 1.9 1.6 2.3 1.8 2.6 1.9 2.8 1.9 2.9 1.9 3.0 1.8 3.0 1.7
39.0 1.9 1.6 2.3 1.8 2.6 1.9 2.8 1.9 2.9 1.9 3.0 1.9 3.0 1.7
42.0 1.9 1.6 2.3 1.8 2.6 1.9 2.8 1.9 2.9 1.9 3.0 1.9 3.0 1.7
44.0 1.9 1.6 2.3 1.8 2.6 1.9 2.8 1.9 2.9 1.9 3.0 1.9 3.0 1.7
46.0 1.9 1.6 2.3 1.8 2.6 1.9 2.8 1.9 2.9 1.9 3.0 1.9 3.0 1.7
3.6
10.0 2.5 1.9 2.9 2.1 3.4 2.3 3.6 2.4 3.8 2.5 4.3 2.4 4.7 2.5
12.0 2.5 1.9 2.9 2.1 3.4 2.3 3.6 2.4 3.8 2.5 4.3 2.4 4.7 2.5
14.0 2.5 1.9 2.9 2.1 3.4 2.3 3.6 2.4 3.8 2.5 4.3 2.4 4.6 2.4
16.0 2.5 1.9 2.9 2.1 3.4 2.3 3.6 2.4 3.8 2.5 4.3 2.4 4.5 2.4
18.0 2.5 1.9 2.9 2.1 3.4 2.3 3.6 2.4 3.8 2.5 4.3 2.4 4.5 2.4
20.0 2.5 1.9 2.9 2.1 3.4 2.3 3.6 2.4 3.8 2.5 4.3 2.4 4.4 2.3
21.0 2.5 1.9 2.9 2.1 3.4 2.3 3.6 2.4 3.8 2.5 4.3 2.4 4.4 2.3
23.0 2.5 1.9 2.9 2.1 3.4 2.3 3.6 2.4 3.8 2.5 4.1 2.3 4.3 2.2
25.0 2.5 1.9 2.9 2.1 3.4 2.3 3.6 2.4 3.8 2.5 4.1 2.3 4.2 2.2
27.0 2.5 1.9 2.9 2.1 3.4 2.3 3.6 2.4 3.8 2.5 4.0 2.2 4.2 2.2
29.0 2.5 1.9 2.9 2.1 3.4 2.3 3.6 2.4 3.8 2.5 4.0 2.2 4.1 2.2
31.0 2.5 1.9 2.9 2.1 3.4 2.3 3.6 2.4 3.8 2.5 4.2 2.6 4.1 2.2
33.0 2.5 1.9 2.9 2.1 3.4 2.3 3.6 2.4 3.8 2.5 4.2 2.6 3.9 2.1
35.0 2.5 1.9 2.9 2.1 3.4 2.3 3.6 2.4 3.8 2.5 4.2 2.6 3.9 2.1
37.0 2.5 1.9 2.9 2.1 3.4 2.3 3.6 2.4 3.7 2.4 3.8 2.3 3.9 2.1
39.0 2.5 1.9 2.9 2.1 3.4 2.3 3.6 2.4 3.7 2.4 3.8 2.3 3.8 2.1
42.0 2.5 1.9 2.9 2.1 3.4 2.3 3.6 2.4 3.7 2.4 3.8 2.3 3.8 2.1
44.0 2.5 1.9 2.9 2.1 3.4 2.3 3.6 2.4 3.7 2.4 3.8 2.3 3.8 2.1
46.0 2.5 1.9 2.9 2.1 3.4 2.3 3.6 2.4 3.7 2.4 3.8 2.3 3.8 2.1
4.5 10.0 3.1 2.4 3.7 2.6 4.2 2.8 4.5 2.9 4.8 3.0 5.3 3.4 5.9 3.0

Exposed & Concealed Floor Standing MCAC-VTSM-2011-09
204 Capacity table
12.0 3.1 2.4 3.7 2.6 4.2 2.8 4.5 2.9 4.8 3.0 5.3 3.4 5.9 3.0
14.0 3.1 2.4 3.7 2.6 4.2 2.8 4.5 2.9 4.8 3.0 5.3 3.4 5.8 3.0
16.0 3.1 2.4 3.7 2.6 4.2 2.8 4.5 2.9 4.8 3.0 5.3 3.4 5.6 2.9
18.0 3.1 2.4 3.7 2.6 4.2 2.8 4.5 2.9 4.8 3.0 5.3 3.4 5.7 3.0
20.0 3.1 2.4 3.7 2.6 4.2 2.8 4.5 2.9 4.8 3.0 5.3 3.4 5.7 3.0
21.0 3.1 2.4 3.7 2.6 4.2 2.8 4.5 2.9 4.8 3.0 5.3 3.4 5.6 3.0
23.0 3.1 2.4 3.7 2.6 4.2 2.8 4.5 2.9 4.8 3.0 5.3 3.4 5.5 3.0
25.0 3.1 2.4 3.7 2.6 4.2 2.8 4.5 2.9 4.8 3.0 5.2 3.0 5.4 2.9
27.0 3.1 2.4 3.7 2.6 4.2 2.8 4.5 2.9 4.8 3.0 5.1 3.0 5.2 2.8
29.0 3.1 2.4 3.7 2.6 4.2 2.8 4.5 2.9 4.8 3.0 5.1 2.9 5.2 2.8
31.0 3.1 2.4 3.7 2.6 4.2 2.8 4.5 2.9 4.8 3.0 5.0 2.9 5.1 2.7
33.0 3.1 2.4 3.7 2.6 4.2 2.8 4.5 2.9 4.8 3.0 4.9 2.8 5.1 2.7
35.0 3.1 2.4 3.7 2.6 4.2 2.8 4.5 2.9 4.8 3.0 4.8 2.8 5.0 2.7
37.0 3.1 2.4 3.7 2.6 4.2 2.8 4.5 2.9 4.8 3.0 4.8 2.9 4.9 2.6
39.0 3.1 2.4 3.7 2.6 4.2 2.8 4.5 2.9 4.6 2.8 4.7 2.8 4.8 2.6
42.0 3.1 2.4 3.7 2.6 4.2 2.8 4.5 2.9 4.6 2.8 4.7 2.8 4.8 2.6
44.0 3.1 2.4 3.7 2.6 4.2 2.8 4.5 2.9 4.6 2.8 4.7 2.8 4.8 2.6
46.0 3.1 2.4 3.7 2.6 4.2 2.8 4.5 2.9 4.6 2.8 4.7 3.1 4.8 2.6
5.6
10.0 3.9 2.7 4.6 3.0 5.3 3.3 5.6 3.4 5.9 3.5 6.6 3.6 7.3 3.5
12.0 3.9 2.7 4.6 3.0 5.3 3.3 5.6 3.4 5.9 3.5 6.6 3.6 7.2 3.5
14.0 3.9 2.7 4.6 3.0 5.3 3.3 5.6 3.4 5.9 3.5 6.6 3.6 7.1 3.5
16.0 3.9 2.7 4.6 3.0 5.3 3.3 5.6 3.4 5.9 3.5 6.6 3.6 7.0 3.4
18.0 3.9 2.7 4.6 3.0 5.3 3.3 5.6 3.4 5.9 3.5 6.6 3.6 6.8 3.4
20.0 3.9 2.7 4.6 3.0 5.3 3.3 5.6 3.4 5.9 3.5 6.6 3.6 6.7 3.3
21.0 3.9 2.7 4.6 3.0 5.3 3.3 5.6 3.4 5.9 3.5 6.6 3.6 6.6 3.3
23.0 3.9 2.7 4.6 3.0 5.3 3.3 5.6 3.4 5.9 3.5 6.6 3.6 6.6 3.3
25.0 3.9 2.7 4.6 3.0 5.3 3.3 5.6 3.4 5.9 3.5 6.6 3.6 6.5 3.2
27.0 3.9 2.7 4.6 3.0 5.3 3.3 5.6 3.4 5.9 3.5 6.4 3.5 6.4 3.2
29.0 3.9 2.7 4.6 3.0 5.3 3.3 5.6 3.4 5.9 3.5 6.3 3.5 6.4 3.3
31.0 3.9 2.7 4.6 3.0 5.3 3.3 5.6 3.4 5.9 3.5 6.2 3.4 6.2 3.2
33.0 3.9 2.7 4.6 3.0 5.3 3.3 5.6 3.4 5.9 3.5 6.2 3.4 6.2 3.2
35.0 3.9 2.7 4.6 3.0 5.3 3.3 5.6 3.4 5.9 3.5 6.0 3.3 6.0 3.1
37.0 3.9 2.7 4.6 3.0 5.3 3.3 5.6 3.4 5.9 3.5 5.9 3.2 6.0 3.1
39.0 3.9 2.7 4.6 3.0 5.3 3.3 5.6 3.4 5.7 3.4 5.8 3.2 6.0 3.1
42.0 3.9 2.7 4.6 3.0 5.3 3.3 5.6 3.4 5.7 3.4 5.8 3.2 6.0 3.1
44.0 3.9 2.7 4.6 3.0 5.3 3.3 5.6 3.4 5.7 3.4 5.8 3.2 6.0 3.1
46.0 3.9 2.7 4.6 3.0 5.3 3.3 5.6 3.4 5.7 3.7 5.8 3.2 6.0 3.1
7.1
10.0 4.9 3.6 5.8 4.0 6.7 4.3 7.1 4.5 7.5 4.4 8.4 4.5 9.2 4.6
12.0 4.9 3.6 5.8 4.0 6.7 4.3 7.1 4.5 7.5 4.4 8.4 4.5 9.1 4.5
14.0 4.9 3.6 5.8 4.0 6.7 4.3 7.1 4.5 7.5 4.4 8.4 4.5 9.0 4.5
16.0 4.9 3.6 5.8 4.0 6.7 4.3 7.1 4.5 7.5 4.4 8.4 4.5 8.9 4.4
18.0 4.9 3.6 5.8 4.0 6.7 4.3 7.1 4.5 7.5 4.4 8.4 4.5 8.7 4.3
20.0 4.9 3.6 5.8 4.0 6.7 4.3 7.1 4.5 7.5 4.4 8.4 4.5 8.5 4.2
21.0 4.9 3.6 5.8 4.0 6.7 4.3 7.1 4.5 7.5 4.4 8.4 4.5 8.4 4.2
23.0 4.9 3.6 5.8 4.0 6.7 4.3 7.1 4.5 7.5 4.4 8.4 4.5 8.3 4.1
25.0 4.9 3.6 5.8 4.0 6.7 4.3 7.1 4.5 7.5 4.4 8.4 4.5 8.2 4.1
27.0 4.9 3.6 5.8 4.0 6.7 4.3 7.1 4.5 7.5 4.4 8.1 4.3 8.2 4.1
29.0 4.9 3.6 5.8 4.0 6.7 4.3 7.1 4.5 7.5 4.5 8.0 4.3 8.1 4.1
31.0 4.9 3.6 5.8 4.0 6.7 4.3 7.1 4.5 7.5 4.5 7.9 4.3 7.8 4.0
33.0 4.9 3.6 5.8 4.0 6.7 4.3 7.1 4.5 7.5 4.5 7.8 4.2 7.8 4.0
35.0 4.9 3.6 5.8 4.0 6.7 4.3 7.1 4.5 7.5 4.5 7.6 4.1 7.7 3.9
37.0 4.9 3.6 5.8 4.0 6.7 4.3 7.1 4.5 7.4 4.4 7.5 4.1 7.6 4.0
39.0 4.9 3.6 5.8 4.0 6.7 4.3 7.1 4.5 7.2 4.3 7.4 4.1 7.6 4.0
42.0 4.9 3.6 5.8 4.0 6.7 4.3 7.1 4.5 7.2 4.3 7.4 4.1 7.6 4.0
44.0 4.9 3.6 5.8 4.0 6.7 4.3 7.1 4.5 7.2 4.3 7.4 4.1 7.6 4.0
46.0 4.9 3.6 5.8 4.0 6.7 4.3 7.1 4.5 7.2 4.3 7.4 4.1 7.6 4.0
8.0
10.0 5.5 4.4 6.6 4.9 7.5 5.3 8.0 5.5 8.4 5.4 9.4 5.5 10.4 5.6
12.0 5.5 4.4 6.6 4.9 7.5 5.3 8.0 5.5 8.4 5.4 9.4 5.5 10.2 5.5
14.0 5.5 4.4 6.6 4.9 7.5 5.3 8.0 5.5 8.4 5.4 9.4 5.5 10.2 5.5
16.0 5.5 4.4 6.6 4.9 7.5 5.3 8.0 5.5 8.4 5.4 9.4 5.5 10.0 5.4
18.0 5.5 4.4 6.6 4.9 7.5 5.3 8.0 5.5 8.4 5.4 9.4 5.5 9.8 5.3
20.0 5.5 4.4 6.6 4.9 7.5 5.3 8.0 5.5 8.4 5.4 9.4 5.5 9.6 5.2
21.0 5.5 4.4 6.6 4.9 7.5 5.3 8.0 5.5 8.4 5.4 9.4 5.5 9.4 5.1
23.0 5.5 4.4 6.6 4.9 7.5 5.3 8.0 5.5 8.4 5.4 9.4 5.5 9.4 5.1
25.0 5.5 4.4 6.6 4.9 7.5 5.3 8.0 5.5 8.4 5.4 9.4 5.5 9.3 5.0

MCAC-VTSM-2011-09 Exposed & Concealed Floor Standing
Capacity table 205
27.0 5.5 4.4 6.6 4.9 7.5 5.3 8.0 5.5 8.4 5.4 9.1 5.3 9.2 5.1
29.0 5.5 4.4 6.6 4.9 7.5 5.3 8.0 5.5 8.4 5.5 9.0 5.3 9.1 5.0
31.0 5.5 4.4 6.6 4.9 7.5 5.3 8.0 5.5 8.4 5.5 8.9 5.2 8.8 4.8
33.0 5.5 4.4 6.6 4.9 7.5 5.3 8.0 5.5 8.4 5.5 8.8 5.2 8.8 4.8
35.0 5.5 4.4 6.6 4.9 7.5 5.3 8.0 5.5 8.4 5.5 8.6 5.1 8.6 4.8
37.0 5.5 4.4 6.6 4.9 7.5 5.3 8.0 5.5 8.3 5.4 8.4 5.0 8.6 4.9
39.0 5.5 4.4 6.6 4.9 7.5 5.3 8.0 5.5 8.1 5.3 8.3 5.0 8.6 4.9
42.0 5.5 4.4 6.6 4.9 7.5 5.3 8.0 5.5 8.1 5.3 8.3 5.0 8.6 4.9
44.0 5.5 4.4 6.6 4.9 7.5 5.3 8.0 5.5 8.1 5.3 8.3 5.0 8.6 4.9
46.0 5.5 4.4 6.6 4.9 7.5 5.3 8.0 5.5 8.1 5.3 8.3 5.0 8.6 4.9
7.2 Heating
TC: total capacity WB: wet-bulb temperature DB: dry-bulb temperature
Indoor Unit size
(kW)
Outdoor temperature
()℃
Indoor temperature (℃ DB)
16.00 18.00 20.00 21.00 22.00 24.00
TC TC TC TC TC TC
WB DB kW kW kW kW kW kW
2.2
-20 -19.8 1.46 1.46 1.46 1.46 1.46 1.46
-19 -18.8 1.56 1.56 1.56 1.56 1.56 1.56
-17 -16.7 1.64 1.64 1.64 1.64 1.64 1.64
-15 -14.7 1.69 1.69 1.69 1.69 1.69 1.69
-13.00 -12.60 1.79 1.79 1.79 1.79 1.79 1.79
-11.00 -10.50 1.82 1.85 1.85 1.85 1.85 1.85
-10.00 -9.50 1.90 1.90 1.90 1.90 1.90 1.90
-9.10 -8.50 1.95 1.95 1.95 1.95 1.95 1.95
-7.60 -7.00 1.98 1.98 1.98 1.98 1.98 1.98
-5.60 -5.00 2.05 2.05 2.05 2.05 2.05 2.05
-3.70 -3.00 2.16 2.16 2.16 2.16 2.16 2.16
-0.70 0.00 2.31 2.31 2.31 2.31 2.31 2.18
2.20 3.00 2.44 2.44 2.44 2.44 2.39 2.18
4.10 5.00 2.52 2.52 2.52 2.52 2.39 2.18
6.00 7.00 2.60 2.60 2.60 2.52 2.39 2.18
7.90 9.00 2.68 2.68 2.60 2.52 2.39 2.18
9.80 11.00 2.76 2.76 2.60 2.52 2.39 2.18
11.80 13.00 2.86 2.81 2.60 2.52 2.39 2.18
13.70 15.00 2.94 2.81 2.60 2.52 2.39 2.18
2.8
-20 -19.8 1.79 1.79 1.79 1.79 1.79 1.79
-19 -18.8 1.92 1.92 1.92 1.92 1.92 1.92
-17 -16.7 2.02 2.02 2.02 2.02 2.02 2.02
-15 -14.7 2.02 2.02 2.02 2.02 2.02 2.02
-13.00 -12.60 2.14 2.14 2.14 2.14 2.14 2.14
-11.00 -10.50 2.24 2.24 2.24 2.24 2.24 2.24
-10.00 -9.50 2.34 2.34 2.34 2.34 2.34 2.34
-9.10 -8.50 2.40 2.40 2.40 2.40 2.40 2.40
-7.60 -7.00 2.43 2.43 2.43 2.43 2.43 2.43
-5.60 -5.00 2.53 2.53 2.53 2.53 2.53 2.53
-3.70 -3.00 2.66 2.66 2.66 2.66 2.66 2.66
-0.70 0.00 2.85 2.85 2.85 2.85 2.85 2.69
2.20 3.00 3.01 3.01 3.01 3.01 2.94 2.69
4.10 5.00 3.10 3.10 3.10 3.10 2.94 2.69
6.00 7.00 3.20 3.20 3.20 3.10 2.94 2.69
7.90 9.00 3.30 3.30 3.20 3.10 2.94 2.69
9.80 11.00 3.39 3.39 3.20 3.10 2.94 2.69
11.80 13.00 3.52 3.46 3.20 3.10 2.94 2.69
13.70 15.00 3.62 3.46 3.20 3.10 2.94 2.69
3.6
-20 -19.8 2.24 2.24 2.24 2.24 2.24 2.24
-19 -18.8 2.40 2.40 2.40 2.40 2.40 2.40
-17 -16.7 2.52 2.52 2.52 2.52 2.52 2.52
-15 -14.7 2.60 2.60 2.60 2.60 2.60 2.60
-13.00 -12.60 2.68 2.68 2.68 2.68 2.68 2.68
-11.00 -10.50 2.80 2.80 2.80 2.80 2.80 2.80
-10.00 -9.50 2.92 2.92 2.92 2.92 2.92 2.92
-9.10 -8.50 3.00 3.00 3.00 3.00 3.00 3.00
-7.60 -7.00 3.04 3.04 3.04 3.04 3.04 3.04
-5.60 -5.00 3.16 3.16 3.16 3.16 3.16 3.16

Exposed & Concealed Floor Standing MCAC-VTSM-2011-09
206 Capacity table
-3.70 -3.00 3.32 3.32 3.32 3.32 3.32 3.32
-0.70 0.00 3.56 3.56 3.56 3.56 3.56 3.36
2.20 3.00 3.76 3.76 3.76 3.76 3.68 3.36
4.10 5.00 3.88 3.88 3.88 3.88 3.68 3.36
6.00 7.00 4.00 4.00 4.00 3.88 3.68 3.36
7.90 9.00 4.12 4.12 4.00 3.88 3.68 3.36
9.80 11.00 4.24 4.24 4.00 3.88 3.68 3.36
11.80 13.00 4.40 4.32 4.00 3.88 3.68 3.36
13.70 15.00 4.52 4.32 4.00 3.88 3.68 3.36
4.5
-20 -19.8 2.80 2.80 2.80 2.80 2.80 2.80
-19 -18.8 3.00 3.00 3.00 3.00 3.00 3.00
-17 -16.7 3.15 3.15 3.15 3.15 3.15 3.15
-15 -14.7 3.25 3.25 3.25 3.25 3.25 3.25
-13.00 -12.60 3.35 3.35 3.35 3.35 3.35 3.35
-11.00 -10.50 3.50 3.50 3.50 3.50 3.50 3.50
-10.00 -9.50 3.65 3.65 3.65 3.65 3.65 3.65
-9.10 -8.50 3.75 3.75 3.75 3.75 3.75 3.75
-7.60 -7.00 3.80 3.80 3.80 3.80 3.80 3.80
-5.60 -5.00 3.95 3.95 3.95 3.95 3.95 3.95
-3.70 -3.00 4.15 4.15 4.15 4.15 4.15 4.15
-0.70 0.00 4.45 4.45 4.45 4.45 4.45 4.20
2.20 3.00 4.70 4.70 4.70 4.70 4.60 4.20
4.10 5.00 4.85 4.85 4.85 4.85 4.60 4.20
6.00 7.00 5.00 5.00 5.00 4.85 4.60 4.20
7.90 9.00 5.15 5.15 5.00 4.85 4.60 4.20
9.80 11.00 5.30 5.30 5.00 4.85 4.60 4.20
11.80 13.00 5.50 5.40 5.00 4.85 4.60 4.20
13.70 15.00 5.65 5.40 5.00 4.85 4.60 4.20
5.6
-20 -19.8 3.53 3.53 3.53 3.53 3.53 3.53
-19 -18.8 3.78 3.78 3.78 3.78 3.78 3.78
-17 -16.7 3.97 3.97 3.97 3.97 3.97 3.97
-15 -14.7 4.10 4.10 4.10 4.10 4.10 4.10
-13.00 -12.60 4.22 4.22 4.22 4.22 4.22 4.22
-11.00 -10.50 4.41 4.41 4.41 4.41 4.41 4.41
-10.00 -9.50 4.60 4.60 4.60 4.60 4.60 4.60
-9.10 -8.50 4.73 4.73 4.73 4.73 4.73 4.73
-7.60 -7.00 4.79 4.79 4.79 4.79 4.79 4.79
-5.60 -5.00 4.98 4.98 4.98 4.98 4.98 4.98
-3.70 -3.00 5.23 5.23 5.23 5.23 5.23 5.23
-0.70 0.00 5.61 5.61 5.61 5.61 5.61 5.29
2.20 3.00 5.92 5.92 5.92 5.92 5.80 5.29
4.10 5.00 6.11 6.11 6.11 6.11 5.80 5.29
6.00 7.00 6.30 6.30 6.30 6.11 5.80 5.29
7.90 9.00 6.49 6.49 6.30 6.11 5.80 5.29
9.80 11.00 6.68 6.68 6.30 6.11 5.80 5.29
11.80 13.00 6.93 6.80 6.30 6.11 5.80 5.29
13.70 15.00 7.12 6.80 6.30 6.11 5.80 5.29
7.1
-20 -19.8 4.48 4.48 4.48 4.48 4.48 4.48
-19 -18.8 4.80 4.80 4.80 4.80 4.80 4.80
-17 -16.7 5.04 5.04 5.04 5.04 5.04 5.04
-15 -14.7 5.20 5.20 5.20 5.20 5.20 5.20
-13.00 -12.60 5.36 5.36 5.36 5.36 5.36 5.36
-11.00 -10.50 5.60 5.60 5.60 5.60 5.60 5.60
-10.00 -9.50 5.84 5.84 5.84 5.84 5.84 5.84
-9.10 -8.50 6.00 6.00 6.00 6.00 6.00 6.00
-7.60 -7.00 6.08 6.08 6.08 6.08 6.08 6.08
-5.60 -5.00 6.32 6.32 6.32 6.32 6.32 6.32
-3.70 -3.00 6.64 6.64 6.64 6.64 6.64 6.64
-0.70 0.00 7.12 7.12 7.12 7.12 7.12 6.72
2.20 3.00 7.52 7.52 7.52 7.52 7.36 6.72
4.10 5.00 7.76 7.76 7.76 7.76 7.36 6.72
6.00 7.00 8.00 8.00 8.00 7.76 7.36 6.72
7.90 9.00 8.24 8.24 8.00 7.76 7.36 6.72
9.80 11.00 8.48 8.48 8.00 7.76 7.36 6.72
11.80 13.00 8.80 8.64 8.00 7.76 7.36 6.72

MCAC-VTSM-2011-09 Exposed & Concealed Floor Standing
Capacity table 207
13.70 15.00 9.04 8.64 8.00 7.76 7.36 6.72
8.0
-20 -19.8 5.04 5.04 5.04 5.04 5.04 5.04
-19 -18.8 5.40 5.40 5.40 5.40 5.40 5.40
-17 -16.7 5.67 5.67 5.67 5.67 5.67 5.67
-15 -14.7 5.85 5.85 5.85 5.85 5.85 5.85
-13.00 -12.60 6.03 6.03 6.03 6.03 6.03 6.03
-11.00 -10.50 6.30 6.30 6.30 6.30 6.30 6.30
-10.00 -9.50 6.57 6.57 6.57 6.57 6.57 6.57
-9.10 -8.50 6.75 6.75 6.75 6.75 6.75 6.75
-7.60 -7.00 6.84 6.84 6.84 6.84 6.84 6.84
-5.60 -5.00 7.11 7.11 7.11 7.11 7.11 7.11
-3.70 -3.00 7.47 7.47 7.47 7.47 7.47 7.47
-0.70 0.00 8.01 8.01 8.01 8.01 8.01 7.56
2.20 3.00 8.46 8.46 8.46 8.46 8.28 7.56
4.10 5.00 8.73 8.73 8.73 8.73 8.28 7.56
6.00 7.00 9.00 9.00 9.00 8.73 8.28 7.56
7.90 9.00 9.27 9.27 9.00 8.73 8.28 7.56
9.80 11.00 9.54 9.54 9.00 8.73 8.28 7.56
11.80 13.00 9.90 9.72 9.00 8.73 8.28 7.56
13.70 15.00 10.17 9.72 9.00 8.73 8.28 7.56

Exposed & Concealed Floor Standing MCAC-VTSM-2011-09
208 Electric Characteristics
8. Electric Characteristics
Model Indoor Unit Power Supply IFM
Hz Voltage Min. Max. MCA MFA KW FLA
MDV-D22Z/N1-F1B 50 220-240V 198 254 0.25 15 0.042 0.2
MDV-D22Z/N1-F2B 50 220-240V 198 254 0.25 15 0.042 0.2
MDV-D22Z/N1-F3B 50 220-240V 198 254 0.25 15 0.042 0.2
MDV-D28Z/N1-F1B 50 220-240V 198 254 0.25 15 0.042 0.2
MDV-D28Z/N1-F2B 50 220-240V 198 254 0.25 15 0.042 0.2
MDV-D28Z/N1-F3B 50 220-240V 198 254 0.25 15 0.042 0.2
MDV-D36Z/N1-F1B 50 220-240V 198 254 0.3 15 0.049 0.24
MDV-D36Z/N1-F2B 50 220-240V 198 254 0.3 15 0.049 0.24
MDV-D36Z/N1-F3B 50 220-240V 198 254 0.3 15 0.049 0.24
MDV-D45Z/N1-F1B 50 220-240V 198 254 0.4 15 0.06 0.3
MDV-D45Z/N1-F2B 50 220-240V 198 254 0.4 15 0.06 0.3
MDV-D45Z/N1-F3B 50 220-240V 198 254 0.4 15 0.06 0.3
MDV-D56Z/N1-F1B 50 220-240V 198 254 0.6 15 0.095 0.48
MDV-D56Z/N1-F2B 50 220-240V 198 254 0.6 15 0.095 0.48
MDV-D56Z/N1-F3B 50 220-240V 198 254 0.6 15 0.095 0.48
MDV-D71Z/N1-F1B 50 220-240V 198 254 0.8 15 0.138 0.62
MDV-D71Z/N1-F2B 50 220-240V 198 254 0.8 15 0.138 0.62
MDV-D71Z/N1-F3B 50 220-240V 198 254 0.8 15 0.138 0.62
MDV-D80Z/N1-F1B 50 220-240V 198 254 0.8 15 0.138 0.62
MDV-D80Z/N1-F2B 50 220-240V 198 254 0.8 15 0.138 0.62
MDV-D80Z/N1-F3B 50 220-240V 198 254 0.8 15 0.138 0.62
Remark:
MCA: Min. Current Amps. (A)
MFA: Max. Fuse Amps. (A)
KW: Fan Motor Rated Output (kW)
FLA: Full Load Amps. (A)
IFM:Indoor Fan Motor

M
S
9
9
N
9
M
CAC-VTSM-
2
ound level
9
. Noise L
e
9
.1 Test c
o
N
ote:
1, during ac
t
2, Anechoic
9
.2 Test v
a
M
o
MDV-D2
2
MDV-D2
2
MDV-D2
2
MDV-D2
8
MDV-D2
8
MDV-D2
8
MDV-D3
6
MDV-D3
6
MDV-D3
6
MDV-D4
5
MDV-D4
5
MDV-D4
5
MDV-D5
6
MDV-D5
6
MDV-D5
6
MDV-D7
1
MDV-D7
1
MDV-D7
1
MDV-D8
0
MDV-D8
0
MDV-D8
0
2
011-09
e
vels
o
ndition
t
ual operation
,
chamber con
v
a
lue
o
del
2
Z/N1-F1B
2
Z/N1-F2B
2
Z/N1-F3B
8
Z/N1-F1B
8
Z/N1-F2B
8
Z/N1-F3B
6
Z/N1-F1B
6
Z/N1-F2B
6
Z/N1-F3B
5
Z/N1-F1B
5
Z/N1-F2B
5
Z/N1-F3B
6
Z/N1-F1B
6
Z/N1-F2B
6
Z/N1-F3B
1
Z/N1-F1B
1
Z/N1-F2B
1
Z/N1-F3B
0
Z/N1-F1B
0
Z/N1-F2B
0
Z/N1-F3B
,
these value
s
v
ersion value
,
s
are normally
measured at
Hi
36
36
36
36
36
36
37
37
37
37
37
37
41
41
41
44
44
44
44
44
44
somewhat hi
g
a point 1m
N
o
g
her as a res
u
in front of the
o
ise test valu
e
Mid
33
33
33
33
33
33
34
34
34
34
34
34
35
35
35
39
39
39
39
39
39
Expose
d
u
lt of ambient
c
unit at a heig
h
e
dB(A)
d
& Conceale
d
conditions.
h
t of 1.5m
L
o
2
2
2
2
2
2
3
3
3
3
3
3
3
3
3
3
3
3
3
3
3
d
Floor Stand
i
2
o
w
2
9
2
9
2
9
2
9
2
9
2
9
3
0
3
0
3
0
3
0
3
0
3
0
3
1
3
1
3
1
3
3
3
3
3
3
3
3
3
3
3
3
i
ng
2
09

Exposed & Concealed Floor Standing MCAC-VTSM-2011-09
210 Sound level
9.3 Octave Band Level
Octave band center frequency(Hz)
Sound pressure level dB(0dB=0.0002μ bar)
Audibility limits of
continuous white
sound
Octave band center frequency(Hz)
Sound pressure level dB(0dB=0.0002μ bar)
Audibility limits of
continuous white
sound
Octave band center frequency(Hz)
Sound pressure level dB(0dB=0.0002μ bar)
Audibility limits of
continuous white
sound
Octave band center frequency(Hz)
Sound pressure level dB(0dB=0.0002μ bar)
Audibility limits of
continuous white
sound
MDV-D22Z/N1-F1B MDV-D22Z/N1-F2B
MDV-D22Z/N1-F3B MDV-D28Z/N1-F1B
MDV-D28Z/N1-F2B MDV-D28Z/N1-F3B
MDV-D36Z/N1-F1B MDV-D36Z/N1-F2B
MDV-D36Z/N1-F3B MDV-D45Z/N1-F1B
MDV-D45Z/N1-F2B MDV-D45Z/N1-F3B
MDV-D56Z/N1-F1B MDV-D56Z/N1-F2B
MDV-D56Z/N1-F3B
MDV-D71Z/N1-F1B MDV-D71Z/N1-F2B
MDV-D71Z/N1-F3B MDV-D80Z/N1-F1B
MDV-D80Z/N1-F2B MDV-D80Z/N1-F3B

MCAC-VTSM-2011-09 Exposed & Concealed Floor Standing
Accessories 211
10. Accessories
10.1 Standard accessories
Name Quantity Shape Usage
Owner’s manual 1 / /
Installation manual 1 / /
Pipe insulation material 2 Heat insulation
Signal receiver display board 1 Receive signals
Mounting screw(ST3.9x12-C-H) 4 /
Remote controller 1
Control the indoor units
Remote controller holder 1 For holding the remote controller
Mounting screw (ST2.9x10-C-H) 2 /
Alkaline dry batteries(AM4) 2 /
10.1 Optional accessories
Name Model Code Usage
Wired remote controller KJR-10B/DP(T)-E 203355190000 With a standard 5m long cable to connect to
display board.
(Follow me) Wired remote
controller KJR-12B/DP(T)-E 203355100010 With an extra Built-in room temp. sensor, all
others are same as KJR-10B/DP(T)-E
(Follow me) Wired remote
controller (Back ground
light)
KJR-12B/DPBG(T)-E 203355100010 With background light, all others are same
as KJR-12B/DP(T)-E

New Exposed Floor Standing MCAC-VTSM-2011-09
212 Features
New Exposed Floor Standing
1. Feature ...........................................................................213
2. Specifications ................................................................214
3. Dimension ......................................................................217
4. Service Space ................................................................219
5. Piping Diagrams............................................................220
6. Wiring Diagram .............................................................221
7. Capacity Tables .............................................................222
8. Electric Characteristics ................................................227
9. Noise Levels ..................................................................228
10. Accessories .................................................................230

M
S
1
1
1
1
1
M
CAC-VTSM-
2
pecification
. Feature
.1 Expose
d
New des
more co
m
.2 Lower
n
Flat sha
p
A
doptio
n
modulati
o
.3 Easy In
s
Floor st
a
mainten
a
Cleanin
g
.4 Easy m
a
Filter is
sophisti
c
Streamli
n
commer
c
2
011-09
d
floor sta
n
s
igned exteri
o
m
forts by th
e
n
oise
p
e air outlet,
n
of the built
-
o
n noise wh
e
s
tallation
a
nding types
a
nce much
m
g
under the
u
a
intenance
equipped a
c
ated design
n
ed appear
a
c
ial grade g
a
n
ding type
o
r casing, St
r
e
flat air outl
e
three speed
-
in Fujikoki
b
e
n EXV ope
r
can be hu
n
m
ore easily.
u
nit, where d
u
s standard
as well as t
h
a
nce makes
a
lvanized ste
r
eamlined a
p
e
t.
s adjustmen
b
rand electro
r
ating.
g on the w
a
Running t
h
u
st tends to
a
accessory;
h
e removabl
e
it much mor
e
el, providing
p
pearances,
n
t. Smoother
o
nic expansi
o
a
ll or installe
d
h
e piping fr
o
accumulate,
and it can
e
blades.
e harmonio
u
g
maximum
p
flowing line
s
airflow with
o
n valve, en
s
d
on the flo
o
m the back
is consider
a
be remove
d
u
s with the
d
p
rotection ag
s
. More eleg
a
l
ess turbule
n
s
ure precise
o
r. The form
e
allows the
a
bly easier.
d
and clean
e
ecoration.
A
a
inst corrosi
o
New Expose
d
a
nt appeara
n
n
ce.
flow control
er can mak
e
unit to be
h
ed easily d
u
A
ll metal par
t
on.
d
Floor Stand
i
2
n
ce and cre
a
, as well lo
w
e
cleaning a
n
h
ung on wal
u
e to Mide
a
t
s are made
i
ng
2
13
a
te
w
er
n
d
ls.
a
’s
of

New Exposed Floor Standing MCAC-VTSM-2011-09
214 Specifications
2. Specifications
Model MDV-D22Z/N1-F4 MDV-D28Z/N1-F4 MDV-D36Z/N1-F4
MDV-D22Z/N1-F5 MDV-D28Z/N1-F5 MDV-D36Z/N1-F5
Power supply V- Ph-Hz 220-240V, 1Ph, 50Hz
Cooling
Capacity kW 2.2 2.8 3.6
Input W 40 46 55
Rated current A 0.19 0.2 0.19
Heating
Capacity kW 2.4 3.2 4.0
Input W 40 46 46
Rated current A 0.19 0.2 0.15
Indoor
fan motor
Model YSK20-4A YSK20-4A YSK20-6
Type AC motor
Brand Welling Yongan
Input W 40 42 49
Capacitor μF 0.8 1 1.2
Speed (hi/mid/lo) r/min 870/745/660 935/810/720 750/645/500
Indoor
coil
Number of rows 2 2 3
Tube pitch(a)x row pitch(b) mm 25.4*22 25.4*22 25.4*22
Fin spacing mm 1.8 1.8 1.8
Fin type Hydrophilic aluminum
Tube outside diameter and mm Ф9.52 Inner grooved tube
Coil length×height×width mm 568×254×44 568×254×44 768×254×66
Number of circuits 3 3 3
Indoor air flow (H/M/L) m3/h 530/456/400 569/485/421 624/522/375
Indoor external static pressure (Hi) Pa 12 12 12
Indoor noise level (Hi/Mid/Lo) F4 dB(A) 36/33/29 36/33/29 37/34/30
F5 36/33/29 36/33/29 37/34/30
Indoor unit
Dimension (W×H×D) F4 mm 1000×625×220 1000×625×220 1200×625×220
F5 1000×625×220 1000×625×220 1200×625×220
Packing (W×H×D) F4 mm 1089×722×312 1089×722×312 1289×722×312
F5 1182×722×312 1182×722×312 1382×722×312
Net/Gross weight F4 kg 30/35 30/35 37/43
F5 30/38 30/38 37/46
Refrigerant type R410A
Throttle Type EXV (Built-in)
Model D20MISZ-1R(L)
Design pressure MPa 4.4/2.6
Refrigerant piping Liquid side/ Gas mm Ф6.35/Ф12.7 Ф6.35/Ф12.7 Ф6.35/Ф12.7
Connecting wiring Power wiring mm2 3*2.5(L≤20m); 3*3.5(L≤50m)
Signal wiring mm2 3×0.75
Drainage water pipe diameter mm ODФ16
Controller Wireless remote controller (RM05/BG(T)E-A) (Standard) to set address
Operation temp. ℃ Cooling:17~32;Heating:10~28
Notes: 1. Nominal cooling capacities are based on the following conditions: return air temp. : 27°CDB, 19°CWB, outdoor
temp.:35°CDB,equivalent ref. Piping: 8m(horizontal)
2. Nominal heating capacities are based on the following conditions: return air temp.: 20°CDB,outdoor temp.:
7°CDB,6°CWB,equivalent ref. Piping: 8m(horizontal)

MCAC-VTSM-2011-09 New Exposed Floor Standing
Specification 215
Model MDV-D45Z/N1-F4 MDV-D56Z/N1-F4
MDV-D45Z/N1-F5 MDV-D56Z/N1-F5
Power supply V- Ph-Hz 220-240V, 1Ph, 50Hz
Cooling
Capacity kW 4.5 5.6
Input W 49 88
Rated current A 0.22 0.38
Heating
Capacity kW 5.0 6.3
Input W 49 88
Rated current A 0.22 0.38
Indoor
fan motor
Model YSK20-6 YSK28-4E
Type AC motor
Brand Yongan Welling
Input W 49 95
Capacitor μF 2 2.5
Speed (hi/mid/lo) r/min 820/745/600 915/770/660
Indoor
coil
Number of rows 3 2
Tube pitch(a)x row pitch(b) mm 25.4×22 25.4×22
Fin spacing mm 1.8 1.8
Fin type Hydrophilic aluminum
Tube outside diameter and mm Ф9.52 Inner grooved tube
Coil length×height×width mm 768×254×66 1068×254×44
Number of circuits 3 4
Indoor air flow (H/M/L) m3/h 660/542/440 1150/970/830
Indoor external static pressure (Hi) Pa 12 12
Indoor noise level (Hi/Mid/Lo) F4 dB(A) 37/34/30 41/35/31
F5 37/34/30 41/35/31
Indoor
unit
Dimension (W×H×D) F4 mm 1200×625×220 1500×625×220
F5 1200×625×220 1500×625×220
Packing (W×H×D) F4 mm 1289×722×312 1589×722×312
F5 1382×722×312 1682*312*722
Net/Gross weight F4 kg 37/43 44/50
F5 37/46 44/53
Refrigerant type R410A
Throttle Type EXV (Built-in)
Model D20MISZ-1R(L)
Design pressure MPa 4.4/2.6
Refrigerant piping Liquid side/ Gas mm Ф6.35/Ф12.7 Ф9.52/Ф16
Connecting wiring Power wiring mm2 3*2.5(L≤20m); 3*3.5(L≤50m)
Signal wiring mm2 3×0.75
Drainage water pipe diameter mm ODФ16
Controller Wireless remote controller (RM05/BG(T)E-A)(Standard) to set address
Operation temp. ℃ Cooling:17~32;Heating:10~28
Notes: 1. Nominal cooling capacities are based on the following conditions: return air temp. : 27°CDB, 19°CWB, outdoor
temp.:35°CDB,equivalent ref. Piping: 8m(horizontal)
2. Nominal heating capacities are based on the following conditions: return air temp.: 20°CDB,outdoor temp.:
7°CDB,6°CWB,equivalent ref. Piping: 8m(horizontal)

New Exposed Floor Standing MCAC-VTSM-2011-09
216 Specifications
Model MDV-D71Z/N1-F4 MDV-D80Z/N1-F4
MDV-D71Z/N1-F5 MDV-D80Z/N1-F5
Power supply V- 220-240V, 1Ph, 50Hz
Cooling
Capacity kW 7.1 8.0
Input W 130 130
Rated current A 0.57 0.57
Heating
Capacity kW 8.0 9.0
Input W 130 130
Rated current A 0.57 0.57
Indoor fan
motor
Model YSK74-4E YSK74-4E
Type AC motor
Brand Yongan Yongan
Input W 138.5 138.5
Capacitor μF 3 3
Speed (hi/mid/lo) r/min 1120/1020/880 1120/1020/880
Indoor coil
Number of rows 2 3
Tube pitch(a)x row pitch(b) mm 25.4×22 25.4×22
Fin spacing mm 1.8 1.8
Fin type Hydrophilic aluminum
Tube outside diameter and type mm Φ9.52 inner grooved tube
Coil length×height×width mm 1068×254×44 1068×254×66
Number of circuits 4 3
Indoor air flow (H/M/L) m3/h 1380/1100/870 1380/1100/870
Indoor external static pressure (Hi) Pa 12 12
Indoor noise level (Hi/Mid/Lo) F4 dB(A) 44/39/33 44/39/33
F5 44/39/33 44/39/33
Indoor
unit
Dimension (W×H×D) F4 mm 1500×625×220 1500×625×220
F5 1500×625×220 1500×625×220
Packing (W×H×D) F4 mm 1589×722×312 1589×722×312
F5 1682×722×312 1682*312*722
Net/Gross weight F4 kg 44/50 44/50
F5 44/53 44/53
Refrigerant type R410A
Throttle Type EXV (Built-in)
Model D20MISZ-1R(L)
Design pressure MPa 4.4/2.6
Refrigerant piping Liquid side/ Gas side mm Ф9.52/Ф16 Ф9.52/Ф16
Connecting wiring Power wiring mm2 3*2.5(L≤20m); 3*3.5(L≤50m)
Signal wiring mm2 3×0.75
Drainage water pipe diameter mm ODФ16
Controller Wireless remote controller (RM05/BG(T)E-A) (Standard), to set
Operation temp. ℃ Cooling:17~30;Heating:10~28
Notes: 1. Nominal cooling capacities are based on the following conditions: return air temp. : 27°CDB, 19°CWB, outdoor
temp.:35°CDB,equivalent ref. Piping: 8m(horizontal)
2. Nominal heating capacities are based on the following conditions: return air temp.: 20°CDB,outdoor temp.:
7°CDB,6°CWB,equivalent ref. Piping: 8m(horizontal)

MCAC-VTSM-2011-09 New Exposed Floor Standing
Dimensions 217
3. Dimension
3.1 Exposed Floor-standing (air inlet from front)
Mounting hole, 4
Liquid side
connector
Gas side
connector
EXV
Air outlet grille
Left
Cover
Right
Cover
Air inlet grille
A
B
C
D
E
F
G
H
I
4×Φ11
4×Φ18
138
149.5 149.5
J
Unit: mm
MODEL
(MDV-D**Z/N1-F4) A B C D E F G H I
22
1000 725 625 284 232 112 345 94 224.5
28
36
1200 925 625 310 258 112 345 100 224.5
45
56
1500 1225 625 310 258 112 345 100 224.5
71
80

New Exposed Floor Standing MCAC-VTSM-2011-09
218 Dimensions
3.2 Exposed Floor-standing (air inlet from bottom)
Mounting hole, 4
Air inlet grille
Liquid side
connector
Gas side
connector
EXV
Air outlet grille
Left
Cover Right
Cover
A
B
C
D
E
F
G
H
I
J
149.5 149.5
4×Φ11
4×Φ18
Unit: mm
MODEL
(MDV-D**Z/N1-F5) A B C D E F G H I J
22
1000 725 672 592 284 232 345 94 220 150
28
36
1200 925 672 592 310 258 345 100 220 150
45
56
1500 1225 672 592 310 258 345 100 220 150
71
80

MCAC-VTSM-2011-09 New Exposed Floor Standing
Dimensions 219
4. Service Space
VersionⅠ(F4 series)
Vertical unit with casing , with air intake from front and air
outlet on top, for installation on a wall or on feet on the floor.
VersionⅡ(F5 series)
Vertical unit with casing , with air intake from below and air
outlet on top, for installation on a wall or on feet on the floor.
Required clearance for above 3 versions:
Additionally, it is required to keep 20mm between the rear and wall; 600mm between the front face and the
obstacle. 1700mm vertical distance between the top of unit(outlet) and the upper obstacle.
Model VersionⅠ VersionⅡ
a (mm) ≥150 ≥150
b (mm) - (with bottom feet)
a
a
a
a

New Exposed Floor Standing MCAC-VTSM-2011-09
220 Piping Diagram
5. Piping Diagrams
flare nut
flare nut
T2B
gas side
motor
heat exchanger
fan
EXV
liquid side
T2
T1

M
C
6
M
CAC-VTSM-
2
C
apacity table
6
. Wiring
D
2
011-09
D
iagram
New Expose
d
d
Floor Stand
i
2
i
ng
2
21

New Exposed Floor Standing MCAC-VTSM-2011-09
222 Capacity table
7. Capacity Tables
7.1 Cooling TC: total capacity SC: sensible capacity WB: wet-bulb temperature DB: dry-bulb temperature
Indoor
Unit size
(kW)
Outdoor
temperature
( DB)℃
Indoor temperature ( WB℃/DB)
14/20 16/23 18/26 19/27 20/28 22/30 24/32
TC SC TC SC TC SC TC SC TC SC TC SC TC SC
kW kW kW kW kW kW kW kW kW kW kW kW kW kW
2.2
10.0 1.5 1.3 1.8 1.4 2.1 1.5 2.2 1.5 2.3 1.6 2.6 1.6 2.9 1.5
12.0 1.5 1.3 1.8 1.4 2.1 1.5 2.2 1.5 2.3 1.6 2.6 1.6 2.8 1.5
14.0 1.5 1.3 1.8 1.4 2.1 1.5 2.2 1.5 2.3 1.6 2.6 1.6 2.8 1.5
16.0 1.5 1.3 1.8 1.4 2.1 1.5 2.2 1.5 2.3 1.6 2.6 1.6 2.8 1.5
18.0 1.5 1.3 1.8 1.4 2.1 1.5 2.2 1.5 2.3 1.6 2.6 1.6 2.8 1.4
20.0 1.5 1.3 1.8 1.4 2.1 1.5 2.2 1.5 2.3 1.6 2.6 1.6 2.7 1.4
21.0 1.5 1.3 1.8 1.4 2.1 1.5 2.2 1.5 2.3 1.6 2.6 1.6 2.7 1.4
23.0 1.5 1.3 1.8 1.4 2.1 1.5 2.2 1.5 2.3 1.6 2.5 1.5 2.7 1.4
25.0 1.5 1.3 1.8 1.4 2.1 1.5 2.2 1.5 2.3 1.6 2.5 1.5 2.6 1.4
27.0 1.5 1.3 1.8 1.4 2.1 1.5 2.2 1.5 2.3 1.6 2.5 1.5 2.6 1.4
29.0 1.5 1.3 1.8 1.4 2.1 1.5 2.2 1.5 2.3 1.6 2.4 1.4 2.5 1.4
31.0 1.5 1.3 1.8 1.4 2.1 1.5 2.2 1.5 2.3 1.6 2.4 1.4 2.5 1.4
33.0 1.5 1.3 1.8 1.4 2.1 1.5 2.2 1.5 2.3 1.6 2.4 1.4 2.4 1.4
35.0 1.5 1.3 1.8 1.4 2.1 1.5 2.2 1.5 2.3 1.6 2.3 1.3 2.4 1.4
37.0 1.5 1.3 1.8 1.4 2.1 1.5 2.2 1.5 2.3 1.6 2.3 1.3 2.3 1.4
39.0 1.5 1.3 1.8 1.4 2.1 1.5 2.2 1.5 2.2 1.5 2.3 1.3 2.3 1.4
42.0 1.5 1.3 1.8 1.4 2.1 1.5 2.2 1.5 2.2 1.5 2.3 1.3 2.3 1.4
44.0 1.5 1.3 1.8 1.4 2.1 1.5 2.2 1.5 2.2 1.5 2.3 1.3 2.3 1.4
46.0 1.5 1.3 1.8 1.4 2.1 1.5 2.2 1.5 2.2 1.5 2.3 1.3 2.3 1.4
2.8
10.0 1.9 1.6 2.3 1.8 2.6 1.9 2.8 1.9 3.0 1.9 3.3 2.0 3.7 2.0
12.0 1.9 1.6 2.3 1.8 2.6 1.9 2.8 1.9 3.0 1.9 3.3 2.0 3.6 2.0
14.0 1.9 1.6 2.3 1.8 2.6 1.9 2.8 1.9 3.0 1.9 3.3 2.0 3.6 2.0
16.0 1.9 1.6 2.3 1.8 2.6 1.9 2.8 1.9 3.0 1.9 3.3 2.0 3.5 1.9
18.0 1.9 1.6 2.3 1.8 2.6 1.9 2.8 1.9 3.0 1.9 3.3 2.0 3.5 1.9
20.0 1.9 1.6 2.3 1.8 2.6 1.9 2.8 1.9 3.0 1.9 3.3 2.0 3.4 1.9
21.0 1.9 1.6 2.3 1.8 2.6 1.9 2.8 1.9 3.0 1.9 3.3 2.0 3.4 1.9
23.0 1.9 1.6 2.3 1.8 2.6 1.9 2.8 1.9 3.0 1.9 3.3 2.0 3.4 1.9
25.0 1.9 1.6 2.3 1.8 2.6 1.9 2.8 1.9 3.0 1.9 3.2 1.9 3.3 1.9
27.0 1.9 1.6 2.3 1.8 2.6 1.9 2.8 1.9 3.0 1.9 3.2 1.9 3.3 1.9
29.0 1.9 1.6 2.3 1.8 2.6 1.9 2.8 1.9 3.0 1.9 3.1 1.8 3.2 1.8
31.0 1.9 1.6 2.3 1.8 2.6 1.9 2.8 1.9 3.0 1.9 3.1 1.8 3.2 1.7
33.0 1.9 1.6 2.3 1.8 2.6 1.9 2.8 1.9 3.0 1.9 3.1 1.8 3.1 1.7
35.0 1.9 1.6 2.3 1.8 2.6 1.9 2.8 1.9 2.9 1.9 3.0 1.8 3.1 1.7
37.0 1.9 1.6 2.3 1.8 2.6 1.9 2.8 1.9 2.9 1.9 3.0 1.8 3.0 1.7
39.0 1.9 1.6 2.3 1.8 2.6 1.9 2.8 1.9 2.9 1.9 3.0 1.9 3.0 1.7
42.0 1.9 1.6 2.3 1.8 2.6 1.9 2.8 1.9 2.9 1.9 3.0 1.9 3.0 1.7
44.0 1.9 1.6 2.3 1.8 2.6 1.9 2.8 1.9 2.9 1.9 3.0 1.9 3.0 1.7
46.0 1.9 1.6 2.3 1.8 2.6 1.9 2.8 1.9 2.9 1.9 3.0 1.9 3.0 1.7
3.6
10.0 2.5 1.9 2.9 2.1 3.4 2.3 3.6 2.4 3.8 2.5 4.3 2.4 4.7 2.5
12.0 2.5 1.9 2.9 2.1 3.4 2.3 3.6 2.4 3.8 2.5 4.3 2.4 4.7 2.5
14.0 2.5 1.9 2.9 2.1 3.4 2.3 3.6 2.4 3.8 2.5 4.3 2.4 4.6 2.4
16.0 2.5 1.9 2.9 2.1 3.4 2.3 3.6 2.4 3.8 2.5 4.3 2.4 4.5 2.4
18.0 2.5 1.9 2.9 2.1 3.4 2.3 3.6 2.4 3.8 2.5 4.3 2.4 4.5 2.4
20.0 2.5 1.9 2.9 2.1 3.4 2.3 3.6 2.4 3.8 2.5 4.3 2.4 4.4 2.3
21.0 2.5 1.9 2.9 2.1 3.4 2.3 3.6 2.4 3.8 2.5 4.3 2.4 4.4 2.3
23.0 2.5 1.9 2.9 2.1 3.4 2.3 3.6 2.4 3.8 2.5 4.1 2.3 4.3 2.2
25.0 2.5 1.9 2.9 2.1 3.4 2.3 3.6 2.4 3.8 2.5 4.1 2.3 4.2 2.2
27.0 2.5 1.9 2.9 2.1 3.4 2.3 3.6 2.4 3.8 2.5 4.0 2.2 4.2 2.2
29.0 2.5 1.9 2.9 2.1 3.4 2.3 3.6 2.4 3.8 2.5 4.0 2.2 4.1 2.2
31.0 2.5 1.9 2.9 2.1 3.4 2.3 3.6 2.4 3.8 2.5 4.2 2.6 4.1 2.2
33.0 2.5 1.9 2.9 2.1 3.4 2.3 3.6 2.4 3.8 2.5 4.2 2.6 3.9 2.1
35.0 2.5 1.9 2.9 2.1 3.4 2.3 3.6 2.4 3.8 2.5 4.2 2.6 3.9 2.1
37.0 2.5 1.9 2.9 2.1 3.4 2.3 3.6 2.4 3.7 2.4 3.8 2.3 3.9 2.1
39.0 2.5 1.9 2.9 2.1 3.4 2.3 3.6 2.4 3.7 2.4 3.8 2.3 3.8 2.1
42.0 2.5 1.9 2.9 2.1 3.4 2.3 3.6 2.4 3.7 2.4 3.8 2.3 3.8 2.1
44.0 2.5 1.9 2.9 2.1 3.4 2.3 3.6 2.4 3.7 2.4 3.8 2.3 3.8 2.1
46.0 2.5 1.9 2.9 2.1 3.4 2.3 3.6 2.4 3.7 2.4 3.8 2.3 3.8 2.1
4.5 10.0 3.1 2.4 3.7 2.6 4.2 2.8 4.5 2.9 4.8 3.0 5.3 3.4 5.9 3.0

MCAC-VTSM-2011-09 New Exposed Floor Standing
Capacity table 223
12.0 3.1 2.4 3.7 2.6 4.2 2.8 4.5 2.9 4.8 3.0 5.3 3.4 5.9 3.0
14.0 3.1 2.4 3.7 2.6 4.2 2.8 4.5 2.9 4.8 3.0 5.3 3.4 5.8 3.0
16.0 3.1 2.4 3.7 2.6 4.2 2.8 4.5 2.9 4.8 3.0 5.3 3.4 5.6 2.9
18.0 3.1 2.4 3.7 2.6 4.2 2.8 4.5 2.9 4.8 3.0 5.3 3.4 5.7 3.0
20.0 3.1 2.4 3.7 2.6 4.2 2.8 4.5 2.9 4.8 3.0 5.3 3.4 5.7 3.0
21.0 3.1 2.4 3.7 2.6 4.2 2.8 4.5 2.9 4.8 3.0 5.3 3.4 5.6 3.0
23.0 3.1 2.4 3.7 2.6 4.2 2.8 4.5 2.9 4.8 3.0 5.3 3.4 5.5 3.0
25.0 3.1 2.4 3.7 2.6 4.2 2.8 4.5 2.9 4.8 3.0 5.2 3.0 5.4 2.9
27.0 3.1 2.4 3.7 2.6 4.2 2.8 4.5 2.9 4.8 3.0 5.1 3.0 5.2 2.8
29.0 3.1 2.4 3.7 2.6 4.2 2.8 4.5 2.9 4.8 3.0 5.1 2.9 5.2 2.8
31.0 3.1 2.4 3.7 2.6 4.2 2.8 4.5 2.9 4.8 3.0 5.0 2.9 5.1 2.7
33.0 3.1 2.4 3.7 2.6 4.2 2.8 4.5 2.9 4.8 3.0 4.9 2.8 5.1 2.7
35.0 3.1 2.4 3.7 2.6 4.2 2.8 4.5 2.9 4.8 3.0 4.8 2.8 5.0 2.7
37.0 3.1 2.4 3.7 2.6 4.2 2.8 4.5 2.9 4.8 3.0 4.8 2.9 4.9 2.6
39.0 3.1 2.4 3.7 2.6 4.2 2.8 4.5 2.9 4.6 2.8 4.7 2.8 4.8 2.6
42.0 3.1 2.4 3.7 2.6 4.2 2.8 4.5 2.9 4.6 2.8 4.7 2.8 4.8 2.6
44.0 3.1 2.4 3.7 2.6 4.2 2.8 4.5 2.9 4.6 2.8 4.7 2.8 4.8 2.6
46.0 3.1 2.4 3.7 2.6 4.2 2.8 4.5 2.9 4.6 2.8 4.7 3.1 4.8 2.6
5.6
10.0 3.9 2.7 4.6 3.0 5.3 3.3 5.6 3.4 5.9 3.5 6.6 3.6 7.3 3.5
12.0 3.9 2.7 4.6 3.0 5.3 3.3 5.6 3.4 5.9 3.5 6.6 3.6 7.2 3.5
14.0 3.9 2.7 4.6 3.0 5.3 3.3 5.6 3.4 5.9 3.5 6.6 3.6 7.1 3.5
16.0 3.9 2.7 4.6 3.0 5.3 3.3 5.6 3.4 5.9 3.5 6.6 3.6 7.0 3.4
18.0 3.9 2.7 4.6 3.0 5.3 3.3 5.6 3.4 5.9 3.5 6.6 3.6 6.8 3.4
20.0 3.9 2.7 4.6 3.0 5.3 3.3 5.6 3.4 5.9 3.5 6.6 3.6 6.7 3.3
21.0 3.9 2.7 4.6 3.0 5.3 3.3 5.6 3.4 5.9 3.5 6.6 3.6 6.6 3.3
23.0 3.9 2.7 4.6 3.0 5.3 3.3 5.6 3.4 5.9 3.5 6.6 3.6 6.6 3.3
25.0 3.9 2.7 4.6 3.0 5.3 3.3 5.6 3.4 5.9 3.5 6.6 3.6 6.5 3.2
27.0 3.9 2.7 4.6 3.0 5.3 3.3 5.6 3.4 5.9 3.5 6.4 3.5 6.4 3.2
29.0 3.9 2.7 4.6 3.0 5.3 3.3 5.6 3.4 5.9 3.5 6.3 3.5 6.4 3.3
31.0 3.9 2.7 4.6 3.0 5.3 3.3 5.6 3.4 5.9 3.5 6.2 3.4 6.2 3.2
33.0 3.9 2.7 4.6 3.0 5.3 3.3 5.6 3.4 5.9 3.5 6.2 3.4 6.2 3.2
35.0 3.9 2.7 4.6 3.0 5.3 3.3 5.6 3.4 5.9 3.5 6.0 3.3 6.0 3.1
37.0 3.9 2.7 4.6 3.0 5.3 3.3 5.6 3.4 5.9 3.5 5.9 3.2 6.0 3.1
39.0 3.9 2.7 4.6 3.0 5.3 3.3 5.6 3.4 5.7 3.4 5.8 3.2 6.0 3.1
42.0 3.9 2.7 4.6 3.0 5.3 3.3 5.6 3.4 5.7 3.4 5.8 3.2 6.0 3.1
44.0 3.9 2.7 4.6 3.0 5.3 3.3 5.6 3.4 5.7 3.4 5.8 3.2 6.0 3.1
46.0 3.9 2.7 4.6 3.0 5.3 3.3 5.6 3.4 5.7 3.7 5.8 3.2 6.0 3.1
7.1
10.0 4.9 3.6 5.8 4.0 6.7 4.3 7.1 4.5 7.5 4.4 8.4 4.5 9.2 4.6
12.0 4.9 3.6 5.8 4.0 6.7 4.3 7.1 4.5 7.5 4.4 8.4 4.5 9.1 4.5
14.0 4.9 3.6 5.8 4.0 6.7 4.3 7.1 4.5 7.5 4.4 8.4 4.5 9.0 4.5
16.0 4.9 3.6 5.8 4.0 6.7 4.3 7.1 4.5 7.5 4.4 8.4 4.5 8.9 4.4
18.0 4.9 3.6 5.8 4.0 6.7 4.3 7.1 4.5 7.5 4.4 8.4 4.5 8.7 4.3
20.0 4.9 3.6 5.8 4.0 6.7 4.3 7.1 4.5 7.5 4.4 8.4 4.5 8.5 4.2
21.0 4.9 3.6 5.8 4.0 6.7 4.3 7.1 4.5 7.5 4.4 8.4 4.5 8.4 4.2
23.0 4.9 3.6 5.8 4.0 6.7 4.3 7.1 4.5 7.5 4.4 8.4 4.5 8.3 4.1
25.0 4.9 3.6 5.8 4.0 6.7 4.3 7.1 4.5 7.5 4.4 8.4 4.5 8.2 4.1
27.0 4.9 3.6 5.8 4.0 6.7 4.3 7.1 4.5 7.5 4.4 8.1 4.3 8.2 4.1
29.0 4.9 3.6 5.8 4.0 6.7 4.3 7.1 4.5 7.5 4.5 8.0 4.3 8.1 4.1
31.0 4.9 3.6 5.8 4.0 6.7 4.3 7.1 4.5 7.5 4.5 7.9 4.3 7.8 4.0
33.0 4.9 3.6 5.8 4.0 6.7 4.3 7.1 4.5 7.5 4.5 7.8 4.2 7.8 4.0
35.0 4.9 3.6 5.8 4.0 6.7 4.3 7.1 4.5 7.5 4.5 7.6 4.1 7.7 3.9
37.0 4.9 3.6 5.8 4.0 6.7 4.3 7.1 4.5 7.4 4.4 7.5 4.1 7.6 4.0
39.0 4.9 3.6 5.8 4.0 6.7 4.3 7.1 4.5 7.2 4.3 7.4 4.1 7.6 4.0
42.0 4.9 3.6 5.8 4.0 6.7 4.3 7.1 4.5 7.2 4.3 7.4 4.1 7.6 4.0
44.0 4.9 3.6 5.8 4.0 6.7 4.3 7.1 4.5 7.2 4.3 7.4 4.1 7.6 4.0
46.0 4.9 3.6 5.8 4.0 6.7 4.3 7.1 4.5 7.2 4.3 7.4 4.1 7.6 4.0
8.0
10.0 5.5 4.4 6.6 4.9 7.5 5.3 8.0 5.5 8.4 5.4 9.4 5.5 10.4 5.6
12.0 5.5 4.4 6.6 4.9 7.5 5.3 8.0 5.5 8.4 5.4 9.4 5.5 10.2 5.5
14.0 5.5 4.4 6.6 4.9 7.5 5.3 8.0 5.5 8.4 5.4 9.4 5.5 10.2 5.5
16.0 5.5 4.4 6.6 4.9 7.5 5.3 8.0 5.5 8.4 5.4 9.4 5.5 10.0 5.4
18.0 5.5 4.4 6.6 4.9 7.5 5.3 8.0 5.5 8.4 5.4 9.4 5.5 9.8 5.3
20.0 5.5 4.4 6.6 4.9 7.5 5.3 8.0 5.5 8.4 5.4 9.4 5.5 9.6 5.2
21.0 5.5 4.4 6.6 4.9 7.5 5.3 8.0 5.5 8.4 5.4 9.4 5.5 9.4 5.1
23.0 5.5 4.4 6.6 4.9 7.5 5.3 8.0 5.5 8.4 5.4 9.4 5.5 9.4 5.1
25.0 5.5 4.4 6.6 4.9 7.5 5.3 8.0 5.5 8.4 5.4 9.4 5.5 9.3 5.0

New Exposed Floor Standing MCAC-VTSM-2011-09
224 Capacity table
27.0 5.5 4.4 6.6 4.9 7.5 5.3 8.0 5.5 8.4 5.4 9.1 5.3 9.2 5.1
29.0 5.5 4.4 6.6 4.9 7.5 5.3 8.0 5.5 8.4 5.5 9.0 5.3 9.1 5.0
31.0 5.5 4.4 6.6 4.9 7.5 5.3 8.0 5.5 8.4 5.5 8.9 5.2 8.8 4.8
33.0 5.5 4.4 6.6 4.9 7.5 5.3 8.0 5.5 8.4 5.5 8.8 5.2 8.8 4.8
35.0 5.5 4.4 6.6 4.9 7.5 5.3 8.0 5.5 8.4 5.5 8.6 5.1 8.6 4.8
37.0 5.5 4.4 6.6 4.9 7.5 5.3 8.0 5.5 8.3 5.4 8.4 5.0 8.6 4.9
39.0 5.5 4.4 6.6 4.9 7.5 5.3 8.0 5.5 8.1 5.3 8.3 5.0 8.6 4.9
42.0 5.5 4.4 6.6 4.9 7.5 5.3 8.0 5.5 8.1 5.3 8.3 5.0 8.6 4.9
44.0 5.5 4.4 6.6 4.9 7.5 5.3 8.0 5.5 8.1 5.3 8.3 5.0 8.6 4.9
46.0 5.5 4.4 6.6 4.9 7.5 5.3 8.0 5.5 8.1 5.3 8.3 5.0 8.6 4.9
7.2 Heating
TC: total capacity WB: wet-bulb temperature DB: dry-bulb temperature
Indoor Unit size
(kW)
Outdoor temperature
()℃
Indoor temperature (℃ DB)
16.00 18.00 20.00 21.00 22.00 24.00
TC TC TC TC TC TC
WB DB kW kW kW kW kW kW
2.2
-20 -19.8 1.46 1.46 1.46 1.46 1.46 1.46
-19 -18.8 1.56 1.56 1.56 1.56 1.56 1.56
-17 -16.7 1.64 1.64 1.64 1.64 1.64 1.64
-15 -14.7 1.69 1.69 1.69 1.69 1.69 1.69
-13.00 -12.60 1.79 1.79 1.79 1.79 1.79 1.79
-11.00 -10.50 1.82 1.85 1.85 1.85 1.85 1.85
-10.00 -9.50 1.90 1.90 1.90 1.90 1.90 1.90
-9.10 -8.50 1.95 1.95 1.95 1.95 1.95 1.95
-7.60 -7.00 1.98 1.98 1.98 1.98 1.98 1.98
-5.60 -5.00 2.05 2.05 2.05 2.05 2.05 2.05
-3.70 -3.00 2.16 2.16 2.16 2.16 2.16 2.16
-0.70 0.00 2.31 2.31 2.31 2.31 2.31 2.18
2.20 3.00 2.44 2.44 2.44 2.44 2.39 2.18
4.10 5.00 2.52 2.52 2.52 2.52 2.39 2.18
6.00 7.00 2.60 2.60 2.60 2.52 2.39 2.18
7.90 9.00 2.68 2.68 2.60 2.52 2.39 2.18
9.80 11.00 2.76 2.76 2.60 2.52 2.39 2.18
11.80 13.00 2.86 2.81 2.60 2.52 2.39 2.18
13.70 15.00 2.94 2.81 2.60 2.52 2.39 2.18
2.8
-20 -19.8 1.79 1.79 1.79 1.79 1.79 1.79
-19 -18.8 1.92 1.92 1.92 1.92 1.92 1.92
-17 -16.7 2.02 2.02 2.02 2.02 2.02 2.02
-15 -14.7 2.02 2.02 2.02 2.02 2.02 2.02
-13.00 -12.60 2.14 2.14 2.14 2.14 2.14 2.14
-11.00 -10.50 2.24 2.24 2.24 2.24 2.24 2.24
-10.00 -9.50 2.34 2.34 2.34 2.34 2.34 2.34
-9.10 -8.50 2.40 2.40 2.40 2.40 2.40 2.40
-7.60 -7.00 2.43 2.43 2.43 2.43 2.43 2.43
-5.60 -5.00 2.53 2.53 2.53 2.53 2.53 2.53
-3.70 -3.00 2.66 2.66 2.66 2.66 2.66 2.66
-0.70 0.00 2.85 2.85 2.85 2.85 2.85 2.69
2.20 3.00 3.01 3.01 3.01 3.01 2.94 2.69
4.10 5.00 3.10 3.10 3.10 3.10 2.94 2.69
6.00 7.00 3.20 3.20 3.20 3.10 2.94 2.69
7.90 9.00 3.30 3.30 3.20 3.10 2.94 2.69
9.80 11.00 3.39 3.39 3.20 3.10 2.94 2.69
11.80 13.00 3.52 3.46 3.20 3.10 2.94 2.69
13.70 15.00 3.62 3.46 3.20 3.10 2.94 2.69
3.6
-20 -19.8 2.24 2.24 2.24 2.24 2.24 2.24
-19 -18.8 2.40 2.40 2.40 2.40 2.40 2.40
-17 -16.7 2.52 2.52 2.52 2.52 2.52 2.52
-15 -14.7 2.60 2.60 2.60 2.60 2.60 2.60
-13.00 -12.60 2.68 2.68 2.68 2.68 2.68 2.68
-11.00 -10.50 2.80 2.80 2.80 2.80 2.80 2.80
-10.00 -9.50 2.92 2.92 2.92 2.92 2.92 2.92
-9.10 -8.50 3.00 3.00 3.00 3.00 3.00 3.00
-7.60 -7.00 3.04 3.04 3.04 3.04 3.04 3.04
-5.60 -5.00 3.16 3.16 3.16 3.16 3.16 3.16
-3.70 -3.00 3.32 3.32 3.32 3.32 3.32 3.32

MCAC-VTSM-2011-09 New Exposed Floor Standing
Capacity table 225
-0.70 0.00 3.56 3.56 3.56 3.56 3.56 3.36
2.20 3.00 3.76 3.76 3.76 3.76 3.68 3.36
4.10 5.00 3.88 3.88 3.88 3.88 3.68 3.36
6.00 7.00 4.00 4.00 4.00 3.88 3.68 3.36
7.90 9.00 4.12 4.12 4.00 3.88 3.68 3.36
9.80 11.00 4.24 4.24 4.00 3.88 3.68 3.36
11.80 13.00 4.40 4.32 4.00 3.88 3.68 3.36
13.70 15.00 4.52 4.32 4.00 3.88 3.68 3.36
4.5
-20 -19.8 2.80 2.80 2.80 2.80 2.80 2.80
-19 -18.8 3.00 3.00 3.00 3.00 3.00 3.00
-17 -16.7 3.15 3.15 3.15 3.15 3.15 3.15
-15 -14.7 3.25 3.25 3.25 3.25 3.25 3.25
-13.00 -12.60 3.35 3.35 3.35 3.35 3.35 3.35
-11.00 -10.50 3.50 3.50 3.50 3.50 3.50 3.50
-10.00 -9.50 3.65 3.65 3.65 3.65 3.65 3.65
-9.10 -8.50 3.75 3.75 3.75 3.75 3.75 3.75
-7.60 -7.00 3.80 3.80 3.80 3.80 3.80 3.80
-5.60 -5.00 3.95 3.95 3.95 3.95 3.95 3.95
-3.70 -3.00 4.15 4.15 4.15 4.15 4.15 4.15
-0.70 0.00 4.45 4.45 4.45 4.45 4.45 4.20
2.20 3.00 4.70 4.70 4.70 4.70 4.60 4.20
4.10 5.00 4.85 4.85 4.85 4.85 4.60 4.20
6.00 7.00 5.00 5.00 5.00 4.85 4.60 4.20
7.90 9.00 5.15 5.15 5.00 4.85 4.60 4.20
9.80 11.00 5.30 5.30 5.00 4.85 4.60 4.20
11.80 13.00 5.50 5.40 5.00 4.85 4.60 4.20
13.70 15.00 5.65 5.40 5.00 4.85 4.60 4.20
5.6
-20 -19.8 3.53 3.53 3.53 3.53 3.53 3.53
-19 -18.8 3.78 3.78 3.78 3.78 3.78 3.78
-17 -16.7 3.97 3.97 3.97 3.97 3.97 3.97
-15 -14.7 4.10 4.10 4.10 4.10 4.10 4.10
-13.00 -12.60 4.22 4.22 4.22 4.22 4.22 4.22
-11.00 -10.50 4.41 4.41 4.41 4.41 4.41 4.41
-10.00 -9.50 4.60 4.60 4.60 4.60 4.60 4.60
-9.10 -8.50 4.73 4.73 4.73 4.73 4.73 4.73
-7.60 -7.00 4.79 4.79 4.79 4.79 4.79 4.79
-5.60 -5.00 4.98 4.98 4.98 4.98 4.98 4.98
-3.70 -3.00 5.23 5.23 5.23 5.23 5.23 5.23
-0.70 0.00 5.61 5.61 5.61 5.61 5.61 5.29
2.20 3.00 5.92 5.92 5.92 5.92 5.80 5.29
4.10 5.00 6.11 6.11 6.11 6.11 5.80 5.29
6.00 7.00 6.30 6.30 6.30 6.11 5.80 5.29
7.90 9.00 6.49 6.49 6.30 6.11 5.80 5.29
9.80 11.00 6.68 6.68 6.30 6.11 5.80 5.29
11.80 13.00 6.93 6.80 6.30 6.11 5.80 5.29
13.70 15.00 7.12 6.80 6.30 6.11 5.80 5.29
7.1
-20 -19.8 4.48 4.48 4.48 4.48 4.48 4.48
-19 -18.8 4.80 4.80 4.80 4.80 4.80 4.80
-17 -16.7 5.04 5.04 5.04 5.04 5.04 5.04
-15 -14.7 5.20 5.20 5.20 5.20 5.20 5.20
-13.00 -12.60 5.36 5.36 5.36 5.36 5.36 5.36
-11.00 -10.50 5.60 5.60 5.60 5.60 5.60 5.60
-10.00 -9.50 5.84 5.84 5.84 5.84 5.84 5.84
-9.10 -8.50 6.00 6.00 6.00 6.00 6.00 6.00
-7.60 -7.00 6.08 6.08 6.08 6.08 6.08 6.08
-5.60 -5.00 6.32 6.32 6.32 6.32 6.32 6.32
-3.70 -3.00 6.64 6.64 6.64 6.64 6.64 6.64
-0.70 0.00 7.12 7.12 7.12 7.12 7.12 6.72
2.20 3.00 7.52 7.52 7.52 7.52 7.36 6.72
4.10 5.00 7.76 7.76 7.76 7.76 7.36 6.72
6.00 7.00 8.00 8.00 8.00 7.76 7.36 6.72
7.90 9.00 8.24 8.24 8.00 7.76 7.36 6.72
9.80 11.00 8.48 8.48 8.00 7.76 7.36 6.72
11.80 13.00 8.80 8.64 8.00 7.76 7.36 6.72
13.70 15.00 9.04 8.64 8.00 7.76 7.36 6.72

New Exposed Floor Standing MCAC-VTSM-2011-09
226 Capacity table
8.0
-20 -19.8 5.04 5.04 5.04 5.04 5.04 5.04
-19 -18.8 5.40 5.40 5.40 5.40 5.40 5.40
-17 -16.7 5.67 5.67 5.67 5.67 5.67 5.67
-15 -14.7 5.85 5.85 5.85 5.85 5.85 5.85
-13.00 -12.60 6.03 6.03 6.03 6.03 6.03 6.03
-11.00 -10.50 6.30 6.30 6.30 6.30 6.30 6.30
-10.00 -9.50 6.57 6.57 6.57 6.57 6.57 6.57
-9.10 -8.50 6.75 6.75 6.75 6.75 6.75 6.75
-7.60 -7.00 6.84 6.84 6.84 6.84 6.84 6.84
-5.60 -5.00 7.11 7.11 7.11 7.11 7.11 7.11
-3.70 -3.00 7.47 7.47 7.47 7.47 7.47 7.47
-0.70 0.00 8.01 8.01 8.01 8.01 8.01 7.56
2.20 3.00 8.46 8.46 8.46 8.46 8.28 7.56
4.10 5.00 8.73 8.73 8.73 8.73 8.28 7.56
6.00 7.00 9.00 9.00 9.00 8.73 8.28 7.56
7.90 9.00 9.27 9.27 9.00 8.73 8.28 7.56
9.80 11.00 9.54 9.54 9.00 8.73 8.28 7.56
11.80 13.00 9.90 9.72 9.00 8.73 8.28 7.56
13.70 15.00 10.17 9.72 9.00 8.73 8.28 7.56

MCAC-VTSM-2011-09 New Exposed Floor Standing
Sound level 227
8. Electric Characteristics
Model Indoor Unit Power Supply IFM
Hz Voltage Min. Max. MCA MFA KW FLA
MDV-D22Z/N1-F4 50 220-240V 198 254 0.25 15 0.042 0.2
MDV-D22Z/N1-F5 50 220-240V 198 254 0.25 15 0.042 0.2
MDV-D28Z/N1-F4 50 220-240V 198 254 0.25 15 0.042 0.2
MDV-D28Z/N1-F5 50 220-240V 198 254 0.25 15 0.042 0.2
MDV-D36Z/N1-F4 50 220-240V 198 254 0.3 15 0.049 0.24
MDV-D36Z/N1-F5 50 220-240V 198 254 0.3 15 0.049 0.24
MDV-D45Z/N1-F4 50 220-240V 198 254 0.4 15 0.06 0.3
MDV-D56Z/N1-F4 50 220-240V 198 254 0.6 15 0.095 0.48
MDV-D56Z/N1-F5 50 220-240V 198 254 0.6 15 0.095 0.48
MDV-D71Z/N1-F4 50 220-240V 198 254 0.8 15 0.138 0.62
MDV-D71Z/N1-F5 50 220-240V 198 254 0.8 15 0.138 0.62
MDV-D80Z/N1-F4 50 220-240V 198 254 0.8 15 0.138 0.62
MDV-D80Z/N1-F5 50 220-240V 198 254 0.8 15 0.138 0.62
Remark:
MCA: Min. Current Amps. (A)
MFA: Max. Fuse Amps. (A)
KW: Fan Motor Rated Output (kW)
FLA: Full Load Amps. (A)
IFM:Indoor Fan Motor

N
2
2
9
9
N
9
ew Exposed
F
2
8
9
. Noise L
e
9
.1 Test c
o
N
ote:
1, during ac
t
2, Anechoic
9
.2 Test v
a
M
o
MDV-D
2
MDV-D
2
MDV-D
2
MDV-D
2
MDV-D
3
MDV-D
3
MDV-D
4
MDV-D
4
MDV-D
5
MDV-D
5
MDV-D
7
MDV-D
7
MDV-D
8
MDV-D
8
F
loor Standin
g
e
vels
o
ndition
t
ual operation
,
chamber con
v
a
lue
o
del
2
2Z/N1-F4
2
2Z/N1-F5
2
8Z/N1-F4
2
8Z/N1-F5
3
6Z/N1-F4
3
6Z/N1-F5
4
5Z/N1-F4
4
5Z/N1-F5
5
6Z/N1-F4
5
6Z/N1-F5
7
1Z/N1-F4
7
1Z/N1-F5
8
0Z/N1-F4
8
0Z/N1-F5
g
,
these value
s
v
ersion value
,
s
are normally
measured at
Hi
36
36
36
36
37
37
37
37
41
41
44
44
44
44
somewhat hi
g
a point 1m
N
o
g
her as a res
u
in front of the
o
ise test valu
e
Mid
33
33
33
33
34
34
34
34
35
35
39
39
39
39
u
lt of ambient
c
unit at a heig
h
e
dB(A)
MCA
C
Electri
c
conditions.
h
t of 1.5m
L
o
2
2
2
2
3
3
3
3
3
3
3
3
3
3
C
-VTSM-2011
-
c
Characteris
t
o
w
2
9
2
9
2
9
2
9
3
0
3
0
3
0
3
0
3
1
3
1
3
3
3
3
3
3
3
3
-
09
t
ics

MCAC-VTSM-2011-09 New Exposed Floor Standing
Sound level 229
9.3 Octave Band Level
Octave band center frequency(Hz)
Sound pressure level dB(0dB=0.0002μ bar)
Audibility limits of
continuous white
sound
Octave band center frequency(Hz)
Sound pressure level dB(0dB=0.0002μ bar)
Audibility limits of
continuous white
sound
Octave band center frequency(Hz)
Sound pressure level dB(0dB=0.0002μ bar)
Audibility limits of
continuous white
sound
Octave band center frequency(Hz)
Sound pressure level dB(0dB=0.0002μ bar)
Audibility limits of
continuous white
sound
MDV-D22Z/N1-F4 MDV-D22Z/N1-F5
MDV-D28Z/N1-F4 MDV-D28Z/N1-F5
MDV-D36Z/N1-F4 MDV-D36Z/N1-F5
MDV-D45Z/N1-F4 MDV-D45Z/N1-F5
MDV-D56Z/N1-F4 MDV-D56Z/N1-F5 MDV-D71Z/N1-F4 MDV-D71Z/N1-F5
MDV-D80Z/N1-F4 MDV-D80Z/N1-F5

New Exposed Floor Standing MCAC-VTSM-2011-09
230 Sound level
10. Accessories
10.1 Standard accessories
Name Quantity Shape Usage
Owner’s manual 1 / /
Installation manual 1 / /
Pipe insulation material 2 Heat insulation
Signal receiver display board 1 Receive signals
Mounting screw(ST3.9x12-C-H) 4 /
Remote controller 1
Control the indoor units
Remote controller holder 1 For holding the remote controller
Mounting screw (ST2.9x10-C-H) 2 /
Alkaline dry batteries(AM4) 2 /
10.1 Optional accessories
Name Model Code Usage
Wired remote controller KJR-10B/DP(T)-E 203355190000 With a standard 5m long cable to connect to
display board.
(Follow me) Wired remote
controller KJR-12B/DP(T)-E 203355100010 With an extra Built-in room temp. sensor, all
others are same as KJR-10B
(Follow me) Wired remote
controller (Back ground
light)
KJR-12B/DPBG(T)-E 203355100010 With background light, all others are same
as KJR-12B/DP(T)-E

MCAC-VTSM-2011-09 Console Type
Console Type 231
Console Type
1. Feature ...........................................................................232
2. Specifications ................................................................234
3. Dimension ......................................................................235
4. Service Space ................................................................236
5. Piping Diagrams............................................................237
6. Wiring Diagram .............................................................238
7. Capacity Tables .............................................................239
8. Electric Characteristics ................................................243
9. Noise Levels ..................................................................244
10. Accessories .................................................................245

C
2
3
1
1
1
1
1
1
1
1
1
1
1
1
1
1
1
1
1
C
onsole Type
3
2
. Feature
.1 Cons
o
.2 Comp
a
.2.1. this
u
.2.2. The
E
.3 Flexib
l
.3.1. Can
b
.3.2. As a
f
.4 High
e
.4.1. Built
i
.4.2. Activ
e
.5 High
C
.5.1. Flexi
b
furth
e
.5.2. Indo
o
.5.3. Low
n
.5.4. Adop
positi
.6 Powe
r
COO
Quick cool
o
le type
a
ct unit bo
d
u
nit body is
v
E
XV is fixed
l
e installati
b
e used for
f
f
loor standi
n
e
fficiency fi
l
i
n Formald
e
e
-carbon a
n
C
omfort
b
le air blo
w
e
st corners
o
o
r unit adop
t
n
oise opera
t
tion of the
F
oning, ens
u
r
ful mode c
a
O
LING MOD
E
ing t
o
d
y, space s
v
ery thin an
d
inside of th
on.
f
loor standi
n
n
g type, it c
a
l
te
r
e
hyde neme
s
n
d biological
w
: vertical a
o
f the room
t
s DC moto
r
t
ion, lowest
F
ujikoki bra
n
u
re precise f
l
a
n be sele
c
E
o
maintain t
e
aving, nice
d
harmonio
u
e
indoor uni
n
g or lower
w
a
n be semi
o
s
is filte
r
anti-virus fi
u
to swing
a
and increa
s
r
which has
f
to 26dB(A)
n
d mechani
c
l
ow control,
c
ted for rap
e
mp.
e
-looking a
p
u
s with roo
m
i
t, Compact
w
all applica
t
o
r fully rece
s
lter is optio
n
a
nd wide a
n
s
e the air flo
w
f
ive level fa
n
c
al expansi
o
as well low
e
id cooling
o
HE
A
a
p
pearance
m
. It is elega
unit bod
y
.
t
ions
s
sed withou
n
al.
n
gle louve
r
s
w
coverage
n
speed me
e
o
n valve whi
c
e
r modulati
o
o
r heating.
A
TING MO
D
a
nti-cold air
n
t and spac
e
t
loss of ca
p
s
ensure th
a
e
t different
r
c
h has 200
0
o
n noise wh
e
D
E
n
MCA
C
c
e saving.
p
acity.
at warm ai
r
r
equirement
0
stages ele
e
n EXV op
e
normal ope
r
C
-VTSM-2011
-
Featu
r
r
reaches t
h
s.
ment
e
rating.
r
ation
-
09
r
es
h
e

MCAC-VTSM-2011-09 Console Type
Specification 233
Air outlet from 2 optional directions:
Quick cooling mode: air supplying from both top and bottom
Normal cooling mode: from top only
Normal heating mode: air supplying from both top and bottom
Anti-cold fan mode: from top only
Air inlet from 4 directions:
Bottom, Top, and right/left side, for better ventilation.
1.7 Easy cleaning grille and convenient maintenance

Console Type MCAC-VTSM-2011-09
234 Features
2. Specifications
Model MDV-D22Z/DN-B MDV-D28Z/DN-B MDV-D36Z/DN-B MDV-D45Z/DN-B
Power supply V- Ph-Hz 220-240V~, 1Ph, 50Hz
Cooling
Capacity kW 2.2 2.8 3.6 4.5
Input W 20 25 25 45
Rated current A 0.09 0.11 0.11 0.20
Heating
Capacity kW 2.6 3.2 4.0 5.0
Input W 20 25 25 45
Rated current A 0.09 0.11 0.11 0.20
Indoor fan
motor
Model RD-280-20-8A RD-280-20-8A RD-280-20-8A RD-280-20-8A
Type DC brushless motor
Brand Welling
Input W 16.8 19.5 19.5 30.5
Speed (hi/mid/lo) r/min 560/530/460 610/560/460 610/560/460 780/680/530
Indoor coil
Number of rows 1 1.5 2 2
Tube pitch(a)*row pitch(b) mm 21*13.37 21*13.37 21*13.37 21*13.37
Fin spacing mm 1.3 1.3 1.3 1.3
Fin type Hydrophilic aluminum
Tube outside diameter and
type mm Ф7
Inner groove tube
Coil length* height *width mm 512*318*22 512*318*44 512*318*44 512*318*44
Number of circuits 1 2 2 2
Indoor air flow (H/M/L) m3/h 430/345/229 510/430/229 510/430/229 660/512/400
Indoor noise level dB(A) 38/32/26 39/33/27 39/33/27 42/39/36
Indoor unit
Dimension (W×H×D) mm 700*600*210
Packing (W×H×D) mm 810*710*305
Net/Gross weight kg 14/19 15/20 15/20 15/20
Refrigerant type R410A
Throttle
Type EXV (Mechanical gear modulation, Integrated with the evaporator)
Model EFM-25YGMISZ-6M-A (Fujikoki)
Design pressure MPa 4.4/2.6
Refrigerant
piping Liquid side/ Gas side mm Ф6.35/Ф12.7 Ф6.35/Ф12.7 Ф6.35/Ф12.7 Ф6.35/Ф12.7
Connecting
wiring
Power wiring mm2 3*2.5
Signal wiring mm2 4*0.75
Drainage water pipe diameter Φ16 (outer dia.)
Controller Wireless remote controller (RM05/BG(T)E-A) (Standard), to set address
Operation temp ℃ Cooling:17~32;Heating:10~28
Notes: 1. Nominal cooling capacities are based on the following conditions: return air temp. : 27°CDB, 19°CWB, outdoor
temp.:35°CDB,equivalent ref. Piping: 8m(horizontal)
2. Nominal heating capacities are based on the following conditions: return air temp.: 20°CDB,outdoor temp.:
7°CDB,6°CWB,equivalent ref. Piping: 8m(horizontal)

MCAC-VTSM-2011-09 Console Type
Dimensions 235
3. Dimension
MDV-D22Z/DN-B MDV-D28Z/DN-B MDV-D36Z/DN-B MDV-D45Z/DN-B
Main dimension:
Outer Length: 700mm, Height: 600mm, Depth: 210mm
Filter length: 550mm
Gas tube: Ф12.7mm
Liquid tube: Ф6.35mm
700mm 210mm
600mm

Console Type MCAC-VTSM-2011-09
236 Capacity table
4. Service Space
There is enough room for installation and maintenance.
The outlet and the inlet are not impeded, and the influence of external air is the least.
The air flow can reach throughout the room.
The connecting pipe and drainpipe could be extracted out easily.
There is no direct radiation from heaters.
Additionally, it is required to keep 20mm between the rear and wall,1700mm vertical distance between
the top of unit(outlet) and the upper obstacle.
≥100mm
≥100mm
≥100mm
≥1000mm

MCAC-VTSM-2011-09 Console Type
Service Space 237
5. Piping Diagrams
flare nut
flare nut
T2B
gas side
motor
heat exchanger
fan
EXV
liquid side
T2
T1

C
2
3
6
C
onsole Type
3
8
6
. Wiring
D
D
iagram
MCA
C
C
-VTSM-2011
-
Capacity ta
-
09
ble

MCAC-VTSM-2011-09 Console Type
Capacity table 239
7. Capacity Tables
7.1 Cooling TC: total capacity SC: sensible capacity WB: wet-bulb temperature DB: dry-bulb temperature
Indoor
Unit size
(kW)
Outdoor
temperature
( DB)℃
Indoor temperature ( WB℃/DB)
14/20 16/23 18/26 19/27 20/28 22/30 24/32
TC SC TC SC TC SC TC SC TC SC TC SC TC SC
kW kW kW kW kW kW kW kW kW kW kW kW kW kW
2.2
10.0 1.5 1.3 1.8 1.4 2.1 1.5 2.2 1.5 2.3 1.6 2.6 1.6 2.9 1.5
12.0 1.5 1.3 1.8 1.4 2.1 1.5 2.2 1.5 2.3 1.6 2.6 1.6 2.8 1.5
14.0 1.5 1.3 1.8 1.4 2.1 1.5 2.2 1.5 2.3 1.6 2.6 1.6 2.8 1.5
16.0 1.5 1.3 1.8 1.4 2.1 1.5 2.2 1.5 2.3 1.6 2.6 1.6 2.8 1.5
18.0 1.5 1.3 1.8 1.4 2.1 1.5 2.2 1.5 2.3 1.6 2.6 1.6 2.8 1.4
20.0 1.5 1.3 1.8 1.4 2.1 1.5 2.2 1.5 2.3 1.6 2.6 1.6 2.7 1.4
21.0 1.5 1.3 1.8 1.4 2.1 1.5 2.2 1.5 2.3 1.6 2.6 1.6 2.7 1.4
23.0 1.5 1.3 1.8 1.4 2.1 1.5 2.2 1.5 2.3 1.6 2.5 1.5 2.7 1.4
25.0 1.5 1.3 1.8 1.4 2.1 1.5 2.2 1.5 2.3 1.6 2.5 1.5 2.6 1.4
27.0 1.5 1.3 1.8 1.4 2.1 1.5 2.2 1.5 2.3 1.6 2.5 1.5 2.6 1.4
29.0 1.5 1.3 1.8 1.4 2.1 1.5 2.2 1.5 2.3 1.6 2.4 1.4 2.5 1.4
31.0 1.5 1.3 1.8 1.4 2.1 1.5 2.2 1.5 2.3 1.6 2.4 1.4 2.5 1.4
33.0 1.5 1.3 1.8 1.4 2.1 1.5 2.2 1.5 2.3 1.6 2.4 1.4 2.4 1.4
35.0 1.5 1.3 1.8 1.4 2.1 1.5 2.2 1.5 2.3 1.6 2.3 1.3 2.4 1.4
37.0 1.5 1.3 1.8 1.4 2.1 1.5 2.2 1.5 2.3 1.6 2.3 1.3 2.3 1.4
39.0 1.5 1.3 1.8 1.4 2.1 1.5 2.2 1.5 2.2 1.5 2.3 1.3 2.3 1.4
42.0 1.5 1.3 1.8 1.4 2.1 1.5 2.2 1.5 2.2 1.5 2.3 1.3 2.3 1.4
44.0 1.5 1.3 1.8 1.4 2.1 1.5 2.2 1.5 2.2 1.5 2.3 1.3 2.3 1.4
46.0 1.5 1.3 1.8 1.4 2.1 1.5 2.2 1.5 2.2 1.5 2.3 1.3 2.3 1.4
2.8
10.0 1.9 1.6 2.3 1.8 2.6 1.9 2.8 1.9 3.0 1.9 3.3 2.0 3.7 2.0
12.0 1.9 1.6 2.3 1.8 2.6 1.9 2.8 1.9 3.0 1.9 3.3 2.0 3.6 2.0
14.0 1.9 1.6 2.3 1.8 2.6 1.9 2.8 1.9 3.0 1.9 3.3 2.0 3.6 2.0
16.0 1.9 1.6 2.3 1.8 2.6 1.9 2.8 1.9 3.0 1.9 3.3 2.0 3.5 1.9
18.0 1.9 1.6 2.3 1.8 2.6 1.9 2.8 1.9 3.0 1.9 3.3 2.0 3.5 1.9
20.0 1.9 1.6 2.3 1.8 2.6 1.9 2.8 1.9 3.0 1.9 3.3 2.0 3.4 1.9
21.0 1.9 1.6 2.3 1.8 2.6 1.9 2.8 1.9 3.0 1.9 3.3 2.0 3.4 1.9
23.0 1.9 1.6 2.3 1.8 2.6 1.9 2.8 1.9 3.0 1.9 3.3 2.0 3.4 1.9
25.0 1.9 1.6 2.3 1.8 2.6 1.9 2.8 1.9 3.0 1.9 3.2 1.9 3.3 1.9
27.0 1.9 1.6 2.3 1.8 2.6 1.9 2.8 1.9 3.0 1.9 3.2 1.9 3.3 1.9
29.0 1.9 1.6 2.3 1.8 2.6 1.9 2.8 1.9 3.0 1.9 3.1 1.8 3.2 1.8
31.0 1.9 1.6 2.3 1.8 2.6 1.9 2.8 1.9 3.0 1.9 3.1 1.8 3.2 1.7
33.0 1.9 1.6 2.3 1.8 2.6 1.9 2.8 1.9 3.0 1.9 3.1 1.8 3.1 1.7
35.0 1.9 1.6 2.3 1.8 2.6 1.9 2.8 1.9 2.9 1.9 3.0 1.8 3.1 1.7
37.0 1.9 1.6 2.3 1.8 2.6 1.9 2.8 1.9 2.9 1.9 3.0 1.8 3.0 1.7
39.0 1.9 1.6 2.3 1.8 2.6 1.9 2.8 1.9 2.9 1.9 3.0 1.9 3.0 1.7
42.0 1.9 1.6 2.3 1.8 2.6 1.9 2.8 1.9 2.9 1.9 3.0 1.9 3.0 1.7
44.0 1.9 1.6 2.3 1.8 2.6 1.9 2.8 1.9 2.9 1.9 3.0 1.9 3.0 1.7
46.0 1.9 1.6 2.3 1.8 2.6 1.9 2.8 1.9 2.9 1.9 3.0 1.9 3.0 1.7
3.6
10.0 2.5 1.9 2.9 2.1 3.4 2.3 3.6 2.4 3.8 2.5 4.3 2.4 4.7 2.5
12.0 2.5 1.9 2.9 2.1 3.4 2.3 3.6 2.4 3.8 2.5 4.3 2.4 4.7 2.5
14.0 2.5 1.9 2.9 2.1 3.4 2.3 3.6 2.4 3.8 2.5 4.3 2.4 4.6 2.4
16.0 2.5 1.9 2.9 2.1 3.4 2.3 3.6 2.4 3.8 2.5 4.3 2.4 4.5 2.4
18.0 2.5 1.9 2.9 2.1 3.4 2.3 3.6 2.4 3.8 2.5 4.3 2.4 4.5 2.4
20.0 2.5 1.9 2.9 2.1 3.4 2.3 3.6 2.4 3.8 2.5 4.3 2.4 4.4 2.3
21.0 2.5 1.9 2.9 2.1 3.4 2.3 3.6 2.4 3.8 2.5 4.3 2.4 4.4 2.3
23.0 2.5 1.9 2.9 2.1 3.4 2.3 3.6 2.4 3.8 2.5 4.1 2.3 4.3 2.2
25.0 2.5 1.9 2.9 2.1 3.4 2.3 3.6 2.4 3.8 2.5 4.1 2.3 4.2 2.2
27.0 2.5 1.9 2.9 2.1 3.4 2.3 3.6 2.4 3.8 2.5 4.0 2.2 4.2 2.2
29.0 2.5 1.9 2.9 2.1 3.4 2.3 3.6 2.4 3.8 2.5 4.0 2.2 4.1 2.2
31.0 2.5 1.9 2.9 2.1 3.4 2.3 3.6 2.4 3.8 2.5 4.2 2.6 4.1 2.2
33.0 2.5 1.9 2.9 2.1 3.4 2.3 3.6 2.4 3.8 2.5 4.2 2.6 3.9 2.1
35.0 2.5 1.9 2.9 2.1 3.4 2.3 3.6 2.4 3.8 2.5 4.2 2.6 3.9 2.1
37.0 2.5 1.9 2.9 2.1 3.4 2.3 3.6 2.4 3.7 2.4 3.8 2.3 3.9 2.1
39.0 2.5 1.9 2.9 2.1 3.4 2.3 3.6 2.4 3.7 2.4 3.8 2.3 3.8 2.1
42.0 2.5 1.9 2.9 2.1 3.4 2.3 3.6 2.4 3.7 2.4 3.8 2.3 3.8 2.1
44.0 2.5 1.9 2.9 2.1 3.4 2.3 3.6 2.4 3.7 2.4 3.8 2.3 3.8 2.1
46.0 2.5 1.9 2.9 2.1 3.4 2.3 3.6 2.4 3.7 2.4 3.8 2.3 3.8 2.1
4.5 10.0 3.1 2.4 3.7 2.6 4.2 2.8 4.5 2.9 4.8 3.0 5.3 3.4 5.9 3.0

Console Type MCAC-VTSM-2011-09
240 Capacity table
12.0 3.1 2.4 3.7 2.6 4.2 2.8 4.5 2.9 4.8 3.0 5.3 3.4 5.9 3.0
14.0 3.1 2.4 3.7 2.6 4.2 2.8 4.5 2.9 4.8 3.0 5.3 3.4 5.8 3.0
16.0 3.1 2.4 3.7 2.6 4.2 2.8 4.5 2.9 4.8 3.0 5.3 3.4 5.6 2.9
18.0 3.1 2.4 3.7 2.6 4.2 2.8 4.5 2.9 4.8 3.0 5.3 3.4 5.7 3.0
20.0 3.1 2.4 3.7 2.6 4.2 2.8 4.5 2.9 4.8 3.0 5.3 3.4 5.7 3.0
21.0 3.1 2.4 3.7 2.6 4.2 2.8 4.5 2.9 4.8 3.0 5.3 3.4 5.6 3.0
23.0 3.1 2.4 3.7 2.6 4.2 2.8 4.5 2.9 4.8 3.0 5.3 3.4 5.5 3.0
25.0 3.1 2.4 3.7 2.6 4.2 2.8 4.5 2.9 4.8 3.0 5.2 3.0 5.4 2.9
27.0 3.1 2.4 3.7 2.6 4.2 2.8 4.5 2.9 4.8 3.0 5.1 3.0 5.2 2.8
29.0 3.1 2.4 3.7 2.6 4.2 2.8 4.5 2.9 4.8 3.0 5.1 2.9 5.2 2.8
31.0 3.1 2.4 3.7 2.6 4.2 2.8 4.5 2.9 4.8 3.0 5.0 2.9 5.1 2.7
33.0 3.1 2.4 3.7 2.6 4.2 2.8 4.5 2.9 4.8 3.0 4.9 2.8 5.1 2.7
35.0 3.1 2.4 3.7 2.6 4.2 2.8 4.5 2.9 4.8 3.0 4.8 2.8 5.0 2.7
37.0 3.1 2.4 3.7 2.6 4.2 2.8 4.5 2.9 4.8 3.0 4.8 2.9 4.9 2.6
39.0 3.1 2.4 3.7 2.6 4.2 2.8 4.5 2.9 4.6 2.8 4.7 2.8 4.8 2.6
42.0 3.1 2.4 3.7 2.6 4.2 2.8 4.5 2.9 4.6 2.8 4.7 2.8 4.8 2.6
44.0 3.1 2.4 3.7 2.6 4.2 2.8 4.5 2.9 4.6 2.8 4.7 2.8 4.8 2.6
46.0 3.1 2.4 3.7 2.6 4.2 2.8 4.5 2.9 4.6 2.8 4.7 3.1 4.8 2.6

MCAC-VTSM-2011-09 Console Type
Capacity table 241
7.2 Heating TC: total capacity WB: wet-bulb temperature DB: dry-bulb temperature
Indoor Unit size
(kW)
Outdoor temperature
()℃
Indoor temperature (℃ DB)
16.00 18.00 20.00 21.00 22.00 24.00
TC TC TC TC TC TC
WB DB kW kW kW kW kW kW
2.2
-20 -19.8 1.46 1.46 1.46 1.46 1.46 1.46
-19 -18.8 1.56 1.56 1.56 1.56 1.56 1.56
-17 -16.7 1.64 1.64 1.64 1.64 1.64 1.64
-15 -14.7 1.69 1.69 1.69 1.69 1.69 1.69
-13.00 -12.60 1.79 1.79 1.79 1.79 1.79 1.79
-11.00 -10.50 1.82 1.85 1.85 1.85 1.85 1.85
-10.00 -9.50 1.90 1.90 1.90 1.90 1.90 1.90
-9.10 -8.50 1.95 1.95 1.95 1.95 1.95 1.95
-7.60 -7.00 1.98 1.98 1.98 1.98 1.98 1.98
-5.60 -5.00 2.05 2.05 2.05 2.05 2.05 2.05
-3.70 -3.00 2.16 2.16 2.16 2.16 2.16 2.16
-0.70 0.00 2.31 2.31 2.31 2.31 2.31 2.18
2.20 3.00 2.44 2.44 2.44 2.44 2.39 2.18
4.10 5.00 2.52 2.52 2.52 2.52 2.39 2.18
6.00 7.00 2.60 2.60 2.60 2.52 2.39 2.18
7.90 9.00 2.68 2.68 2.60 2.52 2.39 2.18
9.80 11.00 2.76 2.76 2.60 2.52 2.39 2.18
11.80 13.00 2.86 2.81 2.60 2.52 2.39 2.18
13.70 15.00 2.94 2.81 2.60 2.52 2.39 2.18
2.8
-20 -19.8 1.79 1.79 1.79 1.79 1.79 1.79
-19 -18.8 1.92 1.92 1.92 1.92 1.92 1.92
-17 -16.7 2.02 2.02 2.02 2.02 2.02 2.02
-15 -14.7 2.02 2.02 2.02 2.02 2.02 2.02
-13.00 -12.60 2.14 2.14 2.14 2.14 2.14 2.14
-11.00 -10.50 2.24 2.24 2.24 2.24 2.24 2.24
-10.00 -9.50 2.34 2.34 2.34 2.34 2.34 2.34
-9.10 -8.50 2.40 2.40 2.40 2.40 2.40 2.40
-7.60 -7.00 2.43 2.43 2.43 2.43 2.43 2.43
-5.60 -5.00 2.53 2.53 2.53 2.53 2.53 2.53
-3.70 -3.00 2.66 2.66 2.66 2.66 2.66 2.66
-0.70 0.00 2.85 2.85 2.85 2.85 2.85 2.69
2.20 3.00 3.01 3.01 3.01 3.01 2.94 2.69
4.10 5.00 3.10 3.10 3.10 3.10 2.94 2.69
6.00 7.00 3.20 3.20 3.20 3.10 2.94 2.69
7.90 9.00 3.30 3.30 3.20 3.10 2.94 2.69
9.80 11.00 3.39 3.39 3.20 3.10 2.94 2.69
11.80 13.00 3.52 3.46 3.20 3.10 2.94 2.69
13.70 15.00 3.62 3.46 3.20 3.10 2.94 2.69
3.6
-20 -19.8 2.24 2.24 2.24 2.24 2.24 2.24
-19 -18.8 2.40 2.40 2.40 2.40 2.40 2.40
-17 -16.7 2.52 2.52 2.52 2.52 2.52 2.52
-15 -14.7 2.60 2.60 2.60 2.60 2.60 2.60
-13.00 -12.60 2.68 2.68 2.68 2.68 2.68 2.68
-11.00 -10.50 2.80 2.80 2.80 2.80 2.80 2.80
-10.00 -9.50 2.92 2.92 2.92 2.92 2.92 2.92
-9.10 -8.50 3.00 3.00 3.00 3.00 3.00 3.00
-7.60 -7.00 3.04 3.04 3.04 3.04 3.04 3.04
-5.60 -5.00 3.16 3.16 3.16 3.16 3.16 3.16
-3.70 -3.00 3.32 3.32 3.32 3.32 3.32 3.32
-0.70 0.00 3.56 3.56 3.56 3.56 3.56 3.36
2.20 3.00 3.76 3.76 3.76 3.76 3.68 3.36
4.10 5.00 3.88 3.88 3.88 3.88 3.68 3.36
6.00 7.00 4.00 4.00 4.00 3.88 3.68 3.36
7.90 9.00 4.12 4.12 4.00 3.88 3.68 3.36
9.80 11.00 4.24 4.24 4.00 3.88 3.68 3.36
11.80 13.00 4.40 4.32 4.00 3.88 3.68 3.36
13.70 15.00 4.52 4.32 4.00 3.88 3.68 3.36
4.5 -20 -19.8 2.80 2.80 2.80 2.80 2.80 2.80
-19 -18.8 3.00 3.00 3.00 3.00 3.00 3.00

Console Type MCAC-VTSM-2011-09
242 Capacity table
-17 -16.7 3.15 3.15 3.15 3.15 3.15 3.15
-15 -14.7 3.25 3.25 3.25 3.25 3.25 3.25
-13.00 -12.60 3.35 3.35 3.35 3.35 3.35 3.35
-11.00 -10.50 3.50 3.50 3.50 3.50 3.50 3.50
-10.00 -9.50 3.65 3.65 3.65 3.65 3.65 3.65
-9.10 -8.50 3.75 3.75 3.75 3.75 3.75 3.75
-7.60 -7.00 3.80 3.80 3.80 3.80 3.80 3.80
-5.60 -5.00 3.95 3.95 3.95 3.95 3.95 3.95
-3.70 -3.00 4.15 4.15 4.15 4.15 4.15 4.15
-0.70 0.00 4.45 4.45 4.45 4.45 4.45 4.20
2.20 3.00 4.70 4.70 4.70 4.70 4.60 4.20
4.10 5.00 4.85 4.85 4.85 4.85 4.60 4.20
6.00 7.00 5.00 5.00 5.00 4.85 4.60 4.20
7.90 9.00 5.15 5.15 5.00 4.85 4.60 4.20
9.80 11.00 5.30 5.30 5.00 4.85 4.60 4.20
11.80 13.00 5.50 5.40 5.00 4.85 4.60 4.20
13.70 15.00 5.65 5.40 5.00 4.85 4.60 4.20

MCAC-VTSM-2011-09 Console Type
Sound level 243
8. Electric Characteristics
Model Indoor Unit Power Supply IFM
Hz Voltage Min. Max. MCA MFA KW FLA
MDV-D22Z/DN1-B 50 220-240V 198 254 0.25 15
0.012 0.0135
MDV-D38Z/ DN1-B 50 220-240V 198 254 0.25 15 0.015 0.0158
MDV-D36Z/ DN1-B 50 220-240V 198 254 0.25 15 0.015 0.0158
MDV-D45Z/ DN1-B 50 220-240V 198 254 0.25 15 0.030 0.0296
Remark:
MCA: Min. Current Amps. (A)
MFA: Max. Fuse Amps. (A)
KW: Fan Motor Rated Output (kW)
FLA: Full Load Amps. (A)
IFM:Indoor Fan Motor

C
2
4
9
9
N
9
9
Sound pressure level dB
(
0dB=0 0002
μ
bar
)
Sound pressure level dB
(
0dB=0 0002
μ
bar
)
C
onsole Type
4
4
9
. Noise L
e
9
.1 Test c
o
N
ote:
1, during ac
t
2, Anechoic
9
.2 Test v
a
9
.3 Octave
Sound
pressure
level
dB
(
0dB=0
.
0002
μ
bar
)
Audibility li
m
continuous w
h
sound
Sound
pressure
level
dB
(
0dB=0
.
0002
μ
bar
)
Audibility lim
i
continuous wh
sound
MDV-
MDV-
MDV-
MDV-
e
vels
o
ndition
t
ual operation
,
chamber con
v
a
lue
e
Band Le
v
Octave ban
d
m
its of
h
ite
Octave ban
d
i
ts of
ite
Model
-
D22Z/DN1-B
-
D28Z/DN1-B
-
D36Z/DN1-B
-
D45Z/DN1-B
MDV-D
2
MD
V
-
D
,
these value
s
v
ersion value
,
v
el
d
center frequency
d
center frequency
(
2
2Z/DN1-B
D
36Z/ DN1-B
s
are normally
measured at
(
Hz
)
Hz
)
SH
38
40
41
42
somewhat hi
g
a point 1m
Sound pressure level dB(0dB=0.0002μ bar)
Sound pressure level dB
(
0dB=0.0002
μ
bar
)
HH
38
40
41
42
g
her as a res
u
in front of the
Audibility limit
s
continuous whit
e
sound
Audibility limi
t
continuous wh
i
sound
H
38
39
39
42
M
u
lt of ambient
c
unit at a heig
h
Octave ban
d
s
o
f
e
Octave ban
d
t
s of
t
e
MDV-D28Z/
M
D
V
-D45Z/ D
N
MCA
C
Electric
a
conditions.
h
t of 1.5m
d
center frequency
d
center frequency
M
32
33
33
38
DN1-B
N1-B
C
-VTSM-2011
-
a
l Characteri
s
(Hz)
(
Hz
)
L
26
27
27
30
-
09
s
tic

M
A
1
1
1
W
M
CAC-VTSM-
2
A
ccessories
0. Acces
s
0.1 Stand
Owner’s
Installati
o
Pipe ins
u
Flexible
h
Hook
Mountin
g
Remote
c
Remote
c
Mountin
g
Alkaline
d
0.1 Optio
n
N
a
W
ired remote
(Follow me)
W
controller
(Follow me)
W
controller (Ba
c
light)
2
011-09
s
ories
ard acce
s
Name
manual
o
n manual
u
lation materi
a
h
ose tube
g
screw(ST3.
9
c
ontroller
c
ontroller hol
d
g
screw (ST2.
9
d
ry batteries(
A
n
al acces
s
a
me
controller
W
ired remote
W
ired remote
c
k ground
s
sories
a
l
9
x12-C-H)
d
er
9
x10-C-H)
A
M4)
s
ories
M
KJR-1
0
KJR-1
2
KJR-12B
Quantity
1
1
2
1
2
4
1
1
2
2
M
odel
B/DP(T)-E
B/DP(T)-E
/
DPBG(T)-E
Shape
/
/
Cod
e
2033551
9
2033551
0
2033551
0
Fitti
e
9
0000
Wi
di
s
0
0010
Wi
ot
h
0
0503
Wi
as
H
e
For drain
w
ngs for install
i
Contr
o
For holdin
g
t
h a standard
s
play board.
t
h an extra B
u
h
ers are same
t
h backgroun
d
KJR-12B/DP
(
Usage
/
/
e
at insulation
w
ater pipe co
n
ing the indoo
r
/
o
l the indoor
u
g
the remote
c
/
/
Usage
5m long cabl
e
u
ilt-in room te
m
e
as KJR-10B
d
light, all oth
e
(
T)-E
Console T
y
2
n
nection
r
unit
u
nits
c
ontroller
e
to connect t
o
m
p. sensor, al
e
rs are same
y
pe
2
45
o
l

Fresh air processing unit MCAC-DTSM-2011-09
246
Fresh air processing unit
1. Features ......................................................................................... 247
2. Specification .................................................................................. 248
3.Dimension ....................................................................................... 250
4. Service Space ................................................................................ 252
5. Piping Diagram .............................................................................. 253
6. Wiring Diagram .............................................................................. 254
7. Capacity Tables ............................................................................. 256
8. Fan Performance ........................................................................... 261
9. Electric Characteristics ................................................................ 263
10. Sound Levels ............................................................................... 264
11. Exploded View ............................................................................. 265
12.Accessories .................................................................................. 275

MCAC-DTSM-2011-09 Fresh air processing unit
Features 247
1. Features
(1) 100% Fresh Air Processing Unit
Both fresh air treatment and heating and cooling can be achieved successfully in a single system. Indoor units
unit and fresh air processing unit can be connected to the same refrigerant system, resulting in enhanced
design flexibility and a significant reduction in total system costs.
(2) High External Static Pressure
External static pressure of Indoor Unit can be up to 225Pa, which allows extensive duct work for flexible
applications. So the cool air can be delivered to every indoor corner even in a super-high ceiling. The maximal
distance of air supply is about 14m; the height of air supply is about 6.5m.
(3) Wired control and group control available.
(4) High capacity of cooling/heating and efficient.
(5) Innovative air supply, which provides homogeneous conditioning of the room temperature.
(6)Can be connected to all Midea VRV systems
Layout Example:

Fresh air processing unit MCAC-DTSM-2011-09
248 Specification
2. Specification
Sale Model MDV-D125T1/N1-FA MDV-D140T1/N1-FA
Code 220085600280 220085700250
Power supply V-Ph-Hz 220-240V-1Ph-50Hz 220-240V-1Ph-50Hz
Cooling Capacity kW 12.5 14
Heating Capacity kW 10.5 12
Max. current A 2.4 2.4
Indoor fan motor
Model YSK300-4C-1 YSK300-4C-1
Type Ac Motor Ac Motor
Brand Yong An Yong An
Input W 430 430
Capacitor uF 10 10
Speed(Hi/mi/lo) r/min 854/769/695 854/769/695
Indoor coil
Number of rows 4 4
Tube pitch(a)x row pitch(b) mm 25.4×22 25.4×22
Fin spacing mm 1.6 1.6
Fin type (code) hydrophilia arcuate fin aluminum foil
Tube outside dia. and type mm 9.52 9.52
Inner groove tube Inner groove tube
Coil length x height x width mm 996*355.6×88 996*355.6×88
Number of circuits 7 7
Indoor air flow (Hi/Mid/Lo) m3/h 1700/1350/1050 1700/1350/1050
Indoor external static pressure (Hi) Pa 30~220 30~220
Indoor noise level (Sound pressure)(Hi/Mid/Lo) dB(A) 54/52/50 54/52/50
Indoor unit
Dimension (W×H×D) mm 1368*420*691 1368*420*691
Packing (W×H×D) mm 1436*440*768 1436*440*768
Net/Gross weight Kg 69.5/76 69.5/76
Refrigerant type R410A R410A
Throttle type Electric expansive valve
Design pressure MPa 4.2/2.0 4.2/2.0
Refrigerant piping Liquid side/ Gas side mm Ф9.52/Ф16 Ф9.52/Ф16
Connection wiring Power wiring Nb×mm22*2.5+1*2.0 2*2.5+1*2.0
Signal wiring Nb×mm23*0.75 3*0.75
Drainage pipe diameter mm2 Ф25 Ф25
Controller Wire controller KJR-12B
Operation temp ℃ -5-43 -5-43
Notes:
1. Nominal cooling capacities are based on the following conditions: outdoor air temp.: 33ºC DB, 24ºC WB, equivalent ref. piping:
8m (horizontal)
2. Nominal heating capacities are based on the following conditions: outdoor temp.: 0°CDB, -1°CWB, and equivalent ref. Piping:
8m (horizontal)

MCAC-DTSM-2011-09 Fresh air processing unit
Specification 249
Sale Model MDV-D200T1/N1-FA MDV-D250T1/N1-FA MDV-D280T1/N1-FA
Code 220085801200
220085801210 220085801220
Power supply 220V-1Ph-50Hz 220V-1Ph-50Hz 220V-1Ph-50Hz 220V-1Ph-50Hz
Cooling Capacity kW 20.0 25.0 28.0
Heating Capacity kW 18.0 20.0 22.0
Max. current A 5.3 5.6 5.6
Indoor fan motor
Model YDK250-4X (×2) YDK250-4X (×2) YDK250-4X (×2)
Type Ac Motor Ac Motor Ac Motor
Brand Yong An Yong An Yong An
Input W 1000(×2) 1063(×2) 1063(×2)
Capacitor uF 10(×2) 12(×2) 12(×2)
Speed(Hi/mi/lo) r/min 855/784/712 (×2) 900/815/747 (×2) 900/815/747 (×2)
Indoor coil
Number of rows 4 4 4
Tube pitch(a)x row pitch(b) mm 25.4×22 25.4×22 25.4×22
Fin spacing mm 1.8 1.8 1.8
Fin type (code) hydrophilia arcuate fin aluminum foil
Tube outside dia. and type mm 9.52 9.52 9.52
Inner groove tube Inner groove tube Inner groove tube
Coil length x height x width mm 1125×512×88 1125×512×88 1125×512×88
Number of circuits 20 20 20
Indoor air flow (Hi/Mid/Lo) m3/h 3150/2650/2300 3300/2850/2500 3300/2850/2500
Indoor external static pressure (Hi) Pa 50~260 50~260 50~260
Indoor noise level (Sound pressure)(Hi/Mid/Lo) dB(A) 54/53/51 55/54/52 55/54/52
Indoor unit
Dimension (W×H×D) mm 1443×470×810 1443×470×810 1443×470×810
Packing (W×H×D) mm 1509×522×964 1509×522×964 1509×522×964
Net/Gross weight Kg 115/125 115/125 115/125
Refrigerant type R410A R410A R410A
Throttle type Electric expansive valve
Design pressure MPa 4.2/2.0 4.2/2.0 4.2/2.0
Refrigerant piping Liquid side/ Gas side mm Ф9.52/Ф16 Ф9.52/Ф16 Ф9.52/Ф16
Connection wiring Power wiring Nb×mm2 3×4.0 3×4.0 3×4.0
Signal wiring Nb×mm2 3×1.0 3×1.0 3×1.0
Drainage pipe diameter mm2 Ф32 Ф32 Ф32
Controller Wire controller KJR-12B
Operation temp ℃ -5-43 -5-43 -5-43
Notes:
1 .Nominal cooling capacities are based on the following conditions: outdoor air temp.: 33ºC DB, 24ºC WB, equivalent ref. piping:
8m (horizontal)
2. Nominal heating capacities are based on the following conditions: outdoor temp.: 0°CDB, -1°CWB, and equivalent ref. Piping:
8m (horizontal)

Fresh air processing unit MCAC-DTSM-2011-09
250 Service space
3. Dimension
MDV-D125T1/N1-FA,MDV-D140T1/N1-FA

MCAC-DTSM-2011-09 Fresh air processing unit
Dimension 251
MDV-D200T11/N1-FA,MDV-D250T1/N1-FA,MDV-D280T1/N1-FA

Fresh air processing unit MCAC-DTSM-2011-09
252 Service space
4. Service Space
Ensure enough space required for installation and maintenance.

MCAC-DTSM-2011-09 Fresh air processing unit
Piping Diagram 253
5. Piping Diagram
flare nut
flare nut
motor
heat exchanger
EXV
liquid side
flare nut
gas side
flare nut
liquid side
motor
fan
T2B
T2B
T2
T2
T1
T1
EXV

Fresh air processing unit MCAC-DTSM-2011-09
254 Wire Diagram
6. Wiring Diagram
MDV-D125T1/N1-FA,MDV-D140T1/N1-FA

MCAC-DTSM-2011-09 Fresh air processing unit
Wiring Diagram 255
MDV-D200T11/N1-FA,MDV-D250T1/N1-FA,MDV-D280T1/N1-FA

Fresh air processing unit MCAC-DTSM-2011-09
256 Capacity Tables
7. Capacity Tables
7.1 MDV-D125T1/N1-FA
TC: total capacity SC: sensible capacity WB: wet-bulb temperature DB: dry-bulb temperature
COOLING OUTDOOR TEMPERATURE DRY
Indoor
Conditions 20ºC DB
15ºC WB 24ºC DB
18ºC WB 27ºC DB
19ºC WB 33ºC DB
24ºC WB 38ºC DB
26ºC WB 43ºC DB
26ºC WB
20ºC DB
15ºC WB
TC kW 14.75
SC kW 11.51
24ºC DB
18ºC WB
TC kW 14.38
SC kW 10.06
27ºC DB
19ºC WB
TC kW 13.75
SC kW 9.08
33ºC DB
24ºC WB
TC kW 12.50
SC kW 7.50
38ºC DB
26ºC WB
TC kW 10.63
SC kW 5.74
43ºC DB
26ºC WB
TC kW 9.38
SC kW 4.50
HEATING OUTDOOR CONDITIONS
Indoor
Conditions 16ºC DB
12ºC WB 12ºC DB
10ºC WB 7ºC DB
6ºC WB 4ºC DB
3ºC WB 0ºC DB
-1ºC WB -5ºC DB
-6ºC WB
16ºC DB
12ºC WB Capacity kW 14.18
12ºC DB
10ºC WB Capacity kW 13.13
7ºC DB
6ºC WB Capacity kW 12.08
4ºC DB
3ºC WB Capacity kW 11.34
0ºC DB
-1ºC WB Capacity kW 10.50
-5ºC DB
-6ºC WB Capacity kW 8.93

MCAC-DTSM-2011-09 Fresh air processing unit
Capacity Tables 257
7.2 MDV-D140T1/N1-FA
TC: total capacity SC: sensible capacity WB: wet-bulb temperature DB: dry-bulb temperature
COOLING OUTDOOR TEMPERATURE DRY
Indoor
Conditions 20ºC DB
15ºC WB 24ºC DB
18ºC WB 27ºC DB
19ºC WB 33ºC DB
24ºC WB 38ºC DB
26ºC WB 43ºC DB
26ºC WB
20ºC DB
15ºC WB
TC kW 16.52
SC kW 12.89
24ºC DB
18ºC WB
TC kW 16.10
SC kW 11.27
27ºC DB
19ºC WB
TC kW 15.40
SC kW 10.16
33ºC DB
24ºC WB
TC kW 14.00
SC kW 8.40
38ºC DB
26ºC WB
TC kW 11.90
SC kW 6.43
43ºC DB
26ºC WB
TC kW 10.50
SC kW 5.04
HEATING OUTDOOR CONDITIONS
Indoor
Conditions 16ºC DB
12ºC WB 12ºC DB
10ºC WB 7ºC DB
6ºC WB 4ºC DB
3ºC WB 0ºC DB
-1ºC WB -5ºC DB
-6ºC WB
16ºC DB
12ºC WB Capacity kW 16.20
12ºC DB
10ºC WB Capacity kW 15.00
7ºC DB
6ºC WB Capacity kW 13.80
4ºC DB
3ºC WB Capacity kW 12.96
0ºC DB
-1ºC WB Capacity kW 12.00
-5ºC DB
-6ºC WB Capacity kW 10.20

Fresh air processing unit MCAC-DTSM-2011-09
258 Capacity Tables
7.3 MDV-D200T1/N1-FA
TC: total capacity SC: sensible capacity WB: wet-bulb temperature DB: dry-bulb temperature
COOLING OUTDOOR TEMPERATURE DRY
Indoor
Conditions 20ºC DB
15ºC WB 24ºC DB
18ºC WB 27ºC DB
19ºC WB 33ºC DB
24ºC WB 38ºC DB
26ºC WB 43ºC DB
26ºC WB
20ºC DB
15ºC WB
TC kW 23.60
SC kW 18.41
24ºC DB
18ºC WB
TC kW 23.00
SC kW 16.10
27ºC DB
19ºC WB
TC kW 22.00
SC kW 14.52
33ºC DB
24ºC WB
TC kW 20.00
SC kW 12.00
38ºC DB
26ºC WB
TC kW 17.00
SC kW 9.18
43ºC DB
26ºC WB
TC kW 15.00
SC kW 7.20
HEATING OUTDOOR CONDITIONS
Indoor
Conditions 16ºC DB
12ºC WB 12ºC DB
10ºC WB 7ºC DB
6ºC WB 4ºC DB
3ºC WB 0ºC DB
-1ºC WB -5ºC DB
-6ºC WB
16ºC DB
12ºC WB Capacity kW 24.30
12ºC DB
10ºC WB Capacity kW 22.50
7ºC DB
6ºC WB Capacity kW 20.70
4ºC DB
3ºC WB Capacity kW 19.44
0ºC DB
-1ºC WB Capacity kW 18.00
-5ºC DB
-6ºC WB Capacity kW 15.30

MCAC-DTSM-2011-09 Fresh air processing unit
Capacity Tables 259
7.4 MDV-D250T1/N1-FA
TC: total capacity SC: sensible capacity WB: wet-bulb temperature DB: dry-bulb temperature
COOLING OUTDOOR TEMPERATURE DRY
Indoor
Conditions 20ºC DB
15ºC WB 24ºC DB
18ºC WB 27ºC DB
19ºC WB 33ºC DB
24ºC WB 38ºC DB
26ºC WB 43ºC DB
26ºC WB
20ºC DB
15ºC WB
TC kW 29.50
SC kW 23.01
24ºC DB
18ºC WB
TC kW 28.75
SC kW 20.13
27ºC DB
19ºC WB
TC kW 27.50
SC kW 18.15
33ºC DB
24ºC WB
TC kW 25.00
SC kW 15.00
38ºC DB
26ºC WB
TC kW 21.25
SC kW 11.48
43ºC DB
26ºC WB
TC kW 18.75
SC kW 9.00
HEATING OUTDOOR CONDITIONS
Indoor
Conditions 16ºC DB
12ºC WB 12ºC DB
10ºC WB 7ºC DB
6ºC WB 4ºC DB
3ºC WB 0ºC DB
-1ºC WB -5ºC DB
-6ºC WB
16ºC DB
12ºC WB Capacity kW 27.00
12ºC DB
10ºC WB Capacity kW 25.00
7ºC DB
6ºC WB Capacity kW 23.00
4ºC DB
3ºC WB Capacity kW 21.60
0ºC DB
-1ºC WB Capacity kW 20.00
-5ºC DB
-6ºC WB Capacity kW 17.00

Fresh air processing unit MCAC-DTSM-2011-09
260 Capacity Tables
7.5 MDV-D280T1/N1-FA
TC: total capacity SC: sensible capacity WB: wet-bulb temperature DB: dry-bulb temperature
COOLING OUTDOOR TEMPERATURE DRY
Indoor
Conditions 20ºC DB
15ºC WB 24ºC DB
18ºC WB 27ºC DB
19ºC WB 33ºC DB
24ºC WB 38ºC DB
26ºC WB 43ºC DB
26ºC WB
20ºC DB
15ºC WB
TC kW 33.04
SC kW 25.77
24ºC DB
18ºC WB
TC kW 32.20
SC kW 22.54
27ºC DB
19ºC WB
TC kW 30.80
SC kW 20.33
33ºC DB
24ºC WB
TC kW 28.00
SC kW 16.80
38ºC DB
26ºC WB
TC kW 23.80
SC kW 12.85
43ºC DB
26ºC WB
TC kW 21.00
SC kW 10.08
HEATING OUTDOOR CONDITIONS
Indoor
Conditions 16ºC DB
12ºC WB 12ºC DB
10ºC WB 7ºC DB
6ºC WB 4ºC DB
3ºC WB 0ºC DB
-1ºC WB -5ºC DB
-6ºC WB
16ºC DB
12ºC WB Capacity kW 29.70
12ºC DB
10ºC WB Capacity kW 27.50
7ºC DB
6ºC WB Capacity kW 25.30
4ºC DB
3ºC WB Capacity kW 23.76
0ºC DB
-1ºC WB Capacity kW 22.00
-5ºC DB
-6ºC WB Capacity kW 18.70

MCAC-DTSM-2011-09 Fresh air processing unit
Fan Performance 261
8. Fan Performance
How to Read the Diagram
The vertical axis is the External Static Pressure (Pa) while the horizontal axis represents the Air Flow (CMH).
The characteristic curve for the “Hi,” “Mid, ” and “Lo ” fan speed control, The nameplate values are shown
based on the “Hi ” air flow.
Therefore in the case of 140T1 Type, the air flow is 1050 CMH , while the External Static Pressure is 185Pa at
“Lo ” position. And 1700 CMH is 185Pa, at‘ Hi‘ position.
MDV-D125T1/N1-FA MDV-D200T1/N1-FA
MDV-D140T1/N1-FA
MDV-D250T1/N1-FA
MDV-D280T1/N1-FA

Fresh air processing unit MCAC-DTSM-2011-09
262 Fan Performance
If the external static pressure is too great (due to long extension of duct, for example), the air flow volume
may drop too low at each air outlet.
So there’s a limit air flow volume line for each speed, which is the min. airflow of this duct unit. At this flow
volume, the fan achieve the max. ESP, and indoor evaporator may protect by low temp.
As well, there’s a limit airflow volume, which is the max. Value at each speed. It request the unit to connect
duct for air-inlet and outlet, to prevent damage from the high temp. of motor/evaporator.

MCAC-DTSM-2011-09 Fresh air processing unit
Fan Performance 263
9. Electric Characteristics
Model Indoor Unit Power Supply IFM
Hz Voltage Min. Max. MCA MFA KW FLA
MDV-D125T1/N1-FA 50 220-240V 198V 254V 2.4 5 0.3 2
MDV-D140T1/N1-FA 50 220-240V 198V 254V 2.4 5 0.3 2
MDV-D200T11/N1-FA 50 220-240V 198V 254V 5.3 10 0.25(×2)4.8
MDV-D250T1/N1-FA 50 220-240V 198V 254V 5.6 10 0.25(×2)4.8
MDV-D280T1/N1-FA 50 220-240V 198V 254V 5.6 10 0.25(×2)4.8
Remark:
MCA: Min. Current Amps. (A)
MFA: Max. Fuse Amps. (A)
KW: Fan Motor Rated Output (KW)
FLA: Full Load Amps. (A)
IFM: Indoor Fan Motor

Sound Levels MHVAC-DTSM-2011-09
264 Electric Characteristics
10. Sound Levels
Suction
Discharge
Microphone
1.4m
Concealed Duct Type
Duct
Unit Number Model Noise level under three speeds of fan (dB(A))
H M L
1 MDV-D125T1/N1-FA
54 52 50
2 MDV-D140T1/N1-B
54 52 50
3 MDV-D200T11/N1-FA
54 53 51
4 MDV-D250T1/N1-FA
55 54 52
5 MDV-D280T1/N1-FA
55 54 52

MCAC-DTSM-2011-09 Fresh air processing unit
Exploded View 265
11. Exploded View
MDV-D125T1/N1-FA

Fresh air processing unit MCAC-DTSM-2011-09
266 Exploded View
No. Part Name Q'ty BOM code No. Part Name Q'ty BOM code
1 Indoor electronic control box
components 1 203385790002 9 Base 1 201270890061
1.1 Wire joint 1 202301450122 10 Base 1 201270890040
1.2 Display box ass'y 1 203370190008 11 Front clapboard ass'y 1 201270890046
1.3 Power clamp 2 201120700053 12 Right wind wheel ass'y 1 201200300017
1.4 Indoor control board
assembly 1 201385890005 13 Left clapboard ass'y 1 201270890051
1.5 Auxiliary relay board
assembly 1 201319990018 14 Beam components 1 201285790003
1.6 Transformer 1 202300900109 15 Water tray components 1 202285790001
1.7 Wire joint, 6p 1 202301400219 16 Chassis Parts 1 201285790011
1.8 Wire joint 1 202301450116 17 Evaporator parts 1 201585790004
1.9 Welding together pieces of
electronic control box 1 201285600073 18 Evaporator left clapboard 1 201270890044
2 Compressor capacitor box 1 201226190015 19 Air filter 1 201101100044
3 Capacitor 1 202300320025 20 Rear clapboard 1 201270890045
4 Right side of the board
assembly 1 201285790006 21 Baffle ass'y 1 201270890038
5 Cover parts 1 201285790009 22 Pipe clamp B 1 201286900309
6 Fan ass'y 1 201200300018 23 Pipe clamp 1 201286900514
7 Fan motor(YSK300-4C-1) 1 202400401125 24 Piping cover parts 1 201285790001
8 Motor bracket 1 201285000306 25 Electronic control box cover 1 201285700031

MCAC-DTSM-2011-09 Fresh air processing unit
Exploded View 267
MDV-D140T1/N1-FA

Fresh air processing unit MCAC-DTSM-2011-09
268 Exploded View
No. Part Name Q'ty BOM code No. Part Name Q'ty BOM code
1 Indoor electronic control box
components 1 203385790002 9 Base 1 201270890061
1.1 Wire joint 1 202301450122 10 Base 1 201270890040
1.2 Control box cover 1 203370190008 11 Front clapboard ass'y 1 201270890046
1.3 Indoor control board
assembly 2 201120700053 12 Right wind wheel ass'y 1 201200300017
1.4 Auxiliary relay board
assembly 1 201385890005 13 Left clapboard ass'y 1 201270890051
1.5 Transformer 1 201319990018 14 Beam components 1 201285790003
1.6 Wire joint, 6p 1 202300900109 15 Water tray components 1 202285790001
1.7 Wire joint 1 202301400219 16 Chassis Parts 1 201285790011
1.8 Display board ass'y 1 202301450116 17 Evaporator parts 1 201585790004
1.9 Welding together pieces of
electronic control box 1 201285600073 18 Evaporator left clapboard 1 201270890044
2 Compressor capacitor box 1 201226190015 19 Air filter 1 201101100044
3 Capacitor 1 202300320025 20 Rear clapboard 1 201270890045
4 Right side of the board
assembly 1 201285790006 21 Baffle ass'y 1 201270890038
5 Cover parts 1 201285790009 22 Pipe clamp B 1 201286900309
6 Fan ass'y 1 201200300018 23 Pipe clamp 1 201286900514
7 Fan motor(YSK300-4C-1) 1 202400401125 24 Piping cover parts 1 201285790001
8 Motor bracket 1 201285000306 25 Electronic control box cover 1 201285700031

MCAC-DTSM-2011-09 Fresh air processing unit
Exploded View 269
MDV-D200T11/N1-FA

Fresh air processing unit MCAC-DTSM-2011-09
270 Exploded View
No. Part Name Q'ty BOM code No. Part Name Q'ty BOM code
1 Top cover ass'y 1 201285890058 26 Installation board ass'y 1 201285890086
2 Left clapboard ass'y 1 201285890098 27 Electronic control box
cover 1 201285800018
3 Up connecting board ass'y 1 201285890066 28 Below flange ass'y 1 201285890092
4 Below connecting board
ass'y 1 201285890062 29 Capacitor clamp 2 201200100005
5 Electric throttle ass'y 2 201609891569 30 Capacitor 2 202300320025
5.1 Electronic expansion valve
ass'y 1 201609891570 31 Compressor capacitor box 2 201226190015
5.2 EEV solenoid 1 201600600231 32 Indoor electronic control
box components 1 203385890008
6 Up connecting board ass'y 1 201285890101 32.1 Indoor control board
assembly 1 201385890005
7 Top cover ass'y 1 201285890053 32.2 Indoor control board
assembly 1 201385890006
8 Right cover ass'y 1 201285890068 32.3 Five Terminal Block 2 202301400247
9 Left clapboard ass'y 1 201285890075 32.4 Wire clamp 1 201219900001
10 Hook 4 201285890104 32.5 Transformer 2 202300900109
11 Up flange ass'y 1 201285890064 32.6 Wire joint, 3p 1 202301400224
12 Air filter 1 201101100012 32.7 Wire joint label,3p 1 202042000804
13 Fixing board ass'y 1 201285890083 32.8 Wire joint 3 202301450122
14 Below flange 1 201285890105 32.9 Relay 3 202300800071
15 Connection pipe ass'y 1 201685890044 32.10 Electronic control box 1 201285800017
16 Connection pipe ass'y 1 201685890045 32.11 Power clamp 2 201120700053
17 Evaporator ass'y 1 201585890002 33 Up flange ass'y 1 201285890060
18 Pipe clamp board ass'y 1 201285890049 34 Right cover ass'y 1 201285890094
19 Pipe clamp board 1 201286900301 35 Cable 2 202470600001
20 Pipe clamp board 1 201286900302 36 Cable 2 202485890003
21 Drainage pan ass'y 1 201285890080 37 Cable 2 202485890002
22 Connection board ass'y 1 201285890051 38 room temp sensor ass'y 2 202301300197
23 Wired controller 1 203355100010 39 Fan motor((YDK250-4X)) 2 202400400641
24 Display box ass'y 1 203370190008 40
Volute shell ass'y 2 201200300202
25 Base ass'y 1 201285890055

MCAC-DTSM-2011-09 Fresh air processing unit
Exploded View 271
MDV-D250T1/N1-FA

Fresh air processing unit MCAC-DTSM-2011-09
272 Exploded View
No. Part Name Q'ty BOM code No. Part Name Q'ty BOM code
1 Top cover ass'y 1 201285890058 26 Installation board ass'y 1 201285890086
2 Left clapboard ass'y 1 201285890098 27 Electronic control box cover 1 201285800018
3 Up connecting board ass'y 1 201285890066 28 Below flange ass'y 1 201285890092
4 Below connecting board
ass'y 1 201285890062 29 Capacitor clamp 2 201200100005
5 Electric throttle ass'y 2 201609891569 30 Capacitor 2 202300320025
5.1 Electronic expansion valve
ass'y 1 201609891570 31 Compressor capacitor box 2 201226190015
5.2 EEV solenoid 1 201600600231 32 Indoor electronic control box
components 1 203385890008
6 Up connecting board ass'y 1 201285890101 32.1 Indoor control board
assembly 1 201385890005
7 Top cover ass'y 1 201285890053 32.2 Indoor control board
assembly 1 201385890006
8 Right cover ass'y 1 201285890068 32.3 Five Terminal Block 2 202301400247
9 Left clapboard ass'y 1 201285890075 32.4 Wire clamp 1 201219900001
10 Hook 4 201285890104 32.5 Transformer 2 202300900109
11 Up flange ass'y 1 201285890064 32.6 Wire joint, 3p 1 202301400224
12 Air filter 1 201101100012 32.7 Wire joint label,3p 1 202042000804
13 Fixing board ass'y 1 201285890083 32.8 Wire joint 3 202301450122
14 Below flange 1 201285890105 32.9 Relay 3 202300800071
15 Connection pipe ass'y 1 201685890044 32.1
0 Electronic control box 1 201285800017
16 Connection pipe ass'y 1 201685890045 32.1
1 Power clamp 2 201120700053
17 Evaporator ass'y 1 201585890002 33 Up flange ass'y 1 201285890060
18 Pipe clamp board ass'y 1 201285890049 34 Right cover ass'y 1 201285890094
19 Pipe clamp board 1 201286900301 35 Cable 2 202470600001
20 Pipe clamp board 1 201286900302 36 Cable 2 202485890003
21 Drainage pan ass'y 1 201285890080 37 Cable 2 202485890002
22 Connection board ass'y 1 201285890051 38 room temp sensor ass'y 2 202301300197
23 Wired controller 1 203355100010 39 Fan motor((YDK250-4X)) 2 202400400641
24 Display box ass'y 1 203370190008 40 Volute shell ass'y 2 201200300202
25 Base ass'y 1 201285890055

MCAC-DTSM-2011-09 Fresh air processing unit
Exploded View 273
MDV-D280T1/N1-FA

Fresh air processing unit MCAC-DTSM-2011-09
274 Exploded View
No. Part Name Q'ty BOM code No. Part Name Q'ty BOM code
1 Top cover ass'y 1 201285890058 26 Installation board ass'y 1 201285890086
2 Left clapboard ass'y 1 201285890098 27 Electronic control box cover 1 201285800018
3 Up connecting board ass'y 1 201285890066 28 Below flange ass'y 1 201285890092
4 Below connecting board
ass'y 1 201285890062 29 Capacitor clamp 2 201200100005
5 Electric throttle ass'y 2 201609891569 30 Capacitor 2 202300320025
5.1 Electronic expansion valve
ass'y 1 201609891570 31 Compressor capacitor box 2 201226190015
5.2 EEV solenoid 1 201600600231 32 Indoor electronic control box
components 1 203385890008
6 Up connecting board ass'y 1 201285890101 32.1 Indoor control board
assembly 1 201385890005
7 Top cover ass'y 1 201285890053 32.2 Indoor control board
assembly 1 201385890006
8 Right cover ass'y 1 201285890068 32.3 Five Terminal Block 2 202301400247
9 Left clapboard ass'y 1 201285890075 32.4 Wire clamp 1 201219900001
10 Hook 4 201285890104 32.5 Transformer 2 202300900109
11 Up flange ass'y 1 201285890064 32.6 Wire joint, 3p 1 202301400224
12 Air filter 1 201101100012 32.7 Wire joint label,3p 1 202042000804
13 Fixing board ass'y 1 201285890083 32.8 Wire joint 3 202301450122
14 Below flange 1 201285890105 32.9 Relay 3 202300800071
15 Connection pipe ass'y 1 201685890044 32.1
0 Electronic control box 1 201285800017
16 Connection pipe ass'y 1 201685890045 32.1
1 Power clamp 2 201120700053
17 Evaporator ass'y 1 201585890002 33 Up flange ass'y 1 201285890060
18 Pipe clamp board ass'y 1 201285890049 34 Right cover ass'y 1 201285890094
19 Pipe clamp board 1 201286900301 35 Cable 2 202470600001
20 Pipe clamp board 1 201286900302 36 Cable 2 202485890003
21 Drainage pan ass'y 1 201285890080 37 Cable 2 202485890002
22 Connection board ass'y 1 201285890051 38 room temp sensor ass'y 2 202301300197
23 Wired controller 1 203355100010 39 Fan motor((YDK250-4X)) 2 202400400641
24 Display box ass'y 1 203370190008 40 Volute shell ass'y 2 201200300202
25 Base ass'y 1 201285890055

MCAC-DTSM-2011-09 Fresh air processing unit
Exploded View 275
12. Accessories
Name Quantity Function
Installation manual 1 /
Pipe insulation material 2 Heat insulation
Accessory drain pipe 1 To connect drain pipe
Adhesive tape for seal 1 To connect drain pipe
Adhesive tape for seal 1 To connect refrigerant pipe
Wire controller(KJR-12B) 1 To control the air-conditioner
Connective pipe 2 To connect electrical restriction assembly
controller manual 1 /

Note: The data in this book may be changed without notice for further improvement on quality and performance
The International Division
Midea Air Conditioning and Refrigeration Sector
Add: Midea headquarter building, No.6 Midea Avenue, Beijiao Town,
Shunde District, Foshan City, Guangdong, P.R. China
Postal code: 528311
Tel:+86-757-26338346
Fax: +86-757-26339337
http://www.midea.com http://www.mideaaircon.com
GD Midea Refrigeration Equipment Co., Ltd.
Have received ISO 9001 certification for
quality assurance.
Certificate Registration
NO.01 100 019209
GD Midea Refrigeration Equipment Co., Ltd.
Have received environmental management
system
Standard ISO 14001 certification
Certificate NO.CC 1417
MCAC-VTSM-2011-09