Microsoft RTB06 !! RTB12544
Preview ! RTB12544 Swisher Lawn Mower Manuals - Lawn Mower Manuals – The Best Lawn Mower Manuals Collection
User Manual: !! Swisher Lawn Mower Manuals - Lawn Mower Manuals – The Best Lawn Mower Manuals Collection
Open the PDF directly: View PDF
.
Page Count: 20

44” ROUGH CUT
TRAIL CUTTER
OWNER’S
MANUAL
1602 CORPORATE DRIVE, P.O. BOX 67, WARRENSBURG, MISSOURI 64093
PHONE (660) 747-8183 FAX (660) 747-8650
Manufacturing quality lawn care equipment since 1945
Assembly
Operation
Service and Adjustment
Repair Parts
Made In The
USA
Rev. 06-006
swisherinc.com
MODEL NO.
STARTING SERIAL #:
L506-006001
RTB115441
RTB12544
RTB134412V
RTB14544
POLB10544HD
10292

2
In the event you have a claim under this warranty, you must return the product to an authorized
service dealer. All transportation charges, damage, or loss incurred during transportation of parts
submitted for replacement or repair under this warranty shall be borne by the purchaser. Should you
have any questions concerning this warranty, please contact us toll-free at 1-800-222-8183. The
model number, serial number, date of purchase, and the name of the authorized Swisher dealer from
whom you purchased the mower will be needed before any warranty claim can be processed.
THIS WARRANTY DOES NOT APPLY TO ANY INCIDENTAL OR CONSEQUENTIAL
DAMAGES AND ANY IMPLIED WARRANTIES ARE LIMITED TO THE SAME TIME
PERIODS STATED HEREIN FOR ALL EXPRESSED WARRANTIES. Some states do not
allow the limitation of consequential damages or limitations on how long an implied warranty may
last, so the above limitations or exclusions may not apply to you. This warranty gives you specific
legal rights and you may have other rights, which vary from state-to-state. This is a limited warranty
as defined by the Magnuson-Moss Act of 1975.
LIMITED WARRANTY
The manufacturer’s warranty to the original consumer purchaser is: This product is free from defects
in materials and workmanship for a period of one (1) year from the date of purchase by the original
consumer purchaser. We will repair or replace, at our discretion, parts found to be defective due to
materials or workmanship. This warranty is subject to the following limitations and exclusions:
TABLE OF CONTENTS
WARRANTY………………....….2
INTRODUCTION………………..3
SAFETY..……………………….3-4
ASSEMBLY………………..…….4
OPERATION……………………5-7
CUTTER MAINTENANCE..…….…..8
TROUBLESHOOTING………………9
DECALS…..………….………………10
PARTS BREAKDOWN……………11-17
1) Engine Warranty All engines utilized on our products have a separate warranty extended
to them by the individual engine manufacturer. Any engine service
difficulty is the responsibility of the engine manufacturer and in no
way is Swisher Mower Co., Inc. or its agents responsible for the engine
warranty. The Briggs & Stratton Engine Service Hot-Line is 1-800-
233-3723. The Tecumseh Engine Service Hot-Line is 1-800-558-5402.
The Honda Engine Service Hot-Line is 1-800-426-7701.
2) Commercial Use This product is not intended for commercial use and carries no
commercial warranty.
3) Limitation This warranty applies only to products which have been properly
assembled, adjusted, and operated in accordance with the instructions
contained within this manual. This warranty does not apply to any
product of Swisher Mower Co., Inc., that has been subject to alteration,
misuse, abuse, improper assembly or installation, shipping damage, or
to normal wear of product.
4) Exclusions Excluded from this warranty are normal wear, normal adjustments, and
normal maintenance.

SAFETY PRECAUTIONS
This Safety Alert Symbol indicates important messages in this
manual. When you see this symbol, carefully read the message that
follows and be alert to the possibility of personal injury.
Read this manual completely. This machine can amputate hands and feet, and
throw objects. Failure to observe the following safety instructions could result in
serious injury or death.
Thank you for choosing Swisher’s 44 ‘’ Trailcutter. Before operating
your cutter, please read, understand and follow all of the safety precautions
and other instructions explained in this manual . As with all power
equipment, lawn mowers,and cutters can be potentially dangerous if
improperly used.
3
• Read the manual. Learn to operate this machine safely.
• Always disconnect the spark plug wire and place the wire where it cannot contact the
spark plug, to prevent accidental starting the engine when setting up, transporting,
adjusting or making repairs.
• Keep all shields and guards in place.
• Understand the speed, steering and stability of this machine. Know the positions and
operations of all controls before you operate this machine. Check all of the controls in
a safe area before starting to work with this machine.
• Allow only responsible adults who are familiar with these instructions to operate this
machine. Never allow children to operate this machine.
• Clear the area of objects such as rocks, toys, wire, etc. that can be picked up and
thrown by the blade.
• Be sure the area is clear of other people before mowing. Be aware of the cutters
discharge direction and do not point at anyone. Stop the machine if anyone enters the
cutting area. Children are often attracted to the machine and the mowing activity.
Never assume that children will remain where you last saw them. Keep children
under the watchful care of another responsible adult.
•No riders!
• Do not put hands or feet near or under rotating parts.
• Do not mow in reverse. Always look down and behind before and during backing.
• Turn off the blades when not cutting. Before leaving the machine, turn off the blades
and stop the engine.
• Watch for traffic when operating near or crossing roadways.
• Do not operate the cutter if it has been dropped or damaged in any manner or if the
mower vibrates excessively. Excessive vibration is an indication of damage.
Repair cutter as necessary.
• Dress properly. Do not operate the cutter when barefoot or wearing open sandals.
Wear only solid shoes with good traction when cutting.
• Never allow operation by untrained persons.
• Do not operate the machine while under the influence of alcohol or drugs.
• Do not operate on slopes greater than 15 degrees.
• Never tamper with safety devices. Check their proper operation regularly.
• Stop and inspect the equipment if you strike an object. Repair, if necessary, before
restarting. Never make adjustments or repairs with the engine running.
• Cutter blades are sharp and can cut. Wrap the blades or wear gloves, and use extra
caution when servicing them. Do not operate at too fast a rate.
• Return lever to its vertical position to disengage blades.
• The braking system is applied when the blades become disengaged. It is designed to
bring the blades to a quick stop (approximately 7 seconds). Each Trailcutter brake
system has been set at the factory. For safety, the consumer should not alter the
braking system.
• Disengage spark plug wire and place where it cannot make a connection.
• Refer to Figure 2 p.11. Attach hitch assembly parts to front of mower . Insert 3/8-16 X 2 ½ through
plate and attach 3/8-16 nut to the bottom. Tighten nut tight until tube is clamped then back off ½
turn to allow tube to pivot.
• The L hitch can be adjusted up or down to level the deck from front to back
• Check engine oil. All engines are filled with oil at the factory. Verify oil level and
add if necessary before starting engine. (See Engine Owner’s Manual)
• Verify fuel level and add if necessary before starting engine.
• Check the battery (if so equipped). If battery is put into service after the “month & year” of the
date on the battery, then it may need to be charged with a 12 volt battery charger for a minimum
of 1 hour, but no more than 2 hours at a rate of 6 to 10 amps.
• Attach battery cable(s) to battery. ( if so equipped ) Red
wire to positive (FIRST) and black wire to
negative (SECOND).
• Reconnect spark plug wire.
• (Refer to Owner’s Manual p. 5) For proper operating procedures.
ASSEMBLY
4

5
OPERATING YOUR TRAILCUTTER
The operation of any mower can produce foreign objects to be thrown into the eyes, resulting in severe eye
damage. Always wear certified safety glasses or wide-vision safety goggles over spectacles before staring any
cutting machine and while operating such a machine.
The operation of any cutter produces sound waves that are damaging to the human ear. Ear protection is
recommended.
CAUTION! Tragic accidents can occur if the operator is not alert to the presence of children.
Children are often attracted to the machine and the mowing activity. Never assume that children will
remain where you last saw them.
INTENDED USE
The 44” Rugged Cut Trailcutter is designed to clear dense areas of grass and cut saplings
up to 1-1/2 inch thick on meadows and small estates. It is not intended to create a finish
cut on lawns.Your Trailcutter should be towed behind an ATV, golf cart, lawn tractor or
other approved vehicle. It is not recommended for speeds exceeding 5 MPH.
ATTACHING TRAILCUTTER TO TOW VEHICLE
• Back vehicle up to desired towing position.
• Offset the Trail Cutter to the side opposite the tow vehicle discharge (if any).
This prevents the tow vehicle from throwing grass into Trailcutter engine.
• Bolt swivel hitch (H10) to tow vehicle receiver. If tow vehicle has a ball
hitch, the ball must be removed before swivel hitch can be fastened.
• Attach tow hitch and the “L” hitch to the swivel hitch. (Ref Fig 2)
The hitch pin (H11) should go completely through both the swivel and “L”
hitches and clipped to prevent accidental separation. Check that all hardware
is secure at both the tow vehicle and the Trailcutter.
TRANSPORTING CUTTER
• Stop Trailcutter.
• Place Trailcutter deck in its highest position.
• When transporting unattached from tow vehicle, remove spark plug wire and
place it where it cannot contact the spark plug.
STOPPING THE ENGINE
• Make sure the tow vehicle parking brake is set
• Disengage cutting Blades
• Reduce engine to idle speed and allow engine to run momentarily for cooling
• Turn the key to the off position

6
ENGAGING BLADES
Note: Do not attempt to start the unit with the T-handle console in the ‘’ ENGAGED ’’ position.
• Engage blades by pulling down the T-handle lever into the horizontal position.
• Return lever to the vertical position to disengage blades. See detail on page 14 figure – 8
•The braking system is applied when the blades become disengaged. It is designed to bring the blades
to a quick stop ( approximately 7 seconds. ) Each TrailCutter brake system has been set at the factory
the consumer should not alter any part of the brake system.
BREAKING IN YOUR CUTTER
• Set the vehicle parking brake and chock the wheels to prevent accidental rolling.
• While the engine is running, slowly, engage blade control.
• In a safe environment, (i.e. no children or pets) allow blades to rotate and engine to
idle for 5 minutes, breaking in the belt for a longer life.
• Stop cutter.
FRONT TO BACK ADJUSTMENT
For best cutting results, the cutter deck should be parallel to the ground. To check parallel
adjustment, measure the distance from the bottom edge of the deck in both the front and rear of
the deck. This adjustment is best done while the tow vehicle and Trailcutter are connected.
• Remove bolt and nut from the “L” hitch (Ref Fig 2 ).
• Raise or lower hitch section to obtain proper front to back adjustment.
• Connect bolt and nut in “L” hitch securely, Then rotate nut counter- clockwise ½
turn,“L” hitch should pivot freely.Bolt must go completely through nut ( but do not
over tighten). See figure – 2, page 11
CAUTION: SHUT OFF THE CUTTER ENGINE AND REMOVE SPARK
PLUG WIRE FROM SPARK PLUG BEFORE MAKING ANY
ADJUSTMENTS TO THE CUTTER.
STARTING THE ENGINE
See engine manufacturer’s recommendations for the type and amount of oil and fuel used.
• Make sure the tow vehicle parking brake is set, mower is level, and blades are
disengaged. Engine must be level to accurately check and fill oil. Do not overfill.
• Check spark plug wire, oil, and fuel.
• Check all electrical connections for build-up of debris.
• Set engine idle to “CHOKE” position.
• Turn key to the “RUN” position.
• Pull rope with a single fluid motion.
• (12V models only) Turn key to the “RUN” position, then to the “START” position.
• Set engine idle at maximum RPM for best performance.
• Allow engine to run a few moments before engaging blades.

7
CUTTER HEIGHT ADJUSTMENT
• There is approximately 4 inches of height adjustment.
• Rotate height adjust crank handle in a clockwise direction to lower the mower deck.
counter-clockwise direction to lift the mower deck.
• Dense areas of material should be cut twice.
• Push handle down to lock height position.
TOW HITCH OFFSET
• When offsetting the cutter do so to the side opposite the discharge of the tow
vehicle.
• Swisher recommends if the tow vehicle is equipped with a mid-mount mower to
overlap the cut approximately 6”. This may vary depending on mowing terrain,
obstacles, and/or tow vehicle. Always keep safety the first priority.
• Always keep the tow vehicle cutter raised higher than the Trailcutter
• To change the offsetting position both ball-lock pins should be removed (Figure Two). The hitches
will swivel around remaining bolts. Set hitches to desired positions and return ball-lock pins, making
sure they go through the hitch tubing and the semi-circled hole patterned plates.
STARTING TO CUT
• Adjust the cutting height.
• Double check vehicle to cutter attachment.
• Start mower engine and set throttle to “FAST” for best cutting performance.
• Slowly engage T-handle lever.
see figure-8 page 14
• Carefully mount tow vehicle and start mowing at a slow travel speed.
STOPPING THE CUTTING SESSION
• Bring tow vehicle to a complete stop, set the parking brake and disengage blades.
• Turn key switch to the “OFF” position.
• Always remember to remove keys to avoid irresponsible usage.
SUGGESTED CUTTING PRACTICES
• Operate cutter engine at full throttle to assure the best cutting performance and
maximum material discharge.
• Allow wet grass to dry. Wet grass will clump and collect under the mowing deck.
• Cutter should be started with tow vehicle in low gear and increased only as safe
mowing conditions permit. Cutting speed should not exceed 5 MPH.
• Cutting conditions and the types of grass will vary from place to place. You may
find when cutting dense areas that the pressure of the wheel tracks may cause the
grass to be pushed down and not effectively mowed. If this happens you may want
to mow the area twice. Once with the cutter raised and the second cutting at the
desired height. The second cutting should be at a right angle from the previous for
best results.
• Reducing the travel speed will help cut dense growth. This allows the blades the
time necessary to make its initial cut, and regain momentum to continue cutting and
discharging debris properly. The engine may stall if you are mowing too fast!
• Do not attempt to cut areas that the tow vehicle cannot maneuver through and/or
slopes that you do not feel comfortable riding.

8
GENERAL RECOMMENDATIONS
The warranty on this cutter does not cover items that have been subjected to operator
abuse or negligence. To receive full value from the warranty, operator must maintain
unit as instructed in this manual.
Some adjustments will need to be made periodically to maintain your unit properly.
BEFORE EACH SEASON
A new spark plug and clean air filter assure proper air fuel mixture and help your engine
run better and last longer.
• Replace the spark plug.
• Clean or replace the air filter.
• Check blades and belts for wear.
BEFORE EACH USE
• Check engine oil level. (Do this twice to ensure an accurate reading.)
• Check condition of air filter and clean or replace if necessary.
• Check blade operation.
• Check for loose fasteners.
• Lubricate threads of adjustment rod P/N 4006 figure –4 page 12
DAILY MAINTENANCE
Make sure all nuts and bolts are tight and cotter pins and retainer springs are secure.
Keep blades sharp. Observe all safety precautions.
BLADE CARE AND SERVICE
For best results cutter blades must be kept sharp. The blades can be sharpened with a
few strokes of a file or grinding wheel. Do Not attempt to sharpen while on the cutter.
Important:
Replace blades that have been damaged or deeply nicked.
Important:
Check blade and spindle hardware on a regular basis to make sure
nuts are tight.
CAUTION: DO NOT HANDLE CUTTER BLADES WITH BARE HANDS.
CARELESS OR IMPROPER HANDLING MAY RESULT IN SERIOUS
INJURY.
CUTTER MAINTENANCE

The unit is not cutting level.
• Level deck. Check air pressure of all tires; make sure they are equal. See
tires for maximum inflation.
• Without the engine running, make certain blades are installed identically.
The engine will not start.
• Disengage blades, turn key switch to the “OFF” position, check battery and
all other electrical connections and inspect spark plug and wire.
• Contact engine manufacturer or qualified mechanic.
Engine runs poorly.
• See engine manual.
• Check the throttle adjuster.
• Replace fuel, clean fuel filter and fuel line.
• Check spark plug and gap.
Cutter bounces excessively while towing.
• Lower tire pressure.
• Tow at a lower speed.
IF PROBLEMS PERSIST HAVE A QUALIFIED MECHANIC SERVICE
THE CUTTER. NEVER ATTEMPT TO MAKE AN ADJUSTMENT THAT
YOU ARE NOT SURE IS CORRECT. DOING SO CAN CAUSE OTHER
PROBLEMS.
9
GENERAL TROUBLESHOOTING

SAFETY AND OPERATIONAL DECALS
Replace decal immediately if damaged. Order by part number from
Swisher Mower and Machine Co. Inc. 1-800-222-8183,8-5 CT M-F
OD82-44 RUGGED CUT DECAL
OD29-DANGER DECAL
OD39-SWISHER FLAG DECAL
OD33-5MPH DECAL
OD36-Deflector Decal
OD55-DANGER DECAL
OD45-WARNING DECAL
OD10-ENGAGE DECAL
OD99-OFF/RUN DECAL OD28-OFF/RUN/START DECAL
10
OD99112 LARGE SWISHER LOGO

When ordering replacement parts
* = USE PAINT CODE: TC=TEX.RED,S=SILVER,TK=TEX.BLACK
HITCH BAR ASSEMBLY
FIGURE 2
Item # Description Part #
1 5/16-18 X 1 HCC GR5 ZP NB501
2 Metal Strap For Rubber Flap 4853*
3 Rubber Flapper 10384
4 5/16-18 Nylock Nut NB181
5 Deck Weldment 10357*
FRONT SKIRT ASSEMBLY
FIGURE 1
1
2
3
4
5
11
12
1
2
3
4
5
6
7
8
9
10
13
Item # Description Part #
1 Hitch Tube 11143*
2 3/8'' -16 x 3'' GR.5 BOLT NB221
3 L-Hitch H1TK
4 5/8''-11 X 1-1/2'' Bolt NB145Z
5 5/8''-11 Nylock Nut NB561
6 3/8''-16 Nylock Nut NB182
7 5/16-18 X 2 1/2 HCC GR5 ZP NB138
8 5/16-18 Nyloc Nut NB181
9 Safety Hitch Pin H11
10 Swivel Hitch H10TK
11 Lift Bar Weldment 10369TK
12
3/8-16 X 1 1/4 Grade 5 Hex Bolt
NB618
13
3/8-16 Lock Nut
NB182
14 Cap 10063
15 3/8 Lock Pin NB520
16 RT-44 Hitch Weldment 11145*
11
14
15
16

12
FIGURE 4
BLADE DRIVER ASSEMBLY
FIGURE 5
Item # Description Part #
1 Stump Jumper Weldment 4859TK
2 3/4 '' Washer ZP NB179
3 Blade 10358
4 3/4''-10 X 2 1/2 ''GR8 Bolt NB611
5 3/4-10 Nyloc Nut NB609
6 1"ID X 2"OD X 14GA Bellville Washer NB738
7
1'' X 1 1/2'' 10GA Washer Hardened PLN
NB614HT
8 Blade Bearing 4845
9 Tube Spacer 4049
10 Blade Driver 4858TK
11 1/2''-13 X 2'' HCC GR5 ZP NB509
12 1/2''-13 Nylock Nut NB281
13 Spacer BB105SL
14 Blade Pulley- 10.3125" 4846
15 1''-8 X 7 1/2" GR8 ZP NB601
16 1''-8 Nylock Nut ZP NB612
17 Blade Driver Complete 4872
18 1/2 Flat washer NB555
Item # Description Part #
1 5/16-18 x 3/4 Serr Flg. Bolt NB596
2 5/16-18 Serrated Flng Nut ZY NB170
3 Wheel, Tire, Bearing 4834
4 Back Cover 10366*
5 Front Cover 10367*
6 Motor Base 10343*
7 Axle Bar Weldment Right 10356TK
8 Axle Bar Weldment Left 10355TK
9 Front Tube Weldment 10342TK
10 Deck Front 10368*
11 Deck Top Weldment 10353*
12 Height Adjust Rod 4006
13 Pivot Block 4007TK
14 1/2''-13 X 1 1/2'' HTC GR2 ZP NB588
15 3/4'' ID X 1 1/4'' OD 18 GA Washer NB179
17 1/2''-13 Nylock Nut NB281
18 1/2'' NR Mach Bushing 14 GA NB177
19 SPACER 10290
20 5/8"ID X 1"OD 14 GA Washer NB149
21 1/8'' x 1'' Cotter Pin NB126
22 Plastic Knob H7K
23 Crank Rod ES214
24 Pal Nut NB276
25 13/16'' X 1 1/4'' X 1/8'' Washer NB195
26 5/16-18 x 1'' Serr. Flng.Bolt 10548
27 3/4'' ID x 1-1/4'' OD Washer NB179
28 .512 X 1.26 X .138 Washer 10291
When ordering replacement parts
* = USE PAINT CODE:
TC=TEX.RED,S=SILVER,TK=TEX.BLACK
1
16
6
14
13
8
12
10
11
9
85
6
15
4
3
7
18
2
1
2
1
3
4
5
6
8
9
7
10
11
12
13
2
1
26
28
28
18
17
17
20
14
14
19
2
1
15
21
18
22
23
24
25
15

13
FIGURE 6
ENGINE PULLEY ASSEMBLY
NOT ACTUAL
ENGINE USED
(REF. ONLY)
Item # Description Part #
1 1/2''-13 X 2 1/2'' HCC GR5 ZP NB510
2 Idler Arm 6681TK
3 1/2''-13 2-Way Jam Lock Nut NB121
4 1/4''-20 Nylok Nut NB180
5 1/4''-20 X 3/4'' GR5 ZP NB250
6 Clutch Cable Clevis 9023mod
7 Belt Engage Arm 4898TK
8 1/4''-20 X 1'' HCC GR5 ZP NB102
9 1/4'' SAE Washer NB274
10 5/64'' X 3/4''Cotter Pin NB519
11 5/16''-18 Nyloc Nut NB181
12 Spacer B99S
13 3/8'' Hardened Washer NB196
14 5/16''-18 X 1'' HCC GR5 ZP NB501
15 3/8-16 Nyloc Nut NB182
16 Washer Belleville 699
17 Brake Arm Assembly 4893
20 1/2'' X 1-9/16'' Shoulder Bolt NB220
21 Torsion Brake Spring 9040
22 Brake Rod 4891TK
23 1/4''-20 HX Nut ZP NB139
24 Clutch Rod Spring 682S
25 3/8''-16 X 2 1/2'' HTC GR5 ZP NB619
26 3/8''-16 HNC GR2 ZP NB212
27 Idler Pulley OD-3.25", ID-3/8" B527
28 3/8'' SAE Washer NB272
29 3/8''-16 Nyloc Nut NB182
FIGURE 7
BELT ENGAGE CONFIGURATION
1 Engine B&S N/A
2 5/16-18 Serrated Flange Nut NB170
3
5/16''-18 X 1 1/4'' Serrated Flange Bolt
NB253
4 5/16'' USS Flat Washer ZP NB556
5 RT44 Belt Guide 4867
6 Spacer For Engine Pulley BB105S
7 5/16''-18 X 2 1/4 ''Flang Serr. GR5 ZP NB622
8 Engine Pulley- 4.25"OD,1 1/4'' ID BB105
9 1/4'' X 1'' Key Stock 9031
10 Spacer Lower For Engine Pulley BB105SL
11 Washer TR150W
12 Washer Belleville Engine Pulley 699
13 7/16''-20 X 1 HCF GR5 ZP NB452N
14 Oil Drain Valve AS122
15 Oil Drain Cap AS123
16 5/16-18 Nyloc Nut NB181
When ordering replacement parts
* = USE PAINT CODE:
TC=TEX.RED,S=SILVER,TK=TEX.BLACK
14
15
2
3
4
5
647
89
10
11
9
17
16
10
15
14
13
12
20
1
21
22
23
24
25
26
27
28
29
1
79
6
8
10 11 12
13
4
2
5
3
13
16

14
CONSOLE ASSEMBLY
FIGURE 8
1
2
3
4
5
6
7
8
13
12
10
11
10
9
14
15
10
16
10
17
FIGURE 9
P/N B527
P/N 4846
P/N BB105
P/N BA50
ENGINE TO BLADE PULLEY
CONFIGURATION
18
Item # Description Part #
1 T Handle for Console 4463TK
2 1/4-20 Nylok Nut NB180
3 5/16-18 Nyloc Nut NB181
4 5/16-18 X 1 1/2 Torx Pan ZP NB591
5 Console Weldment 4575TK
6 Key Switch Lock Washer 9088
7 Key Switch Nut 9087
8 Key Switch ON-OFF, 2 Prong KSM
Key Switch ( 12-VOLT ) 3623
9 1/4-20 X 2 1/2 HCC GR2 ZP NB141
10 1/4 SAE Washer NB274
11 Console Mount Plate 4852TK
12 1/4-20 Wing Nut ZP NB608
13 1/4 X 1 1/2 Clevis Pin NB518
14 1/4-20 X 1 1/4 HCC GR5 ZP NB560
15 Clutch Cable Clevis 9023MOD
16 Link for Console 4461TK
17 3/32 X 3/4 Cotter Pin NB597
18
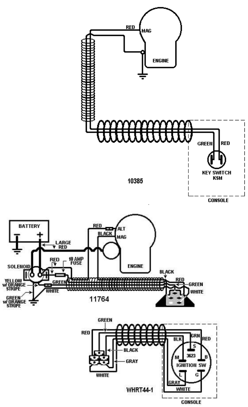
Wiring Harness B&S (RTB115441, RTB12544, POLB10544HD)
10385
Wiring Harness B&S (RTB134412V) console
WHRT44-1
Wiring Harness B&S (RTB134412V) engine
11764
Wiring Harness B&S (RTB14544)
10299
19 Engage Cable BR20CC
When ordering replacement parts
* = USE PAINT CODE:
TC=TEX.RED,S=SILVER,TK=TEX.BLACK
Disengage Blades
19

WIRING DIAGRAM ( RTB115441, RTB12544, POLB10544HD )
FIGURE 10
WIRING DIAGRAM ( RTB134412V )
FIGURE 11
15

Notes
16
10299
WIRING DIAGRAM ( RTB14544 )
FIGURE 12

17
Item # Description Part #
1 Battery Box 10298TK
2 12 volt Wiring Harness (RTB134412V) WHRT44-1
3 Key Switch 3623
4 Key Switch Nut 9087
5 Key Switch Lock Washer 9088
6 Decal On / Off OD28
7 Tank Mount Weldment 10763TK
8 Gas Tank Mount 6078TK
9 Lock Pin H11
10 Gas Tank Assembly 6059
Not Shown 12 volt Wiring Harness ( Engine) WHRT44-2
Not Shown M6-1.0 Nut Yellow Zinc NB600
Not Shown Solenoid Assembly 12 Volt 10806
Not Shown Battery Hold Down, 15" Tarp Strap BHOLD
Not Shown Battery Cable (Black 10") BCS
Not Shown Battery Cable (10" Red) BCSR
Not Shown Battery Cable Small Rubber Boot BCBT
Not Shown Battery Pad BATPAD
Sold Separately Battery (U1R) N/A
When ordering replacement parts
* = USE PAINT CODE: TC=TEX.RED,S=SILVER,TK=TEX.BLACK
REPAIR PARTS
Your 44’’ Trailcutter has been produced with components designed specific to this
machine. Although standard V-belts, springs, bearings, blades, pulleys, hardware, etc.
look similar to parts used on other machinery, they may in some cases be made of a
different construction and/or materials.
12
2
6
5
4
3
8
10
9
7
18
YOUR WARRANTY RIGHTS AND OBLIGATIONS: The California Air Resources Board and Swisher Mower, is pleased to explain
the evaporative emission control system (EECS) on your model year 2006 and later Swisher Product. In California, new Outdoor
Power Equipment, must be designed, built and equipped to meet the State’s stringent anti-smog standards. Swisher Mower must
warrant the EECS on your Power Equipment, for the period of time listed below provided there has been no abuse, neglect, or
improper maintenance. For model year 2006 the EECS on your mower includes the liquid fuel lines, fuel line connectors, and fuel
line clamps. Where a warrantable condition exists, Swisher Mower will repair at no cost to you. Expenses covered under warranty
include diagnosis, parts, and labor.
MANUFACTURER’S WARRANTY COVERAGE: For a period of two years, any evaporative emission-related part included in the
list of EECS parts for your mower is defective, the part will be repaired or replaced by Swisher Mower.
OWNER’S WARRANTY RESPONSIBILITIES: As the owner of this Power Equipment, you are responsible for performance of the
required maintenance listed in your owner’s manual. Swisher Mower recommends that you retain all receipts covering maintenance
on your Power Equipment, but Swisher Mower cannot deny warranty solely for the lack of receipts. As the Power Equipment owner,
you should be aware that Swisher Mower, may deny you warranty coverage if your Power Equipment, or a covered part has failed
due to abuse, neglect, or improper maintenance, unapproved modifications, or the use of parts not made or approved by the
equipment manufacturer. You are responsible for presenting your Power Equipment to an authorized Swisher Service center as
soon as the problem exists. Warranty repairs should be completed in a reasonable amount of time, not to exceed 30 days. If you
have a question regarding your warranty rights and responsibilities, you should contact the Swisher Mower Service representative at
1-800-222-8183.
WARRANTY COMMENCEMENT DATE: The warranty period begins on the date the Power Equipment Is purchased.
LENGTH OF COVERAGE: This warranty shall be for a period of two (2) years from the initial date of purchase.
WHAT IS COVERED: Warranted parts include the Liquid fuel line, fuel line connectors, and fuel line clamps.
REPAIR OR REPLACEMENT OF PARTS: Repair or replacement of any evaporative warranted part will be performed at no charge
to the owner at an authorized Swisher Mower Service Center. If you have a question regarding your warranty rights and
responsibilities, you should contact your nearest authorized service center or call the Swisher Mower Service representative at 1-
800-222-8183.
WARRANTY PERIOD: Any warranted part is not scheduled for replacement as required maintenance, or which is scheduled only
for regular inspection to the effect of “repair or replace as necessary” shall be warranted for two (2) years. Any warranted part that
is scheduled for replacement as required maintenance shall be warranted for the period of time up to the first scheduled
replacement point for that part.
DIAGNOSIS: The owner shall not be charged for diagnostic labor that leads to the determination that a warranted part is defective if
the diagnostic work is performed at an authorized Swisher Service Center.
CONSEQUENTIAL DAMAGE: Swisher Mower, may be liable for damages to other engine or equipment components caused by the
failure of a warranted part still under warranty.
WHAT IS NOT COVERED: All failures caused by abuse, neglect, or improper maintenance is not covered.
ADD-ON OR MODIFIED PARTS: The use of add-on or modified parts may be grounds for disallowing a warranty claim. Swisher
Mower is not liable to cover failures of warranted parts caused by the use of an add-on or modified part.
HOW TO FILE A CLAIM: If you have a question regarding your warranty rights and responsibilities, you should contact your nearest
authorized service center or call Swisher Mower Service representative at 1-800-222-8183.

Maintenance Log
Notes
Date Oil
Changed
Date
Changed
Belts
Date Blades
Sharpen or
Changed
19

OWNER’S
MANUAL
44”ROUGH CUT
TRAILCUTTER
Each mower has its own model number. Each engine has its
own model number. The model number for the mower will be
found on the right hand side of the motor mount. The model
number for the engine will be found on the top of the valve
cover.
All mower parts listed herein may be ordered directly from
Swisher Mower & Machine Co. Inc. or your nearest Swisher
dealer.
All engine parts may be ordered from the nearest dealer of the
engine supplied with your mower
.
WHEN ORDERING PARTS, PLEASE HAVE THE
FOLLOWING INFORMATION AVAILABLE:
* PRODUCT – 44’’ TRAILCUTTER
* SERIAL NUMBER - _______________
* MODEL NUMBER - _______________
* ENGINE MODEL NUMBER - _______________
TYPE - _______________
* PART NUMBER
* PART DESCRIPTION
TELEPHONE - 1-800-222-8183
FAX - 1-660-747-8650
SWISHER MOWER & MACHINE CO., INC.
1602 CORPORATE DRIVE; P.O. BOX 67
WARRENSBURG, MO 64093
www.swisherinc.com
SWISHER MOWER & MACHINE CO.,INC.
PRINTED IN U.S.A.
swisherinc.com
MODEL NO.
RTB115441
RTB12544
RTB134412V
RTB14544
POLB10544HD