DsPIC30F FRM Reference Manual
User Manual:
Open the PDF directly: View PDF
.
Page Count: 772 [warning: Documents this large are best viewed by clicking the View PDF Link!]
- Section 1. Introduction
- Section 2. CPU
- HIGHLIGHTS
- 2.1 Introduction
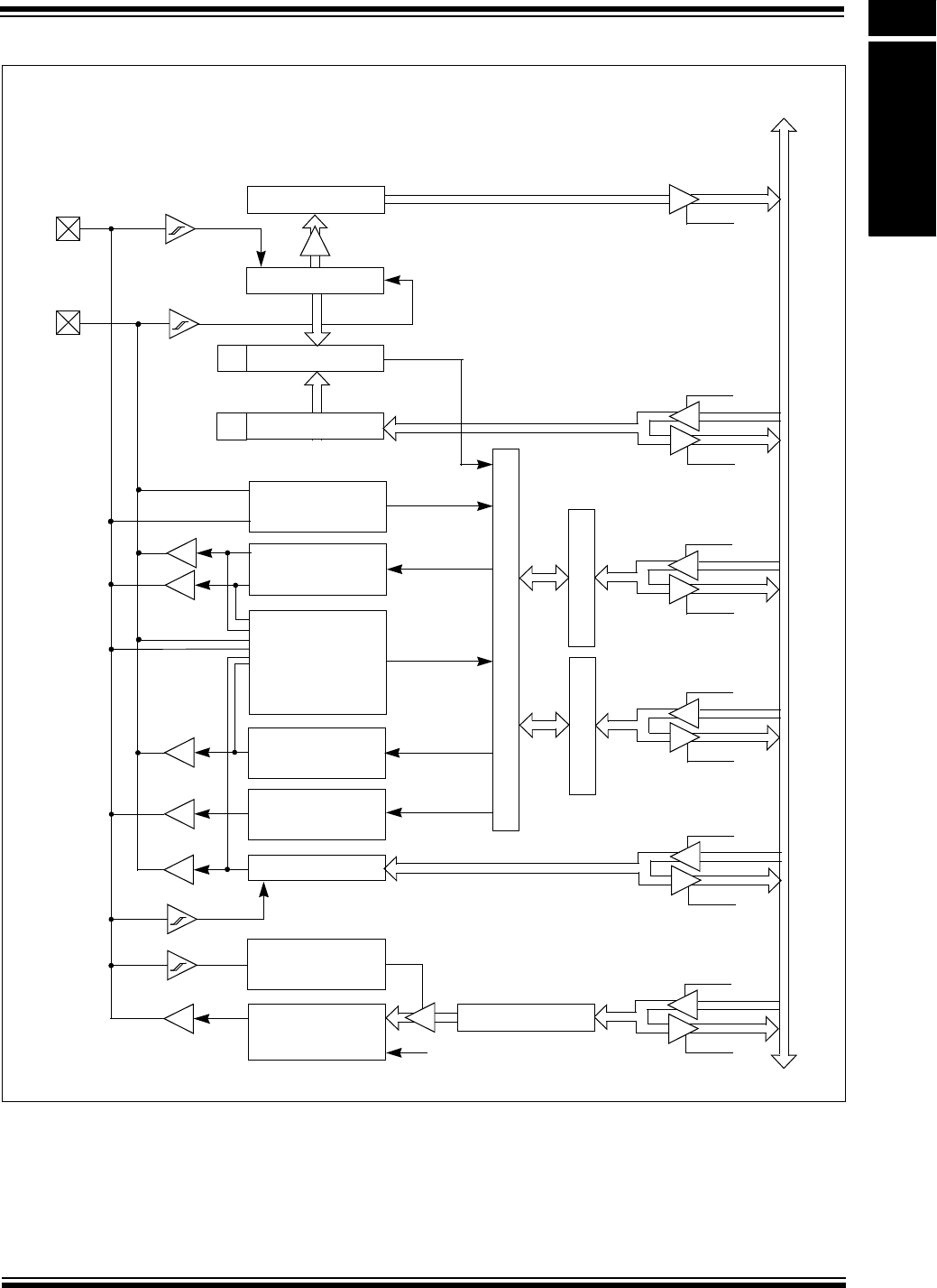
- 2.2 Programmer’s Model
- 2.3 Software Stack Pointer
- 2.4 CPU Register Descriptions
- 2.4.1 SR: CPU Status Register
- 2.4.2 CORCON: Core Control Register
- 2.4.3 Other dsPIC30F CPU Control Registers
- 2.4.3.1 TBLPAG: Table Page Register
- 2.4.3.2 PSVPAG: Program Space Visibility Page Register
- 2.4.3.3 MODCON: Modulo Control Register
- 2.4.3.4 XMODSRT, XMODEND: X Modulo Start and End Address Registers
- 2.4.3.5 YMODSRT, YMODEND: Y Modulo Start and End Address Registers
- 2.4.3.6 XBREV: X Modulo Bit-Reverse Register
- 2.4.3.7 DISICNT: Disable Interrupts Count Register
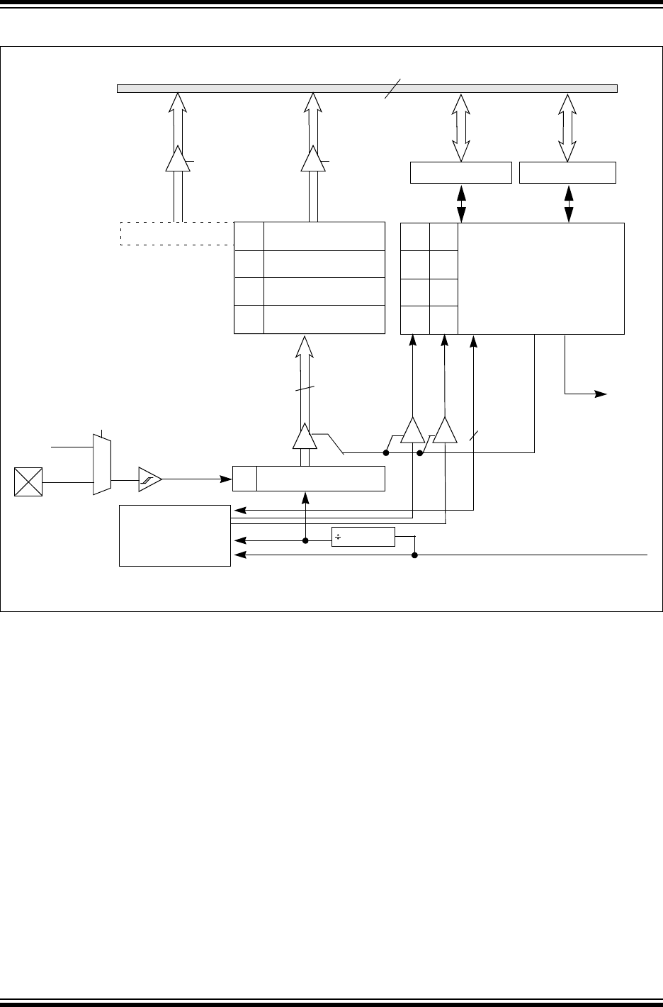
- 2.5 Arithmetic Logic Unit (ALU)
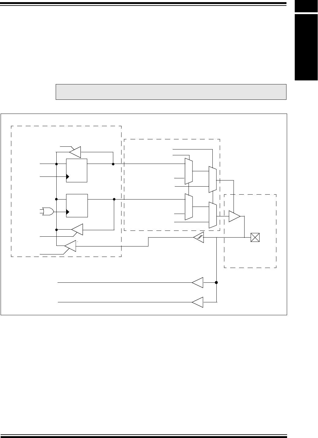
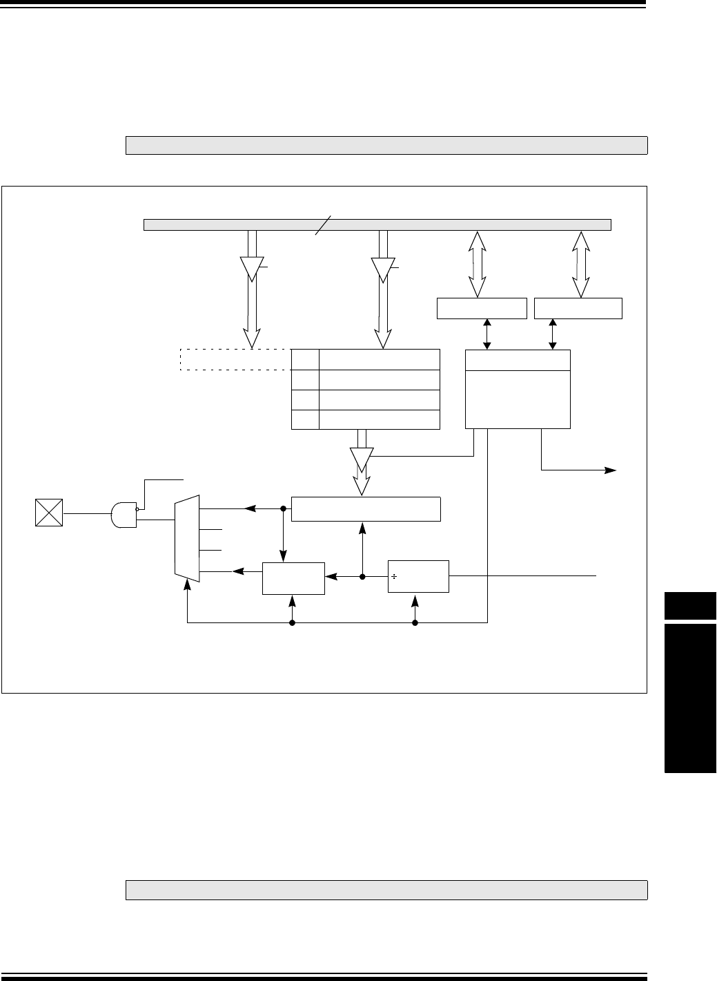
- 2.6 DSP Engine
- Figure 2-8: DSP Engine Block Diagram
- 2.6.1 Data Accumulators
- 2.6.2 Multiplier
- 2.6.3 Data Accumulator Adder/Subtractor
- 2.6.4 Round Logic
- 2.6.5 Barrel Shifter
- 2.6.6 DSP Engine Mode Selection
- 2.6.7 DSP Engine Trap Events
- 2.7 Divide Support
- 2.8 Instruction Flow Types
- Figure 2-12: Instruction Flow – 1-Word, 1-Cycle
- Figure 2-13: Instruction Flow – 1-Word, 2-Cycle (MOV.D Operation)
- Figure 2-14: Instruction Flow – 1-Word, 2-Cycle (Program Flow Change)
- Figure 2-15: Instruction Flow – 1-Word, 3-Cycle (2-Word Instruction Skipped)
- Figure 2-16: Instruction Flow – 1-Word, 3-Cycle (RETURN, RETFIE, RETLW)
- Figure 2-17: Instruction Pipeline Flow – Table Operations
- Figure 2-18: Instruction Pipeline Flow – 2-Word, 2-Cycle
- Figure 2-19: Instruction Pipeline Flow – 1-Word, 1-Cycle (With Instruction Stall)
- 2.9 Loop Constructs
- 2.10 Address Register Dependencies
- 2.11 Register Maps
- 2.12 Related Application Notes
- 2.13 Revision History
- Section 3. Data Memory
- HIGHLIGHTS
- 3.1 Introduction
- 3.2 Data Space Address Generator Units (AGUs)
- 3.3 Modulo Addressing
- 3.4 Bit-Reversed Addressing
- 3.5 Control Register Descriptions
- Register 3-1: MODCON: Modulo and Bit-Reversed Addressing Control Register
- Register 3-2: XMODSRT: X AGU Modulo Addressing Start Register
- Register 3-3: XMODEND: X AGU Modulo Addressing End Register
- Register 3-4: YMODSRT: Y AGU Modulo Addressing Start Register
- Register 3-5: YMODEND: Y AGU Modulo Addressing End Register
- Register 3-6: XBREV: X Write AGU Bit-Reversal Addressing Control Register
- 3.6 Related Application Notes
- 3.7 Revision History
- Section 4. Program Memory
- HIGHLIGHTS
- 4.1 Program Memory Address Map
- 4.2 Program Counter
- 4.3 Data Access from Program Memory
- 4.4 Program Space Visibility from Data Space
- 4.5 Program Memory Writes
- 4.6 PSV Code Examples
- 4.7 Related Application Notes
- 4.8 Revision History
- Section 5. Flash and EEPROM Programming
- HIGHLIGHTS
- 5.1 Introduction
- 5.2 Table Instruction Operation
- 5.3 Control Registers
- 5.4 Run-Time Self-Programming (RTSP)
- 5.5 Data EEPROM Programming
- 5.6 Design Tips
- 5.7 Related Application Notes
- 5.8 Revision History
- Section 6. Reset Interrupts
- HIGHLIGHTS
- 6.1 Introduction
- 6.2 Non-Maskable Traps
- 6.3 Interrupt Processing Timing
- 6.4 Interrupt Control and Status Registers
- 6.4.1 Assignment of Interrupts to Control Registers
- Register 6-1: SR: Status Register (In CPU)
- Register 6-2: CORCON: Core Control Register
- Register 6-3: INTCON1: Interrupt Control Register 1
- Register 6-4: INTCON2: Interrupt Control Register 2
- Register 6-5: IFS0: Interrupt Flag Status Register 0
- Register 6-5: IFS0: Interrupt Flag Status Register 0 (Continued)
- Register 6-6: IFS1: Interrupt Flag Status Register 1
- Register 6-6: IFS1: Interrupt Flag Status Register 1 (Continued)
- Register 6-7: IFS2: Interrupt Flag Status Register 2
- Register 6-7: IFS2: Interrupt Flag Status Register 2 (Continued)
- Register 6-8: IEC0: Interrupt Enable Control Register 0
- Register 6-8: IEC0: Interrupt Enable Control Register 0 (Continued)
- Register 6-9: IEC1: Interrupt Enable Control Register 1
- Register 6-9: IEC1: Interrupt Enable Control Register 1 (Continued)
- Register 6-10: IEC2: Interrupt Enable Control Register 2
- Register 6-10: IEC2: Interrupt Enable Control Register 2 (Continued)
- Register 6-11: IPC0: Interrupt Priority Control Register 0
- Register 6-12: IPC1: Interrupt Priority Control Register 1
- Register 6-13: IPC2: Interrupt Priority Control Register 2
- Register 6-14: IPC3: Interrupt Priority Control Register 3
- Register 6-15: IPC4: Interrupt Priority Control Register 4
- Register 6-16: IPC5: Interrupt Priority Control Register 5
- Register 6-17: IPC6: Interrupt Priority Control Register 6
- Register 6-18: IPC7: Interrupt Priority Control Register 7
- Register 6-19: IPC8: Interrupt Priority Control Register 8
- Register 6-20: IPC9: Interrupt Priority Control Register 9
- Register 6-21: IPC10: Interrupt Priority Control Register 10
- Register 6-22: IPC11: Interrupt Priority Control Register 11
- 6.4.1 Assignment of Interrupts to Control Registers
- 6.5 Interrupt Setup Procedures
- 6.6 Design Tips
- 6.7 Related Application Notes
- 6.8 Revision History
- Section 7. Oscillator
- HIGHLIGHTS
- 7.1 Introduction
- 7.2 Device Clocking and MIPS
- 7.3 Oscillator Configuration
- 7.3.1 Oscillator System VERSION 1 Configuration
- 7.3.2 Oscillator System VERSION 2 Configuration
- 7.3.3 Oscillator System VERSION 3 Configuration
- 7.3.4 Clock Switching Mode Configuration Bits
- Register 7-1: FOSC: Oscillator Configuration Register for Oscillator System VERSION 1
- Table 7-2: Oscillator System VERSION 1: Configuration Bit Values for Clock Selection
- Register 7-2: FOSC: Oscillator Configuration Register for Oscillator System VERSION 2
- Table 7-3: Oscillator System VERSION 2: Configuration Bit Values for Clock Selection:
- Register 7-3: FOSC: Oscillator Configuration Register for Oscillator System VERSION 3
- Table 7-4: Oscillator System VERSION 3: Configuration Bit Values for Clock Selection
- 7.4 Oscillator Control Registers – OSCCON and OSCTUN
- Table 7-5: Oscillator Control SFRs
- 7.4.1 Protection Against Accidental Writes to OSCCON
- Register 7-4: OSCCON: Oscillator Control Register – Oscillator System VERSION 1
- Register 7-5: OSCCON: Oscillator Control Register – Oscillator System VERSION 2
- Register 7-6: OSCCON: Oscillator Control Register – Oscillator System VERSION 3
- Register 7-7: OSCTUN: FRC Oscillator Tuning Register – Oscillator System VERSION 3 Only
- 7.5 Primary Oscillator
- 7.6 Crystal Oscillators/Ceramic Resonators
- 7.7 Determining Best Values for Crystals, Clock Mode, C1, C2 and Rs
- 7.8 External Clock Input
- 7.9 External RC Oscillator
- 7.10 Phase Locked Loop (PLL)
- 7.11 Low-Power 32 kHz Crystal Oscillator
- 7.12 Oscillator Start-up Timer (OST)
- 7.13 Internal Fast RC Oscillator (FRC)
- 7.14 Internal Low-Power RC (LPRC) Oscillator
- 7.15 Fail-Safe Clock Monitor (FSCM)
- 7.16 Programmable Oscillator Postscaler
- 7.17 Clock Switching Operation
- 7.18 Design Tips
- 7.19 Related Application Notes
- 7.20 Revision History
- Section 8. Reset
- HIGHLIGHTS
- 8.1 Introduction
- 8.2 Clock Source Selection at Reset
- 8.3 POR: Power-on Reset
- 8.4 External Reset (EXTR)
- 8.5 Software RESET Instruction (SWR)
- 8.6 Watchdog Time-out Reset (WDTR)
- 8.7 Brown-out Reset (BOR)
- 8.8 Using the RCON Status Bits
- 8.9 Device Reset Times
- 8.10 Device Start-up Time Lines
- 8.11 Special Function Register Reset States
- 8.12 Design Tips
- 8.13 Related Application Notes
- 8.14 Revision History
- Section 9. Low Voltage Detect (LVD)
- Section 10. Watchdog Timer and Power Saving Modes
- HIGHLIGHTS
- 10.1 Introduction
- 10.2 Power Saving Modes
- 10.3 Sleep Mode
- 10.3.1 Clock Selection on Wake-up from Sleep
- 10.3.2 Delay on Wake-up from Sleep
- 10.3.3 Wake-up from Sleep Mode with Crystal Oscillator or PLL
- 10.3.4 FSCM Delay and Sleep Mode
- 10.3.5 Slow Oscillator Start-up
- 10.3.6 Wake-up from Sleep on Interrupt
- 10.3.7 Wake-up from Sleep on Reset
- 10.3.8 Wake-up from Sleep on Watchdog Time-out
- 10.4 Idle Mode
- 10.5 Interrupts Coincident with Power Save Instructions
- 10.6 Watchdog Timer
- 10.7 Peripheral Module Disable (PMD) Registers
- 10.8 Design Tips
- 10.9 Related Application Notes
- 10.10 Revision History
- Section 11. I/O Ports
- Section 12. Timers
- Highlights
- 12.1 Introduction
- 12.2 Timer Variants
- 12.3 Control Registers
- 12.4 Modes of Operation
- 12.5 Timer Prescalers
- 12.6 Timer Interrupts
- 12.7 Reading and Writing 16-bit Timer Module Registers
- 12.8 Low Power 32 kHz Crystal Oscillator Input
- 12.9 32-bit Timer Configuration
- 12.10 32-bit Timer Modes of Operation
- 12.11 Reading and Writing into 32-bit Timers
- 12.12 Timer Operation in Power Saving States
- 12.13 Peripherals Using Timer Modules
- 12.14 Design Tips
- 12.15 Related Application Notes
- 12.16 Revision History
- Section 13. Input Capture
- Highlights
- 13.1 Introduction
- 13.2 Input Capture Registers
- 13.3 Timer Selection
- 13.4 Input Capture Event Modes
- 13.5 Capture Buffer Operation
- 13.6 Input Capture Interrupts
- 13.7 UART Autobaud Support
- 13.8 Input Capture Operation in Power Saving States
- 13.9 I/O Pin Control
- 13.10 Special Function Registers Associated with the Input Capture Module
- 13.11 Design Tips
- 13.12 Related Application Notes
- 13.13 Revision History
- Section 14. Output Compare
- Highlights
- 14.1 Introduction
- 14.2 Output Compare Registers
- 14.3 Modes of Operation
- 14.3.1 Single Compare Match Mode
- 14.3.2 Dual Compare Match Mode
- 14.3.2.1 Dual Compare Mode: Single Output Pulse
- 14.3.2.2 Setup for Single Output Pulse Generation
- 14.3.2.3 Special Cases for Dual Compare Mode Generating a Single Output Pulse
- 14.3.2.4 Dual Compare Mode: Continuous Output Pulses
- 14.3.2.5 Setup for Continuous Output Pulse Generation
- 14.3.2.6 Special Cases for Dual Compare Mode Generating Continuous Output Pulses
- 14.3.3 Pulse Width Modulation Mode
- 14.4 Output Compare Operation in Power Saving States
- 14.5 I/O Pin Control
- 14.6 Design Tips
- 14.7 Related Application Notes
- 14.8 Revision History
- Section 15. Motor Control PWM
- HIGHLIGHTS
- 15.1 Introduction
- 15.2 Control Registers
- Register 15-1: PTCON: PWM Time Base Control Register
- Register 15-2: PTMR: PWM Time Base Register
- Register 15-3: PTPER: PWM Time Base Period Register
- Register 15-4: SEVTCMP: Special Event Compare Register
- Register 15-5: PWMCON1: PWM Control Register 1
- Register 15-6: PWMCON2: PWM Control Register 2
- Register 15-7: DTCON1: Dead Time Control Register 1
- Register 15-8: DTCON2: Dead Time Control Register 2
- Register 15-9: FLTACON: Fault A Control Register
- Register 15-10: FLTBCON: Fault B Control Register
- Register 15-11: OVDCON: Override Control Register
- Register 15-12: PDC1: PWM Duty Cycle Register 1
- Register 15-13: PDC2: PWM Duty Cycle Register 2
- Register 15-14: PDC3: PWM Duty Cycle Register 3
- Register 15-15: PDC4: PWM Duty Cycle Register 4
- Register 15-16: FBORPOR: BOR AND POR Device Configuration Register
- 15.3 PWM Time Base
- 15.4 PWM Duty Cycle Comparison Units
- 15.4.1 PWM Duty Cycle Resolution
- Table 15-2: Example PWM Frequencies and Resolutions, 1:1 Prescaler, Edge Aligned PWM
- Table 15-3: Example PWM Frequencies and Resolutions, 1:1 Prescaler, Center Aligned PWM
- Figure 15-5: PTMR and PDCx Resolution Timing Diagram. Free Running Mode and 1:1 Prescaler Selection
- Figure 15-6: Duty Cycle Comparison Logic
- 15.4.2 Edge Aligned PWM
- 15.4.3 Single Event PWM Operation
- 15.4.4 Center Aligned PWM
- 15.4.5 Duty Cycle Register Buffering
- 15.4.6 PWM Duty Cycle Immediate Updates
- 15.4.1 PWM Duty Cycle Resolution
- 15.5 Complementary PWM Output Mode
- 15.6 Dead Time Control
- 15.7 Independent PWM Output Mode
- 15.8 PWM Output Override
- 15.9 PWM Output and Polarity Control
- 15.10 PWM Fault Pins
- 15.11 PWM Update Lockout
- 15.12 PWM Special Event Trigger
- 15.13 Operation in Device Power Saving Modes
- 15.14 Special Features for Device Emulation
- 15.15 Related Application Notes
- 15.16 Revision History
- Section 16. Quadrature Encoder Interface (QEI)
- Highlights
- 16.1 Module Introduction
- 16.2 Control and Status Registers
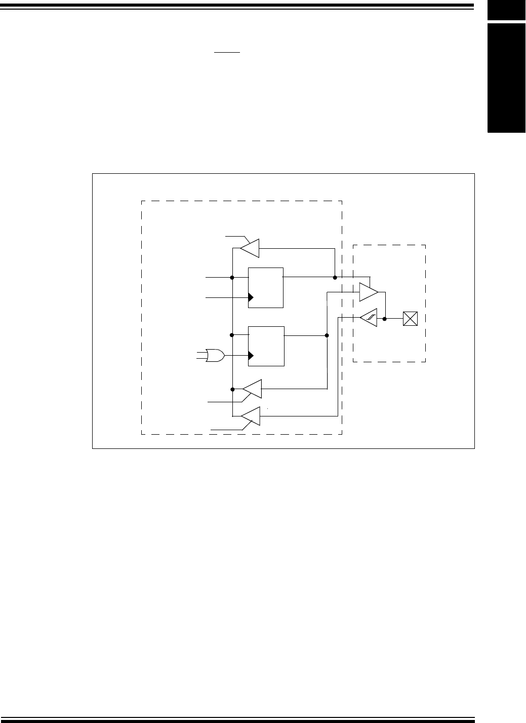
- Figure 16-3: QEI Programmer’s Model
- Register 16-1: QEICON: QEI Control Register
- Register 16-1: QEICON: QEI Control Register (Continued)
- Register 16-2: DFLTCON: Digital Filter Control Register (dsPIC30F6010 Only)
- Register 16-3: DFLTCON: Digital Filter Control Register (All dsPIC30F devices except dsPIC30F6010)
- 16.3 Programmable Digital Noise Filters
- 16.4 Quadrature Decoder
- 16.5 16-bit Up/Down Position Counter
- 16.6 Using QEI as an Alternate 16-bit Timer/Counter
- 16.7 Quadrature Encoder Interface Interrupts
- 16.8 I/O Pin Control
- 16.9 QEI Operation During Power Saving Modes
- 16.10 Effects of a Reset
- 16.11 Design Tips
- 16.12 Related Application Notes
- 16.13 Revision History
- Section 17. 10-bit A/D Converter
- Highlights
- 17.1 Introduction
- 17.2 Control Registers
- 17.3 A/D Result Buffer
- Register 17-1: ADCON1: A/D Control Register 1
- Register 17-1: ADCON1: A/D Control Register 1 (Continued)
- Register 17-2: ADCON2: A/D Control Register 2
- Register 17-3: ADCON3: A/D Control Register 3
- Register 17-4: ADCHS: A/D Input Select Register
- Register 17-5: ADPCFG: A/D Port Configuration Register
- Register 17-6: ADCSSL: A/D Input Scan Select Register
- 17.4 A/D Terminology and Conversion Sequence
- 17.5 A/D Module Configuration
- 17.6 Selecting the Voltage Reference Source
- 17.7 Selecting the A/D Conversion Clock
- 17.8 Selecting Analog Inputs for Sampling
- 17.9 Enabling the Module
- 17.10 Specifying the Sample/Conversion Sequence
- 17.11 How to Start Sampling
- 17.12 How to Stop Sampling and Start Conversions
- 17.12.1 Manual
- 17.12.2 Clocked Conversion Trigger
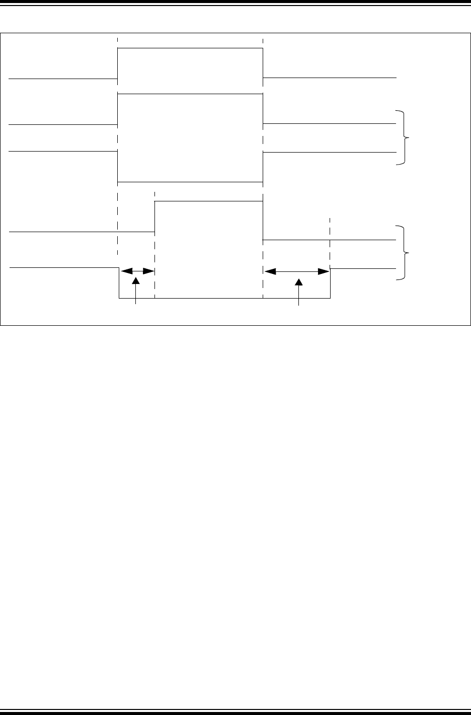
- Figure 17-6: Converting 1 Channel, Manual Sample Start, Tad Based Conversion Start
- 17.12.2.1 Free Running Sample Conversion Sequence
- 17.12.2.2 Multiple Channels with Simultaneous Sampling
- 17.12.2.3 Multiple Channels with Sequential Sampling
- 17.12.2.4 Sample Time Considerations Using Clocked Conversion Trigger and Automatic Sampling
- 17.12.3 Event Trigger Conversion Start
- 17.12.3.1 External INT Pin Trigger
- 17.12.3.2 GP Timer Compare Trigger
- 17.12.3.3 Motor Control PWM Trigger
- 17.12.3.4 Synchronizing A/D Operations to Internal or External Events
- 17.12.3.5 Multiple Channels with Simultaneous Sampling
- 17.12.3.6 Multiple Channels with Sequential Sampling
- 17.12.3.7 Sample Time Considerations for Automatic Sampling/Conversion Sequences
- 17.13 Controlling Sample/Conversion Operation
- 17.14 Specifying How Conversion Results are Written Into the Buffer
- 17.15 Conversion Sequence Examples
- 17.15.1 Example: Sampling and Converting a Single Channel Multiple Times
- 17.15.2 Example: A/D Conversions While Scanning Through All Analog Inputs
- 17.15.3 Example: Sampling Three Inputs Frequently While Scanning Four Other Inputs
- 17.15.4 Example: Using Dual 8-Word Buffers
- 17.15.5 Example: Using Alternating MUX A, MUX B Input Selections
- 17.15.6 Example: Sampling Eight Inputs Using Simultaneous Sampling
- 17.15.7 Example: Sampling Eight Inputs Using Sequential Sampling
- 17.16 A/D Sampling Requirements
- 17.17 Reading the A/D Result Buffer
- 17.18 Transfer Function
- 17.19 A/D Accuracy/Error
- 17.20 Connection Considerations
- 17.21 Initialization
- 17.22 A/D Conversion Speeds
- 17.23 Operation During Sleep and Idle Modes
- 17.24 Effects of a Reset
- 17.25 Special Function Registers Associated with the 10-bit A/D Converter
- 17.26 Design Tips
- 17.27 Related Application Notes
- 17.28 Revision History
- Section 18. 12-bit A/D Converter
- Highlights
- 18.1 Introduction
- 18.2 Control Registers
- 18.3 A/D Result Buffer
- 18.4 A/D Terminology and Conversion Sequence
- 18.5 A/D Module Configuration
- 18.6 Selecting the Voltage Reference Source
- 18.7 Selecting the A/D Conversion Clock
- 18.8 Selecting Analog Inputs for Sampling
- 18.9 Enabling the Module
- 18.10 How to Start Sampling
- 18.11 How to Stop Sampling and Start Conversions
- 18.11.1 Manual
- 18.11.2 Clocked Conversion Trigger
- 18.11.3 Event Trigger Conversion Start
- 18.12 Controlling Sample/Conversion Operation
- 18.13 Specifying How Conversion Results are Written into the Buffer
- 18.14 Conversion Sequence Examples
- 18.15 A/D Sampling Requirements
- 18.16 Reading the A/D Result Buffer
- 18.17 Transfer Function
- 18.18 A/D Accuracy/Error
- 18.19 Connection Considerations
- 18.20 Initialization
- 18.21 A/D Conversion Speeds
- 18.22 Operation During Sleep and Idle Modes
- 18.23 Effects of a Reset
- 18.24 Special Function Registers Associated with the 12-bit A/D Converter
- 18.25 Design Tips
- 18.26 Related Application Notes
- 18.27 Revision History
- Section 19. UART
- Highlights
- 19.1 Introduction
- 19.2 Control Registers
- Register 19-1: UxMODE: UARTx Mode Register
- Register 19-2: UxSTA: UARTx Status and Control Register
- Register 19-2: UxSTA: UARTx Status and Control Register (Continued)
- Register 19-3: UxRXREG: UARTx Receive Register
- Register 19-4: UxTXREG: UARTx Transmit Register (Write Only)
- Register 19-5: UxBRG: UARTx Baud Rate Register
- 19.3 UART Baud Rate Generator (BRG)
- 19.4 UART Configuration
- 19.5 UART Transmitter
- 19.6 UART Receiver
- 19.7 Using the UART for 9-bit Communication
- 19.8 Receiving Break Characters
- 19.9 Initialization
- 19.10 Other Features of the UART
- 19.11 UART Operation During CPU Sleep and Idle Modes
- 19.12 Registers Associated with UART Module
- 19.13 Design Tips
- 19.14 Related Application Notes
- 19.15 Revision History
- Section 20. Serial Peripheral Interface (SPI™)
- Highlights
- 20.1 Introduction
- 20.2 Status and Control Registers
- 20.3 Modes of Operation
- 20.3.1 8-bit vs. 16-bit Operation
- 20.3.2 Master and Slave Modes
- 20.3.3 SPI Error Handling
- 20.3.4 SPI Receive Only Operation
- 20.3.5 Framed SPI Modes
- Figure 20-7: SPI Master, Frame Master Connection Diagram
- 20.3.5.1 SCKx in Framed SPI Modes
- 20.3.5.2 SPIx Buffers in Framed SPI Modes
- 20.3.5.3 SPI Master Mode and Frame Master Mode
- 20.3.5.4 SPI Master Mode and Frame Slave Mode
- 20.3.5.5 SPI Slave Mode and Frame Master Mode
- 20.3.5.6 SPI Slave Mode and Frame Slave Mode
- 20.4 SPI Master Mode Clock Frequency
- 20.5 Operation in Power Save Modes
- 20.6 Special Function Registers Associated with SPI Modules
- 20.7 Related Application Notes
- 20.8 Revision History
- Section 21. Inter-Integrated Circuit™ (I2C™)
- HIGHLIGHTS
- 21.1 Overview
- 21.2 I2C Bus Characteristics
- 21.3 Control and Status Registers
- 21.4 Enabling I2C Operation
- 21.5 Communicating as a Master in a Single Master Environment
- Figure 21-7: A Typical I2C™ Message: Read Of Serial EEPROM (Random Address Mode)
- 21.5.1 Generating Start Bus Event
- 21.5.2 Sending Data to a Slave Device
- 21.5.3 Receiving Data from a Slave Device
- 21.5.4 Acknowledge Generation
- 21.5.5 Generating Stop Bus Event
- 21.5.6 Generating Repeated Start Bus Event
- 21.5.7 Building Complete Master Messages
- 21.6 Communicating as a Master in a Multi-Master Environment
- 21.6.1 Multi-Master Operation
- 21.6.2 Master Clock Synchronization
- 21.6.3 Bus Arbitration and Bus Collision
- 21.6.4 Detecting Bus Collisions and Resending Messages
- 21.6.5 Bus Collision During a Start Condition
- 21.6.6 Bus Collision During a Repeated Start Condition
- 21.6.7 Bus Collision During Message Bit Transmission
- 21.6.8 Bus Collision During a Stop Condition
- 21.7 Communicating as a Slave
- Figure 21-21: A Typical Slave I2C™ Message: Multiprocessor Command/Status
- 21.7.1 Sampling Receive Data
- 21.7.2 Detecting Start and Stop Conditions
- 21.7.3 Detecting the Address
- 21.7.4 Receiving Data from a Master Device
- 21.7.4.1 Acknowledge Generation
- 21.7.4.2 WAIT States During Slave Receptions
- 21.7.4.3 Example Messages of Slave Reception
- Figure 21-27: Slave Message (Write Data to Slave: 7-bit Address; Address Matches; A10M = 0; GCEN ...
- Figure 21-28: Slave Message (Write Data to Slave: 10-bit Address; Address Matches; A10M=1; GCEN=0...
- Figure 21-29: Slave Message (Write Data to Slave: 7-bit Address; Buffer Overrun; A10M = 0; GCEN =...
- Figure 21-30: Slave Message (Write Data to Slave: 7-bit Address; Clock Stretching Enabled; A10M =...
- 21.7.5 Sending Data to a Master Device
- 21.8 Connection Considerations for I2C Bus
- 21.9 Module Operation During PWRSAV Instruction
- 21.10 Effects of a Reset
- 21.11 Design Tips
- 21.12 Related Application Notes
- 21.13 Revision History
- Section 22. Data Converter Interface (DCI)
- HIGHLIGHTS
- 22.1 Introduction
- 22.2 Control Register Descriptions
- 22.3 Codec Interface Basics and Terminology
- 22.4 DCI Operation
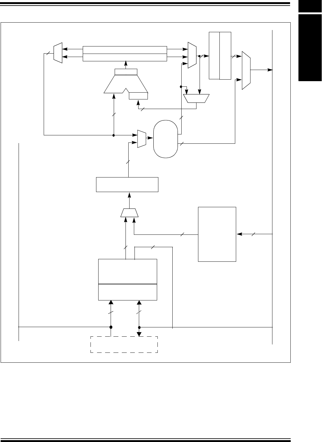
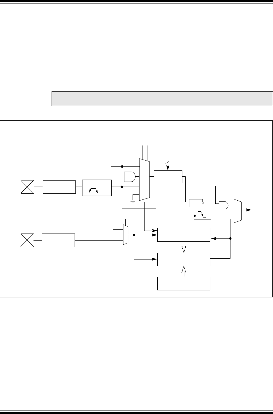
- Figure 22-4: DCI Module Block Diagram
- 22.4.1 DCI Pins
- 22.4.2 Module Enable
- 22.4.3 Bit Clock Generator
- 22.4.4 Sample Clock Edge Selection
- 22.4.5 Frame Sync Mode Control Bits
- 22.4.6 Word-Size Selection Bits
- 22.4.7 Frame Synchronization Generator
- 22.4.8 Transmit and Receive Registers
- 22.4.9 DCI Buffer Control Unit
- 22.4.10 Transmit Slot Enable Bits
- 22.4.11 Receive Slot Enable Bits
- 22.4.12 TSCON and RSCON Operation with Buffer Control Unit
- 22.4.13 Receive Status Bits
- 22.4.14 Transmit Status Bits
- 22.4.15 SLOT Status Bits
- 22.4.16 Digital Loopback Mode
- 22.4.17 Underflow Mode Control Bit
- 22.4.18 Data Justification Control
- 22.4.19 DCI Module Interrupts
- 22.5 Using the DCI Module
- 22.6 Operation in Power Saving Modes
- 22.7 Registers Associated with DCI
- 22.8 Design Tips
- 22.9 Related Application Notes
- 22.10 Revision History
- Section 23. CAN Module
- Highlights
- 23.1 Introduction
- 23.2 Control Registers for the CAN Module
- 23.2.1 CAN Control and Status Registers
- 23.2.2 CAN Transmit Buffer Registers
- Register 23-2: CiTXnCON: Transmit Buffer Status and Control Register
- Register 23-3: CiTXnSID: Transmit Buffer n Standard Identifier
- Register 23-4: CiTXnEID: Transmit Buffer n Extended Identifier
- Register 23-5: CiTXnDLC: Transmit Buffer n Data Length Control
- Register 23-6: CiTXnBm: Transmit Buffer n Data Field Word m
- 23.2.3 CAN Receive Buffer Registers
- Register 23-7: CiRX0CON: Receive Buffer 0 Status and Control Register
- Register 23-8: CiRX1CON: Receive Buffer 1 Status and Control Register
- Register 23-9: CiRXnSID: Receive Buffer n Standard Identifier
- Register 23-10: CiRXnEID: Receive Buffer n Extended Identifier
- Register 23-11: CiRXnBm: Receive Buffer n Data Field Word m
- Register 23-12: CiRXnDLC: Receive Buffer n Data Length Control
- 23.2.4 Message Acceptance Filters
- 23.2.5 Acceptance Filter Mask Registers
- 23.2.6 CAN Baud Rate Registers
- 23.2.7 CAN Module Error Count Register
- 23.2.8 CAN Interrupt Registers
- 23.3 CAN Module Features
- 23.4 CAN Module Implementation
- 23.5 CAN Module Operation Modes
- 23.6 Message Reception
- 23.7 Transmission
- 23.7.1 Real Time Communication and Transmit Message Buffering
- 23.7.2 Transmit Message Buffers
- 23.7.3 Transmit Message Priority
- 23.7.4 Message Transmission
- 23.7.5 Transmit Message Aborting
- 23.7.6 Transmit Boundary Conditions
- 23.7.6.1 Clearing TXREQ bit as a Message Starts
- 23.7.6.2 Setting TXABT bit as a Message Starts
- 23.7.6.3 Clearing TXREQ bit as a Message Completes
- 23.7.6.4 Setting TXABT bit as a Message Completes
- 23.7.6.5 Clearing TXREQ bit as a Message Loses Transmission
- 23.7.6.6 Setting TXABT bit as a Message Loses Transmission
- 23.7.7 Effects of a Reset
- 23.7.8 Transmission Errors
- 23.7.9 Transmission Interrupts
- 23.8 Error Detection
- 23.9 CAN Baud Rate
- 23.10 Interrupts
- 23.11 CAN Capture
- 23.12 CAN Module I/O
- 23.13 Operation in CPU Power Saving Modes
- 23.14 CAN Protocol Overview
- 23.15 Related Application Notes
- 23.16 Revision History
- Section 24. Device Configuration
- Section 25. Development Tool Support
- HIGHLIGHTS
- 25.1 Introduction
- 25.2 Microchip Hardware and Language Tools
- 25.3 Third Party Hardware/Software Tools and Application Libraries
- 25.3.1 Third Party C Compilers
- 25.3.2 Math Library
- 25.3.3 DSP Algorithm Library
- 25.3.4 DSP Filter Design Software Utility
- 25.3.5 Peripheral Driver Library
- 25.3.6 CAN Library
- 25.3.7 Real-Time Operating System (RTOS)
- 25.3.8 OSEK Operating Systems
- 25.3.9 TCP/IP Protocol Stack
- 25.3.10 V.22/V.22bis and V.32 Specification
- 25.4 dsPIC30F Hardware Development Boards
- 25.5 Related Application Notes
- 25.6 Revision History
- Section 26. Appendix
- Worldwide Sales and Service

© 2006 Microchip Technology Inc. DS70046E
dsPIC30F
Family Reference Manual
High-Performance
Digital Signal Controllers

DS70046E-page ii © 2006 Microchip Technology Inc.
Information contained in this publication regarding device
applications and the like is provided only for your convenience
and may be superseded by updates. It is your responsibility to
ensure that your application meets with your specifications.
MICROCHIP MAKES NO REPRESENTATIONS OR WAR-
RANTIES OF ANY KIND WHETHER EXPRESS OR IMPLIED,
WRITTEN OR ORAL, STATUTORY OR OTHERWISE,
RELATED TO THE INFORMATION, INCLUDING BUT NOT
LIMITED TO ITS CONDITION, QUALITY, PERFORMANCE,
MERCHANTABILITY OR FITNESS FOR PURPOSE.
Microchip disclaims all liability arising from this information and
its use. Use of Microchip devices in life support and/or safety
applications is entirely at the buyer’s risk, and the buyer agrees
to defend, indemnify and hold harmless Microchip from any and
all damages, claims, suits, or expenses resulting from such
use. No licenses are conveyed, implicitly or otherwise, under
any Microchip intellectual property rights.
Trademarks
The Microchip name and logo, the Microchip logo, Accuron,
dsPIC, KEELOQ, microID, MPLAB, PIC, PICmicro, PICSTART,
PRO MATE, PowerSmart, rfPIC and SmartShunt are
registered trademarks of Microchip Technology Incorporated
in the U.S.A. and other countries.
AmpLab, FilterLab, Migratable Memory, MXDEV, MXLAB,
SEEVAL, SmartSensor and The Embedded Control Solutions
Company are registered trademarks of Microchip Technology
Incorporated in the U.S.A.
Analog-for-the-Digital Age, Application Maestro, dsPICDEM,
dsPICDEM.net, dsPICworks, ECAN, ECONOMONITOR,
FanSense, FlexROM, fuzzyLAB, In-Circuit Serial
Programming, ICSP, ICEPIC, Linear Active Thermistor,
MPASM, MPLIB, MPLINK, MPSIM, PICkit, PICDEM,
PICDEM.net, PICLAB, PICtail, PowerCal, PowerInfo,
PowerMate, PowerTool, Real ICE, rfLAB, rfPICDEM, Select
Mode, Smart Serial, SmartTel, Total Endurance, UNI/O,
WiperLock and Zena are trademarks of Microchip Technology
Incorporated in the U.S.A. and other countries.
SQTP is a service mark of Microchip Technology Incorporated
in the U.S.A.
All other trademarks mentioned herein are property of their
respective companies.
© 2006, Microchip Technology Incorporated, Printed in the
U.S.A., All Rights Reserved.
Printed on recycled paper.
Note the following details of the code protection feature on Microchip devices:
• Microchip products meet the specification contained in their particular Microchip Data Sheet.
• Microchip believes that its family of products is one of the most secure families of its kind on the market today, when used in the
intended manner and under normal conditions.
• There are dishonest and possibly illegal methods used to breach the code protection feature. All of these methods, to our
knowledge, require using the Microchip products in a manner outside the operating specifications contained in Microchip’s Data
Sheets. Most likely, the person doing so is engaged in theft of intellectual property.
• Microchip is willing to work with the customer who is concerned about the integrity of their code.
• Neither Microchip nor any other semiconductor manufacturer can guarantee the security of their code. Code protection does not
mean that we are guaranteeing the product as “unbreakable.”
Code protection is constantly evolving. We at Microchip are committed to continuously improving the code protection features of our
products. Attempts to break Microchip’s code protection feature may be a violation of the Digital Millennium Copyright Act. If such acts
allow unauthorized access to your software or other copyrighted work, you may have a right to sue for relief under that Act.
Microchip received ISO/TS-16949:2002 quality system certification for
its worldwide headquarters, design and wafer fabrication facilities in
Chandler and Tempe, Arizona and Mountain View, California in
October 2003. The Company’s quality system processes and
procedures are for its PICmicro® 8-bit MCUs, KEELOQ® code hopping
devices, Serial EEPROMs, microperipherals, nonvolatile memory and
analog products. In addition, Microchip’s quality system for the design
and manufacture of development systems is ISO 9001:2000 certified.

© 2006 Microchip Technology Inc. 70046E-page iii
PAGE
M
SECTION 1. INTRODUCTION 1-1
Introduction ......................................................................................................................................................1-2
Manual Objective .............................................................................................................................................1-2
Device Structure ............................................................................................................................................... 1-3
Development Support ......................................................................................................................................1-4
Style and Symbol Conventions ........................................................................................................................1-4
Related Documents ..........................................................................................................................................1-6
Revision History ...............................................................................................................................................1-7
SECTION 2. CPU 2-1
Introduction ......................................................................................................................................................2-2
Programmer’s Model ........................................................................................................................................2-4
Software Stack Pointer .....................................................................................................................................2-8
CPU Register Descriptions .............................................................................................................................2-11
Arithmetic Logic Unit (ALU) ............................................................................................................................ 2-17
DSP Engine ....................................................................................................................................................2-18
Divide Support ................................................................................................................................................ 2-27
Instruction Flow Types ...................................................................................................................................2-27
Loop Constructs .............................................................................................................................................2-30
Address Register Dependencies ....................................................................................................................2-35
Register Maps ................................................................................................................................................ 2-38
Related Application Notes .............................................................................................................................. 2-40
Revision History .............................................................................................................................................2-41
SECTION 3. DATA MEMORY 3-1
Introduction ......................................................................................................................................................3-2
Data Space Address Generator Units (AGUs) .................................................................................................3-5
Modulo Addressing ..........................................................................................................................................3-7
Bit-Reversed Addressing ...............................................................................................................................3-14
Control Register Descriptions .........................................................................................................................3-18
Related Application Notes ..............................................................................................................................3-23
Revision History .............................................................................................................................................3-24
SECTION 4. PROGRAM MEMORY 4-1
Program Memory Address Map .......................................................................................................................4-2
Program Counter ..............................................................................................................................................4-4
Data Access from Program Memory ................................................................................................................4-4
Program Space Visibility from Data Space ......................................................................................................4-8
Program Memory Writes ................................................................................................................................4-10
PSV Code Examples ...................................................................................................................................... 4-11
Related Application Notes .............................................................................................................................. 4-12
Revision History .............................................................................................................................................4-13
Table of Contents

70046E-page iv © 2006 Microchip Technology Inc.
PAGE
M
SECTION 5. FLASH AND EEPROM PROGRAMMING 5-1
Introduction ......................................................................................................................................................5-2
Table Instruction Operation ..............................................................................................................................5-2
Control Registers .............................................................................................................................................5-5
Run-Time Self-Programming (RTSP) .............................................................................................................5-10
Data EEPROM Programming ........................................................................................................................5-15
Design Tips ....................................................................................................................................................5-21
Related Application Notes .............................................................................................................................. 5-22
Revision History .............................................................................................................................................5-23
SECTION 6. RESET INTERRUPTS 6-1
Introduction ......................................................................................................................................................6-2
Non-Maskable Traps ........................................................................................................................................ 6-6
Interrupt Processing Timing ...........................................................................................................................6-11
Interrupt Control and Status Registers ...........................................................................................................6-14
Interrupt Setup Procedures ............................................................................................................................6-42
Design Tips ....................................................................................................................................................6-44
Related Application Notes .............................................................................................................................. 6-45
Revision History .............................................................................................................................................6-46
SECTION 7. OSCILLATOR 7-1
Introduction ......................................................................................................................................................7-2
Device Clocking and MIPS ...............................................................................................................................7-5
Oscillator Configuration ....................................................................................................................................7-6
Oscillator Control Registers – OSCCON and OSCTUN .................................................................................7-13
Primary Oscillator ...........................................................................................................................................7-20
Crystal Oscillators/Ceramic Resonators .........................................................................................................7-22
Determining Best Values for Crystals, Clock Mode, C1, C2 and Rs ..............................................................7-24
External Clock Input .......................................................................................................................................7-25
External RC Oscillator ....................................................................................................................................7-26
Phase Locked Loop (PLL) ..............................................................................................................................7-30
Low-Power 32 kHz Crystal Oscillator .............................................................................................................7-31
Oscillator Start-up Timer (OST) ...................................................................................................................... 7-31
Internal Fast RC Oscillator (FRC) ..................................................................................................................7-31
Internal Low-Power RC (LPRC) Oscillator .....................................................................................................7-32
Fail-Safe Clock Monitor (FSCM) ....................................................................................................................7-32
Programmable Oscillator Postscaler ..............................................................................................................7-33
Clock Switching Operation .............................................................................................................................7-34
Design Tips ....................................................................................................................................................7-38
Related Application Notes .............................................................................................................................. 7-39
Revision History .............................................................................................................................................7-40
Table of Contents

© 2006 Microchip Technology Inc. 70046E-page v
PAGE
M
SECTION 8. RESET 8-1
Introduction ......................................................................................................................................................8-2
Clock Source Selection at Reset ......................................................................................................................8-5
POR: Power-on Reset ...................................................................................................................................... 8-5
External Reset (EXTR) .....................................................................................................................................8-7
Software RESET Instruction (SWR) ................................................................................................................. 8-7
Watchdog Time-out Reset (WDTR) ................................................................................................................. 8-7
Brown-out Reset (BOR) ................................................................................................................................... 8-8
Using the RCON Status Bits .......................................................................................................................... 8-10
Device Reset Times ....................................................................................................................................... 8-11
Device Start-up Time Lines ............................................................................................................................8-13
Special Function Register Reset States ......................................................................................................... 8-16
Design Tips ....................................................................................................................................................8-17
Related Application Notes .............................................................................................................................. 8-18
Revision History .............................................................................................................................................8-19
SECTION 9. LOW VOLTAGE DETECT (LVD) 9-1
Introduction ......................................................................................................................................................9-2
LVD Operation .................................................................................................................................................9-5
Design Tips ...................................................................................................................................................... 9-6
Related Application Notes ................................................................................................................................9-7
Revision History ...............................................................................................................................................9-8
SECTION 10. WATCHDOG TIMER AND POWER SAVING MODES 10-1
Introduction ....................................................................................................................................................10-2
Power Saving Modes ..................................................................................................................................... 10-2
Sleep Mode ....................................................................................................................................................10-2
Idle Mode .......................................................................................................................................................10-4
Interrupts Coincident with Power Save Instructions .......................................................................................10-5
Watchdog Timer .............................................................................................................................................10-6
Peripheral Module Disable (PMD) Registers ..................................................................................................10-9
Design Tips ..................................................................................................................................................10-10
Related Application Notes ............................................................................................................................ 10-11
Revision History ...........................................................................................................................................10-12
SECTION 11. I/O PORTS 11-1
Introduction ....................................................................................................................................................11-2
I/O Port Control Registers ..............................................................................................................................11-3
Peripheral Multiplexing ...................................................................................................................................11-4
Port Descriptions ............................................................................................................................................11-6
Change Notification (CN) Pins .......................................................................................................................11-7
CN Operation in Sleep and Idle Modes .......................................................................................................... 11-8
Related Application Notes ............................................................................................................................ 11-11
Revision History ...........................................................................................................................................11-12
Table of Contents

70046E-page vi © 2006 Microchip Technology Inc.
PAGE
M
SECTION 12. TIMERS 12-1
Introduction ....................................................................................................................................................12-2
Timer Variants ................................................................................................................................................12-3
Control Registers ...........................................................................................................................................12-6
Modes of Operation ........................................................................................................................................12-9
Timer Prescalers .......................................................................................................................................... 12-14
Timer Interrupts ............................................................................................................................................ 12-14
Reading and Writing 16-bit Timer Module Registers .................................................................................... 12-15
Low Power 32 kHz Crystal Oscillator Input .................................................................................................. 12-15
32-bit Timer Configuration ............................................................................................................................12-16
32-bit Timer Modes of Operation .................................................................................................................12-18
Reading and Writing into 32-bit Timers ........................................................................................................ 12-21
Timer Operation in Power Saving States ..................................................................................................... 12-21
Peripherals Using Timer Modules ................................................................................................................ 12-22
Design Tips .................................................................................................................................................. 12-24
Related Application Notes ............................................................................................................................ 12-25
Revision History ...........................................................................................................................................12-26
SECTION 13. INPUT CAPTURE 13-1
Introduction ....................................................................................................................................................13-2
Input Capture Registers .................................................................................................................................13-3
Timer Selection ..............................................................................................................................................13-4
Input Capture Event Modes ...........................................................................................................................13-4
Capture Buffer Operation ...............................................................................................................................13-8
Input Capture Interrupts .................................................................................................................................13-9
UART Autobaud Support ............................................................................................................................... 13-9
Input Capture Operation in Power Saving States ........................................................................................ 13-10
I/O Pin Control ..............................................................................................................................................13-10
Special Function Registers Associated with the Input Capture Module ....................................................... 13-11
Design Tips ..................................................................................................................................................13-12
Related Application Notes ............................................................................................................................ 13-13
Revision History ...........................................................................................................................................13-14
SECTION 14. OUTPUT COMPARE 14-1
Introduction ....................................................................................................................................................14-2
Output Compare Registers ............................................................................................................................14-3
Modes of Operation ........................................................................................................................................14-4
Output Compare Operation in Power Saving States .................................................................................... 14-23
I/O Pin Control ..............................................................................................................................................14-23
Design Tips ..................................................................................................................................................14-26
Related Application Notes ............................................................................................................................ 14-27
Revision History ...........................................................................................................................................14-28
Table of Contents

© 2006 Microchip Technology Inc. 70046E-page vii
PAGE
M
SECTION 15. MOTOR CONTROL PWM 15-1
Introduction ....................................................................................................................................................15-2
Control Registers ...........................................................................................................................................15-4
PWM Time Base .......................................................................................................................................... 15-16
PWM Duty Cycle Comparison Units ............................................................................................................. 15-20
Complementary PWM Output Mode ............................................................................................................ 15-26
Dead Time Control ....................................................................................................................................... 15-27
Independent PWM Output Mode .................................................................................................................. 15-30
PWM Output Override .................................................................................................................................. 15-31
PWM Output and Polarity Control ................................................................................................................ 15-34
PWM Fault Pins ........................................................................................................................................... 15-34
PWM Update Lockout .................................................................................................................................. 15-37
PWM Special Event Trigger ......................................................................................................................... 15-38
Operation in Device Power Saving Modes ................................................................................................... 15-38
Special Features for Device Emulation ........................................................................................................ 15-39
Related Application Notes ............................................................................................................................ 15-42
Revision History ...........................................................................................................................................15-43
SECTION 16. QUADRATURE ENCODER INTERFACE (QEI) 16-1
Module Introduction ........................................................................................................................................16-2
Control and Status Registers .........................................................................................................................16-4
Programmable Digital Noise Filters ................................................................................................................ 16-9
Quadrature Decoder .................................................................................................................................... 16-10
16-bit Up/Down Position Counter .................................................................................................................16-12
Using QEI as an Alternate 16-bit Timer/Counter .......................................................................................... 16-16
Quadrature Encoder Interface Interrupts ..................................................................................................... 16-17
I/O Pin Control .............................................................................................................................................. 16-18
QEI Operation During Power Saving Modes ................................................................................................16-19
Effects of a Reset ......................................................................................................................................... 16-19
Design Tips .................................................................................................................................................. 16-21
Related Application Notes ............................................................................................................................ 16-22
Revision History ...........................................................................................................................................16-23
Table of Contents

70046E-page viii © 2006 Microchip Technology Inc.
PAGE
M
SECTION 17. 10-BIT A/D CONVERTER 17-1
Introduction ....................................................................................................................................................17-2
Control Registers ...........................................................................................................................................17-4
A/D Result Buffer ...........................................................................................................................................17-4
A/D Terminology and Conversion Sequence ............................................................................................... 17-11
A/D Module Configuration ............................................................................................................................17-13
Selecting the Voltage Reference Source ..................................................................................................... 17-13
Selecting the A/D Conversion Clock ............................................................................................................ 17-13
Selecting Analog Inputs for Sampling .......................................................................................................... 17-14
Enabling the Module .................................................................................................................................... 17-16
Specifying the Sample/Conversion Sequence ............................................................................................. 17-16
How to Start Sampling ................................................................................................................................. 17-17
How to Stop Sampling and Start Conversions ............................................................................................. 17-18
Controlling Sample/Conversion Operation ................................................................................................... 17-29
Specifying How Conversion Results are Written Into the Buffer .................................................................. 17-30
Conversion Sequence Examples .................................................................................................................17-31
A/D Sampling Requirements ........................................................................................................................ 17-45
Reading the A/D Result Buffer .....................................................................................................................17-46
Transfer Function ......................................................................................................................................... 17-47
A/D Accuracy/Error ......................................................................................................................................17-47
Connection Considerations .......................................................................................................................... 17-47
Initialization .................................................................................................................................................. 17-48
A/D Conversion Speeds ............................................................................................................................... 17-49
Operation During Sleep and Idle Modes ......................................................................................................17-55
Effects of a Reset ......................................................................................................................................... 17-55
Special Function Registers Associated with the 10-bit A/D Converter .........................................................17-56
Design Tips ..................................................................................................................................................17-57
Related Application Notes ............................................................................................................................ 17-58
Revision History ...........................................................................................................................................17-59
Table of Contents

© 2006 Microchip Technology Inc. 70046E-page ix
PAGE
M
SECTION 18. 12-BIT A/D CONVERTER 18-1
Introduction ....................................................................................................................................................18-2
Control Registers ...........................................................................................................................................18-4
A/D Result Buffer ...........................................................................................................................................18-4
A/D Terminology and Conversion Sequence ............................................................................................... 18-10
A/D Module Configuration ............................................................................................................................18-11
Selecting the Voltage Reference Source ..................................................................................................... 18-11
Selecting the A/D Conversion Clock ............................................................................................................ 18-12
Selecting Analog Inputs for Sampling .......................................................................................................... 18-12
Enabling the Module .................................................................................................................................... 18-14
How to Start Sampling .................................................................................................................................18-14
How to Stop Sampling and Start Conversions ............................................................................................. 18-14
Controlling Sample/Conversion Operation ................................................................................................... 18-19
Specifying How Conversion Results are Written into the Buffer .................................................................. 18-19
Conversion Sequence Examples .................................................................................................................18-21
A/D Sampling Requirements ........................................................................................................................ 18-26
Reading the A/D Result Buffer .....................................................................................................................18-27
Transfer Function ......................................................................................................................................... 18-28
A/D Accuracy/Error ......................................................................................................................................18-28
Connection Considerations .......................................................................................................................... 18-28
Initialization .................................................................................................................................................. 18-29
A/D Conversion Speeds ............................................................................................................................... 18-30
Operation During Sleep and Idle Modes ......................................................................................................18-33
Effects of a Reset ......................................................................................................................................... 18-33
Special Function Registers Associated with the 12-bit A/D Converter .........................................................18-34
Design Tips ..................................................................................................................................................18-35
Related Application Notes ............................................................................................................................ 18-36
Revision History ...........................................................................................................................................18-37
SECTION 19. UART 19-1
Introduction ....................................................................................................................................................19-2
Control Registers ...........................................................................................................................................19-3
UART Baud Rate Generator (BRG) ...............................................................................................................19-8
UART Configuration ..................................................................................................................................... 19-10
UART Transmitter ........................................................................................................................................ 19-11
UART Receiver ............................................................................................................................................ 19-14
Using the UART for 9-bit Communication .................................................................................................... 19-18
Receiving Break Characters ........................................................................................................................ 19-19
Initialization .................................................................................................................................................. 19-20
Other Features of the UART ........................................................................................................................19-21
UART Operation During CPU Sleep and Idle Modes ................................................................................... 19-21
Registers Associated with UART Module ..................................................................................................... 19-22
Design Tips ..................................................................................................................................................19-23
Related Application Notes ............................................................................................................................ 19-24
Revision History ...........................................................................................................................................19-25
Table of Contents

70046E-page x © 2006 Microchip Technology Inc.
PAGE
M
SECTION 20. SERIAL PERIPHERAL INTERFACE (SPI™) 20-1
Introduction ....................................................................................................................................................20-2
Status and Control Registers ......................................................................................................................... 20-4
Modes of Operation ........................................................................................................................................20-7
SPI Master Mode Clock Frequency .............................................................................................................. 20-19
Operation in Power Save Modes .................................................................................................................20-20
Special Function Registers Associated with SPI Modules ........................................................................... 20-22
Related Application Notes ............................................................................................................................ 20-23
Revision History ...........................................................................................................................................20-24
SECTION 21. INTER-INTEGRATED CIRCUIT™ (I2C™) 21-1
Overview ........................................................................................................................................................21-2
I2C Bus Characteristics .................................................................................................................................. 21-4
Control and Status Registers .........................................................................................................................21-7
Enabling I2C Operation ................................................................................................................................ 21-13
Communicating as a Master in a Single Master Environment ......................................................................21-15
Communicating as a Master in a Multi-Master Environment ........................................................................ 21-29
Communicating as a Slave .......................................................................................................................... 21-32
Connection Considerations for I2C Bus ....................................................................................................... 21-47
Module Operation During PWRSAV Instruction ........................................................................................... 21-49
Effects of a Reset ......................................................................................................................................... 21-49
Design Tips .................................................................................................................................................. 21-50
Related Application Notes ............................................................................................................................ 21-51
Revision History ...........................................................................................................................................21-52
SECTION 22. DATA CONVERTER INTERFACE (DCI) 22-1
Introduction ....................................................................................................................................................22-2
Control Register Descriptions .........................................................................................................................22-2
Codec Interface Basics and Terminology ....................................................................................................... 22-8
DCI Operation ..............................................................................................................................................22-10
Using the DCI Module .................................................................................................................................. 22-17
Operation in Power Saving Modes ............................................................................................................... 22-28
Registers Associated with DCI ..................................................................................................................... 22-28
Design Tips .................................................................................................................................................. 22-30
Related Application Notes ............................................................................................................................ 22-31
Revision History ...........................................................................................................................................22-32
Table of Contents

© 2006 Microchip Technology Inc. 70046E-page xi
PAGE
M
SECTION 23. CAN MODULE 23-1
Introduction ....................................................................................................................................................23-2
Control Registers for the CAN Module ........................................................................................................... 23-2
CAN Module Features .................................................................................................................................. 23-28
CAN Module Implementation .......................................................................................................................23-29
CAN Module Operation Modes .................................................................................................................... 23-36
Message Reception ..................................................................................................................................... 23-39
Transmission ................................................................................................................................................ 23-49
Error Detection .............................................................................................................................................23-58
CAN Baud Rate ............................................................................................................................................ 23-60
Interrupts ...................................................................................................................................................... 23-64
CAN Capture ................................................................................................................................................ 23-65
CAN Module I/O ........................................................................................................................................... 23-65
Operation in CPU Power Saving Modes ......................................................................................................23-66
CAN Protocol Overview ............................................................................................................................... 23-68
Related Application Notes ............................................................................................................................ 23-72
Revision History ...........................................................................................................................................23-73
SECTION 24. DEVICE CONFIGURATION 24-1
Introduction ....................................................................................................................................................24-2
Device Configuration Registers ......................................................................................................................24-2
Configuration Bit Descriptions ........................................................................................................................24-6
Device Identification Registers .......................................................................................................................24-7
Related Application Notes .............................................................................................................................. 24-8
Revision History .............................................................................................................................................24-9
SECTION 25. DEVELOPMENT TOOL SUPPORT 25-1
Introduction ....................................................................................................................................................25-2
Microchip Hardware and Language Tools ......................................................................................................25-2
Third Party Hardware/Software Tools and Application Libraries ...................................................................25-6
dsPIC30F Hardware Development Boards .................................................................................................. 25-11
Related Application Notes ............................................................................................................................ 25-15
Revision History ...........................................................................................................................................25-16
SECTION 26. APPENDIX 26-1
Table of Contents

70046E-page xii © 2006 Microchip Technology Inc.
PAGE
M
NOTES:
Table of Contents

© 2004 Microchip Technology Inc. DS70048C-page 1-1
Introduction
1
Section 1. Introduction
HIGHLIGHTS
This section of the manual contains the following topics:
1.1 Introduction ....................................................................................................................1-2
1.2 Manual Objective ...........................................................................................................1-2
1.3 Device Structure.............................................................................................................1-3
1.4 Development Support ....................................................................................................1-4
1.5 Style and Symbol Conventions ...................................................................................... 1-4
1.6 Related Documents .......................................................................................................1-6
1.7 Revision History.............................................................................................................1-7

dsPIC30F Family Reference Manual
DS70048C-page 1-2 © 2004 Microchip Technology Inc.
1.1 Introduction
Microchip is a leading provider of microcontrollers and analog semiconductors. The company’s
focus is on products that meet the needs of the embedded control market. We are a leading
supplier of:
• 8-bit general purpose microcontrollers (PICmicro® MCUs)
• dsPIC30F 16-bit microcontrollers
• Speciality and standard non-volatile memory devices
• Security devices (KEELOQ®)
• Application specific standard products
Please request a Microchip Product Line Card for a listing of all the interesting products that we
have to offer. This literature can be obtained from your local sales office, or downloaded from the
Microchip web site (www.microchip.com).
1.2 Manual Objective
PICmicro and dsPIC30F devices are grouped by the size of their Instruction Word and Data Path.
The current device families are:
1. Base-Line: 12-bit Instruction Word length, 8-bit Data Path
2. Mid-Range: 14-bit Instruction Word length, 8-bit Data Path
3. High-End: 16-bit Instruction Word length, 8-bit Data Path
4. Enhanced: 16-bit Instruction Word length, 8-bit Data Path
5. dsPIC30F: 24-bit Instruction Word length, 16-bit Data Path
This manual describes the dsPIC30F 16-bit MCU family of devices.
This manual explains the operation of the dsPIC30F MCU family architecture and peripheral
modules, but does not cover the specifics of each device. The user should refer to the data sheet
for device specific information. The information that can be found in the data sheet includes:
• Device memory map
• Device pinout and packaging details
• Device electrical specifications
• List of peripherals included on the device
Code examples are given throughout this manual. These examples sometimes need to be
written as device specific as opposed to family generic, though they are valid for most other
devices. Some modifications may be required for devices with variations in register file
mappings.

© 2004 Microchip Technology Inc. DS70048C-page 1-3
Section 1. Introduction
Introduction
1
1.3 Device Structure
Each part of the dsPIC30F device can be placed into one of three groups:
1. CPU Core
2. System Integration
3. Peripherals
1.3.1 CPU Core
The CPU core pertains to the basic features that are required to make the device operate. The
sections of the manual related to the CPU core include:
1. CPU
2. Data Memory
3. Program Memory
4. DSP Engine
5. Interrupts
1.3.2 System Integration
System integration functions help to:
• Decrease system cost
• Increase system reliability
• Increase design flexibility
The following sections of the manual discuss dsPIC30F system integration functions:
1. Oscillator
2. Reset
3. Low Voltage Detect
4. Watchdog Timer and Power Saving Modes
5. Flash and EEPROM Programming
6. Device Configuration
1.3.3 Peripherals
The dsPIC30F has many peripherals that allow the device to be interfaced to the external world.
The peripherals discussed in this manual include:
1. I/O Ports
2. Timers
3. Input Capture Module
4. Output Compare Module
5. Quadrature Encoder Interface (QEI)
6. 10-bit A/D Converter
7. 12-bit A/D Converter
8. UART Module
9. SPITM Module
10. I2CTM Module
11. Data Converter Interface (DCI) Module
12. CAN Module
1.3.4 Memory Technology
At the time of this writing, all dsPIC30F devices use Flash program memory technology. The
Flash program memory can be electrically erased or programmed.

dsPIC30F Family Reference Manual
DS70048C-page 1-4 © 2004 Microchip Technology Inc.
1.4 Development Support
Microchip offers a wide range of development tools that allow users to efficiently develop and
debug application code. Microchip’s development tools can be broken down into four categories:
1. Code generation
2. Hardware/Software debug
3. Device programmer
4. Product evaluation boards
A full description of each of Microchip’s development tools is discussed in Section
25. “Development Tool Support”. As new tools are developed, the latest product briefs and
user guides can be obtained from the Microchip web site (www.microchip.com) or from your local
Microchip Sales Office.
Microchip offers other reference tools to speed the development cycle. These include:
• Application Notes
• Reference Designs
• Microchip web site
• Local Sales Offices with Field Application Support
• Corporate Support Line
The Microchip web site lists other sites that may be useful references.
1.5 Style and Symbol Conventions
Throughout this document, certain style and font format conventions are used. Most format
conventions imply a distinction should be made for the emphasized text. The MCU industry has
many symbols and non-conventional word definitions/abbreviations. Table 1-1 provides a
description for many of the conventions contained in this document. Located at the rear of this
document, a glossary provides additional word and abbreviation definitions used throughout this
manual.

© 2004 Microchip Technology Inc. DS70048C-page 1-5
Section 1. Introduction
Introduction
1
1.5.1 Document Conventions
Table 1-1 defines some of the symbols and terms used throughout this manual.
Table 1-1: Document Conventions
Symbol or Term Description
set To force a bit/register to a value of logic ‘1’.
clear To force a bit/register to a value of logic ‘0’.
Reset 1) To force a register/bit to its default state.
2) A condition in which the device places itself after a device Reset
occurs. Some bits will be forced to ‘0’ (such as interrupt enable bits),
while others will be forced to ‘1’ (such as the I/O data direction bits).
0xnn or nnh Designates the number ‘nn’ in the hexadecimal number system. These
conventions are used in the code examples. For example, 0x13F or
13Fh.
B‘bbbbbbbb’ Designates the number ‘bbbbbbbb’ in the binary number system. This
convention is used in the text and in figures and tables. For example,
B‘10100000’.
R-M-W Read-Modify-Write. This is when a register or port is read, then the value
is modified, and that value is then written back to the register or port. This
action can occur from a single instruction (such as bit set, BSET), or a
sequence of instructions.
: (colon) Used to specify a range or the concatenation of registers/bits/pins.
One example is TMR3:TMR2, which is the concatenation of two 16-bit
registers to form a 32-bit timer value.
Concatenation order (left-right) usually specifies a positional relationship
(MSb to LSb, higher to lower).
< > Specifies bit(s) locations in a particular register.
One example is PTCON<PTMOD1:PTMOD0> (or PTMOD<1:0>), which
specifies the register and associated bits or bit positions.
MSb, MSbit, LSb,
LSbit Indicates the Least Significant or Most Significant bit in a field.
MSByte, MSWord,
LSByte, LSWord Indicates the Least/Most Significant Byte or Word in a field of bits.
Courier Font Used for code examples, binary numbers and for instruction mnemonics
in the text.
Times Font Used for equations and variables.
Times, Bold Font,
Italics Used in explanatory text for items called out from a graphic/
equation/example.
Note A Note presents information that we wish to re-emphasize, either to help
you avoid a common pitfall, or make you aware of operating differences
between some device family members. A Note is always in a shaded box
(as below), unless used in a table, where it is at the bottom of the table
(as in this table).
Note: This is a Note in a shaded note box.

dsPIC30F Family Reference Manual
DS70048C-page 1-6 © 2004 Microchip Technology Inc.
1.5.2 Electrical Specifications
Throughout this manual, there will be references to electrical specifications and their parameter
numbers. Table 1-2 shows the parameter numbering convention for dsPIC30F devices. A
parameter number represents a unique set of characteristics and conditions that is consistent
between every data sheet, though the actual parameter value may vary from device to device.
This manual describes a family of devices and therefore, does not specify the parameter values.
The user should refer to the “Electrical Specifications” section of the device data sheet for the
actual parameter values for that device.
Table 1-2: Electrical Specification Parameter Numbering Convention
1.6 Related Documents
Microchip, as well as other sources, offers additional documentation which can aid in your
development with dsPIC30F MCUs. These lists contain the most common documentation,
but other documents may also be available. Please check the Microchip web site
(www.microchip.com) for the latest published technical documentation.
1.6.1 Microchip Documentation
The following dsPIC30F documentation is available from Microchip at the time of this writing.
Many of these documents provide application specific information that gives actual examples of
using, programming and designing with dsPIC30F MCUs.
1. dsPIC30F Programmer’s Reference Manual (DS70030)
The dsPIC30F Programmer’s Reference Manual provides information about the dsPIC30F
programmer’s model and instruction set. A description of each instruction and syntax
examples are provided in this document.
2. dsPIC30F Family Overview (DS70043)
This document provides a summary of the available dsPIC30F family variants, including
device pinouts, memory sizes and available peripherals.
3. dsPIC30F Data Sheets (DS70082 and DS70083)
The data sheets contain device specific information, such as pinout and packaging details,
electrical specifications and memory maps.
1.6.2 Third Party Documentation
There are several documents available from third party sources around the world. Microchip
does not review these documents for technical accuracy. However, they may be a helpful source
for understanding the operation of Microchip dsPIC30F devices. Please refer to the Microchip
web site for third party documentation related to the dsPIC30F.
Parameter Number Format Comment
DXXX DC Specification
AXXX DC Specification for Analog Peripherals
XXX Timing (AC) Specification
PDXXX Device Programming DC Specification
PXXX Device Programming Timing (AC) Specification
Legend: XXX represents a number.

© 2004 Microchip Technology Inc. DS70048C-page 1-7
Section 1. Introduction
Introduction
1
1.7 Revision History
Revision A
This is the initial released revision of this document.
Revision B
There were no technical content or editorial revisions to this section of the manual, however, this
section was updated to reflect Revision B throughout the manual.
Revision C
There were no technical content revisions to this section of the manual, however, this section was
updated to reflect Revision C throughout the manual.

dsPIC30F Family Reference Manual
DS70048C-page 1-8 © 2004 Microchip Technology Inc.
NOTES:

© 2004 Microchip Technology Inc. DS70049C-page 2-1
CPU
2
Section 2. CPU
HIGHLIGHTS
This section of the manual contains the following topics:
2.1 Introduction ....................................................................................................................2-2
2.2 Programmer’s Model......................................................................................................2-4
2.3 Software Stack Pointer...................................................................................................2-8
2.4 CPU Register Descriptions .......................................................................................... 2-11
2.5 Arithmetic Logic Unit (ALU).......................................................................................... 2-17
2.6 DSP Engine .................................................................................................................2-18
2.7 Divide Support .............................................................................................................2-27
2.8 Instruction Flow Types .................................................................................................2-27
2.9 Loop Constructs...........................................................................................................2-30
2.10 Address Register Dependencies .................................................................................2-35
2.11 Register Maps.............................................................................................................. 2-38
2.12 Related Application Notes............................................................................................2-40
2.13 Revision History...........................................................................................................2-41

dsPIC30F Family Reference Manual
DS70049C-page 2-2 © 2004 Microchip Technology Inc.
2.1 Introduction
The dsPIC30F CPU module has a 16-bit (data) modified Harvard architecture with an enhanced
instruction set, including significant support for DSP. The CPU has a 24-bit instruction word, with
a variable length opcode field. The program counter (PC) is 24-bits wide and addresses up to
4M x 24 bits of user program memory space. A single cycle instruction pre-fetch mechanism is
used to help maintain throughput and provides predictable execution. All instructions execute in
a single cycle, with the exception of instructions that change the program flow, the double-word
move (MOV.D) instruction and the table instructions. Overhead free program loop constructs are
supported using the DO and REPEAT instructions, both of which are interruptible at any point.
The dsPIC30F devices have sixteen 16-bit working registers in the programmer’s model. Each
of the working registers can act as a data, address, or address offset register. The 16th working
register (W15) operates as a software stack pointer for interrupts and calls.
The dsPIC30F instruction set has two classes of instructions: the MCU class of instructions and
the DSP class of instructions. These two instruction classes are seamlessly integrated into the
architecture and execute from a single execution unit. The instruction set includes many
Addressing modes and was designed for optimum C compiler efficiency.
The data space can be addressed as 32K words or 64 Kbytes and is split into two blocks,
referred to as X and Y data memory. Each memory block has its own independent Address
Generation Unit (AGU). The MCU class of instructions operate solely through the X memory
AGU, which accesses the entire memory map as one linear data space. Certain DSP instruc-
tions operate through the X and Y AGUs to support dual operand reads, which splits the data
address space into two parts. The X and Y data space boundary is device specific.
The upper 32 Kbytes of the data space memory map can optionally be mapped into program
space at any 16K program word boundary defined by the 8-bit Program Space Visibility Page
(PSVPAG) register. The program to data space mapping feature lets any instruction access
program space as if it were data space. Furthermore, RAM may be connected to the program
memory bus on devices with an external bus and used to extend the internal data RAM.
Overhead free circular buffers (modulo addressing) are supported in both X and Y address
spaces. The modulo addressing removes the software boundary checking overhead for DSP
algorithms. Furthermore, the X AGU circular addressing can be used with any of the MCU class
of instructions. The X AGU also supports bit-reverse addressing to greatly simplify input or
output data reordering for radix-2 FFT algorithms.
The CPU supports Inherent (no operand), Relative, Literal, Memory Direct, Register Direct
and Register Indirect Addressing modes. Each instruction is associated with a predefined
Addressing mode group depending upon its functional requirements. As many as 6 Addressing
modes are supported for each instruction.
For most instructions, the dsPIC30F is capable of executing a data (or program data) memory
read, a working register (data) read, a data memory write and a program (instruction) memory
read per instruction cycle. As a result, 3 operand instructions can be supported, allowing
A+B=C operations to be executed in a single cycle.
The DSP engine features a high speed, 17-bit by 17-bit multiplier, a 40-bit ALU, two 40-bit
saturating accumulators and a 40-bit bi-directional barrel shifter. The barrel shifter is capable of
shifting a 40-bit value up to 15 bits right, or up to 16 bits left, in a single cycle. The DSP instruc-
tions operate seamlessly with all other instructions and have been designed for optimal
real-time performance. The MAC instruction and other associated instructions can concurrently
fetch two data operands from memory while multiplying two W registers. This requires that the
data space be split for these instructions and linear for all others. This is achieved in a
transparent and flexible manner through dedicating certain working registers to each address
space.
The dsPIC30F has a vectored exception scheme with up to 8 sources of non-maskable traps
and 54 interrupt sources. Each interrupt source can be assigned to one of seven priority levels.
A block diagram of the CPU is shown in Figure 2-1.

© 2004 Microchip Technology Inc. DS70049C-page 2-3
Section 2. CPU
CPU
2
Figure 2-1: dsPIC30F CPU Core Block Diagram
Power-up
Timer
Oscillator
Start-up Timer
POR/BOR
Reset
Watchdog
Timer
Instruction
Decode &
Control
OSC1/CLKI
MCLR
VDD, VSS
Low Voltage
Detect
UART1,
CAN2
Timing
Generation
CAN1,
16
PCH PCL
16
Program Counter
16-bit ALU
24
24
24
24
X Data Bus
IR
I2C™
DCI
PCU
10-bit or
Timers
Input
Capture
Module
Output
Compare
Module
16
16 16
16 x 16
W Reg Array
Divide
Support
Engine
DSP
ROM Latch
16
Y Data Bus
EA MUX
X RAGU
X WAGU
Y AGU
AVDD, AVSS
UART2
SPI2
16
16
16
16
16
16
16
16
16
8
Interrupt
Controller PSV & Table
Data Access
Control Block
Stack
Control
Logic
Loop
Control
Logic
Data LatchData Latch
Y Data
(4 Kbytes)
RAM X Data
(4 Kbytes)
RAM
Address
Latch
Address
Latch
Control Signals
to Various Blocks
16
SPI1,
Address Latch
Program Memory
(144 Kbytes)
Data Latch
Data EEPROM
(4 Kbytes)
I/O Ports
16
16
16
X Address Bus
Y Address Bus
16
Literal Data
12-bit ADC

dsPIC30F Family Reference Manual
DS70049C-page 2-4 © 2004 Microchip Technology Inc.
2.2 Programmer’s Model
The programmer’s model for the dsPIC30F is shown in Figure 2-2. All registers in the program-
mer’s model are memory mapped and can be manipulated directly by instructions. A description
of each register is provided in Table 2-1.
In addition to the registers contained in the programmer’s model, the dsPIC30F contains control
registers for modulo addressing, bit-reversed addressing and interrupts. These registers are
described in subsequent sections of this document.
All registers associated with the programmer’s model are memory mapped, as shown in
Table 2-8 on page 2-38.
Table 2-1: Programmer’s Model Register Descriptions
Register(s) Name Description
W0 through W15 Working register array
ACCA, ACCB 40-bit DSP Accumulators
PC 23-bit Program Counter
SR ALU and DSP Engine Status register
SPLIM Stack Pointer Limit Value register
TBLPAG Table Memory Page Address register
PSVPAG Program Space Visibility Page Address register
RCOUNT REPEAT Loop Count register
DCOUNT DO Loop Count register
DOSTART DO Loop Start Address register
DOEND DO Loop End Address register
CORCON Contains DSP Engine and DO Loop control bits

© 2004 Microchip Technology Inc. DS70049C-page 2-5
Section 2. CPU
CPU
2
Figure 2-2: Programmer’s Model
NOVSZC
TBLPAG
22 0
7 0
015
Program Counter
Data Table Page Address
Status Register
Working/Address
Registers
DSP Operand
Registers
W0 (WREG)
W1
W2
W3
W4
W5
W6
W7
W8
W9
W10
W11
W12
W13
Frame Pointer/W14
Stack Ptr/W15
DSP Address
Registers
39 031
DSP
Accumulators
PSVPAG
7 0 Program Space Visibility
RA
0
OA OB SA SB
RCOUNT
15 0
REPEAT Loop Counter
DCOUNT
15 0
DO Loop Counter
DOSTART
22 0
DO Loop Start Address
DOEND DO Loop End Address
IPL<2:0>
SPLIM Stack Pointer Limit
15
22 0
SRL
PUSH.S and POP.S Shadows
0
0
OAB SAB
Page Address
DA DC
CORCON
15 0
Core Control Register
ACCAH ACCAL
ACCAU
ACCBU ACCBH ACCBL
ACCA
ACCB
SRH
0
0
Note: DCOUNT, DOSTART and DOEND have one level of shadow registers (not shown) for nested DO loops.

dsPIC30F Family Reference Manual
DS70049C-page 2-6 © 2004 Microchip Technology Inc.
2.2.1 Working Register Array
The 16 working (W) registers can function as data, address or address offset registers. The
function of a W register is determined by the Addressing mode of the instruction that accesses it.
The dsPIC30F instruction set can be divided into two instruction types: register and file register
instructions. Register instructions can use each W register as a data value or an address offset
value. For example:
MOV W0,W1 ; move contents of W0 to W1
MOV W0,[W1] ; move W0 to address contained in W1
ADD W0,[W4],W5 ; add contents of W0 to contents pointed
; to by W4. Place result in W5.
2.2.1.1 W0 and File Register Instructions
W0 is a special working register because it is the only working register that can be used in file
register instructions. File register instructions operate on a specific memory address contained
in the instruction opcode and W0. W1-W15 cannot be specified as a target register in file register
instructions.
The file register instructions provide backward compatibility with existing PICmicro® devices
which have only one W register. The label ‘WREG’ is used in the assembler syntax to denote W0
in a file register instruction. For example:
MOV WREG,0x0100 ; move contents of W0 to address 0x0100
ADD 0x0100,WREG ; add W0 to address 0x0100, store in W0
2.2.1.2 W Register Memory Mapping
Since the W registers are memory mapped, it is possible to access a W register in a file register
instruction as shown below:
MOV 0x0004, W10 ; equivalent to MOV W2, W10
where 0x0004 is the address in memory of W2.
Further, it is also possible to execute an instruction that will attempt to use a W register as both
an address pointer and operand destination. For example:
MOV W1,[W2++]
where:
W1 = 0x1234
W2 = 0x0004 ;[W2] addresses W2
In the example above, the contents of W2 are 0x0004. Since W2 is used as an address pointer,
it points to location 0x0004 in memory. W2 is also mapped to this address in memory. Even
though this is an unlikely event, it is impossible to detect until run-time. The dsPIC30F ensures
that the data write will dominate, resulting in W2 = 0x1234 in the example above.
2.2.1.3 W Registers and Byte Mode Instructions
Byte instructions which target the W register array only affect the Least Significant Byte of the
target register. Since the working registers are memory mapped, the Least and Most Significant
Bytes can be manipulated through byte wide data memory space accesses.
2.2.2 Shadow Registers
Many of the registers in the programmer’s model have an associated shadow register as shown
in Figure 2-2. None of the shadow registers are accessible directly. There are two types of
shadow registers: those utilized by the PUSH.S and POP.S instructions and those utilized by the
DO instruction.
Note: For a complete description of Addressing modes and instruction syntax, please
refer to the dsPIC30F Programmer’s Reference Manual (DS70032).

© 2004 Microchip Technology Inc. DS70049C-page 2-7
Section 2. CPU
CPU
2
2.2.2.1 PUSH.S and POP.S Shadow Registers
The PUSH.S and POP.S instructions are useful for fast context save/restore during a function call
or Interrupt Service Routine (ISR). The PUSH.S instruction will transfer the following register
values into their respective shadow registers:
• W0...W3
• SR (N, OV, Z , C, DC bits only)
The POP.S instruction will restore the values from the shadow registers into these register
locations. A code example using the PUSH.S and POP.S instructions is shown below:
MyFunction:
PUSH.S ; Save W registers, MCU status
MOV #0x03,W0 ; load a literal value into W0
ADD RAM100 ; add W0 to contents of RAM100
BTSC SR,#Z ; is the result 0?
BSET Flags,#IsZero ; Yes, set a flag
POP.S ; Restore W regs, MCU status
RETURN
The PUSH.S instruction will overwrite the contents previously saved in the shadow registers. The
shadow registers are only one level in depth, so care must be taken if the shadow registers are
to be used for multiple software tasks.
The user must ensure that any task using the shadow registers will not be interrupted by a higher
priority task that also uses the shadow registers. If the higher priority task is allowed to interrupt
the lower priority task, the contents of the shadow registers saved in the lower priority task will
be overwritten by the higher priority task.
2.2.2.2 DO Loop Shadow Registers
The following registers are automatically saved in shadow registers when a DO instruction is
executed:
•DOSTART
•DOEND
• DCOUNT
The DO shadow registers are one level in depth, permitting two loops to be automatically nested.
Refer to Section 2.9.2.2 “DO Loop Nesting” for further details.
2.2.3 Uninitialized W Register Reset
The W register array (with the exception of W15) is cleared during all Resets and is considered
uninitialized until written to. An attempt to use an uninitialized register as an address pointer will
reset the device.
A word write must be performed to initialize a W register. A byte write will not affect the initialization
detection logic.

dsPIC30F Family Reference Manual
DS70049C-page 2-8 © 2004 Microchip Technology Inc.
2.3 Software Stack Pointer
W15 serves as a dedicated software stack pointer and is automatically modified by exception
processing, subroutine calls and returns. However, W15 can be referenced by any instruction in
the same manner as all other W registers. This simplifies reading, writing and manipulating the
stack pointer (e.g., creating stack frames).
W15 is initialized to 0x0800 during all Resets. This address ensures that the stack pointer (SP)
will point to valid RAM in all dsPIC30F devices and permits stack availability for non-maskable
trap exceptions, which may occur before the SP is initialized by the user software. The user may
reprogram the SP during initialization to any location within data space.
The stack pointer always points to the first available free word and fills the software stack working
from lower towards higher addresses. It pre-decrements for a stack pop (read) and
post-increments for a stack push (writes), as shown in Figure 2-3.
When the PC is pushed onto the stack, PC<15:0> is pushed onto the first available stack word,
then PC<22:16> is pushed into the second available stack location. For a PC push during any
CALL instruction, the MSByte of the PC is zero-extended before the push as shown in Figure 2-3.
During exception processing, the MSByte of the PC is concatenated with the lower 8 bits of the
CPU status register, SR. This allows the contents of SRL to be preserved automatically during
interrupt processing.
Figure 2-3: Stack Operation for a CALL Instruction
Note: In order to protect against misaligned stack accesses, W15<0> is fixed to ‘0’ by the
hardware.
<Free Word>
PC<15:0>
PC<22:16>
015
W15 (before CALL)
W15 (after CALL)
Stack Grows Towards
Higher Address
B‘000000000’
CALL SUBR

© 2004 Microchip Technology Inc. DS70049C-page 2-9
Section 2. CPU
CPU
2
2.3.1 Software Stack Examples
The software stack is manipulated using the PUSH and POP instructions. The PUSH and POP
instructions are the equivalent of a MOV instruction with W15 used as the destination pointer. For
example, the contents of W0 can be pushed onto the stack by:
PUSH W0
This syntax is equivalent to:
MOV W0,[W15++]
The contents of the top-of-stack can be returned to W0 by:
POP W0
This syntax is equivalent to:
MOV [--W15],W0
Figure 2-4 through Figure 2-7 show examples of how the software stack is used. Figure 2-4
shows the software stack at device initialization. W15 has been initialized to 0x0800. Further-
more, this example assumes the values 0x5A5A and 0x3636 have been written to W0 and W1,
respectively. The stack is pushed for the first time in Figure 2-5 and the value contained in W0 is
copied to the stack. W15 is automatically updated to point to the next available stack location
(0x0802). In Figure 2-6, the contents of W1 are pushed onto the stack. In Figure 2-7, the stack
is popped and the top-of-stack value (previously pushed from W1) is written to W3.
Figure 2-4: Stack Pointer at Device Reset
Figure 2-5: Stack Pointer After the First PUSH Instruction
Figure 2-6: Stack Pointer After the Second PUSH Instruction
0x0000
0xFFFE
0x0800W15
W15 = 0x0800
W0 = 0x5A5A
W1 = 0x3636
0x0000
0xFFFE
0x5A5A
W15 = 0x0802
W0 = 0x5A5A
W1 = 0x3636
0x0800 PUSH W0
0x0802
W15
0x0000
0xFFFE
0x5A5A
0x3636
W15 = 0x0804
W0 = 0x5A5A
W1 = 0x3636
0x0800 PUSH W1
0x0802
0x0804
W15

dsPIC30F Family Reference Manual
DS70049C-page 2-10 © 2004 Microchip Technology Inc.
Figure 2-7: Stack Pointer After a POP Instruction
2.3.2 W14 Software Stack Frame Pointer
A frame is a user defined section of memory in the stack that is used by a single subroutine. W14
is a special working register because it can be used as a stack frame pointer with the LNK (link)
and ULNK (unlink) instructions. W14 can be used in a normal working register by instructions
when it is not used as a frame pointer.
Refer to the “dsPIC30F Programmer’s Reference Manual” (DS70030) for software examples that
use W14 as a stack frame pointer.
2.3.3 Stack Pointer Overflow
There is a stack limit register (SPLIM) associated with the stack pointer that is reset to 0x0000.
SPLIM is a 16-bit register, but SPLIM<0> is fixed to ‘0’ because all stack operations must be word
aligned.
The stack overflow check will not be enabled until a word write to SPLIM occurs, after which time
it can only be disabled by a device Reset. All effective addresses generated using W15 as a
source or destination are compared against the value in SPLIM. If the contents of the Stack
Pointer (W15) are greater than the contents of the SPLIM register by 2 and a push operation is
performed, a Stack Error Trap will not occur. The Stack Error Trap will occur on a subsequent
push operation. Thus, for example, if it is desirable to cause a Stack Error Trap when the stack
grows beyond address 0x2000 in RAM, initialize the SPLIM with the value, 0x1FFE.
If stack overflow checking has been enabled, a stack error trap will also occur if the W15 effective
address calculation wraps over the end of data space (0xFFFF).
Refer to Section 6. “Reset Interrupts” for more information on the stack error trap.
2.3.4 Stack Pointer Underflow
The stack is initialized to 0x0800 during Reset. A stack error trap will be initiated should the stack
pointer address ever be less than 0x0800.
0x0000
0xFFFE
0x05A5A
0x03636
0x3636 → W3
W15 = 0x0802
POP W3
0x0802
0x0800
W15
Note: A Stack Error Trap may be caused by any instruction that uses the contents of the
W15 register to generate an effective address (EA). Thus, if the contents of W15 are
greater than the contents of the SPLIM register by 2, and a CALL instruction is
executed, or if an interrupt occurs, a Stack Error Trap will be generated.
Note: A write to the Stack Pointer Limit register, SPLIM, should not be followed by an
indirect read operation using W15.
Note: Locations in data space between 0x0000 and 0x07FF are, in general, reserved for
core and peripheral special function registers.

© 2004 Microchip Technology Inc. DS70049C-page 2-11
Section 2. CPU
CPU
2
2.4 CPU Register Descriptions
2.4.1 SR: CPU Status Register
The dsPIC30F CPU has a 16-bit status register (SR), the LSByte of which is referred to as the
lower status register (SRL). The upper byte of SR is referred to as SRH. A detailed description
of SR is shown in Register 2-1.
SRL contains all the MCU ALU operation status flags, plus the CPU interrupt priority status bits,
IPL<2:0> and the REPEAT loop active status bit, RA (SR<4>). During exception processing, SRL
is concatenated with the MSByte of the PC to form a complete word value, which is then stacked.
SRH contains the DSP Adder/Subtractor status bits, the DO loop active bit, DA (SR<9>) and the
Digit Carry bit, DC (SR<8>).
The SR bits are readable/writable with the following exceptions:
1. The DA bit (SR<8>): DA is a read only bit.
2. The RA bit (SR<4>): RA is a read only bit.
3. The OA, OB (SR<15:14>) and OAB (SR<11>) bits: These bits are read only and can only
be modified by the DSP engine hardware.
4. The SA, SB (SR<13:12>) and SAB (SR<10>) bits: These are read and clear only and can
only be set by the DSP engine hardware. Once set, they remain set until cleared by the
user, irrespective of the results from any subsequent DSP operations.
2.4.2 CORCON: Core Control Register
The CORCON register contains bits that control the operation of the DSP multiplier and DO loop
hardware. The CORCON register also contains the IPL3 status bit, which is concatenated with
IPL<2:0> (SR<7:5>), to form the CPU Interrupt Priority Level.
Note: Clearing the SAB bit will also clear both the SA and SB bits.
Note: A description of the SR bits affected by each instruction is provided in the dsPIC30F
Programmer’s Reference Manual (DS70030).

dsPIC30F Family Reference Manual
DS70049C-page 2-12 © 2004 Microchip Technology Inc.
Register 2-1: SR: CPU Status Register
Upper Byte:
R-0 R-0 R/C-0 R/C-0 R-0 R/C-0 R -0 R/W-0
OA OB SA SB OAB SAB DA DC
bit 15 bit 8
Lower Byte: (SRL)
R/W-0(2) R/W-0(2) R/W-0(2) R-0 R/W-0 R/W-0 R/W-0 R/W-0
IPL<2:0> RA N OV Z C
bit 7 bit 0
bit 15 OA: Accumulator A Overflow Status bit
1 = Accumulator A overflowed
0 = Accumulator A has not overflowed
bit 14 OB: Accumulator B Overflow Status bit
1 = Accumulator B overflowed
0 = Accumulator B has not overflowed
bit 13 SA: Accumulator A Saturation ‘Sticky’ Status bit
1 = Accumulator A is saturated or has been saturated at some time
0 = Accumulator A is not saturated
Note: This bit may be read or cleared (not set).
bit 12 SB: Accumulator B Saturation ‘Sticky’ Status bit
1 = Accumulator B is saturated or has been saturated at some time
0 = Accumulator B is not saturated
Note: This bit may be read or cleared (not set).
bit 11 OAB: OA || OB Combined Accumulator Overflow Status bit
1 = Accumulators A or B have overflowed
0 = Neither Accumulators A or B have overflowed
bit 10 SAB: SA || SB Combined Accumulator ‘Sticky’ Status bit
1 = Accumulators A or B are saturated or have been saturated at some time in the past
0 = Neither Accumulator A or B are saturated
Note: This bit may be read or cleared (not set). Clearing this bit will clear SA and SB.
bit 9 DA: DO Loop Active bit
1 = DO loop in progress
0 = DO loop not in progress
bit 8 DC: MCU ALU Half Carry/Borrow bit
1 = A carry-out from the 4th low order bit (for byte-sized data) or 8th low order bit (for word-sized data)
of the result occurred
0 = No carry-out from the 4th low order bit (for byte-sized data) or 8th low order bit (for word-sized data)
of the result occurred

© 2004 Microchip Technology Inc. DS70049C-page 2-13
Section 2. CPU
CPU
2
Register 2-1: SR: CPU Status Register (Continued)
bit 7-5 IPL<2:0>: CPU Interrupt Priority Level Status bits(1)
111 = CPU Interrupt Priority Level is 7 (15). User interrupts disabled.
110 = CPU Interrupt Priority Level is 6 (14)
101 = CPU Interrupt Priority Level is 5 (13)
100 = CPU Interrupt Priority Level is 4 (12)
011 = CPU Interrupt Priority Level is 3 (11)
010 = CPU Interrupt Priority Level is 2 (10)
001 = CPU Interrupt Priority Level is 1 (9)
000 = CPU Interrupt Priority Level is 0 (8)
Note 1: The IPL<2:0> bits are concatenated with the IPL<3> bit (CORCON<3>) to form the CPU
Interrupt Priority Level. The value in parentheses indicates the IPL if IPL<3> = 1. User interrupts
are disabled when IPL<3> = 1.
2: The IPL<2:0> status bits are read only when NSTDIS = 1 (INTCON1<15>).
bit 4 RA: REPEAT Loop Active bit
1 = REPEAT loop in progress
0 = REPEAT loop not in progress
bit 3 N: MCU ALU Negative bit
1 = Result was negative
0 = Result was non-negative (zero or positive)
bit 2 OV: MCU ALU Overflow bit
This bit is used for signed arithmetic (2’s complement). It indicates an overflow of the magnitude which
causes the sign bit to change state.
1 = Overflow occurred for signed arithmetic (in this arithmetic operation)
0 = No overflow occurred
bit 1 Z: MCU ALU Zero bit
1 = An operation which effects the Z bit has set it at some time in the past
0 = The most recent operation which effects the Z bit has cleared it (i.e., a non-zero result)
bit 0 C: MCU ALU Carry/Borrow bit
1 = A carry-out from the Most Significant bit of the result occurred
0 = No carry-out from the Most Significant bit of the result occurred
Legend:
R = Readable bit W = Writable bit U = Unimplemented bit, read as ‘0’
C = Clear only bit S = Set only bit -n = Value at POR
‘1’ = Bit is set ‘0’ = Bit is cleared x = Bit is unknown

dsPIC30F Family Reference Manual
DS70049C-page 2-14 © 2004 Microchip Technology Inc.
Register 2-2: CORCON: Core Control Register
Upper Byte:
U-0 U-0 U-0 R/W-0 R/W-0 R-0 R-0 R-0
— — — US EDT DL<2:0>
bit 15 bit 8
Lower Byte:
R/W-0 R/W-0 R/W-1 R/W-0 R/C-0 R/W-0 R/W-0 R/W-0
SATA SATB SATDW ACCSAT IPL3 PSV RND IF
bit 7 bit 0
bit 15-13 Unimplemented: Read as '0’
bit 12 US: DSP Multiply Unsigned/Signed Control bit
1 = DSP engine multiplies are unsigned
0 = DSP engine multiplies are signed
bit 11 EDT: Early DO Loop Termination Control bit
1 = Terminate executing DO loop at end of current loop iteration
0 = No effect
Note: This bit will always read as ‘0’.
bit 10-8 DL<2:0>: DO Loop Nesting Level Status bits
111 = 7 DO loops active
•
•
001 = 1 DO loop active
000 = 0 DO loops active
bit 7 SATA: AccA Saturation Enable bit
1 = Accumulator A saturation enabled
0 = Accumulator A saturation disabled
bit 6 SATB: AccB Saturation Enable bit
1 = Accumulator B saturation enabled
0 = Accumulator B saturation disabled
bit 5 SATDW: Data Space Write from DSP Engine Saturation Enable bit
1 = Data space write saturation enabled
0 = Data space write saturation disabled
bit 4 ACCSAT: Accumulator Saturation Mode Select bit
1 = 9.31 saturation (super saturation)
0 = 1.31 saturation (normal saturation)
bit 3 IPL3: CPU Interrupt Priority Level Status bit 3
1 = CPU interrupt priority level is greater than 7
0 = CPU interrupt priority level is 7 or less
Note: The IPL3 bit is concatenated with the IPL<2:0> bits (SR<7:5>) to form the CPU interrupt
priority level.

© 2004 Microchip Technology Inc. DS70049C-page 2-15
Section 2. CPU
CPU
2
Register 2-2: CORCON: Core Control Register (Continued)
bit 2 PSV: Program Space Visibility in Data Space Enable bit
1 = Program space visible in data space
0 = Program space not visible in data space
bit 1 RND: Rounding Mode Select bit
1 = Biased (conventional) rounding enabled
0 = Unbiased (convergent) rounding enabled
bit 0 IF: Integer or Fractional Multiplier Mode Select bit
1 = Integer mode enabled for DSP multiply ops
0 = Fractional mode enabled for DSP multiply ops
Legend:
R = Readable bit W = Writable bit U = Unimplemented bit, read as ‘0’ C = Bit can be cleared
-n = Value at POR ‘1’ = Bit is set ‘0’ = Bit is cleared x = Bit is unknown

dsPIC30F Family Reference Manual
DS70049C-page 2-16 © 2004 Microchip Technology Inc.
2.4.3 Other dsPIC30F CPU Control Registers
The registers listed below are associated with the dsPIC30F CPU core, but are described in
further detail in other sections of this manual.
2.4.3.1 TBLPAG: Table Page Register
The TBLPAG register is used to hold the upper 8 bits of a program memory address during table
read and write operations. Table instructions are used to transfer data between program memory
space and data memory space. Refer to Section 4. “Program Memory” for further details.
2.4.3.2 PSVPAG: Program Space Visibility Page Register
Program space visibility allows the user to map a 32-Kbyte section of the program memory space
into the upper 32 Kbytes of data address space. This feature allows transparent access of
constant data through dsPIC30F instructions that operate on data memory. The PSVPAG
register selects the 32 Kbyte region of program memory space that is mapped to the data
address space. Refer to Section 4. “Program Memory” for more information on the PSVPAG
register.
2.4.3.3 MODCON: Modulo Control Register
The MODCON register is used to enable and configure modulo addressing (circular buffers).
Refer to Section 3. “Data Memory” for further details on modulo addressing.
2.4.3.4 XMODSRT, XMODEND: X Modulo Start and End Address Registers
The XMODSRT and XMODEND registers hold the start and end addresses for modulo (circular)
buffers implemented in the X data memory address space. Refer to Section 3. “Data Memory”
for further details on modulo addressing.
2.4.3.5 YMODSRT, YMODEND: Y Modulo Start and End Address Registers
The YMODSRT and YMODEND registers hold the start and end addresses for modulo (circular)
buffers implemented in the Y data memory address space. Refer to Section 3. “Data Memory”
for further details on modulo addressing.
2.4.3.6 XBREV: X Modulo Bit-Reverse Register
The XBREV register is used to set the buffer size used for bit-reversed addressing. Refer to
Section 3. “Data Memory” for further details on bit-reversed addressing.
2.4.3.7 DISICNT: Disable Interrupts Count Register
The DISICNT register is used by the DISI instruction to disable interrupts of priority 1-6 for a
specified number of cycles. See Section 6. “Reset Interrupts” for further information.

© 2004 Microchip Technology Inc. DS70049C-page 2-17
Section 2. CPU
CPU
2
2.5 Arithmetic Logic Unit (ALU)
The dsPIC30F ALU is 16-bits wide and is capable of addition, subtraction, single bit shifts and
logic operations. Unless otherwise mentioned, arithmetic operations are 2’s complement in
nature. Depending on the operation, the ALU may affect the values of the Carry (C), Zero (Z),
Negative (N), Overflow (OV) and Digit Carry (DC) status bits in the SR register. The C and DC
status bits operate as a Borrow and Digit Borrow bits, respectively, for subtraction operations.
The ALU can perform 8-bit or 16-bit operations, depending on the mode of the instruction that is
used. Data for the ALU operation can come from the W register array or data memory depending
on the Addressing mode of the instruction. Likewise, output data from the ALU can be written to
the W register array or a data memory location.
Refer to the dsPIC30F Programmer’s Reference Manual (DS70030) for information on the SR
bits affected by each instruction, Addressing modes and 8-bit/16-bit Instruction modes.
2.5.1 Byte to Word Conversion
The dsPIC30F has two instructions that are helpful when mixing 8-bit and 16-bit ALU operations.
The sign-extend (SE) instruction takes a byte value in a W register or data memory and creates
a sign-extended word value that is stored in a W register. The zero-extend (ZE) instruction clears
the 8 MSbs of a word value in a W register or data memory and places the result in a destination
W register.
Note 1: Byte operations use the 16-bit ALU and can produce results in excess of 8 bits.
However, to maintain backward compatibility with PICmicro devices, the ALU result
from all byte operations is written back as a byte (i.e., MSByte not modified), and
the SR register is updated based only upon the state of the LSByte of the result.
2: All register instructions performed in Byte mode only affect the LSByte of the W
registers. The MSByte of any W register can be modified by using file register
instructions that access the memory mapped contents of the W registers.

dsPIC30F Family Reference Manual
DS70049C-page 2-18 © 2004 Microchip Technology Inc.
2.6 DSP Engine
The DSP engine is a block of hardware which is fed data from the W register array but contains
its own specialized result registers. The DSP engine is driven from the same instruction decoder
that directs the MCU ALU. In addition, all operand effective addresses (EAs) are generated in the
W register array. Concurrent operation with MCU instruction flow is not possible, though both the
MCU ALU and DSP engine resources may be shared by all instructions in the instruction set.
The DSP engine consists of the following components:
• high speed 17-bit x 17-bit multiplier
• barrel shifter
• 40-bit adder/subtractor
• two target accumulator registers
• rounding logic with Selectable modes
• saturation logic with Selectable modes
Data input to the DSP engine is derived from one of the following sources:
1. Directly from the W array (registers W4, W5, W6 or W7) for dual source operand DSP
instructions. Data values for the W4, W5, W6 and W7 registers are pre-fetched via the X
and Y memory data buses.
2. From the X memory data bus for all other DSP instructions.
Data output from the DSP engine is written to one of the following destinations:
1. The target accumulator, as defined by the DSP instruction being executed.
2. The X memory data bus to any location in the data memory address space.
The DSP engine has the capability to perform inherent accumulator to accumulator operations
which require no additional data.
The MCU shift and multiply instructions use the DSP engine hardware to obtain their results. The
X memory data bus is used for data reads and writes in these operations.
A block diagram of the DSP engine is shown in Figure 2-8.
Note: For detailed code examples and instruction syntax related to this section, refer to
the dsPIC30F Programmer’s Reference Manual (DS70030).

© 2004 Microchip Technology Inc. DS70049C-page 2-19
Section 2. CPU
CPU
2
Figure 2-8: DSP Engine Block Diagram
Zero Backfill
Sign-Extend
Barrel
Shifter
40-bit Accumulator A
40-bit Accumulator B
Round Logic
X Data Bus
To/From W Array
Adder
Saturate
Negate
32
32
32
16
16 16
16
40 40
40 40
Y Data Bus
40
16
40
Multiplier/Scaler
17-bit x 17-bit
16-bit to 17-bit
Conversion
Saturation Logic

dsPIC30F Family Reference Manual
DS70049C-page 2-20 © 2004 Microchip Technology Inc.
2.6.1 Data Accumulators
There are two 40-bit data accumulators, ACCA and ACCB, that are the result registers for the
DSP instructions listed in Table 2-3. Each accumulator is memory mapped to three registers,
where ‘x’ denotes the particular accumulator:
• ACCxL: ACCx<15:0>
• ACCxH: ACCx<31:16>
• ACCxU: ACCx<39:32>
For fractional operations that use the accumulators, the radix point is located to the right of
bit 31. The range of fractional values that be stored in each accumulator is -256.0 to
(256.0 – 2-31). For integer operations that use the accumulators, the radix point is located to the
right of bit 0. The range of integer values that can be stored in each accumulator is
-549,755,813,888 to 549,755,813,887.
2.6.2 Multiplier
The dsPIC30F features a 17-bit x 17-bit multiplier which is shared by both the MCU ALU and the
DSP engine. The multiplier is capable of signed or unsigned operation and can support either
1.31 fractional (Q.31) or 32-bit integer results.
The multiplier takes in 16-bit input data and converts the data to 17-bits. Signed operands to the
multiplier are sign-extended. Unsigned input operands are zero-extended. The 17-bit conversion
logic is transparent to the user and allows the multiplier to support mixed sign and
unsigned/unsigned multiplication.
The IF control bit (CORCON<0>) determines integer/fractional operation for the instructions
listed in Table 2-3. The IF bit does not affect MCU multiply instructions listed in Table 2-4, which
are always integer operations. The multiplier scales the result one bit to the left for fractional
operation. The LSbit of the result is always cleared. The multiplier defaults to Fractional mode for
DSP operations at a device Reset.
The representation of data in hardware for each of these modes is as follows:
• Integer data is inherently represented as a signed two’s complement value, where the
MSbit is defined as a sign bit. Generally speaking, the range of an N-bit two’s
complement integer is -2N-1 to 2N-1 – 1.
• Fractional data is represented as a two’s complement fraction where the MSbit is
defined as a sign bit and the radix point is implied to lie just after the sign bit (Q.X
format). The range of an N-bit two’s complement fraction with this implied radix point is
-1.0 to (1 – 21-N).
Figure 2-9 and Figure 2-10 illustrate how the multiplier hardware interprets data in Integer and
Fractional modes. The range of data in both Integer and Fractional modes is listed in Table 2-2.

© 2004 Microchip Technology Inc. DS70049C-page 2-21
Section 2. CPU
CPU
2
Figure 2-9: Integer and Fractional Representation of 0x4001
Figure 2-10: Integer and Fractional Representation of 0xC002
Different Representations of 0x4001
Integer:
-215 214 213 212 . . . .
0x4001 = 214 + 20 = 16385
1.15 Fractional:
2-15
0
2-1 2-2 2-3 . . .
-20
20
0x4001 = 2-1 + 2-15 = 0.500030518
Implied Radix Point
.
1 10000000000000
01 10000000000000
Different Representations of 0xC002
Integer:
-215 214 213 212 . . . .
0xC002 = -215 + 214 + 20 = -32768 + 16384 + 2 = -16382
1.15 Fractional:
2-15
. 2-1 2-2 2-3 . . .
-20
20
0xC002 = -20 + 2-1 + 2-14 = -1 + 0.5 + 0.000061035 = -0.499938965
Implied Radix Point
11 00000000000001
11 00000000000001

dsPIC30F Family Reference Manual
DS70049C-page 2-22 © 2004 Microchip Technology Inc.
Table 2-2: dsPIC30F Data Ranges
2.6.2.1 DSP Multiply Instructions
The DSP instructions that utilize the multiplier are summarized in Table 2-3.
Table 2-3: DSP Instructions that Utilize the Multiplier
The US control bit (CORCON<12>) determines whether DSP multiply instructions are signed
(default) or unsigned. The US bit does not influence the MCU multiply instructions which have
specific instructions for signed or unsigned operation. If the US bit is set, the input operands for
instructions shown in Table 2-3 are considered as unsigned values which are always
zero-extended into the 17th bit of the multiplier value.
2.6.2.2 MCU Multiply Instructions
The same multiplier is used to support the MCU multiply instructions, which include integer 16-bit
signed, unsigned and mixed sign multiplies as shown in Table 2-4. All multiplications performed
by the MUL instruction produce integer results. The MUL instruction may be directed to use byte
or word sized operands. Byte input operands will produce a 16-bit result and word input operands
will produce a 32-bit result to the specified register(s) in the W array.
Table 2-4: MCU Instructions that Utilize the Multiplier
Register
Size Integer Range Fraction Range Fraction
Resolution
16-bit -32768 to
32767 -1.0 to (1.0 – 2-15)
(Q.15 Format) 3.052 x 10-5
32-bit -2,147,483,648 to
2,147,483,647 -1.0 to (1.0 – 2-31)
(Q.31 Format) 4.657 x 10-10
40-bit -549,755,813,888 to
549,755,813,887 -256.0 to (256.0 – 2-31)
(Q.31 Format with 8 Guard bits) 4.657 x 10-10
DSP Instruction Description Algebraic Equivalent
MAC Multiply and Add to Accumulator OR
Square and Add to Accumulator a = a + b*c
a = a + b2
MSC Multiply and Subtract from Accumulator a = a – b*c
MPY Multiply a = b*c
MPY.N Multiply and Negate Result a = -b*c
ED Partial Euclidean Distance a = (b – c)2
EDAC Add Partial Euclidean Distance to the
Accumulator a = a + (b – c)2
Note: DSP instructions using the multiplier can operate in Fractional (1.15) or Integer
modes.
MCU Instruction Description
MUL/MUL.UU Multiply two unsigned integers
MUL.SS Multiply two signed integers
MUL.SU/MUL.US Multiply a signed integer with an unsigned integer
Note 1: MCU instructions using the multiplier operate only in Integer mode.
2: Result of an MCU multiply is 32-bits long and is stored in a pair of W registers.

© 2004 Microchip Technology Inc. DS70049C-page 2-23
Section 2. CPU
CPU
2
2.6.3 Data Accumulator Adder/Subtractor
The data accumulators have a 40-bit adder/subtractor with automatic sign extension logic for the
multiplier result (if signed). It can select one of two accumulators (A or B) as its pre-accumulation
source and post-accumulation destination. For the ADD (accumulator) and LAC instructions, the
data to be accumulated or loaded can optionally be scaled via the barrel shifter prior to
accumulation.
The 40-bit adder/subtractor may optionally negate one of its operand inputs to change the sign
of the result (without changing the operands). The negate is used during multiply and subtract
(MSC), or multiply and negate (MPY.N) operations.
The 40-bit adder/subtractor has an additional saturation block which controls accumulator data
saturation, if enabled.
2.6.3.1 Accumulator Status Bits
Six Status register bits have been provided to support saturation and overflow. They are located
in the CPU Status register, SR, and are listed below:
Table 2-5: Accumulator Overflow and Saturation Status Bits
The OA and OB bits are read only and are modified each time data passes through the accumu-
lator add/subtract logic. When set, they indicate that the most recent operation has overflowed
into the accumulator guard bits (bits 32 through 39). This type of overflow is not catastrophic; the
guard bits preserve the accumulator data. The OAB status bit is the logically ORed value of OA
and OB.
The OA and OB bits, when set, can optionally generate an arithmetic error trap. The trap is
enabled by setting the corresponding overflow trap flag enable bit OVATE:OVBTE
(INTCON1<10:9>). The trap event allows the user to take immediate corrective action, if desired.
The SA and SB bits can be set each time data passes through the accumulator saturation logic.
Once set, these bits remain set until cleared by the user. The SAB status bit indicates the logically
ORed value of SA and SB. The SA and SB bits will be cleared when SAB is cleared. When set,
these bits indicate that the accumulator has overflowed its maximum range (bit 31 for 32-bit
saturation or bit 39 for 40-bit saturation) and will be saturated (if saturation is enabled).
When saturation is not enabled, the SA and SB bits indicate that a catastrophic overflow has
occurred (the sign of the accumulator has been destroyed). If the COVTE (INTCON1<8>) bit is
set, SA and SB bits will generate an arithmetic error trap when saturation is disabled.
Status Bit Location Description
OA SR<15> Accumulator A overflowed into guard bits (ACCA<39:32>)
OB SR<14> Accumulator B overflowed into guard bits(ACCB<39:32>)
SA SR<13> ACCA saturated (bit 31 overflow and saturation)
or
ACCA overflowed into guard bits and saturated
(bit 39 overflow and saturation)
SB SR<12> ACCB saturated (bit 31 overflow and saturation)
or
ACCB overflowed into guard bits and saturated
(bit 39 overflow and saturation)
OAB SR<11> OA logically ORed with OB
SAB SR<10> SA logically ORed with SB.
Clearing SAB will also clear SA and SB.
Note: See Section 6. “Reset Interrupts” for further information on arithmetic warning
traps.
Note: The user must remember that SA, SB and SAB status bits can have different
meanings depending on whether accumulator saturation is enabled. The
Accumulator Saturation mode is controlled via the CORCON register.

dsPIC30F Family Reference Manual
DS70049C-page 2-24 © 2004 Microchip Technology Inc.
2.6.3.2 Saturation and Overflow Modes
The device supports three Saturation and Overflow modes.
1. Accumulator 39-bit Saturation:
In this mode, the saturation logic loads the maximally positive 9.31 value
(0x7FFFFFFFFF), or maximally negative 9.31 value (0x8000000000), into the target
accumulator. The SA or SB bit is set and remains set until cleared by the user. This
Saturation mode is useful for extending the dynamic range of the accumulator.
To configure for this mode of saturation, the ACCSAT(CORCON<4>) bit must be set.
Additionally, the SATA and/or SATB (CORCON<7 and/or 6>) bits must be set to enable
accumulator saturation.
2. Accumulator 31-bit Saturation:
In this mode, the saturation logic loads the maximally positive 1.31 value
(0x007FFFFFFF) or maximally negative 1.31 value (0xFF80000000) into the target
accumulator. The SA or SB bit is set and remains set until cleared by the user. When this
Saturation mode is in effect, the guard bits 32 through 39 are not used, except for
sign-extension of the accumulator value. Consequently, the OA, OB or OAB bits in SR will
never be set.
To configure for this mode of overflow and saturation, the ACCSAT (CORCON<4>) bit
must be cleared. Additionally, the SATA and/or SATB (CORCON<7 and/or 6>) bits must
be set to enable accumulator saturation.
3. Accumulator Catastrophic Overflow:
If the SATA and/or SATB (CORCON<7 and/or 6>) bits are not set, then no saturation
operation is performed on the accumulator and the accumulator is allowed to overflow all
the way up to bit 39 (destroying its sign). If the COVTE bit (INTCON1<8>) is set, a
catastrophic overflow will initiate an arithmetic error trap.
Note that accumulator saturation and overflow detection can only result from the execution of a
DSP instruction that modifies one of the two accumulators via the 40-bit DSP ALU. Saturation
and overflow detection will not take place when the accumulators are accessed as memory
mapped registers via MCU class instructions. Furthermore, the accumulator status bits shown in
Table 2-5 will not be modified. However, the MCU status bits (Z, N, C, OV, DC) will be modified
depending on the MCU instruction that accesses the accumulator.
2.6.3.3 Data Space Write Saturation
In addition to adder/subtractor saturation, writes to data space can be saturated without affecting
the contents of the source accumulator. This feature allows data to be limited while not sacrificing
the dynamic range of the accumulator during intermediate calculation stages. Data space write
saturation is enabled by setting the SATDW control bit (CORCON<5>). Data space write
saturation is enabled by default at a device Reset.
The data space write saturation feature works with the SAC and SAC.R instructions. The value
held in the accumulator is never modified when these instructions are executed. The hardware
takes the following steps to obtain the saturated write result:
1. The read data is scaled based upon the arithmetic shift value specified in the instruction.
2. The scaled data is rounded (SAC.R only).
3. The scaled/rounded value is saturated to a 16-bit result based on the value of the guard
bits. For data values greater than 0x007FFF, the data written to memory is saturated to
the maximum positive 1.15 value, 0x7FFF. For input data less than 0xFF8000, data
written to memory is saturated to the maximum negative 1.15 value, 0x8000.
Note: See Section 6. “Reset Interrupts” for further information on arithmetic error traps.

© 2004 Microchip Technology Inc. DS70049C-page 2-25
Section 2. CPU
CPU
2
2.6.3.4 Accumulator ‘Write Back’
The MAC and MSC instructions can optionally write a rounded version of the accumulator that is
not the target of the current operation into data space memory. The write is performed across the
X-bus into combined X and Y address space. This accumulator write back feature is beneficial
in certain FFT and LMS algorithms.
The following Addressing modes are supported by the accumulator write back hardware:
1. W13, register direct:
The rounded contents of the non-target accumulator are written into W13 as a 1.15
fractional result.
2. [W13]+=2, register indirect with post-increment:
The rounded contents of the non-target accumulator are written into the address pointed
to by W13 as a 1.15 fraction. W13 is then incremented by 2.
2.6.4 Round Logic
The round logic can perform a conventional (biased) or convergent (unbiased) round function
during an accumulator write (store). The Round mode is determined by the state of the RND
(CORCON<1>) bit. It generates a 16-bit, 1.15 data value, which is passed to the data space write
saturation logic. If rounding is not indicated by the instruction, a truncated 1.15 data value is
stored.
The two Rounding modes are shown in Figure 2-11. Conventional rounding takes bit 15 of the
accumulator, zero-extends it and adds it to the MSWord excluding the guard or overflow bits (bits
16 through 31). If the LSWord of the accumulator is between 0x8000 and 0xFFFF (0x8000
included), the MSWord is incremented. If the LSWord of the accumulator is between 0x0000 and
0x7FFF, the MSWord is left unchanged. A consequence of this algorithm is that over a
succession of random rounding operations, the value will tend to be biased slightly positive.
Convergent (or unbiased) rounding operates in the same manner as conventional rounding
except when the LSWord equals 0x8000. If this is the case, the LSbit of the MSWord (bit 16 of
the accumulator) is examined. If it is ‘1’, the MSWord is incremented. If it is ‘0’, the MSWord is
not modified. Assuming that bit 16 is effectively random in nature, this scheme will remove any
rounding bias that may accumulate.
The SAC and SAC.R instructions store either a truncated (SAC) or rounded (SAC.R) version of
the contents of the target accumulator to data memory via the X-bus (subject to data saturation,
see Section 2.6.3.3 “Data Space Write Saturation”).
Note that for the MAC class of instructions, the accumulator write back data path is always subject
to rounding.
Figure 2-11: Conventional and Convergent Rounding Modes
01516
01516
01516
01516
1000 0000 0000 0000
1XXX XXXX XXXX XXXX
0XXX XXXX XXXX XXXX 1000 0000 0000 0000
1
0
Conventional (Biased) Convergent (Unbiased)
Round Up (add 1 to MSWord) when:
Round Down (add nothing) when:
Round Up (add 1 to MSWord) when:
1. LSWord = 0x8000 and bit 16 = 1
2. LSWord > 0x8000
LSWord >= 0x8000
LSWord < 0x8000
Round Down (add nothing) when:
1. LSWord = 0x8000 and bit 16 = 0
2. LSWord < 0x8000
MSWord
MSWord
MSWord
MSWord

dsPIC30F Family Reference Manual
DS70049C-page 2-26 © 2004 Microchip Technology Inc.
2.6.5 Barrel Shifter
The barrel shifter is capable of performing up to a 16-bit arithmetic right shift, or up to a 16-bit left
shift, in a single cycle. The barrel shifter can be used by DSP instructions or MCU instructions for
multi-bit shifts.
The shifter requires a signed binary value to determine both the magnitude (number of bits) and
direction of the shift operation:
• A positive value will shift the operand right
• A negative value will shift the operand left
• A value of ‘0’ will not modify the operand
The barrel shifter is 40-bits wide to accommodate the width of the accumulators. A 40-bit output
result is provided for DSP shift operations, and a 16-bit result for MCU shift operations.
A summary of instructions that use the barrel shifter is provided below in Table 2-6.
Table 2-6: Instructions that Utilize the DSP Engine Barrel Shifter
2.6.6 DSP Engine Mode Selection
The various operational characteristics of the DSP engine discussed in previous sub-sections
can be selected through the CPU Core Configuration register (CORCON). These are listed
below:
• Fractional or integer multiply operation.
• Conventional or convergent rounding.
• Automatic saturation on/off for ACCA.
• Automatic saturation on/off for ACCB.
• Automatic saturation on/off for writes to data memory.
• Accumulator Saturation mode selection.
2.6.7 DSP Engine Trap Events
The various arithmetic error traps that can be generated for handling exceptions in the DSP
engine are selected through the Interrupt Control register (INTCON1). These are listed below:
• Trap on ACCA overflow enable, using OVATE (INTCON1<10>).
• Trap on ACCB overflow enable, using OVBTE (INTCON1<9>).
• Trap on catastrophic ACCA and/or ACCB overflow enable, using COVTE (INTCON1<8>).
An arithmetic error trap will also be generated when the user attempts to shift a value beyond the
maximum allowable range (+/- 16 bits) using the SFTAC instruction. This trap source cannot be
disabled. The execution of the instruction will complete, but the results of the shift will not be
written to the target accumulator.
For further information on bits in the INTCON1 register and arithmetic error traps, please refer to
Section 6. “Reset Interrupts”.
Instruction Description
ASR Arithmetic multi-bit right shift of data memory location
LSR Logical multi-bit right shift of data memory location
SL Multi-bit shift left of data memory location
SAC Store DSP accumulator with optional shift
SFTAC Shift DSP accumulator

© 2004 Microchip Technology Inc. DS70049C-page 2-27
Section 2. CPU
CPU
2
2.7 Divide Support
The dsPIC30F supports the following types of division operations:
•DIVF: 16/16 signed fractional divide
•DIV.SD: 32/16 signed divide
•DIV.UD: 32/16 unsigned divide
•DIV.SW: 16/16 signed divide
•DIV.UW: 16/16 unsigned divide
The quotient for all divide instructions is placed in W0, and the remainder in W1. The 16-bit
divisor can be located in any W register. A 16-bit dividend can be located in any W register and
a 32-bit dividend must be located in an adjacent pair of W registers.
All divide instructions are iterative operations and must be executed 18 times within a REPEAT
loop. The user is responsible for programming the REPEAT instruction. A complete divide
operation takes 19 instruction cycles to execute.
The divide flow is interruptible, just like any other REPEAT loop. All data is restored into the
respective data registers after each iteration of the loop, so the user will be responsible for
saving the appropriate W registers in the ISR. Although they are important to the divide
hardware, the intermediate values in the W registers have no meaning to the user. The divide
instructions must be executed 18 times in a REPEAT loop to produce a meaningful result.
Refer to the “dsPIC30F Programmer’s Reference Manual” (DS70030) for more information and
programming examples for the divide instructions.
2.8 Instruction Flow Types
Most instructions in the dsPIC30F architecture occupy a single word of program memory and
execute in a single cycle. An instruction pre-fetch mechanism facilitates single cycle (1 TCY)
execution. However, some instructions take 2 or 3 instruction cycles to execute. Consequently,
there are seven different types of instruction flow in the dsPIC® architecture. These are described
below:
1. 1 Instruction Word, 1 Instruction Cycle:
These instructions will take one instruction cycle to execute as shown in Figure 2-12. Most
instructions are 1-word, 1-cycle instructions.
Figure 2-12: Instruction Flow – 1-Word, 1-Cycle
2. 1 Instruction Word, 2 Instruction Cycles:
In these instructions, there is no pre-fetch flush. The only instructions of this type are the
MOV.D instructions (load and store double-word). Two cycles are required to complete these
instructions, as shown in Figure 2-13.
Figure 2-13: Instruction Flow – 1-Word, 2-Cycle (MOV.D Operation)
TCY0TCY1TCY2TCY3TCY4TCY5
1. MOV #0x55AA,W0 Fetch 1 Execute 1
2. MOV W0,PORTA Fetch 2 Execute 2
3. MOV W0,PORTB Fetch 3 Execute 3
TCY0TCY1TCY2TCY3TCY4TCY5
1. MOV #0x1234,W0 Fetch 1 Execute 1
2. MOV.D [W0++],W1 Fetch 2 Execute 2
R/W Cycle 1
3. MOV #0x00AA,W1 Fetch 3 Execute 2
R/W Cycle2
No Fetch Execute 3
4. MOV #0x00CC,W0 Fetch 4 Execute 4

dsPIC30F Family Reference Manual
DS70049C-page 2-28 © 2004 Microchip Technology Inc.
3. 1 Instruction Word, 2 or 3 Instruction Cycle Program Flow Changes:
These instructions include relative call and branch instructions, and skip instructions. When
an instruction changes the PC (other than to increment it), the program memory pre-fetch
data must be discarded. This makes the instruction take two effective cycles to execute, as
shown in Figure 2-14.
Figure 2-14: Instruction Flow – 1-Word, 2-Cycle (Program Flow Change)
Three cycles will be taken when a two-word instruction is skipped. In this case, the program
memory pre-fetch data is discarded and the second word of the two-word instruction is
fetched. The second word of the instruction will be executed as a NOP, as shown in
Figure 2-15.
Figure 2-15: Instruction Flow – 1-Word, 3-Cycle (2-Word Instruction Skipped)
4. 1 Instruction Word, 3 Instruction Cycles (RETFIE, RETURN, RETLW):
The RETFIE, RETURN and RETLW instructions, that are used to return from a subroutine
call or an Interrupt Service Routine, take 3 instruction cycles to execute, as shown in
Figure 2-16.
Figure 2-16: Instruction Flow – 1-Word, 3-Cycle (RETURN, RETFIE, RETLW)
TCY0TCY1TCY2TCY3TCY4TCY5
1. MOV.B #0x55,W0 Fetch 1 Execute 1
2. BTSC PORTA,#3 Fetch 2 Execute 2
Skip Taken
3. ADD.B PORTA (executed as FNOP) Fetch 3 Forced NOP
4. BRA SUB_1 Fetch 4 Execute 4
5. ADD.B PORTB (executed as FNOP) Fetch 5 Forced NOP
6. SUB_1: Instruction @ address SUB_1 Fetch SUB_1
TCY0TCY1TCY2TCY3TCY4TCY5
1. BTSC SR,#Z Fetch 1 Execute 1,
Skip Taken
2. GOTO LABEL Fetch 2 Forced NOP
(GOTO 2nd word) Fetch 2nd
word of
GOTO
2nd word
executed as
a NOP
3. BCLR PORTB,#3 Fetch 3 Execute 3
4. MOV W0,W1 Fetch 4 Execute 4
TCY0TCY1TCY2TCY3TCY4TCY5
1. MOV #0x55AA,W0 Fetch 1 Execute 1
2. RETURN Fetch 2 Execute 2
3. (instruction in old program flow) Fetch 3 Execute 2
4. MOV W0, W3 (instruction in new program flow) No Fetch Execute 2
5. MOV W3, W5 Fetch 4 Execute 4
Fetch 5

© 2004 Microchip Technology Inc. DS70049C-page 2-29
Section 2. CPU
CPU
2
5. Table Read/Write Instructions:
These instructions will suspend fetching to insert a read or write cycle to the program
memory. The instruction fetched while executing the table operation is saved for 1 cycle and
executed in the cycle immediately after the table operation as shown in Figure 2-17.
Figure 2-17: Instruction Pipeline Flow – Table Operations
6. 2 Instruction Words, 2 Instruction Cycles:
In these instructions, the fetch after the instruction contains data. This results in a 2-cycle
instruction as shown in Figure 2-18. The second word of a two-word instruction is encoded
so that it will be executed as a NOP, should it be fetched by the CPU without first fetching the
first word of the instruction. This is important when a two-word instruction is skipped by a
skip instruction (see Figure 2-15).
Figure 2-18: Instruction Pipeline Flow – 2-Word, 2-Cycle
7. Address Register Dependencies:
These are instructions that are subjected to a stall due to a data address dependency
between the X-data space read and write operations. An additional cycle is inserted
to resolve the resource conflict as discussed in Section 2.10 “Address Register Depen-
dencies”.
Figure 2-19: Instruction Pipeline Flow – 1-Word, 1-Cycle (With Instruction Stall)
TCY0TCY1TCY2TCY3TCY4TCY5
1. MOV #0x1234,W0 Fetch 1 Execute 1
2. TBLRDL.w [W0++],W1 Fetch 2 Execute 2
3. MOV #0x00AA,W1 Fetch 3 PM Data
Read Cycle
Bus Read Execute 3
4. MOV #0x00CC,W0 Fetch 4 Execute 4
TCY0TCY1TCY2TCY3TCY4TCY5
1. MOV #0xAA55,W0 Fetch 1 Execute 1
2. GOTO LABEL Fetch 2L Update PC
Fetch 2H Forced NOP
3. LABEL: MOV W0,W2 Fetch 3 Execute 3
4. BSET PORTA, #3 Fetch 4 Execute 4
TCY0TCY1TCY2TCY3TCY4TCY5
1. MOV W0,W1 Fetch 1 Execute 1
2. MOV [W1],[W4] Fetch 2 Execute 1
Stall Execute 2
3. MOV W2,W1 Fetch 3 Execute 3

dsPIC30F Family Reference Manual
DS70049C-page 2-30 © 2004 Microchip Technology Inc.
2.9 Loop Constructs
The dsPIC30F supports both REPEAT and DO instruction constructs to provide unconditional
automatic program loop control. The REPEAT instruction is used to implement a single instruction
program loop. The DO instruction is used to implement a multiple instruction program loop. Both
instructions use control bits within the CPU Status register, SR, to temporarily modify CPU
operation.
2.9.1 Repeat Loop Construct
The REPEAT instruction causes the instruction that follows it to be repeated a number of times.
A literal value contained in the instruction or a value in one of the W registers can be used to
specify the repeat count value. The W register option enables the loop count to be a software
variable.
An instruction in a REPEAT loop will be executed at least once. The number of iterations for a
repeat loop will be the 14-bit literal value + 1, or Wn + 1.
The syntax for the two forms of the REPEAT instruction is given below:
REPEAT #lit14 ; RCOUNT <-- lit14
(Valid target Instruction)
or
REPEAT Wn ; RCOUNT <-- Wn
(Valid target Instruction)
2.9.1.1 Repeat Operation
The loop count for Repeat operations is held in the 14-bit RCOUNT register, which is memory
mapped. RCOUNT is initialized by the REPEAT instruction. The REPEAT instruction sets the
Repeat Active, or RA (SR<4>) status bit to ‘1’, if the RCOUNT is a non-zero value.
RA is a read only bit and cannot be modified through software. For repeat loop count values
greater than ‘0’, the PC is not incremented. Further PC increments are inhibited until
RCOUNT = 0. See Figure 2-20 for an instruction flow example of a Repeat loop.
For a loop count value equal to ‘0’, REPEAT has the effect of a NOP and the RA (SR<4>) bit is not
set. The Repeat loop is essentially disabled before it begins, allowing the target instruction to
execute only once while pre-fetching the subsequent instruction (i.e., normal execution flow).
Figure 2-20: REPEAT Instruction Pipeline Flow
Note: The instruction immediately following the REPEAT instruction (i.e., the target
instruction) is always executed at least one time. It is always executed one time
more than the value specified in the 14-bit literal or the W register operand.
TCY0TCY1TCY2TCY3TCY4TCY5
1.REPEAT #0x2 Fetch 1 Execute 1
2.MAC W4*W5,A,[W8]+=2,W4 Fetch 2 Execute 2
No Fetch Execute 2
No Fetch Execute 2
3.BSET PORTA,#3 Fetch 3 Execute 3
PC (at end of instruction) PC PC+2 PC+2 PC+2 PC+4 PC+6
RCOUNT
(at end of instruction) X210 0 0
RA (at end of instruction) 0110 0 0

© 2004 Microchip Technology Inc. DS70049C-page 2-31
Section 2. CPU
CPU
2
2.9.1.2 Interrupting a REPEAT Loop
A REPEAT instruction loop may be interrupted at any time.
The RA state is preserved on the stack during exception processing to allow the user to execute
further REPEAT loops from within (any number) of nested interrupts. After SRL is stacked, the
RA status bit is cleared to restore normal execution flow within the ISR.
Returning into a Repeat loop from an ISR using RETFIE requires no special handling. Interrupts
will pre-fetch the repeated instruction during the third cycle of the RETFIE. The stacked RA bit
will be restored when the SRL register is popped and, if set, the interrupted Repeat loop will be
resumed.
2.9.1.2.1 Early Termination of a Repeat Loop
An interrupted Repeat loop can be terminated earlier than normal in the ISR by clearing the
RCOUNT register in software.
2.9.1.3 Restrictions on the REPEAT Instruction
Any instruction can immediately follow a REPEAT except for the following:
1. Program Flow Control instructions (any branch, compare and skip, subroutine calls,
returns, etc.).
2. Another REPEAT or DO instruction.
3. DISI, ULNK, LNK, PWRSAV, RESET.
4. MOV.D instruction.
Note: If a Repeat loop has been interrupted and an ISR is being processed, the user must
stack the RCOUNT (Repeat Count register) prior to executing another REPEAT
instruction within an ISR.
Note: If Repeat was used within an ISR, the user must unstack RCOUNT prior to executing
RETFIE.
Note: Should the repeated instruction (target instruction in the Repeat loop) be accessing
data from PS using PSV, the first time it is executed after a return from an exception
will require 2 instruction cycles. Similar to the first iteration of a loop, timing limita-
tions will not allow the first instruction to access data residing in PS in a single
instruction cycle.
Note: There are some instructions and/or Instruction Addressing modes that can be
executed within a Repeat loop, but make little sense when repeated.

dsPIC30F Family Reference Manual
DS70049C-page 2-32 © 2004 Microchip Technology Inc.
2.9.2 DO Loop Construct
The DO instruction can execute a group of instructions that follow it a specified number of times
without software overhead. The set of instructions up to and including the end address will be
repeated. The repeat count value for the DO instruction can be specified by a 14-bit literal or by
the contents of a W register declared within the instruction. The syntax for the two forms of the
DO instruction is given below:
DO #lit14,LOOP_END ; DCOUNT <-- lit14
Instruction1
Instruction2
:
:
LOOP_END: Instruction n
DO Wn,LOOP_END ; DCOUNT <-- Wn<13:0>
Instruction1
Instruction2
:
:
LOOP_END: Instruction n
The following features are provided in the DO loop construct:
• A W register can be used to specify the loop count. This allows the loop count to be
defined at run-time.
• The instruction execution order need not be sequential (i.e., there can be branches,
subroutine calls, etc.).
• The loop end address does not have to be greater than the start address.
2.9.2.1 DO Loop Registers and Operation
The number of iterations executed by a DO loop will be the (14-bit literal value +1) or the (Wn
value + 1). If a W register is used to specify the number of iterations, the two MSbits of the W
register are not used to specify the loop count. The operation of a DO loop is similar to the
‘do-while’ construct in the C programming language because the instructions in the loop will
always be executed at least once.
The dsPIC30F has three registers associated with DO loops: DOSTART, DOEND and DCOUNT.
These registers are memory mapped and automatically loaded by the hardware when the DO
instruction is executed. DOSTART holds the starting address of the DO loop while DOEND holds
the end address of the DO loop. The DCOUNT register holds the number of iterations to be
executed by the loop. DOSTART and DOEND are 22-bit registers that hold the PC value. The
MSbits and LSbits of these registers is fixed to ‘0’. Refer to Figure 2-2 for further details. The
LSbit is not stored in these registers because PC<0> is always forced to ‘0’.
The DA status bit (SR<9>) indicates that a single DO loop (or nested DO loops) is active. The
DA bit is set when a DO instruction is executed and enables a PC address comparison with the
DOEND register on each subsequent instruction cycle. When PC matches the value in DOEND,
DCOUNT is decremented. If the DCOUNT register is not zero, the PC is loaded with the address
contained in the DOSTART register to start another iteration of the DO loop.
The DO loop will terminate when DCOUNT = 0. If there are no other nested DO loops in progress,
then the DA bit will also be cleared.
Note: The group of instructions in a DO loop construct is always executed at least one
time. The DO loop is always executed one time more than the value specified in the
literal or W register operand.

© 2004 Microchip Technology Inc. DS70049C-page 2-33
Section 2. CPU
CPU
2
2.9.2.2 DO Loop Nesting
The DOSTART, DOEND and DCOUNT registers each have a shadow register associated with
them, such that the DO loop hardware supports one level of automatic nesting. The DOSTART,
DOEND and DCOUNT registers are user accessible and they may be manually saved to permit
additional nesting, where required.
The DO Level bits, DL<2:0> (CORCON<10:8>) indicate the nesting level of the DO loop currently
being executed. When the first DO instruction is executed, DL<2:0> is set to B‘001’ to indicate
that one level of DO loop is underway. The DA (SR<9>) is also set. When another DO instruction
is executed within the first DO loop, the DOSTART, DOEND and DCOUNT registers are
transferred into the shadow registers, prior to being updated with the new loop values. The
DL<2:0> bits are set to B‘010’ indicating that a second, nested DO loop is in progress. The DA
(SR<9>) bit also remains set.
If no more than one level of DO loop nesting is required in the application, no special attention is
required. Should the user require more than one level of DO loop nesting, this may be achieved
through manually saving the DOSTART, DOEND and DCOUNT registers prior to executing the
next DO instruction. These registers should be saved whenever DL<2:0> is B’010’ or greater.
The DOSTART, DOEND and DCOUNT registers will automatically be restored from their shadow
registers when a DO loop terminates and DL<2:0> = B’010’.
2.9.2.3 Interrupting a DO Loop
DO loops may be interrupted at any time. If another DO loop is to be executed during the ISR,
the user must check the DL<2:0> status bits and save the DOSTART, DOEND and DCOUNT
registers as required.
No special handling is required if the user can ensure that only one level of DO loop will ever be
executed in:
• both background and any one ISR handler (if interrupt nesting is enabled) or
• both background and any ISR (if interrupt nesting is disabled)
Alternatively, up to two (nested) DO loops may be executed in either background or within any
•one ISR handler (if interrupt nesting is enabled) or
• in any ISR (if interrupt nesting is disabled)
It is assumed that no DO loops are used within any trap handlers.
Returning to a DO loop from an ISR, using the RETFIE instruction, requires no special handling.
2.9.2.4 Early Termination of the DO loop
There are two ways to terminate a DO loop, earlier than normal:
1. The EDT (CORCON<11>) bit provides a means for the user to terminate a DO loop before
it completes all loops. Writing a ‘1’ to the EDT bit will force the loop to complete the
iteration underway and then terminate. If EDT is set during the penultimate or last
instruction of the loop, one more iteration of the loop will occur. EDT will always read as a
‘0’; clearing it has no effect. After the EDT bit is set, the user can optionally branch out of
the DO loop.
2. Alternatively, the code may branch out of the loop at any point except from the last instruc-
tion, which cannot be a flow control instruction. Although the DA bit enables the DO loop
hardware, it will have no effect unless the address of the penultimate instruction is
encountered during an instruction pre-fetch. This is not a recommended method for
terminating a DO loop.
Note: The DL<2:0> (CORCON<10:8>) bits are combined (logically OR-ed) to form the DA
(SR<9>) bit. If nested DO loops are being executed, the DA bit is cleared only when
the loop count associated with the outer most loop expires.
Note: Exiting a DO loop without using EDT is not recommended because the hardware
will continue to check for DOEND addresses.

dsPIC30F Family Reference Manual
DS70049C-page 2-34 © 2004 Microchip Technology Inc.
2.9.2.5 DO Loop Restrictions
DO loops have the following restrictions imposed:
• choice of last instruction in the loop
• the loop length (offset from the first instruction)
• reading of the DOEND register
All DO loops must contain at least 2 instructions because the loop termination tests are
performed in the penultimate instruction. REPEAT should be used for single instruction loops.
The special function register, DOEND, cannot be read by user software in the instruction that
immediately follows either a DO instruction, or a file register write operation to the DOEND SFR.
The instruction that is executed two instructions before the last instruction in a DO loop should not
modify any of the following:
• CPU priority level governed by the IPL (SR<7:5>) bits
• Peripheral Interrupt Enable bits governed by the IEC0, IEC1 and IEC2 registers
• Peripheral Interrupt Priority bits governed by the IPC0 through IPC11 registers
If the restrictions above are not followed, the DO loop may execute incorrectly.
2.9.2.5.1 Last Instruction Restrictions
There are restrictions on the last instruction executed in a DO loop. The last instruction in a DO
loop should not be:
1. Flow control instruction (for e.g., any branch, compare and skip, GOTO, CALL, RCALL,
TRAP).
2. RETURN, RETFIE and RETLW will work correctly as the last instruction of a DO loop, but
the user must be responsible for returning into the loop to complete it.
3. Another REPEAT or DO instruction.
4. Target instruction within a REPEAT loop. This restriction implies that the penultimate
instruction also cannot be a REPEAT.
5. Any instruction that occupies two words in program space.
6. DISI instruction
2.9.2.5.2 Loop Length Restrictions
Loop length is defined as the signed offset of the last instruction from the first instruction in the DO
loop. The loop length when added to the address of the first instruction in the loop forms the
address of the last instruction of the loop.There are some loop length values that should be
avoided.
1. Loop Length = -2
Execution will start at the first instruction in the loop (i.e., at [PC]) and will continue until the
loop end address (in this case [PC – 4]) is pre-fetched. As this is the first word of the DO
instruction, it will execute the DO instruction again, re-initializing the DCOUNT and
pre-fetching [PC]. This will continue forever as long as the loop end address [PC – 4] is
pre-fetched. This value of n has the potential of creating an infinite loop (subject to a
Watchdog Timer Reset).
end_loop: DO #33, end_loop ;DO is a two-word instruction
NOP ;2nd word of DO executes as a NOP
ADD W2,W3,W4 ;First instruction in DO loop([PC])

© 2004 Microchip Technology Inc. DS70049C-page 2-35
Section 2. CPU
CPU
2
2. Loop Length = -1
Execution will start at the first instruction in the loop (i.e., at [PC]) and will continue until the
loop end address ([PC – 2]) is pre-fetched. Since the loop end address is the second word
of the DO instruction, it will execute as a NOP but will still pre-fetch [PC]. The loop will then
execute again. This will continue as long as the loop end address [PC – 2] is pre-fetched
and the loop does not terminate. Should the value in the DCOUNT register reach zero and
on a subsequent decrement generate a borrow, the loop will terminate. However, in such a
case the initial instruction outside the loop will once again be the first loop instruction.
DO #33, end_loop ;DO is a two-word instruction
end_loop: NOP ;2nd word of DO executes as a NOP
ADD W2,W3,W4 ;First instruction in DO loop([PC])
3. Loop Length = 0
Execution will start at the first instruction in the loop (i.e., at [PC]) and will continue until the
loop end address ([PC]) is pre-fetched. If the loop is to continue, this pre-fetch will cause
the DO loop hardware to load the DOEND address ([PC]) into the PC for the next fetch
(which will be [PC] again). After the first true iteration of the loop, the first instruction in the
loop will be executed repeatedly until the loop count underflows and the loop terminates.
When this occurs, the initial instruction outside the loop will be the instruction after [PC].
DO #33, end_loop ;DO is a two-word instruction
NOP ;2nd word of DO executes as a NOP
end_loop: ADD W2,W3,W4 ;First instruction in DO loop([PC])
2.10 Address Register Dependencies
The dsPIC30F architecture supports a data space read (source) and a data space write
(destination) for most MCU class instructions. The effective address (EA) calculation by the AGU
and subsequent data space read or write, each take a period of 1 instruction cycle to complete.
This timing causes the data space read and write operations for each instruction to partially
overlap, as shown in Figure 2-21. Because of this overlap, a ‘Read-After-Write’ (RAW) data
dependency can occur across instruction boundaries. RAW data dependencies are detected and
handled at run-time by the dsPIC30F CPU.
Figure 2-21: Data Space Access Timing
ADD MOV
[W7]
[W10] [W9]++
X-Space Address W7 W10 W8 W9
ADD W0, [W7], [W10]
MOV [W8], [W9]++
[W8]
X-Space RAGU
Instruction Register
Contents
X-Space WAGU
1 Instruction Cycle (TCY)
TCY0TCY1TCY2

dsPIC30F Family Reference Manual
DS70049C-page 2-36 © 2004 Microchip Technology Inc.
2.10.1 Read-After-Write Dependency Rules
If the W register is used as a write operation destination in the current instruction and the W
register being read in the pre-fetched instruction are the same, the following rules will apply:
1. If the destination write (current instruction) does not modify the contents of Wn, no stalls
will occur.
or
2. If the source read (pre-fetched instruction) does not calculate an EA using Wn, no stalls
will occur.
During each instruction cycle, the dsPIC30F hardware automatically checks to see if a RAW data
dependency is about to occur. If the conditions specified above are not satisfied, the CPU will
automatically add a one instruction cycle delay before executing the pre-fetched instruction. The
instruction stall provides enough time for the destination W register write to take place before the
next (pre-fetched) instruction has to use the written data.
Table 2-7: Read-After-Write Dependency Summary
2.10.2 Instruction Stall Cycles
An instruction stall is essentially a one instruction cycle wait period appended in front of the read
phase of an instruction, in order to allow the prior write to complete before the next read opera-
tion. For the purposes of interrupt latency, it should be noted that the stall cycle is associated with
the instruction following the instruction where it was detected (i.e., stall cycles always precede
instruction execution cycles).
Destination
Addressing Mode
using Wn
Source
Addressing Mode
using Wn Status Examples
(Wn = W2)
Direct Direct Allowed ADD.w W0, W1, W2
MOV.w W2, W3
Direct Indirect Stall ADD.w W0, W1, W2
MOV.w [W2], W3
Direct Indirect with
modification Stall ADD.w W0, W1, W2
MOV.w [W2++], W3
Indirect Direct Allowed ADD.w W0, W1, [W2]
MOV.w W2, W3
Indirect Indirect Allowed ADD.w W0, W1, [W2]
MOV.w [W2], W3
Indirect Indirect with
modification Allowed ADD.w W0, W1, [W2]
MOV.w [W2++], W3
Indirect with
modification Direct Allowed ADD.w W0, W1, [W2++]
MOV.w W2, W3
Indirect Indirect Stall ADD.w W0, W1, [W2]
MOV.w [W2], W3
; W2=0x0004 (mapped W2)
Indirect Indirect with
modification Stall ADD.w W0, W1, [W2]
MOV.w [W2++], W3
; W2=0x0004 (mapped W2)
Indirect with
modification Indirect Stall ADD.w W0, W1, [W2++]
MOV.w [W2], W3
Indirect with
modification Indirect with
modification Stall ADD.w W0, W1, [W2++]
MOV.w [W2++], W3

© 2004 Microchip Technology Inc. DS70049C-page 2-37
Section 2. CPU
CPU
2
If a RAW data dependency is detected, the dsPIC30F will begin an instruction stall. During an
instruction stall, the following events occur:
1. The write operation underway (for the previous instruction) is allowed to complete as normal.
2. Data space is not addressed until after the instruction stall.
3. PC increment is inhibited until after the instruction stall.
4. Further instruction fetches are inhibited until after the instruction stall.
2.10.2.1 Instruction Stall Cycles and Interrupts
When an interrupt event coincides with two adjacent instructions that will cause an instruction
stall, one of two possible outcomes could occur:
1. The interrupt could be coincident with the first instruction. In this situation, the first instruc-
tion will be allowed to complete and the second instruction will be executed after the ISR
completes. In this case, the stall cycle is eliminated from the second instruction because
the exception process provides time for the first instruction to complete the write phase.
2. The interrupt could be coincident with the second instruction. In this situation, the second
instruction and the appended stall cycle will be allowed to execute prior to the ISR. In this
case, the stall cycle associated with the second instruction executes normally. However,
the stall cycle will be effectively absorbed into the exception process timing. The exception
process proceeds as if an ordinary two-cycle instruction was interrupted.
2.10.2.2 Instruction Stall Cycles and Flow Change Instructions
The CALL and RCALL instructions write to the stack using W15 and may, therefore, force an
instruction stall prior to the next instruction, if the source read of the next instruction uses W15.
The RETFIE and RETURN instructions can never force an instruction stall prior to the next
instruction because they only perform read operations. However, the user should note that the
RETLW instruction could force a stall, because it writes to a W register during the last cycle.
The GOTO and branch instructions can never force an instruction stall because they do not
perform write operations.
2.10.2.3 Instruction Stalls and DO and REPEAT Loops
Other than the addition of instruction stall cycles, RAW data dependencies will not affect the
operation of either DO or REPEAT loops.
The pre-fetched instruction within a REPEAT loop does not change until the loop is complete or
an exception occurs. Although register dependency checks occur across instruction boundaries,
the dsPIC30F effectively compares the source and destination of the same instruction during a
REPEAT loop.
The last instruction of a DO loop either pre-fetches the instruction at the loop start address or the
next instruction (outside the loop). The instruction stall decision will be based on the last
instruction in the loop and the contents of the pre-fetched instruction.
2.10.2.4 Instruction Stalls and Program Space Visibility (PSV)
When program space (PS) is mapped to data space by enabling the PSV (CORCON<2>) bit, and
the X space EA falls within the visible program space window, the read or write cycle is redirected
to the address in program space. Accessing data from program space takes up to 3 instruction
cycles.
Instructions operating in PSV address space are subject to RAW data dependencies and
consequent instruction stalls, just like any other instruction.
Consider the following code segment:
ADD W0,[W1],[W2++] ; PSV = 1, W1=0x8000, PSVPAG=0xAA
MOV [W2],[W3]
This sequence of instructions would take 5 instruction cycles to execute. 2 instruction cycles are
added to perform the PSV access via W1. Furthermore, an instruction stall cycle is inserted to
resolve the RAW data dependency caused by W2.

dsPIC30F Family Reference Manual
DS70049C-page 2-38 © 2004 Microchip Technology Inc.
2.11 Register Maps
A summary of the registers associated with the dsPIC30F CPU core is provided in Table 2-8.
Table 2-8: dsPIC30F Core Register Map
Name Addr Bit 15 Bit 14 Bit 13 Bit 12 Bit 11 Bit 10 Bit 9 Bit 8 Bit 7 Bit 6 Bit 5 Bit 4 Bit 3 Bit 2 Bit 1 Bit 0 Reset State
W0 0000 W0 (WREG) 0000 0000 0000 0000
W1 0002 W1 0000 0000 0000 0000
W2 0004 W2 0000 0000 0000 0000
W3 0006 W3 0000 0000 0000 0000
W4 0008 W4 0000 0000 0000 0000
W5 000A W5 0000 0000 0000 0000
W6 000C W6 0000 0000 0000 0000
W7 000E W7 0000 0000 0000 0000
W8 0010 W8 0000 0000 0000 0000
W9 0012 W9 0000 0000 0000 0000
W10 0014 W10 0000 0000 0000 0000
W11 0016 W11 0000 0000 0000 0000
W12 0018 W12 0000 0000 0000 0000
W13 001A W13 0000 0000 0000 0000
W14 001C W14 0000 0000 0000 0000
W15 001E W15 0000 0000 0000 0000
SPLIM 0020 SPLIM 0000 0000 0000 0000
ACCAL 0022 ACCAL 0000 0000 0000 0000
ACCAH 0024 ACCAH 0000 0000 0000 0000
ACCAU 0026 Sign-extension of ACCA<39> ACCAU 0000 0000 0000 0000
ACCBL 0028 ACCBL 0000 0000 0000 0000
ACCBH 002A ACCBH 0000 0000 0000 0000
ACCBU 002C Sign-extension of ACCB<39> ACCBU 0000 0000 0000 0000
PCL 002E PCL 0000 0000 0000 0000
PCH 0030 — — — — — — — — —PCH0
0000 0000 0000 0000
TBLPAG 0032 — — — — — — — —TBLPAG
0000 0000 0000 0000
PSVPAG 0034 — — — — — — — — PSVPAG 0000 0000 0000 0000
RCOUNT 0036 RCOUNT xxxx xxxx xxxx xxxx
DCOUNT 0038 DCOUNT xxxx xxxx xxxx xxxx
DOSTARTL 003A DOSTARTL 0xxxx xxxx xxxx xxx0
DOSTARTH 003C — — — — — — — — — —DOSTARTH
0000 0000 00xx xxxx
DOENDL 003E DOENDL 0xxxx xxxx xxxx xxx0
DOENDH 0040 — — — — — — — — — — DOENDH 0000 0000 00xx xxxx
SR 0042 OA OB SA SB OAB SAB DA DC IPL2 IPL1 IPL0 RA N OV Z C 0000 0000 0000 0000

© 2004 Microchip Technology Inc. DS70049C-page 2-39
Section 2. CPU
CPU
2
CORCON 0044 — — — US EDT DL2 DL<1:0> SATA SATB SATDW ACCSAT IPL3 PSV RND IF 0000 0000 0010 0000
MODCON 0046 XMODEN YMODEN —— BWM<3:0> YWM<3:0> XWM<3:0> 0000 0000 0000 0000
XMODSRT 0048 XMODSRT<15:0> 0xxxx xxxx xxxx xxx0
XMODEND 004A XMODEND<15:0> 1xxxx xxxx xxxx xxx1
YMODSRT 004C YMODSRT<15:0> 0xxxx xxxx xxxx xxx0
YMODEND 004E YMODEND<15:0> 1xxxx xxxx xxxx xxx1
XBREV 0050 BREN XBREV<14:0> xxxx xxxx xxxx xxxx
DISICNT 0052 —— DISICNT<13:0> 0000 0000 0000 0000
Reserved 0054 -
007E
— — — — — — — — — — — — — — — — 0000 0000 0000 0000
Legend: x = uninitiated
Note: Refer to the device data sheet for specific Core Register Map details.
Table 2-8: dsPIC30F Core Register Map (Continued)
Name Addr Bit 15 Bit 14 Bit 13 Bit 12 Bit 11 Bit 10 Bit 9 Bit 8 Bit 7 Bit 6 Bit 5 Bit 4 Bit 3 Bit 2 Bit 1 Bit 0 Reset State

dsPIC30F Family Reference Manual
DS70049C-page 2-40 © 2004 Microchip Technology Inc.
2.12 Related Application Notes
This section lists application notes that are related to this section of the manual. These
application notes may not be written specifically for the dsPIC30F Product Family, but the
concepts are pertinent and could be used with modification and possible limitations. The current
application notes related to the dsPIC30F CPU module are:
Title Application Note #
No related application notes at this time.
Note: Please visit the Microchip web site (www.microchip.com) for additional Application
Notes and code examples for the dsPIC30F Family of devices.

© 2004 Microchip Technology Inc. DS70049C-page 2-41
Section 2. CPU
CPU
2
2.13 Revision History
Revision A
This is the initial released revision of this document.
Revision B
This revision incorporates additional technical content for the dsPIC30F CPU module.
Revision C
This revision incorporates all known errata at the time of this document update.

dsPIC30F Family Reference Manual
DS70049C-page 2-42 © 2004 Microchip Technology Inc.
NOTES:

© 2004 Microchip Technology Inc. DS70050C-page 3-1
Data Memory
3
Section 3. Data Memory
HIGHLIGHTS
This section of the manual contains the following topics:
3.1 Introduction ....................................................................................................................3-2
3.2 Data Space Address Generator Units (AGUs)...............................................................3-5
3.3 Modulo Addressing ........................................................................................................3-7
3.4 Bit-Reversed Addressing .............................................................................................3-14
3.5 Control Register Descriptions ......................................................................................3-18
3.6 Related Application Notes............................................................................................3-23
3.7 Revision History........................................................................................................... 3-24

dsPIC30F Family Reference Manual
DS70050C-page 3-2 © 2004 Microchip Technology Inc.
3.1 Introduction
The dsPIC30F data width is 16-bits. All internal registers and data space memory are organized
as 16-bits wide. The dsPIC30F features two data spaces. The data spaces can be accessed
separately (for some DSP instructions) or together as one 64-Kbyte linear address range (for
MCU instructions). The data spaces are accessed using two Address Generation Units (AGUs)
and separate data paths.
An example data space memory map is shown in Figure 3-1.
Data memory addresses between 0x0000 and 0x07FF are reserved for the device special
function registers (SFRs). The SFRs include control and status bits for the CPU and peripherals
on the device.
The RAM begins at address 0x0800 and is split into two blocks, X and Y data space. For data
writes, the X and Y data spaces are always accessed as a single, linear data space. For data
reads, the X and Y memory spaces can be accessed independently or as a single, linear space.
Data reads for MCU class instructions always access the the X and Y data spaces as a single
combined data space. Dual source operand DSP instructions, such as the MAC instruction,
access the X and Y data spaces separately to support simultaneous reads for the two source
operands.
MCU instructions can use any W register as an address pointer for a data read or write operation.
During data reads, the DSP class of instructions isolates the Y address space from the total data
space. W10 and W11 are used as address pointers for reads from the Y data space. The remain-
ing data space is referred to as X space, but could more accurately be described as “X minus Y”
space. W8 and W9 are used as address pointers for data reads from the X data space in DSP
class instructions.
Figure 3-2 shows how the data memory map functions for both MCU class and DSP class
instructions. Note that it is the W register number and type of instruction that determines how
address space is accessed for data reads. In particular, MCU instructions treat the X and Y
memory as a single combined data space. The MCU instructions can use any W register as an
address pointer for reads and writes. The DSP instructions that can simultaneously pre-fetch two
data operands, split the data memory into two spaces. Specific W registers must be used for read
address pointers in this case.
Some DSP instructions have the ability to store the accumulator that is not targeted by the
instruction to data memory. This function is called “accumulator write back”. W13 must be used
as an address pointer to the combined data memory space for accumulator write back
operations.
For DSP class instructions, W8 and W9 should point to implemented X memory space for all
memory reads. If W8 or W9 points to Y memory space, zeros will be returned. If W8 or W9 points
to an unimplemented memory address, an address error trap will be generated.
For DSP class instructions, W10 and W11 should point to implemented Y memory space for all
memory reads. If W10 or W11 points to implemented X memory space, all zeros will be returned.
If W10 or W11 points to an unimplemented memory address, an address error trap will be
generated. For additional information on address error traps, refer to Section 6. “Reset Inter-
rupts”.
Note: The data memory map and the partition between the X and Y data spaces is device
specific. Refer to the specific dsPIC30F device data sheet for further details.

© 2004 Microchip Technology Inc. DS70050C-page 3-3
Section 3. Data Memory
Data Memory
3
Figure 3-1: Example Data Memory Map
Note 1: The partition between the X and Y data spaces is device specific. Refer to the appropriate device
data sheet for further details. The data space boundaries indicated here are used for example
purposes only.
2: Near data memory can be accessed directly via file register instructions that encode a 13-bit
address into the opcode. At a minimum, the near data memory region overlaps all of the SFR
space and a portion of X memory space. All of X memory space and some or all of Y memory
space may be included in the near data memory region, depending on the device variant.
3: All data memory can be accessed indirectly via W registers or directly using the MOV instruction.
4: Upper half of data memory map can be mapped into a segment of program memory space for
program space visibility.
0x0000
0x07FE
0x17FE
LSByte
Address
16-bits
LSByteMSByte
MSByte
Address
0x0001
0x07FF
0x17FF
0xFFFF
X Data RAM
0x8001 0x8000
Provides Program
Space Visibility
Unimplemented
0x27FF 0x27FE
0x2800
0x2801
0x0801 0x0800
0x1801
0x1800
Near Data
Memory
0x1FFF
SFR Space
X Data RAM
Y Data RAM

dsPIC30F Family Reference Manual
DS70050C-page 3-4 © 2004 Microchip Technology Inc.
Figure 3-2: Data Spaces for MCU and DSP Instructions
3.1.1 Near Data Memory
An 8-Kbyte address space, referred to as near data memory, is reserved in the data memory
space between 0x0000 and 0x1FFF. Near data memory is directly addressable via a 13-bit
absolute address field within all file register instructions.
The memory regions included in the near data region will depend on the amount of data memory
implemented for each dsPIC30F device variant. At a minimum, the near data region will include
all of the SFRs and some of the X data memory. For devices that have smaller amounts of data
memory, the near data region may include all of X memory space and possibly some or all of Y
memory space. Refer to Figure 3-1 for more details.
(Y SPACE)
X SPACE
UNUSED
X SPACE
X SPACE
UNUSED
UNUSED
MCU Class Instructions (Read/Write) Dual Source Operand DSP Instructions (Read)
Indirect EA from W10, W11 Indirect EA from W8, W9
Note: Data writes for DSP instructions consider the entire data memory as one
combined space. DSP instructions that perform an accumulator write back
use W13 as an address pointer for writes to the combined data spaces.
DSP Instructions (Write)
Y SPACE
Note: The entire 64K data space can be addressed directly using the MOV instruction.
Refer to the dsPIC30F Programmer’s Reference Manual (DS70030) for further
details.

© 2004 Microchip Technology Inc. DS70050C-page 3-5
Section 3. Data Memory
Data Memory
3
3.2 Data Space Address Generator Units (AGUs)
The dsPIC30F contains an X AGU and a Y AGU for generating data memory addresses. Both X
and Y AGUs can generate any effective address (EA) within a 64-Kbyte range. However, EAs
that are outside the physical memory provided will return all zeros for data reads and data writes
to those locations will have no effect. Furthermore, an address error trap will be generated. For
more information on address error traps, refer to Section 6. “Reset Interrupts”.
3.2.1 X Address Generator Unit
The X AGU is used by all instructions and supports all Addressing modes. The X AGU consists
of a read AGU (X RAGU) and a write AGU (X WAGU), which operate independently on separate
read and write buses during different phases of the instruction cycle. The X read data bus is the
return data path for all instructions that view data space as combined X and Y address space. It
is also the X address space data path for the dual operand read instructions (DSP instruction
class). The X write data bus is the only write path to the combined X and Y data space for all
instructions.
The X RAGU starts its effective address calculation during the prior instruction cycle, using
information derived from the just pre-fetched instruction. The X RAGU EA is presented to the
address bus at the beginning of the instruction cycle.
The X WAGU starts its effective address calculation at the beginning of the instruction cycle. The
EA is presented to the address bus during the write phase of the instruction.
Both the X RAGU and the X WAGU support modulo addressing.
Bit-reversed addressing is supported by the X WAGU only.
3.2.2 Y Address Generator Unit
The Y data memory space has one AGU that supports data reads from the Y data memory space.
The Y memory bus is never used for data writes. The function of the Y AGU and Y memory bus
is to support concurrent data reads for DSP class instructions.
The Y AGU timing is identical to that of the X RAGU, in that its effective address calculation starts
prior to the instruction cycle, using information derived from the pre-fetched instruction. The EA
is presented to the address bus at the beginning of the instruction cycle.
The Y AGU supports Modulo Addressing and Post-modification Addressing modes for the DSP
class of instructions that use it.
Note: The Y AGU does not support data writes. All data writes occur via the X WAGU to
the combined X and Y data spaces. The Y AGU is only used during data reads for
dual source operand DSP instructions.

dsPIC30F Family Reference Manual
DS70050C-page 3-6 © 2004 Microchip Technology Inc.
Figure 3-3: Data Space Access Timing
3.2.3 Address Generator Units and DSP Class Instructions
The Y AGU and Y memory data path are used in concert with the X RAGU by the DSP class of
instructions to provide two concurrent data read paths. For example, the MAC instruction can
simultaneously pre-fetch two operands to be used in the next multiplication.
The DSP class of instructions dedicates two W register pointers, W8 and W9, to always operate
through the X RAGU and address X data space independently from Y data space, plus two W
register pointers, W10 and W11, to always operate through the Y AGU and address Y data space
independently from X data space. Any data write performed by a DSP class instruction will take
place in the combined X and Y data space and the write will occur across the X-bus.
Consequently, the write can be to any address irrespective of where the EA is directed.
The Y AGU only supports Post-modification Addressing modes associated with the DSP class of
instructions. For more information on Addressing modes, please refer to the dsPIC30F Program-
mer’s Reference Manual. The Y AGU also supports modulo addressing for automated circular
buffers. All other (MCU) class instructions can access the Y data address space through the X
AGU when it is regarded as part of the composite linear space.
IR
X RAGU
X WAGU
[W7]
X Data Read
ADD MOV
Y Address
MAC SUB
[W7] [W8]+=2 [--W9]
ALU OP
ALU OP
[W10] [W9++] [W13] [W6++]
Stall Check
[W10]+=2
Stall Check
X Address
Y AGU
[W7] W10 W9 W8 W13 W9-2 W6
[W8] [W9-2]
[W10]
X Data Write [W9] [W13]
W10
[W10]Y Data (Read)
ADD.W W0, [W7], [W10]
MOV.W W10, [W9++]
MAC W4*W5, A, W4, [W8]+=2, W5, [W10]+=2, [W13]+=2
SUB.W W4, [--W9], [W6++]
During
Stall Check
TCY
Q3

© 2004 Microchip Technology Inc. DS70050C-page 3-7
Section 3. Data Memory
Data Memory
3
3.2.4 Data Alignment
The ISA supports both word and byte operations for all MCU instructions that access data
through the X memory AGU. The LSb of a 16-bit data address is ignored for word operations.
Word data is aligned in the little-endian format with the LSByte at the even address (LSB = 0)
and the MSByte at the odd address (LSB = 1).
For byte operations, the LSB of the data address is used to select the byte that is accessed. The
addressed byte is placed on the lower 8 bits of the internal data bus.
All effective address calculations are automatically adjusted depending on whether a byte or a
word access is performed. For example, an address will be incremented by 2 for a word
operation that post-increments the address pointer.
Figure 3-4: Data Alignment
3.3 Modulo Addressing
Modulo, or circular addressing provides an automated means to support circular data buffers
using hardware. The objective is to remove the need for software to perform data address
boundary checks when executing tightly looped code as is typical in many DSP algorithms.
Any W register, except W15, can be selected as the pointer to the modulo buffer. The modulo
hardware performs boundary checks on the address held in the selected W register and
automatically adjusts the pointer value at the buffer boundaries, when required.
dsPIC30F modulo addressing can operate in either data or program space (since the data
pointer mechanism is essentially the same for both). One circular buffer can be supported in each
of the X (which also provides the pointers into Program space) and Y data spaces.
The modulo data buffer length can be any size up to 32K words. The modulo buffer logic supports
buffers using word or byte sized data. However, the modulo logic only performs address bound-
ary checks at word address boundaries, so the length of a byte modulo buffer must be even. In
addition, byte-sized modulo buffers cannot be implemented using the Y AGU because byte
access is not supported via the Y memory data bus.
Note: All word accesses must be aligned to an even address (LSB = 0). Misaligned word
data fetches are not supported, so care must be taken when mixing byte and word
operations or translating from existing PICmicro code. Should a misaligned word
read or write be attempted, an address error trap will occur. A misaligned read
operation will complete, but a misaligned write will not take place. The trap will then
be taken, allowing the system to examine the machine state prior to execution of the
address Fault.
15 8 7 0
0001
0003
0005
0000
0002
0004
Byte 1
Byte 3
Byte 5
LSByte
MSByte
Word 0
Word 1
0006
0008
Long Word<15:0> 000A
Long Word<31:16> 000C
Byte 0
Byte 2
Byte 4

dsPIC30F Family Reference Manual
DS70050C-page 3-8 © 2004 Microchip Technology Inc.
3.3.1 Modulo Start and End Address Selection
Four address registers are available for specifying the modulo buffer start and end addresses:
• XMODSRT: X AGU Modulo Start Address Register
• XMODEND: X AGU Modulo End Address Register
• YMODSRT: Y AGU Modulo Start Address Register
• YMODEND: Y AGU Modulo End Address Register
The start address for a modulo buffer must be located at an even byte address boundary. The
LSB of the XMODSRT and YMODSRT registers is fixed at ‘0’ to ensure the correct modulo start
address. The end address for a modulo buffer must be located at an odd byte address boundary.
The LSB of the XMODEND and YMODEND registers is fixed to ‘1’ to ensure the correct modulo
end address.
The start and end address selected for each modulo buffer have certain restrictions, depending
on whether an incrementing or decrementing buffer is to be implemented. For an incrementing
buffer, a W register pointer is incremented through the buffer address range. When the end
address of the incrementing buffer is reached, the W register pointer is reset to point to the start
of the buffer. For a decrementing buffer, a W register pointer is decremented through the buffer
address range. When the start address of a decrementing buffer is reached, the W register
pointer is reset to point to the end of the buffer.
3.3.1.1 Modulo Start Address
The data buffer start address is arbitrary, but must be at a ‘zero’ power of two boundary for
incrementing modulo buffers. The modulo start address can be any value for decrementing
modulo buffers and is calculated using the chosen buffer end address and buffer length.
For example, if the buffer length for an incrementing buffer is chosen to be 50 words (100 bytes),
then the buffer start byte address must contain 7 Least Significant zeros. Valid start addresses
may, therefore, be 0xNN00 and 0xNN80, where ‘N’ is any hexadecimal value.
3.3.1.2 Modulo End Address
The data buffer end address is arbitrary but must be at a ‘ones’ boundary for decrementing
buffers. The modulo end address can be any value for an incrementing buffer and is calculated
using the chosen buffer start address and buffer length.
For example, if the buffer size (modulus value) is chosen to be 50 words (100 bytes), then the
buffer end byte address for decrementing modulo buffer must contain 7 Least Significant ones.
Valid end addresses may, therefore, be 0xNNFF and 0xNN7F, where ‘x’ is any hexadecimal
value.
Note: The user must decide whether an incrementing or decrementing modulo buffer is
required for the application. There are certain address restrictions that depend on
whether an incrementing or decrementing modulo buffer is to be implemented.
Note: If the required modulo buffer length is an even power of 2, modulo start and end
addresses can be chosen that satisfy the requirements for incrementing and
decrementing buffers.

© 2004 Microchip Technology Inc. DS70050C-page 3-9
Section 3. Data Memory
Data Memory
3
3.3.1.3 Modulo Address Calculation
The end address for an incrementing modulo buffer must be calculated from the chosen start
address and the chosen buffer length in bytes. Equation 3-1 may be used to calculate the end
address.
Equation 3-1: Modulo End Address for Incrementing Buffer
The start address for a decrementing modulo buffer is calculated from the chosen end address
and the buffer length, as shown in Equation 3-2.
Equation 3-2: Modulo Start Address for Decrementing Buffer
3.3.1.4 Data Dependencies Associated with Modulo Addressing SFRs
A write operation to the Modulo Addressing Control register, MODCON, should not be
immediately followed by an indirect read operation using any W register. The code segment
shown in Example 3-1 will thus lead to unexpected results.
Example 3-1: Incorrect MODCON Initialization
To work around this problem of initialization, use any Addressing mode other than indirect reads
in the instruction that immediately follows the initialization of MODCON. A simple work around to
the problem is achieved by adding a NOP after initializing MODCON, as shown in Example 3-2.
Example 3-2: Correct MODCON Initialization
End Address = Start Address + Buffer Length – 1
Start Address = End Address – Buffer Length + 1
Note 1: Using a POP instruction to pop the contents of the top-of-stack (TOS) location into
MODCON, also constitutes a write to MODCON. The instruction immediately
following a write to MODCON cannot be any instruction performing an indirect read
operation.
2: The user should note that some instructions perform an indirect read operation,
implicitly. These are: POP, RETURN, RETFIE, RETLW and ULNK.
MOV #0x8FF4, w0 ;Initialize MODCON
MOV w0, MODCON
MOV [w1], w2 ;Incorrect EA generated here
MOV #0x8FF4, w0 ;Initialize MODCON
MOV w0, MODCON
NOP ;See Note below
MOV [w1], w2 ;Correct EA generated here

dsPIC30F Family Reference Manual
DS70050C-page 3-10 © 2004 Microchip Technology Inc.
An additional condition exists for indirect read operations performed immediately after writing to
the modulo address SFRs:
•XMODSRT
•XMODEND
•YMODSRT
•YMODEND
If modulo addressing has already been enabled in MODCON, then a write to the X (or Y) modulo
address SFRs should not be immediately followed by an indirect read, using the W register
designated for modulo buffer access from X-data space (or Y-data space). The code segment in
Example 3-3 shows how initializing the modulo SFRs associated with the X-data space, could
lead to unexpected results. A similar example can be made for initialization in Y-data space.
Example 3-3: Incorrect Modulo Addressing Setup
To work around this issue, insert a NOP, or perform any operation other than an indirect read that
uses the W register designated for modulo buffer access, after initializing the modulo address
SFRs. This is demonstrated in Example 3-4. Another alternative would be to enable modulo
addressing in MODCON after initializing the modulo start and end address SFRs.
Example 3-4: Correct Modulo Addressing Setup
MOV #0x8FF4, w0 ;Modulo addressing enabled
MOV w0, MODCON ;in X-data space using w4
;for buffer access
MOV #0x1200, w4 ;XMODSRT is initialized
MOV w4, XMODSRT
MOV #0x12FF, w0 ;XMODEND is initialized
MOV w0, XMODEND
MOV [w4++], w5 ;Incorrect EA generated
MOV #0x8FF4, w0 ;Modulo addressing enabled
MOV w0, MODCON ;in X-data space using w4
;for buffer access
MOV #0x1200, w4 ;XMODSRT is initialized
MOV w4, XMODSRT
MOV #0x12FF, w0 ;XMODEND is initialized
MOV w0, XMODEND
NOP ;See Note below
MOV [w4++], w5 ;Correct EA generated here
Note: Alternatively, execute other instructions that do not perform indirect read operations,
using the W register designated for modulo buffer access.

© 2004 Microchip Technology Inc. DS70050C-page 3-11
Section 3. Data Memory
Data Memory
3
3.3.2 W Address Register Selection
The X address space pointer W register (XWM) to which modulo addressing is to be applied, is
stored in MODCON<3:0> (see Register 3-1). The XMODSRT, XMODEND, and the XWM
register selection are shared between the X RAGU and X WAGU. Modulo addressing is enabled
for X data space when XWM is set to any value other than 15 and the XMODEN bit is set
(MODCON<15>). W15 cannot be used as the pointer for modulo addressing because it is the
dedicated software stack pointer.
The Y address space pointer W register (YWM) to which modulo addressing is to be applied, is
stored in MODCON<7:4> (see Register 3-2). Modulo addressing is enabled for Y data space
when YWM is set to any value other than 15 and the YMODEN bit is set (MODCON<14>).
3.3.3 Modulo Addressing Applicability
Modulo addressing can be applied to the effective address (EA) calculation associated with the
selected W register. It is important to realize that the address boundary tests look for addresses
equal to or greater than the upper address boundary for incrementing buffers and equal to or less
than the lower address boundary for decrementing buffers. Address changes may, therefore,
jump over boundaries and still be adjusted correctly. Remember that the automatic adjustment
of the W register pointer by the modulo hardware is uni-directional. That is, the W register pointer
may not be adjusted correctly by the modulo hardware when the W register pointer for an
incrementing buffer is decremented and vice versa. The exception to this rule is when the buffer
length is an even power of 2 and the start and end addresses can be chosen to meet the
-boundary requirements for both incrementing and decrementing modulo buffers.
A new EA can exceed the modulo buffer boundary by up to the length of the buffer and still be
successfully corrected. This is important to remember when the Register Indexed ([Wb + Wn])
and Literal Offset ([Wn + lit10]) Addressing modes are used. The user should remember that
the Register Indexed and Literal Offset Addressing modes do not change the value held in the
W register. Only the indirect with Pre- and Post-modification Addressing modes ([Wn++],
[Wn--], [++Wn], [--Wn]) will modify the W register address value.
Note: A write to the MODCON register should not be followed by an instruction that
performs an indirect read operation using a W register. Unexpected results may
occur. Some instructions perform an implicit indirect read. These are:POP,
RETURN, RETFIE, RETLW and ULNK.

dsPIC30F Family Reference Manual
DS70050C-page 3-12 © 2004 Microchip Technology Inc.
3.3.4 Modulo Addressing Initialization for Incrementing Modulo Buffer
The following steps describe the setup procedure for an incrementing circular buffer. The steps
are similar whether the X AGU or Y AGU is used.
1. Determine the buffer length in 16-bit data words. Multiply this value by 2 to get the length
of the buffer in bytes.
2. Select a buffer starting address that is located at a binary ‘zeros’ boundary based on the
desired length of the buffer. Remember that the buffer length in words must be multiplied
by 2 to obtain the byte address range. For example, a buffer with a length of 100 words
(200 bytes) could use 0xXX00 as the starting address.
3. Calculate the buffer end address using the buffer length chosen in Step 1 and the buffer
start address chosen in Step 2. The buffer end address is calculated using Equation 3-1.
4. Load the XMODSRT (YMODSRT) register with the buffer start address chosen in Step 2.
5. Load the XMODEND (YMODEND) register with the buffer end address calculated in
Step 3.
6. Write to the XWM<3:0> (YWM<3:0>) bits in the MODCON register to select the W register
that will be used to access the circular buffer.
7. Set the XMODEN (YMODEN) bit in the MODCON register to enable the circular buffer.
8. Load the selected W register with address that points to the buffer.
9. The W register address will be adjusted automatically at the end of the buffer when an
indirect access with pre/post increment is performed (see Figure 3-5).
Figure 3-5: Incrementing Buffer Modulo Addressing Operation Example
0x1100
0x1163
Start Addr = 0x1100
End Addr = 0x1163
Length = 50 Words
Byte
Address MOV #0x1100,W0
MOV W0,XMODSRT ;set modulo start address
MOV #0x1163,W0
MOV W0,XMODEND ;set modulo end address
MOV #0x8001,W0
MOV W0,MODCON ;enable W1, X AGU for modulo
MOV #0x0000,W0 ;W0 holds buffer fill value
MOV #0x1100,W1 ;point W1 to buffer
DO #49,FILL ;fill the 50 buffer locations
FILL:
MOV W0,[W1++] ;fill the next location
;W1 = 0x1100 when DO loop completes

© 2004 Microchip Technology Inc. DS70050C-page 3-13
Section 3. Data Memory
Data Memory
3
3.3.5 Modulo Addressing Initialization for Decrementing Modulo Buffer
The following steps describe the setup procedure for a decrementing circular buffer. The steps
are similar whether the X AGU or Y AGU is used.
1. Determine the buffer length in 16-bit data words. Multiply this value by 2 to get the length
of the buffer in bytes.
2. Select a buffer end address that is located at a binary ‘ones’ boundary, based on the
desired length of the buffer. Remember that the buffer length in words must be multiplied
by 2 to obtain the byte address range. For example, a buffer with a length of 128 words
(256 bytes) could use 0xXXFF as the end address.
3. Calculate the buffer start address using the buffer length chosen in Step 1 and the end
address chosen in Step 2. The buffer start address is calculated using Equation 3-2.
4. Load the XMODSRT (YMODSRT) register with the buffer start address chosen in Step 3.
5. Load the XMODEND (YMODEND) register with the buffer end address chosen in Step 2.
6. Write to the XWM<3:0> (YWM<3:0>) bits in the MODCON register to select the W register
that will be used to access the circular buffer.
7. Set the XMODEN (YMODEN) bit in the MODCON register to enable the circular buffer.
8. Load the selected W register with address that points to the buffer.
9. The W register address will be adjusted automatically at the end of the buffer when an
indirect access with pre/post-decrement is performed (see Figure 3-6).
Figure 3-6: Decrementing Buffer Modulo Addressing Operation Example
0x11E0
0x11FF
Start Addr = 0x11E0
End Addr = 0x11FF
Length = 16 Words
Byte
Address
MOV #0x11E0,W0
MOV W0,XMODSRT ;set modulo start address
MOV #0x11FF,W0
MOV W0,XMODEND ;set modulo end address
MOV #0x8001,W0
MOV W0,MODCON ;enable W1, X AGU for modulo
MOV #0x000F,W0 ;W0 holds buffer fill value
MOV #0x11FE,W1 ;point W1 to buffer
DO #15,FILL ;fill the 16 buffer locations
MOV W0,[W1--] ;fill the next location
FILL:
DEC W0,W0 ;decrement the fill value
; W1 = 0x11FE when DO loop completes

dsPIC30F Family Reference Manual
DS70050C-page 3-14 © 2004 Microchip Technology Inc.
3.4 Bit-Reversed Addressing
3.4.1 Introduction to Bit-Reversed Addressing
Bit-reversed addressing simplifies data re-ordering for radix-2 FFT algorithms. It is supported
through the X WAGU only. Bit-reversed addressing is accomplished by effectively creating a
‘mirror image’ of an address pointer by swapping the bit locations around the center point of the
binary value, as shown in Figure 3-7. An example bit-reversed sequence for a 4-bit address field
is shown in Table 3-1.
Figure 3-7: Bit-Reversed Address Example
Table 3-1: Bit-Reversed Address Sequence (16-Entry)
b3 b2 b1 b0
b0 b1 b2 b3
Bit locations swapped left-to-right
around center of binary value.
Bit-Reversed Result
Normal
Address Bit-Reversed
Address
A3 A2 A1 A0 decimal A3 A2 A1 A0 decimal
0000 0 0000 0
0001 1 1000 8
0010 2 0100 4
0011 3 1100 12
0100 4 0010 2
0101 5 1010 10
0110 6 0110 6
0111 7 1110 14
1000 8 0001 1
1001 9 1001 9
1010 10 0101 5
1011 11 1101 13
1100 12 0011 3
1101 13 1011 11
1110 14 0111 7
1111 15 1111 15

© 2004 Microchip Technology Inc. DS70050C-page 3-15
Section 3. Data Memory
Data Memory
3
3.4.2 Bit-Reversed Addressing Operation
Bit-reversed addressing is only supported by the X WAGU and is controlled by the MODCON
and XBREV special function registers. Bit-reversed addressing is invoked as follows:
1. Bit-reversed addressing is assigned to one of the W registers using the BWM control bits
(MODCON<11:8>).
2. Bit-reversed addressing is enabled by setting the BREN control bit (XBREV<15>).
3. The X AGU bit-reverse modifier is set via the XB control bits (XBREV<14:0>).
When enabled, the bit-reversed addressing hardware will generate bit-reversed addresses, only
when the register indirect with Pre- or Post-increment Addressing modes are used ([Wn++],
[++Wn]). Furthermore, bit-reverse addresses are only generated for Word mode instructions. It
will not function for all other Addressing modes or Byte mode instructions (normal addresses will
be generated).
3.4.2.1 Modulo Addressing and Bit-Reversed Addressing
Modulo addressing and bit-reversed addressing can be enabled simultaneously using the same
W register, but bit-reversed addressing operation will always take precedence for data writes
when enabled. As an example, the following setup conditions would assign the same W register
to modulo and bit-reversed addressing:
• X modulo addressing is enabled (XMODEN = 1)
• Bit-reverse addressing is enabled (BREN = 1)
• W1 assigned to modulo addressing (XWM<3:0> = 0001)
• W1 assigned to bit-reversed addressing (BWM<3:0> = 0001)
For data reads that use W1 as the pointer, modulo address boundary checking will occur. For
data writes using W1 as the destination pointer, the bit-reverse hardware will correct W1 for data
re-ordering.
3.4.2.2 Data Dependencies Associated with XBREV
If bit-reversed addressing has already been enabled by setting the BREN (XBREV<15>) bit, then
a write to the XBREV register should not be followed by an indirect read operation using the W
register, designated as the bit reversed address pointer.
Note: A write to the MODCON register should not be followed by an instruction that per-
forms an indirect read operation using a W register. Unexpected results may occur.
Some instructions perform an implicit indirect read. These are: POP, RETURN,
RETFIE, RETLW and ULNK.

dsPIC30F Family Reference Manual
DS70050C-page 3-16 © 2004 Microchip Technology Inc.
3.4.3 Bit-Reverse Modifier Value
The value loaded into the XBREV register is a constant that indirectly defines the size of the
bit-reversed data buffer. The XB modifier values used with common bit-reversed buffers are
summarized in Table 3-2.
Table 3-2: Bit-Reversed Address Modifier Values
The bit-reverse hardware modifies the W register address by performing a ‘reverse-carry’
addition of the W contents and the XB modifier constant. A reverse-carry addition is performed
by adding the bits from left-to-right instead of right-to-left. If a carry-out occurs in a bit location,
the carry out bit is added to the next bit location to the right. Example 3-5 demonstrates the
reverse-carry addition and subsequent W register values using 0x0008 as the XB modifier
value. Note that the XB modifier is shifted one bit location to the left to generate word address
values.
Buffer Size (Words) XB Bit-Reversed Address Modifier Value
32768 0x4000
16384 0x2000
8192 0x1000
4096 0x0800
2048 0x0400
1024 0x0200
512 0x0100
256 0x0080
128 0x0040
64 0x0020
32 0x0010
16 0x0008
80x0004
40x0002
20x0001
Note: Only the the bit-reversed modifier values shown will produce valid bit-reversed
address sequences.

© 2004 Microchip Technology Inc. DS70050C-page 3-17
Section 3. Data Memory
Data Memory
3
Example 3-5: XB Address Calculation
When XB<14:0> = 0x0008, the bit-reversed buffer size will be 16 words. Bits 1-4 of the W
register will be subject to bit-reversed address correction, but bits 5-15 (outside the pivot point)
will not be modified by the bit-reverse hardware. Bit 0 is not modified because the bit-reverse
hardware only operates on word addresses.
The XB modifier controls the ‘pivot point’ for the bit-reverse address modification. Bits outside of
the pivot point will not be subject to bit-reversed address corrections.
Figure 3-8: Bit-Reversed Address Modification for 16-Word Buffer
0000 0000 0000 0000 Wn points to word 0
+1 0000 Wn = Wn + XB
0000 0000 0001 0000 Wn points to word 8
+1 0000 Wn = Wn + XB
0000 0000 0000 1000 Wn points to word 4
+1 0000 Wn = Wn + XB
0000 0000 0001 1000 Wn points to word 12
+1 0000 Wn = Wn + XB
0000 0000 0000 0100 Wn points to word 2
+1 0000 Wn = Wn + XB
0000 0000 0001 0100 Wn points to word 10
Bit-Reversed Result
15 14 13 12 11 10 9 8 7 6 5 4 3 2 1 0
15 14 13 12 11 10 9 8 7 6 5 4 3 2 1 0
XB<14:0> =
0x0008
Bits 1-4 of address
Pivot Point
are modified.

dsPIC30F Family Reference Manual
DS70050C-page 3-18 © 2004 Microchip Technology Inc.
3.4.4 Bit-Reversed Addressing Code Example
The following code example reads a series of 16 data words and writes the data to a new location
in bit-reversed order. W0 is the read address pointer and W1 is the write address pointer subject
to bit-reverse modification.
; Set XB for 16-word buffer, enable bit reverse addressing
MOV #0x8008,W0
MOV W0,XBREV
; Setup MODCON to use W1 for bit reverse addressing
MOV #0x01FF,W0
MOV W0,MODCON
; W0 points to input data buffer
MOV #Input_Buf,W0
; W1 points to bit reversed data
MOV #Bit_Rev_Buf,W1
; Re-order the data from Input_Buf into Bit_Rev_Buf
REPEAT #15
MOV [W0++],[W1++]
3.5 Control Register Descriptions
The following registers are used to control modulo and bit-reversed addressing:
• MODCON: Modulo Addressing Control Register
• XMODSRT: X AGU Modulo Start Address Register
• XMODEND: X AGU Modulo End Address Register
• YMODSRT: Y AGU Modulo Start Address Register
• YMODEND: Y AGU Modulo End Address Register
• XBREV: X AGU Bit-Reverse Addressing Control Register
A detailed description of each register is provided on subsequent pages.

© 2004 Microchip Technology Inc. DS70050C-page 3-19
Section 3. Data Memory
Data Memory
3
Register 3-1: MODCON: Modulo and Bit-Reversed Addressing Control Register
Upper Byte:
R/W-0 R/W-0 U-0 U-0 R/W-0 R/W-0 R/W-0 R/W-0
XMODEN YMODEN — — BWM<3:0>
bit 15 bit 8
Lower Byte:
R/W-0 R/W-0 R/W-0 R/W-0 R/W-0 R/W-0 R/W-0 R/W-0
YWM<3:0> XWM<3:0>
bit 7 bit 0
bit 15 XMODEN: X RAGU and X WAGU Modulus Addressing Enable bit
1 = X AGU modulus addressing enabled
0 = X AGU modulus addressing disabled
bit 14 YMODEN: Y AGU Modulus Addressing Enable bit
1 = Y AGU modulus addressing enabled
0 = Y AGU modulus addressing disabled
bit 13-12 Unimplemented: Read as ‘0’
bit 11-8 BWM<3:0>: X WAGU Register Select for Bit-Reversed Addressing bits
1111 = Bit-reversed addressing disabled
1110 = W14 selected for bit-reversed addressing
1101 = W13 selected for bit-reversed addressing
•
•
0000 = W0 selected for bit-reversed addressing
bit 7-4 YWM<3:0>: Y AGU W Register Select for Modulo Addressing bits
1111 = Modulo addressing disabled
1010 = W10 selected for modulo addressing
1011 = W11 selected for modulo addressing
Note: All other settings of the YWM<3:0> control bits are reserved and should not be used.
bit 3-0 XWM<3:0>: X RAGU and X WAGU W Register Select for Modulo Addressing bits
1111 = Modulo addressing disabled
1110 = W14 selected for modulo addressing
•
•
0000 = W0 selected for modulo addressing
Note: A write to the MODCON register should not be followed by an instruction that performs an
indirect read operation using a W register. Unexpected results may occur. Some instructions
perform an implicit indirect read. These are: POP, RETURN, RETFIE, RETLW and ULNK.
Legend:
R = Readable bit W = Writable bit U = Unimplemented bit, read as ‘0’
-n = Value at POR ‘1’ = Bit is set ‘0’ = Bit is cleared x = Bit is unknown

dsPIC30F Family Reference Manual
DS70050C-page 3-20 © 2004 Microchip Technology Inc.
Register 3-2: XMODSRT: X AGU Modulo Addressing Start Register
Register 3-3: XMODEND: X AGU Modulo Addressing End Register
Upper Byte:
R/W-0 R/W-0 R/W-0 R/W-0 R/W-0 R/W-0 R/W-0 R/W-0
XS<15:8>
bit 15 bit 8
Lower Byte:
R/W-0 R/W-0 R/W-0 R/W-0 R/W-0 R/W-0 R/W-0 R-0
XS<7:1> 0
bit 7 bit 0
bit 15-1 XS<15:1>: X RAGU and X WAGU Modulo Addressing Start Address bits
bit 0 Unimplemented: Read as ‘0’
Legend:
R = Readable bit W = Writable bit U = Unimplemented bit, read as ‘0’
-n = Value at POR ‘1’ = Bit is set ‘0’ = Bit is cleared x = Bit is unknown
Upper Byte:
R/W-0 R/W-0 R/W-0 R/W-0 R/W-0 R/W-0 R/W-0 R/W-0
XE<15:8>
bit 15 bit 8
Lower Byte:
R/W-0 R/W-0 R/W-0 R/W-0 R/W-0 R/W-0 R/W-0 R-1
XE<7:1> 1
bit 7 bit 0
bit 15-1 XE<15:1>: X RAGU and X WAGU Modulo Addressing End Address bits
bit 0 Unimplemented: Read as ‘1’
Legend:
R = Readable bit W = Writable bit U = Unimplemented bit, read as ‘0’
-n = Value at POR ‘1’ = Bit is set ‘0’ = Bit is cleared x = Bit is unknown

© 2004 Microchip Technology Inc. DS70050C-page 3-21
Section 3. Data Memory
Data Memory
3
Register 3-4: YMODSRT: Y AGU Modulo Addressing Start Register
Register 3-5: YMODEND: Y AGU Modulo Addressing End Register
Upper Byte:
R/W-0 R/W-0 R/W-0 R/W-0 R/W-0 R/W-0 R/W-0 R/W-0
YS<15:8>
bit 15 bit 8
Lower Byte:
R/W-0 R/W-0 R/W-0 R/W-0 R/W-0 R/W-0 R/W-0 R-0
YS<7:1> 0
bit 7 bit 0
bit 15-1 YS<15:1>: Y AGU Modulo Addressing Start Address bits
bit 0 Unimplemented: Read as ‘0’
Legend:
R = Readable bit W = Writable bit U = Unimplemented bit, read as ‘0’
-n = Value at POR ‘1’ = Bit is set ‘0’ = Bit is cleared x = Bit is unknown
Upper Byte:
R/W-0 R/W-0 R/W-0 R/W-0 R/W-0 R/W-0 R/W-0 R/W-0
YE<15:8>
bit 15 bit 8
Lower Byte:
R/W-0 R/W-0 R/W-0 R/W-0 R/W-0 R/W-0 R/W-0 R-1
YE<7:1> 1
bit 7 bit 0
bit 15-1 YE<15:1>: Y AGU Modulo Addressing End Address bits
bit 0 Unimplemented: Read as ‘1’
Legend:
R = Readable bit W = Writable bit U = Unimplemented bit, read as ‘0’
-n = Value at POR ‘1’ = Bit is set ‘0’ = Bit is cleared x = Bit is unknown

dsPIC30F Family Reference Manual
DS70050C-page 3-22 © 2004 Microchip Technology Inc.
Register 3-6: XBREV: X Write AGU Bit-Reversal Addressing Control Register
Upper Byte:
R/W-0 R/W-0 R/W-0 R/W-0 R/W-0 R/W-0 R/W-0 R/W-0
BREN XB<14:8>
bit 15 bit 8
Lower Byte:
R/W-0 R/W-0 R/W-0 R/W-0 R/W-0 R/W-0 R/W-0 R/W-0
XB<7:0>
bit 7 bit 0
bit 15 BREN: Bit-Reversed Addressing (X AGU) Enable bit
1 = Bit-reversed addressing enabled
0 = Bit-reversed addressing disabled
bit 14-0 XB<14:0>: X AGU Bit-Reversed Modifier bits
0x4000 = 32768 word buffer
0x2000 = 16384 word buffer
0x1000 = 8192 word buffer
0x0800 = 4096 word buffer
0x0400 = 2048 word buffer
0x0200 = 1024 word buffer
0x0100 = 512 word buffer
0x0080 = 256 word buffer
0x0040 = 128 word buffer
0x0020 = 64 word buffer
0x0010 = 32 word buffer
0x0008 = 16 word buffer
0x0004 = 8 word buffer
0x0002 = 4 word buffer
0x0001 = 2 word buffer
Legend:
R = Readable bit W = Writable bit U = Unimplemented bit, read as ‘0’
-n = Value at POR ‘1’ = Bit is set ‘0’ = Bit is cleared x = Bit is unknown

© 2004 Microchip Technology Inc. DS70050C-page 3-23
Section 3. Data Memory
Data Memory
3
3.6 Related Application Notes
This section lists application notes that are related to this section of the manual. These
application notes may not be written specifically for the dsPIC30F Product Family, but the
concepts are pertinent and could be used with modification and possible limitations. The current
application notes related to the Data Memory module are:
Title Application Note #
No related application notes at this time.
Note: Please visit the Microchip web site (www.microchip.com) for additional Application
Notes and code examples for the dsPIC30F Family of devices.

dsPIC30F Family Reference Manual
DS70050C-page 3-24 © 2004 Microchip Technology Inc.
3.7 Revision History
Revision A
This is the initial released revision of this document.
Revision B
This revision incorporates additional technical content for the dsPIC30F Data Memory module.
Revision C
This revision incorporates all known errata at the time of this document update.

© 2005 Microchip Technology Inc. DS70051D-page 4-1
P
r
o
g
r
a
m
Memory
4
Section 4. Program Memory
HIGHLIGHTS
This section of the manual contains the following topics:
4.1 Program Memory Address Map.....................................................................................4-2
4.2 Program Counter ...........................................................................................................4-4
4.3 Data Access from Program Memory..............................................................................4-4
4.4 Program Space Visibility from Data Space .................................................................... 4-8
4.5 Program Memory Writes ..............................................................................................4-10
4.6 PSV Code Examples ................................................................................................... 4-11
4.7 Related Application Notes............................................................................................4-12
4.8 Revision History........................................................................................................... 4-13

dsPIC30F Family Reference Manual
DS70051D-page 4-2 © 2005 Microchip Technology Inc.
4.1 Program Memory Address Map
The dsPIC30F devices have a 4M x 24-bit program memory address space, shown in Figure 4-1.
There are three available methods for accessing program space.
1. Via the 23-bit PC.
2. Via table read (TBLRD) and table write (TBLWT) instructions.
3. By mapping a 32-Kbyte segment of program memory into the data memory address
space.
The program memory map is divided into the user program space and the user configuration
space. The user program space contains the Reset vector, interrupt vector tables, program
memory and data EEPROM memory. The user configuration space contains non-volatile
configuration bits for setting device options and the device ID locations.

© 2005 Microchip Technology Inc. DS70051D-page 4-3
Section 4. Program Memory
P
r
o
g
r
a
m
Memory
4
Figure 4-1: Example Program Space Memory Map
Note: The address boundaries for user Flash program memory and data EEPROM memory will depend on the dsPIC30F device variant
that is selected. Refer to the appropriate device data sheet for further details.
Reset - Target Address
User Memory
Space
000000
00007E
Level 15 Trap Vector 000002
000080
Device Configuration
User Flash
Program Memory
018000
017FFE
Configuration Memory
Space
Data EEPROM
Level 14 Trap Vector
Level 13 Trap Vector
Level 12 Trap Vector
Level 11 Trap Vector
Level 10 Trap Vector
Level 9 Trap Vector
Level 8 Trap Vector
Interrupt 0 Vector
Interrupt 1 Vector
Interrupt 52 Vector
Interrupt 53 Vector
(48K Instructions)
(4 Kbytes)
800000
F80000
Registers F8000E
F80010
DEVID (2)
FEFFFE
FF0000
FFFFFE
Reserved F7FFFE
Reserved
7FF000
7FEFFE
(Read 0’s)
8005FE
800600
UNITID
000014
Interrupt Vector Table
8005BE
8005C0
Reset - GOTO Instruction
000004
Reserved
7FFFFE
Reserved
000100
0000FE
000084
Reserved
Level 15 Trap Vector
Level 14 Trap Vector
Level 13 Trap Vector
Level 12 Trap Vector
Level 11 Trap Vector
Level 10 Trap Vector
Level 9 Trap Vector
Level 8 Trap Vector
Interrupt 0 Vector
Interrupt 1 Vector
Interrupt 52 Vector
Interrupt 53 Vector
000082
Alternate Interrupt Vector Table

dsPIC30F Family Reference Manual
DS70051D-page 4-4 © 2005 Microchip Technology Inc.
4.2 Program Counter
The PC increments by 2 with the LSb set to ‘0’ to provide compatibility with data space
addressing. Sequential instruction words are addressed in the 4M program memory space by
PC<22:1>. Each instruction word is 24-bits wide.
The LSb of the program memory address (PC<0>) is reserved as a byte select bit for program
memory accesses from data space that use Program Space Visibility or table instructions. For
instruction fetches via the PC, the byte select bit is not required. Therefore, PC<0> is always set
to ‘0’.
An instruction fetch example is shown in Figure 4-2. Note that incrementing PC<22:1> by one is
equivalent to adding 2 to PC<22:0>.
Figure 4-2: Instruction Fetch Example
4.3 Data Access from Program Memory
There are two methods by which data can be transferred between the program memory and data
memory spaces: via special table instructions, or through the remapping of a 32-Kbyte program
space page into the upper half of data space. The TBLRDL and TBLWTL instructions offer a direct
method of reading or writing the LSWord of any address within program space without going
through data space, which is preferable for some applications. The TBLRDH and TBLWTH
instructions are the only method whereby the upper 8-bits of a program word can be accessed
as data.
22 0
Program Counter
0
0x000000
0x7FFFFE
24-bits
Instruction
Instruction
23
+1
(1)
Note 1:
Increment of PC<22:1> is equivalent to PC<22:0>+2.
24
23 User
Space
Latch

© 2005 Microchip Technology Inc. DS70051D-page 4-5
Section 4. Program Memory
P
r
o
g
r
a
m
Memory
4
4.3.1 Table Instruction Summary
A set of table instructions is provided to move byte or word-sized data between program space
and data space. The table read instructions are used to read from the program memory space
into data memory space. The table write instructions allow data memory to be written to the
program memory space.
The four available table instructions are listed below:
•TBLRDL: Table Read Low
•TBLWTL: Table Write Low
•TBLRDH: Table Read High
•TBLWTH: Table Write High
For table instructions, program memory can be regarded as two 16-bit word wide address spaces
residing side by side, each with the same address range as shown in Figure 4-3. This allows
program space to be accessed as byte or aligned word addressable, 16-bit wide, 64-Kbyte pages
(i.e., same as data space).
TBLRDL and TBLWTL access the LS Data Word of the program memory, and TBLRDH and
TBLWTH access the upper word. As program memory is only 24-bits wide, the upper byte from
this latter space does not exist, though it is addressable. It is, therefore, termed the ‘phantom’
byte.
Figure 4-3: High and Low Address Regions for Table Operations
Note: Detailed code examples using table instructions can be found in Section 5. “Flash
and EEPROM Programming”.
0
8
16
PC Address
0x000100
0x000102
0x000104
0x000106
23
00000000
00000000
00000000
00000000
Program Memory
‘Phantom’ Byte
(Read as ‘0’)
‘HIGH’ Table Address Range ‘LOW’ Table Address Range

dsPIC30F Family Reference Manual
DS70051D-page 4-6 © 2005 Microchip Technology Inc.
4.3.2 Table Address Generation
For all table instructions, a W register address value is concatenated with the 8-bit Data Table
Page register, TBLPAG, to form a 23-bit effective program space address plus a byte select bit,
as shown in Figure 4-4. As there are 15 bits of program space address provided from the
W register, the data table page size in program memory is, therefore, 32K words.
Figure 4-4: Address Generation for Table Operations
4.3.3 Program Memory Low Word Access
The TBLRDL and TBLWTL instructions are used to access the lower 16 bits of program memory
data. The LSb of the W register address is ignored for word-wide table accesses. For byte-wide
accesses, the LSb of the W register address determines which byte is read. Figure 4-5
demonstrates the program memory data regions accessed by the TBLRDL and TBLWTL
instructions.
Figure 4-5: Program Data Table Access (LSWord)
TBLPAG
8 bits from TBLPAG
EA
EA<0> Selects Byte
24-bit EA
TBLPAG<7> Selects
User/Configuration
Space
01507
16 bits from Wn
0
8
16
PC Address
0x000100
0x000102
0x000104
0x000106
23
00000000
00000000
00000000
00000000
Program Memory
‘Phantom’ Byte
(Read a
s ‘0’)
TBLRDL.W
TBLRDL.B
(Wn<0> =
1
)
TBLRDL.B
(Wn<0> =
0
)

© 2005 Microchip Technology Inc. DS70051D-page 4-7
Section 4. Program Memory
P
r
o
g
r
a
m
Memory
4
4.3.4 Program Memory High Word Access
The TBLRDH and TBLWTH instructions are used to access the upper 8 bits of the program
memory data. These instructions also support Word or Byte Access modes for orthogonality, but
the high byte of the program memory data will always return ‘0’, as shown in Figure 4-6.
Figure 4-6: Program Data Table Access (MS Byte)
4.3.5 Data Storage in Program Memory
It is assumed that for most applications, the high byte (P<23:16>) will not be used for data,
making the program memory appear 16-bits wide for data storage. It is recommended that the
upper byte of program data be programmed either as a NOP, or as an illegal opcode value, to
protect the device from accidental execution of stored data. The TBLRDH and TBLWTH
instructions are primarily provided for array program/verification purposes and for those
applications that require compressed data storage.
0
8
16
PC Address
0x000100
0x000102
0x000104
0x000106
23
00000000
00000000
00000000
00000000
Program Memory
‘Phantom’ Byte
(Read as ‘0’)
TBLRDH.W
TBLRDH.B (Wn<0> = 1)
TBLRDH.B (Wn<0> = 0)

dsPIC30F Family Reference Manual
DS70051D-page 4-8 © 2005 Microchip Technology Inc.
4.4 Program Space Visibility from Data Space
The upper 32 Kbytes of the dsPIC30F data memory address space may optionally be mapped
into any 16K word program space page. This mode of operation is called Program Space
Visibility (PSV) and provides transparent access of stored constant data from X data space
without the need to use special instructions (i.e., TBLRD, TBLWT instructions).
4.4.1 PSV Configuration
Program Space Visibility is enabled by setting the PSV bit (CORCON<2>). A description of the
CORCON register can be found in Section 2. “CPU”.
When PSV is enabled, each data space address in the upper half of the data memory map will
map directly into a program address (see Figure 4-7). The PSV window allows access to the
lower 16 bits of the 24-bit program word. The upper 8 bits of the program memory data should
be programmed to force an illegal instruction, or a NOP, to maintain machine robustness. Note
that table instructions provide the only method of reading the upper 8 bits of each program
memory word.
Figure 4-8 shows how the PSV address is generated. The 15 LSbs of the PSV address are
provided by the W register that contains the effective address. The MSb of the W register is not
used to form the address. Instead, the MSb specifies whether to perform a PSV access from
program space or a normal access from data memory space. If a W register effective address of
0x8000 or greater is used, the data access will occur from program memory space when PSV
is enabled. All accesses will occur from data memory when the W register effective address is
less than 0x8000.
The remaining address bits are provided by the PSVPAG register (PSVPAG<7:0>), as shown in
Figure 4-8. The PSVPAG bits are concatenated with the 15 LSbs of the W register, holding the
effective address to form a 23-bit program memory address. PSV can only be used to access
values in program memory space. Table instructions must be used to access values in the user
configuration space.
The LSb of the W register value is used as a byte select bit, which allows instructions using PSV
to operate in Byte or Word mode.
4.4.2 PSV Mapping with X and Y Data Spaces
The Y data space is located outside of the upper half of data space for most dsPIC30F variants,
such that the PSV area will map into X data space. The X and Y mapping will have an effect on
how PSV is used in algorithms.
As an example, the PSV mapping can be used to store coefficient data for Finite Impulse
Response (FIR) filter algorithms. The FIR filter multiplies each value of a data buffer containing
historical filter input data with elements of a data buffer that contains constant filter coefficients.
The FIR algorithm is executed using the MAC instruction within a REPEAT loop. Each iteration of
the MAC instruction pre-fetches one historical input value and one coefficient value to be
multiplied in the next iteration. One of the pre-fetched values must be located in X data memory
space and the other must be located in Y data memory space.
To satisfy the PSV mapping requirements for the FIR filter algorithm, the user must locate the
historical input data in the Y memory space and the filter coefficients in X memory space.

© 2005 Microchip Technology Inc. DS70051D-page 4-9
Section 4. Program Memory
P
r
o
g
r
a
m
Memory
4
Figure 4-7: Program Space Visibility Operation
Figure 4-8: Program Space Visibility Address Generation
23 15 0
PSVPAG
EA<15> = 1
Data Space
Program Space
8
15 23
0x0000
0x8000
0xFFFF
0x01
0x008000
Data Read
Upper 8 bits of Program
Memory Data cannot be
read using Program Space
Visibility.
0x000100
0x017FFF
23 bits
1
PSVPAG Reg
8 bits
Wn
15 bits
Select
23-bit EA
Wn<0> is Byte Select

dsPIC30F Family Reference Manual
DS70051D-page 4-10 © 2005 Microchip Technology Inc.
4.4.3 PSV Timing
Instructions that use PSV will require two extra instruction cycles to complete execution, except
the following instructions that require only one extra cycle to complete execution:
-The MAC class of instructions with data pre-fetch operands
-All MOV instructions including the MOV.D instruction
The additional instruction cycles are used to fetch the PSV data on the program memory bus.
4.4.3.1 Using PSV in a Repeat Loop
Instructions that use PSV within a REPEAT loop eliminate the extra instruction cycle(s) required
for the data access from program memory, hence incurring no overhead in execution time.
However, the following iterations of the REPEAT loop will incur an overhead of two instruction
cycles to complete execution:
- The first iteration
- The last iteration
- Instruction execution prior to exiting the loop due to an interrupt
- Instruction execution upon re-entering the loop after an interrupt is serviced
4.4.3.2 PSV and Instruction Stalls
Refer to Section 2. “CPU” for more information about instruction stalls using PSV.
4.5 Program Memory Writes
The dsPIC30F family of devices contains internal program Flash memory for executing user
code. There are two methods by which the user can program this memory:
1. Run-Time Self Programming (RTSP)
2. In-Circuit Serial Programming™ (ICSP™)
RTSP is accomplished using TBLWT instructions. ICSP is accomplished using the SPI interface
and integral bootloader software. Refer to Section 5. “Flash and EEPROM Programming” for
further details about RTSP. ICSP specifications can be downloaded from the Microchip
Technology web site (www.microchip.com).

© 2005 Microchip Technology Inc. DS70051D-page 4-11
Section 4. Program Memory
P
r
o
g
r
a
m
Memory
4
4.6 PSV Code Examples
4.6.1 PSV Code Example in C:
// PSV code example in C
// When defined as below the const string uses the PSV feature of dsPIC
const unsigned char hello[] = {"Hello World:\r\n"};
unsigned char *TXPtr; // Transmit pointer
int main(void)
{
// Initialize the UART1
U1MODE = 0x8000;
U1STA = 0x0000;
U1BRG = ((FCY/16)/BAUD) - 1; // set baud rate = BAUD
TXPtr = &hello[0]; // point to first char in string
U1STAbits.UTXEN = 1; // Initiate transmission
while (1)
{
while (*TXPtr) // while valid char in string ...
if (!U1STAbits.UTXBF) // and buffer not full ...
U1TXREG = *TXPtr++; // transmit string via UART
DelayNmSec(500); // delay for 500 mS
TXPtr = &hello[0]; // re-initialize pointer to first char
}
} // end main
4.6.2 PSV code Example in Assembly:
.equ CORCONL, CORCON
.section .const, "r"
hello:
.ascii "Hello World:\n\r\0"
.global __reset ;Declare the label for the start of code
.text ;Start of Code section
__reset:
clr U1STA
mov #0x8000,W0 ; enable UART module
mov W0,U1MODE
mov #BR,W0 ; set baudrate using formula value
mov W0, U1BRG ; /
bset U1STA,#UTXEN ; initiate transmission
Again:
rcall Delay500mSec ; delay for 500 mS
mov #psvpage(hello),w0
mov w0, PSVPAG
bset.b CORCONL,#PSV
mov #psvoffset(hello),w0
TxSend:
mov.b [w0++], w1 ; get char in string
cp w1,#0 ; if Null
bra Z,Again ; then re-initialize
BufferTest:
btsc U1STA,#UTXBF ; see if buffer full
bra BufferTest ; wait till empty
mov w1,U1TXREG ; load value in TX buffer
bra TxSend ; repeat for next char.

dsPIC30F Family Reference Manual
DS70051D-page 4-12 © 2005 Microchip Technology Inc.
4.7 Related Application Notes
This section lists application notes that are related to this section of the manual. These
application notes may not be written specifically for the dsPIC30F Product Family, but the
concepts are pertinent and could be used with modification and possible limitations. The current
application notes related to the Program Memory module are:
Title Application Note #
No related application notes at this time.
Note: Please visit the Microchip web site (www.microchip.com) for additional Application
Notes and code examples for the dsPIC30F Family of devices.

© 2005 Microchip Technology Inc. DS70051D-page 4-13
Section 4. Program Memory
P
r
o
g
r
a
m
Memory
4
4.8 Revision History
Revision A
This is the initial released revision of this document.
Revision B
There were no technical content or editorial revisions to this section of the manual, however, this
section was updated to reflect Revision B throughout the manual.
Revision C
This revision incorporates all known errata at the time of this document update.
Revision D
Section 4.6 “PSV Code Examples”, has been added.

dsPIC30F Family Reference Manual
DS70051D-page 4-14 © 2005 Microchip Technology Inc.
NOTES:

© 2005 Microchip Technology Inc. DS70052D-page 5-1
F
l
a
s
h
a
n
d
E
E
P
R
O
M
Programming
5
Section 5. Flash and EEPROM Programming
HIGHLIGHTS
This section of the manual contains the following topics:
5.1 Introduction ....................................................................................................................5-2
5.2 Table Instruction Operation............................................................................................ 5-2
5.3 Control Registers ........................................................................................................... 5-5
5.4 Run-Time Self-Programming (RTSP) ..........................................................................5-10
5.5 Data EEPROM Programming ...................................................................................... 5-15
5.6 Design Tips ..................................................................................................................5-21
5.7 Related Application Notes............................................................................................5-22
5.8 Revision History........................................................................................................... 5-23

dsPIC30F Family Reference Manual
DS70052D-page 5-2 © 2005 Microchip Technology Inc.
5.1 Introduction
This section describes programming techniques for Flash program memory and data EEPROM
memory. The dsPIC30F family of devices contains internal program Flash memory for executing
user code. There are two methods by which the user can program this memory:
1. Run-Time Self Programming (RTSP)
2. In-Circuit Serial Programming™ (ICSP™)
RTSP is performed by the user’s software. ICSP is performed using a serial data connection to
the device and allows much faster programming times than RTSP. RTSP techniques are
described in this chapter. The ICSP protocol is described in the dsPIC30F Programming
Specification document, which may be downloaded from the Microchip web site.
The data EEPROM is mapped into the program memory space. The EEPROM is organized as
16-bit wide memory and the memory size can be up to 2K words (4 Kbytes). The amount of
EEPROM is device dependent. Refer to the device data sheet for further information.
The programming techniques used for the data EEPROM are similar to those used for Flash
program memory RTSP. The key difference between Flash and data EEPROM programming
operations is the amount of data that can be programmed or erased during each program/erase
cycle.
5.2 Table Instruction Operation
The table instructions provide one method of transferring data between the program memory
space and the data memory space of dsPIC30F devices. A summary of the table instructions is
provided here since they are used during programming of the Flash program memory and data
EEPROM. There are four basic table instructions:
•TBLRDL: Table Read Low
•TBLRDH: Table Read High
•TBLWTL: Table Write Low
•TBLWTH: Table Write High
The TBLRDL and the TBLWTL instructions are used to read and write to bits <15:0> of program
memory space. TBLRDL and TBLWTL can access program memory in Word or Byte mode.
The TBLRDH and TBLWTH instructions are used to read or write to bits <23:16> of program
memory space. TBLRDH and TBLWTH can access program memory in Word or Byte mode. Since
the program memory is only 24-bits wide, the TBLRDH and TBLWTH instructions have the ability
to address an upper byte of program memory that does not exist. This byte is called the ‘phantom
byte’. Any read of the phantom byte will return 0x00 and a write to the phantom byte has no
effect.
Always remember that the 24-bit program memory can be regarded as two side-by-side 16-bit
spaces, with each space sharing the same address range. Therefore, the TBLRDL and TBLWTL
instructions access the ‘low’ program memory space (PM<15:0>). The TBLRDH and TBLWTH
instructions access the ‘high’ program memory space (PM<31:16>). Any reads or writes to
PM<31:24> will access the phantom (unimplemented) byte. When any of the table instructions
are used in Byte mode, the LSb of the table address will be used as the byte select bit. The LSb
determines which byte in the high or low program memory space is accessed.
Figure 5-1 shows how the program memory is addressed using the table instructions. A 24-bit
program memory address is formed using bits <7:0> of the TBLPAG register and the effective
address (EA) from a W register, specified in the table instruction. The 24-bit program counter is
shown in Figure 5-1 for reference. The upper 23 bits of the EA are used to select the program
memory location. For the Byte mode table instructions, the LSb of the W register EA is used to
pick which byte of the 16-bit program memory word is addressed. A ‘1’ selects bits <15:8>, a ‘0’
selects bits <7:0>. The LSb of the W register EA is ignored for a table instruction in Word mode.
In addition to the program memory address, the table instruction also specifies a W register (or
a W register pointer to a memory location) that is the source of the program memory data to be
written, or the destination for a program memory read. For a table write operation in Byte mode,
bits <15:8> of the source working register are ignored.

© 2005 Microchip Technology Inc. DS70052D-page 5-3
Section 5. Flash and EEPROM Programming
F
l
a
s
h
a
n
d
E
E
P
R
O
M
Programming
5
Figure 5-1: Addressing for Table Instructions
5.2.1 Using Table Read Instructions
Table reads require two steps. First, an address pointer is setup using the TBLPAG register and
one of the W registers. Then, the program memory contents at the address location may be read.
5.2.1.1 Read Word Mode
The following code example shows how to read a word of program memory using the table
instructions in Word mode:
; Setup the address pointer to program space
MOV #tblpage(PROG_ADDR),W0 ; get table page value
MOV W0,TBLPAG ; load TBLPAG register
MOV #tbloffset(PROG_ADDR),W0 ; load address LS word
; Read the program memory location
TBLRDH [W0],W3 ; Read high byte to W3
TBLRDL [W0],W4 ; Read low word to W4
5.2.1.2 Read Byte Mode
; Setup the address pointer to program space
MOV #tblpage(PROG_ADDR),W0 ; get table page value
MOV W0,TBLPAG ; load TBLPAG register
MOV #tbloffset(PROG_ADDR),W0 ; load address LS word
; Read the program memory location
TBLRDH.B [W0],W3 ; Read high byte to W3
TBLRDL.B [W0++],W4 ; Read low byte to W4
TBLRDL.B [W0++],W5 ; Read middle byte to W5
In the code example above, the post-increment operator on the read of the low byte causes the
address in the working register to increment by one. This sets EA<0> to a ‘1’ for access to the
middle byte in the third write instruction. The last post-increment sets W0 back to an even
address, pointing to the next program memory location.
TBLPAG
8 bits from TBLPAG
EA
EA<0> Selects Byte
24-bit EA
TBLPAG<7> Selects
User/Configuration
Space
0
15
0
7
16 bits from Wn
Note: The tblpage() and tbloffset() directives are provided by the Microchip
assembler for the dsPIC30F. These directives select the appropriate TBLPAG and
W register values for the table instruction from a program memory address value.
Refer to the MPLAB ASM 30, MPLAB LINK30 and Utilities User’s Guide (DS51317)
for further details.

dsPIC30F Family Reference Manual
DS70052D-page 5-4 © 2005 Microchip Technology Inc.
5.2.2 Using Table Write Instructions
The effect of a table write instruction will depend on the type of memory technology that is present
in the device program memory address space. The program memory address space could
contain volatile or non-volatile program memory, non-volatile data memory, and an External Bus
Interface (EBI). If a table write instruction occurs within the EBI address region, for example, the
write data will be placed onto the EBI data lines.
5.2.2.1 Table Write Holding Latches
Table write instructions do not write directly to the non-volatile program and data memory.
Instead, the table write instructions load holding latches that store the write data. The holding
latches are not memory mapped and can only be accessed using table write instructions. When
all of the holding latches have been loaded, the actual memory programming operation is started
by executing a special sequence of instructions.
The number of holding latches will determine the maximum memory block size that can be
programmed and may vary depending on the type of non-volatile memory and the device variant.
For example, the number of holding latches could be different for program memory, data
EEPROM memory and Device Configuration registers for a given device.
In general, the program memory is segmented into rows and panels. Each panel will have its own
set of table write holding latches. This allows multiple memory panels to be programmed at once,
reducing the overall programming time for the device. For each memory panel, there are
generally enough holding latches to program one row of memory at a time. The memory logic
automatically decides which set of write latches to load based on the address value used in the
table write instruction.
Please refer to the specific device data sheet for further details.
5.2.2.2 Write Word Mode
The following sequence can be used to write a single program memory latch location in Word
mode:
; Setup the address pointer to program space
MOV #tblpage(PROG_ADDR),W0 ; get table page value
MOV W0,TBLPAG ; load TBLPAG register
MOV #tbloffset(PROG_ADDR),W0 ; load address LS word
; Load write data into W registers
MOV #PROG_LOW_WORD,W2
MOV #PROG_HI_BYTE,W3
; Perform the table writes to load the latch
TBLWTL W2,[W0]
TBLWTH W3,[W0++]
In this example, the contents of the upper byte of W3 does not matter because this data will be
written to the phantom byte location. W0 is post-incremented by 2, after the second TBLWTH
instruction, to prepare for the write to the next program memory location.

© 2005 Microchip Technology Inc. DS70052D-page 5-5
Section 5. Flash and EEPROM Programming
F
l
a
s
h
a
n
d
E
E
P
R
O
M
Programming
5
5.2.2.3 Write Byte Mode
To write a single program memory latch location in Byte mode, the following code sequence can
be used:
; Setup the address pointer to program space
MOV #tblpage(PROG_ADDR),W0 ; get table page value
MOV W0,TBLPAG ; load TBLPAG register
MOV #tbloffset(PROG_ADDR),W0 ; load address LS word
; Load data into working registers
MOV #LOW_BYTE,W2
MOV #MID_BYTE,W3
MOV #HIGH_BYTE,W4
; Write data to the latch
TBLWTH.B W4,[W0] ; write high byte
TBLWTL.B W2,[W0++] ; write low byte
TBLWTL.B W3,[W0++] ; write middle byte
In the code example above, the post-increment operator on the write to the low byte causes the
address in W0 to increment by one. This sets EA<0> = 1 for access to the middle byte in the third
write instruction. The last post-increment sets W0 back to an even address pointing to the next
program memory location.
5.3 Control Registers
Flash and data EEPROM programming operations are controlled using the following
Non-Volatile Memory (NVM) control registers:
• NVMCON: Non-Volatile Memory Control Register
• NVMKEY: Non-Volatile Memory Key Register
• NVMADR: Non-Volatile Memory Address Register
5.3.1 NVMCON Register
The NVMCON register is the primary control register for Flash and EEPROM program/erase
operations. This register selects Flash or EEPROM memory, whether an erase or program oper-
ation will be performed, and is used to start the program or erase cycle.
The NVMCON register is shown in Register 5-1. The lower byte of NVMCOM configures the type
of NVM operation that will be performed. For convenience, a summary of NVMCON setup values
for various program and erase operations is given in Table 5-1.
Table 5-1: NVMCON Register Values
NVMCON Register Values for RTSP Program and Erase Operations
Memory Type Operation Data Size NVMCON Value
Flash PM Erase 1 row (32 instr. words) 0x4041
Program 1 row (32 instr. words) 0x4001
Data EEPROM
Erase
1 data word 0x4044
16 data words 0x4045
Entire EEPROM 0x4046
Program 1 data word 0x4004
16 data words 0x4005
Configuration Register Write(1) 1 config. register 0x4008
Note 1: The Device Configuration registers, except for FG5, may be written to a new value
without performing an erase cycle.

dsPIC30F Family Reference Manual
DS70052D-page 5-6 © 2005 Microchip Technology Inc.
5.3.2 NVM Address Register
There are two NVM Address Registers - NVMADRU and NVMADR. These two registers when
concatenated form the 24-bit effective address (EA) of the selected row or word for programming
operations. The NVMADRU register is used to hold the upper 8 bits of the EA, while the
NVMADR register is used to hold the lower 16 bits of the EA.
The register pair, NVMADRU:NVMADR, capture the EA<23:0> of the last table-write instruction
that has been executed and select the row of Flash or EEPROM memory to write/erase.
Figure 5-2 shows how the program memory EA is formed for programming and erase operations.
Although the NVMADRU and NVMADR registers are automatically loaded by the table-write
instructions, the user can also directly modify their contents before the programming operation
begins. A write to these registers will be required prior to an erase operation, because no
table-write instructions are required for any erase operation.
Figure 5-2: NVM Addressing with TBLPAG and NVM Address Registers
5.3.3 NVMKEY Register
NVMKEY is a write only register that is used to prevent accidental writes/erasures of Flash or
EEPROM memory. To start a programming or an erase sequence, the following steps must be
taken in the exact order shown:
1. Write 0x55 to NVMKEY.
2. Write 0xAA to NVMKEY.
3. Execute two NOP instructions.
After this sequence, a write will be allowed to the NVMCON register for one instruction cycle. In
most cases, the user will simply need to set the WR bit in the NVMCON register to start the
program or erase cycle. Interrupts should be disabled during the unlock sequence. The code
example below shows how the unlock sequence is performed:
PUSH SR ; Disable interrupts, if enabled
MOV #0x00E0,W0
IOR SR
MOV #0x55,W0
MOV #0xAA,W0
MOV W0,NVMKEY
MOV W0,NVMKEY ; NOP not required
BSET NVMCON,#WR ; Start the program/erase cycle
NOP
NOP
POP SR ; Re-enable interrupts
Refer to Section 5.4.2 “Flash Programming Operations” for further programming examples.
24-bit PM address
TBLPAG Reg
8 bits 16 bits
Using
NVMADR
Addressing
NVMADR Register
NVMADR register loaded with contents of W
register EA used during last table-write instruction.
W Register EA
EA<0> is
Byte Select
TBLPAG<7>
selects User
or Configuration
Space
NVMADRU Register
TBLPAG register during last table-write instruction
NVMADRU register loaded with contents of

© 2005 Microchip Technology Inc. DS70052D-page 5-7
Section 5. Flash and EEPROM Programming
F
l
a
s
h
a
n
d
E
E
P
R
O
M
Programming
5
Register 5-1: NVMCON: Non-Volatile Memory Control Register
Upper Byte:
R/S-0 R/W-0 R/W-0 U-0 U-0 U-0 U-0 U-0
WR WREN WRERR — — — — —
bit 15 bit 8
Lower Byte:
R/W-0 R/W-0 R/W-0 R/W-0 R/W-0 R/W-0 R/W-0 R/W-0
PROGOP<7:0>
bit 7 bit 0
bit 15 WR: Write (Program or Erase) Control bit
1 = Initiates a data EEPROM or program Flash erase or write cycle
(the WR bit can be set but not cleared in software)
0 = Write cycle is complete
bit 14 WREN: Write (Erase or Program) Enable bit
1 = Enable an erase or program operation
0 = No operation allowed (Device clears this bit on completion of the write/erase operation)
bit 13 WRERR: Flash Error Flag bit
1 = A write operation is prematurely terminated (any MCLR or WDT Reset during programming operation)
0 = The write operation completed successfully
bit 12-8 Reserved: User code should write ‘0’s to these locations
bit 7-0 PROGOP<7:0>: Programming Operation Command Byte bits
Erase Operations:
0x41 = Erase 1 row (32 instruction words) of program Flash
0x44 = Erase 1 data word from data EEPROM
0x45 = Erase 1 row (16 data words) from data EEPROM
0x46 = Erase entire data EEPROM
Programming Operations:
0x01 = Program 1 row (32 instruction words) into Flash program memory
0x04 = Program 1 data word into data EEPROM
0x05 = Program 1 row (16 data words) into data EEPROM
0x08 = Program 1 data word into device configuration register
Legend:
R = Readable bit W = Writable bit U = Unimplemented bit, read as ‘0’
S = Settable bit -n = Value at POR ‘1’ = Bit is set
‘0’ = Bit is cleared x = Bit is unknown

dsPIC30F Family Reference Manual
DS70052D-page 5-8 © 2005 Microchip Technology Inc.
Register 5-2: NVMADR: Non-Volatile Memory Address Register
Upper Byte:
R/W-x R/W-x R/W-x R/W-x R/W-x R/W-x R/W-x R/W-x
NVMADR<15:8>
bit 15 bit 8
Lower Byte:
R/W-x R/W-x R/W-x R/W-x R/W-x R/W-x R/W-x R/W-x
NVMADR<7:0>
bit 7 bit 0
bit 15-0 NVMADR<15:0>: NV Memory Write Address bits
Selects the location to program or erase in program or data Flash memory.
This register may be read or written by user. This register will contain the address of EA<15:0> of the
last table write instruction executed, until written by the user.
Legend:
R = Readable bit W = Writable bit U = Unimplemented bit, read as ‘0’
-n = Value at POR ‘1’ = Bit is set ‘0’ = Bit is cleared x = Bit is unknown

© 2005 Microchip Technology Inc. DS70052D-page 5-9
Section 5. Flash and EEPROM Programming
F
l
a
s
h
a
n
d
E
E
P
R
O
M
Programming
5
Register 5-3: NVMADRU: Non-Volatile Memory Upper Address Register
Register 5-4: NVMKEY: Non-Volatile Memory Key Register
Upper Byte:
U-0 U-0 U-0 U-0 U-0 U-0 U-0 U-0
— — — — — — — —
bit 15 bit 8
Lower Byte:
R/W-x R/W-x R/W-x R/W-x R/W-x R/W-x R/W-x R/W-x
NVMADRU<7:0>
bit 7 bit 0
bit 15-8 Unimplemented: Read as ‘0’
bit 7-0 NVMADRU<7:0>: NV Memory Upper Write Address bits
Selects the upper 8 bits of the location to program or erase in program or data Flash memory.
This register may be read or written by the user. This register will contain the value of the TBLPAG register
when the last table write instruction executed, until written by the user.
Legend:
R = Readable bit W = Writable bit U = Unimplemented bit, read as ‘0’
-n = Value at POR ‘1’ = Bit is set ‘0’ = Bit is cleared x = Bit is unknown
Upper Byte:
U-0 U-0 U-0 U-0 U-0 U-0 U-0 U-0
— — — — — — — —
bit 15 bit 8
Lower Byte:
W-0 W-0 W-0 W-0 W-0 W-0 W-0 W-0
NVMKEY<7:0>
bit 7 bit 0
bit 15-8 Unimplemented: Read as ‘0’
bit 7-0 NVMKEY<7:0>: Key Register (Write Only) bits
Legend:
R = Readable bit W = Writable bit U = Unimplemented bit, read as ‘0’
-n = Value at POR ‘1’ = Bit is set ‘0’ = Bit is cleared x = Bit is unknown

dsPIC30F Family Reference Manual
DS70052D-page 5-10 © 2005 Microchip Technology Inc.
5.4 Run-Time Self-Programming (RTSP)
RTSP allows the user code to modify Flash program memory contents. RTSP is accomplished
using TBLRD (table read) and TBLWT (table write) instructions, and the NVM Control registers.
With RTSP, the user may erase program memory, 32 instructions (96 bytes) at a time and can
write program memory data, 32 instructions (96 bytes) at a time.
5.4.1 RTSP Operation
The dsPIC30F Flash program memory is organized into rows and panels. Each row consists of
32 instructions or 96 bytes. The panel size may vary depending on the dsPIC30F device variant.
Refer to the device data sheet for further information. Typically, each panel consists of 128 rows,
or 4K x 24 instructions. RTSP allows the user to erase one row (32 instructions) at a time and to
program 32 instructions at one time.
Each panel of program memory contains write latches that hold 32 instructions of programming
data. These latches are not memory mapped. The only way for the user to access the write
latches is through the use of table write instructions. Prior to the actual programming operation,
the write data must be loaded into the panel write latches with table write instructions. The data
to be programmed into the panel is typically loaded in sequential order into the write latches:
instruction 0, instruction 1, etc. The instruction words loaded must always be from an ‘even’
group of four address boundaries (e.g., loading of instructions 3, 4, 5, 6 is not allowed). Another
way of stating this requirement is that the starting program memory address of the four instruc-
tions must have the 3 LSb’s equal to ‘0’. All 32 write latches must be written during a
programming operation to ensure that any old data held in the latches is overwritten.
The basic sequence for RTSP programming is to setup a table pointer, then do a series of TBLWT
instructions to load the write latches. Programming is performed by setting special bits in the
NVMCON register. 32 TBLWTL and 32 TBLWTH instructions are required to load the four instruc-
tions. If multiple, discontinuous regions of program memory need to be programmed, the table
pointer should be changed for each region and the next set of write latches written.
All of the table write operations to the Flash program memory take 2 instruction cycles each,
because only the table latches are written. The actual programming operation is initiated using
the NVMCON register.
5.4.2 Flash Programming Operations
A program/erase operation is necessary for programming or erasing the internal Flash program
memory in RTSP mode. The program or erase operation is automatically timed by the device
and is nominally 2 msec in duration. Setting the WR bit (NVMCON<15>) starts the operation
and the WR bit is automatically cleared when the operation is finished.
The CPU stalls (waits) until the programming operation is finished. The CPU will not execute
any instruction or respond to interrupts during this time. If any interrupts do occur during the
programming cycle, then they will remain pending until the cycle completes.

© 2005 Microchip Technology Inc. DS70052D-page 5-11
Section 5. Flash and EEPROM Programming
F
l
a
s
h
a
n
d
E
E
P
R
O
M
Programming
5
5.4.2.1 Flash Program Memory Programming Algorithm
The user can erase and program Flash Program Memory by rows (32 instruction words). The
general process is as follows:
1. Read one row of program Flash (32 instruction words) and store into data RAM as a data
“image”. The RAM image must be read from an even 32-word program memory address
boundary.
2. Update the RAM data image with the new program memory data.
3. Erase program Flash row.
• Setup NVMCON register to erase 1 row of Flash program memory.
• Write address of row to be erased into NVMADRU and NVMADR registers.
• Disable interrupts.
• Write the key sequence to NVMKEY to enable the erase.
• Set the WR bit. This will begin erase cycle.
• CPU will stall for the duration of the erase cycle.
• The WR bit is cleared when erase cycle ends.
• Re-enable interrupts.
4. Write 32 instruction words of data from RAM into the Flash program memory write latches.
5. Program 32 instruction words into program Flash.
• Setup NVMCON to program one row of Flash program memory.
• Disable interrupts.
• Write the key sequence to NVMKEY to enable the program cycle.
• Set the WR bit. This will begin the program cycle.
• CPU will stall for duration of the program cycle.
• The WR bit is cleared by the hardware when program cycle ends.
• Re-enable interrupts.
6. Repeat steps 1 through 6, as needed, to program the desired amount of Flash program
memory
Note: The user should remember that the minimum amount of program memory that can
be modified using RTSP is 32 instruction word locations. Therefore, it is important
that an image of these locations be stored in general purpose RAM before an erase
cycle is initiated. An erase cycle must be performed on any previously written
locations before any programming is done.

dsPIC30F Family Reference Manual
DS70052D-page 5-12 © 2005 Microchip Technology Inc.
5.4.2.2 Erasing a Row of Program Memory
The following is a code sequence that can be used to erase a row (32 instructions) of program
memory. The NVMCON register is configured to erase one row of program memory. The
NVMADRU and NVMADR registers are loaded with the address of the row to be erased. The
program memory must be erased at ‘even’ row boundaries. Therefore, the 6 LSbits of the value
written to the NVMADR register have no effect when a row is erased.
The erase operation is initiated by writing a special unlock, or key sequence to the NVMKEY
register before setting the WR control bit (NVMCON<15>). The unlock sequence needs to be
executed in the exact order shown without interruption. Therefore, interrupts should be disabled
prior to writing the sequence.
Two NOP instructions should be inserted in the code at the point where the CPU will resume
operation. Finally, interrupts can be enabled (if required).
; Setup NVMCON to erase one row of Flash program memory
MOV #0x4041,W0
MOV W0,NVMCON
; Setup address pointer to row to be ERASED
MOV #tblpage(PROG_ADDR),W0
MOV W0,NVMADRU
MOV #tbloffset(PROG_ADDR),W0
MOV W0,NVMADR
; Disable interrupts, if enabled
PUSH SR
MOV #0x00E0,W0
IOR SR
; Write the KEY sequence
MOV #0x55,W0
MOV W0, NVMKEY
MOV #0xAA, W0
MOV W0, NVMKEY
; Start the erase operation
BSET NVMCON,#WR
; Insert two NOPs after the erase cycle (required)
NOP
NOP
; Re-enable interrupts, if needed
POP SR
Note: When erasing a row of program memory, the user writes the upper 8 bits of the
erase address directly to the NVMADRU and NVMADR registers. Together, the
contents of the NVMADRU and NVMADR registers form the complete address of
the program memory row to be erased.
The NVMADRU and NVMADR registers specify the address for all Flash erase and
program operations. However, these two registers do not have to be directly written
by the user for Flash program operations. This is because the table write instruc-
tions used to write the program memory data automatically transfers the TBLPAG
register contents and the table write address into the NVMADRU and NVMADR
registers.
The above code example could be modified to perform a ‘dummy’ table write
operation to capture the program memory erase address.

© 2005 Microchip Technology Inc. DS70052D-page 5-13
Section 5. Flash and EEPROM Programming
F
l
a
s
h
a
n
d
E
E
P
R
O
M
Programming
5
5.4.2.3 Loading Write Latches
The following is a sequence of instructions that can be used to load the 768-bits of write latches
(32 instruction words). 32 TBLWTL and 32 TBLWTH instructions are needed to load the write
latches selected by the table pointer.
The TBLPAG register is loaded with the 8 MSbits of the program memory address. The user
does not need to write the NVMADRU:NVMADR register-pair for a Flash programming opera-
tion. The 24-bits of the program memory address are automatically captured into the
NVMADRU:NVMADR register-pair when each table write instruction is executed. The program
memory must be programmed at an ‘even’ 32 instruction word address boundary. In effect, the
6 LSbits of the value captured in the NVMADR register are not used during the programming
operation.
The row of 32 instruction words do not necessarily have to be written in sequential order. The
6 LSbits of the table write address determine which of the latches will be written. However, all 32
instruction words should be written for each programming cycle to overwrite old data.
; Set up a pointer to the first program memory location to be written.
MOV #tblpage(PROG_ADDR),W0
MOV W0,TBLPAG
MOV #tbloffset(PROG_ADDR),W0
; Perform the TBLWT instructions to write the latches
; W0 is incremented in the TBLWTH instruction to point to the
; next instruction location.
MOV #LOW_WORD_0,W2
MOV #HIGH_BYTE_0,W3
TBLWTL W2,[W0]
TBLWTH W3,[W0++] ; 1st_program_word
MOV #LOW_WORD_1,W2
MOV #HIGH_BYTE_1,W3
TBLWTL W2,[W0]
TBLWTH W3,[W0++] ; 2nd_program_word
MOV #LOW_WORD_2,W2
MOV #HIGH_BYTE_2,W3
TBLWTL W2, [W0]
TBLWTH W3, [W0++] ; 3rd_program_word
MOV #LOW_WORD_3,W2
MOV #HIGH_BYTE_3,W3
TBLWTL W2,[W0]
TBLWTH W3,[W0++] ; 4th_program_word
........
........
MOV #LOW_WORD_31,W2
MOV #HIGH_BYTE_31,W3
TBLWTL W2,[W0]
TBLWTH W3,[W0++] ; 32nd_program_word
Note: The following code example is the ‘Load_Write_Latch’ code referred to in
subsequent examples.

dsPIC30F Family Reference Manual
DS70052D-page 5-14 © 2005 Microchip Technology Inc.
5.4.2.4 Single Row Programming Example
An example of single row programming code is:
; Setup NVMCON to write 1 row of program memory
MOV #0x4001,W0
MOV W0,NVMCON
; Load the 32 program memory write latches
CALL Load_Write_Latch(1)
; Disable interrupts, if enabled
PUSH SR
MOV #0x00E0,W0
IOR SR
; Write the KEY sequence
MOV #0x55,W0
MOV W0,NVMKEY
MOV #0xAA,W0
MOV W0,NVMKEY
; Start the programming sequence
BSET NVMCON,#WR
; Insert two NOPs after programming
NOP
NOP
; Re-enable interrupts, if required
POP SR
Note 1: See Section 5.4.2.3 “Loading Write Latches”
5.4.3 Writing to Device Configuration Registers
RTSP may be used to write to the Device Configuration registers. RTSP allows each Configura-
tion register, except the FG5, to be individually rewritten without first performing an erase cycle.
Caution must be exercised when writing the Configuration registers since they control critical
device operating parameters, such as the system clock source, PLL multiplication ratio and WDT
enable.
The procedure for programming a Device Configuration register is similar to the procedure for
Flash program memory, except that only TBLWTL instructions are required. This is because the
upper 8 bits are unused in each Device Configuration register. Furthermore, bit 23 of the table
write address must be set to access the Configuration registers. Refer to Section 24. “Device
Configuration” and the device data sheet for a full description of the Device Configuration
registers.
5.4.3.1 Configuration Register Write Algorithm
1. Write the new configuration value to the table write latch using a TBLWTL instruction.
2. Configure NVMCON for a Configuration register write (NVMCON = 0x4008).
3. Disable interrupts, if enabled.
4. Write the key sequence to NVMKEY.
5. Start the write sequence by setting WR (NVMCON<15>).
6. CPU execution will resume when the write is finished.
7. Re-enable interrupts, if needed.

© 2005 Microchip Technology Inc. DS70052D-page 5-15
Section 5. Flash and EEPROM Programming
F
l
a
s
h
a
n
d
E
E
P
R
O
M
Programming
5
5.4.3.2 Configuration Register Write Code Example
The following code sequence can be used to modify a Device Configuration register:
; Set up a pointer to the location to be written.
MOV #tblpage(CONFIG_ADDR),W0
MOV W0,TBLPAG
MOV #tbloffset(CONFIG_ADDR),W0
; Get the new data to write to the configuration register
MOV #ConfigValue,W1
; Perform the table write to load the write latch
TBLWTL W1,[W0]
; Configure NVMCON for a configuration register write
MOV #0x4008,W0
MOV W0,NVMCON
; Disable interrupts, if enabled
PUSH SR
MOV #0x00E0,W0
IOR SR
; Write the KEY sequence
MOV #0x55,W0
MOV W0,NVMKEY
MOV #0xAA,W0
MOV W0,NVMKEY
; Start the programming sequence
BSET NVMCON,#WR
; Insert two NOPs after programming
NOP
NOP
; Re-enable interrupts, if required
POP SR
5.5 Data EEPROM Programming
The EEPROM block is accessed using table read and write operations similar to the program
memory. The TBLWTH and TBLRDH instructions are not required for EEPROM operations since
the memory is only 16-bits wide. The program and erase procedures for the data EEPROM are
similar to those used for the Flash program memory, except they are optimized for fast data
access. The following programming operations can be performed on the data EEPROM:
• Erase one word
• Erase one row (16 words)
• Erase entire data EEPROM
• Program one word
• Program one row (16 words)
The data EEPROM is readable and writable during normal operation (full VDD operating range).
Unlike the Flash program memory, normal program execution is not stopped during an EEPROM
program or erase operation.
EEPROM erase and program operations are performed using the NVMCON and NVMKEY
registers. The programming software is responsible for waiting for the operation to complete. The
software may detect when the EEPROM erase or programming operation is complete by one of
three methods:
• Poll the WR bit (NVMCON<15>) in software. The WR bit will be cleared when the operation
is complete.
• Poll the NVMIF bit (IFS0<12>) in software. The NVMIF bit will be set when the operation is
complete.
• Enable NVM interrupts. The CPU will be interrupted when the operation is complete.
Further programming operations can be handled in the ISR.
Note: Unexpected results will be obtained should the user attempt to read the EEPROM
while a programming or erase operation is underway.

dsPIC30F Family Reference Manual
DS70052D-page 5-16 © 2005 Microchip Technology Inc.
5.5.1 EEPROM Single Word Programming Algorithm
1. Erase one EEPROM word.
• Setup NVMCON register to erase one EEPROM word.
• Write address of word to be erased into NVMADRU, NVMADR registers.
• Clear NVMIF status bit and enable NVM interrupt (optional).
• Write the key sequence to NVMKEY.
• Set the WR bit. This will begin erase cycle.
• Either poll the WR bit or wait for the NVM interrupt.
2. Write data word into data EEPROM write latch.
3. Program the data word into the EEPROM.
• Setup the NVMCON register to program one EEPROM word.
• Clear NVMIF status bit and enable NVM interrupt (optional).
• Write the key sequence to NVMKEY.
• Set the WR bit. This will begin the program cycle.
• Either poll the WR bit or wait for the NVM interrupt.
5.5.2 EEPROM Row Programming Algorithm
If multiple words need to be programmed into the EEPROM, it is quicker to erase and program
16 words (1 row) at a time. The process to program 16 words of EEPROM is:
1. Read one row of data EEPROM (16 words) and store into data RAM as a data “image”.
The section of EEPROM to be modified must fall on an even 16-word address boundary.
2. Update the data image with the new data.
3. Erase the EEPROM row.
• Setup the NVMCON register to erase one row of EEPROM.
• Write starting address of row to be erased into NUMADRU and NVMADR registers.
• Clear NVMIF status bit and enable NVM interrupt (optional).
• Write the key sequence to NVMKEY.
• Set the WR bit. This will begin the erase cycle.
• Either poll the WR bit or wait for the NVM interrupt.
4. Write the 16 data words into the data EEPROM write latches.
5. Program a row into data EEPROM.
• Setup the NVMCON register to program one row of EEPROM.
• Clear NVMIF status bit and enable NVM interrupt (optional).
• Write the key sequence to NVMKEY.
• Set the WR bit. This will begin the program cycle.
• Either poll the WR bit or wait for the NVM interrupt.

© 2005 Microchip Technology Inc. DS70052D-page 5-17
Section 5. Flash and EEPROM Programming
F
l
a
s
h
a
n
d
E
E
P
R
O
M
Programming
5
5.5.3 Erasing One Word of Data EEPROM Memory
The NVMADRU and NVMADR registers must be loaded with the data EEPROM address to be
erased. Since one word of the EEPROM is accessed, the LSB of the NVMADR has no effect on
the erase operation. The NVMCON register must be configured to erase one word of EEPROM
memory.
Setting the WR control bit (NVMCON<15>) initiates the erase. A special unlock or key sequence
should be written to the NVMKEY register before setting the WR control bit. The unlock sequence
needs to be executed in the exact order shown without interruption. Therefore, interrupts should
be disabled prior to writing the sequence.
; Set up a pointer to the EEPROM location to be erased.
MOV #tblpage(EE_ADDR),W0
MOV W0,NVMADRU
MOV #tbloffset(EE_ADDR),W0
MOV W0,NVMADR
; Setup NVMCON to erase one word of data EEPROM
MOV #0x4044,W0
MOV W0,NVMCON
; Disable interrupts while the KEY sequence is written
PUSH SR
MOV #0x00E0,W0
IOR SR
; Write the KEY sequence
MOV #0x55,W0
MOV W0,NVMKEY
MOV #0xAA,W0
MOV W0,NVMKEY
; Start the erase cycle
BSET NVMCON,#WR
; Re-enable interrupts
POP SR

dsPIC30F Family Reference Manual
DS70052D-page 5-18 © 2005 Microchip Technology Inc.
5.5.4 Writing One Word of Data EEPROM Memory
Assuming the user has erased the EEPROM location to be programmed, use a table write
instruction to write one write latch. The TBLPAG register is loaded with the 8 MSBs of the
EEPROM address. The 16 LSBs of the EEPROM address are automatically captured into the
NVMADR register when the table write is executed. The LSB of the NVMADR register has no
effect on the programming operation. The NVMCON register is configured to program one word
of data EEPROM.
Setting the WR control bit (NVMCON<15>) initiates the programming operation. A special unlock
or key sequence should be written to the NVMKEY register before setting the WR control bit. The
unlock sequence needs to be executed in the exact order shown without interruption. Therefore,
interrupts should be disabled prior to writing the sequence.
; Setup a pointer to data EEPROM
MOV #tblpage(EE_ADDR),W0
MOV W0,TBLPAG
MOV #tbloffset(EE_ADDR),W0
; Write data value to holding latch
MOV EE_DATA,W1
TBLWTL W1,[ W0]
; NVMADR captures write address from the TBLWTL instruction.
; Setup NVMCON for programming one word to data EEPROM
MOV #0x4004,W0
MOV W0,NVMCON
; Disable interrupts while the KEY sequence is written
PUSH SR
MOV #0x00E0,W0
IOR SR
; Write the key sequence
MOV #0x55,W0
MOV W0,NVMKEY
MOV #0xAA,W0
MOV W0,NVMKEY
; Start the write cycle
BSET NVMCON,#WR
;Re-enable interrupts, if needed
POP SR

© 2005 Microchip Technology Inc. DS70052D-page 5-19
Section 5. Flash and EEPROM Programming
F
l
a
s
h
a
n
d
E
E
P
R
O
M
Programming
5
5.5.5 Erasing One Row of Data EEPROM
The NVMCON register is configured to erase one row of EEPROM memory. The NVMADRU
and NVMADR registers must point to the row to be erased. The data EEPROM must be erased
at even address boundaries. Therefore, the 5 LSBs of the NVMADR register will have no effect
on the row that is erased.
Setting the WR control bit (NVMCON<15>) initiates the erase. A special unlock or key sequence
should be written to the NVMKEY register before setting the WR control bit. The unlock sequence
needs to be executed in the exact order shown without interruption. Therefore, interrupts should
be disabled prior to writing the sequence.
; Set up a pointer to the EEPROM row to be erased.
MOV #tblpage(EE_ADDR),W0
MOV W0,NVMADRU
MOV #tbloffset(EE_ADDR),W0
MOV W0,NVMADR
; Setup NVMCON to erase one row of EEPROM
MOV #0x4045,W0
MOV W0,NVMCON
; Disable interrupts while the KEY sequence is written
PUSH SR
MOV #0x00E0,W0
IOR SR
; Write the KEY Sequence
MOV #0x55,W0
MOV W0,NVMKEY
MOV #0xAA,W0
MOV W0,NVMKEY
; Start the erase operation
BSET NVMCON,#WR
;Re-enable interrupts, if needed
POP SR

dsPIC30F Family Reference Manual
DS70052D-page 5-20 © 2005 Microchip Technology Inc.
5.5.6 Write One Row of Data EEPROM Memory
To write a row of data EEPROM, all sixteen write latches must be written before the program-
ming sequence is initiated. The TBLPAG register is loaded with the 8 MSbs of the EEPROM
address. The 16 LSbs of the EEPROM address are automatically captured into the NVMADR
register when each table write is executed. Data EEPROM row programming must occur at
even address boundaries, so the 5 LSbs of the NVMADR register have no effect on the row that
is programmed.
Setting the WR control bit (NVMCON<15>) initiates the programming operation. A special unlock
or key sequence should be written to the NVMKEY register before setting the WR control bit. The
unlock sequence needs to be executed in the exact order shown without interruption. Therefore,
interrupts should be disabled prior to writing the sequence.
; Set up a pointer to the EEPROM row to be programmed.
MOV #tblpage(EE_ADDR),W0
MOV W0,TBLPAG
MOV #tbloffset(EE_ADDR),W0
; Write the data to the programming latches.
MOV data_ptr,W1 ; Use W1 as pointer to the data.
TBLWTL [W1++],[W0++] ; Write 1st data word
TBLWTL [W1++],[W0++] ; Write 2nd data word
TBLWTL [W1++],[W0++] ; Write 3rd data word
TBLWTL [W1++],[W0++] ; Write 4th data word
TBLWTL [W1++],[W0++] ; Write 5th data word
TBLWTL [W1++],[W0++] ; Write 6th data word
TBLWTL [W1++],[W0++] ; Write 7th data word
TBLWTL [W1++],[W0++] ; Write 8th data word
TBLWTL [W1++],[W0++] ; Write 9th data word
TBLWTL [W1++],[W0++] ; Write 10th data word
TBLWTL [W1++],[W0++] ; Write 11th data word
TBLWTL [W1++],[W0++] ; Write 12th data word
TBLWTL [W1++],[W0++] ; Write 13th data word
TBLWTL [W1++],[W0++] ; Write 14th data word
TBLWTL [W1++],[W0++] ; Write 15th data word
TBLWTL [W1++],[W0++] ; Write 16th data word
; The NVMADR captures last table access address.
; Setup NVMCON to write one row of EEPROM
MOV #0x4005,W0
MOV W0,NVMCON
; Disable interrupts while the KEY sequence is written
PUSH SR
MOV #0x00E0,W0
IOR SR
; Write the KEY sequence
MOV #0x55,W0
MOV W0,NVMKEY
MOV #0xAA,W0
MOV W0,NVMKEY
; Start the programming operation
BSET NVMCON,#WR
;Re-enable interrupts, if needed
POP SR
Note: Sixteen table write instructions have been used in this code segment to provide
clarity in the example. The code segment could be simplified by using a single table
write instruction in a REPEAT loop.

© 2005 Microchip Technology Inc. DS70052D-page 5-21
Section 5. Flash and EEPROM Programming
F
l
a
s
h
a
n
d
E
E
P
R
O
M
Programming
5
5.5.7 Reading the Data EEPROM Memory
A TBLRD instruction reads a word at the current program word address. This example uses W0
as a pointer to data Flash. The result is placed into register W4.
; Setup pointer to EEPROM memory
MOV #tblpage(EE_ADDR),W0
MOV W0,TBLPAG
MOV #tbloffset(EE_ADDR),W0
; Read the EEPROM data
TBLRDL [W0],W4
5.6 Design Tips
Question 1: I cannot get the device to program or erase properly. My code appears to
be correct. What could be the cause?
Answer: Interrupts should be disabled when a program or erase cycle is initiated to ensure that
the key sequence executes without interruption. Interrupts can be disabled by raising the current
CPU priority to level 7. The code examples in this chapter disable interrupts by saving the current
SR register value on the stack, then ORing the value 0x00E0 with SR to force IPL<2:0> = 111.
If no priority level 7 interrupts are enabled, then the DISI instruction provides another method to
temporarily disable interrupts, while the key sequence is executed.
Question 2: What is an easy way to read data EEPROM without using table
instructions?
Answer: The data EEPROM is mapped into the program memory space. PSV can be used to
map the EEPROM region into data memory space. See Section 4. “Program Memory” for
further information about PSV.
Note: Program Space Visibility (PSV) can also be used to read locations in the program
memory address space. See Section 4. “Program Memory” for further information
about PSV.

dsPIC30F Family Reference Manual
DS70052D-page 5-22 © 2005 Microchip Technology Inc.
5.7 Related Application Notes
This section lists application notes that are related to this section of the manual. These
application notes may not be written specifically for the dsPIC30F Product Family, but the
concepts are pertinent and could be used with modification and possible limitations. The current
application notes related to the Flash and EEPROM Programming module are:
Title Application Note #
Using the dsPIC30F for Sensorless BLDC Control AN901
Note: Please visit the Microchip web site (www.microchip.com) for additional Application
Notes and code examples for the dsPIC30F Family of devices.

© 2005 Microchip Technology Inc. DS70052D-page 5-23
Section 5. Flash and EEPROM Programming
F
l
a
s
h
a
n
d
E
E
P
R
O
M
Programming
5
5.8 Revision History
Revision A
This is the initial released revision of this document.
Revision B
This revision incorporates technical content changes for the dsPIC30F Flash and EEPROM
Programming module.
Revision C
This revision incorporates all known errata at the time of this document update.
Revision D
This revision incorporates technical content changes for the dsPIC30F Flash and EEPROM
Programming module.

dsPIC30F Family Reference Manual
DS70052D-page 5-24 © 2005 Microchip Technology Inc.
NOTES:

© 2004 Microchip Technology Inc. DS70053C-page 6-1
Interrupts
6
Section 6. Reset Interrupts
HIGHLIGHTS
This section of the manual contains the following topics:
6.1 Introduction ....................................................................................................................6-2
6.2 Non-Maskable Traps......................................................................................................6-6
6.3 Interrupt Processing Timing ......................................................................................... 6-11
6.4 Interrupt Control and Status Registers.........................................................................6-14
6.5 Interrupt Setup Procedures..........................................................................................6-42
6.6 Design Tips ..................................................................................................................6-44
6.7 Related Application Notes............................................................................................6-45
6.8 Revision History........................................................................................................... 6-46

dsPIC30F Family Reference Manual
DS70053C-page 6-2 © 2004 Microchip Technology Inc.
6.1 Introduction
The dsPIC30F interrupt controller module reduces the numerous peripheral interrupt request
signals to a single interrupt request signal to the dsPIC30F CPU and has the following features:
• Up to 8 processor exceptions and software traps
• 7 user selectable priority levels
• Interrupt Vector Table (IVT) with up to 62 vectors
• A unique vector for each interrupt or exception source
• Fixed priority within a specified user priority level
• Alternate Interrupt Vector Table (AIVT) for debug support
• Fixed interrupt entry and return latencies
6.1.1 Interrupt Vector Table
The Interrupt Vector Table (IVT) is shown in Figure 6-1. The IVT resides in program memory,
starting at location 0x000004. The IVT contains 62 vectors consisting of 8 non-maskable trap
vectors plus up to 54 sources of interrupt. In general, each interrupt source has its own vector.
Each interrupt vector contains a 24-bit wide address. The value programmed into each interrupt
vector location is the starting address of the associated Interrupt Service Routine (ISR).
6.1.2 Alternate Vector Table
The Alternate Interrupt Vector Table (AIVT) is located after the IVT as shown in Figure 6-1.
Access to the AIVT is provided by the ALTIVT control bit (INTCON2<15>). If the ALTIVT bit is
set, all interrupt and exception processes will use the alternate vectors instead of the default
vectors. The alternate vectors are organized in the same manner as the default vectors.
The AIVT supports emulation and debugging efforts by providing a means to switch between
an application and a support environment without requiring the interrupt vectors to be
reprogrammed. This feature also enables switching between applications for evaluation of
different software algorithms at run-time. If the AIVT is not needed, the AIVT should be
programmed with the same addresses used in the IVT.
6.1.3 Reset Sequence
A device Reset is not a true exception because the interrupt controller is not involved in the Reset
process. The dsPIC30F device clears its registers in response to a Reset which forces the PC to
zero. The processor then begins program execution at location 0x000000. The user programs
a GOTO instruction at the Reset address which redirects program execution to the appropriate
start-up routine.
Note: Any unimplemented or unused vector locations in the IVT and AIVT should be
programmed with the address of a default interrupt handler routine that contains a
RESET instruction.

© 2004 Microchip Technology Inc. DS70053C-page 6-3
Section 6. Interrupts
Interrupts
6
Figure 6-1: Interrupt Vector Table
Table 6-1: Trap Vector Details
Decreasing Natural
Order Priority
0x000000
0x000014
Reserved
Address Error Trap Vector
Stack Error Trap Vector
Reserved
Reserved
Reserved
Interrupt Vector 0
Interrupt Vector 1
~
~
~
Interrupt Vector 52
Interrupt Vector 53
Arithmetic Error Trap Vector
Oscillator Fail Trap Vector
Reserved
Interrupt Vector 0
Interrupt Vector 1
~
~
~
Interrupt Vector 52
Interrupt Vector 53
IVT
AIVT
0x000080
0x00007E
0x0000FE
Reserved
Reserved
Address Error Trap Vector
Stack Error Trap Vector
Reserved
Reserved
Arithmetic Error Trap Vector
Oscillator Fail Trap Vector
0x000094
Reset –
GOTO
Instruction
Reset –
GOTO
Address
0x000002
Reserved
0x000082
0x000084
0x000004
See Table 6-2
Vector details.
for Interrupt
Vector
Number IVT Address AIVT Address Trap Source
00x000004 0x000084 Reserved
10x000006 0x000086 Oscillator Failure
20x000008 0x000088 Address Error
30x00000A 0x00008A Stack Error
40x00000C 0x00008C Arithmetic Error
50x00000E 0x00008E Reserved
60x000010 0x000090 Reserved
70x000012 0x000092 Reserved

dsPIC30F Family Reference Manual
DS70053C-page 6-4 © 2004 Microchip Technology Inc.
Table 6-2: Interrupt Vector Details
Vector
Number IVT Address AIVT Address Interrupt Source
80x000014 0x000094 INT0 – External Interrupt 0
90x000016 0x000096 IC1 – Input Compare 1
10 0x000018 0x000098 OC1 – Output Compare 1
11 0x00001A 0x00009A T1 – Timer 1
12 0x00001C 0x00009C IC2 – Input Capture 2
13 0x00001E 0x00009E OC2 – Output Compare 2
14 0x000020 0x0000A0 T2 – Timer 2
15 0x000022 0x0000A2 T3 – Timer 3
16 0x000024 0x0000A4 SPI1
17 0x000026 0x0000A6 U1RX – UART1 Receiver
18 0x000028 0x0000A8 U1TX – UART1 Transmitter
19 0x00002A 0x0000AA ADC – ADC Convert Done
20 0x00002C 0x0000AC NVM – NVM Write Complete
21 0x00002E 0x0000AE I2C Slave Operation – Message
Detect
22 0x000030 0x0000B0 I2C Master Operation – Message
Event Complete
23 0x000032 0x0000B2 Change Notice Interrupt
24 0x000034 0x0000B4 INT1 – External Interrupt 1
25 0x000036 0x0000B6 IC7 – Input Capture 7
26 0x000038 0x0000B8 IC8 – Input Capture 8
27 0x00003A 0x0000BA OC3 – Output Compare 3
28 0x00003C 0x0000BC OC4 – Output Compare 4
29 0x00003E 0x0000BE T4 – Timer 4
30 0x000040 0x0000C0 T5 – Timer 5
31 0x000042 0x0000C2 INT2 – External Interrupt 2
32 0x000044 0x0000C4 U2RX – UART2 Receiver
33 0x000046 0x0000C6 U2TX – UART2 Transmitter
34 0x000048 0x0000C8 SPI2
35 0x00004A 0x0000CA CAN1
36 0x00004C 0x0000CC IC3 – Input Capture 3
37 0x00004E 0x0000CE IC4 – Input Capture 4
38 0x000050 0x0000D0 IC5 – Input Capture 5
39 0x000052 0x0000D2 IC6 – Input Capture 6
40 0x000054 0x0000D4 OC5 – Output Compare 5
41 0x000056 0x0000D6 OC6 – Output Compare 6
42 0x000058 0x0000D8 OC7 – Output Compare 7
43 0x00005A 0x0000DA OC8 – Output Compare 8
44 0x00005C 0x0000DC INT3 – External Interrupt 3
45 0x00005E 0x0000DE INT4 – External Interrupt 4
46 0x000060 0x0000E0 CAN2
47 0x000062 0x0000E2 PWM – PWM Period Match
48 0x000064 0x0000E4 QEI – Position Counter Compare
49 0x000066 0x0000E6 DCI – Codec Transfer Done
50 0x000068 0x0000E8 LVD – Low Voltage Detect
51 0x00006A 0x0000EA FLTA – MCPWM Fault A
52 0x00006C 0x0000EC FLTB – MCPWM Fault B
53-61 0x00006E-0x00007E 0x00006E-0x00007E Reserved

© 2004 Microchip Technology Inc. DS70053C-page 6-5
Section 6. Interrupts
Interrupts
6
6.1.4 CPU Priority Status
The CPU can operate at one of sixteen priority levels, 0-15. An interrupt or trap source must have
a priority level greater than the current CPU priority in order to initiate an exception process.
Peripheral and external interrupt sources can be programmed for level 0-7, while CPU priority
levels 8-15 are reserved for trap sources. A trap is a non-maskable interrupt source intended to
detect hardware and software problems (see Section 6.2 ”Non-Maskable Traps”). The priority
level for each trap source is fixed and only one trap is assigned to a priority level. Note that an
interrupt source programmed to priority level 0 is effectively disabled, since it can never be
greater than the CPU priority.
The current CPU priority level is indicated by the following four status bits:
• IPL<2:0> status bits located in SR<7:5>
• IPL3 status bit located in CORCON<3>
The IPL<2:0> status bits are readable and writable, so the user may modify these bits to disable
all sources of interrupts below a given priority level. If IPL<2:0> = 3, for example, the CPU would
not be interrupted by any source with a programmed priority level of 0, 1, 2 or 3.
Trap events have higher priority than any user interrupt source. When the IPL3 bit is set, a trap
event is in progress. The IPL3 bit can be cleared, but not set by the user. In some applications,
it may be desirable to clear the IPL3 bit when a trap has occurred and branch to an instruction
other than the instruction after the one that originally caused the trap to occur.
All user interrupt sources can be disabled by setting IPL<2:0> = 111.
6.1.5 Interrupt Priority
Each peripheral interrupt source can be assigned to one of seven priority levels. The user
assignable interrupt priority control bits for each individual interrupt are located in the Least
Significant 3 bits of each nibble within the IPCx register(s). Bit 3 of each nibble is not used and
is read as a ‘0’. These bits define the priority level assigned to a particular interrupt. The usable
priority levels start at ‘1’ as the lowest priority and level 7 as the highest priority. If the IPC bits
associated with an interrupt source are all cleared, then the interrupt source is effectively
disabled.
Since more than one interrupt request source may be assigned to a specific priority level, a
means is provided to resolve priority conflicts within a given user assigned level. Each source of
interrupt has a natural order priority based on its location in the IVT. Table 6-2 shows the location
of each interrupt source in the IVT. The lower numbered interrupt vectors have higher natural
priority, while the higher numbered vectors have lower natural priority. The overall priority level
for any pending source of interrupt is determined first by the user assigned priority of that source
in the IPCx register, then by the natural order priority within the IVT.
Natural order priority is used only to resolve conflicts between simultaneous pending interrupts
with the same user assigned priority level. Once the priority conflict is resolved and the exception
process begins, the CPU can only be interrupted by a source with higher user assigned priority.
Interrupts with the same user assigned priority but a higher natural order priority, that become
pending after the exception process begins, will remain pending until the current exception
process completes.
The ability for the user to assign each interrupt source to one of seven priority levels means that
the user can give an interrupt with a low natural order priority a very high overall priority level. For
example: the PLVD (Programmable Low Voltage Detect) can be given a priority of 7 and the INT0
(External Interrupt 0) may be assigned to priority level 1, thus giving it a very low effective priority.
Note: The IPL<2:0> bits become read only bits when interrupt nesting is disabled. See
Section 6.2.4.2 ”Interrupt Nesting” for more information.
Note: The peripherals and sources of interrupt available in the IVT will vary depending on
the specific dsPIC30F device. The sources of interrupt shown in this document
represent a comprehensive listing of all interrupt sources found on dsPIC30F
devices. Refer to the specific device data sheet for further details.

dsPIC30F Family Reference Manual
DS70053C-page 6-6 © 2004 Microchip Technology Inc.
6.2 Non-Maskable Traps
Traps can be considered as non-maskable, nestable interrupts which adhere to a fixed priority
structure. Traps are intended to provide the user a means to correct erroneous operation during
debug and when operating within the application. If the user does not intend to take corrective
action in the event of a trap error condition, these vectors must be loaded with the address of a
software routine that will reset the device. Otherwise, the trap vector is programmed with the
address of a service routine that will correct the trap condition.
The dsPIC30F has four implemented sources of non-maskable traps:
• Oscillator Failure Trap
• Stack Error Trap
• Address Error Trap
• Arithmetic Error Trap
Note that many of these trap conditions can only be detected when they happen. Consequently,
the instruction that caused the trap is allowed to complete before exception processing begins.
Therefore, the user may have to correct the action of the instruction that caused the trap.
Each trap source has a fixed priority as defined by its position in the IVT. An oscillator failure trap
has the highest priority, while an arithmetic error trap has the lowest priority (see Figure 6-1). In
addition, trap sources are classified into two distinct categories: ‘Hard’ traps and ‘Soft’ traps.
6.2.1 Soft Traps
The arithmetic error trap (priority level 11) and stack error trap (priority level 12) are categorized
as ‘soft’ trap sources. Soft traps can be treated like non-maskable sources of interrupt that
adhere to the priority assigned by their position in the IVT. Soft traps are processed like interrupts
and require 2 cycles to be sampled and Acknowledged prior to exception processing. Therefore,
additional instructions may be executed before a soft trap is Acknowledged.
6.2.1.1 Stack Error Trap (Soft Trap, Level 12)
The stack is initialized to 0x0800 during Reset. A stack error trap will be generated should the
stack pointer address ever be less than 0x0800.
There is a Stack Limit register (SPLIM) associated with the stack pointer that is uninitialized at
Reset. The stack overflow check is not enabled until a word write to SPLIM occurs.
All Effective Addresses (EA) generated using W15 as a source or destination pointer are
compared against the value in SPLIM. Should the EA be greater than the contents of the SPLIM
register, then a stack error trap is generated. In addition, a stack error trap will be generated
should the EA calculation wrap over the end of data space (0xFFFF).
A stack error can be detected in software by polling the STKERR status bit (INTCON1<2>). To
avoid re-entering the Trap Service Routine, the STKERR status flag must be cleared in software
prior to returning from the trap with a RETFIE instruction.

© 2004 Microchip Technology Inc. DS70053C-page 6-7
Section 6. Interrupts
Interrupts
6
6.2.1.2 Arithmetic Error Trap (Soft Trap, Level 11)
Any of the following events will cause an arithmetic error trap to be generated:
• Accumulator A Overflow
• Accumulator B Overflow
• Catastrophic Accumulator Overflow
• Divide by Zero
• Shift Accumulator (SFTAC) operation exceeding +/-16 bits
There are three enable bits in the INTCON1 register that enable the three types of accumulator
overflow traps. The OVATE control bit (INTCON1<10>) is used to enable traps for an Accumula-
tor A overflow event. The OVBTE control bit (INTCON1<9>) is used to enable traps for an
Accumulator B overflow event. The COVTE control bit (INTCON1<8>) is used to enable traps for
a catastrophic overflow of either accumulator.
An Accumulator A or Accumulator B overflow event is defined as a carry-out from bit 31. Note
that no accumulator overflow can occur if the 31-bit Saturation mode is enabled for the accumu-
lator. A catastrophic accumulator overflow is defined as a carry-out from bit 39 of either
accumulator. No catastrophic overflow can occur if accumulator saturation (31-bit or 39-bit) is
enabled.
Divide-by-zero traps cannot be disabled. The divide-by-zero check is performed during the first
iteration of the REPEAT loop that executes the divide instruction.
Accumulator shift traps cannot be disabled. The SFTAC instruction can be used to shift the
accumulator by a literal value or a value in one of the W registers. If the shift value exceeds
+/-16 bits, an arithmetic trap will be generated. The SFTAC instruction will execute, but the results
of the shift will not be written to the target accumulator.
An arithmetic error trap can be detected in software by polling the MATHERR status bit
(INTCON1<4>). To avoid re-entering the Trap Service Routine, the MATHERR status flag must
be cleared in software prior to returning from the trap with a RETFIE instruction. Before the
MATHERR status bit can be cleared, all conditions that caused the trap to occur must also be
cleared. If the trap was due to an accumulator overflow, the OA and OB status bits (SR<15:14>)
must be cleared. The OA and OB status bits are read only, so the user software must perform a
dummy operation on the overflowed accumulator (such as adding ‘0’) that will cause the
hardware to clear the OA or OB status bit.
6.2.2 Hard Traps
Hard traps include exceptions of priority level 13 through level 15, inclusive. The address error
(level 13) and oscillator error (level 14) traps fall into this category.
Like soft traps, hard traps can also be viewed as non-maskable sources of interrupt. The
difference between hard traps and soft traps is that hard traps force the CPU to stop code
execution after the instruction causing the trap has completed. Normal program execution flow
will not resume until after the trap has been Acknowledged and processed.
6.2.2.1 Trap Priority and Hard Trap Conflicts
If a higher priority trap occurs while any lower priority trap is in progress, processing of the lower
priority trap will be suspended and the higher priority trap will be Acknowledged and processed.
The lower priority trap will remain pending until processing of the higher priority trap completes.
Each hard trap that occurs must be Acknowledged before code execution of any type may
continue. If a lower priority hard trap occurs while a higher priority trap is pending, Acknowledged,
or is being processed, a hard trap conflict will occur. The conflict occurs because the lower
priority trap cannot be Acknowledged until processing for the higher priority trap completes.
The device is automatically reset in a hard trap conflict condition. The TRAPR status bit
(RCON<15> ) is set when the Reset occurs, so that the condition may be detected in software.

dsPIC30F Family Reference Manual
DS70053C-page 6-8 © 2004 Microchip Technology Inc.
6.2.2.2 Oscillator Failure Trap (Hard Trap, Level 14)
An oscillator failure trap event will be generated for any of the following reasons:
• The Fail-Safe Clock Monitor (FSCM) is enabled and has detected a loss of the system
clock source.
• A loss of PLL lock has been detected during normal operation using the PLL.
• The FSCM is enabled and the PLL fails to achieve lock at a Power-On Reset (POR).
An oscillator failure trap event can be detected in software by polling the OSCFAIL status bit
(INTCON1<1>), or the CF status bit (OSCCON<3>). To avoid re-entering the Trap Service
Routine, the OSCFAIL status flag must be cleared in software prior to returning from the trap with
a RETFIE instruction.
Refer to Section 7. “Oscillator” and Section 24. “Device Configuration” for more information
about the FSCM.
6.2.2.3 Address Error Trap (Hard Trap, Level 13)
The following paragraphs describe operating scenarios that would cause an address error trap
to be generated:
1. A misaligned data word fetch is attempted. This condition occurs when an instruction
performs a word access with the LSb of the effective address set to ‘1’. The dsPIC30F
CPU requires all word accesses to be aligned to an even address boundary.
2. A bit manipulation instruction using the Indirect Addressing mode with the LSb of the
effective address set to ‘1’.
3. A data fetch from unimplemented data address space is attempted.
4. Execution of a “BRA #literal” instruction or a “GOTO #literal” instruction, where
literal is an unimplemented program memory address.
5. Executing instructions after modifying the PC to point to unimplemented program memory
addresses. The PC may be modified by loading a value into the stack and executing a
RETURN instruction.
Data space writes will be inhibited whenever an address error trap occurs, so that data is not
destroyed.
An address error can be detected in software by polling the ADDRERR status bit (INTCON1<3>).
To avoid re-entering the Trap Service Routine, the ADDRERR status flag must be cleared in
software prior to returning from the trap with a RETFIE instruction.
6.2.3 Disable Interrupts Instruction
The DISI (disable interrupts) instruction has the ability to disable interrupts for up to 16384
instruction cycles. This instruction is useful when time critical code segments must be executed.
The DISI instruction only disables interrupts with priority levels 1-6. Priority level 7 interrupts and
all trap events still have the ability to interrupt the CPU when the DISI instruction is active.
The DISI instruction works in conjunction with the DISICNT register. When the DISICNT register
is non-zero, priority level 1-6 interrupts are disabled. The DISICNT register is decremented on
each subsequent instruction cycle. When the DISICNT register counts down to ‘0’, priority
level 1-6 interrupts will be re-enabled. The value specified in the DISI instruction includes all
cycles due to PSV accesses, instruction stalls, etc.
The DISICNT register is readable and writable. The user can terminate the effect of a previous
DISI instruction early by clearing the DISICNT register. The amount of time that interrupts are
disabled can also be increased by writing to or adding to DISICNT.
Note: In the MAC class of instructions, the data space is split into X and Y spaces. In these
instructions, unimplemented X space includes all of Y space, and unimplemented Y
space includes all of X space.

© 2004 Microchip Technology Inc. DS70053C-page 6-9
Section 6. Interrupts
Interrupts
6
Note that if the DISICNT register is zero, interrupts cannot be disabled by simply writing a
non-zero value to the register. Interrupts must first be disabled by using the DISI instruction.
Once the DISI instruction has executed and DISICNT holds a non-zero value, the interrupt
disable time can be extended by modifying the contents of DISICNT.
The DISI status bit (INTCON2<14>) is set whenever interrupts are disabled as a result of the
DISI instruction.
6.2.4 Interrupt Operation
All interrupt event flags are sampled during each instruction cycle. A pending Interrupt Request
(IRQ) is indicated by the flag bit being equal to a ‘1’ in an IFSx register. The IRQ will cause an
interrupt to occur if the corresponding bit in the Interrupt Enable (IECx) registers is set. For the
rest of the instruction cycle in which the IRQ is sampled, the priorities of all pending interrupt
requests are evaluated.
No instruction will be aborted when the CPU responds to the IRQ. The instruction that was in
progress when the IRQ is sampled will be completed before the ISR is executed.
If there is a pending IRQ with a user assigned priority level greater than the current processor
priority level, indicated by the IPL<2:0> status bits (SR<7:5>), an interrupt will be presented to
the processor. The processor then saves the following information on the software stack:
• the current PC value
• the low byte of the Processor Status register (SRL)
• the IPL3 status bit (CORCON<3>)
These three values that are saved on the stack allow the return PC address value, MCU status
bits, and the current processor priority level to be automatically saved.
After the above information is saved on the stack, the CPU writes the priority level of the pending
interrupt into the IPL<2:0> bit locations. This action will disable all interrupts of less than, or equal
priority, until the Interrupt Service Routine (ISR) is terminated using the RETFIE instruction.
Figure 6-2: Stack Operation for Interrupt Event
6.2.4.1 Return from Interrupt
The RETFIE (Return from Interrupt) instruction will unstack the PC return address, IPL3 status
bit, and SRL register to return the processor to the state and priority level prior to the interrupt
sequence.
Note: Software modification of the DISICNT register is not recommended.
Note: The DISI instruction can be used to quickly disable all user interrupt sources if no
source is assigned to CPU priority level 7.
<Free Word>
PC<15:0>
PC<22:16>
015
W15 (before IRQ)
W15 (after IRQ)
Stack Grows Towards
Higher Address
SR<7:0>
This stack location used
to store the IPL3 status
bit (CORCON<3>).

dsPIC30F Family Reference Manual
DS70053C-page 6-10 © 2004 Microchip Technology Inc.
6.2.4.2 Interrupt Nesting
Interrupts, by default, are nestable. Any ISR that is in progress may be interrupted by another
source of interrupt with a higher user assigned priority level. Interrupt nesting may be optionally
disabled by setting the NSTDIS control bit (INTCON1<15>). When the NSTDIS control bit is set,
all interrupts in progress will force the CPU priority to level 7 by setting IPL<2:0> = 111. This
action will effectively mask all other sources of interrupt until a RETFIE instruction is executed.
When interrupt nesting is disabled, the user assigned interrupt priority levels will have no effect,
except to resolve conflicts between simultaneous pending interrupts.
The IPL<2:0> bits become read only when interrupt nesting is disabled. This prevents the user
software from setting IPL<2:0> to a lower value, which would effectively re-enable interrupt
nesting.
6.2.5 Wake-up from Sleep and Idle
Any source of interrupt that is individually enabled, using its corresponding control bit in the IECx
registers, can wake-up the processor from Sleep or Idle mode. When the interrupt status flag for
a source is set and the interrupt source is enabled via the corresponding bit in the IEC Control
registers, a wake-up signal is sent to the dsPIC30F CPU. When the device wakes from Sleep or
Idle mode, one of two actions may occur:
1. If the interrupt priority level for that source is greater than the current CPU priority level,
then the processor will process the interrupt and branch to the ISR for the interrupt source.
2. If the user assigned interrupt priority level for the source is less than or equal the current
CPU priority level, then the processor will simply continue execution, starting with the
instruction immediately following the PWRSAV instruction that previously put the CPU in
Sleep or Idle mode.
6.2.6 A/D Converter External Conversion Request
The INT0 external interrupt request pin is shared with the A/D converter as an external
conversion request signal. The INT0 interrupt source has programmable edge polarity, which is
also available to the A/D converter external conversion request feature.
6.2.7 External Interrupt Support
The dsPIC30F supports up to 5 external interrupt pin sources (INT0-INT4). Each external
interrupt pin has edge detection circuitry to detect the interrupt event. The INTCON2 register has
five control bits (INT0EP-INT4EP) that select the polarity of the edge detection circuitry. Each
external interrupt pin may be programmed to interrupt the CPU on a rising edge or falling edge
event. See Register 6-4 for further details.
Note: User interrupt sources that are assigned to CPU priority level 0 cannot wake the
CPU from Sleep or Idle mode, because the interrupt source is effectively disabled.
To use an interrupt as a wake-up source, the CPU priority level for the interrupt must
be assigned to CPU priority level 1 or greater.

© 2004 Microchip Technology Inc. DS70053C-page 6-11
Section 6. Interrupts
Interrupts
6
6.3 Interrupt Processing Timing
6.3.1 Interrupt Latency for One-Cycle Instructions
Figure 6-3 shows the sequence of events when a peripheral interrupt is asserted during a
one-cycle instruction. The interrupt process takes four instruction cycles. Each cycle is numbered
in the Figure for reference.
The interrupt flag status bit is set during the instruction cycle after the peripheral interrupt occurs.
The current instruction completes during this instruction cycle. In the second instruction
cycle after the interrupt event, the contents of the PC and SRL registers are saved into a
temporary buffer register. The second cycle of the interrupt process is executed as a NOP to
maintain consistency with the sequence taken during a two-cycle instruction (see Section 6.3.2
”Interrupt Latency for Two-Cycle Instructions”). In the third cycle, the PC is loaded with the
vector table address for the interrupt source and the starting address of the ISR is fetched. In the
fourth cycle, the PC is loaded with the ISR address. The fourth cycle is executed as a NOP while
the first instruction in the ISR is fetched.
Figure 6-3: Interrupt Timing During a One-Cycle Instruction
466 644
INST(PC-2) INST(PC) FNOP FNOP ISR
INST
Executed
Interrupt Flag
PUSH Low 16 bits of PC
PUSH SRL and High 8 bits of PC
64
ISR + 2 ISR + 4
CPU Priority
Fetch
2000 (ISR) 2002 2004 2006PC PC+2PC
Vector
Save PC in
Status bit
Vector#
Peripheral interrupt event
occurs at or before midpoint
T
CY
1234
temporary
buffer.
of this cycle.
(from temporary buffer).
(from temporary buffer).

dsPIC30F Family Reference Manual
DS70053C-page 6-12 © 2004 Microchip Technology Inc.
6.3.2 Interrupt Latency for Two-Cycle Instructions
The interrupt latency during a two-cycle instruction is the same as during a one-cycle instruction.
The first and second cycle of the interrupt process allow the two-cycle instruction to complete
execution. The timing diagram in Figure 6-5 shows the case when the peripheral interrupt event
occurs in the instruction cycle prior to execution of the two-cycle instruction.
Figure 6-5 shows the timing when a peripheral interrupt is coincident with the first cycle of a
two-cycle instruction. In this case, the interrupt process completes as for a one-cycle instruction
(see Section 6.3.1 ”Interrupt Latency for One-Cycle Instructions”).
Figure 6-4: Interrupt Timing During a Two-Cycle Instruction
Figure 6-5: Interrupt Timing, Interrupt Occurs During 1st Cycle of a 2-Cycle Instruction
466 644
INST(PC-2) INST(PC) INST(PC) FNOP ISR
INST
Executed
Interrupt Flag
PUSH Low 16 bits of PC
PUSH SRL and High 8 bits of PC
64
ISR + 2 ISR + 4
CPU Priority
Fetch
2000 (ISR) 2002 2004 2006PC PC+2PC
Vector
Save PC in
Status bit
Vector#
Peripheral interrupt event
occurs at or before
TCY 1234
2nd cycle1st cycle
temporary
buffer.
midpoint of this cycle.
(from temporary buffer).
(from temporary buffer).
466 644
INST(PC) INST(PC) FNOP ISR
INST
Executed
Interrupt Flag
PUSH Low 16 bits of PC
PUSH SRL and High 8 bits of PC
64
ISR + 2 ISR + 4
CPU Priority
Fetch
2000 (ISR) 2002 2004 2006PC PC + 2PC
Vector
Save PC in
Status bit
Vector#
Peripheral interrupt event
occurs at or before
T
CY
1234
2nd cycle1st cycle
temporary
buffer.
FNOP
midpoint of this cycle.
(from temporary buffer).
(from temporary buffer).

© 2004 Microchip Technology Inc. DS70053C-page 6-13
Section 6. Interrupts
Interrupts
6
6.3.3 Returning from Interrupt
The “Return from Interrupt” instruction, RETFIE, exits an interrupt or trap routine.
During the first cycle of a RETFIE instruction, the upper bits of the PC and the SRL register are
popped from the stack. The lower 16 bits of the stacked PC value are popped from the stack
during the second cycle. The third instruction cycle is used to fetch the instruction addressed by
the updated program counter. This cycle executes as a NOP.
Figure 6-6: Return from Interrupt Timing
6.3.4 Special Conditions for Interrupt Latency
The dsPIC30F allows the current instruction to complete when a peripheral interrupt source
becomes pending. The interrupt latency is the same for both one and two-cycle instructions.
However, there are certain conditions that can increase interrupt latency by one cycle, depending
on when the interrupt occurs. The user should avoid these conditions if a fixed latency is critical
to the application. These conditions are as follows:
•A MOV.D instruction is executed that uses PSV to access a value in program memory
space.
• An instruction stall cycle is appended to any two-cycle instruction.
• An instruction stall cycle is appended to any one-cycle instruction that performs a PSV
access.
• A bit test and skip instruction (BTSC, BTSS) uses PSV to access a value in the program
memory space.
4444
66
CPU
Priority
RETFIE RETFIE PC
INST
Executed FNOP
ISR last
6
PC + 2 PC + 4
POP Low 16 bits of PC to RAM Stack.
POP SRL and High 8 bits of PC.
PC PC + 2 PC + 4 PC + 6ISR ISR + 2PC
2nd cycle
TCY
instruction

dsPIC30F Family Reference Manual
DS70053C-page 6-14 © 2004 Microchip Technology Inc.
6.4 Interrupt Control and Status Registers
The following registers are associated with the interrupt controller:
•INTCON1, INTCON2 Registers
Global interrupt control functions are derived from these two registers. INTCON1 contains
the Interrupt Nesting Disable (NSTDIS) bit, as well as the control and status flags for the
processor trap sources. The INTCON2 register controls the external interrupt request
signal behavior and the use of the alternate vector table.
•IFSx: Interrupt Flag Status Registers
All interrupt request flags are maintained in the IFSx registers, where ‘x’ denotes the
register number. Each source of interrupt has a Status bit, which is set by the respective
peripherals or external signal and is cleared via software.
•IECx: Interrupt Enable Control Registers
All Interrupt Enable Control bits are maintained in the IECx registers, where ‘x’ denotes the
register number. These control bits are used to individually enable interrupts from the
peripherals or external signals.
•IPCx: Interrupt Priority Control Registers
Each user interrupt source can be assigned to one of eight priority levels. The IPC registers
are used to set the interrupt priority level for each source of interrupt.
•SR: CPU Status Register
The SR is not specifically part of the interrupt controller hardware, but it contains the
IPL<2:0> Status bits (SR<7:5>) that indicate the current CPU priority level. The user may
change the current CPU priority level by writing to the IPL bits.
•CORCON: Core Control Register
The CORCON is not specifically part of the interrupt controller hardware, but it contains the
IPL3 Status bit which indicates the current CPU priority level. IPL3 is a Read Only bit so
that trap events cannot be masked by the user software.
Each register is described in detail on the following pages.
6.4.1 Assignment of Interrupts to Control Registers
The interrupt sources are assigned to the IFSx, IECx and IPCx registers in the same sequence
that they are listed in Table 6-2. For example, the INT0 (External Interrupt 0) is shown as having
vector number and a natural order priority of ‘0’. Thus, the INT0IF Status bit is found in IFS0<0>.
The INT0 interrupt uses bit 0 of the IEC0 register as its Enable bit and the IPC0<2:0> bits assign
the interrupt priority level for the INT0 interrupt.
Note: The total number and type of interrupt sources will depend on the device variant.
Refer to the specific device data sheet for further details.

© 2004 Microchip Technology Inc. DS70053C-page 6-15
Section 6. Interrupts
Interrupts
6
Register 6-1: SR: Status Register (In CPU)
Register 6-2: CORCON: Core Control Register
Upper Byte:
R-0 R-0 R/C-0 R/C-0 R-0 R/C-0 R-0 R-0
OA OB SA SB OAB SAB DA DC
bit 15 bit 8
Lower Byte:
R/W-0 R/W-0 R/W-0 R-0 R/W-0 R/W-0 R/W-0 R/W-0
IPL<2:0> RA N OV Z C
bit 7 bit 0
bit 7-5 IPL<2:0>: CPU Interrupt Priority Level Status bits
111 = CPU interrupt priority level is 7 (15). User interrupts disabled.
110 = CPU interrupt priority level is 6 (14)
101 = CPU interrupt priority level is 5 (13)
100 = CPU interrupt priority level is 4 (12)
011 = CPU interrupt priority level is 3 (11)
010 = CPU interrupt priority level is 2 (10)
001 = CPU interrupt priority level is 1 (9)
000 = CPU interrupt priority level is 0 (8)
Note 1: The IPL<2:0> bits are concatenated with the IPL<3> bit (CORCON<3>) to form the CPU
interrupt priority level. The value in parentheses indicates the IPL if IPL<3> = 1.
2: The IPL<2:0> status bits are read only when NSTDIS = 1 (INTCON1<15>).
Legend:
R = Readable bit W = Writable bit U = Unimplemented bit, read as ‘0’ C = Bit can be cleared
-n = Value at POR ‘1’ = Bit is set ‘0’ = Bit is cleared x = Bit is unknown
Upper Byte:
U-0 U-0 U-0 R/W-0 R/W-0 R-0 R-0 R-0
— — — US EDT DL<1:0>
bit 15 bit 8
Lower Byte:
R/W-0 R/W-0 R/W-1 R/W-0 R/C-0 R/W-0 R/W-0 R/W-0
SATA SATB SATDW ACCSAT IPL3 PSV RND IF
bit 7 bit 0
bit 3 IPL3: CPU Interrupt Priority Level Status bit 3
1 = CPU interrupt priority level is greater than 7
0 = CPU interrupt priority level is 7 or less
Note 1: The IPL3 bit is concatenated with the IPL<2:0> bits (SR<7:5>) to form the CPU interrupt priority
level.
Legend:
R = Readable bit W = Writable bit U = Unimplemented bit, read as ‘0’ C = Bit can be cleared
-n = Value at POR ‘1’ = Bit is set ‘0’ = Bit is cleared x = Bit is unknown

dsPIC30F Family Reference Manual
DS70053C-page 6-16 © 2004 Microchip Technology Inc.
Register 6-3: INTCON1: Interrupt Control Register 1
Upper Byte:
R/W-0 U-0 U-0 U-0 U-0 R/W-0 R/W-0 R/W-0
NSTDIS — — — — OVATE OVBTE COVTE
bit 15 bit 8
Lower Byte:
U-0 U-0 U-0 R/W-0 R/W-0 R/W-0 R/W-0 U-0
— — — MATHERR ADDRERR STKERR OSCFAIL —
bit 7 bit 0
bit 15 NSTDIS: Interrupt Nesting Disable bit
1 = Interrupt nesting is disabled
0 = Interrupt nesting is enabled
bit 14-11 Unimplemented: Read as ‘0’
bit 10 OVATE: Accumulator A Overflow Trap Enable bit
1 = Trap overflow of Accumulator A
0 = Trap disabled
bit 9 OVBTE: Accumulator B Overflow Trap Enable bit
1 = Trap overflow of Accumulator B
0 = Trap disabled
bit 8 COVTE: Catastrophic Overflow Trap Enable bit
1 = Trap on catastrophic overflow of Accumulator A or B enabled
0 = Trap disabled
bit 7-5 Unimplemented: Read as ‘0’
bit 4 MATHERR: Arithmetic Error Status bit
1 = Overflow trap has occurred
0 = Overflow trap has not occurred
bit 3 ADDRERR: Address Error Trap Status bit
1 = Address error trap has occurred
0 = Address error trap has not occurred
bit 2 STKERR: Stack Error Trap Status bit
1 = Stack error trap has occurred
0 = Stack error trap has not occurred
bit 1 OSCFAIL: Oscillator Failure Trap Status bit
1 = Oscillator failure trap has occurred
0 = Oscillator failure trap has not occurred
bit 0 Unimplemented: Read as ‘0’
Legend:
R = Readable bit W = Writable bit U = Unimplemented bit, read as ‘0’
-n = Value at POR ‘1’ = Bit is set ‘0’ = Bit is cleared x = Bit is unknown

© 2004 Microchip Technology Inc. DS70053C-page 6-17
Section 6. Interrupts
Interrupts
6
Register 6-4: INTCON2: Interrupt Control Register 2
Upper Byte:
R/W-0 R-0 U-0 U-0 U-0 U-0 U-0 U-0
ALTIVT DISI — — — — — —
bit 15 bit 8
Lower Byte:
U-0 U-0 U-0 R/W-0 R/W-0 R/W-0 R/W-0 R/W-0
— — — INT4EP INT3EP INT2EP INT1EP INT0EP
bit 7 bit 0
bit 15 ALTIVT: Enable Alternate Interrupt Vector Table bit
1 = Use alternate vector table
0 = Use standard (default) vector table
bit 14 DISI: DISI Instruction Status bit
1 = DISI instruction is active
0 = DISI is not active
bit 13-5 Unimplemented: Read as ‘0’
bit 4 INT4EP: External Interrupt #4 Edge Detect Polarity Select bit
1 = Interrupt on negative edge
0 = Interrupt on positive edge
bit 3 INT3EP: External Interrupt #3 Edge Detect Polarity Select bit
1 = Interrupt on negative edge
0 = Interrupt on positive edge
bit 2 INT2EP: External Interrupt #2 Edge Detect Polarity Select bit
1 = Interrupt on negative edge
0 = Interrupt on positive edge
bit 1 INT1EP: External Interrupt #1 Edge Detect Polarity Select bit
1 = Interrupt on negative edge
0 = Interrupt on positive edge
bit 0 INT0EP: External Interrupt #0 Edge Detect Polarity Select bit
1 = Interrupt on negative edge
0 = Interrupt on positive edge
Legend:
R = Readable bit W = Writable bit U = Unimplemented bit, read as ‘0’
-n = Value at POR ‘1’ = Bit is set ‘0’ = Bit is cleared x = Bit is unknown

dsPIC30F Family Reference Manual
DS70053C-page 6-18 © 2004 Microchip Technology Inc.
Register 6-5: IFS0: Interrupt Flag Status Register 0
Upper Byte:
R/W-0 R/W-0 R/W-0 R/W-0 R/W-0 R/W-0 R/W-0 R/W-0
CNIF MI2CIF SI2CIF NVMIF ADIF U1TXIF U1RXIF SPI1IF
bit 15 bit 8
Lower Byte:
R/W-0 R/W-0 R/W-0 R/W-0 R/W-0 R/W-0 R/W-0 R/W-0
T3IF T2IF OC2IF IC2IF T1IF OC1IF IC1IF INT0IF
bit 7 bit 0
bit 15 CNIF: Input Change Notification Flag Status bit
1 = Interrupt request has occurred
0 = Interrupt request has not occurred
bit 14 MI2CIF: I2C Bus Collision Flag Status bit
1 = Interrupt request has occurred
0 = Interrupt request has not occurred
bit 13 SI2CIF: I2C Transfer Complete Interrupt Flag Status bit
1 = Interrupt request has occurred
0 = Interrupt request has not occurred
bit 12 NVMIF: Non-Volatile Memory Write Complete Interrupt Flag Status bit
1 = Interrupt request has occurred
0 = Interrupt request has not occurred
bit 11 ADIF: A/D Conversion Complete Interrupt Flag Status bit
1 = Interrupt request has occurred
0 = Interrupt request has not occurred
bit 10 U1TXIF: UART1 Transmitter Interrupt Flag Status bit
1 = Interrupt request has occurred
0 = Interrupt request has not occurred
bit 9 U1RXIF: UART1 Receiver Interrupt Flag Status bit
1 = Interrupt request has occurred
0 = Interrupt request has not occurred
bit 8 SPI1IF: SPI1 Interrupt Flag Status bit
1 = Interrupt request has occurred
0 = Interrupt request has not occurred
bit 7 T3IF: Timer3 Interrupt Flag Status bit
1 = Interrupt request has occurred
0 = Interrupt request has not occurred
bit 6 T2IF: Timer2 Interrupt Flag Status bit
1 = Interrupt request has occurred
0 = Interrupt request has not occurred
bit 5 OC2IF: Output Compare Channel 2 Interrupt Flag Status bit
1 = Interrupt request has occurred
0 = Interrupt request has not occurred
bit 4 IC2IF: Input Capture Channel 2 Interrupt Flag Status bit
1 = Interrupt request has occurred
0 = Interrupt request has not occurred
bit 3 T1IF: Timer1 Interrupt Flag Status bit
1 = Interrupt request has occurred
0 = Interrupt request has not occurred
bit 2 OC1IF: Output Compare Channel 1 Interrupt Flag Status bit
1 = Interrupt request has occurred
0 = Interrupt request has not occurred

© 2004 Microchip Technology Inc. DS70053C-page 6-19
Section 6. Interrupts
Interrupts
6
Register 6-5: IFS0: Interrupt Flag Status Register 0 (Continued)
bit 1 IC1IF: Input Capture Channel 1 Interrupt Flag Status bit
1 = Interrupt request has occurred
0 = Interrupt request has not occurred
bit 0 INT0IF: External Interrupt 0 Flag Status bit
1 = Interrupt request has occurred
0 = Interrupt request has not occurred
Legend:
R = Readable bit W = Writable bit U = Unimplemented bit, read as ‘0’
-n = Value at POR ‘1’ = Bit is set ‘0’ = Bit is cleared x = Bit is unknown

dsPIC30F Family Reference Manual
DS70053C-page 6-20 © 2004 Microchip Technology Inc.
Register 6-6: IFS1: Interrupt Flag Status Register 1
Upper Byte:
R/W-0 R/W-0 R/W-0 R/W-0 R/W-0 R/W-0 R/W-0 R/W-0
IC6IF IC5IF IC4IF IC3IF C1IF SPI2IF U2TXIF U2RXIF
bit 15 bit 8
Lower Byte:
R/W-0 R/W-0 R/W-0 R/W-0 R/W-0 R/W-0 R/W-0 R/W-0
INT2IF T5IF T4IF OC4IF OC3IF IC8IF IC7IF INT1IF
bit 7 bit 0
bit 15 IC6IF: Input Capture Channel 6 Interrupt Flag Status bit
1 = Interrupt request has occurred
0 = Interrupt request has not occurred
bit 14 IC5IF: Input Capture Channel 5 Interrupt Flag Status bit
1 = Interrupt request has occurred
0 = Interrupt request has not occurred
bit 13 IC4IF: Input Capture Channel 4 Interrupt Flag Status bit
1 = Interrupt request has occurred
0 = Interrupt request has not occurred
bit 12 IC3IF: Input Capture Channel 3 Interrupt Flag Status bit
1 = Interrupt request has occurred
0 = Interrupt request has not occurred
bit 11 C1IF: CAN1 (Combined) Interrupt Flag Status bit
1 = Interrupt request has occurred
0 = Interrupt request has not occurred
bit 10 SPI2IF: SPI2 Interrupt Flag Status bit
1 = Interrupt request has occurred
0 = Interrupt request has not occurred
bit 9 U2TXIF: UART2 Transmitter Interrupt Flag Status bit
1 = Interrupt request has occurred
0 = Interrupt request has not occurred
bit 8 U2RXIF: UART2 Receiver Interrupt Flag Status bit
1 = Interrupt request has occurred
0 = Interrupt request has not occurred
bit 7 INT2IF: External Interrupt 2 Flag Status bit
1 = Interrupt request has occurred
0 = Interrupt request has not occurred
bit 6 T5IF: Timer5 Interrupt Flag Status bit
1 = Interrupt request has occurred
0 = Interrupt request has not occurred
bit 5 T4IF: Timer4 Interrupt Flag Status bit
1 = Interrupt request has occurred
0 = Interrupt request has not occurred
bit 4 OC4IF: Output Compare Channel 4 Interrupt Flag Status bit
1 = Interrupt request has occurred
0 = Interrupt request has not occurred
bit 3 OC3IF: Output Compare Channel 3 Interrupt Flag Status bit
1 = Interrupt request has occurred
0 = Interrupt request has not occurred
bit 2 IC8IF: Input Capture Channel 8 Interrupt Flag Status bit
1 = Interrupt request has occurred
0 = Interrupt request has not occurred

© 2004 Microchip Technology Inc. DS70053C-page 6-21
Section 6. Interrupts
Interrupts
6
Register 6-6: IFS1: Interrupt Flag Status Register 1 (Continued)
bit 1 IC7IF: Input Capture Channel 7 Interrupt Flag Status bit
1 = Interrupt request has occurred
0 = Interrupt request has not occurred
bit 0 INT1IF: External Interrupt 1 Flag Status bit
1 = Interrupt request has occurred
0 = Interrupt request has not occurred
Legend:
R = Readable bit W = Writable bit U = Unimplemented bit, read as ‘0’
-n = Value at POR ‘1’ = Bit is set ‘0’ = Bit is cleared x = Bit is unknown

dsPIC30F Family Reference Manual
DS70053C-page 6-22 © 2004 Microchip Technology Inc.
Register 6-7: IFS2: Interrupt Flag Status Register 2
Upper Byte:
U-0 U-0 U-0 R/W-0 R/W-0 R/W-0 R/W-0 R/W-0
— — — FLTBIF FLTAIF LVDIF DCIIF QEIIF
bit 15 bit 8
Lower Byte:
R/W-0 R/W-0 R/W-0 R/W-0 R/W-0 R/W-0 R/W-0 R/W-0
PWMIF C2IF INT4IF INT3IF OC8IF OC7IF OC6IF OC5IF
bit 7 bit 0
bit 15-13 Unimplemented: Read as ‘0’
bit 12 FLTBIF: Fault B Input Interrupt Flag Status bit
1 = Interrupt request has occurred
0 = Interrupt request has not occurred
bit 11 FLTAIF: Fault A Input Interrupt Flag Status bit
1 = Interrupt request has occurred
0 = Interrupt request has not occurred
bit 10 LVDIF: Programmable Low Voltage Detect Interrupt Flag Status bit
1 = Interrupt request has occurred
0 = Interrupt request has not occurred
bit 9 DCIIF: Data Converter Interface Interrupt Flag Status bit
1 = Interrupt request has occurred
0 = Interrupt request has not occurred
bit 8 QEIIF: Quadrature Encoder Interface Interrupt Flag Status bit
1 = Interrupt request has occurred
0 = Interrupt request has not occurred
bit 7 PWMIF: Motor Control Pulse Width Modulation Interrupt Flag Status bit
1 = Interrupt request has occurred
0 = Interrupt request has not occurred
bit 6 C2IF: CAN2 (Combined) Interrupt Flag Status bit
1 = Interrupt request has occurred
0 = Interrupt request has not occurred
bit 5 INT4IF: External Interrupt 4 Flag Status bit
1 = Interrupt request has occurred
0 = Interrupt request has not occurred
bit 4 INT3IF: External Interrupt 3 Flag Status bit
1 = Interrupt request has occurred
0 = Interrupt request has not occurred
bit 3 OC8IF: Output Compare Channel 8 Interrupt Flag Status bit
1 = Interrupt request has occurred
0 = Interrupt request has not occurred
bit 2 OC7IF: Output Compare Channel 7 Interrupt Flag Status bit
1 = Interrupt request has occurred
0 = Interrupt request has not occurred

© 2004 Microchip Technology Inc. DS70053C-page 6-23
Section 6. Interrupts
Interrupts
6
Register 6-7: IFS2: Interrupt Flag Status Register 2 (Continued)
bit 1 OC6IF: Output Compare Channel 6 Interrupt Flag Status bit
1 = Interrupt request has occurred
0 = Interrupt request has not occurred
bit 0 OC5IF: Output Compare Channel 5 Interrupt Flag Status bit
1 = Interrupt request has occurred
0 = Interrupt request has not occurred
Legend:
R = Readable bit W = Writable bit U = Unimplemented bit, read as ‘0’
-n = Value at POR ‘1’ = Bit is set ‘0’ = Bit is cleared x = Bit is unknown

dsPIC30F Family Reference Manual
DS70053C-page 6-24 © 2004 Microchip Technology Inc.
Register 6-8: IEC0: Interrupt Enable Control Register 0
Upper Byte:
R/W-0 R/W-0 R/W-0 R/W-0 R/W-0 R/W-0 R/W-0 R/W-0
CNIE MI2CIE SI2CIE NVMIE ADIE U1TXIE U1RXIE SPI1IE
bit 15 bit 8
Lower Byte:
R/W-0 R/W-0 R/W-0 R/W-0 R/W-0 R/W-0 R/W-0 R/W-0
T3IE T2IE OC2IE IC2IE T1IE OC1IE IC1IE INT0IE
bit 7 bit 0
bit 15 CNIE: Input Change Notification Interrupt Enable bit
1 = Interrupt request enabled
0 = Interrupt request not enabled
bit 14 MI2CIE: I2C Bus Collision Interrupt Enable bit
1 = Interrupt request enabled
0 = Interrupt request not enabled
bit 13 SI2CIE: I2C Transfer Complete Interrupt Enable bit
1 = Interrupt request enabled
0 = Interrupt request not enabled
bit 12 NVMIE: Non-Volatile Memory Write Complete Interrupt Enable bit
1 = Interrupt request enabled
0 = Interrupt request not enabled
bit 11 ADIE: A/D Conversion Complete Interrupt Enable bit
1 = Interrupt request enabled
0 = Interrupt request not enabled
bit 10 U1TXIE: UART1 Transmitter Interrupt Enable bit
1 = Interrupt request enabled
0 = Interrupt request not enabled
bit 9 U1RXIE: UART1 Receiver Interrupt Enable bit
1 = Interrupt request enabled
0 = Interrupt request not enabled
bit 8 SPI1IE: SPI1 Interrupt Enable bit
1 = Interrupt request enabled
0 = Interrupt request not enabled
bit 7 T3IE: Timer3 Interrupt Enable bit
1 = Interrupt request enabled
0 = Interrupt request not enabled
bit 6 T2IE: Timer2 Interrupt Enable bit
1 = Interrupt request enabled
0 = Interrupt request not enabled
bit 5 OC2IE: Output Compare Channel 2 Interrupt Enable bit
1 = Interrupt request enabled
0 = Interrupt request not enabled
bit 4 IC2IE: Input Capture Channel 2 Interrupt Enable bit
1 = Interrupt request enabled
0 = Interrupt request not enabled
bit 3 T1IE: Timer1 Interrupt Enable bit
1 = Interrupt request enabled
0 = Interrupt request not enabled
bit 2 OC1IE: Output Compare Channel 1 Interrupt Enable bit
1 = Interrupt request enabled
0 = Interrupt request not enabled

© 2004 Microchip Technology Inc. DS70053C-page 6-25
Section 6. Interrupts
Interrupts
6
Register 6-8: IEC0: Interrupt Enable Control Register 0 (Continued)
bit 1 IC1IE: Input Capture Channel 1 Interrupt Enable bit
1 = Interrupt request enabled
0 = Interrupt request not enabled
bit 0 INT0IE: External Interrupt 0 Enable bit
1 = Interrupt request enabled
0 = Interrupt request not enabled
Legend:
R = Readable bit W = Writable bit U = Unimplemented bit, read as ‘0’
-n = Value at POR ‘1’ = Bit is set ‘0’ = Bit is cleared x = Bit is unknown

dsPIC30F Family Reference Manual
DS70053C-page 6-26 © 2004 Microchip Technology Inc.
Register 6-9: IEC1: Interrupt Enable Control Register 1
Upper Byte:
R/W-0 R/W-0 R/W-0 R/W-0 R/W-0 R/W-0 R/W-0 R/W-0
IC6IE IC5IE IC4IE IC3IE C1IE SPI2IE U2TXIE U2RXIE
bit 15 bit 8
Lower Byte:
R/W-0 R/W-0 R/W-0 R/W-0 R/W-0 R/W-0 R/W-0 R/W-0
INT2IE T5IE T4IE OC4IE OC3IE IC8IE IC7IE INT1IE
bit 7 bit 0
bit 15 IC6IE: Input Capture Channel 6 Interrupt Enable bit
1 = Interrupt request enabled
0 = Interrupt request not enabled
bit 14 IC5IE: Input Capture Channel 5 Interrupt Enable bit
1 = Interrupt request enabled
0 = Interrupt request not enabled
bit 13 IC4IE: Input Capture Channel 4 Interrupt Enable bit
1 = Interrupt request enabled
0 = Interrupt request not enabled
bit 12 IC3IE: Input Capture Channel 3 Interrupt Enable bit
1 = Interrupt request enabled
0 = Interrupt request not enabled
bit 11 C1IE: CAN1 (Combined) Interrupt Enable bit
1 = Interrupt request enabled
0 = Interrupt request not enabled
bit 10 SPI2IE: SPI2 Interrupt Enable bit
1 = Interrupt request enabled
0 = Interrupt request not enabled
bit 9 U2TXIE: UART2 Transmitter Interrupt Enable bit
1 = Interrupt request enabled
0 = Interrupt request not enabled
bit 8 U2RXIE: UART2 Receiver Interrupt Enable bit
1 = Interrupt request enabled
0 = Interrupt request not enabled
bit 7 INT2IE: External Interrupt 2 Enable bit
1 = Interrupt request enabled
0 = Interrupt request not enabled
bit 6 T5IE: Timer5 Interrupt Enable bit
1 = Interrupt request enabled
0 = Interrupt request not enabled
bit 5 T4IE: Timer4 Interrupt Enable bit
1 = Interrupt request enabled
0 = Interrupt request not enabled
bit 4 OC4IE: Output Compare Channel 4 Interrupt Enable bit
1 = Interrupt request enabled
0 = Interrupt request not enabled
bit 3 OC3IE: Output Compare Channel 3 Interrupt Enable bit
1 = Interrupt request enabled
0 = Interrupt request not enabled
bit 2 IC8IE: Input Capture Channel 8 Interrupt Enable bit
1 = Interrupt request enabled
0 = Interrupt request not enabled

© 2004 Microchip Technology Inc. DS70053C-page 6-27
Section 6. Interrupts
Interrupts
6
Register 6-9: IEC1: Interrupt Enable Control Register 1 (Continued)
bit 1 IC7IE: Input Capture Channel 7 Interrupt Enable bit
1 = Interrupt request enabled
0 = Interrupt request not enabled
bit 0 INT1IE: External Interrupt 1 Enable bit
1 = Interrupt request enabled
0 = Interrupt request not enabled
Legend:
R = Readable bit W = Writable bit U = Unimplemented bit, read as ‘0’
-n = Value at POR ‘1’ = Bit is set ‘0’ = Bit is cleared x = Bit is unknown

dsPIC30F Family Reference Manual
DS70053C-page 6-28 © 2004 Microchip Technology Inc.
Register 6-10: IEC2: Interrupt Enable Control Register 2
Upper Byte:
U-0 U-0 U-0 R/W-0 R/W-0 R/W-0 R/W-0 R/W-0
— — — FLTBIE FLTAIE LVDIE DCIIE QEIIE
bit 15 bit 8
Lower Byte:
R/W-0 R/W-0 R/W-0 R/W-0 R/W-0 R/W-0 R/W-0 R/W-0
PWMIE C2IE INT4IE INT3IE OC8IE OC7IE OC6IE OC5IE
bit 7 bit 0
bit 15-13 Unimplemented: Read as ‘0’
bit 12 FLTBIE: Fault B Input Interrupt Enable bit
1 = Interrupt request enabled
0 = Interrupt request not enabled
bit 11 FLTAIE: Fault A Interrupt Enable bit
1 = Interrupt request enabled
0 = Interrupt request not enabled
bit 10 LVDIE: Programmable Low Voltage Detect Interrupt Enable bit
1 = Interrupt request enabled
0 = Interrupt request not enabled
bit 9 DCIIE: Data Converter Interface Interrupt Enable bit
1 = Interrupt request enabled
0 = Interrupt request not enabled
bit 8 QEIIE: Quadrature Encoder Interface Interrupt Enable bit
1 = Interrupt request enabled
0 = Interrupt request not enabled
bit 7 PWMIE: Motor Control Pulse Width Modulation Interrupt Enable bit
1 = Interrupt request enabled
0 = Interrupt request not enabled
bit 6 C2IE: CAN2 (Combined) Interrupt Enable bit
1 = Interrupt request enabled
0 = Interrupt request not enabled
bit 5 INT4IE: External Interrupt 4 Enable bit
1 = Interrupt request enabled
0 = Interrupt request not enabled
bit 4 INT3IE: External Interrupt 3 Enable bit
1 = Interrupt request enabled
0 = Interrupt request not enabled
bit 3 OC8IE: Output Compare Channel 8 Interrupt Enable bit
1 = Interrupt request enabled
0 = Interrupt request not enabled
bit 2 OC7IE: Output Compare Channel 7 Interrupt Enable bit
1 = Interrupt request enabled
0 = Interrupt request not enabled

© 2004 Microchip Technology Inc. DS70053C-page 6-29
Section 6. Interrupts
Interrupts
6
Register 6-10: IEC2: Interrupt Enable Control Register 2 (Continued)
bit 1 OC6IE: Output Compare Channel 6 Interrupt Enable bit
1 = Interrupt request enabled
0 = Interrupt request not enabled
bit 0 OC5IE: Output Compare Channel 5 Interrupt Enable bit
1 = Interrupt request enabled
0 = Interrupt request not enabled
Legend:
R = Readable bit W = Writable bit U = Unimplemented bit, read as ‘0’
-n = Value at POR ‘1’ = Bit is set ‘0’ = Bit is cleared x = Bit is unknown

dsPIC30F Family Reference Manual
DS70053C-page 6-30 © 2004 Microchip Technology Inc.
Register 6-11: IPC0: Interrupt Priority Control Register 0
Upper Byte:
U-0 R/W-1 R/W-0 R/W-0 U-0 R/W-1 R/W-0 R/W-0
— T1IP<2:0> — OC1IP<2:0>
bit 15 bit 8
Lower Byte:
U-0 R/W-1 R/W-0 R/W-0 U-0 R/W-1 R/W-0 R/W-0
—IC1IP<2:0>— INT0IP<2:0>
bit 7 bit 0
bit 15 Unimplemented: Read as ‘0’
bit 14-12 T1IP<2:0>: Timer1 Interrupt Priority bits
111 = Interrupt is priority 7 (highest priority interrupt)
•
•
•
001 = Interrupt is priority 1
000 = Interrupt source is disabled
bit 11 Unimplemented: Read as ‘0’
bit 10-8 OC1IP<2:0>: Output Compare Channel 1 Interrupt Priority bits
111 = Interrupt is priority 7 (highest priority interrupt)
•
•
•
001 = Interrupt is priority 1
000 = Interrupt source is disabled
bit 7 Unimplemented: Read as ‘0’
bit 6-4 IC1IP<2:0>: Input Capture Channel 1 Interrupt Priority bits
111 = Interrupt is priority 7 (highest priority interrupt)
•
•
•
001 = Interrupt is priority 1
000 = Interrupt source is disabled
bit 3 Unimplemented: Read as ‘0’
bit 2-0 INT0IP<2:0>: External Interrupt 0 Priority bits
111 = Interrupt is priority 7 (highest priority interrupt)
•
•
•
001 = Interrupt is priority 1
000 = Interrupt source is disabled
Legend:
R = Readable bit W = Writable bit U = Unimplemented bit, read as ‘0’
-n = Value at POR ‘1’ = Bit is set ‘0’ = Bit is cleared x = Bit is unknown

© 2004 Microchip Technology Inc. DS70053C-page 6-31
Section 6. Interrupts
Interrupts
6
Register 6-12: IPC1: Interrupt Priority Control Register 1
Upper Byte:
U-0 R/W-1 R/W-0 R/W-0 U-0 R/W-1 R/W-0 R/W-0
— T3IP<2:0> — T2IP<2:0>
bit 15 bit 8
Lower Byte:
U-0 R/W-1 R/W-0 R/W-0 U-0 R/W-1 R/W-0 R/W-0
— OC2IP<2:0> — IC2IP<2:0>
bit 7 bit 0
bit 15 Unimplemented: Read as ‘0’
bit 14-12 T3IP<2:0>: Timer3 Interrupt Priority bits
111 = Interrupt is priority 7 (highest priority interrupt)
•
•
•
001 = Interrupt is priority 1
000 = Interrupt source is disabled
bit 11 Unimplemented: Read as ‘0’
bit 10-8 T2IP<2:0>: Timer2 Interrupt Priority bits
111 = Interrupt is priority 7 (highest priority interrupt)
•
•
•
001 = Interrupt is priority 1
000 = Interrupt source is disabled
bit 7 Unimplemented: Read as ‘0’
bit 6-4 OC2IP<2:0>: Output Compare Channel 2 Interrupt Priority bits
111 = Interrupt is priority 7 (highest priority interrupt)
•
•
•
001 = Interrupt is priority 1
000 = Interrupt source is disabled
bit 3 Unimplemented: Read as ‘0’
bit 2-0 IC2IP<2:0>: Input Capture Channel 2 Interrupt Priority bits
111 = Interrupt is priority 7 (highest priority interrupt)
•
•
•
001 = Interrupt is priority 1
000 = Interrupt source is disabled
Legend:
R = Readable bit W = Writable bit U = Unimplemented bit, read as ‘0’
-n = Value at POR ‘1’ = Bit is set ‘0’ = Bit is cleared x = Bit is unknown

dsPIC30F Family Reference Manual
DS70053C-page 6-32 © 2004 Microchip Technology Inc.
Register 6-13: IPC2: Interrupt Priority Control Register 2
Upper Byte:
U-0 R/W-1 R/W-0 R/W-0 U-0 R/W-1 R/W-0 R/W-0
—ADIP<2:0>— U1TXIP<2:0>
bit 15 bit 8
Lower Byte:
U-0 R/W-1 R/W-0 R/W-0 U-0 R/W-1 R/W-0 R/W-0
— U1RXIP<2:0> — SPI1IP<2:0>
bit 7 bit 0
bit 15 Unimplemented: Read as ‘0’
bit 14-12 ADIP<2:0>: A/D Conversion Complete Interrupt Priority bits
111 = Interrupt is priority 7 (highest priority interrupt)
•
•
•
001 = Interrupt is priority 1
000 = Interrupt source is disabled
bit 11 Unimplemented: Read as ‘0’
bit 10-8 U1TXIP<0>: UART1 Transmitter Interrupt Priority bits
111 = Interrupt is priority 7 (highest priority interrupt)
•
•
•
001 = Interrupt is priority 1
000 = Interrupt source is disabled
bit 7 Unimplemented: Read as ‘0’
bit 6-4 U1RXIP<2:0>: UART1 Receiver Interrupt Priority bits
111 = Interrupt is priority 7 (highest priority interrupt)
•
•
•
001 = Interrupt is priority 1
000 = Interrupt source is disabled
bit 3 Unimplemented: Read as ‘0’
bit 2-0 SPI1IP<2:0>: SPI1 Interrupt Priority bits
111 = Interrupt is priority 7 (highest priority interrupt)
•
•
•
001 = Interrupt is priority 1
000 = Interrupt source is disabled
Legend:
R = Readable bit W = Writable bit U = Unimplemented bit, read as ‘0’
-n = Value at POR ‘1’ = Bit is set ‘0’ = Bit is cleared x = Bit is unknown

© 2004 Microchip Technology Inc. DS70053C-page 6-33
Section 6. Interrupts
Interrupts
6
Register 6-14: IPC3: Interrupt Priority Control Register 3
Upper Byte:
U-0 R/W-1 R/W-0 R/W-0 U-0 R/W-1 R/W-0 R/W-0
— CNIP<2:0> —MI2CIP<2:0>
bit 15 bit 8
Lower Byte:
U-0 R/W-1 R/W-0 R/W-0 U-0 R/W-1 R/W-0 R/W-0
— SI2CIP<2:0> — NVMIP<2:0>
bit 7 bit 0
bit 15 Unimplemented: Read as ‘0’
bit 14-12 CNIP<2:0>: Input Change Notification Interrupt Priority bits
111 = Interrupt is priority 7 (highest priority interrupt)
•
•
•
001 = Interrupt is priority 1
000 = Interrupt source is disabled
bit 11 Unimplemented: Read as ‘0’
bit 10-8 MI2CIP<2:0>: I2C Bus Collision Interrupt Priority bits
111 = Interrupt is priority 7 (highest priority interrupt)
•
•
•
001 = Interrupt is priority 1
000 = Interrupt source is disabled
bit 7 Unimplemented: Read as ‘0’
bit 6-4 SI2CIP<2:0>: I2C Transfer Complete Interrupt Priority bits
111 = Interrupt is priority 7 (highest priority interrupt)
•
•
•
001 = Interrupt is priority 1
000 = Interrupt source is disabled
bit 3 Unimplemented: Read as ‘0’
bit 2-0 NVMIP<2:0>: Non-Volatile Memory Write Interrupt Priority bits
111 = Interrupt is priority 7 (highest priority interrupt)
•
•
•
001 = Interrupt is priority 1
000 = Interrupt source is disabled
Legend:
R = Readable bit W = Writable bit U = Unimplemented bit, read as ‘0’
-n = Value at POR ‘1’ = Bit is set ‘0’ = Bit is cleared x = Bit is unknown

dsPIC30F Family Reference Manual
DS70053C-page 6-34 © 2004 Microchip Technology Inc.
Register 6-15: IPC4: Interrupt Priority Control Register 4
Upper Byte:
U-0 R/W-1 R/W-0 R/W-0 U-0 R/W-1 R/W-0 R/W-0
— OC3IP<2:0> — IC8IP<2:0>
bit 15 bit 8
Lower Byte:
U-0 R/W-1 R/W-0 R/W-0 U-0 R/W-1 R/W-0 R/W-0
—IC7IP<2:0>— INT1IP<2:0>
bit 7 bit 0
bit 15 Unimplemented: Read as ‘0’
bit 14-12 OC3IP<2:0>: Output Compare Channel 3 Interrupt Priority bits
111 = Interrupt is priority 7 (highest priority interrupt)
•
•
•
001 = Interrupt is priority 1
000 = Interrupt source is disabled
bit 11 Unimplemented: Read as ‘0’
bit 10-8 IC8IP<2:0>: Input Capture Channel 8 Interrupt Priority bits
111 = Interrupt is priority 7 (highest priority interrupt)
•
•
•
001 = Interrupt is priority 1
000 = Interrupt source is disabled
bit 7 Unimplemented: Read as ‘0’
bit 6-4 IC7IP<2:0>: Input Capture Channel 7 Interrupt Priority bits
111 = Interrupt is priority 7 (highest priority interrupt)
•
•
•
001 = Interrupt is priority 1
000 = Interrupt source is disabled
bit 3 Unimplemented: Read as ‘0’
bit 2-0 INT1IP<2:0>: External Interrupt 1 Priority bits
111 = Interrupt is priority 7 (highest priority interrupt)
•
•
•
001 = Interrupt is priority 1
000 = Interrupt source is disabled
Legend:
R = Readable bit W = Writable bit U = Unimplemented bit, read as ‘0’
-n = Value at POR ‘1’ = Bit is set ‘0’ = Bit is cleared x = Bit is unknown

© 2004 Microchip Technology Inc. DS70053C-page 6-35
Section 6. Interrupts
Interrupts
6
Register 6-16: IPC5: Interrupt Priority Control Register 5
Upper Byte:
U-0 R/W-1 R/W-0 R/W-0 U-0 R/W-1 R/W-0 R/W-0
— INT2IP<2:0> — T5IP<2:0>
bit 15 bit 8
Lower Byte:
U-0 R/W-1 R/W-0 R/W-0 U-0 R/W-1 R/W-0 R/W-0
— T4IP<2:0> —OC4IP<2:0>
bit 7 bit 0
bit 15 Unimplemented: Read as ‘0’
bit 14-12 INT2IP<2:0>: External Interrupt 2 Priority bits
111 = Interrupt is priority 7 (highest priority interrupt)
•
•
•
001 = Interrupt is priority 1
000 = Interrupt source is disabled
bit 11 Unimplemented: Read as ‘0’
bit 10-8 T5IP<2:0>: Timer5 Interrupt Priority bits
111 = Interrupt is priority 7 (highest priority interrupt)
•
•
•
001 = Interrupt is priority 1
000 = Interrupt source is disabled
bit 7 Unimplemented: Read as ‘0’
bit 6-4 T4IP<2:0>: Timer4 Interrupt Priority bits
111 = Interrupt is priority 7 (highest priority interrupt)
•
•
•
001 = Interrupt is priority 1
000 = Interrupt source is disabled
bit 3 Unimplemented: Read as ‘0’
bit 2-0 OC4IP<2:0>: Output Compare Channel 4 Interrupt Priority bits
111 = Interrupt is priority 7 (highest priority interrupt)
•
•
•
001 = Interrupt is priority 1
000 = Interrupt source is disabled
Legend:
R = Readable bit W = Writable bit U = Unimplemented bit, read as ‘0’
-n = Value at POR ‘1’ = Bit is set ‘0’ = Bit is cleared x = Bit is unknown

dsPIC30F Family Reference Manual
DS70053C-page 6-36 © 2004 Microchip Technology Inc.
Register 6-17: IPC6: Interrupt Priority Control Register 6
Upper Byte:
U-0 R/W-1 R/W-0 R/W-0 U-0 R/W-1 R/W-0 R/W-0
— C1IP<2:0> — SPI2IP<2:0>
bit 15 bit 8
Lower Byte:
U-0 R/W-1 R/W-0 R/W-0 U-0 R/W-1 R/W-0 R/W-0
— U2TXIP<2:0> — U2RXIP<2:0>
bit 7 bit 0
bit 15 Unimplemented: Read as ‘0’
bit 14-12 C1IP<2:0>: CAN1 (Combined) Interrupt Priority bits
111 = Interrupt is priority 7 (highest priority interrupt)
•
•
•
001 = Interrupt is priority 1
000 = Interrupt source is disabled
bit 11 Unimplemented: Read as ‘0’
bit 10-8 SPI2IP<2:0>: SPI2 Interrupt Priority bits
111 = Interrupt is priority 7 (highest priority interrupt)
•
•
•
001 = Interrupt is priority 1
000 = Interrupt source is disabled
bit 7 Unimplemented: Read as ‘0’
bit 6-4 U2TXIP<2:0>: UART2 Transmitter Interrupt Priority bits
111 = Interrupt is priority 7 (highest priority interrupt)
•
•
•
001 = Interrupt is priority 1
000 = Interrupt source is disabled
bit 3 Unimplemented: Read as ‘0’
bit 2-0 U2RXIP<2:0>: UART2 Receiver Interrupt Priority bits
111 = Interrupt is priority 7 (highest priority interrupt)
•
•
•
001 = Interrupt is priority 1
000 = Interrupt source is disabled
Legend:
R = Readable bit W = Writable bit U = Unimplemented bit, read as ‘0’
-n = Value at POR ‘1’ = Bit is set ‘0’ = Bit is cleared x = Bit is unknown

© 2004 Microchip Technology Inc. DS70053C-page 6-37
Section 6. Interrupts
Interrupts
6
Register 6-18: IPC7: Interrupt Priority Control Register 7
Upper Byte:
U-0 R/W-1 R/W-0 R/W-0 U-0 R/W-1 R/W-0 R/W-0
—IC6IP<2:0>— IC5IP<2:0>
bit 15 bit 8
Lower Byte:
U-0 R/W-1 R/W-0 R/W-0 U-0 R/W-1 R/W-0 R/W-0
—IC4IP<2:0>— IC3IP<2:0>
bit 7 bit 0
bit 15 Unimplemented: Read as ‘0’
bit 14-12 IC6IP<2:0>: Input Capture Channel 6 Interrupt Priority bits
111 = Interrupt is priority 7 (highest priority interrupt)
•
•
•
001 = Interrupt is priority 1
000 = Interrupt source is disabled
bit 11 Unimplemented: Read as ‘0’
bit 10-8 IC5IP<2:0>: Input Capture Channel 5 Interrupt Priority bits
111 = Interrupt is priority 7 (highest priority interrupt)
•
•
•
001 = Interrupt is priority 1
000 = Interrupt source is disabled
bit 7 Unimplemented: Read as ‘0’
bit 6-4 IC4IP<2:0>: Input Capture Channel 4 Interrupt Priority bits
111 = Interrupt is priority 7 (highest priority interrupt)
•
•
•
001 = Interrupt is priority 1
000 = Interrupt source is disabled
bit 3 Unimplemented: Read as ‘0’
bit 2-0 IC3IP<2:0>: Input Capture Channel 3 Interrupt Priority bits
111 = Interrupt is priority 7 (highest priority interrupt)
•
•
•
001 = Interrupt is priority 1
000 = Interrupt source is disabled
Legend:
R = Readable bit W = Writable bit U = Unimplemented bit, read as ‘0’
-n = Value at POR ‘1’ = Bit is set ‘0’ = Bit is cleared x = Bit is unknown

dsPIC30F Family Reference Manual
DS70053C-page 6-38 © 2004 Microchip Technology Inc.
Register 6-19: IPC8: Interrupt Priority Control Register 8
Upper Byte:
U-0 R/W-1 R/W-0 R/W-0 U-0 R/W-1 R/W-0 R/W-0
— OC8IP<2:0> — OC7IP<2:0>
bit 15 bit 8
Lower Byte:
U-0 R/W-1 R/W-0 R/W-0 U-0 R/W-1 R/W-0 R/W-0
— OC6IP<2:0> —OC5IP<2:0>
bit 7 bit 0
bit 15 Unimplemented: Read as ‘0’
bit 14-12 OC8IP<2:0>: Output Compare Channel 8 Interrupt Priority bits
111 = Interrupt is priority 7 (highest priority interrupt)
•
•
•
001 = Interrupt is priority 1
000 = Interrupt source is disabled
bit 11 Unimplemented: Read as ‘0’
bit 10-8 OC7IP<2:0>: Output Compare Channel 7 Interrupt Priority bits
111 = Interrupt is priority 7 (highest priority interrupt)
•
•
•
001 = Interrupt is priority 1
000 = Interrupt source is disabled
bit 7 Unimplemented: Read as ‘0’
bit 6-4 OC6IP<2:0>: Output Compare Channel 6 Interrupt Priority bits
111 = Interrupt is priority 7 (highest priority interrupt)
•
•
•
001 = Interrupt is priority 1
000 = Interrupt source is disabled
bit 3 Unimplemented: Read as ‘0’
bit 2-0 OC5IP<2:0>: Output Compare Channel 5 Interrupt Priority bits
111 = Interrupt is priority 7 (highest priority interrupt)
•
•
•
001 = Interrupt is priority 1
000 = Interrupt source is disabled
Legend:
R = Readable bit W = Writable bit U = Unimplemented bit, read as ‘0’
-n = Value at POR ‘1’ = Bit is set ‘0’ = Bit is cleared x = Bit is unknown

© 2004 Microchip Technology Inc. DS70053C-page 6-39
Section 6. Interrupts
Interrupts
6
Register 6-20: IPC9: Interrupt Priority Control Register 9
Upper Byte:
U-0 R/W-1 R/W-0 R/W-0 U-0 R/W-1 R/W-0 R/W-0
— PWMIP<2:0> — C2IP<2:0>
bit 15 bit 8
Lower Byte:
U-0 R/W-1 R/W-0 R/W-0 U-0 R/W-1 R/W-0 R/W-0
— INT4IP<2:0> — INT3IP<2:0>
bit 7 bit 0
bit 15 Unimplemented: Read as ‘0’
bit 14-12 PWMIP<2:0>: Motor Control Pulse Width Modulation Interrupt Priority bits
111 = Interrupt is priority 7 (highest priority interrupt)
•
•
•
001 = Interrupt is priority 1
000 = Interrupt source is disabled
bit 11 Unimplemented: Read as ‘0’
bit 10-8 C2IP<2:0>: CAN2 (Combined) Interrupt Priority bits
111 = Interrupt is priority 7 (highest priority interrupt)
•
•
•
001 = Interrupt is priority 1
000 = Interrupt source is disabled
bit 7 Unimplemented: Read as ‘0’
bit 6-4 INT4IP<2:0>: External Interrupt 4 Priority bits
111 = Interrupt is priority 7 (highest priority interrupt)
•
•
•
001 = Interrupt is priority 1
000 = Interrupt source is disabled
bit 3 Unimplemented: Read as ‘0’
bit 2-0 INT3IP<2:0>: External Interrupt 3 Priority bits
111 = Interrupt is priority 7 (highest priority interrupt)
•
•
•
001 = Interrupt is priority 1
000 = Interrupt source is disabled
Legend:
R = Readable bit W = Writable bit U = Unimplemented bit, read as ‘0’
-n = Value at POR ‘1’ = Bit is set ‘0’ = Bit is cleared x = Bit is unknown

dsPIC30F Family Reference Manual
DS70053C-page 6-40 © 2004 Microchip Technology Inc.
Register 6-21: IPC10: Interrupt Priority Control Register 10
Upper Byte:
U-0 R/W-1 R/W-0 R/W-0 U-0 R/W-1 R/W-0 R/W-0
— FLTAIP<2:0> —LVDIP<2:0>
bit 15 bit 8
Lower Byte:
U-0 R/W-1 R/W-0 R/W-0 U-0 R/W-1 R/W-0 R/W-0
— DCIIP<2:0> — QEIIP<2:0>
bit 7 bit 0
bit 15 Unimplemented: Read as ‘0’
bit 14-12 FLTAIP<2:0>: Fault A Input Interrupt Priority bits
111 = Interrupt is priority 7 (highest priority interrupt)
•
•
•
001 = Interrupt is priority 1
000 = Interrupt source is disabled
bit 11 Unimplemented: Read as ‘0’
bit 10-8 LVDIP<2:0>: Programmable Low Voltage Detect Interrupt Priority bits
111 = Interrupt is priority 7 (highest priority interrupt)
•
•
•
001 = Interrupt is priority 1
000 = Interrupt source is disabled
bit 7 Unimplemented: Read as ‘0’
bit 6-4 DCIIP<2:0>: Data Converter Interface Interrupt Priority bits
111 = Interrupt is priority 7 (highest priority interrupt)
•
•
•
001 = Interrupt is priority 1
000 = Interrupt source is disabled
bit 3 Unimplemented: Read as ‘0’
bit 2-0 QEIIP<2:0>: Quadrature Encoder Interface Interrupt Priority bits
111 = Interrupt is priority 7 (highest priority interrupt)
•
•
•
001 = Interrupt is priority 1
000 = Interrupt source is disabled
Legend:
R = Readable bit W = Writable bit U = Unimplemented bit, read as ‘0’
-n = Value at POR ‘1’ = Bit is set ‘0’ = Bit is cleared x = Bit is unknown

© 2004 Microchip Technology Inc. DS70053C-page 6-41
Section 6. Interrupts
Interrupts
6
Register 6-22: IPC11: Interrupt Priority Control Register 11
Upper Byte:
U-0 U-0 U-0 U-0 U-0 U-0 U-0 U-0
— — — — — — — —
bit 15 bit 8
Lower Byte:
U-0 U-0 U-0 U-0 U-0 R/W-1 R/W-0 R/W-0
— — — — — FLTBIP<2:0>
bit 7 bit 0
bit 15-3 Unimplemented: Read as ‘0’
bit 2-0 FLTBIP<2:0>: Fault B Input Interrupt Priority bits
111 = Interrupt is priority 7 (highest priority interrupt)
•
•
•
001 = Interrupt is priority 1
000 = Interrupt source is disabled
Legend:
R = Readable bit W = Writable bit U = Unimplemented bit, read as ‘0’
-n = Value at POR ‘1’ = Bit is set ‘0’ = Bit is cleared x = Bit is unknown

dsPIC30F Family Reference Manual
DS70053C-page 6-42 © 2004 Microchip Technology Inc.
6.5 Interrupt Setup Procedures
6.5.1 Initialization
The following steps describe how to configure a source of interrupt:
1. Set the NSTDIS Control bit (INTCON1<15>) if nested interrupts are not desired.
2. Select the user assigned priority level for the interrupt source by writing the control bits in
the appropriate IPCx Control register. The priority level will depend on the specific
application and type of interrupt source. If multiple priority levels are not desired, the IPCx
register control bits for all enabled interrupt sources may be programmed to the same
non-zero value.
3. Clear the interrupt flag status bit associated with the peripheral in the associated IFSx
Status register.
4. Enable the interrupt source by setting the interrupt enable control bit associated with the
source in the appropriate IECx Control register.
6.5.2 Interrupt Service Routine
The method that is used to declare an ISR and initialize the IVT with the correct vector address
will depend on the programming language (i.e., C or assembler) and the language development
tool suite that is used to develop the application. In general, the user must clear the interrupt flag
in the appropriate IFSx register for the source of interrupt that the ISR handles. Otherwise, the
ISR will be re-entered immediately after exiting the routine. If the ISR is coded in assembly
language, it must be terminated using a RETFIE instruction to unstack the saved PC value, SRL
value, and old CPU priority level.
6.5.3 Trap Service Routine
A Trap Service Routine (TSR) is coded like an ISR, except that the appropriate trap status flag
in the INTCON1 register must be cleared to avoid re-entry into the TSR.
6.5.4 Interrupt Disable
All user interrupts can be disabled using the following procedure:
1. Push the current SR value onto the software stack using the PUSH instruction.
2. Force the CPU to priority level 7 by inclusive ORing the value 0xE0 with SRL.
To enable user interrupts, the POP instruction may be used to restore the previous SR value.
Note that only user interrupts with a priority level of 7 or less can be disabled. Trap sources
(level 8-level 15) cannot be disabled.
The DISI instruction provides a convenient way to disable interrupts of priority levels 1-6, for a
fixed period of time. Level 7 interrupt sources are not disabled by the DISI instruction.
Note: At a device Reset, the IPC registers are initialized, such that all user interrupt
sources are assigned to priority level 4.

Section 6. Interrupts
Interrupts
6
© 2004 Microchip Technology Inc. DS70053C-page 6-43
Table 6-3: Special Function Registers Associated with Interrupt Controller
SFR
Name ADR Bit 15 Bit 14 Bit 13 Bit 12 Bit 11 Bit 10 Bit 9 Bit 8 Bit 7 Bit 6 Bit 5 Bit 4 Bit 3 Bit 2 Bit 1 Bit 0 Reset State
INTCON1 0080 NSTDIS — — — — OVATE OVBTE COVTE — — — MATHERR ADDRERR STKERR OSCFAIL —0000 0000 0000 0000
INTCON2 0082 ALTIVT — — — — — — — — — — INT4EP INT3EP INT2EP INT1EP INT0EP 0000 0000 0000 0000
IFT0IF 0084 CNIF MI2CIF SI2CIF NVMIF ADIF U1TXIF U1RXIF SPI1IF T3IF T2IF OC2IF IC2IF T1IF OC1IF IC1IF INT0 0000 0000 0000 0000
IFS1 0086 IC6IF IC5IF IC4IF IC3IF C1IF SPI2IF U2TXIF U2RXIF INT2IF T5IF T4IF OC4IF OC3IF IC8IF IC7IF INT1IF 0000 0000 0000 0000
IFS2 0088 ——— FLTBIF FLTAIF LVDIF DCIIF QEIIF PWMIF C2IF INT4IF INT3IF OC8IF OC7IF OC6IF OC5IF 0000 0000 0000 0000
IEC0 008C CNIE MI2CIE SI2CIE NVMIE ADIE U1TXIE U1RXIE SPI1IE T3IE T2IE OC2IE IC2IE T1IE OC1IE IC1IE INT0IE 0000 0000 0000 0000
IEC1 008E IC6IE IC5IE IC4IE IC3IE C1IE SPI2IE U2TXIE U2RXIE INT2IE T5IE T4IE OC4IE OC3IE IC8IE IC7IE INT1IE 0000 0000 0000 0000
IEC2 0090 ——— FLTBIE FLTAIE LVDIE DCIIE QEIIE PWMIE C2IE INT4IE INT3IE OC8IE OC7IE OC6IE OC5IE 0000 0000 0000 0000
IPC0 0094 — T1IP<2:0> — OC1IP<2:0> — IC1IP<2:0> — INT0IP<2:0> 0100 0100 0100 0100
IPC1 0096 — T31P<2:0> — T2IP<2:0> — OC2IP<2:0> — IC2IP<2:0> 0100 0100 0100 0100
IPC2 0098 —ADIP<2:0>— U1TXIP<2:0> — U1RXIP<2:0> — SPI1IP<2:0> 0100 0100 0100 0100
IPC3 009A — CNIP<2:0> —MI2CIP<2:0>—SI2CIP<2:0> — NVMIP<2:0> 0100 0100 0100 0100
IPC4 009C — OC3IP<2:0> —IC8IP<2:0>— IC7IP<2:0> — INT1IP<2:0> 0100 0100 0100 0100
IPC5 009E — INT2IP<2:0> — T5IP<2:0> — T4IP<2:0> — OC4IP<2:0> 0100 0100 0100 0100
IPC6 00A0 — C1IP<2:0> — SPI2IP<2:0> — U2TXIP<2:0> — U2RXIP<2:0> 0100 0100 0100 0100
IPC7 00A2 —IC6IP<2:0>—IC5IP<2:0>— IC4IP<2:0> — IC3IP<2:0> 0100 0100 0100 0100
IPC8 00A4 — OC8IP<2:0> — OC7IP<2:0> — OC6IP<2:0> — OC5IP<2:0> 0100 0100 0100 0100
IPC9 00A6 —PWMIP<2:0>— C2IP<2:0> — INT41IP<2:0> — INT3IP<2:0> 0100 0100 0100 0100
IPC10 00A8 — FLTAIP<2:0> — LVDIP<2:0> — DCIIP<2:0> — QEIIP<2:0> 0100 0100 0100 0100
IPC11 00AA — — — — — — — — — — — — — FLTBIP<2:0> 0000 0000 0000 0100
Note: All interrupt sources and their associated control bits may not be available on a particular device. Refer to the device data sheet for details.

dsPIC30F Family Reference Manual
DS70053C-page 6-44 © 2004 Microchip Technology Inc.
6.6 Design Tips
Question 1: What happens when two sources of interrupt become pending at the same
time and have the same user assigned priority level?
Answer: The interrupt source with the highest natural order priority will take precedence. The
natural order priority is determined by the Interrupt Vector Table (IVT) address for that source.
Interrupt sources with a smaller IVT address have a higher natural order priority.
Question 2: Can the DISI instruction be used to disable all sources of interrupt and
traps?
Answer: The DISI instruction does not disable traps or priority level 7 interrupt sources.
However, the DISI instruction can be used as a convenient way to disable all interrupt sources
if no priority level 7 interrupt sources are enabled in the user’s application.

© 2004 Microchip Technology Inc. DS70053C-page 6-45
Section 6. Interrupts
Interrupts
6
6.7 Related Application Notes
This section lists application notes that are related to this section of the manual. These
application notes may not be written specifically for the dsPIC30F Product Family, but the
concepts are pertinent and could be used with modification and possible limitations. The current
application notes related to the Interrupts module are:
Title Application Note #
No related application notes at this time.
Note: Please visit the Microchip web site (www.microchip.com) for additional Application
Notes and code examples for the dsPIC30F Family of devices.

dsPIC30F Family Reference Manual
DS70053C-page 6-46 © 2004 Microchip Technology Inc.
6.8 Revision History
Revision A
This is the initial released revision of this document.
Revision B
This revision incorporates additional technical content for the dsPIC30F Interrupts module.
Revision C
This revision incorporates all known errata at the time of this document update.

© 2005 Microchip Technology Inc. DS70054D-page 7-1
Oscillator
7
Section 7. Oscillator
HIGHLIGHTS
This section of the manual contains the following topics:
7.1 Introduction ....................................................................................................................7-2
7.2 Device Clocking and MIPS ............................................................................................7-5
7.3 Oscillator Configuration..................................................................................................7-6
7.4 Oscillator Control Registers – OSCCON and OSCTUN ..............................................7-13
7.5 Primary Oscillator......................................................................................................... 7-20
7.6 Crystal Oscillators/Ceramic Resonators ......................................................................7-22
7.7 Determining Best Values for Crystals, Clock Mode, C1, C2 and Rs............................7-24
7.8 External Clock Input.....................................................................................................7-25
7.9 External RC Oscillator..................................................................................................7-26
7.10 Phase Locked Loop (PLL) ........................................................................................... 7-30
7.11 Low-Power 32 kHz Crystal Oscillator...........................................................................7-31
7.12 Oscillator Start-up Timer (OST)....................................................................................7-31
7.13 Internal Fast RC Oscillator (FRC)................................................................................7-31
7.14 Internal Low-Power RC (LPRC) Oscillator...................................................................7-32
7.15 Fail-Safe Clock Monitor (FSCM) .................................................................................. 7-32
7.16 Programmable Oscillator Postscaler............................................................................7-33
7.17 Clock Switching Operation...........................................................................................7-34
7.18 Design Tips ..................................................................................................................7-38
7.19 Related Application Notes............................................................................................7-39
7.20 Revision History...........................................................................................................7-40

dsPIC30F Family Reference Manual
DS70054D-page 7-2 © 2005 Microchip Technology Inc.
7.1 Introduction
This section describes the operation of the oscillator system for dsPIC30F devices in the General
Purpose, Sensor and Motor Control families. The oscillator system has the following modules
and features:
• Various external and internal oscillator options as clock sources
• An on-chip PLL to boost internal operating frequency
• Clock switching between various clock sources
• Programmable clock postscaler for system power savings
• A Fail-Safe Clock Monitor (FSCM) that detects clock failure and takes fail-safe measures
• Device clocking controlled by Special Function Registers as well as nonvolatile Configura-
tion bits
A simplified diagram of the oscillator system is shown in Figure 7-1.
7.1.1 Oscillator System Features Summary
dsPIC30F devices in the General Purpose, Sensor and Motor Control families feature one of
three versions of the oscillator system – VERSION 1, VERSION 2 and VERSION 3. The features
of the three versions of the oscillator system are summarized in Table 7-1.
.
Note: Refer to the device data sheet to determine the version of the oscillator system featured on
the dsPIC30F device you are using.
Table 7-1: Device-Specific Oscillator System Feature Summary
Oscillator
System dsPIC30F
Device Feature Summary
VERSION 1 30F6010,
30F6011,
30F6012,
30F6013,
30F6014
Oscillator Sources:
• Primary oscillator with Multiple Clock modes – XT, EC, HS
• Secondary oscillator (Low-Power 32 kHz Crystal oscillator)
• FRC oscillator: Fast Internal RC (7.37 MHz)
• LPRC oscillator: Low-Power Internal RC (512 kHz)
PLL Clock Multiplier:
• 4 MHz-10 MHz input frequency range
• 4x Multiplier mode (FOUT = 16 MHz-40 MHz)
• 8x Multiplier mode (FOUT = 32 MHz-80 MHz)
• 16x Multiplier mode (FOUT = 64 MHz-120 MHz)
• PLL VCO lock indication plus ‘out of lock’ trap option
• PLL input provided by the following sources:
- XT or EC Primary oscillator
Clock Scaling Options:
Generic postscaler for device clock (divide by 4, 16, 64)
Fail-Safe Clock Monitor (FSCM):
Detects clock failure and switches over to internal FRC oscillator
VERSION 2 30F2010,
30F4011,
30F4012,
30F5011,
30F5013
Oscillator System VERSION 2 adds the following capabilities to VERSION 1:
• Internal FRC oscillator may also be provided as an input to the PLL to allow fast
execution while eliminating the need for an external clock source (This feature is
applicable to all devices other than the 30F2010)
• User tuning capability added for the Internal FRC oscillator

© 2005 Microchip Technology Inc. DS70054D-page 7-3
Section 7. Oscillator
Oscillator
7
VERSION 3 30F2011,
30F2012,
30F3010,
30F3011,
30F3012,
30F3013,
30F3014,
30F4013,
30F5015,
30F5016,
30F6010A,
30F6011A,
30F6012A,
30F6013A,
30F6014A,
30F6015
Oscillator System VERSION 3 adds the following capabilities to VERSION 2:
• HS oscillator may also be provided as an input to the PLL to allow greater
choices of crystal frequency
Table 7-1: Device-Specific Oscillator System Feature Summary
Oscillator
System dsPIC30F
Device Feature Summary

dsPIC30F Family Reference Manual
DS70054D-page 7-4 © 2005 Microchip Technology Inc.
Figure 7-1: Oscillator System Block Diagram
Primary
OSC1
OSC2
SOSCO
SOSCI
Oscillator
Secondary
Clock
and Control
Block
Switching
x4, x8, x16
PLL
Primary
Oscillator
Stability Detector
Stability Detector
Secondary
Oscillator
Programmable
Clock Divider
Oscillator
Start-up
Timer
Fail-Safe Clock
Monitor (FSCM)
Internal Fast RC
Oscillator (FRC)
Internal Low
Power RC
Oscillator (LPRC)
PWRSAV Instruction
Wake-up Request
Oscillator Configuration bits
Oscillator Trap
to Timer1
LPRC
FRC
Secondary Osc
POR
Primary Osc
PLL
Oscillator
32 kHz
FOSC(1)
(2)
Note 1: The system clock output, FOSC, is divided by 4 to get the instruction cycle clock.
2: Devices that feature VERSION 2 or VERSION 3 of the Oscillator System allow the internal FRC oscillator to be
connected to the PLL.

© 2005 Microchip Technology Inc. DS70054D-page 7-5
Section 7. Oscillator
Oscillator
7
7.2 Device Clocking and MIPS
Referring to Figure 7-1, the system clock source can be provided by one of four sources. These
sources are the Primary oscillator, Secondary oscillator, Internal Fast RC (FRC) oscillator or the
Low-Power RC (LPRC) oscillator. The Primary oscillator source has the option of using
the internal PLL. The frequency of the selected clock source can optionally be reduced by the
programmable postscaler (clock divider). The output from the programmable postscaler
becomes the system clock source, FOSC.
The system clock source is divided by four to produce the internal instruction cycle clock, FCY. In
this document, the instruction cycle clock is also denoted by FOSC/4. The timing diagram in
Figure 7-2 shows the relationship between the system clock source and instruction execution.
The internal instruction cycle clock, FCY, can be provided on the OSC2 I/O pin for some
Operating modes of the Primary oscillator (see Section 7.3 “Oscillator Configuration”).
Figure 7-2: Clock/Instruction Cycle Timing
Equation 7-1: MIPS and Source Oscillator Frequency Relationship
FOSC
PC
FCY
PC PC + 2 PC + 4
Fetch INST (PC)
Execute INST (PC - 2) Fetch INST (PC + 2)
Execute INST (PC) Fetch INST (PC + 4)
Execute INST (PC + 2)
TCY
FCY = SOURCE OSCILLATOR FREQUENCY * PLL MULTIPLIER
PROGRAMMABLE POSTSCALER * 4
( )
FOSC
4=

dsPIC30F Family Reference Manual
DS70054D-page 7-6 © 2005 Microchip Technology Inc.
7.3 Oscillator Configuration
The oscillator source (and Operating mode) that is used at a device Power-on Reset event is
selected using nonvolatile Configuration bits. The oscillator Configuration bits are located in the
FOSC Configuration register.
The FOS bits in the FOSC nonvolatile Configuration register select the oscillator source that is
used at a Power-on Reset. The Primary oscillator is the default (unprogrammed) selection. The
Secondary oscillator, or one of the internal oscillators, may be chosen by programming these bit
locations.
The FPR bits in the FOSC nonvolatile Configuration register select the Operating mode of the
Primary oscillator.
dsPIC30F devices in the General Purpose, Sensor and Motor Control families may feature one
of three versions of the Oscillator system. The definition of the FOSC nonvolatile Configuration
register varies between these versions, as described in the sub-sections below.
7.3.1 Oscillator System VERSION 1 Configuration
For devices that feature the Oscillator system VERSION 1, the FOSC nonvolatile Configuration
register is shown in Register 7-1. The operating modes for the FPR bits may be selected as
shown in Table 7-2.
7.3.2 Oscillator System VERSION 2 Configuration
For devices that feature the Oscillator system VERSION 2, the FOSC nonvolatile Configuration
register is shown in Register 7-2. The operating modes for the FPR bits may be selected as
shown in Table 7-3.
7.3.3 Oscillator System VERSION 3 Configuration
For devices that feature the Oscillator system VERSION 3, the FOSC nonvolatile Configuration
register is shown in Register 7-3. The operating modes for the FPR bits may be selected as
shown in Table 7-4.
7.3.4 Clock Switching Mode Configuration Bits
The FCKSM<1:0> Configuration bits (FOSC<15:14>) are used to enable/disable device clock
switching and the Fail-Safe Clock Monitor (FSCM). When these bits are unprogrammed (default),
clock switching and the FSCM are disabled. These bits carry the same definition and functionality
across all versions of the Oscillator system.

© 2005 Microchip Technology Inc. DS70054D-page 7-7
Section 7. Oscillator
Oscillator
7
Register 7-1: FOSC: Oscillator Configuration Register for Oscillator System VERSION 1
Upper Byte:
UU UUUUUU
— — — — — — — —
bit 23 bit 16
Middle Byte:
R/P R/P U U U U R/P R/P
FCKSM<1:0> — — — —FOS<1:0>
bit 15 bit 8
Lower Byte:
U U U U R/P R/P R/P R/P
— — — —FPR<3:0>
bit 7 bit 0
bit 23-16 Unimplemented: Read as ‘0’
bit 15-14 FCKSM<1:0>: Clock Switching Mode Selection Fuses bits
1x = Clock switching is disabled, Fail-Safe Clock Monitor is disabled
01 = Clock switching is enabled, Fail-Safe Clock Monitor is disabled
00 = Clock switching is enabled, Fail-Safe Clock Monitor is enabled
bit 13-10 Unimplemented: Read as ‘0’
bit 9-8 FOS<1:0>: Oscillator Source Selection on POR bits
11 = Primary Oscillator (Primary Oscillator mode selected by FPR<3:0>)
10 = Internal Low-Power RC Oscillator
01 = Internal Fast RC Oscillator
00 = Low-Power 32 kHz Oscillator (Timer1 oscillator)
bit 7-4 Unimplemented: Read as ‘0’
bit 3-0 FPR<3:0>: Oscillator Selection within Primary Group bits, See Table 7-2
Legend:
R = Readable bit P = Programmable bit U = Unimplemented bit

dsPIC30F Family Reference Manual
DS70054D-page 7-8 © 2005 Microchip Technology Inc.
Table 7-2: Oscillator System VERSION 1: Configuration Bit Values for Clock Selection
Oscillator Mode Oscillator
Source FOS<1:0> FPR<3:0> OSC2 Pin
Function
EC w/ PLL 16x Primary 111111I/O (Note 4)
EC w/ PLL 8x Primary 111110I/O
EC w/ PLL 4x Primary 111101I/O
ECIO Primary 111100I/O
EC Primary 111011FOSC/4
Reserved Primary 111010n/a
ERC Primary 111001FOSC/4
ERCIO Primary 111000I/O
XT w/ PLL 16x Primary 110111(Note 3)
XT w/ PLL 8x Primary 110110(Note 3)
XT w/ PLL 4x Primary 110101(Note 3)
XT Primary 110100(Note 3)
HS Primary 11001x(Note 3)
XTL Primary 11000x(Note 3)
LP Secondary 0 0 ————(Notes 1, 2)
FRC Internal 0 1 ————(Notes 1, 2)
LPRC Internal 1 0 ————(Notes 1, 2)
Note 1: OSC2 pin function is determined by the Primary Oscillator mode selection (FPR<3:0> Configuration bits).
2: Note that OSC1 pin cannot be used as an I/O pin, even if the Secondary oscillator or an internal clock
source is selected at all times.
3: In these Oscillator modes, a crystal is connected between the OSC1 and OSC2 pins.
4: This is the default Oscillator mode for an unprogrammed (erased) device. An unprogrammed Configuration
bit has a value of ‘1’.
5: XTL – XTL Crystal Oscillator mode (200 kHz-4 MHz crystal)
6: XT – XT Crystal Oscillator mode (4 MHz-10 MHz crystal)
7: HS – HS Crystal Oscillator mode (10 MHz-25 MHz crystal)

© 2005 Microchip Technology Inc. DS70054D-page 7-9
Section 7. Oscillator
Oscillator
7
Register 7-2: FOSC: Oscillator Configuration Register for Oscillator System VERSION 2
Upper Byte:
UU UUUUUU
— — — — — — — —
bit 23 bit 16
Middle Byte:
R/P R/P U U U U R/P R/P
FCKSM<1:0> — — — —FOS<1:0>
bit 15 bit 8
Lower Byte:
U U U U R/P R/P R/P R/P
— — — —FPR<3:0>
bit 7 bit 0
bit 23-16 Unimplemented: Read as ‘0’
bit 15-14 FCKSM<1:0>: Clock Switching Mode Selection Fuses bits
1x = Clock switching is disabled, Fail-Safe Clock Monitor is disabled
01 = Clock switching is enabled, Fail-Safe Clock Monitor is disabled
00 = Clock switching is enabled, Fail-Safe Clock Monitor is enabled
bit 13-10 Unimplemented: Read as ‘0’
bit 9-8 FOS<1:0>: Oscillator Source Selection on POR bits
11 = Primary Oscillator (Primary Oscillator mode selected by FPR<3:0>)
10 = Internal Low-Power RC Oscillator
01 = Internal Fast RC Oscillator
00 = Low-Power 32 kHz Oscillator (Timer1 oscillator)
bit 7-4 Unimplemented: Read as ‘0’
bit 3-0 FPR<3:0>: Oscillator Mode Selection within Primary Group bits, See Table 7-3
Legend:
R = Readable bit P = Programmable bit U = Unimplemented bit

dsPIC30F Family Reference Manual
DS70054D-page 7-10 © 2005 Microchip Technology Inc.
Table 7-3: Oscillator System VERSION 2: Configuration Bit Values for Clock Selection:
Oscillator Mode Oscillator
Source FOS<1:0> FPR<3:0> OSC2 Pin
Function
EC Primary 111011CLKO
ECIO Primary 111100I/O
EC w/PLL 4x Primary 111101I/O
EC w/PLL 8x Primary 111110I/O
EC w/PLL 16x Primary 111111I/O (Note 4)
ERC Primary 111001CLKO
ERCIO Primary 111000I/O
XT Primary 110100(Note 3)
XT w/PLL 4x Primary 110101(Note 3)
XT w/PLL 8x Primary 110110(Note 3)
XT w/PLL 16x Primary 110111(Note 3)
XTL Primary 110000(Note 3)
HS Primary 110010(Note 3)
FRC w/PLL 4x Primary 110001I/O
FRC w/PLL 8x Primary 111010I/O
FRC w/PLL 16x Primary 110011I/O
LP Secondary 0 0 ————(Notes 1, 2)
FRC Internal FRC 0 1 ————(Notes 1, 2)
LPRC Internal LPRC 1 0 ————(Notes 1, 2)
Note 1: OSC2 pin function is determined by the Primary Oscillator mode selection (FPR<3:0>).
2: Note that OSC1 pin cannot be used as an I/O pin, even if the secondary oscillator or an internal clock
source is selected at all times.
3: In these Oscillator modes, a crystal is connected between the OSC1 and OSC2 pins.
4: This is the default Oscillator mode for an unprogrammed (erased) device. An unprogrammed Configuration
bit has a value of ‘1’.
5: XTL – XTL Crystal Oscillator mode (200 kHz-4 MHz crystal)
6: XT – XT Crystal Oscillator mode (4 MHz-10 MHz crystal)
7: HS – HS Crystal Oscillator mode (10 MHz-25 MHz crystal)

© 2005 Microchip Technology Inc. DS70054D-page 7-11
Section 7. Oscillator
Oscillator
7
Register 7-3: FOSC: Oscillator Configuration Register for Oscillator System VERSION 3
Upper Byte:
UU UUUUUU
— — — — — — — —
bit 23 bit 16
Middle Byte:
R/P R/P U U U R/P R/P R/P
FCKSM<1:0> — — —FOS<2:0>
bit 15 bit 8
Lower Byte:
U U U R/P R/P R/P R/P R/P
— — —FPR<4:0>
bit 7 bit 0
bit 23-16 Unimplemented: Read as ‘0’
bit 15-14 FCKSM<1:0>: Clock Switching and Monitor Selection Configuration bits
1x = Clock switching is disabled, Fail-Safe Clock Monitor is disabled
01 = Clock switching is enabled, Fail-Safe Clock Monitor is disabled
00 = Clock switching is enabled, Fail-Safe Clock Monitor is enabled
bit 13-10 Unimplemented: Read as ‘0’
bit 9-8 FOS<2:0>: Oscillator Group Selection on POR bit
111 = PLL Oscillator; PLL source selected by FPR<4:0> bits
011 = EXT: External Oscillator; OSC1/OSC2 pins; External Oscillator configuration selected by
FPR<4:0> bits
010 = LPRC: Internal Low-Power RC
001 = FRC: Internal Fast RC
000 = LPOSC: Low-Power Crystal Oscillator; SOSCI/SOSCO pins
bit 7-4 Unimplemented: Read as ‘0’
bit 3-0 FPR<4:0>: Oscillator Selection within Primary Group bits, See Table 7-4.
Legend:
R = Readable bit W = Writable bit U = Unimplemented bit, read as ‘0’

dsPIC30F Family Reference Manual
DS70054D-page 7-12 © 2005 Microchip Technology Inc.
Table 7-4: Oscillator System VERSION 3: Configuration Bit Values for Clock Selection
Oscillator Mode Oscillator
Source FOS<2:0> FPR<4:0> OSC2 Pin
Function
ECIO w/ PLL 4x PLL 1 1 101101I/O
ECIO w/ PLL 8x PLL 1 1 101110I/O
ECIO w/ PLL 16x PLL 1 1 101111I/O
FRC w/ PLL 4x PLL 1 1 100001I/O
FRC w/ PLL 8x PLL 1 1 101010I/O
FRC w/ PLL 16x PLL 1 1 100011I/O
XT w/ PLL 4x PLL 1 1 100101(Note 3)
XT w/ PLL 8x PLL 1 1 100110(Note 3)
XT w/ PLL 16x PLL 1 1 100111(Note 3)
HS2 w/ PLL 4x PLL 1 1 110001(Note 3)
HS2 w/ PLL 8x PLL 1 1 110010(Note 3)
HS2 w/ PLL 16x PLL 1 1 110011(Note 3)
HS3 w/ PLL 4x PLL 1 1 110101(Note 3)
HS3 w/ PLL 8x PLL 1 1 110110(Note 3)
HS3 w/ PLL 16x PLL 1 1 110111(Note 3)
ECIO External 0 1 101100I/O
XT External 0 1 100100(Note 3)
HS External 0 1 100010(Note 3)
EC External 0 1 101011CLKOUT
ERC External 0 1 101001CLKOUT
ERCIO External 0 1 101000I/O
XTL External 0 1 100000(Note 3)
LP Secondary 0 0 0xxxxx(Note 1, 2)
FRC Internal FRC 0 0 1xxxxx(Note 1, 2)
LPRC Internal LPRC 0 1 0xxxxx(Note 1, 2)
Note 1: OSC2 pin function is determined by (FPR<4:0>).
2: OSC1 pin cannot be used as an I/O pin even if the secondary oscillator or an internal clock source is
selected at all times.
3: In these Oscillator modes, a crystal is connected between the OSC1 and OSC2 pins.
4: XTL – XTL Crystal Oscillator mode (200 kHz-4 MHz crystal)
5: XT – XT Crystal Oscillator mode (4 MHz-10 MHz crystal)
6: HS – HS Crystal Oscillator mode (10 MHz-25 MHz crystal)

© 2005 Microchip Technology Inc. DS70054D-page 7-13
Section 7. Oscillator
Oscillator
7
7.4 Oscillator Control Registers – OSCCON and OSCTUN
Run-time control and status of the Oscillator system is provided to the user via Special Function
Registers. Table 7-5 summarizes the run-time control features provided in VERSION 1,
VERSION 2 and VERSION 3 of the Oscillator System. Refer to the device data sheet to deter-
mine the version of the oscillator system featured on the dsPIC30F device you are using.
The OSCCON Control register provides control of clock switching and clock source status
information.
The COSC Status bits in OSCCON are read-only bits that indicate the oscillator source that the
device is operating from. The COSC bits are set to the FOS Configuration bit values at a
Power-on Reset and will change to indicate the new oscillator source at the end of a clock switch
operation.
The NOSC Status bits in OSCCON are control bits that select the new clock source for a clock
switch operation. The NOSC bits are set to the FOS Configuration bit values at a Power-on Reset
or Brown-out Reset and are modified by the user software during a clock switch operation.
The POST<1:0> control bits (OSCCON<8:7>) control the system clock divide ratio.
The LOCK Status bit (OSCCON<5>) is read-only and indicates the status of the PLL circuit.
The CF Status bit (OSCCON<3>) is a readable/writable Status bit that indicates a clock failure.
The LPOSCEN control bit (OSCCON<1>) is used to enable or disable the 32 kHz Low-Power
Crystal oscillator.
The OSWEN control bit (OSCCON<0>) is used to initiate a clock switch operation. The OSWEN
bit is cleared automatically after a successful clock switch.
The TUN<3:0> bits allow the user to tune the internal FRC oscillator to frequencies higher and
lower than the nominal value of 7.37 MHz.
7.4.1 Protection Against Accidental Writes to OSCCON
A write to the OSCCON register is intentionally made difficult, because it controls clock switching
and clock scaling.
To write to the OSCCON low byte, the following code sequence must be executed without any
other instructions in between:
Byte Write 0x46 to OSCCONL
Byte Write 0x57 to OSCCONL
After this sequence, a byte write to OSCCONL is allowed for one instruction cycle. Write the
desired value or use a bit manipulation instruction.
To write to the OSCCON high byte, the following instructions must be executed without any other
instructions in between:
Byte Write 0x78 to OSCCONH
Byte Write 0x9A to OSCCONH
After this sequence, a byte write is allowed to OSCCONH for one instruction cycle. Write the
desired value or use a bit manipulation instruction.
Table 7-5: Oscillator Control SFRs
Oscillator System Oscillator Control SFRs Feature Summary
VERSION 1 Control via OSCCON SFR. Refer to Register 7-4.
VERSION 2 Control via OSCCON SFR. User may tune the FRC oscillator via
TUN<3:0> bits in OSCCON. Refer to Register 7-5.
VERSION 3 Control via OSCCON and OSCTUN SFRs. User may tune the FRC
oscillator via TUN<3:0> bits in OSCTUN. Refer to Register 7-6 and
Register 7-7.
Note: The OSCCON register is write-protected because it controls the device clock
switching mechanism. See Section 7.4.1 “Protection Against Accidental Writes
to OSCCON” for instructions on writing to OSCCON.

dsPIC30F Family Reference Manual
DS70054D-page 7-14 © 2005 Microchip Technology Inc.
Register 7-4: OSCCON: Oscillator Control Register – Oscillator System VERSION 1
Upper Byte:
U-0 U-0 R-y R-y U-0 U-0 R/W-y R/W-y
——COSC<1:0>——NOSC<1:0>
bit 15 bit 8
Lower Byte:
R/W-0 R/W-0 R-0 U-0 R/W-0 U-0 R/W-0 R/W-0
POST<1:0> LOCK — CF — LPOSCEN OSWEN
bit 7 bit 0
bit 15-14 Unimplemented: Read as ‘0’
bit 13-12 COSC<1:0>: Current Oscillator Source Status bits
11 = Primary oscillator
10 = Internal LPRC oscillator
01 = Internal FRC oscillator
00 = Low-Power 32 kHz Crystal oscillator (Timer1)
bit 11-10 Unimplemented: Read as ‘0’
bit 9-8 NOSC<1:0>: New Oscillator Group Selection bits
11 = Primary oscillator
10 = Internal LPRC oscillator
01 = Internal FRC oscillator
00 = Low-Power 32 kHz Crystal oscillator (Timer1)
bit 7-6 POST<1:0>: Oscillator Postscaler Selection bits
11 = Oscillator postscaler divides clock by 64
10 = Oscillator postscaler divides clock by 16
01 = Oscillator postscaler divides clock by 4
00 = Oscillator postscaler does not alter clock
bit 5 LOCK: PLL Lock Status bit
1 = Indicates that PLL is in lock
0 = Indicates that PLL is out of lock (or disabled)
Reset on POR or BOR
Reset when a valid clock switching sequence is initiated
Set when PLL lock is achieved after a PLL start
Reset when lock is lost
Read zero when PLL is not selected as a system clock
bit 4 Unimplemented: Read as ‘0’
bit 3 CF: Clock Fail Status bit
1 = FSCM has detected a clock failure
0 = FSCM has not detected a clock failure
Reset on POR or BOR
Reset when a valid clock switching sequence is initiated
Set when clock fail detected
bit 2 Unimplemented: Read as ‘0’
bit 1 LPOSCEN: 32 kHz LP Oscillator Enable bit
1 = LP oscillator is enabled
0 = LP oscillator is disabled
Reset on POR or BOR
bit 0 OSWEN: Oscillator Switch Enable bit
1 = Request oscillator switch to selection specified by NOSC<1:0> bits
0 = Oscillator switch is complete
Legend:
R = Readable bit W = Writable bit U = Unimplemented bit, read as ‘0’
-n = Value at POR ‘1’ = Bit is set ‘0’ = Bit is cleared x = Bit is unknown
y = Value set from Configuration bits on POR or BOR

© 2005 Microchip Technology Inc. DS70054D-page 7-15
Section 7. Oscillator
Oscillator
7
Register 7-5: OSCCON: Oscillator Control Register – Oscillator System VERSION 2
Upper Byte:
R/W-0 R/W-0 R-y R-y R/W-0 R/W-0 R/W-y R/W-y
TUN3 TUN2 COSC<1:0> TUN1 TUN0 NOSC<1:0>
bit 15 bit 8
Lower Byte:
R/W-0 R/W-0 R-0 U-0 R/W-0 U-0 R/W-0 R/W-0
POST<1:0> LOCK — CF — LPOSCEN OSWEN
bit 7 bit 0
bit 15-14 TUN<3:2>: Upper 2 bits of the TUN bit-field. Refer to the description of TUN<1:0> (OSCCON<11:10>)
bits for details.
bit 13-12 COSC<1:0>: Current Oscillator Source Status bits
11 = Primary oscillator
10 = Internal LPRC oscillator
01 = Internal FRC oscillator
00 = Low-Power 32 kHz Crystal oscillator (Timer1)
bit 11-10 TUN<1:0>: Lower 2 bits of the TUN bit-field.
The four bit field specified by TUN<3:0> allows the user to tune the Internal Fast RC oscillator which has
a nominal frequency of 7.37 MHz. For example, the user may be able to tune the frequency of the FRC
oscillator within a range of +/- 12% (or 960 kHz) in steps of 1.5% around the factory-calibrated frequency
setting, as follows:
TUN<3:0> = 0111 provides the highest frequency
......
TUN<3:0> = 0000 provides the factory-calibrated frequency
......
TUN<3:0> = 1000 provides the lowest frequency
Note: Refer to the device-specific data sheet for the exact tuning range and tuning step size for the
FRC oscillator on your device.
bit 9-8 NOSC<1:0>: New Oscillator Group Selection bits
11 = Primary oscillator
10 = Internal LPRC oscillator
01 = Internal FRC oscillator
00 = Low-Power 32 kHz Crystal oscillator (Timer1)
bit 7-6 POST<1:0>: Oscillator Postscaler Selection bits
11 = Oscillator postscaler divides clock by 64
10 = Oscillator postscaler divides clock by 16
01 = Oscillator postscaler divides clock by 4
00 = Oscillator postscaler does not alter clock
bit 5 LOCK: PLL Lock Status bit
1 = Indicates that PLL is in lock
0 = Indicates that PLL is out of lock (or disabled)
Reset on POR or BOR
Reset when a valid clock switching sequence is initiated
Set when PLL lock is achieved after a PLL start
Reset when lock is lost
Read zero when PLL is not selected as a system clock
bit 4 Unimplemented: Read as ‘0’
bit 3 CF: Clock Fail Status bit
1 = FSCM has detected a clock failure
0 = FSCM has not detected a clock failure
Reset on POR or BOR
Reset when a valid clock switching sequence is initiated
Set when clock fail detected
bit 2 Unimplemented: Read as ‘0’

dsPIC30F Family Reference Manual
DS70054D-page 7-16 © 2005 Microchip Technology Inc.
OSCCON: Oscillator Control Register – Oscillator System VERSION 2 (Continued)
bit 1 LPOSCEN: 32 kHz LP Oscillator Enable bit
1 = LP oscillator is enabled
0 = LP oscillator is disabled
Reset on POR or BOR
bit 0 OSWEN: Oscillator Switch Enable bit
1 = Request oscillator switch to selection specified by NOSC<1:0> bits
0 = Oscillator switch is complete
Legend:
R = Readable bit W = Writable bit U = Unimplemented bit, read as ‘0’
-n = Value at POR ‘1’ = Bit is set ‘0’ = Bit is cleared x = Bit is unknown
y = Value set from Configuration bits on POR or BOR

© 2005 Microchip Technology Inc. DS70054D-page 7-17
Section 7. Oscillator
Oscillator
7
Register 7-6: OSCCON: Oscillator Control Register – Oscillator System VERSION 3
Upper Byte:
U-0 R-y R-y R-y U-0 R/W-y R/W-y R/W-y
— COSC<2:0> —NOSC<2:0>
bit 15 bit 8
Lower Byte:
R/W-0 R/W-0 R-0 U-0 R/W-0 U-0 R/W-0 R/W-0
POST<1:0> LOCK —CF— LPOSCEN OSWEN
bit 7 bit 0
bit 15 Unimplemented: Read as ‘0’
bit 14-12 COSC<2:0>: Current Oscillator Group Selection bits (Read-Only)
111 = PLL Oscillator; PLL source selected by FPR<4:0> bits
011 = External Oscillator; OSC1/OSC2 pins; External Oscillator configuration selected by FPR<4:0> bits
010 = LPRC internal low-power RC
001 = FRC internal fast RC
000 = LP crystal oscillator; SOSCI/SOSCO pins
Set to FOS<2:0> values on POR or BOR
Loaded with NOSC<2:0> at the completion of a successful clock switch
Set to FRC value when FSCM detects a failure and switches clock to FRC
bit 11 Unimplemented: Read as ‘0’
bit 10-8 NOSC<2:0>: New Oscillator Group Selection bits
111 = PLL Oscillator; PLL source selected by FPR<4:0> bits
011 = External Oscillator; OSC1/OSC2 pins; External Oscillator configuration selected by FPR<4:0> bits
010 = LPRC internal low-power RC
001 = FRC internal fast RC
000 = LP crystal oscillator; SOSCI/SOSCO pins
Set to FOS<2:0> values on POR or BOR
bit 7-6 POST<1:0>: Oscillator Postscaler Selection bits
11 = Oscillator postscaler divides clock by 64
10 = Oscillator postscaler divides clock by 16
01 = Oscillator postscaler divides clock by 4
00 = Oscillator postscaler does not alter clock
bit 5 LOCK: PLL Lock Status bit (Read-Only)
1 = Indicates that PLL is in lock
0 = Indicates that PLL is out of lock (or disabled)
Reset on POR or BOR
Reset when a valid clock switching sequence is initiated
Set when PLL lock is achieved after a PLL start
Reset when lock is lost
Read zero when PLL is not selected as a system clock
bit 4 Unimplemented: Read as ‘0’

dsPIC30F Family Reference Manual
DS70054D-page 7-18 © 2005 Microchip Technology Inc.
OSCCON: Oscillator Control Register – Oscillator System VERSION 3 (Continued)
bit 3 CF: Clock Fail Detect bit (Read/Clearable by application)
1 = FSCM has detected clock failure
0 = FSCM has NOT detected clock failure
Reset on POR or BOR
Reset when a valid clock switching sequence is initiated
Set when clock fail detected
bit 2 Unimplemented: Read as ‘0’
bit 1 LPOSCEN: 32 kHz Secondary (LP) Oscillator Enable bit
1 = Secondary Oscillator is enabled
0 = Secondary Oscillator is disabled
Reset on POR or BOR
bit 0 OSWEN: Oscillator Switch Enable bit
1 = Request Oscillator switch to selection specified by NOSCG<2:0> bits
0 = Oscillator switch is complete
Reset on POR or BOR
Reset after a successful clock switch
Reset after a redundant clock switch (i.e., a clock switch operation is requested to the current oscillator)
Reset after FSCM switches the oscillator to (Group 1) FRC
Legend:
R = Readable bit W = Writable bit U = Unimplemented bit, read as ‘0’
-n = Value at POR ‘1’ = Bit is set ‘0’ = Bit is cleared x = Bit is unknown
y = Value set from Configuration bits on POR

© 2005 Microchip Technology Inc. DS70054D-page 7-19
Section 7. Oscillator
Oscillator
7
Register 7-7: OSCTUN: FRC Oscillator Tuning Register – Oscillator System VERSION 3 Only
Upper Byte:
U-0 U-0 U-0 U-0 U-0 U-0 U-0 U-0
— — — — — — — —
bit 15 bit 8
Lower Byte:
U-0 U-0 U-0 U-0 R/W-0 R/W-0 R/W-0 R/W-0
— — — — TUN<3:0>
bit 7 bit 0
bit 15-4 Unimplemented: Read as ‘0’
bit 3-0 TUN<3:0>: The four bit field specified by TUN<3:0> allows the user to tune the Internal Fast RC oscillator
which has a nominal frequency of 7.37 MHz.
TUN<3:0> = 0111 provides the highest frequency
......
TUN<3:0> = 0000 provides the factory-calibrated frequency
......
TUN<3:0> = 1000 provides the lowest frequency
Note 1: Refer to the device-specific data sheet for the exact tuning range and tuning step size for the
FRC oscillator on your device.
2: Certain devices may have more than four TUN bits. Refer to the device-specific data sheet to
identify the number of TUN bits available to the user for tuning the FRC oscillator.
Legend:
R = Readable bit W = Writable bit U = Unimplemented bit, read as ‘0’
-n = Value at POR ‘1’ = Bit is set ‘0’ = Bit is cleared x = Bit is unknown
y = Value set from Configuration bits on POR

dsPIC30F Family Reference Manual
DS70054D-page 7-20 © 2005 Microchip Technology Inc.
7.5 Primary Oscillator
The Primary oscillator is available on the OSC1 and OSC2 pins of the dsPIC30F device family. The
Primary oscillator has a wide variety of operation modes summarized in Table 7-6. In general, the
Primary oscillator can be configured for an external clock input, external RC network, or an external
crystal. Further details of the Primary Oscillator Operating modes are described in subsequent sec-
tions.
The FPR bits in the FOSC nonvolatile Configuration register select the Operating mode of the
Primary oscillator.
Table 7-6: Primary Oscillator Operating Modes
Oscillator Mode(4) Description
XTL 200 kHz-4 MHz crystal on OSC1:OSC2.
XT 4 MHz-10 MHz crystal on OSC1:OSC2.
XT w/ PLL 4x 4 MHz-10 MHz crystal on OSC1:OSC2, 4x PLL enabled.
XT w/ PLL 8x 4 MHz-10 MHz crystal on OSC1:OSC2, 8x PLL enabled.
XT w/ PLL 16x 4 MHz-10 MHz crystal on OSC1:OSC2, 16x PLL enabled(1).
LP 32 kHz crystal on SOSCO:SOSCI(2).
HS 10 MHz-25 MHz crystal.
HS/2 w/PLL 4x 10 MHz -25 MHz crystal, divide by 2, 4x PLL enabled.
HS/2 w/ PLL 8x 10 MHz-25MHz crystal, divide by 2, 8x PLL enabled.
HS/2 w/ PLL 16x 10 MHz-25MHz crystal, divide by 2, 16x PLL enabled(1).
HS/3 w/PLL 4x 10 MHz-25 MHz crystal, divide by 3, 4x PLL enabled.
HS/3 w/ PLL 8x 10 MHz-25MHz crystal, divide by 3, 8x PLL enabled.
HS/3 w/ PLL 16x 10 MHz-25MHz crystal, divide by 3, 16x PLL enabled(1).
EC External clock input (0-40 MHz).
ECIO External clock input (0-40 MHz), OSC2 pin is I/O.
EC w/ PLL 4x External clock input (4-10 MHz), OSC2 pin is I/O, 4x PLL enabled(1).
EC w/ PLL 8x External clock input (4-10 MHz), OSC2 pin is I/O, 8x PLL enabled(1).
EC w/ PLL 16x External clock input (4-10 MHz), OSC2 pin is I/O, 16x PLL enabled(1).
ERC External RC oscillator, OSC2 pin is FOSC/4 output(3).
ERCIO External RC oscillator, OSC2 pin is I/O(3).
FRC 7.37 MHz internal Fast RC oscillator.
FRC w/ PLL 4x 7.37 MHz Internal Fast RC oscillator, 4x PLL enabled.
FRC w/ PLL 8x 7.37 MHz Internal Fast RC oscillator, 8x PLL enabled.
FRC w/ PLL 16x 7.37 MHz Internal Fast RC oscillator, 16x PLL enabled.
LPRC 512 kHz internal Fast RC oscillator.
Note 1: dsPIC30F maximum operating frequency of 120 MHz must be met.
2: LP oscillator can be conveniently shared as system clock, as well as real-time clock for Timer1.
3: Requires external R and C. Frequency operation up to 4 MHz.
4: This table lists a cumulative set of operating modes featured in Oscillator system VERSION 1, VERSION 2
and VERSION 3.

© 2005 Microchip Technology Inc. DS70054D-page 7-21
Section 7. Oscillator
Oscillator
7
7.5.1 Oscillator Mode Selection Guidelines
The main difference between the XT, XTL and HS modes is the gain of the internal inverter of the
oscillator circuit, which allows the different frequency ranges. In general, use the oscillator option
with the lowest possible gain that still meets specifications. This will result in lower dynamic
currents (IDD). The frequency range of each Oscillator mode is the recommended frequency
cutoff, but the selection of a different Gain mode is acceptable as long as a thorough validation
is performed (voltage, temperature and component variations, such as resistor, capacitor and
internal oscillator circuitry).
The oscillator feedback circuit is disabled in all EC and ECIO modes. The OSC1 pin is a high
impedance input and can be driven by a CMOS driver.
The ERC and ERCIO modes provide the least expensive solution for device oscillation (only an
external resistor and capacitor is required). These modes also provide the most variation in the
oscillation frequency.
If the Primary oscillator is configured for an external clock input or an external RC network, the
OSC2 pin is not required to support the oscillator function. For these modes, the OSC2 pin can
be used as an additional device I/O pin or a clock output pin. When the OSC2 pin is used as a
clock output pin, the output frequency is FOSC/4.
The XTL mode is a Low Power/Low Frequency mode. This mode of the oscillator consumes the
least amount of power of the three Crystal modes. The XT mode is a Medium Power/Medium
Frequency mode and HS mode provides the highest oscillator frequencies with a crystal.
The EC and XT modes that use the PLL circuit provide the highest device operating frequencies.
The oscillator circuit will consume the most current in these modes because the PLL is enabled
to multiply the frequency of the oscillator.

dsPIC30F Family Reference Manual
DS70054D-page 7-22 © 2005 Microchip Technology Inc.
7.6 Crystal Oscillators/Ceramic Resonators
In XT, XTL and HS modes, a crystal or ceramic resonator is connected to the OSC1 and OSC2
pins to establish oscillation (Figure 7-3). The dsPIC30F oscillator design requires the use of a
parallel cut crystal. Using a series cut crystal may give a frequency out of the crystal
manufacturer’s specifications.
Figure 7-3: Crystal or Ceramic Resonator Operation (XT, XT or HS Oscillator Mode)
7.6.1 Oscillator/Resonator Start-up
As the device voltage increases from VSS, the oscillator will start its oscillations.The time required
for the oscillator to start oscillating depends on many factors. These include:
• Crystal/resonator frequency
• Capacitor values used (C1 and C2 in Figure 7-3)
• Device VDD rise time
• System temperature
• Series resistor value and type if used (Rs in Figure 7-3)
• Oscillator mode selection of device (selects the gain of the internal oscillator inverter)
• Crystal quality
• Oscillator circuit layout
• System noise
Figure 7-4 shows a plot of a typical oscillator/resonator start-up.
Figure 7-4: Example Oscillator/Resonator Start-up Characteristics
C1(3)
C2(3)
XTAL
OSC2
RS(1)
OSC1
RF(2) Sleep
To Internal Logic
dsPIC30FXXXX
Note 1: A series resistor, Rs, may be required for AT strip cut crystals.
2: The internal feedback resistor, RF, is typically in the range of 2 to
10 MΩ.
3: See Section 7.7 “Determining Best Values for Crystals, Clock
Mode, C1, C2 and Rs”.
Voltage
Crystal Start-up Time Time
Device VDD
Maximum VDD of System
0V
VIL
VIH

© 2005 Microchip Technology Inc. DS70054D-page 7-23
Section 7. Oscillator
Oscillator
7
7.6.2 Tuning the Oscillator Circuit
Since Microchip devices have wide operating ranges (frequency, voltage and temperature;
depending on the part and version ordered) and external components (crystals, capacitors,...) of
varying quality and manufacture, validation of operation needs to be performed to ensure that
the component selection will comply with the requirements of the application.
There are many factors that go into the selection and arrangement of these external components.
These factors include:
• amplifier gain
• desired frequency
• resonant frequency(s) of the crystal
• temperature of operation
• supply voltage range
• start-up time
• stability
• crystal life
• power consumption
• simplification of the circuit
• use of standard components
• component count
7.6.3 Oscillator Start-up from Sleep Mode
The most difficult time for the oscillator to start-up is when waking up from Sleep mode. This is
because the load capacitors have both partially charged to some quiescent value, and phase
differential at wake-up is minimal. Thus, more time is required to achieve stable oscillation.
Remember also that low voltage, high temperatures and the Lower Frequency Clock modes also
impose limitations on loop gain, which in turn affects start-up. Each of the following factors
increases the start-up time:
• a low frequency design (with a Low Gain Clock mode)
• a quiet environment (such as a battery operated device)
• operating in a shielded box (away from the noisy RF area)
• low voltage
• high temperature
• wake-up from Sleep mode
Noise actually helps lower the oscillator start-up time since it provides a “kick start” to the
oscillator.
Prior to entering Sleep mode, the application may switch to the Internal FRC(+PLL) oscillator in
order to reduce the time taken by the device to wake-up from Sleep.

dsPIC30F Family Reference Manual
DS70054D-page 7-24 © 2005 Microchip Technology Inc.
7.7 Determining Best Values for Crystals, Clock Mode, C1, C2 and RS
The best method for selecting components is to apply a little knowledge and a lot of trial,
measurement and testing.
Crystals are usually selected by their parallel resonant frequency only, however, other parame-
ters may be important to your design, such as temperature or frequency tolerance. Application
Note AN588 “PICmicro® Microcontroller Oscillator Design Guide” is an excellent reference to
learn more about crystal operation and their ordering information.
The dsPIC30F internal oscillator circuit is a parallel oscillator circuit, which requires that a parallel
resonant crystal be selected. The load capacitance is usually specified in the 22 pF to 33 pF
range. The crystal will oscillate closest to the desired frequency with a load capacitance in this
range. It may be necessary to alter these values, as described later, in order to achieve other
benefits.
The Clock mode is primarily chosen based on the desired frequency of the crystal oscillator. The
main difference between the XT, XTL and HS Oscillator modes is the gain of the internal inverter
of the oscillator circuit, which allows the different frequency ranges. In general, use the oscillator
option with the lowest possible gain that still meets specifications. This will result in lower
dynamic currents (IDD). The frequency range of each Oscillator mode is the recommended
frequency cutoff, but the selection of a different Gain mode is acceptable, as long as a thorough
validation is performed (voltage, temperature and component variations, such as resistor,
capacitor and internal oscillator circuitry).
C1 and C2 (see Figure 7-3) should also be initially selected based on the load capacitance as
suggested by the crystal manufacturer and the tables supplied in the device data sheet. The
values given in the device data sheet can only be used as a starting point since the crystal
manufacturer, supply voltage, and other factors already mentioned may cause your circuit to
differ from the one used in the factory characterization process.
Ideally, the capacitance is chosen so that it will oscillate at the highest temperature and the lowest
VDD that the circuit will be expected to perform under. High temperature and low VDD both have
a limiting effect on the loop gain, such that if the circuit functions at these extremes, the designer
can be more assured of proper operation at other temperatures and supply voltage
combinations. The output sine wave should not be clipped in the highest gain environment
(highest VDD and lowest temperature) and the sine output amplitude should be large enough in
the lowest gain environment (lowest VDD and highest temperature) to cover the logic input
requirements of the clock as listed in the device data sheet.
A method for improving start-up is to use a value of C2 greater than C1. This causes a greater
phase shift across the crystal at power-up, which speeds oscillator start-up.
Besides loading the crystal for proper frequency response, these capacitors can have the effect
of lowering loop gain if their value is increased. C2 can be selected to affect the overall gain of
the circuit. A higher C2 can lower the gain if the crystal is being over driven (also, see discussion
on Rs). Capacitance values that are too high can store and dump too much current through the
crystal, so C1 and C2 should not become excessively large. Unfortunately, measuring the
wattage through a crystal is difficult, but if you do not stray too far from the suggested values you
should not have to be concerned with this.
A series resistor, Rs, is added to the circuit if, after all other external components are selected to
satisfaction, the crystal is still being overdriven. This can be determined by looking at the OSC2
pin, which is the driven pin, with an oscilloscope. Connecting the probe to the OSC1 pin will load
the pin too much and negatively affect performance. Remember that a scope probe adds its own
capacitance to the circuit, so this may have to be accounted for in your design (i.e., if the circuit
worked best with a C2 of 22 pF and scope probe was 10 pF, a 33 pF capacitor may actually be
called for). The output signal should not be clipping or flattened. Overdriving the crystal can also
lead to the circuit jumping to a higher harmonic level or even crystal damage.

© 2005 Microchip Technology Inc. DS70054D-page 7-25
Section 7. Oscillator
Oscillator
7
The OSC2 signal should be a clean sine wave that easily spans the input minimum and maximum
of the clock input pin (4V to 5V peak-to-peak for a 5V VDD is usually good). An easy way to set
this is to again test the circuit at the minimum temperature and maximum VDD that the design will
be expected to perform in, then look at the output. This should be the maximum amplitude of the
clock output. If there is clipping or the sine wave is distorted near VDD and VSS, increasing load
capacitors may cause too much current to flow through the crystal or push the value too far from
the manufacturer’s load specification. To adjust the crystal current, add a trimmer potentiometer
between the crystal inverter output pin and C2 and adjust it until the sine wave is clean. The
crystal will experience the highest drive currents at the low temperature and high VDD extremes.
The trimmer potentiometer should be adjusted at these limits to prevent overdriving. A series
resistor, Rs, of the closest standard value can now be inserted in place of the trimpot. If Rs is too
high, perhaps more than 20 kOhms, the input will be too isolated from the output, making the
clock more susceptible to noise. If you find a value this high is needed to prevent overdriving the
crystal, try increasing C2 to compensate or changing the Oscillator Operating mode. Try to get a
combination where Rs is around 10k or less and load capacitance is not too far from the
manufacturer specification.
7.8 External Clock Input
Two of the Primary Oscillator modes use an external clock. These modes are EC and ECIO.
In the EC mode (Figure 7-5), the OSC1 pin can be driven by CMOS drivers. In this mode, the
OSC1 pin is high-impedance and the OSC2 pin is the clock output (FOSC/4). This output clock is
useful for testing or synchronization purposes.
Figure 7-5: External Clock Input Operation (EC Oscillator Configuration)
In the ECIO mode (Figure 7-6), the OSC1 pin can be driven by CMOS drivers. In this mode, the
OSC1 pin is high-impedance and the OSC2 pin becomes a general purpose I/O pin. The feed-
back device between OSC1 and OSC2 is turned off to save current.
Figure 7-6: External Clock Input Operation (ECIO Oscillator Configuration)
OSC1
OSC2
FOSC/4
Clock from
Ext. System dsPIC30F
OSC1
I/O (OSC2)
I/O
Clock from
Ext. System dsPIC30F

dsPIC30F Family Reference Manual
DS70054D-page 7-26 © 2005 Microchip Technology Inc.
7.9 External RC Oscillator
For timing insensitive applications, the ERC and ERCIO modes of the Primary oscillator offer
additional cost savings. The RC oscillator frequency is a function of the:
• Supply voltage
• External resistor (REXT) values
• External capacitor (CEXT) values
• Operating temperature
In addition to this, the oscillator frequency will vary from unit-to-unit due to normal process
parameter variation. Furthermore, the difference in lead frame capacitance between package
types will also affect the oscillation frequency, especially for low CEXT values. The user also
needs to take into account variation due to tolerance of external REXT and CEXT components
used. Figure 7-7 shows how the RC combination is connected. For REXT values below 2.2 kΩ,
oscillator operation may become unstable or stop completely. For very high REXT values (e.g.,
1MΩ), the oscillator becomes sensitive to noise, humidity and leakage. Thus, it is recommended
that a REXT value between 3 kΩ and 100 kΩ is used.
Figure 7-7: ERC Oscillator Mode
Although the oscillator will operate with no external capacitor (CEXT = 0 pF), a value above 20 pF
should be used for noise and stability reasons. With no or a small external capacitance, the
oscillation frequency can vary dramatically due to changes in external capacitances, such as
PCB trace capacitance and package lead frame capacitance.
The oscillator frequency, divided by 4, is available on the OSC2/CLKO pin, and can be used for
test purposes or to synchronize other logic.
Note: An external clock source should not be connected to the OSC1 pin when the
oscillator is configured for ERC or ERCIO modes.
OSC2
CEXT
VDD
REXT
VSS
dsPIC30F
OSC1
FOSC/4
Internal
Clock

© 2005 Microchip Technology Inc. DS70054D-page 7-27
Section 7. Oscillator
Oscillator
7
7.9.1 External RC Oscillator with I/O Enabled
The ERCIO Oscillator mode functions in the exact same manner as the ERC Oscillator mode.
The only difference is that the OSC2 pin is configured as an I/O pin.
As in the RC mode, the user needs to take into account any variation of the clock frequency due
to tolerance of external REXT and CEXT components used, process variation, voltage and
temperature. Figure 7-8 shows how the RC with the I/O pin combination is connected.
Figure 7-8: ERCIO Oscillator Mode
7.9.2 External RC Start-up
There is no start-up delay associated with the RC oscillator. Oscillation will begin when VDD is
applied.
7.9.3 RC Operating Frequency
The following graphs show the external RC oscillator frequency as a function of device voltage
for a selection of RC component values.
I/O (OSC2)
CEXT
REXT
VSS
OSC1 Internal
Clock
VDD
dsPIC30F
Note: The user should verify that VDD is within specifications before the device begins to
execute code.
Note: The following graphs should be used only as approximate guidelines for RC
component selection. The actual frequency will vary based on the system
temperature and device. Please refer to the specific device data sheet for further
RC oscillator characteristic data.

dsPIC30F Family Reference Manual
DS70054D-page 7-28 © 2005 Microchip Technology Inc.
Figure 7-9: Typical External RC Oscillator Frequency vs. VDD, CEXT = 20 pF
Figure 7-10: Typical External RC Oscillator Frequency vs. VDD, CEXT = 100 pF
0.0
0.5
1.0
1.5
2.0
2.5
3.0
3.5
4.0
4.5
5.0
2.5 3.0 3.5 4.0 4.5 5.0 5.
5
VDD (V)
Freq (MHz)
REXT = 10k
REXT = 100k
Operation above 4 MHz is not recommended.
0.0
1.0
2.0
3.0
4.0
5.0
2.5 3.0 3.5 4.0 4.5 5.0 5.5
VDD (V)
Freq (MHz)
REXT = 5.1k
REXT = 10k
REXT = 100k
Operation above 4 MHz is not recommended.

© 2005 Microchip Technology Inc. DS70054D-page 7-29
Section 7. Oscillator
Oscillator
7
Figure 7-11: Typical External RC Oscillator Frequency vs. VDD, CEXT = 300 pF
0
50
100
150
200
250
300
2.5 3.0 3.5 4.0 4.5 5.0 5.5
VDD (V)
Freq (kHz)
REXT = 3.3k
REXT = 5.1k
REXT = 10k
REXT = 100k

dsPIC30F Family Reference Manual
DS70054D-page 7-30 © 2005 Microchip Technology Inc.
7.10 Phase Locked Loop (PLL)
The PLL can be enabled for x4, x8 or x16 Operation modes using the FPR<3:0> oscillator
Configuration bits. The input and output frequency ranges for each Operating mode are
summarized in Table 7-7.
Table 7-7: PLL Frequency Range
7.10.1 PLL Lock Status
The PLL circuit is able to detect when the PLL enters a phase locked state. It can also detect
when the PLL loses lock. The time delay for the PLL to achieve lock is designated as TLOCK. The
TLOCK value is nominally 20 μs. Refer to the “Electrical Specifications” in the specific device data
sheet for further information.
The LOCK bit is a read-only Status bit (OSCCON<5>) that reflects the LOCK status of the PLL.
The LOCK bit is cleared at a Power-on Reset.
7.10.1.1 Loss of PLL Lock During Clock Switching
When the PLL is selected as a destination clock source in a clock switch operation (including a
Power-on Reset), the LOCK bit is cleared. The LOCK bit is set after phase lock has been
achieved. If the PLL fails to achieve lock, then the clock switching circuit will NOT switch to the
PLL output for system clock; instead, it will continue to run with the old clock source.
7.10.1.2 Loss of PLL Lock During a Power-on Reset
If the PLL fails to achieve lock at a Power-on Reset (POR) and the Fail-Safe Clock Monitor
(FSCM) is enabled, the FRC oscillator will become the device clock source and a clock failure
trap will occur.
7.10.1.3 Loss of PLL Lock During Normal Device Operation
If the PLL loses lock during normal operation for at least 4 input clock cycles, then the LOCK bit
is cleared, indicating a loss of PLL lock. Furthermore, a clock failure trap will be generated. In this
situation, the processor continues to run using the PLL clock source. The user can switch to
another clock source in the Trap Service Routine, if desired.
Note: Some PLL output frequency ranges can be achieved that exceed the maximum
operating frequency of the dsPIC30F device. Refer to the “Electrical Specifications”
in the specific device data sheet for further details.
FIN PLL Multiplier FOUT
4 MHz-10 MHz x4 16 MHz-40 MHz
4 MHz-10 MHz x8 32 MHz-80 MHz
4 MHz-7.5 MHz x16 64 MHz-120 MHz
Note: Refer to Section 6. “Reset Interrupts” for further details about oscillator failure
traps.
Note: A loss of PLL lock during normal device operation will generate a clock failure trap,
but the system clock source will not be changed. The FSCM does not need to be
enabled to detect the loss of lock.

© 2005 Microchip Technology Inc. DS70054D-page 7-31
Section 7. Oscillator
Oscillator
7
7.11 Low-Power 32 kHz Crystal Oscillator
The LP or Secondary oscillator is designed specifically for low power operation with a 32 kHz
crystal. The LP oscillator is located on the SOSCO and SOSCI device pins and serves as a
secondary crystal clock source for low power operation. The LP oscillator can also drive Timer1
for a real-time clock application.
7.11.1 LP Oscillator Enable
The following control bits affect the operation of the LP oscillator:
1. The COSC<1:0> bits in the OSCCON register (OSCCON<13:12>).
2. The LPOSCEN bit in the OSCCON register (OSCCON<1>).
When the LP Oscillator is enabled, the SOSCO and SOSCI I/O pins are controlled by the
oscillator and cannot be used for other I/O functions.
7.11.1.1 LP Oscillator Continuous Operation
The LP oscillator will always be enabled if the LPOSCEN control bit (OSCCON<1>) is set. There
are two reasons to leave the LP oscillator running. First, keeping the LP oscillator ON at all times
allows a fast switch to the 32 kHz system clock for lower power operation. Returning to the faster
main oscillator will still require an oscillator start-up time if it is a crystal type source (see
Section 7.12 “Oscillator Start-up Timer (OST)”). Second, the oscillator should remain ON at
all times when using Timer1 as a real-time clock.
7.11.1.2 LP Oscillator Intermittent Operation
When the LPOSCEN control bit (OSCCON<1>) is cleared, the LP oscillator will only operate
when it is selected as the current device clock source (COSC<1:0> = 00). The LP oscillator will
be disabled if it is the current device clock source and the device enters Sleep mode.
7.11.2 LP Oscillator Operation with Timer1
The LP oscillator can be used as a clock source for Timer1 in a real-time clock application. Refer
to Section 12. “Timers” for further details.
7.12 Oscillator Start-up Timer (OST)
In order to ensure that a crystal oscillator (or ceramic resonator) has started and stabilized, an
Oscillator Start-up Timer is provided. It is a simple 10-bit counter that counts 1024 TOSC cycles
before releasing the oscillator clock to the rest of the system. The time-out period is designated
as TOST. The amplitude of the oscillator signal must reach the VIL and VIH thresholds for the
oscillator pins before the OST can begin to count cycles (see Figure 7-4).
The TOST time is involved every time the oscillator has to restart (i.e., on POR, BOR and wake-up
from Sleep mode). The Oscillator Start-up Timer is applied to the LP oscillator and the XT, XTL
and HS modes for the Primary oscillator.
7.13 Internal Fast RC Oscillator (FRC)
The FRC oscillator is a fast (7.37 MHz nominal) internal RC oscillator. This oscillator is intended
to provide a range of device operating speeds without the use of an external crystal, ceramic
resonator or RC network. Devices featuring the Oscillator system VERSIONs 2 or 3 may
optionally provide the FRC oscillator as an input frequency to the PLL.

dsPIC30F Family Reference Manual
DS70054D-page 7-32 © 2005 Microchip Technology Inc.
7.14 Internal Low-Power RC (LPRC) Oscillator
The LPRC oscillator is a component of the Watchdog Timer (WDT) and oscillates at a nominal
frequency of 512 kHz. The LPRC oscillator is the clock source for the Power-up Timer (PWRT)
circuit, WDT and clock monitor circuits. It may also be used to provide a low frequency clock
source option for applications where power consumption is critical, and timing accuracy is not
required.
7.14.1 Enabling the LPRC Oscillator
The LPRC oscillator is always enabled at a Power-on Reset because it is the clock source for
the PWRT. After the PWRT expires, the LPRC oscillator will remain ON if one of the following is
TRUE:
• The Fail-Safe Clock Monitor is enabled.
• The WDT is enabled.
• The LPRC oscillator is selected as the system clock (COSC<1:0> = 10).
If none of the above conditions is true, the LPRC will shut-off after the PWRT expires.
7.15 Fail-Safe Clock Monitor (FSCM)
The Fail-Safe Clock Monitor (FSCM) allows the device to continue to operate even in the event
of an oscillator failure. The FSCM function is enabled by programming the FCKSM bits
(Clock Switch and Monitor bits) in the FOSC Device Configuration register. Refer to
7.3 “Oscillator Configuration” for further details. If the FSCM function is enabled, the LPRC
internal oscillator will run at all times (except during Sleep mode).
In the event of an oscillator failure, the FSCM will generate a clock failure trap and will switch the
system clock to the FRC oscillator. The user will then have the option to either attempt to restart
the oscillator or execute a controlled shutdown.
The FSCM module will take the following actions when switching to the FRC oscillator:
1. The COSC<1:0> bits are loaded with ‘01’.
2. The CF bit is set to indicate the clock failure.
3. The OSWEN control bit is cleared to cancel any pending clock switches.
7.15.1 FSCM Delay
On a POR, BOR or wake-up event from Sleep mode, a nominal 100 μs delay (TFSCM) may be
inserted before the FSCM begins to monitor the system clock source. The purpose of the FSCM
delay is to provide time for the oscillator and/or PLL to stabilize when the Power-up Timer
(PWRT) is not utilized. The FSCM delay will be generated after the internal System Reset signal,
SYSRST, has been released. Refer to Section 8. “Reset” for FSCM delay timing information.
The FSCM delay, TFSCM, is applied when the FSCM is enabled and any of the following device
clock sources is selected as the system clock:
•EC+PLL
•XT+PLL
•XT
•HS
• HS/2 or HS/3 + PLL
•XTL
•LP
Note: The oscillation frequency of the LPRC oscillator will vary depending on the device
voltage and operating temperature. Refer to the “Electrical Specifications” in the
specific device data sheet for further details.
Note: For more information about the oscillator failure trap, please refer to
Section 6. “Reset Interrupts”.
Note: Please refer to the “Electrical Specifications” section of the device data sheet for
TFSCM specification values.

© 2005 Microchip Technology Inc. DS70054D-page 7-33
Section 7. Oscillator
Oscillator
7
7.15.2 FSCM and Slow Oscillator Start-up
If the chosen device oscillator has a slow start-up time coming out of POR, BOR or Sleep mode,
it is possible that the FSCM delay will expire before the oscillator has started. In this case, the
FSCM will initiate a clock failure trap. As this happens, the COSC<1:0> bits (OSCCON<13:12>)
are loaded with the FRC oscillator selection. This will effectively shut-off the original oscillator that
was trying to start. The user can detect this situation and initiate a clock switch back to the
desired oscillator in the Trap Service Routine.
7.15.3 FSCM and WDT
In the event of a clock failure, the WDT is unaffected and continues to run on the LPRC clock.
7.16 Programmable Oscillator Postscaler
The postscaler allows the user to save power by lowering the frequency of the clock which feeds
the CPU and the peripherals. Postscale values can be changed at any time via the POST<1:0>
control bits (OSCCON<7:6>).
To ensure a clean clock transition, there is some delay before a clock change occurs. The clock
postscaler does not change the clock selection multiplexer until a falling edge on the divide-by-64
output occurs. In effect, the switching delay could be up to 64 system clock cycles depending on
when the POST<1:0> control bits are written. Figure 7-13 shows the postscaler operation for
three different postscaler changes.
Figure 7-12: Programmable Oscillator Postscaler
Counter
div. by 4
div. by 16
div. by 64
System
POST1
POST0
00
01
10
11
Clock Input
Postscaled
System Clock
(from Clock Switch
and Control Logic)
Note:
The system clock input can be any available source.

dsPIC30F Family Reference Manual
DS70054D-page 7-34 © 2005 Microchip Technology Inc.
Figure 7-13: Postscaler Update Timing
7.17 Clock Switching Operation
The selection of clock sources available for clock switching during device operation are as
follows:
• Primary oscillator on OSC1/OSC2 pins
• Low-Power 32 kHz Crystal (Secondary) oscillator on SOSCO/SOSCI pins
• Internal Fast RC (FRC) oscillator
• Internal Low-Power RC (LPRC) oscillator
7.17.1 Clock Switching Enable
To enable clock switching, the FCKSM1 Configuration bit in the FOSC Configuration register must
be programmed to a ‘0’. (Refer to 7.3 “Oscillator Configuration” for further details.)
If the FCKSM1 Configuration bit is a ‘1’ (unprogrammed), then the clock switching function is
disabled. The Fail-Safe Clock Monitor function is also disabled. This is the default setting. The
NOSC control bits in OSCCON do not control the clock selection when clock switching is
disabled. However, the COSC bits in OSCCON will reflect the clock source selected by the FPR
and FOS Configuration bits in the FOSC Configuration register. The OSWEN control bit
(OSCCON<0>) has no effect when clock switching is disabled. It is held at ‘0’ at all times.
Divide
by 4
Divide
by 16
Divide
by 64
POST<1:0> 00
01 10 11
Postscaled
System
Clock
System
1:4 1:16 1:1 1:64
Clock
Note: This diagram demonstrates the clock postscaler function only. The divide ratios shown in the timing diagram
are not correct.
Note: The Primary oscillator has multiple operating modes (EC, RC, XT, FRC etc.). The
Operating mode of the Primary oscillator is determined by the FPR Configuration
bits in the FOSC device Configuration register. (Refer to 7.3 “Oscillator Configura-
tion” for further details.)

© 2005 Microchip Technology Inc. DS70054D-page 7-35
Section 7. Oscillator
Oscillator
7
7.17.2 Oscillator Switching Sequence
The following steps are taken by the hardware and software to change the device clock source.
(The steps shown below use the OSCCON register definition for the Oscillator system VERSION
1. For a description of the OSCCON register for the Oscillator system VERSION 2 and VERSION
3, refer to 7.4 “Oscillator Control Registers – OSCCON and OSCTUN”):
1. Read the COSC<1:0> Status bits (OSCCON<13:12>), if desired, to determine current
oscillator source.
2. Perform the unlock sequence to allow a write to the OSCCON register high byte.
3. Write the appropriate value to the NOSC<1:0> control bits (OSCCON<9:8>) for the new
oscillator source.
4. Perform the unlock sequence to allow a write to the OSCCON register low byte.
5. Set the OSWEN bit (OSCCON<0>). This will INITIATE the oscillator switch.
6. The clock switching hardware compares the COSC<1:0> Status bits with the new value
of the NOSC<1:0> control bits. If they are the same, then the clock switch is a redundant
operation. In this case, the OSWEN bit is cleared automatically and the clock switch is
aborted.
7. If a valid clock switch has been initiated, the LOCK (OSCCON<5>) and the CF
(OSCCON<3>) Status bits are cleared.
8. The new oscillator is turned on by the hardware if it is not currently running. If a crystal
oscillator must be turned on, the hardware will wait until the OST expires. If the new
source is using the PLL, then the hardware waits until a PLL lock is detected (LOCK = 1).
9. The hardware waits for 10 clock cycles from the new clock source and then performs the
clock switch.
10. The hardware clears the OSWEN bit to indicate a successful clock transition. In addition,
the NOSC<1:0> bit values are transferred to the COSC<1:0> Status bits.
11. The clock switch is completed. The old clock source will be turned off at this time, with the
following exceptions:
• The LPRC oscillator will stay on if the WDT or FSCM is enabled.
• The LP oscillator will stay on if LPOSCEN = 1 (OSCCON<1>).
Figure 7-14: Clock Transition Timing Diagram
Note: The processor will continue to execute code throughout the clock switching
sequence. Timing sensitive code should not be executed during this time.
Old Clock Source
New Clock Source
System Clock
Both Oscillators Active
OSWEN
1 2 3 4 5 6 7 8 9 10
New Source
Enabled New Source
Stable
Old Source
Disabled
Note: The system clock can be any selected source – Primary, Secondary, FRC or LPRC.

dsPIC30F Family Reference Manual
DS70054D-page 7-36 © 2005 Microchip Technology Inc.
7.17.3 Clock Switching Tips
• If the destination clock source is a crystal oscillator, the clock switch time will be dominated
by the oscillator start-up time.
• If the new clock source does not start, or is not present, then the clock switching hardware
will simply wait for the 10 synchronization cycles to occur. The user can detect this situation
because the OSWEN bit (OSCCON<0>) remains set indefinitely.
• If the new clock source uses the PLL, a clock switch will not occur until lock has been
achieved. The user can detect a loss of PLL lock because the LOCK bit will be cleared and
the OSWEN bit is set.
• The user may wish to consider the settings of the POST<1:0> control bits (OSCCON<7:6>)
when executing a clock switch. Switching to a low frequency clock source, such as the LP
oscillator with a postscaler ratio greater than 1:1, will result in very slow device operation.
7.17.4 Aborting a Clock Switch
In the event the clock switch did not complete, the clock switch logic can be reset by clearing the
OSWEN bit. Clearing the OSWEN bit (OSCCON<0>) will:
1. Abandon the clock switch
2. Stop and reset the OST, if applicable
3. Stop the PLL, if applicable
A clock switch procedure can be aborted at any time.
7.17.5 Entering Sleep Mode During a Clock Switch
If the device enters Sleep mode during a clock switch operation, the clock switch operation is
aborted. The processor keeps the old clock selection and the OSWEN bit is cleared. The PWRSAV
instruction is then executed normally.
7.17.6 Recommended Code Sequence for Clock Switching
The following steps should be taken to change the oscillator source:
• Disable interrupts during the OSCCON register unlock and write sequence.
• Execute unlock sequence for OSCCON high byte.
• Write new oscillator source to NOSC control bits.
• Execute unlock sequence for OSCCON low byte.
• Set OSWEN bit.
• Continue to execute code that is not clock sensitive (optional).
• Invoke an appropriate amount of software delay (cycle counting) to allow for oscillator
and/or PLL start-up.
• Check to see if OSWEN is ‘0’. If it is, we are DONE SUCCESSFULLY.
• If OSWEN is still set, then check LOCK bit to determine cause of failure.
Note: The application should not attempt to switch to a clock of frequency lower than
100 kHz when the Fail-Safe Clock Monitor is enabled. If such clock switching is
performed, the device may generate an oscillator fail trap and switch to the Fast RC
oscillator.

© 2005 Microchip Technology Inc. DS70054D-page 7-37
Section 7. Oscillator
Oscillator
7
7.17.7 Clock Switch Code Examples
7.17.7.1 Starting a Clock Switch
The following code sequence shows how to unlock the OSCCON register and begin a clock
switch operation:
;Place the new oscillator selection in W0
;OSCCONH (high byte) Unlock Sequence
MOV #OSCCONH, w1
MOV #0x78, w2
MOV #0x9A, w3
MOV.B w2, [w1]
MOV.B w3, [w1]
;Set new oscillator selection
MOV.B WREG, OSCCONH
;OSCCONL (low byte) unlock sequence
MOV #OSCCONL, w1
MOV.B #0x01, w0
MOV #0x46, w2
MOV #0x57, w3
MOV.B w2, [w1]
MOV.B w3, [w1]
;Start oscillator switch operation
MOV.b w0, [w1]
7.17.7.2 Aborting a Clock Switch
The following code sequence would be used to ABORT an unsuccessful clock switch:
MOV OSCCON,W0 ; Read OSCCON into W0
BCLR W0, #OSWEN ; Clear bit 0 in W0
MOV #OSCCON,W1 ; pointer to OSCCON
MOV.B #0x46,W2 ; first unlock code
MOV.B #0x57,W3 ; second unlock code
MOV.B W2, [W1] ; write first unlock code
MOV.B W3, [W1] ; write second unlock code
MOV.B W0, [W1] ; ABORT the switch

dsPIC30F Family Reference Manual
DS70054D-page 7-38 © 2005 Microchip Technology Inc.
7.18 Design Tips
Question 1: When looking at the OSC2 pin after power-up with an oscilloscope, there is
no clock. What can cause this?
Answer:
1. Entering Sleep mode with no source for wake-up (such as, WDT, MCLR, or an interrupt).
Verify that the code does not put the device to Sleep without providing for wake-up. If it is
possible, try waking it up with a low pulse on MCLR. Powering up with MCLR held low will
also give the crystal oscillator more time to start-up, but the Program Counter will not
advance until the MCLR pin is high.
2. The wrong Clock mode is selected for the desired frequency. For a blank device, the
default oscillator is EC + 16x PLL. Most parts come with the clock selected in the Default
mode, which will not start oscillation with a crystal or resonator. Verify that the Clock mode
has been programmed correctly.
3. The proper power-up sequence has not been followed. If a CMOS part is powered through
an I/O pin prior to power-up, bad things can happen (latch-up, improper start-up, etc.). It
is also possible for brown-out conditions, noisy power lines at start-up, and slow VDD rise
times to cause problems. Try powering up the device with nothing connected to the I/O,
and power-up with a known, good, fast rise, power supply. Refer to the power-up
information in the device data sheet for considerations on brown-out and power-up
sequences.
4. The C1 and C2 capacitors attached to the crystal have not been connected properly or
are not the correct values. Make sure all connections are correct. The device data sheet
values for these components will usually get the oscillator running; however, they just
might not be the optimal values for your design.
Question 2: The device starts, but runs at a frequency much higher than the resonant
frequency of the crystal.
Answer: The gain is too high for this oscillator circuit. Refer to Section 7.6 “Crystal Oscilla-
tors/Ceramic Resonators” to aid in the selection of C2 (may need to be higher), Rs (may be
needed) and Clock mode (wrong mode may be selected). This is especially possible for low
frequency crystals, like the common 32.768 kHz.
Question 3: The design runs fine, but the frequency is slightly off. What can be done to
adjust this?
Answer: Changing the value of C1 has some effect on the oscillator frequency. If a SERIES
resonant crystal is used, it will resonate at a different frequency than a PARALLEL resonant
crystal of the same frequency call-out. Ensure that you are using a PARALLEL resonant crystal.
Question 4: The board works fine, then suddenly quits or loses time.
Answer: Other than the obvious software checks that should be done to investigate losing time,
it is possible that the amplitude of the oscillator output is not high enough to reliably trigger the
oscillator input. Look at the C1 and C2 values and ensure that the device Configuration bits are
correct for the desired oscillator mode.
Question 5: If I put an oscilloscope probe on an oscillator pin, I don’t see what I expect.
Why?
Answer: Remember that an oscilloscope probe has capacitance. Connecting the probe to the
oscillator circuitry will modify the oscillator characteristics. Consider using a low capacitance
(active) probe.

© 2005 Microchip Technology Inc. DS70054D-page 7-39
Section 7. Oscillator
Oscillator
7
7.19 Related Application Notes
This section lists application notes that are related to this section of the manual. These
application notes may not be written specifically for the dsPIC30F Product Family, but the
concepts are pertinent and could be used with modification and possible limitations. The current
application notes related to the Oscillator module are:
Title Application Note #
PICmicro® Microcontroller Oscillator Design Guide AN588
Low Power Design using PICmicro® Microcontrollers AN606
Crystal Oscillator Basics and Crystal Selection for rfPIC® and PICmicro® Devices AN826
Note: Please visit the Microchip web site (www.microchip.com) for additional Application
Notes and code examples for the dsPIC30F Family of devices.

dsPIC30F Family Reference Manual
DS70054D-page 7-40 © 2005 Microchip Technology Inc.
7.20 Revision History
Revision A
This is the initial released revision of this document.
Revision B
This revision incorporates technical content changes for the dsPIC30F Oscillator module.
Revision C
This revision incorporates all known errata at the time of this document update.
Revision D
This revision incorporates details on the three versions (VERSION 1, VERSION 2 and VERSION
3) of the Oscillator system implemented in dsPIC30F devices in the General Purpose, Sensor
and Motor Control families.

© 2004 Microchip Technology Inc. DS70055C-page 8-1
Reset
8
Section 8. Reset
HIGHLIGHTS
This section of the manual contains the following topics:
8.1 Introduction ....................................................................................................................8-2
8.2 Clock Source Selection at Reset ...................................................................................8-5
8.3 POR: Power-on Reset ................................................................................................... 8-5
8.4 External Reset (EXTR) ..................................................................................................8-7
8.5 Software Reset Instruction (SWR).................................................................................8-7
8.6 Watchdog Time-out Reset (WDTR) ............................................................................... 8-7
8.7 Brown-out Reset (BOR).................................................................................................8-8
8.8 Using the RCON Status Bits ........................................................................................ 8-10
8.9 Device Reset Times..................................................................................................... 8-11
8.10 Device Start-up Time Lines.......................................................................................... 8-13
8.11 Special Function Register Reset States....................................................................... 8-16
8.12 Design Tips ..................................................................................................................8-17
8.13 Related Application Notes............................................................................................8-18
8.14 Revision History...........................................................................................................8-19

dsPIC30F Family Reference Manual
DS70055C-page 8-2 © 2004 Microchip Technology Inc.
8.1 Introduction
The Reset module combines all Reset sources and controls the device Master Reset Signal,
SYSRST. The following is a list of device Reset sources:
• POR: Power-on Reset
• EXTR: Pin Reset (MCLR)
•SWR: RESET Instruction
• WDTR: Watchdog Timer Reset
• BOR: Brown-out Reset
• TRAPR: Trap Conflict Reset
• IOPR: Illegal Opcode Reset
• UWR: Uninitialized W Register Reset
A simplified block diagram of the Reset module is shown in Figure 8-1. Any active source of
Reset will make the SYSRST signal active. Many registers associated with the CPU and periph-
erals are forced to a known “Reset state”. Most registers are unaffected by a Reset; their status
is unknown on POR and unchanged by all other Resets.
All types of device Reset will set a corresponding status bit in the RCON register to indicate the
type of Reset (see Register 8-1). A POR will clear all bits except for the POR and BOR bits
(RCON<2:1>), which are set. The user may set or clear any bit at any time during code execution.
The RCON bits only serve as status bits. Setting a particular Reset status bit in software will not
cause a device Reset to occur.
The RCON register also has other bits associated with the Low Voltage Detect module,
Watchdog Timer, and device power saving states. The function of these bits is discussed in other
sections of this manual.
Figure 8-1: Reset System Block Diagram
Note: Refer to the specific peripheral or CPU section of this manual for register Reset
states.
MCLR
VDD
VDD Rise
Detect
POR
Sleep or Idle
Brown-out
Reset BOREN
RESET
Instruction
WDT
Module
Glitch Filter
BOR
Trap Conflict
Illegal Opcode
Uninitialized W Register
SYSRST

© 2004 Microchip Technology Inc. DS70055C-page 8-3
Section 8. Reset
Reset
8
Register 8-1: RCON: Reset Control Register
Upper Byte:
R/W-0 R/W-0 R-0 R/W-0 R/W-0 R/W-1 R/W-0 R/W-1
TRAPR IOPUWR BGST LVDEN LVDL<3:0>
bit 15 bit 8
Lower Byte:
R/W-0 R/W-0 R/W-0 R/W-0 R/W-0 R/W-0 R/W-1 R/W-1
EXTR SWR SWDTEN WDTO SLEEP IDLE BOR POR
bit 7 bit 0
bit 15 TRAPR: Trap Reset Flag bit
1 = A Trap Conflict Reset has occurred
0 = A Trap Conflict Reset has not occurred
bit 14 IOPUWR: Illegal Opcode or Uninitialized W Access Reset Flag bit
1 = An illegal opcode detection, an illegal Address mode, or uninitialized W register used as an address
pointer caused a Reset
0 = An illegal opcode or uninitialized W Reset has not occurred
bit 13 BGST: Bandgap Stable bit
1 = The bandgap has stabilized
0 = Bandgap is not stable and LVD interrupts should be disabled
bit 12 LVDEN: Low Voltage Detect Power Enable bit
1 = Enables LVD, powers up LVD circuit
0 = Disables LVD, powers down LVD circuit
bit 11-8 LVDL<3:0>: Low Voltage Detection Limit bits
Refer to Section 9. “Low Voltage Detect (LVD)” for further details.
bit 7 EXTR: External Reset (MCLR) Pin bit
1 = A Master Clear (pin) Reset has occurred
0 = A Master Clear (pin) Reset has not occurred
bit 6 SWR: Software RESET (Instruction) Flag bit
1 = A RESET instruction has been executed
0 = A RESET instruction has not been executed
bit 5 SWDTEN: Software Enable/Disable of WDT bit
1 = WDT is turned on
0 = WDT is turned off
Note: If FWDTEN fuse bit is ‘1’ (unprogrammed), the WDT is ALWAYS ENABLED, regardless of the
SWDTEN bit setting.
bit 4 WDTO: Watchdog Timer Time-out Flag bit
1 = WDT Time-out has occurred
0 = WDT Time-out has not occurred
bit 3 SLEEP: Wake From Sleep Flag bit
1 = Device has been in Sleep mode
0 = Device has not been in Sleep mode
bit 2 IDLE: Wake-up From Idle Flag bit
1 = Device was in Idle mode
0 = Device was not in Idle mode

dsPIC30F Family Reference Manual
DS70055C-page 8-4 © 2004 Microchip Technology Inc.
Register 8-1: RCON: Reset Control Register (Continued)
bit 1 BOR: Brown-out Reset Flag bit
1 = A Brown-out Reset has occurred. Note that BOR is also set after Power-on Reset.
0 = A Brown-out Reset has not occurred
bit 0 POR: Power-on Reset Flag bit
1 = A Power-up Reset has occurred
0 = A Power-up Reset has not occurred
Note: All of the Reset status bits may be set or cleared in software. Setting one of these bits in software
does not cause a device Reset.
Legend:
R = Readable bit W = Writable bit U = Unimplemented bit, read as ‘0’
-n = Value at POR ‘1’ = Bit is set ‘0’ = Bit is cleared x = Bit is unknown

© 2004 Microchip Technology Inc. DS70055C-page 8-5
Section 8. Reset
Reset
8
8.2 Clock Source Selection at Reset
If clock switching is enabled, the system clock source at device Reset is chosen as shown in
Table 8-1. If clock switching is disabled, the system clock source is always selected according to
the oscillator configuration fuses. Refer to Section 7. “Oscillator” for further details.
Table 8-1: Oscillator Selection vs. Type of Reset (Clock Switching Enabled)
8.3 POR: Power-on Reset
There are two threshold voltages associated with a Power-on Reset (POR). The first voltage is
the device threshold voltage, VPOR. The device threshold voltage is the voltage at which the
device logic circuits become operable. The second voltage associated with a POR event is the
POR circuit threshold voltage which is nominally 1.85V.
A power-on event will generate an internal Power-on Reset pulse when a VDD rise is detected.
The Reset pulse will be generated at VPOR. The device supply voltage characteristics must meet
specified starting voltage and rise rate requirements to generate the POR pulse. In particular,
VDD must fall below VPOR before a new POR is initiated. For more information on the VPOR and
the VDD rise rate specifications, please refer to the “Electrical Specifications” section of the
device data sheet.
The POR pulse will reset a POR timer and place the device in the Reset state. The POR also
selects the device clock source identified by the oscillator configuration bits.
After the Power-on Reset pulse is generated, the POR circuit inserts a small delay, TPOR, which
is nominally 10 μs and ensures that internal device bias circuits are stable. Furthermore, a user
selected Power-up Time-out (TPWRT) may be applied. The TPWRT parameter is based on device
configuration bits and can be 0 ms (no delay), 4 ms, 16 ms or 64 ms. The total delay time at
device power-up is TPOR + TPWRT. When these delays have expired, SYSRST will be released
on the next leading edge of the instruction cycle clock, and the PC will jump to the Reset vector.
The timing for the SYSRST signal is shown in Figure 8-2. A Power-on Reset is initialized when
VDD falls below a threshold voltage, VT. The POR delay time is inserted when VDD crosses the
POR circuit threshold voltage. Finally, the PWRT delay time, TPWRT, is inserted before SYSRST
is released.
The power-on event will set the POR and BOR status bits (RCON<1:0>).
Reset Type Clock Source Selected Based On
POR Oscillator Configuration Fuses
BOR Oscillator Configuration Fuses
EXTR COSC Control bits (OSCCON<13:12>)
WDTR COSC Control bits (OSCCON<13:12>)
SWR COSC Control bits (OSCCON<13:12>)

dsPIC30F Family Reference Manual
DS70055C-page 8-6 © 2004 Microchip Technology Inc.
Figure 8-2: POR Module Timing Diagram for Rising VDD
TPOR
VDDPOR Circuit
Time
Time
VPOR
POR Circuit Threshold Voltage
SYSRST
Time
TPWRT
Internal Power-on Reset pulse occurs at VPOR
and begins POR delay time, TPOR.
POR circuit is initialized at VPOR.
System Reset is released
after Power-up Timer
expires.
(0 ms, 4 ms, 16 ms or 64 ms)
Note: When the device exits the Reset condition (begins normal operation), the device
operating parameters (voltage, frequency, temperature, etc.) must be within their
operating ranges, otherwise the device will not function correctly. The user must
ensure that the delay between the time power is first applied and the time SYSRST
becomes inactive is long enough to get all operating parameters within
specification.

© 2004 Microchip Technology Inc. DS70055C-page 8-7
Section 8. Reset
Reset
8
8.3.1 Using the POR Circuit
To take advantage of the POR circuit, just tie the MCLR pin directly to VDD. This will eliminate
external RC components usually needed to create a Power-on Reset delay. A minimum rise time
for VDD is required. Refer to the “Electrical Specifications” section in the specific device data
sheet for further details.
Depending on the application, a resistor may be required between the MCLR pin and VDD. This
resistor can be used to decouple the MCLR pin from a noisy power supply rail. The resistor will
also be necessary if the device programming voltage, VPP, needs to be placed on the MCLR pin
while the device is installed in the application circuit. VPP is 13 volts for most devices.
Figure 8-3 shows a possible POR circuit for a slow power supply ramp up. The external
Power-on Reset circuit is only required if the device would exit Reset before the device VDD is in
the valid operating range. The diode, D, helps discharge the capacitor quickly when VDD powers
down.
Figure 8-3: External Power-on Reset Circuit (For Slow VDD Rise Time)
8.3.2 Power-up Timer (PWRT)
The PWRT provides an optional time delay (TPWRT) before SYSRST is released at a device POR
or BOR (Brown-out Reset). The PWRT time delay is provided in addition to the POR delay time
(TPOR). The PWRT time delay may be 0 ms, 4 ms, 16 ms or 64 ms nominal (see Figure 8-2).
The PWRT delay time is selected using the FPWRT<1:0> configuration fuses in the FBORPOR
Device Configuration register. Refer to Section 24. “Device Configuration” for further details.
8.4 External Reset (EXTR)
Whenever the MCLR pin is driven low, the device will asynchronously assert SYSRST, provided
the input pulse on MCLR is longer than a certain minimum width. (Refer to the “Electrical
Specifications” in the specific device data sheet for further details.) When the MCLR pin is
released, SYSRST will be released on the next instruction clock cycle, and the Reset vector fetch
will commence. The processor will maintain the existing clock source that was in use before the
EXTR occurred. The EXTR status bit (RCON<7>) will be set to indicate the MCLR Reset.
8.5 Software RESET Instruction (SWR)
Whenever the RESET instruction is executed, the device will assert SYSRST, placing the device
in a special Reset state. This Reset state will not re-initialize the clock. The clock source in effect
prior to the RESET instruction will remain. SYSRST will be released at the next instruction cycle,
and the Reset vector fetch will commence.
8.6 Watchdog Time-out Reset (WDTR)
Whenever a Watchdog time-out occurs, the device will asynchronously assert SYSRST. The
clock source will remain unchanged. Note that a WDT time-out during Sleep or Idle mode will
wake-up the processor, but NOT reset the processor. For more information, refer to Section
10. “Watchdog Timer and Power Saving Modes”.
Note 1: The value of R should be low enough so that the voltage drop across it does not violate
the VIH specification of the MCLR pin.
2: R1 will limit any current flowing into MCLR from external capacitor C in the event of
MCLR/VPP pin breakdown, due to Electrostatic Discharge (ESD) or Electrical Overstress
(EOS).
R1 MCLR
dsPIC30F
R
D
C
VDD VDD

dsPIC30F Family Reference Manual
DS70055C-page 8-8 © 2004 Microchip Technology Inc.
8.7 Brown-out Reset (BOR)
The BOR (Brown-out Reset) module is based on an internal voltage reference circuit. The main
purpose of the BOR module is to generate a device Reset when a brown-out condition occurs.
Brown-out conditions are generally caused by glitches on the AC mains (i.e., missing waveform
portions of the AC cycles due to bad power transmission lines), or voltage sags due to excessive
current draw when a large load is energized.
The BOR module allows selection of one of the following voltage trip points:
•V
BOR = 2.0V
•VBOR = 2.7V
•V
BOR = 4.2V
•VBOR = 4.5V
On a BOR, the device will select the system clock source based on the device configuration bit
values (FPR<3:0>, FOS<1:0>). The PWRT time-out (TPWRT), if enabled, will be applied before
SYSRST is released.
If a crystal oscillator source is selected, the Brown-out Reset will invoke the Oscillator Start-up
Timer (OST). The system clock is held until OST expires. If a system clock source is derived from
the PLL, then the clock will be held until the LOCK bit (OSCCON<5>) is set.
The BOR status bit (RCON<1>) will be set to indicate that a BOR has occurred.
The BOR circuit, if enabled, will continue to operate while in Sleep or Idle modes and will reset
the device should VDD fall below the BOR threshold voltage.
Refer to the “Electrical Specifications” section of the appropriate device data sheet for the BOR
electrical specifications.
Typical brown-out scenarios are shown in Figure 8-4. As shown, a PWRT delay (if enabled) will
be initiated each time VDD rises above the VBOR trip point.
Figure 8-4: Brown-out Situations
Note: The BOR voltage trip points indicated here are nominal values provided for design
guidance only. Refer to the “Electrical Specifications” in the specific device data
sheet for BOR voltage limit specifications.
VDD
SYSRST
VBOR
VDD
SYSRST
VBOR
VDD
SYSRST
VBOR
TPWRT
TPWRT
TPWRT
VDD dips before PWRT expires

© 2004 Microchip Technology Inc. DS70055C-page 8-9
Section 8. Reset
Reset
8
8.7.1 BOR Configuration
The BOR module is enabled/disabled and configured via device configuration fuses.
The BOR module is enabled by default and may be disabled (to reduce power consumption) by
programming the BOREN device configuration fuse to a ‘0’ (FBORPOR<7>). The BOREN
configuration fuse is located in the FBORPOR Device Configuration register. The BOR voltage
trip point (VBOR) is selected using the BORV<1:0> configuration fuses (FBOR<5:4>). Refer to
Section 24. “Device Configuration” for further details.
8.7.2 Current Consumption for BOR Operation
The BOR circuit relies on an internal voltage reference circuit that is shared with other peripheral
devices, such as the Low Voltage Detect module. The internal voltage reference will be active
whenever one of its associated peripherals is enabled. For this reason, the user may not observe
the expected change in current consumption when the BOR is disabled.
8.7.3 Illegal Opcode Reset
A device Reset will be generated if the device attempts to execute an illegal opcode value that
was fetched from program memory. The Illegal Opcode Reset function can prevent the device
from executing program memory sections that are used to store constant data. To take
advantage of the Illegal Opcode Reset, use only the lower 16 bits of each program memory
section to store the data values. The upper 8 bits should be programmed with 0x3F, which is an
illegal opcode value.
If a device Reset occurs as a result of an illegal opcode value, the IOPUWR status bit
(RCON<14>) will be set.
8.7.4 Uninitialized W Register Reset
The W register array (with the exception of W15) is cleared during all Resets and is considered
uninitialized until written to. An attempt to use an uninitialized register as an address pointer will
reset the device. Furthermore, the IOPUWR status bit (RCON<14>) will be set.
8.7.5 Trap Conflict Reset
A device Reset will occur whenever multiple hard trap sources become pending at the same
time. The TRAPR status bit (RCON<15>) will be set. Refer to Section 6. “Reset Interrupts” for
more information on Trap Conflict Resets.

dsPIC30F Family Reference Manual
DS70055C-page 8-10 © 2004 Microchip Technology Inc.
8.8 Using the RCON Status Bits
The user can read the RCON register after any device Reset to determine the cause of the
Reset.
Table 8-2 provides a summary of the Reset flag bit operation.
Table 8-2: Reset Flag Bit Operation
Note: The status bits in the RCON register should be cleared after they are read so that
the next RCON register value after a device Reset will be meaningful.
Flag Bit Set by: Cleared by:
TRAPR (RCON<15>) Trap conflict event POR
IOPWR (RCON<14>) Illegal opcode or uninitialized
W register access POR
EXTR (RCON<7>) MCLR Reset POR
SWR (RCON<6>) RESET instruction POR
WDTO (RCON<4>) WDT time-out PWRSAV instruction, POR
SLEEP (RCON<3>) PWRSAV #SLEEP instruction POR
IDLE (RCON<2>) PWRSAV #IDLE instruction POR
BOR (RCON<1>) POR, BOR
POR (RCON<0>) POR
Note: All RESET flag bits may be set or cleared by the user software.

© 2004 Microchip Technology Inc. DS70055C-page 8-11
Section 8. Reset
Reset
8
8.9 Device Reset Times
The Reset times for various types of device Reset are summarized in Table 8-3. Note that the
system Reset signal, SYSRST, is released after the POR delay time and PWRT delay times
expire.
The time that the device actually begins to execute code will also depend on the system oscillator
delays, which include the Oscillator Start-up Timer (OST) and the PLL lock time. The OST and
PLL lock times occur in parallel with the applicable SYSRST delay times.
The FSCM delay determines the time at which the FSCM begins to monitor the system clock
source after the SYSRST signal is released.
Table 8-3: Reset Delay Times for Various Device Resets
Reset Type Clock Source SYSRST Delay System Clock
Delay FSCM
Delay Notes
POR EC, EXTRC,
FRC, LPRC TPOR + TPWRT ——1, 2
EC + PLL TPOR + TPWRT TLOCK TFSCM 1, 2, 4, 5
XT, HS, XTL, LP TPOR + TPWRT TOST TFSCM 1, 2, 3, 5
XT + PLL TPOR + TPWRT TOST + TLOCK TFSCM 1, 2, 3, 4, 5
BOR EC, EXTRC,
FRC, LPRC TPWRT ——2
EC + PLL TPWRT TLOCK TFSCM 1, 2, 4, 5
XT, HS, XTL, LP TPWRT TOST TFSCM 1, 2, 3, 5
XT + PLL TPWRT TOST + TLOCK TFSCM 1, 2, 3, 4, 5
MCLR Any Clock — — —
WDT Any Clock — — —
Software Any clock — — —
Illegal Opcode Any Clock — — —
Uninitialized W Any Clock — — —
Trap Conflict Any Clock — — —
Note 1: TPOR = Power-on Reset delay (10 μs nominal).
2: TPWRT = Additional “power-up” delay as determined by the FPWRT<1:0>
configuration bits. This delay is 0 ms, 4 ms, 16 ms or 64 ms nominal.
3: TOST = Oscillator Start-up Timer. A 10-bit counter counts 1024 oscillator periods
before releasing the oscillator clock to the system.
4: TLOCK = PLL lock time (20 μs nominal).
5: TFSCM = Fail-Safe Clock Monitor delay (100 μs nominal).

dsPIC30F Family Reference Manual
DS70055C-page 8-12 © 2004 Microchip Technology Inc.
8.9.1 POR and Long Oscillator Start-up Times
The oscillator start-up circuitry and its associated delay timers is not linked to the device Reset
delays that occur at power-up. Some crystal circuits (especially low frequency crystals) will have
a relatively long start-up time. Therefore, one or more of the following conditions is possible after
SYSRST is released:
• The oscillator circuit has not begun to oscillate.
• The oscillator start-up timer has NOT expired (if a crystal oscillator is used).
• The PLL has not achieved a LOCK (if PLL is used).
The device will not begin to execute code until a valid clock source has been released to the
system. Therefore, the oscillator and PLL start-up delays must be considered when the Reset
delay time must be known.
8.9.2 Fail-Safe Clock Monitor (FSCM) and Device Resets
If the FSCM is enabled, it will begin to monitor the system clock source when SYSRST is
released. If a valid clock source is not available at this time, the device will automatically switch
to the FRC oscillator and the user can switch to the desired crystal oscillator in the Trap Service
Routine.
8.9.2.1 FSCM Delay for Crystal and PLL Clock Sources
When the system clock source is provided by a crystal oscillator and/or the PLL, a small delay,
TFSCM, will automatically be inserted after the POR and PWRT delay times. The FSCM will not
begin to monitor the system clock source until this delay expires. The FSCM delay time is
nominally 100 μs and provides additional time for the oscillator and/or PLL to stabilize. In most
cases, the FSCM delay will prevent an oscillator failure trap at a device Reset when the PWRT
is disabled.

© 2004 Microchip Technology Inc. DS70055C-page 8-13
Section 8. Reset
Reset
8
8.10 Device Start-up Time Lines
Figure 8-5 through Figure 8-8 show graphical time lines of the delays associated with device
Reset for several operating scenarios.
Figure 8-5 shows the delay time line when a crystal oscillator and PLL are used as the system
clock and the PWRT is disabled. The internal Power-on Reset pulse occurs at the VPOR
threshold. A small POR delay occurs after the internal Reset pulse. (The POR delay is always
inserted before device operation begins.)
The FSCM, if enabled, begins to monitor the system clock for activity when the FSCM delay
expires. Figure 8-5 shows that the oscillator and PLL delays expire before the Fail-Safe Clock
Monitor (FSCM) is enabled. However, it is possible that these delays may not expire until after
FSCM is enabled. In this case, the FSCM would detect a clock failure and a clock failure trap
will be generated. If the FSCM delay does not provide adequate time for the oscillator and PLL
to stabilize, the PWRT could be enabled to allow more delay time before device operation
begins and the FSCM starts to monitor the system clock.
Figure 8-5: Device Reset Delay, Crystal + PLL Clock Source, PWRT Disabled
POR Circuit Threshold Voltage
SYSRST
Oscillator
Internal Power-on Reset Pulse
TPOR
TFSCM
TOST TLOCK
VDD
Oscillator released to system, device operation
POR
System Reset released.
Note 1: Delay times shown are not drawn to scale.
2: FSCM, if enabled, monitors system clock at expiration of TPOR + TFSCM.
3: TLOCK not inserted when PLL is disabled.
FSCM
FSCM enabled.
begins.
OSC Delay
System OSC

dsPIC30F Family Reference Manual
DS70055C-page 8-14 © 2004 Microchip Technology Inc.
The Reset time line shown in Figure 8-6 is similar to that shown in Figure 8-5, except that the
PWRT has been enabled to increase the amount of delay time before SYSRST is released.
The FSCM, if enabled, will begin to monitor the system clock after TFSCM expires. Note that the
additional PWRT delay time added to TFSCM provides ample time for the system clock source to
stabilize in most cases.
Figure 8-6: Device Reset Delay, Crystal + PLL Clock Source, PWRT Enabled
POR Circuit Threshold Voltage
SYSRST
Internal Power-on Reset Pulse
TPOR TPWRT
TOST TLOCK
VDD
Oscillator released to system.
POR
Note 1: Delay times shown are not drawn to scale.
2: FSCM, if enabled, monitors system clock at expiration of TPOR + TPWRT + TFSCM.
3: TLOCK not inserted when PLL is is disabled.
TFSCM short
compared to
TPWRT.
FSCM
Device operation
begins.
OSC Delay
TFSCM

© 2004 Microchip Technology Inc. DS70055C-page 8-15
Section 8. Reset
Reset
8
The Reset time line in Figure 8-7 shows an example when an EC + PLL clock source is used as
the system clock and the PWRT is enabled. This example is similar to the one shown in
Figure 8-6, except that the oscillator start-up timer delay, TOST, does not occur.
Figure 8-7: Device Reset Delay, EC + PLL Clock, PWRT Enabled
POR Circuit Threshold Voltage
SYSRST
Internal Power-on Reset Pulse
TPOR TPWRT
TLOCK
VDD
POR
Note 1: Delay times shown are not drawn to scale.
2: FSCM, if enabled, monitors system clock at expiration of TPOR + TPWRT + TFSCM.
3: TLOCK not inserted when PLL is is disabled.
TFSCM short
compared to
TPWRT.
FSCM
Device operation
begins.
OSC Delay
TFSCM
Oscillator released to system.

dsPIC30F Family Reference Manual
DS70055C-page 8-16 © 2004 Microchip Technology Inc.
The Reset time line shown in Figure 8-8 shows an example where an EC without PLL, or RC
system clock source is selected and the PWRT is disabled. Note that this configuration provides
minimal Reset delays. The POR delay is the only delay time that occurs before device operation
begins. No FSCM delay will occur if the FSCM is enabled, because the system clock source is
not derived from a crystal oscillator or the PLL.
Figure 8-8: Device Reset Delay, EC or RC Clock, PWRT Disabled
8.11 Special Function Register Reset States
Most of the special function registers (SFRs) associated with the dsPIC30F CPU and peripherals
are reset to a particular value at a device Reset. The SFRs are grouped by their peripheral or
CPU function and their Reset values are specified in each section of this manual.
The Reset value for each SFR does not depend on the type of Reset, with the exception of two
registers. The Reset value for the Reset Control register, RCON, will depend on the type of
device Reset. The Reset value for the Oscillator Control register, OSCCON, will depend on the
type of Reset and the programmed values of the oscillator configuration bits in the FOSC Device
Configuration register (see Table 8-1).
POR Circuit Threshold Voltage
SYSRST
Internal Power-on Reset Pulse
TPOR
VDD
Oscillator released to system.
POR
System Reset released.
Note 1: Delay times shown are not drawn to scale.
2: If enabled, FSCM will begin to monitor system clock at expiration of TPOR.
FSCM
OSC Delay

© 2004 Microchip Technology Inc. DS70055C-page 8-17
Section 8. Reset
Reset
8
8.12 Design Tips
Question 1: How do I use the RCON register?
Answer: The initialization code after a Reset should examine RCON and confirm the source of
the Reset. In certain applications, this information can be used to take appropriate action to cor-
rect the problem that caused the Reset to occur. All Reset status bits in the RCON register should
be cleared after reading them to ensure the RCON value will provide meaningful results after the
next device Reset.
Question 2: How should I use BOR in a battery operated application?
Answer: The BOR feature is not designed to operate as a low battery detect, and should be
disabled in battery operated systems (to save current). The Low Voltage Detect peripheral can
be used to detect when the battery has reached its end of life voltage.
Question 3: The BOR module does not have the programmable trip points that my
application needs. How can I work around this?
Answer: There are some applications where the device’s programmable BOR trip point levels
may still not be at the desired level for the application. Figure 8-9 shows a possible circuit for
external brown-out protection, using the MCP100 system supervisor.
Figure 8-9: External Brown-out Protection Using the MCP100
Question 4: I initialized a W register with a 16-bit address, but the device appears to
reset when I attempt to use the register as an address.
Answer: Because all data addresses are 16 bit values, the uninitialized W register logic only
recognizes that a register has been initialized correctly if it was subjected to a word load. Two
byte moves to a W register, even if successive, will not work, resulting in a device Reset if the W
register is used as an address pointer in an operation.
VSS RST
MCP100
VDD
dsPIC30F
VDD
MCLR

dsPIC30F Family Reference Manual
DS70055C-page 8-18 © 2004 Microchip Technology Inc.
8.13 Related Application Notes
This section lists application notes that are related to this section of the manual. These
application notes may not be written specifically for the dsPIC30F Product Family, but the
concepts are pertinent and could be used with modification and possible limitations. The current
application notes related to the Reset module are:
Title Application Note #
Power-up Trouble Shooting AN607
Power-up Considerations AN522
Note: Please visit the Microchip web site (www.microchip.com) for additional Application
Notes and code examples for the dsPIC30F Family of devices.

© 2004 Microchip Technology Inc. DS70055C-page 8-19
Section 8. Reset
Reset
8
8.14 Revision History
Revision A
This is the initial released revision of this document.
Revision B
There were no technical content or editorial revisions to this section of the manual, however, this
section was updated to reflect Revision B throughout the manual.
Revision C
There were no technical content revisions to this section of the manual, however, this section was
updated to reflect Revision C throughout the manual.

dsPIC30F Family Reference Manual
DS70055C-page 8-20 © 2004 Microchip Technology Inc.
NOTES:

© 2004 Microchip Technology Inc. DS70056C-page 9-1
L
o
w
V
o
l
t
a
g
e
Detect (LVD)
9
Section 9. Low Voltage Detect (LVD)
HIGHLIGHTS
This section of the manual contains the following topics:
9.1 Introduction ....................................................................................................................9-2
9.2 LVD Operation ...............................................................................................................9-5
9.3 Design Tips .................................................................................................................... 9-6
9.4 Related Application Notes..............................................................................................9-7
9.5 Revision History.............................................................................................................9-8

dsPIC30F Family Reference Manual
DS70056C-page 9-2 © 2004 Microchip Technology Inc.
9.1 Introduction
The LVD module is applicable to battery operated applications. As the battery drains its energy,
the battery voltage slowly drops. The battery source impedance also increases as it loses energy.
The LVD module is used to detect when the battery voltage (and therefore, the VDD of the device)
drops below a threshold, which is considered near the end of battery life for the application. This
allows the application to gracefully shutdown its operation.
The LVD module uses an internal reference voltage for comparison. The threshold voltage, VLVD,
is programmable during run-time.
Figure 9-1 shows a possible application battery voltage curve. Over time, the device voltage
decreases. When the device voltage equals voltage VLVD, the LVD logic generates an interrupt.
This occurs at time TA. The application software then has until the device voltage is no longer in
valid operating range to shutdown the system. Voltage point VB is the minimum valid operating
voltage specification. This gives a time TB. The total time for shutdown is TB – TA.
Figure 9-1: Typical Low Voltage Detect Application
Time
Voltage
VLVD
VMIN
TA
VLVD = LVD trip point
VMIN = Minimum valid device operating voltage
Legend:
TB

© 2004 Microchip Technology Inc. DS70056C-page 9-3
Section 9. Low Voltage Detect
L
o
w
V
o
l
t
a
g
e
Detect (LVD)
9
Figure 9-2 shows the block diagram for the LVD module. A comparator uses an internally
generated reference voltage as the set point. When the selected tap output of the device voltage
is lower than the reference voltage, the LVDIF bit (IFS2<10>) is set.
Each node in the resistor divider represents a “trip point” voltage. This voltage is software
programmable to any one of 16 values.
Figure 9-2: Low Voltage Detect (LVD) Block Diagram
9.1.1 LVD Control Bits
The LVD module control bits are located in the RCON register.
The LVDEN bit (RCON<12>) enables the Low Voltage Detect module. The LVD module is
enabled when LVDEN = 1. If power consumption is important, the LVDEN bit can be cleared for
maximum power savings.
9.1.1.1 LVD Trip Point Selection
The LVDL<3:0> bits (RCON<11:8>) will choose the LVD trip point. There are 15 trip point options
that may be selected from the internal voltage divider connected to VDD. If none of the trip point
options are suitable for the application, there is one option that allows the LVD sample voltage to
be applied externally on the LVDIN pin. (Refer to the specific device data sheet for the pin
location.) The nominal trip point voltage for the external LVD input is 1.24 volts. The LVD external
input option requires that the user select values for an external voltage divider circuit that will
generate a LVD interrupt at the desired VDD.
9.1.2 Internal Voltage Reference
The LVD uses an internal bandgap voltage reference circuit that requires a nominal amount of
time to stabilize. Refer to the “Electrical Specifications” in the specific device data sheet for
details. The BGST status bit (RCON<13>) indicates when the bandgap voltage reference has
stabilized. The user should poll the BGST status bit in software after the LVD module is enabled.
At the end of the stabilization time, the LVDIF bit (IFS2<10>) should be cleared. Refer to the LVD
module setup procedure in Section 9.2 “LVD Operation”.
The bandgap voltage reference circuit can also be used by other peripherals on the device so it
may already be active (and stabilized) prior to enabling the LVD module.
VDD
LVDIF
16 to 1 MUX
LVDEN Internally Generated
Reference Voltage
LVDIN LVDL<3:0>
External LVD Input pin
4

dsPIC30F Family Reference Manual
DS70056C-page 9-4 © 2004 Microchip Technology Inc.
Register 9-1: RCON: Reset Control Register
Upper Byte:
R/W-0 R/W-0 R-0 R/W-0 R/W-0 R/W-1 R/W-0 R/W-1
TRAPR IOPUWR BGST LVDEN LVDL<3:0>
bit 15 bit 8
Lower Byte:
R/W-0 R/W-0 R/W-0 R/W-0 R/W-0 R/W-0 R/W-1 R/W-1
EXTR SWR SWDTEN WDTO SLEEP IDLE BOR POR
bit 7 bit 0
bit 13 BGST: Bandgap Stable bit
1 = The bandgap has stabilized
0 = Bandgap is not stable and LVD interrupts should be disabled
bit 12 LVDEN: Low Voltage Detect Power Enable bit
1 = Enables LVD, powers up LVD circuit
0 = Disables LVD, powers down LVD circuit
bit 11-8 LVDL<3:0>: Low Voltage Detection Limit bits
1111 = Input to LVD is the LVDIN pin (1.24V threshold, nominal)
1110 = 4.6V
1101 = 4.3V
1100 = 4.1V
1011 = 3.9V
1010 = 3.7V
1001 = 3.6V
1000 = 3.4V
0111 = 3.1V
0110 = 2.9V
0101 = 2.8V (default value at Reset)
0100 = 2.6V
0011 = 2.5V
0010 = 2.3V
0001 = 2.1V
0000 = 1.9V
Note: The voltage threshold values shown here are provided for design guidance only. Refer to the
“Electrical Specifications” in the device data sheet for further details.
Legend:
R = Readable bit W = Writable bit U = Unimplemented bit, read as ‘0’
-n = Value at POR ‘1’ = Bit is set ‘0’ = Bit is cleared x = Bit is unknown
Note: See Section 8. “Reset” for a description of other bits in the RCON register.

© 2004 Microchip Technology Inc. DS70056C-page 9-5
Section 9. Low Voltage Detect
L
o
w
V
o
l
t
a
g
e
Detect (LVD)
9
9.2 LVD Operation
The LVD module adds robustness to the application because the device can monitor the state of
the device voltage. When the device voltage enters a voltage window near the lower limit of the
valid operating voltage range, the device can save values to ensure a “clean” shutdown.
Depending on the power source for the device, the supply voltage may decrease relatively
slowly. This means that the LVD module does not need to be constantly operating. To decrease
the current requirements, the LVD circuitry only needs to be enabled for short periods where the
voltage is checked. After doing the check, the LVD module may be disabled.
9.2.1 LVD Initialization Steps
The following steps are required to setup the LVD module:
1. If the external LVD input pin is used (LVDIN), ensure that all other peripherals multiplexed
on the pin are disabled and the pin is configured as an input by setting the appropriate bit
in the TRISx registers.
2. Write the desired value to the LVDL control bits (RCON<11:8>), which selects the desired
LVD threshold voltage.
3. Ensure that LVD interrupts are disabled by clearing the LVDIE bit (IEC2<10>).
4. Enable the LVD module by setting the LVDEN bit (RCON<12>).
5. Wait for the internal voltage reference to become stable by polling the BGST status bit
(RCON<13>), if required (see Section 9.1.2 “Internal Voltage Reference”).
6. Ensure that the LVDIF bit (IFS2<10>) is cleared before interrupts are enabled. If LVDIF is
set, the device VDD may be below the chosen LVD threshold voltage.
7. Set LVD interrupts to the desired CPU priority level by writing the LVDIP<2:0> control bits
(IPC10<10:8>).
8. Enable LVD interrupts by setting the LVDIE control bit.
Once the VDD has fallen below the programmed LVD threshold, the LVDIF bit will remain set.
When the LVD module has interrupted the CPU, one of two actions may be taken in the ISR:
1. Clear the LVDIE control bit to disable further LVD module interrupts and take the
appropriate shutdown procedures.
or
2. Decrease the LVD voltage threshold using the LVDL control bits and clear the LDVIF
status bit. This technique can be used to track a gradually decreasing battery voltage.
9.2.2 Current Consumption for LVD Operation
The LVD circuit relies on an internal voltage reference circuit that is shared with other peripheral
devices, such as the Brown-out Reset (BOR) module. The internal voltage reference will be
active whenever one of its associated peripherals is enabled. For this reason, the user may not
observe the expected change in current consumption when the LVD module is disabled.
9.2.3 Operation in Sleep and Idle Mode
When enabled, the LVD circuitry continues to operate during Sleep or Idle modes. If the device
voltage crosses the trip point, the LVDIF bit will be set.
The criteria for exiting from Sleep or Idle modes are as follows:
• If the LVDIE bit (IEC2<10>) is set, the device will wake from Sleep or Idle mode.
• If the assigned priority for the LVD interrupt is less than or equal to the current CPU priority,
the device will wake-up and continue code execution from the instruction following the
PWRSAV instruction that initiated the Sleep or Idle mode.
• If the assigned priority level for the LVD interrupt is greater than the current CPU priority,
the device will wake-up and the CPU exception process will begin. Code execution will
continue from the first instruction of the LVD ISR.
Note: The system design should ensure that the application software is given adequate
time to save values before the device exits the valid operating range, or is forced
into a Brown-out Reset.

dsPIC30F Family Reference Manual
DS70056C-page 9-6 © 2004 Microchip Technology Inc.
9.3 Design Tips
Question 1: The LVD circuitry seems to be generating random interrupts?
Answer: Ensure that the internal voltage reference is stable before enabling the LVD interrupt.
This is done by polling the BGST status bit (RCON<13>) after the LVD module is enabled. After
this time delay, the LVDIF bit should be cleared and then, the LVDIE bit may be set.
Question 2: How can I reduce the current consumption of the module?
Answer: Low Voltage Detect is used to monitor the device voltage. The power source is normally
a battery that ramps down slowly. This means that the LVD circuity can be disabled for most of
the time, and only enabled occasionally to do the device voltage check.
Question 3: Should I enable the BOR circuit for a battery powered application?
Answer: The BOR circuit is intended to protect the device from improper operation due to power
supply fluctuations caused by the AC line voltage. The BOR is typically not required for battery
applications and can be disabled for lower current consumption.

© 2004 Microchip Technology Inc. DS70056C-page 9-7
Section 9. Low Voltage Detect
L
o
w
V
o
l
t
a
g
e
Detect (LVD)
9
9.4 Related Application Notes
This section lists application notes that are related to this section of the manual. These
application notes may not be written specifically for the dsPIC30F Product Family, but the
concepts are pertinent and could be used with modification and possible limitations. The current
application notes related to the Low Voltage Detect module are:
Title Application Note #
No related application notes at this time.
Note: Please visit the Microchip web site (www.microchip.com) for additional Application
Notes and code examples for the dsPIC30F Family of devices.

dsPIC30F Family Reference Manual
DS70056C-page 9-8 © 2004 Microchip Technology Inc.
9.5 Revision History
Revision A
This is the initial released revision of this document.
Revision B
There were no technical content or editorial revisions to this section of the manual, however, this
section was updated to reflect Revision B throughout the manual.
Revision C
There were no technical content revisions to this section of the manual, however, this section was
updated to reflect Revision C throughout the manual.

© 2005 Microchip Technology Inc. DS70057D-page 10-1
W
D
T
a
n
d
P
o
w
e
r
Saving Modes
10
Section 10. Watchdog Timer and Power Saving Modes
HIGHLIGHTS
This section of the manual contains the following topics:
10.1 Introduction .................................................................................................................. 10-2
10.2 Power Saving Modes...................................................................................................10-2
10.3 Sleep Mode..................................................................................................................10-2
10.4 Idle Mode .....................................................................................................................10-4
10.5 Interrupts Coincident with Power Save Instructions.....................................................10-5
10.6 Watchdog Timer...........................................................................................................10-6
10.7 Peripheral Module Disable (PMD) Registers ...............................................................10-9
10.8 Design Tips ................................................................................................................ 10-10
10.9 Related Application Notes.......................................................................................... 10-11
10.10 Revision History......................................................................................................... 10-12

dsPIC30F Family Reference Manual
DS70057D-page 10-2 © 2005 Microchip Technology Inc.
10.1 Introduction
This section addresses the Watchdog Timer (WDT) and Power Saving modes of the dsPIC30F
device family. The dsPIC DSC devices have two reduced Power modes that can be entered
through execution of the PWRSAV instruction:
• Sleep Mode: The CPU, system clock source, and any peripherals that operate on the
system clock source are disabled. This is the lowest Power mode for the device.
• Idle Mode: The CPU is disabled, but the system clock source continues to operate.
Peripherals continue to operate, but can optionally be disabled.
The WDT, when enabled, operates from the internal LPRC clock source and can be used to
detect system software malfunctions by resetting the device if the WDT has not been cleared in
software. Various WDT time-out periods can be selected using the WDT postscaler. The WDT
can also be used to wake the device from Sleep or Idle mode.
10.2 Power Saving Modes
The dsPIC30F device family has two special Power Saving modes, Sleep mode and Idle mode,
that can be entered through the execution of a special PWRSAV instruction.
The assembly syntax of the PWRSAV instruction is as follows:
PWRSAV #SLEEP_MODE ; Put the device into SLEEP mode
PWRSAV #IDLE_MODE ; Put the device into IDLE mode
The Power Saving modes can be exited as a result of an enabled interrupt, WDT time-out, or a
device Reset. When the device exits one of these two Operating modes, it is said to ‘wake-up’.
The characteristics of the Power Saving modes are described in subsequent sections.
10.3 Sleep Mode
The characteristics of Sleep mode are as follows:
• The system clock source is shutdown. If an on-chip oscillator is used, it is turned off.
• The device current consumption will be at a minimum provided that no I/O pin is sourcing
current.
• The Fail-Safe Clock Monitor (FSCM) does not operate during Sleep mode since the system
clock source is disabled.
• The LPRC clock will continue to run in Sleep mode if the WDT is enabled.
• The Low Voltage Detect circuit, if enabled, remains operative during Sleep mode.
• The BOR circuit, if enabled, remains operative during Sleep mode.
• The WDT, if enabled, is automatically cleared prior to entering Sleep mode.
• Some peripherals may continue to operate in Sleep mode. These peripherals include I/O
pins that detect a change in the input signal, or peripherals that use an external clock input.
Any peripheral that is operating on the system clock source will be disabled in Sleep mode.
The processor will exit, or ‘wake-up’, from Sleep on one of the following events:
• On any interrupt source that is individually enabled
• On any form of device Reset
• On a WDT time-out
10.3.1 Clock Selection on Wake-up from Sleep
The processor will restart the same clock source that was active when Sleep mode was entered.
Note: SLEEP_MODE and IDLE_MODE are constants defined in the assembler include
file for the selected device.

© 2005 Microchip Technology Inc. DS70057D-page 10-3
Section 10. WDT and Power Saving Modes
W
D
T
a
n
d
P
o
w
e
r
Saving Modes
10
10.3.2 Delay on Wake-up from Sleep
The power-up and oscillator start-up delays associated with waking up from Sleep mode are
shown in Table 10-1. In all cases, the POR delay time (TPOR = 10 μs nominal) is applied to allow
internal device circuits to stabilize before the internal system Reset signal, SYSRST, is released.
Table 10-1: Delay Times for Exit from Sleep Mode
10.3.3 Wake-up from Sleep Mode with Crystal Oscillator or PLL
If the system clock source is derived from a crystal oscillator and/or the PLL, then the Oscillator
Start-up Timer (OST) and/or PLL lock times must be applied before the system clock source is
made available to the device. As an exception to this rule, no oscillator delays are necessary if
the system clock source is the LP oscillator and it was running while in Sleep mode. Note that in
spite of various delays applied, the crystal oscillator (and PLL) may not be up and running at the
end of the POR delay.
10.3.4 FSCM Delay and Sleep Mode
If the following conditions are true, a nominal 100 μs delay (TFSCM) will be applied after the POR
delay expires when waking from Sleep mode:
• The oscillator was shutdown while in Sleep mode.
• The system clock is derived from a crystal oscillator source and/or the PLL.
The FSCM delay provides time for the OST to expire and the PLL to stabilize before device
execution resumes in most cases. If the FSCM is enabled, it will begin to monitor the system
clock source after the FSCM delay expires.
10.3.5 Slow Oscillator Start-up
The OST and PLL lock times may not have expired when the power-up delays have expired.
If the FSCM is enabled, then the device will detect this condition as a clock failure and a clock
fail trap will occur. The device will switch to the FRC oscillator and the user can re-enable the
crystal oscillator source in the clock failure Trap Service Routine.
If FSCM is NOT enabled, then the device will simply not start executing code until the clock is
stable. From the user’s perspective, the device will appear to be in Sleep until the oscillator clock
has started.
Clock Source SYSRST
Delay Oscillator
Delay FSCM Delay Notes
EC, EXTRC TPOR ——1
EC + PLL TPOR TLOCK TFSCM 1, 3, 4
XT + PLL TPOR TOST + TLOCK TFSCM 1, 2, 3, 4
XT, HS, XTL TPOR TOST TFSCM 1, 2, 4
LP (OFF during Sleep) TPOR TOST TFSCM 1, 2, 4
LP (ON during Sleep) TPOR ——1
FRC, LPRC TPOR ——1
Note 1: TPOR = Power-on Reset delay (10 μs nominal).
2: TOST = Oscillator Start-up Timer. A 10-bit counter counts 1024 oscillator periods
before releasing the oscillator clock to the system.
3: TLOCK = PLL lock time (20 μs nominal).
4: TFSCM = Fail-Safe Clock Monitor delay (100 μs nominal).
Note: Please refer to the “Electrical Specifications” section of the dsPIC30F device data
sheet for TPOR, TFSCM and TLOCK specification values.

dsPIC30F Family Reference Manual
DS70057D-page 10-4 © 2005 Microchip Technology Inc.
10.3.6 Wake-up from Sleep on Interrupt
User interrupt sources that are assigned to CPU priority level 0 cannot wake the CPU from Sleep
mode, because the interrupt source is effectively disabled. To use an interrupt as a wake-up
source, the CPU priority level for the interrupt must be assigned to CPU priority level 1 or greater.
Any source of interrupt that is individually enabled, using its corresponding IE control bit in the
IECx registers, can wake-up the processor from Sleep mode. When the device wakes from Sleep
mode, one of two actions may occur:
• If the assigned priority for the interrupt is less than or equal to the current CPU priority, the
device will wake-up and continue code execution from the instruction following the PWRSAV
instruction that initiated Sleep mode.
• If the assigned priority level for the interrupt source is greater than the current CPU priority,
the device will wake-up and the CPU exception process will begin. Code execution will
continue from the first instruction of the ISR.
The Sleep status bit (RCON<3>) is set upon wake-up.
10.3.7 Wake-up from Sleep on Reset
All sources of device Reset will wake the processor from Sleep mode. Any source of Reset (other
than a POR) that wakes the processor will set the Sleep status bit (RCON<3>) to indicate that
the device was previously in Sleep mode.
On a Power-on Reset, the Sleep bit is cleared.
10.3.8 Wake-up from Sleep on Watchdog Time-out
If the Watchdog Timer (WDT) is enabled and expires while the device is in Sleep mode, the
processor will wake-up. The Sleep and WDTO status bits (RCON<3>, RCON<4>) are both set
to indicate that the device resumed operation due to the WDT expiration. Note that this event
does not reset the device. Operation continues from the instruction following the PWRSAV
instruction that initiated Sleep mode.
10.4 Idle Mode
User interrupt sources that are assigned to CPU priority level 0 cannot wake the CPU from Idle
mode, because the interrupt source is effectively disabled. To use an interrupt as a wake-up
source, the CPU priority level for the interrupt must be assigned to CPU priority level 1 or greater.
When the device enters Idle mode, the following events occur:
• The CPU will stop executing instructions.
• The WDT is automatically cleared.
• The system clock source will remain active and peripheral modules, by default, will
continue to operate normally from the system clock source. Peripherals can optionally be
shutdown in Idle mode using their ‘stop-in-idle’ control bit. (See peripheral descriptions for
further details.)
• If the WDT or FSCM is enabled, the LPRC will also remain active.
The processor will wake from Idle mode on the following events:
• On any interrupt that is individually enabled.
• On any source of device Reset.
• On a WDT time-out.
Upon wake-up from Idle, the clock is re-applied to the CPU and instruction execution begins
immediately starting with the instruction following the PWRSAV instruction, or the first instruction
in the ISR.

© 2005 Microchip Technology Inc. DS70057D-page 10-5
Section 10. WDT and Power Saving Modes
W
D
T
a
n
d
P
o
w
e
r
Saving Modes
10
10.4.1 Wake-up from Idle on Interrupt
Any source of interrupt that is individually enabled using the corresponding IE control bit in the
IECx register and exceeds the current CPU priority level, will be able to wake-up the processor
from Idle mode. When the device wakes from Idle mode, one of two options may occur:
• If the assigned priority for the interrupt is less than or equal to the current CPU priority, the
device will wake-up and continue code execution from the instruction following the PWRSAV
instruction that initiated Idle mode.
• If the assigned priority level for the interrupt source is greater than the current CPU priority,
the device will wake-up and the CPU exception process will begin. Code execution will
continue from the first instruction of the ISR.
The Idle status bit (RCON<2>) is set upon wake-up.
10.4.2 Wake-up from Idle on Reset
Any Reset, other than a POR, will wake the CPU from Idle mode. On any device Reset, except
a POR, the Idle status bit is set (RCON<2>) to indicate that the device was previously in Idle
mode. In a Power-on Reset, the Idle bit is cleared.
10.4.3 Wake-up from Idle on WDT Time-out
If the WDT is enabled, then the processor will wake from Idle mode on a WDT time-out and
continue code execution with the instruction following the PWRSAV instruction that initiated Idle
mode. Note that the WDT time-out does not reset the device in this case. The WDTO and Idle
status bits (RCON<4>, RCON<2>) will both be set.
10.4.4 Time Delays on Wake from Idle Mode
Unlike a wake-up from Sleep mode, there are no time delays associated with wake-up from Idle
mode. The system clock is running during Idle mode, therefore, no start-up times are required at
wake-up.
10.5 Interrupts Coincident with Power Save Instructions
Any interrupt that coincides with the execution of a PWRSAV instruction will be held off until entry
into Sleep or Idle mode has completed. The device will then wake-up from Sleep or Idle mode.

dsPIC30F Family Reference Manual
DS70057D-page 10-6 © 2005 Microchip Technology Inc.
10.6 Watchdog Timer
The primary function of the Watchdog Timer (WDT) is to reset the processor in the event of a
software malfunction. The WDT is a free running timer, which runs on the internal LPRC oscillator
requiring no external components. Therefore, the WDT timer will continue to operate even if the
system clock source (e.g., the crystal oscillator) fails. A block diagram of the WDT is shown in
Figure 10-1.
Figure 10-1: WDT Block Diagram
10.6.1 Enabling and Disabling the WDT
The WDT is enabled or disabled by the FWDTEN device configuration bit in the FWDT Device
Configuration register. The FWDT Configuration register values are written during device
programming. When the FWDTEN configuration bit is set, the WDT is enabled. This is the default
value for an erased device. Refer to Section 24. “Device Configuration” for further details on
the FWDT Device Configuration register.
10.6.1.1 Software Controlled WDT
If the FWDTEN device configuration bit is set, then the WDT is always enabled. However, the
WDT can be optionally controlled in the user software when the FWDTEN configuration bit has
been programmed to ‘0’.
The WDT is enabled in software by setting the SWDTEN control bit (RCON<5>). The SWDTEN
control bit is cleared on any device Reset. The software WDT option allows the user to enable
the WDT for critical code segments and disable the WDT during non-critical segments for
maximum power savings.
LPRC
WDT Overflow
Wake-up
Reset
WDT
8-bit Watchdog Timer
512 kHz 4Programmable Prescaler A
1:1, 1:8, 1:64, 1:512
Programmable Prescaler B
1:1, 1:2, 1:3, … 1:15, 1:16
FWC = 128 kHz
Enable WDT
FWPSB3
FWPSB2
FWPSB1
FWPSB0
FWPSA1
FWPSA0
SWDTEN
FWDTEN
2
4
from Sleep
Reset
All Device Resets
Sleep or Idle State
LPRC
CLRWDT Instr.
PWRSAV Instr.
Control
Oscillator

© 2005 Microchip Technology Inc. DS70057D-page 10-7
Section 10. WDT and Power Saving Modes
W
D
T
a
n
d
P
o
w
e
r
Saving Modes
10
10.6.2 WDT Operation
If enabled, the WDT will increment until it overflows or “times out”. A WDT time-out will force a
device Reset, except during Sleep or Idle modes. To prevent a WDT Time-out Reset, the user
must periodically clear the Watchdog Timer using the CLRWDT instruction. The CLRWDT
instruction also clears the WDT prescalers.
If the WDT times out during Sleep or Idle modes, the device will wake-up and continue code
execution from where the PWRSAV instruction was executed.
In either case, the WDTO bit (RCON<4>) will be set to indicate that the device Reset or wake-up
event was due to a WDT time-out. If the WDT wakes the CPU from Sleep or Idle mode, the Sleep
status bit (RCON<3>), or Idle status bit (RCON<2>) will also be set to indicate that the device
was previously in a Power Saving mode.
10.6.3 WDT Timer Period Selection
The WDT clock source is the internal LPRC oscillator, which has a nominal frequency of 512 kHz.
The LPRC clock is further divided by 4 to provide a 128 kHz clock to the WDT. The counter for
the WDT is 8-bits wide, so the nominal time-out period for the WDT (TWDT) is 2 milliseconds.
10.6.3.1 WDT Prescalers
The WDT has two clock prescalers, Prescaler A and Prescaler B, to allow a wide variety of
time-out periods. Prescaler A can be configured for 1:1, 1:8, 1:64 or 1:512 divide ratios. Prescaler
B can be configured for any divide ratio from 1:1 through 1:16. Time-out periods that range
between 2 ms and 16 seconds (nominal) can be achieved using the prescalers.
The prescaler settings are selected using the FWPSA<1:0> (Prescaler A) and FWPSB<3:0>
(Prescaler B) configuration bits in the FWDT Device Configuration register. The FWPSA<1:0>
and FWPSB<3:0> values are written during device programming. For more information on the
WDT prescaler configuration bits, please refer to Section 24. “Device Configuration”.
The time-out period of the WDT is calculated as follows:
Equation 10-1: WDT Time-out Period
Note: The WDT time-out period is directly related to the frequency of the LPRC oscillator.
The frequency of the LPRC oscillator will vary as a function of device operating
voltage and temperature. Please refer to the specific dsPIC30F device data sheet
for LPRC clock frequency specifications.
WDT Period = 2 ms • Prescale A • Prescale B

dsPIC30F Family Reference Manual
DS70057D-page 10-8 © 2005 Microchip Technology Inc.
Table 10-2 shows time-out periods for various prescaler selections:
Table 10-2: WDT Time-out Period vs. Prescale A and Prescale B Settings
10.6.4 Resetting the Watchdog Timer
The WDT and all its prescalers are reset:
• On ANY device Reset
• When a PWRSAV instruction is executed (i.e., Sleep or Idle mode is entered)
•By a CLRWDT instruction during normal execution
10.6.5 Operation of WDT in Sleep and Idle Modes
If the WDT is enabled, it will continue to run during Sleep or Idle modes. When the WDT
time-out occurs, the device will wake the device and code execution will continue from where the
PWRSAV instruction was executed.
The WDT is useful for low power system designs, because it can be used to periodically wake
the device from Sleep mode to check system status and provide action if necessary. Note that
the SWDTEN bit is very useful in this respect. If the WDT is disabled during normal operation
(FWDTEN = 0), then the SWDTEN bit (RCON<5>) can be used to turn on the WDT just before
entering Sleep mode.
Prescaler B
Value
Prescaler A Value
1 8 64 512
1 2 16 128 1024
2 4 32 256 2048
3 6 48 384 3072
4 8 64 512 4096
5 10 80 640 5120
6 12 96 768 6144
7 14 112 896 7168
8 16 128 1024 8192
9 18 144 1152 9216
10 20 160 1280 10240
11 22 176 1408 11264
12 24 192 1536 12288
13 26 208 1664 13312
14 28 224 1792 14336
15 30 240 1920 15360
16 32 256 2048 16384
Note: All time values are in milliseconds.

© 2005 Microchip Technology Inc. DS70057D-page 10-9
Section 10. WDT and Power Saving Modes
W
D
T
a
n
d
P
o
w
e
r
Saving Modes
10
10.7 Peripheral Module Disable (PMD) Registers
The Peripheral Module Disable (PMD) registers provide a method to disable a peripheral module
by stopping all clock sources supplied to that module. When a peripheral is disabled via the
appropriate PMD control bit, the peripheral is in a minimum power consumption state. The control
and status registers associated with the peripheral will also be disabled so writes to those regis-
ters will have no effect and read values will be invalid.
A peripheral module will only be enabled if both the associated bit in the the PMD register is
cleared and the peripheral is supported by the specific dsPIC variant. If the peripheral is present
in the device, it is enabled in the PMD register by default.
Please check individual device data sheet for specific operational details of the PMD register.
Note: If a PMD bit is set, the corresponding module is disabled after a delay of 1 instruction
cycle. Similarly, if a PMD bit is cleared, the corresponding module is enabled after a
delay of 1 instruction cycle (assuming the module control registers are already
configured to enable module operation).

dsPIC30F Family Reference Manual
DS70057D-page 10-10 © 2005 Microchip Technology Inc.
10.8 Design Tips
Question 1: The device resets even though I have inserted a CLRWDT instruction in my
main software loop.
Answer: Make sure that the software loop that contains the CLRWDT instruction meets the
minimum specification of the WDT (not the typical value). Also, make sure that interrupt
processing time has been accounted for.
Question 2: What should my software do before entering Sleep or Idle mode?
Answer: Make sure that the sources intended to wake the device have their IE bits set. In
addition, make sure that the particular source of interrupt has the ability to wake the device.
Some sources do not function when the device is in Sleep mode.
If the device is to be placed in Idle mode, make sure that the ‘stop-in-idle’ control bit for each
device peripheral is properly set. These control bits determine whether the peripheral will
continue operation in Idle mode. See the individual peripheral sections of this manual for further
details.
Question 3: How do I tell which peripheral woke the device from Sleep or Idle mode?
Answer: You can poll the IF bits for each enabled interrupt source to determine the source of
wake-up.

© 2005 Microchip Technology Inc. DS70057D-page 10-11
Section 10. WDT and Power Saving Modes
W
D
T
a
n
d
P
o
w
e
r
Saving Modes
10
10.9 Related Application Notes
This section lists application notes that are related to this section of the manual. These
application notes may not be written specifically for the dsPIC30F Product Family, but the
concepts are pertinent and could be used with modification and possible limitations. The current
application notes related to the Watchdog Timer and Power Saving Modes are:
Title Application Note #
Low Power Design using PICmicro® Microcontrollers AN606
Note: Please visit the Microchip web site (www.microchip.com) for additional Application
Notes and code examples for the dsPIC30F Family of devices.

dsPIC30F Family Reference Manual
DS70057D-page 10-12 © 2005 Microchip Technology Inc.
10.10 Revision History
Revision A
This is the initial released revision of this document.
Revision B
There were no technical content or editorial revisions to this section of the manual, however, this
section was updated to reflect Revision B throughout the manual.
Revision C
This revision incorporates all known errata at the time of this document update.
Revision D
Section 10.7, Peripheral Module Disable (PMD) Registers, has been added.

© 2005 Microchip Technology Inc. DS70057D-page 10-13
Section 10. WDT and Power Saving Modes
W
D
T
a
n
d
P
o
w
e
r
Saving Modes
10
NOTES:

© 2005 Microchip Technology Inc. DS70058D-page 11-1
I/O Ports
11
Section 11. I/O Ports
HIGHLIGHTS
This section of the manual contains the following topics:
11.1 Introduction .................................................................................................................. 11-2
11.2 I/O Port Control Registers............................................................................................ 11-3
11.3 Peripheral Multiplexing................................................................................................. 11-4
11.4 Port Descriptions.......................................................................................................... 11-6
11.5 Change Notification (CN) Pins..................................................................................... 11-7
11.6 CN Operation in Sleep and Idle Modes ....................................................................... 11-8
11.7 Related Application Notes...........................................................................................11-11
11.8 Revision History......................................................................................................... 11-12

© 2005 Microchip Technology Inc. DS70058D-page 11-2
Section 11. I/O Ports
I/O Ports
11
11.1 Introduction
This section provides information on the I/O ports for the dsPIC30F family of devices. All of the
device pins (except VDD, VSS, MCLR, and OSC1/CLKI) are shared between the peripherals and
the general purpose I/O ports.
The general purpose I/O ports allow the dsPIC30F to monitor and control other devices. Most I/O
pins are multiplexed with alternate function(s). The multiplexing will depend on the peripheral
features on the device variant. In general, when a peripheral is functioning, that pin may not be
used as a general purpose I/O pin.
Figure 11-1 shows a block diagram of a typical I/O port. This block diagram does not take into
account peripheral functions that may be multiplexed onto the I/O pin.
Figure 11-1: Dedicated Port Structure Block Diagram
QD
CK
WR LAT
TRIS Latch
I/O pin
WR PORT
Data Bus
QD
CK
Data Latch
Read LAT
Read Port
Read TRIS
WR TRIS
I/O Cell
Dedicated Port Module

dsPIC30F Family Reference Manual
DS70058D-page 11-3 © 2005 Microchip Technology Inc.
11.2 I/O Port Control Registers
All I/O ports have three registers directly associated with the operation of the port, where ‘x’ is a
letter that denotes the particular I/O port:
• TRISx: Data Direction register
• PORTx: I/O Port register
• LATx: I/O Latch register
Each I/O pin on the device has an associated bit in the TRIS, PORT and LAT registers.
11.2.1 TRIS Registers
The TRISx register control bits determine whether each pin associated with the I/O port is an
input or an output. If the TRIS bit for an I/O pin is a ‘1’, then the pin is an input. If the TRIS bit for
an I/O pin is a ‘0’, then the pin is configured for an output. An easy way to remember is that a ‘1’
looks like an I (input) and a ‘0’ looks like an O (output). All port pins are defined as inputs after a
Reset.
11.2.2 PORT Registers
Data on an I/O pin is accessed via a PORTx register. A read of the PORTx register reads the
value of the I/O pin, while a write to the PORTx register writes the value to the port data latch.
Many instructions, such as BSET and BCLR instructions, are read-modify-write operations.
Therefore, a write to a port implies that the port pins are read, this value is modified, and then
written to the port data latch. Care should be taken when read-modify-write commands are used
on the PORTx registers and when some I/O pins associated with the port are configured as
inputs. If an I/O pin configured as an input is changed to an output at some later time, an unex-
pected value may be output on the I/O pin. This effect occurs because the read-modify-write
instruction reads the instantaneous value on the input pin and loads that value into the port data
latch.
11.2.3 LAT Registers
The LATx register associated with an I/O pin eliminates the problems that could occur with
read-modify-write instructions. A read of the LATx register returns the values held in the port
output latches, instead of the values on the I/O pins. A read-modify-write operation on the LAT
register, associated with an I/O port, avoids the possibility of writing the input pin values into the
port latches. A write to the LATx register has the same effect as a write to the PORTx register.
The differences between the PORT and LAT registers can be summarized as follows:
• A write to the PORTx register writes the data value to the port latch.
• A write to the LATx register writes the data value to the port latch.
• A read of the PORTx register reads the data value on the I/O pin.
• A read of the LATx register reads the data value held in the port latch.
Any bit and its associated data and control registers that are not valid for a particular device will
be disabled. That means the corresponding LATx and TRISx registers, and the port pin, will read
as zeros.
Note: The total number of ports and available I/O pins will depend on the device variant.
In a given device, all of the bits in a port control register may not be implemented.
Refer to the specific device data sheet for further details.

© 2005 Microchip Technology Inc. DS70058D-page 11-4
Section 11. I/O Ports
I/O Ports
11
11.3 Peripheral Multiplexing
When a peripheral is enabled the associated pin output drivers are typically module controlled
while a few are user settable. The I/O pin may be read through the input data path, but the output
driver for the I/O port bit is generally disabled.
An I/O port that shares a pin with another peripheral is always subservient to the peripheral. The
peripheral’s output buffer data and control signals are provided to a pair of multiplexers. The
multiplexers select whether the peripheral, or the associated port, has ownership of the output
data and control signals of the I/O pin. Figure 11-2 shows how ports are shared with other
peripherals, and the associated I/O pin to which they are connected.
Figure 11-2: Shared Port Structure Block Diagram
11.3.1 I/O Multiplexing with Multiple Peripherals
For some dsPIC30F devices, especially those with a small number of I/O pins, multiple peripheral
functions may be multiplexed on each I/O pin. Figure 11-2 shows an example of two peripherals
multiplexed to the same I/O pin.
The name of the I/O pin defines the priority of each function associated with the pin. The concep-
tual I/O pin, shown in Figure 11-2, has two multiplexed peripherals, ‘Peripheral A’ and
‘Peripheral B’ and is named “PERA/PERB/PIO”.
The I/O pin name is chosen so that the user can easily tell the priority of the functions assigned
to the pin. For the example shown in Figure 11-2, Peripheral A has the highest priority for control
of the pin. If Peripheral A and Peripheral B are enabled at the same time, Peripheral A will take
control of the I/O pins.
Note: In order to use PORTB pins for digital I/O, the corresponding bits in the ADPCFG
register must be set to ‘1’, even if the A/D module is turned off.
QD
CK
TRIS Latch
Data Bus
QD
CK
Data Latch
Read LAT
Read Port
Read TRIS
WR TRIS
PIO Module
WR LAT
WR Port
0
1
Peripheral A o.e.
0
1
Peripheral A Enable
Peripheral B Enable
Peripheral B o.e.
0
1
Peripheral A Data
0
1
Peripheral B Data
RPeripheral A Input
R
Peripheral B Input
PERA/PERB/PIO
Peripheral Multiplexers
I/O pin

dsPIC30F Family Reference Manual
DS70058D-page 11-5 © 2005 Microchip Technology Inc.
11.3.1.1 Software Input Pin Control
Some of the functions assigned to an I/O pin may be input functions that do not take control of
the pin output driver. An example of one such peripheral is the Input Capture module. If the I/O
pin associated with the Input Capture is configured as an output, using the appropriate
TRIS control bit, the user can manually affect the state of the Input Capture pin through its
corresponding PORT register. This behavior can be useful in some situations, especially for
testing purposes, when no external signal is connected to the input pin.
Referring to Figure 11-2, the organization of the peripheral multiplexers will determine if the peripheral
input pin can be manipulated in software using the PORT register. The conceptual peripherals shown
in this figure disconnect the PORT data from the I/O pin when the peripheral function is enabled.
In general, the following peripherals allow their input pins to be controlled manually through the
PORT registers:
• External Interrupt pins
• Timer Clock Input pins
• Input Capture pins
• PWM Fault pins
Most serial communication peripherals, when enabled, take full control of the I/O pin, so that the
input pins associated with the peripheral cannot be affected through the corresponding PORT
registers. These peripherals include the following:
• SPITM
•I
2CTM
• DCI
•UART
•CAN
11.3.1.2 Pin Control Summary
When a peripheral is enabled the associated pin output drivers are typically module controlled
while a few are user settable. The term "Module Control" means that the associated port pin out-
put driver is disabled and the pin can only be controlled and accessed by the peripheral. The term
"User Settable" means that the associated peripheral port pin output driver is user configurable
via the associated TRISx SFR. The TRISx register must be set properly for the peripheral to func-
tion properly. For "User Settable" peripheral pins, the actual port pin state can always be read
via the PORTx SFR.
An Input Capture peripheral makes a good example of a User Settable peripheral. The user must
write the associated TRIS register to configure the Input Capture pin as an input. Since the I/O
pin circuitry is still active when the Input Capture is enabled, a 'trick' can be used to manually
produce capture events using software. The Input Capture pin is configured as an output using
the associated TRIS register. Then, the software can write values to the corresponding LAT reg-
ister drive to internally control the Input Capture pin and force capture events.
As another example an INTx pin can be configured as an output and then by writing to the asso-
ciated LATx bit an INTx interrupt, if enabled, can be generated.
The UART is an example of a Module Control peripheral. When the UART is enabled, the PORT
and TRIS registers have no effect and cannot be used to read or write the RX and TX pins. Most
communication peripheral functions available on the dsPIC are Module Control peripherals.
For example, the SPI module can be configured for Master mode in which only the SDO pin is
required. In this scenario the SDI pin can be configured as a general purpose output pin by clear-
ing (setting to a logic "0") the associated TRISx bit. Table 11-1 presents a summary of the dsPIC
peripherals and associated Pin Output Control and Port pin read status.

© 2005 Microchip Technology Inc. DS70058D-page 11-6
Section 11. I/O Ports
I/O Ports
11
11.4 Port Descriptions
Refer to the device data sheet for a description of the available I/O ports and peripheral
multiplexing details.
Table 11-1: Port Pin Control Summary Table
Peripheral Module
“Enabled State” Peripheral Pins TRISx - Pin Output Control PORTx -
Pin Read
SPI™
(x = 1 or 2) SDOx <DISSDO = 1>, User Settable
<DISSDO = 0>, Module Control Yes
SDIx User Settable Yes
SCKx Module Control Yes
SSx <SSEN = 0>, User Settable
<SSEN = 1>, Module Control Yes
UART
(x = 1 or 2) UxRX Module Control Yes
UxTX <UTXEN = 0>, User Settable
<UTXEN = 1>, Module Control Yes
I2C™ SCL Module Control Yes
SDA Module Control Yes
Input Change Notice CN0 - CN23 User Settable Yes
Input Capture IC1 - IC8 User Settable Yes
Output Compare OC1 - OC8 Module Control Yes
Data Converter
Interface COFS Module Control Yes
CSCK Module Control Yes
CSDI Module Control Yes
CSDO Module Control Yes
Motor Control PWM PWMx Module Control Yes
FLTA/B User Settable Yes
QEI QEA Module Control (QEI mode)
User Settable (16-bit Timer mode) Yes
QEB Module Control (QEI mode)
User Settable (16-bit Timer mode) Yes
INDX Module Control (QEIM<2:0> = 100 or
110)
User Settable in all other modes
Yes
CAN
(x = 1 or 2) CxRX Module Control Yes
CxTX Module Control Yes
INTx INT0 - INT5 User Settable Yes

dsPIC30F Family Reference Manual
DS70058D-page 11-7 © 2005 Microchip Technology Inc.
11.5 Change Notification (CN) Pins
The Change Notification (CN) pins provide dsPIC30F devices the ability to generate interrupt
requests to the processor in response to a change of state on selected input pins. Up to 24 input pins
may be selected (enabled) for generating CN interrupts. The total number of available CN inputs is
dependent on the selected dsPIC30F device. Refer to the device data sheet for further details.
Figure 11-3 shows the basic function of the CN hardware.
Figure 11-3: Input Change Notification Block Diagram
11.5.1 CN Control Registers
There are four control registers associated with the CN module. The CNEN1 and CNEN2
registers contain the CNxIE control bits, where ‘x’ denotes the number of the CN input pin. The
CNxIE bit must be set for a CN input pin to interrupt the CPU.
The CNPU1 and CNPU2 registers contain the CNxPUE control bits. Each CN pin has a weak
pull-up device connected to the pin, which can be enabled or disabled using the CNxPUE control
bits. The weak pull-up devices act as a current source that is connected to the pin and eliminate
the need for external resistors when push button or keypad devices are connected. Refer to the
“Electrical Specifications” section of the device data sheet for CN pull-up device current
specifications.
CN
DQ
C
DQ
C
CN0IE (CNEN1<0>)
CN0
pin
CN0PUE
(CNPU1<0>)
CN0 Change
CN1 Change
CN23 Change
Interrupt
CN1-CN23
Details Not
Shown

© 2005 Microchip Technology Inc. DS70058D-page 11-8
Section 11. I/O Ports
I/O Ports
11
11.5.2 CN Configuration and Operation
The CN pins are configured as follows:
1. Ensure that the CN pin is configured as a digital input by setting the associated bit in the
TRISx register.
2. Enable interrupts for the selected CN pins by setting the appropriate bits in the CNEN1
and CNEN2 registers.
3. Turn on the weak pull-up devices (if desired) for the selected CN pins by setting the
appropriate bits in the CNPU1 and CNPU2 registers.
4. Clear the CNIF (IFS0<15>) interrupt flag.
5. Select the desired interrupt priority for CN interrupts using the CNIP<2:0> control bits
(IPC3<14:12>).
6. Enable CN interrupts using the CNIE (IEC0<15>) control bit.
When a CN interrupt occurs, the user should read the PORT register associated with the CN
pin(s). This will clear the mismatch condition and setup the CN logic to detect the next pin
change. The current PORT value can be compared to the PORT read value obtained at the last
CN interrupt to determine the pin that changed.
The CN pins have a minimum input pulse width specification. Refer to the “Electrical
Specifications” section of the device data sheet for further details.
11.6 CN Operation in Sleep and Idle Modes
The CN module continues to operate during Sleep or Idle modes. If one of the enabled CN pins
changes states, the CNIF (IFS0<15>) status bit will be set. If the CNIE bit (IEC0<15>) is set, the
device will wake from Sleep or Idle mode and resume operation.
If the assigned priority level of the CN interrupt is equal to or less than the current CPU priority
level, device execution will continue from the instruction immediately following the SLEEP or
IDLE instruction.
If the assigned priority level of the CN interrupt is greater than the current CPU priority level,
device execution will continue from the CN interrupt vector address.

dsPIC30F Family Reference Manual
DS70058D-page 11-9 © 2005 Microchip Technology Inc.
Register 11-1: CNEN1: Input Change Notification Interrupt Enable Register1
Register 11-2: CNEN2: Input Change Notification Interrupt Enable Register2
Upper Byte:
R/W-0 R/W-0 R/W-0 R/W-0 R/W-0 R/W-0 R/W-0 R/W-0
CN15IE CN14IE CN13IE CN12IE CN11IE CN10IE CN9IE CN8IE
bit 15 bit 8
Lower Byte:
R/W-0 R/W-0 R/W-0 R/W-0 R/W-0 R/W-0 R/W-0 R/W-0
CN7IE CN6IE CN5IE CN4IE CN3IE CN2IE CN1IE CN0IE
bit 7 bit 0
bit 15-0 CNxIE: Input Change Notification Interrupt Enable bits
1 = Enable interrupt on input change
0 = Disable interrupt on input change
Legend:
R = Readable bit W = Writable bit U = Unimplemented bit, read as ‘0’
-n = Value at POR ‘1’ = Bit is set ‘0’ = Bit is cleared x = Bit is unknown
Upper Byte:
R/W-0 R/W-0 R/W-0 R/W-0 R/W-0 R/W-0 R/W-0 R/W-0
— — — — — — — —
bit 15 bit 8
Lower Byte:
R/W-0 R/W-0 R/W-0 R/W-0 R/W-0 R/W-0 R/W-0 R/W-0
CN23IE CN22IE CN21IE CN20IE CN19IE CN18IE CN17IE CN16IE
bit 7 bit 0
bit 15-8 Unimplemented: Read as ‘0’
bit 7-0 CNxIE: Input Change Notification Interrupt Enable bits
1 = Enable interrupt on input change
0 = Disable interrupt on input change
Legend:
R = Readable bit W = Writable bit U = Unimplemented bit, read as ‘0’
-n = Value at POR ‘1’ = Bit is set ‘0’ = Bit is cleared x = Bit is unknown

© 2005 Microchip Technology Inc. DS70058D-page 11-10
Section 11. I/O Ports
I/O Ports
11
Register 11-3: CNPU1: Input Change Notification Pull-up Enable Register1
Register 11-4: CNPU2: Input Change Notification Pull-up Enable Register2
Upper Byte:
R/W-0 R/W-0 R/W-0 R/W-0 R/W-0 R/W-0 R/W-0 R/W-0
CN15PUE CN14PUE CN13PUE CN12PUE CN11PUE CN10PUE CN9PUE CN8PUE
bit 15 bit 8
Lower Byte:
R/W-0 R/W-0 R/W-0 R/W-0 R/W-0 R/W-0 R/W-0 R/W-0
CN7PUE CN6PUE CN5PUE CN4PUE CN3PUE CN2PUE CN1PUE CN0PUE
bit 7 bit 0
bit 15-0 CNxPUE: Input Change Notification Pull-up Enable bits
1 = Enable pull-up on input change
0 = Disable pull-up on input change
Legend:
R = Readable bit W = Writable bit U = Unimplemented bit, read as ‘0’
-n = Value at POR ‘1’ = Bit is set ‘0’ = Bit is cleared x = Bit is unknown
Upper Byte:
U-0 U-0 U-0 U-0 U-0 U-0 U-0 U-0
— — — — — — — —
bit 15 bit 8
Lower Byte:
R/W-0 R/W-0 R/W-0 R/W-0 R/W-0 R/W-0 R/W-0 R/W-0
CN23PUE CN22PUE CN21PUE CN20PUE CN19PUE CN18PUE CN17PUE CN16PUE
bit 7 bit 0
bit 15-8 Unimplemented: Read as ‘0’
bit 7-0 CNxPUE: Input Change Notification Pull-up Enable bits
1 = Enable pull-up on input change
0 = Disable pull-up on input change
Legend:
R = Readable bit W = Writable bit U = Unimplemented bit, read as ‘0’
-n = Value at POR ‘1’ = Bit is set ‘0’ = Bit is cleared x = Bit is unknown

dsPIC30F Family Reference Manual
DS70058D-page 11-11 © 2005 Microchip Technology Inc.
11.7 Related Application Notes
This section lists application notes that are related to this section of the manual. These
application notes may not be written specifically for the dsPIC30F Product Family, but the
concepts are pertinent and could be used with modification and possible limitations. The current
application notes related to the I/O Ports module are:
Title Application Note #
Implementing Wake-up on Key Stroke AN552
Note: Please visit the Microchip web site (www.microchip.com) for additional Application
Notes and code examples for the dsPIC30F Family of devices.

© 2005 Microchip Technology Inc. DS70058D-page 11-12
Section 11. I/O Ports
I/O Ports
11
11.8 Revision History
Revision A
This is the initial released revision of this document.
Revision B
This revision incorporates additional technical content for the dsPIC30F I/O Ports module.
Revision C
There were no technical content revisions to this section of the manual, however, this section was
updated to reflect Revision C throughout the manual.
Revision D
Section 11.3.1.2 “Pin Control Summary” was added to this revision.

© 2005 Microchip Technology Inc. DS70059D-page 12-1
Timers
12
Section 12. Timers
HIGHLIGHTS
This section of the manual contains the following major topics:
12.1 Introduction .................................................................................................................. 12-2
12.2 Timer Variants..............................................................................................................12-3
12.3 Control Registers .........................................................................................................12-6
12.4 Modes of Operation .....................................................................................................12-9
12.5 Timer Prescalers........................................................................................................12-14
12.6 Timer Interrupts..........................................................................................................12-14
12.7 Reading and Writing 16-bit Timer Module Registers ................................................. 12-15
12.8 Low Power 32 kHz Crystal Oscillator Input................................................................12-15
12.9 32-bit Timer Configuration.......................................................................................... 12-16
12.10 32-bit Timer Modes of Operation ...............................................................................12-18
12.11 Reading and Writing into 32-bit Timers......................................................................12-21
12.12 Timer Operation in Power Saving States ................................................................... 12-21
12.13 Peripherals Using Timer Modules..............................................................................12-22
12.14 Design Tips................................................................................................................ 12-24
12.15 Related Application Notes.......................................................................................... 12-25
12.16 Revision History......................................................................................................... 12-26

© 2005 Microchip Technology Inc. DS70059D-page 12-2
Section 12. Timers
Timers
12
12.1 Introduction
Depending on the specific variant, the dsPIC30F device family offers several 16-bit timers. These
timers are designated as Timer1, Timer2, Timer3, ..., etc.
Each timer module is a 16-bit timer/counter consisting of the following readable/writable
registers:
• TMRx: 16-bit timer count register
• PRx: 16-bit period register associated with the timer
• TxCON: 16-bit control register associated with the timer
Each timer module also has the associated bits for interrupt control:
• Interrupt Enable Control bit (TxIE)
• Interrupt Flag Status bit (TxIF)
• Interrupt Priority Control bits (TxIP<2:0>)
With certain exceptions, all of the 16-bit timers have the same functional circuitry. The 16-bit
timers are classified into three types to account for their functional differences:
• Type A time base
• Type B time base
• Type C time base
Some 16-bit timers can be combined to form a 32-bit timer.
This section does not describe the dedicated timers that are associated with peripheral devices.
For example, this includes the time bases associated with the Motor Control PWM module and
the Quadrature Encoder Interface (QEI) module.

dsPIC30F Family Reference Manual
DS70059D-page 12-3 © 2005 Microchip Technology Inc.
12.2 Timer Variants
All 16-bit timers available on the dsPIC30F devices are functionally identical with certain
exceptions. The 16-bit timers are classified into three functional types; Type A timers, Type B
timers and Type C timers.
12.2.1 Type A Timer
At least one Type A timer is available on most dsPIC30F devices. For most dsPIC30F devices,
Timer1 is a Type A timer. A Type A timer has the following unique features over other types:
• can be operated from the device Low Power 32 kHz Oscillator
• can be operated in an Asynchronous mode from an external clock source
In particular, the unique features of a Type A timer allow it to be used for Real-Time Clock (RTC)
applications. A block diagram of the Type A timer is shown in Figure 12-1.
Figure 12-1: Type A Timer Block Diagram
Note: Please refer to the device data sheet for the available timers and the type of each.
TON
Sync
SOSCI
SOSCO
PRx
TxIF
Equal Comparator x 16
TMRx
Reset
Note 1: Refer to Section 7. “Oscillator” for information on enabling the LP Oscillator.
LPOSCEN
Event Flag
(Note 1)
1
0
TSYNC
Q
QD
CK
TGATE
TCKPS<1:0>
Prescaler
1, 8, 64, 256
2
TGATE
TCY
1
0
TCS
1 X
0 1
TGATE
0 0
Gate
Sync

© 2005 Microchip Technology Inc. DS70059D-page 12-4
Section 12. Timers
Timers
12
12.2.2 Type B Timer
Timer2 and Timer4, if present, are Type B timers on most dsPIC30F devices. A Type B timer has
the following unique features over other types of timers:
• A Type B timer can be concatenated with a Type C timer to form a 32-bit timer. The TxCON
register for a Type B timer has the T32 control bits to enable the 32-bit timer function.
• The clock synchronization for a Type B timer is performed after the prescale logic.
A block diagram of the Type B timer is shown in Figure 12-2.
Figure 12-2: Type B Timer Block Diagram
TON
Sync
PRx
TxIF
Equal Comparator x 16
TMRx
Reset
Event Flag
Q
QD
CK
TGATE
TCKPS<1:0>
Prescaler
1, 8, 64, 256
2
TGATE
TCY
1
0
TCS
1 X
0 1
TGATE
0 0
Gate
TxCKI
Sync

dsPIC30F Family Reference Manual
DS70059D-page 12-5 © 2005 Microchip Technology Inc.
12.2.3 Type C Timer
Timer3 and Timer5 are Type C timers on most dsPIC30F devices. A Type C timer has the
following unique features over other types of timers:
• A Type C timer can be concatenated with a Type B timer to form a 32-bit timer.
• On a given device, at least one Type C timer has the ability to trigger an A/D conversion.
A block diagram of the Type C timer is shown in Figure 12-3.
Figure 12-3: Type C Timer Block Diagram
TON
PRx
TxIF
Equal Comparator x 16
TMRx
Reset
Event Flag
Q
QD
CK
TGATE
TCKPS<1:0>
Prescaler
1, 8, 64, 256
2
TGATE
TCY
1
0
TCS
1 X
0 1
TGATE
0 0
TxCK
ADC Event
Note: In certain variants of the dsPIC30F family, the TxCK pin may not be available. Refer to the device data
sheet for the I/O pin details. In such cases, the timer must use the system clock (FOSC/4) as its input
clock, unless it is configured for 32-bit operation.
Sync
Trigger

© 2005 Microchip Technology Inc. DS70059D-page 12-6
Section 12. Timers
Timers
12
12.3 Control Registers
Register 12-1: TxCON: Type A Time Base Register
Upper Byte:
R/W-0 U-0 R/W-0 U-0 U-0 U-0 U-0 U-0
TON —TSIDL— — — — —
bit 15 bit 8
Lower Byte:
U-0 R/W-0 R/W-0 R/W-0 U-0 R/W-0 R/W-0 U-0
— TGATE TCKPS<1:0> — TSYNC TCS —
bit 7 bit 0
bit 15 TON: Timer On Control bit
1 = Starts the timer
0 = Stops the timer
bit 14 Unimplemented: Read as ‘0’
bit 13 TSIDL: Stop in Idle Mode bit
1 = Discontinue timer operation when device enters Idle mode
0 = Continue timer operation in Idle mode
bit 12-7 Unimplemented: Read as ‘0’
bit 6 TGATE: Timer Gated Time Accumulation Enable bit
1 = Gated time accumulation enabled
0 = Gated time accumulation disabled
(TCS must be set to ‘0’ when TGATE = 1. Reads as ‘0’ if TCS = 1)
bit 5-4 TCKPS<1:0>: Timer Input Clock Prescale Select bits
11 = 1:256 prescale value
10 = 1:64 prescale value
01 = 1:8 prescale value
00 = 1:1 prescale value
bit 3 Unimplemented: Read as ‘0’
bit 2 TSYNC: Timer External Clock Input Synchronization Select bit
When TCS = 1:
1 = Synchronize external clock input
0 = Do not synchronize external clock input
When TCS = 0:
This bit is ignored. Read as ‘0’. Timer1 uses the internal clock when TCS = 0.
bit 1 TCS: Timer Clock Source Select bit
1 = External clock from pin TxCK
0 = Internal clock (FOSC/4)
bit 0 Unimplemented: Read as ‘0’
Legend:
R = Readable bit W = Writable bit U = Unimplemented bit, read as ‘0’
-n = Value at POR ‘1’ = Bit is set ‘0’ = Bit is cleared x = Bit is unknown

dsPIC30F Family Reference Manual
DS70059D-page 12-7 © 2005 Microchip Technology Inc.
Register 12-2: TxCON: Type B Time Base Register
Upper Byte:
R/W-0 U-0 R/W-0 U-0 U-0 U-0 U-0 U-0
TON —TSIDL— — — — —
bit 15 bit 8
Lower Byte:
U-0 R/W-0 R/W-0 R/W-0 R/W-0 U-0 R/W-0 U-0
— TGATE TCKPS<1:0> T32 —TCS —
bit 7 bit 0
bit 15 TON: Timer On bit
When T32 = 1 (in 32-bit Timer mode):
1 = Starts 32-bit TMRx:TMRy timer pair
0 = Stops 32-bit TMRx:TMRy timer pair
When T32 = 0 (in 16-bit Timer mode):
1 = Starts 16-bit timer
0 = Stops 16-bit timer
bit 14 Unimplemented: Read as ‘0’
bit 13 TSIDL: Stop in Idle Mode bit
1 = Discontinue timer operation when device enters Idle mode
0 = Continue timer operation in Idle mode
bit 12-7 Unimplemented: Read as ‘0’
bit 6 TGATE: Timer Gated Time Accumulation Enable bit
1 = Timer gated time accumulation enabled
0 = Timer gated time accumulation disabled
(TCS must be set to logic ‘0’ when TGATE = 1)
bit 5-4 TCKPS<1:0>: Timer Input Clock Prescale Select bits
11 = 1:256 prescale value
10 = 1:64 prescale value
01 = 1:8 prescale value
00 = 1:1 prescale value
bit 3 T32: 32-bit Timer Mode Select bits
1 = TMRx and TMRy form a 32-bit timer
0 = TMRx and TMRy form separate 16-bit timer
bit 2 Unimplemented: Read as ‘0’
bit 1 TCS: Timer Clock Source Select bit
1 = External clock from pin TxCK
0 = Internal clock (FOSC/4)
bit 0 Unimplemented: Read as ‘0’
Legend:
R = Readable bit W = Writable bit U = Unimplemented bit, read as ‘0’
-n = Value at POR ‘1’ = Bit is set ‘0’ = Bit is cleared x = Bit is unknown

© 2005 Microchip Technology Inc. DS70059D-page 12-8
Section 12. Timers
Timers
12
Register 12-3: TxCON: Type C Time Base Register
Upper Byte:
R/W-0 U-0 R/W-0 U-0 U-0 U-0 U-0 U-0
TON —TSIDL— — — — —
bit 15 bit 8
Lower Byte:
U-0 R/W-0 R/W-0 R/W-0 U-0 U-0 R/W-0 U-0
— TGATE TCKPS<1:0> ——TCS —
bit 7 bit 0
bit 15 TON: Timer On bit
1 = Starts 16-bit TMRx
0 = Stops 16-bit TMRx
bit 14 Unimplemented: Read as ‘0’
bit 13 TSIDL: Stop in Idle Mode bit
1 = Discontinue module operation when device enters Idle mode
0 = Continue module operation in Idle mode
bit 12-7 Unimplemented: Read as ‘0’
bit 6 TGATE: Timer Gated Time Accumulation Enable bit
1 = Timer gated time accumulation enabled
0 = Timer gated time accumulation disabled (Read as ‘0’ if TCS = 1)
(TCS must be set to logic ‘0’ when TGATE = 1)
bit 5-4 TCKPS<1:0>: Timer Input Clock Prescale Select bits
11 = 1:256 prescale value
10 = 1:64 prescale value
01 = 1:8 prescale value
00 = 1:1 prescale value
bit 3-2 Unimplemented: Read as ‘0’
bit 1 TCS: Timer Clock Source Select bit
1 = External clock from pin TxCK
0 = Internal clock (FOSC/4)
bit 0 Unimplemented: Read as ‘0’
Legend:
R = Readable bit W = Writable bit U = Unimplemented bit, read as ‘0’
-n = Value at POR ‘1’ = Bit is set ‘0’ = Bit is cleared x = Bit is unknown

dsPIC30F Family Reference Manual
DS70059D-page 12-9 © 2005 Microchip Technology Inc.
12.4 Modes of Operation
Each timer module can operate in one of the following modes:
• As a synchronous timer
• As a synchronous counter
• As a gated timer
• As an asynchronous counter (Type A time base only)
The Timer modes are determined by the following bits:
• TCS (TxCON<1>): Timer Clock Source Control bit
• TSYNC (T1CON<2>): Timer Synchronization Control bit (Type A time base only)
• TGATE (TxCON<6>): Timer Gate Control bit
Each timer module is enabled or disabled using the TON Control bit (TxCON <15>).
12.4.1 Timer Mode
All types of timers have the ability to operate in Timer mode. In Timer mode, the input clock to
the timer is provided from the internal system clock (FOSC/4). When enabled, the timer
increments once per instruction cycle for a 1:1 prescaler setting. The Timer mode is selected by
clearing the TCS control bit (TxCON<1>). The Synchronous mode control bit, TSYNC
(T1CON<2>), has no effect, since the system clock source is used to generate the timer clock.
Example 12-1: Initialization Code for 16-bit Timer Using System Clock
Note: Only Type A time bases support the External Asynchronous Clock mode.
; The following code example will enable Timer1 interrupts,
; load the Timer1 Period register and start Timer1.
; When a Timer1 period match interrupt occurs, the interrupt
; service routine must clear the Timer1 interrupt status flag
; in software.
CLR T1CON ; Stops the Timer1 and reset control reg.
CLR TMR1 ; Clear contents of the timer register
MOV #0xFFFF, w0 ; Load the Period register
MOV w0, PR1 ; with the value 0xFFFF
BSET IPC0, #T1IP0 ; Setup Timer1 interrupt for
BCLR IPC0, #T1IP1 ; desired priority level
BCLR IPC0, #T1IP2 ; (this example assigns level 1 priority)
BCLR IFS0, #T1IF ; Clear the Timer1 interrupt status flag
BSET IEC0, #T1IE ; Enable Timer1 interrupts
BSET T1CON, #TON ; Start Timer1 with prescaler settings
; at 1:1 and clock source set to
; the internal instruction cycle
; Example code for Timer1 ISR
__T1Interrupt:
BCLR IFS0, #T1IF ; Reset Timer1 interrupt flag
; User code goes here.
RETFIE ; Return from ISR

© 2005 Microchip Technology Inc. DS70059D-page 12-10
Section 12. Timers
Timers
12
12.4.2 Synchronous Counter Mode Using External Clock Input
When the TCS control bit (TxCON<1>) is set, the clock source for the timer is provided externally
and the selected timer increments on every rising edge of clock input on the TxCK pin.
External clock synchronization must be enabled for a Type A time base. This is accomplished by
setting the TSYNC control bit (TxCON<2>). For Type B and Type C time bases, the external
clock input is always synchronized to the system instruction cycle clock, TCY.
When the timer is operated in the Synchronized Counter mode, there are minimum requirements
for the external clock high time and low time. The synchronization of the external clock source
with the device instruction clock is accomplished by sampling the external clock signal at two
different times within an instruction cycle.
A timer operating from a synchronized external clock source will not operate in Sleep mode,
since the synchronization circuit is shut-off during Sleep mode.
Example 12-2: Initialization Code for 16-bit Synchronous Counter Mode Using an
External Clock Input
Note: The external input clock must meet certain minimum high time and low time
requirements when Timerx is used in the Synchronous Counter mode. Refer to the
device data sheet “Electrical Specifications” section for further details.
; The following code example will enable Timer1 interrupts, load the
; Timer1 Period register and start Timer1 using an external clock
; and a 1:8 prescaler setting.
; When a Timer1 period match interrupt occurs, the interrupt service
; routine must clear the Timer1 interrupt status flag in software.
CLR T1CON ; Stops the Timer1 and reset control reg.
CLR TMR1 ; Clear contents of the timer register
MOV #0x8CFF, w0 ; Load the Period register
MOV w0, PR1 ; with the value 0x8CFF
BSET IPC0, #T1IP0 ; Setup Timer1 interrupt for
BCLR IPC0, #T1IP1 ; desired priority level
BCLR IPC0, #T1IP2 ; (this example assigns level 1 priority)
BCLR IFS0, #T1IF ; Clear the Timer1 interrupt status flag
BSET IEC0, #T1IE ; Enable Timer1 interrupts
MOV #0x8016, W0 ; Start Timer1 with prescaler settings at
; 1:8 and clock source set to the external
MOV w0, T1CON ; clock in the synchronous mode
; Example code for Timer1 ISR
__T1Interrupt:
BCLR IFS0, #T1IF ; Reset Timer1 interrupt flag
; User code goes here.
RETFIE ; Return from ISR

dsPIC30F Family Reference Manual
DS70059D-page 12-11 © 2005 Microchip Technology Inc.
12.4.3 Type A Timer Asynchronous Counter Mode Using External Clock Input
A Type A time base has the ability to operate in an Asynchronous Counting mode, using an
external clock source connected to the TxCK pin. When the TSYNC control bit (TxCON<2>) is
cleared, the external clock input is not synchronized with the device system clock source. The
time base continues to increment asynchronously to the internal device clock.
The asynchronous operation time base is beneficial for the following applications:
• The time base can operate during Sleep mode and can generate an interrupt on period
register match that will wake-up the processor.
• The time base can be clocked from the low power 32 kHz oscillator for real-time clock
applications
Please see Section 12.12.1 “Timer Operation in Sleep Mode” for more details..
Example 12-3: Initialization Code for 16-bit Asynchronous Counter Mode Using an
External Clock Input
Note 1: Only Type A time bases support the Asynchronous Counter mode.
2: The external input clock must meet certain minimum high time and low time
requirements when Timerx is used in the Asynchronous Counter mode. Refer to the
device data sheet “Electrical Specifications” section for further details.
3: Unexpected results may occur when reading Timer1, in asynchronous mode.
; The following code example will enable Timer1 interrupts, load the
; Timer1 Period register and start Timer1 using an asynchronous
; external clock and a 1:8 prescaler setting.
; When a Timer1 period match interrupt occurs, the interrupt service
; routine must clear the Timer1 interrupt status flag in software.
CLR T1CON ; Stops the Timer1 and reset control reg.
CLR TMR1 ; Clear contents of the timer register
MOV #0x7FFF, w0 ; Load the Period register
MOV w0, PR1 ; with the value 0x7FFF
BSET IPC0, #T1IP0 ; Setup Timer1 interrupt for
BCLR IPC0, #T1IP1 ; desired priority level
BCLR IPC0, #T1IP2 ; (this example assigns level 1 priority)
BCLR IFS0, #T1IF ; Clear the Timer1 interrupt status flag
BSET IEC0, #T1IE ; Enable Timer1 interrupts
MOV #0x8012, w0 ; Start Timer1 with prescaler settings at
; 1:8 and clock source set to the external
MOV w0, T1CON ; clock in the asynchronous mode
; Example code for Timer1 ISR
__T1Interrupt:
BCLR IFS0, #T1IF ; Reset Timer1 interrupt flag
; User code goes here.
RETFIE ; Return from ISR

© 2005 Microchip Technology Inc. DS70059D-page 12-12
Section 12. Timers
Timers
12
12.4.4 Timer Operation with Fast External Clock Source
In some applications, it may be desirable to use one of the timers to count clock edges from a
relatively high frequency external clock source. In these situations, Type A and Type B time
bases are the most suitable choices for counting the external clock source, because the clock
synchronization logic for these timers is located after the timer prescaler (see Figure 12-1 and
Figure 12-2). This allows a higher external clock frequency to be used that will not violate the
minimum high and low times required by the prescaler. When a timer prescaler ratio other than
1:1 is selected for a Type A or Type B time base, the minimum high and low times for the external
clock input are reduced by the chosen prescaler ratio.
A Type A time base is unique because it can be operated in an Asynchronous Clock mode,
eliminating any prescaler timing requirements.
Note that in all cases, there are minimum high and low times for the external clock signal that
cannot be exceeded. These minimum times are required to satisfy the I/O pin timing
requirements.
Please refer to the device data sheet for the external clock timing specifications associated with
the time bases.
12.4.5 Gated Time Accumulation Mode
The Gated Time Accumulation mode allows the internal timer register to increment based upon
the duration of the high time applied to the TxCK pin. In the Gated Time Accumulation mode, the
timer clock source is derived from the internal system clock. When the TxCK pin state is high, the
timer register will count up until a period match has occurred, or the TxCK pin state is changed
to a low state. A pin state transition from high to low will set the TxIF interrupt flag. Depending on
when the edge occurs, the interrupt flag is asserted 1 or 2 instruction cycles after the falling edge
of the signal on the TxCK pin.
The TGATE control bit (TxCON<6>) must be set to enable the Gated Time Accumulation mode.
The timer must be enabled, TON (TxCON<15>) = 1, and the timer clock source set to the internal
clock, TCS (TxCON<1>) = 0.
The gate operation starts on a rising edge of the signal applied to the TxCK pin and terminates
on the falling edge of the signal applied to the TxCK pin. The respective timer will increment while
the external gate signal is high.
The falling edge of the gate signal terminates the count operation, but does not reset the timer.
The user must reset the timer if it is desired to start from zero on the next rising edge gate input.
The falling edge of the gate signal generates an interrupt.
The resolution of the timer count is directly related to the timer clock period. For a timer prescaler
of 1:1, the timer clock period is one instruction cycle. For a timer prescaler of 1:256, the timer
clock period is 256 times the instruction cycle. The timer clock resolution can be associated to
the pulse width of the gate signal. Refer to the “Electrical Specifications” section in the device
data sheet for further details on the gate width pulse requirements.
Note: The timer will not interrupt the CPU when a timer period match occurs in Gate Time
Accumulation mode.

dsPIC30F Family Reference Manual
DS70059D-page 12-13 © 2005 Microchip Technology Inc.
Figure 12-4: Gated Timer Mode Operation
Example 12-4: Initialization Code for 16-bit Gated Time Accumulation Mode
TxIF
0001 0002
TMRx
1 Instruction Cycle (T
CY
)
00040003
TxCK pin
00050000
TxIF bit cleared by user in software.
; The following code example will enable Timer2 interrupts, load the
; Timer2 Period register and start Timer2 using an internal clock
; and an external gate signal. On the falling edge of the gate
; signal a Timer2 interrupt occurs. The interrupt service
; routine must clear the Timer2 interrupt status flag in software .
CLR T2CON ; Stops the Timer2 and reset control reg.
CLR TMR2 ; Clear contents of the timer register
MOV #0xFFFF, w0 ; Load the Period register with
MOV w0, PR2 ; the value 0xFFFF
BSET IPC1, #T2IP0 ; Setup Timer2 interrupt for
BCLR IPC1, #T2IP1 ; desired priority level
BCLR IPC1, #T2IP2 ; (this example assigns level 1 priority)
BCLR IFS0, #T2IF ; Clear the Timer2 interrupt status flag
BSET IEC0, #T2IE ; Enable Timer2 interrupts
BSET T2CON, #TGATE ; Set up Timer2 for operation in Gated
; Time Accumulation mode
BSET T2CON, #TON ; Start Timer2
; Example code for Timer2 ISR
__T2Interrupt:
BCLR IFS0, #T2IF ; Reset Timer2 interrupt flag
; User code goes here.
RETFIE ; Return from ISR

© 2005 Microchip Technology Inc. DS70059D-page 12-14
Section 12. Timers
Timers
12
12.5 Timer Prescalers
The input clock (FOSC/4 or external clock) to all 16-bit timers has prescale options of 1:1, 1:8,
1:64 and 1:256. The clock prescaler is selected using the TCKPS<1:0> control bits
(TxCON<5:4>). The prescaler counter is cleared when any of the following occurs:
• A write to the TMRx register
• Clearing TON (TxCON<15>) to ‘0’
• Any device Reset
12.6 Timer Interrupts
A 16-bit timer has the ability to generate an interrupt on a period match or falling edge of the
external gate signal, depending on the Operating mode.
The TxIF bit is set when one of the following conditions is true:
• The timer count matches the respective period register and the timer module is not
operating in Gated Time Accumulation mode.
• The falling edge of the “gate” signal is detected when the timer is operating in Gated Time
Accumulation mode.
The TxIF bit must be cleared in software.
A timer is enabled as a source of interrupt via the respective timer interrupt enable bit, TxIE.
Furthermore, the interrupt priority level bits (TxIP<2:0>) must be written with a non-zero value in
order for the timer to be a source of interrupt. Refer to Section 6. “Reset Interrupts” for further
details.
Figure 12-5: Interrupt Timing for Timer Period Match
Note: The TMRx register is not cleared when TxCON is written.
Note: A special case occurs when the period register is loaded with 0x0000 and the timer
is enabled. No timer interrupts will be generated for this configuration.
TxIF
0003 000547FE 47FF 4800 000047FD
TMR2 0004
1 Instruction Cycle (TCY)
4800
PR2
0002
TMR2 Resets Here
0001
Cleared by User

dsPIC30F Family Reference Manual
DS70059D-page 12-15 © 2005 Microchip Technology Inc.
12.7 Reading and Writing 16-bit Timer Module Registers
• All timer module SFRs can be written to as a byte (8-bits) or as a word (16-bits).
• All timer module SFRs can only be read as a word (16-bits).
12.7.1 Writing to the 16-bit Timers
The timer and its respective period register can be written to while the module is operating. The
user should be aware of the following when byte writes are performed:
• If the timer is incrementing and the low byte of the timer is written to, the upper byte of the
timer is not affected. If 0xFF is written into the low byte of the timer, the next timer count
clock after this write will cause the low byte to rollover to 0x00 and generate a carry into the
high byte of the timer.
• If the timer is incrementing and the high byte of the timer is written to, the low byte of the
timer is not affected. If the low byte of the timer contains 0xFF when the write occurs, the
next timer count clock will generate a carry from the timer low byte and this carry will cause
the upper byte of the timer to increment.
When the TMRx register is written to (word or byte) via an instruction, the TMRx register
increment is masked and does not occur during that instruction cycle.
Writes to a timer with an asynchronous clock source should be avoided in a real-timekeeping
application. See Section 12.4.1 “Timer Mode” for more details.
12.7.2 Reading from the 16-bit Timers
All reads of the timers and their associated SFRs must be word reads (16-bits). A byte read will
have no effect (‘0’ will be returned).
The timer and respective period register can be read while the module is operating. A read of the
TMRx register does not prevent the timer from incrementing during the same instruction cycle.
12.8 Low Power 32 kHz Crystal Oscillator Input
In each device variant, the Low Power 32 kHz Crystal Oscillator is available to a Type A timer
module for Real-Time Clock (RTC) applications.
• The LP Oscillator becomes the clock source for the timer when the LP Oscillator is
enabled and the timer is configured to use the external clock source.
• The LP Oscillator is enabled by setting the LPOSCEN control bit in the OSCCON
register.
• The 32 kHz crystal is connected to the SOSCO/SOSCI device pins.
Refer to Section 7. “Oscillator” for further details.

© 2005 Microchip Technology Inc. DS70059D-page 12-16
Section 12. Timers
Timers
12
12.9 32-bit Timer Configuration
A 32-bit timer module can be formed by combining a Type B and a Type C 16-bit timer module.
The Type C time base becomes the MSWord of the combined timer and the Type B time base is
the LSWord.
When configured for 32-bit operation, the control bits for the Type B time base control the operation
of the 32-bit timer. The control bits in the TxCON register for the Type C time base have no effect.
For interrupt control, the combined 32-bit timer uses the interrupt enable, interrupt flag and
interrupt priority control bits of the Type C time base. The interrupt control and status bits for the
Type B time base are not used during 32-bit timer operation.
The following configuration settings assume Timer3 is a Type C time base and Timer2 is a Type B
time base:
• TON (T2CON<15>) = 1.
• T32 (T2CON<3>) = 1.
• TCKPS<1:0> (T2CON<5:4>) are used to set the Prescaler mode for Timer2
(Type B time base).
• The TMR3:TMR2 register pair contains the 32-bit value of the timer module; the TMR3
(Type C time base) register is the Most Significant Word, while the TMR2 (Type B time
base) register is the Least Significant Word of the 32-bit timer value.
• The PR3:PR2 register pair contains the 32-bit period value that is used for comparison with
the TMR3:TMR2 timer value.
• T3IE (IEC0<7>) is used to enable the 32-bit timer interrupt for this configuration.
• T3IF (IFS0<7>) is used as a status flag for the timer interrupt.
• T3IP<2:0> (IPC1<14:12>) sets the interrupt priority level for the 32-bit timer.
• T3CON<15:0> are “don’t care” bits.
A block diagram representation of the 32-bit timer module using Timer2 and Timer3 as an
example is shown in Figure 12-6.
Note: Refer to the device data sheet for information on the specific Type B and Type C
time bases that can be combined.

dsPIC30F Family Reference Manual
DS70059D-page 12-17 © 2005 Microchip Technology Inc.
Figure 12-6: Type B-Type C Timer Pair Block Diagram (32-bit Timer)
TMR3 TMR2
T3IF
Equal Comparator x 32
PR3 PR2
Reset
LSWord
MSWord
Event Flag
Note 1: This block diagram assumes Timer3 is a Type C time base, Timer2 is a Type B time base.
2: Timer configuration bit, T32 (T2CON<3>), must be set to ‘1’ for a 32-bit timer/counter operation. All control
bits are respective to the T2CON register.
Data Bus<15:0>
TMR3HLD
Read TMR2
Write TMR2 16
16
16
Q
QD
CK
TGATE (T2CON<6>)
(T2CON<6>)
TGATE
0
1
TON
TCKPS<1:0>
Prescaler
1, 8, 64, 256
2
TCY
TCS
1 X
0 1
TGATE
0 0
Gate
T2CKI
Sync
ADC Event Trigger
Sync

© 2005 Microchip Technology Inc. DS70059D-page 12-18
Section 12. Timers
Timers
12
12.10 32-bit Timer Modes of Operation
12.10.1 Timer Mode
Example 12-5 shows how to configure a 32-bit timer in Timer mode. This example assumes
Timer2 is a Type B time base and Timer3 is a Type C time base. For 32-bit timer operation, the
T32 control bit must be set in the T2CON register (Type B time base). When Timer2 and Timer3
are configured for a 32-bit timer, the T3CON control bits are ignored. Only the T2CON control
bits are required for setup and control. The Timer2 clock and gate input is utilized for the 32-bit
timer module, but an interrupt is generated with the T3IF flag. Timer2 is the LSWord and Timer3
is the MSWord of the 32-bit timer. TMR3 is incremented by an overflow (carry-out) from TMR2.
The 32-bit timer increments up to a match value preloaded into the combined 32-bit period
register formed by PR2 and PR3, then rolls over and continues. For a maximum 32-bit timer
count, load PR3:PR2 with a value of 0xFFFFFFFF. An interrupt is generated on a period match,
if enabled.
Example 12-5: Initialization Code for 32-bit Timer Using Instruction Cycle as
Input Clock
; The following code example will enable Timer3 interrupts, load the
; Timer3:Timer2 Period Register and start the 32-bit timer module
; consisting of Timer3 and Timer2.
; When a 32-bit period match interrupt occurs, the user must clear
; the Timer3 interrupt status flag in software.
CLR T2CON ; Stops any 16/32-bit Timer2 operation
CLR T3CON ; Stops any 16-bit Timer3 operation
CLR TMR3 ; Clear contents of the Timer3 timer register
CLR TMR2 ; Clear contents of the Timer2 timer register
MOV #0xFFFF, w0 ; Load the Period Register 3
MOV w0, PR3 ; with the value 0xFFFF
MOV w0, PR2 ; Load the Period Register2 with value 0xFFFF
BSET IPC1, #T3IP0 ; Setup Timer3 interrupt for
BCLR IPC1, #T3IP1 ; desired priority level
BCLR IPC1, #T3IP2 ; (this example assigns level 1 priority)
BCLR IFS0, #T3IF ; Clear the Timer3 interrupt status flag
BSET IEC0, #T3IE ; Enable Timer3 interrupts
BSET T2CON, #T32 ; Enable 32-bit Timer operation
BSET T2CON, #TON ; Start 32-bit timer with prescaler
; settings at 1:1 and clock source set to
; the internal instruction cycle
; Example code for Timer3 ISR
__T3Interrupt:
BCLR IFS0, #T3IF ; Reset Timer3 interrupt flag
; User code goes here.
RETFIE ; Return from ISR

dsPIC30F Family Reference Manual
DS70059D-page 12-19 © 2005 Microchip Technology Inc.
12.10.2 Synchronous Counter Mode
The 32-bit timer operates similarly to a 16-bit timer in Synchronous Counter mode. Example 12-6
shows how to configure a 32-bit timer in Synchronous Counter mode. This example assumes
Timer2 is a Type B time base and Timer3 is a Type C time base.
Example 12-6: Initialization Code for 32-bit Synchronous Counter Mode Using an
External Clock Input
; The following code example will enable Timer2 interrupts, load
; the Timer3:Timer2 Period register and start the 32-bit timer
; module consisting of Timer3 and Timer2.
; When a 32-bit period match interrupt occurs, the user must clear
; the Timer3 interrupt status flag in the software.
CLR T2CON ; Stops any 16/32-bit Timer2 operation
CLR T3CON ; Stops any 16-bit Timer3 operation
CLR TMR3 ; Clear contents of the Timer3 timer register
CLR TMR2 ; Clear contents of the Timer2 timer register
MOV #0xFFFF, w0 ; Load the Period Register3
MOV w0, PR3 ; with the value 0xFFFF
MOV w0, PR2 ; Load the Period Register2 with value 0xFFFF
BSET IPC1, #T3IP0 ; Setup Timer3 interrupt for
BCLR IPC1, #T3IP1 ; desired priority level
BCLR IPC1, #T3IP2 ; (this example assigns level 1 priority)
BCLR IFS0, #T3IF ; Clear the Timer3 interrupt status flag
BSET IEC0, #T3IE ; Enable Timer3 interrupts
MOV #0x801A, w0 ; Enable 32-bit Timer operation and start
MOV w0, T2CON ; 32-bit timer with prescaler settings at
; 1:8 and clock source set to external clock
; Example code for Timer3 ISR
__T3Interrupt:
BCLR IFS0, #T3IF ; Reset Timer3 interrupt flag
; User code goes here.
RETFIE ; Return from ISR

© 2005 Microchip Technology Inc. DS70059D-page 12-20
Section 12. Timers
Timers
12
12.10.3 Asynchronous Counter Mode
Type B and Type C time bases do not support the Asynchronous External Clock mode.
Therefore, no 32-bit Asynchronous Counter mode is supported.
12.10.4 Gated Time Accumulation Mode
The 32-bit timer operates similarly to a 16-bit timer in Gated Time Accumulation mode.
Example 12-7 shows how to configure a 32-bit timer in Gated Time Accumulation mode. This
example assumes Timer2 is a Type B time base and Timer3 is a Type C time base.
Example 12-7: Initialization Code for 32-bit Gated Time Accumulation Mode
; The following code example will enable Timer2 interrupts, load the
; Timer3:Timer2 Period register and start the 32-bit timer module
; consisting of Timer3 and Timer2. When a 32-bit period match occurs
; the timer will simply roll over and continue counting.
; However, when at the falling edge of the Gate signal on T2CK
; an interrupt is generated, if enabled. The user must clear the
; Timer3 interrupt status flag in the software.
CLR T2CON ; Stops any 16/32-bit Timer2 operation
CLR T3CON ; Stops any 16-bit Timer3 operation
CLR TMR3 ; Clear contents of the Timer3 register
CLR TMR2 ; Clear contents of the Timer2 register
MOV #0xFFFF, w0 ; Load the Period Register3
MOV w0, PR3 ; with the value 0xFFFF
MOV w0, PR2 ; Load the Period Register2 with value 0xFFFF
BSET IPC1, #T3IP0 ; Setup Timer3 interrupt for
BCLR IPC1, #T3IP1 ; desired priority level
BCLR IPC1, #T3IP2 ; (this example assigns level 1 priority)
BCLR IFS0, #T3IF ; Clear the Timer3 interrupt status flag
BSET IEC0, #T3IE ; Enable Timer3 interrupts
MOV #0x804C, w0 ; Enable 32-bit Timer operation and
MOV w0, T2CON ; Start 32-bit timer in gated time
; accumulation mode.
; Example code for Timer3 ISR
__T3Interrupt:
BCLR IFS0, #T3IF ; Reset Timer3 interrupt flag
; User code goes here.
RETFIE ; Return from ISR

dsPIC30F Family Reference Manual
DS70059D-page 12-21 © 2005 Microchip Technology Inc.
12.11 Reading and Writing into 32-bit Timers
In order for 32-bit read/write operations to be synchronized between the LSWord and MSWord
of the 32-bit timer, additional control logic and holding registers are utilized (see Figure 12-6).
Each Type C time base has a register called TMRxHLD, that is used when reading or writing the
timer register pair. The TMRxHLD registers are only used when their respective timers are
configured for 32-bit operation.
Assuming TMR3:TMR2 form a 32-bit timer pair; the user should first read the LSWord of the timer
value from the TMR2 register. The read of the LSWord will automatically transfer the contents of
TMR3 into the TMR3HLD register. The user can then read TMR3HLD to get the MSWord of the
timer value. This is shown in the example below:
Example 12-8: Reading from a 32-bit Timer
To write a value to the TMR3:TMR2 register pair, the user should first write the MSWord to the
TMR3HLD register. When the LSWord of the timer value is written to TMR2, the contents of
TMR3HLD will automatically be transferred to the TMR3 register.
12.12 Timer Operation in Power Saving States
12.12.1 Timer Operation in Sleep Mode
When the device enters Sleep mode, the system clock is disabled. If the timer module is running
from the internal clock source (FOSC/4), it will also be disabled.
A Type A timer is different from the other timer modules because it can operate asynchronously
from an external clock source. Because of this distinction, the Type A time base module can
continue to operate during Sleep mode. To operate in Sleep mode, Type A time base must be
configured as follows:
• The Timer1 module is enabled, TON = 1 (T1CON<15>) and
• The Timer1 clock source is selected as external, TCS = 1 (T1CON<1> = 1) and
• The TSYNC bit (T1CON<2>) is set to logic ‘0’ (Asynchronous Counter mode enabled).
When all of the above conditions are met, Timer1 will continue to count and detect period
matches when the device is in Sleep mode. When a match between the timer and the period
register occurs, the TxIF bit will be set and an interrupt can be generated to optionally wake the
device from Sleep. Refer to Section 10. “Watchdog Timer and Power Saving Modes” for
further details.
When executing the SLEEP instruction in asynchronous mode using a 32.768 kHz real time
oscillator to keep track of real time in seconds, it is important to insure the crystal connected to
the inputs is operating. This can be done by checking for a non-zero value in TMR1 and then
executing the SLEEP instruction. Failure to do so may result in a normal sleep execution with no
wake-up from sleep due to timer time out.
Example Code:
mov.b #0x46,w1 ; follow write sequence …
mov.b #0x57,w2 ; for OSCCONL writes.
mov #OSCCONL,w3
mov.b w1,[w3]
mov.b w2,[w3]
bset OSCCONL,#LPOSCEN ;enable 32Khz external xtal
clr TMR1 ; set up TMR1 for …
mov #0x7FFF,W0 ;interrupts every 1.0 Sec
mov W0,PR1
; The following code segment reads the 32-bit timer formed by the
; Timer3-Timer2 pair into the registers W1(MS Word) and W0(LS Word).
MOV TMR2, W0 ;Transfer the LSW into W1
MOV TMR3HLD, W1 ;Transfer the MSW from the holding register to W0
Note: Asynchronous counter operation is only supported for the Timer1 module.

© 2005 Microchip Technology Inc. DS70059D-page 12-22
Section 12. Timers
Timers
12
bclr IFS0,#T1IF ; clr interrupt flag
mov #0x8002,W0 ; External clock, 1:1; start TMR1
mov W0,T1CON
bset IEC0,#T1IE ; enable interrupt
TestLPOperation:
mov TMR1,W0 ; check for non-zero value in TMR1
cp W0,#0
bra Z,TestLPOperation ; if zero then recheck
pwrsav #0 ; non-zero then execute sleep
12.12.2 Timer Operation in Idle Mode
When the device enters Idle mode, the system clock sources remain functional and the CPU
stops executing code. The timer modules can optionally continue to operate in Idle mode.
The TSIDL bit (TxCON<13>) selects if the timer module will stop in Idle mode, or continue to
operate normally. If TSIDL = 0, the module will continue operation in Idle mode. If TSIDL = 1, the
module will stop in Idle mode.
12.13 Peripherals Using Timer Modules
12.13.1 Time Base for Input Capture/Output Compare
The Input Capture and Output Compare peripherals can select one of two timer modules as their
time base. Refer to Section 13. “Input Capture”, Section 14. “Output Compare”, and the
device data sheet for further details.
12.13.2 A/D Special Event Trigger
On each device variant, one Type C time base has the capability to generate a special A/D
conversion trigger signal on a period match, in both 16 and 32-bit modes. The timer module
provides a conversion start signal to the A/D sampling logic.
•If T32=0, when a match occurs between the 16-bit timer register (TMRx) and the
respective 16-bit period register (PRx), the A/D special event trigger signal is generated.
•If T32=1, when a match occurs between the 32-bit timer (TMRx:TMRy) and the 32-bit
respective combined period register (PRx:PRy), the A/D special event trigger signal is
generated.
The special event trigger signal is always generated by the timer. The trigger source must be
selected in the A/D converter control registers. Refer to Section 17. “10-bit A/D Converter”,
Section 18. “12-bit A/D Converter”, and the device data sheet for additional information.
12.13.3 Timer as an External Interrupt Pin
The external clock input pin for each timer can be used as an additional interrupt pin. To provide
the interrupt, the timer period register, PRx, is written with a non-zero value and the TMRx
register is initialized to a value of 1 less than the value written to the period register. The timer
must be configured for a 1:1 clock prescaler. An interrupt will be generated when the next rising
edge of the external clock signal is detected.
12.13.4 I/O Pin Control
When a timer module is enabled and configured for external clock or gate operation, the user
must ensure the I/O pin direction is configured for an input. Enabling the timer module does not
configure the pin direction.

dsPIC30F Family Reference Manual
DS70059D-page 12-23 © 2005 Microchip Technology Inc.
Table 12-1: Special Function Registers Associated with Timer Modules
Name SFR Address Bit 15 Bit 14 Bit 13 Bit 12 Bit 11 Bit 10 Bit 9 Bit 8 Bit 7 Bit 6 Bit 5 Bit 4 Bit 3 Bit 2 Bit 1 Bit 0 Value on
All Resets
TMR1 0100 Timer1 Register 0000 0000 0000 0000
PR1 0102 Timer1 Period Register 1111 1111 1111 1111
T1CON 0104 TON —TSIDL— — — — — — TGATE TCKPS1 TCKPS0 —TSYNCTCS —0000 0000 0000 0000
TMR2 0106 Timer2 Register 0000 0000 0000 0000
TMR3HLD 0108 Timer3 Holding Register (used in 32-bit mode only) 0000 0000 0000 0000
TMR3 010A Timer3 Register 0000 0000 0000 0000
PR2 010C Timer2 Period Register 1111 1111 1111 1111
PR3 010E Timer3 Period Register 1111 1111 1111 1111
T2CON 0110 TON —TSIDL— — — — — — TGATE TCKPS1 TCKPS0 T32 —TCS—0000 0000 0000 0000
T3CON 0112 TON —TSIDL— — — — — — TGATE TCKPS1 TCKPS0 ——TCS—0000 0000 0000 0000
TMR4 0114 Timer4 Register 0000 0000 0000 0000
TMR5HLD 0116 Timer5 Holding Register (used in 32-bit mode only) 0000 0000 0000 0000
TMR5 0118 Timer5 Register 0000 0000 0000 0000
PR4 011A Timer4 Period Register 1111 1111 1111 1111
PR5 011C Timer5 Period Register 1111 1111 1111 1111
T4CON 011E TON —TSIDL— — — — — — TGATE TCKPS1 TCKPS0 T32 —TCS—0000 0000 0000 0000
T5CON 0120 TON —TSIDL— — — — — — TGATE TCKPS1 TCKPS0 ——TCS—0000 0000 0000 0000
IFS0 0084 CNIF MI2CIF SI2CIF NVMIF ADIF U1TXIF U1RXIF SPI1IF T3IF T2IF OC2IF IC2IF T1IF OC1IF IC1IF INT01F 0000 0000 0000 0000
IFS1 0086 IC61F IC5IF IC4IF IC3IF C1IF SPI2IF U2TXIF U2RXIF INT2IF T5IF T4IF OC4IF OC3IF IC8IF IC7IF INT1IF 0000 0000 0000 0000
IEC0 008C CNIE MI2CIE IC2IE NVMIE ADIE U1TXIE U1RXIE SPI1IE T3IE T2IE OC2IE IC2IE T1IE OC1IE IC1IE INT0IE 0000 0000 0000 0000
IEC1 008E IC6IE IC5IE IC4IE IC3IE C1IE SPI2IE U2TXIE U2RXIE INT2IE T5IE T4IE OC4IE OC3IE IC8IE IC7IE INT1IE 0000 0000 0000 0000
IPC0 0094 — T1IP<2:0> —OC1IP<2:0> —IC1IP<2:0> INT0IP<2:0> 0100 0100 0100 0100
IPC1 0096 — T3IP<2:0> — T2IP<2:0> —OC2IP<2:0> IC2IP<2:0> 0100 0100 0100 0100
IPC5 009E —INT2IP<2:0> — T5IP<2:0> — T4IP<2:0> OC4IP<2:0> 0100 0100 0100 0100
Note: Please refer to the device data sheet for specific memory map details.

© 2005 Microchip Technology Inc. DS70059D-page 12-24
Section 12. Timers
Timers
12
12.14 Design Tips
Question 1: Can a timer module be used to wake the device from Sleep mode?
Answer: Yes, but only Timer1 has the ability to wake the device from Sleep mode. This is
because Timer1 allows the TMR1 register to increment from an external, unsynchronized clock
source. When the TMR1 register is equal to the PR1 register, the device will wake from Sleep
mode, if Timer1 interrupts have been enabled using the T1IE control bit. Refer to Section
12.12.1 “Timer Operation in Sleep Mode” for further details.
12.14.1 Example Application
An example application is shown in Figure 12-7, where Timer1 (Type A time base) is driven from
an external 32.768 kHz oscillator. The external 32.768 kHz oscillator is typically used in applica-
tions where real-time needs to be kept, but it is also desirable to have the lowest possible power
consumption. The Timer1 oscillator allows the device to be placed in Sleep while the timer
continues to increment. When Timer1 overflows, the interrupt wakes up the device so that the
appropriate registers can be updated.
Figure 12-7: Timer1 Application
In this example, a 32.768 kHz crystal is used as the time base for the Real-Time Clock. If the
clock needs to be updated at 1 second intervals, then the period register, PR1, must be loaded
with a value to allow the Timer1 to PR1 match at the desired rate. In the case of a 1 second
Timer1 match event, the PR1 register should be loaded with a value of 0x8000.
Note: The TMR1 register should never be written for correct real-time clock functionality,
since the Timer1 clock source is asynchronous to the system clock. Writes to the
TMR1 register may corrupt the real-time counter value, resulting in inaccurate
timekeeping.
8
4Current Sink
TMR1
VSS
dsPIC30FXXX
VDD
32.768 kHz
Backup
Battery
Power-Down
Detect
SOSCO
SOSCI
OSC1
S1
S2
S3
S4
CN0
CN1
CN2
CN3

dsPIC30F Family Reference Manual
DS70059D-page 12-25 © 2005 Microchip Technology Inc.
12.15 Related Application Notes
This section lists application notes that are related to this section of the manual. These
application notes may not be written specifically for the dsPIC30F Product Family, but the
concepts are pertinent and could be used with modification and possible limitations. The current
application notes related to the Timers module are:
Title Application Note #
Using Timer1 in Asynchronous Clock Mode AN580
Yet Another Clock Featuring the PIC16C924 AN649
Note: Please visit the Microchip web site (www.microchip.com) for additional Application
Notes and code examples for the dsPIC30F Family of devices.

© 2005 Microchip Technology Inc. DS70059D-page 12-26
Section 12. Timers
Timers
12
12.16 Revision History
Revision A
This is the initial released revision of this document.
Revision B
This revision incorporates technical content changes for the dsPIC30F Timers module.
Revision C
There were no technical content revisions to this section of the manual, however, this section was
updated to reflect Revision C throughout the manual.
Revision D
Added example code in Section 12.12.1 “Timer Operation in Sleep Mode”.

dsPIC30F Family Reference Manual
DS70059D-page 12-27 © 2005 Microchip Technology Inc.

© 2004 Microchip Technology Inc. DS70060C-page 13-1
Input Capture
13
Section 13. Input Capture
HIGHLIGHTS
This section of the manual contains the following major topics:
13.1 Introduction .................................................................................................................. 13-2
13.2 Input Capture Registers...............................................................................................13-3
13.3 Timer Selection ............................................................................................................13-4
13.4 Input Capture Event Modes ......................................................................................... 13-4
13.5 Capture Buffer Operation.............................................................................................13-8
13.6 Input Capture Interrupts ...............................................................................................13-9
13.7 UART Autobaud Support .............................................................................................13-9
13.8 Input Capture Operation in Power Saving States ......................................................13-10
13.9 I/O Pin Control ........................................................................................................... 13-10
13.10 Special Function Registers Associated with the Input Capture Module..................... 13-11
13.11 Design Tips ................................................................................................................ 13-12
13.12 Related Application Notes.......................................................................................... 13-13
13.13 Revision History......................................................................................................... 13-14

dsPIC30F Family Reference Manual
DS70060C-page 13-2 © 2004 Microchip Technology Inc.
13.1 Introduction
This section describes the Input Capture module and its associated Operational modes. The
Input Capture module is used to capture a timer value from one of two selectable time bases,
upon an event on an input pin. The Input Capture features are quite useful in applications
requiring frequency (Time Period) and pulse measurement. Figure 13-1 depicts a simplified
block diagram of the Input Capture module.
Refer to the specific device data sheet for further information on the number of channels
available in a particular device. All Input Capture channels are functionally identical. In this
section, an ‘x’ in the pin name or register name denotes the specific Input Capture channel.
The Input Capture module has multiple Operating modes, which are selected via the ICxCON
register. The Operating modes include:
• Capture timer value on every falling edge of input applied at the ICx pin
• Capture timer value on every rising edge of input applied at the ICx pin
• Capture timer value on every fourth rising edge of input applied at the ICx pin
• Capture timer value on every 16th rising edge of input applied at the ICx pin
• Capture timer value on every rising and every falling edge of input applied at the ICx pin
The Input Capture module has a four-level FIFO buffer. The number of capture events required
to generate a CPU interrupt can be selected by the user.
Figure 13-1: Input Capture Block Diagram
ICxBUF
ICx pin ICM<2:0>(ICxCON<2:0>)
Mode Select
3
10
Set Flag ICxIF
(in IFSn Register)
TMRy TMRz
Edge Detection Logic
16 16
FIFO
R/W
Logic
ICxI<1:0>
ICBNE, ICOV(ICxCON<4:3>)
ICxCON Interrupt
Logic
System Bus
From 16-bit Timers
ICTMR
(ICxCON<7>)
FIFO
Prescaler
Counter
(1, 4, 16) and
Clock Synchronizer
Note: An ‘x’ in a signal, register or bit name denotes the number of the capture channel.

© 2004 Microchip Technology Inc. DS70060C-page 13-3
Section 13. Input Capture
Input Capture
13
13.2 Input Capture Registers
Each capture channel available on the dsPIC30F devices has the following registers, where ‘x’
denotes the number of the capture channel:
• ICxCON: Input Capture Control Register
• ICxBUF: Input Capture Buffer Register
Register 13-1: ICxCON: Input Capture x Control Register
Upper Byte:
U-0 U-0 R/W-0 U-0 U-0 U-0 U-0 U-0
— — ICSIDL — — — — —
bit 15 bit 8
Lower Byte:
R/W-0 R/W-0 R/W-0 R-0, HC R-0, HC R/W-0 R/W-0 R/W-0
ICTMR ICI<1:0> ICOV ICBNE ICM<2:0>
bit 7 bit 0
bit 15-14 Unimplemented: Read as ‘0’
bit 13 ICSIDL: Input Capture Module Stop in Idle Control bit
1 = Input capture module will halt in CPU Idle mode
0 = Input capture module will continue to operate in CPU Idle mode
bit 12-8 Unimplemented: Read as ‘0’
bit 7 ICTMR: Input Capture Timer Select bits
1 = TMR2 contents are captured on capture event
0 = TMR3 contents are captured on capture event
Note: Timer selections may vary. Refer to the device data sheet for details.
bit 6-5 ICI<1:0>: Select Number of Captures per Interrupt bits
11 = Interrupt on every fourth capture event
10 = Interrupt on every third capture event
01 = Interrupt on every second capture event
00 = Interrupt on every capture event
bit 4 ICOV: Input Capture Overflow Status Flag (Read Only) bit
1 = Input capture overflow occurred
0 = No input capture overflow occurred
bit 3 ICBNE: Input Capture Buffer Empty Status (Read Only) bit
1 = Input capture buffer is not empty, at least one more capture value can be read
0 = Input capture buffer is empty
bit 2-0 ICM<2:0>: Input Capture Mode Select bits
111 = Input Capture functions as interrupt pin only, when device is in Sleep or Idle mode
(Rising edge detect only, all other control bits are not applicable.)
110 = Unused (module disabled)
101 = Capture mode, every 16th rising edge
100 = Capture mode, every 4th rising edge
011 = Capture mode, every rising edge
010 = Capture mode, every falling edge
001 = Capture mode, every edge (rising and falling)
(ICI<1:0> does not control interrupt generation for this mode.)
000 = Input capture module turned off
Legend:
HC = Cleared in Hardware HS = Set in Hardware
R = Readable bit W = Writable bit U = Unimplemented bit, read as ‘0’
-n = Value at POR ‘1’ = Bit is set ‘0’ = Bit is cleared x = Bit is unknown

dsPIC30F Family Reference Manual
DS70060C-page 13-4 © 2004 Microchip Technology Inc.
13.3 Timer Selection
Each dsPIC30F device may have one or more input capture channels. Each channel can select
between one of two 16-bit timers for the time base. Refer to the device data sheet for the specific
timers that can be selected.
Selection of the timer resource is accomplished through the ICTMR control bit (ICxCON<7>).
The timers can be setup using the internal clock source (FOSC/4), or using a synchronized
external clock source applied at the TxCK pin.
13.4 Input Capture Event Modes
The input capture module captures the 16-bit value of the selected time base register when an
event occurs at the ICx pin. The events that can be captured are listed below in three categories:
1. Simple Capture Event modes
• Capture timer value on every falling edge of input at ICx pin
• Capture timer value on every rising edge of input at ICx pin
2. Capture timer value on every edge (rising and falling)
3. Prescaler Capture Event modes
• Capture timer value on every 4th rising edge of input at ICx pin
• Capture timer value on every 16th rising edge of input at ICx pin
These Input Capture modes are configured by setting the appropriate Input Capture mode bits,
ICM<2:0> (ICxCON<2:0>).
13.4.1 Simple Capture Events
The capture module can capture a timer count value (TMR2 or TMR3) based on the selected
edge (rising or falling defined by mode) of the input applied to the ICx pin. These modes are
specified by setting the ICM<2:0> (ICxCON<2:0>) bits to ‘010’ or ‘011’, respectively. In these
modes, the prescaler counter is not used. See Figure 13-3 and Figure 13-2 for simplified timing
diagrams of a simple capture event.
The input capture logic detects and synchronizes the rising or falling edge of the capture pin
signal on the internal phase clocks. If the rising/falling edge has occurred, the capture module
logic will write the current time base value to the capture buffer and signal the interrupt generation
logic. When the number of elapsed capture events matches the number specified by the ICI<1:0>
control bits, the respective capture channel interrupt status flag, ICxIF, is asserted 2 instruction
cycles after the capture buffer write event.
If the capture time base increments every instruction cycle, the captured count value will be the
value that was present 1 or 2 instruction cycles past the time of the event on the ICx pin. This
time delay is a function of the actual ICx edge event related to the instruction cycle clock and
delay associated with the input capture logic. If the input clock to the capture time base is
prescaled, then the delay in the captured value can be eliminated. See Figure 13-3 and
Figure 13-2 for details.
The input capture pin has minimum high time and low time specifications. Refer to the “Electrical
Specifications” section of the device data sheet for further details.

© 2004 Microchip Technology Inc. DS70060C-page 13-5
Section 13. Input Capture
Input Capture
13
Figure 13-2: Simple Capture Event Timing Diagram, Time Base Prescaler = 1:1
Figure 13-3: Simple Capture Event Timing Diagram, Time Base Prescaler = 1:4
Capture Data
n+2 n+3 n+4
n-2 n-1 n n+1n-3
TMR2
n+1
ICx pin
n+5
Note 1: A capture signal edge that occurs in this region will result in a capture buffer entry value of 1 or 2 timer counts from
the capture signal edge.
See Note 1
TCY ICxIF Set
Capture Data
n+1
n-1 n
TMRy
n
ICx pin
ICxIF Set
TCY

dsPIC30F Family Reference Manual
DS70060C-page 13-6 © 2004 Microchip Technology Inc.
13.4.2 Prescaler Capture Events
The capture module has two Prescaled Capture modes. The Prescale modes are selected by
setting the ICM<2:0> (ICxCON<2:0>) bits to ‘100’ or ‘101’, respectively. In these modes, the
capture module counts four or sixteen rising edge pin events before a capture event occurs.
The capture prescaler counter is incremented on every valid rising edge applied to the capture
pin. The rising edge applied to the pin effectively serves as a clock to a counter. When the
prescaler counter equals four or sixteen counts (depending on the mode selected), the counter
will output a “valid” capture event signal, which is then synchronized to the instruction cycle clock.
This synchronized capture event signal will trigger a capture buffer write event and signal the
interrupt generation logic. The respective capture channel interrupt status flag, ICxIF, is asserted
2 instruction cycles after the capture buffer write event.
If the capture time base increments every instruction cycle, the captured count value will be the
value that was present 1 or 2 instruction cycles past the time of the synchronized capture event.
The input capture pin has minimum high time and low time specifications. Refer to the “Electrical
Specifications” section of the device data sheet for further details.
Switching from one prescale setting to another may generate an interrupt. Also, the prescaler
counter will not be cleared, therefore, the first capture may be from a non-zero prescaler.
Example 13-1 shows the recommended method for switching between capture prescale
settings.
The prescaler counter is cleared when:
• The capture channel is turned off (i.e., ICM<2:0> = ‘000’).
• Any device Reset.
The prescaler counter is not cleared when:
• The user switches from one active Capture mode to another.

© 2004 Microchip Technology Inc. DS70060C-page 13-7
Section 13. Input Capture
Input Capture
13
Example 13-1: Prescaled Capture Code Example
; The following code example will set the Input Capture 1 module
; for interrupts on every second capture event, capture on every
; fourth rising edge and select Timer 2 as the time-base. This
; code example clears ICxCON to avoid unexpected interrupts.
BSET IPC0, #IC1IP0 ; Setup Input Capture 1 interrupt for
BCLR IPC0, #IC1IP1 ; desired priority level
BCLR IPC0, #IC1IP2 ; (this example assigns level 1 priority)
BCLR IFS0, #IC1IF ; Clear the IC1 interrupt status flag
BSET IEC0, #IC1IE ; Enable IC1 interrupts
CLR IC1CON ; Turn off Input Capture 1 Module.
MOV #0x00A2, w0 ; Load the working register with the new
MOV w0, IC1CON ; prescaler mode and write to IC1CON
MOV #IC1BUF, w0 ; Create capture data fetch pointer
MOV #TEMP_BUFF, w1 ; Create data storage pointer
; Assumes TEMP_BUFF is already defined
; The following code shows how to read the capture buffer when
; an interrupt is generated. W0 contains the capture buffer address.
; Example code for Input Capture 1 ISR:
__IC1Interrupt:
BCLR IFS0, #IC1IF ; Reset respective interrupt flag
MOV [w0++], [w1++] ; Read and save off first capture entry
MOV [w0], [w1] ; Read and save off second capture entry
; Remaining user code here
RETFIE ; Return from ISR
Note: It is recommended that the user turn off the capture module (i.e., clear ICM<2:0>
(ICxCON<2:0>)) before switching to a new mode. If the user switches to a new
Capture mode, the prescaler counter is not cleared. Therefore, it is possible that the
first capture event and its associated interrupt is generated due to a non-zero
prescaler counter (at the time of switching modes).

dsPIC30F Family Reference Manual
DS70060C-page 13-8 © 2004 Microchip Technology Inc.
13.4.3 Edge Detection Mode
The capture module can capture a time base count value on every rising and falling edge of the
input signal applied to the ICx pin. The Edge Detection mode is selected by setting the ICM<2:0>
(ICxCON<2:0>) bits to ‘001’. In this mode, the capture prescaler counter is not used. See
Figure 13-4 for a simplified timing diagram.
When the input capture module is configured for Edge Detection mode, the module will:
• Set the input capture interrupt flag (ICxIF) on every edge, rising and falling.
• The Interrupt-on-Capture mode bits, ICI<1:0> (ICxCON<6:5>), are not used in this mode.
Every capture event will generate an interrupt.
• No capture overflow, ICOV (ICxCON<4>), bit is generated.
As with the simple Capture Event mode, the input capture logic detects and synchronizes the
rising and falling edge of the capture pin signal on the internal phase clocks. If the rising or falling
edge has occurred, the capture module logic will write the current timer count to the capture
buffer and signal the interrupt generation logic. The respective capture channel interrupt status
flag, ICxIF, is asserted 2 instruction cycles after the capture buffer write event.
The captured timer count value will be 1 or 2 TCY (instruction cycles) past the time of the
occurrence of the edge at the ICx pin (see Figure 13-4).
Figure 13-4: Edge Detection Mode Timing Diagram
13.5 Capture Buffer Operation
Each capture channel has an associated four-deep FIFO buffer. The ICxBUF register is the
buffer register visible to the user, as it is memory mapped.
When the input capture module is reset, ICM<2:0> = 000 (ICxCON<2:0>), the input capture logic
will:
• Clear the overflow condition flag (i.e., clear ICxOV (ICxCON<4>) to ‘0’).
• Reset the capture buffer to the empty state (i.e., clears ICBNE (ICxCON<3>) to ‘0’).
Reading the FIFO buffer under the following conditions will lead to indeterminate results:
• In the event the input capture module is first disabled and at some later time re-enabled.
• In the event a FIFO read is performed when the buffer is empty.
• After a device Reset.
There are two status flags which provide status on the FIFO buffer:
• ICBNE (ICxCON<3>): Input Capture Buffer Not Empty
• ICOV (ICxCON<4>): Input Capture Overflow
Capture Data
n+2 n+3 n+4 n+6n-2 n-1 n n+1n-3
TMRy
n
ICx pin
n+5
TCY
n+4
ICxIF Set ICxIF Set

© 2004 Microchip Technology Inc. DS70060C-page 13-9
Section 13. Input Capture
Input Capture
13
13.5.1 Input Capture Buffer Not Empty (ICBNE)
The ICBNE read only Status bit (ICxCON<3>) will be set on the first input capture event and
remain set until all capture events have been read from the capture buffer. For example, if three
capture events have occurred, then three reads of the capture buffer are required before the
ICBNE (ICxCON<3>) flag will be cleared. If four capture events, then four reads are required to
clear the ICBNE (ICxCON<3>) flag. Each read of the capture buffer will allow the remaining
word(s) to move to the next available top location. Since the ICBNE reflects the capture buffer
state, the ICBNE Status bit will be cleared in the event of any device Reset.
13.5.2 Input Capture Overflow (ICOV)
The ICOV read only Status bit (ICxCON<4>) will be set when the capture buffer overflows. In the
event that buffer is full with four capture events and a fifth capture event occurs prior to a read of
the buffer, an overrun condition will occur, the ICOV (ICxCON<4>) bit will be set to a logic ‘1’ and
the respective capture event interrupt will not be generated. In addition, the fifth capture event is
not recorded and all subsequent capture events will not alter the current buffer contents.
To clear the overrun condition, the capture buffer must be read four times. Upon the fourth read,
the ICOV (ICxCON<4>) status flag will be cleared and the capture channel will resume normal
operation.
Clearing of the overflow condition can be accomplished in the following ways:
• Set ICM<2:0> (ICxCON<2:0>) = 000
• Read capture buffer until ICBNE (ICxCON<3>) = 0
• Any device Reset
13.5.2.1 ICOV and Interrupt Only Mode
The input capture module can also be configured to function as an external interrupt pin. For this
mode, the ICI<1:0> (ICxCON<6:5>) bits must be set to ‘00’. Interrupts will be generated
independently of buffer reads.
13.6 Input Capture Interrupts
The input capture module has the ability to generate an interrupt based upon a selected number
of capture events. A capture event is defined as a write of a time base value into the capture
buffer. This setting is configured by the control bits ICI<1:0> (ICxCON<6:5>).
Except for the case when ICI<1:0> = ‘00’, no interrupts will be generated until a buffer overflow
condition is removed (see Section 13.5.2 “Input Capture Overflow (ICOV)”). When the
capture buffer has been emptied, either by a Reset condition or a read operation, the interrupt
count is reset. This allows for the resynchronization of the interrupt count to the FIFO entry
status.
13.6.1 Interrupt Control Bits
Each input capture channel has interrupt flag Status bits (ICxIF), interrupt enable bits (ICxIE) and
interrupt priority control bits (ICxIP<2:0>). Refer to Section 6. “Reset Interrupts” for further
information on peripheral interrupts.
13.7 UART Autobaud Support
The input capture module can be used by the UART module when the UART is configured for
the Autobaud mode of operation, ABAUD = 1 (UxMODE<5>). When the ABAUD control bit is set,
the UART RX pin will be internally connected to the assigned input capture module input. The
I/O pin associated with the capture module will be disconnected. The baud rate can be deter-
mined by measuring the width of the Start bit when a NULL character is received. Note that the
capture module must be configured for the Edge Detection mode (capture on every rising and
falling edge) to take advantage of the autobaud feature. The input capture module assignment
for each UART will depend on the dsPIC30F device variant that is selected. Refer to the device
data sheet for further details on the autobaud support.

dsPIC30F Family Reference Manual
DS70060C-page 13-10 © 2004 Microchip Technology Inc.
13.8 Input Capture Operation in Power Saving States
13.8.1 Input Capture Operation in Sleep Mode
When the device enters Sleep mode, the system clock is disabled. In Sleep mode, the input cap-
ture module can only function as an external interrupt source. This mode is enabled by setting
control bits ICM<2:0> = ‘111’. In this mode, a rising edge on the capture pin will generate device
wake-up from Sleep condition. If the respective module interrupt bit is enabled and the module
priority is of the required priority, an interrupt will be generated.
In the event the capture module has been configured for a mode other than ICM<2:0> = ‘111’
and the dsPIC30F does enter the Sleep mode, no external pin stimulus, rising or falling, will
generate a wake-up condition from Sleep.
13.8.2 Input Capture Operation in Idle Mode
When the device enters Idle mode, the system clock sources remain functional and the CPU
stops executing code. The ICSIDL bit (ICxCON<13>) selects if the module will stop in Idle mode,
or continue to operate in Idle mode.
If ICSIDL = 0 (ICxCON<13>), the module will continue operation in Idle mode. Full functionality
of the input capture module is provided for, including the 4:1 and 16:1 capture prescale settings,
defined by control bits ICM<2:0> (ICxCON<2:0>). These modes require that the selected timer
is enabled during Idle mode as well.
If the Input Capture mode is configured for ICM<2:0> = ‘111’, the input capture pin will serve only
as an external interrupt pin. In this mode, a rising edge on the capture pin will generate device
wake-up from Idle mode. A capture time base does not have to be enabled. If the respective
module interrupt enable bit is set and the user assigned priority is greater than the current CPU
priority level, an interrupt will be generated.
If ICSIDL = 1 (ICxCON<13>), the module will stop in Idle mode. The module will perform the same
functions when stopped in Idle mode as for Sleep mode (see Section 13.8.1 “Input Capture
Operation in Sleep Mode”).
13.8.3 Device Wake-up on Sleep/Idle
An input capture event can generate a device wake-up or interrupt, if enabled, if the device is in
Idle or Sleep mode.
Independent of the timer being enabled, the input capture module will wake-up from Sleep or Idle
mode when a capture event occurs, if the following are true:
• Input Capture mode bits, ICM<2:0> = ‘111’ (ICxCON<2:0>) and
• The interrupt enable bit (ICxIE) is asserted.
This same wake-up feature will interrupt the CPU if:
• The respective interrupt is enabled (ICxIE = 1) and is of the required priority.
This wake-up feature is quite useful for adding extra external pin interrupts. The following
conditions are true when the input capture module is used in this mode:
• The capture prescaler counter is not utilized while in this mode.
• The ICI<1:0>(ICxCON<6:5>) bits are not applicable.
13.9 I/O Pin Control
When the capture module is enabled, the user must ensure the I/O pin direction is configured for
an input by setting the associated TRIS bit. The pin direction is not set when the capture module
is enabled. Furthermore, all other peripherals multiplexed with the input pin must be disabled.

Section 13. Input Capture
Input Capture
13
© 2004 Microchip Technology Inc. DS70060C-page 13-11
13.10 Special Function Registers Associated with the Input Capture Module
Table 13-1: Example Memory Map for Input Capture Modules
SFR Name Addr. Bit 15 Bit 14 Bit 13 Bit 12 Bit 11 Bit 10 Bit 9 Bit 8 Bit 7 Bit 6 Bit 5 Bit 4 Bit 3 Bit 2 Bit 1 Bit 0 Reset State
IFS0 0084 CNIF MI2CIF SI2CIF NVMIF ADIF U1TXIF U1RXIF SPI1IF T3IF T2IF OC2IF IC2IF T1IF OC1IF IC1IF INT0F 0000 0000 0000 0000
IFS1 0086 IC6IF IC5IF IC4IF IC3IF C1IF SPI2IF U2TXIF U2RXIF INT2IF T5IF T4IF OC4IF OC3IF IC8IF IC7IF INT1IF 0000 0000 0000 0000
IEC0 008C CNIE MI2CIE SI2CIE IR12 ADIE U1TXIE U1RXIE SPI1IE T3IE T2IE OC2IE IC2IE T1IE OC1IE IC1IE INT0IE 0000 0000 0000 0000
IEC1 008E IC6IE EI30 IC4IE IC3IE C1IE SPI2IE U2TXIE U2RXIE INT2IE T5IE T4IE OC4IE OC3IE IC8IE IC7IE INT1IE 0000 0000 0000 0000
IPC0 0094 —T1IP<2:0> —OC1IP<2:0> —IC1IP<2:0> —INT0IP<2:0> 0100 0100 0100 0100
IPC1 0096 —T31P<2:0> —T2IP<2:0> —OC2IP<2:0> —IC2IP<2:0> 0100 0100 0100 0100
IPC4 009C —OC3IP<2:0> —IC8IP<2:0> —IC7IP<2:0> —INT1IP<2:0> 0100 0100 0100 0100
IPC7 00A2 — IC6IP<2:0> —IC5IP<2:0> —IC4IP<2:0> —IC3IP<2:0> 0100 0100 0100 0100
IC1BUF 0140 Input 1 Capture Register uuuu uuuu uuuu uuuu
IC1CON 0142 ——ICSIDL— — — — — ICTMR ICI<1:0> ICOV ICBNE ICM<2:0> 0000 0000 0000 0000
IC2BUF 0144 Input 2 Capture Register uuuu uuuu uuuu uuuu
IC2CON 0146 ——ICSIDL— — — — — ICTMR ICI<1:0> ICOV ICBNE ICM<2:0> 0000 0000 0000 0000
IC3BUF 0148 Input 3 Capture Register uuuu uuuu uuuu uuuu
IC3CON 014A ——ICSIDL— — — — — ICTMR ICI<1:0> ICOV ICBNE ICM<2:0> 0000 0000 0000 0000
IC4BUF 014C Input 4 Capture Register uuuu uuuu uuuu uuuu
IC4CON 014E ——ICSIDL— — — — — ICTMR ICI<1:0> ICOV ICBNE ICM<2:0> 0000 0000 0000 0000
IC5BUF 0150 Input 5 Capture Register uuuu uuuu uuuu uuuu
IC5CON 0152 ——ICSIDL— — — — — ICTMR ICI<1:0> ICOV ICBNE ICM<2:0> 0000 0000 0000 0000
IC6BUF 0154 Input 6 Capture Register uuuu uuuu uuuu uuuu
IC6CON 0156 ——ICSIDL— — — — — ICTMR ICI<1:0> ICOV ICBNE ICM<2:0> 0000 0000 0000 0000
IC7BUF 0158 Input 7 Capture Register uuuu uuuu uuuu uuuu
IC7CON 015A ——ICSIDL— — — — — ICTMR ICI<1:0> ICOV ICBNE ICM<2:0> 0000 0000 0000 0000
IC8BUF 015C Input 8 Capture Register uuuu uuuu uuuu uuuu
IC8CON 015E ——ICSIDL— — — — — ICTMR ICI<1:0> ICOV ICBNE ICM<2:0> 0000 0000 0000 0000
Legend: u = uninitialized
Note: Refer to the device data sheet for specific memory map details.

dsPIC30F Family Reference Manual
DS70060C-page 13-12 © 2004 Microchip Technology Inc.
13.11 Design Tips
Question 1: Can the Input Capture module be used to wake the device from Sleep
mode?
Answer: Yes. When the Input Capture module is configured to ICM<2:0> = ‘111’ and the
respective channel interrupt enable bit is asserted, ICxIE = 1, a rising edge on the capture pin
will wake-up the device from Sleep (see Section 13.8 “Input Capture Operation in Power
Saving States”).

© 2004 Microchip Technology Inc. DS70060C-page 13-13
Section 13. Input Capture
Input Capture
13
13.12 Related Application Notes
This section lists application notes that are related to this section of the manual. These
application notes may not be written specifically for the dsPIC30F Product Family, but the
concepts are pertinent and could be used with modification and possible limitations. The current
application notes related to the Input Capture module are:
Title Application Note #
Using the CCP Module(s) AN594
Implementing Ultrasonic Ranging AN597
Note: Please visit the Microchip web site (www.microchip.com) for additional Application
Notes and code examples for the dsPIC30F Family of devices.

dsPIC30F Family Reference Manual
DS70060C-page 13-14 © 2004 Microchip Technology Inc.
13.13 Revision History
Revision A
This is the initial released revision of this document.
Revision B
There were no technical content or editorial revisions to this section of the manual, however, this
section was updated to reflect Revision B throughout the manual.
Revision C
There were no technical content revisions to this section of the manual, however, this section was
updated to reflect Revision C throughout the manual.

© 2004 Microchip Technology Inc. DS70061C-page 14-1
O
u
t
p
u
t
Compare
14
Section 14. Output Compare
HIGHLIGHTS
This section of the manual contains the following major topics:
14.1 Introduction .................................................................................................................. 14-2
14.2 Output Compare Registers ..........................................................................................14-3
14.3 Modes of Operation .....................................................................................................14-4
14.4 Output Compare Operation in Power Saving States..................................................14-23
14.5 I/O Pin Control ........................................................................................................... 14-23
14.6 Design Tips ................................................................................................................ 14-26
14.7 Related Application Notes.......................................................................................... 14-27
14.8 Revision History.........................................................................................................14-28

dsPIC30F Family Reference Manual
DS70061C-page 14-2 © 2004 Microchip Technology Inc.
14.1 Introduction
The Output Compare module has the ability to compare the value of a selected time base with
the value of one or two compare registers (depending on the Operation mode selected).
Furthermore, it has the ability to generate a single output pulse, or a train of output pulses, on a
compare match event. Like most dsPIC peripherals, it also has the ability to generate
interrupts-on- compare match events.
The dsPIC30F device may have up to eight output compare channels, designated OC1, OC2,
OC3, etc. Refer to the specific device data sheet for the number of channels available in a
particular device. All output compare channels are functionally identical. In this section, an ‘x’ in
the pin, register or bit name denotes the specific output compare channel.
Each output compare channel can use one of two selectable time bases. The time base is
selected using the OCTSEL bit (OCxCON<3>). Please refer to the device data sheet for the
specific timers that can be used with each output compare channel number.
Figure 14-1: Output Compare Module Block Diagram
OCxR(1)
Comparator
Output
Logic QS
R
OCM<2:0>
Output Enable
OCx(1)
Set Flag bit
OCxIF(1)
OCxRS(1)
Mode Select
3
Note 1: Where ‘x’ is shown, reference is made to the registers associated with the respective output compare
channels 1 through 8.
2: OCFA pin controls OC1-OC4 channels. OCFB pin controls OC5-OC8 channels.
3: Each output compare channel can use one of two selectable time bases. Refer to the device data sheet
for the time bases associated with the module.
01
OCTSEL 01
16
16
OCFA or OCFB
(see Note 2)
TMR register inputs
from time bases
(see Note 3).
Period match signals
from time bases
(see Note 3).

© 2004 Microchip Technology Inc. DS70061C-page 14-3
Section 14. Output Compare
O
u
t
p
u
t
Compare
14
14.2 Output Compare Registers
Each output compare channel has the following registers:
• OCxCON: the control register for the channel
• OCxR: a data register for the output compare channel
• OCxRS: a secondary data register for the output compare channel
The control registers for the 8 compare channels are named OC1CON through OC8CON. All 8
control registers have identical bit definitions. They are represented by a common register
definition below. The ‘x’ in OCxCON represents the output compare channel number.
Register 14-1: OCxCON: Output Compare x Control Register
Upper Byte:
U-0 U-0 R/W-0 U-0 U-0 U-0 U-0 U-0
——OCSIDL — — — — —
bit 15 bit 8
Lower Byte:
U-0 U-0 U-0 R-0, HC R/W-0 R/W-0 R/W-0 R/W-0
— — — OCFLT OCTSEL OCM<2:0>
bit 7 bit 0
bit 15-14 Unimplemented: Read as ‘0’
bit 13 OCSIDL: Stop Output Compare in Idle Mode Control bit
1 = Output compare x will halt in CPU Idle mode
0 = Output compare x will continue to operate in CPU Idle mode
bit 12-5 Unimplemented: Read as ‘0’
bit 4 OCFLT: PWM Fault Condition Status bit
1 = PWM Fault condition has occurred (cleared in HW only)
0 = No PWM Fault condition has occurred
(This bit is only used when OCM<2:0> = 111.)
bit 3 OCTSEL: Output Compare Timer Select bit
1 = Timer3 is the clock source for compare x
0 = Timer2 is the clock source for compare x
Note: Refer to the device data sheet for specific time bases available to the output compare module.
bit 2-0 OCM<2:0>: Output Compare Mode Select bits
111 = PWM mode on OCx, Fault pin enabled
110 = PWM mode on OCx, Fault pin disabled
101 = Initialize OCx pin low, generate continuous output pulses on OCx pin
100 = Initialize OCx pin low, generate single output pulse on OCx pin
011 = Compare event toggles OCx pin
010 = Initialize OCx pin high, compare event forces OCx pin low
001 = Initialize OCx pin low, compare event forces OCx pin high
000 = Output compare channel is disabled
Legend:
HC = Cleared in Hardware
R = Readable bit W = Writable bit U = Unimplemented bit, read as ‘0’
-n = Value at POR ‘1’ = Bit is set ‘0’ = Bit is cleared x = Bit is unknown

dsPIC30F Family Reference Manual
DS70061C-page 14-4 © 2004 Microchip Technology Inc.
14.3 Modes of Operation
Each output compare module has the following modes of operation:
• Single Compare Match mode
• Dual Compare Match mode generating
- Single Output Pulse
- Continuous Output Pulses
• Simple Pulse Width Modulation mode
- with Fault Protection Input
- without Fault Protection Input
14.3.1 Single Compare Match Mode
When control bits OCM<2:0> (OCxCON<2:0>) are set to ‘001’, ‘010’ or ‘011’, the selected
output compare channel is configured for one of three Single Output Compare Match modes.
In the Single Compare mode, the OCxR register is loaded with a value and is compared to the
selected incrementing timer register, TMRy. On a compare match event, one of the following
events will take place:
• Compare forces OCx pin high, initial state of pin is low. Interrupt is generated on the single
compare match event.
• Compare forces OCx pin low, initial state of pin is high. Interrupt is generated on the single
compare match event.
• Compare toggles OCx pin. Toggle event is continuous and an interrupt is generated for
each toggle event.
Note 1: It is recommended that the user turn off the output compare module (i.e., clear
OCM<2:0> (OCxCON<2:0>)) before switching to a new mode.
2: In this section, a reference to any SFRs associated with the selected timer source
is indicated by a ‘y’ suffix. For example, PRy is the Period register for the selected
timer source, while TyCON is the Timer Control register for the selected timer
source.

© 2004 Microchip Technology Inc. DS70061C-page 14-5
Section 14. Output Compare
O
u
t
p
u
t
Compare
14
14.3.1.1 Compare Mode Output Driven High
To configure the output compare module for this mode, set control bits OCM<2:0> = ‘001’. The
compare time base should also be enabled. Once this Compare mode has been enabled, the
output pin, OCx, will be initially driven low and remain low until a match occurs between the TMRy
and OCxR registers. Referring to Figure 14-2, there are some key timing events to note:
• The OCx pin is driven high one instruction clock after the compare match occurs between
the compare time base and the OCxR register. The OCx pin will remain high until a mode
change has been made, or the module is disabled.
• The compare time base will count up to the value contained in the associated period
register and then reset to 0x0000 on the next instruction clock.
• The respective channel interrupt flag, OCxIF, is asserted 2 instruction clocks after the OCx
pin is driven high.
Figure 14-2: Single Compare Mode: Set OCx High on Compare Match Event
OCxIF
4000 0001
3001 3002 3003 30043000
TMRy 0000
Cleared by User
1 Instruction Clock Period
2 TCY
4000
3002
PRy
OCxR
3FFF
OCx pin
TMRy Resets Here
Note: An ‘x’ represents the output compare channel number. A ‘y’ represents the time base number.

dsPIC30F Family Reference Manual
DS70061C-page 14-6 © 2004 Microchip Technology Inc.
14.3.1.2 Compare Mode Output Driven Low
To configure the output compare module for this mode, set control bits OCM<2:0> = ‘010’. The
compare time base must also be enabled. Once this Compare mode has been enabled, the
output pin, OCx, will be initially driven high and remain high until a match occurs between the
Timer and OCxR registers. Referring to Figure 14-3, there are some key timing events to note:
• The OCx pin is driven low one instruction clock after the compare match occurs between
the compare time base and the OCxR register. The OCx pin will remain low until a mode
change has been made, or the module is disabled.
• The compare time base will count up to the value contained in the associated period
register and then reset to 0x0000 on the next instruction clock.
• The respective channel interrupt flag, OCxIF, is asserted 2 instruction clocks after OCx pin
is driven low.
Figure 14-3: Single Compare Mode: Force OCx Low on Compare Match Event
OCxIF
4C00 0001
47FF 4800 4801 480247FE
TMRy 0000
Cleared by User
1 Instruction Clock Period
2 TCY
4C00
4800
PRy
OCxR
4BFF
OCx pin
TMRy Resets Here
Note: An ‘x’ represents the output compare channel number. A ‘y’ represents the time base number.

© 2004 Microchip Technology Inc. DS70061C-page 14-7
Section 14. Output Compare
O
u
t
p
u
t
Compare
14
14.3.1.3 Single Compare Mode Toggle Output
To configure the output compare module for this mode, set control bits OCM<2:0> = ‘011’. In
addition, Timer 2 or Timer 3 must be selected and enabled. Once this Compare mode has been
enabled, the output pin, OCx, will be initially driven low and then toggle on each and every
subsequent match event between the Timer and OCxR registers. Referring to Figure 14-4 and
Figure 14-5, there are some key timing events to note:
• The OCx pin is toggled one instruction clock after the compare match occurs between the
compare time base and the OCxR register. The OCx pin will remain at this new state until
the next toggle event, or until a mode change has been made, or the module is disabled.
• The compare time base will count up to the contents in the period register and then reset to
0x0000 on the next instruction clock.
• The respective channel interrupt flag, OCxIF, is asserted 2 instruction clocks after the OCx
pin is toggled.
Figure 14-4: Single Compare Mode: Toggle Output on Compare Match Event (PR2 > OCxR)
Figure 14-5: Single Compare Mode: Toggle Output on Compare Match Event (PR2 = OCxR)
Note: The internal OCx pin output logic is set to a logic ‘0’ on a device Reset. However,
the operational OCx pin state for the Toggle mode can be set by the user software.
Example 14-1 shows a code example for defining the desired initial OCx pin state
in the Toggle mode of operation.
OCxIF
0500
0501 0502 0600
0500
TMRy
1 Instruction Clock Period
0600
0500
PRy
OCxR
0001
OCx pin
TMRy Resets Here
0000 0501 0502
Cleared by User
2 TCY
Note: An ‘x’ represents the output compare channel number. A ‘y’ represents the time base number.
OCxIF
0500
0000 0001 0500
0500
TMR2
Cleared by User
1 Instruction Clock Period
2 TCY
0500
0500
PR2
OCxR
0001
OCx pin
TMRy Resets Here
0000 0000 0001
Cleared by User
2 TCY 2 TCY
TMRy Resets Here
Note: An ‘x’ represents the output compare channel number. A ‘y’ represents the time base number.

dsPIC30F Family Reference Manual
DS70061C-page 14-8 © 2004 Microchip Technology Inc.
Example 14-1: Compare Mode Toggle Mode Pin State Setup
Example 14-2 shows example code for the configuration and interrupt service of the Single
Compare mode toggle event.
Example 14-2: Compare Mode Toggle Setup and Interrupt Servicing
; The following code example illustrates how to define the initial
; OC1 pin state for the output compare toggle mode of operation.
; Toggle mode with initial OC1 pin state set low
MOV 0x0001, w0 ; load setup value into w0
MOV w0, OC1CON ; enable module for OC1 pin low, toggle high
BSET OC1CON, #1 ; set module to toggle mode with initial pin
; state low
; Toggle mode with initial OC1 pin state set high
MOV 0x0002, w0 ; load setup value into w0
MOV w0, OC1CON ; enable module for OC1 pin high, toggle low
BSET OC1CON, #0 ; set module to toggle mode with initial pin
; state high
; The following code example will set the Output Compare 1 module
; for interrupts on the toggle event and select Timer 2 as the clock
; source for the compare time-base. It is assumed in that Timer 2
; and Period Register 2 are properly configured. Timer 2 will
; be enabled here.
CLR OC1CON ; Turn off Output Compare 1 Module.
MOV #0x0003, w0 ; Load the working register with the new
MOV w0, OC1CON ; compare mode and write to OC1CON
MOV #0x0500, w0 ; Initialize Compare Register 1
MOV w0, OC1R ; with 0x0500
BSET IPC0, #OC1IP0 ; Setup Output Compare 1 interrupt for
BCLR IPC0, #OC1IP1 ; desired priority level
BCLR IPC0, #OC1IP2 ; (this example assigns level 1 priority)
BCLR IFS0, #OC1IF ; Clear Output Compare 1 interrupt flag
BSET IEC0, #OC1IE ; Enable Output Compare 1 interrupts
BSET T2CON, #TON ; Start Timer2 with assumed settings
; Example code for Output Compare 1 ISR:
__OC1Interrupt:
BCLR IFS0, #OC1IF ; Reset respective interrupt flag
; Remaining user code here
RETFIE ; Return from ISR

© 2004 Microchip Technology Inc. DS70061C-page 14-9
Section 14. Output Compare
O
u
t
p
u
t
Compare
14
14.3.2 Dual Compare Match Mode
When control bits OCM<2:0> = ‘100’ or ‘101’ (OCxCON<2:0>), the selected output compare
channel is configured for one of two Dual Compare Match modes which are:
• Single Output Pulse mode
• Continuous Output Pulse mode
In the Dual Compare mode, the module uses both the OCxR and OCxRS registers for the
compare match events. The OCxR register is compared against the incrementing timer count,
TMRy, and the leading (rising) edge of the pulse is generated at the OCx pin, on a compare
match event. The OCxRS register is then compared to the same incrementing timer count,
TMRy, and the trailing (falling) edge of the pulse is generated at the OCx pin, on a compare
match event.
14.3.2.1 Dual Compare Mode: Single Output Pulse
To configure the Output Compare module for the Single Output Pulse mode, set control bits
OCM<2:0> = ‘100’. In addition, the compare time base must be selected and enabled. Once this
mode has been enabled, the output pin, OCx, will be driven low and remain low until a match
occurs between the time base and OCxR registers. Referring to Figure 14-6 and Figure 14-7,
there are some key timing events to note:
• The OCx pin is driven high one instruction clock after the compare match occurs between
the compare time base and OCxR register. The OCx pin will remain high until the next
match event occurs between the time base and the OCxRS register. At this time, the pin
will be driven low. The OCx pin will remain low until a mode change has been made, or the
module is disabled.
• The compare time base will count up to the value contained in the associated period
register and then reset to 0x0000 on the next instruction clock.
• If the time base period register contents are less than the OCxRS register contents, then no
falling edge of the pulse is generated. The OCx pin will remain high until
OCxRS <= PRy, or a mode change or Reset condition has occurred.
• The respective channel interrupt flag, OCxIF, is asserted 2 instruction clocks after the OCx
pin is driven low (falling edge of single pulse).
Figure 14-6 depicts the General Dual Compare mode generating a single output pulse.
Figure 14-7 depicts another timing example where OCxRS > PRy. In this example, no falling
edge of the pulse is generated since the compare time base resets before counting up to
0x4100.

dsPIC30F Family Reference Manual
DS70061C-page 14-10 © 2004 Microchip Technology Inc.
Figure 14-6: Dual Compare Mode
Figure 14-7: Dual Compare Mode: Single Output Pulse (OCxRS > PR2)
OCxIF
0000
3001 3002 3003 30043000
TMRy 4000
Cleared by User
Note 1: An ‘x’ represents the output compare channel number. A ‘y’ represents the time base number.
2: OCxR = Compare Register, OCxRS = Secondary Compare Register.
1 Instruction Clock Period
2 TCY
4000
3000
PRy
OCxR
3006
OCx pin
TMRy Resets Here
3003
OCxRS
3005
OCxIF
0000
3001 3002 3003 30043000
TMRy 4000
1 Instruction Clock Period
4000
3000
PRy
OCxR
3006
OCx pin
TMRy Resets Here
4100OCxRS
3005
Note 1: An ‘x’ represents the output compare channel number. A ‘y’ represents the time base number.
2: OCxR = Compare Register, OCxRS = Secondary Compare Register.
Compare Interrupt does not occur

© 2004 Microchip Technology Inc. DS70061C-page 14-11
Section 14. Output Compare
O
u
t
p
u
t
Compare
14
14.3.2.2 Setup for Single Output Pulse Generation
When control bits OCM<2:0> (OCxCON<2:0>) are set to ‘100’, the selected output compare
channel initializes the OCx pin to the low state and generates a single output pulse.
To generate a single output pulse, the following steps are required (these steps assume timer
source is initially turned off, but this is not a requirement for the module operation):
1. Determine the instruction clock cycle time. Take into account the frequency of the external
clock to the timer source (if one is used) and the timer prescaler settings.
2. Calculate time to the rising edge of the output pulse relative to the TMRy start value
(0x0000).
3. Calculate the time to the falling edge of the pulse based on the desired pulse width and
the time to the rising edge of the pulse.
4. Write the values computed in steps 2 and 3 above into the compare register, OCxR, and
the secondary compare register, OCxRS, respectively.
5. Set timer period register, PRy, to value equal to or greater than value in OCxRS, the
secondary compare register.
6. Set OCM<2:0> = ‘100’ and the OCTSEL (OCxCON<3>) bit to the desired timer source.
The OCx pin state will now be driven low.
7. Set the TON (TyCON<15>) bit to ‘1’, which enables the compare time base to count.
8. Upon the first match between TMRy and OCxR, the OCx pin will be driven high.
9. When the incrementing timer, TMRy, matches the secondary compare register, OCxRS,
the second and trailing edge (high-to-low) of the pulse is driven onto the OCx pin. No
additional pulses are driven onto the OCx pin and it remains at low. As a result of the
second compare match event, the OCxIF interrupt flag bit set, which will result in an
interrupt if it is enabled, by setting the OCxIE bit. For further information on peripheral
interrupts, refer to Section 6. “Reset Interrupts”.
10. To initiate another single pulse output, change the timer and compare register settings, if
needed, and then issue a write to set OCM<2:0> (OCxCON<2:0>) bits to ‘100’. Disabling
and re-enabling of the timer and clearing the TMRy register are not required, but may be
advantageous for defining a pulse from a known event time boundary.
The output compare module does not have to be disabled after the falling edge of the output
pulse. Another pulse can be initiated by rewriting the value of the OCxCON register.

dsPIC30F Family Reference Manual
DS70061C-page 14-12 © 2004 Microchip Technology Inc.
Example 14-3 shows example code for configuration of the single output pulse event.
Example 14-3: Single Output Pulse Setup and Interrupt Servicing
; The following code example will set the Output Compare 1 module
; for interrupts on the single pulse event and select Timer 2
; as the clock source for the compare time base. It is assumed
; that Timer 2 and Period Register 2 are properly initialized.
; Timer 2 will be enabled here.
CLR OC1CON ; Turn off Output Compare 1 Module.
MOV #0x0004, w0 ; Load the working register with the new
MOV W0, OC1CON ; compare mode and write to OC1CON
MOV #0x3000, w0 ; Initialize Compare Register 1
MOV W0, OC1R ; with 0x3000
MOV #0x3003, w0 ; Initialize Secondary Compare Register 1
MOV W0, OC1RS ; with 0x3003
BSET IPC0, #OC1IP0 ; Setup Output Compare 1 interrupt for
BCLR IPC0, #OC1IP1 ; desired priority level
BCLR IPC0, #OC1IP2 ; (this example assigns level 1 priority)
BCLR IFS0, #OC1IF ; Clear Output Compare 1 interrupt flag
BSET IEC0, #OC1IE ; Enable Output Compare 1 interrupts
BSET T2CON, #TON ; Start Timer2 with assumed settings
; Example code for Output Compare 1 ISR:
__OC1Interrupt:
BCLR IFS0, #OC1IF ; Reset respective interrupt flag
; Remaining user code here
RETFIE ; Return from ISR

© 2004 Microchip Technology Inc. DS70061C-page 14-13
Section 14. Output Compare
O
u
t
p
u
t
Compare
14
14.3.2.3 Special Cases for Dual Compare Mode Generating a Single Output Pulse
Depending on the relationship of the OCxR, OCxRS and PRy values, the output compare module
has a few unique conditions which should be understood. These special conditions are specified
in Table 14-1, along with the resulting behavior of the module.
Table 14-1: Special Cases for Dual Compare Mode Generating a Single Output Pulse
SFR Logical
Relationship Special Conditions Operation Output
at OCx
PRy >= OCxRS and
OCxRS > OCxR
OCxR = 0
Initialize TMRy = 0
In the first iteration of the TMRy counting from 0x0000 up to
PRy, the OCx pin remains low, no pulse is generated. After the
TMRy resets to zero (on period match), the OCx pin goes high
due to match with OCxR. Upon the next TMRy to OCxRS
match, the OCx pin goes low and remains there. The OCxIF
bit will be set as a result of the second compare.
There are two alternative initial conditions to consider:
a] Initialize TMRy = 0 and set OCxR >= 1
b] Initialize TMRy = PRy (PRy > 0) and set OCxR = 0
Pulse will be
delayed by the
value in the PRy
register
depending on
setup
PRy >= OCxR and
OCxR >= OCxRS
OCxR >= 1 and
PRy >= 1
TMRy counts up to OCxR and on a compare match event (i.e.,
TMRy = OCxR), the OCx pin is driven to a high state. TMRy
then continues to count and eventually resets on period match
(i.e., PRy =TMRy). The timer then restarts from 0x0000 and
counts up to OCxRS, and on a compare match event (i.e.,
TMRy = OCxRS), the OCx pin is driven to a low state. The
OCxIF bit will be set as a result of the second compare.
Pulse
OCxRS > PRy and
PRy >= OCxR
None Only the rising edge will be generated at the OCx pin. The
OCxIF will not be set.
Rising edge/
transition to high
OCxR = OCxRS =
PRy = 0x0000
None An output pulse delayed 2 instruction clock periods upon the
match of the timer and period register is generated at the OCx
pin. The OCxIF bit will be set as a result of the second
compare.
Delayed pulse
OCxR > PRy None Unsupported mode, timer resets prior to match condition. Remains low
Note 1: In all the cases considered herein, the TMRy register is assumed to be initialized to 0x0000.
2: OCxR = Compare Register, OCxRS = Secondary Compare Register, TMRy = Timery Count,
PRy = Timery Period Register.

dsPIC30F Family Reference Manual
DS70061C-page 14-14 © 2004 Microchip Technology Inc.
14.3.2.4 Dual Compare Mode: Continuous Output Pulses
To configure the output compare module for this mode, set control bits OCM<2:0> = ‘101’. In
addition, the compare time base must be selected and enabled. Once this mode has been
enabled, the output pin, OCx, will be driven low and remain low until a match occurs between the
compare time base and OCxR register. Referring to Figure 14-8 and Figure 14.3.2.5, there are
some key timing events to note:
• The OCx pin is driven high one instruction clock after the compare match occurs between
the compare time base and OCxR register. The OCx pin will remain high until the next
match event occurs between the time base and the OCxRS register, at which time the pin
will be driven low. This pulse generation sequence of a low-to-high and high-to-low edge
will repeat on the OCx pin without further user intervention.
• Continuous pulses will be generated on the OCx pin until a mode change is made, or the
module is disabled.
• The compare time base will count up to the value contained in the associated period
register and then reset to 0x0000 on the next instruction clock.
• If the compare time base period register value is less than the OCxRS register value, then
no falling edge is generated. The OCx pin will remain high until OCxRS <= PR2, a mode
change is made, or the device is reset.
• The respective channel interrupt flag, OCxIF, is asserted 2 instruction clocks after the OCx
pin is driven low (falling edge of single pulse).
Figure 14-8 depicts the General Dual Compare mode generating a continuous output pulse.
Figure 14.3.2.5 depicts another timing example where OCxRS > PRy. In this example, no falling
edge of the pulse is generated, since the time base will reset before counting up to the contents
of OCxRS.
Figure 14-8: Dual Compare Mode: Continuous Output Pulse (PR2 = OCxRS)
OCxIF
3003
3001 3002 3003 00003000
TMRy 3002
Cleared by User
1 Instruction Clock Period
2 TCY
3003
3000
PRy
OCxR
3000
OCx pin
3003OCxRS
3001 3000
0000
2 TCY
TMRy Resets Here TMRy Resets Here
Note 1: An ‘x’ represents the output compare channel number. A ‘y’ represents the time base number.
2: OCxR = Compare Register, OCxRS = Secondary Compare Register.

© 2004 Microchip Technology Inc. DS70061C-page 14-15
Section 14. Output Compare
O
u
t
p
u
t
Compare
14
Figure 14-9: Dual Compare Mode: Continuous Output Pulse (PR2 = OCxRS)
14.3.2.5 Setup for Continuous Output Pulse Generation
When control bits OCxM<2:0> (OCxCON<2:0>) are set to ‘101’, the selected output compare
channel initializes the OCx pin to the low state and generates output pulses on each and every
compare match event.
For the user to configure the module for the generation of a continuous stream of output pulses,
the following steps are required (these steps assume timer source is initially turned off, but this
is not a requirement for the module operation):
1. Determine the instruction clock cycle time. Take into account the frequency of the external
clock to the timer source (if one is used) and the timer prescaler settings.
2. Calculate time to the rising edge of the output pulse relative to the TMRy start value
(0x0000).
3. Calculate the time to the falling edge of the pulse, based on the desired pulse width and
the time to the rising edge of the pulse.
4. Write the values computed in step 2 and 3 above into the compare register, OCxR, and
the secondary compare register, OCxRS, respectively.
5. Set timer period register, PRy, to value equal to or greater than value in OCxRS, the
secondary compare register.
6. Set OCM<2:0> = ‘101’ and the OCTSEL (OCxCON<3>) bit to the desired timer source.
The OCx pin state will now be driven low.
7. Enable the compare time base by setting the TON (TyCON<15>) bit to ‘1’.
8. Upon the first match between TMRy and OCxR, the OCx pin will be driven high.
9. When the compare time base, TMRy, matches the secondary compare register, OCxRS,
the second and trailing edge (high-to-low) of the pulse is driven onto the OCx pin.
10. As a result of the second compare match event, the OCxIF interrupt flag bit set.
11. When the compare time base and the value in its respective period register match, the
TMRy register resets to 0x0000 and resumes counting.
12. Steps 8 through 11 are repeated and a continuous stream of pulses is generated,
indefinitely. The OCxIF flag is set on each OCxRS-TMRy compare match event.
OCxIF
3003
3001 3002 3003 00003000
TMRy 3002
1 Instruction Clock Period
3003
3000
PRy
OCxR
3000
OCx pin
3003OCxRS
3001 3000
0000
TMRy Resets Here TMRy Resets Here
Note 1: An ‘x’ represents the output compare channel number. A ‘y’ represents the time base number.
2: OCxR = Compare Register, OCxRS = Secondary Compare Register.
Compare Interrupt does not Occur

dsPIC30F Family Reference Manual
DS70061C-page 14-16 © 2004 Microchip Technology Inc.
Example 14-4 shows example code for configuration of the continuous output pulse event.
Example 14-4: Continuous Output Pulse Setup and Interrupt Servicing
; The following code example will set the Output Compare 1 module
; for interrupts on the continuous pulse event and select Timer 2
; as the clock source for the compare time-base. It is assumed
; that Timer 2 and Period Register 2 are properly configured.
; Timer 2 will be enabled here.
CLR OC1CON ; Turn off Output Compare 1 Module.
MOV #0x0005, W0 ; Load the working register with the new
MOV W0, OC1CON ; compare mode and write to OC1CON
MOV #0x3000, W0 ; Initialize Compare Register 1
MOV W0, OC1R ; with 0x3000
MOV #0x3003, W0 ; Initialize Secondary Compare Register 1
MOV W0, OC1RS ; with 0x3003
BSET IPC0, #OC1IP0 ; Setup Output Compare 1 interrupt for
BCLR IPC0, #OC1IP1 ; desired priority level
BCLR IPC0, #OC1IP2 ; (this example assigns level 1 priority)
BCLR IFS0, #OC1IF ; Clear Output Compare 1 interrupt flag
BSET IEC0, #OC1IE ; Enable Output Compare 1 interrupts
BSET T2CON, #TON ; Start Timer2 with assumed settings
; Example code for Output Compare 1 ISR:
__OC1Interrupt:
BCLR IFS0, #OC1IF ; Reset respective interrupt flag
; Remaining user code here
RETFIE ; Return from ISR

© 2004 Microchip Technology Inc. DS70061C-page 14-17
Section 14. Output Compare
O
u
t
p
u
t
Compare
14
14.3.2.6 Special Cases for Dual Compare Mode Generating Continuous Output Pulses
Depending on the relationship of the OCxR, OCxRS and PRy values, the output compare module
may not provide the expected results. These special cases are specified in Table 14-2, along with
the resulting behavior of the module.
Table 14-2: Special Cases for Dual Compare Mode Generating Continuous Output Pulses
SFR Logical
Relationship Special Conditions Operation Output
at OCx
PRy >= OCxRS and
OCxRS > OCxR
OCxR = 0
Initialize TMRy = 0
In the first iteration of the TMRy counting from 0x0000 up
to PRy, the OCx pin remains low, no pulse is generated.
After the TMRy resets to zero (on period match), the OCx
pin goes high. Upon the next TMRy to OCxRS match, the
OCx pin goes low. If OCxR = 0 and PRy = OCxRS, the pin
will remain low for one clock cycle, then be driven high
until the next TMRy to OCxRS match. The OCxIF bit will
be set as a result of the second compare.
There are two alternative initial conditions to consider:
a] Initialize TMRy = 0 and set OCxR >= 1
b] Initialize TMRy = PRy (PRy > 0) and set OCxR = 0
Continuous pulses with
the first pulse delayed
by the value in the PRy
register, depending on
setup.
PRy >= OCxR and
OCxR >= OCxRS
OCxR >= 1 and
PRy >= 1
TMRy counts up to OCxR and on a compare match event
(i.e., TMRy = OCxR), the OCx pin is driven to a high state.
TMRy then continues to count and eventually resets on
period match (i.e., PRy =TMRy). The timer then restarts
from 0x0000 and counts up to OCxRS, and on a compare
match event (i.e., TMRy = OCxR), the OCx pin is driven to
a low state. The OCxIF bit will be set as a result of the
second compare.
Continuous pulses
OCxRS > PRy and
PRy >= OCxR
None Only one transition will be generated at the OCx pin until
the OCxRS register contents have been changed to a
value less than or equal to the period register contents
(PRy). OCxIF is not set until then.
Rising edge/
transition to high
OCxR = OCxRS =
PRy = 0x0000
None Continuous output pulses are generated at the OCx pin.
The first pulse is delayed 2 instruction clock periods upon
the match of the timer and period register. The OCxIF bit
will be set as a result of the second compare.
First pulse is delayed.
Continuous pulses
are generated.
OCxR > PRy None Unsupported mode, Timer resets prior to match condition. Remains low
Note 1: In all the cases considered herein, the TMRy register is assumed to be initialized to 0x0000.
2: OCxR = Compare Register, OCxRS = Secondary Compare Register, TMRy = Timery Count,
PRy = Timery Period Register.

dsPIC30F Family Reference Manual
DS70061C-page 14-18 © 2004 Microchip Technology Inc.
14.3.3 Pulse Width Modulation Mode
When control bits OCM<2:0> (OCxCON<2:0>) are set to ‘110’ or ‘111’, the selected output
compare channel is configured for the PWM (Pulse Width Modulation) mode of operation.
The following two PWM modes are available:
• PWM without Fault Protection Input
• PWM with Fault Protection Input
The OCFA or OCFB Fault input pin is utilized for the second PWM mode. In this mode, an
asynchronous logic level ‘0’ on the OCFx pin will cause the selected PWM channel to be
shutdown. (Described in Section 14.3.3.1, “PWM with Fault Protection Input Pin”.)
In PWM mode, the OCxR register is a read only slave duty cycle register and OCxRS is a buffer
register that is written by the user to update the PWM duty cycle. On every timer to period register
match event (end of PWM period), the duty cycle register, OCxR, is loaded with the contents of
OCxRS. The TyIF interrupt flag is asserted at each PWM period boundary.
The following steps should be taken when configuring the output compare module for PWM
operation:
1. Set the PWM period by writing to the selected timer period register (PRy).
2. Set the PWM duty cycle by writing to the OCxRS register.
3. Write the OxCR register with the initial duty cycle.
4. Enable interrupts, if required, for the timer and output compare modules. The output
compare interrupt is required for PWM Fault pin utilization.
5. Configure the output compare module for one of two PWM Operation modes by writing to
the Output Compare mode bits OCM<2:0> (OCxCON<2:0>).
6. Set the TMRy prescale value and enable the time base by setting TON (TxCON<15>) = 1.
An example PWM output waveform is shown in Figure 14-10.
Figure 14-10: PWM Output Waveform
Note: The OCxR register should be initialized before the Output Compare module is first
enabled. The OCxR register becomes a read only duty cycle register when the
module is operated in the PWM modes. The value held in OCxR will become the
PWM duty cycle for the first PWM period. The contents of the duty cycle buffer
register, OCxRS, will not be transferred into OCxR until a time base period match
occurs.
Period = (PRy + 1)
Duty Cycle = (OCxRS )
Timery is cleared and new duty cycle value is loaded from OCxRS into OCxR.
Timer value equals value in the OCxR register, OCx Pin is driven low.
Timer overflow, value from OCxRS is loaded into OCxR, OCx pin driven high.
21 3
2
3
1
TyIF interrupt flag is asserted.

© 2004 Microchip Technology Inc. DS70061C-page 14-19
Section 14. Output Compare
O
u
t
p
u
t
Compare
14
14.3.3.1 PWM with Fault Protection Input Pin
When the Output Compare mode bits, OCM<2:0> (OCxCON<2:0>), are set to ‘111’, the selected
output compare channel is configured for the PWM mode of operation. All functions described in
Section 14.3.3, “Pulse Width Modulation Mode” apply, with the addition of input Fault
protection.
Fault protection is provided via the OCFA and OCFB pins. The OCFA pin is associated with the
output compare channels 1 through 4, while the OCFB pin is associated with the output compare
channels 5 through 8.
If a logic ‘0’ is detected on the OCFA/OCFB pin, the selected PWM output pin(s) are placed in
the high impedance state. The user may elect to provide a pull-down or pull-up resistor on the
PWM pin to provide for a desired state if a Fault condition occurs. The shutdown of the PWM
output is immediate and is not tied to the device clock source. This state will remain until:
• The external Fault condition has been removed and
• The PWM mode is re-enabled by writing to the appropriate mode bits, OCM<2:0>
(OCxCON<2:0>).
As a result of the Fault condition, the respective interrupt flag, OCxIF bit, is asserted and an
interrupt will be generated, if enabled. Upon detection of the Fault condition, the OCFLT bit
(OCx-CON<4>) is asserted high (logic ‘1’). This bit is a read only bit and will only be cleared once
the external Fault condition has been removed and the PWM mode is re-enabled, by writing to
the appropriate mode bits, OCM<2:0> (OCxCON<2:0>).
14.3.3.2 PWM Period
The PWM period is specified by writing to PRy, the Timery period register. The PWM period can
be calculated using the following formula:
Equation 14-1: Calculating the PWM Period
Note: The external Fault pins, if enabled for use, will continue to control the OCx output
pins, while the device is in Sleep or Idle mode.
PWM Period = [(PRy) + 1] • TCY • (TMRy Prescale Value)
PWM Frequency = 1/[PWM Period]
Note: A PRy value of N will produce a PWM period of N + 1 time base count cycles. For
example: a value of 7 written into the PRy register will yield a period consisting of 8
time base cycles.

dsPIC30F Family Reference Manual
DS70061C-page 14-20 © 2004 Microchip Technology Inc.
14.3.3.3 PWM Duty Cycle
The PWM duty cycle is specified by writing to the OCxRS register. The OCxRS register can be
written to at any time, but the duty cycle value is not latched into OCxR until a match between
PRy and TMRy occurs (i.e., the period is complete). This provides a double buffer for the PWM
duty cycle and is essential for glitchless PWM operation. In the PWM mode, OCxR is a read only
register.
Some important boundary parameters of the PWM duty cycle include:
• If the duty cycle register, OCxR, is loaded with 0x0000, the OCx pin will remain low
(0% duty cycle).
• If OCxR is greater than PRy (timer period register), the pin will remain high (100% duty
cycle).
• If OCxR is equal to PRy, the OCx pin will be low for one time base count value and high for
all other count values.
See Figure 14-11 for PWM mode timing details. Table 14-3 and Table 14-4 show example PWM
frequencies and resolutions for a device operating at 10 and 30 MIPs, respectively.
Equation 14-2: Calculation for Maximum PWM Resolution
Example 14-5: PWM Period and Duty Cycle Calculation
( )
Maximum PWM Resolution (bits) =
FOSC
FPWM
log10
log10(2) bits
Desired PWM frequency is 52.08 kHz,
FOSC = 10 MHz with x4 PLL (40 MHz device clock rate) (TCY = 4/FOSC))
Timer 2 prescale setting: 1:1
1/52.08 kHz = (PR2+1) • TCY • (Timer 2 prescale value)
19.20 μs = (PR2+1) • 0.1 μs • (1)
PR2 = 191
Find the maximum resolution of the duty cycle that can be used with a 48 kHz frequency
and a 40 MHz device clock rate.
1/52.08 kHz = 2PWM RESOLUTION • 1/40 MHz • 1
19.20 μs=2
PWM RESOLUTION • 25 ns • 1
768 = 2PWM RESOLUTION
log10(768) = (PWM Resolution) • log10(2)
PWM Resolution= 9.5 bits

© 2004 Microchip Technology Inc. DS70061C-page 14-21
Section 14. Output Compare
O
u
t
p
u
t
Compare
14
Figure 14-11: PWM Output Timing
Table 14-3: Example PWM Frequencies and Resolutions at 10 MIPs (FOSC = 40 MHz)
Table 14-4: Example PWM Frequencies and Resolutions at 30 MIPs (FOSC = 120 MHz)
PWM Frequency 19 Hz 153 Hz 305 Hz 2.44 kHz 9.77 kHz 78.1 kHz 313 kHz
Timer Prescaler Ratio 8 1 1 1 1 1 1
Period Register Value 0xFFFF 0xFFFF 0x7FFF 0x0FFF 0x03FF 0x007F 0x001F
Resolution (bits) 16 16 15 12 10 7 5
PWM Frequency 57 Hz 458 Hz 916 Hz 7.32 kHz 29.3 kHz 234 kHz 938 kHz
Timer Prescaler Ratio 8 1 1 1 1 1 1
Period Register Value 0xFFFF 0xFFFF 0x7FFF 0x0FFF 0x03FF 0x007F 0x001F
Resolution (bits) 16 16 15 12 10 7 5
0002
0000 0001 0002 00030005
TMR3 0001
1 Instruction Clock Period
0005
0002
PR3
OCxR
0005
OCx pin
0002
OCxRS
0000 00050003
0004 0004
0001
New Value Written to OCxRS
0001
New Duty Cycle Loaded Here
Note 1: An ‘x’ represents the output compare channel number. A ‘y’ represents the time base number.
2: OCxR = Compare Register, OCxRS = Secondary Compare Register.
TyIF is Set
OCxR = OCxRS TyIF is Set
OCxR = OCxRS

dsPIC30F Family Reference Manual
DS70061C-page 14-22 © 2004 Microchip Technology Inc.
Example 14-6 shows configuration and interrupt service code for the PWM mode of operation.
Example 14-6: PWM Mode Pulse Setup and Interrupt Servicing
; The following code example will set the Output Compare 1 module
; for PWM mode w/o FAULT pin enabled, a 50% duty cycle and a
; PWM frequency of 52.08 kHz at Fosc = 40 MHz. Timer2 is selected as
; the clock for the PWM time base and Timer2 interrupts
; are enabled.
CLR OC1CON ; Turn off Output Compare 1 Module.
MOV #0x0060, w0 ; Initialize Duty Cycle to 0x0060
MOV w0, OC1RS ; Write duty cycle buffer register
MOV w0, OC1R ; Write OC1R to initial duty cycle value
MOV #0x0006, w0 ; Load the working register with the new
MOV w0, OC1CON ; compare mode and write to OC1CON
MOV #0x00BF w0 ; Initialize PR2 with 0x00BF
MOV w0, PR2 ;
BSET IPC0, #T2IP0 ; Setup Timer 2 interrupt for
BCLR IPC0, #T2IP1 ; desired priority level
BCLR IPC0, #T2IP2 ; (this example assigns level 1 priority)
BCLR IFS0, #T21IF ; Clear Timer 2 interrupt flag
BSET IEC0, #T21IE ; Enable Timer 2 interrupts
BSET T2CON, #TON ; Start Timer2 with assumed settings
; Example code for Timer 2 ISR:
__T2Interrupt:
BCLR IFS0, #T21IF ; Reset respective interrupt flag
; Remaining user code here
RETFIE ; Return from ISR

© 2004 Microchip Technology Inc. DS70061C-page 14-23
Section 14. Output Compare
O
u
t
p
u
t
Compare
14
14.4 Output Compare Operation in Power Saving States
14.4.1 Output Compare Operation in Sleep Mode
When the device enters Sleep mode, the system clock is disabled. During Sleep, the output
compare channel will drive the pin to the same active state as driven prior to entering Sleep. The
module will then halt at this state.
For example, if the pin was high and the CPU entered the Sleep state, the pin will stay high.
Likewise, if the pin was low and the CPU entered the Sleep state, the pin will stay low. In both
cases when the part wakes up, the output compare module will resume operation.
14.4.2 Output Compare Operation in Idle Mode
When the device enters Idle mode, the system clock sources remain functional and the CPU
stops executing code. The OCSIDL bit (OCxCON<13>) selects if the capture module will stop in
Idle mode or continue operation in Idle mode.
•If OCSIDL = 1, the module will discontinue operation in Idle mode. The module will perform
the same procedures when stopped in Idle mode (OCxSIDL = 1) as it does for Sleep mode.
•If OCSIDL = 0, the module will continue operation in Idle only if the selected time base is
set to operate in Idle mode. The output compare channel(s) will operate during the CPU
Idle mode if the OCSIDL bit is a logic ‘0’. Furthermore, the time base must be enabled with
the respective TxSIDL bit set to a logic ‘0’.
14.5 I/O Pin Control
When the output compare module is enabled, the I/O pin direction is controlled by the compare
module. The compare module returns the I/O pin control back to the appropriate pin LAT and
TRIS control bits when it is disabled.
When the PWM with Fault Protection Input mode is enabled, the OCFx Fault pin must be
configured for an input by setting the respective TRIS SFR bit. Enabling this special PWM mode
does not configure the OCFx Fault pin as an input.
Table 14-5: Pins Associated with Output Compare Modules 1- 8
Note: The external Fault pins, if enabled for use, will continue to control the associated
OCx output pins while the device is in Sleep or Idle mode.
Pin Name Pin
Type Buffer
Type Description
OC1 O — Output Compare/PWM Channel 1
OC2 O — Output Compare/PWM Channel 2
OC3 O — Output Compare/PWM Channel 3
OC4 O — Output Compare/PWM Channel 4
OC5 O — Output Compare/PWM Channel 5
OC6 O — Output Compare/PWM Channel 6
OC7 O — Output Compare/PWM Channel 7
OC8 O — Output Compare/PWM Channel 8
OCFA I ST PWM Fault Protection A Input (For Channels 1-4)
OCFB I ST PWM Fault Protection B Input (For Channels 5 -8)
Legend: ST = Schmitt Trigger input with CMOS levels, I = Input, O = Output

dsPIC30F Family Reference Manual
DS70061C-page 14-24 © 2004 Microchip Technology Inc.
Table 14-6: Example Register Map Associated with Output Compare Module
SFR Name Addr. Bit 15 Bit 14 Bit 13 Bit 12 Bit 11 Bit 10 Bit 9 Bit 8 Bit 7 Bit 6 Bit 5 Bit 4 Bit 3 Bit 2 Bit 1 Bit 0 Reset State
TMR2 0106 Timer2 Register 0000 0000 0000 0000
TMR3 010A Timer3 Register 0000 0000 0000 0000
PR2 010C Period Register 2 1111 1111 1111 1111
PR3 010E Period Register 3 1111 1111 1111 1111
T2CON 0110 TON —TSIDL — — — — — — TGATE TCKPS1 TCKPS0 T32 —TCS —0000 0000 0000 0000
T3CON 0112 TON —TSIDL — — — — — — TGATE TCKPS1 TCKPS0 — — TCS —0000 0000 0000 0000
OC1RS 0180 Output Compare 1 Secondary Register uuuu uuuu uuuu uuuu
OC1R 0182 Output Compare 1 Register uuuu uuuu uuuu uuuu
OC1CON 0184 — — OCSIDL — — — — — — — — OCFLT OCTSEL OCM<2:0> 0000 0000 0000 0000
OC2RS 0186 Output Compare 2 Secondary Register uuuu uuuu uuuu uuuu
OC2R 0188 Output Compare 2 Register uuuu uuuu uuuu uuuu
OC2CON 018A — — OCSIDL — — — — — — — — OCFLT OCTSEL OCM<2:0> 0000 0000 0000 0000
OC3RS 018C Output Compare 3 Secondary Register uuuu uuuu uuuu uuuu
OC3R 018E Output Compare 3 Register uuuu uuuu uuuu uuuu
OC3CON 0190 — — OCSIDL — — — — — — — — OCFLT OCTSEL OCM<2:0> 0000 0000 0000 0000
OC4RS 0192 Output Compare 4 Secondary Register uuuu uuuu uuuu uuuu
OC4R 0194 Output Compare 4 Register uuuu uuuu uuuu uuuu
OC4CON 0196 — — OCSIDL — — — — — — — — OCFLT OCTSEL OCM<2:0> 0000 0000 0000 0000
OC5RS 0198 Output Compare 5 Secondary Register uuuu uuuu uuuu uuuu
OC5R 019A Output Compare 5 Register uuuu uuuu uuuu uuuu
OC5CON 019C — — OCSIDL — — — — — — — — OCFLT OCTSEL OCM<2:0> 0000 0000 0000 0000
OC6RS 019E Output Compare 6 Secondary Register uuuu uuuu uuuu uuuu
OC6R 01A0 Output Compare 6 Register uuuu uuuu uuuu uuuu
OC6CON 01A2 — — OCSIDL — — — — — — — — OCFLT OCTSEL OCM<2:0> 0000 0000 0000 0000
OC7RS 01A4 Output Compare 7 Secondary Register uuuu uuuu uuuu uuuu
OC7R 01A6 Output Compare 7 Register uuuu uuuu uuuu uuuu
OC7CON 01A8 — — OCSIDL — — — — — — — — OCFLT OCTSEL OCM<2:0> 0000 0000 0000 0000
OC8RS 01AA Output Compare 8 Secondary Register uuuu uuuu uuuu uuuu
OC8R 01AC Output Compare 8 Register uuuu uuuu uuuu uuuu
OC8CON 01AE — — OCSIDL — — — — — — — — OCFLT OCTSEL OCM<2:0> 0000 0000 0000 0000
IFS0 0084 CNIF MI2CIF SI2CIF NVMIF ADIF U1TXIF U1RXIF SPI1IF T3IF T2IF OC2IF IC2IF T1IF OC1IF IC1IF INT0 0000 0000 0000 0000
Legend: u = uninitialized
Note: The register map will depend on the number of output compare modules on the device. Please refer to the device data sheet for details.

Section 14. Output Compare
O
u
t
p
u
t
Compare
14
© 2004 Microchip Technology Inc. DS70061C-page 14-25
IFS1 0086 IC6IF IC5IF IC4IF IC3IF C1IF SPI2IF U2TXIF U2RXIF INT2IF T5IF T4IF OC4IF OC3IF IC8IF IC7IF INT1IF 0000 0000 0000 0000
IFS2 0088 — — — FLTBIF FLTAIF LVDIF DCIIF QEIIF PWMIF C2IF INT4IF INT3IF OC8IF OC7IF OC6IF OC5IF 0000 0000 0000 0000
IEC0 008C CNIE MI2CIE SI2CIE NVMIE ADIE U1TXIE U1RXIE SPI1IE T3IE T2IE OC2IE IC2IE T1IE OC1IE IC1IE INT0IE 0000 0000 0000 0000
IEC1 008E IC6IE IC5IE IC4IE IC3IE C1IE SPI2IE U2TXIE U2RXIE INT2IE T5IE T4IE OC4IE OC3IE IC8IE IC7IE INT1IE 0000 0000 0000 0000
IEC2 0090 — — — FLTBIE FLTAIE LVDIE DCIIE QEIIE PWMIE C2IE INT4IE INT3IE OC8IE OC7IE OC6IE OC5IE 0000 0000 0000 0000
IPC0 0094 —T1IP<2:0> —OC1IP<2:0> —IC1IP<2:0> —INT0IP<2:0> 0100 0100 0100 0100
IPC1 0096 —T3IP<2:0> —T2IP<2:0> —OC2IP<2:0> —IC2IP<2:0> 0100 0100 0100 0100
IPC4 009C —OC3IP<2:0> —IC8IP<2:0> —IC7IP<2:0> —INT1IP<2:0> 0100 0100 0100 0100
IPC5 009E —INT2IP<2:0> —T5IP<2:0> —T4IP<2:0> —OC4IP<2:0> 0100 0100 0100 0100
IPC8 00A4 —OC8IP<2:0> —OC7IP<2:0> —OC6IP<2:0> —OC5IP<2:0> 0100 0100 0100 0100
Table 14-6: Example Register Map Associated with Output Compare Module (Continued)
SFR Name Addr. Bit 15 Bit 14 Bit 13 Bit 12 Bit 11 Bit 10 Bit 9 Bit 8 Bit 7 Bit 6 Bit 5 Bit 4 Bit 3 Bit 2 Bit 1 Bit 0 Reset State
Legend: u = uninitialized
Note: The register map will depend on the number of output compare modules on the device. Please refer to the device data sheet for details.

dsPIC30F Family Reference Manual
DS70061C-page 14-26 © 2004 Microchip Technology Inc.
14.6 Design Tips
Question 1: The Output Compare pin stops functioning even when the OCSIDL bit is not
set. Why?
Answer: This is most likely to occur when the TSIDL bit (TxCON<13>) of the associated timer
source is set. Therefore, it is the timer that actually goes into Idle mode when the PWRSAV
instruction is executed.
Question 2: Can I use the Output Compare modules with the selected time base
configured for 32-bit mode?
Answer: No. The T32 bit (TxCON<3>) should be cleared when the timer is used with an output
compare module.

© 2004 Microchip Technology Inc. DS70061C-page 14-27
Section 14. Output Compare
O
u
t
p
u
t
Compare
14
14.7 Related Application Notes
This section lists application notes that are related to this section of the manual. These
application notes may not be written specifically for the dsPIC30F Product Family, but the
concepts are pertinent and could be used with modification and possible limitations. The current
application notes related to the Output Compare module are:
Title Application Note #
No related application notes at this time.
Note: Please visit the Microchip web site (www.microchip.com) for additional Application
Notes and code examples for the dsPIC30F Family of devices.

dsPIC30F Family Reference Manual
DS70061C-page 14-28 © 2004 Microchip Technology Inc.
14.8 Revision History
Revision A
This is the initial released revision of this document.
Revision B
There were no technical content or editorial revisions to this section of the manual, however, this
section was updated to reflect Revision B throughout the manual.
Revision C
There were no technical content revisions to this section of the manual, however, this section was
updated to reflect Revision C throughout the manual.

© 2005 Microchip Technology Inc. DS70062D-page 15-1
M
o
t
o
r
C
o
n
t
r
o
l
PWM
15
Section 15. Motor Control PWM
HIGHLIGHTS
This section of the manual contains the following topics:
15.1 Introduction .................................................................................................................. 15-2
15.2 Control Registers .........................................................................................................15-4
15.3 PWM Time Base........................................................................................................15-16
15.4 PWM Duty Cycle Comparison Units .......................................................................... 15-20
15.5 Complementary PWM Output Mode ..........................................................................15-26
15.6 Dead Time Control.....................................................................................................15-27
15.7 Independent PWM Output Mode ............................................................................... 15-30
15.8 PWM Output Override................................................................................................ 15-31
15.9 PWM Output and Polarity Control.............................................................................. 15-34
15.10 PWM Fault Pins .........................................................................................................15-34
15.11 PWM Update Lockout................................................................................................15-37
15.12 PWM Special Event Trigger....................................................................................... 15-38
15.13 Operation in Device Power Saving Modes ................................................................ 15-38
15.14 Special Features for Device Emulation...................................................................... 15-39
15.15 Related Application Notes.......................................................................................... 15-42
15.16 Revision History......................................................................................................... 15-43

dsPIC30F Family Reference Manual
DS70062D-page 15-2 © 2005 Microchip Technology Inc.
15.1 Introduction
The motor control PWM (MCPWM) module simplifies the task of generating multiple,
synchronized pulse width modulated outputs. In particular, the following power and motion
control applications are supported:
• Three-Phase AC Induction Motor
• Switched Reluctance (SR) Motor
• Brushless DC (BLDC) Motor
• Uninterruptable Power Supply (UPS)
The PWM module has the following features:
• Dedicated time base supports TCY/2 PWM edge resolution
• Two output pins for each PWM generator
• Complementary or independent operation for each output pin pair
• Hardware dead time generators for complementary mode
• Output pin polarity programmed by device configuration bits
• Multiple output modes:
- Edge aligned mode
- Center aligned mode
- Center aligned mode with double updates
- Single event mode
• Manual override register for PWM output pins
• Duty cycle updates are configurable to be immediate or synchronized to the PWM
• Hardware fault input pins with programmable function
• Special Event Trigger for synchronizing A/D conversions
• Each output pin associated with the PWM can be individually enabled
15.1.1 MCPWM Module Variants
There are two versions of the MCPWM module depending on the dsPIC30F device that is
selected. There is an 8-output module that is typically found on devices that have 64 or more
pins. A 6-output MCPWM module is also available and is typically found on smaller devices that
have less than 64 pins. A given dsPIC30F device may have more than one MCPWM module.
Please refer to the specific device data sheet for further details.
Table 15-1: Feature Summary: 6-Output MCPWM vs. 8-Output MCPWM
The 6-output MCPWM module is useful for single or 3-phase power application, while the 8
MCPWM can support 4-phase motor applications. Table 15-1 provides a feature summary for
6- and 8-output MCPWM modules. Both modules can support multiple single phase loads. The
8-output MCPWM also provides increased flexibility in an application because it supports two
fault pins and two programmable dead times. These features are discussed in greater detail in
subsequent sections.
A simplified block diagram of the MCPWM module is shown in Figure 15-1.
Feature 6-Output MCPWM Module 8-Output MCPWM Module
I/O Pins 6 8
PWM Generators 3 4
Fault Input Pins 1 2
Dead Time Generators 1 2

© 2005 Microchip Technology Inc. DS70062D-page 15-3
Section 15. Motor Control PWM
M
o
t
o
r
C
o
n
t
r
o
l
PWM
15
Figure 15-1: MCPWM Block Diagram
PWM1 duty cycle register
PDC1
PWMCON1
PTPER
PWMCON2
PTMR period register
PTMR
Comparator
Comparator
Channel 1
Generator and
SEVTCMP
Comparator Special Event Trigger for A/D converter
FLTBCON
OVDCON
PWM enable and mode SFRs
PWM manual control
PWM Generator
#2
PWM Generator
#3
PWM Generator #1
DTCON1
Dead time control SFRs
Special Event
Postscaler
FLTA
PWM4L
PWM4H
PWM3L
PWM3H
PWM2L
PWM2H
PWM Generator
#4
FLTB
Note 1: Details of PWM Generator #2, #3 and #4 not shown for clarity.
2: Logic within dashed lines not present on 6-output MCPWM module.
16-bit data bus
PWM1L
PWM1H
DTCON2
FLTACON
Fault pin control SFRs
Dead Time
Override Logic
Channel 2
Generator and
Dead Time
Override Logic
Channel 3
Generator and
Dead Time
Override Logic
Channel 4
Generator and
Dead Time
Override Logic
PTCON PWM time base control

dsPIC30F Family Reference Manual
DS70062D-page 15-4 © 2005 Microchip Technology Inc.
15.2 Control Registers
The following registers control the operation of the MCPWM module:
• PTCON: PWM Time Base Control register
• PTMR: PWM Time Base register
• PTPER: PWM Time Base Period register
• SEVTCMP: PWM Special Event Compare register
• PWMCON1: PWM Control register #1
• PWMCON2: PWM Control register #2
• DTCON1: Dead Time Control register #1
• DTCON2: Dead Time Control register #2
• FLTACON: Fault A Control register
• FLTBCON: Fault B Control register
• PDC1: PWM Duty Cycle register #1
• PDC2: PWM Duty Cycle register #2
• PDC3: PWM Duty Cycle register #3
• PDC4: PWM Duty Cycle register #4
In addition, there are three device configuration bits associated with the MCPWM module to set
up the initial Reset states and polarity of the I/O pins. These configuration bits are located in the
FBORPOR device configuration register. Please refer to Section 24. “Device Configuration”
for further details.

© 2005 Microchip Technology Inc. DS70062D-page 15-5
Section 15. Motor Control PWM
M
o
t
o
r
C
o
n
t
r
o
l
PWM
15
Register 15-1: PTCON: PWM Time Base Control Register
Upper Byte:
R/W-0 U-0 R/W-0 U-0 U-0 U-0 U-0 U-0
PTEN —PTSIDL— — — — —
bit 15 bit 8
Lower Byte:
R/W-0 R/W-0 R/W-0 R/W-0 R/W-0 R/W-0 R/W-0 R/W-0
PTOPS<3:0> PTCKPS<1:0> PTMOD<1:0>
bit 7 bit 0
bit 15 PTEN: PWM Time Base Timer Enable bit
1 = PWM time base is ON
0 = PWM time base is OFF
bit 14 Unimplemented: Read as ‘0’
bit 13 PTSIDL: PWM Time Base Stop in Idle Mode bit
1 = PWM time base halts in CPU Idle mode
0 = PWM time base runs in CPU Idle mode
bit 12-8 Unimplemented: Read as ‘0’
bit 7-4 PTOPS<3:0>: PWM Time Base Output Postscale Select bits
1111 = 1:16 Postscale
•
•
0001 = 1:2 Postscale
0000 = 1:1 Postscale
bit 3-2 PTCKPS<1:0>: PWM Time Base Input Clock Prescale Select bits
11 = PWM time base input clock period is 64 TCY (1:64 prescale)
10 = PWM time base input clock period is 16 TCY (1:16 prescale)
01 = PWM time base input clock period is 4 TCY (1:4 prescale)
00 = PWM time base input clock period is TCY (1:1 prescale)
bit 1-0 PTMOD<1:0>: PWM Time Base Mode Select bits
11 = PWM time base operates in a continuous up/down mode with interrupts for double PWM updates
10 = PWM time base operates in a continuous up/down counting mode
01 = PWM time base operates in single event mode
00 = PWM time base operates in a free running mode
Legend:
R = Readable bit W = Writable bit U = Unimplemented bit, read as ‘0’
-n = Value at POR ‘1’ = Bit is set ‘0’ = Bit is cleared x = Bit is unknown

dsPIC30F Family Reference Manual
DS70062D-page 15-6 © 2005 Microchip Technology Inc.
Register 15-2: PTMR: PWM Time Base Register
Register 15-3: PTPER: PWM Time Base Period Register
Upper Byte:
R-0 R/W-0 R/W-0 R/W-0 R/W-0 R/W-0 R/W-0 R/W-0
PTDIR PTMR <14:8>
bit 15 bit 8
Lower Byte:
R/W-0 R/W-0 R/W-0 R/W-0 R/W-0 R/W-0 R/W-0 R/W-0
PTMR <7:0>
bit 7 bit 0
bit 15 PTDIR: PWM Time Base Count Direction Status bit (Read Only)
1 = PWM time base is counting down
0 = PWM time base is counting up
bit 14-0 PTMR <14:0>: PWM Timebase Register Count Value
Legend:
R = Readable bit W = Writable bit U = Unimplemented, read as ‘0’
-n = Value at POR ‘1’ = Bit is set ‘0’ = Bit is cleared x = Bit is unknown
Upper Byte:
U-0 R/W-0 R/W-0 R/W-0 R/W-0 R/W-0 R/W-0 R/W-0
— PTPER <14:8>
bit 15 bit 8
Lower Byte:
R/W-0 R/W-0 R/W-0 R/W-0 R/W-0 R/W-0 R/W-0 R/W-0
PTPER <7:0>
bit 7 bit 0
bit 15 Unimplemented: Read as ‘0’
bit 14-0 PTPER<14:0>: PWM Time Base Period Value bits
Legend:
R = Readable bit W = Writable bit U = Unimplemented, read as ‘0’
-n = Value at POR ‘1’ = Bit is set ‘0’ = Bit is cleared x = Bit is unknown

© 2005 Microchip Technology Inc. DS70062D-page 15-7
Section 15. Motor Control PWM
M
o
t
o
r
C
o
n
t
r
o
l
PWM
15
Register 15-4: SEVTCMP: Special Event Compare Register
Register 15-5: PWMCON1: PWM Control Register 1
Upper Byte:
R/W-0 R/W-0 R/W-0 R/W-0 R/W-0 R/W-0 R/W-0 R/W-0
SEVTDIR SEVTCMP <14:8>
bit 15 bit 8
Lower Byte:
R/W-0 R/W-0 R/W-0 R/W-0 R/W-0 R/W-0 R/W-0 R/W-0
SEVTCMP <7:0>
bit 7 bit 0
bit 15 SEVTDIR: Special Event Trigger Time Base Direction bit(1)
1 = A special event trigger will occur when the PWM time base is counting downwards.
0 = A special event trigger will occur when the PWM time base is counting upwards.
bit 14-0 SEVTCMP <14:0>: Special Event Compare Value bit(2)
Note 1: SEVTDIR is compared with PTDIR (PTMR<15>) to generate the special event trigger.
2: SEVTCMP<14:0> is compared with PTMR<14:0> to generate the special event trigger.
Legend:
R = Readable bit W = Writable bit U = Unimplemented, read as ‘0’
-n = Value at POR ‘1’ = Bit is set ‘0’ = Bit is cleared x = Bit is unknown
Upper Byte:
U-0 U-0 U-0 U-0 R/W-0 R/W-0 R/W-0 R/W-0
— — — — PMOD4 PMOD3 PMOD2 PMOD1
bit 15 bit 8
Lower Byte:
R/W-1 R/W-1 R/W-1 R/W-1 R/W-1 R/W-1 R/W-1 R/W-1
PEN4H PEN3H PEN2H PEN1H PEN4L PEN3L PEN2L PEN1L
bit 7 bit 0
bit 15-12 Unimplemented: Read as ‘0’
bit 11-8 PMOD4:PMOD1: PWM I/O Pair Mode bits
1 = PWM I/O pin pair is in the independent output mode
0 = PWM I/O pin pair is in the complementary output mode
bit 7-4 PEN4H-PEN1H: PWMxH I/O Enable bits(1)
1 = PWMxH pin is enabled for PWM output
0 = PWMxH pin disabled. I/O pin becomes general purpose I/O
bit 3-0 PEN4L-PEN1L: PWMxL I/O Enable bits(1)
1 = PWMxL pin is enabled for PWM output
0 = PWMxL pin disabled. I/O pin becomes general purpose I/O
Note 1: Reset condition of the PENxH and PENxL bits depend on the value of the PWM/PIN device
configuration bit in the FBORPOR Device Configuration Register.
Legend:
R = Readable bit W = Writable bit U = Unimplemented, read as ‘0’
-n = Value at POR ‘1’ = Bit is set ‘0’ = Bit is cleared x = Bit is unknown

dsPIC30F Family Reference Manual
DS70062D-page 15-8 © 2005 Microchip Technology Inc.
Register 15-6: PWMCON2: PWM Control Register 2
Upper Byte:
U-0 U-0 U-0 U-0 R/W-0 R/W-0 R/W-0 R/W-0
— — — — SEVOPS<3:0>
bit 15 bit 8
Lower Byte:
U-0 U-0 U-0 U-0 U-0 R/W-0 R/W-0 R/W-0
— — — — — IUE OSYNC UDIS
bit 7 bit 0
bit 15-12 Unimplemented: Read as ‘0’
bit 11-8 SEVOPS<3:0>: PWM Special Event Trigger Output Postscale Select bits
1111 = 1:16 Postscale
•
•
0001 = 1:2 Postscale
0000 = 1:1 Postscale
bit 7-2 Unimplemented: Read as ‘0’
bit 2 IUE: Immediate Update Enable bit(1)
1 = Updates to the active PDC registers are immediate
0 = Updates to the active PDC registers are synchronized to the PWM time base
bit 1 OSYNC: Output Override Synchronization bit
1 = Output overrides via the OVDCON register are synchronized to the PWM time base
0 = Output overrides via the OVDCON register occur on next TCY boundary
bit 0 UDIS: PWM Update Disable bit
1 = Updates from duty cycle and period buffer registers are disabled
0 = Updates from duty cycle and period buffer registers are enabled
Note 1: IUE bit is not implemented on the dsPIC30F6010 device.
Legend:
R = Readable bit W = Writable bit U = Unimplemented, read as ‘0’
-n = Value at POR ‘1’ = Bit is set ‘0’ = Bit is cleared x = Bit is unknown

© 2005 Microchip Technology Inc. DS70062D-page 15-9
Section 15. Motor Control PWM
M
o
t
o
r
C
o
n
t
r
o
l
PWM
15
Register 15-7: DTCON1: Dead Time Control Register 1
Upper Byte:
R/W-0 R/W-0 R/W-0 R/W-0 R/W-0 R/W-0 R/W-0 R/W-0
DTBPS<1:0> DTB<5:0>
bit 15 bit 8
Lower Byte:
R/W-0 R/W-0 R/W-0 R/W-0 R/W-0 R/W-0 R/W-0 R/W-0
DTAPS<1:0> DTA<5:0>
bit 7 bit 0
bit 15-14 DTBPS<1:0>: Dead Time Unit B Prescale Select bits
11 = Clock period for Dead Time Unit B is 8 TCY
10 = Clock period for Dead Time Unit B is 4 TCY
01 = Clock period for Dead Time Unit B is 2 TCY
00 = Clock period for Dead Time Unit B is TCY
bit 13-8 DTB<5:0>: Unsigned 6-bit Dead Time Value bits for Dead Time Unit B
bit 7-6 DTAPS<1:0>: Dead Time Unit A Prescale Select bits
11 = Clock period for Dead Time Unit A is 8 TCY
10 = Clock period for Dead Time Unit A is 4 TCY
01 = Clock period for Dead Time Unit A is 2 TCY
00 = Clock period for Dead Time Unit A is TCY
bit 5-0 DTA<5:0>: Unsigned 6-bit Dead Time Value bits for Dead Time Unit A
Legend:
R = Readable bit W = Writable bit U = Unimplemented, read as ‘0’
-n = Value at POR ‘1’ = Bit is set ‘0’ = Bit is cleared x = Bit is unknown

dsPIC30F Family Reference Manual
DS70062D-page 15-10 © 2005 Microchip Technology Inc.
Register 15-8: DTCON2: Dead Time Control Register 2
Upper Byte:
U-0 U-0 U-0 U-0 U-0 U-0 U-0 U-0
— — — — — — — —
bit 15 bit 8
Lower Byte:
R/W-0 R/W-0 R/W-0 R/W-0 R/W-0 R/W-0 R/W-0 R/W-0
DTS4A DTS4I DTS3A DTS3I DTS2A DTS2I DTS1A DTS1I
bit 7 bit 0
bit 15-8 Unimplemented: Read as ‘0’
bit 7 DTS4A: Dead Time Select bit for PWM4 Signal Going Active
1 = Dead time provided from Unit B
0 = Dead time provided from Unit A
bit 6 DTS4I: Dead Time Select bit for PWM4 Signal Going Inactive
1 = Dead time provided from Unit B
0 = Dead time provided from Unit A
bit 5 DTS3A: Dead Time Select bit for PWM3 Signal Going Active
1 = Dead time provided from Unit B
0 = Dead time provided from Unit A
bit 4 DTS3I: Dead Time Select bit for PWM3 Signal Going Inactive
1 = Dead time provided from Unit B
0 = Dead time provided from Unit A
bit 3 DTS2A: Dead Time Select bit for PWM2 Signal Going Active
1 = Dead time provided from Unit B
0 = Dead time provided from Unit A
bit 2 DTS2I: Dead Time Select bit for PWM2 Signal Going Inactive
1 = Dead time provided from Unit B
0 = Dead time provided from Unit A
bit 1 DTS1A: Dead Time Select bit for PWM1 Signal Going Active
1 = Dead time provided from Unit B
0 = Dead time provided from Unit A
bit 0 DTS1I: Dead Time Select bit for PWM1 Signal Going Inactive
1 = Dead time provided from Unit B
0 = Dead time provided from Unit A
Legend:
R = Readable bit W = Writable bit U = Unimplemented, read as ‘0’
-n = Value at POR ‘1’ = Bit is set ‘0’ = Bit is cleared x = Bit is unknown

© 2005 Microchip Technology Inc. DS70062D-page 15-11
Section 15. Motor Control PWM
M
o
t
o
r
C
o
n
t
r
o
l
PWM
15
Register 15-9: FLTACON: Fault A Control Register
Upper Byte:
R/W-0 R/W-0 R/W-0 R/W-0 R/W-0 R/W-0 R/W-0 R/W-0
FAOV4H FAOV4L FAOV3H FAOV3L FAOV2H FAOV2L FAOV1H FAOV1L
bit 15 bit 8
Lower Byte:
R/W-0 U-0 U-0 U-0 R/W-0 R/W-0 R/W-0 R/W-0
FLTAM — — — FAEN4 FAEN3 FAEN2 FAEN1
bit 7 bit 0
bit 15-8 FAOV4H-FAOV1L: Fault Input A PWM Override Value bits
1 = The PWM output pin is driven ACTIVE on an external fault input event
0 = The PWM output pin is driven INACTIVE on an external fault input event
bit 7 FLTAM: Fault A Mode bit
1 = The Fault A input pin functions in the cycle-by-cycle mode
0 = The Fault A input pin latches all control pins to the programmed states in FLTACON<15:8>
bit 6-4 Unimplemented: Read as ‘0’
bit 3 FAEN4: Fault Input A Enable bit
1 = PWM4H/PWM4L pin pair is controlled by Fault Input A
0 = PWM4H/PWM4L pin pair is not controlled by Fault Input A
bit 2 FAEN3: Fault Input A Enable bit
1 = PWM3H/PWM3L pin pair is controlled by Fault Input A
0 = PWM3H/PWM3L pin pair is not controlled by Fault Input A
bit 1 FAEN2: Fault Input A Enable bit
1 = PWM2H/PWM2L pin pair is controlled by Fault Input A
0 = PWM2H/PWM2L pin pair is not controlled by Fault Input A
bit 0 FAEN1: Fault Input A Enable bit
1 = PWM1H/PWM1L pin pair is controlled by Fault Input A
0 = PWM1H/PWM1L pin pair is not controlled by Fault Input A
Legend:
R = Readable bit W = Writable bit U = Unimplemented, read as ‘0’
-n = Value at POR ‘1’ = Bit is set ‘0’ = Bit is cleared x = Bit is unknown

dsPIC30F Family Reference Manual
DS70062D-page 15-12 © 2005 Microchip Technology Inc.
Register 15-10: FLTBCON: Fault B Control Register
Upper Byte:
R/W-0 R/W-0 R/W-0 R/W-0 R/W-0 R/W-0 R/W-0 R/W-0
FBOV4H FBOV4L FBOV3H FBOV3L FBOV2H FBOV2L FBOV1H FBOV1L
bit 15 bit 8
Lower Byte:
R/W-0 U-0 U-0 U-0 R/W-0 R/W-0 R/W-0 R/W-0
FLTBM — — — FBEN4 FBEN3 FBEN2 FBEN1
bit 7 bit 0
bit 15-8 FBOV4H:FBOV1L: Fault Input B PWM Override Value bits
1 = The PWM output pin is driven ACTIVE on an external fault input event
0 = The PWM output pin is driven INACTIVE on an external fault input event
bit 7 FLTBM: Fault B Mode bit
1 = The Fault B input pin functions in the cycle-by-cycle mode
0 = The Fault B input pin latches all control pins to the programmed states in FLTBCON<15:8>
bit 6-4 Unimplemented: Read as ‘0’
bit 3 FAEN4: Fault Input B Enable bit(1)
1 = PWM4H/PWM4L pin pair is controlled by Fault Input B
0 = PWM4H/PWM4L pin pair is not controlled by Fault Input B
bit 2 FAEN3: Fault Input B Enable bit(1)
1 = PWM3H/PWM3L pin pair is controlled by Fault Input B
0 = PWM3H/PWM3L pin pair is not controlled by Fault Input B
bit 1 FAEN2: Fault Input B Enable bit(1)
1 = PWM2H/PWM2L pin pair is controlled by Fault Input B
0 = PWM2H/PWM2L pin pair is not controlled by Fault Input B
bit 0 FAEN1: Fault Input B Enable bit(1)
1 = PWM1H/PWM1L pin pair is controlled by Fault Input B
0 = PWM1H/PWM1L pin pair is not controlled by Fault Input B
Note 1: Fault pin A has priority over Fault pin B, if enabled.
Legend:
R = Readable bit W = Writable bit U = Unimplemented, read as ‘0’
-n = Value at POR ‘1’ = Bit is set ‘0’ = Bit is cleared x = Bit is unknown

© 2005 Microchip Technology Inc. DS70062D-page 15-13
Section 15. Motor Control PWM
M
o
t
o
r
C
o
n
t
r
o
l
PWM
15
Register 15-11: OVDCON: Override Control Register
Register 15-12: PDC1: PWM Duty Cycle Register 1
Upper Byte:
R/W-1 R/W-1 R/W-1 R/W-1 R/W-1 R/W-1 R/W-1 R/W-1
POVD4H POVD4L POVD3H POVD3L POVD2H POVD2L POVD1H POVD1L
bit 15 bit 8
Lower Byte:
R/W-0 R/W-0 R/W-0 R/W-0 R/W-0 R/W-0 R/W-0 R/W-0
POUT4H POUT4L POUT3H POUT3L POUT2H POUT2L POUT1H POUT1L
bit 7 bit 0
bit 15-8 POVD4H-POVD1L: PWM Output Override bits
1 = Output on PWMxx I/O pin is controlled by the PWM generator
0 = Output on PWMxx I/O pin is controlled by the value in the corresponding POUTxx bit
bit 7-0 POUT4H-POUT1L: PWM Manual Output bits
1 = PWMxx I/O pin is driven ACTIVE when the corresponding POVDxx bit is cleared
0 = PWMxx I/O pin is driven INACTIVE when the corresponding POVDxx bit is cleared
Legend:
R = Readable bit W = Writable bit U = Unimplemented, read as ‘0’
-n = Value at POR ‘1’ = Bit is set ‘0’ = Bit is cleared x = Bit is unknown
Upper Byte:
R/W-0 R/W-0 R/W-0 R/W-0 R/W-0 R/W-0 R/W-0 R/W-0
PWM Duty Cycle #1 bits 15-8
bit 15 bit 8
Lower Byte:
R/W-0 R/W-0 R/W-0 R/W-0 R/W-0 R/W-0 R/W-0 R/W-0
PWM Duty Cycle #1 bits 7-0
bit 7 bit 0
bit 15-0 PDC1<15:0>: PWM Duty Cycle #1 Value bits
Legend:
R = Readable bit W = Writable bit U = Unimplemented, read as ‘0’
-n = Value at POR ‘1’ = Bit is set ‘0’ = Bit is cleared x = Bit is unknown

dsPIC30F Family Reference Manual
DS70062D-page 15-14 © 2005 Microchip Technology Inc.
Register 15-13: PDC2: PWM Duty Cycle Register 2
Register 15-14: PDC3: PWM Duty Cycle Register 3
Upper Byte:
R/W-0 R/W-0 R/W-0 R/W-0 R/W-0 R/W-0 R/W-0 R/W-0
PWM Duty Cycle #2 bits 15-8
bit 15 bit 8
Lower Byte:
R/W-0 R/W-0 R/W-0 R/W-0 R/W-0 R/W-0 R/W-0 R/W-0
PWM Duty Cycle #2 bits 7-0
bit 7 bit 0
bit 15-0 PDC2<15:0>: PWM Duty Cycle #2 Value bits
Legend:
R = Readable bit W = Writable bit U = Unimplemented, read as ‘0’
-n = Value at POR ‘1’ = Bit is set ‘0’ = Bit is cleared x = Bit is unknown
Upper Byte:
R/W-0 R/W-0 R/W-0 R/W-0 R/W-0 R/W-0 R/W-0 R/W-0
PWM Duty Cycle #3 bits 15-8
bit 15 bit 8
Lower Byte:
R/W-0 R/W-0 R/W-0 R/W-0 R/W-0 R/W-0 R/W-0 R/W-0
PWM Duty Cycle #3 bits 7-0
bit 7 bit 0
bit 15-0 PDC3<15:0>: PWM Duty Cycle #3 Value bits
Legend:
R = Readable bit W = Writable bit U = Unimplemented, read as ‘0’
-n = Value at POR ‘1’ = Bit is set ‘0’ = Bit is cleared x = Bit is unknown

© 2005 Microchip Technology Inc. DS70062D-page 15-15
Section 15. Motor Control PWM
M
o
t
o
r
C
o
n
t
r
o
l
PWM
15
Register 15-15: PDC4: PWM Duty Cycle Register 4
Register 15-16: FBORPOR: BOR AND POR Device Configuration Register
Upper Byte:
R/W-0 R/W-0 R/W-0 R/W-0 R/W-0 R/W-0 R/W-0 R/W-0
PWM Duty Cycle #4 bits 15-8
bit 15 bit 8
Lower Byte:
R/W-0 R/W-0 R/W-0 R/W-0 R/W-0 R/W-0 R/W-0 R/W-0
PWM Duty Cycle #4 bits 7-0
bit 7 bit 0
bit 15-0 PDC4<15:0>: PWM Duty Cycle #4 Value bits
Legend:
R = Readable bit W = Writable bit U = Unimplemented, read as ‘0’
-n = Value at POR ‘1’ = Bit is set ‘0’ = Bit is cleared x = Bit is unknown
Upper Byte:
U-0 U-0 U-0 U-0 U-0 U-0 U-0 U-0
— — — — — — — —
bit 23 bit 16
Middle Byte:
U-0 U-0 U-0 U-0 U-0 R/P R/P R/P
— — — — — PWMPIN HPOL LPOL
bit 15 bit 8
Lower Byte:
R/P U-0 R/P R/P U-0 U-0 R/P R/P
BOREN —BORV<1:0>——FPWRT<1:0>
bit 7 bit 0
bit 10 PWMPIN: MPWM Drivers Initialization bit
1 = Pin state at reset controlled by I/O Port (PWMCON1<7:0> = 0x00)
0 = Pin state at reset controlled by module (PWMCON1<7:0> = 0xFF)
bit 9 HPOL: MCPWM High Side Drivers (PWMxH) Polarity bit
1 = Output signal on PWMxH pins has active high polarity
0 = Output signal on PWMxH pins has active low polarity
bit 8 LPOL: MCPWM Low Side Drivers (PWMxL) Polarity bit
1 = Output signal on PWMxL pins has active high polarity
0 = Output signal on PWMxL pins has active low polarity
Note: See Section 24. “Device Configuration” for information about other configuration bits on this
register.
Legend:
R = Readable bit W = Writable bit U = Unimplemented, read as ‘0’
-n = Value at POR ‘1’ = Bit is set ‘0’ = Bit is cleared x = Bit is unknown
P = Programmable configuration bit

dsPIC30F Family Reference Manual
DS70062D-page 15-16 © 2005 Microchip Technology Inc.
15.3 PWM Time Base
The PWM time base is provided by a 15-bit timer with a prescaler and postscaler (see
Figure 15-2). The 15 bits of the time base are accessible via the PTMR register. PTMR<15> is a
read-only status bit, PTDIR, that indicates the present count direction of the PWM time base. If
the PTDIR status bit is cleared, PTMR is counting upwards. If PTDIR is set, PTMR is counting
downwards.
The time base is enabled/disabled by setting/clearing the PTEN bit (PTCON<15>). PTMR is not
cleared when the PTEN bit is cleared in software.
Figure 15-2: PWM Time Base Block Diagram
The PWM time base can be configured for four different modes of operation:
1. Free Running mode
2. Single Event mode
3. Continuous Up/Down Count mode
4. Continuous Up/Down Count mode with interrupts for double-updates.
PTMR Register
Time Base period register
Comparator
PTPER
Zero detect Zero match
Period match
PTMOD1
Up/Down
Timer reset
TCY Prescaler
1:1, 1:4, 1:16, 1:64
Timer
Direction
Control
Clock
Control
Period load
Duty Cycle
PTMOD1
Period match
Zero match
PTMR clock
Interrupt
Control
PTMOD1
Period
match
Zero
match
PTMOD0
Postscaler
1:1-1:16
PTMOD0
PTEN
PTIF
Update disable (UDIS)
PTDIR (PTMR<15>)
Gated
Gated Period load
Load
Update
Immediate
Enable (IUE)

© 2005 Microchip Technology Inc. DS70062D-page 15-17
Section 15. Motor Control PWM
M
o
t
o
r
C
o
n
t
r
o
l
PWM
15
These four modes are selected by the PTMOD<1:0> control bits (PTCON<1:0>).
15.3.1 Free Running Mode
In the Free Running mode, the time base will count upwards until the value in the PTPER
register is matched. The PTMR register is reset on the following input clock edge and the time
base will continue counting upwards as long as the PTEN bit remains set.
15.3.2 Single-Event Mode
In the Single Event Counting mode, the PWM time base will begin counting upwards when the
PTEN bit is set. When the PTMR value matches the PTPER register, the PTMR register will be
reset on the following input clock edge and the PTEN bit will be cleared by the hardware to halt
the time base.
15.3.3 Up/Down Counting Modes
For the Continuous Up/Down Counting modes, the PWM time base will count upwards until the
value in the PTPER register is matched. The timer will begin counting downwards on the follow-
ing input clock edge and continue counting down until it reaches ‘0’. The PTDIR bit PTMR<15>
is read-only and indicates the counting direction. The PTDIR bit is set when the timer counts
downwards.
15.3.4 PWM Time Base Prescaler
The input clock to PTMR, (TCY) has prescaler options of 1:1, 1:4, 1:16 or 1:64 selected by
control bits PTCKPS<1:0> (PTCON<3:2>). The prescaler counter is cleared when any of the
following occurs:
• A write to the PTMR register
• A write to the PTCON register
• Any device reset
The PTMR register is not cleared when PTCON is written.
15.3.5 PWM Time Base Postscaler
The match output of PTMR can optionally be post-scaled through a 4-bit postscaler (which
gives a 1:1 to 1:16 scaling inclusive) to generate an interrupt. The postscaler is useful when the
PWM duty cycle does not need to be updated every PWM cycle.
The postscaler counter is cleared when any of the following occurs:
• A write to the PTMR register
• A write to the PTCON register
• Any device reset
The PTMR register is not cleared when PTCON is written.
Note: The mode of the PWM time base determines the type of PWM signal that is
generated by the module. (See Section 15.4.2, Section 15.4.3 and Section 15.4.4
for more details.)

dsPIC30F Family Reference Manual
DS70062D-page 15-18 © 2005 Microchip Technology Inc.
15.3.6 PWM Time Base Interrupts
The interrupt signals generated by the PWM time base depend on the mode selection bits,
PTMOD<1:0> (PTCON<1:0>), and the time base postscaler bits, PTOPS<3:0> (PTCON<7:4>).
• Free Running Mode
When the PWM time base is in the Free Running mode (PTMOD<1:0> = 00), an interrupt is
generated when the PTMR register is reset to ‘0’, due to a match with the PTPER register. The
postscaler selection bits may be used in this mode of the timer to reduce the frequency of the
interrupt events.
• Single Event Mode
When the PWM time base is in the Single Event mode (PTMOD<1:0> = 01), an interrupt is
generated when the PTMR register is reset to ‘0’ due to a match with the PTPER register. The
PTEN bit (PTCON<15>) is also cleared at this time to inhibit further PTMR increments. The
postscaler selection bits have no effect in this mode of the timer.
• Up/Down Counting Mode
In the Up/Down Counting mode (PTMOD<1:0> = 10), an interrupt event is generated each time
the value of the PTMR register becomes zero and the PWM time base begins to count upwards.
The postscaler selection bits may be used in this mode of the timer to reduce the frequency of
the interrupt events.
• Up/Down Counting Mode with Double Updates
In the Double Update mode (PTMOD<1:0> = 11), an interrupt event is generated each time the
PTMR register is equal to zero and each time a period match occurs. The postscaler selection
bits have no effect in this mode of the timer.
The Double Update mode allows the control loop bandwidth to be doubled because the PWM
duty cycles can be updated twice per period. Every rising and falling edge of the PWM signal
can be controlled using the double update mode.
15.3.7 PWM Period
The PTPER register sets the counting period for PTMR. The user must write a 15-bit value to
PTPER<14:0>. When the value in PTMR<14:0> matches the value in PTPER<14:0>, the time
base will either reset to ‘0’ or reverse the count direction on the next clock input edge. The action
taken depends on the operating mode of the time base.
The time base period is double buffered to allow on-the-fly period changes of the PWM signal
without glitches. The PTPER register serves as a buffer register to the actual time base period
register, which is not accessible by the user. The PTPER register contents are loaded into the
actual time base period register at the following times:
• Free Running and Single Event modes: when the PTMR register is reset to zero after a
match with the PTPER register.
• Up/Down Counting modes: When the PTMR register is zero.
The value held in the PTPER register is automatically loaded into the time base period register
when the PWM time base is disabled (PTEN = 0).
Figure 15-3 and Figure 15-4 indicate the times when the contents of the PTPER register are
loaded into the time base period register.

© 2005 Microchip Technology Inc. DS70062D-page 15-19
Section 15. Motor Control PWM
M
o
t
o
r
C
o
n
t
r
o
l
PWM
15
Figure 15-3: PWM Period Buffer Updates in Free Running Count Mode
The PWM period can be determined from the following formula:
Equation 15-1: PWM Period Calculation for Free Running Count Mode
(PTMOD = 10 or 11)
Figure 15-4: PWM Period Buffer Updates in Up/Down Counting Modes
Old PTPER value
New PTPER value
Period value loaded from PTPER buffer register
New value written to PTPER buffer
PTMR Value
PTPER = FPWM • (PTMR Prescaler)
FCY - 1
FCY = 20 MHz
FPWM = 20,000 Hz
PTMR Prescaler = 1:1
PTPER = 20,000 • 1
20,000,000 - 1
= 1000 -1
= 999
Example:
Old PTPER value
New PTPER value
New value written to PTPER buffer
PTMR Value
Period value loaded from PTPER Buffer register

dsPIC30F Family Reference Manual
DS70062D-page 15-20 © 2005 Microchip Technology Inc.
Equation 15-2: PWM Period Calculation in Up/Down Counting Modes
(PTMOD = 00 or 01)
15.4 PWM Duty Cycle Comparison Units
The MCPWM module has four PWM generators. There are four 16-bit special function registers
used to specify duty cycle values for the PWM generators:
• PDC1
• PDC2
• PDC3
• PDC4
In subsequent discussions, PDCx refers to any of the four PWM duty cycle registers.
15.4.1 PWM Duty Cycle Resolution
The maximum resolution (in bits) for a given device oscillator and PWM frequency can be
determined from the following formula:
Equation 15-3: PWM Resolution
The PWM resolutions and frequencies are shown in Table 15-2 for a selection of execution
speeds and PTPER values. The PWM frequencies in Table 15-2 are for edge-aligned (Free
Running PTMR) PWM mode. For center aligned modes (Up/Down PTMR mode), the PWM
frequencies will be 1/2 the values as indicated in Table 15-3.
PTPER = FPWM • (PTMR Prescaler) • 2
FCY - 1
FCY = 20 MHz
FPWM = 20,000 Hz
PTMR Prescaler = 1:1
PTPER = 20,000 • 1 • 2
20,000,000 - 1
= 500 -1
= 499
Example:
Table 15-2: Example PWM Frequencies and Resolutions, 1:1 Prescaler, Edge Aligned
PWM
TCY (FCY) PTPER Value PDCx Value for
100% PWM
Resolution PWM Frequency
33 ns (30 MHz) 0x7FFF 0xFFFF 16 bits 915 Hz
33 ns (30 MHz) 0x3FF 0x7FF 11 bits 29.3 kHz
50 ns (20 MHz) 0x7FFF 0xFFFF 16 bits 610 Hz
50 ns (20 MHz) 0x1FF 0x3FF 10 bits 39.1 kHz
100 ns (10 MHz) 0x7FFF 0xFFFF 16 bits 305 Hz
100 ns (10 MHz) 0xFF 0x1FF 9 bits 39.1 kHz
200 ns (5 MHz) 0x7FFF 0xFFFF 16 bits 153 Hz
200 ns (5 MHz) 0x7F 0xFF 8 bits 39.1 kHz
Resolution
2TPWM
TCY
------------------
⎝⎠
⎛⎞
log
2()log
--------------------------------=

© 2005 Microchip Technology Inc. DS70062D-page 15-21
Section 15. Motor Control PWM
M
o
t
o
r
C
o
n
t
r
o
l
PWM
15
The MCPWM module has the ability to produce PWM signal edges with TCY/2 resolution. PTMR
increments every TCY with a 1:1 prescaler. To achieve TCY/2 edge resolution, PDCx<15:1> is
compared to PTMR<14:0> to determine a duty cycle match. PDCx<0> determines whether the
PWM signal edge will occur at the TCY or the TCY/2 boundary. When a 1:4, 1:16 or a 1:64
prescaler is used with the PWM time base, PDCx<0> is compared to the MSbit of the prescaler
counter clock to determine when the PWM edge should occur.
PTMR and PDCx resolutions are depicted in Figure 15-5. It is shown that PTMR resolution is TCY
and PDCx resolution is TCY/2 for 1:1 prescaler selection.
Figure 15-5: PTMR and PDCx Resolution Timing Diagram. Free Running Mode and 1:1
Prescaler Selection
Table 15-3: Example PWM Frequencies and Resolutions, 1:1 Prescaler, Center
Aligned PWM
TCY (FCY) PTPER Value PDCx Value for
100% PWM
Resolution PWM Frequency
33 ns (30 MHz) 0x7FFF 0xFFFF 16 bits 458 Hz
33 ns (30 MHz) 0x3FFF 0x7FFF 15 bits 916 Hz
50 ns (20 MHz) 0x7FFF 0xFFFF 16 bits 305 Hz
50 ns (20 MHz) 0x1FFF 0x3FFF 14 bits 1.22 kHz
100 ns (10 MHz) 0x7FFF 0xFFFF 16 bits 153 Hz
100 ns (10 MHz) 0xFFF 0x1FFF 13 bits 1.22 kHz
200 ns (5 MHz) 0x7FFF 0xFFFF 16 bits 76.3 Hz
200 ns (5 MHz) 0x7FF 0xFFF 12 bits 1.22 kHz
PTMR
TCY
TCY
TCY/2
PDCx = 14
PDCx = 15
PTPER = 10

dsPIC30F Family Reference Manual
DS70062D-page 15-22 © 2005 Microchip Technology Inc.
Figure 15-6: Duty Cycle Comparison Logic
15.4.2 Edge Aligned PWM
Edge aligned PWM signals are produced by the module when the PWM time base is operating
in the Free Running mode. The output signal for a given PWM channel has a period specified
by the value loaded in PTPER and a duty cycle specified by the appropriate PDCx register (see
Figure 15-7). Assuming a non-zero duty cycle and no immediate updates are enabled (IUE = 0),
the outputs of all enabled PWM generators will be driven active at the beginning of the PWM
period (PTMR = 0). Each PWM output will be driven inactive when the value of PTMR matches
the duty cycle value of the PWM generator.
If the value in the PDCx register is zero, then the output on the corresponding PWM pin will be
inactive for the entire PWM period. In addition, the output on the PWM pin will be active for the
entire PWM period if the value in the PDCx register is greater than the value held in the PTPER
register.
If immediate updates are enabled (IUE = 1), the new duty cycle value will be loaded at the time
the new value is written to any active PDC register.
Figure 15-7: Edge-Aligned PWM
PTMR N21 TCY
15-bit
comparison
PDCx
Edge
Logic PWM Edge Event
14 0 N-bit Prescaler
15 15 1 0
15
1-Bit Comparison
Note: PDCx<0> is compared to the FOSC/2 signal when the prescaler is 1:1.
Period
Duty Cycle
0
PTPER
New duty cycle loaded from PDCx
PWM1H
PWM2H
PDC1
PDC2
PTMR value

© 2005 Microchip Technology Inc. DS70062D-page 15-23
Section 15. Motor Control PWM
M
o
t
o
r
C
o
n
t
r
o
l
PWM
15
15.4.3 Single Event PWM Operation
The PWM module will produce single pulse outputs when the PWM time base is configured for
the single event mode (PTMOD<1:0> = 01). This mode of operation is useful for driving certain
types of electronically commutated motors. In particular, this mode is useful for high-speed SR
motor operation. Only edge-aligned outputs may be produced in the Single Event mode.
In Single Event mode, the PWM I/O pin(s) are driven to the active state when the PTEN bit is
set. When a match with a duty cycle register occurs, the PWM I/O pin is driven to the inactive
state. When a match with the PTPER register occurs, the PTMR register is cleared, all active
PWM I/O pins are driven to the inactive state, the PTEN bit is cleared, and an interrupt is
generated. Operation of the PWM module will stop until the PTEN is set again in software.
Figure 15-8: Single Event PWM Operation
PDC1
PTPER
PTEN bit set by
software
PTEN bit cleared by
hardware
PWMIF
PWMIF cleared in software
PDC2
PWM2H
PWM1H
PTEN

dsPIC30F Family Reference Manual
DS70062D-page 15-24 © 2005 Microchip Technology Inc.
15.4.4 Center Aligned PWM
Center aligned PWM signals are produced by the module when the PWM time base is
configured in one of the two Up/Down Counting modes (PTMOD<1:0> = 1x).
The PWM compare output is driven to the active state when the value of the Duty Cycle register
matches the value of PTMR and the PWM time base is counting downwards (PTDIR = 1). The
PWM compare output will be driven to the inactive state when the PWM time base is counting
upwards (PTDIR = 0) and the value in the PTMR register matches the duty cycle value.
If the value in a particular Duty Cycle register is zero, then the output on the corresponding
PWM pin will be inactive for the entire PWM period. In addition, the output on the PWM pin will
be active for the entire PWM period if the value in the Duty Cycle register is greater than the
value held in the PTPER register.
Figure 15-9: Center Aligned PWM
15.4.5 Duty Cycle Register Buffering
The four PWM duty cycle registers, PDC1-PDC4, are buffered to allow glitchless updates of the
PWM outputs. For each generator, there is the PDCx register (buffer register) that is accessible
by the user and the non-memory mapped Duty Cycle register that holds the actual compare
value. The PWM duty cycle is updated with the value in the PDCx register at specific times in
the PWM period to avoid glitches in the PWM output signal.
When the PWM time base is operating in the Free Running or Single Event modes
(PTMOD<1:0> = 0x), the PWM duty cycle is updated whenever a match with the PTPER
register occurs and PTMR is reset to ‘0’.
When the PWM time base is operating in the Up/Down Counting mode (PTMOD<1:0> = 10),
duty cycles are updated when the value of the PTMR register is zero and the PWM time base
begins to count upwards. Figure 15-10 indicates the times when the duty cycle updates occur
for this mode of the PWM time base.
When the PWM time base is in the Up/Down Counting mode with double updates
(PTMOD<1:0> = 11), duty cycles are updated when the value of the PTMR register is zero and
when the value of the PTMR register matches the value in the PTPER register. Figure 15-11
indicates the times when the duty cycle updates occur for this mode of the PWM time base.
PTPER PTMR
Value
Period
Period/2
0
PDC1
PDC2
PWM1H
PWM2H
PDCx
Value
Note: Any write to the PDCx registers will immediately update the duty cycle when the
PWM time base is disabled (PTEN = 0). This allows a duty cycle change to take
effect before PWM signal generation is enabled.

© 2005 Microchip Technology Inc. DS70062D-page 15-25
Section 15. Motor Control PWM
M
o
t
o
r
C
o
n
t
r
o
l
PWM
15
Figure 15-10: Duty Cycle Update Times in Up/Down Count Mode
Figure 15-11: Duty Cycle Update Times in Up/Down Count Mode with Double Updates
15.4.6 PWM Duty Cycle Immediate Updates
When the Immediate Update Enable bit is set (IUE = 1), any write to the duty cycle registers will
update the new duty cycle value immediately. This feature gives the option to the user to allow
immediate updates of the active PWM duty cycle registers instead of waiting for the end of the
current time base period. System stability is improved in closed loop servo applications by
reducing the delay between system observation and the issuance of system corrective
commands when immediate updates are enabled (IUE = 1).
If the PWM output is active at the time the new duty cycle is written and the new duty cycle is less
than the current time base value, the PWM pulse width will be shortened. If the PWM output is
active at the time the new duty cycle is written and the new duty cycle is greater than the current
time base value, the PWM pulse width will be lengthened. If the PWM output is inactive at the
time the new duty cycle is written and the new duty cycle is greater than the current time base
value, the PWM output will become active immediately and will remain active for the new written
duty cycle value.
Figure 15-12 indicates the times when the duty cycle updates occur when immediate updates
are enabled (IUE = 1)..
PTMR Value
PWM output
Duty cycle value loaded from PDCx register, CPU interrupted
New value written to PDCx register
PTIF
PTMR Value
PWM output
Duty cycle value loaded from PDCx register, CPU interrupted
New values written to PDCx register
Note: The IUE bit is not implemented on the dsPIC30F6010 device.

dsPIC30F Family Reference Manual
DS70062D-page 15-26 © 2005 Microchip Technology Inc.
Figure 15-12: Duty Cycle Update Times When Immediate Updates Are Enabled (IUE = 1)
15.5 Complementary PWM Output Mode
The Complementary Output mode is used to drive inverter loads similar to the one shown in
Figure 15-13. This inverter topology is typical for ACIM and BLDC applications. In the Comple-
mentary Output mode, a pair of PWM outputs cannot be active simultaneously. Each PWM
channel and output pin pair is internally configured as shown in Figure 15-14. A dead time may
be optionally inserted during device switching where both outputs are inactive for a short period
(Refer to Section 15.6 “Dead Time Control”).
Figure 15-13: Typical Load for Complementary PWM Outputs
The Complementary mode is selected for each PWM I/O pin pair by clearing the appropriate
PMODx bit in PWMCON1. The PWM I/O pins are set to complementary mode by default upon a
device reset.
Figure 15-14: PWM Channel Block Diagram, Complementary Mode
50% 90% 10% 90%
Latest Duty Cycle
Value Written
PWM Output
PTMR Value
to PDCx
New Values Written to PDCx Register
+V
1H
1L
3 Phase
Load
2H
2L
3H
3L
Dead
Time
Generator
PWM Generator PWMxH
PWMxL
Override
and
Fault Logic

© 2005 Microchip Technology Inc. DS70062D-page 15-27
Section 15. Motor Control PWM
M
o
t
o
r
C
o
n
t
r
o
l
PWM
15
15.6 Dead Time Control
Dead time generation is automatically enabled when any of the PWM I/O pin pairs are operating
in the Complementary Output mode. Because the power output devices cannot switch instanta-
neously, some amount of time must be provided between the turn-off event of one PWM output
in a complementary pair and the turn-on event of the other transistor.
The 6-output PWM module has one programmable dead time. The 8-output PWM module
allows two different dead times to be programmed. These two dead times may be used in one
of two methods described below to increase user flexibility:
• The PWM output signals can be optimized for different turn-off times in the high-side and
low-side transistors. The first dead time is inserted between the turn-off event of the lower
transistor of the complementary pair and the turn-on event of the upper transistor. The
second dead time is inserted between the turn-off event of the upper transistor and the
turn-on event of the lower transistor.
• The two dead times can be assigned to individual PWM I/O pin pairs. This operating mode
allows the PWM module to drive different transistor/load combinations with each
complementary PWM I/O pin pair.
15.6.1 Dead Time Generators
Each complementary output pair for the PWM module has a 6-bit down counter that is used to
produce the dead time insertion. As shown in Figure 15-15, each dead time unit has a rising
and falling edge detector connected to the duty cycle comparison output.
One of the two possible dead times is loaded into the timer on the detected PWM edge event.
Depending on whether the edge is rising or falling, one of the transitions on the complementary
outputs is delayed until the timer counts down to zero. A timing diagram indicating the dead time
insertion for one pair of PWM outputs is shown in Figure 15-16. The use of two different dead
times for the rising and falling edge events has been exaggerated in the figure for clarity.
Figure 15-15: Dead Time Unit Block Diagram for One Output Pin Pair
Low-Side PWM signal
to output pin
High-side PWM signal
to output pin
Zero Compare
Clock Control 6-Bit Down Counter
PWM
TCY
Dead Time A Dead Time B
Dead Time
Select Logic
Prescaler
Generator
Input
Note: Logic in dashed lines not present on 6-output PWM module.

dsPIC30F Family Reference Manual
DS70062D-page 15-28 © 2005 Microchip Technology Inc.
Figure 15-16: Dead Time Insertion Diagram
PWM Generator
PWMxH
PWMxL
Time selected by DTSxA bit (A or B) Time selected by DTSxI bit (A or B)
PWMxH
PWMxL Dead time = 0
Non-zero
dead time

© 2005 Microchip Technology Inc. DS70062D-page 15-29
Section 15. Motor Control PWM
M
o
t
o
r
C
o
n
t
r
o
l
PWM
15
15.6.2 Dead Time Assignment
The DTCON2 register contains control bits that allow the two programmable dead times to be
assigned to each of the complementary outputs. There are two dead time assignment control
bits for each of the complementary outputs. For example, the DTS1A and DTS1I control bits
select the dead times to be used for the PWM1H/PWM1L complementary output pair. The pair
of dead time selection control bits are referred to as the ‘dead-time-select-active’ and
‘dead-time-select-inactive’ control bits, respectively. The function of each bit in a pair is as
follows:
• The DTSxA control bit selects the dead time that is to be inserted before the high-side
output is driven active.
• The DTSxI control bit selects the dead time that is to be inserted before the low-side PWM
active is driven active.
Table 15-4 summarizes the function of each dead time selection control bit.
Table 15-4: Dead Time Selection Bits
15.6.3 Dead Time Ranges
Dead time A and dead time B are set by selecting an input clock prescaler value and a 6-bit
unsigned dead time count value.
Four input clock prescaler selections have been provided to allow a suitable range of dead
times based on the device operating frequency. The clock prescaler option may be selected
independently for each of the two dead time values. The dead time clock prescaler values are
selected using the DTAPS<1:0> and DTBPS<1:0> control bits in the DTCON1 SFR. The
following clock prescaler options may be selected for each of the dead time values:
•T
CY
•2 TCY
•4 TCY
•8 TCY
Equation 15-4: Dead Time Calculation
Note: The dead time assignment logic is only applicable to dsPIC variants that contain the
8-output PWM module. The 6-output PWM module uses dead time A only.
Bit Function
DTS1A Selects PWM1H/PWM1L dead time inserted before PWM1H is driven active.
DTS1I Selects PWM1H/PWM1L dead time inserted before PWM1L is driven active.
DTS2A Selects PWM1H/PWM1L dead time inserted before PWM2H is driven active.
DTS2I Selects PWM1H/PWM1L dead time inserted before PWM2L is driven active.
DTS3A Selects PWM1H/PWM1L dead time inserted before PWM3H is driven active.
DTS3I Selects PWM1H/PWM1L dead time inserted before PWM3L is driven active.
DTS4A Selects PWM1H/PWM1L dead time inserted before PWM4H is driven active.
DTS4I Selects PWM1H/PWM1L dead time inserted before PWM4L is driven active.
Dead Time
Prescale Value • TCY
Note: DT (Dead Time) is the DTA<5:0> or DTB<5:0> register value.
DT =

dsPIC30F Family Reference Manual
DS70062D-page 15-30 © 2005 Microchip Technology Inc.
Table 15-5 shows example dead time ranges as a function of the input clock prescaler selected
and the device operating frequency.
Table 15-5: Example Dead Time Ranges
15.6.4 Dead Time Distortion
For small PWM duty cycles, the ratio of dead time to the active PWM time may become large.
At the extreme case, when the duty cycle is less than or equal to the programmed duty cycle, no
PWM pulse will be generated. In these cases, the inserted dead time will introduce distortion
into waveforms produced by the PWM module. The user can ensure that dead time distortion is
minimized by keeping the PWM duty cycle at least three times larger than the dead time. Dead
time distortion can also be corrected by other techniques, such as closed loop current control.
A similar effect occurs for duty cycles near 100%. The maximum duty cycle used in the
application should be chosen such that the minimum inactive time of the PWM signal is at least
three times larger than the dead time.
15.7 Independent PWM Output Mode
An Independent PWM Output mode is useful for driving loads such as the one shown in
Figure 15-17. A particular PWM output pair is in the Independent Output mode when the
corresponding PMOD bit in the PWMCON1 register is set. The dead time generators are
disabled in the Independent mode and there are no restrictions on the state of the pins for a
given output pin pair.
Figure 15-17: Asymmetric Inverter
Figure 15-18: PWM Block Diagram for One Output Pin Pair, Independent Mode
TCY (FCY) Prescaler Selection Resolution Dead Time Range
33 ns (30 MHz) 4 TCY 130 ns 130 ns -9 µs
50 ns (20 MHz) 4 TCY 200 ns 200 ns -12 µs
100 ns (10 MHz) 2 TCY 200 ns 200 ns -12 µs
100 ns (10 MHz) 1 TCY 100 ns 100 ns - 6 µs
+V
1H
1L
PWM Generator PWMxH
PWMxL
Override
and
Fault Logic

© 2005 Microchip Technology Inc. DS70062D-page 15-31
Section 15. Motor Control PWM
M
o
t
o
r
C
o
n
t
r
o
l
PWM
15
15.8 PWM Output Override
The PWM output override bits allow the user to manually drive the PWM I/O pins to specified
logic states independent of the duty cycle comparison units. The PWM override bits are useful
when controlling various types of electrically commutated motors.
All control bits associated with the PWM output override function are contained in the OVDCON
register. The upper half of the OVDCON register contains 8 bits, POVDxx, that determine which
PWM I/O pins will be overridden. The lower half of the OVDCON register contains 8 bits,
POUTxx, that determine the state of the PWM I/O pin when it is overridden via the POVDxx bit.
The POVD bits are active-low control bits. When the POVD bits are set, the corresponding
POUTxx bit will have no effect on the PWM output. When one of the POVD bits is cleared, the
output on the corresponding PWM I/O pin will be determined by the state of the POUT bit. When
a POUT bit is set, the PWM pin will be driven to its active state. When the POUT bit is cleared,
the PWM pin will be driven to its inactive state.
15.8.1 Override Control for Complementary Output Mode
The PWM module will not allow certain overrides when a pair of PWM I/O pins are operating in
the Complementary mode. (PMODx = 0) The module will not allow both pins in the output pair
to become active simultaneously. The high-side pin in each output pair will always take priority.
15.8.2 Override Synchronization
If the OSYNC bit is set (PWMCON2<1>), all output overrides performed via the OVDCON
register will be synchronized to the PWM time base. Synchronous output overrides will occur at
the following times:
• Edge aligned mode, when PTMR is zero.
• Center aligned modes, when PTMR is zero, or
• When the value of PTMR matches PTPER.
The override synchronization function, when enabled, can be used to avoid unwanted narrow
pulses on the PWM output pins.
15.8.3 Output Override Examples
Figure 15-19 shows an example of a waveform that might be generated using the PWM output
override feature. The Figure shows a six-step commutation sequence for a BLDC motor. The
motor is driven through a 3-phase inverter as shown in Figure 15-13. When the appropriate
rotor position is detected, the PWM outputs are switched to the next commutation state in the
sequence. In this example, the PWM outputs are driven to specific logic states. The OVDCON
register values used to generate the signals in Figure 15-19 are given in Table 15-6.
The PWM duty cycle registers may be used in conjunction with the OVDCON register. The duty
cycle registers controls the current delivered to the load and the OVDCON register controls the
commutation. Such an example is shown in Figure 15-20. The OVDCON register values used
to generate the signals in Figure 15-20 are given in Table 15-7.
Note: Dead time insertion is still performed when PWM channels are overridden manually.

dsPIC30F Family Reference Manual
DS70062D-page 15-32 © 2005 Microchip Technology Inc.
Table 15-6: PWM Output Override Example #1
Figure 15-19: PWM Output Override Example #1
Table 15-7: PWM Output Override Example #2
State OVDCON<15:8> OVDCON<7:0>
100000000b 00100100b
200000000b 00100001b
300000000b 00001001b
400000000b 00011000b
500000000b 00010010b
600000000b 00000110b
State OVDCON<15:8> OVDCON<7:0>
111000011b 00000000b
211110000b 00000000b
300111100b 00000000b
400001111b 00000000b
PWM3H
PWM3L
PWM2H
PWM2L
PWM1H
PWM1L
123456
STATE
Note: Switching times between states 1-6 are controlled by user software.
The state switch is controlled by writing a new value to OVDCON.

© 2005 Microchip Technology Inc. DS70062D-page 15-33
Section 15. Motor Control PWM
M
o
t
o
r
C
o
n
t
r
o
l
PWM
15
Figure 15-20: PWM Output Override Example #2
PWM4H
PWM4L
PWM3H
PWM3L
PWM2H
PWM2L
1234
PWM1H
PWM1L
STATE
Note: Switching times between states 1-4 are controlled by user software. The state switch
is controlled by writing a new value to OVDCON. The PWM outputs are operated in the
independent mode for this example.

dsPIC30F Family Reference Manual
DS70062D-page 15-34 © 2005 Microchip Technology Inc.
15.9 PWM Output and Polarity Control
The PENxx control bits in PWMCON1 enable each PWM output pin for use by the module.
When a pin is enabled for PWM output, the PORT and TRIS registers controlling the pin are
disabled.
In addition to the PENxx control bits, there are three device configuration bits in the FBORPOR
device configuration register that provide PWM output pin control.
• HPOL configuration bit
• LPOL configuration bit
• PWMPIN configuration bit
These three configuration bits work in conjunction with the PWM enable bits (PENxx) located in
PWMCON1. The configuration bits ensure that the PWM pins are in the correct states after a
device reset occurs.
15.9.1 Output Polarity Control
The polarity of the PWM I/O pins is set during device programming via the HPOL and LPOL
configuration bits in the FBORPOR Device Configuration register. The HPOL configuration
bit sets the output polarity for the high-side PWM outputs PWM1H-PWM4H. The LPOL
configuration bit sets the output polarity for the low-side PWM outputs PWM1L-PWM 4L.
If the polarity configuration bit is programmed to a ‘1’, the corresponding PWM I/O pins will have
active-high output polarity. If the polarity configuration bit is programmed to a ‘0’, then the
corresponding PWM pins will have active-low polarity.
15.9.2 PWM Output Pin Reset States
The PWMPIN configuration bit determines the behavior of the PWM output pins on a device
reset and can be used to eliminate external pull-up/pull-down resistors connected to the devices
controlled by the PWM module.
If the PWMPIN configuration bit is programmed to a ‘1’, the PENxx control bits will be cleared
on a device reset. Consequently, all PWM outputs will be tri-stated and controlled by the
corresponding PORT and TRIS registers.
If the PWMPIN configuration bit is programmed to a ‘0’, the PENxx control bits will be set on a
device reset. All PWM pins will be enabled for PWM output at the device reset and will be at
their inactive states as defined by the HPOL and LPOL configuration bits.
15.10 PWM Fault Pins
There are two Fault pins, FLTA and FLTB, associated with the PWM module. When asserted,
these pins can optionally drive each of the PWM I/O pins to a defined state. This action takes
place without software intervention so fault events can be managed quickly.
The Fault pins may have other multiplexed functions depending on the dsPIC device variant.
When used as a fault input, each Fault pin is readable via its corresponding PORT register. The
FLTA and FLTB pins function as active low inputs so that it is easy to wire-OR many sources to
the same input through an external pull-up resistor. When not used with the PWM module, these
pins may be used as general purpose I/O or another multiplexed function. Each Fault pin has its
own interrupt vector, Interrupt Flag bit, Interrupt Enable bit and Interrupt Priority bits associated
with it.
The function of the FLTA pin is controlled by the FLTACON register and the function of the FLTB
pin is controlled by the FLTBCON register.
15.10.1 Fault Pin Enable Bits
The FLTACON and FLTBCON registers each have 4 control bits, FxEN1-FxEN4, that determine
whether a particular pair of PWM I/O pins is to be controlled by the fault input pin. To enable a
specific PWM I/O pin pair for fault overrides, the corresponding bit should be set in the
FLTACON or FLTBCON register.
If all enable bits are cleared in the FLTACON or FLTBCON registers, then that fault input pin has
no effect on the PWM module and no fault interrupts will be produced.

© 2005 Microchip Technology Inc. DS70062D-page 15-35
Section 15. Motor Control PWM
M
o
t
o
r
C
o
n
t
r
o
l
PWM
15
15.10.2 Fault States
The FLTACON and FLTBCON special function registers each have 8 bits that determine the
state of each PWM I/O pin when the fault input pin becomes active. When these bits are
cleared, the PWM I/O pin will be driven to the inactive state. If the bit is set, the PWM I/O pin will
be driven to the active state. The active and inactive states are referenced to the polarity
defined for each PWM I/O pin (set by HPOL and LPOL device configuration bits).
A special case exists when a PWM module I/O pair is in the Complementary mode and both
pins are programmed to be active on a fault condition. The high-side pin will always have
priority in the Complementary mode so that both I/O pins cannot be driven active
simultaneously.
15.10.3 Fault Input Modes
Each of the fault input pins has two modes of operation:
•Latched Mode: When the fault pin is driven low, the PWM outputs will go to the states
defined in the FLTxCON register. The PWM outputs will remain in this state until the fault
pin is driven high AND the corresponding interrupt flag (FLTxIF) has been cleared in
software. When both of these actions have occurred, the PWM outputs will return to normal
operation at the beginning of the next PWM period or half-period boundary regardless of
the Immediate Update Enable bit value (IUE). If the interrupt flag is cleared before the fault
condition ends, the PWM module will wait until the fault pin is no longer asserted to restore
the outputs.
•Cycle-by-Cycle Mode: When the fault input pin is driven low, the PWM outputs will remain
in the defined fault states for as long as the fault pin is held low. After the fault pin is driven
high, the PWM outputs will return to normal operation at the beginning of the following
PWM period (or half-period boundary in center aligned modes) even when immediate
updates are enabled.
The operating mode for each fault input pin is selected using the FLTAM and FLTBM control bits
(FLTACON<7> and FLTBCON<7>).
15.10.3.1 Entry Into a Fault Condition
When a fault pin is enabled and driven low, the PWM pins are immediately driven to their
programmed fault states regardless of the values in the PDCx and OVDCON registers. The fault
action has priority over all other PWM control registers.
15.10.3.2 Exit From a Fault Condition
A fault condition must be cleared by the external circuitry driving the fault input pin high and
clearing the fault interrupt flag (Latched mode only). After the fault pin condition has been
cleared, the PWM module will restore the PWM output signals on the next PWM period or
half-period boundary. For edge aligned PWM generation, the PWM outputs will be restored when
PTMR = 0. For center aligned PWM generation, the PWM outputs will be restored when PTMR
= 0 or PTMR = PTPER, whichever event occurs first.
An exception to these rules will occur when the PWM time base is disabled (PTEN = 0). If the
PWM time base is disabled, the PWM module will restore the PWM output signals immediately
after the fault condition has been cleared.

dsPIC30F Family Reference Manual
DS70062D-page 15-36 © 2005 Microchip Technology Inc.
15.10.4 Fault Pin Priority
If both fault input pins have been assigned to control a particular pair of PWM pins, the fault
states programmed for the FLTA input pin will take priority over the FLTB input pin.
One of two actions will take place when the Fault A condition has been cleared. If the FLTB
input is still asserted, the PWM outputs will return to the states programmed in the FLTBCON
register on the next period or half-period boundary. If the FLTB input is not asserted, the PWM
outputs will return to normal operation on the next period or half-period boundary.
15.10.5 Fault Pin Software Control
Each of the fault pins can be controlled manually in software. Since each fault input is shared
with a PORT I/O pin, the PORT pin can be configured as an output by clearing the
corresponding TRIS bit. When the PORT bit for the pin is cleared, the fault input will be
activated.
15.10.6 Fault Timing Examples
Figure 15-21: Example Fault Timing, Cycle-by-Cycle Mode
Note: When the FLTA pin is programmed for Latched mode, the PWM outputs will not
return to the Fault B states or normal operation until the Fault A interrupt flag has
been cleared and the FLTA pin is de-asserted.
Note: The user should exercise caution when controlling the fault inputs in software. If the
TRIS bit for the fault pin is cleared, then the fault input cannot be driven externally.
PWM
PTMR
FLTA
FLTA
Fault statePWM
Case 2:
Case 1:
Fault state
FLTA
PWM
Case 3:
duty cycle = 50%
duty cycle = 50%
duty cycle = 100%
Fault state
PWM Period
Note: Arrows indicate the time when normal PWM operation is restored.

© 2005 Microchip Technology Inc. DS70062D-page 15-37
Section 15. Motor Control PWM
M
o
t
o
r
C
o
n
t
r
o
l
PWM
15
Figure 15-22: Example Fault Timing, Latched Mode
Figure 15-23: Example Fault Timing, Cycle-by-Cycle Mode, Priority Operation
15.11 PWM Update Lockout
In some applications, it is important that all duty cycle and period registers be written before the
new values take effect. The update disable feature allows the user to specify when new duty
cycle and period values can be used by the module. The PWM update lockout feature is enabled
by setting the UDIS control bit (PWMCON2<0>).
The UDIS bit affects all duty cycle registers, PDC1-PDC4, and the PWM time base period
buffer, PTPER. To perform an update lockout, the user should perform the following steps:
• Set the UDIS bit.
• Write all duty cycle registers and PTPER, if applicable.
• Clear the UDIS bit to re-enable updates.
PWMxx
PTMR
FLTA
Fault state
Duty cycle = 50%
Fault condition ends
Interrupt flag
cleared in
software
Return to
normal
operation
FLTAIF
PWM
PTMR
FLTA
Fault state B
Duty cycle = 50%
Return to
normal
operation
FLTB
Fault state B Fault state A
Return to fault state B
Note: Immediate updates must be disabled (IUE = 0) in order to use the PWM update
lockout feature.

dsPIC30F Family Reference Manual
DS70062D-page 15-38 © 2005 Microchip Technology Inc.
15.12 PWM Special Event Trigger
The PWM module has a special event trigger that allows A/D conversions to be synchronized to
the PWM time base. The A/D sampling and conversion time may be programmed to occur at
any point within the PWM period. The special event trigger allows the user to minimize the delay
between the time when A/D conversion results are acquired and the time when the duty cycle
value is updated.
The PWM special event trigger has one SFR, SEVTCMP, and four postscaler control bits
(SEVOPS<3:0>) to control its operation. The PTMR value for which a special event trigger
should occur is loaded into the SEVTCMP register.
When the PWM time base is in an Up/Down Counting mode, an additional control bit is required
to specify the counting phase for the special event trigger. The count phase is selected using
the SEVTDIR control bit in the MSb of SEVTCMP. If the SEVTDIR bit is cleared, the special
event trigger will occur on the upward counting cycle of the PWM time base. If the SEVTDIR bit
is set, the special event trigger will occur on the downward count cycle of the PWM time base.
The SEVTDIR control bit has no effect unless the PWM time base is configured for an Up/Down
Counting mode.
15.12.1 Special Event Trigger Enable
The PWM module will always produce the special event trigger signal. This signal may
optionally be used by the A/D module. Refer to Section Section 17. “10-bit A/D Converter”
for more information on using the special event trigger.
15.12.2 Special Event Trigger Postscaler
The PWM special event trigger has a postscaler that allows a 1:1 to 1:16 postcale ratio. The
postscaler is useful when synchronized A/D conversions do not need to be performed during
every PWM cycle. The postscaler is configured by writing the SEVOPS<3:0> control bits in the
PWMCON2 SFR.
The special event output postscaler is cleared on the following events:
• Any write to the SEVTCMP register.
• Any device reset.
15.13 Operation in Device Power Saving Modes
15.13.1 PWM Operation in Sleep mode
When the device enters Sleep mode, the system clock is disabled. Since the clock for the PWM
time base is derived from the system clock source (TCY), it will also be disabled. All enabled PWM
output pins will be frozen in the output states that were in effect prior to entering Sleep.
If the PWM module is used to control a load in a power application, it is the user’s responsibility
to put the PWM module outputs into a ‘safe’ state prior to executing the PWRSAV instruction.
Depending on the application, the load may begin to consume excessive current when the PWM
outputs are frozen in a particular output state. For example, the OVDCON register can be used
to manually turn off the PWM output pins as shown in the code example below.
; This code example drives all PWM pins to the inactive state
; before executing the PWRSAV instruction.
CLR OVDCON ; Force all PWM outputs inactive
PWRSAV #0 ; Put the device in SLEEP mode
SETM.B OVDCONH ; Set POVD bits when device wakes.
The Fault A and Fault B input pins, if enabled to control the PWM pins via the FLTxCON registers,
will continue to function normally when the device is in Sleep mode. If one of the fault pins is
driven low while the device is in Sleep, the PWM outputs will be driven to the programmed fault
states in the FLTxCON register.

© 2005 Microchip Technology Inc. DS70062D-page 15-39
Section 15. Motor Control PWM
M
o
t
o
r
C
o
n
t
r
o
l
PWM
15
The fault input pins also have the ability to wake the CPU from Sleep mode. If the fault interrupt
enable bit is set (FLTxIE = 1), then the device will wake from Sleep when the fault pin is driven
low. If the fault pin interrupt priority is greater than the current CPU priority, then program
execution will start at the fault pin interrupt vector location upon wake-up. Otherwise, execution
will continue from the next instruction following the PWRSAV instruction.
15.13.2 PWM Operation in Idle Mode
When the device enters Idle mode, the system clock sources remain functional and the CPU
stops executing code. The PWM module can optionally continue to operate in Idle mode.The
PTSIDL bit (PTCON<13>) selects if the PWM module will stop in Idle mode or continue to
operate normally.
If PTSIDL = 0, the module will operate normally when the device enters Idle mode. The PWM
time base interrupt, if enabled, can be used to wake the device from Idle. If the PWM time base
interrupt enable bit is set (PTIE = 1), then the device will wake from Idle when the PWM time base
interrupt is generated. If the PWM time base interrupt priority is greater than the current CPU
priority, then program execution will start at the PWM interrupt vector location upon wake-up.
Otherwise, execution will continue from the next instruction following the PWRSAV instruction.
If PTSIDL = 1, the module will stop in Idle mode. If the PWM module is programmed to stop in
Idle mode, the operation of the PWM outputs and fault input pins will be the same as the
operation in Sleep mode. (See discussion in Section 15.13.1 “PWM Operation in Sleep
mode”.)
15.14 Special Features for Device Emulation
The PWM module has a special feature to support the debugging environment. All enabled
PWM pins can be optionally tri-stated when the hardware emulator or debugger device is halted
to examine memory contents. The user should install pull-up or pull-down resistors to ensure
the PWM outputs are driven to the correct state when device execution is halted.
The function of the PWM output pins at a device Reset and the output pin polarity is determined
by three device configuration bits (see Section 15.9 “PWM Output and Polarity Control”).
The hardware debugger or emulation tool provides a method to change the values of these
configuration bits. Please refer to the tool’s user’s manual for more information.

dsPIC30F Family Reference Manual
DS70062D-page 15-40 © 2005 Microchip Technology Inc.
Table 15-8: Registers Associated with the 8-Output PWM Module
Name ADR Bit 15 Bit 14 Bit 13 Bit 12 Bit 11 Bit 10 Bit 9 Bit 8 Bit 7 Bit 6 Bit 5 Bit 4 Bit 3 Bit 2 Bit 1 Bit 0 Value on Reset
INTCON1 0080 NSTDIS — — — — — — — — — — — — — — — 0000 0000 0000 0000
INTCON2 0082 ALTIVT — — — — — — — — — — — — — — — 0000 0000 0000 0000
IFS2 0088 — — — FLTBIF FLTAIF — — —PWMIF— — — — — — — 0000 0000 0000 0000
IEC2 0090 — — — FLTBIE FLTAIE — — —PWMIE— — — — — — — 0000 0000 0000 0000
IPC9 00A6 — PWMIP<2:0> — — — — — — — — — — — — 0100 0100 0100 0100
IPC10 00A8 — FLTAIP<2:0> — — — — — — — — — — — — 0100 0100 0100 0100
IPC11 00AA — — — — — — — — — — — — — FLTBIP<2:> 0000 0000 0000 0000
PTCON 01C0 PTEN —PTSIDL— — — — — PTOPS<3:0> PTCKPS<1:0> PTMOD<1:0> 0000 0000 0000 0000
PTMR 01C2 PTDIR PWM Time Base register 0000 0000 0000 0000
PTPER 01C4 —PWM Time Base Period register 0111 1111 1111 1111
SEVTCMP 01C6 SEVTDIR PWM Special Event Compare register 0000 0000 0000 0000
PWMCON1 01C8 — — — — PMOD4 PMOD3 PMOD2 PMOD1 PEN4H PEN3H PEN2H PEN1H PEN4L PEN3L PEN2L PEN1L 0000 0000 0000 0000
PWMCON2 01CA — — — — SEVOPS<3:0> — — — — — IUE OSYNC UDIS 0000 0000 0000 0000
DTCON1 01CC DTBPS<1:0> Dead Time B Value register DTAPS<1:0> Dead Time A Value register 0000 0000 0000 0000
DTCON2 01CE — — — — — — — — DTS4A DTS4I DTS3A DTS3I DTS2A DTS2I DTS1A DTS1I 0000 0000 0000 0000
FLTACON 01D0 FAOV4H FAOV4L FAOV3H FAOV3L FAOV2H FAOV2L FAOV1H FAOV1L FLTAM — — — FAEN4 FAEN3 FAEN2 FAEN1 0000 00-0 0000 0000
FLTBCON 01D2 FBOV4H FBOV4L FBOV3H FBOV3L FBOV2H FBOV2L FBOV1H FBOV1L FLTBM — — — FBEN4 FBEN3 FBEN2 FBEN1 0000 0000 0000 0000
OVDCON 01D4 POVD4H POVD4L POVD3H POVD3L POVD2H POVD2L POVD1H POVD1L POUT4H POUT4L POUT3H POUT3L POUT2H POUT2L POUT1H POUT1L 1111 1111 00-0 0000
PDC1 01D6 PWM Duty Cycle #1 register 0000 0000 0000 0000
PDC2 01D8 PWM Duty Cycle #2 register 0000 0000 0000 0000
PDC3 01DA PWM Duty Cycle #3 register 0000 0000 0000 0000
PDC4 01DC PWM Duty Cycle #4 register 0000 0000 0000 0000
Note 1: Reset state of PENxx control bits depends on the state of the PWMPIN device configuration bit.
2: Shaded register and bit locations not implemented for the 6-output MCPWM module.
3: The IUE bit is not implemented on the dsPIC30F6010 device.

© 2005 Microchip Technology Inc. DS70062D-page 15-41
Section 15. Motor Control PWM
Motor Control
PWM
15
Table 15-9: Registers Associated with the 6-Output PWM Module
Name ADR Bit 15 Bit 14 Bit 13 Bit 12 Bit 11 Bit 10 Bit 9 Bit 8 Bit 7 Bit 6 Bit 5 Bit 4 Bit 3 Bit 2 Bit 1 Bit 0 Value on Reset
INTCON1 0080 NSTDIS — — — — — — — — — — — — — — — 0000 0000 0000 0000
INTCON2 0082 ALTIVT — — — — — — — — — — — — — — — 0000 0000 0000 0000
IFS2 0088 — — — —FLATIF— — —PWMIF— — — — — — — 0000 0000 0000 0000
IEC2 0090 — — — —FLTAIE— — —PWMIE— — — — — — — 0000 0000 0000 0000
IPC9 00A6 —PWMIP<2:0>— — — — — — — — — — — — 0100 0100 0100 0100
IPC10 00A8 — FLTAIP<2:0> — — — — — — — — — — — — 0100 0100 0100 0100
PTCON 01C0 PTEN —PTSIDL— — — — — PTOPS<3:0> PTCKPS<1:0> PTMOD<1:0> 0000 0000 0000 0000
PTMR 01C2 PTDIR PWM Time Base register 0000 0000 0000 0000
PTPER 01C4 —PWM Time Base Period register 0111 1111 1111 1111
SEVTCMP 01C6 SEVTDIR PWM Special Event Compare register 0000 0000 0000 0000
PWMCON1 01C8 — — — — — PMOD3 PMOD2 PMOD1 — PEN3H PEN2H PEN1H — PEN3L PEN2L PEN1L 0000 0000 0000 0000
PWMCON2 01CA — — — — — — — — — — IUE OSYNC UDIS 0000 0000 0000 0000
DTCON1 01CC ———— — — — — DTAPS<1:0> Dead Time A Value register 0000 0000 0000 0000
Reserved 01CE — — — — — — — — — — — — — — — — —
FLTACON 01D0 —— FAOV3H FAOV3L FAOV2H FAOV2L FAOV1H FAOV1L FLTAM — — — FAEN4 FAEN3 FAEN2 FAEN1 0000 00-0 0000 0000
Reserved 01D2 — — — — — — — — — — — — — — — — —
OVDCON 01D4 —— POVD3H POVD3L POVD2H POVD2L POVD1H POVD1L —— POUT3H POUT3L POUT2H POUT2L POUT1H POUT1L 1111 1111 00-0 0000
PDC1 01D6 PWM Duty Cycle #1 register 0000 0000 0000 0000
PDC2 01D8 PWM Duty Cycle #2 register 0000 0000 0000 0000
PDC3 01DA PWM Duty Cycle #3 register 0000 0000 0000 0000
Note 1: Reset state of PENxx control bits depends on the state of the PWMPIN device configuration bit.
2: Shaded register and bit locations not implemented for the 6-output MCPWM module.
3: The IUE bit is not implemented on the dsPIC30F6010 device.

dsPIC30F Family Reference Manual
DS70062D-page 15-42 © 2005 Microchip Technology Inc.
15.15 Related Application Notes
This section lists application notes that are related to this section of the manual. These
application notes may not be written specifically for the dsPIC30F Product Family, but the
concepts are pertinent, and could be used with modification and possible limitations. The current
application notes related to the MCPWM module are:
Title Application Note #
PIC18CXXX/PIC16CXXX Servomotor AN696
Using the dsPIC30F for Sensorless BLDC Control AN901
Using the dsPIC30F for Vector Control of an ACIM AN908
Sensored BLDC Motor Control Using dsPIC30F2010 AN957
An Introduction to AC Induction Motor Control Using the dsPIC30F MCU AN984
Note: Please visit the Microchip web site (www.microchip.com) for additional Application
Notes and code examples for the dsPIC30F Family of devices.

© 2005 Microchip Technology Inc. DS70062D-page 15-43
Section 15. Motor Control PWM
M
o
t
o
r
C
o
n
t
r
o
l
PWM
15
15.16 Revision History
Revision A
This is the initial released revision of this document.
Revision B
This revision provides expanded information for the dsPIC30F MCPWM module.
Revision C
This revision incorporates all known errata at the time of this document update.
Revision D
This revision includes the Immediate Update Enable Capability (IUE) bit.

dsPIC30F Family Reference Manual
DS70062D-page 15-44 © 2005 Microchip Technology Inc.
NOTES:

© 2004 Microchip Technology Inc. DS70063C-page 16-1
Q
u
a
d
r
a
t
u
r
e
E
n
c
o
d
e
r
Interface (QEI)
16
Section 16. Quadrature Encoder Interface (QEI)
HIGHLIGHTS
This section of the manual contains the following major topics:
16.1 Module Introduction .....................................................................................................16-2
16.2 Control and Status Registers .......................................................................................16-4
16.3 Programmable Digital Noise Filters ............................................................................. 16-9
16.4 Quadrature Decoder ..................................................................................................16-10
16.5 16-bit Up/Down Position Counter...............................................................................16-12
16.6 Using QEI as an Alternate 16-bit Timer/Counter........................................................ 16-16
16.7 Quadrature Encoder Interface Interrupts ................................................................... 16-17
16.8 I/O Pin Control ........................................................................................................... 16-18
16.9 QEI Operation During Power Saving Modes .............................................................16-19
16.10 Effects of a Reset....................................................................................................... 16-19
16.11 Design Tips ................................................................................................................ 16-21
16.12 Related Application Notes.......................................................................................... 16-22
16.13 Revision History......................................................................................................... 16-23

dsPIC30F Family Reference Manual
DS70063C-page 16-2 © 2004 Microchip Technology Inc.
16.1 Module Introduction
16.1.1 Features Overview
Quadrature encoders (a.k.a. Incremental encoders or Optical encoders) are used in position
and speed detection of rotating motion systems. Quadrature encoders enable closed loop
control of many motor control applications, such as Switched Reluctance (SR) motor and AC
Induction Motor (ACIM).
A typical incremental encoder includes a slotted wheel attached to the shaft of the motor and an
emitter/detector module sensing the slots in the wheel. Typically, three outputs, termed: Phase
A, Phase B and INDEX, provide information that can be decoded to provide information on the
movement of the motor shaft including distance and direction.
The two channels, Phase A (QEA) and Phase B (QEB), have a unique relationship. If Phase A
leads Phase B, then the direction (of the motor) is deemed positive or forward. If Phase A lags
Phase B then the direction (of the motor) is deemed negative or reverse. A third channel,
termed index pulse, occurs once per revolution and is used as a reference to establish an
absolute position. See Figure 16-1 for a relative timing diagram of these three signals.
The quadrature signals produced by the encoder can have four unique states. These states are
indicated for one count cycle in Figure 16-1. Note that the order of the states are reversed when
the direction of travel is changed.
A Quadrature Decoder captures the phase signals and index pulse and converts the information
into a numeric count of the position pulses. Generally, the count will increment when the shaft is
rotating one direction and decrement when the shaft is rotating in the other direction.
Figure 16-1: Quadrature Encoder Interface Signals
QEA
QEB
INDX
QEA
QEB
INDX
1 Cycle
01 00 10 11
11 10 00 01
Forward Travel
Reverse Travel

© 2004 Microchip Technology Inc. DS70063C-page 16-3
Section 16. Quadrature Encoder Interface (QEI)
Q
u
a
d
r
a
t
u
r
e
E
n
c
o
d
e
r
Interface (QEI)
16
The Quadrature Encoder Interface (QEI) module provides an interface to incremental encoders.
The QEI consists of quadrature decoder logic to interpret the Phase A and Phase B signals and
an up/down counter to accumulate the count. Digital glitch filters on the inputs condition the
input signal. Figure 16-2 depicts a simplified block diagram of the QEI Module.
The QEI module includes:
• Three input pins for two phase signals and index pulse
• Programmable digital noise filters on inputs
• Quadrature decoder providing counter pulses and count direction
• 16-bit up/down position counter
• Count direction status
• X2 and X4 count resolution
• 2 modes of position counter reset
• General Purpose16-bit timer/counter mode
• Interrupts generated by QEI or counter events
Figure 16-2: Quadrature Encoder Interface Module Simplified Block Diagram
Quadrature
Decoder
Logic
UPDN
16-Bit Up/Down
Counter
QEB
Digital
Filter
QEA
CLOCK
DIR
Clock
Divider TCY
INDX
Digital
Filter
Digital
Filter
Comparator/
Max Count Register
(MAXCNT)
Reset
EQUAL
Zero Detect
(POSCNT)

dsPIC30F Family Reference Manual
DS70063C-page 16-4 © 2004 Microchip Technology Inc.
16.2 Control and Status Registers
The QEI module has four user-accessible registers. The registers are accessible in either byte
or word mode. The registers are shown in Figure 16-3 and listed below:
• Control/Status Register (QEICON) – This register allows control of the QEI operation and
status flags indicating the module state.
• Digital Filter Control Register (DFLTCON) – This register allows control of the digital input
filter operation.
• Position Count Register (POSCNT) – This location allows reading and writing of the 16-bit
position counter.
• Maximum Count Register (MAXCNT) – The MAXCNT register holds a value that will be
compared to the POSCNT counter in some operations.
Figure 16-3: QEI Programmer’s Model
Register 16-1 and Register 16-3 define the QEI module control and digital filter control registers,
QEICON and DFLTCON.
Note: The POSCNT register allows byte accesses, however, reading the register in byte
mode may result in partially updated values in subsequent reads. Either use word
mode reads/writes or ensure that the counter is not counting during byte operations.
Bit 15 Bit 0
POSCNT (16 bits)
Bit 15 Bit 0
MAXCNT (16 bits)
Bit 7 Bit 0
DFLTCON (8 bits)
Bit 15 Bit 0
QEICON (16 bits)

© 2004 Microchip Technology Inc. DS70063C-page 16-5
Section 16. Quadrature Encoder Interface (QEI)
Q
u
a
d
r
a
t
u
r
e
E
n
c
o
d
e
r
Interface (QEI)
16
Register 16-1: QEICON: QEI Control Register
Upper Byte:
R/W-0 U-0 R/W-0 R-0 R/W-0 R/W-0 R/W-0 R/W-0
CNTERR — QEISIDL INDEX UPDN QEIM<2:0>
bit 15 bit 8
Lower Byte:
R/W-0 R/W-0 R/W-0 R/W-0 R/W-0 R/W-0 R/W-0 R/W-0
SWPAB PCDOUT TQGATE TQCKPS<1:0> POSRES TQCS UDSRC
bit 7 bit 0
bit 15 CNTERR: Count Error Status Flag bit
1 = Position count error has occurred
0 = No position count error has occurred
(CNTERR flag only applies when QEIM<2:0> = ‘110’ or ‘100’)
bit 14 Unimplemented: Read as ‘0’
bit 13 QEISIDL: Stop in Idle Mode bit
1 = Discontinue module operation when device enters Idle mode
0 = Continue module operation in Idle mode
bit 12 INDEX: Index Pin State Status bit (Read Only)
1 = Index pin is High
0 = Index pin is Low
bit 11 UPDN: Position Counter Direction Status bit
1 = Position Counter Direction is positive (+)
0 = Position Counter Direction is negative (-)
(Read only bit when QEIM<2:0> = ‘1XX’)
(Read/Write bit when QEIM<2:0> = ‘001’)
bit 10-8 QEIM<2:0>: Quadrature Encoder Interface Mode Select bits
111 = Quadrature Encoder Interface enabled (x4 mode) with position counter reset by match (MAXCNT)
110 = Quadrature Encoder Interface enabled (x4 mode) with Index Pulse reset of position counter
101 = Quadrature Encoder Interface enabled (x2 mode) with position counter reset by match (MAXCNT)
100 = Quadrature Encoder Interface enabled (x2 mode) with Index Pulse reset of position counter
011 = Unused (Module disabled)
010 = Unused (Module disabled)
001 = Starts 16-bit Timer
000 = Quadrature Encoder Interface/Timer off
bit 7 SWPAB: Phase A and Phase B Input Swap Select bit
1 = Phase A and Phase B inputs swapped
0 = Phase A and Phase B inputs not swapped
bit 6 PCDOUT: Position Counter Direction State Output Enable bit
1 = Position Counter Direction Status Output Enable (QEI logic controls state of I/O pin)
0 = Position Counter Direction Status Output Disabled (Normal I/O pin operation)
bit 5 TQGATE: Timer Gated Time Accumulation Enable bit
1 = Timer gated time accumulation enabled
0 = Timer gated time accumulation disabled
bit 4-3 TQCKPS<1:0>: Timer Input Clock Prescale Select bits
11 = 1:256 prescale value
10 = 1:64 prescale value
01 = 1:8 prescale value
00 = 1:1 prescale value
(Prescaler utilized for 16-bit timer mode only)

dsPIC30F Family Reference Manual
DS70063C-page 16-6 © 2004 Microchip Technology Inc.
Register 16-1: QEICON: QEI Control Register (Continued)
bit 2 POSRES: Position Counter Reset Enable bit
1 = Index Pulse resets Position Counter
0 = Index Pulse does not reset Position Counter
(Bit only applies when QEIM<2:0> = 100 or 110)
bit 1 TQCS: Timer Clock Source Select bit
1 = External clock from pin QEA (on the rising edge)
0 = Internal clock (TCY)
bit 0 UDSRC: Position Counter Direction Selection Control bit
1 = QEB pin State Defines Position Counter Direction
0 = Control/Status bit, UPDN (QEICON<11>), Defines Timer Counter (POSCNT) direction
Note: When configured for QEI mode, control bit is a ‘don’t care’
Legend:
R = Readable bit W = Writable bit U = Unimplemented bit, read as ‘0’
-n = Value at POR ‘1’ = Bit is set ‘0’ = Bit is cleared x = Bit is unknown

© 2004 Microchip Technology Inc. DS70063C-page 16-7
Section 16. Quadrature Encoder Interface (QEI)
Q
u
a
d
r
a
t
u
r
e
E
n
c
o
d
e
r
Interface (QEI)
16
Register 16-2: DFLTCON: Digital Filter Control Register (dsPIC30F6010 Only)
Upper Byte:
U-0 U-0 U-0 U-0 U-0 U-0 U-0 R/W-0
— — — — — — —CEID
bit 15 bit 8
Lower Byte:
R/W-0 R/W-0 R/W-0 R/W-0 R/W-0 R/W-0 R/W-0 R/W-0
QEOUT QECK<2:0> INDOUT INDCK<2:0>
bit 7 bit 0
bit 15-9 Unimplemented: Read as ‘0’
bit 8 CEID: Count Error Interrupt Disable bit
1 = Interrupts due to position count errors disabled
0 = Interrupts due to position count errors enabled
bit 7 QEOUT: QEA/QEB Digital Filter Output Enable bit
1 = Digital filter outputs enabled
0 = Digital filter outputs disabled (Normal pin operation)
bit 6-4 QECK<2:0>: QEA/QEB Digital Filter Clock Divide Select bits
111 = 1:256 Clock Divide
110 = 1:128 Clock Divide
101 = 1:64 Clock Divide
100 = 1:32 Clock Divide
011 = 1:16 Clock Divide
010 = 1:4 Clock Divide
001 = 1:2 Clock Divide
000 = 1:1 Clock Divide
bit 3 INDOUT: Index Channel Digital Filter Output Enable bit
1 = Digital filter output is enabled
0 = Digital filter output is disabled (Normal pin operation)
bit 2-0 INDCK<2:0>: Index Channel Digital Filter Clock Divide Select bits
111 = 1:256 Clock Divide
110 = 1:128 Clock Divide
101 = 1:64 Clock Divide
100 = 1:32 Clock Divide
011 = 1:16 Clock Divide
010 = 1:4 Clock Divide
001 = 1:2 Clock Divide
000 = 1:1 Clock Divide
Note: The available control bits in the DFLTCON Register may vary depending on the dsPIC30F device
that is used. Refer to Register 16-2 and Register 16-3 for details.
Legend:
R = Readable bit W = Writable bit U = Unimplemented bit, read as ‘0’
-n = Value at POR ‘1’ = Bit is set ‘0’ = Bit is cleared x = Bit is unknown

dsPIC30F Family Reference Manual
DS70063C-page 16-8 © 2004 Microchip Technology Inc.
Register 16-3: DFLTCON: Digital Filter Control Register (All dsPIC30F devices except dsPIC30F6010)
Upper Half:
U-0 U-0 U-0 U-0 U-0 R/W-0 R/W-0 R/W-0
— — — — — IMV<1:0> CEID
bit 15 bit 8
Lower Half:
R/W-0 R/W-0 U-0 U-0 U-0 U-0
QEOUT QECK<2:0> — — — —
bit 7 bit 0
bit 15-11 Unimplemented: Read as ‘0’
bit 10-9 IMV<1:0>: Index Match Value – These bits allow the user to specify the state of the QEA and QEB input
pins during an Index pulse when the POSCNT register is to be reset.
In 4X Quadrature Count Mode:
IMV1= Required State of Phase B input signal for match on index pulse
IMV0= Required State of Phase A input signal for match on index pulse
In 2X Quadrature Count Mode:
IMV1= Selects Phase input signal for Index state match (0 = Phase A, 1 = Phase B)
IMV0= Required State of the selected Phase input signal for match on index pulse
bit 8 CEID: Count Error Interrupt Disable
1 = Interrupts due to count errors are disabled
0 = Interrupts due to count errors are enabled
bit 7 QEOUT: QEA/QEB/INDX pin Digital Filter Output Enable
1 = Digital filter outputs enabled
0 = Digital filter outputs disabled (normal pin operation)
bit 6-4 QECK<2:0>: QEA/QEB/INDX Digital Filter Clock Divide Select Bits
111 = 1:256 Clock Divide
110 = 1:128 Clock Divide
101 = 1:64 Clock Divide
100 = 1:32 Clock Divide
011 = 1:16 Clock Divide
010 = 1:4 Clock Divide
001 = 1:2 Clock Divide
000 = 1:1 Clock Divide
bit 3-0 Unimplemented: Read as ‘0’
Note: The available control bits in the DFLTCON Register may vary depending on the dsPIC30F device
that is used. Refer to Register 16-2 and Register 16-3 for details.
Legend:
R = Readable bit W = Writable bit U = Unimplemented bit, read as ‘0’
-n = Value at POR ‘1’ = Bit is set ‘0’ = Bit is cleared x = Bit is unknown
y = Value set from configuration bits on POR or BOR

© 2004 Microchip Technology Inc. DS70063C-page 16-9
Section 16. Quadrature Encoder Interface (QEI)
Q
u
a
d
r
a
t
u
r
e
E
n
c
o
d
e
r
Interface (QEI)
16
16.3 Programmable Digital Noise Filters
The digital noise filter section is responsible for rejecting noise on the incoming index and
quadrature signals. Schmitt trigger inputs and a three-clock cycle delay filter combine to reject
low level noise and large, short duration noise spikes that typically occur in noise-prone
applications such as a motor system applications.
The filter ensures that the filtered output signals are not permitted to change until a stable value
has been registered for three consecutive filter cycles.
The rate of the filter clocks determines the low passband of the filter. A slower filter clock results
in a passband rejecting lower frequencies than a faster filter clock. The filter clock is the device
FCY clock divided by a programmable divisor.
Setting the QEOUT bit (DFLTCON<7>) enables the filter for channels QEA and QEB. The
QECK<2:0> bits (DFLTCON<6:4>) specify the filter clock divisor used for channels QEA and
QEB. Setting the INDOUT bit (DFLTCON<3>) enables the filter for the index channel. The
INDCK<2:0> bits (DFLTCON<2:0>) specify the filter clock divisor used for the index channel. At
reset, the filters for all channels are disabled.
Some devices do not have separate control bits for the QEx input digital filters and the INDX
input digital filter. For these devices, the QEOUT and QECK<2:0> control bits set the digital filter
characteristics for both the QEA/QEB and INDX pins. See Register 16-2 and Register 16-3 for
more information.
Figure 16-4 depicts a simplified block diagram for the digital noise filter.
Figure 16-4: Simplified Digital Noise Filter Block Diagram
Figure 16-5: Signal Propagation Through Filter, 1:1 Filter Clock Divide
QEn DQ
TCY
JQ
K
QEn
DQ DQ DQ
Filtered
Clock
Divider
Circuit
TCY
Non-filtered 0
1
CK
3
CKCK CK CKCK
CK CK
pin
Filter
QEOUT
QECK<2:0>
Output
Note: ‘n’ denotes the phase input, A or B.
TCY
QEn Pin
QEn Filter

dsPIC30F Family Reference Manual
DS70063C-page 16-10 © 2004 Microchip Technology Inc.
16.4 Quadrature Decoder
Position measurement modes are selected when QEIM2 = 1 (QEICON<10>).
When QEIM1 = 1 (QEICON<9>), the ‘x4’ measurement mode is selected and the QEI logic
clocks the position counter on both edges of the Phase A and Phase B input signals.
The ‘x4’ measurement mode provides for finer resolution data (more position counts) to
determine the encoder position.
Figure 16-6: Quadrature Decoder Signals in 4X Mode
When QEIM1 = 0, the ‘x2’ measurement mode is selected and the QEI logic only looks at the
rising and falling edge of the Phase A input for the position counter increment rate. Every rising
and falling edge of the Phase A signal causes the position counter to increment or decrement.
The Phase B signal is still utilized for the determination of the counter direction, exactly like the
x4 measurement mode.
Figure 16-7: Quadrature Decoder Signals in 2X Mode
+1 +1 +1 +1 +1 +1 +1 +1 +1 +1 -1 -1 -1 -1 -1 -1 -1 -1
QEA
QEB
count_clock
POSCNT
UPDN
-1
+1 +1 +1 +1 -1 -1 -1+1
QEA
QEB
count_clock
POSCNT
UPDN
-1

© 2004 Microchip Technology Inc. DS70063C-page 16-11
Section 16. Quadrature Encoder Interface (QEI)
Q
u
a
d
r
a
t
u
r
e
E
n
c
o
d
e
r
Interface (QEI)
16
16.4.1 Explanation of Lead/Lag Test
The lead/lag test is performed by the quadrature decoder logic to determine the phase
relationship of the QEA and QEB signals and hence whether to increment or decrement the
POSCNT register. The Table 16-1 clarifies the lead/lag test.
Table 16-1: Lead/Lag Test Description
16.4.2 Count Direction Status
As mentioned in the previous section, the QEI logic generates an UPDN signal based upon the
Phase A and Phase B time relationship. The UPDN signal may be output on an I/O pin.
Setting the PCDOUT bit (QEICON<6>) and clearing the appropriate TRIS bit associated with
the pin will cause the UPDN signal to drive the output pin.
In addition to the output pin, the state of this internal UPDN signal is supplied to a SFR bit
QEICON<11> as a Read-Only bit, notated as UPDN.
16.4.3 Encoder Count Direction
The direction of quadrature counting is determined by the SWPAB bit (QEICON<7>). If the
SWPAB = 0, the Phase A input is fed to the A input of the quadrature counter and the Phase B
input is fed to the B input of the quadrature counter. Therefore as the Phase A signal leads the
Phase B signal, the quadrature counter is incremented on each edge. This (A signal leads the B
signal) is defined as the forward direction of motion. Setting the SWPAB bit, (QEICON<7>), to a
logic 1 causes the Phase A input to be fed to the B input of the quadrature counter and the
Phase B signal to be fed to the A input of the quadrature counter. Therefore, if the Phase A
signal leads the Phase B signal at the dsPIC30F device pins, the Phase A input to the
quadrature counter will now lag the Phase B input. This is recognized as rotation in the reverse
direction and the counter will be decremented on each quadrature pulse.
Present
Transition Previous
Transition Condition Action
QEB↓QEA leads QEB channel Set UPDN Increment POSCNT
QEA↑QEB↑QEA lags QEB channel Clear UPDN Decrement POSCNT
QEA↓Direction Change Toggle UPDN Increment or Decrement POSCNT
QEB↓QEA lags QEB channel Clear UPDN Decrement POSCNT
QEA↓QEB↑QEA leads QEB channel Set UPDN Increment POSCNT
QEA↑Direction Change Toggle UPDN Increment or Decrement POSCNT
QEA↓QEA lags QEB channel Clear UPDN Decrement POSCNT
QEB↑QEA↑QEA leads QEB channel Set UPDN Increment POSCNT
QEB↓Direction Change Toggle UPDN Increment or Decrement POSCNT
QEA↓QEA leads QEB channel Set UPDN Increment POSCNT
QEB↓QEA↑QEA lags QEB channel Clear UPDN Decrement POSCNT
QEB↑Direction Change Toggle UPDN Increment or Decrement POSCNT

dsPIC30F Family Reference Manual
DS70063C-page 16-12 © 2004 Microchip Technology Inc.
16.4.4 Quadrature Rate
The RPM of the position control system will vary. The RPMs along with the quadrature encoder
line count determine the frequency of the QEA and QEB input signals. The quadrature encoder
signals can be decoded such that a count pulse is generated for every quadrature signal edge.
This allows an angular position measurement resolution of up to 4 times the encoder line count.
For example: a 6,000 RPM motor utilizing a 4096 line encoder yields a quadrature count rate of:
((6000/60) * (4096*4)) = 1.6384 MHz. Likewise, a 10,000 RPM motor utilizing a 8,192 line
encoder yields a quadrature count rate of: ((10000/60) * (8192*4)) = 5.46 MHz.
The QEI allows a quadrature frequency of up to FCY/3. For example, if FCY = 30 MHz, the QEA
and QEB signals may have a maximum frequency of 10 MHz. Refer to the “Electrical
Specifications” section of the device data sheet for further details.
16.5 16-bit Up/Down Position Counter
The 16-bit Up/Down Counter counts up or down on every count pulse which is generated by
the quadrature decoder logic. The counter then acts as an integrator, whose count value is
proportional to position. The direction of the count is determined by the quadrature decoder.
The user software may examine the contents of the count by reading the POSCNT register. The
user software may also write to the POSCNT register to initialize a count.
Changing the QEIM bits does not affect the position counter register contents.
16.5.1 Using the Position Counter
The system may utilize position counter data in one of several methods. In some systems, the
position count is accumulated consistently and taken as an absolute value representing the total
position of the system. For a typical example, assume that a quadrature encoder is affixed to a
motor controlling the print head in a printer. In operation, the system is initialized by moving the
print head to the maximum left position and resetting the POSCNT register. As the print head
moves to the right, the quadrature encoder will begin to accumulate counts in the POSCNT
register. As the print head moves to the left, the accumulated count will decrease. As the print
head reaches the right most position, the maximum position count should be reached. If the
maximum count is less than 216, the QEI module can encode the entire range of motion.
If, however, the maximum count is more than 216, the additional count precision must be
captured by the user software. Generally, to accomplish this, the module is set into a mode where
it resets the counter at match of a maximum count. QEIM0 = 1 enables modes where the
MAXCNT register is used to reset the position counter. When the counter reaches a
pre-determined maximum count while incrementing or reaches zero while decrementing, the
count is reset and an interrupt is generated to allow the user software to increment or decrement
a software counter containing the most significant bits of the position count. The maximum count
can be 0xFFFF, to enable a full range of the QEI counter and software counter or some smaller
value of significance, such as the number of counts for one encoder revolution.
In other systems, the position count may be cyclic. The position count is only used to reference
the position of the wheel within number of rotations determined by the index pulse. For example,
a tool platform moved by a screw rod uses a quadrature encoder attached to the screw rod. In
operation, the screw may require 5.5 rotations to achieve the desired position. The user software
will detect 5 index pulses to count the full rotations and use the position count to measure the
remaining half rotation. In this method, the index pulse resets the position counter to initialize the
counter at each rotation and generates an interrupt for each rotation. QEIM0 = 0 enables these
modes.

© 2004 Microchip Technology Inc. DS70063C-page 16-13
Section 16. Quadrature Encoder Interface (QEI)
Q
u
a
d
r
a
t
u
r
e
E
n
c
o
d
e
r
Interface (QEI)
16
16.5.2 Using MAXCNT to Reset the Position Counter
When the QEIM0 bit is ‘1’, the position counter will reset on a match of the position count with
predetermined high and low values. The index pulse reset mechanism is not utilized.
For this mode the position counter reset mechanism operates as follows: (See Figure 16-8 for
related timing details).
- If the encoder is traveling in the forward direction e.g., QEA leads QEB, and the value
in the POSCNT register matches the value in the MAXCNT register, POSCNT will
reset to zero on the next occurring quadrature pulse edge that increments
POSCNT. An interrupt event is generated on this rollover event.
- If the encoder is travelling in the reverse direction e.g., QEB leads QEA, and the value
in the POSCNT register counts down to ‘0’, the POSCNT is loaded with the value in
the MAXCNT register on the next occurring quadrature pulse edge that
decrements POSCNT. An interrupt event is generated on this underflow event.
When using MAXCNT as a position limit, remember the position counter will count at either 2X
or 4X of the encoder counts. For standard rotary encoders, the appropriate value to write to
MAXCNT would be 4N – 1 for 4x position mode and 2N – 1 for 2x position mode, where N is the
number of counts per revolution of the encoder.
For absolute position information where the range of the system exceeds 216, it is also
appropriate to load a value of 0xFFFF into the MAXCNT register. The module will generate an
interrupt on rollover or underflow of the position counter.
Figure 16-8: Rollover/Rollunder Reset-Up/Down Position Counter
0001 0002 0003 0004 0005 0006 0000 0001 0002 0003 0001 0000 0006 0005 0004 0003 0002 0001
0006
POSCNT = MAXCNT
POSCNT set to 0000
POSCNT = 0000
POSCNT set to MAXCNT
Generate QEI Interrupt Generate QEI Interrupt
0002
QEA
QEB
count_clock
POSCNT
UPDN
MAXCNT

dsPIC30F Family Reference Manual
DS70063C-page 16-14 © 2004 Microchip Technology Inc.
16.5.3 Using Index to Reset Position Counter
When QEIM<0> = 0, the index pulse is utilized for resetting the position counter. For this mode
the position counter reset mechanism operates as follows: (See Figure 16-9 for related timing
details).
• The position count is reset each time an index pulse is received on the INDEX pin.
• If the encoder is travelling in the forward direction e.g., QEA leads QEB, POSCNT is reset
to ‘0’.
• If the encoder is travelling in the reverse direction e.g., QEB leads QEA, the value in the
MAXCNT register is loaded into POSCNT.
Figure 16-9: Reset by Index Mode-Up/Down Position Counter
16.5.3.1 Index Pulse Detection Criteria
Incremental encoders from different manufacturers use differing timing for the index pulse. The
index pulse may be aligned to any of the 4 quadrature states and may have a pulse width of
either a full cycle (4 quadrature states), a half cycle (2 quadrature states) or a quarter cycle
(1 quadrature state). Index pulses of a full cycle width or a half cycle width are normally termed
‘ungated’ and index pulses of a quarter cycle width are normally termed ‘gated’.
Regardless of the type of index pulse provided, the QEI maintains symmetry of the count as the
wheel reverses direction. This means the index pulse must reset the position counter at the
same relative quadrature state transition as the wheel rotates in the forward or reverse
direction.
For example, in Figure 16-9, the first index pulse is recognized and resets POSCNT as the
quadrature state changes from 4 to 1 as highlighted in the diagram. The QEI latches the state of
this transition. Any subsequent index pulse detection will use that state transition for the reset.
As the wheel reverses, the index pulse again occurs, however the reset of the position counter
cannot occur until the quadrature state changes from 1 to 4, again highlighted in the diagram.
00E3
POSCNT
QEA
QEB
UPDN
count_clock
00E4 00E5 00E6 0000 0001 0002 0003 0004 0005 0003 0002 0001 0000 00E6 00E5 00E4 00E0
POSCNT set to
0000
Recognize Index
POSCNT set to MAXCNT
Generate QEI Interrupt
Generate QEI Interrupt
00E3 00E2 00E10004
Recognize Index
Wheel
Reverses
INDX
12 3 4 1 2 3 4 1 2 2 1 4 3 2 1 4 3 2 1 4 3 2
Quadrature
State
Note: The QEI index logic ensures that the POSCNT register is always adjusted at the
same position relative to the index pulse, regardless of the direction of travel.

© 2004 Microchip Technology Inc. DS70063C-page 16-15
Section 16. Quadrature Encoder Interface (QEI)
Q
u
a
d
r
a
t
u
r
e
E
n
c
o
d
e
r
Interface (QEI)
16
16.5.3.2 IMV Control Bits
The IMV<2:0> control bits are available on some dsPIC devices that have the QEI module. (See
Register 16-3). These control bits allow the user to select the state of the QEA and QEB signals
for which an index pulse reset will occur.
Devices that do not have these control bits will select the QEA and QEB states automatically
during the first occurrence of an index pulse.
16.5.3.3 Index Pulse Status
The INDEX bit (QEICON<12>) provides status of the logic state on the index pin. This status bit
is very useful in position control systems during the “homing” sequence, where the system
searches for a reference position. The index bit indicates the status of the index pin after being
processed by the digital filter, if it is enabled.
16.5.3.4 Using the Index Pin and MAXCNT for Error Checking
When the counter operates in reset on index pulse mode, the QEI will also detect POSCNT
register boundary conditions. This may be used to detect system errors in the incremental
encoder system.
For example, assume a wheel encoder has 100 lines. When utilized in x4 measurement mode
and reset on the index pulse, the counter should count from 0 to 399 (0x018E) and reset. If the
POSCNT register ever achieves the values of 0xFFFF or 0x0190, some sort of system error
has occurred.
The contents of the POSCNT register is compared with MAXCNT + 1, if counting up, and with
0xFFFF, if counting down. If the QEI detects one of these values, a position count error
condition is generated by setting the CNTERR bit (QEICON<15>) and optionally generating a
QEI interrupt.
If the CEID control bit (DFLTCON<8>) is cleared (default), then a QEI interrupt will be generated
when a position count error is detected. If the CEID control bit is set, then an interrupt will not
occur.
The position counter continues to count encoder edges after detecting a position count error. No
interrupt is generated for subsequent position count error events until CNTERR is cleared by
the user.
16.5.3.5 Position Counter Reset Enable
The position counter reset enable bit, POSRES (QEICON<2>) enables reset of the position
counter when the index pulse is detected. This bit only applies when the QEI module is
configured for modes, QEIM<2:0> = ‘100’ or ‘110’.
If the POSRES bit is set to a logic ‘1’ then the position counter is reset when the index pulse is
detected as described in this section.
If the POSRES bit is set to a logic ‘0’, then the position counter is not reset when the index pulse
is detected. The position counter will continue counting up or down and be reset on the rollover
or underflow condition. The QEI continues to generate interrupts on the detection of the index
pulse.

dsPIC30F Family Reference Manual
DS70063C-page 16-16 © 2004 Microchip Technology Inc.
16.6 Using QEI as an Alternate 16-bit Timer/Counter
When the QEI module is configured QEIM<2:0> = 001, the QEI function is disabled and the QEI
module is configured as a 16-bit timer/counter. The setup and control for the auxiliary timer is
accomplished through the QEICON register.
The QEI timer functions similar to the other dsPIC30F timers. Refer to Section 12. “Timers”
for a general discussion of timers.
When configured as a timer, the POSCNT register serves as a timer register similar to the
TMRn registers of the GP timers. The MAXCNT register serves as a period register similar to
the PRn registers of the GP timers. When a timer/period register match occurs, the QEIF flag
asserts.
Figure 16-10: QEI as Timer/Counter Block Diagram
Note: Changing operational modes, i.e., from QEI to Timer or Timer to QEI will not affect
the Timer/Position Count Register contents.
16-bit Up/Down Counter
Comparator/Zero Detect
Max Count Register
Programmable
Digital Filter
QEA
Programmable
Digital Filter
QEB (POSCNT)
(MAXCNT)
QEIF
Event
Flag
Reset
Equal
1
0
TQCKPS
2
1, 8, 64, 256
Prescaler
Q
Q
D
CK
TQGATE
Synchronize
Det
0 0
UDSRC
UPDN
1
0
TQGATE
0 1
1 0
TQCS
TQGATE
1 1
Gated
T
CY
T
CY

© 2004 Microchip Technology Inc. DS70063C-page 16-17
Section 16. Quadrature Encoder Interface (QEI)
Q
u
a
d
r
a
t
u
r
e
E
n
c
o
d
e
r
Interface (QEI)
16
16.6.1 Up/Down Timer Operation
The QEI timer can increment or decrement. This is a unique feature over most other timers.
When the timer is configured to count up, the timer (POSCNT) will increment until the count
matches the period register (MAXCNT). The timer resets to zero and restarts incrementing.
When the timer is configured to count down, the timer (POSCNT) will decrement until the count
matches the period register (MAXCNT). The timer resets to zero and restarts decrementing.
When the timer is configured to count down some general operation guidelines must be
followed for correct operation.
1. The MAXCNT register will serve as the period match register but because the counter is
decrementing, the desired match value is 2 count. For example, to count 0x1000 clocks,
the period register must be loaded with 0xF000.
2. On a match condition, the timer resets to zero.
Either an I/O pin or a SFR control bit specify the count direction control.
Control bit UDSRC (QEICON<0>) determines what controls the timer count direction state.
When UDSRC = 1, the timer count direction is controlled from the QEB pin. If the QEB pin is ’1’,
the count direction will be incrementing. If the QEB pin is ‘0’, the count direction will be
decrementing.
When UDSRC = 0, the timer count direction is controlled from the UPDN bit (QEICON<11>).
When UPDN = 1, the timer increments. When UPDN = 0, the timer decrements.
16.6.2 Timer External Clock
The TQCS bit (QEICON<1>) selects internal or external clock. The QEI timer can use the QEA
pin as an external clock input when TQCS is set. The QEI timer does not support the external
asynchronous counter mode. If using an external clock source the clock will automatically be
synchronized to the internal instruction cycle (TCY).
16.6.3 Timer Gate Operation
The QEA pin functions as a timer gate when the TQGATE bit (QEICON<5>) is set and TQCS is
cleared.
In the event TQCS and TQGATE are concurrently set, the timer does not increment and does
not generate an interrupt.
16.7 Quadrature Encoder Interface Interrupts
Depending on the mode of the QEI, the QEI will generate interrupts for the following events:
• When operating in reset on match mode, QEIM<2:0> = ‘111’ and ‘101’, an interrupt occurs
on position counter rollover/underflow.
• When operating in reset on index mode, QEIM<2:0> = ‘110’ and ‘100’, an interrupt occurs
on detection of index pulse and optionally when CNTERR bit is set.
• When operating as a Timer/Counter, QEIM<2:0> = ‘001’, an interrupt occurs on a period
match event or a timer gate falling edge event when TQGATE = 1.
When a QEI interrupt event occurs, the QEIIF bit (IFS2<8>) is asserted and an interrupt will be
generated if enabled. The QEIIF bit must be cleared in software.
Enabling the QEI interrupt is accomplished via the respective enable bit, QEIIE (IEC2<8>).

dsPIC30F Family Reference Manual
DS70063C-page 16-18 © 2004 Microchip Technology Inc.
16.8 I/O Pin Control
Enabling the QEI module causes the associated I/O pins to come under the control of the QEI
and prevents lower priority I/O functions such as Ports from affecting the I/O pin.
Depending on the mode specified by QEIM<2:0> and other control bits, the I/O pins may
assume differing functions, as shown in Table 16-2 and Table 16-3.
Table 16-2: Quadrature Encoder Module Pinout I/O Descriptions
Table 16-3: Module I/O Mode Functions
Pin Name Pin Type Buffer Type Description
QEA I
I
I
ST
ST
ST
Quadrature Encoder Phase A Input, or
Auxiliary Timer External Clock Input, or
Auxiliary Timer External gate Input
QEB I
IST
ST Quadrature Encoder Phase B Input, or
Auxiliary Timer Up/Down select input
INDX I ST Quadrature Encoder Index Pulse Input
UPDN O Position Up/Down Counter Direction Status,
QEI mode
Legend: I = Input, O = Output, ST = Schmitt Trigger
QEIM<2:0>
PCDOUT
UDSRC
TQGATE
TQCS
QEA
pin QEB
pin INDX
pin UPDN
pin
000,010,011
Module Off N/A N/A N/A N/A
001
Timer Mode N/A 000
100 Input
(UPDN)
010Input (TQGATE)
Port not disabled
110Input (TQGATE)
Port not disabled Input
(UPDN)
0N/A 1Input (TQCKI)
Port not disabled
1N/A 1Input (TQCKI)
Port not disabled Input
(UPDN)
101,111
QEI
Reset by count
0N/A N/A N/A Input (QEA) Input
(QEB)
1N/A N/A N/A Input (QEA) Input
(QEB) Output
(UPDN)
100,110
QEI
Reset by Index
0N/A N/A N/A Input (QEA) Input
(QEB) Input
(INDX)
1N/A N/A N/A Input (QEA) Input
(QEB) Input
(INDX) Output
(UPDN)
Note: Empty slot indicates pin not used by QEI in this configuration,pin controlled by I/O port
logic.

© 2004 Microchip Technology Inc. DS70063C-page 16-19
Section 16. Quadrature Encoder Interface (QEI)
Q
u
a
d
r
a
t
u
r
e
E
n
c
o
d
e
r
Interface (QEI)
16
16.9 QEI Operation During Power Saving Modes
16.9.1 When the Device Enters Sleep
When the device enters Sleep mode, the QEI will cease all operations. POSCNT will stop at the
current value. The QEI will not respond to active signals on the QEA, QEB, INDX or UPDN pins.
The QEICON register will remain unchanged.
If the QEI is configured as a timer/counter, QEIM<2:0> = ‘001’, and the clock is provided
externally, TQCS = 1, the module will also cease operation during Sleep mode.
When the module wakes up, the quadrature decoder will accept the next transition on the QEA
or QEB signals and compare that transition to the last transition before Sleep to determine the
next action.
16.9.2 When the Device Enters Idle
The module will enter a power saving state in Idle mode depending on the QEISIDL bit
(QEICON<13>).
If QEICSIDL = 1, then the module will enter the power saving mode, similar to actions while
entering Sleep mode.
If QEICSIDL = 0, then the module will not enter a power saving mode. The module will continue
to operate normally while the device is in Idle mode.
16.10 Effects of a Reset
Reset forces module registers to their initial reset state. See Register 16-1 for all initialization
and reset conditions for QEI module related registers.
The quadrature decoder and the POSCNT counter are reset to an initial state.

dsPIC30F Family Reference Manual
DS70063C-page 16-20 © 2004 Microchip Technology Inc.
Table 16-4: Special Function Registers Associated with QEI
Name Bit 15 Bit 14 Bit 13 Bit 12 Bit 11 Bit 10 Bit 9 Bit 8 Bit 7 Bit 6 Bit 5 Bit 4 Bit 3 Bit 2 Bit 1 Bit 0 Value on ALL Reset
QEICON CNTERR Unused QEISIDL INDX UPDN QEIM2 QEIM1 QEIM0 SWPAB PCDOUT TQGATE TQCKPS1 TQCKPS0 POSRES TQCS UDSRC
0000 0000 0000 0000
DFLTCON — — — — — — — — QEOUT QECK2 QECK1 QECK0 INDOUT INDCK2 INDCK1 INDCK0
---- ---- ---- ----
POSCNT Position Count Register
0000 0000 0000 0000
MAXCNT Maximum Count Register
1111 1111 1111 1111
ADPCFG PCFG15 PCFG14 PCFG13 PCFG12 PCFG11 PCFG10 PCFG9 PCFG8 PCFG7 PCFG6 PCFG5 PCFG4 PCFG3 PCFG2 PCFG1 PCFG0
0000 0000 0000 0000
INTCON1 NSTDIS — — — — OVATE OVBTE COVTE — — — MATHERR ADDRERR STKERR OSCFAIL —
0000 0000 0000 0000
INTCON2 ALTIVT — — — — — — — — — — INT4EP INT3EP INT2EP INT1EP INT0EP
0000 0000 0000 0000
IFS2 — — — FLTBIF FLTAIF LVDIF DCIIF QEIIF PWMIF C2IF INT4IF INT3IF OC8IF OC7IF OC6IF OC5IF
0000 0000 0000 0000
IEC2 — — — FLTBIE FLTAIE LVDIE DCIIE QEIIE PWMIE C2IE INT4IE INT3IE OC8IE OC7IE OC6IE OC5IE
0000 0000 0000 0000
IPC10 —FLTAIP<2:0> —LVDIP<2:0> —DCIIP<2:0> —QEIIP<2:0>
0100 0100 0100 0100
Note: The available control bits in the DFLTCON Register may vary depending on the dsPIC30F device that is used. Refer to Register 16-2 and Register 16-3 for
details.
Note: On many devices, the QEI pins are multiplexed with analog input pins. You will need to ensure that the QEI pins are configured as digital pins using the
ADPCFG control register.

© 2004 Microchip Technology Inc. DS70063C-page 16-21
Section 16. Quadrature Encoder Interface (QEI)
Q
u
a
d
r
a
t
u
r
e
E
n
c
o
d
e
r
Interface (QEI)
16
16.11 Design Tips
Question 1: I have initialized the QEI, but the POSCNT Register does not seem to
change when quadrature signals are applied to the QEA/QEB pins.
Answer: On many devices, the QEI pins are multiplexed with analog input pins. You will need to
ensure that the QEI pins are configured as digital pins using the ADPCFG control register.
Question 2: How fast may my quadrature signals be?
Answer: The answer depends on the setting of the filter parameters for the quadrature signals.
QEI requires that quadrature signals frequency must be less than FCY/3 when no filter is used
and Filter Frequency/6 when a filter is used.
Question: 3 My encoder has a 90° Index Pulse and the count does not reset properly.
Answer: Depending on how the count clock is generated and which quadrature state transition
is used for the index pulse, a 1/4 cycle index pulse may not be recognized before the required
transition. To fix this, use a filter on the quadrature clocks which has a higher filter prescaler
than that of the index pulse. This has the effect of delaying the quadrature clocks somewhat,
allowing for proper detection of the index pulse.
Figure 16-11: Reset by Index Mode (90° Index Pulse) – Up/Down Position Counter
POSCNT
QEA Filter
QEB Filter
UPDN
count_clock
00E4 00E2
Recognize Index
POSCNT set to MAXCNT
Generate QEI Interrupt
Wheel
Reverses
INDX
2341234122143214321432
Quadrature
State
0000 0001 0002 0003 0002 0001 0000 00E4 00E3
Recognize Index
POSCNT set to 0000
Generate QEI Interrupt

dsPIC30F Family Reference Manual
DS70063C-page 16-22 © 2004 Microchip Technology Inc.
16.12 Related Application Notes
This section lists application notes that are related to this section of the manual. These
application notes may not be written specifically for the dsPIC30F Product Family, but the
concepts are pertinent and could be used with modification and possible limitations. The current
application notes related to the Quadrature Encoder Interface (QEI) module are:
Title Application Note #
Servo Control of a DC-Brush Motor AN532
PIC18CXXX/PIC16CXXX DC Servomotor AN696
Using the dsPIC30F for Vector Control of an ACIM AN908
Note: Please visit the Microchip web site (www.microchip.com) for additional Application
Notes and code examples for the dsPIC30F Family of devices.

© 2004 Microchip Technology Inc. DS70063C-page 16-23
Section 16. Quadrature Encoder Interface (QEI)
Q
u
a
d
r
a
t
u
r
e
E
n
c
o
d
e
r
Interface (QEI)
16
16.13 Revision History
Revision A
This is the initial released revision of this document.
Revision B
This revision provides expanded information for the dsPIC30F Quadrature Encoder Interface
(QEI) module.
Revision C
This revision incorporates all known errata at the time of this document update.

dsPIC30F Family Reference Manual
DS70063C-page 16-24 © 2004 Microchip Technology Inc.
NOTES:

© 2005 Microchip Technology Inc. DS70064D-page 17-1
1
0
-
b
i
t
A
/
D
Converter
17
Section 17. 10-bit A/D Converter
HIGHLIGHTS
This section of the manual contains the following major topics:
17.1 Introduction .................................................................................................................. 17-2
17.2 Control Registers .........................................................................................................17-4
17.3 A/D Result Buffer ......................................................................................................... 17-4
17.4 A/D Terminology and Conversion Sequence ............................................................. 17-11
17.5 A/D Module Configuration..........................................................................................17-13
17.6 Selecting the Voltage Reference Source ................................................................... 17-13
17.7 Selecting the A/D Conversion Clock ..........................................................................17-13
17.8 Selecting Analog Inputs for Sampling ........................................................................ 17-14
17.9 Enabling the Module ..................................................................................................17-16
17.10 Specifying the Sample/Conversion Sequence........................................................... 17-16
17.11 How to Start Sampling ...............................................................................................17-17
17.12 How to Stop Sampling and Start Conversions ...........................................................17-18
17.13 Controlling Sample/Conversion Operation................................................................. 17-29
17.14 Specifying How Conversion Results are Written Into the Buffer................................17-30
17.15 Conversion Sequence Examples...............................................................................17-31
17.16 A/D Sampling Requirements...................................................................................... 17-45
17.17 Reading the A/D Result Buffer................................................................................... 17-46
17.18 Transfer Function.......................................................................................................17-47
17.19 A/D Accuracy/Error ....................................................................................................17-47
17.20 Connection Considerations........................................................................................ 17-47
17.21 Initialization ................................................................................................................ 17-48
17.22 A/D Conversion Speeds.............................................................................................17-49
17.23 Operation During Sleep and Idle Modes.................................................................... 17-55
17.24 Effects of a Reset....................................................................................................... 17-55
17.25 Special Function Registers Associated with the 10-bit A/D Converter ...................... 17-56
17.26 Design Tips................................................................................................................ 17-57
17.27 Related Application Notes.......................................................................................... 17-58
17.28 Revision History......................................................................................................... 17-59

dsPIC30F Family Reference Manual
DS70064D-page 17-2 © 2005 Microchip Technology Inc.
17.1 Introduction
The dsPIC30F 10-bit A/D converter has the following key features:
• Successive Approximation (SAR) conversion
• Up to 1 Msps conversion speed
• Up to 16 analog input pins
• External voltage reference input pins
• Four unipolar differential S/H amplifiers
• Simultaneous sampling of up to four analog input pins
• Automatic Channel Scan mode
• Selectable conversion trigger source
• 16 word conversion result buffer
• Selectable Buffer Fill modes
• Four result alignment options
• Operation during CPU Sleep and Idle modes
A block diagram of the 10-bit A/D is shown in Figure 17-1. The 10-bit A/D converter can have up
to 16 analog input pins, designated AN0-AN15. In addition, there are two analog input pins for
external voltage reference connections. These voltage reference inputs may be shared with
other analog input pins. The actual number of analog input pins and external voltage reference
input configuration will depend on the specific dsPIC30F device. Refer to the device data sheet
for further details.
The analog inputs are connected via multiplexers to four S/H amplifiers, designated CH0-CH3.
One, two, or four of the S/H amplifiers may be enabled for acquiring input data. The analog input
multiplexers can be switched between two sets of analog inputs during conversions. Unipolar
differential conversions are possible on all channels using certain input pins (see Figure 17-1).
An Analog Input Scan mode may be enabled for the CH0 S/H amplifier. A Control register
specifies which analog input channels will be included in the scanning sequence.
The 10-bit A/D is connected to a 16-word result buffer. Each 10-bit result is converted to one of
four 16-bit output formats when it is read from the buffer.

© 2005 Microchip Technology Inc. DS70064D-page 17-3
Section 17. 10-bit A/D Converter
1
0
-
b
i
t
A
/
D
Converter
17
Figure 17-1: 10-Bit High-Speed A/D Block Diagram
S/H
+
-
10-bit Result Conversion Logic
VREF+
AVSS
AVDD
ADC
Data Format
16-word, 10-bit
Dual Port
RAM
Bus Interface
AN12
0000
0101
0111
1001
1101
1110
1111
1100
0001
0010
0011
0100
0110
1000
1010
1011
AN13
AN14
AN15
AN8
AN9
AN10
AN11
AN2
AN4
AN7
AN0
AN3
AN1
AN5
CH1
CH2
CH3
CH0
AN5
AN2
AN11
AN8
VREF-
AN4
AN1
AN10
AN7
VREF-
AN3
AN0
AN9
AN6
VREF-
AN1
VREF-
VREF-
Sample/Sequence
Control
Sample
CH1,CH2,
CH3,CH0
Input MUX
Control
Input
Switches
S/H
+
-
S/H
+
-
S/H
+
-
AN6
Note: VREF+, VREF- inputs may be shared with other analog inputs. See device data sheet for details.

dsPIC30F Family Reference Manual
DS70064D-page 17-4 © 2005 Microchip Technology Inc.
17.2 Control Registers
The A/D module has six Control and Status registers. These registers are:
• ADCON1: A/D Control Register 1
• ADCON2: A/D Control Register 2
• ADCON3: A/D Control Register 3
• ADCHS: A/D Input Channel Select Register
• ADPCFG: A/D Port Configuration Register
• ADCSSL: A/D Input Scan Selection Register
The ADCON1, ADCON2 and ADCON3 registers control the operation of the A/D module. The
ADCHS register selects the input pins to be connected to the S/H amplifiers. The ADPCFG
register configures the analog input pins as analog inputs or as digital I/O. The ADCSSL register
selects inputs to be sequentially scanned.
17.3 A/D Result Buffer
The module contains a 16-word dual port RAM, called ADCBUF, to buffer the A/D results. The
16 buffer locations are referred to as ADCBUF0, ADCBUF1, ADCBUF2, ...., ADCBUFE,
ADCBUFF.
Note: The A/D result buffer is a read only buffer.

© 2005 Microchip Technology Inc. DS70064D-page 17-5
Section 17. 10-bit A/D Converter
1
0
-
b
i
t
A
/
D
Converter
17
Register 17-1: ADCON1: A/D Control Register 1
Upper Byte:
R/W-0 U-0 R/W-0 U-0 U-0 U-0 R/W-0 R/W-0
ADON —ADSIDL— — —FORM<1:0>
bit 15 bit 8
Lower Byte:
R/W-0 R/W-0 R/W-0 U-0 R/W-0 R/W-0 R/W-0
HC, HS R/C-0
HC, HS
SSRC<2:0> — SIMSAM ASAM SAMP DONE
bit 7 bit 0
bit 15 ADON: A/D Operating Mode bit
1 = A/D converter module is operating
0 = A/D converter is off
bit 14 Unimplemented: Read as ‘0’
bit 13 ADSIDL: Stop in Idle Mode bit
1 = Discontinue module operation when device enters Idle mode
0 = Continue module operation in Idle mode
bit 12-10 Unimplemented: Read as ‘0’
bit 9-8 FORM<1:0>: Data Output Format bits
11 = Signed Fractional (DOUT = sddd dddd dd00 0000)
10 = Fractional (DOUT = dddd dddd dd00 0000)
01 = Signed Integer (DOUT = ssss sssd dddd dddd)
00 = Integer (DOUT = 0000 00dd dddd dddd)
bit 7-5 SSRC<2:0>: Conversion Trigger Source Select bits
111 = Internal counter ends sampling and starts conversion (auto convert)
110 = Reserved
101 = Reserved
100 = Reserved
011 = Motor Control PWM interval ends sampling and starts conversion
010 = GP Timer3 compare ends sampling and starts conversion
001 = Active transition on INT0 pin ends sampling and starts conversion
000 = Clearing SAMP bit ends sampling and starts conversion
bit 4 Unimplemented: Read as ‘0’
bit 3 SIMSAM: Simultaneous Sample Select bit (only applicable when CHPS = 01 or 1x)
1 = Samples CH0, CH1, CH2, CH3 simultaneously (when CHPS = 1x)
or
Samples CH0 and CH1 simultaneously (when CHPS = 01)
0 = Samples multiple channels individually in sequence
bit 2 ASAM: A/D Sample Auto-Start bit
1 = Sampling begins immediately after last conversion completes. SAMP bit is auto set
0 = Sampling begins when SAMP bit set

dsPIC30F Family Reference Manual
DS70064D-page 17-6 © 2005 Microchip Technology Inc.
Register 17-1: ADCON1: A/D Control Register 1 (Continued)
bit 1 SAMP: A/D Sample Enable bit
1 = At least one A/D sample/hold amplifier is sampling
0 = A/D sample/hold amplifiers are holding
When ASAM = 0, writing ‘1’ to this bit will start sampling
When SSRC = 000, writing ‘0’ to this bit will end sampling and start conversion
bit 0 DONE: A/D Conversion Status bit (Rev. B silicon or later)
1 = A/D conversion is done
0 = A/D conversion is NOT done
Cleared by software or start of a new conversion
Clearing this bit will not effect any operation in progress
Legend:
R = Readable bit W = Writable bit U = Unimplemented bit, read as ‘0’
HC = Hardware clear HS = Hardware set C = Clearable by software
-n = Value at POR ‘1’ = Bit is set ‘0’ = Bit is cleared x = Bit is unknown

© 2005 Microchip Technology Inc. DS70064D-page 17-7
Section 17. 10-bit A/D Converter
1
0
-
b
i
t
A
/
D
Converter
17
Register 17-2: ADCON2: A/D Control Register 2
Upper Byte:
R/W-0 R/W-0 R/W-0 U-0 U-0 R/W-0 R/W-0 R/W-0
VCFG<2:0> reserved — CSCNA CHPS<1:0>
bit 15 bit 8
Lower Byte:
R-0 U-0 R/W-0 R/W-0 R/W-0 R/W-0 R/W-0 R/W-0
BUFS — SMPI<3:0> BUFM ALTS
bit 7 bit 0
bit 15-13 VCFG<2:0>: Voltage Reference Configuration bits
bit 12 Reserved: User should write ‘0’ to this location
bit 11 Unimplemented: Read as ‘0’
bit 10 CSCNA: Scan Input Selections for CH0+ S/H Input for MUX A Input Multiplexer Setting bit
1 = Scan inputs
0 = Do not scan inputs
bit 9-8 CHPS<1:0>: Selects Channels Utilized bits
1x = Converts CH0, CH1, CH2 and CH3
01 = Converts CH0 and CH1
00 = Converts CH0
When SIMSAM bit (ADCON1<3>) = 0 multiple channels sampled sequentially
When SMSAM bit (ADCON1<3>) = 1 multiple channels sampled as in CHPS<1:0>
bit 7 BUFS: Buffer Fill Status bit
Only valid when BUFM = 1 (ADRES split into 2 x 8-word buffers).
1 = A/D is currently filling buffer 0x8-0xF, user should access data in 0x0-0x7
0 = A/D is currently filling buffer 0x0-0x7, user should access data in 0x8-0xF
bit 6 Unimplemented: Read as ‘0’
bit 5-2 SMPI<3:0>: Sample/Convert Sequences Per Interrupt Selection bits
1111 = Interrupts at the completion of conversion for each 16th sample/convert sequence
1110 = Interrupts at the completion of conversion for each 15th sample/convert sequence
.....
0001 = Interrupts at the completion of conversion for each 2nd sample/convert sequence
0000 = Interrupts at the completion of conversion for each sample/convert sequence
bit 1 BUFM: Buffer Mode Select bit
1 = Buffer configured as two 8-word buffers ADCBUF(15...8), ADCBUF(7...0)
0 = Buffer configured as one 16-word buffer ADCBUF(15...0.)
bit 0 ALTS: Alternate Input Sample Mode Select bit
1 = Uses MUX A input multiplexer settings for first sample, then alternate between MUX B and MUX A input
multiplexer settings for all subsequent samples
0 = Always use MUX A input multiplexer settings
Legend:
R = Readable bit W = Writable bit U = Unimplemented bit, read as ‘0’
-n = Value at POR ‘1’ = Bit is set ‘0’ = Bit is cleared x = Bit is unknown
A/D VREFHA/D VREFL
000 AVDD AVSS
001 External VREF+ pin AVSS
010 AVDD External VREF- pin
011 External VREF+ pin External VREF- pin
1XX AVDD AVSS

dsPIC30F Family Reference Manual
DS70064D-page 17-8 © 2005 Microchip Technology Inc.
Register 17-3: ADCON3: A/D Control Register 3
Upper Byte:
U-0 U-0 U-0 R/W-0 R/W-0 R/W-0 R/W-0 R/W-0
— — — SAMC<4:0>
bit 15 bit 8
Lower Byte:
R/W-0 U-0 R/W-0 R/W-0 R/W-0 R/W-0 R/W-0 R/W-0
ADRC — ADCS<5:0>
bit 7 bit 0
bit 15-13 Unimplemented: Read as ‘0’
bit 12-8 SAMC<4:0>: Auto-Sample Time bits
11111 = 31 TAD
·····
00001 = 1 TAD
00000 = 0 TAD (only allowed if performing sequential conversions using more than one S/H amplifier)
bit 7 ADRC: A/D Conversion Clock Source bit
1 = A/D internal RC clock
0 = Clock derived from system clock
bit 6 Unimplemented: Read as ‘0’
bit 5-0 ADCS<5:0>: A/D Conversion Clock Select bits
111111 = TCY/2 • (ADCS<5:0> + 1) = 32 • TCY
······
000001 = TCY/2 • (ADCS<5:0> + 1) = TCY
000000 = TCY/2 • (ADCS<5:0> + 1) = TCY/2
Legend:
R = Readable bit W = Writable bit U = Unimplemented bit, read as ‘0’
-n = Value at POR ‘1’ = Bit is set ‘0’ = Bit is cleared x = Bit is unknown

© 2005 Microchip Technology Inc. DS70064D-page 17-9
Section 17. 10-bit A/D Converter
1
0
-
b
i
t
A
/
D
Converter
17
Register 17-4: ADCHS: A/D Input Select Register
Upper Byte:
R/W-0 R/W-0 R/W-0 R/W-0 R/W-0 R/W-0 R/W-0 R/W-0
CH123NB<1:0> CH123SB CH0NB CH0SB<3:0>
bit 15 bit 8
Lower Byte:
R/W-0 R/W-0 R/W-0 R/W-0 R/W-0 R/W-0 R/W-0 R/W-0
CH123NA<1:0> CH123SA CH0NA CH0SA<3:0>
bit 7 bit 0
bit 15-14 CH123NB<1:0>: Channel 1, 2, 3 Negative Input Select for MUX B Multiplexer Setting bits
Same definition as bits 6-7 (Note)
bit 13 CH123SB: Channel 1, 2, 3 Positive Input Select for MUX B Multiplexer Setting bit
Same definition as bit 5 (Note)
bit 12 CH0NB: Channel 0 Negative Input Select for MUX B Multiplexer Setting bit
Same definition as bit 4 (Note)
bit 11-8 CH0SB<3:0>: Channel 0 Positive Input Select for MUX B Multiplexer Setting bits
Same definition as bits 3-0 (Note)
bit 7-6 CH123NA<1:0>: Channel 1, 2, 3 Negative Input Select for MUX A Multiplexer Setting bits
11 = CH1 negative input is AN9, CH2 negative input is AN10, CH3 negative input is AN11
10 = CH1 negative input is AN6, CH2 negative input is AN7, CH3 negative input is AN8
0x = CH1, CH2, CH3 negative input is VREF-
bit 5 CH123SA: Channel 1, 2, 3 Positive Input Select for MUX A Multiplexer Setting bit
1 = CH1 positive input is AN3, CH2 positive input is AN4, CH3 positive input is AN5
0 = CH1 positive input is AN0, CH2 positive input is AN1, CH3 positive input is AN2
bit 4 CH0NA: Channel 0 Negative Input Select for MUX A Multiplexer Setting bit
1 = Channel 0 negative input is AN1
0 = Channel 0 negative input is VREF-
bit 3-0 CH0SA<3:0>: Channel 0 Positive Input Select for MUX A Multiplexer Setting bits
1111 = Channel 0 positive input is AN15
1110 = Channel 0 positive input is AN14
1101 = Channel 0 positive input is AN13
||
||
||
0001 = Channel 0 positive input is AN1
0000 = Channel 0 positive input is AN0
Note: The analog input multiplexer supports two input setting configurations, denoted MUX A and MUX
B. ADCHS<15:8> determine the settings for MUX B, and ADCHS<7:0> determine the settings
for MUX A. Both sets of control bits function identically.
Note: The ADCHS register description and functionality will vary depending on the number of A/D
inputs available on the selected device. Please refer to the specific device data sheet for
additional details on this register.
Legend:
R = Readable bit W = Writable bit U = Unimplemented bit, read as ‘0’
-n = Value at POR ‘1’ = Bit is set ‘0’ = Bit is cleared x = Bit is unknown

dsPIC30F Family Reference Manual
DS70064D-page 17-10 © 2005 Microchip Technology Inc.
Register 17-5: ADPCFG: A/D Port Configuration Register
Register 17-6: ADCSSL: A/D Input Scan Select Register
Upper Byte:
R/W-0 R/W-0 R/W-0 R/W-0 R/W-0 R/W-0 R/W-0 R/W-0
PCFG15 PCFG14 PCFG13 PCFG12 PCFG11 PCFG10 PCFG9 PCFG8
bit 15 bit 8
Lower Byte:
R/W-0 R/W-0 R/W-0 R/W-0 R/W-0 R/W-0 R/W-0 R/W-0
PCFG7 PCFG6 PCFG5 PCFG4 PCFG3 PCFG2 PCFG1 PCFG0
bit 7 bit 0
bit 15-0 PCFG<15:0>: Analog Input Pin Configuration Control bits
1 = Analog input pin in Digital mode, port read input enabled, A/D input multiplexer input connected to AVSS
0 = Analog input pin in Analog mode, port read input disabled, A/D samples pin voltage
Legend:
R = Readable bit W = Writable bit U = Unimplemented bit, read as ‘0’
-n = Value at POR ‘1’ = Bit is set ‘0’ = Bit is cleared x = Bit is unknown
Upper Byte:
R/W-0 R/W-0 R/W-0 R/W-0 R/W-0 R/W-0 R/W-0 R/W-0
CSSL15 CSSL14 CSSL13 CSSL12 CSSL11 CSSL10 CSSL9 CSSL8
bit 15 bit 8
Lower Byte:
R/W-0 R/W-0 R/W-0 R/W-0 R/W-0 R/W-0 R/W-0 R/W-0
CSSL7 CSSL6 CSSL5 CSSL4 CSSL3 CSSL2 CSSL1 CSSL0
bit 7 bit 0
bit 15-0 CSSL<15:0>: A/D Input Pin Scan Selection bits
1 = Select ANx for input scan
0 = Skip ANx for input scan
Legend:
R = Readable bit W = Writable bit U = Unimplemented bit, read as ‘0’
-n = Value at POR ‘1’ = Bit is set ‘0’ = Bit is cleared x = Bit is unknown

© 2005 Microchip Technology Inc. DS70064D-page 17-11
Section 17. 10-bit A/D Converter
1
0
-
b
i
t
A
/
D
Converter
17
17.4 A/D Terminology and Conversion Sequence
Figure 17-2 shows a basic conversion sequence and the terms that are used. A sampling of the
analog input pin voltage is performed by sample and hold S/H amplifiers. The S/H amplifiers are
also called S/H channels. The 10-bit A/D converter has four total S/H channels, designated
CH0-CH3. The S/H channels are connected to the analog input pins via the analog input
multiplexer. The analog input multiplexer is controlled by the ADCHS register. There are two sets
of multiplexer control bits in the ADCHS register that function identically. These two sets of
control bits allow two different analog input multiplexer configurations to be programmed, which
are called MUX A and MUX B. The A/D converter can optionally switch between the MUX A and
MUX B configurations between conversions. The A/D converter can also optionally scan through
a series of analog inputs.
Sample time is the time that the A/D module’s S/H amplifier is connected to the analog input pin.
The sample time may be started manually by setting the SAMP bit (ADCON1<1>) or started
automatically by the A/D converter hardware. The sample time is ended manually by clearing the
SAMP control bit in the user software or automatically by a conversion trigger source.
Conversion time is the time required for the A/D converter to convert the voltage held by the S/H
amplifier. The A/D is disconnected from the analog input pin at the end of the sample time. The
A/D converter requires one A/D clock cycle (TAD) to convert each bit of the result plus one
additional clock cycle. A total of 12 TAD cycles are required to perform the complete conversion.
When the conversion time is complete, the result is loaded into one of 16 A/D Result registers
(ADCBUF0...ADCBUFF), the S/H can be reconnected to the input pin, and a CPU interrupt may
be generated.
The sum of the sample time and the A/D conversion time provides the total conversion time.
There is a minimum sample time to ensure that the S/H amplifier will give the desired accuracy
for the A/D conversion (see Section 17.16 “A/D Sampling Requirements”). Furthermore, there
are multiple input clock options for the A/D converter. The user must select an input clock option
that does not violate the minimum TAD specification.
Figure 17-2: A/D Sample/Conversion Sequence
The 10-bit A/D converter allows many options for specifying the sample/convert sequence. The
sample/convert sequence can be very simple, such as the one shown in Figure 17-3. The
example in Figure 17-3 uses only one S/H amplifier. A more elaborate sample/convert sequence
performs multiple conversions using more than one S/H amplifier. The 10-bit A/D converter can
use two S/H amplifiers to perform two conversions in a sample/convert sequence or four S/H
amplifiers with four conversions. The number of S/H amplifiers, or channels per sample, used in
the sample/convert sequence is determined by the CHPS control bits.
Sample Time A/D Conversion Time
A/D Total Conversion Time
S/H amplifier is connected to the analog input pin for sampling.
S/H amplifier is disconnected from input and holds signal lever.
A/D conversion is started by the conversion trigger source.
A/D conversion complete,
result is loaded into A/D result buffer.
Optionally generate interrupt.

dsPIC30F Family Reference Manual
DS70064D-page 17-12 © 2005 Microchip Technology Inc.
A sample/convert sequence that uses multiple S/H channels can be simultaneously sampled or
sequentially sampled, as controlled by the SIMSAM bit (ADCON1<3>). Simultaneously sampling
multiple signals ensures that the snapshot of the analog inputs occurs at precisely the same time
for all inputs. Sequential sampling takes a snapshot of each analog input just before conversion
starts on that input, and the sampling of multiple inputs is not correlated.
Figure 17-3: Simultaneous and Sequential Sampling
The start time for sampling can be controlled in software by setting the SAMP control bit. The
start of the sampling time can also be controlled automatically by the hardware. When the A/D
converter operates in the Auto-Sample mode, the S/H amplifier(s) is reconnected to the analog
input pin at the end of the conversion in the sample/convert sequence. The auto-sample function
is controlled by the ASAM control bit (ADCON1<2>).
The conversion trigger source ends the sampling time and begins an A/D conversion or a
sample/convert sequence. The conversion trigger source is selected by the SSRC control bits.
The conversion trigger can be taken from a variety of hardware sources, or can be controlled
manually in software by clearing the SAMP control bit. One of the conversion trigger sources is
an auto-conversion. The time between auto-conversions is set by a counter and the A/D clock.
The Auto-Sample mode and auto-conversion trigger can be used together to provide endless
automatic conversions without software intervention.
An interrupt may be generated at the end of each sample/convert sequence or multiple
sample/convert sequences as determined by the value of the SMPI control bits ADCON2<5:2>.
The number of sample/convert sequences between interrupts can vary between 1 and 16. The
user should note that the A/D conversion buffer holds 16 results when the SMPI value is selected.
The total number of conversion results between interrupts is the product of the channels per
sample and the SMPI value. The total number of conversions between interrupts should not
exceed the buffer length.
AN0
AN1
AN2
AN3
Simultaneous
Sampling
Sequential
Sampling

© 2005 Microchip Technology Inc. DS70064D-page 17-13
Section 17. 10-bit A/D Converter
1
0
-
b
i
t
A
/
D
Converter
17
17.5 A/D Module Configuration
The following steps should be followed for performing an A/D conversion:
1. Configure the A/D module
• Select port pins as analog inputs ADPCFG<15:0>
• Select voltage reference source to match expected range on analog inputs
ADCON2<15:13>
• Select the analog conversion clock to match desired data rate with processor clock
ADCON3<5:0>
• Determine how many S/H channels will be used ADCON2<9:8> and ADPCFG<15:0>
• Determine how sampling will occur ADCON1<3> and ADCSSL<15:0>
• Determine how inputs will be allocated to S/H channels ADCHS<15:0>
• Select the appropriate sample/conversion sequence ADCON1<7:0> and
ADCON3<12:8>
• Select how conversion results are presented in the buffer ADCON1<9:8>
• Select interrupt rate ADCON2<5:9>
• Turn on A/D module ADCON1<15>
2. Configure A/D interrupt (if required)
• Clear ADIF bit
• Select A/D interrupt priority
The options for each configuration step are described in the subsequent sections.
17.6 Selecting the Voltage Reference Source
The voltage references for A/D conversions are selected using the VCFG<2:0> control bits
(ADCON2<15:13>). The upper voltage reference (VREFH) and the lower voltage reference
(VREFL) may be the internal AVDD and AVSS voltage rails or the VREF+ and VREF- input pins.
The external voltage reference pins may be shared with the AN0 and AN1 inputs on low pin count
devices. The A/D converter can still perform conversions on these pins when they are shared
with the VREF+ and VREF- input pins.
The voltages applied to the external reference pins must meet certain specifications. Refer to the
“Electrical Specifications” section of the device data sheet for further details.
17.7 Selecting the A/D Conversion Clock
The A/D converter has a maximum rate at which conversions may be completed. An analog
module clock, TAD, controls the conversion timing. The A/D conversion requires 12 clock periods
(12 TAD). The A/D clock is derived from the device instruction clock or internal RC clock source.
The period of the A/D conversion clock is software selected using a 6-bit counter. There are 64
possible options for TAD, specified by the ADCS<5:0> bits (ADCON3<5:0>). Equation 17-1 gives
the TAD value as a function of the ADCS control bits and the device instruction cycle clock period,
TCY.
Equation 17-1: A/D Conversion Clock Period
For correct A/D conversions, the A/D conversion clock (TAD) must be selected to ensure a
minimum TAD time of 83.33 nsec (see Section 17.22 “A/D Conversion Speeds” for further
details).
Note: External VREF+ amd VREF- must be selected for conversion rates above 500 ksps.
See Section 17.22 “A/D Conversion Speeds” for further details.
TAD = TCY(ADCS + 1)
2
ADCS = 2TAD
TCY – 1

dsPIC30F Family Reference Manual
DS70064D-page 17-14 © 2005 Microchip Technology Inc.
The A/D converter has a dedicated internal RC clock source that can be used to perform
conversions. The internal RC clock source should be used when A/D conversions are performed
while the dsPIC30F is in Sleep mode. The internal RC oscillator is selected by setting the ADRC
bit (ADCON3<7>). When the ADRC bit is set, the ADCS<5:0> bits have no effect on the A/D
operation.
17.8 Selecting Analog Inputs for Sampling
All Sample-and-Hold Amplifiers have analog multiplexers (see Figure 17-1) on both their
non-inverting and inverting inputs to select which analog input(s) are sampled. Once the
sample/convert sequence is specified, the ADCHS bits determine which analog inputs are
selected for each sample.
Additionally, the selected inputs may vary on an alternating sample basis or may vary on a
repeated sequence of samples.
The same analog input can be connected to two or more sample and hold channels to improve
conversion rates.
17.8.1 Configuring Analog Port Pins
The ADPCFG register specifies the input condition of device pins used as analog inputs.
A pin is configured as analog input when the corresponding PCFGn bit (ADPCFG<n>) is clear.
The ADPCFG register is clear at Reset, causing the A/D input pins to be configured for analog
input by default at Reset.
When configured for analog input, the associated port I/O digital input buffer is disabled so it does
not consume current.
The ADPCFG register and the TRISB register control the operation of the A/D port pins.
The port pins that are desired as analog inputs must have their corresponding TRIS bit set, spec-
ifying port input. If the I/O pin associated with an A/D input is configured as an output, TRIS bit
is cleared and the ports digital output level (VOH or VOL) will be converted. After a device Reset,
all TRIS bits are set.
A pin is configured as digital I/O when the corresponding PCFGn bit (ADPCFG<n>) is set. In this
configuration, the input to the analog multiplexer is connected to AVSS.
17.8.2 Channel 0 Input Selection
Channel 0 is the most flexible of the 4 S/H channels in terms of selecting analog inputs.
The user may select any of the up to 16 analog inputs as the input to the positive input of the
channel. The CH0SA<3:0> bits (ADCHS<3:0>) normally select the analog input for the positive
input of channel 0.
The user may select either VREF- or AN1 as the negative input of the channel. The CH0NA bit
(ADCHS<4>) normally selects the analog input for the negative input of channel 0.
Note: Different devices will have different numbers of analog inputs. Verify the analog
input availability against the device data sheet.
Note 1: When reading the A/D Port register, any pin configured as an analog input reads as
a ‘0’.
2: Analog levels on any pin that is defined as a digital input (including the AN15:AN0
pins) may cause the input buffer to consume current that is out of the device’s
specification.

© 2005 Microchip Technology Inc. DS70064D-page 17-15
Section 17. 10-bit A/D Converter
1
0
-
b
i
t
A
/
D
Converter
17
17.8.2.1 Specifying Alternating Channel 0 Input Selections
The ALTS bit (ADCON2<0>) causes the module to alternate between two sets of inputs that are
selected during successive samples.
The inputs specified by CH0SA<3:0>, CH0NA, CHXSA and CHXNA<1:0> are collectively called
the MUX A inputs. The inputs specified by CH0SB<3:0>, CH0NB, CHXSB and CHXNB<1:0> are
collectively called the MUX B inputs. When the ALTS bit is ‘1’ , the module will alternate between
the MUX A inputs on one sample and the MUX B inputs on the subsequent sample.
For channel 0, if the ALTS bit is ‘0’, only the inputs specified by CH0SA<3:0> and CH0NA are
selected for sampling.
If the ALTS bit is ‘1’, on the first sample/convert sequence for channel 0, the inputs specified by
CH0SA<3:0> and CH0NA are selected for sampling. On the next sample convert sequence for
channel 0, the inputs specified by CH0SB<3:0> and CH0NB are selected for sampling. This
pattern will repeat for subsequent sample conversion sequences.
Note that if multiple channels (CHPS = 01 or 1x) and simultaneous sampling (SIMSAM = 1) are
specified, alternating inputs will change every sample because all channels are sampled on
every sample time. If multiple channels (CHPS = 01 or 1x) and sequential sampling (SIMSAM
=0) are specified, alternating inputs will change only on each sample of a particular channel.
17.8.2.2 Scanning Through Several Inputs with Channel 0
Channel 0 has the ability to scan through a selected vector of inputs. The CSCNA bit
(ADCON2<10>) enables the CH0 channel inputs to be scanned across a selected number of
analog inputs. When CSCNA is set, the CH0SA<3:0> bits are ignored.
The ADCSSL register specifies the inputs to be scanned. Each bit in the ADCSSL register
corresponds to an analog input. Bit 0 corresponds to AN0, bit 1 corresponds to AN1 and so on.
If a particular bit in the ADCSSL register is ‘1’, the corresponding input is part of the scan
sequence. The inputs are always scanned from lower to higher numbered inputs, starting at the
first selected channel after each interrupt occurs.
The ADCSSL bits only specify the input of the positive input of the channel. The CH0NA bit still
selects the input of the negative input of the channel during scanning.
If the ALTS bit is ‘1’, the scanning only applies to the MUX A input selection. The MUX B input
selection, as specified by the CH0SB<3:0>, will still select the alternating channel 0 input. When
the input selections are programmed in this manner, the channel 0 input will alternate between a
set of scanning inputs specified by the ADCSSL register and a fixed input specified by the
CH0SB bits.
Note: If the number of scanned inputs selected is greater than the number of samples
taken per interrupt, the higher numbered inputs will not be sampled.

dsPIC30F Family Reference Manual
DS70064D-page 17-16 © 2005 Microchip Technology Inc.
17.8.3 Channel 1, 2 and 3 Input Selection
Channel 1, 2 and 3 can sample a subset of the analog input pins. Channel 1, 2 and 3 may select
one of two groups of 3 inputs.
The CHXSA bit (ADCHS<5>) selects the source for the positive inputs of channel 1, 2 and 3.
Clearing CHXSA selects AN0, AN1 and AN2 as the analog source to the positive inputs of
channel 1, 2 and 3, respectively. Setting CHXSA selects AN3, AN4 and AN5 as the analog
source.
The CHXNA<1:0> bits (ADCHS<7:6>) select the source for the negative inputs of channel 1, 2
and 3.
Programming CHXNA = 0x, selects VREF- as the analog source for the negative inputs of
channel 1, 2 and 3. Programming CHXNA = 10 selects AN6, AN7 and AN8 as the analog source
to the negative inputs of channel 1, 2 and 3 respectively. Programming CHXNA = 11 selects AN9,
AN10 and AN11 as the analog source.
17.8.3.1 Selecting Multiple Channels for a Single Analog Input
The analog input multiplexer can be configured so that the same input pin is connected to two or
more sample and hold channels. The A/D converts the value held on one S/H channel, while the
second S/H channel acquires a new input sample.
17.8.3.2 Specifying Alternating Channel 1, 2 and 3 Input Selections
As with the channel 0 inputs, the ALTS bit (ADCON2<0>) causes the module to alternate
between two sets of inputs that are selected during successive samples for channel 1,2 and 3.
The MUX A inputs specified by CHXSA and CHXNA<1:0> always select the input when
ALTS = 0.
The MUX A inputs alternate with the MUX B inputs specified by CHXSB and CHXNB<1:0> when
ALTS = 1.
17.9 Enabling the Module
When the ADON bit (ADCON1<15>) is ‘1’, the module is in Active mode and is fully powered and
functional.
When ADON is ‘0’, the module is disabled. The digital and analog portions of the circuit are
turned off for maximum current savings.
In order to return to the Active mode from the Off mode, the user must wait for the analog stages
to stabilize. For the stabilization time, refer to the Electrical Characteristics section of the device
data sheet.
17.10 Specifying the Sample/Conversion Sequence
The 10-bit A/D module has 4 sample/hold amplifiers and one A/D converter. The module may
perform 1, 2 or 4 input samples and A/D conversions per sample/convert sequence.
17.10.1 Number of Sample/Hold Channels
The CHPS<1:0> control bits (ADCON2<9:8>) are used to select how many S/H amplifers are
used by the A/D module during sample/conversion sequences. The following three options may
be selected:
• CH0 only
• CH0 and CH1
• CH0, CH1, CH2, CH3
The CHPS control bits work in conjunction with the SIMSAM (simultaneous sample) control bit
(ADCON1<3>).
Note: The SSRC<2:0>, SIMSAM, ASAM, CHPS<1:0>, SMPI<3:0>, BUFM and ALTS bits,
as well as the ADCON3 and ADCSSL registers, should not be written to while
ADON = 1. This would lead to indeterminate results.

© 2005 Microchip Technology Inc. DS70064D-page 17-17
Section 17. 10-bit A/D Converter
1
0
-
b
i
t
A
/
D
Converter
17
17.10.2 Simultaneous Sampling Enable
Some applications may require that multiple signals are sampled at the exact same time
instance. The SIMSAM control bit (ADCON1<3>) works in conjunction with the CHPS control
bits and controls the sample/convert sequence for multiple channels as shown in Table 17-1. The
SIMSAM control bit has no effect on the module operation if CHPS<1:0> = 00. If more than one
S/H amplifier is enabled by the CHPS control bits and the SIMSAM bit is ‘0’, the two or four
selected channels are sampled and converted sequentially with two or four sampling periods. If
the SIMSAM bit is ‘1’, two or four selected channels are sampled simultaneously with one
sampling period. The channels are then converted sequentially.
Table 17-1: Sample/Conversion Control Options
17.11 How to Start Sampling
17.11.1 Manual
Setting the SAMP bit (ADCON1<1>) causes the A/D to begin sampling. One of several options
can be used to end sampling and complete the conversions. Sampling will not resume until the
SAMP bit is once again set. For an example, see Figure 17-4.
17.11.2 Automatic
Setting the ASAM bit (ADCON1<2>) causes the A/D to automatically begin sampling a channel
whenever a conversion is not active on that channel. One of several options can be used to end
sampling and complete the conversions. If the SIMSAM bit specifies sequential sampling,
sampling on a channel resumes after the conversion of that channel completes. If the SIMSAM
bit specifies simultaneous sampling, sampling on a channel resumes after the conversion of all
channels completes. For an example, see Figure 17-5.
CHPS<1:0> SIMSAM Sample/Conversion Sequence # of Sample/
Convert Cycles
to Complete Example
00 x Sample CH0, Convert CH0 1 Figure 17-4,
Figure 17-5,
Figure 17-6,
Figure 17-7,
Figure 17-10,
Figure 17-11,
Figure 17-14,
Figure 17-15
01 0 Sample CH0, Convert CH0
Sample CH1, Convert CH1 2
1x 0 Sample CH0, Convert CH0
Sample CH1, Convert CH1
Sample CH2, Convert CH2
Sample CH3, Convert CH3
4 Figure 17-9,
Figure 17-13,
Figure 17-20
01 1 Sample CH0, CH1 simultaneously
Convert CH0
Convert CH1
1 Figure 17-18
1x 1 Sample CH0, CH1, CH2, CH3
simultaneously
Convert CH0
Convert CH1
Convert CH2
Convert CH3
1Figure17-8
Figure 17-12,
Figure 17-16,
Figure 17-17,
Figure 17-9,

dsPIC30F Family Reference Manual
DS70064D-page 17-18 © 2005 Microchip Technology Inc.
17.12 How to Stop Sampling and Start Conversions
The conversion trigger source will terminate sampling and start a selected sequence of
conversions. The SSRC<2:0> bits (ADCON1<7:5>) select the source of the conversion trigger.
17.12.1 Manual
When SSRC<2:0> = 000, the conversion trigger is under software control. Clearing the SAMP
bit (ADCON1<1>) starts the conversion sequence.
Figure 17-4 is an example where setting the SAMP bit initiates sampling and clearing the SAMP
bit terminates sampling and starts conversion. The user software must time the setting and
clearing of the SAMP bit to ensure adequate sampling time of the input signal. See Example 17-1
for code example.
Figure 17-4: Converting 1 Channel, Manual Sample Start, Manual Conversion Start
Example 17-1: Converting 1 Channel, Manual Sample Start,
Manual Conversion Start Code
Note: The available conversion trigger sources may vary depending on the dsPIC30F
device variant. Please refer to the specific device data sheet for the available
conversion trigger sources.
Note: The SSRC selection bits should not be changed when the A/D module is enabled.
If the user wishes to change the conversion trigger source, the A/D module should
be disabled first by clearing the ADON bit (ADCON1<15>).
ADCLK
SAMP
ADCBUF0
TSAMP TCONV
BCLR ADCON1,SAMPBSET ADCON1,SAMP
Instruction Execution
DONE
ADPCFG = 0xFFFB; // all PORTB = Digital; RB2 = analog
ADCON1 = 0x0000; // SAMP bit = 0 ends sampling ...
// and starts converting
ADCHS = 0x0002; // Connect RB2/AN2 as CH0 input ..
// in this example RB2/AN2 is the input
ADCSSL = 0;
ADCON3 = 0x0002; // Manual Sample, Tad = internal 2 Tcy
ADCON2 = 0;
ADCON1bits.ADON = 1; // turn ADC ON
while (1) // repeat continuously
{
ADCON1bits.SAMP = 1; // start sampling ...
DelayNmSec(100); // for 100 mS
ADCON1bits.SAMP = 0; // start Converting
while (!ADCON1bits.DONE); // conversion done?
ADCValue = ADCBUF0; // yes then get ADC value
} // repeat

© 2005 Microchip Technology Inc. DS70064D-page 17-19
Section 17. 10-bit A/D Converter
1
0
-
b
i
t
A
/
D
Converter
17
Figure 17-5 is an example where setting the ASAM bit initiates automatic sampling and clearing
the SAMP bit terminates sampling and starts conversion. After the conversion completes, the
module will automatically return to a sampling state. The SAMP bit is automatically set at the start
of the sample interval. The user software must time the clearing of the SAMP bit to ensure
adequate sampling time of the input signal, understanding that the time between clearing of the
SAMP bit includes the conversion time as well as the sampling time. See Example 17-2 for code
example.
Figure 17-5: Converting 1 Channel, Automatic Sample Start, Manual Conversion Start
Example 17-2: Converting 1 Channel, Automatic Sample Start,
Manual Conversion Start Code
ADCLK
SAMP
ADCBUF0
TSAMP TCONV
BCLR ADCON1,SAMP Instruction Execution
TCONV
BSET ADCON1,ASAM BCLR ADCON1,SAMP
TSAMP
TAD0 TAD0
DONE
ADPCFG = 0xFF7F; // all PORTB = Digital but RB7 = analog
ADCON1 = 0x0004; // ASAM bit = 1 implies sampling ..
// starts immediately after last
// conversion is done
ADCHS = 0x0007; // Connect RB7/AN7 as CH0 input ..
// in this example RB7/AN7 is the input
ADCSSL = 0;
ADCON3 = 0x0002; // Sample time manual, Tad = internal 2 Tcy
ADCON2 = 0;
ADCON1bits.ADON = 1; // turn ADC ON
while (1) // repeat continuously
{
DelayNmSec(100); // sample for 100 mS
ADCON1bits.SAMP = 0; // start Converting
while (!ADCON1bits.DONE); // conversion done?
ADCValue = ADCBUF0; // yes then get ADC value
} // repeat

dsPIC30F Family Reference Manual
DS70064D-page 17-20 © 2005 Microchip Technology Inc.
17.12.2 Clocked Conversion Trigger
When SSRC<2:0> = 111, the conversion trigger is under A/D clock control. The SAMC bits
(ADCON3<12:8>) select the number of TAD clock cycles between the start of sampling and the
start of conversion. This trigger option provides the fastest conversion rates on multiple channels.
After the start of sampling, the module will count a number of TAD clocks specified by the SAMC
bits.
Equation 17-2: Clocked Conversion Trigger Time
When using only 1 S/H channel or simultaneous sampling, SAMC must always be programmed
for at least one clock cycle. When using multiple S/H channels with sequential sampling,
programming SAMC for zero clock cycles will result in the fastest possible conversion rate. See
Example 17-3 for code example.
Figure 17-6: Converting 1 Channel, Manual Sample Start, TAD Based Conversion Start
Example 17-3: Converting 1 Channel, Manual Sample Start,
TAD Based Conversion Start Code
TSMP = SAMC<4:0>*TAD
ADCLK
SAMP
ADCBUF0
TSAMP TCONV
BSET ADCON1,SAMP
Instruction Execution
DONE
= 16 TAD
ADPCFG = 0xEFFF; // all PORTB = Digital; RB12 = analog
ADCON1 = 0x00E0; // SSRC bit = 111 implies internal
// counter ends sampling and starts
// converting.
ADCHS = 0x000C; // Connect RB12/AN12 as CH0 input ..
// in this example RB12/AN12 is the input
ADCSSL = 0;
ADCON3 = 0x1F02; // Sample time = 31Tad, Tad = internal 2 Tcy
ADCON2 = 0;
ADCON1bits.ADON = 1; // turn ADC ON
while (1) // repeat continuously
{
ADCON1bits.SAMP = 1; // start sampling then ...
// after 31Tad go to conversion
while (!ADCON1bits.DONE); // conversion done?
ADCValue = ADCBUF0; // yes then get ADC value
} // repeat // repeat

© 2005 Microchip Technology Inc. DS70064D-page 17-21
Section 17. 10-bit A/D Converter
1
0
-
b
i
t
A
/
D
Converter
17
17.12.2.1 Free Running Sample Conversion Sequence
As shown in Figure 17-7, using the Auto-Convert Conversion Trigger mode (SSRC = 111) in
combination with the Auto-Sample Start mode (ASAM = 1), allows the A/D module to schedule
sample/conversion sequences with no intervention by the user or other device resources. This
“Clocked” mode allows continuous data collection after module initialization. See Example 17-4
for code example.
Figure 17-7: Converting 1 Channel, Auto-Sample Start, TAD Based Conversion Start
Example 17-4: Converting 1 Channel, Auto-Sample Start,
TAD Based Conversion Start Code
Note: This A/D configuration must be enabled for the conversion rate of 750 ksps (see
Section 17.22 “A/D Conversion Speeds” for details)
ADCLK
SAMP
ADCBUF1
TSAMP TCONV
DONE
= 16 TAD
TSAMP TCONV
= 16 TAD
ADCBUF0
BSET ADCON1,ASAM
Instruction Execution
ADPCFG = 0xFFFB; // all PORTB = Digital; RB2 = analog
ADCON1 = 0x00E0; // SSRC bit = 111 implies internal
// counter ends sampling and starts
// converting.
ADCHS = 0x0002; // Connect RB2/AN2 as CH0 input ..
// in this example RB2/AN2 is the input
ADCSSL = 0;
ADCON3 = 0x0F00; // Sample time = 15Tad, Tad = internal Tcy/2
ADCON2 = 0x0004; // Interrupt after every 2 samples
ADCON1bits.ADON = 1; // turn ADC ON
while (1) // repeat continuously
{
ADCValue = 0; // clear value
ADC16Ptr = &ADCBUF0; // initialize ADCBUF pointer
IFS0bits.ADIF = 0; // clear ADC interrupt flag
ADCON1bits.ASAM = 1; // auto start sampling
// for 31Tad then go to conversion
while (!IFS0bits.ADIF); // conversion done?
ADCON1bits.ASAM = 0; // yes then stop sample/convert
for (count = 0; count < 2; count++) // average the 2 ADC value
ADCValue = ADCValue + *ADC16Ptr++;
ADCValue = ADCValue >> 1;
} // repeat

dsPIC30F Family Reference Manual
DS70064D-page 17-22 © 2005 Microchip Technology Inc.
17.12.2.2 Multiple Channels with Simultaneous Sampling
As shown in Figure 17-8 when using simultaneous sampling, the SAMC value specifies the
sampling time. In the example, SAMC specifies a sample time of 3 TAD. Because automatic
sample start is active, sampling will start on all channels after the last conversion ends and will
continue for 3 A/D clocks. See Example 17-5 for code example.
Figure 17-8: Converting 4 Channels, Auto-Sample Start, TAD Conversion Start, Simultaneous Sampling
Example 17-5: Converting 4 Channels, Auto-Sample Start,
TAD Conversion Start, Simultaneous Sampling Code
TCONV TCONV TCONV TCONV
ADCLK
ch1_samp
ch2_samp
ch3_samp
ch0_samp
ADCBUF0
ADCBUF1
ADCBUF2
ADCBUF3
TCONV TCONV
DONE
SAMP
TSAMP
ADPCFG = 0xFF78; // RB0,RB1,RB2 & RB7 = analog
ADCON1 = 0x00EC; // SIMSAM bit = 1 implies ...
// simultaneous sampling
// ASAM = 1 for auto sample after convert
// SSRC = 111 for 3Tad sample time
ADCHS = 0x0007; // Connect AN7 as CH0 input
ADCSSL = 0;
ADCON3 = 0x0302; // Auto Sampling 3 Tad, Tad = internal 2 Tcy
ADCON2 = 0x030C; // CHPS = 1x implies simultaneous ...
// sample CH0 to CH3
// SMPI = 0011 for interrupt after 4 converts
ADCON1bits.ADON = 1; // turn ADC ON
while (1) // repeat continuously
{
ADC16Ptr = &ADCBUF0; // initialize ADCBUF pointer
OutDataPtr = &OutData[0]; // point to first TXbuffer value
IFS0bits.ADIF = 0; // clear interrupt
while (IFS0bits.ADIF); // conversion done?
for (count = 0; count < 4; count++) // save the ADC values
{
ADCValue = *ADC16Ptr++;
LoadADC(ADCValue);
}
} // repeat

© 2005 Microchip Technology Inc. DS70064D-page 17-23
Section 17. 10-bit A/D Converter
1
0
-
b
i
t
A
/
D
Converter
17
17.12.2.3 Multiple Channels with Sequential Sampling
As shown in Figure 17-9 when using sequential sampling, the sample time precedes each
conversion time. In the example, 3 TAD clocks are added for sample time for each channel.
Figure 17-9: Converting 4 Channels, Auto-Sample Start, TAD Conversion Start, Sequential Sampling
17.12.2.4 Sample Time Considerations Using Clocked Conversion Trigger and Automatic Sampling
Different sample/conversion sequences provide different available sampling times for the S/H
channel to acquire the analog signal. The user must ensure the sampling time exceeds the
sampling requirements, as outlined in Section 17.16 “A/D Sampling Requirements”.
Assuming that the module is set for automatic sampling and using a clocked conversion trigger,
the sampling interval is determined by the sample interval specified by the SAMC bits.
If the SIMSAM bit specifies simultaneous sampling or only one channel is active, the sampling
time is the period specified by the SAMC bit.
Equation 17-3: Available Sampling Time, Simultaneous Sampling
If the SIMSAM bit specifies sequential sampling, the total interval used to convert all channels is
the number of channels times the sampling time and conversion time. The sampling time for an
individual channel is the total interval minus the conversion time for that channel.
Equation 17-4: Available Sampling Time, Simultaneous Sampling
Note: This A/D configuration must be enabled for the configuration rates of 1 Msps and
600 ksps (see Section 17.22 “A/D Conversion Speeds” for further details).
TCONV
ADCLK
ch1_samp
ch2_samp
ch3_samp
ch0_samp
ADRES(0)
ADRES(1)
ADRES(2)
ADRES(3)
TCONV TCONV TCONV TCONV
SAMP
TSAMP TSAMP
DONE = 0
TSEQ = Channels per Sample (CH/S) *
((SAMC<4:0> * TAD) + Conversion Time (TCONV))
TSMP =(TSEQ – TCONV)
Note 1: CH/S specified by CHPS<1:0> bits.
2: TSEQ is the total time for the sample/convert sequence.
TSMP = SAMC<4:0> * TAD

dsPIC30F Family Reference Manual
DS70064D-page 17-24 © 2005 Microchip Technology Inc.
17.12.3 Event Trigger Conversion Start
It is often desirable to synchronize the end of sampling and the start of conversion with some
other time event. The A/D module may use one of three sources as a conversion trigger.
17.12.3.1 External INT Pin Trigger
When SSRC<2:0> = 001, the A/D conversion is triggered by an active transition on the INT0 pin.
The INT0 pin may be programmed for either a rising edge input or a falling edge input.
17.12.3.2 GP Timer Compare Trigger
The A/D is configured in this Trigger mode by setting SSRC<2:0> = 010. When a match occurs
between the 32-bit timer TMR3/TMR2 and the 32-bit Combined Period register PR3/PR2, a
special ADC trigger event signal is generated by Timer3. This feature does not exist for the
TMR5/TMR4 timer pair. Refer to Section 12. “Timers” for more details.
17.12.3.3 Motor Control PWM Trigger
The PWM module has an event trigger that allows A/D conversions to be synchronized to the
PWM time base. When SSRC<2:0> = 011, the A/D sampling and conversion times occur at any
user programmable point within the PWM period. The special event trigger allows the user to
minimize the delay between the time when A/D conversion results are acquired and the time
when the duty cycle value is updated. Refer to Section 15. “Motor Control PWM” for more
details.
17.12.3.4 Synchronizing A/D Operations to Internal or External Events
Using the modes where an external event trigger pulse ends sampling and starts conversion
(SSRC = 001, 10, 011) may be used in combination with auto-sampling (ASAM = 1) to cause
the A/D to synchronize the sample conversion events to the trigger pulse source. For example,
in Figure 17-11 where SSRC = 010 and ASAM = 1, the A/D will always end sampling and start
conversions synchronously with the timer compare trigger event. The A/D will have a sample
conversion rate that corresponds to the timer comparison event rate. See Example 17-6 for code
example.
Figure 17-10: Converting 1 Channel, Manual Sample Start, Conversion Trigger Based Conversion Start
Conversion
ADCLK
SAMP
ADCBUF0
TSAMP TCONV
BSET ADCON1,SAMP
Instruction Execution
Trigger

© 2005 Microchip Technology Inc. DS70064D-page 17-25
Section 17. 10-bit A/D Converter
1
0
-
b
i
t
A
/
D
Converter
17
Figure 17-11: Converting 1 Channel, Auto-Sample Start, Conversion Trigger Based Conversion Start
Example 17-6: Converting 1 Channel, Auto-Sample Start, Conversion Trigger Based
Conversion Start Code
ADCLK
SAMP
ADCBUF0
TSAMP TCONV
BSET ADCON1,ASAM Instruction Execution
TCONV
TSAMP
ADCBUF1
DONE
Conversion
Trigger
ADPCFG = 0xFFFB; // all PORTB = Digital; RB2 analog
ADCON1 = 0x0040; // SSRC bit = 010 implies GP TMR3
// compare ends sampling and starts
// converting.
ADCHS = 0x0002; // Connect RB2/AN2 as CH0 input ..
// in this example RB2/AN2 is the input
ADCSSL = 0;
ADCON3 = 0x0000; // Sample time is TMR3, Tad = internal Tcy/2
ADCON2 = 0x0004; // Interrupt after 2 conversions
// set TMR3 to time out every 125 mSecs
TMR3 = 0x0000;
PR3 = 0x3FFF;
T3CON = 0x8010;
ADCON1bits.ADON = 1; // turn ADC ON
ADCON1bits.ASAM = 1; // start auto sampling every 125 mSecs
while (1) // repeat continuously
{
while (!IFS0bits.ADIF); // conversion done?
ADCValue = ADCBUF0; // yes then get first ADC value
IFS0bits.ADIF = 0; // clear ADIF
} // repeat

dsPIC30F Family Reference Manual
DS70064D-page 17-26 © 2005 Microchip Technology Inc.
17.12.3.5 Multiple Channels with Simultaneous Sampling
As shown in Figure 17-12 when using simultaneous sampling, the sampling will start on all
channels after setting the ASAM bit or when the last conversion ends. Sampling will stop and
conversions will start when the conversion trigger occurs.
Figure 17-12: Converting 4 Channels, Auto-Sample Start, Trigger Conversion Start, Simultaneous Sampling
TCONV TCONV TCONV TCONV
ADCLK
ch1_samp
ch2_samp
ch3_samp
ch0_samp
ADCBUF0
ADCBUF1
ADCBUF2
ADCBUF3
DONE
TSAMP
SAMP
TSAMP
TSEQ
Conversion
Trigger
Cleared
in software

© 2005 Microchip Technology Inc. DS70064D-page 17-27
Section 17. 10-bit A/D Converter
1
0
-
b
i
t
A
/
D
Converter
17
17.12.3.6 Multiple Channels with Sequential Sampling
As shown in Figure 17-13 when using sequential sampling, sampling for a particular channel
will stop just prior to converting that channel and will resume after the conversion has stopped.
Figure 17-13: Converting 4 Channels, Auto-Sample Start, Trigger Conversion Start, Sequential Sampling
TCONV TCONV TCONV TCONV
ADCLK
ch1_samp
ch2_samp
ch3_samp
ch0_samp
ADCBUF0
ADCBUF1
ADCBUF2
ADCBUF3
DONE
TSAMP
TSAMP
TSAMP
TSAMP
SAMP
TSAMP
TSEQ
Conversion
Trigger
Cleared
in software

dsPIC30F Family Reference Manual
DS70064D-page 17-28 © 2005 Microchip Technology Inc.
17.12.3.7 Sample Time Considerations for Automatic Sampling/Conversion Sequences
Different sample/conversion sequences provide different available sampling times for the S/H
channel to acquire the analog signal. The user must ensure the sampling time exceeds the
sampling requirements, as outlined in Section 17.16 “A/D Sampling Requirements”.
Assuming that the module is set for automatic sampling and an external trigger pulse is used as
the conversion trigger, the sampling interval is a portion of the trigger pulse interval.
If the SIMSAM bit specifies simultaneous sampling, the sampling time is the trigger pulse period
less the time required to complete the specified conversions.
Equation 17-5: Available Sampling Time, Simultaneous Sampling
If the SIMSAM bit specifies sequential sampling, the sampling time is the trigger pulse period less
the time required to complete only one conversion.
Equation 17-6: Available Sampling Time, Sequential Sampling
TSMP = Trigger Pulse Interval (TSEQ) –
Channels per Sample (CH/S) * Conversion Time (TCONV)
TSMP =TSEQ – (CH/S * TCONV)
Note 1: CH/S specified by CHPS<1:0> bits.
2: TSEQ is the trigger pulse interval time.
TSMP = Trigger Pulse Interval (TSEQ) –
Conversion Time (TCONV)
TSMP =TSEQ – TCONV
Note: TSEQ is the trigger pulse interval time.

© 2005 Microchip Technology Inc. DS70064D-page 17-29
Section 17. 10-bit A/D Converter
1
0
-
b
i
t
A
/
D
Converter
17
17.13 Controlling Sample/Conversion Operation
The application software may poll the SAMP and DONE bits to keep track of the A/D operations
or the module can interrupt the CPU when conversions are complete. The application software
may also abort A/D operations if necessary.
17.13.1 Monitoring Sample/Conversion Status
The SAMP (ADCON1<1>) and DONE (ADCON1<0>) bits indicate the sampling state and the
conversion state of the A/D, respectively. Generally, when the SAMP bit clears, indicating end of
sampling, the DONE bit is automatically set, indicating end of conversion. If both SAMP and
DONE are ‘0’, the A/D is in an inactive state. In some Operational modes, the SAMP bit may also
invoke and terminate sampling.
17.13.2 Generating an A/D Interrupt
The SMPI<3:0> bits control the generation of interrupts. The interrupt will occur some number of
sample/conversion sequences after starting sampling and re-occur on each equivalent number
of samples. Note that the interrupts are specified in terms of samples and not in terms of
conversions or data samples in the buffer memory.
When the SIMSAM bit specifies sequential sampling, regardless of the number of channels
specified by the CHPS bits, the module samples once for each conversion and data sample in
the buffer. Therefore, the value specified by the SMPI bits will correspond to the number of data
samples in the buffer, up to the maximum of 16.
When the SIMSAM bit specifies simultaneous sampling, the number of data samples in the buffer
is related to the CHPS bits. Algorithmically, the channels/sample times the number of samples
will result in the number of data sample entries in the buffer. To avoid loss of data in the buffer
due to overruns, the SMPI bits must be set to the desired buffer size divided by the channels per
sample.
Disabling the A/D interrupt is not done with the SMPI bits. To disable the interrupt, clear the ADIE
analog module interrupt enable bit.
17.13.3 Aborting Sampling
Clearing the SAMP bit while in Manual Sampling mode will terminate sampling, but may also start
a conversion if SSRC = 000.
Clearing the ASAM bit while in Automatic Sampling mode will not terminate an on going
sample/convert sequence, however, sampling will not automatically resume after subsequent
conversions.
17.13.4 Aborting a Conversion
Clearing the ADON bit during a conversion will abort the current conversion. The A/D Result
register pair will NOT be updated with the partially completed A/D conversion sample. That is,
the corresponding ADCBUF buffer location will continue to contain the value of the last
completed conversion (or the last value written to the buffer).

dsPIC30F Family Reference Manual
DS70064D-page 17-30 © 2005 Microchip Technology Inc.
17.14 Specifying How Conversion Results are Written Into the Buffer
As conversions are completed, the module writes the results of the conversions into the A/D
result buffer. This buffer is a RAM array of sixteen 10-bit words. The buffer is accessed through
16 address locations within the SFR space named ADCBUF0...ADCBUFF.
User software may attempt to read each A/D conversion result as it is generated, however, this
would consume too much CPU time. Generally, to simplify the code, the module will fill the buffer
with results and then generate an interrupt when the buffer is filled.
17.14.1 Number of Conversions per Interrupt
The SMPI<3:0> bits (ADCON2<5:2>) will select how many A/D conversions will take place
before the CPU is interrupted. This can vary from 1 sample per interrupt to 16 samples per
interrupt. The A/D converter module always starts writing its conversion results at the beginning
of the buffer, after each interrupt. For example, if SMPI<3:0> = 0000, the conversion results will
always be written to ADCBUF0. In this example, no other buffer locations would be used.
17.14.2 Restrictions Due to Buffer Size
The user cannot program a combination of CHPS and SMPI bits that specifies more than 16
conversions per interrupt when the BUFM bit (ADCON2<1>) is ‘0’, or 8 conversions per interrupt
when the BUFM bit (ADCON2<1>) is ‘0’. The BUFM bit function is described below.
17.14.3 Buffer Fill Mode
When the BUFM bit (ADCON2<1>) is ‘1’, the 16-word results buffer (ADRES) will be split into two
8-word groups. The 8-word buffers will alternately receive the conversion results after each
interrupt event. The initial 8-word buffer used after BUFM is set will be located at the lower
addresses of ADCBUF. When BUFM is ‘0’, the complete 16-word buffer is used for all conversion
sequences.
The decision to use the BUFM feature will depend upon how much time is available to move the
buffer contents after the interrupt, as determined by the application. If the processor can quickly
unload a full buffer within the time it takes to sample and convert one channel, the BUFM bit can
be ‘0’ and up to 16 conversions may be done per interrupt. The processor will have one sample
and conversion time before the first buffer location is overwritten.
If the processor cannot unload the buffer within the sample and conversion time, the BUFM bit
should be ‘1’. For example, if SMPI<3:0> = 0111, then eight conversions will be loaded into 1/2
of the buffer, following which an interrupt will occur. The next eight conversions will be loaded into
the other 1/2 of the buffer. The processor will therefore have the entire time between interrupts
to move the eight conversions out of the buffer.
17.14.4 Buffer Fill Status
When the conversion result buffer is split using the BUFM control bit, the BUFS status bit
(ADCON2<7>) indicates the half of the buffer that the A/D converter is currently filling. If
BUFS = 0, then the A/D converter is filling ADCBUF0-ADCBUF7 and the user software should
read conversion values from ADCBUF8-ADCBUFF. If BUFS = 1, the situation is reversed and
the user software should read conversion values from ADCBUF0-ADCBUF7.

© 2005 Microchip Technology Inc. DS70064D-page 17-31
Section 17. 10-bit A/D Converter
1
0
-
b
i
t
A
/
D
Converter
17
17.15 Conversion Sequence Examples
The following configuration examples show the A/D operation in different sampling and buffering
configurations. In each example, setting the ASAM bit starts automatic sampling. A conversion
trigger ends sampling and starts conversion.
17.15.1 Example: Sampling and Converting a Single Channel Multiple Times
Figure 17-11 and Table 17-2 illustrate a basic configuration of the A/D. In this case, one A/D
input, AN0, will be sampled by one sample and hold channel, CH0, and converted. The results
are stored in the ADCBUF buffer. This process repeats 16 times until the buffer is full and then
the module generates an interrupt. The entire process will then repeat.
The CHPS bits specify that only sample/hold CH0 is active. With ALTS clear, only the MUX A
inputs are active. The CH0SA bits and CH0NA bit are specified (AN0-VREF-) as the input to the
sample/hold channel. All other input selection bits are not used.
Figure 17-14: Converting One Channel 16 Times/Interrupt
ADCLK
SAMP
ADCBUF0
TSAMP
TCONV
BSET ADCON1,ASAM Instruction Execution
ADCBUF1
DONE
ADCBUFE
ADCBUFF
Input to CH0 AN0
TSAMP
TCONV
AN0
TSAMP
TCONV
AN0
TSAMP
TCONV
AN0
ADIF
ASAM
Conversion
Trigger

dsPIC30F Family Reference Manual
DS70064D-page 17-32 © 2005 Microchip Technology Inc.
Table 17-2: Converting One Channel 16 Times/Interrupt
CONTROL BITS OPERATION SEQUENCE
Sequence Select Sample MUX A Inputs: AN0 -> CH0
SMPI<2:0> = 1111 Convert CH0, Write Buffer 0x0
Interrupt on 16th sample Sample MUX A Inputs: AN0 -> CH0
CHPS<1:0> = 00 Convert CH0, Write Buffer 0x1
Sample Channel CH0 Sample MUX A Inputs: AN0 -> CH0
SIMSAM = n/a Convert CH0, Write Buffer 0x2
Not applicable for single channel sample Sample MUX A Inputs: AN0 -> CH0
BUFM = 0Convert CH0, Write Buffer 0x3
Single 16-word result buffer Sample MUX A Inputs: AN0 -> CH0
ALTS = 0Convert CH0, Write Buffer 0x4
Always use MUX A input select Sample MUX A Inputs: AN0 -> CH0
MUX A Input Select Convert CH0, Write Buffer 0x5
CH0SA<3:0> = 0000 Sample MUX A Inputs: AN0 -> CH0
Select AN0 for CH0+ input Convert CH0, Write Buffer 0x6
CH0NA = 0Sample MUX A Inputs: AN0 -> CH0
Select VREF- for CH0- input Convert CH0, Write Buffer 0x7
CSCNA = 0Sample MUX A Inputs: AN0 -> CH0
No input scan Convert CH0, Write Buffer 0x8
CSSL<15:0> = n/a Sample MUX A Inputs: AN0 -> CH0
Scan input select unused Convert CH0, Write Buffer 0x9
CH123SA = n/a Sample MUX A Inputs: AN0 -> CH0
Channel CH1, CH2, CH3 + input unused Convert CH0, Write Buffer 0xA
CH123NA<1:0> = n/a Sample MUX A Inputs: AN0 -> CH0
Channel CH1, CH2, CH3 – input unused Convert CH0, Write Buffer 0xB
MUX B Input Select Sample MUX A Inputs: AN0 -> CH0
CH0SB<3:0> = n/a Convert CH0, Write Buffer 0xC
Channel CH0+ input unused Sample MUX A Inputs: AN0 -> CH0
CH0NB = n/a Convert CH0, Write Buffer 0xD
Channel CH0- input unused Sample MUX A Inputs: AN0 -> CH0
CH123SB = n/a Convert CH0, Write Buffer 0xE
Channel CH1, CH2, CH3 + input unused Sample MUX A Inputs: AN0 -> CH0
CH123NB<1:0> = n/a Convert CH0, Write Buffer 0xF
Channel CH1, CH2, CH3 – input unused Interrupt
Repeat
Buffer
Address Buffer @
1st Interrupt Buffer @
2nd Interrupt
ADCBUF0 AN0 sample 1 AN0 sample 17
ADCBUF1 AN0 sample 2 AN0 sample 18
ADCBUF2 AN0 sample 3 AN0 sample 19
ADCBUF3 AN0 sample 4 AN0 sample 20
ADCBUF4 AN0 sample 5 AN0 sample 21
ADCBUF5 AN0 sample 6 AN0 sample 22
ADCBUF6 AN0 sample 7 AN0 sample 23
ADCBUF7 AN0 sample 8 AN0 sample 24 •••
ADCBUF8 AN0 sample 9 AN0 sample 25
ADCBUF9 AN0 sample 10 AN0 sample 26
ADCBUFA AN0 sample 11 AN0 sample 27
ADCBUFB AN0 sample 12 AN0 sample 28
ADCBUFC AN0 sample 13 AN0 sample 29
ADCBUFD AN0 sample 14 AN0 sample 30
ADCBUFE AN0 sample 15 AN0 sample 31
ADCBUFF AN0 sample 16 AN0 sample 32

© 2005 Microchip Technology Inc. DS70064D-page 17-33
Section 17. 10-bit A/D Converter
1
0
-
b
i
t
A
/
D
Converter
17
17.15.2 Example: A/D Conversions While Scanning Through All Analog Inputs
Figure 17-15 and Table 17-3 illustrate a very typical setup where all available analog input
channels are sampled by one sample and hold channel, CH0, and converted. The set CSCNA
bit specifies scanning of the A/D inputs to the CH0 positive input. Other conditions are similar to
Subsection 17.15.1.
Initially, the AN0 input is sampled by CH0 and converted. The result is stored in the ADCBUF
buffer. Then the AN1 input is sampled and converted. This process of scanning the inputs
repeats 16 times until the buffer is full and then the module generates an interrupt. The entire
process will then repeat.
Figure 17-15: Scanning Through 16 Inputs/Interrupt
ADCLK
SAMP
ADCBUF0
TSAMP
TCONV
BSET ADCON1,#ASAM Instruction Execution
ADCBUF1
DONE
ADCBUFE
ADCBUFF
Input to CH0 AN0
TSAMP
TCONV
AN1
TSAMP
TCONV
AN14
TSAMP
TCONV
AN15
ADIF
ASAM
Conversion
Trigger

dsPIC30F Family Reference Manual
DS70064D-page 17-34 © 2005 Microchip Technology Inc.
Table 17-3: Scanning Through 16 Inputs/Interrupt
CONTROL BITS OPERATION SEQUENCE
Sequence Select Sample MUX A Inputs: AN0 -> CH0
SMPI<2:0> = 1111 Convert CH0, Write Buffer 0x0
Interrupt on 16th sample Sample MUX A Inputs: AN1 -> CH0
CHPS<1:0> = 00 Convert CH0, Write Buffer 0x1
Sample Channel CH0 Sample MUX A Inputs: AN2 -> CH0
SIMSAM = n/a Convert CH0, Write Buffer 0x2
Not applicable for single channel sample Sample MUX A Inputs: AN3 -> CH0
BUFM = 0Convert CH0, Write Buffer 0x3
Single 16-word result buffer Sample MUX A Inputs: AN4 -> CH0
ALTS = 0Convert CH0, Write Buffer 0x4
Always use MUX A input select Sample MUX A Inputs: AN5 -> CH0
MUX A Input Select Convert CH0, Write Buffer 0x5
CH0SA<3:0> = n/a Sample MUX A Inputs: AN6 -> CH0
Override by CSCNA Convert CH0, Write Buffer 0x6
CH0NA = 0Sample MUX A Inputs: AN7 -> CH0
Select VREF- for CH0- input Convert CH0, Write Buffer 0x7
CSCNA = 1Sample MUX A Inputs: AN8 -> CH0
Scan CH0+ Inputs Convert CH0, Write Buffer 0x8
CSSL<15:0> = 1111 1111 1111 1111 Sample MUX A Inputs: AN9 -> CH0
Scan input select unused Convert CH0, Write Buffer 0x9
CH123SA = n/a Sample MUX A Inputs: AN10 -> CH0
Channel CH1, CH2, CH3 + input unused Convert CH0, Write Buffer 0xA
CH123NA<1:0> = n/a Sample MUX A Inputs: AN11 -> CH0
Channel CH1, CH2, CH3 – input unused Convert CH0, Write Buffer 0xB
MUX B Input Select Sample MUX A Inputs: AN12 -> CH0
CH0SB<3:0> = n/a Convert CH0, Write Buffer 0xC
Channel CH0+ input unused Sample MUX A Inputs: AN13 -> CH0
CH0NB = n/a Convert CH0, Write Buffer 0xD
Channel CH0- input unused Sample MUX A Inputs: AN14 -> CH0
CH123SB = n/a Convert CH0, Write Buffer 0xE
Channel CH1, CH2, CH3 + input unused Sample MUX A Inputs: AN15 -> CH0
CH123NB<1:0> = n/a Convert CH0, Write Buffer 0xF
Channel CH1, CH2, CH3 – input unused Interrupt
Repeat
Buffer
Address Buffer @
1st Interrupt Buffer @
2nd Interrupt
ADCBUF0 AN0 sample 1 AN0 sample 17
ADCBUF1 AN1 sample 2 AN1 sample 18
ADCBUF2 AN2 sample 3 AN2 sample 19
ADCBUF3 AN3 sample 4 AN3 sample 20
ADCBUF4 AN4 sample 5 AN4 sample 21
ADCBUF5 AN5 sample 6 AN5 sample 22
ADCBUF6 AN6 sample 7 AN6 sample 23
ADCBUF7 AN7 sample 8 AN7 sample 24 •••
ADCBUF8 AN8 sample 9 AN8 sample 25
ADCBUF9 AN9 sample 10 AN9 sample 26
ADCBUFA AN10 sample 11 AN10 sample 27
ADCBUFB AN11 sample 12 AN11 sample 28
ADCBUFC AN12 sample 13 AN12 sample 29
ADCBUFD AN13 sample 14 AN13 sample 30
ADCBUFE AN14 sample 15 AN14 sample 31
ADCBUFF AN15 sample 16 AN15 sample 32

© 2005 Microchip Technology Inc. DS70064D-page 17-35
Section 17. 10-bit A/D Converter
1
0
-
b
i
t
A
/
D
Converter
17
17.15.3 Example: Sampling Three Inputs Frequently While Scanning Four Other Inputs
Figure 17-16 and Table 17-4 shows how the A/D converter could be configured to sample three
inputs frequently using sample/hold channels CH1, CH2 and CH3; while four other inputs are
sampled less frequently by scanning them using sample/hold channel CH0. In this case, only
MUX A inputs are used, and all 4 channels are sampled simultaneously. Four different inputs
(AN4, AN5, AN6, AN7) are scanned in CH0, whereas AN0, AN1 and AN2 are the fixed inputs for
CH1, CH2 and CH3, respectively. Thus, in every set of 16 samples, AN0, AN1 and AN2 would
be sampled 4 times, while AN4, AN5, AN6 and AN7 would be sampled only once each.
Figure 17-16: Converting Three Inputs, Four Times and Four Inputs, One Time/Interrupt
ADCLK
SAMP
DONE
Input to CH0 AN4
TSAMP
ADIF
TCONVTCONVTCONVTCONV
AN0
AN1
AN2
Input to CH1
Input to CH2
Input to CH3
ADCBUFD
ADCBUFE
ADCBUFF
AN5
TSAMP
AN0
AN1
AN2
AN7
TSAMP
AN0
AN1
AN2
ASAM
AN4
AN0
AN1
AN2
ADCBUF0
ADCBUF1
ADCBUF2
ADCBUF3
ADCBUFC
AN6
AN0
AN1
AN2
Conversion
Trigger
TCONVTCONVTCONVTCONV TCONVTCONVTCONVTCONV

dsPIC30F Family Reference Manual
DS70064D-page 17-36 © 2005 Microchip Technology Inc.
Table 17-4: Converting Three Inputs, Four Times and Four Inputs, One Time/Interrupt
CONTROL BITS OPERATION SEQUENCE
Sequence Select Sample MUX A Inputs:
SMPI<3:0> = 0011 AN4 -> CH0, AN0 -> CH1, AN1 -> CH2, AN2 -> CH3
Interrupt on 16th sample Convert CH0, Write Buffer 0x0
CHPS<1:0> = 1x Convert CH1, Write Buffer 0x1
Sample Channels CH0, CH1, CH2, CH3 Convert CH2, Write Buffer 0x2
SIMSAM = 1Convert CH3, Write Buffer 0x3
Sample all channels simultaneously Sample MUX A Inputs:
BUFM = 0AN5 -> CH0, AN0 -> CH1, AN1 -> CH2, AN2 -> CH3
Single 16-word result buffer Convert CH0, Write Buffer 0x4
ALTS = 0Convert CH1, Write Buffer 0x5
Always use MUX A input select Convert CH2, Write Buffer 0x6
MUX A Input Select Convert CH3, Write Buffer 0x7
CH0SA<3:0> = n/a Sample MUX A Inputs:
Override by CSCNA AN6 -> CH0, AN0 -> CH1, AN1 -> CH2, AN2 -> CH3
CH0NA = 0Convert CH0, Write Buffer 0x8
Select VREF- for CH0- input Convert CH1, Write Buffer 0x9
CSCNA = 1Convert CH2, Write Buffer 0xA
Scan CH0+ Inputs Convert CH3, Write Buffer 0xB
CSSL<15:0> = 0000 0000 1111 0000 Sample MUX A Inputs:
Scan AN4, AN5, AN6, AN7 AN7 -> CH0, AN0 -> CH1, AN1 -> CH2, AN2 -> CH3
CH123SA = 0Convert CH0, Write Buffer 0xC
CH1+ = AN0, CH2+ = AN1, CH3+ = AN2 Convert CH1, Write Buffer 0xD
CH123NA<1:0> = 0x Convert CH2, Write Buffer 0xE
CH1-, CH2-, CH3- = VREF- Convert CH3, Write Buffer 0xF
MUX B Input Select Interrupt
CH0SB<3:0> = n/a Repeat
Channel CH0+ input unused
CH0NB = n/a Channel CH0- input unused
CH123SB = n/a
Channel CH1, CH2, CH3 + input unused
CH123NB<1:0> = n/a
Channel CH1, CH2, CH3 – input unused
Buffer
Address Buffer @
1st Interrupt Buffer @
2nd Interrupt
ADCBUF0 AN4 sample 1 AN4 sample 5
ADCBUF1 AN0 sample 1 AN0 sample 5
ADCBUF2 AN1 sample 1 AN1 sample 5
ADCBUF3 AN2 sample 1 AN2 sample 5
ADCBUF4 AN5 sample 2 AN5 sample 6
ADCBUF5 AN0 sample 2 AN0 sample 6
ADCBUF6 AN1 sample 2 AN1 sample 6
ADCBUF7 AN2 sample 2 AN2 sample 6 •••
ADCBUF8 AN6 sample 3 AN6 sample 7
ADCBUF9 AN0 sample 3 AN0 sample 7
ADCBUFA AN1 sample 3 AN1 sample 7
ADCBUFB AN2 sample 3 AN2 sample 7
ADCBUFC AN7 sample 4 AN7 sample 8
ADCBUFD AN0 sample 4 AN0 sample 8
ADCBUFE AN1 sample 4 AN1 sample 8
ADCBUFF AN2 sample 4 AN2 sample 8

© 2005 Microchip Technology Inc. DS70064D-page 17-37
Section 17. 10-bit A/D Converter
1
0
-
b
i
t
A
/
D
Converter
17
17.15.4 Example: Using Dual 8-Word Buffers
Figure 17-17 and Table 17-5 demonstrate using dual 8-word buffers and alternating the buffer fill.
Setting the BUFM bit enables dual 8-word buffers. The BUFM setting does not affect other
operational parameters. First, the conversion sequence starts filling the buffer at ADCBUF0
(buffer location 0x0). After the first interrupt occurs, the buffer begins to fill at ADCBUF8 (buffer
location 0x8). The BUFS status bit is set and cleared alternately after each interrupt. In this
example, all four channels are sampled simultaneously, and an interrupt occurs after every
sample.
Figure 17-17: Converting Four Inputs, One Time/Interrupt Using Dual 8-Word Buffers
ADCLK
SAMP
ADCBUF0
BSET ADCON1,#ASAM Instruction Execution
ADCBUF1
ADCBUF2
ADCBUF3
Input to CH0 AN3
TSAMP
ADIF
AN0
AN1
AN2
Input to CH1
Input to CH2
Input to CH3
ADCBUF8
ADCBUF9
ADCBUFA
ADCBUFB
AN3
TSAMP
AN0
AN1
AN2
AN3
TSAMP
AN0
AN1
AN2
BCLR IFS0,#ADIF BCLR IFS0,#ADIF
BUFS
Conversion
Trigger
TCONVTCONVTCONVTCONV TCONVTCONVTCONVTCONV TCONVTCONVTCONVTCONV

dsPIC30F Family Reference Manual
DS70064D-page 17-38 © 2005 Microchip Technology Inc.
Table 17-5: Converting Four Inputs, One Time/Interrupt Using Dual 8-Word Buffers
CONTROL BITS OPERATION SEQUENCE
Sequence Select Sample MUX A Inputs:
SMPI<2:0> = 0000 AN3 -> CH0, AN0 -> CH1, AN1 -> CH2, AN2 -> CH3
Interrupt on each sample Convert CH0, Write Buffer 0x0
CHPS<1:0> = 1x Convert CH1, Write Buffer 0x1
Sample Channels CH1, CH2, CH3, CH0 Convert CH2, Write Buffer 0x2
SIMSAM = 1Convert CH3, Write Buffer 0x3
Sample all channels simultaneously Interrupt; Change Buffer
BUFM = 1Sample MUX A Inputs:
Dual 8-word result buffers AN3 -> CH0, AN0 -> CH1, AN1 -> CH2, AN2 -> CH3
ALTS = 0Convert CH0, Write Buffer 0x8
Always use MUX A input select Convert CH1, Write Buffer 0x9
MUX A Input Select Convert CH2, Write Buffer 0xA
CH0SA<3:0> = 0011 Convert CH3, Write Buffer 0xB
Select AN3 for CH0+ input Interrupt; Change Buffer
CH0NA = 0Repeat
Select VREF- for CH0- input
CSCNA = 0
No input scan
CSSL<15:0> = n/a Scan input select unused
CH123SA = 0
CH1+ = AN0, CH2+ = AN1, CH3+ = AN2
CH123NA<1:0> = 0x
CH1-, CH2-, CH3- = VREF-
MUX B Input Select
CH0SB<3:0> = n/aChannel CH0+ input unused
CH0NB = n/a Channel CH0- input unused
CH123SB = n/a
Channel CH1, CH2, CH3 + input unused
CH123NB<1:0> = n/a
Channel CH1, CH2, CH3 – input unused
Buffer
Address Buffer @
1st Interrupt Buffer @
2nd Interrupt
ADCBUF0 AN3 sample 1
ADCBUF1 AN0 sample 1
ADCBUF2 AN1 sample 1
ADCBUF3 AN2 sample 1
ADCBUF4
ADCBUF5
ADCBUF6
ADCBUF7 •••
ADCBUF8 AN3 sample 2
ADCBUF9 AN0 sample 2
ADCBUFA AN1 sample 2
ADCBUFB AN2 sample 2
ADCBUFC
ADCBUFD
ADCBUFE
ADCBUFF

© 2005 Microchip Technology Inc. DS70064D-page 17-39
Section 17. 10-bit A/D Converter
1
0
-
b
i
t
A
/
D
Converter
17
17.15.5 Example: Using Alternating MUX A, MUX B Input Selections
Figure 17-18 and Table 17-6 demonstrate alternate sampling of the inputs assigned to MUX A
and MUX B. In this example, 2 channels are enabled to sample simultaneously. Setting the ALTS
bit enables alternating input selections. The first sample uses the MUX A inputs specified by the
CH0SA, CH0NA, CHXSA and CHXNA bits. The next sample uses the MUX B inputs specified
by the CH0SB, CH0NB, CHXSB and CHXNB bits. In this example, one of the MUX B input
specifications uses 2 analog inputs as a differential source to the sample/hold, sampling
(AN3-AN9).
This example also demonstrates use of the dual 8-word buffers. An interrupt occurs after every
4th sample, resulting in filling 8-words into the buffer on each interrupt.
Note that using 4 sample/hold channels without alternating input selections results in the same
number of conversions as this example, using 2 channels with alternating input selections.
However, because the CH1, CH2 and CH3 channels are more limited in the selectivity of the
analog inputs, this example method provides more flexibility of input selection than using 4
channels.
Figure 17-18: Converting Two Sets of Two Inputs Using Alternating Input Selections
ADCLK
SAMP
ADCBUF0
ADCBUF1
DONE
ADCBUF2
ADCBUF3
Input to AN1
TSAMP
ADIF
TCONVTCONV
AN0
Input to
ADCBUF4
ADCBUF5
ADCBUF6
ADCBUF7
AN15
TSAMP
TCONVTCONV
AN3-AN9
ASAM
BUFS
AN1
TSAMP
TCONVTCONV
AN0
AN15
TSAMP
TCONVTCONV
AN3-AN9
ADCBUF8
ADCBUF9
ADCBUFA
ADCBUFB
TCONVTCONV
TSAMP
AN15
AN3-AN9
Cleared by Software
CH0
CH1
Conversion
Trigger
Cleared
in software

dsPIC30F Family Reference Manual
DS70064D-page 17-40 © 2005 Microchip Technology Inc.
Table 17-6: Converting Two Sets of Two Inputs Using Alternating Input Selections
CONTROL BITS OPERATION SEQUENCE
Sequence Select Sample MUX A Inputs: AN1 -> CH0, AN0 -> CH1
SMPI<2:0> = 0011 Convert CH0, Write Buffer 0x0
Interrupt on 4th sample Convert CH1, Write Buffer 0x1
CHPS<1:0> = 01 Sample MUX B Inputs: AN15 -> CH0, (AN3-AN9) -> CH1
Sample Channels CH0, CH1 Convert CH0, Write Buffer 0x2
SIMSAM = 1Convert CH1, Write Buffer 0x3
Sample all channels simultaneously Sample MUX A Inputs: AN1 -> CH0, AN0 -> CH1
BUFM = 1Convert CH0, Write Buffer 0x4
Dual 8-word result buffers Convert CH1, Write Buffer 0x5
ALTS = 1Sample MUX B Inputs: AN15 -> CH0, (AN3-AN9) -> CH1
Alternate MUX A/B input select Convert CH0, Write Buffer 0x6
MUX A Input Select Convert CH1, Write Buffer 0x7
CH0SA<3:0> = 0001 Interrupt; Change Buffer
Select AN1 for CH0+ input Sample MUX A Inputs: AN1 -> CH0, AN0 -> CH1
CH0NA = 0Convert CH0, Write Buffer 0x8
Select VREF- for CH0- input Convert CH1, Write Buffer 0x9
CSCNA = 0Sample MUX B Inputs: AN15 -> CH0, (AN3-AN9) -> CH1
No input scan Convert CH0, Write Buffer 0xA
CSSL<15:0> = n/a Convert CH1, Write Buffer 0xB
Scan input select unused Sample MUX A Inputs: AN1 -> CH0, AN0 -> CH1
CH123SA = 0Convert CH0, Write Buffer 0xC
CH1+ = AN0, CH2+ = AN1, CH3+ = AN2 Convert CH1, Write Buffer 0xD
CH123NA<1:0> = 0x Sample MUX B Inputs: AN15 -> CH0, (AN3-AN9) -> CH1
CH1-, CH2-, CH3- = VREF- Convert CH0, Write Buffer 0xE
MUX B Input Select Convert CH1, Write Buffer 0xF
CH0SB<3:0> = 1111 Interrupt; Change Buffer
Select AN15 for CH0+ input Repeat
CH0NB = 0
Select VREF- for CH0- input
CH123SB = 1
CH1+ = AN3, CH2+ = AN4, CH3+ = AN5
CH123NB<1:0> = 11
CH1- = AN9, CH2- = AN10, CH3- = AN11
Buffer
Address Buffer @
1st Interrupt Buffer @
2nd Interrupt
ADCBUF0 AN1 sample 1
ADCBUF1 AN0 sample 1
ADCBUF2 AN15 sample 2
ADCBUF3 (AN3-AN9) sample 2
ADCBUF4 AN1 sample 3
ADCBUF5 AN0 sample 3
ADCBUF6 AN15 sample 4
ADCBUF7 (AN3-AN9) sample 4 •••
ADCBUF8 AN1 sample 5
ADCBUF9 AN0 sample 5
ADCBUFA AN15 sample 6
ADCBUFB (AN3-AN9) sample 6
ADCBUFC AN1 sample 7
ADCBUFD AN0 sample 7
ADCBUFE AN15 sample 8
ADCBUFF (AN3-AN9) sample 8

© 2005 Microchip Technology Inc. DS70064D-page 17-41
Section 17. 10-bit A/D Converter
1
0
-
b
i
t
A
/
D
Converter
17
17.15.6 Example: Sampling Eight Inputs Using Simultaneous Sampling
Subsection 17.15.6 and Subsection 17.15.7 demonstrate identical setups with the exception that
Subsection 17.15.6 uses simultaneous sampling with SIMSAM = 1 and Subsection 17.15.7 uses
sequential sampling with SIMSAM = 0. Both examples use alternating inputs and specify
differential inputs to the sample/hold.
Figure 17-19 and Table 17-7 demonstrate simultaneous sampling. When converting more than
one channel and selecting simultaneous sampling, the module will sample all channels, then
perform the required conversions in sequence. In this example, with ASAM set, sampling will
begin after the conversions complete.
Figure 17-19: Sampling Eight Inputs Using Simultaneous Sampling
ADCLK
SAMP
DONE
Input to CH0 AN13-AN1
TSAMP
ADIF
AN0
AN1
AN2
Input to CH1
Input to CH2
Input to CH3
ADCBUFD
ADCBUFE
ADCBUFF
AN14
TSAMP
AN3-AN6
AN4-AN7
AN5-AN8
AN14
TSAMP
AN3-AN6
AN4-AN7
AN5-AN8
ASAM
AN13-AN1
AN0
AN1
AN2
ADCBUF0
ADCBUF1
ADCBUF2
ADCBUF3
ADCBUFC
Conversion
Trigger
TCONVTCONVTCONVTCONV TCONVTCONVTCONVTCONV TCONVTCONVTCONVTCONV

dsPIC30F Family Reference Manual
DS70064D-page 17-42 © 2005 Microchip Technology Inc.
Table 17-7: Sampling Eight Inputs Using Simultaneous Sampling
CONTROL BITS OPERATION SEQUENCE
Sequence Select Sample MUX A Inputs:
SMPI<2:0> = 0011 (AN13-AN1) -> CH0, AN0 -> CH1, AN1 -> CH2, AN2 -> CH3
Interrupt on 4th sample Convert CH0, Write Buffer 0x0
CHPS<1:0> = 1x Convert CH1, Write Buffer 0x1
Sample Channels CH0, CH1, CH2, CH3 Convert CH2, Write Buffer 0x2
SIMSAM = 1Convert CH3, Write Buffer 0x3
Sample all channels simultaneously Sample MUX B Inputs:
BUFM = 0AN14 -> CH0,
Single 16-word result buffer (AN3-AN6) -> CH1, (AN4-AN7) -> CH2, (AN5-AN8) -> CH3
ALTS = 1Convert CH0, Write Buffer 0x4
Alternate MUX A/MUX B input select Convert CH1, Write Buffer 0x5
MUX A Input Select Convert CH2, Write Buffer 0x6
CH0SA<3:0> = 1101 Convert CH3, Write Buffer 0x7
Select AN13 for CH0+ input Sample MUX A Inputs:
CH0NA = 1(AN13-AN1) -> CH0, AN0 -> CH1, AN1 -> CH2, AN2 -> CH3
Select AN1 for CH0- input Convert CH0, Write Buffer 0x8
CSCNA = 0Convert CH1, Write Buffer 0x9
No input scan Convert CH2, Write Buffer 0xA
CSSL<15:0> = n/a Convert CH3, Write Buffer 0xB
Scan input select unused Sample MUX B Inputs:
CH123SA = 0AN14 -> CH0,
CH1+ = AN0, CH2+ = AN1, CH3+ = AN2 (AN3-AN6) -> CH1, (AN4-AN7) -> CH2, (AN5-AN8) -> CH3
CH123NA<1:0> = 0x Convert CH0, Write Buffer 0xC
CH1-, CH2-, CH3- = VREF- Convert CH1, Write Buffer 0xD
MUX B Input Select Convert CH2, Write Buffer 0xE
CH0SB<3:0> = 1110 Convert CH3, Write Buffer 0xF
Select AN14 for CH0+ input Interrupt
CH0NB = 0Repeat
Select VREF- for CH0- input
CH123SB = 1
CH1+ = AN3, CH2+ = AN4, CH3+ = AN5
CH123NB<1:0> = 10
CH1- = AN6, CH2- = AN7, CH3- = AN8
Buffer
Address Buffer @
1st Interrupt Buffer @
2nd Interrupt
ADCBUF0 (AN13-AN1) sample 1 (AN13-AN1) sample 5
ADCBUF1 AN0 sample 1 AN0 sample 5
ADCBUF2 AN1 sample 1 AN1 sample 5
ADCBUF3 AN2 sample 1 AN2 sample 5
ADCBUF4 AN14 sample 2 AN14 sample 6
ADCBUF5 (AN3-AN6) sample 2 (AN3-AN6) sample 6
ADCBUF6 (AN4-AN7) sample 2 (AN4-AN7) sample 6
ADCBUF7 (AN5-AN8) sample 2 (AN5-AN8) sample 6 •••
ADCBUF8 (AN13-AN1) sample 3 (AN13-AN1) sample 7
ADCBUF9 AN0 sample 3 AN0 sample 7
ADCBUFA AN1 sample 3 AN1 sample 7
ADCBUFB AN2 sample 3 AN2 sample 7
ADCBUFC AN14 sample 4 AN14 sample 8
ADCBUFD (AN3-AN6) sample 4 (AN3-AN6) sample 8
ADCBUFE (AN4-AN7) sample 4 (AN4-AN7) sample 8
ADCBUFF (AN5-AN8) sample 4 (AN5-AN8) sample 8

© 2005 Microchip Technology Inc. DS70064D-page 17-43
Section 17. 10-bit A/D Converter
1
0
-
b
i
t
A
/
D
Converter
17
17.15.7 Example: Sampling Eight Inputs Using Sequential Sampling
Figure 17-20 and Table 17-8 demonstrate sequential sampling. When converting more than one
channel and selecting sequential sampling, the module will start sampling a channel at the
earliest opportunity, then perform the required conversions in sequence. In this example, with
ASAM set, sampling of a channel will begin after the conversion of that channel completes.
When ASAM is clear, sampling will not resume after conversion completion but will occur when
setting the SAMP bit.
When utilizing more than one channel, sequential sampling provides more sampling time since
a channel may be sampled while conversion occurs on another.
Figure 17-20: Sampling Eight Inputs Using Sequential Sampling
ADCLK
SAMP
DONE
Input to CH0 AN13-AN1
TSAMP
ADIF
AN0
AN1
AN2
Input to CH1
Input to CH2
Input to CH3
ADCBUFD
ADCBUFE
ADCBUFF
AN14
TSAMP
AN4-AN7
AN5-AN8
AN14
TSAMP
AN3-AN6
AN4-AN7
AN5-AN8
ASAM
AN1
AN2
ADCBUF0
ADCBUF1
ADCBUF2
ADCBUF3
ADCBUFC
AN13-AN1
AN0
AN2
Conversion
Trigger
TCONVTCONVTCONVTCONV TCONVTCONVTCONVTCONV TCONVTCONVTCONVTCONV
AN3-AN6
AN1
AN13-AN1
AN0

dsPIC30F Family Reference Manual
DS70064D-page 17-44 © 2005 Microchip Technology Inc.
Table 17-8: Sampling Eight Inputs Using Sequential Sampling
CONTROL BITS OPERATION SEQUENCE
Sequence Select Sample: (AN13-AN1) -> CH0
SMPI<2:0> = 1111 Convert CH0, Write Buffer 0x0
Interrupt on 16th sample Sample: AN0 -> CH1
CHPS<1:0> = 1x Convert CH1, Write Buffer 0x1
Sample Channels CH0, CH1, CH2, CH3 Sample: AN1 -> CH2
SIMSAM = 0Convert CH2, Write Buffer 0x2
Sample all channels sequentially Sample: AN2 -> CH3
BUFM = 0Convert CH3, Write Buffer 0x3
Single 16-word result buffer Sample: AN14 -> CH0
ALTS = 1Convert CH0, Write Buffer 0x4
Alternate MUX A/B input select Sample: (AN3-AN6) -> CH1
MUX A Input Select Convert CH1, Write Buffer 0x5
CH0SA<3:0> = 0110 Sample: (AN4-AN7) -> CH2
Select AN6 for CH0+ input Convert CH2, Write Buffer 0x6
CH0NA = 0Sample: (AN5-AN8) -> CH3
Select VREF- for CH0- input Convert CH3, Write Buffer 0x7
CSCNA = 0Sample: (AN13-AN1) -> CH0
No input scan Convert CH0, Write Buffer 0x8
CSSL<15:0> = n/a Sample: AN0 -> CH1
Scan input select unused Convert CH1, Write Buffer 0x9
CH123SA = 0Sample: AN1 -> CH2
CH1+ = AN0, CH2+ = AN1, CH3+ = AN2 Convert CH2, Write Buffer 0xA
CH123NA<1:0> = 0x Sample: AN2 -> CH3
CH1-, CH2-, CH3- = VREF- Convert CH3, Write Buffer 0xB
MUX B Input Select Sample: AN14 -> CH0
CH0SB<3:0> = 0111 Convert CH0, Write Buffer 0xC
Select AN7 for CH0+ input Sample: (AN3-AN6) -> CH1
CH0NB = 0Convert CH1, Write Buffer 0xD
Select VREF- for CH0- input Sample: (AN4-AN7) -> CH2
CH123SB = 1Convert CH2, Write Buffer 0xE
CH1+ = AN3, CH2+ = AN4, CH3+ = AN5 Sample: (AN5-AN8) -> CH3
CH123NB<1:0> = 0x Convert CH3, Write Buffer 0xF
CH1-, CH2-, CH3- = VREF- Interrupt
Repeat
Buffer
Address Buffer @
1st Interrupt Buffer @
2nd Interrupt
ADCBUF0 (AN13-AN1) sample 1 (AN13-AN1) sample 17
ADCBUF1 AN0 sample 2 AN0 sample 18
ADCBUF2 AN1 sample 3 AN1 sample 19
ADCBUF3 AN2 sample 4 AN2 sample 20
ADCBUF4 AN14 sample 5 AN14 sample 21
ADCBUF5 (AN3-AN6) sample 6 (AN3-AN6) sample 22
ADCBUF6 (AN4-AN7) sample 7 (AN4-AN7) sample 23
ADCBUF7 (AN5-AN8) sample 8 (AN5-AN8) sample 24 •••
ADCBUF8 (AN13-AN1) sample 9 (AN13-AN1) sample 25
ADCBUF9 AN0 sample 10 AN0 sample 26
ADCBUFA AN1 sample 11 AN1 sample 27
ADCBUFB AN2 sample 12 AN2 sample 28
ADCBUFC AN14 sample 13 AN14 sample 29
ADCBUFD (AN3-AN6) sample 14 (AN3-AN6) sample 30
ADCBUFE (AN4-AN7) sample 15 (AN4-AN7) sample 31
ADCBUFF (AN5-AN8) sample 16 (AN5-AN8) sample 32

© 2005 Microchip Technology Inc. DS70064D-page 17-45
Section 17. 10-bit A/D Converter
1
0
-
b
i
t
A
/
D
Converter
17
17.16 A/D Sampling Requirements
The analog input model of the 10-bit A/D converter is shown in Figure 17-21. The total sampling
time for the A/D is a function of the internal amplifier settling time and the holding capacitor
charge time.
For the A/D converter to meet its specified accuracy, the charge holding capacitor (CHOLD) must
be allowed to fully charge to the voltage level on the analog input pin. The analog output source
impedance (RS), the interconnect impedance (RIC), and the internal sampling switch (RSS)
impedance combine to directly affect the time required to charge the capacitor CHOLD. The com-
bined impedance must therefore be small enough to fully charge the holding capacitor within the
chosen sample time. To minimize the effects of pin leakage currents on the accuracy of the A/D
converter, the maximum recommended source impedance, RS, is 5 kΩ for the conversion rates
of up to 500 ksps and a maximum of 500Ω for conversion rates of up to 1 Msps. After the analog
input channel is selected (changed), this sampling function must be completed prior to starting
the conversion. The internal holding capacitor will be in a discharged state prior to each sample
operation.
At least 1 TAD time period should be allowed between conversions for the sample time. For more
details, see the device electrical specifications.
Figure 17-21: 10-bit A/D Converter Analog Input Model
CPIN
VA
Rs ANx VT = 0.6V
VT = 0.6V I leakage
RIC ≤ 250ΩSampling
Switch
RSS
CHOLD
= DAC capacitance
VSS
VDD
= 4.4 pF
± 500 nA
Legend: CPIN
VT
I leakage
RIC
RSS
CHOLD
= input capacitance
= threshold voltage
= leakage current at the pin due to
= interconnect resistance
= sampling switch resistance
= sample/hold capacitance (from DAC)
various junctions
Note: CPIN value depends on device package and is not tested. Effect of CPIN negligible if Rs ≤ 5 kΩ.
RSS ≤ 3 kΩ

dsPIC30F Family Reference Manual
DS70064D-page 17-46 © 2005 Microchip Technology Inc.
17.17 Reading the A/D Result Buffer
The RAM is 10-bits wide, but the data is automatically formatted to one of four selectable formats
when a read from the buffer is performed. The FORM<1:0> bits (ADCON1<9:8>) select the
format. The formatting hardware provides a 16-bit result on the data bus for all of the data
formats. Figure 17-22 shows the data output formats that can be selected using the FORM<1:0>
control bits.
Figure 17-22: A/D Output Data Formats
Figure 17-23: Numerical Equivalents of Various Result Codes
RAM Contents: d09 d08 d07 d06 d05 d04 d03 d02 d01 d00
Read to Bus:
Integer 000000d09d08d07d06d05d04d03d02d01d00
Signed Integer d09 d09 d09 d09 d09 d09 d09 d08 d07 d06 d05 d04 d03 d02 d01 d00
Fractional (1.15)d09d08d07d06d05d04d03d02d01d00000000
Signed Fractional (1.15) d09 d08d07d06d05d04d03d02d01d00000000
VIN/VREF 10-bit
Output Code 16-bit Integer Format 16-bit Signed
Integer Format 16-bit Fractional Format 16-bit Signed
Fractional Format
1023/1024 11 1111 1111 0000 0011 1111 1111
= 1023
0000 0001 1111 1111
= 511
1111 1111 1100 0000
= 0.999
0111 1111 1100 0000
= 0.499
1022/1024 11 1111 1110 0000 0011 1111 1110
= 1022
0000 0001 1111 1110
= 5 10
1111 1111 1000 0000
= 0.998
0111 1111 1000 0000
= 0.498
•••
513/1024 10 0000 0001 0000 0010 0000 0001
= 513
0000 0000 0000 0001
= 1
1000 0000 0100 0000
= 0.501
0 000 0000 0100 0000
= 0.001
512/1024 10 0000 0000 0000 0010 0000 0000
= 512
0000 0000 0000 0000
= 0
1000 0000 0000 0000
= 0.500
0000 0000 0000 0000
= 0.000
511/1024 01 1111 1111 0000 0001 1111 1111
= 511
1111 1111 1111 1111
= -1
0111 1111 1100 0000
= .499
1111 1111 1100 0000
= -0.001
•••
1/1024 00 0000 0001 0000 0000 0000 0001
= 1
1111 1110 0000 0001
= -511
0000 0000 0100 0000
= 0.001
1000 0000 0100 0000
= -0.499
0/1024 00 0000 0000 0000 0000 0000 0000
= 0
1111 1110 0000 0000
= -512
0000 0000 0000 0000
= 0.000
1000 0000 0000 0000
= -0.500

© 2005 Microchip Technology Inc. DS70064D-page 17-47
Section 17. 10-bit A/D Converter
1
0
-
b
i
t
A
/
D
Converter
17
17.18 Transfer Function
The ideal transfer function of the A/D converter is shown in Figure 17-24. The difference of the
input voltages, (VINH – VINL), is compared to the reference, (VREFH – VREFL).
• The first code transition occurs when the input voltage is (VREFH – VREFL/2048) or 0.5 LSb.
•The 00 0000 0001 code is centered at (VREFH – VREFL/1024) or 1.0 LSb.
•The 10 0000 0000 code is centered at (512*(VREFH – VREFL)/1024).
• An input voltage less than (1*(VREFH – VREFL)/2048) converts as 00 0000 0000.
• An input greater than (2045*(VREFH – VREFL)/2048) converts as 11 1111 1111.
Figure 17-24: A/D Transfer Function
17.19 A/D Accuracy/Error
Refer to Section 17.27 “Related Application Notes”for a list of documents that discuss A/D
accuracy.
17.20 Connection Considerations
Since the analog inputs employ ESD protection, they have diodes to VDD and VSS. This requires
that the analog input must be between VDD and VSS. If the input voltage exceeds this range by
greater than 0.3V (either direction), one of the diodes becomes forward biased and it may
damage the device if the input current specification is exceeded.
An external RC filter is sometimes added for anti-aliasing of the input signal. The R component
should be selected to ensure that the sampling time requirements are satisfied. Any external
components connected (via high-impedance) to an analog input pin (capacitor, zener diode, etc.)
should have very little leakage current at the pin.
10 0000 0010 (= 514)
10 0000 0011 (= 515)
01 1111 1101 (= 509)
01 1111 1110 (= 510)
01 1111 1111 (= 511)
11 1111 1110 (= 1022)
11 1111 1111 (= 1023)
00 0000 0000 (= 0)
00 0000 0001 (= 1)
Output
Code
10 0000 0000 (= 512)
(VINH – VINL)
VREFL VREFH – VREFL
1024
VREFH
VREFL +
10 0000 0001 (= 513)
512*(VREFH – VREFL)
1024
VREFL + 1023*(VREFH – VREFL)
1024
VREFL +

dsPIC30F Family Reference Manual
DS70064D-page 17-48 © 2005 Microchip Technology Inc.
17.21 Initialization
Example 17-7 shows a simple initialization code example for the A/D module.
In this particular configuration, all 16 analog input pins, AN0-AN15, are set up as analog inputs.
Operation in Idle mode is disabled output data is in unsigned fractional format, and AVDD and
AVSS are used for VREFH and VREFL. The start of sampling, as well as start of conversion
(conversion trigger), are performed manually in software. The CH0 S/H amplifier is used for
conversions. Scanning of inputs is disabled, and an interrupt occurs after every sample/convert
sequence (1 conversion result). The A/D conversion clock is TCY/2.
Since sampling is started manually by setting the SAMP bit (ADCON1<1>) after each conversion
is complete, the auto-sample time bits, SAMC<4:0> (ADCON3<12:8>), are ignored. Moreover,
since the start of conversion (i.e., end of sampling) is also triggered manually, the SAMP bit
needs to be cleared each time a new sample needs to be converted.
Example 17-7: A/D Initialization Code Example
CLR ADPCFG ; Configure A/D port,
; all input pins are analog
MOV #0x2208,W0
MOV W0,ADCON1 ; Configure sample clock source
; and conversion trigger mode.
; Unsigned Fractional format,
; Manual conversion trigger,
; Manual start of sampling,
; Simultaneous sampling,
; No operation in IDLE mode.
CLR ADCON2 ; Configure A/D voltage reference
; and buffer fill modes.
; VREF from AVDD and AVSS,
; Inputs are not scanned,
; 1 S/H channel used,
; Interrupt every sample
CLR ADCON3 ; Configure A/D conversion clock
CLR ADCHS ; Configure input channels,
; CH0+ input is AN0.
; CHO- input is VREFL (AVss)
CLR ADCSSL ; No inputs are scanned.
BCLR IFS0,#ADIF ; Clear A/D conversion interrupt
; Configure A/D interrupt priority bits (ADIP<2:0>) here, if
; required. (default priority level is 4)
BSET IEC0,#ADIE ; Enable A/D conversion interrupt
BSET ADCON1,#ADON ; Turn on A/D
BSET ADCON1,#SAMP ; Start sampling the input
CALL DELAY ; Ensure the correct sampling time has
; elapsed before starting conversion.
BCLR ADCON1,#SAMP ; End A/D Sampling and start Conversion
: ; The DONE bit is set by hardware when
: ; the convert sequence is finished
: ; The ADIF bit will be set.

© 2005 Microchip Technology Inc. DS70064D-page 17-49
Section 17. 10-bit A/D Converter
1
0
-
b
i
t
A
/
D
Converter
17
17.22 A/D Conversion Speeds
The dsPIC30F 10-bit A/D converter specifications permit a maximum 1 Msps sampling rate. The
table below summarizes the conversion speeds for the dsPIC30F 10-bit A/D converter and the
required operating conditions.
Table 17-9: 10-bit Conversion Rate Parameters
dsPIC30F 10-bit A/D Converter Conversion Rates
A/D Speed TAD
Minimum Sampling
Time Min Rs Max VDD Temperature A/D Channels Configuration
Up to 1
MSps(1) 83.33 ns 12 TAD 500 Ω4.5V to 5.5V -40°C to +85°C
Up to 750
ksps(1) 95.24 ns 2 TAD 500 Ω4.5V to 5.5V -40°C to +85°C
Up to 600
ksps(1) 138.89 ns 12 TAD 500 Ω3.0V to 5.5V -40°C to +125°C
Up to 500
ksps 153.85 ns 1 TAD 5.0 kΩ4.5V to 5.5V -40°C to +125°C
Up to 300
ksps 256.41 ns 1 TAD 5.0 kΩ3.0V to 5.5V -40°C to +125°C
Note 1: External VREF- and VREF+ pins must be used for correct operation. See Figure 17-25 for recommended
circuit.
V
REF
-V
REF
+
ADC
ANx S/H
S/H
CH1, CH2 or CH3
CH0
V
REF
-V
REF
+
ADC
ANx S/H
CH
X
V
REF
-V
REF
+
ADC
ANx S/H
S/H
CH1, CH2 or CH3
CH0
V
REF
-V
REF
+
ADC
ANx S/H
CH
X
ANx or V
REF
-
or
AV
SS
or
AV
DD
V
REF
-V
REF
+
ADC
ANx S/H
CH
X
ANx or V
REF
-
or
AV
SS
or
AV
DD

dsPIC30F Family Reference Manual
DS70064D-page 17-50 © 2005 Microchip Technology Inc.
The following figure depicts the recommended circuit for the conversion rates above 500 ksps.
The dsPIC30F6010 is shown as an example.
Figure 17-25: A/D Converter Voltage Reference Schematic
The configuration procedures below give the required setup values for the conversion speeds
above 500 ksps.
17.22.1 1 Msps Configuration Guideline
The configuration for 1 Msps operation is dependent on whether a single input pin is to be sam-
pled or whether multiple pins will be sampled.
17.22.1.1 Single Analog Input
For conversions at 1 Msps for a single analog input, at least two sample and hold channels must
be enabled. The analog input multiplexer must be configured so that the same input pin is con-
nected to both sample and hold channels. The A/D converts the value held on one S/H channel,
while the second S/H channel acquires a new input sample.
72
74
73
VDD
VSS
69
68
67
66
65
64
63
62
61
20
2
3
4
5
6
7
8
9
10
VSS
VDD
13
14
15
16
50
49
VDD
47
46
45
44
21
41
40
39
38
37
36
35
34
VREF-
VREF+
AVDD
AVSS
27
28
29
30
VSS
VDD
33
17
18
19
75
1
57
56
55
54
53
52
VSS
60
59
58
43
42
76
78
77
79
22 80
dsPIC30F6010
VDD
VDD
VDD
VDD
VDD
VDD
VDD
R2
10
C2
0.1 μFC1
0.01 μFR1
10
C8
1 μF
VDD
C7
0.1 μF
VDD
C6
0.01 μF
VDD
C5
1 μF
VDD
C4
0.1 μF
VDD
C3
0.01 μF

© 2005 Microchip Technology Inc. DS70064D-page 17-51
Section 17. 10-bit A/D Converter
1
0
-
b
i
t
A
/
D
Converter
17
17.22.1.2 Multiple Analog Inputs
The A/D converter can also be used to sample multiple analog inputs using multiple sample and
hold channels. In this case, the total 1 Msps conversion rate is divided among the different input
signals. For example, four inputs can be sampled at a rate of 250 ksps for each signal or two
inputs could be sampled at a rate of 500 ksps for each signal. Sequential sampling must be used
in this configuration to allow adequate sampling time on each input.
17.22.1.3 1 Msps Configuration Procedure
The following configuration items are required to achieve a 1 Msps conversion rate.
• Comply with conditions provided in Table 17-9.
• Connect external VREF+ and VREF- pins following the recommended circuit shown in
Figure 17-26.
• Set SSRC<2:0> = 111 in the ADCON1 register to enable the auto convert option.
• Enable automatic sampling by setting the ASAM control bit in the ADCON1 register.
• Enable sequential sampling by clearing the SIMSAM bit in the ADCON1 register.
• Enable at least two sample and hold channels by writing the CHPS<1:0> control bits in the
ADCON2 register.
• Configure at least 2 conversions between interrupts, since at least two sample and hold
channels, by writing the SMPI<3:0> control bits in the ADCON2 register.
• Configure the A/D clock period to be:
by writing to the ADCS<5:0> control bits in the ADCON3 register.
• Configure the sampling time to be 2 TAD by writing: SAMC<4:0> = 00010.
• Select at least two channels per analog input pin by writing to the ADCHS register.
The following figure shows the timing diagram of the A/D converting one input pin using two sam-
ple and holds. The TAD selection, in conjunction with the guidelines described above, allows a
conversion speed of 1 Msps. See Example 17-8 for code example.
Figure 17-26: Converting 1 Input Pin Using Two Channels at 1Msps, Auto-Sample Start, 12 TAD Sampling
Time
1
12 x 1,000,000 = 83.33 ns
TCONV
ADCLK
ch0_samp
ch1_samp
ADRES(0)
DONE
TSAMP TCONV TCONV TCONV
SAMP
= 0

dsPIC30F Family Reference Manual
DS70064D-page 17-52 © 2005 Microchip Technology Inc.
Example 17-8: Converting 2 Channels, Auto-Sample Start, TAD Conversion Start,
Sequential Sampling Code
17.22.2 750 ksps Configuration Guideline
The following configuration items are required to achieve a 750 ksps conversion rate. This
configuration assumes that a single analog input is to be sampled.
• Comply with conditions provided in Table 17-9.
• Connect external VREF+ and VREF- pins following the recommended circuit shown in
Figure 17-27.
• Set SSRC<2:0> = 111 in the ADCON1 register to enable the auto convert option.
• Enable automatic sampling by setting the ASAM control bit in the ADCON1 register.
• Enable one sample and hold channel by setting CHPS<1:0> = 00 in the ADCON2 register.
• Write the SMPI<3:0> control bits in the ADCON2 register for the desired number of conver-
sions between interrupts.
• Configure the A/D clock period to be:
by writing to the ADCS<5:0> control bits in the ADCON3 register.
• Configure the sampling time to be 2 TAD by writing: SAMC<4:0> = 00010.
The following figure shows the timing diagram of the A/D running at 750 ksps. The TAD selection,
in conjunctin with the guidelines described above, allows a conversion speed of 750 ksps. See
Example 17-9 for code example.
ADPCFG = 0xFFFB; // all PORTB = Digital; RB2 = analog
ADCON1 = 0x00E0; // SSRC bit = 111 implies internal
// counter ends sampling and starts
// converting.
ADCHS = 0x0002; // Connect RB2/AN2 as CH0 input and also connect
RB2/AN2
// to positive CH1 input.
// in this example RB2/AN2 is the input to two
channels.
ADCSSL = 0;
ADCON3 = 0x0C04; // Sample time = 12Tad = 83.33 ns @ MIPS
// which will give 1 / (12 * 83.33 ns) = 1 Msps
ADCON2 = 0x6104; // Select external VREF+ and VREF- pins, convert CH0
and
// CH1, Interrupt after every 2 samples
ADCON1bits.ADON = 1; // turn ADC ON
while (1) // repeat continuously
{
IFS0bits.ADIF = 0; // clear interrupt
while (IFS0bits.ADIF); // conversion done?
ADCValue = ADCBUF0; // save the ADC values
} // repeat
1
(12 + 2) x 750,000 = 95.24 ns

© 2005 Microchip Technology Inc. DS70064D-page 17-53
Section 17. 10-bit A/D Converter
1
0
-
b
i
t
A
/
D
Converter
17
Figure 17-27: Converting 1 Channel at 750 ksps, Auto-Sample Start, 2 TAD Sampling Time
Example 17-9: Converting 1 Channel at 750 ksps, Auto-Sample Start, 2 TAD Sampling
Time Code Example
17.22.3 600 ksps Configuration Guideline
The configuration for 600 ksps operation is dependent on whether a single input pin is to be sam-
pled or whether multiple pins will be sampled.
17.22.3.1 Single Analog Input
When performing conversions at 600 ksps for a single analog input, at least two sample and hold
channels must be enabled. The analog input multiplexer must be configured so that the same
input pin is connected to both sample and hold channels. The A/D converts the value held on one
S/H channel, while the second S/H channel acquires a new input sample.
TCONV
= 12 TAD
TCONV
= 12 TAD
TSAMP
= 2 TAD TSAMP
= 2 TAD
ADCLK
SAMP
DONE
ADCBUF0
ADCBUF1
Instruction Execution BSET ADCON1, ASM
ADPCFG = 0xFFFB; // all PORTB = Digital; RB2 = analog
ADCON1 = 0x00E0; // SSRC bit = 111 implies internal
// counter ends sampling and starts
// converting.
ADCHS = 0x0002; // Connect RB2/AN2 as CH0 input
// in this example RB2/AN2 is the input
ADCSSL = 0;
ADCON3 = 0x0203; // Sample time = 2Tad, Tad = 95.24 ns @ 21 MIPS
// which will give 1 / (14 * 95.24 ns) = 750 ksps
ADCON2 = 0x6004; // Select external VREF+ and VREF- pins
// Interrupt after every 2 samples
ADCON1bits.ADON = 1; // turn ADC ON
while (1) // repeat continuously
{
ADCValue = 0; // clear value
ADC16Ptr = &ADCBUF0; // initialize ADCBUF pointer
IFS0bits.ADIF = 0; // clear ADC interrupt flag
ADCON1bits.ASAM = 1; // auto start sampling
// for 31Tad then go to conversion
while (!IFS0bits.ADIF); // conversion done?
ADCON1bits.ASAM = 0; // yes then stop sample/convert
for (count = 0; count <2; count++) // average the 2 ADC value
ADCValue = ADCValue + *ADC16Ptr++;
ADCValue = ADCValue >> 1;
} // repeat

dsPIC30F Family Reference Manual
DS70064D-page 17-54 © 2005 Microchip Technology Inc.
17.22.3.2 Multiple Analog Inputs
The A/D converter can also be used to sample multiple analog inputs using multiple sample and
hold channels. In this case, the total 600 ksps conversion rate is divided among the different input
signals. For example, four inputs can be sampled at a rate of 150 ksps for each signal or two
inputs could be sampled at a rate of 300 ksps for each signal. Sequential sampling must be used
in this configuration to allow adequate sampling time on each input.
17.22.3.3 600 ksps Configuration Items
The following configuration items are required to achieve a 600 ksps conversion rate.
• Comply with conditions provided in Table 17-9.
• Connect external VREF+ and VREF- pins following the recommended circuit shown in
Figure 17-10.
• Set SSRC<2:0> = 111 in the ADCON1 register to enable the auto convert option.
• Enable automatic sampling by setting the ASAM control bit in the ADCON1 register.
• Enable sequential sampling by clearing the SIMSAM bit in the ADCON1 register.
• Enable at least two sample and hold channels by writing the CHPS<1:0> control bits in the
ADCON2 register.
• Configure at least 2 conversions between interrupts, since at least two sample and hold
channels, by writing the SMPI<3:0> control bits in the ADCON2 register.
• Configure the A/D clock period to be:
by writing to the ADCS<5:0> control bits in the ADCON3 register.
• Configure the sampling time to be 2 TAD by writing: SAMC<4:0> = 00010.
• Select at least two channels per analog input pin by writing to the ADCHS register.
The timing diagram for the 600 ksps extended rate is the same as for the 1 Msps shown in
Figure 17-10. See Example 17-10 for code example for 600 ksps A/D operation.
Example 17-10: Converting 2 Channels, Auto-Sample Start, TAD Conversion Start,
Sequential Samplling Code
1
12 x 600,000 = 138.89 ns
ADPCFG = 0xFFFB; // all PORTB = Digital; RB2 = analog
ADCON1 = 0x00E0; // SSRC bit = 111 implies internal
// counter ends sampling and starts
// converting.
ADCHS = 0x0002; // Connect RB2/AN2 as CH0 input and also connect
RB2/AN2
// to positive CH1 input.
// in this example RB2/AN2 is the input to two
channels.
ADCSSL = 0;
ADCON3 = 0x0C04; // Sample time = 12Tad = 138.89 ns @ 18 MIPS
// which will give 1 / (12 * 138.89 ns) = 600 ksps
ADCON2 = 0x6104; // Select external VREF+ and VREF- pins, convert CH0
and
// CH1, Interrupt after every 2 samples
ADCON1bits.ADON = 1; // turn ADC ON
while (1) // repeat continuously
{
IFS0bits.ADIF = 0; // clear interrupt
while (IFS0bits.ADIF); // conversion done?
ADCValue = ADCBUF0; // save the ADC values
} // repeat

© 2005 Microchip Technology Inc. DS70064D-page 17-55
Section 17. 10-bit A/D Converter
1
0
-
b
i
t
A
/
D
Converter
17
17.23 Operation During Sleep and Idle Modes
Sleep and Idle modes are useful for minimizing conversion noise because the digital activity of
the CPU, buses and other peripherals is minimized.
17.23.1 CPU Sleep Mode without RC A/D Clock
When the device enters Sleep mode, all clock sources to the module are shutdown and stay at
logic ‘0’.
If Sleep occurs in the middle of a conversion, the conversion is aborted unless the A/D is clocked
from its internal RC clock generator. The converter will not resume a partially completed
conversion on exiting from Sleep mode.
Register contents are not affected by the device entering or leaving Sleep mode.
17.23.2 CPU Sleep Mode with RC A/D Clock
The A/D module can operate during Sleep mode if the A/D clock source is set to the internal A/D
RC oscillator (ADRC = 1). This eliminates digital switching noise from the conversion. When the
conversion is completed, the DONE bit will be set and the result loaded into the A/D result buffer,
ADCBUF.
If the A/D interrupt is enabled (ADIE = 1), the device will wake-up from Sleep when the A/D
interrupt occurs. Program execution will resume at the A/D Interrupt Service Routine if the A/D
interrupt is greater than the current CPU priority. Otherwise, execution will continue from the
instruction after the PWRSAV instruction that placed the device in Sleep mode.
If the A/D interrupt is not enabled, the A/D module will then be turned off, although the ADON bit
will remain set.
To minimize the effects of digital noise on the A/D module operation, the user should select a
conversion trigger source that ensures the A/D conversion will take place in Sleep mode. The
automatic conversion trigger option can be used for sampling and conversion in Sleep
(SSRC<2:0> = 111). To use the automatic conversion option, the ADON bit should be set in the
instruction prior to the PWRSAV instruction.
17.23.3 A/D Operation During CPU Idle Mode
For the A/D, the ADSIDL bit (ADCON1<13>) selects if the module will stop on Idle or continue
on Idle. If ADSIDL = 0, the module will continue normal operation when the device enters Idle
mode. If the A/D interrupt is enabled (ADIE = 1), the device will wake up from Idle mode when
the A/D interrupt occurs. Program execution will resume at the A/D Interrupt Service Routine if
the A/D interrupt is greater than the current CPU priority. Otherwise, execution will continue from
the instruction after the PWRSAV instruction that placed the device in Idle mode.
If ADSIDL = 1, the module will stop in Idle. If the device enters Idle mode in the middle of a
conversion, the conversion is aborted. The converter will not resume a partially completed
conversion on exiting from Idle mode.
17.24 Effects of a Reset
A device Reset forces all registers to their Reset state. This forces the A/D module to be turned
off, and any conversion in progress is aborted. All pins that are multiplexed with analog inputs
will be configured as analog inputs. The corresponding TRIS bits will be set.
The values in the ADCBUF registers are not initialized during a Power-on Reset.
ADCBUF0...ADCBUFF will contain unknown data.
Note: For the A/D module to operate in Sleep, the A/D clock source must be set to RC
(ADRC = 1).

dsPIC30F Family Reference Manual
DS70064D-page 17-56 © 2005 Microchip Technology Inc.
17.25 Special Function Registers Associated with the 10-bit A/D Converter
The following table lists dsPIC30F 10-bit A/D Converter Special Function registers, including their addresses and formats. All unimplemented
registers and/or bits within a register read as zeros.
Table 17-10: ADC Register Map
File Name ADR Bit 15 Bit 14 Bit 13 Bit 12 Bit 11 Bit 10 Bit 9 Bit 8 Bit 7 Bit 6 Bit 5 Bit 4 Bit 3 Bit 2 Bit 1 Bit 0 Reset States
INTCON1 0080 NSTDIS ———— OVATE OVBTE COVTE — — — MATHERR ADDRERR STKERR OSCFAIL —0000 0000 0000 0000
INTCON2 0082 ALTIVT — — — — — — — — — — INT4EP INT3EP INT2EP INT1EP INT0EP 0000 0000 0000 0000
IFS0 0084 CNIF MI2CIF SI2CIF NVMIF ADIF U1TXIF U1RXIF SPI1IF T3IF T2IF OC2IF IC2IF T1IF OC1IF IC1IF INT0 0000 0000 0000 0000
IEC0 008C CNIE MI2CIE SI2CIE NVMIE ADIE U1TXIE U1RXIE SPI1IE T3IE T2IE OC2IE IC2IE T1IE OC1IE IC1IE INT0IE 0000 0000 0000 0000
IPC2 0098 —ADIP<2:0>— U1TXIP<2:0> — U1RXIP<2:0> — SPI1IP<2:0> 0100 0100 0100 0100
ADCBUF0 0280 ADC Data Buffer 0 uuuu uuuu uuuu uuuu
ADCBUF1 0282 ADC Data Buffer 1 uuuu uuuu uuuu uuuu
ADCBUF2 0284 ADC Data Buffer 2 uuuu uuuu uuuu uuuu
ADCBUF3 0286 ADC Data Buffer 3 uuuu uuuu uuuu uuuu
ADCBUF4 0288 ADC Data Buffer 4 uuuu uuuu uuuu uuuu
ADCBUF5 028A ADC Data Buffer 5 uuuu uuuu uuuu uuuu
ADCBUF6 028C ADC Data Buffer 6 uuuu uuuu uuuu uuuu
ADCBUF7 028E ADC Data Buffer 7 uuuu uuuu uuuu uuuu
ADCBUF8 0290 ADC Data Buffer 8 uuuu uuuu uuuu uuuu
ADCBUF9 0292 ADC Data Buffer 9 uuuu uuuu uuuu uuuu
ADCBUFA 0294 ADC Data Buffer 10 uuuu uuuu uuuu uuuu
ADCBUFB 0296 ADC Data Buffer 11 uuuu uuuu uuuu uuuu
ADCBUFC 0298 ADC Data Buffer 12 uuuu uuuu uuuu uuuu
ADCBUFD 029A ADC Data Buffer 13 uuuu uuuu uuuu uuuu
ADCBUFE 029C ADC Data Buffer 14 uuuu uuuu uuuu uuuu
ADCBUFF 029E ADC Data Buffer 15 uuuu uuuu uuuu uuuu
ADCON1 02A0 ADON ADFRZ ADSIDL ——— FORM[1:0] SSRC[2:0] — SIMSAM ASAM SAMP CONV 0000 0000 0000 0000
ADCON2 02A2 VCFG[2:0] OFFCAL — CSCNA CHPS[1:0] BUFS — SMPI[3:0] BUFM ALTS 0000 0000 0000 0000
ADCON3 02A4 ——— SAMC[4:0] ADRC — ADCS[5:0] 0000 0000 0000 0000
ADCHS 02A6 CHXNB[1:0] CHXSB CH0NB CH0SB[3:0] CHXNA[1:0] CHXSA CH0NA CH0SA[3:0] 0000 0000 0000 0000
ADPCFG 02A8 PCFG15 PCFG14 PCFG13 PCFG12 PCFG11 PCFG10 PCFG9 PCFG8 PCFG7 PCFG6 PCFG5 PCFG4 PCFG3 PCFG2 PCFG1 PCFG0 0000 0000 0000 0000
ADCSSL 02AA ADC Input Scan Select Register 0000 0000 0000 0000
Legend: u = unknown
Note: All interrupt sources and their associated control bits may not be available on a particular device. Refer to the device data sheet for details.

© 2005 Microchip Technology Inc. DS70064D-page 17-57
Section 17. 10-bit A/D Converter
1
0
-
b
i
t
A
/
D
Converter
17
17.26 Design Tips
Question 1: How can I optimize the system performance of the A/D converter?
Answer:
1. Make sure you are meeting all of the timing specifications. If you are turning the module
off and on, there is a minimum delay you must wait before taking a sample. If you are
changing input channels, there is a minimum delay you must wait for this as well and
finally, there is TAD, which is the time selected for each bit conversion. This is selected in
ADCON3 and should be within a certain range as specified in the Electrical Characteris-
tics. If TAD is too short, the result may not be fully converted before the conversion is
terminated, and if TAD is made too long, the voltage on the sampling capacitor can decay
before the conversion is complete. These timing specifications are provided in the
“Electrical Specifications” section of the device data sheets.
2. Often the source impedance of the analog signal is high (greater than 10 kΩ), so the
current drawn from the source to charge the sample capacitor can affect accuracy. If the
input signal does not change too quickly, try putting a 0.1 μF capacitor on the analog input.
This capacitor will charge to the analog voltage being sampled and supply the
instantaneous current needed to charge the 4.4 pF internal holding capacitor.
3. Put the device into Sleep mode before the start of the A/D conversion. The RC clock
source selection is required for conversions in Sleep mode. This technique increases
accuracy because digital noise from the CPU and other peripherals is minimized.
Question 2: Do you know of a good reference on A/D’s?
Answer: A good reference for understanding A/D conversions is the “Analog-Digital Conversion
Handbook” third edition, published by Prentice Hall (ISBN 0-13-03-2848-0).
Question 3: My combination of channels/sample and samples/interrupt is greater than
the size of the buffer. What will happen to the buffer?
Answer: This configuration is not recommended. The buffer will contain unknown results.

dsPIC30F Family Reference Manual
DS70064D-page 17-58 © 2005 Microchip Technology Inc.
17.27 Related Application Notes
This section lists application notes that are related to this section of the manual. These
application notes may not be written specifically for the dsPIC30F Product Family, but the
concepts are pertinent and could be used with modification and possible limitations. The current
application notes related to the 10-bit A/D Converter module are:
Title Application Note #
Using the Analog-to-Digital (A/D) Converter AN546
Four Channel Digital Voltmeter with Display and Keyboard AN557
Understanding A/D Converter Performance Specifications AN693
Using the dsPIC30F for Sensorless BLDC Control AN901
Using the dsPIC30F for Vector Control of an ACIM AN908
Sensored BLDC Motor Control Using the dsPIC30F2010 AN957
An Introduction to AC Induction Motor Control Using the dsPIC30F MCU AN984
Note: Please visit the Microchip web site (www.microchip.com) for additional Application
Notes and code examples for the dsPIC30F Family of devices.

© 2005 Microchip Technology Inc. DS70064D-page 17-59
Section 17. 10-bit A/D Converter
1
0
-
b
i
t
A
/
D
Converter
17
17.28 Revision History
Revision A
This is the initial released revision of this document.
Revision B
To reflect editorial and technical content revisions for the dsPIC30F 10-bit A/D Converter module.
Revision C
This revision incorporates all known errata at the time of this document update.
Revision D
This revision includes the extended conversion rate guidelines.

dsPIC30F Family Reference Manual
DS70064D-page 17-60 © 2005 Microchip Technology Inc.
NOTES:

© 2005 Microchip Technology Inc. DS70065D-page 18-1
1
2
-
b
i
t
A
/
D
Converter
18
Section 18. 12-bit A/D Converter
HIGHLIGHTS
This section of the manual contains the following major topics:
18.1 Introduction .................................................................................................................. 18-2
18.2 Control Registers .........................................................................................................18-4
18.3 A/D Result Buffer ......................................................................................................... 18-4
18.4 A/D Terminology and Conversion Sequence ............................................................. 18-10
18.5 A/D Module Configuration.......................................................................................... 18-11
18.6 Selecting the Voltage Reference Source ................................................................... 18-11
18.7 Selecting the A/D Conversion Clock ..........................................................................18-12
18.8 Selecting Analog Inputs for Sampling ........................................................................ 18-12
18.9 Enabling the Module ..................................................................................................18-14
18.10 How to Start Sampling ...............................................................................................18-14
18.11 How to Stop Sampling and Start Conversions ...........................................................18-14
18.12 Controlling Sample/Conversion Operation................................................................. 18-19
18.13 Specifying How Conversion Results are Written into the Buffer ................................18-19
18.14 Conversion Sequence Examples...............................................................................18-21
18.15 A/D Sampling Requirements...................................................................................... 18-26
18.16 Reading the A/D Result Buffer................................................................................... 18-27
18.17 Transfer Function....................................................................................................... 18-28
18.18 A/D Accuracy/Error ....................................................................................................18-28
18.19 Connection Considerations........................................................................................ 18-28
18.20 Initialization ................................................................................................................ 18-29
18.21 A/D Conversion Speeds.............................................................................................18-30
18.22 Operation During Sleep and Idle Modes.................................................................... 18-33
18.23 Effects of a Reset....................................................................................................... 18-33
18.24 Special Function Registers Associated with the 12-bit A/D Converter ...................... 18-34
18.25 Design Tips................................................................................................................ 18-35
18.26 Related Application Notes.......................................................................................... 18-36
18.27 Revision History......................................................................................................... 18-37

dsPIC30F Family Reference Manual
DS70065D-page 18-2 © 2005 Microchip Technology Inc.
18.1 Introduction
The dsPIC30F 12-bit A/D converter has the following key features:
• Successive Approximation Register (SAR) conversion
• Up to 200 ksps conversion speed
• Up to 16 analog input pins
• External voltage reference input pins
• Unipolar differential S/H amplifier
• Automatic Channel Scan mode
• Selectable conversion trigger source
• 16-word conversion result buffer
• Selectable Buffer Fill modes
• Four result alignment options
• Operation during CPU Sleep and Idle modes
A block diagram of the 12-bit A/D is shown in Figure 18-1. The 12-bit A/D converter can have up
to 16 analog input pins, designated AN0-AN15. In addition, there are two analog input pins for
external voltage reference connections. These voltage reference inputs may be shared with
other analog input pins. The actual number of analog input pins and external voltage reference
input configuration will depend on the specific dsPIC30F device. Refer to the dsPIC30F device
data sheets (DS70082 and DS70083) for further details.
The analog inputs are connected via multiplexers to the S/H amplifier, designated CH0. The
analog input multiplexer can be switched between two sets of analog inputs during conversions.
Unipolar differential conversions are possible using certain input pins (see Figure 18-1).
An Analog Input Scan mode may be enabled for the CH0 S/H amplifier. A Control register
specifies which analog input channels will be included in the scanning sequence.
The 12-bit A/D is connected to a 16-word result buffer. Each 12-bit result is converted to one of
four 16-bit output formats when it is read from the buffer.

© 2005 Microchip Technology Inc. DS70065D-page 18-3
Section 18. 12-bit A/D Converter
1
2
-
b
i
t
A
/
D
Converter
18
Figure 18-1: 12-bit High Speed A/D Block Diagram
Comparator
12-bit SAR Conversion Logic
VREF+
DAC
Data
16-word, 12-bit
Dual Port
RAM
Bus Interface
AN12
0000
0101
0111
1001
1101
1110
1111
1100
0001
0010
0011
0100
0110
1000
1010
1011
AN13
AN14
AN15
AN8
AN9
AN10
AN11
AN4
AN5
AN6
AN7
AN0
AN1
AN2
AN3
CH0
AN1
VREF-
VREF-
Sample/Sequence
Control
Sample
Input MUX
Control
Input
Switches
S/H
AVSS
AVDD
Format

dsPIC30F Family Reference Manual
DS70065D-page 18-4 © 2005 Microchip Technology Inc.
18.2 Control Registers
The A/D module has six Control and Status registers. These registers are:
• ADCON1: A/D Control Register 1
• ADCON2: A/D Control Register 2
• ADCON3: A/D Control Register 3
• ADCHS: A/D Input Channel Select Register
• ADPCFG: A/D Port Configuration Register
• ADCSSL: A/D Input Scan Selection Register
The ADCON1, ADCON2 and ADCON3 registers control the operation of the A/D module. The
ADCHS register selects the input pins to be connected to the S/H amplifiers. The ADPCFG
register configures the analog input pins as analog inputs or as digital I/O. The ADCSSL register
selects inputs to be sequentially scanned.
18.3 A/D Result Buffer
The module contains a 16-word dual port RAM, called ADCBUF, to buffer the A/D results. The
16 buffer locations are referred to as ADCBUF0, ADCBUF1, ADCBUF2, ..., ADCBUFE,
ADCBUFF.
Note: The A/D result buffer is a read only buffer.

© 2005 Microchip Technology Inc. DS70065D-page 18-5
Section 18. 12-bit A/D Converter
1
2
-
b
i
t
A
/
D
Converter
18
Register 18-1: ADCON1: A/D Control Register 1
Upper Byte:
R/W-0 U-0 R/W-0 U-0 U-0 U-0 R/W-0 R/W-0
ADON —ADSIDL— — —FORM<1:0>
bit 15 bit 8
Lower Byte:
R/W-0 R/W-0 R/W-0 U-0 U-0 R/W-0 R/W-0
HC, HS R/C-0
HC, HS
SSRC<2:0> —— ASAM SAMP DONE
bit 7 bit 0
bit 15 ADON: A/D Operating Mode bit
1 = A/D converter module is operating
0 = A/D converter is off
bit 14 Unimplemented: Read as ‘0’
bit 13 ADSIDL: Stop in Idle Mode bit
1 = Discontinue module operation when device enters Idle mode
0 = Continue module operation in Idle mode
bit 12-10 Unimplemented: Read as ‘0’
bit 9-8 FORM<1:0>: Data Output Format bits
11 = Signed fractional (DOUT = sddd dddd dddd 0000)
10 = Fractional (DOUT = dddd dddd dddd 0000)
01 = Signed integer (DOUT = ssss sddd dddd dddd)
00 = Integer (DOUT = 0000 dddd dddd dddd)
bit 7-5 SSRC<2:0>: Conversion Trigger Source Select bits
111 = Internal counter ends sampling and starts conversion (auto convert)
110 = Reserved
101 = Reserved
100 = Reserved
011 = Motor Control PWM interval ends sampling and starts conversion
010 = General purpose Timer3 compare ends sampling and starts conversion
001 = Active transition on INT0 pin ends sampling and starts conversion
000 = Clearing SAMP bit ends sampling and starts conversion
bit 4-3 Unimplemented: Read as ‘0’
bit 2 ASAM: A/D Sample Auto-Start bit
1 = Sampling begins immediately after last conversion completes. SAMP bit is auto set.
0 = Sampling begins when SAMP bit set
bit 1 SAMP: A/D Sample Enable bit
1 = At least one A/D sample/hold amplifier is sampling
0 = A/D sample/hold amplifiers are holding
When ASAM = 0, writing ‘1’ to this bit will start sampling.
When SSRC = 000, writing ‘0’ to this bit will end sampling and start conversion.
bit 0 DONE: A/D Conversion Status bit
1 = A/D conversion is done
0 = A/D conversion is not done
Clearing this bit will not effect any operation in progress.
Cleared by software or start of a new conversion.
Legend:
R = Readable bit W = Writable bit C = Clearable by software
HC = Hardware clear HS = Hardware set U = Unimplemented bit, read as ‘0’
-n = Value at POR ‘1’ = Bit is set ‘0’ = Bit is cleared x = Bit is unknown

dsPIC30F Family Reference Manual
DS70065D-page 18-6 © 2005 Microchip Technology Inc.
Register 18-2: ADCON2: A/D Control Register 2
Upper Byte:
R/W-0 R/W-0 R/W-0 U-0 U-0 R/W-0 U-0 U-0
VCFG<2:0> —— CSCNA — —
bit 15 bit 8
Lower Byte:
R-0 U-0 R/W-0 R/W-0 R/W-0 R/W-0 R/W-0 R/W-0
BUFS — SMPI<3:0> BUFM ALTS
bit 7 bit 0
bit 15-13 VCFG<2:0>: Voltage Reference Configuration bits
bit 12 Reserved: User should write ‘0’ to this location
bit 11 Unimplemented: Read as ‘0’
bit 10 CSCNA: Scan Input Selections for CH0+ S/H Input for MUX A Input Multiplexer Setting bit
1 = Scan inputs
0 = Do not scan inputs
bit 9-8 Unimplemented: Read as ‘0’
bit 7 BUFS: Buffer Fill Status bit
Only valid when BUFM = 1 (ADRES split into 2 x 8-word buffers)
1 = A/D is currently filling buffer 0x8-0xF, user should access data in 0x0-0x7
0 = A/D is currently filling buffer 0x0-0x7, user should access data in 0x8-0xF
bit 6 Unimplemented: Read as ‘0’
bit 5-2 SMPI<3:0>: Sample/Convert Sequences Per Interrupt Selection bits
1111 = Interrupts at the completion of conversion for each 16th sample/convert sequence
1110 = Interrupts at the completion of conversion for each 15th sample/convert sequence
.....
0001 = Interrupts at the completion of conversion for each 2nd sample/convert sequence
0000 = Interrupts at the completion of conversion for each sample/convert sequence
bit 1 BUFM: Buffer Mode Select bit
1 = Buffer configured as two 8-word buffers ADCBUF(15...8), ADCBUF(7...0)
0 = Buffer configured as one 16-word buffer ADCBUF(15...0)
bit 0 ALTS: Alternate Input Sample Mode Select bit
1 = Uses MUX A input multiplexer settings for first sample, then alternate between MUX B and MUX A input
multiplexer settings for all subsequent samples
0 = Always use MUX A input multiplexer settings
Legend:
R = Readable bit W = Writable bit U = Unimplemented bit, read as ‘0’
-n = Value at POR ‘1’ = Bit is set ‘0’ = Bit is cleared x = Bit is unknown
A/D VREFHA/D VREFL
000 AVDD AVSS
001 External VREF+ pin AVSS
010 AVDD External VREF- pin
011 External VREF+ pin External VREF- pin
1xx AVDD AVSS

© 2005 Microchip Technology Inc. DS70065D-page 18-7
Section 18. 12-bit A/D Converter
1
2
-
b
i
t
A
/
D
Converter
18
Register 18-3: ADCON3: A/D Control Register 3
Upper Byte:
U-0 U-0 U-0 R/W-0 R/W-0 R/W-0 R/W-0 R/W-0
— — — SAMC<4:0>
bit 15 bit 8
Lower Byte:
R/W-0 U-0 R/W-0 R/W-0 R/W-0 R/W-0 R/W-0 R/W-0
ADRC — ADCS<5:0>
bit 7 bit 0
bit 15-13 Unimplemented: Read as ‘0’
bit 12-8 SAMC<4:0>: Auto Sample Time bits
11111 = 31 TAD
·····
00001 = 1 TAD
00000 = 0 TAD
bit 7 ADRC: A/D Conversion Clock Source bit
1 = A/D internal RC clock
0 = Clock derived from system clock
bit 6 Unimplemented: Read as ‘0’
bit 5-0 ADCS<5:0>: A/D Conversion Clock Select bits
111111 = TCY/2 • (ADCS<5:0> + 1) = 32 • TCY
······
000001 = TCY/2 • (ADCS<5:0> + 1) = TCY
000000 = TCY/2 • (ADCS<5:0> + 1) = TCY/2
Legend:
R = Readable bit W = Writable bit U = Unimplemented bit, read as ‘0’
-n = Value at POR ‘1’ = Bit is set ‘0’ = Bit is cleared x = Bit is unknown

dsPIC30F Family Reference Manual
DS70065D-page 18-8 © 2005 Microchip Technology Inc.
Register 18-4: ADCHS: A/D Input Select Register
Upper Byte:
U-0 U-0 U-0 R/W-0 R/W-0 R/W-0 R/W-0 R/W-0
— — — CH0NB CH0SB<3:0>
bit 15 bit 8
Lower Byte:
U-0 U-0 U-0 R/W-0 R/W-0 R/W-0 R/W-0 R/W-0
— — — CH0NA CH0SA<3:0>
bit 7 bit 0
bit 15-13 Unimplemented: Read as ‘0’
bit 12 CH0NB: Channel 0 Negative Input Select for MUX B Multiplexer Setting bit
Same definition as bit <4> (see Note).
bit 11-8 CH0SB<3:0>: Channel 0 Positive Input Select for MUX B Multiplexer Setting bit
Same definition as bits <3:0> (see Note).
bit 7-5 Unimplemented: Read as ‘0’
bit 4 CH0NA: Channel 0 Negative Input Select for MUX A Multiplexer Setting bit
1 = Channel 0 negative input is AN1
0 = Channel 0 negative input is VREF-
bit 3-0 CH0SA<3:0>: Channel 0 Positive Input Select for MUX A Multiplexer Setting bit
1111 = Channel 0 positive input is AN15
1110 = Channel 0 positive input is AN14
1101 = Channel 0 positive input is AN13
·····
0001 = Channel 0 positive input is AN1
0000 = Channel 0 positive input is AN0
Note: The analog input multiplexer supports two input setting configurations, denoted MUX A and
MUX B. ADCHS<15:8> determines the settings for MUX B, and ADCHS<7:0> determines the
settings for MUX A. Both sets of control bits function identically.
Legend:
R = Readable bit W = Writable bit U = Unimplemented bit, read as ‘0’
-n = Value at POR ‘1’ = Bit is set ‘0’ = Bit is cleared x = Bit is unknown

© 2005 Microchip Technology Inc. DS70065D-page 18-9
Section 18. 12-bit A/D Converter
1
2
-
b
i
t
A
/
D
Converter
18
Register 18-5: ADPCFG: A/D Port Configuration Register
Register 18-6: ADCSSL: A/D Input Scan Select Register
Upper Byte:
R/W-0 R/W-0 R/W-0 R/W-0 R/W-0 R/W-0 R/W-0 R/W-0
PCFG15 PCFG14 PCFG13 PCFG12 PCFG11 PCFG10 PCFG9 PCFG8
bit 15 bit 8
Lower Byte:
R/W-0 R/W-0 R/W-0 R/W-0 R/W-0 R/W-0 R/W-0 R/W-0
PCFG7 PCFG6 PCFG5 PCFG4 PCFG3 PCFG2 PCFG1 PCFG0
bit 7 bit 0
bit 15-0 PCFG<15:0>: Analog Input Pin Configuration Control bits
1 = Analog input pin in Digital mode, port read input enabled, A/D input multiplexer input connected to AVSS
0 = Analog input pin in Analog mode, port read input disabled, A/D samples pin voltage
Legend:
R = Readable bit W = Writable bit U = Unimplemented bit, read as ‘0’
-n = Value at POR ‘1’ = Bit is set ‘0’ = Bit is cleared x = Bit is unknown
Upper Byte:
R/W-0 R/W-0 R/W-0 R/W-0 R/W-0 R/W-0 R/W-0 R/W-0
CSSL15 CSSL14 CSSL13 CSSL12 CSSL11 CSSL10 CSSL9 CSSL8
bit 15 bit 8
Lower Byte:
R/W-0 R/W-0 R/W-0 R/W-0 R/W-0 R/W-0 R/W-0 R/W-0
CSSL7 CSSL6 CSSL5 CSSL4 CSSL3 CSSL2 CSSL1 CSSL0
bit 7 bit 0
bit 15-0 CSSL<15:0>: A/D Input Pin Scan Selection bits
1 = Select ANx for input scan
0 = Skip ANx for input scan
Legend:
R = Readable bit W = Writable bit U = Unimplemented bit, read as ‘0’
-n = Value at POR ‘1’ = Bit is set ‘0’ = Bit is cleared x = Bit is unknown

dsPIC30F Family Reference Manual
DS70065D-page 18-10 © 2005 Microchip Technology Inc.
18.4 A/D Terminology and Conversion Sequence
Figure 18-2 shows a basic conversion sequence and the terms that are used. A sampling of the
analog input pin voltage is performed by sample and hold S/H amplifiers. The S/H amplifiers are
also called S/H channels. The 12-bit A/D converter has one S/H channel, designated CH0. The
S/H channel is connected to the analog input pins via the analog input multiplexer. The analog
input multiplexer is controlled by the ADCHS register. There are two sets of multiplexer control
bits in the ADCHS register that function identically. These two sets of control bits allow two
different analog input multiplexer configurations to be programmed, which are called MUX A and
MUX B. The A/D converter can optionally switch between the MUX A and MUX B configurations
between conversions. The A/D converter can also optionally scan through a series of analog
inputs.
Sample time is the time that the A/D module’s S/H amplifier is connected to the analog input pin.
The sample time may be started manually by setting the SAMP bit (ADCON1<1>) or started
automatically by the A/D converter hardware. The sample time is ended manually by clearing the
SAMP control bit in the user software or automatically by a conversion trigger source.
Conversion time is the time required for the A/D converter to convert the voltage held by the S/H
amplifier. The A/D is disconnected from the analog input pin at the end of the sample time. The
A/D converter requires one A/D clock cycle (TAD) to convert each bit of the result plus one
additional clock cycle. A total of 14 TAD cycles are required to perform the complete conversion.
When the conversion time is complete, the result is loaded into one of 16 A/D result registers
(ADCBUF0...ADCBUFF), the S/H can be reconnected to the input pin, and a CPU interrupt may
be generated.
The sum of the sample time and the A/D conversion time provides the total conversion time.
There is a minimum sample time to ensure that the S/H amplifier will give the desired accuracy
for the A/D conversion (see Section 18.15 “A/D Sampling Requirements”). Furthermore, there
are multiple input clock options for the A/D converter. The user must select an input clock option
that does not violate the minimum TAD specification.
Figure 18-2: A/D Sample/Conversion Sequence
Sample Time A/D Conversion Time
A/D Total Conversion Time
S/H amplifier is connected to the analog input pin for sampling.
S/H amplifier is disconnected from input and holds signal lever.
A/D conversion is started by the conversion trigger source.
A/D conversion complete,
result is loaded into A/D result buffer.
Optionally generate interrupt.

© 2005 Microchip Technology Inc. DS70065D-page 18-11
Section 18. 12-bit A/D Converter
1
2
-
b
i
t
A
/
D
Converter
18
The start time for sampling can be controlled in software by setting the SAMP control bit. The
start of the sampling time can also be controlled automatically by the hardware. When the A/D
converter operates in the Auto Sample mode, the S/H amplifier(s) is reconnected to the analog
input pin at the end of the conversion in the sample/convert sequence. The auto sample function
is controlled by the ASAM control bit.
The conversion trigger source ends the sampling time and begins an A/D conversion or a
sample/convert sequence. The conversion trigger source is selected by the SSRC control bits.
The conversion trigger can be taken from a variety of hardware sources or can be controlled
manually in software by clearing the SAMP control bit. One of the conversion trigger sources is
an auto conversion. The time between auto conversions is set by a counter and the A/D clock.
The Auto Sample mode and auto conversion trigger can be used together to provide endless
automatic conversions without software intervention.
An interrupt may be generated at the end of each sample/convert sequence or multiple
sample/convert sequences, as determined by the value of the SMPI control bits. The number of
sample/convert sequences between interrupts can vary between 1 and 16.
18.5 A/D Module Configuration
The following steps should be followed for performing an A/D conversion:
1. Configure the A/D module
• Select voltage reference source to match expected range on analog inputs
• Select the analog conversion clock to match desired data rate with processor clock
• Determine how sampling will occur
• Determine how inputs will be allocated to the S/H channel
• Select how conversion results are presented in the buffer
• Select interrupt rate
• Turn on A/D module
2. Configure A/D interrupt (if required)
• Clear ADIF bit
• Select A/D interrupt priority
The options for each configuration step are described in the subsequent sections.
18.6 Selecting the Voltage Reference Source
The voltage references for A/D conversions are selected using the VCFG<2:0> control bits
(ADCON2<15:13>). The upper voltage reference (VREFH) and the lower voltage reference
(VREFL) may be the internal AVDD and AVSS voltage rails or the VREF+ and VREF- input pins.
The external voltage reference pins may be shared with the AN0 and AN1 inputs on low pin count
devices. The A/D converter can still perform conversions on these pins when they are shared
with the VREF+ and VREF- input pins.
The voltages applied to the external reference pins must meet certain specifications. Refer to the
“Electrical Specifications” section of the device data sheet for further details..
Note: The SSRC<2:0>, SIMSAM, ASAM, CHPS<1:0>, SMPI<3:0>, BUFM and ALTS bits,
as well as the ADCON3 and ADCSSL registers, should not be written to while
ADON = 1. This would lead to indeterminate results.
Note: External VREF+ and VREF- pins must be selected for the conversion rates above 100
ksps. See Section 18.21 “A/D Conversion Speeds” for further details.

dsPIC30F Family Reference Manual
DS70065D-page 18-12 © 2005 Microchip Technology Inc.
18.7 Selecting the A/D Conversion Clock
The A/D converter has a maximum rate at which conversions may be completed. An analog
module clock, TAD, controls the conversion timing. The A/D conversion requires 14 clock periods
(14 TAD). The A/D clock is derived from the device instruction clock.
The period of the A/D conversion clock is software selected using a six-bit counter. There are 64
possible options for TAD, specified by the ADCS<5:0> bits (ADCON3<5:0>). Equation 18-1 gives
the TAD value as a function of the ADCS control bits and the device instruction cycle clock period,
TCY.
Equation 18-1: A/D Conversion Clock Period
For correct A/D conversions, the A/D conversion clock (TAD) must be selected to ensure a
minimum TAD time of 333.33 nsec (see Section 18.21 “A/D Conversion Speeds” for further
details).
The A/D converter has a dedicated internal RC clock source that can be used to perform
conversions. The internal RC clock source should be used when A/D conversions are performed
while the dsPIC30F is in Sleep mode. The internal RC oscillator is selected by setting the ADRC
bit (ADCON3<7>). When the ADRC bit is set, the ADCS<5:0> bits have no effect on the A/D
operation.
18.8 Selecting Analog Inputs for Sampling
The Sample-and-Hold Amplifier has analog multiplexers (see Figure 18-1) on both its
non-inverting and inverting inputs, to select which analog input(s) are sampled. Once the
sample/convert sequence is specified, the ADCHS bits determine which analog inputs are
selected for each sample.
Additionally, the selected inputs may vary on an alternating sample basis, or may vary on a
repeated sequence of samples.
18.8.1 Configuring Analog Port Pins
The ADPCFG register specifies the input condition of device pins used as analog inputs.
A pin is configured as analog input when the corresponding PCFGn bit (ADPCFG<n>) is clear.
The ADPCFG register is clear at Reset, causing the A/D input pins to be configured for analog
input by default at Reset.
When configured for analog input, the associated port I/O digital input buffer is disabled so it does
not consume current.
The ADPCFG register and the TRISB register control the operation of the A/D port pins.
The port pins that are desired as analog inputs must have their corresponding TRIS bit set,
specifying port input. If the I/O pin associated with an A/D input is configured as an output, TRIS
bit is cleared, the pin is in Analog mode (ADPCFG<n> = 0) and the port digital output level (VOH
or VOL) will be converted. After a device Reset, all TRIS bits are set.
A pin is configured as digital I/O when the corresponding PCFGn bit (ADPCFG<n>) is set. In this
configuration, the input to the analog multiplexer is connected to AVSS.
TAD = TCY(ADCS + 1)
2
ADCS = 2TAD
TCY – 1
Note: Different devices will have different numbers of analog inputs. Verify the analog
input availability against the device data sheet.
Note 1: When reading a port register, any pin configured as an analog input reads as a ‘0’.
2: Analog levels on any pin that is defined as a digital input (including the AN15:AN0
pins) may cause the input buffer to consume current that is out of the device’s
specification.

© 2005 Microchip Technology Inc. DS70065D-page 18-13
Section 18. 12-bit A/D Converter
1
2
-
b
i
t
A
/
D
Converter
18
18.8.2 Channel 0 Input Selection
The user may select any one of the up to 16 analog inputs to connect to the positive input of the
channel. The CH0SA<3:0> bits (ADCHS<3:0>) normally select the analog input for the positive
input of channel 0.
The user may select either VREF- or AN1 as the negative input of the channel. The CH0NA bit
(ADCHS<4>) normally selects the analog input for the negative input of channel 0.
18.8.2.1 Specifying Alternating Channel 0 Input Selections
The ALTS bit (ADCON2<0>) causes the module to alternate between two sets of inputs that are
selected during successive samples.
The inputs specified by CH0SA<3:0>, CH0NA, CHXSA and CHXNA<1:0> are collectively called
the MUX A inputs. The inputs specified by CH0SB<3:0>, CH0NB, CHXSB and CHXNB<1:0> are
collectively called the MUX B inputs. When the ALTS bit is ‘1’, the module will alternate between
the MUX A inputs on one sample and the MUX B inputs on the subsequent sample.
For channel 0, if the ALTS bit is ‘0’, only the inputs specified by CH0SA<3:0> and CH0NA are
selected for sampling.
If the ALTS bit is ‘1’ on the first sample/convert sequence for channel 0, the inputs specified by
CH0SA<3:0> and CH0NA are selected for sampling. On the next sample convert sequence for
channel 0, the inputs specified by CH0SB<3:0> and CH0NB are selected for sampling. This
pattern will repeat for subsequent sample conversion sequences.
18.8.2.2 Scanning Through Several Inputs
Channel 0 has the ability to scan through a selected vector of inputs. The CSCNA bit
(ADCON2<10>) enables the CH0 channel inputs to be scanned across a selected number of
analog inputs. When CSCNA is set, the CH0SA<3:0> bits are ignored.
The ADCSSL register specifies the inputs to be scanned. Each bit in the ADCSSL register
corresponds to an analog input. Bit 0 corresponds to AN0, bit 1 corresponds to AN1 and so on.
If a particular bit in the ADCSSL register is ‘1’, the corresponding input is part of the scan
sequence. The inputs are always scanned from lower to higher numbered inputs, starting at the
first selected channel after each interrupt occurs.
The ADCSSL bits only specify the input of the positive input of the channel. The CH0NA bit still
selects the input of the negative input of the channel during scanning.
If the ALTS bit is ‘1’, the scanning only applies to the MUX A input selection. The MUX B input
selection, as specified by the CH0SB<3:0>, will still select the alternating input. When the input
selections are programmed in this manner, the input will alternate between a set of scanning
inputs specified by the ADCSSL register and a fixed input specified by the CH0SB bits.
Note: If the number of scanned inputs selected is greater than the number of samples
taken per interrupt, the higher numbered inputs will not be sampled.

dsPIC30F Family Reference Manual
DS70065D-page 18-14 © 2005 Microchip Technology Inc.
18.9 Enabling the Module
When the ADON bit (ADCON1<15>) is ‘1’, the module is in Active mode and is fully powered and
functional.
When ADON is ‘0’, the module is disabled. The digital and analog portions of the circuit are
turned off for maximum current savings.
In order to return to the Active mode from the Off mode, the user must wait for the analog stages
to stabilize. For the stabilization time, refer to the “Electrical Characteristics” section of the device
data sheet.
18.10 How to Start Sampling
18.10.1 Manual
Setting the SAMP bit (ADCON1<1>) causes the A/D to begin sampling. One of several options
can be used to end sampling and complete the conversions. Sampling will not resume until the
SAMP bit is once again set. For an example, see Figure 18-3.
18.10.2 Automatic
Setting the ASAM bit (ADCON1<2>) causes the A/D to automatically begin sampling a channel
whenever a conversion is not active on that channel. One of several options can be used to end
sampling and complete the conversions. Sampling on a channel resumes after the conversion of
that channel completes. For an example, see Figure 18-4.
18.11 How to Stop Sampling and Start Conversions
The conversion trigger source will terminate sampling and start a selected sequence of
conversions. The SSRC<2:0> bits (ADCON1<7:5>) select the source of the conversion trigger.
18.11.1 Manual
When SSRC<2:0> = 000, the conversion trigger is under software control. Clearing the SAMP
bit (ADCON1<1>) starts the conversion sequence.
Figure 18-3 is an example where setting the SAMP bit initiates sampling and clearing the SAMP
bit, terminates sampling and starts conversion. The user software must time the setting and
clearing of the SAMP bit to ensure adequate sampling time of the input signal.
Figure 18-3: Converting 1 Channel, Manual Sample Start, Manual Conversion Start
Note: The available conversion trigger sources may vary depending on the dsPIC30F
device variant. Please refer to the specific device data sheet for the available
conversion trigger sources.
Note: The SSRC selection bits should not be changed when the A/D module is enabled.
If the user wishes to change the conversion trigger source, the A/D module should
be disabled first by clearing the ADON bit (ADCON1<15>).
ADCLK
SAMP
ADCBUF0
TSAMP TCONV
BCLR ADCON1,SAMPBSET ADCON1,SAMP
Instruction Execution
DONE

© 2005 Microchip Technology Inc. DS70065D-page 18-15
Section 18. 12-bit A/D Converter
1
2
-
b
i
t
A
/
D
Converter
18
Example 18-1: Converting 1 Channel, Manual Sample Start,
Manual Conversion Start Code Example
Figure 18-4 is an example where setting the ASAM bit initiates automatic sampling and clearing
the SAMP bit, terminates sampling and starts conversion. After the conversion completes, the
module will automatically return to a sampling state. The SAMP bit is automatically set at the start
of the sample interval. The user software must time the clearing of the SAMP bit to ensure
adequate sampling time of the input signal, understanding that the time between clearing of the
SAMP bit includes the conversion time, as well as the sampling time.
Figure 18-4: Converting 1 Channel, Automatic Sample Start, Manual Conversion Start
ADPCFG = 0xFFFB; // all PORTB = Digital; RB2 = analog
ADCON1 = 0x0000; // SAMP bit = 0 ends sampling ...
// and starts converting
ADCHS = 0x0002; // Connect RB2/AN2 as CH0 input ..
// in this example RB2/AN2 is the input
ADCSSL = 0;
ADCON3 = 0x0002; // Manual Sample, Tad = internal 2 Tcy
ADCON2 = 0;
ADCON1bits.ADON = 1; // turn ADC ON
while (1) // repeat continuously
{
ADCON1bits.SAMP = 1; // start sampling ...
DelayNmSec(100); // for 100 mS
ADCON1bits.SAMP = 0; // start Converting
while (!ADCON1bits.DONE); // conversion done?
ADCValue = ADCBUF0; // yes then get ADC value
} // repeat
ADCLK
SAMP
ADCBUF0
TSAMP TCONV
BCLR ADCON1,SAMP Instruction Execution
TCONV
BSET ADCON1,ASAM BCF ADCON1,SAMP
TSAMP
TAD0TAD0

dsPIC30F Family Reference Manual
DS70065D-page 18-16 © 2005 Microchip Technology Inc.
18.11.2 Clocked Conversion Trigger
When SSRC<2:0> = 111, the conversion trigger is under A/D clock control. The SAMC bits
(ADCON3<12:8>) select the number of TAD clock cycles between the start of sampling and the
start of conversion. After the start of sampling, the module will count a number of TAD clocks
specified by the SAMC bits.
Equation 18-2: Clocked Conversion Trigger Time
SAMC must always be programmed for at least 1 clock cycle to ensure sampling requirements are
met.
Figure 18-5 shows how to use the clocked conversion trigger with the sampling started by the user
software.
Figure 18-5: Converting 1 Channel, Manual Sample Start, TAD Based Conversion Start
Example 18-2: Converting 1 Channel, Manual Sample Start,
TAD Based Conversion Start Code Example
TSMP = SAMC<4:0>*TAD
ADPCFG = 0xEFFF; // all PORTB = Digital; RB12 = analog
ADCON1 = 0x00E0; // SSRC bit = 111 implies internal
// counter ends sampling and starts
// converting.
ADCHS = 0x000C; // Connect RB12/AN12 as CH0 input ..
// in this example RB12/AN12 is the input
ADCSSL = 0;
ADCON3 = 0x1F02; // Sample time = 31Tad, Tad = internal 2
Tcy
ADCON2 = 0;
ADCON1bits.ADON = 1; // turn ADC ON
while (1) // repeat continuously
{
ADCON1bits.SAMP = 1; // start sampling then ...
// after 31Tad go to conversion
while (!ADCON1bits.DONE);// conversion done?
ADCValue = ADCBUF0; // yes then get ADC value
} // repeat// repeat
ADCLK
SAMP
ADCBUF0
TSAMP TCONV
BSET ADCON1,SAMP
Instruction Execution
DONE

© 2005 Microchip Technology Inc. DS70065D-page 18-17
Section 18. 12-bit A/D Converter
1
2
-
b
i
t
A
/
D
Converter
18
18.11.2.1 Free Running Sample Conversion Sequence
As shown in Figure 18-6, using the Auto-Convert Conversion Trigger mode (SSRC = 111) in
combination with the Auto-Sample Start mode (ASAM = 1) allows the A/D module to schedule
sample/conversion sequences with no intervention by the user or other device resources. This
“Clocked” mode allows continuous data collection after module initialization..
Figure 18-6: Converting 1 Channel, Auto-Sample Start, TAD Based Conversion Start
18.11.2.2 Sample Time Considerations Using Clocked Conversion Trigger and Automatic Sampling
The user must ensure the sampling time exceeds the sampling requirements as outlined in
Section 18.15 “A/D Sampling Requirements”.
Assuming that the module is set for automatic sampling and using a clocked conversion trigger,
the sampling interval is specified by the SAMC bits.
18.11.3 Event Trigger Conversion Start
It is often desirable to synchronize the end of sampling and the start of conversion with some
other time event. The A/D module may use one of three sources as a conversion trigger event.
18.11.3.1 External INT Pin Trigger
When SSRC<2:0> = 001, the A/D conversion is triggered by an active transition on the INT0 pin.
The INT0 pin may be programmed for either a rising edge input or a falling edge input.
18.11.3.2 General Purpose Timer Compare Trigger
The A/D is configured in this Trigger mode by setting SSRC<2:0> = 010. When a match occurs
between the 32-bit timer TMR3/TMR2 and the 32-bit Combined Period register PR3/PR2, a
special ADC trigger event signal is generated by Timer3. This feature does not exist for the
TMR5/TMR4 timer pair. Refer to Section 12. “Timers” for more details.
18.11.3.3 Motor Control PWM Trigger
The PWM module has an event trigger that allows A/D conversions to be synchronized to the
PWM time base. When SSRC<2:0> = 011, the A/D sampling and conversion times occur at any
user programmable point within the PWM period. The special event trigger allows the user to
minimize the delay between the time when A/D conversion results are acquired and the time
when the duty cycle value is updated. Refer to Section 15. “Motor Control PWM” for more
details.
Note: This A/D configuration must be enabled for the conversion rate of 200 ksps (see
Section 18.21 “A/D Conversion Speeds” for details).
ADCLK
SAMP
ADCBUF1
TSAMP TCONV
DONE
TSAMP TCONV
ADCBUF0
BSET ADCON1,ASAM
Instruction Execution
Reset by
software

dsPIC30F Family Reference Manual
DS70065D-page 18-18 © 2005 Microchip Technology Inc.
18.11.3.4 Synchronizing A/D Operations to Internal or External Events
The modes where an external event trigger pulse ends sampling and starts conversion
(SSRC = 001, 010, 011) may be used in combination with auto sampling (ASAM = 1) to cause
the A/D to synchronize the sample conversion events to the trigger pulse source. For example,
in Figure 18-8 where SSRC = 010 and ASAM = 1, the A/D will always end sampling and start
conversions synchronously with the timer compare trigger event. The A/D will have a sample
conversion rate that corresponds to the timer comparison event rate.
Figure 18-7: Manual Sample Start, Conversion Trigger Based Conversion Start
Figure 18-8: Auto-Sample Start, Conversion Trigger Based Conversion Start
18.11.3.5 Sample Time Considerations for Automatic Sampling/Conversion Sequences
Different sample/conversion sequences provide different available sampling times for the S/H
channel to acquire the analog signal. The user must ensure the sampling time exceeds the
sampling requirements, as outlined in Section 18.15 “A/D Sampling Requirements”.
Assuming that the module is set for automatic sampling and an external trigger pulse is used as
the conversion trigger, the sampling interval is a portion of the trigger pulse interval.
The sampling time is the trigger pulse period, less the time required to complete the conversion.
Equation 18-3: Available Sampling Time, Sequential Sampling
Conversion Trigger
ADCLK
SAMP
ADCBUF0
TSAMP TCONV
BSET ADCON1,SAMP
Instruction Execution
Conversion Trigger
ADCLK
SAMP
ADCBUF0
T
SAMP
T
CONV
BSET ADCON1,ASAM
Instruction Execution
T
CONV
T
SAMP
ADCBUF1
DONE
Reset by
software
TSMP = Trigger Pulse Interval (TSEQ) – Conversion Time (TCONV)
TSMP =TSEQ – TCONV
Note: TSEQ is the trigger pulse interval time.

© 2005 Microchip Technology Inc. DS70065D-page 18-19
Section 18. 12-bit A/D Converter
1
2
-
b
i
t
A
/
D
Converter
18
18.12 Controlling Sample/Conversion Operation
The application software may poll the SAMP and CONV bits to keep track of the A/D operations,
or the module can interrupt the CPU when conversions are complete. The application software
may also abort A/D operations if necessary.
18.12.1 Monitoring Sample/Conversion Status
The SAMP (ADCON1<1>) and CONV (ADCON1<0>) bits indicate the sampling state and the
conversion state of the A/D, respectively. Generally, when the SAMP bit clears indicating end of
sampling, the CONV bit is automatically set indicating start of conversion. If both SAMP and
CONV are ‘0’, the A/D is in an inactive state. In some operational modes, the SAMP bit may also
invoke and terminate sampling and the CONV bit may terminate conversion.
18.12.2 Generating an A/D Interrupt
The SMPI<3:0> bits control the generation of interrupts. The interrupt will occur some number of
sample/conversion sequences after starting sampling and re-occur on each equivalent number
of samples.
The value specified by the SMPI bits will correspond to the number of data samples in the buffer,
up to the maximum of 16.
Disabling the A/D interrupt is not done with the SMPI bits. To disable the interrupt, clear the ADIE
analog module interrupt enable bit.
18.12.3 Aborting Sampling
Clearing the SAMP bit while in Manual Sampling mode will terminate sampling, but may also start
a conversion if SSRC = 000.
Clearing the ASAM bit while in Automatic Sampling mode will not terminate an on going
sample/convert sequence, however, sampling will not automatically resume after a subsequent
conversion.
18.12.4 Aborting a Conversion
Clearing the ADON bit during a conversion will abort the current conversion. The A/D Result
register pair will NOT be updated with the partially completed A/D conversion sample. That is,
the corresponding ADCBUF buffer location will continue to contain the value of the last
completed conversion (or the last value written to the buffer).
18.13 Specifying How Conversion Results are Written into the Buffer
As conversions are completed, the module writes the results of the conversions into the A/D
result buffer. This buffer is a RAM array of sixteen 12-bit words. The buffer is accessed through
16 address locations within the SFR space, named ADCBUF0...ADCBUFF.
User software may attempt to read each A/D conversion result as it is generated, however, this
might consume too much CPU time. Generally, to simplify the code, the module will fill the buffer
with results and then generate an interrupt when the buffer is filled.

dsPIC30F Family Reference Manual
DS70065D-page 18-20 © 2005 Microchip Technology Inc.
18.13.1 Number of Conversions per Interrupt
The SMPI<3:0> bits (ADCON2<5:2>) will select how many A/D conversions will take place
before the CPU is interrupted. This can vary from 1 sample per interrupt to 16 samples per
interrupt. The A/D converter module always starts writing its conversion results at the beginning
of the buffer, after each interrupt. For example, if SMPI<3:0> = 0000, the conversion results will
always be written to ADCBUF0. In this example, no other buffer locations would be used.
18.13.2 Restrictions Due to Buffer Size
The user cannot program the SMPI bits to a value that specifies more than 8 conversions per
interrupt when the BUFM bit (ADCON2<1>) is ‘1’. The BUFM bit function is described below.
18.13.3 Buffer Fill Mode
When the BUFM bit (ADCON2<1>) is ‘1’, the 16-word results buffer (ADRES) will be split into two
8-word groups. The 8-word buffers will alternately receive the conversion results after each
interrupt event. The initial 8-word buffer used after BUFM is set will be located at the lower
addresses of ADCBUF. When BUFM is ‘0’, the complete 16-word buffer is used for all conversion
sequences.
The decision to use the BUFM feature will depend upon how much time is available to move the
buffer contents after the interrupt, as determined by the application. If the processor can quickly
unload a full buffer within the time it takes to sample and convert one channel, the BUFM bit can
be ‘0’ and up to 16 conversions may be done per interrupt. The processor will have one sample
and conversion time before the first buffer location is overwritten.
If the processor cannot unload the buffer within the sample and conversion time, the BUFM bit
should be ‘1’. For example, if SMPI<3:0> = 0111, then eight conversions will be loaded into 1/2
of the buffer, following which an interrupt will occur. The next eight conversions will be loaded into
the other 1/2 of the buffer. The processor will, therefore, have the entire time between interrupts
to move the eight conversions out of the buffer.
18.13.4 Buffer Fill Status
When the conversion result buffer is split using the BUFM control bit, the BUFS status bit
(ADCON2<7>) indicates the half of the buffer that the A/D converter is currently filling. If
BUFS = 0, then the A/D converter is filling ADCBUF0-ADCBUF7 and the user software should
read conversion values from ADCBUF8-ADCBUFF. If BUFS = 1, the situation is reversed, and
the user software should read conversion values from ADCBUF0-ADCBUF7.

© 2005 Microchip Technology Inc. DS70065D-page 18-21
Section 18. 12-bit A/D Converter
1
2
-
b
i
t
A
/
D
Converter
18
18.14 Conversion Sequence Examples
The following configuration examples show the A/D operation in different sampling and buffering
configurations. In each example, setting the ASAM bit starts automatic sampling. A conversion
trigger ends sampling and starts conversion.
18.14.1 Example: Sampling and Converting a Single Channel Multiple Times
Figure 18-9 and Table 18-1 illustrate a basic configuration of the A/D. In this case, one A/D input,
AN0, will be sampled and converted. The results are stored in the ADCBUF buffer. This process
repeats 16 times until the buffer is full and then the module generates an interrupt. The entire
process will then repeat.
With ALTS clear, only the MUX A inputs are active. The CH0SA bits and CH0NA bit are specified
(AN0-VREF-) as the input to the sample/hold channel. All other input selection bits are not used.
Figure 18-9: Converting One Channel 16 Times/Interrupt
Conversion
ADCLK
SAMP
ADCBUF0
TSAMP
TCONV
BSET ADCON1,ASAM Instruction Execution
ADCBUF1
DONE
ADCBUFE
ADCBUFF
Input to CH0 AN0
TSAMP
TCONV
AN0
TSAMP
TCONV
AN0
TSAMP
TCONV
AN0
ADIF
ASAM
Trigger

dsPIC30F Family Reference Manual
DS70065D-page 18-22 © 2005 Microchip Technology Inc.
Example 18-3: Sampling and Converting a Single Channel
Multiple Times Code Example
ADPCFG = 0xFFFB; // all PORTB = Digital; RB2 = analog
ADCON1 = 0x00E0; // SSRC bit = 111 implies internal
// counter ends sampling and starts
// converting.
ADCHS = 0x0002; // Connect RB2/AN2 as CH0 input ..
// in this example RB2/AN2 is the input
ADCSSL = 0;
ADCON3 = 0x0F00; // Sample time = 15Tad, Tad = internal Tcy/2
ADCON2 = 0x003C; // Interrupt after every 16 samples
ADCON1bits.ADON = 1; // turn ADC ON
while (1) // repeat continuously
{
ADCValue = 0; // clear value
ADC16Ptr = &ADCBUF0; // initialize ADCBUF pointer
IFS0bits.ADIF = 0; // clear ADC interrupt flag
ADCON1bits.ASAM = 1; // auto start sampling
// for 31Tad then go to conversion
while (!IFS0bits.ADIF); // conversion done?
ADCON1bits.ASAM = 0; // yes then stop sample/convert
for (count = 0; count < 16; count++) // average the 16 ADC value
ADCValue = ADCValue + *ADC16Ptr++;
ADCValue = ADCValue >> 4;
} // repeat

© 2005 Microchip Technology Inc. DS70065D-page 18-23
Section 18. 12-bit A/D Converter
1
2
-
b
i
t
A
/
D
Converter
18
Table 18-1: Converting One Channel 16 Times/Interrupt
CONTROL BITS OPERATION SEQUENCE
Sequence Select Sample MUX A Inputs: AN0 -> CH0
SMPI<2:0> = 1111 Convert CH0, Write Buffer 0x0
Interrupt on 16th sample Sample MUX A Inputs: AN0 -> CH0
BUFM = 0Convert CH0, Write Buffer 0x1
Single 16-word result buffer Sample MUX A Inputs: AN0 -> CH0
ALTS = 0Convert CH0, Write Buffer 0x2
Always use MUX A input select Sample MUX A Inputs: AN0 -> CH0
MUX A Input Select Convert CH0, Write Buffer 0x3
CH0SA<3:0> = 0000 Sample MUX A Inputs: AN0 -> CH0
Select AN0 for CH0+ input Convert CH0, Write Buffer 0x4
CH0NA = 0Sample MUX A Inputs: AN0 -> CH0
Select VREF- for CH0- input Convert CH0, Write Buffer 0x5
CSCNA = 0Sample MUX A Inputs: AN0 -> CH0
No input scan Convert CH0, Write Buffer 0x6
CSSL<15:0> = n/a Sample MUX A Inputs: AN0 -> CH0
Scan input select unused Convert CH0, Write Buffer 0x7
MUX B Input Select Sample MUX A Inputs: AN0 -> CH0
CH0SB<3:0> = n/a Convert CH0, Write Buffer 0x8
Channel CH0+ input unused Sample MUX A Inputs: AN0 -> CH0
CH0NB = n/a Convert CH0, Write Buffer 0x9
Channel CH0- input unused Sample MUX A Inputs: AN0 -> CH0
Convert CH0, Write Buffer 0xA
Sample MUX A Inputs: AN0 -> CH0
Convert CH0, Write Buffer 0xB
Sample MUX A Inputs: AN0 -> CH0
Convert CH0, Write Buffer 0xC
Sample MUX A Inputs: AN0 -> CH0
Convert CH0, Write Buffer 0xD
Sample MUX A Inputs: AN0 -> CH0
Convert CH0, Write Buffer 0xE
Sample MUX A Inputs: AN0 -> CH0
Convert CH0, Write Buffer 0xF
Interrupt
Repeat
Buffer
Address Buffer @
1st Interrupt Buffer @
2nd Interrupt
ADCBUF0 AN0 sample 1 AN0 sample 17
ADCBUF1 AN0 sample 2 AN0 sample 18
ADCBUF2 AN0 sample 3 AN0 sample 19
ADCBUF3 AN0 sample 4 AN0 sample 20
ADCBUF4 AN0 sample 5 AN0 sample 21
ADCBUF5 AN0 sample 6 AN0 sample 22
ADCBUF6 AN0 sample 7 AN0 sample 23
ADCBUF7 AN0 sample 8 AN0 sample 24 •••
ADCBUF8 AN0 sample 9 AN0 sample 25
ADCBUF9 AN0 sample 10 AN0 sample 26
ADCBUFA AN0 sample 11 AN0 sample 27
ADCBUFB AN0 sample 12 AN0 sample 28
ADCBUFC AN0 sample 13 AN0 sample 29
ADCBUFD AN0 sample 14 AN0 sample 30
ADCBUFE AN0 sample 15 AN0 sample 31
ADCBUFF AN0 sample 16 AN0 sample 32

dsPIC30F Family Reference Manual
DS70065D-page 18-24 © 2005 Microchip Technology Inc.
18.14.2 Example: A/D Conversions While Scanning Through All Analog Inputs
Figure 18-10 and Table 18-2 illustrate a typical setup, where all available analog input channels
are sampled and converted. The set CSCNA bit specifies scanning of the A/D inputs to the CH0
positive input. Other conditions are similar to Subsection 18.14.1.
Initially, the AN0 input is sampled by CH0 and converted. The result is stored in the ADCBUF
buffer. Then the AN1 input is sampled and converted. This process of scanning the inputs
repeats 16 times until the buffer is full and then the module generates an interrupt. The entire
process will then repeat.
Figure 18-10: Scanning Through 16 Inputs/Interrupt
Conversion
ADCLK
SAMP
ADCBUF0
TSAMP
TCONV
BSET ADCON1,#ASAM Instruction Execution
ADCBUF1
DONE
ADCBUFE
ADCBUFF
Input to CH0 AN0
TSAMP
TCONV
AN1
TSAMP
TCONV
AN14
TSAMP
TCONV
AN15
ADIF
ASAM
Trigger

© 2005 Microchip Technology Inc. DS70065D-page 18-25
Section 18. 12-bit A/D Converter
1
2
-
b
i
t
A
/
D
Converter
18
Table 18-2: Scanning Through 16 Inputs/Interrupt
CONTROL BITS OPERATION SEQUENCE
Sequence Select Sample MUX A Inputs: AN0 -> CH0
SMPI<2:0> = 1111 Convert CH0, Write Buffer 0x0
Interrupt on 16th sample Sample MUX A Inputs: AN1 -> CH0
BUFM = 0Convert CH0, Write Buffer 0x1
Single 16-word result buffer Sample MUX A Inputs: AN2 -> CH0
ALTS = 0Convert CH0, Write Buffer 0x2
Always use MUX A input select Sample MUX A Inputs: AN3 -> CH0
MUX A Input Select Convert CH0, Write Buffer 0x3
CH0SA<3:0> = n/a Sample MUX A Inputs: AN4 -> CH0
Override by CSCNA Convert CH0, Write Buffer 0x4
CH0NA = 0Sample MUX A Inputs: AN5 -> CH0
Select VREF- for CH0- input Convert CH0, Write Buffer 0x5
CSCNA = 1Sample MUX A Inputs: AN6 -> CH0
Scan CH0+ Inputs Convert CH0, Write Buffer 0x6
CSSL<15:0> = 1111 1111 1111 1111 Sample MUX A Inputs: AN7 -> CH0
Scan all inputs Convert CH0, Write Buffer 0x7
MUX B Input Select Sample MUX A Inputs: AN8 -> CH0
CH0SB<3:0> = n/a Convert CH0, Write Buffer 0x8
Channel CH0+ input unused Sample MUX A Inputs: AN9 -> CH0
CH0NB = n/a Convert CH0, Write Buffer 0x9
Channel CH0- input unused Sample MUX A Inputs: AN10 -> CH0
Convert CH0, Write Buffer 0xA
Sample MUX A Inputs: AN11 -> CH0
Convert CH0, Write Buffer 0xB
Sample MUX A Inputs: AN12 -> CH0
Convert CH0, Write Buffer 0xC
Sample MUX A Inputs: AN13 -> CH0
Convert CH0, Write Buffer 0xD
Sample MUX A Inputs: AN14 -> CH0
Convert CH0, Write Buffer 0xE
Sample MUX A Inputs: AN15 -> CH0
Convert CH0, Write Buffer 0xF
Interrupt
Repeat
Buffer
Address Buffer @
1st Interrupt Buffer @
2nd Interrupt
ADCBUF0 AN0 sample 1 AN0 sample 17
ADCBUF1 AN1 sample 2 AN1 sample 18
ADCBUF2 AN2 sample 3 AN2 sample 19
ADCBUF3 AN3 sample 4 AN3 sample 20
ADCBUF4 AN4 sample 5 AN4 sample 21
ADCBUF5 AN5 sample 6 AN5 sample 22
ADCBUF6 AN6 sample 7 AN6 sample 23
ADCBUF7 AN7 sample 8 AN7 sample 24 •••
ADCBUF8 AN8 sample 9 AN8 sample 25
ADCBUF9 AN9 sample 10 AN9 sample 26
ADCBUFA AN10 sample 11 AN10 sample 27
ADCBUFB AN11 sample 12 AN11 sample 28
ADCBUFC AN12 sample 13 AN12 sample 29
ADCBUFD AN13 sample 14 AN13 sample 30
ADCBUFE AN14 sample 15 AN14 sample 31
ADCBUFF AN15 sample 16 AN15 sample 32

dsPIC30F Family Reference Manual
DS70065D-page 18-26 © 2005 Microchip Technology Inc.
18.14.3 Example: Using Dual 8-Word Buffers
Refer to Subsection 17.15.4 in Section 17. “10-bit A/D Converter” for an example that uses
dual buffers.
18.14.4 Example: Using Alternating MUX A, MUX B Input Selections
See Subsection 17.15.5 in Section 17. “10-bit A/D Converter” for an example that uses the
MUX A and MUX B input selections.
18.15 A/D Sampling Requirements
The analog input model of the 12-bit A/D converter is shown in Figure 18-11. The total sampling
time for the A/D is a function of the internal amplifier settling time and the holding capacitor
charge time.
For the A/D converter to meet its specified accuracy, the charge holding capacitor (CHOLD) must
be allowed to fully charge to the voltage level on the analog input pin. The source impedance
(RS), the interconnect impedance (RIC), and the internal sampling switch (RSS) impedance
combine to directly affect the time required to charge the capacitor CHOLD. The combined imped-
ance of the analog sources must therefore be small enough to fully charge the holding capacitor
within the chosen sample time. To minimize the effects of pin leakage currents on the accuracy
of the A/D converter, the maximum recommended source impedance, RS, is 2.5 kΩ. After the
analog input channel is selected (changed), this sampling function must be completed prior to
starting the conversion. The internal holding capacitor will be in a discharged state prior to each
sample operation.
At least 1 TAD time period should be allowed between conversions for the sample time. For more
details, see the device electrical specifications.
Figure 18-11: 12-bit A/D Converter Analog Input Model
CPIN
VA
Rs ANx VT = 0.6V
VT = 0.6V I leakage
RIC ≤ 250ΩSampling
Switch
RSS
CHOLD
= DAC capacitance
VSS
VDD
= 18 pF
± 500 nA
Legend: CPIN
VT
I leakage
RIC
RSS
CHOLD
= input capacitance
= threshold voltage
= leakage current at the pin due to
= interconnect resistance
= sampling switch resistance
= sample/hold capacitance (from DAC)
various junctions
Note: CPIN value depends on device package and is not tested. Effect of CPIN negligible if Rs ≤ 2.5 kΩ.
RSS ≤ 3 kΩ

© 2005 Microchip Technology Inc. DS70065D-page 18-27
Section 18. 12-bit A/D Converter
1
2
-
b
i
t
A
/
D
Converter
18
18.16 Reading the A/D Result Buffer
The RAM is 12-bits wide, but the data is automatically formatted to one of four selectable formats
when a read from the buffer is performed. The FORM<1:0> bits (ADCON1<9:8>) select the for-
mat. The formatting hardware provides a 16-bit result on the data bus for all of the data formats.
Figure 18-12 shows the data output formats that can be selected using the FORM<1:0> control
bits.
Figure 18-12: A/D Output Data Formats
Table 18-3: Numerical Equivalents of Various Result Codes
RAM Contents: d11 d10 d09 d08 d07 d06 d05 d04 d03 d02 d01 d00
Read to Bus:
Integer 0 0 0 0 d11 d10 d09 d08 d07 d06 d05 d04 d03 d02 d01 d00
Signed Integer d11 d11 d11 d11 d11 d10 d09 d08 d07 d06 d05 d04 d03 d02 d01 d00
Fractionald11d10d09d08d07d06d05d04d03d02d01d000000
Signed Fractional (1.15) d11 d10d09d08d07d04d03d02d01d00d01d000000
VIN/VREF 12-bit
Output Code 16-bit Unsigned
Integer Format 16-bit Signed
Integer Format 16-bit Unsigned
Fractional Format 16-bit Signed
Fractional Format
4095/4096 1111 1111 1111 0000 1111 1111 1111
= 4095
0000 0111 1111 1111
= 2047
1111 1111 1111 0000
= 0.9998
0111 1111 1111 0000
= 0.9995
4094/4096 1111 1111 1110 0000 1111 1111 1110
= 4094
0000 0111 1111 1110
= 2046
1111 1111 1110 0000
= 0.9995
0111 1111 1110 0000
= 0.9990
• • •
2049/4096 1000 0000 0001 0000 1000 0000 0001
= 2049
0000 0000 0000 0001
= 1
1000 0000 0001 0000
= 0.5002
0000 0000 0001 0000
= 0.0005
2048/4096 1000 0000 0000 0000 1000 0000 0000
= 2048
0000 0000 0000 0000
= 0
1000 0000 0000 0000
= 0.500
0000 0000 0000 0000
= 0.000
2047/4096 0111 1111 1111 0000 0111 1111 1111
= 2047
1111 1111 1111 1111
= -1
0111 1111 1111 0000
= 0.4998
1111 1111 1111 0000
= -0.0005
• • •
1/4096 0000 0000 0001 0000 0000 0000 0001
= 1
1111 1000 0000 0001
= -2047
0000 0000 0001 0000
= 0.0002
1000 0000 0001 0000
= -0.9995
0/4096 0000 0000 0000 0000 0000 0000 0000
= 0
1111 1000 0000 0000
= -2048
0000 0000 0000 0000
= 0.000
1000 0000 0000 0000
= -1.000

dsPIC30F Family Reference Manual
DS70065D-page 18-28 © 2005 Microchip Technology Inc.
18.17 Transfer Function
The ideal transfer function of the A/D converter is shown in Figure 18-13. The difference of the
input voltages (VINH – VINL) is compared to the reference (VREFH – VREFL).
• The first code transition occurs when the input voltage is (VREFH – VREFL/8192) or 0.5 LSb.
•The 00 0000 0001 code is centered at (VREFH – VREFL/4096) or 1.0 LSb.
•The 10 0000 0000 code is centered at (2048*(VREFH – VREFL)/4096).
• An input voltage less than (1*(VREFH – VREFL)/8192) converts as 00 0000 0000.
• An input greater than (8192*(VREFH – VREFL)/8192) converts as 11 1111 1111.
Figure 18-13: A/D Transfer Function
18.18 A/D Accuracy/Error
Refer to Section 18.26 “Related Application Notes” for a list of documents that discuss A/D
accuracy.
18.19 Connection Considerations
Since the analog inputs employ ESD protection, they have diodes to VDD and VSS. This requires
that the analog input must be between VDD and VSS. If the input voltage exceeds this range by
greater than 0.3V (either direction), one of the diodes becomes forward biased and it may
damage the device if the input current specification is exceeded.
An external RC filter is sometimes added for anti-aliasing of the input signal. The R component
should be selected to ensure that the sampling time requirements are satisfied. Any external
components connected (via high-impedance) to an analog input pin (capacitor, zener diode, etc.)
should have very little leakage current at the pin.
1000 0000 0001 (= 2049)
1000 0000 0010 (= 2050)
1000 0000 0011 (= 2051)
0111 1111 1101 (= 2045)
0111 1111 1110 (= 2046)
0111 1111 1111 (= 2047)
1111 1111 1110 (= 4094)
1111 1111 1111 (= 4095)
0000 0000 0000 (= 0)
0000 0000 0001 (= 1)
Output
Code
1000 0000 0000 (= 2048)
(V
INH
– V
INL
)
V
REFL
V
REFH
– V
REFL
4096
2048*(V
REFH
– V
REFL
)
4096
V
REFH
V
REFL
+ V
REFL
+

© 2005 Microchip Technology Inc. DS70065D-page 18-29
Section 18. 12-bit A/D Converter
1
2
-
b
i
t
A
/
D
Converter
18
18.20 Initialization
Example 18-4 shows a simple initialization code example for the A/D module.
In this particular configuration, all 16 analog input pins, AN0-AN15, are set up as analog inputs.
Operation in Idle mode is disabled, output data is in unsigned fractional format, and AVDD and
AVSS are used for VREFH and VREFL. The start of sampling, as well as the start of conversion
(conversion trigger), are performed manually in software. Scanning of inputs is disabled and an
interrupt occurs after every sample/convert sequence (1 conversion result). The A/D conversion
clock is TCY/2; AN0 is converted.
Since sampling is started manually by setting the SAMP bit (ADCON1<1>) after each conversion
is complete, the auto-sample time bits, SAMC<4:0> (ADCON3<12:8>), are ignored. Moreover,
since the start of conversion (i.e., end of sampling) is also triggered manually, the SAMP bit
needs to be cleared each time a new sample needs to be converted.
Example 18-4: A/D Initialization Code Example
CLR ADPCFG ; Configure A/D port,
; all input pins are analog
MOV #0x2200,W0
MOV W0,ADCON1 ; Configure sample clock source
; and conversion trigger mode.
; Unsigned Fractional format,
; Manual conversion trigger,
; Manual start of sampling,
; No operation in IDLE mode.
CLR ADCON2 ; Configure A/D voltage reference
; and buffer fill modes.
; VREF from AVDD and AVSS,
; Inputs are not scanned,
; Interrupt every sample
CLR ADCON3 ; Configure A/D conversion clock
CLR ADCHS ; Configure input channels,
; CH0+ input is AN0.
; CHO- input is VREFL (AVss)
CLR ADCSSL ; No inputs are scanned.
BCLR IFS0,#ADIF ; Clear A/D conversion interrupt flag
; Configure A/D interrupt priority bits (ADIP<2:0>) here, if
; required. (default priority level is 4)
BSET IEC0,#ADIE ; Enable A/D conversion interrupt
BSET ADCON1,#ADON ; Turn on A/D
BSET ADCON1,#SAMP ; Start sampling the input
CALL DELAY ; Ensure the correct sampling time has
; elapsed before starting conversion.
BCLR ADCON1,#SAMP ; End A/D Sampling and start Conversion
: ; The DONE bit is set by hardware when
conversion sequence is complete.
: ; The ADIF bit will be set.

dsPIC30F Family Reference Manual
DS70065D-page 18-30 © 2005 Microchip Technology Inc.
18.21 A/D Conversion Speeds
The dsPIC30F 12-bit A/D converter specifications permit a maximum of 200 ksps sampling rate.
The table below summarizes the conversion speeds for the dsPIC30F 12-bit A/D converter and
the required operating conditions.
TABLE 18-4: 12-BIT A/D CONVERTER EXTENDED CONVERSION RATES
dsPIC30F 10-bit A/D Converter Conversion Rates
A/D Speed TAD
Minimum Sampling
Time Min Rs Max VDD Temperature A/D Channels Configuration
Up to 200
ksps(1) 333.33 ns 1 TAD 2.5 kΩ4.5V to 5.5V -40°C to +85°C
Up to 100
ksps 666.67 ns 1 TAD 2.5 kΩ3.0V to 5.5V -40°C to +125°C
Note 1: External VREF- and VREF+ pins must be used for correct operation. See Figure 18-14 for recommended
circuit.
V
REF
-V
REF
+
ADC
ANx S/H
CH
X
V
REF
-V
REF
+
ADC
ANx S/H
CH
X
ANx or V
REF
-
or
AV
SS
or
AV
DD

© 2005 Microchip Technology Inc. DS70065D-page 18-31
Section 18. 12-bit A/D Converter
1
2
-
b
i
t
A
/
D
Converter
18
The following figure depicts the recommended circuit for the conversion rates above 100 ksps.
The dsPIC30F6014 is shown as an example.
Figure 18-14: A/D Converter Voltage Reference Schematic
The configuration procedures below give the required setup values for the conversion speeds
above 100 ksps.
18.21.1 200 ksps Configuration Guideline
The following configuration items are required to achieve a 200 ksps conversion rate.
• Comply with conditions provided in Table 18-4.
• Connect external VREF+ and VREF- pins following the recommended circuit shown in
Figure 18-14.
• Set SSRC<2.0> = 111 in the ADCON1 register to enable the auto convert option.
• Enable automatic sampling by setting the ASAM control bit in the ADCON1 register.
• Write the SMPI<3.0> control bits in the ADCON2 register for the desired number of conver-
sions between interrupts.
• Configure the A/D clock period to be:
by writing to the ADCS<5:0> control bits in the ADCON3 register.
• Configure the sampling time to be 1 TAD by writing: SAMC<4:0> = 00001.
72
74
73
VDD
VSS
69
68
67
66
65
64
63
62
61
20
2
3
4
5
6
7
8
9
10
VSS
VDD
13
14
15
16
50
49
VDD
47
46
45
44
21
41
40
39
38
37
36
35
34
VREF-
VREF+
AVDD
AVSS
27
28
29
30
VSS
VDD
33
17
18
19
75
1
57
56
55
54
53
52
VSS
60
59
58
43
42
76
78
77
79
22 80
dsPIC30F6014
VDD
VDD
VDD
VDD
VDD
VDD
VDD
R2
10
C2
0.1 μFC1
0.01 μFR1
10
C8
1 μF
VDD
C7
0.1 μF
VDD
C6
0.01 μF
VDD
C5
1 μF
VDD
C4
0.1 μF
VDD
C3
0.01 μF
1
(14 + 1) x 200,000 = 333.33 ns

dsPIC30F Family Reference Manual
DS70065D-page 18-32 © 2005 Microchip Technology Inc.
The following figure shows the timing diagram of the A/D running at 200 ksps. The TAD selection
in conjunction with the guidelines described above allows a conversion speed of 200 ksps. See
Example 18-1 for code example.
Figure 18-15: Converting 1 Channel at 200 ksps, Auto-Sample Start, 1 TAD Sampling Time
Example 18-1: Converting at 200 ksps, Auto-Sample Start, 1 TAD Sampling Time Code Example
TCONV
= 14 TAD
TSAMP
= 1 TAD TSAMP
= 1 TAD
ADCLK
SAMP
DONE
ADCBUF0
ADCBUF1
Instruction Execution BSET ADCON1, ASAM
TCONV
= 14 TAD
ADPCFG = 0xFFFB; // all PORTB = Digital; RB2 = analog
ADCON1 = 0x00E0; // SSRC bit = 111 implies internal
// counter ends sampling and starts
// converting.
ADCHS = 0x0002; // Connect RB2/AN2 as CH0 input
// in this example RB2/AN2 is the input
ADCSSL = 0;
ADCON3 = 0x0113; // Sample time = 1Tad, Tad = 333.33 ns @ 30 MIPS
// which will give 1 / (15 * 333.33 ns) = 200 ksps
ADCON2 = 0x6004; // Select external VREF+ and VREF- pins
// Interrupt after every 2 samples
ADCON1bits.ADON = 1; // turn ADC ON
while (1) // repeat continuously
{
ADCValue = 0; // clear value
ADC16Ptr = &ADCBUF0; // initialize ADCBUF pointer
IFS0bits.ADIF = 0; // clear ADC interrupt flag
ADCON1bits.ASAM = 1; // auto start sampling
// for 31Tad then go to conversion
while (!IFS0bits.ADIF); // conversion done?
ADCON1bits.ASAM = 0; // yes then stop sample/convert
for (count = 0; count <2; count++)// average the 2 ADC value
ADCValue = ADCValue + *ADC16Ptr++;
ADCValue = ADCValue >> 1;
} // repeat

© 2005 Microchip Technology Inc. DS70065D-page 18-33
Section 18. 12-bit A/D Converter
1
2
-
b
i
t
A
/
D
Converter
18
18.22 Operation During Sleep and Idle Modes
Sleep and Idle modes are useful for minimizing conversion noise because the digital activity of
the CPU, buses and other peripherals is minimized.
18.22.1 CPU Sleep Mode Without RC A/D Clock
When the device enters Sleep mode, all clock sources to the module are shutdown and stay at
logic ‘0’.
If Sleep occurs in the middle of a conversion, the conversion is aborted unless the A/D is clocked
from its internal RC clock generator. The converter will not resume a partially completed
conversion on exiting from Sleep mode.
Register contents are not affected by the device entering or leaving Sleep mode.
18.22.2 CPU Sleep Mode With RC A/D Clock
The A/D module can operate during Sleep mode if the A/D clock source is set to the internal A/D
RC oscillator (ADRC = 1). This eliminates digital switching noise from the conversion. When the
conversion is completed, the CONV bit will be cleared and the result loaded into the A/D result
buffer, ADCBUF.
If the A/D interrupt is enabled (ADIE = 1), the device will wake-up from Sleep when the A/D
interrupt occurs. Program execution will resume at the A/D Interrupt Service Routine if the A/D
interrupt is greater than the current CPU priority. Otherwise, execution will continue from the
instruction after the PWRSAV instruction, that placed the device in Sleep mode.
If the A/D interrupt is not enabled, the A/D module will then be turned off, although the ADON bit
will remain set.
To minimize the effects of digital noise on the A/D module operation, the user should select a
conversion trigger source that ensures the A/D conversion will take place in Sleep mode. The
automatic conversion trigger option can be used for sampling and conversion in Sleep
(SSRC<2:0> = 111). To use the automatic conversion option, the ADON bit should be set in the
instruction prior to the PWRSAV instruction.
18.22.3 A/D Operation During CPU Idle Mode
For the A/D, the ADSIDL bit (ADCON1<13>) selects if the module will stop on Idle or continue
on Idle. If ADSIDL = 0, the module will continue normal operation when the device enters Idle
mode. If the A/D interrupt is enabled (ADIE = 1), the device will wake-up from Idle mode when
the A/D interrupt occurs. Program execution will resume at the A/D Interrupt Service Routine if
the A/D interrupt is greater than the current CPU priority. Otherwise, execution will continue from
the instruction after the PWRSAV instruction that placed the device in Idle mode.
If ADSIDL = 1, the module will stop in Idle. If the device enters Idle mode in the middle of a
conversion, the conversion is aborted. The converter will not resume a partially completed
conversion on exiting from Idle mode.
18.23 Effects of a Reset
A device Reset forces all registers to their Reset state. This forces the A/D module to be turned
off, and any conversion in progress is aborted. All pins that are multiplexed with analog inputs
will be configured as analog inputs. The corresponding TRIS bits will be set.
The values in the ADCBUF registers are not initialized during a Power-on Reset.
ADCBUF0...ADCBUFF will contain unknown data.
Note: For the A/D module to operate in Sleep, the A/D clock source must be set to RC
(ADRC = 1).

dsPIC30F Family Reference Manual
DS70065D-page 18-34 © 2005 Microchip Technology Inc.
18.24 Special Function Registers Associated with the 12-bit A/D Converter
The following table lists dsPIC30F 12-bit A/D Converter Special Function Registers, including their addresses and formats. All unimplemented registers
and/or bits within a register read as zeros.
Table 18-4: ADC Register Map
File Name ADR Bit 15 Bit 14 Bit 13 Bit 12 Bit 11 Bit 10 Bit 9 Bit 8 Bit 7 Bit 6 Bit 5 Bit 4 Bit 3 Bit 2 Bit 1 Bit 0 Reset States
INTCON1 0080 NSTDIS — — — — OVATE OVBTE COVTE — — — MATHERR ADDRERR STKERR OSCFAIL — 0000 0000 0000 0000
INTCON2 0082 ALTIVT — — — — — — — — — — INT4EP INT3EP INT2EP INT1EP INT0EP 0000 0000 0000 0000
IFS0 0084 CNIF MI2CIF SI2CIF NVMIF ADIF U1TXIF U1RXIF SPI1IF T3IF T2IF OC2IF IC2IF T1IF OC1IF IC1IF INT0 0000 0000 0000 0000
IEC0 008C CNIE MI2CIE SI2CIE NVMIE ADIE U1TXIE U1RXIE SPI1IE T3IE T2IE OC2IE IC2IE T1IE OC1IE IC1IE INT0IE 0000 0000 0000 0000
IPC2 0098 — ADIP<2:0> —U1TXIP<2:0> —U1RXIP<2:0> —SPI1IP<2:0> 0100 0100 0100 0100
ADCBUF0 0280 ADC Data Buffer 0 uuuu uuuu uuuu uuuu
ADCBUF1 0282 ADC Data Buffer 1 uuuu uuuu uuuu uuuu
ADCBUF2 0284 ADC Data Buffer 2 uuuu uuuu uuuu uuuu
ADCBUF3 0286 ADC Data Buffer 3 uuuu uuuu uuuu uuuu
ADCBUF4 0288 ADC Data Buffer 4 uuuu uuuu uuuu uuuu
ADCBUF5 028A ADC Data Buffer 5 uuuu uuuu uuuu uuuu
ADCBUF6 028C ADC Data Buffer 6 uuuu uuuu uuuu uuuu
ADCBUF7 028E ADC Data Buffer 7 uuuu uuuu uuuu uuuu
ADCBUF8 0290 ADC Data Buffer 8 uuuu uuuu uuuu uuuu
ADCBUF9 0292 ADC Data Buffer 9 uuuu uuuu uuuu uuuu
ADCBUFA 0294 ADC Data Buffer 10 uuuu uuuu uuuu uuuu
ADCBUFB 0296 ADC Data Buffer 11 uuuu uuuu uuuu uuuu
ADCBUFC 0298 ADC Data Buffer 12 uuuu uuuu uuuu uuuu
ADCBUFD 029A ADC Data Buffer 13 uuuu uuuu uuuu uuuu
ADCBUFE 029C ADC Data Buffer 14 uuuu uuuu uuuu uuuu
ADCBUFF 029E ADC Data Buffer 15 uuuu uuuu uuuu uuuu
ADCON1 02A0 ADON —ADSIDL — — — FORM[1:0] SSRC[2:0] —— ASAM SAMP CONV 0000 0000 0000 0000
ADCON2 02A2 VCFG[2:0] —— CSCNA ——BUFS— SMPI[3:0] BUFM ALTS 0000 0000 0000 0000
ADCON3 02A4 — — — SAMC[4:0] ADRC — ADCS[5:0] 0000 0000 0000 0000
ADCHS 02A6 — — — CH0NB CH0SB[3:0] — — — CH0NA CH0SA[3:0] 0000 0000 0000 0000
ADPCFG 02A8 PCFG15 PCFG14 PCFG13 PCFG12 PCFG11 PCFG10 PCFG9 PCFG8 PCFG7 PCFG6 PCFG5 PCFG4 PCFG3 PCFG2 PCFG1 PCFG0 0000 0000 0000 0000
ADCSSL 02AA ADC Input Scan Select Register 0000 0000 0000 0000
Legend: u = unknown
Note: All interrupt sources and their associated control bits may not be available on a particular device. Refer to the device data sheet for details.

© 2005 Microchip Technology Inc. DS70065D-page 18-35
Section 18. 12-bit A/D Converter
1
2
-
b
i
t
A
/
D
Converter
18
18.25 Design Tips
Question 1: How can I optimize the system performance of the A/D converter?
Answer:
1. Make sure you are meeting all of the timing specifications. If you are turning the module
off and on, there is a minimum delay you must wait before taking a sample. If you are
changing input channels, there is a minimum delay you must wait for this as well, and
finally, there is TAD, which is the time selected for each bit conversion. This is selected in
ADCON3 and should be within a certain range, as specified in the Electrical Characteris-
tics. If TAD is too short, the result may not be fully converted before the conversion is
terminated, and if TAD is made too long, the voltage on the sampling capacitor can decay
before the conversion is complete. These timing specifications are provided in the
“Electrical Specifications” section of the device data sheets.
2. Often, the source impedance of the analog signal is high (greater than 10 kΩ), so the
current drawn from the source by leakage, and to charge the sample capacitor, can affect
accuracy. If the input signal does not change too quickly, try putting a 0.1 μF capacitor on
the analog input. This capacitor will charge to the analog voltage being sampled and
supply the instantaneous current needed to charge the 18 pF internal holding capacitor.
3. Put the device into Sleep mode before the start of the A/D conversion. The RC clock
source selection is required for conversions in Sleep mode. This technique increases
accuracy, because digital noise from the CPU and other peripherals is minimized.
Question 2: Do you know of a good reference on A/D’s?
Answer: A good reference for understanding A/D conversions is the “Analog-Digital Conversion
Handbook” third edition, published by Prentice Hall (ISBN 0-13-03-2848-0).
Question 3: My combination of channels/sample and samples/interrupt is greater than
the size of the buffer. What will happen to the buffer?
Answer: This configuration is not recommended. The buffer will contain unknown results.

dsPIC30F Family Reference Manual
DS70065D-page 18-36 © 2005 Microchip Technology Inc.
18.26 Related Application Notes
This section lists application notes that are related to this section of the manual. These
application notes may not be written specifically for the dsPIC30F Product Family, but the
concepts are pertinent and could be used with modification and possible limitations. The current
application notes related to the 12-bit A/D Converter module are:
Title Application Note #
Using the Analog-to-Digital (A/D) Converter AN546
Four Channel Digital Voltmeter with Display and Keyboard AN557
Understanding A/D Converter Performance Specifications AN693
Note: Please visit the Microchip web site (www.microchip.com) for additional Application
Notes and code examples for the dsPIC30F Family of devices.

© 2005 Microchip Technology Inc. DS70065D-page 18-37
Section 18. 12-bit A/D Converter
1
2
-
b
i
t
A
/
D
Converter
18
18.27 Revision History
Revision A
This is the initial released revision of this document.
Revision B
To reflect editorial and technical content revisions for the dsPIC30F 12-bit A/D Converter module.
Revision C
This revision incorporates all known errata at the time of this document update.
Revision D
This revision includes the extended conversion rate guidelines.

dsPIC30F Family Reference Manual
DS70065D-page 18-38 © 2005 Microchip Technology Inc.
NOTES:

© 2004 Microchip Technology Inc. DS70066C-page 19-1
UART
19
Section 19. UART
HIGHLIGHTS
This section of the manual contains the following major topics:
19.1 Introduction .................................................................................................................. 19-2
19.2 Control Registers .........................................................................................................19-3
19.3 UART Baud Rate Generator (BRG).............................................................................19-8
19.4 UART Configuration................................................................................................... 19-10
19.5 UART Transmitter ...................................................................................................... 19-11
19.6 UART Receiver ..........................................................................................................19-14
19.7 Using the UART for 9-bit Communication.................................................................. 19-18
19.8 Receiving Break Characters ...................................................................................... 19-19
19.9 Initialization ................................................................................................................ 19-20
19.10 Other Features of the UART ...................................................................................... 19-21
19.11 UART Operation During CPU Sleep and Idle Modes ................................................19-21
19.12 Registers Associated with UART Module .................................................................. 19-22
19.13 Design Tips................................................................................................................ 19-23
19.14 Related Application Notes.......................................................................................... 19-24
19.15 Revision History......................................................................................................... 19-25

dsPIC30F Family Reference Manual
DS70066C-page 19-2 © 2004 Microchip Technology Inc.
19.1 Introduction
The Universal Asynchronous Receiver Transmitter (UART) module is one of the serial I/O
modules available in the dsPIC30F device family. The UART is a full-duplex asynchronous sys-
tem that can communicate with peripheral devices, such as personal computers, RS-232 and
RS-485 interfaces.
The primary features of the UART module are:
• Full-duplex 8- or 9-bit data transmission through the UxTX and UxRX pins
• Even, Odd or No Parity options (for 8-bit data)
• One or two Stop bits
• Fully integrated Baud Rate Generator with 16-bit prescaler
• Baud rates ranging from 29 bps to 1.875 Mbps at FCY = 30 MHz
• 4-deep First-In-First-Out (FIFO) transmit data buffer
• 4-deep FIFO receive data buffer
• Parity, Framing and Buffer Overrun error detection
• Support for 9-bit mode with Address Detect (9th bit = 1)
• Transmit and Receive Interrupts
• Loopback mode for diagnostic support
A simplified block diagram of the UART is shown in Figure 19-1. The UART module consists of
the key important hardware elements:
• Baud Rate Generator
• Asynchronous Transmitter
• Asynchronous Receiver
Figure 19-1: UART Simplified Block Diagram
Note: Each dsPIC30F device variant may have one or more UART modules. An ‘x’ used
in the names of pins, control/status bits and registers denotes the particular module.
Refer to the specific device data sheets for more details.
Baud Rate Generator
UART Receiver
UART Transmitter
UxRX
UxTX

© 2004 Microchip Technology Inc. DS70066C-page 19-3
Section 19. UART
UART
19
19.2 Control Registers
Register 19-1: UXMODE: UARTX Mode Register
Upper Byte:
R/W-0 U-0 R/W-0 U-0 U-0 R/W-0 U-0 U-0
UARTEN —USIDL—reserved ALTIO reserved reserved
bit 15 bit 8
Lower Byte:
R/W-0 R/W-0 R/W-0 U-0 U-0 R/W-0 R/W-0 R/W-0
WAKE LPBACK ABAUD —— PDSEL<1:0> STSEL
bit 7 bit 0
bit 15 UARTEN: UART Enable bit
1 = UART is enabled. UART pins are controlled by UART as defined by UEN<1:0> and UTXEN control bits.
0 = UART is disabled. UART pins are controlled by corresponding PORT, LAT, and TRIS bits.
bit 14 Unimplemented: Read as ‘0’
bit 13 USIDL: Stop in Idle Mode bit
1 = Discontinue operation when device enters Idle mode
0 = Continue operation in Idle mode
bit 12 Unimplemented: Read as ‘0’
bit 11 Reserved: Write ‘0’ to this location
bit 10 ALTIO: UART Alternate I/O Selection bit
1 = UART communicates using UxATX and UxARX I/O pins
0 = UART communicates using UxTX and UxRX I/O pins
Note: The alternate UART I/O pins are not available on all devices. See device data sheet for details.
bit 9-8 Reserved: Write ‘0’ to these locations
bit 7 WAKE: Enable Wake-up on Start bit Detect During Sleep Mode bit
1 = Wake-up enabled
0 = Wake-up disabled
bit 6 LPBACK: UART Loopback Mode Select bit
1 = Enable Loopback mode
0 = Loopback mode is disabled
bit 5 ABAUD: Auto Baud Enable bit
1 = Input to Capture module from UxRX pin
0 = Input to Capture module from ICx pin
bit 4-3 Unimplemented: Read as ‘0’
bit 2-1 PDSEL<1:0>: Parity and Data Selection bits
11 = 9-bit data, no parity
10 = 8-bit data, odd parity
01 = 8-bit data, even parity
00 = 8-bit data, no parity
bit 0 STSEL: Stop Selection bit
1 = 2 Stop bits
0 = 1 Stop bit
Legend:
R = Readable bit W = Writable bit U = Unimplemented bit, read as ‘0’
-n = Value at POR ‘1’ = Bit is set ‘0’ = Bit is cleared x = Bit is unknown

dsPIC30F Family Reference Manual
DS70066C-page 19-4 © 2004 Microchip Technology Inc.
Register 19-2: UXSTA: UARTX Status and Control Register
Upper Byte:
R/W-0 U-0 U-0 U-0 R/W-0 R/W-0 R-0 R-1
UTXISEL — — — UTXBRK UTXEN UTXBF TRMT
bit 15 bit 8
Lower Byte:
R/W-0 R/W-0 R/W-0 R-1 R-0 R-0 R/C-0 R-0
URXISEL<1:0> ADDEN RIDLE PERR FERR OERR URXDA
bit 7 bit 0
bit 15 UTXISEL: Transmission Interrupt Mode Selection bit
1 = Interrupt when a character is transferred to the Transmit Shift register and as result, the transmit buffer
becomes empty
0 = Interrupt when a character is transferred to the Transmit Shift register (this implies that there is at least
one character open in the transmit buffer)
bit 14-12 Unimplemented: Read as ‘0’
bit 11 UTXBRK: Transmit Break bit
1 = UxTX pin is driven low, regardless of transmitter state
0 = UxTX pin operates normally
bit 10 UTXEN: Transmit Enable bit
1 = UART transmitter enabled, UxTX pin controlled by UART (if UARTEN = 1)
0 = UART transmitter disabled, any pending transmission is aborted and buffer is reset. UxTX pin controlled
by PORT.
bit 9 UTXBF: Transmit Buffer Full Status bit (Read Only)
1 = Transmit buffer is full
0 = Transmit buffer is not full, at least one more data word can be written
bit 8 TRMT: Transmit Shift Register is Empty bit (Read Only)
1 = Transmit shift register is empty and transmit buffer is empty (the last transmission has completed)
0 = Transmit shift register is not empty, a transmission is in progress or queued in the transmit buffer
bit 7-6 URXISEL<1:0>: Receive Interrupt Mode Selection bit
11 =Interrupt flag bit is set when Receive Buffer is full (i.e., has 4 data characters)
10 =Interrupt flag bit is set when Receive Buffer is 3/4 full (i.e., has 3 data characters)
0x =Interrupt flag bit is set when a character is received
bit 5 ADDEN: Address Character Detect (bit 8 of received data = 1)
1 = Address Detect mode enabled. If 9-bit mode is not selected, this control bit has no effect.
0 = Address Detect mode disabled
bit 4 RIDLE: Receiver Idle bit (Read Only)
1 = Receiver is Idle
0 = Data is being received
bit 3 PERR: Parity Error Status bit (Read Only)
1 = Parity error has been detected for the current character
0 = Parity error has not been detected
bit 2 FERR: Framing Error Status bit (Read Only)
1 = Framing Error has been detected for the current character
0 = Framing Error has not been detected

© 2004 Microchip Technology Inc. DS70066C-page 19-5
Section 19. UART
UART
19
Register 19-2: UXSTA: UARTX Status and Control Register (Continued)
bit 1 OERR: Receive Buffer Overrun Error Status bit (Read/Clear Only)
1 = Receive buffer has overflowed
0 = Receive buffer has not overflowed
bit 0 URXDA: Receive Buffer Data Available bit (Read Only)
1 = Receive buffer has data, at least one more character can be read
0 = Receive buffer is empty
Legend:
R = Readable bit W = Writable bit U = Unimplemented bit, read as ‘0’ C = Bit can be cleared
-n = Value at POR ‘1’ = Bit is set ‘0’ = Bit is cleared x = Bit is unknown

dsPIC30F Family Reference Manual
DS70066C-page 19-6 © 2004 Microchip Technology Inc.
Register 19-3: UXRXREG: UARTX Receive Register
Register 19-4: UXTXREG: UARTX Transmit Register (Write Only)
Upper Byte:
U-0 U-0 U-0 U-0 U-0 U-0 U-0 R-0
— — — — — — — URX8
bit 15 bit 8
Lower Byte:
R-0 R-0 R-0 R-0 R-0 R-0 R-0 R-0
URX<7:0>
bit 7 bit 0
bit 15-9 Unimplemented: Read as ‘0’
bit 8 URX8: Data bit 8 of the Received Character (in 9-bit mode)
bit 7-0 URX<7:0>: Data bits 7-0 of the Received Character
Legend:
R = Readable bit W = Writable bit U = Unimplemented bit, read as ‘0’
-n = Value at POR ‘1’ = Bit is set ‘0’ = Bit is cleared x = Bit is unknown
Upper Byte:
U-0 U-0 U-0 U-0 U-0 U-0 U-0 W-x
— — — — — — —UTX8
bit 15 bit 8
Lower Byte:
W-x W-x W-x W-x W-x W-x W-x W-x
UTX<7:0>
bit 7 bit 0
bit 15-9 Unimplemented: Read as ‘0’
bit 8 UTX8: Data bit 8 of the Character to be Transmitted (in 9-bit mode)
bit 7-0 UTX<7:0>: Data bits 7-0 of the Character to be Transmitted
Legend:
R = Readable bit W = Writable bit U = Unimplemented bit, read as ‘0’
-n = Value at POR ‘1’ = Bit is set ‘0’ = Bit is cleared x = Bit is unknown

© 2004 Microchip Technology Inc. DS70066C-page 19-7
Section 19. UART
UART
19
Register 19-5: UXBRG: UARTX Baud Rate Register
Upper Byte:
R/W-0 R/W-0 R/W-0 R/W-0 R/W-0 R/W-0 R/W-0 R/W-0
BRG<15:8>
bit 15 bit 8
Lower Byte:
R/W-0 R/W-0 R/W-0 R/W-0 R/W-0 R/W-0 R/W-0 R/W-0
BRG<7:0>
bit 7 bit 0
bit 15-0 BRG<15:0>: Baud Rate Divisor bits
Legend:
R = Readable bit W = Writable bit U = Unimplemented bit, read as ‘0’
-n = Value at POR ‘1’ = Bit is set ‘0’ = Bit is cleared x = Bit is unknown

dsPIC30F Family Reference Manual
DS70066C-page 19-8 © 2004 Microchip Technology Inc.
19.3 UART Baud Rate Generator (BRG)
The UART module includes a dedicated 16-bit baud rate generator. The UxBRG register controls
the period of a free running 16-bit timer. Equation 19-1 shows the formula for computation of the
baud rate.
Equation 19-1: UART Baud Rate
Example 19-1 shows the calculation of the baud rate error for the following conditions:
•F
CY = 4 MHz
• Desired Baud Rate = 9600
Example 19-1: Baud Rate Error Calculation
The maximum baud rate possible is FCY / 16 (for UxBRG = 0), and the minimum baud rate
possible is FCY / (16 * 65536).
Writing a new value to the UxBRG register causes the BRG timer to be reset (cleared). This
ensures the BRG does not wait for a timer overflow before generating the new baud rate.
Note: FCY denotes the instruction cycle clock frequency.
Baud Rate = FCY
16 • (UxBRG + 1)
FCY
16 • Baud Rate
UxBRG =– 1
Desired Baud Rate = FCY/(16 (UxBRG + 1))
Solving for UxBRG value:
UxBRG = ( (FCY/Desired Baud Rate)/16) – 1
UxBRG = ((4000000/9600)/16) – 1
UxBRG = [25.042] = 25
Calculated Baud Rate = 4000000/(16 (25 + 1))
= 9615
Error = (Calculated Baud Rate – Desired Baud Rate)
Desired Baud Rate
= (9615 – 9600)/9600
=0.16%

© 2004 Microchip Technology Inc. DS70066C-page 19-9
Section 19. UART
UART
19
19.3.1 Baud Rate Tables
UART baud rates are provided in Table 19-1 for common device instruction cycle frequencies
(FCY). The minimum and maximum baud rates for each frequency are also shown.
Table 19-1: UART Baud Rates
BAUD
RATE
(Kbps)
FCY = 30 MHz BRG
value
(decimal)
25 MHz BRG
value
(decimal)
20 MHz BRG
value
(decimal)
16 MHz BRG
value
(decimal)
KBAUD %
ERROR KBAUD %
ERROR KBAUD %
ERROR KBAUD %
ERROR
0.3 0.3 0.0 6249 0.3 +0.01 5207 0.3 0.0 4166 0.3 +0.01 3332
1.2 1.1996 0.0 1562 1.2001 +0.01 1301 1.1996 0.0 1041 1.2005 +0.04 832
2.4 2.4008 0.0 780 2.4002 +0.01 650 2.3992 0.0 520 2.3981 -0.08 416
9.6 9.6154 +0.2 194 9.5859 -0.15 162 9.6154 +0.2 129 9.6154 +0.16 103
19.2 19.1327 -0.4 97 19.2901 0.47 80 19.2308 +0.2 64 19.2308 +0.16 51
38.4 38.2653 -0.4 48 38.1098 -0.76 40 37.8788 -1.4 32 38.4615 +0.16 25
56 56.8182 +1.5 32 55.8036 -0.35 27 56.8182 +1.5 21 55.5556 -0.79 17
115 117.1875 +1.9 15 111.6071 -2.95 13 113.6364 -1.2 10 111.1111 -3.38 8
250 250 0.0 4 250 0.0 3
500 500 0.0 1
MIN. 0.0286 0.0 65535 0.0238 0.0 65535 0.019 0.0 65535 0.015 0.0 65535
MAX. 1875 0.0 0 1562.5 0.0 0 1250 0.0 0 1000 0.0 0
BAUD
RATE
(Kbps)
FCY = 12 MHz BRG
value
(decimal)
10 MHz BRG
value
(decimal)
8 MHz BRG
value
(decimal)
7.68 MHz BRG
value
(decimal)
KBAUD %
ERROR KBAUD %
ERROR KBAUD %
ERROR KBAUD %
ERROR
0.3 0.3 0.0 2499 0.3 0.0 2082 0.2999 -0.02 1666 0.3 0.0 1599
1.2 1.2 0.0 624 1.1996 0.0 520 1.199 -0.08 416 1.2
0.0 399
2.4 2.3962 -0.2 312 2.4038 +0.2 259 2.4038 +0.16 207 2.4 0.0 199
9.6 9.6154 -0.2 77 9.6154 +0.2 64 9.6154 +0.16 51 9.6 0.0 49
19.2 19.2308 +0.2 38 18.9394 -1.4 32 19.2308 +0.16 25 19.2 0.0 24
38.4 37.5 +0.2 19 39.0625 +1.7 15 38.4615 +0.16 12
56 57.6923 -2.3 12 56.8182 +1.5 10 55.5556 -0.79 8
115 6
250 250 0.0 2 250 0.0 1
500 500 0.0 0
MIN. 0.011 0.0 65535 0.010 0.0 65535 0.008 0.0 65535 0.007 0.0 65535
MAX. 750 0.0 0 625 0.0 0 500 0.0 0 480 0.0 0
BAUD
RATE
(Kbps)
FCY = 5 MHz BRG
value
(decimal)
4 MHz BRG
value
(decimal)
3.072 MHz BRG
value
(decimal)
1.8432 MHz BRG
value
(decimal)
KBAUD %
ERROR KBAUD %
ERROR KBAUD %
ERROR KBAUD %
ERROR
0.3 0.2999 0.0 1041 0.3001 0.0 832 0.3 0.0 639 0.3 0.0 383
1.2 1.2019 +0.2 259 1.2019 +0.2 207 1.2 0.0 159 1.2 0.0 95
2.4 2.4038 +0.2 129 2.4038 +0.2 103 2.4 0.0 79 2.4 0.0 47
9.6 9.4697 -1.4 32 9.6154 +0.2 25 9.6 0.0 19 9.6 0.0 11
19.2 19.5313 +1.7 15 19.2308 +0.2 12 19.2 0.0 919.2
0.0 5
38.4 39.0625 +1.7 7 38.4 0.0 4 38.4 0.0 2
56
115
250
500
MIN. 0.005 0.0 65535 0.004 0.0 65535 0.003 0.0 65535 0.002 0.0 65535
MAX. 312.5 0.0 0 250 0.0 0 192 0.0 0 115.2 0.0 0

dsPIC30F Family Reference Manual
DS70066C-page 19-10 © 2004 Microchip Technology Inc.
19.4 UART Configuration
The UART uses standard non-return-to-zero (NRZ) format (one Start bit, eight or nine data bits,
and one or two Stop bits). Parity is supported by the hardware, and may be configured by the
user as even, odd or no parity. The most common data format is 8 bits, no parity and one Stop
bit (denoted as 8, N, 1), which is the default (POR) setting. The number of data bits and Stop bits,
and the parity, are specified in the PDSEL<1:0> (UxMODE<2:1>) and STSEL (UxMODE<0>)
bits. An on-chip dedicated 16-bit baud rate generator can be used to derive standard baud rate
frequencies from the oscillator. The UART transmits and receives the LSb first. The UART’s
transmitter and receiver are functionally independent, but use the same data format and baud
rate.
19.4.1 Enabling the UART
The UART module is enabled by setting the UARTEN (UxMODE<15>) bit and UTXEN
(UxSTA<10>) bit. Once enabled, the UxTX and UxRX pins are configured as an output and an
input, respectively, overriding the TRIS and PORT register bit settings for the corresponding I/O
port pins. The UxTX pin is at logic ‘1’ when no transmission is taking place.
19.4.2 Disabling the UART
The UART module is disabled by clearing the UARTEN (UxMODE<15>) bit. This is the default
state after any Reset. If the UART is disabled, all UART pins operate as port pins under the
control of their corresponding PORT and TRIS bits.
Disabling the UART module resets the buffers to empty states. Any data characters in the buffers
are lost, and the baud rate counter is reset.
All error and status flags associated with the UART module are reset when the module is
disabled. The URXDA, OERR, FERR, PERR, UTXEN, UTXBRK and UTXBF bits are cleared,
whereas RIDLE and TRMT are set. Other control bits, including ADDEN, URXISEL<1:0>,
UTXISEL, as well as the UxMODE and UxBRG registers, are not affected.
Clearing the UARTEN bit while the UART is active will abort all pending transmissions and
receptions and reset the module as defined above. Re-enabling the UART will restart the UART
in the same configuration.
19.4.3 Alternate UART I/O Pins
Some dsPIC30F devices have an alternate set of UART transmit and receive pins that can be
used for communications. The alternate UART pins are useful when the primary UART pins are
shared by other peripherals. The alternate I/O pins are enabled by setting the ALTIO bit
(UxMODE<10>). If ALTIO = 1, the UxATX and UxARX pins (alternate transmit and alternate
receive pins, respectively) are used by the UART module, instead of the UxTX and UxRX pins.
If ALTIO = 0, the UxTX and UxRX pins are used by the UART module.
Note: The UTXEN bit should not be set until the UARTEN bit has been set. Otherwise,
UART transmissions will not be enabled.

© 2004 Microchip Technology Inc. DS70066C-page 19-11
Section 19. UART
UART
19
19.5 UART Transmitter
The UART transmitter block diagram is shown in Figure 19-2. The heart of the transmitter is the
Transmit Shift register (UxTSR). The Shift register obtains its data from the transmit FIFO buffer,
UxTXREG. The UxTXREG register is loaded with data in software. The UxTSR register is not
loaded until the Stop bit has been transmitted from the previous load. As soon as the Stop bit is
transmitted, the UxTSR is loaded with new data from the UxTXREG register (if available).
Figure 19-2: UART Transmitter Block Diagram
Transmission is enabled by setting the UTXEN enable bit (UxSTA<10>). The actual transmission
will not occur until the UxTXREG register has been loaded with data and the Baud Rate Gener-
ator (UxBRG) has produced a shift clock (Figure 19-2). The transmission can also be started by
first loading the UxTXREG register and then setting the UTXEN enable bit. Normally when trans-
mission is first started, the UxTSR register is empty, so a transfer to the UxTXREG register will
result in an immediate transfer to UxTSR. Clearing the UTXEN bit during a transmission
will cause the transmission to be aborted and will reset the transmitter. As a result, the UxTX pin
will revert to a high-impedance state.
In order to select 9-bit transmission, the PDSEL<1:0> bits (UxMODE<2:1>) should be set to ‘11’
and the ninth bit should be written to the UTX9 bit (UxTXREG<8>). A word write should be
performed to UxTXREG so that all nine bits are written at the same time.
Note: The UxTSR register is not mapped in data memory, so it is not available to the user.
Word Write only Word
UTX8 UxTXREG Low Byte
Load TSR
Transmit Control
– Control TSR
– Control Buffer
– Generate Flags
– Generate Interrupt
UxTXIF
Data
‘0’ (Start)
‘1’ (Stop)
Parity Parity
Generator
Transmit Shift Register (UxTSR)
16 Divider
Control
Signals
16X Baud Clock
from Baud Rate
Generator
Internal Data Bus
UTXBRK
UxTX
Note: ‘x’ denotes the UART number.
UxTX
UxMODE UxSTA
16
or Byte
Write
Transmit FIFO
15 9870
Note: There is no parity in the case of 9-bit data transmission.

dsPIC30F Family Reference Manual
DS70066C-page 19-12 © 2004 Microchip Technology Inc.
19.5.1 Transmit Buffer (UxTXB)
Each UART has a 4-deep, 9-bit wide FIFO transmit data buffer. The UxTXREG register provides
user access to the next available buffer location. The user may write up to 4 words in the buffer.
Once the UxTXREG contents are transferred to the UxTSR register, the current buffer location
becomes available for new data to be written and the next buffer location is sourced to the UxTSR
register. The UTXBF (UxSTA<9>) status bit is set whenever the buffer is full. If a user attempts
to write to a full buffer, the new data will not be accepted into the FIFO.
The FIFO is reset during any device Reset, but is not affected when the device enters a Power
Saving mode or wakes up from a Power Saving mode.
19.5.2 Transmit Interrupt
The transmit interrupt flag (UxTXIF) is located in the corresponding interrupt flag status (IFS)
register. The UTXISEL control bit (UxSTA<15>) determines when the UART will generate a
transmit interrupt.
1. If UTXISEL = 0, an interrupt is generated when a word is transferred from the transmit
buffer to the Transmit Shift register (UxTSR). This implies that the transmit buffer has at
least one empty word. Since an interrupt is generated after the transfer of each individual
word, this mode is useful if interrupts can be handled frequently (i.e., the ISR is completed
before the transmission of the next word).
2. If UTXISEL = 1, an interrupt is generated when a word is transferred from the transmit
buffer to the Transmit Shift register (UxTSR) and the transmit buffer is empty. Since an
interrupt is generated only after all 4 words have been transmitted, this ‘Block Transmit’
mode is useful if the user’s code cannot handle interrupts quickly enough (i.e., the ISR is
completed before the transmission of the next word).
The UxTXIF bit will be set when the module is first enabled.
The user should clear the UxTXIF bit in the ISR.
Switching between the two Interrupt modes during operation is possible.
While the UxTXIF flag bit indicates the status of the UxTXREG register, the TRMT bit
(UxSTA<8>) shows the status of the UxTSR register. The TRMT status bit is a read only bit,
which is set when the UxTSR register is empty. No interrupt logic is tied to this bit, so the user
has to poll this bit in order to determine if the UxTSR register is empty.
Note: When the UTXEN bit is set, the UxTXIF flag bit will also be set if UTXISEL = 0, since
the transmit buffer is not yet full (can move transmit data to the UxTXREG register).

© 2004 Microchip Technology Inc. DS70066C-page 19-13
Section 19. UART
UART
19
19.5.3 Setup for UART Transmit
Steps to follow when setting up a transmission:
1. Initialize the UxBRG register for the appropriate baud rate (Section 19.3 “UART Baud
Rate Generator (BRG)”).
2. Set the number of data bits, number of Stop bits, and parity selection by writing to the
PDSEL<1:0> (UxMODE<2:1>) and STSEL (UxMODE<0>) bits.
3. If transmit interrupts are desired, set the UxTXIE control bit in the corresponding Interrupt
Enable Control register (IEC). Specify the interrupt priority for the transmit interrupt using
the UxTXIP<2:0> control bits in the corresponding Interrupt Priority Control register (IPC).
Also, select the Transmit Interrupt mode by writing the UTXISEL (UxSTA<15>) bit.
4. Enable the UART module by setting the UARTEN (UxMODE<15>) bit.
5. Enable the transmission by setting the UTXEN (UxSTA<10>) bit, which will also set the
UxTXIF bit. The UxTXIF bit should be cleared in the software routine that services the
UART transmit interrupt. The operation of the UxTXIF bit is controlled by the UTXISEL
control bit.
6. Load data to the UxTXREG register (starts transmission). If 9-bit transmission has been
selected, load a word. If 8-bit transmission is used, load a byte. Data can be loaded into
the buffer until the UxTXBF status bit (UxSTA<9>) is set.
Figure 19-3: Transmission (8-bit or 9-bit Data)
Figure 19-4: Transmission (Back to Back)
Note: The UTXEN bit should not be set until the UARTEN bit has been set. Otherwise,
UART transmissions will not be enabled.
Character 1
Stop Bit
Character 1 to
Transmit Shift Reg.
Start Bit Bit 0 Bit 1 Bit 7/8
Write to UxTXREG Character 1
BCLK/16
(Shift Clock)
UxTX
UxTXIF
TRMT bit
UxTXIF Cleared by User
Transmit Shift Reg.
Write to UxTXREG
BCLK/16
(Shift Clock)
UxTX
UxTXIF
TRMT bit
Character 1 Character 2
Character 1 to Character 2 to
Start Bit Stop Bit Start Bit
Transmit Shift Reg.
Character 1 Character 2
Bit 0 Bit 1 Bit 7/8 Bit 0
Note: This timing diagram shows two consecutive transmissions.
(UTXISEL = 0)
UxTXIF
(UTXISEL = 1)
UxTXIF Cleared by User in Software

dsPIC30F Family Reference Manual
DS70066C-page 19-14 © 2004 Microchip Technology Inc.
19.5.4 Transmission of Break Characters
Setting the UTXBRK bit (UxSTA<11>) will force the UxTX line to ‘0’. UTXBRK overrides any other
transmitter activity. The user should wait for the transmitter to be Idle (TRMT = 1) before setting
UTXBRK.
To send a break character, the UTXBRK bit must be set by software and remain set for a mini-
mum of 13 baud clocks. The baud clock periods are timed in software. The UTXBRK bit is then
cleared by software to generate the Stop bit. The user must wait at least one or two baud clocks
to ensure a valid Stop bit(s) before loading the UTXBUF again or renewing transmitter activity.
19.6 UART Receiver
The receiver block diagram is shown in Figure 19-5. The heart of the receiver is the Receive
(Serial) Shift register (UxRSR). The data is received on the UxRX pin and is sent to the data
recovery block. The data recovery block operates at 16 times the baud rate, whereas the main
receive serial shifter operates at the baud rate. After sampling the UxRX pin for the Stop bit, the
received data in UxRSR is transferred to the receive FIFO (if it is empty).
The data on the UxRX pin is sampled three times by a majority detect circuit to determine if a
high or a low level is present at the UxRX pin. Figure 19-5 shows the sampling scheme.
19.6.1 Receive Buffer (UxRXB)
The UART receiver has a 4-deep, 9-bit wide FIFO receive data buffer. UxRXREG is a memory
mapped register that provides access to the output of the FIFO. It is possible for 4 words of data
to be received and transferred to the FIFO and a fifth word to begin shifting to the UxRSR register
before a buffer overrun occurs.
19.6.2 Receiver Error Handling
If the FIFO is full (four characters) and a fifth character is fully received into the UxRSR register,
the overrun error bit, OERR (UxSTA<1>), will be set. The word in UxRSR will be kept, but further
transfers to the receive FIFO are inhibited as long as the OERR bit is set. The user must clear
the OERR bit in software to allow further data to be received.
If it is desired to keep the data received prior to the overrun, the user should first read all five
characters, then clear the OERR bit. If the five characters can be discarded, the user can simply
clear the OERR bit. This effectively resets the receive FIFO and all prior received data is lost.
The framing error bit, FERR (UxSTA<2>), is set if a Stop bit is detected as a logic low level.
The parity error bit, PERR (UxSTA<3>), is set if a parity error has been detected in the data word
at the top of the buffer (i.e., the current word). For example, a parity error would occur if the parity
is set to be even, but the total number of ones in the data has been detected to be odd. The PERR
bit is irrelevant in the 9-bit mode. The FERR and PERR bits are buffered along with the
corresponding word and should be read before reading the data word.
Note: Sending a break character does not generate a transmitter interrupt.
Note: The UxRSR register is not mapped in data memory, so it is not available to the user.
Note: The data in the receive FIFO should be read prior to clearing the OERR bit. The
FIFO is reset when OERR is cleared, which causes all data in the buffer to be lost.

© 2004 Microchip Technology Inc. DS70066C-page 19-15
Section 19. UART
UART
19
19.6.3 Receive Interrupt
The UART receive interrupt flag (UxRXIF) is located in the corresponding Interrupt Flag Status
(IFS) register. The URXISEL<1:0> (UxSTA<7:6>) control bits determine when the UART receiver
generates an interrupt.
a) If URXISEL<1:0> = 00 or 01, an interrupt is generated each time a data word is
transferred from the Receive Shift register (UxRSR) to the receive buffer. There may be
one or more characters in the receive buffer.
b) If URXISEL<1:0> = 10, an interrupt is generated when a word is transferred from the
Receive Shift register (UxRSR) to the receive buffer and as a result, the receive buffer
contains 3 or 4 characters.
c) If URXISEL<1:0> = 11, an interrupt is generated when a word is transferred from the
Receive Shift register (UxRSR) to the receive buffer and as a result, the receive buffer
contains 4 characters (i.e., becomes full).
Switching between the three Interrupt modes during operation is possible.
While the URXDA and UxRXIF flag bits indicate the status of the UxRXREG register, the RIDLE
bit (UxSTA<4>) shows the status of the UxRSR register. The RIDLE status bit is a read only bit,
which is set when the receiver is Idle (i.e., the UxRSR register is empty). No interrupt logic is tied
to this bit, so the user has to poll this bit in order to determine if the UxRSR is Idle.
The URXDA bit (UxSTA<0>) indicates whether the receive buffer has data or whether the buffer
is empty. This bit is set as long as there is at least one character to be read from the receive
buffer. URXDA is a read only bit.
Figure 19-5 shows a block diagram of the UART receiver.

dsPIC30F Family Reference Manual
DS70066C-page 19-16 © 2004 Microchip Technology Inc.
Figure 19-5: UART Receiver Block Diagram
URX8 UxRXREG Low Byte
Load RSR
UxMODE
Receive Buffer Control
– Generate Flags
– Generate Interrupt
UxRXIF
UxRX
· START bit Detect
Receive Shift Register
16 Divider
Control
Signals
16X Baud Clock
from Baud Rate
Generator
UxSTA
– Shift Data Characters
to Buffer
9
(UxRSR)
PERR
FERR
· Parity Check
· Stop bit Detect
· Shift Clock Generation
· Wake Logic
16
Internal Data Bus
1
0
LPBACK
From UxTX
15 9870
Word Read Only Word or
Byte Read

© 2004 Microchip Technology Inc. DS70066C-page 19-17
Section 19. UART
UART
19
19.6.4 Setup for UART Reception
Steps to follow when setting up a Reception:
1. Initialize the UxBRG register for the appropriate baud rate (Section 19.3 “UART Baud
Rate Generator (BRG)”).
2. Set the number of data bits, number of Stop bits and parity selection by writing to the
PDSEL<1:0> (UxMODE<2:1>) and STSEL (UxMODE<0>) bits.
3. If interrupts are desired, then set the UxRXIE bit in the corresponding Interrupt Enable
Control register (IEC). Specify the interrupt priority for the interrupt using the
UxRXIP<2:0> control bits in the corresponding Interrupt Priority Control register (IPC).
Also, select the Receive Interrupt mode by writing to the URXISEL<1:0> (UxSTA<7:6>)
bits.
4. Enable the UART module by setting the UARTEN (UxMODE<15>) bit.
5. Receive interrupts will depend on the URXISEL<1:0> control bit settings. If receive
interrupts are not enabled, the user can poll the URXDA bit. The UxRXIF bit should be
cleared in the software routine that services the UART receive interrupt.
6. Read data from the receive buffer. If 9-bit transmission has been selected, read a word.
Otherwise, read a byte. The URXDA status bit (UxSTA<0>) will be set whenever data is
available in the buffer.
Figure 19-6: UART Reception
Figure 19-7: UART Reception with Receive Overrun
Start
bit bit1bit0 bit7 bit0Stop
bit
Start
bit bit7 Stop
bit
UxRX
RIDLE bit
Character 1
to UxRXREG Character 2
to UxRXREG
Note: This timing diagram shows 2 characters received on the UxRX input.
UxRXIF
(URXISEL = 0x)
Start
bit bit7/8
bit1bit0 bit7/8 bit0Stop
bit
Start
bit Start
bit
bit7/8 Stop
bit
UxRX
OERR bit
RIDLE bit
Character 1,2,3,4
stored in Receive
Character 5
held in UxRSR
Stop
bit
Character 1 Characters 2,3,4,5 Character 6
FIFO
OERR Cleared by User
Note: This diagram shows 6 characters received without the user reading the input buffer. The 5th character received is held in the
receive shift register. An overrun error occurs at the start of the 6th character.

dsPIC30F Family Reference Manual
DS70066C-page 19-18 © 2004 Microchip Technology Inc.
19.7 Using the UART for 9-bit Communication
A typical multi-processor communication protocol will differentiate between data bytes and
address/control bytes. A common scheme is to use a 9th data bit to identify whether a data byte
is address or data information. If the 9th bit is set, the data is processed as address or control
information. If the 9th bit is cleared, the received data word is processed as data associated with
the previous address/control byte.
The protocol operates as follows:
• The master device transmits a data word with the 9th bit set. The data word contains the
address of a slave device.
• All slave devices in the communication chain receive the address word and check the slave
address value.
• The slave device that was addressed will receive and process subsequent data bytes sent
by the master device. All other slave devices will discard subsequent data bytes until a new
address word (9th bit set) is received.
19.7.1 ADDEN Control Bit
The UART receiver has an Address Detect mode which allows it to ignore data words with the
9th bit cleared. This reduces the interrupt overhead, since data words with the 9th bit cleared are
not buffered. This feature is enabled by setting the ADDEN bit (UxSTA<5>).
The UART must be configured for 9-bit data to use the Address Detect mode. The ADDEN bit
has no effect when the receiver is configured in 8-bit Data mode.
19.7.2 Setup for 9-bit Transmit
The setup procedure for 9-bit transmission is identical to the 8-bit Transmit modes, except
that PDSEL<1:0> (UxMODE<2:1) should be set to ‘11’ (see Section 19.5.3 “Setup for UART
Transmit”).
Word writes should be performed to the UxTXREG register (starts transmission).

© 2004 Microchip Technology Inc. DS70066C-page 19-19
Section 19. UART
UART
19
19.7.3 Setup for 9-bit Reception Using Address Detect Mode
The setup procedure for 9-bit reception is similar to the 8-bit Receive modes, except that
PDSEL<1:0> (UxMODE<2:1) should be set to ‘11’ (see Section 19.6.4 “Setup for UART
Reception”).
The Receive Interrupt mode should be configured by writing to the URXISEL<1:0>
(UxSTA<7:6>) bits.
The procedure for using the Address Detect mode is as follows:
1. Set the ADDEN (UxSTA<5>) bit to enable address detect. Ensure that the URXISEL
control bits are configured to generate an interrupt after each received word.
2. Check each 8-bit address by reading the UxRXREG register, to determine if the device is
being addressed.
3. If this device has not been addressed, then discard the received word.
4. If this device has been addressed, clear the ADDEN bit to allow subsequent data bytes to
be read into the receive buffer and interrupt the CPU. If a long data packet is expected,
then the Receive Interrupt mode could be changed to buffer more than one data byte
between interrupts.
5. When the last data byte has been received, set the ADDEN bit so that only address bytes
will be received. Also, ensure that the URXISEL control bits are configured to generate an
interrupt after each received word.
Figure 19-8: Reception with Address Detect (ADDEN = 1)
19.8 Receiving Break Characters
The receiver will count and expect a certain number of bit times based on the values
programmed in the PDSEL (UxMODE<2:1>) and STSEL (UxMODE<0>) bits.
If the break is longer than 13 bit times, the reception is considered complete after the number of
bit times specified by PDSEL and STSEL. The URXDA bit is set, FERR is set, zeros are loaded
into the receive FIFO, interrupts are generated if appropriate and the RIDLE bit is set.
When the module receives a break signal and the receiver has detected the Start bit, the data
bits and the invalid Stop bit (which sets the FERR), the receiver must wait for a valid Stop bit
before looking for the next Start bit. It cannot assume that the break condition on the line is the
next Start bit. Break is regarded as a character containing all ‘0’s with the FERR bit set. The break
character is loaded into the buffer. No further reception can occur until a Stop bit is received. Note
that RIDLE goes high when the Stop bit has been received.
Note: If the Address Detect mode is enabled (ADDEN = 1), the URXISEL<1:0> control
bits should be configured so that an interrupt will be generated after every received
word. Each received data word must be checked in software for an address match
immediately after reception.
Start
bit bit1bit0 bit8 bit0Stop
bit
Start
bit bit8 Stop
bit
UxRX (pin)
Read Rcv
Buffer Reg
UxRXREG
UxRXIF
(Interrupt Flag)
Word 1
UxRXREG
Bit 8 = 0, Data Byte Bit 8 = 1, Address Byte
Transfer
to Receive FIFO
Note: This timing diagram shows a data byte followed by an address byte. The data byte is not read into the UxRXREG (receive buffer)
because ADDEN = 1 and bit 8 = 0.

dsPIC30F Family Reference Manual
DS70066C-page 19-20 © 2004 Microchip Technology Inc.
19.9 Initialization
Example 19-2 is an initialization routine for the Transmitter/Receiver in 8-bit mode. Example 19-3
shows an initialization of the Addressable UART in 9-bit Address Detect mode. In both examples,
the value to load into the UxBRG register is dependent on the desired baud rate and the device
frequency.
Example 19-2: 8-bit Transmit/Receive (UART1)
Example 19-3: 8-bit Transmit/Receive (UART1), Address Detect Enabled
Note: The UTXEN bit should not be set until the UARTEN bit has been set. Otherwise,
UART transmissions will not be enabled.
MOV #baudrate,W0 ; Set Baudrate
MOV W0,U1BRG
BSET IPC2,#U1TXIP2 ; Set UART TX interrupt priority
BCLR IPC2,#U1TXIP1 ;
BCLR IPC2,#U1TXIP0 ;
BSET IPC2,#U1RXIP2 ; Set UART RX interrupt priority
BCLR IPC2,#U1RXIP1 ;
BCLR IPC2,#U1RXIP0 ;
CLR U1STA
MOV #0x8800,W0 ; Enable UART for 8-bit data,
; no parity, 1 STOP bit,
; no wakeup
MOV W0,U1MODE
BSET U1STA,#UTXEN ; Enable transmit
BSET IEC0,#U1TXIE ; Enable transmit interrupts
BSET IEC0,#U1RXIE ; Enable receive interrupts
MOV #baudrate,W0 ; Set Baudrate
MOV W0,U1BRG
BSET IPC2,#U1TXIP2 ; Set UART TX interrupt priority
BCLR IPC2,#U1TXIP1 ;
BCLR IPC2,#U1TXIP0 ;
BSET IPC2,#U1RXIP2 ; Set UART RX interrupt priority
BCLR IPC2,#U1RXIP1 ;
BCLR IPC2,#U1RXIP0 ;
BSET U1STA,#ADDEN ; Enable address detect
MOV #0x8883,W0 ; UART1 enabled for 9-bit data,
; no parity, 1 STOP bit,
; wakeup enabled
MOV W0,U1MODE
BSET U1STA,#UTXEN ; Enable transmit
BSET IEC0,#U1TXIE ; Enable transmit interrupts
BSET IEC0,#U1RXIE ; Enable receive interrupts

© 2004 Microchip Technology Inc. DS70066C-page 19-21
Section 19. UART
UART
19
19.10 Other Features of the UART
19.10.1 UART in Loopback Mode
Setting the LPBACK bit enables this special mode, in which the UxTX output is internally
connected to the UxRX input. When configured for the Loopback mode, the UxRX pin is
disconnected from the internal UART receive logic. However, the UxTX pin still functions
normally.
To select this mode:
1. Configure UART for the desired mode of operation.
2. Set LPBACK = 1 to enable Loopback mode.
3. Enable transmission as defined in Section 19.5 “UART Transmitter”.
The Loopback mode is dependent on the UEN<1:0> bits, as shown in Table 19-2.
Table 19-2: Loopback Mode Pin Function
19.10.2 Auto Baud Support
To allow the system to determine baud rates of the received characters, the UxRX input can be
internally connected to a selected input capture channel. When the ABAUD bit (UxMODE<5>) is
set, the UxRX pin is internally connected to the input capture channel. The ICx pin is
disconnected from the input capture channel.
The input capture channel used for auto baud support is device specific. Please refer to the
device data sheet for further details.
This mode is only valid when the UART is enabled (UARTEN = 1) and the Loopback mode is
disabled (LPBACK = 0). Also, the user must program the capture module to detect the falling and
rising edges of the Start bit.
19.11 UART Operation During CPU Sleep and Idle Modes
The UART does not function in Sleep mode. If entry into Sleep mode occurs while a transmission
is in progress, then the transmission is aborted and the UxTX pin is driven to logic ‘1’. Similarly,
if entry into Sleep mode occurs while a reception is in progress, then the reception is aborted.
The UART can be used to optionally wake the dsPIC device from Sleep mode on the detection
of a Start bit. If the WAKE bit (UxSTA<7>) is set, the device is in Sleep mode, and the UART
receive interrupt is enabled (UxRXIE = 1), then a falling edge on the UxRX pin will generate a
receive interrupt. The Receive Interrupt Select mode bit (URXISEL) has no effect for this
function. The UARTEN bit must be set in order to generate a wake-up interrupt.
The USIDL bit (UxMODE<13>) selects if the module will stop operation when the device enters
Idle mode, or whether the module will continue normal operation in Idle mode. If USIDL = 0, the
module will continue normal operation during Idle mode. If USIDL = 1, the module will stop in Idle
mode. Any transmission or reception in progress will be aborted.
UEN<1:0> Pin Function, LPBACK = 1
00 UxRX input connected to UxTX; UxTX pin functions; UxRX pin ignored;
UxCTS/UxRTS unused
01 UxRX input connected to UxTX; UxTX pin functions; UxRX pin ignored;
UxRTS pin functions, UxCTS unused
10 UxRX input connected to UxTX; UxTX pin functions; UxRX pin ignored;
UxRTS pin functions, UxCTS input connected to UxRTS; UxCTS pin ignored
11 UxRX input connected to UxTX; UxTX pin functions; UxRX pin ignored;
BCLK pin functions; UxCTS/UxRTS unused

dsPIC30F Family Reference Manual
DS70066C-page 19-22 © 2004 Microchip Technology Inc.
19.12 Registers Associated with UART Module
Table 19-3: Registers Associated with UART1
SFR Name Bit 15 Bit 14 Bit 13 Bit 12 Bit 11 Bit 10 Bit 9 Bit 8 Bit 7 Bit 6 Bit 5 Bit 4 Bit 3 Bit 2 Bit 1 Bit 0 Reset State
U1MODE UARTEN —USIDL —reserved ALTIO reserved reserved WAKE LPBACK ABAUD — — PDSEL<1:0> STSEL 0000 0000 0000 0000
U1STA UTXISEL ———UTXBRK UTXEN UTXBF TRMT URXISEL<1:0> ADDEN RIDLE PERR FERR OERR URXDA 0000 0001 0001 0000
U1TXREG — — — — — — — UTX8 Transmit Register 0000 0000 0000 0000
U1RXREG — — — — — — — URX8 Receive Register 0000 0000 0000 0000
U1BRG Baud Rate Generator Prescaler 0000 0000 0000 0000
IFS0 CNIF MI2CIF SI2CIF NVMIF ADIF U1TXIF U1RXIF SPI1IF T3IF T2IF OC2IF IC2IF T1IF OC1IF IC1IF INT0 0000 0000 0000 0000
IEC0 CNIE MI2CIE SI2CIE NVMIE ADIE U1TXIE U1RXIE SPI1IE T3IE T2IE OC2IE IC2IE T1IE OC1IE IC1IE INT0IE 0000 0000 0000 0000
IPC2 —ADIP<2:0> —U1TXIP<2:0> —U1RXIP<2:0> —SPI1IP<2:0> 0100 0100 0100 0100
Note: The registers associated with UART1 are shown for reference. See the device data sheet for the registers associated with other UART modules.

© 2004 Microchip Technology Inc. DS70066C-page 19-23
Section 19. UART
UART
19
19.13 Design Tips
Question 1: The data I transmit with the UART does not get received correctly. What
could cause this?
Answer: The most common reason for reception errors is that an incorrect value has been
calculated for the UART baud rate generator. Ensure the value written to the UxBRG register is
correct.
Question 2: I am getting framing errors even though the signal on the UART receive pin
looks correct. What are the possible causes?
Answer: Ensure the following control bits have been setup correctly:
• UxBRG: UART Baud Rate register
• PDSEL<1:0>: Parity and Data Size Selection bits
• STSEL: Stop bit Selection

dsPIC30F Family Reference Manual
DS70066C-page 19-24 © 2004 Microchip Technology Inc.
19.14 Related Application Notes
This section lists application notes that are related to this section of the manual. These
application notes may not be written specifically for the dsPIC30F Product Family, but the
concepts are pertinent and could be used with modification and possible limitations. The current
application notes related to the UART module are:
Title Application Note #
Serial Port Utilities Implementing Table Read and Table Write AN547
Note: Please visit the Microchip web site (www.microchip.com) for additional Application
Notes and code examples for the dsPIC30F Family of devices.

© 2004 Microchip Technology Inc. DS70066C-page 19-25
Section 19. UART
UART
19
19.15 Revision History
Revision A
This is the initial released revision of this document.
Revision B
Revision B has been expanded to include a full description of the dsPIC30F UART module.
Revision C
This revision incorporates all known errata at the time of this document update.

dsPIC30F Family Reference Manual
DS70066C-page 19-26 © 2004 Microchip Technology Inc.
NOTES:

© 2004 Microchip Technology Inc. DS70067C-page 20-1
S
e
r
i
a
l
P
e
r
i
p
h
e
r
a
l
Interface (SPI)
20
Section 20. Serial Peripheral Interface (SPI™)
HIGHLIGHTS
This section of the manual contains the following major topics:
20.1 Introduction .................................................................................................................. 20-2
20.2 Status and Control Registers .......................................................................................20-4
20.3 Modes of Operation .....................................................................................................20-7
20.4 SPI Master Mode Clock Frequency ...........................................................................20-19
20.5 Operation in Power Save Modes ...............................................................................20-20
20.6 Special Function Registers Associated with SPI Modules......................................... 20-22
20.7 Related Application Notes.......................................................................................... 20-23
20.8 Revision History.........................................................................................................20-24

dsPIC30F Family Reference Manual
DS70067C-page 20-2 © 2004 Microchip Technology Inc.
20.1 Introduction
The Serial Peripheral Interface (SPI) module is a synchronous serial interface useful for
communicating with other peripheral or microcontroller devices. These peripheral devices may
be Serial EEPROMs, shift registers, display drivers, A/D converters, etc. The SPI module is
compatible with Motorola's SPI and SIOP interfaces.
Depending on the variant, the dsPIC30F family offers one or two SPI modules on a single device.
SPI1 and SPI2 are functionally identical. The SPI2 module is available in many of the higher pin
count packages (64-pin and higher), while the SPI1 module is available on all devices.
The SPI serial port consists of the following Special Function Registers (SFR):
• SPIxBUF: Address in SFR space that is used to buffer data to be transmitted and data that
is received. This address is shared by the SPIxTXB and SPIxRXB registers.
• SPIxCON: A control register that configures the module for various modes of operation.
• SPIxSTAT: A status register that indicates various status conditions.
In addition, there is a 16-bit shift register, SPIxSR, that is not memory mapped. It is used for
shifting data in and out of the SPI port.
The memory mapped SFR, SPIxBUF, is the SPI Data Receive/Transmit register. Internally, the
SPIxBUF register actually comprises of two separate registers - SPIxTXB and SPIxRXB. The
Receive Buffer register, SPIxRXB, and the Transmit Buffer register, SPIxTXB, are two unidirec-
tional 16-bit registers. These registers share the SFR address named SPIxBUF. If a user writes
data to be transmitted to the SPIxBUF address, internally the data gets written to the SPIxTXB
register. Similarly, when the user reads the received data from SPIxBUF, internally the data is
read from the SPIxRXB register. This double-buffering of transmit and receive operations allows
continuous data transfers in the background. Transmission and reception occur simultaneously.
The SPI serial interface consists of the following four pins:
• SDIx: serial data input
• SDOx: serial data output
• SCKx: shift clock input or output
• SSx: active low slave select or frame synchronization I/O pulse
Note: In this section, the SPI modules are referred together as SPIx or separately as SPI1
and SPI2. Special Function registers will follow a similar notation. For example,
SPIxCON refers to the control register for the SPI1 or SPI2 module.
Note: The user cannot write to the SPIxTXB register or read from the SPIxRXB register
directly. All reads and writes are performed on the SPIxBUF register.
Note: The SPI module can be configured to operate using 3 or 4 pins. In the 3-pin mode,
the SSx pin is not used.

© 2004 Microchip Technology Inc. DS70067C-page 20-3
Section 20. Serial Peripheral Interface (SPI)
S
e
r
i
a
l
P
e
r
i
p
h
e
r
a
l
Interface (SPI)
20
Figure 20-1: SPI Module Block Diagram
Internal
Data Bus
SDIx
SDOx
SSx
SCKx
SPIxSR
bit0
Shift
Control
Edge
Select
FCY
Primary
1, 4, 16, 64
Enable Master Clock
Prescaler
Secondary
Prescaler
1:1 → 1:8
Slave Select
Sync Control
Clock
Control
Transmit
SPIxRXB
Receive
and Frame
Note: The SPIxTXB and SPIxRXB registers are memory mapped to the SPIxBUF register.
Registers share address SPIxBUF
SPIxTXB
SPIxBUF

dsPIC30F Family Reference Manual
DS70067C-page 20-4 © 2004 Microchip Technology Inc.
20.2 Status and Control Registers
Register 20-2: SPIxSTAT: SPI Status and Control Register
Upper Byte:
R/W-0 U-0 R/W-0 U-0 U-0 U-0 U-0 U-0
SPIEN — SPISIDL — — — — —
bit 15 bit 8
Lower Byte:
U-0 R/W-0
HS U-0 U-0 U-0 U-0 R-0 R-0
— SPIROV — — — — SPITBF SPIRBF
bit 7 bit 0
bit 15 SPIEN: SPI Enable bit
1 = Enables module and configures SCKx, SDOx, SDIx and SSx as serial port pins
0 = Disables module
bit 14 Unimplemented: Read as ‘0’
bit 13 SPISIDL: Stop in Idle Mode bit
1 = Discontinue module operation when device enters Idle mode
0 = Continue module operation in Idle mode
bit 12-7 Unimplemented: Read as ‘0’
bit 6 SPIROV: Receive Overflow Flag bit
1 = A new byte/word is completely received and discarded. The user software has not read the previous
data in the SPIxBUF register.
0 = No overflow has occurred
bit 5-2 Unimplemented: Read as ‘0’
bit 1 SPITBF: SPI Transmit Buffer Full Status bit
1 = Transmit not yet started, SPIxTXB is full
0 = Transmit started, SPIxTXB is empty
Automatically set in hardware when CPU writes SPIxBUF location, loading SPIxTXB.
Automatically cleared in hardware when SPIx module transfers data from SPIxTXB to SPIxSR.
bit 0 SPIRBF: SPI Receive Buffer Full Status bit
1 = Receive complete, SPIxRXB is full
0 = Receive is not complete, SPIxRXB is empty
Automatically set in hardware when SPIx transfers data from SPIxSR to SPIxRXB.
Automatically cleared in hardware when core reads SPIxBUF location, reading SPIxRXB.
Legend:
R = Readable bit W = Writable bit U = Unimplemented bit, read as ‘0’
HC = Cleared by Hardware HS = Set by Hardware
-n = Value at Reset ‘1’ = Bit is set ‘0’ = Bit is cleared x = Bit is unknown

© 2004 Microchip Technology Inc. DS70067C-page 20-5
Section 20. Serial Peripheral Interface (SPI)
S
e
r
i
a
l
P
e
r
i
p
h
e
r
a
l
Interface (SPI)
20
Register 20-2: SPIXCON: SPIx Control Register
Upper Byte:
U-0 R/W-0 R/W-0 U-0 R/W-0 R/W-0 R/W-0 R/W-0
— FRMEN SPIFSD — DISSDO MODE16 SMP CKE
bit 15 bit 8
Lower Byte:
R/W-0 R/W-0 R/W-0 R/W-0 R/W-0 R/W-0 R/W-0 R/W-0
SSEN CKP MSTEN SPRE<2:0> PPRE<1:0>
bit 7 bit 0
bit 15 Unimplemented: Read as ‘0’
bit 14 FRMEN: Framed SPI Support bit
1 = Framed SPI support enabled
0 = Framed SPI support disabled
bit 13 SPIFSD: Frame Sync Pulse Direction Control on SSx pin bit
1 = Frame sync pulse input (slave)
0 = Frame sync pulse output (master)
bit 12 Unimplemented: Read as ‘0’
bit 11 DISSDO: Disable SDOx pin bit
1 = SDOx pin is not used by module. Pin is controlled by associated port register.
0 = SDOx pin is controlled by the module
bit 10 MODE16: Word/Byte Communication Select bit
1 = Communication is word-wide (16 bits)
0 = Communication is byte-wide (8 bits)
bit 9 SMP: SPI Data Input Sample Phase bit
Master mode:
1 = Input data sampled at end of data output time
0 = Input data sampled at middle of data output time
Slave mode:
SMP must be cleared when SPI is used in Slave mode.
bit 8 CKE: SPI Clock Edge Select bit
1 = Serial output data changes on transition from active clock state to Idle clock state (see bit 6)
0 = Serial output data changes on transition from Idle clock state to active clock state (see bit 6)
Note: The CKE bit is not used in the Framed SPI modes. The user should program this bit to ‘0’ for the
Framed SPI modes (FRMEN = 1).
bit 7 SSEN: Slave Select Enable (Slave mode) bit
1 = SS pin used for Slave mode
0 = SS pin not used by module. Pin controlled by port function.
bit 6 CKP: Clock Polarity Select bit
1 = Idle state for clock is a high level; active state is a low level
0 = Idle state for clock is a low level; active state is a high level
bit 5 MSTEN: Master Mode Enable bit
1 = Master mode
0 = Slave mode

dsPIC30F Family Reference Manual
DS70067C-page 20-6 © 2004 Microchip Technology Inc.
Register 20-2: SPIXCON: SPIx Control Register (Continued)
bit 4-2 SPRE<2:0>: Secondary Prescale (Master Mode) bits
(Supported settings: 1:1, 2:1 through 8:1, all inclusive)
111 = Secondary prescale 1:1
110 = Secondary prescale 2:1
...
000 = Secondary prescale 8:1
bit 1-0 PPRE<1:0>: Primary Prescale (Master Mode) bits
11 = Primary prescale 1:1
10 = Primary prescale 4:1
01 = Primary prescale 16:1
00 = Primary prescale 64:1
Legend:
R = Readable bit W = Writable bit U = Unimplemented bit, read as ‘0’
-n = Value at POR ‘1’ = Bit is set ‘0’ = Bit is cleared x = Bit is unknown

© 2004 Microchip Technology Inc. DS70067C-page 20-7
Section 20. Serial Peripheral Interface (SPI)
S
e
r
i
a
l
P
e
r
i
p
h
e
r
a
l
Interface (SPI)
20
20.3 Modes of Operation
The SPI module has flexible Operating modes which are discussed in the following subsections:
• 8-bit and 16-bit Data Transmission/Reception
• Master and Slave Modes
• Framed SPI Modes
20.3.1 8-bit vs. 16-bit Operation
A control bit, MODE16 (SPIxCON<10>), allows the module to communicate in either 8-bit or
16-bit modes. The functionality will be the same for each mode except the number of bits that are
received and transmitted. Additionally, the following should be noted in this context:
• The module is reset when the value of the MODE16 (SPIxCON<10>) bit is changed.
Consequently, the bit should not be changed during normal operation.
• Data is transmitted out of bit 7 of the SPIxSR for 8-bit operation while it is transmitted and
out of bit 15 of the SPIxSR for 16-bit operation. In both modes, data is shifted into bit ‘0’ of
the SPIxSR.
• 8 clock pulses at the SCKx pin are required to shift in/out data in 8-bit mode, while 16 clock
pulses are required in the 16-bit mode.
20.3.2 Master and Slave Modes
Figure 20-2: SPI Master/Slave Connection
Serial Receive Buffer
(SPIxRXB)
Shift Register
(SPIxSR)
LSbit
MSbit
SDIx
SDOx
PROCESSOR 2 [SPI Slave]
SCKx
SSx
Serial Transmit Buffer
(SPIxTXB)
Serial Receive Buffer
(SPIxRXB)
Shift Register
(SPIxSR)
MSbit LSbit
SDOx
SDIx
PROCESSOR 1 [SPI Master]
Serial Clock
.
(SSEN(SPIxCON<7>) = 1 and
MSTEN(SPIxCON<5> = 0))
Note 1: Using the SSx pin in Slave mode of operation is optional.
2: User must write transmit data to/read received data from SPIxBUF. The SPIxTXB and SPIxRXB registers
are memory mapped to SPIxBUF.
SSx
SCKx
Serial Transmit Buffer
(SPIxTXB)
(MSTEN(SPIxCON<5> = 1))
SPI Buffer
(SPIxBUF)
SPI Buffer
(SPIxBUF)

dsPIC30F Family Reference Manual
DS70067C-page 20-8 © 2004 Microchip Technology Inc.
20.3.2.1 Master Mode
The following steps should be taken to set up the SPI module for the Master mode of operation:
1. If using interrupts:
• Clear the SPIxIF bit in the respective IFSn register.
• Set the SPIxIE bit in the respective IECn register.
• Write the SPIxIP bits in the respective IPCn register.
2. Write the desired settings to the SPIxCON register with MSTEN (SPIxCON<5>) = 1.
3. Clear the SPIROV bit (SPIxSTAT<6>).
4. Enable SPI operation by setting the SPIEN bit (SPIxSTAT<15>).
5. Write the data to be transmitted to the SPIxBUF register. Transmission (and Reception)
will start as soon as data is written to the SPIxBUF register.
In Master mode, the system clock is prescaled and then used as the serial clock. The prescaling
is based on the settings in the PPRE<1:0> (SPIxCON<1:0>) and SPRE<1:0> (SPIxCON<4:2>)
bits. The serial clock is output via the SCKx pin to slave devices. Clock pulses are only generated
when there is data to be transmitted. For further information, refer to Section 20.4 “SPI Master
Mode Clock Frequency”.
The CKP and CKE bits determine on which edge of the clock, data transmission occurs.
Both data to be transmitted and data that is received are respectively written into or read from
the SPIxBUF register.
The following describes the SPI module operation in Master mode:
1. Once the module is set up for Master mode of operation and enabled, data to be
transmitted is written to the SPIxBUF register. The SPITBF (SPIxSTAT<1>) bit is set.
2. The contents of SPIxTXB are moved to the shift register, SPIxSR, and the SPITBF bit is
cleared by the module.
3. A series of 8/16 clock pulses shifts out 8/16 bits of transmit data from the SPIxSR to the
SDOx pin and simultaneously shifts in the data at the SDIx pin into the SPIxSR.
4. When the transfer is complete, the following events will occur:
• The interrupt flag bit, SPIxIF, is set. SPI interrupts can be enabled by setting the
interrupt enable bit SPIxIE. The SPIxIF flag is not cleared automatically by the
hardware.
• Also, when the ongoing transmit and receive operation is completed, the contents of
the SPIxSR are moved to the SPIxRXB register.
• The SPIRBF (SPIxSTAT<0>) bit is set by the module, indicating that the receive buffer
is full. Once the SPIxBUF register is read by the user code, the hardware clears the
SPIRBF bit.
5. If the SPIRBF bit is set (receive buffer is full) when the SPI module needs to transfer data
from SPIxSR to SPIxRXB, the module will set the SPIROV (SPIxSTAT<6>) bit, indicating
an overflow condition.
6. Data to be transmitted can be written to SPIxBUF by the user software at any time as long
as the SPITBF (SPIxSTAT<1>) bit is clear. The write can occur while SPIxSR is shifting
out the previously written data, allowing continuous transmission.
Note: The SPIxSR register cannot be written into directly by the user. All writes to the
SPIxSR register are performed through the SPIxBUF register.

© 2004 Microchip Technology Inc. DS70067C-page 20-9
Section 20. Serial Peripheral Interface (SPI)
S
e
r
i
a
l
P
e
r
i
p
h
e
r
a
l
Interface (SPI)
20
Figure 20-3: SPI Master Mode Operation
SCKx
(CKP = 0
SCKx
(CKP = 1
SCKx
(CKP = 0
SCKx
(CKP = 1
4 Clock
modes
Input
Sample
Input
Sample
SDIx
bit7 bit0
SDOx bit7 bit6 bit5 bit4 bit3 bit2 bit1 bit0
bit7 bit0
SDIx
SPIxIF
(SMP = 1)
(SMP = 0)
(SMP = 1)
CKE = 1)
CKE = 0)
CKE = 0)
CKE = 0)
(SMP = 0)
User writes
to SPIxBUF
SDOx bit7 bit6 bit5 bit4 bit3 bit2 bit1 bit0
(CKE = 0)
(CKE = 1)
1 instruction cycle latency to set
SPIxIF flag bit
Note 1: Four SPI Clock modes shown to demonstrate CKP (SPIxCON<6>) and CKE (SPIxCON<8>) bit functionality only.
Only one of the four modes can be chosen for operation.
2: SDI and input sample shown for two different values of the SMP (SPIxCON<9>) bit, for demonstration purposes
only. Only one of the two configurations of the SMP bit can be chosen during operation.
3: If there are no pending transmissions, SPIxTXB is transferred to SPIxSR as soon as the user writes to SPIxBUF.
4: Operation for 8-bit mode shown. The 16-bit mode is similar.
SPIxSR moved
into SPIxRXB
User reads
SPIxBUF
(clock
output at
the SCKx
pin in
Master
mode)
(SPIxSTAT<0>)
SPITBF
SPIxTXB to SPIxSR
User writes new data
during transmission
SPIRBF
Two modes
available
for SMP
control
bit (see
Note 4)

dsPIC30F Family Reference Manual
DS70067C-page 20-10 © 2004 Microchip Technology Inc.
20.3.2.2 Slave Mode
The following steps should be taken to set up the SPI module for the Slave mode of operation:
1. Clear the SPIxBUF register.
2. If using interrupts:
• Clear the SPIxIF bit in the respective IFSn register.
• Set the SPIxIE bit in the respective IECn register.
• Write the SPIxIP bits in the respective IPCn register.
3. Write the desired settings to the SPIxCON register with MSTEN (SPIxCON<5>) = 0.
4. Clear the SMP bit.
5. If the CKE bit is set, then the SSEN bit must be set, thus enabling the SSx pin.
6. Clear the SPIROV bit (SPIxSTAT<6>) and,
7. Enable SPI operation by setting the SPIEN bit (SPIxSTAT<15>).
In Slave mode, data is transmitted and received as the external clock pulses appear on the SCKx
pin. The CKP (SPIxCON<6>) and CKE (SPIxCON<8>) bits determine on which edge of the clock
data transmission occurs.
Both data to be transmitted and data that is received are respectively written into or read from
the SPIxBUF register.
The rest of the operation of the module is identical to that in the Master mode.
A few additional features provided in the Slave mode are:
Slave Select Synchronization: The SSx pin allows a Synchronous Slave mode. If the SSEN
(SPIxCON<7>) bit is set, transmission and reception is enabled in Slave mode only if the SSx
pin is driven to a low state. The port output or other peripheral outputs must not be driven in order
to allow the SSx pin to function as an input. If the SSEN bit is set and the SSx pin is driven high,
the SDOx pin is no longer driven and will tri-state even if the module is in the middle of a
transmission. An aborted transmission will be retried the next time the SSx pin is driven low using
the data held in the SPIxTXB register. If the SSEN bit is not set, the SSx pin does not affect the
module operation in Slave mode.
SPITBF Status Flag Operation: The function of the SPITBF (SPIxSTAT<1>) bit is different in
the Slave mode of operation. The following describes the function of the SPITBF for various
settings of the Slave mode of operation:
1. If SSEN (SPIxCON<7>) is cleared, the SPITBF is set when the SPIxBUF is loaded by the
user code. It is cleared when the module transfers SPIxTXB to SPIxSR. This is similar to
the SPITBF bit function in Master mode.
2. If SSEN (SPIxCON<7>) is set, the SPITBF is set when the SPIxBUF is loaded by the user
code. However, it is cleared only when the SPIx module completes data transmission. A
transmission will be aborted when the SSx pin goes high and may be retried at a later
time. Each data word is held in SPIxTXB until all bits are transmitted to the receiver.
Note: To meet module timing requirements, the SSx pin must be enabled in Slave mode
when CKE = 1. (Refer to Figure 20-6 for details.)

© 2004 Microchip Technology Inc. DS70067C-page 20-11
Section 20. Serial Peripheral Interface (SPI)
S
e
r
i
a
l
P
e
r
i
p
h
e
r
a
l
Interface (SPI)
20
Figure 20-4: SPI Slave Mode Operation: Slave Select Pin Disabled
SCKx Input
(CKP =
1
SCKx Input
(CKP =
0
Input
Sample
SDIx Input
bit7 bit0
SDOx bit7 bit6 bit5 bit4 bit3 bit2 bit1 bit0
SPIxIF
(SMP =
0
)
CKE =
0
)
CKE =
0
)
(SMP =
0
)
User writes to
SPIxBUF
SPISR to
SPIxRXB
SPITBF
SPIRBF
Output
Note 1: Two SPI Clock modes shown only to demonstrate CKP (SPIxCON<6>) and CKE (SPIxCON<8>) bit functionality.
Any combination of CKP and CKE bits can be chosen for module operation.
2: If there are no pending transmissions or a transmission in progress, SPIxBUF is transferred to SPIxSR as soon
as the user writes to SPIxBUF.
3: Operation for 8-bit mode shown. The 16-bit mode is similar.
1 instruction cycle latency to set
SPIxIF flag bit

dsPIC30F Family Reference Manual
DS70067C-page 20-12 © 2004 Microchip Technology Inc.
Figure 20-5: SPI Slave Mode Operation with Slave Select Pin Enabled
SCKx
(CKP = 1
SCKx
(CKP = 0
Input
Sample
SDIx
bit7 bit0
SDOx bit7 bit6 bit5 bit4 bit3 bit2 bit1 bit0
SPIxIF
(SMP = 0)
CKE = 0)
CKE = 0)
(SMP = 0)
User writes
SPIxBUF
SPIxSR to
SPIxBUF
SSx
Note 1: When the SSEN (SPIxCON<7>) bit is set to ‘1’, the SSx pin must be driven low so as to enable transmission and
reception in Slave mode.
2: Transmit data is held in SPIxTXB and SPITBF remains set until all bits are transmitted.
3: Operation for 8-bit mode shown. The 16-bit mode is similar.
User reads
SPIxBUF
SPIRBF
1 instruction
cycle latency
SPITBF
SPIxBUF
to
SPIxSR
to

© 2004 Microchip Technology Inc. DS70067C-page 20-13
Section 20. Serial Peripheral Interface (SPI)
S
e
r
i
a
l
P
e
r
i
p
h
e
r
a
l
Interface (SPI)
20
Figure 20-6: SPI Mode Timing (Slave Mode w/CKE = 1)
SCK Input
(CKP =
1
SCK Input
(CKP =
0
Input
Sample
SDI Input
bit7 bit0
SDO bit7 bit6 bit5 bit4 bit3 bit2 bit1 bit0
SPIxIF
(SMP =
0
)
CKE =
1
)
CKE =
1
)
(SMP =
0
)
Write to
SPIxBUF SPISR to
SPIRXB
SSx
(see Note 1)
SPITBF
SPIxRBF
Output
Note 1: The SSx pin must be used for Slave mode operation when CKE = 1.
2: When the SSEN (SPIxCON<7>) bit is set to ‘1’, the SSx pin must be driven low so as to enable transmission and
reception in Slave mode.
3: Transmit data is held in SPIxTXB and SPITBF remains set until all bits are transmitted.
4: Operation for 8-bit mode shown. The 16-bit mode is similar.

dsPIC30F Family Reference Manual
DS70067C-page 20-14 © 2004 Microchip Technology Inc.
20.3.3 SPI Error Handling
When a new data word has been shifted into SPIxSR and the previous contents of SPIxRXB
have not been read by the user software, the SPIROV bit (SPIxSTAT<6>) will be set. The module
will not transfer the received data from SPIxSR to SPIxRXB. Further data reception is disabled
until the SPIROV bit is cleared. The SPIROV bit is not cleared automatically by the module and
must be cleared by the user software.
20.3.4 SPI Receive Only Operation
Setting the control bit, DISSDO (SPIxCON<11>), disables transmission at the SDOx pin. This
allows the SPIx module to be configured for a Receive Only mode of operation. The SDOx pin
will be controlled by the respective port function if the DISSDO bit is set.
The DISSDO function is applicable to all SPI Operating modes.
20.3.5 Framed SPI Modes
The module supports a very basic framed SPI protocol while operating in either Master or Slave
modes. The following features are provided in the SPI module to support Framed SPI modes:
• The control bit, FRMEN (SPIxCON<14>), enables Framed SPI modes and causes the SSx
pin to be used as a frame synchronization pulse input or output pin. The state of the SSEN
(SPIxCON<7>) is ignored.
• The control bit, SPIFSD (SPIxCON<13>), determines whether the SSx pin is an input or an
output (i.e., whether the module receives or generates the frame synchronization pulse).
• The frame synchronization pulse is an active high pulse for a single SPI clock cycle.
The following two framed SPI modes are supported by the SPI module:
• Frame Master Mode: The SPI module generates the frame synchronization pulse and
provides this pulse to other devices at the SSx pin.
• Frame Slave Mode: The SPI module uses a frame synchronization pulse received at the
SSx pin.
The Framed SPI modes are supported in conjunction with the Master and Slave modes. Thus,
the following four framed SPI configurations are available to the user:
• SPI Master Mode and Frame Master Mode
• SPI Master Mode and Frame Slave Mode
• SPI Slave Mode and Frame Master Mode
• SPI Slave Mode and Frame Slave Mode
These four modes determine whether or not the SPIx module generates the serial clock and the
frame synchronization pulse.

© 2004 Microchip Technology Inc. DS70067C-page 20-15
Section 20. Serial Peripheral Interface (SPI)
S
e
r
i
a
l
P
e
r
i
p
h
e
r
a
l
Interface (SPI)
20
Figure 20-7: SPI Master, Frame Master Connection Diagram
20.3.5.1 SCKx in Framed SPI Modes
When FRMEN (SPIxCON<14>) = 1 and MSTEN (SPIxCON<5>) = 1, the SCKx pin becomes an
output and the SPI clock at SCKx becomes a free running clock.
When FRMEN = 1 and MSTEN = 0, the SCKx pin becomes an input. The source clock provided
to the SCKx pin is assumed to be a free running clock.
The polarity of the clock is selected by the CKP (SPIxCON<6>) bit. The CKE (SPIxCON<8>) bit
is not used for the Framed SPI modes and should be programmed to ‘0’ by the user software.
When CKP = 0, the frame sync pulse output and the SDOx data output change on the rising edge
of the clock pulses at the SCKx pin. Input data is sampled at the SDIx input pin on the falling edge
of the serial clock.
When CKP = 1, the frame sync pulse output and the SDOx data output change on the falling
edge of the clock pulses at the SCKx pin. Input data is sampled at the SDIx input pin on the rising
edge of the serial clock.
Serial Receive Buffer
(SPIxRXB)
Shift Register
(SPIxSR)
MSbit LSbit
SDOx
SDIx
dsPIC30F [SPI Master, Frame Master]
Serial Receive Buffer
(SPIxRXB)
Shift Register
(SPIxSR)
LSbit
MSbit
SDIx
SDOx
PROCESSOR 2
Serial Clock
Note 1: In Framed SPI modes, the SSx pin is used to transmit/receive the frame synchronization pulse.
2: Framed SPI modes require the use of all four pins (i.e., using the SSx pin is not optional).
3: The SPIxTXB and SPIxRXB registers are memory mapped to the SPIxBUF register.
SCKx
SSx
SSx
SCKx
Serial Transmit Buffer
(SPIxTXB) Serial Transmit Buffer
(SPIxTXB)
Frame Sync.
Pulse
SPI Buffer
(SPIxBUF)
SPI Buffer
(SPIxBUF)

dsPIC30F Family Reference Manual
DS70067C-page 20-16 © 2004 Microchip Technology Inc.
20.3.5.2 SPIx Buffers in Framed SPI Modes
When SPIFSD (SPIxCON<13>) = 0, the SPIx module is in the Frame Master mode of operation.
In this mode, the frame sync pulse is initiated by the module when the user software writes the
transmit data to SPIxBUF location (thus writing the SPIxTXB register with transmit data). At
the end of the frame sync pulse, the SPIxTXB is transferred to the SPIxSR and data
transmission/reception begins.
When SPIFSD (SPIxCON<13>) = 1, the module is in Frame Slave mode. In this mode, the frame
sync pulse is generated by an external source. When the module samples the frame sync pulse,
it will transfer the contents of the SPIxTXB register to the SPIxSR and data transmission/
reception begins. The user must make sure that the correct data is loaded into the SPIxBUF for
transmission before the frame sync pulse is received.
20.3.5.3 SPI Master Mode and Frame Master Mode
This Framed SPI mode is enabled by setting the MSTEN (SPIxCON<5>) and FRMEN
(SPIxCON<14>) bits to ‘1’ and the SPIFSD (SPIxCON<13>) bit to ‘0’. In this mode, the serial
clock will be output continuously at the SCKx pin, regardless of whether the module is
transmitting. When the SPIxBUF is written, the SSx pin will be driven high on the next transmit
edge of the SCKx clock. The SSx pin will be high for one SCKx clock cycle. The module will start
transmitting data on the next transmit edge of the SCKx, as shown in Figure 20-8. A connection
diagram indicating signal directions for this Operating mode is shown in Figure 20-7.
Figure 20-8: SPI Master, Frame Master
Note: Receiving a frame sync pulse will start a transmission, regardless of whether data
was written to SPIxBUF. If no write was performed, the old contents of SPIxTXB will
be transmitted.
SCKx
SSx
SDOx
(CKP = 0)
Bit 15 Bit 14 Bit 13 Bit 12
SDIx
Bit 15 Bit 14 Bit 13 Bit 12
Write to SPIxBUF Receive Samples at SDIx
Pulse generated at SSx
SCKx
(CKP = 1)

© 2004 Microchip Technology Inc. DS70067C-page 20-17
Section 20. Serial Peripheral Interface (SPI)
S
e
r
i
a
l
P
e
r
i
p
h
e
r
a
l
Interface (SPI)
20
20.3.5.4 SPI Master Mode and Frame Slave Mode
This Framed SPI mode is enabled by setting the MSTEN, FRMEN and the SPIFSD bits to ‘1’.
The SSx pin is an input, and it is sampled on the sample edge of the SPI clock. When it is
sampled high, data will be transmitted on the subsequent transmit edge of the SPI clock, as
shown in Figure 20-9. The interrupt flag, SPIxIF, is set when the transmission is complete. The
user must make sure that the correct data is loaded into the SPIxBUF for transmission before the
signal is received at the SSx pin. A connection diagram indicating signal directions for this
Operating mode is shown in Figure 20-10.
Figure 20-9: SPI Master, Frame Slave
Figure 20-10: SPI Master, Frame Slave Connection Diagram
SCK
FSYNC
SDO
(CKP = 0)
Bit 15 Bit 14 Bit 13 Bit 12
SDI
Sample SSx pin
for frame sync. pulse
Receive Samples at SDIx
Bit 15 Bit 14 Bit 13 Bit 12
Write to
SPIxBUF
SCKx
(CKP = 1)
SDOx
SDIx
dsPIC30F
Serial Clock
Note 1: In Framed SPI modes, the SSx pin is used to transmit/receive the frame synchronization
pulse.
2: Framed SPI modes require the use of all four pins (i.e., Using the SSx pin is not optional).
SSx
SCKx
Frame Sync.
Pulse
SDIx
SDOx
PROCESSOR 2
SSx
SCKx
[SPI Master, Frame Slave]

dsPIC30F Family Reference Manual
DS70067C-page 20-18 © 2004 Microchip Technology Inc.
20.3.5.5 SPI Slave Mode and Frame Master Mode
This framed SPI mode is enabled by setting the MSTEN (SPIxCON<5>) bit to ‘0’, the FRMEN
(SPIxCON<14>) bit to ‘1’ and the SPIFSD (SPIxCON<13>) bit to ‘0’. The input SPI clock will be
continuous in Slave mode. The SSx pin will be an output when the SPIFSD bit is low. Therefore,
when the SPIBUF is written, the module will drive the SSx pin high on the next transmit edge of
the SPI clock. The SSx pin will be driven high for one SPI clock cycle. Data will start transmitting
on the next SPI clock transmit edge. A connection diagram indicating signal directions for this
Operating mode is shown in Figure 20-11.
Figure 20-11: SPI Slave, Frame Master Connection Diagram
20.3.5.6 SPI Slave Mode and Frame Slave Mode
This Framed SPI mode is enabled by setting the MSTEN (SPIxCON<5>) bit to ‘0’, the FRMEN
bit (SPIxCON<14>) to ‘1’ and the SPIFSD (SPIxCON<13>) bit to ‘1’. Therefore, both the SCKx
and SSx pins will be inputs. The SSx pin will be sampled on the sample edge of the SPI clock.
When SSx is sampled high, data will be transmitted on the next transmit edge of SCKx. A
connection diagram indicating signal directions for this Operating mode is shown in Figure 20-12.
Figure 20-12: SPI Slave, Frame Slave Connection Diagram
SDOx
SDIx
dsPIC30F
Serial Clock
Note 1: In Framed SPI modes, the SSx pin is used to transmit/receive the frame synchronization
pulse.
2: Framed SPI modes require the use of all four pins (i.e., Using the SSx pin is not optional).
SSx
SCKx
Frame Sync.
Pulse
SDIx
SDOx
PROCESSOR 2
SSx
SCKx
[SPI Slave, Frame Slave]
SDOx
SDIx
dsPIC30F
Serial Clock
Note 1: In Framed SPI modes, the SSx pin is used to transmit/receive the frame synchronization
pulse.
2: Framed SPI modes require the use of all four pins (i.e., Using the SSx pin is not optional).
SSx
SCKx
Frame Sync.
Pulse
SDIx
SDOx
PROCESSOR 2
SSx
SCKx
[SPI Master, Frame Slave]

© 2004 Microchip Technology Inc. DS70067C-page 20-19
Section 20. Serial Peripheral Interface (SPI)
S
e
r
i
a
l
P
e
r
i
p
h
e
r
a
l
Interface (SPI)
20
20.4 SPI Master Mode Clock Frequency
In the Master mode, the clock provided to the SPI module is the instruction cycle (TCY). This clock
will then be prescaled by the primary prescaler (specified by PPRE<1:0> (SPIxCON<1:0>)), and
the secondary prescaler (specified by SPRE<2:0> (SPIxCON<4:2>)). The prescaled instruction
clock becomes the serial clock and is provided to external devices via the SCKx pin.
Equation 20-1 can be used to calculate the SCKx clock frequency as a function of the primary
and secondary prescaler settings.
Equation 20-1:
Some sample SPI clock frequencies (in kHz) are shown in the table below:
Table 20-1: Sample SCKx Frequencies
Note: Note that the SCKx signal clock is not free running for normal SPI modes. It will only
run for 8 or 16 pulses when the SPIxBUF is loaded with data. It will however, be
continuous for Framed modes.
Primary Prescaler * Secondary Prescaler
FCY
FSCK =
FCY = 30 MHz Secondary Prescaler Settings
1:12:14:16:18:1
Primary Prescaler Settings 1:1 30000 15000 7500 5000 3750
4:1 7500 3750 1875 1250 938
16:1 1875 938 469 313 234
64:1 469 234 117 78 59
FCY = 5 MHz
Primary Prescaler Settings 1:1 5000 2500 1250 833 625
4:1 1250 625 313 208 156
16:1 313 156 78 52 39
64:17839201310
Note: SCKx frequencies shown in kHz.
Note: Not all clock rates are supported. For further information, refer to the SPI timing
specifications in the specific device data sheet.

dsPIC30F Family Reference Manual
DS70067C-page 20-20 © 2004 Microchip Technology Inc.
20.5 Operation in Power Save Modes
The dsPIC30FXXXX family of devices has three Power modes:
• Operational mode: The core and peripherals are running.
• Power Save modes: These are invoked by the execution of the PWRSAV instruction. There
are two Power Save modes supported in the dsPIC30F family of devices. These are
specified in the PWRSAV instruction via a parameter. The two modes are:
- Sleep mode: Device clock source and entire device is shut down. This is achieved by
the following instruction.
;include device p30fxxxx.inc file
PWRSAV #SLEEP_MODE
- Idle mode: Device clock is operational, CPU and selected peripherals are shut down.
;include device p30fxxxx.inc file
PWRSAV #IDLE_MODE
20.5.1 Sleep Mode
When the device enters Sleep mode, the system clock is disabled.
20.5.1.1 Master Mode Operation
The following are a consequence of entering Sleep mode when the SPIx module is configured
for master operation:
• The baud rate generator in the SPIx module stops and is reset.
• If the SPIx module enters Sleep mode in the middle of a transmission/reception, then the
transmission/reception is aborted. Since there is no automatic way to prevent an entry into
Sleep mode if a transmission or reception is pending, the user software must synchronize
entry into Sleep with SPI module operation to avoid aborted transmissions.
• The transmitter and receiver will stop in Sleep. The transmitter or receiver does not
continue with a partially completed transmission at wake-up.
20.5.1.2 Slave Mode Operation
Since the clock pulses at SCKx are externally provided for Slave mode, the module will continue
to function in Sleep mode. It will complete any transactions during the transition into Sleep. On
completion of a transaction, the SPIRBF flag is set. Consequently, the SPIxIF bit will be set. If
SPI interrupts are enabled (SPIxIE = 1), the device will wake from Sleep. If the SPI interrupt pri-
ority level is greater than the present CPU priority level, code execution will resume at the SPIx
interrupt vector location. Otherwise, code execution will continue with the instruction following the
PWRSAV instruction that previously invoked Sleep mode. The module is not reset on entering
Sleep mode if it is operating as a slave device.
Register contents are not affected when the SPIx module is going into or coming out of Sleep
mode.
20.5.2 Idle Mode
When the device enters Idle mode, the system clock sources remain functional. The SPISIDL bit
(SPIxSTAT<13>) selects whether the module will stop or continue functioning on Idle.
• If SPISIDL = 1, the SPI module will stop communication on entering Idle mode. It will
operate in the same manner as it does in Sleep mode.
• If SPISID = 0 (default selection), the module will continue operation in Idle mode.

© 2004 Microchip Technology Inc. DS70067C-page 20-21
Section 20. Serial Peripheral Interface (SPI)
S
e
r
i
a
l
P
e
r
i
p
h
e
r
a
l
Interface (SPI)
20
Table 20-2: Pins Associated with the SPI Modules
Pin Name Pin
Type Buffer
Type Description
SCK1 I/O CMOS SPI1 module Clock Input or Output
SCK2 I/O CMOS SPI2 module Clock Input or Output
SDI1 I CMOS SPI1 module Data Receive pin
SDI2 I CMOS SPI2 module Data Receive pin
SDO1 O CMOS SPI1 module Data Transmit pin
SDO2 O CMOS SPI2 module Data Transmit pin
SS1I/O CMOS SPI1 module Slave Select Control pin
1) Used to enable transmit/receive in Slave mode,
if SSEN (SPI1CON<7>) has been set to ‘1’
2) Used as Frame Sync I/O Pulse when FRMEN and
SPIFSD (SPI1CON<14:13>) are set to ‘11’ or ‘10’.
SS2 I/O CMOS SPI2 module Slave Select Control pin
1) Used to enable transmit/receive in Slave mode,
if SSEN (SPI2CON<7>) has been set to ‘1’
2) Used as Frame Sync I/O Pulse when FRMEN
and SPIFSD (SPI2CON<14:13>) are set to ‘11’ or ‘10’.
Legend: CMOS = CMOS compatible input or output, ST = Schmitt Trigger input with
CMOS levels, I = Input, O = Output

dsPIC30F Family Reference Manual
DS70067C-page 20-22 © 2004 Microchip Technology Inc.
20.6 Special Function Registers Associated with SPI Modules
Table 20-3: SPI1 Register Map
Table 20-4: SPI2 Register Map
Table 20-5: SPI Module Related Interrupt Registers
SFR
Name Addr. Bit 15 Bit 14 Bit 13 Bit 12 Bit 11 Bit 10 Bit 9 Bit 8 Bit 7 Bit 6 Bit 5 Bit 4 Bit 3 Bit 2 Bit 1 Bit 0 Reset State
SPI1STAT 0220 SPIEN — SPISIDL — — — — — — SPIROV — — — —SPITBFSPIRBF
0000 0000 0000 0000
SPI1CON 0222 — FRMEN SPIFSD — DISSDO MODE16 SMP CKE SSEN CKP MSTEN SPRE2 SPRE1 SPRE0 PPRE1 PPRE0 0000 0000 0000 0000
SPI1BUF 0224 Transmit and Receive Buffer Address shared by SPI1TXB and SPI1RXB registers 0000 0000 0000 0000
SFR
Name Addr. Bit 15 Bit 14 Bit 13 Bit 12 Bit 11 Bit 10 Bit 9 Bit 8 Bit 7 Bit 6 Bit 5 Bit 4 Bit 3 Bit 2 Bit 1 Bit 0 Reset State
SPI2STAT 0226 SPIEN — SPISIDL — — — — — — SPIROV — — — — SPITBF SPIRBF 0000 0000 0000 0000
SPI2CON 0228 — FRMEN SPIFSD — DISSDO MODE16 SMP CKE SSEN CKP MSTEN SPRE2 SPRE1 SPRE0 PPRE1 PPRE0 0000 0000 0000 0000
SPI2BUF 022A Transmit and Receive Buffer Address shared by SPI2TXB and SPI2RXB registers 0000 0000 0000 0000
SFR
Name Addr. Bit 15 Bit 14 Bit 13 Bit 12 Bit 11 Bit 10 Bit 9 Bit 8 Bit 7 Bit 6 Bit 5 Bit 4 Bit 3 Bit 2 Bit 1 Bit 0 Reset State
INTCON1 0080 NSTDIS — — — — OVATE OVBTE COVTE — — — SWTRAP OVRFLOW ADDRERR STKERR —0000 0000 0000 0000
INTCON2 0082 ALTIVT DISI — — — — LEV8F — — — — INT4EP INT3EP INT2EP INT1EP INT0EP 0000 0000 0000 0000
IFS0 0084 CNIF MI2CIF SI2CIF NVMIF ADIF U1TXIF U1RXIF SPI1IF T3IF T2IF OC2IF IC2IF T1IF OC1IF IC1IF INT0 0000 0000 0000 0000
IFS1 0086 IC6IF IC5IF IC4IF IC3IF C1IF SPI2IF U2TXIF U2RXIF INT2IF T5IF T4IF OC4IF OC3IF IC8IF IC7IF INT1IF 0000 0000 0000 0000
IEC0 008C CNIE MI2CIE SI2CIE NVMIE ADIE U1TXIE U1RXIE SPI1IE T3IE T2IE OC2IE IC2IE T1IE OC1IE IC1IE INT0IE 0000 0000 0000 0000
IEC1 008E IC6IE IC5IE IC4IE IC3IE C1IE SPI2IE U2TXIE U2RXIE INT2IE T5IE T4IE OC4IE OC3IE IC8IE IC7IE INT1IE 0000 0000 0000 0000
IPC2 0098 —ADIP<2:0> —U1TXIP<2:0> —U1RXIP<2:0> — SPI1IP<2:0> 0100 0100 0100 0100
IPC6 00A0 —C1IP<2:0> — SPI2IP<2:0> —U2TXIP<2:0> —U2RXIP<2:0> 0100 0100 0100 0100

© 2004 Microchip Technology Inc. DS70067C-page 20-23
Section 20. Serial Peripheral Interface (SPI)
S
e
r
i
a
l
P
e
r
i
p
h
e
r
a
l
Interface (SPI)
20
20.7 Related Application Notes
This section lists application notes that are related to this section of the manual. These
application notes may not be written specifically for the dsPIC30F Product Family, but the
concepts are pertinent and could be used with modification and possible limitations. The current
application notes related to the Serial Peripheral Interface (SPI) module are:
Title Application Note #
Interfacing Microchip’s MCP41XXX/MCP42XXX Digital Potentiometers
to a PICmicro® Microcontroller AN746
Interfacing Microchip’s MCP3201 Analog-to-Digital Converter to the
PICmicro® Microcontroller AN719
Note: Please visit the Microchip web site (www.microchip.com) for additional Application
Notes and code examples for the dsPIC30F Family of devices.

dsPIC30F Family Reference Manual
DS70067C-page 20-24 © 2004 Microchip Technology Inc.
20.8 Revision History
Revision A
This is the initial released revision of this document.
Revision B
This revision reflects editorial and technical content changes for the dsPIC30F Serial Peripheral
Interface (SPI) module.
Revision C
There were no technical content revisions to this section of the manual, however, this section was
updated to reflect Revision C throughout the manual.

© 2005 Microchip Technology Inc. DS70068D-page 21-1
I
n
t
e
r
-
I
n
t
e
g
r
a
t
e
d
Circuit (I2C)
21
Section 21. Inter-Integrated Circuit™ (I2C™)
HIGHLIGHTS
This section of the manual contains the following major topics:
21.1 Overview......................................................................................................................21-2
21.2 I2C Bus Characteristics................................................................................................21-4
21.3 Control and Status Registers .......................................................................................21-7
21.4 Enabling I2C Operation.............................................................................................. 21-13
21.5 Communicating as a Master in a Single Master Environment ................................... 21-15
21.6 Communicating as a Master in a Multi-Master Environment ..................................... 21-29
21.7 Communicating as a Slave ........................................................................................ 21-32
21.8 Connection Considerations for I2C Bus .....................................................................21-47
21.9 Module Operation During PWRSAV Instruction.........................................................21-49
21.10 Effects of a Reset....................................................................................................... 21-49
21.11 Design Tips ................................................................................................................ 21-50
21.12 Related Application Notes.......................................................................................... 21-51
21.13 Revision History......................................................................................................... 21-52

dsPIC30F Family Reference Manual
DS70068D-page 21-2 © 2005 Microchip Technology Inc.
21.1 Overview
The Inter-Integrated Circuit (I2C) module is a serial interface useful for communicating with other
peripheral or microcontroller devices. These peripheral devices may be serial EEPROMs,
display drivers, A/D converters, etc.
The I2C module can operate in any of the following I2C systems:
• Where the dsPIC30F acts as a Slave Device
• Where the dsPIC30F acts as a Master Device in a Single Master System
(Slave may also be active)
• Where the dsPIC30F acts as a Master/Slave Device in a Multi-Master System
(Bus collision detection and arbitration available)
The I2C module contains independent I2C master logic and I2C slave logic, each generating
interrupts based on their events. In multi-master systems, the software is simply partitioned into
master controller and slave controller.
When the I2C master logic is active, the slave logic remains active also, detecting the state of the
bus and potentially receiving messages from itself in a single master system or from other
masters in a multi-master system. No messages are lost during multi-master bus arbitration.
In a multi-master system, bus collision conflicts with other masters in the system are detected
and the module provides a method to terminate then restart the message.
The I2C module contains a baud rate generator. The I2C baud rate generator does not consume
other timer resources in the device.
21.1.1 Module Features
• Independent Master and Slave logic
• Multi-Master support. No messages lost in arbitration.
• Detects 7-bit and 10-bit device addresses
• Detects general call addresses as defined in the I2C protocol
• Bus Repeater mode. Accept all messages as a slave regardless of the address.
• Automatic SCL clock stretching provides delays for the processor to respond to a slave
data request.
• Supports 100 kHz and 400 kHz bus specifications.
Figure 21-1 shows the I2C module block diagram.

© 2005 Microchip Technology Inc. DS70068D-page 21-3
Section 21. Inter-Integrated Circuit (I2C)
I
n
t
e
r
-
I
n
t
e
g
r
a
t
e
d
Circuit (I2C)
21
Figure 21-1: I2C™ Block Diagram
I2CRSR
I2CRCV
Internal
Data Bus
SCL
SDA
Shift
Match Detect
I2CADD
Start and
Stop bit Detect
Clock
Address_Match
Clock
Stretching
I2CTRN
LSB
Shift
Clock
Write
Read
BRG Down Counter I2CBRG
Reload
Control
TCY/2
Start and Stop
bit Generate
Write
Read
Acknowledge
Generation
Collision
Detect
Write
Read
Write
Read
I2CCON
Write
Read
I2CSTAT
Control Logic
Read
LSB

dsPIC30F Family Reference Manual
DS70068D-page 21-4 © 2005 Microchip Technology Inc.
21.2 I2C Bus Characteristics
The I2C bus is a two-wire serial interface. Figure 21-2 is a schematic of a typical I2C connection
between the dsPIC30F device and a 24LC256 I2C serial EEPROM.
The I2C interface employs a comprehensive protocol to ensure reliable transmission and
reception of data. When communicating, one device is the “master” which initiates transfer on
the bus and generates the clock signals to permit that transfer, while the other device(s) acts as
the “slave” responding to the transfer. The clock line, “SCL”, is output from the master and input
to the slave, although occasionally the slave drives the SCL line. The data line, “SDA”, may be
output and input from both the master and slave.
Because the SDA and SCL lines are bidirectional, the output stages of the devices driving the
SDA and SCL lines must have an open drain in order to perform the wired-AND function of the
bus. External pull-up resistors are used to ensure a high level when no device is pulling the line
down.
In the I2C interface protocol, each device has an address. When a master wishes to initiate a
data transfer, it first transmits the address of the device that it wishes to “talk” to. All devices
“listen” to see if this is their address. Within this address, bit ‘0’ specifies if the master wishes to
read from or write to the slave device. The master and slave are always in opposite modes
(transmitter/receiver) of operation during a data transfer. That is, they can be thought of as
operating in either of these two relations:
• Master-transmitter and Slave-receiver
• Slave-transmitter and Master-receiver
In both cases, the master originates the SCL clock signal.
Figure 21-2: Typical I2C™ Interconnection Block Diagram
MCLR
VDD
VSS
OSC1
OSC2
SCL
SDA
dsPIC30F
4.7 μF
XTAL
0.1 μF
VDD
VSS
SDA
SCL VDD
A0
A1
A2
WP
VDD VDD VDD
5 kΩ 24LC256

© 2005 Microchip Technology Inc. DS70068D-page 21-5
Section 21. Inter-Integrated Circuit (I2C)
I
n
t
e
r
-
I
n
t
e
g
r
a
t
e
d
Circuit (I2C)
21
21.2.1 Bus Protocol
The following I2C bus protocol has been defined:
• Data transfer may be initiated only when the bus is not busy.
• During data transfer, the data line must remain stable whenever the SCL clock line is HIGH.
Changes in the data line while the SCL clock line is HIGH will be interpreted as a Start or
Stop condition.
Accordingly, the following bus conditions have been defined (Figure 21-3).
21.2.1.1 Start Data Transfer (S)
After a bus Idle state, a HIGH-to-LOW transition of the SDA line while the clock (SCL) is HIGH
determines a Start condition. All data transfers must be preceded by a Start condition.
21.2.1.2 Stop Data Transfer (P)
A LOW-to-HIGH transition of the SDA line while the clock (SCL) is HIGH determines a Stop
condition. All data transfers must end with a Stop condition.
21.2.1.3 Repeated Start (R)
After a WAIT state, a HIGH-to-LOW transition of the SDA line while the clock (SCL) is HIGH
determines a Repeated Start condition. Repeated Starts allow a master to change bus direction
without relinquishing control of the bus.
21.2.1.4 Data Valid (D)
The state of the SDA line represents valid data when, after a Start condition, the SDA line is
stable for the duration of the HIGH period of the clock signal. There is one bit of data per SCL
clock.
21.2.1.5 Acknowledge (A) or Not-Acknowledge (N)
All data byte transmissions must be Acknowledged (ACK) or Not Acknowledged (NACK) by the
receiver. The receiver will pull the SDA line low for an ACK or release the SDA line for a NACK.
The Acknowledge is a one-bit period, using one SCL clock.
21.2.1.6 WAIT/Data Invalid (Q)
The data on the line must be changed during the LOW period of the clock signal. Devices may
also stretch the clock low time, by asserting a low on SCL line, causing a WAIT on the bus.
21.2.1.7 Bus Idle (I)
Both data and clock lines remain HIGH at those times after a Stop condition and before a Start
condition.
Figure 21-3: I2C™ Bus Protocol States
Address
Valid
Data
Allowed
to Change
Stop
Condition
Start
Condition
SCL
SDA
(I) (S) (D) (A) or (N) (P) (I)
Data or
(Q)
ACK/NACK
Valid
NACK
ACK

dsPIC30F Family Reference Manual
DS70068D-page 21-6 © 2005 Microchip Technology Inc.
21.2.2 Message Protocol
A typical I2C message is shown in Figure 21-4. In this example, the message will read a specified
byte from a 24LC256 I2C serial EEPROM. The dsPIC30F device will act as the master and the
24LC256 device will act as the slave.
Figure 21-4 indicates the data as driven by the master device and the data as driven by the slave
device, remembering that the combined SDA line is a wired-AND of the master and slave data.
The master device controls and sequences the protocol. The slave device will only drive the bus
at specifically determined times.
Figure 21-4: A Typical I2C™ Message: Read of Serial EEPROM (Random Address Mode)
21.2.2.1 Start Message
Each message is initiated with a “Start” condition and terminated with a “Stop” condition. The
number of the data bytes transferred between the Start and Stop conditions is determined by the
master device. As defined by the system protocol, the bytes of the message may have special
meaning such as “device address byte” or “data byte”.
21.2.2.2 Address Slave
In the figure, the first byte is the device address byte that must be the first part of any I2C
message. It contains a device address and a R/W bit. Refer to “Section 26. Appendix” for
additional information on Address Byte formats. Note that R/W = 0 for this first address byte,
indicating that the master will be a transmitter and the slave will be a receiver.
21.2.2.3 Slave Acknowledge
The receiving device is obliged to generate an Acknowledge signal, “ACK”, after the reception of
each byte. The master device must generate an extra SCL clock, which is associated with this
Acknowledge bit.
21.2.2.4 Master Transmit
The next 2 bytes, sent by the master to the slave, are data bytes containing the location of the
requested EEPROM data byte. The slave must Acknowledge each of the data bytes.
21.2.2.5 Repeated Start
At this point, the slave EEPROM has the address information necessary to return the requested
data byte to the master. However, the R/W bit from the first device address byte specified master
transmission and slave reception. The bus must be turned in the other direction for the slave to
send data to the master.
To do this function without ending the message, the master sends a “Repeated Start”. The
Repeated Start is followed with a device address byte containing the same device address as
before and with the R/W = 1 to indicate slave transmission and master reception.
X
Bus
Master
SDA
A
C
K
N
A
C
A
C
K
A
C
K
A
C
K
S
T
O
P
S
T
A
R
T
Address
Byte EE ADDR
High Byte EE ADDR
Low Byte Address
Byte Data
Byte
S
T
A
R
T
S1010AAA0
210 R1010AAA
1
210 P
K
Slave
SDA
Activity
N
AAAA
E
R
R
/
W
R
/
W
Output
Output
I
D
L
E
I
D
L
E

© 2005 Microchip Technology Inc. DS70068D-page 21-7
Section 21. Inter-Integrated Circuit (I2C)
I
n
t
e
r
-
I
n
t
e
g
r
a
t
e
d
Circuit (I2C)
21
21.2.2.6 Slave Reply
Now the slave transmits the data byte driving the SDA line, while the master continues to
originate clocks but releases its SDA drive.
21.2.2.7 Master Acknowledge
During reads, a master must terminate data requests to the slave by NOT Acknowledging
(generate a “NACK”) on the last byte of the message.
21.2.2.8 Stop Message
The master sends Stop to terminate the message and return the bus to an Idle state.
21.3 Control and Status Registers
The I2C module has six user-accessible registers for I2C operation. The registers are accessible
in either Byte or Word mode. The registers are shown in Figure 21-5 and listed below:
• Control Register (I2CCON): This register allows control of the I2C operation.
• Status Register (I2CSTAT): This register contains status flags indicating the module state
during I2C operation.
• Receive Buffer Register (I2CRCV): This is the buffer register from which data bytes can be
read. The I2CRCV register is a read only register.
• Transmit Register (I2CTRN): This is the transmit register; bytes are written to this register
during a transmit operation. The I2CTRN register is a read/write register.
• Address Register (I2CADD): The I2CADD register holds the slave device address.
• Baud Rate Generator Reload Register (I2CBRG): Holds the baud rate generator reload
value for the I2C module baud rate generator.
Figure 21-5: I2C™ Programmer’s Model
Bit 7 Bit 0
I2CRCV (8 bits)
Bit 7 Bit 0
I2CTRN (8 bits)
Bit 8 Bit 0
I2CBRG (9 bits)
Bit 15 Bit 0
I2CCON (16 bits)
Bit 15 Bit 0
I2CSTAT (16 bits)
Bit 9 Bit 0
I2CADD (10 bits)

dsPIC30F Family Reference Manual
DS70068D-page 21-8 © 2005 Microchip Technology Inc.
Register 21-1 and Register 21-2 define the I2C module Control and Status registers, I2CCON
and I2CSTAT.
The I2CTRN is the register to which transmit data is written. This register is used when the
module operates as a master transmitting data to the slave or as a slave sending reply data to
the master. As the message progresses, the I2CTRN register shifts out the individual bits.
Because of this, the I2CTRN may not be written to unless the bus is Idle. The I2CTRN may be
reloaded while the current data is transmitting.
Data being received by either the master or the slave is shifted into a non-accessible Shift
register called I2CRSR. When a complete byte is received, the byte transfers to the I2CRCV
register. In receive operations, the I2CRSR and I2CRCV create a double-buffered receiver. This
allows reception of the next byte to begin before reading the current byte of received data.
If the module receives another complete byte before the software reads the previous byte from
the I2CRCV register, a receiver overflow occurs and sets the I2COV (I2CCON<6>). The byte in
the I2CRSR is lost.
The I2CADD register holds the slave device address. In 10-bit mode, all bits are relevant. In
7-bit addressing mode, only I2CADD<6:0> are relevant. The A10M (I2CCON<10>) specifies the
expected mode of the slave address.

© 2005 Microchip Technology Inc. DS70068D-page 21-9
Section 21. Inter-Integrated Circuit (I2C)
I
n
t
e
r
-
I
n
t
e
g
r
a
t
e
d
Circuit (I2C)
21
Register 21-1: I2CCON: I2C™ Control Register
Upper Byte:
R/W-0 U-0 R/W-0 R/W-1
HC R/W-0 R/W-0 R/W-0 R/W-0
I2CEN — I2CSIDL SCLREL IPMIEN A10M DISSLW SMEN
bit 15 bit 8
Lower Byte:
R/W-0 R/W-0 R/W-0 R/W-0
HC R/W-0
HC R/W-0
HC R/W-0
HC R/W-0
HC
GCEN STREN ACKDT ACKEN RCEN PEN RSEN SEN
bit 7 bit 0
bit 15 I2CEN: I2C Enable bit
1 = Enables the I2C module and configures the SDA and SCL pins as serial port pins
0 = Disables I2C module. All I2C pins are controlled by port functions.
bit 14 Unimplemented: Read as ‘0’
bit 13 I2CSIDL: Stop in Idle Mode bit
1 = Discontinue module operation when device enters an Idle mode
0 = Continue module operation in Idle mode
bit 12 SCLREL: SCL Release Control bit (when operating as I2C Slave)
1 = Release SCL clock
0 = Hold SCL clock low (clock stretch)
If STREN = 1:
Bit is R/W (i.e., software may write ‘0’ to initiate stretch and write ‘1’ to release clock)
Hardware clear at beginning of slave transmission.
Hardware clear at end of slave reception.
If STREN = 0:
Bit is R/S (i.e., software may only write ‘1’ to release clock)
Hardware clear at beginning of slave transmission.
bit 11 IPMIEN: Intelligent Peripheral Management Interface (IPMI) Enable bit
1 = Enable IPMI Support mode. All addresses Acknowledged.
0 = IPMI mode not enabled
bit 10 A10M: 10-bit Slave Address bit
1 = I2CADD is a 10-bit slave address
0 = I2CADD is a 7-bit slave address
bit 9 DISSLW: Disable Slew Rate Control bit
1 = Slew rate control disabled
0 = Slew rate control enabled
bit 8 SMEN: SMBus Input Levels bit
1 = Enable I/O pin thresholds compliant with SMBus specification
0 = Disable SMBus input thresholds
bit 7 GCEN: General Call Enable bit (when operating as I2C slave)
1 = Enable interrupt when a general call address is received in the I2CRSR
(module is enabled for reception)
0 = General call address disabled
bit 6 STREN: SCL Clock Stretch Enable bit (when operating as I2C slave)
Used in conjunction with SCLREL bit.
1 = Enable software or receive clock stretching
0 = Disable software or receive clock stretching
bit 5 ACKDT: Acknowledge Data bit (When operating as I2C Master. Applicable during master receive.)
Value that will be transmitted when the software initiates an Acknowledge sequence.
1 = Send NACK during acknowledge
0 = Send ACK during acknowledge

dsPIC30F Family Reference Manual
DS70068D-page 21-10 © 2005 Microchip Technology Inc.
Register 21-1: I2CCON: I2C™ Control Register (Continued)
bit 4 ACKEN: Acknowledge Sequence Enable bit
(When operating as I2C master. Applicable during master receive.)
1 = Initiate Acknowledge sequence on SDA and SCL pins, and transmit ACKDT data bit
Hardware clear at end of master Acknowledge sequence.
0 = Acknowledge sequence not in progress
bit 3 RCEN: Receive Enable bit (when operating as I2C master)
1 = Enables Receive mode for I2C
Hardware clear at end eighth bit of master receive data byte.
0 = Receive sequence not in progress
bit 2 PEN: Stop Condition Enable bit (when operating as I2C master)
1 = Initiate Stop condition on SDA and SCL pins
Hardware clear at end of master Stop sequence.
0 = Stop condition not in progress
bit 1 RSEN: Repeated Start Condition Enabled bit (when operating as I2C master)
1 = Initiate Repeated Start condition on SDA and SCL pins
Hardware clear at end of master Repeated Start sequence.
0 = Repeated Start condition not in progress
bit 0 SEN: Start Condition Enabled bit (when operating as I2C master)
1 = Initiate Start condition on SDA and SCL pins
Hardware clear at end of master Start sequence.
0 = Start condition not in progress
Legend:
R = Readable C = Clearable bit U = Unimplemented bit, read as ‘0’
W = Writable HS = Set by Hardware S = Settable bit
HC = Cleared by Hardware ‘0’ = Bit cleared at POR x = Bit is unknown at POR
‘1’ = Bit is set at POR

© 2005 Microchip Technology Inc. DS70068D-page 21-11
Section 21. Inter-Integrated Circuit (I2C)
I
n
t
e
r
-
I
n
t
e
g
r
a
t
e
d
Circuit (I2C)
21
Register 21-2: I2CSTAT: I2C™ Status Register
Upper Byte:
R-0
HS, HC R-0
HS, HC U-0 U-0 U-0 R/C-0
HS R-0
HS, HC R-0
HS, HC
ACKSTAT TRSTAT — — — BCL GCSTAT ADD10
bit 15 bit 8
Lower Byte:
R/C-0
HS R/W-0
HS R-0
HS, HC R/C-0
HS, HC R/C-0
HS, HC R-0
HS, HC R-0
HS, HC R-0
HS, HC
IWCOL I2COV D_A P S R_W RBF TBF
bit 7 bit 0
bit 15 ACKSTAT: Acknowledge Status bit
(When operating as I2C master. Applicable to master transmit operation.)
1 = NACK received from slave
0 = ACK received from slave
Hardware set or clear at end of slave Acknowledge.
bit 14 TRSTAT: Transmit Status bit
(When operating as I2C master. Applicable to master transmit operation.)
1 = Master transmit is in progress (8 bits + ACK)
0 = Master transmit is not in progress
Hardware set at beginning of master transmission.
Hardware clear at end of slave Acknowledge.
bit 13-11 Unimplemented: Read as ‘0’
bit 10 BCL: Master Bus Collision Detect bit
1 = A bus collision has been detected during a master operation
0 = No collision
Hardware set at detection of bus collision.
bit 9 GCSTAT: General Call Status bit
1 = General call address was received
0 = General call address was not received
Hardware set when address matches general call address.
Hardware clear at Stop detection.
bit 8 ADD10: 10-bit Address Status bit
1 = 10-bit address was matched
0 = 10-bit address was not matched
Hardware set at match of 2nd byte of matched 10-bit address.
Hardware clear at Stop detection.
bit 7 IWCOL: Write Collision Detect bit
1 = An attempt to write the I2CTRN register failed because the I2C module is busy
0 = No collision
Hardware set at occurrence of write to I2CTRN while busy (cleared by software).
bit 6 I2COV: Receive Overflow Flag bit
1 = A byte was received while the I2CRCV register is still holding the previous byte
0 = No overflow
Hardware set at attempt to transfer I2CRSR to I2CRCV (cleared by software).
bit 5 D_A: Data/Address bit (when operating as I2C slave)
1 = Indicates that the last byte received was data
0 = Indicates that the last byte received was device address
Hardware clear at device address match.
Hardware set by write to I2CTRN or by reception of slave byte.

dsPIC30F Family Reference Manual
DS70068D-page 21-12 © 2005 Microchip Technology Inc.
Register 21-2: I2CSTAT: I2C™ Status Register (Continued)
bit 4 P: Stop bit
1 = Indicates that a Stop bit has been detected last
0 = Stop bit was not detected last
Hardware set or clear when Start, Repeated Start or Stop detected.
bit 3 S: Start bit
1 = Indicates that a Start (or Repeated Start) bit has been detected last
0 = Start bit was not detected last
Hardware set or clear when Start, Repeated Start or Stop detected.
bit 2 R_W: Read/Write bit Information (when operating as I2C slave)
1 = Read - indicates data transfer is output from slave
0 = Write - indicates data transfer is input to slave
Hardware set or clear after reception of I2C device address byte.
bit 1 RBF: Receive Buffer Full Status bit
1 = Receive complete, I2CRCV is full
0 = Receive not complete, I2CRCV is empty
Hardware set when I2CRCV written with received byte.
Hardware clear when software reads I2CRCV.
bit 0 TBF: Transmit Buffer Full Status bit
1 = Transmit in progress, I2CTRN is full
0 = Transmit complete, I2CTRN is empty
Hardware set when software writes I2CTRN.
Hardware clear at completion of data transmission.
Legend:
R = Readable W = Writable C = Clearable bit
HC = Cleared by Hardware HS = Set by Hardware U = Unimplemented bit, read as ‘0’
‘1’ = Bit is set at POR ‘0’ = Bit cleared at POR x = Bit is unknown at POR

© 2005 Microchip Technology Inc. DS70068D-page 21-13
Section 21. Inter-Integrated Circuit (I2C)
I
n
t
e
r
-
I
n
t
e
g
r
a
t
e
d
Circuit (I2C)
21
21.4 Enabling I2C Operation
The module is enabled by setting the I2CEN (I2CCON<15>) bit.
The I2C module fully implements all master and slave functions. When the module is enabled,
the master and slave functions are active simultaneously and will respond according to the
software or the bus events.
When initially enabled, the module will release SDA and SCL pins, putting the bus into the Idle
state. The master functions will remain in the Idle state unless software sets a control bit to
initiate a master event. The slave functions will begin to monitor the bus. If the slave logic
detects a Start event and a valid address on the bus, the slave logic will begin a slave
transaction.
21.4.1 Enabling I2C I/O
Two pins are used for bus operation. These are the SCL pin, which is the clock, and the SDA
pin, which is the data. When the module is enabled, assuming no other module with higher
priority has control, the module will assume control of the SDA and SCL pins. The module
software need not be concerned with the state of the port I/O of the pins, the module overrides
the port state and direction. At initialization, the pins are tri-state (released).
21.4.2 I2C Interrupts
The I2C module generates two interrupts. One interrupt is assigned to master events and the
other interrupt is assigned to slave events. These interrupts will set a corresponding interrupt
flag bit and will interrupt the software process if the corresponding interrupt enable bit is set and
the corresponding interrupt priority is high enough.
The master interrupt is called MI2CIF and is activated on completion of a master message
event.
The following events generate the MI2CIF interrupt.
• Start condition
• Stop condition
• Data transfer byte transmitted/received
• Acknowledge transmit
• Repeated Start
• Detection of a bus collision event
The slave interrupt is called SI2CIF and is activated on detection of a message directed to the
slave.
• Detection of a valid device address (including general call)
• Request to transmit data
• Reception of data

dsPIC30F Family Reference Manual
DS70068D-page 21-14 © 2005 Microchip Technology Inc.
21.4.3 Setting Baud Rate when Operating as a Bus Master
When operating as an I2C master, the module must generate the system SCL clock. Generally,
I2C system clocks are specified to be either 100 kHz, 400 kHz or 1 MHz. The system clock rate
is specified as the minimum SCL low time plus the minimum SCL high time. In most cases, that
is defined by 2 TBRG intervals.
The reload value for the baud rate generator is the I2CBRG register, as shown in Figure 21-6.
When the baud rate generator is loaded with this value, the generator counts down to ‘0’ and
stops until another reload has taken place. The generator count is decremented twice per
instruction cycle (TCY). The baud rate generator is reloaded automatically on baud rate restart.
For example, if clock synchronization is taking place, the baud rate generator will be reloaded
when the SCL pin is sampled high.
To compute the baud rate generator reload value, use the following equation.
Equation 21-1:
Table 21-1: I2C™ Clock Rates
Figure 21-6: Baud Rate Generator Block Diagram
Note: I2CBRG value of 0x0 is not supported.
I2CBRG = FCY FCY
FSCL 1,111,111 – 1
–
()
Required
System
FSCL
FCY I2CBRG
Decimal I2CBRG
HEX Actual
FSCL
100 kHz 30 MHz 272 0x110 100 kHz
100 kHz 20 MHz 181 0x0B5 100 kHz
100 kHz 1 MHz 8 0x008 101 kHz
400 kHz 10 MHz 15 0x00F 400 kHz
400 kHz 5 MHz 7 0x007 400 kHz
400 kHz 1 MHz 1 0x001 345 kHz**
1 MHz* 11 MHz 1 0x001 1 MHz*
1 MHz 1 MHz 0 0x000
(invalid)
1 MHz
*FCY = 11 MHz is the minimum input clock frequency to have FSCL = 1 MHz.
** This is closest value to 400 kHz for this value of FCY.
Down Counter
CLK 2 TCY
I2CBRG<8:0>
SCL Reload
Control
Reload

© 2005 Microchip Technology Inc. DS70068D-page 21-15
Section 21. Inter-Integrated Circuit (I2C)
I
n
t
e
r
-
I
n
t
e
g
r
a
t
e
d
Circuit (I2C)
21
21.5 Communicating as a Master in a Single Master Environment
Typical operation of the I2C module in a system is using the I2C to communicate with an I2C
peripheral, such as an I2C serial memory. In an I2C system, the master controls the sequence
of all data communication on the bus. In this example, the dsPIC30F and its I2C module have
the role of the single master in the system. As the single master, it is responsible for generating
the SCL clock and controlling the message protocol.
In the I2C module, the module controls individual portions of the I2C message protocol,
however, sequencing of the components of the protocol to construct a complete message is a
software task.
For example, a typical operation in a single master environment may be to read a byte from an
I2C serial EEPROM. This example message is depicted in Figure 21-7.
To accomplish this message, the software will sequence through the following steps.
1. Assert a Start condition on SDA and SCL.
2. Send the I2C device address byte to the slave with a write indication.
3. Wait for and verify an Acknowledge from the slave.
4. Send the serial memory address high byte to the slave.
5. Wait for and verify an Acknowledge from the slave.
6. Send the serial memory address low byte to the slave.
7. Wait for and verify an Acknowledge from the slave.
8. Assert a Repeated Start condition on SDA and SCL.
9. Send the device address byte to the slave with a read indication.
10. Wait for and verify an Acknowledge from the slave.
11. Enable master reception to receive serial memory data.
12. Generate an ACK or NACK condition at the end of a received byte of data.
13. Generate a Stop condition on SDA and SCL.
Figure 21-7: A Typical I2C™ Message: Read Of Serial EEPROM (Random Address Mode)
The I2C module supports Master mode communication with the inclusion of Start and Stop
generators, data byte transmission, data byte reception, Acknowledge generator and a baud
rate generator.
Generally, the software will write to a control register to start a particular step, then wait for an
interrupt or poll status to wait for completion.
Subsequent sub-sections detail each of these operations
Bus
Master
SDA
A
C
K
N
A
C
A
C
K
A
C
K
A
C
K
S
T
O
P
S
T
A
R
T
Address
Byte EE ADDR
High Byte EE ADDR
Low Byte Address
Byte Data
Byte
S
T
A
R
T
S1010AAA0
210 R1010AAA1
210 P
K
Slave
SDA
Activity
N
AAAA
E
R
R
/
W
R
/
W
Output
Output
I
D
L
E
I
D
L
E

dsPIC30F Family Reference Manual
DS70068D-page 21-16 © 2005 Microchip Technology Inc.
21.5.1 Generating Start Bus Event
To initiate a Start event, the software sets the Start enable bit, SEN (I2CCON<0>). Prior to
setting the Start bit, the software can check the P (I2CSTAT<4>) status bit to ensure that the bus
is in an Idle state.
Figure 21-8 shows the timing of the Start condition.
• Slave logic detects the Start condition, sets the S bit (I2CSTAT<3>) and clears the P bit
(I2CSTAT<4>).
• SEN bit is automatically cleared at completion of the Start condition.
• MI2CIF interrupt generated at completion of the Start condition.
• After Start condition, SDA line and SCL line are left low (Q state).
21.5.1.1 IWCOL Status Flag
If the software writes the I2CTRN when a Start sequence is in progress, then IWCOL is set and
the contents of the transmit buffer are ignored.
Figure 21-8: Master Start Timing Diagram
Note: Because queueing of events is not allowed, writing to the lower 5 bits of I2CCON is
disabled until the Start condition is complete.
SCL (Master)
SDA (Master)
S
SEN
MI2CIF Interrupt
TBRG
1 2 3 4
- Writing SEN = 1 initiates a master Start event.
1
TBRG
Baud generator starts.
- Baud generator times out. Master module drives SDA low.
2
Baud generator restarts.
- Slave module detects Start, sets S = 1, P = 0.
3
- Baud generator times out. Master module drives SCL low,
4
generates interrupt and clears SEN.
I2C™ Bus State (I) (S) (Q)
P

© 2005 Microchip Technology Inc. DS70068D-page 21-17
Section 21. Inter-Integrated Circuit (I2C)
I
n
t
e
r
-
I
n
t
e
g
r
a
t
e
d
Circuit (I2C)
21
21.5.2 Sending Data to a Slave Device
Transmission of a data byte, a 7-bit device address byte or the second byte of a 10-bit address,
is accomplished by simply writing the appropriate value to the I2CTRN register. Loading this
register will start the following process:
• The software loads the I2CTRN with the data byte to transmit.
• Writing I2CTRN sets the buffer full flag bit, TBF (I2CSTAT<0>).
• The data byte is shifted out the SDA pin until all 8 bits are transmitted. Each bit of
address/data will be shifted out onto the SDA pin after the falling edge of SCL.
• On the ninth SCL clock, the module shifts in the ACK bit from the slave device and writes its
value into the ACKSTAT bit (I2CCON<15>).
• The module generates the MI2CIF interrupt at the end of the ninth SCL clock cycle.
Note that the module does not generate or validate the data bytes. The contents and usage of
the byte is dependant on the state of the message protocol maintained by the software.
21.5.2.1 Sending a 7-bit Address to the Slave
Sending a 7-bit device address involves sending 1 byte to the slave. A 7-bit address byte must
contain the 7 bits of I2C device address and a R/W bit that defines if the message will be a write
to the slave (master transmission and slave receiver) or a read from the slave (slave transmission
and master receiver).
21.5.2.2 Sending a 10-bit Address to the Slave
Sending a 10-bit device address involves sending 2 bytes to the slave. The first byte contains 5
bits of I2C device address reserved for 10-bit Addressing modes and 2 bits of the 10-bit address.
Because the next byte, which contains the remaining 8 bits of the 10-bit address must be
received by the slave, the R/W bit in the first byte must be ‘0’, indicating master transmission and
slave reception. If the message data is also directed toward the slave, the master can continue
sending the data. However, if the master expects a reply from the slave, a Repeated Start
sequence with the R/W bit at ‘1’ will change the R/W state of the message to a read of the slave.
21.5.2.3 Receiving Acknowledge from the Slave
On the falling edge of the eighth SCL clock, the TBF bit is cleared and the master will de-assert
the SDA pin allowing the slave to respond with an Acknowledge. The master will then generate
a ninth SCL clock.
This allows the slave device being addressed to respond with an ACK bit during the ninth
bit time if an address match occurs, or if data was received properly. A slave sends an
Acknowledge when it has recognized its device address (including a general call), or when the
slave has properly received its data.
The status of ACK is written into the Acknowledge status bit, ACKSTAT (I2CSTAT<15>), on the
falling edge of the ninth SCL clock. After the ninth SCL clock, the module generates the MI2CIF
interrupt and enters an Idle state until the next data byte is loaded into I2CTRN.
21.5.2.4 ACKSTAT Status Flag
The ACKSTAT bit (I2CCON<15>) is cleared when the slave has sent an Acknowledge
(ACK =0), and is set when the slave does not Acknowledge (ACK = 1).

dsPIC30F Family Reference Manual
DS70068D-page 21-18 © 2005 Microchip Technology Inc.
21.5.2.5 TBF Status Flag
When transmitting, the TBF bit (I2CSTAT<0>) is set when the CPU writes to I2CTRN and is
cleared when all 8 bits are shifted out.
21.5.2.6 IWCOL Status Flag
If the software writes the I2CTRN when a transmit is already in progress (i.e., the module is still
shifting out a data byte), then IWCOL is set and the contents of the buffer are ignored. IWCOL
must be cleared in software.
Figure 21-9: Master Transmission Timing Diagram
Note: Because queueing of events is not allowed, writing to the lower 5 bits of I2CCON is
disabled until the transmit condition is complete.
D7 D6 D5 D4 D3 D2 D1 D0
SCL (Master)
SCL (Slave)
SDA (Master)
SDA (Slave)
TBF
I2CTRN
MI2CIF Interrupt
TBRG TBRG
5 6 7 81 2 3 4
- Writing the I2CTRN register will start a master transmission event. TBF bit is set.
1
- Baud generator starts. The MSB of the I2CTRN drives SDA. SCL remains low. TRSTAT bit is set.
2
- Baud generator times out. SCL released. Baud generator restarts.
3
- Baud generator times out. SCL driven low. After SCL detected low, next bit of I2CTRN drives SDA.
4
- While SCL is low, the slave can also pull SCL low to initiate a WAIT (clock stretch).
5
- Master has already released SCL, and slave can release to end WAIT. Baud generator restarts.
6
- At falling edge of 8th SCL clock, master releases SDA. TBF bit is cleared. Slave drives ACK/NACK.
7
- At falling edge of 9th SCL clock, master generates interrupt. SCL remains low until next event.
8
Slave releases SDA. TRSTAT bit is clear.
I2C™ Bus State (Q) (D) (Q) (A) (Q)(D) (Q)
TRSTAT
ACKSTAT

© 2005 Microchip Technology Inc. DS70068D-page 21-19
Section 21. Inter-Integrated Circuit (I2C)
I
n
t
e
r
-
I
n
t
e
g
r
a
t
e
d
Circuit (I2C)
21
21.5.3 Receiving Data from a Slave Device
Setting the receive enable bit, RCEN (I2CCON<3>), enables the master to receive data from a
slave device.
The master logic begins to generate clocks and before each falling edge of the SCL, SDA line is
sampled and data is shifted into the I2CRSR.
After the falling edge of the eighth SCL clock:
• The RCEN bit is automatically cleared.
• The contents of the I2CRSR transfer into the I2CRCV.
• The RBF flag bit is set.
• The module generates the MI2CIF interrupt.
When the CPU reads the buffer, the RBF flag bit is automatically cleared. The software can
process the data and then do an Acknowledge sequence.
21.5.3.1 RBF Status Flag
When receiving data, the RBF bit is set when an device address or data byte is loaded into
I2CRCV from I2CRSR. It is cleared when software reads the I2CRCV register.
21.5.3.2 I2COV Status Flag
If another byte is received in the I2CRSR while the RBF bit remains set and the previous byte
remains in the I2CRCV register, the I2COV bit is set and the data in the I2CRSR is lost.
Leaving I2COV set does not inhibit further reception. If RBF is cleared by reading the I2CRCV,
and the I2CRSR receives another byte, that byte will be transferred to the I2CRCV.
21.5.3.3 IWCOL Status Flag
If the software writes the I2CTRN when a receive is already in progress (i.e., I2CRSR is still
shifting in a data byte), then the IWCOL bit is set and the contents of the buffer are ignored.
Note: The lower 5 bits of I2CCON must be ‘0’ before attempting to set the RCEN bit. This
ensures the master logic is inactive.
Note: Since queueing of events is not allowed, writing to the lower 5 bits of I2CCON is
disabled until the data reception condition is complete.

dsPIC30F Family Reference Manual
DS70068D-page 21-20 © 2005 Microchip Technology Inc.
Figure 21-10: Master Reception Timing Diagram
D7 D6 D5 D4 D3 D2 D1 D0
SCL (Master)
SCL (Slave)
SDA (Slave)
SDA (Master)
RBF
I2C™ Bus State
MI2CIF Interrupt
TBRG
5 62 3 4
- Writing the RCEN bit will start a master reception event. The baud generator starts. SCL remains low.
2
- Baud generator times out. Master attempts to release SCL.
3
- When slave releases SCL, baud generator restarts.
4
- Baud generator times out. MSB of response shifted to I2CRSR. SCL driven low for next baud interval.
5
- At falling edge of 8th SCL clock, I2CRSR transferred to I2CRCV. Module clears RCEN bit.
6
TBRG
RCEN
(Q) (D) (Q) (Q)(D)(Q)
I2CRCV
RBF bit is set. Master generates interrupt.
(Q)
1
- Typically, the slave can pull SCL low (clock stretch) to request a wait to prepare data response.
1
The slave will drive MSB of data response on SDA when ready.

© 2005 Microchip Technology Inc. DS70068D-page 21-21
Section 21. Inter-Integrated Circuit (I2C)
I
n
t
e
r
-
I
n
t
e
g
r
a
t
e
d
Circuit (I2C)
21
21.5.4 Acknowledge Generation
Setting the Acknowledge sequence enable bit, ACKEN (I2CCON<4>), enables generation of a
master Acknowledge sequence.
Figure 21-11 shows an ACK sequence and Figure 21-12 shows a NACK sequence. The
Acknowledge data bit, ACKDT (I2CCON<5>), specifies ACK or NACK.
After two baud periods:
• The ACKEN bit is automatically cleared.
• The module generates the MI2CIF interrupt.
21.5.4.1 IWCOL Status Flag
If the software writes the I2CTRN when an Acknowledge sequence is in progress, then IWCOL
is set and the contents of the buffer are ignored.
Figure 21-11: Master Acknowledge (ACK) Timing Diagram
Figure 21-12: Master Not Acknowledge (NACK) Timing Diagram
Note: The lower 5 bits of I2CCON must be ‘0’ (master logic inactive) before attempting to
set the ACKEN bit.
Note: Because queueing of events is not allowed, writing to the lower 5 bits of I2CCON is
disabled until the Acknowledge condition is complete.
SCL (Master)
SDA (Master)
ACKEN
MI2CIF Interrupt
TBRG
1 2 3
Writing ACKEN = 1 initiates a master Acknowledge event.
1
TBRG
- Writing ACKDT = 0 specifies sending an ACK.
- When SCL detected low, module drives SDA low.
2
- Baud generator times out. Module releases SCL.
3
- Baud generator times out.
4
I2C™ Bus State (A) (Q)
(Q)
4
Baud generator restarts.
Baud generator starts. SCL remains low.
Module drives SCL low then releases SDA.
Module clears ACKEN. Master generates interrupt.
(Q)
ACKDT = 0
SCL (Master)
SDA (Master)
ACKEN
MI2CIF Interrupt
TBRG
1 2 3
Writing ACKEN = 1 initiates a master Acknowledge event.
1
TBRG
- Writing ACKDT = 1 specifies sending an NACK.
- When SCL detected low, module releases SDA.
2
- Baud generator times out. Module releases SCL.
3
- Baud generator times out.
4
I2C™ Bus State (A) (I)
(Q)
4
Baud generator restarts.
Baud generator starts.
Module drives SCL low then releases SDA.
Module clears ACKEN. Master generates interrupt.
ACKDT = 1

dsPIC30F Family Reference Manual
DS70068D-page 21-22 © 2005 Microchip Technology Inc.
21.5.5 Generating Stop Bus Event
Setting the Stop sequence enable bit, PEN (I2CCON<2>), enables generation of a master Stop
sequence.
When the PEN bit is set, the master generates the Stop sequence as shown in Figure 21-13.
• The slave detects the Stop condition, sets the P bit (I2CSTAT<4>) and clears the S bit
(I2CSTAT<3>).
• The PEN bit is automatically cleared.
• The module generates the MI2CIF interrupt.
21.5.5.1 IWCOL Status Flag
If the software writes the I2CTRN when a Stop sequence is in progress, then the IWCOL bit is
set and the contents of the buffer are ignored.
Figure 21-13: Master Stop Timing Diagram
Note: The lower 5 bits of I2CCON must be ‘0’ (master logic inactive) before attempting to
set the PEN bit.
Note: Because queueing of events is not allowed, writing to the lower 5 bits of I2CCON is
disabled until the Stop condition is complete.
SCL (Master)
SDA (Master)
S
PEN
MI2CIF Interrupt
TBRG
1 2 3 5
- Writing PEN = 1 initiates a master Stop event.
1
TBRG
Baud generator starts. Module drives SDA low.
- Baud generator times out. Module releases SCL.
2
Baud generator restarts.
- Baud generator times out. Module releases SDA.
3
- Slave logic detects Stop. Module sets P = 1, S = 0.
4
I2C™ Bus State (P) (I)
P
TBRG
(Q)
4
Baud generator restarts.
- The baud generator times out. Module clears PEN.
5
Master generates interrupt.
(Q)

© 2005 Microchip Technology Inc. DS70068D-page 21-23
Section 21. Inter-Integrated Circuit (I2C)
I
n
t
e
r
-
I
n
t
e
g
r
a
t
e
d
Circuit (I2C)
21
21.5.6 Generating Repeated Start Bus Event
Setting the Repeated Start sequence enable bit, RSEN (I2CCON<1>), enables generation of a
master Repeated Start sequence (see Figure 21-14).
To generate a Repeated Start condition, software sets the RSEN bit (I2CCON<1>). The module
asserts the SCL pin low. When the module samples the SCL pin low, the module releases the
SDA pin for one baud rate generator count (TBRG). When the baud rate generator times out, if
the module samples SDA high, the module de-asserts the SCL pin. When the module samples
SCL pin high, the baud rate generator reloads and begins counting. SDA and SCL must be
sampled high for one TBRG. This action is then followed by assertion of the SDA pin low for one
TBRG while SCL is high.
The following is the Repeated Start sequence:
• The slave detects the Start condition, sets the S bit (I2CSTAT<3>) and clears the P bit
(I2CSTAT<4>).
• The RSEN bit is automatically cleared.
• The module generates the MI2CIF interrupt.
21.5.6.1 IWCOL Status Flag
If the software writes the I2CTRN when a Repeated Start sequence is in progress, then IWCOL
is set and the contents of the buffer are ignored.
Figure 21-14: Master Repeated Start Timing Diagram
Note: The lower 5 bits of I2CCON must be ‘0’ (master logic inactive) before attempting to
set the RSEN bit.
Note: Because queueing of events is not allowed, writing of the lower 5 bits of I2CCON is
disabled until the Repeated Start condition is complete.
SCL (Master)
SDA (Master)
S
RSEN
MI2CIF Interrupt
TBRG
1 2 3 5
- Writing RSEN = 1 initiates a master Repeated Start event.
1
TBRG
Baud generator starts. Module drives SCL low and
- Baud generator times out. Module releases SCL.
2
Baud generator restarts.
- Baud generator times out. Module drives SDA low.
3
- Slave logic detects Start. Module sets S = 1, P = 0.
4
I2C™ Bus State (S) (Q)
P
TBRG
(Q)
4
Baud generator restarts.
- The baud generator times out. Module drives SCL low.
5
Module clears RSEN. Master generates interrupt.
(Q) releases SDA.

dsPIC30F Family Reference Manual
DS70068D-page 21-24 © 2005 Microchip Technology Inc.
21.5.7 Building Complete Master Messages
As described at the beginning of Section 21.5, the software is responsible for constructing
messages with the correct message protocol. The module controls individual portions of the I2C
message protocol, however, sequencing of the components of the protocol to construct a
complete message is a software task.
The software can use polling or interrupt methods while using the module. The examples shown
use interrupts.
The software can use the SEN, RSEN, PEN, RCEN and ACKEN bits (Least Significant 5 bits of
the I2CCON register) and the TRSTAT bit as a “state” flag when progressing through a message.
For example, Table 21-2 shows some example state numbers associated with bus states.
Table 21-2: Master Message Protocol States
The software will begin a message by issuing a Start command. The software will record the state
number corresponding to Start.
As each event completes and generates an interrupt, the interrupt handler may check the state
number. So, for a Start state, the interrupt handler will confirm execution of the Start sequence
and then start a master transmission event to send the I2C device address, changing the state
number to correspond to master transmission.
On the next interrupt, the interrupt handler will again check the state, determining that a master
transmission just completed. The interrupt handler will confirm successful transmission of the
data, then move on to the next event, depending on the contents of the message.
In this manner, on each interrupt, the interrupt handler will progress through the message
protocol until the complete message is sent.
Figure 21-15 provides a more detailed examination of the same message sequence of
Figure 21-7.
Figure 21-16 shows some simple examples of messages using 7-bit addressing format.
Figure 21-17 shows an example of a 10-bit address format message sending data to a slave.
Figure 21-18 shows an example of a 10-bit address format message receiving data from a slave.
Example
State Number I2CCON<4:0> TRSTAT
(I2CSTAT<14>) State
000000 0 Bus Idle or WAIT
100001 n/a Sending Start Event
200000 1 Master Transmitting
300010 n/a Sending Repeated Start Event
400100 n/a Sending Stop Event
501000 n/a Master Reception
610000 n/a Master Acknowledgement
Note: Example state numbers for reference only. User software may assign as desired.

© 2005 Microchip Technology Inc. DS70068D-page 21-25
Section 21. Inter-Integrated Circuit (I2C)
I
n
t
e
r
-
I
n
t
e
g
r
a
t
e
d
Circuit (I2C)
21
Figure 21-15: Master Message (Typical I2C™ Message: Read of Serial EEPROM)
T
1- Setting the SEN bit starts a Start event.
ACKDT
ACKEN
SEN
SCL
SDA
SCL
SDA
I2CTRN
TBF
I2CRCV
RBF
MI2CIF
ACKSTAT
12345678
A1A0
9
A
PEN
RCEN
12345678
A11
A10
A9
A8
123456789
W1 1
RSEN
123456789
1 32
9
A
12345678
D3D2D1D0D7D6D5D4
9
N
AA
4 5 7 8 9
2- Writing the I2CTRN register starts a master transmission. The data is the serial
3- Writing the I2CTRN register starts a master transmission. The data is the first
4-
5
- Writing the I2CTRN register starts a master transmission. The data is a resend of
6
- Setting the RCEN bit starts a master reception. On interrupt, the software reads
7
9
- Setting the ACKEN bit starts an Acknowledge event. ACKDT = 1 to send NACK.
- Setting the PEN bit starts a master Stop event.
EE device address byte, with R/W clear indicating a write.
byte of the EE data address.
the serial EE device address byte, but with R/W bit set indicating a read.
the I2CRCV register, which clears the RBF flag.
0 0 A2 A7A6A5A4 A2A1A0 A1A0 R
110 0 A2
0 0 0 0
6
- Writing the I2CTRN register starts a master transmission. The data is the second
byte of the EE data address.
8
- Setting the RSEN bit starts a Repeated Start event.
(Master)
(Master)
(Slave)
(Slave)
A3
MI2CIF cleared by user software.

dsPIC30F Family Reference Manual
DS70068D-page 21-26 © 2005 Microchip Technology Inc.
Figure 21-16: Master Message (7-bit Address: Transmission And Reception)
1- Setting the SEN bit starts a Start event.
ACKDT
ACKEN
SEN
SCL
SDA
SCL
SDA
I2CTRN
TBF
I2CRCV
RBF
MI2CIF
ACKSTAT
12345678
A1A0
9
A
PEN
RCEN
12345678
D7D6D5D4D3D2D1D0
123456789
W
RSEN
1 32
9 12345678
D3D2D1D0D7D6D5D4
9
N
A
4 5 6 97 8
2- Writing the I2CTRN register starts a master transmission. The data is the
3- Writing the I2CTRN register starts a master transmission. The data is the
4- Setting the PEN bit starts a master Stop event.
5- Setting the SEN bit starts a Start event.
6- Writing the I2CTRN register starts a master transmission. The data is the
7- Setting the RCEN bit starts a master reception.
8- Setting the ACKEN bit starts an Acknowledge event. ACKDT = 1 to send NACK.
- Setting the PEN bit starts a master Stop event.
address byte with R/W bit clear.
message byte.
A6A5A4A3A2
A
A1A0 R
A6A5A4A3A2
address byte with R/W bit set.
9
(Master)
(Master)
(Slave)
(Slave)
MI2CIF cleared by user software.

© 2005 Microchip Technology Inc. DS70068D-page 21-27
Section 21. Inter-Integrated Circuit (I2C)
I
n
t
e
r
-
I
n
t
e
g
r
a
t
e
d
Circuit (I2C)
21
Figure 21-17: Master Message (10-bit Transmission)
T
1- Setting the SEN bit starts a Start event.
ACKDT
ACKEN
SEN
SCL
SDA
SCL
SDA
I2CTRN
TBF
I2CRCV
RBF
MI2CIF
ACKSTAT
12345678
A9A8
9
A
PEN
RCEN
12345678
D3D2D1D0D7D6D5D4A7A6A5A4A3A2A1A0
123456789
W01 1 1 1
RSEN
123456789
1 32
9
A
123456789
AA
4 5 6 7
2- Writing the I2CTRN register starts a master transmission. The data is the first
3- Writing the I2CTRN register starts a master transmission. The data is the second
4- Writing the I2CTRN register starts a master transmission. The data is the first
- Setting the PEN bit starts a master Stop event.
byte of the address.
byte of the address.
byte of the message data.
D3D2D1D0D7D6D5D4D3D2D1D0D7D6D5D4
A
5- Writing the I2CTRN register starts a master transmission. The data is the second
byte of the message data.
6- Writing the I2CTRN register starts a master transmission. The data is the third
byte of the message data.
7
(Master)
(Master)
(Slave)
(Slave)
MI2CIF cleared by user software.

dsPIC30F Family Reference Manual
DS70068D-page 21-28 © 2005 Microchip Technology Inc.
Figure 21-18: Master Message (10-bit Reception)
1- Setting the SEN bit starts a Start event.
ACKDT
ACKEN
SEN
SCL
SDA
SCL
SDA
I2CTRN
TBF
I2CRCV
RBF
MI2CIF
ACKSTAT
12345678
A9A8
9
A
PEN
RCEN
12345678
D3D2D1D0D7D6D5D4
A7A6A5A4A3A2A1A0
123456789
W01 1 1 1
RSEN
A9A8
01 1 1 1 R
123456789
1 32
9
A
12345678
D3D2D1D0D7D6D5D4
9
N
AA
4 5 6 7 8 9 10
2- Writing the I2CTRN register starts a master transmission. The data is the first
3- Writing the I2CTRN register starts a master transmission. The data is the second
4- Setting the RSEN bit starts a master REStart event.
5- Writing the I2CTRN register starts a master transmission. The data is a resend
6- Setting the RCEN bit starts a master reception. On interrupt, the software reads
7- Setting the ACKEN bit starts an Acknowledge event. ACKDT = 0 to send ACK.
8- Setting the RCEN bit starts a master reception.
9- Setting the ACKEN bit starts an Acknowledge event. ACKDT = 1 to send NACK.
- Setting the PEN bit starts a master Stop event.
byte of the address with the R/W bit cleared.
byte of the address.
of the first byte with the R/W bit set.
the I2CRCV register, which clears the RBF flag.
10
(Slave)
(Slave)
(Master)
(Master)
MI2CIF cleared in user software.

© 2005 Microchip Technology Inc. DS70068D-page 21-29
Section 21. Inter-Integrated Circuit (I2C)
I
n
t
e
r
-
I
n
t
e
g
r
a
t
e
d
Circuit (I2C)
21
21.6 Communicating as a Master in a Multi-Master Environment
The I2C protocol allows for more than one master to be attached to a system bus. Remember-
ing that a master can initiate message transactions and generate clocks for the bus, the
protocol has methods to account for situations where more than one master is attempting to
control the bus. Clock synchronization ensures that multiple nodes can synchronize their SCL
clocks to result in one common clock on the SCL line. Bus arbitration ensures that if more than
one node attempts a message transaction, one and only one node will be successful in
completing the message. The other nodes will lose bus arbitration and be left with a bus
collision.
21.6.1 Multi-Master Operation
The master module has no special settings to enable multi-master operation. The module
performs clock synchronization and bus arbitration at all times. If the module is used in a single
master environment, clock synchronization will only occur between the master and slaves and
bus arbitration will not occur.
21.6.2 Master Clock Synchronization
In a multi-master system, different masters may have different baud rates. Clock synchronization
will ensure that when these masters are attempting to arbitrate the bus, their clocks will be
coordinated.
Clock synchronization occurs when the master de-asserts the SCL pin (SCL intended to float
high). When the SCL pin is released, the baud rate generator (BRG) is suspended from counting
until the SCL pin is actually sampled high. When the SCL pin is sampled high, the baud rate
generator is reloaded with the contents of I2CBRG<8:0> and begins counting. This ensures that
the SCL high time will always be at least one BRG rollover count in the event that the clock is
held low by an external device, as shown in Figure 21-19.
Figure 21-19: Baud Rate Generator Timing with Clock Synchronization
SCL (Slave)
- The baud counter decrements twice per TCY. On rollover, the master SCL will transition.
1
1
000 003001002003000
SCL (Master)
001002003000
Baud Counter
SDA (Master)
3 4 6
- The slave has pulled SCL low to initiate a wait.
2
- At what would be the master baud counter rollover, detecting SCL low holds counter.
3
- Logic samples SCL once per TCY. Logic detects SCL high.
4
2
- The baud counter rollover occurs on next cycle.
5
5
- On next rollover, the master SCL will transition.
6
TBRG TBRG
TCY

dsPIC30F Family Reference Manual
DS70068D-page 21-30 © 2005 Microchip Technology Inc.
21.6.3 Bus Arbitration and Bus Collision
Bus arbitration supports multi-master system operation.
The wired-and nature of the SDA line permits arbitration. Arbitration takes place when the first
master outputs a ‘1’ on SDA by letting SDA float high and, simultaneously, the second master
outputs a ‘0’ on SDA by pulling SDA low. The SDA signal will go low. In this case, the second
master has won bus arbitration. The first master has lost bus arbitration and thus has a bus
collision.
For the first master, the expected data on SDA is a ‘1’ yet the data sampled on SDA is a ‘0’. This
is the definition of a bus collision.
The first master will set the bus collision bit, BCL (I2CSTAT<10>), and generate a master
interrupt. The master module will reset the I2C port to its Idle state.
In multi-master operation, the SDA line must be monitored for arbitration to see if the signal
level is the expected output level. This check is performed by the master module, with the result
placed in the BCL bit.
The states where arbitration can be lost are:
• A Start condition
• A Repeated Start condition
• Address, Data or Acknowledge bit
• A Stop condition
21.6.4 Detecting Bus Collisions and Resending Messages
When a bus collision occurs, the module sets the BCL bit and generates a master interrupt. If
bus collision occurs during a byte transmission, the transmission is halted, the TBF flag is
cleared and the SDA and SCL pins are de-asserted. If bus collision occurs during a Start,
Repeated Start, Stop or Acknowledge condition, the condition is aborted, the respective control
bits in the I2CCON register are cleared and the SDA and SCL lines are de-asserted.
The software is expecting an interrupt at the completion of the master event. The software can
check the BCL bit to determine if the master event completed successfully or if a collision
occurred. If a collision occurs, the software must abort sending the rest of the pending message
and prepare to resend the entire message sequence beginning with Start condition, after the
bus returns to an Idle state. The software can monitor the S and P bits to wait for an Idle bus.
When the software services the master Interrupt Service Routine and the I2C bus is free, the
software can resume communication by asserting a Start condition.

© 2005 Microchip Technology Inc. DS70068D-page 21-31
Section 21. Inter-Integrated Circuit (I2C)
I
n
t
e
r
-
I
n
t
e
g
r
a
t
e
d
Circuit (I2C)
21
21.6.5 Bus Collision During a Start Condition
Before issuing a Start command, the software should verify an Idle state of the bus using the S
and P status bits. Two masters may attempt to initiate a message at a similar point in time.
Typically, the masters will synchronize clocks and continue arbitration into the message until
one loses arbitration. However, certain conditions can cause a bus collision to occur during a
Start. In this case, the master that loses arbitration during the Start bit generates a bus collision
interrupt.
21.6.6 Bus Collision During a Repeated Start Condition
Should two masters not collide throughout an address byte, a bus collision may occur when one
master attempts to assert a Repeated Start while another transmits data. In this case, the
master generating the Repeated Start will lose arbitration and generate a bus collision interrupt.
21.6.7 Bus Collision During Message Bit Transmission
The most typical case of data collision occurs while the master is attempting to transmit the
device address byte, a data byte or an Acknowledge bit.
If the software is properly checking the bus state, it is unlikely that a bus collision will occur on a
Start condition. However, because another master can at a very similar time, check the bus and
initiate its own Start condition, it is likely that SDA arbitration will occur and synchronize the
starts of two masters. In this condition, both masters will begin and continue to transmit their
messages until one master loses arbitration on a message bit. Remember that SCL clock
synchronization will keep the two masters synchronized until one loses arbitration.
Figure 21-20 shows an example of message bit arbitration.
Figure 21-20: Bus Collision During Message Bit Transmission
21.6.8 Bus Collision During a Stop Condition
If the master software loses track of the state of the I2C bus, there are conditions which cause a
bus collision during a Stop condition. In this case, the master generating the Stop condition will
lose arbitration and generate a bus collision interrupt.
SCL (Master)
SDA (Master)
TBF
TBRG
1 2 3
- Master transmits bit value of ‘1’ in next SCL clock.
1
TBRG
Module releases SDA.
- Another master on bus transmits bit value of ‘0’
2
in next SCL clock. Another master pulls SDA low.
- Baud generator times out. Module attempts to verify
3
I2C™ Bus State
BCL
(D)
SCL (Bus)
SDA (Bus)
SDA high. Bus collision detected.
Module releases SDA, SCL. Module sets BCL bit and
clears TBF bit. Master generates interrupt.
(D)
(Q)
(Q) (Q)
MI2CIF Interrupt

dsPIC30F Family Reference Manual
DS70068D-page 21-32 © 2005 Microchip Technology Inc.
21.7 Communicating as a Slave
In some systems, particularly where multiple processors communicate with each other, the
dsPIC30F device may communicate as a slave (see Figure 21-21). When the module is
enabled, the slave module is active. The slave may not initiate a message, it can only respond
to a message sequence initiated by a master. The master requests a response from a particular
slave as defined by the device address byte in the I2C protocol. The slave module replies to the
master at the appropriate times as defined by the protocol.
As with the master module, sequencing the components of the protocol for the reply is a
software task. However, the slave module detects when the device address matches the
address specified by the software for that slave.
Figure 21-21: A Typical Slave I2C™ Message: Multiprocessor Command/Status
After a Start condition, the slave module will receive and check the device address. The slave
may specify either a 7-bit address or a 10-bit address. When a device address is matched, the
module will generate an interrupt to notify the software that its device is selected. Based on the
R/W bit sent by the master, the slave will either receive or transmit data. If the slave is to receive
data, the slave module automatically generates the Acknowledge (ACK), loads the I2CRCV
register with the received value currently in the I2CRSR register and notifies the software
through an interrupt. If the slave is to transmit data, the software must load the I2CTRN register.
21.7.1 Sampling Receive Data
All incoming bits are sampled with the rising edge of the clock (SCL) line.
21.7.2 Detecting Start and Stop Conditions
The slave module will detect Start and Stop conditions on the bus and indicate that status on the
S bit (I2CSTAT<3>) and P bit (I2CSTAT<4>). The Start (S) and Stop (P) bits are cleared when a
Reset occurs or when the module is disabled. After detection of a Start or Repeated Start event,
the S bit is set and the P bit is cleared. After detection of a Stop event, the P bit is set and the S
bit is clear.
21.7.3 Detecting the Address
Once the module has been enabled, the slave module waits for a Start condition to occur. After
a Start, depending on the A10M bit (I2CCON<10>), the slave will attempt to detect a 7-bit or
10-bit address. The slave module will compare 1 received byte for a 7-bit address or 2 received
bytes for a 10-bit address. A 7-bit address also contains a R/W bit that specifies the direction of
data transfer after the address. If R/W = 0, a write is specified and the slave will receive data from
the master. If R/W = 1, a read is specified and the slave will send data to the master. The 10-bit
address contains a R/W bit, however by definition, it is always R/W = 0 because the slave must
receive the second byte of the 10-bit address.
Bus
Master
SDA
A
C
K
N
A
C
A
C
K
A
C
K
A
C
K
S
T
O
P
S
T
A
R
T
First
Address Second
Address Command
Data Address
Byte
Status
Data
S
T
A
R
T
SAAA
0210 R1111 AA
1
98 P
K
Slave
SDA
Activity
N
AAAA
R
E
R
R
/
W
R
/
W
Output
Output
A
3
A
4
A
5
A
6
A
7
A
8
A
9
01111 0
ByteByteByte Byte
10-bit
Address

© 2005 Microchip Technology Inc. DS70068D-page 21-33
Section 21. Inter-Integrated Circuit (I2C)
I
n
t
e
r
-
I
n
t
e
g
r
a
t
e
d
Circuit (I2C)
21
Table 21-3: Slave Addresses Suppported by the I2C™ Module:
Refer to dsPIC30F Family Reference Manual (DS70046) for descriptions of register bit fields.
21.7.3.1 7-bit Address and Slave Write
Following the Start condition, the module shifts 8 bits into the I2CRSR register (see
Figure 21-22). The value of register I2CRSR<7:1> is compared to the value of the
I2CADD<6:0> register. The device address is compared on the falling edge of the eighth clock
(SCL). If the addresses match, the following events occur:
1. An ACK is generated.
2. The D_A and R_W bits are cleared.
3. The module generates the SI2CIF interrupt on the falling edge of the ninth SCL clock.
4. The module will wait for the master to send data.
Figure 21-22: Slave Write 7-bit Address Detection Timing Diagram
0x00 General call address or start byte
0x01-0x03 Reserved
0x04-0x77 Valid 7-bit addresses
0x78-0x7b Valid 10-bit addresses (lower 7 bits)
0x7c-0x7f Reserved
SCL (Master)
SDA (Master)
SDA (Slave)
SI2CIF Interrupt
3 41 2
- Detecting Start bit enables
1
I2C™ Bus State (S) (D) (D) (A)(D) (Q)
A4A5A6 A3 A2 A1 A0 R/W
D_A
ADD10
SCLREL
R_W
address detection.
- R/W = 0 bit indicates that slave
2receives data bytes.
- Address match of first byte clears
3D_A bit. Slave generates ACK.
- R_W bit cleared. Slave generates
4interrupt.
5
- Bus waiting. Slave ready to
5receive data.
=0

dsPIC30F Family Reference Manual
DS70068D-page 21-34 © 2005 Microchip Technology Inc.
21.7.3.2 7-bit Address and Slave Read
When a slave read is specified by having R/W = 1 in a 7-bit address byte, the process of
detecting the device address is similar to that for a slave write (see Figure 21-23). If the
addresses match, the following events occur:
1. An ACK is generated.
2. The D_A bit is cleared and the R_W bit is set.
3. The module generates the SI2CIF interrupt on the falling edge of the ninth SCL clock.
Since the slave module is expected to reply with data at this point, it is necessary to suspend the
operation of the I2C bus to allow the software to prepare a response. This is done automatically
when the module clears the SCLREL bit. With SCLREL low, the slave module will pull down the
SCL clock line, causing a wait on the I2C bus. The slave module and the I2C bus will remain in
this state until the software writes the I2CTRN register with the response data and sets the
SCLREL bit.
Figure 21-23: Slave Read 7-bit Address Detection Timing Diagram
Note: SCLREL will automatically clear after detection of a slave read address regardless of
the state of the STREN bit.
SCL (Master)
SDA (Master)
SDA (Slave)
SI2CIF Interrupt
3 41 2
- Detecting Start bit enables
1
I2C™ Bus State (S) (D) (D) (A)(D) (Q)
A4A5A6 A3 A2 A1 A0 R/W
D_A
ADD10
SCLREL
R_W
address detection.
- R/W = 1 bit indicates that slave
2
sends data bytes.
- Address match of first byte clears
3
D_A bit. Slave generates ACK.
- R_W bit set. Slave generates
4
interrupt. SCLREL cleared.
5
- Bus waiting. Slave prepares to
5
send data.
=1
SCL (Slave)
Slave pulls SCL low while
SCLREL = 0.

© 2005 Microchip Technology Inc. DS70068D-page 21-35
Section 21. Inter-Integrated Circuit (I2C)
I
n
t
e
r
-
I
n
t
e
g
r
a
t
e
d
Circuit (I2C)
21
21.7.3.3 10-bit Address
In 10-bit Address mode, the slave must receive two device address bytes (see Figure 21-24).
The five Most Significant bits (MSbs) of the first address byte specify a 10-bit address. The R/W
bit of the address must specify a write, causing the slave device to receive the second address
byte. For a 10-bit address the first byte would equal ‘11110 A9 A8 0’, where A9 and A8 are
the two MSbs of the address.
Following the Start condition, the module shifts 8 bits into the I2CRSR register. The value of reg-
ister I2CRSR<2:1> is compared to the value of the I2CADD<9:8> register. The value of
I2CRSR<7:3> is compared to ‘11110’. The device address is compared on the falling edge of
the eighth clock (SCL). If the addresses match, the following events occur:
1. An ACK is generated.
2. The D_A and R_W bits are cleared.
3. The module generates the SI2CIF interrupt on the falling edge of the ninth SCL clock.
The module does generate an interrupt after the reception of the first byte of a 10-bit address,
however this interrupt is of little use.
The module will continue to receive the second byte into I2CRSR. This time, I2CRSR<7:0> is
compared to I2CADD<7:0>. If the addresses match, the following events occur:
1. An ACK is generated.
2. The ADD10 bit is set.
3. The module generates the SI2CIF interrupt on the falling edge of the ninth SCL clock.
4. The module will wait for the master to send data or initiate a Repeated Start condition.
Figure 21-24: 10-bit Address Detection Timing Diagram
Note: Following a Repeated Start condition in 10-bit mode, the slave module only matches
the first 7-bit address, ‘11110 A9 A8 0’.
SCL (Master)
SDA (Master)
SDA (Slave)
SI2CIF Interrupt
2 4 51 3
- Detecting Start bit enables address detection.
1
- Address match of first byte clears D_A bit and causes slave logic to generate ACK.
2
- Reception of first byte clears R_W bit. Slave logic generates interrupt.
3
- Address match of first and second byte sets ADD10 and causes slave logic to generate ACK.
4
- Reception of second byte completes 10-bit address. Slave logic generates interrupt.
5
I2C™ Bus State (S) (D) (D) (A) (Q)(D)
11110A9A8
R/W
D_A
ADD10
SCLREL
A5A6A7 A4 A3 A2 A1 A0
=0
R_W
(D) (D) (A)(D)
6
- Bus waiting. Slave ready to receive data.
5

dsPIC30F Family Reference Manual
DS70068D-page 21-36 © 2005 Microchip Technology Inc.
21.7.3.4 General Call Operation
The addressing procedure for the I2C bus is such that the first byte after a Start condition usually
determines which slave device the master is addressing. The exception is the general call
address, which can address all devices. When this address is used, all enabled devices should
respond with an Acknowledge. The general call address is one of eight addresses reserved for
specific purposes by the I2C protocol. It consists of all ‘0’s with R/W = 0. The general call is
always a slave write operation.
The general call address is recognized when the general call enable bit, GCEN (I2CCON<7>),
is set (see Figure 21-25). Following a Start bit detect, 8 bits are shifted into the I2CRSR and the
address is compared against the I2CADD, and is also compared to the general call address.
If the general call address matches, the following events occur:
1. An ACK is generated.
2. Slave module will set the GCSTAT bit (I2CSTAT<9>).
3. The D_A and R_W bits are cleared.
4. The module generates the SI2CIF interrupt on the falling edge of the ninth SCL clock.
5. The I2CRSR is transferred to the I2CRCV and the RBF flag bit is set (during the eighth
bit).
6. The module will wait for the master to send data.
When the interrupt is serviced, the cause for the interrupt can be checked by reading the
contents of the GCSTAT bit to determine if the device address was device specific or a general
call address.
Note that general call addresses are 7-bit addresses. If A10M bit is set, configuring the slave
module for 10-bit addresses and GCEN is set, the slave module continues to detect the 7-bit
general call address.
Figure 21-25: General Call Address Detection Timing Diagram (GCEN = 1)
SCL (Master)
SDA (Master)
SDA (Slave)
SI2CIF Interrupt
3 41 2
- Detecting Start bit enables
1
I2C™ Bus State (S) (D) (D) (A)(D) (Q)
000 0000
R/W
D_A
I2CRCV
RBF
R_W
address detection.
- All ‘0’s and R/W = 0 bit indicates
2
general call.
- Address match clears D_A bit
3
and sets GCSTAT.
- R_W bit cleared. Slave generates
4
interrupt.
5
- Bus waiting. Slave ready to
5
receive data.
=0
CGSTAT
Slave generates ACK.
Address loaded into I2CRCV.

© 2005 Microchip Technology Inc. DS70068D-page 21-37
Section 21. Inter-Integrated Circuit (I2C)
I
n
t
e
r
-
I
n
t
e
g
r
a
t
e
d
Circuit (I2C)
21
21.7.3.5 Receiving All Addresses (IPMI Operation)
Some I2C system protocols require a slave to act upon all messages on the bus. For example,
the IPMI (Intelligent Peripheral Management Interface) bus uses I2C nodes as message repeat-
ers in a distributed network. To allow a node to repeat all messages, the slave module must
accept all messages, regardless of the device address.
Setting the IPMIEN bit (I2CCON<11>) enables this mode (see Figure 21-26). Regardless of the
state of the I2CADD register and the A10M and GCEN bits, all addresses will be accepted.
Figure 21-26: IPMI Address Detection Timing Diagram (IPMIEN = 1)
21.7.3.6 When an Address is Invalid
If a 7-bit address does not match the contents of I2CADD<6:0>, the slave module will return to
an Idle state and ignore all bus activity until after the Stop condition.
If the first byte of a 10-bit address does not match the contents of I2CADD<9:8>, the slave
module will return to an Idle state and ignore all bus activity until after the Stop condition.
If the first byte of a 10-bit address matches the contents of I2CADD<9:8>, however, the second
byte of the 10-bit address does not match I2CADD<7:0>, the slave module will return to an Idle
state and ignore all bus activity until after the Stop condition.
21.7.4 Receiving Data from a Master Device
When the R/W bit of the device address byte is zero and an address match occurs, the R_W bit
(I2CSTAT<2>) is cleared. The slave module enters a state waiting for data sent by the master.
After the device address byte, the contents of the data byte are defined by the system protocol
and are only received by the slave module.
The slave module shifts 8 bits into the I2CRSR register. On the falling edge of the eighth clock
(SCL), the following events occur:
1. The module begins to generate an ACK or NACK.
2. The RBF bit is set to indicate received data.
3. The I2CRSR byte is transferred to the I2CRCV register for access by the software.
4. The D_A bit is set.
5. A slave interrupt is generated. Software may check the status of the I2CSTAT register to
determine the cause of the event and then clear the SI2CIF flag.
6. The module will wait for the next data byte.
SCL (Master)
SDA (Master)
SDA (Slave)
SI2CIF Interrupt
2 31
- Detecting Start bit enables
1
I2C™ Bus State (S) (D) (D) (A)(D) (Q)
R/W
D_A
I2CRCV
RBF
R_W
address detection.
- Regardless of contents of byte
2
address is matched.
Address match clears D_A bit.
- R_W bit set/clear. Slave generates
3
interrupt.
4
- Bus waiting.
4
Slave generates ACK.
Address loaded into I2CRCV.

dsPIC30F Family Reference Manual
DS70068D-page 21-38 © 2005 Microchip Technology Inc.
21.7.4.1 Acknowledge Generation
Normally, the slave module will Acknowledge all received bytes by sending an ACK on the ninth
SCL clock. If the receive buffer is overrun, the slave module does not generate this ACK.
Overrun is indicated if either (or both):
1. The buffer full bit, RBF (I2CSTAT<1>), was set before the transfer was received.
2. The overflow bit, I2COV (I2CSTAT<6>), was set before the transfer was received.
Table 21-4 shows what happens when a data transfer byte is received, given the status of the
RBF and I2COV bits. If the RBF bit is already set when the slave module attempts to transfer to
the I2CRCV, the transfer does not occur but the interrupt is generated and the I2COV bit is set.
If both the RBF and I2COV bits are set, the slave module acts similarly. The shaded cells show
the condition where software did not properly clear the overflow condition.
Reading the I2CRCV clears the RBF bit. The I2COV is cleared by writing to a ‘0’ through
software.
Table 21-4: Data Transfer Received Byte Actions
21.7.4.2 WAIT States During Slave Receptions
When the slave module receives a data byte, the master can potentially begin sending the next
byte immediately. This allows the software controlling the slave module 9 SCL clock periods to
process the previously received byte. If this is not enough time, the slave software may want to
generate a bus WAIT period.
The STREN bit (I2CCON<6>) enables a bus WAIT to occur on slave receptions. When
STREN = 1 at the falling edge of the 9th SCL clock of a received byte, the slave module clears
the SCLREL bit. Clearing the SCLREL bit causes the slave module to pull the SCL line low,
initiating a WAIT. The SCL clock of the master and slave will synchronize, as shown in Section
21.6.2 “Master Clock Synchronization”.
When the software is ready to resume reception, the software sets SCLREL. This causes the
slave module to release the SCL line and the master resumes clocking.
Status Bits as Data
Byte Received Transfer
I2CRSR → I2CRCV Generate
ACK
Generate
SI2CIF Interrupt
(Interrupt occurs
if enabled)
Set
RBF Set
I2COV
RBF I2COV
00 Yes Yes Yes Yes No change
10 No No Yes No change Yes
11 No No Yes No change Yes
0 1 Yes No Yes Yes No change
Note: Shaded cells show state where the software did not properly clear the overflow condition.

© 2005 Microchip Technology Inc. DS70068D-page 21-39
Section 21. Inter-Integrated Circuit (I2C)
I
n
t
e
r
-
I
n
t
e
g
r
a
t
e
d
Circuit (I2C)
21
21.7.4.3 Example Messages of Slave Reception
Receiving a slave message is a rather automatic process. The software handling the slave
protocol uses the slave interrupt to synchronize to the events.
When the slave detects the valid address, the associated interrupt will notify the software to
expect a message. On receive data, as each data byte transfers to the I2CRCV register, an
interrupt notifies the software to unload the buffer.
Figure 21-27 shows a simple receive message. Being a 7-bit address message, only one
interrupt occurs for the address bytes. Then, interrupts occur for each of four data bytes.
At an interrupt, the software may monitor the RBF, D_A and R_W bits to determine the condition
of the byte received.
Figure 21-28 shows a similar message using a 10-bit address. In this case, two bytes are
required for the address.
Figure 21-29 shows a case where the software does not respond to the received byte and the
buffer overruns. On reception of the second byte, the module will automatically NACK the master
transmission. Generally, this causes the master to resend the previous byte. The I2COV bit
indicates that the buffer has overrun. The I2CRCV buffer retains the contents of the first byte. On
reception of the third byte, the buffer is still full and again the module will NACK the master. After
this, the software finally reads the buffer. Reading the buffer will clear the RBF bit, however the
I2COV bit remains set. The software must clear the I2COV bit. The next received byte will be
moved to the I2CRCV buffer and the module will respond with a ACK.
Figure 21-30 highlights clock stretching while receiving data. Note in the previous examples,
STREN = 0 which disables clock stretching on receive messages. In this example, the software
sets STREN to enable clock stretching. When STREN = 1, the module will automatically clock
stretch after each received data byte, allowing the software more time to move the data from the
buffer. Note that if RBF = 1 at the falling edge of the 9th clock, the module will automatically clear
the SCLREL bit and pull the SCL bus line low. As shown with the second received data byte, if
the software can read the buffer and clear the RBF before the falling edge of the 9th clock, the
clock stretching will not occur. The software can also suspend the bus at any time. By clearing
the SCLREL bit, the module will pull the SCL line low after it detects the bus SCL low. The SCL
line will remain low, suspending transactions on the bus until the SCLREL bit is set.

© 2005 Microchip Technology Inc. DS70068D-page 21-40
Section 21. Inter-Integrated Circuit (I2C)
I
n
t
e
r
-
I
n
t
e
g
r
a
t
e
d
Circuit (I2C)
21
Figure 21-27: Slave Message (Write Data to Slave: 7-bit Address; Address Matches; A10M = 0; GCEN = 0; IPMIEN = 0)
T
1- Slave recognizes Start event, S and P bits set/clear accordingly.
SCL (Master)
SDA (Master)
SCL (Slave)
SDA (Slave)
I2CRCV
RBF
SI2CIF
STREN
12345678
A1A0
9
A
D7D6D5D4D3D2D1D0
123456789
W
1 32
A
4 3 3 3 5
2- Slave receives address byte. Address matches. Slave Acknowledges
3- Next received byte is message data. Byte moved to I2CRCV register, sets RBF.
4- Software reads I2CRCV register. RBF bit clears.
5- Slave recognizes Stop event, S and P bits set/clear accordingly.
Address byte is moved to I2CRCV register and must be read by user software to prevent buffer overflow.
Slave generates interrupt. Slave Acknowledges reception.
A6A5A4A3A2
S
P
I2COV
R_W
D_A
D7D6D5D4D3D2D1D0
123456789
A
D7D6D5D4D3D2D1D0
123456789
A
D7D6D5D4D3D2D1D0
123456789
A
SCLREL
4 4 4
SI2CIF cleared by user software.
and generates interrupt.

dsPIC30F Family Reference Manual
DS70068D-page 21-41 © 2005 Microchip Technology Inc.
Figure 21-28: Slave Message (Write Data to Slave: 10-bit Address; Address Matches; A10M=1; GCEN=0; IPMIEN=0)
T
1- Slave recognizes Start event, S and P bits set/clear accordingly.
SCL (Master)
SDA (Master)
SCL (Slave)
SDA (Slave)
I2CRCV
RBF
SI2CIF
STREN
12345678
A9A8
9
A
A7A6A5A4A3A2A1A0
123456789
W
1 32
A
4 4 4 6
2- Slave receives address byte. High order address matches.
3- Slave receives address byte. Low order address matches.
4- Next received byte is message data. Byte moved to I2CRCV register, sets RBF.
5- Software reads I2CRCV register. RBF bit clears.
6- Slave recognizes Stop event, S and P bits set/clear accordingly.
Slave Acknowledges and generates interrupt. Address byte not
Slave Acknowledges and generates interrupt.
S
P
I2COV
R_W
D_A
D7D6D5D4D3D2D1D0
123456789
A
D7D6D5D4D3D2D1D0
123456789
A
D7D6D5D4D3D2D1D0
123456789
A
SCLREL
5 5 5
11110
Slave Acknowledges and generates interrupt. Address byte not
moved to I2CRCV register.
moved to I2CRCV register.
SI2CIF cleared by user software.

dsPIC30F Family Reference Manual
DS70068D-page 21-42 © 2005 Microchip Technology Inc.
Figure 21-29: Slave Message (Write Data to Slave: 7-bit Address; Buffer Overrun; A10M = 0; GCEN = 0; IPMIEN = 0)
T
SCL (Master)
SDA (Master)
SCL (Slave)
SDA (Slave)
I2CRCV
RBF
SI2CIF
STREN
12345678
A1A0
9
A
D7D6D5D4D3D2D1D0
123456789
W
21
A
3 4 2
1- Slave receives address byte. Address matches. Slave generates interrupt.
2- Next received byte is message data. Byte moved to I2CRCV register, sets RBF. 6- Software reads I2CRCV register. RBF bit clears.
7- Software clears I2COV bit.
Address byte not moved to I2CRCV register.
Slave generates interrupt. Slave Acknowledges reception.
A6A5A4A3A2
S
P
I2COV
R_W
D_A
D7D6D5D4D3D2D1D0
123456789
N
D7D6D5D4D3D2D1D0
123456789
D7D6D5D4D3D2D1D0
123456789
SCLREL
5 5
3- Next byte received before I2CRCV read by software. I2CRCV register unchanged.
I2COV overflow bit set. Slave generates interrupt. Slave sends NACK for reception.
NA
6
4- Next byte also received before I2CRCV read by software.
Slave sends NACK for reception.
I2CRCV register unchanged. Slave generates interrupt.
SI2CIF cleared by user software.

© 2005 Microchip Technology Inc. DS70068D-page 21-43
Section 21. Inter-Integrated Circuit (I2C)
I
n
t
e
r
-
I
n
t
e
g
r
a
t
e
d
Circuit (I2C)
21
Figure 21-30: Slave Message (Write Data to Slave: 7-bit Address; Clock Stretching Enabled; A10M = 0; GCEN = 0; IPMIEN = 0)
T
1- Software sets the STREN bit to enable clock stretching.
SCL (Master)
SDA (Master)
SCL (Slave)
SDA (Slave)
I2CTRN
TBF
I2CRCV
RBF
SI2CIF
STREN
12345678
A1A0
9
A
D7D6D5D4D3D2D1D0
12345678 9
W
32
A
5 3 8 3
2- Slave receives address byte.
3- Next received byte is message data. Byte moved to I2CRCV register, sets RBF.
6- Software sets SCLREL bit to release clock.
7- Slave does not clear SCLREL because RBF = 0 at this time.
A6A5A4A3A2
S
P
I2COV
R_W
D_A
D7D6D5D4D3D2D1D0
12345678 9
A
D7D6D5 D3D2D1D0
1234 56789
A
SCLREL
5 9 5
D4
4 6 71
4- Because RBF = 1 at 9th clock, automatic clock stretch begins.
Slave clears SCLREL bit. Slave pulls SCL line low to stretch clock.
5- Software reads I2CRCV register. RBF bit clears.
8- Software may clear SCLREL to cause a clock hold. Module must detect SCL low
9- Software may set SCLREL to release a clock hold.
before asserting SCL low.

dsPIC30F Family Reference Manual
DS70068D-page 21-44 © 2005 Microchip Technology Inc.
21.7.5 Sending Data to a Master Device
When the R/W bit of the incoming device address byte is one and an address match occurs, the
R_W bit (I2CSTAT<2>) is set. At this point, the master device is expecting the slave to respond
by sending a byte of data. The contents of the byte are defined by the system protocol and are
only transmitted by the slave module.
When the interrupt from the address detection occurs, the software can write a byte to the
I2CTRN register to start the data transmission.
The slave module sets the TBF bit. The eight data bits are shifted out on the falling edge of the
SCL input. This ensures that the SDA signal is valid during the SCL high time. When all eight
bits have been shifted out, the TBF bit will be cleared.
The slave module detects the Acknowledge from the master-receiver on the rising edge of the
ninth SCL clock.
If the SDA line is low indicating an Acknowledge (ACK), the master is expecting more data and
the message is not complete. The module generates a slave interrupt to signal more data is
requested.
A slave interrupt is generated on the falling edge of the ninth SCL clock. Software must check
the status of the I2CSTAT register and clear the SI2CIF flag.
If the SDA line is high, indicating a Not Acknowledge (NACK), then the data transfer is
complete. The slave module resets and does not generate an interrupt. The slave module will
wait for detection of the next Start bit.
21.7.5.1 WAIT States During Slave Transmissions
During a slave transmission message, the master expects return data immediately after
detection of the valid address with R/W = 1. Because of this, the slave module will automatically
generate a bus WAIT whenever the slave returns data.
The automatic WAIT occurs at the falling edge of the 9th SCL clock of a valid device address
byte or transmitted byte Acknowledged by the master, indicating expectation of more transmit
data.
The slave module clears the SCLREL bit. Clearing the SCLREL bit causes the slave module to
pull the SCL line low, initiating a WAIT. The SCL clock of the master and slave will synchronize
as shown in Section 21.6.2 “Master Clock Synchronization”.
When the software loads the I2CTRN and is ready to resume transmission, the software sets
SCLREL. This causes the slave module to release the SCL line and the master resumes
clocking.
21.7.5.2 Example Messages of Slave Transmission
Slave transmissions for 7-bit address messages are shown in Figure 21-31. When the address
matches and the R/W bit of the address indicates a slave transmission, the module will
automatically initiate clock stretching by clearing the SCLREL bit and generate an interrupt to
indicate a response byte is required. The software will write the response byte into the I2CTRN
register. As the transmission completes, the master will respond with an Acknowledge. If the
master replies with an ACK, the master expects more data and the module will again clear the
SCLREL bit and generate another interrupt. If the master responds with a NACK, no more data
is required and the module will not stretch the clock nor generate an interrupt.
Slave transmissions for 10-bit address messages require the slave to first recognize a 10-bit
address. Because the master must send two bytes for the address, the R/W bit in the first byte
of the address specifies a write. To change the message to a read, the master will send a
Repeated Start and repeat the first byte of the address with the R/W bit specifying a read. At this
point, the slave transmission begins as shown in Figure 21-32.

© 2005 Microchip Technology Inc. DS70068D-page 21-45
Section 21. Inter-Integrated Circuit (I2C)
I
n
t
e
r
-
I
n
t
e
g
r
a
t
e
d
Circuit (I2C)
21
Figure 21-31: Slave Message (Read Data from Slave: 7-bit Address)
T
1- Slave recognizes Start event, S and P bits set/clear accordingly.
SCL (Master)
SDA (Master)
SCL (Slave)
SDA (Slave)
I2CTRN
TBF
I2CRCV
RBF
SI2CIF
STREN
12345678
A1A0
9
AD7D6D5D4D3D2D1D0
123456789
R
1 42
A
5 3 5 3 8
2- Slave receives address byte. Address matches. Slave generates interrupt.
3- Software writes I2CTRN with response data. TBF = 1 indicates that buffer is full.
6- At end of 9th clock, if master sent ACK, module clears SCLREL to suspend clock.
8- Slave recognizes Stop event, S and P bits set/clear accordingly.
Address byte not moved to I2CRCV register. R_W = 1 to indicate read from slave.
Writing I2CTRN sets D_A, indicating data byte.
A6A5A4A3A2
S
P
I2COV
R_W
D_A
SCLREL
4 4
D7D6D5D4D3D2D1D0
123456789
A
D7D6D5D4D3D2D1D0
123456789
N
3 6 6 5 7
SCLREL = 0 to suspend master clock.
4- Software sets SCLREL to release clock hold. Master resumes clocking and
slave transmits data byte.
5- After last bit, module clears TBF bit indicating buffer is available for next byte.
Slave generates interrupt.
7- At end of 9th clock, if master sent NACK, no more data expected. Module does not
suspend clock and will generate an interrupt.

dsPIC30F Family Reference Manual
DS70068D-page 21-46 © 2005 Microchip Technology Inc.
Figure 21-32: Slave Message (Read Data from Slave: 10-bit Address)
T
1- Slave recognizes Start event, S and P bits set/clear accordingly.
SCL (Master)
SDA (Master)
SCL (Slave)
SDA (Slave)
I2CTRN
TBF
I2CRCV
RBF
SI2CIF
STREN
123456789
A
1 42 7 8
2- Slave receives first address byte. Write indicated. Slave Acknowledges and
6- Software writes I2CTRN with response data.
8- At end of 9th clock, if master sent ACK, module clears SCLREL to suspend clock.
- Slave recognizes Stop event, S and P bits set/clear accordingly.
S
P
ADD10
R_W
D_A
SCLREL
5 6
D7D6D5D4D3D2D1D0
123456789
N
3 6 97
7- Software sets SCLREL to release clock hold. Master resumes clocking and
slave transmits data byte.
Slave generates interrupt.
9- At end of 9th clock, if master sent NACK, no more data expected. Module does not
suspend clock or generate interrupt.
A7A6A5A4A3A2A1A0
123456789
A
A9A8 W11110
123456789
A
A9A8
11110
D7D6D5D4D3D2D1D0
123456789
A
3- Slave receives address byte. Address matches. Slave Acknowledges and
10
10
4- Master sends a Repeated Start to redirect the message.
5- Slave receives resend of first address byte. Read indicated. Slave suspends clock.
R
generates interrupt.
generates interrupt.

© 2005 Microchip Technology Inc. DS70068D-page 21-47
Section 21. Inter-Integrated Circuit (I2C)
I
n
t
e
r
-
I
n
t
e
g
r
a
t
e
d
Circuit (I2C)
21
21.8 Connection Considerations for I2C Bus
By definition of the I2C bus being a wired AND bus connection, pull-up resistors on the bus are
required, shown as RP in Figure 21-33. Series resistors, shown as RS are optional and used to
improve ESD susceptibility. The values of resistors RP and RS depend on the following
parameters:
• Supply voltage
• Bus capacitance
• Number of connected devices (input current + leakage current)
Because the device must be able to pull the bus low against RP, current drawn by RP must be
greater than the I/O pin minimum sink current IOL of 3 mA at VOL(MAX) = 0.4V for the device
output stage. For example, with a supply voltage of VDD = 5V +10%:
RP(MIN) = (VDD(MAX) – VOL(MAX)) / IOL = (5.5-0.4) / 3 mA = 1.7 kΩ
In a 400 kHz system, a minimum rise time specification of 300 nsec exists and in a 100 kHz
system, the specification is 1000 nsec.
Because RP must pull the bus up against the total capacitance CB with a maximum rise time of
300 nsec to 0.7 VDD, the maximum resistance for RP must be less than:
RP(MAX) = -tR / CB * ln(1 – (VIL(MAX) – VDD(MAX)) = -300 nsec / (100pf * ln(1-0.7)) = 2.5 kΩ
The maximum value for RS is determined by the desired noise margin for the low level. RS
cannot drop enough voltage to make the device VOL plus voltage across RS more than the
maximum VIL.
Rs(MAX) = (VIL(MAX) – VOL(MIN)) / IOL(MAX) = (0.3 VDD-0.4) / 3 mA = 366Ω
The SCL clock input must have a minimum high and low time for proper operation. The high and
low times of the I2C specification as well as the requirements of the I2C module, are shown in
the “Electrical Specifications” section in the specific device data sheet.
Figure 21-33: Sample Device Configuration for I2C™ Bus
RPRP
VDD + 10%
SDA
SCL
Device
CB = 10 - 400 pF
RSRS
Note: I2C devices with input levels related to VDD must have one common supply line
to which the pull-up resistor is also connected.

dsPIC30F Family Reference Manual
DS70068D-page 21-48 © 2005 Microchip Technology Inc.
21.8.1 Integrated Signal Conditioning
The SCL and SDA pins have an input glitch filter. The I2C bus requires this filter in both the
100 kHz and 400 kHz systems.
When operating on a 400 kHz bus, the I2C specification requires a slew rate control of the
device pin output. This slew rate control is integrated into the device. If the DISSLW bit
(I2CCON<9>) is cleared, the slew rate control is active. For other bus speeds, the I2C
specification does not require slew rate control and DISSLW should be set.
Some system implementations of I2C busses require different input levels for VIL(MAX) and
VIH(MIN).
In a normal I2C system:
VIL(MAX) = lesser of 1.5V and 0.3 VDD
VIH(MIN) = greater of 3.0V and 0.7 VDD
In an SMBus (System Management Bus) system:
VIL(MAX) = 0.2 VDD
VIH(MIN) = 0.8 VDD
The SMEN bit (I2CCON<8>) controls the input levels. SMEN is set to change the input levels to
SMBus specifications.

© 2005 Microchip Technology Inc. DS70068D-page 21-49
Section 21. Inter-Integrated Circuit (I2C)
I
n
t
e
r
-
I
n
t
e
g
r
a
t
e
d
Circuit (I2C)
21
21.9 Module Operation During PWRSAV Instruction
21.9.1 When the Device Enters Sleep Mode
When the device executes a PWRSAV 0 instruction, the device enters Sleep mode. When the
device enters Sleep mode, the master and slave module abort any pending message activity
and reset the state of the modules. Any transmission/reception that is in progress will not
continue when the device wakes from Sleep. After the device returns to Operational mode, the
master module will be in an Idle state waiting for a message command and the slave module
will be waiting for a Start condition. During Sleep, the IWCOL, I2COV and BCL bits are cleared.
Additionally, because the master functions are aborted, the SEN, RSEN, PEN, RCEN, ACKEN
and TRSTAT bits are cleared. TBF and RBF are cleared and the buffers are available at
wake-up.
There is no automatic method to prevent Sleep entry if a transmission or reception is active or
pending. The software must synchronize Sleep entry with I2C operation to avoid aborted
messages.
During Sleep, the slave module will not monitor the I2C bus. Thus, it is not possible to generate
a wake-up event based on the I2C bus using the I2C module. Other interrupt inputs, such as the
interrupt-on-change inputs can be used to detect message traffic on a I2C bus and cause a
device wake-up.
21.9.2 When the Device Enters Idle Mode
When the device executes a PWRSAV 1 instruction, the device enters Idle mode. The module
will enter a power saving state in Idle mode depending on the I2CSIDL bit (I2CCON<13>).
If I2CSIDL = 1, the module will enter the Power Saving mode similarly to actions while entering
Sleep mode.
If I2CSIDL = 0, the module will not enter a Power Saving mode. The module will continue to
operate normally.
21.10 Effects of a Reset
A Reset disables the I2C module and terminates any active or pending message activity. See
the register definitions of I2CCON and I2CSTAT for the Reset conditions of those registers.
Note: In this discussion, ‘Idle’ refers to the CPU power saving state. The lower-case ‘idle’
refers to the time when the I2C module is not transferring data on the bus.

dsPIC30F Family Reference Manual
DS70068D-page 21-50 © 2005 Microchip Technology Inc.
21.11 Design Tips
Question 1: I’m operating as a bus master and transmitting data, however, slave and
receive interrupts are also occurring.
Answer: The master and slave circuits are independent. The slave module will receive events
from the bus sent by the master.
Question 2: I’m operating as a slave and I write data to the I2CTRN register, but the data
did not transmit.
Answer: The slave enters an automatic wait when preparing to transmit. Ensure that you set
the SCLREL bit to release the I2C clock.
Question 3: How do I tell what state the master module is in?
Answer: Looking at the condition of SEN, RSEN, PEN, RCEN, ACKEN and TRSTAT bits will
indicate the state of the master module. If all bits are ‘0’, the module is Idle.
Question 4: Operating as a slave, I receive a byte while STREN = 0. What should the
software do if it cannot process the byte before the next one is received?
Answer: Because STREN was ‘0’, the module did not generate an automatic WAIT on the
received byte. However, the software may, at any time during the message, set STREN then
clear SCLREL. This will cause a WAIT on the next opportunity to synchronize the SCL clock.
Question 5: My I2C system is a multi-master system. When I attempt to send a message,
it is being corrupted.
Answer: In a multi-master system, other masters may cause bus collisions. In the Interrupt
Service Routine for the master, check the BCL bit to ensure that the operation completed
without a collision. If a collision is detected, the message must be resent from the beginning.
Question 6: My I2C system is a multi-master system. How can I tell when it is OK to
begin a message?
Answer: Look at the S and P bits. If S = 0 and P = 0 the bus is Idle. If S = 0 and P = 1, the bus
is Idle.
Question 7: I tried to send a Start condition on the bus, then transmit a byte by writing
to the I2CTRN register. The byte did not get transmitted. Why?
Answer: You must wait for each event on the I2C bus to complete before starting the next one.
In this case, you should poll the SEN bit to determine when the Start event completed, or wait for
the master I2C interrupt before data is written to I2CTRN.

© 2005 Microchip Technology Inc. DS70068D-page 21-51
Section 21. Inter-Integrated Circuit (I2C)
I
n
t
e
r
-
I
n
t
e
g
r
a
t
e
d
Circuit (I2C)
21
21.12 Related Application Notes
This section lists application notes that are related to this section of the manual. These
application notes may not be written specifically for the dsPIC30F Product Family, but the
concepts are pertinent and could be used with modification and possible limitations. The current
application notes related to the Inter-Integrated Circuit (I2C) module are:
Title Application Note #
Use of the SSP Module in the I 2C™ Multi-Master Environment AN578
Using the PICmicro® SSP for Slave I2C™ Communication AN734
Using the PICmicro® MSSP Module for Master I2C™ Communications AN735
An I2C™ Network Protocol for Environmental Monitoring AN736
Note: Please visit the Microchip web site (www.microchip.com) for additional Application
Notes and code examples for the dsPIC30F Family of devices.

dsPIC30F Family Reference Manual
DS70068D-page 21-52 © 2005 Microchip Technology Inc.
21.13 Revision History
Revision A
This is the initial released revision of this document.
Revision B
This revision has been expanded to contain a full description of the dsPIC30F Inter-Integrated
Circuit (I2C) module.
Revision C
This revision incorporates all known errata at the time of this document update.

© 2004 Microchip Technology Inc. DS70069C-page 22-1
D
a
t
a
C
o
n
v
e
r
t
e
r
Interface (DCI)
22
Section 22. Data Converter Interface (DCI)
HIGHLIGHTS
This section of the manual contains the following topics:
22.1 Introduction .................................................................................................................. 22-2
22.2 Control Register Descriptions ......................................................................................22-2
22.3 Codec Interface Basics and Terminology.....................................................................22-8
22.4 DCI Operation............................................................................................................ 22-10
22.5 Using the DCI Module................................................................................................ 22-17
22.6 Operation in Power Saving Modes ............................................................................ 22-28
22.7 Registers Associated with DCI................................................................................... 22-28
22.8 Design Tips ................................................................................................................ 22-30
22.9 Related Application Notes.......................................................................................... 22-31
22.10 Revision History......................................................................................................... 22-32

dsPIC30F Family Reference Manual
DS70069C-page 22-2 © 2004 Microchip Technology Inc.
22.1 Introduction
The dsPIC Data Converter Interface (DCI) module allows simple interfacing of devices, such as
audio coder/decoders (codecs), A/D converters, and D/A converters.
The following interfaces are supported:
• Framed Synchronous Serial Transfer (Single or Multi-Channel)
• Inter-IC Sound (I2S) Interface
• AC-Link Compliant mode
Many codecs intended for use in audio applications support sampling rates between 8 kHz and
48 kHz and use one of the interface protocols listed above. The DCI automatically handles the
interface timing associated with these codecs. No overhead from the CPU is required until the
requested amount of data has been transmitted and/or received by the DCI. Up to four data
words may be transferred between CPU interrupts.
The data word length for the DCI is programmable up to 16 bits to match the data size of the
dsPIC30F CPU. However, many codecs have data word sizes greater than 16 bits. Long data
word lengths can be supported by the DCI. The DCI is configured to transmit/receive the long
word in multiple 16-bit time slots. This operation is transparent to the user and the long data word
is stored in consecutive register locations.
The DCI can support up to 16 time slots in a data frame, for a maximum frame size of 256 bits.
There are control bits for each time slot in the data frame that determine whether the DCI will
transmit/receive during the time slot.
22.2 Control Register Descriptions
The DCI has five Control registers and one Status register, which are listed below:
• DCICON1: DCI module enable and mode bits.
• DCICON2: DCI module word length, data frame length, and buffer setup.
• DCICON3: DCI module bit clock generator setup.
• DCISTAT: DCI module status information.
• RSCON: Active frame time slot control for data reception.
• TSCON: Active frame time slot control for data transmit.
In addition to these Control and Status registers, there are four Transmit registers,
TXBUF0....TXBUF3, and four Receive registers, RXBUF0....RXBUF3.

© 2004 Microchip Technology Inc. DS70069C-page 22-3
Section 22. Data Converter Interface (DCI)
D
a
t
a
C
o
n
v
e
r
t
e
r
Interface (DCI)
22
Register 22-1: DCICON1
Upper Byte:
R/W-0 U-0 R/W-0 U-0 R/W-0 R/W-0 R/W-0 R/W-0
DCIEN —DCISIDL— DLOOP CSCKD CSCKE COFSD
bit 15 bit 8
Lower Byte:
R/W-0 R/W-0 R/W-0 U-0 U-0 U-0 R/W-0 R/W-0
UNFM CSDOM DJST — — —COFSM<1:0>
bit 7 bit 0
bit 15 DCIEN: DCI Module Enable bit
1 = Module is enabled
0 = Module is disabled
bit 14 Reserved: Read as ‘0’
bit 13 DCISIDL: DCI Stop in Idle Control bit
1 = Module will halt in CPU Idle mode
0 = Module will continue to operate in CPU Idle mode
bit 12 Reserved: Read as ‘0’
bit 11 DLOOP: Digital Loopback Mode Control bit
1 = Digital Loopback mode is enabled. CSDI and CSDO pins internally connected.
0 = Digital Loopback mode is disabled
bit 10 CSCKD: Sample Clock Direction Control bit
1 = CSCK pin is an input when DCI module is enabled
0 = CSCK pin is an output when DCI module is enabled
bit 9 CSCKE: Sample Clock Edge Control bit
1 = Data changes on serial clock falling edge, sampled on serial clock rising edge
0 = Data changes on serial clock rising edge, sampled on serial clock falling edge
bit 8 COFSD: Frame Synchronization Direction Control bit
1 = COFS pin is an input when DCI module is enabled
0 = COFS pin is an output when DCI module is enabled
bit 7 UNFM: Underflow Mode bit
1 = Transmit last value written to the Transmit registers on a transmit underflow
0 = Transmit ‘0’s on a transmit underflow
bit 6 CSDOM: Serial Data Output Mode bit
1 = CSDO pin will be tri-stated during disabled transmit time slots
0 = CSDO pin drives ‘0’s during disabled transmit time slots
bit 5 DJST: DCI Data Justification Control bit
1 = Data transmission/reception is begun during the same serial clock cycle as the frame synchronization
pulse
0 = Data transmission/reception is begun one serial clock cycle after frame synchronization pulse
bit 4-2 Reserved: Read as ‘0’
bit 1-0 COFSM<1:0>: Frame Sync Mode bits
11 = 20-bit AC-Link mode
10 = 16-bit AC-Link mode
01 = I2S Frame Sync mode
00 = Multi-Channel Frame Sync mode
Legend:
R = Readable bit W = Writable bit U = Unimplemented bit, read as ‘0’
-n = Value at POR ‘1’ = Bit is set ‘0’ = Bit is cleared x = Bit is unknown

dsPIC30F Family Reference Manual
DS70069C-page 22-4 © 2004 Microchip Technology Inc.
Register 22-2: DCICON2
Upper Byte:
U-0 U-0 U-0 U-0 R/W-0 R/W-0 U-0 R/W-0
— — — — BLEN<1:0> —COFSG3
bit 15 bit 8
Lower Byte:
R/W-0 R/W-0 R/W-0 U-0 R/W-0 R/W-0 R/W-0 R/W-0
COFSG<2:0> —WS<3:0>
bit 7 bit 0
bit 15-12 Reserved: Read as ‘0’
bit 11-10 BLEN<1:0>: Buffer Length control bits
11 = Four data words will be buffered between interrupts
10 = Three data words will be buffered between interrupts
01 = Two data words will be buffered between interrupts
00 = One data word will be buffered between interrupts
bit 9 Reserved: Read as ‘0’
bit 8-5 COFSG<3:0>: Frame Sync Generator control bits
1111 = Data frame has 16 words
||
0010 = Data frame has 3 words
0001 = Data frame has 2 words
0000 = Data frame has 1 word
bit 4 Reserved: Read as ‘0’
bit 3-0 WS<3:0>: DCI Data Word Size bits
1111 = Data word size is 16 bits
||
0100 = Data word size is 5 bits
0011 = Data word size is 4 bits
0010 = Invalid Selection. Do not use. Unexpected results may occur.
0001 = Invalid Selection. Do not use. Unexpected results may occur.
0000 = Invalid Selection. Do not use. Unexpected results may occur.
Legend:
R = Readable bit W = Writable bit U = Unimplemented bit, read as ‘0’
-n = Value at POR ‘1’ = Bit is set ‘0’ = Bit is cleared x = Bit is unknown

© 2004 Microchip Technology Inc. DS70069C-page 22-5
Section 22. Data Converter Interface (DCI)
D
a
t
a
C
o
n
v
e
r
t
e
r
Interface (DCI)
22
Register 22-3: DCICON3
Upper Byte:
U-0 U-0 U-0 U-0 R/W-0 R/W-0 R/W-0 R/W-0
— — — — BCG<11:8>
bit 15 bit 8
Lower Byte:
R/W-0 R/W-0 R/W-0 R/W-0 R/W-0 R/W-0 R/W-0 R/W-0
BCG<7:0>
bit 7 bit 0
bit 15-12 Reserved: Read as ‘0’.
bit 11-0 BCG<11:0>: DCI Bit Clock Generator Control bits
Legend:
R = Readable bit W = Writable bit U = Unimplemented bit, read as ‘0’
-n = Value at POR ‘1’ = Bit is set ‘0’ = Bit is cleared x = Bit is unknown

dsPIC30F Family Reference Manual
DS70069C-page 22-6 © 2004 Microchip Technology Inc.
Register 22-4: DCISTAT
Upper Byte:
U-0 U-0 U-0 U-0 R-0 R-0 R-0 R-0
— — — — SLOT<3:0>
bit 15 bit 8
Lower Byte:
U-0 U-0 U-0 U-0 R-0 R-0 R-0 R-0
———— ROV RFUL TUNF TMPTY
bit 7 bit 0
bit 15-12 Reserved: Read as ‘0’
bit 11-8 SLOT<3:0>: DCI Slot Status bits
1111 = Slot #15 is currently active
||
0010 = Slot #2 is currently active
0001 = Slot #1 is currently active
0000 = Slot #0 is currently active
bit 7-4 Reserved: Read as ‘0’
bit 3 ROV: Receive Overflow Status bit
1 = A receive overflow has occurred for at least one receive register
0 = A receive overflow has not occurred
bit 2 RFUL: Receive Buffer Full Status bit
1 = New data is available in the receive registers
0 = The receive registers have old data
bit 1 TUNF: Transmit Buffer Underflow Status bit
1 = A transmit underflow has occurred for at least one transmit register
0 = A transmit underflow has not occurred
bit 0 TMPTY: Transmit Buffer Empty Status bit
1 = The Transmit registers are empty
0 = The Transmit registers are not empty
Legend:
R = Readable bit W = Writable bit U = Unimplemented bit, read as ‘0’
-n = Value at POR ‘1’ = Bit is set ‘0’ = Bit is cleared x = Bit is unknown

© 2004 Microchip Technology Inc. DS70069C-page 22-7
Section 22. Data Converter Interface (DCI)
D
a
t
a
C
o
n
v
e
r
t
e
r
Interface (DCI)
22
Register 22-5: RSCON
Register 22-6: TSCON
Upper Byte:
R/W-0 R/W-0 R/W-0 R/W-0 R/W-0 R/W-0 R/W-0 R/W-0
RSE15 RSE14 RSE13 RSE12 RSE11 RSE10 RSE9 RSE8
bit 15 bit 8
Lower Byte:
R/W-0 R/W-0 R/W-0 R/W-0 R/W-0 R/W-0 R/W-0 R/W-0
RSE7 RSE6 RSE5 RSE4 RSE3 RSE2 RSE1 RSE0
bit 7 bit 0
bit 11 RSE<15:0>: Receive Slot Enable bits
1 = CSDI data is received during the individual time slot n
0 = CSDI data is ignored during the individual time slot n
Legend:
R = Readable bit W = Writable bit U = Unimplemented bit, read as ‘0’
-n = Value at POR ‘1’ = Bit is set ‘0’ = Bit is cleared x = Bit is unknown
Upper Byte:
R/W-0 R/W-0 R/W-0 R/W-0 R/W-0 R/W-0 R/W-0 R/W-0
TSE15 TSE14 TSE13 TSE12 TSE11 TSE10 TSE9 TSE8
bit 15 bit 8
Lower Byte:
R/W-0 R/W-0 R/W-0 R/W-0 R/W-0 R/W-0 R/W-0 R/W-0
TSE7 TSE6 TSE5 TSE4 TSE3 TSE2 TSE1 TSE0
bit 7 bit 0
bit 11 TSE<15:0>: Transmit Slot Enable Control bits
1 = Transmit buffer contents are sent during the individual time slot n
0 = CSDO pin is tri-stated or driven to logic ‘0’ during the individual time slot, depending on the state of the
CSDOM bit
Legend:
R = Readable bit W = Writable bit U = Unimplemented bit, read as ‘0’
-n = Value at POR ‘1’ = Bit is set ‘0’ = Bit is cleared x = Bit is unknown

dsPIC30F Family Reference Manual
DS70069C-page 22-8 © 2004 Microchip Technology Inc.
22.3 Codec Interface Basics and Terminology
The interface protocols supported by the DCI require the use of a Frame Synchronization (FS)
signal to initiate a data transfer between two devices. In most cases, the rising edge of FS starts
a new data transfer. In any codec application there is, at a minimum, a controller and a codec
device. Either device may produce FS. The device that generates FS is the master device.
Conceptually, the master device does not have to be the transmitting or receiving device. Various
connection examples are shown in Figure 22-1. The frequency of the FS signal is usually the
system sampling rate, fs.
Figure 22-1: Codec CONNECTION EXAMPLES
Note: The details given in this section are not specific to the DCI module. This discussion
is intended to provide the user some background and terminology related to the
digital serial interface protocols found in most codec devices.
Codec
SCK
FS
SDI
Controller
SDO
CSCK
COFS
CSDO
CSDI
Codec
SCK
FS
SDI
SDO
Codec is Master
dsPIC®
(Controller)
CSCK
COFS
CSDO
CSDI
Codec
SCK
FS
SDI
SDO
Controller is Master
CSCK
COFS
CSDO
CSDI
A/D #1
Daisy-Chained Configuration A/D #2
FSO
FS
SCK
SDO
FSO
FS
SCK
SDO
CSCK
COFS
CSDI
to Other Devices
Codec
SCK
FS
SDI
SDO
Codec Generates SCK
CSCK
COFS
CSDO
CSDI
(See Note)
External Controller is Master
Note: Codec oscillator circuit generates SCK signal.
dsPIC®
(Controller)
dsPIC®
(Controller)
dsPIC®
(Controller)
dsPIC®
(Controller)

© 2004 Microchip Technology Inc. DS70069C-page 22-9
Section 22. Data Converter Interface (DCI)
D
a
t
a
C
o
n
v
e
r
t
e
r
Interface (DCI)
22
All interfaces have a serial transfer clock, SCK. The SCK signal may be generated by any of the
connected devices or can be provided externally. In some systems, SCK is also referred to as
the bit clock. For codecs that offer high signal fidelity, it is common for the SCK signal to be
derived from the crystal oscillator on the codec device. The protocol defines the edge of SCK on
which data is sampled. The master device generates the FS signal with respect to SCK.
The period of the FS signal delineates one data frame. This period is the same as the data
sample period. The number of SCK cycles that occur during the data frame will depend on the
type of codec that is selected. The ratio of the SCK frequency to the system sample rate is
expressed as a ratio of n, where n is the number of SCK periods per data frame.
One advantage of using a framed interface protocol is that multiple data words can be transferred
during each sample period, or data frame. Each division of the data frame is referred to as a time
slot. The time slots can be used for multiple codec data channels and/or control information.
Furthermore, multiple devices can be multiplexed on the same serial data pins. Each slave
device is programmed to place its data on the serial data connection during the proper time slot.
The output of each slave device is tri-stated at all other times to permit other devices to use the
serial bus.
Some devices allow the FS signal to be daisy-chained via Frame Synchronization Output (FSO)
pins. A typical daisy-chained configuration is shown in Figure 22-1. When the transfer from the
first slave device has completed, a FS pulse is sent to the second device in the chain via its FSO
pin. This process continues until the last device in the chain has sent its data. The controller
(master) device should be programmed for a data frame size that accommodates all of the data
words that will be transferred.
The timing for a typical data transfer is shown in Figure 22-2. Most protocols begin the data
transfer one SCK cycle after the FS signal is detected. This example uses a 16 fs clock and
transfers four 4-bit data words per frame.
Figure 22-2: FRAMED DATA TRANSFER EXAMPLE
The timing for a typical data transfer with daisy-chained devices is shown in Figure 22-3. This
example uses a 16 fs SCK frequency and transfers two 8-bit data words per frame. After the FS
pulse is detected, the first device in the chain transfers the first 8-bit data word and generates the
FSO signal at the end of the transfer. The FSO signal begins the transfer of the second data word
from the second device in the chain.
Figure 22-3: DAISY-CHAINED DATA TRANSFER EXAMPLE
SCK
FS
Time Slot 0SDI or SDO Time Slot 1
Data Frame Period (1/fs)
FSO
SCK
FS
Time Slot 0 Time Slot 1
SDI or SDO Time Slot 2 Time Slot 3
Data Frame Period (1/fs)

dsPIC30F Family Reference Manual
DS70069C-page 22-10 © 2004 Microchip Technology Inc.
The FS pulse has a minimum active time of one SCK period so the slave device can detect the
start of the data frame. The duty cycle of the FS pulse may vary depending on the specific pro-
tocol that is used to mark certain boundaries in the data frame. For example, the I2S protocol
uses a FS signal that has a 50% duty cycle. The I2S protocol is optimized for the transfer of two
data channels (left and right channel audio information). The edges of the FS signal mark the
boundaries of the left and right channel data words. The AC-Link protocol uses a FS signal that
is high for 16 SCK periods and low for 240 SCK periods. The edges of the AC-Link FS signal
mark the boundaries of control information and data in the frame.
22.4 DCI Operation
A simplified block diagram of the module is shown in Figure 22-4. The module consists of a
Transmit/Receive Shift register that is connected to a small range of memory buffers via a buffer
control unit. This arrangement allows the DCI to support various codec serial protocols. The DCI
Shift register is 16-bits wide. Data is transmitted and received by the DCI MSbit first.
Figure 22-4: DCI Module Block Diagram
Note: Refer to Section 26. “Appendix” of this manual for additional information on codec
communication protocols.
Clock Generator CSCK
Frame
Generator
TCY
COFS
16-bit Data Bus
DCI Shift Register CSDI
Buffer Control
WS<3:0>
COFSG<3:0>
COFSM<1:0>
COFSD
CSCKD
CSDO
0
15
Receive Registers w/
Buffer
Transmit Registers w/
Buffer
BCG<11:0>
Synchronization

© 2004 Microchip Technology Inc. DS70069C-page 22-11
Section 22. Data Converter Interface (DCI)
D
a
t
a
C
o
n
v
e
r
t
e
r
Interface (DCI)
22
22.4.1 DCI Pins
There are four I/O pins associated with the DCI. The DCI, when enabled, controls the data
direction of each of the four pins.
22.4.1.1 CSCK Pin
The CSCK pin provides the serial clock connection for the DCI. The CSCK pin may be configured
as an input or output using the CSCKD control bit, DCICON1<10>. When the CSCK pin is
configured as an output (CSCKD = 0), the serial clock is derived from the dsPIC30F system clock
source and supplied to external devices by the DCI. When the CSCK pin is configured as an input
(CSCKD = 1), the serial clock must be provided by an external device.
22.4.1.2 CSDO Pin
The Serial Data Output (CSDO) pin is configured as an output only pin when the module is
enabled. The CSDO pin drives the serial bus whenever data is to be transmitted. The CSDO pin
can be tri-stated or driven to ‘0’ during serial clock periods when data is not transmitted, depend-
ing on the state of the CSDOM control bit (DCICON1<6>). The tri-state option allows other
devices to be multiplexed onto the CSDO connection.
22.4.1.3 CSDI Pin
The serial data input (CSDI) pin is configured as an input only pin when the module is enabled.
22.4.1.4 COFS Pin
The frame synchronization (COFS) pin is used to synchronize data transfers that occur on the
CSDO and CSDI pins. The COFS pin may be configured as an input or an output. The data direc-
tion for the COFS pin is determined by the COFSD control bit (DCICON1<8>). When the COFSD
bit is cleared, the COFS pin is an output. The DCI module will generate frame synchronization
pulses to initiate a data transfer. The DCI is the master device for this configuration. When the
COFSD bit is set, the COFS pin becomes an input. Incoming synchronization signals to the
module will initiate data transfers. The DCI is a slave device when the COFSD control bit is set.
22.4.2 Module Enable
The DCI module is enabled or disabled by setting/clearing the DCIEN control bit
(DCICON1<15>). Clearing the DCIEN control bit has the effect of resetting the module. In
particular, all counters associated with serial clock generation, frame sync, and the buffer control
logic are reset (see Section 22.5.1.1 “DCI Start-up and Data Buffering” and Section
22.5.1.2 “DCI Disable” for additional information).
When enabled, the DCI controls the data direction for the CSCK, CSDI, CSDO and COFS I/O
pins associated with the module. The PORT, LAT, and TRIS register values for these I/O pins are
overridden by the DCI module when the DCIEN bit is set.
It is also possible to override the CSCK pin separately when the bit clock generator is enabled.
This permits the bit clock generator to be operated without enabling the rest of the DCI module.

dsPIC30F Family Reference Manual
DS70069C-page 22-12 © 2004 Microchip Technology Inc.
22.4.3 Bit Clock Generator
The DCI module has a dedicated 12-bit time base that produces the bit clock. The bit clock rate
(period) is set by writing a non-zero 12-bit value to the BCG<11:0> control bits
(DCICON3<11:0>). When the BCG<11:0> bits are set to zero, the bit clock will be disabled.
When the CSCK pin is controlled by the DCI module, the corresponding PORT, LAT and TRIS
Control register values for the CSCK pin will be overridden and the data direction for the CSCK
pin will be controlled by the CSCKD control bit (DCICON1<10>).
If the serial clock for the DCI is to be provided by an external device, the BCG<11:0> bits should
be set to ‘0’ and the CSCKD bit set to ‘1’.
If the serial clock is to be generated by the DCI module, the BCG<11:0> control bits should be
set to a non-zero value (see Equation 22-1) and the CSCKD control bit should be set to zero.
The formula for the bit clock frequency is given in Equation 22-1.
Equation 22-1: DCI Bit Clock Generator Value
The required bit clock frequency will be determined by the system sampling rate and frame size.
Typical bit clock frequencies range from 16x to 512x the converter sample rate, depending on
the data converter and the communication protocol that is used.
22.4.4 Sample Clock Edge Selection
The CSCKE control bit (DCICON1<9>) determines the sampling edge for the serial clock signal.
If the CSCKE bit is cleared (default), data will be sampled on the falling edge of the CSCK signal.
The AC-Link protocols and most multi-channel formats require that data be sampled on the
falling edge of the CSCK signal. If the CSCKE bit is set, data will be sampled on the rising edge
of CSCK. The I2S protocol requires that data be sampled on the rising edge of the serial clock
signal.
22.4.5 Frame Sync Mode Control Bits
The type of interface protocol supported by the DCI is selected using the COFSM<1:0> control
bits (DCICON1<1:0>). The following Operating modes can be selected:
• Multi-channel Mode
•I
2S Mode
• AC-Link Mode (16-bit)
• AC-Link Mode (20-bit)
Specific information for each of the protocols is provided in subsequent sections.
22.4.6 Word-Size Selection Bits
The WS<3:0> word-size selection bits (DCICON2<3:0>) determine the number of bits in each
DCI data word. Any data length from 4 to 16 bits may be selected.
Note: The CSCK I/O pin will be controlled by the DCI module if the DCIEN bit is set OR
the bit clock generator is enabled by writing a non-zero value to BCG<11:0>. This
allows the bit clock generator to be operated independently of the DCI module.
BCG<11:0> = fCY
2 fCSCK – 1
Note: The BCG<11:0> bits have no effect on the operation of the DCI module when the
CSCK signal is provided externally (CSCKD = 1).
Note: The WS control bits are used only in the multi-channel and I2S modes. These bits
have no effect in AC-Link mode since the data slot sizes are fixed by the protocol.

© 2004 Microchip Technology Inc. DS70069C-page 22-13
Section 22. Data Converter Interface (DCI)
D
a
t
a
C
o
n
v
e
r
t
e
r
Interface (DCI)
22
22.4.7 Frame Synchronization Generator
The Frame Sync Generator (FSG) is a 4-bit counter that sets the frame length in data words. The
period for the FSG is set by writing the COFSG<3:0> control bits (DCICON2<8:5>). The FSG
period (in serial clock cycles) is determined by the following formula:
Equation 22-2: Frame Length, In CSCK Cycles
Frame lengths up to 16 data words may be selected. The frame length in serial clock periods will
vary up to a maximum of 256 depending on the word size that is selected.
22.4.8 Transmit and Receive Registers
The DCI has four Transmit registers, TXBUF0...TXBUF3, and four Receive registers,
RXBUF0..RXBUF3. All of the Transmit and Receive registers are memory mapped.
22.4.8.1 Buffer Data Alignment
Data values are always stored left-justified in the DCI registers, since audio PCM data is
represented as a signed 2’s complement fractional number. If the programmed DCI word size is
less than 16 bits, the unused LSbs in the Receive registers are set to ‘0’ by the module. Also, the
unused LSbs in the Transmit register are ignored by the module.
22.4.8.2 Transmit and Receive Buffers
The Transmit and Receive registers each have a set of buffers that are not accessible by the
user. Effectively, each transmit and receive buffer location is double-buffered. The DCI transmits
data from the transmit buffers and writes received data to the receive buffers. The buffers allow
the user to read and write the RXBUF and TXBUF registers, while the DCI uses data from the
buffers.
22.4.9 DCI Buffer Control Unit
The DCI module contains a buffer control unit that transfers data between the buffer memory and
the Serial Shift register. The buffer control unit also transfers data between the buffer memory
and the TXBUF and RXBUF registers. The buffer control unit allows the DCI to queue the
transmission and reception of multiple data words without CPU overhead.
The DCI generates an interrupt each time a transfer between the buffer memory and the TXBUF
and RXBUF registers takes place. The number of data words buffered between interrupts is
determined by the BLEN<1:0> control bits (DCICON2<11:10>). The size of the transmit and
receive buffering may be varied from 1 to 4 data words using the BLEN<1:0> bits.
Each time a data transfer takes place between the DCI Shift register and the buffer memory, the
DCI buffer control unit is incremented to point to the next buffer location. If the number of
transmitted or received data words is equal to the BLEN value + 1, the following will occur:
• The buffer control unit is reset to point to the first buffer location
• The received data held in the buffer is transferred to the RXBUF registers
• The data in the TXBUF registers is transferred to the buffer
• A CPU interrupt is generated
The DCI buffer control unit will also reset the buffer pointer to the first buffer location each time a
frame boundary is reached. This action ensures alignment between the buffer locations and the
enabled time slots in the data frame.
The DCI buffer control unit always accesses the same relative location in the Transmit and
Receive buffers. If the DCI is transmitting data from TXBUF3, for example, then any data
received during that time slot will be written to RXBUF3.
FrameLength = (WS<3:0> + 1) • (COFSG<3:0> + 1)
Note: The COFSG control bits will have no effect in AC-Link mode, since the frame length
is set to 256 serial clock periods by the protocol.

dsPIC30F Family Reference Manual
DS70069C-page 22-14 © 2004 Microchip Technology Inc.
Figure 22-5: DCI Buffer Control Unit
22.4.10 Transmit Slot Enable Bits
The TSCON SFR has control bits that are used to enable up to 16 time slots for transmission.
These control bits are the TSE<15:0> bits. The size of each time slot is determined by the
WS<3:0> word size selection bits and can vary up to 16 bits.
If a transmit time slot is enabled via one of the TSE bits (TSEx = 1), the contents of the current
transmit buffer location will be loaded into the CSDO Shift register and the DCI buffer control unit
will increment to point to the next buffer location.
Not all TSE control bits will have an effect on the module operation if the selected frame size has
less than 16 data slots. The Most Significant TSE control bits are not used. For example, if
COFSG<3:0> = 0111 (8 data slots per frame), TSE8 through TSE15 will have no effect on the
DCI operation.
22.4.10.1 CSDO Mode Control
During disabled transmit time slots, the CSDO pin can drive ‘0’s or can be tri-stated, depending
on the state of the CSDOM bit (DCICON1<6>). A given transmit time slot is disabled if its
corresponding TSEx bit is cleared in the TSCON register.
If the CSDOM bit is cleared (default), the CSDO pin will drive ‘0’s onto the CSDO pin during
disabled time slot periods. This mode is used when there are only two devices (1 master and 1
slave) attached to the serial bus.
If the CSDOM bit is set, the CSDO pin will be tri-stated during unused time slot periods. This
mode allows multiple dsPIC30F devices to share the same CSDO line in a multiplexed
application. Each device on the CSDO line is configured so that it will only transmit data during
specific time slots. No two devices should transmit data during the same time slot.
Transmit Registers Transmit Buffer
Buffer Transfer Signal
Receive Registers Receive Buffer
BLEN
Buffer Control
Receive
Buffer
Select
Transmit
Buffer
Select
DCI
RXBUF0
RXBUF1
RXBUF2
RXBUF3
TXBUF0
TXBUF1
TXBUF2
TXBUF3
4 4
2
4 4
Shift Register

© 2004 Microchip Technology Inc. DS70069C-page 22-15
Section 22. Data Converter Interface (DCI)
D
a
t
a
C
o
n
v
e
r
t
e
r
Interface (DCI)
22
22.4.11 Receive Slot Enable Bits
The RSCON SFR contains control bits (RSE<15:0>) that are used to enable up to 16 time slots
for reception. The size of each receive time slot is determined by the WS<3:0> control bits and
can vary from 4 to 16 bits.
If a receive time slot is enabled via one of the RSE bits (RSEx = 1), the Shift register contents
will be written to the current DCI receive buffer location and the buffer control logic will advance
to the next available buffer location.
Data is not packed in the receive memory buffer locations if the selected word size is less than
16 bits. Each received slot data word is stored in a seperate 16-bit buffer location. Data is always
stored in a left-justified format in the receive memory buffer.
22.4.12 TSCON and RSCON Operation with Buffer Control Unit
The slot enable bits in the TSCON and RSCON registers function independently, with the
exception of the buffer control logic. For each time slot in a data frame, the buffer location is
advanced if either the TSEx or the RSEx bit is set for the current time slot. That is, the buffer con-
trol unit synchronizes the Transmit and Receive buffering so that the Transmit and Receive buffer
location will always be the same for each time slot in the data frame.
If the TSEx bit and the RSEx bit are both set for every time slot that is used in the data frame,
the DCI will Transmit and Receive equal amounts of data .
In some applications, the number of data words transmitted during a frame may not equal the
number of words received. As an example, assume that the DCI is configured for a 2-word data
frame, TSCON = 0x0001 and RSCON = 0x0003. This configuration would allow the DCI to
transmit one data word per frame and receive two data words per frame. Since two data words
are received for each data word that is transmitted, the user would write every other transmit
buffer location. Specifically, only TXBUF0 and TXBUF2 would be used to transmit data.
Figure 22-6: DCI Buffer Operation: TSCON =
0x0001
, RSCON =
0x0003
, BLEN<1:0> =
11b
22.4.13 Receive Status Bits
There are two receive status bits, RFUL and ROV.
The receive status bits only indicate status for register locations that are enabled for use by the
module. This is a function of the BLEN<1:0> control bits. If the buffer length is set to less than
four words, the unused buffer locations will not affect the receive status bits.
The RFUL status bit (DCISTAT<2>) is read only and indicates that new data is available in the
Receive registers. The RFUL bit is cleared automatically when all RXBUF registers in use have
been read by the user software.
The ROV status bit (DCISTAT<3>) is read only and indicates that a receive overflow has
occurred for at least one of the Receive register locations. A receive overflow occurs when the
RXBUF register location is not read by the user software before new data is transferred from the
buffer memory. When a receive overflow occurs, the old contents of the register are overwritten.
The ROV status bit is cleared automatically when the register that caused the overflow is read.
Transmit Registers
TXBUF0
TXBUF1
TXBUF2
TXBUF3
Receive Registers
RXBUF0
RXBUF1
RXBUF2
RXBUF3
Note: User writes to TXBUF0 and TXBUF2. TXBUF1 and TXBUF3 not used by transmit logic.
Data Word #1
Data Word #2
Data Word #1
Data Word #2
Data Word #3
Data Word #4

dsPIC30F Family Reference Manual
DS70069C-page 22-16 © 2004 Microchip Technology Inc.
22.4.14 Transmit Status Bits
There are two transmit status bits, TMPTY and TUNF.
The transmit status bits only indicate status for register locations that are used by the module. If
the buffer length is set to less than four words, for example, the unused register locations will not
affect the transmit status bits.
The TMPTY bit (DCISTAT<0>) is read only and is set when the contents of the active TXBUF
registers are transferred to the Transmit Buffer registers. The TMPTY bit may be polled in
software to determine when the Transmit registers may be written. The TMPTY bit is cleared
automatically by the hardware when a write to any of the TXBUF registers in use occurs.
The TUNF bit (DCISTAT<1>) is read only and indicates that a transmit underflow has occurred
for at least one of the Transmit registers that is in use. The TUNF bit is set when the TXBUF
register contents are transferred to the transmit buffer memory and the user did not write all of
the TXBUF registers in use since the last buffer transfer. The TUNF status bit is cleared
automatically when the TXBUF register that underflowed is written by the user software.
22.4.15 SLOT Status Bits
The SLOT<3:0> status bits (DCISTAT<11:7>) indicate the current active time slot in the data
frame and are useful when more than four words per data frame need to be transferred. The user
may poll these status bits in software when a DCI interrupt occurs to determine what time slot
data was last received and which time slot data should be loaded into the TXBUF registers.
22.4.16 Digital Loopback Mode
Digital Loopback mode is enabled by setting the DLOOP control bit (DCICON1<11>). When the
DLOOP bit is set, the module internally connects the CSDO signal to CSDI. The actual data input
on the CSDI pin will be ignored in Digital Loopback mode.
22.4.17 Underflow Mode Control Bit
When a transmit underflow occurs, one of two actions may occur depending on the state of the
UNFM control bit (DCICON1<7>). If the UNFM bit is cleared (default), the module will transmit
‘0’s on the CSDO pin during the active time slot for the buffer location. In this Operating mode,
the codec device attached to the DCI module will simply be fed digital ‘silence’. If the UNFM
control bit is set, the module will transmit the last data written to the buffer location. This
Operating mode permits the user to send a continuous data value to the codec device without
consuming software overhead.
22.4.18 Data Justification Control
In most applications, the data transfer begins one serial clock cycle after the FS signal is sampled
active. This is the DCI module default. An alternate data alignment can be selected by setting the
DJST control bit (DCICON2<5>). When DJST = 1, data transfers will begin during the same
serial clock cycle as the FS signal.
22.4.19 DCI Module Interrupts
The frequency of DCI module interrupts is dependent on the number of active time slots (TSCON
and RSCON registers), length of the data frame (WS and COFSG control bits), and the BLEN
control bits. An interrupt is generated at the following times:
• When the buffer length has been reached
• When a frame boundary is reached
A buffer memory transfer takes place each time the above events occur. A buffer memory
transfer is defined as the time when the previously written TXBUF values are transferred to the
transmit buffer memory and new received values in the receive buffer memory are transferred
into the RXBUF registers.

© 2004 Microchip Technology Inc. DS70069C-page 22-17
Section 22. Data Converter Interface (DCI)
D
a
t
a
C
o
n
v
e
r
t
e
r
Interface (DCI)
22
22.5 Using the DCI Module
This section explains how to configure and use the DCI with specific kinds of data converters.
22.5.1 How to Transmit and Receive Data Using the DCI Buffers, Status Bits and Interrupts
The DCI can buffer up to four data words between CPU interrupts depending on the setting of
the BLEN control bits. The buffered data can be transmitted and received in a single data frame,
or across multiple data frames, depending on the TSCON and RSCON register settings. For
example, assume BLEN<1:0> = 00b ( buffer one data word per interrupt) and TSCON = RSCON
= 0x0001. This particular configuration represents the most basic setup and would cause the
DCI to transmit/receive one data word at the beginning of every data frame. The CPU would be
interrupted after every data word transmitted/received since BLEN<1:0> = 00b.
For a second configuration example, assume BLEN<1:0> = 11b (buffer four data words per
interrupt) and TSCON = RSCON = 0x0001. This configuration would cause the DCI to
transmit/receive one data word at the beginning of every data frame, but a CPU interrupt would
be generated after four data words were transmitted/received. This configuration would be useful
for block processing, where multiple data samples are processed at once.
For a third configuration example, assume BLEN<1:0> = 11b (buffer four data words per
interrupt) and TSCON = RSCON = 0x000F. This configuration would cause the DCI to
transmit/receive four data words at the beginning of every data frame. A CPU interrupt would be
generated every data frame in this case because the DCI was setup to buffer four data words in
a data frame. This configuration represents a typical multi-channel buffering setup.
The DCI can also be configured to buffer more than four data words per frame. For example,
assume BLEN<1:0> = 11b (buffer four data words per interrupt) and TSCON = RSCON =
0x00FF. In this configuration, the DCI will transmit/receive 8 data words per data frame. An
interrupt will be generated twice per data frame. To determine which portion of the data is in the
Transmit/Receive registers at each interrupt, the user will need to check the SLOT status bits
(DCISTAT <11:7>) in the Interrupt Service Routine to determine the current data frame position.
The Transmit and Receive registers are double-buffered, so the DCI module can work on one set
of Transmit and Receive data while the user software is manipulating the other set of data.
Because of the double-buffers, it will take three interrupt periods to receive the data, process that
data, and transmit the processed data. For each DCI interrupt, the CPU will process a data word
that was received during a prior interrupt period and generate a data word that will be transmitted
during the next interrupt period. The buffering and data processing time of the dsPIC device will
insert a two-interrupt period delay into the processed data. This data delay is negligible, in most
cases.
The DCI status flags and CPU interrupt indicate that a buffer transfer has taken place and that it
is time for the CPU to process more data. In a typical application, the following steps will occur
each time the DCI data is processed:
1. The RXBUF registers are read by the user software. The RFUL status bit (DCISTAT<2>)
will have been set by the module to indicate the Receive registers contain new data. The
RFUL bit is cleared automatically after all the active Receive registers have been read.
2. The user software will process the received data.
3. The processed data is written to the TXBUF registers. The TMPTY status bit
(DCISTAT<0>) will have been previously set to indicate that the Transmit registers are
ready for more data to be written.
For applications that are configured to Transmit and Receive data (TSCON and RSCON are
non-zero), the RFUL and TMPTY status bits can be polled in user software to determine when a
DCI buffer transfer takes place. If the DCI is only used to transmit data (RSCON = 0), then the
TMPTY bit can be polled to indicate a buffer transfer. If the DCI is configured to only receive data
(TSCON = 0), then the RFUL bit can be polled to indicate a buffer transfer.
The DCIIF status bit (IFS2<9>) is set each time a DCI buffer transfer takes place and generates
a CPU interrupt, if enabled. The DCIIF status bit is generated by the logical ORing of the RFUL
and TMPTY status bits.

dsPIC30F Family Reference Manual
DS70069C-page 22-18 © 2004 Microchip Technology Inc.
22.5.1.1 DCI Start-up and Data Buffering
Data transfers are begun by setting the DCIEN control bit (DCICON1<15>). Prior to this, the DCI
Control registers should have been initialized for the desired operating mode. (See Section
22.5.4 “Multi-Channel Operation”, Section 22.5.5 “I2S Operation”, and Section
22.5.6 “AC-Link Operation”)
A timing diagram for DCI startup is shown in Figure 22-7. In this example, the DCI is configured
for an 8-bit data word (WS<3:0> = 0111b) and an 8-bit data frame (COFSG<3:0> = 0000b). The
Multi-Channel mode (COFSM<1:0> = 00b) is used. The steps required to transmit and receive
data are described below.
1. The TXBUF registers should be pre-loaded with the first data to be transmitted before the
module is enabled. If the transmit data will be based on data received from the codec, then
the user can simply clear the TXBUF registers. This will transmit digital ‘silence’ until data
is first received into the RXBUF registers from the codec.
2. Enable the DCI module by setting the DCIEN bit (DCICON1<15>). If the DCI is the master
device, the data in the TXBUF registers will be transferred to the transmit buffers and
transmission of the first data frame will commence. Otherwise, the TXBUF data will be
held in the transmit buffers until a frame sync signal is received from the master device.
3. The TMPTY bit will be set immediately after the module is enabled and a DCI interrupt will
be generated, if enabled. At this time, the module is ready for the TXBUF registers to be
reloaded with data to be transferred on the second data frame. No data has been received
by the module at this time, so the TXBUF registers should be cleared again if the
transmitted data is calculated from the received data. The DCIIF status bit should be
cleared by the user in software if interrupts are enabled.
4. After the first data frame is transferred, the TMPTY bit will set, the RFUL status bit will be
set, and a DCI interrupt will occur, if enabled. This is the first data word received from the
device connected to the DCI.
5. The user reads the Receive register(s), automatically clearing the RFUL status bit. The
user software processes the received data at this time.
6. The Transmit register(s) is written with data to be transmitted during the next data frame.
The TMPTY status bit is cleared automatically when the write occurs. The write data may
be calculated from data that was received at the prior interrupt.
7. The next DCI interrupt occurs and the cycle repeats.
Figure 22-7: DCI Start-up and Data Buffering Example
7
CSCK
Data
RFUL
65432107654321076
TMPTY
DCIEN
COFS
RX Word 1RXBUF
TX Word 1 TX Word 2 TX Word 3TXBUF
1 2 3 4 5 6
DCIIF
7
Word 1 Word 2
Cleared by User

© 2004 Microchip Technology Inc. DS70069C-page 22-19
Section 22. Data Converter Interface (DCI)
D
a
t
a
C
o
n
v
e
r
t
e
r
Interface (DCI)
22
22.5.1.2 DCI Disable
The DCI module is disabled by clearing the DCIEN control bit (DCICON1<15>). When the DCIEN
bit is cleared, the module will finish the current data frame transfer that is in progress. An interrupt
will be generated if the transmit/receive buffers need to be written/read before the end of the
frame.
The DCIEN bit must be cleared at least 3 CSCK cycles before the end of the frame disables the
module at that frame. If not, the module will disable on the next frame.
The DCI will not generate any further frame sync pulses after the DCIEN bit is cleared, nor will it
respond to an incoming frame sync pulse.
When the frame sync generator has reached the final time slot in the data frame, all state
machines associated with the DCI will be reset to their Idle state and control of the I/O pins asso-
ciated with the module will be released. The user may poll the SLOT<3:0> status bits
(DCISTAT<11:7>) after the DCIEN bit is cleared to determine when the module is Idle. The DCI
is Idle when SLOT<3:0> = 0000b and DCIEN = 0.
When the module enters the Idle state, any data in the Receive Shadow registers will be
transferred to the RXBUF registers, and the RFUL and ROV status bits will be affected
accordingly.
Figure 22-8: DCI Timing, Module Disable
3
CSCK
Data 210321032103210
DCIEN
COFS
3210
0011 0000 0001 0010 0011 0000SLOT
RFUL
WS = 0011b COFSG = 0011b
FS pulse not
generated.
Receive buffer contents
transferred to RXBUF.

dsPIC30F Family Reference Manual
DS70069C-page 22-20 © 2004 Microchip Technology Inc.
22.5.2 Master vs. Slave Operation
The DCI can be configured for master or slave operation. The master device generates the frame
sync signal to initiate a data transfer. The Operating mode (master or slave) is selected by the
COFSD control bit (DCICON1<8>).
When the DCI module is operating as a master device (COFSD = 0), the COFSM mode bits
determine the type of frame sync pulse that is generated by the frame sync generator logic. A
new frame synchronization signal is generated when the frame sync generator resets and is
output on the COFS pin.
When the DCI module is operating as a frame sync slave (COFSD = 1), data transfers are
controlled by the device attached to the DCI module. The COFSM control bits control how the
DCI module responds to incoming FS signals.
In the Multi-Channel mode, a new data frame transfer will begin one serial clock cycle after the
COFS pin is sampled high. The pulse on the COFS pin resets the frame sync generator logic.
In the I2S mode, a new data word will be transferred one serial clock cycle after a low-to-high or
a high-to-low transition is sampled on the COFS pin. A rising or falling edge on the COFS pin
resets the frame sync generator logic.
In the AC-Link mode, the tag slot and subsequent data slots for the next frame will be transferred
one serial clock cycle after the COFS pin is sampled high.
The COFSG and WS bits must be configured to provide the expected frame length when the
module is operating in the Slave mode. Once a valid frame sync pulse has been sampled by the
module on the COFS pin, an entire data frame transfer will take place. The module will not
respond to further frame sync pulses until the current data frame transfer has fully completed.
22.5.3 Data Packing for Long Data Word Support
Many codecs have data word lengths in excess of 16 bits. The DCI natively supports word
lengths up to 16 bits, but longer word lengths can be supported by enabling multiple Transmit
and Receive slots and packing data into multiple transmit and receive buffer locations. For
example, assume that a particular codec transmits/receives 24-bit data words. This data could
be transmitted and received by setting BLEN<1:0> = 01b (two data words per interrupt) and
setting TSCON = RSCON = 0x0003. This will enable transmission and reception during the first
two time slots of the data frame. The 16 MSbs of the transmit data are written to TXBUF0. The
8 LSbs of the transmit data are written left-justified to TXBUF1 as shown in Figure 22-9. The 8
LSbs of TXBUF1 can be written to ‘0’. The 24-bit data received from the codec will be loaded into
RXBUF0 and RXBUF1 with the same format as the transmit data.
Any combination of word size and enabled time slots may be used to transmit and receive long
data words in multiple Transmit and Receive registers. For example, the 24 bit data word
example shown in Figure 22-9 could be transmitted/received in three consecutive registers by
setting WS<3:0> = 0111 (word size = 8 bits), BLEN<1:0> = 10 (buffer three words between
interrupts), and TSCON = RSCON = 0x0007 (transmit/receive during the first three time slots of
the data frame). Each Transmit and Receive register would contain 8 bits of the data word.
Figure 22-9: Data Packing Example for Long Data Words
Transmit Registers
TXBUF0
TXBUF1
TXBUF2
TXBUF3
Data Word bits 24:8
000000000
bits 7:0
TSCON = RSCON = 0x0003
BLEN<1:0> = 01b

© 2004 Microchip Technology Inc. DS70069C-page 22-21
Section 22. Data Converter Interface (DCI)
D
a
t
a
C
o
n
v
e
r
t
e
r
Interface (DCI)
22
22.5.4 Multi-Channel Operation
The Multi-Channel mode (COFSM<1:0> = 00) is used for codecs that require a frame sync pulse
that is driven high for one serial clock period to initiate a data transfer. One or more data words
can be transferred in the data frame. The number of clock cycles between successive frame sync
pulses will depend on the device connected to the DCI module. A timing diagram for the frame
sync signal in Multi-Channel mode is shown in Figure 22-10. A timing example, indicating a
four-word data transfer is also shown in Figure 22-2.
Figure 22-10: Frame Sync Timing, Multi-Channel Mode
22.5.4.1 Multi-Channel Setup Details
The steps required to configure the DCI for a codec using the Multi-Channel mode are provided
in this section. This Operating mode can be used for codecs with one or more data channels.
The setup is similar regardless of the number of channels.
For this setup example, a hypothetical codec will be considered. The single channel codec used
for this setup example will use a 256 fs serial clock frequency with a 16-bit data word transmitted
at the beginning of each frame.
The steps required for setup and operation are described below.
1. Determine the sample rate and data word size required by the codec. An 8 kHz sampling
rate is assumed for this example.
2. Determine the serial transfer clock frequency required by the codec. Most codecs require
a serial clock signal that is some multiple of the sampling frequency. The example codec
requires a frequency that is 256 fs, or 1.024 MHz. Therefore, a frame sync pulse must be
generated every 256 serial clock cycles to start a data transfer.
3. The DCI must be configured for the serial transfer clock. If the CSCK signal will be
generated by the DCI, clear the CSCKD control bit (DCICON1<10>) and write a value to
DCICON3 that will produce the correct clock frequency (See Section 22.4.3 “Bit Clock
Generator”). If the CSCK signal is generated by the codec or other external source, set
the CSCKD control bit and clear the DCICON3 register.
4. Clear the COFSM<1:0> control bits (DCICON1<1:0>) to set the frame synchronization
signal to Multi-Channel mode.
5. If the DCI will generate the frame sync signal (master), then clear the COFSD control bit
(DCICON1<8>). If the DCI will receive the frame sync signal (slave), then set the COFSD
control bit.
6. Clear the CSCKE control bit (DCICON1<9>) to sample incoming data on the falling edge
of CSCK. This is the typical configuration for most codecs. Refer to the codec data sheet
to ensure the correct sampling edge is used.
7. Write the WS<3:0> control bits (DCICON2<3:0>) for the desired data word size. The
example codec requires WS<3:0> = 1111b for a 16-bit data word size.
CSCK
Data
COFS
MSB LSB
Frame Synch Sampled Here
First Data Bit Sampled Here

dsPIC30F Family Reference Manual
DS70069C-page 22-22 © 2004 Microchip Technology Inc.
8. Write the COFSG<3:0> control bits (DCICON2<8:5>) for the desired number of data
words per frame. The WS and COFSG control bits will determine the length of the data
frame in CSCK cycles (see Section 22.4.7 “Frame Synchronization Generator”)
COFSG<3:0> = 1111b is used for this codec to provide the 256-bit data frame required
by the example codec.
9. Set the Output mode for the CSDO pin using the CSDOM control bit (DCICON1<6>). If a
single device is attached to the DCI, CSDOM can be cleared. This will force the CSDO pin
to ‘0’ during unused data time slots. You may need to set CSDOM if multiple devices are
attached to the CSDO pin.
10. Write the TSCON and RSCON registers to determine which data time slots in the frame
are to be transmitted and received, respectively. For this single channel codec, use
TSCON = RSCON = 0x0001 to enable transmission and reception during the first 16-bit
time slot of the data frame.
11. Set the BLEN control bits (DCICON2<11:10>) to buffer the desired amount of data words.
For the single channel codec, BLEN = 00 will provide an interrupt at each data frame. A
higher value of BLEN could be used for this codec to buffer multiple samples between
interrupts.
12. If interrupts are to be used, clear the DCIIF status bit (IFS2<9>) and set the DCIIE control
bit (IEC2<9>).
13. Begin operation as described in Section 22.5.1.1 “DCI Start-up and Data Buffering”.
22.5.5 I2S Operation
The I2S Operating mode is used for codecs that require a frame sync signal that has a 50% duty
cycle. The period of the I2S frame sync signal in serial clock cycles is determined by the word
size of the codec that is connected to the DCI module. The start of a new word boundary is
marked by a high-to-low or a low-to-high transition edge on the COFS pin as shown in
Figure 22-11. I2S codecs are generally stereo or two-channel devices, with one data word
transferred during the low time of the frame sync signal and the other data word transmitted
during the high time.
Figure 22-11: I2S Interface Frame Sync Timing
The DCI module is configured for I2S mode by writing a value of 01h to the COFSM<1:0> control
bits in the DCICON1 SFR. When operating in the I2S mode, the DCI module will generate frame
synchronization signals with a 50% duty cycle. Each edge of the frame synchronization signal
marks the boundary of a new data word transfer. Refer to the Appendix of this manual for more
information about the I2S protocol. The user must also select the frame length and data word size
using the COFSG and WS control bits in the DCICON2 SFR.
Note: A 5-bit transfer is shown here for illustration purposes. The I2S protocol does not specify
word length, this will be system dependent.
MSB LSB MSB LSB
CSCK
Data
COFS
Frame Synch Edge Sampled
First Data Bit Sampled

© 2004 Microchip Technology Inc. DS70069C-page 22-23
Section 22. Data Converter Interface (DCI)
D
a
t
a
C
o
n
v
e
r
t
e
r
Interface (DCI)
22
22.5.5.1 I2S Setup Details
The steps required to configure the DCI for an I2S codec are provided in this section. For this
setup example, a hypothetical I2S codec will be considered.
The I2S codec in this setup example will use a 64 fs serial clock frequency, with two 16 bit data
words during the data frame. Therefore, the frame length will be 64 CSCK cycles, with the COFS
signal high for 32 cycles and low for 32 cycles. The first data word will be transmitted one CSCK
cycle after the falling edge of COFS, and the second data word will be transmitted one CSCK
cycle after the rising edge of COFS as shown in Figure 22-11.
1. Determine the sample rate used by the codec to determine the CSCK frequency. It is
assumed in this example that fs is 48 kHz.
2. Determine the serial transfer clock frequency required by the codec. The example codec
requires a frequency that is 64 fs, or 3.072 MHz.
3. The DCI must be configured for the serial transfer clock. If the CSCK signal will be gener-
ated by the DCI, clear the CSCKD control bit (DCICON1<10>) and write a value to
DCICON3 that will produce the correct clock frequency (see Section 22.4.3 “Bit Clock
Generator”). If the CSCK signal is generated by the codec or other external source, set
the CSCKD control bit and clear the DCICON3 register.
4. Next, set COFSM<1:0> = 01b to set the frame synchronization signal to I2S mode.
5. If the DCI will generate the frame sync signal (master), then clear the COFSD control bit
(DCICON1<8>). If the DCI will receive the frame sync signal (slave), then set the COFSD
control bit.
6. Set the CSCKE control bit (DCICON1<9>) to sample incoming data on the rising edge of
CSCK. This is the typical configuration for most I2S codecs.
7. Write the WS<3:0> control bits (DCICON2<3:0>) for the desired data word size. For the
example codec, use WS<3:0> = 1111b for a 16-bit data word size.
8. Write the COFSG<3:0> control bits (DCICON2<8:5) for the desired number of data words
per frame. The WS and COFSG control bits will determine the length of the data frame in
CSCK cycles (see Section 22.4.7 “Frame Synchronization Generator”). For this exam-
ple codec, set COFSG<3:0> = 0001b.
9. Set the Output mode for the CSDO pin using the CSDOM control bit (DCICON1<6>). If a
single device is attached to the DCI, CSDOM can be cleared. You may need to set
CSDOM if multiple devices are attached to the CSDO pin.
10. Write the TSCON and RSCON registers to determine which data time slots in the frame
are to be transmitted and received, respectively. For this codec, set TSCON = 0x0001
and RSCON = 0x0001 to enable transmission and reception during the first 16-bit time
slot of the 32-bit data frame. Adjacent time slots can be enabled to buffer data words
longer than 16 bits.
11. Set the BLEN<1:0> control bits (DCICON2<11:10>) to buffer the desired amount of data
words. For a two-channel I2S codec, BLEN<1:0> = 01b will generate an interrupt after
transferring two data words.
12. If interrupts are to be used, clear the DCIIF status bit (IFS2<9>) and set the DCIIE control
bit (IEC2<9>).
13. Begin operation as described in Section 22.5.1.1 “DCI Start-up and Data Buffering”. In
the I2S Master mode, the COFS pin will be driven high after the module is enabled and
begin transmitting the data loaded in TXBUF0.
Note: In the I2S mode, the COFSG bits are set to the length of 1/2 of the data frame. For
this example codec, set COFSG<3:0> = 0001b (two data words per frame) to
produce a 32-bit frame. This will produce an I2S data frame that is 64 bits in length.

dsPIC30F Family Reference Manual
DS70069C-page 22-24 © 2004 Microchip Technology Inc.
22.5.5.2 How to Determine the I2S Channel Alignment
Most I2S codecs support two channels of data and the level of the frame sync signal indicates
the channel that is transferred during that half of the data frame. The COFS pin can be polled in
software using its associated Port register to determine the present level on the pin in the DCI
Interrupt Service Routine. This will indicate which data is in the Receive register and which data
should be written to the Transmit registers for transfer on the next frame.
22.5.5.3 I2S Data Justification
As per the I2S specification, a data word transfer will by default begin one serial clock cycle
following a transition of the frame sync signal. An ‘MSb left-justified’ option can be selected using
the DJST control bit (DCICON1<5>).
If DJST = 1, the I2S data transfers will be MSb left justified. The MSb of the data word will be
presented on the CSDO pin during the same serial clock cycle as the rising or falling edge of the
FS signal. After the data word has been transmitted, the state of the CSDO pin is dictated by the
CSDOM (DCICON1<6>) bit.
The left-justified data option allows two stereo codecs to be connected to the same serial bus.
Many I2S compatible devices have configuration options for left-justified or right-justified data.
The word size selection bits are set to twice the codec word length and data is read/written to the
DCI memory in a packed format. The connection details for a dual I2S codec system are shown
in Figure 22-12.
Timing diagrams for I2S mode are shown in Figure 22-13. For reference, these diagrams assume
an 8-bit word size (WS<3:0> = 0111b). Two data words per frame would be required to achieve
a 16-bit sub-frame (COFSG<3:0> = 0001b). The 3rd timing diagram in Figure 22-13 uses packed
data to read/write from two codecs. For this example, the DCI module is configured for a 16-bit
data word (WS<3:0> = 1111b). Two packed 8-bit words are written to each 16-bit location in the
DCI memory buffer.
Figure 22-12: Dual I2S Codec Interface
dsPIC
®
Codec #1
SCK
FS
SDO
SCK
WS
SDI
Codec #2
SCK
WS
SDI
Device
I2C™/SPI™
I2C™/SPI™

© 2004 Microchip Technology Inc. DS70069C-page 22-25
Section 22. Data Converter Interface (DCI)
D
a
t
a
C
o
n
v
e
r
t
e
r
Interface (DCI)
22
Figure 22-13: I2S Data Justification Options
22.5.6 AC-Link Operation
This section describes how to use the DCI in the AC-Link modes. The AC-Link modes are used
to communicate with AC-’97 compliant codec devices.
22.5.6.1 AC-Link Data Frame
The AC-Link data frame is 256 bits subdivided into one 16-bit control slot, followed by twelve
20-bit data slots. The AC-’97 codec usually provides the serial transfer clock signal which is
derived from a crystal oscillator as shown in Figure 22-14. The controller receives the serial clock
and generates the frame sync signal. The default data frame rate is 48 kHz. The frame sync
signal used for AC-Link systems is high for 16 CSCK periods at the beginning of the data frame
and low for 240 CSCK periods. The data transfer begins one CSCK period after the rising edge
of the frame sync signal as shown in Figure 22-16. Data is sampled by the receiving device on
the falling edge of CSCK. The control and data time slots in the AC-Link have defined uses in the
protocol as shown in Figure 22-15. Refer to the Appendix of this manual or the Intel® AC ‘97
Codec Specification, Rev 2.2 for a complete definition of the AC-Link protocol.
76543210 76543210
Channel #1 Transfer Channel #2 Transfer
CSCK
COFS
Data
76543210 76543210
Channel #1 Transfer Channel #2 Transfer
CSCK
COFS
Data
76543210 76543210
Channel #1 Transfer, Word 1
CSCK
COFS
Data 76543210 76543210
1. Standard I2S Data Alignment
2. Left-Justified Data Alignment
3. Left-Justified Data Alignment with Packed Data
Channel #1 Transfer, Word 2 Channel #2 Transfer, Word 1 Channel #2 Transfer, Word 2

dsPIC30F Family Reference Manual
DS70069C-page 22-26 © 2004 Microchip Technology Inc.
Figure 22-14: AC-Link Signal Connections
Figure 22-15: AC-Link Data Frame
Figure 22-16: Frame Sync Timing, AC-Link Start of Frame
The DCI module has two Operating modes for the AC-Link protocol to accommodate the 20-bit
data time slots. These Operating modes are selected by the COFSM<1:0> control bits
(DCICON1<1:0>). The first AC-Link mode is called ‘16-bit AC-Link mode’ and is selected by
setting COFSM<1:0> = 10b. The second AC-Link mode is called ‘20-bit AC-Link mode’ and is
selected by setting COFSM<1:0> = 11b.
dsPIC®
(AC ‘97
Controller) AC ‘97
Codec
24.576
MHz
BIT_CLK
SYNC
SDATA_OUT
SDATA_IN
/RESET
CSCK
COFS
CSDO
CSDI
I/O
Tag
Frame Command
Address Command
Data
Slot 3
Left PCM
Data
Slot 4
Right PCM
Data
Slot 10
Line 2
DAC
Slot 11
Handset
DAC
Slot 12
Codec I/O
Control
Tag
Frame Status
Address Status
Data
Slot 3
Left PCM
Data
Slot 4
Right PCM
Data
Slot 10
Line 2
ADC
Slot 11
Handset
ADC
Slot 12
Codec I/O
Status
16 20 20 20 20 20 20 20
256
SYNC
SDATA_OUT
SDATA_IN
Tag
MSb
CSCK
Data
COFS
Tag
bit 14
S12
LSb
S12
bit 1
S12
bit 2 Tag
bit 13
Frame Synch Edge Sampled
First bit of Data Frame Sampled

© 2004 Microchip Technology Inc. DS70069C-page 22-27
Section 22. Data Converter Interface (DCI)
D
a
t
a
C
o
n
v
e
r
t
e
r
Interface (DCI)
22
22.5.6.2 16-bit AC-Link Mode
In the 16-bit AC-Link mode, transmit and receive data word lengths are restricted to 16 bits to fit
the DCI Transmit and Receive registers. Note that this restriction only affects the 20-bit data time
slots of the AC-Link protocol. For received time slots, the incoming data will be truncated to 16
bits. For outgoing time slots, the 4 LSbs of the data word are set to ‘0’ by the module. This
Operating mode simplifies the AC-Link data frame by treating every time slot as a 16-bit time slot.
The frame sync generator maintains alignment to the time slot boundaries.
22.5.6.3 20-bit AC-Link Mode
The 20-bit AC-Link mode allows all bits in the data time slots to be transmitted and received, but
does not maintain data alignment to the specific time slot boundaries defined in the AC-Link
protocol.
The 20-bit AC-Link mode functions similarly to the Multi-Channel mode of the DCI module,
except for the duty cycle of the frame synchronization signal that is produced. The AC-Link frame
synchronization signal should remain high for 16 clock cycles and should be low for the following
240 cycles.
The 20-bit mode treats each 256-bit AC-Link frame as sixteen 16-bit time slots. In the 20-bit
AC-Link mode, the module operates as if COFSG<3:0> = 1111b and WS<3:0> = 1111b. The
data alignment for 20-bit data slots is not maintained in this Operating mode. For example, an
entire 256-bit AC-Link data frame can be transmitted and received in a packed fashion by setting
all bits in the TSCON and RSCON registers. Since the total available buffer length is 64 bits, it
would take 4 consecutive interrupts to transfer the AC-Link frame. The application software must
keep track of the current AC-Link frame segment by monitoring the SLOT<3:0> status bits
(DCISTAT<11:7>).
22.5.6.4 AC-Link Setup Details
The module is enabled for AC-Link mode by writing 10h or 11h to the COFSM<1:0> control bits
in the DCICON1 SFR. The word size selection bits (WS<3:0>) and the frame synchronization
generator bits (COFSG<3:0>) have no effect for the 16 and 20-bit AC-Link modes since the
frame and word sizes are set by the protocol.
Most AC ‘97 codecs generate the clock signal that controls data transfers. Therefore, the CSCKD
control bit is set in software. The COFSD control bit is cleared because the DCI will generate the
FS signal from the incoming clock signal. The CSCKE bit is cleared so that data is sampled on
the rising edge.
The user must decide which time slots in the AC-Link data frame are to be buffered and set the
TSE and RSE control bits accordingly. At a minimum, it will be necessary to buffer the transmit
and receive TAG slots, so the TSCON<0> and RSCON<1> control bits should be set in software.
1. The DCI must be configured to accept the serial transfer clock from the AC ’97 codec. Set
the CSCKD control bit and clear the DCICON3 register.
2. Next, set the COFSM<1:0> control bits (DCICON1<1:0>) to 10b or 11b to set the desired
AC-Link Frame Synchronization mode.
3. Clear the COFSD control bit (DCICON1<8>), so the DCI will output the frame sync signal.
4. Clear the CSCKE control bit (DCICON1<9>) to sample incoming data on the falling edge
of CSCK.
Note: Only the TSCON<12:0> control bits and the RSCON<12:0> control bits will have an
effect in the 16-bit AC-Link mode, since an AC-Link frame has 13 time slots.
Note: The word size selection bits (WS<3:0>) and the frame synchronization generator
bits (COFSG<3:0>) have no effect for the 16- and 20-bit AC-Link modes, since the
frame and word sizes are set by the protocol.

dsPIC30F Family Reference Manual
DS70069C-page 22-28 © 2004 Microchip Technology Inc.
5. Clear the CSDOM control bit (DCICON1<6>).
6. Write the TSCON and RSCON registers to determine which data time slots in the frame
are to be transmitted and received, respectively. This will depend on which data time slots
in the AC-Link protocol will be used. At a minimum, communication on slot #0 (Tag Slot)
is required. Refer to the discussion in Section 22.5.6.2 “16-bit AC-Link Mode”, Section
22.5.6.3 “20-bit AC-Link Mode” and Section 26. “Appendix” of this manual for
additional information.
7. Set the BLEN control bits (DCICON2<11:10>) to buffer the desired amount of data words.
For the single channel codec, BLEN = 00 will provide an interrupt at each data frame. A
higher value of BLEN could be used for this codec to buffer multiple samples between
interrupts.
8. If interrupts are to be used, clear the DCIIF status bit (IFS2<9>) and set the DCIIE control
bit (IEC2<9>).
9. Begin operation as described in Section 22.5.1.1 “DCI Start-up and Data Buffering”.
22.6 Operation in Power Saving Modes
22.6.1 CPU Idle Mode
The DCI module may optionally continue to operate while the CPU is in Idle mode. The DCISIDL
control bit (DCICON1<13>) determines whether the DCI module will operate when the CPU is in
Idle mode. If the DCISIDL control bit is cleared (default), the module will continue to operate
normally in Idle mode. If the DCISIDL bit is set, the module will halt when the CPU enters Idle
mode.
22.6.2 Sleep Mode
The DCI will not operate while the device is in Sleep mode if the CSCK signal is derived from the
device instruction clock, TCY.
However, the DCI module has the ability to operate while in Sleep mode and wake the CPU when
the CSCK signal is supplied by an external device (CSCKD = 1). The DCI interrupt enable bit,
DCIIE, must be set to allow a wake-up event from Sleep mode. When the DCI interrupt flag,
DCIIF is set, the device will wake from Sleep mode. If the DCI interrupt priority level is greater
than the current CPU priority, program execution will resume from the DCI ISR. Otherwise,
execution will resume with the instruction following the PWRSAV instruction that previously
entered Sleep mode.
22.7 Registers Associated with DCI
Table 22-1 lists the registers associated with the DCI module.

Section 22. Data Converter Interface (DCI)
D
a
t
a
C
o
n
v
e
r
t
e
r
Interface (DCI)
22
© 2004 Microchip Technology Inc. DS70069C-page 22-29
Table 22-1: DCI Register Map
Name Address Bit 15 Bit 14 Bit 13 Bit 12 Bit 11 Bit 10 Bit 9 Bit 8 Bit 7 Bit 6 Bit 5 Bit 4 Bit 3 Bit 2 Bit 1 Bit 0 Value on all Resets
IFS2 0088 — — — FLTBIF FLTAIF LVDIF DCIIF QEIIF PWMIF C2IF INT4IF INT3IF OC8IF OC7IF OC6IF OC5IF 0000 0000 0000 0000
IEC2 0090 — — — FLTBIE FLTAIE LVDIE DCIIE QEIIE PWMIE C2IE INT4IE INT3IE OC8IE OC7IE OC6IE OC5IE 0000 0000 0000 0000
IPC10 00A8 —FLTAIP<2:0> —LVDIP<2:0> — DCIIP<2:0> —QEIIP<2:0> 0100 0100 0100 0100
DCICON1 240 DCIEN — DCISIDL — DLOOP CSCKD CSCKE COFSD UNFM SDOM DJST — — —COFSM<1:0>000- -000 000- --00
DCICON2 242 ———— BLEN<1:0> — COFSG<3:0> —WS<3:0>---- 00-0 000- 0000
DCICON3 244 ————BCG<11:0>---- 0000 0000 0000
DCISTAT 246 ———— SLOT<3:0> ———— ROV RFUL TUNF TMPTY ---- 0000 ---0 0000
TSCON 248 TSE15 TSE14 TSE13 TSE12 TSE11 TSE10 TSE9 TSE8 TSE7 TSE6 TSE5 TSE4 TSE3 TSE2 TSE1 TSE0 0000 0000 0000 0000
RSCON 24C RSE15 RSE14 RSE13 RSE12 RSE11 RSE10 RSE9 RSE8 RSE7 RSE6 RSE5 RSE4 RSE3 RSE2 RSE1 RSE0 0000 0000 0000 0000
RXBUF0 250 Receive #0 Data Register uuuu uuuu uuuu uuuu
RXBUF1 252 Receive #1 Data Register uuuu uuuu uuuu uuuu
RXBUF2 254 Receive #2 Data Register uuuu uuuu uuuu uuuu
RXBUF3 256 Receive #3 Data Register uuuu uuuu uuuu uuuu
TXBUF0 258 Transmit #0 Data Register 0000 0000 0000 0000
TXBUF1 25A Transmit #1 Data Register 0000 0000 0000 0000
TXBUF2 25C Transmit #2 Data Register 0000 0000 0000 0000
TXBUF3 25E Transmit #3 Data Register 0000 0000 0000 0000
Legend: r = Reserved, x = Unknown, u = Unchanged.
Note: Grayed locations indicate reserved space in SFR map for future module expansion. Read reserved locations as ‘0’s.

dsPIC30F Family Reference Manual
DS70069C-page 22-30 © 2004 Microchip Technology Inc.
22.8 Design Tips
Question 1: Can the DCI support data word lengths greater than 16-bits?
Answer: Yes. A long data word can be transmitted and received using multiple Transmit and
Receive registers. See Section 22.5.3 “Data Packing for Long Data Word Support” for
details.

© 2004 Microchip Technology Inc. DS70069C-page 22-31
Section 22. Data Converter Interface (DCI)
D
a
t
a
C
o
n
v
e
r
t
e
r
Interface (DCI)
22
22.9 Related Application Notes
This section lists application notes that are related to this section of the manual. These
application notes may not be written specifically for the dsPIC30F Product Family, but the
concepts are pertinent and could be used with modification and possible limitations. The current
application notes related to the Data Converter Interface (DCI) module are:
Title Application Note #
No related application notes at this time.
Note: Please visit the Microchip web site (www.microchip.com) for additional Application
Notes and code examples for the dsPIC30F Family of devices.

dsPIC30F Family Reference Manual
DS70069C-page 22-32 © 2004 Microchip Technology Inc.
22.10 Revision History
Revision A
This is the initial released revision of this document.
Revision B
This revision incorporates additional technical content and changes for the dsPIC30F Data
Converter Interface (DCI) module.
Revision C
This revision incorporates all known errata at the time of this document update.

© 2005 Microchip Technology Inc. DS70070C-page 23-1
CAN Module
23
Section 23. CAN Module
HIGHLIGHTS
This section of the manual contains the following major topics:
23.1 Introduction .................................................................................................................. 23-2
23.2 Control Registers for the CAN Module.........................................................................23-2
23.3 CAN Module Features ............................................................................................... 23-28
23.4 CAN Module Implementation..................................................................................... 23-29
23.5 CAN Module Operation Modes..................................................................................23-36
23.6 Message Reception ...................................................................................................23-39
23.7 Transmission.............................................................................................................. 23-49
23.8 Error Detection........................................................................................................... 23-58
23.9 CAN Baud Rate ......................................................................................................... 23-60
23.10 Interrupts.................................................................................................................... 23-64
23.11 CAN Capture.............................................................................................................. 23-65
23.12 CAN Module I/O.........................................................................................................23-65
23.13 Operation in CPU Power Saving Modes....................................................................23-66
23.14 CAN Protocol Overview ............................................................................................. 23-68
23.15 Related Application Notes.......................................................................................... 23-72
23.16 Revision History......................................................................................................... 23-73

dsPIC30F Family Reference Manual
DS70070C-page 23-2 © 2005 Microchip Technology Inc.
23.1 Introduction
The Controller Area Network (CAN) module is a serial interface useful for communicating with
other peripherals or microcontroller devices. This interface/protocol was designed to allow
communications within noisy environments. Figure 23-1 shows an example CAN bus network.
Figure 23-1: Example CAN Bus Network
23.2 Control Registers for the CAN Module
There are many registers associated with the CAN module. Descriptions of these registers are
grouped into sections. These sections are:
• Control and Status Registers
• Transmit Buffer Registers
• Receive Buffer Registers
• Baud Rate Control Registers
• Interrupt Status and Control Registers
MCP2510
SPI™
Interface
CAN
bus
dsPIC30F
with CAN
Microchip
PICmicro
with integrated
CAN
MCP2551
Transceiver
MCP2551
Transceiver MCP2551
Transceiver MCP2551
Transceiver MCP2551
Transceiver
dsPIC30F
with integrated
CAN
dsPIC30F
with integrated
CAN
PICmicro®
Microcontroller
Note 1: ‘i’ in the register identifier denotes the specific CAN module (CAN1 or CAN2).
2: ‘n’ in the register identifier denotes the buffer, filter or mask number.
3: ‘m’ in the register identifier denotes the word number within a particular CAN data
field.

© 2005 Microchip Technology Inc. DS70070C-page 23-3
Section 23. CAN
CAN Module
23
23.2.1 CAN Control and Status Registers
Register 23-1: CiCTRL: CAN Module Control and Status Register
Upper Byte:
R/W-x U-0 R/W-0 R/W-0 R/W-0 R/W-1 R/W-0 R/W-0
CANCAP — CSIDL ABAT CANCKS REQOP<2:0>
bit 15 bit 8
Lower Byte:
R-1 R-0 R-0 U-0 R-0 R-0 R-0 U-0
OPMODE<2:0> — ICODE<2:0> —
bit 7 bit 0
bit 15 CANCAP: CAN Message Receive Capture Enable bit
1 = Enable CAN capture
0 = Disable CAN capture
Note: CANCAP is always writable, regardless of CAN module Operating mode.
bit 14 Unimplemented: Read as ‘0’
bit 13 CSIDL: Stop in Idle Mode bit
1 = Discontinue CAN module operation when device enters Idle mode
0 = Continue CAN module operation in Idle mode
bit 12 ABAT: Abort All Pending Transmissions bit
1 = Abort pending transmissions in all Transmit Buffers
0 = No effect
Note: Module will clear this bit when all transmissions aborted.
bit 11 CANCKS: CAN Master Clock Select bit
1 = FCAN clock is FCY
0 = FCAN clock is 4 FCY
bit 10-8 REQOP<2:0>: Request Operation Mode bits
111 = Set Listen All Messages mode
110 = Reserved
101 = Reserved
100 = Set Configuration mode
011 = Set Listen Only mode
010 = Set Loopback mode
001 = Set Disable mode
000 = Set Normal Operation mode
bit 7-5 OPMODE<2:0>: Operation Mode bits
Note: These bits indicate the current Operating mode of the CAN module. See description for REQOP
bits (CiCTRL<10:8>).
bit 4 Unimplemented: Read as ‘0’

dsPIC30F Family Reference Manual
DS70070C-page 23-4 © 2005 Microchip Technology Inc.
Register 23-1: CiCTRL: CAN Module Control and Status Register (Continued)
bit 3-1 ICODE<2:0>: Interrupt Flag Code bits
111 = Wake-up interrupt
110 = RXB0 interrupt
101 = RXB1 interrupt
100 = TXB0 interrupt
011 = TXB1 interrupt
010 = TXB2 interrupt
001 = Error interrupt
000 = No interrupt
bit 0 Unimplemented: Read as ‘0’
Legend:
R = Readable bit W = Writable bit U = Unimplemented bit, read as ‘0’
-n = Value at POR ‘1’ = Bit is set ‘0’ = Bit is cleared x = Bit is unknown

© 2005 Microchip Technology Inc. DS70070C-page 23-5
Section 23. CAN
CAN Module
23
23.2.2 CAN Transmit Buffer Registers
This subsection describes the CAN Transmit Buffer Register and the associated Transmit Buffer
Control Registers.
Register 23-2: CiTXnCON: Transmit Buffer Status and Control Register
Upper Byte:
U-0 U-0 U-0 U-0 U-0 U-0 U-0 U-0
— — — — — — — —
bit 15 bit 8
Lower Byte:
U-0 R-0 R-0 R-0 R/W-0 U-0 R/W-0 R/W-0
— TXABT TXLARB TXERR TXREQ — TXPRI<1:0>
bit 7 bit 0
bit 15-7 Unimplemented: Read as '0'
bit 6 TXABT: Message Aborted bit
1 = Message was aborted
0 = Message has not been aborted
Note: This bit is cleared when TXREQ is set.
bit 5 TXLARB: Message Lost Arbitration bit
1 = Message lost arbitration while being sent
0 = Message did not lose arbitration while being sent
Note: This bit is cleared when TXREQ is set.
bit 4 TXERR: Error Detected During Transmission bit
1 = A bus error occurred while the message was being sent
0 = A bus error did not occur while the message was being sent
Note: This bit is cleared when TXREQ is set.
bit 3 TXREQ: Message Send Request bit
1 = Request message transmission
0 = Abort message transmission if TXREQ already set, otherwise no effect
Note: The bit will automatically clear when the message is successfully sent.
bit 2 Unimplemented: Read as ‘0’
bit 1-0 TXPRI<1:0>: Message Transmission Priority bits
11 = Highest message priority
10 = High intermediate message priority
01 = Low intermediate message Priority
00 = Lowest message priority
Legend:
R = Readable bit W = Writable bit U = Unimplemented bit, read as ‘0’
-n = Value at POR ‘1’ = Bit is set ‘0’ = Bit is cleared x = Bit is unknown

dsPIC30F Family Reference Manual
DS70070C-page 23-6 © 2005 Microchip Technology Inc.
Register 23-3: CiTXnSID: Transmit Buffer n Standard Identifier
Register 23-4: CiTXnEID: Transmit Buffer n Extended Identifier
Upper Byte:
R/W-x R/W-x R/W-x R/W-x R/W-x U-0 U-0 U-0
SID<10:6> — — —
bit 15 bit 8
Lower Byte:
R/W-x R/W-x R/W-x R/W-x R/W-x R/W-x R/W-x R/W-x
SID<5:0> SRR TXIDE
bit 7 bit 0
bit 15-11 SID<10:6>: Standard Identifier bits
bit 10-8 Unimplemented: Read as ‘0’
bit 7-2 SID<6:0>: Standard Identifier bits
bit 1 SRR: Substitute Remote Request Control bit
1 = Message will request a remote transmission
0 = Normal message.
bit 0 TXIDE: Extended Identifier bit
1 = Message will transmit extended identifier
0 = Message will transmit standard identifier
Legend:
R = Readable bit W = Writable bit U = Unimplemented bit, read as ‘0’
-n = Value at POR ‘1’ = Bit is set ‘0’ = Bit is cleared x = Bit is unknown
Upper Byte:
R/W-x R/W-x R/W-x R/W-x U-0 U-0 U-0 U-0
EID<17:14> — — — —
bit 15 bit 8
Lower Byte:
R/W-x R/W-x R/W-x R/W-x R/W-x R/W-x R/W-x R/W-x
EID<13:6>
bit 7 bit 0
bit 15-12 EID<17:14>: Extended Identifier bits 17-14
bit 11-8 Unimplemented: Read as ‘0’
bit 7-0 EID<13:6>: Extended Identifier bits 13-6
Legend:
R = Readable bit W = Writable bit U = Unimplemented bit, read as ‘0’
-n = Value at POR ‘1’ = Bit is set ‘0’ = Bit is cleared x = Bit is unknown

© 2005 Microchip Technology Inc. DS70070C-page 23-7
Section 23. CAN
CAN Module
23
Register 23-5: CiTXnDLC: Transmit Buffer n Data Length Control
Register 23-6: CiTXnBm: Transmit Buffer n Data Field Word m
Upper Byte:
R/W-x R/W-x R/W-x R/W-x R/W-x R/W-x R/W-x R/W-x
EID<5:0> TXRTR TXRB1
bit 15 bit 8
Lower Byte:
R/W-x R/W-x R/W-x R/W-x R/W-x U-0 U-0 U-0
TXRB0 DLC<3:0> — — —
bit 7 bit 0
bit 15-10 EID<5:0>: Extended Identifier bits 5-0
bit 9 TXRTR: Remote Transmission Request bit
1 = Message will request a remote transmission
0 = Normal message
bit 8-7 TXRB<1:0>: Reserved Bits
Note: User must set these bits to ‘0’ according to CAN protocol.
bit 6-3 DLC<3:0>: Data Length Code bits
bit 2-0 Unimplemented: Read as ‘0’
Legend:
R = Readable bit W = Writable bit U = Unimplemented bit, read as ‘0’
-n = Value at POR ‘1’ = Bit is set ‘0’ = bit is cleared x = Bit is unknown
Upper Byte:
R/W-x R/W-x R/W-x R/W-x R/W-x R/W-x R/W-x R/W-x
CTXB<15:8>
bit 15 bit 8
Lower Byte:
R/W-x R/W-x R/W-x R/W-x R/W-x R/W-x R/W-x R/W-x
CTXB<7:0>
bit 7 bit 0
bit 15-0 CTXB<15:0>: Data Field Buffer Word bits (2 bytes)
Legend:
R = Readable bit W = Writable bit U = Unimplemented bit, read as ‘0’
-n = Value at POR ‘1’ = Bit is set ‘0’ = bit is cleared x = Bit is unknown

dsPIC30F Family Reference Manual
DS70070C-page 23-8 © 2005 Microchip Technology Inc.
23.2.3 CAN Receive Buffer Registers
This subsection shows the Receive buffer registers with their associated control registers.
Register 23-7: CiRX0CON: Receive Buffer 0 Status and Control Register
Upper Byte:
U-0 U-0 U-0 U-0 U-0 U-0 U-0 U-0
— — — — — — — —
bit 15 bit 8
Lower Byte:
R/C-0 U-0 U-0 U-0 R-0 R/W-0 R/W-0 R-0
RXFUL — — — RXRTRRO DBEN JTOFF FILHIT0
bit 7 bit 0
bit 15-8 Unimplemented: Read as ‘0’
bit 7 RXFUL: Receive Full Status bit
1 = Receive buffer contains a valid received message
0 = Receive buffer is open to receive a new message
Note: This bit is set by the CAN module and should be cleared by software after the buffer is read.
bit 6-4 Unimplemented: Read as ‘0’
bit 3 RXRTRRO: Received Remote Transfer Request bit (read only)
1 = Remote Transfer Request was received
0 = Remote Transfer Request not received
Note: This bit reflects the status of the last message loaded into Receive Buffer 0.
bit 2 DBEN: Receive Buffer 0 Double Buffer Enable bit
1 = Receive Buffer 0 overflow will write to Receive Buffer 1
0 = No Receive Buffer 0 overflow to Receive Buffer 1
bit 1 JTOFF: Jump Table Offset bit (read only copy of DBEN)
1 = Allows Jump Table offset between 6 and 7
0 = Allows Jump Table offset between 0 and 1
bit 0 FILHIT0: Indicates Which Acceptance Filter Enabled the Message Reception bit
1 = Acceptance Filter 1 (RXF1)
0 = Acceptance Filter 0 (RXF0)
Note: This bit reflects the status of the last message loaded into Receive Buffer 0.
Legend:
R = Readable bit W = Writable bit C = Bit can be cleared U = Unimplemented bit, read as ‘0’
-n = Value at POR ‘1’ = Bit is set ‘0’ = Bit is cleared x = Bit is unknown

© 2005 Microchip Technology Inc. DS70070C-page 23-9
Section 23. CAN
CAN Module
23
Register 23-8: CiRX1CON: Receive Buffer 1 Status and Control Register
Upper Byte:
U-0 U-0 U-0 U-0 U-0 U-0 U-0 U-0
— — — — — — — —
bit 15 bit 8
Lower Byte:
R/C-0 U-0 U-0 U-0 R-0 R-0 R-0 R-0
RXFUL — — — RXRTRRO FILHIT<2:0>
bit 7 bit 0
bit 15-8 Unimplemented: Read as ‘0’
bit 7 RXFUL: Receive Full Status bit
1 = Receive buffer contains a valid received message
0 = Receive buffer is open to receive a new message
Note: This bit is set by the CAN module and should be cleared by software after the buffer is read.
bit 6-4 Unimplemented: Read as ‘0’
bit 3 RXRTRRO: Received Remote Transfer Request bit (read only)
1 = Remote transfer request was received
0 = Remote transfer request not received
Note: This bit reflects the status of the last message loaded into Receive Buffer 1.
bit 2-0 FILHIT<2:0>: Indicates Which Acceptance Filter Enabled the Message Reception bits
101 = Acceptance filter 5 (RXF5)
100 = Acceptance filter 4 (RXF4)
011 = Acceptance filter 3 (RXF3)
010 = Acceptance filter 2 (RXF2)
001 = Acceptance filter 1 (RXF1) (Only possible when DBEN bit is set)
000 = Acceptance filter 0 (RXF0) (Only possible when DBEN bit is set)
Legend:
R = Readable bit W = Writable bit U = Unimplemented bit, read as ‘0’
-n = Value at POR ‘1’ = Bit is set ‘0’ = Bit is cleared x = Bit is unknown

dsPIC30F Family Reference Manual
DS70070C-page 23-10 © 2005 Microchip Technology Inc.
Register 23-9: CiRXnSID: Receive Buffer n Standard Identifier
Register 23-10: CiRXnEID: Receive Buffer n Extended Identifier
Upper Byte:
U-0 U-0 U-0 R/W-x R/W-x R/W-x R/W-x R/W-x
— — — SID<10:6>
bit 15 bit 8
Lower Byte:
R/W-x R/W-x R/W-x R/W-x R/W-x R/W-x R/W-x R/W-x
SID<5:0> SRR RXIDE
bit 7 bit 0
bit 15-13 Unimplemented: Read as ‘0’
bit 12-2 SID<10:0>: Standard Identifier bits
bit 1 SRR: Substitute Remote Request bit (Only when RXIDE = 1)
1 = Remote transfer request occured
0 = No remote transfer request occured
bit 0 RXIDE: Extended Identifier Flag bit
1 = Received message is an extended data frame, SID<10:0> are EID<28:18>
0 = Received message is a standard data frame
Legend:
R = Readable bit W = Writable bit U = Unimplemented bit, read as ‘0’
-n = Value at POR ‘1’ = Bit is set ‘0’ = Bit is cleared x = Bit is unknown
Upper Byte:
U-0 U-0 U-0 U-0 R/W-x R/W-x R/W-x R/W-x
— — — —EID<17:14>
bit 15 bit 8
Lower Byte:
R/W-x R/W-x R/W-x R/W-x R/W-x R/W-x R/W-x R/W-x
EID<13:6>
bit 7 bit 0
bit 15-12 Unimplemented: Read as ‘0’
bit 11-0 EID<17:6>: Extended Identifier bits 17-6
Legend:
R = Readable bit W = Writable bit U = Unimplemented bit, read as ‘0’
-n = Value at POR ‘1’ = Bit is set ‘0’ = Bit is cleared x = Bit is unknown

© 2005 Microchip Technology Inc. DS70070C-page 23-11
Section 23. CAN
CAN Module
23
Register 23-11: CiRXnBm: Receive Buffer n Data Field Word m
Register 23-12: CiRXnDLC: Receive Buffer n Data Length Control
Upper Byte:
R/W-x R/W-x R/W-x R/W-x R/W-x R/W-x R/W-x R/W-x
CRXB<15:8>
bit 15 bit 8
Lower Byte:
R/W-x R/W-x R/W-x R/W-x R/W-x R/W-x R/W-x R/W-x
CRXB<7:0>
bit 7 bit 0
bit 15-0 CRXB<15:0>: Data Field Buffer Word bits (2 bytes)
Legend:
R = Readable bit W = Writable bit U = Unimplemented bit, read as ‘0’
-n = Value at POR ‘1’ = Bit is set ‘0’ = Bit is cleared x = Bit is unknown
Upper Byte:
R/W-x R/W-x R/W-x R/W-x R/W-x R/W-x R/W-x R/W-x
EID<5:0> RXRTR RB1
bit 15 bit 8
Lower Byte:
U-0 U-0 U-0 R/W-x R/W-x R/W-x R/W-x R/W-x
— — — RB0 DLC<3:0>
bit 7 bit 0
bit 15-10 EID<5:0>: Extended Identifier bits
bit 9 RXRTR: Receive Remote Transmission Request bit
1 = Remote transfer request
0 = No remote transfer request
Note: This bit reflects the status of the RTR bit in the last received message.
bit 8 RB1: Reserved bit 1
Reserved by CAN Spec and read as ‘0’
bit 4 RB0: Reserved bit 0
Reserved by CAN Spec and read as ‘0’
bit 3-0 DLC<3:0>: Data Length Code bits (Contents of Receive Buffer)
Legend:
R = Readable bit W = Writable bit U = Unimplemented bit, read as ‘0’
-n = Value at POR ‘1’ = Bit is set ‘0’ = Bit is cleared x = Bit is unknown

dsPIC30F Family Reference Manual
DS70070C-page 23-12 © 2005 Microchip Technology Inc.
23.2.4 Message Acceptance Filters
This subsection describes the Message Acceptance filters.
Register 23-13: CiRXFnSID: Acceptance Filter n Standard Identifier
Register 23-14: CiRXFnEIDH: Acceptance Filter n Extended Identifier High
Upper Byte:
U-0 U-0 U-0 R/W-x R/W-x R/W-x R/W-x R/W-x
— — — SID<10:6>
bit 15 bit 8
Lower Byte:
R/W-x R/W-x R/W-x R/W-x R/W-x R/W-x U-0 R/W-x
SID<5:0> — EXIDE
bit 7 bit 0
bit 15-13 Unimplemented: Read as ‘0’
bit 12-2 SID<10:0>: Standard Identifier bits
bit 1 Unimplemented: Read as ‘0’
bit 0 EXIDE: Extended Identifier Enable bits
If MIDE = 1, then
1 = Enable filter for extended identifier
0 = Enable filter for standard identifier
If MIDE = 0, then EXIDE is don’t care
Legend:
R = Readable bit W = Writable bit U = Unimplemented bit, read as ‘0’
-n = Value at POR ‘1’ = Bit is set ‘0’ = Bit is cleared x = Bit is unknown
Upper Byte:
U-0 U-0 U-0 U-0 R/W-x R/W-x R/W-x R/W-x
— — — —EID<17:14>
bit 15 bit 8
Lower Byte:
R/W-x R/W-x R/W-x R/W-x R/W-x R/W-x R/W-x R/W-x
EID<13:6>
bit 7 bit 0
bit 15-12 Unimplemented: Read as ‘0’
bit 11-0 EID<17:6>: Extended Identifier bits 17-6
Legend:
R = Readable bit W = Writable bit U = Unimplemented bit, read as ‘0’
-n = Value at POR ‘1’ = Bit is set ‘0’ = Bit is cleared x = Bit is unknown

© 2005 Microchip Technology Inc. DS70070C-page 23-13
Section 23. CAN
CAN Module
23
Register 23-15: CiRXFnEIDL: Acceptance Filter n Extended Identifier Low
Upper Byte:
R/W-x R/W-x R/W-x R/W-x R/W-x R/W-x U-0 U-0
EID<5:0> — —
bit 15 bit 8
Lower Byte:
U-0 U-0 U-0 U-0 U-0 U-0 U-0 U-0
— — — — — — — —
bit 7 bit 0
bit 15-10 EID<5:0>: Extended Identifier bits
bit 9-0 Unimplemented: Read as ‘0’
Legend:
R = Readable bit W = Writable bit U = Unimplemented bit, read as ‘0’
-n = Value at POR ‘1’ = Bit is set ‘0’ = Bit is cleared x = Bit is unknown

dsPIC30F Family Reference Manual
DS70070C-page 23-14 © 2005 Microchip Technology Inc.
23.2.5 Acceptance Filter Mask Registers
Register 23-16: CiRXMnSID: Acceptance Filter Mask n Standard Identifier
Register 23-17: CiRXMnEIDH: Acceptance Filter Mask n Extended Identifier High
Upper Byte:
U-0 U-0 U-0 R/W-x R/W-x R/W-x R/W-x R/W-x
— — — SID<10:6>
bit 15 bit 8
Lower Byte:
R/W-x R/W-x R/W-x R/W-x R/W-x R/W-x U-0 R/W-x
SID<5:0> —MIDE
bit 7 bit 0
bit 15-13 Unimplemented: Read as ‘0’
bit 12-2 SID<10:0>: Standard Identifier Mask bits
1 = Include bit in the filter comparison
0 = Don’t include bit in the filter comparison
bit 1 Unimplemented: Read as ‘0’
bit 0 MIDE: Identifier Mode Selection bit
1 = Match only message types (standard or extended address) as determined by EXIDE bit in filter
0 = Match either standard or extended address message if the filters match
Legend:
R = Readable bit W = Writable bit U = Unimplemented bit, read as ‘0’
-n = Value at POR ‘1’ = Bit is set ‘0’ = Bit is cleared x = Bit is unknown
Upper Byte:
U-0 U-0 U-0 U-0 R/W-x R/W-x R/W-x R/W-x
— — — —EID<17:14>
bit 15 bit 8
Lower Byte:
R/W-x R/W-x R/W-x R/W-x R/W-x R/W-x R/W-x R/W-x
EID<13:6>
bit 7 bit 0
bit 15-12 Unimplemented: Read as ‘0’
bit 11-0 EID<17:6>: Extended Identifier Mask bits 17-6
1 = Include bit in the filter comparison
0 = Don’t include bit in the filter comparison
Legend:
R = Readable bit W = Writable bit U = Unimplemented bit, read as ‘0’
-n = Value at POR ‘1’ = Bit is set ‘0’ = Bit is cleared x = Bit is unknown

© 2005 Microchip Technology Inc. DS70070C-page 23-15
Section 23. CAN
CAN Module
23
Register 23-18: CiRXMnEIDL: Acceptance Filter Mask n Extended Identifier Low
Upper Byte:
R/W-x R/W-x R/W-x R/W-x R/W-x R/W-x U-0 U-0
EID<5:0> — —
bit 15 bit 8
Lower Byte:
U-0 U-0 U-0 U-0 U-0 U-0 U-0 U-0
— — — — — — — —
bit 7 bit 0
bit 15-10 EID<5:0>: Extended Identifier bits
bit 9-0 Unimplemented: Read as ‘0’
Legend:
R = Readable bit W = Writable bit U = Unimplemented bit, read as ‘0’
-n = Value at POR ‘1’ = Bit is set ‘0’ = Bit is cleared x = Bit is unknown

dsPIC30F Family Reference Manual
DS70070C-page 23-16 © 2005 Microchip Technology Inc.
23.2.6 CAN Baud Rate Registers
This subsection describes the CAN baud rate registers.
Register 23-19: CiCFG1: Baud Rate Configuration Register 1
Upper Byte:
U-0 U-0 U-0 U-0 U-0 U-0 U-0 U-0
— — — — — — — —
bit 15 bit 8
Lower Byte:
R/W-0 R/W-0 R/W-0 R/W-0 R/W-0 R/W-0 R/W-0 R/W-0
SJW<1:0> BRP<5:0>
bit 7 bit 0
bit 15-8 Unimplemented: Read as ‘0’
bit 7-6 SJW<1:0>: Synchronized Jump Width bits
11 = Synchronized jump width time is 4 x TQ
10 = Synchronized jump width time is 3 x TQ
01 = Synchronized jump width time is 2 x TQ
00 = Synchronized jump width time is 1 x TQ
bit 5-0 BRP<5:0>: Baud Rate Prescaler bits
11 1111 = TQ = 2 x (BRP + 1)/FCAN = 128/FCAN
11 1110 = TQ = 2 x (BRP + 1)/FCAN = 126/FCAN
.
.
.
00 0001 = TQ = 2 x (BRP + 1)/FCAN = 4/FCAN
00 0000 = TQ = 2 x (BRP + 1)/FCAN = 2/FCAN
Note: FCAN is FCY or 4 FCY, depending on the CANCKS bit setting.
Legend:
R = Readable bit W = Writable bit U = Unimplemented bit, read as ‘0’
-n = Value at POR ‘1’ = Bit is set ‘0’ = Bit is cleared x = Bit is unknown

© 2005 Microchip Technology Inc. DS70070C-page 23-17
Section 23. CAN
CAN Module
23
Register 23-20: CiCFG2: Baud Rate Configuration Register 2
Upper Byte:
U-0 R/W-x U-0 U-0 U-0 R/W-x R/W-x R/W-x
— WAKFIL — — — SEG2PH<2:0>
bit 15 bit 8
Lower Byte:
R/W-x R/W-x R/W-x R/W-x R/W-x R/W-x R/W-x R/W-x
SEG2PHT
SSAM SEG1PH<2:0> PRSEG<2:0>
bit 7 bit 0
bit 15 Unimplemented: Read as ‘0’
bit 14 WAKFIL: Select CAN bus Line Filter for Wake-up bit
1 = Use CAN bus line filter for wake-up
0 = CAN bus line filter is not used for wake-up
bit 13-11 Unimplemented: Read as ‘0’
bit 10-8 SEG2PH<2:0>: Phase Buffer Segment 2 bits
111 = length is 8 x TQ
.
.
000 = length is 1 x TQ
bit 7 SEG2PHTS: Phase Segment 2 Time Select bit
1 = Freely programmable
0 = Maximum of SEG1PH or information processing time (3 TQ’s), whichever is greater
bit 6 SAM: Sample of the CAN bus Line bit
1 = Bus line is sampled three times at the sample point
0 = Bus line is sampled once at the sample point
bit 5-3 SEG1PH<2:0>: Phase Buffer Segment 1 bits
111 = length is 8 x TQ
.
.
000 = length is 1 x TQ
bit 2-0 PRSEG<2:0>: Propagation Time Segment bits
111 = length is 8 x TQ
.
.
000 = length is 1 x TQ
Legend:
R = Readable bit W = Writable bit U = Unimplemented bit, read as ‘0’
-n = Value at POR ‘1’ = Bit is set ‘0’ = Bit is cleared x = Bit is unknown

dsPIC30F Family Reference Manual
DS70070C-page 23-18 © 2005 Microchip Technology Inc.
23.2.7 CAN Module Error Count Register
This subsection describes the CAN Module Transmission/Reception Error Count register. The
various error status flags are present in the CAN Interrupt Flag Register.
Register 23-21: CiEC: Transmit/Receive Error Count
Upper Byte:
R-0 R-0 R-0 R-0 R-0 R-0 R-0 R-0
TERRCNT<7:0>
bit 15 bit 8
Lower Byte:
R-0 R-0 R-0 R-0 R-0 R-0 R-0 R-0
RERRCNT<7:0>
bit 7 bit 0
bit 15-8 TERRCNT<7:0>: Transmit Error Count bits
bit 7-0 RERRCNT<7:0>: Receive Error Count bits
Legend:
R = Readable bit W = Writable bit U = Unimplemented bit, read as ‘0’
-n = Value at POR ‘1’ = Bit is set ‘0’ = Bit is cleared x = Bit is unknown

© 2005 Microchip Technology Inc. DS70070C-page 23-19
Section 23. CAN
CAN Module
23
23.2.8 CAN Interrupt Registers
This subsection documents the CAN Registers which are associated with interrupts.
Register 23-22: CiINTE: Interrupt Enable Register
Upper Byte:
U-0 U-0 U-0 U-0 U-0 U-0 U-0 U-0
— — — — — — — —
bit 15 bit 8
Lower Byte:
R/W-0 R/W-0 R/W-0 R/W-0 R/W-0 R/W-0 R/W-0 R/W-0
IVRIE WAKIE ERRIE TX2IE TX1IE TX0IE RX1IE RX0IE
bit 7 bit 0
bit 15-8 Unimplemented: Read as ‘0’
bit 7 IVRIE: Invalid Message Received Interrupt Enable bit
1 = Enabled
0 = Disabled
bit 6 WAKIE: Bus Wake Up Activity Interrupt Enable bit
1 = Enabled
0 = Disabled
bit 5 ERRIE: Error Interrupt Enable bit
1 = Enabled
0 = Disabled
bit 4 TX2IE: Transmit Buffer 2 Interrupt Enable bit
1 = Enabled
0 = Disabled
bit 3 TX1IE: Transmit Buffer 1 Interrupt Enable bit
1 = Enabled
0 = Disabled
bit 2 TX0IE: Transmit Buffer 0 Interrupt Enable bit
1 = Enabled
0 = Disabled
bit 1 RX1IE: Receive Buffer 1 Interrupt Enable bit
1 = Enabled
0 = Disabled
bit 0 RX0IE: Receive Buffer 0 Interrupt Enable bit
1 = Enabled
0 = Disabled
Legend:
R = Readable bit W = Writable bit U = Unimplemented bit, read as ‘0’
-n = Value at POR ‘1’ = Bit is set ‘0’ = Bit is cleared x = Bit is unknown

dsPIC30F Family Reference Manual
DS70070C-page 23-20 © 2005 Microchip Technology Inc.
Register 23-23: CiINTF: Interrupt Flag Register
Upper Byte:
R/C-0 R/C-0 R-0 R-0 R-0 R-0 R-0 R-0
RX0OVR RX1OVR TXBO TXEP RXEP TXWAR RXWAR EWARN
bit 15 bit 8
Lower Byte:
R/W-0 R/W-0 R/W-0 R/W-0 R/W-0 R/W-0 R/W-0 R/W-0
IVRIF WAKIF ERRIF TX2IF TX1IF TX0IF RX1IF RX0IF
bit 7 bit 0
bit 15 RX0OVR: Receive Buffer 0 Overflowed bit
1 = Receive buffer 0 overflowed
0 = Receive buffer 0 not overflowed
bit 14 RX1OVR: Receive Buffer 1 Overflowed bit
1 = Receive buffer 1 overflowed
0 = Receive buffer 1 not overflowed
bit 13 TXBO: Transmitter in Error State, Bus Off bit
1 = Transmitter in error state, bus off
0 = Transmitter not in error state, bus off
bit 12 TXEP: Transmitter in Error State, Bus Passive bit
1 = Transmitter in error state, bus passive
0 = Transmitter not in error state, bus passive
bit 11 RXEP: Receiver in Error State, Bus Passive bit
1 = Receiver in error state, bus passive
0 = Receiver not in error state, bus passive
bit 10 TXWAR: Transmitter in Error State, Warning bit
1 = Transmitter in error state, warning
0 = Transmitter not in error state, warning
bit 9 RXWAR: Receiver in Error State, Warning bit
1 = Receiver in error state, warning
0 = Receiver not in error state, warning
bit 8 EWARN: Transmitter or Receiver is in Error State, Warning bit
1 = Transmitter or receiver is in error state, warning
0 = Transmitter and receiver are not in error state
bit 7 IVRIF: Invalid Message Received Interrupt Flag bit
1 = Some type of error occurred during reception of the last message
0 = Receive error has not occurred
bit 6 WAKIF: bus Wake-up Activity Interrupt Flag bit
1 = Interrupt request has occurred
0 = Interrupt request has not occurred
bit 5 ERRIF: Error Interrupt Flag bit (multiple sources in CiINTF<15:8> register)
1 = Interrupt request has occurred
0 = Interrupt request has not occurred
bit 4 TX2IF: Transmit Buffer 2 Interrupt Flag bit
1 = Interrupt request has occurred
0 = Interrupt request has not occurred
bit 3 TX1IF: Transmit Buffer 1 Interrupt Flag bit
1 = Interrupt request has occurred
0 = Interrupt request has not occurred

© 2005 Microchip Technology Inc. DS70070C-page 23-21
Section 23. CAN
CAN Module
23
Register 23-23: CiINTF: Interrupt Flag Register (Continued)
bit 2 TX0IF: Transmit Buffer 0 Interrupt Flag bit
1 = Interrupt request has occurred
0 = Interrupt request has not occurred
bit 1 RX1IF: Receive Buffer 1 Interrupt Flag bit
1 = Interrupt request has occurred
0 = Interrupt request has not occurred
bit 0 RX0IF: Receive Buffer 0 Interrupt Flag bit
1 = Interrupt request has occurred
0 = Interrupt request has not occurred
Legend:
R = Readable bit W = Writable bit C = Bit can be cleared U = Unimplemented bit, read as ‘0’
-n = Value at POR ‘1’ = Bit is set ‘0’ = Bit is cleared x = Bit is unknown

dsPIC30F Family Reference Manual
DS70070C-page 23-22 © 2003 Microchip Technology Inc.
Table 23-1: CAN1 Register Map
File Name ADR Bit Reset
1514131211109876543210
C1RXF0SID 300 — — — SID<10:6> SID<5:0> —EXIDE xxxx
C1RXF0EIDH 302 — — — — EID<17:14> EID<13:6> xxxx
C1RXF0EIDL 304 EID<5:0> — — — — — — — — — — xxxx
unused 306 — — — — — — — — — — — — — — — — xxxx
C1RXF1SID 308 — — — SID<10:6> SID<5:0> —EXIDE xxxx
C1RXF1EIDH 30A — — — — EID<17:14> EID<13:6> xxxx
C1RXF1EIDL 30C EID<5:0> — — — — — — — — — — xxxx
unused 30E — — — — — — — — — — — — — — — — xxxx
C1RXF2SID 310 —— — SID<10:6> SID<5:0> —EXIDE xxxx
C1RXF2EIDH 312 — — — — EID<17:14> EID<13:6> xxxx
C1RXF2EIDL 314 EID<5:0> — — — — — — — — — — xxxx
unused 316 —— — — — — — — — — — — — — — — xxxx
C1RXF3SID 318 — — — SID<10:6> SID<5:0> —EXIDE xxxx
C1RXF3EIDH 31A — — — — EID<17:14> EID<13:6> xxxx
C1RXF3EIDL 31C EID<5:0> — — — — — — — — — — xxxx
unused 31E — — — — — — — — — — — — — — — — xxxx
C1RXF4SID 320 — — — SID<10:6> SID<5:0> —EXIDE xxxx
C1RXF4EIDH 322 — — — — EID<17:14> EID<13:6> xxxx
C1RXF4EIDL 324 EID<5:0> — — — — — — — — — — xxxx
unused 326 — — — — — — — — — — — — — — — — xxxx
C1RXF5SID 328 — — — SID<10:6> SID<5:0> —EXIDE xxxx
C1RXF5EIDH 32A — — — — EID<17:14> EID<13:6> xxxx
C1RXF5EIDL 32C EID<5:0> — — — — — — — — — — xxxx
unused 32E — — — — — — — — — — — — — — — — xxxx
C1RXM0SID 330 — — — SID<10:6> SID<5:0> —MIDE xxxx
C1RXM0EIDH 332 — — — — EID<17:14> EID<13:6> xxxx
C1RXM0EIDL 334 EID<5:0> — — — — — — — — — — xxxx
unused 336 — — — — — — — — — — — — — — — — xxxx
C1RXM1SID 338 — — — SID<10:6> SID<5:0> —MIDE xxxx
C1RXM1EIDH 33A — — — — EID<17:14> EID<13:6> xxxx
C1RXM1EIDL 33C EID<5:0> — — — — — — — — — — xxxx
unused 33E — — — — — — — — — — — — — — — — xxxx

© 2003 Microchip Technology Inc. DS70070C-page 23-23
Section 23. CAN
C
A
N
M
o
d
u
l
e
23
C1TX2SID 340 SID<10:6> — — — SID<5:0> SRR TX
IDE
xxxx
C1TX2EID 342 EID<17:14> — — — — EID<13:6> xxxx
C1TX2DLC 342 EID<5:0> TX
RTR
TX
RB1
TX
RB0
DLC<3:0> — — — xxxx
C1TX2B1 346 Transmit Buffer 0 Byte 1 Transmit Buffer 0 Byte 0 xxxx
C1TX2B2 348 Transmit Buffer 0 Byte 3 Transmit Buffer 0 Byte 2 xxxx
C1TX2B3 34A Transmit Buffer 0 Byte 5 Transmit Buffer 0 Byte 4 xxxx
C1TX2B4 34C Transmit Buffer 0 Byte 7 Transmit Buffer 0 Byte 6 xxxx
C1TX2CON 34E — — — — — — — — — TX
ABT
TX
LARB
TX
ERR
TX
REQ —TXPRI[1:0] 0000
C1TX1SID 350 SID<10:6> — — — SID<5:0> SRR TX
IDE
xxxx
C1TX1EID 352 EID<17:14> — — — — EID<13:6> xxxx
C1TX1DLC 352 EID<5:0> TX
RTR
TX
RB1
TX
RB0
DLC<3:0> — — — xxxx
C1TX1B1 356 Transmit Buffer 0 Byte 1 Transmit Buffer 0 Byte 0 xxxx
C1TX1B2 358 Transmit Buffer 0 Byte 3 Transmit Buffer 0 Byte 2 xxxx
C1TX1B3 35A Transmit Buffer 0 Byte 5 Transmit Buffer 0 Byte 4 xxxx
C1TX1B4 35C Transmit Buffer 0 Byte 7 Transmit Buffer 0 Byte 6 xxxx
C1TX1CON 35E — — — — — — — — — TX
ABT
TX
LARB
TX
ERR
TX
REQ —TXPRI[1:0] 0000
C1TX0SID 360 SID<10:6> — — — SID<5:0> SRR TX
IDE
xxxx
C1TX0EID 362 EID<17:14> — — — — EID<13:6> xxxx
C1TX0DLC 362 EID<5:0> TX
RTR
TX
RB1
TX
RB0
DLC<3:0> — — — xxxx
C1TX0B1 366 Transmit Buffer 0 Byte 1 Transmit Buffer 0 Byte 0 xxxx
C1TX0B2 368 Transmit Buffer 0 Byte 3 Transmit Buffer 0 Byte 2 xxxx
C1TX0B3 36A Transmit Buffer 0 Byte 5 Transmit Buffer 0 Byte 4 xxxx
C1TX0B4 36C Transmit Buffer 0 Byte 7 Transmit Buffer 0 Byte 6 xxxx
C1TX0CON 36E — — — — — — — — — TX
ABT
TX
LARB
TX
ERR
TX
REQ —TXPRI[1:0] 0000
Table 23-1: CAN1 Register Map (Continued)
File Name ADR Bit Reset
1514131211109876543210

dsPIC30F Family Reference Manual
DS70070C-page 23-24 © 2003 Microchip Technology Inc.
C1RX1SID 370 — — — SID<10:6> SID<5:0> SRR RX
IDE
xxxx
C1RX1EID 372 — — — — EID<17:14> EID<13:6> xxxx
C1RX1DLC 374 EID<0:5> RX
RTR
RX
RB1
———RX
RB0
DLC[3:0] xxxx
C1RX1B1 376 Receive Buffer 1 Byte 1 Receive Buffer 1 Byte 0 xxxx
C1RX1B2 378 Receive Buffer 1 Byte 3 Receive Buffer 1 Byte 2 xxxx
C1RX1B3 37A Receive Buffer 1 Byte 5 Receive Buffer 1 Byte 4 xxxx
C1RX1B4 37C Receive Buffer 1 Byte 7 Receive Buffer 1 Byte 6 xxxx
C1RX1CON 37E — — — — — — — — RX
FUL — — RX
ERR
RX
RTR
R0
FILHIT[2:0] 0000
C1RX1SID 380 — — — SID<10:6> SID<5:0> SRR RX
IDE
xxxx
C1RX1EID 382 — — — — EID<17:14> EID<13:6> xxxx
C1RX1DLC 384 EID<0:5> RX
RTR
RX
RB1 ———RX
RB0
DLC[3:0] xxxx
C1RX0B1 386 Receive Buffer 0 Byte 1 Receive Buffer 0 Byte 0 xxxx
C1RX0B2 388 Receive Buffer 0 Byte 3 Receive Buffer 0 Byte 2 xxxx
C1RX0B3 38A Receive Buffer 0 Byte 5 Receive Buffer 0 Byte 4 xxxx
C1RX0B4 38C Receive Buffer 0 Byte 7 Receive Buffer 0 Byte 6 xxxx
C1RX0CON 38E — — — — — — — — RX
FUL — — RX
ERR
RX
RTR
R0
RXB0
DBEN
JTOFF FIL
HIT
0
0000
C1CTRL 390 CAN
CAP —C
SIDL
ABAT CAN
CKS
REQOP[2:0] OPMODE[2:0] —ICODE[2:0] —0480
C1CFG1 392 — — — — — — — — SJW[1:0]S BRP[5:0] 0000
C1CFG2 394 —WAK
FIL — — — SEG2PH[2:0] SEG2
PHTS
SAM SEG1PH[2:0] PRSEG[2:0] 0000
C1INTF 396 RXB0
OVR
RXB1
OVR
TXBO TXBP RXBP TX
WARN
RX
WARN
E
WARN
IVR
IF
WAK
IF
ERR
IF
TXB2
IF
TXB1
IF
TXB0
IF
RXB1
IF
RXB0
IF
0000
C1INTE 398 — — — — — — — — IVR
IE
WAK
IE
ERR
IE
TXB2
IE
TXB1
IE
TXB0
IE
RXB1
IE
RXB0
IE
0000
C1EC 39A Transmit Error Counter Receive Error Counter 0000
Reserved 39C
3FE — — — — — — — — — — — — — — — — xxxx
Legend: x = Unknown
Table 23-1: CAN1 Register Map (Continued)
File Name ADR Bit Reset
1514131211109876543210

© 2003 Microchip Technology Inc. DS70070C-page 23-25
Section 23. CAN
C
A
N
M
o
d
u
l
e
23
Table 23-2: CAN2 Register Map
File Name ADR Bit Reset
1514131211109876543210
C2RXF0SID 3C0 — — — SID<10:6> SID<5:0> —EXIDE xxxx
C2RXF0EIDH 3C2 — — — — EID<17:14> EID<13:6> xxxx
C2RXF0EIDL 3C4 EID<5:0> — — — — — — — — — — xxxx
unused 3C6 — — — — — — — — — — — — — — — — xxxx
C2RXF1SID 3C8 — — — SID<10:6> SID<5:0> —EXIDE xxxx
C2RXF1EIDH 3CA — — — — EID<17:14> EID<13:6> xxxx
C2RXF1EIDL 3CC EID<5:0> — — — — — — — — — — xxxx
unused 3CE — — — — — — — — — — — — — — — — xxxx
C2RXF2SID 3D0 —— — SID<10:6> SID<5:0> —EXIDE xxxx
C2RXF2EIDH 3D2 — — — — EID<17:14> EID<13:6> xxxx
C2RXF2EIDL 3D4 EID<5:0> — — — — — — — — — — xxxx
unused 3D6 —— — — — — — — — — — — — — — — xxxx
C2RXF3SIDH 3D8 — — — SID<10:6> SID<5:0> —EXIDE xxxx
C2RXF3EID 3DA — — — — EID<17:14> EID<13:6> xxxx
C2RXF3EIDL 3DC EID<5:0> — — — — — — — — — — xxxx
unused 3DE — — — — — — — — — — — — — — — — xxxx
C2RXF4SID 3E0 — — — SID<10:6> SID<5:0> —EXIDE xxxx
C2RXF4EIDH 3E2 — — — — EID<17:14> EID<13:6> xxxx
C2RXF4EIDL 3E4 EID<5:0> — — — — — — — — — — xxxx
unused 3E6 — — — — — — — — — — — — — — — — xxxx
C2RXF5SID 3E8 — — — SID<10:6> SID<5:0> —EXIDE xxxx
C2RXF5EIDH 3EA — — — — EID<17:14> EID<13:6> xxxx
C2RXF5EIDL 3EC EID<5:0> — — — — — — — — — — xxxx
unused 3EE — — — — — — — — — — — — — — — — xxxx
C2RXM0SID 3F0 — — — SID<10:6> SID<5:0> —MIDE xxxx
C2RXM0EIDH 3F2 — — — — EID<17:14> EID<13:6> xxxx
C2RXM0EIDL 3F4 EID<5:0> — — — — — — — — — — xxxx
unused 3F6 — — — — — — — — — — — — — — — — xxxx
C2RXM1SID 3F8 — — — SID<10:6> SID<5:0> —MIDE xxxx
C2RXM1EIDH 3FA — — — — EID<17:14> EID<13:6> xxxx
C2RXM1EIDL 3FC EID<5:0> — — — — — — — — — — xxxx
unused 3FE — — — — — — — — — — — — — — — — xxxx

dsPIC30F Family Reference Manual
DS70070C-page 23-26 © 2003 Microchip Technology Inc.
C2TX2SID 400 SID<10:6> — — — SID<5:0> SRR TX
IDE
xxxx
C2TX2EID 402 EID<17:14> — — — — EID<13:6> xxxx
C2TX2DLC 404 EID<5:0> TX
RTR
TX
RB1
TX
RB0
DLC<3:0> — — — xxxx
C2TX2B1 406 Transmit Buffer 0 Byte 1 Transmit Buffer 0 Byte 0 xxxx
C2TX2B2 408 Transmit Buffer 0 Byte 3 Transmit Buffer 0 Byte 2 xxxx
C2TX2B3 40A Transmit Buffer 0 Byte 5 Transmit Buffer 0 Byte 4 xxxx
C2TX2B4 40C Transmit Buffer 0 Byte 7 Transmit Buffer 0 Byte 6 xxxx
C2TX2CON 40E — — — — — — — — — TX
ABT
TX
LARB
TX
ERR
TX
REQ —TXPRI[1:0] 0000
C2TX1SID 410 SID<10:6> — — — SID<5:0> SRR TX
IDE
xxxx
C2TX1EID 412 EID<17:14> — — — — EID<13:6> xxxx
C2TX1DLC 414 EID<5:0> TX
RTR
TX
RB1
TX
RB0
DLC<3:0> — — — xxxx
C2TX1B1 416 Transmit Buffer 0 Byte 1 Transmit Buffer 0 Byte 0 xxxx
C2TX1B2 418 Transmit Buffer 0 Byte 3 Transmit Buffer 0 Byte 2 xxxx
C2TX1B3 41A Transmit Buffer 0 Byte 5 Transmit Buffer 0 Byte 4 xxxx
C2TX1B4 41C Transmit Buffer 0 Byte 7 Transmit Buffer 0 Byte 6 xxxx
C2TX1CON 41E — — — — — — — — — TX
ABT
TX
LARB
TX
ERR
TX
REQ —TXPRI[1:0] 0000
C2TX0SID 420 SID<10:6> — — — SID<5:0> SRR TX
IDE
xxxx
C2TX0EID 422 EID<17:14> — — — — EID<13:6> xxxx
C2TX0DLC 424 EID<5:0> TX
RTR
TX
RB1
TX
RB0
DLC<3:0> — — — xxxx
C2TX0B1 426 Transmit Buffer 0 Byte 1 Transmit Buffer 0 Byte 0 xxxx
C2TX0B2 428 Transmit Buffer 0 Byte 3 Transmit Buffer 0 Byte 2 xxxx
C2TX0B3 42A Transmit Buffer 0 Byte 5 Transmit Buffer 0 Byte 4 xxxx
C2TX0B4 42C Transmit Buffer 0 Byte 7 Transmit Buffer 0 Byte 6 xxxx
C2TX0CON 42E — — — — — — — — — TX
ABT
TX
LARB
TX
ERR
TX
REQ —TXPRI[1:0] 0000
Table 23-2: CAN2 Register Map (Continued)
File Name ADR Bit Reset
1514131211109876543210

© 2003 Microchip Technology Inc. DS70070C-page 23-27
Section 23. CAN
C
A
N
M
o
d
u
l
e
23
C2RX1SID 430 — — — SID<10:6> SID<5:0> SRR RX
IDE
xxxx
C2RX1EID 432 — — — — EID<17:14> EID<13:6> xxxx
C2RX1DLC 434 EID<0:5> RX
RTR
RX
RB1
———RX
RB0
DLC[3:0] xxxx
C2RX1B1 436 Receive Buffer 1 Byte 1 Receive Buffer 1 Byte 0 xxxx
C2RX1B2 438 Receive Buffer 1 Byte 3 Receive Buffer 1 Byte 2 xxxx
C2RX1B3 43A Receive Buffer 1 Byte 5 Receive Buffer 1 Byte 4 xxxx
C2RX1B4 43C Receive Buffer 1 Byte 7 Receive Buffer 1 Byte 6 xxxx
C2RX1CON 43E — — — — — — — — RX
FUL — — RX
ERR
RX
RTR
R0
FILHIT[2:0] 0000
C2RX1SID 440 — — — SID<10:6> SID<5:0> SRR RX
IDE
xxxx
C2RX1EID 442 — — — — EID<17:14> EID<13:6> xxxx
C2RX1DLC 444 EID<0:5> RX
RTR
RX
RB1 ———RX
RB0
DLC[3:0] xxxx
C2RX0B1 446 Receive Buffer 0 Byte 1 Receive Buffer 0 Byte 0 xxxx
C2RX0B2 448 Receive Buffer 0 Byte 3 Receive Buffer 0 Byte 2 xxxx
C2RX0B3 44A Receive Buffer 0 Byte 5 Receive Buffer 0 Byte 4 xxxx
C2RX0B4 44C Receive Buffer 0 Byte 7 Receive Buffer 0 Byte 6 xxxx
C2RX0CON 44E — — — — — — — — RX
FUL — — RX
ERR
RX
RTR
R0
RXB0
DBEN
JTOFF FIL
HIT
0
0000
C2CTRL 450 CAN
CAP —C
SIDL
ABAT CAN
CKS
REQOP[2:0] OPMODE[2:0] —ICODE[2:0] —0480
C2CFG1 452 — — — — — — — — SJW[1:0]S BRP[5:0] 0000
C2CFG2 454 —WAK
FIL — — — SEG2PH[2:0] SEG2
PHTS
SAM SEG1PH[2:0] PRSEG[2:0] 0000
C2INTF 456 RXB0
OVR
RXB1
OVR
TXBO TXBP RXBP TX
WARN
RX
WARN
E
WARN
IVR
IF
WAK
IF
ERR
IF
TXB2
IF
TXB1
IF
TXB0
IF
RXB1
IF
RXB0
IF
0000
C2INTE 458 — — — — — — — — IVR
IE
WAK
IE
ERR
IE
TXB2
IE
TXB1
IE
TXB0
IE
RXB1
IE
RXB0
IE
0000
C2EC 45A Transmit Error Counter Receive Error Counter 0000
Reserved 45C
4FE — — — — — — — — — — — — — — — — xxxx
Legend: x = Unknown
Table 23-2: CAN2 Register Map (Continued)
File Name ADR Bit Reset
1514131211109876543210

dsPIC30F Family Reference Manual
DS70070C-page 23-28 © 2005 Microchip Technology Inc.
23.3 CAN Module Features
The CAN module is a communication controller implementing the CAN 2.0A/B protocol as
defined in the BOSCH specification. The module will support CAN 1.2, CAN 2.0A, CAN 2.0B
Passive and CAN 2.0B Active versions of the protocol. The module implementation is a Full CAN
system.
The module features are as follows:
• Implementation of the CAN protocol CAN 1.2, CAN 2.0A and CAN 2.0B
• Standard and extended data frames
• Data length from 0-8 bytes
• Programmable bit rate up to 1 Mbit/sec
• Support for remote data frames
• Double buffered receiver with two prioritized received message storage buffers
• Six full (standard/extended identifier) acceptance filters, 2 associated with the high priority
receive buffer, and 4 associated with the low priority receive buffer
• Two full acceptance filter masks, one each associated with the high and low priority receive
buffers
• Three Transmit Buffers with application specified prioritization and abort capability
• Programmable wake-up functionality with integrated low-pass filter
• Programmable Loopback mode supports self-test operation
• Signaling via interrupt capabilities for all CAN receiver and transmitter error states
• Programmable clock source
• Programmable link to input capture module for time-stamping and network synchronization
• Low power Sleep mode

© 2005 Microchip Technology Inc. DS70070C-page 23-29
Section 23. CAN
CAN Module
23
23.4 CAN Module Implementation
The CAN bus module consists of a Protocol Engine and message buffering and control. The
Protocol Engine can best be understood by defining the types of data frames to be transmitted
and received by the module. These blocks are shown in Figure 23-2.
Figure 23-2: CAN Buffers and Protocol Engine Block Diagram
Acceptance Filter
RXF2
R
X
B
1
A
c
c
e
p
t
A
c
c
e
p
t
Identifier
Data Field Data Field
Identifier
Acceptance Mask
RXM1
Acceptance Filter
RXF3
Acceptance Filter
RXF4
Acceptance Filter
RXF5
Acceptance Mask
RXM0
Acceptance Filter
RXF0
Acceptance Filter
RXF1
R
X
B
0
MSGREQ
TXB2
TXABT
TXLARB
TXERR
MTXBUFF
MESSAGE
Message
Queue
Control Transmit Byte Sequencer
MSGREQ
TXB1
TXABT
TXLARB
TXERR
MTXBUFF
MESSAGE
MSGREQ
TXB0
TXABT
TXLARB
TXERR
MTXBUFF
MESSAGE
Receive ShiftTransmit Shift
Receive
Error
Transmit
Error
Protocol
RERRCNT
TERRCNT
ErrPas
BusOff
Finite
State
Machine
Counter
Counter
Transmit
Logic
Bit
Timing
Logic
CxTX CxRX
Bit Timing
Generator
PROTOCOL
ENGINE
BUFFERS
CRC Check
CRC Generator
Note: x = 1 or 2
Message
Assembly
Buffer

dsPIC30F Family Reference Manual
DS70070C-page 23-30 © 2005 Microchip Technology Inc.
23.4.1 CAN Message Formats
The CAN protocol engine handles all functions for receiving and transmitting messages on the
CAN bus. Messages are transmitted by first loading the appropriate data registers. Status and
errors can be checked by reading the appropriate registers. Any message detected on the CAN
bus is checked for errors and then matched against filters to see if it should be received and
stored in one of the two receive registers.
The CAN Module supports the following frame types:
• Standard Data Frame
• Extended Data Frame
• Remote Frame
• Error Frame
• Interframe Space
23.4.1.1 Standard Data Frame
A standard data frame is generated by a node when the node wishes to transmit data. The
standard CAN data frame is shown in Figure 23-3. In common with all other frames, the frame
begins with a Start-Of-Frame bit (SOF - dominant state) for hard synchronization of all nodes.
The SOF is followed by the Arbitration field consisting of 12 bits, the 11-bit identifier (reflecting
the contents and priority of the message) and the RTR bit (Remote Transmission Request bit).
The RTR bit is used to distinguish a data frame (RTR - dominant) from a remote frame.
The next field is the Control field, consisting of 6 bits. The first bit of this field is called the Identifier
Extension (IDE) bit and is at dominant state to specify that the frame is a standard frame. The
following bit is reserved by the CAN protocol, RB0, and defined as a dominant bit. The remaining
4 bits of the Control field are the Data Length Code (DLC) and specify the number of bytes of
data contained in the message.
The data being sent follows in the Data field which is of the length defined by the DLC above (0-8
bytes).
The Cyclic Redundancy Check (CRC) field follows and is used to detect possible transmission
errors. The CRC field consists of a 15-bit CRC sequence and a delimiter bit. The message is
completed by the End-Of-Frame (EOF) field, which consists of seven recessive bits with no
bit-stuffing.
The final field is the Acknowledge field. During the ACK Slot bit the transmitting node sends out
a recessive bit. Any node that has received an error free frame acknowledges the correct
reception of the frame by sending back a dominant bit (regardless of whether the node is
configured to accept that specific message or not). The recessive Acknowledge Delimiter
completes the Acknowledge Slot and may not be overwritten by a dominant bit, except when an
error frame occurs.
23.4.1.2 Extended Data Frame
In the extended CAN data frame, shown in Figure 23-4, the Start-Of-Frame bit (SOF) is followed
by the Arbitration Field consisting of 38 bits. The first 11 bits are the 11 Most Significant bits of
the 29-bit identifier (“Base-lD”). These 11 bits are followed by the Substitute Remote Request bit
(SRR), which is transmitted as recessive. The SRR is followed by the lDE bit which is recessive
to denote that the frame is an extended CAN frame. It should be noted from this, that if arbitration
remains unresolved after transmission of the first 11 bits of the identifier, and one of the nodes
involved in arbitration is sending a standard CAN frame (11-bit identifier), then the standard CAN
frame will win arbitration due to the assertion of a dominant lDE bit. Also, the SRR bit in an
extended CAN frame must be recessive to allow the assertion of a dominant RTR bit by a node
that is sending a standard CAN remote frame. The SRR and lDE bits are followed by the remain-
ing 18 bits of the identifier (“lD-Extension”) and a dominant Remote Transmission Request bit.

© 2005 Microchip Technology Inc. DS70070C-page 23-31
Section 23. CAN
CAN Module
23
To enable standard and extended frames to be sent across a shared network, it is necessary to
split the 29-bit extended message identifier into 11-bit (Most Significant) and 18-bit (Least Signif-
icant) sections. This split ensures that the Identifier Extension bit (lDE) can remain at the same
bit position in both standard and extended frames.
The next field is the Control field, consisting of 6 bits. The first 2 bits of this field are reserved and
are at dominant state. The remaining 4 bits of the Control field are the Data Length Code (DLC)
and specify the number of data bytes.
The remaining portion of the frame (Data field, CRC field, Acknowledge field, End-Of-Frame and
intermission) is constructed in the same way as for a standard data frame.
23.4.1.3 Remote Frame
A data transmission is usually performed on an autonomous basis with the data source node
(e.g., a sensor sending out a data frame). It is possible however for a destination node to request
the data from the source. For this purpose, the destination node sends a “remote frame” with an
identifier that matches the identifier of the required data frame. The appropriate data source node
will then send a data frame as a response to this remote request.
There are two differences between a remote frame and a data frame, shown in Figure 23-5. First,
the RTR bit is at the recessive state and second there is no Data field. In the very unlikely event
of a data frame and a remote frame with the same identifier being transmitted at the same time,
the data frame wins arbitration due to the dominant RTR bit following the identifier. In this way,
the node that transmitted the remote frame receives the desired data immediately.
23.4.1.4 The Error Frame
An error frame is generated by any node that detects a bus error. An error frame, shown in
Figure 23-6, consists of 2 fields, an error flag field followed by an Error Delimiter field. The Error
Delimiter consists of 8 recessive bits and allows the bus nodes to restart bus communications
cleanly after an error. There are two forms of error flag fields. The form of the error flag field
depends on the error status of the node that detects the error.
If an error-active node detects a bus error then the node interrupts transmission of the current
message by generating an active error flag. The active error flag is composed of six consecutive
dominant bits. This bit sequence actively violates the bit-stuffing rule. All other stations recognize
the resulting bit-stuffing error and in turn generate error frames themselves, called Error Echo
Flags. The error flag field therefore consists of between six and twelve consecutive dominant bits
(generated by one or more nodes). The Error Delimiter field completes the error frame. After
completion of the error frame, bus activity retains to normal and the interrupted node attempts to
resend the aborted message.
If an error passive node detects a bus error then the node transmits an Error Passive flag
followed, again, by the Error Delimiter field. The Error Passive flag consists of six consecutive
recessive bits. From this it follows that, unless the bus error is detected by the transmitting node
or other error active receiver that is actually transmitting, the transmission of an error frame by
an error passive node will not affect any other node on the network. If the bus master node
generates an error passive flag then this may cause other nodes to generate error frames due
to the resulting bit-stuffing violation. After transmission of an error frame, an error passive node
must wait for 6 consecutive recessive bits on the bus before attempting to rejoin bus
communications.
23.4.1.5 The Interframe Space
Interframe Space separates a proceeding frame (of whatever type) from a following data or
remote frame. lnterframe Space is composed of at least 3 recessive bits, called the intermission.
This is provided to allow nodes time for internal processing of the message by receiving nodes
before the start of the next message frame. After the intermission, the bus line remains in the
recessive state (bus idle) until the next transmission starts.
If the transmitting node is in the error passive state, an additional 8 recessive bit times will be
inserted in the Interframe Space before any other message is transmitted by that node. This time
period is called the Suspend Transmit field. The Suspend Transmit field allows additional delay
time for other transmitting nodes to take control of the bus.

dsPIC30F Family Reference Manual
DS70070C-page 23-32 © 2005 Microchip Technology Inc.
Figure 23-3: Standard Data Frame
1 1 1 1 1 1 1 1 1 1 1 1 1 1 1 1 1 1 1 1 1 1 1 1 0
INT Suspend
Transmit bus Idle
Any Frame
Inter-Frame Space
Start-Of-Frame
Data Frame or
Remote Frame
38
0 0 0 0 0 0 0 0 0 0 0 0 1 1 1 1 1 1 1 1 1
Start-Of-Frame
Data Frame (number of bits = 44 + 8 N)
12
Arbitration Field
ID 10
11
ID3
ID0
Identifier
Message
Filtering
Stored in Buffers
RTR
IDE
RB0
DLC3
DLC0
6
4
Control
Field
Data
Length
Code
Reserved Bits
8N (≤N≤8)
Data Field
8 8
Stored in Transmit/Receive Buffers
Bit-Stuffing
16
CRC Field
15
CRC
7
End-Of-
Frame
CRC Del
Acknowledgment
ACK Del
111111111111111111111 1110
INT Suspend
Transmit bus Idle
Any Frame
Inter-Frame Space
Start-Of-Frame
Data Frame or
Remote Frame
38

© 2005 Microchip Technology Inc. DS70070C-page 23-33
Section 23. CAN
CAN Module
23
Figure 23-4: Extended Data Format
1 1 1 1 1 0
bus Idle
Start-Of-Frame
Data Frame or
Remote Frame
0 11 00 000000000000000000000001
Start-Of-Frame
Arbitration Field
32
11
ID10
ID3
ID0
IDE
Identifier
Message
Filtering
Stored in Buffers
SRR
EID17
EID0
RTR
RB1
RB0
DLC3
18
DLC0
6
Control
Field
4
Reserved bits
Data
Length
Code
Stored in Transmit/Receive Buffers
8 8
Extended Data Frame (number of bits = 64 + 8 N)
8N (N≤ 8)
Data Field
1 1 1 1 1 1 1 1
16
CRC Field
15
CRC
CRC Del
Acknowledgment
ACK Del
End-Of-
Frame
7
Bit-Stuffing
111111111111111111111 1110
INT Suspend
Transmit bus Idle
Any Frame
Inter-Frame Space
Start-Of-Frame
Data Frame or
Remote Frame
38
Extended Identifier
1

dsPIC30F Family Reference Manual
DS70070C-page 23-34 © 2005 Microchip Technology Inc.
Figure 23-5: Remote Data Frame
Identifier
Message
Filtering
Stored in Buffers
Data
Length
Code
Reserved Bits
Bit-Stuffing
111111111111111111111 1110
INT Suspend
Transmit bus Idle
Any Frame
Inter-Frame Space
Start-Of-Frame
Data Frame or
Remote Frame
38
0 1 0 0 1 1 1 1 1 1 1 1 1
Start-Of-Frame
Remote Frame (number of bits = 44)
12
Arbitration Field
ID 10
11
ID0
RTR
IDE
RB0
DLC3
DLC0
6
4
Control
Field
16
CRC Field
15
CRC
7
End-Of-
Frame
CRC Del
Acknowledgment
ACK Del
111111111111111111111 1110
INT Suspend
Transmit bus Idle
Any Frame
Inter-Frame Space
Start-Of-Frame
Data Frame or
Remote Frame
38

© 2005 Microchip Technology Inc. DS70070C-page 23-35
Section 23. CAN
CAN Module
23
Figure 23-6: Error Frame
1 1 1 1 1 1 1 1 1 1 1 1 1 1 1 1 1 1 1 1 1 1 1 1 0
INT Suspend
Transmit bus Idle
Any Frame
Inter-Frame Space
Start-Of-Frame
Data Frame or
Remote Frame
38
0 0 0 0
Start-Of-Frame
Interrupted Data Frame
12
Arbitration Field
ID 10
11
ID3
ID0
Identifier
Message
Filtering
RTR
IDE
RB0
DLC3
DLC0
6
4
Control
Field
Data
Length
Code
Reserved Bits
8N (≤ N ≤ 8)
Data Field
8 8
Bit-Stuffing
111111111111111111111 1110
INT Suspend
Transmit bus Idle
Any Frame
Inter-Frame Space
Star-Of-Frame
Data Frame or
Remote Frame
38
0 0 0 0 0 0 0 0 0 1 1 1 1 1 1 1 1 0
Data Frame or
Remote Frame
Error Frame
6
Error
Flag
≤ 6
Echo
Error
Flag
8
Error
Delimiter Inter-Frame Space

dsPIC30F Family Reference Manual
DS70070C-page 23-36 © 2005 Microchip Technology Inc.
23.5 CAN Module Operation Modes
The CAN Module can operate in one of several Operation modes selected by the user. These
modes include:
• Normal Operation mode
• Disable mode
• Loopback mode
• Listen Only mode
• Configuration mode
• Listen to All Messages mode
Modes are requested by setting the REQOP<2:0> bits (CiCTRL<10:8>). Entry into a mode is
acknowledged by monitoring the OPMODE<2:0> bits (CiCTRL<7:5>). The module does not
change the mode and the OPMODE bits until a change in mode is acceptable, generally during
bus idle time which is defined as at least 11 consecutive recessive bits.
23.5.1 Normal Operation Mode
Normal Operating mode is selected when REQOP<2:0> = ‘000’. In this mode, the module is
activated, the I/O pins will assume the CAN bus functions. The module will transmit and receive
CAN bus messages as described in subsequent sections.
23.5.2 Disable Mode
In Disable mode, the module will not transmit or receive. The module has the ability to set the
WAKIF bit due to bus activity, however any pending interrupts will remain and the error counters
will retain their value.
If the REQOP<2:0> bits (CiCTRL<10:8>) = ‘001’, the module will enter the Module Disable
mode. This mode is similar to disabling other peripheral modules by turning off the module
enables. This causes the module internal clock to stop unless the module is active (i.e., receiving
or transmitting a message). If the module is active, the module will wait for 11 recessive bits
on the CAN bus, detect that condition as an idle bus, then accept the module disable command.
When the OPMODE<2:0> bits (CiCTRL<7:5>) = ‘001’, this indicates that the module
successfully entered Module Disable mode (see Figure 23-7).
The WAKIF interrupt is the only module interrupt that is still active in the Module Disable mode.
If the WAKIE bit (CiINTE<6>) is set, the processor will receive an interrupt whenever the CAN
bus detects a dominant state, as occurs with a Start-Of-Frame (SOF).
The I/O pins will revert to normal I/O function when the module is in the Module Disable mode.
Note: Typically, if the CAN module is allowed to transmit in a particular mode of operation
and a transmission is requested immediately after the CAN module has been
placed in that mode of operation, the module waits for 11 consecutive recessive bits
on the bus before starting transmission. If the user switches to Disable Mode within
this 11-bit period, then this transmission is aborted and the corresponding TXABT
bit is set and TXREQ bit is cleared.

© 2005 Microchip Technology Inc. DS70070C-page 23-37
Section 23. CAN
CAN Module
23
Figure 23-7: Entering and Exiting Module Disable Mode
23.5.3 Loopback Mode
If the Loopback mode is activated, the module will connect the internal transmit signal to the
internal receive signal at the module boundary. The transmit and receive pins revert to their
PORT I/O function.
The transmitter will receive an acknowledge for its sent messages. Special hardware will
generate an acknowledge for the transmitter.
23.5.4 Listen Only Mode
Listen Only mode and Loopback modes are special cases of Normal Operation mode to allow
system debug. If the Listen Only mode is activated, the module on the CAN bus is passive. The
transmitter buffers revert to the PORT I/O function. The receive pins remain as inputs to the CAN
module. For the receiver, no error flags or Acknowledge signals are sent. The error counters are
deactivated in this state. The Listen Only mode can be used for detecting the baud rate on the
CAN bus. To use this, it is necessary that there are at least two further nodes that communicate
with each other. The baud rate can be detected empirically by testing different values. This mode
is also useful as a bus monitor without influencing the data traffic.
1 2 4 5
- Processor writes REQOP<2:0> while module receiving/transmitting message. Module continues with CAN message.
- Module detects 11 recessive bits. Module acknowledges Disable mode and sets OPMODE<2:0> bits. Module disables.
- Processor writes REQOP<2:0> during CAN bus activity. Module waits for 11 recessive bits before accepting activate.
- Module detects 11 recessive bits. Module acknowledges Normal mode and sets OPMODE<2:0> bits. Module activates.
OSC1
CAN bus
CAN Module
Disabled
3
001
001
000
000 000
000
- CAN bus message will set WAKIF bit. If WAKIE = ’
1
’, processor will vector to the interrupt address. CAN message ignored.
WAKIF
WAKIE
1
2
3
4
5
OPMODE<2:0>
REQOP<2:0>

dsPIC30F Family Reference Manual
DS70070C-page 23-38 © 2005 Microchip Technology Inc.
23.5.5 Configuration Mode
In the Configuration mode, the module will not transmit or receive. The error counters are cleared
and the interrupt flags remain unchanged. The programmer will have access to configuration
registers that are access restricted in other modes.
After a device Reset the CAN module is in the Configuration mode (OPMODE<2:0> = ‘100’). The
error counters are cleared and all registers contain the Reset values. It should be ensured that
the initialization is performed before REQOP<2> bit is cleared.
The CAN module has to be initialized before its activation. This is only possible if the module is
in the Configuration mode. The Configuration mode is requested by setting the REQOP<2> bit.
Only when the Status bit OPMODE<2> has a high level, the initialization can be performed.
Afterwards the configuration registers and the acceptance mask registers and the acceptance
filter registers can be written. The module is activated by clearing the control bits REQOP<2:0>.
The module will protect the user from accidentally violating the CAN protocol through program-
ming errors. All registers which control the configuration of the module can not be modified while
the module is on-line. The CAN module will not be allowed to enter the Configuration mode while
a transmission is taking place. The Configuration mode serves as a lock to protect the following
registers.
• All Module Control Registers
• Baud Rate and Interrupt Configuration Registers
• Bus Timing Registers
• Identifier Acceptance Filter Registers
• Identifier Acceptance Mask Registers
23.5.6 Listen All Messages Mode
Listen All Messages mode is a special case of Normal Operation mode to allow system debug.
If the Listen All Messages mode is activated, the module on the CAN bus is passive. The
transmitter buffers revert to the PORT I/O function. The receive pins remain inputs. For the
receiver, no error flags or Acknowledge signals are sent. The error counters are deactivated in
this state. The filters are disabled. Receive Buffer 0 will receive any message transferred on the
bus. This mode is useful to record all bus traffic as a bus monitor without influencing the data
traffic.

© 2005 Microchip Technology Inc. DS70070C-page 23-39
Section 23. CAN
CAN Module
23
23.6 Message Reception
This subsection describes CAN module message reception.
23.6.1 Receive Buffers
The CAN bus module has 3 receive buffers. However, one of the receive buffers is always
committed to monitoring the bus for incoming messages. This buffer is called the message
assembly buffer, MAB. So there are 2 receive buffers visible, RXB0 and RXB1, that can
essentially instantaneously receive a complete message from the protocol engine. The CPU can
be operating on one while the other is available for reception or holding a previously received
message.
The MAB holds the destuffed bit stream from the bus line to allow parallel access to the whole
data or remote frame for the acceptance match test and the parallel transfer of the frame to the
receive buffers. The MAB will assemble all messages received. These messages will be
transferred to the RXBn buffers only if the acceptance filter criterion are met. When a message
is received, the RXnIF flag (CiINTF<0> or CiINRF<1>) will be set. This bit can only be set by the
module when a message is received. The bit is cleared by the CPU when it has completed
processing the message in the buffer. This bit provides a positive lockout to ensure that the CPU
has finished with the message buffer. If the RXnIE bit (CiINTE<0> or CiINTE<1>) is set , an
interrupt will be generated when a message is received.
There are 2 programmable acceptance filter masks associated with the receive buffers, one for
each buffer.
When the message is received, the FILHIT bits (CiRX0CON<0> for Receive Buffer 0 and
CiRX1CON<2:0> for Receive Buffer 1) indicate the acceptance criterion for the message. The
number of the acceptance filter that enabled the reception will be indicated as well as a Status
bit that indicates that the received message is a remote transfer request.
Note: In the case of Receive Buffer 0, a limited number of Acceptance Filters can be used
to enable a reception. A single bit, FILHIT0 (CiRX0CON<0>) determines which of
the 2 filters, RXF0 or RXF1, enabled the message reception.

dsPIC30F Family Reference Manual
DS70070C-page 23-40 © 2005 Microchip Technology Inc.
23.6.1.1 Receive Buffer Priority
To provide flexibility, there are several acceptance filters corresponding to each receive buffer.
There is also an implied priority to the receive buffers. RXB0 is the higher priority buffer and has
2 message acceptance filters associated with it. RXB1 is the lower priority buffer and has 4
acceptance filters associated with it. The lower number of possible acceptance filters makes the
match on RXB0 more restrictive and implies the higher priority associated with that buffer.
Additionally, if the RXB0 contains a valid message, and another valid message is received, the
RXB0 can be setup such that it will not overrun and the new message for RXB0 will be placed
into RXB1. Figure 23-8 shows a block diagram of the receive buffer, while Figure 23-9 shows a
flow chart for a receive operation.
Figure 23-8: The Receive Buffers
Acceptance Mask
RXM1
Acceptance Filter
RXF2
Acceptance Filter
RXF3
Acceptance Filter
RXF4
Acceptance Filter
RXF5
R
X
B
1
R
X
B
0
Acceptance Mask
RXM0
Acceptance Filter
RXF0
Acceptance Filter
RXF1
A
c
c
e
p
t
A
c
c
e
p
t
Identifier
Data Field Data Field
Identifier
Message
Assembly
Buffer

© 2005 Microchip Technology Inc. DS70070C-page 23-41
Section 23. CAN
CAN Module
23
Figure 23-9: Receive Flowchart
START
Detect
Start of
Message
?
Valid
Message
Received
?
Generate
Error
Message
Identifier meets
a filter criteria
?
Is
RXFUL = 0
?
Go to Start
Move message into RXB0
Set RXFUL = 1
Set FILHIT<2:0>
Is
RXFUL = 0
?
Move message into RXB1
Set RXFUL = 1
Yes, meets criteria
for RXB0 Yes, meets criteria
for RXB1
No
Generate
Interrupt
Yes
Yes
No No
Yes
Yes
No
No
Yes
Yes
Frame
The RXFUL bit determines if the
receive register is empty and
able to accept a new message.
No Yes
No
Generate Overrun Error:
Begin Loading Message into
Message Assembly Buffer (MAB)
was met
Is
RXnIE = 1
?
Does
RXnIE = 1
?
Is
DBEN = 1
?
The DBEN bit determines if
RXB0 can roll over into
RXB1 if it is full.
Set RX0OVR
Generate Overrun Error:
Set RX1OVR
Does
ERRIE=1
?
No
Go to Start
Yes
No
Set FILHIT<0>
according to which filter criteria
was met
Set ICODE<3:0> according
to which receive buffer the
message was loaded into
according to which filter criteria

dsPIC30F Family Reference Manual
DS70070C-page 23-42 © 2005 Microchip Technology Inc.
23.6.2 Message Acceptance Filters
The message acceptance filters and masks are used to determine if a message in the message
assembly buffer should be loaded into either of the receive buffers. Once a valid message has
been received into the Message Assembly Buffer (MAB), the identifier fields of the message are
compared to the filter values. If there is a match, that message will be loaded into the appropriate
receive buffer. The filter masks are used to determine which bits in the identifiers are examined
with the filters. A truthtable is shown in Table 23-3 that indicates how each bit in the identifier is
compared to the masks and filters to determine if the message should be loaded into a receive
buffer. The mask bit essentially determines which bits to apply the filter to. If any mask bit is set
to a zero, then that bit will automatically be accepted regardless of the filter bit.
Table 23-3: Filter/Mask Truth Table
23.6.2.1 Identifier Mode Selection
The EXIDE control bits (CiRXFnSID<0>) and the MIDE control bits (CiRXMnSID<0>) enable an
acceptance filter for standard or extended identifiers. The acceptance filters look at incoming
messages for the RXIDE bit to determine how to compare the identifiers. If the RXIDE bit is clear,
the message is a standard frame. If the RXIDE bit is set, the message is an extended frame.
If the MIDE control bit for the filter is set, then the identifier type for the filter is determined by the
EXIDE control bit for the filter. If the EXIDE control bit is cleared, then the filter will accept
standard identifiers. If the EXIDE bit is set, then the filter will accept extended identifiers. Most
CAN systems will use only standard identifiers or only extended identifiers.
If the MIDE control bit for the filter is cleared, the filter will accept both standard and extended
identifiers if a match occurs with the filter bits. This mode can be used in CAN systems that
support both standard and extended identifiers on the same bus.
23.6.2.2 FILHIT Status Bits
As shown in the Receive Buffers Block Diagram, Figure 23-8, RXF0 and RXF1 filters with the
RXM0 mask are associated with RXB0. The filters RXF2, RXF3, RXF4 and RXF5 and the mask
RXM1 are associated with RXB1. When a filter matches and a message is loaded into the
receive buffer, the number of the filter that enabled the message reception is indicated in the
CiRXnCON register via the FILHIT bits. The CiRX0CON register contains one FILHIT Status bit
to indicate whether the RXF0 or the RXF1 filter enabled the message reception. The CiRX1CON
register contains the FILHIT<2:0> bits. They are coded as shown in Table 23-4.
Mask Bit n Filter Bit n Message Identifier bit Accept or Reject bit n
0x x Accept
10 0 Accept
10 1 Reject
11 0 Reject
11 1 Accept
Legend: x = don’t care

© 2005 Microchip Technology Inc. DS70070C-page 23-43
Section 23. CAN
CAN Module
23
Table 23-4: Acceptance Filter
The DBEN bit (CiRX0CON<2>) allows the FILHIT bits to distinguish a hit on filter RXF0 and
RXF1 in either RXB0 or overrun into RXB1.
111 = Acceptance Filter 1 (RXF1)
110 = Acceptance Filter 0 (RXF0)
001 = Acceptance Filter 1 (RXF1)
000 = Acceptance Filter 0 (RXF0)
If the DBEN bit is clear, there are 6 codes corresponding to the 6 filters. If the DBEN bit is set,
there are 6 codes corresponding to the 6 filters plus 2 additional codes corresponding to RXF0
and RXF1 filters overrun to RXB1.
If more than 1 acceptance filter matches, the FILHIT bits will encode the lowest binary value of
the filters that matched. In other words, if filter 2 and filter 4 match, FILHIT will code the value for
2. This essentially prioritizes the acceptance filters with lower numbers having priority.
Figure 23-10 shows a block diagram of the message acceptance filters.
Figure 23-10: Message Acceptance Filter
FILHIT<2:0> Acceptance Filter Comment
000(1) RXF0 Only if DBEN = 1
001(1) RXF1 Only if DBEN = 1
010 RXF2 —
011 RXF3 —
100 RXF4 —
101 RXF5 —
Note 1: Is only valid if the DBEN bit is set.
Acceptance Filter Register Acceptance Mask Register
RxRqst
Message Assembly Buffer
RXFn0
RXFn1
RXFnn
RXMn0
RXMn1
RXMnn
Identifier

dsPIC30F Family Reference Manual
DS70070C-page 23-44 © 2005 Microchip Technology Inc.
23.6.3 Receiver Overrun
An overrun condition occurs when the Message Assembly Buffer (MAB) has assembled a valid
received message, the message is accepted through the acceptance filters, and when the
receive buffer associated with the filter has not been designated as clear of the previous
message.
The overrun error flag, RXnOVR (CiINTF<15> or CiINTF<14>) and the ERRIF bit (CiINTF<5>)
will be set and the message in the MAB will be discarded. While in the overrun situation, the
module will stay synchronized with the CAN bus and is able to transmit messages, but it will
discard all incoming messages destined for the overflowed buffer.
If the DBEN bit is clear, RXB1 and RXB0 operate independently. When this is the case, a
message intended for RXB0 will not be diverted into RXB1 if RXB0 contains an unread message
and the RX0OVR bit will be set.
If the DBEN bit is set, the overrun for RXB0 is handled differently. If a valid message is received
for RXB0 and RXFUL = 1 (CiRX0CON<7>) indicating that RXB0 is full, and RXFUL = 0
(CiRX1CON<7>) indicating that RXB1 is empty, the message for RXB0 will be loaded into RXB1.
An overrun error will not be generated for RXB0. If a valid message is received for RXB0 and
RXFUL = 1, and RXFUL = 1 indicating that both RXB0 and RXB1 are full, the message will be
lost and an overrun will be indicated for RXB1.
If the DBEN bit is clear, there are six codes corresponding to the six filters. If the DBEN bit is set,
there are six codes corresponding to the six filters plus two additional codes corresponding to
RXF0 and RXF1 filters overrun to RXB1. These codes are given in Table 23-5.
Table 23-5: Buffer Reception and Overflow Truth Table
Message
Matches
Filter
0 or 1
Message
Matches
Filter
2,3,4,5
RXFUL0
Bit RXFUL1
Bit DBEN
Bit Action Results
00XXXNone No message received
01X0XMAB →RXB1 Message for RXB1, RXB1 available
01X1XMAB discarded
RX1OVR = 1
Message for RXB1, RXB1 full
100XXMAB →RXB0 Message for RXB0, RXB0 available
101X0MAB discarded
RX0OVR = 1
Message for RXB0, RXB0 full,
DBEN not enabled
10101MAB →RXB1 Message for RXB0, RXB0 full,
DBEN enabled, RXB1 available
10111MAB discarded
RX1OVR = 1
Message for RXB0, RXB0 full,
DBEN enabled, RXB1 full
110XXMAB →RXB0 Message for RXB0 and RXB1,
RXB0 available
111X0MAB discarded
RX0OVR = 1
Message for RXB0 and RXB1,
RXB0 full, DBEN not enabled
00XXXNone No message received
01X0XMAB →RXB1 Message for RXB1, RXB1 available
Legend: X=Don’t care

© 2005 Microchip Technology Inc. DS70070C-page 23-45
Section 23. CAN
CAN Module
23
23.6.4 Effects of a Reset
Upon any Reset the CAN module has to be initialized. All registers are set according to the Reset
values. The content of a received message is lost. The initialization is discussed in Section
23.5.5 “Configuration Mode”.
23.6.5 Receive Errors
The CAN module will detect the following receive errors:
• Cyclic Redundancy Check (CRC) Error
• Bit Stuffing Error
• Invalid message receive error
These receive errors do not generate an interrupt. However, the receive error counter is
incremented by one in case one of these errors occur. The RXWAR bit (CiINTF<9>) indicates
that the Receive Error Counter has reached the CPU warning limit of 96 and an interrupt is
generated.
23.6.5.1 Cyclic Redundancy Check (CRC) Error
With the Cyclic Redundancy Check, the transmitter calculates special check bits for the bit
sequence from the start of a frame until the end of the data field. This CRC sequence is
transmitted in the CRC Field. The receiving node also calculates the CRC sequence using the
same formula and performs a comparison to the received sequence. If a mismatch is detected,
a CRC error has occurred and an Error Frame is generated. The message is repeated. The
receive error interrupt counter is incremented by one. An Interrupt will only be generated if the
error counter passes a threshold value.
23.6.5.2 Bit Stuffing Error
If, between the Start -Of-Frame and the CRC Delimiter, 6 consecutive bits with the same polarity
are detected, the bit-stuffing rule has been violated. A bit-stuffing error occurs and an error frame
is generated. The message is repeated. No interrupt will be generated upon this event.
23.6.5.3 Invalid Message Received Error
If any type of error occurs during reception of a message, an error will be indicated by the IVRIF
bit (CiINTF<7>). This bit can be used (optionally with an interrupt) for autobaud detection with
the device in Listen Only mode. This error is not an indicator that any action needs to be taken,
but it does indicate that an error has occurred on the CAN bus.
23.6.5.4 Rules for Modifying the Receive Error Counter
The Receive Error Counter is modified according to the following rules:
• When the receiver detects an error, the Receive Error Counter is incremented by 1, except
when the detected error was a bit error during the transmission of an active error flag.
• When the receiver detects a “dominant” bit as the first bit after sending an error flag, the
Receive Error Counter will be incremented by 8.
• If a receiver detects a bit error while sending an active error flag, the Receive Error Counter
is incremented by 8.
• Any node tolerates up to 7 consecutive “dominant” bits after sending an active error flag or
passive error flag. After detecting the 14th consecutive “dominant” bit (in case of an Active
error flag) or after detecting the 8th consecutive “dominant” bit following a passive error
flag, and after each sequence of eight additional consecutive “dominant” bits, every trans-
mitter increases its Transmission Error Counter and every receiver increases its Receive
Error Counter by 8.
• After a successful reception of a message (reception without error up to the ACK slot and
the successful sending of the ACK bit), the Receive Error Counter is decreased by one, if
the Receive Error Counter was between 1 and 127. If the Receive Error Counter was ‘0’, it
will stay ‘0’. If the Receive Error Counter was greater than 127, it will change to a value
between 119 and 127.

dsPIC30F Family Reference Manual
DS70070C-page 23-46 © 2005 Microchip Technology Inc.
23.6.6 Receive Interrupts
Several Interrupts are linked to the message reception. The receive interrupts can be broken up
into two separate groups:
• Receive Error Interrupts
• Receive interrupts
23.6.6.1 Receive Interrupt
A message has been successfully received and loaded into one of the receive buffers. This inter-
rupt is activated immediately after receiving the End-Of-Frame (EOF) field. Reading the RXnIF
flag will indicate which receive buffer caused the interrupt. Figure 23-11 depicts when the receive
buffer interrupt flag RXnIF will be set.
23.6.6.2 Wake-up Interrupt
The Wake-up interrupt sequences are described in Section 23.13.1 “Operation in Sleep
Mode”.

© 2005 Microchip Technology Inc. DS70070C-page 23-47
Section 23. CAN
CAN Module
23
Figure 23-11: Receive Buffer Interrupt Flag
SOF
ID10
ID9
ID8
ID7
ID6
ID5
ID4
ID3
ID2
ID1
RTR
IDE
RB0
DLC3
DLC2
STUFF
DLC1
DLC0
CRC14
CRC13
CRC12
CRC11
CRC10
CRC9
CRC8
CRC7
CRC6
CRC5
CRC4
CRC3
CRC2
CRC1
CRC0
CRCDEL
ACK SIST BIT
ACK DELIMITER
EOF
EOF
EOF
EOF
EOF
EOF
EOF
ID0
Receive Buffer
Interrupt Flag
Data
Timing
CAN bit
CAN bit
Names

dsPIC30F Family Reference Manual
DS70070C-page 23-48 © 2005 Microchip Technology Inc.
23.6.6.3 Receive Error Interrupts
A receive error interrupt will be indicated by the ERRIF bit (CiINTF<5>). This bit shows that an
error condition occurred. The source of the error can be determined by checking the bits in the
CAN Interrupt Status Register CiINTF. The bits in this register are related to receive and transmit
errors. The following subsequences will show which flags are linked to the receive errors.
23.6.6.3.1 Invalid Message Received Interrupt
If any type of error occurred during reception of the last message, an error will be indicated by
the IVRIF bit (CiINTF<7>). The specific error that occurred is unknown. This bit can be used
(optionally with an interrupt) for autobaud detection with the device in Listen Only mode. This
error is not an indicator that any action needs to be taken, but an indicator that an error has
occurred on the CAN bus.
23.6.6.3.2 Receiver Overrun Interrupt
The RXnOVR bit (CiINTF<15>, CiINTF<14>) indicates that an overrun condition occurred for the
receive buffer. An overrun condition occurs when the Message Assembly Buffer (MAB) has
assembled a valid received message, the message is accepted through the acceptance filters,
however, the receive buffer associated with the filter is not clear of the previous message. The
overflow error interrupt will be set and the message is discarded. While in the overrun situation,
the module will stay synchronized with the CAN bus and is able to transmit and receive
messages.
23.6.6.4 Receiver Warning Interrupt
The RXWAR bit (CiINTF<8>) indicates that the Receive Error Counter has reached the CPU
warning limit of 96. When RXWAR transitions from a ‘0’ to a ‘1’, it will cause the Error Interrupt
Flag ERRIF to become set. This bit cannot be manually cleared, as it should remain an indicator
that the Receive Error Counter has reached the CPU warning limit of 96. The RXWAR bit will
become clear automatically if the Receive Error Counter becomes less than or equal to 95. The
ERRIF bit can be manually cleared allowing the interrupt service routine to be exited without
affecting the RXWAR bit.
23.6.6.5 Receiver Error Passive
The RXEP bit (CiINTF<11>) indicates that the Receive Error Counter has exceeded the Error
Passive limit of 127 and the module has gone to Error Passive state. When the RXEP bit transi-
tions from a ‘0’ to a ‘1’, it will cause the error interrupt flag to become set. The RXEP bit cannot
be manually cleared, as it should remain an indicator that the bus is in Error State Passive. The
RXEP bit will become clear automatically if the Receive Error Counter becomes less than or
equal to 127. The ERRIF bit can be manually cleared allowing the interrupt service routine to be
exited without affecting the RXEP bit.

© 2005 Microchip Technology Inc. DS70070C-page 23-49
Section 23. CAN
CAN Module
23
23.7 Transmission
This subsection describes how the CAN module is used to transmit CAN messages.
23.7.1 Real Time Communication and Transmit Message Buffering
For an application to effectively transmit messages in real-time, the CAN nodes must be able to
dominate and hold the bus, assuming that nodes messages are of a high enough priority to win
arbitration on the bus. If a node only has 1 transmission buffer, it must transmit a message, then
release the bus while the CPU reloads the buffer. If a node has two transmission buffers, one
buffer could be transmitting while the second buffer is being reloaded. However, the CPU would
need to maintain tight tracking of the bus activity to ensure that the second buffer is reloaded
before the first message completes.
Typical applications require three transmit message buffers. With three buffers, one buffer can
be transmitting, the second buffer can be ready to transmit as soon as the first is complete, and
the third can be reloaded by the CPU. This eases the burden of the software to maintain
synchronization with the bus (see Figure 23-12).
Additionally, the three buffers allow some degree of prioritizing of the outgoing messages. For
example, the application software may have a message enqueued in the second buffer while it
is working on the third buffer. The application may require that the message going into the third
buffer is of higher importance than the one already enqueued. If only 2 buffers are available, the
enqueued message would have to be deleted and replaced with the third. The process of
deleting the message may mean losing control of the bus. With 3 buffers, both the second and
the third message can be enqueued, and the module can be instructed that the third message is
higher priority than the second. The third message will be the next one sent followed by the
second.
23.7.2 Transmit Message Buffers
The CAN module has three Transmit Buffers. Each of the three buffers occupies 14 bytes of data.
Eight of the bytes are the maximum 8 bytes of the transmitted message. Five bytes hold the
standard and extended identifiers and other message arbitration information.
The last byte is a control byte associated with each message. The information in this byte
determines the conditions under which the message will be transmitted and indicates status of
the transmission of the message.
The TXnIF bit (CiINTF<2>, CiINTF<3> or CiINTF<4>) will be set and the TXREQ bit
(CiTXnCON<3>) will be clear, indicating that the message buffer has completed a transmission.
The CPU will then load the message buffer with the contents of the message to be sent. At a
minimum, the standard identifier register CiTXnSID must be loaded. If data bytes are present in
the message, the TXBnDm registers are loaded. If the message is to use extended identifiers,
the CiTXnEID register and the EID<5:0> bits (CiTXnDLC<15:10>) are loaded and the TXIDE bit
is set (CiTXnSID<0>).
Prior to sending the message, the user must initialize the TXnIE bit (CiINTE<2>, CiINTE<3> or
CiINTE<4>) to enable or disable an interrupt when the message is sent. The user must also
initialize the transmit priority. Figure 23-12 shows a block diagram of the Transmit Buffers.

dsPIC30F Family Reference Manual
DS70070C-page 23-50 © 2005 Microchip Technology Inc.
Figure 23-12: Transmit Buffers
23.7.3 Transmit Message Priority
Transmit priority is a prioritization within each node of the pending transmittable messages. Prior
to sending the SOF (Start-Of-Frame), the priorities of all buffers ready for transmission are
compared. The Transmit Buffer with the highest priority will be sent first. For example, if Transmit
Buffer 0 has a higher priority setting than Transmit Buffer 1, Buffer 0 will be sent first. If two buffers
have the same priority setting, the buffer with the highest address will be sent. For example, if
Transmit Buffer 1 has the same priority setting as Transmit Buffer 0, Buffer 1 will be sent first.
There are 4 levels of transmit priority. If TXPRI<1:0> (CiTXnCON<1:0>) for a particular message
buffer is set to ‘11’, that buffer has the highest priority. If TXPRI<1:0> for a particular message
buffer is set to ‘10’ or ‘01’, that buffer has an intermediate priority. If TXPRI<1:0> for a particular
message buffer is ‘00’, that buffer has the lowest priority.
23.7.4 Message Transmission
To initiate transmitting the message, the TXREQ bit (CiTXnCON<3>) must be set. The CAN bus
module resolves any timing conflicts between setting of the TXREQ bit and the SOF time,
ensuring that if the priority was changed, it is resolved correctly before SOF. When TXREQ is set
the TXABT (CiTXnCON<6>), TXLARB (CiTXnCON<5>) and TXERR (CiTXnCON<4>) flag bits
will be cleared by the module.
Setting TXREQ bit does not actually start a message transmission, it flags a message buffer as
enqueued for transmission. Transmission will start when the module detects an available bus for
SOF. The module will then begin transmission on the message which has been determined to
have the highest priority.
If the transmission completes successfully on the first try, the TXREQ bit will clear and an
interrupt will be generated if the TXnIE bit (CiINTE<2>, CiINTE<3>, CiINTE<4>) is set.
If the message fails to transmit, other condition flags will be set and the TXREQ bit will remain
set indicating that the message is still pending for transmission. If the message tried to transmit
but encountered an error condition, the TXERR bit (CiTXnCON<4>) will be set. In this case, the
error condition can also cause an interrupt. If the message tried to transmit but lost arbitration,
the TXLARB bit (CiTXnCON<5>) will be set. In this case, no interrupt is available to signal the
loss of arbitration.
TXREQ
TXB0
TXABT
TXLARB
TXERR
TXPRI
MESSAGE
Message
Queue
Control Transmit Byte Sequencer
TXREQ
TXB1
TXABT
TXLARB
TXERR
TXPRI
MESSAGE
TXREQ
TXB2
TXABT
TXLARB
TXERR
TXPRI
MESSAGE

© 2005 Microchip Technology Inc. DS70070C-page 23-51
Section 23. CAN
CAN Module
23
23.7.5 Transmit Message Aborting
The system can abort a message by clearing the TXREQ bit associated with each message
buffer. Setting the ABAT bit (CiCTRL<12>) will request an abort of all pending messages (see
Figure 23-14). A queued message is aborted by clearing the TXREQ bit. Aborting a queued
message is illustrated in Figure 23-13. If the message has not yet started transmission, or if the
message started but is interrupted by loss of arbitration or an error; the abort will be processed.
The abort is indicated when the module sets the TXABT bit (CiTXnCON<6>), and the TXnIF flag
is not set.
If the message has started to transmit, it will attempt to transmit the current message fully (see
Figure 23-15). If the current message is transmitted fully, and is not lost to arbitration or an error,
the TXABT bit will not be set, because the message was transmitted successfully. Likewise, if a
message is being transmitted during an abort request, and the message is lost to arbitration (see
Figure 23-16) or an error, the message will not be re-transmitted, and the TXABT bit will be set,
indicating that the message was successfully aborted.
Figure 23-13: Abort Queued Message
1 2
- Processor sets TXREQ while module receiving/transmitting message. Module continues with CAN message.
- Processor clears TXREQ while module looking for 11 recessive bits.
CAN bus
3
TXREQ
- Another module takes the available transmit slot.
CiTX
TXnIF
TXABT
Module aborts pending transmission, sets TXABT bit in 2 clocks.
1
2
3

dsPIC30F Family Reference Manual
DS70070C-page 23-52 © 2005 Microchip Technology Inc.
Figure 23-14: Abort All Messages
Figure 23-15: Failed Abort During Transmission
1 2
- Processor sets TXREQ while module receiving/transmitting message. Module continues with CAN message.
- Processor sets ABAT while module looking for 11 recessive bits. Module clears TXREQ bits.
CAN bus
3
TXREQ
- Another module takes the available transmit slot.
CiTX
TXnIF
TXABT
ABAT
Module aborts pending transmission, sets TXABT bit.
1
2
3
1 2
- Processor sets TXREQ while module receiving/transmitting message. Module continues with CAN message.
- Module detects 11 recessive bits. Module begins transmission of queued message.
CAN bus
TXREQ
- Processor clears TXREQ requesting message abort. Abort cannot be acknowledged.
CiTX
TXnIF
TXABT
43
- At successful completion of transmission, TXREQ bit remains clear and TXnIF bit set. TXABT remains clear.
1
2
3
4

© 2005 Microchip Technology Inc. DS70070C-page 23-53
Section 23. CAN
CAN Module
23
Figure 23-16: Loss of Arbitration During Transmission
1 2 45
- Processor sets TXREQ while module inactive. TXLARB bit cleared.
- Module in inactive state. Module begins transmission of queued message.
- Module waits for 11 recessive bits before re-trying transmission of queued message.
- At successful completion of transmission, TXREQ bit cleared and TXnIF bit set.
CAN bus
3
TXREQ
- Message loses arbitration. Module releases bus and sets TXLARB bit.
CiTX
TXnIF
TXLARB
1
2
3
4
5

dsPIC30F Family Reference Manual
DS70070C-page 23-54 © 2005 Microchip Technology Inc.
Figure 23-17: Transmit Flowchart
START
Is
CAN bus available
to start transmission
No
Examine TXPRI<1:0> to
Are any
TXREQ
?
bits = 1
The message transmission sequence begins when
the device determines that the TXREQ for any of the
Transmit registers has been set.
Clear: TXABT, TXLARB
and TXERR
Yes
?
Does
TXREQ = 0
ABAT = 1
Clearing the TXREQ bit while it is set, or setting
the ABAT bit before the message has started
transmission will abort the message.
No
Begin transmission (SOF)
Abort Transmission:
Was
message transmitted
successfully?
No
Yes
Set TXREQ = 0
Is
TXnIE = 1?
Generate
Interrupt
Yes
Yes
Set TXABT = 1
Set
Set
TXERR = 1
Yes
No
Determine Highest Priority Message
No
?
Does
TXLARB = 1?
The TXnIE bit determines if an
interrupt should be generated when a
message is successfully transmitted.
END
Does
TXREQ = 0
or TXABT =1
?
Yes
No
TXBUFE = 1
Yes
A message can also be
aborted if a message error or
lost arbitration condition
occurred during transmission.
Arbitration lost during
transmission

© 2005 Microchip Technology Inc. DS70070C-page 23-55
Section 23. CAN
CAN Module
23
23.7.6 Transmit Boundary Conditions
The module handles transmit commands which are not necessarily synchronized to the CAN bus
message framing time.
23.7.6.1 Clearing TXREQ bit as a Message Starts
The TXREQ bit can be cleared just when a message is starting transmission, with the intent of
aborting the message. If the message is not being transmitted, the TXABT bit will be set,
indicating that the Abort was successfully processed.
When the user clears the TXREQ bit and the TXABT bit is not set two cycles later, the message
has already begun transmission.
If the message is being transmitted, the abort is not immediately processed, at some point later,
the TXnIF interrupt flag or the TXABT bit is set. If transmission has begun the message will only
be aborted if either an error or a loss of arbitration occurs.
23.7.6.2 Setting TXABT bit as a Message Starts
Setting the ABAT bit will abort all pending Transmit Buffers and has the function of clearing all of
the TXREQ bits for all buffers. The boundary conditions are the same as clearing the TXREQ bit.
23.7.6.3 Clearing TXREQ bit as a Message Completes
The TXREQ bit can be cleared when a message is just about to successfully complete transmis-
sion. Even if the TXREQ bit is cleared by the Data bus a short time before it will be cleared by
the successful transmission of the message, the TXnIF flag will still be set due to the successful
transmission.
23.7.6.4 Setting TXABT bit as a Message Completes
The boundary conditions are the same as clearing the TXREQ bit.
23.7.6.5 Clearing TXREQ bit as a Message Loses Transmission
The TXREQ bit can be cleared when a message is just about to be lost to arbitration or an error.
If the TXREQ signal falls before the loss of arbitration signal or error signal, the result will be like
clearing TXREQ during transmission. When the arbitration is lost or the error is set, the TXABT
bit will be set, as it will see that an error has occurred while transmitting, and that the TXREQ bit
was not set.
If the TXREQ bit falls after the arbitration signal has entered the block, the result will be like
clearing TXREQ during an inactive transmit time. The TXABT bit will be set.
23.7.6.6 Setting TXABT bit as a Message Loses Transmission
The boundary conditions are the same as clearing the TXREQ bit.
23.7.7 Effects of a Reset
Upon any Reset the CAN module has to be initialized. All registers are set according to the reset
values. The content of a transmitted message is lost. The initialization is discussed in Section
23.5.5 “Configuration Mode”.

dsPIC30F Family Reference Manual
DS70070C-page 23-56 © 2005 Microchip Technology Inc.
23.7.8 Transmission Errors
The CAN module will detect the following transmission errors:
• Acknowledge Error
• Form Error
• Bit Error
These transmission errors will not necessarily generate an interrupt but are indicated by the
transmission error counter. However, each of these errors will cause the transmission error
counter to be incremented by one. Once the value of the error counter exceeds the value of 96,
the ERRIF (CiINTF<5>) and the TXWAR bit (CiINTF<10>) are set. Once the value of the error
counter exceeds the value of 96 an interrupt is generated and the TXWAR bit in the error flag
register is set.
A transmission error example is illustrated in Figure 23-18.
Figure 23-18: Error During Transmission
23.7.8.1 Acknowledge Error
In the Acknowledge field of a message, the transmitter checks if the Acknowledge Slot (which it
has sent out as a recessive bit) contains a dominant bit. If not, no other node has received the
frame correctly. An acknowledge error has occurred and the message has to be repeated. No
error frame is generated.
23.7.8.2 Form Error
lf a transmitter detects a dominant bit in one of the four segments including End-Of-Frame,
lnterframe Space, Acknowledge Delimiter or CRC Delimiter; then a form error has occurred and
an error frame is generated. The message is repeated.
23.7.8.3 Bit Error
A bit error occurs if a transmitter sends a dominant bit and detects a recessive bit. In the case
where the transmitter sends a recessive bit and a dominant bit is detected during the Arbitration
field and the Acknowledge Slot, no bit error is generated because normal arbitration is occurring.
1 2 45
- Processor sets TXREQ while module inactive. TXERR bit is cleared.
- Module in inactive state. Module begins transmission of queued message.
- Module waits for 11 recessive bits before re-trying transmission of queued message.
- At successful completion of transmission, TXREQ bit cleared and TXnIF bit set.
CAN bus
3
TXREQ
- Module detects error during transmission, releases bus and sets TXERR bit.
CiTX
TXnIF
TXERR
1
2
3
4
5

© 2005 Microchip Technology Inc. DS70070C-page 23-57
Section 23. CAN
CAN Module
23
23.7.8.4 Rules for Modifying the Transmit Error Counter
The Transmit Error Counter is modified according to the following rules:
• When the transmitter sends an error flag the Transmit Error Counter is increased by 8 with
the following exceptions. In these two exceptions, the Transmit Error Counter is not
changed.
- If the transmitter is “error passive” and detects an acknowledgment error because of
not detecting a “dominant” ACK, and does not detect a “dominant” bit while sending a
passive error flag.
- If the transmitter sends an error flag because of a bit-stuffing error occurred during
arbitration whereby the Stuffbit is located before the RTR bit, and should have been
“recessive”, and has been sent as “recessive” but monitored as “dominant”.
• If a transmitter detects a bit error while sending an active error flag the Transmit Error
Counter is increased by 8.
• Any Node tolerates up to 7 consecutive “dominant” bits after sending an active error flag or
passive error flag. After detecting the 14th consecutive “dominant” bit (in case of an active
error flag) or after detecting the 8th consecutive “dominant” following a passive error flag,
and after each sequence of eight additional consecutive “dominant” bits, every transmitter
increases its Transmission Error Counter and every receiver increases its Receive Error
Counter by 8.
• After the successful transmission of a message (getting an acknowledge and no error until
End-Of-Frame is finished) the Transmit Error Counter is decreased by one unless it was
already 0.
23.7.9 Transmission Interrupts
There are several interrupts linked to the message transmission. The transmission interrupts can
be broken up into two groups:
• Transmission interrupts
• Transmission error interrupts
23.7.9.1 Transmit Interrupt
At least one of the three transmit buffers is empty (not scheduled) and can be loaded to schedule
a message for transmission. Reading the TXnIF flags in the CiINTF register will indicate which
transmit buffer is available and caused the interrupt.

dsPIC30F Family Reference Manual
DS70070C-page 23-58 © 2005 Microchip Technology Inc.
23.7.9.2 Transmission Error Interrupts
A transmission error interrupt will be indicated by the ERRIF flag. This flag shows that an error
condition occurred. The source of the error can be determined by checking the error flags in the
CAN Interrupt Status register CiINTF. The flags in this register are related to receive and transmit
errors.
The TXWAR bit (CiINTF<10>) indicates that the Transmit Error Counter has reached the CPU
warning limit of 96. When this bit transitions from a ‘0’ to a ‘1’, it will cause the error interrupt flag
to become set. The TXWAR bit cannot be manually cleared, as it should remain as an indicator
that the Transmit Error Counter has reached the CPU warning limit of 96. The TXWAR bit will
become clear automatically if the Transmit Error Counter becomes less than or equal to 95. The
ERRIF flag can be manually cleared allowing the interrupt service routine to be exited without
affecting the TXWAR bit.
The TXEP bit (CiINTF<12>) indicates that the Transmit Error Counter has exceeded the Error
Passive limit of 127 and the module has gone to Error Passive state. When this bit transitions
froma ‘0’ to a ‘1’, it will cause the error interrupt flag to become set. The TXEP bit cannot be
manually cleared, as it should remain as an indicator that the bus is in Error Passive state. The
TXEP bit will become clear automatically if the Transmit Error Counter becomes less than or
equal to 127. The ERRIF flag can be manually cleared allowing the interrupt service routine to
be exited without affecting the TXEP bit.
The TXBO bit (CiINTF<13>) indicates that the Transmit Error Counter has exceeded 255 and the
module has gone to bus off state. When this bit transitions from a ‘0’ to a ‘1’, it will cause the error
interrupt flag to become set. The TXBO bit cannot be manually cleared, as it should remain as
an indicator that the bus is off. The ERRIF flag can be manually cleared allowing the interrupt
service routine to be exited without affecting the TXBO bit.
23.8 Error Detection
The CAN protocol provides sophisticated error detection mechanisms. The following errors can
be detected. These errors are either receive or transmit errors.
Receive errors are:
• Cyclic Redundancy Check (CRC) Error (see Section 23.6.5.1 “Cyclic Redundancy
Check (CRC) Error”)
• Bit Stuffing Bit Error (see Section 23.6.5.2 “Bit Stuffing Error”)
• lnvalid Message Received Error (see Section 23.6.5.3 “Invalid Message Received
Error”)
The transmit errors are:
• Acknowledge Error (see Section 23.7.8.1 “Acknowledge Error”)
• Form Error (see Section 23.7.8.2 “Form Error”)
• Bit Error (see Section 23.7.8.3 “Bit Error”)
23.8.1 Error States
Detected errors are made public to all other nodes via error frames. The transmission of the
erroneous message is aborted and the frame is repeated as soon as possible. Furthermore, each
CAN node is in one of the three error states “error active”, “error passive” or “bus off” according
to the value of the internal error counters. The error active state is the usual state where the bus
node can transmit messages and active error frames (made of dominant bits) without any restric-
tions. In the error passive state, messages and passive error frames (made of recessive bits)
may be transmitted. The bus off state makes it temporarily impossible for the station to participate
in the bus communication. During this state, messages can neither be received nor transmitted.

© 2005 Microchip Technology Inc. DS70070C-page 23-59
Section 23. CAN
CAN Module
23
23.8.2 Error Modes and Error Counters
The CAN controller contains the two error counters Receive Error Counter (RERRCNT) and
Transmit Error Counter (TERRCNT). The values of both counters can be read by the CPU from
the Error Count Register CiEC. These counters are incremented or decremented according to
the CAN bus specification.
The CAN controller is error active if both error counters are below the error passive limit of 128.
It is error passive if at least one of the error counters equals or exceeds 128. It goes bus off if the
Transmit Error Counter equals or exceeds the bus off limit of 256. The device remains in this
state, until the bus off recovery sequence is finished, which is 128 consecutive 11 recessive bit
times. Additionally, there is a error state warning flag bit, EWARN (CiINTF<8>), which is set if at
least one of the error counters equals or exceeds the error warning limit of 96. EWARN is reset
if both error counters are less than the error warning limit.
Figure 23-19: Error Modes
23.8.3 Error Flag Register
The values in the error flag register indicate which error(s) caused the error interrupt flag. The
RXnOVR error flags (CiINTF<15> and CiINTF<14>) have a different function than the other error
flag bits in this register. The RXnOVR bits must be cleared in order to clear the ERRIF interrupt
flag. The other error flag bits in this register will cause the ERRIF interrupt flag to become set as
the value of the Transmit and Receive Error Counters crosses a specific threshold. Clearing the
ERRIF interrupt flag in these cases will allow the interrupt service routine to be exited without
recursive interrupt occurring. It may be desirable to disable specific interrupts after they have
occurred once to stop the device from interrupting repeatedly as the Error Counter moves up and
down in the vicinity of a threshold value.
Bus
Off
Error
Active
Error
Passive
RERRCNT > 127 or
TERRCNT > 127
RERRCNT < 127 or
TERRCNT < 127
TERRCNT > 255
128 occurrences of
11 consecutive
“recessive” bits
Reset

dsPIC30F Family Reference Manual
DS70070C-page 23-60 © 2005 Microchip Technology Inc.
23.9 CAN Baud Rate
All nodes on any particular CAN bus must have the same nominal bit rate. The CAN bus uses
NRZ coding which does not encode a clock. Therefore the receivers independent clock must be
recovered by the receiving nodes and synchronized to the transmitters clock.
In order to set the baud rate the following bits have to be initialized:
• Synchronization Jump Width (see Section Section 23.9.6.2 “Re-synchronization”)
• Baud Rate Prescaler (see Section Section 23.9.2 “Prescaler Setting”)
• Phase Segments (see Section Section 23.9.4 “Phase Segments”)
• Length Determination of Phase Segment 2 (see Section Section 23.9.4 “Phase
Segments”)
• Sample Point (see Section Section 23.9.5 “Sample Point”)
• Propagation Segment Bits (see Section Section 23.9.3 “Propagation Segment”)
23.9.1 Bit Timing
As oscillators and transmission time may vary from node to node, the receiver must have some
type of PLL synchronized to data transmission edges to synchronize and maintain the receiver
clock. Since the data is NRZ coded, it is necessary to include bit-stuffing to ensure that an edge
occurs at least every 6 bit times, to maintain the Digital Phase Lock Loop (DPLL) synchronization.
Bus timing functions executed within the bit time frame, such as synchronization to the local
oscillator, network transmission delay compensation, and sample point positioning, are defined
by the programmable bit timing logic of the DPLL.
All controllers on the CAN bus must have the same baud rate and bit length. However, different
controllers are not required to have the same master oscillator clock. At different clock
frequencies of the individual controllers, the baud rate has to be adjusted by adjusting the
number of time quanta in each segment.
The nominal bit time can be thought of as being divided into separate non-overlapping time
segments. These segments are shown in Figure 23-20.
• Synchronization segment (Sync Seg)
• Propagation time segment (Prop Seg)
• Phase buffer segment 1 (Phase1 Seg)
• Phase buffer segment 2 (Phase2 Seg)
The time segments and also the nominal bit time are made up of integer units of time called time
quanta or TQ. By definition, the nominal bit time has a minimum of 8 TQ and a maximum of 25 TQ.
Also, by definition the minimum nominal bit time is 1 μsec, corresponding to a maximum 1 MHz
bit rate.
Figure 23-20: CAN Bit Timing
Input Signal
Sync Prop
Segment Phase
Segment 1 Phase
Segment 2 Sync
Sample Point
TQ

© 2005 Microchip Technology Inc. DS70070C-page 23-61
Section 23. CAN
CAN Module
23
23.9.2 Prescaler Setting
There is a programmable prescaler, with integral values ranging from 1 to 64, in addition to a
fixed divide-by-2 for clock generation. The Time Quanta (TQ) is a fixed unit of time derived from
the input clock frequency, FCAN. Time quanta is defined as shown in Equation 23-1.
Equation 23-1: Time Quanta for Clock Generation
Example 23-1: Bit Rate Calculation Example
Example 23-2: Baud Rate Prescaler Calculation Example
The frequencies of the oscillators in the different nodes must be coordinated in order to provide
a system-wide specified time quantum. This means that all oscillators must have a TOSC that is
a integral divisor of TQ.
Note: FCAN must not exceed 30 MHz. If CANCKS = 0, then FCY must not exceed 7.5 MHz.
Where BRP is the binary value of BRP <5:0>
FCAN is FCY or 4 FCY depending on CANCKS bit
TQ = 2 (BRP<5:0> + 1)
FCAN
If 4FCY = 32 MHz, BRP<5:0> = 0x01 and CANCKS = 0, then:
If Nominal Bit Time = 8 TQ then:
Nominal Bit Rate Mbps
18125 9–
×10×()⁄=
TQ = 2 • (BRP + 1) • TCY = 2 X 2 X (1/32X106) = 125ns
4
CAN Baud Rate = 125 kHz
FCY = 5 MHz, CANCKS = 1
1. Select number of TQ clocks per bit time (e.g., K=16).
3. Calculate BRP<5:0>:
BRP 2TQTCY
⁄()1–=
2500 9–
×10()
15 6
×10()⁄
-------------------------------=1–
4=
2. Calculate TQ from baud rate:
TQ1BaudRate()⁄
K
--------------------------------------= 1125 3
×10⁄
16
---------------------------- 500ns==
TQ = 2 • (BRP + 1) • TCAN

dsPIC30F Family Reference Manual
DS70070C-page 23-62 © 2005 Microchip Technology Inc.
23.9.3 Propagation Segment
This part of the bit time is used to compensate physical delay times within the network. These
delay times consist of the signal propagation time on the bus line and the internal delay time of
the nodes. The delay is calculated as the round trip from transmitter to receiver as twice the
signal's propagation time on the bus line, the input comparator delay, and the output driver delay.
The Propagation Segment can be programmed from 1 TQ to 8 TQ by setting the PRSEG<2:0>
bits (CiCFG2<2:0>).
23.9.4 Phase Segments
The phase segments are used to optimally locate the sampling of the received bit within the
transmitted bit time. The sampling point is between Phase1 Segment and Phase2 Segment.
These segments are lengthened or shortened by re-synchronization. The end of the Phase1
Segment determines the sampling point within a bit period. The segment is programmable from
1T
Q to 8 TQ. Phase2 Segment provides delay to the next transmitted data transition. The
segment is programmable from 1 TQ to 8 TQ or it may be defined to be equal to the greater of
Phase1 Segment or the Information Processing Time (3 TQ’s). The phase segment 1 is initialized
by setting bits SEG1PH<2:0> (CiCFG2<5:3>), and phase segment 2 is initialized by setting
SEG2PH<2:0> (CiCFG2<10:8>).
23.9.5 Sample Point
The sample point is the point of time at which the bus level is read and interpreted as the value
of that respective bit. The location is at the end of phase segment 1. If the bit timing is slow and
contains many TQ, it is possible to specify multiple sampling of the bus line at the sample point.
The level determined by the CAN bus then corresponds to the result from the majority decision
of three values. The majority samples are taken at the sample point and twice before with a
distance of TQ/2. The CAN module allows to chose between sampling three times at the same
point or once at the same point. This is done by setting or clearing the SAM bit (CiCFG2<6>).
23.9.6 Synchronization
To compensate for phase shifts between the oscillator frequencies of the different bus stations,
each CAN controller must be able to synchronize to the relevant signal edge of the incoming
signal. When an edge in the transmitted data is detected, the logic will compare the location of
the edge to the expected time (Synchronous Segment). The circuit will then adjust the values of
Phase1 Segment and Phase2 Segment. There are 2 mechanisms used to synchronize.
23.9.6.1 Hard Synchronization
Hard Synchronization is only done whenever there is a “recessive” to “dominant” edge during bus
Idle, indicating the start of a message. After hard synchronization, the bit time counters are
restarted with Synchronous Segment. Hard synchronization forces the edge which has caused
the hard synchronization to lie within the synchronization segment of the restarted bit time.
Due to the rules of synchronization, if a hard synchronization is done, there will not be a
re-synchronization within that bit time.

© 2005 Microchip Technology Inc. DS70070C-page 23-63
Section 23. CAN
CAN Module
23
23.9.6.2 Re-synchronization
As a result of re-synchronization phase segment 1 may be lengthened or phase segment 2 may
be shortened. The amount of lengthening or shortening of the phase buffer segment, specified
by the SJW<1:0> bits (CiCFG1<7:6>), has an upper bound given by the re-synchronization jump
width bits. The value of the synchronization jump width will be added to phase segment 1 or
subtracted from phase segment 2. The re-synchronization jump width is programmable between
1T
Q and 4 TQ.
Clocking information will only be derived from transitions of recessive to dominant bus states.
The property that only a fixed maximum number of successive bits have the same value ensures
resynchronizing a bus unit to the bit stream during a frame (e.g., bit-stuffing).
The phase error of an edge is given by the position of the edge relative to Synchronous Segment,
measured in Time Quanta. The phase error is defined in magnitude of TQ as follows:
• e = 0 if the edge lies within the Synchronous Segment.
• e > 0 if the edge lies before the Sample Point.
• e < 0 if the edge lies after the Sample Point of the previous bit.
If the magnitude of the phase error is less than or equal to the programmed value of the
re-synchronization jump width, the effect of a re-synchronization is the same as that of a hard
synchronization.
If the magnitude of the phase error is larger than the re-synchronization jump width, and if the
phase error is positive, then phase segment 1 is lengthened by an amount equal to the
re-synchronization jump width.
If the magnitude of the phase error is larger than the re-synchronization jump width, and if the
phase error is negative, then phase segment 2 is shortened by an amount equal to the
re-synchronization jump width.
Figure 23-21: Lengthening a Bit Period
Figure 23-22: Shortening a Bit Period
Input Signal
Sync Propagation
Segment Phase
Segment 1 Phase
Segment 2
≤ sjw
Sample Nominal Actual Bit
Length
Bit Length
Point
TQ
Input Signal
Sync Propagation
Segment Phase
Segment 1 Phase
Segment 2
≤
sjw
Sample Actual Nominal
Bit Length
T
Q
Point Bit Length

dsPIC30F Family Reference Manual
DS70070C-page 23-64 © 2005 Microchip Technology Inc.
23.9.7 Programming Time Segments
Some requirements for programming of the time segments are as follows:
• Propagation Segment + Phase1 Segment > = Phase2 Segment
• Phase2 Segment > Synchronous Jump Width
Typically, the sampling of the bit should take place at about 60-70% through the bit time,
depending on the system parameters.
Example 23-2 has a 16 TQ bit time. If we choose Synchronous Segment = 1 TQ and Propagation
Segment = 2 TQ, setting Phase Segment 1 = 7 TQ would place the sample point at 10 TQ (62%
of the bit time) after the initial transition. This would leave 6 TQ for phase segment 2.
Since phase segment 2 is 6, according to the rules, the SJWS<1:0> bits could be set to the
maximum of 4 TQ. However, normally a large synchronization jump width is only necessary when
the clock generation of the different nodes is inaccurate or unstable, such as using ceramic
resonators. So a synchronization jump width of 1 is typically enough.
23.10 Interrupts
The module has several sources of interrupts. Each of these interrupts can be individually
enabled or disabled. A CiINTF register contains interrupt flags. A CiINTE register controls the
enabling of the 8 main interrupts. A special set of read only bits in the CiCTRL register
(ICODE<2:0>) can be used in combination with a jump table for efficient handling of interrupts.
All interrupts have one source, with the exception of the error interrupt. Any of the error interrupt
sources can set the error interrupt flag. The source of the error interrupt can be determined by
reading the CiINTF register.
The interrupts can be broken up into two categories: receive and transmit interrupts.
The receive related interrupts are:
• Receive interrupt
• Wake-up interrupt
• Receiver Overrun interrupt
• Receiver Warning interrupt
• Receiver Error Passive interrupt
The Transmit related interrupts are:
• Transmit interrupt
• Transmitter Warning interrupt
• Transmitter Error Passive interrupt
• Bus Off interrupt
23.10.1 Interrupt Acknowledge
Interrupts are directly associated with one or more status flags in CiINTF register. Interrupts are
pending as long as one of the corresponding flags is set. The flags in the registers must be reset
within the interrupt handler in order to handshake the interrupt. A flag can not be cleared if the
respective condition still prevails, with the exception being interrupts that are caused by a certain
value being reached in one of the error counter registers.

© 2005 Microchip Technology Inc. DS70070C-page 23-65
Section 23. CAN
CAN Module
23
23.10.2 The ICODE Bits
The ICODE<2:0> bits (CiCTRL<3:1>) are a set of read only bits designed for efficient handling
of interrupts via a jump table. The ICODE<2:0> bits can only display one interrupt at a time
because the interrupt bits are multiplexed into this register. Therefore, the pending interrupt with
the highest priority and enabled interrupt is reflected in the ICODE<2:0> bits. Once the highest
priority interrupt flag has been cleared, the next highest priority interrupt code is reflected in the
ICODE<2:0> bits. An interrupt code for a corresponding interrupt can only be displayed if both
its interrupt flag and interrupt enable are set. Table 23-6 describes the operation of the
ICODE<2:0> bits.
Table 23-6: ICODE Bits Decode Table
23.11 CAN Capture
The CAN module will generate a signal that can be sent to a timer capture input whenever a valid
frame has been accepted. This is useful for time-stamping and network synchronization.
Because the CAN specification defines a frame to be valid if no errors occurred before the EOF
field has been transmitted successfully, the timer signal will be generated right after the EOF. A
pulse of one bit time is generated.
Time-stamping is enabled by the TSTAMP control bit (CiCTRL<15>). The IC2 capture input is
used for time-stamping.
23.12 CAN Module I/O
The CAN bus module communicates on up to 2 I/O pins. There is 1 transmit pin and 1 receive
pin. These pins are multiplexed with normal digital I/O functions of the device.
When the module is in the Configuration mode, Module Disable mode or Loopback mode, the
I/O pins revert to the PORT I/O function.
When the module is active, the CiTX pin (i = 1 or 2) is always dedicated to the CAN output
function. The TRIS bits associated with the transmit pins are overridden by the CAN bus modes.
The module receives the CAN input on the CiRX input pin.
ICODE<2:0> Boolean Expression
000 ERR•WAK•TX0•TX1•TX2•RX0•RX1
001 ERR
100 ERR•TX0
011 ERR•TX0•TX1
010 ERR•TX0•TX1•TX2
110 ERR•TX0•TX1•TX2•RX0
101 ERR•TX0•TX1•TX2•RX0•RX1
111 ERR•TX0•TX1•TX2•RX0•RX1•WAK
Legend: ERR = ERRIF • ERRIE
TX0 = TX0IF • TX0IE
TX1 = TX1IF • TX1IE
TX2 = TX2IF • TX2IE
RX0 = RX0IF • RX0IE
RX1 = RX1IF • RX1IE
WAK = WAKIF • WAKIE
Note: If the CAN capture is enabled, the IC2 pin becomes unusable as a general input
capture pin. In this mode, the IC2 channel derives its input signal from the C1RX or
C2RX pin instead of the IC2 pin.

dsPIC30F Family Reference Manual
DS70070C-page 23-66 © 2005 Microchip Technology Inc.
23.13 Operation in CPU Power Saving Modes
23.13.1 Operation in Sleep Mode
Sleep mode is entered by executing a PWRSAV #0 instruction. This will stop the crystal oscillator
and shut down all system clocks. The user should ensure that the module is not active when the
CPU goes into Sleep mode. The pins will revert into normal I/O function, dependent on the value
in the TRIS register.
Because the CAN bus is not disruptable, the user must never execute a PWRSAV #0 instruction
while the module is in an Operating mode. The module must first be switched to Disable mode
by setting REQOP<2:0> =001 (CiCTRL<10:8>). When OPMODE<2:0> = 001 (CiCTRL<7:5>),
indicating that Disable mode is achieved, then the Sleep instruction may be used.
Figure 23-23 depicts how the CAN module will behave when the CPU enters Sleep mode and
how the module wakes up on bus activity. When the CPU exits Sleep mode due to activity on the
CAN bus, the WAKIF flag (CiINTF<6>) is set.
The module will monitor the CiRX line for activity while the device is in Sleep mode.
If the device is in Sleep mode and the WAKIE wake-up interrupt enable is set, the module will
generate an interrupt, waking the CPU. Due to the delays in starting up the oscillator and CPU,
the message activity that caused the wake-up will be lost.
If the module is in CPU Sleep mode and the WAKIE is not set, no interrupt will be generated and
the CPU and the CAN module will continue to sleep.
If the CAN module is in Disable mode, the module will wake-up and, depending on the condition
of the WAKIE bit, may generate an interrupt. It is expected that the module will correctly receive
the message that caused the wake-up from Sleep mode.
The module can be programmed to apply a low-pass filter function to the CiRX input line while
the module or the CPU is in Sleep mode. This feature can be used to protect the module from
wake-up due to short glitches on the CAN bus lines. Such glitches can result from
electromagnetic inference within noisy environments. The WAKFIL bit (CiCFG2<14>) enables or
disables the filter.

© 2005 Microchip Technology Inc. DS70070C-page 23-67
Section 23. CAN
CAN Module
23
Figure 23-23: Processor Sleep and CAN bus Wake-up Interrupt
23.13.2 CAN Module Operation during CPU Idle Mode
On executing a CPU Idle (PWRSAV #1) instruction, the operation of the CAN module is
determined by the state of the CSIDL bit (CiCTRL<13>).
If CSIDL = 0, the module will continue operation on assertion of Idle mode. The CAN module can
wake the device from Idle mode if the CAN module interrupt is enabled.
If CSIDL = 1, the module will discontinue operation in Idle mode. The same rules and conditions
for entry to and wake from Sleep mode apply. Refer to Section 23.13.1 “Operation in Sleep
Mode” for further details.
TOST
Processor in
SLEEP
2 3 4 5
- Processor executes SLEEP (PWRSAV #0) instruction.
- SOF of message wakes up processor. Oscillator start time begins. CAN message lost. WAKIF bit set.
- Processor completes oscillator start time. Processor resumes program or interrupt, based on GIE bits.
accepting CAN bus activity. CAN message lost.
- Module detects 11 recessive bits. Module will begin to receive messages and transmit any pending messages.
OSC1
CAN bus
CAN Module
Disabled
001
001
000
000 000
000
Sleep
WAKIF
WAKIE
1
- Processor requests and receives Module Disable mode. Wake-up interrupt enabled.
Processor requests Normal Operating mode. Module waits for 11 recessive bits before
1
2
3
4
5
REQOP<2:0>
OPMODE<2:0>

dsPIC30F Family Reference Manual
DS70070C-page 23-68 © 2005 Microchip Technology Inc.
23.14 CAN Protocol Overview
The Controller Area Network (CAN) is a serial communications protocol which efficiently
supports distributed real-time control with a very high level of robustness. The CAN Protocol is
fully defined by Robert Bosch GmbH, in the CAN Specification V2.0B from 1991.
Its domain of application ranges from high speed networks to low cost multiplex wiring.
Automotive electronics (i.e., engine control units, sensors, anti-skid-systems, etc.) are connected
using CAN with bit rates up to 1 Mbit/sec. The CAN Network allows a cost effective replacement
of wiring harnesses in the automobile. The robustness of the bus in noisy environments and the
ability to detect and recover from fault conditions makes the bus suitable for industrial control
applications such as DeviceNet, SDS and other fieldbus protocols.
CAN is an asynchronous serial bus system with one logical bus line. It has an open, linear bus
structure with equal bus nodes. A CAN bus consists of two or more nodes. The number of nodes
on the bus may be changed dynamically without disturbing the communication of other nodes.
This allows easy connection and disconnection of bus nodes (e.g., for addition of system
function, error recovery or bus monitoring).
The bus logic corresponds to a “wired-AND” mechanism, “recessive” bits (mostly, but not
necessarily equivalent to the logic level ‘1’) are overwritten by “dominant” bits (mostly logic level
‘0’). As long as no bus node is sending a dominant bit, the bus line is in the recessive state, but
a dominant bit from any bus node generates the dominant bus state. Therefore, for the CAN bus
line, a medium must be chosen that is able to transmit the two possible bit states (dominant and
recessive). One of the most common and cheapest ways is to use a twisted wire pair. The bus
lines are then called “CANH” and “CANL”, and may be connected directly to the nodes, or via a
connector. There's no standard defined by CAN regarding connector requirements. The twisted
wire pair is terminated by terminating resistors at each end of the bus line. The maximum bus
speed is 1 Mbit, which can be achieved with a bus length of up to 40 meters. For bus lengths
longer than 40 meters, the bus speed must be reduced (a 1000 m bus can be realized with a
40 Kbit bus speed). For bus lengths above 1000 meters, special drivers should be used. At least
20 nodes may be connected without additional equipment. Due to the differential nature of
transmission, CAN is not inherently susceptible to radiated electromagnetic energy because both
bus lines are affected in the same way, which leaves the differential signal unaffected. The bus
lines may also be shielded to reduce the radiated electromagnetic emission from the bus itself,
especially at high baud rates.
The binary data is coded corresponding to the NRZ code (Non-Return-to-Zero; low
level = dominant state; high level = recessive state). To ensure clock synchronization of all bus
nodes, bit-stuffing is used. This means that during the transmission of a message, a maximum
of five consecutive bits may have the same polarity. Whenever five consecutive bits of the same
polarity have been transmitted, the transmitter will insert one additional bit of the opposite polarity
into the bit stream before transmitting further bits. The receiver also checks the number of bits
with the same polarity and removes the stuff bits from the bit stream (destuffing).
In the CAN protocol, it is not bus nodes that are addressed. The address information is contained
in the messages that are transmitted. This is done via an identifier (part of each message) which
identifies the message content (e.g., engine speed, oil temperature etc.). This identifier also
indicates the priority of the message. The lower the binary value of the identifier, the higher the
priority of the message.
For bus arbitration, Carrier Sense Multiple Access/Collision Detection (CSMA/CD) with
Non-Destructive Arbitration (NDA) is used. If bus node A wants to transmit a message across the
network, it first checks that the bus is in the Idle state (“Carrier Sense”), (i.e., no node is currently
transmitting). If this is the case (and no other node wishes to start a transmission at the same
moment), node A becomes the bus master and sends its message. All other nodes switch to
Receive mode during the first transmitted bit (Start-Of-Frame bit). After correct reception of the
message (which is Acknowledged by each node), each bus node checks the message identifier
and stores the message, if required. Otherwise, the message is discarded.

© 2005 Microchip Technology Inc. DS70070C-page 23-69
Section 23. CAN
CAN Module
23
If two or more bus nodes start their transmission at the same time (“Multiple Access”), collision
of the messages is avoided by bitwise arbitration (“Collision Detection/Non-Destructive
Arbitration” together with the “Wired-AND” mechanism, “dominant” bits override “recessive” bits).
Each node sends the bits of its message identifier (MSb first) and monitors the bus level. A node
that sends a recessive identifier bit but reads back a dominant one loses bus arbitration and
switches to Receive mode. This condition occurs when the message identifier of a competing
node has a lower binary value (dominant state = logic 0) and therefore, the competing node is
sending a message with a higher priority. In this way, the bus node with the highest priority
message wins arbitration without losing time by having to repeat the message. All other nodes
automatically try to repeat their transmission once the bus returns to the Idle state. It is not
permitted for different nodes to send messages with the same identifier, as arbitration could fail,
leading to collisions and errors later in the message.
The original CAN specifications (Versions 1.0, 1.2 and 2.0A) defined the message identifier as
having a length of 11 bits giving a possible 2048 message identifiers. The specification has since
been updated (to version 2.0B) to remove this limitation. CAN specification Version 2.0B allows
message identifier lengths of 11 and/or 29 bits to be used (an identifier length of 29 bits allows
over 536 million message identifiers). Version 2.0B CAN is also referred to as “Extended CAN”;
and Versions 1.0, 1.2 and 2.0A) are referred to as “Standard CAN”.
23.14.1 Standard CAN vs. Extended CAN
Those data frames and remote frames, which only contain the 11-bit identifier, are called
standard frames according to CAN specification V2.0A. With these frames, 2048 different
messages can be identified (identifiers 0-2047). However, the 16 messages with the lowest
priority (2032-2047) are reserved. Extended frames according to CAN specification V2.0B have
a 29-bit identifier. As already mentioned, this 29-bit identifier is made up of the 11-bit identifier
(“Standard lD”) and the 18-bit Extended identifier (“Extended ID”).
CAN modules specified by CAN V2.0A are only able to transmit and receive standard frames
according to the Standard CAN protocol. Messages using the 29-bit identifier cause errors. If a
device is specified by CAN V2.0B, there is one more distinction. Modules named “Part B Passive”
can only transmit and receive standard frames but tolerate extended frames without generating
error frames. “Part B Active” devices are able to transmit and receive both standard and
extended frames.
23.14.2 ISO Model
The lSO/OSl Reference Model is used to define the layers of protocol of a communication system
as shown in Figure 23-24. At the highest end, the applications need to communicate between
each other. At the lowest end, some physical medium is used to provide electrical signaling.
The higher levels of the protocol are run by software. Within the CAN bus specification, there is
no definition of the type of message, or the contents, or meaning of the messages transferred.
These definitions are made in systems such as Volcano, the Volvo automotive CAN specification
J1939, the U.S. heavy truck multiplex wiring specification; and Allen-Bradley DeviceNet and
Honeywell SDS, industrial protocols.
The CAN bus module definition encompasses two levels of the overall protocol:
• The Data Link Layer
- The Logical Link Control (LLC) sub layer
- The Medium Access Control (MAC) sub layer
• The Physical Layer
- The Physical Signaling (PLS) sub layer

dsPIC30F Family Reference Manual
DS70070C-page 23-70 © 2005 Microchip Technology Inc.
The LLC sub layer is concerned with Message Filtering, Overload Notification and Error
Recovery Management. The scope of the LLC sub layer is:
• To provide services for data transfer and for remote data request.
• To decide which messages received by the LLC sub layer are actually to be accepted.
• To provide means for error recovery management and overload notifications.
The MAC sub layer represents the kernel of the CAN protocol. The MAC sub layer defines the
transfer protocol, (i.e., controlling the Framing, Performing Arbitration, Error Checking, Error
Signalling and Fault Confinement). It presents messages received from the LLC sub layer and
accepts messages to be transmitted to the LLC sub layer. Within the MAC sub layer is where it’s
decided whether the bus is free for starting a new transmission, or whether a reception is just
starting. The MAC sub layer is supervised by a management entity called Fault Confinement
which is a self-checking mechanism for distinguishing short disturbances from permanent
failures. Also, some general features of the bit timing are regarded as part of the MAC sub layer.
The physical layer defines the actual transfer of the bits between the different nodes with respect
to all electrical properties. The PLS sub layer defines how signals are actually transmitted and
therefore deals with the description of Bit Timing, Bit Encoding and Synchronization.
The lower levels of the protocol are implemented in driver/receiver chips and the actual interface
such as twisted pair wiring or optical fiber, etc. Within one network, the physical layer has to be
the same for all nodes. The driver/receiver characteristics of the physical layer are not defined in
the CAN specification so as to allow transmission medium and signal level implementations to
be optimized for their application. The most common example of the physical transmission
medium is defined in Road Vehicles ISO11898, a multiplex wiring specification.

© 2005 Microchip Technology Inc. DS70070C-page 23-71
Section 23. CAN
CAN Module
23
Figure 23-24: CAN Bus in ISO/OSI Reference Model
OSI REFERENCE LAYERS
Presentation
Transport
Data Link Layer
LLC (Logical Link Control)
Acceptance Filtering
Overload Notification
Recovery Management
MAC (Medium Access Control)
Data Encapsulation/Decapsulation
Frame Coding (stuffing, destuffing)
Medium Access Management
Error Detection
Error Signalling
Acknowledgment
Serialization/Deserialization
Physical Layer
PLS (Physical Signalling)
Bit Encoding/Decoding
Bit Timing
Synchronization
PMA (Physical Medium Attachment)
Driver/Receiver Characteristics
MDI (Medium Dependent Interface)
Connectors
Fault
Confinement
Bus Failure
Management
Supervisor
Shaded Regions
Implemented by
the CAN Module
Has to be Implemented
in dsPIC30F Firmware
Session
Network
Application
CAN
Transceiver
Chip
Connector

dsPIC30F Family Reference Manual
DS70070C-page 23-72 © 2005 Microchip Technology Inc.
23.15 Related Application Notes
This section lists application notes that are related to this section of the manual. These
application notes may not be written specifically for the dsPIC30F Product Family, but the
concepts are pertinent and could be used with modification and possible limitations. The current
application notes related to the CAN module are:
Title Application Note #
An Introduction to the CAN Protocol AN713
Note: Please visit the Microchip web site (www.microchip.com) for additional Application
Notes and code examples for the dsPIC30F Family of devices.

© 2005 Microchip Technology Inc. DS70070C-page 23-73
Section 23. CAN
CAN Module
23
23.16 Revision History
Revision A
This is the initial released revision of this document.
Revision B
This revision incorporates additional technical content for the dsPIC30F CAN module.
Revision C
This revision incorporates all known errata at the time of this document update.

dsPIC30F Family Reference Manual
DS70070C-page 23-74 © 2005 Microchip Technology Inc.
NOTES:

© 2005 Microchip Technology Inc. DS70071D-page 24-1
D
e
v
i
c
e
Configuration
24
Section 24. Device Configuration
HIGHLIGHTS
This section of the manual contains the following topics:
24.1 Introduction .................................................................................................................. 24-2
24.2 Device Configuration Registers ................................................................................... 24-2
24.3 Configuration Bit Descriptions...................................................................................... 24-6
24.4 Device Identification Registers..................................................................................... 24-7
24.5 Related Application Notes............................................................................................24-8
24.6 Revision History...........................................................................................................24-9

dsPIC30F Family Reference Manual
DS70071D-page 24-2 © 2005 Microchip Technology Inc.
24.1 Introduction
The device Configuration registers allow each user to customize certain aspects of the device to
fit the needs of the application. Device Configuration registers are nonvolatile memory locations
in the program memory map that hold settings for the dsPIC device during power-down. The
Configuration registers hold global setup information for the device, such as the oscillator source,
Watchdog Timer mode and code protection settings.
The device Configuration registers are mapped in program memory locations, starting at address
0xF80000 and are accessible during normal device operation. This region is also referred to as
“configuration space”.
The Configuration bits can be programmed (read as ‘0’), or left unprogrammed (read as ‘1’) to
select various device configurations.
24.2 Device Configuration Registers
Each device Configuration register is a 24-bit register, but only the lower 16 bits of each register
are used to hold configuration data. There are four device Configuration registers available to the
user:
• FOSC (0xF80000): Oscillator Configuration Register (Note 2)
• FWDT (0xF80002): Watchdog Timer Configuration Register
• FBORPOR (0xF80004): BOR and POR Configuration Register
• FGS (0xF8000A): General Code Segment Configuration Register
The device Configuration registers can be programmed using Run-Time Self-Programming
(RTSP), In-Circuit Serial Programming™ (ICSP™), or by a device programmer.
Note 1: Not all device Configuration bits shown in the subsequent Configuration register
descriptions may be available on a specific device. Refer to the device data sheet
for more information.
2: dsPIC30F devices in the General Purpose, Sensor and Motor Control families fea-
ture one of three versions of the Oscillator system – Version 1, Version 2 and Ver-
sion 3. For information on the Configuration bits of the FOSC device Configuration
register available in each of these versions, please refer to Section 7. "Oscillator”.

© 2005 Microchip Technology Inc.. DS70071D-page 24-3
Section 24. Device Configuration
D
e
v
i
c
e
Configuration
24
Register 24-1: FWDT: Watchdog Timer Configuration Register
Upper Byte:
UU UUUUUU
— — — — — — — —
bit 23 bit 16
Middle Byte:
R/P U U U U U U U
FWDTEN — — — — — — —
bit 15 bit 8
Lower Byte:
U U R/P R/P R/P R/P R/P R/P
FWPSA<1:0> FWPSB<3:0>
bit 7 bit 0
bit 23-16 Unimplemented: Read as ‘0’
bit 15 FWDTEN: Watchdog Enable Configuration bit
1 = Watchdog Enabled (LPRC oscillator cannot be disabled. Clearing the SWDTEN bit in the RCON
register. Will have no effect.)
0 = Watchdog Disabled (LPRC oscillator can be disabled by clearing the SWDTEN bit in the RCON
register.)
bit 14-6 Unimplemented: Read as ‘0’
bit 5-4: FWPSA<1:0>: Prescale Value Selection for Watchdog Timer Prescaler A bits
11 = 1:512
10 = 1:64
01 = 1:8
00 = 1:1
bit 3-0 FWPSB<3:0>: Prescale Value Selection for Watchdog Timer Prescaler B bits
1111 = 1:16
1110 = 1:15
•
•
•
0001 = 1:2
0000 = 1:1
Legend:
R = Readable bit P = Programmable bit U = Unimplemented bit

dsPIC30F Family Reference Manual
DS70071D-page 24-4 © 2005 Microchip Technology Inc.
Register 24-2: FBORPOR: BOR and POR Configuration Register
Upper Byte:
UU UUUUUU
— — — — — — — —
bit 23 bit 16
Middle Byte:
R/P U U U U R/P R/P R/P
MCLREN — — — — PWMPIN HPOL LPOL
bit 15 bit 8
Lower Byte:
R/P U R/P R/P U U R/P R/P
BOREN —BORV<1:0>——FPWRT<1:0>
bit 7 bit 0
bit 23-16 Unimplemented: Read as ‘0’
bit 15 MCLREN: MCLR Pin Function Enable bit
1 = Pin function is MCLR (default case)
0 = Pin is disabled
bit 14-11 Unimplemented: Read as ‘0’
bit 10 PWMPIN: Motor Control PWM Module Pin Mode bit
1 = PWM module pins controlled by PORT register at device Reset (tri-stated)
0 = PWM module pins controlled by PWM module at device Reset (configured as output pins)
bit 9 HPOL: Motor Control PWM Module High Side Polarity bit
1 = PWM module high-side output pins have active-high output polarity
0 = PWM module high-side output pins have active-low output polarity
bit 8 LPOL: Motor Control PWM Module Low Side Polarity bit
1 = PWM module low-side output pins have active-high output polarity
0 = PWM module low-side output pins have active-low output polarity
bit 7 BOREN: PBOR Enable bit
1 = PBOR Enabled
0 = PBOR Disabled
bit 6 Unimplemented: Read as ‘0’
bit 5-4 BORV<1:0>: Brown-out Voltage Select bits
11 = 2.0V
10 = 2.7V
01 = 4.2V
00 = 4.5V
bit 3-2 Unimplemented: Read as ‘0’
bit 1-0 FPWRT<1:0>: Power-on Reset Timer Value Selection bits
11 = PWRT = 64 ms
10 = PWRT = 16 ms
01 = PWRT = 4 ms
00 = Power-up timer disabled
Note: PWMPIN, HPOL, and LPOL Configuration bits are only available on devices that feature a Motor
Control PWM module.
Legend:
R = Readable bit P = Programmable bit U = Unimplemented bit

© 2005 Microchip Technology Inc.. DS70071D-page 24-5
Section 24. Device Configuration
D
e
v
i
c
e
Configuration
24
Register 24-3: FGS: General Code Segment Configuration Register
Upper Byte:
UU UUUUUU
— — — — — — — —
bit 23 bit 16
Middle Byte:
UU UUUUUU
— — — — — — — —
bit 15 bit 8
Lower Byte:
UU UUUUPP
— — — — — — GCP GWRP
bit 7 bit 0
bit 23-2 Unimplemented: Read as ‘0’
bit 1 GCP: General Code Segment Code-Protect bit
1 = User program memory is not code-protected
0 = User program memory is code-protected
bit 0 GWRP: General Code Segment Write-Protect bit
1 = User program memory is not write-protected
0 = User program memory is write-protected
Note: The BCP and GWRP Configuration bits can only be programmed to a ‘0’.
Legend:
R = Readable bit P = Programmable bit U = Unimplemented bit

dsPIC30F Family Reference Manual
DS70071D-page 24-6 © 2005 Microchip Technology Inc.
24.3 Configuration Bit Descriptions
This section provides specific functional information on each of the device Configuration bits.
24.3.1 Oscillator Configuration Bits
dsPIC30F devices in the General Purpose, Sensor and Motor Control families feature one of
three versions of the Oscillator system – Version 1, Version 2 and Version 3. For information on
the Configuration bits of the FOSC device Configuration register available in each of these
versions, please refer to Section 7. "Oscillator”.
24.3.2 BOR and POR Configuration Bits
The BOR and POR Configuration bits found in the FBORPOR Configuration register are used to
set the Brown-out Reset voltage for the device, enable the Brown-out Reset circuit, and set the
Power-up Timer delay time. For more information on these Configuration bits, please refer to
Section 8. "Reset”.
24.3.3 Motor Control PWM Module Configuration Bits
The motor control PWM module Configuration bits are located in the FBORPOR Configuration
register and are present only on devices that have the PWM module. The Configuration bits
associated with the PWM module have two functions:
1. Select the state of the PWM pins at a device Reset (high-Z or output).
2. Select the active signal polarity for the PWM pins. The polarity for the high side and low
side PWM pins may be selected independently.
For more information on these Configuration bits, please refer to Section 15. "Motor Control
PWM”.
24.3.4 General Code Segment Configuration Bits
The general code segment Configuration bits in the FGS Configuration register are used to
code-protect or write-protect the user program memory space. The general code segment
includes all user program memory with the exception of the interrupt vector table space
(0x000000-0x0000FE).
If the general code segment is code-protected by programming the GCP Configuration bit
(FGS<1>) to a ‘0’, the device program memory cannot be read from the device using In-Circuit
Serial Programming (ICSP), or the device programmer. Additionally, further code cannot be
programmed into the device without first erasing the entire general code segment.
When the general segment is code-protected, user code can still access the program memory
data via table read instructions, or Program Space Visibility (PSV) accesses from data space.
If the GWRP (FGS<0>) Configuration bit is programmed, all writes to the user program memory
space are disabled.
24.3.4.1 General Code Segment Configuration Bit Group
The GCP and GWRP Configuration bits in the FGS Configuration register must be
programmed/erased as a group. If one or both of the Configuration bits is programmed to a ‘0’,
a full chip erase must be performed to change the state of either bit.
Note: If the code protection Configuration fuse group (FGS<GCP:GWRP>) bits have been
programmed, an erase of the entire code-protected device is only possible at
voltages, VDD >= 4.5 volts.

© 2005 Microchip Technology Inc.. DS70071D-page 24-7
Section 24. Device Configuration
D
e
v
i
c
e
Configuration
24
24.4 Device Identification Registers
The dsPIC30F devices have two sets of registers located in configuration space that provide
identification information.
24.4.1 Device ID (DEVID) Registers
The configuration memory space locations 0xFF0000 and 0xFF0002 are used to store a
read-only Device ID number that is set when the device is manufactured. This number identifies
the dsPIC30F device type and the silicon revision.
The Device ID registers can be read by the user using table read instructions.
24.4.2 Unit ID Field
The Unit ID field is located at configuration memory space locations 0x800600 through
0x80063E. This field consists of 32 program memory locations and can be programmed at the
Microchip factory with unique device information. This field cannot be written or erased by the
user, but can be read using table read instructions.
Please contact Microchip technical support or your local Microchip representative for further
details.

dsPIC30F Family Reference Manual
DS70071D-page 24-8 © 2005 Microchip Technology Inc.
24.5 Related Application Notes
This section lists application notes that are related to this section of the manual. These
application notes may not be written specifically for the dsPIC30F Product Family, but the
concepts are pertinent and could be used with modification and possible limitations. The current
application notes related to the Device Configuration module are:
Title Application Note #
Using the dsPIC30F for Sensorless BLDC Control AN901
Note: Please visit the Microchip web site (www.microchip.com) for additional Application
Notes and code examples for the dsPIC30F Family of devices.

© 2005 Microchip Technology Inc.. DS70071D-page 24-9
Section 24. Device Configuration
D
e
v
i
c
e
Configuration
24
24.6 Revision History
Revision A
This is the initial released revision of this document.
Revision B
This revision incorporates technical content changes for the dsPIC30F Device Configuration
module.
Revision C
This revision incorporates all known errata at the time of this document update.
Revision D
Descriptions of three versions of the Oscillator Control module have been added. The definition
of the FOSC Configuration register was moved to DS70054.

dsPIC30F Family Reference Manual
DS70071D-page 24-10 © 2005 Microchip Technology Inc.

© 2004 Microchip Technology Inc. DS70072C-page 25-1
D
e
v
e
l
o
p
m
e
n
t
Tool Support
25
Section 25. Development Tool Support
HIGHLIGHTS
This section of the manual contains the following topics:
25.1 Introduction .................................................................................................................. 25-2
25.2 Microchip Hardware and Language Tools.................................................................... 25-2
25.3 Third Party Hardware/Software Tools and Application Libraries..................................25-6
25.4 dsPIC30F Hardware Development Boards................................................................ 25-11
25.5 Related Application Notes.......................................................................................... 25-15
25.6 Revision History.........................................................................................................25-16

dsPIC30F Family Reference Manual
DS70072C-page 25-2 © 2004 Microchip Technology Inc.
25.1 Introduction
Microchip will offer a comprehensive package of development tools and libraries to support the
dsPIC architecture. In addition, the company is partnering with many third party tool
manufacturers for additional dsPIC device support.
25.2 Microchip Hardware and Language Tools
The Microchip tools proposed include:
• MPLAB® Integrated Development Environment (IDE)
• dsPIC Language Suite, including MPLAB C30 C Compiler, Assembler, Linker and Librarian
• MPLAB SIM Software Simulator
• MPLAB ICE 4000 In-Circuit Emulator
• MPLAB ICD 2 In-Circuit Debugger
•PRO MATE
® II Universal Device Programmer
• PICSTART® Plus Development Programmer
25.2.1 MPLAB 6.XX Integrated Development Environment Software
The MPLAB Integrated Development Environment (IDE) is available at no cost. MPLAB IDE
software is a desktop development environment with tool sets for developing and debugging a
microcontroller design application. MPLAB IDE allows quick changes between different develop-
ment and debugging activities. Designed for use with the Windows® operating environment, it is
a powerful, affordable, run-time development tool. It is also the common user interface for
Microchip's development systems tools, including MPLAB Editor, MPLAB ASM30 Assembler,
MPLAB SIM software simulator, MPLAB LIB30 Library, MPLAB LINK30 Linker, MPLAB ICE 4000
In-Circuit Emulators, PRO MATE II programmer and In-Circuit Debugger (ICD 2). The MPLAB
IDE gives users the flexibility to edit, compile and emulate, all from a single user interface.
Engineers can design and develop code for the dsPIC devices in the same design environment
that they have used for PICmicro® microcontrollers.
The MPLAB IDE is a 32-bit Windows-based application. It provides many advanced features for
the engineer in a modern, easy-to-use interface. MPLAB IDE integrates:
• Full featured, color coded text editor
• Easy-to-use project manager with visual display
• Source level debugging
• Enhanced source level debugging for ‘C’
- (Structures, automatic variables, etc.)
• Customizable toolbar and key mapping
• Dynamic status bar that displays processor condition at a glance
• Context sensitive, interactive on-line help
• Integrated MPLAB SIM instruction simulator
• User interface for PRO MATE II and PICSTART Plus device programmers
(sold separately)
• User interface for MPLAB ICE 4000 In-Circuit Emulator (sold separately)
• User interface for MPLAB ICD 2 In-Circuit Debugger (sold separately)
Note: Some development tools described in this section are not available at the time of this
writing, however they are currently under development. Some of the product details may
change. Please check the Microchip web site or your local Microchip sales office for the
most current information and the availability of each product.
Note: This product is currently available on Microchip’s web site, www.microchip.com.

© 2004 Microchip Technology Inc. DS70072C-page 25-3
Section 25. Development Tool Support
D
e
v
e
l
o
p
m
e
n
t
Tool Support
25
The MPLAB IDE allows the engineer to:
• Edit source files in either assembly or ‘C’
• One-touch compile and download to dsPIC program memory on emulator or simulator.
All project information is updated.
• Debug using:
- Source files
- Machine code
- Mixed mode source and machine code
The ability to use the MPLAB IDE with multiple development and debugging targets allows users
to easily switch from the cost effective simulator to a full featured emulator with minimal retraining.
25.2.2 dsPIC Language Suite
The Microchip Technology MPLAB C30 C compiler is a complete, easy-to-use language product.
It allows dsPIC applications codes to be written in high level C language and then be fully
converted into machine-object code for programming of the microcontroller. It simplifies develop-
ment of code by removing code obstacles and allowing the designer to focus on program flow
and not on program elements. Several options for compiling are available so the user can select
those that will maximize the efficiency of the code characteristics.
It is a fully ANSI compliant product with standard libraries for the dsPIC family of microcontrollers.
It uses the many advanced features of the dsPIC devices to provide very efficient assembly code
generation.
MPLAB C30 also provides extensions that will allow for excellent support of the hardware, such
as interrupts and peripherals. It is fully integrated with the MPLAB IDE for high level, source
debugging. Some features include:
• 16-bit native data types
• Efficient use of register-based, 3-operand instructions
• Complex Addressing modes
• Efficient multi-bit shift operations
• Efficient signed/unsigned comparisons
MPLAB C30 comes complete with its own assembler, linker and librarian. These allow the user
to write mixed mode C and assembly programs and link the resulting object files into a single
executable file. The compiler is sold separately. The assembler, linker and librarian is available
for free with MPLAB IDE.
25.2.3 MPLAB SIM Software Simulator
The MPLAB SIM software simulator allows code development in a PC-hosted environment by
simulating the dsPIC device on an instruction level. On any given instruction, the data areas are
able to be examined or modified. The execution is able to be performed in Single Step, Execute
Until Break or Trace mode.(1)
The MPLAB SIM simulator fully supports symbolic debugging using the MPLAB C30 compiler
and assembler. The software simulator offers the flexibility to develop and debug code outside of
the laboratory environment, making it an excellent multi-project software development tool.
Note: This product is currently available on Microchip’s web site, www.microchip.com. The
Assembler, Linker and Librarian are included with MPLAB IDE. Contact your local
Microchip sales office for availability of the MPLAB C30 C compiler.
Note: This product is included with MPLAB IDE.
Note 1: Some features, including peripheral support, have not been implemented at the
time of this writing. Please check Microchip’s web site or your local Microchip sales
office for the most current information.

dsPIC30F Family Reference Manual
DS70072C-page 25-4 © 2004 Microchip Technology Inc.
25.2.4 MPLAB ICE 4000 In-Circuit Emulator
The MPLAB ICE 4000 In-Circuit Emulator will provide the product development engineer with a
complete hardware design tool for the dsPIC devices. Software control of the emulator will be
provided by MPLAB IDE.
The MPLAB ICE 4000 will be a full-featured emulator system with enhanced trace, trigger and
data monitoring features. Interchangeable processor modules will allow the system to be easily
reconfigured for emulation of different processors.
The MPLAB ICE 4000 will support the extended, high-end PICmicro microcontrollers, the
PIC18CXXX and PIC18FXXX devices, as well as the dsPIC Family of digital signal controllers.
The modular architecture of the MPLAB ICE 4000 in-circuit emulator will allow expansion to
support new devices.
The MPLAB ICE 4000 in-circuit emulator system has been designed as a real-time emulation
system, with advanced features that are generally found on more expensive development tools.
Features will include:
• Full speed emulation, up to 50 MHz bus speed or 200 MHz external clock speed
• Low voltage emulation down to 1.8 volts
• Configured with 2 Mb program emulation memory; additional modular memory up to 16 Mb
• 64K x 136-bit wide Trace Memory
• Unlimited software breakpoints
• Complex break, trace and trigger logic
• Multi-level trigger up to 4 levels
• Filter trigger functions to trace specific event
• 16-bit Pass counter for triggering on sequential events
• 16-bit Delay counter
• 48-bit time-stamp
• Stopwatch feature
• Time between events
• Statistical performance analysis
• Code coverage analysis
• USB and parallel printer port PC connection
Note: This product is currently under development at the time of this writing. Some of the
product details may change. Please refer to the Microchip web site or your local
Microchip sales office for the most current information and the availability of this
product.

© 2004 Microchip Technology Inc. DS70072C-page 25-5
Section 25. Development Tool Support
D
e
v
e
l
o
p
m
e
n
t
Tool Support
25
25.2.5 MPLAB ICD 2 In-Circuit Debugger
Microchip's In-Circuit Debugger, MPLAB ICD, will be a powerful, low cost, run-time development
tool. This tool is based on the PICmicro® and dsPIC Flash devices.
The MPLAB ICD 2 will utilize the in-circuit debugging capability built into the various devices. This
feature, along with Microchip's In-Circuit Serial Programming™ protocol (ICSP™), will offer cost
effective, in-circuit debugging from the graphical user interface of MPLAB IDE. This will enable a
designer to develop and debug source code by watching variables, single-stepping and setting
break points. Running at full speed enables testing hardware in real-time. Some of its features will
include:
• Full speed operation to the range of the device
• Serial or USB PC connector
• Serial interface externally powered
• USB powered from PC interface
• Low noise power (VPP and VDD) for use with analog and other noise sensitive applications
• Operation down to 2.0V
• Can be used as an ICD or inexpensive serial programmer
• Modular application connector as MPLAB ICD
• Limited number of breakpoints
• “Smart watch” variable windows
• Some chip resources required (RAM, program memory and 2 pins)
25.2.6 PRO MATE II Universal Device Programmer
The PRO MATE II universal device programmer will be a full-featured programmer capable of
operating in Stand-alone mode, as well as PC-hosted mode.
The PRO MATE II device programmer will have programmable VDD and VPP supplies, which will
allow it to verify programmed memory at VDDMIN and VDDMAX for maximum reliability when
programming requires this capability. It will have an LCD display for instructions and error
messages and keys to enter commands. Interchangeable optional socket modules will support
all package types.
In Stand-alone mode, the PRO MATE II device programmer will be able to read, verify or program
PICmicro and dsPIC30F devices. It will also be able to set code protection in this mode.
PRO MATE II features will include:
• Runs under MPLAB IDE
• Field upgradable firmware
• DOS Command Line interface for production
• Host, Safe and “Stand-alone” operation
• Automatic downloading of object file
•SQTP
SM serialization adds an unique serial number to each device programmed
• In-Circuit Serial Programming Kit (sold separately)
• Interchangeable socket modules supporting all package options (sold separately)
Note: This product is available, but does not provide support for dsPIC30F devices at this
time. Please refer to the Microchip web site for information about product upgrades.
Note: This product is available, but does not provide support for dsPIC30F devices at this
time. Please refer to the Microchip web site for information about product upgrades.

dsPIC30F Family Reference Manual
DS70072C-page 25-6 © 2004 Microchip Technology Inc.
25.3 Third Party Hardware/Software Tools and Application Libraries
Microchip is partnering with key third party tool manufacturers for the development of quality
hardware and software tools in support of the dsPIC30F Product Family. Microchip plans to offer
this initial set of tools and libraries, which will enable customers to rapidly develop their dsPIC30F
based application(s).
Microchip will expand this current list to provide our customers with additional value added ser-
vices, (i.e., repository of skilled/certified technical applications contacts, reference designs,
hardware and software developers).
Please refer to the Microchip web site (www.microchip.com) for the most current information
about third party support for the dsPIC30F Device Family.
The dsPIC30F software tools and libraries will include:
• Third Party C compilers
• Floating Point and Double Precision Math Library
• DSP Algorithm Library
• Digital Filter Design Software Utility
• Peripheral Driver Library
• CAN Library
• Real-Time Operating Systems (RTOS)
• OSEK Operating Systems
• TCP/IP Protocol Stacks
• V.22/V.22bis and V.32 ITU Specifications
The dsPIC30F hardware development board tools include:
• General Purpose Development Board
• Motor Control Development System
• Connectivity Development Board
25.3.1 Third Party C Compilers
In addition to the Microchip MPLAB C30 C Compiler, the dsPIC30F will be supported by ANSI C
compilers developed by IAR, HI-TECH and Custom Computer Services (CCS).
The compilers will allow dsPIC application code to be written in high level C language, and then
be fully converted into machine object code for programming of the microcontroller. Each
compiler tool will provide several options for compiling, so the user can select those that will
maximize the efficiency of the generated code characteristics.
The multiple C compiler solutions will have different price targets and features, enabling the
customer to select the compiler best suited for their application requirements.
Note: These products are currently under development at the time of this writing. Some of
the product details may change. Please refer to the Microchip web site or your local
Microchip sales office for the most current information and the availability of this
product.
Note: These products are currently under development at the time of this writing. Some of
the product details may change. Please refer to the Microchip web site or your local
Microchip sales office for the most current information and the availability of these
products.

© 2004 Microchip Technology Inc. DS70072C-page 25-7
Section 25. Development Tool Support
D
e
v
e
l
o
p
m
e
n
t
Tool Support
25
25.3.2 Math Library
The Math Library will support several standard C functions, including, but not limited to:
• sin(), cos(), tan()
• asin(), acos(), atan(),
• log(), log10()
• sqrt(), power()
• ceil(), floor()
• fmod(), frexp()
The math function routines will be developed and optimized in dsPIC30F assembly language and
will be callable from both assembly and C language. Floating point and double precision versions
of each function shall be provided. The Microchip MPLAB C30 and IAR C compilers will be
supported.
25.3.3 DSP Algorithm Library
The DSP library will support multiple filtering, convolution, vector and matrix functions. Some of
the functions will include, but will not be limited to:
• Cascaded Infinite Impulse Response (IIR) Filters
•Correlation
• Convolution
• Finite Impulse Response (FIR) Filters
• Windowing Functions
•FFTs
• LMS Filter
• Vector Addition and Subtraction
• Vector Dot Product
•Vector Power
• Matrix Addition and Subtraction
• Matrix Multiplication
Note: This product is currently under development at the time of this writing. Some of the
product details may change. Please refer to the Microchip web site or your local
Microchip sales office for the most current information and the availability of this
product.
Note: This product is currently under development at the time of this writing. Some of the
product details may change. Please refer to the Microchip web site or your local
Microchip sales office for the most current information and the availability of this
product.

dsPIC30F Family Reference Manual
DS70072C-page 25-8 © 2004 Microchip Technology Inc.
25.3.4 DSP Filter Design Software Utility
Microchip will offer a digital filter design software tool which will enable the user to develop
optimized assembly code for Low-pass, High-pass, Band-pass and Band-stop IIR and FIR filters,
including 16-bit fractional data size filter coefficients from a graphical user interface. The
application developer will enter the required filter frequency specifications and the software tool
develops the filter code and coefficients. Ideal filter frequency response and time domain plots
are generated for analysis.
FIR filter lengths up to 513 taps and IIR filter lengths up to 10 cascaded sections will be
supported.
All IIR and FIR routines are generated in assembly language and will be callable from both
assembly and C language. The Microchip MPLAB C30 C compiler will be supported.
25.3.5 Peripheral Driver Library
Microchip will offer a peripheral driver library that will support the setup and control of dsPIC30F
hardware peripherals, including, but not limited to:
• Analog-to-Digital Converter
• Motor Control PWM
• Quadrature Encoder Interface
•UART
• SPI™
• Data Converter Interface
•I
2C™
• General Purpose Timers
• Input Capture
• Output Compare/Simple PWM
Note: This product is currently under development at the time of this writing. Some of the
product details may change. Please refer to the Microchip web site or your local
Microchip sales office for the most current information and the availability of this
product.
Note: This product is currently under development at the time of this writing. Some of the
product details may change. Please refer to the Microchip web site or your local
Microchip sales office for the most current information and the availability of this
product.

© 2004 Microchip Technology Inc. DS70072C-page 25-9
Section 25. Development Tool Support
D
e
v
e
l
o
p
m
e
n
t
Tool Support
25
25.3.6 CAN Library
Microchip will offer a CAN driver library, which will support the dsPIC30F CAN peripheral. Some
of the CAN functions which will be supported are:
• Initialize CAN Module
• Set CAN Operational Mode
• Set CAN Baud Rate
• Set CAN Masks
• Set CAN Filters
• Send CAN Message
• Receive CAN Message
• Abort CAN Sequence
• Get CAN TX Error Count
• Get CAN RX Error Count
25.3.7 Real-Time Operating System (RTOS)
Real-Time Operating System (RTOS) solutions for the dsPIC30F Product Family will be
provided. These RTOS solutions will provide the necessary function calls and operating system
routines to write efficient C and/or assembly code for multi-tasking applications. In addition,
RTOS solutions will be provided that address those applications in which program and more
importantly, data memory resources, are limited. Configurable and optimized kernels will be
available to support various RTOS application requirements.
The RTOS solutions will range from a fully-true, preemptive and multi-tasking scheduler to a
cooperative type scheduler, both of which will be designed to optimally run on the dsPIC30F
devices. Depending on the RTOS implementation, some of the function calls provided in the
system kernel will be:
• Control Tasks
• Send And Receive Messages
• Handle Events
• Control Resources
• Control Semaphores
• Regulate Timing in a Variety of Ways
• Provide Memory Management
• Handle Interrupts and Swap Tasks
Most functions will be written in ANSI C, with the exception of time critical functions, which will
be optimized in assembly, thereby reducing execution time for maximum code efficiency. The
ANSI C and assembly routines will be supported by the Microchip MPLAB C30 C compiler.
Electronic documentation will accompany the RTOS, enabling the user to efficiently understand
and implement the RTOS in their application.
Note: This product is currently under development at the time of this writing. Some of the
product details may change. Please refer to the Microchip web site or your local
Microchip sales office for the most current information and the availability of this
product.
Note: This product is currently under development at the time of this writing. Some of the
product details may change. Please refer to the Microchip web site or your local
Microchip sales office for the most current information and the availability of this
product.

dsPIC30F Family Reference Manual
DS70072C-page 25-10 © 2004 Microchip Technology Inc.
25.3.8 OSEK Operating Systems
Operating Systems for the vehicle software standard OSEK/VDX will be developed for support
of the dsPIC30F product family. The functionality of OSEK, “Offene Systeme und deren
Schnittstellen für die Elektronik im Kraftfahrzeug” (Open systems and the corresponding
interfaces for automotive electronics), is harmonized with VDX “Vehicle Distributed eXecutive”
yielding OSEK/VDX.
Structured and modular RTOS software implementations based on standardized interfaces and
protocols will be provided. Structured and modular implementations will provide for portability and
extendability for distributed control units for vehicles.
Various OSEK COM modules will be provided, such as:
• OSEK/COM Standard API
• OSEK/COM Communication API
• OSEK/COM Network API
• OSEK/COM Standard Protocols
• OSEK/COM Device Driver Interface
Microchip will also provide Internal and External CAN driver support. The physical layer will be
integrated into the communication controller’s hardware and will not be covered by the OSEK
specifications.
Most module functions will be developed in ANSI C, with the exception of time critical functions
and peripheral utilization, which will be optimized in assembly, thereby reducing execution time
for maximum code efficiency. The Microchip MPLAB C30 C compiler will be supported.
25.3.9 TCP/IP Protocol Stack
Microchip will offer various Transmission Control Protocol/Internet Protocol (TCP/IP) Stack Layer
solutions for Internet connectivity solutions implemented on the dsPIC30F product family. Both
reduced and full stack implementations will be provided, which will allow the user to select the
optimum TCP/IP stack solution for their application.
Application protocol layers, such as FTP, TFTP and SMTP, Transport and Internet layers, such
as TCP, UDP, ICMP and IP, and Network Access layers, such as PPP, SLIP, ARP and DHCP, will
be provided. Various configurations, such as a minimal UDP/IP stack will be available for limited
connectivity requirements.
Most stack protocol functions will be developed and optimized in Microchip’s MPLAB C30 C
language. Assembly language coding may be developed for specific dsPIC30F hardware
peripherals and Ethernet drivers to optimize code size and execution time. These assembly
language specific routines will be assembly and C callable.
Electronic documentation will accompany the TCP/IP protocol stack, enabling the user to
efficiently understand and implement the protocol stack in their application.
Note: This product is currently under development at the time of this writing. Some of the
product details may change. Please refer to the Microchip web site or your local
Microchip sales office for the most current information and the availability of this
product.
Note: This product is currently under development at the time of this writing. Some of the
product details may change. Please refer to the Microchip web site or your local
Microchip sales office for the most current information and the availability of this
product.

© 2004 Microchip Technology Inc. DS70072C-page 25-11
Section 25. Development Tool Support
D
e
v
e
l
o
p
m
e
n
t
Tool Support
25
25.3.10 V.22/V.22bis and V.32 Specification
Microchip will offer ITU compliant V.22/V.22bis (1200/2400 bps) and V.32 (non-trellis coding at
9600 bps) modem specifications to support a range of “connected” applications.
Applications which will benefit from these modem specifications will be numerous and will fall into
many applications, some of which are listed here:
• Internet enabled home security systems
• Internet connected power, gas and water meters
• Internet connected vending machines
• Smart Appliances
• Industrial monitoring
•POS Terminals
•Set Top Boxes
•Drop Boxes
• Fire Panels
Most ITU specification modules will be developed and optimized in Microchip’s MPLAB C30 C
language. Assembly language coding may be developed for specific dsPIC30F hardware
peripherals, along with key transmitter and receiver filtering routines to optimize code size and
execution time. These assembly language specific routines will be assembly and C callable.
Electronic documentation will accompany the modem library, enabling the user to efficiently
understand and implement the library functions.
25.4 dsPIC30F Hardware Development Boards
Microchip will initially provide three hardware development boards, which will provide
the application developer with a tool in which to quickly prototype and validate key design
requirements. Each board will feature key dsPIC30F peripherals and support Microchip’s MPLAB
In-Circuit Debugger (ICD 2) tool for cost effective debugging and programming of the dsPIC30F
device. The three initial boards to be provided are:
• General Purpose Development Board
• Motor Control Development System
• Connectivity Development Board
Note: This product is currently under development at the time of this writing. Some of the
product details may change. Please refer to the Microchip web site or your local
Microchip sales office for the most current information and the availability of this
product.
Note: These products are currently under development at the time of this writing. Some of
the product details may change. Please refer to the Microchip web site or your local
Microchip sales office for the most current information and the availability of these
products.

dsPIC30F Family Reference Manual
DS70072C-page 25-12 © 2004 Microchip Technology Inc.
25.4.1 General Purpose Development Board
The dsPIC30F general purpose development board will provide the application designer with a
low cost development tool in which to become familiar with the dsPIC30F 16-bit architecture, high
performance peripherals and powerful instruction set. The development board will serve as an
ideal prototyping tool in which to quickly develop and validate key design requirements.
Some key features and attributes of the general purpose development board will be:
• Supports various dsPIC30F packages
• CAN communication channel
• RS-232 and RS-485 communication channels
• Codec interface with line in/out jacks
• In-Circuit Debugger interface
• MPLAB ICE 4000 emulation support
• Microchip temperature sensor
• Microchip Op Amp circuit, supporting user input signals
• Microchip Digital-to-Analog Converter
•2x16 LCD
• General purpose prototyping area
• Various LEDS, switches and potentiometers
The general purpose development board will be shipped with a 9V power supply, RS-232 I/O
cable, preprogrammed dsPIC30F device, example software and appropriate documentation to
enable the user to exercise the development board demonstration programs.
Note: This product is currently under development at the time of this writing. Some of the
product details may change. Please refer to the Microchip web site or your local
Microchip sales office for the most current information and the availability of this
product.

© 2004 Microchip Technology Inc. DS70072C-page 25-13
Section 25. Development Tool Support
D
e
v
e
l
o
p
m
e
n
t
Tool Support
25
25.4.2 Motor Control Development System
The dsPIC30F motor control development system will initially provide the application developer
with three main components for quick prototyping and validation of BLDC, PMAC and ACIM
applications. The three main components will be:
• dsPIC30F Motor Control Main Board
• 3-phase Low Voltage Power Module
• 3-phase High Voltage Power Module
The main control board will support the dsPIC30F6010 device, various peripheral interfaces, and
a custom interface header system that will allow different motor power modules to be connected.
The control board also will have connectors for mechanical position sensors, such as incremental
rotary encoders and hall effect sensors, and a breadboard area for custom circuits. The main
control board will receive its power from a standard plug-in transformer.
The low voltage power module will be optimized for 3-phase motor applications that will require
a DC bus voltage less than 60 volts and will deliver up to 400W power output. The 3-phase low
voltage power module is intended to power BLDC and PMAC motors.
The high voltage power module will be optimized for 3-phase motor applications that require DC
bus voltages up to 400 volts and up to 1 kW power output. The high voltage module will have an
active power factor correction circuit that will be controlled by the dsPIC30F device. This power
module is intended for AC induction motor and power inverter applications.
Both power modules will have automatic Fault protection and electrical isolation from the control
interface. Both power module boards will provide preconditioned voltage and current signals to
the main control board. All position feedback devices that will be isolated from the motor control
circuitry, such as incremental encoders, hall-effect sensors or tachometer sensors, will be directly
connected to the main control board. Both modules will be equipped with motor braking circuits.
Note: This product is currently under development at the time of this writing. Some of the
product details may change. Please refer to the Microchip web site or your local
Microchip sales office for the most current information and the availability of this
product.

dsPIC30F Family Reference Manual
DS70072C-page 25-14 © 2004 Microchip Technology Inc.
25.4.3 Connectivity Development Board
The dsPIC30F connectivity development board will provide the application developer a basic
platform for developing and evaluating various connectivity solutions, implementing TCP/IP
protocol layers combined with V.22/V.22bis and V.32 (non-trellis coding) ITU specifications,
across PSTN or Ethernet communication channels.
Some key features and attributes of the connectivity development board will be:
• Supports the dsPIC30F6014 device
• Media Access Control (MAC) and PHY interface
• PSTN interface with DAA/AFE
• RS-232 and RS-485 communication channels
• In-Circuit Debugger interface
• MPLAB ICE 4000 emulation support
• Microchip temperature sensor
• Microchip Digital-to-Analog Converter
•2x16 LCD
• General purpose prototyping area
• Various LEDs, switches and potentiometers
The connectivity development board will be shipped with a 9V power supply, RS-232 I/O cable
and preprogrammed dsPIC30F devices with example connectivity software and appropriate
documentation to enable the user to exercise the development board connectivity demo
program.
Note: This product is currently under development at the time of this writing. Some of the
product details may change. Please refer to the Microchip web site or your local
Microchip sales office for the most current information and the availability of this
product.

© 2004 Microchip Technology Inc. DS70072C-page 25-15
Section 25. Development Tool Support
D
e
v
e
l
o
p
m
e
n
t
Tool Support
25
25.5 Related Application Notes
This section lists application notes that are related to this section of the manual. These
application notes may not be written specifically for the dsPIC30F Product Family, but the
concepts are pertinent and could be used with modification and possible limitations. The current
application notes related to the Development Tool Support are:
Title Application Note #
No related application notes at this time.
Note: Please visit the Microchip web site (www.microchip.com) for additional Application
Notes and code examples for the dsPIC30F Family of devices.

dsPIC30F Family Reference Manual
DS70072C-page 25-16 © 2004 Microchip Technology Inc.
25.6 Revision History
Revision A
This is the initial released revision of the dsPIC30F Development Tool Support description.
Revision B
There were no technical content or editorial revisions to this section of the manual, however, this
section was updated to reflect Revision B throughout the manual.
Revision C
There were no technical content revisions to this section of the manual, however, this section was
updated to reflect Revision C throughout the manual.

© 2004 Microchip Technology Inc. DS70074C-page 26-1
Appendix
26
Section 26. Appendix
HIGHLIGHTS
This section of the manual contains the following topics:
Appendix A: I2C™ Overview..................................................................................................26-2
Appendix B: CAN Overview .................................................................................................26-12
Appendix C: Codec Protocol Overview................................................................................ 26-25
I2C is a trademark of Philips Corporation.

dsPIC30F Family Reference Manual
DS70074C-page 26-2 © 2004 Microchip Technology Inc.
APPENDIX A: I2C™ OVERVIEW
This appendix provides an overview of the Inter-Integrated Circuit (I2C™) bus, with Subsection
A.2 “Addressing I2C Devices” discussing the operation of the SSP modules in I2C mode.
The I2C bus is a two-wire serial interface. The original specification, or standard mode, is for
data transfers of up to 100 Kbps. An enhanced specification, or fast mode (400 Kbps), is
supported. Standard and Fast mode devices will operate when attached to the same bus, if the
bus operates at the speed of the slower device.
The I2C interface employs a comprehensive protocol to ensure reliable transmission and
reception of data. When transmitting data, one device is the “master”, which initiates transfer on
the bus and generates the clock signals to permit that transfer, while the other device(s) acts as
the “slave.” All portions of the slave protocol are implemented in the SSP module’s hardware,
except general call support, while portions of the master protocol need to be addressed in the
PIC16CXX software. The MSSP module supports the full implementation of the I2C master
protocol, the general call address and data transfers up to 1 Mbps. The 1 Mbps data transfers
are supported by some of Microchip’s Serial EEPROMs. Table A-1 defines some of the I2C bus
terminology.
In the I2C interface protocol, each device has an address. When a master wishes to initiate a
data transfer, it first transmits the address of the device that it wishes to “talk” to. All devices
“listen” to see if this is their address. Within this address, a bit specifies if the master wishes to
read-from/write-to the slave device. The master and slave are always in opposite modes
(transmitter/receiver) of operation during a data transfer. That is, they can be thought of as
operating in either of these two relations:
• Master-transmitter and Slave-receiver
• Slave-transmitter and Master-receiver
In both cases, the master generates the clock signal.
The output stages of the clock (SCL) and data (SDA) lines must have an open-drain or
open-collector in order to perform the wired-AND function of the bus. External pull-up resistors
are used to ensure a high level when no device is pulling the line down. The number of devices
that may be attached to the I2C bus is limited only by the maximum bus loading specification of
400 pF and addressing capability.

© 2004 Microchip Technology Inc. DS70074C-page 26-3
Section 26. Appendix
Appendix
26
A.1 Initiating and Terminating Data Transfer
During times of no data transfer (idle time), both the clock line (SCL) and the data line (SDA) are
pulled high through the external pull-up resistors. The Start and Stop conditions determine the
start and stop of data transmission. The Start condition is defined as a high-to-low transition of
the SDA when the SCL is high. The Stop condition is defined as a low-to-high transition of the
SDA when the SCL is high. Figure A-1 shows the Start and Stop conditions. The master
generates these conditions for starting and terminating data transfer. Due to the definition of the
Start and Stop conditions, when data is being transmitted, the SDA line can only change state
when the SCL line is low.
Figure A-1: Start and Stop Conditions
Table A-1: I2C Bus Terminology
SDA
SCL SP
Start
Condition Change
of Data
Allowed
Change
of Data
Allowed
Stop
Condition
Term Description
Transmitter The device that sends the data to the bus.
Receiver The device that receives the data from the bus.
Master The device which initiates the transfer, generates the clock and terminates
the transfer.
Slave The device addressed by a master.
Multi-master More than one master device in a system. These masters can attempt to
control the bus at the same time without corrupting the message.
Arbitration Procedure that ensures that only one of the master devices will control the
bus. This ensures that the transfer data does not get corrupted.
Synchronization Procedure where the clock signals of two or more devices are synchronized.

dsPIC30F Family Reference Manual
DS70074C-page 26-4 © 2004 Microchip Technology Inc.
A.2 Addressing I2C Devices
There are two address formats. The simplest is the 7-bit address format with a R/W bit
(Figure A-2). The more complex is the 10-bit address with a R/W bit (Figure A-3). For 10-bit
address format, two bytes must be transmitted. The first five bits specify this to be a 10-bit
address format. The 1st transmitted byte has 5 bits which specify a 10-bit address, the two
MSbs of the address, and the R/W bit. The second byte is the remaining 8 bits of the address.
Figure A-2: 7-bit Address Format
Figure A-3: I2C 10-bit Address Format
SR/W ACK
Sent by
Slave
Slave Address
S
R/W Read/Write pulse
MSb LSb
Start Condition
ACK Acknowledge
S 1 1 1 1 0 A9 A8 R/W ACK A7 A6 A5 A4 A3 A2 A1 A0 ACK
Sent By Slave
= 0 for write
S
R/W
ACK
- Start Condition
- Read/Write Pulse
- Acknowledge

© 2004 Microchip Technology Inc. DS70074C-page 26-5
Section 26. Appendix
Appendix
26
A.3 Transfer Acknowledge
All data must be transmitted per byte, with no limit to the number of bytes transmitted per data
transfer. After each byte, the slave-receiver generates an Acknowledge bit (ACK) (Figure A-4).
When a slave-receiver doesn’t acknowledge the slave address or received data, the master
must abort the transfer. The slave must leave SDA high so that the master can generate the
Stop condition (Figure A-1).
Figure A-4: Slave-Receiver Acknowledge
If the master is receiving the data (master-receiver), it generates an Acknowledge signal for
each received byte of data, except for the last byte. To signal the end of data to the
slave-transmitter, the master does not generate an acknowledge (not acknowledge). The slave
then releases the SDA line so the master can generate the Stop condition. The master can also
generate the Stop condition during the Acknowledge pulse for valid termination of data transfer.
If the slave needs to delay the transmission of the next byte, holding the SCL line low will force
the master into a wait state. Data transfer continues when the slave releases the SCL line. This
allows the slave to move the received data or fetch the data it needs to transfer before allowing
the clock to start. This wait state technique can also be implemented at the bit level, Figure A-5.
Figure A-5: Data Transfer Wait State
S
Data
Output by
Transmitter
Data
Output by
Receiver
SCL from
Master
Clock Pulse for
Acknowledgment
not acknowledge
acknowledge
1289
Start
Condition
12 789 123 • 89 P
SDA
SCL S
Start
Condition Address R/W ACK Wait
State Data ACK
MSb Acknowledgment
Signal from Receiver Acknowledgment
Signal from Receiver
Byte Complete
Interrupt with Receiver
Clock Line Held Low while
Interrupts are Serviced
Stop
Condition

dsPIC30F Family Reference Manual
DS70074C-page 26-6 © 2004 Microchip Technology Inc.
Figure A-6 and Figure A-7 illustrate master-transmitter and master-receiver data transfer
sequences.
Figure A-6: Master-Transmitter Sequence
Figure A-7: Master-Receiver Sequence
For 7-bit address:
S
Slave Address
(Code + A9:A8)
SR/W
A1 Slave Address
(A7:A0) A2 Data A Data P
A master transmitter addresses a slave receiver
with a 10-bit address.
A/A
Slave Address R/W AData AData A/AP
'0' (write) data transferred
(n bytes - acknowledge)
A master transmitter addresses a slave receiver with a
7-bit address. The transfer direction is not changed.
From master to slave
From slave to master
A = acknowledge (SDA low)
A = not acknowledge (SDA high)
S = Start Condition
P = Stop Condition
(write)
For 10-bit address:
For 7-bit address:
S
Slave Address
(Code + A9:A8)
SR/W
A1 Slave Address
(A7:A0) A2
A master transmitter addresses a slave receiver
with a 10-bit address.
Slave Address R/W AData AData A P
'1' (read) data transferred
(n bytes - acknowledge)
A master reads a slave immediately after the first byte.
From master to slave
From slave to master
A = acknowledge (SDA low)
A = not acknowledge (SDA high)
S = Start Condition
P = Stop Condition
(write)
For 10-bit address:
Slave Address
(Code + A9:A8)
Sr R/W A3 AData A PData
(read)

© 2004 Microchip Technology Inc. DS70074C-page 26-7
Section 26. Appendix
Appendix
26
When a master does not wish to relinquish the bus (which occurs by generating a Stop
condition), a repeated Start condition (Sr) must be generated. This condition is identical to the
Start condition (SDA goes high-to-low, while SCL is high), but occurs after a data transfer
Acknowledge pulse (not the bus-free state). This allows a master to send “commands” to the
slave and then receive the requested information or to address a different slave device. This
sequence is illustrated in Figure A-8.
Figure A-8: Combined Format
Combined format:
S
Combined format - A master addresses a slave with a 10-bit address, then transmits
Slave Address R/W ADataA/A Sr P
(read) Sr = repeated
Transfer direction of data and acknowledgment bits depends on R/W bits.
From master to slave
From slave to master
A = acknowledge (SDA low)
A = not acknowledge (SDA high)
S = Start Condition
P = Stop Condition
Slave Address
(Code + A9:A8)
Sr R/W A
(write)
data to this slave and reads data from this slave.
Slave Address
(A7:A0) Data Sr Slave Address
(Code + A9:A8) R/W ADataA APA ADataA/A Data
(read)
Slave Address R/W AData A/A
Start Condition
(write) Direction of transfer
may change at this point
(read or write)
(n bytes + acknowledge)

dsPIC30F Family Reference Manual
DS70074C-page 26-8 © 2004 Microchip Technology Inc.
A.4 Multi-master
The I2C protocol allows a system to have more than one master. This is called a multi-master
system. When two or more masters try to transfer data at the same time, arbitration and
synchronization occur.
A.4.1 Arbitration
Arbitration takes place on the SDA line, while the SCL line is high. The master which transmits a
high when the other master transmits a low, loses arbitration (Figure A-9) and turns off its data
output stage. A master which lost arbitration can generate clock pulses until the end of the data
byte where it lost arbitration. When the master devices are addressing the same device,
arbitration continues into the data.
Figure A-9: Multi-Master Arbitration (Two Masters)
Masters that also incorporate the slave function, and have lost arbitration must immediately
switch over to Slave-receiver mode. This is because the winning master-transmitter may be
addressing it.
Arbitration is not allowed between:
• A repeated Start condition
• A Stop condition and a data bit
• A repeated Start condition and a Stop condition
Care needs to be taken to ensure that these conditions do not occur.
Transmitter 1 Loses Arbitration
DATA 1 SDA
DATA 1
DATA 2
SDA
SCL

© 2004 Microchip Technology Inc. DS70074C-page 26-9
Section 26. Appendix
Appendix
26
A.4.2 Clock Synchronization
Clock synchronization occurs after the devices have started arbitration. This is performed using
a wired-AND connection to the SCL line. A high-to-low transition on the SCL line causes the
concerned devices to start counting off their low period. Once a device clock has gone low, it will
hold the SCL line low until its SCL high state is reached. The low-to-high transition of this clock
may not change the state of the SCL line if another device clock is still within its low period. The
SCL line is held low by the device with the longest low period. Devices with shorter low periods
enter a high wait-state until the SCL line comes high. When the SCL line comes high, all
devices start counting off their high periods. The first device to complete its high period will pull
the SCL line low. The SCL line high time is determined by the device with the shortest high
period, Figure A-10.
Figure A-10: Clock Synchronization
CLK 1
CLK 2
SCL
Wait
State Start Counting
High Period
Counter
Reset

dsPIC30F Family Reference Manual
DS70074C-page 26-10 © 2004 Microchip Technology Inc.
Table A-2 and Table A-3 show the specifications of a compliant I2C bus. The column titled,
Parameter No., is provided to ease the user’s correlation to the corresponding parameter in the
device data sheet. Figure A-11 and Figure A-12 show these times on the appropriate
waveforms.
Figure A-11: I2C Bus Start/Stop Bits Timing Specification
Table A-2: I2C Bus Start/Stop Bits Timing Specification
Figure A-12: I2C Bus Data Timing Specification
Parameter
No. Sym Characteristic Min Typ Max Units Conditions
90 TSU:STA Start condition 100 kHz mode 4700 — — ns Only relevant for repeated
Start condition
Setup time 400 kHz mode 600 — —
91 THD:STA Start condition 100 kHz mode 4000 — — ns After this period the first clock
pulse is generated
Hold time 400 kHz mode 600 — —
92 TSU:STO Stop condition 100 kHz mode 4700 — — ns
Setup time 400 kHz mode 600 — —
93 THD:STO Stop condition 100 kHz mode 4000 — — ns
Hold time 400 kHz mode 600 — —
91 93
SCL
SDA
Start
Condition Stop
Condition
90 92
90
91 92
100
101
103
106 107
109 109 110
102
SCL
SDA
In
SDA
Out MSb

© 2004 Microchip Technology Inc. DS70074C-page 26-11
Section 26. Appendix
Appendix
26
Table A-3: I2C Bus Data Timing Specification
Parameter
No. Sym Characteristic Min Max Units Conditions
100 THIGH Clock high time 100 kHz mode 4.0 — μs
400 kHz mode 0.6 — μs
101 TLOW Clock low time 100 kHz mode 4.7 — μs
400 kHz mode 1.3 — μs
102 TRSDA and SCL rise
time 100 kHz mode — 1000 ns
400 kHz mode 20 +
0.1Cb 300 ns Cb is specified to be from
10 to 400 pF
103 TFSDA and SCL fall
time 100 kHz mode — 300 ns
400 kHz mode 20 +
0.1Cb 300 ns Cb is specified to be from
10 to 400 pF
90 TSU:STA Start condition setup
time 100 kHz mode 4.7 — μs Only relevant for repeated
Start condition
400 kHz mode 0.6 — μs
91 THD:STA Start condition hold
time 100 kHz mode 4.0 — μs After this period the first
clock pulse is generated
400 kHz mode 0.6 — μs
106 THD:DAT Data input hold time 100 kHz mode 0 — ns
400 kHz mode 0 0.9 μs
107 TSU:DAT Data input setup time 100 kHz mode 250 — ns Note 2
400 kHz mode 100 — ns
92 TSU:STO Stop condition setup
time 100 kHz mode 4.7 — μs
400 kHz mode 0.6 — μs
109 TAA Output valid from
clock 100 kHz mode — 3500 ns Note 1
400 kHz mode — 1000 ns
110 TBUF Bus free time 100 kHz mode 4.7 — μs Time the bus must be free
before a new transmission
can start
400 kHz mode 1.3 — μs
D102 Cb Bus capacitive loading — 400 pF
Note 1: As a transmitter, the device must provide this internal minimum delay time to bridge the undefined region
(min. 300 ns) of the falling edge of SCL to avoid unintended generation of Start or Stop conditions.
2: A Fast mode I2C-bus device can be used in a Standard mode I2C-bus system, but the requirement
TSU;DAT ≥250 ns must then be met. This will automatically be the case if the device does not stretch the
LOW period of the SCL signal. If such a device does stretch the LOW period of the SCL signal, it must
output the next data bit to the SDA line,
TR max.+TSU; DAT = 1000 + 250 = 1250 ns (according to the Standard mode I2C bus specification) before
the SCL line is released.

dsPIC30F Family Reference Manual
DS70074C-page 26-12 © 2004 Microchip Technology Inc.
APPENDIX B: CAN OVERVIEW
This appendix provides an overview of the Controller Area Network (CAN) bus. The CAN
Section of this reference manual discusses the implementation of the CAN protocol for that
hardware module.
B.1 CAN Bus Background
The Controller Area Network (CAN) is a serial communications protocol which efficiently
supports distributed real-time control with a very high level of security.
Its domain of application ranges from high speed networks to low cost multiplex wiring. In
automotive electronics, engine control units, sensors, anti-skid-systems, etc., are connected
using CAN with bit rates up to 1 Mbit/sec. The silicon cost is also low enough to be cost effective
at replacing wiring harnesses in the automobile. The robustness of the bus in noisy
environments and the ability to detect and recover from fault conditions makes the bus suitable
for industrial control applications such as DeviceNet, SDS and other field bus protocols.
CAN is an asynchronous serial bus system with one logical bus line. It has an open, linear bus
structure with equal bus nodes. A CAN bus consists of two or more nodes. The number of
nodes on the bus may be changed dynamically without disturbing the communication of other
nodes. This allows easy connection and disconnection of bus nodes (e.g., for addition of system
function, error recovery or bus monitoring).
The bus logic corresponds to a “wired-AND” mechanism, “recessive” bits (mostly, but not
necessarily equivalent to the logic level “1”) are overwritten by “dominant” bits (mostly logic level
“0”). As long as no bus node is sending a dominant bit, the bus line is in the recessive state, but
a dominant bit from any bus node generates the dominant bus state. Therefore, for the CAN
bus line, a medium must be chosen that is able to transmit the two possible bit states (dominant
and recessive). One of the most common and cheapest ways is to use a twisted wire pair. The
bus lines are then called “CANH” and “CANL”, and may be connected directly to the nodes or
via a connector. There's no standard defined by CAN regarding the connector to be used. The
twisted wire pair is terminated by terminating resistors at each end of the bus line. The
maximum bus speed is 1 Mbit, which can be achieved with a bus length of up to 40 meters. For
bus lengths longer than 40 meters, the bus speed must be reduced (a 1000 m bus can be
realized with a 40 Kbit bus speed). For a bus length above 1000 meters, special drivers should
be used. At least 20 nodes may be connected without additional equipment. Due to the
differential nature of transmission, CAN is insensitive to EMI because both bus lines are
affected in the same way which leaves the differential signal unaffected. The bus lines can also
be shielded to reduce the electromagnetic emission of the bus itself, especially at high baud
rates.
The binary data is coded corresponding to the NRZ code (Non-Return-to-Zero; low level =
dominant state; high level = recessive state). To ensure exact synchronization of all bus nodes,
bit stuffing is used. This means that during the transmission of a message a maximum of five
consecutive bits may have the same polarity. Whenever five consecutive bits of the same
polarity have been transmitted, the transmitter will insert one additional bit of the opposite
polarity into the bit stream before transmitting further bits. The receiver also checks the number
of bits with the same polarity and removes the stuff bits from the bit stream (-destuffing).
In the CAN protocol it is not bus nodes that are addressed, but the address information is
contained in the messages that are transmitted. This is done via an identifier (part of each
message) which identifies the message content (e.g., engine speed, oil temperature etc.). The
identifier additionally indicates the priority of the message. The lower the binary value of the
identifier, the higher the priority of the message.

© 2004 Microchip Technology Inc. DS70074C-page 26-13
Section 26. Appendix
Appendix
26
For bus arbitration, CSMA/CD with NDA is used (Carrier Sense Multiple Access/Collision
Detection with Non-Destructive Arbitration). If bus node A wants to transmit a message across
the network, it first checks that the bus is in the Idle state (“Carrier Sense“) (i.e., no node is
currently transmitting). If this is the case (and no other node wishes to start a transmission at the
same moment), node A becomes the bus master and sends its message. All other nodes switch
to Receive mode during the first transmitted bit (Start-Of-Frame bit). After correct reception of
the message (which is acknowledged by each node), each bus node checks the message
identifier and stores the message, if required. Otherwise, the message is discarded.
If two or more bus nodes start their transmission at the same time (“Multiple Access”), collision
of the messages is avoided by bitwise arbitration (“Collision Detection/Non-Destructive
Arbitration“ together with the “Wired-AND” mechanism, “dominant“ bits override “recessive”
bits). Each node sends the bits of its message identifier (MSB first) and monitors the bus level.
A node that sends a recessive identifier bit but reads back a dominant one loses bus arbitration
and switches to Receive mode. This condition occurs when the message identifier of a
competing node has a lower binary value (dominant state = logic 0) and therefore, the
competing node is sending a message with a higher priority. In this way, the bus node with the
highest priority message wins arbitration without losing time by having to repeat the message.
All other nodes automatically try to repeat their transmission once the bus returns to the Idle
state. It is not permitted for different nodes to send messages with the same identifier as
arbitration could fail leading to collisions and errors.
The original CAN specifications (versions 1.0, 1.2 and 2.0A) defined the message identifier as
having a length of 11 bits giving a possible 2048 message identifiers. The specification has
since been updated (to version 2.0B) to remove this possible limitation. CAN specification,
version 2.0B, allows message identifier lengths of 11 and/or 29 bits to be used (an identifier
length of 29 bits allows over 536 Million message identifiers). Version 2.0B CAN is also referred
to as “Extended CAN“ and versions 1.0, 1.2 and 2.0A are referred to as “Standard CAN”.
B.2 Different CAN Implementations
B.2.1 Standard CAN, Extended CAN
Those data frames and remote frames, which only contain the 11-bit identifier, are called
standard frames according to CAN specification V2.0A. With these frames, 2048 different
messages can be identified (identifiers 0-2047). However, the 16 messages with the lowest
priority (2032-2047) are reserved. Extended frames, according to CAN specification V2.0B,
have a 29-bit identifier. As already mentioned, this 29-bit identifier is made up of the 11-bit
identifier (“Base lD”) and the 18-bit Extended identifier (“ID Extension”).
CAN modules specified by CAN V2.0A are only able to transmit and receive standard frames
according to the Standard CAN protocol. Messages using the 29-bit identifier cause errors. If a
device is specified by CAN V2.0B, there is one more distinction. Modules named “Part B
Passive” can only transmit and receive standard frames, but tolerate extended frames without
generating error frames. “Part B Active” devices are able to transmit and receive both standard
and extended frames.
B.3 Basic CAN, Full CAN
There is one more CAN characteristic concerning the interface between the CAN module and
the host CPU, dividing CAN chips into “Basic CAN” and “Full CAN” devices. This has nothing to
do with the used protocol though (Standard or Extended CAN), which makes it possible to use
both Basic and Full CAN devices in the same network.
In the Basic CAN devices, only basic functions of the protocol are implemented in hardware,
(e.g., the generation and the check of the bit steam). The decision, if a received message has to
be stored or not (acceptance filtering), and the whole message management, has to be done by
software (i.e., by the host CPU). Mostly the CAN chip only provides one transmit buffer and one
or two receive buffers. So the host CPU load is quite high using Basic CAN modules, therefore
these devices should only be used at low baud rates and low bus loads with only a few different
messages. The advantages of Basic CAN are the small chip size leading to low costs of these
devices.

dsPIC30F Family Reference Manual
DS70074C-page 26-14 © 2004 Microchip Technology Inc.
Full CAN devices do the whole bus protocol in hardware, including the acceptance filtering and
the message management. They contain several so called message objects which handle the
identifier, the data, the direction (receive or transmit) and the information Standard
CAN/Extended CAN. During the initialization of the device, the host CPU defines which
messages are to be sent and which are to be received. The host CPU is informed by interrupt if
the identifier of a received message matches with one of the programmed (receive-) message
objects. In this way. the CPU load is reduced. Using Full CAN devices, high baud rates and high
bus loads with many messages can be handled. These chips are more expensive than the
Basic CAN devices, though.
Many Full CAN chips provide a “Basic-CAN Feature”. One of their messages objects can be
programmed in a way that every message is stored there that does not match with one of the
other message objects. This can be very helpful in a number of applications.
B.4 ISO Model
The lSO/OSl Reference Model is used to define the layers of protocol of a communication
system, as shown in Figure B-1. At the highest end, the applications need to communicate
between each other. At the lowest end, some physical medium is used to provide electrical
signaling.
The higher levels of the protocol are run by software. Typically, only the application layer is
implemented. Within the CAN bus specification, there is no definition of the type of message or
the contents or meaning of the messages transferred. These definitions are made in systems
such as Volcano, the Volvo automotive CAN specification; J1939, the U.S. heavy truck multiplex
wiring spec; and Allen-Bradly DeviceNet and Honeywell SDS, examples of industrial protocols.
The CAN bus module definition encompasses two levels of the overall protocol.
• The Data Link Layer
- The Logical Link Control (LLC) sub-layer
- The Medium Access Control (MAC) sub-layer
• - The Physical Layer
- The Physical Signaling (PLS) sub-layer
The LLC sub layer is concerned with Message Filtering, Overload Notification and Error
Recovery Management. The scope of the LLC sub-layer is:
• To provide services for data transfer and for remote data request
• To decide which messages received by the LLC sub layer are actually to be accepted
• To provide means for error recovery management and overload notifications
The MAC sub-layer represents the kernel of the CAN protocol. The MAC sub-layer defines the
transfer protocol (i.e., controlling the Framing, Performing Arbitration, Error Checking, Error
Signalling and Fault Confinement). It presents messages received from the LLC sub-layer and
accepts messages to be transmitted to the LLC sub-layer. Within the MAC sub-layer, it is
decided whether the bus is free for starting a new transmission or whether a reception is just
starting. The MAC sub-layer is supervised by a management entity called Fault Confinement,
which is a self-checking mechanism for distinguishing short disturbances from permanent
failures. Also, some general features of the bit timing are regarded as part of the MAC
sub-layer.
The physical layer defines the actual transfer of the bits between the different nodes with
respect to all electrical properties. The PLS sub-layer defines how signals are actually
transmitted and therefore deals with the description of Bit Timing, Bit Encoding and
Synchronization.
The lower levels of the protocol are implemented in driver/receiver chips and the actual
interface, such as twisted pair wiring or optical fiber etc. Within one network, the physical layer
has to be the same for all nodes. The Driver/Receiver Characteristics of the Physical Layer are
not defined so as to allow transmission medium and signal level implementations to be
optimized for their application. The most common example is defined in the ISO11898 Road
Vehicles Multiplex Wiring specification.

© 2004 Microchip Technology Inc. DS70074C-page 26-15
Section 26. Appendix
Appendix
26
Figure B-1: CAN Bus in ISO/OSI Reference Model
OSI REFERENCE LAYERS
Application
Presentation
Session
Transport
Network
Data Link Layer
LLC (Logical Link Control)
Acceptance Filtering
Overload Notification
Recovery Management
MAC (Medium Access Control)
Data Encapsulation/Decapsulation
Frame Coding (stuffing, destuffing)
Medium Access Management
Error Detection
Error Signalling
Acknowledgment
Serialization/Deserialization
PLS (Physical Signalling)
Bit Encoding/Decoding
Bit Timing
Synchronization
PMA (Physical Medium Attachment)
Driver/Receiver Characteristics
MDI (Medium Dependent Interface)
Connectors
Fault
confinement
(MAC-LME)
Bus Failure
management
(PLS-LME)
Supervisor
SHADED REGIONS
DEFINED BY CAN
BUS SPECIFICATION
Physical Layer

dsPIC30F Family Reference Manual
DS70074C-page 26-16 © 2004 Microchip Technology Inc.
B.5 CAN Bus Features
CAN has the following properties:
• Prioritization of messages
• Latency times ensured
• Configuration flexibility
• Multi-cast reception with time synchronization
• System wide data consistency
• Multi-master
• Error detection and signaling
• Automatic retransmission of corrupted messages
• Distinction between temporary errors and permanent failures of nodes and autonomous
switching off of defect nodes
1. Messages – information on the bus is sent in fixed format messages of different but limited
length. When the bus is free any connected unit may start to transmit a new message.
2. Information Routing – In CAN systems, a CAN node does not make use of any information
about the system configuration (e.g., station addresses).
3. System Flexibility – Nodes can be added to the CAN network without requiring any
change in the software or hardware of any node and application layer.
4. Message Routing – The content of a message is named by an ldentifier. The ldentifier
does not indicate the destination of the message, but describes the meaning of the data,
so that all nodes in the network are able to decide by Message Filtering whether the data
is to be acted upon by them or not.
5. Multicast – As a consequence of the concept of Message Filtering, any number of nodes
can receive and simultaneously act upon the same message.
6. Data Consistency – Within a CAN network, it is ensured that a message is simultaneously
accepted either by all nodes or by no node. Thus, data consistency of a system is
achieved by the concepts of multicast and by error handling.
7. Bit Rate – The speed of CAN may be different in different systems. However, in a given
system, the bit-rate is uniform and fixed.
8. Prioritization – The ldentifier defines a static message priority during bus access.
9. Remote Data Request – By sending a remote frame, a node requiring data may request
another node to send the corresponding data frame. The date frame and the
corresponding remote frame are named by the same ldentifier.
10. Multimaster – When the bus is free, any unit may start to transmit a message. The unit
with the message of higher priority to be transmitted gains bus access.
11. Arbitration – Whenever the bus is free, any unit may start to transmit a message. If 2 or
more units start transmitting messages at the same time, the bus access conflict is
resolved by bitwise arbitration using the ldentifier. The mechanism of arbitration ensures
that neither information nor time is lost. If a data frame and a remote frame with the same
ldentifier are initiated at the same time, the data frame prevails over the remote frame.
During arbitration, every transmitter compares the level of the bit transmitted with the level
that is monitored on the bus. If these levels are equal, the unit may continue to send.
When a ’recessive’ level is sent and a ’dominant’ level is monitored, the unit has lost
arbitration and must withdraw without sending one more bit.
12. Safety – In order to achieve the highest safety of data transfer, powerful measures for
error detection, signaling and self-checking are implemented in every CAN node.
13. Error Detection – For detecting errors the following measures have been taken:
• Monitoring (transmitters compare the bit levels to be transmitted with the bit levels
detected on the bus)
• Cyclic Redundancy Check
• Bit Stuffing
• Message Frame Check

© 2004 Microchip Technology Inc. DS70074C-page 26-17
Section 26. Appendix
Appendix
26
The error detection mechanisms have the following properties:
• all global errors are detected
• all local errors at transmitters are detected
• up to 5 randomly distributed errors in a message are detected
• burst errors of length less than 15 in a message are detected
• errors of any odd number in a message are detected
14. Error Signalling and Recovery Time – Corrupted messages are flagged by any node
detecting an error. Such messages are aborted and will be retransmitted automatically.
The recovery time from detecting an error until the start of the next message is at most 31
bit times, if there is no further error.
15. Fault Confinement – CAN nodes are able to distinguish short disturbances from
permanent failures. Defective nodes are switched off.
16. Connections – The CAN serial communication link is a bus to which a number of units may
be connected. This number has no theoretical limit. Practically the total number of units
will be limited by delay times and/or electrical loads on the bus line.
17. Single Channel – The bus consists of a single channel that carries bits. From this data
resynchronization, information can be derived. The way in which this channel is
implemented is not fixed in this specification (i.e., single wire (plus ground), two differential
wires, optical fires, etc).
18. Bus values – The bus can have one of two complementary logical values; ‘dominant’ or
‘recessive’. During simultaneous transmission of ‘dominant’ and ‘recessive’ bits, the
resulting bus value will be ‘dominant’. For example, in case of a wired-AND
implementation of the bus, the ‘dominant’ level would be represented by a logical ‘0’ and
the ‘recessive’ level by a logical ‘1’. Physical states (e.g., electrical voltage, light) that
represent the logical levels are not given in the specification.
19. Acknowledgment – All receivers check the consistency of the message being received
and will acknowledge a consistent message and flag an inconsistent message.
20. Sleep Mode; Wake-up – To reduce the system's power consumption, a CAN device may
be set into Sleep mode without any internal activity and with disconnected bus drivers.
The Sleep mode is finished with a wake-up by any bus activity or by internal conditions of
the system. On wake-up, the internal activity is restarted, although the MAC sub-layer will
be waiting for the system's oscillator to stabilize and it will then wait until it has
synchronized itself to the bus activity (by checking for eleven consecutive ‘recessive’ bits),
before the bus drivers are set to “on-bus” again.

dsPIC30F Family Reference Manual
DS70074C-page 26-18 © 2004 Microchip Technology Inc.
B.6 Frame Types
B.6.1 Standard Data Frame
A data frame is generated by a node when the node wishes to transmit data. The Standard CAN
Data Frame is shown in Figure B-2. In common with all other frames, the frame begins with a
Start-Of-Frame bit (SOF – dominant state) for hard synchronization of all nodes.
The SOF is followed by the Arbitration field consisting of 12 bits, the 11-bit ldentifier (reflecting
the contents and priority of the message) and the RTR bit (Remote Transmission Request bit).
The RTR bit is used to distinguish a data frame (RTR – dominant) from a remote frame.
The next field is the Control field, consisting of 6 bits. The first bit of this field is called the lDE bit
(Identifier Extension) and is at dominant state to specify that the frame is a standard frame. The
following bit is reserved, RB0, and defined as a dominant bit. The remaining 4 bits of the Control
field are the Data Length Code (DLC) and specify the number of bytes of data contained in the
message.
The data being sent follows in the Data field, which is of the length defined by the DLC above
(1-8 bytes).
The Cyclic Redundancy field (CRC) follows and is used to detect possible transmission errors.
The CRC field consists of a 15-bit CRC sequence, completed by the recessive CRC Delimiter
bit.
The final field is the Acknowledge field. During the ACK Slot bit, the transmitting node sends out
a recessive bit. Any node that has received an error free frame acknowledges the correct
reception of the frame by sending back a dominant bit (regardless of whether the node is
configured to accept that specific message or not). From this, it can be seen that CAN belongs
to the “in-bit-response” group of protocols. The recessive Acknowledge Delimiter completes the
Acknowledge slot and may not be overwritten by a dominant bit.
B.7 Extended Data Frame
In the Extended CAN Data frame, shown in Figure B-3, the Start-Of-Frame bit (SOF) is followed
by the Arbitration field consisting of 38 bits. The first 11 bits are the 11 most significant bits of the
29-bit identifier (“Base-lD”). These 11 bits are followed by the Substitute Remote Request bit,
SRR, which is transmitted as recessive. The SRR is followed by the lDE bit, which is recessive
to denote that the frame is an extended CAN frame. It should be noted from this, that if
arbitration remains unresolved after transmission of the first 11 bits of the identifier, and one of
the nodes involved in arbitration is sending a standard CAN frame (11-bit identifier), then the
standard CAN frame will win arbitration due to the assertion of a dominant lDE bit. Also, the
SRR bit in an extended CAN frame must be recessive to allow the assertion of a dominant RTR
bit by a node that is sending a standard CAN remote frame. The SRR and lDE bits are followed
by the remaining 18 bits of the identifier (“lD-Extension”) and the Remote Transmission Request
bit.
To enable standard and extended frames to be sent across a shared network, it is necessary to
split the 29-bit extended message identifier into 11-bit (most significant) and 18-bit (least
significant) sections. This split ensures that the Identifier Extension bit (lDE) can remain at the
same bit position in both standard and extended frames.
The next field is the Control field, consisting of 6 bits. The first 2 bits of this field are reserved
and are at dominant state. The remaining 4 bits of the Control field are the Data Length Code
(DLC) and specify the number of data bytes.
The remaining portion of the frame (Data field, CRC field, Acknowledge field, End-Of-Frame
and lntermission) is constructed in the same way as for a standard data frame.

© 2004 Microchip Technology Inc. DS70074C-page 26-19
Section 26. Appendix
Appendix
26
B.8 Remote Frame
Normally data transmission is performed on an autonomous basis with the data source node
(e.g., a sensor sending out a data frame). It is possible, however, for a destination node to
request the data from the source. For this purpose, the destination node sends a “remote frame”
with an identifier that matches the identifier of the required data frame. The appropriate data
source node will then send a data frame as a response to this remote request.
There are 2 differences between a remote frame and a data frame, shown in Figure B-4. First,
the RTR bit is at the recessive state and second, there is no data field. In the very unlikely event
of a data frame and a remote frame with the same identifier being transmitted at the same time,
the data frame wins arbitration due to the dominant RTR bit following the identifier. In this way,
the node that transmitted the remote frame receives the desired data immediately.
B.9 Error Frame
An error frame is generated by any node that detects a bus error. An error frame, shown in
Figure B-5, consists of 2 fields, an error flag field followed by an error delimiter field. The error
delimiter consists of 8 recessive bits and allows the bus nodes to restart bus communications
cleanly after an error. There are two forms of error flag fields. The form of the error flag field
depends an the error status of the node that detects the error.
If an error-active node detects a bus error then the node interrupts transmission of the current
message by generating an active error flag. The active error flag is composed of six consecutive
dominant bits. This bit sequence actively violates the bit stuffing rule. All other stations
recognize the resulting bit stuffing error and in turn generate error frames themselves, called
error echo flags. The error flag field therefore consists of between six and twelve consecutive
dominant bits (generated by one or more nodes). The error delimiter field completes the error
frame. After completion of the error frame, bus activity returns to normal and the interrupted
node attempts to resend the aborted message.
If an error passive node detects a bus error, then the node transmits an error passive flag
followed again by the error delimiter field. The error passive flag consists of six consecutive
recessive bits, and therefore the error frame for an error passive node consists of 14 recessive
bits. From this, it follows that, unless the bus error is detected by the bus master node that is
actually transmitting, the transmission of an error frame by an error passive node will not affect
any other node on the network. If the bus master node generates an error passive flag, then this
may cause other nodes to generate error frames due to the resulting bit stuffing violation. After
transmission of an error frame, an error passive node must wait for 6 consecutive recessive bits
on the bus before attempting to rejoin bus communications.
B.10 Interframe Space
lnterframe space separates a proceeding frame (of whatever type) from a following data or
remote frame. lnterframe space is composed of at least 3 recessive bits, called the intermission.
This is provided to allow nodes time for internal processing before the start of the next message
frame. After the intermission, the bus line remains in the recessive state (Bus idle) until the next
transmission starts.

dsPIC30F Family Reference Manual
DS70074C-page 26-20 © 2004 Microchip Technology Inc.
Figure B-2: Standard Data Frame
90
90
90
90
90
90
90
90
90
90
90
90
90
90
90
90
90
90
90
90
90
90
90
90
90
90
90
90
90
90
90
90
90
90
90
90
90
90
90
90
90
90
90
90
90
90
90
90
90
90
90
90
90
90
90
90
90
90
90
90
90
90
90
90
90
90
90
90
90
90
90
90
90
90
90
90
90
90
90
90
90
90
90
90
90
90
90
90
90
90
90
90
90
90
90
90
90
90
90
90
90
90
90
90
90
90
90
90
90
90
90
90
90
90
90
1 1 1 1 1 1 1 1 1 1 1 1 1 1 1 1 1 1 1 1 1 1 1 1 0
INT Suspend
Transmit
bus Idle
Any Frame
Inter-Frame Space
Start-Of-Frame
Data Frame or
Remote Frame
38
0 000 00000000 1 11111111
Start-Of-Frame
Data Frame (number of bits = 44 + 8N)
12
Arbitration Field
ID 10
11
ID3
ID0
Identifier
Message
Filtering
Stored in Buffers
RTR
IDE
RB0
DLC3
DLC0
6
4
Control
Field
Data
Length
Code
Reserved Bits
8N (≤ N ≤ 8)
Data Field
88
Stored in Transmit/Receive Buffers
Bit Stuffing
16
CRC Field
15
CRC
7
End-Of-
Frame
CRC Del
Acknowledgment
ACK Del
111111111111111111111 1110
INT Suspend
Transmit
bus Idle
Any Frame
Inter-Frame Space
Start-Of-Frame
Data Frame or
Remote Frame
38
90
90
90
90
90
90
90
90
90
90
90
90
90
90
90
90
90
90
90
90
90
90
90
90
90
90
90
90
90
90
90
90
90
90
90
90
90
90
90
90
90
90
90
90
90
90
90
90
90
90
90
90
90
90
90
90
90
90
90
90
90
90
90
90
90
90
90
90
90
90
90
90
90
90
90
90
90
90
90
90
90
90
90
90
90
90
90
90
90
90
90
90
90
90
90
90
90
90
90
90
90
90
90
90
90
90
90
90
90
90
90
90
90
90
90
90
90
90
90
90
90
90
90
90
90
90
90
90
90
90
90
90
90
90
90
90
90

© 2004 Microchip Technology Inc. DS70074C-page 26-21
Section 26. Appendix
Appendix
26
Figure B-3: Extended Data Format
1 1 1 1 1 0
bus Idle
Start-Of-Frame
Data Frame or
Remote Frame
0 01 000 000000000000000000000001
Start-Of-Frame
Arbitration Field
32
11
ID10
ID3
ID0
IDE
Identifier
Message
Filtering
Stored in Buffers
SRR
EID17
EID0
RTR
RB1
RB0
DLC3
18
DLC0
6
Control
Field
4
Reserved bits
Data
Length
Code
Stored in Transmit/Receive Buffers
8 8
Data Frame (number of bits = 64 + 8N)
8N (≤ N ≤ 8)
Data Field
1 1 1 1 1 1 1 1
16
CRC Field
15
CRC
CRC Del
Acknowledgment
ACK Del
End-Of-
Frame
7
Bit Stuffing
111111111111111111111 1110
INT Suspend
Transmit
bus Idle
Any Frame
Inter-Frame Space
Start-Of-Frame
Data Frame or
Remote Frame
38
90
90
90
90
90
90
90
90
90
90
90
90
90
90
90
90
90
90
90
90
90
90
90
90
90
90
90
90
90
90
90
90
90
90
90
90
90
90
90
90
90
90
90
90
90
90
90
90
90
90
90
90
90
90
90
90
90
90
90
90
90
90
90
90
90
90
90
90
90
90
90
90
90
90
90
90
90
90
90
90
90
90
90
90
90
90
90
90
90
90
90
90
90
90
90
90
90
90
90
90
90
90
90
90
90
90
90
90
90
90
90
90
90
90
90
90
90
90
90
90
90
90
90
90
90
90
90
90
90
90
90
90
90
90
90
90
90
90
90
90
90
90
90
90
90
90
90
90
90
90
90
90
90
90
90
90
90
90
90
90
90
90
90
90
90
90
90
90
90
90
90
90
90
90
90
90
90
90
90
90
90
90
90
90
90
90
90
90
90
90
90
90
90
90
90
90
90
90
90
90
90
90
90
90
90
90
90
90
90
90
90
90
90
90
90
90
90
90
90
90
90
90
90
90
90
90
90
90
90
90
90
90
90
90
90
90
90
90
90
90
90
90
90
90
90
90
90
90
90
90
90
90
Extended Identifier

dsPIC30F Family Reference Manual
DS70074C-page 26-22 © 2004 Microchip Technology Inc.
Figure B-4: Remote Data Frame
Identifier
Message
Filtering
Stored in Buffers
Data
Length
Code
Reserved Bits
Bit Stuffing
1 1 1 1 1 1 1 1 1 1 1 1 1 1 1 1 1 1 1 1 1 1 1 1 0
INT Suspend
Transmit
bus Idle
Any Frame
Inter-Frame Space
Start-Of-Frame
Data Frame or
Remote Frame
38
0 1 0 0 1 1 1 1 1 1 1 1 1
Start-Of-Frame
Remote Frame (number of bits = 44)
12
Arbitration Field
ID 10
11
ID0
RTR
IDE
RB0
DLC3
DLC0
6
4
Control
Field
16
CRC Field
15
CRC
7
End-Of-
Frame
CRC Del
Acknowledgment
ACK Del
111111111111111111111 1110
INT Suspend
Transmit
bus Idle
Any Frame
Inter-Frame Space
Start-Of-Frame
Data Frame or
Remote Frame
38
90
90
90
90
90
90
90
90
90
90
90
90
90
90
90
90
90
90
90
90
90
90
90
90
90
90
90
90
90
90
90
90
90
90
90
90
90
90
90
90
90
90
90
90
90
90
90
90
90
90
90
90
90
90
90
90
90
90
90
90
90
90
90
90
90
90
90
90
90
90
90
90
90
90
90
90
90
90
90
90
90
90
90
90
90
90
90
90
90
90
90
90
90
90
90
90
90
90
90
90
90
90
90
90
90
90
90
90
90
90
90
90
90
90
90
90
90
90
90
90
90
90
90
90
90
90
90
90
90
90
90
90
90
90
90
90
90
90
90
90
90
90
90
90
90
90
90
90
90
90
90
90
90
90
90
90
90
90
90
90
90
90
90
90
90
90
90
90
90
90
90
90
90
90
90
90
90
90
90
90
90
90
90
90
90
90
90
90
90
90
90
90
90
90
90
90
90
90
90
90
90
90
90
90
90
90
90
90
90
90
90
90
90
90
90
90
90
90
90
90
90
90
90
90
90
90
90
90
90
90
90
90
90
90
90
90
90
90
90
90
90
90
90
90
90
90
90
90
90
90
90
90

© 2004 Microchip Technology Inc. DS70074C-page 26-23
Section 26. Appendix
Appendix
26
Figure B-5: Error Frame
1 1 1 1 1 1 1 1 1 1 1 1 1 1 1 1 1 1 1 1 1 1 1 1 0
INT Suspend
Transmit
bus Idle
Any Frame
Inter-Frame Space
Start-Of-Frame
Data Frame or
Remote Frame
38
0 0 0 0
Start-Of-Frame
Interrupted Data Frame
12
Arbitration Field
ID 10
11
ID3
ID0
Identifier
Message
Filtering
RTR
IDE
RB0
DLC3
DLC0
6
4
Control
Field
Data
Length
Code
Reserved Bits
8N (≤ N ≤ 8)
Data Field
88
Bit Stuffing
111111111111111111111 1110
INT Suspend
Transmit
bus Idle
Any Frame
Inter-Frame Space
Start-Of-Frame
Data Frame or
Remote Frame
38
0000000 00111111110
Data Frame or
Remote Frame
Error Frame
6
Error
Flag
≤ 6
Echo
Error
Flag
8
Error
Delimiter Inter-Frame Space
90
90
90
90
90
90
90
90
90
90
90
90
90
90
90
90
90
90
90
90
90
90
90
90
90
90
90
90
90
90
90
90
90
90
90
90
90
90
90
90
90
90
90
90
90
90
90
90
90
90
90
90
90
90
90
90
90
90
90
90
90
90
90
90
90
90
90
90
90
90
90
90
90
90
90
90
90
90
90
90
90
90
90
90
90
90
90
90
90
90
90
90
90
90
90
90
90
90
90
90
90
90
90
90
90
90
90
90
90
90
90
90
90
90
90
90
90
90
90
90
90
90
90
90
90
90
90
90
90
90
90
90
90
90
90
90
90
90
90
90
90
90
90
90
90
90
90
90
90
90
90
90
90
90
90
90
90
90
90
90
90
90
90
90
90
90
90
90
90
90
90
90
90
90
90
90
90
90
90
90
90
90
90
90
90
90
90
90
90
90
90
90
90
90
90
90
90
90
90
90
90
90
90
90
90
90
90
90
90
90
90
90
90
90
90
90
90
90
90
90
90
90
90
90
90
90
90
90
90
90
90
90
90
90
90
90
90
90
90
90
90
90
90
90
90
90
90
90
90
90
90
90

dsPIC30F Family Reference Manual
DS70074C-page 26-24 © 2004 Microchip Technology Inc.
B.11 Referenced Documents
Title
Document
Road Vehicles; Interchange of Digital Information, Controller Area Network ISO11898
Bosch CAN Specification Version 2.0

© 2004 Microchip Technology Inc. DS70074C-page 26-25
Section 26. Appendix
Appendix
26
APPENDIX C: CODEC PROTOCOL OVERVIEW
This appendix summarizes audio coder/decoder (codec) protocols for Inter-IC Sound (I2S) and
AC-Link Compliant mode interfaces. Many codecs intended for use in audio applications
support sampling rates between 8 kHz and 48 kHz and typically use one of the interface
protocols previously mentioned. The Data Converter Interface (DCI) module automatically
handles the interface timing associated with these codecs. No overhead from the CPU is
required until the requested amount of data has been transmitted and/or received by the DCI.
Up to four data words may be transferred between CPU interrupts.
C.1 I2S Protocol Description
Inter-IC Sound (I2S) is a simple, three-wire bus interface used for the transfer of digital audio
data between the following devices:
• DSP processors
• A/D and D/A converters
• Digital input/output interfaces
This Appendix information is intended to supplement the I2S Protocol Specification®, which is
published by Philips, Inc.
The I2S bus is a time division multiplexed and transfers two channels of data. These two data
channels are typically the left and right channels of a digital audio stream.
The I2S bus has the following connection pins:
• SCK: The I2S serial clock line
• SDx: The I2S serial data line (input or output)
•WS: The I
2S word select line
A timing diagram for a data transfer is shown in Figure C-2. Serial data is transmitted on the I2S
bus in two’s complement format with the MSb transmitted first. The MSb must be transferred
first because the protocol allows different transmitter and receiver data word lengths. If a
receiver is sent more bits than in can accept for a data word, the LSbits are ignored. If a receiver
is sent fewer bits than its native word length, it must set the remaining LSbits to zero internally.
The WS line indicates the data channel that is being transmitted. The following standard is
used:
•WS = 0: Channel 1 or left audio channel
•WS = 1: Channel 2 or right audio channel
The WS line is sampled by the receiver on the rising edge of SCK and the MSb of the next data
word is transmitted one SCK period after WS changes. The one period delay after WS changes
provides the receiver time to store the previously transmitted word and prepare for the next
word. Serial data sent by the transmitter is placed on the bus on the falling edge of SCK and is
latched by the receiver on the rising edge of SCK.
Any device may act as the system master in an I2S system. The system master generates the
SCK and WS signals. Typically, the transmitter is the system master, but the receiver or a third
device may perform this function. Figure C-1 shows possible I2S bus configurations. Although it
is not indicated in Figure C-1, the two connected devices may have both a data transmit and a
data receive connection.

dsPIC30F Family Reference Manual
DS70074C-page 26-26 © 2004 Microchip Technology Inc.
Figure C-1: I2S Bus Connections
Figure C-2: I2S Interface Timing Diagram
C.2 AC ‘97 Protocol
The Audio Codec ‘97 (AC ‘97) specification defines a standard architecture and digital interface
protocol for audio codecs used in PC platforms. The digital interface protocol for an AC ‘97
compliant codec is called AC-Link and is the focus of this discussion. The specific requirements
and features of the AC ‘97 controller device are not described here.
This Appendix information is intended to supplement the AC ‘97 Component Specification
document, which is published by Intel, Corp.
C.3 AC-Link Signal Descriptions
All AC-Link signals are derived from the AC ‘97 master clock source. The recommended clock
source is a 24.576 MHz crystal connected to the AC ‘97 codec to minimize clock jitter. The
24.576 MHz clock may also be provided by the AC ‘97 controller or by an external source.
All AC-Link signal names are referenced to the AC ‘97 controller, not the AC ‘97 codec. The
controller is the device that generates the SYNC signal to initiate data transfers. Each signal is
described in subsequent sections.
SCK
WS
SD
SCK
WS
SD
I2S Receiver
SCK
WS
SD
Transmitter master
Receiver master
Separate controller as master
I2S Transmitter
I2S Controller
I2S Transmitter I2S Receiver
I2S ReceiverI2S Transmitter
Note: A 5 bit transfer is shown here for illustration purposes. The I2S protocol does
not specify word length – this is system dependent.
MSB LSB MSB LSB
SCK
SD
WS

© 2004 Microchip Technology Inc. DS70074C-page 26-27
Section 26. Appendix
Appendix
26
C.3.1 Bit Clock (BIT_CLK)
A 12.288 MHz BIT_CLK signal is provided by the master AC ’97 codec in a system. The
BIT_CLK signal is an input to the AC ‘97 controller and up to three slave AC ‘97 codec devices
in the system. All data on the AC-Link transitions on the rising edge of BIT_CLK and is sampled
by the receiving device on the falling edge of BIT_CLK.
C.3.2 Serial Data Output (SDO)
SDO is a time division multiplexed data stream sent to the AC ‘97 codec
C.3.3 Serial Data Input (SDI)
SDI is the time division multiplexed data stream from the AC ‘97 codec.
C.3.4 SYNC
SYNC is a 48 kHz fixed rate sample synchronization signal that is supplied from the AC ‘97
controller to the AC ‘97 codec. The SYNC signal is derived by dividing the BIT_CLK signal by
256. The SYNC signal is high for 16 BIT_CLK periods and is low for 240 BIT_CLK periods. The
SYNC signal only changes on the rising edge of BIT_CLK and its period defines the boundaries
of one audio data frame.
C.3.5 Reset
The RESET signal is an input to each AC ‘97 codec in the system and resets the codec
hardware.
C.4 AC-Link Protocol
C.4.1 AC-Link Serial Interface Protocol
The AC-Link serial data stream uses a time division multiplexed (TDM) scheme with a 256-bit
data frame. Each data frame is subdivided into 13 time slots, numbered Slot #0 – Slot #12. Slot
#0 is a special time slot that contains 16 bits. The remaining 12 slots are 20-bits wide.
An example of an AC-Link frame is shown in Figure C-4. The frame begins with a rising edge of
the SYNC signal which is coincident with the rising edge of BIT_CLK. The AC ‘97 codec
samples the assertion of SYNC on the falling edge of BIT_CLK that immediately follows. This
falling edge marks the time when both the codec and controller are aware of the start of a new
frame. On the next rising edge of BIT_CLK, the codec asserts the MSb of SDATA_IN and the
codec asserts the first edge of SDATA_OUT. This sequence ensures that data transitions and
subsequent sample points for both incoming and outgoing data streams are time aligned.
Slot #0, Slot #1 and Slot #2 have special use for status and control in the AC-Link protocol. The
remaining time slots are assigned to certain types of digital audio data. The data assignment for
Slot #3 – Slot #12 is dependent on the AC ‘97 codec that is selected, so the slot usage is
summarized briefly here. For more details on slot usage, refer to the AC ‘97 Component
Specification.

dsPIC30F Family Reference Manual
DS70074C-page 26-28 © 2004 Microchip Technology Inc.
C.4.2 Slot #0, TAG Frame
Slot #0 is commonly called the ‘tag frame’. The tag frame has a bit location for each data time
slot in the AC-Link protocol. These bits are used to specify which time slots in a frame are valid
for use by the controller. A “1” in a given bit position of Slot #0 indicates that the corresponding
time slot within the current audio frame has been assigned to a data stream, and contains valid
data. If a slot is “tagged” invalid, it is the responsibility of the source of the data, (AC ‘97 codec
for the input stream, AC ’97 controller for the output stream), to stuff all bit positions with 0s
during the slot’s active time.
There are also special bits in the tag frame. The MSb of the tag frame for SDATA_OUT is a
‘Frame Valid’ Status bit. The Frame Valid bit serves as a global indicator to the codec that at
least one time slot in the frame has valid data. If the entire frame is tagged invalid, the codec
can ignore all subsequent slots in the frame. This feature is used to implement sample rates
other than 48 kHz.
The two LSbs of the SDATA_OUT tag frame indicate the codec address. Up to four AC ‘97
codecs may be connected in a system. If only one codec is used in a system, these bits remain
0’s.
The MSb of the SDATA_IN is used as a ‘Codec Ready’ Status bit. If this bit location is a ‘0’, then
the codec is powered down and/or not ready for normal operation. If the ‘Codec Ready’ bit is
set, it is the responsibility of the controller to query the status registers in the codec to see which
subsections are operable.
C.4.3 Slot #1 (Command Address) and Slot #2 (Command Data)
Slot #1 and Slot #2 also have special uses in the AC-Link protocol. These time slots are used
for address and data values when reading or writing the AC ‘97 codec control registers. These
time slots must be tagged as valid in Slot #0 in order to read and write the control registers. The
AC ‘97 Component Specification allows for sixty-four (64) 16-bit control registers in the codec.
Seven address bits are provided in the AC-Link protocol, but only even-numbered addresses
are used. The odd numbered address values are reserved.
Slot #1 and Slot #2 for the SDATA_OUT line are called the Command Address and Command
Data, respectively. The Command Address slot on the SDATA_OUT line is used to specify the
codec register address and to specify whether the register access will be a read or a write. The
Command Data slot on SDATA_OUT contains the 16-bit value that will be written to one of the
codec control registers. If a read of the codec registers is being performed, the Command Data
bits are set to ‘0’s.
Slot #1 and Slot #2 for the SDATA_IN line are called the Status Address and Status Data slots,
respectively. The Status Address time slot echos the register address that was previously sent
to the codec. If this value is ‘0’, an invalid address was previously sent to the codec.
The Status Address time slot also has ten Slot Request bits. The Slot Request bits can be
manipulated by the codec for applications with variable sample rates.
The Status Data time slot returns 16-bit data read from the codec control/status registers.
C.4.4 Slot #3 (PCM Left Channel)
Slot #3 in the SDATA_OUT signal is used for the composite digital audio left playback stream.
For soundcard applications, this is typically the combined .WAV audio and MIDI synthesizer
output.
Slot #3 in the SDATA_IN signal is the left channel record data taken from the AC ‘97 codec input
mixer.
C.4.5 Slot #4 (PCM Right Channel)
Slot #4 in the SDATA_OUT signal is used for the composite digital audio right playback stream.
For soundcard applications, this is typically the combined .WAV audio and MIDI synthesizer
output.
Slot #4 in the SDATA_IN signal is the right channel record data taken from the AC ‘97 codec
input mixer.

© 2004 Microchip Technology Inc. DS70074C-page 26-29
Section 26. Appendix
Appendix
26
C.4.6 Slot #5 (Modem Line 1)
Slot #5 in the SDATA_OUT signal is used for modem DAC data. The default resolution for
modem compatible AC ‘97 codecs is 16 bits. As in all time slots, the unused bits in the slot are
set to ‘0’.
Slot #5 in the SDATA_IN signal is used for the modem ADC data.
C.4.7 Slot #6
Slot #6 in the SDATA_OUT signal is used for PCM Center Channel DAC data in 4 or 6-channel
sound configurations.
Slot #6 in the SDATA_IN signal is used for dedicated microphone record data. The data in this
slot allows echo cancellation algorithms to be used for speakerphone applications.
C.4.8 Slot #7
Slot #7 in the SDATA_OUT signal is used for PCM Left Channel DAC data in 4 or 6-channel
sound configurations.
Slot #7 in the SDATA_IN signal is reserved for future use in the AC ‘97 Component
Specification.
C.4.9 Slot #8
Slot #8 in the SDATA_OUT signal is used for PCM Right Channel DAC data in 4 or 6-channel
sound configurations.
Slot #8 in the SDATA_IN signal is reserved for future use in the AC ‘97 Component
Specification.
C.4.10 Slot #9
Slot #9 in the SDATA_OUT signal is used for PCM LFE DAC data in 6-channel sound
configurations.
Slot #9 in the SDATA_IN signal is reserved for future use in the AC ‘97 Component
Specification.
C.4.11 Slot #10 (Modem Line 2)
Slot #10 is used for the modem line 2 ADC and DAC data in modem compatible devices.
C.4.12 Slot #11 (Modem Handset)
Slot #11 is used for the modem handset ADC and DAC data in modem compatible devices.
C.4.13 Slot #12 (GPIO Control/Status)
The bits in Slot #12 are used for reading and writing GPIO pins in the AC ‘97 codec. The GPIO
pins are provided for modem control functions on modem compatible devices.
Figure C-3: AC-Link Signal Connections
AC ‘97
Controller AC ‘97
Codec
24.576
MHz
BIT_CLK
SYNC
SDATA_OUT
SDATA_IN
/RESET

dsPIC30F Family Reference Manual
DS70074C-page 26-30 © 2004 Microchip Technology Inc.
Figure C-4: AC-Link Data Frame
Figure C-5: SDATA_IN Bit Locations for SLOT#0, SLOT#1, SLOT#2
Tag
Frame Command
Address Command
Data
Slot3
Left PCM
Data
Slot 4
Right PCM
Data
Slot 10
Line 2
DAC
Slot 11
Handset
DAC
Slot 12
Codec I/O
Control
Tag
Frame Status
Address Status
Data
Slot3
Left PCM
Data
Slot 4
Right PCM
Data
Slot 10
Line 2
ADC
Slot 11
Handset
ADC
Slot 12
Codec I/O
Status
16 20 20 20 20 20 20 20
256
SDATA_OUT
SDATA_IN
SYNC
SLOT#0: TAG Slot
SLOT#1: Control Address Echo And SLOTREQ Bits
Codec
Ready Slot 1
Valid Slot 2
Valid Slot 3
Valid Slot 4
Valid Slot 5
Valid Slot 6
Valid Slot 7
Valid Slot 9
Valid Slot 10
Valid Slot 11
Valid Slot 12
Valid
Slot 8
Valid ___ ___ ___
bit 0
bit 15
Resvd
0Slot 4 Slot 5 Slot 6 Slot 7Slot 3 Slot 8 Slot 9 Slot 10
bit 0
bit 19 bit 18 bit 12
Control Register Index Echo
(Set to 0siftaggedinvalidbyAC'97codec.) Slot 11Slot 12 Reserved
(set to 0)
bits 11-2: On demand data request flags – 0 = send data, 1 = do NOTsend data
bit 11 bit 2
bit 0
bit 19
Control Register 16-bit Read Data
(Set to 0siftaggedinvalidbyAC'97codec.) Reserved
(set to 0)
bit 4
SLOT#2: Codec Control Register Read Data

© 2004 Microchip Technology Inc. DS70074C-page 26-31
Section 26. Appendix
Appendix
26
Figure C-6: SDATA_OUT Bit Locations for SLOT#0, SLOT#1, SLOT#2
SLOT#0: TAG Slot
SLOT#1: Command Address
SLOT#2: Command Data
Valid
Frame Slot 1
Valid Slot 2
Valid Slot 3
Valid Slot 4
Valid Slot 5
Valid Slot 6
Valid Slot 7
Valid Slot 9
Valid Slot 10
Valid Slot 11
Valid Slot 12
Valid
Slot 8
Valid ___ Codec
ID Codec
ID
bit 0
bit 15
R/W
bit
bit 0
bit 19 bit 18 bit 12
Control Register Index Reserved
(set to 0)
bit 11
bit 0
bit 19
Control Register 16-bit Write Data
(Set to 0sifcurrentlyperformingareadoperation.)' Reserved
(set to 0)
bit 4

dsPIC30F Family Reference Manual
DS70074C-page 26-32 © 2004 Microchip Technology Inc.
NOTES:

© 2006 Microchip Technology Inc. DS70046E-page 1
dsPIC30F Family Reference Manual
Index
A
A/D
Accuracy/Error ............................................17-47, 18-28
ADCON0 Register...........................................17-4, 18-4
Configuring Analog Port Pins......................17-14, 18-12
Edge Detection Mode ..............................................13-8
Effects of a Reset........................................16-19, 17-55
Effects of a Reset (12-bit) ......................................18-33
Enabling the Module ..............................................17-16
Enabling the Module (12-bit)..................................18-14
How to Start Sampling ...........................................17-17
How to Stop Sampling and Start Conversions.......17-18
Reading the A/D Result Buffer...............................17-46
Sampling Requirements..............................17-45, 18-26
Transfer Function........................................17-47, 18-28
Transfer Function (12-bit) ......................................18-28
A/D Accuracy/Error ........................................................17-47
A/D Accuracy/Error (12-bit)............................................18-28
A/D Conversion Speeds......................................17-49, 18-30
A/D Converter External Conversion Request ..................6-10
A/D Module Configuration..............................................17-13
A/D Module Configuration (12-bit) .................................18-11
A/D Sampling Requirements (12-bit) .............................18-26
A/D Special Event Trigger..............................................12-22
A/D Terminology and Conversion Sequence.................17-11
A/D Terminology and Conversion Sequence (12-bit) ....18-10
Accumulator ‘Write Back’.................................................2-25
ACK................................................................................21-38
Acknowledge Pulse........................................................21-38
Address Generator Units and DSP Class Instructions.......3-6
Address Register Dependencies .....................................2-35
AKS................................................................................21-17
Alternate Vector Table .......................................................6-2
Arithmetic Logic Unit (ALU)..............................................2-17
B
Barrel Shifter....................................................................2-26
Baud Rate
Generator (BRG)......................................................19-8
Tables ......................................................................19-9
BF .......................................................................21-18, 21-19
Bit-Reversed Addressing .................................................3-14
and Modulo Addressing ...........................................3-15
Code Example ......................................................... 3-18
Intro..........................................................................3-14
Modifier Value..........................................................3-16
Operation .................................................................3-15
Block Diagrams
Dedicated Port Structure..........................................11-2
DSP Engine .............................................................2-19
dsPIC30F CPU Core..................................................2-3
External Power-on Reset Circuit (For Slow VDD
Rise Time) .........................................................8-7
Input Capture ...........................................................13-2
Input Change Notification.........................................11-7
Low Voltage Detect (LVD) ......................................... 9-3
Oscillator System.......................................................7-4
Output Compare Module..........................................14-2
Reset System.............................................................8-2
Shared Port Structure ..............................................11-4
Type A Timer ...........................................................12-3
Type B - Type C Timer Pair (32-bit Timer).............12-17
Type B Timer ...........................................................12-4
Type C Timer ...........................................................12-5
UART .......................................................................19-2
UART Receiver ......................................................19-16
UART Transmitter.................................................. 19-11
WDT ........................................................................ 10-6
Brown-out Reset (BOR)..................................................... 8-8
Configuration ............................................................. 8-9
Current Consumption for Operation .......................... 8-9
Byte to Word Conversion................................................. 2-17
C
CAN
Buffer Reception and Overflow Truth Table .......... 23-44
Message Acceptance Filters ................................. 23-12
CAN Library ..................................................................... 25-9
Capture Buffer Operation................................................. 13-8
Clock Switching
Aborting ................................................................... 7-36
Enable ..................................................................... 7-34
Entering Sleep Mode During ................................... 7-36
Operation................................................................. 7-34
Recommended Code Sequence ............................. 7-36
Tips.......................................................................... 7-36
CN
Change Notification Pins ......................................... 11-7
Configuration and Operation ................................... 11-8
Control Registers..................................................... 11-7
Operation in Sleep and Idle Modes ......................... 11-8
Code Examples
Clock Switching ....................................................... 7-37
Compare Mode Toggle Mode Pin State Setup........ 14-8
Compare Mode Toggle Setup and Interrupt
Servicing.......................................................... 14-8
Configuration Register Write ................................... 5-15
Continuous Output Pulse Setup and Interrupt
Servicing........................................................ 14-16
Initialization Code for 16-bit Asynchronous Counter
Mode Using an External Clock Input ............. 12-11
Initialization Code for 16-bit Gated Time Accumulation
Mode ............................................................. 12-13
Initialization Code for 16-bit Synchronous Counter Mode
Using an External Clock Input ....................... 12-10
Initialization Code for 16-bit Timer Using
System Clock................................................... 12-9
Initialization Code for 32-bit Gated Time
Accumulation Mode....................................... 12-20
Initialization Code for 32-bit Synchronous Counter Mode
Using an External Clock Input ....................... 12-19
Initialization Code for 32-bit Timer Using Instruction
Cycle as Input Clock...................................... 12-18
Prescaled Capture................................................... 13-7
PWM Mode Pulse Setup and Interrupt
Servicing........................................................ 14-22
Reading from a 32-bit Timer.................................. 12-21
Single Output Pulse Setup and Interrupt
Servicing........................................................ 14-12
Single Row Programming........................................ 5-14
8-bit Transmit/Receive (UART1) ........................... 19-20
9-bit Transmit/Receive (UART1), Address Detect
Enabled ......................................................... 19-20
CODEC Interface Basics and Terminology ..................... 22-8
Complementary PWM Output Mode.............................. 15-26
Configuration Bit Descriptions ......................................... 24-6
BOR and POR......................................................... 24-6
General Code Segment........................................... 24-6
Motor Control PWM Module .................................... 24-6
Oscillator.................................................................. 24-6
Connection Considerations............................................ 17-47
Connectivity Development Board .................................. 25-14
Control Register Descriptions.......................................... 3-18

Index
DS70046E-page 2 © 2006 Microchip Technology Inc.
Control Registers .......................................... 12-6, 17-4, 18-4
Assignment of Interrupts ..........................................6-14
Controlling Sample/Conversion Operation.....................17-29
Controlling Sample/Conversion Operation (12-bit) ........18-19
Conversion Sequence Examples...................................17-31
Conversion Sequence Examples (12-bit).......................18-21
CPU
Register Maps..........................................................2-38
Related Application Notes........................................2-40
Revision History.......................................................2-41
CPU Clocking Scheme.......................................................7-5
CPU Priority Status ............................................................6-5
CPU Register Descriptions ..............................................2-11
Crystal Oscillators, Ceramic Resonators .........................7-22
D
Data Accumulator
Status Bits................................................................2-23
Data Accumulator Adder/Subtractor ................................2-23
Data Accumulators...........................................................2-20
Data Alignment...................................................................3-7
Data EEPROM Programming ..........................................5-15
Erasing One Row.....................................................5-19
Erasing One Word ...................................................5-17
Reading Memory......................................................5-21
Row Algorithm..........................................................5-16
Single Word Algorithm .............................................5-16
Write One Row.........................................................5-20
Writing One Word ....................................................5-18
Data Memory
Map ............................................................................3-3
Near ...........................................................................3-4
Data Space Address
Generator Units (AGUs).............................................3-5
X Address Generator Unit..........................................3-5
Y Address Generator Unit..........................................3-5
Data Space Write Saturation............................................2-24
DCI
Buffer Control Unit .................................................22-13
Control Register Descriptions ..................................22-2
Operation ...............................................................22-10
Using the Module ...................................................22-17
Dead Time Control.........................................................15-27
Determining Best Values for Crystals, Clock Mode,
C1, C2, and Rs ........................................................7-24
Device Configuration
Register Descriptions...............................................24-2
Device Identification Registers.........................................24-7
Device ID (DEVID)...................................................24-7
Unit ID Field .............................................................24-7
Device Reset Times.........................................................8-11
Device Start-up Time Lines..............................................8-13
Device Wake-up on Sleep/Idle.......................................13-10
Disable Interrupts Instruction .............................................6-8
Divide Support..................................................................2-27
DSP Algorithm Library......................................................25-7
DSP Engine......................................................................2-18
DSP Engine Mode Selection............................................2-26
DSP Engine Trap Events .................................................2-26
DSP Filter Design Software Utility....................................25-8
dsPIC Language Suite .....................................................25-3
dsPIC30F Hardware Development Boards....................25-11
E
Equations
Calculating the PWM Period.................................. 14-19
Calculation for Maximum PWM Resolution ........... 14-20
Modulo End Address for Incrementing Buffer............ 3-9
Modulo Start Address for Decrementing Buffer......... 3-9
WDT Time-out Period.............................................. 10-7
External Clock Input......................................................... 7-25
External Interrupt Support................................................ 6-10
External RC Oscillator ..................................................... 7-26
Operating Frequency............................................... 7-27
Start-up.................................................................... 7-27
with I/O Enabled ...................................................... 7-27
External Reset (EXTR) ...................................................... 8-7
F
Fail-Safe Clock Monitor (FSCM)...................................... 7-32
and Slow Oscillator Start-up .................................... 7-33
and WDT ................................................................. 7-33
Delay ....................................................................... 7-32
Flash and Data EEPROM Programming
Control Registers....................................................... 5-5
NVMADR........................................................... 5-6
NVMCON........................................................... 5-5
NVMKEY ........................................................... 5-6
Flash Program Memory
Erasing a Row ......................................................... 5-12
Loading Write Latches............................................. 5-13
Programming Algorithm........................................... 5-11
FSCM
and Device Resets................................................... 8-12
Delay for Crystal and PLL Clock Sources................ 8-12
G
General Purpose Development Board........................... 25-12
H
Hard Traps......................................................................... 6-7
Address Error (Level 13)............................................ 6-8
Oscillator Failure (Level 14)....................................... 6-8
Priority and Conflicts.................................................. 6-7
Stack Error (Level 12)................................................ 6-6
How to Start Sampling (12-bit)....................................... 18-14
How to Start Sampling and Start
Conversions (12-bit) .............................................. 18-14
I
I/O Multiplexing with Multiple Peripherals........................ 11-4
I/O Pin Control ..............................12-22, 13-10, 14-23, 16-18
I/O Port Control Registers................................................ 11-3
I/O Ports
Related Application Notes ..................................... 11-11
Revision History..................................................... 11-12
Idle Mode ......................................................................... 10-4
Time Delays on Wake-up from ................................ 10-5
Wake-up from on Interrupt....................................... 10-5
Wake-up from on Reset........................................... 10-5
Wake-up from on WDT Time-out............................. 10-5
Independent PWM Output Mode ................................... 15-30
Initialization.................................................................... 17-48
Initialization (12-bit)........................................................ 18-29

© 2006 Microchip Technology Inc. DS70046E-page 3
dsPIC30F Family Reference Manual
Index
Input Capture
Associated Special Function Registers..................13-11
Buffer Not Empty (ICBNE) .......................................13-9
Design Tips............................................................13-12
Interrupts..................................................................13-9
Control Bits ......................................................13-9
Operation in Power Saving States.........................13-10
Overflow (ICOV).......................................................13-9
Related Application Notes......................................13-13
Input Capture Event Modes .............................................13-4
Input Capture Registers ...................................................13-3
Instruction Flow Types .....................................................2-27
Instruction Stall Cycles.....................................................2-36
Internal Fast RC Oscillator (FRC)....................................7-31
Internal Low Power RC (LPRC) Oscillator .......................7-32
Enabling...................................................................7-32
Internal Voltage Reference ................................................ 9-3
Interrupt Control and Status Registers.............................6-14
CORCON.................................................................6-14
IECx .........................................................................6-14
IFSx..........................................................................6-14
INTCON1, INTCON2 ...............................................6-14
IPCx .........................................................................6-14
SR............................................................................6-14
Interrupt Controller
Associated Special Function Registers....................6-43
Interrupt Latency
One-Cycle Instructions.............................................6-11
Two-Cycle Instructions.............................................6-12
Interrupt Operation.............................................................6-9
Nesting.....................................................................6-10
Return From Interrupt ................................................6-9
Interrupt Priority .................................................................6-5
Interrupt Processing Timing.............................................6-11
Interrupt Setup Procedures.............................................. 6-42
Initialization ..............................................................6-42
Interrupt Disable.......................................................6-42
Interrupt Service Routine.........................................6-42
Trap Service Routine ...............................................6-42
Interrupt Vector Table ........................................................6-2
Interrupts
Design Tips..............................................................6-44
Related Application Notes........................................6-45
Revision History.......................................................6-46
Interrupts Coincident with Power Save Instructions.........10-5
Introduction
Revision History.........................................................1-7
IWCOL ...........................................................................21-22
I2C
Acknowledge Generation.......................................21-21
Building Complete Master Messages ....................21-24
Bus Arbitration and Bus Collision...........................21-30
Bus Collision During a Repeated Start
Condition........................................................21-31
Bus Collision During a Start Condition...................21-31
Bus Collision During a Stop Condition...................21-31
Bus Collision During Message Bit
Transmission .................................................21-31
Bus Connection Considerations.............................21-47
Communicating as a Master in a Multi-Master
Environment...................................................21-29
Communicating as a Slave ....................................21-32
Detecting Bus Collisions and Resending
Messages ......................................................21-30
Detecting Start and Stop Conditions......................21-32
Detecting the Address............................................21-32
Enabling I/O ...........................................................21-13
Enabling Operation................................................ 21-13
Generating Repeated Start Bus Event .................. 21-23
Generating Start Bus Event................................... 21-16
Generating Stop Bus Event ................................... 21-22
Initiating and Terminating Data Transfer ................. 26-3
Interrupts ............................................................... 21-13
Master Message Protocol States........................... 21-24
Module Operation during PWRSAV Instruction..... 21-49
Receiving Data from a Master Device................... 21-37
Receiving Data from a Slave Device..................... 21-19
Sending Data to a Master Device.......................... 21-44
Sending Data to a Slave Device............................ 21-17
Start......................................................................... 26-3
Stop ......................................................................... 26-3
I2C Module
Multi-master Mode................................................. 21-29
Register Map ......................................................... 21-33
10-bit Address Mode ............................................. 21-35
L
LAT (I/O Latch) Registers................................................ 11-3
Loop Constructs .............................................................. 2-30
DO ........................................................................... 2-32
REPEAT .................................................................. 2-30
Low Power 32 kHz Crystal Oscillator............................... 7-31
Low Power 32 kHz Crystal Oscillator Input.................... 12-15
LP Oscillator
Continuous Operation.............................................. 7-31
Enable ..................................................................... 7-31
Intermittent Operation.............................................. 7-31
Operation with Timer1 ............................................. 7-31
LVD
Control Bits ................................................................ 9-3
Current Consumption for Operation .......................... 9-5
Design Tips................................................................ 9-6
Initialization Steps...................................................... 9-5
Operation................................................................... 9-5
Operation During Sleep and Idle Mode ..................... 9-5
Related Application Notes ......................................... 9-7
Trip Point Selection ................................................... 9-3
M
Math Library..................................................................... 25-7
Microchip Hardware and Language Tools....................... 25-2
Modes of Operation......................................................... 14-4
Compare Mode Output Driven High ........................ 14-5
Compare Mode Output Driven Low ......................... 14-6
Compare Mode Toggle Output................................ 14-7
Dual Compare Match............................................... 14-9
Dual Compare, Continuous Output Pulses............ 14-14
Dual Compare, Generating Continuous Output Pulses
Special Cases (table) .................................... 14-17
Dual Compare, Single Output Pulse........................ 14-9
Special Cases (table) .................................... 14-13
Single Compare Match ............................................ 14-4
Modulo Addressing............................................................ 3-7
Applicability.............................................................. 3-11
Calculation................................................................. 3-9
Initialization for Decrementing Buffer....................... 3-13
Initialization for Incrementing Modulo Buffer ........... 3-12
Start and End Address Selection............................... 3-8
W Address Register Selection................................... 3-9

Index
DS70046E-page 4 © 2006 Microchip Technology Inc.
Modulo Start and End Address Selection
XMODEND Register ..................................................3-8
XMODSRT Register...................................................3-8
YMODEND Register ..................................................3-8
YMODSRT Register...................................................3-8
Motor Control Development Board.................................25-13
MPLAB ICD 2 In-Circuit Debugger...................................25-5
MPLAB ICE 4000 In-Circuit Emulator ..............................25-4
MPLAB SIM Software Simulator ......................................25-3
MPLAB 6.XX Integrated Development Environment
Software...................................................................25-2
Multi-Master Mode .........................................................21-29
Multiplier...........................................................................2-20
Multiply Instructions..........................................................2-22
N
Non-Maskable Traps..........................................................6-6
Address Error.............................................................6-6
Arithmetic Error..........................................................6-6
Oscillator Failure ........................................................6-6
Stack Error .................................................................6-6
O
Oscillator
Configuration..............................................................7-6
Clock Switching Mode Configuration Bits ..........7-6
Design Tips ..............................................................7-38
Related Application Notes........................................7-39
Resonator Start-up...................................................7-22
Revision History.......................................................7-40
System Features Summary .......................................7-2
Oscillator Control Register (OSCCON)............................7-13
Oscillator Mode Selection Guidelines ..............................7-21
Oscillator Start-up From Sleep Mode...............................7-23
Oscillator Start-up Timer (OST) .......................................7-31
Oscillator Switching Sequence.........................................7-35
OSEK Operating Systems..............................................25-10
Other dsPIC30F CPU Control Registers..........................2-16
DISICNT...................................................................2-16
MODCON.................................................................2-16
PSVPAG ..................................................................2-16
TBLPAG...................................................................2-16
XBREV.....................................................................2-16
XMODSRT, XMODEND...........................................2-16
YMODSRT, YMODEND...........................................2-16
Output Compare
Associated Register Map.......................................14-24
Design Tips ............................................................14-26
Related Application Notes......................................14-27
Revision History.....................................................14-28
Output Compare Operating in Power Saving States......14-23
Output Compare Operation in Power Saving States
Idle Mode ...............................................................14-23
Sleep Mode............................................................14-23
Output Compare Registers ..............................................14-3
P
Peripheral Driver Library ..................................................25-8
Peripheral Module Disable (PMD) Registers ...................10-9
Peripheral Multiplexing.....................................................11-4
Peripherals Using Timer Modules ..................................12-22
Phase Locked Loop (PLL)................................................7-30
Frequency Range ....................................................7-30
Lock Status ..............................................................7-30
Loss of Lock During a Power-on Reset ...................7-30
Loss of Lock During Clock Switching.......................7-30
Loss of Lock During Normal Device Operation........ 7-30
POR and Long Oscillator Start-up Times ........................ 8-12
Port (I/O Port) Registers .................................................. 11-3
Power Saving Modes....................................................... 10-2
Power-on Reset (POR)...................................................... 8-5
Using ......................................................................... 8-7
Power-up Timer (PWRT) ................................................... 8-7
Prescaler Capture Events................................................ 13-6
Primary Oscillator ............................................................ 7-20
PRO MATE II Universal Device Programmer.................. 25-5
Program Memory
Address Map ............................................................. 4-2
Counter...................................................................... 4-4
Data Access From ..................................................... 4-4
Data Storage ............................................................. 4-7
High Word Access ..................................................... 4-7
Low Word Access...................................................... 4-6
Program Space Visibility from Data Space................ 4-8
Related Application Notes ....................................... 4-12
Table Address Generation......................................... 4-6
Table Instruction Summary........................................ 4-5
Writes .............................................................4-10, 4-11
Programmable Digital Noise Filters ................................. 16-9
Programmable Oscillator Postscaler ............................... 7-33
Programmer’s Model ..................................................2-3, 2-4
Register Description .................................................. 2-4
Protection Against Accidental Writes to OSCCON .......... 7-13
PSV Configuration ............................................................. 4-8
PSV Mapping with X and Y Data Spaces.................. 4-8
Timing...................................................................... 4-10
Instruction Stalls .............................................. 4-10
Using PSV in a Repeat Loop........................... 4-10
Pulse Width Modulation Mode....................................... 14-18
Duty Cycle ............................................................. 14-20
Period .................................................................... 14-19
With Fault Protection Input Pin.............................. 14-19
PWM Duty Cycle Comparison Units .............................. 15-20
PWM Fault Pins............................................................. 15-34
PWM Output and Polarity Control.................................. 15-34
PWM Output Override ................................................... 15-31
PWM Special Event Trigger........................................... 15-38
PWM Time Base............................................................ 15-16
PWM Update Lockout.................................................... 15-37
Q
QEI Operation During Power Saving Modes ................. 16-19
Quadrature Decoder ...................................................... 16-10
Quadrature Encoder Interface Interrupts....................... 16-17
R
R/W Bit..................................................................21-35, 26-4
Read-After-Write Dependency Rules .............................. 2-36
Reading A/D Result Buffer (12-bit) ................................ 18-27
Reading and Writing into 32-bit Timers ......................... 12-21
Reading and Writing 16-bit Timer Module
Registers ............................................................... 12-15
Real-Time Operating System (RTOS) ............................. 25-9

© 2006 Microchip Technology Inc. DS70046E-page 5
dsPIC30F Family Reference Manual
Index
Registers
A/D Input Scan Select (ADCSSL - 12-bit)................18-9
A/D Input Scan Select (ADCSSL)..........................17-10
ADCHS (A/D Input Select) Register................17-9, 18-8
ADCHS A/D Input Select .........................................17-9
ADCHS A/D Input Select (12-bit) .............................18-8
ADCON1 (A/D Control) Register1........17-5, 18-5, 21-11
ADCON1 A/D Control 1 ..................................17-5, 17-6
ADCON1 A/D Control 1 (12-bit) ...............................18-5
ADCON2 (A/D Control) Register2...................17-7, 18-6
ADCON2 A/D Control 2 ...........................................17-7
ADCON2 A/D Control 2 (12-bit) ...............................18-6
ADCON3 (A/D Control) Register3...................17-8, 18-7
ADCON3 A/D Control 3 ...........................................17-8
ADCON3 A/D Control 3 (12-bit) ...............................18-7
ADPCFG (A/D Port Configuration)
Register ................................................17-10, 18-9
ADPCFG A/D Port Configuration...........................17-10
ADPCFG A/D Port Configuration (12-bit).................18-9
CiCFG1 (Baud Rate Configuration Register).........23-16
CiCFG2 (Baud Rate Configuration Register 2)......23-17
CiCTRL (CAN Module Control and Status
Register) ..........................................................23-3
CiEC (Transmit/Receive Error Count)....................23-18
CiINTE (Interrupt Enable Register)........................23-19
CiINTF (Interrupt Flag Register) ............................ 23-20
CiRXFnEIDH (Acceptance Filter n Extended
Identifier High) ...............................................23-12
CiRXFnEIDL (Acceptance Filter n Extended
Identifier Low) ................................................23-13
CiRXMnEIDH (Acceptance Filter Mask n Extended
Identifier High) ...............................................23-14
CiRXMnEIDL (Acceptance Filter Mask n Extended
Identifier Low) ................................................23-15
CiRXMnSID (Acceptance Filter Mask n Standard
Identifier)........................................................23-14
CiRXnBm (Receive Buffer n Data Field
Word m).........................................................23-11
CiRXnDLC (Receive Buffer n Data Length
Control)..........................................................23-11
CiRXnEID (Receive Buffer n Extended
Identifier)........................................................23-10
CiRXnSID (Receive Buffer n Standard
Identifier)........................................................23-10
CiRX0CON (Receive Buffer 0 Status and Control
Register) ..........................................................23-8
CiRX1CON (Receive Buffer 1 Status and Control
Register) ..........................................................23-9
CiRX1FnSID (Acceptance Filter n Standard
Identifier)........................................................23-12
CiTXnBm (Transmit Buffer n Data Field
Word m)...........................................................23-7
CiTXnCON (Transmit Buffer Status and Control
Register) ..........................................................23-5
CiTXnDLC (Transmit Buffer n Data Length
Control)............................................................23-7
CiTXnEID
(Transmit Buffer n Extended Identifier)............23-6
CiTXnSID (Transmit Buffer n Standard
Identifier)..........................................................23-6
CNEN1 (Input Change Notification Interrupt
Enable 1) .........................................................11-9
CNEN2 (Input Change Notification Interrupt
Enable 2) .........................................................11-9
CNPU1 (Input Change Notification Pull-up
Enable 1) .......................................................11-10
CNPU2 (Input Change Notification Pull-up
Enable 2) ....................................................... 11-10
Control and Status................................................... 16-4
Control Registers..................................................... 15-4
CORCON (Core Control)................................2-14, 6-15
DCICON1 ................................................................ 22-3
DCICON2 ................................................................ 22-4
DCICON3 ................................................................ 22-5
DCISTAT ................................................................. 22-6
DFLTCON Digital Filter Control ...................... 16-7, 16-8
DTCON1 Dead Time Control 1................................ 15-9
DTCON2 Dead Time Control 2.............................. 15-10
FBORPOR (BOR and POR Configuration
Register).......................................................... 24-4
FBORPOR BOR and POR Device
Configuration ................................................. 15-15
FGS (General Code Segment Configuration
Register).......................................................... 24-5
FLTACON Fault A Control..................................... 15-11
FLTBCON Fault B Control..................................... 15-12
FOSC (Oscillator Configuration
Register)............................................7-7, 7-9, 7-11
FWDT (Watchdog Timer Configuration
Register).......................................................... 24-3
ICxCON (Input Capture x Control)........................... 13-3
IEC0 (Interrupt Enable Control 0)............................ 6-24
IEC1 (Interrupt Enable Control 1)............................ 6-26
IEC2 (Interrupt Enable Control 2)................... 6-28, 6-29
IFS0 (Interrupt Flag Status 0).................................. 6-18
IFS1 (Interrupt Flag Status 1).................................. 6-20
IFS2 (Interrupt Flag Status 2)......................... 6-22, 6-23
INTCON1 (Interrupt Control 1) ................................ 6-16
INTCON2 (Interrupt Control 2) ................................ 6-17
IPC0 (Interrupt Priority Control 0)............................ 6-30
IPC1 (Interrupt Priority Control 1)............................ 6-31
IPC10 (Interrupt Priority Control 10)........................ 6-40
IPC11 (Interrupt Priority Control 11)........................ 6-41
IPC2 (Interrupt Priority Control 2)............................ 6-32
IPC3 (Interrupt Priority Control 3)............................ 6-33
IPC4 (Interrupt Priority Control 4)............................ 6-34
IPC5 (Interrupt Priority Control 5)............................ 6-35
IPC6 (Interrupt Priority Control 6)............................ 6-36
IPC7 (Interrupt Priority Control 7)............................ 6-37
IPC8 (Interrupt Priority Control 8)............................ 6-38
IPC9 (Interrupt Priority Control 9)............................ 6-39
I2CSTAT (I2C Status) Register..........21-9, 21-10, 21-11
MODCON (Modulo and Bit-Reversed Addressing
Control)............................................................ 3-19
NVMADR (Non-Volatile Memory Address)................ 5-8
NVMADRU (Non-Volatile Memory Address) ............. 5-9
NVMCON (Non-Volatile Memory Control)................. 5-7
NVMKEY (Non-Volatile Memory Key) ....................... 5-9
OCxCON (Output Compare x Control).................... 14-3
OVDCON Override Control ................................... 15-13
PDC1 PWM Duty Cycle 1...................................... 15-13
PDC2 PWM Duty Cycle 2...................................... 15-14
PDC3 PWM Duty Cycle 3...................................... 15-14
PDC4 PWM Duty Cycle 4...................................... 15-15
PTCON PWM Time Base Control ........................... 15-5
PTMR PWM Time Base .......................................... 15-6
PTPER PWM Time Base Period ............................. 15-6
PWMCON1 PWM Control 1 .................................... 15-7
PWMCON2 PWM Control 2 .................................... 15-8
QEI Special Function............................................. 16-20
QEICON QEI Control......................................16-5, 16-6
RCON (Reset Control)........................................8-3, 9-4
RSCON.................................................................... 22-7

Index
DS70046E-page 6 © 2006 Microchip Technology Inc.
SEVTCMP Special Event Compare.........................15-7
SR (CPU Status)......................................................2-12
SR (Status in CPU)..................................................6-15
TSCON ....................................................................22-7
TxCON (Timer Control for Type A Time Base) ........12-6
TxCON (Timer Control for Type B Time Base) ........12-7
TxCON (Timer Control for Type C Time Base)........12-8
UxBRG (UARTx Baud Rate)....................................19-7
UxMODE (UARTx Mode).........................................19-3
UxRXREG (UARTx Receive)...................................19-6
UxSTA (UARTx Status and Control)........................19-4
UxTXREG (UARTx Transmit - Write Only) ..............19-6
XBREV (X Write AGU Bit-Reversal Addressing
Control) ............................................................3-22
XMODEND (X AGU Modulo Addressing End).........3-20
XMODSRT (X AGU Modulo Addressing Start) ........3-20
YMODEND (Y AGU Modulo Addressing End).........3-21
YMODSRT (Y AGU Modulo Addressing Start) ........3-21
10-bit A/D Converter Special Function...................17-56
12-bit A/D Converter Special Function...................18-34
6-Output PWM Module ..........................................15-41
8-Output PWM Module ..........................................15-40
Reset
Design Tips ..............................................................8-17
Illegal Opcode ............................................................8-9
Trap Conflict...............................................................8-9
Uninitialized W Register.............................................8-9
Reset Sequence.................................................................6-2
Returning From Interrupt..................................................6-13
Round Logic.....................................................................2-25
Run-Time Self Programming (RTSP)...............................5-10
FLASH Operations...................................................5-10
Operation .................................................................5-10
S
Saturation and Overflow Modes.......................................2-24
Selecting A/D Conversion Clock ....................................17-13
Selecting Analog Inputs for Sampling ............................17-14
Selecting Analog Inputs for Sampling (12-bit)................18-12
Selecting the A/D Conversion Clock (12-bit)..................18-12
Selecting the Voltage Reference Source .......................17-13
Selecting the Voltage Reference Source (12-bit)...........18-11
Setup for Continuous Output Pulse Generation.............14-15
Shadow Registers ..............................................................2-6
DO Loop.....................................................................2-7
PUSH.S and POP.S...................................................2-7
Simple Capture Events ....................................................13-4
Sleep and Idle Modes Operation....................................17-55
Sleep and Idle Modes Operation (12-bit) .......................18-33
Sleep Mode......................................................................10-2
and FSCM Delay......................................................10-3
Clock Selection on Wake-up from............................10-2
Delay on Wake-up from ...........................................10-3
Delay Times for Exit.................................................10-3
Wake-up from on Interrupt.......................................10-4
Wake-up from on Reset...........................................10-4
Wake-up from on Watchdog Time-out .....................10-4
Wake-up from with Crystal Oscillator or PLL ...........10-3
Slow Oscillator Start-up....................................................10-3
Soft Traps...........................................................................6-6
Arithmetic Error (Level 11) .........................................6-7
Software Reset Instruction (SWR) .....................................8-7
Software Stack
Examples ...................................................................2-9
Pointer........................................................................2-8
Pointer Overflow ......................................................2-10
Pointer Underflow ....................................................2-10
W14 Stack Frame Pointer........................................ 2-10
Special Conditions for Interrupt Latency.......................... 6-13
Special Features for Device Emulation.......................... 15-39
Special Function Register Reset States .......................... 8-16
Specifying How Conversion Results are Written Into
Buffer ..................................................................... 17-30
Specifying How Conversion Results are Written into
Buffer (12-bit)......................................................... 18-19
SSPOV .......................................................................... 21-19
T
Table Instruction Operation ............................................... 5-2
TCP/IP Protocol Stack ................................................... 25-10
Third Party C Compilers .................................................. 25-6
Third Party Hardware/Software Tools and Application
Libraries................................................................... 25-6
Time-base for Input Capture/Output Compare .............. 12-22
Timer as an External Interrupt Pin................................. 12-22
Timer Interrupts ............................................................. 12-14
Timer Modes of Operation............................................... 12-9
Synchronous Counter Using External Clock
Input............................................................... 12-10
Timer Mode.............................................................. 12-9
Type A Timer Asynchronous Counter Mode Using
External Clock Input ...................................... 12-11
32-bit Timer............................................................ 12-18
Timer Modules
Associated Special Function Registers ................. 12-23
Timer Operation in Power Saving States....................... 12-21
Timer Operation Modes
Gated Time Accumulation ..................................... 12-12
with Fast External Clock Source............................ 12-12
Timer Prescalers............................................................ 12-14
Timer Selection................................................................ 13-4
Timer Variants ................................................................. 12-3
Timers
Design Tips............................................................ 12-24
Related Application Notes ..................................... 12-25
Revision History..................................................... 12-26
Timing Diagrams
Brown-out Situations.................................................. 8-8
Clock Transition....................................................... 7-35
Clock/Instruction Cycle .............................................. 7-5
Data Space Access ..........................................2-35, 3-6
Dead Time ............................................................. 15-28
Device Reset Delay, Crystal + PLL Clock Source,
PWRT Disabled............................................... 8-13
Device Reset Delay, Crystal + PLL Clock Source,
PWRT Enabled................................................ 8-14
Device Reset Delay, EC + PLL Clock, PWRT
Enabled ........................................................... 8-15
Device Reset Delay, EC or RC Clock, PWRT
Disabled........................................................... 8-16
Dual Compare Mode.............................................. 14-10
Dual Compare Mode (Continuous Output Pulse,
PR2 = OCxRS) ...................................14-14, 14-15
Dual Compare Mode (Single Output Pulse,
OCxRS > PR2).............................................. 14-10
Edge Detection Mode .............................................. 13-8
Gated Timer Mode Operation................................ 12-13
Interrupt Timing During a Two-Cycle Instruction ..... 6-12
Interrupt Timing for Timer Period Match................ 12-14
Interrupt Timing, Interrupt Occurs During 1st Cycle
of a Two-Cycle Instruction............................... 6-12
POR Module for Rising VDD ...................................... 8-6
Postscaler Update ................................................... 7-34
PWM Output...............................................14-18, 14-21

© 2006 Microchip Technology Inc. DS70046E-page 7
dsPIC30F Family Reference Manual
Index
Reception with Address Detect (ADDEN = 1)........19-19
Return From Interrupt ..............................................6-13
Simple Capture Event, Time-base
Prescaler = 1:1.................................................13-5
Simple Capture Event, Time-base
Prescaler = 1:4.................................................13-5
Single Compare Mode (Force OCx Low on Compare
Match Event)....................................................14-6
Single Compare Mode (Set OCx High on Compare
Match Event)....................................................14-5
Single Compare Mode (Toggle Output on Compare
Match Event, PR2 = OCxR).............................14-7
Single Compare Mode (Toggle Output on Compare
Match Event, PR2 > OCxR).............................14-7
SPI Mode Timing (No SS Control) ..............20-12, 20-13
Transmission (Back to Back) .................................19-13
Transmission (8-bit or 9-bit Data) ..........................19-13
UART Reception....................................................19-17
UART Reception with Receive Overrun.................19-17
TRIS (Data Direction) Registers ......................................11-3
Tuning the Oscillator Circuit.............................................7-23
Type A Timer ...................................................................12-3
Type B Timer ...................................................................12-4
Type C Timer ...................................................................12-5
U
UART
ADDEN Control Bit.................................................19-18
Alternate I/O Pins...................................................19-10
Associated Registers .............................................19-22
Baud Rate Generator...............................................19-8
Configuration..........................................................19-10
Control Registers .....................................................19-3
Design Tips............................................................19-23
Disabling ................................................................19-10
Enabling.................................................................19-10
Other Features.......................................................19-21
Auto Baud Support ........................................19-21
Loopback Mode .............................................19-21
Operation During CPU Sleep and
Idle Modes ..............................................19-21
Receiver.................................................................19-14
Buffer (UxRXB) ..............................................19-14
Error Handling................................................19-14
Interrupt .........................................................19-15
Setup for Reception.......................................19-17
Related Application Notes......................................19-24
Setup for 9-bit Transmit .........................................19-18
Transmitter.............................................................19-11
Buffer (UxTXB) ..............................................19-12
Interrupt .........................................................19-12
Setup .............................................................19-13
Transmission of Break Characters ................19-14
Using for 9-bit Communication...............................19-18
UART Autobaud Support .................................................13-9
Uninitialized W Register Reset ..........................................2-7
USART
Initialization ............................................................19-20
Introduction ..............................................................19-2
Receiving Break Characters ..................................19-19
Revision History.....................................................19-25
Setup for 9-bit Reception Using Address Detect
Mode..............................................................19-19
Using QEI as Alternate 16-bit Timer/Counter ................16-16
Using Table Read Instructions...........................................5-3
Byte Mode..................................................................5-3
Word Mode ................................................................5-3
Using Table Write Instructions........................................... 5-4
Byte Mode ................................................................. 5-5
Holding Latches......................................................... 5-4
Word Mode ................................................................ 5-4
Using the RCON Status Bits............................................ 8-10
V
V.22/V.22bis and V.32 Specification.............................. 25-11
W
Wake-up from Sleep and Idle .......................................... 6-10
Watchdog Time-out Reset (WDTR)................................... 8-7
Watchdog Timer .............................................................. 10-6
Enabling and Disabling............................................ 10-6
Operation................................................................. 10-7
Operation in Sleep and Idle Modes ......................... 10-8
Period Selection ...................................................... 10-7
Prescalers................................................................ 10-7
Resetting ................................................................. 10-8
Software Controlled................................................. 10-6
WCOL......................................................21-18, 21-19, 21-21
WDT and Power Saving Modes
Design Tips............................................................ 10-10
Related Application Notes ..................................... 10-11
Revision History..................................................... 10-12
Working Register Array...................................................... 2-6
W Register Memory Mapping.................................... 2-6
W Registers and Byte Mode Instructions .................. 2-6
W0 and File Register Instructions.............................. 2-6
Writing to Device Configuration Registers....................... 5-14
Write Algorithm........................................................ 5-14
Z
10-bit Address Mode...................................................... 21-35
12-Bit A/D
ADCHS........................................................... 17-4, 18-4
ADPCFG.........................................................17-4, 18-4
12-bit A/D
Operation During CPU Idle Mode............... 17-55, 18-33
Operation During CPU Sleep Mode ...........17-55, 18-33
16-bit Up/Down Position Counter .................................. 16-12
32-bit Timer Configuration ............................................. 12-16

DS70046E © 2006 Microchip Technology Inc.
AMERICAS
Corporate Office
2355 West Chandler Blvd.
Chandler, AZ 85224-6199
Tel: 480-792-7200
Fax: 480-792-7277
Technical Support:
http://support.microchip.com
Web Address:
www.microchip.com
Atlanta
Alpharetta, GA
Tel: 770-640-0034
Fax: 770-640-0307
Boston
Westborough, MA
Tel: 774-760-0087
Fax: 774-760-0088
Chicago
Itasca, IL
Tel: 630-285-0071
Fax: 630-285-0075
Dallas
Addison, TX
Tel: 972-818-7423
Fax: 972-818-2924
Detroit
Farmington Hills, MI
Tel: 248-538-2250
Fax: 248-538-2260
Kokomo
Kokomo, IN
Tel: 765-864-8360
Fax: 765-864-8387
Los Angeles
Mission Viejo, CA
Tel: 949-462-9523
Fax: 949-462-9608
San Jose
Mountain View, CA
Tel: 650-215-1444
Fax: 650-961-0286
Toronto
Mississauga, Ontario,
Canada
Tel: 905-673-0699
Fax: 905-673-6509
ASIA/PACIFIC
Australia - Sydney
Tel: 61-2-9868-6733
Fax: 61-2-9868-6755
China - Beijing
Tel: 86-10-8528-2100
Fax: 86-10-8528-2104
China - Chengdu
Tel: 86-28-8676-6200
Fax: 86-28-8676-6599
China - Fuzhou
Tel: 86-591-8750-3506
Fax: 86-591-8750-3521
China - Hong Kong SAR
Tel: 852-2401-1200
Fax: 852-2401-3431
China - Qingdao
Tel: 86-532-8502-7355
Fax: 86-532-8502-7205
China - Shanghai
Tel: 86-21-5407-5533
Fax: 86-21-5407-5066
China - Shenyang
Tel: 86-24-2334-2829
Fax: 86-24-2334-2393
China - Shenzhen
Tel: 86-755-8203-2660
Fax: 86-755-8203-1760
China - Shunde
Tel: 86-757-2839-5507
Fax: 86-757-2839-5571
China - Wuhan
Tel: 86-27-5980-5300
Fax: 86-27-5980-5118
China - Xian
Tel: 86-29-8833-7250
Fax: 86-29-8833-7256
ASIA/PACIFIC
India - Bangalore
Tel: 91-80-4182-8400
Fax: 91-80-4182-8422
India - New Delhi
Tel: 91-11-5160-8631
Fax: 91-11-5160-8632
India - Pune
Tel: 91-20-2566-1512
Fax: 91-20-2566-1513
Japan - Yokohama
Tel: 81-45-471- 6166
Fax: 81-45-471-6122
Korea - Gumi
Tel: 82-54-473-4301
Fax: 82-54-473-4302
Korea - Seoul
Tel: 82-2-554-7200
Fax: 82-2-558-5932 or
82-2-558-5934
Malaysia - Penang
Tel: 60-4-646-8870
Fax: 60-4-646-5086
Philippines - Manila
Tel: 63-2-634-9065
Fax: 63-2-634-9069
Singapore
Tel: 65-6334-8870
Fax: 65-6334-8850
Taiwan - Hsin Chu
Tel: 886-3-572-9526
Fax: 886-3-572-6459
Taiwan - Kaohsiung
Tel: 886-7-536-4818
Fax: 886-7-536-4803
Taiwan - Taipei
Tel: 886-2-2500-6610
Fax: 886-2-2508-0102
Thailand - Bangkok
Tel: 66-2-694-1351
Fax: 66-2-694-1350
EUROPE
Austria - Wels
Tel: 43-7242-2244-399
Fax: 43-7242-2244-393
Denmark - Copenhagen
Tel: 45-4450-2828
Fax: 45-4485-2829
France - Paris
Tel: 33-1-69-53-63-20
Fax: 33-1-69-30-90-79
Germany - Munich
Tel: 49-89-627-144-0
Fax: 49-89-627-144-44
Italy - Milan
Tel: 39-0331-742611
Fax: 39-0331-466781
Netherlands - Drunen
Tel: 31-416-690399
Fax: 31-416-690340
Spain - Madrid
Tel: 34-91-708-08-90
Fax: 34-91-708-08-91
UK - Wokingham
Tel: 44-118-921-5869
Fax: 44-118-921-5820
WORLDWIDE SALES AND SERVICE
02/16/06