Reparaturbericht_L3 3_V1_25a Reparaturbericht L3 3 V1 25a
User Manual: Reparaturbericht_L3-3_V1_25a
Open the PDF directly: View PDF .
Page Count: 125 [warning: Documents this large are best viewed by clicking the View PDF Link!]

Marc Michalzik; V1.25a Seite 1 von 125
REPARATURBERICHT
Restauration eines russischen Röhrenprüfgerätes
von dem wir alle glauben, dass es von der Firma
Kalibr
gebaut wurde. Wenigstens sind wir uns sicher,
dass das Modell „L3-3“ heißt.
Gewidmet dem Bäcker mit dem leckeren Pudding-Obstkuchen im Nachbarort, ohne den ich
dieses Projekt nie durchgestanden hätte.
WARNUNG:
Wer hier keinen gewissen Grundhumor mitbringt, der liest zum Üben lieber erstmal ein Buch
von Hape Kerkeling vorneweg oder eine Dissertation über die Abscheidung von textuiertem
CeO2 aus der Gasphase. (Sowas gibt es übrigens wirklich.)
Ich würde Ihnen allerdings lieber diesen Bericht empfehlen. Er macht definitiv hungrig auf
L3's -und Kaffee mit Obstkuchen!
Eine nicht ganz so bitter ernst zu nehmende Arbeit von Marc Michalzik, August 2012.

Marc Michalzik; V1.25a Seite 2 von 125
INHALTSVERZEICHNIS*
1 Einleitung............................................................................................................................... 5
1.1 Aktuelle Röhrenprüfgeräte............................................................................................... 7
1.2 Unsere Ausgangsbasis...................................................................................................... 8
2 Eingangsüberlegungen zum L3-3 ........................................................................................ 9
3 Der Kalibr. L3-3.................................................................................................................. 11
4 Beschaffung.......................................................................................................................... 11
5 neue Skala ............................................................................................................................ 11
6 Inbetriebnahme ................................................................................................................... 14
6.1 Röhren ............................................................................................................................ 15
6.2 Kondensatoren................................................................................................................ 16
6.3 Drehschalter ................................................................................................................... 17
7 Kodensatoren die 2te........................................................................................................... 21
8 Neue Röhren....Teil 1........................................................................................................... 26
9 Zwischenreparatur.............................................................................................................. 27
10 Neue Röhren....Teil2.......................................................................................................... 29
11 Genauigkeit der Ausgangsspannungen........................................................................... 29
12 Schaltplan........................................................................................................................... 30
13 Tongenerator und selektives Voltmeter.......................................................................... 32
14 Selektives Voltmeter.......................................................................................................... 33
14.1 Tongenerator (1,4kHz Mess-Oszillator) ...................................................................... 34
14.2 Zwischenbetrachtung ................................................................................................... 35
14.3 Weiter im Text ............................................................................................................. 36
14.4 Audio-Leiterplatte ausbauen ........................................................................................ 36
14.5 Kondensatoren-Tausch................................................................................................. 37
14.6 Neuer Anlauf................................................................................................................ 39
15 Stabilität nach Restauration............................................................................................. 40
16 Durchlasskurve (selektives Voltmeter)............................................................................ 41
17 Zwischenstand ................................................................................................................... 43
18 Messgeräte-Kalibrierung.................................................................................................. 44
19 „Banana-Deck“: die Idee.................................................................................................. 48
20 Buchsentausch ................................................................................................................... 49
21 Banana-Deck: der Einbau ................................................................................................ 51
22 Anschlüsse.......................................................................................................................... 54
22.1 Anode ........................................................................................................................... 55
22.2 Gitter2........................................................................................................................... 60
22.3 Heizung H1 .................................................................................................................. 61
22.4 Heizung H2 .................................................................................................................. 61
22.5 Kathode ........................................................................................................................ 61
22.6 Gitter1........................................................................................................................... 62
22.7 ...fast fertig! .................................................................................................................. 64
22.8 BNC-Buchsen............................................................................................................... 65
23 folgenschwerer Kaffeebesuch...........................................................................................67
23.1 Restbrumm ................................................................................................................... 67
23.2 Schaltplan: die Erlösung! ............................................................................................. 67
24 Aktion "Saubermann"...................................................................................................... 68
24.1 Originalzustand ............................................................................................................ 69
24.2 mit 220µF-Kondensatoren in Anodenspannung .......................................................... 69
24.3 mit 56µF an Gitter1-Spannungserzeugung .................................................................. 70

Marc Michalzik; V1.25a Seite 3 von 125
24.4 mit 220µF an der Gitter1-Leitung................................................................................ 70
24.5 wir geben alles.............................................................................................................. 72
25 Rechnerischer Ansatz .......................................................................................................73
26 Untersuchung Anodenwiderstand R57 ........................................................................... 76
27 Messfehler durch Klirrfaktor? ........................................................................................ 77
27.1 Messung von Ua........................................................................................................... 78
27.2 Messung von Ug........................................................................................................... 79
27.3 Zwischenstand.............................................................................................................. 79
27.4 Vergleich ...................................................................................................................... 80
27.4.1 breitbandige Messung UPA4 ................................................................................ 80
27.4.2 selektive Messung UPA4 bei f=1,388kHz ............................................................ 80
27.4.3 Was sagt uns das?.................................................................................................. 80
28 Selbstkontrolle UPA4........................................................................................................ 80
29 Belastung des 1,4kHz Prüfoszillators.............................................................................. 82
30 Selektives Voltmeter.......................................................................................................... 82
30.1 Sind die Dioden Schuld?.............................................................................................. 85
31 Diodentausch...................................................................................................................... 87
31.1 Ausbau.......................................................................................................................... 87
31.2 Test............................................................................................................................... 87
31.3 EINBAU....................................................................................................................... 90
32 Zeit für Großes .................................................................................................................. 91
32.1 Ende gut, alles gut ........................................................................................................ 94
32.2 Nebenwirkungen .......................................................................................................... 94
33 NF-Ausgangsteiler............................................................................................................. 95
33.1 Amplitudenabfall.......................................................................................................... 96
33.2 Teilerfaktor................................................................................................................... 97
34 Lampenwechsel.................................................................................................................. 98
35 Kondensatoren einbauen.................................................................................................. 99
35.1 Anodenspannung.......................................................................................................... 99
35.2 Gitterspannung Elko C8............................................................................................... 99
35.3 Gitterspannung Elko C41........................................................................................... 100
36 Gitter2 Angstwiderstand ................................................................................................ 100
37 Shunt PCB........................................................................................................................ 102
38 µA-Meter.......................................................................................................................... 103
38.1 Inbetriebnahme "Isolation"......................................................................................... 103
38.2 Inbetriebnahme "Gitterstrom".................................................................................... 105
38.3 Fazit............................................................................................................................ 107
39 Abschlusskapitel (1. Versuch)........................................................................................ 108
40 was man sonst noch machen könnte.............................................................................. 108
41 Thomas lässt die Bombe platzen.................................................................................... 109
42 Abschlussmessung "Steilheit"........................................................................................ 112
42.1 Wir messen................................................................................................................. 112
42.2 ...und wir lernen daraus... ........................................................................................... 114
42.3 Fazit............................................................................................................................ 114
43 Kalibrierung (Abschlusskapitel, 2. Versuch)................................................................ 115
44 Auswechseln der Pico7-Fassung .................................................................................... 116
45 Vergleich mit Hickok TV-2 ............................................................................................ 118
46 Nachtrag: Poti-Änderung für Anodenspanung............................................................119
47 Ausklang (Versuch Nr. 3)............................................................................................... 121
47.1 Übersicht der Arbeiten am L3.................................................................................... 122
48 Danksagungen.................................................................................................................. 123

Marc Michalzik; V1.25a Seite 4 von 125
* Dieses Inhaltsverzeichnis ist alleine Jac gewidmet. Ihr werdet ihn in Kapitel 6 näher kennen lernen.
Außer ihm hatte eigentlich niemand ein Inhaltsverzeichnis vermisst, aber ich tue ihm hiermit sehr gerne
diesen Gefallen :-)

Kalibr. L3-3 Reparaturbericht
Marc Michalzik; V1.25a Seite 5 von 125
1 Einleitung
"Wer tut sich heutzutage eigentlich noch sowas an?", höre ich einige vielleicht schon fragen.
"Ein Röhrenprüfgerät? Dazu noch ein russisches? Wozu soll das denn gut sein?"
Nunja, ich gebe zu: für die meisten netten Geräte von heute braucht man Röhrenprüfgeräte
sicherlich nicht. Da braucht man eher PC-Kenntnisse, Programmieradapter und eine perfor-
mante DSL-Leitung, damit man die zahlreichen (buggy) SW-Updates schneller downloaden
kann, als sie vom Hersteller verbreitet werden. Aber in einigen Bereichen unseres täglichen
Lebens sieht man sie doch noch hin und wieder gemütlich vor sich hin glimmen: insbesondere
in der Musikelektronik werden die glühenden Freunde noch immer munter eingesetzt und
auch die Kumpels von der Radio-Nostalgiefront stehen total auf die freie Elektronenemission
ihrer Glastransistoren. Ich kann mich für beides begeistern, nicht zuletzt deshalb, weil ich als
Hammondorgelspieler sowieso auf den ganzen alten Kram stehe.
Abbildung 1: Kalibr. L3-3 vor der Restauration
Ein Röhrenprüfgerät ist sowas wie eine Verschmelzung meiner beiden Leidenschaften "Mu-
sik" und "Messtechnik". In meinen Hammondorgeln stecken noch echte Röhren drin, und
daher ist mir die Möglichkeit der Überprüfung dieser Bauteile wichtig. Und "Überprüfung"
heißt dann eben auch ganz schnell "messen"- und damit komme ich zu meinem zweiten Ste-
ckenpferd, nämlich der Messtechnik. Ein tolles Projekt also, so ein Röhrenmessgerät.
Wenn man im Internet ein wenig herumstöbert, dann dominieren uns die ganzen zu Höchst-
preisen gehandelten Funke's, die hochgelobten Hickoks mit ihren Patentschaltungen (die aber
kaum einer richtig versteht ;-), selten mal ein paar AVO's, aber hin und wieder auch Sencores
und Heathkits. Der Markt ist einfach riesig und man verliert schnell die Übersicht. Vor ein
paar Jahren habe ich mich zur Anschaffung eines Hickok TV-2 entschieden und ihn restau-
riert (siehe Reparaturbericht). Dieses Teil habe ich übrigens noch heute und ich konnte damit
schon ein paar „maue Kameraden“ aus meinen Orgeln herausfischen.
Nun habe ich gerade einige Kommentare zum TV-2 gelesen, die dieses Gerät ganz schön
"runtermachen". Das ist aus meiner Sicht nicht fair. Ich denke, ich muss auch mal auf alle
anderen Geräte etwas provokativ mit Dreck zurückwerfen: grundsätzlich unterliegen ALLE
Röhrenprüfer dieser Generation über die Einschränkungen und Unzulänglichkeiten ihrer Zeit!

Kalibr. L3-3 Reparaturbericht
Marc Michalzik; V1.25a Seite 6 von 125
Man hat es damals halt so gut gemacht, wie man es eben -auch wirtschaftlich!- konnte. Und
ein "damals-gut" kann heute durchaus ein erschrockenes "Ohje!" erzeugen.
Abbildung 2: (m)ein Hickok TV-2 ;-)
Schaut doch mal in Euer Gerät rein und beantwortet dann folgende Fragen:
• Aufbau des Geräts nach aktuell gültigen Sicherheitsvorschriften?
• alle Spannungen elektronisch geregelt mit einer aktuell üblichen Regel-Performance
(Restwelligkeit, Ausregelung von Sprüngen, usw.)?
• für alle Spannungen eine Anzeige vorhanden mit Ungenauigkeit von <1%?
• gesamte Messungenauigkeit überall kleiner 1%?
• Nachbildung vernünftiger Schaltkreise, so dass die Röhre auch unter Realbedingungen
gemessen werden können?
• Fehlbedienungssicher?
• definierte Prüfmöglichkeit für Klirrfaktor, mech. Mikrofonie?
• Signal-Ansteuerspannung klein genug, um auch hoch verstärkende Röhren (z.B .
ECC83) nicht gleich zu überfahren?
• empfindliche(!) Prüfmöglichkeit für Leckstrom? Unter Praxisbedingungen?
• alle Röhrenfassungen an Bord (Vorkriegs-, aber auch Nachkriegsfassungen)?
• Möglichkeit zur Messung und Analyse von Kennlinien, inkl. mindestens eines variab-
len Parameters?
• Speichermöglichkeit der Kennlinie vorhanden (als Referenz zum Matchen von Röh-
ren)?
• usw...
Ich könnte die Liste noch fast endlos fortsetzen. Aber fest steht: keines der mir bekannten
Prüfgeräte erfüllt wirklich ALLE diese Anforderungen gleichermaßen gut. Meistens fallen die
ganzen alten Grotten (man möge mir diesen Kraftausdruck verzeihen) schon bei der ersten
elektrischen Sicherheitsprüfung durch (wen wundert das bei über 50 Jahre alter Technik). Und
alleine damit könnte für mich ein Gerät nie ein Prädikat "uneingeschränkt gut" erlangen, wie
einige Forenbeiträge im Internet darüber beseelt urteilen.

Kalibr. L3-3 Reparaturbericht
Marc Michalzik; V1.25a Seite 7 von 125
1.1 Aktuelle Röhrenprüfgeräte
Glücklicherweise entwickeln auch heute noch pfiffige Enthusiasten Röhrenprüfer, die dem
heutigen Stand entsprechen!
Beispielsweise den Amplitrex AT-1000. Eine standalone-Lösung mit Display und einge-
bautem Kleincomputer zur Messung aller wichtigen Röhrenparameter. Oder natürlich das
Roetest von Helmut Weigl- ebenfalls mit moderner Technik und PC-Anschluss.
Spätestens mit dem Roetest, das ich immerhin vom Sehen her kenne (in der Version 3 hat
es Thomas nachgebaut, meine ich) haben wir einen Kandidaten, der sicherlich ernsthaft in
die Nähe von "wirklich gut!" kommt. Auch wenn ich persönlich hier noch Messmöglich-
keiten für „richtigen“ Klirrfaktor und Mikrofonie vermisse, trotzdem: ein Riesenschritt!
Leider ist zumindest das Roetest derzeit nur als Bausatz erhältlich (vermutlich auch schon
wegen unserer manchmal schwer sympathisch zu findenden EU-Gesetze, die jemandem
das Inverkehrbringen fertiger Geräte nicht gerade leicht machen), somit muss man wirklich
schon sehr leidensfähig sein, wenn man ein wirklich "gutes Gerät" haben will.
Abbildung 3: Roetest V5 (Quelle: www.roehrentest.de)
Helmut entwickelt das Roetest noch immer weiter. Als ich ihm diesen Bericht kurz vor der
Veröffentlichung als Vorab-Version zum Review schickte, machte er mich darauf aufmerk-
sam, dass es inzwischen sogar die nochmals im Aufbau verbesserte Version 6 gebe. Für uns
Röhrenfreunde lohnt sich also auf jeden Fall, hin und wieder seine Seite www.roehrentest.de
zu besuchen und sich mal umzuhören, was Helmut so gerade wieder treibt :-)
Eins noch grundsätzlich zu Messsystemen, bei denen der PC so schön praktisch als Steuer-
rechner eingesetzt wird: hier besteht leider die Gefahr, dass irgendwann in ferner Zukunft
einmal ein PC über keine USB-Schnittstelle mehr verfügen wird oder das Steuerprogramm
auf dem neuesten Windows Version xyz2068 nicht mehr läuft. Zu lange und pessimistisch
gedacht? Nunja- glaubt ihr, es hätte jemand um 1920 gedacht, dass es fast hundert Jahre spä-
ter noch immer Leute geben würde, die Reparaturberichte über uralte Röhrenprüfgeräte lesen
würden? ;-) Na? Erwischt! :-) hi hi hi

Kalibr. L3-3 Reparaturbericht
Marc Michalzik; V1.25a Seite 8 von 125
Abbildung 4: Roetest V6 (Quelle: www.roehrentest.de)
Fairerweise müssen wir jedoch auch sagen, dass ich persönlich mir noch nicht ganz sicher
bin, ob ich in hundert Jahren wirklich noch Röhren messen will. Und auch die unbestreitbaren
Vorteile, einen PC als Anzeige für ein Röhrenprüfgerät zu benutzen, stößt ganz andere Di-
mensionen der Messtechnik auf als die Dokumentation einer Röhre mittels Drehspulmess-
werk.
1.2 Unsere Ausgangsbasis
So, nachdem ich also nun die gesamte Röhrenprüfgerätemafia erst einmal pauschal in den
Dreck gezogen und gegen mich aufgehetzt habe, haben wir eine gute, aufgeklärte und vor
allem ehrliche Ausgangsbasis. Wer von dort unten kommt, kann ab sofort eigentlich nur
noch nach oben schauen und positiv überrascht werden. Genau das will ich nun mit euch
tun.
Die versprochene Überraschung holen wir uns heute von einem Gerät, das gerade als "Ge-
heimtipp" immer öfter in der RPG-Szene in Erscheinung tritt: dem russischen Röhrenprü-
fer L3-3 (bzw. seinem Vorgänger L1-3)!

Kalibr. L3-3 Reparaturbericht
Marc Michalzik; V1.25a Seite 9 von 125
2 Eingangsüberlegungen zum L3-3
Auch wenn selbst der L3-3 nicht in der Lage ist, alle meine Punkte auf der Wunschliste zu
erfüllen, so prahlt er doch mit einem Feature, das mir sehr, sehr wichtig ist und fast als Allein-
stellungsmerkmal bei Röhrenprüfgeräten gilt: er arbeitet mit stabilisierten, gefilterten Gleich-
spannungen!
Im Gegensatz zu vielen anderen Röhrenprüfgeräten, die ungefilterte Gleichspannung benut-
zen, also quasi eine gleichgerichtete Wechselspannung ohne Siebelko an die Röhren-Anode
anlegen! Hickok ist einer der Vertreter für Geräte dieser Bauart. Leider hat dies in der Regel
große Nachteile für all diejenigen, die ihre zu prüfenden Röhren nicht nach dem mitgeliefer-
ten Rollchart (Tabelle) des RPGs, sondern nach den Datenblättern der Röhrenhersteller ver-
gleichen möchten. Die mit der Hickok-Methode gewonnenen Messwerte über "Steilheit" und
"Anodenstrom" einer Röhre passen nur zum Röhrenprüfer-spezifischen Rollchart und leider
nicht zum Röhren-Datenblatt. Warum?
Wenn ein RPG eine gepulste Anodenspannung zur Messung benutzt, dann jagt es die zur prü-
fende Röhre also 100mal pro Sekunde (= 50Hz gleichgerichtet) durch alle möglichen Be-
triebszustände zwischen 0V und -sagen wir mal- 250V Anodenspannungs-Scheitelwert. Das
ist aber schlecht, denn die Messung im Datenblatt geht von einem ganz bestimmten, definier-
ten und vor allem KONSTANTEN Arbeitspunkt aus und nicht von einem Zustand, bei dem
die Anspannung 100mal pro Sekunde hin- und herschwankt!
Eine saubere, gleichgerichtete Anodenspannung ist ein Muss, wenn man die vom RPG erhal-
tenen Messwerte mit dem Röhrendatenblatt vergleichen will.
Ich wollte es auch erst nicht glauben und habe wirklich lange mit meinem TV-2 (der natürlich
auch die Hickok-Patentschaltung benutzt) eine Alternative gesucht (z.B. einen konstanten
Umrechnungsfaktor zwischen angezeigtem und "wahrem" Messwert).
Eine vorher akribisch auf mA/V kalibrierte und verifizierte Skala führt zwar zu in sich selber
reproduzierbaren Steilheits-Messwerten der Röhre- das ist aber leider auch schon alles. Es ist
mir auch mit mathematisch berechneten Umrechnungsfaktoren und dem Einsatz von echten
Effektivwertmessern nicht gelungen, die TV-2-Messwerte mit den Datenblättern der Röhren-
hersteller seriös in Bezug zu bringen. Das spezielle Hickok-Messverfahren mit der gepulsten
Anodenspannung ist einfach zu "weit weg" von den Messverfahren, das die Röhrenhersteller
für ihre Datenblätter benutzen. Ein simpler Umrechnungsfaktor reicht hier leider nicht. Scha-
de (siehe hierzu unbedingt Kapitel 45!)
Nun gut, nicht jeder will vielleicht Röhren nach Datenblatt messen. Oft reicht es ja schon aus,
eine "so-viel-Prozent-ist-noch-gut"-Aussage zu kriegen, und das kriegt man mit den Hickoks
ja auch zweifellos hin. Und wer das erst einmal begriffen hat, der versteht auch, warum die
von so vielen kritisierte "% Quality"-Anzeige im TV-2 durchaus Sinn macht! Ich behaupte
sogar, dass dies für viele Hickoks DIE einzig sinnvolle Einheit ist! Denn was nützt mir eine
Angabe in mA/V (bzw. µmhos), wenn die so abgelesenen Messwerte in Wirklichkeit nur we-
nig Aussagekraft haben, weil das benutzte Messverfahren konstruktionsbedingt "falsche"
Werte liefert?

Kalibr. L3-3 Reparaturbericht
Marc Michalzik; V1.25a Seite 10 von 125
Also, ihr lieben Leute, die ihr so gerne meinen schönen TV-2 wegen der fehlenden µmhos-
Skala kritisiert: ich würde eher den umgekehrten Weg gehen und alle anderen Geräte an den
Pranger stellen, die euch wahre Messwerte vorgaukeln, die sich dann aber doch nur alle als
"Fahrkarten" entpuppen! Denn ein Auto, mit dem der Tacho mit km/h beschriftet ist, er in
Wirklichkeit aber "irgendwas" anzeigt, kauft ihr doch auch nicht, oder? Dann lieber ein Auto,
wo im Tacho "% der Endgeschwindigkeit" steht. Ich weiß dann damit zwar immernoch nicht,
wie schnell die Karre maximal läuft*, aber wenigstens sehe ich dann, wie weit ich dann von
diesem Punkt noch weg bin. Das ist immernoch besser als ein falscher Messwert, mit dem
man dann in der nächsten Baustelle wegen überhöhter Geschwindigkeit dann doch geblitzt
wird :-)
So. Und nun nie wieder ein schlechtes Wort über den TV-2! (außer, es kommt von mir ;-)
Wir merken uns: die einzige Art, wie man die Hickok-Tester, die mit dieser Patentschaltung
ausgerüstet sind, sinnvoll benutzen kann: vergleichen mit den Werten, die auf dem mitgelie-
ferten Rollchart des Testers abgedruckt sind. Aber auch dann muss man aufpassen, was die
Werte genau meinen: den Original(Neu)Wert der Röhre oder den Wegwerf-Wert (=Limit)!
Manchmal weiß man aber auch das nicht, denn Hickok hat das hin und wieder auch einmal
zwischen den Geräten geändert, daher lohnt bei Hickoks immer ein genauer Blick darauf, was
man gerade vor sich hat.
Ich habe mit meinem TV-2 in der Praxis übrigens schon etliche defekte Röhren sauber identi-
fizieren können. Und auch das Leckstrom-Messgerät ist sehr gut benutzbar und findet locker
Elektrodenwiderstände von dreißig, vierzig MOhm und mehr. Das befriedigt den Hammon-
dorgler, der seine Instrumente damit wieder zum Laufen kriegt. Nicht aber den Messgeräte-
Fetischisten.
* kleiner Trick, wie Sie bei einem Auto mit nicht beschriftetem Tacho doch noch eine Kalibrierung der Endge-
schwindigkeit hinkriegen: fahren Sie auf die A7 Richtung Süden. Wechseln Sie dann in Kirchheim auf die A5.
Sobald Sie das zweite mal geblitzt wurden, sind Sie kurz vor Frankfurt. Jetzt aufpassen, denn nun geben Sie
alles, was die Karre hergibt. Wenn Sie Frankfurt auf der gaaanz linken Fahrspur mit etwa 250km/h passieren,
wird es nur wenige Millisekunden dauern, bis hinter Ihnen ein Porsche im Rückspiegel erscheint und sich wild
gestikulierend über Verkehrshindernisse und Fahrzeuge mit abgeregelten Motorsteuergeräten im allgemeinen
ärgert. Sie machen kurz Platz, warten ab, bis der Porsche vom zweiten in den dritten Gang hochgeschaltet hat,
und an Ihnen vorbeizieht. In dem Moment fragen Sie kurz durch's geöffnete Fenster nach einem aktuellen Mess-
wert. Falls die Frage ordnungsgemäß beantwortet wird (wegen der Rotverschiebung kurz vor Lichtgeschwindig-
keit müssen Sie mit einer tiefen Stimme rechnen!), dann müssen Sie sich mit der pflichtbewussten Folge-Frage
nach der zuletzt erfolgten Kalibrierung des Porsche-Tachos sputen, denn Porsche-Fahrer in Frankfurt haben
meist nur wenig Zeit, weil sie in der Regel von BMWs gejagt werden, die eine Werkstatt mit einem Diagnosetes-
ter kennen, der ihnen diese lästige und völlig realitätsferne 250er-km/h Sperre wegprogrammiert hat.
320(!) km/h
Abbildung 5: geeignetes Messgerät zur Tachokalibrierung auf der A5 bei Frankfurt

Kalibr. L3-3 Reparaturbericht
Marc Michalzik; V1.25a Seite 11 von 125
3 Der Kalibr. L3-3
Aber nun endlich zurück beim "Russen": ;-)
Der L3-3 arbeitet mit stabilisierten, „echten“ Gleichspannungen. Die neuere Variante des L3-
3 hat zwar bereits Diodengleichrichter, die Spannungsstabilisierung aber benutzt nach wie vor
Röhren als Längsregler. Der eingebaute Tongenerator erzeugt eine praxisnahe Frequenz von
1,4kHz und das Röhrenvoltmeter misst sogar selektiv bei dieser Frequenz. Damit kann erfolg-
reich verhindert werden, dass eventuelle 50Hz-Brummeinstreuungen aus einer kaputten Röh-
renheizung der Röhre einen besonders guten Verstärkungswert vorgaukeln.
Nicht zuletzt das Analoginstrument der Klasse 1,0 (!) wertet den L3-3 entscheidend auf. Ich
will so ein Ding haben, keine Frage!
4 Beschaffung
Nach einiger Internet-Recherche stieß ich in einem Auktionshaus auf ein Angebot. Ich hätte
es beinahe angenommen und darauf geboten, als mich mein Freund Thomas aus der Radio-
bastlerszene am Wochenende auf dem Handy anrief. Er trieb sich gerade auf einem Radio-
sammler-Flohmarkt herum und hatte seinerseits auch einen guten Bekannten getroffen, der
zufällig noch einen L3-3 im Kofferraum hatte (fast zu viel Zufall um wahr zu sein). Die bes-
ten Geschäfte werden sowieso immer in Kofferräumen gemacht, also ließ ich mir noch kurz
den Zustand des Geräts bestätigen und schlug dann zu. Bereits am Nachmittag konnte ich
meinen Kumpel besuchen, bekam lecker Kaffee, Kuchen und meinen L3-3. Ein idealer Tag!
5 neue Skala
Was mich am L3-3 zuerst störte, ist die total bekloppte Anzeige. So schön genau das
Drehspulinstrument mit seiner hervorragend eingestellten Zeigerdämpfung auch ist, aber so
bescheuert ist auch seine Skala. Eine einzige Beschriftung 0..150 in ungeraden Stufen, aus der
man sich so krumme Skalen wie 0..0,75 im Kopf umrechnen soll! Kann schon sein, dass das
so intelligente Kerlchen wie die Entwickler des L3-3 routiniert im Kopf konnten- ich kann es
jedenfalls nicht und deshalb muss ich da was machen.
Abbildung 6: originale Skala des L3-3
Nach kurzer Überlegung entschied ich mich: ich werde die Skala umbauen!
Das geht?
Klar!

Kalibr. L3-3 Reparaturbericht
Marc Michalzik; V1.25a Seite 12 von 125
Ich schraube das Messgerät durch die vier Schrauben aus dem Grundgerät heraus. Die beiden
Kabel ab und erst einmal an den Kalibrator (ein Fluke 5100B) gehängt. Und dann großes Er-
staunen: der Endanschlag von 150µA wird bis auf das µA genau angezeigt! Unglaublich- und
das bei einem Gerät mit Baujahr 1979! Beim Herunterschalten in 10µA-Schritten zeigt sich,
dass diese fabelhafte Genauigkeit sogar über die gesamte Skala hinweg eingehalten wird. Ich
bin sprachlos- solch eine tolle Qualität ist heute nur noch sehr, sehr schwer zu finden.
Aber ich wollte ja die Skala verbessern. Also öffne ich das Gehäuse des Drehspulmesswerks
mit einer gewissen Ehrfurcht. Der Russe versöhnt langsam- keine Frage! Mit ruhiger Hand
schraube ich die drei Schrauben ab, die die Skala halten und ziehe sie gaaaaaanz vorsichtig
unter dem Zeiger hervor. Geschafft!
Abbildung 7: Messinstrument des L3-3 mit und ohne Skala
Nun die Skala auf den Scanner legen und einen 300dpi Scan machen. Dann in ein Grafikpro-
gramm einladen und alle Striche nachmalen. Dann überall neue Zahlen dranschreiben, die erst
einmal vollständig sind und außerdem die im L3-3 verwendeten Skalenendausschläge 15, 3,
und 7,5 beinhalten, damit man nicht mehr krumme Korrekturfaktoren im Kopf umrechnen
muss.
Abbildung 8: neue Skala für den L3-3; hier als Variante für den Vorgänger L1-3
Ich mache dann noch einen zusätzlichen 250V-Strich mit auf die Skala, der wird oft ge-
braucht.
Dann ausdrucken das ganze, auf ganz normales Papier. Ausschneiden mit scharfer Schere und
Skalpell. Die Schraubenlöcher mit 'ner Gürtellochzange ausstanzen.

Kalibr. L3-3 Reparaturbericht
Marc Michalzik; V1.25a Seite 13 von 125
Ich habe mich dazu entschlossen, die neue Papier-Skala auf die Rückseite der originalen
Blechskala zu kleben. So kann man durch Umdrehen der Skala ganz einfach den Originalzu-
stand wiederherstellen- wenn man denn will ;-)
Abbildung 9: neue Skala aufkleben
Ich klebe die neue Papierskala ganz einfach mit einem einfachen Pritt-Stift auf. Simpel, was?
Funktioniert aber hervorragend: keine Nasen und keine verwischten Zahlen. Ausrichten, an-
drücken, fertig!
Der Zusammenbau erfordert wieder eine ruhige Hand und eine nicht-magnetische Pinzette.
Bevor man den stabilen Bakellitdeckel auf dem Messwerk aufsetzt, bestaunt man noch kurz
die dicke, eingelegte Gehäusedichtung (wenn die Sojus-Kapsel genauso gebaut ist wie das
Messinstrument des L3-3, würde ich jederzeit bedenkenlos einsteigen!) und schraubt alles
vorsichtig wieder zu. Eine kurze Endkontrolle am Kalibrator mit den 150µA- alles weiterhin
in Ordnung, nichts schabt, alles super.
Sieht gut aus, oder?
Abbildung 10: neue Skala ist fertig
Ich baue das Instrument wieder ein und erfreue mich, dass ich in Zukunft endlich den Ta-
schenrechner im Regal liegen lassen kann. Flugs kriege ich schon die erste Anfrage von mei-
nem Kumpel Thomas, der nun auch so eine schöne Skala für seinen L1-3 will. Hi hi hi :-)

Kalibr. L3-3 Reparaturbericht
Marc Michalzik; V1.25a Seite 14 von 125
Abbildung 11: Messinstrument des L3-3 am Kalibrator: ein Traum!!!
Die Überprüfung des Messinstruments ist übrigens für mich immer der erste Schritt bei der
Prüfung der Genauigkeit eines Messgeräts. Wenn das Drehspulmesswerk in sich schon einen
großen Anzeigefehler hat, sollte man ein Justieren des Geräts erst gar nicht versuchen- man
macht alles meist nur noch schlimmer. Motto: erst das Messwerk, dann den Rest! Da hier das
Instrument aber wirklich tadellos ist, konnte ich es bedenkenlos wieder einbauen.
6 Inbetriebnahme
Beim Anschließen alter, und mir unbekannter Technik bin ich immer ein Angsthase. Diesen
L3-3 beispielsweise habe ich zuerst vorsichtig an meinem Regel-Trenntrafo von 0Volt an
langsam hochgefahren und dabei die Stromaufnahme beobachtet. In Reihe hatte ich auch noch
eine 100W-Glühlampe als Strombegrenzung angeschlossen, deren Existenz ich wegen aktuel-
ler EU-Gesetze (alle Glühlampen >40W sind verboten) vielleicht lieber verheimlichen sollte!
Von Thomas' funktionierendem L1 wusste ich, dass der sich etwa 1A Strom bei 230V gönnt.
Ein L3 hat weniger Röhren und müsste daher auf jeden Fall signifikant weniger Strom im
Lerlauf aufnehmen.
Zu meiner Überraschung tat das mein "neuer" L3 auch- bei einer Stromaufnahme von etwa
0,5A an 230V sah mein neues Schätzchen erst einmal ziemlich "gesund aus".
Als ich diesen Bericht kurz vor der Veröffentlichung an Jan Wüsten schickte (bevor ich meine
Reparaturberichte veröffentliche, frage ich vorher immer brav um das Einverständnis von den
Personen, die in meinen bunten Geschichten vorkommen; Jan's Auftritt kommt in Kapitel
6.1), fiel dieser fast in Ohnmacht, als er las, dass ich den L3 unbeaufsichtigt mehrere Stunden
lang zum "Formieren der Elkos" laufen ließ!
Ohne vorher die Elkos auf den korrekten Gesundheitszustand geprüft zu haben, würde er das
nie machen, schrieb er mir. Und ich muss ihm recht geben: zu groß ist die Gefahr, dass ein
defekter Elko einen Kurzschluss auslöst und dabei durch Überlastung den Netztrafo abraucht
("guter" Fall) oder gleich noch den Laborplatz mit ("mittelschlechter" Fall, all die schönen
Rohde-Schwarz Messgeräte wären hin) und das ganze Haus hinterher ("verdammt schlechter"
Fall; versaut einem 100%ig den Tag!).
Auf jeden Fall war es absolut leichtsinnig von mir, ein so altes Gerät unbeaufsichtigt laufen
zu lassen- auch wenn ich die Stromaufnahme und die Erdung vorher brav kontrolliert hatte.
Ich hoffe, Ihr lernt daher aus meinen Fehlern, denn auch wenn bei mir vielleicht alles gut ge-
gangen ist, kann das bei Euch anders aussehen! Also aufpassen!

Kalibr. L3-3 Reparaturbericht
Marc Michalzik; V1.25a Seite 15 von 125
6.1 Röhren
Als Nächstes sehe ich die Röhren des L3-3 an. Mein Kumpel Thomas hat mir ja netterwei-
se seinen L1-3 zur Verfügung gestellt, mit dem ich jetzt systematisch erst einmal alle die
im L3-3 steckenden "Glühkerzen" prüfen werde. Glücklicherweise hat die Kiste nur 3 ver-
schiedene Röhrentypen verbaut, die passenden Prüfkarten dafür sind schnell gefunden.
Abbildung 12: Übersicht der Röhren im L3-3
Am Ende stelle ich tatsächlich fest, dass drei der zwölf Röhren auffällig sind. "Auffällig"
sage ich deshalb, weil die Funktion mit ihnen im L3-3 zwar grundsätzlich gegeben ist, je-
doch ich bei diesen Röhren deutliche Leckströme messen kann, die laut Prüfkarte nicht ok
sind und mit der Zeit sogar noch ansteigen. So etwas möchte ich nicht in meinem schicken
L3 stecken haben, also bestelle ich einen Satz neue. Toll, mit einem anderen Prüfgerät wä-
re mir dieser Fehler möglicherweise gar nicht aufgefallen!
Die neuen Röhren kriege ich ganz einfach bei Jan Wüsten im Internet-Shop (www.die-
wuestens.de). Ohne jetzt groß Werbung machen zu wollen, aber dort findet man wirklich
eine Riesen-Auswahl an Röhren für fast jeden erdenklichen Zweck. Herr Wüsten nahm
sich für mich sogar die Zeit und beriet mich individuell- so ein Support ist heutzutage nur
noch sehr selten zu finden! Toll! :-))
Ich lege der Bestellung gleich noch die Typen 6L6, 6SN7 und 6922 (=E88CC) bei. Die
möchte ich nämlich am Ende mit dem L3-3 einmal ganz gewissenhaft ausmessen und mir
dann den Spaß machen, sie in meinen Hickok TV-2 zu stecken und zu messen. Ich erwarte
heftige Messabweichungen :-)
Die Seite www.jacmusic.com -die sich ebenfalls jeder Röhrenprüferinteressierte unbe-
dingt anschauen sollte- empfiehlt diese drei Röhrentypen übrigens als Referenzröhren für
Kalibrierzwecke. Auf dieser Grundlage bietet jacmusic sogar bereits fertig kalibrierte Re-
ferenzröhrensätze zum Kauf an- für alle die, die endlich mal wissen wollen, wie weit Ihr
Hickok von der "echten Wahrheit" weg ist;-) Eine aus meiner Sicht sehr vernünftige An-
schaffung, eigentlich zwingend für alle die, die Röhren beruflich verkaufen und daher ih-
ren Zustand vor dem Verkauf genau kennen müssen!

Kalibr. L3-3 Reparaturbericht
Marc Michalzik; V1.25a Seite 16 von 125
Ich selber überlege sogar, mir einen solchen Satz anzuschaffen, denn sinnvoll ist ein Kalib-
rierungsvergleich allemal. Im Moment habe ich jedoch erst noch einen Haufen Arbeit vor
mir, denn der L3-3 bietet derzeit noch eine Menge offener Baustellen. Zum Beispiel diese
hier:
6.2 Kondensatoren
Bis die neuen Röhren da sind, werde ich die ganzen dicken Kondensatoren, die im L3-3
zentral auf einem Blech zu finden sind, eingehend prüfen. Dazu zieht man den L3-3 aus
dem Gehäuse, legt ihn auf die Seite und löst das Blech der Kondensatorenbank. Man kann
sie dann abnehmen und sieht von unten auf ein Dutzend dicke Elkos.
Abbildung 13: Filterbank im L3-3
Ich löte die Anschlüsse nacheinander ab und baue die Elkos Stück für Stück aus. Zum Lö-
sen der Verschraubung benutze ich tatsächlich einen 19mm Zündkerzenstecker aus dem
Knarrenkasten. Alles besser, als mit ner Kombizange alles zu verfrickeln. Also raus den
Elko und gemessen: Wert hervorragend!
Das wird mir jetzt so die ganze Zeit gehen: alle Elkos scheinen bei der Messung von Kapa-
zität und ESR einwandfrei in Schuss, so dass ich schon glaubte, der ganze Aufwand sei für
die Katz gewesen.
Abbildung 14: alle Elkos super! Bis auf....

Kalibr. L3-3 Reparaturbericht
Marc Michalzik; V1.25a Seite 17 von 125
Aber dann habe ich "Glück" beim allerletzten: der Elko C46, der für die Glättung der
Gleichspannungsheizung zuständig ist, soll 2000µF haben. Er hat aber nur 300nF und ein
ESR von mehr als 3kOhm. Also total kaputt. Ich löte einen aus meiner Bastelkiste ein, der
mechanisch ganz gut passte und auch in den elektrischen Werten in Ordnung war. Somit
hat sich der Sonntagnachmittag ja doch noch irgendwie "gelohnt".
Abbildung 15: ...den hier!
Nebenbei prüfe ich auch noch die den Kondensatoren meistens parallelgeschalteten Wider-
stände (dienen wohl aus Sicherheitsgründen zu einer sauberen Entladung der Kondensato-
ren nach Ausschalten der Betriebsspannung). Ich bin überrascht, dass die alle ihre Werte
noch gut einhalten, denn in den meisten RPGs sind die bereits austauschreif. Vielleicht
auch deshalb, weil die meistens RPGs eben nochmal locker 20 Jahre älter sind als dieses
hier, vielleicht aber auch, weil diese hier einfach eine bessere Qualität und damit Langzeit-
stabilität besitzen. Auf jeden Fall wäre das sehr schön, denn das erspart mir möglicherwei-
se eine Menge Auslöt- und Wechselarbeit.
6.3 Drehschalter
Nun kümmere ich mich darum, den L3-3 für einen normalen Ingenieur mit zarten Büro-
händchen bedienbar zu machen. Insbesondere die Drehschalter am L3 haben eine so heftig
stramme Rastung, dass man daran schon eine Knarre zum Lösen von Radmuttern auspro-
bieren könnte. Ich zerlege also das Gerät ein Stück weiter; das geht übrigens ganz gut,
denn wenn die vier dicksten Schrauben, die man auf der Frontplatte findet, abschraubt,
kann man die oberste "Schicht" Elektronik im L3 über Drehgelenke hochklappen wie eine
Motorhaube. Dadurch kommt man viel besser von hinten an alle Schalter und Potis dran.

Kalibr. L3-3 Reparaturbericht
Marc Michalzik; V1.25a Seite 18 von 125
Abbildung 16: L3-3 mit geöffneter Motorhaube
Ich baue den rechten "PARAMETER"-Drehschalter aus, denn der ärgert mich am meisten.
Zugleich schraube ich einige Bauteile in der Nähe los. Der Drehschalter hängt nämlich an
einem dicken Kabelbaum und so hat man beim Ausbau etwas mehr Bewegungsfreiheit.
Irgendwann halte ich den Drehschalter in den Händen. Ich schraube die zwei kleinen Mut-
tern ab, die man von vorne (gleich links + rechts neben der Betätigungsachse) sehen kann.
Damit kann ich die Achse inklusiver Rastung des Drehschalters aus der Drehschalterein-
heit herausziehen.
Abbildung 17: teilweise demontierter Drehschalter
Sogleich erkenne ich das Problem. Die Rastung des Drehschalters wird dadurch erzeugt,
dass eine federnd gelagerte Kugel in ein großes Scheibenzahnrad drückt. Mit jeder Dre-
hung rattert also die Kugel durch die Zahnradlücken und erzeugt so die verschiedenen Po-
sitionen des Drehschalters.
Die Kugel wird durch eine doppelte ausgeführte Bandfeder aus Federstahl in den Zahn-
kranz gedrückt. Klarer Fall: ich dremele eine obere beiden Bandfedern einfach weg, so
dass nur noch die unten liegende an die Kugel drücken kann. Damit dürfte sich der An-
pressdruck auf Kugel und Zahnrad ungefähr halbieren und damit auch die notwendige
Kraft zum Weiterdrehen in die gewünschten Positionen.

Kalibr. L3-3 Reparaturbericht
Marc Michalzik; V1.25a Seite 19 von 125
Abbildung 18: Drehschalter mit "halbiertem" Federblech
Gedacht, getan! Weggeflext das Ding, etwas WD-40 in das Achsengelenk und etwas Fett
auf Kugel und Zahnrad und schon flutscht der Drehschalter- jetzt endlich auch geeignet für
zarte Orgelspielergriffel! :-)
Wo wir schon so weit sind, würde ich natürlich gerne auch die Kontaktplatten des Dreh-
schalters reinigen. Leider hat dieser Schalter so viele Ebenen und Anschlüsse, dass man
mit einem Kontakt60-benetzten Wattestäbchen die Kontaktflächen so gut wie nicht errei-
chen kann. Und die haben eine Reinigung bitter nötig, wie man an dem vielen dunklen
Dreck sehen kann. Nur mit viel Geschick und ruhiger Hand gelingt es mir, die einzelnen
Ebenen des Drehschalters Stück für Stück "abzuschichten". Weil aber noch der ganze Ka-
belbaum mit seinen vielen, einzelnen Drähten dranhängt, braucht man hier wirklich viel
Geduld.
Abbildung 19: kniffelige Angelegenheit: Reinigung des Drehschalters

Kalibr. L3-3 Reparaturbericht
Marc Michalzik; V1.25a Seite 20 von 125
Aber schließlich kann ich die Reinigung doch noch durchführen. Ich baue den Drehschal-
ter wieder ein, und- nichts funktioniert! Natürlich! Grrr!!
Also überlege ich, was denn schief gelaufen sein könnte bei der Reinigungsaktion. Ich
komme schließlich darauf, dass ich die Achse genau um 180° verkehrt herum eingesteckt
habe. Anstatt Position 1,2,3,4,5,6,7,8,9,10,11, wird nun Position 6,7,8,9,10,11,12 (die gar
keine Position ist, sondern der gemeinsame Abgriff) durchlaufen. Diese Erklärung klingt
vernünftig, aber trotzdem will ich das erst anhand des Schaltbildes überprüfen. Das ist gar
nicht so leicht. Nirgendwo steht, wo genau bei diesem Drehschalter Pin1 ist, und ob die
oberste Ebene als "1" oder "5" bezeichnet wird. Ich messe lange nach, bis schließlich fest
steht:
Wenn ich den L3-3 aufschraube und kopfüber auf den Tisch lege, so dass die die Motor-
haube nach vorne (=also zu mir hin, vgl. Abbildung 16) abgeklappt wird, dann liegt der
betreffende Drehschalter gleich vorne links. Dann ist die von oben sichtbare Schalterebene
die Ebene Nr.5! Ebene 1 liegt dementsprechend am dichtesten zur Frontplatte.
Der Drehschalter hat pro Ebene 12 Anschlusspins. Pin Nr. 12 ist der gemeinsame Abgriff
und gut daran zu erkennen, dass seine Kontaktzungen länger sind als die aller anderen (ei-
ner hat eben immer den längsten ;-). Pin1 ist -entgegen des Uhrzeigersinns gezählt, also
links rum- direkt nur eine Position weiter zu finden.
Wenn der Drehschalter noch nicht auseinandergebaut sein sollte, kann man auch schön se-
hen, dass der Schleifkontakt in der allerersten Position (Drehschalter auf Linksanschlag,
Position "N30" oder so ähnlich) direkt auf diesem Pin 1 liegt. Bei Rechtsanschlag des
Drehschalters liegt der Schleifkontakt auf Position 11 des Drehschalters. Das macht alles
durchaus Sinn, also korrigiere ich die Wahlschalter-Scheiben aller fünf Ebenen auf diese
Weise.
Diese Erkenntnis hat mich eine geschlagene Stunde Grübeln gekostet. Aber siehe da, es hat
sich gelohnt, denn jetzt funktioniert auch wieder alles!
Ein kleiner Tipp für alle Hobbyschrauber: bei solchen Geräten sollte man immer alles
Schritt für Schritt machen und nach jedem Bauteil unbedingt eine kurze Funktionskontrolle
durchführen! Wenn noch alles geht, dann weiß man, das man keinen Fehler reingebaut hat
und kann sich die nächste Lokalbaustelle vornehmen. Falls jedoch nicht, dann weiß man
immerhin, dass der Fehler direkt damit zusammenhängen muss, wo man ganz zuletzt dran
rumgebastelt hat. Das hilft enorm beim Einkreisen zur Fehlersuche! Prüft man jedoch erst
ganz am Ende der Restauration, und stellt dann erst fest, dass was nicht geht, dann viel
Spaß bei der Sucherei!

Kalibr. L3-3 Reparaturbericht
Marc Michalzik; V1.25a Seite 21 von 125
7 Kodensatoren die 2te
Und dann passiert es wieder: Regressionsreparatur! :-(((
Ich war gerade dabei, die Ungenauigkeit der Steilheitsmessung des L3-3 zu überprüfen (es
kam 4% heraus, das nur so zur Info).
Abbildung 20: Kontrolle der Genauigkeit bei Steilheitsmessung
Dazu hatte ich eine Menge Kram an das Gerät angeschlossen und mir zur Dokumentation der
Messwerte eine Arbeitskladde mit Papier auf den Tisch gelegt. Diese Klasse hat oben einen
Clip, mit dem man das Papier darunterklemmen kann. Leider ist dieser Clip aus Metall. Es
passierte das, was passieren musste! Während der Messung rutschte die Kladde unter das Ge-
rät und der Metallclip schloss zielsicher den Elko C35 gegen Masse kurz. (Das geht ganz
leicht, weil die Elkos tlw. auch an ihrem Metallgehäuse unter Spannung stehen.)
ganz, ganz
böse
Arbeits-
kladde!
Abbildung 21: Messaufbau

Kalibr. L3-3 Reparaturbericht
Marc Michalzik; V1.25a Seite 22 von 125
Ein lauter Knall und Blitz, dann ein hastiger Rettungsversuch meinerseits, aber es war schon
zu spät. Der Elko protestierte mich laut an angesichts dieses ungewohnt hohen Stromimpul-
ses: er knatterte noch einige Minuten lang sporadisch wie ein Maschinengewehr. Witziger-
weise arbeitete der L3-3 aber noch unbeirrt weiter. Das ist gute, russische und solide Technik,
kann ich nur sagen!
Einschlag-
stelle des
Kurz-
schluss-
funkens
Abbildung 22:Mist...
Normalerweise bin ich da ja nicht so zimperlich, aber dieser Elko schien unter der Hoch-
stromentladung doch hörbar gelitten zu haben. Beherzt hole ich wieder den Knarrenkasten
und baue C35 aus.
Und nun die Überraschung: mein Kapazitätsmessgerät bescheinigt C35 eine unbeschadete
Gesundheit! Mit 19,4µF und einem ESR von ca. 0,5Ohm zeigt er gegenüber der Erstmessung
hier keine Veränderung. Wie geht denn das?
Das Knallen in C35 deute ich als interne Spannungsüberschläge. Das aber müsste sich doch
durch einen erhöhten Leckstrom nachweisen lassen! Ich überlege mir, wie ich den Leckstrom
von C35 bei Betriebs(Nenn-)spannung am besten messen kann. Leider habe ich für solche
Fälle kein spezielles Messgerät. Ich behelfe mir mit einem Hochspannungstester, mit dem
man normalerweise Elektroinstallationen am Haus auf Kriechströme überprüft.
Abbildung 23: Isolationstester

Kalibr. L3-3 Reparaturbericht
Marc Michalzik; V1.25a Seite 23 von 125
Mit einer eingesteckten 250V-Prüfkarte lädt er C35 nach einigen Minuten auf mehr als 320V
auf und die Widerstandsanzeige klettert auf etwas um die 3 MOhm. Ist das gut? Keine Ah-
nung. Viel klingt mir das für einen 20µF Hochspannungselko aber nicht. Ich fleddere eben-
falls (den unbeschadeten, aber sonst genau gleichen) C36 aus dem Röhrenprüfer, um einen
Vergleichswert zu kriegen. Nach etwa einer Stunde Aufladezeit liegt sein gemessener Isolati-
onswiderstand bei über 100MOhm! Ich nehme mir noch einmal den vermutlich defekten C35
vor und erreiche nun 20MOhm. Hmmm...scheint sich das Teil irgendwie von selbst zu repa-
rieren? Angeblich gibt's ja sowas wie "selbstheilende Elkos"...
Abbildung 24: C35 "prahlt" mit 5Megohm nach 5 Minuten
Nun will ich es aber bei seiner vollen Nennspannung von 450V wissen. Leider kann man
meinen Installationstester darauf nicht einstellen, daher brauche ich eine andere Spannungs-
quelle. Schon fällt mein Blick auf meinen Fluke 335A DC-Kalibrator. Hmmm...da sollte sich
doch was draus machen lassen!

Kalibr. L3-3 Reparaturbericht
Marc Michalzik; V1.25a Seite 24 von 125
Über einen in der Anlaufphase vorgeschalteten Angst-Widerstand lade ich C35 langsam mit
seiner Nennspannung (450V) auf. Glücklicherweise liefert der 335A durchaus ein paar mA
Strom, so dass ich C35 auch wirklich ziemlich zügig voll* kriege! Nach 70 Minuten Warte-
zeit lese ich den Speisestrom am Digitalmultimeter ab: etwa 75µA. Damit errechnet man ei-
nen Isolationswiderstand von etwa 6MOhm.
Abbildung 25: Hochspannungstest von C35 am Kalibrator
* Wir wissen ja: gemäß Elektrischer Physik wird ein Kondensator erst in unendlich langer Zeit voll! 70 Minuten
ist aus Sicht eines 20µF-Kondesators aber schon "ziemlich unendlich".
Nun folgt der Referenzkondensator C36. Dieser erreicht zwar nach 70 Minuten auch nicht
viel geringere Ladestrom-Werte, aber so richtig deutlich wird es erst am folgenden Morgen:
Ich habe die Kondensatoren in geladenem Zustand auf dem Tisch liegen lassen und morgens
mit dem DMM ihre noch verbleibende Klemmenspannung gemessen. C36: etwas mehr als
150Volt. C35: ~ 2Volt! Das ist jetzt für mich endlich mal eindeutig: C35 ist wirklich defekt-
aller vorher aufgenommenen Messwerte mit Kalibratoren und Präzisions-LCR-Metern zum
Trotz!
Inzwischen bin ich auch mit Jac von jacmusic.com etwas ins Klönen genommen. Jac rät mir
auf jeden Fall zu einem Austausch des Bauteils. Nach meinem Erlebnis mit der Selbstentla-
dung über Nacht bin ich mir nun auch sicher: er hat recht! Solche vorgeschädigten Bauteile
können vielleicht nicht heute oder morgen, aber ganz sicher langfristig zu Ärger führen. Also
tauscht man sie lieber gleich aus, bevor man sich später noch einmal damit herumschlagen
muss. Praktischerweise verkauft jacmusic auch solche Bauteile. Allerdings habe ich noch ei-
nen ganzen Haufen 15µF/450V Elkos in der Bastelkiste, die vom Herumliegen auch nicht
besser werden. So will ich erst einmal versuchen, diese Kameraden zu verwenden (sorry Jac ;-
). Die Herausforderung liegt hierbei in der mechanischen Befestigung. Die originalen Elkos
sind Becherelkos mit Schraubgewinde und dazu passender Isolierscheibe. Ein Umbau ist gar
nicht sooo einfach, denn die hier verwendete Schraubennorm und Isolierscheibe kann ich
sonst nirgends finden. Also überlege ich, was ganz Verrücktes zu probieren: ich säge den ori-
ginalen Elko auf ca. 1/3tel der Höhe ab und pule das Innenleben raus (Aluminiumfolie und
getränktes Papier). Zurück bleibt etwas, das an ein leergebranntes Teelicht erinnert. In der
Mitte ragt noch die Elektrode auf, hier hätte man sooooo schön den Pluspol der Ersatzelkos

Kalibr. L3-3 Reparaturbericht
Marc Michalzik; V1.25a Seite 25 von 125
anlöten und mit dem Rest des Gehäuses ganz schick verschließen können. Hätte- wenn diese
Elektrode leider nicht aus Aluminium bestünde! Leider kann man Aluminium nicht löten, so
ein Ärger! Also muss ich mir eine andere Idee ausbrüten.
Ich schaue mir die Stelle im Schaltbild noch einmal an. Es sieht so aus, als ob C35 und C36 in
Reihe liegen und die Anodenspannung filtern. Dann macht es sicher auch nichts aus, wenn ich
den Wert von C35/36 etwas erhöhe, indem ich jeweils zwei 15µF-Elkos zu einem 30µF-
Päarchen zusammenlöte. Je mehr Kapazität, desto besser die Filterung. Ganz einfach!
Vorher prüfe ich allerdings noch die Qualität meiner 15µF-Elkos. Schließlich lagen sie jahre-
lang bei mir in der Magazinwand und könnten ja auch nicht mehr gut sein. Ich mache densel-
ben Test wie gestern: mit dem Kalibrator lade ich alle Elkos morgens auf +450V auf und
klemme sie im geladenen Zustand ab. Gegen Abend werde ich sie mit dem DMM zurückmes-
sen und schauen, auf wie viel Volt die Elektrodenspannung gesunken ist. Je mehr sie dann
abgesunken ist, desto höher (=schlechter) ist der Leckstrom.
Abbildung 26: Elko-"Assessment" ;-)
Am Abend zeigen sich sehr interessante Ergebnisse! Von 17 bis knapp 170Volt Rest-
Klemmenspannung ist bei meinen "neuen" Bauteilen wirklich alles dabei. Und das Lustigste:
der uralte C36 Referenzelko, den ich als Vergleichselko auch mit an diesem Test beteiligte,
war der Sieger: er hatte tatsächlich noch eine Restspannung von über 200Volt! Hammer! Ich
sag's ja: wenn die Russen nur wollen, können sie wirklich fantastische Qualität bauen! Ich
suche mir aus meinen zehn Ersatzbauteilen die vier besten heraus und löte sie in zweier-
Gruppen zusammen. Somit erhalte ich jeweils knapp 30µF/450V; der Originalwert von C35
und C36 war jeweils 20µF/450V. Etwas mehr Kapazität kann an dieser Stelle nicht schaden.

Kalibr. L3-3 Reparaturbericht
Marc Michalzik; V1.25a Seite 26 von 125
Weil an dieser Stelle Spannungen von mehr als 600Volt herrschen können, klebe ich eine
Lage Moosgummi als Isolierunterlage auf die Montagestelle. Als Masse-Fixpunkt benutze ich
eine Schraube, der ich Zahnscheiben und Lötösen unterlege, damit es einen möglichst guten
Kontakt gibt.
C35 und C36
beide ersetzt!
Abbildung 27: Pflaster drauf und alles ist wieder gut :-)
8 Neue Röhren....Teil 1
Ich bin gerade mit meiner Reparatur fertig, als neues Unheil droht: die Ersatzröhren treffen
ein! Weil ich es natürlich wieder nicht lassen kann, will ich die frisch gelieferten Röhren vor
dem Einbau in den L3-3 vorher testen. Und dabei jage ich prompt gleich 2 Stück 3N1P hoch,
weil ich -als Folge einer total bescheuerten Bedruckung der Prüfkarte- eine falsche Anoden-
spannung eingestellt habe. Weiterhin macht eine an einer Röhrenfassung erneuerte Drossel
einen Kurzschluss mit der Tongeneratorleiterplatte und bringt nicht nur die 3N1P zum blauen
Leuchten, sondern zugleich auch noch meinen L3-3 zum Qualmen.
Sehr gut. So sieht professionelles Arbeiten aus!
Trotz meiner Tolpatschigkeit muss ich hier den L3-3 Entwicklern auch einen Vorwurf ma-
chen: der mechanische Aufbau mit der Motorhaube ist ja grundsätzlich eine sehr gute Idee.
Doch bei der Umsetzung hätte man mehr darauf achten müssen, dass man beim Hoch- und
Runterklappen weder Bauteile einklemmt, noch sie irgendwo an anderen Teilen anstoßen
können! Das hat man dann beim L3 leider nicht so gut gelöst. Schon der Vorbesitzer hatte
unbemerkt eine Drossel beim Motorhaube-Runterlassen eingequetscht, weshalb ich sie gleich
auswechselte. Dabei habe ich das neue Bauteil offensichtlich wenige Millimeter anders ein-
gebaut als vorher. Dadurch stieß es bereits an die Tongenerator-Leiterplatte an- Kurzschluss.
Nicht gut!

Kalibr. L3-3 Reparaturbericht
Marc Michalzik; V1.25a Seite 27 von 125
9 Zwischenreparatur
Doch wo kam der Rauch jetzt her? Ich habe nur gesehen, dass er unter dem Messinstrument
hervor kam. Ich befürchtete schon das Schlimmste, aber nach einigem Suchen bemerkte ich,
dass die Anzeige der Gitterspannung ab dem Messbereich "15V" defekt war. Die kleineren
Bereiche waren noch funktionsbereit, aber ab dem 15V-Bereich schlägt der Zeiger so gut wie
nicht mehr aus. Ich schaue in den Schaltplan und finde eine vorgeschaltete Widerstandsteiler-
kette für die Gitterspannung. Der für den 15V-Bereich verantwortliche Widerstand ist R106.
Und den finde ich in Form eines Drahtwickelwiderstands auf einer Leiterplatte direkt vor dem
Messinstrument. Hmmm, könnte zum Rauch passen!
Abbildung 28: der L3-3 zerstört sich selbst...L8 zerquetscht von eigener Motorhaube
Ich messe R106. Sollte 30kOhm haben, sagt das Manual. Hat aber in Wirklichkeit mehr als
30Mega-Ohm! Also platt! So ein Mist, eine Drahtwickelspule findet man nicht als Standard-
bauteil im Elektronikladen. Aber nicht verzweifeln, erstmal rausbauen das Ding und reingu-
cken. Vieles kann man wieder reparieren, obwohl man erst gar nicht daran glaubte.
R106
Abbildung 29: Messen von R106

Kalibr. L3-3 Reparaturbericht
Marc Michalzik; V1.25a Seite 28 von 125
Ich entferne das klebrige Isolierband, das den Wickelkörper nun viele Jahre vor Umweltein-
flüssen geschützt hat. Danach sieht R106 aus wie die Nähgarnspule in einer Nähmaschine.
Kontrollmessung: stimmt, Draht ist unterbrochen. Also mal abwickeln das Ding, vielleicht
finde ich ja die Unterbrechung? Und tatsächlich: nach nur 2 Windungen finde ich die Schad-
stelle, was für ein Dusel!
Abbildung 30: defekte Stelle in R106 gefunden!
Also kann ich kurz davor abschneiden und den Draht neu anlöten. Die maximal 10cm weniger
Widerstandsdraht auf dem Wickelkörper haben bei den (geschätzt) vielen hundert Windungen
so gut wie keinen messbaren Einfluss auf den Endwert. Glück gehabt!
Mal wieder, denn bei der Vibratospule einer Hammondorgel ist es mir auch schon einmal so
gegangen. Der Defekt war direkt auf den ersten Windungen zu finden, so dass ich auch hier
bedenkenlos abwickeln und reparieren konnte. Also niemals gleich aufgeben, wenn man einen
defekten Drahtwiderstand vor sich hat! Mit einer ruhigen Hand und einem geduldigen Löt-
kolben (zum Abbrennen der Kabelisolation der Spulendrahts) kriegt man vieles wieder hin.
Abbildung 31: kleine Exkursion: vergleichbarer Schaden an der Linebox einer B-3 Hammondorgel
Nach dem Wiedereinbau von R106 ist wieder alles wie zuvor. Reparatur geglückt! Ich kann
nun loslegen mit meinen (verbliebenen) Röhren.

Kalibr. L3-3 Reparaturbericht
Marc Michalzik; V1.25a Seite 29 von 125
10 Neue Röhren....Teil2
Nach diesem Schrecke nehme ich nun wieder den L1-3 meines Kumpels zu Hilfe. Mit ihm
messe ich schließlich alle neuen Röhren einmal durch. Erstaunlicherweise sind die zwischen
L1 und L3 erhaltenen Messwerte für Steilheit und Anodenstrom fast deckungsgleich. Das
schafft schon einmal Vertrauen! Aber meinen Leckstrommesser muss ich mir anschauen, hier
unterscheiden sich die Messwerte erheblich.
Nachdem ich alle 3N1P durchgeorgelt und die auffälligen in meinem L3-3 ersetzt habe, bin
ich wieder ein Stück weiter.
11 Genauigkeit der Ausgangsspannungen
So, nun will ich es aber ganz genau wissen. Ich mache mir die Mühe, die Übereinstimmung
der L3-Spannungsanzeige für Gitterspannung1, Gitterspannung2 und Anodenspannung mit
einem modernen Multimeter (HP34401) zu ermitteln. Sprich: was liegt wirklich an der Röhre
an, wenn das L3 mir "250V" anzeigt?
Etwas mehr, nämlich etwa 254Volt, wie ich jetzt in langen Messreihen feststelle. Dafür muss
ich das L3-3 mittels Universalkarte erst in die gewünschte Konfiguration "stöpseln" und dann
von dort (an den Stöpsel vorher ne Krokoklemme dranmachen und dann erst ins Stöpselfeld
einstecken; es macht nichts, wenn der Stöpsel 5 mm weniger tief im Steckfeld steckt) die zu
prüfende Spannung abgreifen.
Schon beim Prüfen der Gitterspannung merke ich: das Poti ist Mist! Raus damit! Jac rät mir
zu einem 10Gang-Präzisionspoti, denn der hatte vorher dasselbe Problem. Die 10Gang-Potis
für die Gitterspannung gibt es auch in der gewünschten Größe (5kOhm) und ich habe sogar
eines vorrätig. Also rein damit und auf einmal kann man die Gitterspannung so präzise ein-
stellen wie noch nie. Jac beobachtete zugleich eine signifikante Verbesserung der Stabilität
der Gitterspannung; das originale Poti habe einen recht hohen Temperaturkoeffizienten. Ich
will ihm nicht widersprechen- dem L3-3 tut das neue Präzisionspoti sichtlich gut!
Für den -65V-Bereich möchte ich auch ein solches Poti einsetzen, aber hier braucht man
22kOhm und so einen Wert habe ich leider als 10Gang-Poti gerade nicht in der Bastelkiste.
Also erstmal provisorisch ein normales (neues) Poti rein und damit die Messungen machen.
Während ich Anodenspannungen prüfe, stellt sich bei mir auch hier der Wunsch nach einem
10Gang-Poti ein. Leider will der L-3 hier ein 1MOhm-Poti sehen und so sehr ich auch im
Internet suche- ein solches Poti in 10Gang-Ausführung kann ich nicht finden. Auch Jac war
bisher vergeblich auf der Suche, so überlegen wir, ob wir hier nicht mit einem anderen Wert
leben könnten, wenn wir die Anodenspannungserzeugung entsprechend anpassen?
Damit kommen wir zum Thema...

Kalibr. L3-3 Reparaturbericht
Marc Michalzik; V1.25a Seite 30 von 125
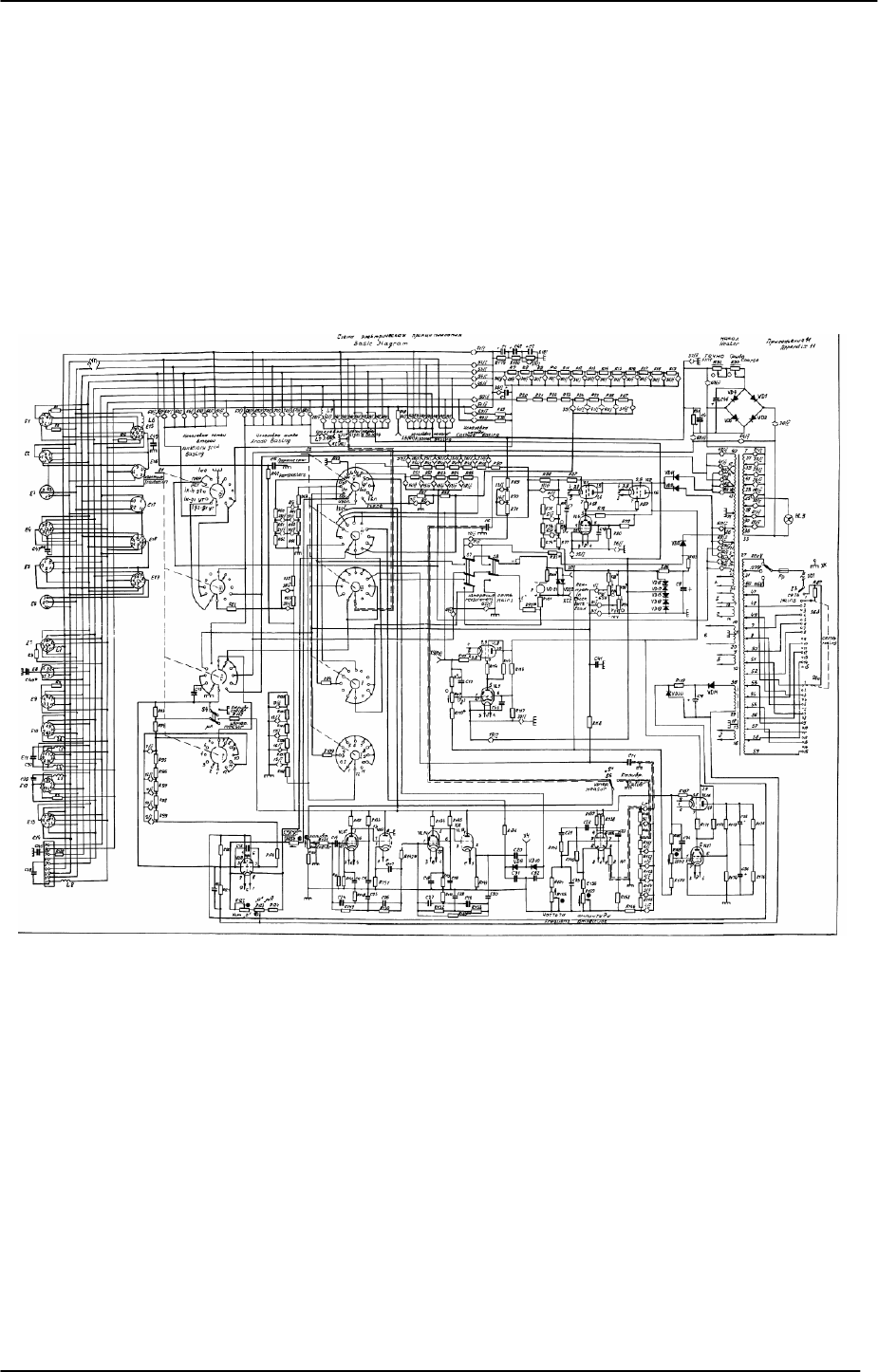
12 Schaltplan
Jetzt meckern wir wieder. Aber zuerst das Positive: es ist schön, dass es überhaupt einen
Schaltplan für das Gerät gibt. Das war es aber auch schon. Denn der ist dermaßen gruselig
gezeichnet, dass er nahtlos zu der deutschen Übersetzung des russischen Handbuchs für den
L-3 passt. Ich erkenne hier fast nichts. Zahlreiche, sich gegenseitig überschneidende Leitun-
gen, bei deren Kreuzungen man auch nicht wirklich erkennen kann, ob sich die Leiterbahnen
nun berühren sollen oder nicht (Kreuzungspunkte sucht man meist vergebens), sehr ungünsti-
ge Platzierungen der Bauteile, es stehen keine Werte dran, teilweise sind die Bauteilbezeich-
ner unleserlich, wir finden keine Spannungsangaben an Messpunkten und wenn überhaupt
was dasteht, dann auf russisch.
Abbildung 32: Schaltplan zum L3-3....das Original
Okay, über den letzten Punkt kann ich nicht ernsthaft böse sein, auch wenn es für mich ein-
fach dazugehört, auch den dazugehörigen Schaltplan zu übersetzen, wenn ich den Auftrag
zum Übersetzen eines Handbuchs bekomme. Aber sei's drum- so wie der Schaltplan derzeit
gezeichnet ist, komme ich nur sehr schwer zurecht. Ich werde ihn überarbeiten!
Ich lade mir den Scan des Originalplans als Bitmap in ein Grafikprogramm. Nun beginne ich,
in diesem Bild herumzumalen, ungeschickt gezeichnete Leitungen wegzulöschen
(=übermalen in weißer Farbe), unleserliche Beschriftungen zu ersetzen, Leitungen zu gruppie-
ren, Werte an die Bauteile dranzuschreiben und die so langsam erkennbaren Baugruppen erst
einmal zu benennen! Nur so kriegt man etwas Übersicht in das Chaos. Das Anodenspan-
nungs-Filter (Elkos C35 und C36) verschiebe ich thematisch sinnvoll in Richtung des Ano-
denstrom-Gleichrichters und die Spannung an sich nenne ich nun "Ua RAW" (engl. "Raw" =
roh, unfertig). Alle Baugruppen, die damit versorgt werden, bekommen einfach einen Pfeil

Kalibr. L3-3 Reparaturbericht
Marc Michalzik; V1.25a Seite 31 von 125
und die Beschriftung "Ua RAW", zum anzudeuten, dass hier die Anodenspannung eingespeist
wird. Wie die da hinkommt, muss ich nun wirklich nicht im Schaltplan einzeichnen, also lö-
sche ich das komplette "Ua RAW" Leitungsnetz raus. Ebenso mache ich das mit anderen
Spannungen: UG1, UG2, UVD15, UVD16. Es lichtet sich das Leitungsgewirr und auf einmal
ist sogar Platz, an den Gitterspannungsteiler die Abgriffe dranzuschreiben. Warum nicht
gleich so?!?
Zwischendrin stürzt das Grafikprogramm ab und reißt leider die noch geöffnete Datei gleich
mit in den Tod- netterweise hat das Grafikprogramm eine Stunde vorher noch schnell eine
Sicherungskopie angelegt. Trotzdem: die Arbeit dieser Stunde ist dahin. Ärgerlich! Aber es
gibt ja noch mehr verregnete Sonntag-Nachmittage in Deutschland, ich werde schon noch ans
Ziel kommen.
Abbildung 33: sieht zwar erstmal nicht besser aus, ist es aber! Mein bearbeiteter Zwischenstand!
Mit jeder gelöschten Linie im Schaltplan wird mir die Funktion des L3 ein Stückchen klarer.
Zum Beispiel erkenne ich, dass Widerstand R100 (450Ohm, 0,2%!) dem Messinstrument
grundsätzlich in Reihe vorgeschaltet ist. Hier könnte man also einen Trimmer vorschalten, mit
dem man eine *grundsätzliche* Abweichung des Endausschlags korrigieren könnte. Auch die
einzelnen Widerstandsnetzwerke für die Gitterspannungs-Messbereiche und Kathodenwider-
stände tauchen auf einmal aus dem Leitungsgewirr hervor. Für mich nach wie vor unbegreif-
lich, weshalb man das Schaltbild so kompliziert gezeichnet hat. Ein Röhrenprüfgerät ist doch
grundsätzlich ziemlich einfach aufgebaut (wenn man es beispielsweise mit einem Roh-
de&Schwarz CMS52 Funkmessplatz oder einem Fluke 5101 Multifunktionskalibrator ver-
gleicht!). Dass es auch einfacher geht, diesen Beweis erbringe ich Euch nun in Abbildung 33
(nach mehrmaligen Abstürzen meines Grafikprogramms ;-)

Kalibr. L3-3 Reparaturbericht
Marc Michalzik; V1.25a Seite 32 von 125
13 Tongenerator und selektives Voltmeter
Nach einer ersten "Schaltplan-Grundreinigung" will ich aber erstmal etwas Spaß haben. Den
hole ich mir an der Audio-Leiterplatte. Dort sind der 1,4kHz Tongenerator, das selektive Au-
diovoltmeter sowie das µA-Meter drauf.
Abbildung 34: Audio-PCB vor der Restauration
Die erst beiden Einheiten werden zur Messung der Verstärkung (=Steilheit, mA/V) einer Röh-
re benötigt. Der Tongenerator des L3-3 speist am Gitter der Prüfröhre eine kleine Wechsel-
spannung ein, die dann an der Anode (verstärkt) abgegriffen und (durch das selektive Voltme-
ter) gemessen wird.
Laut Manual soll der Tongenerator bei einer Frequenz von 1400Hz arbeiten. Er erzeugt -wenn
er korrekt abgeglichen ist- eine Ausgangsspannung von etwa 450mVeff, die durch einen
steckbaren Spannungsteiler bei Bedarf auf nur wenige Millivolt hinunter abgeschwächt wer-
den kann. Damit ist wirklich mehr als sichergestellt, dass auch hochverstärkende Röhren -wie
eine ECC83- nicht übersteuert werden. Super! Manche RPGs dröhnen dort bis zu 2,5Veff rein
und wundern sich dann, warum sie mit dieser hohen Signalspannung schon den Arbeitspunkt
der Röhre beeinflussen und damit Fahrkarten messen. Oder man wundert sich eben nicht-
noch schlimmer ;-)
Der L3-3 ist diesbezüglich jedenfalls fast vorbildlich konstruiert. Dennoch meine ich, im L3
ein Problem erkannt zu haben. Wie sich Jac bei mir ebenfalls beklagt, muss auch er seine bei-
den L3's bei der Steilheitsmessung ständig nachjustieren. Ich selber beobachte das ebenfalls:
die Eichung des Steilheitsmesser "hält" nur wenige Minuten, dann muss man wieder nachstel-
len. Auf die Dauer nervt das doch etwas, daher fragen wir uns gerade, woran das wohl liegen
könnte.

Kalibr. L3-3 Reparaturbericht
Marc Michalzik; V1.25a Seite 33 von 125
14 Selektives Voltmeter
Ich habe einen ersten Verdacht. Um dem nachzugehen, messe ich mal spontan den Amplitu-
denfrequenzgang des selektiven Voltmeters. Ich trenne die Drahtbrücke zwischen R129 und
dem Umschalter S5 (Steilheitsmesserumschaltung MESSEN/EICHEN) auf und speise dort
150mVeff Tonsignal aus meinem Audioanalyzer ein. Nachdem das Signal dann durch das
selektive Voltmeter des L3's gelaufen ist, greife ich es an der Buchse "X4" (zu finden als Ba-
nanenbuchse im Innern des L3-3 auf der Audioleiterplatte) wieder ab und führe es wieder
dem Analyzer zur Auswertung zu.
Abbildung 35: Amplitudenfrequenzgang vorher
Nun wird es sehr spannend, denn ich komme auf -für so ein altes Gerät- doch recht erstaunli-
che Werte! Das Resonanzmaximum des Voltmeters liegt bei genau 1381Hz. Also voll im Soll
(1400Hz+/-50Hz). Die -3dB Bandbreite innerhalb der Resonanz liegt bei nur 45Hz und die
maximale Sperrdämpfung außerhalb der Resonanz bei immerhin über 60dB! Ich erkläre das
Voltmeter für "technisch heile", denn viel besser geht es mit einem 2kreisigen Resonanzfilter
vermutlich nicht. Und ich meine auch, dass in dieser tollen Trennschärfe Jac's und mein Prob-
lem mit dem ständigen Nachgleichen liegt: am Audioanalyzer konnte ich beobachten, dass
bereits eine um 1Hz veränderte Anregung des selektiven Voltmeters seine Ausgangsspannung
messbar verändert. Bedeutet: sobald der einspeisende Generator auch nur um 1Hz in seiner
Ausgangsfrequenz läuft (z.B. durch Temperaturdrift), ändert sich das Ausgangssignal- und
damit die Anzeige im L3-3! Im Moment ist es nur eine Vermutung, doch ich behaupte, dass
der interne (und gänzlich ungeregelte!) 1,4kHz-Oszillator nie so stabil sein wird, dass er seine
Ausgangsfrequenz besser als diese 1Hz halten wird. Von Amplitudenänderungen ganz so zu
schweigen, denn die schlagen natürlich auch auf den Zeigerausschlag durch.

Kalibr. L3-3 Reparaturbericht
Marc Michalzik; V1.25a Seite 34 von 125
Klarheit kriege ich nur dadurch, wenn ich die Ausgangsfrequenz (und ggfs. den Pegel) des
L3-3 über einen längeren Zeitraum messe. Das wird nun das nächste sein, was ich mache.
14.1 Tongenerator (1,4kHz Mess-Oszillator)
Um den Tongenerator des L3 hinsichtlich seiner Frequenzstabilität zu vermessen, braucht
man einen Frequenzzähler. Ich benutze dazu meinen Racal-Dana 1992. Das ist ein schönes
Teil, klein und schnuckelig, als Gebrauchtteil nicht allzu teuer, eine relativ gute Zeitbasis
und dank seines Konzepts kann er auch bei nur 1s Torzeit noch mehrere Nachkommastel-
len Auflösung messen. Das ist insbesondere in unserem vorliegenden Fall bei NF-
Frequenzen sehr hilfreich. Zusätzlich besitzt der 1992 eine IEC-Bus Schnittstelle. Also wie
geschaffen für meinen Zweck, denn:
Frequenz-
zähler
R&S ESVP
(Laborradio ;-)
Oszi
zur Kontrolle
des Signals
Laptop mit
L3-3 IEC-Bus
Schnittstelle
Abbildung 36: Messaufbau Langzeitmessung Oszillatorstabilität
Das Protokollieren mache ich per IEC-Bus mit einem Interface und Computerprogramm.
Das ständige Mitschreiben der Messwerte wäre mir einfach zu doof. Am Ende der Mes-
sung soll herauskommen, um wieviel Hz der Oszillator des L3-3 denn nun so durchschnitt-
lich wandert. Die Bewertung (gut/schlecht) würde ich dann ganz dilettantisch per "Au-
genmaß" machen; wohl wissend, dass es hier richtig professionelle Auswertemethoden
(z.B. Allan-Deviation) gibt, die bestimmte Zeitfenster betrachten und dieses Fenster wie
eine Wanderdüne durch die Messreihen schieben- auf der Suche nach dem größten Abwei-
chungs-Invervall. Sowas mache ich hier nicht, denn bleiben wir auf dem Teppich: es geht
hier um ein altes Röhrenprüfgerät für Hobbyzwecke und nicht um einen Marsroboter. Ein
einfacher Blick auf die ermittelte Frequenzkurve und ein wenig gesunder Menschenvers-
tand sollen uns hier genügen.
Es geht los, die Messung beginnt:
Kurz nach dem Einschalten hat der L3 natürlich die schlechteste Stabilität. Der Generator
ändert innerhalb weniger Minuten seine Schwingfrequenz um einige Hertz. Erst nach etwa
einer Stunde zeigt sich so etwas wie eine Abflachung seiner Drift. Richtig erstaunlich wird
es aber erst nach einer Laufzeit von etwa 10 Stunden. Hier sieht man, dass die Schwingfre-
quenz noch immer kontinuierlich steigt! Selbst nach 12,5Stunden scheint sich also noch
immer kein wirklich stabiler Endzustand eingestellt zu haben. Ich lasse das Teil weiter lau-
fen, damit ich am Ende einen Schrieb über etwa 24h Laufzeit habe. Für die Praxis ist diese
lange Messung sicher unsinnig, denn so lange lässt wohl niemand ein Gerät warmlaufen,

Kalibr. L3-3 Reparaturbericht
Marc Michalzik; V1.25a Seite 35 von 125
nur um mal eben eine Röhre zu messen. Hier geht es jedoch um die Aufdeckung eines
technischen Sachverhalts, dafür muss man eben schon mal etwas Geduld haben.
4Hz
Abbildung 37: Oszillatorstabilität L3-3 über 82751 Sekunden (~23h)
in Y: Ausgangsfrequenz [Hz]; in X: Zeit in [s]; pro Sekunde ein Messwert
14.2 Zwischenbetrachtung
Die Stabilitätsbetrachtung mache ich ja u.a. aus dem Grund, um die Ursache herauszufin-
den, warum man die Steilheitsmessung beim L3-3 so oft nacheichen muss. Die Vermes-
sung des selektiven Verstärkers hat uns bereits gezeigt, dass hier sehr scharf gefiltert wird.
Wandert der Mess-Oszillator also nur um wenige Hertz, könnte er damit sofort aus der Fil-
terkurve herauslaufen und so einen ungewollten Pegelabfall produzieren (was einen dann
wieder zum Nach-Eichen zwingt). Meine erste Untersuchung bewies, dass bereits eine
Abweichung um nur 4 Hz bereits einen Amplitudenabfall von etwa 2% erzeugen wird! Die
Anforderung an den Mess-Oszillator bezüglich Frequenzkonstanz ist also schon nicht ganz
"ohne", wenn man stets innerhalb dieses Fensters bleiben will!
Hinzu kommt bei dieser Betrachtung, dass nicht nur die Drift des Mess-Oszillators berück-
sichtigt werden muss, sondern der Bandpass im selektiven Voltmeter selbst natürlich auch
eine Temperaturdrift besitzt. Im schlimmsten Fall ist die sogar gegenläufig zu der des
Mess-Oszillators, damit addieren sich sogar die Instabilitäten von Oszillator und Voltme-
ter. Ich werde also die Driftkurve des Bandpasses (also wie sich der Peak über die Zeit ver-
schiebt) ebenfalls ermitteln müssen. Wie ich das genau mache, weiß ich noch nicht. Aber
vermutlich wird mir nichts anderes übrig bleiben, als mir die Stoppuhr zu stellen und in be-
stimmten Zeitintervallen die Resonanzfrequenz händisch nachzumessen und dann zu notie-
ren. (Ein Computerprogramm will ich dafür nicht extra schreiben, das wäre mir zu auf-
wändig.) Ein paar Messwerte sollten dafür ausreichen, um eine Tendenz zu erkennen.

Kalibr. L3-3 Reparaturbericht
Marc Michalzik; V1.25a Seite 36 von 125
14.3 Weiter im Text
Insgesamt mache ich drei Messungen. Die erste zeigt mir eine erste Tendenz, ist aber von
drei nicht erklärbaren Peaks überlagert. Ich schalte am Laptop den Virenscanner aus und
aktiviere am Frequenzzähler zusätzlich ein Tiefpassfilter. Nun sind die mysteriösen Peaks
weg, wie ich an der zweiten Probemessung erkenne. Nachdem ich nun endlich ein lauffä-
higes Setup habe, lasse ich den L3 abkühlen und starte dann schließlich die dritte, finale
Messung. Sie läuft jetzt problemlos knapp 24 Stunden im Dauerbetrieb und ist in
Abbildung 37 zu sehen.
Innerhalb der ersten Stunde nach dem Einschalten sinkt die Oszillatorfrequenz um etwa
5Hz/Stunde. Danach geht die Kurve in eine kontinuierliche Steigung über; d.h. bis zum
Messungsende nach 24 Stunden steigt sie wieder mit etwa 0,1Hz/Stunde an. Und selbst
nach 24 Stunden sieht man noch keinen stationären Endwert, auf den sich der Oszillator
einzuschießen scheint! Bei einem ordentlich laufenden OSC hätte ich erwartet, dass sich
nach einer kurzen Aufheizphase (z.B. 1 Stunde) ein Mittelwert einstellt, um den herum der
Oszillator nun ständig hin und her schwankt. Leider macht mein L3 das nicht und das ist
eigenartig. Ich bin froh, dass ich im Endeffekt diese Messung gemacht habe und mögli-
cherweise hier einem Problem auf die Schliche gekommen bin, auch wenn ich gerne
zugeben muss, dass Jac von Anfang eine Vorahnung hatte und mich erst in diese Richtung
geschubst hat. Auch ein Röhrenoszillator müsste doch letztendlich auf eine mittlere Reso-
nanzfrequenz konvergieren- und das in einer zeit, die sehr viel kürzer sein muss als 24
Stunden. Oder nicht?
Jac vermutet defekte bzw. leckstrombehaftete Kondensatoren im Oszillator als mögliche
Fehlerquelle. Ich tue gut daran, seine von großer Erfahrung geprägten Hinweise ernst zu
nehmen und in diese Richtung zu forschen. Auch aus meiner Restaurationserfahrung weiß
ich, dass Kondensatoren im Laufe der Zeit durch Aufnahme von Feuchtigkeit gerne mal ih-
ren Wert vergrößern oder Widerstände hochohmiger werden, daher klingt sein Hinweis in
meinen Ohren sehr vernünftig.
14.4 Audio-Leiterplatte ausbauen
Nicht zuletzt auch deshalb, weil ich Ausgangssignal des L3-Tongenerators auch ein leich-
tes Clippen der negativen Sinusspitzen sehe, entscheide ich mich zu einem Rework der
kompletten Audio-Leiterplatte (Tongenerator, µA-Voltmeter und selektives NF-
Voltmeter). Dazu muss ich sie erst von dem dicken Kabelbaum ablöten, mit dem sie im L3
verbunden ist. Ich beschrifte alle einzelnen Kabel mit Nummern-Klebeschildchen, damit
ich sie später wieder eindeutig zuordnen kann. Das Lötzinn ist ziemlich schwer aufzu-
schmelzen. Nicht nur das werksseitig aufgebrachte Coating (=Schutzlack) macht das Ent-
löten schwer, sondern auch die im Laufe der Jahre tlw. heftig oxidierten Lötstellen er-
schweren die Zinnannahme. Hier kann man nur mit Geduld, viel frischem Lot und ständi-
gem Reiben der Lötspitze versuchen, die Oxidschicht aufzukratzen und die benötigte
Wärme in die Lötstelle einzuleiten.
Danach reinige ich jedes Lötauge mit Flutsche und Kontakt60 Reiniger auf Wattestäbchen.
So werden auch Flussmittelreste und die restlichen Oxidschichten gut entfernt. Es ist aber
ein Haufen Arbeit, der sich am Ende aber hoffentlich lohnen wird.

Kalibr. L3-3 Reparaturbericht
Marc Michalzik; V1.25a Seite 37 von 125
14.5 Kondensatoren-Tausch
Ich beginne mit meinen Restaurationsarbeiten mit den Kondensatoren in der Umgebung
der Röhre VL15- also dem Oszillator. Hier gibt es 10nF und 22nF-Kondensatoren. Ich
baue die beiden 10nF aus und messe mehr als 14nF sowie 470Ohm ESR. Das ist viel. Laut
Toleranzangabe (10nF +/- 10%) sogar eindeutig *zu viel*, also raus damit. Ich löte jeweils
einen 10nF Styroflex-Kondensator ein, die für ihre hohe Frequenzkonstanz bekannt sind.
Diese haben auch tatsächlich 9,8nF und einen ESR von nur 73Ohm. Das klingt schonmal
besser!
Abbildung 38: links: alter Kondensator; rechts: neuer Kondensator
Nun bastele ich mich Stück für Stück durch die Leiterplatte durch. Den 100nF-
Kondensator, der die Schirmgitterspannung einer Röhre filtern soll, erhöhe ich locker-
flockig auf 220nF. Heutzutage sind die Bauteile einfach kleiner und leistungsfähiger und
an dieser Stelle kann "ein Pfund mehr" sicher nicht schaden.
Zwischendurch schimpfe ich dann wieder über die meiner Meinung nach schlechten (deut-
schen) Unterlagen des L3, denn auf dem Bauteile-Lageplan der Audio-Leiterplatte sind die
Namen der Bauteile kaum zu erkennen. Und im Schaltplan fehlen (natürlich!) die Schnitt-
stellen zum Kabelbaum. Auch deckt sich der Bauteileplan mal wieder nicht 100%ig mit
meiner Version der Leiterplatte. Das macht es alles nicht einfacher!
Glücklicherweise stehen die Bauteilbezeichnungen aber auf der Leiterplatte selber- aller-
dings geschickterweise UNTER den Bauteilen, so dass man sie erst lesen kann, wenn man
das Bauteil bereits ausgelötet hat. Auf Basis des alten, nicht mehr lesbaren Bestückungs-
bildes im L3-Manual mache ich mir einen Scan, lösche das Gekruckel mit einem Zeichen-
programm raus und ergänze es mit den Bauteilenamen, die ich nach und von der Platine
ablese. Wieder ein Haufen Arbeit, aber es lohnt sich. Nachdem ich auch die Schnittstellen
zum Kabelbaum identifiziert und in den Schaltplan übertragen habe, verstehe ich auch so
langsam, was sich die Entwickler gedacht haben müssen.

Kalibr. L3-3 Reparaturbericht
Marc Michalzik; V1.25a Seite 38 von 125
Für alle die, die sich ebenfalls über die schlechten Unterlagen ärgern, hier meine Version des
Bauteile-Lageplans.
Abbildung 39: Audio-PCB, von mir neu beschriftet
Nicht perfekt, aber besser als das hier:
Abbildung 40: Audio-PCB, so sah es vorher aus...

Kalibr. L3-3 Reparaturbericht
Marc Michalzik; V1.25a Seite 39 von 125
14.6 Neuer Anlauf
Die Audio-PCB ist fertig bearbeitet- wenn auch mit einer kleinen Unterbrechung durch un-
seren erstgebohrenen Sohn, der es am Ende eiliger hatte als es seinen Eltern eigentlich
recht war. Da verwundert es nicht, dass das Elektronikbasteln nun erst einmal etwas zurück
stehen muss. Sogar Jac gibt unverdrossen zu, dass es im Leben tatsächlich auch Dinge gibt,
die *noch* wichtiger sind als Röhren. Wow!
Jedenfalls schaffe ich es trotzdem, die Audio-PCB abzuschließen- wenn auch nun in klei-
neren Häppchen. Die Potis habe ich alle gereinigt, die Röhrenfassungen mit Klebeschild-
chen beschriftet und die allermeisten Widerstände gewechselt. Nur die ganz "schiefen"
0,2%-Typen habe ich -nach vorheriger Kontrolle- drin gelassen, ebenso die MICA-
Kondensatoren, von denen tatsächlich ohne Ausnahme alle noch 100% heile waren.
Abbildung 41: Audio-PCB fertig aufgearbeitet und eingebaut
Beim Anschließen an den Kabelbaum fielen mir leider ein paar von den mühsam beschrif-
teten Klebeschildchen ab, aber ein Blick in den Schaltplan und ein Durchgangspiepser
schafften hier relativ schnell wieder Klarheit. Ein erstes Einschalten und kurzes Warmlau-
fen zeigt mir, dass die Verzerrungen des L3-internen 1,4kHz-Generators nun sehr viel ge-
ringer geworden sind! Sehr erfreulich, ich messe irgendwas um die 2% Klirrfaktor. Und
auch die 450mVeff Ausgangsspannung sind durch die Poti-Reinigung und anschließender
Konservierung (mit techn. Vaseline) nun deutlich präziser einstellbar. THD%
Abbildung 42: Klirrfaktor nun deutlich besser

Kalibr. L3-3 Reparaturbericht
Marc Michalzik; V1.25a Seite 40 von 125
15 Stabilität nach Restauration
Nun interessiert mich natürlich, ob sich an der Stabilität etwas verändert hat. Und nun kommt
die Enttäuschung: nein. Der L3 startet mit etwa derselben Steigung wie vor dem Umbau und
auch nach einem Tag scheint noch kein Endwert erreicht worden zu sein. Ich lasse die Mes-
sung dennoch weiter laufen - aber nach über 2 Tagen Dauerlauf breche ich die Messung ab.
Irgendwann zwischendurch scheint sich zwar hin und wieder ein quasi-stationärer Zustand
einzustellen, aber jedes mal, als ich das dachte, setzte die Drift zu höheren Frequenzen hin
nach wenigen Stunden wieder erneut ein.
Abbildung 43: OSC-Stabilität nach der Restauration
in Y: Ausgangsfrequenz [Hz]; in X: Zeit in [s]; pro Sekunde ein Messwert
Hier die Verlauf des Oszillators über eine Zeitspanne von mehr als 2 kompletten Tagen. Weil
ich die Messung mittendrin aus Versehen mal gestoppt hatte, hier als Fotomontage noch ein-
mal entsprechend zusammengeklebt. Wenn man den Maßstab und die Kurve mit dem Zustand
vorher vergleicht (zu sehen in Abbildung 37), ist das doch ziemlich ernüchternd.

Kalibr. L3-3 Reparaturbericht
Marc Michalzik; V1.25a Seite 41 von 125
Weitere Erkenntnisse ließen sich wahrscheinlich nur gewinnen, wenn man den L3 wirklich
über Wochen und Monate hinweg laufen ließe und misst. Auch müssten mehrere Geräte un-
tersucht werden, ob alle ein Einlaufen zu höheren Frequenzen hin zeigen oder es auch da Un-
terschiede gibt. Liebe Freunde, hier muss ich leider stoppen. Ich bin kein Zuverlässigkeitsla-
bor und auch wenn es noch so reizt- am Ende will ich mit meinem L3 durch auch irgendwann
einmal fertig werden und Röhren messen! Also breche ich ab und akzeptiere einfach, dass
freischwingende Röhrenoszillatoren einfach ein paar Hertz "wandern". Boah, welche Er-
kenntnis!
16 Durchlasskurve (selektives Voltmeter)
Der Grund für die Stabilitätsuntersuchung war ja, dass der eingebaute Steilheitsmesser mit so
einem sau-scharfen Selektivmesser arbeitet: der 1,4kHz Prüfoszillator verlässt durch sein
"Wandern" innerhalb kurzer Zeit die scharfe Spitze seines Durchlassbereiches und produziert
damit merkliche Pegelveränderungen an der Anzeige. Da die Stabilität des int. Oszillators
offensichtlich bauartbedingt etwas schwankt, könnte man ja als Gegenmaßnahme die Filter-
bandbreite im selektiven Voltmeter verbreitern. Somit hätte der Oszillator in der Durch-
lass"spitze" des selektiven Voltmeters mehr "Platz" zum Wandern- ein paar Hertz Frequenz-
änderung würden sich nicht gleich als Pegeländerung im Anzeigeinstrument auswirken.
Ich kenne für den L3-3 nun mindestens drei verschiedene Schaltplan-Varianten. In einer ist
das Doppel-T-Filter des selektiven Voltmeters mit einem 1,5MOhm Parallelwiderstand
(R183) bedämpft. Ob das eine Verbreitung des Peaks bewirkt, so dass sich ein geringfügiges
Frequenzpendeln des 1,4kHz Messoszillators nicht mehr so stark auf die Messergebnisse
auswirkt?
Natürlich lässt mir das keine Ruhe. Ich benutze zur Erforschung dieses mal einen "Dynamic
Analyzer" HP3561A, der Frequenzgänge in Echtzeit darstellen kann. Wenn man keine zu
große Dynamik braucht, (bei ca. 60..70 dB realer Anzeigedynamik ist bei dem Gerät Schluss)
ist der HP3561A eine gute Wahl, weil er mit einem speziell generierten Prüfsignal arbeitet,
mit dem er Frequenzgänge innerhalb weniger Sekunden auf seinem Bildschirm sichtbar ma-
chen kann. Schneller geht's auch mit heutigen Soundkarten und potenten PCs kaum (und ge-
nauer sowieso nicht ;-).
Abbildung 44: Filterfrequenzgang ohne R183 (links) und mit R183 (rechts); Sichtbereich 500Hz

Kalibr. L3-3 Reparaturbericht
Marc Michalzik; V1.25a Seite 42 von 125
Die Änderung des Filterfrequenzgangs wird bereits wenige Sekunden nach Anlegen von R183
sichtbar: der Peak verbreitert sich zwar um etwa 10Hz von 31Hz auf 45Hz (-3dB-Bandbreite),
allerdings wird das Maximum auch um 10dB kleiner und tiefe Frequenzen <100Hz steigen
noch einmal deutlich an. Bedeutet: ja, das Filter ist etwas toleranter gegen Frequenzschwan-
kungen des Prüfoszillators geworden, aber leider auch etwas empfänglicher für Störungen
außerhalb seines Filterbereichs. Und weil 10Hz mehr jetzt auch nicht "die Welt" sind, ent-
schließe ich mich dafür, R183 nicht einzulöten, sondern mit der Originalbestückung zu leben.
Abbildung 45: Frequenzgangsvergleich wie zuvor, allerdings von 20Hz..25kHz
Abbildung 46: Filterbandbreite- meine Notizen über R183
Achja: natürlich wird jetzt der eine oder andere von Euch eine pfiffige Idee haben, wie man
die Grenzfrequenzen der beiden T-Filter so gegeneinander verschieben kann, dass sich die
Durchlasskurve auch verbreitert OHNE eine Einbuße in der Gesamtselektivität zu erreichen.
Ich meine, im Netz habe ich sogar schonmal einen Verrückten (und das ist nicht als Schimpf-
wort gemein!) gesehen, der die Schaltung mit PSPICE durchsimuliert hat. Das wäre ein guter
Ansatz für eine Optimierung. Ich spreche hier offiziell meine Bewunderung für so viel Ehr-
geiz aus. Doch werde ich eher einen anderen Ansatz verfolgen: anstatt den L3 hier weiter zu
tunen, werde ich ihm viel lieber separate Ein- und Ausgangsbuchsen einbauen, an die ich ein
modernes Messgerät anschließen kann! Dann habe ich weder Ärger mit wandernden Prüfos-

Kalibr. L3-3 Reparaturbericht
Marc Michalzik; V1.25a Seite 43 von 125
zillatoren noch zu scharf filternden Röhrenvoltmetern. Überdies kann ich durch die zu prü-
fende Röhre schlimmstenfalls sogar ein "richtiges" Audiosignal aus einem CD-Player o.ähnl.
hindurchjagen und mir das Klangverhalten der Röhre sogar richtig anhören! Nun gut, ich gebe
gerne zu, dass es uns in einem Experimentalworkshop mit 20 verschiedenen Röhren des Typs
ECC83 und etwa dreißig Teilnehmern *nicht* gelungen ist, dort irgendwelche Unterschiede
zwischen verschiedenen Röhren herauszuhören, aber höchstwahrscheinlich liegt das einfach
daran, dass meine und die Ohren aller Workshopteilnehmer diesbezüglich einfach nicht ge-
schult genug waren. (Jede andere Begründung würde sicher auch einen Sturm der Entrüstung
in der Ecke der HiFi-Enthusiasten auslösen ;-)
Trotzdem halte ich es -gerade in Bezug auf die Messung elektrischer Parameter wie Klirr und
Restbrumm- doch vernünftig, den L3 mit einer entsprechenden Schnittstelle auszurüsten. So-
mit wird er noch flexibler, als er von Haus aus schon ist!
17 Zwischenstand
Ok, nun fassen wir mal zusammen, was wir schon alles gebastelt und dabei herausgefunden
haben:
- die Audio-PCB wurde komplett entkernt und kritische Bauteile (Elkos, Widerstände, Röh-
ren) erneuert
- erstaunlicherweise waren nur sehr wenige Bauteile wirklich nachmessbar "mau", das spricht
für eine gute Qualität der Bauelemente bei der Herstellung
- der Klirrfaktor des 1,4kHz-Generators konnte dadurch signifikant gesenkt werden (keine
Verzerrung mehr in der negativen Halbwelle zu sehen; THD+N nun ca. 2%)
- die Frequenzstabilität konnte durch diese Maßnahmen jedoch nicht wesentlich verbessert
werden
- das selektive Voltmeter arbeitet vorher wie nachher (nach dem Umbau) einwandfrei
- seine Durchlasskurve ist mit ca. 31Hz ziemlich schmal, wird durch Einbau von R183 zwar
breiter, aber auch weniger selektiv
- das Reinigen und Konservieren der Potis auf der Audio-PCB hat deutlich spürbare Verbes-
serungen im Einstellen von Frequenz, Amplitude und Nullpunkt des µA-Meters zur Folge
- den Dauerlauftest (2 Tage mit einer ECC83 als Prüfröhre) hat der L3 einwandfrei überstan-
den

Kalibr. L3-3 Reparaturbericht
Marc Michalzik; V1.25a Seite 44 von 125
18 Messgeräte-Kalibrierung
Eigentlich ist dieses Thema ja eine meiner Leidenschaften, doch der L3 macht es mir hier
nicht besonders leicht. Unterschiede zwischen Schaltplan und der "Realität" im Gerät bringen
einen manchmal dermaßen zum Verzweifeln, dass man schon die Lust daran verlieren kann.
Aber schön der Reihe nach.
Weiter oben habe ich ja bereits schon die Ausgangsspannungen hinsichtlich Genauigkeit
überprüft. Das Ergebnis schulde ich Euch noch. Hier im Einzelnen:
Abbildung 47: Abweichung Anodenspannung
Abbildung 48: Abweichung Gitter1-Spannung

Kalibr. L3-3 Reparaturbericht
Marc Michalzik; V1.25a Seite 45 von 125
Abbildung 49: Abweichung Gitter2-Spannung
Abbildung 50: Abweichung des Anzeigeinstruments an sich
Wir sehen, dass dieser L3 bereits an einigen Stellen ganz leicht aus der Spezifikation rutscht.
Ein neuer Abgleich würde hier die Performance sicher noch verbessern können. Da es für
diese Bereiche aber keine Abgleichpotis im L3 gibt, muss man erstmal die verwendete Tech-
nik zur Messung von Anoden- und Gitterspannung verstehen, um in einem zweiten Schritt
diese Technik modifizieren zu können (z.B. durch zusätzliche Potis, um den ganzen Kram
abgleichbar zu machen).
Ich mache mir hier wieder dolle Mühe. Nach intensivem Schaltplanstudium und akribischem
Nachverfolgen der Spannungspfade komme ich zu drei Blockschaltbildern: und zwar zu ei-

Kalibr. L3-3 Reparaturbericht
Marc Michalzik; V1.25a Seite 46 von 125
nem für den Messkreis "Anodenspannung", "Gitterspannung 1" und "Gitterspannung 2".
Teilweise wird dem Messinstrument nicht nur ein Spannungsteiler vorgeschaltet, sondern
ebenfalls ein Parallelwiderstand zugeschaltet. Eine schöne Übung zur E-Technik1-Vorlesung,
diesen ganzen Kram einmal nachzurechnen. Klar, das konnte ich mal wieder nicht lassen!
Um es gleich "richtig" zu machen, klimperte ich sowohl Blockschaltbild als auch Berech-
nungsformeln gleich in Excel, so dass ihr meine Ergebnisse auch besser sehen könnt. Ich beo-
bachte bereits geringe rechnerische Abweichungen im Bereich von knapp 1%, sehr interes-
sant! Wenn man nun gehässig wäre, könnte man fragen, warum man viel Geld in ein super
Klasse-1-Messinstrument investiert, sich diese Genauigkeit aber dann gleich wieder durch
eine systemimmanente Ungenauigkeit versaut? Nunja, möglicherweise habe ich ja beim Be-
rechnen einen Fehler gemacht oder sonst irgendwas nicht berücksichtigt (z.B. den Vorwärts-
strom der antiparallel zu Messwerk geschalteten Schutzdioden, die sicherlich auch etwas
Strom schlucken werden).
Abbildung 51: Messkreiskonfiguration im L3-3 für Messung der Anodenspannung
Aber ich bin ja nicht gehässig, daher lasse ich es mit der provokanten Hinterfragerei nun gut
sein :-)
Nachdem ich also die verschiedenen Beschaltungen des Messkreises für Anoden- und Gitter-
spannungen selber alle nachgerechnet hatte, wollte ich gerne die Bauelemente des Messkrei-
ses in der Praxis nachmessen und mit der Theorie (=Berechnung) vergleichen. Anfangen
wollte ich mit R100, also dem Widerstand, der den resultieren Innenwiderstand des Mess-
werks in Reihe liegt und diesen zusammen mit R100 auf exakt 940Ohm bringen soll. Sagt
zumindest das Manual.

Kalibr. L3-3 Reparaturbericht
Marc Michalzik; V1.25a Seite 47 von 125
Für alle die, die mir nicht glauben, hier der Auszug aus dem Manual "Röhrenkenngrössen-
messer L3-3", Technische Beschreibung und Betriebsanweisung, 641.02 TO, Seite 93:
Abbildung 52: Auszug aus dem Manual, Seite 93
Witzpickel!!
Mit einem Gleichspannungswiderstand von gemessenen 675Ohm des Messwerks würde ich
also einen R100 von exakt 265Ohm erwarten, um diese Forderung zu erfüllen. Das alleine
finde ich zwar schon etwas komisch, weil
a) in demselben Manual steht, dass der Innenwiderstand des Messwerks 850Ohm sein soll
Abbildung 53: Auszug aus Seite 91
(statt den von mir mit einem HP34401 und R&S UVD5 gemessenen 675Ohm)
b) in demselben Manual steht, dass R100 standardmäßig 450Ohm sein soll, was zusammen
mit dem 850Ohm-Messwerk dann 1,3kOhm ergäbe und damit die eigene Forderung nach
940Ohm grob verletzt.
Abbildung 54: Auszug aus Seite 87
Aber es wird noch schlimmer. In meinem L3 gibt es gar keinen R100! Naja- zumindest nicht
da, wo er laut Manual sein sollte: ich finde (irgend-)"einen" R100 in meinem L3 als einen
Widerstand am Spannungsteiler für die Gitterspannung- doch der hat mit dem Vorwiderstand
des Messgerätes nicht das Geringste zu tun! Ich könnte doch schon wieder laut losk....! Wenn
ich eins hasse, dann sind es langsam laufende Zahnarztbohrer und Schaltpläne, die nicht zum
Gerät passen! In meinem L3 gibt es immerhin zwar den R92- aber keinen R101, und erst recht
auch keine antiparallel geschalteten Schutzdioden am Messwerk. Jac hat einen Schaltplan von
einem L3, der hinsichtlich Messkreis mit dem meines L3 bis jetzt am besten überein zu stim-
men scheint- jedoch hat diese Version Glimmstabis als Spannungsreferenzen; das deutet ein-

Kalibr. L3-3 Reparaturbericht
Marc Michalzik; V1.25a Seite 48 von 125
deutig auf einen L1 hin und nicht auf den Schaltplan des neueren L3's! Außerdem ist im
Messkreis ein Kringel eingemalt, den ich als Relais interpretiere- oder möglicherweise ein
Reed-Kontakt als Überstromschutz? Keine Ahnung! Habe ich mal wieder ein Vorserien-Gerät
geschossen, bei dem einige Dinge wieder nicht so sind, wie sie sein sollten?? Das erinnert
mich an eine böse Odyssee mit meinem Fluke5100 Kalibrator...
Ich muss zugeben, dass mich das niederschmettert. Nochmal habe ich keine Lust auf sowas.
Ohne passenden Schaltplan ist das wie Rätselraten, ohne dass man überhaupt die Fragen
kennt. Oder wie Nüsse knacken, bei denen man nicht weiß, ob die Nüsse überhaupt Nüsse
sind- oder nicht am Ende ungenießbare Kirschkerne, die man einfach nicht klein kriegt. Es ist
müßig, die vielen Widersprüche im Manual aufzudecken und am Ende deswegen nicht wei-
terzukommen. Das macht so einfach keinen Spaß.
Ich betrachte die aufgenommenen Ungenauigkeitskurven für Anoden- und Gitterspannung.
Wäre es denn so schlimm, mit der aktuell gebotenen Performance zu leben? Muss der Einbau
eines Abgleichorgans denn unbedingt sein? Solange ich weiß, in welchen Bereichen der L3
dann wie viel Prozent Fehler anzeigt, ist die Welt doch eigentlich in Ordnung- oder nicht? Ich
bin fast geneigt, diese Frage zu bejahen.
19 „Banana-Deck“: die Idee
Um meine Laune etwas aufzubessern, hecke ich zusammen mit Jac lieber was Neues aus.
Nach dem Vorbild des Metrix U61 wollen wir den L3 mit einer Schnittstelle für Anode, Git-
ter2, Gitter1, Kathode sowie der Heizung ausrüsten. Das wäre sehr praktisch, denn damit
könnte man bei jeder beliebigen Röhre den Schaltkreis auftrennen und beispielsweise mit
einem ordentlichen Ampere-Messgerät den Anodenstrom messen oder die Anodenspannung
messen ohne auf das L3-interne Anzeigeinstrument angewiesen zu sein. Doppelt gut: damit
wäre es auch nicht mehr ganz so schlimm, wenn das Instrument einen etwas höheren Mess-
fehler hätte: wenn man es wirklich mal „ganz genau“ braucht, trennt man einfach den Ano-
denkreis auf, hängt ein beliebig genaues Messinstrument seiner Wahl (zum Beispiel ein
HP3458A hä hä hä!) in den Messkreis und hat es damit auf 7 Stellen hinter dem Komma ge-
nau. Das reicht hoffentlich.
Ich zermartere mir gerade das Hirn, wo man diese Buchsen alle einbauen könnte und bin
schon fast dabei, die rechte Hälfte des L3 auszuweiden, um dort Platz für ein selber kon-
struiertes Schaltfeld zu schaffen, da schickt mir Jac per email ein vollgekritzeltes Stück (vir-
tuelles;-) Papier. Erst denke ich, er will mich auf den Arm nehmen, aber dann erkenne ich
seine Idee: der Mann ist einfach genial! Anstatt meinem L3 mit Laubsäge und Schweißbren-
ner auf den Leib zu rücken, schlägt Jac einfach vor, hinter der linken Serviceklappe eine zu-
sätzliche kleine Platte senkrecht einzubauen, auf die man dann alle Bananen- und sonstige
Buchsen einsetzen kann. Weil wir uns beide in unseren emails immer in englisch unterhalten,
nennen wir diese Idee nun ab sofort liebevoll „Banana-Deck“ :-)

Kalibr. L3-3 Reparaturbericht
Marc Michalzik; V1.25a Seite 49 von 125
20 Buchsentausch
Bevor ich das Banana-Deck in Angriff nehme, klingelt der Postbote und bringt mir einen
Haufen neuer Röhrenfassungen. Die hatte ich kurzerhand bestellt, nachdem ich festgestellt
hatte, wie ausgeschlagen die eingebauten teilweise schon sind. Manche Messungen kann man
nur machen, wenn man die zu prüfende Röhre manuell in eine ganz bestimmte Richtung
drückt- damit sie gerade mal etwas Kontakt zum Anschlusspin kriegt.
So geht das natürlich nicht, also habe ich neue bestellt. Ich fühle, wie Jac im Hintergrund die
Stirn runzelt, er hätte lieber die alten nachgebogen und restauriert- zu groß ist seine Furcht,
dass die neuen Röhrenfassungen Riefen auf den Prüflingen hinterlassen könnten. Das wäre für
besonders seltene und wertvolle Röhren (z.B. NOS-Röhren) natürlich wertmindernd! Auch
wenn man sich hier bald wie beim Münzensammeln vorkommt, bitte lacht nicht darüber! Jac
hat völlig Recht: auch wenn ich selber meine Röhren vielleicht nicht als Sammelobjekt sehe,
sondern eher pragmatisch mit ihnen umgehe „Hauptsache sie spielen und –Rumms!!- rein in
die Hammond!“, so gibt es genug Röhrenfans, die einfach Wert auf ein perfektes, hand-
gematchtes NOS 300B-Röhrenpaar legen und die Patina an den Röhrenpins fast als „Echt-
heitszertifikat“ ansehen. Wie gesagt- auch wenn ich selber hier nicht so empfindlich bin, kann
ich das aber schon verstehen. Was für die einen der Lack am Auto ist, ist für den anderen der
Röhrenpin an der 300B. Aber wir schweifen ab.
Hier die alte, angebrochene und wackelkontaktige Röhrenfassung Nr.11 und die neue.
Abbildung 55: Noval-Röhrenfassung, Nr.11
Weil es im Innern des L3 ein wenig unübersichtlich ist, habe ich mir vorher eine kurze An-
schlussskizze gemacht.

Kalibr. L3-3 Reparaturbericht
Marc Michalzik; V1.25a Seite 50 von 125
Abbildung 56: Skizze und die alte Fassung
So sieht es nun von unten aus:
Und so von oben:
Abbildung 57: neue Fassung Nr.11 eingebaut

Kalibr. L3-3 Reparaturbericht
Marc Michalzik; V1.25a Seite 51 von 125
Sofort stichelt Jac, dass man die Buchse doch auch von unten hätte einbauen können, das sähe
schöner aus. Stimmt, doch habe ich sie mit Absicht von oben eingebaut: in meinem zarten
Alter von derzeit 38 Jahren stelle selbst ich hin und wieder ein Nachlassen meiner Adlerau-
genperformance fest. Die nach oben gelegte Röhrenfassung bietet mir ganz einfach den Vor-
teil dass ich beim Einsetzen der Röhre die Pins besser sehen kann! :-)
Nunja, und wo ich schonmal dabei bin, wechsele ich gleich auch noch die Oktal-Fassung aus.
Hier das Ergebnis.
Abbildung 58: Oktal-Fassung auch erneuert
Jetzt geht’s aber erstmal ran ans Banana-Deck!!
21 Banana-Deck: der Einbau
So, es geht los. Ich stecke das L3-Chassis in sein Blechkleid, öffne die linke Serviceklappe
und nehme erstmal Maß.
Abbildung 59: ausmessen

Kalibr. L3-3 Reparaturbericht
Marc Michalzik; V1.25a Seite 52 von 125
Eine der Nussecken wird abgebaut und gebohrt....
Abbildung 60: Vorbereitung für die Bananen...
...und dann erstmal provisorisch das Raw-Banana-Deck montiert:
Abbildung 61: die Grundplatte steht!
Sieht schonmal garnicht schlecht aus. Und auch wenn man wieder alles zusammensteckt,
macht es einen vernünftigen Eindruck:
Abbildung 62: Ansicht im zusammengebauten Zustand

Kalibr. L3-3 Reparaturbericht
Marc Michalzik; V1.25a Seite 53 von 125
Ich markiere mir die nutzbare Fläche mit einem Filzstift und baue das Bananen-Decke wieder
aus- damit es mit den ersten Bananen bestückt werden kann!
Erst ne Skizze, dann alle Bauteile probeweise draufstellen, mit dem Höhenanreißer alles an-
zeichnen, ankörnen....
Abbildung 63: Schritt 1
...dann erstmal 'nen Stück leckeren Obstkuchen vom Bäcker aus dem Nachbarort....
Abbildung 64: Schritt 2
...dann bohren, entgraten, grundieren, lackieren....
Abbildung 65: Schritt 3

Kalibr. L3-3 Reparaturbericht
Marc Michalzik; V1.25a Seite 54 von 125
..und einbauen.
Abbildung 66: Schritt 4
So weit, so gut. Es passt alles und auch die 4 BNC-Buchsen, die ich für das Ein- und Auskop-
peln der Gitter-NF sowie des AC-Anteils des Anodenstroms brauche, hakeln zwar etwas beim
Einsetzen des L3-Chassis in das Gehäuse, stören sonst aber nicht großartig.
22 Anschlüsse
Weil Jac das Banana-Deck auch nachbauen möchte, bat er mich, den Abgriff der Signale
(Anode, Gitter2, Gitter1, Kathode, Heizung1, Heizung2) möglichst genau zu beschreiben,
damit er nicht so lange suchen muss. Also gut, es ist nicht ganz einfach, aber ich will es ver-
suchen.
Wir beginnen erstmal ganz einfach mit dem Bild der „Universalkarte“. Warum, seht ihr
gleich.
In Abbildung 67 sehen wir die Universalkarte, wie man sie in Internet findet. Die wird uns
nun helfen, die benötigten Trennstellen zu finden. Denn letztendlich enden die gesuchten Sig-
nale allesamt irgendwann am großen Patchfeld! Also müssen wir da suchen!
Jan Wüsten bemerkt hierbei beim Review-Lesen, ob die langen Leitungen nicht Probleme
machen könnten (Oszillation). Ich greife schon einmal vor: bislang habe ich so etwas nicht
bemerkt. Ich weiß aber sehr wohl, dass gerade hochverstärkende Röhren wie die ECC83 bei
manchen Röhrenprüfgeräten hinsichtlich Selbstoszillation stark gefürchtet sind. Aus diesem
Grunde musste ich bei meinem Hickok TV-2 kilogrammweise Ferritperlen nachrüsten. Beim
L3 scheint das aber unkritisch zu sein, wie wir später auch bei den Klirrfaktormessungen se-
hen werden.

Kalibr. L3-3 Reparaturbericht
Marc Michalzik; V1.25a Seite 55 von 125
22.1 Anode
Wir wollen den „cut“ in der Anodenleitung möglichst direkt dort machen, wo das Anoden-
signal auf die verschiedenen Röhren-Prüfsockel verteilt wird. Also genau dort, wo mittels
Steckfeld das Anodensignal auf eine der Sammelleitungen (A,B,C,D,E,F,G,H,I) gesteckt
wird. Da machen wir den Schnitt.
Abbildung 67: die Universalkarte zum L3
Wenn wir uns also das Patchfeld anschauen, dann muss es dort irgendwo eine gemeinsame
Einspeisung für die ganzen Anodenkontakte geben.
Abbildung 68: Rückseite des Patchfeldes: suchen...und suchen....und suchen.....

Kalibr. L3-3 Reparaturbericht
Marc Michalzik; V1.25a Seite 56 von 125
Nach umfangreichem Gewühl im Kabelbaum (so ähnlich müssen sich Pilzsammler im Wald
fühlen) werde ich schließlich fündig! Da! Der Silberdraht, der das Anodensignal auf alle 8
Patchfeld-Kontakte zur Auswahl anbietet.
Abbildung 69: gemeinsamer Anodenanschluss gefunden
An diesem Silberdraht sind genau drei Kabel angelötet. Einer von ihnen muss zum Pin7 des
Betriebsartenumschalters S1 führen und den Silberdraht mit dem Anodensignal bestromen.
Genau dieses Kabel suchen wir! Ich muss doch tatsächlich erst alle drei am Silberdraht ange-
löteten Kabel ablöten, um schließlich das richtige zu finden.
Da geht es hin:
Pin 7
Deck III
Abbildung 70: Keramischer Umschalter S1

Kalibr. L3-3 Reparaturbericht
Marc Michalzik; V1.25a Seite 57 von 125
Woher ich das alles schon wieder weiß? Von meinem Schaltplan nicht! Denn der L3 hält
mich wieder einmal zum Narren.
„Mein“ Schaltplan sagt das hier: „Jacs“ sagt das:
Abbildung 71: Schaltplanauszug zum L3- mehrere Vorschläge vom Hersteller ;-)
Wir zählen die Anzahl der Schaltebenen: eins, zwei, drei...vier....jawoll! Vier!
Jetzt gucken wir uns den Schalter S1 in meinem L3 an. Und zählen:
Abbildung 72: Funktionsschalter S1 in der Praxis
Eins, zwei, drei,....ja....drei....äh....wo ist denn die Ebene Nr. vier???

Kalibr. L3-3 Reparaturbericht
Marc Michalzik; V1.25a Seite 58 von 125
Es ist doch einfach zum Mäusemelken!!!! Es passt schon wieder nichts zusammen!
Ich frage Jac. Und auch er stellt fest, dass seine beiden L3’s „nur“ drei Ebenen besitzen.
Schluchtz! :-(((((
In dem PDF-Dokument „Technische Beschreibung und Betriebsanweisung zum Kenngrö-
ßenmesser L3“ auf Seite 106 finde ich das hier:
Abbildung 73: eine weitere Schaltplanversion- diesmal mit drei Ebenen
Toll! Endlich eine Schaltplanversion, in der der Umschalter S1 auch wirklich nur drei Ebenen
besitzt! Wie schön! Man könnte meinen, dass ich damit endlich eine zu meinem Gerät pas-
sende Schaltplanversion gefunden hätte- aber weit gefehlt! Dieser Schaltplan zeigt Röhren-
gleichrichter. Bis eben dachte ich immer, nur der L1 hätte Röhren als Gleichrichter. Aber die-
ser Schaltplan behauptet, ein L3, der einen Umschalter mit nur drei Ebenen besitzt, habe auch
Gleichrichterröhren.
Ich bin nun an dem Punkt angelangt, wo meine Enttäuschung über den Zustand der L3-
Dokumentation so groß ist, dass ich diesen Unterlagen jetzt gar nichts mehr glaube.

Kalibr. L3-3 Reparaturbericht
Marc Michalzik; V1.25a Seite 59 von 125
Aber ich werde mich jetzt auch so durchkämpfen. Die Leitung ist gefunden und ich unterbre-
che sie mit einem einfachen Knips des Seitenschneiders. Das blaue Kabel lenkt das Anoden-
signal auf das Banana-Deck, das braune führt es wieder zurück zum Patchfeld.
Kabel
Abbildung 74: mein L3 mit dem ersten Kabel für die Anode
Dann ein erster Test, ob’s klappt. Ich stecke eine ECC83 ein und schließe mein Fluke87 als
Strommesser in den Anodenstromkreis.
Abbildung 75: Test-Setup

Kalibr. L3-3 Reparaturbericht
Marc Michalzik; V1.25a Seite 60 von 125
Abbildung 76: links: Anzeige Anodenstrom im L3; rechts: Anzeige im externen Strommesser
Toll! Die erste „Banane“ des Banana-Decks funktioniert! In Zukunft kann ich bei meinem L3
also bei jeder beliebigen Röhre die Anodenleitung auftrennen und einen Strommesser ein-
schleifen. Jac überflutet mich schon mit Ideen, was man mit dieser Möglichkeit beim L3 alles
machen könnte ;-)
Aber das war erst der Anfang. Die nächste Elektrode wartet: Gitter 2!
22.2 Gitter2
Wir beginnen wieder mit einem Blick auf Abbildung 67. Gleich links neben der Anoden-
spalte sehen wir die Stöpselreihe für das Gitter2. Wir machen genau denselben Trick: auch
hier verbindet ein kurzer Silberdraht die sieben Anschlüsse des Patchfelds. Dieser Silber-
draht ist die gemeinsame Einspeisung für das Gitter2. Wir sehen wieder nach, wie viele
Drähte an diesen Silberdraht angeschlossen sind und suchen den heraus, der die Gitter-
spannung liefert. Glücklicherweise gibt's hier nur einen einzigen Draht, also fällt die Wahl
nicht schwer.
Silber-
draht
Abbildung 77: Einspeisung für Gitter2

Kalibr. L3-3 Reparaturbericht
Marc Michalzik; V1.25a Seite 61 von 125
22.3 Heizung H1
Als nächste Spalte auf der Universalkarte sehen wir die Anschlüsse für die Heizung. Er-
neut werden Silberdrähte verwendet, so dass das Lokalisieren nicht allzu schwer ist. Die
Heizung f- (bzw. H1) kann identifiziert werden, wenn man das Kabel verfolgt, dass direkt
zum Widerstand R31 (zu finden in der Kondensator-Filterbank) geht. Das andere, am Sil-
berdraht angelötete Kabel führt übrigens zum Widerstand R69 und dient dazu, die momen-
tan eingespeiste Heizspannung im L3 zu messen.
22.4 Heizung H2
Die Sektion darunter führt den Elektrodenanschluss "Heizung f+", bzw. H2. Der ist noch
einfacher, denn hier gibt es nur ein einziges Kabel, das zum Silberdraht führt.
hier auftrennen! (von diesem Kabel aus wird H2 eingespeist)
Abbildung 78: Heizung H2
22.5 Kathode
Die Kathode ist wohl der kniffeligste, denn an ihm hängen sage und schreibe 5 Kabel. Das
korrekte Kabel, das wir durchtrennen müssen, ist dasjenige, das zum Funktionsschalter S1,
Pin1 auf Deck II (also das mittlere) führt. Ein kleiner Tipp: meistens sind die Kabel dieje-
nigen, die am nächsten zum Messinstrument liegen. Warum? Keine Ahnung. War bei mir
aber in fünf von sechs Fällen so.

Kalibr. L3-3 Reparaturbericht
Marc Michalzik; V1.25a Seite 62 von 125
22.6 Gitter1
Die letzte Elektrode: das Gitter 1. An ihm sind nur zwei Drähte angelötet. Ich zeige an die-
sem Beispiel noch einmal detailliert, wie ich das immer gemacht habe. Zuerst die Univer-
salkarte und den Schaltplan angeguckt und festgestellt, welches Kabel das Speisekabel ist.
Ich finde heraus, dass das gesuchte Kabel vom Umschalter S2, Pin12, Deck III kommt. Al-
so ´nen Durchgangspiepser nehmen und forschen, welches das richtige ist.
Zuerst sicherstellen, dass man an der richtigen Stelle misst. Der Silberdraht (im Bild rote
Klemme) muss Verbindung zum Umschalter S2, Pin12, Deck III haben (schwarze Klem-
me). Hat er, zeigt das Multimeter.
Abbildung 79: Messaufbau herstellen
Gut. Dann bleiben in diesem Fall nur zwei Kabel, die diese Verbindung herstellen könnten.
Wir wählen zufällig eines von beiden aus und knipsen es durch.
Abbildung 80: eines der beiden Kabel durchknipsen

Kalibr. L3-3 Reparaturbericht
Marc Michalzik; V1.25a Seite 63 von 125
Ich schließe das Multimeter zwischen den abgeknipsten Draht und Umschalter S2:
Abbildung 81: daneben: der war's nicht!
Ok. Also muss es das andere Kabel sein. Ich löte das eben abgekniffene wieder reumütig
an den Silberdraht an und knipse stattdessen das andere ab.
Dann messe ich wieder...
Abbildung 82: das andere Kabel messen...
Abbildung 83: Treffer!
Das war's! Genau dieses Kabel muss ich auf das Banana-Deck umleiten!

Kalibr. L3-3 Reparaturbericht
Marc Michalzik; V1.25a Seite 64 von 125
22.7 ...fast fertig!
Ich habe nun alle 6 Elektrodentypen (Anode, Gitter2, Gitter1, Kathode, Heizung1, Hei-
zung2) auf das Banana-Deck umgeleitet. Es sieht jetzt so aus:
Abbildung 84: Banana-Deck von hinten
Gut, es fehlen natürlich noch die BNC-Anschlüsse. Aber die machen wir später. Erst einmal
testen wir, ob der L3-3 den Umbau gut überstanden hat und noch alles ordnungsgemäß funk-
tioniert.
Abbildung 85: L3-3 mit halb fertigem Banana-Deck

Kalibr. L3-3 Reparaturbericht
Marc Michalzik; V1.25a Seite 65 von 125
Und was soll ich sagen- das tut er! Und wie! Ich kann mithilfe der Kurzschlussbrücken nun
alle Spannungen und Ströme zu sämtlichen Röhrenelektroden messen und z.B. auch die Lei-
tungen kurzerhand unterbrechen. Toll!!!!!
Abbildung 86: erster "Bananentest" ;-)
22.8 BNC-Buchsen
Die BNC-Anschlüsse auf dem Bananendeck will ich wie folgt belegen (in blau):
Abbildung 87: geplante BNC-Buchsen

Kalibr. L3-3 Reparaturbericht
Marc Michalzik; V1.25a Seite 66 von 125
Die Umsetzung der BNC-Buchsenanschlüsse ist recht einfach. Die Anschlüsse von und zum
selektiven Voltmeter macht man hier...
Abbildung 88: BNC-Kabel eingebaut
...und die von und zum Tongenerator hier (Pin 8 und 9 der Audio-PCB).
Die Leitungen führte ich alle enge am bereits im L3 vorhandenen Kabelbaum entlang und
fixierte die Leitungen mit Kabelstrapsen. Es ist aber darauf zu achten, dass beim Zusammen-
klappen des L3 später nichts irgendwo eingeklemmt wird! Insbesondere dort, wo die Audio-
PCB sitzt, kann man gut Kabel einquetschen. Darauf also aufpassen und die Bananen-Deck-
Leitungen entsprechend verlegen.
Also Kabel für die BNC-Leitungen habe ich dünnes RG174 benutzt. Die Masse habe ich je-
weils auf beiden Seiten angelötet, auch wenn das möglicherweise Brummschleifen begünstigt.
Dafür habe ich allerdings isolierte BNC-Buchsen verwendet, so dass die Gefahr dadurch wie-
der minimiert wird (wenn das daran angeschlossene Messgerät vorher erdfrei gemacht wird;
z.B. durch einen Trenntrafo). Tatsächlich werde ich im späteren Betrieb aber merken, dass die
"Brummschleife" hier kein Thema ist.
Zu den Messungen mit den BNC-Anschlüssen später mehr.

Kalibr. L3-3 Reparaturbericht
Marc Michalzik; V1.25a Seite 67 von 125
23 folgenschwerer Kaffeebesuch
Mein Kumpel Thomas kommt neugierig zu Besuch und will wissen, was ich in den letzten
Wochen mit dem von ihm vermittelten L3 inzwischen alles angestellt habe. Stolz präsentiere
ich ihm meine Fortschritte und demonstriere ihm das Banana-Deck.
23.1 Restbrumm
Thomas kommt sofort auf den Punkt und macht mich auf den leichten Restbrumm auf der
Anodenspannung aufmerksam. Er macht ihn dafür verantwortlich, dass die Steilheitsmes-
sung des L3 etwa 5% geringere Werte anzeigt, als ich mit separat in die Messleitungen
eingeschleiften Messgeräten errechne. Auch Jac hatte schon eine Vermutung in diese Rich-
tung geäußert und stellte ebenfalls dieses Phänomen bei seinem Setup fest.
Wir machen eine kurze Überschlagsrechnung und stellen fest, dass es durchaus sein könn-
te, dass dieser Restbrumm bei der breitbandigen Anodenstrommessung mit meinem
TRMS-Voltmeter einen höheren Anodenstrom suggerieren könnte, als in Wirklichkeit
fließt. Einmal mehr muss ich den L3-Entwicklern meinen Respekt zollen, wie vernünftig
es ist, den Anodenstrom selektiv bei 1,4kHz zu messen und nicht breitbandig. Leicht rest-
wellige Anodenspannung, die bei meinen externen Messgeräten nämlich bereits zu einem
ungewollten Zeigerausschlag führt, "kratzt" den L3 nämlich gar nicht: das selektive Volt-
meter filtert diese Störeinflüsse einfach aus und liefert am Ausgang nur den "echten"
Messwert des 1,4kHz Signalstromes! Einfach genial!
Mir lässt das Thema trotzdem keine Ruhe: Ziel ist es, solch saubere Messbedingungen zu
schaffen, dass sowohl bei der internen Messvorrichtung des L3 als auch bei meinen extern
angeschlossenen Voltmetern möglichst genau dieselben Messwerte herauskommen. Das
wird aber nur funktionieren, wenn die an die zu testende Röhre angelegten Spannungen al-
le möglichst sauber sind. Und hier kann man den L3 höchstwahrscheinlich noch verbes-
sern, denn eine bessere Anodenspannungs- und Gitter1-Filterung (denn auch da sehe ich
derzeit ca. 20mV Restbrumm auf der Leitung) würden die Spannungen sicherer sauberer
machen.
23.2 Schaltplan: die Erlösung!
Und dann lässt Thomas die Katze aus dem Sack: er zaubert eine vierte Schaltplanversion
für den L3 aus dem Hut! Ich glaube es nicht: diese Version scheint endlich diejenige zu
sein, die zu meinem L3 passt! Er hat sie als Scan einem alten Radiosammler abgekauft,
daher möchte ich sie hier nicht einfach öffentlich verteilen, ich hoffe ihr versteht das.
Trotzdem: mit diesem Stück Papier habe ich möglicherweise ENDLICH eine Chance,
meine Messwerks-Kalibrierung in Ordnung zu bringen. Super!
Die Kehrseite der Medaille: all die vielen Stunden Arbeit, die ich mir mit dem Re-Draw
des L3-Schaltplans gemacht habe, sind -zumindest für meinen L3- für die Katz gewesen.
Ich habe die falsche Schaltplan-Version bearbeitet. Da muss man Humor haben!
Aber vielleicht hilft meine Arbeit ja anderen L3-Besitzern, das wäre mir ein Trost.

Kalibr. L3-3 Reparaturbericht
Marc Michalzik; V1.25a Seite 68 von 125
24 Aktion "Saubermann"
Mich hat die Idee von Thomas so angesteckt, dass ich nun die Filterung von Anoden- und
Gitterspannungen mir etwas näher ansehe. Netterweise schenkt er mir ein paar 450V
Hochspannungs-Elkos aus seiner Bastelkiste, die ich in meinem L3 ausprobieren kann. Solche
Elkos werden heutzutage gerne in Weitbereichs-Schaltnetzteilen verwendet, daher kann man
sie relativ einfach kriegen.
Um die "Performance" meines L3's zu beurteilen, schaffe ich mir erst einmal eine Standard-
Messbedingung: Eine ECC83 wird eingesteckt, mit 250V Anodenspannung betrieben und die
Gitterspannung so eingestellt, dass genau 1mA Anodenstrom fließt. Das passiert bei dieser
Röhre bei einer Gitterspannung von knapp -2Volt. Vorher wird der L3 auf korrekt auf die
Netzspannung eingestellt (Zeiger bei Netz-Überprüfung auf CAL-Strich).
Bei exakt diesen Bedingungen messe ich nun folgende Parameter:
• AC-Anteil auf der Anodenspannung (am Banana-Deck)
• AC-Anteil des Anodenstroms (am Banana-Deck)
• AC-Anteil auf der Gitterspannung (am Banana-Deck)
• Spannung über den Anoden-Siebelkos C35,C36 (AC und DC-Anteil)
• Spannung über dem Gitterspannung-Siebelko C8 (AC und DC-Anteil)
• Unterschied der Steilheitsmessung zwischen "Anzeige im Gerät" und "errechnet" mit-
tels externer Messgeräte
Zuerst messen wir das im aktuellen Grundzustand des Geräts. Dann werde ich Stück für Stück
die Thomas'schen Zusatzkondensatoren mit anklemmen und beobachten, wie das sich das auf
die Messwerte auswirkt. Hoffentlich positiv... ;-)
Es geht los, hier erst einmal ein Bild des Messaufbaus. Ich habe an Multimetern so ziemlich
alles im Einsatz, was Rang und Namen hat. (Viel mehr Schönes habe ich auch nicht ;-)
Anoden-
spannung
HP34401
Gitter1-
Spannung
R&S URE3
Spannung
über C35
Anonden- Fluke 87
strom
R&S UDS5
Abbildung 89: Messaufbau

Kalibr. L3-3 Reparaturbericht
Marc Michalzik; V1.25a Seite 69 von 125
24.1 Originalzustand
Im „reparierten Originalzustand“ sehen die Spannungen so aus:
Abbildung 90: Originalzustand
Wir achten besonders auf den Wechselspannungsanteil der Anodenspannung (hier:
26,5mVeff) und der Gitterspannung (hier: 2,6mVeff).
24.2 mit 220µF-Kondensatoren in Anodenspannung
Es wird interessant: mit jeweils einem 220µF-Elko parallel zu C35 und C36 verbessern wir
den Ripple der Anodenspannung vor der Regelung (also auf dem Ladekondensator). Er
sinkt von anfangs 5,6Veff auf nun 0,7Veff.
Abbildung 91: mit 220µF-Kondensatoren

Kalibr. L3-3 Reparaturbericht
Marc Michalzik; V1.25a Seite 70 von 125
Alles schön und gut, doch ändert dies rein GAR NICHTS am Rest-Ripple hinter der
Anodenspannungsstabilisierung! Die zu prüfende Röhre sieht genau dieselben Bedingun-
gen- egal ob mit verstärktem C35/C36 oder nicht. Das spricht für eine gute Spannungs-
stabilisierung, die die 5,6Veff Anodenripple gut ausregelt.
Gut, das war also schonmal ein Kalter :-(
24.3 mit 56µF an Gitter1-Spannungserzeugung
Nun schließen wir an den Ladekondensator der Gitterspannungserzeugung (C8) einen zu-
sätzlichen 56µF-Kondensator an. Damit müsste die Gitter1-Spannung sauberer werden,
denn die ist nicht geregelt, sondern direkt vom Ladekondensator C8 abgegriffen und her-
untergeteilt. Sehen wir mal.
Abbildung 92: 56µF an Gitterspannungserzeugung
Toll, es ändert sich mal wieder....NICHTS! Zwar wird der Ripple direkt am Ladekondensa-
tor C8 von zuvor 3,6Veff auf ca. 1,4Veff reduziert, doch die 2,6mVeff Störsignal auf der
Gitter1-Gleichspannung bleiben.
24.4 mit 220µF an der Gitter1-Leitung
Nun probieren wir eine letzte Maßnahme: kurz vor der Stelle, wo der Gitter1-Spannung
das 1,4kHz-Signal des Prüfoszillators überlagert wird, sitzt noch der Siebkondensator C41.
Er hat normalerweise 1µF. Ich erhöhe ihn testweise auf krasse 220µF. Mal sehen, was pas-
siert!

Kalibr. L3-3 Reparaturbericht
Marc Michalzik; V1.25a Seite 71 von 125
Abbildung 93: mit 220µF als C41am Gitter1
Aha! Es tut sich was! Wo vorher noch 2,6mVeff am Gitter der Röhre herumvagabundier-
ten, sinkt dieser Störenfried auf etwas mehr als 0,1mVeff! Das nenne ich eine saubere
Spannung. Und damit folgt auch der Anodenwechselstrom, der vorher von seinen 30µAeff
nicht wegzukriegen war: er sinkt auf nur noch 14µAeff. Das ist definitiv eine Verbesse-
rung!
Wir stellen fest, dass die Gitter1-Spannung zwar durch eine Vergrößerung von C41, nicht
jedoch von einer Erhöhung des Ladekondensators C8 verbessert werden konnte. Das
spricht aus meiner Sicht dafür, dass die Zenerdioden A11 und A12 ein starkes Rauschen
erzeugen könnten, das sie der Gitter1-Spannung überlagern. Es kann aber auch durchaus
sein, dass die Störung rückwärts von den Regelschaltungen her kommen, denn alle drei
Regelschleifen (Anodenspannung, Gitter2-Spannung und int. 250V) benutzen diese Span-
nung als Referenzspannung!
Möglicherweise als Folge der beruhigten Gitter1-Spannung sinkt nun auch die Unruhe auf
der Anodenspannung. Die gemessene Wechselspannung reduziert sich von vorher ca.
27mVeff auf nun ca. 13mVeff.
Kann das sein? Meine ECC83-Prüfröhre hat eine Steilheit von etwa 1,3mA/V. Überschla-
gen wir mal grob: Vorher hatten wir am Gitter eine Störspannung von etwa 2,6mVeff ge-
messen. Das würde also einen Anodenstrom von etwa 3,4µAeff verursachen. Messen tun
wir jedoch mehr als 30µAeff. Eine Verringerung der Gitter1-Störspannung von 2,6mVeff
auf 0,14mVeff bewirkt rein rechnerisch eine Reduzierung des Anodenstroms von 3,4µAeff
auf 0,2µAeff. Also etwa eine Reduzierung um nur etwa 3µA.Der Beitrag der Gitter1-
Spannung am Anodenstörstrom kann also nicht sehr viel größer als etwa 10% sein! Es
muss noch eine weitere Erklärung für die 30µAeff Störspannung geben. Im Moment wis-
sen wir aber noch nichts Genaueres, wir beobachten erst einmal nur.

Kalibr. L3-3 Reparaturbericht
Marc Michalzik; V1.25a Seite 72 von 125
Sehr interessant ist auch, dass durch diese Maßnahme keine „Verbesserung“ der Steil-
heitsmessung zu erreichen ist: der L3-Messwert unterscheidet sich vom errechneten (ge-
messen mit den externen DVMs) noch immer um mehr als 5%! Wir machen mal eine letz-
te Probe und schließen alle Kondensatoren gleichzeitig an: also ein verbessertes Anodenfil-
ter, ein verbessertes Gitter1-Ladefilter und die Beruhigung des Gitter1-Ausgangssignals.
24.5 wir geben alles...
So sieht es also aus, wenn wir alles anschließen, was wir haben.
Abbildung 94: einmal alles!
Lustig: die Anodenspannung ist noch etwas ruhiger geworden- möglicherweise haben wir
erst durch den gleichzeitigen Einsatz mehrerer Entstörmaßnahmen es geschafft, mehrere
sich überlagernde Störeffekte zu minimieren. Das sieht doch also schonmal nicht schlecht
aus, ich denke viel mehr kann man aus dem L3 nicht herausholen. Und doch...
... der Unterschied bei der Steilheitsmessung zwischen L3 und externem Messequipment
ist nicht kleiner geworden- im Gegenteil. Mit etwa 7% nicht gerade ermunternd.
Tja, was jetzt?

Kalibr. L3-3 Reparaturbericht
Marc Michalzik; V1.25a Seite 73 von 125
25 Rechnerischer Ansatz
Mathematik!
Ein wenig nur, aber es wird uns hoffentlich weiterbringen. Das Manual zum L3-3 gibt uns
zwei Formeln zur Steilheitsberechnung an die Hand (hier sind sich die verschiedenen Versio-
nen der Manuals wenigstens untereinander einig ;-).
Und zwar:
SkUa⋅= und ga URk
⋅
=
mit a
U = Signalspannung der Anode am Anodenwiderstand a
R
a
R= Anodenwiderstand = 57
R= 445Ω g
U= Gitterspannung (Signalspannung)
k ist ein spezifischer Linearitätsfaktor des L3. Und S ist natürlich die Steilheit.
Wir machen nun Folgendes: ich stecke wieder meine Prüf-ECC83 ein und messe mit dem L3
die Steilheit. Ich nenne diesen Wert nun Sgemessen
Dann ermittele ich mit meinem Rohde&Schwarz UPA erst die Signalwechselspannung am
Gitter der Röhre (Ug) und dann die Anoden-Signalwechselspannung (Ua). Mit dem Wissen,
dass Ra laut Stückliste 445Ohm sein soll, können wir dann die Steilheit aufgrund der Mess-
werte ausrechnen. Wir nennen die dann Sberechnet.
Abbildung 95: Messaufbau 1 für "S berechnet"

Kalibr. L3-3 Reparaturbericht
Marc Michalzik; V1.25a Seite 74 von 125
Es geht los, ich messe. Der L3 zeigt genau 1,26mA/V als Steilheit an. Das ist also gemessen
S.
Mal sehen, was die Formeln dazu meinen.
Ich ermittelte (Dank des Banana-Decks!):
effg mVU 4,111= und effa mVU 45,64=
Damit ergibt sich A
V
mVURk effga
2
5396,494,111445 =⋅Ω=⋅=
Und schließlich V
mA
A
V
V
k
U
Sa
berechnet 30,1
5396,49
1045,64
2
3
=
⋅
==
−
Hmmm...das passt nicht so ganz. Und zu allem Überfluss errechne ich eine dritte Steilheit
nach diesem Schema...
Abbildung 96: Messaufbau 2 für S in der Grundform
Hinweis: „TUT“ meint nicht den kurzzeitige Druckausgleich Eurer Darm-Perestaltik, sondern
einfach „Tube Under Test“. Na mal sehen, wer jetzt alles unter „Perestaltik“ nachschlägt....;-)

Kalibr. L3-3 Reparaturbericht
Marc Michalzik; V1.25a Seite 75 von 125
...über die Steilheits-Grundformel V
mA
gselspannunGitterwech
selstromAnodenwech
S34,1==
Anoden-Wechselstrom: gemessen mit R&S UDS5, AC- Strommessung im Anodenkreis via Banana-Deck
Ich stelle fest: nun haben wir drei verschiedene Steilheiten und so richtig weitergebracht hat
mich das bis jetzt leider auch nicht.
Jac vermutet ganz fest, dass nichtlineare Verzerrungen, die durch eine krumme Röhrenkennli-
nie entstehen könnten, das Phänomen erklären könnte, dass ich mit dem L3 durchweg etwa
5% „zu niedrige“ Messwerte für die Steilheit erhalte. Ich selber bin da noch nicht ganz sicher.
Zweifelsohne wäre das eine durchaus vernünftige Erklärung dafür, dass der L3 –bedingt
durch sein selektives Voltmeter, das sämtliche Verzerrungen vor der Messung herausfiltert-
immer etwas weniger anzeigt, doch will mein Audioanalyzer seine Idee nicht so recht unter-
stützen: die von ihm gemessene Gitterwechselspannung hat bereits einen Klirrfaktor von
12,3%! Und die vom Anodenwiderstand abgegriffene Anodenwechselspannung messe ich zu
10,4%! Wenn hier nichtlineare Verzerrungen ihr Unwesen treiben würden, müsste der Klirr-
faktor am Ende der Übertragungskette doch höher sein als am Anfang....oder??
Alles eigenartig. Ich messe nochmal nach. Selbes Ergebnis. Dann kommt mir ein Gedanke:
angenommen, der Anodenwiderstand Ra (im Schaltplan R57) wäre etwas aus der Toleranz,
dann würde das doch direkt Einfluss auf den Steilheitswert haben. Ich rechne zurück: auf-
grund der erhaltenen Messwerte würde ein Anodenwiderstand von 433Ohm die erhaltene An-
zeige im L3 erklären. Laut Manual sollte er aber 445Ohm haben. Der routinierte Leser weiß
nun sicher, was jetzt kommt, oder?

Kalibr. L3-3 Reparaturbericht
Marc Michalzik; V1.25a Seite 76 von 125
26 Untersuchung Anodenwiderstand R57
Natürlich baue ich den L3 wieder auseinander. Laut Stückliste soll der Widerstand R57 hei-
ßen. Das war leicht. Nur: finden muss man ihn erstmal! Leider gibt es in den Unterlagen kei-
nen Bauteile-Lageplan (den ich verstehe). Und daher suche ich bestimmt eine halbe Stunde,
bis ich ihn gefunden habe: es ist der dicke Drahtwiderstand direkt neben dem Trafo, der aus
Widerstandsdraht auf eine Leiterplatte gewickelt ist.
da!
Abbildung 97: R57 Anodenwiderstand
Um ihn zu entnehmen und messen zu können, muss man die Audio PCB wieder ausbauen.
Macht nix, das geht schnell. Dann schnell noch die zwei kleinen Schräublein auf der R57-
Leiterplatte ab und schon haben wir den Schlingel in der Hand.
Abbildung 98: Audio-PCB zur Seite gelegt...

Kalibr. L3-3 Reparaturbericht
Marc Michalzik; V1.25a Seite 77 von 125
Mein HP34401 zeigt exakt 444,69Ohm in 4Draht-Messung an. Das ist eine Abweichung von
nur knapp 0,07%. Erlaubt sind laut Stückliste 0,5%. R57 ist also völlig in Ordnung und voll
im Limit!
Abbildung 99: R57 gemessen mit 4Draht-Messung
Meine Theorie mit dem verkorksten Anodenwiderstand kann ich also ad acta legen.*
Abbildung 100: Leiterplatte mit R57 Drahtwiderstand und C6
* zumindest glaube ich das in diesem Moment ganz fest. Weiterlesen!
27 Messfehler durch Klirrfaktor?
Mir bleibt nichts anderes übrig: ich muss mir Jac’s Theorie mit den nichtlinearen Verzerrun-
gen noch einmal genauer vornehmen- vielleicht hat er ja doch Recht damit, dass die Messab-
weichungen zwischen L3 und externem Messequipment durch einen zu hohen Klirrfaktor zu
begründen sind.
Was ich dafür brauche, ist ein NF-Voltmeter, das selektiv bei der Generatorfrequenz von
1386Hz messen kann. Da wird guter Rat teuer: was für ein Gerät kann sowas? Und noch bes-
sere Frage: was für ein Gerät, das ich auch besitze, kann sowas??

Kalibr. L3-3 Reparaturbericht
Marc Michalzik; V1.25a Seite 78 von 125
Ich schiele ja schon lange auf einen schönen Rohde&Schwarz UPL, aber bislang wollte noch
keiner meinen Labortisch kreuzen. Ich finde aber was anderes Interessantes unter meiner Kel-
lertreppe: einen UPA4! Bislang habe ich einen UPA4 immer „nur“ für einen selektierten
UPA3 gehalten, aber dieser hier scheint -gegenüber dem UPA3- tatsächlich ein programmier-
bares Bandpassfilter zu haben. Unter Spezialfunktion 19 kann man es auswählen- und seine
Mittenfrequenz bis aufs Hertz genau einstellen! Das ist genau das Richtige, was mir nun hilft!
(Achja: mein UPA3- auch mit UPA-B2 Filteroption kann das übrigens nicht! Hier enden die
Spezialfilter bei Nr. 17!!!)
SPEC Filter
aktiviert!
Abbildung 101: selektives NF-Voltmeter mit UPA4 Spezialfilter Nr. 19
27.1 Messung von Ua
Also wird das Teil unter der Kellertreppe vorgezerrt und an den L3 angeschlossen. Ich
messe zuerst den Anodenspannungs-Ausgang Ua. Dort habe ich immer ein Signal mit ei-
nem Klirrfaktor von irgendwas um die zehn Prozent gehabt.
Der UPA4 misst breitbandig (22Hz..22kHz): 64,42mVeff (THD+N= 10,3%)
Und selektiv: 64,19mVeff (THD+N= 0,26%)
Was lernen wir daraus?
Erstmal, dass das Bandpassfilter des UPA4 nur eine endliche Sperrdämpfung besitzt (denn
sonst hätten wir ja nicht 0,26% Rest-Klirrfaktor bei der selektiven Messung, sondern Null).
Nun gut, der UPA ist ja auch zum größten Teil analog aufgebaut, da kann man auch nicht
viel mehr erwarten.
Aber viel wichtiger: sooooo groß scheint der Unterschied zwischen einer Breitbandmes-
sung (wie sie mein externes Messequipment wie das Anodenstrommessgerät UDS5 macht)
und der Selektivmessung (wie sie der L3 macht) wohl gar nicht zu sein. Hmmm....

Kalibr. L3-3 Reparaturbericht
Marc Michalzik; V1.25a Seite 79 von 125
27.2 Messung von Ug
Messen wir mal die Gitterwechselspannung Ug. Vielleicht sieht hier das da ja anders aus.
Breitbandig gemessen (UPA4, 22Hz..22kHz): 111,6mVeff (THD+N= 13,2%)
Selektiv gemessen (UPA4, Filter #19, f=1386Hz): 110,5mVeff (THD+N= 0,104%)
Das ist ein knappes Prozent Unterschied. Zu wenig, um unser Phänomen zu erklären.
27.3 Zwischenstand
Fassen wir den Kram mal zusammen.
Der L3-3 zeigt an seinem Steilheitsmesser unter den bereits weiter oben definierten Bedin-
gungen an meiner Prüfröhre im Moment eine Steilheit von 1,26mA/V an. Das notieren wir
uns jetzt mal gleich eingangs.
Wenn ich die Steilheit zusätzlich nun über die Formeln aus dem L3-Manual nachrechne
und die eben ermittelten Werte für Ua und Ug einsetze, komme ich
a) mit breitbandiger Messung auf eine berechnete Steilheit S(Breitband)=1,299mA/V
b) mit selektiver Messung auf eine berechnete Steilheit S(selektiv)= 1,3062mA/V.
Das ist ein Unterschied von nur 0,5%! Sprich: die "einfache", breitbandige Messmethode
mit dem Multimeter dürfte gegenüber der aufwändigeren, selektiven Messmethode im L3
nur um diese 0,5% abweichen. Wir haben ja aber 1,26mA/V mit dem L3 gemessen- das
sind aber fast 4 Prozent Abweichung gegenüber der berechneten Methode- und nicht nur
0,5!
Wenn wir die Ergebnisse mal in einer Liste zusammenstellen (auf zwei Stellen gerundet):
MESSMETHODE ERGEBNIS BEMERKUNG
L3: 1,26mA/V
breitbandig, UPA4: 1,30mA/V berechnet über k-Faktor
selektiv, UPA4: 1,31mA/V berechnet über k-Faktor
breitbandig, URE3: 1,34mA/V berechnet über S-Formel, siehe Kapitel 25 unten
Also: auch der Versuch "selektive Messung" kann die Unterschiede zwischen L3 und
externer Messung im Moment leider nicht erklären.
Leider, Jac, leider...:-(

Kalibr. L3-3 Reparaturbericht
Marc Michalzik; V1.25a Seite 80 von 125
27.4 Vergleich
Der Vollständigkeit halber (und weil das Messequipment gerade warm gelaufen ist) ver-
gleiche ich noch einmal die Messung des Anodenstroms mittels Rohde&Schwarz UDS5
Multimeters (eingeklinkt in den Anodenstromkreis via Banana-Deck) und die Messung des
Anodenstroms über eine Spannungsmessung am Anodenwiderstand R57 und Rückrechung
per ohmschem Gesetz. Beides sollte ja äquivalent sein!
27.4.1 breitbandige Messung UPA4
Ua=66,25mVeff (THD+N = 8,2%)
=> I=Ua/R57 = 66,25mVeff/444,69Ohm = 148,98µAeff
Das UDS5 zeigt in diesem Moment 151,4µAeff AC an.
=> Unterschied der Messwerte: ca. 2%
27.4.2 selektive Messung UPA4 bei f=1,388kHz
Ua=66,02mVeff (THD+N = 0,59%)
=> I=Ua/R57 = 66,02mVeff/444,69Ohm = 148,46µAeff
Das UDS5 zeigt in diesem Moment 151,3µAeff AC an.
=> Unterschied der Messwerte: ca. 1,6%
27.4.3 Was sagt uns das?
Zuerst einmal, das der Unterschied zwischen breitbandiger und selektiver Messung auch
diesmal sehr gering (nämlich lediglich 2%-1,6%= 0,4%) ist. Witzig: die Übereinstimmung
des breitbandig messenden UDS5 mit dem UPA4 ist bei der selektiven Betriebsart des
UPA4 größer- und nicht kleiner! Erwartet hätte ich das Gegenteil (Das UDS5 kann nur
breitbandig messen, daher sollte die beste Übereinstimmung erreicht werden, wenn auch
der UPA4 breitbandig misst. Tut es aber nicht ;-)
28 Selbstkontrolle UPA4
Hin und wieder ist es mal angebracht, seine eigenen Geräte und Messungen auf den Prüfstand
zu stellen und auf Plausibilität zu checken. Ich weiß, ihr hättet auch nichts weniger Ehrgeizi-
ges von mir erwartet :-)
Also. Mich interessiert, ob das selektive Voltmeter im UPA4 plausible Messwerte liefert. Um
das zu ermitteln, verwende ich den Klirrfaktormesser und das eingebaute Breitband-
Voltmeter...und Wikipedia. Dort finde ich nämlich die Formel zur Definition des Klirrfaktors!
U
UU
k
2
1
2−
=
U- Effektivwert der gesamten Spannung
U1 - Effektivwert der reinen Grundwelle (bei f=1,4kHz)

Kalibr. L3-3 Reparaturbericht
Marc Michalzik; V1.25a Seite 81 von 125
Wir erinnern uns: breitbandig gemessen, lieferte der UPA4 mir den Messwert der Anoden-
Wechselspannung von 66,25mVeff. Diese Spannung beinhaltet einen Klirrfaktor von 8,2%-
sagt der UPA4 jedenfalls.
Sobald ich das selektive Voltmeter am UPA4 mit dazuschalte, sinkt die Anzeige auf
66,02mVeff (und der Klirrfaktor auf 0,59%, also vernachlässigbar). Der Rest "dazwischen"
waren also die (störenden) Verzerrungen, die durch das Filter nun von der Messung ausge-
blendet wurden!
Wenn ich die Klirrfaktorformel aus Wikipedia nehme und nach U1 (=die Grundwelle) umstel-
le, erhalte ich das hier:
()
22
11kUU −⋅= k: Klirrfaktor
Setze ich dann für U die 66,25mVeff ein und für k die 8,2% (=0,082), und nehme beispiels-
weise an, dass wir es wirklich nur mit Oberwellen des Prüfsignals zu tun haben (also keine
anderen Schweinereien), müssten sich für die Grundwelle U1 laut Formel genau der Wert er-
geben, den ich auch messe, wenn ich das selektive Voltmeter im UPA aktiviere.
Und....tatsächlich:
U1 = 66,0269mVeff errechne ich. Und selektiv gemessen hatte ich genau 66,02mVeff auf der
Anzeige! Das ist eine Abweichung zwischen Theorie und Messwert von nur 0,01%- soooooo-
ooooo liebe ich das!
Ich muss also tatsächlich davon ausgehen, dass meine Messungen zumindest "in sich" stim-
mig sind. Auf der einen Seite zwar schade, dass ich noch immer keine Erklärung für die Steil-
heitsunterschiede zwischen L3 und Messgeräten habe, auf der anderen jedoch sehr ermuti-
gend hinsichtlich der Messgenauigkeit meiner verwendeten Prüfmittel.

Kalibr. L3-3 Reparaturbericht
Marc Michalzik; V1.25a Seite 82 von 125
29 Belastung des 1,4kHz Prüfoszillators
Natürlich informiere ich Jac erst einmal über die neuesten Erkenntnisse. Und wie immer hat
er schon wieder reichlich Ideen, was man nun noch alles ausprobieren könnte. Quasi als
"Hausaufgabe für's Wochenende" fragt er mich, ob möglicherweise der 1,4kHz Oszillator
beim Umschalten von CAL auf MESSUNG in diesem Moment seine Ausgangsspannung
leicht verändern könnte (schließlich hat er ja keine Amplitudenregelung)- zum Beispiel durch
parasitäre Kapazitäten oder irgendwelche Lasten durch Anschlusskabel.
An sich eine gute Idee, die ich aber auch schon bereits hatte. Dabei bemerkte ich, dass der
Ausgangs-NF-Teiler so niederohmig ausgelegt ist, dass es kaum eine Rolle spielt, ob man ihn
dahinter noch etwas belastet oder nicht. Trotzdem wollte ich meine Hausaufgaben brav erle-
digen und habe am Ausgang des NF-Teilers gemessen (Konfiguration des L3 mittels Prüfkar-
te für eine ECC83), während ich den Steilheits-Umschalter zwischen CAL und MESSUNG
hin und her schaltete. Ergebnis:
UCAL: 128,4mVeff
UMESSUNG: 128,5mVeff
(gemessen mit Rohde&Schwarz URE3)
Es macht also wirklich nichts aus. Solche geringen Unterschiede (0,07%) sind keine ausrei-
chende Erklärung für unser Phänomen.
30 Selektives Voltmeter
Nun knacke ich aber die Nuss. Endlich!
Initiator für dieses Kapitel war einmal mehr der liebe Jac, der mich auf eine Idee brachte (aber
anders, als er dachte ;-). Er schrieb mir, dass man bei ihm die Abweichungen der Steilheits-
messung durch Neu-Setzen des CAL-Strichs auf dem L3-Messinstrument kompensieren kön-
ne. Allerdings gelte das dann nur für einen speziellen Röhrentyp- benutzt man die neue Ein-
stellung dann für einen anderen Röhrentyp, stimmt's wieder nicht. Man müsse also individuel-
le CAL-Striche für jeden neuen Röhrentyp auf seinem L3 machen.
Als Jac das so schrieb, kam mir eine Vermutung. Die von Jac benutzten Röhren (eine 6SN7
und eine 6L6) haben laut Datenblatt verschiedene Steilheits-Werte. Eine 6SN7 soll es auf
einen Wert zwischen 2,6..3,0mA/V bringen und eine 6L6 auf etwa 6 mA/V. Das heißt, auf
dem L3-Tester würden wir dafür verschiedene Steilheits-Messskalen benutzen- also verschie-
dene NF-Pegel an die Röhre anlegen. Wenn wir es also offensichtlich mit einem pegelabhän-
gigen Fehler zu tun haben, dann kann eigentlich nur noch eine aktive Baugruppe diesen Feh-
ler verursachen (Halbleiter wie Dioden einmal eingeschlossen). Und die einzige aktive Bau-
gruppe, die mir dann noch in der Signalkette einfällt, ist das selektive Voltmeter.
Seinen Frequenzgang hatte ich damals ja schon einmal untersucht (siehe Kapitel 14), jedoch
nicht seinen Pegelgang; also die Beziehung zwischen Ein- und Ausgangsspannung bei variie-
rendem Eingangspegel (aber konstanter Frequenz). Das hole ich jetzt nach.

Kalibr. L3-3 Reparaturbericht
Marc Michalzik; V1.25a Seite 83 von 125
Dazu trenne ich an meinem Banana-Deck auf und speise per BNC-Kabel direkt in das selekti-
ve Audio-Voltmeter ein. Ich benutze wieder meinen R&S UPA Audioanalysator als Signal-
quelle, der sehr genaue Audiosignale liefern (und messen) kann. Als Frequenz wähle ich das
Durchlassmaximum des selektiven Voltmeters; bei mir also 1386Hz. Als Pegel fange ich mit
1mVeff an und erhöhe so lange, bis ich an der Anzeige des L3 einen Vollausschlag erzeuge.
Das wird dann bei etwa 155mVeff passieren- und zwar unabhängig von der gewählten Steil-
heits-Skala*!
*Warum eigentlich?
Weil die lediglich das Prüfsignal verkleinert; also bei höherer Steilheits-Skala eine kleinere
Prüfspannung in das Röhrengitter einspeist, denn die Prüfröhre verstärkt dann ja mehr- bei
konstanter Empfindlichkeit des selektiven Voltmeters! Gut gemacht, denn damit vermeidet
man erstens eine Übersteuerung von empfindlichen, hochverstärkenden Röhren und zweitens
arbeitet das selektive Voltmeter stets in seinem optimalen Empfindlichkeitsbereich (hoffent-
lich ;-).
Abgreifen tue ich das Signal "Uout" an der Buchse X6 und X7, die sich lustigerweise auf der
Seite der Spannungsregler (rechte Klappe) befinden. Sie liegen parallel zu den beiden antipa-
rallel geschalteten Dioden, die das Messwerk vor zu hohen Spannungen schützen sollen.
Aber hier kommt jetzt der Knaller. Die Übertragungsfunktion:
Abbildung 102: Verstärkungsfaktor selektives Voltmeter
Ich habe mal die ideale Kurve mit dazugemalt, damit man die Abweichung gleich auf den
ersten Blick sehen kann. Wir erkennen sofort, dass wir insbesondere bei kleinen Signalspan-
nungen eine ganz herbe Abweichung bekommen, die durch das selektive Voltmeter verur-
sacht wird! (ich vermute mal, durch die Gleichrichterdioden, VD9 und VD10, aber das ist im
Moment noch Spekulation)
Dabei sieht es doch erstmal gar nicht so schlimm aus, wenn wir uns nur die Eingangsspan-
nung in Bezug zum erhaltenen Zeigerausschlag am Messinstrument (0..150 Skalenteile) anse-
hen:
SelektivesVoltmeter
Verstärkung(=Uout/Uin)
0,0
0,2
0,4
0,6
0,8
1,0
1,2
0 0,05 0,1 0,15 0,2
inputvoltageUin[Veff]
outputvoltageUout
[Veff]
real
ideal

Kalibr. L3-3 Reparaturbericht
Marc Michalzik; V1.25a Seite 84 von 125
Abbildung 103: Selektives Voltmeter - Anzeige Messinstrument
Aber diese Darstellung täuscht, auch wenn sie erstmal schön gerade und linear aussieht. Ich
glaube, am besten kommt es heraus, wenn wir uns einmal wirklich den erhaltenen Messfehler
in Prozent ansehen:
Abbildung 104: Fehlerkurve von selektivem Voltmeter und Messinstrument
Ich denke, jetzt ist die Katze aus dem Sack. Damit habe ich zum ersten mal einen Fehler-
mechanismus gefunden, der überhaupt in der Größenordnung zu dem passt, was ich an Ab-
weichungen in der Realität auch beobachte: sobald das Messinstrument nur bis zu 1/3tel sei-
nes Skalenendwertes (also "50" auf der X-Achse in Abbildung 104) ausschlägt, habe ich
schon mit einem Anzeigefehler von 5% zu rechnen- das passt exakt zu meinen Beobachtun-
gen! "50" auf der alten Skalenteile-Skala des L3 bedeutet bei einer ECC83 mit eingestellter
3mA/V-Steilheitsskala einen Zeigerausschlag auf Werte von 1mA/V. Und genau in diesem
Bereich habe ich mich ja immer messtechnisch aufgehalten. Bingo! :-)
Selektives Voltmeter- Anzeige Messinstrument
0
10
20
30
40
50
60
70
80
90
100
110
120
130
140
150
0 0,02 0,04 0,06 0,08 0,1 0,12 0,14 0,16 0,18
input voltage Uin [Veff]
Panel meter units [Skt 0..150]
SelektivesVoltmeterundAnzeige
Verstärkung,rel.AbweichungzumIdeal,(ZOOM)
‐5
‐4
‐3
‐2
‐1
0
0 102030405060708090100110120130140150
PanelMeterunits[0..150]
Abweichung[%]
UanX6/X7
Panelmeter

Kalibr. L3-3 Reparaturbericht
Marc Michalzik; V1.25a Seite 85 von 125
Und es erklärt auch zugleich Jacs Beobachtungen: der Anzeigefehler ist nicht überall gleich;
d.h. er ist abhängig vom Zeigerausschlag! Damit verhält sich die Anzeige des L3 bei ver-
schiedenen Röhren mit verschiedenen Zeigerausschlägen "unterschiedlich gut"; wir haben
keinen konstanten, sondern einen variablen Anzeigefehler. Das ist zwar schlecht, weil man
sowas nur schwer mit Analogtechnik kompensieren kann, aber wenigstens habe ich damit
eeeendlich eine Erklärung, die zu meinen und Jacs Beobachtungen passt.
Uff!
Schwere Geburt!
Hier noch einmal der Auszug aus der Schaltung, wo ich gemessen habe:
Abbildung 105: Auszug Schaltplan selektives Voltmeter
Eingespeist habe ich mein Prüfsignal kurz vor Punkt 18 im obigen Bild. Und abgenommen
habe ich die gleichgerichtete Gleichspannung dann kurz hinter Punkt 24 und 26. Wir durch-
laufen also das komplette selektive Voltmeter einschließlich Gleichrichterdioden VD9 und
VD10.
30.1 Sind die Dioden Schuld?
Eine Frage, die sich mir dann natürlich gleich stellt, ist: woher kommt die "krumme Kur-
ve"? Ich vermute, es sind die Gleichrichterdioden, die bei kleinen Spannungen einfach
noch im krummen Bereich ihrer Kennlinie arbeiten.
Ob es das ist oder nicht, kann ich relativ schnell herauskriegen. Ich mache einfach dieselbe
Messung, greife das Signal aber diesmal noch vor den Dioden ab- zum Beispiel an der net-
terweise von den russischen Konstrukteuren vorgesehenen Buchse X4. Die liegt wiederum
auf der anderen Seite des Gerätes, direkt eingearbeitet in die Audio-PCB (linke Gehäuse-
klappe des L3).

Kalibr. L3-3 Reparaturbericht
Marc Michalzik; V1.25a Seite 86 von 125
Zur Einspeisung der 1386Hz-Signales nehme ich wieder den UPA. Zum Messen der
Wechselspannung an X4 habe ich mir gerade schnell das UDS5 gegriffen. Es lag da gerade
herum. Der UPA hätte es natürlich genauso gut getan, aber beim UDS5 bin ich mir sicher,
dass es schön hochohmig misst und ich den Schaltungskreis nicht unnötig belaste.
Abbildung 106: AC-Pegelgang selektives Voltmeter
Abbildung 106 zeigt uns gleich die relative Abweichung zum Skalenendwert (sprich: Zei-
gerausschlag "150", entspricht einer Eingangsspannung von 155mVeff), so können wir die
Zusammenhänge gleich besser sehen.
Auch hier erleben wir eine kleine "Überraschung". Bei sehr kleinen NF-Signalen kriegen
wir zunehmend einen Messfehler, der uns -hört, hört!- zu große Messwerte vorgaukelt! In
erster Linie haben wir es hier aber mit hoher Wahrscheinlichkeit mit Rauschen und
Restbrumm zu tun, das sich dem Ausgangssignal einfach überlagert. Je kleiner das Nutz-
signal wird, desto mehr fällt es ins Gewicht. Also nichts Beunruhigendes, sondern eigent-
lich eine ganz normale Sache. Man kann sich nun streiten, ob wir diesen Effekt nun unbe-
dingt bekämpfen müssen oder nicht. Ich plädiere jedoch fest dazu, sich lieber erst einmal
um die Gleichrichterdioden zu kümmern, wenn man hier was verbessern will.
Ansonsten sehen wir hier eine über einen weiten Bereich ziemlich konstante Verstärkung
mit Faktor von etwa 116 (soviel verraten jedenfalls meine Excel-Daten). Damit können wir
zufrieden sein.
Um die Frage noch einmal zu wiederholen:
"Sind die Dioden Schuld?"
Ja. Sind sie!*
* Aber nicht alleine, wie ich jetzt schonmal verraten darf! :-)
SelektivesVoltmeter
AC‐Verstärkung(UoutanX4;UinanBNC)
rel.AbweichungzumSkalenendwert,f=1386Hz
-1
0
1
2
3
4
5
6
0 0,02 0,04 0,06 0,08 0,1 0,12 0,14 0,16
input voltage Uin [Veff]
rel. Abweichung [%]

Kalibr. L3-3 Reparaturbericht
Marc Michalzik; V1.25a Seite 87 von 125
31 Diodentausch
Im Moment deutet dennoch Vieles darauf hin, dass ein relativ großer Fehler beim Gleichrich-
ten des 1,4kHz-Signals entsteht. Leider muss es gleichgerichtet werden, bevor wir es auf das
Drehspulinstrument schicken- es würde sonst nichts anzeigen, weil Geräte seiner Art immer
genau NULL anzeigen, wenn man eine symmetrische Wechselspannung an sie anlegt.
Wie wir in Abbildung 105 sehen können, ist der Gleichrichter ist ganz simpel gemacht und
besteht aus zwei Dioden (VD9 und VD10) und zwei Filterkondensatoren. Die Kondensatoren
hatte ich bei meiner Großtausch-Aktion der Audio-PCB schon überprüft; jedoch die Dioden
nicht! Meine Vermutung ist, dass hier etwaige Nichtlinearitäten dieser Bauteile einen Großteil
des beobachteten Messfehlers bei der Steilheitsmessung verursachen.
31.1 Ausbau
Ich löte die beiden Kandidaten russischer Bauart also aus und ersetze sie -auf Rat von Tho-
mas- durch zwei HP5082-2800 Schottky-Dioden, die ich auch rein zufällig im Schrank ha-
be. Ein vorheriger Blick ins Datenblatt dieser Dioden bestätigt mir, dass sie für meinen
Zweck geeignet sein sollten. Insbesondere die niedrige Schwellenspannung von nur
0,3..0,4V sollte eine Verbesserung der Nichtlinearität bei kleinen Zeigerausschlägen be-
wirken.
31.2 Test
Ich will aber nichts dem Zufall überlassen und mache vorher ein schönes Spannungs-
Strom-Diagramm; sowohl von den original Dioden als auch von den neuen HP5082-2800-
Typen. Um die Dioden nicht zu überlasten, schalte ich einen 1kOhm-Widerstand vorne-
weg. Das ganze Gebilde hänge ich an ein gutes, fein einstellbares Netzgerät (selbstver-
ständlich von R&S ;-). Damit lege ich Spannungen zwischen 0,1 bis knapp 10Volt an und
notiere mir jeweils den fließenden Strom. Als Strommesser nehme ich das UDS5 Multime-
ter.
Abbildung 107: Dioden-Vorwärtsstrom
Dioden‐Vorwärtsstrom
0
1
2
3
4
5
6
7
8
9
012345678910
Speisespannungvia1kOhm‐Vorwiderstand[V]
Strom[mA]
russ.Original
HP2800

Kalibr. L3-3 Reparaturbericht
Marc Michalzik; V1.25a Seite 88 von 125
Abbildung 108: Dioden-Vorwärtsstrom (Zoom)
Aufgrund des großen Maßstabs zeigt die Kennlinie erst einmal noch nicht so große Nicht-
linearitäten. Erst wenn man die Kurve einmal ableitet (also nach m=DeltaY/DeltaX bildet),
sieht man mehr. Diese Ableitung zeigt den differentiellen Widerstand; also die Änderung
des Dioden-Widerstands über einen Spannungsbereich hinweg. Genau das brauchen wir:
wir wollen, dass sich die Diode über den Spannungsbereich von 0 bis ca. 20Veff so gut wie
GAR NICHT ändert.
Abbildung 109: differentieller Widerstand
Da es ein reales Bauteil ist, tut sie das aber doch. Normiert auf den Endwert der Messreihe
sehen wir insbesondere bei kleinen Spannungen durchaus nennenswerte Abweichungen.
Dioden‐Vorwärtsstrom
ZOOM
0
0,1
0,2
0,3
0,4
0,5
0,6
0,7
0,8
0,9
1
0 0,1 0,2 0,3 0,4 0,5 0,6 0,7 0,8 0,9 1
Speisespannungvia1kOhm‐Vorwiderstand[V]
Strom[mA]
russ.Original
HP2800
SteigungDeltaI/DeltaU
0
0,1
0,2
0,3
0,4
0,5
0,6
0,7
0,8
0,9
1
012345678910
Speisespannungvia1kOhm‐Vorwiderstand[V]
Steigung[mA/V]
russ.Original
HP2800

Kalibr. L3-3 Reparaturbericht
Marc Michalzik; V1.25a Seite 89 von 125
Das liegt an dem Knick in der Kennlinie unterhalb der Schwellwertspannung (bei Silizium
meist so 0,6V..0,7V).
Abbildung 110: differentieller Widerstand (Zoom)
In Abbildung 110 sieht man es ganz deutlich: erwartungsgemäß beginnt die HP5082-2800
etwas früher, leitend zu werden. Auch sieht mir der lineare Bereich etwas konstanter aus,
was also grundsätzlich durchweg eine Verringerung der Nichtlinearitäten bedeutet. Trotz-
dem: auch die modernere HP5082-2800 ist ein reales Bauteil und kein ideales!
Abbildung 111: kleines Spiel: such den Unterschied! :-)
SteigungDeltaI/DeltaU
ZOOM
0,8
0,9
1
012345678910
Speisespannungvia1kOhm‐Vorwiderstand[V]
Steigung[mA/V]
russ.Original
HP2800

Kalibr. L3-3 Reparaturbericht
Marc Michalzik; V1.25a Seite 90 von 125
31.3 EINBAU
Ich baue die Dioden trotzdem ein und wiederhole meine Messung aus Kapitel 30.1.
Abbildung 112: AC-Pegelgang selektives Voltmeter (vorher/nachher(
Ich muss zugeben, ein ganz wenig bin ich doch enttäuscht- ich hätte eine größere Verbes-
serung erwartet. Zwar arbeitet der Gleichrichter nun zweifelsfrei etwas genauer als mit den
originalen russischen Dioden, doch eine Verkleinerung des gesamten Messfehlers auf unter
1% (das hatte ich erhofft) schaffe ich allein damit nicht.
In dem L3 muss noch irgendwo ein anderes Geheimnis stecken, das ich noch immer nicht
gefunden habe! Das zeigt mir auch eine Probemessung:
Sie zeigt bei der Steilheit nun einen gesamten Anzeigefehler von etwa 3,5% (Gm berech-
net: 1,29mA/V; Anzeige L3: 1,25mA/V).
Vorher hatte ich immer so Ungenauigkeiten zwischen 5% und 7% beobachtet. Damit ver-
glichen, bringt der Diodenwechsel nachweisbar eine Verbesserung. Politiker würden es im
Wahlkampf als eine "Halbierung des Fehlers" darstellen (notorisch-positiv-darstell-Spinner
als "Verdoppelung der Anzeigegenauigkeit").
Ich als überwiegend aufgeklärt-kühl denkender Ingenieur ziehe die Angabe des Anzeige-
fehlers in ehrlichen Prozent vor. :-)
SelektivesVoltmeter
AC‐Verstärkung(UoutanX4;UinanBNC)
rel.AbweichungzumSkalenendwert,f=1386Hz
-1
0
1
2
3
4
5
6
7
0 0,02 0,04 0,06 0,08 0,1 0,12 0,14 0,16
input voltage Uin [Veff]
(100% deflection of panel meter is at 155mVeff)
rel. Abweichung [%]
Originaldioden
HP2800-Dioden

Kalibr. L3-3 Reparaturbericht
Marc Michalzik; V1.25a Seite 91 von 125
32 Zeit für Großes
Wenn ich in meiner Formatvorlage bei Word noch eine größere Überschrift definiert hätte-
ich hätte sie jetzt benutzt. Denn in diesem Kapitel kommt endlich das, worauf schon alle so
lang gewartet haben: ich reduziere den Anzeigefehler bei der Steilheitsmessung auf kleiner
0,3%.
Abbildung 113: Endlich: Anzeigefehler kleiner 0,3%!
Wie das geht? Weiterlesen!
Inzwischen ist es Sommer geworden und ich habe abends mal wieder auf der Terrasse herum-
gelungert, die warme Abendsonne genossen (zumindest was davon nach einem langen Ar-
beitstag davon noch übrig ist ;-) und mir -für alle Fälle- einen Block und Bleistift auf den
Tisch gelegt. Das mache ich -zum Grummeln meiner Frau- öfter. Nur für den Fall, dass mir
mal was einfällt, was ich dringend aufschreiben muss.
Und das tat es.
Bei noch immer guten 28° in der Luft, dem plätschernden Springbrunnen im Garten und den
zirpenden Grillen irgendwo unten in der Gartenhecke kam mir eine folgenschwere Idee. Un-
ser Nachbar sprang gerade laut plumpsend in seinen Pool, was diese typischen Gluckergeräu-
sche erzeugt, die man noch aus dem Freiband kennt, wenn jemand eine Arschbombe vom
Dreier macht. (Manche Leute mögen so eine Geräuschkulisse etwas störend finden- ich je-
doch finde das ungeheuer entspannend!)

Kalibr. L3-3 Reparaturbericht
Marc Michalzik; V1.25a Seite 92 von 125
Ich überlegte mir, wie man die Messmethode für die Steilheit im L3 wohl mathematisch nach-
rechnen könnte. Im Manual steht darüber ja grundsätzlich etwas drin- ein gewisser Herr Ser-
geev soll die Methode entwickelt haben (natürlich war ein Russe der Schöpfer dieser sensati-
onellen Idee, den Spannungsabfall an einem Anodenwiderstand als Messgröße zu benutzen!).
Es stehen auch ein paar Prinzipschalbilder drin, aber das ganze erinnert mich eher an eine
Darstellung der Barkhausen-Formel denn an eine detaillierte Erläuterung, wie genau denn der
"Sergeev-Kasten" nun wirklich funktioniert.
Bei meinem Nachbarn ist nun auch noch die kleine Tochter mit in den Pool gesprungen. Die
quiekt -wie Kinder das nunmal so tun- und damit ist die Schwimmbadidylle nun perfekt. Es
sprudelt nun nicht nur im Pool des Nachbarn, sondern auch aus meinem Stift. Ich male ein
Blockschaltbild des L3 und zwei einfache Formeln dazu.
Abbildung 114: Steilheitsmesser nachgerechnet!

Kalibr. L3-3 Reparaturbericht
Marc Michalzik; V1.25a Seite 93 von 125
Ich erkläre es kurz:
Die Formel "1" beschreibt die Definition der Steilheit S, so wie ich sie normalerweise korrekt
ermittelte. Ich messe mit einem Voltmeter die Wechselspannung am Gitter der Röhre und mit
einem Ampèremeter den daraus resultierenden Anodenwechselstrom. Beides teile ich durch-
einander und erhalte die Steilheit der Röhre in der Einheit "A/V".
In Formel "2" überlege ich, wie der L3 es macht: er wandelt eine an einem Anodenwiderstand
abfallende Wechselspannung in einen Zeigerausschlag am Messinstrument um. Das Messin-
strument ist auch in "Steilheit" geeicht.
Idealerweise stimmen beide Steilheiten überein: die berechnete und die am Messinstrument
abgelesene. Für diesen Fall (den streben wir ja an) darf ich beide Formeln dann miteinander
gleichsetzen.
Gemacht, getan, kurz umgestellt und violà: der Linearitätsfaktor, der beschreibt, wieviel Mil-
livolt Spannungsabfall am Eingangs des selektiven Voltmeters welchen Ausschlag am Mess-
instrument bewirken sollten, kann exakt berechnet werden!
Abbildung 115: Berechnung des "korrekten" Wertes von R57 mit Excel
Wir wissen nun, was das Instrument anzeigen müsste und wir wissen nun auch, warum! Da-
mit sind wir einen entscheidenden Schritt weiter, den L3 wirklich zu verstehen.
Nun kann ich denselben Weg auch wieder zurück gehen. Eigentlich sollten bei einer Kalib-
rierspannung von 120mVeff die CAL-Marke getroffen werden. In Wirklichkeit hatte ich in
Kapitel 30 aber bereits herausgefunden, dass in meinem L3 in Wirklichkeit 125,5mVeff dazu
nötig sind.
Setze ich diesen Wert nun in die zweite Formel ein, erhalte ich einen leicht anderen Lineari-
tätsfaktor. Ich habe ihn k2 genannt. Und setze ich den wiederum in die erste Formel ein, kann
ich einen Anodenwiderstand berechnen, den man tatsächlich brauchte, um genügend Span-
nungsabfall im Anodenstromkreis erzeugt, um das selektive Voltmeter korrekt anzusteuern.
Und siehe da, was kommt als R57 heraus?

Kalibr. L3-3 Reparaturbericht
Marc Michalzik; V1.25a Seite 94 von 125
Drin sind: 445Ohm.
Brauchen tue ich aber: knapp 465Ohm!
Sagt zumindest meine Formel!
Meine Frau sagt indessen, dass ich nun genug gemalt hätte und ich mich eher mit ihr unterhal-
ten sollte. So was! Gerade jetzt, wo ich dem "dicken Ding" so scharf auf der Spur bin!
Ich ignoriere diese Aufforderung (bereue es später;-) und löte stattdessen flüchtig einen 5Watt
22Ohm-Widerstand in Reihe zu R57. Und ich glaube es kaum: der Unterschied zwischen be-
rechneter und gemessener Steilheit sinkt auf unter 0,3% (siehe Abbildung 113)!
32.1 Ende gut, alles gut
Jac ist so verzückt, dass er mir -aus Spaß natürlich- den Job eines Chefingenieurs anbietet-
für den Fall, dass er mal einen brauchen würde ;-)
Ich glaube jedoch, den Posten kann er selber ganz gut bekleiden, denn ich habe in der gan-
zen Zeit, in der ich auf Fehlerjagd war, seinen Sachverstand und seine Art zu denken sehr
zu schätzen gelernt. Trotzdem ist es interessant, welch unterschiedliche Ideen man den-
noch manchmal hat und welch unterschiedliche Wege dann doch noch zum Ziel führen.
Ich sehe diesen Erfolg jedenfalls als Teamleistung an und freue mich, dass -obwohl wir
uns noch nie gesehen haben- die Nuss letztendlich doch noch knacken konnten :-)
32.2 Nebenwirkungen
Ich werde den L3 nun noch etwas laufen lassen und mögliche Nebenwirkungen beobach-
ten. Obwohl ich es mir fast nicht vorstellen kann, möchte ich dennoch sicherstellen, dass
meine zusätzlichen 22Ohm hier nicht doch noch was Schlimmes anstellen.
Der Anodenstrommesser zeigt sich durch die 22Ohm mehr jedenfalls nicht beeindruckt. Da
hätte ich höchste Beeinflussung erwartet.
Was ich bislang noch nicht weiß ist, ob meine Maßnahme möglicherweise nun nur diesen
gerade verwendeten Messbereich (Steilheitsskala 3mA/V) kuriert, oder wirklich auch alle
anderen Messbereich
a) überhaupt von einer erhöhten Abweichung betroffen sind und
b) durch meinen 22Ohm-Widerstand kuriert werden.
Um wenigstens einen Eindruck davon zu bekommen, stecke ich die Steilheitsskala einmal
auf 1,5mA/V um und rechne den Anzeigefehler aus.

Kalibr. L3-3 Reparaturbericht
Marc Michalzik; V1.25a Seite 95 von 125
33 NF-Ausgangsteiler
Den NF-Ausgangsteiler möchte ich mir noch einmal näher angucken. Aber nur rein Interesse-
halber.
Abbildung 116: NF-Ausgangsteiler (Schaltplanauszug)
Ich habe einmal einen kleinen Schaltplanauszug mit abgedruckt. Man erkennt, dass an Punkt
8 der Prüfoszillator seine 450mVeff Ausgangsspannung in dieses Widerstandsgebilde ein-
speist. Durch das Setzen von Stöpseln im Stöpselfeld wird an der gewünschten Stelle das her-
untergeteilte Signal abgegriffen und zum Gitter der zu prüfenden Röhre geschaltet. Ich wollte
nun wissen, wie genau dieser Teiler arbeitet.
Abbildung 117: Wertetabelle NF-Ausgangsteiler Messung
Die Tabelle in Abbildung 117 erscheint auf den ersten Blick zwar langweilig, ist aber recht
lehrreich. Wir erkennen erst einmal, welche Teilerfaktoren theoretisch herauskommen sollen;
nämlich 1,2,4,10,20,40 und 100. Damit werden die gewünschten Steilheits-Messskalen zwi-
schen 0,75mA/V und 75mA/V erzeugt.

Kalibr. L3-3 Reparaturbericht
Marc Michalzik; V1.25a Seite 96 von 125
33.1 Amplitudenabfall
Wir erkennen ebenfalls, dass der interne 1,4kHz-Prüfosziallator des L3 die NF-Teilerkette
recht gut treiben kann; seine Ausgangsspannung bleibt in allen gesteckten Messbereichen
weitgehend konstant bei ca. 480mVeff.
Abbildung 118: Amplitudenabfall des int. Prüfoszillators
Lediglich im kleinsten Messbereich (0,75mA/V) bricht der Oszillator in seiner Ausgangs-
amplitude um etwa 1,4% ein- für einen unstabilisierten Röhrenoszillator gar nicht einmal
schlecht. Offensichtlich wird der OSC in dieser Stellung am meisten belastet.
Schlaue Leute können nun anhand der Widerstandswerte an der NF-Teilerkette in Verbin-
dung mit dem beobachteten Pegeleinbruch den Ausgangswiderstand des OSC ausrechnen.
Wer so schlau ist, kann mir das ja mal per email zuschicken. Ich würde mich nicht wun-
dern, wenn etwa 2kOhm herauskommen würde- wie der Kathodenwiderstand von Röhre
VL15 ;-)
Amplitudenabfall des int. 1,4kHz Prüfoszillators
beim Wechsel des Gm-Messbereichs
(Ursache: wechselnde Belastung)
-1,6%
-1,4%
-1,2%
-1,0%
-0,8%
-0,6%
-0,4%
-0,2%
0,0%
01020304050607080
Steilheits-Messbereich [mA/V]
Amplitudenfehler [%]
0
,
75
1
,
5
3
7
,
5 15 30 75

Kalibr. L3-3 Reparaturbericht
Marc Michalzik; V1.25a Seite 97 von 125
33.2 Teilerfaktor
Ebenfalls interessant ist, wie der gemessene Teilerfaktor in den einzelnen Steilheits-
Bereichen ist. Wir erkennen ihn in folgender Grafik:
Abbildung 119: Teilerfaktoren NF-Ausgangsteiler
Hier kann man wieder schön sehen, wie uns bei den hohen Messbereichen (30mA/V und
75mA/V) die Effekte "Restbrumm" und "Rauschen" die Messung versauen. Laut Mathe-
matik liegen in diesem Messbereich lediglich 4,5mVeff Signalspannung am Gitter der Röh-
re an. Obwohl ich zu diesem Zeitpunkt meinen L3 bereits hinsichtlich DC-Filter entschei-
dend verbessert habe (ich beschreibe das erst etwas weiter hinten in diesem Reparaturbe-
richt), misst mein Rohde&Schwarz UDS5 hier bereits fast 17mV Wechselspannung als
Gitterspannung- das "versaut" uns natürlich komplett die Grafik.
Weil ich im Moment keinen Grund zu der Annahme habe, das hier irgendwas kaputt ist,
bin ich dem jetzt nicht mehr nachgegangen, woher das nun wirklich kommt. Ich begnüge
mich mit der Vermutung, dass der von mir verwendete Messaufbau hier wohl einfach an
seine Grenzen stößt (man kann auch nicht allem hinterher, sonst komme ich hier nie zu
Ende... ;-).
Nf-Ausgangsteiler
ermittelte Teilerfaktoren
0
20
40
60
80
100
120
0 1020304050607080
Steilheits-Messbereich [mA/V]
Teilerfaktor
real
ideal

Kalibr. L3-3 Reparaturbericht
Marc Michalzik; V1.25a Seite 98 von 125
34 Lampenwechsel
Achja- so ein paar Kleinigkeiten habe ich noch an meinem L3 gemacht. Zum Beispiel war die
Netzkontrolllampe bei mir defekt. Ich habe bei Reichelt eine neue 6V-Glühlampe bestellt (Be-
stellnummer "L2207", 6V/100mA) und sie in die Fassung gesteckt.
Ergebnis: leuchtet nicht. Toll.
Dann mit Glashaarradierer die Kontakte an der Fassung freigerubbelt und angelötet.
Abbildung 120: Netzkontroll-Lampe des L3
Ergebnis: leuchtet wieder! Gut so!
Abbildung 121: es wurde Licht...
"Job done". Weiter.

Kalibr. L3-3 Reparaturbericht
Marc Michalzik; V1.25a Seite 99 von 125
35 Kondensatoren einbauen
Etwas spät, aber ich wollte es dennoch erwähnen. In Kapitel 24 habe ich ja ausführlich das
Thema "DC-Filter" beschrieben. Auch wenn ich den Nachweis erbracht habe, dass z.B. die
Erhöhung der Filterkondensatoren für die Anodenspannung in der Praxis nicht viel bringen
(zumindest nicht beim Prüfen einer ECC83), so habe ich schließlich dennoch die dort be-
schriebenen Kondensatoren alle noch bei meinem L3 nachgerüstet. Schlechter ist er damit mit
Sicherheit nicht geworden!
35.1 Anodenspannung
Die zusätzlichen Anoden-Elkos habe ich einfach mit Heißkleber auf die Filterbank geklebt,
seitlich noch etwas abgestützt und dann mit dicken Kabeln durch ein eh bereits vorhande-
nes Loch geführt und parallel zu meinen 30µF C35 und C36 angeschlossen. Damit habe
ich nun je 250µF für C35 und 250µF für C36. Die Restwelligkeit der Anodenspannung
über den Elkos ist damit von etwa 5Veff auf 0,7Veff gesunken.
Abbildung 122: zusätzliche Filter für Anodenspannung
35.2 Gitterspannung Elko C8
Die zusätzliche Spannungssiebung für Gitter1 (Elko C8) habe ich natürlich auch eingebaut.
da isser!
Abbildung 123: weitere 56µF für Gitter1

Kalibr. L3-3 Reparaturbericht
Marc Michalzik; V1.25a Seite 100 von 125
In Zukunft wird ein 56µF/450V-Elko die Gitterspannung zusätzlich glätten.
35.3 Gitterspannung Elko C41
Und natürlich habe ich C41 vergrößert. Das hatte ja nachweislich den größten Beitrag zu
sauberen Spannungen gebracht. Hier habe ich es richtig krachen lassen und wirklich die
220µF ausgewählt. Bis jetzt habe ich keine nachteiligen Effekte dadurch feststellen kön-
nen.
36 Gitter2 Angstwiderstand
Noch eine Kleinigkeit. Auf der Suche nach dem heiligen Gral der sauberen Gleichspannungen
habe ich mit Thomas (siehe Kapitel 23) auch noch -mehr zufällig- einen weiteren Fehler ge-
funden. Nach dem Abschrauben der Schutzhaube im Längsregler-Teil haben wir einen halb-
verkokelten R110 entdeckt.
R110
(1,95kOhm)
Abbildung 124: Schaltplanauszug Gitter2-Regelung
So sah er aus:

Kalibr. L3-3 Reparaturbericht
Marc Michalzik; V1.25a Seite 101 von 125
Und gegen das da haben wir ihn ausgetauscht:
Abbildung 125: R110 wurde repariert
R110 ist eine Art "Angstwiderstand", der den Stromfluss aus der Spannungsquelle für die
Gitter2-Spannung begrenzt. Offensichtlich ist hier in der Vergangenheit einmal viel Strom
geflossen, so dass einer von den R110's (besteht im Original aus zwei parallel geschalteten
3,9kOhm Widerständen) überlastet wurde.
Statt der Parallelschaltung habe ich nun eine Reihenschaltung von zwei 1,0kOhm-
Widerständen eingebaut, die hatte ich gerade noch herumliegen. Laut Manual soll die Kombi-
nation 1,95kOhm haben; nun hat sie 2,0kOhm, das ist hier aber absolut unkritisch. Viel wich-
tiger ist es, dass die Kameraden eine hohe Belastbarkeit haben (2Watt), damit sie nicht gleich
wieder Feuer legen im L3.
Gut, auch diese Baustelle ist nun wieder geschlossen.
Achja, der dicke Klotz unten rechts mit den gelb lackierten Gewindestangen ist übrigens der
Gleichrichter für die Anodenspannung (Dioden D5 und D6).

Kalibr. L3-3 Reparaturbericht
Marc Michalzik; V1.25a Seite 102 von 125
37 Shunt PCB
Zwischendurch war ich mal auf Widerstandssuche und habe das Bestückungsbild der Leiter-
platte aufgenommen, die direkt unter dem Messinstrument zu finden ist. Das fehlte bislang im
Manual immer.
Vorderseite
Abbildung 126: Vorderseite der Shunt-PCB
Rückseite:
Abbildung 127: Rückseite der Shunt-PCB

Kalibr. L3-3 Reparaturbericht
Marc Michalzik; V1.25a Seite 103 von 125
38 µA-Meter
Das Mikroamperemeter ist die letzte Baustelle, die ich nun beackern werde. Es wird dazu
benutzt, Feinschlüsse zwischen den Elektrodenelementen zu erkennen sowie Gitterstrom zu
messen. Weiterhin kann man damit auch "Anodenstrom zu Beginn der Kennlinie" messen,
wie das Manual nicht aufhört, zu beteuern. Leider weiß jedoch kaum jemand, was "Anoden-
strom zu Beginn der Kennlinie" genau sein soll. Die "Kennlinie" könnte die bekannte Über-
tragungsfunktion Ia(-Ug) sein. Sie "beginnt" nach meiner Logik aber bei Ug=0V. Um den
Stromfluss einer KT88 bei 0Volt Gitterspannung zu messen, braucht man aber kein µA-
Meter, sondern einen 10A-Shunt!
Das kann also nicht gemeint sein. Aber was ist gemeint? Keine Ahnung, das bleibt für mich
ein Rätsel. Ist mir aber auch relativ egal- ich vermisse nichts an meinem L3, wofür mir eine
Messmöglichkeit fehlen würde.
38.1 Inbetriebnahme "Isolation"
Um das µA-Meter zu überprüfen, habe ich einfach einen Leckstrom mit einer Wider-
standsdekade zwischen Kathode und Gitter simuliert. Durch das Banana-Deck ist das ja
nun eine Kleinigkeit.
Abbildung 128: Leckstrom künstlich simulieren
Einfach die von meinem Opa Kurt noch selbstgebastelte Widerstandsdekade rangestöp-
selt, wie wild dran herumgekurbelt und noch das UDS5 in Reihe, damit ich den wirklich
fließenden Strom auch messen kann.

Kalibr. L3-3 Reparaturbericht
Marc Michalzik; V1.25a Seite 104 von 125
Abbildung 129: Widerstandsdekade Modell "Kurt" und UDS5
Ich stelle einmal locker flockige 100µA ein, damit kann man noch nicht so schrecklich
viel kaputt machen, falls ich mich irgendwo verstöpselt haben sollte. Aber siehe da:
Abbildung 130: Isolationsmessung mit 100µA Teststrom
Scheint zu gehen! Offensichtlich scheint der Endausschlag bei 150µA zu liegen. Eigen-
artig- aber im Steckfeld oben ist doch 3µA gesteckt...hmmm...??
Allen L3-Besitzern sei jetzt gesagt, dass man hier schnell in eine Falle tappen kann!

Kalibr. L3-3 Reparaturbericht
Marc Michalzik; V1.25a Seite 105 von 125
Die Skala für das µA-Meter ist bei der Funktion "Isolationsmessung" immer auf 150µA
fest eingestellt- völlige egal, was man oben im Steckfeld festgelegt hat! Musste ich auch
erstmal drauf kommen. Die Bedienungsanleitung hat dann aber weitergeholfen... ;-)
Erwähnenswert erscheint mir noch, dass man die Prüfspannung für die Isolationsmes-
sung im Steckfeld einstellen kann: es stehen +250V und +100V wahlweise zur Verfü-
gung. Das finde ich mal angenehm- schließlich ist so eine hohe Prüfspannung auch ab-
solut praxistauglich.
38.2 Inbetriebnahme "Gitterstrom"
Um wirklich die ganzen anwählbaren Messbereiche des µA-Meters zu testen, musste
ich also eine andere Betriebsart wählen. Ich entschied mich für den Gitter1-Strom, den
man mit dem rechten PARAMETER-Drehschalter wählen kann.
Also los: die Widerstandsdekade zwischen Gitter1 und Kathode gesteckt, den L3 ent-
sprechend eingestellt und dann losprobiert.
Abbildung 131: L3 bereit zur Gitterstrom-Messung
Mit der Schraubzwinge habe ich mal den MESSUNG-Knopf arretiert, weil mir das Drü-
cken zu anstrengend war :-)

Kalibr. L3-3 Reparaturbericht
Marc Michalzik; V1.25a Seite 106 von 125
Die mit der Widerstandsdekade justierten 3µA zeigen am UDS5:
Abbildung 132: 3µA SOLL
und am L3:
Abbildung 133: 3µA IST
Das geht mir jetzt mit allen Messbereichen so. Die Anzeigegenauigkeit ist durchweg
ohne Tadel. Liegt möglicherweise auch daran, dass das µA-Meter von mir ja komplett
mit refurbished wurde, als ich die Audio-PCB aufgearbeitet habe (da sitzt es ja mit
drauf). Die neuen Bauteile tun unserem Kumpel L3 also offensichtlich sehr gut.

Kalibr. L3-3 Reparaturbericht
Marc Michalzik; V1.25a Seite 107 von 125
Ich wollte noch was zum Vorzeichen des UDS5 sagen: dort sieht man "-3µA" im Dis-
play. Das liegt daran, dass die Gitter1spannung normalerweise negativ ist. Daher fließt
der Strom ja auch rückwärts- was mir das UDS5 mit dem Minus mitteilten will. Also al-
les in Ordnung, kein Grund zu Sorge.
Abbildung 134: die Universalkarte mit Markierungen zur Messung einer ECC83
38.3 Fazit
Ich könnte Euch jetzt noch haufenweise Fotos der verschiedenen µA-Skalen und des
L3-Messinstruments bei sauberem Vollausschlag abdrucken, aber das würde uns nicht
entscheidend weiterbringen. Jeder der Messbereiche wurde geprüft und funktioniert oh-
ne Auffälligkeit. Ich erkläre das µA-Meter damit für einsatzbereit! :-)
Abbildung 135: Einstellung im L3 für µA-Meter Betriebsart "Gitterstrom"

Kalibr. L3-3 Reparaturbericht
Marc Michalzik; V1.25a Seite 108 von 125
39 Abschlusskapitel (1. Versuch)
Man glaubt es kaum, aber auch dieser Bericht soll sich nun dem Ende neigen. Eigentlich
sollte man -didaktisch korrekt- am Ende einer Arbeit noch einmal alles zusammenfas-
sen, damit der Stoff im Gehirn besser hängen bleibt. Ich behaupte jedoch, diese Regel
wurde eher deswegen erfunden, damit Professoren die langweiligen Ergüsse Ihrer Dip-
lomanden nicht über hunderte von Seiten im Detail ertragen müssen, sondern am Ende
lieber den ganzen Schwall in geballter Form abkriegen. Die wahren Männer wollen es
doch meist lieber "kurz und schmerzvoll".
Weil ich hier keine Diplomarbeit schreibe, sondern einen einfachen Reparaturbericht,
muss ich mich nicht an diese Regel halten. Zum einen schon deshalb, weil ich mich
auch traue, Fotos von Erdbeerkuchen in einem technischen Bericht mit abzudrucken
(kommt, gebt es zu: der Kuchen von unserem Bäcker in Abbildung 64 ist eine Wucht,
oder??) und zum anderen, weil ich die Art von Arbeiten, wo man noch eine Zusammen-
fassung schreiben musste, nun hoffentlich in meinem Leben schon alle hinter mir habe.
Oder...wer weiß ;-)
Auf jeden Fall bin ich mit meinem L3 nun "durch" und um ehrlich zu sein, gelüstet es
mich nun auch langsam nach Neuem. Zum Beispiel den Bau eines Holzunderstands im
Garten- natürlich ordentlich mit Beton-Fundamenten ;-) aber auch das Beobachten der
ersten Krabbelversuche unseres kleinen "neuen Bastelprojekts" können doch auch ganz
niedlich sein. Dafür werde ich mir nun erstmal Zeit nehmen.
40 was man sonst noch machen könnte...
...aber nicht macht oder zumindest lieber nicht mache sollte.
Eine ganze Menge. Man könnte die internen +250V einmal so richtig auseinander neh-
men und untersuchen- auch hinsichtlich Restbrumm und Auswirkungen auf die daran
angeschlossene Elektronik. Man könnte den MESSUNG-Knopf gegen einen Schalter
austauschen, damit man keine Schraubzwinge mehr zum Festhalten braucht. Oder es
sich "so richtig geben" und die ganzen Spannungsteiler für Anodenspannung, Strom,
Gitterspannung, usw.. abgleichbar machen. Oder den 1,4kHz-Generator durch eine mo-
dernere Version ersetzen. Oder den Steilheits-Frequenzgang aufnehmen und analysie-
ren, oder, oder, oder...
Wer immer sich an sowas wagen sollte, der darf mir gerne eine email schreiben und sei-
ne Erfahrungen mitteilen! Ich werde ihn auch nicht auslachen, weil ich weiß, auf welch
bescheuerte Ideen man manchmal kommt, wenn man nur lange genug über was nach-
denkt. Als Belohnung verrate ich dann auch gerne die Adresse unseres Bäckers mit dem
leckeren Obstkosten aus Abbildung 64. :-)

Kalibr. L3-3 Reparaturbericht
Marc Michalzik; V1.25a Seite 109 von 125
41 Thomas lässt die Bombe platzen
Das Beste kommt normalerweise immer zuletzt. Und so kam es auch hier. Thomas schrieb
mir kurz vor Abschluss des Berichts folgende Zeilen:
"IchwilljaDeineFreudenichtdämpfen,aberichglaube,daßDudurchdieWiderstandsänderungnur
einenFehlerdurcheinenanderenkompensierthast.SonstmüßtenjaalleL1/L3dengleichenFehler
habenundsoblödsinddieRussensichernicht.
WennichdieSergeev‐Schaltungrichtigverstehe,istsieeineRegelschaltung,umdendynamischen
Anodenwiderstandzuverringern.
Belegdafürist,daßlt.SchaltbildderSteilheitsmesseramfalschenEndevonR57angeschlossenist.
Offenbarwerdendie1,4kHzvomPrüflingüberC7ang1vonVL4unddannverstärktg1von
VL1||VL2zugeführtunddiedarausentstandeneKompensationsspannungüberdieVL1/2‐Kathoden
demNF‐MesserundüberR57demPrüflingzugeführt.VL1/2/4habendemnacheineDoppelfunktion!
VielSpaßbeimKnobeln;‐)"
Mist!
Das klingt leider nur allzu einleuchtend! Ich darf das hier sehr gerne öffentlich zugeben, denn
von dem ehemaligen Gruppenleiter des Messtechnik-Teams eines großen, deutsches Traditi-
onsunternehmens auf einen Denkfehler aufmerksam gemacht zu werden, ist sicher keine
Schande! Man darf daher mit großen Respekt behaupten, dass Thomas diesen Job zu Recht
hatte.
Nach diesem Denkanstoß habe ich die Sergeev-Schaltung nun wohl endlich einigermaßen
kapiert. Ich erklär's Euch mal kurz, was Thomas mit nur einem kurzen, routinierten Blick na-
türlich sofort gesehen hat und wofür ich erst die "Kopfnuss" brauchte:
C7
Abbildung 136: Schaltplanauszug L-3

Kalibr. L3-3 Reparaturbericht
Marc Michalzik; V1.25a Seite 110 von 125
Im L3 wird doch tatsächlich die Anodenspannungs-Endstufe für die Steilheitsmessung mit
benutzt! Und zwar wird der durch den Anodenwiderstand R57 fließende Anodenwechsel-
strom als Regelgröße über C7 mit auf die Endstufe eingekoppelt. Dadurch regelt die Endstufe
die durch den 1,4kHz Prüfgenerator erzeugte und durch die Prüfröhre schließlich verstärkte
Signalspannung wieder aus! Was wir letztendlich mit dem selektiven Voltmeter dann messen,
ist die Kompensationsspannung der Endstufe, mit der die Anodenwechselspannung wieder
ausgeregelt wird!
Das ist genial: denn damit entkoppelt man den ganzen Kram nicht nur, sondern stellt auch
einen direkten Bezug zur Gerätemasse her! Man muss die nachfolgenden Schaltungsteile (se-
lektives Voltmeter) nicht mehr floaten lassen, sondern kann sie ganz einfach massebezogen
weiterverarbeiten!
Mich erinnert dieses Prinzip ein wenig an PLL-Oszillatorschaltungen, wo manchmal die Re-
gelspannung einer PLL zum Demodulieren/Modulieren missbraucht wird oder sogar eine nor-
male NF-Endstufe funktioniert oft nach dem Prinzip, dass sie stets bestrebt ist, eine an den
Eingang gelegte "Störgröße" (das ist bei uns die Signalspannung) am Ausgang auszuregeln
und damit stets im eingeschwungenen Zustand zu verbleiben. Solang die Endstufe (oder die
PLL) schnell genug ist, funktioniert das ganz hervorragend!
Mit Thomas' Theorie kann ich nun schlagartig auch mindestens zwei weitere Dinge erklären,
die mir aufgefallen sind:
1. Den nach unten abgeschnittenen Frequenzgang (f<200Hz). Hier reicht nämlich ver-
mutlich der 100nF Koppenkondensator C7 nicht mehr aus, um die Anodenwechsel-
spannung stark genug in die Endstufe einzukoppeln, womit das Ausregeln nicht mehr
so gut funktioniert und die Regelspannung kleiner wird. Damit auch die Anzeige des
Steilheitsmessers!
2. Warum eine vergrößerte Filterbank im Anodenstromkreis den Messwert nicht verän-
dert: die Sergeev-Schaltung ist konstruktionsbedingt bereits unempfindlich gegen eine
wellige Anodenspannung; sie "schwimmt" quasi auf der Welligkeit der Anodenspan-
nung "mit"! Eine weitere Glättung der Anodenspannung bringt hier kaum einen weite-
ren Vorteil.
Man muss den Konstrukteuren gegenüber mal wieder den Hut ziehen; sie haben hier wirklich
ein großartiges Gerät entwickelt. Angesichts dieser Leistung lässt es sich auch verschmerzen,
wenn der Schaltplan nicht so toff gezeichnet ist, wie ich es mir gerne gewünscht hätte. Aber
vermutlich haben sich auch die russischen Ingenieure intelligentere Hobbybastler gewünscht,
die ihre Schaltung gleich durchblickt hätten- trotz schlechter Darstellung. Damit sind wir
quitt, denke ich :-)

Kalibr. L3-3 Reparaturbericht
Marc Michalzik; V1.25a Seite 111 von 125
Zum zweiten Thema, das Thomas ansprach: nämlich die zusätzlichen 20Ohm im Anodenwi-
derstand R57:
Thomas erscheint die von mir vorgeschlagene Änderung des Anodenwiderstands etwas su-
spekt, denn so ein krasser Designfehler würde den "Russen"* bei der Entwicklung des L-3
sicher nicht passieren!
*Anmerkung: Dieser Ausdruck bekräftigt unseren Respekt vor den Entwicklern des L3- ganz gleich, welcher
Nationalität sie waren! Ich schreibe das so explizit, dass mir hier einer am Ende nicht noch Fremdenfeindlichkeit
nachsagt- im Gegenteil: ich bin bekennender "Vielfalt-Fan" und Thomas ebenso!
Ich meine auch, dass der L-3 viel zu clever konstruiert ist, um sich letztendlich dann noch so
einen Entwicklungs-Patzer zu erlauben. Vielmehr vermute ich, dass der L-3 zum Zeitpunkt
seiner Auslieferung einwandfrei und mit sehr hoher Präzision gearbeitet hat. Möglicherweise
hat dann aber der Magnetismus im Messwerk des L3 etwas nachgelassen, wodurch er nun zur
Anzeige der Messwerte etwas mehr Strom benötigt als früher. Ein solches Phänomen ist bei
vielen älteren Geräten mit analogen Messinstrumenten zu beobachten und daher nicht unge-
wöhnlich. Und letztendlich konnte ich mit meiner langen Messreihe in Kapitel 18 bereits
nachweisen, dass das L3-Instrument ja durchaus einen ganz geringen Prozentsatz zu wenig
anzeigt.
Nun- der um 20Ohm größer benötigte Anodenwiderstand erzeugt letztendlich bei Stromfluss
natürlich jetzt einen um etwa 5% größeren Spannungsabfall, somit also eine um 5% größere
Ausgangsspannung. Ich vermute, dass das die leichte "Taubheit" des Messinstruments kom-
pensiert. Und weiterhin ist der 20Ohm-Widerstand ja auf Grundlage einer richtigen Messung
des wirklich benötigten Stromflusses durch das Messinstrument berechnet worden (-nämlich
125,5mV statt 120mV - wir erinnern uns!). Ich vermute sehr stark, dass -wenn das Messin-
strument bereits bei 120mV den korrekten Ausschlag auf die CAL-Marke machen würde-
auch der serienmäßig eingebaute R57 in seinem Wert ganz genau passt. (Ich habe es einmal
nachgerechnet und es kommt fast ganz genau 120mV heraus).
Von einen "Serienfehler" würde ich daher also keinesfalls sprechen. Vielmehr jedoch von
einem möglicherweise globalen Problem vieler L3's- ich kann einfach nicht ignorieren, dass
nicht nur meiner um etwa 5% zu kleine Werte anzeigte, sondern mir auch Jac von seinen bei-
den L-3's ganz ähnliche Abweichungen berichtete. Das sind 3 von 3 Geräten- zu viel für einen
Zufall, oder?
Auf jeden Fall reichte diese Erkenntnis es bereits aus, dass sich Jac schon um neue Gleich-
richterdioden Gedanken machte- ich nehme mal an, jetzt hält ihn auch nichts mehr, wo er
weiß, wie man diese Ungenauigkeit im L-3 noch wirksam bekämpfen kann. Und- sein wir
mal ehrlich- selbst ohne diese Maßnahme liefert auch ein nicht modifizierter L-3 mehr als
hinreichend genaue Messwerte! Wir klagen hier also auf sehr, sehr hohem Niveau. Viele Hi-
ckok-Besitzer wären froh, auch nur in die Nähe dieser Genauigkeit zu gelangen. (Ich hoffe,
ich trete damit niemandem zu nahe; aber ich als ebenfalls-Hickok-Besitzer zähle mich da auch
durchaus mit dazu und darf das daher vielleicht sagen!)
Und was wir auch bedenken müssen: selbst unsere Prüflinge schwanken mehr oder weniger
stark im Prozent-Bereich! Alleine durch Erwärmung oder nur geringfügige Änderung der
Heizspannung erhalten wir so große Unterschiede in der Steilheit, dass die zusätzliche Unge-
nauigkeit bei der L3-Steilheitsmessung kaum mehr ins Gewicht fällt.

Kalibr. L3-3 Reparaturbericht
Marc Michalzik; V1.25a Seite 112 von 125
Das wollte ich noch einmal feststellen, bevor mir nun jeder (bisher) glückliche L-3-Besitzer
mir nun frustriert seine Röhrenprüfgerätesammlung zum Verschrotten vor die Haustür stellt.
Mit einem L-3 (modifiziert oder nicht) misst man immer "ganz vorne" mit, kein Zweifel!
42 Abschlussmessung "Steilheit"
Um mein schlechtes Gewissen doch noch irgendwie zu beruhigen, dass ich jetzt nicht die
ganze L3-Community mit 22Ohm-Anodenwiderständen vergifte und nachher möglicherweise
noch Unsinn erzähle, wollte ich die Auswirkung meines im Wert erhöhten R57 Anodenwider-
stands -wenigstens stichprobenartig- noch einmal final überprüfen.
42.1 Wir messen...
Alle meine Messungen habe ich bislang immer nur mit einer ECC38 in einem bestimmten
Steilheits-Messbereich (3mA/V) durchgeführt. Auf Grundlage der Messungen in genau
diesem Betriebszustand des L3 habe ich meine Verbesserungen evaluiert und eingebaut.
Nun könnte es ja sein, dass nur genau *dieser* Messbereich in seiner Genauigkeit verbes-
sert wurde, im Gegenzug jedoch sich andere Messbereiche aber möglicherweise ver-
schlechtert haben! Um das zu überprüfen, habe ich -zwar immer noch mit derselben
ECC83- einige andere Gm-Messbereiche ausprobiert. Der L3 bietet hier einen empfindli-
cheren Messbereich mit 1,5mA/V sowie den größeren mit 7,5mA/V. Alle anderen Berei-
che machen hier wenig Sinn, da der Zeiger entweder die Skala verlassen oder die Aus-
schläge so gering wären, dass man auf der Skala nichts mehr ablesen könnte.
Als Referenz schleife ich wieder mein UDS5 in den Anodenstromkreis ein, sowie messe
mit dem URE3 bei aktivierten NF-Filtern die am Röhrensockel anliegende Gitterwechsel-
spannung. Dann berechne ich aus diesen Werten die tatsächliche Steilheit. Die vergleiche
ich mit dem Wert, den ich am L3-Anzeigeinstrument ablese.
Die Messung mache ich einmal direkt nach dem Einschalten des L3 und dann nochmals,
wenn das Gerät (nach Spezifikation mindestens eine halbe Stunde lang) warmgelaufen ist.
Abbildung 137: Genauigkeit der Steilheitsmessung bei Kaltstart
Und dasselbe nochmal nach ca. 1 Stunde:

Kalibr. L3-3 Reparaturbericht
Marc Michalzik; V1.25a Seite 113 von 125
Abbildung 138: Genauigkeit der Steilheitsmessung nach Warmlauf
Hier die Anzeigen des L3. Darstellung etwas verfälscht durch Parallaxenfehler beim Fotogra-
fieren. Korrekt sind die Werte aus der Tabelle.
Abbildung 139: Bereich "1,5mA/V"
Abbildung 140: Bereich "3mA/V"
Abbildung 141: Bereich "7,5mA/V"

Kalibr. L3-3 Reparaturbericht
Marc Michalzik; V1.25a Seite 114 von 125
42.2 ...und wir lernen daraus...
Überraschenderweise ermittele ich zwischen kaltem und warmem L3 kaum Unterschiede.
Das bedeutet, dass von der im Manual vorgeschriebene Warmlaufphase in der Praxis auch
abgewichen werden kann, ohne gleich große Messfehler in Kauf nehmen zu müssen. Diese
Nachricht ist erst einmal gut für alle die, die nur wenig Zeit haben und nicht immer gleich
eine ausgedehnte Kaffeepause einlegen wollen, bevor sie mit dem L3 eine Messung begin-
nen (das trifft übrigens auch für mich zu).
Dann bestätigt uns die Messung, dass der L3 in dem Messbereich, der von der ECC83-
Prüfkarte vorgeschlagen wird, im Steilheitsmesser jetzt tatsächlich reproduzierbar eine sehr
gute Anzeigegenauigkeit bietet! Ein Messfehler von nur +0,4 bzw. +0,3% darf den L3 in
der Familie der Röhrenprüfgeräte in die absolute Spitzenklasse katapultieren!
Interessant ist, dass der nächst kleinere Messbereich (1,5mA/V) eine etwas größere Unge-
nauigkeit aufweist, obwohl er mit der Anzeige des Messwerts das Anzeigeinstrument bis
zu etwa 90% seines Darstellungs-Skalenbereich aussteuert. Also dort, wo das Instrument
eigentlich die größte Genauigkeit besitzen müsste. Trotzdem ist der Anzeigefehler in die-
sem Messbereich sogar etwas größer: nämlich etwa +3%. Immernoch ein Wert, mit dem
man gut leben kann!
Erwartungsgemäß ist der Anzeigefehler im höheren 7,5mA/V-Messbereich am größten.
Hier haben wir eine Abweichung von mehr als -7%. Ich erkläre mir das so, dass sich hier
die Amplituden- Nichtlinearität des selektiven Voltmeters zeigt, das ja besonders bei klei-
nen Signalspannungen besonders hohe Fehler erzeugt. Das Messinstrument schlägt hier
durch die hohe Skala nur zu etwa 15% seines möglichen Anzeigebereichs aus. Das beweist
uns, dass wir uns hier definitiv in diesem kritischen Bereich der besonders hohen Abwei-
chungen bewegen.
42.3 Fazit
Es ist zwar gut gemeint, aber diese Messung kann -seriös denkend- dennoch nur als kleine
Stichprobe für einen Einzelfall bezeichnet werden. Um eine wirklich belastbare Aussage
über die zu erwartende Ungenauigkeit des L3 bei der Steilheitsmessung zu erzeugen, reicht
das Überprüfen mit einer einzelnen Röhre in nur drei verschiedenen Messbereichen ein-
fach nicht aus. Hier müssten auch andere Röhrentypen, die andere Steilheits-Messbereiche
erfordern, vermessen werden. Schlichtweg aus Zeit- und Aufwandsgründen habe ich das
hier nicht gemacht, sondern beschränke mich auf diese Stichprobe.
Realistisch gedacht, bin ich allerdings überzeugt, dass ich selbst mit dieser einfachen Stich-
probenmessung immernoch mehr Erkenntnisse über meinen L3 gewonnen habe, als viele
andere L3-Besitzer in ihrem Leben je über ihr Gerät lernen werden!
Zu provokant? Ich begründe Euch, warum ich so denke...

Kalibr. L3-3 Reparaturbericht
Marc Michalzik; V1.25a Seite 115 von 125
43 Kalibrierung (Abschlusskapitel, 2. Versuch)
Ich muss leider diesen Eindruck gewinnen, wenn ich mir die Beschreibungen von Auktionen
einiger online-Auktionshäuser mal etwas genauer ansehe. Da weiß so ziemlich *niemand*,
was genau er da eigentlich verkauft. Wie Jac mir schon traurig schreibt: es gebe leider kaum
einen Markt für gut und sorgfältig restaurierte Röhrenprüfgeräte. Viele Käufer entscheiden
sich meist ausschließlich über den Preis- ohne lang zu überlegen, was sie dafür eigentlich be-
kommen. Ich hoffe, ich trete hier niemandem zu nahe, meine persönliche Auffassung ist aber
die:
Wenn wir über ein ehrliches PRÜFgerät reden, mit dessen Hilfe ich später Bauteile auf ok
oder nok PRÜFEN will (ggfs. auch darüber entscheide, sie bei Defekt wegzuschmeißen oder
nicht), kann ich ein online-Schnäppchen in unbekanntem Zustand einfach nicht gebrauchen.
(Einzige Ausnahme: ich kaufe es mit dem Ziel, es später selber aufzuarbeiten und zu kalibrie-
ren)! Was mich hier nur wirklich weiterbringt, ist ein PRÜFgerät, auf das ich mich nachweis-
lich verlassen kann. Und das kann ich bei so alten Möhren nur, wenn sie vorher wenigstens
geprüft; besser jedoch: komplett restauriert und justiert sind. Dass das Aufwand bedeutet und
damit dieser Aufwand am Ende auch irgendwie bezahlt werden will, liegt in der Natur der
Sache. Wenn man einigermaßen sachkundig ist und die Zeit dazu hat, kann man das selber
machen- wie ich hoffe, in diesem Reparaturbericht bewiesen zu haben. Wenn aber nicht, dann
führt am Kauf eines gründlich überprüften Gerätes eigentlich kein Weg mehr vorbei.
Was aber tun, wenn man doch nicht widerstehen und den "Schnäppchen-Knopf" bereits schon
geklickt hat? Dann solltet ihr das tun, was man in der professionellen Messtechnik immer
macht, wenn man herauskriegen will, ob ein Messgerät wirklich funktioniert: man besorgt
sich kalibrierte Prüfnormale, von denen man ganz genau weiß, welchen Messwert sie im
Messgerät erzeugen müssen. Das vergleicht man dann mit der tatsächlichen Anzeige und
schon weiß man ziemlich schnell, ob das eigene Messgerät innerhalb Spezifikation arbeitet
oder nicht. Ich möchte jetzt keine spezielle Werbung machen, aber Jac's Firma
www.jacmusic.com ist tatsächlich das einzig mir derzeit bekannte Unternehmen, das solch
individuell ausgemessene Kalibrierröhren für Hobbybastler und Röhrensammler zum Verkauf
anbietet! Aus meiner Sicht also ein echtes MUSS für jeden, der seriös Röhren prüfen bzw.
messen will/muss.
Achja- eine kleine Anregung habe ich vielleicht noch: nicht jedes Kalibrierlabor besitzt eige-
ne Prüfnormale. Manche werden gemietet, manchmal werden Normale auch zu Evaluations-
zwecke untereinander ausgetauscht und verglichen (man nennt diese dann "Transfernorma-
le"), so dass man sich diese Teile nicht gleich selber kaufen muss.
Vielleicht wäre es eine gute Idee, den Kalibrierröhrensatz gegen eine Gebühr auch zum Aus-
leihen (z.B. 1 Woche) anzubieten! Solange wir im nicht-professionellen Sektor unterwegs
sind, reicht es ja sicherlich aus, die Kalibrierung des eigenen Röhrentesters nur alle paar Jahre
zu wiederholen. Dafür braucht man keinen eigenen Kalibrierröhrensatz, sondern gibt alle paar
Jahre einmal die Leihgebühr aus- das würde bestimmt auch bei der Ehefrau und der Bastel-
kasse für Wohlwollen sorgen :-)
So, Leute, also fasst Euch ans Herz und überlegt Euch ganz ehrlich und gewissenhaft, wofür
ihr Euer Röhrenprüfgerät wirklich einsetzen wollt- und wie Ihr garantieren wollt, dass es auch
richtig funktioniert. Ich denke, ich habe oben schon ein paar gute Anregungen gegeben , die
sicher zum Ziel führen ;-)

Kalibr. L3-3 Reparaturbericht
Marc Michalzik; V1.25a Seite 116 von 125
44 Auswechseln der Pico7-Fassung
Wie ich ja bereits erwähnte, interessierten mich am L3 ja besonders die Funktionen, die ich
für den Test von Hammondorgel-Röhren brauche. Das sind in erster Linie ECC82, ECC83,
6X4, 6AU6, 6C4, 6550, 0C3, Die haben die Fassungen "Oktal", "Noval" - und eben auch die
Pico-7.
Weil ich die Fassung am Ende zur Sicherheit auch noch ausgetauscht habe und weil's recht
interessant war, schreibe ich nochmal was dazu.
Der Austausch dieser Fassung bereitet mir leider erst einiges Kopfzerbrechen, weil die Aus-
tauschfassung an ihrem Befestigungsflansch einen anderen Lochabstand als das Original hat.
Leider ist der Abstand etwas kleiner, so dass ich nicht einfach ein neues Loch in den L3 ju-
beln kann (der Bohrer würde gerade so "halb" das alte Bohrloch treffen und sowas geht aus
meiner Erfahrung immer schief). Ich muss mir was anderes einfallen lassen.
Die Lösung ist ein fast 8mm dickes Stück Aluminium, in das ich von unten die Kontur der
neuen Röhrenfassung etwa 3mm tief ausfräse, so dass ich sie von unten in den Alu-Block
versenkt einschrauben kann. So präpariert kann man den Alublock mit neuer Fassung auf ge-
nau der Stelle auflegen, wo vorher die alte Fassung ihren Platz hatte. Noch zwei Löcher boh-
ren mit dem originalen Lochabstand und schon kann man meinen neuen Röhrenfassungsadap-
ter von oben auf den L3 aufschrauben.
Abbildung 142: Adapterplatte (Frästeil)
So viel zur Idee. Die Umsetzung dauerte jedoch etwas:
Ich besitze zwar eine alte Bohrfräse (Baujahr ca. 1960, aber sehr gut in Schuss), mit der das
Fräsen von Aluminium gar kein Problem ist, doch ist die Kontur der neuen Röhrenfassung
oval. Solche runden Formen kann man ganz schlecht von Hand fräsen, hierzu braucht man
eigentlich eine CNC-Fräse (Computersteuerung), die solch komplexe Formen einfach und
sauber herausarbeiten kann. Da es 1960 noch keine CNC-Fräsen gab, muss ich eben versu-
chen, mit meinen Mitteln irgendwie das Beste daraus zu machen. Die Kontur ist daher nicht
ganz so exakt geworden, aber ich bin dennoch zufrieden. Für "mit Hausmitteln gemacht von
einem Bediener, der normalerweise nur einen Bürojob macht" gar nicht schlecht. Außerdem
sieht man die Ausfräsung nachher ja sowieso nicht mehr, weil sie auf der Unterseite ist.

Kalibr. L3-3 Reparaturbericht
Marc Michalzik; V1.25a Seite 117 von 125
Nach dem Bohren der Löcher und Schneiden der Gewinde bekommt die Sache langsam Ge-
sicht. Der Metallklotz wird noch etwas an den Ecken abgeschliffen, damit er etwas hübscher
aussieht. Heutzutage hat ja auch jedes "App" für's Telefon runde Ecken- sogar die Tagesschau
hat heute "runde Ecken", warum dann also nicht auch mein Adapter für's Röhrenprüfgerät. Ich
muss in Etappen schleifen, denn auf dem Bandschleifer wird der Alublock so schnell so heiß,
dass ich ihn selbst mit Handschuhen nicht mehr anfassen kann und ihn zwischendrin abkühlen
lassen muss.
Abbildung 143: Pico7-Fassung eingelegt
Abbildung 144: Pico7-Fassung bereit zum Einbau
So sieht das Endergebnis aus. Nostalgiepfleger flippen nun sicher komplett aus, aber bei mir
steht hier eindeutig die technische Funktion im Vordergrund! Naja...das sieht man ja auch ;-)
Abbildung 145: Pico7-Fassung fertig ausgewechselt

Kalibr. L3-3 Reparaturbericht
Marc Michalzik; V1.25a Seite 118 von 125
45 Vergleich mit Hickok TV-2
Vielleicht haben es ja einige von euch gemerkt: es fehlt natürlich noch die Auflösung, wie
denn nun der abschließende Unterschied der Messwerte zwischen dem L3-3 und meinem Hi-
ckok TV-2 ist!
Ich habe das nun am Beispiel der ECC83, die angesichts der langen Projektlaufzeit des L3-
Restaurationsprojektes inzwischen wahrscheinlich die am meisten getetste Röhre der Welt
geworden ist, überprüft. Der L3 zeigt hier 1,28mA/V an. Und mein Hickok: 1,8mA/V!* Das
ist ein Unterschied von immerhin 40%!
Hiermit habe ich also noch einmal mehr den abschließenden Beweis erbracht, dass man mit
einem Hickok lieber nicht die µmhos-Skala verwenden sollte, sondern ausschließlich die auf
dem Rollchart aufgedruckten Limits der %-Skala, die der Hersteller anhand umfangreicher
Tests mit vielen, vielen fabrikneuen Röhren damals für uns ermittelt hat. Nur so liefert der
TV-2 eine sinnvolle Aussage, mit der man wirklich etwas anfangen kann!

Kalibr. L3-3 Reparaturbericht
Marc Michalzik; V1.25a Seite 119 von 125
46 Nachtrag: Poti-Änderung für Anodenspanung
VORSICHT! NICHT GETESTET!!!!
So klug die Russen hier sich wieder was mit der Sergeev-Schaltung ausgeknobelt haben, so
sehr legen sie nun Jac's Wunsch nach dem 10Gang-Poti für die Präzisions-
Anodenspannungsregelung auf's Kreuz:
Original hat das Poti zum Einstellen der Anodenspannung (R76) einen Wert von 1MOhm und
ist in Reihe zu einem weiteren 1MOhm, sowie 750kOhm-Widerstand geschaltet. Im worst
case (Anodenspannung +300V) liegt zwischen alle Elementen eine Spannung von 450Volt
(negative Referenzspannung von -150V!), die dann nach dem Ohmschen Gesetz einen Quer-
strom von 164µA erzeugen würde. Dieser Strom wiederum erzeugt in allen drei Bauteile zu-
sammen eine Wärme von insgesamt 74mW.
Leider gibt es 1MOhm Potis in 10Gang-Ausführung so gut wie nicht zu kaufen. Der höchste
Wert eines solchen Potis im Katalog liegt bei 100kOhm.
Die Idee war nun, die Schaltung so umzudimensionieren, dass auch ein 100kOhm-Poti (das es
ja in 10Gang-Ausführung gibt) eingebaut werden kann. In Abbildung 146 habe ich bereits
eine meiner berühmten Terrassen-Block-Stift-Zeichnungen gemacht und die zu erwartenden
Ströme und Spannungen mit dem Datenblatt des auserkorenen 100kOhm-Potis abgeglichen.
Zumindest von der Seite her wäre das Unternehmen "Präzisionspoti" denkbar.
Doch leider habe ich nun langsam Bedenken, ob das ggfs. das Regelverhalten der Sergeev-
Schaltung durcheinander bringen könnte. Die Veränderung der Zeitkonstante mit C7 und
R75,76,77 wäre die Folge, so dass C7 möglicherweise auch verzehnfacht werden muss- und
hier kann ich noch nicht abschätzen, welche Konsequenzen das auf die dynamischen Regelei-
genschaften hätte.
Ich drucke Euch meinen Terrassen-Bleistift-Kritzelblock zu diesem Thema trotzdem einmal
ab- aber nur rein informativ, da ungetestet!. Wer es trotzdem probieren möchte, viel Spaß.
Sagt mir aber nicht, dass ich Euch nicht gewarnt hätte.. ;-)
Falls es doch funktioniert, dann freue ich mich über eine kurze Rückmeldung per email!

Kalibr. L3-3 Reparaturbericht
Marc Michalzik; V1.25a Seite 120 von 125
Abbildung 146: Abschätzung zum Umbau von 1Mohm-Poti nach 100kOhm-Poti: NICHT GETESTET!
VORSICHT! NICHT GETESTET!!!!

Kalibr. L3-3 Reparaturbericht
Marc Michalzik; V1.25a Seite 121 von 125
47 Ausklang (Versuch Nr. 3)
Einen hab ich noch.
Nach über 100 Seiten darf ich sicher noch einen dritten Ausklang-Versuch formulieren, ohne
dass es überzogen wirkt. (Ha ha ha! Welch Gelächter!)
Das L3-Projekt hat mich wieder 'ne ganze Menge Zeit gekostet. Ich hab es als "verheirateter
Junggeselle" begonnen und als waschechter, notorisch müder Familienvater beendet. Na, was
kann es da noch Schöneres geben!
Ich habe mich stundenlang über das nicht zum Gerät passende Schaltbild geärgert und ein
zweites Mal in den Ar... gebissen, als ich merkte, dass Thomas sogar das richtige Schaltbild in
seinem Aktenstapel hatte.
Ich habe geflucht über Word2003, das ab Dateigrößen >500MB (ja, so groß ist dieses Viech
hier inzwischen geworden!) spontan alle Bilder ab Seite 80 im Dokument weggeworfen hat,
bis ich nach dem drittem mal(!) endlich die versteckte "Komprimieren"-Funktion gefunden
habe, die das Dokument endlich wieder auf handliche Größen um die 100MB reduzierte.
Meine Meinung: anstatt das Generieren neuer, knallbunter Office-Versionen, die mir durch
wedelnde Hunde schwachsinnige Ratschläge aufdrängen wollen oder nur noch runde Ecken
kennen (sieht wohl schicker aus), sollten die Jungs vielleicht erst einmal die ganzen Fehler
aus ihren alten Office-Versionen ausbauen, bevor sie zu Neuem schreiten.
An die Office-Entwickler von Microsoft: ich schätze Eure Programme und nutze sie auch sehr
gerne. Seid aber trotzdem froh, dass ich keine Reparaturberichte über Software schreibe... ;-)
Abbildung 147: schon wieder alle Bilder im Dokument weg...!! Arrggghhh!!!!

Kalibr. L3-3 Reparaturbericht
Marc Michalzik; V1.25a Seite 122 von 125
47.1 Übersicht der Arbeiten am L3
Folgende Arbeiten habe ich am L3 durchgeführt:
Grundsubstanz / Wiederherstellung / Reparatur
• Reinigen des Potis für Anodenspannung
• Entkernen und komplett neuer Aufbau der Audio-Leiterplatte (selektives Voltme-
ter, µA-Meter, 1,4kHz-Oszillator)
• Auswechseln Fassungen für 7Pin, Noval und Oktal
• Reinigen der Umschalter für „Eichen/Messen“ (Steilheitsmesser, µA-Meter)
• Auswechseln der teilweise defekten Widerstände für Gitter2-Spannung
• Reinigen der Funktions-Wahlschalter (alle Ebenen)
• Reparatur aufgerauchter Widerstand in Gitter1-Spannungsteiler
• Reinigen und Konservieren der Regelorgane für die Heizspannung
Wartung
• Überprüfung und Instandsetzung der Kondensator-Filterbank
• Prüfen und Ersetzen defekter Röhren in der Elektronik des L3
Kleinigkeiten / Nebensächlichkeiten
• Einbau einer Kaltgerätebuchse und Erdung des Decks
• Ersetzen der Netzkontrolllampe
allgemeine Verbesserungen
• Erneuerung und Ergänzung der Skala des Messwerks
• Auswechseln der Potis für Gitterspannung -10V und -65V gegen 10Gang-
Präzisionspotis
• Auswechseln der Potis für das µA-Meter (10Gangs-Präzisionspotis)
• Update der DC-Filter für Gitter - und Anodenspannung
• Einbau des Banana-Decks, inkl. Aussägen der linken Gehäuseklappe
• Beschriftung der Frontplatte mit Klebeschildchen (deutsche Begriffe)
Verbesserungen der Messgenauigkeit
• Kalibrierung der Messbereiche des Messwerks
• Änderung des Anodenwiderstands zur Verbesserung der Genauigkeit des Steil-
heitsmessers
• Austausch der Dioden im Steilheitsmesser

Kalibr. L3-3 Reparaturbericht
Marc Michalzik; V1.25a Seite 123 von 125
48 Danksagungen
Es ist vielleicht etwas übertrieben, normalerweise machen das immer nur Autoren "richtiger"
Bücher, Doktoranden oder Filmstars, die gerade einen heftig hoch dotierten Preis gewonnen
haben (also Personen, die im Gegensatz zu mir wirklich "was geleistet" haben), aber das In-
ternet ist geduldig und Ihr als Leser auch, denn sonst hättet Ihr Euch nicht bis zu Kapitel 48
durchgekämpft!
Bravo!
Also hier meine Dankes-Seite. Er geht an (Reihenfolge ungeordnet):
• Euch!
Dafür, dass Ihr bis hierhin beim Lesen durchgehalten habt! Tolle Leistung! Wer das kann,
kann übrigens auch L3's reparieren ;-)
• Jac van de Walle (www.jacmusic.com)
Immer eine tolle Idee oder Anregung auf Lager, auch wenn sie einem erst manchmal auch
etwas "schräg" vorkommt. Aber genau das braucht man, wenn man mit dem Kopf bis zum
Hals in einem L3 steckt und nicht mehr weiß, wie man da jemals wieder rauskommt,
wenn die Frau spontan zum Obstkuchen ruft. Außerdem habe ich ja schon eingangs er-
wähnt, dass ich ein Fan von "Vielfalt" bin. Seit mir ein niederländischer Elektronikhändler
einmal völlig selbstlos bei der Beschaffung eines Ersatzteils für eine alte Bühnenorgel ge-
holfen hat (er brachte das wenige Pfennige kostende Ersatzteil sogar eigens mit dem Fahr-
rad zum Express-Versand in die Stadt!), habe ich dieses Völkchen mit ihrem tief liegen-
den Land einfach in mein Herz geschlossen. Irgendwann werden hoffentlich auch die
Fußballfans unserer beiden Nationen merken, dass man lieber das Ende eines spannenden
Fußballspiels locker zusammen abfeiern sollte, als sich immer nur gegenseitig die Köpfe
einzuschlagen.
• Thomas
Immer, wenn ich nicht mehr weiter weiß, frage ich Thomas. Von ihm kriege ich nicht nur
fachkundige Ratschläge, sondern manchmal auch irgendwelche verrückten Bauteile, die er
von noch verrückteren Flohmärkten –zur Freude seiner Frau- anschleppt. Er ist ein Meis-
ter seines Fachs und hat auf seinem Dachboden sogar ein kleines Museum für alte Röh-
renradios. Außerdem sammelt er Röhrenprüfgeräte. Sympathischer geht’s doch nicht!
• Jan Wüsten (www.die-wuestens.de)
Einer der wenigen Röhrenhändler, der sich noch die Zeit nimmt, seine Kunden individuell
und mit viel Mühe persönlich zu beraten! Er las die Review-Version dieses Reparaturbe-
richts in Rekordzeit und revanchierte sich mit einer email voller sinnvoller Anmerkungen.
Sogar den kleinen Scherz ganz am Ende im Sicherheits-Kleingedruckten hat er gefunden!
Ha ha! Großartig! Jan, ich habe übrigens alle Ihre Beanstandungen sorgfältig eingearbeitet
:-)
• Helmut Weigl (www.roehrentest.de)
Auch der Großmeister des modernen Röhrenprüfgerätebaus nahm sich für mich die Zeit
und ackerte die über 100 Seiten durch. Vielen Dank dafür! Ich hoffe, Du bist nicht böse,
dass ich (noch ;-) kein Roetest aufgebaut habe, sondern stattdessen einen L3 massakriert
hab’. Aber wer weiß, wie lange ich noch Deiner neuen Version 6 widerstehen kann :-)

Kalibr. L3-3 Reparaturbericht
Marc Michalzik; V1.25a Seite 124 von 125
• Peter
Der ehemalige Besitzer meines L3. Er hat eine unglaublich umfangreiche Röhrensamm-
lung, diese tatsächlich einzeln im Computer inventarisiert und baut vorwiegend Röhren-
verstärker. Ein Röhrenfan aus Fleisch und Blut also. Von ihm warte ich übrigens noch
immer auf ein gutes Angebot für seinen zweiten, defekten L3 ;-)
Nein, davon wird es keinen Reparaturbericht geben.
Oder?
Abbildung 148: Kalibr L3-3...endlich fertig restauriert!!!!
Marc Michalzik im August 2012

Kalibr. L3-3 Reparaturbericht
Marc Michalzik; V1.25a Seite 125 von 125
Nachwuchs!
Er hat bereits schon mein Rohde&Schwarz UDS5 angehimmelt!
Gutes Zeichen! :-)
Abbildung 149: mein Terrassen-"Arbeitsplatz" ;-)
lecker Obstkuchen vom Bäcker aus dem Nachbardorf!
Hinweise:
1. Wer auf dieser Grundlage bastelt, bastelt auf eigene Gefahr!
2. Das hier ist ein privat und hobbymäßig zusammengestellter Reparaturbericht. Ich übernehme keine Garantie
für die Korrektheit der hier beschriebenen Inhalte.
3. Ich übernehme keine Folgekosten, die durch evtl. Anwendung der hier beschriebenen Informationen entstehen
könnten.
4. Das Basteln in elektrischen Geräten kann für nicht Sachkundige ein hohes Risiko von Verletzungen aller Art
bedeuten. Sollten Sie nicht sachkundig sein, lassen Sie bitte lieber die Finger davon. Im Zweifelsfall schenken
Sie die eingesparte Zeit lieber Ihrer Frau- wenn alles glatt läuft, könnten Sie in etwa 12..16Jahren entsprechen-
den Nachwuchs produziert haben, der sich mit dem ganzen elektrischen Kram dann möglicherweise besser aus-
kennt, als Sie selbst. Überlassen Sie ihm dann die fachlich anspruchsvollen Arbeiten ;-)
5. Die kommerzielle Nutzung des hier beschriebenen Wissens ist nicht vorgesehen.
6. Die in diesem Bericht genannten Links wurden vor der Veröffentlichung von mir sorgfältig überprüft. Sollten
sich dort dennoch Inhalte befinden, die gegen geltendes Recht, Ordnung und/oder gute Sitten verstoßen oder
fremdenfeindliches Gedankengut enthalten, so distanziere ich mich ausdrücklich davon!
©® Dieser Artikel unterliegt dem Urheberrecht. Alle Rechte vorbehalten.
AUGUST2012, Marc Michalzik