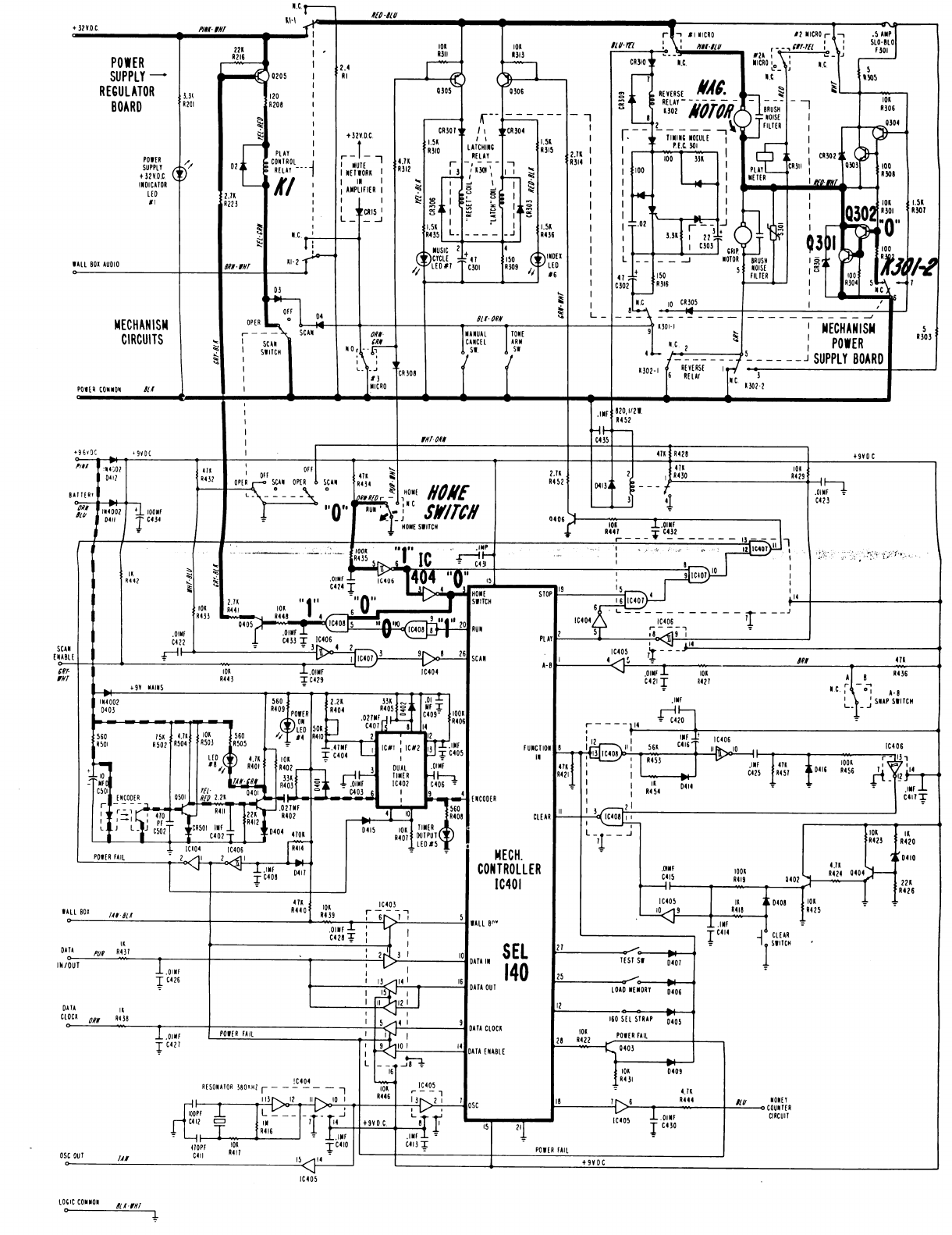
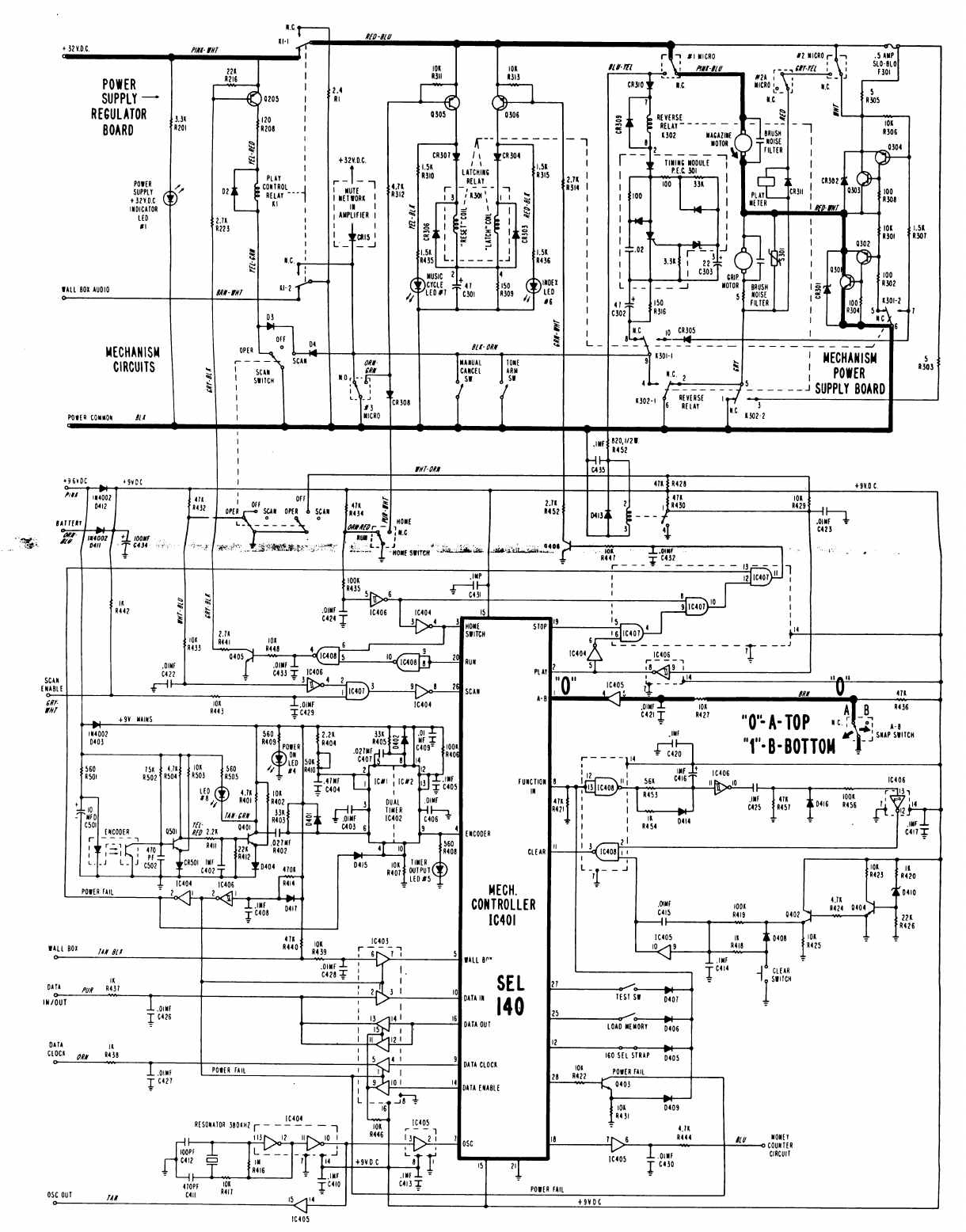
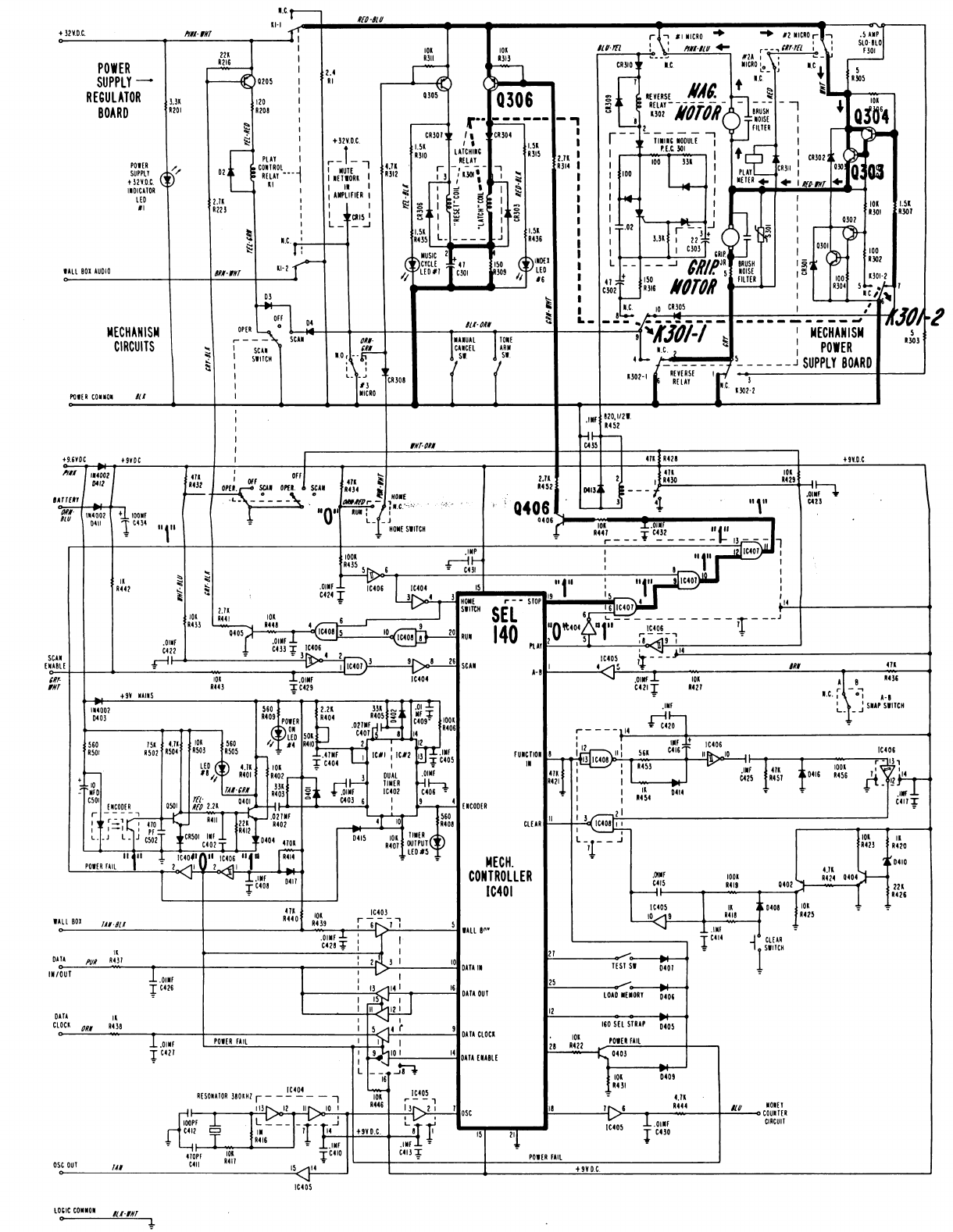
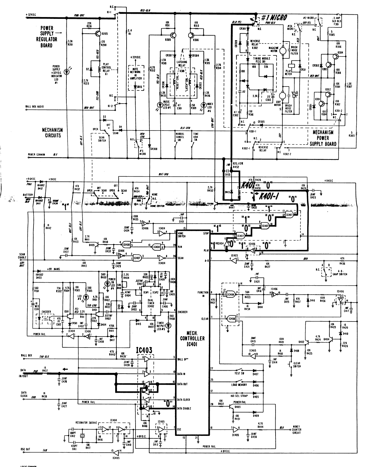
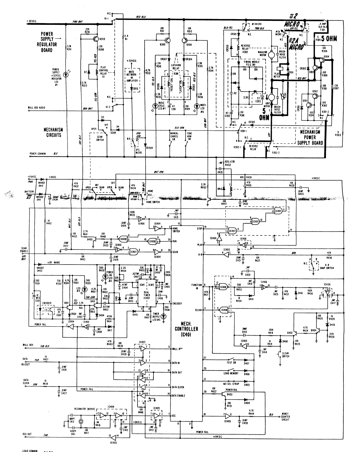
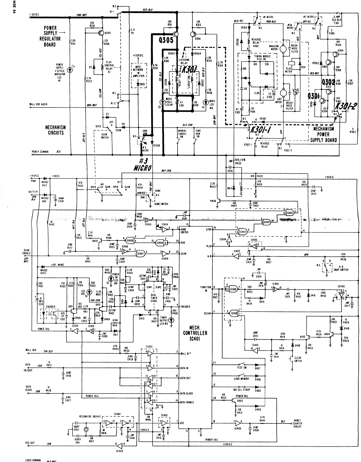
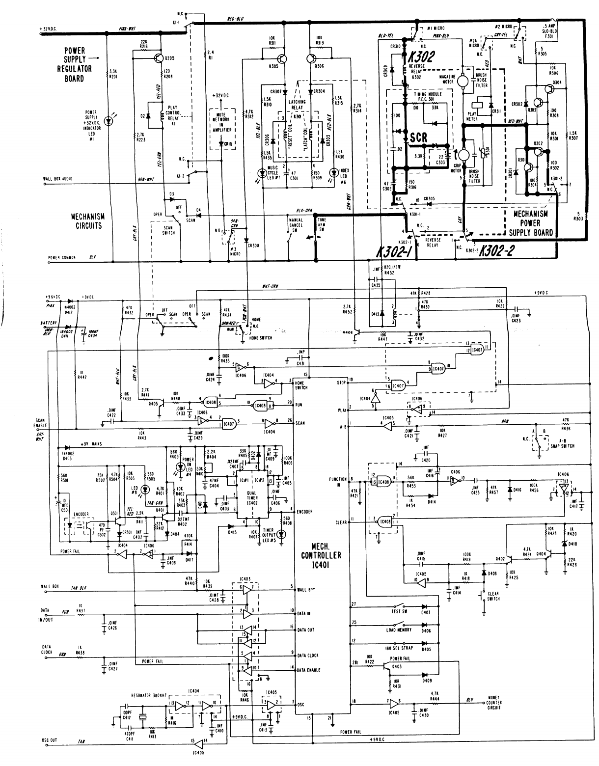
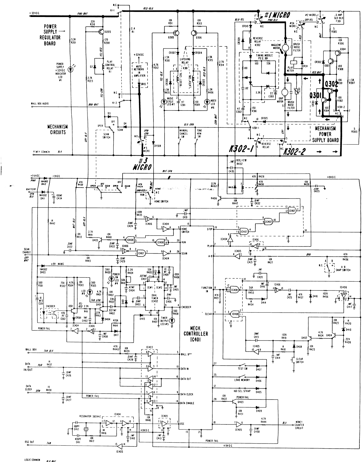
Rockola 476 481 484 Service Manual
Rockola_476_481_484_Service_Manual Rockola_476_481_484_Service_Manual
User Manual: manual pdf -FilePursuit
Open the PDF directly: View PDF
.
Page Count: 71







































































User Manual: manual pdf -FilePursuit
Open the PDF directly: View PDF
.
Page Count: 71