Sensor XP12 S15 PARTS
User Manual: Sensor XP12
Open the PDF directly: View PDF
.
Page Count: 5


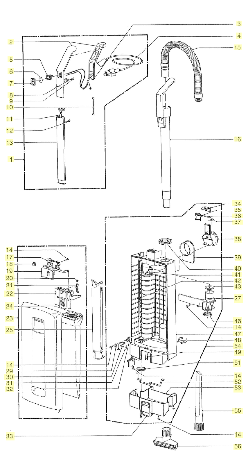
PARTS LIST / SENSOR XP12 / 120V
POS PRODUCT
CODE PRV NO. DESCRIPTION
1 86142430 5625UL HANDLE COMPLETE
2 86142340 5296EW HANDLE GRIP SR GRY
3 86141970 5359HG GROMMET
4 86135510 23011 CABLE
5 86000880 0532 SWITCH / BLUE
6 86145640 5160BLU SWITCH CAP, BLUE
7 86145700 5161HG SWITCH CAP HOLDER GRY
8 86139280 5162 CABLE CLAMP
9 86016900 0103ER SCREW C 3,9x16
10 86137780 0846 ANTISTATIC WIRE
11 86142310 5256ER HANDLE CABLE 3WIRE W/CONNECTOR
12 86147140 0129 SCREW, M4 x 12MM
13 86142300 5187 HANDLE TUBE
14 86147030 0102 SCREW M3,9x13 DIN 7981
15 86142650 5040HG HOSE, SENSOR GRY
16 86141550 5045HG EXTENSION TUBE, GRY
17 86140830 5803HG COVER
18 86145340 5319 SPRING, BAG HOLDER
19 86140810 5706BL COVER RELEASE, BLUE
20 86144760 5091 SAFETY CATCH SPRING
21 86144770 5360 SAFETY CATCH
22 86138050 5324 BAG HOLDER.
23 86141860 5800WI FRONT COVER COMPLETE
24 86000500 5300 SENSOR FILTER BAG PACK
25 86005220 5301ER MICRO HYGIENE FILTER
27 86142910 5380HG INTERNAL COVER
29 86139970 1073 CLAMP
30 86141620 5208 FILTER SAFETY CATCH
31 86145320 5210 SPRING (MICOR FILTER CATCH
32 86139290 5164 CABLE CLAMP
33 86141090 5082BLU DUST BAG HOUSING LOCKING CATCH
34 86143140 5098HG LOCK CATCH GRY
35 86142290 5099 HANDLE LOCK PLATE
36 86143060 0187 LOCK PIN
37 86145350 5146 STOP SPRING (HOOK)
38 86139450 5145HG CARRYING HANDLE
39 86139260 5144HG CABLE HOOK LT GRY
40 86144620 5424DG RETAINING RING, DK, GRY
41 86142880 5255ER INTERNAL CABLE 3WIRE LOOSE CON
42 86169320 5266 CABLE CLAMP (FILTER BAG HSNG)
43 86144900 5043 SEAL
46 86144930 5289 SEAL, FILTER TUBE
47 86141250 5281HG DUST BAG HOUSING, 3-WIRE, GRY
48 86140080 1823HG CLIP, DUST BAG HOUSE-SR12
49 86145280 5084 SPRING, LOCKING ROD
51 86144910 5163 SEAL, FILTER BAG HOUSING NECK
52 86143120 5083 LOCKING ROD
53 86141120 5085HG DUST BAG HOUS.BUMPER BASE
54 86141190 5215UL DUST BAG HOUSING, SR’S, 3-WIRE.
55 86140860 1092JE CREVICE NOZZLE
56 86146310 1491JE UPHOLSTERY NOZZLE
PARTS LIST/ SENSOR S15/120V

PARTS LIST / SENSOR S15 / 120 V
POS PRODUCT
CODE PRV NO. DESCRIPTION
100 86144150 2832WI POWER HEAD COVER SRS 15, CPL.
101 86141400 2846 EXHAUST FILTER
102 86141380 2820BL EXHAUST FILTER COVER
103 86145910 2827UL SWIVEL NECK ASSEMBLY
104 86143180 2886 MALE CONTACT HOLDER
105 86139230 2494 CABLE CLAMP
106 86147030 0102 SCREW 3,9x13 DIN 7981
107 86139100 2835 BYPASS VALVE
108 86142790 0869 INTERNAL CABLE
109 86145900 2825 SWIVEL NECK BEARING R.H.
110 86145890 2824 SWIVEL NECK SUPPORT R.H.
111 86146110 5479 SWIVEL NECK SUPPORT L.H.
112 86146130 5717 SWIVEL NECK BEARING L.H.
113 86143800 2890ER PCB POWER SUPPLY
114 86142780 0864 INTERNAL CABLE, RIBBON
115 86138500 2843BL BRUSH ROLLER RELEASE, SRS15
116 86145290 5103 SPRING
117 86137980 5051HG AXLE ASSEMBLY GRY
118 86137990 5053 AXLE
119 86293260 5059OR FOOT PEDAL
120 86146570 2010 WHEEL RETURN SPRING
121 86146670 5819HG WHEEL, CPL.
122 86140000 2014 CLAMP CONNECTING ROD (AXLE)
123 86138490 2838WI BRUSH ROLLER 15”
124 86138170 5287BLU BEARING BLK, RH SR12 BLU/GRY
125 86144700 2869HG RUBBING PLATE
126 86137700 2868OR ACCESS DOOR
127 86138000 5303 AXLE , ACCESS DOOR
128 86145330 5304 SPRING , ACCESS DOOR
129 86143850 2861 PILE ADJUSTMENT AXLE
130 86143920 5174HG PILE ADJUSTMENT WHEEL GRY
131 86137920 2849 AXLE CLAMP
132 86144860 01010 SCREW M 4 x 6,DIN 7985
133 86140620 2860HG COVER
134 86146220 2833 THRUST MEMBER
135 86143860 2862HG PILE ADJUSTMENT KNOB
136 86146230 2834 THRUST MEMBER
137 86140010 2856 CLAMP
138 86145250 2867 SPRING
139 86139740 2822HG CHASSIS SRS15, CPL
140 86141760 2828HG FRONT BOTTOM PLATE SRS15
141 86144530 2830HG REAR BOTTOM PLATE SRS15, CPL
142 86144850 0197ER SCR, M4X12 MM W/WASHER
143 86146790 5401 WIRE TIE, BOTTOM PLATE, OUTER
144 86146800 5402 WIRE TIE, BOTTOM PLATE, CENTER
145 86138880 2842HG BUMPER, SET
146 86139400 05117S CARBON BRUSH SET 100/120V
146 86146210 05135ST THERMO SWITCH VAC
146 86143630 5469 MOTOR 1000 W / 120 V
147 86143620 5462 MOTOR PULLEY 2MR
148 86144710 5100 RUBBER MOUNTING
149 86143490 2826BL MOTOR COVER
150 86140610 2839SW COVER FOR AIR CHANNEL
151 86145470 5129 SUPPORT LEVER
152 86145460 5107 SUPPORT SPRING
153 86143570 5112SW MOTOR PULLEY COVER
154 86140150 2881ER COMPUTER CONTROLLER
155 86147160 0107 SCREW 2,9 x 13
156 86147190 0143 WASHER 3,2
157 86145060 5465 SENSOR (WITH RED RING)
158 86143580 5117 MOTOR PULLEY
159 86147050 0104 SCR, M3.9 X 25 MM
160 86138240 5463 BELT 2MR-310-6
161 86005000 5110 BELT HTD-II, 219 3M
162 86138200 5766HG BEARING BLOCK L.H.
163 86016900 0103ER SCREW C 3,9x16
164 86146540 0140 WASHER
165 86147170 0176
SCREW M4 X 30

