Tmp.sgm SAAK770GCP
User Manual: SAAK770GCP
Open the PDF directly: View PDF
.
Page Count: 138 [warning: Documents this large are best viewed by clicking the View PDF Link!]

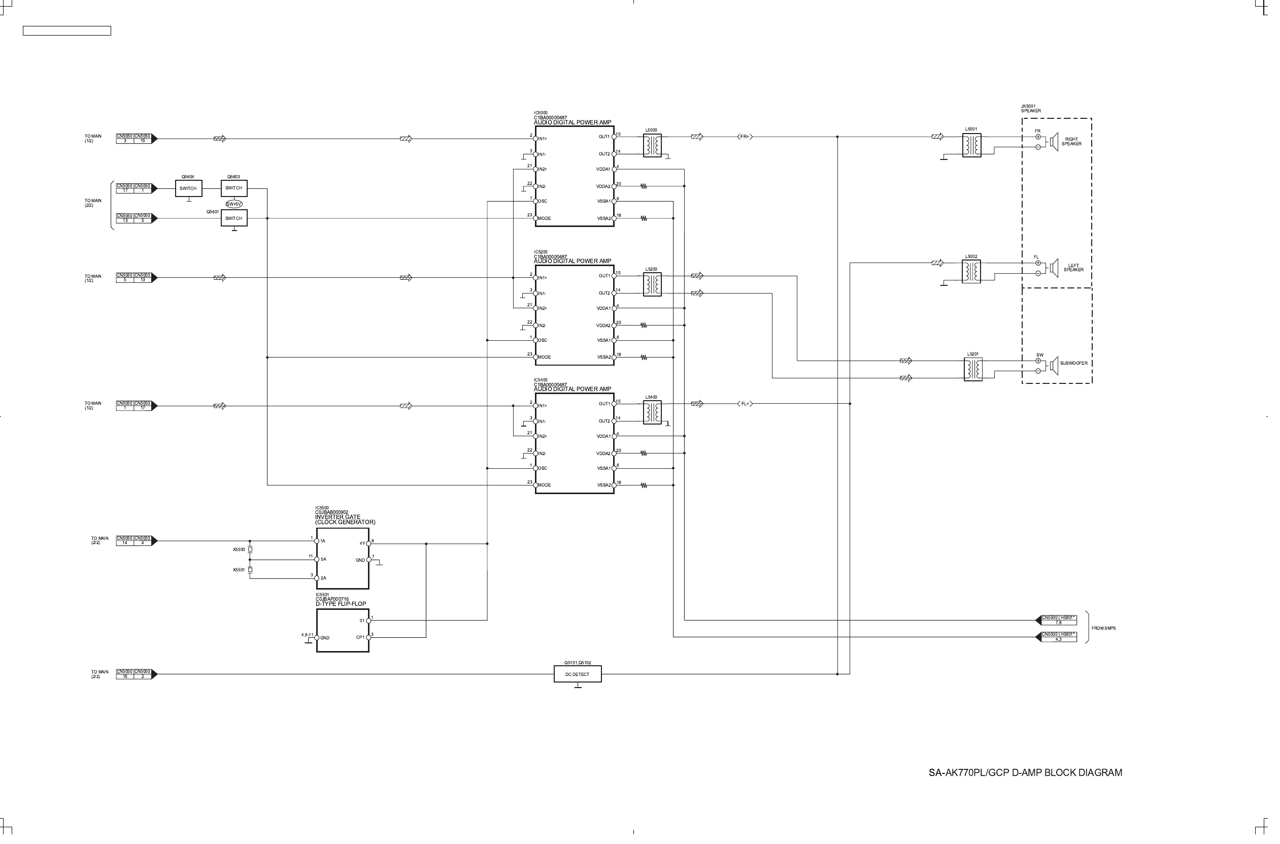
■AMPLIFIER SECTION
RMS output power
Front Ch (both channels driven)
250 W per channel (6 Ω), 1 kHz, 10% THD
Subwoofer Ch
200 W per channel (6 Ω), 100 Hz, 10% THD
Total RMS stereo mode power 700 W
PMPO 7700 W
■FM/AM TUNER, TERMINALS SECTION
Preset station FM 30 stations
AM 15 stations
Frequency Modulation (FM)
Frequency range
87.9 to 107.9 MHz (200 kHz steps) (PL only)
87.5 to 108.00 MHz (100 kHz steps) (PL only)
87.50to108.00MHz(50kHzsteps)(GCPonly)
Antenna terminal(s) 75 Ω(unbalanced)
Amplitude Modulation (AM)
Frequency range
520 to 1710kHz (10 kHz steps) (PL only)
522 to 1629 kHz (9 kHz step) (GCP only)
522to1630kHz(10kHzsteps)(GCPonly)
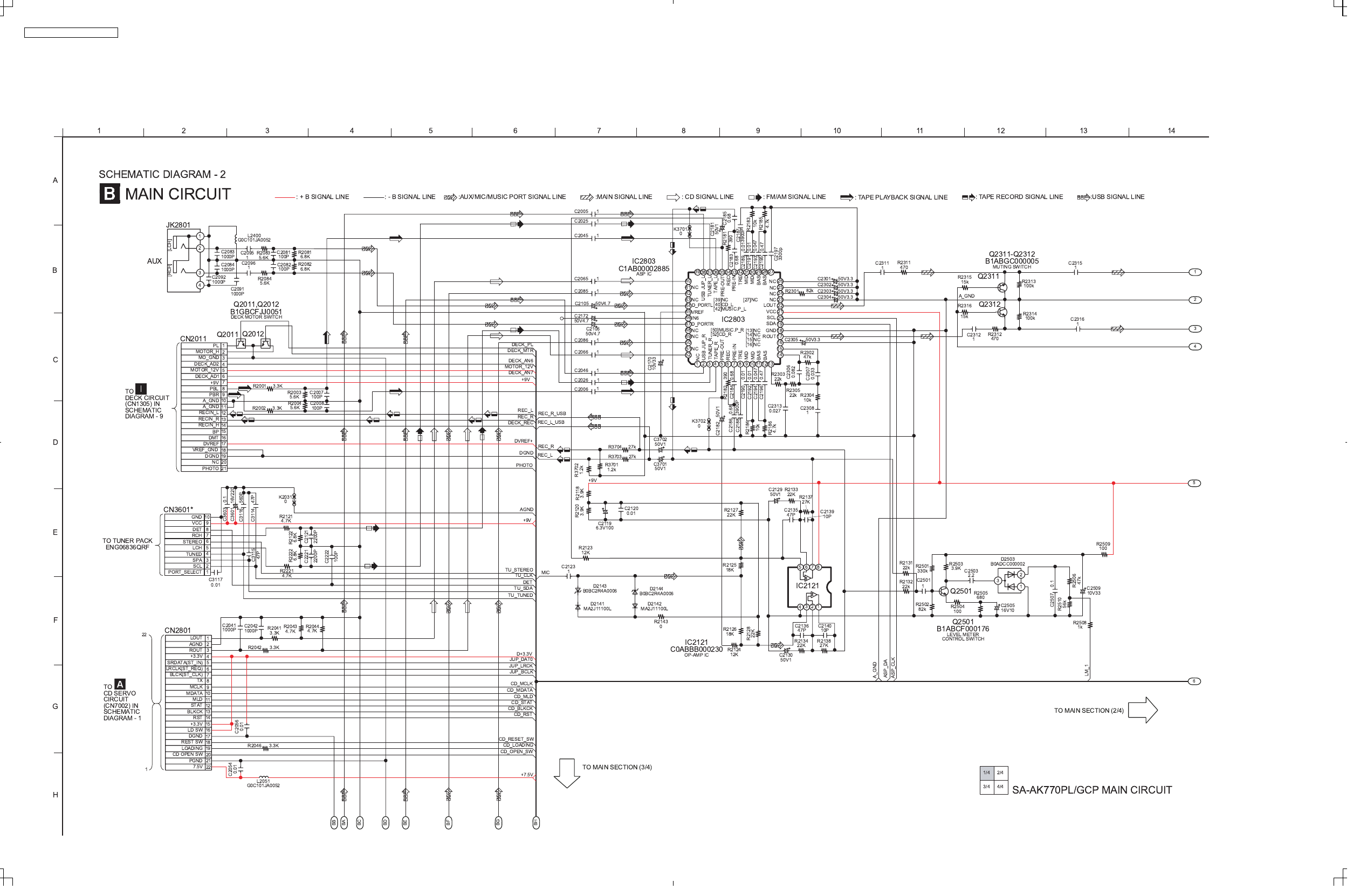
Music Port (front) jack
© 2008 Matsushita Electric Industrial Co. Ltd.. All
rights reserved. Unauthorized copying and
distribution is a violation of law.
SA-AK770PL
SA-AK770GCP
Colour
(K)... Black Type
Sensitivity 100 mV, 4.0 k Ω
Terminal Stereo, 3.5 mm jack
Headphone jack
Terminal Stereo, 3.5 mm jack
Output level (CD, 1 kHz, -20 dB) 32 Ω(Max)
Mic jack
Sensitivity 0.7 mV, 1.2 k Ω
Terminal Mono, 3.5 mm jack (1 system)
■CASSETTE DECK SECTION
Type 1way
Track system 4 track, 2 channel
Heads
Record/playback Solid permalloy head
Erasure Double gap ferrite head
Motor DC servo motor
Recording system AC bias 100 kHz
Erase system AC erase 100 kHz
Tape speed 4.8 cm/s
Overall frequency response (+3, -6 dB) at DECK OUT
NORMAL 35 Hz to 10 kHz
S/N ratio 50 dB (A weighted)
Wow and flutter 0.18 % (WRMS)
Fast forward and rewind time
CD Stereo System
Notes: This model’s CD mechanism changer unit is CR14C. Please refer to the original Service Manual
(Order No. MD0805031CE) for this mechanism.
Specifications
ORDER NO. MD0805007CE

Approx. 120 seconds with C-60 cassette tape
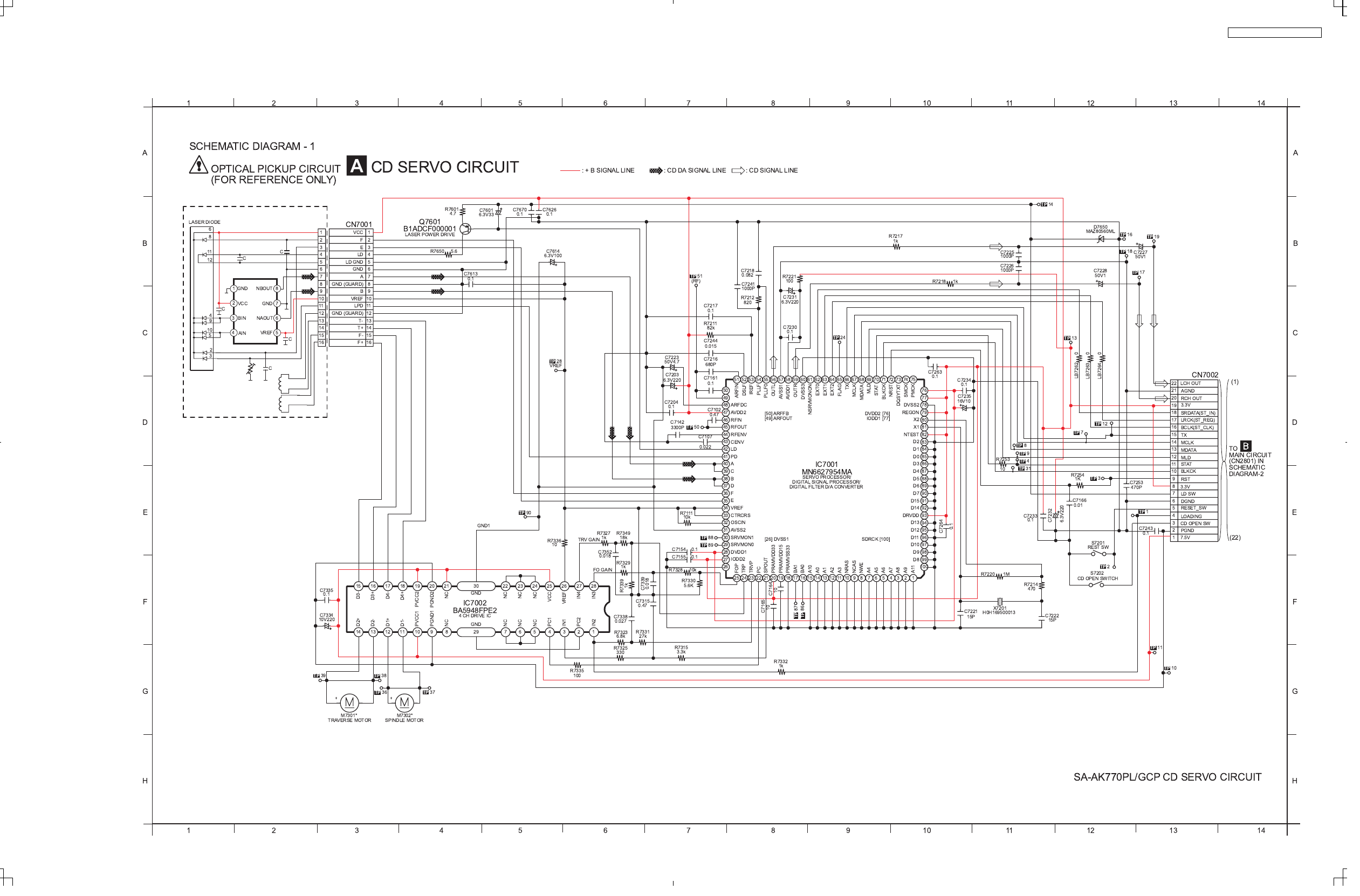
■DISC SECTION
Disc played [8 cm or 12 cm]
(1) CD-Audio (CD-DA)
(2) CD-R/RW (CD-DA, MP3* formatted disc)
(3) MP3*
* MPEG-1 Layer 3, MPEG-2 Layer 3
Pick up
Wavelength 780 nm
Beam Source Semiconductor laser
Audio output (Disc)
Number of channel 2.1 (FL, FR, SW)
FL = Front left channel
FR = Front right channel
SW = Subwoofer channel
■USB SECTION
USB Port
USB Standard USB 2.0 full speed
Media file format support
MP3 (*.mp3)
USB device file system
FAT 12
FAT 16
FAT 32
USB port power 500 mA (Max)
USB Ripping (recording)
Recording file format
MP3 (*.mp3)
Bit rate 128 kbps / 192 kbps / 320 kbps
1 Safety Precautions 3
2 Prevention of Electro Static Discharge (ESD) to
Electrostatically Sensitive (ES) Devices 5
3 Handling Precautions for Traverse Unit 6
4 Precaution of Laser Diode 8
5 About Lead Free Solder (PbF) 9
6 Operation Procedures 10
7 Self diagnosis and special mode setting 14
8 Assembling and Disassembling 22
9 Disassembly and Assembly of Traverse Unit Assembly in
Play Position 58
10 Service Fixture and Tools 60
11 Service Positions 60
USB recording speed 1x, max 4x (CD only)
■GENERAL
Power supply
AC 120 V, 60Hz (PL only)
AC 110 to 127/220 to 240 V, 50/60 Hz (GCP only)
Power consumption 164W(PLOnly)
145 W (GCP Only)
Dimensions (WxHxD) 250 x 331 x 334 mm
Mass 4.9 kg
Operating temperature range 0 to 40°C
Operating humidity range 35 to 80% RH (no condensation)
Power consumption in standby mode:
0.3 W (approx.) (PL only)
0.5 W (approx.) (GCP only)
■SYSTEM
SC-AK770 (PL) Music center: SA-AK770 (PL)
Speakers: SB-AK770 (PL)
Subwoofer: SB-WAK770 (PL)
SC-AK770 (GCP) Music center: SA-AK770 (GCP)
Speakers: SB-AK770 (PL)
Subwoofer: SB-WAK770 (PL)
For information on speaker system, please refer to the original
Service Manual (Order No. MD0805008CE) for SB-AK770PL-K &
(Order No. MD0805009CE) for SB-WAK770PL-K.
Notes:
1. Specifications are subject to change without notice. Mass and
dimensions are approximate.
2. Total harmonic distortion is measured by the digital spectrum
analyzer.
12 Procedure for Checking Operation of Individual Parts of Deck
Mechanism Unit 68
13 Measurement And Adjustments 69
14 Voltage Measurement and Waveform Chart 71
15 Wiring Diagram 79
16 Block Diagram 81
17 Notes Of Schematic Diagram 89
18 Schematic Diagram 91
19 Printed Circuit Board 109
20 Illustration of ICs, Transistors and Diodes 117
21 Terminal Function of Integrated Circuits 118
22 Exploded Views 121
23 Replacement Parts List 125
CONTENTS
Page Page
2
S
A-AK770PL
/S
A-AK770
GC
P

1 Safety Precautions
1.1. General Guidelines
1. When servicing, observe the original lead dress. If a short circuit is found, replace all parts which have been overheated or
damaged by the short circuit.
2. After servicing, ensure that all the protective devices such as insulation barriers and insulation papers shields are properly
installed.
3. After servicing, check for leakage current checks to prevent from being exposed to shock hazards.
(This “Safety Precaution” is applied only in U.S.A.) (For PL Only)
1. Before servicing, unplug the power cord to prevent an electric shock.
2. When replacing parts, use only manufacturer’s recommended components for safety.
3. Check the condition of the power cord. Replace if wear or damage is evident.
4. After servicing, be sure to restore the lead dress, insulation barriers, insulation papers, shields, etc.
5. Before returning the serviced equipment to the customer, be sure to make the following insulation resistance test to prevent the
customer from being exposed to a shock hazard.
1.1.1. Leakage Current Cold Check
1. Unplug the AC cord and connect a jumper between the two prongs on the plug.
2. Using an ohmmeter measure the resistance value, between the jumpered AC plug and each exposed metallic cabinet part on
the equipment such as screwheads, connectors, control shafts, etc. When the exposed metallic part has a return path to the
chassis, the reading should be between 1MΩand 5.2MΩ.
When the exposed metal does not have a return path to the chassis, the reading must be .
1.1.2. Leakage Current Hot Check (See Figure 1)
1. Plug the AC cord directly into the AC outlet. Do not use an isolation transformer for this check.
2. Connect a 1.5kΩ, 10 watts resistor, in parallel with a 0.15µF capacitor, between each exposed metallic part on the set and a
good earth ground such as a water pipe, as shown in Figure 1.
3. Use an AC voltmeter, with 1000 ohms/volt or more sensitivity, to measure the potential across the resistor.
4. Check each exposed metallic part, and measure the voltage at each point.
5. Reverse the AC plug in the AC outlet and repeat each of the above measurements.
6. The potential at any point should not exceed 0.75 volts RMS. A leakage current tester (Simpson Model 229 or equivalent) may
be used to make the hot checks, leakage current must not exceed 1/2 milliamp. Should the measurement is out of the limits
specified, there is a possibility of a shock hazard, and the equipment should be repaired and rechecked before it is returned to
the customer.
Fig. 1
1.2. Before Use (For GCP Only)
Be sure to disconnect the mains cord before adjusting the voltage selector.
Use a minus(-) screwdriver to set the voltage selector (on the rear panel) to the voltage setting for the area in which the unit will
be used. (If the power supply in your area is 110V or 127V, set to the “127V” position.)
Note that this unit will be seriously damaged if this setting is not made correctly. (There is no voltage selector for some countries,
the correct voltage is already set.)
3
SA
-
AK
77
0PL / SA
-
AK
77
0GCP

1.3. Before repair and adjustment
Disconnect AC power, discharge AC Capacitors C5700, C5701, C5703, C5704, C5705 (PL Only); C5700, C5701, C5703, C5704,
C5705, C5706 & C5707 (GCP Only) through a 10Ω, 5W resistor to ground.
DO NOT SHORT-CIRCUIT DIRECTLY (with a screwdriver blade, for instance), as this may destroy solid state devices.
After repairs are completed, restore power gradually using a variac, to avoid overcurrent.
Current consumption at AC 120V, 60 Hz in NO SIGNAL mode (volume min at CD mode) should be ~ 750mA (For PL only).
Current consumption at AC 110V~127V, 50/60 Hz in NO SIGNAL mode (volume min at CD mode) should be ~ 750mA (For GCP
only).
Current consumption at AC 220V~240V, 50/60 Hz in NO SIGNAL mode (volume min at CD mode) should be ~ 500mA (For GCP
only).
1.4. Protection Circuitry
The protection circuitry may have operated if either of the following conditions are noticed:
• No sound is heard when the power is turned on.
• Sound stops during a performance.
The function of this circuitry is to prevent circuitry damage if, for example, the positive and negative speaker connection wires are
“shorted”, or if speaker systems with an impedance less than the indicated rated impedance of the amplifier are used.
If this occurs, follow the procedure outlines below:
1. Turn off the power.
2. Determine the cause of the problem and correct it.
3. Turn on the power once again after one minute.
Note :
When the protection circuitry functions, the unit will not operate unless the power is first turned off and then on again.
1.5. Safety Part Information
Safety Parts List:
There are special components used in this equipment which are important for safety.
These parts are marked by in the Schematic Diagrams & Replacement Parts List. It is essential that these critical parts should
be replaced with manufacturer’s specified parts to prevent shock, fire or other hazards. Do not modify the original design without
permission of manufacturer.
Table 1
Reference No. Part No. Part name & Description Remarks
18 RGRX0070F-A REAR PANEL [M] PL
18 RGRX0070G-A REAR PANEL [M] GCP
36 RKMX0144-K TOP CABINET [M]
51 RMZ0339 ZENER COVER [M] GCP
68 REXX0686 WHITE WIRE (VOLTAGE
SELECTOR) [M] GCP
69 REXX0687 BLUE WIRE (VOLTAGE
SELECTOR) [M] GCP
84 REXX0684 BLACK WIRE [M] PL
85 REXX0685 RED WIRE [M] PL
89 REZX0024 RED WIRE [M] GCP
90 REZX0023 BLACK WIRE [M] GCP
340 RAEX0190A-V TRAVERSE ASSEMBLY UNIT [M] (RTL)
A2 K2CB2CB00021 AC CORD [M] PL
A2 K2CQ2CA00007 AC CORD [M] GCP
PCB4 REPX0622E SMPS P.C.B. [M] (RTL) PL
REPX0622G SMPS P.C.B. [M] (RTL) GCP
PCB10 REPX0622E AC INLET P.C.B. [M] (RTL) PL
REPX0622G AC INLET P.C.B. [M] (RTL) GCP
PCB13 REPX0622G VOLTAGE SELECTOR P.C.B. [M] (RTL) GCP
DZ5701 ERZV10V511CS ZENER [M]
S5701 K0ABCA000007 SW VOLTAGE SELECTOR [M] GCP
L5702 ELF22V035B LINE FILTER [M]
T2900 G4D1A0000117 SWITCHING TRANSFORMER [M]
4
SA
-
AK
770
PL / SA
-
AK
770
GCP

Reference No. Part No. Part name & Description Remarks
T5701 ETS48AB116AC SWITCHING TRANSFORMER [M] GCP
T5701 ETS48AB12GAC SWITCHING TRANSFORMER [M] PL
T5751 ETS19AB256AG BACKUP SW TRANFORMER [M]
PC5701 B3PBA0000402 PHOTO COUPLER [M]
PC5702 B3PBA0000402 PHOTO COUPLER [M]
PC5720 B3PBA0000402 PHOTO COUPLER [M]
PC5799 B3PBA0000402 PHOTO COUPLER [M]
F1 K5D802APA008 FUSE [M] PL
F1 K5D802BNA005 FUSE [M] GCP
FP2901 K5G4013A0001 FUSE PROTECTOR [M]
TH5701 D4CAA5R10001 THERMISTOR [M] PL
TH5702 D4CAC8R00002 THERMISTOR [M] GCP
P5701 K2AA2B000017 AC INLET [M] GCP
P5701 K2AB2B000010 AC INLET [M] PL
C5700 F1BAF1020020 1000pF [M]
C5701 F0CAF334A087 0.33uF [M]
C5703 F0C2H1040001 0.1uF 500V [M] GCP
C5703 F0CAF224A085 0.22uF [M] PL
C5704 F1BAF1020020 1000pF [M]
C5705 F1BAF1020020 1000pF [M]
C5706 F1BAF1020020 1000pF [M] GCP
C5707 F1BAF1020020 1000pF [M] GCP
2 Prevention of Electro Static Discharge (ESD) to
Electrostatically Sensitive (ES) Devices
Some semiconductor (solid state) devices can be damaged easily by electricity. Such components commonly are called
Electrostatically Sensitive (ES) Devices. Examples of typical ES devices are integrated circuits and some field-effect transistors and
semiconductor “chip” components. The following techniques should be used to help reduce the incidence of component damage
caused by electro static discharge (ESD).
1. Immediately before handling any semiconductor component or semiconductor-equiped assembly, drain off any ESD on your
body by touching a known earth ground. Alternatively, obtain and wear a commercially available discharging ESD wrist strap,
which should be removed for potential shock reasons prior to applying power to the unit under test.
2. After removing an electrical assembly equiped with ES devices, place the assembly on a conductive surface such as aluminium
foil, to prevent electrostatic charge build up or exposure of the assembly.
3. Use only a grounded-tip soldering iron to solder or unsolder ES devices.
4. Use only an anti-static solder remover device. Some solder removal devices not classified as “anti-static (ESD protected)” can
generate electrical charge to damage ES devices.
5. Do not use freon-propelled chemicals. These can generate electrical charges sufficient to damage ES devices.
6. Do not remove a replacement ES device from its protective package until immediately before you are ready to install it. (Most
replacement ES devices are packaged with leads electrically shorted together by conductive foam, aluminium foil or
comparable conductive material).
7. Immediately before removing the protective material from the leads of a replacement ES device, touch the protective material
to the chassis or circuit assembly into which the device will be installed.
Caution
Be sure no power is applied to the chassis or circuit, and observe all other safety precautions.
8. Minimize body motions when handling unpackaged replacement ES devices. (Otherwise harmless motion such as the brushing
together of your clothes fabric or the lifting of your foot from a carpeted floor can generate static electricity (ESD) sufficient to
damage an ES device).
5
SA
-
AK
77
0PL / SA
-
AK
77
0GCP

3 Handling Precautions for Traverse Unit
The laser diode in the optical pickup unit may break down due to static electricity of clothes or human body. Special care must be
taken avoid caution to electrostatic breakdown when servicing and handling the laser diode in the traverse unit.
3.1. Cautions to Be Taken in Handling the Optical Pickup Unit
The laser diode in the optical pickup unit may be damaged due to electrostatic discharge generating from clothes or human body.
Special care must be taken avoid caution to electrostatic discharge damage when servicing the laser diode.
1. Do not give a considerable shock to the optical pickup unit as it has an extremely high-precise structure.
2. To prevent the laser diode from the electrostatic discharge damage, the flexible cable of the optical pickup unit removed should
be short-circuited with a short pin or a clip.
3. The flexible cable may be cut off if an excessive force is applied to it. Use caution when handling the flexible cable.
4. The antistatic FPC is connected to the new optical pickup unit. After replacing the optical pickup unit and connecting the flexible
cable, cut off the antistatic FPC.
3.2. Grounding for electrostatic breakdown prevention
Some devices such as the CD player use the optical pickup (laser diode) and the optical pickup will be damaged by static electricity
in the working environment. Proceed servicing works under the working environment where grounding works is completed.
3.2.1. Worktable grounding
1. Put a conductive material (sheet) or iron sheet on the area where the optical pickup is placed, and ground the sheet.
3.2.2. Human body grounding
1. Use the anti-static wrist strap to discharge the static electricity form your body.
6
SA
-
AK
77
0PL / SA
-
AK
77
0GCP

7
S
A-AK770PL
/S
A-AK770
GCP

4 Precaution of Laser Diode
CAUTION :
This product utilizes a laser diode with the unit turned "on", invisible laser radiation is emitted from the pickup lens.
Wavelength: 785 nm (CD) / 655 nm (DVD)
Maximum output radiation power from pickup: 100 µW/VDE
Laser radiation from the pickup unit is safety level, but be sure the followings:
1. Do not disassemble the pickup unit, since radiation from exposed laser diode is dangerous.
2. Do not adjust the variable resistor on the pickup unit. It was already adjusted.
3. Do not look at the focus lens using optical instruments.
4. Recommend not to look at pickup lens for a long time.
8
SA
-
AK
77
0PL / SA
-
AK
77
0GCP

5 About Lead Free Solder (PbF)
5.1. Service caution based on legal restrictions
5.1.1. General description about Lead Free Solder (PbF)
The lead free solder has been used in the mounting process of all electrical components on the printed circuit boards used for this
equipment in considering the globally environmental conservation.
The normal solder is the alloy of tin (Sn) and lead (Pb). On the other hand, the lead free solder is the alloy mainly consists of tin
(Sn), silver (Ag) and Copper (Cu), and the melting point of the lead free solder is higher approx.30 degrees C (86°F) more than that
of the normal solder.
Definition of PCB Lead Free Solder being used
The letter of “PbF” is printed either foil side or components side on the PCB using the lead free solder.
(See right figure)
Service caution for repair work using Lead Free Solder (PbF)
• The lead free solder has to be used when repairing the equipment for which the lead free solder is used.
(Definition: The letter of “PbF” is printed on the PCB using the lead free solder.)
• To put lead free solder, it should be well molten and mixed with the original lead free solder.
• Remove the remaining lead free solder on the PCB cleanly for soldering of the new IC.
• Since the melting point of the lead free solder is higher than that of the normal lead solder, it takes the longer time to melt
the lead free solder.
• Use the soldering iron (more than 70W) equipped with the temperature control after setting the temperature at 350±30
degrees C (662±86°F).
Recommended Lead Free Solder (Service Parts Route.)
• The following 3 types of lead free solder are available through the service parts route.
RFKZ03D01K-----------(0.3mm 100g Reel)
RFKZ06D01K-----------(0.6mm 100g Reel)
RFKZ10D01K-----------(1.0mm 100g Reel)
Note
* Ingredient: Tin (Sn), 96.5%, Silver (Ag) 3.0%, Copper (Cu) 0.5%, Cobalt (Co) / Germanium (Ge) 0.1 to 0.3%
9
SA
-
AK
77
0PL / SA
-
AK
77
0GCP

6 Operation Procedures
6.1. Main Unit Key Buttons Operations
10
S
A-AK770PL
/S
A-AK770
GC
P

6.2. Remote Control Key Buttons Operations
11
SA
-
AK
770
PL / SA
-
AK
770
GCP

6.3. Using the Music Port
This feature enables you to enjoy music from a portable audio equipment.
12
SA
-
AK
770
PL / SA
-
AK
770
GCP

6.4. Connecting and Playing a USB Mass Storage Class Device
13
SA
-
AK
770
PL / SA
-
AK
770
GCP

7 Self diagnosis and special mode setting
This unit is equipped with features of self-diagnostic & special mode setting for checking the functions & reliability.
Special Note : Checking of the reliability (ageing) & changer operation must be carry out to ensure good working condition
in unit.
7.1. Service Mode Summary Table
The service modes can be activated by pressing various button combination on the main unit and remote control unit.Below is the
summary for the various modes for checking:
Player buttons Remote control unit buttons Application Note
[STOP] [4], [7] Entering into doctor mode (Refer to section .7.2.1. service mode
Table 1 for more information.)
[STOP] [ ] Entering into service mode (Refer to section .7.2.1. service mode
Table 1 for more information.)
Mode Remote control unit buttons Application Note
In Doctor Mode [1] FL all segment & LED inspection (Refer to section .7.2.2. service mode
Table 2 for more information.)
[MUSIC.P] Tuner Check (Refer to section .7.2.2. service mode
Table 2 for more information.)
[7] Volume 50 setting check (Refer to section .7.2.2. service mode
Table 2 for more information.)
[8] Volume 35 setting check (Refer to section .7.2.2. service mode
Table 2 for more information.)
[9] Volume 0 setting check (Refer to section .7.2.2. service mode
Table 2 for more information.)
[2] Micro-P Version Display (Refer to section .7.2.2. service mode
Table 2 for more information.)
[4] CD→USB Recording & Playing inspection (Refer to section .7.2.2. service mode
Table 2 for more information.)
[5] CD-MP3 Reading & Playing inspection (Refer to section .7.2.2. service mode
Table 2 for more information.)
[], [1], [1] CD Loading Test Mode (Refer to section .7.2.2. service mode
Table 2 for more information.)
[], [1], [2] CD Traverse Unit Test Mode (Refer to section .7.2.2. service mode
Table 2 for more information.)
[], [1], [3] CD Combination Test Mode (Refer to section .7.2.2. service mode
Table 2 for more information.)
Mode Remote control unit buttons Application Note
In Service Mode [1] self diagnostic history (Refer to section .7.2.3. service mode
Table 3 for more information.)
[2] Micro-P FW (Refer to section .7.2.3. service mode
Table 3 for more information.)
[3] Cold Start (Reset) (Refer to section .7.2.3. service mode
Table 3 for more information.)
7.2. Service Mode Table
Below is the various special modes for checking:-
7.2.1. Service Mode Table 1
Item FL Display Key Operation
Mode Name Description Front Key
Doctor Mode To enter into Doctor
Mode. In any mode:
1. Press [ ] button on main unit
follow by [4] and [7] on remote control.
To exit Doctor Mode, press [ ] button on
main unit or remote control.
Service Mode To enter into Service
Mode. 1. Select [CD] for DISC mode (Ensure no disc
is inserted).
2. Press and hold [ ]button on
main unit for 2 seconds follow by
[] on remote control.
To exit, press [ ] button on main unit or
remote control.
14
SA
-
AK
77
0PL / SA
-
AK
77
0GCP

7.2.2. Service Mode Table 2
Item FL Display Key Operation
Mode Name Description Front Key
FL Display Test To check the FL
segments display (All
segments will light up)
In doctor mode:
1. Press [1] button on remote control.
To exit Doctor Mode, press [ ] button on
main unit or remote control.
Tuner Check To Inspect Tuner Check In doctor mode:
1. Press [MUSIC.P] button on remote control.
To exit Doctor Mode, press [ ] button on
main unit or remote control.
Volume Setting
Mode To check for the volume
setting of the main unit.
The volume will be
automatically set to its
respective level (in dB).
During this mode,
treble/bass/EQ will be set
to ‘0’dB & OFF.
Display 1 In doctor mode:
1. Press [7] button on remote control.
To exit Doctor Mode, press [ ] button on
main unit or remote control.
Display 1 In doctor mode:
2. Press [8] button on remote control.
To exit Doctor Mode, press [ ] button on
main unit or remote control.
Display 1 In doctor mode:
3. Press [9] button on remote control.
To exit Doctor Mode, press [ ] button on
main unit or remote control.
Micro-P Version
Display Checking of various
items and firmware
version.
Note: The micro-
processor version as
shown is an example. It
will be revise when there
is an updates.
In doctor mode:
1. Press [2] button on remote control.
To exit Doctor Mode, press [ ] button on
main unit or remote control.
CD→USB
Recording &
Playing inspection
To check for the
CD→USB Recording
setting of the main unit.
The volume will be
automatically set to its
respective level (in dB).
During this mode,
treble/bass/EQ will be set
to ‘0’dB & OFF.
In doctor mode:
1. Press [4] button on remote control.
To exit Doctor Mode, press [ ] button on
main unit or remote control.
15
SA
-
AK
77
0PL / SA
-
AK
77
0GCP

Item FL Display Key Operation
Mode Name Description Front Key
CD-MP3 Reading
& Playing
inspection
To check for the CD-MP3
Reading setting of the
main unit. The volume
will be automatically set
to its respective level (in
dB). During this mode,
treble/bass/EQ will be set
to ‘0’dB & OFF.
(For more information,
refer to section 8.2.4)
In doctor mode:
1. Press [5] button on remote control.
To exit Doctor Mode, press [ ] button on
main unit or remote control.
CD Loading Test
Mode To determine the
reliability of CD Loading
Unit.
To check for the
open/close operation for
the CD loading unit. It
fails when there is
abnormality in opening or
closing.
In doctor Mode:
1. Press [ ], [1] & [1] button on remote
control.
To cancel, press [PROGRAM] button on remote
control.
To exit Doctor Mode, press [ ] button on
main unit or remote control.
CD Traverse Unit
Test Mode To check for the traverse
unit operation. In this
mode, the first & lost
track is access & read
(TOC). It fails when TOC
is not completed by IDS
or the traverse is out of
focus.
In doctor Mode:
1. Press [ ], [1] & [2] button on remote
control.
To cancel, press [PROGRAM] button on remote
control.
To exit Doctor Mode, press [ ] button on
main unit or remote control.
CD Combination
Test Mode A combination of CD
loading & Traverse unit
test.
In doctor Mode:
1. Press [ ], [1] & [3] button on remote
control.
To cancel, press [PROGRAM] button on remote
control.
To exit Doctor Mode, press [ ] button on
main unit or remote control.
7.2.3. Service Mode Table 3
Item FL Display Key Operation
Mode Name Description Front Key
Self Diagnostic
History Checking the records for
self-diagnostic. In service mode:
1. Press [1] button on remote control.
To exit Service Mode, press [ ] button on
main unit or remote control.
To clear history, press & hold [0] for 5 seconds
or more.
Micro-P Version
Display Checking of various
items and firmware
version.
Note: The micro-
processor version as
shown is an example. It
will be revise when there
is an updates.
FL Display
sequenceDisplay
[]
(Display 1)
(Display 2)
In service mode:
1. Press [2] button on remote control.
To exit Service Mode, press [ ] button on
main unit or remote control.
16
S
A-AK770PL
/S
A-AK770
GC
P

Item FL Display Key Operation
Mode Name Description Front Key
Cold Start (Reset) To activate cold start
ipon next AC power up. In service mode:
1. Press [3] button on remote control.
To exit Service Mode, press [ ] button on
main unit or remote control.
7.3. Reliability Test Mode (CR14C Mechanism)
Below is the process flow chart of ageing for the Mechanism unit (CR14C).
17
S
A-AK770PL
/S
A-AK770
GCP

18
S
A-AK770PL
/S
A-AK770
GC
P

7.4. Error code Table Display
Self-Diagnosis Function (refer Section “7.2.1 Service Mode Table 1”) provides information on any problems occuring for the unit
and its respective components by displaying the error codes. These error code such as U**, H** and F** are stored in memory and
held unless it is cleared.
The error code is automatically display after entering into self-diagnostic mode.
19
SA
-
AK
770
PL / SA
-
AK
770
GCP

7.4.1. Error Code Table (For Deck Mechanism)
Error Code Diagnosis Contents Description of error Automatic FL Display Remarks
H01 Mode SW, plunger
and capstan motor
abnormal
Normal operation during
mecha transition, MODE
SW abnormal is
memorized. The content of
abnormality can be
confirmed in the abnormal
detection mode explained
in the later section.
For deck mechanism unit.
Press [ ] on main unit for
next error.
H02 Rec INH SW
abnormal The content of abnormality
can be confirmed in the
abnormal detection mode
explained in the later
section.
For deck mechanism unit.
Press [ ] on main unit for
next error.
H03 HALF SW abnormal For deck mechanism unit.
Press [ ] on main unit for
next error.
F01 Reel pulse abnormal For deck mechanism unit.
Press [ ] on main unit for
next error.
F02 TPS abnormal For deck mechanism unit.
Press [ ] on main unit for
next error.
7.4.2. Error Code Table (For CD Mechanism Unit)
Error Code Diagnosis Contents Description of error Automatic FL Display Remarks
LOAD Load operation faulty The load operation cannot
complete when time out -->
Falsaf reverse operates
again then time out again, it
is memorized.
For CD Mechanism unit (CR14C).
Press [EXCHANGE] on main unit for
next error.
UNLD Unload operation
faulty The unload operation
cannot complete when time
out --> Falsaf reverse
operates again then time
out again, it is memorized.
For CD Mechanism unit (CR14C).
Press [EXCHANGE] on main unit for
next error.
UP Exchange open
operation faulty The exchange open
operation cannot complete
when time out --> operation
time out again, it is
memorized.
For CD Mechanism unit (CR14C).
Press [EXCHANGE] on main unit for
next error.
DOWN Down operation faulty The down operation cannot
complete when time out -->
Falsaf reverse operates
again then time out again, it
is memorized.
For CD Mechanism unit (CR14C).
Press [EXCHANGE] on main unit for
next error.
OPEN Open operation faulty The open operation cannot
complete when time out -->
Falsaf reverse operates
again then time out again, it
is memorized.
For CD Mechanism unit (CR14C).
Press [EXCHANGE] on main unit for
next error.
CLOSE Close operation faulty The open operation cannot
complete when time out -->
Falsaf reverse operates
again then time out again, it
is memorized.
For CD Mechanism unit (CR14C).
Press [EXCHANGE] on main unit for
next error.
MODEL Mode change to
updown operation
faulty
The mode change to
updown operation cannot
complete when time out
reversing --> operates
again then time out again, it
is memorized. Mode
change to updown.
For CD Mechanism unit (CR14C).
Press [EXCHANGE] on main unit for
next error.
20
SA
-
AK
77
0PL / SA
-
AK
77
0GCP

Error Code Diagnosis Contents Description of error Automatic FL Display Remarks
MODEH Mode change to
horizontal operation
faulty
The mode change to
horizontal operation cannot
complete when time out
reversing --> operates
again then time out again, it
is memorized. Mode
change to horizontal.
For CD Mechanism unit (CR14C).
Press [EXCHANGE] on main unit for
next error.
INITIALIZE Initialize operation
faulty The initialize operation
cannot complete, it is
memorized.
For CD Mechanism unit (CR14C).
Press [EXCHANGE] on main unit for
next error.
7.4.3. Error Code Table (For Power Supply)
Error Code Diagnosis Contents Description of error Automatic FL Display Remarks
F61 Power Amp IC output
abnormal Upon power on,
PCNT=HIGH, DCDET2=L
after checking LSI.
For power.
Press [ ] on main unit for
next error.
F76 DCDET1 = L (NG)
F61-76 Both DCDET1 and
DCDET2 “L“ (NG)
21
S
A-AK770PL
/S
A-AK770
GCP

8.1. Caution
Below is the list of disassembly sections
8 Assembling and Disassembling
Special Note:
This model uses a new Mechanism unit (CR14C). In this following section does not contain the necessary disassembly &
assembly information for the Mechanism unit (CR14C) except the disassembly & assembly of traverse unit. Kindly refer to the
original service manual for the Mechanism unit. (Order No. MD0805031CE).
“Attention Servicer”
Some chassis components may have sharp edges. Be careful when disassembling and servicing.
1. This section describes procedures for checking the operation of the major printed circuit boards and replacing the main
components.
2. For reassembly after operation checks or replacement, reverse the respective procedures.
Special reassembly procedures are described only when required.
3. Select items from the following index when checks or replacement are required.
4. Refer to the Parts No. on the page of “Replacement Parts List” (Section 23), if necessary.
Caution:
After replacing of Mechanism Unit (CR14C), ageing test is necessary. Please confirm operation for Mechanism Unit (CR14C).
• Disassembly of Top Cabinet
• Disassembly of Mechanism Unit (CR14C)
• Disassembly of Jupiter USB P.C.B.
• Disassembly of Fan Unit
• Disassembly of Rear Panel
• Disassembly of Front Panel Unit
• Disassembly of Panel P.C.B., Tact Switch P.C.B., Remote Sensor P.C.B., Side Bar (L) Led P.C.B. & Side Bar (R) Led
P.C.B.
• Disassembly of Mic P.C.B.
• Disassembly of USB Connector/Led P.C.B.
• Disassembly of Music Port P.C.B.
• Disassembly of CD Lid
• Disassembly of Deck Mechanism Unit
• Disassembly of Deck P.C.B.
• Disassembly of Deck Mechanism
• Disassembly of Deck Mechanism P.C.B.
• Disassembly of Cassette Lid
• Rectification for Tape Jam Problem
• Disassembly of Traverse Unit
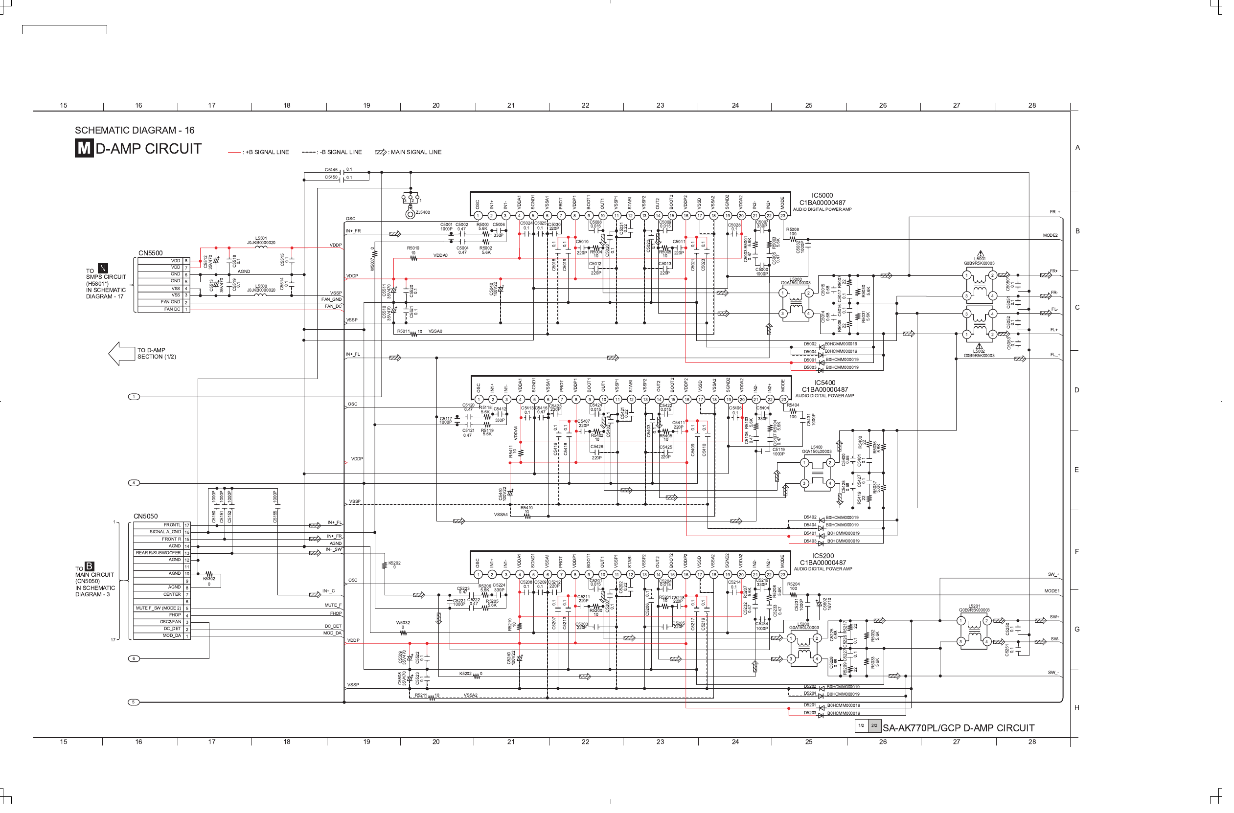
• Disassembly of D-Amp P.C.B.
• Replacement of Audio Digital Amp IC (IC5400)
• Replacement of Audio Digital Amp IC (IC5000)
• Replacement of Audio Digital Amp IC (IC5200)
• Disassembly of Main P.C.B.
• Replacement for Voltage Regulator IC (IC2761)
• Replacement for Switch Regulator (Q2751)
• Disassembly of SMPS P.C.B.
• Replacement for Switch Regulator IC (IC5701)
22
SA
-
AK
770
PL / SA
-
AK
770
GCP

Below shown is part no. of different screws types used:
• Replacement for Switch Regulator Diode (D5702)
• Replacement for Regulator Diode (D5801)
• Replacement for Regulator Diode (D5802)
• Replacement for Regulator Diode (D5803)
• Disassembly of AC Inlet P.C.B.
• Disassembly of Voltage Selector P.C.B. (For GCP Only)
23
SA
-
AK
770
PL / SA
-
AK
770
GCP

8.2. Disassembly flow chart
The following chart is the procedure for disassembling the casing and inside parts for internal inspection when carrying out the
servicing.
To assemble the unit, reverse the steps shown in the chart as below.
24
SA
-
AK
770
PL / SA
-
AK
770
GCP

8.3. Main Components and P.C.B. Location
25
SA
-
AK
770
PL / SA
-
AK
770
GCP

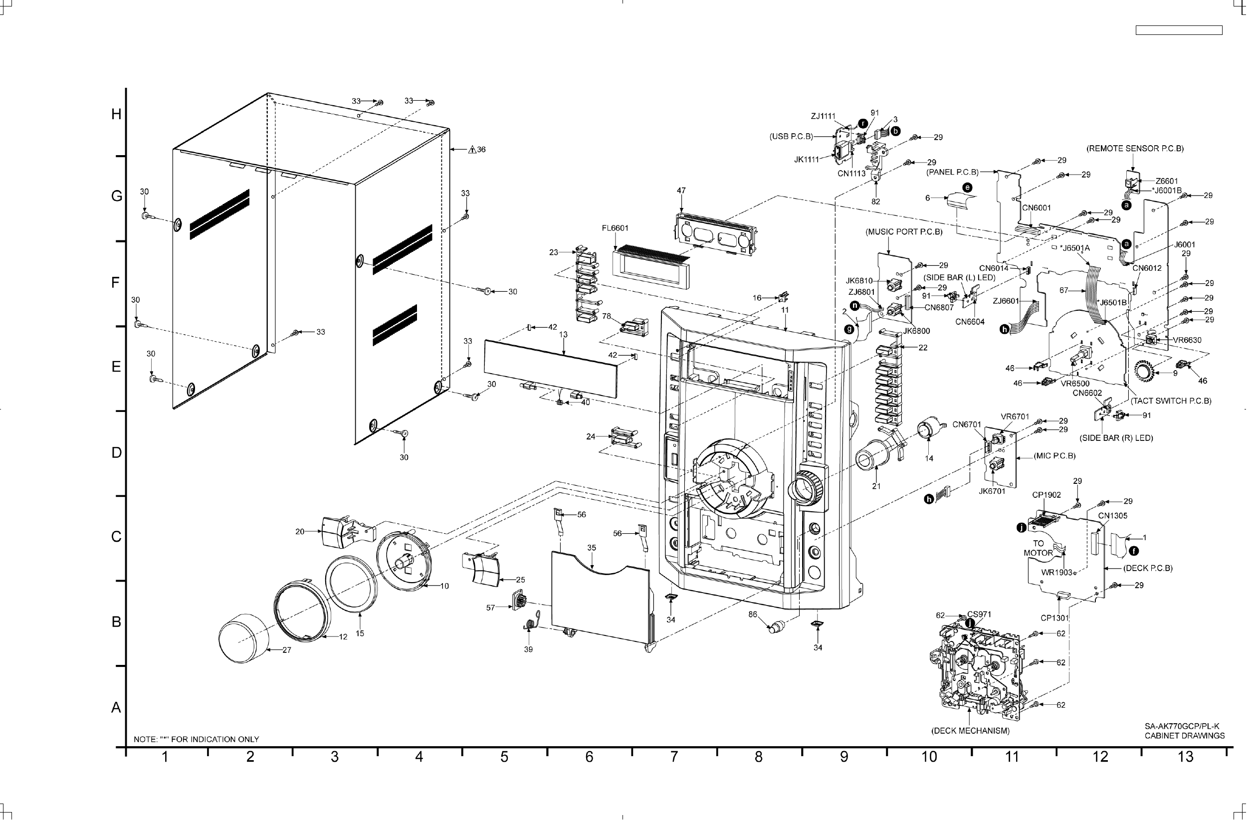
8.4. Disassembly of Top Cabinet
Step 1 Remove 3 screws on both sides of Top Cabinet.
Step 2 Remove 5 screws at the rear panel.
Step 3 Lift the sides of Top Cabinet outwards as arrow shown.
Step 4 Push the Top Cabinet backwards to release the
catches.
Step 5 Lift up the Top Cabinet and remove it in the direction of
arrow.
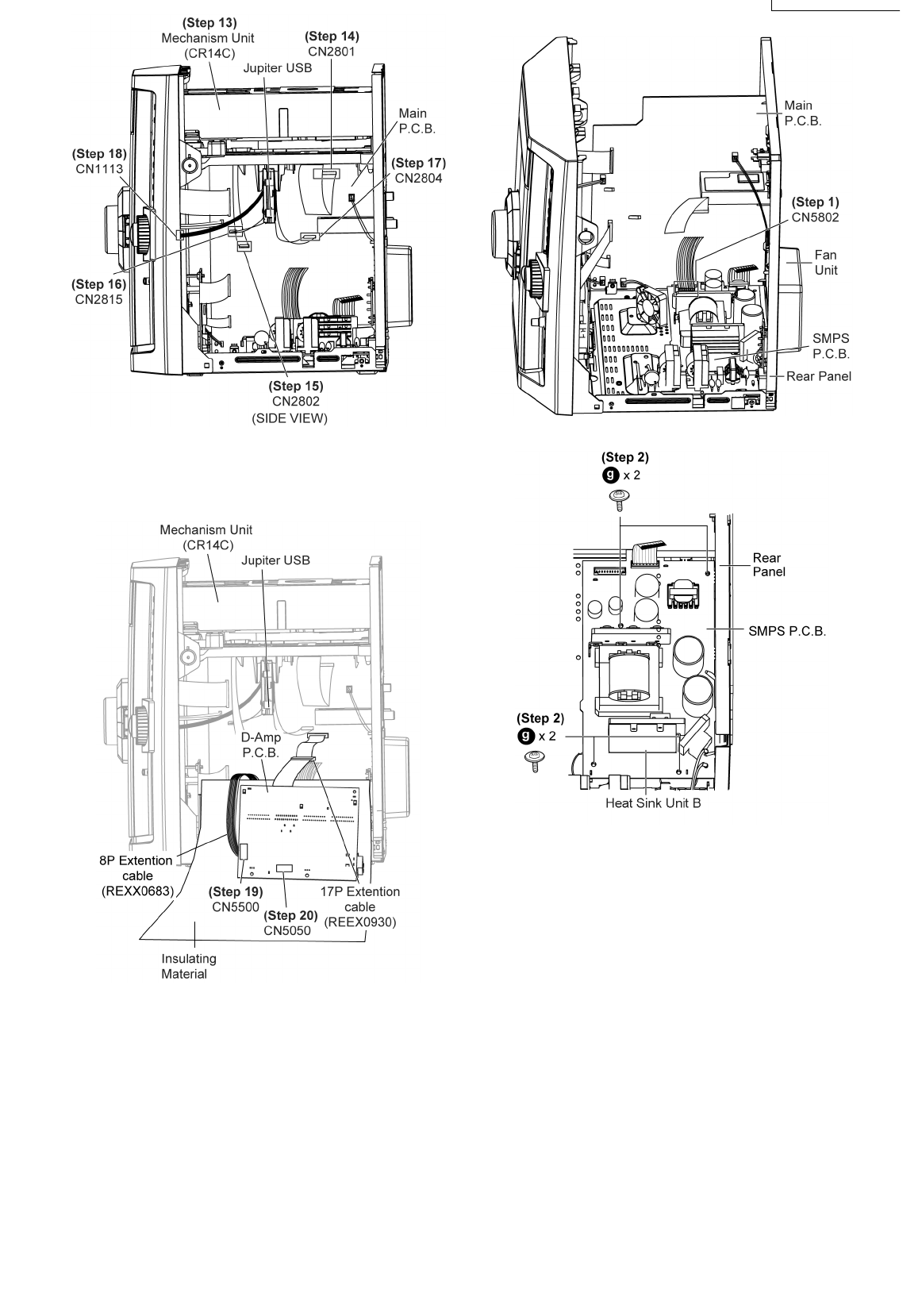
8.5. Disassembly of Mechanism
Unit (CR14C)
• Follow the (Step 1) - (Step 5) of Item 8.4
Step 1 Remove 1 screw at rear panel.
26
SA
-
AK
770
PL / SA
-
AK
770
GCP

Step 2 Detach 22P FFC cable at connector (CN2801) at Main
P.C.B..
Step 3 Detach 11P FFC cable at connector (CN2802) at Main
P.C.B..
Step 4 Detach 6P FFC cable at connector (CN2815) at Main
P.C.B..
Step 5 Detach 20P FFC cable at connector (CN2804) at Main
P.C.B..
Step 6 Detach 5P wire cable at connector (CN1113) at USB
Connector/Led P.C.B..
Step 7 Release the claws outwards on both sides.
Step 8 Release catches at both sides.
Special Note: During reassembling procedure, ensure both the
claws and catches are fully catched.
Assembly is secured upon hearing a click sound.
Step 9 Release the tabs at the bottom of the front panel.
Caution: Do not exert strong force when releasing the tabs.
Step 10 Shift the front panel unit slightly forward in the direction
of arrows.
27
SA
-
AK
770
PL / SA
-
AK
770
GCP

Step 11 Release mechanism unit from the 2 locators.
Step 12 Lift up the Mechanism Unit (CR14C).
• Disassembly of Mecha Chassis
Step 13 Remove 2 screws.
Step 14 Remove the Mecha Chassis as arrow shown.
Notes:
1. For disassembly & assembly of traverse unit, please refer to
original Service Manual for the Disassembly and Assembly
of the Mechanism Unit (CR14C).
2. During reassembling procedure, ensure the Mechanism
Unit (CR14C) is seated properly at the locators.
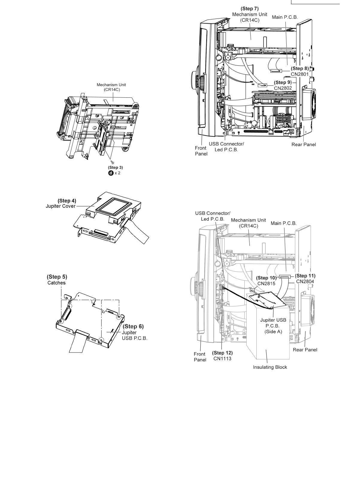
8.6. Disassembly of Jupiter USB
P.C.B.
• Follow the (Step 1) - (Step 5) of Item 8.4
• Follow the (Step 1) - (Step 12) of Item 8.5
Step 1 Remove 2 screws.
Step 2 Remove Jupiter USB Unit.
Step 3 Release all the catches.
Step 4 Remove Jupiter USB Cover in the direction of arrow.
28
SA
-
AK
770
PL / SA
-
AK
770
GCP

Step 5 Desolder 4 points.
Step 6 Remove Jupiter USB P.C.B..
Note : During reassembling procedures, ensure 4 points is
solder onto Jupiter USB P.C.B..
8.7. Disassembly of Fan Unit
• Follow the (Step 1) - (Step 5) of Item 8.4
Step 1 Detach 2P wire cable at connector (CN2810) at Main
P.C.B..
Step 2 Remove 2P wire cable from the hook.
Step 3 Remove 1 screw at the rear panel.
Step 4 Lift the Fan Unit slightly as arrow shown.
Step 5 Remove the Fan Unit.
29
SA
-
AK
770
PL / SA
-
AK
770
GCP

Note: During reassembling procedures, ensure wires are
properly dressed in the hook.
8.8. Disassembly of Rear Panel
• Follow the (Step 1) - (Step 5) of Item 8.4
• Follow the (Step 1) of Item 8.7
Step 1 Remove 9 screws at rear panel (For PL only).
Step 1 Remove 10 screws at rear panel (For GCP only).
Step 2 Slide the Voltage Seclector P.C.B. as arrow shown.
Step 3 Slightly lift up the Mechanism Unit (CR14C) from the 2
locators.
Step 4 Release 2 catch from the side panel.
Step 5 Remove the rear panel.
30
SA
-
AK
770
PL / SA
-
AK
770
GCP

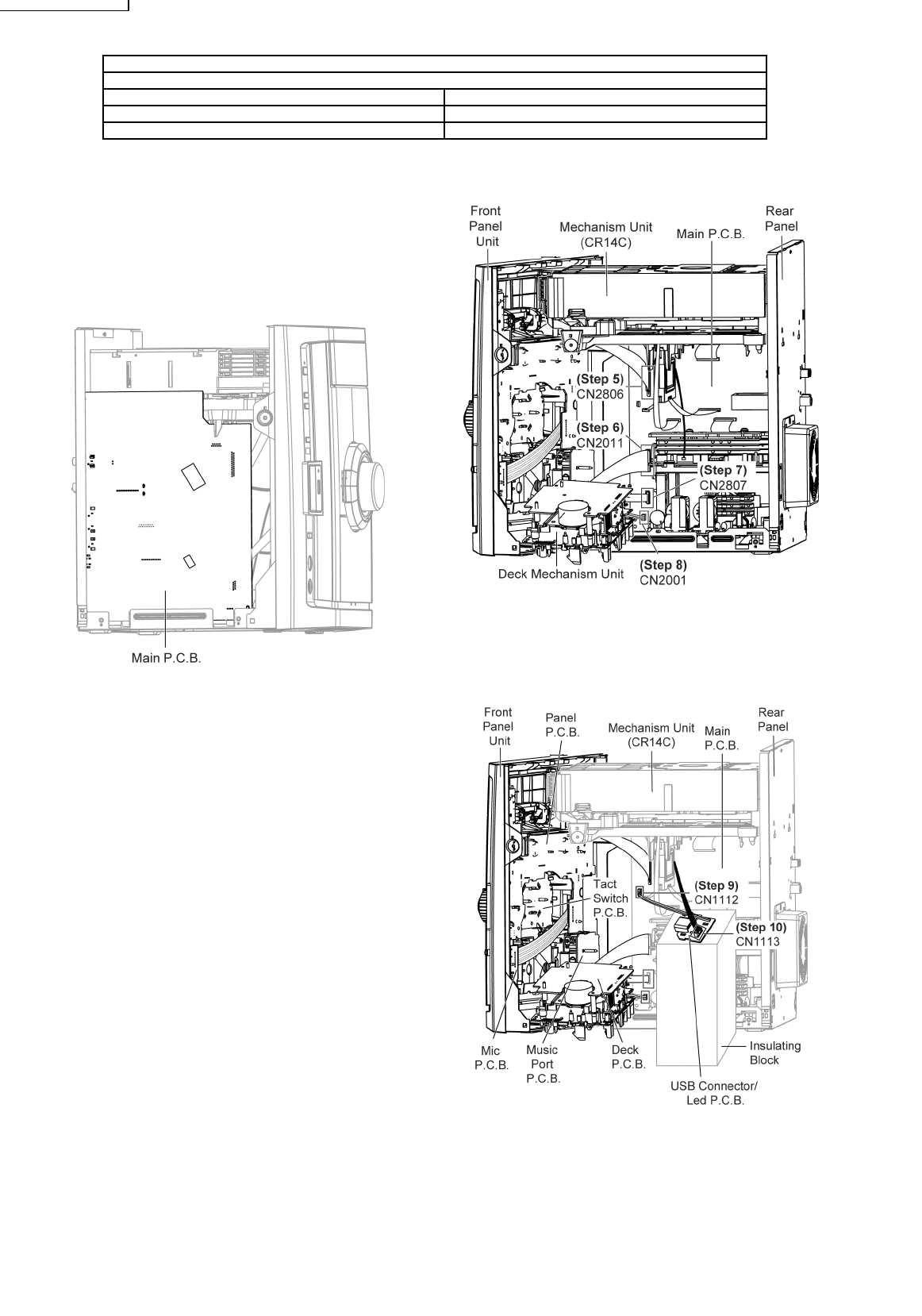
8.9. Disassembly of Front Panel
Unit
• Follow the (Step 1) - (Step 5) of Item 8.4
• Follow the (Step 7) - (Step 10) of Item 8.5
Step 1 Detach 27P FFC cable at connector (CN2806) at Main
P.C.B..
Step 2 Detach 2P wire cable at connector (CN1112) at Main
P.C.B..
Step 3 Detach 21P FFC cable at connector (CN2011) at Main
P.C.B..
Step 4 Detach 10P FFC cable at connector (CN2807) at Main
P.C.B..
Step 5 Detach 2P wire cable at connector (CN2001) at Main
P.C.B..
Step 6 Detach 5P wire cable at connector (CN1113) at USB
Connector/ Led P.C.B..
Step 7 Detach the front panel unit.
8.10. Disassembly of Panel P.C.B.,
Tact Switch P.C.B., Remote
Sensor P.C.B., Side Bar (L)
Led P.C.B. & Side Bar (R) Led
P.C.B.
• Follow the (Step 1) - (Step 5) of Item 8.4
• Follow the (Step 7) - (Step 10) of Item 8.5
• Follow the (Step 1) - (Step 7) of Item 8.9
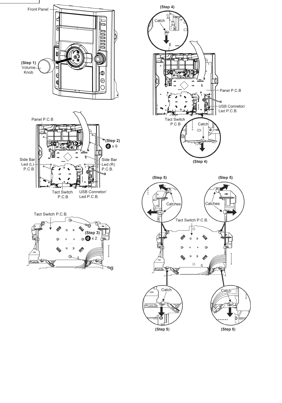
Step 1 Remove Volume knob as arrow shown.
31
SA
-
AK
770
PL / SA
-
AK
770
GCP

Step 2 Remove 9 screws at Panel P.C.B..
Step 3 Remove 2 screws at Tact Switch P.C.B..
Step 4 Release 2 catches at Panel P.C.B..
Step 5 Release 6 catches at Tact Switch P.C.B..
Step 6 Release 2 catches at Remote Sensor P.C.B..
32
SA
-
AK
770
PL / SA
-
AK
770
GCP

Step 7 Lift up the Panel P.C.B., Tact Switch P.C.B. & Remote
Sensor P.C.B. altogether as arrow shown.
Step 8 Desolder cable (ZJ6601) on Panel P.C.B..
• Disassembly of Side Bar (L) Led P.C.B.
Step 9 Detach 4P connector (CN6604) at Side Bar (L) Led
P.C.B. at Panel P.C.B..
• Disassembly of Side Bar (R) Led P.C.B.
Step 10 Detach 4P connector (CN6602) at Side Bar (R) Led
P.C.B. at Panel P.C.B..
Caution:
1. During assembling of the P.C.B.s, ensure that the diode
shown on Tact Switch P.C.B. are in upright position.
2. During reassembling procedures, ensure that D-Bass knob
is seated properly.
33
SA
-
AK
770
PL / SA
-
AK
770
GCP

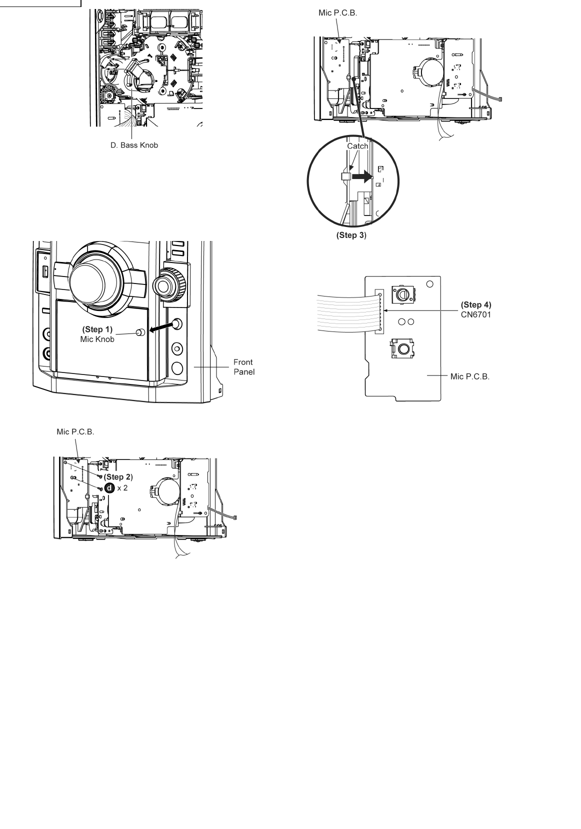
8.11. Disassembly of Mic P.C.B.
• Follow the (Step 1) - (Step 5) of Item 8.4
• Follow the (Step 7) - (Step 10) of Item 8.5
• Follow the (Step 1) - (Step 7) of Item 8.9
Step 1 Remove Mic knob as arrow shown.
Step 2 Remove 2 screws at Mic P.C.B..
Step 3 Release 1 catch at Mic P.C.B..
Step 4 Detach 7P FFC wire cable at connector (CN6701) at
Mic P.C.B..
8.12. Disassembly of USB
Connector/Led P.C.B.
• Follow the (Step 1) - (Step 5) of Item 8.4
• Follow the (Step 7) - (Step 10) of Item 8.5
• Follow the (Step 1) - (Step 7) of Item 8.9
Step 1 Remove 2 screws at USB Connector/Led P.C.B..
34
SA
-
AK
770
PL / SA
-
AK
770
GCP

8.13. Disassembly of Music Port
P.C.B.
• Follow the (Step 1) - (Step 5) of Item 8.4
• Follow the (Step 7) - (Step 10) of Item 8.5
• Follow the (Step 1) - (Step 7) of Item 8.9
Step 1 Remove 2 screws at Music Port P.C.B..
Step 2 Release 2 catches.
Step 3 Lift up the Music Port P.C.B..
8.14. Disassembly of CD Lid
• Follow the (Step 1) - (Step 5) of Item 8.4
• Follow the (Step 7) - (Step 10) of Item 8.5
• Follow the (Step 1) - (Step 7) of Item 8.9
Step 1 Remove the spring as arrow shown in order of
sequences (1) to (3).
Step 2 Remove CD Lid as arrow shown.
Note: Please ensure that the spring is assembly at right
position.
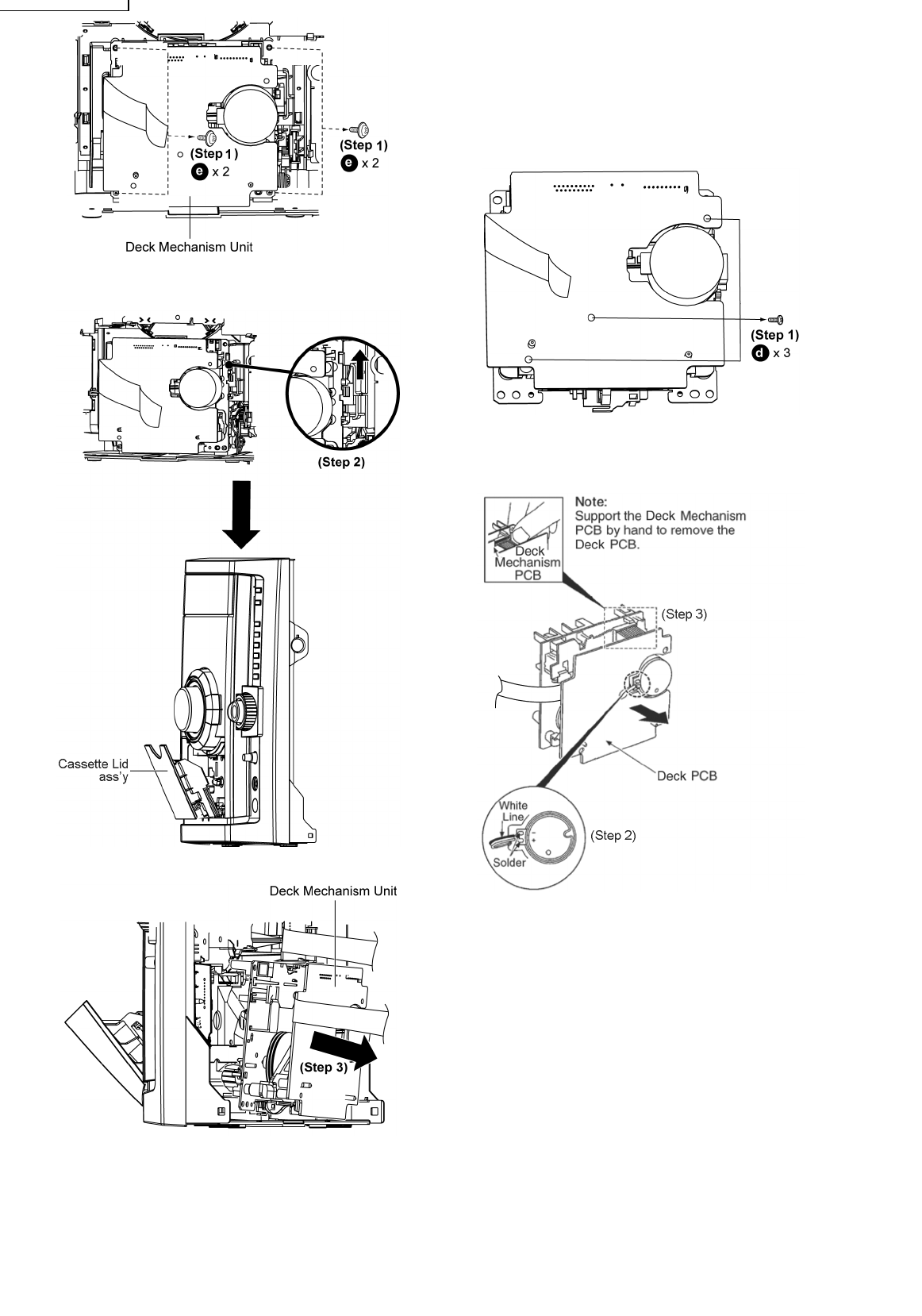
8.15. Disassembly of Deck
Mechanism Unit
• Follow the (Step 1) - (Step 5) of Item 8.4
• Follow the (Step 7) - (Step 10) of Item 8.5
• Follow the (Step 1) - (Step 7) of Item 8.9
Step 1 Remove 4 screws at Deck Mechanism.
35
SA
-
AK
770
PL / SA
-
AK
770
GCP

Step 2 Push the lever upward as arrow shown to open the
cassette lid ass´y.
Step 3 Remove the deck mechanism unit.
8.16. Disassembly of Deck P.C.B.
• Follow the (Step 1) - (Step 5) of Item 8.4
• Follow the (Step 7) - (Step 10) of Item 8.5
• Follow the (Step 1) - (Step 7) of Item 8.9
• Follow the (Step 1) - (Step 3) of Item 8.15
Step 1 Remove 3 screws.
Step 2 Desolder 2P wire at the motor terminal.
Step 3 Detach 9P cable at connector (CP1902) on Deck
P.C.B..
Step 4 Detach connector CP1301 from the head connector.
36
SA
-
AK
770
PL / SA
-
AK
770
GCP

8.17. Disassembly of Deck
Mechanism
• Follow the (Step 1) - (Step 5) of Item 8.4
• Follow the (Step 7) - (Step 10) of Item 8.5
• Follow the (Step 1) - (Step 7) of Item 8.9
• Follow the (Step 1) - (Step 3) of Item 8.15
• Follow the (Step 1) - (Step 4) of Item 8.16
8.17.1. Replacement of Pinch Roller and
Head Block
Step 1 Release catch to remove the Pinch Roller (F) Assy.
Step 2 Release the catches to remove the head connector.
Step 3 Remove 2 screws at the Deck Mechanism unit.
Step 4 Remove head block.
8.17.2. Replacement of Motor, Capstan
Belt A, Capstan Belt B, and
Winding Belt
37
SA
-
AK
770
PL / SA
-
AK
770
GCP

38
S
A-AK770PL
/S
A-AK770
GC
P

8.18. Disassembly of Deck
Mechanism P.C.B.
• Follow the (Step 1) - (Step 5) of Item 8.4
• Follow the (Step 7) - (Step 10) of Item 8.5
• Follow the (Step 1) - (Step 7) of Item 8.9
• Follow the (Step 1) - (Step 3) of Item 8.15
• Follow the (Step 1) - (Step 4) of Item 8.16
Step 1 Desolder plunger terminals.
Step 2 Remove 1 screw at Deck Mechanism P.C.B..
Step 3 Release 3 catches to remove the Deck Mechanism
P.C.B..
8.19. Disassembly of Cassette Lid
• Follow the (Step 1) - (Step 5) of Item 8.4
• Follow the (Step 7) - (Step 10) of Item 8.5
• Follow the (Step 1) - (Step 7) of Item 8.9
• Follow the (Step 1) - (Step 3) of Item 8.15
Step 1 Remove the spring.
Step 2 Push the cassette lid in the direction of arrows.
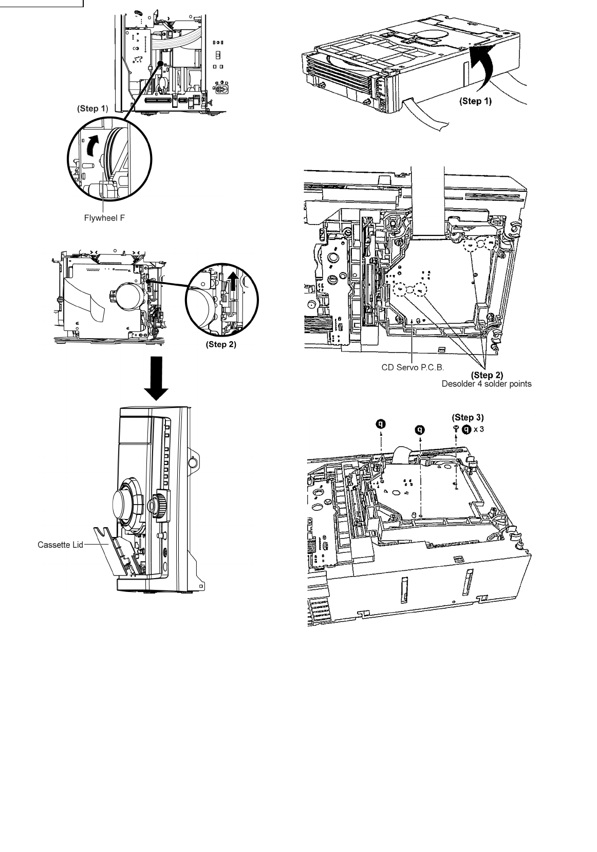
8.20. Rectification for Tape Jam
Problem
• Follow the (Step 1) - (Step 5) of Item 8.4
Step 1 If a cassette tape cannot be removed from the deck (the
tape is caught by the capstan or pinch roller during playback or
recording), rotate the flywheel F in the direction of the arrow to
remove it.
39
SA
-
AK
770
PL / SA
-
AK
770
GCP

Step 2 Push the lever upward and open the cassette lid.
Note: Follow Disassembly of Cassette Lid to remove the
cassette tape.
8.21. Disassembly of Traverse Unit
• Follow the (Step 1) - (Step 5) of Item 8.4
• Follow the (Step 1) - (Step 14) of Item 8.5
Step 1 Flip over the traverse unit.
Step 2 Desolder 4 solder points.
Step 3 Remove 3 screws.
Step 4 Flip over the CD Servo P.C.B..
Step 5 Detach the 16P FFC cable at connector (CN7001) at
CD Servo P.C.B..
40
SA
-
AK
770
PL / SA
-
AK
770
GCP

8.22. Disassembly of D-Amp P.C.B.
• Follow the (Step 1) - (Step 5) of Item 8.4
• Follow the (Step 1) - (Step 12) of Item 8.5
Step 1 Detach 17P FFC cable at connector (CN5050) at D-
Amp P.C.B..
Step 2 Detach 8P wire connector (CN5500) at D-Amp P.C.B..
Step 3 Detach 2P wire connector (CN2820) at Main P.C.B. .
Step 4 Remove 2 screws at D-Amp P.C.B. chassis support .
41
SA
-
AK
770
PL / SA
-
AK
770
GCP

Step 5 Remove 4 screws at the rear panel.
Step 6 Lift up the D-Amp P.C.B. together with the chassis
support as arrow shown.
Step 7 Remove 3 screws from D-Amp P.C.B..
Step 8 Lift up D-Amp P.C.B. as arrow shown.
Note: During reassembling procedures, ensure the P.C.B. is
seated properly at the chassis support.
• Disassembly of Fan Unit
Step 9 Remove 1 screw at fan unit detach to the chassis
42
SA
-
AK
770
PL / SA
-
AK
770
GCP

support.
8.23. Replacement of Audio Digital
Amp IC (IC5400)
• Follow the (Step 1) - (Step 5) of Item 8.4
• Follow the (Step 1) - (Step 12) of Item 8.5
• Follow the (Step 1) - (Step 8) of Item 8.22
Step 1 Flip over D-Amp P.C.B..
Step 2 Desolder pins of the Audio Digital Amp IC (IC5400) on
the reverse side of D-Amp P.C.B..
Step 3 Remove 1 screw.
Step 4 Remove TR Spring in the direction of arrow shown.
Step 5 Remove Audio Digital Amp IC (IC5400) from the heat
sink unit A.
Caution: Handle the heat sink Unit A power unit with
caution due to its high temperature after prolonged use.
Touching it, may lead to injuries.
8.23.1. Assembly of Audio Digital Amp IC
(IC5400)
Step 1 Fix the Audio Digital Amp IC onto the heat sink unit A.
Step 2 Screw back TR Spring onto the heat sink unit A.
Make sure it is well tighten to prevent overheat.
Note: Use a blower to remove the minute particles that might
caused left on the TR Spring.
43
SA
-
AK
770
PL / SA
-
AK
770
GCP

8.24. Replacement of Audio Digital
Amp IC (IC5000)
• Follow the (Step 1) - (Step 5) of Item 8.4
• Follow the (Step 1) - (Step 12) of Item 8.5
• Follow the (Step 1) - (Step 8) of Item 8.22
Step 1 Flip over D-Amp P.C.B..
Step 2 Desolder pins of the Audio Digital Amp IC (IC5000) on
the reverse side of D-Amp P.C.B..
Step 3 Remove 1 screw.
Step 4 Remove TR Spring in the direction of arrow shown.
Step 5 Remove Audio Digital Amp IC (IC5000) from the heat
sink unit A.
Caution: Handle the heat sink Unit A power unit with
caution due to its high temperature after prolonged use.
Touching it, may lead to injuries.
8.24.1. Assembly of Audio Digital Amp IC
(IC5000)
Step 1 Fix the Audio Digital Amp IC onto the heat sink unit A.
Step 2 Screw back TR Spring onto the heat sink unit A.
Make sure it is well tighten to prevent overheat.
Note: Use a blower to remove the minute particles that might
caused left on the TR Spring.
44
SA
-
AK
770
PL / SA
-
AK
770
GCP

8.25. Replacement of Audio Digital
Amp IC (IC5200)
• Follow the (Step 1) - (Step 5) of Item 8.4
• Follow the (Step 1) - (Step 12) of Item 8.5
• Follow the (Step 1) - (Step 8) of Item 8.22
Step 1 Flip over D-Amp P.C.B..
Step 2 Desolder pins of the Audio Digital Amp IC (IC5200) on
the reverse side of D-Amp P.C.B..
Step 3 Remove 1 screw.
Step 4 Remove TR Spring in the direction of arrow shown.
Step 5 Remove Audio Digital Amp IC (IC5200) from the heat
sink unit A.
Caution: Handle the heat sink Unit A power unit with
caution due to its high temperature after prolonged use.
Touching it, may lead to injuries.
8.25.1. Assembly of Audio Digital Amp IC
(IC5200)
Step 1 Fix the Audio Digital Amp IC onto the heat sink unit A.
Step 2 Screw back TR Spring onto the heat sink unit A.
Make sure it is well tighten to prevent overheat.
Note: Use a blower to remove the minute particles that might
caused left on the TR Spring.
45
SA
-
AK
770
PL / SA
-
AK
770
GCP

8.26. Disassembly of Main P.C.B.
• Follow the (Step 1) - (Step 5) of Item 8.4
• Follow the (Step 1) - (Step 12) of Item 8.5
• Follow the (Step 1) - (Step 6) of Item 8.22
Step 1 Detach 27P FFC cable at connector (CN2806) at Main
P.C.B..
Step 2 Detach 2P wire cable at connector (CN1112) at Main
P.C.B..
Step 3 Detach 21P FFC cable at connector (CN2011) at Main
P.C.B..
Step 4 Detach 10P FFC cable at connector (CN2807) at Main
P.C.B..
Step 5 Detach 2P wire cable at connector (CN2001) at Main
P.C.B..
Step 6 Detach 2P wire cable at connector (CN2810) at Main
P.C.B..
Step 7 Detach 11P wire cable at connector (CN5802) at SMPS
P.C.B..
Step 8 Remove 2 screws.
46
SA
-
AK
770
PL / SA
-
AK
770
GCP

Step 9 Remove 2 screws at rear panel.
Step 10 Lift up Main P.C.B. as arrow shown.
Caution Note: While lifting up Main P.C.B., please handle Jack
(CN3601) and Tuner Pack with care.
8.27. Replacement of Voltage
Regulator IC (IC2761)
• Follow the (Step 1) - (Step 5) of Item 8.4
• Follow the (Step 1) - (Step 12) of Item 8.5
• Follow the (Step 1) - (Step 6) of Item 8.22
• Follow the (Step 1) - (Step 10) of Item 8.26
Step 1 Desolder pins of the Voltage Regulator IC (IC2761) on
the reverse side of Main P.C.B..
Step 2 Remove 1 screw form the Main P.C.B..
47
SA
-
AK
770
PL / SA
-
AK
770
GCP

Step 3 Remove the Voltage Regulator IC (IC2761) from the
heat sink.
Caution: Handle the heat sink with caution due to its high
temperature after prolonged use. Touching it may lead to
injuries.
8.27.1. Assembly of Voltage Regulator IC
(IC2761)
Step 1 Apply grease to heat sink.
Step 2 Fix and screw the Voltage Regulator IC (IC2761) to the
heat sink.
Note: Ensure the Voltage Regulator IC (IC2761) is tightly
screwed to the heat sink.
8.28. Replacement of Switch
Transistor (Q2751)
• Follow the (Step 1) - (Step 5) of Item 8.4
• Follow the (Step 1) - (Step 12) of Item 8.5
• Follow the (Step 1) - (Step 6) of Item 8.22
• Follow the (Step 1) - (Step 10) of Item 8.26
Step 1 Desolder pins of the Switch Transistor (Q2751) on the
reverse side of Main P.C.B..
Step 2 Remove 1 screw form the Main P.C.B..
Step 3 Remove the Switch Transistor (Q2751) from the heat
sink.
Caution: Handle the heat sink with caution due to its high
temperature after prolonged use. Touching it may lead to
injuries.
8.28.1. Assembly of Switch Transistor
(Q2751)
Step 1 Apply grease to heat sink.
Step 2 Fix and screw the Switch Transistor (Q2751) to the heat
sink.
48
SA
-
AK
770
PL / SA
-
AK
770
GCP

Note: Ensure the Switch Transistor (Q2751) is tightly screwed
to the heat sink.
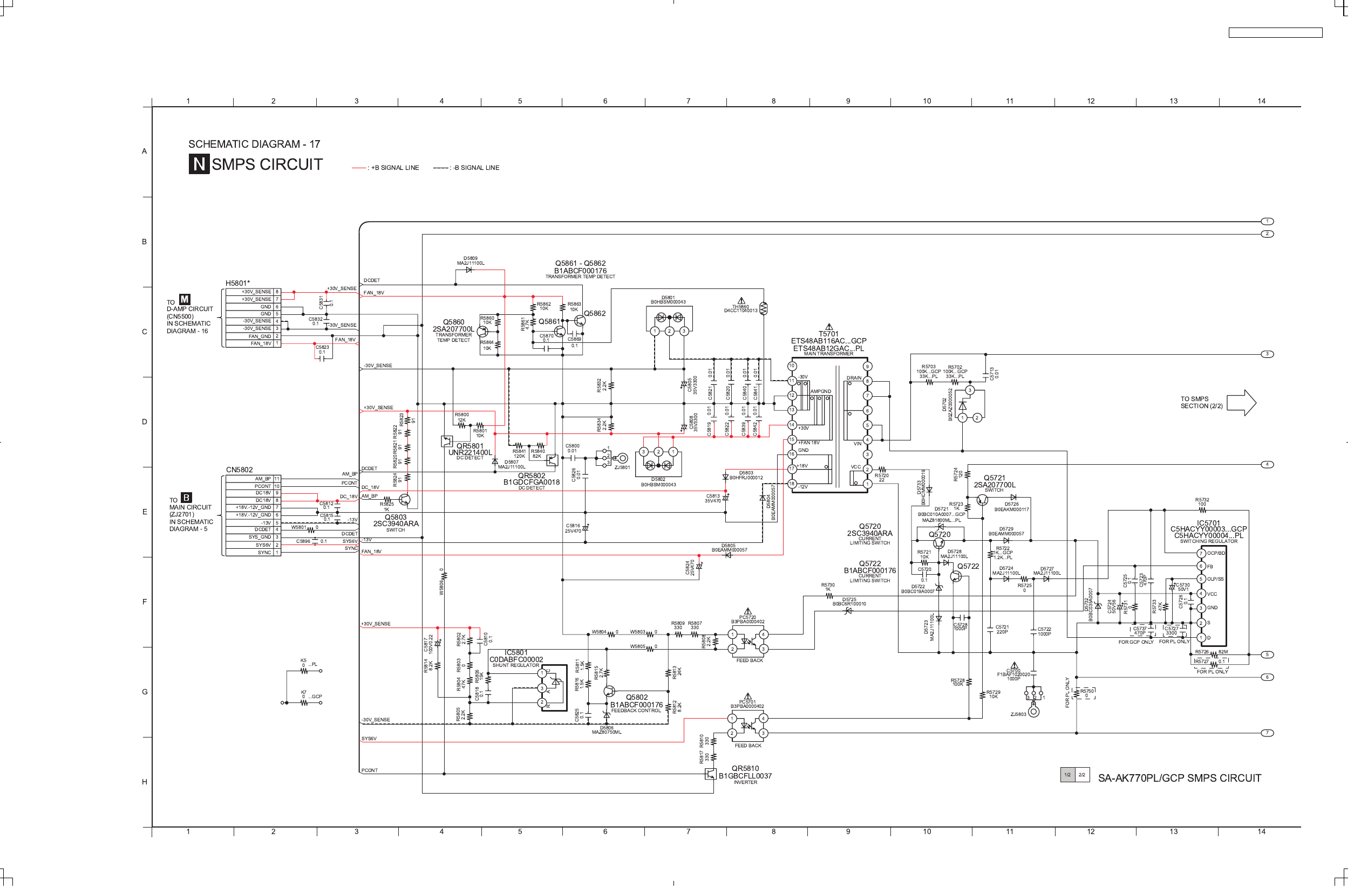
8.29. Disassembly of SMPS P.C.B.
• Follow the (Step 1) - (Step 5) of Item 8.4
• Follow the (Step 1) - (Step 12) of Item 8.5
• Follow the (Step 1) - (Step 6) of Item 8.22
Step 1 Detach 8P wire at connector (CN5802) at SMPS P.C.B..
Step 2 Remove 4 screws at SMPS P.C.B..
Step 3 Lift up the SMPS P.C.B. as arrow shown.
Step 4 Flip the SMPS P.C.B. and desolder 2 wire pins (red and
black).
• For GCP Only
Step 5 Desolder 2 wire pin (White and blue).
Note: During reassembling procedures, ensure the P.C.B. is
seated properly at the locator.
8.30. Replacement of Switch
Regulator IC (IC5701)
• Follow the (Step 1) - (Step 5) of Item 8.4
• Follow the (Step 1) - (Step 12) of Item 8.5
• Follow the (Step 1) - (Step 6) of Item 8.22
• Follow the (Step 1) - (Step 5) of Item 8.29
Step 1 Desolder pins of the Switch Regulator IC (IC5701) on
49
SA
-
AK
770
PL / SA
-
AK
770
GCP

the reverse side of SMPS P.C.B..
Step 2 Remove 1 screw from the Switch Regulator IC
(IC5701).
Step 3 Remove the Switch Regulator IC (IC5701) from the heat
sink Unit B.
Caution: Handle the heat sink Unit B with caution due to its
high temperature after prolonged use. Touching it may
lead to injuries.
Note : Refer to the diagrams of SMPS P.C.B. (Item 19.6.) for
location of the part.
8.30.1. Assembly of Switch Regulator IC
(IC5701)
Step 1 Apply grease to the heat sink Unit B.
Step 2 Fix and screw the Switch Regulator IC (IC5701) to the
heat sink Unit B.
Special Note: Ensure the Switch Regulator IC (IC5701) is
tightly screwed to the heat sink Unit B.
Step 3 Solder pins of the Switch Regulator IC (IC5701) on the
reverse side of SMPS P.C.B..
Special Note: Ensure pins of the Switch Regulator IC (IC5701)
are properly seated and soldered on SMPS P.C.B..
8.31. Replacement of Switch
Regulator Diode (D5702)
• Follow the (Step 1) - (Step 5) of Item 8.4
• Follow the (Step 1) - (Step 12) of Item 8.5
• Follow the (Step 1) - (Step 6) of Item 8.22
• Follow the (Step 1) - (Step 5) of Item 8.29
Step 1 Desolder pins of the Switch Regulator Diode (D5702) on
the reverse side of SMPS P.C.B..
Step 2 Desolder pins of the heat sink Unit B.
50
SA
-
AK
770
PL / SA
-
AK
770
GCP

Step 3 Remove 1 screw from the Switch Regulator Diode
(D5702).
Step 4 Remove the heat sink Unit B in the direction of arrows.
Step 5 Remove 1 screw from the Switch Regulator Diode.
(D5702).
Step 6 Remove the Switch Regulator Diode (D5702) from the
heat sink Unit B.
Caution: Handle the heat sink Unit B with caution due to its
high temperature after prolonged use. Touching it may
lead to injuries.
Note : Refer to the diagrams of SMPS P.C.B. (Item 19.6.) for
location of the part.
8.31.1. Assembly of Switch Regulator
Diode (D5702)
Step 1 Apply grease to the heat sink Unit B.
Step 2 Fix and screw the Switch Regulator Diode (D5702) to
the heat sink Unit B.
Special Note: Ensure the Switch Regulator Diode (D5702) is
tightly screwed to the heat sink Unit B.
Step 3 Fix the heat sink Unit B on SMPS P.C.B. in the direction
of arrows.
Step 4 Fix and screw the Switch Regulator IC (IC5701) to the
heat sink Unit B.
Special Note: Ensure the heat sink Unit B is properly seated
on SMPS P.C.B..
Step 5 Solder pins of the Switch Regulator Diode (D5702) on
the reverse side of SMPS P.C.B..
Step 6 Solder pins of the heat sink Unit B on the reverse side
of SMPS P.C.B..
Special Note: Ensure pins of the switch regulator diode
(D5702) are properly seated and soldered on SMPS P.C.B..
8.32. Replacement of Regulator
Diode (D5801)
• Follow the (Step 1) - (Step 5) of Item 8.4
• Follow the (Step 1) - (Step 12) of Item 8.5
• Follow the (Step 1) - (Step 6) of Item 8.22
• Follow the (Step 1) - (Step 5) of Item 8.29
51
SA
-
AK
770
PL / SA
-
AK
770
GCP

Step 1 Desolder pins of the Regulator Diode (D5801) on the
reverse side of SMPS P.C.B..
Step 2 Remove 1 screw from the Regulator Diode (D5801).
Step 3 Remove the Regulator Diode (D5801) from the heat
sink unit C.
Caution: Handle the heat sink unit C with caution due to its
high temperature after prolonged use. Touching it may
lead to injuries.
Note: Refer to the diagrams of SMPS P.C.B. (Item 19.6.) for
location of the part.
8.32.1. Assembly of Regulator Diode
(D5801)
Step 1 Apply grease to the heat sink unit C.
Step 2 Fix and screw the Regulator Diode (D5801) to the heat
sink unit C.
Special Note: Ensure the Regulator Diode (D5801) is tightly
screwed to the heat sink unit C.
Step 3 Solder pins of the Regulator Diode (D5801) on the
reverse side of SMPS P.C.B..
Special Note: Ensure pins of the Regulator Diode (D5801) are
properly seated and soldered on SMPS P.C.B..
8.33. Replacement of Regulator
Diode (D5802)
• Follow the (Step 1) - (Step 5) of Item 8.4
• Follow the (Step 1) - (Step 12) of Item 8.5
• Follow the (Step 1) - (Step 6) of Item 8.22
• Follow the (Step 1) - (Step 5) of Item 8.29
Step 1 Desolder pins of the Regulator Diode (D5802) on the
reverse side of SMPS P.C.B..
Step 2 Remove 1 screw from the Regulator Diode (D5802).
52
SA
-
AK
770
PL / SA
-
AK
770
GCP

Step 3 Remove the Regulator Diode (D5802) from the heat
sink unit C.
Caution: Handle the heat sink unit C with caution due to its
high temperature after prolonged use. Touching it may
lead to injuries.
Note: Refer to the diagrams of SMPS P.C.B. (Item 19.6.) for
location of the part.
8.33.1. Assembly of Regulator Diode
(D5802)
Step 1 Apply grease to the heat sink unit C.
Step 2 Fix and screw the Regulator Diode (D5802) to the heat
sink unit C.
Special Note: Ensure the Regulator Diode (D5802) is tightly
screwed to the heat sink unit C.
Step 3 Solder pins of the Regulator Diode (D5802) on the
reverse side of SMPS P.C.B..
Special Note: Ensure pins of the Regulator Diode (D5802) are
properly seated and soldered on SMPS P.C.B..
8.34. Replacement of Regulator
Diode (D5803)
• Follow the (Step 1) - (Step 5) of Item 8.4
• Follow the (Step 1) - (Step 12) of Item 8.5
• Follow the (Step 1) - (Step 6) of Item 8.22
• Follow the (Step 1) - (Step 5) of Item 8.29
Step 1 Desolder pins of the Regulator Diode (D5803) on the
reverse side of SMPS P.C.B..
Step 2 Remove 1 screw from the Regulator Diode (D5803).
Step 3 Remove the Regulator Diode (D5803) from the heat
sink unit C.
Caution: Handle the heat sink unit C with caution due to its
high temperature after prolonged use. Touching it may
lead to injuries.
53
SA
-
AK
770
PL / SA
-
AK
770
GCP

Note: Refer to the diagrams of SMPS P.C.B. (Item 19.6.) for
location of the part.
8.34.1. Assembly of Regulator Diode
(D5803)
Step 1 Apply grease to the heat sink unit C.
Step 2 Fix and screw the Regulator Diode (D5803) to the heat
sink unit C.
Special Note: Ensure the Regulator Diode (D5803) is tightly
screwed to the heat sink unit C.
Step 3 Solder pins of the Regulator Diode (D5803) on the
reverse side of SMPS P.C.B..
Special Note: Ensure pins of the Regulator Diode (D5803) are
properly seated and soldered on SMPS P.C.B..
8.35. Disassembly of AC Inlet P.C.B.
• Follow the (Step 1) - (Step 5) of Item 8.4
Step 1 Remove 2 screws at AC Inlet P.C.B..
Step 2 Cut 2 tie wraps.
54
SA
-
AK
770
PL / SA
-
AK
770
GCP

Step 3 Remove 1 screw at the rear panel.
Step 4 Detach the rear panel slightly backward as arrow
shown.
Step 5 Lift up the AC Inlet P.C.B..
Step 6 Flip over the AC Inlet P.C.B. and desolder 2 wire pins
(red and black).
Caution: Remember to use tie wraps to tie red/ black wires
between AC Inlet P.C.B. to the chassis.
Note: During reassembling procedures, ensure the P.C.B. is
seated properly at the locators.
55
SA
-
AK
770
PL / SA
-
AK
770
GCP

8.36. Disassembly of Voltage
Selector ( For GCP Only)
• Follow the (Step 1) - (Step 5) of Item 8.4
Step 1 Remove 1 screw at rear panel.
Step 2 Push up the voltage selector from rear panel as arrow
shown.
Step 3 Desolder 3 pins of Voltage Selector P.C.B..
Step 4 Release 2 catches on Voltage Selector P.C.B..
Step 5 Desolder 2 wire pin (White and blue).
56
SA
-
AK
770
PL / SA
-
AK
770
GCP

57
S
A-AK770PL
/S
A-AK770
GCP

9.1. Disassembly of Traverse Unit
Assembly
• Disassembly of Traverse Unit Assembly in play position
Step 1 Release the catch and push the guide as arrows shown
to open both grooves.
Step 2 Detach the FFC wires from the adhesive area.
Step 3 Remove the traverse unit assembly as arrows shown.
9.2. Assembly of Traverse Unit
Assembly
Step 1 Slot the traverse unit assembly into the guides as arrow
shown.
9 Disassembly and Assembly of Traverse Unit Assembly
in Play Position
58
SA
-
AK
770
PL / SA
-
AK
770
GCP

Note: Ensure the bosses fix exactly onto the guides.
Step 2 Place down the traverse unit assembly.
Step 3 Fix the FFC wires by using the adhesive tape.
Step 4 Release the catch and push the guide as arrows shown
to close both grooves.
59
SA
-
AK
770
PL / SA
-
AK
770
GCP

Note: For description of the disassembly procedures, see
the Section 8.
11.1. Checking and Repairing of
Main P.C.B.
Step 1 Remove Top Cabinet.
Note: Main P.C.B. can be checked at its original position.
11.2. Checking and Repairing Panel,
Deck P.C.B., Tact Switch
P.C.B., Music Port P.C.B. &
USB Connector/Led P.C.B.
Step 1 Remove Top Cabinet.
Step 2 Remove Front Panel Unit.
Step 3 Remove Deck Mechanism Unit.
Step 4 Remove USB Connector/Led P.C.B..
Step 5 Connect 27P FFC cable at connector (CN2806) at Main
P.C.B..
Step 6 Connect 21P FFC cable at connector (CN2011) at Main
P.C.B..
Step 7 Connect 10P FFC cable at connector (CN2807) at Main
P.C.B..
Step 8 Connect 2P wire cable at connector (CN2001) at Main
P.C.B..
Step 9 Connect 2P wire cable at connector (CN1112) at Main
P.C.B..
Step 10 Connect 5P wire cable at connector (CN1113) at USB
Connector/ Led P.C.B..
Step 11 Check and repair Panel P.C.B., Deck P.C.B., Tact
10 Service Fixture and Tools
Service Tools
Extension FFC
(A) Main P.C.B. (CN5050) - D-Amp P.C.B. (CN5050) REEX0930 (17P FFC Wires)
(B) Main P.C.B. (CN2701) - SMPS P.C.B. (CN5802) REXX0680 (11P Wires)
(C) SMPS P.C.B. (H5801) - D-Amp P.C.B. (CN5500) REXX0683 (8 Pin Flat Wires)
11 Service Positions
60
SA
-
AK
770
PL / SA
-
AK
770
GCP

Switch P.C.B., Music Port P.C.B. & USB Connector/Led P.C.B..
11.3. Checking and Repairing
Jupiter USB P.C.B. (Side A &
B)
• Checking Jupiter USB P.C.B. (Side A)
Step 1 Remove Top Cabinet.
Step 2 Remove Mechanism Unit.
Step 3 Remove 2 screws at mecha chassis.
Step 4 Remove Jupiter USB cover.
Step 5 Desolder 4 points.
Step 6 Remove Jupiter USB P.C.B..
Step 7 Position Mechanism Unit (CR14C) according to the
diagram shown.
Step 8 Connect 22P FFC cable at connector (CN2801) at Main
P.C.B..
Step 9 Connect 11P cable at connector (CN2802) at Main
P.C.B..
Step 10 Connect 6P FFC cable at connector (CN2815) at Main
P.C.B..
Step 11 Connect 20P FFC cable at connector (CN2804) at
Main P.C.B..
Step 12 Connect 5P wire cable at connector (CN1113) at USB
Connector/Led P.C.B..
Step 13 Check and repair Jupiter USB P.C.B. (Side A).
• Checking Jupiter USB P.C.B. (Side B)
Step 14 Flip over the Jupiter USB P.C.B. (Side A).
61
SA
-
AK
770
PL / SA
-
AK
770
GCP

Step 15 Check and repair Jupiter USB P.C.B. (Side B).
11.4. Checking and Repairing Mic
P.C.B.
Step 1 Remove Top Cabinet.
Step 2 Release the claws outwards on both sides.
Step 3 Release the catches at both sides.
Step 4 Release the tabs at the bottom of the front panel.
Step 5 Shift the front panel unit slightly forward in the direction
of the arrow.
Step 6 Check and repair the Mic P.C.B. at its original position.
62
SA
-
AK
770
PL / SA
-
AK
770
GCP

11.5. Checking and Repairing of D-
Amp P.C.B.
Step 1 Remove Top Cabinet.
Step 2 Remove the mechanism unit.
Step 3 Detach 17P FFC cable at connector (CN5050) at D-
Amp P.C.B..
Step 4 Detach 8P wire cable at connector (CN5500) at D-Amp
P.C.B..
Step 5 Detach 2P wire cable at connector (CN2820) at Main
P.C.B..
Step 6 Remove 2 screws at chassis supports.
Step 7 Remove 4 screws at the rear panel.
Step 8 Lift up the D-Amp P.C.B. together with the chassis
support as arrow shown.
63
SA
-
AK
770
PL / SA
-
AK
770
GCP

Step 9 Remove 3 screws from D-Amp P.C.B..
Step 10 Lift up D-Amp P.C.B. as arrow shown.
Step 11 Remove 1 screw at Fan Unit detach to the chassis
support.
Step 12 Connnect 2P wire cable at the connector (CN2820) at
Main P.C.B..
Step 13 Position Mechanism Unit CR14C according to the
diagram shown.
Step 14 Connect 22P FFC cable at the connector (CN2801) on
Main P.C.B..
Step 15 Connect 11P FFC cable at the connector (CN2802) on
Main P.C.B..
Step 16 Connect 6P FFC cable at connector (CN2815) at Main
P.C.B..
Step 17 Connect 20P FFC cable at connector (CN2804) at
Main P.C.B..
Step 18 Connect 5P wire cable at connector (CN1113) at USB
Connector/Led P.C.B..
64
SA
-
AK
770
PL / SA
-
AK
770
GCP

Step 19 Attach original cable with extension cable (REXX0683)
(8P cable from H5801 to CN5500).
Step 20 Connect extension cable (REEX0930) (17P cable from
CN5050 to CN5050).
Step 21 Check and repair D-Amp P.C.B. according to the
diagram shown.
11.6. Checking and Repairing of AC
Inlet P.C.B. & SMPS P.C.B.
• Follow (Step 1) - (Step 12) of item 11.5
Step 1 Detach wire connector at connector CN5802 at SMPS
P.C.B..
Step 2 Remove 4 screws.
Step 3 Remove 2 screws at AC Inlet P.C.B..
65
SA
-
AK
770
PL / SA
-
AK
770
GCP

Step 4 Cut 2 tie wraps.
Step 5 Remove 1 screw at the rear panel.
Step 6 Move the rear panel slightly backward as arrow shown,
lift up the AC Inlet P.C.B. together with the SMPS P.C.B..
Step 7 Position SMPS P.C.B. & AC Inlet P.C.B. according to
the diagram shown.
Step 8 Position Mechanism Unit (CR14C) according to the
diagram shown.
Step 9 Connect 22P FFC cable at the connector (CN2801) on
Main P.C.B..
Step 10 Connect 11P FFC cable at the connector (CN2802) on
Main P.C.B..
Step 11 Connect 6P FFC cable at connector (CN2815) at Main
P.C.B..
Step 12 Connect 20P FFC cable at connector (CN2804) at
Main P.C.B..
Step 13 Connect 5P wire cable at the connector (CN1113) on
USB Connector/Led P.C.B..
66
SA
-
AK
770
PL / SA
-
AK
770
GCP

Step 14 Attach original cable with extension cable (REXX0683)
(8P cable from H5801 to CN5500).
Step 15 Attach original cable with extension cable (REXX0680)
(11P cable from CN2701 to CN5802).
Step 16 Connect extension cable (REEX0930) (17P cable from
CN5050 to CN5050).
Step 17 Service AC Inlet P.C.B. & SMPS P.C.B. respectively.
67
SA
-
AK
770
PL / SA
-
AK
770
GCP

12 Procedure for Checking Operation of Individual Parts of
Deck Mechanism Unit
12.1. Operation Check with Cassette Tape
1. Pull up the EJECT lever using a rubber band. (Fig. 6)
2. Supply DC5V to MOTOR. (→MOTOR rotates.) (Fig. 5)
3. Insert a cassette tape to the unit.
4. Supply DC9V to the plunger, and turn the power ON and OFF. (→Power +PL, -PL) (Fig. 5)
a. FWD PLAY: Supply the plunger power in a flash. (ON: approx. 5msec)
b. FWD FF: Supply the plunger power in a flash at PLAY mode. (ON: approx. 5msec)
c. STOP: Supply the plunger power in a flash at FWD FF mode. (ON: approx. 5msec)
d. REV PLAY: Supply the plunger power in a normal timing at STOP mode. (ON: approx. 200msec)
e. REV REW: Supply the plunger power in a flash at REV PLAY mode. (ON: approx. 50msec)
f. STOP: Supply the plunger power in a flash at FF mode. (ON: approx. 50msec)
Repeat the operation (→FWD PLAY)
(Note) Other operation may start if a timing of supplying the plunger power is missed.
12.1.1. Connection Status between Mechanism and Power Supply (Motor, Plunger)
12.1.2. Operative Parts of Deck Mechanism Unit (EJECT lever fitted with rubber band,
Plunger/Rib operation)
Fig. 6
12.2. Operation Check without Cassette Tape
1. Pull up the EJECT lever using a rubber band. (Fig. 6)
2. Supply DC5V to MOTOR. (→MOTOR rotates.)
3. Lift up the mechanism unit’s plunger/rib with the tip of a negative screwdriver, and operate the unit in the same timing as
supplying the power. (Fig. 7)
68
SA
-
AK
77
0PL / SA
-
AK
77
0GCP

13 Measurement And Adjustments
13.1. Cassette Deck Section
13.1.1. Requirements
• Test tape (QZZCFM) (QZZCWAT)
• Normal blank cassette tape (QZZCRA)
• Digital frequency counter
• Oscilloscope
• Electrical voltmeter
• Headphone jack output jig (Fig 8)
13.1.2. Setting of Unit
• VOLUME: MAX
13.1.3. Preparations
1. Apply under [8. Assembling and Disassembling].
2. Remove 4 screws from the mechanism unit to disassemble. under [8.15 Disassembly of Deck Mechanism Unit].
3. Connect the headphone jack output jig (Fig 8) to headphone jack.
Fig. 8
Fig. 9
13.1.4. Tape Speed Adjustment
• Normal speed adjustment (only during forward playback)
69
SA
-
AK
77
0PL / SA
-
AK
77
0GCP

(Product reference value: 3,000±90Hz)
1. Connect a frequency indicator. (Fig 10)
2. Playback the middle portion of the test tape (QZZCWAT).
3. Adjust the motor screw so that the following output level is produced. (Fig 11)
Adjustment Range: 3,000 ± 90Hz (a constant speed)
Fig. 10
Fig. 11
13.1.5. Bias Voltage Check
1. Connect an electrical voltmeter. (Fig 12) (Fig 9 for location of Test point)
2. Set the function to “TAPE” position.
3. Insert a normal blank cassette tape (QZZCRA).
4. While pressing and holding down [REC ( )] button, press [TAPE ( )] button to pause the recording mode. (Repeat
pressing the buttons till the recording pause mode is activated.)
5. Check that the output level is within the standard range.
Standard Range: 20 ± 3mV
Fig. 12
13.1.6. Bias Frequency Check
1. Connect a digital frequency counter (Fig 13).
2. Set the function to “TAPE” position.
3. Insert a normal blank cassette tape (QZZCRA) and press “REC” mode on main unit.
4. Check that the output frequency is within the standard range.
Standard Value: 100 ±8 kHz
Fig. 13
70
SA
-
AK
77
0PL / SA
-
AK
77
0GCP

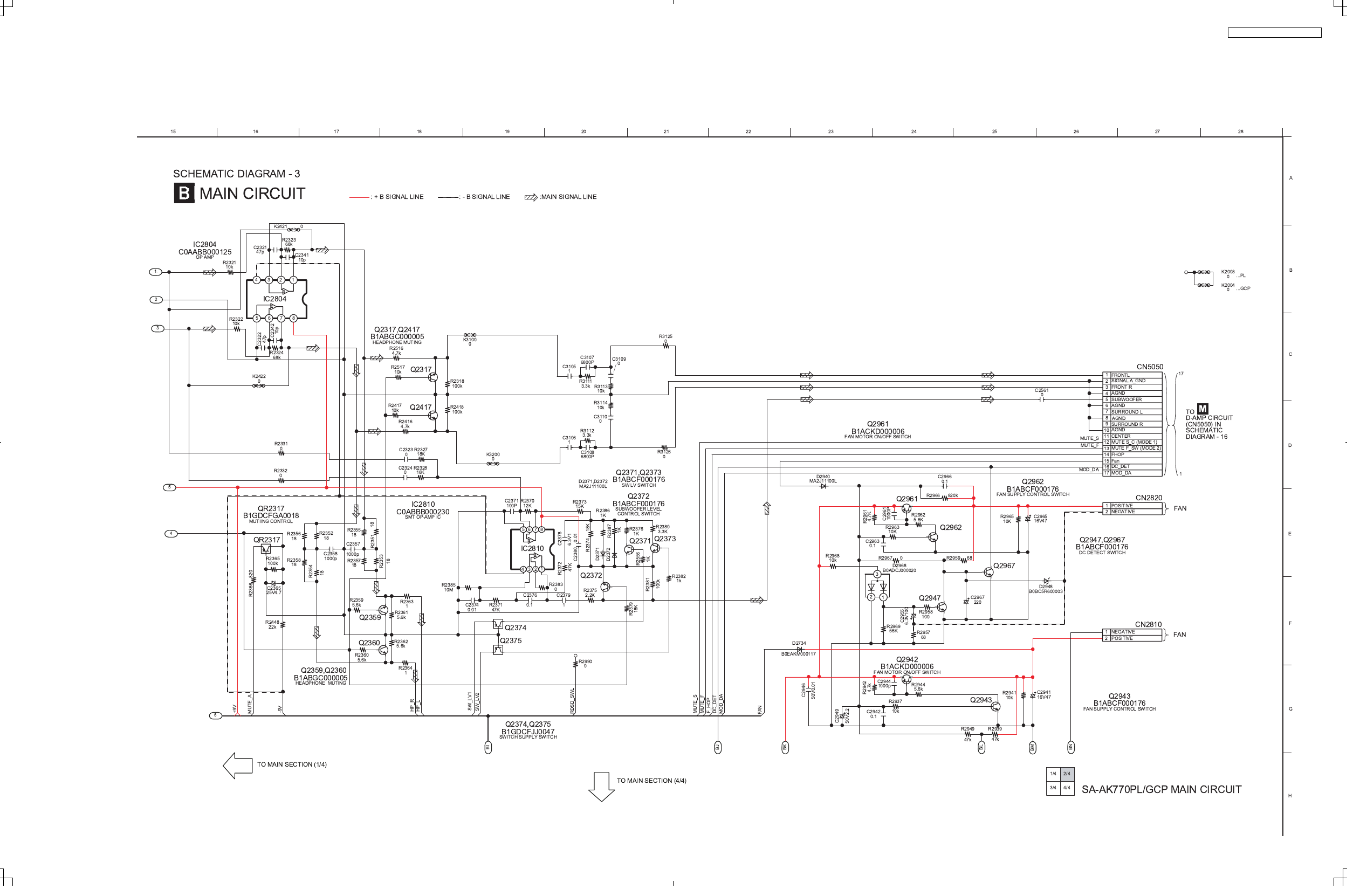
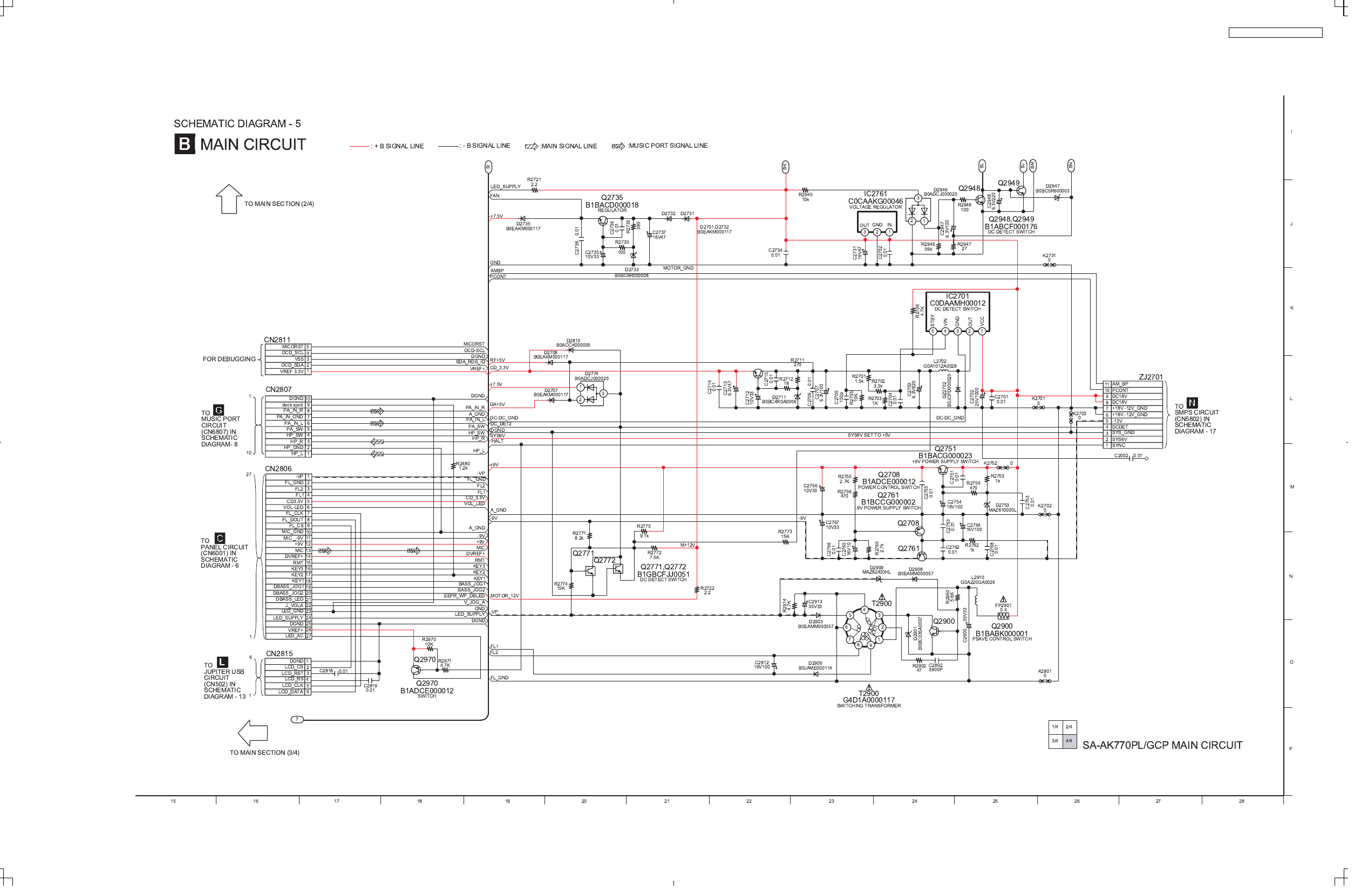
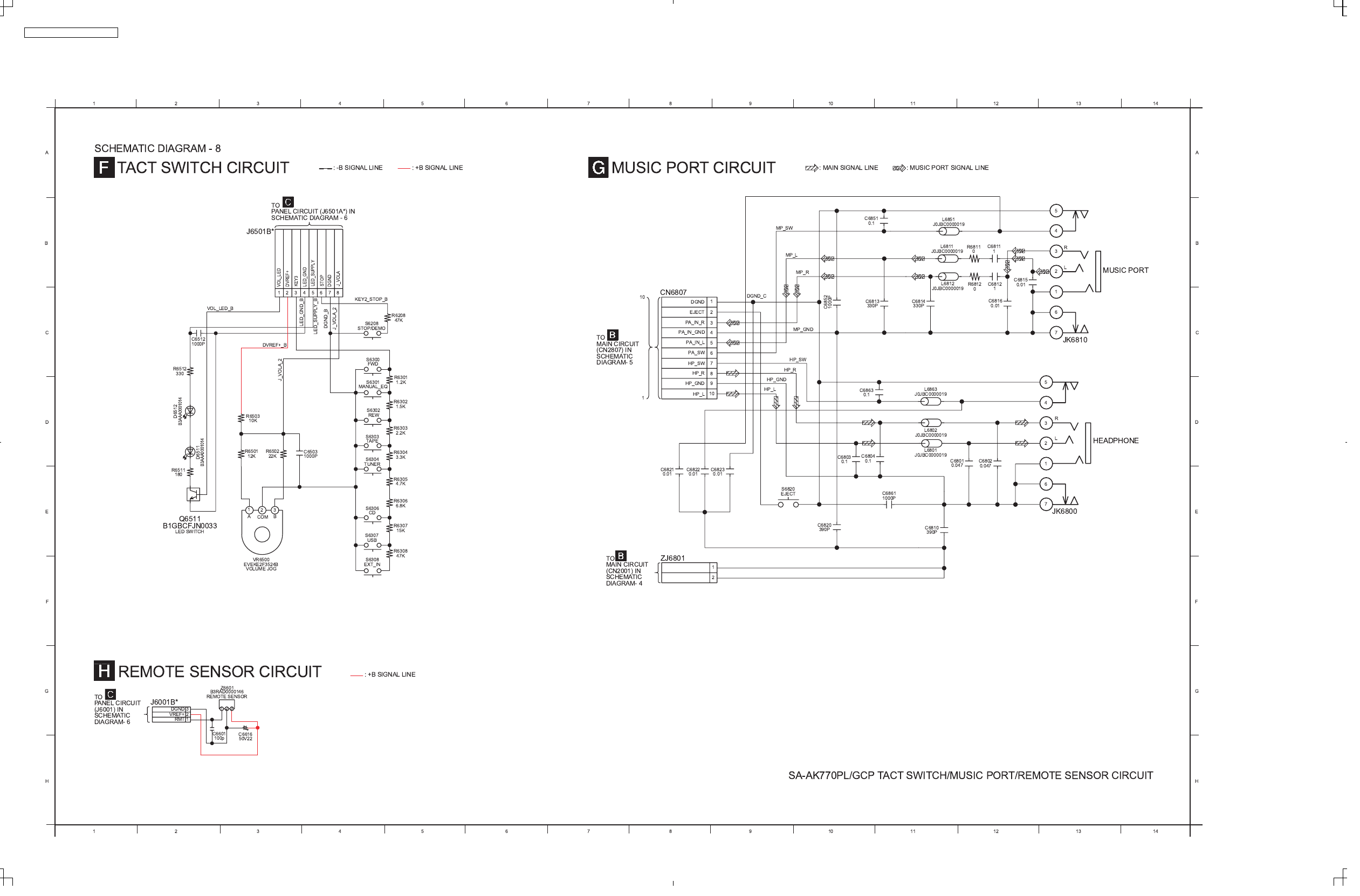
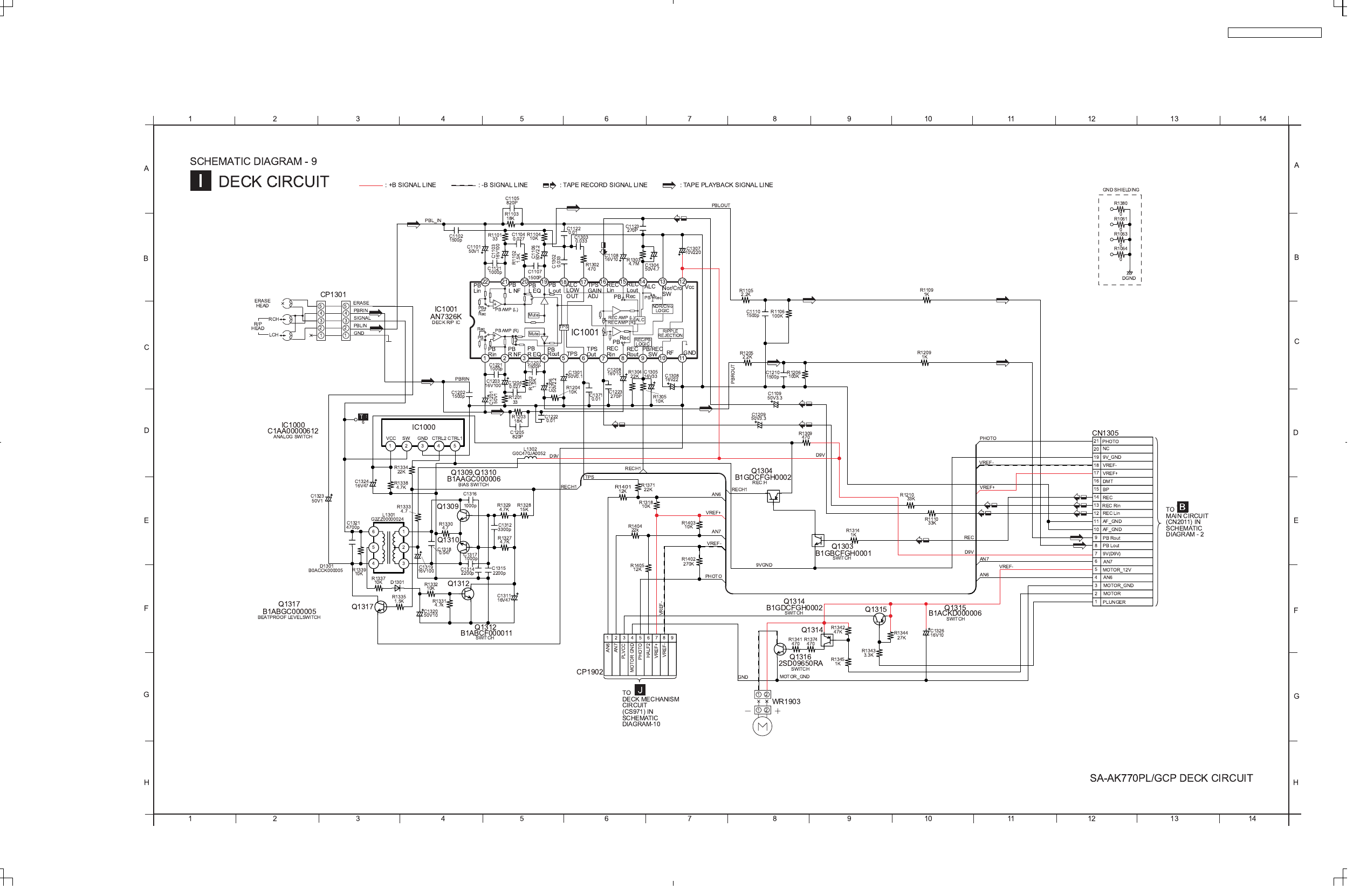
14 Voltage Measurement and Waveform Chart
Note:
Circuit voltage and waveform described herein shall be regarded as reference information when probing defect point, because it
may differ from an actual measuring value due to difference of Measuring instrument and its measuring condition and product itself.
14.1. Voltage Measurement
14.1.1. CD Servo P.C.B.
71
SA
-
AK
77
0PL / SA
-
AK
77
0GCP

14.1.2. Main P.C.B.
14.1.3. Panel P.C.B.
72
SA
-
AK
77
0PL / SA
-
AK
77
0GCP

14.1.4. SMPS P.C.B.
14.1.5. D-Amp P.C.B.
14.1.6. Deck P.C.B. & Deck Mechanism P.C.B.
73
SA
-
AK
77
0PL / SA
-
AK
77
0GCP

14.1.7. Tact Switch P.C.B. & Mic P.C.B.
14.1.8. Jupiter USB P.C.B.
74
SA
-
AK
77
0PL / SA
-
AK
77
0GCP

75
S
A-AK770PL
/S
A-AK770
GCP

14.2. Waveform Chart
76
SA
-
AK
770
PL / SA
-
AK
770
GCP

77
S
A-AK770PL
/S
A-AK770
GCP

78
S
A-AK770PL
/S
A-AK770
GC
P

15 Wiring Diagram
SA-AK770PL / SA-AK770GCP
79

SA-AK770PL / SA-AK770GCP
80

16 Block Diagram
16.1. CD Servo Diagram
SA-AK770PL / SA-AK770GCP
81

16.2. Main & USB Connector/Led Diagram
SA-AK770PL / SA-AK770GCP
82

SA-AK770PL / SA-AK770GCP
83

16.3. Side Bar Led, Panel, Remote Sensor, Music Port, Headphone, Tact Switch & Microphone Diagram
SA-AK770PL / SA-AK770GCP
84

16.4. Jupiter USB Diagram
SA-AK770PL / SA-AK770GCP
85

16.5. D-Amp Diagram
SA-AK770PL / SA-AK770GCP
86

16.6. SMPS, AC Inlet & Voltage Selector Diagram
SA-AK770PL / SA-AK770GCP
87

16.7. Deck & Deck Mechanism Diagram
SA-AK770PL / SA-AK770GCP
88

(All schematic diagrams may be modified at any time with
the development of new technology)
Notes:
S971: Mode switch.
S972: Half switch.
S975: Recinh_F switch.
S5701: Voltage Selector switch (For GCP
Only).
S6100: Power ( ) switch.
S6101: Display switch.
S6102: Subwoofer switch.
S6106: Tape Rec ( ) switch.
S6107: USB Rec ( ) switch.
S6108: D.Bass switch.
S6201: Open/Close ( ) switch.
S6202: Exchange ( ) switch.
S6203: CD1 ( ) switch.
S6204: CD2 ( ) switch.
S6205: CD3 ( ) switch.
S6206: CD4 ( ) switch.
S6207: CD5 ( ) switch.
S6208: Stop/Demo switch.
S6300: FWD ( ) switch.
S6301: Manual_EQ switch.
S6302: REW ( ) switch.
S6303: Tape ( ) switch.
S6304: FM/AM switch.
S6306: CD ( ) switch.
S6307: USB ( ) switch.
S6308: EXT_IN switch.
S6820: Eject ( ) switch.
S7201: Rest switch.
S7202: CD Open switch.
VR6500: VR Volume.
VR6630: VR Bass Control.
VR6701: VR Mic Volume.
• Importance safety notice :
Components identified by mark have special
characteristics important for safety.
Furthermore, special parts which have purposes of fire-
retardant (resistors), high-quality sound (capacitors), low-
noise (resistors), etc. are used.
When replacing any of components, be sure to use only
manufacturer´s specified parts shown in the parts list.
• In case of AC rated voltage Capacitor, the part no. and
values will be indicated in the Schematic Diagram.
AC rated voltage capacitor:
C5700, C5701, C5703, C5704, C5705, C5706 (FOR GCP
ONLY), C5707(FOR GCP ONLY)
• Resistor
Unit of resistance is OHM [Ω] (K=1,000).
• Capacitor
Unit of resistance is µF, unless otherwise noted. F=Farad,
pF=Pico-Farad
• Coil
Unit of inductance is H, unless otherwise noted.
• *
FOR INDICATION ONLY.
• Voltage and Signal lines:
: +B Signal line
: -B Signal line
: CD DA signal line
: CD signal line
: Tape Record signal line
: Tape Playback signal line
: FM/AM signal line
: Main signal line
: AUX/Mic/Music Port signal line
: USB signal line
• PL only
• GCP only
17 Notes Of Schematic Diagram
89
SA
-
AK
770
PL / SA
-
AK
770
GCP

90
S
A-AK770PL
/S
A-AK770
GC
P

18 Schematic Diagram
18.1. (A) CD Servo Circuit
SA-AK770PL / SA-AK770GCP
91

18.2. (B) Main Circuit
SA-AK770PL / SA-AK770GCP
92

SA-AK770PL / SA-AK770GCP
93

SA-AK770PL / SA-AK770GCP
94

SA-AK770PL / SA-AK770GCP
95

18.3. (C) Panel Circuit
SA-AK770PL / SA-AK770GCP
96

18.4. (D) Side Bar (L) Led Circuit, (E) Side Bar (R) Led Circuit & (K) USB Connector/Led Circuit
SA-AK770PL / SA-AK770GCP
97

18.5. (F) Tact Switch Circuit, (G) Music Port Circuit & (H) Remote Sensor Circuit
SA-AK770PL / SA-AK770GCP
98

18.6. (I) Deck Circuit
SA-AK770PL / SA-AK770GCP
99

18.7. (J) Deck Mechanism Circuit, (O) AC Inlet Circuit, (P) Voltage Selector Circuit (GCP Only) & (Q) Mic Circuit
SA-AK770PL / SA-AK770GCP
100

18.8. (L) Jupiter USB Circuit
SA-AK770PL / SA-AK770GCP
101

SA-AK770PL / SA-AK770GCP
102

SA-AK770PL / SA-AK770GCP
103

SA-AK770PL / SA-AK770GCP
104

18.9. (M) D-Amp Circuit
SA-AK770PL / SA-AK770GCP
105

SA-AK770PL / SA-AK770GCP
106

18.10. (N) SMPS Circuit
SA-AK770PL / SA-AK770GCP
107

SA-AK770PL / SA-AK770GCP
108

19 Printed Circuit Board
Note: Circuit board diagrams may be modified at any time with the development of new technology.
SA-AK770PL / SA-AK770GCP
109

19.1. (A) CD Servo P.C.B. & (L) Jupiter USB P.C.B.
123456789
A
B
C
D
E
F
G
H
10 11 12 13
CD SERVO P.C.B. (REPX0636A)
A
SA-AK770PL/GCP
CD SERVO/ JUPITER USB P.C.B.
* FOR INDICATION ONLY
JUPITER USB P.C.B. (REPX0660B)
L
(SIDE A)
(SIDE B)
0571A
0571A
B
C
E
M
M
PbF
x
x
x
x
x
x
x
x
x
x
x
x
x
x
x
x
x
x
x
x
x
x
x
x
x
x
x
x
x
x
PbF
PbF
C7204
C7226
R7218
C7230
R7217
R7221
C7225
R7111
R7601
C7613
C7335
R7328
R7327
R7323
R7336
R7331
R7335
IC7001
Q7601
R7211
C7218
R7212
W7001
W7013
R7349
R7650
W7006
R7325
R7339
R7329
C7339
C7338
W7024
C7352
C7217
R7332
C7243
D7650
C7253
C7315
W7008
W7012
W7011
W7004
W7005
W7007
W7010
R7253
R7254
R7220
R7214
C7222
C7221
C7166
W7021
C7154
W7002
W7003
C7107
W7025
TP2
TP18
TP19
TP16
TP13
TP1
TP9
TP4
TP10
TP37
TP39
TP36
TP14
TP3
TP38
TP28
TP90
TP51
TP50
S7201
C7241
TP31
C7142
C7216
C7233
TP11
R7330 TP8
TP87
C7155
C7102
C7161
C7244
W7009
TP12
TP17
C7234
C7626
C7264
R7315
TP24
TP88
IC7002
S7202
W7018
W7016
W7015
TP89
C7165
TP86
C7164
TP7
C7263
C7670
W7019
W7014
LB7262
LB7263
LB7264
W7017
W7026
W7020
M7301*
(TRV MOTOR)
(SPL MOTOR)
(REST SW)
C7334
C7614
C7223 C7203
C7235
C7227
CN7002
X7201
CN7001
C7231
C7228
C7601
C7232
M7302*
(VREF)
(CD OPEN SW)
C551
C552
C553
C554
C555
C556
C557
C558
C559
C560
C561
C562
C563
C564
C702
C753
C754
C755
C756
C757
C808
C809
C811
C812
C823
C824
C827
C829
C831
C832
C833
C834
C835
C850
C851
D801
D802
IC551
IC552
IC751
IC802
L552
LB619
LB625
LB629
R521
R523
R554
R555
R556
R557 R558
R559
R560
R561
R801
R811
R812
R813
R814
R815
R817
R822
R824
R829
R833
R835
R843
R844
R849
R850
R855
R857
R858
R863
R876
RX551
RX834
RX854 RX864
C852
CN602
(TO JTAG)
C801
C802
C803
C804
C805
C806
C844
C849
R704
R830
CN601
3283A-1
3283A-1
LB620
LB621
LB622
LB624
LB626
LB628
LB630
LB605
LB615
LB618
LB601
LB603
LB801LB802
R893
C843
C601
C602
C807
C813
C814 C815
C816
C817
C818
C819
C820
C821
C825
C826
C828
C830
C837
C842
C846
CN502
IC701
IC801
L551
L553
L804
L805
LB504
LB602
LB614
LB616
LB623
R522
R653
R654
R655
R701
R802
R803
R804
R806
R809
R810
R818
R821
R825
R827 R828
R836
R856
R861
R862
R870
R871
R872
RX656
RX801 RX802
RX804
RX805
RX807 RX808
RX820
RX826
RX837
RX838
RX839
RX840
RX841
RX853
X801
C751
C752
C836
R875
R881
LB503
3283A-1
3283A-1
R892
R894
C841
C845
X802
R517
R518
R519
R520
R525
R526
L501
CN503
R527
R705
R816
R877
R878
R879
R880
R888
C513
C514
C515
C853
58
14
IC502
LB501
LB502
R890
R891
14
50
26
30
35
40
45
76
100
95
90
85
80
25
1
5
10
15
20
51
75
70
65
60
55
1015
1520
29
302528
22
20
21
11
22
1
2
12
18
19
16
17
14
15
12
13
10
11
8
9
6
7
4
5
2
3
1
1615
14
13
12
11
10
9
78
56
34
12
16
15
10
9
85 1
16
15 109
851
1
5
10
15
20
27 28
35
40
45
50
54
30
25
1
3
2
4
5
1
5
10
2
151413121110 9
8
7654321
16
17
18
19
20
3
7
98
6
4
15
2
1 5 10 15 24
25354048
20
3045
1
5
10
15
20
25
30
35
40
45
50
54
556065707580859095100
105
108
109
110
115
120
125
130
135
140
145
150
155
160
162
163165
170 175 180 185 190 195 200 205 210 215
216
6
3
4
1
5
4
3
2
SA-AK770PL / SA-AK770GCP
110

19.2. (B) Main P.C.B., (G) Music Port P.C.B. & (K) USB Connector/Led P.C.B.
123456789
A
B
C
D
E
F
G
H
10 11 12 13
SA-AK770PL/GCP
MAIN / MUSIC PORT / USB CONNECTOR/LED P.C.B.
MAIN P.C.B. (REPX0673C...PL)
B
USB CONNECTOR/LED P.C.B. (REPX0673C...PL)
K
MUSIC PORT P.C.B. (REPX0649B)
G
(REPX0673D...GCP)
(REPX0673D...GCP)
0578A-2
0578A-2
0592A
0592A
0592A
0592A
E
C
B
C
BE
C
EB
C
EB
B
C
E
B
C
E
BE
C
E
C
B
C
BE
CN1113
JK1111
C1100
D1111
ZJ1111
LB1200
LB1210
VA111 0
VA11 20
R1111
C111 0
L1100
C6804
C6803
R6812
R6811
C6863
C6861
C6852
C6851
C6816
C6815
C6814
C6813
C6812
C6811
L6863
L6851 L6812
L6811
L6802
L6801
C6802
C6801
C6823
C6822 C6821
C6820
C6810
S6820
(EJECT)
JK6810
JK6800
CN6807
W6050
W6051
W6052
W6510
W6504
ZJ6801
W6505
HEADPHONE
MUSIC PORT
PbF
PbF
L2400
JK2801
C2941
C2948
C2947
R2947
Q2735
C2735
C2737
D2732
D2731
R2721
W2243
W2244
W2237
ZJ2701
IC2761
T2900
(SWITCHING
TRANSFORMER)
Q2900
C2900
L2910 FP2901
0.4
D2908
D2906
C2702
K2901
Q2711
C2713
C2712
W2068
W2043
W2010
W2009
W2065
W2016
W2064
W2012
W2011
W2067
C2119
C2129
C2130
C2509
C2505
W2066
W2046
W2061
CN2011
L2011
CN2801
L2051
W2224
W2017
W2027
W2025
W2024
W2028
W2020
W2003
W2019
W2048
W2049
W2041
W2038
W2223
Q2743
W2233
W2234
W2226
W2225
C2813
W2229
W2239
W2063
W2136
W2047
W2058
W2040
CN2804
CN2810
(TO FAN)
C3702
C3701
C3601
C2931
D2930
CN2802
(TO CR14C (CN2))
W2164
W2165
W2166
W2085
W2077
K2031
W2091
W2087
W2089
W2097
W2069
W2088
W2070
W2072
W2182
W2194
W2192
W2191
W2193
W2125
W2126
W2127
W2123
W2119
W2117
CN2806
X2602
C2681
C2614
X2611
D2869
D2867
W2216
W2217
W2231
W2162
W2232
CN2811
(FOR DEBUGGING)
K2807
W2212
W2211
W2179
W2180
W2178
W2181
W2176
W2177
W2163
W2086
W2154
W2155
W2156
W2148
W2151
W2150
W2159
W2142
W2075
W2138
W2141
W2137
W2158
W2157
W2149
W2147
W2152
W2206
W2207
W2140
W2139
W2145
W2205
W2222
W2210
W2218
W2219
W2220
W2221
W2215
W2213
W2230
W2235
W2236
W2169
W2167
W2173
W2172
W2107
W2114
W2113
W2112
W2 111
W2161
W2168
W2108
W2104
W2185
W2196
W2197
W2135
W2132
W2241
W2242
W2204
W2203
W2053
W2134
W2060
W2056
W2052
W2057
W2122
W2121
W2054
W2055
W2200
W2201
W2195
W2153
W2074
W2094
Q2761
C2764 C2756
C2767
C2754
E2001
CN2001
C2765
CN2807
IC2804
C2181
C2182
C2105 C2172
C2170
C2302
C2305
C2304
C2301
C2106
W2002
W2000
W2007
W2006
W2037
W2001
W2004
W2035
W2030
W2033
W2095
W2039
W2023
W2018
W2071
Q2942
W2128
W2129
W2130
W2098
W2013
W2014
W2015
W2029
W2044
CN2815
CN1112
W2171
W2106
W2084
W2083
W2034
W2042
W2110
W2082
W2124
W2076
W2228
W2238
W2021
W2198
W2199
W2131
W2120
W2118
W2116
W2143
W2144
W2100
W2099
W2101
W2102
W2109
W2105
W2103
W2202
W2090
W2045
W2093
W2115
W2051
W2062
W2059
W2050
W2096
W2026
W2022
C2186
C2184
C2183
C2185
K2701
K2752
CN2820
(TO FAN)
W2245
W2254
W2133
W2248
W2249
W2247
W2253
Q2751
K2702
W2214
W2251
W2252
K2703
L2055
W2073
W2036
W2190
W2188
W2256
W2186
W2184
W2187
W2189
W2183
R2722
W2257
W2259
C2929
W2258
D2707
D2708
C2731
C2912
IC2701
L2702
C2707
C2703
W2266
W2265
W2260
W2261
C2949
D2734
D2735
W2264
L2704
W2170
W2268
W2175
W2174
W2270
W2227
W2240
W2267
W2269
W2255
W2263
W2262
W2271
W2272
W2078
K2731
K2740
D2903
C2802
W2208
W2032
W2005
C2365
W2273
W2274
W2275
W2276
W2277
W2008
W2250
W2278
C2091
C2095
R2082
C2081
C2096
R2083
R2084
C2083
C2092
R2081
C2082
C2084
D2946
Q2948
Q2949
D2940
D2947
R2944
R2948
R2945
R2949
R2941 R2942
R2946
R2937
D2733
C2738
R2733 R2735
C2736
C2732
C2734
D2909
D2901
R2950
R2914
R2902
R2774
D2711
C2714
C2715
R2712
R2711
Q2771
Q2772
R2773
R2772
R2771
R2775
D3102
D2774
IC2121
R2127
R2120
R2124
C2120
R2128
R2118
R2134
C2140
R2138
R2133
C2139
R2137
C2136
C2135
D2503
Q2501
R2504
R2505
R2131
R2501
R2132
R2509
C2507
C2561
C2002
Q2011
R2004
R2003
R2002
R2001
C2042
C2056
C2054
W2705
C2742
C2743
C2812
C2626
R2744
R2743
R2745
Q2745 IC2741
R3703
R3701
R3702
R3704
R2222
C3116
C2221
C3115
R2221
C2121
C3603
R2121
C3114
R2122
R2932
C2053
R2824 C2041
R2044
R2042
QR111
IC2801
R2649
R2897
C2834
C2835
R2862
R2609
R2692
R2650
R2812
R2680
R2815
R2833
R2803 R2804
R2805
R2807
R2845
R2829
R2846
R2847
R2848
R2849
R2850
R2851
R2836
R2853
R2856
R2843
R2866
R2852 R2854
R2879
R2830
R2831
R2592...GCP
R2607
R2834
R2835
R2610
R2611
R2822
C2800
R2883
R2821
D2611
R2887
R2895
R2688
R2896
R2820
R2888
R2684
R2832
C2829
C2837
R2857
R2826
C2680
R2882
R2608
R2647
R2685
R2825
R2828
R2880
R2827
R2648
R2663
R2806
R2808
R2629
R2646
R2645
R2809
R2679
R2811
Q2970
R2971
R2970
W2744
W2745
W2740
W2738
W2735
W2736
W2737
W2734
W2729
W2731
W2732
W2742
W2746
W2739
W2733
W2718
W2741
Q2012
Q2708
D2753 R2753
R2754
R2765
C2763
C2766
R2762
C2751
C2753
C2762
IC2803
R2181
R2183
C2187 C2191
C2193
C2195
C2197
R2185
C2005
C2025
C2045
C2006
C2046
C2190
C2192
C2194
C2196
R2184
R2186
R2303
C2086
C2066
C2307 C2308
R2302
C2306
Q2311
Q2312
R2311
C2312
R2315
R2314
R2313
C2311
R2316
C2316
R2321
R2322
Q2417
C2341
C2342
C2322
R2324
R2517
R2323
R2417
R2418
R2416
Q2360
R2356
R2355
R2354
R2358
R2357
R2353
R2362
R2360
R2352
R2364
R2351
C2358
R2359
R2363
C2357
R2361
R2382
R2062
R2063
R2064
R2061
R2365
R2366
W2702
W2700
C2085
C2065
R2502
W2720
W2722
W2721
W2726
W2711
W2709
W2710
W2707
W2717
W2719
W2715
W2728
W2714
W2708
W2713
W2712
W2704
C2026
R2899
W2743
R2898
C2942
C2946
W2747
R2627
R2725
R2046
R2867
R2869
C2189
C2188
C2768 C2755
R2756
R2755
R3114
K3200
...GCP
C3106
R2318
R2516
R3112
C3108
K3100
...GCP
C3110
W2703
C3105
C3107
R3113
W2749
C3109
R2480
R2603
R2653
W2748
R2304
W2753
R3450
R3411
R3408
W2754
W2751
R2043
R2041
W2752
R2874
C2222
C2007
C2008
Q2812
C2741
C2932
R2930
R2931
C2930
C2951
R2983
C2953
R2981
R2982
R2984
C2952
C2954
W2750
R2701
DZ2702
R2702
C2704
R2703
R2706 R2705
C2705
C2701
C2706
C2313
R2305
R2686
R2886
C2944
R2601
R2602
D2813
W2730
D2812
W2755
R2664
R2868
Q2967
Q2943
R2939
C2321
R3 111
R2312
R2506
R2510
R2503
C2503
R2448
QR2317
D2141
D2142
R2125
C2123 R2123
R2126
R2143
C2815
C2817 C2816
D2144
D2143
C2818
C2819
C3117
R3125
R3126
R2182
W2079
W2080
W2081
PbF
B
B
B
E
B
B
D3101
R2301
R2327
R2328
R2331
R2332
R2371
R2372
R2373
R2374
R2375
R2376
R2379
R2380
R2386
R2387
R2383 R2385
R2556
R2881
R2957
R2958
R2959
R2961
R2962
R2963
R2965
R2967
R2968
R2969
C2303
C2323
C2324
C2371
C2374
C2375
C2376
C2378
C2379
C2380
C2955
C2961
C2963
C2965
C2966
C2967
IC2810
Q2371
Q2372 Q2373
Q2374
Q2947
Q2961
Q2962
D2948
D2968
K2371
K2373
K2377
K2930...GCP
R2381
R2966
K2003...PL
K2004...GCP
K2421
K2422
Q2375
R2990
AUX
CN3601*
(TO TUNER PACK)
CN5050
USB
1
1
6
1
4
32
1
2
5
234
2345
7
6
5
4
3
2
1
7
6
5
4
3
2
1
4
3
9
10
1
2
2
1
8
7
6
5
3
1.
4
1
1
9
3
21
20
21
10
26
5
1
56
4
1
1
25
26
50
51
75 76
100
35
30
26
20
14 13 10
5
1
1
12
1
2
1
11
1
1
1
2
12
8
7
6
5
4
321
4
2.
1
11
N
4
3
11
10
5
10
15
20
30
35
40
45
55
60
65
70 80
85
90
95
98
21
11
10
4
6
8
10
11
12
13
14
15
16
17
18
19
15
25
27
39 40
45
50
52
468
10
11
12 14 16 18 20 22 24
2
1
759
4
85
2
2
3
2
357 9
46810
2
3
4
5
6
7
8
9
10
2
135
2
3
1
58
6
4
2
7
5
3
1
3
5
7
9
13
15
17
19
4
6
8
12
14
16
18
20
2
23
4
3
2
1
3
5
7
9
13
15
17
19
21
4
6
8
12
14
16
18
20
22
23
45
3579 13 15 17 19 21 23 25 27
E
C
E
C
E
C
B
E
C
B
B
C
E
B
C
E
C
B
C
B
C
E
C
E
C
C
E
C
B
C
E
E
C
B
C
B
B
C
E
C
B
C
B
E
C
E
B
C
C
E
E
E
E
B
B
E
C
E
C
E
C
B
B
B
E
C
E
B
E
B
C
E
C
E
B
E
E
CB
B
B
85
14
9
10
8
7
6
5
4
3
2
1
16
17
8
15
13
11
14
12
10
6
4
2
1
3
5
7
9
SA-AK770PL / SA-AK770GCP
111

19.3. (C) Panel P.C.B., (F) Tact Switch P.C.B. & (H) Remote Sensor P.C.B.
123456789
A
B
C
D
E
F
G
H
10 11 12 13
SA-AK770PL/GCP
PANEL / TACT SWITCH / REMOTE SENSOR CIRCUIT P.C.B.
PANEL P.C.B. (REPX0649B)
C
REMOTE SENSOR P.C.B. (REPX0649B)
H
TACT SWITCH P.C.B. (REPX0649B)
F
0578A-2
0578A-2
0578A-2
0578A-2
0578A-2
0578A-2
PbF
BASS CONTROL
PbF
B
C
E
VOLUME
PbF
SENSOR
B
B
C
E
E
C
R6101
R6102
R6103
R6107
R6104
R6100
IC6601
C6633
C6634
R6632
R6631
R6618
R6619
R6620
R6622
R6200
R6201
R6202
R6203
R6204
R6205
R6206
R6207
R6108
R6458
C6611
C6612
C6613
C6614
L6671
R6671
R6672
D6672
C6608
C6609
W6541
R6109
R6106
C6938
C6940
C6300
R6300
W6570
CN6001
S6100
(POWER)
S6101
(DISPLAY)
S6108
(D.BASS)
S6207
(CD DISC 5)
S6206
(CD DISC 4)
S6205
(CD DISC 3)
S6204
(CD DISC 2)
S6203
(CD DISC 1)
S6202
(EXCHANGE)
S6201
(OPEN/CLOSE)
VR6630
FL6601
D6458
W6045
W6546
W6547
W6011
W6007
W6006
W6034
W6010
ZJ6601
W6038
W6037
W6036
W6035
W6033
W6024
W6030
W6002
W6004
W6548
W6008
W6009
W6005
W6027
W6046
W6040
W6041
W6042
W6025
W6026
W6039
W6047
W6032
W6020
W6012
W6019
C6671
W6028
W6543
W6542
S6106
(TAPE REC)
W6561
W6572
W6575
*FOR INDICATION ONLY
J6001
J6501A*
C6512
R6511
Q6511
R6512
R6503
R6502
R6501
R6301
R6302
R6303
R6304
R6305
R6306
R6307
R6308
R6208
C6503
W6017
W6016
D6511
D6512
VR6500
S6300
(FWD)
S6301
(MANUAL EQ)
S6302
(RWD)
S6303
(TAPE)
S6304
(FM/AM)
S6306
(CD)
S6307
(USB)
S6308
(EXT IN)
W6666 W6031
S6208
(STOP/DEMO)
W6018
J6501B*
C6601
Z6601
C6616
J6001B*
K6007
Q6641
R6641
R6642
Q6600
R6600
S6107
(USB REC)
CN6014
D6641
S6102
(SUBW)
1
2
27
26
110 15 25
5 35 4430 40
18 23
5
10
15
22
23
33
34
44
1
7
1
3
2
6 7 8 9 11 12 13 14 16 17 24 26 27 28 29 31 32 33 34 36 37 38 39
6
5
4
3
2
3
4
5
6
7
8
9
25
24
23
22
21
20
19
18
17
16
15
14
11
10
13
12
1
11
12
20
25
30
35
40
1
32
18
234567
132
1
8
234567
1
32
1
32
4
1
3
2
SA-AK770PL / SA-AK770GCP
112

19.4. (I) Deck P.C.B., (J) Deck Mechanism P.C.B. & (O) AC Inlet P.C.B.
123456789
A
B
C
D
E
F
G
H
10 11 12 13
SA-AK770PL/GCP
DECK / DECK MECHANISM / AC INLET P.C.B.
DECK P.C.B. (REPX0647A)
IJ DECK MECHANISM P.C.B. (REPX0321L)
AC INLET P.C.B. (REPX0622E...PL)
O (REPX0622G...GCP)
AC IN
120V 60Hz..PL
110-127V / 220-240V
50/60Hz...GCP
0380B-5
0380B-5
PbF
C5706
...GCP
C5707
...GCP
PbF
PbF
P5701
PbF
x
J7
J8
J16
S975
(RECINH_F)
CS971
J10
J12
R973
J6
S972
(HALF)
S971
(MODE)
D971 J13
J4
J14
J5
J9
R972
IC971
SOLENOID
0303B-3
0303B-3
C5701
C5704
C5705
DZ5701
R5701
ZA5702
ZJ5701
F1
W5784
ZJ5702...GCP
W5780
W5781
W5783
W5782
8A 125V...PL
K5742...PL
K5741
K5740 TH5702...GCP
ZA5701
0562A/C-3
0562A/C-3
T8AH 250V...GCP
L5702
BLK
RED
W1904
W1932
W1902
W1931
W1933
W1907
W1905
W1947
W1946
W1945
W1977
W1912
W1921
W1917
W1916 W1911
W1913 W1975
W1948
W1934
W1914
W1906
W1920
W1976
W1941
W1908
W1918
CP1301
(TO R/P HEAD)
C1103
C1106
C1109
C1304
C1201
C1203
C1319
C1320
C1324
C1311
C1305
C1206
C1209
C1301
C1208
C1101
C1308
Q1309
Q1316
Q1315
L1302
R1330
R1333
R1309
W1910
W1938
C1326
C1307
C1318
C1321
C1108
IC1001
IC1000
CN1305
WR1903
(TO MOTOR)
C1323
W1919
L1301
CP1902
W1939
W1930
C1202
R1061
Q1303
Q1312
Q1317
C1317
R1327
C1314
R1337
R1203
C1207
C1104
R1104
C1121
R1343
R1344
R1345
R1342
R1305
R1328
R1332
D1301
R1335
R1338
R1334
R1329
C1312
C1316
C1221
R1401
R1318
R1404
R1405
R1403
R1201
C1205
C1204
C1371
R1371
C1223
R1302
R1101
R1303
C1303
C1122
C1302
C1105
R1103
C1107
R1102
R1210
R1204
R1304
R1105
R1380
R1402
R1106
R1209
R1109
Q1304
R1314
C1315
R1331
C1102
C1222
R1202
C1123
R1341
R1374
Q1314
R1206
C1210
R1205
R1110
R1063
C1110
R1064
Q1310
13
2
4
5
7
6
8
9
10
11
12
13
14
15
16
17
19
18
20
21
ECBECB
1
5
5
3
2
4
4
3
1
2
E
B
C
1
12
22
11
1
2
E
C
B
E
B
C
E
E
BB
B
C
E
C
C
1
2
3
4
5
6
7
8
9
E
C
B
13
4
6
2
5
510
1520
TP6
R1339
K1101
K5705
K5706
PL-
32
1
4
PL+
198765432
J2
3
1
2
3
1
2
34
12
SA-AK770PL / SA-AK770GCP
113

19.5. (M) D-Amp P.C.B.
SA-AK770PL/GCP
D-AMP P.C.B.
D-AMP P.C.B (REPX0638B)
123456789
A
B
C
D
E
F
G
H
10 11 12 13
M
C5000
C5001
C5002
C5003
C5004
C5005
C5006
C5007
C5008
C5009
C5010
C5011
C5012
C5013
C5016
C5017
C5018 C5019
C5020
C5021
C5022
C5023
C5024
C5025C5028
C5030
C5031
C5032
C5033
C5050
C5051
C5052
C5053
C5514
C5515
C5518
C5519
C5520
C5521 C5525
C5550
C5552
C5553
C5554
C5557
C5558
D5503
IC5500
Q5101
Q5102
Q5601
Q5603
Q5604
R5000
R5001
R5002
R5003
R5004
R5005
R5006
R5007
R5008
R5010
R5011
R5019
R5020
R5030
R5031
R5110
R5505
R5507
R5508
R5602
R5603
R5604
R5608
R5609
R5611
W5059
W5032
IC5501
C5555
R5511
C5561
C5560
W5071
C5151
C5150
C5445
W5780
K5302
W5007
C5014
C5015
C5040
C5133
C5510
C5511
C5512
C5513
C5516
C5517
CN5050
CN5500
IC5000
JK5001
K5011 L5001
L5002
L5500
L5501
R5510
X5500
ZJ5400 ZJ5410
W5067
W5066
W5068
W5061
W5060
W5005
W5043
W5051
W5052
W5039
W5055
W5064
W5023
W5019
W5053
W5056
W5021
W5050
W5054
W5038
W5012 W5003
W5024
W5022
W5020
W5063
W5045
W5046
W5044
W5047
W5049
W5048
W5035
W5033
W5006
W5037
W5009
W5010
W5011
W5008
W5036
W5002
W5004
W5026
W5042
W5058
W5015
W5069
W5028
W5025
W5029
W5030
W5031
W5014
W5016
W5017
W5027
W5070
W5018
L5000
HEATSINK
C5562
W5075
W5076
W5077
W5041
W5034
0561A-1
0561A-1
K5021
K5555
C5428
FRONT
SPEAKERS
SUBWOOFER
C5450
C5026
C5551
C5556
C5559
R5504
R5506
R5671
K5251
K5253
K5255
D5001
D5003
D5004
D5501
D5502
X5501
D5002
C5602
C5106
C5107
C5117
C5119
C5120
C5121
C5400
C5401
C5427
C5403
C5402
C5410 C5419
C5440
C5418
C5423
C5431
C5409
C5406
C5404
C5411
C5422
C5425
C5426
C5424
C5413
C5416
C5407
IC5400
D5401
D5403
D5402
D5404
L5400
R5018
R5032
R5036
R5037
R5103
R5104
R5400
R5402
R5404
R5405
R5410
R5419
R5411
R5118
R5119
R5113
K5001
K5000
K5002
K5062
K5400
K5401
K5600
C5524
C5152
C5155
C5200
C5201
C5202
C5203
C5204
C5205
C5206
C5207
C5208
C5209
C5212
C5213
C5214
C5216
C5217
C5218
C5219
C5221
C5222
C5223
C5224
C5225
C5226
C5227
C5228
C5231
C5232 C5233
C5234
C5240
C5250
C5251
IC5200
D5201
D5202
D5203
D5204
L5200
L5201
R5033
R5200
R5201
R5204
R5205
R5206
R5207
R5208
R5209
R5210
R5211
R5217
R5317
R5318
R5328
K5202
K5252
K5502
K5301
K5601
C5211
K5016
W5013
B
C
E
B
C
E
B
C
E
B
C
E
B
C
E
PbF
C5421
C5540
2
1
4
3
6
5
8
7
10
9
12
11
14
1315
16
17
1
2
3
4
5
6
7
8
23
2
1
5
10
15
20
1-SW+
2-SW-
3-FR+
4-FR-
5-FL+
6-FL-
4
3
2
1
4
3
2
1
3
12 3
12
1
2
4
3
17
814
1
7
814
23
2
15
10
15
20
1
2
4
3
23
2
1
5
10
15
20
2
4
1
3
2
1
4
3
SA-AK770PL / SA-AK770GCP
114

19.6. (N) SMPS P.C.B.
123456789
A
B
C
D
E
F
G
H
10 11 12 13
N
* FOR INDICATION ONLY
SMPS P.C.B. (REPX0622E...PL)
SA-AK770PL/GCP
SMPS P.C.B.
(REPX0622G...GCP)
BCE
1
3
2
1
3
2
BC
E
B
CE
B
CE
A
CA
A
A
CA
A
B
CE
B
CE
B
CEB
CE
BC
E
BC
E
A
CA
NC BCE
PbF
PRISEC
PRI
SEC CAUTION
RISK OF ELECTRIC SHOCK
AC VOLTAGE LINE.
PLEASE DO NOT TOUCH THIS P.C.B.
PC5702
R5705
R5704
C5721
C5722
C5726
TH5860
W5801
R5732
C5723
C5725
R5731
D5727
R5733
C5795
R5724
C5822
C5796
C5820
C5821 C5819
R5895
R5893
R5892 C5823
C5898
R5891
R5787
R5798
R5786
R5797
D5732
R5725
D5724
R5722
PC5720
PC5701
(MAIN TRANSFORMER)
D5721
D5722
D5723
D5725
D5728
C5720
R5817
R5810
R5809
R5808
R5807
R5750...PL
R5730
R5729
R5728
R5721
QR5810
Q5722
R5720
C5728
C5896
Q5860
R5864
R5860
R5862
R5863
Q5862
Q5861
C5869
R5894
R5861
Q5721
R5723
PC5799
R5795
D5730
D5797
C5897
Q5898
R5896
R5897
R5890
R5806
C5818
R5802
R5803
R5804
R5805
C5810
R5814 R5813
R5815
R5816
R5812
R5811
D5806
C5825
QR5801 C5826
Q5802
R5801
D5807
R5800
R5825
C5831
C5832
C5812
C5800
C5815
R5834
R5832
C5790
C5794
D5809
W5803
W5804
W5805
W5806
C5805
C5808
C5824
CN5802
T5751 IC5701
C5713
D5702
D5701
D5801
D5802
D5803
C5813
W5725
T5701
C5730
D5805
D5896
C5791
D5798
D5793
C5816
C5899
(BACKUP TRANSFORMER)
C5703
W5729
C5797
C5798
...GCP
IC5799
W5734
C5700
ZJ5803
C5737...GCP
R5726
C5724
D5729
D5726
Q5720
R5824
R5822
R5821
R5820
D5804
Q5803
W5727
W5726
W5728
W5710
W5724
W5715
W5712
W5706
W5707
W5735
W5731
IC5801
HEATSINK
W5714
W5701
W5704
R5823
W5708
C5817
W5730
W5702
W5705
H5801*
W5713
W5717
W5718
W5719
W5720
W5721
W5722
K5577
TH5701...PL
ZJ5801
W5703
R5796
IC5899
HEATSINK
W5807
QR5802
R5841
R5840
IC5780
C5793
C5789
C5788
C5750
R5794...GCP
R5793...GCP
R5792...GCP
R5791
R5790
R5789
R5788
R5752
R5751
Q5750
D5795
D5796
R5799
...GCP
K7...GCP
C5841
C5840
C5842
C5839
D5799...GCP
C5799...GCP
C5727...PL
R5727...PL
K5736...GCP
WHT
BLU
0562A/C-3
0562A/C-3
C5711...GCP
C5712
FOR GCP ONLY
R5703
K5...PL
R5702
W5711
C5870
RED BLK
1
2
3
4
5
6
7
8
9
10
11
10
7
8
9
6
1
2
3
4
5
7
6
5
4
3
2
1
+1
-4
~3
~2
1
2
9
10
18
17
16
15
14
13
12
11
4
5
6
7
8
1
4
5
8
3
12
1
8
3
1
2
7
6
5
4
3
2
4
32
1
4
3
2
1
4
3
2
1
4
3
2
1
1
4
5
8
CE
B
BC
E
SA-AK770PL / SA-AK770GCP
115

19.7. (D) Side Bar (L) Led P.C.B., (E) Side Bar (R) Led P.C.B., (P) Voltage Selector P.C.B. (GCP Only) & (Q) Mic P.C.B.
123456789
A
B
C
D
E
F
G
H
10 11 12 13
SA-AK770PL/GCP
VOLTAGE SELECTOR / MIC / SIDE BAR (L) LED / SIDE BAR (R) LED P.C.B.
MIC P.C.B. (REPX0649B)
Q
VOLTAGE SELECTOR P.C.B. (REPX0622G...GCP ONLY)
PD SIDE BAR (L) LED P.C.B. (REPX0649B)
E SIDE BAR (R) LED P.C.B. (REPX0649B)
PbF
0578A-2
0578A-2
PbF
0578A-2
0578A-2
0578A-2
0578A-2
PbF
PbF
R6701
R6702
R6703
R6704
R6705
R6710
R6713
C6700
C6701
C6703
C6704
C6705
C6707
C6711
C6712
IC6701
L6701
L6702
C6706
CN6701
JK6701
VR6701
C6702 W6013
W6014
MIC VOLUME
MIC
VOLT ADJ
0562C-3
0562C-3
S5701
(VOLTAGE SELECTOR)
WHT BLU
D6601
D6602
CN6602
D6603
CN6604
D6604
1
7
7
6
5
4
3
2
1
1
3
4
5
8
2
3
6
5
4
2
C6713
1
321
4132
4
132
SA-AK770PL / SA-AK770GCP
116

20 Illustration of ICs, Transistors and Diodes
117
S
A-AK770PL
/S
A-AK770
GCP

21.1. IC2801 (RFKWAK570PLK)
System Microprocessor
Pin No. Mark I/O Function
1SubW_JogA ISubwoofer Jog A
2SubW_JogB ISubwoofer Jog B
3 DEMO I Auto Demo Initial Setting, (L:
ON, H:OFF) Default: On (L)
4CD_MDATA O CD Micro-P Data
5CD_STAT I553 LSI (CD_Subq combine
CD_STAT)
6 CD_MCLK O 553 LSI (CD_SQCK combine
with CD_MCLK)
7HALT OAC Detection Input
8OCD_SDA/
RDS RDY IOCD Serial Data Input
9OCD_SCL IOCD Serial Clock Output
10 CRTIMER -CR Timer
11 MMOD -USB Normal/Write Mode
12 XTOUT - Oscillator Output
13 XTIN -Oscillator Input
14 VSS -GND
15 XI -Oscillator Input
16 XO -Oscillator Output
17 VDD33 -Voltage Supply +3.3V
18 VDD18 -Voltage Supply +1.8V
19 MICOM RST -Micro_processor Reset
20 LON (H) -Using Internal Regulator,
Connect to H
21 BASS_JOG2 IBass Control 2
22 BASS_JOG1 IBass Control 1
23 USB REC LED OUSB Rec Led
24 OCDM OD (H) OUsing Internal Regulator,
Connect to H
25 RESET_SW -Reset Switch
26 RMT IRemote Control Input
27 CD Unload_SW ICD Unload Sw
28 CD_BLKCK ICD Subcode Block Clock Input
29 DC Det2 IPower Detect Input Signal
30 PCONT OPower Control Output
31 VOL-LED OVol Led
32 CD_RST I/O CD LSI Reset Output (L: Reset)
33 CD_MLD I/O CD LSI Command Load
34 SD_CMD (RXDIN) OData Output To SD Module
35 SD_status (TX Dout) IData Input To SD Module
36 SD_NRST ODAB Decoder LSI Reset
37 VDD 18 -Voltage Supply +1.8V
38 Option_PLAY ONC
39 VSS -GND
40 Option_RSKIP ONC
41 Option_FSKIP ONC
42 Option_STOP ONC
43 SMPS_BP OSMPS BP
44 DECK MOTOR I/O Deck Motor Control L: OFF; H:
ON
45 CR14_Mode ICR14 Control
46 CR14_UD ICR14 Control Position Detect
47 CR14_Top ICR14 Control
48 CR14_Close ICR14 Control
49 CR14_Home ICR14 Control Change Detect
50 CR14_Open ICR14 Control
51 CR14_LOF OCR14 Control
52 CR14_LOR OCR14 Control
53 Region1 IRegion Setting 1
54 Deck Photo IDeck Photo
55 MUTE_A OHP/SP Muting Control
Pin No. Mark I/O Function
56 ASP_CLK I/O ASP Control (Clock Signal)
57 ASP_DATA I/O ASP Control (Data Signal)
58 DECK REC I/O Deck Rec
59 SUBW_LVL 1 ONC
60 SUBW_LVL 2 ONC
61 VDD33 -Voltage Supply +3.3V
62 HP_SW IMuting Control for Headphone
ON/OFF
63 VSS -GND
64 Wmute ONC
65 Wdet INC
66 D.Bass_LED OD.Bass Led
67 CD_LOAD_CCW (L) OCD Load CCW (L)
68 SD_INT OSD INT Output
69 CD_LOAD_CW (H) OCD Load CW (H)
70 OPTION_DET1 IOption Detect 1 Input
71 OPTION_DET2 IOption Detect 2 Input
72 RDS_DATA/SW
LED IRDS Data Input
73 RDS_CLK IRDS Clock Output
74 FHOP1 OFrequency Shitfing for Digital
Amp
75 VDD18 -Voltage Supply +1.8V
76 DPRT_RXD INC
77 DPRT_TXD ONC
78 IPOD_DET IIpod Detect Input
79 TU_SDA OTuner Serial Data Input
80 TU_STEREO ITuner Stereo Signal
81 Mute_S OMuting Control for Mute S
82 Mute_F OMuting Control for Front
83 AMP_MODE OD-Amp Mode Signal
84 TU_CLK I/O Tuner Clock Signal
85 TU_TUNED OTuner Tuned Signal
86 AUX_DET/MPORT_
SW IAux Detect Input
87 Option _PCONT O5V Supply Pin
88 DCDET IPower Detection Input
89 VDD5 -Voltage Supply +5V
90 DECK PLUNGER ODeck Plunger Control L:OFF;
H:ON
91 VSS -GND
92 Region IRegion Setting
93 LEVELMTR ILevel Meter
94 Key 3 IKey 3 Input
95 Key 1 IKey 1 Input
96 Key 2 IKey 2 Input
97 VOL_JOG IVolume Jog
98 Deck AN7 IDeck AN7
99 Deck AN6 IDeck AN6
100 VHREF - Connect External Resistor To
VDD5
21.2. IC6601 (C0HBB0000057) FL
DISPLAY
Pin No. Mark I/O Function
1P0 -NC
2P1 -NC
3P2 -NC
4P3 -NC
5OSC IOscillator Input
6NC -NC
7DIN IData Input
8CLK IClock Input
9STB ISerial Interface Strobe
21 Terminal Function of Integrated Circuits
118
SA
-
AK
770
PL / SA
-
AK
770
GCP

Pin No. Mark I/O Function
10 K1 -Key Data Input 1 (No
Connection)
11 K2 -Key Data Input 1 (No
Connection)
12 Vss -Supply Voltage, Negative
Terminal
13 VCC -Power Supply (+5V)
14 S1 OSegment Output 18
15 S2 OSegment Output 17
16 S3 OSegment Output 16
17 S4 OSegment Output 15
18 S5 OSegment Output 14
19 S6 OSegment Output 13
20 S7 OSegment Output 12
21 S8 OSegment Output 11
22 S9 OSegment Output 10
23 S10 OSegment Output 9
24 S11 OSegment Output 8
25 S12 OSegment Output 7
26 S13 OSegment Output 6
27 S14 OSegment Output 5
28 S15 OSegment Output 4
29 S16 OSegment Output 3
30 VEE -Voltage Supply
31 G12 OSegment Output 2
32 G11 OSegment Output 1
33 G10 OGrid Segment Output 1
34 G9 OGrid Segment Output 2
35 G8 OGrid Segment Output 3
36 G7 OGrid Segment Output 4
37 G6 OGrid Segment Output 5
38 G5 OGrid Segment Output 6
39 G4 OGrid Segment Output 7
40 G3 OGrid Segment Output 8
41 G2 OGrid Segment Output 9
42 G1 OGrid Segment Output 10
43 VDD -Voltage Supply (+5V)
44 VSS -Power Supply
119
S
A-AK770PL
/S
A-AK770
GCP

120
S
A-AK770PL
/S
A-AK770
GC
P

22 Exploded Views
22.1. Cabinet Parts Location
SA-AK770PL / SA-AK770GCP
121

SA-AK770PL / SA-AK770GCP
122

22.2. Deck Mechanism Parts Locations (RAA4407-S)
SA-AK770PL / SA-AK770GCP
123

22.3. Packaging
SA-AK770PL / SA-AK770GCP
124

Notes:
Ref. No. Part No. Part Name & Description Remarks
CABINET AND CHASSIS
1REEV0139 21P FFC CABLE (DECK-MAIN) [M]
2REEX0740 10P FFC CABLE [M]
3REXX0704 5P WIRE (RIPPING-USB) [M]
4REEX0881 17P FFC CABLE (MAIN TO
DAMP)
[M]
5REEX0882 21P FFC CABLE (CD-MAIN) [M]
6REEX0883 27P FFC CABLE (MAIN-PANEL) [M]
7REEX0877 30P FFC CABLE (MAIN-
RIPPING)
[M]
8ENG06836QRF TUNER PACK [M]
9RDGX0040 VOLUME GEAR [M]
10 RGCX0010-R LIGHT REFLECTOR [M]
11 RFKGAAK770PL FRONT PANEL ASS’Y [M]
12 RGKX0482-K VOLUME ORNAMENT [M]
13 RGKX0483-K1 CD LID [M]
14 RGKX0488-R DYNAIMC BASS ORNAMENT [M]
15 RGLX0164-Q VOLUME LIGHT PIECE [M]
16 RGLX0167-Q POWER LIGHT PIECE [M]
18 RGRX0070F-A REAR PANEL [M] PL
18 RGRX0070G-A REAR PANEL [M] GCP
20 RGUX0764-K FUNCTION BUTTON L [M]
21 RGUX0765-1S DYNAMIC BASS BUTTON [M]
22 RGUX0766A-K 5CD CHANGE BUTTON [M]
23 RGUX0767A-K POWER CONTROL BUTTON [M]
24 RGUX0768-K CASSETTE EJECT BUTTON [M]
25 RGUX0777-K FUNCTION BUTTON R [M]
27 RGWX0072-S VOLUME KNOB [M]
29 RHD26046-L SCREW [M]
30 RHD30007-K2J SCREW [M]
32 RHD30111-3 SCREW [M]
33 RHD30119-S SCREW [M]
34 RKA0072-KJ LEG CUSHION [M]
35 RKFX0143-K1 CASSETTE LID [M]
36 RKMX0144-K TOP CABINET [M]
38 RMAX0333-2 CHASSIS SUPPORT [M]
39 RMBV0042-2 CASSETTE LID SPRING [M]
Ref. No. Part No. Part Name & Description Remarks
40 RMBX0086 CD LID OPEN SPRING [M]
41 RMC0465 TR SPRING [M]
42 RMGX0033 CUSHION RUBBER [M]
43 RMKX0151-1 CD CHASSIS [M]
44 RMKX0148-2 BOTTOM CHASSIS [M]
45 RMKX0149 INNER CHASSIS [M]
46 RMNV0059 LED HOLDER [M]
47 RMNV0079-1 FL HOLDER [M]
49 RMY0285 HEAT SINK [M]
50 RXXX0105 HEAT SINK UNIT C [M]
51 RMZ0339 ZENER COVER [M] GCP
53 RSCX0186 SD SHIELD (TOP) [M]
54 RSCX0187 SD SHIELD (BOTTOM) [M]
56 RUS757ZAA CASSETTE HALF SPRING [M]
57 RXGX0002 DAMPER GEAR [M]
58 RXXX0085-1J HEAT SINK UNIT A [M]
59 RXXX0104 HEAT SINK UNIT B [M]
60 XTB3+10JFJ SCREW [M]
62 XTV3+10GFJ-M SCREW [M]
63 XTW3+12TFJ SCREW [M]
64 XTW3+18TFJ SCREW [M]
65 REEX0904 11P FFC CABLE (MAIN-CD) [M]
67 RWJ1108055SS 8P WIRE (PANEL-TACT) [M]
68 REXX0686 WHITE WIRE (VOLTAGE
SELECTOR)
[M] GCP
69 REXX0687 BLUE WIRE (VOLTAGE
SELECTOR)
[M] GCP
70 RMZX0039 IC INSULATOR [M]
71 REEX0884 6P FFC CABLE (MAIN-RIPPING) [M]
74 REXX0683 8P WIRE (SMPS-DAMP) [M]
75 RMQX0318-K FAN COVER [M]
77 XTW3+8TFJ SCREW [M]
78 RGUX0769-K RIPPING BUTTON [M]
80 L6FAYYYH0088 FAN UNIT [M]
81 L6FALEFH0023 FAN UNIT [M]
82 RMNX0287A USB JACK HOLDER [M]
83 XTN2+6GFJ SCREW [M]
84 REXX0684 BLACK WIRE [M] PL
23 Replacement Parts List
• Important safety notice:
Components identified by mark have special characteristics important for safety.
Furthermore, special parts which have purposes of fire-retardent (resistors), high-quality sound (capacitors), low noise
(resistors), etc are used.
When replacing any of these components, be sure to use only manufacturer’s specified parts shown in the parts list.
• The parenthesized indications in the Remarks columns specify the areas or colour. (Refer to the cover page for area or colour)
Parts without these indications can be used for all areas.
• Warning: This product uses a laser diode. Refer to caution statements on “Precaution of Laser Diode”.
• Capacitor values are in microfarads (µF) unless specified otherwise, P= Pico-farads (pF), F= Farads.
• Resistance values are in ohms, unless specified otherwise, 1K=1,000 (OHM).
• The marking (RTL) indicates that the Retention Time is limited for this items. After the discontinuation of this assembly in
production, the item will continue to be available for a specific period of time. The retention period of a availability is dependent
on the type of assembly, and in accordance with the laws governing part and product retention. After the end of this period, the
assembly will no longer be available.
• [M] Indicates in the Remarks columns indicates parts supplied by PAVCSG.
• Reference for O/I book languages are as follows:
Ar: Arabic Du: Dutch It: Italian Sp Spanish
Cf: Canadian French En: English Ko: Korean Sw: Swedish
Cz: Czech Fr: French Po: Polish Co: Traditional Chinese
Da: Danish Ge: German Ru: Russian Cn: Simplified Chinese
Pe: Persian Ur: Ukraine Pr: Portuguese
125
SA
-
AK
770
PL / SA
-
AK
770
GCP

Ref. No. Part No. Part Name & Description Remarks
85 REXX0685 RED WIRE [M] PL
86 RGWX0056-1K MIC VOLUME KNOB [M]
88 RMVX0119 BARRIER COVER [M] PL
89 REZX0024 RED WIRE [M] GCP
90 REZX0023 BLACK WIRE [M] GCP
91 RMNX0190 LED HOLDER [M]
CASSETTE DECK
101 REDX0001 R/P HEAD BLOCK SUB ASS’Y [M]
103 RDG0300 REEL BASE GEAR [M]
104 RDG0301 WINDING RELAY GEAR [M]
105 RDK0026-4 MAIN GEAR [M]
107 RDV0033-4 WINDING BELT [M]
108 RDV0064-1 CAPSTAN BELT [M]
110 RMB0312 TRIGGER LEVER SPRING [M]
111 RMB0400 REEL SPRING [M]
112 RMB0403 HEAD PANEL SPRING [M]
113 RMB0404 BRAKE ROD SPRING [M]
114 RMB0406-5 FR LEVER SPRING [M]
115 RMB0408 THRUST SPRING [M]
116 RML0370-4 TRIGGER LEVER [M]
117 RML0371 FR LEVER [M]
118 RML0372-2 WINDING LEVER [M]
119 RML0374-2 EJECT LEVER [M]
120 RMM0131-1 BRAKE ROD [M]
121 RMM0133-1 EJECT ROD [M]
122 RMQ0519 REEL HUB [M]
123 RMS0398-1 MOVING CORE [M]
124 RXQ0470-2 PLUNGER ASS’Y [M]
125 RMC0061 PACK SPRING [M]
126 RXF0061-1 FLYWHEEL F ASS’Y [M]
128 RXG0040 FF RELAY GEAR ASS’Y [M]
129 RMK0283A-2 SUB-CHASSIS [M]
130 RXL0124 PINCH ROLLER F ASS’Y [M]
130-1 RMB0401 PINCH ARM SPRING F [M]
132 RXL0126 WINDING ARM ASSY [M]
133 RXQ0412-3 HEAD PANEL ASSY [M]
133-1 RMB0405-1 FR ROD SPRING [M]
133-2 RMM0132-1 FR ROD [M]
134 REM0120 CAP MOTOR ASS’Y [M]
135 RHD26022-1 MOTOR SCREW [M]
136 XTW2+5LFJ HEAD BLOCK UNIT SCREW [M]
137 XTW26+10SFJ SUB-CHASSIS SCREW [M]
138 XYC2+JF17FJ PCB EARTH SCREW [M]
139 RFKJSTR280PP MECHA CHASSIS ASS’Y [M]
140 XTW2+10LFJ SCREW [M]
TRAVERSE UNIT
340 RAEX0190A-V TRAVERSE ASSEMBLY UNIT [M]
(RTL)
PACKING MATERIALS
P1 RPGX1886 PACKING CASE [M] PL
P1 RPGX1887 PACKING CASE [M] GCP
P2 RPNX0534 POLYFOAM [M]
P3 RPFX0198 MIRAMAT [M]
ACCESSORIES
A1 N2QAYB000281 REMOTE CONTROL [M]
A1-1 RKK-HTR0051K R/C BATTERY COVER [M]
A2 K2CB2CB00021 AC CORD [M] PL
A2 K2CQ2CA00007 AC CORD [M] GCP
A3 RQTV0281-M O/I BOOK [M] PL
A3 RQTV0282-M O/I BOOK [M] GCP
A4 RSA0007-L1 FM INDOOR ANTENNA [M]
Ref. No. Part No. Part Name & Description Remarks
A5 N1DAAAA00001 AM LOOP ANTENNA [M]
A6 K2DA42E00001 AC PLUG ADAPTOR [M] GCP
PRINTED CIRCUIT BOARDS
PCB1 REPX0673C USB CONNECTOR/LED P.C.B. [M]
(RTL)
PL
REPX0673D USB CONNECTOR/LED P.C.B. [M]
(RTL)
GCP
PCB2 REPX0636A CD SERVO P.C.B. [M]
(RTL)
PCB3 REPX0493A CD LOADING P.C.B. [M]
(RTL)
PCB4 REPX0622E SMPS P.C.B. [M]
(RTL)
PL
REPX0622G SMPS P.C.B. [M]
(RTL)
GCP
PCB5 REPX0638B D-AMP P.C.B. [M]
(RTL)
PCB6 REPX0647A DECK P.C.B. [M]
(RTL)
PCB7 REPX0673C MAIN P.C.B. [M]
(RTL)
PL
REPX0673D MAIN P.C.B. [M]
(RTL)
GCP
PCB8 REPX0649B PANEL P.C.B. [M]
(RTL)
PCB9 REPX0321L DECK MECHANISM P.C.B. [M]
(RTL)
PCB10 REPX0622E AC INLET P.C.B. [M]
(RTL)
PL
REPX0622G AC INLET P.C.B. [M]
(RTL)
GCP
PCB11 REPX0649B MIC P.C.B. [M]
(RTL)
PCB12 REPX0649B REMOTE SENSOR P.C.B. [M]
(RTL)
PCB13 REPX0622G VOLTAGE SELECTOR P.C.B. [M]
(RTL)
GCP
PCB14 REPX0649B MUSIC PORT P.C.B. [M]
(RTL)
PCB15 REPX0649B TACT SWITCH P.C.B. [M]
(RTL)
PCB16 REPX0660B JUPITER USB P.C.B. [M]
(RTL)
PCB17 REPX0649B SIDE BAR (L) LED P.C.B. [M]
(RTL)
PCB18 REPX0649B SIDE BAR (R) LED P.C.B. [M]
(RTL)
INTEGRATED CIRCUITS
IC502 C0DBZYE00002 IC SWITCHING [M]
IC551 C0FBAK000026 IC AD CONVERTER [M]
IC552 C0FBBY000027 IC DA CONVERTER [M]
IC701 RFKW0660B IC FLASH ROM IC [M]
IC751 C3ABPG000160 IC EEPROM [M]
IC801 MN2WS0042AA IC MICRO-PROCESSOR [M]
IC802 C0DBZYY00293 IC VOLTAGE REGULATOR [M]
IC971 CNB13030R2AU IC PHOTO INTERUPTOR [M]
IC1000 C1AA00000612 IC ANALOG SWITCH [M]
IC1001 AN7326K IC DECK R/P [M]
IC2121 C0ABBB000230 IC OP-AMP [M]
IC2701 C0DAAMH00012 IC DC-DC CONVERTER [M]
IC2741 C0DBCYY00005 IC +3.3V VOLTAGE REGULATOR [M]
IC2761 C0CAAKG00046 IC VOLTAGE REGULATOR [M]
IC2801 RFKWAK570PLK IC MICRO-PROCESSOR [M]
IC2803 C1AB00002885 IC AUDIO SOUND PROCESSOR [M]
IC2804 C0AABB000125 IC OP-AMP [M]
IC2810 C0ABBB000230 IC OP-AMP [M]
IC5000 C1BA00000487 IC AUDIO DIGITAL AMP [M]
126
S
A-AK770PL
/S
A-AK770
GC
P

Ref. No. Part No. Part Name & Description Remarks
IC5200 C1BA00000487 IC AUDIO DIGITAL AMP [M]
IC5400 C1BA00000487 IC AUDIO DIGITAL AMP [M]
IC5500 C0JBAB000902 IC INVERTER GATE [M]
IC5501 C0JBAF000716 IC D-TYPE FLIP FLOP [M]
IC5701 C5HACYY00003 IC SHUNT REGULATOR [M] GCP
IC5701 C5HACYY00004 IC SHUNT REGULATOR [M] PL
IC5780 C0ABBA000168 IC OP-AMP [M] GCP
IC5799 MIP4110MSSCF IC SWITCHIN REGULATOR [M]
IC5801 C0DABFC00002 IC SHUNT REGULATOR [M]
IC5899 C0DAEMZ00001 IC SHUNT REGULATOR [M]
IC6601 C0HBB0000057 IC FL DRIVER [M]
IC6701 C0ABBB000230 IC MIC-AMP [M]
IC7001 MN6627954MA IC SERVO PROCESSOR [M]
IC7002 BA5948FPE2 IC 4 CH DRIVER [M]
TRANSISTORS
Q1303 B1GBCFGH0001 TRANSISTOR [M]
Q1304 B1GDCFGH0002 TRANSISTOR [M]
Q1309 B1AAGC000006 TRANSISTOR [M]
Q1310 B1AAGC000006 TRANSISTOR [M]
Q1312 B1ABCF000011 TRANSISTOR [M]
Q1314 B1GDCFGH0002 TRANSISTOR [M]
Q1315 B1ACKD000006 TRANSISTOR [M]
Q1316 2SD09650RA TRANSISTOR [M]
Q1317 B1ABGC000005 TRANSISTOR [M]
Q2011 B1GBCFJJ0051 TRANSISTOR [M]
Q2012 B1GBCFJJ0051 TRANSISTOR [M]
Q2311 B1ABGC000005 TRANSISTOR [M]
Q2312 B1ABGC000005 TRANSISTOR [M]
Q2317 B1ABGC000005 TRANSISTOR [M]
Q2359 B1ABGC000005 TRANSISTOR [M]
Q2360 B1ABGC000005 TRANSISTOR [M]
Q2371 B1ABCF000176 TRANSISTOR [M]
Q2372 B1ABCF000176 TRANSISTOR [M]
Q2373 B1ABCF000176 TRANSISTOR [M]
Q2374 B1GDCFJJ0047 TRANSISTOR [M]
Q2375 B1GDCFJJ0047 TRANSISTOR [M]
Q2417 B1ABGC000005 TRANSISTOR [M]
Q2501 B1ABCF000176 TRANSISTOR [M]
Q2708 B1ADCE000012 TRANSISTOR [M]
Q2711 B1BACG000023 TRANSISTOR [M]
Q2735 B1BACD000018 TRANSISTOR [M]
Q2743 B1ACKD000006 TRANSISTOR [M]
Q2745 B1GBCFLL0037 TRANSISTOR [M]
Q2751 B1BACG000023 TRANSISTOR [M]
Q2761 B1BCCG000002 TRANSISTOR [M]
Q2771 B1GBCFJJ0051 TRANSISTOR [M]
Q2772 B1GBCFJJ0051 TRANSISTOR [M]
Q2800 B1GBCFJJ0051 TRANSISTOR [M]
Q2812 B1GBCFLL0037 TRANSISTOR [M]
Q2900 B1BABK000001 TRANSISTOR [M]
Q2942 B1ACKD000006 TRANSISTOR [M]
Q2943 B1ABCF000176 TRANSISTOR [M]
Q2947 B1ABCF000176 TRANSISTOR [M]
Q2948 B1ABCF000176 TRANSISTOR [M]
Q2949 B1ABCF000176 TRANSISTOR [M]
Q2961 B1ACKD000006 TRANSISTOR [M]
Q2962 B1ABCF000176 TRANSISTOR [M]
Q2967 B1ABCF000176 TRANSISTOR [M]
Q2970 B1ADCE000012 TRANSISTOR [M]
Q5101 B1ABCF000176 TRANSISTOR [M]
Q5102 B1ABCF000176 TRANSISTOR [M]
Q5601 B1ABCF000176 TRANSISTOR [M]
Q5603 B1ADCE000012 TRANSISTOR [M]
Q5604 B1ABCF000176 TRANSISTOR [M]
Q5720 2SC3940ARA TRANSISTOR [M]
Q5721 2SA207700L TRANSISTOR [M]
Q5722 B1ABCF000176 TRANSISTOR [M]
Q5750 B1ABCF000176 TRANSISTOR [M] GCP
Q5802 B1ABCF000176 TRANSISTOR [M]
Q5803 2SC3940ARA TRANSISTOR [M]
Q5860 2SA207700L TRANSISTOR [M]
Q5861 B1ABCF000176 TRANSISTOR [M]
Ref. No. Part No. Part Name & Description Remarks
Q5862 B1ABCF000176 TRANSISTOR [M]
Q5898 B1ABCF000176 TRANSISTOR [M]
Q6511 B1GBCFJN0033 TRANSISTOR [M]
Q6600 B1GBCFJN0033 TRANSISTOR [M]
Q6641 B1GBCFJN0033 TRANSISTOR [M]
Q7601 B1ADCF000001 TRANSISTOR [M]
QR111 B1GBCFJJ0051 TRANSISTOR [M]
QR2317 B1GDCFGA0018 TRANSISTOR [M]
QR5801 UNR221400L TRANSISTOR [M]
QR5802 B1GDCFGA0018 TRANSISTOR [M]
QR5810 B1GBCFLL0037 TRANSISTOR [M]
DIODES
D801 MA27D2900L DIODE [M]
D802 B0JCMD000022 DIODE [M]
D971 MA2C16500E DIODE [M]
D1111 B3AAA0001014 DIODE [M]
D1301 B0ACCK000005 DIODE [M]
D2141 MA2J11100L DIODE [M]
D2142 MA2J11100L DIODE [M]
D2143 B0BC2R4A0006 DIODE [M]
D2144 B0BC2R4A0006 DIODE [M]
D2371 MA2J11100L DIODE [M]
D2372 MA2J11100L DIODE [M]
D2503 B0ADCC000002 DIODE [M]
D2611 B0ACCK000005 DIODE [M]
D2707 B0EAKM000117 DIODE [M]
D2708 B0EAKM000117 DIODE [M]
D2711 B0BC4R0A0006 DIODE [M]
D2731 B0EAKM000117 DIODE [M]
D2732 B0EAKM000117 DIODE [M]
D2733 B0BC9R000008 DIODE [M]
D2734 B0EAKM000117 DIODE [M]
D2735 B0EAKM000117 DIODE [M]
D2753 MAZ810000L DIODE [M]
D2774 B0ADCJ000020 DIODE [M]
D2812 B0ACCK000005 DIODE [M]
D2813 B0ACCK000005 DIODE [M]
D2867 B0EAKM000117 DIODE [M]
D2869 B0EAKM000117 DIODE [M]
D2901 B0BC035A0007 DIODE [M]
D2903 B0EAMM000057 DIODE [M]
D2906 B0JAME000114 DIODE [M]
D2908 B0EAMM000057 DIODE [M]
D2909 MAZ82400HL DIODE [M]
D2930 B0EAKM000117 DIODE [M]
D2940 MA2J11100L DIODE [M]
D2946 B0ADCJ000020 DIODE [M]
D2947 B0BC5R600003 DIODE [M]
D2948 B0BC5R600003 DIODE [M]
D2968 B0ADCJ000020 DIODE [M]
D5001 B0HCMM000019 DIODE [M]
D5002 B0HCMM000019 DIODE [M]
D5003 B0HCMM000019 DIODE [M]
D5004 B0HCMM000019 DIODE [M]
D5201 B0HCMM000019 DIODE [M]
D5202 B0HCMM000019 DIODE [M]
D5203 B0HCMM000019 DIODE [M]
D5204 B0HCMM000019 DIODE [M]
D5401 B0HCMM000019 DIODE [M]
D5402 B0HCMM000019 DIODE [M]
D5403 B0HCMM000019 DIODE [M]
D5404 B0HCMM000019 DIODE [M]
D5501 MA2J11100L DIODE [M]
D5502 MA2J11100L DIODE [M]
D5503 MAZ80510ML DIODE [M]
D5701 B0FBAR000041 DIODE [M]
D5702 B0ZAZ0000052 DIODE [M]
D5721 B0BC010A0007 DIODE [M] GCP
D5721 MAZ81800ML DIODE [M] PL
D5722 B0BC019A0007 DIODE [M]
D5723 MA2J11100L DIODE [M]
D5724 MA2J11100L DIODE [M]
127
S
A-AK770PL
/S
A-AK770
GCP

Ref. No. Part No. Part Name & Description Remarks
D5725 B0BC6R100010 DIODE [M]
D5726 B0EAKM000117 DIODE [M]
D5727 MA2J11100L DIODE [M]
D5728 MA2J11100L DIODE [M]
D5729 B0EAMM000057 DIODE [M]
D5730 MA2J11100L DIODE [M]
D5732 B0BC035A0007 DIODE [M]
D5733 B0HCMM000019 DIODE [M]
D5793 B0HAMP000094 DIODE [M]
D5795 B0BC5R000009 DIODE [M] GCP
D5796 MA2J11100L DIODE [M] GCP
D5797 MA2J72800L DIODE [M]
D5798 B0HAMP000094 DIODE [M]
D5799 B0HAMP000094 DIODE [M] GCP
D5801 B0HBSM000043 DIODE [M]
D5802 B0HBSM000043 DIODE [M]
D5803 B0HFRJ000012 DIODE [M]
D5804 B0EAMM000057 DIODE [M]
D5805 B0EAMM000057 DIODE [M]
D5806 MAZ80750ML DIODE [M]
D5807 MA2J11100L DIODE [M]
D5809 MA2J11100L DIODE [M]
D5896 B0EAMM000057 DIODE [M]
D6458 B3AAA0000489 DIODE [M]
D6511 B3AAA0001014 DIODE [M]
D6512 B3AAA0001014 DIODE [M]
D6602 B3AAA0001014 DIODE [M]
D6604 B3AAA0001014 DIODE [M]
D6641 B3AAA0001014 DIODE [M]
D6672 B0BC2R4A0006 DIODE [M]
D7650 MAZ80560ML DIODE [M]
DZ2702 B0JCPD000025 DIODE [M]
DZ5701 ERZV10V511CS ZENER [M]
VARISTORS
VA1110 EZJZ1V171AA VARISTOR [M]
VA1120 EZJZ1V171AA VARISTOR [M]
VARIABLE RESISTORS
VR6500 EVEKE2F3524B VOLUME JOG [M]
VR6630 K9AA024A0008 VR BASS CONTROL [M]
VR6701 EVUF2AF15B14 MIC JOG [M]
SWITCHES
S971 K0J1BB000017 SW MODE [M]
S972 K0J1BB000021 SW HALF [M]
S975 K0J1BB000021 SW RECINH_F [M]
S5701 K0ABCA000007 SW VOLTAGE SELECTOR [M] GCP
S6100 EVQ21405RJ SW POWER [M]
S6101 EVQ21405RJ SW DISPLAY [M]
S6102 EVQ21405RJ SW SUBWOOFER [M]
S6106 EVQ21405RJ SW TAPE/REC [M]
S6107 EVQ21405RJ SW USB/REC [M]
S6108 EVQ21405RJ SW D.BASS [M]
S6201 EVQ21405RJ SW OPEN/CLOSE [M]
S6202 EVQ21405RJ SW EXCHANGE [M]
S6203 EVQ21405RJ SW CD1 [M]
S6204 EVQ21405RJ SW CD2 [M]
S6205 EVQ21405RJ SW CD3 [M]
S6206 EVQ21405RJ SW CD4 [M]
S6207 EVQ21405RJ SW CD5 [M]
S6208 EVQ21405RJ SW STOP/DEMO [M]
S6300 EVQ21405RJ SW FWD [M]
S6301 EVQ21405RJ SW MANUAL EQ [M]
S6302 EVQ21405RJ SW REW [M]
S6303 EVQ21405RJ SW TAPE [M]
S6304 EVQ21405RJ SW FM/AM [M]
S6306 EVQ21405RJ SW CD [M]
S6307 EVQ21405RJ SW USB [M]
S6308 EVQ21405RJ SW EXT_IN [M]
Ref. No. Part No. Part Name & Description Remarks
S6820 EVQ21405RJ SW EJECT [M]
S7201 K0L1BA000133 SW REST [M]
S7202 K0L1BA000133 SW CD OPEN [M]
CONNECTORS
CN502 K1MN06AA0076 6P CONNECTOR [M]
CN503 K1KA05BA0014 5P CONNECTOR [M]
CN601 K1MY20BA0046 20P CONNECTOR [M]
CN602 K1MY10AA0021 10P CONNECTOR [M]
CN1112 K1KA02AA0186 2P CONNECTOR [M]
CN1113 K1KA05BA0061 5P CONNECTOR [M]
CN1305 K1MN21B00010 21P FFC CONNECTOR [M]
CN2001 K1KA02AA0186 2P CONNECTOR [M]
CN2011 K1MY21AA0124 21P CONNECTOR [M]
CN2801 K1MN22AA0004 22P CONNECTOR [M]
CN2802 K1MN11AA0003 11P CONNECTOR [M]
CN2804 K1MN20AA0004 20P CONNECTOR [M]
CN2806 K1MY27AA0124 27P FFC CONNECTOR [M]
CN2807 K1MN10AA0003 10P FFC CONNECTOR [M]
CN2810 K1KA02AA0186 2P CONNECTOR [M]
CN2811 K1KC05A00001 5P CONNECTOR [M]
CN2815 K1MN06AA0003 6P CONNECTOR [M]
CN2820 K1KA02AA0186 2P CONNECTOR [M]
CN5050 K1MN17AA0004 17P CONNECTOR [M]
CN5500 K1KA08AA0180 8P CONNECTOR [M]
CN5802 K1KA11AA0194 11P CONNECTOR [M]
CN6001 K1MY27AA0124 27P FFC CONNECTOR [M]
CN6012 K1KA04AA0031 4P CONNECTOR [M]
CN6014 K1KA04AA0031 4P CONNECTOR [M]
CN6602 K1KB04A00046 4P CONNECTOR [M]
CN6604 K1KB04A00046 4P CONNECTOR [M]
CN6701 K1KA07AA0193 7P CONNECTOR [M]
CN6807 K1MN10AA0003 10P FFC CONNECTOR [M]
CN7001 K1MN16B00154 16P CONNECTOR [M]
CN7002 K1MN22BA0005 22P CONNECTOR [M]
CP1301 K1MY05AA0043 5P CONNECTOR [M]
CP1902 K1KA09BA0153 9P CONNECTOR [M]
CS971 RJU071H09M1 9P CONNECTOR [M]
COILS & INDUCTORS
L551 G1C100KA0101 INDUCTOR [M]
L552 G1C100KA0101 INDUCTOR [M]
L553 G1C100KA0101 INDUCTOR [M]
L804 G1C100KA0101 INDUCTOR [M]
L805 G1C100KA0101 INDUCTOR [M]
L1100 G1BYYYB00009 COMMON MODE CHOKE COIL [M]
L1301 G2ZZ00000024 BIAS OSC COIL [M]
L1302 G0C470JA0052 INDUCTOR [M]
L2051 G0C101JA0052 INDUCTOR [M]
L2055 G0C101JA0052 INDUCTOR [M]
L2400 G0C101JA0052 INDUCTOR [M]
L2702 G0A101ZA0028 CHOKE COIL [M]
L2910 G0A220GA0026 CHOKE COIL [M]
L5000 G0A150L00003 CHOKE COIL [M]
L5001 G0B9R5K00003 LINE FILTER [M]
L5002 G0B9R5K00003 LINE FILTER [M]
L5200 G0A150L00003 CHOKE COIL [M]
L5201 G0B9R5K00003 LINE FILTER [M]
L5400 G0A150L00003 CHOKE COIL [M]
L5500 J0JKB0000020 INDUCTOR [M]
L5501 J0JKB0000020 INDUCTOR [M]
L5702 ELF22V035B LINE FILTER [M]
L6671 J0JBC0000019 INDUCTOR [M]
L6701 J0JBC0000019 INDUCTOR [M]
L6702 J0JBC0000019 INDUCTOR [M]
L6801 J0JBC0000019 INDUCTOR [M]
L6802 J0JBC0000019 INDUCTOR [M]
L6811 J0JBC0000019 INDUCTOR [M]
L6812 J0JBC0000019 INDUCTOR [M]
L6851 J0JBC0000019 INDUCTOR [M]
L6863 J0JBC0000019 INDUCTOR [M]
LB503 J0JBC0000118 INDUCTOR [M]
128
S
A-AK770PL
/S
A-AK770
GC
P

Ref. No. Part No. Part Name & Description Remarks
LB504 J0JBC0000118 INDUCTOR [M]
LB601 J0JAC0000021 INDUCTOR [M]
LB602 J0JHC0000045 INDUCTOR [M]
LB603 J0JAC0000021 INDUCTOR [M]
LB605 J0JAC0000021 INDUCTOR [M]
LB614 J0JHC0000045 INDUCTOR [M]
LB615 J0JAC0000021 INDUCTOR [M]
LB616 J0JHC0000045 INDUCTOR [M]
LB618 J0JAC0000021 INDUCTOR [M]
LB619 J0JHC0000045 INDUCTOR [M]
LB620 J0JAC0000021 INDUCTOR [M]
LB621 J0JAC0000021 INDUCTOR [M]
LB622 J0JAC0000021 INDUCTOR [M]
LB623 J0JHC0000045 INDUCTOR [M]
LB624 J0JAC0000021 INDUCTOR [M]
LB625 J0JBC0000019 INDUCTOR [M]
LB626 J0JAC0000021 INDUCTOR [M]
LB628 J0JAC0000021 INDUCTOR [M]
LB629 J0JBC0000019 INDUCTOR [M]
LB630 J0JAC0000021 INDUCTOR [M]
LB801 J0JAC0000024 INDUCTOR [M]
LB802 J0JAC0000024 INDUCTOR [M]
LB1200 J0JHC0000034 INDUCTOR [M]
LB1210 J0JHC0000034 INDUCTOR [M]
TRANSFORMERS
T2900 G4D1A0000117 SWITCHING TRANSFORMER [M]
T5701 ETS48AB116AC SWITCHING TRANSFORMER [M] GCP
T5701 ETS48AB12GAC SWITCHING TRANSFORMER [M] PL
T5751 ETS19AB256AG BACKUP SW TRANFORMER [M]
COMPOMENT COMBINATION
Z6601 B3RAD0000146 REMOTE CONTROL SENSOR [M]
ZA5701 K3GE1ZZ00001 FUSE HOLDER [M]
ZA5702 K3GE1ZZ00001 FUSE HOLDER [M]
ZJ5400 K4CZ01000027 TERMINAL [M]
ZJ5410 K4CZ01000027 TERMINAL [M]
ZJ5701 K4CZ01000027 TERMINAL [M]
ZJ5702 K4CZ01000027 TERMINAL [M] GCP
ZJ5801 K4CZ01000027 TERMINAL [M]
ZJ5803 K4CZ01000027 TERMINAL [M]
WIRES
J6001 RWJ1103055SS 3P WIRE (PANEL-REMOTE) [M]
ZJ1111 REXX0681 2P WIRE (USB-MAIN) [M]
ZJ2701 REXX0680 11P WIRE (MAIN-SMPS) [M]
ZJ6601 REXX0679 7P WIRE (PANEL-MIC) [M]
ZJ6801 REXX0681 2P WIRE (PANEL-MUSIC PORT) [M]
WR1903 RWJ0102050KR WIRE [M]
PHOTO COUPLERS
PC5701 B3PBA0000402 PHOTO COUPLER [M]
PC5702 B3PBA0000402 PHOTO COUPLER [M]
PC5720 B3PBA0000402 PHOTO COUPLER [M]
PC5799 B3PBA0000402 PHOTO COUPLER [M]
OSCILLATORS
X801 H0J169500031 CRYSTAL OSCILLATOR [M]
X802 H0J120500057 CRYSTAL OSCILLATOR [M]
X2602 H2B100500004 CRYSTAL OSCILLATOR [M]
X2611 H0A327200115 CRYSTAL OSCILLATOR [M]
X5500 H2A6023A0011 CRYSTAL OSCILLATOR [M]
X5501 H2A7003A0011 CRYSTAL OSCILLATOR [M]
X7201 H0H169500013 CRYSTAL OSCILLATOR [M]
FL DISPLAY
Ref. No. Part No. Part Name & Description Remarks
FL6601 A2BB00000171 LCD DISPLAY [M]
FUSES
F1 K5D802APA008 FUSE [M] PL
F1 K5D802BNA005 FUSE [M] GCP
FUSE PROTECTOR
FP2901 K5G4013A0001 FUSE PROTECTOR [M]
THERMISTORS
TH5701 D4CAA5R10001 THERMISTOR [M] PL
TH5702 D4CAC8R00002 THERMISTOR [M] GCP
TH5860 D4CC11040013 THERMISTOR [M]
JACKS
JK1111 K1FY104B0011 USB CONNECTOR [M]
JK2801 K2HA204B0153 AUX CONNECTOR [M]
JK5001 K4AL06B00001 JK SPEAKER [M]
JK6701 K2HC103A0031 JK MIC [M]
JK6800 K2HC103A0031 JK HEADPHONE [M]
JK6810 K2HC1YYA0002 JK MUSIC PORT [M]
P5701 K2AA2B000017 AC INLET [M] GCP
P5701 K2AB2B000010 AC INLET [M] PL
EARTH TERMINAL
E2001 K9ZZ00001279 EARTH PLATE [M]
CHIP JUMPERS
L501 ERJ6GEY0R00V 0 1/8W [M]
LB501 ERJ2GE0R00X 0 1/16W [M]
LB502 ERJ2GE0R00X 0 1/16W [M]
LB7262 D0GBR00JA008 0 1/16W [M]
LB7263 D0GBR00JA008 0 1/16W [M]
LB7264 D0GBR00JA008 0 1/16W [M]
W2700 D0GBR00JA008 0 1/16W [M]
W2702 D0GBR00JA008 0 1/16W [M]
W2703 D0GDR00JA017 0 1/10W [M]
W2704 D0GDR00JA017 0 1/10W [M]
W2705 D0GDR00JA017 0 1/10W [M]
W2706 D0GBR00JA008 0 1/16W [M]
W2707 D0GBR00JA008 0 1/16W [M]
W2708 D0GBR00JA008 0 1/16W [M]
W2709 D0GBR00JA008 0 1/16W [M]
W2710 D0GBR00JA008 0 1/16W [M]
W2711 D0GDR00JA017 0 1/10W [M]
W2712 D0GDR00JA017 0 1/10W [M]
W2713 ERJ8GEY0R00V 0 1/4W [M]
W2714 D0GDR00JA017 0 1/10W [M]
W2715 ERJ8GEY0R00V 0 1/4W [M]
W2717 D0GDR00JA017 0 1/10W [M]
W2718 ERJ8GEY0R00V 0 1/4W [M]
W2719 D0GDR00JA017 0 1/10W [M]
W2720 D0GBR00JA008 0 1/16W [M]
W2721 D0GBR00JA008 0 1/16W [M]
W2722 D0GDR00JA017 0 1/10W [M]
W2723 D0GDR00JA017 0 1/10W [M]
W2724 D0GBR00JA008 0 1/16W [M]
W2726 D0GDR00JA017 0 1/10W [M]
W2728 D0GDR00JA017 0 1/10W [M]
W2729 D0GBR00JA008 0 1/16W [M]
W2730 ERJ8GEY0R00V 0 1/4W [M]
W2731 ERJ8GEY0R00V 0 1/4W [M]
W2732 ERJ8GEY0R00V 0 1/4W [M]
129
S
A-AK770PL
/S
A-AK770
GCP

Ref. No. Part No. Part Name & Description Remarks
W2733 D0GDR00JA017 0 1/10W [M]
W2734 D0GBR00JA008 0 1/16W [M]
W2735 D0GDR00JA017 0 1/10W [M]
W2736 D0GDR00JA017 0 1/10W [M]
W2737 D0GBR00JA008 0 1/16W [M]
W2738 D0GDR00JA017 0 1/10W [M]
W2739 D0GBR00JA008 0 1/16W [M]
W2740 D0GBR00JA008 0 1/16W [M]
W2741 D0GBR00JA008 0 1/16W [M]
W2742 ERJ8GEY0R00V 0 1/4W [M]
W2743 ERJ8GEY0R00V 0 1/4W [M]
W2744 D0GDR00JA017 0 1/10W [M]
W2745 D0GDR00JA017 0 1/10W [M]
W2746 D0GDR00JA017 0 1/10W [M]
W2747 D0GBR00JA008 0 1/16W [M]
W2748 D0GDR00JA017 0 1/10W [M]
W2749 D0GBR00JA008 0 1/16W [M]
W2750 D0GDR00JA017 0 1/10W [M]
W2751 D0GBR00JA008 0 1/16W [M]
W2752 D0GBR00JA008 0 1/16W [M]
W2753 D0GDR00JA017 0 1/10W [M]
W2754 D0GBR00JA008 0 1/16W [M]
W2755 D0GBR00JA008 0 1/16W [M]
W5007 ERJ6GEY0R00V 0 1/8W [M]
W5032 ERJ8GEY0R00V 0 1/4W [M]
W5059 ERJ6GEY0R00V 0 1/8W [M]
W5071 ERJ3GEY0R00V 0 1/10W [M]
W5780 ERJ6GEY0R00V 0 1/8W [M]
W5801 ERJ3GEY0R00V 0 1/10W [M]
W5803 ERJ6GEY0R00V 0 1/8W [M]
W5804 ERJ3GEY0R00V 0 1/10W [M]
W5805 ERJ6GEY0R00V 0 1/8W [M]
W5806 ERJ6GEY0R00V 0 1/8W [M]
W5807 ERJ6GEY0R00V 0 1/8W [M]
W6541 D0GDR00JA017 0 1/10W [M]
W6570 D0GBR00JA008 0 1/16W [M]
W7001 D0GBR00JA008 0 1/16W [M]
W7002 D0GBR00JA008 0 1/16W [M]
W7003 D0GBR00JA008 0 1/16W [M]
W7004 D0GBR00JA008 0 1/16W [M]
W7005 D0GBR00JA008 0 1/16W [M]
W7006 D0GBR00JA008 0 1/16W [M]
W7007 D0GBR00JA008 0 1/16W [M]
W7008 D0GBR00JA008 0 1/16W [M]
W7009 D0GBR00JA008 0 1/16W [M]
W7010 D0GBR00JA008 0 1/16W [M]
W7011 D0GBR00JA008 0 1/16W [M]
W7012 D0GBR00JA008 0 1/16W [M]
W7013 D0GBR00JA008 0 1/16W [M]
W7014 D0GBR00JA008 0 1/16W [M]
W7015 D0GBR00JA008 0 1/16W [M]
W7016 D0GBR00JA008 0 1/16W [M]
W7017 D0GBR00JA008 0 1/16W [M]
W7018 D0GBR00JA008 0 1/16W [M]
W7019 D0GBR00JA008 0 1/16W [M]
W7020 D0GBR00JA008 0 1/16W [M]
W7021 D0GBR00JA008 0 1/16W [M]
W7024 D0GBR00JA008 0 1/16W [M]
W7025 ERJ6GEY0R00V 0 1/8W [M]
W7026 ERJ6GEY0R00V 0 1/8W [M]
RESISTORS
R517 ERJ2GE0R00X 0 1/16W [M]
R518 ERJ2GE0R00X 0 1/16W [M]
R519 D0GA105JA023 1M 1/16W [M]
R520 D0GA105JA023 1M 1/16W [M]
R521 D0GA100JA023 10 1/16W [M]
R522 D0GA100JA023 10 1/16W [M]
R523 D0GA102JA023 1K 1/16W [M]
R525 D0GA100JA023 10 1/16W [M]
R526 D0GA100JA023 10 1/16W [M]
R527 D0GA103JA023 10K 1/16W [M]
R554 D0GA104JA023 100K 1/16W [M]
Ref. No. Part No. Part Name & Description Remarks
R555 D0GA221JA023 220 1/16W [M]
R556 D0GA221JA023 220 1/16W [M]
R557 D0GA223JA023 22K 1/16W [M]
R558 D0GA223JA023 22K 1/16W [M]
R559 D0GA104JA023 100K 1/16W [M]
R560 D0GA473JA023 47K 1/16W [M]
R561 D0GA473JA023 47K 1/16W [M]
R653 D0GA473JA023 47K 1/16W [M]
R654 D0GA473JA023 47K 1/16W [M]
R655 D0GA473JA023 47K 1/16W [M]
R701 D0GA473JA023 47K 1/16W [M]
R704 D0GA473JA023 47K 1/16W [M]
R705 ERJ2GE0R00X 0 1/16W [M]
R801 D0GA220JA023 22 1/16W [M]
R802 D0GA100JA023 10 1/16W [M]
R803 D0GA100JA023 10 1/16W [M]
R804 D0GA100JA023 10 1/16W [M]
R806 D0GA100JA023 10 1/16W [M]
R809 ERJ2GEJ101X 100 1/16W [M]
R810 D0GA100JA023 10 1/16W [M]
R811 D0GA100JA023 10 1/16W [M]
R812 D0GA682JA023 6.8K 1/16W [M]
R813 D0GA473JA023 47K 1/16W [M]
R814 D0GA473JA023 47K 1/16W [M]
R815 D0GA473JA023 47K 1/16W [M]
R816 ERJ2GEJ101X 100 1/16W [M]
R817 D0GA100JA023 10 1/16W [M]
R818 D0GA473JA023 47K 1/16W [M]
R821 D0GA473JA023 47K 1/16W [M]
R822 D0GA473JA023 47K 1/16W [M]
R824 D0GA473JA023 47K 1/16W [M]
R825 D0GA100JA023 10 1/16W [M]
R827 ERJ2GE0R00X 0 1/16W [M]
R828 ERJ2GE0R00X 0 1/16W [M]
R829 ERJ2GE0R00X 0 1/16W [M]
R830 D0GA100JA023 10 1/16W [M]
R833 D0GA102JA023 1K 1/16W [M]
R835 D0GA331JA023 330 1/16W [M]
R836 D0GA100JA023 10 1/16W [M]
R843 D0GA220JA023 22 1/16W [M]
R844 D0GA220JA023 22 1/16W [M]
R849 D0GA473JA023 47K 1/16W [M]
R850 D0GA473JA023 47K 1/16W [M]
R855 D0GA100JA023 10 1/16W [M]
R856 D0GA100JA023 10 1/16W [M]
R857 D0GA100JA023 10 1/16W [M]
R858 ERJ2GEJ101X 100 1/16W [M]
R861 D0GA473JA023 47K 1/16W [M]
R862 D0GA473JA023 47K 1/16W [M]
R863 D0GA473JA023 47K 1/16W [M]
R870 D0GA100JA023 10 1/16W [M]
R871 D0GA100JA023 10 1/16W [M]
R872 D0GA100JA023 10 1/16W [M]
R875 D0GA473JA023 47K 1/16W [M]
R876 D0GA473JA023 47K 1/16W [M]
R877 D0GA103JA023 10K 1/16W [M]
R878 D1BD5901A030 59 1/10W [M]
R879 D0GA105JA023 1M 1/16W [M]
R880 D0GA471JA023 470 1/16W [M]
R881 D0GA473JA023 47K 1/16W [M]
R888 ERJ2GE0R00X 0 1/16W [M]
R890 ERJ2GE0R00X 0 1/16W [M]
R891 ERJ2GE0R00X 0 1/16W [M]
R892 ERJ2GE0R00X 0 1/16W [M]
R893 ERJ2GE0R00X 0 1/16W [M]
R894 ERJ2GE0R00X 0 1/16W [M]
R972 D0AE821JA178 820 1/4W [M]
R973 D0AE393JA178 39K 1/4W [M]
R1061 D0GBR00JA008 0 1/16W [M]
R1063 D0GBR00JA008 0 1/16W [M]
R1064 D0GBR00JA008 0 1/16W [M]
R1101 D0GB330JA008 33 1/16W [M]
R1102 D0GB152JA008 1.5K 1/16W [M]
R1103 D0GB183JA008 18K 1/16W [M]
130
S
A-AK770PL
/S
A-AK770
GC
P

Ref. No. Part No. Part Name & Description Remarks
R1104 D0GB103JA008 10K 1/16W [M]
R1105 D0GB222JA008 2.2K 1/16W [M]
R1106 D0GB104JA008 100K 1/16W [M]
R1109 D0GB102JA008 1K 1/16W [M]
R1110 D0GB333JA008 33K 1/16W [M]
R1111 D0GB272JA008 2.7K 1/16W [M]
R1201 D0GB330JA008 33 1/16W [M]
R1202 D0GB152JA008 1.5K 1/16W [M]
R1203 D0GB183JA008 18K 1/16W [M]
R1204 D0GB103JA008 10K 1/16W [M]
R1205 D0GB222JA008 2.2K 1/16W [M]
R1206 D0GB104JA008 100K 1/16W [M]
R1209 D0GB102JA008 1K 1/16W [M]
R1210 D0GB333JA008 33K 1/16W [M]
R1302 D0GB471JA008 470 1/16W [M]
R1303 D0GB475JA008 4.7M 1/16W [M]
R1304 D0GB223JA008 22K 1/16W [M]
R1305 D0GB103JA008 10K 1/16W [M]
R1309 D0AF471JA039 470 1/2W [M]
R1314 D0GB102JA008 1K 1/16W [M]
R1318 D0GB103JA008 10K 1/16W [M]
R1327 D0GB472JA008 4.7K 1/16W [M]
R1328 D0GB153JA008 15K 1/16W [M]
R1329 D0GB472JA008 4.7K 1/16W [M]
R1330 ERD2FCVJ4R7T 4.7 1/4W [M]
R1331 D0GB472JA008 4.7K 1/16W [M]
R1332 D0GB103JA008 10K 1/16W [M]
R1333 ERD2FCVJ4R7T 4.7 1/4W [M]
R1334 D0GB223JA008 22K 1/16W [M]
R1335 D0GB152JA008 1.5K 1/16W [M]
R1337 D0GB103JA008 10K 1/16W [M]
R1338 D0GB472JA008 4.7K 1/16W [M]
R1339 D0GD103JA017 10K 1/10W [M]
R1341 D0GB471JA008 470 1/16W [M]
R1342 D0GB473JA008 47K 1/16W [M]
R1343 D0GB332JA008 3.3K 1/16W [M]
R1344 D0GB273JA008 27K 1/16W [M]
R1345 D0GB102JA008 1K 1/16W [M]
R1371 D0GB223JA008 22K 1/16W [M]
R1374 D0GB471JA008 470 1/16W [M]
R1380 D0GBR00JA008 0 1/16W [M]
R1401 D0GB123JA008 12K 1/16W [M]
R1402 D0GB274JA008 270K 1/16W [M]
R1403 D0GB103JA008 10K 1/16W [M]
R1404 D0GB223JA008 22K 1/16W [M]
R1405 D0GB123JA008 12K 1/16W [M]
R2001 D0GB332JA008 3.3K 1/16W [M]
R2002 D0GB332JA008 3.3K 1/16W [M]
R2003 D0GB562JA008 5.6K 1/16W [M]
R2004 D0GB562JA008 5.6K 1/16W [M]
R2041 D0GB332JA008 3.3K 1/16W [M]
R2042 D0GB332JA008 3.3K 1/16W [M]
R2043 D0GB472JA008 4.7K 1/16W [M]
R2044 D0GB472JA008 4.7K 1/16W [M]
R2046 D0GB332JA008 3.3K 1/16W [M]
R2061 D0GB471JA008 470 1/16W [M]
R2062 D0GB392JA008 3.9K 1/16W [M]
R2063 D0GB392JA008 3.9K 1/16W [M]
R2064 D0GB471JA008 470 1/16W [M]
R2081 D0GB682JA008 6.8K 1/16W [M]
R2082 D0GB682JA008 6.8K 1/16W [M]
R2083 D0GB562JA008 5.6K 1/16W [M]
R2084 D0GB562JA008 5.6K 1/16W [M]
R2118 D0GB392JA008 3.9K 1/16W [M]
R2120 D0GB392JA008 3.9K 1/16W [M]
R2121 D0GB472JA008 4.7K 1/16W [M]
R2122 D0GB682JA008 6.8K 1/16W [M]
R2123 D0GB123JA008 12K 1/16W [M]
R2124 D0GB123JA008 12K 1/16W [M]
R2125 D0GB183JA008 18K 1/16W [M]
R2126 D0GB183JA008 18K 1/16W [M]
R2127 D0GB223JA008 22K 1/16W [M]
R2128 D0GB223JA008 22K 1/16W [M]
R2131 D0GB223JA008 22K 1/16W [M]
Ref. No. Part No. Part Name & Description Remarks
R2132 D0GB223JA008 22K 1/16W [M]
R2133 D0GB223JA008 22K 1/16W [M]
R2134 D0GB223JA008 22K 1/16W [M]
R2137 D0GB273JA008 27K 1/16W [M]
R2138 D0GB273JA008 27K 1/16W [M]
R2143 D0GBR00JA008 0 1/16W [M]
R2181 D0GB391JA008 390 1/16W [M]
R2182 D0GB391JA008 390 1/16W [M]
R2183 D0GB103JA008 10K 1/16W [M]
R2184 D0GB103JA008 10K 1/16W [M]
R2185 D0GB472JA008 4.7K 1/16W [M]
R2186 D0GB472JA008 4.7K 1/16W [M]
R2221 D0GB472JA008 4.7K 1/16W [M]
R2222 D0GB682JA008 6.8K 1/16W [M]
R2301 D0GB823JA008 82K 1/16W [M]
R2302 D0GB473JA008 47K 1/16W [M]
R2303 D0GB223JA008 22K 1/16W [M]
R2304 D0GB103JA008 10K 1/16W [M]
R2305 D0GB223JA008 22K 1/16W [M]
R2311 D0GB471JA008 470 1/16W [M]
R2312 D0GB471JA008 470 1/16W [M]
R2313 D0GB104JA008 100K 1/16W [M]
R2314 D0GB104JA008 100K 1/16W [M]
R2315 D0GB153JA008 15K 1/16W [M]
R2316 D0GB153JA008 15K 1/16W [M]
R2318 D0GB104JA008 100K 1/16W [M]
R2321 D0GB103JA008 10K 1/16W [M]
R2322 D0GB103JA008 10K 1/16W [M]
R2323 D0GB683JA008 68K 1/16W [M]
R2324 D0GB683JA008 68K 1/16W [M]
R2327 D0GB183JA008 18K 1/16W [M]
R2328 D0GB183JA008 18K 1/16W [M]
R2331 D0GBR00JA008 0 1/16W [M]
R2332 D0GBR00JA008 0 1/16W [M]
R2351 D0GB180JA008 18 1/16W [M]
R2352 D0GB180JA008 18 1/16W [M]
R2353 D0GB180JA008 18 1/16W [M]
R2354 D0GB180JA008 18 1/16W [M]
R2355 D0GB180JA008 18 1/16W [M]
R2356 D0GB180JA008 18 1/16W [M]
R2357 D0GB180JA008 18 1/16W [M]
R2358 D0GB180JA008 18 1/16W [M]
R2359 D0GB562JA008 5.6K 1/16W [M]
R2360 D0GB562JA008 5.6K 1/16W [M]
R2361 D0GB562JA008 5.6K 1/16W [M]
R2362 D0GB562JA008 5.6K 1/16W [M]
R2363 D0GB1R0JA008 1 1/16W [M]
R2364 D0GB1R0JA008 1 1/16W [M]
R2365 D0GB104JA008 100K 1/16W [M]
R2366 D0GB821JA008 820 1/16W [M]
R2370 D0GB123JA008 12K 1/16W [M]
R2371 D0GB473JA008 47K 1/16W [M]
R2372 D0GB473JA008 47K 1/16W [M]
R2373 D0GB153JA008 15K 1/16W [M]
R2374 D0GB183JA008 18K 1/16W [M]
R2375 D0GB222JA008 2.2K 1/16W [M]
R2376 D0GB102JA008 1K 1/16W [M]
R2379 D0GB183JA008 18K 1/16W [M]
R2380 D0GB332JA008 3.3K 1/16W [M]
R2381 D0GB104JA008 100K 1/16W [M]
R2382 D0GB102JA008 1K 1/16W [M]
R2383 D0GBR00JA008 0 1/16W [M]
R2385 D0GB106JA008 10M 1/16W [M]
R2386 D0GB102JA008 1K 1/16W [M]
R2387 D0GB102JA008 1K 1/16W [M]
R2416 D0GB472JA008 4.7K 1/16W [M]
R2417 D0GB103JA008 10K 1/16W [M]
R2418 D0GB104JA008 100K 1/16W [M]
R2448 D0GB223JA008 22K 1/16W [M]
R2480 D0GB122JA008 1.2K 1/16W [M]
R2501 D0GB334JA008 330K 1/16W [M]
R2502 D0GB823JA008 82K 1/16W [M]
R2503 D0GB392JA008 3.9K 1/16W [M]
R2504 D0GB101JA008 100 1/16W [M]
131
S
A-AK770PL
/S
A-AK770
GCP

Ref. No. Part No. Part Name & Description Remarks
R2505 D0GB681JA008 680 1/16W [M]
R2506 D0GB473JA008 47K 1/16W [M]
R2508 D0GB102JA008 1K 1/16W [M]
R2509 D0GB101JA008 100 1/16W [M]
R2510 D0GB563JA008 56K 1/16W [M]
R2516 D0GB472JA008 4.7K 1/16W [M]
R2517 D0GB103JA008 10K 1/16W [M]
R2556 D0GB102JA008 1K 1/16W [M]
R2592 D0GB103JA008 10K 1/16W [M]
R2601 D0GB103JA008 10K 1/16W [M]
R2602 D0GB103JA008 10K 1/16W [M]
R2603 D0GB473JA008 47K 1/16W [M]
R2607 D0GB473JA008 47K 1/16W [M]
R2608 D0GB473JA008 47K 1/16W [M]
R2609 D0GB473JA008 47K 1/16W [M]
R2610 D0GB474JA008 470K 1/16W [M]
R2611 D0GBR00JA008 0 1/16W [M]
R2627 D0GB103JA008 10K 1/16W [M]
R2629 D0GB473JA008 47K 1/16W [M]
R2645 ERJ6GEYJ473V 47K 1/8W [M]
R2646 D0GB473JA008 47K 1/16W [M]
R2647 D0GB473JA008 47K 1/16W [M]
R2648 D0GB473JA008 47K 1/16W [M]
R2649 D0GB473JA008 47K 1/16W [M]
R2650 D0GB473JA008 47K 1/16W [M]
R2653 D0GD102JA017 1K 1/10W [M]
R2663 ERJ6GEYJ473V 47K 1/8W [M]
R2664 D0GB472JA008 4.7K 1/16W [M]
R2679 D0GB223JA008 22K 1/16W [M]
R2680 D0GB332JA008 3.3K 1/16W [M]
R2684 D0GB332JA008 3.3K 1/16W [M]
R2685 D0GB223JA008 22K 1/16W [M]
R2686 D0GB473JA008 47K 1/16W [M]
R2688 D0GB473JA008 47K 1/16W [M]
R2692 D0GB332JA008 3.3K 1/16W [M] PL
R2692 D0GB562JA008 5.6K 1/16W [M] GCP
R2701 ERJ3GEYF152V 1.5K 1/10W [M]
R2702 ERJ3GEYF332V 3.3K 1/10W [M]
R2703 ERJ3GEYF102V 1K 1/10W [M]
R2705 D0GB103JA008 10K 1/16W [M]
R2706 D0GB472JA008 4.7K 1/16W [M]
R2711 D0GB271JA008 270 1/16W [M]
R2712 D0GB180JA008 18 1/16W [M]
R2721 D0AF2R2JA039 2.2 1/2W [M]
R2722 D0AF2R2JA039 2.2 1/2W [M]
R2725 D0GB103JA008 10K 1/16W [M]
R2733 D0GB391JA008 390 1/16W [M]
R2735 D0GB101JA008 100 1/16W [M]
R2743 D0GB474JA008 470K 1/16W [M]
R2744 D0GB472JA008 4.7K 1/16W [M]
R2745 D0GB102JA008 1K 1/16W [M]
R2753 D0GD102JA017 1K 1/10W [M]
R2754 D0GB471JA008 470 1/16W [M]
R2755 D0GB272JA008 2.7K 1/16W [M]
R2756 D0GB471JA008 470 1/16W [M]
R2762 D0GB102JA008 1K 1/16W [M]
R2765 D0GB272JA008 2.7K 1/16W [M]
R2771 D0GB822JA008 8.2K 1/16W [M]
R2772 D0GB752JA008 7.5K 1/16W [M]
R2773 D0GB153JA008 15K 1/16W [M]
R2774 D0GB153JA008 15K 1/16W [M]
R2775 D0GB912JA041 9.1K 1/10W [M]
R2803 D0GDR00JA017 0 1/10W [M]
R2804 D0GD101JA017 100 1/10W [M]
R2805 D0GB101JA008 100 1/16W [M]
R2806 D0GB102JA008 1K 1/16W [M]
R2807 D0GB102JA008 1K 1/16W [M]
R2808 D0GB101JA008 100 1/16W [M]
R2809 D0GB101JA008 100 1/16W [M]
R2811 D0GB101JA008 100 1/16W [M]
R2812 D0GBR00JA008 0 1/16W [M]
R2815 D0GB473JA008 47K 1/16W [M]
R2820 D0GB103JA008 10K 1/16W [M]
R2821 D0GB101JA008 100 1/16W [M]
Ref. No. Part No. Part Name & Description Remarks
R2822 D0GB101JA008 100 1/16W [M]
R2824 D0GB103JA008 10K 1/16W [M]
R2825 D0GB101JA008 100 1/16W [M]
R2826 D0GB101JA008 100 1/16W [M]
R2827 D0GB101JA008 100 1/16W [M]
R2828 D0GB101JA008 100 1/16W [M]
R2829 D0GB102JA008 1K 1/16W [M]
R2830 D0GD101JA017 100 1/10W [M]
R2831 D0GB102JA008 1K 1/16W [M]
R2832 D0GB102JA008 1K 1/16W [M]
R2833 D0GB102JA008 1K 1/16W [M]
R2834 D0GB101JA008 100 1/16W [M]
R2835 D0GB101JA008 100 1/16W [M]
R2836 D0GB102JA008 1K 1/16W [M]
R2843 D0GB101JA008 100 1/16W [M]
R2845 D0GBR00JA008 0 1/16W [M]
R2846 D0GDR00JA017 0 1/10W [M]
R2847 D0GBR00JA008 0 1/16W [M]
R2848 D0GBR00JA008 0 1/16W [M]
R2849 D0GBR00JA008 0 1/16W [M]
R2850 D0GBR00JA008 0 1/16W [M]
R2851 D0GB101JA008 100 1/16W [M]
R2852 D0GB101JA008 100 1/16W [M]
R2854 D0GB101JA008 100 1/16W [M]
R2856 D0GB101JA008 100 1/16W [M]
R2857 D0GB101JA008 100 1/16W [M]
R2862 D0GD102JA017 1K 1/10W [M]
R2866 D0GD101JA017 100 1/10W [M]
R2867 D0GB152JA008 1.5K 1/16W [M]
R2868 D0GB102JA008 1K 1/16W [M]
R2869 D0GB152JA008 1.5K 1/16W [M]
R2874 D0GB102JA008 1K 1/16W [M]
R2879 D0GBR00JA008 0 1/16W [M]
R2880 D0GB101JA008 100 1/16W [M]
R2881 D0GB101JA008 100 1/16W [M]
R2882 D0GB101JA008 100 1/16W [M]
R2883 D0GB101JA008 100 1/16W [M]
R2886 D0GB102JA008 1K 1/16W [M]
R2887 D0GD102JA017 1K 1/10W [M]
R2888 D0GD102JA017 1K 1/10W [M]
R2895 D0GB101JA008 100 1/16W [M]
R2896 D0GB101JA008 100 1/16W [M]
R2897 D0GB101JA008 100 1/16W [M]
R2898 D0GB102JA008 1K 1/16W [M]
R2899 D0GB102JA008 1K 1/16W [M]
R2902 D0GB470JA008 47 1/16W [M]
R2914 D0GB472JA008 4.7K 1/16W [M]
R2930 D0GB101JA008 100 1/16W [M]
R2931 D0GB101JA008 100 1/16W [M]
R2932 D0GB101JA008 100 1/16W [M]
R2937 D0GB103JA008 10K 1/16W [M]
R2939 D0GB473JA008 47K 1/16W [M]
R2941 D0GB103JA008 10K 1/16W [M]
R2942 D0GB472JA008 4.7K 1/16W [M]
R2944 D0GB562JA008 5.6K 1/16W [M]
R2945 D0GB103JA008 10K 1/16W [M]
R2946 D0GB563JA008 56K 1/16W [M]
R2947 D0AF270JA039 27 1/2W [M]
R2948 D0GB101JA008 100 1/16W [M]
R2949 D0GB473JA008 47K 1/16W [M]
R2950 D0GB562JA008 5.6K 1/16W [M]
R2957 D0AF680JA039 68 1/2W [M]
R2958 D0GB101JA008 100 1/16W [M]
R2959 D0GB683JA008 68K 1/16W [M]
R2961 D0GB472JA008 4.7K 1/16W [M]
R2962 D0GB562JA008 5.6K 1/16W [M]
R2963 D0GB103JA008 10K 1/16W [M]
R2965 D0GB103JA008 10K 1/16W [M]
R2966 D0GB824JA008 820K 1/16W [M]
R2967 D0GB473JA008 47K 1/16W [M]
R2968 D0GB103JA008 10K 1/16W [M]
R2969 D0GB563JA008 56K 1/16W [M]
R2970 D0GB103JA008 10K 1/16W [M]
R2971 D0GB472JA008 4.7K 1/16W [M]
132
S
A-AK770PL
/S
A-AK770
GC
P

Ref. No. Part No. Part Name & Description Remarks
R2981 D0GB182JA008 1.8K 1/16W [M]
R2982 D0GB182JA008 1.8K 1/16W [M]
R2983 D0GB472JA008 4.7K 1/16W [M]
R2984 D0GB472JA008 4.7K 1/16W [M]
R2990 D0GB102JA008 1K 1/16W [M]
R3111 D0GB332JA008 3.3K 1/16W [M]
R3112 D0GB332JA008 3.3K 1/16W [M]
R3113 D0GB103JA008 10K 1/16W [M]
R3114 D0GB103JA008 10K 1/16W [M]
R3125 D0GBR00JA008 0 1/16W [M]
R3126 D0GBR00JA008 0 1/16W [M]
R3408 D0GB224JA008 220K 1/16W [M]
R3411 D0GB224JA008 220K 1/16W [M]
R3450 D0GB473JA008 47K 1/16W [M]
R3701 D0GB122JA008 1.2K 1/16W [M]
R3702 D0GB122JA008 1.2K 1/16W [M]
R3703 D0GB273JA008 27K 1/16W [M]
R3704 D0GB273JA008 27K 1/16W [M]
R5000 ERJ3GEYJ562V 5.6K 1/10W [M]
R5001 ERJ3GEYJ562V 5.6K 1/10W [M]
R5002 ERJ3GEYJ562V 5.6K 1/10W [M]
R5003 ERJ3GEYJ562V 5.6K 1/10W [M]
R5004 D0GF100JA014 10 1/8W [M]
R5005 D0GF100JA014 10 1/8W [M]
R5006 D0GZ220JA012 22 1W [M]
R5007 D0GZ220JA012 22 1W [M]
R5008 ERJ3GEYJ101V 100 1/10W [M]
R5010 D0GF100JA014 10 1/8W [M]
R5011 D0GF100JA014 10 1/8W [M]
R5018 ERJ3GEYJ683V 68K 1/10W [M]
R5019 ERJ3GEYJ683V 68K 1/10W [M]
R5020 ERJ3GEYJ124V 120K 1/10W [M]
R5021 ERJ3GEYJ122V 1.2K 1/10W [M]
R5022 ERJ3GEYJ122V 1.2K 1/10W [M]
R5023 ERJ3GEYJ122V 1.2K 1/10W [M]
R5030 ERJ3GEYJ562V 5.6K 1/10W [M]
R5031 ERJ3GEYJ562V 5.6K 1/10W [M]
R5032 ERJ3GEYJ562V 5.6K 1/10W [M]
R5033 ERJ3GEYJ562V 5.6K 1/10W [M]
R5036 ERJ3GEYJ562V 5.6K 1/10W [M]
R5037 ERJ3GEYJ562V 5.6K 1/10W [M]
R5103 ERJ3GEYJ562V 5.6K 1/10W [M]
R5104 ERJ3GEYJ562V 5.6K 1/10W [M]
R5110 ERJ3GEYJ223V 22K 1/10W [M]
R5113 ERJ3GEYJ124V 120K 1/10W [M]
R5118 ERJ3GEYJ562V 5.6K 1/10W [M]
R5119 ERJ3GEYJ562V 5.6K 1/10W [M]
R5200 D0GF100JA014 10 1/8W [M]
R5201 D0GF100JA014 10 1/8W [M]
R5204 ERJ3GEYJ101V 100 1/10W [M]
R5205 ERJ3GEYJ562V 5.6K 1/10W [M]
R5206 ERJ3GEYJ562V 5.6K 1/10W [M]
R5207 ERJ3GEYJ562V 5.6K 1/10W [M]
R5208 ERJ3GEYJ562V 5.6K 1/10W [M]
R5209 D0GZ220JA012 22 1W [M]
R5210 D0GF100JA014 10 1/8W [M]
R5211 D0GF100JA014 10 1/8W [M]
R5217 D0GZ220JA012 22 1W [M]
R5317 ERJ3GEYJ122V 1.2K 1/10W [M]
R5318 ERJ3GEYJ124V 120K 1/10W [M]
R5328 ERJ3GEYJ683V 68K 1/10W [M]
R5400 D0GZ220JA012 22 1W [M]
R5402 D0GF100JA014 10 1/8W [M]
R5404 ERJ3GEYJ101V 100 1/10W [M]
R5405 D0GF100JA014 10 1/8W [M]
R5410 D0GF100JA014 10 1/8W [M]
R5411 D0GF100JA014 10 1/8W [M]
R5419 D0GZ220JA012 22 1W [M]
R5504 ERJ3GEYJ220V 22 1/10W [M]
R5505 ERJ3GEYJ101V 100 1/10W [M]
R5506 ERJ3GEYJ105V 1M 1/10W [M]
R5507 ERJ3GEYJ105V 1M 1/10W [M]
R5508 ERJ3GEYJ105V 1M 1/10W [M]
R5510 ERG2SJ471E 470 2W [M]
Ref. No. Part No. Part Name & Description Remarks
R5511 ERJ3GEYJ220V 22 1/10W [M]
R5602 ERJ3GEYJ103V 10K 1/10W [M]
R5603 ERJ3GEYJ103V 10K 1/10W [M]
R5604 ERJ3GEYJ122V 1.2K 1/10W [M]
R5608 ERJ3GEYJ103V 10K 1/10W [M]
R5609 ERJ3GEYJ103V 10K 1/10W [M]
R5611 ERJ3GEYJ122V 1.2K 1/10W [M]
R5671 ERJ3GEY0R00V 0 1/10W [M]
R5701 ERDS1TJ475B 4.7M 1W [M]
R5702 ERJ1TYJ104U 100K 1W [M] GCP
R5702 ERJ1TYJ333U 33K 1W [M] PL
R5703 ERJ1TYJ104U 100K 1W [M] GCP
R5703 ERJ1TYJ333U 33K 1W [M] PL
R5704 ERJ8GEYJ394V 390K 1/4W [M]
R5705 ERJ8GEYJ394V 390K 1/4W [M]
R5720 ERJ6GEYJ220V 22 1/8W [M]
R5721 ERJ6GEYJ103V 10K 1/8W [M]
R5722 ERJ6GEYJ102V 1K 1/8W [M] GCP
R5722 ERJ6GEYJ122V 1.2K 1/10W [M] PL
R5723 ERJ3GEYJ102V 1K 1/10W [M]
R5724 ERJ6GEYJ121V 120 1/8W [M]
R5725 ERJ3GEY0R00V 0 1/10W [M]
R5726 ERX2LJ82MP 82m 2W [M]
R5727 ERX2SZJR10P 0.1 2W [M] PL
R5728 ERJ3GEYJ104V 100K 1/10W [M]
R5729 ERJ6GEYJ103V 10K 1/8W [M]
R5730 ERJ3GEYJ102V 1K 1/10W [M]
R5731 ERJ3GEY0R00V 0 1/10W [M]
R5732 ERJ3GEYJ101V 100 1/10W [M]
R5733 ERJ3GEYJ473V 47K 1/10W [M]
R5750 ERJ3GEY0R00V 0 1/10W [M] PL
R5751 ERJ3GEYJ223V 22K 1/10W [M] GCP
R5752 ERJ3GEYJ222V 2.2K 1/10W [M] GCP
R5786 ERJ1TYJ204U 200K 1W [M]
R5787 ERJ3GEYJ753V 75K 1/10W [M]
R5788 ERJ3GEYJ223V 22K 1/10W [M] GCP
R5789 ERJ3GEYJ223V 22K 1/10W [M] GCP
R5790 ERJ3GEYF333V 33K 1/10W [M] GCP
R5791 ERJ3GEYF563V 56K 1/10W [M] GCP
R5792 ERJ8GEYJ394V 390K 1/4W [M] GCP
R5793 ERJ8GEYJ394V 390K 1/4W [M] GCP
R5794 ERJ8GEYJ394V 390K 1/4W [M] GCP
R5795 ERJ6GEYJ433V 43K 1/8W [M]
R5796 ERDS1FVJ222T 2.2K 1/2W [M]
R5797 ERJ6GEYJ472V 4.7K 1/8W [M]
R5798 ERJ6GEYJ100V 10 1/8W [M]
R5799 ERJ6GEYJ100V 10 1/8W [M] GCP
R5800 ERJ6GEYJ123V 12K 1/8W [M]
R5801 ERJ6GEYJ103V 10K 1/8W [M]
R5802 ERJ3RBD272V 2.7K 1/16W [M]
R5803 ERJ6GEY0R00V 0 1/8W [M]
R5804 ERJ6RBD473V 47K 1/16W [M]
R5805 ERJ3RBD222V 2.2K 1/16W [M]
R5806 ERJ3GEYJ153V 15K 1/10W [M]
R5807 ERJ6GEYJ331V 330 1/8W [M]
R5808 ERJ6GEYJ222V 2.2K 1/8W [M]
R5809 ERJ6GEYJ331V 330 1/8W [M]
R5810 ERJ3GEYJ331V 330 1/10W [M]
R5811 ERJ8GEYJ152V 1.5K 1/4W [M]
R5812 ERJ3RBD822V 8.2K 1/16W [M]
R5813 ERJ3RBD243V 24K 1/16W [M]
R5814 ERJ3GEYJ822V 8.2K 1/10W [M]
R5815 ERJ3GEYJ272V 2.7K 1/10W [M]
R5816 ERJ8GEYJ152V 1.5K 1/4W [M]
R5817 ERJ3GEYJ331V 330 1/10W [M]
R5820 ERG2SJ910E 91 2W [M]
R5821 ERG2SJ910E 91 2W [M]
R5822 ERG2SJ910E 91 2W [M]
R5823 ERG2SJ910E 91 2W [M]
R5824 ERG2SJ910E 91 2W [M]
R5825 ERJ3GEYJ102V 1K 1/10W [M]
R5832 ERJ1TYJ222U 2.2K 1W [M]
R5834 ERJ1TYJ222U 2.2K 1W [M]
R5840 ERJ3GEYJ823V 82K 1/10W [M]
133
S
A-AK770PL
/S
A-AK770
GCP

Ref. No. Part No. Part Name & Description Remarks
R5841 ERJ3GEYJ124V 120K 1/10W [M]
R5860 ERJ3GEYF103V 10K 1/10W [M]
R5861 ERJ3GEYF472V 4.7K 1/10W [M]
R5862 ERJ6GEYJ103V 10K 1/8W [M]
R5863 ERJ6GEYJ103V 10K 1/8W [M]
R5864 ERJ6GEYF103V 10K 1/8W [M]
R5890 ERJ3GEYJ222V 2.2K 1/10W [M]
R5891 ERJ3RBD333V 33K 1/16W [M]
R5892 ERJ3RBD472V 4.7K 1/16W [M]
R5893 ERJ3RBD393V 39K 1/16W [M]
R5894 ERJ3GEYJ102V 1K 1/10W [M]
R5895 ERJ3GEYJ101V 100 1/10W [M]
R5896 ERJ3GEYJ104V 100K 1/10W [M]
R5897 ERJ3GEYJ101V 100 1/10W [M]
R6100 D0GB103JA008 10K 1/16W [M]
R6101 D0GB122JA008 1.2K 1/16W [M]
R6102 D0GB152JA008 1.5K 1/16W [M]
R6103 D0GB222JA008 2.2K 1/16W [M]
R6104 D0GB332JA008 3.3K 1/16W [M]
R6106 D0GB472JA008 4.7K 1/16W [M]
R6107 D0GB682JA008 6.8K 1/16W [M]
R6108 D0GB153JA008 15K 1/16W [M]
R6109 D0GB473JA008 47K 1/16W [M]
R6200 D0GB103JA008 10K 1/16W [M]
R6201 D0GBR00JA008 0 1/16W [M]
R6202 D0GB272JA008 2.7K 1/16W [M]
R6203 D0GB222JA008 2.2K 1/16W [M]
R6204 D0GB332JA008 3.3K 1/16W [M]
R6205 D0GB472JA008 4.7K 1/16W [M]
R6206 D0GB682JA008 6.8K 1/16W [M]
R6207 D0GB153JA008 15K 1/16W [M]
R6208 D0GB473JA008 47K 1/16W [M]
R6300 D0GB103JA008 10K 1/16W [M]
R6301 D0GB122JA008 1.2K 1/16W [M]
R6302 D0GB152JA008 1.5K 1/16W [M]
R6303 D0GB222JA008 2.2K 1/16W [M]
R6304 D0GB332JA008 3.3K 1/16W [M]
R6305 D0GB472JA008 4.7K 1/16W [M]
R6306 D0GB682JA008 6.8K 1/16W [M]
R6307 D0GB153JA008 15K 1/16W [M]
R6308 D0GB473JA008 47K 1/16W [M]
R6458 D0GB102JA008 1K 1/16W [M]
R6501 D0GB123JA008 12K 1/16W [M]
R6502 D0GB223JA008 22K 1/16W [M]
R6503 D0GB103JA008 10K 1/16W [M]
R6511 D0GB181JA008 180 1/16W [M]
R6512 D0GB331JA008 330 1/16W [M]
R6600 D0GB681JA008 680 1/16W [M]
R6618 D0GB221JA008 220 1/16W [M]
R6619 D0GB221JA008 220 1/16W [M]
R6620 D0GB471JA008 470 1/16W [M]
R6622 D0GB823JA008 82K 1/16W [M]
R6631 D0GB103JA008 10K 1/16W [M]
R6632 D0GB103JA008 10K 1/16W [M]
R6641 D0GB472JA008 4.7K 1/16W [M]
R6642 D0GBR00JA008 0 1/16W [M]
R6671 D0GB223JA008 22K 1/16W [M]
R6672 D0GB100JA008 10 1/16W [M]
R6701 D0GB681JA008 680 1/16W [M]
R6702 D0GB561JA008 560 1/16W [M]
R6703 D0GB102JA008 1K 1/16W [M]
R6704 D0GB683JA008 68K 1/16W [M]
R6705 D0GB101JA008 100 1/16W [M]
R6710 D0GB122JA008 1.2K 1/16W [M]
R6713 D0GB563JA008 56K 1/16W [M]
R6811 D0GBR00JA008 0 1/16W [M]
R6812 D0GBR00JA008 0 1/16W [M]
R7111 D0GB103JA008 10K 1/16W [M]
R7211 ERJ3GEYJ823V 82K 1/10W [M]
R7212 ERJ3GEYJ821V 820 1/10W [M]
R7214 ERJ3GEYJ471V 470 1/10W [M]
R7217 D0GB102JA008 1K 1/16W [M]
R7218 D0GB102JA008 1K 1/16W [M]
R7220 ERJ3GEYJ105V 1M 1/10W [M]
Ref. No. Part No. Part Name & Description Remarks
R7221 ERJ3GEYJ101V 100 1/10W [M]
R7253 ERJ3GEYJ100V 10 1/10W [M]
R7254 D0GB102JA008 1K 1/16W [M]
R7315 ERJ3GEYJ332V 3.3K 1/10W [M]
R7323 ERJ3GEYJ682V 6.8K 1/10W [M]
R7325 ERJ3GEYJ331V 330 1/10W [M]
R7327 D0GB102JA008 1K 1/16W [M]
R7328 D0GB103JA008 10K 1/16W [M]
R7329 D0GB102JA008 1K 1/16W [M]
R7330 ERJ3GEYJ562V 5.6K 1/10W [M]
R7331 D0GB273JA008 27K 1/16W [M]
R7332 D0GB102JA008 1K 1/16W [M]
R7335 ERJ3GEYJ101V 100 1/10W [M]
R7336 ERJ3GEYJ100V 10 1/10W [M]
R7339 D0GB102JA008 1K 1/16W [M]
R7349 ERJ3GEYJ183V 18K 1/10W [M]
R7601 ERJ3GEYJ4R7V 4.7 1/10W [M]
R7650 ERJ3GEYJ5R6V 5.6 1/10W [M]
RX551 D1H84734A024 RESISTOR NETWORK [M]
RX656 D1H84734A024 RESISTOR NETWORK [M]
RX801 EXB2HV100JV RESISTOR NETWORK [M]
RX802 EXB2HV100JV RESISTOR NETWORK [M]
RX804 D1H410020002 RESISTOR NETWORK [M]
RX805 D1H410020002 RESISTOR NETWORK [M]
RX807 EXB2HV100JV RESISTOR NETWORK [M]
RX808 EXB2HV100JV RESISTOR NETWORK [M]
RX820 D1H81004A024 RESISTOR NETWORK [M]
RX826 D1H84734A024 RESISTOR NETWORK [M]
RX834 D1H81004A024 RESISTOR NETWORK [M]
RX837 EXB2HV100JV RESISTOR NETWORK [M]
RX838 EXB2HV100JV RESISTOR NETWORK [M]
RX839 D1H410020002 RESISTOR NETWORK [M]
RX840 EXB2HV100JV RESISTOR NETWORK [M]
RX841 EXB2HV100JV RESISTOR NETWORK [M]
RX853 D1H84734A024 RESISTOR NETWORK [M]
RX854 D1H410020002 RESISTOR NETWORK [M]
RX864 D1H84734A024 RESISTOR NETWORK [M]
K5 ERJ3GEY0R00V 0 1/10W [M] PL
K7 ERJ3GEY0R00V 0 1/10W [M] GCP
K2003 D0GBR00JA008 0 1/16W [M] PL
K2004 D0GBR00JA008 0 1/16W [M] GCP
K2421 D0GBR00JA008 0 1/16W [M]
K2422 D0GBR00JA008 0 1/16W [M]
K3100 D0GBR00JA008 0 1/16W [M]
K3200 D0GBR00JA008 0 1/16W [M]
K5202 ERJ3GEY0R00V 0 1/10W [M]
K5251 ERJ3GEY0R00V 0 1/10W [M]
K5252 ERJ3GEY0R00V 0 1/10W [M]
K5302 ERJ3GEY0R00V 0 1/10W [M]
K5502 ERJ3GEY0R00V 0 1/10W [M]
CAPACITORS
C1 F1D1E103A001 0.01uF 25V [M]
C2 F2A1C101A147 100uF 16V [M]
C513 F1G1A1040006 0.1uF 10V [M]
C514 F1G1A1040006 0.1uF 10V [M]
C515 F1J0J106A004 10uF 6.3V [M]
C551 F1G1A1040006 0.1uF 10V [M]
C552 F1J0J106A004 10uF 6.3V [M]
C553 F1G1A1040006 0.1uF 10V [M]
C554 F1J0J106A004 10uF 6.3V [M]
C555 ECJ1VB0J225M 2.2uF 6.3V [M]
C556 F1J0J106A004 10uF 6.3V [M]
C557 F1J0J106A004 10uF 6.3V [M]
C558 F1G1H101A566 100pF 50V [M]
C559 F1G1H101A566 100pF 50V [M]
C560 F1J0J106A004 10uF 6.3V [M]
C561 F1G1A1040006 0.1uF 10V [M]
C562 F1J0J106A004 10uF 6.3V [M]
C563 F1J0J106A004 10uF 6.3V [M]
C564 F1J0J106A004 10uF 6.3V [M]
C601 F1G1C1030007 0.01uF 16V [M]
C602 F1G1C1030007 0.01uF 16V [M]
134
S
A-AK770PL
/S
A-AK770
GC
P

Ref. No. Part No. Part Name & Description Remarks
C701 F1G1C1030007 0.01uF 16V [M]
C702 F1G1C1030007 0.01uF 16V [M]
C751 F1G1C1030007 0.01uF 16V [M]
C752 F1G1C1030007 0.01uF 16V [M]
C753 F1G1C1030007 0.01uF 16V [M]
C754 F1G1C1030007 0.01uF 16V [M]
C755 F1G1C1030007 0.01uF 16V [M]
C756 F1G1C1030007 0.01uF 16V [M]
C757 F1G1C1030007 0.01uF 16V [M]
C801 F1G1C1030007 0.01uF 16V [M]
C802 F1G1C1030007 0.01uF 16V [M]
C803 F1G1C1030007 0.01uF 16V [M]
C804 F1G1C1030007 0.01uF 16V [M]
C805 F1G1C1030007 0.01uF 16V [M]
C806 F1G1C1030007 0.01uF 16V [M]
C807 F1G1C1030007 0.01uF 16V [M]
C808 ECJ1VB0J475M 4.7uF 6.3V [M]
C809 F3G0J476A030 47uF 6.3V [M]
C811 F3G0J476A030 47uF 6.3V [M]
C812 F3G0J476A030 47uF 6.3V [M]
C813 F3G0J476A030 47uF 6.3V [M]
C814 F1G1C1030007 0.01uF 16V [M]
C815 F1G1C1030007 0.01uF 16V [M]
C816 F1G1H150A565 15pF 50V [M]
C817 F1G1H150A565 15pF 50V [M]
C818 F1G1C1030007 0.01uF 16V [M]
C819 F1G1C1030007 0.01uF 16V [M]
C820 F1G1C1030007 0.01uF 16V [M]
C821 F1G1C1030007 0.01uF 16V [M]
C823 F1G1E1020001 1000pF 25V [M]
C824 F1G1C1030007 0.01uF 16V [M]
C825 F1G1C1030007 0.01uF 16V [M]
C826 F1G1C1030007 0.01uF 16V [M]
C827 F1G1C1030007 0.01uF 16V [M]
C828 F1G1C1030007 0.01uF 16V [M]
C829 F1G1C1030007 0.01uF 16V [M]
C830 F1G1C1030007 0.01uF 16V [M]
C831 F1G1C1030007 0.01uF 16V [M]
C832 F1G1C1030007 0.01uF 16V [M]
C833 F1G1C1030007 0.01uF 16V [M]
C834 F1G1C1030007 0.01uF 16V [M]
C835 F1G1C1030007 0.01uF 16V [M]
C836 F1G1C1030007 0.01uF 16V [M]
C837 F1G1C1030007 0.01uF 16V [M]
C841 F1G1E1020001 1000pF 25V [M]
C842 F1G1A1040006 0.1uF 10V [M]
C843 F1G1E1020001 1000pF 25V [M]
C844 F1G1A1040006 0.1uF 10V [M]
C845 F1G1E1020001 1000pF 25V [M]
C846 F1G1A1040006 0.1uF 10V [M]
C849 F1G1C1030007 0.01uF 16V [M]
C850 F1G1C1030007 0.01uF 16V [M]
C851 F1G1E1020001 1000pF 25V [M]
C852 F1G1H330A565 33pF 50V [M]
C853 F1G1H220A565 22pF 50V [M]
C1100 F2A0J101A208 100uF 6.3V [M]
C1101 F2A1H1R0A145 1.0uF 50V [M]
C1102 F1H1H152A219 1500pF 50V [M]
C1103 F2A1C101A147 100uF 16V [M]
C1104 F1H1E273A002 0.027uF 25V [M]
C1105 F1H1H8210002 820pF 50V [M]
C1106 F2A1H2R2A145 2.2uF 50V [M]
C1107 F1H1H152A219 1500pF 50V [M]
C1108 F2A1C100A147 10uF 16V [M]
C1109 F2A1H3R3A145 3.3uF 50V [M]
C1110 F1H1C104A042 0.1uF 16V [M]
C1110 F1H1H152A219 1500pF 50V [M]
C1121 F1H1H102A219 1000pF 50V [M]
C1122 F1H1E103A029 0.01uF 25V [M]
C1123 ECJ1VB1H271K 270pF 50V [M]
C1201 F2A1H1R0A145 1.0uF 50V [M]
C1202 F1H1H152A219 1500pF 50V [M]
C1203 F2A1C101A147 100uF 16V [M]
C1204 F1H1E273A002 0.027uF 25V [M]
Ref. No. Part No. Part Name & Description Remarks
C1205 F1H1H8210002 820pF 50V [M]
C1206 F2A1H2R2A145 2.2uF 50V [M]
C1207 F1H1H152A219 1500pF 50V [M]
C1208 F2A1C100A147 10uF 16V [M]
C1209 F2A1H3R3A145 3.3uF 50V [M]
C1210 F1H1H152A219 1500pF 50V [M]
C1221 F1H1H102A219 1000pF 50V [M]
C1222 F1H1E103A029 0.01uF 25V [M]
C1223 ECJ1VB1H271K 270pF 50V [M]
C1301 ECEA1HKA0R1B 0.1uF 50V [M]
C1302 F1H1C333A071 0.033uF 16V [M]
C1303 F1H1C333A071 0.033uF 16V [M]
C1304 F2A1H4R7A234 4.7uF 50V [M]
C1305 F2A1C330A234 33uF 16V [M]
C1307 ECA1AAK221XQ 220uF 10V [M]
C1308 F2A1C220A234 22uF 16V [M]
C1311 F2A1C470A234 47uF 16V [M]
C1312 F1H1H332A013 3300pF 50V [M]
C1314 F1H1H222A013 2200pF 50V [M]
C1315 F1H1H222A013 2200pF 50V [M]
C1316 F1H1H102A219 1000pF 50V [M]
C1317 F1H1H102A219 1000pF 50V [M]
C1318 ECQV1H473JL3 0.047uF 50V [M]
C1319 F2A1C101A147 100uF 16V [M]
C1320 F2A1H100A214 10uF 50V [M]
C1321 F0A2A472A019 4700pF 100V [M]
C1323 ECEA1HKN010B 1uF 50V [M]
C1324 F2A1C470A234 47uF 16V [M]
C1326 F2A1C100A147 10uF 16V [M]
C1371 F1H1E103A029 0.01uF 25V [M]
C2002 F1H1H103A219 0.01uF 50V [M]
C2005 F1H0J1050013 1uF 6.3V [M]
C2006 F1H0J1050013 1uF 6.3V [M]
C2007 F1H1H101A720 100pF 50V [M]
C2008 F1H1H101A720 100pF 50V [M]
C2025 F1H0J1050013 1uF 6.3V [M]
C2026 F1H0J1050013 1uF 6.3V [M]
C2041 F1H1H102A219 1000pF 50V [M]
C2042 F1H1H102A219 1000pF 50V [M]
C2045 F1H0J1050013 1uF 6.3V [M]
C2046 F1H0J1050013 1uF 6.3V [M]
C2053 F1H1H102A219 1000pF 50V [M]
C2054 F1H1H103A219 0.01uF 50V [M]
C2056 F1H1H103A219 0.01uF 50V [M]
C2065 F1H0J1050013 1uF 6.3V [M]
C2066 F1H0J1050013 1uF 6.3V [M]
C2081 F1H1H101A720 100pF 50V [M]
C2082 F1H1H101A720 100pF 50V [M]
C2083 F1H1H102A219 1000pF 50V [M]
C2084 F1H1H102A219 1000pF 50V [M]
C2085 F1H0J1050013 1uF 6.3V [M]
C2086 F1H0J1050013 1uF 6.3V [M]
C2091 F1H1H102A219 1000pF 50V [M]
C2092 F1H1H102A219 1000pF 50V [M]
C2095 F1H0J1050013 1uF 6.3V [M]
C2096 F1H0J1050013 1uF 6.3V [M]
C2105 F2A1H4R7A213 4.7uF 50V [M]
C2106 F2A1H4R7A213 4.7uF 50V [M]
C2119 F2A0J101A181 100uF 6.3V [M]
C2120 F1H1H103A219 0.01uF 50V [M]
C2121 F1H1H222A219 2200pF 50V [M]
C2123 F1H0J1050013 1uF 6.3V [M]
C2129 F2A1H1R0A213 1.0uF 50V [M]
C2130 F2A1H1R0A213 1.0uF 50V [M]
C2135 F1H1H470A004 47pF 50V [M]
C2136 F1H1H470A004 47pF 50V [M]
C2139 F1H1H100A017 10pF 50V [M]
C2140 F1H1H100A017 10pF 50V [M]
C2170 F2A1A330A159 33uF 10V [M]
C2172 F2A1H4R7A213 4.7uF 50V [M]
C2181 F2A1H1R0A213 1.0uF 50V [M]
C2182 F2A1H1R0A213 1.0uF 50V [M]
C2183 ECQV1H684JL3 0.68uF 50V [M]
C2184 ECQV1H684JL3 0.68uF 50V [M]
135
S
A-AK770PL
/S
A-AK770
GCP

Ref. No. Part No. Part Name & Description Remarks
C2185 ECQV1H684JL3 0.68uF 50V [M]
C2186 ECQV1H684JL3 0.68uF 50V [M]
C2187 F1H1H392A013 3900pF 50V [M]
C2188 F1H1H392A013 3900pF 50V [M]
C2189 F1H1H103A219 0.01uF 50V [M]
C2190 F1H1H103A219 0.01uF 50V [M]
C2191 F1H1H103A219 0.01uF 50V [M]
C2192 F1H1H103A219 0.01uF 50V [M]
C2193 F1H1C473A088 0.047uF 16V [M]
C2194 F1H1C473A088 0.047uF 16V [M]
C2195 F1H1C474A008 0.47uF 16V [M]
C2196 F1H1C474A008 0.47uF 16V [M]
C2197 F1H1H332A013 3300pF 50V [M]
C2221 F1H1H222A219 2200pF 50V [M]
C2222 F1H1H101A720 100pF 50V [M]
C2301 F2A1H3R3A213 3.3uF 50V [M]
C2302 F2A1H3R3A213 3.3uF 50V [M]
C2303 F2A1H3R3A213 3.3uF 50V [M]
C2304 F2A1H3R3A213 3.3uF 50V [M]
C2305 F2A1H3R3A213 3.3uF 50V [M]
C2306 F1H1C823A001 0.082uF 16V [M]
C2307 F1H1C3330001 0.033uF 16V [M]
C2308 F1H0J1050013 1uF 6.3V [M]
C2311 F1H0J1050013 1uF 6.3V [M]
C2312 F1H0J1050013 1uF 6.3V [M]
C2313 F1H1E2730002 0.027uF 25V [M]
C2315 F1H0J1050013 1uF 6.3V [M]
C2316 F1H0J1050013 1uF 6.3V [M]
C2321 F1H1H470A004 47pF 50V [M]
C2322 F1H1H470A004 47pF 50V [M]
C2323 D0GBR00JA008 0 1/16W [M]
C2324 D0GBR00JA008 0 1/16W [M]
C2341 F1H1H100A017 10pF 50V [M]
C2342 F1H1H100A017 10pF 50V [M]
C2357 F1H1H102A219 1000pF 50V [M]
C2358 F1H1H102A219 1000pF 50V [M]
C2365 ECEA1EKN4R7B 4.7uF 25V [M]
C2371 F1H1H101A720 100pF 50V [M]
C2374 F1H1H103A219 0.01uF 50V [M]
C2375 F1H1H101A720 100pF 50V [M]
C2376 F1H1C104A042 0.1uF 16V [M]
C2378 F1H0J1050013 1uF 6.3V [M]
C2379 F1H0J1050013 1uF 6.3V [M]
C2380 F1H1H103A219 0.01uF 50V [M]
C2501 F1H0J1050013 1uF 6.3V [M]
C2503 F1H1A225A051 2.2uF 10V [M]
C2505 F2A1C100A207 10uF 16V [M]
C2507 F1H1A224A007 0.1uF 10V [M]
C2509 F2A1A330A159 33uF 10V [M]
C2561 D0GDR00JA017 0 1/10W [M]
C2614 F2A1C100A207 10uF 16V [M]
C2626 F1H1H101A720 100pF 50V [M]
C2680 F1H1C104A042 0.1uF 16V [M]
C2681 F2A0J470A167 47uF 6.3V [M]
C2701 F1H1H103A219 0.01uF 50V [M]
C2702 F2A1E102A207 1000uF 25V [M]
C2703 EEUFC0J821B 820uF 6.3V [M]
C2704 F1H1H103A219 0.01uF 50V [M]
C2705 F1H1H101A720 100pF 50V [M]
C2706 F1H1H103A219 0.01uF 50V [M]
C2707 F2A0J101A181 100uF 6.3V [M]
C2712 F2A1A330A159 33uF 10V [M]
C2713 F2A0J470A167 47uF 6.3V [M]
C2714 F1H1H103A219 0.01uF 50V [M]
C2715 F1H1H103A219 0.01uF 50V [M]
C2731 F2A1C470A180 47uF 16V [M]
C2732 F1H1H103A219 0.01uF 50V [M]
C2734 F1H1H103A219 0.01uF 50V [M]
C2735 F2A1A330A159 33uF 10V [M]
C2736 F1H1H103A219 0.01uF 50V [M]
C2737 F2A1C470A180 47uF 16V [M]
C2738 F1H1H103A219 0.01uF 50V [M]
C2741 F1H1C104A042 0.1uF 16V [M]
C2742 F1H1C104A042 0.1uF 16V [M]
Ref. No. Part No. Part Name & Description Remarks
C2743 F1H1H103A219 0.01uF 50V [M]
C2751 F1H1H103A219 0.01uF 50V [M]
C2753 F1H1H103A219 0.01uF 50V [M]
C2754 F2A1C101A208 100uF 16V [M]
C2755 F1H1H103A219 0.01uF 50V [M]
C2756 F2A1A330A159 33uF 10V [M]
C2762 F1H1H103A219 0.01uF 50V [M]
C2763 F1H1H103A219 0.01uF 50V [M]
C2764 F2A1C101A208 100uF 16V [M]
C2765 F2A1C100A207 10uF 16V [M]
C2766 F1H1H103A219 0.01uF 50V [M]
C2767 F2A1A330A159 33uF 10V [M]
C2768 F1H1H103A219 0.01uF 50V [M]
C2800 F1H1C104A042 0.1uF 16V [M]
C2802 ECQB1H392KF3 3900pF 50V [M]
C2812 F1H0J1050013 1uF 6.3V [M]
C2813 F2A1H3R3A213 3.3uF 50V [M]
C2815 F1H1H220A004 22pF 50V [M]
C2816 F1H1H180A230 18pF 50V [M]
C2817 F1H1C104A042 0.1uF 16V [M]
C2818 F1H1H103A219 0.01uF 50V [M]
C2819 F1H1H103A219 0.01uF 50V [M]
C2829 F1H1H102A219 1000pF 50V [M]
C2834 F1H1H101A720 100pF 50V [M]
C2835 F1H1H101A720 100pF 50V [M]
C2837 F1H1C104A042 0.1uF 16V [M]
C2900 F2A1V330A379 33uF 35V [M]
C2912 ECEA1CKS101B 100uF 16V [M]
C2913 F2A1V330A379 33uF 35V [M]
C2929 F2A0J101A181 100uF 6.3V [M]
C2930 F1H1H103A219 0.01uF 50V [M]
C2931 F2A1A330A159 33uF 10V [M]
C2932 F1H1H103A219 0.01uF 50V [M]
C2941 F2A1C470A180 47uF 16V [M]
C2942 F1H1C104A042 0.1uF 16V [M]
C2944 F1H1H102A219 1000pF 50V [M]
C2946 F1H1H103A219 0.01uF 50V [M]
C2947 F2A0J101A181 100uF 6.3V [M]
C2948 F2A0J221A181 220uF 6.3V [M]
C2949 F2A1H2R2A234 2.2uF 50V [M]
C2951 F1H0J1050013 1uF 6.3V [M]
C2952 F1H0J1050013 1uF 6.3V [M]
C2953 F1H1H102A219 1000pF 50V [M]
C2954 F1H1H102A219 1000pF 50V [M]
C2955 F2A0J101A013 100uF 6.3V [M]
C2961 F1H1H102A219 1000pF 50V [M]
C2963 F1H1C104A042 0.1uF 16V [M]
C2965 F2A1C470A180 47uF 16V [M]
C2966 F1H1C104A042 0.1uF 16V [M]
C2967 F2A0J221A181 220uF 6.3V [M]
C3105 F1H0J1050013 1uF 6.3V [M]
C3106 F1H0J1050013 1uF 6.3V [M]
C3107 F1H1H682A219 6800pF 50V [M]
C3108 F1H1H682A219 6800pF 50V [M]
C3109 D0GBR00JA008 0 1/16W [M]
C3110 D0GBR00JA008 0 1/16W [M]
C3114 F1H1H470A004 47pF 50V [M]
C3115 F1H1H470A004 47pF 50V [M]
C3116 F1H1H561A013 560pF 50V [M]
C3117 F1H1H103A219 0.01uF 50V [M]
C3601 F2A1C221A019 220uF 16V [M]
C3603 F1H1C104A042 0.1uF 16V [M]
C3701 F2A1H1R0A213 1.0uF 50V [M]
C3702 F2A1H1R0A213 1.0uF 50V [M]
C5000 ECJ1VB1H102K 1000pF 50V [M]
C5001 ECJ1VB1H102K 1000pF 50V [M]
C5002 F1H1A474A001 0.47uF 10V [M]
C5003 F1H1A474A001 0.47uF 10V [M]
C5004 F1H1A474A001 0.47uF 10V [M]
C5005 F1H1A474A001 0.47uF 10V [M]
C5006 ECJ1VB1H331K 330pF 50V [M]
C5007 ECJ1VB1H331K 330pF 50V [M]
C5008 ECJ1VB1H153K 0.015uF 50V [M]
C5009 ECJ1VB1H153K 0.015uF 50V [M]
136
S
A-AK770PL
/S
A-AK770
GC
P

Ref. No. Part No. Part Name & Description Remarks
C5010 ECJ2VC2A221J 220pF 100V [M]
C5011 ECJ2VC2A221J 220pF 100V [M]
C5012 ECJ2VC2A221J 220pF 100V [M]
C5013 ECJ2VC2A221J 220pF 100V [M]
C5014 ECQV1H684JL3 0.68uF 50V [M]
C5015 ECQV1H684JL3 0.68uF 50V [M]
C5016 ECJ1VB1H104K 0.1uF 50V [M]
C5017 ECJ1VB1H104K 0.1uF 50V [M]
C5018 F1K2A1040007 0.1uF 100V [M]
C5019 ECJ1VB1H104K 0.1uF 50V [M]
C5020 ECJ1VB1H104K 0.1uF 50V [M]
C5021 ECJ1VB1H104K 0.1uF 50V [M]
C5022 ECJ1VB1H104K 0.1uF 50V [M]
C5023 F1K2A1040007 0.1uF 100V [M]
C5024 ECJ1VB1H104K 0.1uF 50V [M]
C5025 ECJ1VB1H104K 0.1uF 50V [M]
C5028 ECJ1VB1H104K 0.1uF 50V [M]
C5030 ECJ1VC1H221J 220pF 50V [M]
C5031 ECJ1VB1C224K 0.22uF 16V [M]
C5032 ECJ1VB1H102K 1000pF 50V [M]
C5033 ECJ1VB1H104K 0.1uF 50V [M]
C5040 F2A2A2200035 22uF 100V [M]
C5050 ECJ1VB1H104K 0.1uF 50V [M]
C5051 ECJ1VB1H104K 0.1uF 50V [M]
C5052 ECJ1VB1H104K 0.1uF 50V [M]
C5053 ECJ1VB1H104K 0.1uF 50V [M]
C5106 F1H1A474A001 0.47uF 10V [M]
C5107 F1H1A474A001 0.47uF 10V [M]
C5117 ECJ1VB1H102K 1000pF 50V [M]
C5119 ECJ1VB1H102K 1000pF 50V [M]
C5120 F1H1A474A001 0.47uF 10V [M]
C5121 F1H1A474A001 0.47uF 10V [M]
C5133 F2A0J101A245 100uF 6.3V [M]
C5150 ECJ1VB1H102K 1000pF 50V [M]
C5151 ECJ1VB1H102K 1000pF 50V [M]
C5152 ECJ1VB1H102K 1000pF 50V [M]
C5155 ECJ1VB1H102K 1000pF 50V [M]
C5200 ECJ1VB1H104K 0.1uF 50V [M]
C5201 ECJ1VB1H153K 0.015uF 50V [M]
C5202 ECJ1VB1C224K 0.22uF 16V [M]
C5203 ECJ2VC2A221J 220pF 100V [M]
C5204 ECJ1VB1H153K 0.015uF 50V [M]
C5205 ECJ2VC2A221J 220pF 100V [M]
C5206 ECJ1VB1H104K 0.1uF 50V [M]
C5207 F1K2A1040007 0.1uF 100V [M]
C5208 ECJ1VB1H104K 0.1uF 50V [M]
C5209 ECJ1VB1H104K 0.1uF 50V [M]
C5211 ECJ2VC2A221J 220pF 100V [M]
C5212 ECJ1VC1H221J 220pF 50V [M]
C5213 ECJ1VB1H104K 0.1uF 50V [M]
C5214 ECJ1VB1H104K 0.1uF 50V [M]
C5216 ECJ1VB1H331K 330pF 50V [M]
C5217 ECJ1VB1H104K 0.1uF 50V [M]
C5218 ECJ2VC2A221J 220pF 100V [M]
C5219 F1K2A1040007 0.1uF 100V [M]
C5221 ECJ1VB1H102K 1000pF 50V [M]
C5222 F1H1A474A001 0.47uF 10V [M]
C5223 F1H1A474A001 0.47uF 10V [M]
C5224 ECJ1VB1H331K 330pF 50V [M]
C5225 ECQV1H684JL3 0.68uF 50V [M]
C5226 ECJ1VB1H104K 0.1uF 50V [M]
C5227 ECJ1VB1H104K 0.1uF 50V [M]
C5228 ECQV1H684JL3 0.68uF 50V [M]
C5231 ECJ1VB1H102K 1000pF 50V [M]
C5232 F1H1A474A001 0.47uF 10V [M]
C5233 F1H1A474A001 0.47uF 10V [M]
C5234 ECJ1VB1H102K 1000pF 50V [M]
C5240 F2A2A2200035 22uF 100V [M]
C5250 ECJ1VB1H104K 0.1uF 50V [M]
C5251 ECJ1VB1H104K 0.1uF 50V [M]
C5400 ECQV1H684JL3 0.68uF 50V [M]
C5401 ECJ1VB1H104K 0.1uF 50V [M]
C5402 ECJ1VB1H104K 0.1uF 50V [M]
C5403 ECJ1VB1H104K 0.1uF 50V [M]
Ref. No. Part No. Part Name & Description Remarks
C5404 ECJ1VB1H331K 330pF 50V [M]
C5406 ECJ1VB1H104K 0.1uF 50V [M]
C5407 ECJ2VC2A221J 220pF 100V [M]
C5409 ECJ1VB1H104K 0.1uF 50V [M]
C5410 F1K2A1040007 0.1uF 100V [M]
C5411 ECJ2VC2A221J 220pF 100V [M]
C5412 ECJ1VB1H331K 330pF 50V [M]
C5413 ECJ1VB1H104K 0.1uF 50V [M]
C5416 ECJ1VB1A474K 0.47uF 10V [M]
C5418 ECJ1VB1H104K 0.1uF 50V [M]
C5419 F1K2A1040007 0.1uF 100V [M]
C5421 ECJ1VB1C224K 0.22uF 16V [M]
C5422 ECJ1VB1H153K 0.015uF 50V [M]
C5423 ECJ1VC1H221J 220pF 50V [M]
C5424 ECJ1VB1H153K 0.015uF 50V [M]
C5425 ECJ2VC2A221J 220pF 100V [M]
C5426 ECJ2VC2A221J 220pF 100V [M]
C5427 ECJ1VB1H104K 0.1uF 50V [M]
C5428 ECQV1H684JL3 0.68uF 50V [M]
C5431 ECJ1VB1H102K 1000pF 50V [M]
C5440 F2A2A2200035 22uF 100V [M]
C5445 ECJ1VB1H104K 0.1uF 50V [M]
C5450 ECJ1VB1H104K 0.1uF 50V [M]
C5508 F2A1V4710074 470uF 35V [M]
C5509 F2A1V4710074 470uF 35V [M]
C5510 F2A1V4710074 470uF 35V [M]
C5511 F2A1V4710074 470uF 35V [M]
C5512 F2A1V4710074 470uF 35V [M]
C5513 F2A1V4710074 470uF 35V [M]
C5514 ECJ1VB1H104K 0.1uF 50V [M]
C5515 ECJ1VB1H104K 0.1uF 50V [M]
C5516 F2A1V4710074 470uF 35V [M]
C5517 F2A1V4710074 470uF 35V [M]
C5518 ECJ1VB1H104K 0.1uF 50V [M]
C5519 ECJ1VB1H104K 0.1uF 50V [M]
C5520 ECJ1VB1H104K 0.1uF 50V [M]
C5521 ECJ1VB1H104K 0.1uF 50V [M]
C5522 ECJ1VB1H104K 0.1uF 50V [M]
C5523 ECJ1VB1H104K 0.1uF 50V [M]
C5524 ECJ1VB1H104K 0.1uF 50V [M]
C5525 ECJ1VB1H104K 0.1uF 50V [M]
C5540 F2A2A2200035 22uF 100V [M]
C5550 ECJ1VB1H103K 0.01uF 50V [M]
C5551 ECJ1VB1H391K 390pF 50V [M]
C5552 ECJ1VB1H391K 390pF 50V [M]
C5553 ECJ1VC1H101J 100pF 50V [M]
C5554 ECJ1VB1H104K 0.1uF 50V [M]
C5555 F1K1C1060001 10uF 16V [M]
C5556 ECJ1VB1H103K 0.01uF 50V [M]
C5557 ECJ1VC1H101J 100pF 50V [M]
C5558 ECJ1VC1H470J 47pF 50V [M]
C5559 ECJ1VC1H470J 47pF 50V [M]
C5560 ECJ1VB1H104K 0.1uF 50V [M]
C5561 ECJ1VC1H101J 100pF 50V [M]
C5562 F2A0J102A016 1000uF 6.3V [M]
C5602 ECA1CAK100XB 10uF 16V [M]
C5700 F1BAF1020020 1000pF [M]
C5701 F0CAF334A087 0.33uF [M]
C5703 F0C2H1040001 0.1uF 500V [M] GCP
C5703 F0CAF224A085 0.22uF [M] PL
C5704 F1BAF1020020 1000pF [M]
C5705 F1BAF1020020 1000pF [M]
C5706 F1BAF1020020 1000pF [M] GCP
C5707 F1BAF1020020 1000pF [M] GCP
C5711 F2B2G471A083 470uF 400V [M] GCP
C5712 F2B2D8210010 820uF 200V [M] PL
C5712 F2B2G471A083 470uF 400V [M] GCP
C5713 F0C2J1030005 0.01uF 630V [M]
C5720 ECJ1VB1H104K 0.1uF 50V [M]
C5721 ECJ1VB1H221K 220pF 50V [M]
C5722 ECJ1VB1H102K 1000pF 50V [M]
137
S
A-AK770PL
/S
A-AK770
GCP

Ref. No. Part No. Part Name & Description Remarks
C5723 ECJ1VB1H471K 470pF 50V [M]
C5724 F2A1H5600009 56uF 50V [M]
C5725 ECJ1VB1H104K 0.1uF 50V [M]
C5726 ECJ1VB1H104K 0.1uF 50V [M]
C5727 ECQP6332JUB 3300uF 630V [M] PL
C5728 ECJ1VB1H102K 1000pF 50V [M]
C5730 ECEA1HKS010B 1uF 50V [M]
C5737 F1A3A471A035 470pF 1000V [M] GCP
C5750 ECJ1VB1H104K 0.1uF 50V [M] GCP
C5788 ECJ1VB1H104K 0.1uF 50V [M] GCP
C5789 ECJ1VB1H104K 0.1uF 50V [M] GCP
C5790 ECJ3YB2J222K 2200pF 630V [M]
C5791 ECEA1HKA2R2B 2.2uF 50V [M]
C5793 ECJ1VB1H104K 0.1uF 50V [M] GCP
C5794 ECJ1VC1H220J 22pF 50V [M]
C5795 ECJ2VC1H222J 2200pF 50V [M]
C5796 F1J1H104A717 0.1uF 50V [M]
C5797 F1A3A470A023 47pF 1000V [M]
C5798 F2A1H5600009 56uF 50V [M]
C5799 F2A1H5600009 56uF 50V [M] GCP
C5800 F1J2E1030004 0.01uF 250V [M]
C5805 F2B1V332A007 3300uF 35V [M]
C5808 F2B1V332A007 3300uF 35V [M]
C5810 ECJ1VB1H104K 0.1uF 50V [M]
C5812 ECJ1VB1H104K 0.1uF 50V [M]
C5813 F2A1V4710035 470uF 35V [M]
C5815 ECJ1VB1H104K 0.1uF 50V [M]
C5816 F2A1E471A652 470uF 25V [M]
C5817 F2A2AR22A358 0.22uF 100V [M]
C5818 ECJ1VB1H104K 0.1uF 50V [M]
C5819 F1J2E1030004 0.01uF 250V [M]
C5820 F1J2E1030004 0.01uF 250V [M]
C5821 F1J2E1030004 0.01uF 250V [M]
C5822 F1J2E1030004 0.01uF 250V [M]
C5823 ECJ1VB1H104K 0.1uF 50V [M]
C5824 F2A1E471A652 470uF 25V [M]
C5825 ECJ1VB1H104K 0.1uF 50V [M]
C5826 F1J2E1030004 0.01uF 250V [M]
C5831 ECJ1VB1H104K 0.1uF 50V [M]
C5832 ECJ1VB1H104K 0.1uF 50V [M]
C5839 F1J2E1030004 0.01uF 250V [M]
C5840 F1J2E1030004 0.01uF 250V [M]
C5841 F1J2E1030004 0.01uF 250V [M]
C5842 F1J2E1030004 0.01uF 250V [M]
C5869 ECJ1VB1H104K 0.1uF 50V [M]
C5870 F1H1H104A013 0.1uF 50V [M]
C5896 ECJ1VB1H104K 0.1uF 50V [M]
C5897 ECJ1VB1H104K 0.1uF 50V [M]
C5898 ECJ1VB1H104K 0.1uF 50V [M]
C5899 F2A1C221A104 220uF 16V [M]
C6300 F1H1H102A219 1000pF 50V [M]
C6503 F1H1H102A219 1000pF 50V [M]
C6512 F1H1H102A219 1000pF 50V [M]
C6601 F1H1H101A720 100pF 50V [M]
C6608 F1H1H104A013 0.1uF 50V [M]
C6609 F1H1H104A013 0.1uF 50V [M]
C6611 F1H1H331A013 330pF 50V [M]
C6612 F1H1H331A013 330pF 50V [M]
C6613 F1H1H331A013 330pF 50V [M]
C6614 F1H1H103A219 0.01uF 50V [M]
C6616 F2A1H220A182 22uF 50V [M]
C6633 F1H1H101A720 100pF 50V [M]
C6634 F1H1H101A720 100pF 50V [M]
C6671 F2A1H220A182 22uF 50V [M]
C6700 F1H1H103A219 0.01uF 50V [M]
C6701 F1H1H103A219 0.01uF 50V [M]
C6702 F2A1H4R7A213 4.7uF 50V [M]
C6703 F1H1H102A219 1000pF 50V [M]
C6704 F1H1H561A013 560pF 50V [M]
C6705 F1H1H470A004 47pF 50V [M]
C6706 ECQV1H474JL3 0.47uF 50V [M]
C6707 F1H1C104A042 0.1uF 16V [M]
C6711 F1H1H104A013 0.1uF 50V [M]
C6712 F1H1H470A004 47pF 50V [M]
Ref. No. Part No. Part Name & Description Remarks
C6713 F1H1H561A013 560pF 50V [M]
C6801 F1H1H473A783 0.047uF 50V [M]
C6802 F1H1H473A783 0.047uF 50V [M]
C6803 F1H1C104A042 0.1uF 16V [M]
C6804 F1H1C104A042 0.1uF 16V [M]
C6810 ECJ1VB1H391K 390pF 50V [M]
C6811 F1H0J1050013 1uF 6.3V [M]
C6812 F1H0J1050013 1uF 6.3V [M]
C6813 F1H1H331A013 330pF 50V [M]
C6814 F1H1H331A013 330pF 50V [M]
C6815 F1H1H103A219 0.01uF 50V [M]
C6816 F1H1H103A219 0.01uF 50V [M]
C6820 ECJ1VB1H391K 390pF 50V [M]
C6821 F1H1H103A219 0.01uF 50V [M]
C6822 F1H1H103A219 0.01uF 50V [M]
C6823 F1H1H103A219 0.01uF 50V [M]
C6851 F1H1C104A042 0.1uF 16V [M]
C6852 F1H1H102A219 1000pF 50V [M]
C6861 F1H1H102A219 1000pF 50V [M]
C6863 F1H1C104A042 0.1uF 16V [M]
C6938 F1H1C104A042 0.1uF 16V [M]
C6940 F1H1C104A042 0.1uF 16V [M]
C7102 F1H1A474A025 0.47uF 10V [M]
C7107 ECJ1VB1H223K 0.022uF 50V [M]
C7142 ECJ1VB1H332K 3300pF 50V [M]
C7154 ECJ1VB1C104K 0.1uF 16V [M]
C7155 ECJ1VB1C104K 0.1uF 16V [M]
C7161 ECJ1VB1C104K 0.1uF 16V [M]
C7164 ECJ2FF1A106Z 10uF 10V [M]
C7165 ECJ2FF1A106Z 10uF 10V [M]
C7166 F1H1H103A219 0.01uF 50V [M]
C7203 F2A0J221A200 220uF 6.3V [M]
C7204 ECJ1VB1C104K 0.1uF 16V [M]
C7216 ECJ1VB1H681K 680pF 50V [M]
C7217 ECJ1VB1C104K 0.1uF 16V [M]
C7218 ECJ1VB1C823K 0.082uF 16V [M]
C7221 ECJ1VC1H150J 15pF 50V [M]
C7222 ECJ1VC1H150J 15pF 50V [M]
C7223 F2A1H4R70037 4.7uF 50V [M]
C7225 F1H1H102A219 1000pF 50V [M]
C7226 F1H1H102A219 1000pF 50V [M]
C7227 ECA1HAK010XI 1uF 50V [M]
C7228 ECA1HAK010XI 1uF 50V [M]
C7230 ECJ1VB1C104K 0.1uF 16V [M]
C7231 F2A0J221A200 220uF 6.3V [M]
C7232 F2A0J221A200 220uF 6.3V [M]
C7233 F1H1C104A008 0.1uF 16V [M]
C7234 ECJ1VB1C104K 0.1uF 16V [M]
C7235 F2A1C100A133 10uF 16V [M]
C7241 F1H1H102A219 1000pF 50V [M]
C7243 F1H1C104A008 0.1uF 16V [M]
C7244 ECJ1VB1C153K 0.015uF 16V [M]
C7253 F1H1H471A219 470pF 50V [M]
C7263 ECJ1VB1C104K 0.1uF 16V [M]
C7264 ECJ1VB1C104K 0.1uF 16V [M]
C7315 F1H1A474A025 0.47uF 10V [M]
C7334 ECEA1AKA221I 220uF 10V [M]
C7335 F1H1C104A008 0.1uF 16V [M]
C7338 ECJ1VB1E273K 0.027uF 25V [M]
C7339 ECJ1VB1C183K 0.018uF 16V [M]
C7352 ECJ1VB1C183K 0.018uF 16V [M]
C7601 ECEA0JKA330I 33uF 6.3V [M]
C7613 ECJ1VB1C104K 0.1uF 16V [M]
C7614 F2A0J101A198 100uF 6.3V [M]
C7626 ECJ1VB1C104K 0.1uF 16V [M]
C7670 ECJ1VB1C104K 0.1uF 16V [M]
138
S
A-AK770PL
/S
A-AK770
GC
P
YSP0805