SC HT740LB S_REV9.pmd SCHT740
User Manual: SCHT740
Open the PDF directly: View PDF
.
Page Count: 151 [warning: Documents this large are best viewed by clicking the View PDF Link!]

Manual de Serviço
DVD Home Theater Sound System
SC-HT740LB-S
DCS - SET2006 - 027 - MS
Especificações
© 2006 Panasonic do Brasil Limitada
Divisão CS
Setor de Apoio Técnico
Seção Amplificador
Modo Dolby Digital
Potência de saída RMS (10% de distorção THD, 4Ω ) ....... TOTAL 1000 W
Frontal ................................................................... 90 W x 2 canais (1 kHz)
Surround ............................................................... 90 W x 2 canais (1 kHz)
Central ................................................................................... 320 W (1 kHz)
Subwoofer ......................................................................... 320 W (100 Hz)
• Saída Phone (tomada fone) ............................................ estéreo 3,5 mm
• Music Port Frontal (Front Music Port) ... estéreo 3,5 mm, 100 mV, 4.7 kΩ
Seção Sintonizador FM
Faixa de freqüência .............................. 87,5 ~ 108,0 MHz (passo 0.1 MHz)
87,9 ~ 107,9 MHz (passo 0.2 MHz)
Terminais da antena .................................................... 75Ω desbalanceado
Seção Sintonizador AM
Faixa de freqüência .................................. 520 ~ 1710 kHz (passo 10 kHz)
Leitor
Fonte de feixe ................................................................ Semicondutor laser
Comprimento da onda
DVD ................................................................................................ 662 nm
CD .................................................................................................. 785 nm
Potência do laser (DVD/CD) ................................................. Classe 1/1M
Saída de Áudio
Número de canais .................................... 5.1 ch (FL, FR, C, SL, SR, SW)
Seção Vídeo
Sistema de vídeo ............................................................................... NTSC
Saída de vídeo composto
Nível de saída ........................................................................... 1 Vpp (75Ω)
Terminal ............................................................................................... RCA
Saída S-Vídeo
Nível de saída Y ........................................................................ 1 Vpp (75Ω)
Nível de saída C ...................................................... NTSC 0,286 Vpp (75Ω)
Terminal ................................................................................... Terminal S
Saída video componente (480I / 480P)
Nível de saída Y ........................................................................ 1 Vpp (75Ω)
Nível de saída PB .................................................................. 0,7 Vpp (75Ω)
Nível de sáida PR ................................................................... 0,7 Vpp (75)
Terminal (Y: Verde / PB: Azul / PR: Vermelho) ............................. RCA x 3
HDMI AV OUTPUT
Terminal ............ Conector 19 pinos tipo A, HDMI Ver. 1.2a (EDID Ver 1.3)
Seção Caixa Acústica
Caixas acústicas frontais (SB-FS71)
Tipo ........................................................ 2 vias, 2 alto-falantes (Bass reflex)
Unidades dos alto-falantes
1. Full range ...................................................................... 6,5 cm tipo cone
2. Tweeter ............................................................................. 6 cm tipo cone
Freqüência de Cross over .................................................................. 6 kHz
Impedância ............................................................................................ 4Ω
SPL ................................................................................. 81 dB/W (1.0 m)
Faixa de freqüência ............................................ 82 Hz - 41 kHz (–16 dB)
95 Hz - 40 kHz (–10 dB)
Dimensões com pedestal (L x A x P) ........... 252 mm x 1123 mm x 234 mm
Massa (aproximada) ........................................................................ 3,7 kg
Caixas acústicas surround (SB-FS72)
Tipo ............................................................ 1 via, 1 alto-falante (Bass reflex)
Unidade do alto-falante
Full range ........................................................................... 6,5 cm tipo cone
Impedância ............................................................................................ 4Ω
SPL ................................................................................. 80 dB/W (1.0 m)
Faixa de freqüência ............................................ 87 Hz - 25 kHz (–16 dB)
98 Hz - 22 kHz (–10 dB)
Dimensões (L x A x P) ................................ 252 mm x 1123 mm x 234 mm
Massa (aproximada) ........................................................................ 3,7 kg
Caixa acústica central (SB-PC740)
Tipo ........................................................ 2 vias, 2 alto-falantes (Bass reflex)
Unidades dos alto-falantes
1. Full range ...................................................................... 6,5 cm tipo cone
2. Full range ...................................................................... 6,5 cm tipo cone
Freqüência de Cross over .................................................................. 5 kHz
Impedância ............................................................................................ 4Ω
SPL ................................................................................. 84 dB/W (1.0 m)
Faixa de freqüência .......................................... 105 Hz - 25 kHz (–16 dB)
125 Hz - 22 kHz (– 10 dB)

Nota:
1. As especificações estão sujeitas a alteração sem prévio aviso.
2. A Panasonic reconhece como unidade real de potência apenas “RMS”.
3. As massas e as dimensões são aproximados.
ATENÇÃO !
Este Manual foi elaborado para uso somente por profissionais e técnicos treinados e autorizados pela Panasonic do Brasil Limitada e não foi
direcionado para utilização pelo consumidor ou público em geral uma vez que não contém advertências sobre possíveis riscos de manipulação do
aparelho aqui especificado por pessoas não treinadas e não familiarizadas com equipamentos eletrônicos. Qualquer tentativa de reparo do
produto aqui especificado por parte de pessoa não qualificada, utilizando ou não este Manual, implicará em riscos de danos ao
equipamento, com a perda total da garantia e à sérios riscos de acidentes.
ÍNDICE
Dimensões (L x A x P) ................................... 270 mm x 92 mm x 95,4 mm
Massa (aproximada) ...................................................................... 1,25 kg
Subwoofer (SB-W740)
Tipo ............................................................ 1 via, 1 alto-falante (Bass reflex)
Unidade do alto-falante
Woofer ................................................................................ 16 cm tipo cone
SPL ................................................................................. 80 dB/W (1.0 m)
Faixa de freqüência ............................................ 32 Hz - 220 Hz (–16 dB)
38 Hz - 180 Hz (–10 dB)
Dimensões (L x A x P) .................................. 183 mm x 396 mm x 267 mm
Massa (aproximada) ........................................................................... 4 kg
Impedância ............................................................................................ 4Ω
Geral
Alimentação ..................................... CA 110-127 V / 220-240 V, 50/60 Hz
Consumo ........................................................................................ 155 W
Em espera ....................................................................................... 0,9 W
Dimensões (L x A x P) ................................. 430 mm x 70 mm x 439,2 mm
Massa (aproximada) ........................................................................... 5 kg
Faixa de temperatura de operação ......................................... +5°C a +35°C
Faixa de umidade de operação ............... 5% a 90% RH (sem condensação)
1. PRECAUÇÕES DE SEGURANÇA ....................................................... 4
1.1. DIRETRIZES GERAIS ....................................................................... 4
1.1.1. CHECAGEM A FRIO DA CORRENTE DE FUGA ............................ 4
1.1.2. CHECAGEM A QUENTE DA CORRENTE DE FUGA ...................... 4
1.2. ANTES DE REPARAR E AJUSTAR ................................................... 4
1.3. CIRCUITO DE PROTEÇÃO .............................................................. 4
2. PREVENÇÃO DE DESCARGA ELETROSTÁTICA (ESD) PARA
DISPOSITIVOS ELETROSTATICAMENTE SENSÍVEIS(ES) ............... 5
3. PRECAUÇÕES COM O DIODO LASER ............................................... 6
4.1. SUGESTÃO PARA SOLDA SEM CHUMBO ...................................... 7
4. SOBRE SOLDA SEM CHUMBO: (PBF) ................................................ 7
5. CUIDADOS A SEREM TOMADOS QUANDO MANUSEANDO A
UNIDADE ÓPTICA ............................................................................... 8
5.1. MANUSEANDO AS UNIDADES ÓPTICAS ....................................... 8
5.2. CUIDADOS A SEREM TOMADOS DURANTE A SUBSTITUIÇÃO DA
UNIDADE ÓPTICA ............................................................................ 8
5.3. ATERRAMENTO PARA PREVENÇÃO DE DANOS CAUSADOS PELA
ELETROSTÁTICA .............................................................................. 8
5.3.1. ATERRAMENTO DA BANCADA DE TRABALHO ........................... 8
5.3.2. ATERRAMENTO DO CORPO HUMANO ........................................ 8
6. ACESSÓRIOS ....................................................................................... 9
7. GUIA DE OPERAÇÃO ......................................................................... 10
7.1. LOCALIZAÇÃO DOS CONTROLES ................................................. 10
7.2. DISCOS QUE PODEM SER REPRODUZIDOS ............................... 11
7.3. SOBRE O CONTEÚDO VOD DO DIVX ........................................... 12
8. AUTO-DIAGNÓSTICO E AJUSTES EM MODO ESPECIAL ............... 13
8.1. TABELA RESUMO DO MODO DE SERVIÇO .................................. 13
8.2. TABELA 1 DO MODO DE SERVIÇO ................................................ 14
8.2.1. TABELA 2 DO MODO DE SERVIÇO ............................................. 15
8.2.2. TABELA 3 DO MODO DE SERVIÇO ............................................. 16
8.2.3. AUTODIAGNÓSTICO DA UNIDADE DE LEITURA ÓPTICA ......... 16
8.2.3. PROCEDIMENTO PARA TROCA E AUTO-DIAGNÓSTICO DA
UNIDADE ÓPTICA ........................................................................ 17
8.3. AUTO-DIAGNÓSTICO DO DVD / TABELA DE CÓDIGOS ............... 18
8.4. FUNÇÃO TRAVA PARA DEMONSTRAÇÃO DE VENDAS ............... 20
8.4.1. AJUSTE ........................................................................................... 20
8.4.2. CANCELAMENTO ........................................................................... 21
8.5. PRECAUÇÕES DE SERVIÇO .......................................................... 21
8.5.1. ATUALIZAÇÃO DA VERSÃO DO FIRMWARE DO APARELHO DE
DVD ................................................................................................ 21
8.5.2. RESET DO MÓDULO HDMI .......................................................... 21
9. PROCESSO DE DESMONTAGEM E SUBSTITUIÇÃO DOS PRINCIPAIS
COMPONENTES ................................................................................... 22
9.1. FLUXO DE DESMONTAGEM ........................................................... 23
9.2. LOCALIZAÇÃO DAS PLACAS E DOS PRINCIPAIS COMPONENTES .... 24
9.3. DESMONTAGEM DA TAMPA SUPERIOR ........................................ 25
9.4. DESMONTAGEM DO PAINEL FRONTAL ......................................... 25
9.5. DESMONTAGEM DA BANDEJA ....................................................... 26
9.6. DESMONTAGEM DA TAMPA TRASEIRA ......................................... 26
9.7. DESMONTAGEM DA BASE DO MECANISMO ................................ 26
9.8. DESMONTAGEM DA PLACA DO FONE DE OUVIDO E DISPLAY .. 26
9.9. DESMONTAGEM DA PLACA MÓDULO HDMI ................................ 27
9.10. DESMONTAGEM DA PLACA DO REGULADOR ........................... 27
9.11. DESMONTAGEM DA PLACA PRINCIPAL ...................................... 27
9.12. DESMONTAGEM DA PLACA DE ENTRADA AC, FONTE, SUB FONTE
E PLACA DO SELETOR DE TENSÕES ........................................ 27
9.13. DESMONTAGEM DO CI AMP DIGITAL ......................................... 28
9.14. DESMONTAGEM DO CI REGULADOR ......................................... 28
9.15. DESMONTAGEM DO CI REGULADOR CHAVEADO .................... 28
9.16. REMOÇÃO DOS GUIAS (ESQUERDO E DIREITO) DA BASE DA
BANDEJA ........................................................................................ 29
9.17. REMOÇÃO DA BANDEJA ROTATIVA ............................................ 29
9.17.1. DESMONTAGEM DA ENGRENAGEM DA TRAVA DE ABERTURA ... 29
9.17.2. REMOÇÃO DA ENGRENAGEM TRAVA DE FECHAMENTO ...... 30
9.17.3. REMOÇÃO DAS PLACAS DO MOTOR DA BANDEJA E DO
SENSOR ....................................................................................... 30
9.18. REMOÇÃO DO BLOCO TRAVERSE .............................................. 30
9.18.1. REMOÇÃO DA ENGRENAGEM PULLEY ................................... 30
9.18.2. REMOÇÃO DA PLACA DO MOTOR DE CARREGAMENTO ...... 31
9.18.3. REMOÇÃO DAS ENGRENAGENS DIRECIONADORAS (A) & (B) ...... 31
9.18.4. DESMONTAGEM DA PLACA FIXA, IMÃ E CLAMPER ................ 31
9.18.5. REMOÇÃO DA ENGRENAGEM CAM & PEÇA SUPORTE ......... 32
9.18.6. REMOVA A PLACA DESLIZANTE (E) & (D) E ALAVANCA DE
TROCA ......................................................................................... 32
9.19. MONTAGEM DA BASE DA BANDEJA ........................................... 33
10. POSIÇÃO DE SERVIÇO .................................................................... 34

SC-HT740LB-S
3
11. POSIÇÕES DE SERVIÇO .................................................................. 34
11.1. VERIFICAÇÃO E REPARO DAS PLACAS PRINCIPAL, DA FONTE,
DO MÓDULO HDMI, DO DISPLAY E DO FONE DE OUVIDO ........ 34
12. PROCEDIMENTO DE AJUSTE .......................................................... 35
12.1. PONTOS IMPORTANTES NO AJUSTE ......................................... 35
12.1.1. PONTOS IMPORTANTES NO AJUSTE ÓPTICO ....................... 35
12.2. ARMAZENANDO E MANUSEANDO OS DISCOS DE TESTE ....... 35
12.3. AJUSTE ÓPTICO (AJUSTE DE INCLINAÇÃO DA UNIDADE
ÓPTICA) .......................................................................................... 36
12.4. PROCEDIMENTO DE AJUSTE ....................................................... 36
12.4.1. DICAS ........................................................................................... 36
12.4.2. VERIFICAR APÓS O AJUSTE ..................................................... 36
12.4.3. PROCEDIMENTO PARA TRAVAR OS PARAFUSOS ................. 36
13. ABREVIAÇÕES ................................................................................... 37
14. TABELA DE TENSÕES ...................................................................... 39
14.1. PLACA MÓDULO HDMI .................................................................. 39
14.2. PLACA PRINCIPAL .......................................................................... 41
14.3. PLACA FONTE ................................................................................ 42
15.4. PLACA DO DISPLAY ....................................................................... 42
14.5. PLACA DO MOTOR DE CARREGAMENTO, PLACA DO MOTOR DA
BANDEJA, PLACA DO SENSOR E PLACA DO REGULADOR ..... 43
14.6. QUADRO DE FORMAS DE ONDA ................................................ 44
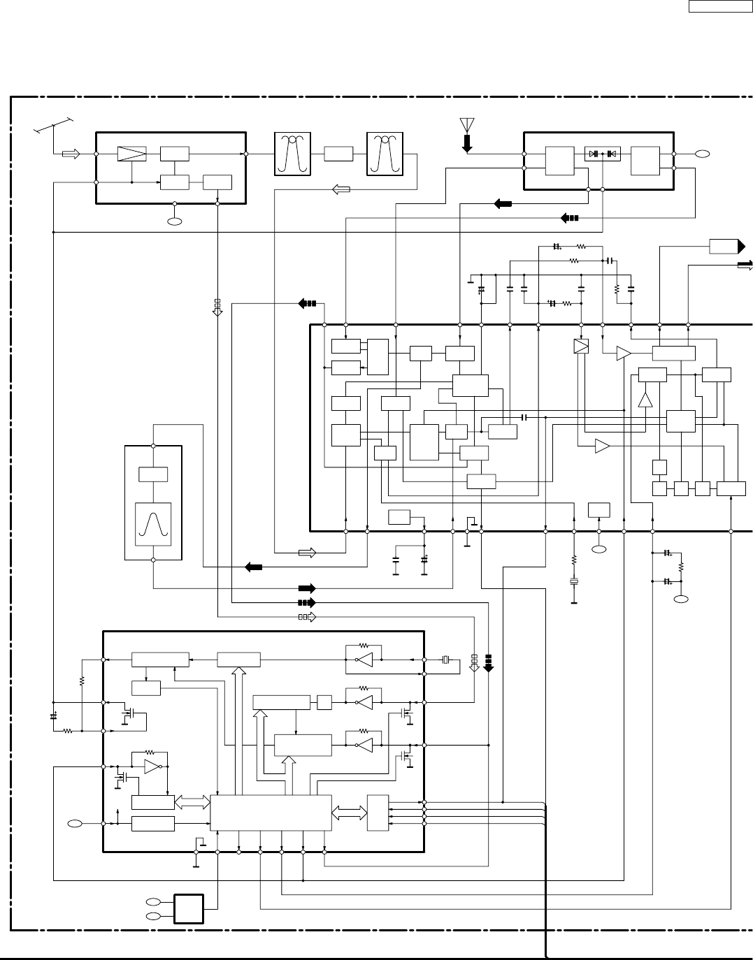
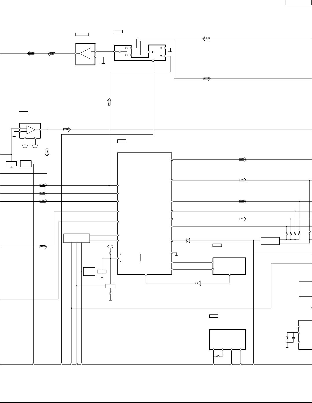
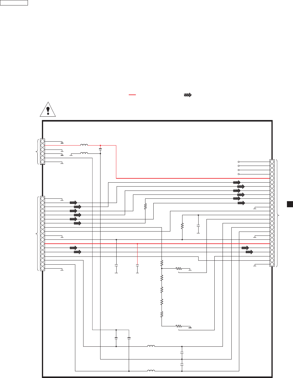
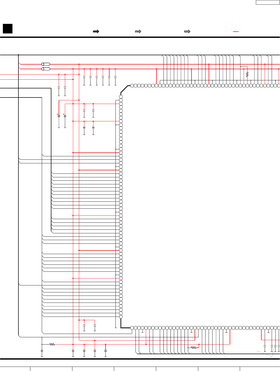
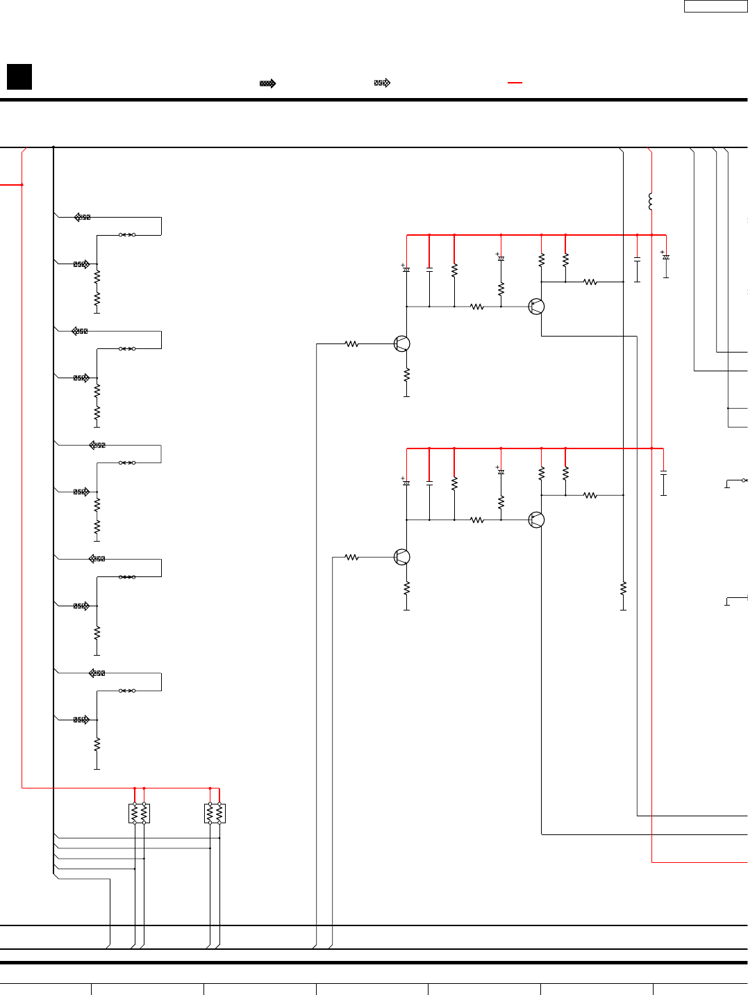
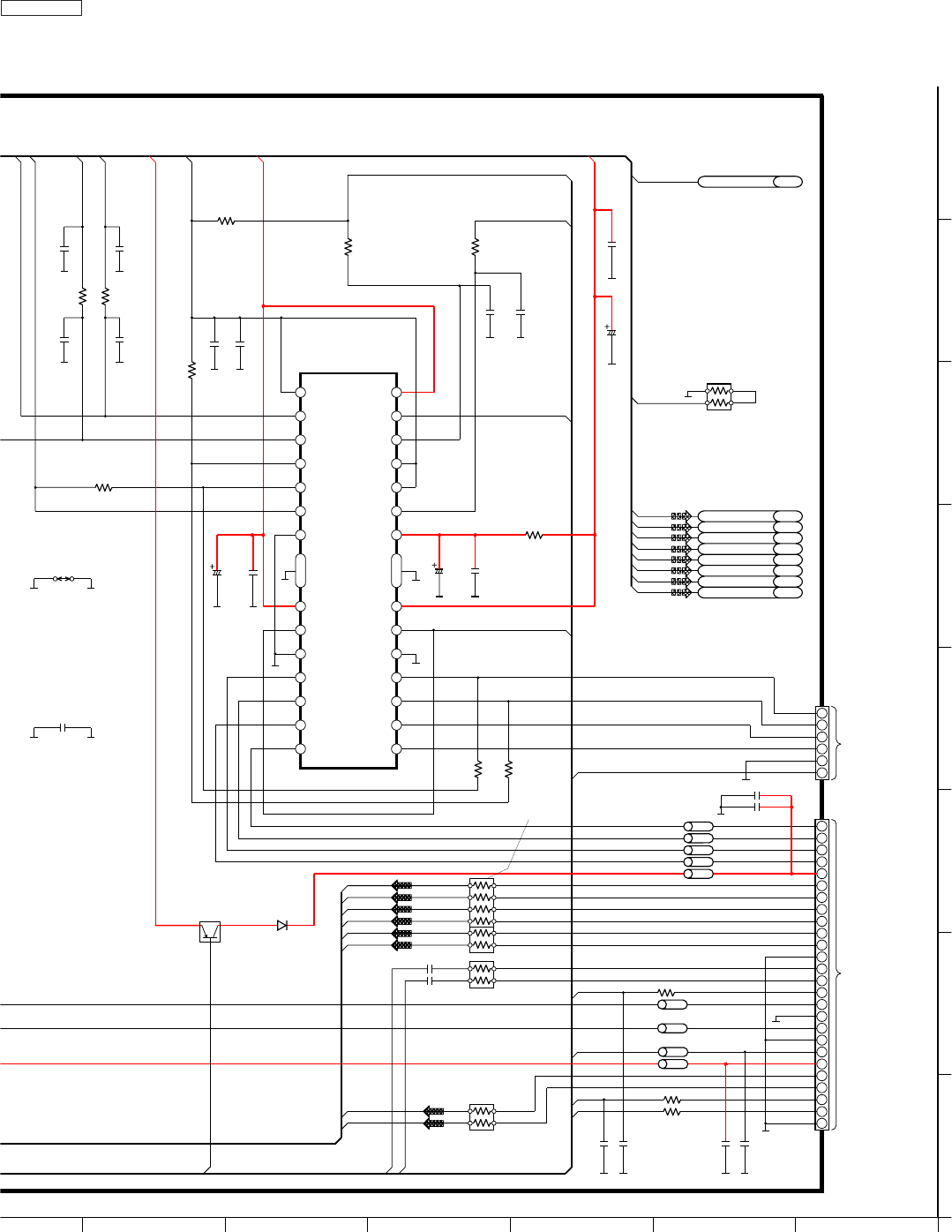
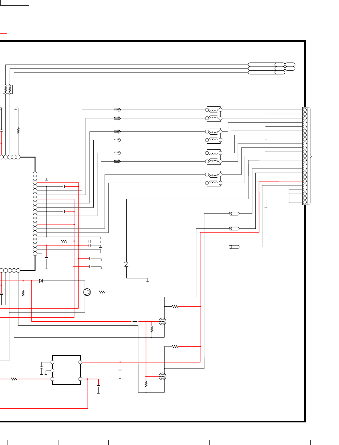
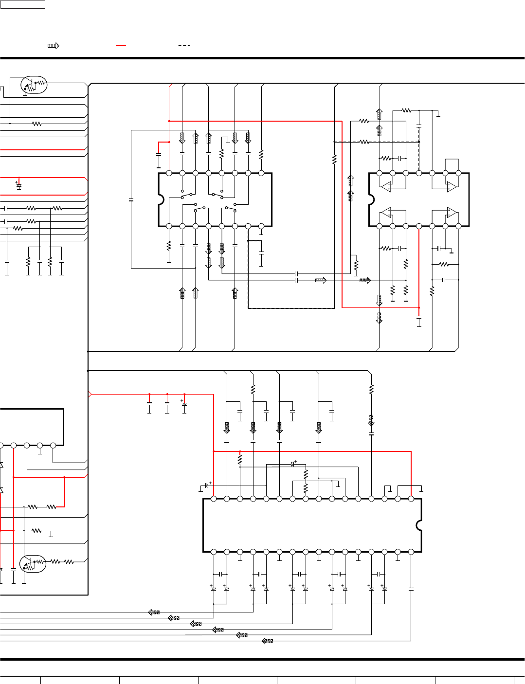
15. DIAGRAMA DAS INTERCONEXÕES ................................................ 45
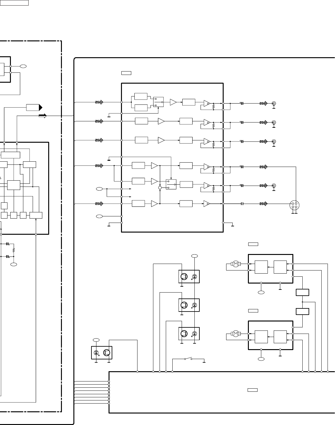
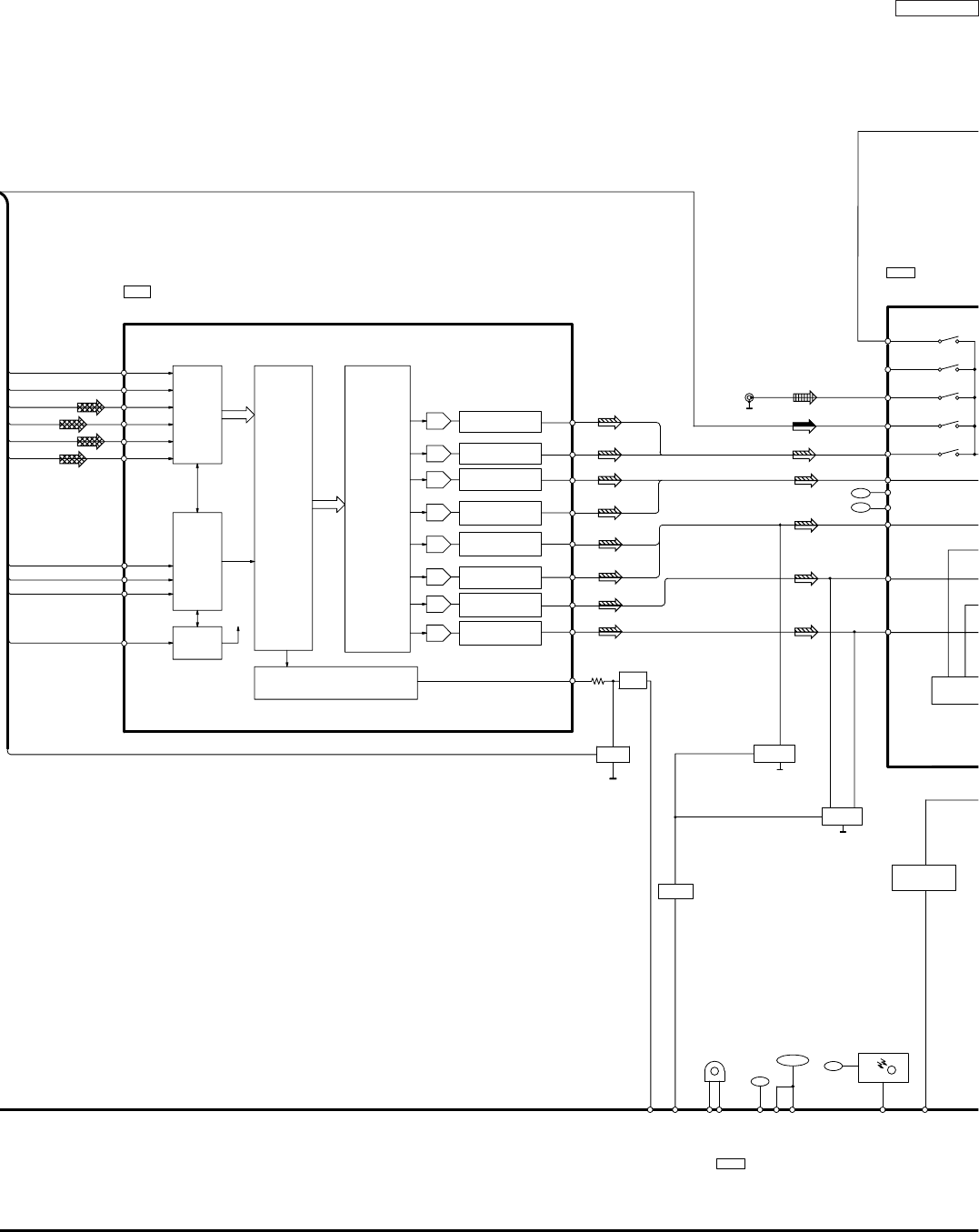
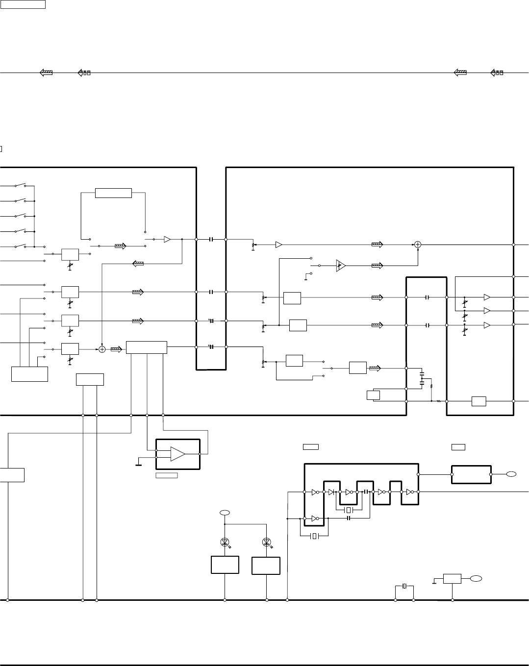
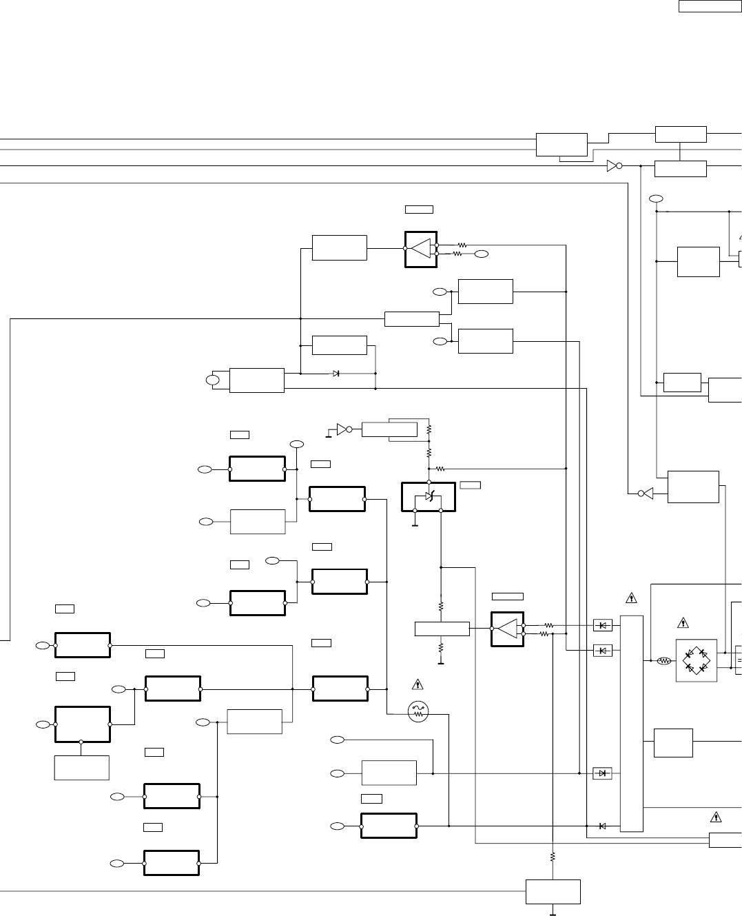
16. DIAGRAMAS EM BLOCOS ................................................................ 47
17. NOTAS DOS DIAGRAMA ESQUEMÁTICOS .................................... 59
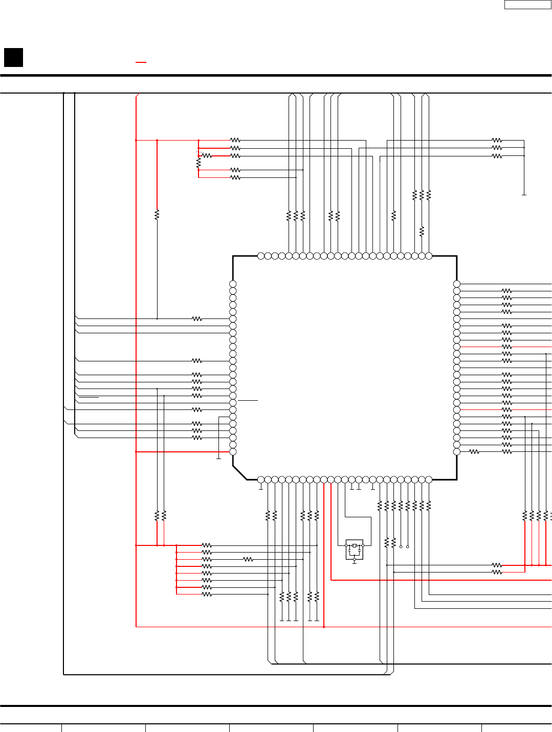
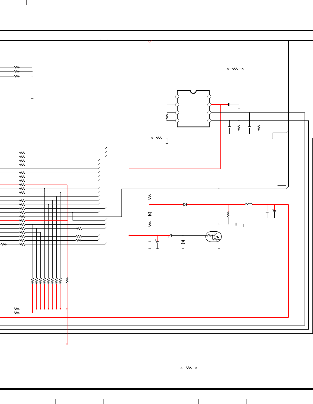
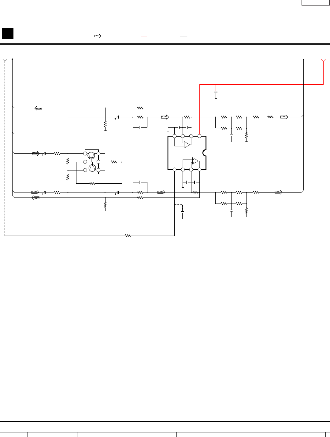
18. DIAGRAMAS ESQUEMÁTICOS ........................................................ 60
18.1. (A) CIRCUITO DA UNIDADE DE LEITURA ÓPTICA ...................... 60
18.2. CIRCUITO DO MÓDULO HDMI (DV3.2) (1/12) .............................. 61
18.2.1 CIRCUITO DO MÓDULO HDMI (DV3.2) (2/12) ............................ 62
18.2.2 CIRCUITO DO MÓDULO HDMI (DV3.2) (3/12) ............................ 63
18.2.3 CIRCUITO DO MÓDULO HDMI (DV3.2) (4/12) ............................ 64
18.2.4 CIRCUITO DO MÓDULO HDMI (DV3.2) (5/12) ............................ 65
18.2.5 CIRCUITO DO MÓDULO HDMI (DV3.2) (6/12) ............................ 66
18.2.6 CIRCUITO DO MÓDULO HDMI (DV3.2) (7/12) ............................ 67
18.2.7 CIRCUITO DO MÓDULO HDMI (DV3.2) (8/12) ............................ 68
18.2.8 CIRCUITO DO MÓDULO HDMI (DV3.2) (9/12) ............................ 69
18.2.9 CIRCUITO DO MÓDULO HDMI (DV3.2) (10/12) .......................... 70
18.2.10. CIRCUITO DO MÓDULO HDMI (DV3.2) (11/12) ....................... 71
18.2.11. CIRCUITO DO MÓDULO DVD (DV3.2) (12/12) ......................... 72
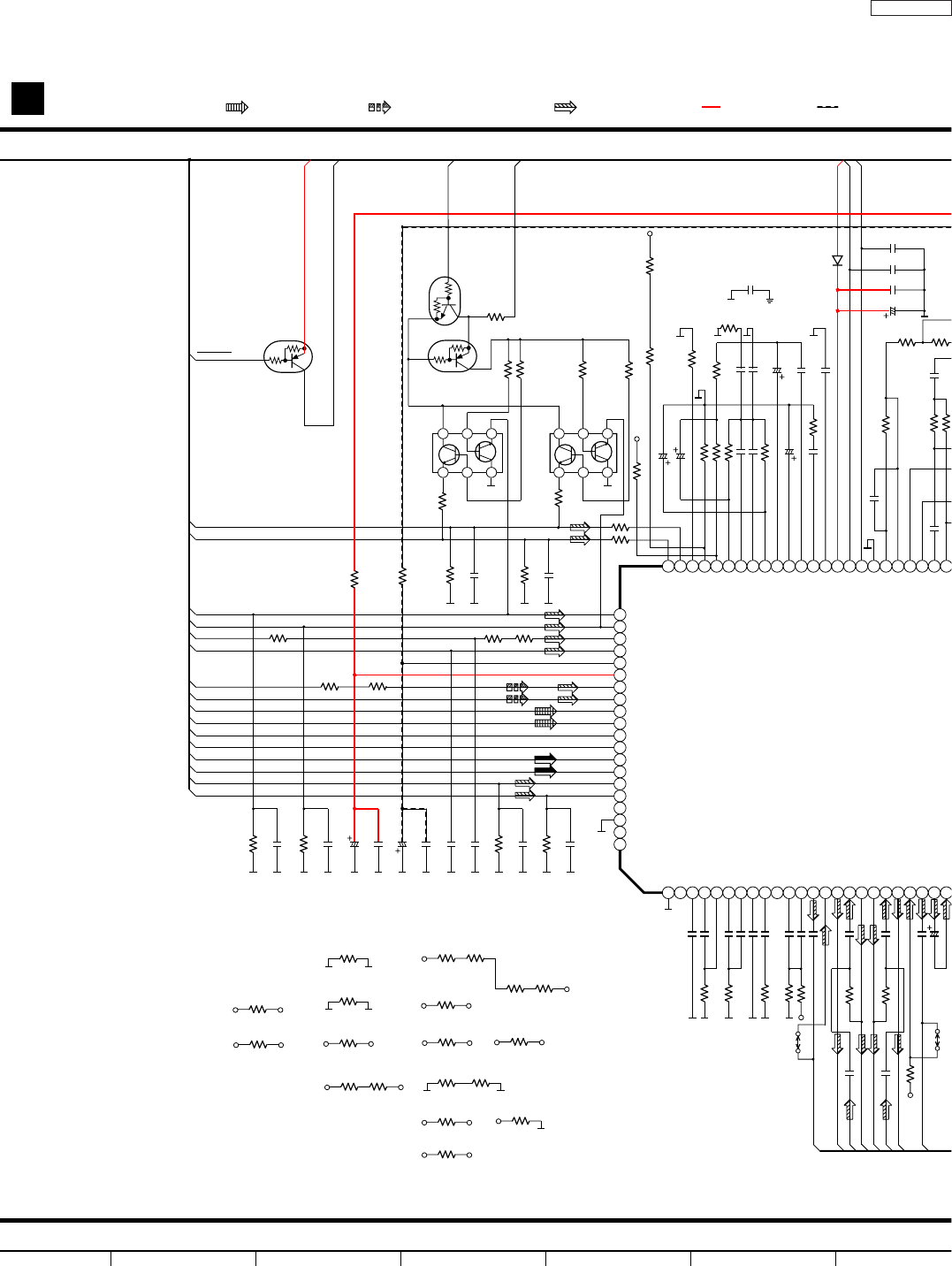
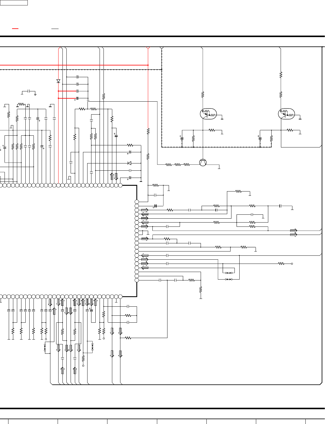
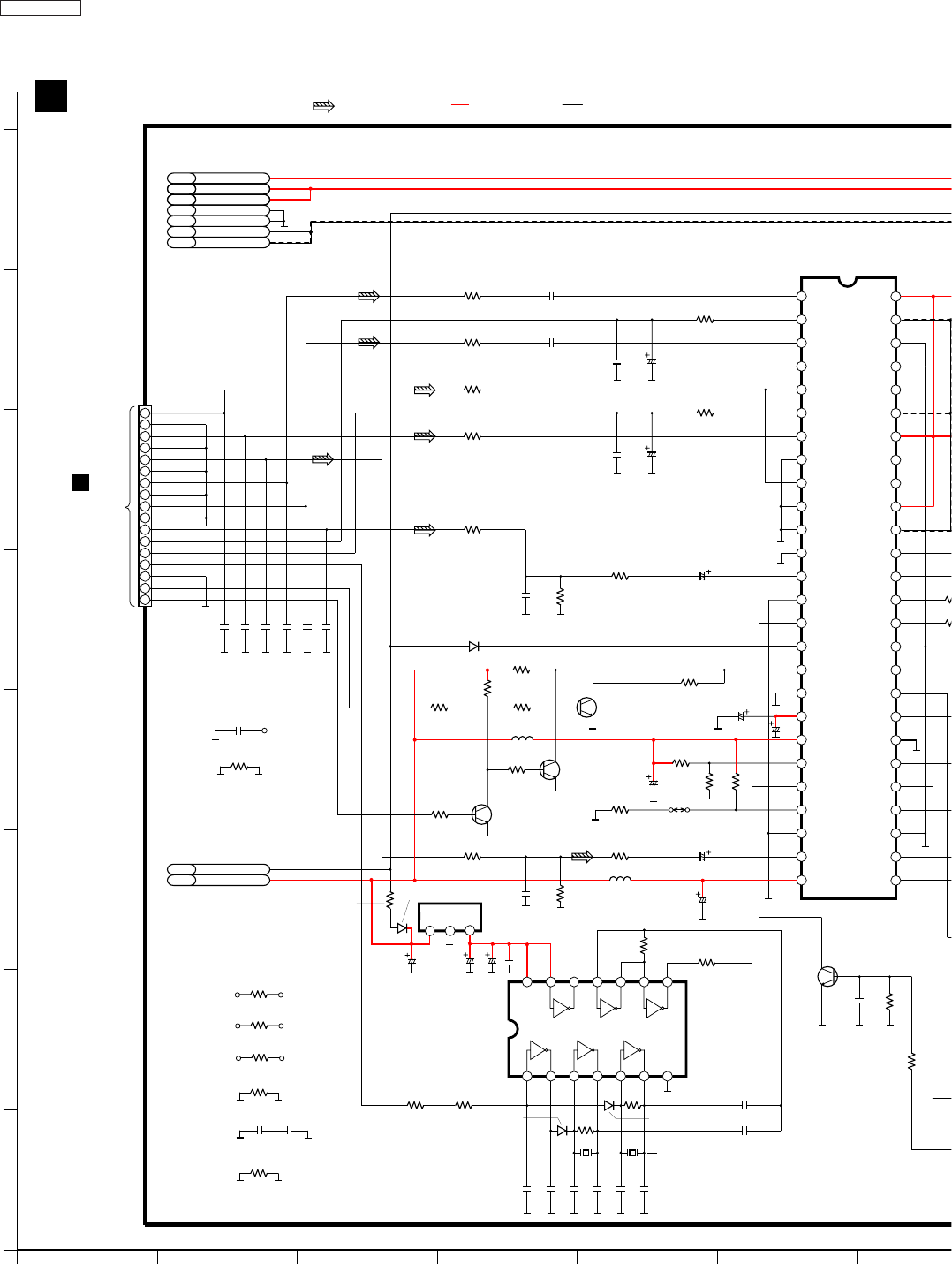
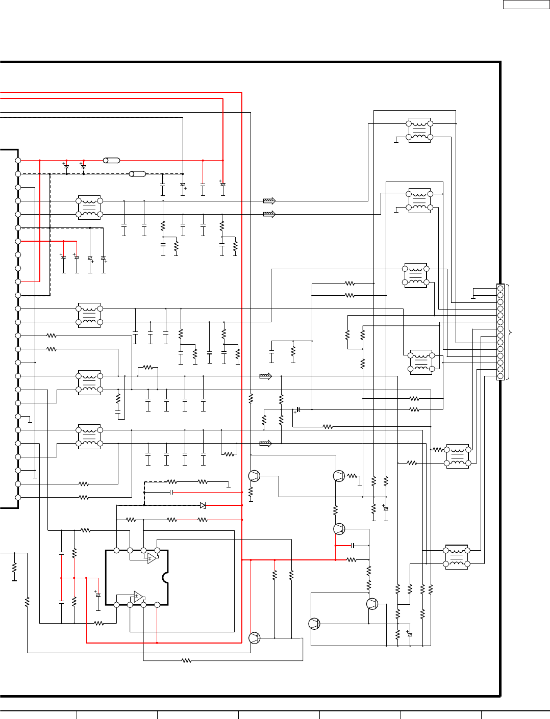
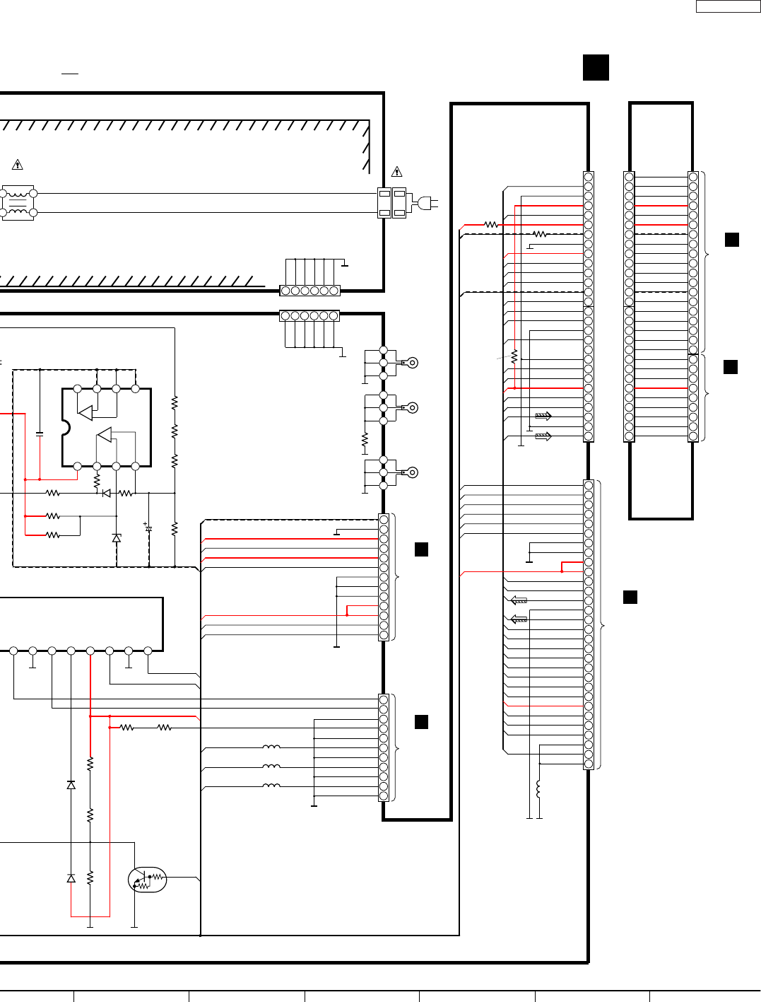
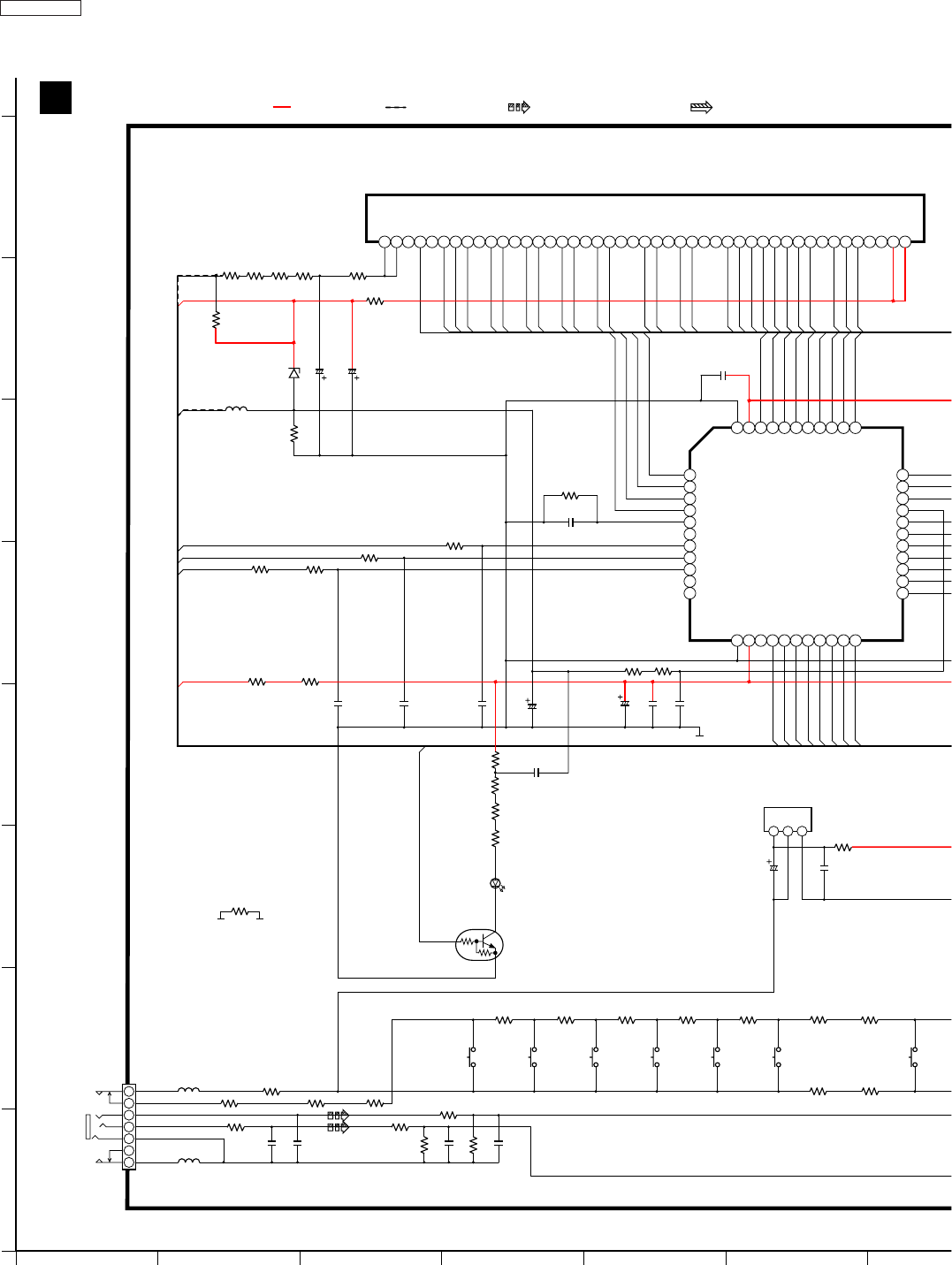
18.3. (B) CIRCUITO PRINCIPAL (1/9) ..................................................... 73
18.3.1 (B) CIRCUITO PRINCIPAL (2/9) ................................................... 74
18.3.2 (B) CIRCUITO PRINCIPAL (3/9) ................................................... 75
18.3.3 (B) CIRCUITO PRINCIPAL (4/9) ................................................... 76
18.3.4. (B) CIRCUITO PRINCIPAL (5/9) .................................................. 77
18.3.5. (B) CIRCUITO PRINCIPAL (6/9) .................................................. 78
18.3.6. (B) CIRCUITO PRINCIPAL (7/9) .................................................. 79
18.3.7. (B) CIRCUITO PRINCIPAL (8/9) .................................................. 80
18.3.8. (B) CIRCUITO PRINCIPAL (9/9) .................................................. 81
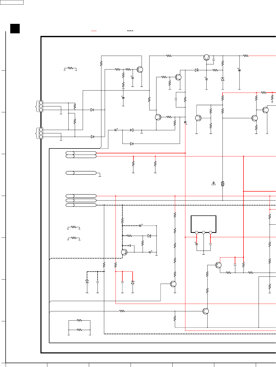
18.4. (C) CIRCUITO DA FONTE (DAMP) (1/6) ........................................ 82
18.4.1. (C) CIRCUITO DA FONTE (DAMP) (2/6) ..................................... 83
18.4.2 (C) CIRCUITO DA FONTE (DAMP) (3/6) ...................................... 84
18.4.3. (C) CIRCUITO DA FONTE (DAMP) (4/6) ..................................... 85
18.4.4. (C) CIRCUITO DA FONTE (DAMP) (5/6) ..................................... 86
18.4.5. (C) CIRCUITO DA FONTE (DAMP) (6/6) ..................................... 87
18.5. (F) CIRCUITO DO DISPLAY (1/2) .................................................. 88
18.5.1. (F) CIRCUITO DO DISPLAY (2/2) ............................................... 89
18.6. (H) CIRCUITO DO MOTOR DE CARREGAMENTO E (I) CIRCUITO
DO MOTOR DA BANDEJA .............................................................. 90
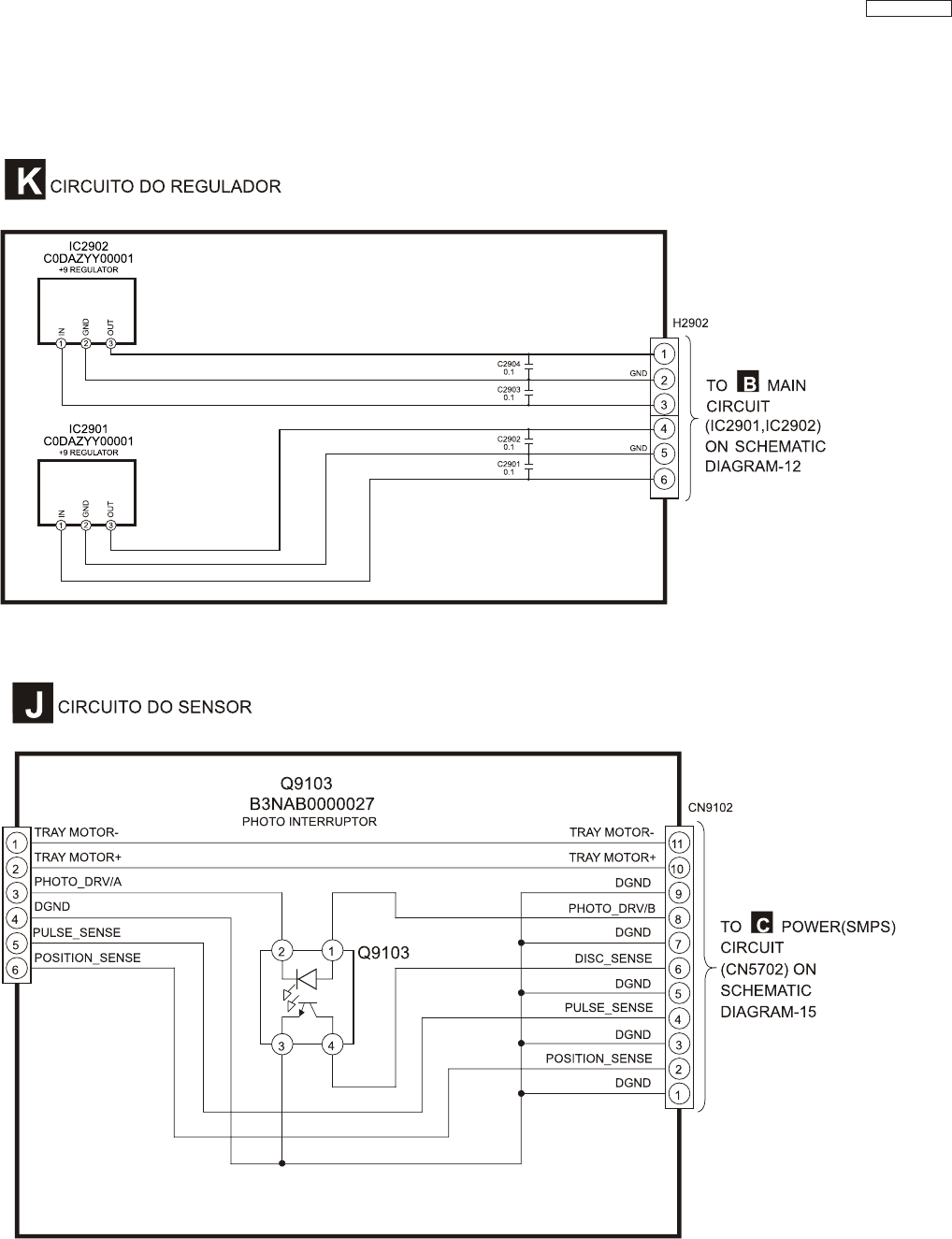
18.7. (K) CIRCUITO DO REGULADOR E (J) CIRCUITO DO SENSOR .. 91
19. LAYOUT DAS PLACAS DE CIRCUITO IMPRESSO ......................... 92
19.1. (A) PLACA MÓDULO HDMI (1/2) ................................................... 92
19.1.1. (A) PLACA MÓDULO HDMI (2/2) ................................................ 93
19.2. (B) PLACA PRINCIPAL, (D) PLACA DE ENTRADA AC E (E) PLACA
DA SUB FONTE (1/2) ..................................................................... 94
19.2.1. (B) PLACA PRINCIPAL, (D) PLACA DE ENTRADA AC E (E) PLACA
DA SUB FONTE (2/2) .................................................................. 95
19.3. (C) PLACA DA FONTE (1/2) .......................................................... 96
19.3.1. (C) PLACA DA FONTE (1/2) ....................................................... 97
19.4. (F) PLACA DO DISPLAY, PLACA DO FONE DE OUVIDO, PLACA
DO MOTOR DE CARREGAMENTO E PLACA DO SENSOR (1/2) ....... 98
19.5. (H) PLACA DO MOTOR DE CARREGAMENTO, (K) PLACA DO
REGULADOR E (L) PLACA DO SELETOR DE TENSÕES .......... 99
20. GUIA BÁSICO PARA SOLUÇÃO DE PROBLEMAS ......................... 100
20.1. GUIA BÁSICO PARA SOLUÇÃO DE PROBLEMAS DA UNIDADE
DO BLOCO TRAVERSE (PLACA MÓDULO HDMI) ....................... 100
20.2. GUIA BÁSICO PARA SOLUÇÃO DE PROBLEMAS DO HDMI AV
OUTPUT .......................................................................................... 101
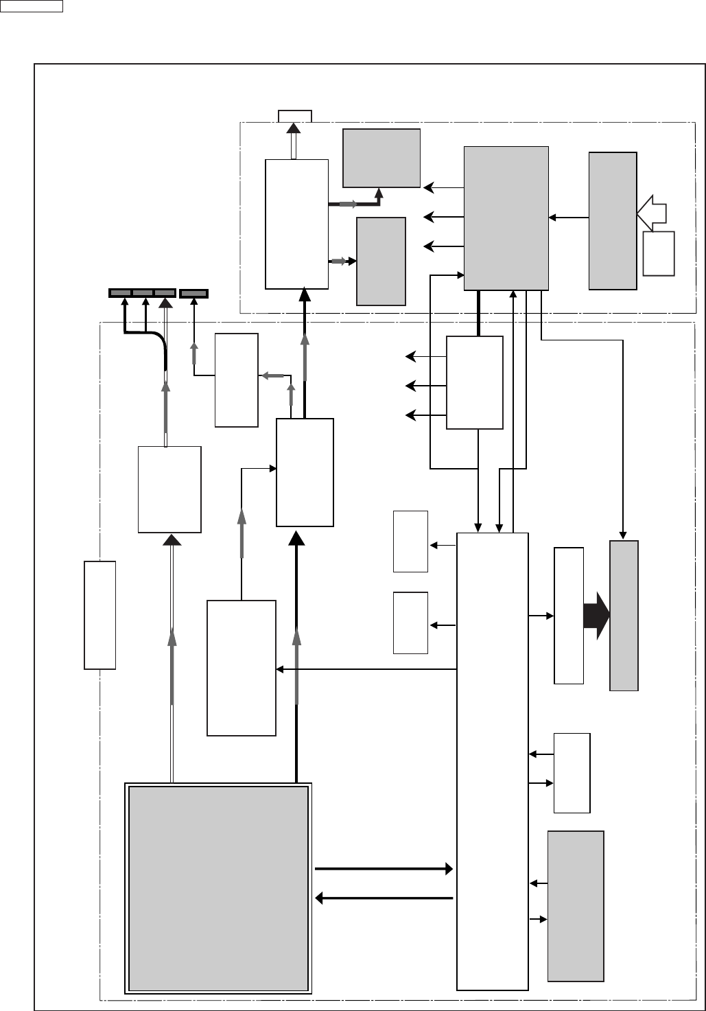
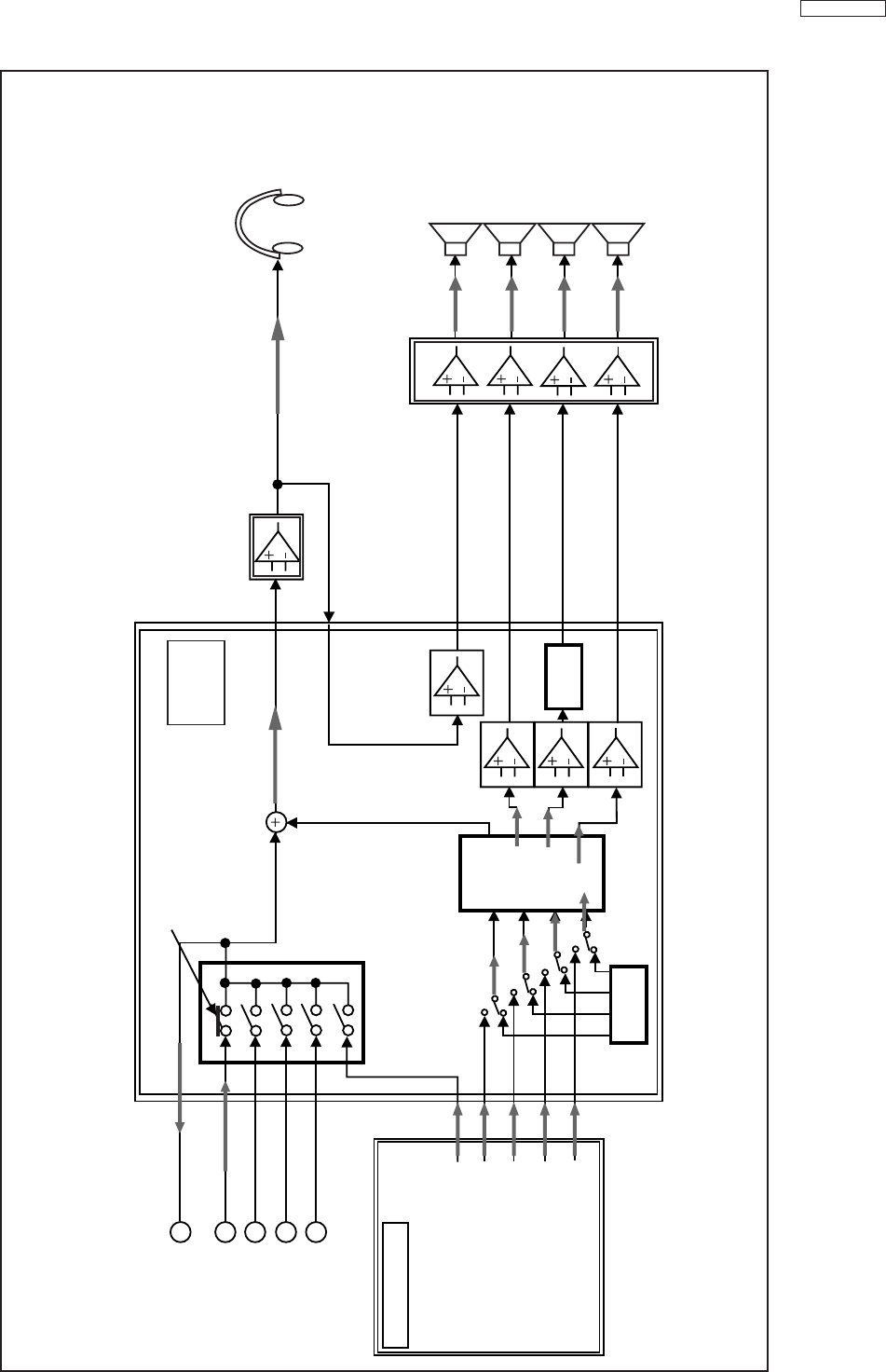
21. DIAGRAMA EM BLOCOS GERAL DO HT740 .................................. 102
21.1. BLOCO DA UNIDADE DO DVD HT740 ......................................... 103
21.2. BLOCO HT740 (SINAL ANALÓGICO: DVD 5.1CH MODO
REPRODUÇÃO) ............................................................................ 104
21.3. BLOCO HT740 (SINAL ANALÓGICO: 2CH MODO DE ENTRADA
ANALÓGICA) .................................................................................. 105
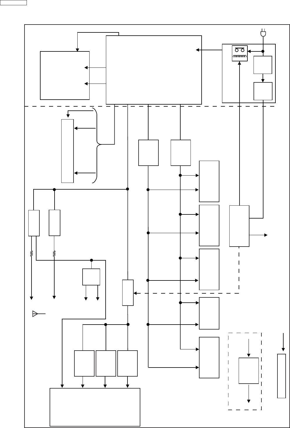
21.4. BLOCO DA FONTE HT740 ............................................................. 106
21.5. BLOCO DA FONTE HT740 (SMPS) ............................................... 107
22. FUNÇÕES DOS TERMINAIS DOS CI’S ........................................... 108
22.1. IC2001 (MN101C49GHF1) CI MICROCONTROLADOR ................. 108
23. VISTAS EXPLODIDAS ....................................................................... 109
23.1. LOCALIZAÇÃO DAS PARTES NO GABINETE ............................. 109
24. LISTAS DE PEÇAS DE REPOSIÇÃO ............................................... 112
24.1. LISTA DE PEÇAS DO GABINETE ................................................. 113
24.2. LISTA DE PEÇAS DO MECANISMO DE CARREGAMENTO E DO
BLOCO TRAVERSE ........................................................................ 113
24.3. LISTA DE PEÇAS ELÉTRICAS ...................................................... 114
1. PROCEDIMENTO DE DESMONTAGEM ............................................. 125
1.1. DESMONTAGEM DA CAIXA FRONTAL SUPERIOR ....................... 125
1.2. DESMONTAGEM GABINETE TRASEIRO SUPERIOR .................... 125
1.3. DESMONTAGEM DO TWEETER ..................................................... 126
1.4. DESMONTAGEM DO WOOFER ....................................................... 127
1.5. DESMONTAGEM DO TERMINAL ..................................................... 128
1.5. DESMONTAGEM DA CAIXA INFERIOR .......................................... 129
1.6. DESMONTAGEM DO GABINETE TRASEIRO INFERIOR ............... 130
1.7. DESMONTAGEM DA BASE .............................................................. 130
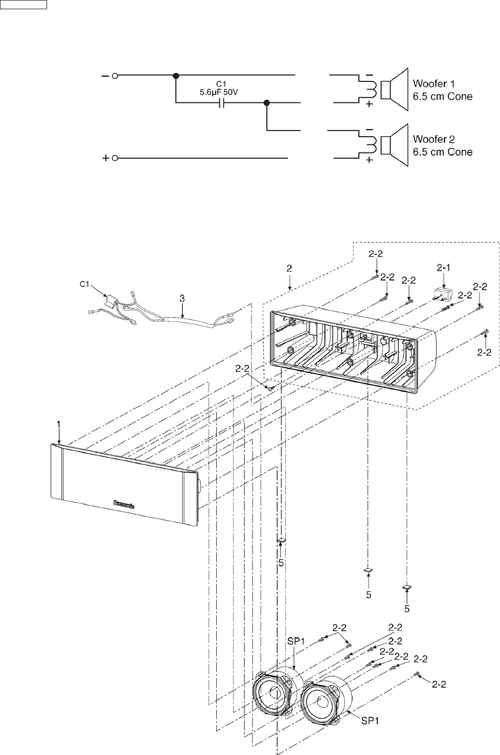
2. DIAGRAMA DE CONEXÃO .................................................................. 131
3. LOCALIZAÇÃO DAS PEÇAS ............................................................... 131
4. LISTA PEÇAS ....................................................................................... 132
1. PROCEDIMENTO DE DESMONTAGEM ............................................. 134
1.1. DESMONTAGEM DA CAIXA FRONTAL SUPERIOR ....................... 134
1.2. DESMONTAGEM GABINETE TRASEIRO SUPERIOR .................... 134
1.3. DESMONTAGEM DO WOOFER ....................................................... 135
1.4. DESMONTAGEM DO TERMINAL ..................................................... 136
1.5. DESMONTAGEM DA CAIXA INFERIOR .......................................... 137
1.6. DESMONTAGEM DO GABINETE TRASEIRO INFERIOR ............... 138
1.7. DESMONTAGEM DA BASE .............................................................. 138
2. DIAGRAMA DE CONEXÃO .................................................................. 139
3. LOCALIZAÇÃO DAS PEÇAS ............................................................... 139
4. LISTA DE PEÇAS ................................................................................ 140
1. PROCEDIMENTO DE DESMONTAGEM ............................................. 142
1.1. DESMONTAGEM DO PAINEL FRONTAL ......................................... 142
1.2. DESMONTAGEM DO WOOFER 1 ................................................... 142
1.3. DESMONTAGEM DO WOOFER 2 ................................................... 142
1.5. DESMONTAGEM DO GABINETE TRASEIRO ................................. 143
2. DIAGRAMA DE CONEXÃO .................................................................. 144
3. LOCALIZAÇÃO DAS PEÇAS DO GABINETE .................................... 144
4. LISTA DE PEÇAS ................................................................................ 145
1. DESMONTAGEM DO SUBWOOFER E VERIFICAÇÃO DAS PLACAS .... 147
1.1. DESMONTAGEM DO PAINEL FRONTAL ......................................... 147
1.2. DESMONTAGEM DO WOOFER ....................................................... 148
1.3. MONTAGEM DA UNIDADE DO SUBWOOFER ............................... 148
2. DIAGRAMA DE CONEXÃO .................................................................. 149
3. LOCALIZAÇÃO DAS PEÇAS DO GABINETE .................................... 149
4. LISTA DE PEÇAS ................................................................................ 150

SC-HT740LB-S
4
1. PRECAUÇÕES DE SEGURANÇA
1.1. DIRETRIZES GERAIS
1. Ao executar os serviços, observe a posição original dos terminais. Se for encontrado um curto-circuito, substitua todas as partes que
superaqueceram ou que foram danificadas pelo curto-circuito.
2. Após a conclusão dos serviços, verifique se todos os dispositivos protetores a exemplo das barreiras de isolação, blindagens de
papéis de isolação estão corretamente instalados.
3. Depois dos consertos, faça as checagens de corrente de fuga a seguir para evitar que o cliente seja exposto a choques elétricos.
1.1.1. CHECAGEM A FRIO DA CORRENTE DE FUGA
1. Desconecte o cabo AC de força e conecte um jumper entre os dois pinos da tomada.
2. Meça o valor da resistência com um ohmímetro, entre o plugue CA com jumper e cada parte metálica exposta do gabinete no
equipamento como cabeças de parafusos, conectores, eixos transmissores de controle, etc.
Quando as partes metálicas expostas tiverem um caminho de retorno ao chassi, a leitura deverá estar entre 1MΩ e 5,2MΩ.
Quando as partes metálicas expostas não tiverem um caminho de retorno ao chassi, a leitura deve ser (INFINITO).
1.1.2. CHECAGEM A QUENTE DA CORRENTE DE FUGA (veja a figura 1)
1. Conecte o cabo AC de força diretamente na tomada AC. Não utilize transformador de isolamento para esta checagem.
2. Conecte um resistor de 1,5KΩ, 10 Watts, em paralelo com um capacitor de 0,15µF, entre cada parte metálica exposta no
aparelho e um bom aterramento como por exemplo, uma tubulação de água, conforme o mostrado na Figura 1.
3. Utilize um voltímetro CA, com sensibilidade de 1000Ω/Volt ou mais, para medir o potencial através do resistor.
4. Cheque cada parte metálica exposta, e meça a voltagem em cada ponto.
5. Inverta o plugue CA na tomada CA, e repita cada uma das medições acima.
6. O potencial em qualquer ponto não deve exceder 0,75VRMS. No caso de uma medição estar fora dos limites especificados, há
a possibilidade de choque elétrico, devendo o equipamento ser consertado e verificado antes de ser devolvido ao cliente.
1.2. ANTES DE REPARAR E AJUSTAR
Desconecte o cabo AC, descarregue os capacitores C5701, C5702, C5705, C5706, C5736, C5737 e C5772 através de um resistor de
10Ω, 10W ligado ao Chassi do aparelho. Nunca efetue este curto-circuito diretamente (usando uma chave-de-fenda, por exemplo),
pois isso pode danificar os componentes que se pretende descarregar.
Ao terminar o reparo, restaure a alimentação gradualmente utilizando um variac, para prevenir a ocorrência de sobretensão.
O consumo de corrente quando a tensão de alimentação for 110~127V / 220V~240V, 50/60Hz é de aproximadamente 750mA, no
mesmo modo “NO SIGNAL” (volume mínimo em modo CD)
1.3. CIRCUITO DE PROTEÇÃO
O circuito de proteção deve atuar se as seguintes condições forem notadas.
• Sem som com o aparelho ligado.
• Aparelho ligado em funcionamento e pára de repente.
A função deste circuito é prevenir danos ao aparelho, por exemplo, se as conexões dos dos alto-falantes forem curto-
circuitadas, ou se for usado um sistema de alto falantes com uma impedância menor do que a usada pelo amplificador do
aparelho.
Se isto ocorrer siga os procedimentos abaixo:
1. Desligue o botão power.
2. Determine a causa do problema e tente corrigí-lo.
3. Ligue o aparelho novamente após um minuto.
Nota:
Quando o circuito de proteção atua, o aparelho não volta a operar a não ser que o aparelho seja primeiro desligado e então
ligado novamente.
Circuito de Checagem a Quente
VOLTÍMETRO CA
PARA AS PARTES
METÁLICAS
EXPOSTAS DO
APARELHO
TUBULAÇÃO DE ÁGUA
FRIA (ATERRAMENTO)
Figura 1
1500Ω/10W

SC-HT740LB-S
5
2. PREVENÇÃO DE DESCARGA ELETROSTÁTICA (ESD) PARA DISPOSITIVOS
ELETROSTATICAMENTE SENSÍVEIS(ES)
Muitos dispositivos semicondutores (estado sólido) podem ser danificados facilmente pela eletricidade estática. Esses dispositivos
comumente são chamados de dispositivos Eletrostaticamente Sensíveis (ES). Exemplos de dispositivos ES típicos são os circuitos
integrados e alguns transistores de efeito de campo e componentes semicondutores. As técnicas seguintes devem ser utilizadas para
ajudar a reduzir a incidência de danos a componentes causados pela descarga eletrostática (ESD).
1. Imediatamente antes de manusear qualquer componente semicondutor ou conjunto equipado com semicondutor, drene toda a ESD
de seu corpo tocando em um conhecido aterramento. Alternativamente, obtenha e utilize uma pulseira anti-estática comercialmente
disponível, que deve ser removida devido a choques potenciais, antes de aplicar alimentação à unidade sob teste.
2. Depois de remover um conjunto elétrico equipado com dispositivos ES, coloque o conjunto em uma superfície condutora, por exemplo,
uma folha de alumínio, para prevenir a formação de carga eletrostática ou exposição do conjunto.
3. Utilize somente ferro de solda com ponta aterrada para soldar ou para dessoldar os dispositivos ES.
4. Utilize somente dispositivo de remoção de solda anti-estático. Muitos dispositivos de remoção de solda não classificados como “anti-
estático (ESD protegido)” podem gerar carga elétrica suficiente para danificar os dispositivos ES.
5. Não utilize substâncias químicas como gás freon que podem gerar cargas elétricas e danificar os dispositivos ES.
6. Não remova um dispositivo ES substituto de sua embalagem protetora até imediatamente antes de você estar pronto para instalá-lo.
(A maioria dos dispositivos ES substitutos são embalados com terminais eletricamente curto-circuitados através de espuma condutora,
folha de alumínio ou material condutivo semelhante).
7. Imediatamente antes de remover o material protetor dos terminais de um dispositivo ES substituto, toque o material protetor no chassi
ou conjunto de circuito no qual o dispositivo será instalado.
8. Minimize os movimentos corporais ao manusear dispositivos ES substitutos não embalados. (Caso contrário, um movimento inofensivo
como esfregar consecutivamente o tecido de suas roupas ou o levantamento de seu pé de um chão carpetado pode gerar eletricidade
estática (ESD) suficiente para danificar um dispositivo ES).
INFORMAÇÃO IMPORTANTE DE SEGURANÇA
Há componentes especiais utilizados neste equipamento que são importantes para a segurança. Estas partes são identificadas com o
símbolo “ ” nos diagramas esquemáticos, vistas explodidas, lista de peças e partes substitutas. É essencial que estas partes críticas
sejam substituídas pelas partes especificadas pelo fabricante para prevenir choques, incêndio ou outros perigos. Não modifique o
projeto original sem permissão do fabricante.

SC-HT740LB-S
6
3. PRECAUÇÕES COM O DIODO LASER
CUIDADO:
Esta unidade utiliza um diodo classe 1 em sua Unidade óptica.
Radiação laser invisível é emitida através de suas lentes.
Comprimento de onda: 662nm / 785nm
Quando a unidade está ligada:
1. Não olhe diretamente para as lentes da unidade óptica.
2. Não use instrumentos ópticos para olhar para as lentes da unidade óptica.
3. Não ajuste o potenciômetro pré-ajustado nas lentes da unidade óptica.
4. Não desmonte a unidade óptica.
(Lateral do aparelho)
(Dentro do aparelho, no mecanismo)
PERIGO - RADIAÇÃO LASER VISÍVEL E INVISÍVEL
QUANDO ABERTO. EVITE A EXPOSIÇÃO
DIRETA AO LASER.
PELIGRO - RADIACIÓN LÁSER VISIBLE E INVISIBLE
CUANDO SE ABRE. EVITE LA EXPOSICIÓN
DIRECTA AL HAZ DE LÁSER.
DANGER - VISIBLE AND INVISIBLE LASER RADIATION
WHEN OPEN. AVOID DIRECT EXPOSURE TO
BEAM.
NÃO TOCAR NA LENTE.
NO TOQUE LAS LENTES.
DO NOT TOUCH THE LENS.

SC-HT740LB-S
7
4. SOBRE SOLDA SEM CHUMBO: (PBF)
Nota:
O chumbo é designado como (Pb) na Tabela Periódica de Elementos Químicos.
Na informação abaixo, Pb representará solda com chumbo, e PbF representará solda sem chumbo.
A solda sem chumbo usada em nosso processo de fabricação e apresentado abaixo é (Sn + Ag + Cu), que é estanho
(Sn), prata (Ag) e cobre (Cu) embora outros tipos estejam disponíveis.
Este modelo usa solda sem chumbo em sua fabricação devido a questões de conservação do meio ambiente. Para um
melhor trabalho de serviço e reparo, sugerimos o uso de solda sem chumbo, embora solda com chumbo possa ser
utilizada.
Placas de circuito impresso fabricadas usando solda sem chumbo terão estampado na parte traseira o símbolo de uma
folha com “PbF” escrito dentro da mesma.
AVISO
• Solda sem chumbo tem um ponto de fusão maior que a solda convencional. Tipicamente o seu ponto de fusão é 30 a
40 °C maior. Utilize um ferro de solda com temperatura controlada e ajuste-o para 370º +/- 10ºC. Em caso de utilizar
um ferro de solda com alta temperatura, tenha o cuidado para não aquecê-lo por um longo período.
• Solda sem chumbo tenderá a espirrar quando super aquecida (em torno de 600ºC). Se você for utilizar solda com
chumbo, por favor remova completamente toda a solda sem chumbo nos pinos ou na área soldada antes de aplicar
solda com chumbo. Se não for praticado, tenha o cuidado de aquecer a solda sem chumbo até que ela derreta, antes
da aplicação da solda com chumbo.
• Após a segunda aplicação de solda sem chumbo na placa, verifique se houve excesso de solda no lado do componente,
que pode fluir para o lado oposto.
4.1. SUGESTÃO PARA SOLDA SEM CHUMBO
Existem muitos tipos de solda sem chumbo disponíveis para a compra. Este produto usa solda com Sn + Ag + Cu
(estanho, prata , cobre). Entretanto solda com Sn + Cu (estanho, cobre) ou Sn + Zn + Bi (Estanho, Zinco, Bismuto)
também podem ser utilizadas.
Nos recomendamos os seguintes tamanhos de solda para serem usados em nossos produtos: 0,3mm, 0,6mm, 1,0mm.
Componente
Solda
Remova todo excesso de
solda
Pino do componente
Corte
lateral

SC-HT740LB-S
8
Unidade óptica
Cabo flexível
Linha de corte
FPC anti-estático
Aterrando o cabo com um clipe ou pino de curto
Clipe ou Pino de Curto
5. CUIDADOS A SEREM TOMADOS QUANDO MANUSEANDO A UNIDADE
ÓPTICA
5.1. MANUSEANDO AS UNIDADES ÓPTICAS
O diodo laser na unidade óptica pode ser danificado devido à diferença de potencial causada pela eletricidade estática
carregada nas roupas ou no corpo humano quando em serviço, ou manuseando o diodo laser.
1. Não provoque um choque considerável na unidade óptica porque a estrutura usa uma tecnologia extremamente
precisa.
2. Para prevenir o diodo laser de danificar por descarga eletrostática, o cabo flexível da unidade óptica removido da P.C.I.
deverá ser curto-circuitado com um pino de curto ou um clipe.
3. O cabo flexível pode ser cortado se uma força excessiva for aplicada a ele. Use-o com cuidado quando estiver manuseandoo.
5.2. CUIDADOS A SEREM TOMADOS
DURANTE A SUBSTITUIÇÃO DA UNIDA-
DE ÓPTICA
O cabo flexível da unidade óptica possui um curto para
prevenir o diodo laser de ser danificado devido a descarga
eletrostática. Remova o curto antes de conectar o cabo
flexível e tenha certeza que a área do curto está aberta. (Se
o cabo flexível está curto-circuitado, remova a solda).
5.3. ATERRAMENTO PARA PREVENÇÃO DE
DANOS CAUSADOS PELA ELETROSTÁTICA
Alguns dispositivos como um aparelho de DVD, utilizam uma
unidade óptica (diodo laser) que pode ser danificada por
eletricidade estática no ambiente de trabalho. Proceda com
o trabalho de manutenção sob um ambiente de trabalho onde
o emprego do aterramento é utilizado.
5.3.1. ATERRAMENTO DA BANCADA DE
TRABALHO
1. Coloque um material condutivo (folha condutiva ou manta
anti-estática) ou chapa de aço na área onde a unidade óptica
está colocada, e aterre este material condutivo.
5.3.2. ATERRAMENTO DO CORPO HUMANO
Utilize a pulseira anti-estática para descarregar a eletricidade
estática do seu corpo.
CUIDADO !
A eletricidade estática de suas roupas não será aterrada pela
pulseira anti-estática. Assim tome cuidado para não deixar suas
roupas tocarem a unidade óptica.
Pulseira anti-estática
Manta eletrostática
devidamente aterrada

SC-HT740LB-S
9
6. ACESSÓRIOS
Pilhas AA Panasonic
Controle Remoto
EUR7662Y30
Cabo de Vídeo
K2KA2BA00001
Cabo de Força
VJA2B005
Antena FM Interna
RSA0007-L
Cabo da Caixa Acústica
(central e frontais)
REEX0449B-2L
Antena Loop
N1DAAAA00002

SC-HT740LB-S
10
7. GUIA DE OPERAÇÃO
7.1. LOCALIZAÇÃO DOS CONTROLES
Localização dos ControlesLocalização dos Controles
Localização dos ControlesLocalização dos Controles
Localização dos Controles Localização dos ControlesLocalização dos Controles
Localização dos ControlesLocalização dos Controles
Localização dos Controles
Unidade Principal
1Liga/Desliga POWER
uu
uu
u
/l
Pressione para chavear do modo ligado
para o modo de espera ou vice-versa.
Quando está no modo de espera o aparelho
consome uma pequena quantidade de
energia
2MUSIC PORT
Conecte a uma unidade externa
3SURROUND MUSIC
Equalizando o som
4=/
0
,
))
))
)
/
++
++
+
,
ÚÚ
ÚÚ
Ú
TUNING
ÙÙ
ÙÙ
Ù
Teclas para salto, busca, avanço e
retrocesso rápido, sintonia ou seleção
de canais para rádio
566
66
6OPEN/CLOSE
“Abrir/Fechar” compartimento dos discos
6DISC EXCHANGE
Abre o compartimento dos discos para
troca do disco que está na posição de
reprodução
DISC SKIP
Saltar para o próximo disco
75 DISC SELECTOR
Teclas para seleção dos discos
8
p
/-TUNE MODE/-FM MODE
Parar a reprodução de discos .
Selecionar o modo de procura
por emissora de rádio
Ajustar a condição de recepção
de FM
””
””
”/MEMORY
Reprodução de discos .
Memorização de emissoras de rádio
9SELECTOR
Seleção da função de entrada
DVD/CD ® FM ® AM ® AUX ®
FRONT MUSIC P. ® REAR MUSIC P.*
® Retorna para DVD/CD
*Veja página 50 usando Music Port.
q; VOLUME DOWN, UP
Controle de volume
qa PHONES
Saída para fone de ouvido
Controle Remoto
As teclas 1 e 10 funcionam de forma idêntica aos
controles localizados na unidade principal.
qs Teclas de seleção da função de entrada
DVD/CD
FM/AM
AUX
MUSIC PORT (FRONT/REAR)
qd Teclado numérico
qf Tecla DISC
qg Teclas para seleção das emissoras de
rádio memorizadas na unidade
qh Tecla GROUP
qj Tecla SURROUND MUSIC
qk Tecla TOP MENU/DIRECT NAVIGATOR
ql Tecla MENU/PLA YLIST
w; Teclas para operações básicas
de televisão
wa Tecla para mudar o modo de entrada
de vídeo da televisão
ws Teclas para ajustar o volume
da televisão
wd Tecla para selecionar os canais da
televisão
wf Teclas para operações básicas
de reprodução
wg Tecla QUICK OSD
wh Teclas cursores e ENTER
wj Tecla FUNCTIONS
wk Tecla RETURN
wl Tecla CANCEL
e; Tecla PLAY MODE
ea Tecla REPEAT
es Tecla CD MODE
ed Tecla SUBWOOFER LEVEL
ef Tecla SFC
eg Tecla ; PLII
eh Tecla H.BASS
ej Tecla SLEEP
ek Tecla ZOOM
el Tecla FL DISPLAY
r; Tecla C.FOCUS
ra Tecla SETUP
rs Tecla TEST
rd Tecla CH SELECT
rf Tecla MUTING
OPEN/CLOSE
EXCHANGE SKIP
POWER
MUSIC
SURROUND
MUSIC
PORT
5
DISC
SELECTOR
SELECTOR
TUNINGTUNING
12 3 4 5
MEMORYMEMORY
TUNE MODETUNE MODE
FM MODEFM MODE
VOLUME
DISC DISC
123
Visor
78
456
9
Iluminação
do volume
q;
qa
CANCEL
WOOFER
SLEEP
SETUP
MODE
SFC
ZOOM
TEST
REPEAT
PL
DISPLAY
CH
MODE
H.BASS
C.FOCUS
MUTING
SELECT
FL
SUB
PLAY
CD
PLAY
LIST
MENU RETURN
ENTER
GROUP
QUICK
OSD
VOLUME
VOLUME
STOP
1
PAUSE
PLAY
23
56
89
0
10
4
7
DISC
AUX
P.
AM
DVD
MUSICFM
TV
VIDEOTV
T
O
P
M
E
N
U
F
U
N
C
T
I
O
N
S
D
I
R
E
C
T
N
A
V
I
G
A
T
O
R
CH
LEVEL
S
U
R
R
O
U
N
D
M
U
S
I
C
SKIP
SLOW SEARCH
1
qs
qd
qf
qg
qh
qj
qk
ql
w;
wa
ws
wd
q;
wf
wg
wh
wj
wk
CANCEL
WOOFER
SLEEP
SETUP
MODE
SFC
ZOOM
TEST
REPEAT
PL
DISPLAY
CH
MODE
H.BASS
C.FOCUS
MUTING
SELECT
FL
SUB
PLAY
CD
wl e; ea es
ed ef eg eh
ej ek el r;
ra rs rd rf

SC-HT740LB-S
11
7.2. DISCOS QUE PODEM SER REPRODUZIDOS
n Discos que não podem ser reproduzidos
DVD-RW versão 1.0, DVD-ROM, CD-ROM, CDV, CD-G,
SACD e Photo CD, DVD-RAM que não pode ser
removido de seu cartucho, 2.6-GB e 5.2-GB DVD-RAM,
e “Chaoji VCD” disponível no mercado incluindo CVD,
DVCD e SVCD que não esteja em conformidade com
a IEC62107.
n Reprodução de Discos PAL
O aparelho automaticamante detecta e converte discos
PAL para NTSC
n Formato de Áudio de DVDs
Você pode reproduzir discos
com estes símbolos.
n Para prevenir danos
Não faça:
• Carregar mais que um disco por bandeja.
• Tocar a gaveta ou o carrossel enquanto eles estão em
movimento.
• Girar o carrossel com as mãos.
• Fechar a gaveta com a mão.
1 - Funções adicionadas com o formato DIVX ULTRA não são suportadas.
2 - Inclui discos face simples e dupla camada.
3 - Processo que permite a reprodução em equipamento compatível.
• Poderá não ser possível em todos os casos reproduzir os discos acima devido ao tipo de disco ou as condições de
gravação.
n Para limpar os discos
DVD-A DVD-V SVCD CD
Limpar com um tecido umedecido
e então secar com um tecido seco.
n Precauções no Manuseio do Disco
• Não cole etiquetas ou rótulos para discos (Isto pode
causar empenamento no disco, ela rasgará e ficará
inutilizável).
• Não escreva no lado da etiqueta com caneta
esferográfica ou outro instrumento de escrita.
• Não use líquido pulverizador para limpeza de disco de
vinil, benzina, tíner, líquidos de prevenção contra
eletricidade estática ou qualquer outro solvente.
• Não use capas ou protetores a prova de arranhões.
• Não use os seguintes discos:
- Discos com o adesivo expostos proveniente de etiquetas
ou arranhões removidos (discos alugados etc).
- Discos que estão empenados ou quebrados.
- Discos com a superfície irregular, tal como formatos de
coração.
DVD-R (DVD-Vídeo)*2 / DVD-RW (DVD-Vídeo)
• Discos gravados e finalizados*
3
em gravadores de DVD, ou vídeo câmeras DVD.
DVD-R (VR)*2 / DVD-RW (VR)
• Discos gravados e finalizados*
3
em gravadores de DVD, ou vídeo câmeras DVD
usando a versão 1.1 (ou 1.2 DVD-R DL apenas) do “Video Recording Format” (um
padrão unificado para gravação de vídeo).
DVD-R / DVD-RW *1
• Finalize*
3
o disco após a gravação.
CD *1
• Esta unidade pode reproduzir CD-R/RW gravados nos formatos acima. Feche as sessões
ou finalize*
3
o disco após a gravação.
• Esta unidade é compatível com HDCD, mas não suporta a função “Peak Extend”
(uma função que expande a faixa dinâmica de sinais de nível alto). CDs codificados em
HDCD tem um som de maior qualidade, porque são codificados com 20 bits, diferente
do formato comum que é codificado em 16 bits.
• Esta unidade também reproduz discos HighMAT.
• Esta unidade não é compatível com MBR (Multiple Bit Rate, arquivo que contém o
mesmo conteúdo codificado com várias velocidades diferentes).
+R (Vídeo)*2 /+RW (Vídeo)
• Discos gravados e finalizados*
3
em gravadores de DVD, ou vídeo câmeras DVD.
DVD-RAM *1
• Gravado com dispositivos usando a versão 1.1 do “Video Recording Format”
(um padrão unificado para gravação de vídeo), como gravadores de DVD, vídeo
câmeras DVD, computadores de uso pessoal, etc.
• Gravado com multi-câmeras SD Panasonic ou gravadores de DVD vídeo usando
o padrão DCF (Design rule for camera file system) versão 1.0.
• Gravado com multi-câmeras SD Panasonic ou gravadores de DVD vídeo
[conforme as especificações do SD VIDEO (padrão ASF)/MPEG4 video system (Perfil
simples) / G.726 audio system].
Vídeo CD
• Incluindo SVCD (conforme IEC62107).
DVD-Áudio
• Alguns discos DVD-Áudio contém DVD-Vídeo. Para reproduzir o conteúdo
DVD-Vídeo, selecione “Play as DVD-Video” (Reproduzir como DVD-Vídeo) no menu
“Others Menu” (Menu Outros).
DVD-Vídeo
Logotipo Observações

SC-HT740LB-S
12
O conteúdo DivX Vídeo sob demanda (VOD) é
criptografado para proteção de direitos autorais.
Para reproduzir o conteúdo DivX VOD neste aparelho,
você primeiro precisa registrar o aparelho.
Siga as instruções on-line para comprar o conteúdo do
DivX VOD para inserir o código de registro do
aparelho e registrá-lo. Para mais informações sobre
DivX VOD, visite www.divx.com/vod.
Exibe o código de registro do aparelho
(Página 38, “DivX Registration” (Registro DivX) na guia
“Others” (Outros)).
• Recomendamos que você anote este código para
futuras consultas.
• Após a reprodução do conteúdo DivX VOD pela
primeira vez, é exibido outro código de registro em
“DivX Registration”. Não utilize este código de
registro para adquirir conteúdo DivX VOD. Se utilizar
este código para comprar conteúdo DivX VOD e
reproduzi-lo neste aparelho, você não poderá mais
reproduzir nenhum outro conteúdo comprado
usando o código anterior.
• Se adquirir o conteúdo DivX VOD utilizando um
código de registro diferente do código deste
aparelho, você não poderá reproduzi-lo. (É exibido
“Authorization Error”).
Mais informações sobre o conteúdo DivX
que só pode ser reproduzido um
determinado número de vezes
Determinados conteúdos DivX VOD só podem ser
reproduzidos um determinado número de vezes.
Quando você reproduz esse conteúdo, o número de
reproduções restantes é mostrado. Você não poderá
reproduzir esse conteúdo quando o número de
reproduções restantes for zero. (“Rented Movie
Expired” ou “Rental Expired” é exibido).
Quando reproduzir este conteúdo.
• O número de reproduções restantes é reduzido em
um se:
– você pressionar [
] ou manter pressionado
[-SETUP].
– você pressionar [
] (STOP). [Pressione [
] (PAUSE)
para interromper a reprodução].
– você pressionar [
,
] (SKIP) ou [
,
]
(SEARCH) etc. e chegar em outro conteúdo ou no
início do conteúdo que estiver sendo reproduzido.
• As funções Resume (página 26, Parar) e Marker
(página 32, “Play Menu” (Menu de reprodução)) não
funcionam.
Video
Au di o
Displa y
Disc
Setup
Others
DivX Registration
DivX Video-on-Demand
To learn more visit www.divx.com/vod
to continuePress
ENTER
Your registration code is : XXXXXXXX
8 caracteres
alfanuméricos
7.3. SOBRE O CONTEÚDO VOD DO DIVX

SC-HT740LB-S
13
8. AUTO-DIAGNÓSTICO E AJUSTES EM MODO ESPECIAL
8.1. TABELA RESUMO DO MODO DE SERVIÇO
O modo de serviço pode ser ativado pressionando-se várias combinações de botões no painel do aparelho e no controle
remoto:
Na tabela abaixo temos um resumo das principais verificações.
Aparelho
stop
Controle Remoto
0
5
6
7
8
≥10
ENTER
functions
3
PAUSE
Uso / Emprego
Exibir código de Erro
Ajuste de Inclinação.
Número de região e verificação do sistema de radiodifusão.
Verificação da versão do Firmware do microprocessador.
Verificação da versão do Firmware do módulo HDMI do DVD
Inicialização do aparelho (os ajustes de fábrica são restaurados). Usado
após a substituição do microprocessador, seus periféricos e a placa de
circuito impresso.
Reset do Módulo do DVD (durante a inicialização)
Verificação da corrente de acionamento do laser do DVD.
Verificação da corrente de acionamento do laser do CD.
Escreve os valores das correntes de acionamento, após a substituição da
unidade óptica (Use esta função apenas quando a unidade óptica é substituída).
Nota
Veja a seção 8.3.
Auto-Diagnóstico do DVD
Veja a seção 8.2.1.
Tabela 1do Modo Serviço
Veja a seção 8.2.2.
Tabela 2 do Modo Serviço
Veja seção 8.2.2.
Veja a seção 8.2.3.
Tabela 3 do Modo Serviço
Veja a seção 8.2.4.
Auto-diagnóstico da
Unidade de Leitura Óptica

SC-HT740LB-S
14
8.2. TABELA 1 DO MODO DE SERVIÇO
Item
Descrição
J 000
DVD H01
LD0
LDd
FB0 0000
LDC
Modo
Tecla de Operação
Teclado Frontal
FL Display
Verificar o Jitter (Inclinação).A taxa de in-
clinação é medida e exibida. A medida é
repetidamente feita em ciclos de um se-
gundo.
Exibição do código de erro.
O último código de erro armazenado na
EEPROM é vizualizado.
Método de gravação.
O valor da corrente inicial para cada
laser, DVD e CD é separadamente salvo
na memória EEPROM.
Medição da corrente de acionamento do
Laser do DVD.
A corrente de acionamento do Laser do
DVD é medida e o resultado é exibido junto
com o valor inicial armazenado na
EEPROM. Após a medição, a emissão do
laser do DVD continua ligada. Ela é
desligada quando a chave POWER é
chaveada para desligar. (Ela também é
desligada quando o botão POWER no
aparelho é chaveado para desligar).
Verificação do dado da RAM interna ao
ADSC.
O dado da RAM interna ao ADSC é lido
e exibido.
Medição da corrente de acionamento do
Laser do CD.
A corrente de acionamento do Laser do CD
é medida e o resultado é exibido junto com
o valor inicial armazenado na EEPROM.
Após a medição, a emissão do laser do
CD continua ligada. Ela é desligada quan-
do a chave POWER é chaveada para des-
ligar. (Ela também é desligada quando o
botão POWER no aparelho é chaveado
para desligar).
Medição da
corrente de
acionamento
do Laser do
CD.
Verificação
do dado da
RAM interna
ao ADSC
Medição da
corrente de
acionamento
do Laser do
DVD.
Ajuste Inicial
da Corrente
de
acionamento
do Laser.
Verificação
da
Inclinação
Verificação
do Código
de Erro.
Em modo “STOP” (sem disco )
pressione o botão “STOP” no
aparelho, e o botão “5” na
unidade do controle remoto.
Em modo “STOP” (sem
disco) pressione o botão
“STOP” no aparelho, e o
botão “0” na unidade do
controle remoto. *Com
apontamento do cursor de
subida e descida no visor.
Para sair pressione a tecla
POWER no aparelho ou no
Controle Remoto.
Em modo “STOP” (sem
disco) pressione o botão
“STOP” no aparelho, e o
botão “PAUSE” na unidade
do controle remoto.
Pressione “FL DISPLAY” no
Controle Remoto para
visualizar os outros valores
de acionamento.
Em modo “STOP” (sem
disco) pressione o botão
“STOP” no aparelho, e o
botão “DISPLAY” na unidade
do controle remoto.
Pressione “FL DISPLAY” no
Controle Remoto para
visualizar os outros valores
de acionamento.
Em modo “STOP” (sem
disco) pressione o botão
“STOP” no aparelho, e o
botão “1” na unidade do
controle remoto.
Em modo “STOP” (sem
disco) pressione o botão
“STOP” no aparelho, e o
botão “3” na unidade do
controle remoto.
Pressione “FL DISPLAY” no
Controle Remoto para
visualizar os outros valores
de acionamento.
A razão do Jitter é mostrada em notação decimal.
O valor do direcionador do foco é ilustrado em
notação hexadecimal.
O valor é ilustrado em notação hexadecimal.
O valor indica a corrente em notação decimal.
As correntes são medidas em mA.
Modo de verificação
da inclinação
Taxa de
Inclinação
Modo de gravação da
corrente de acionamento do
Laser
Endereço
Dado da RAM para
o endereço.
Modo de medição da
corrente do laser do CD.
Modo de medição da corrente de
do laser do DVD.
O código de erro é expresso na seguinte
convenção:
Error code = 0 x DAXX is expressed: DVDnn UXX
Error code = 0 x DBXX is expressed: DVDnn HXX
Error code = 0 x DXXX is expressed: DVDnn FXXX
Error code = 0 x 0000 is expressed: DVDnn F—
* “xx” denotes the error code

SC-HT740LB-S
15
Item
Descrição
E019
INIT
4Pn 411
4 00L417
Modo
Tecla de Operação
Teclado Frontal
FL Display
019 N0
Inicialização. Os valores ajustados pelo
usuário são cancelados e o aparelho é
inicializado com os valores ajustados na
fábrica.
Em modo “STOP” (sem
disco) pressione o botão
“STOP” no aparelho, e o
botão “≥≥
≥≥
≥ 10” na unidade do
controle remoto.
Inicialização.
Em modo “STOP” (sem
disco) pressione o botão
“STOP” no aparelho, e o
botão “6” na unidade do
controle remoto.
Este modo é cancelado
automaticamente após 5
segundos inativos.
Exibição da
Região
Mostra a
versão do
Firmware do
microproces-
sador e o
valor
cheksum da
EEPROM.
Mostra a versão do Firmware do
microprocessador e o valor cheksum da
EEPROM se existir um CI EEPROM.
Se não houver um CI EEPROM o
display será “NO”. Se o CI EEPROM
não estiver funcionando corretamente o
display será “NG”.
Em modo “STOP” (sem
disco) pressione o botão
STOP no aparelho, e o botão
“7” na unidade do controle
remoto.
Este modo é cancelado
automaticamente após 5
segundos inativos.
Pressione “FL Display” no
controle remoto para ver a
seqüência da informação.
Exibe o número da região para a qual o
aparelho está habilitado.
N: NTSC /
6:PAL60 N: noPAL / P: PAL
Número da Região
Informação
do controlador
do painel
Versão do
Firmware do
módulo DVD
A versão do firmware do módulo DVD será
apresentada no display.
A versão do firmware poderá ser
atualizada usando-se o disco de
recuperação
Versão do
controlador
do sistema
Destinação
Geração do
controlador do
sistema
Região
Em modo “STOP” (sem
disco) pressione o botão
“STOP” no aparelho, e o
botão “8” na unidade do
controle remoto.
Este modo é cancelado
automaticamente após 5
segundos inativos.
ER 00 30
Erro de
comunicação Exibe a freqüência de erros de
comunicação entre o CI de controle do
sistema e o CI de controle do mecanismo
durante o módulo DVD.
Em modo “STOP” (sem
disco) pressione o botão
STOP no aparelho, e o botão
“MENU” na unidade do
controle remoto.
Este modo é cancelado
automaticamente após 5
segundos inativos.
DVD RESET
Reset do
módulo DVD Utilizado para resetar o módulo DVD.
Este procedimento deve ser efetuado
quando o CI Flash ROM ou o módulo DVD
for substituido
Em modo de inicialização
mantenha pressionado o
botão “STOP” no aparelho e
pressione o botão “ENTER”
na unidade do controle
remoto.
8.2.1. TABELA 2 DO MODO DE SERVIÇO
Não há
Presença de
EEPROM

SC-HT740LB-S
16
Item
Descrição
TI 0000
T2 12345
T2 00000
Modo
Tecla de Operação
Teclado Frontal
FL Display
Verificação do
cronômetro 1. Verificação do cronômetro 1.
O tempo de operação do laser é medido
separadamente para o laser do DVD e
para o laser do CD.
Pressione “FL Display” para visualizar
a seqüência da informação. O valor exibido na esquerda é o tempo do laser
do DVD, e na direita é o tempo do laser do CD. A
informação é apresentada em 4 dígitos de
notação decimal em unidade de 10 horas.
Em modo “STOP” (sem
disco) pressione o botão
“STOP” no aparelho, e o
botão “s” na unidade do
controle remoto.
Este modo é cancelado
automaticamente após 5
segundos inativos.
Reset do
cronômetro 1. Reset do cronômetro 1.
O tempo de operação do laser do DVD e
do CD é resetado simultaneamente.
Enquanto estiver apresentando
o valor do crônometro 1 no
display, pressione o botão
“STOP” no aparelho e o
botão “t” na unidade do
controle remoto.
Este modo é cancelado
automaticamente após 5
segundos inativos.
Verificação do
cronômetro 2. Verificação do cronômetro 2.
Exibe o tempo de operação do motor
spindle.
Pressione “FL Display” para visualizar
a seqüência da informação. A informação é apresentada em 5 dígitos em
notação decimal em unidade de 1 hora.
“00000” seguirá até “99999”.
Em modo “STOP” (sem
disco) pressione o botão
“STOP” no aparelho, e o
botão “” na unidade do
controle remoto.
Este modo é cancelado
automaticamente após 5
segundos inativos.
Reset do
cronômetro 2. Reset do cronômetro 2.
O tempo de operação do laser do DVD e
do CD é resetado simultaneamente.
Enquanto estiver apresentando
o valor do crônometro 2 no
display, pressione o botão
“STOP” no aparelho e o
botão “” na unidade do
controle remoto.
Este modo é cancelado
automaticamente após 5
segundos inativos.
O valor exibido na esquerda é o tempo do laser
do DVD, e na direita é o tempo do laser do CD.
Após este procedimento será exibido como “0000”
A informação é apresentada em 5 dígitos em
notação decimal em unidade de 1 hora.
Após este procedimento será exibido como “0000”
8.2.2. TABELA 3 DO MODO DE SERVIÇO
8.2.3. AUTODIAGNÓSTICO DA UNIDADE DE LEITURA ÓPTICA
Neste aparelho, foram incluídas as funções de autodiagnóstico da unidade de leitura óptica e a verificação do ajuste de
inclinação. Ao efetuar o reparo, use o procedimento seguinte para possível autodiagnóstico e ajuste da inclinação. Use a
função de autodiagnóstico antes de substituir a unidade de leitura óptica quando A mensagem "NO DISC" for exibida.
Como procedimento padrão, deve-se substituir unidade de leitura óptica quando o valor da corrente direcionadora do laser
for maior que 55.
Nota:
Pressione o botão "POWER" e confira a corrente dentro de, no máximo, três minutos antes da unidade esquentar. (Caso
contrário, a leitura da corrente estará incorreta).
TI 1234

SC-HT740LB-S
17
“NO DISC” NO DISPLAY; VISÍVEL
DEGRADAÇÃO NA QUALIDADE DE
IMAGEM, ETC.
Verificar a corrente de
acionamento do laser.
Substitua a unidade óptica (Refira-se
à seção “PROCEDIMENTO DE
SUBSTITUIÇÃO DA UNIDADE
ÓPTICA” neste manual).
Verifique a corrente de acionamento
do laser após a substituição. Escreva
o valor presente dentro da unidade se
ele for 23 (DVD) ou 34 (CD) ou
menor.
Aplique o ajuste de inclinação na
unidade óptica (Refira-se à seção
“AJUSTE DE INCLINAÇÃO” neste
manual).
Use a função de
verificação do Ajuste de
Inclinação.
Inicialize o aparelho.
Substitua por uma unidade óptica
nova se o valor presente exceder
23 (DVD) ou 34 (CD).
Causa: Dano por Eletricidade
Estática durante a substituição.
Método: Sem o disco no aparelho:
- Pressione o botão “FUNCTIONS” na unidade do
controle remoto e “STOP” no aparelho
simultaneamente (DVD)
- Pressione o botão “3”na unidade do controle e “STOP”
no aparelho simultaneamente (CD)
Escreva o valor presente se ele não exceder 23
(DVD) ou 34 (CD).
Método de Gravação:
- Pressione o botão “PAUSE” na unidade do controle
remoto e “STOP” no aparelho simutaneamente.
Nota: Pressione “FL DISPLAY” no Controle Remoto
para exibir no DISPLAY os próximos valores.
Maior que 34 (DVD),
23 (CD)
Igual ou menor que 23 DVD),
34 (CD)
Método de verificação: Sem o disco no aparelho:
- Pressione o botão “FUNCTIONS” na unidade do
controle remoto e “STOP” no aparelho simultanea-
mente (DVD)
- Pressione o botão “3”na unidade do controle remoto e
“STOP” no aparelho simultaneamente (CD)
[Conteúdo no Display (Visor 1 / Visor 2)]
LDD 000 000 (DVD)
Ajuste de Fábrica Valor presente
LDC 000 000 (CD)
Ajuste de Fábrica Valor presente
8.2.3. PROCEDIMENTO PARA TROCA E AUTO-DIAGNÓSTICO DA UNIDADE ÓPTICA.
As funções de auto-diagnóstico e Checagem do Ajuste de Inclinação (tilt) da Unidade Óptica foram incluídas neste produto.
Quando houver necessidade de reparo, use o seguinte procedimento para uma melhor eficiência do auto-diagnóstico e
do ajuste de inclinação. Utilize a função de auto-diagnóstico antes de substituir a unidade óptica ou quando aparecer “NO
DISC”. Como diretriz você deve substituir a unidade óptica quando o valor da corrente de acionamento for superior a 55.
Observação:
Pressione o botão power para ligar a alimentação, e verifique o valor antes da unidade aquecer (dentro de três minutos).
(De outra forma o resultado será incorreto).
{
{
{
{

SC-HT740LB-S
18
U11
H01
H02
H04
H03
H05
H15
H16
F61
F76
F500
F501
F502
F503
F504
F505
F506
Falha de Foco. Bobina de foco funcionando
anormalmente (Unidade Óptica
anormal).
Código Diagnóstico Descrição do Erro Display Observação
DVD U11
DVD H01
DVD H02
DVD H03
DVD H04
DVD H05
DVD H15
DVD H16
DVD F61
DVD F76
DVD F500
DVD F501
DVD F502
DVD F503
DVD F504
DVD F505
DVD F506
Falha no carregamento
da bandeja. A bandeja não abre.
Falha no servo do
Spindle (Servo do Spindle, DSC (CI8251),
Motor SP, falha no servo do CLV).
Falha no motor traverse. Motor do Traverse, CI8251
Erro no tracking. Bobina de Tracking funcionando
anormalmente (Unidade Óptica
anormal).
Erro de busca. Excedido o intervalo de tempo de
busca da unidade.
Falha da chave S9001
(detectora da abertura da
bandeja).
A bandeja não pôde ser aberta: Fecha
automaticamente.
Falha da chave S9001
(detectora da abertura da
bandeja).
A gaveta não pode ser fechada: Abre
automaticamente
Operação do CI Power
AMP e tensões DC
anormais.
Quando ligado PCONT=High,
DCDET=Low.
Operação do CI Power
AMP e tensões DC
anormais.
Curto-circuito nos conectores dos alto-
falantes ou no circuito amplificador.
Erro do DSC O DSC (CI8251) pára na ocorrência de
erro no servo (partida, erro de foco, etc).
DSC não está pronto Erro de Comunicação no Sistema do
Computador – DSC (Falha de
comunicação causada pela ineficiência
do DSC).
Erro de Interrupção do
DSC Similar ao exposto em F500.
Falha na Comunicação
do DSC.
Erro de Comunicação (erro de
comunicação ocorrido ainda que o
comando de comunicação tenha sido
enviado).
Erro ao ajustar a
compensação de parte
dos dados do DSC.
Erro de Atenção do DSC. Similar ao exposto em F500.
Mídia inválida. O disco está invertido, o TOC está
ilegível, mídia incompatível.
Pressione o botão “STOP”
no painel do aparelho para
visualizar o próximo
código de erro
8.3. AUTO-DIAGNÓSTICO DO DVD / TABELA DE CÓDIGOS

SC-HT740LB-S
19
F600
F601
F602
F610
F603
F611
F612
F620
F621
F103
F4FF
F700
F701
F702
F880
F890
F891
Falha de acesso no
gerenciamento de
informações causada por
erro de demodulação.
A operação parou porque os dados de
navegação não estão acessíveis por
causa de defeito de demodulação.
Código Diagnóstico Descrição do Erro Display Observação
DVD F600
DVD F601
DVD F602
DVD F603
DVD F601
DVD F611
DVD F612
DVD F620
DVD F621
DVD F103
DVD F4FF
DVD F700
DVD F701
DVD F702
DVD F880
DVD F890
DVD F891
Um setor com
identificação
indeterminado foi
requisitado.
A operação parou por causa da requisição
de um setor com identificação
indeterminada.
Falha no acesso LEAD-
IN causada pelo erro de
demodulação.
Dado LEAD-IN do disco ilegível.
Falha no acesso do
KEYDET causada pelo
erro de demodulação.
Falha no acesso ao dado CSS (chave
de detecção) do disco.
Anormalidade no ODC. Sem permissão para execução do
comando.
Sem o CRC OK por um
período específico (CD). Falha no acesso para buscar o
endereço de série do CD.
Sem o CRC OK por um
período específico
(DVD).
Falha no acesso para buscar o
endereço de série do DVD.
Proteção do Laser:
Condição de alta
temperatura.
Alta temperatura da unidade guia de
laser (OPU).
Proteção do Laser:
Condição de falha no
circuito.
falaha no circuito da unidade guia de
laser (OPU).
Posição do quadro ilegal. Grande possibilidade de violação na
especificação do disco durante a
exibição do quadro.
Falha na inicialização
forçada (Interrupção) Interrupção quando em inicialização
forçada
Excesso no MBX Quando respondendo uma mensagem
para o gerenciador de disco.
Comando de Mensagem
não termina. A próxima mensagem foi enviada
antes de responder para o gerenciador
de disco.
Troca no Comando de
Mensagem. A Mensagem foi trocada antes dela
ser enviada como uma resposta para o
gerenciador de disco.
O número da tarefa não
é apropriado. Mensagem chegando de uma tarefa
não existente.
Uma mensagem é
enviada durante a
transmissão da tarefa AV.
Enviando mensagem para uma tarefa
AV.
Incapaz de transmitir
uma mensagem para
uma tarefa AV.
Mensagem sendo enviada para uma
tarefa AV.
Pressione o botão “STOP”
no painel do aparelho para
visualizar o próximo
código de erro

SC-HT740LB-S
20
F893
F894
F895
F897
F896
F898
F8A0
CI FLASH ROM com
problema.
Pressione o botão “STOP”
no painel do aparelho para
visualizar o próximo
código de erro
Código Diagnóstico Descrição do Erro Display Observação
DVD F893
DVD F894
DVD F895
DVD F896
DVD F897
DVD F898
DVD F8A0
O CI FLASH ROM instalado não opera
corretamente ou há um problema com
o firmware.
Anormalidade na
EEPROM. O CI EEPROM instalado não opera
corretamente em condição normal
(EEPROM contém dados necessários)
Anormalidade na área de
linguagem. Verificar a conformidade da Versão do
Firmware para prevenção de falha nos
ajustes pré-ajustados de fábrica.
Modelo não existente. Verificar a conformidade da Versão do
Firmware para prevenção de falha nos
ajustes pré-ajustados de fábrica.
Inicialização não é
completada. Verifique a conclusão da inicialização
para prevenção de falha nos ajustes
pré-ajustados de fábrica.
Não conformidade do
hardware e software. Combinação inadequada do
DECODIFICADOR AV, SDRAM e
FLASH ROM (firmware).
Comando da mensagem
inadequado. Mensagem sendo enviada para uma
tarefa AV.
Nota:
Um código de erro será cancelado se a alimentação for desligada.
1: CPPM é a função de proteção anteriormente escrita no disco para proteção contra cópias.
2: CEC é o controle do consumidor usado para periféricos conectados via HDMI.
3: HDCP é a especificação desenvolvida para controlar transmissões com conteúdos de áudio e vídeo digital para
conexões DVI ou HDMI.
8.4. FUNÇÃO TRAVA PARA DEMONSTRAÇÃO DE VENDAS
Esta função previne que discos sejam perdidos quando a unidade é usada para demonstração de vendas, desabilitando a
função de ejetar o disco. “LOCKED” (TRAVADO) é exibido na unidade, e a operação habitual é desabilitada.
8.4.1. AJUSTE
• Proibição da retirada do disco.
1. Selecione a função DVD/CD.
2. Mantenha pressionado o botão STOP e o botão POWER no aparelho por no mínimo três segundos. (A mensagem,
“___LOCKED___” (TRAVADO) aparece quando a função é ativada)
Nota:
Os botões OPEN/CLOSE, DISC CHECK e DISC CHANGE estarão desabilitados e a mensagem “LOCKED” (travado)
aparecerá, enquanto a função está ativa.
• Proibição da execução de operações e retirada do disco.
1. Selecione a função DVD/CD.
2. Mantenha pressionado o botão “PLAY” e o botão POWER no aparelho por pelo menos 3 segundos. (A mensagem
“___LOCKED___” (TRAVADO) aparece quando a função é ativada).

SC-HT740LB-S
21
8.4.2. CANCELAMENTO
A trava pode ser cancelada através do mesmo processo
que foi usado para ajustá-lo. (“UNLOCK” (DESTRAVADO) é
exibido no cancelamento. Desconectando o cabo de
alimentação da tomada não cancela a trava).
8.5. PRECAUÇÕES DE SERVIÇO
8.5.1. ATUALIZAÇÃO DA VERSÃO DO
FIRMWARE DO APARELHO DE DVD
• Quando a Flash Rom ou a Placa Módulo forem
substituídas, execute a atualização de FIRMWARE no
aparelho de forma a regravar os dados da FLASHROM.
• O Firmware (software de operação) do aparelho de DVD
pode ser atualizado para melhorar a qualidade incluindo
operabilidade e capacidade de reprodução para os
discos não padronizados.
Atualizando o Firmware:
1. Insira o disco de atualização de FIRMWARE no aparelho
para reproduzi-lo (para download dos arquivos de
atualização de FIRMWARE, entre no site de manuais
nacionais).
2. A versão do aparelho é automaticamente verificada. Uma
mensagem apropriada aparece quando necessário.
3. Usando a tecla de cursor do controle remoto, selecione
se a atualização da versão é para ser feita ou não.
(Selecione SIM ou NÃO).
4. a. Se SIM é selecionado, a atualização é realizada.
b. Se NÃO é selecionado, apenas o processo de
recuperação é realizado.
5. a. Quando o processo de atualização da versão é
completado, remova o disco de acordo com a
mensagem que estiver aparecendo na tela.
b. Remova o disco de acordo com a mensagem que
estiver aparecendo na tela.
6. Desligue a energia.
Nota:
Se a alimentação AC é cortada durante a atualização da
versão devido a uma falha de energia, a atualização da
versão é executada impropriamente.
Neste caso, substitua o CI FLASH ROM e execute a
atualização da versão novamente.
8.5.2. RESET DO MÓDULO HDMI
Após substituir o CI Flash Rom ou a placa do módulo HDMI,
se o display exibir o código de erro “DVD F897”, significa
que a unidade não foi inicializada corretamente e o seguinte
procedimento deve ser efetuado:
Procedimentos:
1. Pressione a tecla “ ≥10 no controle remoto enquanto
pressiona o botão “STOP” no painel do aparelho (para
entrar no modo de inicialização).
2. O display exibirá “INIT”.
3. Ainda pressionando “STOP” no aparelho, pressione
“ENTER” no controle remoto. (em modo de inicialização).
4. O display exibirá “DVD RESET”.
5. Desligue o aparelho e desconecte o cabo de alimentação
CA.
6. Ligue novamente o aparelho. Não deve haver nenhum
problema. Se o problema persiste, verifique a placa do
módulo DVD e o CI FLASH ROM.
Aparelho ,,, SELECTOR, ,, VOLUME KNOB, DISC CHECK, DISC CHANGE, DISC1-DISC5
Controle
Remoto
SLEEP, REPEAT, 0~9, , RETURN, TOP MENU, , , , , , ,
POSITION MEMORY, TUNER/BAND, D.MIX, CH SELECT/ TEST, SET UP/ MUTING, DISPLAY, GROUP, TV, VCR/
AUX, QUICK REPLAY, SUBTITLE, FL DISPLAY, CH & VOLUME
Nota:
Os seguintes botões estarão inativos e o aparelho exibirá “___LOCKED_” (TRAVADO), enquanto o modo TRAVA DE
DEMONSTRAÇÃO DE VENDAS estiver habilitado.

SC-HT740LB-S
22
9. PROCESSO DE DESMONTAGEM E SUBSTITUIÇÃO DOS PRINCIPAIS
COMPONENTES
“ATENÇÃO Sr. TÉCNICO”
Alguns componentes do chassi podem ter pontas afiadas.
Tenha cuidado quando desmontando e reparando.
Nota Especial:
1. Esta seção descreve o procedimento de desmontagem das principais placas de circuito impresso e substituição dos
principais componentes.
2. Antes de iniciar a desmontagem, certifique-se de observar todos os procedimentos de segurança (certifique-se de ter
desconectado o cabo AC).
3. Para montagem após a operação de verificação ou substituição, inverta o respectivo procedimento. Procedimentos
especiais de montagem são descritos apenas quando necessários.
4. Os ICs reguladores podem ter temperatura alta depois de uso prolongado.
Cuidado ao remover o gabinete superior e procure não tocar o dissipador localizado na unidade.
5. Verifique os itens do índice seguinte quando verificando ou substituindo componentes.
• Desmontagem da Tampa Superior
• Desmontagem do Painel Frontal
• Desmontagem da Bandeja
• Desmontagem da Tampa Traseira
• Desmontagem do Bloco Base do Mecanismo
• Desmontagem da Placa do Fone de ouvido e Display
• Desmontagem da Placa Módulo HDMI
• Desmontagem da Placa do Regulador
• Desmontagem da Placa Principal
• Desmontagem da Placa de Entrada AC, Fonte, Sub Fonte e Seletor de Tensões
• Desmontagem do CI Amp Digital
• Desmontagem do CI Regulador
• Desmontagem do CI Regulador Chaveado
• Desmontagem do Guia Base da Bandeja (Direito e Esquerdo)
• Desmontagem da Gaveta Giratória
• Desmontagem da Engrenagem trava de abertura
• Desmontagem da Engrenagem trava de fechamento
• Desmontagem da Placa do Motor da bandeja e Placa do Sensor
• Desmontagem do Bloco Traverse
• Desmontagem da Engrenagem Pulley
• Desmontagem da Placa do Motor de Carregamento
• Desmontagem das Engrenagens Direcionadoras (A) & (B)
• Desmontagem da Placa Fixa, Imã e Clamper
• Desmontagem da Engrenagem Cam & Peça Suporte
• Desmontagem da Placa Deslizante (L) & (R) e Alavanca de Troca
• Montagem da Base da Bandeja

SC-HT740LB-S
23
9.1. FLUXO DE DESMONTAGEM
9.3. Tampa Superior
9.6. Tampa Traseira 9.4. Painel Frontal Montado
9.12. Placa da Fonte, Placa
de Entrada AC e Placa
do Seletor de tensões
9.10. Placa do Regulador 9.7. Bloco Base do Mecanismo
9.15. CI Chave Reguladora
9.18. Bloco Traverse
do DVD
9.11. Placa Principal
9.9. Placa Módulo HDMI
9.13. CI Amp Digital 9.14. CI Regulador
9.8. Placa do Fone de ouvido
e Display
9.5. Bandeja Montada

SC-HT740LB-S
24
9.2. LOCALIZAÇÃO DAS PLACAS E DOS PRINCIPAIS COMPONENTES
Unidade do Mecanismo
Placa do Motor da Bandeja
Placa Módulo HDMI
Placa do Seletor de Tensões
Placa do Sensor
Placa de Entrada AC
Placa da Fonte
CI Regulador Chaveado
CI Amp Digital
CI Regulador
Placa da Fonte
Placa do Fone de Ouvido
Painel Frontal
Placa do Display
Placa do Regulador
Bandeja Montada
Tampa Superior
Placa do Motor de Carregamento
Placa Principal Módulo Wireless ( para cartão transmissor)

SC-HT740LB-S
25
9.3. DESMONTAGEM DA TAMPA SUPERIOR
Passo 2
Passo 1: Remova os 7 parafusos.
Passo 2: Remova a Tampa Superior na direção da seta.
Passo 1
Passo 2
Passo 1
Passo 1
9.4. DESMONTAGEM DO PAINEL FRONTAL
• Siga o (Passo1) – (Passo 2) do item 9.3.
Passo 1: Mantenha a engrenagem trava de fechamento
pressionada no sentido horário e mova a bandeja montada na
direção da seta.
Passo 2: Destrave as garras localizadas em baixo da bandeja.
Passo 3: Puxe a tampa da bandeja na direção da seta
Bandeja montada Tampa Traseira
Engrenagem Trava
de Fechamento
Tampa da Bandeja
Garra Garra
Passo 3
Passo 2
Passo 1
Passo 4: Mantenha a engrenagem trava de abertura
pessionada no sentido anti-horário e empurre a bandeja
para trás.
Trava de
Fechamento
Bandeja montada
Painel traseiro
Passo 4
Passo 4
Passo 5: Desconecte o FFC (Cabo Flexível) dos conectores
(CN5705, CN5707 e CN2013).
Passo 6: Libere a garras localizadas no painel frontal.
Passo 7: Remova o painel frontal na direção da seta.
Passo 5
Passo 6
Passo 5
Passo 7
Painel frontal
Garras
Garras
Garras
Passo 7 Passo 6
Passo 6

SC-HT740LB-S
26
9.5. DESMONTAGEM DA BANDEJA
• Siga o (Passo1) – (Passo 7) do item 9.4.
Passo 1: Segure a engrenagem trava de abertura no sentido
anti-horário, empurre e solte as 2 garras laterais na direção
da seta.
Passo 2: Retire o FFC (Cabo Flexível) do conector (CN5702).
Passo 3: Remova a bandeja montada na direção da seta.
Cuidado: Evite usar força excessiva ao remover a
bandeja.
Passo 1
Passo 1
Passo 1
Passo 2
Bandeja Montada
Empurre
Gire
Passo 3
Empurre
9.6. DESMONTAGEM DA TAMPA TRASEIRA
• Siga o (Passo1) – (Passo 2) do item 9.3.
Passo 1: Remova os 10 parafusos.
Passo 2: Retire o FFC (Cabo Flexível) do conector
(CN5704).
Passo 3: Libere as garras localizadas na Tampa Traseira.
Passo 4: Remova a Tampa Traseira na direção da seta.
Painel Frontal
Tampa Traseira
Placa da Fonte
Placa Principal
Garra Garra
Passo 2
Passo 3 Passo 3
Passo 4
Passo 1
9.7. DESMONTAGEM DA BASE DO
MECANISMO
• Siga o (Passo1) – (Passo 3) do item 9.5.
Passo 1: Remova 2 parafusos de cada lado do bloco
base do mecanismo.
Passo 2: Desconecte o cabo flexível do conector CN2005.
Bloco Base do Mecanismo
Passo 1
Passo 2
Passo 1
Passo 4: Remova o bloco base do mecanismo.
Passo 3: Desconecte os cabos flexíveis dos conectores
FP8251 e FP8531.
Bloco Base do Mecanismo
(Passo 3)
(Passo 1)
9.8. DESMONTAGEM DA PLACA DO FONE DE
OUVIDO E DISPLAY
• Siga o (Passo1) – (Passo 7) do item 9.4.
• Desmontagem do suporte metálico do painel.
Passo 1: Remova os 3 parafusos.
Passo 2: Remova o suporte metálico do painel.
Suporte Metálico
do Painel
Placa do Display Placa do Fone de Ouvido
(Passo 2)
(Passo 1)
Passo 3: Remova os 7 parafusos

SC-HT740LB-S
27
Placa do Display Placa do Fone de Ouvido
(Passo 4)
(Passo 3)
(Passo 4)
Passo 4: Remova a placa do fone de ouvido e display.
9.9. DESMONTAGEM DA PLACA MÓDULO
HDMI
• Siga o (Passo1) – (Passo 3) do item 9.5.
• Siga o (Passo1) – (Passo 4) do item 9.6.
• Siga o (Passo1) – (Passo 3) do item 9.7.
Passo 1: Remova os 3 parafusos e a tampa do parafuso.
Passo 2: Desconecte o cabo flexível do conector FP8101.
Passo 3: Remova a placa módulo HDMI.
(Passo 1)
Placa da Fonte
(Passo 2)
(Passo 3)
(Passo 1)
Placa Módulo HDMI
Tampa do
parafuso
9.10. DESMONTAGEM DA PLACA DO
REGULADOR
• Siga o (Passo1) – (Passo 3) do item 9.5.
Passo1: Remova 1 parafuso.
Passo 2: Desconecte os cabos flexíveis dos conectores
CN2901 e CN2902 na placa principal.
Passo 3: Remova a placa do regulador.
Cuidado: Durante a desmontagem certifique-se de que os
cabos flexíveis foram desconectados exatamente dos
conectores indicados.
Placa do regulador
Placa da Fonte
Placa Principal
(Passo 1)
(Passo 3)
(Passo 2)
9.11. DESMONTAGEM DA PLACA PRINCIPAL
• Siga o (Passo1) – (Passo 4) do item 9.6.
• Siga o (Passo1) – (Passo 4) do item 9.7.
Passo 1: Remova 3 parafusos e 2 tampas de parafuso.
Passo 2: Remova a blindagem.
Passo 3: Remova a trava.
Passo 4: Desconecte os cabos flexíveis dos conectores
CN2011, CN5701, CN5708 e CN2001.
Passo 5: Remova a Placa Principal
Placa do Regulador
Tampa do parafuso
(Passo 1)
(Passo 4)
(Passo 1)
(Passo 4)
(Passo 3)
(Passo 6) (Passo 2)
Placa Módulo HDMI
Placa da Fonte Placa Principal
9.12. DESMONTAGEM DA PLACA DE
ENTRADA AC, FONTE, SUB FONTE E
PLACA DO SELETOR DE TENSÕES
• Siga o (Passo1) – (Passo 4) do item 9.6.
• Siga o (Passo1) – (Passo 4) do item 9.7.
Passo 1: Remova os 2 parafusos do lado do ventilador.
Passo 2: Remova a blindagem.
Passo 3: Desconecte o ventilador CN5714.
Passo 4: Remova 2 prendedores (usados para fio preto e
vermelho entre a placa de entrada AC e a placa da fonte)
para o lado do chassi inferior.
Passo 5: Remova 4 parafusos.
Passo 6: Descontecte os cabos flexíveis dos conectores
CN5701, CN5708 e CN5050.
Passo 7: Remova a placa de entrada AC, fonte, sub fonte e
do seletor de tensões.
Blindagem

SC-HT740LB-S
28
Cuidado: Lembre-se de utilizar os prendedores para fixar os
fios preto e vermelho do lado do chassi inferior, após
reparo.
9.13. DESMONTAGEM DO CI AMP DIGITAL
• Siga o (Passo1) – (Passo 7) do item 9.12.
Passo 1: Remova a solda de todos os pinos do CI Amplificador
Digital.
Passo 2: Libere as garras.
Passo 3: Remova o CI Amplificador Digital (IC5001).
Placa da entrada AC
Base do Bloco do Mecanismo
Placa da Sub Fonte
Placa
Principal
Placa do Regulador
Placa da Fonte
(Passo 1)
(Passo 5)
(Passo 7)
(Passo 2)
(Passo 7)
(Passo 4)
(Passo 3)
(Passo 6)
Garra
Garra
(Passo 1)
(Passo 2)
(Passo 3)
9.14. DESMONTAGEM DO CI REGULADOR
• Siga o (Passo1) – (Passo 7) do item 9.12.
Passo 1: Remova a solda dos diodos D5711, D5716, D5717
e D5718.
Passo 2: Remova a solda dos 2 pinos do CI Regulador.
Passo 3: Remova o CI Regulador.
(Passo 3)
Regulador CI
(Passo 1)
(Passo 2)
9.15. DESMONTAGEM DO CI REGULADOR
CHAVEADO
• Siga o (Passo1) – (Passo 7) do item 9.12.
Passo 1: Dessolde todos os pinos IC5701.
Passo 2: Dessolde os 2 pinos do CI Regulador Chaveado.
Passo 3: Remova o CI Regulador Chaveado.
(Passo 2)
(Passo 1)
(Passo 3)
• Cuidado ao remover o CI Regulador Chaveado que
pode apresentar alta temperatura após o uso
prolongado.
Prendedores
Blindagem
Lado de baixo da
Placa da Fonte
Lado de baixo da
Placa da Fonte
Lado de baixo da
Placa da Fonte

SC-HT740LB-S
29
9.16. REMOÇÃO DOS GUIAS (ESQUERDO E
DIREITO) DA BASE DA BANDEJA
• Siga o (Passo 1) – (Passo 3) do item 9.5.
Guia (D) da Base da
Bandeja
Guia (E) da Base da Bandeja
Passo 1: Remova os 2 parafusos.
Passo 2: Remova os Guias (E) e (D) da Base da Bandeja
na direção da seta.
9.17. REMOÇÃO DA BANDEJA ROTATIVA
• Siga o (Passo 1) – (Passo 3) do item 9.5.
Parafuso da bandeja
Mola da bandeja
Arruela de Teflon
Bandeja Rotativa
Passo 1: Remova o parafuso da bandeja, mola da bandeja
e arruela de teflon.
Passo 2: Remova a bandeja rotativa.
9.17.1. DESMONTAGEM DA ENGRENAGEM
DA TRAVA DE ABERTURA
Engrenagem Trava de Abertura
Passo 1: Gire a engrenagem trava de abertura na direção
da seta. (sentido anti-horário)
Garra
Passo 2: Libere a garra da engrenagem trava de abertura,
remova-a na direção da seta.

SC-HT740LB-S
30
9.17.2. REMOÇÃO DA ENGRENAGEM TRAVA
DE FECHAMENTO
• Siga o (Passo 1) – (Passo 2) do item 9.5.
Passo 1: Remova 1 parafuso.
(Passo 4)
Mola da Trava de
Fechamento
Trava da engrenagem de Fechamento
Passo 2: Prenda a mola da trava de fechamento na garra (a).
Garra
Garra
Passo 3: Gire a engrenagem trava de fechamento na
direção da seta, pressione a garra (b) e retire a engrenagem
trava de fechamento.
9.17.3. REMOÇÃO DAS PLACAS DO MOTOR
DA BANDEJA E DO SENSOR
• Siga o (Passo 1) – (Passo 3) do item 9.5.
Passo 1: Remova 2 parafusos.
(Passo 1)
Garra
Placa do
Motor da
Bandeja
Placa do Sensor
Garras
9.18. REMOÇÃO DO BLOCO TRAVERSE
• Siga o item 9.7.
Passo 1: Gire a Engrenagem Cam no sentido anti-horário.
(Alinhe na posição (A) como marcado na engrenagem com
uma seta).
Passo 2: Libere as 4 garras na Placa do Motor da Bandeja
e na Placa do Sensor.
Passo 2: Vire a unidade da base do mecanismo para a
posição vertical.
Passo 3: Pressione (a) para frente, empurre (b) para trás e
pressione (c) para a esquerda para liberar o Bloco Traverse.
9.18.1. REMOÇÃO DA ENGRENAGEM PULLEY
Passo 1: Remova a Correia de carregamento.
Base do mecanismo
Correia de carregamento.
Passo 2: Vire a base do mecanismo
Engrenagem Cam
1X
Bloco
Traverse

SC-HT740LB-S
31
Pino
polia
Garras
Passo 3: Libere as 2 garras na direção da seta (1), e então
empurre o pino polia na direção da seta (2).
9.18.2. REMOÇÃO DA PLACA DO MOTOR DE
CARREGAMENTO
Passo 1: Remova 2 parafusos.
Placa do Motor de Carregamento
(Passo 1)
9.18.3. REMOÇÃO DAS ENGRENAGENS
DIRECIONADORAS (A) & (B)
Passo 1: Libere as garras na direção da seta (1), e então
puxe a engrenagem direcionadora para cima.
Engrenagem direcionadora
Engrenagem direcionadora Garras
Haste da
engrenagem direcionadora
Passo 2: Remova a Engrenagem Direcionadora (A) e (B).
Engrenagem
direcionadora
Engrenagem
direcionadora
Haste da Engrenagem
direcionadora
9.18.4. DESMONTAGEM DA PLACA FIXA, IMÃ
E CLAMPER
Passo 1: Libere 3 garras na direção da seta.
Placa do Clamper
montada
Clamper
Placa
fixa
Imã
Clamper
Passo 2: Remova a Placa do Motor de Carregamento.

SC-HT740LB-S
32
9.18.5. REMOÇÃO DA ENGRENAGEM CAM &
PEÇA SUPORTE
Passo 1: Gire o ponto (A) na engrenagem cam no sentido
anti-horário.
Passo 2: Remova 1 parafuso e a peça suporte.
(Passo 2)
Engrenagem Cam Peça
suporte
9.18.6. REMOVA A PLACA DESLIZANTE (E) &
(D) E ALAVANCA DE TROCA
Passo 1: Pressione a garra e empurre a Placa deslizante
(E) para cima.
Placa Deslizante (E) Placa Deslizante (D)
Alavanca de Troca
Garra
Passo 2: Remova a placa deslizante (E) & (D) e a alavanca
de troca no sentido da seta como ilustrado abaixo.

SC-HT740LB-S
33
9.19. MONTAGEM DA BASE DA BANDEJA
Passo 1: Gire a engrenagem cam no sentido anti-horário.
Alinhe o ponto (C) da engrenagem CAM com a seta
desenhada na base branca, como mostrado na figura.
Engrenagem
direcionadora
(A)
Passo 2: Tenha certeza que a engrenagem direcionadora
(A) esteja na posição vertical, conforme a figura.
Passo 3: Empurre a base da bandeja para a direção da
seta como ilustrado.
Base da bandeja.
Seta

SC-HT740LB-S
34
10. POSIÇÃO DE SERVIÇO
Placa Principal e Placa do
Motor de Carregamento
Placa do Sensor
Placa da Fonte
11. POSIÇÕES DE SERVIÇO
11.1. VERIFICAÇÃO E REPARO DAS PLACAS
PRINCIPAL, DA FONTE, DO MÓDULO
HDMI, DO DISPLAY E DO FONE DE
OUVIDO
• Siga o item 9.5.
• Siga o (Passo 1) – (Passo 4) do item 9.6.
• Siga o (Passo 1) – (Passo 3) do item 9.7.
• Siga o (Passo 1) – (Passo 3) do item 9.8.
• Siga o (Passo 1) – (Passo 3) do item 9.9.
• Siga o (Passo 1) – (Passo 3) do item 9.10.
• Siga o (Passo 1) – (Passo 4) do item 9.11.
Passo 1: Substitua o cabo FFC REEX0524 pelo cabo
extensor REEX0633.
Passo 2: Substitua o cabo FFC REZ1483 pelo cabo extensor
REEX0465.
Passo 3: Conecte todos os cabos.
Passo 4: Conecte os 2 ventiladores.
Passo 5: Vire as placas da fonte, principal, do módulo HDMI,
do display, do fone de ouvido e do seletor de tensões.
Passo 6: Posicione o bloco base do mecanismo e a bandeja
montada horizontalmente.
Passo 7: Conecte o cabo AC e ligue o botão POWER.
Passo 8: Coloque o CD dentro da bandeja.
Passo 9: Pressione o botão de modo CD para prender o CD.
Ferrramentas de Serviços
REEX0633 (11 pinos)
REEX0465 (11 pinos)
Placa PrincipalPlaca da Fonte
Placa do
Regulador
Placa do
Seletor de tensões
Placa do
Fone de
Ouvidos
Placa Módulo
HDMI
Placa do
Display
Base do Bloco do
Mecanismo Bandeja Montada
Placa de
Carregamento
do Motor

SC-HT740LB-S
35
12. PROCEDIMENTO DE AJUSTE
12.1. PONTOS IMPORTANTES NO AJUSTE
12.1.1. PONTOS IMPORTANTES NO AJUSTE ÓPTICO
• Antes de iniciar o sistema de ajuste óptico, esteja certo de fazer as medidas anti-estáticas.
• Ajuste óptico (ajuste de inclinação da unidade óptica) é requerido após as seguintes peças serem substituídas:
1. Unidade Óptica.
2. Unidade montada do motor Spindle.
3. Periféricos da Unidade Óptica.
Nota:
O ajuste óptico normalmente não é necessário após a substituição de outras peças interna ao Bloco Traverse. Porém,
pode ser necessário quando a deterioração da cena é detectada. Os ajustes ópticos não podem ser feitos dentro da
Unidade Óptica. Quando o Bloco Traverse é substituído, o ajuste não é necessário.
12.2. ARMAZENANDO E MANUSEANDO OS DISCOS DE TESTE
A precisão na superfície dos discos de teste para DVD é vital. Esteja certo de armazená-los e manuseá-los cuidadosamente.
• Não coloque os discos diretamente na bancada de trabalho, etc, após o uso.
• Manuseie os discos cuidadosamente em ordem para manter seus nivelamentos. Coloque-os dentre de seus estojos
após o uso e armazene-os verticalmente. Armazene os discos em local frio onde eles não fiquem expostos diretamente
aos raios solares ou ar de condicionador de ar.
• O ajuste correto não será possível se o disco está empenado quando colocado em uma superfície feita de vidro, etc.
Se isto acontecer, use um novo disco para fazer os ajustes ópticas.
• Se o ajuste é feito utilizando um disco empenado, o ajuste será incorreto e alguns discos não serão reproduzidos.

SC-HT740LB-S
36
12.3. AJUSTE ÓPTICO (AJUSTE DE INCLINAÇÃO DA UNIDADE ÓPTICA)
Ponto de medição
Equipamento de medição
Nenhum (Visor do LCD do
aparelho é usado).
Ponto de ajuste
Parafuso de ajuste tangencial
Parafuso de ajuste de inclinação
Modo
T1 (trilha interna) reproduzir
T30 (trilha central) reproduzir
T43 (trilha externa) reproduzir
Valor de ajuste
Ajustar para que o valor do jitter
torne-se o mínimo.
Disco
DVDT-S20 [SPG]
12.4. PROCEDIMENTO DE AJUSTE
1. Mantenha pressionado o botão STOP no aparelho e o botão
número 5 na unidade do controle remoto.
2. Verifique que “J_xxx / yyy_zz” é mostrado no visor.
Para sua informação:
Os valores, “yyy” e “zz” não estã associados ao valor do
jitter (inclinação).
“zz” indica o valor do direcionador do foco.
Nota: O valor do Jitter aparece no visor.
3. Reproduzir o disco de teste T30 (perímetro central).
4. Ajustar o parafuso de ajuste tangencial para que o valor
de Jitter seja minimizado.
5. Reproduzir o disco de teste T30 (perímetro central).
6. Ajustar o parafuso de ajuste de inclinação 1 para que o
valor do jitter seja minimizado.
7. Reproduzir o disco de teste T30 (perímetro central).
8. Ajustar o parafuso de ajuste de inclinação 2 para que o
valor do jitter seja minimizado.
9. Repetir o ajuste de inclinação ajustando os parafusos de
ajuste de inclinação 1 e 2 alternadamente até que o valor
do jitter seja minimizado.
10. Finalmente, por favor, reproduza T01 (periférico interno)
e T43 (periférico externo) e verifique o valor do jitter. (Por
favor, reajuste, quando o valor de jitter é extremamente
diferente).
Parafuso de ajuste de inclinação 1
Parafuso de ajuste de
inclinação 2
Parafuso de ajuste
tangencial.
12.4.1. DICAS
1. Faça primeiro o ajuste tangencial, e então faça o ajuste
de inclinação.
2. Repita o ajuste duas ou três vezes para encontrar o ponto
ideal.
3. Finalize o procedimento com o ajuste de inclinação.
Valor do
Jitter
(tremulação)
Ponto
ideal
Ângulo de ajuste
O valor do jitter varia de acordo com o modelo:
1. A curva B ilustra um ponto ideal, que é fácil encontrar.
2. A curva A ilustra que o ponto médio da faixa está ótimo.
12.4.2. VERIFICAR APÓS O AJUSTE
Reproduzir o disco de teste ou qualquer outro disco para ter
certeza que não existe degradação de vídeo ou áudio
pulando. Após ajustado e finalizado, trave cada parafuso de
ajuste na posição usando uma trava de parafuso.
12.4.3. PROCEDIMENTO PARA TRAVAR OS
PARAFUSOS
1. Após o ajuste, remova a tampa superior, bandeja, base
fixadora e unidade transversal nesta seqüência.
2. Deite a unidade transversal de cabeça para baixo, e fixe
o parafuso de ajuste com o trava parafuso.
3. Após fixar, remonte a unidade transversal, base fixadora,
bandeja e tampa superior.
Trava parafuso (parafuso de ajuste)

SC-HT740LB-S
37
INITIAL/LOGO ABBREVIATIONS
AA0~UP
ACLK
AD0~UP
ADATA
ALE
AMUTE
AREQ
ARF
ASI
ASO
ASYNC
ADDRESS
AUDIO CLOCK
ADDRESS BUS
AUDIO PES PACKET DATA
ADDRESS LATCH ENABLE
AUDIO MUTE
AUDIO PES PACKET REQUEST
AUDIO RF
SERVO AMP INVERTED INPUT
SERVO AMP OUTPUT
AUDIO WORD DISTINCTION SYNC
BBCK
BCKIN
BDO
BLKCK
BOTTOM
BYP
BYTCK
BIT CLOCK (PCM)
BIT CLOCK INPUT
BLACK DROP OUT
SUB CODE BLOCK CLOCK
CAP. FOR BOTTOM HOLD
BYPATH
BYTE CLOCK
CCAV
CBDO
CD
CDSCK
CDSRDATA
CDRF
CDV
CHNDATA
CKSL
CLV
COFTR
CPA
CPCS
CPDT
CPUADR
CPUADT
CPUIRQ
CPRD
CPWR
CS
CSYNCIN
CSYNCOUT
CONSTANT ANGULAR VELOCITY
CAP. BLACK DROP OUT
COMPACT DISC
CD SERIAL DATA CLOCK
CD SERIAL DATA
CD RF (EFM) SIGNAL
COMPACT DISC-VIDEO
CHANNEL DATA
SYSTEM CLOCK SELECT
CONSTANT LINEAR VELOCITY
CAP. OFF TRACK
CPU ADDRESS
CPU CHIP SELECT
CPU DATA
CPU ADDRESS LATCH
CPU ADDRESS DATA BUS
CPU INTERRUPT REQUEST
CPU READ ENABLE
CPU WRITE ENABLE
CHIP SELECT
COMPOSITE SYNC IN
COMPOSITE SYNC OUT
DDACCK
DEEMP
DEMPH
DIG0~UP
DIN
DMSRCK
DMUTE
DO
DOUT0~UP
DRF
DRPOUT
DREQ
DRESP
DSC
DSLF
DVD
D/A CONVERTER CLOCK
DEEMPHASIS BIT ON/OFF
DEEMPHASIS SWITCHING
FL DIGIT OUTPUT
DATA INPUT
DM SERIAL DATA READ CLOCK
DIGITAL MUTE CONTROL
DROP OUT
DATA OUTPUT
DATA SLICE RF (BIAS)
DROP OUT SIGNAL
DATA REQUEST
DATA RESPONSE
DIGITAL SERVO CONTROLLER
DATA SLICE LOOP FILTER
DIGITAL VIDEO DISC
INITIAL/LOGO ABBREVIATIONS
EEC
ECR
ENCSEL
ETMCLK
ETSCLK
ERROR TORQUE CONTROL
ERROR TORQUE CONTROL
REFERENCE
ENCODER SELECT
EXTERNAL M CLOCK (81MHz/40.5MHz)
EXTERNAL S CLOCK (54MHz)
FFBAL
FCLK
FE
FFI
FEO
FG
FSC
FSCK
FOCUS BALANCE
FRAME CLOCK
FOCUS ERROR
FOCUS ERROR AMP INVERTED INPUT
FOCUS ERROR AMP OUTPUT
FREQUENCY GENERATOR
FREQUENCY SUB CARRIER
FS (384 OVER SAMPLING) CLOCK
GGND COMMON GROUNDING (EARTH)
HHA0~UP
HD0~UP
HINT
HRXW
HOST ADDRESS
HOST DATA
HOST INTERRUPT
HOST READ/WRITE
IIECOUT
IPFRAG
IREF
ISEL
IEC958 FORMAT DATA OUTPUT
INTERPOLATION FLAG
I (CURRENT) REFERENCE
INTERFACE MODE SELECT
LLDON
LPC
LRCK
LASER DIODE CONTROL
LASER POWER CONTROL
L CH/R CH DISTINCTION CLOCK
MMA0~UP
MCK
MCKI
MCLK
MDATA
MDQ0~UP
MDQM
MLD
MPEG
MEMORY ADDRESS
MEMORY CLOCK
MEMORY CLOCK INPUT
MEMORY SERIAL COMMAND CLOCK
MEMORY SERIAL COMMAND DATA
MEMORY DATA INPUT/OUTPUT
MEMORY DATA I/O MASK
MEMORY SERIAL COMMAND LOAD
MOVING PICTURE EXPERTS GROUP
OODC
OFTR
OSCI
OSCO
OSD
OPTICAL DISC CONTROLLER
OFF TRACKING
OSCILLATOR INPUT
OSCILLATOR OUTPUT
ON SCREEN DISPLAY
PP1~UP
PCD
PCK
PDVD
PEAK
PLLCLK
PLLOK
PWMCTL
PWMDA
PWMOA, B
PORT
CD TRACKING PHASE DIFFERENCE
PLL CLOCK
DVD TRACKING PHASE DIFFERENCE
CAP. FOR PEAK HOLD
CHANNEL PLL CLOCK
PLL LOCK
PWM OUTPUT CONTROL
PULSE WAVE MOTOR DRIVE A
PULSE WAVE MOTOR OUT A, B
13. ABREVIAÇÕES

SC-HT740LB-S
38
INITIAL/LOGO ABBREVIATIONS
RRE
RFENV
RFO
RS
RSEL
RST
RSV
READ ENABLE
RF ENVELOPE
RF PHASE DIFFERENCE OUTPUT
(CD-ROM) REGISTER SELECT
RF POLARITY SELECT
RESET
RESERVE
S SBI0, 1
SBO0
SBT0, 1
SCK
SCKR
SCL
SCLK
SDA
SEG0~UP
SELCLK
SEN
SIN1, 2
SOUT1, 2
SPDI
SPDO
SPEN
SPRCLK
SPWCLK
SQCK
SQCX
SRDATA
SRMADR
SRMDT0~7
SS
STAT
STCLK
STD0~UP
STENABLE
STSEL
STVALID
SUBC
SBCK
SUBQ
SYSCLK
SERIAL DATA INPUT
SERIAL DATA OUTPUT
SERIAL CLOCK
SERIAL DATA CLOCK
AUDIO SERIAL CLOCK RECEIVER
SERIAL CLOCK
SERIAL CLOCK
SERIAL DATA
FL SEGMENT OUTPUT
SELECT CLOCK
SERIAL PORT ENABLE
SERIAL DATA IN
SERIAL DATA OUT
SERIAL PORT DATA INPUT
SERIAL PORT DATA OUTPUT
SERIAL PORT R/W ENABLE
SERIAL PORT READ CLOCK
SERIAL PORT WRITE CLOCK
SUB CODE Q CLOCK
SUB CODE Q DATA READ CLOCK
SERIAL DATA
SRAM ADDRESS BUS
SRAM DATA BUS 0~7
START/STOP
STATUS
STREAM DATA CLOCK
STREAM DATA
STREAM DATA INPUT ENABLE
STREAM DATA POLARITY SELECT
STREAM DATA VALIDITY
SUB CODE SERIAL
SUB CODE CLOCK
SUB CODE Q DATA
SYSTEM CLOCK
T TE
TIBAL
TID
TIN
TIP
TIS
TPSN
TPSO
TPSP
TRCRS
TRON
TRSON
TRACKING ERROR
BALANCE CONTROL
BALANCE OUTPUT 1
BALANCE INPUT
BALANCE INPUT
BALANCE OUTPUT 2
OP AMP INPUT
OP AMP OUTPUT
OP AMP INVERTED INPUT
TRACK CROSS SIGNAL
TRACKING ON
TRAVERSE SERVO ON
INITIAL/LOGO ABBREVIATIONS
VVBLANK
VCC
VCDCONT
VDD
VFB
VREF
VSS
V BLANKING
COLLECTOR POWER SUPPLY
VOLTAGE
VIDEO CD CONTROL (TRACKING
BALANCE)
DRAIN POWER SUPPLY VOLTAGE
VIDEO FEED BACK
VOLTAGE REFERENCE
SOURCE POWER SUPPLY VOLTAGE
WWAIT
WDCK
WEH
WSR
BUS CYCLE WAIT
WORD CLOCK
WRITE ENABLE HIGH
WORD SELECT RECEIVER
X X
XALE
XAREQ
XCDROM
XCS
XCSYNC
XDS
XHSYNCO
XHINT
XI
XINT
XMW
XO
XRE
XSRMCE
XSRMOE
XSRMWE
XVCS
XVDS
XVSYNCO
X´ TAL
X ADDRESS LATCH ENABLE
X AUDIO DATA REQUEST
X CD ROM CHIP SELECT
X CHIP SELECT
X COMPOSITE SYNC
X DATA STROBE
X HORIZONTAL SYNC OUTPUT
XH INTERRUPT REQUEST
X´ TAL OSCILLATOR INPUT
X INTERRUPT
X MEMORY WRITE ENABLE
X´ TAL OSCILLATOR OUTPUT
X READ ENABLE
X SRAM CHIP ENABLE
X SRAM OUTPUT ENABLE
X SRAM WRITE ENABLE
X V-DEC CHIP SELECT
X V-DEC CONTROL BUS STROBE
X VERTICAL SYNC OUTPUT

SC-HT740LB-S
39
14. TABELA DE TENSÕES
14.1. PLACA MÓDULO HDMI
Ref No.
MODE 1234567891011121314151617181920
CD PLAY 0 0.1 0.1 0.1 0.1 0.1 0.1 3.4 0.1 3.4 0.3 0.1 0.1 3.3 3.2 0.1 0.1 3.4 3.4 1.1
Ref No.
MODE 21 22 23 24 25 26 27 28 29 30 31 32 33 34 35 36 37 38 39 40
CD PLAY 0.3 0.1 0 0.1 0.1 0 3.4 4.6 0.1 0.1 1.8 1.7 0.1 0.1 0.1 0.1 0.1 0.1 0 0
Ref No.
MODE 41 42 43 44 45 46 47 48 49 50 51 52 53 54 55 56 57 58 59 60
CD PLAY 0.1 0.1 3.4 - 0.1 3.4 1.6 0.1 3.4 3.4 1.6 3.4 3.4 1.4 3.4 0.1 0.1 0.3 0.1 3.4
Ref No.
MODE 61 62 63 64 65 66 67 68 69 70 71 72 73 74 75 76 77 78 79 80
CD PLAY 3.4 1.3 0.2 0.2 1.5 0.1 3.4 1.6 1.5 0.1 0.1 3.4 3.4 3.4 1.6 0.1 0.1 3.4 3.4 0.1
Ref No.
MODE 81 82 83 84 85 86 87 88 89 90 91 92 93 94 95 96 97 98 99 100
CD PLAY 0.1 0.1 0.1 0.1 0.1 3.4 3.4 1.5 1.5 1.5 0.1 0.2 1.6 0.1 0.1 3.4 3.4 1.5 3.4 3.4
Ref No.
MODE 101 102 103 104 105 106 107 108 109 110 111 112 113 114 115 116 117 118 119 120
CD PLAY 0.1 0.1 0.1 3.3 3.4 1.5 0.1 0.1 0.1 1.5 3.4 1.4 1.5 3.4 3.4 1.5 1.5 0.1 0.1 1.5
Ref No.
MODE 121 122 123 124 125 126 127 128 129 130 131 132 133 134 135 136 137 138 139 140
CD PLAY 3.4 0.1 0.1 0.1 0.1 0.1 0.1 0.1 0.1 0.1 0.1 0.2 0.2 0.1 0.1 0.1 3.4 0.1 0.1 0.1
Ref No.
MODE 141 142 143 144 145 146 147 148 149 150 151 152 153 154 155 156 157 158 159 160
CD PLAY 0.1 0.1 0.1 0.1 0.1 0.1 0.1 0.1 0.1 3.4 3.4 1.6 0.9 0.8 1.6 0.1 0.1 1.4 1.6 1.9
Ref No.
MODE 161 162 163 164
CD PLAY 1.6 0.2 0.1 0.1
Ref No.
MODE 12345678
CD PLAY 1.9 - 1.3 0.1 2.5 - - 3.1
Ref No.
MODE 1234567891011121314151617181920
CD PLAY 3.1 3.2 0.1 1.9 1.7 1.7 0.1 0.1 0.1 0.1 1.7 1.7 3.4 0.1 0.1 1.9 3.4 0.1 3.4 3.4
Ref No.
MODE 21 22 23 24 25 26 27 28 29 30 31 32 33 34 35 36 37 38 39 40
CD PLAY 0.1 0.1 3.4 3.4 0.1 0.4 3.4 3.4 1.6 0.1 0.1 1.4 1.4 3.4 1.8 0.1 3.4 3.4 0.1 0.1
Ref No.
MODE 41 42 43 44 45 46 47 48 49 50 51 52 53 54 55 56 57 58 59 60
CD PLAY 0.1 0.1 3.4 3.4 1.9 0.1 0.1 3.4 2.6 0.1 0.1 0.1 0.1 0.1 0.1 0.1 0.1 0.1 1.8 0.1
Ref No.
MODE 61 62 63 64 65 66 67 68 69 70 71 72 73 74 75 76 77 78 79 80
CD PLAY 0.1 2.6 0.1 0.1 0.1 1.8 0.1 0.1 0.1 0.1 3.4 0.1 0.1 1.9 0.1 0.1 0.1 0.1 0.1 0.1
Ref No.
MODE 12345
CD PLAY 3.3 0.1 0.1 0.1 3.4
Ref No.
MODE 12345
CD PLAY 8.7 0.1 1.2 5.1 9.1
Ref No.
MODE 1234567891011121314151617181920
CD PLAY 0.1 0.1 3.4 0.1 0.1 0.1 0.1 3.4 3.4 0.1 0.1 0.1 0.1 0.1 0.1 0.1 0.1 0.1 3.4 0.1
Ref No.
MODE 21 22 23 24 25 26 27 28 29 30 31 32 33 34 35 36 37 38 39 40
CD PLAY 0.1 3.4 1.3 1.3 1.3 1.3 1.2 1.2 1.2 1.2 1.3 1.3 1.3 0.1 0.1 1.2 1.3 1.3 0.1 1.3
Ref No.
MODE 41 42 43 44 45 46 47 48 49 50 51 52 53 54 55 56 57 58 59 60
CD PLAY 0.1 0.1 0.1 0.1 0.2 0.1 3.4 0.1 0.1 0.1 0.1 0.1 0.1 3.4 3.4 3.4 0.1 0.1 0.1 0.1
Ref No.
MODE 61 62 63 64 65 66 67 68 69 70 71 72 73 74 75 76 77 78 79 80
CD PLAY 0.1 0.1 3.4 3.4 0.1 3.4 3.4 0.1 3.4 3.4 3.4 0.1 0.2 3.4 3.4 3.4 1.7 3.0 0.1 3.4
Ref No.
MODE 81 82 83 84 85 86 87 88 89 90 91 92 93 94 95 96 97 98 99 100
CD PLAY 3.4 0.1 1.2 3.4 0.1 3.4 0.1 0.1 3.4 1.2 1.7 0.1 3.4 0.1 0.1 0.1 0.1 0.1 0.1 0.1
Ref No.
MODE 101 102 103 104 105 106 107 108 109 110 111 112 113 114 115 116 117 118 119 120
CD PLAY 0.1 3.4 1.0 0.1 2.4 1.9 0.2 0.1 0.1 3.4 1.2 0.4 1.8 1.9 0.1 0.3 0.2 0.1 3.4 3.4
Ref No.
MODE 121 122 123 124 125 126 127 128 129 130 131 132 133 134 135 136 137 138 139 140
CD PLAY 3.4 0.1 0.1 0.1 0 0 2.3 1.7 2.3 2.3 2.3 2.3 2.2 2.3 2.3 2.3 2.3 2.3 2.3 1.7
Ref No.
MODE 141 142 143 144 145 146 147 148 149 150 151 152 153 154 155 156 157 158 159 160
CD PLAY 1.7 1.7 0.9 1.7 1.7 3.4 1.0 1.0 0.4 3.4 1.8 1.0 1.0 1.8 1.8 0 0.7 3.4 0.3 0
Ref No.
MODE 161 162 163 164 165 166 167 168 169 170 171 172 173 174 175 176 177 178 179 180
CD PLAY 3.4 0.1 1.6 1.7 1.4 1.2 1.6 1.7 1.3 0.1 0.1 0.6 0.9 1.7 0.1 3.4 1.1 1.0 1.4 1.4
Ref No.
MODE 181 182 183 184 185 186 187 188 189 190 191 192 193 194 195 196 197 198 199 200
CD PLAY 1.4 1.6 1.3 3.0 0.1 1.7 3.4 3.4 0.1 0.1 0.1 0.1 0.1 0.1 0.1 0.1 2.4 3.0 1.9 2.8
Ref No.
MODE 201 202 203 204 205 206 207 208 209 210 211 212 213 214 215 216 217 218 219 220
CD PLAY 2.5 3.1 2.8 3.4 3.4 0.1 3.4 3.2 3.4 3.4 3.2 1.8 1.9 3.2 3.4 0.2 1.1 2.9 2.9 2.9
Ref No.
MODE 221 222 223 224 225 226 227 228 229 230 231 232 233 234 235 236 237 238 239 240
CD PLAY 3.4 0.1 0.3 3.4 1.7 0.1 3.4 3.4 3.4 0 0 0 0.1 1.7 0.1 0.1 0.1 0.1 3.1 1.6
Ref No.
MODE 241 242 243 244 245 246 247 248 249 250 251 252 253 254 255 256
CD PLAY 0.1 1.7 0.1 1.7 0.1 1.6 1.4 1.4 0.1 3.4 0.1 0.1 0.1 0.1 0.1 0.1
IC8001
IC8001
IC8001
IC8001
IC8001
IC8001
IC8001
IC8001
IC8001
IC8001
IC8001
IC3901
IC8001
IC8001
IC3701
IC3782
IC3901
IC3931
IC3952
IC3901
IC3901
IC3701
IC3701
IC3701
IC3701
IC3701
IC3701
IC3701
IC3701

SC-HT740LB-S
40
Ref No.
MODE 1234567891011121314151617181920
CD PLAY 3.4 2.9 3.4 3.1 3.0 1.0 3.0 3.3 3.4 3.0 2.9 1.0 2.8 3.4 2.6 3.3 3.3 3.3 3.1 1.9
Ref No.
MODE 21 22 23 24 25 26 27 28 29 30 31 32 33 34 35 36 37 38 39 40
CD PLAY 1.7 0.2 0.1 0.2 0.2 1.4 3.4 0.1 1.6 1.7 1.7 1.6 1.0 0.1 0.1 - 3.4 1.7 2.7 -
Ref No.
MODE 41 42 43 44 45 46 47 48 49 50 51 52 53 54
CD PLAY 0.1 3.0 3.4 3.2 3.1 0.1 3.0 3.4 2.9 2.9 2.9 0.1 3.1 0.1
Ref No.
MODE 12345678
CD PLAY 3.4 - 0.1 2.0 5.0 - - 4.9
Ref No.
MODE 12345
CD PLAY 3.1 3.1 0.1 1.3 0.8
Ref No.
MODE 1234567891011121314151617181920
CD PLAY 1.7 1.7 1.7 2.1 2.2 2.0 0.1 4.9 3.4 0.1 2.4 2.6 2.5 2.5 4.3 4.3 5.2 3.5 0 3.4
Ref No.
MODE 21 22 23 24 25 26 27 28
CD PLAY 9.1 8.9 1.8 1.7 1.7 1.7 3.4 4.9
Ref No.
MODE 1234567891011121314151617181920
CD PLAY 5.0 3.4 3.0 3.4 1.0 1.0 1.7 5.0 0 1.0 0.1 0.1 0 0 2.5 2.5 5.0 0.1 2.5 2.5
Ref No.
MODE 21 22 23 24 25 26 27 28
CD PLAY 2.6 2.1 5.0 0 2.5 2.5 2.5 0
Ref No.
MODE 1234
CD PLAY 3.3 1.2 0.1 0.1
Ref No.
MODE 12345
CD PLAY 3.4 3.4 0.1 0.1 -
Ref No.
MODE 12345678
CD PLAY 0.1 0.1 0.1 0.1 3.3 3.3 0.1 3.4
Ref No.
MODE 1234567891011121314151617181920
CD PLAY 0.1 3.4 3.4 3.4 3.4 3.4 3.4 3.4 0.1 0.1 3.4 3.4 3.4 3.4 1.0 0.1 0.1 3.4 3.4 3.4
Ref No.
MODE 21 22 23 24 25 26 27 28 29 30 31 32 33 34 35 36 37 38 39 40
CD PLAY 3.4 3.4 3.4 3.4 3.4 3.4 0.1 3.9 1.3 1.5 0.7 1.5 1.0 1.1 1.3 3.4 1.6 1.1 1.0 1.0
Ref No.
MODE 41 42 43 44 45 46 47 48
CD PLAY 1.0 1.6 1.1 1.2 1.3 0.1 3.4 1.4
Ref No.
MODE 12345 12345 12345
CD PLAY 3.0 3.0 0.1 4.4 4.9 2.8 2.9 0.1 4.0 4.9 - 1.7 0.1 1.5 3.4
Ref No.
MODE ECB ECB ECB
CD PLAY 0.2 4.6 0.7 3.4 5.1 3.4 3.4 5.1 3.4
Ref No.
MODE ECB ECB ECB ECB
CD PLAY 0.1 5.0 1.0 5.0 1.0 5.0 1.0 2.1 1.6 4.6 2.1 4.0
Ref No.
MODE 123456 ECB ECB
CD PLAY 0.1 0.1 1.3 0.1 0.1 5.0 0.1 4.1 0.1 3.4 3.3 0.1
IC8421
IC8611
IC8251
IC8251
IC8051
IC8651
IC8151
IC8651
IC8051
IC8421
Q3902 Q3903
IC8111
IC8606
IC8601
IC8651
IC8051
QR8420 QR8571
Q3901
IC8691 IC8695
IC8701
QR8111
Q8552 Q8562Q8551 Q8561

SC-HT740LB-S
41
14.2. PLACA PRINCIPAL
Ref No.
MODE 1234567891011121314151617181920
CD PLAY 0 2.9 4.9 0 2.0 3.4 0.7 1.9 2.4 4.9 5.0 - 2.3 0 0 5.0 0 4.9 4.9 4.9
STANDBY 0 2.9 4.9 0 2.0 3.4 0.7 2.0 2.4 4.9 4.9 - 2.3 0 0 4.9 0 4.8 4.9 0
Ref No.
MODE 21 22 23 24 25 26 27 28 29 30 31 32 33 34 35 36 37 38 39 40
CD PLAY000004.84.8-0.42.63.14.94.94.70000.74.94.9
STANDBY000004.8- -0.20.13.24.94.94.70000.74.94.9
Ref No.
MODE 41 42 43 44 45 46 47 48 49 50 51 52 53 54 55 56 57 58 59 60
CD PLAY4.93.14.24.604.9004.9004.90000004.90
STANDBY4.93.14.34.75.34.9004.94.504.90000004.90
Ref No.
MODE 61 62 63 64 65 66 67 68 69 70 71 72 73 74 75 76 77 78 79 80
CD PLAY4.9004.904.804.84.74.84.8000000000
STANDBY4.9004.804.804.84.64.94.8000000000
Ref No.
MODE 81 82 83 84 85 86 87 88 89 90 91 92 93 94 95 96 97 98 99 100
CD PLAY4.9000003.804.60.6004.90000004.9
STANDBY4.9000003.704.60.7004.90000004.9
Ref No.
MODE 123456789
CD PLAY 0 0.3 0 0.3 8.7 9.1 0 0 0
STANDBY 0 0.3 0 0.3 8.6 9.1 0 0 0
Ref No.
MODE 12345678
CD PLAY-4.900000-
STANDBY - 4.9 00000-
Ref No.
MODE 1234567891011121314151617181920
CD PLAY0000000000000-0.1000000
STANDBY00000000000000000000
Ref No.
MODE 21 22 23 24 25 26 27 28 29 30 31 32 33 34 35 36 37 38 39 40
CD PLAY00000000-0.10000-0.1000000
STANDBY00000000000000000000
Ref No.
MODE 41 42 43 44 45 46 47 48 49 50 51 52 53 54 55 56 57 58 59 60
CD PLAY0000000001.4-0.1000000.2- --0.1
STANDBY0000000001.40000000- --0.1
Ref No.
MODE 61 62 63 64 65 66 67 68 69 70 71 72 73 74 75 76 77 78 79 80
CD PLAY-0.1004.905.100000-0.100000000
STANDBY-0.1004.905.100000000000000
Ref No.
MODE 81 82 83 84 85 86 87 88 89 90 91 92 93 94 95 96 97 98 99 100
CD PLAY0-0.100-6.96.900-0.1- - 000000-0.100
STANDBY0000-6.96.9000- -000000000
Ref No.
MODE 12345678
CD PLAY -0.1 -0.1 -0.1 -6.9 0 0 0 6.9
STANDBY000-6.90006.9
Ref No.
MODE 1234567891011121314
CD PLAY0006.9000000-6.9000
STANDBY0006.9000000-6.9000
Ref No.
MODE 1234567891011121314151617181920
CD PLAY 4.9 0 0 2.1 4.7 1.6 0 1.6 2.1 0 1.6 0 2.1 4.7 2.1 4.9 2.2 2.2 0 2.2
STANDBY 4.9 0 0 2.1 4.7 1.5 0 1.5 2.1 0 1.6 0 2.1 4.7 2.1 4.9 2.2 2.2 0 2.2
Ref No.
MODE 21 22 23 24 25 26 27 28 29 30 31 32
CD PLAY 2.2 0 1.5 1.7 0 1.5 2.0 0 1.6 1.8 0 2.2
STANDBY 2.2 0 1.4 1.7 0 1.4 1.7 0 1.5 1.8 0 2.2
Ref No.
MODE 12345 123
CD PLAY 3.2 1.0 0 - 13.4 9.1 0 5.0
STANDBY 3.2 1.0 0 - 13.6 9.1 0 5.0
Ref No.
MODE 12345678910111213141516
CD PLAY00.100.100-6.9-0.1000000.10.16.9
STANDBY 0 0 0.2 0.1 0.1 0 -6.9 0 0 0 0.1 0 0.1 0.1 0.1 6.9
Ref No.
MODE 123 123
CD PLAY 6.1 5.0 0 6.1 5.0 0
STANDBY 6.1 5.0 0 6.1 5.0 0
Ref No.
MODE ECB ECB ECB ECB ECB
CD PLAY 0 0 4.5 0 4.9 0 0 0 4.1 4.9 4.8 0 0 - 0
STANDBY 0 0 4.5 0 4.9 0 0 5.3 0 4.9 4.8 0 0 - 0
Ref No.
MODE 123456 ECB 123456
CD PLAY 0 -4.7 0 -0.1 -4.7 -0.1 0 -4.7 -0.1 0 -0.1 0 0 -0.1 0
STANDBY 0 0.6 0 0 0.6 0 1.7 1.7 0 0 -0.8 0 0 -0.8 0
Ref No.
MODE 1 23456 ECB ECB ECB
CD PLAY 0-0.90 0-0.9 0 0 0 4.6 0 -0.1 0 0 0 0.7
STANDBY 0-0.80 0-0.8 0 0 0 4.5 0 -0.7 0 0 0 0.7
Ref No.
MODE ECB ECB ECB ECB ECB
CD PLAY 0.8 0.7 0 0 4.9 -2.5 6.9 18.6 7.5 5.6 9.1 6.3 -6.9 -18.6 -7.4
STANDBY 0.8 0.7 0 0 4.9 -2.5 7.0 18.7 7.5 5.6 9.1 6.3 -6.9 -18.6 -7.4
Ref No.
MODE ECB ECB ECB ECB ECB
CD PLAY 0 -7.4 -0.6 0 4.9 -2.6 0 0 0.6 0 0 0.6 0 0 0.6
STANDBY 0 -7.4 -0.6 0 4.9 -2.6 0 0 0.7 0 0 0.7 0 0.7 0
Ref No.
MODE ECB ECB ECB
CD PLAY 5.6 5.6 5.0 3.3 4.4 3.9 0 0 4.8
STANDBY 5.6 5.6 5.0 - - - 0 0 4.8
Q2914 Q2935
Q2913Q2909 Q2911Q2907 Q2912
Q2936
Q2903
Q2310 Q2602
IC2103
Q2901
Q2201
Q2603
Q2095
Q2904 Q2906
IC2907 IC2908
Q2001 Q2003
IC2102
IC2102
IC2102
IC2102
IC2001
IC2003
IC2004
IC2102
IC2001
IC2001
IC2001
IC2001
IC2105
IC2904
IC2906
IC2801
IC2801
IC2903
Q2098
Q2307
Q2308 Q2309
Q2101
Q2006

SC-HT740LB-S
42
Ref No.
MODE 1234567891011121314151617181920
CD PLAY03.002.802.80000006.0011.806.00011.9
STANDBY030.02.802.80000006.0011.806.00011.9
Ref No.
MODE 21 22 23 24 25 26 27 28 29 30 31 32 33 34 35 36 37 38 39 40
CD PLAY 1.5 2.4 5.3 0 6.0 12.0 8.6 8.7 0 8.7 56.5 8.6 0 8.7 56.5 8.6 0 8.6 8.6 -3.1
STANDBY 1.5 2.4 5.3 0 6.0 12.0 8.6 8.7 0 8.7 56.5 8.7 0 8.7 56.5 8.6 0 8.6 8.7 -3.1
Ref No.
MODE 41 42 43 44 45 46 47 48 49 50 51 52
CD PLAY -3.1 -29.1 29.3 -3.1 -3.2 29.3 -29.1 -3.2 -3.2 0 -29.1 29.3
STANDBY -3.1 -29.1 29.3 -3.1 -3.2 29.3 -29.1 -3.2 -3.2 0 -29.1 29.3
Ref No.
MODE 12345678 123
CD PLAY 56.5 56.3 56.5 53.6 56.5 56.3 56.5 56.5 12.0 5.1 0
STANDBY 56.5 56.3 56.5 53.6 56.5 56.3 56.5 56.5 12.0 5.1 0
Ref No.
MODE 1234567891011121314
CD PLAY 0 5.0 5.0 0.2 2.5 2.5 0 2.4 2.6 2.6 2.4 0 5.1 5.1
STANDBY 0 5.0 5.0 0.2 2.5 2.0 0 2.4 2.6 2.4 2.4 0 5.1 5.1
Ref No.
MODE 12345
CD PLAY 1.7 0 163.4 15.9 0
STANDBY 1.8 0 165.0 15.9 0
Ref No.
MODE 12345678
CD PLAY 0 0 0 18.8 16.1 5.1 18.5 19.8
STANDBY 0 0 0 18.8 16.0 5.1 18.5 19.8
Ref No.
MODE 123 12345678
CD PLAY2.5015.2 ----29.4----
STANDBY2.5015.3 ----29.4----
Ref No.
MODE 123 12345678
CD PLAY 17.8 0 12.0 0 19.3 0 1.3 164.4 0 163.6 163.6
STANDBY 17.9 0 12.0 0 19.3 0 1.3 164.4 0 164.0 163.6
Ref No.
MODE 123456789
CD PLAY 0 0.3 0 0.3 8.6 9.1 0 0 0
STANDBY 0 0.3 0 0.3 8.8 9.1 0 0 0
Ref No.
MODE ECB ECB ECB ECB ECB
CD PLAY - - - - - - 0 11.7 0 56.5 0 56.5 0 0 0.7
STANDBY - - - -0.2 0 -0.2 0 11.8 0 56.5 0 56.5 0 0 0.7
Ref No.
MODE ECB ECB ECB ECB ECB
CD PLAY06.00 000.7 56.5-- --- ---
STANDBY 0 6.0 0 0 0 0.7 56.5 0 52.3 0 5.0 0 0 5.0 0
Ref No. Q5701 Q5702 Q5703
MODE ECB ECB ECB ECB ECB
CD PLAY 7.9 11.0 7.9 0.6 - -3.1 3.5 4.3 4.2 3.4 4.2 4.0 -0.1 3.2 0.4
STANDBY 8.0 11.0 7.9 0.6 - -3.1 3.5 4.3 4.1 3.4 4.2 4.1 0 3.2 0.4
Ref No.
MODE ECB ECB ECB ECB ECB
CD PLAY -17.5 -17.0 -16.8 0 3.8 0 6.5 18.1 7.0 0 4.9 0 0 0.1 0.7
STANDBY -17.5 -16.9 -16.8 0 3.8 0 6.5 18.1 7.0 0 4.9 0 0 0.1 0.7
Ref No.
MODE ECB 123
4ECB ECB
CD PLAY 0 4.5 0.3 1.1 0 -11.6 -11.5 0 0 4.8 7.9 15.9 16.2
STANDBY 0 4.5 0.3 1.1 0 -11.4 -11.3 0 0 4.7 8.0 15.9 16.3
Ref No.
MODE 1234 ECB ECB ECB ECB
CD PLAY 0 0.6 0.5 5.7 0.7 0 0 0 0 4.5 0 29.3 0 -13.8 -13.9 -14.6
STANDBY 0.5 0 0.4 5.7 0.7 0 0 0 0 4.5 0 29.3 0 -13.8 -13.9 -14.6
Ref No.
MODE ECB 1234 ECB
CD PLAY 0 0 0.8 -5.7 4.6 -18.9 -18.3 -21.4 -29.4 -22.0
STANDBY 0 0 0.7 -18.3 -19.0 4.6 5.7 -21.4 -29.4 -22.0
Ref No.
MODE ECB ECB ECB
CD PLAY 0 0 0.6 0 0 4.9 1.3 -0.1 0.6
STANDBY 0 0 0.6 0 0 4.9 1.3 0 0.7
Q5748
Q5801
Q5930
Q5726 Q5740
Q5745
Q5744
Q5931
IC5001
IC5001
IC5001
IC5702 IC5703
IC5002 IC5004
Q5760
Q5706
IC5750
IC5010
Q5001 Q5002 Q5015
IC5701
IC5705 IC5721
Q5932
Q5704
Q5025Q5023 Q5031 Q5095
Q5751
Q5908
Q5741
Q5746
IC5704
Q5749 Q5750
Q5747
Q5742
Q5752
Q5705
Q5022Q5014
Q5096
Ref No.
MODE 1234567891011121314151617181920
CD PLAY 4.9 0 0 -0.1 2.8 - 0.7 4.6 3.7 - - 0 4.8 -21.0 -21.0 -18.9 -18.8 -14.7 -18.9 -14.7
STANDBY 4.9 0 0 0 2.8 - 0.7 4.6 3.7 - - 0 4.9 -21.0 -21.0 -21.0 -18.9 -10.5 -8.4 -14.7
Ref No.
MODE 21 22 23 24 25 26 27 28 29 30 31 32 33 34 35 36 37 38 39 40
CD PLAY -12.9 -21.0 -21.0 -14.7 -14.7 -18.9 -21.0 -21.0 -16.8 -21.4 -14.9 -12.8 -19.1 -19.1 -19.1 -19.1 -19.1 -19.1 -19.1 -19. 1
STANDBY -14.7 -21.0 -18.9 -10.5 -10.5 -16.8 -21.0 -18.9 -8.4 -21.4 -12.7 -10.6 -19.1 -19.1 -19.1 -19.1 -19.1 -19.1 -19.1 -19.1
Ref No.
MODE 41 42 43 44
CD PLAY -19.1 -19.1 4.9 -0.1
STANDBY -19.1 -19.1 4.9 0
Ref No.
MODE E C B
CD PLAY -0.1 4.5 0
STANDBY 0 4.7 0
IC6901
IC6901
IC6901
Q6901
14.3. PLACA FONTE
15.4. PLACA DO DISPLAY

SC-HT740LB-S
43
14.5. PLACA DO MOTOR DE CARREGAMENTO, PLACA DO MOTOR DA BANDEJA, PLACA DO
SENSOR E PLACA DO REGULADOR.
Ref No.
MODE 1234
CD PLAY 1.2 4.5 0 0
STANDBY 0.2 4.8 0 0
Q9001
Ref No.
MODE 1234 1234
CD PLAY 1.2 0 4.7 0 2.5 1.2 0.1 0
STANDBY 0.1 0 4.8 0 0.4 -0.2 4.8 0
Q9101 Q9102
Ref No.
MODE 1234
CD PLAY 3.7 2.5 0 0.2
STANDBY 0.2 0.4 0 4.7
Q9103
Ref No.
MODE 1234
CD PLAY 3.7 2.5 0 0.2
STANDBY 0.2 0.4 0 4.7
Q9103
Ref No.
MODE 123 123
12.1 0 9.1
12.7 0 9.1
4
CD PLAY 3.7 2.5 0 0.2
STANDBY 0.2 0.4 0 4.7
IC2901 IC2902
Placa do Sensor
Placa do Regulador
Placa do Motor da Bandeja
Placa do Motor de Carregamento

SC-HT740LB-S
44
14.6. QUADRO DE FORMAS DE ONDA
WF No. IC2801-4 (PLAY) WF No. IC2801-8 (PLAY) WF No. IC2801-11 (PLAY) WF No. IC2801-13 (PLAY)
0.7Vp-p(2msec/div)
WF No. IC2801-15 (PLAY)
0.4Vp-p(20usec/div)
WF No. IC2801-27 (PLAY)
2.2Vp-p(20usec/div)
WF No. IC5001-49 (PLAY)
96Vp-p(500nsec/div)
WF No. IC5001-30 (PLAY)
92Vp-p(500nsec/div)
WF No. IC5001-40 (PLAY)
100Vp-p(500nsec/div)
WF No. IC5001-36 (PLAY)
96Vp-p(500nsec/div)
WF No. IC2001-12 (PLAY)
5.4Vp-p(100nsec/div)
WF No. IC2102-20 (PLAY)
0.1Vp-p(500usec/div)
WF No. IC2102-30 (PLAY)
4.4Vp-p(5msec/div)
WF No. IC2103-7 (PLAY)
1.2Vp-p(500usec/div)
WF No. IC2801-18 (PLAY)
1.1Vp-p(20usec/div) 1Vp-p(20usec/div) 0.5Vp-p(20usec/div)
WF No. IC2801-21 (PLAY)
0.9Vp-p(20usec/div)
WF No. IC2801-24 (PLAY)
2.2Vp-p(20usec/div)
WF No. IC2801-30 (PLAY)
2.2Vp-p(20usec/div)
WF No. IC2801-32 (PLAY)
1.3Vp-p(20usec/div)
0.9Vp-p(20usec/div)

SC-HT740LB-S
45
15. DIAGRAMA DAS INTERCONEXÕES
CN6901
1
28
9
CN9003
M
+-
11
111
110
2
+
M
FC9101
Loading
Motor
6
1
CN9102
FC9101
6
1
11 1
10 2
CN6902
1
1
2
18
19
19
FP8101
FP8531
FP8251
P3901
1
1
50
50
1
25
22626
5
1
CN5710
P5701
110V-127V/
220V-240V
50/60HZ
AC-IN
16
CN5705
CN5707
CN5712 CN5713
1
28
1
218
141
19 9
141
bPF
PFb
bPF
PbF
PbF
FPb
PbF
PFb
PFb
A
PLACA MÓDULO HDMI
(SIDE:A)
TO SPINDLE
MOTOR
ASS'Y
PLACA DO SELETOR DE TENSÕES
L
PLACA ENTRADA AC
D
PLACA DO DISPLAY
E
PLACA DO DISPLAY
F
PLACA DO MICROFONE
G
PLACA DO MOTOR
DE CARREGAMENTO
H
PLACA DO
MOTOR DA BANDEJA
I
PLACA DO
SENSOR
J
TO OPTICAL
PICKUP
VOLUME
HEADPHONE
VR6800
JK6801
1
3
5
4
6
7
2
REDBLK
JK6802
H6901
22
23
119
20
21
Loading
Motor
(SOLDER SIDE)
(SOLDER SIDE)
(SOLDER SIDE)
(SOLDER SIDE)
(SOLDER SIDE)
(SOLDER SIDE)
(SOLDER SIDE)
(SOLDER SIDE)
(SOLDER SIDE)
MUSIC PORT
1
3
5
4
6
7
23
1
2
K
H2902
1
2345
6
PbF PLACA DO REGULADOR
S5701
123
BLK WHT

SC-HT740LB-S
46
CN5704
CN5711
CN5708
CN5701
CN5709
CN5706
CN5050
CN5702
CN5714
1
17
16
1
2
123
1
2
30
29
113
14
1
14
1
123
6
21
10 11
SUROUND
SPEAKERS
FRONT
SPEAKERS
CENTER
SPEAKER
SUBWOOFER
JK5400
13
12
6
11
5
4
9
3
8
2
7
1
14
10
bPF
FPb
CN2007
H2010
CN2001
CN2013
CN2011
CN2002
CN2005
CN2901
CN2902
1
12
11 10
1
2
16
17
149
47
50
48
1
110
111
3
3
2
4
13 1
2
29
30
JK2001
1
35
2
4
15
17
16
12
13
9
11
10
6
8
7
14
TO TUNER PACK UNIT
TO WIRELESS
PLACA PRINCIPAL
B
PLACA DA FONTE
C
TO FAN UNIT
RED BLK
TO FAN UNIT
(SOLDER SIDE)
(SOLDER SIDE)
123
123
AUX
COMPONENT VIDEO
OUT
VIDEO OUT
S-VIDEO OUT
BLK WHT

SC-HT740LB-S
47
16. DIAGRAMAS EM BLOCOS
BUFFER
QR8571
Q8551,8552
Q8561,8562
TRVFT MUTE
F0 DRV
PWM0
145
DRV1
90
TRS DRV
SPMUTE
DRV0
91
AD1
140
DRV4
87
DRV3
83
P14
81
89
DRV2
85
FG
114
113
125
139
126
RFINP
RFINN
LPC2
AD0
LPC02
LPC1
LPC01
VIN9
VIN10
VIN5
VIN6
VIN7
VIN8
VIN4
VIN3
VIN2
VIN1
PWM1
VHALF
TRV DRV
144
128
IC8001
MN2DS0009AP
DV3.2 LSI
LD DRIVE
LD DRIVE
130
129
131
132
133
134
136
135
137
138
123
124
LASER DIODE
B1 B2
B4
OPTICAL PICK UP UNIT
B3
A3
A2
PHOTO DETECTOR
A4
A1
LASER DIODE
AMP
HEAD

SC-HT740LB-S
48
BUFFER
QR8571
OPTICAL PICK UP UNIT
VOL4+
VOL4-
VOL3+
17
OPIN+
4
OPIN-
5
15
16
VOL3-
18
VOL1+
14
VOL1-
13
VOL2+
12
VOL2-
TRAVERSE INNER SW
11
MUTE
CH1,2
MUTE
CH3
24
BIAS1
1
VIN1
2
VIN2
3
23
VIN3
27
9
TRVFT MUTE
F0 DRV
M
0
145
V
1
90
TRS DRV
SPMUTE
V
0
91
D
1
140
V
4
87
V
3
83
4
81
89
V
2
85
F
G
MOTOR
SPINDLE
MOTOR
TRAVERSE
ACT F-
HFM
ACT F+
ACT T-
ACT T+
ACTUATOR
COIL
FOCUS
COIL
TRACKING
BIAS2
TRACKING COIL/FOCUS COIL/TRAVERSE/SPINDLE MOTOR DRIVE
C0GBG0000048
IC8251
M
1
L
F
TRV DRV
144
128
MUTE12
MUTE
CH4
20
MUTE4
MUTE3
LDIN
6
OPOUT
+
-
+
-
+
-
+
-
SHIFT
LEVEL
+
-
+
-
SHIFT
LEVEL
+
-
+
-
SHIFT
LEVEL
+
-
+
-
SHIFT
LEVEL
+
-
-
+
-
+

SC-HT740LB-S
49
SPDI
F
MCL
K
SD0
SD1
SD2
SD3
WS
SCK
DAC4 OUT
DAC5 OUT
DAC1 OUT
DAC2 OUT
DAC3 OUT
AD OUT1
SRCK
LRCK
AD OUT0
AD OUT2
AD OUT3
DA CLK
IEC OUT
SCLOCK VCLK
X8621
OSC0
OSC1
NRST
P4
P1
P2
FG
P13
P9
P10
P11
P8
P7
P6
16bit
DATA
MEMORY
12bit
ADDRESS
MEMORY
12bit
ADDRESS
MEMORY
16bit
DATA
MEMORY
MCK
MCK 1
NWE
NCAS
NRAS
NCSM
MDQ15
MDQ14
MDQ13
MDQ12
MA11
MDQ11
MA10
MDQ10
MA9
MDQ9
MA8
MDQ8
MA7
MDQ7
MA6
MDQ6
MA5
MDQ5
MA4
MDQ4
MA3
MDQ3
MA2
MDQ2
MA1
MDQ1
MDQ0
MA0
CLK
NWE
NCAS
NRAS
CS
DQ15
DQ14
DQ13
DQ12
DQ11
DQ10
DQ9
DQ8
DQ7
DQ6
DQ5
DQ4
DQ3
DQ2
DQ1
DQ0
A11
A10
A9
A8
A7
A6
A5
A4
A3
A2
A1
A0
HDMI TRANSMITTER
MN8647011
10
9
8
7
6
5
11
169
170
171
168
167
172
166
173
12
147
148
149
157
156
CR/PR/R
CB/PB/B
Y/PY/G
C
Y
DATA
IC8001
DV3.2 LSI
MN2DS0009AP
IC8051
64M SDRAM
C3ABPG000133
IC8651
RFKWMHA0L160
16M FLASH ROM
40
38
36
32
30
28
26
24
EXDT0
EXDT15
39
37
33
31
29
27
25
23
NEXCE
18
55
NEXWE
NEXOE
20
281126
XOEXWEXCE
ADDRESS
ADDRESS
EXADR20
EXADR19
EXADR18
EXADR17
EXADR16
A20
A19
A18
A17
A16
A15
A8
A7
65
54
56
41
10
9
16
17
48
57
EXADT15
EXADT8
EXADT7
42
43
EXADT0
46
47
48
49
50
51
58
59
60
61
62
63
64
18
A0
1
8
18
25
DATA
DQ15
DQ0
45
43
41
39
36
34
32
30
44
42
40
35
38
33
31
29
223
225
221
227
228
229
38
16
17
18
19
208
210
212
216
217
213
211
209
207
203
201
199
206
202
198
230
237
232
238
240
242
244
246
247
245
200
243
241
53
51
50
48
47
45
44
42
13
11
10
8
7
5
4
2
35
22
34
33
32
31
30
29
26
25
24
23
176
187
183
182
84
5
6
1
1
71
66
67
85
73
74
75
80
76
77
78
177
178
179
180
181
182
183
VDIQ7
VDIQ6
VDIQ5
VDIQ4
VDIQ3
VDIQ2
VDIQ1
VDIQ0
D7
PCLK IN
HCLK
NRESET
HSDA
HSCL
D6
D5
D4
D3
D2
D1
D0
153
131
18
28
15
14
24
154
155
156
158
159
160
V
Y
CB/
CR
Y OUT
CB/CR OUT
161
97
95
94
93
90
89
88
86
85
84 2
1
VSYNC
HSYNC
VSYN
C
HSYN
C
DQ9
DQ8
DQ7
DQ6
DQ5
DQ4
DQ3
DQ2
DQ1
DQ0
D15
D14
D13
D12
D11
D10
D9
D8
57
58
61
62
63
64
65
67
D23
D22
D21
D20
D19
D18
D17
D16
49
66
44
43
42
50
51
52
53
54
55
56
107
126
106
105
103
102
101
99
98
DQ17
PCLK OUT IDCK IDCK
C
S
C
S
RE
S
DQ16
DQ15
DQ14
DQ13
DQ12
DQ11
DQ10
1
24
1
24
1
24
OUT
OUT
RESET
C0EBA0000029
C0JBAB000614
( Not Supplied)
SDA
I2C SDA
I2C SCL
SDA
HOTPLG
OP CPU CMD
OP CPU STAT
OP CPU CLK
TXRST
SCL
SCL
IC3701
IC8701
IC8601
RESET
C0EBE0000455
IC8606
EEPROM
C3EBGC000055
IC8611
AND GATE
C0JBAA000344
IC3931
INVERTER
IC3901
C0JB
A
IC8695
C0JB
A
IC8691

SC-HT740LB-S
50
SPDIF
MCLK
SD0
SD1
SD2
SD3
WS
REGISTERS
CONFIGURATION
LOGIC
SLAVE
SCK
VIDEO
DATA CAPTURE
/DE
GENERATOR
LOGIC
PANELLINK
TMDS
DIGITAL
CORE
AUDIO DATA
CAPTURE LOGIC
RECEIVER SENSER + INTERRUPT LOGIC
HDCP
E-DDC
MASTER
X OR
4:2:2
4:4:4
I2C
TO CSC
LEVEL
SHIFTER
LEVEL
SHIFTER
BUFFER
Q3902
Q3903
Q3901
VCLK
X8621
HDMI PANELLINK CINEMA TRANSMITTER
C1AB00002239
HDMI
CONNECTOR
P3901
HDMI TRANSMITTER
MN8647011
10
9
8
7
6
5
11
69
70
71
68
67
72
66
73
12
4
7
4
8
4
9
5
7
5
6
CR/PR/R
CB/PB/B
Y/PY/G
C
Y
CR/PR/R
SR CK
LR CK
AD OUT1
AD OUT0
AD OUT2
AD OUT3
S CK
CB/PB/B
Y/PY/G
C
Y
AMUTE
MS
MC
MD
DVD CLK
DVD STAT
DVD CMD
76
8
7
8
3
8
2
5
6
1
1
1
6
7
5
3
4
5
0
6
7
8
77
78
79
80
81
82
83
D7
PCLK IN
HCLK
NRESET
HSDA
HSCL
D6
D5
D4
D3
D2
D1
D0
153
131
18
28
15
14
24
154
155
156
158
159
160
V
Y
CB/
CR
Y OUT
CB/CR OUT
161
97
95
94
93
90
89
88
86
85
84 2
1
VSYNC
HSYNC
VSYNC
HSYNC
DQ9
DQ8
DQ7
DQ6
DQ5
DQ4
DQ3
DQ2
DQ1
DQ0
D15
D14
D13
D12
D11
D10
D9
D8
57
58
61
62
63
64
65
67
D23
D22
D21
D20
D19
D18
D17
D16
49
66
44
43
42
50
51
52
53
54
55
56
107
126
106
105
103
102
101
99
98
DQ17
PCLK OUT IDCK IDCK
CSDA
CSCL
RESET
DQ16
DQ15
DQ14
DQ13
DQ12
DQ11
DQ10
1
24
1
24
HPD
DSDA
DSDL
26
18
19
20
27
29
30
32
33
35
36
TXC-
TXC+
TX0-
TX0+
TX1-
TX1+
TX2-
TX2+
D2-
D2 GND
D2+
D1-
D1 GND
D1+
D0-
D0 GND
D0+
CLK-
CLK GND
CLK+
1
2
3
4
5
6
7
8
9
10
11
12
16
15
19
1
24
OUT
OUT
RESET
C0EBA0000029
C0JBAB000614
( Not Supplied)
SDA
I2C SDA
I2C SCL
SDA
HOTPLG
OP CPU CMD
OP CPU STAT
OP CPU CLK
TXRST
SCL
SCL
IC3701
IC8701
IC8601
RESET
C0EBE0000455
IC8606
EEPROM
C3EBGC000055
IC8611
AND GATE
C0JBAA000344
IC3931
INVERTER
IC3901
AND GATE
C0JBAA000346
IC8695
AND GATE
C0JBAA000346
IC8691

SC-HT740LB-S
51
(FM)
ST
SD
DET OUT
(LC7213MDTRM)
(LA1833NMNTL
M
/FM MPX
DET/AM OSC
M
FM/AM IF AM
P
TUNER PACK
SD
ST/DO
CE
DI
CLCL
DI
CE
DO
I/F
C2B
SHIFT REGISTER LATCH
DETECTOR
UNLOCK
15
11
17
18
16
1
20
14
13
4
3
2
5
896
12
7
1019
SYNTHESIZER
PLL FREQUENCY
AM IFT
121110
987654321
DET
PILOT
FFFFFF
VCO
CANCEL
PILOT
DET
PHASE
RF AMP
5
17
8
COIL
OSC
AM
COIL
ANT
AM
IF AMP
FM
AM ANT
FM ANT
Rch
(FM:ON)
SUPPLY
POWER
+B
+B
+B
X103
RESET
POWER ON
COUNTER
UNIVERSAL
1/2
1/6,1/17,4 BITS
SWALLOW COUNTER
DIVIDER
PROGRAMMABLE
12 BITS
CHARGE PUMP
PHASE DETECTOR
DIVIDER
REFERENCE
REG
REG
131415161718192021222324
+B
+B
SWITCH
STEREO
DECODER
FM IF
DET
LEVEL
S-CURVE
DET
FM
BUFFER
IF
AM/FM
DRIVE
TUNING
COMP
AM IF
AM DET
AGC
RM AMP
AM
MIX
AM
BUFFER
ALC
OSC
AM
+B
6
(FM)
+B
MIXER
OSC
BUFFER

SC-HT740LB-S
52
OPEN SW
7069
LOAD
+B
Q9001
INTERRUPTOR
PHOTO
POS SW
29
PULSE
30
7
DISC SENSE
Q9101
S9001
INTERRUPTOR
PHOTO
Q9102
INTERRUPTOR
PHOTO Q2001
Q5750
DRIVE
MOTOR
DRIVE
MOTOR
34
PWM
1
1
GNDVCC
GNDVCC
(LA1833NMNTLM)
/FM MPX
DET/AM OSC MIX
FM/AM IF AMP,
1211
DET
PILOT
FFFFFF
VCO
CANCEL
PILOT
E
T
ASE
C
Y
CR/PR/R
CB/PB/B
Y/PY/G
12
1.16
4
C IN
8
5
14
Y IN
MUTE 1
MUTE 2
CR IN
15
13
CB IN
CY IN
11
GND2
C OUT
19,22,25
32
C
Y
SYSTEM CONTROL
IC2001
MN101C49GHF1
86
2
4
7
9
86
9
7
4
2
94
LOAD REV
96
LOAD FWD
98
TURN REW
97
TURN FWD
MOTOR
LOADING
MOTOR
TRAY
C0GAG0000007
MOTOR DRIVE(LOADING)
IC2003
C0GAG0000007
MOTOR DRIVE(TRAY)
IC5750
+B
+B
CONTROL
DRIVE
CONTROL
DRIVE
INTERRUPTOR
PHOTO
Q9103
+B
TU SCL
FM DET
TU SD
TU SDA
ST / DO
DVD STA
DVD CMD
DVD CK
36
40
38
37
39
43
42
44
CL
CE
SD
DI
ST/DO
DVD STAT
DVD CMD
DVD CLK
S-VIDEO OUT
JK2001
IC2801
VIDEO BUFFER
C9ZB00000461
GND
10
VCC 1
+B
+B
VIDEO OUT
JK2001
CR(BLUE)
JK2001
CB(GREEN)
JK2001
Y(RED)
JK2001
BIAS
6dB LPF
6 MHz
CLAMP
6dB LPF
6 MHz
LPF
6 MHz
BIAS
6dB LPF
12 MHz
BIAS
6dB LPF
12 MHz
6dB LPF
12 MHz
CLAMP
Rch
TUN L
1314
+B
SWITCH
STEREO
DECODER
+B
+
CY OUT
CY SAG
23
24
75
CR OUT
CR SAG
17
18
75
Y OUT
Y SAG
26
27
75
V OUT
V SAG
29
30
75
CB OUT
CB SAG
20
21
75
75
BIAS
6
CV IN CLAMP
6dB
L
H
SEL
7
SEL
L
H

SC-HT740LB-S
53
Q2602, Q2603
SUBW
LEVEL CONTROL
DVD-SUBW
Q2307
Q2308
Q2309, Q2310
DVD CNT
VD SLD (SR)
DVD MIX L(R)
TUNER L(R)
SUB LIMITTER
52
VREF
10
VDD
100
VCC
11
JOG A
91921845
JOG B
DVD POINT
RMT
26
(REMOTE SENSOR)
Z6900
(VOLUME)
VR6800
SUB IN
79
C IN
82
81(80)
VCC
VEE
86
85
84(83)
96(95)
90(89)
92(91)
94(93)
88(87)
SYSTEM CONTROL
IC2001
MN101C49GHF1
C1BB00001098
ASP(INPUT SELECT/D
DVD FL(FR)
(FRIN)
FL IN
(SR IN)
SL IN
(INR1)
INL1
(INR2)
INL2
(INR3)
INL3
(INR4)
INL4
(INR5)
INL5
AUX
JK2001
28
19
20
21
22
26
27
15
16
24 BIT AUDIO DIGITAL TO ANALOG CONVERTER
C0FBBK000050
DVD MIX L
DVD MIX R
DVD FL
DVD FR
DVD SL
DVD SR
DVD CNT
SUBW
QR8420
Q2006
MUTING
SCK
MD
MC
MS
DATA1
DATA4
DATA3
DATA2
LRCK
MANAGER
CLOCK
SYSTEM
CLOCK
SYSTEM
ZERO DETECT
ZFLAG
5
BCK
SRCK
LRCK
AD OUT0
AD OUT1
AD OUT2
AD OUT3
MS
MC
MD
AMUTE
I/F
CONTROL
FUNCTION
I/F
INPUT
SERIAL
V OUT6
V OUT5
V OUT4
V OUT3
V OUT2
V OUT1
DAC
DAC
DAC
DAC
DAC
DAC
DAC
V OUT8
MODULATOR
DELTA-SIGMA
MULTI-LEVEL
ENHANCED
V OUT7
DAC
4
3
2
6
13
12
11
7
8
MUTE DVD
IC2102
VREF+
MUTING
CONTROLLER
FUNCTION
WITH
DIGITAL FILTER
OVERSAMPLING
4X/8X
ASS
MUTING
MUTING
BUFFER
LOW-PASS FILTER
OUTPUT AMP AND
LOW-PASS FILTER
OUTPUT AMP AND
LOW-PASS FILTER
OUTPUT AMP AND
LOW-PASS FILTER
OUTPUT AMP AND
LOW-PASS FILTER
OUTPUT AMP AND
LOW-PASS FILTER
OUTPUT AMP AND
LOW-PASS FILTER
OUTPUT AMP AND
LOW-PASS FILTER
OUTPUT AMP AND
IC8421
+B
-B
+B
+B

SC-HT740LB-S
54
0
3
CLOCK
DATA
(36)
35
23 24
(37)
34
SUBW
E
L CONTROL
56 55
JOG LED
WS LED
RESET
33
X IN
13
X OUT
12
FH OP
65
SUB LIMITTER
ASP CK
ASP DA
52 49 50
O
R)
H BASS9
H BASS7
H BASS8
5464 65
27
31
26
48
47
OP IN 1
OP IN 2 OP OUT 2
FLVOL OUT
(FRVOL OUT)
FLF IN
(FRF IN)
SL OUT
(SR OUT)
FL OUT
(FR OUT)
C OUT
SUBOUT
OP OUT 1
46
45
44
32
(39) (40)
Q2095
D6907
Q6901
9383
D6906
15(20)
16(19)
17(18)
30(41)
28
X2001
8MHz
Q2003
RESET
+
_
7
5
6
H BASS AMP
C0ABCB000088
0
001098
N
PUT SELECT/DIGITAL SOUND PROCESSOR/ELECTRONIC VOLUME/TONE)
)
(SR IN)
)
)
)
)
FLSEL OUT
(FRSEL OUT) FLVOL IN
(FRVOL IN)
SLVOL IN
(SRVOL IN)
CVOL IN
SUBVOL IN
SLSEL OUT
(SRSEL OUT)
CSEL OUT
SUBSEL OUT
13
(22) 14
(21)
53 52
AMP
IC5010
INVERTER (CLOCK GENARATOR)
C0JBAB000472
X5010
14
1
56
24810 9
11
3
2
AMP
AMP
AMP
AMP
AMP
AMP
AGC
AMP
AMP
H BASS
MCU I/F
ASS
TONE
+B
DRIVE
LED
DRIVE
LED
+B
REGULATOR
C0CBADE00023
OUTVCC IN
+B
31
IC5004
IC2105-(2)
X5011 415KHz
375KHz
46

SC-HT740LB-S
55
Q2201
Q2101
84
(5)3 7(1)
(6)2
HP MUTE
50
-
+
SUB W
C OUT
FL OUT (FR OUT)
SL OUT (SR OUT)
C0AABB000125
IC2103
HEADPHONE AMP
MUTING
CONTROL
MUTING
-B +B
5
X IN
X OUT
FL00
FL6901
C3EBEG000073
IC2004
EEPROM
C0ABBA000163
IC5002
Q5014
Q5015, D5031
OPERATIONAL AMP
(Not Supplied)
ECS
EDA
ECK
23 25 24
4
36
5
SK
DO
CS
DI
DC
DETECT
CH6 OUT
(CH5 OUT)
CTRL
CH6 IN
(CH5 IN)
SURROUND L
(R)
FRONT L
(R)
CENTER
SUBWOOFER
CH4IN
(CH3 IN)
CH4 OUT
(CH3 OUT)
PRMON
(NORMAL:H
ABNORMAL:L)
MUTE/PREN/STBY
10-12V:OPERATING
4-8:MUTE
0-2V:STANDBY
+V OUT2
IN 2
1(3)
9(7)
13
25
22
2
6
17
49(48)
40(41)
36
34
30
32
D5041
Q5001, 5002
Q5095, 5096, Q5031
16
23
IN 1
CLK IN 1/2
MUTE_5.6
MUTE_3
MUTING
Q2911-2914
-V OUT2
+V OUT1
-V OUT1
+B
Q5022
Q5023
Q5025
2(13)
1(14) 3(12)
1(12)
14(13)
15(11)
+
_
MUSIC PORT AMP
IC2105-(1)
MUSIC PORT
SELECTOR
C0JBAR000326
IC2906
4(5)
9
2(6)
3(10)
MOD DA
64
MUTE F
66
MUTE C
SELECT A
6851
CLK MODE1/2
+VCC2
+VCC1
PR IN
IC5001
DIGITAL POWER AMP
RSN704D65-P
VOLTAGE
DETECT
35
31
15
MUTING
MODE
SELECTOR
MUTING
87
DC DET
C0ABCB000088

SC-HT740LB-S
56
FL DISPLAY
2
KEY1
6
KEY2
MN101C49GHF1
IC2001
SYSTEM CONTROL
5
X IN
X OUT
FL00
G1
P17
G10
P1
G1
P17
G10
P1
FL6901
(S6801-6808)
KEY SWITCH
S6909,6910)
(S6900-6907,
KEY SWITCH
DISPLAY DRIVER
IC6901
C0HBB0000057
19514
AVSS
62
HB EN
57
WS EN
VSSVSS
MPORT DET
47
RF DET
19
RF PCONT
20
RF LINK
21
ROLE CHG
46
WIRELSS
Rch
CN2003
+5V
VM DETECT
ID SET
JK6801
PHONES
LINK
VM MUTE
WIRELSS LCH
WIRELSS RCH
MASTER/SLAVE
ROLE CHG
Q2098
RF PCONT
RF LINK
RF DET
M PORT DET
1
9
6
7
5
2
4
10
SPEAKERS
JK5400
1
7
8
2
9
3
10
4
6
12
5
11
71
P CONT
31
SYNC
AM BP
35
7
6
1
2
3
4
5
Rch
SURROUND L+
FRONT L+
CENTER-
CENTER+
SUBWOOFER-
SUBWOOFER+
+B
JK6802
MUSIC PORT
F-MORT-LCH
7
6
1
2
3
4
5
Rch
FL CK
FL DAT
FL STB
90 89 87
304443987
-VP
GND
VCC
STB
CLK
D IN
+B -B
Rch
Rch
COIL
FL1
FL2
SURROUND R+
FRONT R+
Q2936

SC-HT740LB-S
57
D5716
POWER TRANSFORMER
D5717
T5701
FP2000
D5711
Q5705
Q5748
Q5801
Q5703
D
P
Q5746
Q5752
Q5706,D5713
D5701
L
+5V REGULATOR
C0CBADG00023
C0CBADG00023
C0DBZYY00018
OUT IN
+5V REGULATOR
OUT IN
+B
+5V REGULATOR
C0CAADE00007
OUT IN
+B
+B
+B
Q2935, D2912
+B
42
+1.2V REGULATOR
C0DBEHG00006
OUT VCC
+B
18
+1.8V DC-DC
CONVERTER
OUT VIN
+B
POWER CONTROL
QR8111
1
5
8
31
+3.3V DC-DC
CONVERTER
CONT
VIN
V0
+2.7V
REGULATOR
+B
D5010
Q5704Q5726
Q5760
BUFFER
TH5702
Q5930-5932
TRANSFORMER
TEMP. DETECT
Q2903
D2902
+7V
REGULATOR
Q5740-5742
Q5744
FAN MOTOR
DRIVE
+9V REGULATOR
C0DAZYY00001
C0DAZYY00001
OUT IN
31
+9V REGULATOR IC5702
OUT IN
31
2
31
SWITCHING
REGULATOR
OUT IN
21
M
SWITCHING
Q2901,
Q2909
DC DETECT
Q5908, D5903
REGULATOR
-B
IC5705 +12V REGULATOR
C0CAAYG00011
+B
Q5751
SWITCHING
-B
Q5702
SWITCHING
Q5701
CURRENT
LIMMITTING
SWITCH
PC5701
FEED BAC
K
2
13
+
_
DIFFERENTIAL AMP
IC5703-(1)
5
76
+
_
DC DETECT AMP
C0ABBB000067
IC5703-(2)
+B
Q2906,2907
-7V
REGULATOR
-B
SYNC
SWITCH
FEED BACK
CURRENT
LIMITTING
SWITCH
SWITCHING
REGULATOR
Q5753
BUFFER
Q5745
FEED BAC
+B
SHUNT
REGULATOR
C0DABFC00002
IC2902
IC2901
IC2903
C0DAAMH00012
OUT IN
13
IC8151
IC3782
IC2908
IC2904
IC8111
IC2907
C0CBCAD00082
+B
+B
Q2904
D2915
+B
+5V
REGULATOR
+5V REGULATOR
OUT IN
45
C0CBCDC00063
+B
IC3952
1
1
3
3
D5718
TH5701

SC-HT740LB-S
58
SIGNAL LINES
( ) Indicates the Pin No. of Right Channel.
: MAIN SIGNAL LINE
: FM SIGNA
: MUSIC PORT SIGNAL LINE
L LINE
: FM OSC SIGNA
: AUX SIGNAL LINE
L LINE
: AM SIGNAL LINE
: AM OSC SIGNAL LINE
: FM /AM SIGNAL LINE : CD-DA (AUDIO /VIDEO) SIGNAL LINE
NOTE : Signal Lines are applicable to the Left Channel only.
: DVD VIDEO SIGNAL LINE
: DVD AUDIO SIGNAL LINE
POWER TRANSFORMER
T
5701
Q5705
Q5748
Q5801
Q5703
T5721
D5723
PC5721
Q5752
D5701 L5703 DZ5701
Q5701
CURRENT
LIMMITTING
SWITCH
Q5747
SWITCHING
PC5701
FEED BACK
L5701
F1
P5701
AC INLET
SWITCHING REGULATOR
C5HABZZ00125
SUPPLY
DRAIN
FEED BACK
4
3
1
SYNC
SWITCH
FEED BACK
FEED BACK
CURRENT
LIMITTING
SWITCH
SWITCHING
BACKUP TRANSFORMER
Q5753
BUFFER
Q5745
FEED BACK
+B
D
D
VCC
START
FB
8
7
2
5
4
IC5721
SWITCHING REGULATOR
C0DABYY00002
IC5701
6
75
+
_
COMPARETER
C0ABBA000168
IC5704
Q5749
TH5703
S5701
VOLTAGE
ADJ
6
75
+
_
COMPARETER
C0ABBA000168
IC
Q574
TH5701

SC-HT740LB-S
59
17. NOTAS DOS DIAGRAMA ESQUEMÁTICOS
(Todos os diagramas esquemáticos podem ser modificados a qualquer momento com o desenvolvimento de novas
tecnologias).
• Os valores de tensões e formas de onda são referências desta unidade medidas por um voltímetro eletrônico (alta
impedância) e osciloscópio na base do chassi. Conseqüentemente, poderá aparecer algum erro nos valores de tensões
e formas de onda dependendo da impedância interna do testador ou a unidade medida.
•Nota Importante de Segurança
Componentes identificados pela marca têm especial e importante característica de segurança. Além disto, peças
especiais que têm propósitos de retardar fogo (resistores), som de alta qualidade (capacitores), baixo ruído (resistores),
etc., são usadas. Quando substituir qualquer componente, tenha o cuidado de usar somente peças especificadas pelo
fabricante ilustradas na lista de peças.
Cuidado!
CI, LSI e VLSI são sensíveis à eletricidade estática.
Problemas secundários podem ser prevenidos tomando o cuidado durante o reparo.
• Cubra as peças com uma caixa feita de plástico com uma folha de alumínio.
• Ponha manta condutiva na bancada de trabalho.
• Aterre o ferro de solda.
• Não toque nos pinos do IC, LSI ou VLSI diretamente com os dedos.
: + B Signal line
: CD-DA signal line
: Main signal line
: DVD (Video) signal line
: DVD (Audio) signal line
: FM/AM signal line
: -B Signal line
: MUSIC PORT signal line
: AUX signal line
S6801: Play and memory switch (
Memory).
S6802: R. skip, search and Tuning switch
(// TUNING ).
S6803: F. skip, search and Tuning switch
(// TUNING ).
S6804: Stop and TUNE mode switch (
TUNE MODE). /
Pause and FM mode switch ( FM
MODE).
S6808: Tray open / close switch ( Open /
Close).
S6806: Disc skip switch (DISC SKIP).
S6805: Disc exchange switch (DISC
EXCHANGE).
S6900: Standby / on switch (POWER ).
S6907: Source select switch (SELECTOR).
S6902-S6906: Disc switch (DISC1-DISC5).
S6901: CD mode switch [PARTY MODE].
VR6800: Volume control.

SC-HT740LB-S
60
18. DIAGRAMAS ESQUEMÁTICOS
18.1. (A) CIRCUITO DA UNIDADE DE LEITURA ÓPTICA
A
:+B SIGNAL LINE
16
17
18
19
20
21
25
23
22
24
26
1
2
3
4
5
6
14
12
10
8
7
9
11
13
15
2
4
6
5
3
1
15
14
13
12
11
10
2
4
6
8
9
7
5
3
1
17
18
16
TO ACT
TO
HFM PCB
TO
LDU PCB
L1
J0JBC0000105
L2
J0JCC0000307
C6
22P
C8
0.1
C7
0.1
T+
F+
F-
T-
HFM
TA
TB
TD
TC
FE2
FE1
GND (IM)
GND (IM)
RF
VREF2(RF-)
PIN (DVD)
LD (CD)
LD GND
LD (DVD)
GND (OEIC)
VREF1
VCC
SUB2
SUB1
PIN(CD)
SUBSEL
GND
VCC
GND
GND
OUT
GND
GND
TB
TA
TC
TD
FE1
FE2
IM
RF
GND
VREF
VCC
SUB2
SUB1
SW
LD (CD)
LD (DVD)
LDGND
CIRCUITO DA UNIDADE ÓPTICA
C4
0.22
C5
22P
L3
J0JBC0000105
R2
0
R4
0C2
0.1
C1
0.1 C3
0.1
R1
0
R3
0
R5
0
R6
0
R7
6.8K
VR2
6.8K
VR1
6.8K
TO
HDMI MODULE
CIRCUIT (D2)
(FP8531) ON
SCHEMATIC
DIAGRAM-5
L4
J0JBC0000105
DIAGRAMA ESQUEMÁTICO-1
: CD-DA (AUDIO /VIDEO) SIGNAL LINE

SC-HT740LB-S
61
18.2. CIRCUITO DO MÓDULO HDMI (DV3.2) (1/12)
A
B
C
D
E
F
G
H
1234567
FP8101
VGND
Y/PY/G
VGND
CB/PB/B
VGND
CR/PR/R
VGND
Y
VGND
C
ADAC5V
MIX-L
ADAC5V
MIX-R
ADGND
FL
ADGND
FR
ADGND
SL
ADGND
SR
ADGND
CNT
MIX-R
FL
FR
SL
SR
CNT
ADGND
SW
A-REF
ZFLAG & MUTE
DGND
AUDIODIGITAL
DGND
D+5V
DGND
D+5V
DGND
A+5V
AGND
A+5V
AGND
2.7V
DGND
2.7V
DGND
M+9V
MGND
M+9V
MGND
DOP_CPU-CLK LB8691 ERJ2GEJ101X
LB8693 ERJ2GEJ101X
LB8692 ERJ2GEJ101X
DOP_CPU-CMD
DOP_CPU-STAT
D+5V
D+2.7V
M+9VHD
HD
UP
HD
HD
HD
HD
HD
HD
HD
HD
HD
HD
HD
UP
UP
HD
HD
HD
UP
AUDIODIGITAL
INT
ADAC-CLK
INT
OP_CPU_CLK
OP_CPU_CMD
OP_CPU_STAT
M+9V
A+5V
D+5V
AUDIODIGITAL
SW
A-REF
MIX-L
C
Y
CR_PR_R
CB_PB_B
Y_PY_G
I2C_SDA
I2C_SCL
HOTPLG
VCLK
DGND
NRST
AUDIODIGITAL
I2C_SDA
I2C_SCL
HOTPLG
ADAC-CLKVCLK
D+3.3V
36
37
38
39
40
41
49
47
45
43
42
44
46
48
50
21
22
23
24
25
26
34
32
30
28
27
29
31
33
35
15
16
17
18
19
20
1
2
3
4
5
13
11
9
7
6
8
10
12
14
UP
TXRST
LB8491 ERJ2GE0R00X
LB8424 ERJ2GE0R00X
LB8423 ERJ2GE0R00X
LB8431 ERJ2GE0R00X
LB8429 ERJ2GE0R00X
LB8428 ERJ2GE0R00X
LB8427 ERJ2GE0R00X
LB8426 ERJ2GE0R00X
LB8425 ERJ2GE0R00X
LB8422 ERJ2GE0R00X
LB8421 ERJ2GE0R00X
LB8302 J0JBC0000042
LB8301 J0JBC0000042
LB8305 J0JBC0000042
LB8304 J0JBC0000042
LB8303 J0JBC0000042
FL8103 F1H0J1050018
FL8421 F1H0J1050018
FL8102 F1H0J1050018
IC8151
C0DBEHG00006
QR8420
UNR521100L
FL8101 F1H0J1050018
R
C8051
10
NRST
HDMIRST
P13
FL8104 F1J1E1040022
DMIXOUT
LRCK
SRCK
AOUT0
AOUT1
AOUT2
DMIXOUT
STBDAC
SBT3
SBO3
LRCK
SRCK
CTL VCC GND OUT ADJ
AOUT0
AOUT1
AOUT2
12345
R8153 620
R8154 1K
R8420
2.2K
IC3931
C0JBAA000344
AND GATE
(HDMI ON/OFF)
MUTING
+1.2V REGULATOR
4
51
2
3
C3931
0.1
C8152
10
C8151
47
UP
UP
TO
MAIN CIRCUIT
(CN2001) on
SCHEMATIC
DIAGRAM-8
B
GND
VCC
:MAIN SIGNAL LINE :DVD(VIDEO) SIGNAL LINE :DVD(AUDIO) SIGNAL LINE :+B SIGNAL LINE
CIRCUITO DO MÓDULO HDMI (D2)
A
DIAGRAMA ESQUEMÁTICO-2

SC-HT740LB-S
62
18.2.1 CIRCUITO DO MÓDULO HDMI (DV3.2) (2/12)
7891011121
D+5V
IC8691
C0JBAA000346
IC8695
C0JBAA000346
QR8111
XP0621400L
IC8421
COFBBK000050
IC8111
C0DBZYY00018
R8421 0
C8051
10
N
RST
M
IRST
P13
DMIXOUT
STBDAC OP_CPU_STAT
OP_CPU-STAT
OP_CPU_CLK
OP_CPU-CLK
GND
VCC
GND
VCC
SBT3
SBO3
MSEL
ZERO1
MS
MC
MD
SCK
DATA1
BCK
LRCK
VDD
DGND
DATA2
DATA3
DATA4
VOUT8
ZERO2
VOUT1
VOUT2
VCOM
AGND2
VCC2
VOUT3
VOUT4
VOUT5
VOUT6
AGND1
VCC1
VOUT7
SW
MIX-L
MIX-R
A-REF
C8113
470P
RX8111
D1H422320002
LB8690
J0JBC0000044
FL
FR
SL
SR
CNT
LRCK
SRCK
AOUT0
AOUT1
AOUT2
1
227
28
326
425
524
623
722
821
920
10 19
11 18
12 17
13 16
14 15
VO
NC
GND
CN
VIN
NC
NC
CONT
4
51
2
3
4
51
2
3
8
7
2
1
6
3
5
4
1
2
34
5
6
C8111 0.1
C8426
0.1
C8427
0.1
C8428
0.1
C8422
0.1
C8421
6.3V100
C8691 0.1C8695 0.1
C8112 10
AUDIO DIGITAL TO
ANALOG CONVERTER
D+3.3V
VDD12
C8424
0.1
C8423
6.3V33
B
AND GATE
AND GATE
+3.3V DC-DC CONVERTER
POWER CONTROL
B
SIGNAL LINE
A

SC-HT740LB-S
63
18.2.2 CIRCUITO DO MÓDULO HDMI (DV3.2) (3/12)
15 16 17 18 19 2014
252627
22 23 24
28
21
29
20
30
19
31
18
32
17
33
16
34
15
35
14
36
13
37
12
38
11
39
10
40
9
41
8
42
7
43
6
44
5
45
4
46
3
47
2
48
1
123
52
5354
4
51
5
50
6
49
7
48
8
47
9
46
10
45
11
44
12
43
13
42
14
41
15
40
16
39
17
38
18
37
19
36
20
35
21
34
22
33
23
32
24
31
25
30
A16
XBYTE
VSS
DQ15/A-1
DQ7
DQ14
DQ6
DQ13
DQ5
DQ12
DQ4
VDD
DQ11
DQ3
DQ10
DQ2
DQ9
DQ1
DQ8
DQ0
EXDT_15
EXDT_7
EXDT_14
EXDT_6
EXDT_13
EXDT_5
EXDT_12
EXDT_4
EXDT_11
EXDT_3
EXDT_10
EXDT_2
EXDT_9
EXDT_1
EXDT_8
EXDT_0
XOE
VSS
XCE
XOE
XCE
A0
A15
A14
A13
A12
A11
A10
A9
A8
A19
A20
XWE
XRESET
NC
WP/ACC
RDY/XBSY
A18
A17
A7
A6
A5
A4
A3
A2
A1
EXADR_15
EXADR_16
EXADR_14
EXADR_13
EXADR_12
EXADR_11
EXADR_10
EXADR_9
EXADR_8
EXADR_19
EXADR_20
EXADR_18
EXADR_17
EXADR_7
EXADR_6
EXADR_5
EXADR_4
EXADR_3
EXADR_2
EXADR_1
VSS
DQ15 MDQ_15
VSSQ
DQ14
DQ13
VDDQ
DQ12
DQ11
VSSQ
DQ10
DQ9
VDDQ
DQ8
MDQ_14
MDQ_13
MDQ_12
MDQ_11
MDQ_10
MDQ_9
MDQ_8
VSS
NC
LDQM
CLK
CKE
NC
A11
A9
A8
A7
A6
VDD
DQ0
VDDQ
DQ1
DQ2
VSSQ
DQ3
DQ4
VDDQ
DQ5
DQ6
VSSQ
DQ7
MDQ_0
MDQ_1
MDQ_2
MDQ_3
MDQ_4
MDQ_5
MDQ_6
MDQ_7
VDD
LDQM
/WE
/CAS
/RAS
/CS
BA0
BA1
DQM0
/WE
/CAS
/RAS
/CS
BA0
BA1
A10/AP
A0
A1
A5
MA_11
MA_9
MA_8
MA_7
MA_6
MA_5
MA 4
A2
MA_10
MA_0
MA_1
MA_2
MA 3
R
F
IC8601
C0EBA0000029
RESET
RESET
EEPROM
INVERTER
IC8606
C0EBE0000455
IC8611
(NOT SUPPLIED)
I2C_SDA
I2C_SCL
4
51
2
3
1
23
4
LB8701
J0JBC0000044
LB8702
J0JBC0000044
C8611
0.1
C8601
0.1
C8057
10
C8052
0.1
C8053
0.1
C8054
220P
C8056
2200P C8651
0.1
C8652
0.1
C8606
0.1
C8701
0.1
IC8701
C0JBAB000614
5
4
3
2
1
8
7
2
1
6
3
5
4
R8611
100
RX8611
D1H447220001
NC
GND
VDD
OUT
NC
CD
VSS
VDD
OUT
NC
GND
VCC
INA
OUTY
A0
A1
A2
GND
P2
P1
aa
OSC27M
VCC
WP
SCL
SDA
:+B SIGNAL LINE
CIRCUITO MÓDULO HDMI (D2)
A
DIAGRAMA ESQUEMÁTICO-3

SC-HT740LB-S
64
18.2.3 CIRCUITO DO MÓDULO HDMI (DV3.2) (4/12)
20 21 22 23 24 25
252627
22 23 24
28
21
29
20
3
0
9
9
6
20
35
21
34
22
33
23
32
24
31
25
30
26
29
27
28
RX8017
D1H88204A024
DQ8
DQ0 EXDT_0
NRST
XWE
CLK
XOE
VSS
XCE
XOE
XCE
A0
A6
A5
A4
A3
A2
A1
EXADR_5
EXADR_4
EXADR_3
EXADR_2
EXADR_1
EXADR_0
NC
A11
A9
A8
A7
A6
MDQ_7
MDQ_8
MDQ_6
MDQ_9
MDQ_5
MDQ_10
MDQ_4
MDQ_11
MDQ_3
MDQ_12
MDQ_2
MDQ_13
MDQ_1
MDQ_14
MDQ_0
MDQ_15
c7
c8
c6
c9
c5
c10
c4
c11
c3
c12
c2
c13
C1
C14
C0
C15
/CS
BA0
BA1
DQM1
BA0
BA1
BA1
NCSM
BA0
NRAS
NCAS
DQM1
DQM0
A10/AP
A0
A1
A5
A4
MA_11
MA_9
MA_8
MA_7
MA_6
MA_5
MA_4
MA_3
MA_2
MA_5
MA_1
MA_6
MA_4
MA_0
MA_7
MA_10
MA_8
MA_9
MA_11
a3
a2
a5
a1
a6
a4
a0
a7
a10
a8
a9
a11
VSS
A2
A3
MA_10
MA_0
MA_1
MA_2
MA_3
VDD
IC8651
RFKWMHA0L160
IC8051
C3ABPG000133
RX8016
D1H88204A024
RX8020
D1H422020001
RX8018
D1H422020001
RX8019
D1H422020001
RX8015
D1H88204A024
RX8014
D1H88204A024
RX8013
D1H88204A024
RX8012
D1H88204A024
RX8011
D1H88204A024
NWE
b3
b1
b4
b5
b6
b7
b8
b2
R8013 22
R8012 22
C8055
1
64M SDRAM
16M FLASHROM
A

SC-HT740LB-S
65
18.2.4 CIRCUITO DO MÓDULO HDMI (DV3.2) (5/12)
28 29 30 31 32 3327
1
2
3
4
5
6
7
8
9
248249250251252
253
254
255
256
10
74
247
11
75
246
12
13
76
245
77
244
14
15
16
78
243
79
242
80
241
17
18
19
20
81
240
82
239
83
238
84
237
21
22
23
24
25
85
236
86
235
87
234
88
233
89
232
26
27
28
29
30
31
32
90
231
91
230
92
229
93
228
94
227
95
226
96
225
33
34
35
36
97
224
98
223
99
222
100
221
37
38
39
40
41
42
43
44
101
220
102
219
103
218
104
217
105
216
106
215
10
7
21
4
45
46
47
48
49
50
51
52
53
54
55
56
57
58
59
60
61
62
63
64
65 66 67 68 69 70 71 72 73
MDQ18
EXADT1
EXADT2
EXADT3
EXADT4
EXADT5
EXADT6
EXADT7
EXADR17
EXADR18
NEXWE
EXADR19
VDD33
VSS
EXADT8
EXADT9
EXADT10
EXADT11
EXADT12
EXADT13
VDD12
VSS
EXADT14
EXADT15
EXADR16
EXDT15
EXDT7
EXDT14
EXDT6
EXDT13
VDD33
VSS
EXDT5
EXDT12
IC8001
MN2DS0009AP
DV3.2 LSI
EXDT4
EXDT11
EXDT3
EXDT10
EXDT2
EXDT9
EXDT1
EXDT8
EXDT0
VDD12
VSS
NEXOE
NEXCE
EXADT0
VDD33
VSS
MDQ23
MDQ24
MDQ22
MDQ25
MDQ21
MDQ26
VSS
VDD33
MDQ20
MDQ27
MDQ19
MDQ28
VDD33
VSS
P0
CC
APA
VREFL7
VREFH7
AVSSD
PLFIL1
AVD D
MONI0
MONI1
MONI2
MONI3
MONI4
MONI5
MONI6
MONI7
VDD33
VSS
DRV0
DRV1
DRV2
DRV3
DRV4
DRV5
FG
NRST
VDD12
VSS
P14
P13
P12
P11
P10
P9
P8
P7
P6
P5
P4
P3
VDD33
VSS
P2
P1
DRV0
DRV1
DRV2
DRV3
DRV4
DRV5
FG
P14
P13
P12
P11
P10
P4
P3
P2
P1 MDQ19
VDD33
VSS
MDQ8
MDQ7
VDD12
DQM0
DQM1
NWE
VSS
MCK
VDD33
MCKI
VSS
NCAS
NRAS
NCSM
MA11
BA0
MA9
VSS
VDD12
BA1
MA8
MA10
VSS
VDD33
MA7
MA0
MA6
MA1
MA5
MA2
MA4
MA3
VSS
VDD33
MDQ2
MDQ3
MDQ31
MDQ16
MDQ30
MDQ17
a3
a4
a2
a5
a10
a8
b3
a9
b4
a11
b1
b5
b6
CLK
b2
b7
b8
c7
c8
a1
a6
a0
a7
VDD12
D+3.3V
LB8001 J0JHC0000045
LB8011 J0JHC0000045
EXDT_0
EXDT_8
EXDT_1
EXDT_9
EXDT_2
EXDT_10
EXDT_3
EXDT_11
EXDT_4
EXDT_12
EXDT_5
EXDT_13
EXDT_6
EXDT_14
EXDT_7
EXDT_15
EXADR_18
EXADR_16
EXADR_15
EXADR_14
EXADR_13
EXADR_12
EXADR_11
EXADR_10
EXADR_9
EXADR_8
EXADR_18
EXADR_19
EXADR_17
EXADR_7
EXADR_6
EXADR_5
EXADR_4
EXADR_3
EXADR_2
EXADR_1
EXADR_20
R8011
22
C8527
0.033
C8523 0.1
C8524 0.1
P9
P8
P7
P6
NRST
XWE
XCE
XOE
C8017 0.1
C8016 0.1
C8018
0.1
C8019
0.1
C8020
0.1
C8021
0.1
C8023
0.1
C8024
0.1
C8022
0.1
C8602
0.015
C8008
0.1
C8006
0.1
C8007
0.1
C8003 0.1
C8004 0.1
C8012 0.1
C8013 0.1
C8014 0.1
C8015 0.1
C8011 6.3V 100
C8001 4V 330
R8601 100K
R8003
47K
:DVD(VIDEO) SIGNAL LINE :DVD(AUDIO) SIGNAL LINE:CD-DA SIGNAL LINE :+B SIGNAL LINE
CIRCUITO MÓDULO HDMI (D2)
A
DIAGRAMA ESQUEMÁTICO-4

SC-HT740LB-S
66
18.2.5 CIRCUITO DO MÓDULO HDMI (DV3.2) (6/12)
33 34 35 36 37 38 39
185
186
187
188
189
190
191
192
184
183
182
181
180
179
178
177
176
175
174
173
172
171
170
169
168
167
166
165
164
163
162
161
159
158
157
156
155
154
153
152
151
150
101
220
102
219
103
218
104
217
105
216
106
215
107
214
108
213
160
149
148
147
146
145
144
143
142
109
212
110
211
111
210
112
209
113
208
114
207
115
206
11 6
205
141
140
138
137
136
135
134
133
132
131
130
129
11 7
204
11 8
203
11 9
202
120
201
121
200
122
199
123
198
124
197
125
196
126
195
127
194
128
193
139
TRCDATA1
VIN10
VIN9
VIN8
VIN7
VIN6
VIN5
VIN4
VIN3
VIN2
VIN1
VIN5
VIN6
VIN7
VIN8
VIN3
VIN4
VIN2
VIN1
AD0
AD1
AD2
AD4
AVSSH
PWM1
PWM0
AVDDH
DAC3OUT
DAC2OUT
DAC1OUT
AVDDH
COMP1
VREF
IREF1
COMP2
AVSSF
DAC4OUT
DAC5OUT
AVDDE
AVSSE
AVDDG
AVSSG
OSCI
OSCO
VSS
VDD12
DACCK
ADAC-CLK
LRCK
SRCK
ADOUT3
ADOUT2
ADOUT1
ADOUT0
IECOUT
AUDIODIGITAL
AOUT0
VOUT0
VOUT1
VOUT2
VOUT3
VOUT4
VOUT5
VOUT6
VOUT7
AOUT1
AOUT2
DMIXOUT
SRCK
LRCK
VSS
VDD33
VDIO7
VDIO6
VDIO5
VDIO4
VDIO3
VDIO2
VDIO1
VDIO0
VDD33
VSS
EXTRG1
SCLOCK
SDATA
EXTRG0
TRCCLK
TRCDATA0
VHALF
VREFH
LPCO2
LPC2
LPCO1
LPC1
VHALF
VREFH
LPCO2
LPC2
LPCO1
LPC1
g
f
e
d
AVSSB
VREFL5
VREFH5
AVDDB
VIN3RF
VIN4RF
VIN2RF
VIN1RF
RFINP
RFINN
RFINP
RFINN ANAMONI2
ANAMONI1
AVDDC
CDATA
AVSSC
CCAPA
VREFL7
VREFH7
AVSSD
PLFIL1
AVD D
MONI0
TRCDATA2
TRCDATA3
TRCST VSS
VDD33
DQM15
DQM0
DQM14
DQM1
DQM13
DQM2
VDD33
VSS
MDQ12
MDQ3
MDQ11
MDQ4
MDQ10
MDQ5
MDQ9
MDQ6
VDD33
VSS
MDQ8
MDQ7
VDD12
DQM0
DQM1
b7
b8
c7
c8
c6
c9
c5
c10
c4
c11
c3
c12
c2
c13
c1
c14
c0
c15
D+3.3V
L8501
G1C100K00019
L8201
G1C100K00019
L8301
G1C100K00019
L8302
G1C100K00019
TRCST
TRCDATA3
TRCDATA2
TRCDATA1
TRCDATA0
EXTRGO
SDATA
SCLOCK
VCLK
RX3707
D1H84714A024
RX8031
D1H447220001
DAC5OUT
DAC4OUT
DAC1OUT
DAC2OUT
DAC3OUT
PWM0
PWM1
AD4
AD2
AD0
AD1
D8211
MA2J11100L
TRCCLK
C8527
0.033
C8523 0.1
C8525
5600P
C8526
0.018
C8521
0.1
C8528 10
C8513 0.1
C8514 0.1
C8516 0.1
C8515 0.1
C8522 0.1
R8041 33
LB3704 J0JCC0000119
LB8401 J0JBC0000042
RX3708
D1H84714A024
RX8402
D1H410120001 RX8403
D1H410120001
RX8401
D1H410120001
aa
g
f
e
d
P10
P3
P4
P13
FG
P2
P1
SBO3
INT
HDMIRST
P13
HOTPLG
P2
P1
C8312 10 C8303 0.1 C8311 0.1
C8621 8P
C8622
8P
C8025 0.1
C8313 10
C8301 6.3V 220
R8211 10K
R8313 9.1K R8314 0
R8621
1M
X8621
H0J270500085
R8622
680
R8312 1KR8311 2.4K
R8401 100
R8541
15K
C8211
1200P
C8401
15P
C8541
4700P
C8502
0.1
C8005
0.1
C8026 0.1
C8503
0.1
C8529
10
C8504
0.1
C8202
0.1
C8304 0.1
C8305 0.1
C8201
6.3V 100P
C8501
6.3V 100
C8302
6.3V 33
C8505 0.1
C8306 0.1
C8203 0.1
LINE
A

SC-HT740LB-S
67
18.2.6 CIRCUITO DO MÓDULO HDMI (DV3.2) (7/12)
41 42 43 44 45 4640
R8325
68
R8326
0
DAC5OUT
DAC4OUT
DAC1OUT
DAC2OUT
DAC3OUT
C8550
6.3V 33P
C8562
16V 10P
C8563
6.3V 47P
C8564
10
C8561 0.1
C8551 0.1
R8321
68
R8322
0
R8564
22
R8561
0
R8551
0
R8568
47K
R8331
68
R8332
0
R8335
68
Q8561
2SD1819A0L
LD DRIVE
LD DRIVE
LD DRIVE
LD DRIVE
Q8562
B1ADGB000008
R8563
1K
R8566
56
R8565
2.2
C8225
1000P
C8226
1000P
R8341
68
RX8691
D1H410320002 RX8001
D1H410320002
SBT3
STBDAC
OP_CPU-CLK
OP_CPU-CMD
OP_CPU-STAT
C
Y
Y_PY_G
CB_PB_B
CR_PR_R
G1C100KA0055 A+5V
AD1
AD2
AD4
LPCO1
LPCO2
P11
P6
P8
P9
P7
AD0
VDD
R8567
51
C8552
16V 10P
C8553
6.3V 47P
C8554
10
R8554
68
R8558
47K
Q8551
2SD1819A0L
Q8552
B1ADGB000008
R8553
1K
R8556
56
R8555
2.2
R8552 1K
R8559 15K
R8562
1k
R8557
51
C
8
0
:DVD(VIDEO) SIGNAL LINE
:CD-DA SIGNAL LINE :+B SIGNAL LINE
CIRCUITO MÓDULO HDMI (D2)
A
DIAGRAMA ESQUEMÁTICO-5
K
8
K8325
0
K8321
0
K8331
0
K8335
0
K8341
0
L8550

SC-HT740LB-S
68
A
B
C
D
E
F
G
H
46 47 48 49 50 51 52
T+
FP8531
FP8251
F+
F-
T-
HFM
TA(DVD)
TA(DVD)
TA(DVD)
TA(DVD)
FE2(DVD/CD)
FE1(DVD/CD)
GND
RF
VREF2(F-)
PIN(DVD)
LDCD
LDGND
LDDVD
GND(OEIC)
LB8561 J0JBC0000042
R8531 1.5K
R8532 2.2K
R8533 0
LB8551 J0JBC0000042
LB8531 ERJ2GE0R00X
LB8530 J0JHC0000045
LB8257 ERJ3GEY0R00V
LB8259 ERJ3GEY0R00V
LB8260 ERJ3GEY0R00V
LB8258 ERJ3GEY0R00V
LB8571 J0JBC0000042
VREF1
VCC
SUB2
SUB1
PIN(CD)
SUBSEL
GND(VRCD)
16
17
18
19
20
21
25
23
22
24
26
1
2
3
4
1
2
3
4
5
6
5
6
14
12
10
8
7
9
11
13
15
SPM-
SPM+
TRVM-
TRVM+
GND
TRV_INNER_SW
EXTRG0
RX8032
D1H447220001
RX8534
D1H456020001
RX8532
D1H85604A024
RX8531
D1H456020001
RX8533
D1H456020001
VOUT7
VOUT6
VOUT5
VOUT4
VOUT3
VOUT2
VOUT1
VOUT0
15
16
17
12
13
14
18
11
19
10
20
9
21
8
24
5
25
4
26
3
27
2
28
1
23
22
6
7
29 30
R8263
82K
R8261
82K
R8262
15K
R8251
6.8
C8255
16V 22
C8257 16V 47
C8256
16V 0.1 C8231
0.1
C8261 0.1
C8258 0.1
C8262 0.1
BIAS1
VIN1
VIN2
OPIN+
OPIN-
OPOUT
GND
VCC
MUTE12
GND
VO2-
VO2+
VO1-
VO1+
FIN
LDCNT
MUTE3
TRIN
BIAS2
LDIN
VIN3
PREVCC
VCC
MUTE4
GND
VO3-
VO3+
VO4-
VO4+
FIN
C8232
0.1
C8532 220P
C8531 100P
C8572 0.1
C8571 10
C8530 0.1
C8533 0.1
C8251
6.3V 220
C8252 0.1
C8225
1000P
C8221
1000P
C8226
1000P
C8222
820P
VOUT7
OSC27M UP
UP
UP
UP
UP
UP
UP
UP
UP
OSC27M
VOUT6
VOUT5
VOUT4
VOUT3
VOUT2
VOUT1
VOUT0
VHALF
D+5V
PWM0
AD1
AD4
P14
RFINP
RFINN
PWM1
M+9V
R8231
22K
R8232
7.5K
R8230
2.2K
D+3.3V
R8221
8.2K
R8225
8.2K
R8264
15K
IC8251
C0GBG0000048
QR8571
UNR511V00L
D8571
MA2J72800L
DRV3
DRV2
LPC1
VREFH
LPC2
DRV5
VIN5
VIN6
C8512 10
C8511 10
VIN7
VIN8
VIN3
VIN4
VIN2
VIN1
DRV4
DRV1
DRV0
C8253
0.1
TO SPINDLE/
TRAVERSE
MOTOR
ASS’Y
TO
OPTICAL
PICKUP
UNIT
MOTOR DRIVER
BUFFER
A
K8251
0
18.2.7 CIRCUITO DO MÓDULO HDMI (DV3.2) (8/12)

SC-HT740LB-S
69
A
B
C
D
E
F
G
H
1234567
123
C3709 0.1
LB3702
J0JCC0000119
IDCK
HD
VCLK
D2
VOUT7
D2
VOUT6
D2
VOUT5
D2
VOUT4
D2
VOUT3
D2
VOUT2
D2
VOUT1
D2
VOUT0
D2
I2C_SCL
D2
I2C_SDA
D2
HD
HD
OSC27M
D2
NRST
D2
INT
D2
IC3701
MN8647011
HDMI TRANSMITTER
DO29
RXSENSE
PCLKOUT
VSS
DE
VSYNC
HSYNC
PCLKIN
VSS
VDD15
D23
D22
D21
D20
VDD33
D19
D18
D17
D16
D15
D14
D13
D12
D11
D10
D9
D8
VDD33
VDD15
D7
D6
D5
D4
VSS
D3
D2
D1
D0
VDD15
AMDAWS
AMDACL
DO28
DO27
VDD33
DO26
DO25
DO24
VSS
DO23
DO22
DO21
VDD15
VDD33
DO20
DO19
DO18
VSS
DO17
DO16
DO15
VDD33
DO14
DO13
DO12
VSS
DO11
DO10
DO9
VDD33
DO8
DO7
DO6
VDD15
VSS
AMDAM
AMSDI0
AMSDI1
AMSDI2
AMSDI3
VSS
AMRX
LPSA5
LPSA6
LPSA7
VDD15
PDWN
NIRQ
HSCL
HSDA
VSS
VDD33
HCLK
HCLKDIV0
HCLKDIV1
NTEST
SCANTEST
VSS
TESTM0
TESTM1
TESTM2
MINTEST
NRESET
VDD15
SOM0
SOM1
ESDA
ESCL
C3710 10
C3712 10
C3711 0.1
C3713 0.1
R3921
0
R3924
0
RX3706
D1H410120001
C3714
10
R2925
10K
C3715
10
C3964
0.1
C3716
0.1
C3704 10
C3703 0.1
a
b
c
d
e
f
g
h
i
j
k
l
C3707 10
C3706 10
C3705 0.1
C3708 0.1
159
160
161
162
163
164
158
157
156
155
154
153
152
151
150
149
148
147
146
145
144
143
142
141
140
139
138
137
136
135
134
133
132
131
130
129
128
127
126
125
124
121
122 118
119
120 115
116
117 11 2
113
114 109
110
111 106
107
108 103
104
105 100
101
102
92 993
99 98 97 96 95 94
12345678910 11 12 13 14 15 16 17 18 19 20 21 22 23 24 25 26 27 28 29 30 31 32 3
:DVD(VIDEO) SIGNAL LINE :+B SIGNAL LINE
CIRCUITO MÓDULO HDMI (UP)
A
DIAGRAMA ESQUEMÁTICO-6
18.2.8 CIRCUITO DO MÓDULO HDMI (DV3.2) (9/12)

SC-HT740LB-S
70
6789101112
K3702
0
LB3701
J0JHC0000045
LB3703
J0JHC0000045
C3701
4V 330P
C3723
47
IC3701
MN8647011
HDMI TRANSMITTER
CBCROUT_7 HD
CBCROUT_6 HD
CBCROUT_5 HD
CBCROUT_4 HD
CBCROUT_3
CBCROUT_2
CBCROUT_1
CBCROUT_0 HD
HD
HD
HD
YOUT_7
YOUT_6
YOUT_5
YOUT_4 HD
HD
HD
HD
YOUT_3
YOUT_2
YOUT_1
YOUT_0 HD
HD
HSYNC
VSYNC HD
HDMI_D+3.3V HD
D+3.3V D2
HD
DGND D2
HD
HD
HD
RX3701
D1H410120001
RX3705
D1H81014A024
a
b
c
d
e
f
g
h
i
j
k
l
m
n
o
p
q
r
RX3704
D1H81014A024
RX3703
D1H81014A024
RX3702
D1H81014A024
AVSS
TX2P
TX2M
AVDD
AVSS
TX1P
TX1M
AVDD
AVSS
TX0P
TX0M
AVDD
AVSS
TXCP
TXCM
AVDD
AVSS
EXT_SWING
NC
NC
PVDD
PVSS
FLT
UPFLT
AVSS
AVDD
AVSS
AVDD
VDD33
VOUT
VOUT
VDD33
LON
VSS
VDD15
ENHON
SCL
SDA
HPD
VDD33
TESTIN2
DO17
DO16
DO15
VDD33
DO14
DO13
DO12
VSS
DO11
DO10
DO9
VDD33
DO8
DO7
DO6
VDD15
VSS
DO5
DO4
DO3
VDD33
DO2
HPD
DO0
VSS
VDD33
HCLK
HCLKDIV0
HCLKDIV1
NTEST
SCANTEST
VSS
TESTM0
TESTM1
TESTM2
MINTEST
NRESET
VDD15
SOM0
SOM1
ESDA
ESCL
TMS
TCK
TDI
TDO
TRST
VSS
TESTIN0
TESTIN1
R2925
10K
C3964
0.1
C3716
0.1
C3717 0.1
C3719 10
C3718 10
C3720 0.1
C3721 0.1
C3722 10
C3704 10
C3703 0.1
b
c
d
e
f
g
h
i
j
k
l
m
n
o
p
q
r
C3702 0.1
C3705 0.1
106
0
7103
104
105 100
101
102
92 91 90 89 88 87 86 85 84 83
93
99 98 97 96 95 94
43
44
45
46
47
48
49
50
51
52
53
54
55
56
57
58
59
60
61
62
63
64
65
66
67
68
69
70
71
72
73
74
75
76
77
78
79
80
81
82
42
7
18 19 20 21 22 23 24 25 26 27 28 29 30 31 32 33 34 35 36 37 38 39 40 41
A
18.2.9 CIRCUITO DO MÓDULO HDMI (DV3.2) (10/12)

SC-HT740LB-S
71
A
B
C
D
E
F
G
H
1234567
K3903
0
123456789
21
22
23
24
25
26
27
28
29
52
53
54
55
56
57
58
59
60
72
73
74
75
76
77
78
79
80
10
51
30
71
11
50
31
70
12
49
13
48
32
69
33
68
14
47
15
46
16
45
34
67
35
66
36
65
17
44
18
43
19
42
20
41
37
64
38
63
39
62
40
61
C3785
0.01
C3786
10
UP
UP
UP
UP
UP
UP
UP
UP
CBCROUT_7
CBCROUT_6
CBCROUT_5
CBCROUT_4
CBCROUT_3
CBCROUT_2
CBCROUT_1
CBCROUT_0
D2
UP
UP
UP
UP
UP
UP
UP
D+2.7V
YOUT_7
YOUT_6
YOUT_5
YOUT_4
YOUT_3
YOUT_2
YOUT_1
UP
UP
D2UP
UP
IDCK
YOUT_0
D+5V
UP
UP
D2
D2
D2
D2
D2
D2
HSYNC
VSYNC
AUDIODIGTAL
ADAC-CLK
DMIXOUT
AOUT2
AOUT1
AOUT0
D2
D2
D2
LRCK
SRCK
HOTPLG
D2 M+9V
D2 DGND
UP HDMI_D+3.3V
Vo
D13
D12
D11
D10
D9
IDCK
D8
D7
D6
D5
IOVCC
IOGND
CGND
CVCC18
D4
D3
D2
D1
D0
DE
NC
PGND2
PVCC2
AGND
TX2+
TX2-
AVCC
TX1+
TX1-
AGND
TX0+
TX0-
AVCC
TXC+
TXC-
HDMI PANELLINK
CINEMA TRANSMITTER
AGND
EXT_SWNG
PVCC1
PGND1
PSVDL
CGND
CVCC18
D14
D15
D16
D17
D18
D19
D20
D21
D22
D23
IOVCC
IOGND
CGND
CVCC18
CSDA
CSCL
RESET
CI2CA
HSYNC
VSYNC
CGND
CVCC18
SPDIF
MCLK
SD3
SD2
SD1
SD0
WS
D23
IOVCC
IOGND
CGND
CVCC18
INT
HPD
DSDA
DSCL
NC
GND
CN
VIN
D+5V
D+2.7V
LB3902
J0JHC0000045
LB3901
J0JHC0000045
C3901
4V 330P
C3902
4V 330P
NC
NC
CONT
IC3782
C0CBCAD00082
+1.8V DC-DC CONVERTER
8
7
2
1
6
3
5
4
R3780
1.5K R3781
1.5K
R3911
1K
RX3902
D1H410120001
C3916 0.1
C3915 0.1
C3914 10
C3913 0.1
C3917 10
C3905 0.1
C3906 10
C3907 0.1
R3912
4.7K
R3903
10k
R3947
10K
C3955
001
IC3901
C1AB00002239
C3784
0.1
L3901
G1C100K00019
L3902
G1C100K00019
D
MA
2
:DVD(VIDEO) SIGNAL LINE :DVD(AUDIO) SIGNAL LINE :MAIN SIGNAL LINE
CIRCUITO MÓDULO HDMI (HD)
A
DIAGRAMA ESQUEMÁTICO-7
:+B SIGNAL LINE
18.2.10. CIRCUITO DO MÓDULO HDMI (DV3.2) (11/12)

SC-HT740LB-S
72
78910111213
HDMI
CONNECTOR
K3905
0
21
22
23
24
25
26
27
28
29
30
31
32
33
16
4
5
34
35
36
17
44
18
43
19
42
20
41
37
38
39
40
NC
PGND2
PVCC2
AGND
TX2+
TX2-
AVCC
TX1+
TX1-
AGND
TX0+
TX0-
AVCC
TXC+
TXC-
BUFFER
+5V REGULATOR
LEVEL SHIFTER
LEVEL SHIFTER
AGND
EXT_SWNG
PVCC1
PGND1
PSVDL
CVCC18
CSDA
CSCL
RESET
CI2CA
CVCC18
INT
HPD
DSDA
DSCL
LB3904
J0JCC0000119
LB3905
J0JCC0000119
LB3906
J0JCC0000119
R3904
4.7K
R3905
2K
R3906
4.7K
C3956
10
C3954
0.1
R3907
2.2K
D
S
G
D
S
G
R3911
1K
D1H410120001
VA3909
EZJZ0V800AA
L3903
J0MAB0000170
L3904
J0MAB0000170
L3905
J0MAB0000170
L3906
J0MAB0000170
FRAME
FRAME
FRAME
FRAME
HOTPLG
+5V
CECGND
HDMISDA
HDMISCL
RSV
CEC
CLK-
CLKGND
CLK+
D0-
D0GND
D0+
D1-
D1GND
D1+
D2-
D2GND
D2+
P3901
C3913
0
.
1
I2C_SDA
I2C_SCL
TXRST D2
D2
D2
UP
UP
C3907
0
.
1
C3911 0.1
C3910 1000P
C3904 0.1
C3903 0.1
C3912 1000P
C3909 1000P
C3908
1000P
R3901 510
R3912
4.7K
R3947
10K
C3955
0.01
R3902
10K
Q3901
2SD1819A0L
IC3952
C0CBCDC00063
Q3902
B1CFHA000002
Q3903
B1CFHA000002
D3901
MA2J72800L
2
1
3
4
2
1
3
4
2
1
3
4
2
1
3
4
15
14
13
12
11
10
2
4
6
8
9
7
5
3
1
2
4
6
5
3
1
17
19
23
22
20
18
16
21
5
4
3Noise
Bypass
2GND
OUT
IN
VC
1
A
:+B SIGNAL LINE
18.2.11. CIRCUITO DO MÓDULO DVD (DV3.2) (12/12)

SC-HT740LB-S
73
10
11
2
4
6
8
9
7
5
3
1
10
2
4
6
8
9
7
5
3
1
A
B
C
D
E
F
G
H
123456
7
15
14
13
12
11
10
2
4
6
8
9
7
5
3
1DVD_STA
STATUS
CN2001
CN2003
CN2002
30
29
28
27
26
25
17
19
21
23
24
22
20
18
16
36
35
34
33
32
31
50
49
48
47
46
38
40
42
44
45
43
41
39
37
DVD_CMD
CMD
DVD_CK
DSPCLK
MGND
M+9V
M+9V
MGND
M+9V
DGND
DVD_2.7
2.7V
DGND
2.7V
AGND
DVD_D+5V
A+5V
AGND
A+5V
DGND
MUTE_DVD
R2006 1.8K
C2016
16V47
D+5V
DGND
D+5V
DGND
AUDIODIGITAL
DGND
ZFLAG
VREF
DVD-SUBW
Q2006
B1GBCFJN0033
SWITCH
SUBW
ADACGND
DVD-CNT
CENTER
ADACGND
DVD-SR
SR
ADACGND
DVD-SL
SL
ADACGND
DVD-FR
FR
ADACGND
DVD-FL
FL
ADACGND
MIXR
MIXR
DVD_A+5V
ADAC5V
MIXL
MIXL
ADAC5V
C
C
VGND
Y
Y
VGND
CR
CR/PR/R
VGND
CB
CB/PB/B
VGND
PY
PY/Y/G
VGND
IDSET
WIRELESS-LCH
AGND
WIRELESS-RCH
WM-DETECT
LINK
PGND
+5V
MASTER/NSLAVE
IC2904
C0CAADE00007
+5V REGULATOR
INVERTER
INVERTER
NC
TUNERGND
TUNER CLK
TUNER DI
TUNER SD
TUNER LCH
TUNER DO/ST
TUNER RCH
RDS DETECT
T+9V
PORT_SEL
R2600 3.9KC2600 1
R2260 1KC2261 0.039
R2160 1KC2161 0.039
R2500 12KC2500 1
R2400 12KC2400 1
R2300 12KC2300 1
R2201 10KC2201 1
R2101 10KC2101 1
R2111 10KC2111 1
R2291 22K
R2191 22K
R2211 10KC2211 1
C2021
10V220
L2009
G0C220JA0055
MPORT_D
E
RF-L
C
RF-R
C
RF_D
E
RF_LI
N
RF+
5
ROLE_C
H
T+
9
C+
9
TU_S
D
TU_
S
TUN_L
C
TU_
S
TUN_R
C
RDS_D
E
TU_S
C
C2022 10V 220
C2169 0.01
R2161 47K
R2261 47K
C2162 3300P
C2262 3300P
W2912 0
TO
HDMI MODULE
CIRCUIT (D2)
(FP8101) on
SCHEMATIC
DIAGRAM-2
TO
WIRELESS
(TRANS-
MITTER
UNIT)
TO
TUNER
PACK
(J3CCBB
000007)
A
TO
LOADING
MOTOR
CIRCUIT
(CN9003)
SCHEMAITC
DIAGRAM-17
H
C2944
6.3V820P
D2952
B0JCAE000001
Q2098
B1GBCFJN0033
C2955
0.01
C2963
16V470P
123
R2994 47K RF_PCO
N
2
15
16
17
11
9
13
12
1
3
5
4
14
10
VIDEO
OUT P
R
P
B
AUX
Y
YOUT
COUT
JK2001
L-CH
R-CH
AUX-LCH
AUX-RCH
R2264 10K
C2264
1000P
L2201
J0JBC0000015
R2164 10K
L2101
J0JBC0000015
C2164
1000P
C2029
470P
R2809 75
C2823
100P
L2802
J0JBC0000015
R2812 75
L2803
J0JBC0000015
C2825
100P
R2813 75
C2826
100P
L2804
J0JBC0000015
R2816 75
L2805
J0JBC0000015
C2827
100P
R2817 75
L2806
J0JBC0000015
C2828
100P
R2818 75
L2807
J0JBC0000015
C2829
100P
R2265
10K
C2030
470P C2830
100P C2832
220P
C2623
100P
R2165
10K
COMPONENT OUT
S-VIDEO OUT
CN2005
IC2003
C0GAG0000007
MOTOR DRIVE
(LOADING)
MOTOR DRIVE
Q2001
B1GBCFJJ0051
LOAD_RE
V
LOAD_FW
D
C+9
V
OPEN_S
W
LOA
D
P
W
R2005 330 R2004 330
D2001
B0ECKM000016
D2002
B0ECKM000016
R2001
330
R2002
4.7K
L2002
J0JBC0000015
L2001
J0JBC0000015
L2003
J0JBC0000015
10
11
2
4
6
8
9
7
5
3
1DGND
VREF
OUT2
RINF
OUT1
VM
VCC
F-IN
GND
R-IN
OPEN_SW
DGND
PHT_DRV
DGND
CAM_SENS
DGND
LOAD_MTR+
DGND
LOAD_MTR-
DGND
C2001 16V47
C2002 0.1
123456789
R2003
10K
OUT
GND
IN
:MAIN SIGNAL LINE :MUSIC PORT SIGNAL LINE :FM/AM SIGNAL LINE :DVD(VIDEO) SIGNAL LINE :AUX SI
G
PLACA PRINCIPAL
B
DIAGRAMA ESQUEMÁTICO-8
MUTE_C_
S
Q2936
B1GBCFJN
0
W2131
0
W2271
0
W2118
0
W2169 0
W2037 0
W2016 0
W2015 0
W2106 0
W2002 0
W2133 0
W2108 0
W2119
0W2139
0
C2970
63V220
18.3. (B) CIRCUITO PRINCIPAL (1/9)

SC-HT740LB-S
74
6789101112
IC2906
C0JBAR000326
IC2801
C9ZB00000461
VIDEO BUFFER
IC2105
C0ABCB000088
C
2904
C
0CAADE00007
5V REGULATOR
INVERTER
R2260 1K
2
61 0.039
R2160 1K
1
61 0.039
C2808
10V220
DVD_A+5V
F_MPORT-LCH
RF-LCH
F_MPORT-RCH
DAP-LCH
a
b
CR
+7V
SL_OUT
WD
W
Z
Z1
Z0
Y1
X0
X1
X
Y
Y0
VEE
VDD
CTRL
W1
VSS
CRIN
MUTE2
CBIN
GND
CYIN
SEL
CROUT
GND2
CBSAG
CBOUT
GND2
CYSAG
VCC2
BIAS
CRSAG
CYOUT
SEL
CVIN
MUTE1
CIN
S2
S1
YSAG
YOUT
GND2
VSAG
VOUT
SDCOUT
YIN
VCC1
GND2
COUT
RF-RCH
SR_OUT
SELECT_A
DAP-RCH
CB
PY
Y
C
-7V
MPORT_DET
RF-LCH
RF-RCH
RF_DET
RF_LINK
RF+5V
ROLE_CHG
T+9V
C+9V
TU_SDA
TU_SD
TUN_LCH
TU_ST
TUN_RCH
RDS_DET
TU_SCL
C2169
0
.
01
R2161 47K
R2261 47K
C2162 3300P
C2262 3300P
C2190 1
C2188 1
C2818 1
C2290 1
C2951 0.1
C2193
0.1
C2801 0.1
C2950 0.1
C2187 1
C2285 1
C2291
100P
C2293
0.1
C2185 1
C2288 1
C2287 1
C2286 1
C2186 1
C2807
0.01
W2111
0
C2820
100P
R2947 100K
R2819
1K
R2945 100K
R2297
68K
-VCC
+VCC
R2296
33K
R2295
6.8K
R2196
33K
R2173
47K
R2273
47K
R2195
6.8K
R2628
10K
12
1516
3
14
4
13
5
12
6
11
7
10
8
9
12
31 32
3
30
4
29
5
28
6
27
7
26
8
25
9
24
10
23
11
22
12
21
13
20
14
19
15
18
16
17
12
13
14
3
12
4
11
5
10
6
9
7
8
C2191
100P
R2197
68K
C2621
0.1
R2629
10K
C2838
0.1
C2835 25V22
C2806 6.3V100
C2812 0.1
C2810 0.01
C2819
100P
C2817 1
C2821
100P
C2811 0.1
C2822
100P
C2620
100P
C2837
0.1
C2834 25V22
C2805 6.3V100
C2839
0.1
C2816 25V22
C2804 6.3V100
C2809 25V22
RW6
50V1
C2836
0.1
C2815 25V22
C2803 6.3V100
C2833
0.1
C2814 25V22
C2802 6.3V100
A
H
C2963
16V470P
QUAD
(MUSIC PORT)
MUSIC PORT
SELECTOR
R2994 47K RF_PCONT
MOTOR DRIVE
Q2001
B1GBCFJJ0051
LOAD_REV
LOAD_FWD
C+9V
OPEN_SW
LOAD
PWM
D2002
B0ECKM000016
R2001
330
R2002
4.7K
VM
VCC
F-IN
GND
R-IN
C2002 0.1
5
6789
R2003
10K
O
) SIGNAL LINE :AUX SIGNAL LINE :+B SIGNAL LINE :-B SIGNAL LINE
B
MUTE_C_SR
Q2936
B1GBCFJN0033
W2133 0
W2108 0
W2119
0W2139
0
W2023 0
W2250 0
W2257 0
W2253
0
W2110
0
W2003
0W2109
0
18.3.1 (B) CIRCUITO PRINCIPAL (2/9)

SC-HT740LB-S
75
15 16 17 18 19 2014
123456789
26
27
28
29
30
31
32
33
34
67
68
69
70
71
72
73
74
75
92
93
94
95
96
97
98
99
100
10
66
35
91
11
65
36
90
12
64
13
63
37
89
38
88
14
62
15
61
16
60
39
87
40
86
41
85
17
59
18
58
19
57
20
56
42
84
43
83
44
82
45
81
21
55
22
54
23
53
24
52
25
51
46
80
47
79
48
78
49
77
50
76
R2082 220
R2081 220
R2080 220
R2058 220
R2063 220
R2079 220
R2061 47K
R2073 47K R2071 56K
R2078 220
R2077 220
R2013 100
R2012 100
R2023 4.7K
4.7K
22K
820
1.8K
R2024
R2022
R2974
R2973 R2972 220
R2971 220
R2014 220
R2027 100
R2026 220
R2025 220
X2001
H2D800400009
8MHz
13
2
R2030 100
R2029 100
R2028 100
R2032 100
R2031 100
R2041 22K
R2040 22K
R2039 22K
R2043 100K
R2042 4.7K
R2015 2.7K R2016 47K
R2975 10K
R2976 10K
R2019 10K
R2018 10K
R2017 10K
R2021 10K
R2020 10K
R2979 10K
R2066 100K
R2065 10K
R2977 10K R2983 0
R2981 0
R2993 0
R2068 56K
R2089 220
R2059 220
R2088 220
R2051 10K
R2955 220
R2950 220
R2951 220
R2060 220
R2038 220
R2037 220
R2942 0
R2035 220
R2036 220
R2033 1K
R2034 220
R2070 47K
R2069 47K
R2053 220
R2049 0
R2943 0
R2054 220
R2055 220
R2044 220
R2045 220
R2952 220
R2953 220
R2052 220
R2048 0
MUTE_HP
RMT
HOTPLUG
CEC_IN
POS_SW
PULSE
SYNC
VSS/VPP
RESET
PWM
AM_BP
TU_SCL(PLL_CK)
TU_SDA(PLL_DA)
TU_SD
ST_DO(TU_ST)
FM_DET
VPP
DVD_CMD
DVD_STA
DVD_CK
MUTE_DVD
CHG_DIR(ROLE_CH)
RMPORT_DET
ASP_DA
ASP_CK
N.C
VDD
N.C
TURN_REW
TURN_FWD
LOAD_FWD
VSS
LOAD_REV
JOG_LED
JOG_B
JOG_A
FL_DAT
FL_CK
N.C
FLD_STB
N.C
N.C
N.C
WS_LED
DISC1_LED
DC_DET
TURN_REW
TURN_FWD
LOAD_FWD
LOAD_REV
JOG_LED
JOG_B
JOG_A
FL_DAT
FL_CLK
FL_STB
WIDESURRLED
DISC1_LED
DC_DET N.C
N.C
N.C
N.C
N.C
MP_SEL(SELECT_A)
SUB_LIMITER
VMUTE
N.C
WIDE_SURR
CEC_OUT
WS_EN
AGC_SW
REG1
MODEL_SEL1
MODEL_SEL2
HB_EN
N.C
MOD_DA
HOP_DA(FHOP)
MUTE_FSUB
N.C
MUTE_SC
LOAD(CAM_SW)
OPEN_SW
PCONT
SELECT_A
HBASS CTRL
VMUTE
WIDE_SURR
CEC_OUT
MOD_DA
FHOP
MUTE_F_SW
MUTE_C_SR
LOAD
OPEN_SW
PCONT
VREF
N.C
N.C
N.C
AVSS
RF_LINK
RF_DET
DVD_PCONT
ECS
ECK
EDA
N.C
RF_PCNT(WM_UNMUTE)/PX_DA
RF_LINK(WM_LINK)
RF_DET(WM_DET)
DVD_PCONT
VSS
NC
VSS
VSS
XIN
XOUT
VCC
VREF+
DES5
DES4
DISC_SENSE DES3
DES2
DES1
KEY2
KEY1
DISC SENSE
KEY2
KEY1
R2985 220
R2987 220
R2986 220
R2057 220
R2062 220
GND
IN OUT
IC2001
MN101C49GHF1
MICRO-PROCESSOR
CIRCUITO PRINCIPAL
B
DIAGRAMA ESQUEMÁTICO-9
:+B SIGNAL LINE
W2027
0
W2122
0
W2028 0
W2103 0
W2019 0
W2020
0
W2171 0
W2170 0
18.3.2 (B) CIRCUITO PRINCIPAL (3/9)

SC-HT740LB-S
76
20 21 22 23 24 25
R2041 22K
R2040 22K
R2039 22K
R2067 47K
R2043 100K
R2042 4.7K
R2991 47K
R2064 10K
R2983 0
R2981 0
R2993 0
R2085
4.7K
R2086
22K
R2038 220
R2037 220
R2942 0
R2035 220
R2036 220
R2033 1K
R2034 220
R2070 47K
R2069 47K
R2053 220
R2049 0
R2943 0
R2054 220
R2055 220
R2044 220
R2045 220
R2952 220
R2953 220
R2052 220
R2048 0
HP_MUTE
RMT
HOTPLG
CEC_IN
PULSE
SYNC
PWM
AM_BP
SYS6V
TU_SCL
TU_SDA
TU_SD
TU_ST
RDS DET
DVD_CMD
DVD_STA
DVD_CK
MUTE_DVD
ROLE_CHG
MPORT_DET
ASP_DA
ASP_CK
R2985 220
R2987 220
R2986 220
RESET
PWM
2
1
3
4
8
7
6
5
EDA
C2010
330P
C2004
0.01
C2011
330P
R2084
47K
C2013
0.022
NC
DI
DO
GND
NC
SK
CS
VCC
R2087
22K
C2012
330P
IC2004
(NOT SUPPLIED)
Q2003
B1GBCFLL0037
C2006
50V2.2
C2003
25V22
D2008
B0ACCK000005
D2005
B0ACCK000005
D2007
B0ACCK000005
C2009
0.1
C2007
0.1
C2008
6.3V100
L2008
G0C3R3JA0027
EEPROM
VREF VREF
RESET
B
W2019 0
W
2020
0
W2134 0
W2138 0
W2026 0
W2123 0
W2030 0 W2121 0
W2021
0
W2051
0
W2022
0
18.3.3 (B) CIRCUITO PRINCIPAL (4/9)

SC-HT740LB-S
77
28 29 30 31 32 3327
123456789
72
73
74
75
76
77
78
79
80
92
93
94
95
96
97
98
99
100
10
71
91
11
70
90
12
69
13
68
89
88
14
67
15
66
16
65
87
86
85
17
64
18
63
19
62
20
61
84
83
82
81
21
60
22
59
23
58
24
57
SLIN
RECOUTR
RECOUTL
AGND
MICIN
INL1
INR1
INL2
INR2
INL3
INR3
INL4
INR4
INL5
INR5
AVCC
AVEE
FLIN
FRIN
CIN
DVD-SL
MIXL
MIXR
TUN-LCH
TUN-RCH
TV-LCH
TV-RCH
AUX-LCH
AUX-RCH
DAP-LCH
DAP-RCH
DVD-FL
DVD-FR
DVD-CNT
DVD-SUBW
DVD-SR
FRFIN
FRVOLOUT
FRVOLIN
FROUT
FLOUT
FLFIN
FLVOLOUT
FLVOLIN
FLSELOUT
CVOLIN
CSELOUT
FRSELOUT
FRVOLOUT
FRFIN
FROUT
FLOUT
FLFIN
FLVOLOUT
FLSELOUT
FRSELOUT
TBR2
TBR1
TMR2
TMR1
TTR
TBL2
TBL1
TML2
TML1
TTL
CLPF
SRIN
HBASS1
HBASS2
HBASS3
DGND
DATA
CLOCK
DVDD
ASP_CK
ASP_DA
DAMP+5V
BLUE_LED0
DVD_PCONT
+7V
SW+5V
SF
LSIN
HBASS6
HBASS5
HBASS4
RSIN
LCIN
RCIN
LIN
LF
RF
RIN
EXTOUTR
EXTOUTL
AGND
SUBIN
R2112 22K
C2272 680P
C2112 470P
C2212 470P
C2172 680P
R2212 22K
R2113 0
C2115 330P
C2114 5600P
C2507 470P
R2511 10K
C2323 470P
R2336 10K
C2423 470P
R2436 10K
C2615 2200P
R2619 12K
C2018 16V47
C2017 0.01
C2020 0.01
C2019 16V47
R2114 15K
C2117 0.1
C2118 0.1
C2214 5600P
R2218 0 C2215 330P
R2115 2.7K
R2215 2.7K
R2502 12K
R2214 15K C2217 0.1
C2218 0.1
C2119 1
C2121 0.1
C2221 0.1
C2219 1 C2603 1
C2605
047
R2603 10K
R2604 10K
R2601 33K
R2404 12K
R2298 0
R2443
0
R2198 0
R2444 2.2K
R2513 2.2K
R2635 2.2K
R2344 2.2K
R2304 12K
C2501 16V10
C2120 0.047
C2220 0.047
C2023 220P
D2936
B0ACCK000005
C2024 220P
R2631
39K
R2606
10K
C2026 16V10
C2307 16V10
C2407 16V10
C2304 16V10
C2404 16V10
C2308
0.022
R2343
0
C2408 0.022
C2027 0.1
Q2095
B1GDCFJJ0047
Q2310
B1GDCFGA0018
Q2307
B1GFGCAA0001 Q2309
B1GBCFJN0033
Q2308
B1GFGCAA0001
IC2102
C1BB00001098
C2601 0.047
C2406 0.15
C2306 0.15
C2405 3300P
C2305 3300P
C2309 0.082
C2028
0.1
JOG_LED
W2273 0
1
2
34
5
6
1
2
34
5
6
R2090
10K
LED DRIVE
MUTING
MUTING
MUTING
MUTING
ASP
K2100
0
K2200
0
W2166
0
: MAIN SIGNAL LINE: MUSIC PORT SIGNAL LINE: AUX SIGNAL LINE :+B SIGNAL LINE
:-B SIGNAL LINE
CIRCUITO PRINCIPAL
B
DIAGRAMA ESQUEMÁTICO-10
W2184
0
W2186
0
W2269
0
W2270
0
W2268
0
W2267 0
W2264 0
W2262
0
W2272
0
W2061
0W2266
0
W2010
0
W2011
0
W2265
0
W2274
0
W2005 0
W2073 0
W2260
0
W2261
0
W2072
0
W2082
0
W2075
0
W2086
0
W2174
0W2042
0
W2112
0
W2074
0
W2263
0
W2911
0
W2113
0W2085
0
W2127
0W2140
0
W2117
0W2083
0
AGND
18.3.4. (B) CIRCUITO PRINCIPAL (5/9)

SC-HT740LB-S
78
32 33 34 35 36 37
123456789
31
32
33
34
35
36
37
38
39
72
73
74
75
76
77
78
79
8
0
10
71
40
11
70
41
12
69
13
68
42
43
14
67
15
66
16
65
44
45
46
17
64
18
63
19
62
20
61
47
48
49
50
21
60
22
59
23
58
24
57
25
56
26
55
27
54
28
53
29
52
30
51
AGC1
SLVOLOUT
SLFIN
SLNFIN
SLVOLIN
SLSELOUT
SRSELOUT
SRVOLIN SRVOLIN
SRVOL_OUT
SUBW
SRNFIN
SRVOLOUT
SRFIN
SROUT
AGND
AGND
OPOUT2
OPIN2
OPOUT1
OPIN1
SUBOUT
SUBC
FRFIN
FRVOLOUT
FRVOLIN
SLOUT
FROUT
FLOUT
FLFIN
FLVOLOUT
FLVOLIN
FLSELOUT
COUT
AGND
CFIN
CVOLOUT
CNFIN
CVOLIN
CSELOUT
FRSELOUT
FRVOLOUT
FRFIN
SLVOL_OUT
FROUT
FLOUT
FLFIN
FLVOLOUT
FLSELOUT
CENTER
FRSELOUT
TBR2
TBR1
TMR2
TMR1
TTR
TBL2
TBL1
TML2
TML1
TTL
CLPF
SRIN
HBASS1
HBASS2
HBASS3
AGC2
DGND
DATA
CLOCK
DVDD
ASP_CK
ASP_DA
DAMP+5V
+7V
SUB_LIMITER
SF
LSIN
SUBSELOUT
SUBVOLIN
HBASS9
HBASS8
HBASS7
HBASS6
HBASS5
HBASS4
RSIN
LCIN
RCIN
LIN
LF
RF
RIN
EXTOUTR
EXTOUTL
AGND
SUBIN
R2113 0
C2115 330P
C2114 5600P
R2114 15K
C2117 0.1
C2118 0.1
C2214 5600P
R2218 0 C2215 330P
R2115 2.7K
R2215 2.7K
R2502 12K
R2302
27K
R2501 22K
R2503
4.7K
R2303
4.7K
R2301
47K
R2401 47K
R2611 1.2K
R2610 56K
R2402 27K
C2401 47
C2301 47
R2214 15K C2217 0.1
C2218 0.1
C2119 1
C2121 0.1
C2221 0.1
C2219 1 C2603 1
C2605
0.47
C2503
0.082
C2502
0.033
R2403 4.7K
R2630
0
R2612 68K
R2609 1.2K
R2625
1.8K
R2621
39K
R2603 10K
R2604 10K
R2601 33K
R2404 12K
R2298 0
R2443
0
R2198 0
R2304 12K
R2620
56K
R2605
12K
R2627 68K
R2608 56K
C2303
0.1
C2403 0.1
C2612 3300P
C2402 0.039
C2609 0.33 C2610 0.47
C2611 0.012
C2302
0.039
C2501 16V10
C2120 0.047
C2220 0.047
R2624
27K
C2618
25V4.7
C2608
16V10
C2607 25V22
C2606
16V10
R2607
10K
C2604 0.1
C2023 220P
D2936
B0ACCK000005
C2024 220P
C2960 1
R2631
39K
R2606
10K
R2602 10K
R2623
56K
C2602 25V4.7
C2026 16V10
C2307 16V10
C2407 16V10
C2404 16V10
C2308
0.022
R2343
0
C2408 0.022
C2027 0.1
C2617 0.12
D2600
B0ACCK000005
Q2602
B1ABGC000001
Q2603
B1GDCFGA0018
IC2102
C1BB00001098
C2601 0.047
C2406 0.15
C2306 0.15
C2405 3300P
C2305 3300P
C2309 0.082
C2028
0.1
b
a
-7V
HP_MUTE
R2172
1.8K
R2171
27K
C2171
25V4.7
R2271
56K
Q2201
B1GDCFGA0018
d
ASP
SUBW LEVEL
CONTROL
SUBW LEVEL
CONTROL MUTING
(HEADPHONE)
R2622
0
R2632
22K
K2100
0
K2200
0
K2400 0
K2300 0
INE :+B SIGNAL LINE
:-B SIGNAL LINE
B
W2268
0
W2262
0
W2005 0
W2073 0
W2124 0
W2009
0
W2258 0
W2251
0
W2031
0
AGND
18.3.5. (B) CIRCUITO PRINCIPAL (6/9)

SC-HT740LB-S
79
18.3.6. (B) CIRCUITO PRINCIPAL (7/9)
56
34
7
2
8
1
41 42 43 44 45 46
4
0
-7V
+7V
C2178
100P C2179
47P
R2176
56K R2177
22 R2179
22
R2178
22 R2180
22
R2181
4.7K
C2181
1000P
+VCC
-VCC
C2194
2200P
R2175
5.6K
R2189
1K
R2269
100K R2169
100K
R2188
3.3K
R2270
2.2K
R2288
27
C2177
50V 1
R2168
2.2K
C2170
50V1
FLVOLOUT
d
FLFIN
HP-LCH
HP-RCH
FRVOLOUT
FRFIN
R2268
2.2K
C2270
50V1
C2278
100P C2279
47P
R2276
56K
C2294
2200P
R2275
5.6K
C2277
50V1
R2289
1K
C2180
0.1
R2277
22 R2279
22
R2193
27
R2293
27
R2278
22 R2280
22
R2281
4.7K
C2281
1000P
C2280
0.1
4
5
6
1
2
3
R2170
2.2K
Q2101
B1GFGCAA0001
IC2103
C0AABB000125
W2025
0
W2024
0
:
MAIN SIGNAL LINE
MUTING
(HEADPHONES AMP)
DUAL OP-AMP
:+B SIGNAL LINE :-B SIGNAL LINE
CIRCUITO PRINCIPAL
B
DIAGRAMA ESQUEMÁTICO-11

SC-HT740LB-S
80
DC DETECT DC DETECT
+5V REGULATOR
+7V REGULATOR
-7V REGULATOR
-7V REGULATOR
:+B SIGNAL LINE :-B SIGNAL LINE
CIRCUITO PRINCIPAL
B
DIAGRAMA ESQUEMÁTICO-12
L2908
G0A200D00002
54 55 56 57 58 5953
R2934
1K
R2933
150
D2915
B0BC5R600003
D2934
B0ACCK000005
R2906 470
R2937 470
R2905 3.9K
IC2903
C0DAAMH00012
Q2904
B1AAKD000012
C2945
0.01
C2922
6.3V820P
C2946
16V100
R2939
39K
C2902
0.01
R2918
10K
R2921
470
R2925
1.5
R2935
4.7K
R2936
180
R2946
33
R2927
1.5
R2920
4.7K
STBY
VCC
OUT
GND
INV
C2919
100P
R2919
1K
C2920
0.01
R2907
2.7K
R2908
560
L2902
G0A101ZA0028
L2903
G0A200D00002
C2930
1
C2926
0.1
C2923
16V100 C2968
16V100
C2969
16V100
C2952
0.01
C2901
25V1000
C2953
0.01
C2931
6.3V220
L2906
G0A200D00002
L2908
G0A200D00002
L2909
G0A200D00002
D2950
B0BC7R500001
C2954
0.01
C2925
6.3V220
C2932
16V100
D2906
B0ADCJ000020
Q2903
B1BACD000018
Q2909
B1GBCFJN0033 Q2901
B1ABCF000176
C2906
0.01
C2908
16V100
C2913
16V100
R2904
470
D2902
B0BC7R500001
D2904
B0JCPD000025
R2913 470
R2938 470
R2914 3.9K
R2930
33K
R2915 2.7K
R2922
39K
R2923
15K
C2903
0.01
Q2906
B1BCCG000002
Q2907
B1ADCF000001
Q2935
B1BACG000023
C2910
0.01
D2912
B0BC3R400001
C2914 10V33
54321
C2962
16V100
C2927
16V100
C2965
0.01
L2912
G0A200D00002
L2905
G0A200D00002
C2958
0.01
C2929
6.3V220
21
3
D2951
B0ADCJ000020
21
3
D2907
B0ADCJ000020
SW+5V
C+9V
DAMP+5V
RF+5V
DC_DET
+7V
-7V
DVD_A+5V
DVD_2.7
DVD_D+5V
DVD_PCONT
M+9V
T+9V
D2935
B0ACCK000005
21
3
C
C
C
IC2907
C0CBADG00023
123
C2964
0.01
IC2908
C0CBADG00023
123
C2966
0.01
C2967
0.01
K
F
:
MAIN SIGNAL LINE : MUSIC PORT SIGNAL LINE
+5V REGULATOR
(DVD)
+5V REGULATOR
(DVD)
+2.7V REGULATOR
SWITCHING REGULATOR
IN
GND
OUT
IN
GND
OUT
W2159
0
W2060
0
18.3.7. (B) CIRCUITO PRINCIPAL (8/9)

SC-HT740LB-S
81
MUTING
MUTING
MUTING
MUTING
B
A
B
C
D
E
F
G
H
5
9606162636465
2
3
1
15
14
13
12
11
10
2
4
6
8
9
7
5
3
1
30
29
28
27
26
25
17
19
21
23
24
22
20
18
16
15
14
13
12
11
10
2
4
6
8
9
7
5
3
1
17
16
13
12
11
10
2
4
6
8
9
7
5
3
1
PWM
TURN_REW
TURN_FWD
DISC_SENS
PULSE
POSITION
C+9V
HP-RCH
HP-LCH
DISC1_LED
WIDESURRLED
FL_STB
MUTE_F_SW
MUTE_C_SR
MOD_DA
DAMP+5V
CENTER
SRVOL_OUT
SLVOL_OUT
SUBW
FROUT
FLOUT
SR_OUT
SL_OUT
CENTER
SURROUND R
SURROUND L
SUBWOOFER
FRONT R
FRONT L
MUTE_C_SR(MODE 1)
AGND
AGND
MOD_DA
AGND
MUTE_F_SW(MODE 2)
MUTE_CSW
FHOP
AGND
AGND
AGND
FL_CLK
FL_DAT
JOG_A
JOG_B
VREF
SW+5V
BLUE_LED
KEY1
KEY2
FMPORT-LCH
FMPORT-RCH
FMPORT-LCH
GND
FMPORT-RCH
AM_BP
PCONT
FP2000
2A
SYNC
SYS6V
+13V
AM_BP
PCONT
DC_13V
DC_13V
DC_GND
DC_GND
SW5VG_GND
SYNC
DC_DET
SYS6V
+VCC
-VCC
AGND
FHOP
CN2011
CN2007
CN2013
IC2902
IC2901
H2010
RMT
VSS_GND
PWM
TURN_REW
TURN_FWD
DISC_SENS
PULSE
POSITION
MGND
MGND
MGND
MGND
C+9V
C+9V
HP-RCH
GND
HP-LCH
DISC5_LED
WIDESURR_LED
FL_IC_STB
FL_IC_CLOCK
FL_IC_DATA
JOG_A
JOG_B
VREF
SW+5V
BLUELED
KEY1
KEY2
VSS_GND
RMT
VSS_GND
C2324 2700P
C2424 2700P
C2509 2200P
R2966
4.7K
R2962
47K
R2194 27K
R2294 27K
R2626 68K
R2339 27K
R2439 27K
R2512 27K
R2964
10K
R2963
10K
R2965
4.7K
R2967
5.6K
R2961
10K
R2970
5.6K
R2960
100K
R2968
100K
R2969
10K
Q2914
B1ADCF000001
Q2911
B1ABCF000176
Q2912
B1ABCF000176
Q2913
B1ABCF000176
C2183 50V3.3
R2640
1K
R2641
1K
C2283 50V3.3
C2619 50V10
C2312 50V3.3
C2412 50V3.3
C2506 50V1
R2185 12K
R2285 12K
R2617 6.8K
R2312 10K
R2412 10K
R2510 10K
L2909
G0A200D00002
C2904
0.1
E2900
K4CZ01000027
L2910
G0A200D00002
TO
POWER(DAMP) CIRCUIT
(CN5050) on
SCHEMATIC
DIAGRAM-13
C
TO
POWER(SMPS) CIRCUIT
(CN5708) on
SCHEMATIC
DIAGRAM-15
C
TO
POWER(SMPS) CIRCUIT
(CN5701) on
SCHEMATIC
DIAGRAM-15
C
C2905
0.1
GND
GND
R2990
8.2
C2957
0.01 C2941
16V47
C2940
0.1
C2917
0.1
C2921
25V220
C2918
16V47
C2956
0.01
2
3
1
2
3
1
TO
REGULATOR CIRCUIT
(H2902) on
SCHEMATIC
DIAGRAM-17
K
D2605
B0ACCK000005
D2608
B0ACCK000005
TO
FL CIRCUIT
(H6901) on
SCHEMATIC
DIAGRAM-16
F
W2104
0
W2252
0
W2018
0
W2017 0
18.3.8. (B) CIRCUITO PRINCIPAL (9/9)

SC-HT740LB-S
82
A
B
C
D
E
F
G
H
1234567
1
2
3
52
4
51
5
50
6
49
7
48
8
47
9
46
10
45
11
44
12
43
13
42
14
41
15
40
16
39
17
38
18
37
19
36
20
35
21
34
22
33
23
32
24
31
26
30
29
25 28
27
16
17
1
2
3
4
5
6
14
12
10
8
7
9
11
13
15
+50V
+30_VDD
+30_VDD
PGND_30
PGND_30
-30_VDD
-30_VDD
DC_DET
+12V
C5101 1000P
C5201 1000P
C5601 1000P
C5301 1000P
C5401 1000P
C5501 1000P
C5504 50V2.2
C5025
16V56
C5021
16V56
C5022
16V47
C5914
10V1
AVCC1/2
CLKCTL1/2
CLKIN1/2
CLKMODE1/2
HICSUB
IN1 (SW)
+Vdd1/2
IN2
(CENTER)
HICSUB
PRIN
PRMON
MUTE/
PREN/STBY
AGND1/2
CREF1/2
MUTE_3
CH3IN
GND
CH4IN
MUTE_5,6
CH6IN
CH5IN
NC
NC
GND
GND
CHMODE
IC1SUB
-Vout1
+Vcc1
+Vout1
GND
+PH1
-PH1
CH4OUT
-PH2
+PH2
GND
+Vout2
+Vcc2
-Vout2
-VCC5_6
+VCC5_6
NC
NC
-VCC_PRE
+VCC_PRE
GND
CH6OUT
CH5OUT
+VCC3_4
-VCC3_4
CH3OUT
IC5001
RSN704D65-P
IC5010
C0JBAB000472
Q5022
B1ABCF000011
Q5023
B1ABCF000011
Q5014
B1ABCF000011
Q5025
B1ABCF000011
C5067
1000P
C5063
16V10
C5066
1000P
C5062
16V10
C5502
100P
C5013 0.01
C5012 0.01
C5015 390P
C5014 100P
C5017 390P
C5016 100P
SURROUND R
FRONT L
CN5050
AGND
FRONT R
AGND
SUBWOOFER
AGND
SURROUND L
AGND
AGND
CENTER
MODE_S
MODE_F
FHOP
DGND
MUTE_CSW
MOD_DA R5
5
R5
5
R5410 220
R5504
47K
C5406 0.47
R5208 220
R5107 220
R5502 2.2K
D5041 B0ACCK000005
R5506 22K
C5603 50V2.2
C5602
100P
C5019 47P
C5018 47P
C5011
0.1
R5603
47K
C5040
0.1
R5047
10K
R5046
47K
R5053
3.3K
R5050
22K
R5063
10K
R5601 2.2K
R5011 10K R5014
1M
GND
VCC
IN GND OUT
R5056 4.7K
R5605 22K
R5012 100
R5013
1M
R5057 4.7K
R5059 10KR5040 0
R5060 10K
R5062 10K
C5099
0.01
R5052 22K
R5051 22K
R5067 100
R5065 100
R5309 220 C5305 0.47
12
13
14
3
12
4
11
5
10
6
9
7
8
L5023
ELJPC220KFB
L5021
ELJPC220KFB
D5010
B0ACCK000005
D5013
B0ACCE000003
D5012
B0ACCE000003 R5015
1M
X5011
H2A415300001
X5010
H2A375300003
TO
MAIN CIRCUIT
(CN2011) on
SCHEMATIC
DIAGRAM-12
B
123
IC5004
C0CBADE00023
C5002
16V100 C5003
16V100 C5001
16V100
: MAIN SIGNAL LINE
TERMINAL
INVERTER
INVERTER
K5001
0
DIGITAL POWER AMP
MUTING
(CENTER SW)
MUTING
MODE SELECTOR
:+B SIGNAL LINE :-B SIGNAL LINE
CIRCUITO DA FONTE
C
DIAGRAMA ESQUEMÁTICO-13
W4010
0
W4104
0
W4107 0
W6
0
W10
0
W4013
0
W4120
0
W4018
0
C5102
0.1 C5799
0.1
18.4. (C) CIRCUITO DA FONTE (DAMP) (1/6)

SC-HT740LB-S
83
78910111213
52
51
50
49
48
47
46
45
44
43
42
41
40
39
38
37
36
35
34
33
32
31
30
29
28
27
1
2
3
4
5
6
14
12
10
8
7
9
11
13
C
1SUB
-Vout1
+Vcc1
+Vout1
GND
+PH1
-PH1
H
4OUT
-PH2
+PH2
GND
+Vout2
+Vcc2
-Vout2
V
CC5_6
V
CC5_6
NC
NC
C
_PRE
C
_PRE
GND
H
6OUT
H
5OUT
V
CC3_4
V
CC3_4
H
3OUT
C5097
50V10
C5073
0.1
LB5071
J0JKB0000020 +30V
-30V
6
5-P
Q5096
B1ABCF000011
5
014
C
F000011
Q5095
B1ABCF000011
Q5031
B1ADBL000010
Q5002
B1ABCF000011
Q5001
B1ABCF000011
L5309
ETQA15A150T
C5029
63V47
C5071
35V33
C5076 35V470
C5078 35V470
C5075 35V470
C5077 35V470
C5030
63V47
C5318
0.68
C5431
100P
C5487
0.1 C5074
0.1
LB5072
J0JKB0000020
C5072
35V33
C5512
10
C5532
0.1 R5517
22
C5098
1000P
C5531
100P
C5510
10
C5530
100P
C5609
10
C5033
0.1
C5036 0.1C5035 0.1
C5630
100P
C5611
10
C5631
100P
1
3
2
4
L5105
ETQA15A150T
JK5400
FL+
SW+
C+
SR+
SR-
SL-
GND
GND
SL+
SW-
C-
1
3
2
4
L5503
ETQA17A150T
1
3
2
4
L5601
ETQA17A150T
1
3
2
4
R5516 0
R5519
8.2K
R5514 0
R5615 0
R5038 220K
R5039
220K
R5037 47K
R5041 0.02 R5042 0.02
R5613 0
R5077 0
R5072 2.7KR5073 22K R5071 0
R5074 4.7K
R5627
8.2K
C5020 0.1
R5070 4.7K
R5487
22
C5230
100P
C5113
0.68
C5130
100P
C5115
0.68
C5181
0.1 R5181
22
R5110
5.6K
C5183
0.1 R5183
22
R5109
5.6K
C5386
0.1
R5411
5.6K
R5311
5.6K
R5047
10K
R5046
47K
R5386
22
C5317
0.68
C5430
100P
D5031 B0BC3R400001
R5076 0
IC5002
C0ABBA000163
12
78
3
6
4
5
R5048
47K
R5094
1K
R5049
1K
R5021
100K R5022 100K
R5624 220K
R5625 100K
R5023 220K
Q5015
B1ADBL000010
FR+
FR-
FL-
C5031
50V10
R5493 22K R5492 120K
R5082 82K
R5099
47K
R5081 82K
R5696
10K R5595
10K
R5626
10K
R5391 68K
C5096
6.3V100
R5189 82K
R5518 10K
R5197 10K
R5080 10K
R5079 10K
B
TO
SPEAKERS
-VCC
+VCC
4
2
3
1
2
4
1
3
2
4
1
3
2
4
1
3
2
4
1
3
2
4
1
3
L5600
G0B9R5K00001
L5500
G0B9R5K00001
L5200
G0B9R5K00001
L5100
G0B9R5K00001
L5400
G0B9R5K00001
L5300
G0B9R5K00001
E
RTER
DUAL OP-AMP
DC DETECT
DC DETECT
DC DETECT
DC DETECT
VOLTAGE DETECT
INVERTER
C5718 63V220
AMP
W4700 0
W4112
0
W4121
0
W4115
0
W4717
0
W4718
0
W4116
0
W4012
0
W4114
0
18.4.1. (C) CIRCUITO DA FONTE (DAMP) (2/6)

SC-HT740LB-S
84
123
2
3
1
A
B
C
D
E
F
G
H
123456
TO FAN
UNIT
TO FAN
UNIT
:+B SIGNAL LINE
R5768
10K
C5794
16V33
C5797
16V10
SIGNAL
DC_DET
C5792
6.3V220
R5769
10K
W4102
0
R5770
10K
R5755
10K
R5758
3.3M
R5736
1K
R5798
8.2
+
1
C5791
50V100
C5755
16V22
C5916
50V100
C5913
50V220
C5798
35V470
C5796
50V22
D5740
B0BC01200019
C5790
1000P
C5795
0.1
C5754
0.1
C5761
0.022
R5797
47K
C5756
0.01
C5757
0.01
C5915
0.1
R5737
10
TH5702
D4CC11040013
R5757
10K
R5739
10K R5748
10K
R5756
10K
D5743
B0ACCK000005
D5744
B0ACCK000005
D5773
B0BC6R700006
D5903
MAZ82200ML
D5725
B0BC7R500001
D5726
B0BC7R500001
R5759
100K
R5931
10K
R5933
5.6K R5930
10K
R5934
10K
R5932
10K
R5760
10K
R5916
150
R5796
10K
R5901
0
R5902
0
R5795
3.3K
R5792
3.3K
R5713
220K
R5765
22K
R5763
2.2K R5793
0R5766
1.8K
R5714
5.6K
R5773
47
R5764
47
R5761
47
R5762
47
R5746
47K
R5740
100K
R5749
47
R5733
1.8K
R5747
10K
R5734
1.8K
R5917
4.7K
R5913
47
D5753
B0ACCK000005
D5754
B0ACCK000005
FANDCOUT(+)
GND
CN5714
CN5704
FANLOCK
FANDCOUT(+)
GND
FANLOCK
+12V
+50V
PGND
+30_VDD
PGND_30
-VP
AM_BP
VCC_CONT
-30_VDD
Q5741
B1ABCF000011
Q5744
B1ABCF000011
IC5705
C0CAAYG00011
Q5908
B1ACKD000005
Q5751
2SC3940ARA
Q5704
B1ADBL000010
Q5726
B1ABCF000011
Q5740
B1BACG000048
Q5932
B1ADCF000001
Q5930
B1ABCF000011
Q5742
B1ABCF000011
2
3
1
+12V REGULATOR
VOUT
GND
VCC
SWITCHING
SWITCHING
INVERTER
REGULATOR
FAN MOTOR DRIVE
FAN MOTOR DRIVE
FAN MOTOR DRIVE
FAN MOTOR DRIVE
TRANSFORMER
TEMP. DETECT
TRANSFORMER
TEMP. DETECT
TRANSFORMER
TEMP. DETECT
:-B SIGNAL LINE
CIRCUITO DA FONTE (SMPS)
C
DIAGRAMA ESQUEMÁTICO-14
D
C
Q5931
B1ABCF0000
W4005
0
W4101
0
W4103
0
W4108
0
W4009
0
W4106
0
W4113
0
W4339
0
W4004
0
18.4.2 (C) CIRCUITO DA FONTE (DAMP) (3/6)

SC-HT740LB-S
85
132
RA C
2
1
3
4
8
7
6
5
4
12
9
10
11
12
13
14
15
16
8
7
6
5
4
3
2
1
3123
321
3
2
1
4
3
2
1
789101112
21
3
12345
5
798
8
.2
+12V
C5741
35V2200
C5742
35V2200
C5717
63V1800
C5743
35V470
C5711
50V56
C5781
0.01
C5782
0.01
C5784
0.01
C5785
0.01
C5786
0.01
C5783
0.01
T5701
ETS42BJ1K6AD
C5780
0.01
C5713
1000P
D5706
B0EAMM000057
D5705
B0EAMM000057
D5710
B0EAMM000057
D5718
B0HFRJ000012
D5772
B0ACCK000005
D5704
B0JAME000029
C5712
680P
D5708
B0BC01700015
D5703
B0BC02900004
O.C.P/ F.B.
S
D
VIN
GND
D5707
B0BC035A0007
CURRENT LIMMITTING
SWITCH
D5709
B0ACCK000005
L5751
J0JKB0000020
L5704
J0JKB0000020
D5711
B0HBSM000043 D5717
B0HBSM000043
D5716
B0HBSM000043
C5721
0.1
C5771
0.1
C5722
0.1
R5797
47K
C5720
0.1
C5764
0.01
C5709
470P
C5702
F1BAF2220023
2200P
C5710
820
R5934
10K
R5713
220K
R5765
22K
R5763
2.2K R5793
0R5766
1.8K
R5714
5.6K
R5741
1K
D5771
B0BC01200019
R5715
15K
R5735
0
R5799
1
R5789
10K
R5738
15K
R5712
2.2K
R5729
1.5K
R5775
10K
R5717
4.7K R5730
82K
R5722
10K
R5782
5.6K
R5720
10K
R5710
10K
R5711
22
R5706
33K
R5707
33K
D5702
B0ZAZ0000052
R5709
2.2K
R5708
3.3K
R5719
10K
PC5701
B3PBA0000402
Q5745
B3PBA0000402
R5718
100K
R5783
5.6K R5704
0.68
R5788
10K
R5703
680
R5731
5.6K
R5779
1K
PCONT_LOW
PCONT
SYS6V
a
R5721
470
R5732
5.6K
R5742
10K
R5743
10K
R5744
15K
R5745
10K
Q5702
B1ABCF000011
Q5746
B1GBCFJN0033
Q5747
B1GDCFJJ0047
IC5702
C0DABFC00002
IC5703
C0ABBB000067
IC5701
C5HABZZ00125
SWITCHING REGULATOR
0
011
Q5701
2SC3940ARA
SHUNT REGULATOR
SWITCHING
DIFFERENTIAL AMP
BUFFER
FEED BACK
INVERTER
SWITCHING
Q5760
B1ABCF000011
C5703
50V10P
E
R
T
TRANSFORMER
TEMP. DETECT
C
DC_DET
Q5931
B1ABCF000011
W4106
0
W4113
0
W4339
0
W4006
0
W4111
0
W4007
0
W4110
0
18.4.3. (C) CIRCUITO DA FONTE (DAMP) (4/6)

SC-HT740LB-S
86
18.4.4. (C) CIRCUITO DA FONTE (DAMP) (5/6)
7
8
9
10
6
5
4
3
2
1
1
2
3
4
4
3
2
1
4
3
2
1
15 16 17 18 19 2014
4
1
3
2
1234
TH5701
D4CAA2R20001
D5701
B0FBAR000018
L5703
ELF22V035B (RED)
(BLK)
4
1
3
2
L5701
J0MBA0000013
ZA5702
DZ5701
ERZV10V511CS
F1
250V 6.3A
ZA5701
123
SBLU
VOLTAGE SELECTOR
S5701
220-240V
110-127V
1
2
3
L
CIRCUITO DO SELETOR
DE TENSÕES
VIO
C
M
J
: MAIN SIGNAL LINE
G
F
B
B
TH5703
D4CAA2R20001
C5733
16V220
C5800
16V220
C5715
16V47
C5729
50V22
C5707
400V 330
C5700
400V 330
C5772
1000P
C5725
50V2.2
R5724
1.2K
VREF
OUT2
RINF
R58
0
R58
0
R58
R5777
1K
R5786
100K
R5778
4.7
R5776
330
R5725
560
R5723
4.7K
R5727
2.2K
R5702
8.2
R5716
180
R5790
1K
R5787
680
R5726
1K
FL+
FL-
SYS6V
PCONT
SYNC
D5724
B0BC3R700004
D5713
B0BC4R0A0006
D5746
B0BC5R600003
D5752
B0BC5R000009
C5732
0.1
C5727
47P
C5728
50V22
2
C57 3
0.1
7C573
2P2
C5 057
F1BAF1020020
000P1
71C5 0
CQU2A224MLEC
0.22
C5736
F1BAF2220023
0220P
C5706
CQU A2 MLCE224
0.22
5
C738
680P
R5784
930K
R5771
10
57R72
4.7
4
R577
4.7
D
OCP
VCC
GND
FB
D
START
R7855
390K
R7551
470K
T5721
ETS19AB216AG
D5723
B0EAMM000057
D5800
B0EAMM000057
D5721
B0EAMM000057
8R572
10
D5722
B0EAMM000057
D5745
B0EAKM000117
Q5748
B3PBA0000402
Q5749
B1ABCF000176
PC5721
B3PBA0000402
Q5801
B3PBA0000402
Q5703
B1ABCF000176
Q5706
B1AAKD000012 Q5752
B1ACKD000005
Q5705
B1ABCF000176
7
865
1234
IC5721
C0DABYY00002
CURRENT LIMITTING SWITCH
REGULATOR SWITCHING
FEED BACK
SWITCHING REGULATOR
R5 018
2.2K
C5704
0.1
a
W4003
0
D
E
INVERTER
INVERTER
SYNC SWITCH
CIRCUITO DE ENTRADA AC
:+B SIGNAL LIN
CIRCUITO DA FONTE
C
DIAGRAMA ESQUEMÁTICO-15

SC-HT740LB-S
87
18.4.5. (C) CIRCUITO DA FONTE (DAMP) (6/6)
20 21 22 23 24 25 26
4
1
3
2
L5701
0
MBA0000013 P5701
AC~
110-127V/
220-240V
50-60Hz
23456789
L
IC5750
C0GAG0000007
MOTOR DRIVE (TRAY)
TO
SENSOR
CIRCUIT
(CN9102) on
SCHEMATIC
DIAGRAM-17
J
NC
CN5712
CN5707
CN5713
CN5705
KEY1
DGND
VREF
RMT
F+
F-
FLGND
SW+5V
FL_IC_DATA
FL_IC_CLOCK
FL_IC_STB
-VP
WIDESURR LED
DISC5_LED
NC
AGND
NC
MPORT_CTRL
DGND
KEY2
JOG_LED
VREF
JOG_B
JOG_A
HP-RCH
AGND
HP-LCH
TO
HEADPHONE
CIRCUIT
(CN6901) on
SCHEMATIC
DIAGRAM-16
G
TO
FL CIRCUIT
(CN6902) on
SCHEMATIC
DIAGRAM-16
F
13
12
11
10
9
8
2
4
6
7
5
3
1
14
13
12
11
10
9
1
3
5
7
8
6
4
2
14
7
8
9
10
11
12
18
16
14
13
15
17
19
1
2
3
4
5
6
5
3
1
8
7
9
2
4
6
L5705
J0JBC0000019
NC
CN5709
CN5706
KEY1
FL+
FL-
-VP
PWM
TURN_REV
TURN_FWD
DISC_SENS
PULSE
POSITION
C+9V
VSSGND
VREF
RMT
F+
F-
FLGND
SW+5V
FL_IC_DATA
FL_IC_CLOCK
FL_ICSTB
-VP
WIDESURR LED
DISC5_LED
NC
AGND
NC
NC
VSSGND
KET2
JOG_LED
VREF
JOG_B
JOG_A
HP-RCH
AGND
HP-LCH
PWM CN5708
TURN_REV
TURN_FWD
DISC_SENS
PULSE
POSITION
MGND
MGND
C+9V
C+9V
MGND
MGND
HP-RCH
AGND
HP-LCH
DISC5_LED
WIDESURR_LED
FL_IC_STB
FL_IC_CLOCK
FL_IC_DATA
JOG_A
JOG_B
VREF
SW+5V
BLUELED
KEY1
KEY2
VSSGND
RMT
VSSGND
TO
MAIN
CIRCUIT
(H2010) on
SCHEMATIC
DIAGRAM-12
B
TO
MAIN CIRCUIT
(CN2007) on
SCHEMATIC
DIAGRAM-12
B
2
3
4
5
6
7
13
11
9
8
10
12
14
1
2
3
4
5
6
14
12
10
8
7
9
11
13
1
15
14
13
12
11
10
2
4
6
8
9
7
5
3
1
30
29
28
27
26
25
17
19
21
23
24
22
20
18
16
1
2
3
4
5
13
11
9
7
6
8
10
12
10
11
2
4
6
8
9
7
5
3
1
1
2
3
1
2
3
R5753
330
L5750
J0JBC0000015
ZJ5701
1
2
3
ZJ5703
ZJ5702
L5752
J0JBC0000015
L5753
J0JBC0000015
PWM
DISC_SENS
+20V
AM_BP
PCONT
SYNC
SYS6V
DC_DET
+30_VDD
-VCC
CN5701
CN5702
GND
+VCC
DC_DET
SYS6V
SYNC
DC_GND
DC_GND
SW+SVGND
DC+13V
DC+13V
AM_BP
PCONT
TRV-
TRV+
DGND
PHOTO_DRIVER
DGND
DISC_SENSOR
DGND
PULSE_SENSOR
DGND
POSITION_SENSOR
DGND
-30_VDD
PULSE
POSITION
TURN_REV
TURN_FWD
C+9V
OUT2
RINF
OUT1
VM
VCC
F-IN
GND
R-IN
R5752
4.7K
R5781
10K
R5780
330
R5805
47K
R5803 22K
R5804 22K
R5810 22K
R5750
330
C5716
0.1
D5751
B0ECKM000016
D5750
B0ECKM000016
Q5750
B1GBCFJJ0051
V+CC
-CCV
C-V C
2
134
8765
IC5704
C0ABBA000168
COMPARETER
MOTOR DRIVE
+
-
+
-
D5714
B0BC5R000009
D5712
B0ACCK000005
C5714
50V4.7
R0958
56K 06R58
390K
410W9
0
R5807
390K R0858
390K
W4017
0
W4001 0
W4002
0
4W011
0
D
E
CIRCUITO DA SUB FONTE
PGND
CN5710
PGND
PGND
PGND
PGND
PGND
51234 6
123456
CN5711
PGND
PGND
PGND
PGND
PGND
PGND
IGNAL LINE
:-B SIGNAL LINE
C

SC-HT740LB-S
88
18.5. (F) CIRCUITO DO DISPLAY (1/2)
A
B
C
D
E
F
G
H
1234567
E
E
: MAIN SIGNAL LINE
B
R6939
1
FL6901
A2BD00000160
FL DISPLAY
P1
F-
F-
NP
P1
NX
P2
P3
P4
NX
P5
P6
NX
P7
P8
NX
P9
P10
NX
P11
P12
NX
NX
P13
P14
NX
P15
P16
NX
NX
P17
G10
G3
G9
G8
G2
G7
G6
NX
G5
G4
G1
NC
NP
F+
F+
P2
P3
P4
P5
P6
F-
F +
-VP
FL_IC_IN
FL_IC_CLK
FL_IC_STB
SW+5V_2
P7
P8
P9
P10
P11
P12
P13
LED2
G10
G9
G8
G7
G6
G5
G4
G3
G2
LED3
LED4
LED5
P14
P15
P16
P17
G10
G3
G9
G8
G2
G7
G6
G5
G4
G1
P17
P16
P15
P14
P13
P12
P11
P10
R6935
10
R6950
47K
C6923
0.01
C6920
330P
R6951
47K
C6924
0.01
C6904
1000P
C6921
330P
C6909
0.01
C6906
100P
C6925
0.01
LED2
DISPLAY DRIVER
GND
VCC
P18
P17
P16
P15
P14
P13
P12
P11
P10
G1
LED3 P1
LED4 P2
LED5 -VP
OSC P3
DOUT P4
DIN P5
CLK P6
STB P7
K1 P8
K2 P9
GND
VCC
G10
G9
G8
G7
G6
G5
G4
G3
G2
S6906
DISC 5
R6947 4.7K
R6948 1K
R6949 1K
R6928
2.7K
R6918
22K
R6927 68
R6916 68
R6917 68
C6905
50V22
C6903
50V22
C6918
10V47
D6910
B0BC2R4A0006
L6903
J0JBC0000041
R6940
1
R6914
56K
L6904
J0JBC0000019
L6905
J0JBC0000019
S6905
DISC 4
S6904
DISC 3
R6925
1.8K
R6926
2.2K
S6903
DISC 2
S6902
DISC 1
R6923
1K
R6924
1.2K
S6901
SURROUND
R6922
1K
R6934
47
Z6900
B3MAZ0000023
REMOTE SENSOR
C6911
0.01
C6917
100P
C6916
100p
C6919
100p
C6929
0.01
WIDE_LED
S6900
POWER
C6910
6.3V100
C6913
50V3.3
R6957
220
R6946
220
D6906
B3ABA0000397
Q6901
B1GBCFJN0033
IC6901
C0HBB0000057
12345678910
11 14
13
12 15 16 17 18 19 23
22
21
20 26
25
24 292827 3631 33 35 38
30 32 34 37 41 42 43 45
40
39 44
1
2
3
4
5
6
7
8
925
26
27
28
29
30
31
32
33
363738394041424344
10
11
24
35
23
12 13 14 15 16 17 18 19 20 21 22
34
4
2
6
7
1
3
5
1
2
3
: MUSIC PORT SIGNAL LINE
JK6802
MUSIC PORT
LED DRIVE
:-B SIGNAL LINE
:+B SIGNAL LINE
W6900
0W6927
0W6930
0W6941
0
W6922 0
W6901
0W6902
0
W6931
0
W6929
0
W6942
0W6926
0
W6925
0
W6952 0
W6947 0
W6919 0
W6920 0
W6946
0
W6945
0W6943
0
G
CIRCUITO DO DISPLAY
F
DIAGRAMA ESQUEMÁTICO-16

SC-HT740LB-S
89
78910111213
TO
SUB POWER
CIRCUIT
(CN5707) on
SCHEMATIC
DIAGRAM-15
E
TO
SUB POWER
(CN5705) on
SCHEMATIC
DIAGRAM-15
E
MPORT-RCH
H6901
AGND
MPORT-LCH
TO
MAIN CIRCUIT
(CN2013) on
SCHEMATIC
DIAGRAM-12
B
G4
G1
NC
NP
F+
F+
G2
G1
P1
P2
P3
P4
P5
P6
P7
P8
P9
G1
P10
R6809
22K
R6807
22K
P10
G1
P1
P2
-VP
P3
P4
P5
P6
P7
P8
P9
G2
R6922
1K
3
4
VREF
CN6902
KEY1
DGND
FLGND
VREF
RMT
F+
F-
SW+5V_2
FL_IC_IN
FL_IC_CLK
FL_IC_STB
-VP
WIDE_LED
NC
NC
NC
NC
NC
RMT
KEY1
S6900
POWER
C6201
0.047
C6801
0.1
C6806
100P
C6805
100P
C6922
0.01
C6928 0.1
C6101
0.047
S6907
SELECTOR
INPUT
STOP
FORWARD
BACKWARD
PLAY
R6812
1.8K R6960
2.2K
R6802
2.7K
R6810
6.8K
VR6800
EVEKE2F3024M
R6801
4.7K
S6808
OPEN/CLOSE
S6805
DISC EXC
S6806
DISC SKIP
S6804
S6803
R6804
1K R6803
1.2K
S6802
S6801
R6805
1K
R6958
100
R6959
10K
D6907
B3AEA0000058
L6801
J0JBC0000019
HP-LCH
KEY2
DGND
CN6901
AGND
JOG_LED
VREF_1
JOG_B
JOG_A
HP-RCH
HP-LCH
JK6801
HP-RCH
KEY2
VREF_1
JOG_A
JOG_B
JOG_LED
L6101
J0JBC0000019 L6102
G0C330KA0065
L6202
G0C330KA0065
L6201
J0JBC0000019
41 42 43 45
0
44
25
26
27
28
29
30
31
32
33
24
5
23
22
34
10
2
4
6
8
9
7
5
3
1
2
3
1
8
6
4
2
1
3
5
7
9
6
2
4
5
3
1
7
123
AB
PHONES
19
18
17
16
15
14
13
12
11
VOLUME CONTROL
W6928
0
W6943
0
W6948
0
CIRCUITO DO FONE DE OUVIDO
G
F
18.5.1. (F) CIRCUITO DO DISPLAY (2/2)

SC-HT740LB-S
90
18.6. (H) CIRCUITO DO MOTOR DE CARREGAMENTO E (I) CIRCUITO DO MOTOR DA BANDEJA

SC-HT740LB-S
91
18.7. (K) CIRCUITO DO REGULADOR E (J) CIRCUITO DO SENSOR

SC-HT740LB-S
92
FP8101
C8055
C8054
C8053
C8052
C8051
R8012
RX8018
RX8020
RX8019
R8622
C8621
R8311
C8601
C8606
R8561
C8551R8552
C8561 R8562
R8563 R8553
R8557
R8556
R8558
C8554
R8559
Q8561
C8564
R8567 R8564
R8568
R8565
FP8531
FP8251
TO SPINDLE/
TRAVERSE MOTOR
TO OPTICAL
PICKUP UNIT
C3954
P3901
K3903
IC3901
C3956
IC3952
C3955
L3903
L3904
L3905
L3906
R3947
RX3902
C3913
C3915
C3914
C3916
C3917
C3905
C3907
C3906
K3905
R3904
R3906
D3901
R3903
R3902
R3912
R3905
R3907
Q3902
Q3903
Q3901
R8554
R8555
Q8552
R8566
Q8562
R8551
Q8551
R8312
C8311
C8622
R8621
C8651
C8652
IC8651
IC8601
IC8606
IC8051
VA3913
C3964
R2925
R3921
R3924
1
1
2
2
3
4
3
4
1
2
3
4
1
2
3
4
1
2
34
5
1 5 10 15 20 25 30 35 40 45 50
28
30
35
40
45
50
54 1
48 45 40 35 30 25
242015
10
5
1
1
1
2
34
5
23
4
5
10
15
20
25
27
1515
25
2102026
26
51
22
23
1
1
20
21 40
6180
41
60
5101519
20
21
A
PLACA MÓDULO HDMI (HDMI-PCB)
(LADO A)
B
CEB
CE
B
C
EB
C
E
G
D
S
G
D
S
B
CE
3133A-1
PbF 3133A-1
ABCDEF
1
2
3
4
5
6
7
8
9
19. LAYOUT DAS PLACAS DE CIRCUITO IMPRESSO
19.1. (A) PLACA MÓDULO HDMI (1/2)

SC-HT740LB-S
93
19.1.1. (A) PLACA MÓDULO HDMI (2/2)
C8056
C8057
LB8001
C8011
RX8017 RX8016
RX8015
C8017 C8016 C8004
R8013
C8012
C8003C8013 C8014 C8015
R8041
RX8031
C8025
C8026
C8401
LB8401
C8306
C8313
C8304
C8312
C8005
C8305
C8303
RX8032
IC8001
RX8014RX8013
RX8012
R8011 RX8011
C8006
C8021
R8611
C8611
C8550
C8552
C8562
C8553
C8563
C8253
QR8571
C8251
C8252
C8261
K8251
R8262
R8264
C8262
C8256
C8258
C8257 C8255
R8251
C3901
L3901
R3911
VA3901
C3912
C3911
L3902 LB3902
C3904
C3910C3909
C3903
C3902
LB3703
C3721
C3719
C3717
C3718
C3720
C3722 C3723
RX3702
RX3703RX3704
RX3705
C3701
LB3901 LB3701
LB3904
LB3905
LB3906 VA3912
VA3911
VA3910
C3908
VA3902
VA3903
VA3904
VA3905
VA3906
VA3907
VA3908
C3784
C3786
C3785
R3780
R3781
K3702
IC8251
IC3782
R8261
R8263
D8571
R8533
R8532
C8532
LB8531
C8533
RX8533
RX8531
RX8534
C8530
C8531
R8531
LB8571
C8572
C8571
LB8258
LB8259
LB8260
LB8257
LB8530
RX8532
LB8551
L8550
LB8561
C3931
C8023
RX8001
RX8691
R8003
R8601
C8008
C8007
RX8611
C8022
C8020 C8019 C8018
C8001
C8424
LB8691
LB8693
LB8692
C8695
C8691
LB8690
LB8491
R8420
LB8424
LB8431
LB8429
LB8428
LB8427
LB8426
LB8425
LB8422
LB8421
LB8302
LB8301
LB8305
LB8304
LB8303
K8331
K8341
K8335 K8321
K8325
C8422 C8427
C8428
C8426
R8421
RX8111
C8111
R8326
R8401
RX8402
RX8401
RX8403
C8301
L8301 L8302
X8621
R8325
R8321
R8341
R8335
R8332
R8331
R8322 C8113
C8112
LB3704
LB3702
C3708
C3707
C3706
C3705
C3704
C3703
C3702
C3709
C3710
C3712
C3713
C8302
C3714
C8225
C8701
R8225
C8226
L8201
L8501
C8501
C8221
R8211
R8221
R8541
C8222
D8211
C8203
R8313
R8314
C8202
C8211
C8541
C8529
C8528
C8504
C8503
C8502
C8024
R8230
C8602
R8232
C8232
C8231
C8524
C8525
C8505
R8231
C8526
C8522
C8521
C8516
C8527
C8515
C8514
C8513
C8511
C8512
LB8701
RX3706
C3715
C3716
C8201
LB8702
IC8701
C3711
IC3701
RX3708
RX3707
R8153
R8154
C8151
C8152
FL8421
LB8423
C8421
FL8102
IC8151
FL8101
FL8103
QR8420
QR8111
IC8111
IC8421
IC8695
IC8691
FL8104
C8423
IC3931
IC8611
RX3701
C8523
R3901
(NOT SUPPLIED)
1
1
1 5 10 14
1
2
3
1
2
3
4
5
6
7
8
4
5
6
15202528
23
45
123
45
2345
1
64
65
1
1234
5678
54
23
128
129
192
193
256
128
30
15
1234
5678
29
14
1
123
45
41
42 82
83
123
124
164
B
C
E
B
C
E
3133A-1
3133A-1
FPb
GHI J KL
APLACA MÓDULO HDMI (HDMI-PCB)
(LADO B)

SC-HT740LB-S
94
19.2. (B) PLACA PRINCIPAL, (D) PLACA DE ENTRADA AC E (E) PLACA DA SUB FONTE (1/2)
(HT740-MA-MO)
PLACA DE ENTRADA AC (HT740-PCI-PWN-MO)

SC-HT740LB-S
95
19.2.1. (B) PLACA PRINCIPAL, (D) PLACA DE ENTRADA AC E (E) PLACA DA SUB FONTE (2/2)
PLACA DA SUB FONTE (HT740-PCI-PWN-MO)

SC-HT740LB-S
96
19.3. (C) PLACA DA FONTE (1/2)
A
CA
A
A
CA
A
A
CA
A
B
C
E
B
C
E
B
C
E
B
C
E
ACA A
B
C
E
B
C
E
B
C
E
B
C
E
B
C
E
B
C
E
B
C
E
B
C
E
B
C
E
B
C
E
B
C
E
B
C
E
B
C
E
B
C
E
B
C
E
1+
2~
3~
4-
CPLACA DA FONTE (HT740-PCI-PWN-MO)
1
8
7
6
5
4
2
16
15
14
13
12
11
10
9
1
23
4
123456
78910
PRIMARY SECONDARY
ABCDEFG
1
2
3
4
5
6
7
8
9
H
C5781
L5751
W4215
W4218
W4303
W4233
W4234 D5710
D5702
C5700
L5704
R5706
R5707
W4604
W4507
W4714
W4518
C5711
C5702
ZJ5701
RED BLK
C5706
L5703
R5704
W4616
R5806
R5807
R5808
W4110
C5725
C5714 R5809
C5728
C5729
D5745
D5706
D5704
D5705
D5701
D5721
D5722
W4713
R5774
C5727
W4517
W4720
C5736
C5737
R5772
R5778
BLK WHT
SUB-TRANSFORMER
W4760
W4762
TH5701
TH5703
IC5721
CN5708
CN5701
CN5709
CN5706
C5710
Q5701
D5711
D5717
D5716
C5780
R5902
R5901
T5701
TRANSFORMER HEATSINK
TO FA
IC5701
C5783
C5743
D5718
IC5702
C5001
C5003
W4601
W4238
IC5705
C5002
C5796
C579
1
C5798
Q5740
R5798
R5736
C5797
C5794
C5755
R5761
R5762
R5749
W4307
W4321
W4306
W4305
W4304
W4421
W4402
W4206
W4424
W4509
W4508
W4611
W4706
W4609
W4221
W4708
W4201
W4216
W4337
W4239
W4212
W4338
W4219
W4311
W4328
D5723
W4222
D5800
C5733
W4236
Q5752
R5702
C5715
Q5706
W4210
W4410
W4608
W4607
W4502
W4511
W4613
W4710
W4512
C5913
C5916
Q5908
W4757
W4405
W4401
W4314
W4310
W4309
W4308
W4602
W4703
W4603
W4016
W4204
W4203
W4202
W4510
W4753
C5800
W4235
W4719
W4606
W4403
W4702
W4208
W4711
W4715
Q5751
R5764
R5773
R5733
R5734
X5010
X5011
W4207
W4406
W4701
W4504
IC5750
R5766
R5793
C5712
R5765
R5715
C5703
R5712
R5797
C5011
C
5
C
5
D5013
D5772
D5725
D5010
D5740
D5744
D5743
D5750
D5751
L5750
C5754
C5756
D5726
D5746
C5738
D5752
C5757
W4104
R5742
R5789
R5743
W4102
W4101
C5764
C5722
R5722
R5719
R5720
R5721R5732
R5775
R5796
R5747
R5746
D5771
R5741
R5744
R5745
C5721
W4007
R5801
R5788
R5810
R5804
R5803
R5805
D5712
D5714
R5777
R5771
R5728
R5779
R5725R5724
R5790
L5752
L5753
R5787
R5716
R5786
R5784
R5785
W4001
W4002
R5916
R5913
R5917
L5705
D5713
D5903
C5915
C5723
W4003
R5726
D5724
R5723
R5727
R5776
C5732
C5771
D5012
C5014
W4107
W2108
C5019
C5018
C5013
C5012
R501
3
R5014
R5015
R5748
R5799
R5782
R5718
R5731
R5783
R5738
W4004
R5730
R5717
C5790
C5
7
R5737
R5760
R5770
R5755
R5781
R5752
R5753
R5780
R5750
R5757
R5759
R
5
R5756
Q5744
Q5741
Q5750
CN5702
Q5742
Q5760
Q5726
Q5745
PC5721
Q5801
Q5748
Q5705
T5721
Q5703
Q5746
Q5702
Q5749
IC5704
IC5010
IC5004
IC5703
CN5
7
R5768
R5740
R1457
R5713
R5763
R5735
W4006
R5729
R5708
D5709
D5707
D5703
R5709
R5703
C5709
C5713
R5710
D5708
R5711
C5761
C5720
C5785
C5786
C5772
C5784
W40
0
C5782
TH5702
Q5704
PC5701
Q5747
HEATSINK
CAUTION
RISK OF ELECTRIC SHOCK
AC VOLTAGE LINE.
PLEASE DO NOT TOUCH THIS P.C.B
C5705
W4111
W4108
W4109
C5704
C5716
W4103
W4017
W4018
C5707
K5701
12
1
2
3
4
5
6
7
8
9
10
11
12
13
14
15
16
17
18
19
20
21
22
23
24
25
26
27
28
30
29
1234567
8910111213
14
1
2
3
4
5
6
7
8
9
10
11
12
13
14
1
2
3
4
5
6
7
8
9
10
11
12
13
1
4
58
1
12
3
23
1
14
1
1
2
3
42
3
12345678
23
45
67
89
1
10 11
9
1
1
14
58
2
34
12
34
4
5
8
1
1
2
3
2
3
4
5
1
2
34
1
2
34

SC-HT740LB-S
97
A
CA
A
A
CA
A
A
CA
A
B
C
E
B
C
E
B
C
E
B
C
EB
C
E
B
C
E
B
C
E
B
C
E
B
C
E
B
C
EB
C
E
B
C
E
B
C
E
B
C
E
B
C
E
B
C
E
B
C
E
B
C
E
B
C
E
B
C
E
0503A-2
0503A-2
16
15
14
13
12
11
10
9
1
2
3
41
2
3
4
1
2
3
4
1
2
3
4
SURROUND
SPEAKER
FRONT
SPEAKER
CENTER
SPEAKER
SUBWOOFER
B
C
E
G
HI J KL MNO
L5400
L5300
L5309
L5105
L5500
CN5704
TO FAN
CN5711
L5601
L5600
L5100
C5317
W4758
C5076
C5077
C5029
R5517
C5075
C5030
W4232
W4316
C5071
LB5071
LB5072
C5072
C5603
W4423
W4413
C5078
W4320
W4412
W4425
W4610
W4712
W4759
W4409
W4231
C5113
C5115
W4709
W4407
W4416
C5512
C5097
C5096
C5510
W4318
W4754
W4755
C5611
R5792
C5031
C5 178
R5795
W4327
W4707
W4417
W4415
W4851
W4705
W4716
W4119
W4520
W4419
W4615
W4756
W4501
C5717
C5741
C5781
L5751
W4215
W4218
D5711
D5717
D5716
C5780
5
701
RMER HEATSINK
TO FAN
C5783
7
43
D5718
IC5702
C5742
C5001
C5003
C5025
C5021
C5022
C5504
W4211
W4601
W4238
IC5705
C5002
C5792
C5796
C5062
C5791
C5798
Q5740
R5798
R5736
C5797
C5794
C5755
R5761
R5762
R5749
W4307
W4321
W4306
W4216
W4337
W4239
Q5751
R5764
R5773
R5733
W4220
X5010
X5011
W4207
W4223
W4704
W4614
W4325
W4226
W4315
W4224
W4802
W4312
W4519
W4214
W4213
W4313 W4752
W4302
W4123
W4122
W4503
W4411
W4506
W4505
W4514
W4333
W4516
W4209
W4406
W4334
W4335
W4515
W4329
W4205
W4319
W4217
W4326 W4323
W4225 W4324 W4418
W4331
W4228
C5609
W4414
W4513
W4420
W4751
W4117
W4118
C5318
L5200
R5766
R5793
R5765
R5715
C5703
R5797 Q5002
C5431
C5487
C5430
R5311
R5487
C5073
W4422
R5603
W4010
C5406 C5301
C5401
C5201
C5101
R5208
R5107
R5056 W4332
R5052
R5011
C5011
C5914
C5016
C5017
C5015
D5013
D5772
D5725
D5010
D5740
D5744
D5743
D5773
C5754
5
756
W4104
R5742
R
5743
W4102
W4101
W4009
C5764
C5771
D5012
C5014
W4107
W2108
C5019
C5018
C5013
C5012
R5012
R5013
R5050
R5014
R5015
R5502R5506
R5065
R5748
R5504
R5799
R5782
R5718
C5502
C5501
C5066
C5790
C5795
C5067
C5063
R5067
R5737
R5760
R5770
R5755
R5781
5
752
R5757
R5759
R5758
R5756
K5001
R5053
R5051
C5099
R5060
R5063
R5040
R5062
R5059
D5041
C5305 R5309
R5410
C5602
R5605
R5601
C5601
C5074
R5386
CN5050
Q5744
Q5741
Q5750
Q5742
Q5760
Q5022
Q5023
L5021
R5057
L5023
IC5010
IC5004
CN5714
D5753
R5768
R5740
R1457
R5713
R5763
R5735
C5761
C5720
C5785
C5786
C5784
W4005
C5782
TH5702
Q5025
L5503
R5411 C5181
C5130
C5230
C5183
W4322 R5189
R5197
R5079
R5391
R5626
R5595
R5022
R5696
R5624
R5625
R5627
C5530
C5631
C5531
R5023 R5492
C5098
C5033
W4114
D5754
D5031
Q5031
Q5095
Q5015
Q5932
Q5704
Q5930 Q5014
Q5096
Q5001
ZJ5702
IC5002
R5099
R5070
R5769
R5074 R5037
W4121
R5021
R5039
R5038
R5072
R5071
R5048
R5076
R5046
R5094
R5049
R5047
R5077
C5040
C5630
R5042
R5041
R5931
R5739
W4112
R5934
R5930
R5933
R5615
R5613
R5932
C5035
C5036
W4012
R5493
R5073
C5020
R5080
R5518
R5519
R5109
R5110
R5181
R5514
R5516
C5532
R5183
C5386
R5081
JK5400
R5082
W6
IC5001
HEATSINK
Q5931
PbF
W4103
W4013
W4717
W4718
W4700
W4115
W4120
W4116
W4106
W4113
W4339
ZJ5703
C5102
C5799
W4011
W4018
K5002
K5004
K5003
K5005
K5006
W10
12345
1
2
3
4
5
6
7
8
9
10
11
12
13
14
15 17
16
123
1
8
1
12
3
23
17
814
14
58
1
2
3
12
12
3
3
6
1
5
10
15
20
52
27
32
37
42
47
26
89
1
2
3
4
1
2
3
4
1
2
3
4
1
2
3
4
1
2
3
4
1
2
3
4
13
12
6
11
5
4
9
3
8
2
7
1
14
10
312
19.3.1. (C) PLACA DA FONTE (1/2)

SC-HT740LB-S
98
PLACA DO DISPLAY (HT740-PCI-PWN-MO)
PLACA DO MOTOR
PLACA DO FONE DE OUVIDO (HT740-PCI-PWN-MO)
19.4. (F) PLACA DO DISPLAY, PLACA DO FONE DE OUVIDO, PLACA DO MOTOR E PLACA DO
SENSOR (1/2)

SC-HT740LB-S
99
PLACA DO MOTOR DE CARREGAMENTO
PLACA DO REGULADOR
PLACA DO SELETOR DE TENSÕES
(HT740-PCI-PWN-MO)
19.5. (H) PLACA DO MOTOR DE CARREGAMENTO, (K) PLACA DO REGULADOR E (L) PLACA
DO SELETOR DE TENSÕES

SC-HT740LB-S
100
20. GUIA BÁSICO PARA SOLUÇÃO DE PROBLEMAS
20.1. GUIA BÁSICO PARA SOLUÇÃO DE PROBLEMAS DA UNIDADE DO BLOCO TRAVERSE
(PLACA MÓDULO HDMI)
Problemas Pontos de Verificação Componentes a serem checados
1) Imagem distorcida
ou som anormal
é ouvido durante
a inicialização
2) Sem TOC ou
TOC longo
3) Disco não gira
4) Traverse não se
move
5) Traverse e spindle
com movimento
anormal
6) Não lê o disco
mas o motor
spindle gira.
- Não lê CDs
- Não lê DVD
7) Trechos com
ruídos durante a
reprodução
8) Ajuste de
inclinação fora
da especificação
a) Verifique o endereço da SDRAM, bus de dados, CLK e a forma de
onda de outros sinais de controle.
b) Verifique os sinais de vídeo.
c) Verifique o circuito de áudio DAC .
* Compare com os dados de um módulo OK.
a) Verifique as tensões no circuito Motor Driver.
b) Verifique tensões e corrente no circuito direcionador do laser.
c) Verifique as conexões do LSI para o circuito Motor Driver.
* Compare com os dados de um módulo OK.
a) Verifique as conexões entre o módulo traverse.
b) Verifique as voltagens e os sinais de controle do circuito Motor
Driver.
* Compare com os dados de um módulo OK.
a) Verifique voltagens e corrente no circuito direcionador do laser.
- verifique o acionamento do laser do CD.
- verifique o acionamento do laser do DVD.
* Verifique as voltagens e a corrente LD e compare com módulo
OK.
a) Verifique o endereço SDRAM, bus de dados, CLK e a forma de
onda de outros sinais de controle.
* Compare com os dados de um módulo OK.
a) Verifique a corrente dos Diodos Laser.
b) Verifique a unidade Óptica (mude por outra unidade e confirme).
IC8051
LB8301, R8321, R8322, LB8302, R8325, R8326
IC8421
* Atenção para curto-circuitos e/ou componentes
danificados.
IC8251
Q8550, Q8551, Q8552, Q8560, Q8561, Q8562
IC8001
* Atenção para curto-circuitos e/ou componentes
danificados.
FP8201
IC8251
* Atenção para curto-circuitos em soldas e/ou
componentes danificados.
Q8550, Q8551, Q8552, Q8560, Q8561, Q8562
Q8550, Q8560, Q8561, Q8562
Q8550, Q8551, Q8552, Q8560
* Atenção para curto-circuitos e/ou componentes
danificados.
IC8051
* Atenção para curto-circuitos em soldas e/ou
componentes danificados.
Unidade Óptica (conexão do Falt Cable)

SC-HT740LB-S
101
20.2. GUIA BÁSICO PARA SOLUÇÃO DE PROBLEMAS DO HDMI AV OUTPUT
Problemas Pontos de Verificação Componentes a serem checados
1) A TV não
apresenta
imagem.
O display mostra
U702 / U703.
2) Quando
chaveando o
modo de saída
de vídeo de 480p
para 720p /
1080i, a tela da
TV fica branca.
3) A imagem
apresentada na
TV não é clara.
4) Problema de
cores. A tela da
TV está branca /
azul / roxa.
5) HDMI não
produz saída de
áudio
1) Confira os ajustes do aparelho no Menu Setup enquanto a saída de vídeo do
HDMI estiver ligada.
2) Fonte de +5V.
3) Condição da solda do conector HDMI.
4) Linhas de saída TMDS do HDMI.
- Data
- Clock
5) Linhas de comunicação do transmissor HDMI para TV.
- Data, SDA
- Clock, SCL
6) Linhas de comunição do transmissor HDMI para LSI.
7) Resistor de ajuste de Local Port Slave Address.
8) Fonte de +3.3V do transmissor HDMI.
9) Fonte de +1.8V do transmissor HDMI.
10) Fonte de +3.3V do HDMI Up-Con.
11) Saída HDMI pixel clock do Up-Con para o transmissor HDMI.
12) Linha de dados e clock IC I2C do Up-Con.
13) Sinal Hot-Plug.
14) Resistor de controle de balanço de amplitude na saída TMDS.
15) Interface de clock de entrada externa do LSI (IC8001) para Up-Con (IC3701).
16) Linha de dados de vídeo do LSI (IC8001) para Up-Con (IC3701).
1) Alimentação dos pinos de conversão do IC3701
- Pinos: 55, 57, 62, 67, 71, 75, 79
1) Saída de luminância do Up-Converter (IC3701).
1) Saída de Y, Pb, Pr do Up-Converter (IC3701).
1) Linhas de dados de áudio.
IC3952 (pino 4)
P3901
L3903, L3904, L3905
L3906
LB3905, R3905, Q3902, R3904
LB3904, R3907, Q3903, R3906
RX3902
R3921
LB3901, L3901, L3902
IC3782 (pino 1), LB3902
LB3701
LB3702
RX3706
LB3906, R3902, R3903, Q3901, D3901
R3901
LB8702
RX3707, RX3708, RX3701
LB3703
RX3702
RX3703, RX3704, RX3705
RX8403, RX8402
*Verifique se há curto circuito na solda ou
componente danificando assim a condição
do sinal.

SC-HT740LB-S
102
DVD UNIT
DVD
UNIT
(DV3.2)
Component, Composite,S video
IC2801
IC2103
IC2102
IC2001
IC2003 IC5750
IC6901
IC2004
Motor
Drive
Loading Tray
DC Det
PCON
+F/-F
SYNC
Wireless
IC5001
JK2001
S-video
Composite
Component
Head-Phone
Video
Buffer
Tuner Pack
FM/AM
Headphone
Amp
System Control
Loading Mechanism
Control Block EEPROM Display Driver
FL Display
Regulator
DC Det
Motor
Drive
AC IN and
Transformer
Power supply
control
AC
Speaker
(subwoofer)
Terminal
For
Speaker
Power Amp
Power
Amp
ASP
SA-HT740
21. DIAGRAMA EM BLOCOS GERAL DO HT740

SC-HT740LB-S
103
21.1. BLOCO DA UNIDADE DO DVD HT740
DV3.2
HDMI
Output
Audio
output
Video output
DVD System
DVD
System
LSI
<FEP>
EFM+
Demodulate
ECC
<BEP>
MPEG2
Decode
SP Motor
TRV Motor
IC8611
TRV sw
CD DVD
IC8251 IC8001 IC8051
IC8421
IC3701
IC8651
Driver
FO/TR Act
TRV/SP Motor
OPU
LD
Drive
LD
Drive
EEPROM
M
MSD RAM
SD
RAM
Flash ROM
Flash
ROM
IC3901
Audio
DAC
HDMI

SC-HT740LB-S
104
21.2. BLOCO HT740 (SINAL ANALÓGICO: DVD 5.1CH MODO REPRODUÇÃO)
TV/VCR In
MUSIC PORT In
AUX In
TUNER In
DVD Module
(HDMI) ON
ON
DVD Mix(L/R)
DVD Front(L/R)
Volume
DVD Center
DVD Sub-Woofer
DVD Surround(L/R) AGC
ASS
IC2103
DVD 5.1ch Play Back Mode
IC2102
H.P. Amp Head Phone
Front(L/R)
Center
Sub-Woofer
Surround(L/R)
IC5001
HIC
ASP

SC-HT740LB-S
105
21.3. BLOCO HT740 (SINAL ANALÓGICO: 2CH MODO DE ENTRADA ANALÓGICA)
TV In
Line Out
TCR In
AUX In
TUNER In
DVD Module
(HDMI)
ON
DVD Mix(L/R)
DVD Front(L/R)
Volume
DVD Center
DVD Sub-Woofer
DVD Surround(L/R) AGC
ASS
IC2103
2ch Analog input Mode
IC2102
H.P. Amp Head Phone
ASP
Front(L/R)
Center
Sub-Woofer
Surround(L/R)
IC5001
HIC

SC-HT740LB-S
106
21.4. BLOCO DA FONTE HT740
SMPS
POWER
BLOCK
(TRANSFORMER)
SUB-TRANSFORMER BLOCK
+7V
REG
D+5V
REG
D+5V
REG
D+2.7
REG
REG
REG
+5V
REG 6V
REG SUB
HEADPHONE
AMP
ASPSELECTOR
U-COM
TRAY DRIVE
OP-AMP
LOGIC
SWITCH
IC5001
Q2906/Q2907
Q2903/D2902
-30V
+VCC
+30V
F+ F-
-VP
+12V
-7V
REG
IC2903
IC2908
IC2907
IC2902
IC2901
Q2935/
D2912
Q2904/
D2915/
D2934
SYS 6V
IC2301
IC2003
IC2104/
IC2205 IC2905
IC2904
FOR WIRELESS MODELS ONLY
DVD
MODULE
IC2102
C+9V
C+9V
RF+5V
IC2103
REG
-VCC
T+9V
C+9V
MUTING
DVD PCONT
HIC
SECTION
SW+5V
DAMP+5V
+13V
M+9V
TUNER
FL DISPALY
<MAIN POWER
ON MODE>
AC
INPUT
ON

SC-HT740LB-S
107
21.5. BLOCO DA FONTE HT740 (SMPS)
SWITCHING
CONTROL
VOLUME
CONTROL
PC5701
Q5701
REG
IC5702
IC5703
Q5726
RECTIFIER RECTIFIER
RECTIFIER
RECTIFIER
BACKUP
T5701
T5721
D5711
D5717
+50V
+30V (+VCC)
-30V (-VCC)
+20V
+ SENSE
- SENSE
VCC_CONT
+ SENSE
+
-
VDD
D5716
D5701
IC5701
IC5721
D5705
SYS6V
To FL
Display
F+/F-
RECTIFIER
SWITCHING
CONTROL
PC5721
AC
POWER TRANSFORMER
SUB
TRANSFORMER

SC-HT740LB-S
108
Pin
No.
Terminal
Name
I/O Function
1AVSS - Power supply for A_D converter
2KEY1 IKey 1 line input
3KEY2 IKey 2 line input
4DES1 ITuner region setting
5DES2 IModel code Digit 1
6DES3 IDVD region setting
7DISC SENSE IDisc sensor (RC1)
8DES4 IModel code Digit 2
9DES5 IModel code Digit 3
10 VREF+ - + Power supply for A_D converter
11 VCC - Power supply (5V)
12 XOUT - Main clock output (8MHz)
13 XIN - Main clock input (8MHz)
14 VSS -GND (0V)
15 VSS -GND (0V)
16 N.C -No connection
17 VSS -GND (0V)
18 DVD_
PCONT
ODVD module power control
19 RF_DET
(WM_DET)
IRF module detection - wireless ready
20 RF_LINK _
WM_
LINK
IRF link control - wireless ready
21 RF_PCNT
(WM_
UNMUTE)
O RF power control
22 N.C -No connection
23 EDA I_O EEPROM data
24 ECK OEEPROM clock
25 ECS OEEPROM latch
26 RMT IREMOCON input
27 HOTPLUG I HDMI interrupt 1
28 CEC_IN I HDMI interrupt 2
29 POS_SW IPosition sensor (RC1)
30 PULSE IPulse sensor speed detection
(RC1)
31 SYNC IAC failure detect input
32 VSS -GND (0V)
VPP -Power supply (Flash Micom only)
33 RESET ISystem reset
34 PWM OPulse width modulation (RC1)
35 AM_BP OAM beat proof
36 TU_SCL
(PLL_CK)
O Tuner clock
37 TU_SDA
(PLL_DA)
O Tuner data
38 TU_SD ITuner signal detect
39 ST_DO
(TU_ST)
IStereo indicator_data (Tuner to Opecon)
40 FM_DET I Tuner FM detect (Tuner to Opecon)
41 VPP -Power supply (Flash Micom only)
42 DVD_CMD ODVD Command (Opecon to syscon)
43 DVD_STA IDVD status (Syscon to Opecon)
44 DVD_CK IDVD clock (Syscon to Opecon)
45 MUTE_DVD IDVD mute (Syscon to Opecon)
46 CHG_DIR
(ROLE_CH)
OWireless module change direction
(Tx_Rx)
47 RMPORT
_DET
I Rear M.Port detect
48 ASP_DA OASP data (R2S15203FP)
49 ASP_CK OASP clock (R2S15203FP)
Pin
No.
Terminal
Name
I/O Function
50 MUTE_HP OHeadphone mute
51 MP_SEL
(SELECT
_A)
O Select front MPort or rear MPort
52 SUB_
LIMITER
OSubwoofer frequency Limiter
53 VMUTE OVideo mute control
54 N.C -No connection
55 WIDE_
SURR
OSurround Enhancer
56 CEC_OUT I Output port for HDMI
57 WS_EN ISurround Enhancer Enable
58 AGC_SW -Connection GND via resistor
59 REG1 ISpeaker protection (For Latin America)
60 MODEL
_SEL1
IModel selector
61 MODEL
_SEL2
IModel selector
62 HB_EN IH.Bass enable (H=Enable, L=Disable)
63 N.C -No connection
64 MOD_DA ODigital amplifier standby control
65 HOP_DA
(FHOP)
ODigital Amp frequency hop control
66 MUTE_
FSUB
OFront_subwoofer mute
67 N.C -No connection
68 MUTE_SC OSurround_centre mute
69 LOAD
(CAM_SW)
IUP_DOWN switch (RC1)
70 OPEN_SW IOPEN switch (RC1)
71 PCONT ORelay power control (System)
72 N.C -No connection
73 N.C -No connection
74 N.C -No connection
75 N.C -No connection
76 N.C -No connection
77 N.C -No connection
78 N.C -No connection
79 N.C -No connection
80 N.C -No connection
81 DC_DET IDC detection (System)
82 DISC1_
LED
O Disc LED 1
83 WS_LED OWide surround LED
84 N.C -No connection
85 N.C -No connection
86 N.C -No connection
87 FLD_STB - FL driver strobe
88 N.C -No connection
89 FL_CK O FL driver clock
90 FL_DAT O FL driver data
91 JOG_A IVolume jog signal A
92 JOG_B IVolume jog signal B
93 JOG_LED OVOlume jog LED (For HT1040)
94 LOAD_
REV
OLoading motor control (Open_close-RC1)
95 VSS - -ve Power supply for D_A converter
96 LOAD_
FWD
OLoading motor control (Open_close-RC1)
97 TURN_
FWD
OTray motor control (Turn-RC1)
98 TURN_
REW
OTray motor control (Turn-RC1)
99 N.C -No connection
100 VDD - +ve Power supply for D_A converter
22. FUNÇÕES DOS TERMINAIS DOS CI’s
22.1. IC2001 (MN101C49GHF1):
CI MICROCONTROLADOR

SC-HT740LB-S
109
23. VISTAS EXPLODIDAS
23.1. LOCALIZAÇÃO DAS PARTES NO GABINETE

SC-HT740LB-S
110

SC-HT740LB-S
111

SC-HT740LB-S
112
Ar : Arabic Du : Dutch It : Italian Sp : Spanish
Cf : Canadian French En : English Ko : Korean Sw : Swedish
Cz : Czech Fr : French Po : Polish Co : Traditional Chinese
Da : Danish Ge : German Ru : Russian Cn : Simplified Chinese
Pe: Persian Ur: Ukranie
24. LISTAS DE PEÇAS DE REPOSIÇÃO
Notas:
• Nota Importante de Segurança
Componentes identificados pela marca ! têm especial e importante característica de segurança. Além disto, peças
especiais que têm propósitos de retardar fogo (resistores), som de alta qualidade (capacitores), baixo ruído (resistores),
etc., são usadas. Quando substituir qualquer componente, tenha o cuidado de usar somente peças especificadas pelo
fabricante ilustradas na lista de peças.
• Aviso: Este produto usa um diodo emissor de laser. Refira-se as instruções de cuidado.
• Os valores dos Capacitores são em microfarads (µF) a menos que especificado de outra maneira: P = Pico-farads
(pF), F = Farad.
• Os valores dos Resistores são em Ohms, a menos que especificado de outra maneira, 1K = 1.000 (OHM), 1M =
1.000K (OHM).
• A indicação entre parênteses na coluna de comentários específica o nome do modelo e a área. (Refira-se a capa deste
manual para área ou cor).
• A marca (RTL) indica que o tempo de retenção é limitado para estes itens. Após a descontinuação desta montagem na
produção, o item continuará disponível por um período de tempo.
• Referência para o livro O/I de linguagem são as seguintes:
[En: Inglês, Sp: Espanhol]
• [M] indicado na coluna de comentários indica peças fornecidas por PAVCSG.
• [SPC] indicado na coluna de comentários indica peças fornecidas por SPC [PAVC]
• A marca “(SF)” identifica as partes padronizadas.
• Referências para outros idiomas são as seguintes.

SC-HT740LB-S
113
326 RMG0620-K CUSHION RUBBER
327 RMK0555 MECHA BASE
328 RML0646 CHANGE LEVER
329 REM0112 LOADING MOTOR ASS’Y
330 RMR1446-X CLAMPER
331 RMR1447-X MAGNET HOLDER
332 RMR1507-X SUPPORT PIECE
333 RMS0802-J DRIVE SHAFT
334 XTN26+14JFJK SUPPORT PIECE SCREW
335 XTV2+6GFJ PCB SCREW
336 XWG6FFJ WASHER
337 RMM0256-2 BLOCK BASE
338 RMS0123-1 FIXED PIN B
339 RMF0182 TRAY FELT
350 RAE2019W-S DT6 TRAVERSE
351 RMG0598-A FLOATING RUBBER
352 RMG0617-H CUSHION RUBBER A
353 RMG0618-H CUSHION RUBBER B
354 RMR1753-X MIDDLE CHASSIS
355 RMS0789 FIXED PIN
356 RXQ0946 TRAVERSE MOTOR ASS’Y
357 RXQ1391 UNIDADE ÓPTICA
360 RD-DDC016-PM BASE DO MECANISMO MONTADA
361 RD-DDC006APM MECANISMO GIRATÓRIO CD/DVD MONTADO
FL6901 A2BD00000160 DISPLAY FL
1 J3CCBB000007 TUNER PACK (SINTONIZADOR)
2 L6FAYYYH0001 MICRO VENTILADOR
3 REEX0519 CABO FFC DE 50 VIAS
4 REEX0735 CABO FFC DE 30 VIAS
5 REEX0521-1 CABO FFC DE 19 VIAS
6 REEX0524 CABO FFC DE 11 VIAS
7 REEX0526 CABO FFC DE 9 VIAS
8 REXX0537-1 CABO PARA SELETOR DE VOLTAGEM
9 REXX0538-1 CABO PARA SELETOR DE VOLTAGEM
11 REXX0500 CABO PRIMARIO PRETO
10 REXX0499-1 CABO DE 13 VIAS
12 REXX0512-1 CABO PRIMÁRIO VERMELHO
14 RGQX0027-1 TAMPA SUPERIOR DO FFC
15 RGRX0056-ACAB TAMPA METÁLICA TRASEIRA
16 RGWX0076-S KNOB PLÁSTICO DO VOLUME
17 RHD26046 PARAFUSO METÁLICO
18 RHD30007-1SJ PARAFUSO METÁLICO
19 RHD30070 TERMINAL DE ATERRAMENTO
20 RHD30107-1 PARAFUSO METÁLICO
21 RHD30111-3 PARAFUSO METÁLICO
22 RHD30119-S PARAFUSO METÁLICO
23 RKA0059-K PÉ DE FELTRO
24 BHG0154 CALÇO AMORTECEDOR
25 RKMX0118-CS GABINETE DOBRADO
26 RKWX0255-Q ORNAMENTO DO DISPLAY
27 RMAX0090 SUPORTE METÁLICO DO MECANISMO
29 RMKX0115-3 CHASSIS METÁLICO INFERIOR
31 RMN0730-1 GUIA PLÁSTICO DA BANDEJA ESQUERDA
32 RMN0731-1 GUIA PLÁSTICO DA BANDEJA DIREITA
33 RMNX0149 SUPORTE PLÁSTICO DO DISPLAY
34 RMNX0151 SUPORTE PLÁSTICO DO LED
35 RMNX0166 SUPORTE PLÁSTICO DO MECANISMO
DESCRIÇÃO REF. CÓDIGO
24.1. LISTA DE PEÇAS DO GABINETE
24.2. LISTA DE PEÇAS DO MECANISMO DE CARREGAMENTO E DO BLOCO TRAVERSE
DESCRIÇÃO REF. CÓDIGO DESCRIÇÃO REF. CÓDIGO
36 RMNX0171 SUPORTE PLÁSTICO DO MECANISMO
37 RMQX0153-H SUP. PLÁSTICO DO MICRO VENTILADOR
38 RMQX0185 SUP. PLÁSTICO DO MICRO VENTILADOR
39 RMX0275 BANDEJA PLÁSTICA ESQUERDA
40 RMX0274 BANDEJA PLÁSTICA DIREITA
41 RXXX0067-2 DISSIPADOR METÁLICO
42 RXXX0068-1 DISSIPADOR METÁLICO
43 RXXX0077 DISSIPADOR METÁLICO
44 RYPX2B0113-X CON. TRANSMISSOR WIRELESS MONTADO
45 RYQX2B0231C-S1 TAMPA DA BANDEJA MONTADA
46 XTB3+10JFJ PARAFUSO METÁLICO ESPECIAL
47 XTB3+16JFJ PARAFUSO METÁLICO
48 XTW3+15TFJ PARAFUSO METÁLICO
49 RGKX0329-Q ORNAMENTO DE PLÁSTICO
50 RGLX0130-Q ORNAMENTO DE PLÁSTICO
51 RGPX0210A-S4 PAINEL FRONTAL (PLÁSTICO)
52 RGUX0647-S TECLA POWER DE PLÁSTICO
53 RGUX0648-S TECLA DVD OPEN/CLOSE DE PLÁSTICO
54 RGUX0649-S TECLA PLAY DE PLÁSTICO
55 RGUX0667-S TECLA SURROUND DE PLÁSTICO
56 RGUX0650-S TECLA DE CONT. DO DVD DE PLÁSTICO
57 K1NA11B00004 CONECTOR WIRELESS
58 L6FAJCCH0007 MICRO VENTILADOR
59 RHD30102-1 PARAFUSO MET. AUTO ATARRAXANTE
60 RMYX0165 DISSIPADOR
61 REEX0734 CABO FFC DE 11 VIAS
62 RMNX0184 PROTETOR PLÁSTICO
63 RMNX0192 ISOLANTE DO SELETOR DE VOLTAGEM
64 RSCX0132 BLINDAGEM METÁLICA
65 RMAX0089-1 SUPORTE METÁLICO DO PAINEL
66 REXX0542 CABO
67 RKAX0030-K PÉ DE BORRACHA
DESCRIÇÃO REF. CÓDIGO
301 RDG0567 PULSE GEAR
302 RDG0568 OPEN LOCK GEAR
303 RDG0569-1 CLOSE LOCK GEAR
304 RDV0073 TRAY BELT
305 REZ1734 FFC WIRE
306 RGQ0446-K TRAY BASE
307 RGQ0359-K1 ROTARY TRAY
308 RMM0254-2 SLIDE PLATE R
309 RMB0842 TRAY SPRING
310 RME0384 CLOSE LOCK GEAR SPRING
311 RMF0324-1 BLOCK SHEET
312 RMM0255 SLIDE PLATE L
313 XTB3+10JFJ SCREW
314 XTN26+8GFJ SCREW
315 XTWS3+10SFJ SCREW
316 RHM0003-J MAGNET
317 RDG0562 PULLEY GEAR
318 RDG0563-1 REALAY GEAR A
319 RDG0564 RELAY GEAR B
320 RDG0565 DRIVE GEAR A
321 RDG0566 DRIVE GEAR B
322 RDG0570 CAM GEAR
323 RDV0072 LOADING BELT
324 RMC0387 SUPPORT SPRING
325 RMG0615-K CUSHION SHEET

SC-HT740LB-S
114
PLACA MONTADA
PCB1 HDMI-PCB PLACA MÓDULO HDMI (DVD)
PCB2 HT740-MA-MO PLACA PRINCIPAL MONTADA
PCB3 HT740-PCI-PWN-MO PLACA DA FONTE / SUB FONTE
PCB3 HT740-PCI-PWN-MO PLACA DE ENTRADA AC
PCB3 HT740-PCI-PWN-MO PLACA DO DISPLAY MONTADA
PCB3 HT740-PCI-PWN-MO PLACA DO FONE DE OUVIDO
PCB3 HT740-PCI-PWN-MO PLACA DO SELETOR DE TENSÕES
PCB4 REP3466B PLACA DO MOTOR DA BANDEJA
PCB4 REP3466B PLACA DO SENSOR
PCB5 REP3465B PLACA DO MOTOR DE CARREGAMENTO
PCB6 REPX0549A PLACA DO REGULADOR
CAPACITORES
C2001 ECEA1CKS470I CAP. ELETROL. BIPOLAR 47 µF 16 V 20 %
C2002 ECJ1VB1C104K CAP. CERÂMICO SMD 100 nF 16 V 10 %
C2003 ECEA1EKS220B CAP. ELETROL. 22 µF 25 V
C2004 ECJ1VB1H103K CAP. CERÂMICO SMD 10 nF 50 V 10 %
C2006 ECEA1HKS2R2B CAP. ELETROL. BIPOLAR 2,20 µF 50 V 20 %
C2007 ECJ1VB1C104K CAP. CERÂMICO SMD 100 nF 16 V 10 %
C2008 ECEA0JKS101B CAP. ELETROL. 100 µF 6,3 V 20 %
C2009 ECJ1VB1C104K CAP. CERÂMICO SMD 100 nF 16 V 10 %
C2010 ECJ1VB1H331K CAP. CERÂMICO SMD 330 pF 50 V 10 %
C2011 ECJ1VB1H331K CAP. CERÂMICO SMD 330 pF 50 V 10 %
C2012 ECJ1VB1H331K CAP. CERÂMICO SMD 330 pF 50 V 10 %
C2013 ECJ1VB1H223K CAP. CERÂMICO SMD 22 nF 50 V 10 %
C2016 ECEA1CKS470I CAP. ELETROL. BIPOLAR 47 µF 16 V 20 %
C2017 ECJ1VB1H103K CAP. CERÂMICO SMD 10 nF 50 V 10 %
C2018 ECEA1CKS470I CAP. ELETROL. BIPOLAR 47 µF 16 V 20 %
C2019 ECEA1CKS470I CAP. ELETROL. BIPOLAR 47 µF 16 V 20 %
C2020 ECJ1VB1H103K CAP. CERÂMICO SMD 10 nF 50 V 10 %
C2021 ECA1AAD221XI CAP. ELETROL. 220 µF 10 V 20 %
C2022 ECA1AAD221XI CAP. ELETROL. 220 µF 10 V 20 %
C2023 ECJ1VB1H221K CAP. CERÂMICO SMD 220 pF 50 V 10 %
C2024 ECJ1VB1H221K CAP. CERÂMICO SMD 220 pF 50 V 10 %
C2026 ECEA1CKS100I CAP. ELETROL. 10 µF 16 V 20 %
C2027 ECJ1VB1C104K CAP. CERÂMICO SMD 100 nF 16 V 10 %
C2028 ECJ1VB1C104K CAP. CERÂMICO SMD 100 nF 16 V 10 %
C2029 ECJ1VB1H471K CAP. CERÂMICO SMD 470 pF 50 V 10 %
C2030 ECJ1VB1H471K CAP. CERÂMICO SMD 470 pF 50 V 10 %
C2101 ECJ1VB1A105K CAP. CERÂMICO SMD 1 µF 10 V 10 %
C2111 ECJ1VB1A105K CAP. CERÂMICO SMD 1 µF 10 V 10 %
C2112 ECJ1VB1H471K CAP. CERÂMICO SMD 470 pF 50 V 10 %
C2114 ECJ1VB1H562K CAP. CERÂMICO SMD 5,60 nF 50 V 10 %
C2115 ECJ1VB1H331K CAP. CERÂMICO SMD 330 pF 50 V 10 %
C2117 ECJ1VB1C104K CAP. CERÂMICO SMD 100 nF 16 V 10 %
C2118 ECJ1VB1C104K CAP. CERÂMICO SMD 100 nF 16 V 10 %
C2119 ECJ1VB1A105K CAP. CERÂMICO SMD 1 µF 10 V 10 %
C2120 ECJ1VB1C473K CAP. CERÂMICO SMD 47 nF 50 V 10 %
C2121 ECJ1VB1C104K CAP. CERÂMICO SMD 100 nF 16 V 10 %
C2161 ECJ1VB1C393K CAP. CERÂMICO SMD 39 nF 16 V 10 %
C2162 ECJ1VB1H332K CAP. CERÂMICO SMD 3,30 nF 50 V 10 %
C2164 ECJ1VB1H102K CAP. CERÂMICO SMD 1 nF 50 V 10 %
C2169 ECJ1VB1H103K CAP. CERÂMICO SMD 10 nF 50 V 10 %
C2170 ECEA1HKS010B CAP. ELETROL. BIPOLAR 1 µF 50 V 20 %
C2171 ECEA1EKS4R7B CAP. ELETROL. 4,70 µF 25 V
C2172 ECJ1VB1H681K CAP. CERÂMICO SMD 680 pF 50 V 10 %
C2177 ECEA1HKS010I CAP. ELETROL. BIPOLAR 1 µF 50 V 20 %
C2178 ECJ1VC1H101J CAP. CERÂMICO SMD 100 pF 50 V 5 %
C2179 ECJ1VC1H470J CAP. CERÂMICO SMD 47 pF 50 V 5 %
C2180 ECJ1VB1C104K CAP. CERÂMICO SMD 100 nF 16 V 10 %
C2181 ECJ1VB1H102K CAP. CERÂMICO SMD 1 nF 50 V 10 %
C2183 ECEA1HKS3R3B CAP. ELETROL. BIPOLAR 3,30 µF 50 V 20 %
C2185 ECJ1VB1A105K CAP. CERÂMICO SMD 1 µF 10 V 10 %
C2186 ECJ1VB1A105K CAP. CERÂMICO SMD 1 µF 10 V 10 %
C2187 ECJ1VB1A105K CAP. CERÂMICO SMD 1 µF 10 V 10 %
C2188 ECJ1VB1A105K CAP. CERÂMICO SMD 1 µF 10 V 10 %
C2190 ECJ1VB1A105K CAP. CERÂMICO SMD 1 µF 10 V 10 %
C2191 ECJ1VC1H101J CAP. CERÂMICO SMD 100 pF 50 V 5 %
C2193 ECJ1VB1C104K CAP. CERÂMICO SMD 100 nF 16 V 10 %
C2194 ECJ1VB1H222K CAP. CERÂMICO SMD 2,20 nF 50 V 10 %
C2201 ECJ1VB1A105K CAP. CERÂMICO SMD 1 µF 10 V 10 %
24.3. LISTA DE PEÇAS ELÉTRICAS
DESCRIÇÃO REF. CÓDIGO
DESCRIÇÃO REF. CÓDIGO
C2211 ECJ1VB1A105K CAP. CERÂMICO SMD 1 µF 10 V 10 %
C2212 ECJ1VB1H471K CAP. CERÂMICO SMD 470 pF 50 V 10 %
C2214 ECJ1VB1H562K CAP. CERÂMICO SMD 5,60 nF 50 V 10 %
C2215 ECJ1VB1H331K CAP. CERÂMICO SMD 330 pF 50 V 10 %
C2217 ECJ1VB1C104K CAP. CERÂMICO SMD 100 nF 16 V 10 %
C2218 ECJ1VB1C104K CAP. CERÂMICO SMD 100 nF 16 V 10 %
C2219 ECJ1VB1A105K CAP. CERÂMICO SMD 1 µF 10 V 10 %
C2220 ECJ1VB1C473K CAP. CERÂMICO SMD 47 nF 50 V 10 %
C2221 ECJ1VB1C104K CAP. CERÂMICO SMD 100 nF 16 V 10 %
C2261 ECJ1VB1C393K CAP. CERÂMICO SMD 39 nF 16 V 10 %
C2262 ECJ1VB1H332K CAP. CERÂMICO SMD 3,30 nF 50 V 10 %
C2264 ECJ1VB1H102K CAP. CERÂMICO SMD 1 nF 50 V 10 %
C2270 ECEA1HKS010B CAP. ELETROL. BIPOLAR 1 µF 50 V 20 %
C2272 ECJ1VB1H681K CAP. CERÂMICO SMD 680 pF 50 V 10 %
C2277 ECEA1HKS010I CAP. ELETROL. BIPOLAR 1 µF 50 V 20 %
C2278 ECJ1VC1H101J CAP. CERÂMICO SMD 100 pF 50 V 5 %
C2279 ECJ1VC1H470J CAP. CERÂMICO SMD 47 pF 50 V 5 %
C2280 ECJ1VB1C104K CAP. CERÂMICO SMD 100 nF 16 V 10 %
C2281 ECJ1VB1H102K CAP. CERÂMICO SMD 1 nF 50 V 10 %
C2283 ECEA1HKS3R3B CAP. ELETROL. BIPOLAR 3,30 µF 50 V 20 %
C2285 ECJ1VB1A105K CAP. CERÂMICO SMD 1 µF 10 V 10 %
C2286 ECJ1VB1A105K CAP. CERÂMICO SMD 1 µF 10 V 10 %
C2287 ECJ1VB1A105K CAP. CERÂMICO SMD 1 µF 10 V 10 %
C2288 ECJ1VB1A105K CAP. CERÂMICO SMD 1 µF 10 V 10 %
C2290 ECJ1VB1A105K CAP. CERÂMICO SMD 1 µF 10 V 10 %
C2291 ECJ1VC1H101J CAP. CERÂMICO SMD 100 pF 50 V 5 %
C2293 ECJ1VB1C104K CAP. CERÂMICO SMD 100 nF 16 V 10 %
C2294 ECJ1VB1H222K CAP. CERÂMICO SMD 2,20 nF 50 V 10 %
C2300 ECJ1VB1A105K CAP. CERÂMICO SMD 1 µF 10 V 10 %
C2301 ECJ2YB0J475K CAP. CERÂMICO SMD 4,70 µF 6,3 V 10 %
C2302 ECJ1VB1C393K CAP. CERÂMICO SMD 39 nF 16 V 10 %
C2303 ECJ1VB1C104K CAP. CERÂMICO SMD 100 nF 16 V 10 %
C2304 ECEA1CKS100I CAP. ELETROL. 10 µF 16 V 20 %
C2305 ECJ1VB1H332K CAP. CERÂMICO SMD 3,30 nF 50 V 10 %
C2306 ECJ1VB1A154K CAP. CERÂMICO SMD 150 nF 10 V 10 %
C2307 ECEA1CKS100I CAP. ELETROL. 10 µF 16 V 20 %
C2308 ECJ1VB1H223K CAP. CERÂMICO SMD 22 nF 50 V 10 %
C2309 ECJ1VB1C823K CAP. CERÂMICO SMD 82 nF 16 V 10 %
C2312 ECEA1HKS3R3B CAP. ELETROL. BIPOLAR 3,30 µF 50 V 20 %
C2323 ECJ1VB1H471K CAP. CERÂMICO SMD 470 pF 50 V 10 %
C2324 ECJ1VB1H272K CAP. CERÂMICO SMD 2,70 nF 50 V 10 %
C2400 ECJ1VB1A105K CAP. CERÂMICO SMD 1 µF 10 V 10 %
C2401 ECJ2YB0J475K CAP. CERÂMICO SMD 4,70 µF 6,3 V 10 %
C2402 ECJ1VB1C393K CAP. CERÂMICO SMD 39 nF 16 V 10 %
C2403 ECJ1VB1C104K CAP. CERÂMICO SMD 100 nF 16 V 10 %
C2404 ECEA1CKS100I CAP. ELETROL. 10 µF 16 V 20 %
C2405 ECJ1VB1H332K CAP. CERÂMICO SMD 3,30 nF 50 V 10 %
C2406 ECJ1VB1A154K CAP. CERÂMICO SMD 150 nF 10 V 10 %
C2407 ECEA1CKS100I CAP. ELETROL. 10 µF 16 V 20 %
C2408 ECJ1VB1H223K CAP. CERÂMICO SMD 22 nF 50 V 10 %
C2412 ECEA1HKS3R3B CAP. ELETROL. BIPOLAR 3,30 µF 50 V 20 %
C2423 ECJ1VB1H471K CAP. CERÂMICO SMD 470 pF 50 V 10 %
C2424 ECJ1VB1H272K CAP. CERÂMICO SMD 2,70 nF 50 V 10 %
C2500 ECJ1VB1A105K CAP. CERÂMICO SMD 1 µF 10 V 10 %
C2501 ECEA1CKS100I CAP. ELETROL. 10 µF 16 V 20 %
C2502 ECJ1VB1C333K CAP. CERÂMICO SMD 33 nF 16 V 10 %
C2503 ECJ1VB1C823K CAP. CERÂMICO SMD 82 nF 16 V 10 %
C2506 ECEA1HKS010B CAP. ELETROL. BIPOLAR 1 µF 50 V 20 %
C2507 ECJ1VB1H471K CAP. CERÂMICO SMD 470 pF 50 V 10 %
C2509 ECJ1VB1H222K CAP. CERÂMICO SMD 2,20 nF 50 V 10 %
C2600 ECJ1VB1A105K CAP. CERÂMICO SMD 1 µF 10 V 10 %
C2601 ECJ1VB1H473K CAP. CERÂMICO SMD 47 nF 50 V 10 %
C2602 ECEA1EKS4R7B CAP. ELETROL. 4,70 µF 25 V
C2603 ECJ1VB1A105K CAP. CERÂMICO SMD 1 µF 10 V 10 %
C2604 ECJ1VB1C104K CAP. CERÂMICO SMD 100 nF 16 V 10 %
C2605 ECJ1VB1A474K CAP. CERÂMICO SMD 470 nF 10 V 10 %
C2606 ECEA1CKS100I CAP. ELETROL. 10 µF 16 V 20 %
C2607 ECEA1EKS220B CAP. ELETROL. 22 µF 25 V
C2608 ECEA1CKS100I CAP. ELETROL. 10 µF 16 V 20 %
C2609 ECJ1VB1A334K CAP. CERÂMICO SMD 330 nF 10 V 10 %
C2610 ECJ1VB1A474K CAP. CERÂMICO SMD 470 nF 10 V 10 %
C2611 ECJ1VB1H123K CAP. CERÂMICO SMD 12 nF 50 V 10 %
C2612 ECJ1VB1H332K CAP. CERÂMICO SMD 3,30 nF 50 V 10 %
C2615 ECJ1VB1H222K CAP. CERÂMICO SMD 2,20 nF 50 V 10 %

SC-HT740LB-S
115
DESCRIÇÃO REF. CÓDIGODESCRIÇÃO REF. CÓDIGO
C2617 ECJ1VB1A124K CAP. CERÂMICO SMD 120 nF 10 V 10 %
C2618 ECEA1EKS4R7B CAP. ELETROL. 4,70 µF 25 V
C2619 ECEA1HKA100B CAP. ELETROL. 10 µF 50 V 20 %
C2620 ECJ1VC1H101J CAP. CERÂMICO SMD 100 pF 50 V 5 %
C2621 ECJ1VB1C104K CAP. CERÂMICO SMD 100 nF 16 V 10 %
C2623 ECJ1VC1H101J CAP. CERÂMICO SMD 100 pF 50 V 5 %
C2801 ECJ1VB1C104K CAP. CERÂMICO SMD 100 nF 16 V 10 %
C2802 ECEA0JKS101B CAP. ELETROL. 100 µF 6,3 V 20 %
C2803 ECEA0JKS101B CAP. ELETROL. 100 µF 6,3 V 20 %
C2804 ECEA0JKS101B CAP. ELETROL. 100 µF 6,3 V 20 %
C2805 ECEA0JKS101B CAP. ELETROL. 100 µF 6,3 V 20 %
C2806 ECEA0JKS101B CAP. ELETROL. 100 µF 6,3 V 20 %
C2807 ECJ1VB1H103K CAP. CERÂMICO SMD 10 nF 50 V 10 %
C2808 ECA1AAD221XI CAP. ELETROL. 220 µF 10 V 20 %
C2809 ECEA1EKS220B CAP. ELETROL. 22 µF 25 V
C2810 ECJ1VB1H103K CAP. CERÂMICO SMD 10 nF 50 V 10 %
C2811 ECJ1VB1C104K CAP. CERÂMICO SMD 100 nF 16 V 10 %
C2812 ECJ1VB1C104K CAP. CERÂMICO SMD 100 nF 16 V 10 %
C2814 ECEA1EKS220B CAP. ELETROL. 22 µF 25 V
C2815 ECEA1EKS220B CAP. ELETROL. 22 µF 25 V
C2816 ECEA1EKS220B CAP. ELETROL. 22 µF 25 V
C2817 ECJ1VB1A105K CAP. CERÂMICO SMD 1 µF 10 V 10 %
C2818 ECJ1VB1A105K CAP. CERÂMICO SMD 1 µF 10 V 10 %
C2819 ECJ1VC1H101J CAP. CERÂMICO SMD 100 pF 50 V 5 %
C2820 ECJ1VC1H101J CAP. CERÂMICO SMD 100 pF 50 V 5 %
C2821 ECJ1VC1H101J CAP. CERÂMICO SMD 100 pF 50 V 5 %
C2822 ECJ1VC1H101J CAP. CERÂMICO SMD 100 pF 50 V 5 %
C2823 ECJ1VC1H101J CAP. CERÂMICO SMD 100 pF 50 V 5 %
C2825 ECJ1VC1H101J CAP. CERÂMICO SMD 100 pF 50 V 5 %
C2826 ECJ1VC1H101J CAP. CERÂMICO SMD 100 pF 50 V 5 %
C2827 ECJ1VC1H101J CAP. CERÂMICO SMD 100 pF 50 V 5 %
C2828 ECJ1VC1H101J CAP. CERÂMICO SMD 100 pF 50 V 5 %
C2829 ECJ1VC1H101J CAP. CERÂMICO SMD 100 pF 50 V 5 %
C2830 ECJ1VC1H101J CAP. CERÂMICO SMD 100 pF 50 V 5 %
C2832 ECJ1VB1H221K CAP. CERÂMICO SMD 220 pF 50 V 10 %
C2833 ECJ1VB1H104K CAP. CERÂMICO SMD 100 nF 50 V 10 %
C2834 ECEA1EKS220B CAP. ELETROL. 22 µF 25 V
C2835 ECEA1EKS220B CAP. ELETROL. 22 µF 25 V
C2836 ECJ1VB1C104K CAP. CERÂMICO SMD 100 nF 16 V 10 %
C2837 ECJ1VB1C104K CAP. CERÂMICO SMD 100 nF 16 V 10 %
C2838 ECJ1VB1C104K CAP. CERÂMICO SMD 100 nF 16 V 10 %
C2839 ECJ1VB1C104K CAP. CERÂMICO SMD 100 nF 16 V 10 %
C2901 ECJ1VB1H104K CAP. CERÂMICO SMD 100 nF 50 V (PAINEL)
C2901 ECA1EM102B CAP. ELETROL. 1.000 µF 25 V (PRINCIPAL)
C2902 ECJ1VB1H104K CAP. CERÂMICO SMD 100 nF 50 V (PAINEL)
C2902 ECJ1VB1H103K CAP. CERÂMICO SMD 10 nF 50 V
C2903 ECJ1VB1H104K CAP. CERÂMICO SMD 100 nF 50 V (PAINEL)
C2903 ECJ1VB1H103K CAP. CERÂMICO SMD 10 nF 50 V 10 %
C2904 ECJ1VB1H104K CAP. CERÂMICO SMD 100 nF 50 V
C2905 ECJ1VB1H104K CAP. CERÂMICO SMD 100 nF 50 V 10 %
C2906 ECJ1VB1H103K CAP. CERÂMICO SMD 10 nF 50 V 10 %
C2908 ECEA1CKA101B CAP. ELETROL. 100 µF 16 V 20 %
C2910 ECJ1VB1H103K CAP. CERÂMICO SMD 10 nF 50 V 10 %
C2913 ECEA1CKA101B CAP. ELETROL. 100 µF 16 V 20 %
C2914 ECEA1AKA330B CAP. ELETROL. 33 µF 10 V 20 %
C2917 ECJ1VB1H104K CAP. CERÂMICO SMD 100 nF 50 V 10 %
C2918 ECA1CAK470XB CAP. ELETROL. 47 µF 16 V 20 %
C2919 ECJ1VC1H101J CAP. CERÂMICO SMD 100 pF 50 V 5 %
C2920 ECJ1VB1H103K CAP. CERÂMICO SMD 10 nF 50 V 10 %
C2921 ECA1EM221B CAP. ELETROL. 220 µF 25 V 20 %
C2922 EEUFC0J821B CAP. ELETROL. 820 µF 6,3 V 20 %
C2923 ECEA1CKA101B CAP. ELETROL. 100 µF 16 V 20 %
C2925 ECA0JAK221XB CAP. ELETROL. 220 µF 6,3 V 20 %
C2926 ECJ1VB1C104K CAP. CERÂMICO SMD 100 nF 16 V 10 %
C2927 ECEA1CKA101B CAP. ELETROL. 100 µF 16 V 20 %
C2929 ECA0JAK221XB CAP. ELETROL. 220 µF 6,3 V 20 %
C2930 ECJ1VB1A105K CAP. CERÂMICO SMD 1 µF 10 V 10 %
C2931 ECA0JAK221XB CAP. ELETROL. 220 µF 6,3 V 20 %
C2932 ECEA1CKA101B CAP. ELETROL. 100 µF 16 V 20 %
C2940 ECJ1VB1H104K CAP. CERÂMICO SMD 100 nF 50 V 10 %
C2941 ECEA1CKA470B CAP. ELETROL. 47 µF 16 V 20 %
C2944 EEUFC0J821B CAP. ELETROL. 820 µF 6,3 V 20 %
C2945 ECJ1VB1H103K CAP. CERÂMICO SMD 10 nF 50 V 10 %
C2946 ECEA1CKA101B CAP. ELETROL. 100 µF 16 V 20 %
C2950 ECJ1VB1C104K CAP. CERÂMICO SMD 100 nF 16 V 10 %
C2951 ECJ1VB1C104K CAP. CERÂMICO SMD 100 nF 16 V 10 %
C2952 ECJ1VB1H103K CAP. CERÂMICO SMD 10 nF 50 V 10 %
C2953 ECJ1VB1H103K CAP. CERÂMICO SMD 10 nF 50 V 10 %
C2954 ECJ1VB1H103K CAP. CERÂMICO SMD 10 nF 50 V 10 %
C2955 ECJ1VB1H103K CAP. CERÂMICO SMD 10 nF 50 V 10 %
C2956 ECJ1VB1H103K CAP. CERÂMICO SMD 10 nF 50 V 10 %
C2957 ECJ1VB1H103K CAP. CERÂMICO SMD 10 nF 50 V 10 %
C2958 ECJ1VB1H103K CAP. CERÂMICO SMD 10 nF 50 V 10 %
C2960 ECJ1VB1A105K CAP. CERÂMICO SMD 1 µF 10 V 10 %
C2962 ECEA1CKA101B CAP. ELETROL. 100 µF 16 V 20 %
C2963 EEUFC1C471B CAP. ELETROL. 470 µF 16 V
C2964 ECJ1VB1H103K CAP. CERÂMICO SMD 10 nF 50 V 10 %
C2965 ECJ1VB1H103K CAP. CERÂMICO SMD 10 nF 50 V 10 %
C2966 ECJ1VB1H103K CAP. CERÂMICO SMD 10 nF 50 V 10 %
C2967 ECJ1VB1H103K CAP. CERÂMICO SMD 10 nF 50 V 10 %
C2968 ECEA1CKA101B CAP. ELETROL. 100 µF 16 V 20 %
C2969 ECEA1CKA101B CAP. ELETROL. 100 µF 16 V 20 %
C2970 F2A1J2210031 CAP. ELETROL. 220 µF 63 V 20 %
C2971 F2A1H1R00071 CAP. ELETROL. 1 µF 50 V 20 %
C5001 ECEA1CKA101B CAP. ELETROL. 100 µF 16 V 20 %
C5002 ECEA1CKA101B CAP. ELETROL. 100 µF 16 V 20 %
C5003 ECEA1CKA101B CAP. ELETROL. 100 µF 16 V 20 %
C5011 ECJ1VB1H104K CAP. CERÂMICO SMD 100 nF 50 V 10 %
C5012 ECJ1VB1H103K CAP. CERÂMICO SMD 10 nF 50 V 10 %
C5013 ECJ1VB1H103K CAP. CERÂMICO SMD 10 nF 50 V 10 %
C5014 ECJ1VC1H101K CAP. CERÂMICO SMD 100 pF 50 V 10 %
C5015 ECJ1VB1H391K CAP. CERÂMICO SMD 390 pF 50 V
C5016 ECJ1VC1H101K CAP. CERÂMICO SMD 100 pF 50 V 10 %
C5017 ECJ1VB1H391K CAP. CERÂMICO SMD 390 pF 50 V
C5018 ECJ1VC1H470K CAP. CERÂMICO SMD 47 pF 50 V 10 %
C5019 ECJ1VC1H470K CAP. CERÂMICO SMD 47 pF 50 V 10 %
C5020 ECJ1VB1H104K CAP. CERÂMICO SMD 100 nF 50 V 10 %
C5021 F2A1C560B033 CAP. ELETROL. 56 µF 16 V 20 %
C5022 ECA1CAK470XB CAP. ELETROL. 47 µF 16 V 20 %
C5025 F2A1C560B033 CAP. ELETROL. 56 µF 16 V 20 %
C5029 F2A1J470A050 CAP. ELETROL. 47 µF 63 V 20 %
C5030 F2A1J470A050 CAP. ELETROL. 47 µF 63 V 20 %
C5031 ECEA1HKA100B CAP. ELETROL. 10 µF 50 V 20 %
C5033 ECJ1VB1H104K CAP. CERÂMICO SMD 100 nF 50 V 10 %
C5035 ECJ1VB1H104K CAP. CERÂMICO SMD 100 nF 50 V 10 %
C5036 ECJ1VB1H104K CAP. CERÂMICO SMD 100 nF 50 V 10 %
C5040 ECJ1VB1H104K CAP. CERÂMICO SMD 100 nF 50 V 10 %
C5062 ECA1CAK100XB CAP. ELETROL. 10 µF 16 V 20 %
C5063 ECA1CAK100XB CAP. ELETROL. 10 µF 16 V 20 %
C5066 ECJ1VB1H102K CAP. CERÂMICO SMD 1 nF 50 V 10 %
C5067 ECJ1VB1H102K CAP. CERÂMICO SMD 1 nF 50 V 10 %
C5071 F2A1V3300027 CAP. ELETROL. 33 µF 35 V 20 %
C5072 F2A1V3300027 CAP. ELETROL. 33 µF 35 V 20 %
C5073 ECJ1VB1H104K CAP. CERÂMICO SMD 100 nF 50 V 10 %
C5074 ECJ1VB1H104K CAP. CERÂMICO SMD 100 nF 50 V 10 %
C5075 F2A1V4710036 CAP. ELETROL. 470 µF 35 V 20 %
C5076 F2A1V4710036 CAP. ELETROL. 470 µF 35 V 20 %
C5077 F2A1V4710036 CAP. ELETROL. 470 µF 35 V 20 %
C5078 F2A1V4710036 CAP. ELETROL. 470 µF 35 V 20 %
C5096 ECA0JAK101XB CAP. ELETROL. 100 µF 6,3 V 20 %
C5097 ECEA1HKA100B CAP. ELETROL. 10 µF 50 V 20 %
C5098 ECJ1VB1H102K CAP. CERÂMICO SMD 1 nF 50 V 10 %
C5099 ECJ1VB1H103K CAP. CERÂMICO SMD 10 nF 50 V 10 %
C5101 ECJ1VB1H102K CAP. CERÂMICO SMD 1 nF 50 V 10 %
C5102 ECJ1VB1H104K CAP. CERÂMICO SMD 100 nF 50 V 10 %
C5113 ECQV1H684JL3 CAP. DE POLIÉSTER 680 nF 50 V 5 %
C5115 ECQV1H684JL3 CAP. DE POLIÉSTER 680 nF 50 V 5 %
C5130 ECJ1VC1H101K CAP. CERÂMICO SMD 100 pF 50 V 10 %
C5181 ECJ1VB1H104K CAP. CERÂMICO SMD 100 nF 50 V 10 %
C5183 ECJ1VB1H104K CAP. CERÂMICO SMD 100 nF 50 V 10 %
C5201 ECJ1VB1H102K CAP. CERÂMICO SMD 1 nF 50 V 10 %
C5230 ECJ1VC1H101K CAP. CERÂMICO SMD 100 pF 50 V 10 %
C5301 ECJ1VB1H102K CAP. CERÂMICO SMD 1 nF 50 V 10 %
C5305 ECJ1VB0J474K CAP. CERÂMICO SMD 0,47 µF 6,3 V 10 %
C5317 ECQV1H684JL3 CAP. DE POLIÉSTER 680 nF 50 V 5 %
C5318 ECQV1H684JL3 CAP. DE POLIÉSTER 680 nF 50 V 5 %
C5386 ECJ1VB1H104K CAP. CERÂMICO SMD 100 nF 50 V 10 %
C5401 ECJ1VB1H102K CAP. CERÂMICO SMD 1 nF 50 V 10 %

SC-HT740LB-S
116
DESCRIÇÃO REF. CÓDIGODESCRIÇÃO REF. CÓDIGO
C5406 ECJ1VB0J474K CAP. CERÂMICO SMD 0,47 µF 6,3 V 10 %
C5430 ECJ1VC1H101K CAP. CERÂMICO SMD 100 pF 50 V 10 %
C5431 ECJ1VC1H101K CAP. CERÂMICO SMD 100 pF 50 V 10 %
C5487 ECJ1VB1H104K CAP. CERÂMICO SMD 100 nF 50 V 10 %
C5501 ECJ1VB1H102K CAP. CERÂMICO SMD 1 nF 50 V 10 %
C5502 ECJ1VC1H101K CAP. CERÂMICO SMD 100 pF 50 V 10 %
C5504 ECA1HAK2R2XB CAP. ELETROL. 2,20 µF 50 V 20 %
C5510 ECQE2105KFB CAP. DE POLIÉSTER 1 µF 250 V 10 %
C5512 ECQE2105KFB CAP. DE POLIÉSTER 1 µF 250 V 10 %
C5530 ECJ1VC1H101K CAP. CERÂMICO SMD 100 pF 50 V 10 %
C5531 ECJ1VC1H101K CAP. CERÂMICO SMD 100 pF 50 V 10 %
C5532 ECJ1VB1H104K CAP. CERÂMICO SMD 100 nF 50 V 10 %
C5601 ECJ1VB1H102K CAP. CERÂMICO SMD 1 nF 50 V 10 %
C5602 ECJ1VC1H101K CAP. CERÂMICO SMD 100 pF 50 V 10 %
C5603 ECA1HAK2R2XB CAP. ELETROL. 2,20 µF 50 V 20 %
C5609 ECQE2105KFB CAP. DE POLIÉSTER 1 µF 250 V 10 %
C5611 ECQE2105KFB CAP. DE POLIÉSTER 1 µF 250 V 10 %
C5630 ECJ1VC1H101K CAP. CERÂMICO SMD 100 pF 50 V 10 %
C5631 ECJ1VC1H101K CAP. CERÂMICO SMD 100 pF 50 V 10 %
C5700 EETUQ2G331JJ CAP. ELETROL. 330 µF 400 V 20 %
C5701 ECQU2A224MLC CAP. DE POLIETILENO 220 nF 250 V 20 %
C5702 F1BAF2220023 CAP. CERÂMICO 2,20 µF 20 %
C5703 F2A1H100A248 CAP. ELETROL. 10 µF 50 V 20 %
C5704 ECJ1VB1H104K CAP. CERÂMICO SMD 100 nF 50 V 10 %
C5705 F1BAF1020020 CAP. CERÂMICO 1 nF 250 V 20 %
C5706 ECQU2A224MLC CAP. DE POLIETILENO 220 nF 250 V 20 %
C5707 EETUQ2G331JJ CAP. ELETROL. 330 µF 400 V 20 %
C5708 ECQE6103KF CAP. DE POLIÉSTER 10 nF 630 V 10 %
C5709 ECJ1VB1H471K CAP. CERÂMICO SMD 470 pF 50 V 10 %
C5710 ECKE3D821KBP CAP. CERÂMICO 820 pF 2.000 V 10 %
C5711 F2A1H5600009 CAP. ELETROL. 56 µF 50 V 20 %
C5712 ECJ1VB1H681K CAP. CERÂMICO SMD 680 pF 50 V 10 %
C5713 ECJ1VB1H102K CAP. CERÂMICO SMD 1 nF 50 V 10 %
C5714 ECEA1HKA4R7B CAP. ELETROL. 4,70 µF 50 V 20 %
C5715 ECA1CAK470XB CAP. ELETROL. 47 µF 16 V 20 %
C5716 ECJ1VB1H104K CAP. CERÂMICO SMD 100 nF 50 V 10 %
C5717 F2A1J182A039 CAP. ELETROL. 1.800 µF 63 V 20 %
C5718 F2A1J221A053 CAP. ELETROL. 220 µF 63 V 20 %
C5720 ECJ1VB1H104K CAP. CERÂMICO SMD 100 nF 50 V 10 %
C5721 ECJ1VB1H104K CAP. CERÂMICO SMD 100 nF 50 V 10 %
C5722 ECJ1VB1H104K CAP. CERÂMICO SMD 100 nF 50 V 10 %
C5723 ECJ1VB1H104K CAP. CERÂMICO SMD 100 nF 50 V 10 %
C5725 ECA1HAK2R2XB CAP. ELETROL. 2,20 µF 50 V 20 %
C5727 ECCN3A470KGE CAP. CERÂMICO 47 pF 1.000 V 10 %
C5728 ECA1HM220B CAP. ELETROL. 22 µF 50 V 20 %
C5729 ECA1HAK220XB CAP. ELETROL. 22 µF 50 V
C5732 ECJ1VB1H104K CAP. CERÂMICO SMD 100 nF 50 V 10 %
C5733 ECA1CAK221XB CAP. ELETROL. 220 µF 16 V 20 %
C5736 F1BAF1020020 CAP. CERÂMICO 1 nF 250 V 20 %
C5737 F1BAF1020020 CAP. CERÂMICO 1 nF 250 V 20 %
C5738 ECJ1VB1H681K CAP. CERÂMICO SMD 680 pF 50 V 10 %
C5741 F2A1V222A061 CAP. ELETROL. 2.200 µF 35 V 20 %
C5742 F2A1V222A061 CAP. ELETROL. 2.200 µF 35 V 20 %
C5743 F2A1V4710036 CAP. ELETROL. 470 µF 35 V 20 %
C5754 ECJ1VB1H104K CAP. CERÂMICO SMD 100 nF 50 V 10 %
C5755 ECA1CAK220XB CAP. ELETROL. 22 µF 16 V 20 %
C5756 ECJ1VB1H103K CAP. CERÂMICO SMD 10 nF 50 V 10 %
C5757 ECJ1VB1H103K CAP. CERÂMICO SMD 10 nF 50 V 10 %
C5761 ECJ1VB1H223K CAP. CERÂMICO SMD 22 nF 50 V 10 %
C5762 F2A1H2200032 CAP. ELETROL. 22 µF 50 V
C5763 F2A1H2200032 CAP. ELETROL. 22 µF 50 V
C5764 ECJ1VB1H103K CAP. CERÂMICO SMD 10 nF 50 V 10 %
C5765 F2A1H2200032 CAP. ELETROL. 22 µF 50 V
C5771 ECJ1VB1H104K CAP. CERÂMICO SMD 100 nF 50 V 10 %
C5772 F1B2E102A011 CAP. CERÂMICO 1 nF 250 V 20 %
C5781 F1B2H103A060 CAP. CERÂMICO 10 nF 500 V
C5783 F1B2H103A060 CAP. CERÂMICO 10 nF 500 V
C5784 F1J2E1030004 CAP. CERÂMICO SMD 10 µF 250 V 10 %
C5785 F1K2E223A005 CAP. CERÂMICO SMD 22 nF 50 V 10 %
C5790 ECJ1VB1H102K CAP. CERÂMICO SMD 1 nF 50 V 10 %
C5791 ECA1HM101B CAP. ELETROL. 100 µF 50 V 20 %
C5792 ECA0JAK221XB CAP. ELETROL. 220 µF 6,3 V 20 %
C5794 ECA1CAK330XB CAP. ELETROL. 33 µF 16 V 20 %
C5795 ECJ1VB1H104K CAP. CERÂMICO SMD 100 nF 50 V 10 %
C5796 ECEA1HKA220B CAP. ELETROL. 22 µF 50 V 20 %
C5797 ECA1CAK100XB CAP. ELETROL. 10 µF 16 V 20 %
C5798 ECA1VM471B CAP. ELETROL. 470 µF 35 V 20 %
C5799 ECJ1VB1H104K CAP. CERÂMICO SMD 100 nF 50 V 10 %
C5800 ECA1CAK221XB CAP. ELETROL. 220 µF 16 V 20 %
C5913 ECA1HM221B CAP. ELETROL. 50 µF 50 V 20 %
C5914 ECJ1VB1A105K CAP. CERÂMICO SMD 1 µF 10 V 10 %
C5915 ECJ1VB1H104K CAP. CERÂMICO SMD 100 nF 50 V 10 %
C5916 F2A1H1010002 CAP. ELETROL. 100 µF 50 V 20 %
C6101 ECJ1VB1H473K CAP. CERÂMICO SMD 47 nF 50 V 10 %
C6201 ECJ1VB1H473K CAP. CERÂMICO SMD 47 nF 50 V 10 %
C6801 ECJ1VB1H104K CAP. CERÂMICO SMD 100 nF 50 V 10 %
C6805 ECJ1VC1H101K CAP. CERÂMICO SMD 100 pF 50 V 10 %
C6806 ECJ1VC1H101K CAP. CERÂMICO SMD 100 pF 50 V 10 %
C6903 ECEA1HKA220B CAP. ELETROL. 22 µF 50 V 20 %
C6904 ECJ1VB1H102K CAP. CERÂMICO SMD 1 nF 50 V 10 %
C6905 ECEA1HKA220B CAP. ELETROL. 22 µF 50 V 20 %
C6906 ECJ1VC1H101K CAP. CERÂMICO SMD 100 pF 50 V 10 %
C6909 ECJ1VB1H103K CAP. CERÂMICO SMD 10 nF 50 V 10 %
C6910 ECEA0JKS101B CAP. ELETROL. 100 µF 6,3 V 20 %
C6911 ECJ1VB1H103K CAP. CERÂMICO SMD 10 nF 50 V 10 %
C6913 ECEA1HKS3R3B CAP. ELETROL. BIPOLAR 3,30 µF 50 V 20 %
C6916 ECJ1VC1H101K CAP. CERÂMICO SMD 100 pF 50 V 10 %
C6917 ECJ1VC1H101K CAP. CERÂMICO SMD 100 pF 50 V 10 %
C6918 ECEA1AKA470B CAP. ELETROL. 47 µF 10 V 20 %
C6919 ECJ1VC1H101K CAP. CERÂMICO SMD 100 pF 50 V 10 %
C6920 ECJ1VB1H331K CAP. CERÂMICO SMD 330 pF 50 V 10 %
C6921 ECJ1VB1H331K CAP. CERÂMICO SMD 330 pF 50 V 10 %
C6922 ECJ1VB1H103K CAP. CERÂMICO SMD 10 nF 50 V 10 %
C6923 ECJ1VB1H103K CAP. CERÂMICO SMD 10 nF 50 V 10 %
C6924 ECJ1VB1H103K CAP. CERÂMICO SMD 10 nF 50 V 10 %
C6925 ECJ1VB1H103K CAP. CERÂMICO SMD 10 nF 50 V 10 %
C6928 ECJ1VB1H104K CAP. CERÂMICO SMD 100 nF 50 V 10 %
C6929 ECJ1VB1H103K CAP. CERÂMICO SMD 10 nF 50 V 10 %
C8001 EEE0GA331WP CAPACITOR DE 330µF 4V
C8003 ECJ0EF1C104Z CAPACITOR DE 0.1µF 16V
C8004 ECJ0EF1C104Z CAPACITOR DE 0.1µF 16V
C8005 ECJ0EF1C104Z CAPACITOR DE 0.1µF 16V
C8006 ECJ0EF1C104Z CAPACITOR DE 0.1µF 16V
C8007 ECJ0EF1C104Z CAPACITOR DE 0.1µF 16V
C8008 ECJ0EF1C104Z CAPACITOR DE 0.1µF 16V
C8011 F2G0J101A066 CAPACITOR DE 100µF 6.3V
C8012 ECJ0EF1C104Z CAPACITOR DE 0.1µF 16V
C8013 ECJ0EF1C104Z CAPACITOR DE 0.1µF 16V
C8014 ECJ0EF1C104Z CAPACITOR DE 0.1µF 16V
C8015 ECJ0EF1C104Z CAPACITOR DE 0.1µF 16V
C8016 ECJ0EF1C104Z CAPACITOR DE 0.1µF 16V
C8017 ECJ0EF1C104Z CAPACITOR DE 0.1µF 16V
C8018 ECJ0EF1C104Z CAPACITOR DE 0.1µF 16V
C8019 ECJ0EF1C104Z CAPACITOR DE 0.1µF 16V
C8020 ECJ0EF1C104Z CAPACITOR DE 0.1µF 16V
C8021 ECJ0EF1C104Z CAPACITOR DE 0.1µF 16V
C8022 ECJ0EF1C104Z CAPACITOR DE 0.1µF 16V
C8023 ECJ0EF1C104Z CAPACITOR DE 0.1µF 16V
C8024 ECJ0EF1C104Z CAPACITOR DE 0.1µF 16V
C8025 ECJ0EF1C104Z CAPACITOR DE 0.1µF 16V
C8026 ECJ0EF1C104Z CAPACITOR DE 0.1µF 16V
C8051 ECJ1VB0J105K CAPACITOR DE 10µF 6.3V
C8052 ECJ0EB1A104K CAPACITOR DE 0.1µF 10V
C8053 ECJ0EF1C104Z CAPACITOR DE 0.1µF 16V
C8054 ECJ0EC1H221J CAPACITOR DE 220pF 50V
C8055 ECJ1VB0J105K CAPACITOR DE 10µF 6.3V
C8056 ECJ0EB1E222K CAPACITOR DE 2200pF 25V
C8057 ECJ1VB0J105K CAPACITOR DE 10µF 6.3V
C8111 ECJ0EB1A104K CAPACITOR DE 0.1µF 10V
C8112 ECJ1VB0J105K CAPACITOR DE 10µF 6.3V
C8113 ECJ0EB1E471K CAPACITOR DE 470pF 25V
C8151 ECJ1VB0J475K CAPACITOR DE 47µF 6.3V
C8152 ECJ1VB1C105K CAPACITOR DE 10µF 16V
C8201 F2G0J101A066 CAPACITOR DE 100pF 6.3V
C8202 ECJ0EB1A104K CAPACITOR DE 0.1µF 10V
C8203 ECJ0EB1A104K CAPACITOR DE 0.1µF 10V
C8211 ECJ0EB1E122K CAPACITOR DE 1200pF 25V
C8221 ECJ0EB1E102K CAPACITOR DE 1000pF 25V

SC-HT740LB-S
117
DESCRIÇÃO REF. CÓDIGODESCRIÇÃO REF. CÓDIGO
C8222 ECJ0EB1E821K CAPACITOR DE 820pF 25V
C8225 ECJ0EB1E102K CAPACITOR DE 1000pF 25V
C8226 ECJ0EB1E102K CAPACITOR DE 1000pF 25V
C8231 ECJ0EB1A104K CAPACITOR DE 0.1µF 10V
C8232 ECJ0EB1A104K CAPACITOR DE 0.1µF 10V
C8251 F2G0J221A065 CAPACITOR DE 220µF 6.3V
C8252 ECJ0EF1C104Z CAPACITOR DE 0.1µF 16V
C8253 ECJ0EF1C104Z CAPACITOR DE 0.1µF 16V
C8255 F2G1C220A037 CAPACITOR DE 22µF 16V
C8256 ECJ0EF1C104Z CAPACITOR DE 0.1µF 16V
C8257 F2G1C470A076 CAPACITOR DE 47V 16V
C8258 ECJ0EF1C104Z CAPACITOR DE 0.1µF 16V
C8261 ECJ0EF1C104Z CAPACITOR DE 0.1µF 16V
C8262 ECJ0EF1C104Z CAPACITOR DE 0.1µF 16V
C8301 F2G0J221A031 CAPACITOR DE 220µF 6.3V
C8302 F2G0J330A031 CAPACITOR DE 33µF 6.3V
C8303 ECJ0EB1A104K CAPACITOR DE 0.1µF 10V
C8304 ECJ0EB1A104K CAPACITOR DE 0.1µF 10V
C8305 ECJ0EB1A104K CAPACITOR DE 0.1µF 10V
C8306 ECJ0EB1A104K CAPACITOR DE 0.1µF 10V
C8311 ECJ0EB1A104K CAPACITOR DE 0.1µF 10V
C8312 ECJ1VB0J105K CAPACITOR DE 10µF 6.3V
C8313 ECJ1VB0J105K CAPACITOR DE 10µF 6.3V
C8401 ECJ0EC1H150J CAPACITOR DE 15pF 50V
C8421 F2G0J101A083 CAPACITOR DE 100µF 6.3V
C8422 ECJ0EF1C104Z CAPACITOR DE 0.1µF 16V
C8423 F2G0J330A083 CAPACITOR DE 33µF 6.3V
C8424 ECJ0EF1C104Z CAPACITOR DE 0.1µF 16V
C8426 ECJ0EF1C104Z CAPACITOR DE 0.1V 16V
C8427 ECJ0EF1C104Z CAPACITOR DE 0.1µF 16V
C8428 ECJ0EF1C104Z CAPACITOR DE 0.1µF 16V
C8501 F2G0J101A031 CAPACITOR DE 100µF 6.3V
C8502 ECJ0EF1C104Z CAPACITOR DE 0.1µF 16V
C8503 ECJ0EF1C104Z CAPACITOR DE 0.1µF 16V
C8504 ECJ0EF1C104Z CAPACITOR DE 0.1µF 16V
C8505 ECJ0EF1C104Z CAPACITOR DE 0.1µF 16V
C8511 ECJ1VB0J105K CAPACITOR DE 10µF 6.3V
C8512 ECJ1VB0J105K CAPACITOR DE 10µF 6.3V
C8513 ECJ0EB1A104K CAPACITOR DE 0.1µF 10V
C8514 ECJ0EB1A104K CAPACITOR DE 0.1µF 10V
C8515 ECJ0EB1A104K CAPACITOR DE 0.1µF 10V
C8516 ECJ0EB1A104K CAPACITOR DE 0.1µF 10V
C8521 ECJ0EB1A104K CAPACITOR DE 0.1µF 10V
C8522 ECJ0EB1A104K CAPACITOR DE 0.1µF 10V
C8523 ECJ0EF1C104Z CAPACITOR DE 0.1µF 16V
C8524 ECJ0EF1C104Z CAPACITOR DE 0.1µF 16V
C8525 ECJ0EB1C562K CAPACITOR DE 5600pF 16V
C8526 ECJ0EB1C183K CAPACITOR DE 0.018µF 16V
C8527 ECJ0EB1A333K CAPACITOR DE 0.033µF 10V
C8528 ECJ1VB0J105K CAPACITOR DE 10µF 6.3V
C8529 ECJ1VB0J105K CAPACITOR DE 10µF 6.3V
C8530 ECJ0EF1C104Z CAPACITOR DE 0.1µF 16V
C8531 ECJ0EC1H101J CAPACITOR DE 100pF 50V
C8532 ECJ0EC1H221J CAPACITOR DE 220pF 50V
C8533 ECJ0EF1C104Z CAPACITOR DE 0.1µF 16V
C8541 ECJ0EB1E472K CAPACITOR DE 4700pF 25V
C8550 F2G0J330A031 CAPACITOR DE 33pF 6.3V
C8551 ECJ0EF1C104Z CAPACITOR DE 0.1µF 16V
C8552 F2G1C100A072 CAPACITOR DE 10pF 16V
C8553 F2G0J470A031 CAPACITOR DE 47pF 6.3V
C8554 ECJ1VB0J105K CAPACITOR DE 10µF 6.3V
C8561 ECJ0EF1C104Z CAPACITOR DE 0.1µF 16V
C8562 F2G1C100A072 CAPACITOR DE 10pF 16V
C8563 F2G0J470A031 CAPACITOR DE 47pF 6.3V
C8564 ECJ1VB0J105K CAPACITOR DE 10µF 6.3V
C8571 ECJ3YB1A106M CAPACITOR DE 10µF 10V
C8572 ECJ0EF1C104Z CAPACITOR DE 0.1µF 16V
C8601 ECJ0EF1C104Z CAPACITOR DE 0.1µF 16V
C8602 ECJ0EB1C153K CAPACITOR DE 0.015µF 16V
C8606 ECJ0EF1C104Z CAPACITOR DE 0.1µF 16V
C8611 ECJ0EF1C104Z CAPACITOR DE 0.1µF 16V
C8621 ECJ0EC1H080D CAPACITOR DE 8pF 50V
C8622 ECJ0EC1H080D CAPACITOR DE 8pF 50V
C8651 ECJ0EF1C104Z CAPACITOR DE 0.1µF 16V
C8652 ECJ0EF1C104Z CAPACITOR DE 0.1µF 16V
C8691 ECJ0EF1C104Z CAPACITOR DE 0.1µF 16V
C8695 ECJ0EF1C104Z CAPACITOR DE 0.1µF 16V
C8701 ECJ0EB1A104K CAPACITOR DE 0.1µF 10V
RW06 F2A1H1R00071 CAP. ELETROL. 1 µF 50 V 20 %
CONECTORES
CN2001 K1MY50AA0029 CONECTOR FFC 50 VIAS
CN2002 K1KA10AA0031 CONECTOR DE 10 VIAS
CN2003 K1MP11A00004 CONECTOR DE 11 VIAS
CN2005 K1MN11AA0003 CONECTOR FFC DE 11 VIAS
CN2007 K1MN30BA0005 CONECTOR FFC DE 30 VIAS
CN2011 K1MN17BA0005 CONECTOR FFC DE 17 VIAS
CN2013 K1KA03AA0193 CONECTOR DE 3 VIAS
CN2901 K1KA03AA0301 CONECTOR DE 3 VIAS
CN2902 K1KA03AA0301 CONECTOR DE 3 VIAS
CN5050 K1MN17BA0005 CONECTOR FFC DE 17 VIAS
CN5701 K1KA13BA0062 CONECTOR 13 VIAS
CN5702 K1MN11AA0003 CONECTOR FFC DE 11 VIAS
CN5704 K1KA03AA0301 CONECTOR DE 3 VIAS
CN5705 K1MN09B00038 CONECTOR FFC DE 9 VIAS
CN5706 K1KA14AA0031 CONECTOR DE 14 VIAS
CN5707 K1MN19B00072 CONECTOR FFC DE 19 VIAS
CN5708 K1MN30AA0004 CONECTOR FFC DE 30 VIAS
CN5709 K1KA14AA0031 CONECTOR DE 14 VIAS
CN5710 K1KB06B00038 CONECTOR DE 6 VIAS
CN5711 K1KA06AA0031 CONECTOR DE 6 VIAS
CN5712 K1KB14B00026 CONECTOR 14 VIAS
CN5713 K1KB14B00026 CONECTOR 14 VIAS
CN5714 K1KA03AA0301 CONECTOR DE 3 VIAS
CN6901 K1MN09B00038 CONECTOR FFC DE 9 VIAS
CN6902 K1MN19AA0004 CONECTOR FFC DE 19 VIAS
CN9003 K1MY11BA0021 11P CONECTOR
CN9102 K1MY11BA0021 11P CONECTOR
JK2001 K1U717B00004 CONECTOR DE VIDEO
JK5400 K4AC12B00003 JACK PARA CAIXA ACÚSTICA
JK6801 K2HC103A0024 JACK DO MICROFONE/HEADFONE
JK6802 K2HC1YYA0005 JACK DO MUSICPORT
FP8101 1MN50BA0173 50P CONECTOR
FP8251 1MN06AA0076 6P CONECTOR
FP8531 1MN26AA0041 6P CONECTOR
DIODOS
D2001 B0ECKM000016 DIODO SMD 1 V 1 A
D2002 B0ECKM000016 DIODO SMD 1 V 1 A
D2005 B0ACCK000005 DIODO CHAVEAMENTO SMD 90 V 100 mA
D2007 B0ACCK000005 DIODO CHAVEAMENTO SMD 90 V 100 mA
D2008 B0ACCK000005 DIODO CHAVEAMENTO SMD 90 V 100 mA
D2600 B0ACCK000005 DIODO CHAVEAMENTO SMD 90 V 100 mA
D2605 B0ACCK000005 DIODO CHAVEAMENTO SMD 90 V 100 mA
D2608 B0ACCK000005 DIODO CHAVEAMENTO SMD 90 V 100 mA
D2902 B0BC7R500001 DIODO ZENER SMD 7,5 V 0,2 W 5 mA
D2904 B0JCPD000025 DIODO SCHOTTKY SMD 3 A
D2906 B0ADCJ000020 DIODO CHAVEAMENTO SMD 80 V 100 mA
D2907 B0ADCJ000020 DIODO CHAVEAMENTO SMD 80 V 100 mA
D2912 B0BC3R400001 DIODO ZENER SMD 3,4 V 1/10 W 5 mA
D2915 B0BC5R600003 DIODO ZENER SMD 5,6 V 0,2 W 5 mA
D2934 B0ACCK000005 DIODO CHAVEAMENTO SMD 90 V 100 mA
D2935 B0ACCK000005 DIODO CHAVEAMENTO SMD 90 V 100 mA
D2936 B0ACCK000005 DIODO CHAVEAMENTO SMD 90 V 100 mA
D2950 B0BC7R500001 DIODO ZENER SMD 7,5 V 0,2 W 5 mA
D2951 B0ADCJ000020 DIODO CHAVEAMENTO SMD 80 V 100 mA
D2952 B0JCAE000001 DIODO SMD 40 V 50 mA
D5010 B0ACCK000005 DIODO CHAVEAMENTO SMD 90 V 100 mA
D5012 B0ACCE000003 DIODO CHAVEAMENTO SMD 40 V 100 mA
D5013 B0ACCE000003 DIODO CHAVEAMENTO SMD 40 V 100 mA
D5031 B0BC3R400001 DIODO ZENER SMD 3,4 V 1/10 W 5 mA
D5041 B0ACCK000005 DIODO CHAVEAMENTO SMD 90 V 100 mA
D5701 B0FBAR000018 DIODO RETIFICADOR 600 V 5 A
D5702 B0ZAZ0000052 DIODO SMD 800 V 3 W 300 Ma
D5703 B0BC02900004 DIODO ZENER SMD
D5704 B0JAME000029 DIODO RETIFICADOR 40 V 1 A
D5705 B0EAMM000057 DIODO RETIFICADOR 200 V 3 A
D5706 B0EAMM000057 DIODO RETIFICADOR 200 V 3 A
D5707 B0BC035A0007 DIODO ZENER SMD 35 V 1/4 W 5 mA
D5708 B0BC01700015 DIODO ZENER SMD 17 V 1/4 W 5 mA

SC-HT740LB-S
118
DESCRIÇÃO REF. CÓDIGODESCRIÇÃO REF. CÓDIGO
D5709 B0ACCK000005 DIODO CHAVEAMENTO SMD 90 V 100 mA
D5710 B0EAMM000057 DIODO RETIFICADOR 200 V 3 A
D5711 B0HBSM000043 DIODO RETIFICADOR 200 V 5 A
D5712 B0ACCK000005 DIODO CHAVEAMENTO SMD 90 V 100 mA
D5713 B0BC4R0A0006 DIODO ZENER SMD 4 V 1/4 W 5 mA
D5714 B0BC5R000009 DIODO ZENER SMD 5,1 V 0,2 W 5 mA
D5716 B0HBSM000043 DIODO RETIFICADOR 200 V 5 A
D5717 B0HBSM000043 DIODO RETIFICADOR 200 V 5 A
D5718 B0HFRJ000012 DIODO RETIFICADOR 80 V 5 A
D5721 B0EAMM000057 DIODO RETIFICADOR 200 V 3 A
D5722 B0EAMM000057 DIODO RETIFICADOR 200 V 3 A
D5723 B0EAMM000057 DIODO RETIFICADOR 200 V 3 A
D5724 B0BC3R700004 DIODO ZENER SMD 3,6 V 0,2 W 5 mA
D5725 B0BC7R500001 DIODO ZENER SMD 7,5 V 0,2 W 5 mA
D5726 B0BC7R500001 DIODO ZENER SMD 7,5 V 0,2 W 5 mA
D5740 B0BC01200019 DIODO ZENER SMD 12 V 1/4 W 5 mA
D5743 B0ACCK000005 DIODO CHAVEAMENTO SMD 90 V 100 mA
D5744 B0ACCK000005 DIODO CHAVEAMENTO SMD 90 V 100 mA
D5745 B0EAKP000134 DIODO RETIFICADOR 400 V 1 A
D5746 B0BC5R600003 DIODO ZENER SMD 5,6 V 0,2 W 5 mA
D5750 B0ECKM000016 DIODO SMD 1 V 1 A
D5751 B0ECKM000016 DIODO SMD 1 V 1 A
D5752 B0BC5R000009 DIODO ZENER SMD 5,1 V 0,2 W 5 mA
D5753 B0ACCK000005 DIODO CHAVEAMENTO SMD 90 V 100 mA
D5754 B0ACCK000005 DIODO CHAVEAMENTO SMD 90 V 100 mA
D5771 B0BC01200019 DIODO ZENER SMD 12 V 1/4 W 5 mA
D5772 B0ACCK000005 DIODO CHAVEAMENTO SMD 90 V 100 mA
D5773 B0BC6R700006 DIODO ZENER SMD
D5800 B0EAMM000057 DIODO RETIFICADOR 200 V 3 A
D5903 MAZ82200ML DIODO ZENER SMD 5 mA
D6906 B3ABA0000397 DIODO LED 3 V 075W 60 mA
D6907 B3AEA0000058 LED PTH (AZUL)
D6910 B0BC2R4A0006 DIODO ZENER SMD
D8211 MA2J11100L DIODO
D8571 MA2J72800L DIODO
DZ5701 ERZV10V511CS VARISTOR
FUSÍVEL
F1 K5D632BNA005 FUSíVEL 250 V 6,3 A
DISPLAY
FL6901 A2BD00000160 DISPLAY FL
FUSISTOR
FP2000 K5G202AA0002 FUSISTOR 125VAC 1A
CIRCUITOS INTEGRADOS
IC2001 MN101C49GHF1 CI
IC2003 C0GAG0000007 CI AMPLIFICADOR DE POTÊNCIA
IC2004 C3EBEG000073 CI MEMÓRIA EEPROM SMD
IC2102 C1BB00001098 CI PROC. DE SINAIS DE ÁUDIO SMD
IC2103 C0AABB000125 AMPLIFICADOR OPERACIONAL
IC2105 C0ABCB000088 CI AMPLIFICADOR OPERACIONAL
IC2801 C9ZB00000461 IC BUFFER DE VIDEO SMD
IC2901 C0DAZYY00001 CI REGULADOR DE VOLTAGEM
IC2902 C0DAZYY00001 CI REGULADOR DE VOLTAGEM
IC2903 C0DAAMH00012 IC REGULADOR DE VOLTAGEM
IC2904 C0CAADE00007 REGULADOR IC
IC2906 C0JBAR000326 IC LÓGICO SMD
IC2907 C0CBADG00023 CI SMD REGULADOR DE TENSÃO
IC2908 C0CBADG00023 CI SMD REGULADOR DE TENSÃO
IC5001 RSN704D65-P IC DE POTENCIA (HIC)
IC5002 C0ABBA000163 AMPLIFICADOR OPERACIONAL SMD
IC5004 C0CBADE00023 CI REGULADOR DE VOLTAGEM SMD
IC5010 C0JBAB000472 CI SMD
IC5701 C5HABZZ00125 CI HÍBRIDO POWER (PTH)
IC5702 C0DABFC00002 IC REGULADOR DE VOLTAGEM PTH
IC5703 C0ABBB000067 CI-DUPLO AMPLIF. OPERACIONAL SMD
IC5704 C0ABBA000168 AMPLIFICADOR OPERACIONAL SMD
IC5705 C0CAAYG00011 IC REGULADOR
IC5721 C0DABYY00002 IC REGULADOR DE VOLTAGEM PTH
IC5750 C0GAG0000007 CI AMPLIFICADOR DE POTÊNCIA
IC6901 C0HBB0000057 CI FL DRIVER SMD
IC8001 MN2DS0009AP IC DV3.2 LSI
IC8051 C3ABPG000133 IC 64 SDRAM
IC8111 C0DBZYY00018 IC 3.3V DC-DC CONVERTER
IC8151 C0DBEHG00006 IC 1.2V REGULATOR
IC8251 C0GBG0000048 IC MOTOR DRIVER
IC8421 C0FBBK000050 IC AUDIO DAC
IC8601 C0EBA0000029 IC RESET
IC8606 C0EBE0000455 IC RESET
IC8651 RFKWMHA0L160 IC FLASH ROM
IC8691 C0JBAA000346 IC AND GATE
IC8695 C0JBAA000346 IC AND GATE
IC8701 C0JBAB000614 INVERTER
BOBINAS
L2001 J0JBC0000015 INDUTOR SMD 0,1 A
L2002 J0JBC0000015 INDUTOR SMD 0,1 A
L2003 J0JBC0000015 INDUTOR SMD 0,1 A
L2008 G0C3R3JA0027 BOBINA 3,200 µH 5 %
L2009 G0C220JA0055 INDUTOR 220 µH 5 %
L2101 J0JBC0000015 INDUTOR SMD 0,1 A
L2201 J0JBC0000015 INDUTOR SMD 0,1 A
L2802 J0JBC0000015 INDUTOR SMD 0,1 A
L2803 J0JBC0000015 INDUTOR SMD 0,1 A
L2804 J0JBC0000015 INDUTOR SMD 0,1 A
L2805 J0JBC0000015 INDUTOR SMD 0,1 A
L2806 J0JBC0000015 INDUTOR SMD 0,1 A
L2807 J0JBC0000015 INDUTOR SMD 0,1 A
L2902 G0A101ZA0028 BOBINA
L2903 G0A200D00002 BOBINA 2000 µH
L2905 G0A200D00002 BOBINA 2000 µH
L2906 G0A200D00002 BOBINA 2000 µH
L2908 G0A200D00002 BOBINA 2000 µH
L2909 G0A200D00002 BOBINA 2000 µH
L2910 G0A200D00002 BOBINA 2000 µH
L2912 G0A200D00002 BOBINA 2000 µH
L5021 ELJPC220KFB INDUTORSMD 220 µH 10 %
L5023 ELJPC220KFB INDUTORSMD 220 µH 10 %
L5100 G0B9R5K00001 BOBINA 9,500 µH
L5105 ETQA15A150T INDUTOR 150 µH
L5200 G0B9R5K00001 BOBINA 9,500 µH
L5300 G0B9R5K00001 BOBINA 9,500 µH
L5309 ETQA15A150T INDUTOR 150 µH
L5400 G0B9R5K00001 BOBINA 9,500 µH
L5500 G0B9R5K00001 BOBINA 9,500 µH
L5503 ETQA17A150T INDUTOR 150 µH
L5600 G0B9R5K00001 BOBINA 9,500 µH
L5601 ETQA17A150T INDUTOR 150 µH
L5701 J0MBA0000013 BOBINA FILTRO DE LINHA 500 µH 20 %
L5703 ELF22V035B FILTRO DE LINHA
L5704 J0JKB0000020 BOBINA FILTRO DE LINHA
L5705 J0JBC0000019 BOBINA SMD
L5750 J0JBC0000015 INDUTOR SMD 0,1 A
L5751 J0JKB0000020 BOBINA FILTRO DE LINHA
L5752 J0JBC0000015 INDUTOR SMD 0,1 A
L5753 J0JBC0000015 INDUTOR SMD 0,1 A
L6101 J0JBC0000019 BOBINA SMD
L6102 G0C330KA0065 BOBINA 330 µH 10 %
L6201 J0JBC0000019 BOBINA SMD
L6202 G0C330KA0065 BOBINA 330 µH 10 %
L6801 J0JBC0000019 BOBINA SMD
L6903 J0JBC0000041 INDUTOR SMD 0,1 A
L6904 J0JBC0000019 BOBINA SMD
L6905 J0JBC0000019 BOBINA SMD
L8201 G1C100K00019 BOBINA
L8301 G1C100K00019 BOBINA
L8302 G1C100K00019 BOBINA
L8501 G1C100K00019 BOBINA
L8550 G1C100KA0055 INDUTOR
LB5071 J0JKB0000020 BOBINA FILTRO DE LINHA
LB5072 J0JKB0000020 BOBINA FILTRO DE LINHA
LB8001 J0JHC0000045 INDUCTOR
LB8011 J0JHC0000045 INDUCTOR
LB8257 ERJ3GEY0R00V JUMPER
LB8258 ERJ3GEY0R00V CHIP JUMPER
LB8259 ERJ3GEY0R00V CHIP JUMPER
LB8260 ERJ3GEY0R00V CHIP JUMPER
LB8301 J0JBC0000042 CHIP BEAD
LB8302 J0JBC0000042 CHIP BEAD
LB8303 J0JBC0000042 CHIP BEAD
LB8304 J0JBC0000042 CHIP BEAD

SC-HT740LB-S
119
DESCRIÇÃO REF. CÓDIGODESCRIÇÃO REF. CÓDIGO
LB8305 J0JBC0000042 CHIP BEAD
LB8401 J0JBC0000042 CHIP BEAD
LB8421 ERJ2GE0R00X CHIP JUMPER
LB8422 ERJ2GE0R00X CHIP JUMPER
LB8423 ERJ2GE0R00X CHIP JUMPER
LB8424 ERJ2GE0R00X CHIP JUMPER
LB8425 ERJ2GE0R00X CHIP JUMPER
LB8426 ERJ2GE0R00X CHIP JUMPER
LB8427 ERJ2GE0R00X CHIP JUMPER
LB8428 ERJ2GE0R00X CHIP JUMPER
LB8429 ERJ2GE0R00X CHIP JUMPER
LB8431 ERJ2GE0R00X CHIP JUMPER
LB8491 ERJ2GE0R00X CHIP JUMPER
LB8530 J0JHC0000045 INDUTOR
LB8531 ERJ2GE0R00X CHIP JUMPER
LB8551 J0JBC0000042 CHIP BEAD
LB8561 J0JBC0000042 CHIP BEAD
LB8571 J0JBC0000042 CHIP BEAD
LB8690 J0JBC0000044 INDUTOR
LB8691 ERJ2GEJ101X RESISTOR
LB8692 ERJ2GEJ101X RESISTOR
LB8693 ERJ2GEJ101X RESISTOR
LB8701 J0JBC0000044 INDUTOR
LB8702 J0JBC0000044 INDUTOR
FL8101 F1H0J1050018 INDUTOR
FL8102 F1H0J1050018 INDUTOR
FL8103 F1H0J1050018 INDUTOR
FL8104 F1J1E1040022 INDUTOR
FL8421 F1H0J1050018 INDUTOR
CABOS
M1 REXX0499-1 CABO DE 13 VIAS
M9 REXX0512-1 CABO PRIMARIO
M12 RMNX0184 PROTETOR PLÁSTICO
M23 REXX0518 CABO DE 3 VIAS c/ conector
RW07 REU35B160CC CABO
TRANSISTORES
Q2001 B1GBCFJJ0051 TRANSISTOR SMD NPN 0,2 W 50 V 100 mA
Q2003 B1GBCFLL0037 TRANSISTOR SMD NPN 0,2 W 50 V 100 mA
Q2006 B1GBCFJN0033 TRANSISTOR SMD NPN 0,2 W 50 V 100 mA
Q2095 B1GDCFJJ0047 TRANSISTOR SMD PNP 0,2 50 V 100 mA
Q2098 B1GBCFJN0033 TRANSISTOR SMD NPN 0,2 W 50 V 100 mA
Q2101 B1GFGCAA0001 TRANSISTOR SMD NPN 0,3 W 20 V 500 mA
Q2201 B1GDCFGA0018 TRANSISTOR SMD PNP 0,4 100 mA
Q2307 B1GFGCAA0001 TRANSISTOR SMD NPN 0,3 W 20 V 500 mA
Q2308 B1GFGCAA0001 TRANSISTOR SMD NPN 0,3 W 20 V 500 mA
Q2309 B1GBCFJN0033 TRANSISTOR SMD NPN 0,2 W 50 V 100 mA
Q2310 B1GDCFGA0018 TRANSISTOR SMD PNP 0,4 100 mA
Q2602 B1ABGC000001 TRANSISTOR SMD NPN 0,2 W 20 V 500 mA
Q2603 B1GDCFGA0018 TRANSISTOR SMD PNP 0,4 100 mA
Q2901 B1ABCF000176 TRANSISTOR SMD NPN 0,1 50 V 100 mA
Q2903 B1BACD000018 TRANSISTOR NPN 1 W 30 V 2 A
Q2904 B1AAKD000012 TRANSISTOR NPN 0,6 W 30 V 800 mA
Q2906 B1BCCG000002 TRANSISTOR PNP 60 V 2 A
Q2907 B1ADCF000001 TRANSISTOR SMD PNP 0,1 W 50 V 100 mA
Q2909 B1GBCFJN0033 TRANSISTOR SMD NPN 0,2 W 50 V 100 mA
Q2911 B1ABCF000176 TRANSISTOR SMD NPN 0,1 50 V 100 mA
Q2912 B1ABCF000176 TRANSISTOR SMD NPN 0,1 50 V 100 mA
Q2913 B1ABCF000176 TRANSISTOR SMD NPN 0,1 50 V 100 mA
Q2914 B1ADCF000001 TRANSISTOR SMD PNP 0,1 W 50 V 100 mA
Q2935 B1BACG000023 TRANSISTOR NPN 2W 60 V 2 A
Q2936 B1GBCFJN0033 TRANSISTOR SMD NPN 0,2 W 50 V 100 mA
Q5001 B1ABCF000011 TRANSISTOR SMD NPN 0.2 W 50 V 100 mA
Q5002 B1ABCF000011 TRANSISTOR SMD NPN 0.2 W 50 V 100 mA
Q5014 B1ABCF000011 TRANSISTOR SMD NPN 0.2 W 50 V 100 mA
Q5015 B1ADBL000010 TRANSISTOR SMD PNP 0,2 W 100 V 50 mA
Q5022 B1ABCF000011 TRANSISTOR SMD NPN 0.2 W 50 V 100 mA
Q5023 B1ABCF000011 TRANSISTOR SMD NPN 0.2 W 50 V 100 mA
Q5025 B1ABCF000011 TRANSISTOR SMD NPN 0.2 W 50 V 100 mA
Q5031 B1ADBL000010 TRANSISTOR SMD PNP 0,2 W 100 V 50 mA
Q5095 B1ABCF000011 TRANSISTOR SMD NPN 0.2 W 50 V 100 mA
Q5096 B1ABCF000011 TRANSISTOR SMD NPN 0.2 W 50 V 100 mA
Q5701 2SC3940ARA TRANSISTOR NPN 1 W 50 V 1 A
Q5702 B1ABCF000011 TRANSISTOR SMD NPN 0.2 W 50 V 100 mA
Q5703 B1ABCF000176 TRANSISTOR SMD NPN 0,1 50 V 100 mA
Q5704 B1ADBL000010 TRANSISTOR SMD PNP 0,2 W 100 V 50 mA
Q5705 B1ABCF000176 TRANSISTOR SMD NPN 0,1 50 V 100 mA
Q5706 B1AAKD000012 TRANSISTOR NPN 0,6 W 30 V 800 Ma
Q5726 B1ABCF000011 TRANSISTOR SMD NPN 0.2 W 50 V 100 mA
Q5740 B1BACG000048 TRANSISTOR NPN 1 60 V 2 A
Q5741 B1ABCF000011 TRANSISTOR SMD NPN 0.2 W 50 V 100 mA
Q5742 B1ABCF000011 TRANSISTOR SMD NPN 0.2 W 50 V 100 mA
Q5744 B1ABCF000011 TRANSISTOR SMD NPN 0.2 W 50 V 100 mA
Q5745 B3PBA0000402 FOTO ACOPLADOR SMD
Q5746 B1GBCFJN0033 TRANSISTOR SMD NPN 0,2 W 50 V 100 mA
Q5747 B1GDCFJJ0047 TRANSISTOR SMD PNP 0,2W 50 V 100 mA
Q5748 B3PBA0000402 FOTO ACOPLADOR SMD
Q5749 B1ABCF000176 TRANSISTOR SMD NPN 0,1 50 V 100 mA
Q5750 B1GBCFJJ0051 TRANSISTOR SMD NPN 0,2 W 50 V 100 mA
Q5751 2SC3940ARA TRANSISTOR NPN 1 W 50 V 1 A
Q5752 B1ACKD000005 TRANSISTOR
Q5760 B1ABCF000011 TRANSISTOR SMD NPN 0.2 W 50 V 100 mA
Q5801 B3PBA0000402 FOTO ACOPLADOR SMD
Q5908 B1ACKD000005 TRANSISTOR
Q5930 B1ABCF000011 TRANSISTOR SMD NPN 0.2 W 50 V 100 mA
Q5931 B1ABCF000011 TRANSISTOR SMD NPN 0.2 W 50 V 100 mA
Q5932 B1ADCF000001 TRANSISTOR SMD PNP 0,1 W 50 V 100 mA
Q6901 B1GBCFJN0033 TRANSISTOR SMD NPN 0,2 W 50 V 100 mA
Q8551 2SD1819A0L TRANSISTOR
Q8552 B1ADGB000008 TRANSISTOR
Q8561 2SD1819A0L TRANSISTOR
Q8562 B1ADGB000008 TRANSISTOR
Q9001 B3NAA0000098 SENSOR CAM
Q9101 B3NAA0000082 SENSOR DE POSIÇÃO
Q9102 B3NAA0000102 FOTO INTERRUPTOR
Q9103 B3NAB0000027 FOTO REFLETOR
QR8111 XP0621400L TRANSISTOR
QR8420 UNR521100L TRANSISTOR
QR8571 UNR511V00L TRANSISTOR
JUMPERS
K8251 ERJ3GEY0R00V CHIP JUMPER
K8321 ERJ2GE0R00X CHIP JUMPER
K8325 ERJ2GE0R00X CHIP JUMPER
K8331 ERJ2GE0R00X CHIP JUMPER
K8335 ERJ2GE0R00X CHIP JUMPER
K8341 ERJ2GE0R00X CHIP JUMPER
RESISTORES
R2001 D0GB331JA041 RESISTOR SMD 330 Ohm 1/16 W 5 %
R2002 ERJ3GEYJ472V RESISTOR SMD 4,70 kOhm 1/10 W 5 %
R2003 D0GB103JA041 RESISTOR SMD 10 kOhm 1/10 W 5 %
R2004 D0GB331JA041 RESISTOR SMD 330 Ohm 1/16 W 5 %
R2005 D0GB331JA041 RESISTOR SMD 330 Ohm 1/16 W 5 %
R2006 ERJ3GEYJ182V RESISTOR SMD 1,80 kOhm 1/10 W 5 %
R2012 D0GB101JA041 RESISTOR SMD 100 Ohm 1/10 W 5 %
R2013 D0GB101JA041 RESISTOR SMD 100 Ohm 1/10 W 5 %
R2014 ERJ3GEYJ221V RESISTOR SMD 220 Ohm 1/10 W 5 %
R2015 D0GB272JA041 RESISTOR SMD 2,70 kOhm 1/10 W 5 %
R2016 ERJ3GEYJ473V RESISTOR SMD 47 kOhm 1/10 W 5 %
R2017 D0GB103JA041 RESISTOR SMD 10 kOhm 1/10 W 5 %
R2018 D0GB103JA041 RESISTOR SMD 10 kOhm 1/10 W 5 %
R2019 D0GB103JA041 RESISTOR SMD 10 kOhm 1/10 W 5 %
R2020 D0GB103JA041 RESISTOR SMD 10 kOhm 1/10 W 5 %
R2021 D0GB103JA041 RESISTOR SMD 10 kOhm 1/10 W 5 %
R2022 ERJ3GEYJ223V RESISTOR SMD 22 kOhm 1/10 W 5 %
R2023 ERJ3GEYJ682V RESISTOR SMD 6,80 kOhm 1/10 W 5 %
R2024 ERJ3GEYJ472V RESISTOR SMD 4,70 kOhm 1/10 W 5 %
R2025 ERJ3GEYJ221V RESISTOR SMD 220 Ohm 1/10 W 5 %
R2026 ERJ3GEYJ221V RESISTOR SMD 220 Ohm 1/10 W 5 %
R2027 D0GB101JA041 RESISTOR SMD 100 Ohm 1/10 W 5 %
R2028 D0GB101JA041 RESISTOR SMD 100 Ohm 1/10 W 5 %
R2029 D0GB101JA041 RESISTOR SMD 100 Ohm 1/10 W 5 %
R2030 D0GB101JA041 RESISTOR SMD 100 Ohm 1/10 W 5 %
R2031 D0GB101JA041 RESISTOR SMD 100 Ohm 1/10 W 5 %
R2032 D0GB101JA041 RESISTOR SMD 100 Ohm 1/10 W 5 %
R2033 D0GB102JA041 RESISTOR SMD 1 kOhm 1/10 W 5 %
R2034 ERJ3GEYJ221V RESISTOR SMD 220 Ohm 1/10 W 5 %
R2035 ERJ3GEYJ221V RESISTOR SMD 220 Ohm 1/10 W 5 %
R2036 ERJ3GEYJ221V RESISTOR SMD 220 Ohm 1/10 W 5 %
R2037 ERJ3GEYJ221V RESISTOR SMD 220 Ohm 1/10 W 5 %

SC-HT740LB-S
120
DESCRIÇÃO REF. CÓDIGODESCRIÇÃO REF. CÓDIGO
R2038 ERJ3GEYJ221V RESISTOR SMD 220 Ohm 1/10 W 5 %
R2039 ERJ3GEYJ223V RESISTOR SMD 22 kOhm 1/10 W 5 %
R2040 ERJ3GEYJ223V RESISTOR SMD 22 kOhm 1/10 W 5 %
R2041 ERJ3GEYJ223V RESISTOR SMD 22 kOhm 1/10 W 5 %
R2042 ERJ3GEYJ472V RESISTOR SMD 4,70 kOhm 1/10 W 5 %
R2043 ERJ3GEYJ104V RESISTOR SMD 100 kOhm 1/10 W 5 %
R2044 ERJ3GEYJ221V RESISTOR SMD 220 Ohm 1/10 W 5 %
R2045 ERJ3GEYJ221V RESISTOR SMD 220 Ohm 1/10 W 5 %
R2048 ERJ3GEY0R00V RESISTOR JUMPER SMD 0 Ohm 1/10 W
R2049 ERJ3GEY0R00V RESISTOR JUMPER SMD 0 Ohm 1/10 W
R2051 D0GB103JA041 RESISTOR SMD 10 kOhm 1/10 W 5 %
R2052 ERJ3GEYJ221V RESISTOR SMD 220 Ohm 1/10 W 5 %
R2053 ERJ3GEYJ221V RESISTOR SMD 220 Ohm 1/10 W 5 %
R2054 ERJ3GEYJ221V RESISTOR SMD 220 Ohm 1/10 W 5 %
R2055 ERJ3GEYJ221V RESISTOR SMD 220 Ohm 1/10 W 5 %
R2057 ERJ3GEYJ221V RESISTOR SMD 220 Ohm 1/10 W 5 %
R2058 ERJ3GEYJ221V RESISTOR SMD 220 Ohm 1/10 W 5 %
R2059 ERJ3GEYJ221V RESISTOR SMD 220 Ohm 1/10 W 5 %
R2060 ERJ3GEYJ221V RESISTOR SMD 220 Ohm 1/10 W 5 %
R2061 ERJ3GEYJ473V RESISTOR SMD 47 kOhm 1/10 W 5 %
R2062 ERJ3GEYJ221V RESISTOR SMD 220 Ohm 1/10 W 5 %
R2063 ERJ3GEYJ221V RESISTOR SMD 220 Ohm 1/10 W 5 %
R2064 D0GB103JA041 RESISTOR SMD 10 kOhm 1/10 W 5 %
R2065 D0GB103JA041 RESISTOR SMD 10 kOhm 1/10 W 5 %
R2066 ERJ3GEYJ104V RESISTOR SMD 100 kOhm 1/10 W 5 %
R2067 ERJ3GEYJ473V RESISTOR SMD 47 kOhm 1/10 W 5 %
R2068 D0GB563JA041 RESISTOR SMD 56 kOhm 1/10 W 5 %
R2069 ERJ3GEYJ473V RESISTOR SMD 47 kOhm 1/10 W 5 %
R2070 ERJ3GEYJ473V RESISTOR SMD 47 kOhm 1/10 W 5 %
R2071 D0GB563JA041 RESISTOR SMD 56 kOhm 1/10 W 5 %
R2073 ERJ3GEYJ473V RESISTOR SMD 47 kOhm 1/10 W 5 %
R2077 ERJ3GEYJ221V RESISTOR SMD 220 Ohm 1/10 W 5 %
R2078 ERJ3GEYJ221V RESISTOR SMD 220 Ohm 1/10 W 5 %
R2079 ERJ3GEYJ221V RESISTOR SMD 220 Ohm 1/10 W 5 %
R2080 ERJ3GEYJ221V RESISTOR SMD 220 Ohm 1/10 W 5 %
R2081 ERJ3GEYJ221V RESISTOR SMD 220 Ohm 1/10 W 5 %
R2082 ERJ3GEYJ221V RESISTOR SMD 220 Ohm 1/10 W 5 %
R2084 ERJ3GEYJ473V RESISTOR SMD 47 kOhm 1/10 W 5 %
R2085 ERJ3GEYJ472V RESISTOR SMD 4,70 kOhm 1/10 W 5 %
R2086 ERJ3GEYJ223V RESISTOR SMD 22 kOhm 1/10 W 5 %
R2087 ERJ3GEYJ223V RESISTOR SMD 22 kOhm 1/10 W 5 %
R2088 ERJ3GEYJ221V RESISTOR SMD 220 Ohm 1/10 W 5 %
R2089 ERJ3GEYJ221V RESISTOR SMD 220 Ohm 1/10 W 5 %
R2090 D0GB103JA041 RESISTOR SMD 10 kOhm 1/10 W 5 %
R2101 D0GB103JA041 RESISTOR SMD 10 kOhm 1/10 W 5 %
R2111 D0GB103JA041 RESISTOR SMD 10 kOhm 1/10 W 5 %
R2112 ERJ3GEYJ223V RESISTOR SMD 22 kOhm 1/10 W 5 %
R2113 ERJ3GEY0R00V RESISTOR JUMPER SMD 0 Ohm 1/10 W
R2114 ERJ3GEYJ153V RESISTOR SMD 15 kOhm 1/10 W 5 %
R2115 D0GB272JA041 RESISTOR SMD 2,70 kOhm 1/10 W 5 %
R2160 D0GB102JA041 RESISTOR SMD 1 kOhm 1/10 W 5 %
R2161 ERJ3GEYJ473V RESISTOR SMD 47 kOhm 1/10 W 5 %
R2164 D0GB103JA041 RESISTOR SMD 10 kOhm 1/10 W 5 %
R2165 D0GB103JA041 RESISTOR SMD 10 kOhm 1/10 W 5 %
R2168 ERJ3GEYJ222V RESISTOR SMD 2,20 kOhm 1/10 W 5 %
R2169 ERJ3GEYJ104V RESISTOR SMD 100 kOhm 1/10 W 5 %
R2170 ERJ3GEYJ222V RESISTOR SMD 2,20 kOhm 1/10 W 5 %
R2171 D0GB273JA041 RESISTOR SMD 27 kOhm 1/10 W 5 %
R2172 ERJ3GEYJ182V RESISTOR SMD 1,80 kOhm 1/10 W 5 %
R2173 ERJ3GEYJ473V RESISTOR SMD 47 kOhm 1/10 W 5 %
R2175 D0GB562JA041 RESISTOR SMD 5,60 kOhm 1/10 W 5 %
R2176 D0GB563JA041 RESISTOR SMD 56 kOhm 1/10 W 5 %
R2177 ERJ3GEYJ220V RESISTOR SMD 22 Ohm 1/10 W 5 %
R2178 ERJ3GEYJ220V RESISTOR SMD 22 Ohm 1/10 W 5 %
R2179 ERJ3GEYJ220V RESISTOR SMD 22 Ohm 1/10 W 5 %
R2180 ERJ3GEYJ220V RESISTOR SMD 22 Ohm 1/10 W 5 %
R2181 ERJ3GEYJ472V RESISTOR SMD 4,70 kOhm 1/10 W 5 %
R2185 ERJ3GEYJ123V RESISTOR SMD 12 kOhm 1/10 W 5 %
R2188 ERJ3GEYJ332V RESISTOR SMD 3,30 kOhm 1/10 W 5 %
R2189 D0GB102JA041 RESISTOR SMD 1 kOhm 1/10 W 5 %
R2191 ERJ3GEYJ223V RESISTOR SMD 22 kOhm 1/10 W 5 %
R2193 ERJ3GEYJ270V RESISTOR SMD 27 Ohm 1/10 W 5 %
R2194 D0GB273JA041 RESISTOR SMD 27 kOhm 1/10 W 5 %
R2195 ERJ3GEYJ682V RESISTOR SMD 6,80 kOhm 1/10 W 5 %
R2196 ERJ3GEYJ333V RESISTOR SMD 33 kOhm 1/10 W 5 %
R2197 D0GB683JA041 RESISTOR SMD 68 kOhm 1/10 W 5 %
R2198 ERJ3GEY0R00V RESISTOR JUMPER SMD 0 Ohm 1/10 W
R2201 D0GB103JA041 RESISTOR SMD 10 kOhm 1/10 W 5 %
R2211 D0GB103JA041 RESISTOR SMD 10 kOhm 1/10 W 5 %
R2212 ERJ3GEYJ223V RESISTOR SMD 22 kOhm 1/10 W 5 %
R2214 ERJ3GEYJ153V RESISTOR SMD 15 kOhm 1/10 W 5 %
R2215 D0GB272JA041 RESISTOR SMD 2,70 kOhm 1/10 W 5 %
R2218 ERJ3GEY0R00V RESISTOR JUMPER SMD 0 Ohm 1/10 W
R2260 D0GB102JA041 RESISTOR SMD 1 kOhm 1/10 W 5 %
R2261 ERJ3GEYJ473V RESISTOR SMD 47 kOhm 1/10 W 5 %
R2264 D0GB103JA041 RESISTOR SMD 10 kOhm 1/10 W 5 %
R2265 D0GB103JA041 RESISTOR SMD 10 kOhm 1/10 W 5 %
R2268 ERJ3GEYJ222V RESISTOR SMD 2,20 kOhm 1/10 W 5 %
R2269 ERJ3GEYJ104V RESISTOR SMD 100 kOhm 1/10 W 5 %
R2270 ERJ3GEYJ222V RESISTOR SMD 2,20 kOhm 1/10 W 5 %
R2271 D0GB563JA041 RESISTOR SMD 56 kOhm 1/10 W 5 %
R2273 ERJ3GEYJ473V RESISTOR SMD 47 kOhm 1/10 W 5 %
R2275 D0GB562JA041 RESISTOR SMD 5,60 kOhm 1/10 W 5 %
R2276 D0GB563JA041 RESISTOR SMD 56 kOhm 1/10 W 5 %
R2277 ERJ3GEYJ220V RESISTOR SMD 22 Ohm 1/10 W 5 %
R2278 ERJ3GEYJ220V RESISTOR SMD 22 Ohm 1/10 W 5 %
R2279 ERJ3GEYJ220V RESISTOR SMD 22 Ohm 1/10 W 5 %
R2280 ERJ3GEYJ220V RESISTOR SMD 22 Ohm 1/10 W 5 %
R2281 ERJ3GEYJ472V RESISTOR SMD 4,70 kOhm 1/10 W 5 %
R2285 ERJ3GEYJ123V RESISTOR SMD 12 kOhm 1/10 W 5 %
R2288 ERJ3GEYJ332V RESISTOR SMD 3,30 kOhm 1/10 W 5 %
R2289 D0GB102JA041 RESISTOR SMD 1 kOhm 1/10 W 5 %
R2291 ERJ3GEYJ223V RESISTOR SMD 22 kOhm 1/10 W 5 %
R2293 ERJ3GEYJ270V RESISTOR SMD 27 Ohm 1/10 W 5 %
R2294 D0GB273JA041 RESISTOR SMD 27 kOhm 1/10 W 5 %
R2295 ERJ3GEYJ682V RESISTOR SMD 6,80 kOhm 1/10 W 5 %
R2296 ERJ3GEYJ333V RESISTOR SMD 33 kOhm 1/10 W 5 %
R2297 D0GB683JA041 RESISTOR SMD 68 kOhm 1/10 W 5 %
R2298 ERJ3GEY0R00V RESISTOR JUMPER SMD 0 Ohm 1/10 W
R2300 ERJ3GEYJ123V RESISTOR SMD 12 kOhm 1/10 W 5 %
R2301 ERJ3GEYJ473V RESISTOR SMD 47 kOhm 1/10 W 5 %
R2302 D0GB273JA041 RESISTOR SMD 27 kOhm 1/10 W 5 %
R2303 ERJ3GEYJ472V RESISTOR SMD 4,70 kOhm 1/10 W 5 %
R2304 ERJ3GEYJ123V RESISTOR SMD 12 kOhm 1/10 W 5 %
R2312 D0GB103JA041 RESISTOR SMD 10 kOhm 1/10 W 5 %
R2336 D0GB103JA041 RESISTOR SMD 10 kOhm 1/10 W 5 %
R2339 D0GB273JA041 RESISTOR SMD 27 kOhm 1/10 W 5 %
R2343 ERJ3GEY0R00V RESISTOR JUMPER SMD 0 Ohm 1/10 W
R2344 ERJ3GEYJ222V RESISTOR SMD 2,20 kOhm 1/10 W 5 %
R2400 ERJ3GEYJ123V RESISTOR SMD 12 kOhm 1/10 W 5 %
R2401 ERJ3GEYJ473V RESISTOR SMD 47 kOhm 1/10 W 5 %
R2402 D0GB273JA041 RESISTOR SMD 27 kOhm 1/10 W 5 %
R2403 ERJ3GEYJ472V RESISTOR SMD 4,70 kOhm 1/10 W 5 %
R2404 ERJ3GEYJ123V RESISTOR SMD 12 kOhm 1/10 W 5 %
R2412 D0GB103JA041 RESISTOR SMD 10 kOhm 1/10 W 5 %
R2436 D0GB103JA041 RESISTOR SMD 10 kOhm 1/10 W 5 %
R2439 D0GB273JA041 RESISTOR SMD 27 kOhm 1/10 W 5 %
R2443 ERJ3GEY0R00V RESISTOR JUMPER SMD 0 Ohm 1/10 W
R2444 ERJ3GEYJ222V RESISTOR SMD 2,20 kOhm 1/10 W 5 %
R2500 ERJ3GEYJ123V RESISTOR SMD 12 kOhm 1/10 W 5 %
R2501 ERJ3GEYJ223V RESISTOR SMD 22 kOhm 1/10 W 5 %
R2502 ERJ3GEYJ123V RESISTOR SMD 12 kOhm 1/10 W 5 %
R2503 ERJ3GEYJ472V RESISTOR SMD 4,70 kOhm 1/10 W 5 %
R2510 D0GB103JA041 RESISTOR SMD 10 kOhm 1/10 W 5 %
R2511 D0GB103JA041 RESISTOR SMD 10 kOhm 1/10 W 5 %
R2512 D0GB273JA041 RESISTOR SMD 27 kOhm 1/10 W 5 %
R2513 ERJ3GEYJ222V RESISTOR SMD 2,20 kOhm 1/10 W 5 %
R2600 D0GB392JA041 RESISTOR SMD 3,90 kOhm 1/10 W 5 %
R2601 ERJ3GEYJ333V RESISTOR SMD 33 kOhm 1/10 W 5 %
R2602 D0GB103JA041 RESISTOR SMD 10 kOhm 1/10 W 5 %
R2603 D0GB103JA041 RESISTOR SMD 10 kOhm 1/10 W 5 %
R2604 D0GB103JA041 RESISTOR SMD 10 kOhm 1/10 W 5 %
R2605 ERJ3GEYJ123V RESISTOR SMD 12 kOhm 1/10 W 5 %
R2606 D0GB103JA041 RESISTOR SMD 10 kOhm 1/10 W 5 %
R2607 D0GB103JA041 RESISTOR SMD 10 kOhm 1/10 W 5 %
R2608 D0GB563JA041 RESISTOR SMD 56 kOhm 1/10 W 5 %
R2609 D0GB122JA041 RESISTOR SMD 1,20 kOhm 1/16 W 5 %
R2610 D0GB563JA041 RESISTOR SMD 56 kOhm 1/10 W 5 %

SC-HT740LB-S
121
DESCRIÇÃO REF. CÓDIGODESCRIÇÃO REF. CÓDIGO
R2611 D0GB122JA041 RESISTOR SMD 1,20 kOhm 1/16 W 5 %
R2612 D0GB683JA041 RESISTOR SMD 68 kOhm 1/10 W 5 %
R2617 ERJ3GEYJ682V RESISTOR SMD 6,80 kOhm 1/10 W 5 %
R2619 ERJ3GEYJ123V RESISTOR SMD 12 kOhm 1/10 W 5 %
R2620 D0GB563JA041 RESISTOR SMD 56 kOhm 1/10 W 5 %
R2621 D0GB393JA041 RESISTOR SMD 39 kOhm 1/10W 5 %
R2622 ERJ3GEY0R00V RESISTOR JUMPER SMD 0 Ohm 1/10 W
R2623 D0GB563JA041 RESISTOR SMD 56 kOhm 1/10 W 5 %
R2624 D0GB273JA041 RESISTOR SMD 27 kOhm 1/10 W 5 %
R2625 ERJ3GEYJ182V RESISTOR SMD 1,80 kOhm 1/10 W 5 %
R2626 D0GB683JA041 RESISTOR SMD 68 kOhm 1/10 W 5 %
R2627 D0GB683JA041 RESISTOR SMD 68 kOhm 1/10 W 5 %
R2628 D0GB103JA041 RESISTOR SMD 10 kOhm 1/10 W 5 %
R2629 D0GB103JA041 RESISTOR SMD 10 kOhm 1/10 W 5 %
R2630 ERJ3GEY0R00V RESISTOR JUMPER SMD 0 Ohm 1/10 W
R2631 D0GB393JA041 RESISTOR SMD 39 kOhm 1/10W 5 %
R2632 ERJ3GEYJ223V RESISTOR SMD 22 kOhm 1/10 W 5 %
R2635 ERJ3GEYJ222V RESISTOR SMD 2,20 kOhm 1/10 W 5 %
R2640 D0GB102JA041 RESISTOR SMD 1 kOhm 1/10 W 5 %
R2641 D0GB102JA041 RESISTOR SMD 1 kOhm 1/10 W 5 %
R2809 ERJ3GEYJ750V RESISTOR SMD 75 Ohm 1/10 W 5 %
R2812 ERJ3GEYJ750V RESISTOR SMD 75 Ohm 1/10 W 5 %
R2813 ERJ3GEYJ750V RESISTOR SMD 75 Ohm 1/10 W 5 %
R2816 ERJ3GEYJ750V RESISTOR SMD 75 Ohm 1/10 W 5 %
R2817 ERJ3GEYJ750V RESISTOR SMD 75 Ohm 1/10 W 5 %
R2818 ERJ3GEYJ750V RESISTOR SMD 75 Ohm 1/10 W 5 %
R2819 D0GB102JA041 RESISTOR SMD 1 kOhm 1/10 W 5 %
R2904 ERJ3GEYJ471V RESISTOR SMD 470 Ohm 1/10 W 5 %
R2905 D0GB392JA041 RESISTOR SMD 3,90 kOhm 1/10 W 5 %
R2906 ERG2SJ471E RESISTOR OXIDO METAL 470 Ohm 2W 5 %
R2907 D0GB272JA041 RESISTOR SMD 2,70 kOhm 1/10 W 5 %
R2908 ERJ3GEYJ561V RESISTOR SMD 560 Ohm 1/10 W 5 %
R2913 ERG2SJ471E RESISTOR OXIDO METAL 470 Ohm 2W 5 %
R2914 D0GB392JA041 RESISTOR SMD 3,90 kOhm 1/10 W 5 %
R2915 D0GB272JA041 RESISTOR SMD 2,70 kOhm 1/10 W 5 %
R2918 D0GB103JA041 RESISTOR SMD 10 kOhm 1/10 W 5 %
R2919 D0GB102JA041 RESISTOR SMD 1 kOhm 1/10 W 5 %
R2920 ERJ3GEYJ472V RESISTOR SMD 4,70 kOhm 1/10 W 5 %
R2921 ERJ3GEYJ471V RESISTOR SMD 470 Ohm 1/10 W 5 %
R2922 D0GB393JA041 RESISTOR SMD 39 kOhm 1/10W 5 %
R2923 ERJ3GEYJ153V RESISTOR SMD 15 kOhm 1/10 W 5 %
R2925 ERX2SJ1R5E RES. FILME METÁLICO 1,50 Ohm 2 W 5 %
R2927 ERX2SJ1R5E RES. FILME METÁLICO 1,50 Ohm 2 W 5 %
R2930 ERJ3GEYJ333V RESISTOR SMD 33 kOhm 1/10 W 5 %
R2933 ERJ3GEYJ151V RESISTOR SMD 150 Ohm 1/10 W 5 %
R2934 D0GB102JA041 RESISTOR SMD 1 kOhm 1/10 W 5 %
R2935 ERJ3GEYJ472V RESISTOR SMD 4,70 kOhm 1/10 W 5 %
R2936 ERJ3GEYJ181V RESISTOR SMD 180 Ohm 1/10 W 5 %
R2937 ERG2SJ471E RESISTOR OXIDO METAL 470 Ohm 2W 5 %
R2938 ERG2SJ471E RESISTOR OXIDO METAL 470 Ohm 2W 5 %
R2939 D0GB393JA041 RESISTOR SMD 39 kOhm 1/10W 5 %
R2942 ERJ3GEY0R00V RESISTOR JUMPER SMD 0 Ohm 1/10 W
R2943 ERJ3GEY0R00V RESISTOR JUMPER SMD 0 Ohm 1/10 W
R2945 ERJ3GEYJ104V RESISTOR SMD 100 kOhm 1/10 W 5 %
R2946 ERJ3GEYJ330V RESISTOR SMD 33 Ohm 1/10 W 5 %
R2947 ERJ3GEYJ104V RESISTOR SMD 100 kOhm 1/10 W 5 %
R2948 ERX2SJ1R5E RES. FILME METÁLICO 1,50 Ohm 2 W 5 %
R2950 ERJ3GEYJ221V RESISTOR SMD 220 Ohm 1/10 W 5 %
R2951 ERJ3GEYJ221V RESISTOR SMD 220 Ohm 1/10 W 5 %
R2952 ERJ3GEYJ221V RESISTOR SMD 220 Ohm 1/10 W 5 %
R2953 ERJ3GEYJ221V RESISTOR SMD 220 Ohm 1/10 W 5 %
R2955 ERJ3GEYJ221V RESISTOR SMD 220 Ohm 1/10 W 5 %
R2960 ERJ3GEYJ104V RESISTOR SMD 100 kOhm 1/10 W 5 %
R2961 D0GB103JA041 RESISTOR SMD 10 kOhm 1/10 W 5 %
R2962 ERJ3GEYJ473V RESISTOR SMD 47 kOhm 1/10 W 5 %
R2963 D0GB103JA041 RESISTOR SMD 10 kOhm 1/10 W 5 %
R2964 D0GB103JA041 RESISTOR SMD 10 kOhm 1/10 W 5 %
R2965 ERJ3GEYJ472V RESISTOR SMD 4,70 kOhm 1/10 W 5 %
R2966 ERJ3GEYJ472V RESISTOR SMD 4,70 kOhm 1/10 W 5 %
R2967 D0GB562JA041 RESISTOR SMD 5,60 kOhm 1/10 W 5 %
R2968 ERJ3GEYJ104V RESISTOR SMD 100 kOhm 1/10 W 5 %
R2969 D0GB103JA041 RESISTOR SMD 10 kOhm 1/10 W 5 %
R2970 D0GB562JA041 RESISTOR SMD 5,60 kOhm 1/10 W 5 %
R2971 ERJ3GEYJ221V RESISTOR SMD 220 Ohm 1/10 W 5 %
R2972 ERJ3GEYJ221V RESISTOR SMD 220 Ohm 1/10 W 5 %
R2973 ERJ3GEYJ472V RESISTOR SMD 4,70 kOhm 1/10 W 5 %
R2974 D0GB821JA041 RESISTOR SMD 820 Ohm 1/10 W 5 %
R2975 D0GB103JA041 RESISTOR SMD 10 kOhm 1/10 W 5 %
R2976 D0GB103JA041 RESISTOR SMD 10 kOhm 1/10 W 5 %
R2977 D0GB103JA041 RESISTOR SMD 10 kOhm 1/10 W 5 %
R2979 D0GB103JA041 RESISTOR SMD 10 kOhm 1/10 W 5 %
R2981 ERJ3GEY0R00V RESISTOR JUMPER SMD 0 Ohm 1/10 W
R2983 ERJ3GEY0R00V RESISTOR JUMPER SMD 0 Ohm 1/10 W
R2985 ERJ3GEYJ221V RESISTOR SMD 220 Ohm 1/10 W 5 %
R2986 ERJ3GEYJ221V RESISTOR SMD 220 Ohm 1/10 W 5 %
R2987 ERJ3GEYJ221V RESISTOR SMD 220 Ohm 1/10 W 5 %
R2990 D0C18R2JA020 RESISTOR DE METAL 18,20 Ohm 1 W 5 %
R2991 ERJ3GEYJ473V RESISTOR SMD 47 kOhm 1/10 W 5 %
R2993 ERJ3GEY0R00V RESISTOR JUMPER SMD 0 Ohm 1/10 W
R2994 ERJ3GEYJ473V RESISTOR SMD 47 kOhm 1/10 W 5 %
R5011 D0GB103JA041 RESISTOR SMD 10 kOhm 1/10 W 5 %
R5012 D0GB101JA041 RESISTOR SMD 100 Ohm 1/10 W 5 %
R5013 D0GB105JA041 RESISTOR SMD 1 MOhm 1/10 W 5 %
R5014 D0GB105JA041 RESISTOR SMD 1 MOhm 1/10 W 5 %
R5015 D0GB105JA041 RESISTOR SMD 1 MOhm 1/10 W 5 %
R5021 ERJ3GEYJ104V RESISTOR SMD 100 kOhm 1/10 W 5 %
R5022 ERJ3GEYJ104V RESISTOR SMD 100 kOhm 1/10 W 5 %
R5023 D0GB224JA041 RESISTOR SMD 220 kOhm 1/16 W 5 %
R5037 ERJ3GEYJ473V RESISTOR SMD 47 kOhm 1/10 W 5 %
R5038 D0GB224JA041 RESISTOR SMD 220 kOhm 1/16 W 5 %
R5039 D0GB224JA041 RESISTOR SMD 220 kOhm 1/16 W 5 %
R5040 ERJ3GEY0R00V RESISTOR JUMPER SMD 0 Ohm 1/10 W
R5041 ERJM1WSF20MU RES. DE PRECISÃO SMD 02 Ohm 1 W 1 %
R5042 ERJM1WSF20MU RES. DE PRECISÃO SMD 02 Ohm 1 W 1 %
R5046 ERJ3GEYJ473V RESISTOR SMD 47 kOhm 1/10 W 5 %
R5047 D0GB103JA041 RESISTOR SMD 10 kOhm 1/10 W 5 %
R5048 ERJ3GEYJ473V RESISTOR SMD 47 kOhm 1/10 W 5 %
R5049 D0GB102JA041 RESISTOR SMD 1 kOhm 1/10 W 5 %
R5050 ERJ3GEYJ223V RESISTOR SMD 22 kOhm 1/10 W 5 %
R5051 ERJ3GEYJ223V RESISTOR SMD 22 kOhm 1/10 W 5 %
R5052 ERJ3GEYJ223V RESISTOR SMD 22 kOhm 1/10 W 5 %
R5053 ERJ3GEYJ332V RESISTOR SMD 3,30 kOhm 1/10 W 5 %
R5056 ERJ3GEYJ472V RESISTOR SMD 4,70 kOhm 1/10 W 5 %
R5057 ERJ3GEYJ472V RESISTOR SMD 4,70 kOhm 1/10 W 5 %
R5059 D0GB103JA041 RESISTOR SMD 10 kOhm 1/10 W 5 %
R5060 D0GB103JA041 RESISTOR SMD 10 kOhm 1/10 W 5 %
R5062 D0GB103JA041 RESISTOR SMD 10 kOhm 1/10 W 5 %
R5063 D0GB103JA041 RESISTOR SMD 10 kOhm 1/10 W 5 %
R5065 D0GB101JA041 RESISTOR SMD 100 Ohm 1/10 W 5 %
R5067 D0GB101JA041 RESISTOR SMD 100 Ohm 1/10 W 5 %
R5070 ERJ6GEYJ472V RESISTOR SMD 4,70 kOhm 1/8 W 5 %
R5071 ERJ3GEY0R00V RESISTOR JUMPER SMD 0 Ohm 1/10 W
R5072 ERJ3RBD272V RESISTOR SMD 2,70 kOhm 1/16 W 0,5 %
R5073 ERJ3RBD223V RESISTOR SMD 22 kOhm 1/16 W 0,5 %
R5074 ERJ6GEYJ472V RESISTOR SMD 4,70 kOhm 1/8 W 5 %
R5076 ERJ8GEY0R00V RESISTOR SMD 0 Ohm 1/4 W 5 %
R5077 ERJ8GEY0R00V RESISTOR SMD 0 Ohm 1/4 W 5 %
R5079 D0GB103JA041 RESISTOR SMD 10 kOhm 1/10 W 5 %
R5080 D0GB103JA041 RESISTOR SMD 10 kOhm 1/10 W 5 %
R5081 D0GB823JA041 RESISTOR SMD 82 kOhm 1/16 W 5 %
R5082 D0GB823JA041 RESISTOR SMD 82 kOhm 1/16 W 5 %
R5094 D0GB102JA041 RESISTOR SMD 1 kOhm 1/10 W 5 %
R5099 ERJ3GEYJ473V RESISTOR SMD 47 kOhm 1/10 W 5 %
R5107 ERJ3GEYJ221V RESISTOR SMD 220 Ohm 1/10 W 5 %
R5109 D0GB562JA041 RESISTOR SMD 5,60 kOhm 1/10 W 5 %
R5110 D0GB562JA041 RESISTOR SMD 5,60 kOhm 1/10 W 5 %
R5181 ERJ1TYJ220U RESISTOR SMD 22 Ohm 1 W 5 %
R5183 ERJ1TYJ220U RESISTOR SMD 22 Ohm 1 W 5 %
R5189 D0GB823JA041 RESISTOR SMD 82 kOhm 1/16 W 5 %
R5197 D0GB103JA041 RESISTOR SMD 10 kOhm 1/10 W 5 %
R5208 ERJ3GEYJ221V RESISTOR SMD 220 Ohm 1/10 W 5 %
R5309 ERJ3GEYJ221V RESISTOR SMD 220 Ohm 1/10 W 5 %
R5311 D0GB562JA041 RESISTOR SMD 5,60 kOhm 1/10 W 5 %
R5386 ERJ1TYJ220U RESISTOR SMD 22 Ohm 1 W 5 %
R5391 D0GB683JA041 RESISTOR SMD 68 kOhm 1/10 W 5 %
R5410 ERJ3GEYJ221V RESISTOR SMD 220 Ohm 1/10 W 5 %
R5411 D0GB562JA041 RESISTOR SMD 5,60 kOhm 1/10 W 5 %
R5487 ERJ1TYJ220U RESISTOR SMD 22 Ohm 1 W 5 %

SC-HT740LB-S
122
R5492 ERJ3GEYJ124V RESISTOR SMD 120 kOhm 1/10 W 5 %
R5493 ERJ3GEYJ223V RESISTOR SMD 22 kOhm 1/10 W 5 %
R5502 ERJ3GEYJ222V RESISTOR SMD 2,20 kOhm 1/10 W 5 %
R5504 ERJ3GEYJ473V RESISTOR SMD 47 kOhm 1/10 W 5 %
R5506 ERJ3GEYJ223V RESISTOR SMD 22 kOhm 1/10 W 5 %
R5514 ERJ8GEY0R00V RESISTOR SMD 0 Ohm 1/4 W 5 %
R5516 ERJ3GEY0R00V RESISTOR JUMPER SMD 0 Ohm 1/10 W
R5517 ERG2SJ220E RESISTOR DE CARBONO 20 Ohm 2 W 5 %
R5518 D0GB103JA041 RESISTOR SMD 10 kOhm 1/4 W 5 %
R5519 ERJ8GEYJ822V RESISTOR SMD 8,20 kOhm 1/10 W 0,5 %
R5595 D0GB103JA041 RESISTOR SMD 10 kOhm 1/10 W 5 %
R5601 ERJ3GEYJ222V RESISTOR SMD 2,20 kOhm 1/10 W 5 %
R5603 ERJ3GEYJ473V RESISTOR SMD 47 kOhm 1/10 W 5 %
R5605 ERJ3GEYJ223V RESISTOR SMD 22 kOhm 1/10 W 5 %
R5613 ERJ3GEY0R00V RESISTOR JUMPER SMD 0 Ohm 1/10 W
R5615 ERJ3GEY0R00V RESISTOR JUMPER SMD 0 Ohm 1/10 W
R5624 D0GB224JA041 RESISTOR SMD 220 kOhm 1/16 W 5 %
R5625 ERJ3GEYJ104V RESISTOR SMD 100 kOhm 1/10 W 5 %
R5626 D0GB103JA041 RESISTOR SMD 10 kOhm 1/10 W 5 %
R5627 ERJ6RBD822V RESISTOR SMD 8,20 kOhm 1/10 W 0,5 %
R5696 D0GB103JA041 RESISTOR SMD 10 kOhm 1/10 W 5 %
R5702 ERDS1FVJ8R2T RES. DE CARBONO 8,20 Ohm 1/2 W 5 %
R5703 ERJ6GEYJ681V RESISTOR SMD 680 Ohm 1/8 W 5 %
R5704 ERX2LJ68MP RESISTOR OXIDO METAL 06 Ohm 2W 5 %
R5706 ERG2SJ333P RESISTOR OXIDO METAL 33 kOhm 2W 5 %
R5707 ERG2SJ333P RESISTOR OXIDO METAL 33 kOhm 2W 5 %
R5708 ERJ6GEYJ332V RESISTOR SMD 3,30 kOhm 1/8 W 5 %
R5709 ERJ6GEYJ222V RESISTOR SMD 2,20 kOhm 1/8 W 5 %
R5710 ERJ6GEYJ103V RESISTOR SMD 10 kOhm 1/8 W 5 %
R5711 ERJ6GEYJ220V RESISTOR SMD 22 Ohm 1/10 W 5 %
R5712 ERJ6GEYJ222V RESISTOR SMD 2,20 kOhm 1/8 W 5 %
R5713 ERJ3GEYF224V RESISTOR SMD 220 kOhm 1/10 W 1 %
R5714 ERJ3GEYF562V RESISTOR SMD 5,60 kOhm 1/10 W 1 %
R5715 ERJ3GEYJ153V RESISTOR SMD 15 kOhm 1/10 W 5 %
R5716 ERJ3GEYJ181V RESISTOR SMD 180 Ohm 1/10 W 5 %
R5717 ERJ3GEYJ472V RESISTOR SMD 4,70 kOhm 1/10 W 5 %
R5718 ERJ3GEYJ104V RESISTOR SMD 100 kOhm 1/10 W 5 %
R5719 D0GB103JA041 RESISTOR SMD 10 kOhm 1/10 W 5 %
R5720 D0GB103JA041 RESISTOR SMD 10 kOhm 1/10 W 5 %
R5721 ERJ3GEYJ471V RESISTOR SMD 470 Ohm 1/10 W 5 %
R5722 D0GB103JA041 RESISTOR SMD 10 kOhm 1/10 W 5 %
R5723 ERJ3GEYF472V RESISTOR SMD 4,70 kOhm 1/10 W 1 %
R5724 ERJ3GEYF122V RESISTOR SMD 1,20 kOhm 1/10 W 1 %
R5725 ERJ3GEYF561V RESISTOR SMD 560 Ohm 1/10 W 1 %
R5726 D0GB102JA041 RESISTOR SMD 1 kOhm 1/10 W 5 %
R5727 ERJ3GEYJ222V RESISTOR SMD 2,20 kOhm 1/10 W 5 %
R5728 ERJ6GEYJ100V RESISTOR SMD 10 Ohm 1/8 W 5 %
R5729 ERJ6GEYJ152V RESISTOR SMD 1,50 kOhm 1/8 W 5 %
R5730 D0GB823JA041 RESISTOR SMD 82 kOhm 1/16 W 5 %
R5731 D0GB562JA041 RESISTOR SMD 5,60 kOhm 1/10 W 5 %
R5732 D0GB562JA041 RESISTOR SMD 5,60 kOhm 1/10 W 5 %
R5733 ERDS1FVJ182T RES. DE CARBONO 1,80 kOhm 1/2 W 5 %
R5734 ERDS1FVJ182T RES. DE CARBONO 1,80 kOhm 1/2 W 5 %
R5735 ERJ3GEY0R00V RESISTOR JUMPER SMD 0 Ohm 1/10 W
R5736 ERDS1FVJ102T RES. DE CARBONO 1 kOhm 1/2 W 5 %
R5737 D0GB100JA041 RESISTOR SMD 10 Ohm 1/10W 5 %
R5738 ERJ3GEYJ153V RESISTOR SMD 15 kOhm 1/10 W 5 %
R5739 D0GB103JA041 RESISTOR SMD 10 kOhm 1/10 W 5 %
R5740 ERJ3GEYF104V RESISTOR SMD 100 kOhm 1/10 W 1 %
R5741 D0GB102JA041 RESISTOR SMD 1 kOhm 1/10 W 5 %
R5742 D0GB103JA041 RESISTOR SMD 10 kOhm 1/10 W 5 %
R5743 D0GB103JA041 RESISTOR SMD 10 kOhm 1/10 W 5 %
R5744 ERJ3GEYJ153V RESISTOR SMD 15 kOhm 1/10 W 5 %
R5745 D0GB103JA041 RESISTOR SMD 10 kOhm 1/10 W 5 %
R5746 ERJ3GEYJ473V RESISTOR SMD 47 kOhm 1/10 W 5 %
R5747 D0GB103JA041 RESISTOR SMD 10 kOhm 1/10 W 5 %
R5748 D0GB103JA041 RESISTOR SMD 10 kOhm 1/10 W 5 %
R5749 ERG2SJ470E RESISTOR OXIDO METAL 47 Ohm 2W 5 %
R5750 D0GB331JA041 RESISTOR SMD 330 Ohm 1/16 W 5 %
R5751 ERDS1TJ474B RES. DE CARBONO 470 kOhm 1/2 W 5 %
R5752 ERJ3GEYJ472V RESISTOR SMD 4,70 kOhm 1/10 W 5 %
R5753 D0GB331JA041 RESISTOR SMD 330 Ohm 1/16 W 5 %
R5755 D0GB103JA041 RESISTOR SMD 10 kOhm 1/10 W 5 %
R5756 D0GB103JA041 RESISTOR SMD 10 kOhm 1/10 W 5 %
DESCRIÇÃO REF. CÓDIGO
R5757 D0GB103JA041 RESISTOR SMD 10 kOhm 1/10 W 5 %
R5758 ERJ3GEYJ335V RESISTOR SMD 33 MOhm 1/10 W 5 %
R5759 ERJ3GEYJ104V RESISTOR SMD 100 kOhm 1/10 W 5 %
R5760 D0GB103JA041 RESISTOR SMD 10 kOhm 1/10 W 5 %
R5761 ERG2SJ470E RESISTOR OXIDO METAL 47 Ohm 2W 5 %
R5762 ERG2SJ470E RESISTOR OXIDO METAL 47 Ohm 2W 5 %
R5763 ERJ3GEYF222V RESISTOR SMD 2,20 kOhm 1/10 W 1 %
R5764 ERG2SJ470E RESISTOR OXIDO METAL 47 Ohm 2W 5 %
R5765 ERJ3GEYF223V RESISTOR SMD 22 kOhm 1/10 W 1 %
R5766 ERJ3GEYF182V RESISTOR SMD 1,80 kOhm 1/10 W 1 %
R5768 D0GB103JA041 RESISTOR SMD 10 kOhm 1/10 W 5 %
R5769 D0GB103JA041 RESISTOR SMD 10 kOhm 1/10 W 5 %
R5770 D0GB103JA041 RESISTOR SMD 10 kOhm 1/10 W 5 %
R5771 ERJ6GEYJ100V RESISTOR SMD 10 Ohm 1/8 W 5 %
R5772 ERDS1FVJ4R7T RES. DE CARBONO 4,70 Ohm 1/2 W 5 %
R5773 ERG2SJ470E RESISTOR OXIDO METAL 47 Ohm 2W 5 %
R5774 ERDS1FVJ4R7T RES. DE CARBONO 4,70 Ohm 1/2 W 5 %
R5775 D0GB103JA041 RESISTOR SMD 10 kOhm 1/10 W 5 %
R5776 D0GB331JA041 RESISTOR SMD 330 Ohm 1/16 W 5 %
R5777 D0GB102JA041 RESISTOR SMD 1 kOhm 1/10 W 5 %
R5778 ERDS1FVJ4R7T RES. DE CARBONO 4,70 Ohm 1/2 W 5 %
R5779 D0GB102JA041 RESISTOR SMD 1 kOhm 1/10 W 5 %
R5780 D0GB331JA041 RESISTOR SMD 330 Ohm 1/16 W 5 %
R5781 D0GB103JA041 RESISTOR SMD 10 kOhm 1/10 W 5 %
R5782 D0GB562JA041 RESISTOR SMD 5,60 kOhm 1/10 W 5 %
R5783 D0GB562JA041 RESISTOR SMD 5,60 kOhm 1/10 W 5 %
R5784 ERJ8GEYJ394V RESISTOR SMD 390 kOhm 1/4 W 5 %
R5785 ERJ8GEYJ394V RESISTOR SMD 390 kOhm 1/4 W 5 %
R5786 ERJ3GEYJ104V RESISTOR SMD 100 kOhm 1/10 W 5 %
R5787 D0GB681JA041 RESISTOR SMD 680 Ohm 1/16 W 5 %
R5788 D0GB103JA041 RESISTOR SMD 10 kOhm 1/10 W 5 %
R5789 D0GB103JA041 RESISTOR SMD 10 kOhm 1/10 W 5 %
R5790 D0GB102JA041 RESISTOR SMD 1 kOhm 1/10 W 5 %
R5792 ERG2SJ332E RES. OXIDO METAL 3,30 kOhm 2W 5 %
R5793 ERJ3GEY0R00V RESISTOR JUMPER SMD 0 Ohm 1/10 W
R5795 ERG2SJ332E RES. OXIDO METAL 3,30 kOhm 2W 5 %
R5796 D0GB103JA041 RESISTOR SMD 10 kOhm 1/10 W 5 %
R5797 ERJ3GEYF473V RESISTOR SMD 47 kOhm 1/10 W 1 %
R5798 D0C18R2JA020 RESISTOR DE METAL 18,20 Ohm 1 W 5 %
R5799 D0GB1R0JA040 RESISTOR SMD 1 Ohm 1/10 W 5 %
R5801 ERJ3GEYJ222V RESISTOR SMD 2,20 kOhm 1/10 W 5 %
R5803 ERJ3GEYJ223V RESISTOR SMD 22 kOhm 1/10 W 5 %
R5804 ERJ3GEYJ223V RESISTOR SMD 22 kOhm 1/10 W 5 %
R5805 ERJ6GEYJ473V RESISTOR SMD 47 kOhm 1/8 W 5 %
R5806 ERJ8GEYJ394V RESISTOR SMD 390 kOhm 1/4 W 5 %
R5807 ERJ8GEYJ394V RESISTOR SMD 390 kOhm 1/4 W 5 %
R5808 ERJ8GEYJ394V RESISTOR SMD 390 kOhm 1/4 W 5 %
R5809 ERJ6GEYJ563V RESISTOR SMD 56 kOhm 1/8 W 5 %
R5810 ERJ3GEYJ223V RESISTOR SMD 22 kOhm 1/10 W 5 %
R5901 ERJ3GEY0R00V RESISTOR JUMPER SMD 0 Ohm 1/10 W
R5902 ERJ3GEY0R00V RESISTOR JUMPER SMD 0 Ohm 1/10 W
R5913 ERJ6GEYJ470V RESISTOR SMD 47 Ohm 1/8 W 5 %
R5916 ERJ3GEYJ151V RESISTOR SMD 150 Ohm 1/10 W 5 %
R5917 ERJ3GEYJ472V RESISTOR SMD 4,70 kOhm 1/10 W 5 %
R5930 D0GB103JA041 RESISTOR SMD 10 kOhm 1/10 W 5 %
R5931 D0GB103JA041 RESISTOR SMD 10 kOhm 1/10 W 5 %
R5932 D0GB103JA041 RESISTOR SMD 10 kOhm 1/10 W 5 %
R5933 D0GB562JA041 RESISTOR SMD 5,60 kOhm 1/10 W 5 %
R5934 D0GB103JA041 RESISTOR SMD 10 kOhm 1/10 W 5 %
R6801 ERJ3GEYJ472V RESISTOR SMD 4,70 kOhm 1/10 W 5 %
R6802 D0GB272JA041 RESISTOR SMD 2,70 kOhm 1/10 W 5 %
R6803 D0GB122JA041 RESISTOR SMD 1,20 kOhm 1/16 W 5 %
R6804 D0GB102JA041 RESISTOR SMD 1 kOhm 1/10 W 5 %
R6805 D0GB102JA041 RESISTOR SMD 1 kOhm 1/10 W 5 %
R6807 ERJ3GEYJ223V RESISTOR SMD 22 kOhm 1/10 W 5 %
R6809 ERJ3GEYJ223V RESISTOR SMD 22 kOhm 1/10 W 5 %
R6810 ERJ3GEYJ682V RESISTOR SMD 6,80 kOhm 1/10 W 5 %
R6812 ERJ3GEYJ182V RESISTOR SMD 1,80 kOhm 1/10 W 5 %
R6914 D0GB563JA041 RESISTOR SMD 56 kOhm 1/10 W 5 %
R6916 D0GB680JA041 RESISTOR SMD 68 Ohm 1/16 W 5 %
R6917 D0GB680JA041 RESISTOR SMD 68 Ohm 1/16 W 5 %
R6918 ERJ3GEYJ223V RESISTOR SMD 22 kOhm 1/10 W 5 %
R6922 D0GB102JA041 RESISTOR SMD 1 kOhm 1/10 W 5 %
R6923 D0GB102JA041 RESISTOR SMD 1 kOhm 1/10 W 5 %
DESCRIÇÃO REF. CÓDIGO

SC-HT740LB-S
123
R6924 D0GB122JA041 RESISTOR SMD 1,20 kOhm 1/16 W 5 %
R6925 ERJ3GEYJ182V RESISTOR SMD 1,80 kOhm 1/10 W 5 %
R6926 ERJ3GEYJ222V RESISTOR SMD 2,20 kOhm 1/10 W 5 %
R6927 D0GB680JA041 RESISTOR SMD 68 Ohm 1/16 W 5 %
R6928 D0GB272JA041 RESISTOR SMD 2,70 kOhm 1/10 W 5 %
R6934 D0GB470JA041 RESISTOR SMD 47 Ohm 1/16 W 5 %
R6935 D0GB100JA041 RESISTOR SMD 10 Ohm 1/10W 5 %
R6939 D0GB1R0JA040 RESISTOR SMD 1 Ohm 1/10 W 5 %
R6940 D0GB1R0JA040 RESISTOR SMD 1 Ohm 1/10 W 5 %
R6946 ERJ3GEYJ221V RESISTOR SMD 220 Ohm 1/10 W 5 %
R6947 ERJ3GEYJ472V RESISTOR SMD 4,70 kOhm 1/10 W 5 %
R6948 D0GB102JA041 RESISTOR SMD 1 kOhm 1/10 W 5 %
R6949 D0GB102JA041 RESISTOR SMD 1 kOhm 1/10 W 5 %
R6950 ERJ3GEYJ473V RESISTOR SMD 47 kOhm 1/10 W 5 %
R6951 ERJ3GEYJ473V RESISTOR SMD 47 kOhm 1/10 W 5 %
R6957 ERJ3GEYJ221V RESISTOR SMD 220 Ohm 1/10 W 5 %
R6958 D0GB101JA041 RESISTOR SMD 100 Ohm 1/10 W 5 %
R6959 D0GB103JA041 RESISTOR SMD 10 kOhm 1/10 W 5 %
R6960 ERJ3GEYJ222V RESISTOR SMD 2,20 kOhm 1/10 W 5 %
R8003 ERJ2GEJ473X RESISTOR DE 47KOhm 2W
R8011 ERJ2GEJ220X RESISTOR DE 22 Ohm 2W
R8012 ERJ2GEJ220X RESISTOR DE 22 Ohm 2W
R8013 ERJ2GEJ220X RESISTOR DE 22 Ohm 2W
R8041 ERJ2GEJ330X RESISTOR DE 33 Ohm 2W
R8153 ERJ2RHD621X RESISTOR DE 620 Ohm 2W
R8154 ERJ2RHD102X RESISTOR DE 1KOhm 2W
R8211 ERJ2GEJ103X RESISTOR DE 10KOhm 2W
R8221 ERJ2GEJ822X RESISTOR DE 8.2KOhm 2W
R8225 ERJ2GEJ822X RESISTOR DE 8.2KOhm 2W
R8230 ERJ2GEJ222X RESISTOR DE 2.2KOhm 2W
R8231 ERJ2GEJ223X RESISTOR DE 22KOhm 2W
R8232 ERJ2GEJ752X RESISTOR DE 7.5KOhm 2W
R8251 ERJ6GEYJ6R8V RESISTOR DE 6.8 Ohm 1/10W
R8261 ERJ2GEJ823X RESISTOR DE 82KOhm 2W
R8262 ERJ2GEJ153X RESISTOR DE 15KOhm 2W
R8263 ERJ2GEJ823X RESISTOR DE 82KOhm 2W
R8264 ERJ2GEJ153X RESISTOR DE 15KOhm 2W
R8311 ERJ2RHD242X RESISTOR DE 2.4KOhm 2W
R8312 ERJ2RHD102X RESISTOR DE 1KOhm 2W
R8313 ERJ2RHD912X RESISTOR DE 9.1KOhm 2W
R8314 ERJ2GE0R00X RESISTOR DE 0 Ohm 2W
R8321 ERJ3RED680V RESISTOR DE 68 Ohm 3W
R8322 ERJ3GEY0R00V RESISTOR DE 0 Ohm 1/16W
R8325 ERJ3RED680V RESISTOR DE 68 Ohm 3W
R8326 ERJ3GEY0R00V RESISTOR DE 0 Ohm 1/16W
R8331 ERJ3RED680V RESISTOR DE 68 Ohm 3W
R8332 ERJ3GEY0R00V RESISTOR DE 0 Ohm 1/16W
R8335 ERJ3RED680V RESISTOR DE 68 Ohm 3W
R8341 ERJ3RED680V RESISTOR DE 68 Ohm 3W
R8401 ERJ2GEJ101X RESISTOR DE 100 Ohm 2W
R8420 ERJ2GEJ222X RESISTOR DE 2.2KOhm 2W
R8421 ERJ2GE0R00X RESISTOR DE 0 Ohm 2W
R8531 ERJ2GEJ152X RESISTOR DE 1.5KOhm 2W
R8532 ERJ2GEJ222X RESISTOR DE 2.2KOhm 2W
R8533 ERJ2GE0R00X RESISTOR DE 0 Ohm 2W
R8541 ERJ2GEJ153X RESISTOR DE 15KOhm 2W
R8551 ERJ2GE0R00X RESISTOR DE 0 Ohm 2W
R8552 ERJ2GEJ102X RESISTOR DE 1KOhm 2W
R8553 ERJ2GEJ102X RESISTOR DE 1KOhm 2W
R8554 ERJ2GEJ680X RESISTOR DE 68 Ohm 2W
R8555 ERJ2GEJ2R2X RESISTOR DE 2.2 Ohm 2W
R8556 ERJ3GEYJ560V RESISTOR DE 56 Ohm 1/16W
R8557 ERJ3GEYJ510V RESISTOR DE 51 Ohm 1/16W
R8558 ERJ2GEJ473X RESISTOR DE 47KOhm 2W
R8559 ERJ2GEJ153X RESISTOR DE 15KOhm 2W
R8561 ERJ2GE0R00X RESISTOR DE 0 Ohm 2W
R8562 ERJ2GEJ102X RESISTOR DE 1KOhm 2W
R8563 ERJ2GEJ102X RESISTOR DE 1KOhm 2W
R8564 ERJ2GEJ220X RESISTOR DE 22 Ohm 2W
R8565 ERJ2GEJ2R2X RESISTOR DE 2.2 Ohm 2W
R8566 ERJ3GEYJ560V RESISTOR DE 56 Ohm 1/16W
R8567 ERJ3GEYJ510V RESISTOR DE 51 Ohm 1/16W
R8568 ERJ2GEJ473X RESISTOR DE 47KOhm 2W
R8601 ERJ2GEJ104X RESISTOR DE 100KOhm 2W
R8611 ERJ2GEJ101X RESISTOR DE 100Ohm 2W
R8621 ERJ2GEJ105X RESISTOR DE 1MOhm 2W
R8622 ERJ2RHD681X RESISTOR DE 680 Ohm 2W
RX8001 D1H410320002 CHIP RESISTOR
RX8011 D1H88204A024 CHIP RESISTOR
RX8012 D1H88204A024 CHIP RESISTOR
RX8013 D1H88204A024 CHIP RESISTOR
RX8014 D1H88204A024 CHIP RESISTOR
RX8015 D1H88204A024 CHIP RESISTOR
RX8016 D1H88204A024 CHIP RESISTOR
RX8017 D1H88204A024 CHIP RESISTOR
RX8018 D1H422020001 CHIP RESISTOR
RX8019 D1H422020001 CHIP RESISTOR
RX8020 D1H422020001 CHIP RESISTOR
RX8031 D1H447220001 CHIP RESISTOR
RX8032 D1H447220001 CHIP RESISTOR
RX8111 D1H422320002 CHIP RESISTOR
RX8401 D1H410120001 CHIP RESISTOR
RX8402 D1H410120001 CHIP RESISTOR
RX8403 D1H410120001 CHIP RESISTOR
RX8531 D1H456020001 CHIP RESISTOR
RX8532 D1H85604A024 CHIP RESISTOR
RX8533 D1H456020001 CHIP RESISTOR
RX8534 D1H456020001 CHIP RESISTOR
RX8611 D1H447220001 CHIP RESISTOR
RX8691 D1H410320002 CHIP RESISTOR
W2037 ERX2SJ1R5E RES. FILME METÁLICO 1,50 Ohm 2W 5%
CHAVES
S5701 K0ABCA000005 SELETOR DE VOLTAGEM
S6801 EVQ21405R CHAVE DE TOQUE RADIAL
S6802 EVQ21405R CHAVE DE TOQUE RADIAL
S6803 EVQ21405R CHAVE DE TOQUE RADIAL
S6804 EVQ21405R CHAVE DE TOQUE RADIAL
S6805 EVQ21405R CHAVE DE TOQUE RADIAL
S6806 EVQ21405R CHAVE DE TOQUE RADIAL
S6808 EVQ21405R CHAVE DE TOQUE RADIAL
S6900 EVQ21405R CHAVE DE TOQUE RADIAL
S6901 EVQ21405R CHAVE DE TOQUE RADIAL
S6902 EVQ21405R CHAVE DE TOQUE RADIAL
S6903 EVQ21405R CHAVE DE TOQUE RADIAL
S6904 EVQ21405R CHAVE DE TOQUE RADIAL
S6905 EVQ21405R CHAVE DE TOQUE RADIAL
S6906 EVQ21405R CHAVE DE TOQUE RADIAL
S6907 EVQ21405R CHAVE DE TOQUE RADIAL
S9001 K0L1BA000086 CHAVE OPEN
TRANSFORMADORES
T5701 ETS42BJ1K6AD TRANSFORMADOR
T5721 ETS19AB216AG TRANSF. 110V/220 V 100.000 Hz 1,300 kVA
POTENCIOMETRO
VR6800 EVEKE2F3024M POTENCIOMETRO DE VOLUME
OSCILADORES
X5010 H2A375300003 OSC. DE CRISTAL PIEZOELÉTRICO 375 kHz
X5011 H2A415300001 OSC. DE CRISTAL PIEZOELÉTRICO 415 kHz
X8621 H0J270500085 CRISTAL OSCILADOR
Z6900 B3MAZ0000023 SENSOR DO CONTROLE REMOTO
TERMINAIS
ZJ5701 K9ZZ00001279 TERMINAL TERRA
ZJ5702 K9ZZ00001279 TERMINAL TERRA
ZJ5703 K9ZZ00001279 TERMINAL TERRA
OUTROS
FC9101 RWJ4906082SS 6P FLAT CABLE
H2010 K1YZ13000001 BASE PLÁSTICA DE CABO DE 13 VIAS
H2902 RJS1A5506 BASE PLÁSTICA DE CABO DE 6 VIAS
PC5701 B3PBA0000402 FOTO ACOPLADOR SMD
PC5721 B3PBA0000402 FOTO ACOPLADOR SMD
P5701 K2AA2B000015 AC INLET
TH5701 D4CAA2R20001 TERMISTOR PTH 2,20 Ohm 15 %
TH5702 D4CC11040013 TERMISTOR SMD 100 KOhm
TH5703 D4CAA2R20001 TERMISTOR PTH 2,20 Ohm 15 %
ZA5701 EYF52BCY GARRA METÁLICA PARA FUSÍVEL
ZA5702 EYF52BCY GARRA METÁLICA PARA FUSÍVEL
DESCRIÇÃO REF. CÓDIGO DESCRIÇÃO REF. CÓDIGO

Manual de Serviço
Speaker System
SB-FS71-CS
Caixas Acústicas Frontais
Especificações Técnicas
Nota:
1. As especificações estão sujeitas a alteração sem prévio aviso.
2. A distorção harmônica total é medida por um analisador de espectro digital.
Caixas acústicas frontais (SB-FS71)
Tipo .......................................................................................................................................... 2 vias, 2 alto-falantes (Bass reflex)
Unidade dos altos-falantes
1. Full range ........................................................................................................................................................ 6,5 cm tipo cone
2. Tweeter ................................................................................................................................................................ 6cm tipo cone
Frequência de cross over ....................................................................................................................................................... 6kHz
Impedância ............................................................................................................................................................................... 4Ω
SPL ................................................................................................................................................................... 81 dB/W (1.0 m)
Faixa de frequência ............................................................................................................................. 82 Hz - 41 kHz (–16 dB)
95 Hz - 40 kHz (–10 dB)
Dimensões com pedestal (L x A x P) ......................................................................................... 252 mm x 1123 mm x 234 mm
Massa (aproximada) ......................................................................................................................................................... 3,7 kg
© 2006 Panasonic do Brasil Limitada
Divisão CS
Setor de Apoio Técnico
SB-FS71

SC-HT740LB-S
125
1. PROCEDIMENTO DE DESMONTAGEM
1.1. DESMONTAGEM DA CAIXA FRONTAL SUPERIOR
Passo 1: Remova o fio branco (+) e o azul (-).
Passo 2: Retire o cabo de alto-falante da ranhura.
Passo 3: Remova 1 parafuso.
Passo 4: Separe a parte superior da caixa como mostrado
na seta.
1.2. DESMONTAGEM GABINETE TRASEIRO
SUPERIOR
• Siga o (Passo 1) – (Passo 4) do item 1.1
Passo 1: Remova os 10 parafusos.
Gabinete Traseiro
Superior
Gabinete
Frontal
Superior
Cabo do Alto-falante
Gabinete
Frontal
Superior Gabinete Traseiro
Superior
Cabo do
Alto-falante
Gabinete
Frontal
Inferior
Gabinete Traseiro
Superior
Gabinete
Frontal
Superior
Gabinete
Frontal
Inferior
Cabo do
Alto-falante
Gabinete Superior
Traseiro
(Passo 1)
(Passo 2)
(Passo 3)
(Passo 4)
(Passo 1)
Azul
Branco

SC-HT740LB-S
126
Passo 2: Levante o Gabinete Superior Traseiro como
apontado pela seta.
Passo 3: Desconecte e remova o cabo preparado.
1.3. DESMONTAGEM DO TWEETER
• Siga o (Passo 1) – (Passo 4) do item 1.1
• Siga o (Passo 1) – (Passo 2) do item 1.2
Passo 1: Desconecte o fio amarelo (+) e o preto (-).
Passo 2: Remova 4 parafusos.
Passo 3: Remova o Tweeter.
Gabinete Superior
Traseiro
Painel Frontal
Superior
Cabo
preparado
Amarelo (+)
Preto (-)
Woofer
Gabinete Superior
Traseiro
Painel Frontal
Superior
Gabinete Traseiro Superior
Woofer
Painel Frontal
Superior
Woofer
Gabinete Traseiro
Superior
Painel Frontal
Superior
(Passo 2)
(Passo 1)
(Passo 2)
(Passo 3)

SC-HT740LB-S
127
1.4. DESMONTAGEM DO WOOFER
• Siga o (Passo 1) – (Passo 4) do item 1.2.
• Siga o (Passo 1) – (Passo 2) do item 1.3.
Vermelho (+)
Cinza (-)
Woofer
Gabinete Superior
Traseiro
Painel Frontal
Superior
(Passo 1)
Gabinete Traseiro Superior
Woofer
Painel Frontal
Superior
(Passo 2)
Passo 2: Remova 4 parafusos.
Woofer
Gabinete Traseiro
Superior
Painel Frontal
Superior
(Passo 3)
Passo 3: Remova o Woofer.

SC-HT740LB-S
128
1.5. DESMONTAGEM DO TERMINAL
• Siga o (Passo 1) – (Passo 4) do item 1.1
• Siga o (Passo 1) – (Passo 2) do item 1.2
Passo 1: Desconecte o fios vermelho (+) e o cinza (-).
Passo 2: Remova 1 parafuso.
Vermelho (+) Cinza (-)
Gabinete Traseiro
Superior
Painel Frontal
Superior
Gabinete Traseiro
Superior
Terminal
Passo 3: Remova o terminal.
Gabinete Traseiro
Superior
Terminal
(Passo 1)
(Passo 2)
(Passo 3)

SC-HT740LB-S
129
1.5. DESMONTAGEM DA CAIXA INFERIOR
• Siga o (Passo 1) – (Passo 4) do item 1.1
Passo 1: Retire o cabo do alto-falante.
Passo 2: Retire o cabo do alto-falante das ranhuras internas.
Passo 3: Remova 1 parafuso.
Passo 4: Remova 2 parafusos.
Passo 5: Retire o cabo do alto-falante da ranhura como
monstrado pela seta.
Passo 6: Remova a caixa inferior montada na direção
mostrada pela seta.
Passo 7: Retire o cabo do alto-falante.
Vista Superior
Ranhura Cabo do
Alto-falante
Painel Frontal
Inferior
Gabinete
Traseiro
Inferior
Painel
Frontal
Inferior
Base Cabo do
Alto-falante
Painel
Frontal
Inferior
Gabinete
Traseiro
Inferior
Base
Cabo do
Alto-falante
(Passo 2)
(Passo 1)
(Passo 5)
(Passo 3)
(Passo 4)
(Passo 7)
(Passo 6)

SC-HT740LB-S
130
1.6. DESMONTAGEM DO GABINETE
TRASEIRO INFERIOR
• Siga o (Passo 1) – (Passo 4) do item 1.1
• Siga o (Passo 1) – (Passo 7) do item 1.5
Passo 1: Remova 8 parafusos.
Passo 2: Remova o gabinete traseiro inferior.
1.7. DESMONTAGEM DA BASE
• Siga o (Passo 1) – (Passo 4) do item 1.1
• Siga o (Passo 1) – (Passo 6) do item 1.5
Painel
Frontal
Inferior
Gabinete
Traseiro
Inferior
Gabinete
Traseiro
Inferior
Painel
Frontal
Inferior
Base
(Passo 1)
(Passo 2)

SC-HT740LB-S
131
2. DIAGRAMA DE CONEXÃO
VERMELHO
CINZA CINZA
VERMELHO
3. LOCALIZAÇÃO DAS PEÇAS
PRETO
AMARELO

SC-HT740LB-S
132
4. LISTA DE PEÇAS
1 RYPX2B0121-CS PAINEL FRONTAL SUPERIOR MONTADO
1-1 RGKX0360-S EMBLEMA ORNAMENTO
1-2 XTB3+10GFJ PARAFUSO METÁLICO
2 RYKX2B0316-CS GABINETE TRAS. SUPERIOR MONTADO
2-1 K4BC02B00017 TERMINAL METÁLICO
2-2 XTB3+10GFJ PARAFUSO METÁLICO
2-3 BHG0153 VEDAÇÃO
2-4 RKPX0089-S GABINETE SUP. TRASEIRO (PLÁSTICO)
3 RGPX0239-K TAMPA INFERIOR
4 REEX2B0571A CABO DA CAIXA ACÚSTICA PREPARADO
6 RGPX0238-S1 TAMPA DA BASE
6-1 RKAX0029A-K PÉ DE BORRACHA
6-2 RMAX0096-K2 BASE METÁLICA DO PEDESTAL
7 RYPX2B0122-CS PAINEL+GAB INFERIOR MONTADO
7-1 REEX0449C-2 CABO DA CAIXA ACUSTICA
8 RYKX2B0317-CS GABINETE TRAS. INFERIOR MONTADO
SP1 EAS65PL127A ALTO-FALANTE WOOFER 20 W 5Ohm 6,5 cm
SP2 EAST6PH08L6 ALTO-FALANTE TWEETER 20 W 6Ohm 6,0 cm
DESCRIÇÃO REF. CÓDIGO

Manual de Serviço
Speaker System
SB-FS72-CS
Caixas Acústicas Surround
Especificações Técnicas
Nota:
1. As especificações estão sujeitas a alteração sem prévio aviso.
2. A distorção harmônica total é medida por um analisador de espectro digital.
Caixas acústicas surround (SB-FS72)
Tipo .............................................................................................................................................. 1 via, 1 alto-falante (Bass reflex)
Unidade do alto-falante
Full range ............................................................................................................................................................. 6,5 cm tipo cone
Impedância ............................................................................................................................................................................... 4Ω
SPL ................................................................................................................................................................... 80 dB/W (1.0 m)
Faixa de freqüência ............................................................................................................................. 87 Hz - 25 kHz (–16 dB)
98 Hz - 22 kHz (–10 dB)
Dimensões (L x A x P) ............................................................................................................... 252 mm x 1123 mm x 234 mm
Massa (aproximada) ....................................................................................................................................................... 3,7 kg
© 2006 Panasonic do Brasil Limitada
Divisão CS
Setor de Apoio Técnico
SB-FS72

SC-HT740LB-S
134
1. PROCEDIMENTO DE DESMONTAGEM
1.1. DESMONTAGEM DA CAIXA FRONTAL SUPERIOR
Passo 1: Remova o fio branco (+) e o azul (-).
Passo 2: Retire o cabo de alto-falante da ranhura.
Passo 3: Remova 1 parafuso.
Passo 4: Separe a parte superior da caixa como mostrado
na seta.
1.2. DESMONTAGEM GABINETE TRASEIRO
SUPERIOR
• Siga o (Passo 1) – (Passo 4) do item 1.1
Passo 1: Remova os 10 parafusos.
Gabinete Traseiro
Superior
Gabinete
Frontal
Superior
Cabo do Alto-falante
Gabinete
Frontal
Superior Gabinete Traseiro
Superior
Cabo do
Alto-falante
Gabinete
Frontal
Inferior
Gabinete Traseiro
Superior
Gabinete
Frontal
Superior
Gabinete
Frontal
Inferior
Cabo do
Alto-falante
Gabinete Superior
Traseiro
(Passo 1)
(Passo 2)
(Passo 3)
(Passo 4)
(Passo 1)
Azul
Branco

SC-HT740LB-S
135
Passo 2: Levante o Gabinete Superior Traseiro como
apontado pela seta.
Passo 3: Desconecte e remova o cabo preparado.
1.3. DESMONTAGEM DO WOOFER
• Siga o (Passo 1) – (Passo 4) do item 1.1
• Siga o (Passo 1) – (Passo 2) do item 1.2
Passo 1: Desconecte o fio vermelho (+) e o cinza (-).
Passo 2: Remova 4 parafusos.
Passo 3: Remova o Woofer.
Gabinete Superior
Traseiro
Painel Frontal
Superior
Cabo
preparado
Vermelho (+)
Cinza (-)
Woofer
Gabinete Superior
Traseiro
Painel Frontal
Superior
Gabinete Traseiro Superior
Woofer
Painel Frontal
Superior
Woofer
Gabinete Traseiro
Superior
Painel Frontal
Superior
(Passo 2)
(Passo 1)
(Passo 2)
(Passo 3)

SC-HT740LB-S
136
1.4. DESMONTAGEM DO TERMINAL
• Siga o (Passo 1) – (Passo 4) do item 1.1
• Siga o (Passo 1) – (Passo 2) do item 1.2
Passo 1: Desconecte o fios vermelho (+) e o cinza (-).
Passo 2: Remova 1 parafuso.
Vermelho (+) Cinza (-)
Gabinete Traseiro
Superior
Painel Frontal
Superior
Gabinete Traseiro
Superior
Terminal
Passo 3: Remova o terminal.
Gabinete Traseiro
Superior
Terminal
(Passo 1)
(Passo 2)
(Passo 3)

SC-HT740LB-S
137
1.5. DESMONTAGEM DA CAIXA INFERIOR
• Siga o (Passo 1) – (Passo 4) do item 1.1
Passo 1: Retire o cabo do alto-falante.
Passo 2: Retire o cabo do alto-falante das ranhuras internas.
Passo 3: Remova 1 parafuso.
Passo 4: Remova 2 parafusos.
Passo 5: Retire o cabo do alto-falante da ranhura como
monstrado pela seta.
Passo 6: Remova a caixa inferior montada na direção
mostrada pela seta.
Passo 7: Retire o cabo do alto-falante.
Vista Superior
Ranhura Cabo do
Alto-falante
Painel Frontal
Inferior
Gabinete
Traseiro
Inferior
Painel
Frontal
Inferior
Base Cabo do
Alto-falante
Painel
Frontal
Inferior
Gabinete
Traseiro
Inferior
Base
Cabo do
Alto-falante
(Passo 2)
(Passo 1)
(Passo 5)
(Passo 3)
(Passo 4)
(Passo 7)
(Passo 6)

SC-HT740LB-S
138
1.6. DESMONTAGEM DO GABINETE
TRASEIRO INFERIOR
• Siga o (Passo 1) – (Passo 4) do item 1.1
• Siga o (Passo 1) – (Passo 7) do item 1.5
Passo 1: Remova 8 parafusos.
Passo 2: Remova o gabinete traseiro inferior.
1.7. DESMONTAGEM DA BASE
• Siga o (Passo 1) – (Passo 4) do item 1.1
• Siga o (Passo 1) – (Passo 6) do item 1.5
Painel
Frontal
Inferior
Gabinete
Traseiro
Inferior
Gabinete
Traseiro
Inferior
Painel
Frontal
Inferior
Base
(Passo 1)
(Passo 2)

SC-HT740LB-S
139
2. DIAGRAMA DE CONEXÃO
VERMELHO
CINZA CINZA
VERMELHO
3. LOCALIZAÇÃO DAS PEÇAS

SC-HT740LB-S
140
4. LISTA DE PEÇAS
1 RYPX2B0119-CS PAINEL FRONTAL SUPERIOR MONTADO
1-1 RGKX0360-S EMBLEMA ORNAMENTO
2 RYKX2B0316 GABINETE SUPERIOR MONTADO
2-1 K4BC2B00017 TERMINAL METÁLICO
2-2 XTB3+10GFJ PARAFUSO METÁLICO
2-3 BHG0153 VEDAÇÃO (HIMERON)
3 RGPX0239-K TAMPA INFERIOR
4 REEX2B0570 CABO DA CAIXA ACÚSTICA PREPARADO
6 RGPX0238-S1 TAMPA DA BASE
6-1 RKAX0029-A PÉ DE BORRACHA
7 RYPX2B0122-CS PAINEL FRONTAL INFERIOR (PLÁSTICO +
TECIDO)
7-1 REEX0449G-2 CABO DA CAIXA ACÚSTICA
DESCRIÇÃO REF. CÓDIGO

Manual de Serviço
Speaker System
SB-PC740-CS
Caixa Acústica Central
Especificações Técnicas
© 2006 Panasonic do Brasil Ltda.
Divisão CS
Setor de Apoio Técnico
Nota:
1. As especificações estão sujeitas a alteração sem prévio aviso.
2. A distorção harmônica total é medida por um analisador de espectro digital.
Caixa acústica central (SB-PC740)
Tipo .......................................................................................................................................... 2 vias, 2 alto-falantes (Bass reflex)
Unidades dos alto-falantes
1. Full range ........................................................................................................................................................ 6,5 cm tipo cone
2. Full range ........................................................................................................................................................ 6,5 cm tipo cone
Freqüência de Cross over ................................................................................................................................................... 5 kHz
Impedância ............................................................................................................................................................................... 4Ω
SPL ................................................................................................................................................................... 84 dB/W (1.0 m)
Faixa de freqüência ........................................................................................................................... 105 Hz - 25 kHz (–16 dB)
125 Hz - 22 kHz (– 10 dB)
Dimensões (L x A x P) .................................................................................................................. 270 mm x 92 mm x 95,4 mm
Massa (aproximada) ....................................................................................................................................................... 1,25 kg

SC-HT740LB-S
142
1. PROCEDIMENTO DE DESMONTAGEM
1.1. DESMONTAGEM DO PAINEL FRONTAL
Passo 1: Remova os 6 parafusos.
Passo 2: Insira uma chave allen pelo orifício localizado na
parte superior do gabinete traseiro e empurre o painel frontal.
Passo 3: Retire o Painel Frontal
1.2. DESMONTAGEM DO WOOFER 1
• Siga o (Passo 1) – (Passo 2) do item 1.1
Passo 1: Desconecte os fios preto (+) e o cinza (-).
Passo 2: Remova os 4 parafusos.
1.3. DESMONTAGEM DO WOOFER 2
• Siga o (Passo 1) – (Passo 2) do item 1.1
Passo 1: Desconecte os fios vermelho (+) e o azul (-).
Passo 2: Remova os 4 parafusos.
Gabinete
Traseiro
Painel
Frontal
Chave Allen
Cinza (-)
Preto (+)
Painel
Frontal
Woofer 1
Painel
Frontal
Woofer 1
Painel
Frontal Vemelho (+)
Azul (-)
Woofer 2
Painel
Frontal
Woofer 2
(Passo 1)
(Passo 2)
(Passo 3)
(Passo 1)
(Passo 2)
(Passo 1)
(Passo 2)
Gabinete
Traseiro
Gabinete
Traseiro
Gabinete
Traseiro
Gabinete
Traseiro
Gabinete
Traseiro
Painel
Frontal

SC-HT740LB-S
143
1.5. DESMONTAGEM DO GABINETE TRASEIRO
• Siga o (Passo 1) – (Passo 2) do item 1.1
Passo 1: Desconecte os fios vermelho (+) e o cinza (-).
Passo 2: Remova o Gabinete Traseiro Montado
• Desmontagem do Terminal.
Passo 3: Remova 1 parafuso.
Passo 4: Remova o Terminal.
Painel
Frontal
Vermelho (+)
Cinza (-)
Terminal
Gabinete
Traseiro
Gabinete
Traseiro
Terminal
Gabinete
Traseiro
(Passo 1)
(Passo 3)
(Passo 4)
(Passo 2)

SC-HT740LB-S
144
2. DIAGRAMA DE CONEXÃO
3. LOCALIZAÇÃO DAS PEÇAS DO GABINETE
VERMELHO
CINZA
VERMELHO
AZUL
PRETO
CINZA

SC-HT740LB-S
145
4. LISTA DE PEÇAS
1 RYPX0124-H PAINEL FRONTAL
2 RYKX2B0319-CS GABINETE TRASEIRO
2-1 K4BC02B00017 TERMINAL METÁLICO
2-2 XTB3+10GFJ PARAFUSO METÁLICO
3 REEX2B0573A CABO DA CAIXA ACÚSTICA PREPARADO
5 RKA0072-KJ PÉ DE BORRACHA
C1 ECA1HAY5R6S CAP. ELETR. BIPOLAR 5,60 µF 50V 20,0 %
SP1 EAS65P122B ALTO-FALANTE FULL RANGE 2W 4Ω 6,5cm
DESCRIÇÃO REF. CÓDIGO

Manual de Serviço
Subwoofer Passivo System
SB-W740-FOR
Especificações Técnicas
© 2006 Panasonic do Brasil Limitada
Divisão CS
Setor de Apoio Técnico
Subwoofer (SB-W740)
Tipo .............................................................................................................................................. 1 via, 1 alto-falante (Bass reflex)
Unidade do alto-falante
Woofer ................................................................................................................................................................... 16 cm tipo cone
SPL ................................................................................................................................................................... 80 dB/W (1.0 m)
Faixa de freqüência ............................................................................................................................ 32 Hz - 220 Hz (–16 dB)
38 Hz - 180 Hz (–10 dB)
Dimensões (L x A x P) ................................................................................................................. 183 mm x 396 mm x 267 mm
Massa (aproximada) ............................................................................................................................................................ 4 kg
Impedância ............................................................................................................................................................................... 4Ω
Nota:
1. As especificações estão sujeitas a alteração sem prévio aviso.
2. A distorção harmônica total é medida por um analisador de espectro digital.

SC-HT740LB-S
147
1. DESMONTAGEM DO SUBWOOFER E VERIFICAÇÃO DAS PLACAS
1.1. DESMONTAGEM DO PAINEL FRONTAL
Passo 1: Posicione a caixa acústica como ilustrado acima.
Passo 2: Insira uma régua de aço nas ranhuras do gabinete.
Movimente a régua até desencaixar o painel frontal do
gabinete (como mostrado nas setas).
Passo 3: Insira uma chave de fenda nas ranhuras do
gabinete, como mostrado na figura. Assegure-se que a chave
de fenda esteja posicionada sobre a régua de aço.
Passo 4: Use uma chave de fenda para levantar suavemente
o gabinete, como mostrado na ilustração, e insira a peça de
madeira (ferramenta de auxílio).
Passo 5: Na região dos pinos, levante o painel frontal na
direção das setas.
Nota:
Cuidado com os pinos que são colados no gabinete do
subwoofer.
Gabinete montado
Painel frontal
Régua de aço Ranhuras
Painel frontal
Ranhuras
Chave de fenda
Régua de aço
Gabinete montado
Chave de fenda
Régua de aço
Gabinete montado
Peça de
madeira
Painel Frontal
Peça de Madeira: 240 x 50 x 3mm
Ferramenta de Auxílio
Painel frontal
Pino Pino
Peça de
madeira
Gabinete montado
Painel frontal
Pino Peça de
madeira
Gabinete montado
(Passo 3)
(Passo 4)
(Passo 5)
(Passo 2)
Pino

SC-HT740LB-S
148
1.2. DESMONTAGEM DO WOOFER
Passo 1: Remova os 4 parafusos do woofer.
Passo 2: Insira uma régua de aço entre o woofer e o gabinete
woofer montado para remover.
Passo 3: Retire o woofer.
Passo 4: Remova o woofer desligando os fios branco (+) azul (-).
1.3. MONTAGEM DA UNIDADE DO SUBWOOFER
Passo 1: Raspe e limpe a cola que pode ter sobrado nos
orifícios e nos pinos e substitua por cola nova.
• Siga o (Passo 1) – (Passo 5) do item 1.1.
Woofer
Gabinete
montado
Régua de aço
Woofer
Gabinete
montado
Woofer
Gabinete
montado
Woofer Gabinete
montado
Branco (+) Azul (-)
Orifício
Orifício
Orifício
Orifício
Orifício
Orifício
Pino
Painel frontal montado
Passo 2: Fixe firmemente o Painel Frontal no gabinete.
Painel
frontal
montado
Gabinete
montado
(Passo 1)
(Passo 3)
(Passo 4)
(Passo 2)
(Passo 2) Pino
Pino
Pino
Pino
Pino

SC-HT740LB-S
149
2. DIAGRAMA DE CONEXÃO
3. LOCALIZAÇÃO DAS PEÇAS DO GABINETE
AZUL
BRANCO
AZUL
BRANCO

SC-HT740LB-S
150
4. LISTA DE PEÇAS
1 RYQX2B0230-CS GABINETE MONTADO DO SB-W540
1-1 BHG0150 VEDAÇÃO (HIMERON) (366X8mm)
1-2 BHG0151 VEDAÇÃO (HIMERON) (160X8mm)
2 RYBX2B0126-CS PAINEL FRONTAL MONTADO
2-1 XTB3+10GFJ PARAFUSO METÁLICO
3 RKA0072-KJ PÉ DE BORRACHA
4 BHG0152 VEDAÇÃO PARA WOOFER
5 BHG0149 VEDAÇÃO DO DUTO
7 XTB4+14AF-K PARAFUSO METÁLICO
SP1 EAS16PL729A ALTO FALANTE WOOFER - 20W 6,00 Ohm 16,0 cm
DESCRIÇÃO REF. CÓDIGO
Panasonic do Brasil Limitada.
DIVISÃO CS - SETOR DE APOIO TÉCNICO
Rod. Presidente Dutra, Km 155
São José dos Campos - SP