Samsung SGH 2488 Service Manual Sm
User Manual: SGH-2488
Open the PDF directly: View PDF
.
Page Count: 42

SERVICE
DUAL BAND Mobile
Cellular Phone
SGH-2488
2
ABC
3
DEF
1
5
JKL
6
MNO
GHI
4
8
TUV
9
WXYZ
PQRS
7
0
Manual
DUAL BAND Mobile Cellular Phone CONTENTS
1. Exploded Views and Parts List
2. Electrical Parts List
3. Block Diagrams
4. PCB Diagrams
5. Schematic Diagrams

Samsung Electronics Co.,Ltd.
Printed in Korea
11/1999 Rev 1.0
GH68-00844A
ELECTRONICS

Samsung Electronics 1-1
1. General Description
1-1 Dualband System
1-1-1 Calls
Dual band handsets supports the E-GSM and DCS system, DCS is an acronym for Digital Cellular system, and
GSM¨ is an acronym for Global System for Mobile communications©, using TDMA for wide-area cellular
operation. The GSM and DCS system consists of the sub-systems shown;
The Mobile Station (MS) talks to the Base Station System (BSS) via an RF air interface. The Base Station System
(BSS) consists of Base Transceiver Station (BTS) and a Base Station Controller (BSC). The interface between BTS
and BSC is called an Abis interface. Generally one BSC controls 20 to 30 BTSs, and a Mobile Switching Center
(MSC) controlling the traffic among different cells would be reported back from a number of BSSs. A Visitor
Location Register (VLR) will be allocated to one MSC to find the mobiles out of their home cell by listing them
to VLR. The MSC would also be connected to the Home Location Register (HLR), the Authentication Center
(AC) and the Equipment Identity Register (EIR) So the system verify that the users and equipment are legal
subscriber.
1-1-2 Channels
Channels used in the E-GSM and DCS system can be divided into two classes - Logical and Physical channel.
Physical channels can be described in terms of their frequency and time domain characteristics. They are the
actual frequencies and timeslots the MS and BS transmits or receives on. The logical channels are mapped onto
these physical channels logically. Any particular and instant, physical channels may be control or traffic
channels, which determines the function of a physical channel at a particular point in time.
1-1-3 Airinterface of ARFCN (Absolute Radio Frequency Channel Number)
975 1023 0 1 2 3 123 124... ... ... ...
880.2 MHz 890.2 MHz 914.8 MHz
DCS Rx: Fdl(n) = Ful(n) + 95MHz
< Fig. 1 ARFCN Diagram >
E-GSM: TX: Ful(n) = 890MHz + (0.2MHz) • n, 0≤n≤124 and
Ful(n) = 890MHz + (0.2MHz) • (n-1024), 975≤n≤1023
512 885
1710.2 MHz 1784.8 MHz
DCS Tx: Ful(n) = 1710MHz + (0.2MHz) • (n-511)
n = ARFCN, 512≤n≤885
512 885
1805.2 MHz 1879.8 MHz
975 1023 0 1 2 3 123 124... ... ... ...
925.2 MHz 935.2 MHz 959.8 MHz
E-GSM: RX: Fdl(n) = Ful(n) + 45MHz

1-2 Samsung Electronics
General Description
1-1-5 Logical Channel
TCH (Traffic CH) is used mainly for transferring the speech information, and the BCH (Broadcast CH) is
related to control information.The major function of BCH is transferring information on the downlink for MS
synchronization, identification, paging, and controll. BCH is always radiated from every cells and the MS tries
to find the BCH which has highest level soon after turned on. The organization of BCH is shown belows;
FCCH (Frequency Correction Channel), SCH (Synchronization Channel), and BCCH (Broadcast Control
Channel). CCCH (Common Control Channel) will play a role like a message board, and is divided into two
control channels - PCH (Paging Channel) and AGCH (Access Grant Channel). SACCH (Slow Associated
Control Channel) exists every 12 frames, controlling and controls the TX power level and timing advance of
MS, transferring cell information to MS on downlink, transferring the information about RX level, Quality, and
RX level of adjacent cell on uplink. FACCH (Fast Associated Control Channel) steals and changes the TCH
when needing a Handover. SDCCH (Stand-alone Dedicated Control Channel) and RACH (Random Access
Channel) operate during the call setup procedure.
1-1-4 GSM TDMA Timeslots, Frames, and Multiframes
0 1 2 3 4 ... ... ... ... ... ... 24 25
TCH
Multiframe
0 1 2 3 4 ... ... ... ... ... ... 49 50
01234567
BCH
Multiframe
TDMA
Frame
T Information F Midamble F Information T Guard
Timeslot
< Fig. 2 Concept of Frames and Timeslots >

Samsung Electronics 2-1
2. Circuit Description
2-1 RF Part
2-1-1 Frequency Generator
The 13MHz reference clock (VCTCXO) drives the logic and RF part. The 13 MHz reference is controlled by the
logic (10bits DAC minimum) and is kept to a frequency error less than ±0.1 ppm after synchronization with the
GSM network.
The IF VCO generates 233~259.5MHz VHF LO used in the RX I,Q Demodulator and after
doubling(493~519MHz), it used in the TX I,Q modulator. The UHF LO for the first RX down conversion and
the TX offset mixing works in superheterodyne mode to reduce the relative bandwidth and to be able to work
at a frequency greater than 1 GHz.
2-1-2 Transmitter
The baseband GSM chipset (Kernel 5) generates I and Q baseband signals for the transmit modulator. The
modulator (U2893B) is the first stage which takes the baseband signal and upconverts it to a fixed intermediate
frequency. The modulator provides more than 35dBc of carrier and unwanted side-band refection and produces
GMSK modulated signal, the ÒreferenceÓ signal at 493~519 MHz which passes to the offset phase-locked loop
block (OPLL). The OPLL consists of a down-converter, phase detector, loop filter and transmit VCOs operation
at the final RF output frequency. The down converter mixes the UHF LO (eg. 1210MHz) with the transmit VCO
signal to generate a ÒfeedbackÓ signal at 493~519 MHz. The ÒfeedbackÓ signal passes via a limiter to one port
of the phase detector. The GMSK ÒreferenceÓ signal from the modulator passes via second limiter to the other
input port of the phase detector. The phase detector generates an error current proportional to the phase
difference between the ÒfeedbackÓ signal from the down-converter and the ÒreferenceÓ signal from the
modulator. This error current is filtered by a third order low-pass filter to generate an output voltage which
depends on the GMSK modulation and the desired channel frequency. This voltage controls the transmit VCO
such that the VCO output signal, centered on the correct RF channel, is frequency modulated with the original
GMSK data. The center frequency of the transmit VCO is offset from the UHF LO frequency by 493~519MHz.
The OPLL acts as a tracking narrowband band pass filter tuned to the desired channel frequency. This reduces
the wideband products. The OPLL architecture results in a low-noise GMSK modulated signal at
902MHz(1747MHz) with very low spurious content.
The RF GMSK output from the transmit VCO is fed to the RF power amplifier. The peak output power and the
profile of the transmitted burst are controlled by means of a closed feedback loop. The RF output from the PA is
sampled with a directional coupler. The sampled signal passes to an RF detector diode whose output voltage is
dependent on the incident RF level. This ÒfeedbackÓ voltage passes to the inverting input of the loop integrator.
A ÒreferenceÓ signal is generated within the baseband section under control of the layer 1 software. The loop
maintains zero difference between the ÒfeedbackÓ signal and the ÒreferenceÓ signal. In this way, the amplitude
and shape of the transmitted RF burst may be controlled by the baseband processor. In particular, the rise and
fall profiles can be controlled to meet the stringent power/time templates and switching transient requirements
of GSM 05.05.
The RF output passes to the antenna connector via an integrated TX/RX switch and lowpass filter to attenuate
the harmonics generated by the power amplifier.

Samsung Electronics 1-1
1. Exploded Views and Parts List
1-1 Main Exploded View (SGH-2488)
4
1
1-1
1-6
1-5
3-2
3-4
2-1
2-5 2-3
2-7 2-8 2-4
2-6
2-2
1-7
1-4
6
3
7
8
2
11
12
13
16
5
10
17
14
15
9
1-2
1-3
18
19
3-1
3-3

Samsung Electronics 1-2
Exploded Views and Parts List
1-2 Main Parts List
Level Description SEC CODE Q'ty Remark
1 MEC-FRONT COVER GH75-00614A 1 GOLD
1-1 PMO-FRONT COVER GH72-00595A 1 SNA
1-2 PMO-LED CAP GH72-00182A 1 SNA
1-3 PM0-VOLUME KEY GH72-00608A 2 SNA
1-4 RMO-RUBBER KEY GH73-00190A 1 SNA
1-5 MEC-HINGE ASSY GH75-11115A 2 SNA
1-6 MEC-SUA WINDOW GH75-00406A 1
1-7 MEC-FLIP COVER GH75-00615A 1
2 MEC-REAR COVER GH75-00616A 1 GOLD
2-1 PMO-REAR COVER GH72-01403A 1 SNA
2-2 IPR-SIM SPRING GH70-00006A 2 SNA
2-3 IPR-LOCKER SPRING GH70-10633A 1 SNA
2-4 NDC-ANTENNA BRAKET GH71-00021A 1
2-5 PMO-BATT LOCKER GH72-00147A 1 SNA
2-6 PMO-SIM LOCKER GH72-00513A 1 SNA
2-7 RMO-EAR COVER GH73-00194A 1
2-8 TAPE MOTOR GH74-00196A 1 SNA
3 KEY PBA GH96-00892A 1
3-1 MIC ASSY GH96-00830A 1
3-2 BUZZER 3002-001104 1
3-3 SPEAKER 3001-001167 1
3-4 REED SWITCH 3409-001003 1
4 PMO-KEY PAD GH72-00607C 1
5 LCD ASSY GH96-00891A 1
6 RUBBER BUZZER GH73-00188A 1
7 RUBBER MIC GH73-00189A 1
8 SPONGE MIC GH74-00355A 1 SNA
9 SPONGE CONNECTOR GH74-00402A 1 SNA
10 SPONGE SPEAK GH74-00403A 1 SNA
11 PM0-SHIELD COVER GH72-00591A 1
12 PBA MAIN GH92-00878A 1
13 RMO-CONNECTOR COVER GH73-40673G 1
14 MOTOR GH31-10004A 1
15 ANTENNA GH42-00038A 1
16 SCREW-MACHINE 6001-001148 5 5PCS
17 RUBBER CAP GH73-00191A 1
18 BATTERY GH43-00143D 1 750mAh
19 BATTERY GH43-00183D 1 1000mAh

Exploded Views and Parts List
1-3 Travel Adapter
1-4 Travel Adapter Parts List
TYPE SEC CODE REMARK
A GH96-01143A CHINA
B GH96-01146A EUROPE
C GH96-01095A UNITED KINGDOM
1-3
AB
C

1-4
1-5 Desk Top Charger
SEC CODE : GH44-00090B
Exploded Views and Parts List
1
9
10
11
6
7
8
2
3
4 5

1-5 Exploded Views and Parts List
1-6 Desk Top Charger Parts List
NO DESCRIPTION SEC.CODE Q’TY REMARK
1 UPPER CASE 1
2 HANGER SPRING (L) 1
3 SCREW TAPPING 4
4 HANGER SPRING(R) 1
5 SCREW TAPPING 3
6 BATT. HOUSING 1
7 PCB 1
8 LOWER BASE 1
9 SCREW TAPPING 4
10 BUMPON 4
11 LABEL 1

Exploded Views and Parts List
1-7 Ciger Light Adapter
1-6
1-8 Ciger Light Adapter Parts List
DESCRIPTION SEC CODE REMARK
Ciger Light Adapter Code GH44-00040A BLACK

Exploded Views and Parts List1-7
1-9 Hands Free Kit
SEC CODE : GH96-00800A
Phone
Yellow(Ignition)
Micro Phone
White(Stereo Mute)
Red(Vehicle Battery)
Black(GND)

1-8Exploded Views and Parts List
1-10 Test Jig
1-11 Earphone
TEST JIG GH80-10508A
DATA CABLE GH39-30532A
EARPHONE GH96-00830A

2-1 Electrical Parts List
2 Electrical Parts List
2-1 Main Parts List
REFERENCE DESCRIPTIONSSEC.CODE
D401,D801 0401-001033 Diode-Switching,25V,200mA
D253,D255,D808 0404-001044 Diode-Schottky,20V,1A,SMD
D400 0404-001054 Diode-Schottky,70V,15mA,SOT-143
D600 0405-001051 Diode-Varactor,4.7V,50nA,SOT-23
D101,D102,D176,D820,D903,D904 0406-001084 ESD Diode
D252 0407-001002 Diode-Array,80V,300mA,CA2-3
D901,D902 0407-001006 Diode-Array,20V,100mA,C2-3
D251 0407-001007 Diode-Array,80V,25mA,CA4-2
Q959 0501-000162 TR-SMALL SIGNAL,PNP,200mW,SOT-323
Q958 0501-000462 TR-SMALL SIGNAL,PNP,225mW,SOT-
Q951,Q961,Q962 0501-002011 TR-SMALL SIGNAL,NPN,200mW,SOT-23
Q300 0501-002037 TR-SMALL SIGNAL,MPN,55mW,SOT-434
Q601,Q604 0501-002196 TR-SMALL SIGNAL,NPN,280mW,SOT-323
U307 0501-002205 TR-SMALL SIGNAL,NPN,SOT-343
Q151,Q153,Q255 0504-000167 TR-Digital,NPN,100mW,10K10Kohm,SSM
Q256,Q257 0504-000168 TR-Digital,NPN,100mW,47K47Kohm,SSM
Q500 0505-000110 FET-SILICON,60V,115mA,200mW
U501,U502 0505-001131 FET-SILICON,-12V,-500mA,690mohm
Q957 0505-001332 FET-SILICON
Q600 0506-000173 TR-ARRAY,NPN,80mW,SOT-363
U128,U252,U302,U303,U400,U403,U412,U813 0506-001004 TR-ARRAY,NPN/PNP,50V-100mA
LED100 0601-000276 LED/CHIP,1.6x2.0mm
U902,U903 0801-000022 IC-CMOS LOGIC,NANDGATE,SOP,5P
U900,U901,U904,U906 0801-000794 IC-CMOS LOGIC,ANDGATE,SOT-25,5P
U971 0801-000796 IC-CMOS LOGIC,ORGATE,SOT-25,5P
U973 0801-002540 IC-CMOS LOGIC,COMBINATIONGATE
U905 0801-002345 IC-CMOS LOGIC,INVERATER,SOP,5P
U413,U414 0801-002349 IC-CMOS LOGIC
U962,U963 1001-001088 ANALOG SWITCH
U969 1003-001226 IC-POWER DRIVER,SOP,8P,120MIL
U203 1103-001184 IC-EEPROM
U972 1107-001225 IC-Flash memory
U970 1109-001153 IC-ETC.MEMORY,2Mx16Bit,CSP,72P,-,9
U406 1201-001018 IC-OP AMP,SOT-23,5P,Single,70dB
U127 1201-001212 IC-OP AMP,TSSOP,16P,150MIL,DUAL,200M
U604 1201-001248 IC-CASCADE AMP,SOT-143,4P,2.7V
U402 1201-001299 IC-POWER Amp,RF-K,8P,SINGLE,8V
U408 1201-001411 IC-POWER Amp

U960 1202-001022 IC-VOLTAGE COMP,SSOP,8P,110MIL,7V
U804 1203-001256 IC-SWITCH VOL REG,SOT-23,5P,59MI
U801,U803,U805,U806,U810,U811 1203-001285 IC-SWITCH VOL REG,SOT-23,5P,150MIl
U809 1203-001511 IC-Reset,SOT-23,3P
U253 1203-001515 IC-BATTERY,SSOP,16P,150MIL
U812 1203-001702 IC-DC/DC CONVERTER,SOP,10P,112MIL
U102 1203-001740 IC-DC/DC CONVERTER,SOP,16P,150MIL
U301 1204-001006 IC-IP SYSTEM,SOP,20P,205MIL
U300,U305 1205-001307 IC-MIXER,SOP,16,197MIL
U200 1205-001643 IC-KERNEL
U950 1205-001697 IC-VOCODER,QFP,80P,3V
U202 1206-001009 IC-TIMER,SOP,8P,173MIL
U603 1209-001220 IC-PLL SYSTEM,SOP,20P,173MIL
U500 1209-001233 IC-PLL SYSTEM,SSOP,28P
TH1 1404-001005 THERMISTOR,47Kohm,5%,4054K,20mW
D179 1405-001018 Varistors
D103,D104 1405-001019 Varistors
R184 2007-000070 R-CHIP,0ohm,5%,1/16W,DA,TP,1608
R105,R129,R135,R163,R177,R178,R179,R180,R181,
R182,R183,R185,R186,R187,R188,R621,R653 2007-000138 R-CHIP,100ohm,5%,1/16W,DA,TP,1005
R644,R1000 2007-000139 R-CHIP,220ohm,5%,1/16W,DA,TP,1005
R220,R221,R264,R529,R611,R646,R811,R951,R954,R1001
2007-000140 R-CHIP,1Kohm,5%,1/16W,DA,TP,1005
R640 2007-000141 R-CHIP,2.2Kohm,5%,1/16W,DA,TP,1005
R309,R609,R223 2007-000142 R-CHIP,2.7Kohm,5%,1/16W,DA,TP,1005
R351 2007-000143 R-CHIP,4.7Kohm,5%,1/16W,DA,TP,1005
R606,R628 2007-000145 R-CHIP,6.2Kohm,5%,1/16W,DA,TP,1005
R603 2007-000146 R-CHIP,6.8Kohm,5%,1/16W,DA,TP,1005
R106,R107,R152,R205,R210,R255,R232,R235,R238,
R253,R256,R363,R418,R419,R605,R630,R637,R906,
R907,R952,R962,R963,R984,R985,R996,R988,R998,
R999
2007-000148 R-CHIP,10Kohm,5%,1/16W,DA,TP,1005
R300 2007-000152 R-CHIP,20Kohm,5%,1/16W,DA,TP,1005
R622 2007-000153 R-CHIP,22Kohm,5%,1/16W,DA,TP,1005
R126,R208,R218,R219,R352,R353 2007-000157 R-CHIP,47Kohm,5%,1/16W,DA,TP,1005
R257 2007-000159 R-CHIP,56Kohm,5%,1/16W,DA,TP,1005
R100,R101,R151,R153,R162,R209,R212,R213,R214,
R222,R231,R251,R252,R254,R263,R528,R812,R972
,R980,R991,R997
2007-000162 R-CHIP,100Kohm,5%,1/16W,DA,TP,1005
R610,R639 2007-000164 R-CHIP,150Kohm,5%,1/16W,DA,TP,1005
R215,R326,R361,R505,R531,R631,R647,R978 2007-007771 R-CHIP,0ohm,5%,1/16W,DA,TP,1005
R308,R500,R501,R502,R503,R504,R517,R524,R527,
R601,R602,R607,R633,R638,R650 2007-000172 R-CHIP,10ohm,5%,1/16W,DA,TP,1005
R651,R654 2007-000173 R-CHIP,22ohm,5%,1/16W,DA,TP,1005
R515,R516,R518 2007-000932 R-CHIP,470ohm,5%,1/16W,DA,TP,1005
2-2Electrical Parts List
REFERENCE DESCRIPTIONSSEC.CODE

2-3 Electrical Parts List
REFERENCE DESCRIPTIONSSEC.CODE
R130,R136,R417 2007-001119 R-CHIP,680ohm,5%,1/16W,DA,TP,1005
R428 2007-001217 R-CHIP,82ohm,5%,1/16W,DA,TP,1005
R304,R623,R625,R627 2007-001288 R-CHIP,18ohm,5%,1/16W,DA,TP,1005
R431 2007-001295 R-CHIP,39ohm,5%,1/16W,DA,TP,1005
R305,R364,R410,R420,R511,R519,R520,R648,R649 2007-001298 R-CHIP,51ohm,5%,1/16W,DA,TP,1005
R445 2007-001301 R-CHIP,68ohm,5%,1/16W,DA,TP,1005
R404,R406,R617 2007-001305 R-CHIP,120ohm,5%,1/16W,DA,TP,1005
R430,R432 2007-001306 R-CHIP,150ohm,5%,1/16W,DA,TP,1005
R306,R311,R316,R317 2007-001307 R-CHIP,180ohm,5%,1/16W,DA,TP,1005
R613,R805 2007-001308 R-CHIP,200ohm,5%,1/16W,DA,TP,1005
R128,R134 2007-001311 R-CHIP,270ohm,5%,1/16W,DA,TP,1005
R356,R357,R365,R525,R526,R950,R953 2007-001313 R-CHIP,330ohm,5%,1/16W,DA,TP,1005
R612 2007-001316 R-CHIP,820ohm,5%,1/16W,DA,TP,1005
R507,R512 2007-001317 R-CHIP,910ohm,5%,1/16W,DA,TP,1005
R629 2007-001323 R-CHIP,3Kohm,5%,1/16W,DA,TP,1005
R354,R608 2007-001325 R-CHIP,3.3Kohm,5%,1/16W,DA,TP,1005
R618,R643 2007-001339 R-CHIP,180Kohm,5%,1/16W,DA,TP,1005
R413 2007-002797 R-CHIP,560ohm,5%,1/16W,DA,TP,1005
R301 2007-003020 R-CHIP,4.3Kohm,5%,1/16W,DA,TP,1005
R427,R429 2007-003030 R-CHIP,91ohm,5%,1/16W,DA,TP,1005
R407 2007-007001 R-CHIP,3.9Kohm,5%,1/16W,DA,TP,1005
R521 2007-007090 R-CHIP,11Kohm,5%,1/16W,DA,TP,1005
R510 2007-007095 R-CHIP,390ohm,5%,1/16W,DA,TP,1005
R362 2007-007096 R-CHIP,160ohm,5%,1/16W,DA,TP,1005
R132,R137,R259 2007-007107 R-CHIP,100Kohm,1%,1/16W,DA,TP,1005
R265 2007-007133 R-CHIP,300ohm,1%,1/16W,DA,TP,1005
R261 2007-007135 R-CHIP,18K,1%,1/16W,DA,TP,1005
R434,R900,R903,R905 2007-007137 R-CHIP,1.2Kohm,1%,1/16W,DA,TP,1005
R522 2007-007141 R-CHIP,240ohm,5%,1/16W,DA,TP,1005
R904,R987 2007-007142 R-CHIP,10Kohm,1%,1/16W,DA,TP,1005
R514,R523,R626,R645,R652 2007-007195 R-CHIP,3.9ohm,5%,1/16W,DA,TP,1005
R262,R416 2007-007309 R-CHIP,12Kohm,1%,1/16W,DA,TP,1005
R266,R414 2007-007310 R-CHIP,8.2Kohm,1%,1/16W,DA,TP,1005
R412 2007-007311 R-CHIP,22Kohm,1%,1/16W,DA,TP,1005
R409 2007-007316 R-CHIP,3.3Kohm,1%,1/16W,DA,TP,1005
R200,R201,R202,R203 2007-007317 R-CHIP,2.2Kohm,1%,1/16W,DA,TP,1005
R121,R127,R133,R303,R313,R415,R994,R995 2007-007318 R-CHIP,1Kohm,1%,1/16W,DA,TP,1005
R619 2007-007528 R-CHIP,1.5Kohm,1%,1/16W,DA,TP,1005
R435,R655 2007-007588 R-CHIP,1.8Kohm,1%,1/16W,DA,TP,1005
R258 2007-007590 R-CHIP,82Kohm,1%,1/16W,DA,TP,1005
R260 2007-007592 R-CHIP,270Kohm,1%,1/16W,DA,TP,1005
R979,R981 2007-007627 R-CHIP,16Kohm,1%,1/16W,DA,TP,1005

R983 2007-007630 R-CHIP,14Kohm,1%,1/16W,DA,TP,1005
R355,R902 2007-007788 R-CHIP,332ohm,1%,1/16W,DA,TP,1005
C524 2203-000151 C-CHIP,1.5nF,5%,50V,TP,2012
C215,C216,C217,C218,C303,C318,C337,C362,C368,
C411,C416,C501,C502,C503,C508,C509,C516,C521,
C623,C628,C635,C642 2203-000233 C-CHIP,100pF,5%,50V,TP,1005
C348,C512 2203-000278 C-CHIP,10pF,5%,50V,TP,1005
C445 2203-000311 C-CHIP,120pF,5%,50V,TP,1005
C310,C539,C604 2203-000330 C-CHIP,12pF,5%,50V,TP,1005
C625 2203-000359 C-CHIP,150pF,5%,50V,TP,1005
C201,C316,C431,C514,C951,C958,C959,C966,C967,
C968,C969,C970,C1009,C1011,C1012,C1013,C1014,
C1015,C1016,C1017,C1018,C1019 2203-000386 C-CHIP,15pF,5%,50V,TP,1005
C127,C135,C207,C311,C351,C352,C354,C356,C361,
C371,C373,C375,C379,C504,C522,C621,C627,C637,
C641
2203-000438 C-CHIP,1nF,10%,50V,TP,1005
C624 2203-000455 C-CHIP,1nF,5%,50V,TP,2012
C409 2203-000585 C-CHIP,220pF,10%,50V,TP,1005
C950,C956 2203-000604 C-CHIP,22nF,10%,25V,TP,1608
C305,C330,C374,C376,C378,C415,
C505,C506,C515,C611,C617 2203-000628 C-CHIP,22pF,5%,50V,TP,1005
C405,C418,C423,C428,C454,C457,C458,C459,C460, 2203-000679 C-CHIP,27pF,5%,50V,TP,1005
C510,C511,C520,C530,C632,C633,C639
C128,C136,C609 2203-000725 C-CHIP,3.9nF,10%,50V,TP,1005
C614 2203-000800 C-CHIP,33nF,10%,25V,TP,1608
C302,C306,C319 2203-000812 C-CHIP,33pF,5%,50V,TP,1005
C610 2203-000836 C-CHIP,390pF,10%,50V,TP,1005
C325 2203-000854 C-CHIP,39pF,5%,50V,TP,1005
C304,C357,C810,C819,C862,C867 2203-000940 C-CHIP,470pF,10%,50V,TP,1005
C321,C350,C353,C377,C647 2203-001017 C-CHIP,4pF,5%,50V,TP,1005
C1004 2203-001033 C-CHIP,5.6nF,10%,25V,TP,1005
C518,C519 2203-001072 C-CHIP,56pF,5%,50V,TP,1005
C165,C166,C167,C168 2203-001101 C-CHIP,6.8nF,10%,25V,X7R,TP,1005
C507,C513 2203-001153 C-CHIP,68pF,5%,50V,TP,1005
C300,C307,C315,C540,C606 2203-001178 C-CHIP,6pF,5%,50V,TP,1005
C314,C339 2203-001201 C-CHIP,7pF,5%,50V,TP,1005
C410,C430 2203-001221 C-CHIP,820pF,10%,50V,TP,1005
C613 2203-001259 C-CHIP,8pF,5%,50V,TP,1005
C169 2203-001402 C-CHIP,220nF,+80-20%,16V,TP,1608
C523 2203-001408 C-CHIP,270pF,5%,50V,TP,1608
C429 2203-002525 C-CHIP,560pF,10%,50V,TP,1005
C313 2203-002668 C-CHIP,0.5pF,0.1pF,50V,TP,1005
C214,C317,C906,C954,C964,C990,C996,C997,C1008 2203-003054 C-CHIP,9pF,5%,50V,TP,1005
C1020,C1021,C1022,C1023,C1024
2-4Electrical Parts List
REFERENCE DESCRIPTIONSSEC.CODE

2-5 Electrical Parts List
REFERENCE SEC.CODE DESCRIPTIONS
C341,C349 2203-005050 C-CHIP,1.8pF,5%,50V,TP,1005
C210,C528,C603,C644 2203-005054 C-CHIP,4.7pF,5%,50V,TP,1005
C102,C117,C126,C134,C141,C204,C205,C206
C254,C258,C259,C260,C261,C358,C363,C372
C500,C608,C618,C634,C851,C853,C855,C869 2203-005061 C-CHIP,100nF,+80-20%,16V,TP,1005
C874,C901,C902,C903C904,C905,C961,C971
C972,C973,C974,C995,C999,C1000,C1005,C1010
C170,C171,C172,C173,C257,C364,C533,C534
C536,C638,C669,C800,C830,C831,C872 2203-005065 C-CHIP,1uF,+80-20%,10V,TP,1608
C177,C342,C645 2203-005158 C-CHIP,2.2pF,5%,50V,TP,1005
C629 2203-005195 C-CHIP,10nF,5%,25V,TP,3216
C346,C602,C646 2203-005444 C-CHIP,3pF,5%,50V,TP,1005
C178,C179,C180,C181 2203-005480 C-CHIP,33nF,10%,10V,TP,1005
C957 2203-005481 C-CHIP,47nF,10%,10V,TP,1005
C365,C616 2203-005562 C-CHIP,10uF,+80-20%,10V,TP,3216
C131,C139,C200,C211,C262,C333,C359,C360,C433
C435,C531,C600,C601,C605,C607,C612,C615,C620
C622,C626,C630,C636,C801,C828,C833,C850,C852 2203-000254 C-CHIP,10nF,10%,16V,TP,1005
C854,C859,C870,C979,C1006,C1007
C464,C871 2404-001083 Cap-Tantal,220uF,6.3V,20%,TP,7125
C827 2404-001020 Cap-Tantal,10uF,6.3V,20%,TP,3612
C103,C104,C805,C806,C816,C817,C826,C845,C860,
C861,C868,C832 2404-001105 Cap-Tantal,10uF,6.3V,20%,TP,2012
C873 2404-001152 Cap-Tantal,220uF,20%,6.3V
C953 2404-001162 Cap-Tantal,47uF
C253 2203-005367 Cap-Tantal,6.8uF,20%,25V
L126,L128 2703-000217 Inductor,470uH/10%,2.5x3.2x2mm
L127,L129 2703-001071 Inductor,330uH/10%,2.5x3.2x2mm
L302 2703-001956 Inductor,100nH/5%,1608
L401 2703-001942 Inductor,33nH/5%,1608
L607 2703-001178 Inductor,3.3nH/0.3nH,1005
L327 2703-001943 Inductor,10nH/5%,1005
L175 2703-001290 Inductor,2.7nH/0.3nH,1608
L502,L503 2703-001308 Inductor,68nH/5%,1608
L177,L308,L600 2703-001950 Inductor,12nH/10%,1005
L320 2703-001544 Inductor,39nH/5%,1608
L250 2703-001595 Inductor,47nH/5%,1005
L300 2703-001685 Inductor,82nH/5%,1608
L402 2703-001708 Inductor,5.6nH/5%,1005
L800 2703-001928 Inductor,47uH/20% 4.8x4.8x1.8mm
L326 2703-001949 Inductor,4.7nH/5%,1005
L323,L500 2703-001722 Inductor,18nH/5%,1005
L321,L322,L405,L406,L504,L505 2703-001986 Inductor,33nH/5%,1005
L507,L324 2703-001726 Inductor,27nH/5%,1005
L328,L329,L602 2703-001727 Inductor,22nH/5%,1005

L604 2703-001728 Inductor,1.5nH/0.3nH,1005
L301,L303,L501 2703-001732 Inductor,56nH/5%,1608
L305,L310 2703-001952 Inductor,8.2nH/5%,1005
L309,L325,L340 2703-001953 Inductor,6.8nH/5%,1005
L306,L319 2703-001984 Inductor,3.9nH/10%,1005
L307,L603,L606 2703-001954 Inductor,2.7nH/0.3nH,1005
L251 2703-001740 Inductor,10uH/20%,1608
L601 2703-001794 Inductor,120nH/2%,1608
L318 2703-001798 Inductor,2.2nH/5%,1005
L801 2703-002020 Inductor,2.2mH/20%
X201 2801-003847 Crystal
X600 2806-001190 DUAL VCO,1171~1216MHz,3V,8mA,TP
X501 2806-001194 DCS TX VCO
X500 2806-001199 GSM TX VCO
X601 2809-001220 VCTCXO-13MHz
F305 2903-001203 Ceramic Filter
F300 2904-001146 Filter-SAW-AV,246MHz
F301 2904-001147 Filter-SAW-AV,942.5MHz
F303,F304 2904-001170 Filter-SAW,1842.5MHz,75MHz
F302 2904-001175 GSM RX SAW
U401 2909-001086 ANTENNA SWITCH,942.5MHz,897.5MHz
F200,F201 3301-001208 Core-Ferrite Bead
J100 3709-001121 SIM CONNECTOR,6P,2.54mm,SMD-S
M950 3710-001105 CONNECTOR-SOCKET,2P,1.27mm,SMD-S
J176 3710-001302 I/F Connetctor,18P,0.5mm
J151 3710-001428 BTB Connector,24P,0.5mm
J901 3722-001380 Earphone jack,6P
U405 4709-001174 Directional Coupler,890-915/1710-1785MHz
R360,R359,R604,R615,R632,C130,C138,C176,C370,C380,
C367,C369,C517,C529,C535,C643,L176,L311,L341,L605
SOT,NC
2-6Electrical Parts List
DESCRIPTIONSSEC.CODE
REFERENCE DESCRIPTIONSSEC.CODE
C863 4302-001081 BATT/CAP250uAH 3.3V
J180 GH96-00891A LCD(LCD+EL+LCD Bracket)
motor GH31-10004A Vibrator motor
W176 GH39-00041A Semirigid Cable
PCB GH41-00090A SGH-2488 PCB
GH42-00038A ANTENNA
GH96-00892A KEYPAD ASS’Y
A176 GH71-00020A ANTENNA CLIP
SMD
REFERENCE

JIG GH80-10508A SGH-2400 TEST JIG
CABLE GH39-30532A SGH-2400 TEST JIG CABLE
TA GH44-30553A SGH-2400 TRAVEL ADAPTOR(China)
TA CABLE GH39-10504A SGH-2400 TA CABLE
CLA GH44-00040A SGH-2400 CLA
DTC GH44-00090A DESK TOP CHARGE
SLIM BATTERY 540mAh ( Light Grey )
SLIM BATTERY 540mAh ( Dark Grey )
SLIM BATTERY 540mAh ( BLACK )
STANDARD BATTERY GH43-00143D 750mAh ( Light Grey )
STANDARD BATTERY GH43-00143E 750mAh ( Dark Grey )
STANDARD BATTERY GH43-00143F 750mAh ( BLACK )
EXTENDED BATTERY GH43-00183D 1000mAh ( Light Grey )
EXTENDED BATTERY GH43-00183E 1000mAh ( Dark Grey )
EXTENDED BATTERY GH43-00183F 1000mAh ( BLACK )
DATA KIT GH96-00774A SGH-2400 DATA KIT
HFK HANDS FREE KIT
EAR PHONE GH96-00830A EAR PHONE
2-7 Electrical Parts List
REFERENCE DESCRIPTIONSSEC.CODE
OPTION

3 Block Diagrams
3-1 Main RF
Block Diagrams 3-1
SAW
DCS
GSM
GSMTX2 DCSTX2
RxEN_FEDCS
RxEN_FEGSM
U401
SAW
F304F303
F301 F302
U300
Q300
RxEGSM
(925~960MHz)
RxDCS(1805~1880MHz)
TxEGSM(880~915MHz)
TxDCS(1710~1785MHz)
U305
DUAL
COUPLER
U405
DET. DCSPAM U408
TXPOWER
SAW SAW BPF
246MHz
F300
Dip.
RXLO1DCS
2051.2~2125.8MHz
BANDSEL
DEMODEN
EGSM:1171.2~1216MHz
EGSM:493~518MHz
DCS:498~519MHz
DCS:310.8MHz
GSM:295.8MHz
DCS:2019.2~2125.8MHz
PLLEN
TXEN1
QRXP
IRXP
VMID
RXLO3
13MHz
TXEN1
DCSTX1
TXEN1 GSMTX2 DCSTX2
GSMPAM U402
GSMTX1 Dip. BPF Mod.
QTX
REF
13MHz
QTXI
ITX
ITXI
VCO
LPF PDF
U500
1/5 BPF
1/3
VCO
X501
X500
DUAL
PLL
DUAL
VCO VCO X2
Ref
Osc
BPF
U301
RXLO1GSM
1171.2~1205.8MHZ
RXLO2
259MHz
F305
PLL
O˚
90˚
LNA VGA
LNA
OP
amp
PA
PA

3-2 Block Diagrams
3-2 Main Base Band
VCC
SYSTEM
CLOCK
32M FLASH
+ 4M SRAM
EEPROM 256K
16M ROM
KeyPad
Graphic LCD
(128 x 64)
SIM Card
B.B Interface
POWER
Circuit
GSM/DCS
RF interface
Serial Data
Interface
+3V SIM Card
+5V SIM Card
Battery Voltage
Battery
Temperature
GSM PLL
3V Tx
AVCC
RF PSU
Multi
Switch
Array
I/O Interface
A/D Interface
I/O BB Filter
PLL
GSM/DCS
VOCODER
Memory
Charging Circuit
Li_lon Battery (3.6V)
GSM/DCS
KERNEL 5
DCS PLL
GSM Tx
DCS Tx
GSM PSU
DCS PSU

3-3Block Diagrams
3-3 Travel Adapter
EMI FILTER
CIRCUIT FIRST
RECTIFIRE
ISOLATION
POWER
TRANSFORMER
ISOLATION
OPTO COUPLER O.C.P
POWER
SWITCHING
(MOS FET) FEED BACK
P.W.M
CONTROL
SECOND
RECTIFIRE FILTER
AC
INPUT DC
INPUT

3-4 Block Diagrams
3-4 Desk Top Charger
CHOKE COIL
Switching TR
Circuit
UVLO
Overcurrent Protector
2nd Regulator
Reference
Voltage
Overheat
Protector
Feed Back
LED
MPU
Filter FET Switch
INPUT
9V DC FRT 4.1V
FET Switch
REAR 4.1V
Static Current Circuit
Static Voltage Circuit
Battery Type Detector
Charge Voltage Detector
Charge Voltage Selector

4-1PCB Diagrams
4. PCB Diagrams
4-1 Main Top

4-2
4-2 Main Bottom
PCB Diagrams

5. Schematic Diagrams
5-1 Top Level
5-1 Schematic Diagrams
TXPOWER
IRXP
GSMTX1
+3VPLL
+3VMD
_BANDSEL
+3VDEMOD
+3VLNAGSM
+3VLNADCS
TXEN2
RXEN_FEGSM
SYNEN
AFC
DCSTX1
ITX
AFC
VMID
+VBATT
IRXP
DCSTX2
CLK13M
RXEN_FEDCS
STARTUP_VOLTS
+3VLO1
SYNCLK
+3VPLL
STARTUP_VOLTS
DCSTX2
_RESET
TXEN2
+3VTX
DEMODEN
+3VDEMOD
ANT
BANDSEL
QTX
SYNDATA
+3V_RTC
VAGC
ANT
+3VDC
ITX1
QRXP
DCSTX1
POWER_ON
SYNEN
RXEN_FEGSM
+3VLO2
AVCC
POWER_ON
+3VX
SYNCLK
SYNDATA
VMID
+3VDC
GSMTX2
+3VBB
CLK13M
VAGC
QTX1
_BANDSEL
_RESET
+3VLNADCS
+3VLNAGSM
+3VLO1
ITX1
+3VLO2
+3VMD
+3VX
GSMTX1
+VBATT
BANDSEL
ITX
TXPOWER
QRXP
QTX1
TXEN1TXEN1
QTX
RF_ON_OFF
DEMODEN
RXEN_FEDCS
GSMTX2
+3V_RTC
RF_ON_OFF
+3VTX
+3VBBAVCC +VBATT
_RESET

5-2Schematic Diagrams
5-2 Radio
CLK13M
_BANDSEL
TXGSM
QRXP
RXL01GSM
RXL02
+3VPLL
+3VX
RXGSMIN
+3VLO1
+3VDEMOD
+3VLNADCS
+3VTX
QTX1
DCSTX2
GSMTX2
TXDCS
+3VTX
+3VMD
RXL01GSM
RXL02
TXDCS
VAGC
TXEN1
RXDCSIN
+3VLO2
SYNEN
ANT
VMID
TXGSM
TXL02
RXEN_FEDCS
RXL03SYNDATA
+3VDC
IRXP
ITX1
TXL01
RXL01DCS
DEMODEN
QTX
+3VLNAGSM
RXL01DCS
TXEN1
DCSTX1
+VBATT
RXL03
SYNCLK
TXL02
TXPOWER
GSMTX1
+3VMD
RXEN_FEGSM
$DESIGNS/s50-0040a01/iss_AC/radio
RXDCSIN
TXEN2
ITX
BANDSELTXL01
RXGSMIN
AFC
GSMTX2
DCSTX2
ANT
+VBATT
+3VTX
BANDSEL
_BANDSEL
SYNDATA
ITX
QTX
SYNCLK
AFC
SYNEN
ITX1
QTX1
VAGC
RXEN_FEDCS
RXEN_FEGSM
DEMODEN
CLK13M
DCSTX1
GSMTX1
+3VMD
+3VLO1
+3VDC
+3VDEMOD
+3VLNADCS
+3VPLL
+3VLO2
+3VLNAGSM
+3VX
QRXP
IRXP
VMID
TXPOWER
TXEN2
TXEN1

5-3 Schematic Diagrams
5-3 Main VCO and Local
0805
1206
COG
1206
COG
0603,2%
0603
0603
0603
3.9R
R652
C633
C636
10nF
C607
27pF
10nF
18
R625
10K
R630
C616
10uF
C620
10nF C622
100nF
C634
10nF
+3VLO1
18
R623
R607
10
100pF
C635
+3VLO1
0
R631
+3VPLL
C606
6pF
R655 1.8K
+3VLO1
C602
3pF
R612
820
+3VX
C601
10nF
C645
1uF
C638
2.2pF
R622
22K
2.7nH
L603
R611
1K
R609
2.7K
BFS17W
Q601
C613
2.7nH
L606
8pF
L605
SOT
200
R613
+3VX
1uF
C669
6.8K
R603
6.2K
R628
C623
100pF
10nF
C605
3.3K
R608
R648
51
1nF
C641
27pF
C632
10
R638
1nF
C627
2.2K
R640
C611
22pF
SOT
R604
DUALVCO
MQWROTO-1193M2073A1
12 11
234789
OUTPUT 6
10
SW
VB
5
VC
1
C624
1nF
X600
25
C625
150pF
TRANSISTOR
Q600
1
4
63
R626
3R9
C629
10nF
L600
0
R647
BFS17W
12nH
15
_FINIF
_FINRF 6
Q604
CPORF 3
12 DATA
16
FINIF
FINRF 5
10FO_LD
GND
9
4
GND1
7
GND2
14
GND3
17
GND4
LE
13
8OSCIN
VCCIF
201
VCCRF
19
VPIF
VPRF
2
U603
LMX2330L
PLL
CLK
11
18
CPOIF
C630
10nF
D600
10
R602
100nF
SMV1249-001
51
R649
C618
L607
3.3nH
3.9nF
C609
10nF
C615
+3VLO1
+3VPLL
+3VPLL
R650
10
+3VX
6.2K
R606
1nF
C637 22
R654
C604
12pF
R617
120
U604
MRFIC0916
1
GNDGND1
4
RF_IN23RF_OUT
R615
SOT
C617
22pF
100
R621
+3VPLL
33nF
C614
120nH
L601
C621
1nF
+3VLO2
4.7pF
C644
R646
1K
4.7pF
C603
C628
100pF
+3VLO2
4pF
C647
220
R644
C608
100nF
22nH
L602
C612
10nF
R601
10
10K
R605
C646
3pF
R618
180K
R610
150K
100pF
C642
R651
22
C643
SOT
OUTPUT
VCC
VCONT
R653
100
X601
13.0Mhz TCO-999
GND
180K
R643
10
R633
L604
1.5nH
10K
R637
390pF
C610
R645
3R9
150K
R639
R632
SOT
3K
R629
10nF
C600
27pF
C639
10nF
C626
18
R627
+3VLO2
R619
1.2K_1%
_BANDSEL
CLK13M
RXL03
+3VPLL
+3VLO2
+3VPLL
+3VX
RXL02
TXL02
RXL01GSM
RXL01DCS
TXL01
+3VLO1
SYNCLK
SYNDATA
SYNEN
AFC

5-4Schematic Diagrams
5-4 Receiver
(3216)
COIL CRAFT : L300,L301,L303,L320
(1608)
(1608)
(1608)
(1608)
(1608)
(1608)
Coilcraft
NOTE
NC
C380
332_1%
R355
22pF
C378
C370
SOT
1
2
3
4
6
18
R304
U302
UMC5N
C358
1nF
C379
L324
100nF
6.8nH
L325
27nH
47K
R353
C302
+3VLNAGSM
1.8pF
+3VDC
33pF R300
20K
C349
C357
+3VLNADCS
100nF
C363
470pF
4pF
R360
SOT
C350
C365
R306
180
R357
10uF
C375
330
BCR400
CONTR
GND
REXT
Vs
1nF
C318
U307
SOT
L311
100pF
1
2
3
4
6
1nF
C311
U303
UMC5N
L329
22nH
1K_1%
R303
GAIN-RS 12
7GREF
10 IFHI 11
IFLO
IFOP 14
IOUT 18
LOIP
4
8MXOP
3PRUP 17
QOUT
RFHI
6
5RFLO
VMID
9
VPS1 20
VPS2 16
DEMODULATOR
AD607
U301
COM1
2
13
COM2
15
DMIP
1FDIN 19
FLTR
1nF
C371
15pF
R351
C316
3.3K
4.7K
51
R354
L328
R305
GND3
14 10
GND4
LO
9
8LOX
MI
11
12 MIX
MO 5
6
MOX
STB 13
7
VCC
+3VLNAGSM
22nH
PMB2333
MIXER
U300
AI
2
AO 15
AREF
1
GC 16
3
GND1
4
GND2
1uF
C364
100pF
C362
C317
9pF
R362
160
6pF
C300
4pF
C353
4pF
C377
C359
10nF
R313
1K_1%
C346
3pF
L303
56nH
C341
1.8pF
C356
1nF
0
C333
10nF
R326
C304
470pF
+3VDC
51
R364
Q300
BFP405
L300
82nH
C352
1nF
12pF
C310
+3VDC
6pF
C315
F301
1GND1
3GND2
4GND3
6GND4
IN
2OUT 5
GND1
3
GND2
414
GND3GND4
10
9LO
LOX
8
11 MI
MIX12
MO 5
MOX 6
13
STB
VCC
7
B4703
FILTER
MIXER
PMB2333
U305
2AI
15
AO
1AREF
16GC
L305
8.2nH
C305
22pF
L309
6.8nH
L310
8.2nH C306
100pF
C368
+3VLNADCS
33pF
FAR-F5CH-942M50-L2KM
FILTER
F302
GND1
1
GND2
3
GND3
4
GND4
6
IN2 5
OUT
L302
100nH
12nH
L308
F300
B4818
10
COIL
GND1
3
GND2
4
GND3
6
GND4
9
GND5
12
IN
1
IN-R
2OUT 7
OUT-R 8
C303
100pF
FILTER
CFECS13.0ME23-TC
F305
FILTER
13MHz
2
GND
5
1IN
NC
36
OUT 4
1nF
C361
2.7K
R309
L319
3.9nH
10nH
L327
L320
39nH
C373
1nF
22pF
+3VDEMOD
L340
6.8nH
+3VDC
C330
C351
22pF
C376
L318
2.2nH
1nF
2.7nH
L307
7pF
L326
4.7nH
C339
C313
33pF
C319
+3VDEMOD
0.5pF C314
330R356
7pF
C325
39pF
SOT
C369
L321
33nH
L306
3.9nH
1nF
R317
180
10nF
C354
56nH
C360
C337
L301
1GND
3GND1
4GND2
5GND3
7GND4
8GND5
2
IN OUT
6
100pF
R301
F303
B4693
FILTER
L322
4.3K
R308
33nH
10
L341
R311
180
0
R361
NC
2.2pF
C342
47K
R352
R359
SOT
C348
4pF
10pF
22pF
C321
C374
R316
R363
10K
SOT
180
330
R365
C367
C307
C372
6pF
L323
18nH
100nF
FILTER
B4693
F304
GND
1
GND1
3
GND2
4
GND3
5
GND4
7
GND5
8
IN
26
OUT
VAGC
RXEN_FEGSM
VMID
+3VLNAGSM
+3VLNADCS
+3VDC
+3VDEMOD
RXL01GSM
RXL01DCS
QRXP
IRXP
RXL02
RXGSMIN
RXEN_FEDCS
RXDCSIN
DEMODEN
RXL03

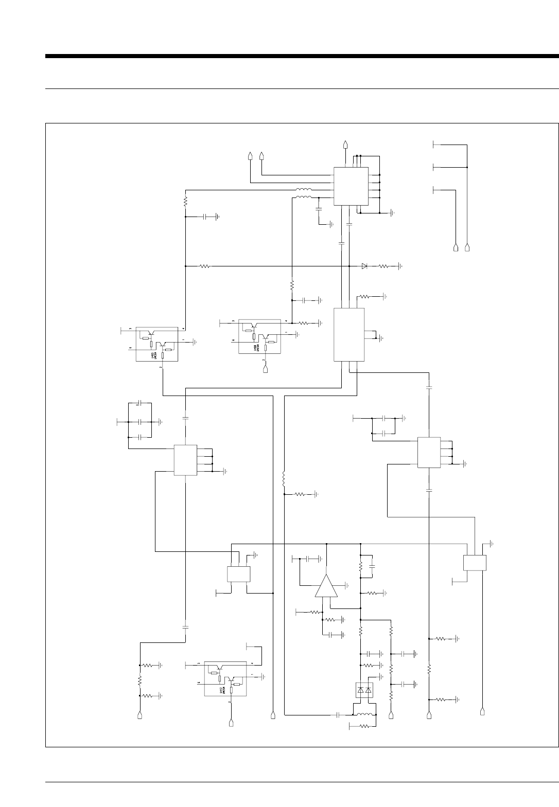
5-5 Schematic Diagrams
5-5 Modulator & Tx Vco
COG
1608
0603
0805
COG
1608 1608
0603
0603
1608
1608
C539
12pF
1K
R529
+3VMD
0
R531
U501
D
G
S
27pF
C510
10pF
C512
TP0101T
68nH
L502
+3VMD
R528
100K
C508
100pF
C529
27pF
6pF
C540
R515
470
C534
+3VMD
L501
56nH
1uF
1uF
C533
C511
27pF
C536
1uF
3R9
R523
56pF
C518
+3VMD
R501
10
Q
1
13 RD
22
RF
VS1
721
VS2 VS3
26 8
VSP
C501
100pF
GNDP
10
28 I
15 MC
MDLO
3
MDO 5
MIXLO20
25
MIXO
ND 16
27 NI
NMDO 6
17
NND
2NQ
NRD14
NRF 23
PU 19
PUMIX 12
U500
PLL
U2893B
11 CPC
9
CPO
GND1
418
GND2GND3
24
C503
100pF
10
R504
C520
27pF
10
R500
33nH
L505
10
R502
27pF
C517
R524
10
+3VTXVCODCS
+3VTXVCODCS
330
R525
D
G
S
R512
910
100pF
C502
U502
TP0101T
+3VMD
R522
240
100nF
910
R507
100pF
C500
C521 C522
1nF
330
R526
C507
68pF
51
R520
C515
22pF
CONTROL
GND1
GND2
GND3
GND4
OUTPUT
SUPPLY
L504
33nH
68nH
X500
MQE9P7-897
+3VTXVCOGSM
L503
R519
51
Q500
2N7002
D
G
S
R514
3R9
C516
+3VTXVCOGSM
+3VMD
10nF
C531
100pF
1.5nF
+3VMD
C523 C524
C528
4.7pF
270pF
CONTROL
GND1
GND2
GND3
GND4
OUTPUT
SUPPLY
+3VMD
11K
R521
MQE9PE-1747
X501
100pF
C509
10
R527
390
R510
18nH
R517
10
L500
C505
22pF
27pF
C530
68pF
C513
R518
470
C519
56pF
L507
27nH
R511
51
C504
1nF
R505
0
22pF
C506
R503
10
R516
470
C535
NC
C514
15pF
+3VMD
5
5
5
5
DCSTX1
ITX
ITX1
QTX1
BANDSEL
5
GSMTX1
QTX
TXL01
TXDCS
5
5
5
TXGSM
5
55
55
5
TXEN1
TXL02

5-6Schematic Diagrams
5-6 Transmit Output Stage
1608
7125
+3VALC
1K_1%
R415
+3VTX
+3VGSM
51
R410
+3VDCS
8.2K_1%
R414
L406
33nH
R430
150
R434
1.2K_1%
R429
91
15pF
R413
C431
C457
560
GND3 6
GND48 GND5 10
GND6
11
GND7
12
GND8
15
GND9
1
GSMRx
9
GSMTRx
7VC1
4
VC2
14
27pF
RF_SWITCH
SHS_L090D
U401
ANT 2
DCSRx
16
DCSTRx
13 GND1 3
GND25
C416
100pF
+3VALC
+3VTX
C410
820pF
33nH
L401
+3VTX
22K_1%
R412
1.8K_1%
R435 C454
27pF
+3VALC
27pF
C428
R404
120
120
R406
22pF
C415
12K_1%
R416
U413
TC7S66FU
4CONT
GND 3
IN 1
OUT 2
5VCC
+3VGSM
C430
820pF
C429
560pF
10K
R418
U402
PF01411B
POWER_AMP
2GND1
4GND2
6GND3
8GND4
1PIN POUT 7
3
VAPC
VDD 5
100pF
C411 C459
27pF
27pF
C418
+3VALC
C409
220pF R419
10K
C423
+3VTX
3.3K_1%
R409
27pF
120pF
C445
PIN
17
POUT
VAPC
35
VDD
+3VDCS
3.9K
R407
POWER_AMP
PF0414B
U408
GND1
2
GND2
4
GND3
6
GND4
8
C460
27pF
5.6nH
L402
MCL4154
D401
R420
51
10nF
91
R427
C433
D400
HSMS-2805-L31
C464
68
R445
220uF/6.3V
U405
LDC15D140A0001
COUPLER
GND1
26
GND2
1PORT1_GSM_IN 7
PORT2_GSM_OUT
3PORT3_DCS_INPORT4_DCS_OUT 5
8PORT5_COUPLING_OUT
PORT6_TERMINATION 4
+3VALC
OPAMP
U406
LM7131ACM5
+
3+V
5
4-
2
-V
1
10nF
C435
R432
150
39
R431
TC7S66FU
U414
CONT
43
GND
1
IN
2
OUT
VCC
5
27pF
C405
L405
C458
27pF
+3VALC
33nH
680
R417
5
R428
82
5
5
5
5
DCSTX2
GSMTX2
5
DCSTX2
5
ANT
RXDCSIN
RXGSMIN
TXGSM
5
+VBATT
5
5
5
5
TXDCS
TXPOWER
5
+3VTX
5
TXEN1

5-7 Schematic Diagrams
5-7 Base Band Block
RS232_RTS
RS232_RXD
LCD_EN
KEYBOARD_COL(0:4)
CHRG_CURRENT
RXSFM
DCSTX2
SIMCLK
KQRX
+3VBB
CS_FLASH2
REED
CLK13M_K
TXEN1
LCD_EN
DEMODEN
SCL
MIC2N
MIC2P
RS232_CTS
TXRDY
RXDATA
ITX
BAT_VSET
SIMALIM
BANDSEL
ITX1
KEYBOARD_COL(0:4)
KIRX
LCD_WR
MIC-
RXRDY
RXSFM
SP
SPK2N
REFADCP
BAT_TYPE
WR
LCD_A2
RXRDY
RXCLK
SPK2P TXDATA
TXSFM
SIMCLK
SIMDATA
MIC+
SIM_5V3V
SIM_5V3V
A(0:20)
SIMDATA
SIMRST
_RTC_INT
BAT_VOLT
MIC2N
MIC2P
RD
CS_FLASH2
TXCLK
ON_OFF
GSMTX1
GSMTX2
KEYBOARD_ROW(0:4)
REFADCP
BOOT
CF
DCVOLT
AVCC
REFTXN
BFI
+VBATT
ANT VF
BACKLIGHT
D(0:15)
CHK_BAT
KQRX1
D(0:15)
DCIN
SDA
RXEN_FEGSM
POWER_ON
TXEN2
SIMRST
BAT_TYPE
ON_OFF
REED
STARTUP_VOLTS
+3V_RTC +VBATT
BACKLIGHT
RXEN_FE
CSRAM
uP_ON_OFF
BBFILTEN
BFI
BOOT
MAX_VOLT
MIC+
CSRAM
CSROM
CSVOC
BBFILTEN
IRXP
QRXP
VMID
DCSTX1
VF
+VBATT
CSROM
REFADCN
RD
KIRX1
KQRX
LCD_A2
LCD_WR
TXSFM
BAT_VSET
+3VBB RS232_RXD
RS232_TXD
REFTXP
RF_ON_OFF
RI_LIGHT
WR
_RESET
SDA
SPK2N
KEYBOARD_ROW(0:4)
RXCLK
REFADCN
RXEN_FE
CHRG_CURRENT
RD
DCIN
DCVOLT
MAX_VOLT
CF
CHG_ON
TEMPERATURE
KIRX
+3VBB
SP
SYNCLK
RI_LIGHT
SYNEN
_RESET
AFC
RTC_ON_OFF
CHG_ON
STARTUP_VOLTS
D(0:15)
TEMPERATURE
TXCLK
TXDATA
TXEN1
CSVOC
D(0:15)
AVCC
CLK13M
MIC-
BAT_VOLT
VAGCRS232_RTS
+VBATT
A(0:20)
TXRDY
KIRX1
RXDATA
BANDSEL
TXPOWERSPK2P
REFTXN
QTX
RTC_ON_OFF
REFTXP
KQRX1
RXEN_FEDCS
_BANDSEL
CLK13M_K
WR
AVCC
A(0:20)
RS232_CTS
SYNDATA
+VBATT
AVCC
+VBATT
RS232_TXD
SCL
TXEN2
+3VBB
SIMALIM
QTX1
_RTC_INT
_RESET
uP_ON_OFF
CHK_BAT

5-8Schematic Diagrams
5-8 Memory & SIM Schematic
NC : A1 A2 A3 A10 A11 A12
F6
H1 H2 H3 H10 H11 H12
SIM CONNECTOR
(I/O)
(VPP)
C103 AND C104 TO BE CLOSE TO SIM
(0805)
(0805)
(GND)
(CLK)
(RST)
(VCCSIM)
4
C999
100nF
U973
NC7SZ19
1
3
2G VCC 5
6
+3VBB
10K
R107
10KR999
R998
10K
R997
100K
100nF
C995
R101R100 100K
J100-3
3
100K
+3VBB
J100-6
6
U971
TC7S32FU
5
+
3
-
1
2
4
+3VBB
SMF05
D904
1
2
345
R106
10K
I_O14
I_O15 E2
D5
I_O2
I_O3 E5
F4
I_O4
I_O5 D3
E3
I_O6
I_O7 F2
D6
I_O8
I_O9 E6
F8 OE
RESET
B4
F5
VCC
E1
VCCQ
VPP A4
WE
B3
A3
A4
A8
B7 A5
A6
C6
A7 A7
A8
A3
C3 A9
CE
D7
GND0 E8
F1
GND1
E7
I_O0
I_O1 F7
F6
I_O10
I_O11 D4
E4
I_O12
I_O13 F3
D2
U972
AT49BV1604
A0
D8
C8 A1
A10
B2
A2 A11
A12
C2
A1 A13
A14
B1
C1 A15
A16
D1
B6 A17
A18
B5
A6 A19
A2
B8
C7
J100-5
5
10uF,6.3V
C104
+3VBB
C103
10uF,6.3V
+3VBB
+3VBB
100nF
C1000
+3VBB
J100-4
4
J100-2
2
J100-1
1
VIN
_SS
6C1+ 11
10
C1-
CIN
1CLK 16
3DATA
DDRV
4
DVCC
5
GND 9
14
I_O
8M0
7M1
2RIN 15
RST
VCC 13
12
C102
U102
LTC1555
CONVERTER
100nF
2SA1576
Q959
2
3
1
100K
R991
R988
10K
B8 S-CE1
B3 S-CE2
S-GND E10
A7 S-OE
S-VCC D4B4 S-WE
T1 C3
D6
T2
T3 E6
E7
T4
F-GND2 G7
H8 F-OE
C5 F-RP
D10
F-VCC
F-VCCW E3
C4 F-WE
E4
F-WP
FDQ10 E9
D8
FDQ11
FDQ12 C7
C9
FDQ13
FDQ14 B10
A9
FDQ15
FDQ8 G9
F10
FDQ9
H9 S-A18
A9
B6
DQ0 G10
F9
DQ1
DQ2 F8
E8
DQ3
DQ4 D9
C10
DQ5
DQ6 C8
B9
DQ7
F3 F-A18
F-A19
E5
F-BE0
H7
C6 F-BE1
D7
F-BYTE
D3
F-GND A8
F-GND1
A1
G6
A10
B5
A11
A4
A12
A5
A13
A6
A14
F7
A15
G8
A16
B7
A17
F4
A2
H5
A3
H4
A4
G5
A5
G4
A6
G3
A7
F5
A8
D5
D(12)
D(13)
D(14)
D(15)
+3VBB
+3VBB
U970
LRS1349
A0
H6
A(11)
A(12)
A(13)
A(14)
A(15)
A(16)
A(17)
A(18)
A(1)
A(2)
A(19)
A(20)
A(0)
D(1)
D(2)
D(3)
D(4)
D(5)
D(6)
D(7)
D(8)
D(9)
D(10)
D(11)
D(5)
D(6)
D(7)
D(8)
D(9)
A(21)
D(0)
A(7)
A(8)
A(9)
A(10)
A(11)
A(12)
A(13)
A(14)
A(15)
A(16)
A(17)
A(18)
A(19)
A(20)
A(21)
A(3)
A(4)
A(5)
A(6)
A(7)
A(8)
A(9)
A(10)
SIMCLK
SIMRST
SIMDATA
SIMALIM
SIM_5V3V
D(0)
D(1)
D(10)
D(11)
D(12)
D(13)
D(14)
D(15)
D(2)
D(3)
D(4)
A(2)
A(3)
A(4)
A(5)
A(6)
RD
WR
A(0:21) D(0:15)
CS_FLASH2
CSROM
uP_ON_OFF
CSRAM
_RESET

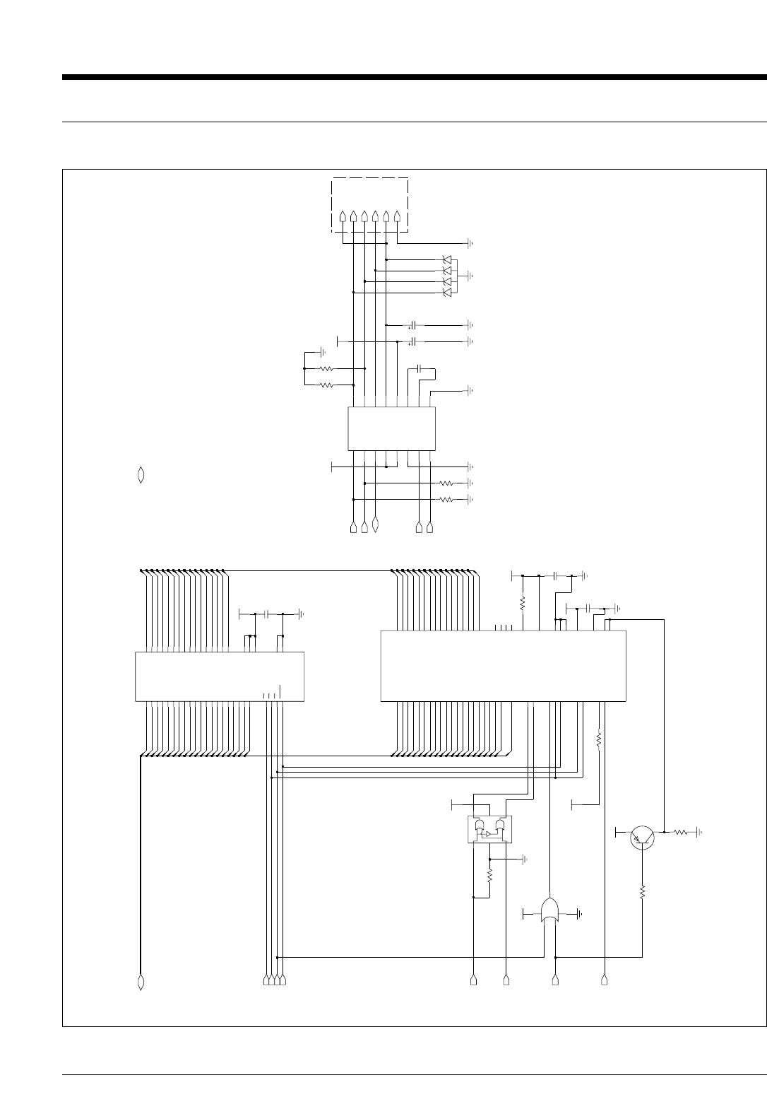
5-9 Schematic Diagrams
5-9 Vocoder
24-8005-002-000-867
(NICHICON-A)
02-787B2-53BKA
(0603)
(0603)
+3VBB
STARTUP_VOLTS
D902
DA221
TP952
R985
10K
15pF
C968
9pF
C1008
C956
22nF
R954
1K
R979
16K_1%
R962
10K
TP401
AVCC
16K_1%
R981
220
+3VBB
C1009
R1000
C1011
AVCC
15pF
C954
15pF
9pF
U963
MAX4544EUT-T
COM
5
GND 3
IN 1
NC
4
NO
6
V+ 2
R951
1K
R983
14K_1%
AUDIO-JACK
J901
1
IN1
IN2
2
3
IN3
IN4
4
5
IN5
6
IN6
R984
10K
U960-A
TC75W56FU
MAX4544EUT-T
U962
5COM
3
GND
1
IN
4NC
6NO
2
V+
10nF
C979
10K
+3VBB
330
R963
15pF
R953
100nF
C970
SMF05
D820
1
2
345
C973
Q951
2SD2114KT146
+3VBB
TC75W56FU
U960-B
9pF
+3VBB
C990
AVCC
15pFC959
C971
100nF
9pFC996
+VBATT
C969
15pF
15pF
C967
100K
R980
100nF
C974
AVCC
9pF
9pF
C964
C997
R972
9pF
100K
15pF
C1022 9pF
C1021 C1019
15pF
C1015
15pF
C1014C1020
9pF
C1013
15pF
15pF
AVCC
47uF
C953
C958
C957
63 VSS_PLL
21
VXI1N
22
VXI1P
19
VXI2N
20
VXI2P
WRN
78
47nF
55
TXCLK 56
TXDATA
54
TXRDY
5
VDDI-1 15
VDDI-2 48
VDDI-3
11
VDDO-1 16
VDDO-2
69
VDD_PLL
24
VREFN
VREFP 23
4VSSI-1
47 VSSI-2
10 VSSO-1
17 VSSO-2
41 VSSO-3
44
PCMIN
46
PCMOUT
PCMRDY
68
32
PWO1N
30
PWO1P
33
PWO2N
34
PWO2P
79 RDN
59
RXCLK 61
RXDATA
60
RXRDY
SDI1 40
42
SDI2 43
SDI3 45
SDI4
SP
12
39
DAICLK
DAIRST 25
13 GPI05
53 GPIO0
GPIO1
52
GPIO2
51
50 GPIO3
GPIO4
49
GSMRDY
67
H13M
64
INT1
65 INT2
66
26
MICREFN
27
MICREFP
71 MP
NRST
62
6AD4
7AD5
8AD6
9AD7
ALERTER 36
29AVD 35AVD_AMP
58
AVD_PLL
18 AVS
31 AVSUB
28 AVS_AMP
57 AVS_PLL
14 BFI
77 CSN
37
DAI1
DAI2 38
A0
72
A1
73
A2
74
A3
75
A4
76
A5
70
AD0
80
1AD1
2AD2
3AD3
TP406
M950
VIBRATOR
1
2
AVCC
VP40548-2
VOCODER
U950
C972
100nF
330
C1024
9pF
R950
15pF
C1017
9pF
C1023 C1016
15pF
100nF
C961
DA221
D901
C966
15pF
C1018
15pF
15pF
C1012
R952
10K
10K_1%
R987
C951
15pF
C950
22nF
2SD2114KT146
Q962
R978
AVCC
AVCC
C906
0
FDG6301N
Q957-1
D
G
S
9pF
SPK+
RF_ON_OFF
HEADSET_EN
JACK_IN
BUZ-
BUZ+
MIC-
MIC+
SPK-
VIBRATOR
REED
VIBRATOR
MIC2N
MIC2P
BBFILTEN
RI_LIGHT
_RESET
RXRDY
TXCLK
TXDATA
CLK13M_K
SPK2P
SPK2N
EAR_SWITCH
D(0:15)
D(7)
D(6)
D(5)
D(4)
D(3)
D(2)
D(1)
D(0)
A(0:20)
A(6)
A(5)
A(4)
A(3)
A(2)
A(7)
TXSFM
RXSFM
TXRDY
CSVOC
RD
WR
BFI
SP
RXCLK
RXDATA

5-10Schematic Diagrams
5-10 Interface Connector
0603
RF
SCL
+VBATT TO BE THICK TRACK UP TO U802 AND PAS (area fill)
GND4
TXD
SDA
CF
D176-179 CLOSE TO J176
VF
-VBATT
SPK2N
RTS
GND2
DCVOLT TO BE THICK TRACK UP TO R293 AND PAS (area fill)
SPK2P
ANT
GND1
GND3
DCVOLT1
+VBATT
MIC2P
RXD
0603, coilcraft only
MIC2N
DCVOLT2
0603
LAYOUT NOTES
GND5
+3VBB
CTS
0603
BOOT
1
2
345
COAX_CABLE
W176
SMF05
D101
I2
20 I20
21 I21
22 I22
23 I23
24 I24
25 I25
26 I26
3I3
4I4
5I5
6I6
7I7
8I8
9I9
+VBATT
INTERFACE CONNECTOR
J176
1I1
10 I10
11 I11
12 I12
13 I13
14 I14
15 I15
16 I16
17 I17
18 I18
19 I19
2
2.2pF
C177
NC
L176
+3VBB
R105 100
100
D104
VC060305A150
D179
VC060314A300
1
2
R187
C176
NC
100R182
0R184
R183 100
100R180
R181 100
L177
12nH
R179 100
100R178
33nF
R177 100
C180
C181
33nF
33nF
C179
C178
L175
2.7nH
33nF
100R188
100R186
R185 100
1
2
345
SMF05
D176
1
2
345
A176
ANTENNA CLIP
VC060305A150
D103
D102
SMF05
MIC2N
MIC2P
SPK2P
RS232_CTS
RS232_RXD
RS232_TXD
SCL
SDA
+VBATT
ANT
VF
DCVOLT
+3VBB
SPK2N
RS232_RTS
MAX4.2_BOOT

5-11 Schematic Diagrams
5-11 MMI Interface
(AXK5F24335J)
LCD CONNECTOR
(UG-12B-046X-DA)
(0603)
9
13
ROW3 ON_OFF
719ROW4 COL0
BACKLIGHT COL2
10 22BUZ- COL3
GND2 STARTUP_VOLT
DESCRIPTION
NO NODESCRIPTION
RS
14 30C3+
NO NODESCRIPTION
(0603)
1
DUMMY
24PIN CONNECTOR ASSIGN
PCB FIXING HOLE
EL FIXING HOLE
(0603)
(0603)
CS2
16
117
25
11 27C1- E_RD
12 28
22V1 DB4
7
RESETB
15
824
618
(0603)
MMI INTERFACE CONNECTOR
EL CONNECTOR
23BUZ+ COL4
12
+VBAT1 MIC-
32VDD
+VBAT2 MIC+
KS0713 LCD PIN ASSIGN
319V4 DB7
420
6
ROW1 SPK+
517
23
ROW2 SPK-
VR(N.C) DB2
V0 DB3
C2- DB1
10 26C2+ DB0
820GND1 COL1
921
C1+ RW_WR
DESCRIPTION
13 29C3-
11
24
31VOUT
214
DUMMY VSS
218IN+RS VDD
315ROW0 REED
416
V3 DB6
521V2 DB5
29
H3
+3VBB
SMF05
D903
1
2
345
J180-29
C1007
10nF
R996
10K
J180-31 31
J180-30 30
H5
RN1102
Q153
GND
IN
OUT
10K
R152
10nF
C1006
J151-20 20
J151-22 22
J151-24 24
+VBATT
J151-9 9J180-15 15
J180-32 32
C173 1uF
J180-25 25
J151-23 23
28
220nFC169
1K
R994
J180-28
C170
EL1-B
2
1uF
J180-6 6
J180-7 7
J180-24 24
C1005
100nF
J180-23 23
5.6nF
C1004
J151-1 1
C171 1uF
4V+
Vout 7
J151-19 19
CL-150YG-CD-T
LED100
J151-21 21
U969
D361A
2Base
CHF
3
E5
GND 6
L+
18
L-
15
+3VBB
J151-3 3
21
J180-27 27
J151-15
J151-4 4
J180-20 20
J180-21
H2
J151-2 2
5
100K
R162
J151-8 8
J151-5
R1001
1K
MMBT2907A
Q958
1
3
2
17
2SD2114KT146
Q961
1uFC172
J151-17
EL1-A
1
C167 6.8nF
L801
6.8nFC166
J180-8 8
2.2mH
H1
6.8nFC168
J180-22 22
J151-13 13
26
100K
R151
R153
100K
J180-26
14
J180-10 10
J180-1 1
J151-14
J151-11 11
J180-2 2
14
RN1102
Q151
GND
IN
OUT
12
J180-13 13
J180-14
J180-9 9
J180-11 11
J180-12
E2
+3VBB
J151-7 7
4
J180-18 18
J180-19 19
12
J180-3 3
J180-4
H4
J151-10 10
J151-12
100
R163
J180-17 17
J151-6 6
16
J151-18 18
J180-16 16
6.8nF
J151-16
STARTUP_VOLTS
BACKLIGHT
J180-5 5
C165
BACKLIGHT
D(15)
D(8:15)
D(14)
D(13)
D(12)
D(11)
D(10)
D(9)
D(8)
LCD_WR
LCD_A2
LCD_EN
_RESET
KEYBOARD_ROW(4)
KEYBOARD_COL(2)
KEYBOARD_COL(3)
RI_LIGHT
KEYBOARD_ROW(0:4)
KEYBOARD_COL(0:4)
+VBATT
KEYBOARD_ROW(0)
KEYBOARD_ROW(1)
KEYBOARD_ROW(2)
KEYBOARD_ROW(3)
BUZ-
BUZ+
MIC-
MIC+
STARTUP_VOLTS
KEYBOARD_COL(4)
REED
SPK+
SPK-
ON_OFF
KEYBOARD_COL(0)
KEYBOARD_COL(1)

5-12Schematic Diagrams
5-12 Kernel
(dBGA TYPE)
2.2K_1%R201
100K
R213
+3VBB
+3VBB
TP954
17
C215
+3VBB
+3VBB
10
12
15
100pF
R235
10K
100K
R209
X201
32.768KHz
9
1
10
10K
R238
13
1
+3VBB
0
OSCOUT
2SCL
SDA
3
VDD 8
VSS
4_INTRA 5
_INTRB
1
0R215
20
0
CLOCK
RS5C372A
U202
OSCIN 7
6
R202 2.2K_1%
AVCC
0
+3VBB
47K
R219
4
AT24C256-10UI-2.7
U203
1A0
2A1
3A2 SCL 6
SDA 5
VCC 8
4VSS
WP 7
G4
VDDO-1 G11
VDDO-2 L6
VDDO-3 H1
VDDO-4 C1
VDDO-5 D8
K7
VREFIQN
VREFIQP L7
VSSE-1
D11
VSSE-2
N10
VSSE-3
K3
VSSE-4
E2
VSSE-5
B4
VSSI-1
K11
VSSI-2
C6
WRB
A10
D13
E10
SIMRST
F10
SIMVDD
SP
L11
SPW1 L12
SPW2 L13
SPW3 K10
SPW4 M11
SYSCLKI
J2
H4 SYSCLKO
J10 SYSRST
K9 TXCLOCK
H12 TXD
G13 TXDATA
TXRDY
G10
VDDI-1 E13
VDDI-2
C10
ROW0 C13
C12
ROW1
ROW2 C11
B13
ROW3 B12
ROW4
RTS
F12
RXCLOCK
N11
H13 RXD
M10 RXDATA
RXRDY
L10
SCK J13
SDAT J11
E12
SIMALIM
E11
SIMCLK
SIMDATA F11
SIMPRES
J3
I-IN-N K4
I-IN-P L4
I-OUT-N N8
I-OUT-P M8
D9 LCDEN
PDTX L9
PLLCLK M9
G12
PLLDAT
H10
PLLEN1
PLLEN2 H11
K5
PTX-P
Q-IN-N M3
Q-IN-P N3
Q-OUT-N K8
Q-OUT-P L8
RDB
F3
F2 DATA9
DSR
N9
D12 DTR
EECS K12
EIRQN-EXTINT B10
N1
GPIO0
GPIO1 M2
K13 GPIO10-WATCHDOG
GPIO2-EXTPROC M1
L3 GPIO3-MSIZE
GPIO4-PWM1 L2
GPIO5-BOOT-PWM2
L1
A1 GPIO6-ADD21
GPIO7-ADD22
B1
GPIO8-ADD23
C2
GPIO9-SIMDATA_OEN
CTS
J1 DACK
DATA0
D4
D3 DATA1
F1 DATA10
G2 DATA11
G1 DATA12
G3 DATA13
H2 DATA14
H3 DATA15
DATA2
D2
DATA3
D1
DATA4
E4
DATA5
E3
DATA6
E1
DATA7
F4
DATA8
BFI
N12 BUSACK
M12 BUSREQ
COL0 A13
A12
COL1
COL2 B11
COL3 A11
D10
COL4
CSCOD
N13
M13 CSDEC
CSRAM
C9 CSROM
A9
J4 CSUSR1-AUXV2
K1 CSUSR2-AUXV3
CSUSR3-AUXV4
K2
B9 CSVOC
F13
ADD5
D7 ADD6
ADD7
A6
ADD8
B6
ADD9
D6
AFC-P L5
AGC-P K6
N7
AUXV0
AUXV1 N6
M6
AUXVREFN
M7
AUXVREFP
AVD-1 N2
M5
AVD-2
AVS-1
N5
AVS-2
M4
N4 AVS-3
J12
ADD0
B8 ADD1
ADD10
A5
ADD11
B5
ADD12
C5
ADD13
D5
ADD14
A4
ADD15
C4
A3 ADD16
B3 ADD17
C3 ADD18
ADD19
A2
A8 ADD2
B2 ADD20
B7 ADD3
A7 ADD4
C7
5
19
3
3
KERNEL
U200
C8
4
13
C217
10K
R210
+3VBB
3
100pF
C204
100nF
16
C216
100pF
100K
R222
7
+3VBB
C210
1K
R220
2
+3VBB
4.7pF
7
18
47K
R218
11
10nF
C200
0
9
8
+3VBB
+3VBB
+3VBB
+3VBB
5
C214
9pF
R200 2.2K_1%
+3VBB
1
2
47K
R208
21
12
R221
1K
100K
R214
1
8
2
+3VBB
+3VBB
2.2K_1%R203
14
AVCC
100pF
6
6
AVCC
C218
4
R212
100K
C207
4
47nH
L250
15
1nF
14
AVCC
100nF
C205
R205
10K
11
+3VBB
C211
10NF
10K
R232
+3VBB
2
15pF
C201
TP953
+3VBB
3
C206
100nF
CLK13M
R231
100K
TXEN1
SYNCLK
SYNDATA
SYNEN
TXPOWER
KQRX1
KQRX
SIMALIM
SIMCLK
SIMDATA
SIMRST
TXEN2
RXEN_FE
DEMODEN
BANDSEL
REFTXN
REFTXP
A(0:21)
SCL
SDA
AFC
VAGC
VF
BAT_VOLT
REFADCN
REFADCP
DCIN
CHG_ON
BACKLIGHT
SIM_5V3V
KIRX1
KIRX
RS232_CTS
CSVOC
CS_FLASH2
TEMPERATURE
CSROM
CSRAM
RXSFM
TXSFM
LCD_WR
LCD_A2
BFI
5
5
WR
SP
RXRDY
RXDATA
RS232_RXD
RXCLK
RS232_RTS
RD
LCD_EN
EAR_SWITCH
uP_ON_OFF
MAX4.2_BOOT
HEADSET_EN
JACK_IN
_RESET
5
ITX
QTX
QTX1
ITX1
5
CLK13M_K
TXCLK
RS232_TXD
TXDATA
TXRDY
KEYBOARD_COL(0:4)
+3VBB
D(0:15)
5
AVCC
KEYBOARD_ROW(0:4)
+3V_RTC
5

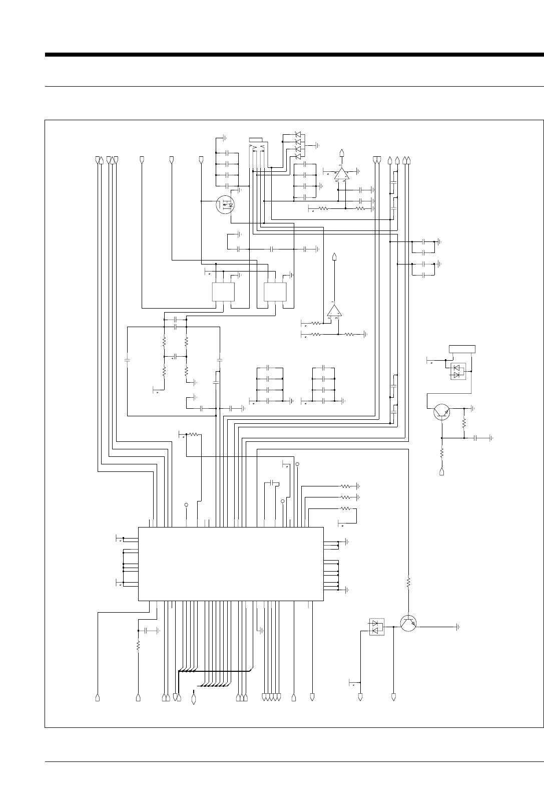
5-13 Schematic Diagrams
5-13 Baseband Filters
20122012
2012
2012
1nF
C127
C138
SOT
C131
10nF
C139
10nF
U127-E
TS925IPT
OPAMP
PGND
89
STDBY
V+
4
13
V-
R134
270
R128
270
1K_1%
R121
R137
100K_1%
100K_1%
R132
1
C117
100nF
1
2
3
4
6
TS925IPT
U127-A
OPAMP 3
+
-2
UMC5N
U128
3.9nF
C128
3.9nF
C136
C141
100nF
100nF
C134
100nF
C135
1nF
C126
R136
680
R135
100 L129
330u 1K_1%
R133
R126
47K
C130
SOT
R129
100
470u
L128
R130
L127
330u 470u
680
L126
14
+
-15
16
R127
1K_1%
7
OPAMP
U127-C
TS925IPT
+12
11
-
10
TS925IPT
U127-D
OPAMP
BBFILTEN
+3VBBF
OPAMP
U127-B
TS925IPT +5
6
-
QRXP
KQRX1
AVCC
VMID
IRXP
KQRX
KIRX
KIRX1

5-14Schematic Diagrams
5-14 Control Logics
+
3
-
1
IN1
2IN2
4
OUT
U906
TC7S08FU
+
5
-
3
IN1
1
IN2
2OUT 4
U903
TC7S00FU
+
5
-
3
IN1
1
IN2
2OUT 4
U901
TC7S08FU
5
AVCC
100nF
C903
R900
1.2K_1%
R902
332_1%
100nF
C901
10K
R907
U905
GND
3
2INA
NC
14
OUTY
VCC 5
10K
TC7S04FU
TC7S08FU
5
+
3
-
1
IN1
2IN2
4
OUT
AVCC
+3VBB
R906
U900
TC7S08FU
+
5
-
3
IN1
1
IN2
2OUT 4
U904
+
3
-
1
IN1
2IN2
4
OUT
C902
100nF 100nF
U902
TC7S00FU
5
C904 C905
+3VBB
100nF
R903
1.2K_1%
R905
1.2K_1%
REFTXN
R904
10K_1%
REFTXP REFADCP
REFADCN
RXEN_FEDCS
RXEN_FEGSM
DCSTX1
GSMTX1
TXEN2
TXEN1
BANDSEL
RXEN_FE
_BANDSEL
GSMTX2
DCSTX2

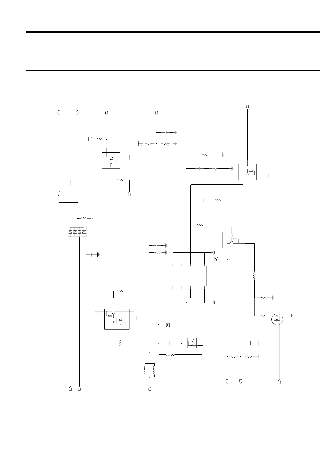
5-15 Schematic Diagrams
5-15 Power Management
C1210
(1608)
(1608)
F200
NTH5G40B473
TH1
C261
BLM11P600S
100nF
AVCC
10K
R253
2
3
4
6
R262
12K_1%
U252
UMC5N
1
56K
R257
Q957-2
FDG6301N
D
G
S
UPS5817
D253
Q256
GND
IN
OUT
13
PROG
SENSE
7
SW
2
14
VCC1
15
VCC2
12
Vc
RN1104
LT1510-5CGN
U253
10
BAT
BOOST
3
GND1
1
GND2
4
GND3
6
GND4
8
16
GND5
11
GND6
9
GND7
OVP
5
8.2K_1%
R266
D252
DAN222
R251
100K R252
100K
C254
100nF
C253
6.8uF,25V
+3VBB
L251
10uH
GND
IN
OUT
R255
10K
D251
UMN1
2
RN1102
Q255
BLM11P600S
F201
R265
300_1%
R263
100K
C260
100nF
R256
10K
18K_1%
R261R260
270K_1%
100K_1%
R259
R258
82K_1%
2.7K
R223
STARTUP_VOLTS
1UF
100nF
C258
C257
1k
R264
D255
UPS5817
C259
100nF
10nF
C262
RN1104
Q257
GND
IN
OUT
R254
100K
POWER_ON
+VBATT
CHG_ON
BAT_VOLT
MAX4.2_BOOT
DCIN
DCVOLT
DCVOLT
TEMPERATURE
POWER_ON_D
ON_OFF
uP_ON_OFF

5-16Schematic Diagrams
5-16 Power Supply Units
0805
0805
0805
7125
0805
0603
0603
0805 0805
1206
0805
0805
NICHICON-G
0805
+3VBB
POWER_ON_D
10uF,6.3V
C827
RF_ON_OFF
100nF
10nF
+3VLNAGSM
C1010
C853
C850
C816
POWER_ON
+3VTX
100nF
BTC-0309A-470
10uF,6.3V
STARPOINT
JP300
IN
12
OUT
L800
P
220uF/6.3V
C871
+3VLO1
+3VLNAGSM
10uF,6.3V
C817
C859
RF_ON_OFF
+3V8
+VBATT
+3V8 POWER_ON_D
10nF
1uF
C831
GND
1IN 5
OUT
+3VMD
+3VLNADCS
C851
100nF
ADJ
43
EN
GND
2
IN
1OUT 5
MIC5205-3.0BM5
U805
ADJ
43
EN
2
D808
U810
MIC5205-3.0BM5
UMC5N
1
2
3
4
6
UPS5817
C868
10uF,6.3V
+3V8
U813
D801
MCL4154
+3VDC C855
100nF
P
470pF
C810
C833
+3VPLL
C869
10nF
C860
10uF,6.3V 100nF
+3VMD
C861
10uF,6.3V
C854
10nF
10nF
C852
MIC5205-3.0BM5
U811
4
ADJEN
3
2
GND
1IN 5
OUT
+3V8
C826
10uF,6.3V
+3VBB
POWER_ON
+3VBB
C801
10nF
R995
1K
U812
MAX1676
7
BATTCLSEL
4
FB
1
8
GND
LBI
29
LX
10
OUT
REF
5
_LBO
3
6
_SHDN
P
+3VX
+3VDEMOD
+3VLNADCS
+3VX
+3V8
+3V8
RF_ON_OFF
C828
10nF
+3VDC
C873
220uF/6.3V
STARTUP_VOLTS
R812
100K
250uAH
C863
MS414
ADJ
43
EN
GND
2
IN
1OUT 5
10uF,6.3V
C806
C832
+3VLO1
U806
MIC5205-3.0BM5
U804
ADJ
43
EN
2
GND
1IN 5
OUT
AVCC
10uF,6.3V
U809
MAX809EUR-T
GND
1
RESET 2
VCC
3
MIC5205-3.3BM5
C870
10nF
1uF
C872
+VBATT
470pF
C862
470pF
C819
MIC5205-3.0BM5
ADJ
43
EN
GND
2
IN
1OUT 5
C867
470pF
+VBATT
U803
C830
+3VTX
C845
10uF,6.3V
1uF
1K
R811
RF_ON_OFF
MIC5205-3.0BM5
U801
ADJ
43
EN
2
GND
1IN 5
OUT
1uF
+3VLO2
P
+3VLO2
10uF,6.3V
+3VDEMOD
+3VPLL
+3V_RTC
C800
200
R805
C805
+3V8
AVCC
POWER_ON_D
P
C874
100nF
+3V_RTC
POWER_ON
+VBATT
_RESET
+3VPLL
+3VLO2
+3VLO1
+3VMD
+3VDEMOD
+3VDC
RF_ON_OFF
STARTUP_VOLTS
+3VTX
AVCC
+3VBB
+3VX
+3VLNADCS
+3VLNAGSM