SONY ERICSSON C905
User Manual: SONY ERICSSON C905
Open the PDF directly: View PDF
.
Page Count: 124 [warning: Documents this large are best viewed by clicking the View PDF Link!]
- C905 Troubleshooting Manual
- ABOUT
- TROUBLESHOOTING
- Equipment List
- Power On/Off Problems
- USB and Software Flash Problems
- Dead Phone Problems
- Display Problems
- Display Illumination Problems
- Opto Sensor Problems
- On-Off Key
- Numeric Keypad & Camera Snap Button Problems
- Navigation Keypad & Game Button Problems
- Volume Button Problems
- Camera Play and Mode Button Problems
- Numeric Keypad LED Problems
- Navigation Keypad LED Problems
- Auto Focus LED Problems
- Back Side LED Problems
- Tally LED Problems
- Camera Snap Button LED
- Camera Navigation LED Problems
- Trickle Charge LED Problems
- Xenon Flash Problems
- Multimedia Combo Chip Problems
- Camera Problems
- Camera Cover Detect Problems
- TV Out Problems
- Charging Problems
- USB/VBUS Charging Problems
- SIM Problems
- Memory Stick Problems
- Primary & Secondary Mic Problems
- Ear Speaker Problems
- Loudspeaker Problems
- Handsfree (PHF) Problems
- FM Radio Problems -
- FM Radio Antenna Problems
- Bluetooth Problems
- WLAN Problems
- GSM Problems
- WCDMA I, II and V Problems
- WCDMA VIII Problems
- A-GPS Problems
- Accelerometer Problems
- Vibrator Problems
- Real Time Clock Problems
- Slide Sensor Problems
- System Connector Protection Test
- Current Consumption Test
- Backup Capacitor Test
- Charging Test
- ASIC Revision Test
- Measurement Points Pictures
- MEASUREMENT POINTS
- Front Side
- Back Side
- Top Schematic
- Audio Top
- Audio Analog
- Audio Digital
- Audio FM Radio
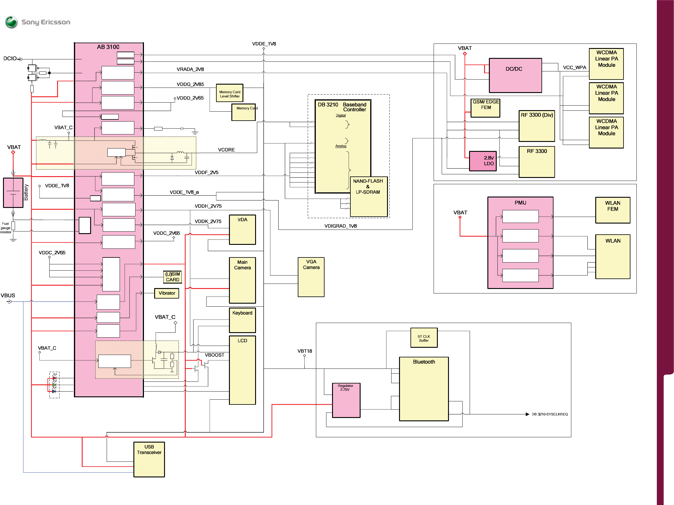
- Application & System Performance Top
- System Top
- System Control - Clocks & Resets
- System Memories
- System PoP IF
- Power Top
- Power - Regulators & Charging
- Power - Imaging
- Power - ASICs
- Power - WLAN
- Connectivity Top
- Connectivity - I2C & ADC
- Connectivity - Cards
- Connectivity
- Connectivity - Keypad
- Connectivity - Video Companion Chip
- Imaging Top
- Imaging - Display
- Imaging - Camera
- Imaging - LMU & Flash
- Access Top
- Access - GSM & UMTS
- Access - Bluetooth
- Access AGPS
- Access - WLAN
- Test
- COMPONENT OVERVIEW
- FUNCTIONAL OVERVIEW
- APPENDIX
- Replaceable Parts
- Components
- L2200, L4201-04, L2406, L4200
- N1210, N1211, N1510, N2200
- N1300, N2206, N2212, N2213
- N2300, N2410, N2411
- N2420, N2421, N2422
- N2500, N2700, N3100
- N3101, N4400, S2415, V2200, V2202, V241
- V2414-16, V2470, V4201, V4203, X1200, X
- X1540, X2201, X2401, X2402
- X2410, X4200, X4300, X4311-15, X4400
- X4410, Z2400, Z4200-02
- Keyboard FPC Schematics
- Troubleshooting Software Documentation
- Troubleshooting Fixture Setup Instructi

C905
1222-9526 rev. 1
Troubleshooting Manual
APPENDIXCOMPONENT OVERVIEW FUNCTIONAL OVERVIEWABOUTABOUT TROUBLESHOOTING MEASUREMENT POINTS
C905
SEMC Troubleshooting Manual
1 (124)

C905
1222-9526 rev. 1
ABOUT
ABOUT
ABOUT
General information
The purpose of this document is to provide enhanced technical information for Sony Ericsson
repair technicians in order to assist during service, repair and troubleshooting operations on Sony
Ericsson mobile phones. It should be used as a complement to other repair instructions and tools
as notifi ed by the local Sony Ericsson representative.
To search for components throughout the entire document use the “search” function in Adobe
Acrobat Reader 7.0 (or later version) and enter the component name or other word. Use zoom to
enlarge.
For easier navigation of the document you can use the bookmarks that appear in the Bookmarks
tab on the left side of the Adobe Acrobat Reader window. Each bookmark jumps to a page in the
document.
Disclaimer
This document is Sony Ericsson confi dential and should be treated as confi dential in accordance
with the agreement with Sony Ericsson. This document is intended for use by authorized service
technicians only. Sony Ericsson is not to be held responsible for any damages or losses caused
intentionally or unintentionally due to unauthorised use of the information in this document.
Rev. Date Changes / Comments
112/05/2008Initital revision.
Revision History
Con tents
ABOUT 2
Contents 2
Equipment List 3
TROUBLESHOOTING 8
Power On/Off Problems 8
USB and Software Flash Problems 8
Dead Phone Problems 9
Display Problems 10
Display Illumination Problems 11
Opto Sensor Problems 11
On-Off Key Problems 12
Numeric Keypad &
Camera Snap Button Problems 12
Navigation Keypad & Game Button Problems 13
Volume Button Problems 13
Camera Play and Mode Button Problems 14
Numeric Keypad LED Problems 14
Navigation Keypad LED Problems 15
Auto Focus LED Problems 15
Back Side LED Problems 16
Tally LED Problems 16
Camera Snap Button LED Problems 17
Camera Navigation LED Problems 17
Trickle Charge LED Problems 18
Xenon Flash Problems 18
Multimedia Combo Chip Problems 19
Camera Problems 19
Camera Cover Detect Problems 20
TV Out Problems 20
Charging Problems 21
USB/VBUS Charging Problems 21
SIM Problems 22
Memory Stick Problems 22
Primary & Secondary Mic Problems 23
Ear Speaker Problems 23
Loudspeaker Problems 24
Handsfree (PHF) Problems 24
FM Radio Problems 25
FM Radio Antenna Problems 25
Bluetooth Problems 26
WLAN Problems 26
GSM Problems 27
WCDMA I, II and V Problems 27
WCDMA VIII Problems 28
A-GPS Problems 28
Accelerometer Problems 29
Vibrator Problems 29
Real Time Clock Problems 30
Slide Sensor Problems 30
System Connector Protection Test 31
Current Consumption Test 31
Backup Capacitor Test 33
Charging Test 33
ASIC Revision Test 34
Measurement Points Pictures 35
MEASUREMENT POINTS 52
Front Side 52
Back Side 53
Top Schematic 54
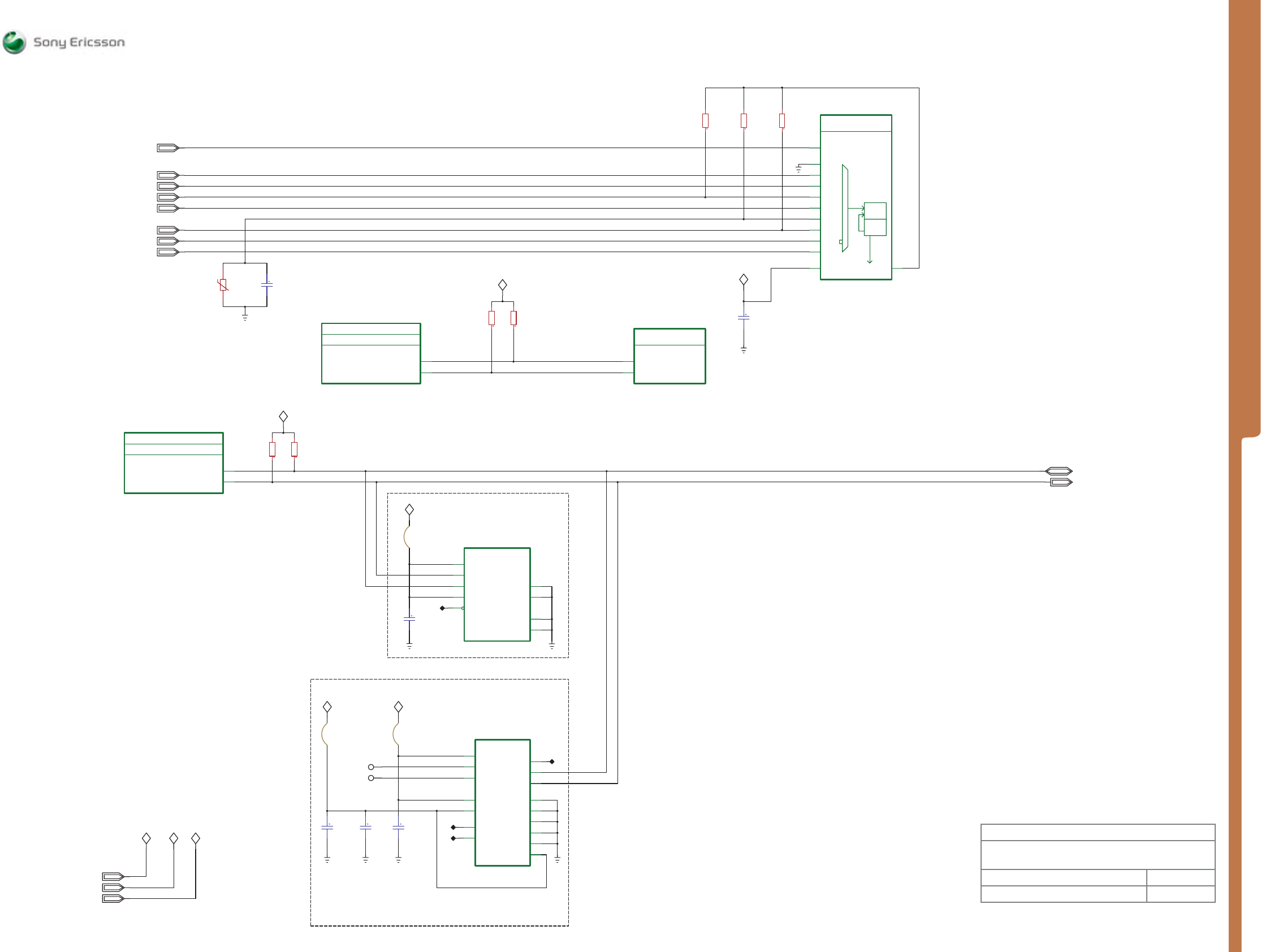
Audio Top 55
Audio Analog 56
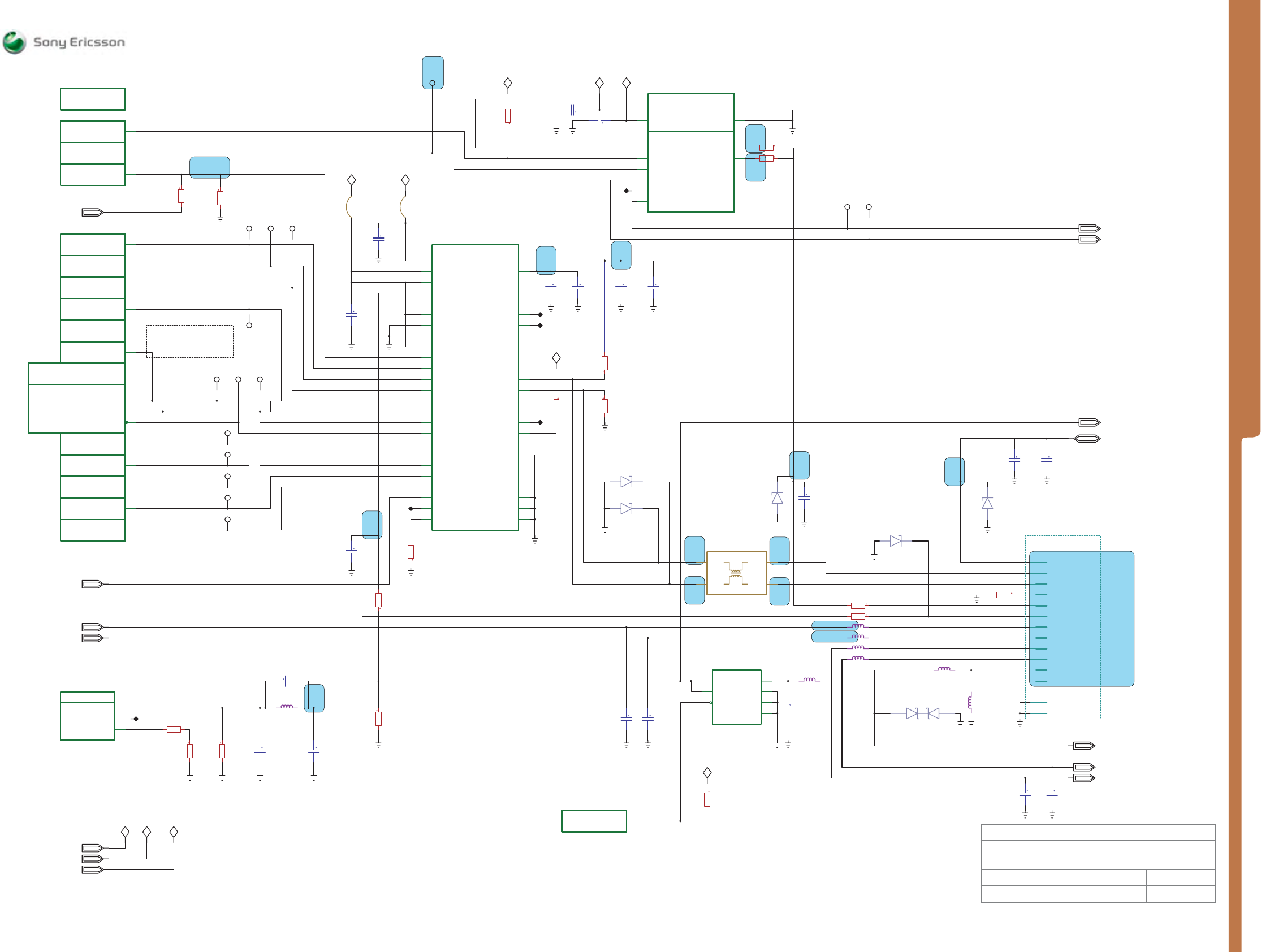
Audio Digital 57
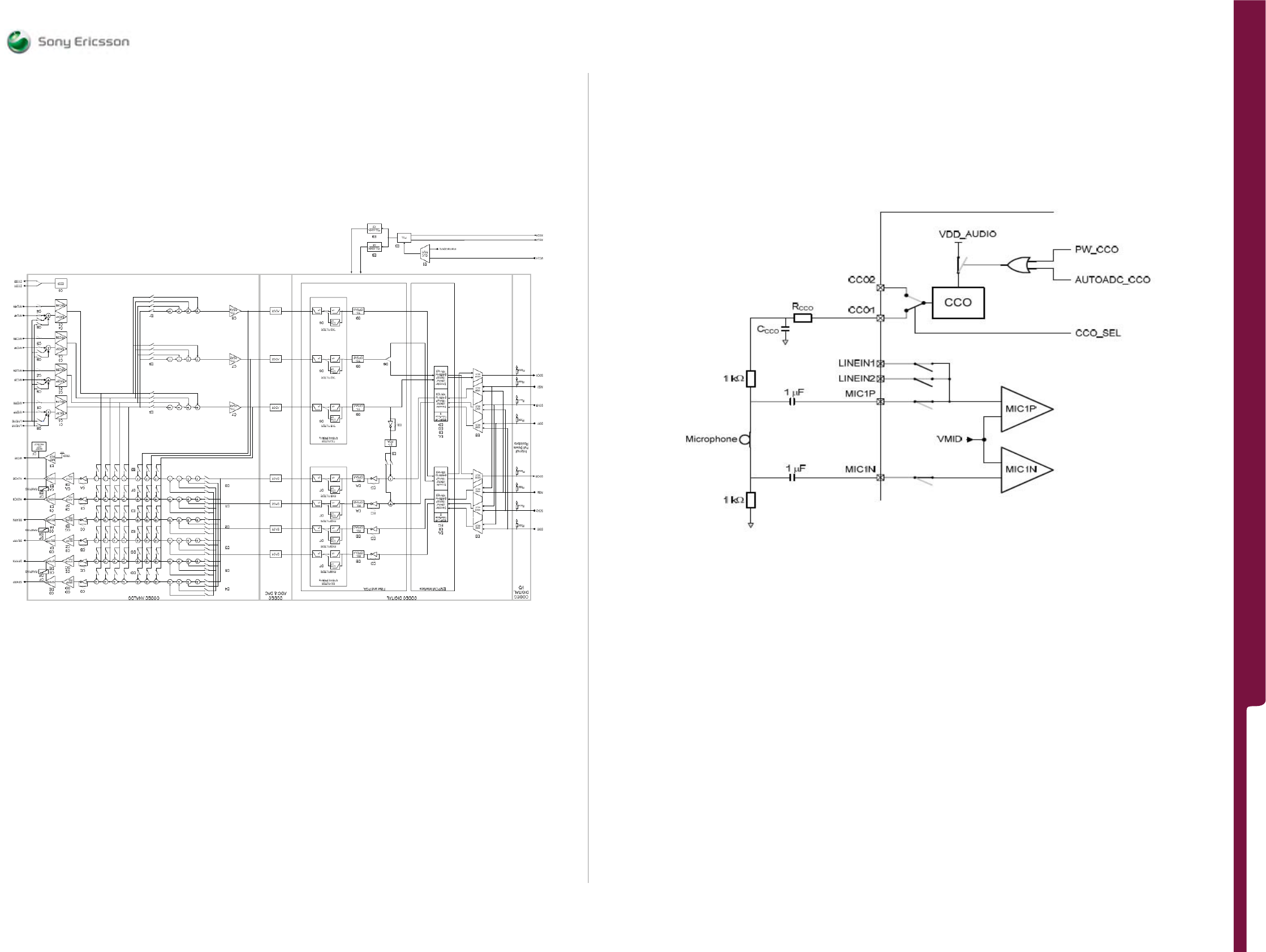
Audio FM Radio 58
Application & System Performance Top 59
System Top 60
System Control - Clocks & Resets 61
System Memories 62
System PoP IF 63
Power Top 64
Power Regulators & Charging 65
Power Imaging 66
Power ASICs 67
Power WLAN 68
Connectivity Top 69
Connectivity I2C & ADC 70
Connectivity Cards 71
Connectivity 72
Connectivity Keypad 73
Connectivity Video Companion Chip 74
Imaging Top 75
Imaging Display 76
Imaging Camera 77
Imaging LMU & Flash 78
Access Top 79
Access GSM & UMTS 80
Access Bluetooth 81
Access AGPS 82
Access WLAN 83
Test 84
COMPONENT OVERVIEW 85
Front Side 85
Back Side 86
FUNCTIONAL OVERIEW 87
Technical Description 87
Platform Block Diagram 99
Block Diagram Power Distribution 100
Block Diagram Clocking Concept 101
APPENDIX 102
Replaceable Parts 102
Components - L2200, L4201-04 103
Components - L2406, L4200 103
Components - N1210, N1211 104
Components - N1510, N2200 104
Components - N1300, N2206 105
Components - N2212, N2213 105
Components - N2300, N2410, N2411 106
Components - N2420, N2421, N2422 107
Components - N2500, N2700, N3100 108
Components - N3101, N4400, S2415 109
Components - V2200, V2202 109
Components - V2412, V2417 109
Components - V2414-16, V2470, V4201 110
Components - V4203, X1200, X1210-11 110
Components - X1540, X2201 111
Components - X2401, X2402 111
Components - X2410, X4200, X4300 112
Components - X4311-15, X4400 112
Components - X4410, Z2400, Z4200-02 113
Keyboard FPC Schematics 114
Troubleshooting Software Documentation 115
Troubleshooting Fixture Setup Instructions 122
SEMC Troubleshooting Manual
2 (124)

C905
1222-9526 rev. 1
TROUBLESHOOTING
TROUBLESHOOTING
Equip ment List
C905 Equipment List
Note! Additional information about the equipment used for TRS can be found in the following
locations:
Location 1: CSPN – Repair Instructions – Additional Soldering Process – C905, C905a or C905c –
Equipment List.
Location 2: CSPN – Repair Instructions – Mechanical – Tool Catalogue – RepairToolsCatalogue.pd
f
or matris.xls – C Model Tab.
Troubleshooting Fixture
Location: CSPN – Repair Instructions – Additional Soldering Process – C905, C905a or C905c –
Equipment List.
Part number: 1218-4986
Note! Additional information about the TRS Fixture Kit can be found in the Trouble Shooting
Fixtures Setup Instructions document which is included in the appendix of this manual.
Dummy Battery
Location: CSPN – Repair Instructions – Additional Soldering Process – C905, C905a or C905c –
Equipment List.
Part number: 1208-5627
Note! The resistance between GND and BDATA should be approximately 27K Ohm.
Instruments
Power Supply Channel 1 (VBATT)
Agilent 6632B or similar
Location:CSPN – Repair Instructions – Mechanical – Tool Catalogue – RepairToolsCatalogue.pdf
Instrument Settings:
Voltage: 3.8 Volt
Limiter: 2.0 A
Note! Maximal cable length between the Power Supply Channel 1 VBATT and the dummy battery
cannot be more than 1 meter. The cable must be able to handle at least 16A.
Power Supply Channel 2 (DCIO/SEPI)
Agilent 6632B or similar
Location: CSPN – Repair Instructions – Mechanical – Tool Catalogue – RepairToolsCatalogue.pdf
Instrument Settings:
Voltage: 5.0 Volt
Limiter: 2.0 A
Oscilloscope
Agilent DSO7052A or similar
Location: CSPN – Repair Instructions – Mechanical – Tool Catalogue – RepairToolsCatalogue.pdf
Digital Multimeter (DMM)
Fluke 83 or similar
Location: CSPN – Repair Instructions – Mechanical – Tool Catalogue – RepairToolsCatalogue.pdf
Note! The 0, 64 mm Test Probes is recommended by Sony Ericsson when DMM is in use
see Picture 1.
Picture 1
Spectrum Analyzer
R&S FSL 9 kHz – 3 GHz or similar
Location: CSPN – Repair Instructions – Mechanical – Tool Catalogue – RepairToolsCatalogue.pdf
RF probe
HP 85024A or similar
Location: CSPN – Repair Instructions – Mechanical – Tool Catalogue – RepairToolsCatalogue.pdf
Mobile Phone Tester
Yokogawa VC200 or similar
Location: CSPN – Repair Instructions – Mechanical – Tool Catalogue – RepairToolsCatalogue.pdf
FM Signal Generator
R&S SMC100A or similar
Location: -
SEMC Troubleshooting Manual
3 (124)

C905
1222-9526 rev. 1
TROUBLESHOOTING
TROUBLESHOOTING
Equipment List
RF Adaptor
Adaptor 33 N-BNC-50-1
Adaptor to Signal Generator RF Output
See Picture 2
Location: -
Picture 2
PC Package & PC Software
PC Package (Computer)
Location: CSPN – Repair Instructions – Mechanical – Tool Catalogue – RepairToolsCatalogue.pdf
Urquell Fault Trace SW with project file
Location: CSPN – Repair Instructions - Electrical – C905, C905a or C905c – Trouble Shooting
Application
Project File: C905, C905a, C905c Project_R1A
Drivers
SEPI BOX Drivers
Location: http://emma.extranet.sonyericsson.com – Drivers – DSS / SEPI / SEMUTS
SE Communication Interface SEPI BOX
Location: CSPN – Repair Instructions – Mechanical – Tool Catalogue – RepairToolsCatalogue.pdf
Part number: LTN 214 1484
See Picture 3.
Picture 3
Cables
USB Computer Cable
Location: CSPN – Repair Instructions – Mechanical – Tool Catalogue – Re
See Picture 4.
Picture 4
DSU-60/USB Cable
Location: CSPN – Repair Instructions – Mechanical – Tool Catalogue – Re
Part number: KRY 101 1413
RF Test Cable Flexible
Location: CSPN – Repair Instructions – Mechanical – Tool Catalogue – Re
Part number: RPM 119 885
See Picture 5.
Picture 5
SEPI Interface Cable – A1
Location: CSPN – Repair Instructions – Mechanical – Tool Catalogue – Re
Part number: KRY 101 1119/1
See Picture 6.
Picture 6
SEMC Troubleshooting Manual
4 (124)

C905
1222-9526 rev. 1
TROUBLESHOOTING
TROUBLESHOOTING
Equipment List
Power Cable RED to Power Supply Channel 1 (VBATT)
Maximum Length: 1m
Location: CSPN – Repair Instructions – Mechanical – Tool Catalogue – RepairToolsCatalogue.pdf
Power Cable BLACK to Power Supply Channel 1 (VBATT)
Maximum Length: 1m
Location: CSPN – Repair Instructions – Mechanical – Tool Catalogue – RepairToolsCatalogue.pdf
Customized Power Supply Channel 2 Cable (DCIO/SEPI)
Customize the cable according to following instructions below:
(Step 1, Step 2, Step 3 and Step 4)
Step 1:
Take the CST-75 battery charger and cut of the charger according to Picture 7.
Picture 7
Note! The Cable length must be exactly 1.3 meters.
Step 2:
Connect the CST-75 charger Red or White wire to the Plus Output and the Black wire to the Minus
(GND) Output at backside of the Power Supply Channel 2 (DCIO/SEPI) according to Picture 8.
Picture 8
Step 3:
Cut off insulating material from the inside of the charger plug according to Picture 9.
Picture 9
Step 4:
Connect DCIO Cable and SEPI Interface Cable – A1 according to Picture 10.
Picture 10
Picture 11
Note! The setup example presented in the Picture 11 is wrong!
SEMC Troubleshooting Manual
5 (124)

C905
1222-9526 rev. 1
TROUBLESHOOTING
TROUBLESHOOTING
Equipment List
Connection Instructions for the Dummy Battery
This is the correct setup when using the Dummy Battery.
See Pictures 12 and 13.
Picture 12
Picture 13
Customized FM Radio Cable
Step 1:
Use the Test lead BNC-4mm 1,5m Cable, see Picture 14.
Picture 14
Product Name: Test lead BNC-4mm 1,5m
Product Description: Test lead with 4 mm lab plugs at one end and a BNC plug at the other.
Manufacturer: PMK Germany
Location: http://www.elfa.se/en/ or other supplier.
Part number: 46-310-40
Note! This is the ELFA part number.
Step 2:
Cut the Red Lab Plug connector according to Picture 15.
Picture 15
Step 3:
Use any Hands-Free (PHF) Cable and cut it according to Picture 16.
Picture 16
Note! Cable length should be at least 40 cm.
Step 4:
Only use the Wire that is connected to PIN2 and cut out all others according to Picture 17.
Picture 17
Note! Use DMM instrument to ensure which of the wires are connected to PIN2 at Hands-Free
(PHF) system connector plug.
SEMC Troubleshooting Manual
6 (124)

C905
1222-9526 rev. 1
TROUBLESHOOTING
TROUBLESHOOTING
Equipment ListEquipment ListEquipment List
Step 5:
Connect the Cable from the Picture 15 and Cable from the Picture 17 according to Picture 18.
Note! Use a soldering iron for this action and then use insulating material to protect the contact
point.
Picture 18
Test Cards
Local SIM
Any functional Local SIM Card
See Picture 19.
Picture 19
Test SIM GSM/UMTS
One Test SIM GSM/UMTS is needed to perform Current Consumption Test, see Picture 20.
Location: CSPN – Repair Instructions – Mechanical – Tool Catalogue – RepairToolsCatalogue.pdf
Note! To buy a Test SIM GSM/UMTS, please contact your supplier of test equipment.
Picture 20
Sony Memory Stick M2
Any functional Memory Stick Micro M2 Card
See Picture 21.
Picture 21
SMK RF Probe
Location: CSPN – Repair Instructions – Mechanical – Tool Catalogue – Re
Part number: SXA 109 6356
See Picture 22.
Picture 22
SEMC Troubleshooting Manual
7 (124)

C905
1222-9526 rev. 1
TROUBLESHOOTING
TROUBLESHOOTING
Power On/Off Problems - USB and Software Flash Problems
1. Customize the phone into DPY/Z
2. Startup the phone and wait for
the configuration to take place
(takes less than a minute)
3. Customize with correct CDA
4. Activate the phone
No
No
START
Use
Dummy Battery
Connected to
Power Supply Channel 1
(VBATT)
Go to
Dead phone
Problems part 1
TRS guide
Yes
No
No
Connect a chargerNo
Yes
Go to
On-Off Key Problems
TRS guide
Yes
Go to
Dead Phone
Problems part 1
TRS guide
Yes
Yes
Go to
System Connector
Protection Test
After this go to
USB and Software
Flash Problems TRS
guide
Yes
Yes
NoYes
No
Is the phone
consuming more than
1mA when the phone
is powered off
Is it possible to
power on the phone
Is the
phone consuming
any current when
powering on the
phone
Is the Problem
solved
Is the phones
behavior as normal
Optimized
charging
Is the
Flash process
started
Flash
The phone with
ITP software.
Is the ITP Flash
Successful
Is the Problem
solved
Is it possible to power
off the phone
Yes
Go to
Current
Consumption Test
After this go to
Charging Test
Yes
No
Claim for a
SW Upgrade
Yes
No
No
Go to
USB and Software
Flash Problems
TRS guide
No
No
Is the current
consumption between
10mA to 70mA
CDA Software
Flash
Successful
Flash
the phone with
correct CDA
software
Yes
Flash
the phone with
correct CDA
software
Press ”C”
Connect USB from PC
Run SEMC BOOT
if necessary
Run SUCR SW
Is Phone Flash
OK
Power On/Off Problems
START
Step 1:
Perform
System Connector Protection Test
If successful go to step 2.
Step 2:
Load ITP SW into the Phone
Go to
USB/VBUS
Charging Problems
Does
the Phone
Indicate charging
on the display YesNo
Does the
Flash process
Start-up when using
EMMA SW
No
Yes
Is the
ITP SW Flash
Successful Yes SL 5 Replace
N2010
SL 4 Escalate
No
Use TRS Fixture
1: Connect: VBATT and DCIO/SEPI
2: Remove: DCIO/SEPI
3: Connect: USB Cable from the PC
2.7V – 3.3V DC
at MP 9 (C2436) and
1.8V DC at MP 7
(C2435)
Yes Yes
No
Is
MP X2405_Pin 10
Short circuit to the
PBA GND (Shield
Can Fence)
Yes Replace
V2415
Is the
MP X2405_Pin 11
Short circuit to the PBA
GND (Shield
Can Fence)
No
Replace
V2416
Yes
5 Volt DC at
MP 6 (C2433) No
SL 4 Replace
N2420
SL 5 Replace
R2442
No
1.8 Volt DC at
MP 8 (R2431)
Yes
SL 5 Replace
N2010
SL 4 Escalate
No
Replace
N2420
Disconnect:
VBATT and USB Cable
Max
2 Ohm between
MP X2405_Pin 11 and
MP 10 (Z2400_Pin 3)
Max
0.5 Ohm between
MP X2405_Pin 11 and
MP 13 (Z2400_Pin 2)
No Replace
X2405
No
Replace
Z2400
Yes
Max
2 Ohm between
MP X2405_Pin 10 and
MP 12 (Z2400_Pin 4)
Max
0.5 Ohm between
MP X2405_Pin 10 and
MP 11 (Z2400_Pin 1)
Yes
No Replace
X2405
No
Replace
Z2400
Yes
SL 4 Replace
N2420
SL 5 Replace
N2010
Yes
USB and Software Flash Problems
SEMC Troubleshooting Manual
8 (124)

C905
1222-9526 rev. 1
TROUBLESHOOTING
TROUBLESHOOTING
Dead Phone Problems
START
Step 1:
Try to recover the phone by using
EMMA SW
Press ”C”
Connect USB from PC
Run SEMC BOOT if necessary
Run SUCR SW
If successful claim SW Flash
If not continue with the step 2.
Step 2:
Use TRS Fixture
Connect Only: VBATT
Is the
current consumption
more than 1mA
Try to trace
Faulty Component
by using Freezing Spray
Is the
Radio Module
N1200 (Tiger)
getting hot
Replace
N1200 Yes
No
No
Yes
Connect:
DCIO/SEPI to the Phone
Is the
connection between
MP 137 (X2201_Pin 3)
and PBA GND (Shield
Can Fence)
Ok
Yes
SL 4 Replace
X2201
SL 5 Replace
R2200
No
SL 5 Remove
N2000
SL 4 Escalate
32 kHz at
MP 136 (C2100) and
MP 138 (C2101)
Replace
B2100
No
32 kHz
RTCCLK at
MP 135 (ST2104)
Yes
No
26 MHz
MCLK at
MP 38 (R2102)
Yes
Yes
1.8V DC
At MP 164
(ST2203 VDDE18) and 2.8V
DC at MP 163 (C1218
LDOA_OUT)
NoNo
Yes
Check the following
Voltages:
2.6V MP 125 (ST2201 VAUDIO26)
2.5V MP 165 (ST2202 VANA25)
2.7V MP 127 (ST2204 VBT27)
2.7V MP 126 (ST2205 VDIG)
2.6V MP 124 (ST2206 VBEAR26)
1.2V MP 116 (ST2209 VCORE12)
1.8V MP 40 (ST2225 VCORE18
and VMEM18)
2.8V DC
at MP 65 (C1207)
(If C905c skip this
and replace
N1200)
Replace
N1200 Yes
Replace
N1211 No
Is the
all Voltages
Ok
Step 1:
Disconnect:
VBATT and DCIO/SEPI
Step 2:
Connect:
Key Flex Assy and Slider FPC Assy
to the PBA
Connect: VBATT Only
Step 3:
Use EMMA SW
Press the ”C” key and Connect
USB Cable from the PC to the PBA
Flash the Phone with ITP SW
Yes
Is the
ITP SW Flash
Successful
SL 5 Replace
N2020
SL 4 Escalate Yes
Go to USB and
Software Flash
Problems TRS guide No
No
Go to
Dead Phone
Problems part 2
SL 5 Replace
N2000
SL 4 Escalate
SL 5 Replace
N2000
SL 4 Escalate
Is the
current consumption
still more than
1mA
Try to trace Faulty
Component by using
Freezing Spray Yes
SL 5 Replace
N2000
SL 4 Escalate No
Dead Phone Problems part 1
START
NOTE !
Before following this guide the
Dead Phone Problems part 1 TRS guide
must be finished
Is the
VAUDIO26
Voltage
Ok
No
Is the
VANA25
Voltage
Ok
Yes
Is any of
N2200 or N2010
getting hot
No Yes
SL 5 Replace
N2000
SL 4 Escalate
No
Is the
VBT27
Voltage
Ok
Yes
Is N1300
getting hot
No
Is any of
N2422 or N3103
getting hot
SL 4 Replace
N2422
SL 5 Replace
N3103
Yes
No SL 5 Replace
N2000
SL 4 Escalate
SL 4 Replace
N2200
SL 5 Replace
N2010
Replace
N1300
Yes
No SL 5 Replace
N2000
SL 4 Escalate
Is the
VDIG
Voltage
Ok
Is any of
N2411, N1300
N1500 or N1510 getting
hot. (Note: The N1500
is missing on
C905c)
SL 4 Replace
N2411, N1300
or N1510
SL 5 Replace
N1500
Yes
Yes
No
No SL 5 Replace
N2000
SL 4 Escalate
Yes
Go to
Dead Phone
Problems part 3
Is the
VBEAR26
Voltage
Ok
No SL 5 Replace
N2000
SL 4 Escalate
Yes
Dead Phone Problems part 2
SEMC Troubleshooting Manual
9 (124)

C905
1222-9526 rev. 1
TROUBLESHOOTING
TROUBLESHOOTING
Dead Phone Problems - Display Problems
START
NOTE !
Before following this guide the
Dead Phone Problems part 2 TRS guide
must be finished
Is the
VCORE12
Voltage
Ok
1.1V – 1.2V DC
at MP 115
(V2201_Cathode)
3.8 Volt DC at
MP 114 (L2201)
No Replace
L2201
No
Yes
No
Yes
Is
MP 116 (ST2209)
Short circuit to the
PBA GND (Shield
Can Fence)
Replace
L2200
No
SL 5 Replace
N2000 or N2010
SL 4 Escalate
Is the
VCORE18/VMEM18
Voltage
Ok
No
No
1.8 Volt DC at
MP 40 (ST2225)
SL 4 Replace
N2200
SL 5 Replace
N2010
No
Yes
Yes
Yes
Is the
ITP SW Flash
Successful
SL 5 Replace
N2020
SL 4 Escalate
Yes
No
Yes
SL 5 Replace
V2201 or N2000
SL 4 Escalate
Is
MP 40 (ST2225)
Short circuit to the
PBA GND (Shield
Can Fence)
SL 5 Replace
N2010
SL 4 Escalate
Yes
SL 4 Replace
N2200
SL 5 Replace
L2202
Step 1:
Disconnect:
VBATT and DCIO/SEPI
Step 2:
Connect:
Key Flex Assy and Slider FPC Assy
to the PBA
Connect: VBATT Only
Step 3:
Use EMMA SW
Press the ”C” key and Connect
USB Cable from the PC to the PBA
Flash the Phone with ITP SW
Go to USB and
Software Flash
Problems TRS guide
Dead Phone Problems part 3
Is the
Display Backlights
Ok
Go to
Dispaly illumination
Problems TRS guide
No
Is the picture
too dark or
too light
Yes
Go to
Opto Sensor
Problems TRS guide
No
Disconnect: VBATT and DCIO/SEPI and
Remove PBA from the TRS Fixture
Use Digital Multimeter instrument (DMM)
and perform:
Z4200, Z4201 and Z4202
Display Filter Test 1 and 2
NOTE !
Be very careful when you're cutting the
Shield Can Fence to avoid component damage
Yes
START
Step 1:
Flash the Phone with EMMA SUCR SW
If successful claim SW Flash
If not go to step 2.
Step 2:
Load ITP SW into the Phone
Use TRS Fixture
Connect:
PBA Key Flex Flip, Slider FPC Assy and Display
to the PBA
Connect: VBATT and DCIO/SEPI
Use Fault Trace SW and go to:
MMI
Misc
Init Screen Testing
Display Pattern
Activate:
TV Test Pattern
If Display is working on the TRS Fixture
then Replace
Display, PBA Key Flex Flip or Slider FPC Assy
If not then continue with
Display illumination Problems TRS guide
It is recommended to use microscope for these
measurements
Z4200, Z4201 and Z4202
Display Filter Test
Test 1:
Check if Pins: 1,2,3,4,5,6,7,8
are NOT short circuit to GND
Test 2:
Max 2 Ohm between the following pins:
Pin 1 and 5
Pin 2 and 6
Pin 3 and 7
Pin 4 and 8
NOTE !
Test 1 and 2 must be made on all filters
Are all
Display Filters
Ok
Replace
Z4200, Z4201 or
Z4202
No
Replace
X4200
Yes
Is the Display
Problem solved
Claim Component
X4200
Yes
SL 5 Replace
N2010
SL 4 Escalate
No
Display Problems
SEMC Troubleshooting Manual
10 (124)

C905
1222-9526 rev. 1
TROUBLESHOOTING Display Illumination Problems
TROUBLESHOOTING
- Opto Sensor Problems
START
Step 1:
Flash the Phone with EMMA SUCR SW
If successful claim SW Flash
If not go to step 2.
Step 2:
Load ITP SW into the Phone
Use TRS Fixture
Connect:
PBA Key Flex Flip, Slider FPC Assy and Display
to the PBA
Connect: VBATT and DCIO/SEPI
Use Fault Trace SW and go to:
MMI
Misc
Init Screen Testing
Led and Backlight
Activate:
Display Backlight
If Display Backlight is working on the TRS Fixture
then Replace
Display, PBA Key Flex Flip or Slider FPC Assy
If not then continue with the
Display ilumination Problems TRS guide
1: Ues Fault trace SW and go to:
MMI
Misc
Init Screen Testing
Led and Backlight
Deactivate:
Display Backlight
2: Disconnect Slider FPC Assy from the PBA
3.7V - 3.8V DC
at MP 51 (TP4200)
3.7V - 3.8V DC
at MP 119
(V4201_Anode)
No
Replace
V4201
Yes
Replace
L4200
No
Fault trace SW
MMI
Misc
Init Screen Testing
Led and Backlight
Activate:
Display Backlight
Yes
17V - 20V DC at
MP 51 (TP4200)
More than
4 Volt DC
Pk-Pk Pulses
at MP 117
(V4200_Pin 3)
No
Yes
Replace
V4200
SL 5 Replace
N2000
SL 4 Escalate
No
0 Volt DC at
MP 52 (TP4201) Yes
Replace
X4200
Yes
Replace
V4203
No
Is the
Display illumination
Problem solved No
Claim Component
V4203
Yes
Display Illumination Problems
START
Step 1:
Replace PBA Key Flex Flip
and retest the Phone
If successful claim PBA Key Flex Flip
if not go to step 2.
Step 2:
Replace Slider FPC Assy
and retest the Phone
If successful claim Slider FPC Assy
if not continue with the
Opto Sensor Problems TRS guide
Is the
Display
Illumination (LEDs)
Ok
Go to
Dispaly illumination
Problems TRS guide
No
Can you see
any picture on
Display
Yes
Go to
Display Problems
TRS guide
No
Use TRS Fixture
Connect: VBATT and DCIO/SEPI
Yes
1.8 Volt DC at
MP 73 (R2217
OPTO_EN)
Shortly after phone
Power On
SL 5 Replace
N2000
SL 4 Escalate
No
Yes
3 Volt
Pk-Pk Pulses at
MP 59 (TP2203
VOPTO30) Shortly after
phone Power On
No
Replace
N2201
Replace
X4200
Yes
Is the
Opto Sensor Problem
solved
Claim Component
X4200
No Yes
SL 5 Replace
N2000
SL 4 Escalate
Opto Sensor Problems
SEMC Troubleshooting Manual
11 (124)

C905
1222-9526 rev. 1
TROUBLESHOOTING On-Off Key -
TROUBLESHOOTING
Numeric Keypad & Camera Snap Button Problems
START
Step 1:
Replace PBA Key Flex Flip and retest the Phone
If successful claim PBA Key Flex Flip
if not go to step 2.
Step 2:
Replace Slider FPC Assy and retest the Phone
If successful claim Slider FPC Assy
if not go to step 3.
Step 3:
Use TRS Fixture
Connect:
PBA Key Flex Flip and Slider FPC Assy to the PBA
Connect: VBATT and DCIO/SEPI
Is the
Problem with
Power Off
No
3.7 Volt DC at
MP 60 (C2472)
Yes
Press the
On/Off Key Yes
0 Volt DC at
MP 60 (C2472)
Replace
X4200 No
SL 5 Replace
N2000
SL 4 Escalate
Yes
Disconnect:
Slider FPC Assy
from the PBA
No
SL 4 Replace
V2470
SL 5 Replace
N2000
1.8 Volt DC at
MP 5 (R2470)
SL 5 Replace
R2470 or N2010
SL 4 Escalate
No
3.7 Volt DC at
MP 60 (C2472)
Yes
Replace
X4200 Yes
No
1.8 Volt DC at
MP 5 (R2470)
Replace
V2470 Yes
SL 5 Replace
R2470, V2480 or
N2010
SL 4 Escalate
No
On-Off Key Problems
START
Step 1:
If Problem with both Numeric and Navigation Keypads
go to step 3, if not go to step 2.
Step 2:
Use TRS Fixture
Connect:
Numeric Key Foil to the PBA
Connect: VBATT and DCIO/SEPI
Use Fault Trace SW and go to:
MMI
Misc
Init Screen Testing
Activate
Keypad Scan Test
Perform Keypad Scan Test by pressing all
Keypads and Camera Snap Button on Numeric Key Foil
If successful then
Replace
Numeric Key Foil
If not go to step 3.
Step 3:
Use TRS Fixture
Connect:
Numeric Key Foil to the PBA
Connect: VBATT and DCIO/SEPI
and continue with the
Numeric Keypad and Camera Snap Button Problems
TRS guide
Is the
Problem with
both Numeric and
Navigation
Keypads
Replace
X2410 or X2411 No
Yes
1.8 Volt DC at
MP 96 (S2453_Pin A) and
MP 94 (S2454_Pin A)
Go to Volume
Up and Down Button
Problems TRS guide
No
Yes
Go to Camera
Play and Mode (REC)
Button Problems
TRS guide
No
Is the
problem with
Numeric Keypad and
Camera Snap
Button
No
Yes
Go to
Navigation Keypad
and Game A and B
Button Problems
TRS guide
1.8 Volt DC at
MP 82 (S2415_Pin A) and
MP 88 (S2424_Pin A)
Yes
1.8 Volt DC at
MP 76
(V2481_Cathode)
SL 5 Replace
V2481
SL 4 Escalate
No
Yes
1.8 Volt DC at
MP 5 (R2470), MP 4
(R2471) and MP 39
(R2472)
0 Volt DC
when pressing
Key ”3" at MP 5 (R2470)
Key ”6" at MP 4 (R2471)
and Key ”1" at
MP 39 (R2472)
Yes
Flash the Phone with
EMMA SUCR SW Yes
1: Disconnect:
VBATT and DCIO/SEPI
2: Disconnect:
Numeric Key Foil
from the PBA
No
Is
MP 157 (C2461),
MP 158 (C2462), MP 159
(C2464) Short Circuit to GND
(Shield Can
Fence)
SL 5 Replace
V2486,
V2487 or V2484
SL 4 Escalate
Yes
SL 5 Replace
N2010
SL 4 Escalate
No
Is
MP 5 (R2470)
MP 4 (R2471), MP 39 (R2472)
Short Circuit to GND
(Shield Can
Fence)
No
No
SL 5 Replace
V2480,
V2473 or V2479
SL 4 Escalate
Yes
SL 5 Replace
R2470, R2471 or
R2472
SL 4 Escalate
Numeric Keypad and Camera Snap Button Problems
SEMC Troubleshooting Manual
12 (124)

C905
1222-9526 rev. 1
TROUBLESHOOTING
TROUBLESHOOTING
N avigation Keypad & Game Button - Volume Button Problems
START
Step 1:
Use TRS Fixture
Connect:
PBA Key Flex Flip and Slider FPC Assy to the PBA
Connect: VBATT and DCIO/SEPI
Use Fault Trace SW and go to:
MMI
Misc
Init Screen Testing
Activate
Keypad Scan Test
Perform Keypad Scan Test by pressing all Keypads and
Game A and B Buttons on Key Flex Flip Assy
If successful then
Replace
PBA Key Flex Flip or Slider FPC Assy
If not go to step 2.
Step 2:
Continue with the
Navigation Keypad and Game A and B Button Problems
TRS guide
NoYes
Is the
Numeric Keypad
and Camera Snap
Button
Ok
Go to
Numeric Keypad and
Camera Snap Button
Problems TRS guide
Replace
X4200
Navigation Keypad and Game A and B Button Problems
START
Use TRS Fixture
Connect: VBATT and DCIO/SEPI
Is
the problem with
S2453 Volume Up
Button
Yes
1.8 Volt DC at
MP 96 (S2453_Pin A) and
MP 97 (S2453_Pin B)
Press the
S2453 Volume Up
Button
Yes
0 Volt DC at
MP S2453_Pin A and
MP S2453_Pin B
No
Yes
Replace
S2453
No No
No
SL 5 Replace
N2010
SL 4 Escalate
Are
MP 96 (S2453_Pin A)
and MP 97 (S2453_Pin B)
short circuit to the PBA GND
(Shield Can
Fence)
SL 5 Replace
R2473 or N2010
SL 4 Escalate
Yes
Are
MP 96 (S2453_Pin A)
and MP 97 (S2453_Pin B) still
short circuit to the PBA GND
(Shield Can
Fence)
Remove the
S2453 Volume Up
Button
SL 5 Replace
V2474 or V2478
SL 4 Escalate
Yes Replace
S2453
No
1.8 Volt DC at
MP 94 (S2454_Pin A) and
MP 95 (S2454_Pin B)
Press the
S2454 Volume Down
Button
Yes
0 Volt DC at
MP 94 (S2454_Pin A) and
MP 95 (S2454_Pin B)
Replace
S2454 No
SL 5 Replace
N2010
SL 4 Escalate
Yes
Are
MP 94 (S2454_Pin A)
and MP 95 (S2454_Pin B)
short circuit to the PBA GND
(Shield Can
Fence)
No
SL 5 Replace
R2474 or N2010
SL 4 Escalate
No
Remove the
S2454 Volume Down and
S2424 Camera Play
Buttons
Yes
Are
MP 94 (S2454_Pin A)
and MP 95 (S2454_Pin B) still
short circuit to the PBA GND
(Shield Can
Fence)
Replace
S2454 and S2424 No
SL 5 Replace
V2477,V2476
or V2472
SL 4 Escalate
Yes
Volume Up and Down Button Problems
SEMC Troubleshooting Manual
13 (124)

C905
1222-9526 rev. 1
TROUBLESHOOTING Camera Play and Mode Button
TROUBLESHOOTING
- Numeric Keypad LED Problems
START
Use TRS Fixture
Connect: VBATT and DCIO/SEPI
Is there
a problem with
S2424 Camera Play
Button
Go to Volume
Up and Down Button
Problems TRS guide
1.8 Volt DC at
MP 82 (S2415_Pin A)
and MP 84
(S2415_Pin B)
No
SL 5 Replace
N2010
SL 4 Escalate
Press the
S2415 Camera Mode (REC)
Button
Yes
0 Volt DC at
MP 82 (S2415_Pin A)
and MP 84
(S2415_Pin B)
Replace
S2415 No
Yes
No
1.8 Volt DC at
MP 88 (S2424_Pin A)
and MP 90
(S2424_Pin B)
Yes
Press the
S2424 Camera Play
Button
Yes
0 Volt DC at
MP 88 (S2424_Pin A)
and MP 90
(S2424_Pin B)
Replace
S2424 No
SL 5 Replace
N2010
SL 4 Escalate
Yes
1.8 Volt DC at
MP 96 (S2453_Pin A)
and MP 94
(S2454_Pin A)
Yes
No
Is the
MP 82
(S2415_Pin A)
and MP 84 (S2415_Pin B)
Short circuit to GND
(Shield Can
Fence)
No
SL 5 Replace
N2010
SL 4 Escalate
Remove the
S2415 Camera Mode (REC)
Button
Yes
Is the
MP 82
(S2415_Pin A)
and MP 84 (S2415_Pin B)
still Short circuit to GND
(Shield Can
Fence)
SL 5 Replace
V2475 or V2471
SL 4 Escalate
Yes Replace
S2415
No
No
SL 5 Replace
V2482
SL 4 Escalate
Camera Play and Mode (REC) Button Problems
3.8 Volt DC
at MP 160 (C2473)
SL 5 Replace
N2000
SL 4 Escalate
No
Replace
X2410 Yes
Connect: VBATT and DCIO/SEPI
Restart the Fault Trace SW and go to:
MMI
Misc
Init Screen Testing
Led and Backlight
Activate:
Keypad LED
START
Load ITP SW into the Phone
Use TRS Fixture
Connect: Numeric Key Foil to the PBA
Connect: VBATT and DCIO/SEPI
Use Fault Trace SW and go to:
MMI
Misc
Init Screen Testing
Led and Backlight
Activate:
Keypad LED
If Keypad LED is working on the TRS Fixture
then Replace Numeric Key Foil
If not then continue with the
Numeric Keypad LED Problems TRS guide
Disconnect:
VBATT and DCIO/SEPI
Disconnect:
Numeric Key Foil
Max 1 Ohm
between MP 74
(R4401) and MP 72
(C4401)
SL 5 Replace
L4400
SL 4 Escalate
No
Yes
5 Volt DC at
MP 56 (TP4400) No Replace
N4400
Yes
Fault Trace SW
Deactivate:
Keypad LED
Numeric Keypad LED Problems
SEMC Troubleshooting Manual
14 (124)

C905
1222-9526 rev. 1
TROUBLESHOOTING Navigation Keypad LED Problems
TROUBLESHOOTING
- Auto Focus LED Problems
Replace
X4200
START
Load ITP SW into the Phone
Use TRS Fixture
Connect: PBA Key Flex Flip and Slider FPC Assy
to the PBA
Connect: VBATT and DCIO/SEPI
Use Fault Trace SW and go to:
MMI
Misc
Init Screen Testing
Led and Backlight
Activate:
Keypad LED
If Navigation Keypad LED is working on the TRS Fixture
then Replace
PBA Key Flex Flip or Slider FPC Assy
If not then continue with the
Navigation Keypad LED Problems TRS guide
1: Cut the Shield Can Fence around the N4000, be very careful
to avoid component damage.
2: Use TRS Fixture
Connect: PBA Key Flex Flip and Slider FPC Assy to the PBA
Connect: VBATT and DCIO/SEPI
3: Restart the Fault Trace SW and go to:
MMI
Misc
Init Screen Testing
Led and Backlight
Activate:
Keypad LED
Disconnect:
VBATT and DCIO/SEPI
Remove the PBA from the TRS Fixture
Max 1 Ohm
between MP 74
(R4401) and MP 72
(C4401)
SL 5 Replace
L4400
SL 4 Escalate
No
Yes
5 Volt DC at
MP 56 (TP4400) No
Replace
N4400
Yes
1.7V – 3V DC at
MP 78 (R4403), MP 77
(R4404), MP 75 (R4405)
and MP 79 (R4406)
NoYes
Navigation Keypad LED Problems
1.4V - 1.5V DC
at MP 93 (TP4401)
when Auto Focus LED
is Activated
No
Yes
Replace
N4400
5 Volt DC at
MP 56 (TP4400) when
Auto Focus LED is
Activated
YesNo
Is the
Problem solved
SL 5 Replace
N2010
SL 4 Escalate
No
Replace
X4400
Yes
Connect: VBATT and DCIO/SEPI
Connect: Flash Complete to the PBA
Restart the Fault Trace SW and go to:
MMI
Misc
Init Screen Testing
Led and Backlight
Activate:
Auto Focus LED
START
Load ITP SW into the Phone
Use TRS Fixture
Connect: Flash Complete to the PBA
Connect: VBATT and DCIO/SEPI
Use Fault Trace SW and go to:
MMI
Misc
Init Screen Testing
Led and Backlight
Activate:
Auto Focus LED
If Auto Focus LED is working on the TRS Fixture
then Replace Flash Complete
If not then continue with the
Auto Focus LED Problems TRS guide
Max 1 Ohm
between MP 74
(R4401) and
MP 72 (C4401)
SL 5 Replace
L4400
SL 4 Escalate
No
Yes
Disconnect:
VBATT and DCIO/SEPI
SL 4 Replace
N4400
SL 5 Replace
L4401
Claim Component
N4400
Auto Focus LED Problems
SEMC Troubleshooting Manual
15 (124)

C905
1222-9526 rev. 1
TROUBLESHOOTING Back Side LED Problems
TROUBLESHOOTING
- Tally LED Problems
SL 4 Replace
X4400
SL 5 Replace
N2000
START
Load ITP SW into the Phone
Use TRS Fixture
Connect: Flash Complete to the PBA
Connect: VBATT and DCIO/SEPI
Use Fault Trace SW and go to:
MMI
Misc
Init Screen Testing
Led and Backlight
Activate:
Back-Side LED
If the Back-Side LED is working on the TRS Fixture
then Replace Flash Complete
If not then continue with the
Back-Side LED Problems TRS guide
Disconnect:
VBATT and DCIO/SEPI
Disconnect:
Flash Complete from the PBA
Connect: VBATT and DCIO/SEPI
Restart Fault Trace SW and go to:
MMI
Misc
Init Screen Testing
Led and Backlight
Activate:
Back-Side LED
5 Volt DC at
MP 56 (TP4400) when
Back-Side LED
is Activated
No Replace
N4400
Yes
Max
1 Ohm between
MP 74 (R4401) and
MP 72 (C4401)
SL 5 Replace
L4400
SL 4 Escalate
No
Yes
Back-Side LED Problems
5 Volt DC
at MP 56 (TP4400)
Yes
Replace
N4400
Connect: VBATT and DCIO/SEPI
Restart the Fault Trace SW and go to:
MMI
Misc
Init Screen Testing
Led and Backlight
Activate:
Tally LED
START
Load ITP SW into the Phone
Use TRS Fixture
Connect: Flash Complete to the PBA
Connect: VBATT and DCIO/SEPI
Use Fault Trace SW and go to:
MMI
Misc
Init Screen Testing
Led and Backlight
Activate:
Tally LED
If Tally LED is working on the TRS Fixture
then Replace Flash Complete
If not continue with the
Tally LED Problems TRS guide
Max 1 Ohm
between
MP 74 (R4401) and
MP 72 (C4401)
SL 5 Replace
L4400
SL 4 Escalate
No
Yes
Disconnect:
VBATT and DCIO/SEPI
1.8 Volt DC
at MP 134
(V4400_Pin 1)
No
Is
any of
MP 134 (V4400_Pin 1)
and MP 148 (V4400_Pin 3)
Short circuit to
PBA GND (Shield
Can Fence)
No
Replace
N2410 No
SL 5 Replace
V4400
SL 4 Escalate
Yes
Fault Trace SW:
Deactivate
Tally LED
Yes
2V – 2.5 Volt DC
at MP 148
(V4400_Pin 3)
No
SL 5 Replace
V4400
SL 4 Escalate
Fault Trace SW:
Activate
Tally LED
Yes
0 Volt DC
at MP 148
(V4400_Pin 3)
Replace
X4400 Yes
SL 5 Replace
V4400
SL 4 Escalate
No
Tally LED Problems
SEMC Troubleshooting Manual
16 (124)

C905
1222-9526 rev. 1
TROUBLESHOOTING Camera Snap Button LED
TROUBLESHOOTING
- Camera Navigation LED Problems
0 Volt DC
at MP 161 (C2474)
when the Camera LED
is Activated
SL 5 Replace
N2000
SL 4 Escalate
No
Replace
X2410 Yes
Connect: VBATT and DCIO/SEPI
Restart the Fault Trace SW and go to:
MMI
Misc
Init Screen Testing
Led and Backlight
Activate:
Camera LED
START
Load ITP SW into the Phone
Use TRS Fixture
Connect: Numeric Key Foil to the PBA
Connect: VBATT and DCIO/SEPI
Use Fault Trace SW and go to:
MMI
Misc
Init Screen Testing
Led and Backlight
Activate:
Camera LED
If Camera Snap Button LED is working on the TRS Fixture
then Replace Numeric Key Foil
If not then continue with the
Camera Snap Button LED Problems TRS guide
Disconnect:
VBATT and DCIO/SEPI
Disconnect:
Numeric Key Foil
Max
1 Ohm
between
MP 74 (R4401) and
MP 72 (C4401)
SL 5 Replace
L4400
SL 4 Escalate
No
Yes
5 Volt DC at
MP 56 (TP4400) when
the Camera LED is
Activated
No Replace
N4400
Yes
Camera Snap Button LED Problems
Connect: VBATT and DCIO/SEPI
Restart the Fault Trace SW and go to:
MMI
Misc
Init Screen Testing
Led and Backlight
Activate:
Camera LED
No
Replace
X4200
Yes
0 Volt DC
at MP 92 (C4215) and
MP 86 (C4217) when
Camera LED is
Activated
0 Volt DC
at MP 89 (C4218)
when Camera LED is
Activated
SL 5 Replace
N2000
SL 4 Escalate
Yes
SL 5 Replace
V4208
SL 4 Escalate
No
Is
the Camera
Navigation LED
Problem solved
SL 5 Replace
N2000
SL 4 Escalate
No
Claim Component
V4208
Yes
START
Load ITP SW into the Phone
Use TRS Fixture
Connect: PBA Key Flex Flip and Slider FPC Assy
to the PBA
Connect: VBATT and DCIO/SEPI
Use Fault Trace SW and go to:
MMI
Misc
Init Screen Testing
Led and Backlight
Activate:
Camera LED
If Camera Navigation LEDs is working on the TRS Fixture
then Replace
PBA Key Flex Flip or Slider FPC Assy
If not then continue with
Camera Navigation LED Problems TRS guide
Disconnect:
VBATT and DCIO/SEPI
Disconnect:
PBA Key Flex Flip and Slider FPC Assy
from the PBA
Max 1 Ohm
between
MP 74 (R4401) and
MP 72 (C4401)
SL 5 Replace
L4400
SL 4 Escalate
NoYes
5 Volt DC at
MP 56 (TP4400) when
Camera LED is
Activated
Replace
N4400
No
Yes
Camera Navigation LED Problems
SEMC Troubleshooting Manual
17 (124)

C905
1222-9526 rev. 1
TROUBLESHOOTING Trickle Charge LED Problems
TROUBLESHOOTING
- Xenon Flash Problems
START
Step 1:
Replace Flash Complete
and retest the Phone
If successful claim
Flash Complete
If not go to step 2.
Step 2:
Load ITP SW into the Phone
Use Dummy Battery connected to the
Power Supply Channel 1 (VBATT)
Connect: DCIO/SEPI
Use Fault Trace SW
Fault Trace SW
MMI
Misc
Init Screen Testing
Led and Backlight
Activate:
Xenon Flash Test
No
Is the
Xenon Flash Test
Ok
Yes
Flash the Phone with
EMMA SUCR SW
Is the
Camera working
properly
Go to Camera
Problems TRS guide No
Use TRS Fixture
Connect:
Flash Complete and Camera 8MP to the PBA
Connect: VBATT and DCIO/SEPI
Use Fault Trace SW
Fault Trace SW
MMI
Misc
Init Screen Testing
Led and Backlight
Activate:
Xenon Flash Test
Yes
Disconnect:
Flash Complete
1.8V – 2V DC
at MP 149 (R4304) No 1.8 Volt DC
at MP 87 (R4303)
Replace
N2410
No
SL 5 Replace
N4300
SL 4 Escalate
Yes
Yes
Replace
X4400
Is the
Xenon Flash
Problem solved
SL 4 Replace
N2410
SL 5 Replace
N2010
No
Claim Component
X4400
Yes
Is
MP 133 (X4410)
connected to the PBA
GND (Shield Can
Fence)
No Replace
X4410
Yes
Xenon Flash Problems
START
Load ITP SW into the Phone
Use TRS Fixture
Connect: VBATT and DCIO/SEPI
Use Fault Trace SW
Continue with the
Trickle Charge LED Problems TRS guide
Fault Trace SW
MMI
Misc
Init Screen Testing
Led and Backlight
Activate:
Charge LED
No Yes
1.8 Volt DC
at MP 118
(V4206_Anode)
SL 5 Replace
N2000
SL 4 Escalate
Replace
V4206
Trickle Charge LED Problems
SEMC Troubleshooting Manual
18 (124)

C905
1222-9526 rev. 1
TROUBLESHOOTING Multimedia Combo Chip Problems
TROUBLESHOOTING
- Camera Problems
START
Load ITP SW into the Phone
Use Dummy Battery connected
to Power Supply Channel 1
(VBATT)
Connect: DCIO/SEPI
Use Fault Trace SW
Fault Trace SW
General
Selftest
Run N2500 Selftest
Is the
N2500 Selftest
Test result
0x0
Flash the Phone with
EMMA SUCR SW
Yes
1: Use TRS Fixture
Connect:
VBATT and DCIO/SEPI
2: Use Fault trace SW and go to:
MMI
Misc
Init Screen Testing
Activate:
Multimedia Chip
No
1.8 Volt DC
at MP 71 (SP2505
VIDCC_L1DET)
Yes
No
1.2 Volt DC
at MP 69 (ST2226
VDD_L1)
1.8 Volt DC
at MP 70 (R2215
VIDCC_L1_EN)
No Replace
N2500
No
SL 5 Replace
N2210
SL 4 Escalate
Yes
1.8 Volt DC
at MP 42 (ST2229
VSDR18)
Yes
1.8 Volt DC
at MP 67 (R2223
VIDCC_SDR_EN)
No Replace
N2500
No
SL 5 Replace
N2214
SL 4 Escalate
Yes
1.2 Volt DC
at MP 66 (ST2228
VDD_L0)
Yes
1.8 Volt DC
at MP 36 (C2104
PWRRSTn)
No
SL 5 Replace
N2000
SL 4 Escalate
SL 4 Replace
N2212
SL 5 Replace
N2010
No
Yes
1.8 Volt DC
at MP 68 (R2502
VIDCC_RESn)
SL 5 Replace
N2010
SL 4 Escalate
No
Yes
Replace
N2500
26 MHZ
at MP 20 (ST2109
VIDCC_CLK)
Yes
No
SL 4 Replace
N2500
SL 5 Replace
N2102
SL 5 Replace
N2010 or N2000
SL 4 Escalate
Yes
Multimedia Combo Chip Problems
START
Step 1:
Replace Camera 8MP and retest the Phone
If successful claim Camera 8MP
If not go to step 2.
Step 2:
Use Dummy Battery connected to the Power Supply Channel 1 (VBATT)
Load ITP SW into the Phone
Connect: DCIO/SEPI
Use Fault Trace SW
MMI
Misc
Init Screen Testing
Activate:
Camera Test
No
Yes
Is the
Multimedia Combo
Chip Problems TRS
guide done
Go to Multimedia
Combo Chip
Problems TRS guide
Flash the Phone with
EMMA SUCR SW
Is the
Camera working
Properly
No
Yes
1.8 Volt DC
at MP 64 (R2210) and
MP 129 (N2206_Pin 6)
1: Use TRS Fixture
Connect: Camera 8MP to the PBA
Connect: VBATT and DCIO/SEPI
2: Use Fault trace SW and go to:
MMI, Misc, Init Screen Testing and Activate: Camera Test
Replace
N2500
NoYes
2.8 Volt DC
at MP 131 (TP2210
VCAMAF28)
No
Replace
N2205
1.8V DC at
MP 130 (TP2208
VCAMSD18) and
2.8V DC at MP 128 (TP2209
VCAMSA28)
Yes
Replace
N2206 No
1.8 Volt DC at
MP 54 (TP2206
VCAMIO18)
Yes No
1.2 Volt DC
at MP 132 (TP2207
VCAML12)
Yes
Replace
N2213
No
13 MHz at
MP 37 (ST2110
CAMSYSCLK)
Yes
SL 5 Replace
N2010
SL 4 Escalate
No
Deactivate Camera Test and go to:
Fault Trace SW
General, Selftest and Run N2500 Selftest
Yes
Is the
N2500 Selftest
Test result
0x0
No Yes
Is the any of
X4311, X4312, X4313,
X4314 or X4315
damaged
Replace
Faulty Component
Yes
Replace
X4300
No
SL 5 Replace
V2212
SL 4 Escalate
SL 4 Replace
N2500
SL 5 Replace
N2010
Camera Problems
SEMC Troubleshooting Manual
19 (124)

C905
1222-9526 rev. 1
TROUBLESHOOTING Camera Cover Detect Problems
TROUBLESHOOTING
- TV Out Problems
START
Step 1:
Replace Flash Complete
and retest the Phone
If successful claim Flash Complete
If not go to step 2.
Step 2:
Use TRS Fixture
Connect Flash Complete to the PBA
Connect: VBATT and DCIO/SEPI
Continue with the
Camera Cover Detect Problems TRS guide
NOTE !
Camera Cover Detect Switch is mounted on
Flash Complete
NoYes
1.8 Volt DC
at MP 41 (R4410)
when Camera Cover
Detect Switch is
Pressed-On
Replace
X4400
SL 5 Replace
N2010
SL 4 Escalate
Camera Cover Detect Problems
Is the
Display Backlights
Ok
Go to
Dispaly illumination
Problems TRS guide
No
Is the
Display
Ok
Yes
Go to
Display Problems
TRS guide
No
Yes
START
NOTE !
Be very careful when you cut the Shield Can Fence
around the N2700 component to avoid component damage
Step 1:
Flash the Phone with EMMA SUCR SW
If successful claim SW Flash
If not go to step 2.
Step 2:
Load ITP SW into the Phone
Use TRS Fixture
Connect:
PBA Key Flex Flip, Slider FPC Assy and Display to the PBA
Connect: VBATT and DCIO/SEPI
Use Fault Trace SW and go to:
MMI
Misc
Init Screen Testing
Display Pattern
Activate:
TV Test Pattern
No
Is the
MP X2405_Pin 7
Short circuit to the
PBA GND (Shield
Can Fence)
Yes Replace
V2414
1.8 Volt DC at
MP 61 (R2228) No
SL 5 Replace
N2010
SL 4 Escalate
No
1.5 Volt DC at
MP 18 (ST2232
VTV15)
Yes
Replace
N2209 No
1.8 Volt DC at
MP 17 (R2214
VTV30_EN)
Yes Replace
N2700
No
3 Volt DC at
MP 15 (ST2233
VTV30)
Yes
Replace
N2208
No
26 MHz at
MP 19 (ST2108
TV_CLK)
Yes
SL 4 Replace
N2410
SL 5 Replace
N2102
No
0.9V – 1V
Pk-Pk Pulses at
MP 14 (L2405)
Yes
Replace
N2700 No
Disconnect:
VBATT and
DCIO/SEPI
Yes
Is
R2443 = Max 0.5 Ohm Replace
R2443
No
Yes
Replace
X2405
Is the
TV OUT
Problem solved
Claim Component
X2405 Yes
SL 5 Replace
N2010
SL 4 Escalate
TV OUT Problems
SEMC Troubleshooting Manual
20 (124)

C905
1222-9526 rev. 1
TROUBLESHOOTING Charging Problems
TROUBLESHOOTING
- USB/VBUS Charging Problems
START
Step 1:
Perform Charging Test
If NOT successful go to step 2.
Step 2:
Use TRS Fixture
Connect:
VBATT and DCIO/SEPI
3.8 Volt DC at
MP 33 (TP2201)
Replace
X2201
No
Is the
connection
between MP 139
(ST2211) and MP 141
(ST2212)
Ok
Yes
SL 5 Replace
R2200
SL 4 Escalate
No
Is
MP 31 (TP2202)
Short circuit to PBA
GND (Shield
Can Fence)
Yes
Replace
V2200
Yes
5 Volt DC at
MP 113
(V2412_Cathode)
SL 4 Replace
V2202
SL 5 Replace
N2000
Yes
Is MP 113
(V2412_Cathode)
Short circuit to PBA
GND (Shield
Can Fence)
No
Replace
V2412
Yes
Disconnect:
VBATT and DCIO/SEPI No
Is
L2449 = Max 1 Ohm Replace
X2405
Yes
SL 5 Replace
L2449
SL 4 Escalate
No
No
Charging Problems
START
Step 1:
Perform System Connector Protection Test
If successful go to step 2.
Step 2:
Use Phone with Normal SW (SSW)
Use TRS Fixture and connect: VBATT
Connect: USB Cable from the PC to the Phone
5V – 5.2V DC at
MP 16 (ST2213)
SL 5 Replace
N2000
SL 4 Escalate
Yes
5V – 5.2V DC at
MP X2405_Pin 1
No
Replace
X2405
No
Disconnect:
VBATT and USB Cable
Yes
Is
L2407 = Max 1 Ohm Replace
L2407
No
Replace
N2421 Yes
USB/VBUS Charging Problems
SEMC Troubleshooting Manual
21 (124)

C905
1222-9526 rev. 1
TROUBLESHOOTING SIM Problems
TROUBLESHOOTING
- Memory Stick Problems
START
Step 1:
Load ITP SW into the Phone
Step 2:
Insert Test SIM
Connect:
Dummy Battery connected to
Power Supply Channel 1 (VBATT)
and DCIO/SEPI
Use Fault Trace SW
No
Is the
Sim Com Test
Passed
1.8 Volt DC at
MP 155 (X2402_Pin 1)
Yes
Yes
Yes
Remove Test SIM
Use TRS Fixture
Connect:
VBATT and DCIO/SEPI
Use Fault Trace SW and go to:
Logic
SIM Card control
Activate:
SIMVCC
SIMVCC On
Activate:
SIMCONRST
Yes
SIMVCC On
SIMCONRST On
Activate:
SIMCONCLK
0.9V-1V DC at
MP 151 (X2402_Pin 3)
Yes
SIMVCC On
SIMCONRST On
SIMCONCLK On
Activate:
SIMCONDAT
1.8 Volt DC at
MP 105 (ST2411)
Is
MP 154 (X2402_Pin 5)
Connected to
PBA GND
No
Yes
SL 5 Replace
R2416
SL 4 Escalate
No
Fault Trace SW
Logic
SIM Card control
Activate:
SIM Com Test
Is any of
C2414 or C2420
Short circuit
No
SL 5 Replace
C2414 or C2420
SL 4 Escalate
Yes
8 Kohm
between
MP 155 (X2402_Pin 1)
(Red Probe) and
MP 150 (X2402_Pin 7)
(Black Probe)
No
1.8 Volt DC at
MP 156 (C2420)
No Replace
X2402
Yes
1.8 Volt DC at
MP 153 (X2402_Pin 2) No
Replace
X2402
No
Yes
SL 5 Replace
N2000
SL 4 Escalate
1.8 Volt DC
at MP 152 (C2419)
Yes
No
1MHz and
1.8 Volt Pk-Pk at
MP 107 (ST2410)
Flash the Phone with
EMMA SUCR SW
Is C2419
Short circuit
SL 5 Replace
C2419
SL 4 Escalate
Yes
SL 5 Replace
N2000
SL 4 Escalate
No
Yes
1MHz and
1.8V-2.2V Pk-Pk at
MP 34 (SP2410)
No
SL 5 Replace
N2010
SL 4 Escalate
No
Replace
X2402
1.8 Volt DC at
MP 106 (C2413) No
SL 5 Replace
N2000
SL 4 Escalate
Yes
Disconnect:
VBATT and DCIO/SEPI
Yes
SL 4 Replace
X2402
SL 5 Replace
N2000 or N2010
SL 5 Replace
N2000 or N2010
SL 4 Escalate
No
SIM Problems
Is X2401
damaged
SL 5 Replace
X2401
SL 4 Escalate
Yes
Load ITP SW into the Phone
Insert Memory M2 Card
Use TRS Fixture
Connect:
VBATT and DCIO/SEPI
Use Fault Trace SW
No
Fault trace SW
Logic
SIM Card control
Activate:
Memory Stick Test
Is this a
C905c phone
Yes
No
Replace
X2401
Is the
Memory Stick Test
Passed
Flash the Phone with
EMMA SUCR SW Yes
0 Volt DC at
MP35 (R2422
MSDETECT)
No
Is this a
C905c phone
No Replace
X2401
Yes
SL 5 Replace
X2401
SL 4 Escalate
No
1.8 Volt DC at
MP 162 (ST2200
VMC18)
SL 5 Replace
N2000
SL 4 Escalate
No
SL 5 Replace
X2401 or N2010
SL 4 Escalate
Yes
Is this a
C905c phone
Yes
SL 4 Replace
X2401
SL 5 Replace
N2010
Yes
No
START
NOTE !
SL 4 may only Repair X2401 on the C905c Phones
If there is a problem with X2401
on C905 or C905a Phones
SL 4 Escalate to SL 5
Memory Stick Problems
SEMC Troubleshooting Manual
22 (124)

C905
1222-9526 rev. 1
TROUBLESHOOTING Primary & Secondary Mic Problems
TROUBLESHOOTING
- Ear Speaker Problems
START
Step 1:
If Primary Mic problem
Replace PBA Key Flex Flip or Slider FPC Assy
and retest the Phone
If successful claim PBA Key Flex Flip or Slider FPC Assy
If not go to step 3.
Step 2:
If Secondary Mic problems replace Flash Complete and
retest the phone
If successful claim Flash Complete
If not go to step 3.
Step 3:
Continue with the
Primary and Secondary Mic Problems TRS guide
Is the
problem with
Primary Mic
Yes
Is the
problem with
both Primary and
Secondary
Mic
SL 5 Replace
N2000
SL 4 Escalate
No
Replace
X4200
Yes
Replace
X4400 No
Primary and Secondary Mic Problems
START
Step 1:
Replace Ear Speaker
and retest the Phone
If successful claim Ear Speaker
If not then go to step 2.
Step 2:
Replace PBA Key Flex Flip
If successful claim PBA Key Flex Flip
If not then go to step 3.
Step 3:
Replace Slider FPC Assy
If successful claim Slider FPC Assy
If not then go to step 4.
Step 4:
Load ITP SW into the Phone
Use TRS Fixture
Connect: VBATT and DCIO/SEPI
Use Fault Trace SW
Use Hands-Free (PHF) and
continue with the
Ear Speaker Problems TRS guide
1: Fault Trace SW
Audio and FM Radio
Audio Loop Test
Audio Input: AUX1
Loop Mode: Analog
Audio Output:
Ear Speaker
Apply Audio Loop
2: Remove the DCIO/SEPI Cable from the PBA
and Insert the Hands-Free (PHF) set to the PBA
2.6 Volt DC
at MP 125 (ST2201)
and MP 124 (ST2206)
SL 5 Replace
N2000
SL 4 Escalate
No
More than
40 mV AC Pk-Pk
at MP 58 (C3159_Side A) and
MP 57 (C3159_Side B)
when blowing into
PHF mic
Yes
Replace
X4200
Yes
No
Ear Speaker Problems
SEMC Troubleshooting Manual
23 (124)

C905
1222-9526 rev. 1
TROUBLESHOOTING Loudspeaker Problems
TROUBLESHOOTING
- Handsfree (PHF) Problems
START
Step 1:
Replace Loudspeaker Assembly
and retest the Phone
If successful claim Loudspeaker Assembly
If not go to step 2.
Step 2:
Load ITP SW into the Phone
Use TRS Fixture
Connect: VBATT and DCIO/SEPI
Use Signal Generator Instrument
Use Fault Trace SW and continue with the
Loudspeaker Problems TRS guide
Fault trace SW
Audio and FM Radio
FM Radio
Audio Output: Loudspeaker
Frequency: 103 MHz
Set FM Radio
Remove: DCIO/SEPI Cable
Connect: Customized FM Radio Cable
Black Lab Plug to TRS Fixture GND Input
and PHF Connector to the
Phone System Connector
Signal Generator
Instrument Settings:
Frequency: 103 MHz
Amplitude/Level: 50μV
FM Dev: +/-22.5 kHz
FM Rate: 1kHz
2.6 Volt DC
at MP 125 (ST2201)
and MP 124 (ST2206)
SL 5 Replace
N2000
SL 4 Escalate
No
More than
40 mV AC Pk-PK
1 KHz signal at MP 1
(C3137) and MP 30
(C3148)
1.8 Volt DC
at MP 80 (R3153)
Yes
Replace
N3100 or N2410 No Yes
SL 4 Replace
V3101 or N3100
SL 5 Replace
C3107 or C3108
Yes
No
No
Replace
N3100
Replace
X3102 or X3103 Yes
Is any of
X3102 or X3103
damaged
Yes
SL 4 Replace
N3100
SL 5 Replace
N2000
No
Is any of
MP 147 (V3101_Pin 1)
and MP 146 (V3101_Pin 2)
Short circuit to the PBA
GND (Shield Can
Fence)
1: Disconnect:
Customized FM Radio Cable and VBATT
2: Remove the PBA from the TRS Fixture
Is
L3108, L3109
L3110 and L3111
=Max 1 Ohm
SL 5 Replace
L3108, L3109
L3110 or L3111
SL 4 Escalate
NoYes
Loudspeaker Problems
Fault trace SW
1: Logic
GPIO Manager
Application
GPIO_Low
GPIO_17
(Set GPIO_17 to Low)
2: Audio and FM Radio
Audio Loop Test
Audio Input: AUX1
Loop Mode: Analog
Audio Output:
AUX Earphone
Apply Audio Loop
START
Step 1:
Perform
System Connector Protection Test
If successful go to step 2.
Step 2:
Load ITP SW into the Phone
Use TRS Fixture
Connect: VBATT and DCIO/SEPI
Use Fault Trace SW
Remove the DCIO/SEPI cabel
and Insert Hands-Free (PHF) set
Blow into the
Hands-Free (PHF) Mic
Can you
hear anything at
PHF earphone when
blowing into the
PHF Mic
0 Volt DC
at MP 112
(V2417_Cathode) Yes
Replace
R2448 or V2417 No
0 Volt DC
at MP 111 (R2478)
Yes
SL 5 Replace
R2478
SL 4 Escalate
No
2.6 Volt DC
at MP 110 (R2434)
Yes
Flash the Phone with
EMMA SUCR SW Yes
1.8 Volt DC
at MP 3 (SP2432)
No
SL 5 Replace
N2010
SL 4 Escalate
No
Replace
N2422 Yes
2V – 2.2V DC at
MP 104 (R3156)
No
SL 5 Replace
N2000
SL 4 Escalate
No
More than
40 mV AC Pk-Pk
at MP 102 (C3124), MP 99
(C3125) MP 121 (C3155),
MP 98 (C3156) when blowing
into the PHF mic
Yes
Replace
X2405 or N3101
No
Is
L2401 = Max 2 Ohm
L2402 = Max 2 Ohm No
Replace
L2401 or L2402
Yes
More than
40 mV AC Pk-Pk at
MP 123 (R3151)
Yes
0 Volt DC
at MP 120 (R3149) No
SL 5 Replace
N2010
SL 4 Escalate
No
SL 5 Replace
N3103
SL 4 Escalate
Yes
More than
40 mV AC Pk-Pk at
MP 101 (L3125) and
MP 100 (L3126)
when blowing into
the PHF mic
Yes
SL 5 Replace
N2000
SL 4 Escalate
No
More than
40 mV AC Pk-Pk at
MP 108 (L2403) and
MP 109 (L2404)
when blowing into
the PHF mic
Yes
Replace
X2405
Yes
Is
L2403 = Max 2 Ohm
L2404 = Max 2 Ohm
L2406 = Max 1 Ohm
No
Replace
X2405 or N3101
Yes
Replace
L2403, L2404 or
L2406
No
Disconnect:
VBATT and DCIO/SEPI
Disconnect:
VBATT and DCIO/SEPI
Hands-Free (PHF) Problems
SEMC Troubleshooting Manual
24 (124)

C905
1222-9526 rev. 1
TROUBLESHOOTING FM Radio Problems -
TROUBLESHOOTING
FM Radio Antenna Problems
START
NOTE !
Be very careful when you
cut the Shield Can Fence to
avoid component damage
1: Load ITP SW into the Phone
2: Use TRS Fixture
Connect:
VBATT and DCIO/SEPI
3: Use Fault Trace SW
and go to:
Audio and FM Radio
FM Radio
Audio Output: Loudspeaker
Freqvency: 103 MHz
Set FM Radio
FM Radio
Is not
working neither with
Loudspeaker nor
PHF set
Yes
Is the
Loudspeaker
Ok
No
Go to
Loudspeaker
Problems TRS guide
No
Go to
Hands-Free (PHF)
Problems TRS guide
Yes
1: Remove the DCIO/SEPI Cable
2: Connect:
Customized FM Radio Cable
Black Lab Plug to
TRS Fixture GND Input and
PHF Connector to the
Phone System Connector
Signal Generator
Instrument Settings:
Frequency: 103 MHz
Amplitude/Level: 50 μV
FM Dev: +/-22.5 kHz
FM Rate: 1 kHz
More than
40 mV AC Pk-PK
1 KHz signal at MP 122
(C3145) and MP 103
(C3146)
Is that
any signal on
MP 122 (C3145) and
MP 103 (C3146)
No
2.6 Volt DC
at MP 125 (ST2201)
and MP 124
(ST2206)
Yes
SL 5 Replace
N2000
SL 4 Escalate
No
1.8 Volt DC
at MP 120 (R3149)
Yes
SL 5 Replace
N2010
SL 4 Escalate
No
More than
40 mV AC Pk-PK
1 KHz signal at
MP 123 (R3151)
Yes
SL 5 Replace
N3103
SL 4 Escalate
No
Signal Generator
Instrument Settings:
Change Amplitude/Level to:
800 μV
Go to
FM Radio Antenna
Problems TRS guide
Yes
Is the any of
C3145 or C3146
Short circuit
No
SL 5 Replace
C3145 or C3146
SL 4 Escalate
Yes
1.8 Volt DC
at MP 25 (R3302
FM_INT)
No
SL 5 Replace
N2010
SL 4 Escalate
No
26 MHz BT_CLK
at MP 22 (ST2106) YesNo
SL 4 Replace
N1300
SL 5 Replace
N2100
SL 5 Replace
N2000
SL 4 Escalate
Replace
N1300 Yes
Yes
FM Radio Problems
START
Perform System Connector Protection Test
If successful continue with the
FM Radio Antenna Problems TRS guide
Is the
FM Radio Problems
TRS guide
done?
Yes
No
Go to
FM Radio Problems
TRS guide
Use
Digital Multimeter Instrument (DMM)
for these measurements
Is
L3300 = Max 1.5 Ohm
SL 5 Replace
L3300
SL 4 Escalate
No
Is
C3306
Short Circuit
SL 5 Replace
C3306
SL 4 Escalate
No
Yes
Is
MP X2405_Pin 2
Connected to the PBA
GND (Shield Can
Fence)
Yes
Replace
X2405
No
Replace
N1300 Yes
Is the
Signal
Ok
SL 5 Replace
V2413
SL 4 Escalate
No
Claim Component
N1300
Yes
Is
L2408 = Max 1 Ohm
Replace
L2408 No
Yes
FM Radio Antenna Problems
SEMC Troubleshooting Manual
25 (124)

C905
1222-9526 rev. 1
TROUBLESHOOTING Bluetooth Problems
TROUBLESHOOTING
- WLAN Problems
START
Step 1:
Flash the Phone with
EMMA SUCR SW
and retest the Phone
If successful
claim SUCR SW Flash
If not go to step 2.
Step 2:
Continue with the
Bluetooth Problems TRS guide
Max
0.5 Ohm between
MP 29 (X1500_Pin 1) and
MP 23 (X1500_Pin 2)
Replace
X1500
No
Yes
1: Load ITP SW into the Phone
2: Disconnect: WLAN/BT
Antenna from the X1530
3: Use TRS Fixture
Connect:
VBATT and DCIO/SEPI
4: Connect RF Cable Flexible
with SMK RF Probe to
Spectrum Analyzer instrument
5: Use Fault Trace SW
Spectrum Analyzer
Instrument Settings:
Frequency: 2402 MHz
Span: 10 MHz
Amplitude: 10 dBm
Use Peak Search (MKR)
Connect SMK RF Probe to
X1500 RF Connector on PBA
Fault trace SW Settings:
TX and RX
Bluetooth
Channel 0
Set MaxPwr MOD 0
NOTE! Remember the Frequency
Is the
Blt MaxPwr MOD 0
0 dBm
(±2 dBm)
Yes
Fault trace SW Settings:
TX and RX
Bluetooth
Channel 0
Turn Off
(This must be done before next
step)
Set MaxPwr MOD 1
NOTE! Remember the Frequency
Is the
Blt MaxPwr MOD 1
0 dBm
(±2 dBm)
Is MP 21
(X1530_Pin 1)
Short circuit to the PBA
GND (Shield
Can Fence)
Yes
Replace
X1530
No
Replace
WLAN/BT_Antenna
or X1530
Yes
Replace
N1300
No
Change the
Bluetooth channels
from ch 0 to ch 78 by using the
Fault Trace SW and test
TX Output Power
Use:
Spectrum Analyzer
Span 170 MHz
BW: Auto
Amplitude: 10 dBm
Connect SMK RF Probe to
X1500 RF Connector on PBA
NOTE! Use Peak Search when
changing the channel to get
correct TX Power value
NOTE! 1 MHz channel spacing
Is
MOD 1 Freq.
minimum 230 KHz
higher than
MOD 0 Freq.
No
Yes
Is the
TX Output Power
for all channels
0 dBm
(±2 dBm)
No
Yes
Disconnect
SMK RF Probe
and connect RF Probe to
Spectrum Analyzer instrument
NOTE! Do not use 10:1 Divider
Frequency: 2402 MHz
Span: 10 MHz
Amplitude: 10 dBm
NOTE! Use Peak Search (MKR)
to get correct TX Power value
No
0 dBm at
MP 48 (C1502
BT_ANT)
(±2 dBm)
Replace
N1510
Yes
0 dBm at
MP 28 (W1300_Pin 3)
and MP 27 (W1300_Pin 4)
(±2 dBm)
No
SL 5 Replace
W1300
SL 4 Escalate
Yes
2.7 Volt DC at
MP 26 (ST1302
VBT27)
No
SL 4 Replace
N1300
SL 5 Replace
N2000
No
26 MHz Signal
At MP 22 (ST2106
BT_CLK)
Yes
No
SL 4 Replace
N1300
SL 5 Replace
N2100
Replace
N1300
SL 5 Replace
N2010
SL 4 Escalate
Yes
Bluetooth Problems
START
NOTE !
This TRS guide is NOT valid for
C905c Phones
Step 1:
Flash the Phone with
EMMA SUCR SW
and retest the Phone
If successful
claim SW Flashing
If not then go to Step 2.
Step 2:
Continue with the
WLAN Problems TRS guide
Max
0.5 Ohm between
MP 29 (X1500_Pin 1) and
MP 23
(X1500_Pin 2)
Replace
X1500
No
1: Load ITP SW into the Phone
2: Use TRS Fixture
Connect:
VBATT and DCIO/SEPI
3: Connect RF Cable Flexible
with SMK RF Probe to
Spectrum Analyzer instrument
4: Use Fault Trace SW
NOTE! The WLAN/BT_Antenna
must be connected to X1530
Yes
Spectrum Analyzer
Instrument Settings:
Frequency: 2442 MHz
Span: 10 MHz
Amplitude: 20 dBm
Use Peak Search (MKR)
Connect
SMK RF Probe to
X1500 RF Connector on PBA
Fault trace SW Settings:
TX and RX
WLAN
Wlan Settings
WLAN Turn On
Is WLAN
TX Output Power
13 dBm
(±5 dBm)
Yes
Replace
WLAN/BT_Antenna
or X1530
1: Disconnect:
SMK RF Probe from the PBA
and from the Spectrum Analyzer
instrument
2: Connect: RF Probe to the
Spectrum Analyzer instrument
NOTE! Do not use 10:1 Divider
Use Peak Search (MKR) and
Measure
WLAN TX Output Power
on top of the N1500 component
NOTE! Do NOT touch the N1500
component with the RF Probe
to avoid component damaging
No
Is there
any signal
at MP 47 (N1500)
Yes
3.3V – 3.5V DC
At MP 46 (ST2310
WLAN_VO33)
Replace
N1510 Yes
No
Replace
N2300
1.8 Volt DC at
MP 85 (R2313
WLAN_PDn)
No
Replace
N2410 No Yes
Check the Following Voltages:
1.9V DC at MP 45 (ST2311)
1.8V DC at MP 44 (ST2312)
3.0V DC at MP 43 (ST2313)
Are the
voltages
Ok
Replace
N2300
No
26 MHz Signal
At MP 24 (ST2105
WLAN_CLK)
Yes
No
1.8V – 2V DC at
MP 50 (V2100_Pin 1
WLAN_CLKREQ)
Yes
Is
MP 49 (V2100_Pin 3)
Short circuit to the PBA
GND (Shield
Can Fence)
SL 5 Replace
N1500
SL 4 Escalate
No
No
SL 5 Replace
V2100
SL 4 Escalate
Yes
SL 5 Replace
N2100
SL 4 Escalate
Yes
Is the
WLAN
Problem solved
Claim Componenet
N2100
Yes
SL 5 Replace
N2010
SL 4 Escalate
No
WLAN Problems
SEMC Troubleshooting Manual
26 (124)

C905
1222-9526 rev. 1
TROUBLESHOOTING GSM Problems
TROUBLESHOOTING
- WCDMA I, II and V Problems
Max 0.5
Ohm between
MP 62 (X1200_Pin 1) and
MP 63 (X1200_Pin 2)
Replace
X1200
No
Is
MP 167 (X1210)
and MP 168 (X1211)
connected to GND
(Shield Can
Fence)
Yes
Replace
X1210 or X1211
No
Max
1 Ohm between
MP 166 (Z1200_Pin
IN) and MP 167
(X1210)
Yes
SL 5 Replace
Z1200, R1202 or
L1202
SL 4 Escalate
No
Use TRS Fixture
Connect:
VBATT and DCIO/SEPI
Yes
2.8 Volt DC at
MP 163 (C1218
LDOA_OUT)
SL 5 Replace
N2000
SL 4 Escalate
No
2.8V DC
at MP 65 (C1207)
(If C905c Skip This
and Replace
N1200)
Yes
Replace
N1211 No Replace
N1200
Yes
START
Step 1:
Replace Loudspeaker Assembly and retest the Phone
If successful claim Loudspeaker Assembly
If not go to step 2.
Step 2:
Load ITP SW into the Phone
Perform SERP Calibration and retest the Phone
If successful claim SERP Calibration
If not go to step 3.
Step 3:
Disassembly the Phone and continue with the
GSM Network Problems TRS guide
Is the
GSM Network
Problem
solved
Claim Component
N1200 Yes
SL 5 Replace
N2010 or N2000
SL 4 Escalate
No
Go to
SERP Calibration
GSM Network Problems
Replace
N1210 No
Replace
N1200
Is the
GSM Network
Ok
Go to
GSM Network
Problems TRS guide
No
Fault Trace SW
TX and RX WCDMA
Radio Settings:
Select Band: BAND I
Fast select channels:
Set Low Channel
Ch LOW
Modes: Max Pwr 23dBm
START
NOTE !
This TRS guide is NOT valid for C905c Phones
Step 1:
Load ITP SW into the Phone
Perform SERP Calibration and retest the Phone
If successful claim SERP Calibration
If not go to step 2.
Step 2:
Use TRS Fixture
Connect: VBATT and DCIO/SEPI
Use Fault Trace SW
1.8 Volt DC at
MP 144 (R1210
WPA0_EN)
Yes 3V – 3.8V DC at
MP 145 (ST1201
VCC_WPA)
No
2.5V – 3V DC at
MP 143 (C1215
WPA_A_EN)
Yes
No
Is there
problems with
WCDMA TX
Yes
Replace
N1200
No
Yes
Claim Component
N1210
Yes
SL 5 Replace
N2010 or N2000
SL 4 Escalate
No
Disconnect:
VBATT and DCIO/SEPI Yes
Is
L1200 = Max 0.5 Ohm
Replace
N1210 Yes
SL 5 Replace
L1200
SL 4 Escalate
No
Is the
WCDMA TX
Problem solved
SL 5 Replace
N2010
SL 4 Escalate
Go to
SERP Calibration
WCDMA BAND I,II,V Network Problems
SEMC Troubleshooting Manual
27 (124)

C905
1222-9526 rev. 1
TROUBLESHOOTING WCDMA VIII Problems
TROUBLESHOOTING
- A-GPS Problems
Replace
N1210 No
Replace
N1200
Is the
GSM Network
Ok
Go to
GSM Network
Problems TRS guide
No
Fault Trace SW
TX and RX WCDMA
Radio Settings:
Select Band: BAND VIII
Fast select channels:
Set Low Channel
Ch LOW
Modes: Max Pwr 23dBm
START
NOTE !
This TRS guide is NOT valid for C905a and C905c Phones
NOTE !
This TRS guide is valid ONLY for C905 Phones
if the WCDMA BAND VIII is supported
Step 1:
Load ITP SW into the Phone
Perform SERP Calibration and retest the Phone
If successful claim SERP Calibration
If not go to step 2.
Step 2:
Use TRS Fixture
Connect: VBATT and DCIO/SEPI
Use Fault Trace SW
1.8 Volt DC at
MP 140 (R1209
WPA2_EN)
Yes 3V – 3.8V DC at
MP 145 (ST1201
VCC_WPA)
SL 5 Replace
N2010
SL 4 Escalate
No
2.8V - 3V DC at
MP 142 (C1214
WPA_C_EN)
Yes
No
Is there
problems with
WCDMA TX
Yes
Replace
N1200
No
Yes
Claim Component
N1210
Yes
SL 5 Replace
N2010 or N2000
SL 4 Escalate
No
Disconnect:
VBATT and DCIO/SEPI Yes
Is the
L1200 = Max 0.5 Ohm
Replace
N1210 Yes
SL 5 Replace
L1200
SL 4 Escalate
No
Is the
WCDMA TX
Problem solved
Go to
SERP Calibration
WCDMA BAND VIII Network Problems
START
Step 1:
Got to Service Tests Menu and perform the GPS Test
If successful
Flash the Phone with EMMA SUCR SW
if not go to step 2.
Step 2:
Replace PBA Key Flex Flip
and retest the Phone
If successful claim PBA Key Flex Flip
if not go to step 3.
Step 3:
Replace Slider FPC Assy
and retest the Phone
If successful claim Slider FPC Assy
if not go to step 4.
Step 4:
Load ITP SW into the Phone
Use TRS Fixture
Connect: VBATT and DCIO/SEPI
1.8 Volt DC
at MP 91 (R1404
AGPS_LDO_EN)
1.8 Volt DC
at MP 81 (R1401
AGPS_PWRON)
Yes
No
1.8 Volt DC
at MP 53 (R2116
AGPS_CLK_EN)
Yes
SL 5 Replace
N2010
SL 4 Escalate
No
26 MHz at
MP 55 (ST2107
AGPS_CLK)
Yes
No
SL 4 Replace
N2410
SL 5 Replace
N2102
1: Disconnect:
VBATT and DCIO/SEPI
2: Connect:
VBATT and DCIO/SEPI
Yes
Replace
N2410
No
More than
1.8V Pk-Pk Pulses
at MP 2 (ST1404)
shortly after phone
Power On
SL 5 Replace
N2010
SL 4 Escalate
No
1: Disconnect:
VBATT and DCIO/SEPI
2: Connect:
VBATT and DCIO/SEPI
Yes
More than
1.8V Pk-Pk Pulses
at MP 32 (ST1403)
shortly after phone
Power On
SL 5 Replace
N2010
SL 4 Escalate
No Replace
X4200
Yes
A-GPS Problems
SEMC Troubleshooting Manual
28 (124)

C905
1222-9526 rev. 1
TROUBLESHOOTING Accelerometer Problems
TROUBLESHOOTING
- Vibrator Problems
START
Step 1:
Got to Service Tests Menu and perform
the Accelerometer Test
If successful
Flash the Phone with EMMA SUCR SW
if not go to step 2.
Step 2:
Load ITP SW into the Phone
Use Dummy Battery connected to
Power Supply Channel 1 (VBATT)
Connect: DCIO/SEPI
Use Fault Trace SW
Fault Trace SW
MMI
Misc
Init Screen Testing
Activate:
Accelerometer Test
NOTE! Read X, Y, Z information in
the Info Box.
Move the Phone
and
Activate Accelerometer Test again
NOTE! Read X, Y and Z information
in the Info Box.
NOTE! Repeat this Test Sequence
10 Times
Fault Trace SW
General
Asic Revisions
Read All
Is
Accelerometer
(N2411)
Asic Revision
0x3b
Replace
N2411
No
Yes
Can
you see
that X, Y and Z
information are
changing in the
info box
Flash the Phone with
EMMA SUCR SW
Replace
N2411 No
Is the
Accelerometer
Problem solved
Claim Component
N2411
Yes
SL 5 Replace
N2010
SL 4 Escalate
No
Yes
Accelerometer Problems
START
Step 1:
Load ITP SW into the Phone
Step 2:
Use TRS Fixture
Connect: VBATT and DCIO/SEPI
Use Fault Trace SW and go to:
MMI
Misc
Init Screen Testing
Activate:
Vibrator Test
2.7V – 3.5V
Pk-Pk Pulses at
MP VIB + on
TRS Fixture
Is the
connection between
X4202 and
PBA GND (Shield
Can Fence)
Ok
Yes
Clean
X4201 and X4202
Yes
Is the
Vibrator working on
TRS Fixture
Replace the
Vibrator Yes
No
Remove the PBA
from the TRS Fixture
No
Is
L4202 = Max 1.5 Ohm Scrap the
PBA
Yes
SL 5 Replace
L4202
SL 4 Escalate
No
Remove the PBA
from the TRS Fixture
No
Is C4208
Short circuit
SL 5 Replace
C4208
SL 4 Escalate
Yes
Is
L4201 = Max 1.5 Ohm
No
SL 5 Replace
L4201
SL 4 Escalate
No
SL 5 Replace
N2000
SL 4 Escalate
Yes
Vibrator Problems
SEMC Troubleshooting Manual
29 (124)

C905
1222-9526 rev. 1
TROUBLESHOOTING Real Time Clock Problems
TROUBLESHOOTING
- Slide Sensor Problems
START
Does
the Phone
Gain or Lose
Time
Perform:
SERP Calibration
Yes
Is there
still problems with
Gaining or Losing
Time
Replace
B2100
No Claim
SERP Calibration
Yes
Perform:
Backup Capacitor
Test
No
Is the
Test Passed
Flash the Phone with
EMMA SUCR SW
Yes
SL 4 Replace
C2214
SL 5 Replace
N2000
No
Real Time Clock Problems
START
Step 1:
Replace Numeric Key Foli and retest the Phone
If successful claim Numeric Key Foil
If not go to step 2.
Step 2:
Replace Cover Rear Assembly and retest the Phone
If successful claim Cover Rear Assembly
If not go to step 3.
Step 3:
Continue with the
Slide Sensor Problems TRS guide
SL 4 Replace
X2410
SL 5 Replace
N2010
Slide Sensor Problems
SEMC Troubleshooting Manual
30 (124)

C905
1222-9526 rev. 1
TROUBLESHOOTING
TROUBLESHOOTING
System Connector Protection Test - Current Consumption Test
System Connector Protection Test
Perform Diode and Ohm measurements, use the DMM instrument.
Note! The Battery must be removed from the Phone during this test.
Note! Connect the Black probe to X2405_PIN 9 (GND).
PIN_1 PIN_9 GND PIN_12
System Conn.
X2405
(PIN Position)
Diode
Measurements
(Volt)
Ohm
Measurements
(Ohm) SL 4
(Repair Action) SL 5
(Repair Action)
10L 1M - 0L X2405
L2407
N2421 if lower
C2439 if lower
200
X2405 if higher
L2406 if higher No Action
32.6 – 2.8 12K X2405 if higher
L2401 if higher
N3101 if lower or higher C2443 if lower
40.7 - 1.2 1.0K – 1.1K L2402 if higher
N3101 if lower or higher
X2405 if higher C2442 if lower
51.8 – 2.0 2.0K – 2.2K X2405 if higher
L2403 if higher
N3101 if lower or higher C2448 if lower
61.8 – 2.0 2.0K – 2.2K X2405 if higher
L2404 if higher
N3101 if lower or higher C2447 if lower
7075
X2405 if higher
V2414 if lower
R2443 if higher
N2700 if lower or higher
C2445 if lower
L2405 if higher
C2444 if lower
R2453 if higher
82.0 - 2.6 500K – 700K
X2405 if higher
R2448 if higher
V2417 if lower
N2422 if lower or higher
R2478 if higher
R2434 if higher
9 GND GND X2405 if higher L2449 if higher
10 0.7 – 0L 50K – 0L
X2405
Z2400
V2415 if lower
N2420 if lower
R2445
11 0.7 – 0L 50K – 360K
X2405 if higher
Z2400 if higher
V2416 if lower
N2420 if lower or higher
R2446 if higher
12 0L 75K – 0L V2412 if lower
V2202 if lower C2440 if lower
C2441 if lower
Current Consumption Test
Step 1:
Insert a Local SIM Card and use the phone with the Normal SW (SSW).
Use Dummy Battery connected to Power Supply Channel 1 (VBATT).
Instrument settings: Voltage: 3.8 Volt, Limiter 3A.
Note: (Dummy Battery)
The resistance between GND and BDATA should be approximately 27KOhm.
Measure the current consumption when Phone is turned off.
Take a note of the current consumption at Power Supply Channel 1 (VBATT).
The Current consumption in off mode should be less than 1mA.
If more than 1mA go to Dead Phone Problems part 1 TRS guide.
Step 2:
Turn the Phone On:
Measure the deep sleep current max 6mA typical between 0-3mA. Make sure that the
operator is running with deep sleep mode.
Note: This operation can be switched off by operator if network is busy or heavily-loaded.
If phone using more than 6mA, then go to EMMA and run Software Update Contents
Refresh (SUCR SW).
Step 3 with Fault Trace SW application:
- Flash the phone with ITP SW
- Use Dummy Battery connected to the Power Supply Channel 1 (VBATT)
- Use Fault Trace SW
Connect the:
- Dummy Battery connected to the Power Supply Channel 1 (VBATT):
Instrument settings: Voltage: 3.8 Volt, Limiter 3 A
- Connect DCIO/SEPI to the phone:
Instrument settings: Voltage: 5 Volt, Limiter 2 A
Perform the following tests:
-Max TX Power GSM 850 MHz
Fault Trace SW settings:
TX and RX GSM
GSM Mode Settings:
TX Switched
GSM Radio Settings:
Select Band: GSM 850
Channel: 128
Power Level: 5
SEMC Troubleshooting Manual
31 (124)

C905
1222-9526 rev. 1
TROUBLESHOOTING
TROUBLESHOOTING
Current Consumption Test
Limits GSM 850 MHz
- Transmitter current: 325mA
-Tolerance: ±30%
-Max TX Power GSM 900 MHz
Fault Trace SW settings:
TX and RX GSM
GSM Mode Settings:
TX Switched
GSM Radio Settings:
Select Band: GSM 900
Channel: 1
Power Level: 5
Limits GSM 900 MHz
- Transmitter current: 250mA
-Tolerance: ±30%
-Max TX Power DCS 1800 MHz
Fault Trace SW settings:
TX and RX GSM
GSM Mode Settings:
TX Switched
GSM Radio Settings:
Select Band: DCS 1800
Channel: 512
Power Level: 0
Limits DCS 1800 MHz
- Transmitter current: 220mA
-Tolerance: ±30%
-Max TX Power PCS 1900 MHz
Fault Trace SW settings:
TX and RX GSM
GSM Mode Settings:
TX Switched
GSM Radio Settings:
Select Band: PCS 1900
Channel: 512
Power Level: 0
Limits PCS 1900 MHz
- Transmitter current: 180mA
-Tolerance: ±30%
-Max TX Power WCDMA BAND I
(Note: Valid only for C905 and C905a)
Fault Trace SW settings:
TX and RX WCDMA
Radio Settings:
Select Band: BAND I
Fast Select Channels: Ch LOW
Modes: Max Pwr 23dBm
Limits WCDMA BAND I
- Transmitter current: 550mA
-Tolerance: ±25%
-Max TX Power WCDMA BAND II
(Note: Valid only for C905a)
Fault Trace SW settings:
TX and RX WCDMA
Radio Settings:
Select Band: BAND I
Fast Select Channels: Ch LOW
Modes: Max Pwr 23dBm
Limits WCDMA BAND I
- Transmitter current: 470mA
-Tolerance: ±20%
-Max TX Power WCDMA BAND V
(Note: Valid only for C905a)
Fault Trace SW settings:
TX and RX WCDMA
Radio Settings:
Select Band: BAND I
Fast Select Channels: Ch LOW
Modes: Max Pwr 23dBm
Limits WCDMA BAND I
- Transmitter current: 590mA
-Tolerance: ±10%
-Max TX Power WCDMA BAND VIII
(Note: Valid only for C905 if WCDMA BAND VIII is supported)
Fault Trace SW settings:
TX and RX WCDMA
Radio Settings:
Select Band: BAND I
Fast Select Channels: Ch LOW
Modes: Max Pwr 23dBm
Limits WCDMA BAND I
- Transmitter current: 700mA
-Tolerance: ±10%
If current consumption is out of the test limits, try to solve the problem by running SERP
Calibration. If still problem with current consumption then go to:
GSM and WCDMA Network problems TRS guides.
If the current consumption is equal to the test limits then go to:
Charging Test.
SEMC Troubleshooting Manual
32 (124)

C905
1222-9526 rev. 1
TROUBLESHOOTING Backup Capacitor Test
TROUBLESHOOTING
- Charging Test
Backup Capacitor Test
To perform this test use:
- Phone with ITP SW
- Power Supply Channel 1 VBATT: Instrument settings: Voltage: 3.8V, Limiter: 2A
- Power Supply Channel 2 DCIO/SEPI: Instrument settings Voltage: 5V, Limiter: 2A
This test should be performed in 3 steps:
Step1:
Measure the voltage at the Backup capacitor by using Fault Trace SW- Logic - ADC
Values – Read ADC Value (Reading 1).
Step2:
This step should be done 30 seconds after Step 1. Measure the voltage at the
Backup capacitor by using Fault Trace SW - Logic – ADC Values - ADC Channels
– Read ADC Value (Reading 2).
Step3:
Compare the difference between Reading 1 and Reading 2 with the reference table
below. If the Reading 1 value is between 50 and 680 go to Interval 1, if between 681
and 800 go to Interval 2, if between 801 and 880 go to Interval 3 and compare with
the Reading 2 – Reading 1 Min and Max Limits.
Reference Table:
Min Max Unit
Absolute readout
Reading 1 50 880 Dec
Reading 1 (Dec) Reading 2 – Reading 1 (Dec)
Min Max
Interval 1 (50 – 680) 20 210
Interval 2 (681 – 800) 530
Interval 3 (801 – 880) 010
Note: The upper table contains the absolute limits for the readouts. The lower table
contains the allowed delta between the first and the second readout, separated in
time with 30 seconds.
If the readings are out of limits replace C2214 Backup capacitor.
If the problem is not solved then SL 5 Replace N2000 SL 4 Escalate.
Charging Test
To perform this test use:
-Phone with the Normal SW (SSW)
-Dummy Battery connected to Power Supply Channel 1 (VBATT)
Note! The Dummy Battery should have approximately 27 KOhm resistance
between GND and BDATA.
-Power Supply Channel 1 (VBATT)
Instrument settings:
Voltage: from 3.0 Volt to 4.2 Volt, according to VBATT row in the Reference Table.
Limiter: 2A
-Power Supply Channel 2 (DCIO/SEPI)
Instrument settings:
Voltage: 5V
Limiter: 2A
Test instructions:
-Disconnect the DCIO/SEPI Cable between each measurement and wait for the
phone to shut down when changing VBATT voltage.
-Take a note of Current measurements at Power Supply Channel 2 DCIO/SEPI and
Display charging indicator X seconds after DCIO/SEPI cable has been inserted
according to Test Time row in the reference table below.
-Compare test results with reference table below, tolerance +/-20%.
Reference Table
VBATT x Volt 3.0 3.1 3.2 3.3 3.4 3.5 3.6 3.7 3.8 3.9 4.0 4.1 4.2
Test Time x sec. 15s 15s 15s 25s 25s 25s 25s 30s 30s 30s 30s 30s 45s
DCIO/SEPI
Current mA 250 250 250-
500 500 500 500 500 800-
1000 800-
1000 800-
1000 800-
1000 500-
750 0
Display indicate
charging Nothing Nothing Yes or
Nothing Yes Yes Yes Yes Yes Yes Yes Yes Yes Fully
Charged
Note! The Power Supply Channel 1 (VBATT) must allow reverse current.
If the charging current is NOT equal to the reference table then go to:
Charging Problems TRS Guide.
If the charging current is equal to the reference table value then insert the normal battery
and test the charging current to verify that the phone battery is working properly.
Measure the voltage at the battery to define the current level.
If the battery is receiving the right current, then the phone and the battery are working
properly.
SEMC Troubleshooting Manual
33 (124)

C905
1222-9526 rev. 1
TROUBLESHOOTING ASIC Revision Test
TROUBLESHOOTING
ASIC Revision Test
Note:
The Keypad Scan Test may not be activated when performing this test.
Purpose:
-To verify that the ASIC is correctly mounted, that the communication works
and that the revision is correct.
The tested ASICs are:
-D2010 (Kajsa)
-N2000 (Vera)
-N1300 (Bluetooth and FM Radio ASIC)
-N2411 (Accelerometer)
-N1400 (A-GPS Module)
To perform this test use:
-Phone with ITP SW
-TRS Fixture
-Power Supply Channel 1 VBATT (Voltage: 3.8V, Limiter: 2A)
-Power supply Channel 2 DCIO/SEPI (Voltage: 5V, Limiter: 2A)
-Fault Trace SW, go to: General – Asic Revisions – Read All
Reference Table:
ASIC Part
number Description Return value (hex)
N2010 1208-3871 CPU (Kajsa) 0xE8
N2000 1202-0639 Power Management
(Vera) 0xC8
Bluetooth
Firmware Revision Ox5,0x3
Chip ID 0x0,0x0,0x0,0x0
N1300 1200-6182
Will always return 0 on STLC because
Chip ID is not supported.
N2411 1202-1676 Accelerometer 0x3b
N1400 1200-0700 A-GPS Module 254,0,253,192,0,242,113,9,16,252
NOTE! The Key Flip Flex Assy must be
connected to the PBA during this test.
N1300 1200-6182 FM Radio When FM Radio is On: Ox1253
When FM Radio is Off: Ox1200
SEMC Troubleshooting Manual
34 (124)

C905
1222-9526 rev. 1
TROUBLESHOOTING Measurement Points Pictures
TROUBLESHOOTING
MP 2 (ST1404) Shortly after the phone is powered on
Note: This is an example! The shape of the signal can be different.
MP 1, MP 30 (C3137 and C3148)
SEMC Troubleshooting Manual
35 (124)

C905
1222-9526 rev. 1
TROUBLESHOOTING
TROUBLESHOOTING
Measurement Points Pictures
MP 19 (ST2108 TV_CLK)
MP 14 (L2405 TV_OUT)
SEMC Troubleshooting Manual
36 (124)

C905
1222-9526 rev. 1
TROUBLESHOOTING
TROUBLESHOOTING
Measurement Points Pictures
MP 22 (ST2106 BT_CLK)
MP 20 (ST2109 VIDCC_CLK)
SEMC Troubleshooting Manual
37 (124)

C905
1222-9526 rev. 1
TROUBLESHOOTING
TROUBLESHOOTING
Measurement Points Pictures
MP 27 (W1300_Pin 4)
MP 24 (ST2105 WLAN_CLK)
SEMC Troubleshooting Manual
38 (124)

C905
1222-9526 rev. 1
TROUBLESHOOTING
TROUBLESHOOTING
Measurement Points Pictures
MP 32 (ST1403) Shortly after the phone is powered on
MP 28 (W1300_Pin 3)
SEMC Troubleshooting Manual
39 (124)

C905
1222-9526 rev. 1
TROUBLESHOOTING
TROUBLESHOOTING
Measurement Points Pictures
MP 37 (ST2110 CAMSYSCLK)
MP 34 (SP2410)
SEMC Troubleshooting Manual
40 (124)

C905
1222-9526 rev. 1
TROUBLESHOOTING
TROUBLESHOOTING
Measurement Points Pictures
MP 47 (N1500)
MP 38 (R2102_MCLK)
SEMC Troubleshooting Manual
41 (124)

C905
1222-9526 rev. 1
TROUBLESHOOTING
TROUBLESHOOTING
Measurement Points Pictures
MP 55 (ST2107 AGPS_CLK)MP 48 (C1502 BT_ANT)
SEMC Troubleshooting Manual
42 (124)

C905
1222-9526 rev. 1
TROUBLESHOOTING
TROUBLESHOOTING
Measurement Points Pictures
MP 100, MP 101 (L3126, L3125)
Note: This is an example! The shape of the signal can be different.
MP 59 (TP2203 VOPTO30)
SEMC Troubleshooting Manual
43 (124)

C905
1222-9526 rev. 1
TROUBLESHOOTING
TROUBLESHOOTING
Measurement Points Pictures
MP 103 (C3146)
MP 99, MP 102 (C3125, C3124)
Note: This is an example! The shape of the signal can be different.
SEMC Troubleshooting Manual
44 (124)

C905
1222-9526 rev. 1
TROUBLESHOOTING
TROUBLESHOOTING
Measurement Points Pictures
MP 108, MP 109 (L2403, L2404)
Note: This is an example! The shape of the signal can be different.
MP 107 (ST2410)
SEMC Troubleshooting Manual
45 (124)

C905
1222-9526 rev. 1
TROUBLESHOOTING
TROUBLESHOOTING
Measurement Points Pictures
MP 98, MP 121 (C3156, C3155)
Note: This is an example! The shape of the signal can be different.
MP 117 (V4200_Pin 3)
SEMC Troubleshooting Manual
46 (124)

C905
1222-9526 rev. 1
TROUBLESHOOTING
TROUBLESHOOTING
Measurement Points Pictures
MP 123 (R3151 1 kHz)MP 122 (C3145)
SEMC Troubleshooting Manual
47 (124)

C905
1222-9526 rev. 1
TROUBLESHOOTING
TROUBLESHOOTING
MP 135 (ST2104 RTCCLK)MP 123 (R3151) Handsfree (PHF) Problems TRS-Guide
Note: This is an example! The shape of the signal can be different.
Measurement Points Pictures SEMC Troubleshooting Manual
48 (124)

C905
1222-9526 rev. 1
TROUBLESHOOTING
TROUBLESHOOTING
MP 138 (C2101 32 kHz)MP 136 (C2100 32 kHz)
Measurement Points Pictures SEMC Troubleshooting Manual
49 (124)

C905
1222-9526 rev. 1
TROUBLESHOOTING
TROUBLESHOOTING
WLAN TX Output PowerMP Vibrator + on TRS Fixture
Measurement Points Pictures SEMC Troubleshooting Manual
50 (124)

C905
1222-9526 rev. 1
TROUBLESHOOTING
TROUBLESHOOTING
Blt MaxPwr MOD 1Blt MacPwr MOD 0
Measurement Points Pictures SEMC Troubleshooting Manual
51 (124)

C905
1222-9526 rev. 1
MEASUREMENT POINTS Front Side
MEASUREMENT POINTS
Cutout
Cutout
LABEL
0.8mm
OUT
A1
B1
OUT
IN
A1
B1
IN
OUT
IN IN
OUT
IN
OUT
E1000
E1003
N2700
N2010
V2477 V2474
X1200
TP2203
R1526
R2313
R4303
R3153
C2288
C4402
C2277
ST2402
N1211
C1217
E1001
ST2110
R2408
ST2400
C2103
C2434
C4302
C4321
SP1500
X1500
R4205
R2440
SP2422
R2451
R2452
R1527
SP2432
C2435
SP1304
SP1302
SP1301
TP2201
SP5103 R4323
C4322
R2214
V2416
V2415
C3107
C3105
S2424 S2453S2454
S2415
C2214
C2259
V2475 V2476
ST1402
ST1400
R1401
R1406
L4401
R4404
R4400
C4400
N4400
R4406
C4407
R4405
R4402
C4404
R4401
R4403
R2502
L4400
R2223
R2501
SP2505
C4401
ST4401
C2274
ST2226
C2271
R2215
N2210
R2503
SP2503
C2270
C2253
C1207
C3101 C3117
L3111
L3110
C3118
V2481
R2217
C2404
TP4401
C4219
C4220
R1403
C4216
ST1406
R1402
C4218
C4229
C4217
ST4403
L1400
C4406
C4403
N2201
R1408
C4405
C2289
C1400
V2470
R1407
C2256
L2213
C2260
C2257
C2258
C2468
N2500
N2214
ST4200
SP2504
C2267
R1211
C2265
C2254
C1221
R2210
C2263
C2405
C2251
ST2401
ST2101
N2411
TP4400
X4200
C4413
C4412
C4415
C4414
V4208
C3159
C2472
C4215
ST2102 ST2103
R2474
R1404
C2403
N2410
R2117
ST2107
R3202
C2252
ST2228
C2266
V2482
C2262
R3203
C2278
SP5110
N2212
C2469
R3201
SP3209
R3204
C2329
C2347
SP3208
SP5101
SP3214
C2328
C2309
C2255
R4410
SP2500
SP2501
C2350
C2261
C2351
C2269
C2268
ST2229
C2308
R2228
C2264
C2345
C2327
SP2105
R2102
C2306
C2352
R2473
R2472
C2406
C2314
SP2411
C2349
ST2225
SP2103
SP2401 SP2400
R2116
C2460 C2330
C2326
C2353
C2340
C2338
C2307
C2320
C2354
C2339
TP4201 TP2206
ST4201
C4214
R4218
C4410
R4217
C4213
N2100
ST3106
C2105
C2310
C3140
Z4200
C2311
ST2105
C3139
ST3105
V2101
N2102
R2111
R2103
R2104
R2122
C2336
C2104
R2115
R2123
SP2104
ST2300
C2321
R2112
R2113
R2407
C2313
C2312
C2331
C2342
C2337
C2325
R1103
C2341
R2422
C2343
TP4200
R4221
C4211
R4222
SP4200
C4210
R2101
R2108
R4219
Z4201
V4203
Z4202
ST2106
R4220
N2020
N1500
SP1504
C1502
R2125
R5100
ST1405
R2470
C2324
R1102
R1101
C2348
C2305
C4325
R4321
C4330
SP1501
ST1517
C1525
R1525
C1527
R1522
ST1518
SP1507
ST1519
R1517
SP1503
V2100
R1518
C1528
R1521
R1519
L1502
C1516
C1515
C1514
C1513
L1501
C1517
C1503
L1500
R1514
C1506
C1509
R1512
N1510
C1507
C1508
R1511
ST1520
L1503
SP2102
R1534
R1533
SP1305
R1532
R3100
C3110
ST3103
SP1303
C2281
ST2231
R4300
S4300
ST2232
SP4201
C2286
C4300 R4301
C2280
ST2108
ST2109
C2346
C2302
ST2421
C2301
C2303
R2475
R5101
C2322
C2344
R2471
ST1403
R5102
ST1404
C2323
ST1407
C2304
SP2410
TP2202
X4300
C2374
C1300
R1508
R1505
C1301
ST1301
ST1300
SP5102 N3100
SP5106
C4337
C4308
C4331
C4335
C4339
ST4402
C4333
C4301
C4320
C4336
C4334
C4338
C4340
R1515
ST2311
C1526
R1510
C2373 C1524
L2311
C2379
R1507
ST2310
R1509
SP1502
C1504
C1522
C1520
R1502
C1505
ST2313
C1518
L2310
C1523
C1519
C1521
ST2312
R1506
N1300
SP5125
W1300
C1510
C1530 C1511
C1512
N2209
N2208
R2213
C2284
R4216
R4215
SP4202
SP4203
C2279
C2283
C2285
ST2230
SP2435
R2446
SP2423 SP2424
SP2427
C2282
N2420
SP2429
R2441
C2432
R2445
SP2425
SP2430
SP2426
SP2428SP2420
ST2233
C2431
SP2421
C2433
C2437 SP5124
R2442
SP5116
R2430
ST2422
SP5123
R2431
C2436
R3102
C3104
R3128
R3106
C3137
C3106
C3148
ST3100
R3127
C3108
SP2200
TP2204
SP5107
SP5105
C2372
L2313
C2371
C3306
ST1303
SP5104
C4324
R4324
C4303
C4332
C4304
C4323
N2300
C2377
C2376
L3300
C1303
C3305
R3302
ST1302
ST3304
C3304
SP1300
C1302
X1530
R2444
R2447
C2439
V2414
L2407
N2421
ST2213
C2445
C2444
Z2400
R2453
C2446
L2405
R2443
X2405
X4312 X4313 X4314
X4315
X4311
AB
CD
A
DC
B
A
DC
BA
DC
B
MP 48
MP 49
MP 50
MP 45
MP 46
MP 43
MP 44
MP 53
MP 51
MP 52
MP 47
MP 30
MP 31
MP 32
MP 35
MP 33
MP 34
MP 58
MP 59
MP 60
MP 55
MP 56
MP 54
MP 57
MP 38
MP 39
MP 40
MP 36
MP 37
MP 4 MP 11MP 10MP 9MP 8MP 7MP 6MP 5 MP 15MP 14MP 13MP 12 MP 16 MP 23MP 22MP 21MP 20MP 19MP 18MP 17 MP 27MP 26MP 25MP 24 MP 28 MP 29
MP 64 MP 71MP 70MP 69MP 68MP 67MP 66MP 65 MP 75MP 74MP 73MP 72 MP 76 MP 83MP 82MP 81MP 80MP 79MP 78MP 77 MP 87MP 86MP 85MP 84 MP 88 MP 95MP 94MP 93MP 92MP 91MP 90MP 89 MP 97MP 96
MP 3MP 2MP 1
MP 41
MP 42
MP 63MP 62MP 61
OUT
IN
OUT
IN IN
OUT
Z4200Z4201Z4202
4
1
2
3
4
1
2
3
4
1
2
3
8
5
6
7
8
5
6
7
8
5
6
7
12 1234567891011
MP Z4200 Pin 1-8
MP Z4201 Pin 1-8
MP Z4202 Pin 1-8
MP X2405 Pin 1-12
SEMC Troubleshooting Manual
52 (124)

C905
1222-9526 rev. 1
MEASUREMENT POINTS
MEASUREMENT POINTS
Back Side
Cutout
A1
B1
A1
B1
X4410
X2411
SP4402
SP4403
SP4404
SP4400
C2467
X2410
V2484
X2402
R4302
E1004
L3108
L3109
X2201
V4202
L4201
SP2412
R3151
C3149
C3131
C2413
C3150
ST3101
C2227
B2100
ST2100
C1213
R1209
ST4202
R2200
L2404
C3115 C3116
L2402
L2401
C3114
L2403
L2408
V2413
C2215
R2448
L2449
ST2210
C2473
V2487
R3118
ST3104 C3144
R4304
R4411
V2478
C2461 C2463 C2464
C2462
C2466
C2471
V2473 R1201
C1211
R1202
X1210
X1211
R4414
V4400
SP4401
C4411
X4400
R4409 R4413
C4416
ST4400
C2416 C2419
C2418
V2480
V2479
C2465
C2420
C2415
C2474
V2472
R2476
V2471
C2470
V2486
C1200
Z1200
L1202
X3103
X3102
ST2224
L2212
C2248
C2249
N2213
C1209
N1200
ST2223
TP2207
V2212
R2221
R2220
C2250
C2272
C2417
R2400
C2400
TP2210
TP2208
C2292
N4300
R2226
N2205
C2241
ST2220
C2290
C2240
C1220
C1219
V3101
C4208
ST2221
C2206
C2207
C1216
L1200
C4207
L4202
TP2209
R2211
R2212
N2206
C2243
C2245 ST2222
C2287
C2242 C2244
R3160
R3155
C2211
C3121
R3150
C2212 C3166
C2210
C3135
C3165
C3146
ST2206
ST2205
ST2204
ST2200
C1218
C2209
R3154
C3138
C2208
C1208
C2225
C3154
C2204
ST2201
SP2107
SP2106
ST2203
ST2202
C2226
R2204
C2213
R2406
R2203
R2405
C2205
C2101
C4209
ST2207
ST2240
C1206
R1210
R1203
C1214
C1204
ST1201
N1210
C1215
ST2212
C1203
C2203
C1205
C2202
C3167
N3103
E1002
V4200
C2201
C2410
C2421
C2422
R3149
C3145
C3133
R3112 C3127
C3155
C3152
C3136
C3100
C3102
C3126
C3156
C3151
C3124
C3125
C3112
N2000
R2403
C2100
R2402
C2402
C4204
R4202
R4204
R2404
R4201
R4200
C4205
ST2104
C2228
C1201
C4202
ST1200
C4203
ST4203
V4201
V2200
ST2211
ST2214
C2229
C2200
X4202
X2401
R3147
N3101
SP3205
SP3213
L4200 N2200
L2202
X4201 R2421
C2411
R2418
R2419
R2420
L3126
R3148
L3125
C2412
C3158
C3157
C2222
C3153
R3156
C2414
R2201
R2416
R2415
ST2410
SP3207
ST2411
V2400 C2224
C2223
L2201
V2202
C2216
C2221
C2217
SP3206
SP3204
C4206
C2218
C4201
C2219
R4203
C2220
L2200
ST2209
V2201 R2208
C2231
C2232
C2230
C4200
R2207
C2233
R2231
N2422
R2417
X1540
C2443
C2442
C2430
R2450
C2448
C2449
L2406
SP2433
SP2434
C2441
C2447
C2440
R2478
C2438
R2434
V2417
V2412
V4206
ST3102
123
5
7
2
1
3
MP 144
MP 145
MP 146
MP 141
MP 142
MP 143
MP138
MP 139
MP 135
MP 136
MP 137
MP 147
MP 140
MP 158MP 157 MP 166MP 165MP 164MP 163MP 162MP 161 MP 167 MP 168MP 159 MP 160
MP 99MP 98 MP 102MP 100 MP 101
MP 155MP 154MP 153MP 152MP 151MP 150MP 149MP 148 MP 156
MP 107MP 106MP 105 MP 108 MP 116MP 115MP 114MP 113MP 112MP 111MP 110MP 109 MP 119MP 117 MP 118MP 103 MP 104
MP 126
MP 127
MP 123
MP 124
MP 120
MP 121
MP 122
MP 125
MP132
MP 133
MP 129
MP 130
MP 131
MP 134
MP 128
SEMC Troubleshooting Manual
53 (124)

C905
1222-9526 rev. 1
MEASUREMENT POINTS Top Schematic
MEASUREMENT POINTS
Made for
Document Nr Revision
Top Schematic
1210-8302 Page 1 5
RTCCLK
RTCCLK
MICN/AUXinR
MICP/AUXinL
VBAT
VDDE18
VAUDIO26
VBEAR26
SPR
SPL
VAD
VBAT
VDDE18
VCAMIO18
RF_ID
MCLK
TX_ADSTR
OPTO_EN
TESTOUT
MCLKSEC
FM_ANTENNA
PWRRSTn
VBAT
VDDE18
VBT27
VDIG
VCAMSD18
VCAMAF28
VCAMSA28
VCAML12
VCAMAF28
VCAMSD18
VBAT
VDDE18
VDIG
VBT27
VAUDIO26
VBEAR26
VCAML12
VCAMSA28
VCAMIO18 WLAN_VO33
WLAN_LDO18A
WLAN_LDO30
CAMRESn
I2CDAT1
I2CDAT1
I2CCLK1
I2CCLK1
CAMSYSCLK
CAM_LDO_EN
MCLKREQ
BT_CLK
BTRESn
AGPS_RSTn
WLAN_VO33
WLAN_LDO18A
WLAN_LDO30
CHARGE_LED
OPTOSENSE
LED_KEYPAD
OPTOTEMP
VOPTO30
VOPTO30
WLAN_CLKREQ
WLAN_SCLK
AGPS_CLK
WLAN_VO18
WLAN_VO18
WLAN_CLK
BT_CLKREQn
XEFL_SPDA
VDIG
STEPUP50 STEPUP50
LED_CAM1
VDDE18
I2CCLK1
I2CDAT1
FM_ANTENNA
MICP/AUXinL
MICN/AUXinR
VDDE18
VBAT
VAUDIO26
VBEAR26
RTCCLK
SPR
SPL
VAD
PWRRSTn
Audio
Pages A1-A4
Access
WLAN_VO18
VDIG
WLAN_LDO30
MCLKSEC
AGPS_RSTn
VBT27
BTRESn
RTCCLK
BT_CLK
MCLKREQ
VDDE18
VBAT
RF_ID
WLAN_SCLK
OPTO_EN
TX_ADSTR
WLAN_LDO18A
WLAN_VO33
TESTOUT
WLAN_CLK
AGPS_CLK
BT_CLKREQn
WLAN_CLKREQ
XEFL_SPDA
MCLK
Access
Pages R1-R5
SHIELD_CAN_SHIHO_CAMERA
E1000
1
1205-1771
GND
Clamp
Will be connected
to GND in PCB
SHIELD_CAN_SHIHO_KAJSA
1205-1773 2
E1001
1GND
Clamp
Will be connected
to GND in PCB
SHIELD_CAN_SHIHO_VERA
E1002
1
1205-1776
GND
Clamp
Will be connected
to GND in PCB
SHIELD_CAN_SHIHO_WLAN
E1003
1
1205-1779
GND
Clamp
Will be connected
to GND in PCB
SHIELD_CAN_SHIHO_REGULATOR
E1004
1
1205-1781
GND
Clamp
Will be connected
to GND in PCB
Imaging
STEPUP50
VBAT
OPTOSENSE
OPTOTEMP
CHARGE_LED
VCAML12
VOPTO30
CAMSYSCLK
CAMRESn
I2CCLK1
I2CDAT1
VCAMAF28
VCAMSA28
VDDE18
VDIG
VCAMSD18
VCAMIO18
XEFL_SPDA
CAM_LDO_EN
LED_CAM1
LED_KEYPAD
Pages I1-I4
Imaging
LED_KEYPAD
LED_CAM1
VCAMIO18
WLAN_VO18
CAM_LDO_EN
WLAN_CLK
STEPUP50
VDDE18
OPTOTEMP
WLAN_LDO30
VOPTO30
VCAMSD18
VDIG
VBAT
TX_ADSTR
MCLK
OPTO_EN
MCLKSEC
WLAN_SCLK
RF_ID
VAD
SPL
SPR
AGPS_RSTn
PWRRSTn
FM_ANTENNA
MICP/AUXinL
MICN/AUXinR
BTRESn
RTCCLK
BT_CLK
MCLKREQ
WLAN_VO33
WLAN_LDO18A
CHARGE_LED
VCAMAF28
VBT27
CAMRESn
CAMSYSCLK
VCAML12
I2CCLK1
I2CDAT1
VCAMSA28
VBEAR26
VAUDIO26
OPTOSENSE
TESTOUT
AGPS_CLK
BT_CLKREQn
WLAN_CLKREQ
Application & Sys.PerformanceApplication & Sys.Performance
Pages B1-B16
VDDE18
Page T1
Test
Page T1
not used T01
TV_RESn I02
B03AGPS_CLK_EN
not used R03
A02FM_SELECT
LED_TALLY I04
B16VIDCC_RESn
BTGPIO10
BTGPIO9
BTGPIO16
BTGPIO11
BTGPIO8
BTGPIO0
B14
B14
CH_DET_DM
CH_DET_DP
I04XEFL_FCD
WLAN_PDn B10
GPIO_P5
GPIO_P4
GPIO_P3
GPIO_P2
T01
not used R03
B14
R03
R03
R03
USB_HSDATA3
ACC_SPI_DI
ACC_SPI_DO
ACC_SPI_CLK
USB_HSDATA7
B16VIDCC_SPI_CLK
I03CAMIRQ
I02
I03COVER_OPEN
DCON xxx
AccGPIO12
PageUsagePort
Access side GPIO mapping
AccGPIO23
AccGPIO22
AccGPIO21
AccGPIO20
AccGPIO19
AccGPIO18
AccGPIO17
AccGPIO16
AccGPIO15
AccGPIO14
AccGPIO13
AccGPIO11
AccGPIO10
AccGPIO09
AccGPIO08
AccGPIO07
AccGPIO06
AccGPIO05
AccGPIO04
AccGPIO03
AccGPIO02
AccGPIO01
AccGPIO00
AppGPIO09
Application side GPIO mapping
Port Usage Page
AppGPIO15
AppGPIO14
AppGPIO13
AppGPIO12
AppGPIO11
AppGPIO10
AppGPIO08
AppGPIO07
AppGPIO06
AppGPIO05
AppGPIO04
AppGPIO03
AppGPIO02
AppGPIO01
AppGPIO00
B16VIDCC_SPI_DI
B14
B14
B14
B14
B14
B14USB_HSDATA4
USB_HSNXT
USB_HSINCLK
USB_HSDIR
USB_HSSTP
CFMS
CTMS B14
APP_LOG B14
FM_INT A04
VIDCC_SPI_CS B16
MSDETECT B13
VIDCC_SPI_DO B16
OVP_FLAG B14
USB_HSDATA5 B14
USB_HSDATA6 B14
USB_HSCHIP_SEL B14
GPIO_O0
GPIO_O1
GPIO_O6
GPIO_O7
GPIO_O8
GPIO_O10
GPIO_O11
GPIO_O12
GPIO_O13
GPIO_O14
GPIO_O15
PageUsagePort
GPIO expander mapping
GPIO_O9
R04AGPS_SYNC
AccGPIO24
AccGPIO25
R03BT_SPI_CSnAccGPIO26
R03BT_SPI_INTAccGPIO27
PageUsagePort
BT-chip GPIO mapping
AppGPIO16
AppGPIO17
AppGPIO18
AppGPIO19
VIDCC_INT
AFLED_EN
B16
I04
I03XEFL_CHARGE_EN
T01not used
T01not used
B14
TV_CS
A02AMPCTRL
I04X_CHARGE_RDY
XEFL_SPD1 I04
I04XEFL_SB
I04XEFL_SPD0
UART3_RX R04
UART3_TX
UART3_RTS
R04
R04
B16
VCAMSD_EN
MP202 GPO mapping
Port Usage Page
GPO_P0
CAMRESn
GPO_P1
GPO_P2
GPO_P3
PO0
PO1
PO2
PO3
PO4
PO5
PO6
PO7
CAM_LDO_EN B16
B16
B16
B16
B16
B16
B16VIDCC_L1DET
VIDCC_L1_EN B16
VIDCC_SDR_EN B16
VIDCC_CLKREQn B16
not used
not used
not used
not used
R05WLAN_SPI_CSn
WLAN_SPI_IRQ R05
WLAN_CONFIRMn R03
not used
SLIDE_SENSE B15
R04UART3_CTS
B03AGPS_CLKREQn
B03TV_CLKREQn
WLAN_RSTn_PDn R05
R04AGPS_PWRON
R04AGPS_LDO_EN
R03not used
B08VTV15_EN
R03WLAN_BT_PRIORITY
WLAN_BT_STATE R03
not used B16
SEMC Troubleshooting Manual
54 (124)

C905
1222-9526 rev. 1
MEASUREMENT POINTS Audio Top
MEASUREMENT POINTS
Made for
Document Nr Revision
Audio
Audio Top
VBAT VDDE18 VAUDIO26 VBEAR26
MICN/AUXinR
MICP/AUXinL VAD
SPL
SPR
VBATVDDE18
VBATVAUDIO26VBEAR26
FMR
FML
FM_ANTENNA
PWRRSTn
RTCCLK
I2CDAT1
I2CCLK1
VBAT
MICN/AUXinR
MICP/AUXinL
VDDE18
PWRRSTn
I2CDAT1
I2CCLK1
VAD
SPL
SPR
VAUDIO26
VBEAR26
RTCCLK
Audio Digital
Page 3
Audio Digital
Page 3
FM_ANTENNA
FM Radio
Page 4
FML
FMR
I2CCLK1
I2CDAT1
FM_ANTENNA
RTCCLK
VBAT
VDDE18
PWRRSTn
Page 4
FM Radio
VBEAR26
VAUDIO26
VAD
SPR
SPL
FML
FMR
MICP/AUXinL
VBAT
MICN/AUXinR
Page 2Page 2
Audio Analog
1210-8302 Page A1 5
SEMC Troubleshooting Manual
55 (124)

C905
1222-9526 rev. 1
MEASUREMENT POINTS Audio Analog
MEASUREMENT POINTS
Made for
Document Nr Revision
VAD
SPR
SPL
VBAT
AUXO1
VBAT
VAUDIO26 VBEAR26
VAUDIO26 VBEAR26
AUXO2
BEARP
AMPCTRL
PHFMICN
PHFMICP
VAUDIO26
SPEAKER_P
SPEAKER_N
BEARN
FM_SELECT
LINEIN1
LINEIN2
FM_L
FM_R
MIC1P
MIC1N
MIC3P
MIC3N
CCO_INTMIC
FML
FMR
MICP/AUXinL
MICN/AUXinR
VAD
SPR
SPL
VBAT
AB3100 2
N2000
M4
P4
M5
P5
N13
P14
P12
P11
M10
N10
P9
N9
P8
N8
P10
N11
N4
H14
J12
N6
N7
P13
P3
P6
P7
N5
M7
1202-0639
PLL_DEC3
VDD_AUXO
VDD_BEAR
VDD_AUDIO
VDD_SPKR
AUDIO IF
PLL_DEC4
VSS_SPKR
VSS_BEAR
CCO1
AUXO2_OUT
AUXO1_OUT
BEARN_OUT
BEARP_OUT
LINEIN2
LINEIN1
MIC2N
MIC2P
MIC1N
MIC1P
Ericsson AB 3100
MMI
MIC3P
MIC3N
MIC4N
MIC4P
MIDR_OUT
CCO2
SPKRP_OUT
SPKRN_OUT
VAUDIO26
VBEAR26
UESD6.0DT5G
V3101
2
1
3
1001-0730
C2
C1
A
33pF
C3127
<NM>
470nF
C3137
33pF
<NM>
C3114
33pF
C3116
<NM>
33pF
<NM>
C3115
56pF
C3108
56pF
C3107
220nFC3121
33pF
C3110
<NM>
47nF
C3138
33pF
C3136
100nF
C3124
100nF
C3125
220nF
C3133
100nF
C3135
220nF
C3145
220nF
C3146
100nF
C3152
3.3nF
C3154
33pF
C3139
<NM> 33pF
C3140
<NM>
33pF
C3159
<NM>
33pF
<NM>
C3102
100Kohms
<NM>
R3112
100Kohms
R3153
24Kohms
R3154
2.2Kohms
R3155
LeadfreeTJATTE3
B2
B5
B3
2A3D
1A2D
3A4D
4A5D
D1
B1
A5
C5
C4
C3
C2
C1
B4
N3101
1000-0198
GND
GND
GND
GND
GND
GND
VAD
SPR_int
SPL_int
MICN_int
MICP_int
SP_ref
COO
SPR
SPL
MICN
MICP
INTMIC
INTMICint
V_MIC
TJATTE3
NCP2990
C1
A1
2A3A
C2
C3
B3
B1
B2
N3100
1200-9978
INM
INP
Bypass
SHDN
OUTB
OUTA
VP
AUDIO_PA
VM_P
VM
2.2KohmsR3102
33pF
<NM>
C3126
33pF
C3165 10uF
C3166
100ohms
R3150
10uF
C3106
2.2Kohms
R3147 2.2Kohms
R3148
100Kohms
R3149
0ohms
R3160
ST3100
12
1uF
C3151
220nF
C3131
100ohms
R3156
33pF
C3157
10uF
C3158
4.7Kohms
R3106
220nFC3112
220nFC3100
470nF
C3156
470nF
C3155
0ohms
R3100
1204-5252 2 (#5/6)
100-pin
6
X4200
8
58
1204-5252 2 (#6/6)
60
100-pin
X4200
MAX7327
N2410
7
1200-1951
GPIO_O6_OUTPUT
0ohms
R3118
33pF
C3144
<NM>
NC
NC
NC
NC
NC
FBMH1608HL601
L3110
FBMH1608HL601
L3111
470nF
C3148
<NM>
2.2KohmsR3127
<NM> 0ohmsR3128
33pF
C3153
<NM>
470nF
C3104
100nF
C3167
B10
(#2/2)
24-pin
X4400
B11
1201-5197
B12
150uFC3150
150uF
C3149
4
21
ST3101
ST3102
12
33pF
C3105
<NM>
ST3103 21
ST3104 21
0ohms
R3151
<NM>
12
ST3105
12
ST3106
DB3210ADT/7POPHF
R22
N2010
1208-3871
APPLICATION GPIO_17
33pF
C3101
33pF
<NM>
C3117 33pF
C3118
<NM>
FBMH1608HL331
L3108
FBMH1608HL331
L3109
X3102
1
X3103
1
FSA3157BL6X_F113
3
61
52
N3103
1213-5382
4
SPDT Analog switch or
Mux/Demux bus switch
B1
GND
B0
S
VCC
A
100nHL3125
100nHL3126
Radio Components
Secondary MIC
Primary MIC
SLIDER FLEX
CONNECTOR
SLIDER FLEX
CONNECTOR
SPEAKER
XE-FLASH MODULE
CONNECTOR
Shield with GND
Audio
Audio Analog
1210-8302 Page A2 5
MP 147
MP 122
MP 103
MP 100
MP 101
MP 104
MP 102 MP 99 MP 98 MP 121
MP 123
MP 120
MP 57
MP 58
MP 30
MP 1
MP 146
MP 80
SEMC Troubleshooting Manual
56 (124)

C905
1222-9526 rev. 1
MEASUREMENT POINTS Audio Digital
MEASUREMENT POINTS
Made for
Document Nr Revision
Audio
Audio Digital
APP_I2S0_CLK
APP_I2S0_WS
APP_I2S1_CLK
APP_I2S1_WS
APP_I2S1_CLK_1
APP_I2S1_WS_1
APP_I2S1_DATA_B
APP_I2S0_DATA_A
APP_I2S1_DATA_A
APP_I2S1_DATA_B_1
APP_I2S0_DATA_B
SP3204 SP3205
SP3208SP3209
AB3100 2
N2000
K3
L3
J1
K4
K2
L2
J3
K1
1202-0639
CODEC IF
Ericsson AB 3100
MMI
SCK1
WS1
SDI1
SCK2
WS2
SDI2
SDO1
SDO2
MP202
N4
N3
M4
P4
L2
M2
L3
L1
N2500
1200-1414
MP202_I2SIF
PM0_SEN
PM0_CLK
PM0_SO
PM0_SI
PM1_SEN
PM1_CLK
PM1_SO
PM1_SI
100Kohms
R3204
SP3206
SP3207
SP3214
SP3213
NC
100Kohms
<NM>
R3201 100Kohms
<NM>
R3202 100Kohms
<NM>
R3203
DB3210ADT/7POPHF
T24
T22
T23
U15
V22
W24
U23
V23
N2010
1208-3871
KAJSA_BOTTOM_APP
I2S_PCM_A_10_24
I2S0CLK/PCM0CLK
I2S0WS/PCM0SYN
I2S0DLD/PCM0DLD
I2S0ULD/PCM0ULD
I2S1CLK/PCM1CLK
I2S1WS/PCM1SYN
I2S1DLD/PCM1DLD
I2S1ULD/PCM1ULD
KAJSA_BOTTOM_APP_I2S_PCM
KAJSA_BOTTOM_AUDIO
1210-8302 Page A3 5
SEMC Troubleshooting Manual
57 (124)

C905
1222-9526 rev. 1
MEASUREMENT POINTS Audio FM Radio
MEASUREMENT POINTS
Made for
Document Nr Revision
Audio
FM Radio
I2CCLK1
I2CDAT1
FM_INT
VBAT VDDE18
FMR
FML
VDDE18
VDDE18VBAT
PWRRSTn
RTCCLK
PWRRSTn
I2CCLK1
I2CDAT1
RTCCLK
FM_ANTENNA
VBAT
VDDE18
FMR
FML
ST3304
21
STLC2593
1200-9840
N1300
L6
L5
L4
F8
F7
D4
D6
B3
A4
D9
D8
E9
D7
C9
C5
5B8C
A5
A6
A7
D5
C7
C6
C4
B7
B6
B4
A3
B8
BLUETOOTH-FM_FM
FM_FMIP
FM_RFGND
FM_RST
FM_SENB
FM_SCL
FM_SDA
FM_RTCCLK
FM_GPIO1
FM_GPIO2
FM_GPIO3
FM_ROUT
FM_LOUT
NC
NC
NC
NC
NC
NC
FM_VA
FM_VD
FM_VIO
FM_GND
FM_GND
FM_GND
FM_GND
FM_GND
FM_GND
FM_GND
FM_GND
FM_RADIO_IO
FM_PWR_GND
22nF
C3304 100nF
C3305
3.3Kohms
R3302
220pF
C3306
270nH
L3300
NC
NC
NC
NC
NC
NC
DB3210ADT/7POPHF
1208-3871
N2010
R17 APPLICATION GPIO_00
1210-8302 Page A4 5
MP 25
SEMC Troubleshooting Manual
58 (124)

C905
1222-9526 rev. 1
MEASUREMENT POINTS Application & System Performance Top
MEASUREMENT POINTS
Made for
Document Nr Revision
Application & System Performance
Top
TESTOUT
VAD
TX_ADSTR
VDDE18
MCLK
VDDE18
VDDE18
VDIG
VDIG
VBAT
VBAT
VAUDIO26
VAUDIO26
BT_CLK
CAMSYSCLK
MCLKREQ
BTRESn
RF_ID
VBACKUP
PWRRSTn
PWRRSTn
MCLKSEC
VIDCC_CLK
OPTO_EN
SERVICEn
ONSWAn
I2CDAT1
I2CCLK1
MICN/AUXinR
MICP/AUXinL
FM_ANTENNA
CAMRESn
VMC18
SPL
SPR
RTCCLK
RTCCLK
DCON
USB_HS_CLK
VBACKUPVBATVDIGVDDE18VMC18VAUDIO26
AGPS_RSTn
VBUS
DCIO
VIDCC_L1_EN
VIDCC_SDR_EN
VCAMSD_EN
CHARGE_LED
VCAMSD18
VCAMAF28
VCAML12
VCAMSA28
VBT27
VCAMIO18
VBEAR26
WLAN_VO33
WLAN_LDO18A
WLAN_LDO30
OPTOSENSE
LED_KEYPAD
OPTOTEMP
VOPTO30
WLAN_SCLK
AGPS_CLK
WLAN_CLK
WLAN_VO18
BT_CLKREQn
VIDCC_CLKREQn
WLAN_CLKREQ
WLAN_CLKREQ
STEPUP50
STEPUP50
LED_CAM1
CAM_LDO_EN
CAM_LDO_EN
I2CDAT1
I2CCLK1
FM_ANTENNA
MICN/AUXinR
BTRESn
VBAT
VDIG
TESTOUT
VAUDIO26
VDDE18
MCLK
MCLKREQ
BT_CLK
VCAMSA28
SPL
SPR
TX_ADSTR
VAD
MICP/AUXinL
CAMSYSCLK
RTCCLK
VBT27
VCAML12
VCAMIO18
VCAMAF28
RF_ID
PWRRSTn
VCAMSD18
MCLKSEC
CAMRESn
OPTO_EN
VBEAR26
AGPS_RSTn
CHARGE_LED
WLAN_VO33
WLAN_LDO18A
WLAN_LDO30
OPTOSENSE
WLAN_SCLK
STEPUP50
LED_KEYPAD
OPTOTEMP
VOPTO30
WLAN_CLKREQ
AGPS_CLK
WLAN_CLK
WLAN_VO18
BT_CLKREQn
LED_CAM1
LED_KEYPAD
LED_CAM1
VAUDIO26
VIDCC_SDR_EN
DCIO
VIDCC_L1_EN
SERVICEnSTEPUP50
RTCCLK
TESTOUT
CAM_LDO_EN
VCAMSD_EN
CAMRESn
SPL FM_ANTENNA
VDIG
VBAT
MICN/AUXinR
I2CCLK1
TX_ADSTR
I2CDAT1
VDDE18
VBUS
MICP/AUXinL
VAD
USB_HS_CLK
RF_ID
DCON
ONSWAnVBACKUP
VIDCC_CLKREQn
VMC18
SPR
VIDCC_CLK
OPTOTEMP
OPTOSENSE
Pages 11-16
Connectivity
Pages 11-16
CAM_LDO_EN
VCAMSD_EN
CAM_LDO_EN
PWRRSTn
VBEAR26
WLAN_VO18
WLAN_SCLK
WLAN_CLKREQ
WLAN_LDO18A
VMC18
VIDCC_SDR_EN
VDDE18
VDIG
WLAN_VO33
VCAMAF28
VBT27
VCAMIO18
VCAMSA28
VCAML12
WLAN_LDO30
CHARGE_LED
OPTO_EN
VOPTO30
VCAMSD18
VBUS
VBAT
DCIO
VIDCC_L1_EN
VBACKUP
VAUDIO26
Power
Pages 6-10
Power
MCLKSEC
BT_CLKREQn
USB_HS_CLK
CAMSYSCLK
MCLKREQ
BT_CLK
RTCCLK
DCON
MCLK
VDDE18
SERVICEn
AGPS_RSTn
BTRESn
VIDCC_CLK
PWRRSTn
ONSWAn
WLAN_CLK
AGPS_CLK
WLAN_CLKREQ
VIDCC_CLKREQn
System Control
Pages 2-5
System Control
1210-8302 Page B1 5
SEMC Troubleshooting Manual
59 (124)

C905
1222-9526 rev. 1
MEASUREMENT POINTS System Top
MEASUREMENT POINTS
Made for
Document Nr Revision
Application & System Performance
System Top
VDDE18
VDDE18
MCLK
SERVICEn
ONSWAn
BT_CLK
CAMSYSCLK
RTCCLK
MCLKREQ
BTRESn
DCON
USB_HS_CLK
PWRRSTn
MCLKSEC
MEMRESn
AGPS_RSTn
VIDCC_CLK
VDDE18
AGPS_CLK
WLAN_CLK
BT_CLKREQn
WLAN_CLKREQ
VIDCC_CLKREQn
VDDE18
MCLK
VIDCC_CLKREQn
ONSWAn
SERVICEn
BT_CLK
CAMSYSCLK
BTRESn
MCLKREQ
RTCCLK
DCON
USB_HS_CLK
PWRRSTn
MCLKSEC
AGPS_RSTn
VIDCC_CLK
MEMRESn
VDDE18
System Memories
Page 4
AGPS_CLK
WLAN_CLK
BT_CLKREQn
WLAN_CLKREQ
BT_CLKREQn
WLAN_CLKREQ
AGPS_CLK
WLAN_CLK
AGPS_RSTn
PWRRSTn
DCON
VDDE18
SERVICEn
MCLK
MCLKREQ
MEMRESn
BTRESn
CAMSYSCLK
MCLKSEC
VIDCC_CLK
USB_HS_CLKONSWAn
BT_CLK
RTCCLK
VIDCC_CLKREQn
Clocks & Resets
Page 3
Clocks & Resets
1210-8302 Page B2 5
SEMC Troubleshooting Manual
60 (124)

C905
1222-9526 rev. 1
MEASUREMENT POINTS
MEASUREMENT POINTS
Made for
Document Nr Revision
MEMRESn
BTRESn
CAMSYSCLK
ONSWAn
PWRREQn
MCLKREQ
VDDE18
VDDE18
RTCCLK
RTCCLK
XTAL2
PWRRSTn
USB_HS_CLK
DCON
BT_CLK
SERVICEn
AGPS_RSTn
TV_CLK
VIDCC_CLK
SYSCLKREQn
MCLK
VDDE18
XTAL1
AGPS_CLK
AGPS_CLK_EN
MCLKSEC
MCLK_VERA
VIDCC_CLKREQn
BT_CLKREQn
VDDE18
WLAN_CLKREQ
WLAN_CLK
ONSWAn
SERVICEn
MCLK
1000-0036
32.768kHz
B2100
C2 C1
MEMRESn
BTRESn
CAMSYSCLK
SP2105
SP2102
MCLKREQ
BT_CLK
VDDE18
VIDCC_CLKREQn
AB3100
1202-0639 2
D11
A10B11
D14
E11
11F21E
F12
F13
H13
E14
E13
N2000
CLOCK
MCLK
SLEEP_B
SLEEP_A
XTAL_OUT
XTAL2
XTAL1
RTC
Ericsson AB 3100
SYSTEM CONTROL
SYSTEM POR
IRQB_N
PWRRST_N ONSWC
ONSWB_N
ONSWA_NIRQA_N
RTCCLK
DCON
SP2104
SP2107SP2106
USB_HS_CLK
18pF
C2100 18pF
C2101
33pF
C2103
<NM>
100Kohms
R2101
MCLKSEC
1nF
<NM>
C2104
PWRRSTn
AGPS_RSTn
SN74LVC1G125YZPR
1200-0425
2
1
4
53
N2100
GND
OE
A
VCC
Y
100Kohms
R2108
10ohms
R2111
4.7uF
C2105
VIDCC_CLK
NC
1KohmsR2115
100Kohms
R2117
AGPS_CLK
3
N2410
GPIO_P2_BIDIR
MAX7327
1200-1951
4
GPIO_P3_BIDIR
WLAN_CLK
22ohms
R2122
22ohmsR2123
12
ST2100
BT_CLKREQn
WLAN_CLKREQ
ST210121
100Kohms
R2104
SP2103
Leadfree
1000-0391
V2101
S1D13771
1200-0362
N2700
H7 CLKI
S1D13771_CLOCK
12
ST2102
12
ST2103
SN74LVC2G241YZPR
1204-8667
N2102
2A1D
C1
B2
D2
C2
A1
B1
VCC
2OE
1Y
2A
GND
2Y
1A
1OE
100Kohms
R2116
DB3210ADT/7POPHF
1208-3871
N2010
K12
APPLICATION GPIO_10
DB3210ADT/7POPHF
1208-3871
N2010
AC21
AB20
AD22
V16
AD23
V14
AB23
AB18
AC22AB19
V17
AA24
AD20AE23
Y22
AD21
AB17
POWER CONTROL
RESETS
INTERRUPTS
CLOCKS
KAJSA_BOTTOM_SYSTEM_LEVEL
SERVICEn
DCON
APPSLEEP
ACCSLEEP
PWRRSTn
RESOUT2n
RESOUT1n
RESOUT0n
MSAPPIRQn
MSACCIRQn
SYSCLKREQn
RTCCLKIN
MCLK
SYSCLK2
SYSCLK1
SYSCLK0
MCLKREQ
KAJSA_BOTTOM
SYSTEM_CONTROL_A_23_24
ST210421
100Kohms
R2125
100Kohms
<NM>
R2102
100Kohms
R2103
<NM>
ST2105
21
ST2106 21
ST210721
ST210821
ST210921
ST211021
RN1108
1000-8463
1
3
2
V2100
AGPS_CLKREQn
TV_CLKREQn
System Control - Clocks & Resets
Application & System Performance
System Control - Clocks & Resets
1210-8302 Page B3 5
MP 24
MP 22
MP 55
MP 19
MP 20
MP 37
MP 138MP 136
MP 36
MP 50
MP 49
MP 38
MP 36
MP 53
SEMC Troubleshooting Manual
61 (124)

C905
1222-9526 rev. 1
MEASUREMENT POINTS System Memories
MEASUREMENT POINTS
Made for
Document Nr Revision
Application & System Performance
System Memories
MEMRESn
VDDE18
VDDE18
MEMRESn
100Kohms
R2112
<NM> 2.2Kohms
R2113
VDDE18
NC
NC
NC
NC
NC
NC
NC
NC
NC
NC
NC
NC
NC
NC
NC
NC
NC
NC
NC
NC
NC
NC
NC
NC
NC
NC
NCNC
NC
NC
NC
NC
NC
NC
NC
NC
NC
NC
NC
NC
NC
NC
NC
NC
NC
NC
NC
NC
NC
NC
NC
NC
NC
NC
NC
NC
NC
NC
NC
NC
NC
NC
NC
NC
NC
NC
NC
NC
NC
NC
NC
NC
NC
NC
KAL00900MX-AJ55_POP
N2020
1
1205-5912
POP Symbol
POP_symbol NC
NC
NC
NC
NC
NC
NC
NC
NC
NC
NC
NC
NC
NC
NC
NC
NC
NC
NC
NC
NC
DB3210ADT/7POPHF
N2010
J17
J16
1208-3871
DIRECT MEMORY ACCESS
KAJSA_BOTTOM_SYSTEM_LEVEL
SDTEMP
NAND_WPN
KAJSA_BOTTOM
DIRECT_MEMORY_A_22_24
DB3210ADT/7POPHF
F3
H3
J3
J2
G3
K2
K3
L2
L3
M3
M4
N4
P3
N3
P4
E3
E2
E4
F4
G4
G5
H5
K5
J4
J5
F5
L4
K4
L9
L5
K9
M5
N5
C4
C3
H4
C5
D3
D4
N2010
1208-3871
KAJSA_BOTTOM
SHARED_MEMORY_IF(EMIF1)
KAJSA_BOTTOM_SYSTEM_LEVEL
SH_BE1n
SH_BE0n
SH_SDRASn
SH_SDCKE
SH_SDCLK
SH_WEn
SH_SDCASn
SH_SDCSn
SH_D15
SH_D14
SH_D13
SH_D12
SH_D11
SH_D10
SH_D09
SH_D08
SH_D07
SH_D06
SH_D05
SH_D04
SH_D03
SH_D02
SH_D01
SH_D00
SH_A15/SH_SDBS1
SH_A14/SH_SDBS01
SH_A13/SH_SDBS0
SH_A12
SH_A11
SH_A10
SH_A09
SH_A08
SH_A07
SH_A06
SH_A05
SH_A04
SH_A03
SH_A02
SH_A01
KAJSA_BOTTOM_SH_EMIF_A_8_24
DB3210ADT/7POPHF
C12
C13
J12
C14
C15
D16
B15
C16
B17
C17
B18
C18
C19
B20
C20
C21
C22
C23
D21
D23
D22
E23
C24
D24
C25
E24
D25
D13
J11
E12
J10
C10
E11
D7
E14
E13
J14
J15
E15
D15
E16
D17
E17
D18
E18
D19
E21
E19
D20
E20
D12
D10
B11
D14
E5
D11
21B11C
N2010
1208-3871
KAJSA_BOTTOM_APP_EMIF_A_9_24
AP_A01
AP_A02
AP_A03
AP_A04
AP_A05
AP_A06
AP_A07
AP_A08
AP_A09
AP_A10
AP_A11
AP_A12
AP_A13/AP_SDBS0
AP_A14/AP_SDBS01
AP_A15/AP_SDBS1
AP_A16
AP_A17/AP_CLE
AP_A18/AP_ALE
AP_A19
AP_A20
AP_A21
AP_A22
AP_A23
AP_A24
AP_A25
AP_A26/AP_CRE
AP_D00
AP_D01
AP_D02
AP_D03
AP_D04
AP_D05
AP_D06
AP_D07
AP_D08
AP_D09
AP_D10
AP_D11
AP_D12
AP_D13
AP_D14
AP_D15
AP_CLK
AP_SDCLK
AP_FBCLK
AP_SDCKEN0
AP_SDCKEN1
ADVn/AP_SDRAS
AP_OEn/RE/AP_SDCAS
AP_CS0n
AP_CS1n
AP_CS2n
AP_CS3n
AP_BE0n
AP_BE1n
AP_WEn
AP_NFIF_READY
AP_WAITn
KAJSA_BOTTOM_SYSTEM_LEVEL
KAJSA_BOTTOM_APPLICATION
MEMORY_IF(EMIF2)
This symbol is placed here to include MCP memory in BOM
Electrical inferface can be seen on page B05
Kajsa PoP MCP Memory
1210-8302 Page B4 5
SEMC Troubleshooting Manual
62 (124)

C905
1222-9526 rev. 1
MEASUREMENT POINTS System PoP IF
MEASUREMENT POINTS
Made for
Document Nr Revision
TOP_NC_1
TOP_NC_2
TOP_NC_3
TOP_NC_4
TOP_NC_5
TOP_NC_6
TOP_NC_7
TOP_NC_8
TOP_GND_MEM_00
TOP_GND_MEM_01
TOP_GND_MEM_02
TOP_GND_MEM_03
TOP_GND_MEM_04
TOP_GND_MEM_05
TOP_GND_MEM_06
TOP_GND_MEM_07
TOP_GND_MEM_08
TOP_GND_MEM_09
TOP_GND_MEM_10
TOP_GND_MEM_11
TOP_GND_MEM_12
TOP_GND_MEM_13
TOP_GND_MEM_14
TOP_GND_MEM_15
TOP_GND_MEM_16
TOP_GND_MEM_17
TOP_VDD
TOP_SH_A01
TOP_SH_A02
TOP_SH_A03
TOP_SH_A04
TOP_SH_A05
TOP_SH_A06
TOP_SH_A07
TOP_SH_A08
TOP_SH_A09
TOP_SH_A10
TOP_SH_A11
TOP_SH_A12
TOP_SH_A13
TOP_SH_BA0
TOP_SH_BA1
TOP_SDRAM_CS_N
TOP_SDRAM_CAS_N
TOP_SDRAM_WE_N
TOP_SDRAM_CLK
TOP_SDRAM_CKE
TOP_SDRAM_RAS_N
TOP_SDRAM_BE0_N
TOP_SDRAM_BE1_N
TOP_DMS_5
TOP_NAND_WP_N
TOP_DMS_3
TOP_DMS_2
TOP_DMS_1
TOP_AP_A01
TOP_AP_A02
TOP_AP_A03
TOP_AP_A04
TOP_AP_A05
TOP_AP_A06
TOP_AP_A07
TOP_AP_A08
TOP_AP_A09
TOP_AP_A10
TOP_AP_A11
TOP_AP_A12
TOP_AP_A13
TOP_AP_A14
TOP_AP_A15
TOP_AP_A16
TOP_AP_A17
TOP_NAND_ALE
TOP_NAND_CLE
TOP_AP_A18
TOP_AP_A19
TOP_NAND_IO0
TOP_NAND_IO1
TOP_NAND_IO2
TOP_NAND_IO3
TOP_NAND_IO4
TOP_NAND_IO5
TOP_NAND_IO6
TOP_NAND_IO7
TOP_NAND_RE_N
TOP_AP_CLK
TOP_AP_SDCLK
TOP_AP_SDCKE
TOP_SDRAS_N_1
TOP_SDRAS_N_2
TOP_SDCAS_N_1
TOP_SDCAS_N_2
TOP_SDCAS_N_3
TOP_NAND_CE_N
TOP_AP_CS1_N
TOP_AP_CS2_N
TOP_AP_BE0_N
TOP_AP_BE1_N
TOP_AP_WE_N
TOP_AP_WE2_N
TOP_SH_DATA_BUS TOP_APPLICATION_DATA_BUS
TOP_NAND_Ry_By_N
TOP_DMS_4
TOP_NAND_WE_N
TOP_VDD_MEM_00
TOP_VDD_MEM_01
TOP_VDD_MEM_02
TOP_VDD_MEM_03
TOP_VDD_MEM_04
TOP_VDD_MEM_05
TOP_VDD_MEM_06
TOP_VDD_MEM_07
TOP_VDD_MEM_08
TOP_VDD_MEM_09
TOP_VDD_MEM_10
TOP_VDD_MEM_11
TOP_VDD_MEM_12
TOP_VDD_MEM_13
TOP_VDD_MEM_14
TOP_VDD_MEM_15
TOP_VDD_MEM_16
TOP_VDD_MEM_17
TOP_VDD_MEM_00
TOP_VDD_MEM_01
TOP_VDD_MEM_02
TOP_VDD_MEM_03
TOP_VDD_MEM_04
TOP_VDD_MEM_05
TOP_VDD_MEM_06
TOP_VDD_MEM_07
TOP_VDD_MEM_08
TOP_VDD_MEM_09
TOP_VDD_MEM_10
TOP_VDD_MEM_11
TOP_VDD_MEM_12
TOP_VDD_MEM_13
TOP_VDD_MEM_14
TOP_VDD_MEM_15
TOP_VDD_MEM_16
TOP_VDD_MEM_17
TOP_SH_D00
TOP_SH_D01
TOP_SH_D02
TOP_SH_D03
TOP_SH_D04
TOP_SH_D05
TOP_SH_D06
TOP_SH_D07
TOP_SH_D08
TOP_SH_D09
TOP_SH_D10
TOP_SH_D11
TOP_SH_D12
TOP_SH_D13
TOP_SH_D14
TOP_SH_D15
TOP_SH_D00
TOP_SH_D01
TOP_SH_D02
TOP_SH_D03
TOP_SH_D04
TOP_SH_D05
TOP_SH_D06
TOP_SH_D07
TOP_SH_D08
TOP_SH_D09
TOP_SH_D10
TOP_SH_D11
TOP_SH_D12
TOP_SH_D13
TOP_SH_D14
TOP_SH_D15
TOP_AP_D00
TOP_AP_D01
TOP_AP_D02
TOP_AP_D03
TOP_AP_D04
TOP_AP_D05
TOP_AP_D06
TOP_AP_D07
TOP_AP_D08
TOP_AP_D09
TOP_AP_D10
TOP_AP_D11
TOP_AP_D12
TOP_AP_D13
TOP_AP_D14
TOP_AP_D15
TOP_AP_D00
TOP_AP_D01
TOP_AP_D02
TOP_AP_D03
TOP_AP_D04
TOP_AP_D05
TOP_AP_D06
TOP_AP_D07
TOP_AP_D08
TOP_AP_D09
TOP_AP_D10
TOP_AP_D11
TOP_AP_D12
TOP_AP_D13
TOP_AP_D14
TOP_AP_D15
1205-5912_POP
KAL00900MX-AJ55
B8
A8
B9
B10
B20
N2020
KAL00900MX-AJ55
MCP_POP_DIRECT_MEMORY_SIGNALS
NC_21
NC_22
NC_23
NAND_WPn
NC_24
2GbitNANDx8+128Mbitx16+512MbitSDRAMx16
DirectMemorySignals
1205-5912_POP
KAL00900MX-AJ55
L21
L20
F20
AA12
A12
G20
G21
H20
H21
J20
J21
K20
K21
M20
B14
AA13
E20
E21
F21
B12
B13
Y11
A11
Y12
AA11
A13
B11
A14
B15
A15
B16
A16
B17
A17
B18
A18
A19
C21
D20
D21
AA15
V2
M2
N20
P1
P2
R1
R2
T1
T2
U1
U2
Y5
AA6
Y6
AA7
Y7
AA9
Y9
AA10
Y4
AA14
AA3
V1
N2020
KAL00900MX-AJ55_MCP_POP_NAND_EMIF2
SDRAM_512_A0d
SDRAM_512_A1d
SDRAM_512_A2d
SDRAM_512_A3d
SDRAM_512_A4d
SDRAM_512_A5d
SDRAM_512_A6d
SDRAM_512_A7d
SDRAM_512_A8d
SDRAM_512_A9d
SDRAM_512_A10d
SDRAM_512_A11d
SDRAM_512_A12d
NC_2
BA0d
NC_3
BA1d
NAND_ALE
NAND_CLE
NC_4
NC_5
NAND_IO0
NAND_IO1
NAND_IO2
NAND_IO3
NAND_IO4
NAND_IO5
NAND_IO6
NAND_IO7
NAND_REn
NC_6
SDRAM_512_CLK
SDRAM_512_CKE
SDRAM_512_RASn
NC_7
NC_8
NC_9
SDRAM_512_CASn
NAND_CEn
NC_10
SDRAM_512_CSn
SDRAM_512_LDQM
SDRAM_512_UDQM
NC_11
SDRAM_512_WEn
NC_12
NAND_WEn
SDRAM_512_DQ0
SDRAM_512_DQ1
SDRAM_512_DQ2
SDRAM_512_DQ3
SDRAM_512_DQ4
SDRAM_512_DQ5
SDRAM_512_DQ6
SDRAM_512_DQ7
SDRAM_512_DQ8
SDRAM_512_DQ9
SDRAM_512_DQ10
SDRAM_512_DQ11
SDRAM_512_DQ12
SDRAM_512_DQ13
SDRAM_512_DQ14
SDRAM_512_DQ15
NAND_Ry/By_N
2GbitNANDx8+128Mbitx16+512MbitSDRAMx16
APPLICATIONMEMORYIF(EMIF2)
1205-5912_POP
KAL00900MX-AJ55
Y15
T20
U21
U20
V21
V20
W21
Y18
AA19
Y17
AA18
Y16
AA17
D1
E1
R21
M21
T21
N21
B7
A6
B6
A5
B5
B4
A4
A3
C1
F2
F1
G2
H1
J2
J1
K2
D2
P20
E2
R20
N2020
KAL00900MX-AJ55_MCP_POP_SDRAM_EMIF1
SDRAM_128_A0
SDRAM_128_A1
SDRAM_128_A2
SDRAM_128_A3
SDRAM_128_A4
SDRAM_128_A5
SDRAM_128_A6
SDRAM_128_A7
SDRAM_128_A8
SDRAM_128_A9
SDRAM_128_A10
SDRAM_128_A11
NC_1
SDRAM_128_BA0
SDRAM_128_BA1
SDRAM_128_CSn
SDRAM_128_CASn
SDRAM_128_WEn
SDRAM_128_CLK
SDRAM_128_CKE
SDRAM_128_RASn
SDRAM_128_LDQM
SDRAM_128_UDQM
SDRAM_128_DQ0
SDRAM_128_DQ1
SDRAM_128_DQ2
SDRAM_128_DQ3
SDRAM_128_DQ4
SDRAM_128_DQ5
SDRAM_128_DQ6
SDRAM_128_DQ7
SDRAM_128_DQ8
SDRAM_128_DQ9
SDRAM_128_DQ10
SDRAM_128_DQ11
SDRAM_128_DQ12
SDRAM_128_DQ13
SDRAM_128_DQ14
SDRAM_128_DQ15
2GbitNANDx8+128Mbitx16+512MbitSDRAMx16
SHAREDMEMORYIF(EMIF1)
-
1205-5912_POP
KAL00900MX-AJ55
A1
A21
M1
AA1
AA4
AA21
AA16
AA5
N2020
KAL00900MX-AJ55_MCP_POP_UNUSED
NC_13
NC_14
NC_15
NC_16
NC_17
NC_18
NC_19
NC_20
2GbitNANDx8+128Mbitx16+512MbitSDRAMx16
UNUSED
AA20
AA2
Y19
Y13
W2
P21
L2
B2
B1
A20
N2
L1
H2
B3
A10
A7
AA8
B19
Y21
Y20
Y14
Y10
Y3
Y2
Y1
W20
W1
B21
A2
Y8
C20
N1
K1
G1
C2
A9
N2020
KAL00900MX-AJ55
1205-5912_POP
KAL00900MX-AJ55_MCP_POP_VMEM_POWER
VDDQ_1
VDDQ_2
VDD_1
VDD_2
VDD_3
VDDQ_3
VCC_N_1
VDDQ_4
VDDQ_5
VDD_4
VDDQ_6
VDD_5
VDD_6
VDD_7
VDD_8
VDD_9
VCC_N_2
VDD_10
VSS_1
VSSQ_1
VSS_2
VSSQ_2
VSS_N_1
VSSQ_3
VSSQ_4
VSSQ_5
VSS_3
VSS_4
VSS_5
VSS_6
VSS_7
VSS_N_2
VSS_8
VSS_9
VSS_10
VSS_11
2GbitNANDx8+128MbitSDRAMx16+512MbitSDRAMx16
VDDMEMORIES
N2010
T_B11
T_A13
T_AA11
T_Y12
T_A11
T_Y11
T_B13
T_B12
T_F21
T_E21
T_E20
T_V1
T_AA13
T_AA14
T_M2
T_V2
T_AA15
T_B14
T_AA10
T_Y9
T_AA9
T_Y7
T_AA7
T_Y6
T_AA6
T_Y5
T_U2
T_U1
T_T2
T_T1
T_R2
T_R1
T_P2
T_P1
T_N20
T_AA12
T_AA3
T_Y4
T_M20
T_K21
T_K20
T_J21
T_J20
T_H21
T_H20
T_G21
T_F20
T_A12
T_G20
T_L20
T_L21
T_D21
T_D20
T_C21
T_A19
T_A18
T_B18
T_A17
T_B17
T_A16
T_B16
T_A15
T_B15
T_A14
KAJSA_POP_TOP
1208-3871_TOP
KAJSA_TOP_AP_EMIF_B_2_5
AP_D00
AP_D01
AP_D02
AP_D03
AP_D04
AP_D05
AP_D06
AP_D07
AP_D08
AP_D09
AP_D10
AP_D11
AP_D12
AP_D13
AP_D14
AP_D15
AP_A01
AP_A02
AP_A03
AP_A04
AP_A05
AP_A06
AP_A07
AP_A08
AP_A09
AP_A10
AP_A11
AP_A12
AP_A13
NC_1
AP_A14/AP_SDBS01
NC_2
AP_A15/AP_SDBS1
AP_A18/AP_ALE
AP_A17/AP_CLE
NC_3
NC_4
AP_A16
AP_A19
AP_A20
AP_A21
AP_A22
AP_A23
AP_A24
AP_A25
AP_A26/AP_CRE
NC_5
AP_SDCLK
AP_SDCKE0
AP_SDRAS/ADVn
NC_6
NC_7
NC_8
AP_SDCAS/AP_RE/AP_OEn
AP_CS0n
NC_9
AP_CS2n
AP_BE0n
AP_BE1n
NC_10
AP_WEn
NC_11
AP_WAITn
AP_NFIF_READY
Kajsa-PoP_top-SYSTEM-LEVEL
KAJSA_APPLICATION_MEMORY_IF(EMIF2)
N2010
T_B20
T_B10
T_B9
T_A8
T_B8
KAJSA_POP_TOP
1208-3871_TOP
DIRECT_MEMORY_SIGNALS
Kajsa-PoP_top-SYSTEM-LEVEL
SDTEMP
NAND_WPn
NC_14
NC_13
NC_12
KAJSA_TOP_DIRECT_MEMORY_SIGNALS_B_3_5
N2010
T_A2
T_A9
T_B21
T_C2
T_C20
T_G1
T_K1
T_N1
T_W1
T_W20
T_Y1
T_Y2
T_Y3
T_Y8
T_Y10
T_Y14
T_Y20
T_Y21
T_A20
T_AA2
T_AA20
T_B1
T_B2
T_L2
T_P21
T_W2
T_Y13
T_Y19
T_AA8
T_B19
T_A7
T_A10
T_B3
T_H2
T_L1
T_N2
KAJSA_POP_TOP
1208-3871_TOP
POWER
Kajsa-PoP_top-POWER
F_VDD
VCC_N
F_VDD
F_VDD
F_VDD
F_VDD
F_VDD
VDD_Q
F_VDD
VDD_Q
VDD_Q
VCC_N
VDD_Q
F_VDD
F_VDD
F_VDD
VDD_Q
VDD_Q
GND_MEM
GND_MEM
GND_MEM
GND_MEM
GND_MEM
GND_MEM
GND_MEM
GND_MEM
GND_MEM
GND_MEM
GND_MEM
GND_MEM
GND_MEM
GND_MEM
GND_MEM
GND_MEM
GND_MEM
GND_MEM
KAJSA_TOP_POWER_B_4_5
N2010
T_R20
T_P20
T_N21
T_T21
T_M21
T_R21
T_K2
T_J1
T_J2
T_H1
T_G2
T_F1
T_F2
T_C1
T_A3
T_A4
T_B4
T_B5
T_A5
T_B6
T_A6
T_B7
T_E2
T_D2
T_E1
T_D1
T_Y15
T_AA17
T_Y16
T_AA18
T_Y17
T_AA19
T_Y18
T_W21
T_V20
T_V21
T_U20
T_U21
T_T20
KAJSA_POP_TOP
1208-3871_TOP
KAJSA_SHARED_MEMORY_IF(EMIF1)
Kajsa-PoP_top-SYSTEM-LEVEL
SH_D15
SH_D14
SH_D13
SH_D12
SH_D11
SH_D10
SH_D09
SH_D08
SH_D07
SH_D06
SH_D05
SH_D04
SH_D03
SH_D02
SH_D01
SH_D00
SH_BE1n
SH_BE0n
SH_SDRASn
SH_SDCKE
SH_SDCLK
SH_WEn
SH_SDCASn
SH_SDCSn
SH_A15/SH_SDBS1
SH_A14/SH_SDBS01
SH_A13
SH_A12
SH_A11
SH_A10
SH_A09
SH_A08
SH_A07
SH_A06
SH_A05
SH_A04
SH_A03
SH_A02
SH_A01
KAJSA_TOP_SH_EMIF_B_1_5
N2010
T_AA5
T_AA16
T_AA21
T_AA4
T_AA1
T_M1
T_A21
T_A1
KAJSA_POP_TOP
1208-3871_TOP
UNUSED
Kajsa-PoP_top-NOT_USED
NC
NC
NC
NC
NC
NC
NC
NC
KAJSA_TOP_UNUSED_B_5_5
Application & System Performance
System PoP IF
1210-8302 Page B5 5
SEMC Troubleshooting Manual
63 (124)

C905
1222-9526 rev. 1
MEASUREMENT POINTS Power Top
MEASUREMENT POINTS
Made for
Document Nr Revision
Application & System Performance
Power Top
VCAMSA28
VBUS
DCIO
VCORE12
VCORE12
VAUDIO26
VDIG
VBEAR26
VBACKUP
VBT27
VMC18
CHARGE_LED
VCAML12
VCAMAF28VDDE18
VDDE18VDDE18
VDDE18
VCAMSD18
VCAMIO18
VBAT
VBAT
VBAT
VIDCC_L1_EN
VIDCC_SDR_EN
VCAMSD_EN
VCORE18
VCORE18
WLAN_VO33
WLAN_LDO18A
WLAN_LDO30
VOPTO30OPTO_EN
WLAN_CLKREQ
WLAN_SCLK
WLAN_VO18
PWRRSTn
VMEM18
CAM_LDO_EN
VANA25
VANA25
VBUS
DCIO
VBACKUP
VBAT
VDIG
VDDE18
VMC18
VBEAR26
VCAML12
VCAMIO18
VAUDIO26
VCAMSA28
VBT27
CHARGE_LED
VCAMAF28
VCAMSD18
VIDCC_SDR_EN
VIDCC_L1_EN
VCAMSD_EN
OPTO_EN
WLAN_VO33
WLAN_LDO18A
WLAN_LDO30
WLAN_SCLK
VOPTO30
WLAN_CLKREQ
WLAN_VO18
PWRRSTn
WLAN_VO33
WLAN_VO18
WLAN_LDO18A
WLAN_LDO30
VBAT
WLAN_CLKREQ
WLAN_SCLK
Power WLAN
Page 10
VCORE12
VANA25
VMEM18
VDDE18
Page 9
Power Asics
VCORE18
VIDCC_L1_EN
OPTO_EN
VCAML12
VBAT
VCAMIO18
VCAMAF28
VCAMSA28
VCAMSD18
VDDE18
PWRRSTn
VIDCC_SDR_EN
VOPTO30
CAM_LDO_EN
VCAMSD_EN
Page 8Page 8
Power Imaging
CAM_LDO_EN
VCORE12
VMEM18
VBT27
VBEAR26
VMC18
DCIO
VBACKUP
VBAT
VDDE18
VANA25
VBUS
VDIG
VAUDIO26
CHARGE_LED
VCORE18
Regulators & ChargingRegulators & Charging
Page 7
1210-8302 Page B6 5
SEMC Troubleshooting Manual
64 (124)

C905
1222-9526 rev. 1
MEASUREMENT POINTS Power - Regulators & Charging
MEASUREMENT POINTS
Made for
Document Nr Revision
Application & System Performance
Power - Regulators & Charging
VBAT
VCORE12
VAUDIO26
VDIG
VBEAR26
VDDE18
VDDE18
VANA25
VANA25
VDDE18
VBT27
VMC18
DCIO
VCORE18
VBUS_VERA
CHARGE_LED
VBAT
FGSENSEP
FGSENSEN
VANA25 VCORE18
BDATA
VBAT
VBAT
VMEM18
VMEM18
DF2S6.8FS
21
V2200
AC
DCIO
VMC18
VBACKUP
VBAT
VAUDIO26
VBUS
VCORE12
TP2202
VANA25
VDDE18
AB3100
1202-0639 2
E1
N12
L12
G14
G13
L13
L14
M14
D13
B12
K14
D1
F14
M13
N14
C1
B1
N2000
BUCK REGULATOR
Ericsson AB 3100
POWER
LDO REGULATORS
LDOD_OUT
LDOG_OUT
VBAT_B 1.5 - 2.85V
2.65V
0.9 - 2.8V
1.05 - 2.5V
VBAT_E LDOF_OUT
LDOE_OUT
LDOK_OUT
LDOH_OUT
VBAT_F 1.2 - 2.75V
1.8 - 2.75V
VBAT_G LDOC_OUT
2.65V
LDOLP_OUT
LPREG
VBAT_C
MOD1 BUCK_FB
VBUCK
VSS_BUCK
Buck
0.9 - 1.8V
5%
LDOG
LDOD
LDOF
LDOH
LDOK
LDOC
LDOE
2V
AB3100
1202-0639 2
A11
H3
H2
H1
F1
J2
J13
J14
F2G2
F3
E2
G1
N2000
CHSENSEP
CHSENSEN
FGSENSEN
FGSENSEP
VBAT_D
BDATA
Ericsson AB 3100
POWER
BATTERY UART
TRICKLE
CHREG
VBUS
DCIO
VBAT_H
DCIO_INT
VDD_REF
FUEL GAUGE
CHARGER CONTROL
AB3100
1202-0639 2
A14
B10
A2
D12
A12
A13
N2000
VDD_IO
REF
TEST
IO LEVELS
Ericsson AB 3100
POWER
TEST
VREF
IREF
SPARE1
SPARE2
VDIG
VBEAR26
VBT27
FDMA1027P
1200-0145
V2202
1
2
7
6S
G
DD
FDMA1027P
1200-0145
V2202 4
5
83
G
S
D
D
VCORE18
CHARGE_LED
21ST2213
Leadfree
1000-0087
V2201
SP2200
ST2211
12
ST2212
12
16V
100nF
<NM>
C2221
100nF
C2227
16V
47pF
C2225
100nF
C2223
22pF
C2202 3.3pF
C2203
4.7uF
C2206
2.2uF
C2209
1uF
C2208
1uF
C2213
10uF
C2217
100nF
C2216
100nF
C2220
10uF
C2219
10uF
C2204 100nF
C2215
10uF
C2205
2.2uF
C2210
2.2uF
C2211
1uF
C2226
10uF
C2218
2.2uF
C2207
2.2uF
C2212
25V
1uF
C2222
1uF
C2224
10uF
C2228
10uF
C2231
100mohms
R2201
100Kohms
R2203
4.7Kohms
R2204
25mohms
R2200
100nF
C2201
<NM>
1000-0335
C2214
7uAh
+
BLM18PG121SN1
1000-0118
L2201
ST2200 21
ST2201 21
ST2202
12
12
ST2203
ST2204 21
ST2205 21
ST2206 21
ST2207
21
ST2209 21
0402 Size
ST2210
1
2
X2201
1
21201-0774
2
3
33pF
C2200
<NM>
TP2201 TP2204
1nF
C2230
<NM>
2.2uF
C2229
<NM>
4.7uH
L2200
2.2uHL2202
TPS62290DRV
1204-4655
4
32
15
76
N2200
SLUG
GND
DC-DC CONVERTER
EN
MODE FB
VIN SW
270Kohms
1%
R2208
549Kohms
1%
R2207
22pF
C2232
ST2240 21
100ohms
<NM>
R2231
150pF
<NM>
C2233
1
ST2214
2
1ST2225 2
VMEM18
BATTERY
CONNECTOR
1210-8302 Page B7 5
MP 40
MP 116
MP 114
MP 115
MP 124
MP 126
MP 127
MP 164
MP 165
MP 125
MP 162
MP 16
MP 141
MP 139
MP 31
MP 137
MP 33
SEMC Troubleshooting Manual
65 (124)

C905
1222-9526 rev. 1
MEASUREMENT POINTS Power - Imaging
MEASUREMENT POINTS
Made for
Document Nr Revision
VCAML12
VBAT
VCAMSA28
VCAMAF28
VCAMAF28
VBAT
VCAML12
VBAT VCAMSA28 VCAMSD18
VCAMSD18 VCAMIO18
VDD_L0
VDD_L1
VSDR18
VDDE18
VBAT VTV30
51VTVTABV
VTV30_EN
VIDCC_SDR_EN
VIDCC_L1_EN
VDD_L1
VCAMIO18
VDD_L1
03OTPOVTABV
OPTO_EN
VOPTO30
VCAMSD_EN
VCORE18
VTV15
VDDE18
VTV15VTV30
VTV15_EN
CAM_LDO_EN
PWRRSTn
VCORE18
VCORE18
VCORE18
VBAT VDD_L0
VSDR18
VBAT
VDDE18
VCAML12
VCAMIO18
VCAMSA28
VBAT
VCAMAF28
TP2207
TP2206
2.2uF
C2240 2.2uF
C2241
33nF
C2287
100Kohms
R2210
4.7KohmsR2211
100Kohms
R2212
2.2uF
C2242
2.2uF
C2243
2.2uF
C2244 33pF
<NM>
C2245
VCAMSD18
ST2220 21
12
ST2222
ST2224 21
1ST2223 2
ST222121
MP202
A5
A10
B5
B10
E1
E2
E13
E14
K1
K2
K13
K14
N5
N10
P5
P10
D11
L4
C5
C10
E3
E11
E12
F13
K3
K11
K12
M5
M10
G2
H2
C6
C9
D6
D9
F4
F11
J4
J11
L5
L6
L9
L10
M9
N2500
1200-1414
SDRVDD
SDRVDD
SDRVDD
SDRVDD
SDRVDD
SDRVDD
SDRVDD
SDRVDD
SDRVDD
SDRVDD
SDRVDD
SDRVDD
SDRVDD
SDRAM_SUPPLY
IOVDD
IOVDD
IOVDD
IOVDD
IOVDD
IOVDD
IOVDD
IOVDD
IOVDD
IOVDD
IOVDD
IOVDD
IOVDD
IOVDD
IOVDD
IOVDD
IO_SUPPLY
PLLVDD
PLLVDD
PLL_SUPPLY
L1VDD
L1VDD
L1VDD
L1VDD
L1VDD
L1VDD
L1VDD
L1VDD
L1VDD
L1VDD
L1VDD
L1_CORE_SUPPLY
L0VDD
L0VDD
L0_CORE_SUPPLY
MP202_POWER
100nF
C2252
100nF
C2253 100nF
C2254
100nF
C2255 100nF
C2256
BLM15HD182SN
L2213
1200-0317
1uF
C2257 100nF
C2258
100nF
C2259 100nF
C2260 100nF
C2261
100nF
C2262 100nF
C2263 100nF
C2264
100nF
C2265 100nF
C2266 100nF
C2267
100nF
C2268 100nF
C2269 100nF
C2270
1uF
C2274
2.2uF
C2271
R1183Z121D-TR-FD
2
14
3
N2212
1200-1974
CE
OUT
GND
IN
2.2uF
C2277 2.2uF
C2278
VDDE18
100nF
C2279
100nF
C2280
100nF
C2281 100nF
C2282
VIDCC_SDR_EN
VIDCC_L1_EN
3V
R1115Z301D
N2208
3
41
2
1000-8623
CE
OUT
GND
IN
2.2uF
C2283
2.2uF
C2284
2.2uF
C2285 2.2uF
C2286
100Kohms
R2213 100Kohms
R2214
CAM_LDO_EN
VCAMSD_EN
100Kohms
R2215
ST2226
1
2
OPTO_EN
100Kohms
R2217
2.2uF
C2289
2.2uF
C2288
3V
R1115Z301D
2
14
3
N2201
1000-8623
CE
OUT
GND
IN
TP2203
VOPTO30
VCORE18
100Kohms
R2221
100Kohms
R2223
2.2uF
C2248
NC
NC
NC
NC
NC
NC
NC
NC
NC
NC
NC
NC
2.2uF
C2251
2.2uF
C2250
ST2230 21
ST2231
12
ST2232
12
ST2233
12
1.5V
R1115Z151D
2
14
3
N2209
1001-0062
CE
OUT
GND
IN
NTLJD3119C
38
5
4
V2212
1204-1592
S
G
DD
NTLJD3119C
67
2
1
V2212
1204-1592
SD1D2
G
NC
R5323K022B-TR-FD
5
6
3
1
2
47
N2206
1201-6517
GND
VOUT1CE1
VOUT2CE2
VDD
GND_SLUG
1.2
RP102Z121D-TR-F
N2210
3
41
2
1201-9681
CE
OUT
GND
IN
15KohmsR2226
220nF
C2290
100Kohms
R2228
TP2208 TP2209
MIC5319-2.8YML
N2205
52
7
43
61
1001-5573
SLUG
BYP
NC
VOUT
GND
VIN
EN
MIC5319
NC
100nF
C2292
PWRRSTn
ST2228
21
12
ST2229
TP2210
S1D13771
A4
D8
E1
E7
G5
F1
F2
F3
G1
G2
B5
C6
D3
D7
G4
G6
7F8F
B2
B6
C4
D1
E3
E8
F4
F6
G7
H6
N2700
1200-0362
DACVEE
DACVEE
DACVEE
DACVCC
DACVCC
DAC_SUPPLY
PLLVSSPLLVDD
PLL_SUPPLY
VSS
VSS
VSS
VSS
VSS
VSS
VSS
VSS
VSS
VSS
IOVDD
IOVDD
IOVDD
IOVDD
IOVDD
IOVDD
IO_SUPPLY
COREVDD
COREVDD
COREVDD
COREVDD
COREVDD
CORE_SUPPLY
S1D13771_POWER
S1D13771
N2700
G8H5
H4
B1
B8
E6
C1
H8
H1
A8
A1
A2
C2
D2
E2
1200-0362
S1D13771
MISCELLANEOUS
GPIO0
GPIO1
GPIO2
GPIO3
TESTEN PWRSVE
TEST0
TEST1
SCANEN
VCP
RESERVED
NC
NC
NC
NC
2.2KohmsR2220
33nF
C2272
MAX8640ZELT12
N2213
2
5
4
3
1
1208-4678
SHDN
OUT
LX
GND5
GND2
MAX8640
IN
6
2.2uF
C2249
1uH
L2212
DB3210ADT/7POPHF
N2010
N17
1208-3871
APPLICATION GPIO_06
TPS22902BYFPR
N2214
B1
A1A2
B2
1212-7867
VOUT
LOAD SWITCH
VIN
ON GND
TV_Out Power
MP202 Power
Camera Power
Application & System Performance
Power - Imaging
1210-8302 Page B8 5
MP 18
MP 15
MP 17
MP 61
MP 59
MP 73
MP 66
MP 67
MP 42
MP 70
MP 69
MP 64
MP 132
MP 54
MP 129
MP 131
MP 130 MP 128
SEMC Troubleshooting Manual
66 (124)

C905
1222-9526 rev. 1
MEASUREMENT POINTS Power - ASICs
MEASUREMENT POINTS
Made for
Document Nr Revision
VDDE18 VANA25 VCORE12
VDDE18
VCORE12
VCORE12
VMEM18
VANA25
VMEM18
VDDE18
VANA25
VCORE12
ST2300
12
AB3100
M12
M11
M9
M8
M6
L11
L10
L9
L8
L7
L6
L5
L4
K11
K10
K9
K8
K7
K6
K5
J11
J10
J9
J8
J7
J6
J5
J4
H12
H11
H10
H9
H8
H7
H6
H5
H4
G12
G11
G10
G9
G8
G7
G6
G5
G4
G3
F10
F9
F8
F7
F6
F5
F4
E10
E9
E8
E7
E6
E5
E4
D10
D9
D7
D6
D5
D4
N2000
21202-0639
GROUND
VSS1
VSS2
VSS3
VSS4
VSS5 VSS39
VSS38
VSS37
VSS36
VSS35
VSS40
VSS41
VSS42
VSS43
VSS44VSS10
VSS9
VSS8
VSS7
VSS6
VSS45
VSS46
VSS47
VSS48
VSS49VSS15
VSS14
VSS13
VSS12
VSS11
VSS50
VSS51
VSS52
VSS53
VSS54VSS20
VSS19
VSS18
VSS17
VSS16
VSS55
VSS56
VSS57
VSS58
VSS59VSS25
VSS24
VSS23
VSS22
VSS21
VSS60
VSS61
VSS62
VSS63
VSS64VSS30
VSS29
VSS28
VSS27
VSS26
VSS65
VSS66
VSS67
VSS34
VSS33
VSS32
VSS31
Ericsson AB 3100
POWER
1uF C2301
100nF C2302
100nF C2303
100nF C2304
100nF C2305
100nF C2307
100nF C2308
100nF C2311
100nF C2313
100nF C2314
100nF C2321
100nF C2323
100nF C2324
100nF C2325
100nF C2327
100nF C2328
100nF C2337
100nF C2338
100nF C2326
100nF C2322
1uF C2320
100nF C2339
100nF C2340
100nF C2341
100nF C2342
33nF
C2353
100nF C2329
100nF C2330
100nF C2306
100nF C2309
100nF C2310
100nF C2312
33nF
C2354
100nF C2331
100nF C2343
100nF C2344
100nF C2346
1uF C2336
2.2uF C2345
100nF C2347
100nF C2348
100nF C2349
100nF C2350
100nF C2351
100nF
C2352
VMEM18
DB3210ADT/7POPHF
N2010
AC20
1208-3871
KAJSA_BOTTOM_1_2V
POWER_A_1_24
VDD_1v2
KAJSA_BOTTOM_POWER
VDDCORE(logic)
DB3210ADT/7POPHF
N2010
AE17
AE18
AE20
AE19
1208-3871
PLL_FILTER
KAJSA_BOTTOM_PLL
PLL_PG_416_FILTVDD
PLL_PG_416_VCONT
PLL_26_FILTVDD
PLL_26_VCONT
KAJSA_BOTTOM_PLL_A_15_24
DB3210ADT/7POPHF
N2010
AE15
AD16
AB12
AB10
AD17
AD18
AE13
AE12
AD19
AB7
AC18
AC19
R2
AB15
AE14
AE16
AC12
AC11
AC17
AB14
1208-3871
VDD_ANALOG
VDDIO
KAJSA_BOTTOM_2.5V_POWER
GNDE_ANA
VSSCOMMON
VSSGPAD
GNDAD
VSSDA
VSS_AD2
VSS_AD1
VSSCO_PLL_3_4
VSSCO_PLL_1_2
VDD_ANA
VDDCO_AF
VCCGPAD
VCCDA
VDDAD
VCC_AD2
VCC_AD1
VDDCO_PLL_3_4
VDDCO_PLL_1_2
VDDIO_2v5_PLL
VDDIO_2v5
KAJSA_BOTTOM_ANALOG
POWER_A_3_24
DB3210ADT/7POPHF
N2010
B25
E25
G2
F2
C2
D2
AE25
AE24
V24
U24
P25
P24
U25
V25
AD25
AE3
AE2
AD2
1208-3871
MEMORY POWER
KAJSA_BOTTOM_VMEM_POWER
VCCN
VCCN
FVDD
FVDD
FVDD
FVDD
FVDD
FVDD
FVDD
FVDD
FVDD
FVDD
VDDQ
VDDQ
VDDQ
VDDQ
VDDQ
VDDQ
KAJSA_BOTTOM
VMEM_POWER_A_24_24
DB3210ADT/7POPHF
N2010
W2
B10
B13
B22
G25
J25
N25
R25
AB25
AE21
AE10
AE4
AA2
P2
N2
B4
B2
V18
P18
J18
U17
P17
K17
T16
R16
P16
N16
M16
1208-3871
VDD_1V8
KAJSA_POWER
GNDE
GNDE
GNDE
GNDE
GNDE
GNDE
GNDE
GNDE
GNDE
GNDE
GNDE
VDD_1v8
VDD_1v8
VDD_1v8
VDD_1v8
VDD_1v8
VDD_1v8
VDD_1v8
VDD_1v8
VDD_1v8
VDD_1v8
VDD_1v8
VDD_1v8
VDD_1v8
VDD_1v8
VDD_1v8
VDD_1v8
VDD_1v8
KAJSA_BOTTOM_1_8V_POWER_A_2_24
DB3210ADT/7POPHF
U10
E6
F22
AB21
AB6
J9
K10
P9
V9
P10
L11
P11
R11
T11
L12
T12
J13
K13
L13
T13
U13
V13
L14
T14
L15
T15
L16
W25
H2
M2
T2
AB2
AE5
AE9
AE22
AA25
Y25
T25
M25
B23
B21
B19
B16
B14
B7
K25
N2010
1208-3871
KAJSA_BOTTOM_VDD_IO_POWER_A_4_24
VDD
VDD
VDD
VDD
VDD
VDD
VDD
VDD
VDD
VDD
VDD
VDD
VDD
VDD
VDD
VDD
VDD
VDD
VDD_DIG_PLL
GND
GND
GND
GND
GND
GND
GND
GND
GND
GND
GND
GND
GND
GND
GND
GND
GND
GND
GND
GND
GND
GND
GND
GND
GND
GND
GND_DIG_PLL
KAJSA_POWER
VDD_IO
_
Application & System Performance
Power ASICs
1210-8302 Page B9 5
SEMC Troubleshooting Manual
67 (124)

C905
1222-9526 rev. 1
MEASUREMENT POINTS Power - WLAN
MEASUREMENT POINTS
Made for
Document Nr Revision
Application & System Performance
Power - WLAN
WLAN_LDO18A
WLAN_LDO30
VBAT
WLAN_VO33
VBAT
WLAN_PDn
WLAN_SCLK
WLAN_CLKREQ
WLAN_VO18
10uF
C2372
10uF
C2371
10uF
C2377 10uF
C2379
10uF
C2374
10uF
C2376
WLAN_VO33
WLAN_LDO18A
WLAN_LDO30
100nF
C2373
2.2uH
L2313
VBAT
BLM18PG121SN1
L2310
1000-0118 4.7uH
L2311
MAX7327
N2410
12
1200-1951
GPIO_O10_OUTPUT
100Kohms
R2313
WLAN_SCLK
88PW886
1203-2790 2
8
4
1
18
15
20
6
16
2
19
3
9
12
17
5
14
7
10
13
11
N2300
MARVELL_88PW886_2
SVIN
PVIN
PVIN
SLEEPn
PDn
SDI
GND
SW3
VO3
PGND
SW1
VO1
PGND
SW2
FB2
PGND
VO2
VL2X
VL2Y
VL3
NC
WLAN_CLKREQ
WLAN_VO18
NC
ST231021
ST231121
ST231221
ST231321
1210-8302 Page B10 5
MP 46
MP 45
MP 44
MP 43
MP 85
SEMC Troubleshooting Manual
68 (124)

C905
1222-9526 rev. 1
MEASUREMENT POINTS Connectivity Top
MEASUREMENT POINTS
Made for
Document Nr Revision
Application & System Performance
Connectivity Top
VDDE18
VDDE18
VBACKUP
VDIG VDDE18
VAD
TESTOUT
TX_ADSTR
VAUDIO26
VAUDIO26
VDDE18
SPL
SPR
VBAT
VBAT
VAUDIO26 VBAT
DCON
RF_ID
USB_HS_CLK
VDIG
VDDE18
VIDCC_CLK
RTCCLK
VIDCC_L1_EN
VIDCC_SDR_EN
CAMRESn
VCAMSD_EN
CAM_LDO_EN
I2CCLK1
I2CDAT1
MICN/AUXinR
MICP/AUXinL
FM_ANTENNA
SERVICEn
VBUS
DCIO
AID_AD
VMC18
VMC18
ONSWAn
OPTOSENSE
LED_KEYPAD
OPTOTEMP
VIDCC_CLKREQn
STEPUP50
STEPUP50
LED_CAM1
I2CCLK1
VBACKUP
SPL
SPR
VDIG
VDDE18
VAD
I2CDAT1
TESTOUT
TX_ADSTR
VAUDIO26
VBAT
DCON
VDDE18
USB_HS_CLK
RF_ID
VIDCC_CLK
RTCCLK
VIDCC_CLKREQn
VIDCC_SDR_EN
VIDCC_L1_EN
CAM_LDO_EN
VCAMSD_EN
CAMRESn
MICN/AUXinR
MICP/AUXinL
FM_ANTENNA
SERVICEn
DCIO
VBUS
VMC18
ONSWAn
OPTOSENSE
STEPUP50
LED_KEYPAD
VAUDIO26
OPTOTEMP
RF_ID
VAD
AID_AD
Page 12
VBACKUP
VDDE18
I2CCLK1
I2CDAT1
TX_ADSTR
VDIG
OPTOSENSE
TESTOUT
Page 12
ADC & DAC
OPTOTEMP
VBUS
SERVICEn
FM_ANTENNA
MICP/AUXinL
DCIO
AID_AD
MICN/AUXinR
VDDE18
VAUDIO26
Connectivity
VBAT
SPR
SPL
DCON
USB_HS_CLK
Connectivity
Page 14
Cards
Page 13
VDDE18
VBAT
VMC18
Page 13
Cards
STEPUP50
ONSWAn
VDDE18
LED_CAM1
LED_KEYPAD
KeypadKeypad
Page 15
LED_CAM1
CAM_LDO_ENVDDE18
CAMRESn
VIDCC_L1_EN
RTCCLK VIDCC_SDR_EN
VIDCC_CLKREQn
VCAMSD_EN
Page 16
VIDCC_CLK
Page 16
Video Companion Chip
1210-8302 Page B11 5
SEMC Troubleshooting Manual
69 (124)

C905
1222-9526 rev. 1
MEASUREMENT POINTS Connectivity - I2C & ADC
MEASUREMENT POINTS
Made for
Document Nr Revision
VDDE18
VDDE18
VDDE18
RTEMP
VBACKUP
TESTOUT
VAD
I2CDAT0
I2CCLK0
TX_ADSTR
VAUDIO26
VAUDIO26
AID_AD
OPTOSENSE
OPTOTEMP
RF_ID
VDIG
AX_INT1
AX_INT2
81EDDVGIDV
I2CCLK1
I2CDAT1
VDDE18
VDDE18
AID_AD
VBACKUP
I2CCLK1
I2CDAT1
TESTOUT
VAD
AB3100 2
N2000
C11
A9
B9
C9
B8
A8
C8
D8
B7
C7
A5
C10
1202-0639
VDD_ADC
LDOD
AUTO
CTL
ADC
10bit
AD_OUT
GPADC AND AUTOADC
Ericsson AB 3100
OP AND SERVICES
GPA4
GPA0
GPA1
GPA2
GPA3
GPA5
GPA6
GPA7
GPA12
TXON
AB3100 2
N2000
C13
B13
1202-0639
SDA
SCL
I2C IF
Ericsson AB 3100
OP AND SERVICES
TX_ADSTR
VAUDIO26
OPTOSENSE
100nF
C2402
33pF
<NM>
C2400
3.3Kohms
R2407 3.3Kohms
R2408
3.3Kohms
R2405
3.3Kohms
R2406
4.7Kohms
R2403
1% 4.7Kohms
R2404
1%
4.7Kohms
R2402
1%
RF_ID
4.7Kohms
R2400
VDIG
100nF
C2405 100nF
C2406
10uF
C2404
ST2401
21
ST2402
12
SP2400
SP2401
MAX7327
N2410
18
24
9
25
22
23
19
20
21
1200-1951
HEATSLUG
INT
MAX7327_MAIN
SCL
SDA
RST
AD0
AD2
GND
V+
100nF
C2403
ST2400
1
2
OPTOTEMP
LIS331DL
N2411
2
310
5
12
13
16
15
11
9
14
1
7
6
4
8
1202-1676
GND_RES
GND
GND
GND
GND
SDA/SDI/SDO
SDO
VDD
VDD_IO
INT_2
INT_1
CS
ACCELEROMETER
SCL/SPC
VDD_RES
N.C
NC
NC
NC
NC
DB3210ADT/7POPHF
U18
Y23
N2010
1208-3871
SHARED_I2C_IF(ACC+APP#0)
KAJSA_BOTTOM_CONNECTIVITY
I2CSCL
I2CSDA
KAJSA_BOTTOM_SH_I2C_A_6_24
DB3210ADT/7POPHF
T17
W23
N2010
1208-3871
KAJSA_BOTTOM_APP_I2C_A_7_24
I2CSDA2
I2CSCL2
KAJSA_BOTTOM_CONNECTIVITY
APPLICATION_I2C_IF(APP#1)
Accelerometer
GPIO expander main
Application & System Performance
Connectivity - I2C & ADC
1210-8302 Page B12 5
SEMC Troubleshooting Manual
70 (124)

C905
1222-9526 rev. 1
MEASUREMENT POINTS Connectivity - Cards
MEASUREMENT POINTS
Made for
Document Nr Revision
Application & System Performance
Connectivity - Cards
VDDE18 VBAT
VDDE18
MCDAT0
MCDAT3
MCCLK
MCDAT2
VBAT
MCCMD
MCDAT1
SIMCLK
SIMVCC
SIMRSTn
SIMDAT
VMC18
VDDE18
VMC18
MSDETECT
VDDE18
VBAT
AB3100
N2000
M3
1N2M
1L2P
P1
N2
N3
M1
21202-0639
SIM IF
ERICSSON AB 3100
OP AND SERVICES
SIMOFF_N
SIMRST_N
SIMCLK
SIMDAT
SIMLDO_OUT
SRST_N
SCLK
SDAT
VBAT_I
ST2410 21
ST2411 21
SP2410
<NM>
V2400
100pF
C2413
10nF
C2419
1uF
C2414
1uF
C2420
100nF
C2412
33pF
<NM>
C2411
33pF
<NM>
C2415
33pF
C2417
<NM>
33pF
C2418
<NM>
33pF
C2416
<NM>
100Kohms
R2417 100Kohms
R2421
100Kohms
R2418 100Kohms
R2419 100Kohms
R2420
10Kohms
R2416
10Kohms
R2415
2.2uF
C2410
VMC18
1
X2401
21200-9764
5
2
3
4
6
7
8
470Kohms
R2422
10
11 22
21
20
19
18
17
16
15
14
13
12
9
SIMHOLDER-SHIHO
5
6
3
7
2
1
X2402
1202-0528
SIMCONDAT
NC
GND
SIMCONCLK
SIMCONRST
SIMVCC
NC
NC
NC
NC
NC
SP2411
SP2412
100nF
C2421
2.2uF
C2422
DB3210ADT/7POPHF
N2010
AC23
AD24
AC24
AA22
AB22
AC25
AB24
AA23
1208-3871
MMC/SD/MSPRO_IF
KAJSA_BOTTOM_CONNECTIVITY
MCDATADIR
MCCMDDIR
MCDAT3
MCDAT2
MCDAT1
MCDAT0
MCCMD
MCCLK
KAJSA_BOTTOM
MEMORY_CARD_A_19_24
DB3210ADT/7POPHF
N2010
U16
1208-3871
APPLICATION GPIO_12
DB3210ADT/7POPHF
N2010
V12
V11
AE7
1208-3871
SIM_INTERFACE
KAJSA_BOTTOM_CONNECTIVITY
SRSTn
SCLK
SDAT
KAJSA_BOTTOM_SIM_A_20_24
M2 IF
SIM IF
M2
CONNECTOR
1210-8302 Page B13 5
MP 150
MP 154
MP 151
MP 153
MP 155
MP 156MP 152
MP 105
MP 107
MP 106
MP 34
MP 35
SEMC Troubleshooting Manual
71 (124)

C905
1222-9526 rev. 1
MEASUREMENT POINTS Connectivity
MEASUREMENT POINTS
Made for
Document Nr Revision
VBAT VDDE18
SPL
SPR
MICP/AUXinL
MICN/AUXinR
VAUDIO26
USB_HSINCLK
USB_HSSTP
USB_HSDIR
USB_HSNXT
VDDE18 VBAT
REG3_3V
REG1_8V
USB_HSDATA3
USB_HSDATA4
USB_HSDATA5
USB_HSDATA6
USB_HSDATA7
DCON
USB_HSDATA0
USB_HSDATA1
USB_HSDATA2
USB_HSCHIP_SEL
DPext/DTMS
DMext/DFMS
FM_ANTENNA
VBUS
OVP_FLAG
TVOUT
VAUDIO26
CFMS
CTMS
AID_AD
SERVICEn
VDDE18
APP_LOG
SERVICEn
FM_ANTENNA
MICP/AUXinL
SPL
SPR
VBAT
VDDE18
DCIO
AID_AD
VBUS
VDDE18
MICN/AUXinR
BZX585C15
1000-0272
V2412
21
CA
SP2420 SP2422
VAUDIO26
DCON
SP2421
SP2423 SP2424 SP2425
USB_HS_CLK
SP2426
SP2427
SP2428
SP2429
SP2430
100nF
C2434
100nF
C2432
10nF
C2442
10nF
C2443
25V
1uF
C2440
25V
1uF
C2439
25V
10nF
C2441
2.2nF
C2448
2.2nF
C2447
100nF
C2430
10uF
C2431
100nF
C2436
4.7uF
C2435
4.7uF
C2437
1uF
C2433
1Kohms 1%
R2434
100Kohms
R2431
100Kohms
R2444
0ohms
R2430
<NM>
120Kohms
R2445
360Kohms
R2446
12Kohms
R2441
1%
0ohmsR2448
ISP1508
1200-1694
N2420
E1
B4
B3
C3
A4
B1
A1
A2
A3
A5
A6
B6
C6
E5
C1
D1
E2
D3
D5
D4
C2
D6
C4
F4
F5
F6
B5
B2
3E3F
E6
D2
C5
E4
F2
F1
GND_3
GND_2
GND_1
FAULT
PSW_N
ID
DM
DP
NC_2
NC_1
REG1V8
REG3V3
RREF
XTAL2
XTAL1
DATA7
DATA6
DATA5
DATA4
DATA3
DATA2
DATA1
DATA0
NXT
STP
DIR
CLOCK
CHIP_SEL
CFG2
CFG1
CFG0
TEST
VBUS
VCCIO_2
VCCIO_1
VCC
USB_OTG_TRANSIVER
VBUS
1
SPREF
2
Mic+/AUXinL
3
Mic-/AUXinR
4
SPL
5
SPR
6
7VIDEO
8AID/ACB/RID
9GND
10 D+/DTMS
11 D-/DFMS
1202-1195
12 DCIO
X2405
100MHz
L2404
100MHz
L2403
100MHz
L2402
100MHz
L2401
VDDE18
100Kohms
R2447
470ohms
R2442
VDDE18
100Kohms
<NM>
R2440
ST2421
21
ST2422
21
0ohmsR2443
1201-2253
V2413
2A1A
1.8uH
L2405
1.5Kohms
R2452
1% 75ohms
R2453 100pF
C2444 270pF
C2445
560ohms
R2451
1%
33pF
C2446
1201-8440
V2415 12
CA
1201-8440
V2416 12
CA
100nF
C2449
BZX585C15
1000-0272
V2417
12
CA
33pF
<NM>
C2438
NC
NC
NC
NC
NC
NC
TCM1210-900-2P-T
1201-6833
Z2400
4
23
1
P1P4
P2P3
NCP360
1200-6309
N2421
7
2
4
5
3
6
1
GND_SLUG
NCP360
FLAG GND
EN
IN
OUT
OUT
ESD9L5.0ST5Gw
1201-8440
V2414 12
CA
BLM18BD102SN1
L2406
BLM15EG121SN1
L2407
Z1
Z2
SP2432
SP2434 SP2433
100Kohms
R2450
SP2435
IP4826CX12/LF
1201-4120
N2422
B2
C2
A3
D3
D1
D2
C3
C1
B1
A1
A2
B3
2
CTMS
ELINA
VDIG
VDD
SERVICE_N
SERVICE
ADC
APP_LOG
GND
GND
RID_OUT
ACB/RID_IN
ACB/RID
CFMS/ID_SOURCE
S1D13771
1200-0362
G3
H3
H2
N2700
VADJ
VREF
AOUT
S1D13771_TVIF
BLM03BB470SN1
L2408
N2010
N22
APPLICATION GPIO_01
R4
ACCESS GPIO_03
U3
ACCESS GPIO_02
DB3210ADT/7POPHF
1208-3871
V10
ACCESS GPIO_16
N2010
V2
ACCESS GPIO_04
T9
ACCESS GPIO_01
R9
ACCESS GPIO_00
U12
ACCESS GPIO_05
W4
ACCESS GPIO_14
Y3
ACCESS GPIO_15
M9
U9
N9
USB TRANSCEIVER IF
KAJSA_BOTTOM_CONNECTIVITY
USB_OE
USB_DAT_VP
USB_SE0_VM
KAJSA_BOTTOM_USB_A_21_24
AC6
ACCESS GPIO_18
V3
ACCESS GPIO_06
U5
ACCESS GPIO_07
T4
ACCESS GPIO_08
DB3210ADT/7POPHF
1208-3871
U4
ACCESS GPIO_09
DB3210ADT/7POPHF
1208-3871
N2010
R23
ACCESS GPIO_23
100ohms
R2478
0ohmsL2449
Chinese Charger
Detect
SYSTEM CONNECTOR
Application & System Performance
Connectivity
1210-8302 Page B14 5
MP X2405_Pins 1-12
MP 108
MP 109
MP 11
MP 13
MP 12
MP 10
MP 113
MP 112
MP 111
MP 110
MP 9
MP 7
MP 14
MP 6
MP 3
MP 8
SEMC Troubleshooting Manual
72 (124)

C905
1222-9526 rev. 1
MEASUREMENT POINTS Connectivity - Keypad
MEASUREMENT POINTS
Made for
Document Nr Revision
VDDE18
VDDE18
KEYIN1KEYIN1
KEYIN1
KEYIN2KEYIN2
KEYIN2
KEYOUT2
KEYOUT2 KEYOUT2
KEYOUT1
KEYOUT1KEYOUT1
KEYOUT4
KEYOUT4
KEYIN0KEYIN0
KEYIN0
LED_KEYPAD
ONSWAn
KEYIN5
KEYIN5KEYIN5
KEYIN3
KEYIN3
SLIDE_SENSE
STEPUP50
STEPUP50
KEYIN4
KEYIN4
KEYIN4_1
VDDE18
LED_CAM1
KEYOUT0 KEYOUT0
KEYOUT0
KEYOUT3
KEYOUT3 KEYOUT3
KEYIN3_1
KEYIN3_1
VDDE18
33pF
<NM>
C2466 33pF
<NM>
C2467 33pF
<NM>
C2468 33pF
<NM>
C2469
10Kohms
R2470
10Kohms
R2471
10Kohms
R2472
10Kohms
R2473
10Kohms
R2474
10Kohms
R2475
ONSWAn
33pF
C2465
<NM> 33pF
C2470
<NM>
33pF
<NM>
C2460 33pF
<NM>
C2461 33pF
<NM>
C2462 33pF
<NM>
C2463 33pF
<NM>
C2464
Z1
Z2
B10
B7
B1
A10
A7
A1
X2410
24-pin
1208-3264
B6
B5
B4
B3
B2
A2
A3
A4
A5
A6
A8
A9
33pF
C2471
<NM>
STEPUP50
LED_KEYPAD
72
70
68
66
64
1204-5252 2 (#2/6)
61
X4200
100-pin
63
65
67
69
71
73
Leadfree
V2470
1000-0391 33pF
<NM>
C2472
SKSCLAE010
S2415
b
a
d
c
1204-1127 SKSCLAE010
S2424
b
a
d
c
1204-1127
SKSCLAE010
c
d
a
b
S2453
1204-1127 SKSCLAE010
c
d
a
b
S2454
1204-1127
32
NC
NC NCNC NC
NCNC
NC
V2481 1000-0087
V2482 1000-0087
33pF
C2473
<NM>
B8
B9
LED_CAM1
22ohmsR2476
33pF
<NM>
C2474
A11
A12
B11
B12
DB3210ADT/7POPHF
N2010
N11
K11
M11
W22
Y24
N10
U22
U14
V15
M10
L10
1208-3871
KAJSA_BOTTOM
KEYPAD_IF_A_18_24
KEYOUT0
KEYOUT1
KEYOUT2
KEYOUT3
KEYOUT4
KEYIN0
KEYIN1
KEYIN2
KEYIN3
KEYIN4
KEYIN5
KAJSA_BOTTOM_CONNECTIVITY
KEYPAD_INTERFACE
DB3210ADT/7POPHF
N24
N2010
1208-3871
APPLICATION GPIO_04
X2411
1
ESDALC6V1-1BM2
21
V2474
1207-3081
AC
ESDALC6V1-1BM2
V2477
12
1207-3081
AC
ESDALC6V1-1BM2
V2475
12
1207-3081
AC
ESDALC6V1-1BM2
V2476
12
1207-3081
AC
ESDALC6V1-1BM2
21
V2471
1207-3081
AC
ESDALC6V1-1BM2
V2472 12
1207-3081
AC
ESDALC6V1-1BM2
V2473 12
1207-3081
AC
ESDALC6V1-1BM2
V2478 12
1207-3081
AC
ESDALC6V1-1BM2
V2479 12
1207-3081
AC
ESDALC6V1-1BM2
V2480 12
1207-3081
AC
ESDALC6V1-1BM2
V2486 12
1207-3081
AC
ESDALC6V1-1BM2
V2487 12
1207-3081
AC
ESDALC6V1-1BM2
V2484 12
1207-3081
AC
Clip
Camera
Switch Pad
Volume + Volume - Cam PlayCam Rec
ESD protection for keypad
-
Main
Main
Cam
Rec
Cam
Play
-CLR
Navigation Keypad
Numeric Keypad
Upper
Upper
Num
Num
MainMain
Num
NumNumNum
Num
Num
NumNum
Num
NumNum
Num
NavNav
Nav
Nav
Nav
NavNavNavNavNav
*
-
Red
On/Off --
#74
20 5 9
8
163
Vol-Vol+
*
Soft
Right
Rock
Down Rock
Left Rock
Up Rock
Push Rock
Right
Cam
Snap
Active
Menu
Soft
Left
Game
B
Green
Game
A
Cam
AF
KEYOUT4
KEYOUT3
KEYOUT2
KEYOUT1
KEYOUT0
GND
KEYIN5KEYIN4KEYIN3KEYIN2KEYIN1KEYIN0
SLIDER FLEX
CONNECTOR
KEYFLEX
CONNECTOR
Nav 123
456
789
0#
*
CLR
Soft
Right
Rock
Up
Soft
Left
Green Rock
Left Rock
Push Rock
Right Red
On/Off
Rock
Down
Active
Menu
Game
BGame
A
Cam
Play
Vol-
Vol+
Cam
Rec
Cam
AF/Snap
Application & System Performance
Connectivity - Keypad
1210-8302 Page B15 5
MP 157
MP 161
MP 160
MP 60
MP 88
MP 90
MP 82
MP 84
MP 76
MP 94MP 96
MP 97 MP 95
MP 39MP 4MP 5 MP 159MP 158
SEMC Troubleshooting Manual
73 (124)

C905
1222-9526 rev. 1
MEASUREMENT POINTS Connectivity - Video Companion Chip
MEASUREMENT POINTS
Made for
Document Nr Revision
Application & System Performance
Connectivity - Video Companion Chip
RTCCLK VIDCC_SPI_DO
VIDCC_SPI_CLK
VDDE18
VDDE18
VIDCC_SPI_DI
VIDCC_L1_EN
VIDCC_SDR_EN
VIDCC_L1DET
VCAMSD_EN
CAM_LDO_EN
CAMRESn
VIDCC_SPI_CS
VIDCC_INT
VIDCC_RESn
VIDCC_CLK
VIDCC_CLKREQn
MP202
N2500
P14
P13
P12
P3
P2
P1
N14
N13
N2
N1
M14
M1
L8
L7
K8
K7
J1
H11
H10
H5
H4
G14
G13
G11
G10
G5
G4
F14
F2
F1
E8
E7
D8
D7
C14
C1
B14
B13
B2
B1
A14
A13
A12
A3
A2
A1
1200-1414
GND
GND
GND
GND
GND
GND
GND
GND
GND
GND
GND
GND
GND
GND
GND
GND
GND
GND
GND
GND
GND
GND
GND
GND
GND
GND
GND
GND
GND
GND
GND
GND
GND
GND
GND
GND
GND
GND
GND
GND
GND
GND
GND
GND
GND
GND
MP202_GND
MP202
N2500
A4
B4
D2
D3
P11
N11
D13
D14
H13
H14
J13
J14
1200-1414
PO7
PO6
PO5
PO4
PO3
PO2
PO1
PO0
GIO_P3
GIO_P2
GIO_P1
GIO_P0
MP202_GPIO
MP202
N2500
B8
A8
B9
A9
B6
A6
B7
A7
A11
1200-1414
SPI1_CSZ
SPI1_SK
SPI1_SI
SPI1_SO
INT_B
SPI0_CSZ
SPI0_SK
SPI0_SI
SPI0_SO
MP202_HOSTIF_SPI
MP202
N2500
N12
M13
M12
M11
M3
L12
L11
K10
K9
K6
K5
K4
J12
J10
J5
J3
H12
H3
G12
G3
F12
F10
F6
F5
F3
E10
E9
E6
E5
E4
D12
D10
D5
D4
C13
C12
C11
C8
C7
C4
B12
1200-1414
IC
IC
IC
IC
IC
IC
IC
IC
IC
IC
IC
IC
IC
IC
IC
IC
IC
IC
IC
IC
IC
IC
IC
IC
IC
IC
IC
IC
IC
IC
IC
IC
IC
IC
IC
IC
IC
IC
IC
IC
IC
MP202_IC
MP202
N2500
J2
C2
B11
C3
B3
D1
H1
G1
1200-1414
TCLKO
RESETZ
L1_DET
L0_DET
PLLMODE
CKO
CKI
CK32KI
MP202_SYSTEM
MP202
N2500
L13
L14
1200-1414
MP202_UART
U70_SRIN
U70_SOUT
VIDCC_CLK
RTCCLK
VIDCC_CLKREQn
100Kohms
R2501
VDDE18
SP2500 SP2501 SP2503
SP2504
VIDCC_SDR_EN
VIDCC_L1_EN
CAM_LDO_EN
VCAMSD_EN
CAMRESn
NC
NC
NC
NC
NC
NC
NC
NC
NC
NC
NC
NC
NC
NC
NC
NC
NC
NC
NC
NC
NC
NC
NC
NC
NC
NC
NC
NC
NC
NC
NC
NC
NC
NC
NC
NC
NC
NC
NC
NC
NC
NC
NC
NC
NC
NC
NC
NC
NC
NC
NC
SP2505
470Kohms
R2502 100Kohms
<NM>
R2503
L25
N2010
APPLICATION GPIO_07
M24
APPLICATION GPIO_08
M23
APPLICATION GPIO_09
N23
APPLICATION GPIO_05
DB3210ADT/7POPHF
P22
1208-3871
APPLICATION GPIO_16
DB3210ADT/7POPHF
K15
N2010
1208-3871
APPLICATION GPIO_18
NC
1210-8302 Page B16 5
MP 71
MP 68
SEMC Troubleshooting Manual
74 (124)

C905
1222-9526 rev. 1
MEASUREMENT POINTS Imaging Top
MEASUREMENT POINTS
Made for
Document Nr Revision
Imaging
Top
VBAT VDDE18 VOPTO30 VCAMSA28 VCAMAF28
VBATVDDE18
VBATVDDE18
VCAML12 VCAMIO18 VCAMSD18
VDDE18 VCAML12 VCAMSD18 VCAMIO18 VCAMSA28 VCAMAF28
I2CDAT1
I2CDAT1
I2CCLK1
I2CCLK1
CAMSYSCLK
CAM_LDO_EN
CAMRESn
OPTOTEMP
VOPTO30
OPTOSENSECHARGE_LED
LED_KEYPAD
XEFL_TRIG
XEFL_CHARGE_CTRL
XEFL_SPDA
VDIG
VDIG
STEPUP50
STEPUP50
LED_BACK
LED_CAM1
VBAT
VDDE18
VCAMSA28
VCAMAF28
I2CCLK1
CAMSYSCLK
I2CDAT1
VDIG
VCAML12
VCAMIO18
VCAMSD18
CAM_LDO_EN
CAMRESn
VOPTO30
CHARGE_LED
STEPUP50
OPTOTEMP
OPTOSENSE
LED_KEYPAD
XEFL_SPDA
LMU
XEFL_SPDA
LED_BACK
VBAT
I2CDAT1
VDDE18
I2CCLK1
XEFL_CHARGE_CTRL
XEFL_TRIG
STEPUP50
Page 4
LMU
LED_CAM1
Display
LED_BACKVOPTO30
OPTOTEMP
CHARGE_LED OPTOSENSE
VBAT
VDDE18
VDIG
LED_CAM1
LED_KEYPAD
Display
Page 2
XEFL_TRIG
XEFL_CHARGE_CTRL
VCAMSD18
VCAMIO18
VCAML12
VCAMAF28
VCAMSA28
I2CDAT1
CAMSYSCLK
CAM_LDO_EN
I2CCLK1
CAMRESn
VDDE18
Camera
Page 3
Camera
1210-8302 Page I1 5
SEMC Troubleshooting Manual
75 (124)

C905
1222-9526 rev. 1
MEASUREMENT POINTS Imaging - Display
MEASUREMENT POINTS
Made for
Document Nr Revision
VBAT
VBAT
VDDE18
VDDE18
VBAT
VBAT
LCD_RESn
VBOOST
VBAT
VBOOST
LED_LCD
OPTOTEMP
OPTOSENSE
VOPTO30
VOPTO30
LCD_D3
LCD_D3
LCD_D1
LCD_D1
LCD_D0
LCD_D0
LCD_D4
LCD_D4
LCD_D5
LCD_D5
LCD_D6
LCD_D6
LCD_D7
LCD_D7
LCD_WR_1
LCD_WR_1
LCD_RS_1
LCD_RS_1
CHARGE_LED
LCD_CS_1
LCD_WR
VDIG
VDIG
LED_KEYPAD
TV_RESn
LCD_CS
TV_CS
VDDE18
TV_CSSEL
LED_CAM1
LED_CAM1
LED_CAM2
LED_CAM3
LED_BACK
LCD_VSYNC LCD_VSYNC_1
LCD_D2
LCD_D2
TV_TE
LCD_DAT0
LCD_DAT1
LCD_DAT2
LCD_DAT3
LCD_DAT4
LCD_DAT5
LCD_DAT6
LCD_DAT7
LCD_RD
LCD_RD
LCD_RS
VBAT
1SS361
<NM>
V4202
A2
K1/K2
A1
TP4200
VDDE18
AB3100
1202-0639 2
N2000
A1
B2
E3
C2
D2
VBOOST
BOOST_ISN
BOOST_ISP
BOOST LED DRIVER
Ericsson AB 3100
MMI
SW_BOOST
VDD_BOOST
AB3100
1202-0639 2
B4
A4
D3
C3
A3
B3
B14C14
N2000
VIBR_OUT
VIBRATOR CONTROL
INDICATOR LED CONTROL
LED3_N
LED2_N
Ericsson AB 3100
MMI
LED1_N
LED4_N
LED5_N
LED6_N
VDD_VIBR
12
ST4200
0402 Size
12
ST4201
BC847CDXV6T1G
1200-0320
4
5
3
V4203
C
E
B
21
0402 Size
ST4202
ST4203
12
0402 Size
VDIG
X4201
1
X4202
1
NTJS4405N
1000-0293
1256
3
4
V4200
S
G
Leadfree
1000-0087
V4201
33pF
<NM>
C4207
2.2uF
C4208
33pF
C4201
<NM>
2.2uF
C4200
25V
1uF
C4203
25V
33pF
<NM>
C4210
25V
330pF
C4202
100nF
C4213
100nF
C4214
100nF
C4209
100nF
C4206
33pF
C4204
<NM>
470pF
<NM>
C4205
0ohms
R4201
<NM>
150mohms
R4202 10Kohms
R4205
62Kohms
R4204
1%
910Kohms
R4203
1%
10ohms
R4200
56nH
L4201
56nH
L4202
22uH
L4200
BC847CDXV6T1G
1200-0320
1
6
2
V4203
C
E
B
25V
33pF
C4211
<NM>
1204-5252 2
X4200
12
100-pin (#1/6)
11
13
16
14
15
17
19
21
18
20
22
24
9
27
29
1
3
TP4201
10
25
26
31
46
47
53
76
OPTOTEMP
OPTOSENSE
100nF
C4229
80
VOPTO30
CHARGE_LED
LED_KEYPAD
59
75
82
83
91
95
100
78
99
23
NC
MEA1608LC220T001
1000-7455
1
2
3
4
5
6
7
8
910
Z4200
EMI-FILTER
O1-2I1-1
I2-1
I3-1
I4-1
O2-2
O3-2
O4-2
GND_1 GND_2
MEA1608LC220T001
1000-7455
1
2
3
4
5
6
7
8
910
Z4201
EMI-FILTER
O1-2I1-1
I2-1
I3-1
I4-1
O2-2
O3-2
O4-2
GND_1 GND_2
MEA1608LC220T001
1000-7455
1
2
3
4
5
6
7
8
910
Z4202
EMI-FILTER
O1-2I1-1
I2-1
I3-1
I4-1
O2-2
O3-2
O4-2
GND_1 GND_2
33pF
C4219
<NM> 33pF
C4220
<NM>
74
62
56
SML-A12UT
1000-0407
V4206
CA
SP4201
SP4200
7
5
2
NC
NC
NC
100Kohms
R4215
<NM>
SP4202
100Kohms
R4216
NC
77
79
81
LED_BACK
S1D13771
1200-0362
N2700
C5
A3
C3
D5
C8
C7
B7
A7
D6
A6
F5
E5
B3
A5
D4
4E4B LCDCS
GPIO_INT
RESET
CSSEL
WE
RD
CS
D/C
TE
MD7
MD6
MD5
MD4
MD3
MD2
MD1
MD0
S1D13771_HOSTIF
33pF
<NM>
C4215
33pF
<NM>
C4216 33pF
<NM>
C4217
PESD15VS1UL
1201-0746
V4208
21
CA
1uF
C4218
LED_CAM1
DB3210ADT/7POPHF
1208-3871
N2010
K16
APPLICATION GPIO_14
DB3210ADT/7POPHF
1208-3871
N2010
P23
APPLICATION GPIO_19
DB3210ADT/7POPHF
1208-3871
N2010
L17
H24
M17
J24
H23
M18
J23
K22
K24
L22
N18
K23
L24
M22
L23
KAJSA_BOTTOM
DISPLAY_INTERFACE
KAJSA_BOTTOM_IMAGING
PDI_C5
PDI_C4
PDI_C3
PDI_C2
PDI_C1
PDI_C0
PDI_D7
PDI_D6
PDI_D5
PDI_D4
PDI_D3
PDI_D2
PDI_D1
PDI_D0
PDI_RESn
KAJSA_BOTTOM_DISPLAY_A_13_24
SP4203
44
57
45
43
42
40
38
36
41
39
37
35
34
55
49
51
28
30
0ohms
R4217
0ohms
R4218
0ohms
R4219
22ohms
R4220
0ohms
R4221
22ohms
R4222
Vibrator
Radio components
SLIDER FLEX
CONNECTOR
Imaging
Display
1210-8302 Page I2 5
MP Z4202_Pins 1-8
MP 86
MP 89MP 92
MP 52
MP 51
MP 119
MP 117
MP 118
MP Z4200_Pins 1-8
MP Z4201_Pins 1-8
SEMC Troubleshooting Manual
76 (124)

C905
1222-9526 rev. 1
MEASUREMENT POINTS Imaging - Camera
MEASUREMENT POINTS
Made for
Document Nr Revision
VCAMIO18 VCAMAF28 81DSMACV21LMACV82ASMACV
I2CDAT1
I2CCLK1
CAM_LDO_EN
VDDE18
VDDE18
CAMSYSCLK
VCAML12
XEFL_TRIG
CAMIRQ
CAMRESn
XEFL_CHARGE_EN
xSTL_EXP
VCAMIO18
VCAMIO18
XEFL_CHARGE_CTRL
VCAMSD18 VCAMIO18 VCAMSA28 VCAMAF28
CIPCLK
CIHSYNC
CIVSYNC
CID0
CID1
CID2
CID3
CID4
CID5
CID6
CID7
I2CDAT_CAM
I2CDAT_CAM
I2CCLK_CAM
VCAMSA28
VCAMAF28
VCAML12
VCAMIO18
VCAMSD18
33pF
C4333
<NM>
33pF
<NM>
C4334
33pF
C4335
<NM>
33pF
<NM>
C4336
33pF
C4337
<NM>
33pF
<NM>
C4338
33pF
C4339
<NM>
33pF
<NM>
C4340
33pF
<NM>
C4330
33pF
<NM>
C4332
33pF
C4331
<NM>
MP202
1200-1414
N2500
Video Companion Chip
P6
N9
P9
M8
N8
P8
M7
N7
P7
N6
M6
MP202_YUVIFMP202_YUVIF
YUV_DATA0
YUV_DATA1
YUV_DATA2
YUV_DATA3
YUV_DATA4
YUV_DATA5
YUV_DATA6
YUV_DATA7
YUV_CLK
YUV_VS
YUV_HS
100nF
C4302
100nF
C4304
CAMSYSCLK
22pF
C4308
I2CCLK1
I2CDAT1
CAM_LDO_EN
SN74LVC2G66YZPR
1200-0333
S4300
D1 A2
A1
B1
B2
D2
C2
C1
<NM>
1A
1B
2C
GND
1C
2A
2B
VCC
0ohms
R4301
0ohmsR4300
100nF
<NM>
C4300
VDDE18
100nF
C4301
100nF
C4303
CAMRESn
100nF
C4320
XEFL_TRIG
1200-1733
A2
30-pin
X4300
B14
B13
B12
A3
B10
B9
B8
B7
B6
B5
A15
B3
B2
A1
B1
B15
B11
A4
A5
A6
A7
A8
A9
A10
A11
A12
A13
A14
B4
Z1
Z2
Z3
Z4
MAX7327
1200-1951
N2410
13
GPIO_O11_OUTPUT
RYT326
1000-8704
N4300
C1A2
C2
B1
A1
Y
B
A&
VCC GND
100Kohms
R4303
100Kohms
R4304
10Kohms
R4302 XEFL_CHARGE_CTRL
2.2uF
C4321
2.2uF
C4322
2.2uF
C4323
2.2uF
C4324
2.2uF
C4325
1
X4311
1
X4312
22ohmsR4321
22ohmsR4323
22ohmsR4324
DB3210ADT/7POPHF
1208-3871
R18
N2010
APPLICATION GPIO_02
DB3210ADT/7POPHF
1208-3871
H22
G24
F24
G23
G22
J22
H25
E22
K18
81L52F
F23
N2010
KAJSA_BOTTOM
CAMERA_INTERFACE
KAJSA_BOTTOM_IMAGING
CI_RESn
CI_D7
CI_D6
CI_D5
CI_D4
CI_D3
CI_D2
CI_D1
CI_D0
CI_VSYNC
CI_HSYNC
CI_PCLK
KAJSA_BOTTOM_CAMERA_A_12_24
NC
X4313
1
X4314
1
1
X4315
GND springs
for Camera Shield
I2C switch
CAMERA FLEX
CONNECTOR
Imaging
Camera
1210-8302 Page I3 5
MP 149
MP 87
SEMC Troubleshooting Manual
77 (124)

C905
1222-9526 rev. 1
MEASUREMENT POINTS Imaging - LMU & Flash
MEASUREMENT POINTS
Made for
Document Nr Revision
VBAT VDDE18
STEPUP50
I2CCLK1
I2CDAT1
VDDE18
AF_LED
AFLED_EN
STEPUP50
STEPUP50
VBAT
X_CHARGE_RDY
XEFL_SB
XEFL_SPD1
XEFL_SPD0
XEFL_FCD
XEFL_TRIG
XEFL_CHARGE_CTRL
COVER_OPEN
VDDE18
VDDE18
XEFL_SPDA
VBAT
STEPUP50
LED_NAV4
LED_NAV3
LED_NAV2
LED_NAV1
LED_BACK
LED_TALLY
VBAT
VDDE18
100nF
C4410
1204-5252 2 (#3/6)
100-pin
X4200
33
N2410
14
GPIO_O12_OUTPUT
15
GPIO_O13_OUTPUT
MAX7327
16
1200-1951
GPIO_O14_OUTPUT
17
GPIO_O15_OUTPUT
TP4400
21
ST4401
0402 Strap
ST4403
0402 size
21
I2CDAT1
I2CCLK1
TP4401
100nF
C4407
100Kohms
R4400
22nF
C4406
0ohms
R4402
100nF
C4400
100ohms
<NM>
R4401
10pF
<NM>
C4402
10uF
C4401
10uF
C4403
10uF
C4404
25V
330pF
C4405
0ohmsR4403
0ohmsR4404
0ohmsR4405
33pF
C4411
<NM>
33pF
C4412
<NM>
33pF
C4413
<NM>
33pF
C4414
<NM>
0ohmsR4406
33pF
C4415
<NM>
Z1
Z2
B8
B1
A10
A8
A7
(#1/2)
24-pin
X4400
A1
1201-5197
B7
B6
B5
B4
B3
B2
A2
A3
A4
A5
A6
A9
BLM15EG121SN1
L4401
1KohmsR4409
XEFL_TRIG
4.7uH
L4400
A11
XEFL_CHARGE_CTRL
100Kohms
R4411
Z3
Z4
A12
B9
XEFL_SPDA
10uF
C4416
12
ST4400
0ohmsR4413
SP4400
SP4401
SP4402
SP4403
SP4404
STEPUP50
52
54
48
50
LED_BACK
MAX8830
N4400
D4
D3
C3
A2
A4
1D3B
B2
B1
C1
B4
C2
A1
C4
D2
1200-1922
A3 LX
MAX8830
IN
AGND
PGND
COMP
MVON
FLEN
VDD
SDA
SCL
OUT
FLED
LED1
LED2
LED3
LED4
MAX7327
N2410
10
1200-1951
GPIO_O8_OUTPUT
2SK2035
V4400
2
1
3
1000-8408
DS
G
1
X4410
0ohms
<NM>
R4414
DB3210ADT/7POPHF
K14
N2010
1208-3871
APPLICATION GPIO_11
DB3210ADT/7POPHF
T18
N2010
1208-3871
APPLICATION GPIO_03
DB3210ADT/7POPHF
R24
N2010
1208-3871
APPLICATION GPIO_13
ST4402 21
100nF
R4410
SLIDER FLEX
CONNECTOR
XE-FLASH MODULE
CONNECTOR
Extra ground
spring connector
for XE-Flash Module
Imaging
LMU & Flash
1210-8302 Page I4 5
MP 134
MP 148
MP 133
MP 41
MP 79
MP 75
MP 77
MP 78
MP 93
MP 56
MP 74MP 72
SEMC Troubleshooting Manual
78 (124)

C905
1222-9526 rev. 1
MEASUREMENT POINTS Access Top
MEASUREMENT POINTS
Made for
Document Nr Revision
BT_CLK
RTCCLK
RTCCLK
RTCCLK
BTRESn
VDDE18VDIGVBT27
VBATVDDE18
RADDAT
RADCLK
ANTSW0
ANTSW1
ANTSW2
ANTSW3
MCLKREQ
MCLK
TESTOUT
WTXPOWDET
BIAS_CTRL
WRX_QA
WRX_QB
WRX_IA
MCLKSEC
TX_ADSTR
TX_ADSTR
WTX_QA
WTX_QB
WTX_IA
WTX_IB
WPA0_EN
WPA1_EN
WDETON
WRX_IB
QDATA_AMP_MSB
IDATA_FREQ_MSB
AMP_LSB_FREQ_LSB
DCLK_DATSTR
WPA2_EN
OPTO_EN
DC_DC_REF1
AGPS_RSTnAGPS_RSTn
WLAN_VO33
WLAN_LDO18A
WLAN_LDO30
VDIG
BT_ANT
VBAT VDDE18 VDIG VBT27 WLAN_VO33 WLAN_LDO18A WLAN_LDO30
WLAN_BT_PRIORITY
WLAN_BT_STATE
WLAN_CONFIRMn
ACC_SPI_CLK
ACC_SPI_DI
RADSTR
WLAN_CLKREQ
WLAN_SCLK
ACC_SPI_DO
AGPS_CLKAGPS_CLK
VBAT
WLAN_CLK WLAN_CLK
WLAN_VO18
WLAN_VO18
BT_CLKREQn
XEFL_SPDA
RF_ID
MCLKREQ
BTRESn
RTCCLK
BT_CLK
TX_ADSTR
MCLK
TESTOUT
AB3100 2
B5
C5
C4
C6
A6
B6
A7
N2000
1202-0639
DACO_3
Ericsson AB 3100
OP AND SERVICES
DACO_1
DACO_2
DAC_DAT
DAC_STR
DAC_CLK DACO_0
DAC
MCLKSEC
RF_ID
OPTO_EN
AGPS_RSTn
VBAT
VDDE18
VDIG
VBT27
WLAN_VO33
WLAN_LDO18A
WLAN_LDO30
NC
NC
NC
NC
NC
WLAN_CLKREQ
WLAN_SCLK
AGPS_CLK
WLAN_CLK
WLAN_VO18
BT_CLKREQn
VBAT
TX_ADSTR
AGPS_RSTn
RTCCLK
AGPS_CLK
AGPS
Page 4
RF_ID
VBAT
VDDE18
BIAS_CTRL
DC_DC_REF1
WTXPOWDETWTX_QA
WRX_QAWTX_QB
WRX_QBWTX_IA
WRX_IAWTX_IB
WDETON
WPA2_EN
WPA1_EN
WPA0_EN
DCLK_DATSTR
AMP_LSB_FREQ_LSB
IDATA_FREQ_MSB
QDATA_AMP_MSB
ANTSW3
ANTSW2
ANTSW1
ANTSW0
RADDAT TESTOUT
RADCLK MCLK
RADSTR MCLKSEC
MCLKREQ
WRX_IB
OPTO_EN
GSM & UMTS
Page 2
XEFL_SPDA
100Kohms
R1103
100Kohms
R1101 100Kohms
R1102
WLAN_CLKREQ
WLAN_SCLK
WLAN_LDO30
ACC_SPI_DI
WLAN_CONFIRMn
WLAN_CLK
VDIG
ACC_SPI_DO
ACC_SPI_CLK
BT_ANT
WLAN_BT_STATE
WLAN_BT_PRIORITY
RTCCLK
WLAN_LDO18A
WLAN_VO18
WLAN_VO33
WLAN
Page 5
WLAN
DB3210ADT/7POPHF
AB16
AC16
AD14
AC14
AC15
AD15
AC13
AB13
AB8
AC9
AD8
AE8
AD12
AD13
AD11
AC10
AA5
AC8
AE6
AC7
AD7
AB5
AD5
AC5
AD3
AC3
AE11
AD10
AB9
AD9
AB4
AC4
AC2
AB11
N2010
1208-3871
WCDMA_RADIO_IF
WCDMA/GSM_RADIO_IF
EGG_RADIO_IF
RADIO_CTRL_IF
KAJSA_BOTTOM_ACCESS
DAC_Q_POS
DAC_Q_NEG
DAC_I_POS
DAC_I_NEG
TX_POW
ADC_Q2_POS
ADC_Q2_NEG
ADC_I2_POS
ADC_I2_NEG
ADC_Q1_POS
ADC_Q1_NEG
ADC_I1_POS
ADC_I1_NEG
GSM_PA_ENABLE
RF_WCDMA_EN5
RF_WCDMA_EN4
RF_WCDMA_EN3
RF_WCDMA_EN2
RF_WCDMA_EN1
RF_WCDMA_EN0
RF_DATA_STRB
RF_DATA_C
RF_DATA_B
RF_DATA_A
TX_ADC_STRB
ANT_SW3
ANT_SW2
ANT_SW1
ANT_SW0
RF_CTRL_STRB2
RF_CTRL_STRB1
RF_CTRL_STRB0
RF_CTRL_CLK
RF_CTRL_DATA
KAJSA_BOTTOM_ACCESS_A_14_24
NC
Page 3
VBT27
VDIG
VDDE18
BTRESn
BT_CLK
RTCCLK
BT_CLKREQn
ACC_SPI_CLK
ACC_SPI_DO
BT_ANT
ACC_SPI_DI
WLAN_BT_PRIORITY
WLAN_CONFIRMn
WLAN_BT_STATE
Page 3
Bluetooth
Access
Top
1210-8302 Page R1 5
SEMC Troubleshooting Manual
79 (124)

C905
1222-9526 rev. 1
MEASUREMENT POINTS Access - GSM & UMTS
MEASUREMENT POINTS
Made for
Document Nr Revision
ANTSW0
ANTSW1
ANTSW3
RADDAT
MCLKREQ
BIAS_CTRL
TESTOUT
WRX_IA
WRX_IB
WRX_QA
WRX_QB
RADSTR
MCLKSEC
WPA0_EN
MCLK
RADCLK
WTX_QA
WTX_QB
WTX_IB
WTX_IA
WTXPOWDET
QDATA_AMP_MSB
IDATA_FREQ_MSB
AMP_LSB_FREQ_LSB
DCLK_DATSTR
VBAT
OPTO_EN
VBAT
VDDE18
VDDE18
RF_CONT1
RF_CONT1
RF_ID
VRAD28
VCC_WPA
VCC_WPA
DC_DC_REF1
WPA2_EN
WPA_A_EN
WPA_C_EN
WPA1_EN
VBAT
VBAT VRAD28
WDETON
VBAT
ANTSW2
MCLKREQ
RADDAT
RADCLK
ANTSW0
ANTSW1
ANTSW2
ANTSW3
BIAS_CTRL
TESTOUT
MCLK
WTXPOWDET
WRX_QB
WRX_QA
WRX_IB
WRX_IA
RADSTR
MCLKSEC
WPA0_EN
WPA1_EN
WPA2_EN
WTX_QB
WTX_QA
WTX_IB
WTX_IA
QDATA_AMP_MSB
IDATA_FREQ_MSB
AMP_LSB_FREQ_LSB
DCLK_DATSTR
WDETON
33pF
C1200
<NM>
10uF
C1201
22pF
<NM>
C1203
100nF
C1204
100nF
C1205
4.7uF
C1206
100Kohms
R1203
2.2uH
L1200
AB3100
1202-0639 2
31K21K
C12
N2000
2.8V
RADIO
Ericsson AB 3100
POWER
VBAT_A LDOA_OUT
EXT_LDO
LDOA
2.2uF
C1207
100nF
C1208
VBAT
1pF
<NM>
C1209
CRS5001-4202E
1203-9688
34
56
12
X1200
GND
GND
GND
GND
C_TERMR_TERM
0.5pF
C1211
OPTO_EN
DC_DC_REF1
VDDE18
0402 Size
ST1200
12
ST1201 21
RF_ID
MAX8805WEWEEE+T
1203-5870
D2
B3
C2
D1
B1
B4
B2
A1
A3
D3
D4
C1
C3
C4
A4
A2
N1210
MAX8805
REFBP
AGND
REFIN
PGND
LDO2
PA_EN
EN2
LX
IN2
HP
IN1B
IN1A
LDO1
EN1
PAB
PAA
220nF
C1213
100nF
C1214
100nF
C1215
1uF
C1216
<NM>
2.2uF
C1217
2.2uF
C1218
100Kohms
R1209
100Kohms
R1210
2.2uF
C1219
<NM> 68pF
<NM>
C1220
2.8V
RP102K281D-TR
1204-5903
14
2
6
5
7
3
N1211
VDD_2
CE
GND
VOUT_1
SLUG
VDD_1 VOUT_2
RP102K
0ohms
<NM>
R1211
22pF
C1221
<NM>
TIGER_I_VIII_MODULE
1210-9905
N1200
D8
E9
C9
D9
F9
G9
E8
A9
K8
B1
A4
B9
B5
L9
A2
L8
B4
B6
C8
A6
H9
J9
F8
B7
L1
SLUG
A3
B3
J8
H8
L3
L6
B8
K5
L5
K4
L4
A7
E2
F2
E1
D1
K7
G8
K6
K1
H1
J1
J2
A8
K9
K3
L2
F1
G2
G1
H2
K2
L7
D2
B2
C1
C2
A5
TESTOUT
MCLKSEC
MCLK
MODULE_SENSE
BIAS_CTRL
VCC_PA2
VCC_PA1
VBAT2
VBAT1
VRADA_2V75
VRADB_2V75
VDIGRAD_1V8
GND24
GND23
GND22
GND21
GND20
GND19
GND18
GND17
GND16
GND15
GND14
RFCTRL1
GND13
GND12
GND10
GND9
GND8
GND7
GND6
GND5
GND4
GND2
CLKREQ
WPA_C_EN
WPA_B_EN
WPA_A_EN
EDATASTR
EDATAC
ANTSW1
ANTSW2
ANTSW3
WTX_IA
WTX_IB
WTX_QA
WRX_IA
PASENSE_EN
RADCLK
RADDAT
WTXPOWERSENSE
WRX_QB
WRX_QA
WRX_IB
WTX_QB
EDATAB
RADSTR
EDATAA
ANTSW0
ANT
GND1
GND11
GND25
SLUG
X1210
X1211
DEA101910DT-6005A2
1212-1502
Z1200
G1
G2
IO OUT
GND2
GND1
IN
DEA101910DT
0ohms
<NM>
R1201
39nH
R1202
0.5pF
L1202
TIGER RF-Module
GSM / UMTS
PA Power Supply
Radio Power Supply
GSM/UMTS
ANTENNA
Access
GSM & UMTS
1210-8302 Page R2 5
MP 65
MP 163
MP 145
MP 142
MP 143
MP 144
MP 140
MP 62MP 63
MP 166
MP 168
MP 167
SEMC Troubleshooting Manual
80 (124)

C905
1222-9526 rev. 1
MEASUREMENT POINTS Access - Bluetooth
MEASUREMENT POINTS
Made for
Document Nr Revision
VDDE18 VDIG
PCMCLK
PCMSYN
VBT27
VDDE18
VBT27VDDE18VDIG
ACC_SPI_CLK
VDDE18
BT_SPI_INT
BT_SPI_CSn
ACC_SPI_DI
ACC_SPI_DO
WLAN_CONFIRMn
BT_ANT
PCM_ULD_FROM_KAJSA
PCM_DLD_TO_KAJSA
BT_CLKREQn
WLAN_BT_STATE
WLAN_BT_PRIORITY
VDDE18
VDIG
RTCCLK
BTRESn
BT_CLKREQn
BT_CLK
VBT27
STLC2593
1200-9840
N1300
G7H9
J6K6
E8L9
G2
H2
K9
K7
M2
C2
C1
M8
C3
B2
K1
J1
J4
F6
N4
M4
M5
K5
J3
K3
K4
M3
L3
G9
N6
M7
L7
J8
J7
F9
E7
G6
DO-NOT-USE
RF
TESTPINS
CONFIG-PINS
GPIO
PCM_INTERFACE
UART_&_SPI-INTERFACE
BT_SYSCON
BT_RSRV_CL
BT_RSRV_N
BT_RSRV_DSM
BT_RSRV_CL
BT_RSRV_RF
BT_RFN
BT_RFP
BT_TEST2
BT_TEST1
BT_AF_PRG
BT_CONFIG_3
BT_CONFIG_2
BT_CONFIG_1
BT_GPIO_11
BT_GPIO_16
BT_GPIO_10
BT_GPIO_9
BT_GPIO_8
BT_GPIO_0
BT_PCM_B
BT_PCM_A
BT_PCM_SYNC
BT_PCM_CLK
UART_RTS/SPI_CSn
UART_TXD/SPI_DO
UART_CTS/SPI_CLK
UART_RXD/SPI_DI
HOST_WAKEUP/SPI_INTBT_WAKEUP
BT_CLKREQ_OUT2
BT_CLKREQ_OUT1
BT_REG_CTRL
BT_CLKREQ_IN2
BT_CLKREQ_IN1
BT_RTCCLK
BT_REF_CLK_IN
BT_RSTn
BLUETOOTH-FM_IO
BT_RSRV_D
STLC2593
1200-9840
L2
D3
E1
E2
E4
N7
E6
M6
J9
N3
N5
G8
G1
D1
D2
E3
F1
F2
F3
F4
G3
G4
H3
H4
H6
H7
H8
K8
L8
J2
K2
L1
H1
N1300
BT_VSS_RF
BTPOWER&GND
BT_VSS_RF
BT_VSS_RF
BT_VSS_RF
BT_VSS_DIG
BT_VSS_DIG
BT_VSS_DIG
BT_VSS_DIG
BT_VSS_DIG
BT_VSS_ANA
BT_VSS_ANA
BT_VSS_ANA
BT_VSS_ANA
BT_VSS_ANA
BT_VSS_ANA
BT_VSS_ANA
BT_VSS_ANA
BT_VSS_ANA
BT_VSS_ANA
BT_VSS_ANA
BT_VSS_ANA
BT_VDD_CLD
BT_VIO_E
BT_VIO_D
BT_VIO_C
BT_VIO_B
BT_VIO_A
BT_HVA2
BT_HVA2
BT_HVA2
BT_HVA2
BT_HVA1
BT_HVD
BLUETOOTH-FM_POWER
100nF
C1300 100nF
C1302
100nF
<NM>
C1301
100nF
C1303
ST1302
12
SP1300
SP1301 SP1302
SP1303 SP1304 SP1305
21
ST1301
21
ST1300
21
ST1303
BT_ANT
ACC_SPI_DO
ACC_SPI_CLK
ACC_SPI_DI
WLAN_BT_PRIORITY
WLAN_BT_STATE
WLAN_CONFIRMn
NC
NC
NC
NC
NC
NC
NC
NC
NC
NC
HHM1798
1200-5169
W1300
6
2
5
1
4
3Unbal
BALUN
GND
Bal
NC
Bal GND
NC
NC
NC
N2010
AA3
ACCESS GPIO_21
DB3210ADT/7POPHF
1208-3871
AB3
ACCESS GPIO_22
DB3210ADT/7POPHF
1208-3871
N2010
AD6
AD4
U11
Y5
KAJSA_BOTTOM
BLUETOOTH_A_11_24
PCMCLK/I2SCLK
PCMSYN/I2SWS
PCMDLD/I2SDLD
PCMULD/I2SULD
KAJSA_BOTTOM_BLUETOOTH
BLUETOOTH_PCM_I2S(ACCESS)
N2010
E10 ACCESS GPIO_27
Y4 ACCESS GPIO_20
DB3210ADT/7POPHF
1208-3871
C9 ACCESS GPIO_26
NC
Access
Bluetotth
1210-8302 Page R3 5
MP 27
MP 28
MP 26
SEMC Troubleshooting Manual
81 (124)

C905
1222-9526 rev. 1
MEASUREMENT POINTS Access AGPS
MEASUREMENT POINTS
Made for
Document Nr Revision
Access
AGPS
RTCCLK RTCCLK_AGPS
AGPS_RSTn
AGPS_PWRON
AGPS_SYNC
TX_ADSTR TX_ADSTR_AGPS
AGPS_RX
AGPS_TXUART3_RX
UART3_TX
UART3_RTS
AGPS_CLK
AGPS_LDO_EN
VBAT
VBAT
UART3_CTS AGPS_RTS
AGPS_CTS
VBAT
RTCCLK
TX_ADSTR
ST140021
12
ST1402
AGPS_CLK
21ST1404
21ST1403
AGPS_RSTn
100Kohms
R1403
100Kohms
R1402
<NM>
100Kohms
R1401
10Kohms
<NM>
R1406
ST1407
12
12
ST1406
X4200
100-pin
89
(#4/6)21204-5252
85
97
93
96
98
84
86
88
92
94
90
100Kohms
R1404
ST140521
MAX7327
1200-1951
N2410
8
GPIO_O7_OUTPUT
MAX7327
1200-1951
2
N2410
GPIO_O1_OUTPUT
87
0ohmsR1407 0ohmsR1408
120pF
C1400
<NM> 220nH
L1400
<NM>
DB3210ADT/7POPHF
1208-3871
N2010
W5
ACCESS GPIO_17
N2010
V5
ACCESS GPIO_10
W3
ACCESS GPIO_11
V4
ACCESS GPIO_12
DB3210ADT/7POPHF
1208-3871
Y2
ACCESS GPIO_13
SLIDER FLEX
CONNECTOR
1210-8302 Page R4 5
MP 2
MP 32
MP 81
MP 91
SEMC Troubleshooting Manual
82 (124)

C905
1222-9526 rev. 1
MEASUREMENT POINTS Access - WLAN
MEASUREMENT POINTS
Made for
Document Nr Revision
WLAN_SPI_CSn
WLAN_SPI_IRQ
VDIG
WLAN_CLKREQ
WLAN_TX
ACC_SPI_DI
WLAN_CONFIRMnWLAN_BT_PRIORITY
WLAN_BT_STATE
ACC_SPI_DO
ACC_SPI_CLK
WLAN_SCLK
WLAN_VO18
WLAN_VO18
WLAN_RSTn_PDn
WLAN_VO18
WLAN_RX_P
WLAN_RX_N
BT_ANT
RTCCLK
BT_ANT
R041B
17
2
6
3
4
5
9
8
7
11
9161
18
15
14
13
12
10
1
N1510
1200-6173
GND_8
GND_7
GND_6
GND_5
GND_4
GND_3
GND_2
GND_1
VCC_PA
PWR
VC3
VC2
VC1
VREF_PA
CONT_IF
ANT
BT_ANTWLAN_Rxa
WLAN_RXb
WLAN_TX
PD
RF_IF
EPCOS_FEM_R041B
WLAN_VO33
WLAN_LDO30
WLAN_LDO18A
1.2pF
<NM>
C1511 0.75pF
C1512
1nF
C1515 1nF
C1519 1nF
C1521
100nF
C1514 100nF
C1518
100nF
C1523 100nF
C1525 100nF
C1526
1KohmsR1512
1KohmsR1511
51Kohms
R1506
68ohmsR1514
3.3Kohms
R1515
100Kohms
R1509 100Kohms
R1510
100Kohms
R1505
100Kohms
<NM>
R1507
2.7KohmsR1518
2.7KohmsR1519
100Kohms
R1508
10pF
C1506 10pF
C1507 10pF
C1508 10pF
C1509
10pF
C1517 10pF
C1520
100nF
C1528
10pF
C1522
1uF
C1513 10pF
C1516
1uF
C1524
1uF
C1527
10pF
C1504
10uF
C1510
10pF
C1505
VDIG
WLAN_LDO30 WLAN_LDO18A
WLAN_VO33
WLAN_VO33
WLAN_CLK
WLAN_LDO30
VDIG
WLAN_LDO18A
100Kohms
R1517
SP1507
12
ST1518
12
ST1517
12
ST1519
6.04KohmsR1502
1%
100Kohms
R1522
100Kohms
R1521
ACC_SPI_DI
WLAN_CONFIRMn
WLAN_BT_PRIORITY
WLAN_BT_STATE
ACC_SPI_DO
ACC_SPI_CLK
NC
NC
NC
NC
NC
NC
NC
NC
NC
NC
NC
NC
NC 10pFC1502
WLAN_CLKREQ
WLAN_SCLK
CRS5001-4202E
X1500
21
65
43
1203-9688
GND
GND
GND
GND
C_TERM R_TERM
WLAN_VO18
SP1500
SP1501
SP1502
100Kohms
R1525
0ohmsR1526
<NM>
MAX7327
11
N2410
1200-1951
GPIO_O9_OUTPUT
SP1503
W_FL-R-SMT-1_48
X1530
4
3
2
1
1001-0637
100Kohms
R1527
0ohmsR1532
0ohms
R1533
<NM> 0ohms
R1534
<NM>
1nF
C1503
SP1504
2.7nH
<NM>
L1502
4.7pF
C1530
88W8686
M6
K3
B9
L9
K7
P7
E6
D5
A8
K4
K6
A1
P1
N10
A10
E8
J8
C8
M7
H7
E7
C7
C6
H4
H3
N1500
21200-0932
MARVELL POWER_SUPPLY
VDD12
VDD18_LDO
VDD30
VIO_X1
VIO_X2
NC
VDD18A
VSS
88W8686
M5
M4
P5
01E9P
C10
A3
M3
P4
K5
J10P6
A6
A7
N1500
21200-0932
MARVELL_RF_IF
ANALOG
XPWDET2
XTAL_I_XO
XTAL_O
REXT
TX2_OUT
RX2_IN_P
RX2_IN_N
DIG_IF
SLEEP_CLK/CLK_OUT PA_PE_G
ANT_SEL_P
ANT_SEL_N
TR_P
TR_N
TR3_N
88W8686
A5
B4
K2
F4
H1
F3
D3
H2
A2
B3
A4
G8
P3
P2
B2
F1
D1
2D2F
B1
M2
M1
K1
H5
F5
D4
H6
B5
N1500
21200-0932
TDO
SCAN_EN
TMS2
TMS1
TDI
TCK
TRSTn
JTAG
ECSn
SDA
SCLK
SRWB
EEPROM_CTRL
GPIO6
GPIO5
GPIO4
GPIO3
GPIO2
GPIO1
GPIO0
GPIO
WL_ACTIVEn
BT_STATE
BT_PRIORITY
BT_COEX
SD_DAT_3
SPI_SINTn/DAT2
SPI_SDO/DAT1
SPI_SCSn/DAT0
SPI/SD_CLK
SPI_SDI/CMD
CSP_HOST_IF
RESETn_PDn
PWDWN_CTRL
MARVELL_HOST_IF
3.3nH
L1500
3.3nH
L1501
ST152021
DB3210ADT/7POPHF
N2010
AA4
1208-3871
ACCESS GPIO_19 DB3210ADT/7POPHF
N2010
R10
1208-3871
ACCESS GPIO_25
4.7nH
L1503
X1540
1
ANTENNA
CLIP
WLAN / BT
ANTENNA
1210-8302 Page R5 5
Access
WLAN
MP 21
MP 23MP 29
MP 48
MP 47
SEMC Troubleshooting Manual
83 (124)

C905
1222-9526 rev. 1
MEASUREMENT POINTS Test
MEASUREMENT POINTS
Made for
Document Nr Revision
Test
VDDE18
VDDE18
100Kohms
R5101 10Kohms
<NM>
R5100
SP5101 SP5102 SP5103 SP5104 SP5105 SP5107SP5106
MAX7327
N2410
6
1200-1951
GPIO_P5_BIDIR
NC
NC
NC
NC
NC
NC
NC
NC
NC
NC
NC
NC
NC NC
NC
NC
NC
NC
NC
NC
NC
NC
NC
NC
NC
NC
NC
NC
NC
NC
NC
NC
NC
NC
NC
NC
MAX7327
5
N2410
1200-1951
GPIO_P4_BIDIR NC
MAX7327
N2410
1
1200-1951
GPIO_O0_OUTPUT NC
DB3210ADT/7POPHF
E8
B5
E7
D6
C8
D9
B6
E9
B9
C6
B8
C7
D5
N2010
1208-3871
KAJSA_BOTTOM
TEST_EMBEDDED_TRACE_IF
KAJSA_BOTTOM_ETM
ETM_PSTAT2
ETM_PSTAT1
ETM_PSTAT0
ETM_TPKT7
ETM_TPKT6
ETM_TPKT5
ETM_TPKT4
ETM_TPKT3
ETM_TPKT2
ETM_TPKT1
ETM_TPKT0
ETM_TSYNC
ETM_TCLK
KAJSA_BOTTOM_ETM_A_17_24
DB3210ADT/7POPHF
R5
A1
A2
A3
B1
C1
AD1
AE1
AF1
AF2
AF3
AF24
AF25
AF26
AE26
AD26
A26
B26
C26
A25
A24
N2010
1208-3871
KAJSA_BOTTOM_NOT_USED
KAJSA_BOTTOM_UNUSED
EFUSE_HV5
UNUSED
UNUSED
UNUSED
UNUSED
UNUSED
UNUSED
UNUSED
UNUSED
UNUSED
UNUSED
UNUSED
UNUSED
UNUSED
UNUSED
UNUSED
UNUSED
UNUSED
UNUSED
UNUSED
UNUSED
KAJSA_BOTTOM_UNUSED_A_5_24
DB3210ADT/7POPHF
T5
U2
01T5P
B24
B3
R3
T3
N2010
1208-3871
JTAG_EMULATION_IF
KAJSA_BOTTOM_TEST
TEMU1n
TEMU0n
TCK
TRSTn
TMS
TDI
RTCK
TDO
KAJSA_BOTTOM_JTAG_A_16_24
DB3210ADT/7POPHF
D8
N2010
1208-3871
ACCESS GPIO_24
10Kohms
R5102
VDDE18
Unused GPIO
1210-8302 Page T1 5
SEMC Troubleshooting Manual
84 (124)

C905
1222-9526 rev. 1
COMCOMPPONONEENNT OT OVVEERRVIEVIEWW Front Side
COMPONENT OVERVIEW
12345
12345
A
D
C
B
A
D
C
B
R - Replaceable
See Appendix for
more information.
W890
COMPONENT OVERVIEW
Cutout
Cutout
LABEL
0.8mm
OUT
A1
B1
OUT
IN
A1
B1
IN
OUT
IN IN
OUT
IN
OUT
E1000
E1003
N2700
N2010
V2477 V2474
X1200
TP2203
R1526
R2313
R4303
R3153
C2288
C4402
C2277
ST2402
N1211
C1217
E1001
ST2110
R2408
ST2400
C2103
C2434
C4302
C4321
SP1500
X1500
R4205
R2440
SP2422
R2451
R2452
R1527
SP2432
C2435
SP1304
SP1302
SP1301
TP2201
SP5103 R4323
C4322
R2214
V2416
V2415
C3107
C3105
S2424 S2453S2454
S2415
C2214
C2259
V2475 V2476
ST1402
ST1400
R1401
R1406
L4401
R4404
R4400
C4400
N4400
R4406
C4407
R4405
R4402
C4404
R4401
R4403
R2502
L4400
R2223
R2501
SP2505
C4401
ST4401
C2274
ST2226
C2271
R2215
N2210
R2503
SP2503
C2270
C2253
C1207
C3101 C3117
L3111
L3110
C3118
V2481
R2217
C2404
TP4401
C4219
C4220
R1403
C4216
ST1406
R1402
C4218
C4229
C4217
ST4403
L1400
C4406
C4403
N2201
R1408
C4405
C2289
C1400
V2470
R1407
C2256
L2213
C2260
C2257
C2258
C2468
N2500
N2214
ST4200
SP2504
C2267
R1211
C2265
C2254
C1221
R2210
C2263
C2405
C2251
ST2401
ST2101
N2411
TP4400
X4200
C4413
C4412
C4415
C4414
V4208
C3159
C2472
C4215
ST2102 ST2103
R2474
R1404
C2403
N2410
R2117
ST2107
R3202
C2252
ST2228
C2266
V2482
C2262
R3203
C2278
SP5110
N2212
C2469
R3201
SP3209
R3204
C2329
C2347
SP3208
SP5101
SP3214
C2328
C2309
C2255
R4410
SP2500
SP2501
C2350
C2261
C2351
C2269
C2268
ST2229
C2308
R2228
C2264
C2345
C2327
SP2105
R2102
C2306
C2352
R2473
R2472
C2406
C2314
SP2411
C2349
ST2225
SP2103
SP2401 SP2400
R2116
C2460 C2330
C2326
C2353
C2340
C2338
C2307
C2320
C2354
C2339
TP4201 TP2206
ST4201
C4214
R4218
C4410
R4217
C4213
N2100
ST3106
C2105
C2310
C3140
Z4200
C2311
ST2105
C3139
ST3105
V2101
N2102
R2111
R2103
R2104
R2122
C2336
C2104
R2115
R2123
SP2104
ST2300
C2321
R2112
R2113
R2407
C2313
C2312
C2331
C2342
C2337
C2325
R1103
C2341
R2422
C2343
TP4200
R4221
C4211
R4222
SP4200
C4210
R2101
R2108
R4219
Z4201
V4203
Z4202
ST2106
R4220
N2020
N1500
SP1504
C1502
R2125
R5100
ST1405
R2470
C2324
R1102
R1101
C2348
C2305
C4325
R4321
C4330
SP1501
ST1517
C1525
R1525
C1527
R1522
ST1518
SP1507
ST1519
R1517
SP1503
V2100
R1518
C1528
R1521
R1519
L1502
C1516
C1515
C1514
C1513
L1501
C1517
C1503
L1500
R1514
C1506
C1509
R1512
N1510
C1507
C1508
R1511
ST1520
L1503
SP2102
R1534
R1533
SP1305
R1532
R3100
C3110
ST3103
SP1303
C2281
ST2231
R4300
S4300
ST2232
SP4201
C2286
C4300 R4301
C2280
ST2108
ST2109
C2346
C2302
ST2421
C2301
C2303
R2475
R5101
C2322
C2344
R2471
ST1403
R5102
ST1404
C2323
ST1407
C2304
SP2410
TP2202
X4300
C2374
C1300
R1508
R1505
C1301
ST1301
ST1300
SP5102 N3100
SP5106
C4337
C4308
C4331
C4335
C4339
ST4402
C4333
C4301
C4320
C4336
C4334
C4338
C4340
R1515
ST2311
C1526
R1510
C2373 C1524
L2311
C2379
R1507
ST2310
R1509
SP1502
C1504
C1522
C1520
R1502
C1505
ST2313
C1518
L2310
C1523
C1519
C1521
ST2312
R1506
N1300
SP5125
W1300
C1510
C1530 C1511
C1512
N2209
N2208
R2213
C2284
R4216
R4215
SP4202
SP4203
C2279
C2283
C2285
ST2230
SP2435
R2446
SP2423 SP2424
SP2427
C2282
N2420
SP2429
R2441
C2432
R2445
SP2425
SP2430
SP2426
SP2428SP2420
ST2233
C2431
SP2421
C2433
C2437 SP5124
R2442
SP5116
R2430
ST2422
SP5123
R2431
C2436
R3102
C3104
R3128
R3106
C3137
C3106
C3148
ST3100
R3127
C3108
SP2200
TP2204
SP5107
SP5105
C2372
L2313
C2371
C3306
ST1303
SP5104
C4324
R4324
C4303
C4332
C4304
C4323
N2300
C2377
C2376
L3300
C1303
C3305
R3302
ST1302
ST3304
C3304
SP1300
C1302
X1530
R2444
R2447
C2439
V2414
L2407
N2421
ST2213
C2445
C2444
Z2400
R2453
C2446
L2405
R2443
X2405
X4312 X4313 X4314
X4315
X4311
C1207 1000-6901 D2
C1217 1000-6901 D2
C1300 1000-0048 B4
C1302 1000-0048 B3
C1303 1000-0048 B4
C1502 1000-0066 C3
C1503 1000-0053 C4
C1504 1000-0066 B4
C1505 1000-0066 B4
C1506 1000-0066 C3
C1507 1000-0066 C3
C1508 1000-0066 C3
C1509 1000-0066 B3
C1510 1000-0061 B3
C1512 1000-5938 B3
C1513 1000-0051 B4
C1514 1000-0048 C4
C1515 1000-0053 C4
C1516 1000-0066 C4
C1517 1000-0066 C4
C1518 1000-0048 B4
C1519 1000-0053 B4
C1520 1000-0066 B4
C1521 1000-0053 B4
C1522 1000-0066 B4
C1523 1000-0048 B4
C1524 1000-0051 B4
C1525 1000-0048 B4
C1526 1000-0048 B4
C1527 1000-0051 B4
C1528 1000-0048 B4
C1530 1000-5956 B3
C2105 1000-0039 C3
C2214 1000-0335 D4
C2251 1000-6901 D2
C2252 1000-0048 D2
C2253 1000-0048 D2
C2254 1000-0048 D2
C2255 1000-0048 D2
C2256 1000-0048 D2
C2257 1000-0051 D2
C2258 1000-0048 D2
C2259 1000-0048 D2
C2260 1000-0048 D2
C2261 1000-0048 D2
C2262 1000-0048 D2
C2263 1000-0048 D2
C2264 1000-0048 D2
C2265 1000-0048 D2
C2266 1000-0048 D2
C2267 1000-0048 D2
C2268 1000-0048 D2
C2269 1000-0048 D2
C2270 1000-0048 D2
C2271 1000-6901 D2
C2274 1000-0051 D2
C2277 1000-6901 D2
C2278 1000-6901 D2
C2279 1000-0048 B3
C2280 1000-0048 B3
C2281 1000-0048 B3
C2282 1000-0048 B2
C2283 1000-6901 B3
C2284 1000-6901 B3
C2285 1000-6901 B3
C2286 1000-6901 B3
C2288 1000-6901 D3
C2289 1000-6901 D3
C2301 1000-0051 B2
C2302 1000-0048 B2
C2303 1000-0048 B2
C2304 1000-0048 B2
C2305 1000-0048 C2
C2306 1000-0048 C2
C2307 1000-0048 C2
C2308 1000-0048 C2
C2309 1000-0048 C2
C2310 1000-0048 C3
C2311 1000-0048 C3
C2312 1000-0048 C3
C2313 1000-0048 C3
C2314 1000-0048 C2
C2320 1000-0051 C2
C2321 1000-0048 C3
C2322 1000-0048 B2
C2323 1000-0048 B2
C2324 1000-0048 C2
C2325 1000-0048 C2
C2326 1000-0048 C2
C2327 1000-0048 C2
C2328 1000-0048 C2
C2329 1000-0048 C2
C2330 1000-0048 C3
C2331 1000-0048 C3
C2336 1000-0051 C2
C2337 1000-0048 C2
C2338 1000-0048 C2
C2339 1000-0048 C2
C2340 1000-0048 C2
C2341 1000-0048 C2
C2342 1000-0048 C2
C2343 1000-0048 C2
C2344 1000-0048 B2
C2345 1000-6901 C2
C2346 1000-0048 B2
C2347 1000-0048 C2
C2348 1000-0048 B2
C2349 1000-0048 C2
C2350 1000-0048 C2
C2351 1000-0048 C2
C2352 1000-0048 C2
C2353 1000-0068 C2
C2354 1000-0068 C2
C2371 1000-0061 B4
C2372 1000-0061 B4
C2373 1000-0048 B4
C2374 1000-0061 B4
C2376 1000-0061 B4
C2377 1000-0061 B4
C2379 1000-0061 B4
C2403 1000-0048 C3
C2404 1000-0061 D2
C2405 1000-0048 D2
C2406 1000-0048 D2
C2431 1000-0061 B2
C2432 1000-0048 B2
C2433 1000-0051 B2
C2434 1000-0048 B2
C2435 1000-0039 B2
C2436 1000-0048 B2
C2437 1000-0039 B2
C2439 1000-0076 B3
C2444 1000-0338 B2
C2445 1000-6884 B2
C2446 1000-0056 B2
C3101 1000-0056 D1
C3104 1000-0340 B2
C3106 1000-0061 B2
C3107 1000-6080 B2
C3108 1000-6080 B2
C3137 1000-0340 B2
C3304 1000-0075 B3
C3305 1000-0048 B3
C3306 1000-0161 B4
C4213 1000-0048 C3
C4214 1000-0048 C3
C4218 1000-0051 D3
C4229 1000-0048 D3
C4301 1000-0048 B5
C4302 1000-0048 B5
C4303 1000-0048 B5
C4304 1000-0048 B5
C4308 1000-0049 B5
C4320 1000-0048 B5
C4321 1000-6901 B5
C4322 1000-6901 B5
C4323 1000-6901 B5
C4324 1000-6901 B5
C4325 1000-6901 B5
C4400 1000-0048 D3
C4401 1000-0061 D2
C4403 1000-0061 D3
C4404 1000-0061 D3
C4405 1200-0286 D3
C4406 1000-0075 D3
C4407 1000-0048 D3
C4410 1000-0048 C3
L1500 1203-5872 B4
L1501 1203-5872 B4
L1503 1000-0113 C3
L2213 1200-0317 D2
L2310 1000-0118 B4
L2311 1200-0119 B4
L2313 1200-2028 B4
L2405 1000-1156 B2
L2407 1000-2617 B3
L3110 1203-8594 D1
L3111 1203-8594 D1
L3300 1000-1899 B4
L4400 1201-6416 D2
L4401 1000-2617 D3
N1211 1204-5903 D2
N1300 1200-9840 B3
N1500 1200-0932 B4
N1510 1200-6173 B3
N2010 1208-3871 C2
N2020 1205-5912 C2
N2100 1200-0425 C3
N2102 1204-8667 C3
N2201 1000-8623 D3
N2208 1000-8623 B3
N2209 1001-0062 B3
N2210 1201-9681 D2
N2212 1200-1974 D2
N2214 1212-7867 D2
N2300 1203-2790 B4
N2410 1200-1951 D3
N2411 1202-1676 D2
N2420 1200-1694 B2
N2421 1200-6309 B3
N2500 1200-1414 D2
N2700 1200-0362 B3
N3100 1200-9978 B2
N4400 1200-1922 D3
R1101 1000-0231 C2
R1102 1000-0231 B2
R1103 1000-0231 C2
R1401 1000-0231 D3
R1403 1000-0231 D3
R1404 1000-0231 C3
R1407 1000-0181 D3
R1408 1000-0181 D3
R1502 1201-1031 B4
R1505 1000-0376 B4
R1506 1000-4158 B4
R1508 1000-0376 B4
R1509 1000-0376 B4
R1510 1000-0376 B4
R1511 1000-0230 C3
R1512 1000-0230 C3
R1514 1000-0241 B3
R1515 1000-4134 B4
R1517 1000-0376 C4
R1518 1000-4133 C4
R1519 1000-4133 C4
R1521 1000-0376 C4
R1522 1000-0376 C4
R1525 1000-0376 B4
R1527 1000-0376 B2
R1532 1000-0181 B3
R2101 1000-0231 C3
R2104 1000-0231 C3
R2108 1000-0231 C3
R2111 1000-0378 C3
R2113 1000-0388 C3
R2115 1000-0230 C2
R2116 1000-0231 C3
R2117 1000-0231 C3
R2122 1000-4034 C2
R2123 1000-4034 C2
R2125 1000-0231 C3
R2210 1000-0231 D2
R2213 1000-0231 B3
R2214 1000-0231 B3
R2215 1000-0231 D2
R2217 1000-0231 D3
R2223 1000-0231 D2
R2228 1000-0231 C2
R2313 1000-0231 D3
R2407 1000-0243 C3
R2408 1000-0243 C3
R2422 1000-4063 C2
R2431 1000-0231 B2
R2441 1000-4147 B2
R2442 1000-0240 B2
R2443 1000-0179 B2
R2444 1000-0231 B3
R2445 1000-0234 B2
R2446 1203-6621 B2
R2447 1000-0231 B3
R2451 1000-0380 B2
R2452 1000-4128 B2
R2453 1000-4099 B2
R2470 1000-0175 B2
R2471 1000-0175 B2
R2472 1000-0175 C2
R2473 1000-0175 C2
R2474 1000-0175 C3
R2475 1000-0175 B2
R2501 1000-0231 D2
R2502 1000-4063 D2
R3100 1000-0181 C3
R3102 1000-0388 B2
R3106 1000-0249 B2
R3128 1000-0181 B2
R3153 1000-0231 D3
R3204 1000-0231 D2
R3302 1000-0243 B3
R4205 1000-0175 C3
R4216 1000-0231 B3
R4217 1000-0181 C3
R4218 1000-0181 C3
R4219 1000-0181 C3
R4220 1000-4034 C3
R4221 1000-0181 C3
R4222 1000-4034 C3
R4300 1000-0181 C3
R4301 1000-0181 B3
R4303 1000-0231 D3
R4321 1000-4034 B5
R4323 1000-4034 B5
R4324 1000-4034 B5
R4400 1000-0231 D3
R4402 1000-0181 D3
R4403 1000-0179 D3
R4404 1000-0179 D3
R4405 1000-0179 D3
R4406 1000-0179 D3
R4410 1000-0048 C2
R5101 1000-0231 B2
R5102 1000-0175 B2
S2415 1204-1127 D3
S2424 1204-1127 D4
S2453 1204-1127 D5
S2454 1204-1127 D5
W1300 1200-5169 B3
V2100 1000-8463 B4
V2101 1000-0391 C3
V2414 1201-8440 B3
V2415 1201-8440 B2
V2416 1201-8440 B2
V2470 1000-0391 D3
V2474 1207-3081 D5
V2475 1207-3081 D3
V2476 1207-3081 D3
V2477 1207-3081 D5
V2481 1000-0087 D3
V2482 1000-0087 C2
V4203 1200-0320 C3
V4208 1201-0746 D3
X1200 1203-9688 D2
X1500 1203-9688 B3
X1530 1001-0637 B3
X2405 1202-1195 A2
X4200 1204-5252 C3
X4300 1200-1733 B5
X4311 1204-9353 C4
X4312 1204-9353 C5
X4313 1204-9353 D5
X4314 1204-9353 D5
X4315 1204-9353 D4
Z2400 1201-6833 B2
Z4200 1000-7455 C3
Z4201 1000-7455 C3
Z4202 1000-7455 C3
SEMC Troubleshooting Manual
85 (124)
SEMC Troubleshooting Manual

C905
1222-9526 rev. 1
COMPONENT OVERVIEW Back Side
COMPONENT OVERVIEW
12345
12345
A
D
C
B
A
D
C
B
Cutout
A1
B1
A1
B1
X4410
X2411
SP4402
SP4403
SP4404
SP4400
C2467
X2410
V2484
X2402
R4302
E1004
L3108
L3109
X2201
V4202
L4201
SP2412
R3151
C3149
C3131
C2413
C3150
ST3101
C2227
B2100
ST2100
C1213
R1209
ST4202
R2200
L2404
C3115 C3116
L2402
L2401
C3114
L2403
L2408
V2413
C2215
R2448
L2449
ST2210
C2473
V2487
R3118
ST3104 C3144
R4304
R4411
V2478
C2461 C2463 C2464
C2462
C2466
C2471
V2473 R1201
C1211
R1202
X1210
X1211
R4414
V4400
SP4401
C4411
X4400
R4409 R4413
C4416
ST4400
C2416 C2419
C2418
V2480
V2479
C2465
C2420
C2415
C2474
V2472
R2476
V2471
C2470
V2486
C1200
Z1200
L1202
X3103
X3102
ST2224
L2212
C2248
C2249
N2213
C1209
N1200
ST2223
TP2207
V2212
R2221
R2220
C2250
C2272
C2417
R2400
C2400
TP2210
TP2208
C2292
N4300
R2226
N2205
C2241
ST2220
C2290
C2240
C1220
C1219
V3101
C4208
ST2221
C2206
C2207
C1216
L1200
C4207
L4202
TP2209
R2211
R2212
N2206
C2243
C2245 ST2222
C2287
C2242 C2244
R3160
R3155
C2211
C3121
R3150
C2212 C3166
C2210
C3135
C3165
C3146
ST2206
ST2205
ST2204
ST2200
C1218
C2209
R3154
C3138
C2208
C1208
C2225
C3154
C2204
ST2201
SP2107
SP2106
ST2203
ST2202
C2226
R2204
C2213
R2406
R2203
R2405
C2205
C2101
C4209
ST2207
ST2240
C1206
R1210
R1203
C1214
C1204
ST1201
N1210
C1215
ST2212
C1203
C2203
C1205
C2202
C3167
N3103
E1002
V4200
C2201
C2410
C2421
C2422
R3149
C3145
C3133
R3112 C3127
C3155
C3152
C3136
C3100
C3102
C3126
C3156
C3151
C3124
C3125
C3112
N2000
R2403
C2100
R2402
C2402
C4204
R4202
R4204
R2404
R4201
R4200
C4205
ST2104
C2228
C1201
C4202
ST1200
C4203
ST4203
V4201
V2200
ST2211
ST2214
C2229
C2200
X4202
X2401
R3147
N3101
SP3205
SP3213
L4200 N2200
L2202
X4201 R2421
C2411
R2418
R2419
R2420
L3126
R3148
L3125
C2412
C3158
C3157
C2222
C3153
R3156
C2414
R2201
R2416
R2415
ST2410
SP3207
ST2411
V2400 C2224
C2223
L2201
V2202
C2216
C2221
C2217
SP3206
SP3204
C4206
C2218
C4201
C2219
R4203
C2220
L2200
ST2209
V2201 R2208
C2231
C2232
C2230
C4200
R2207
C2233
R2231
N2422
R2417
X1540
C2443
C2442
C2430
R2450
C2448
C2449
L2406
SP2433
SP2434
C2441
C2447
C2440
R2478
C2438
R2434
V2417
V2412
V4206
ST3102
B2100 1000-0036 C4
C1201 1000-0061 C5
C1204 1000-0048 C5
C1205 1000-0048 C5
C1206 1000-0039 C5
C1208 1000-0048 C4
C1211 1200-4295 D5
C1213 1000-6900 C4
C1214 1000-0048 C4
C1215 1000-0048 C4
C1218 1000-6901 C4
C2100 1000-6078 C4
C2101 1000-6078 C4
C2202 1000-0049 C5
C2203 1000-0064 C5
C2204 1000-0061 C4
C2205 1000-0061 C4
C2206 1000-0039 C4
C2207 1000-6901 C4
C2208 1000-0051 C4
C2209 1000-6901 C4
C2210 1000-6901 C4
C2211 1000-6901 C4
C2212 1000-6901 C4
C2213 1000-0051 C4
C2215 1000-0048 B4
C2216 1000-0048 B4
C2217 1000-0061 B4
C2218 1000-0061 B4
C2219 1000-0061 B4
C2220 1000-0048 B4
C2222 1000-0076 B4
C2223 1000-0048 B4
C2224 1000-0051 B4
C2225 1000-0067 C4
C2226 1000-0051 C4
C2227 1000-0048 C4
C2228 1000-0061 B5
C2231 1000-0061 B5
C2232 1000-0049 B5
C2240 1000-6901 C3
C2241 1000-6901 C3
C2242 1000-6901 C3
C2243 1000-6901 C3
C2244 1000-6901 C3
C2248 1000-6901 D3
C2249 1000-6901 D2
C2250 1000-6901 C3
C2272 1000-0068 C3
C2287 1000-0068 C2
C2290 1000-6900 C2
C2292 1000-0048 C2
C2402 1000-0048 B4
C2410 1000-6901 B3
C2412 1000-0048 B4
C2413 1000-0338 B4
C2414 1000-0051 B4
C2419 1000-0045 D3
C2420 1000-0051 D3
C2421 1000-0048 B3
C2422 1000-6901 B3
C2430 1000-0048 B4
C2440 1000-0076 B4
C2441 1000-0057 B4
C2442 1000-0045 B4
C2443 1000-0045 B4
C2447 1000-6838 B4
C2448 1000-6838 B4
C2449 1000-0048 B4
C3100 1000-6900 B4
C3112 1000-6900 B4
C3121 1000-6900 C4
C3124 1000-0048 B4
C3125 1000-0048 B4
C3131 1000-6900 C4
C3133 1000-6900 B4
C3135 1000-0048 C4
C3136 1000-0056 B4
C3138 1000-0069 C4
C3145 1000-6900 C4
C3146 1000-6900 C4
C3149 1200-4608 B4
C3150 1200-4608 B4
C3151 1000-0051 B4
C3152 1000-0048 B4
C3154 1000-6840 C4
C3155 1000-0340 C4
C3156 1000-0340 B4
C3157 1000-0056 B4
C3158 1000-0061 B4
C3165 1000-0056 C4
C3166 1000-0061 C4
C3167 1000-0048 B4
C4200 1000-0059 B4
C4202 1200-0286 B5
C4203 1000-0076 B4
C4206 1000-0048 B4
C4208 1000-6901 C1
C4209 1000-0048 C4
C4416 1000-0061 D2
L1200 1200-2028 C5
L1202 1200-4295 D5
L2200 1201-2245 B4
L2201 1000-0118 B4
L2202 1204-4910 B5
L2212 1201-5637 D2
L2401 1200-0317 A4
L2402 1200-0317 A4
L2403 1200-0317 A4
L2404 1200-0317 A4
L2406 1209-2182 B4
L2408 1203-0723 A4
L2449 1000-0257 A4
L3108 1201-0706 C5
L3109 1201-0706 C5
L3125 1000-3366 B4
L3126 1000-3366 B4
L4200 1200-6306 B4
L4201 1000-0360 C1
L4202 1000-0360 C1
N1200 1210-9905 D4
N1210 1203-5870 C5
N2000 1202-0639 B4
N2200 1204-4655 B5
N2205 1001-5573 C3
N2206 1201-6517 C2
N2213 1208-4678 D3
N2422 1201-4120 B4
N3101 1000-0198 B4
N3103 1213-5382 B4
N4300 1000-8704 C3
R1202 1215-5115 D5
R1203 1000-0231 C4
R1209 1000-0231 C4
R1210 1000-0231 C4
R2200 1214-4223 C5
R2201 1000-0252 B4
R2203 1000-0376 C4
R2204 1000-0249 C4
R2207 1212-1178 B5
R2208 1000-4169 B5
R2211 1000-0249 C2
R2212 1000-0231 C2
R2220 1000-0388 C2
R2221 1000-0231 C2
R2226 1000-0245 C2
R2400 1000-5865 C5
R2402 1000-0226 B4
R2403 1000-0226 B4
R2404 1000-0226 B4
R2405 1000-0243 C4
R2406 1000-0243 C4
R2415 1000-0175 B4
R2416 1000-0175 B4
R2417 1000-0231 B3
R2418 1000-0231 B3
R2419 1000-0231 B3
R2420 1000-0231 B3
R2421 1000-0231 B3
R2434 1000-0230 B4
R2448 1000-0179 A4
R2450 1000-0231 B4
R2476 1000-4034 D4
R2478 1000-0254 B4
R3118 1000-0181 D2
R3147 1000-0388 B4
R3148 1000-0388 B4
R3149 1000-0231 B4
R3150 1000-0254 C4
R3154 1000-4152 C4
R3155 1000-0388 C4
R3156 1000-0254 B4
R3160 1000-0179 C4
R4200 1000-0378 B4
R4202 1000-0264 B4
R4203 1200-1061 B4
R4204 1000-4160 B4
R4302 1000-0175 C2
R4304 1000-0231 D2
R4409 1000-0172 D2
R4411 1000-0231 D2
R4413 1000-0181 D2
V2200 1000-0282 B5
V2201 1000-0087 B4
V2202 1200-0145 B4
V2212 1204-1592 C2
V2412 1000-0272 B4
V2413 1201-2253 A4
V2417 1000-0272 B4
V2471 1207-3081 D4
V2472 1207-3081 D4
V2473 1207-3081 D4
V2478 1207-3081 D3
V2479 1207-3081 D3
V2480 1207-3081 D3
V2484 1207-3081 D4
V2486 1207-3081 D4
V2487 1207-3081 D4
V3101 1001-0730 C5
V4200 1000-0293 B4
V4201 1000-0087 B4
V4206 1000-0407 B5
V4400 1000-8408 D2
X1210 1200-2144 D5
X1211 1200-2144 D5
X1540 1211-1063 B3
X2201 1201-0774 B5
X2401 1200-9764 B3
X2402 1202-0528 D3
X2410 1208-3264 D4
X2411 1208-2932 D4
X3102 1200-2144 D5
X3103 1200-2144 D5
X4400 1201-5197 D2
X4410 1208-0925 D2
Z1200 1212-1502 D5
R - Replaceable
See Appendix for
more information.
SEMC Troubleshooting Manual
86 (124)

C905
1222-9526 rev. 1
FUNCTIONAL OVERVIEW Technical Description
FUNCTIONAL OVERVIEW
C905 Function Overview
General Information
Size
104 X 49 X 18 mm
Weight
136 grams
Colors
Ice Silver
Copper Gold
Night Black
Screen
262,144 color TFT, Resolution 240 x 320 pixels, Size: 2.4 inches
Phone memory
Up to 160 MB
Memory Stick Micro™ (M2™) support
Talk time
GSM/GPRS: Up to 9 hrs
UMTS: Up to 4 hrs
Standby time
GSM/GPRS: Up to 380 hrs
UMTS: Up to 360 hrs
Networks
C905: GSM/GPRS/EDGE 850/900/1800/1900, UMTS/HSDPA 2100
C905a: GSM/GPRS/EDGE 850/900/1800/1900, UMTS/HSDPA 850/1900/2100
C905c: GSM/GPRS/EDGE 850/900/1800/1900
Features
Camera
8.1 megapixel camera
Up to 16x digital zoom
Auto focus, Face detection
Smart contrast
BestPic™, Photo fix
Photo feeds, x-Pict Story™
Xenon flash
Video light
Red-eye reduction
PictBridge printing
Image stabilizer
Video stabilizer
Picture blogging
Video blogging
Video recording
Music
Media player, Bluetooth™ stereo (A2DP), Album art,
Music tones (MP3/AAC), PlayNow™, TrackID™
Internet
Access NetFront™, Web browser, Web feeds
Communication
Video calling, Speaker phone, Polyphonic ringtones, Vibrating alert
Messaging
Email, Exchange ActiveSync®, Text messaging (SMS), Picture messaging (MMS),
Instant messaging, Predictive text input, Sound recorder
Design
Navigation key, Auto rotate, Picture wallpaper, Wallpaper animation
Entertainment
3D games, FM radio, Java, Video streaming, Video viewing
Organiser
Calendar, Phone book, Tasks, Notes, Alarm clock, Timer, Calculator, Stopwatch, Flight
mode
Location-based services
aGPS, Pre-installed maps, Geo tagging of photos
Connectivity
DLNA Certified™, Bluetooth™ technology, Modem, Synchronization, USB mass storage,
USB, support, Wi-Fi™
Note! Wi-Fi (WLAN) is only supported by C905 and C905a.
SEMC Troubleshooting Manual
87 (124)

C905
1222-9526 rev. 1
FUNCTIONAL OVERVIEW
FUNCTIONAL OVERVIEW
Technical Description
Hardware Overview
Platform Information
The C905 is using the U365 platform provided by Ericsson Mobile Platform (EMP)
U365 Platform Block Diagram:
Hardware Overview
Baseband Part
Analog Baseband Controller N2000 (Vera)
This component is not replaceable on SL 4 because Baseband calibration is required. The
analog baseband controller is the main power management circuit. It has converters and
regulators that generate a number of supply voltages, each optimized for its load.
The analog baseband controller is a mixed digital and analog device that supports the
following circuitry:
• Power management circuitry
• Voltage regulation circuitry
• Eight Low Dropout (LDO) regulators and low power regulator
• 600 mA integrated Buck regulator
• Boost step-up DC/DC converter for White Light Emitting Diode (WLED) driving
• Battery charging and communication circuitry
• Battery fuel gauging circuitry
• Analog-to-Digital Converter (ADC)
• Digital-to-Analog Converter (DAC)
• SIM interface
• Six programmable LED drivers
• Accurate band gap reference
• Vibrator driver
• Real Time Clock (RTC)
• 8-byte One-Time Programmable (OTP) memory
• Pulse Code Modulation (PCM) voice coder/decoder
• PCM audio coder/decoder
• Microphone interface
• Stereo line input
• Earphone driver
• Earpiece driver
• 8-Ω speaker driver / Stereo line output
The analog baseband controller is controlled by an I2C™ interface. It also comprises the
main power management circuits, equipped with a number of converters and regulators
for generating the required supply voltages.
The analog baseband controller supports the following features:
• Lithium battery
• Full audio CODEC functionality
• Supports stereo audio sampling rates of 8/16 kHz voice coding/decoding and 44.1/48
kHz for high quality audio recording/playback (for example MIDI and MP3 applications)
• Double CODEC I2S/PCM interfaces
• Flexible microphone interface
• Integrated headphone amplifiers
• Integrated earpiece amplifiers
• Integrated speaker amplifier
• Integrated flexible audio mixing functionality
• Boost driver capable of driving up to four WLEDs in series, supplying 50 mA
• Designed to meet power management demands of GSM and WCDMA
• Automated power management ADC to relieve CPU
• Battery identification and communication
• Single-terminal charger and accessory power interface for compact connector design
• Integrated USB charging
• OTP memory
• Integrated hardware fuel gauge to accurately monitor battery capacity
• Reduced number of external components as a result of integrated programmable LED
and vibrator drivers
• 32 kHz real time clock with alarm wake up capability
• Designed to support two host controllers.
SEMC Troubleshooting Manual
88 (124)

C905
1222-9526 rev. 1
FUNCTIONAL OVERVIEW
FUNCTIONAL OVERVIEW
Technical Description
Functional Blocks of the Analog Baseband Controller: Connection Diagram:
SEMC Troubleshooting Manual
89 (124)

C905
1222-9526 rev. 1
FUNCTIONAL OVERVIEW
FUNCTIONAL OVERVIEW
Technical Description
Charger Control
A programmable charger is used for battery charging. Limits can be set for the output
voltage at CHSENSE- and the output current from DCIO through the sense resistor to
CHSENSE-. The programmable charger is enabled or disabled by the assertion/negation
of the external signal DCIO. Parts of the programmable charger are activated and
deactivated depending on the level of VBAT. The rest of the programmable charger is
activated and deactivated through I2C.
The programmable charger supports the following functions:
• Constant current charging
• Constant voltage charging
• Trickle charging
• PWM controlled charging
• Over-voltage and over current detection
• Watchdog termination
• DCIO assertion/removal detection
• Voltage and current measure functions
• Low resistive path (reverse mode)
The programmable charger is able to control the voltage and limit the current to a load
seen at CHSENSE-. The programmable charger can also be run in PWM mode to turn the
charging on and off in accordance with the particular period and duty cycle. When the
charging is on, it is set to the current and voltage selected by I2C.
A low resistive path from VBAT to DCIO can be formed when DCIO is not detected.
When this setting is done in the appropriate registers, a lowering of CHREG to 0 V turns
on the external pass device. The pass device is automatically turned off when an
external source is detected on DCIO, or when the watchdog termination block times out.
The watchdog termination block must be active when the external switch is enabled,
both in normal
charging mode and in the low resistive path mode. The watchdog is set through the
serial interface, and if it has not been set again before timeout, the watchdog turns off
the external switch. The watchdog is disregarded during trickle charging. When no
battery is present, the system can be booted and supplied from DCIO by
applying the correct voltage on DCIO.
USB Charger
The analog baseband controller contains a standalone USB charger.
The USB charger has a separate input and incorporates full functionality during low VBAT.
The programmable charger supports the following functions:
• Trickle charging
• Constant current charging
• Watchdog termination
• Trickle LED indication
• VBUS assertion/removal detection
Resistance Identification and Temperature Measurement
The resistance identification mode utilizes the constant current source to feed the
battery data output while monitoring the voltage at the battery data node with general
purpose ADC the conversion is started through I2C.
Resistance Identification (A) and Temperature Measurement (B):
SIM Interface
The SIM interface supplies level is shifting between the digital baseband controller and
the SIM/USIM card. Moreover, hard-wired SIM deactivation functionality manages
removal of a SIM card that has not been powered down.
Block Diagram of the SIM Interface:
SEMC Troubleshooting Manual
90 (124)

C905
1222-9526 rev. 1
FUNCTIONAL OVERVIEW
FUNCTIONAL OVERVIEW
Technical Description
CODEC Overview
The CODEC is encoding analog audio signals and analog voice signals into digital signals
using Analog to Digital converters (ADCs). This is done in the coder section of the
CODEC, also named the TX path (transfer section). The CODEC is also decoding digital
audio signals and digital voice signals into analog signals using DACs. This is done in the
decoder section of the CODEC, also named the RX path (receiver section).
CODEC Block Schematic:
CODEC CCO Voltage Source
There is an internal voltage source CCO that provides the necessary drive current for
electret microphones. The voltage source is I²C programmable to 2.2 V or 2.4 V. The
source can be disabled during standby. A typical use case with a microphone connected
to MIC1 and the CCO is shown in picture below.
Earphone Amplifier
The earphone amplifiers (BEARP and BEARN) are mainly intended to be differentially
configured and drive a low impedance dynamic transducer (earpiece) but they can also
be single ended configured. The BEARP and BEARN amplifiers can be powered down by
the I2C. The amplifiers can exhibit high impedance to 1.4V or low impedance to ground
when powered-down. Fifty-one gains are available for BEARP and BEARN: from +15dB
down to –60dB in 1.5dB steps. When the BEARP and BEARN outputs are operating in
differential mode, an I²C selectable bit must invert one of the inputs.
Speaker Amplifier
The speaker amplifiers, SPKRP and SPKRN, are intended to drive a low impedance (8Ω)
speaker in a differential mode or to be used as a stereo configured line output amplifier
supporting external high power amplifiers. The output buffer shall exhibit low impedance
to ground when powered-down and the current consumption shall be minimal. When the
SPKRP and SPKRN outputs are operating in differential mode, an I²C selectable bit must
invert one of the inputs.
SEMC Troubleshooting Manual
91 (124)

C905
1222-9526 rev. 1
FUNCTIONAL OVERVIEW
FUNCTIONAL OVERVIEW
Technical Description
Digital Baseband Controller (CPU)
N2010 (Kajsa)
This component is not replaceable on SL 4 because Baseband calibration is required.
The Digital Baseband Controller is divided in two subsystems: Access and Application
Access Subsystem
All modem functionality in the digital baseband controller resides in the Access
subsystem. This includes EDGE/GPRS/GSM interface, WCDMA interface, USB, IrDA, and
other peripheral modules. The control CPU is an ARM926 and a DSP is used for signal
processing and layer one control code.
The main communication between the blocks in the Access subsystem is done through
the Advanced High-performance Bus (AHB) matrix, which is a set of control buses
connecting the different parts together. A block called Syscon is responsible for
distributing clocks and resets to all parts of the Access subsystem. This block is under
SW control. The Access subsystem is connected to the Shared EMIF, an interface for
communication with an external SDRAM. The Shared EMIF is shared between the Access
subsystem and the Application subsystem.
Access Subsystem:
Application Subsystem
The Application subsystem contains functionality related to functions such as MMI,
graphics, audio and memory media. The control CPU is an ARM926 with three external
memory interfaces, one shared with the Access subsystem and two dedicated for the
Application subsystem. The Application subsystem contains several blocks. The main
communication between the blocks is done through the Advanced High performance bus
(AHB) matrix, which is a set of control buses connecting the different parts. A block
called Syscon is responsible for distributing clocks and resets to all parts of the
Application subsystem. This block is under SW control. The Application subsystem is
connected to the Shared EMIF that is used for code execution or data storage. In
addition, a dedicated EMIF that support SDRAM or static memory like NOR, PsRAM or
NAND are also available. The Application EMIF is a general interface for communication
with, for example external SDRAM, PSRAM, NOR flash, NAND flash and companion chips
Application Subsystem:
SEMC Troubleshooting Manual
92 (124)

C905
1222-9526 rev. 1
FUNCTIONAL OVERVIEW
FUNCTIONAL OVERVIEW
Technical Description
The functional blocks of the digital baseband controller:
Keypad
The keypad interface block supports up to 30 keys with 65 columns and 6 rows and
operates in both scan and idle mode. The keypad scan is performed by software. Any
transition in the state of the column inputs is written directly to the register. The keypad
interface differentiates between single key presses, simultaneous presses of any keys
with a function key, and any key releases. The period between successive scans is
programmable over the range 5 ms to 80 ms, in 5 ms steps. During scan mode, the
keypad generates an interrupt whenever a valid keypad state change occurs (including a
release of any pressed keys). The scan function is disabled during system power-up. The
keypad is able to detect at least four simultaneous key presses. Not all combinations are
supported.
Radio Part
Antenna
The mobile system antenna interface connects the Wideband Code Division Multiple
Access (WCDMA) and Global System for Mobile Communication (GSM) input/output to
the antenna of the Mobile Phone. It is a bi-directional RF interface containing signals in
the range 800 MHz to 2.2 GHz. The mobile system antenna interface is the interface
between the Mobile Phone Radio Frequency (RF) input/output and the mobile system
antenna. The interface handles the GSM 850, EGSM 900, GSM 1800, GSM 1900 and
WCDMA Band I, II and V, RF inputs/outputs.
Mobile System Antenna Interface:
Radio Module N1200 (Tiger)
Front End
The Front End block connects the proper block in the radio system to the antenna. The
Front End has two inputs for EDGE/GSM/GPRS, one for low band (850/900 MHz) and
one for high band (1800/1900 MHz). The EDGE/GSM/GPRS power amplifier output is
filtered by the low pass filter in the Front End and then connected to the antenna
through a switch. In receive mode, the EDGE/GSM/GPRS signal from the antenna passes
through the switch to one of the four receive SAW filters. The SAW filter provides receive
band selectivity. In GSM/GRPS/EDGE systems, transmit and receive operations are
divided in time and the switch connects the proper block in accordance with the mode of
operation (that is, transmit or receive; one at a time).
In WCDMA the transmit outputs from the WCDMA transceiver are filtered by an external
SAW filter that cleans up the spectrum. The SAW filter output is connected to the power
amplifier, one for each band. For power control, a sample of the transmit output is taken
by a directional coupler and converted to a DC level by the power detection circuit. This
signal is used to control the transmitter output power. The transmit signal passes
through an isolator and then a duplexer. The duplexer output is selected by the switch in
the Front End for connection to the antenna. In WCDMA receive mode the signal from
the antenna is switched by the Front End to the correct duplexer. The output from the
duplexer is connected to the LNA input in the WCDMA receiver.
Transceiver
The transceiver is a multi-mode transceiver for WCDMA/EGDE/GPRS/GSM. The
EDGE/GPRS/GSM part of the transceiver use a digital baseband interface that is shared
between received and transmitted data. The receive interface is based on I and Q data
and the transmitter interface is based on envelope and frequency data. The WCDMA part
of the transceiver use differential analog in-phase and quadrature-phase interfaces,
which is an IQ-interface, in the receiver and the transmitter data paths.
SEMC Troubleshooting Manual
93 (124)

C905
1222-9526 rev. 1
FUNCTIONAL OVERVIEW
FUNCTIONAL OVERVIEW
Technical Description
Frequency Generation
The 26 MHz reference signal is used as the reference for the on-chip synthesizers. To
cover the required frequency range, the integrated Voltage Controlled Oscillator (VCO)
operates at twice the frequency for band 1800/1900/2100, and at four times the desired
frequency for band 800/900. The two synthesizers are controlled through the serial bus
from the access side of the digital baseband controller.
EDGE/GPRS/GSM Transmitter Part
Polar modulation transmitter architecture based on the direct phase/frequency
modulation/synthesizer architecture is implemented for GSM, GPRS and EDGE. This
architecture has the capability of generating both the GSM/GPRS constant envelope
GMSK modulation and the linear EDGE 8-PSK modulation in a very cost efficient way.
The motivation for a polar modulation transmitter architecture compared to traditionally
linear architectures is to reduce the output noise (thus eliminating the need for off-chip
filters) reduce the power consumption by utilizing non-linear switching analog signal
processing blocks, and to eliminate the need for an RF isolator.
In brief, the phase/frequency modulator in this polar modulation architecture is a sigma-
delta controlled fractional-N frequency synthesizer with an additional frequency insertion
point after the loop filter at the input of the VCO. The Phase-locked Loop (PLL) has two
information inputs: the divider ratio in the feedback path and a direct path to the VCO.
The phase locked loop generates the radio frequency carrier including the phase
modulation information at the desired channel frequency.
WCDMA Transmitter Part
The WCDMA transmitter architecture is an on frequency linear direct up-conversion IQ-
modulator. The in-phase and quadrature-phase reconstruction filters are fully integrated
and a programmable gain amplifier implements the gain control. An external SAW filter
between the WCDMA circuit and the power amplifier is used to improve noise
performance. After the power amplifier, the signal is sent through an isolator and
through the duplex filter, which directs the transmit signal to the antenna connector
through the antenna switch. The supply voltage and bias of the power amplifier are
adapted depending on the output power to achieve high efficiency at every transmitter
power level. A high efficiency DC/DC converter regulates the supply voltage and the bias
operation point is controlled by a D/A-converter in the WCDMA radio circuit.
Receiver Part
The receiver architecture is a direct down-conversion zero-IF receiver with integrated
low-pass filters. The complete receiver with seven Low Noise Amplifiers (LNAs), one for
each supported band, is integrated on chip. After the down-conversion, the in-phase and
quadrature-phase components are low pass filtered and if the receiver is in
EDGE/GPRS/GSM mode the signals are fed to the integrated high dynamic range sigma-
delta A/D-converters.
Ericsson RF 3300 Block Diagram:
SEMC Troubleshooting Manual
94 (124)

C905
1222-9526 rev. 1
FUNCTIONAL OVERVIEW
FUNCTIONAL OVERVIEW
Technical Description
RF System Control
The access side of the digital baseband controller controls the overall radio system.
In both EDGE/GSM/GPRS and WCDMA air interface mode, the digital baseband controller
controls the radio system through a three-wire serial bus. The digital baseband
controller also manages PA band control and the antenna switch mechanism in the front
end module. The 26 MHz VCXO clock residing in the transceiver is turned on only when
required and initiated by the digital baseband controller.
The control flow for the RF system:
EDGE/GPRS/GSM
TX Frequency, Channel and Power Level Range:
GSM 850:
TX Frequency Range: 824,2 MHZ – 848,8 MHZ
Channel Range TX: 128 – 251
Power Level: Min 19 – Max 5
GSM 900:
TX Frequency Range: 890,2 MHZ – 914,8 MHZ
Channel Range TX: 1 - 124
Power Level: Min 19 – Max 5
EGSM 900:
TX Frequency Range: 880,2 MHZ – 889,8 MHZ
Channel Range TX: 975 - 1023
Power Level: Min 19 – Max 5
DCS 1800:
TX Frequency Range: 1710,2 MHZ – 1784,8 MHZ
Channel Range TX: 512 – 885
Power Level: Min 15 – Max 0
PCS 1900:
TX Frequency Range: 1850,2 MHZ – 1909,8 MHZ
Channel Range TX: 512 - 810
Power Level: Min 15 – Max 0
RX Frequency and Channel Range:
GSM 850:
RX Frequency Range: 869,2 MHZ – 893,8 MHZ
Channel Range RX: 128 – 251
GSM 900:
Frequency Range: 935,2 MHZ – 959,8 MHZ
Channel Range RX: 1 - 124
EGSM 900:
RX Frequency Range: 925,2 MHZ – 934,8 MHZ
Channel Range RX: 975 – 1023
DCS 1800:
RX Frequency Range: 1805,2 MHZ – 1879,8 MHZ
Channel Range RX: 512 – 885
PCS 1900:
RX Frequency Range: 1930,2 MHZ – 1989,8 MHZ
Channel Range RX: 512 - 810
WCDMA
TX and RX Frequency and Channel Range
Band I:
Channel Range TX: 9612 - 9888
TX Frequency Range: 1920 – 1980 MHz
Channel Range RX: 10562 - 10838
RX Frequency Range: 2110 – 2170 MHz
Band II:
Channel Range TX: 9262 - 9538
TX Frequency Range: 1850 – 1910 MHz
Channel Range RX: 9662 - 9938
RX Frequency Range: 1930 – 1990 MHz
Band V:
Channel Range TX: 4132 – 4233
TX Frequency Range: 824 –849 MHz
Channel Range RX: 4357 – 4458
RX Frequency Range: 869 –894 MHz
Band VIII:
Channel Range TX: 2712 – 2863
TX Frequency Range: 880 –915 MHz
Channel Range RX: 2937 – 3088
RX Frequency Range: 925 – 960 MHz
SEMC Troubleshooting Manual
95 (124)

C905
1222-9526 rev. 1
FUNCTIONAL OVERVIEW
FUNCTIONAL OVERVIEW
FUNCTIONAL OVERVIEW
Technical DescriptionFUNCTIONAL OVERVIEW
FUNCTIONAL OVERVIEW
FUNCTIONAL OVERVIEW
FUNCTIONAL OVERVIEW
Bluetooth and FM Radio
The Bluetooth/FM Radio circuit combines Bluetooth and FM tuner functionality into one.
Bluetooth
The Bluetooth implementation is compliant with Bluetooth specification 2.1 + EDR.
The BluetoothTM transceiver has frequency channels with 1 MHz separation from 2402 to
2480 MHz. The same band is used for both transmission and reception. This gives 79
frequency channels.
Receiver
The Bluetooth section implements a low-IF receiver for Bluetooth modulated input
signals. The radio signal is taken from a balanced RF input and amplified by an LNA. The
mixers are driven by two quadrature LO signals, which are locally generated from a VCO
signal running at twice the frequency. The I and Q mixer output signals are band pass
filtered by a poly-phase filter for channel filtering and image rejection. The output of the
band pass filter is amplified by a VGA to the optimal input range for the A/D converter.
Further channel filtering is done in the digital part. The digital part demodulates the
GFSK, π/4-DQPSK or 8-DPSK coded bit stream by evaluating the phase information.
RSSI data is extracted. Overall automatic gain amplification in the receive path is
controlled digitally. The RC time constants for the analog filters are automatically
calibrated on chip.
Transmitter
The transmitter uses the serial transmit data from the Bluetooth Controller. The
transmitter modulator converts this data into GFSK, π/4-DQPSK or 8-DPSK modulated I
and Q digital signals for respectively 1, 2 and 3 Mbps transmission speed. These signals
are then converted to analog signals that are low pass filtered before up-conversion. The
carrier frequency drift is limited by a closed loop PLL.
FM Radio
FM Receiver
The receiver uses a digital low-IF architecture. The receive (RX) section integrates a low
noise amplifier (LNA) supporting the worldwide FM broadcast band (76 to 108 MHz). An
automatic gain control (AGC) circuit controls the gain of the LNA to optimize sensitivity
and rejection of strong interferers. An image-reject mixer down converts the RF signal to
low-IF. The quadrature mixer output is amplified, filtered and digitized with high
resolution analog-to-digital converters (ADCs). This advanced architecture allows the
use of digital signal processing (DSP) to perform channel selection, FM demodulation
and stereo audio processing.
Tuning
The receiver uses frequency synthesizer technology including a completely integrated
VCO. The frequency synthesizer generates the quadrature local oscillator signal used to
downconvert the RF input to a low intermediate frequency. The VCO frequency is locked
to the reference clock and adjusted with an automatic frequency control (AFC) servo
loop during reception. The tuning frequency is defined as: Freq (MHz) = Spacing (kHz) ×
Channel + Bottom of Band (MHz)
External Connectors
External units are connected to the transceiver by means of a 12-pin connector on the
bottom of the phone.
System connector pin input/output overview:
Clocks
Clock Distribution
The clocking for the access and application subsystems is separated. This means that
the subsystems can wake up or go to sleep mode independently. The access subsystem
is clocked by the 26 MHz Voltage Controlled Crystal Oscillator (VCXO) located in the
GSM/EDGE circuit. When the access subsystem has a job to do, the Master Clock (MCLK)
signal is requested from the RF part. Most other clocks needed within the access
subsystem are generated from the MCLK. Some minor parts like sleep timer and cable
detect use the 32 kHz real-time clock. The 32 kHz real-time clock clocks the application
subsystem, and all other internal clocks needed within the application subsystem are
generated from this clock. However, when audio is transferred between the application
and the access subsystems, the MCLK is used.
Master Clock
(26 MHz)
The 26.00 MHz VCXO-based MCLK is distributed as a square wave signal from the
GSM/EDGE circuit. In order to have full control over the load on the MCLK, only the
access side of the digital baseband controller is allowed to request the MCLK. However,
by indirect means also the application side CPU can issue the request. A VCXO-based
square wave is also distributed to the WCDMA circuit, but is turned on only upon a
command from the digital baseband controller.
Real-time Clock
(32. 768 KHz)
A 32.768 kHz crystal oscillator provides a low frequency clock whenever the platform
has power. This clock is used to keep the Real-Time Clock (RTC) block functioning, so
that the platform can keep track of the time and date. The low frequency clock is
generated in the analog baseband controller and distributed to the digital baseband
controller, and if necessary to external devices like Bluetooth, FM radio and A-GPS.
SEMC Troubleshooting Manual
96 (124)

C905
1222-9526 rev. 1
FUNCTIONAL OVERVIEW
FUNCTIONAL OVERVIEW
A-GPS
The Assisted GPS functionality in the phone is realized with the Global Locate
Hammerhead GPS module. The Global Locate Hammerhead belongs to the Type 2 GPS
solutions. The PMB 2525 Hammerhead II GPS IC is a GPS single chip device containing a
complete radio frequency front-end as well as the signal processing functionality in a
single die. The device allows the usage of assistance data by supporting A-GPS (assisted
GPS) standards (RRLP, RRC, OMA SUPL). One of three serial interfaces, UART, I²C or SPI,
is used for communication with the host system.
Clock Reference Frequency
The platform provides two reference frequencies, a 32.768 kHz clock (RTCCLK) from the
Analog Baseband Controller, and a 26 MHz reference clock (SYSCLK) from the Digital
Baseband Controller. The RTCCLK is used by the phone real time clock function. The
RTCCLK is distributed to the A-GPS module as a logical square wave. SYSCLK is derived
from the reference modulation clock MCLK to the platform access system and is
distributed from the Digital Baseband Controller to the A-GPS module. This 26 MHz clock
is synchronized with the cellular network to an accuracy of ±0.1 ppm. Automatic
frequency updates can also cause large frequency corrections, with associated phase
discontinuities. In order to isolate the A-GPS module for the unstable effects of SYSCLK,
an external reference clock is required. This external reference frequency provided by a
TCXO is required to provide a clock with very high short term stability. The frequency of
the TCXO is calibrated against the cellular reference clock by the A-GPS module enabling
the use of a more economical less accurate TCXO.
Interface and Control
The Interface and control consists of system timing and control. The control interface
includes a communication link where both data and control information are transferred
between platform and the A-GPS module. Data and command information is transferred
using a full-duplex Universal Asynchronous Receiver Transmitter (UART) interface.
Other control signals include the following:
• A GPIO or platform reset used as a reset signal (nRESET) to the GPS module.
• A Transmission On signal (TXON/ RX_HOLD), is used to indicate to the A-GPS module
when the ME is transmitting. The A-GPS modules receiver is disabled whilst the ME is
transmitting.
• A hardware timing pulse (GPSSTART/SYNC) providing the A-GPS module with a
highly accurate timing reference. The A-GPS is able to accurately synchronize its
GPS time to this reference pulse.
• A GPIO used as an enable (POWERON) signal to the GPS module.
• A GPIO used for power control for the GPS module.
A-GPS Block Diagram:
WLAN (Wi-Fi)
This WLAN module is based on the new Marvell 88W8686 chipset. WLAN module is
designed to support IEEE 802.11a or 802.11g payload data rates of 6, 9, 12, 18, 24, 36,
48 and 54 Mbps, as well as 802.11b data rates of 1, 2, 5.5 and 11 Mbps. For security
the WLAN module supports the IEEE 802.11i security standard through implementation
of the Advanced Encryption Standard (AES)/Counter Mode CBC-MAC Protocol (CCMP),
and Wired Equivalent Privacy (WEP) with Temporal Key Integrity Protocol (TKIP) security
mechanism. For video, voice and multimedia applications the WLAN module supports
802.11e Quality of Service (QoS). The 3-wire Bluetooth / WiFi co-existence interface is
also supported. The WLAN module has a fully integrated RF to baseband transceiver that
operates in both the 2.4 GHz ISM radio band for 802.11g/b WLAN applications and 5
GHz UNII radio band for 802.11a WLAN applications. It contains all the circuitry to
support both transmit and receive operations. The integrated LNA and AGC on the
receive path is seamlessly controlled by baseband functions. Integrated transmitters up-
convert the quadrature baseband signal and the deliver the RF signals to external power
amplifiers for 2.4 GHz and 5 GHz radio band transmission. Local oscillator frequencies
are generated by a fully integrated programmable frequency synthesizer. The loop
bandwith is optimized for phase noise and dynamic performance and quadrature signals
are generated on-chip.
BT/WLAN Co-existence
Standards bodies did not fully anticipate the range of scenarios in which WLAN and
Bluetooth would compete for the same spectrum therefore IEEE 802.11 (WLAN) and
Bluetooth use the same 2.4 GHz ISM frequency band (although they use different access
mechanisms). They also did not include comprehensive, robust, and cooperative
mechanisms in their respective standards to mitigate interference. Since no mechanism
for exchanging signal status information has been built into the two standards, the task
of minimizing interference must be accomplished by other means. Co-location refers to
the situation where both Bluetooth and WLAN are in functional mode, that is, they are
both fully radio operational, performing either transmission or reception activities (or
ready to do so immediately). They also either share an antenna or each module has its
SEMC Troubleshooting Manual
97 (124)

C905
1222-9526 rev. 1
FUNCTIONAL OVERVIEW
FUNCTIONAL OVERVIEW
own antenna, on the same device. Because both Bluetooth and WLAN operate in the
same unlicensed ISM band (2.4GHz), steps are required to avoid disturbances and allow
coexistence. The HW solution is a single antenna controlled by an Antenna Switch with
3-wired lines between WLAN Device and BT Device. The used algorithm to decision
whether WLAN device or BT device gets the antenna is Packet Traffic Arbitration (PTA).
WLAN LD configures the PTA during startup of the WLAN device. All PTA parameters are
stored in GDFS. The PTA is configured to prioritize BT traffic if it is a BT high request. All
WLAN traffic should have priority before any BT traffic that is categorized as BT low
requests.
WLAN Driver sends status events to BT Driver to inform about:
• WLAN startup and shutdown
• WLAN association and disassociation
• The current WLAN channel in use
In the cases of WLAN startup and shutdown the BT Logical Driver configures the BT
Device to request the antenna from PTA or not. BT LD also monitors if WLAN have any
connection running. In that case, BT avoids the BT frequencies mapping to the WLAN
channel. WLAN monitors if BT has started any BT Inquiry or page. If this happens any
link loss mechanisms should be temporary turned off for the BT Inquiry or page period.
Bluetooth and WLAN PTA Mechanism:
Bluetooth and WLAN Chip 3-wire Interface:
SEMC Troubleshooting Manual
98 (124)

C905
1222-9526 rev. 1
FUNCTIONAL OVERVIEW Platform Block Diagram
FUNCTIONAL OVERVIEW
FUNCTIONAL OVERVIEW
FUNCTIONAL OVERVIEW
RF_DATA_B
RF_DATA_STRB
RF_DATA_A
RF_DATA_C
TXADC
PWRRST
MCLK
CLKREQ
IRQAcc
I2C BUS Internal Acc and App
Mobile SDRAM
xxx Mbit
CKE
CLK
CS
WE
CAS
RAS
BA1
BA0
UDQM
LDQM
D(0-15)
VDD
VDDQ
VSS
VSSQ
A13
A14
SDCKE
CLK
CS(0-2)
WE
OE/CAS
ADV/RAS
BE0
BE1
1.8 V
VIO
SRST
SCLK
I2SBUS
I2CSDA2
I2CSCL2
1.8 V
VIO
IRQApp
WTX_In
WTX_Ip
WTX_Qp
WTX_Qn
VIO
Backup
capacitor
2.65 V
VANA
1.2/1.05 V
VCORE
Backup
Cap
I2C
SLEEP
CONTROL
32 kHz
osc
SYSTEM
POR
100k
100k
100k
Power Management
AB 3100
PWRRST
XTAL_OUT
RF LDO a
EGG/WBTX
150mA;
2.8 V
Camera
LDOh
100 mA ;
2.75 V
MemCard
LDOg
100 mA ;
2.85 V
IR LDOk
200 mA
2.75 V
Analog
LDOf
30 mA
2.5~1.05V
I/O/Core
LDOe
200 mA
1.8~0.9V
Level
shift
G
LDO LP
2.2 VOTP
64 bits
1MHz
OSC
PLL
44/48
IRQa
FUEL
GAUGE
ADDER
VIBRATOR
CONTROL
LED Control
ADC
10bit
AUTO
CTL M
U
X
I2C
I2C
LDO d
200 mA ;
2.65 V
VDDLP
Internal BUCK
1.8to0.9V
5%
600 mA
BOOST
(Softstart)
6-22 V, 30 mA
BAND
GAP
IRQb
2.5 V
VANA 2.8 V
VRAD
2.75 V
VCAM+Display
2.85 V
VCARD
2.75 V
VIR
VBAT
VBAT
VBAT
VBAT
32KHZ
VBAT
VBAT
VBAT
On/Off
Switch
LDOc
200 mA
2.65 V
VBACKUP
VANA
2.65 V
VANA
2.5 V
VANA
1.8 V
VIO
1.2/1.05 V
VCORE
1.2/1.05 V
VCORE
1.8 V
VIO
1.8 V
VIO
1.8 V
VIO
1.2/1.05 V
VCORE
1.8 V
VIO
1.2/1.05 V
VCORE
VRTC
VBAT
2.75 V
LED interfaceVibratorif WLED interface SIM interface
Memory interface
WTXPOW_DET
WRX0_In
WRX0_Ip
WRX0_Qp
WRX0_Qn
100
mohm
25
mohm
IMEAS
VMEAS
S-D
ADC
CHREG
CHSENSE+
CHSENSE-
FGSENSE+
FGSENSE-
DCIO
VBUS
UART
BDATA
I2C
TRICKLE
VBAT
DCIO
DCIO
DET
USB
DET
USB CHRG
CONTROL
DCIO CHRG
CONTROL
SIM
LDO
GND
CLK
RST
DAT
NC
SIM card
VCC C1
C2
C3
C5
C6
C7
SERCON
DACO0
DACO1
DACO2
DACO3 DAC3
11 bits
DAC0
11 bits
DAC1
11 bits
DAC2
11 bits
RF_CTRL_CLK
RF_CTRL_DATA
RF_CTRL_STRB0
RF_CTRL_STRB1
WRFCTRL3
WDAC2
WDAC1
ANTSW2
ANTSW0
ANTSW1
ANTSW3
CIVSYN
CIHSYN
CIRES
CIPCLK
R0
R1
R2
R3
R4
R5
C0 C1 C2 C3 C4
1
87
654
32
0
9
#
C
Y N
*
1.8 V
VIO
S
L
2.85 V
VCARD
1.8 V
VIO
Bluetooth
Radio
PCMCLK
PCMSYN
PCMDLD
PCMULD
RESOUT2
SYSCLKREQ1
VBAT
REG
2.75V
1.8 V
VIO
RESETOUT0
EMIF2_ALE_A18
EMIF2_CLE_A17
EMIF2_WE
EMIF2_SDCAS_RE_OE
EMIF2 CS0
SDCKE
SDCLK
SDCS
WE
SDCAS
SDRAS
BE0
BE1
A14
A15
ATMS
Microphone
GPA4
I2CSDA2
I2CSCL2
I2CSDA2
I2CSCL2
USB if
BT SPI CLK
BT SPI CS
BT SPI DI
BT SPI DO
1.8 V
VIO
Debug Interface
ACB/
Debug
Debug
equipm.
VIO
1.8 V
GPIOif
C
O
N
D+
D-
GND
VBUS
uP SAFETY
VBAT
BDATA
BATTERY
GND
LED Control
VBAT_C
VDD_REF
1uF
DCIO_INT
32KHz
SYSCLK1
32KHz
SYSCLK1
1.8 V
VIO
External to Platform
Internal to Platform
V_TEMP
TEMP_BIAS
Placed
close to RF
TEMP_BIAS LCDTEMP
Placed
close to
LCD
Digital
Baseband
Controller
Decaps
VBAT
VIO 1.8V
HS_DIR
HS_STP
HS_CLOCK
HS_NXT
HS_DAT0-7
HS-USB Transceiver with ULPI, ISP1508
ULPI
iflogic
Serializer
Deserializer
CLOCK
D0-D7
DIR
STP
NXT Reg
map
USB 2.0 ATX
Termination
Resistors
POR
PLL
DP
DM
OSC
XI
XO 1
ID detID
VBUS
Comp
Chrg/
dischrg
resistors
VBUS
Voltage
regulators
VBAT
VDD1V8
VDD3V3 Internal
power
PSW_N
Int Ref
Voltage
REF
VIO
SYSCLK2n
ULPI_CS
CSn
To NAND WP
EMIF2 NFIF READY
DB 3210 POP
NAND Flash1Gbit
DB 3210 POP
SDRAM 512 Mbit
VBAT
2.75 V
VRAD
VBAT
VccWPA
Power
coupler
RF Pow det
Det
En
UL:1920–1980 MHz
DL:2110–2170 MHz
UL: 1850 – 1910 MHz
DL:1930–1990MHz
UL: 824 – 849 MHz
DL:869 – 894MHz
824–915MHz
1710–1910 MHz
1930 – 1990 MHz
1805 – 1880 MHz
925 – 960 MHz
869 – 894 MHz
WDCDCREF
RFCtrl1
Switch
PWM/PFM
EnControl
Logic
RF_CTRL_CLK
RF_CTRL_DATA
RF_CTRL_STRB0
2.8 V
VRAD
1.8V
VIO
RF_DATA_STRB
RF_DATA_B
RF_DATA_C
RF_DATA_A
LNA
LNA
LNA
LNA
LNA
A
D
A
D
0
90
LPF
+ChP PhD
÷
N.M
VCO
LPF ChP PhD
÷
N.M
+0
90
+
DAC
DAC
XO
DAC
VCO
VCO
LNA
LNA
WCDMALB
WCDMA HB1
WCDMA HB2
WCDMA HB3
CLK
DATA
STROBE
Serial
Control
WTxQB
WTxQA
WTxIB
WTxIA
GSM/EDGE
AM
DAC
RFCtrl1
RFCtrl2
RFCtrl1
RFCtrl2
GSM/
EDGE HB
GSM/
EDGE LB
WCDMA LB
WCDMA HB
WCDMA HB
GSM/EDGE
LB
GSM/EDGE
LB
GSM/EDGE
HB
GSM/EDGE
HB WRxIA
WRxIB
WRxQB
WRxQA
EDataB
EDataA
EDataC
EDataStr
RF 3300 WCDMA/GSM/GPRS/EDGE TRX
MCLKsec
CLKREQ
MCLK
XO
XOp
26MHz X-tal
TestOut
RF_CTRL_CLK
RF_CTRL_DATA
RF_CTRL_STRB1
1.8 V
VIO
LNA
LNA
LNA
LNA
LNA
A
D
A
D
0
90
LPF
+ChP PhD
÷
N.M
VCO
LPF ChP PhD
÷
N.M
+0
90
+
DAC
DAC
XO
DAC
VCO
VCO
LNA
LNA
WCDMALB
WCDMA HB1
WCDMA HB2
WCDMA HB3
CLK
DATA
STROBE
Serial
Control
WTxQB
WTxQA
WTxIB
WTxIA
GSM/EDGE
AM
DAC
RFCtrl1
RFCtrl2
RFCtrl1
RFCtrl2
GSM/
EDGE HB
GSM/
EDGE LB
WCDMA LB
WCDMA HB
WCDMA HB
GSM/EDGE
LB
GSM/EDGE
LB
GSM/EDGE
HB
GSM/EDGE
HB WRxIA
WRxIB
WRxQB
WRxQA
EDataB
EDataA
EDataC
EDataStr
RF 3300 WCDMA RX (other functions unused)
MCLKsec
CLKREQ
MCLK
XO
XOp
TestOut
GSM/EDGE
PA + AntSw. VAPC
PA
PA
GSM850/
900 Inpu t
DCS/PCS
Input
ESD
VccWPA
En
Bias
VccWPA
En
Bias
VccWPA
En
Bias
WRX1_In
WRX1_Ip
WRX1_Qp
WRX1_Qn
WRFCTRL0
WRFCTRL1
WRFCTRL2
RX Diversity for WCDMA
I2S_CLK0
I2S_WS0
I2S_RX0
I2S_TX0
I2S_CLK1
I2S_WS1
I2S_RX1
I2S_TX1
PCM
DECODER
ENCODER
ADC
2
ADC
1
DAC
1
DAC
2
SIDE
TONE
TX
PGA2
TX
PGA1
RX
PGA1
RX
PGA2
CCO
Audio Part AB 3100
PCMO
PCMI
PCMSYN
PCMCLK
CCO1
ADC
3
TX
PGA3
DAC
3
RX
PGA2
CCO2
Vol
Vol
Vol
PCMO
PCMI
PCMSYN
PCMCLK
LINE1
LINE2
MIC1P
PGA
VSSBEAR
VDDBEAR
VSS_SPKR
VDD_SPKR
MIC2N
MIC3N
MIC4N
VMID
PCM/
I2S
Inter-
face2
PCM/
I2S
Inter-
face 1
DAC
4
RX
PGA2
Vol
PGA
PGA
PGA
VDDDIG
ADC2REF ADC3REF
MS PRO
IO Bridge
26 MHz
DSP
Sub System
PDROM
464kB
SRAM
332 kB
CRU
GPIO
Timer0
XpertCEVA
JTAG
Timer1
AHB Slave
8
ANT_SW1
RF_DATA_STRB
RF_DATAA0
RF_DATAC2
RF_DATAB1
IRAM
7k x 32
bit
32
32
52 MHz
AHB IF
SYS
CON GPIO
Watch
Dog
Cable
Detect
Event
Hist
Bus
Tracer
EMIF1
AHB Slave
EMIF Control
AHBS
lave
EMIF Arbiter
CTS/RTS
ANT_SW0
SIMIF
SIM_RSTn
SIM_CLK
AHB
Default
slave AHB
IF
DMA
58 Channels
50 Requests
AHB
IF AHB
IF
RESOUT0n
RESOUT1n
PWRRSTn
RESOUT2n
RTCCLKIN
MSACCIRQn
APPSLEEP
MSAPPIRQn
SYSCLK0REQ
SYSCLK0
MCLK
MCLKREQ
ACCSLEEP
ARM9 Sub system
ARM926
D
Cache
32 kB
I
Cache
32 kB
AHB
Master
MMU
IMem
ControlDMem
Control
ARM9EJ-S
TLB
AHB BUS IF
AHB
Master
EMIF2
AHB Slave
Shared EMIF
EMIF
I2C1
MMC/SD
AHB2APB
26 MHz
I2S/
PCM0
AHB
Slave
I2S/
PCM1
I2C2
DMA
40 Channels
40 Requests
AHB
Slave
AHB
Master
APEX AHB
Slave
APEX
RAM
APEX
ROM
APEX+
AHB
Slave
AHB
Master
Video
Enc
RAM0
Video
Encoder
AAIF
AHB IF
MSL
AAIF
AHB IF
MSL
UART 0
SPI
RX/TX
CTS/RTS
CS0 -2
DI/DO/CLK
ARB
AHB
Slave
DMA
AHB IF
AHB2APB
26 MHz
SERVICEn
DPLL
APLL
ARB
AHB Master
Random noise
generator
SDA
SCL
ANT_SW2
ADC
SYSCLK2
SYSCLK1
APLL
IO
IO
IO
Core
DAC_Q_POS
DAC_Q_NEG
DAC_I_POS
DAC_I_NEG
TX_POW
WINT-
COM
WSYS-
CON
WTIM-
GEN
52 MHz
WCDMA SUB System
IM
Bridge
AHB
Slave +
Sequ.
EGG
Sub System
RFWB ENABLE 0
RFWB ENABLE 1
RFWB ENABLE 3
RF CTRL CLK
RF CTRL DATA
TIM
GEN
SER
CON
CLK
CON
VA
DFSE
GSM
CRYPTO
16
32+5
32+3
32+3
32+3
32+3
16
26 MHz
16
16
32+5
16
16
TXIF
RXIF
RFIF
32+5
32+3
32+3
32+5
16
16
16
TX ADC STRB
26 MHz
ARM9Subsystem
ARM926
D
Cache
32 kB
I
Cache
32 kB
AHB
Master
MMU
I Mem
Control DMem
Control
ARM9EJ-S
TLB
DTCM
8kB
ITCM
26 kB
ETM IF
ETM9
AHB BUS IF
JTAG DEBUG TCM IF
EICE
AHB
Master
To Mux
TXRX
RF CTRL STRB1
RF CTRL STRB0
INTCON
EDC
ETX
Access
Timer
Boot ROM
8k x 32 bit
ARB ARB ARB
ANT_SW3
O
R
NAND Flash IF
ECCAHB Slave
I2CSCL2
I2CSDA2
MC_CMD/BS
MC_CMDDIR
MC_DATADIR
MC_CLK
CDI
PDI
PAR/ SSI
AHB
Slave
GRAM
64k byte
GAMCON
AHB
Master
MCiDCT
(Video)
PDICON
CDICON
GAMEACC
(3D)
XGAM
KEYPAD
GPIO
INTCON
32
TIMER0
16
32
2
16
WDOG 32
SYSCON
16
AHB2APB
13 MHz
AHB
Slave
RTC 16
BUSTR 32
Event H 32
DPLL
208M
APLL
13M
32kHz
DCON
RF CTRL STRB2
GSM PA ENABLE
RFWB ENABLE4
RFWB ENABLE5
Digital Baseband
Controller DB 3210
H
15
ADC1_Q_POS
ADC1_Q_NEG
ADC1_I_POS
ADC1_I_NEG
ADC2_Q_POS
ADC2_Q_NEG
ADC2_I_POS
ADC2_I_NEG
CEVA-
X1622
DRAM
128 kB
IRAM
64 kB
ICU PMU
Video
Enc
RAM1
AHB2AHB
52 MHz
Boot
ROM
MS
PRO
32
32
UART 0
PPM
32
32
KEYOUT(0-4)
TIMER1 32
FS_USB/
HS_USB
WCDMA
Integrity
I2C0
SPI
UART2
RS232
IRDA
BT
UART3
I2S/PCM
(BT)
UART0
GPRS
CRYPTO
AHB2APB
26 MHz
WCDMA
Cipher 0,1
All 48 GPIOs here
have switchable
pullups.
VBAT
20
21
22
23
26
27
25
24
28-35
Data Card
MS Pro
MMC/SD
Resistors
2.65V
VAUDIO
2.65 V
VAUDIO
VBAT
MCLK
CLKREQ
MClkSec
MClkSec
WRFCTRL3
WTXPOW_DET
VBAT
EX1030 Filters
CCO
CCO
Hook
PHF
Jack
Band V
Band II
Band I
To Camera
2.75 V
VCAM
1.8 V
VIO
SYSCLK0
LDO
2.8 V
2.8 V
VRAD
2.8 V
VRAD2
VBAT
2.8 V
VRAD2
Camera 1
Camera 2
CIPCLK
CIVSYN
CIHSYN
CIRES
I2CSDA2
I2CSCL2
MMCCLK
CAM 2STBY
CAM 1 STBY
CAM POW
CAM POW
CAM 1 STBY CAM 2 STBY
Image
proc
A
D
CSensor
Control
CKE
CLK
CS
WE
CAS
RAS
UDQM
LDQM D(0-15)
VDD
VDDQ
VSS
VSSQ
BA0
BA1
WP
CE
RE
WE
CLE
ALE
D(0-7)
VDD
VSS
R/B
GPA4
GPA4
MCLK SEC
BT + WLAN
Power
coupler
Power
coupler
Band 1
Band 2
Band 5
2.75 V
VCAM
VBAT
SUB-LCD VBAT
L C D
1.8 V
VIO
32kHz
SPI
WLAN
INT
VIO
1.8V VBAT
Power Down
MCLK SEC
SYSCLKREQ1
VIO
1.8V
VBAT
VIR
2.75V
VIO
1.8V
Vcc
RXD
I/O &
Supply
Log &
Contr
MODE
TXD
RC
COM
P
IRDA
AMP
IRDA_RX
IRDA_TX
IRDA_SD
Bluetooth
Baseband
BT SPI IRQ
SEMC Troubleshooting Manual
99 (124)

C905
1222-9526 rev. 1
FUNCTIONAL OVERVIEW Block Diagram Power Distribution
FUNCTIONAL OVERVIEW
CHREG
DCIO
VDD_HV_D
VDD_IO_A
VDD_IO_B
VDD_HV_A
ON/OFF
IN
OUT
VBAT_A
VBAT_D
VBAT_G
VBAT_F
VBAT_B
ECO/Low Pow CLK_REQ_OUT1
VDD_BEAR
VDD_CLD
VCC OEn
LED4n
VDD_IO
CLK_REQ_OUT2
VBAT_E
SW
VDD
VCC
PVIN FB
LDOe
1.80V/200mA
LDOa
2.8V/150mA
LDOc
2.65V/200mA
LDOh
2.75V/100mA
LDOk
2.75V/200mA
LDOg
2.85V/100mA
LDOd
2.65V/200mA
LDO LP
2.2V/7mA
Vibrator
driver
Fuel
gauge
Block
LDOf
2.50V/30mA
VDD_ADC
VDD_AUDIO
VDD_AUXO
I/O
VDD_SPKR
GPADC
CODEC
resistor
Charge 100 mOhm
Vcc
VccB VccA
VBAT_C
VBUS VBUS
Charger
VBAT_H
VBAT_K
VBAT_L
DVDD
AVDD
RF Subsystem
Buck
1.2V (1.05)/600mA
VCCPA
VIO_X2
VIO_X1
VDD18A
VDD18_LDO
VDD30
Back-up
capacitor
4.7k
PoP
12
20
VCCDA
VDDIO
VDDIO_PLL
VDDCO_PLL
VCCAD
VCCGPAD
VDDCO
VDDAD
D-VDDQ
F-VDD
10
6
Control
Bluetooth
Subsystem
WLAN Subsystem
VBAT
VACT
VDIG
VANA
DAC1
DAC2
REF
VCONTROL
VBAT
VDDA_AF
VDDANA
2.5 V
1.2 V
BOOST
W-LED driver
VBAT_M
LED5n
VCC1
VLED
VCC_IO
VDD2V7
VDD1V8
ANODE
CATHODE
VBOOST
KEY_LED_C
ATHODE
VCC_N
2
LED1n
LED2n
LED3n TRICKLE TRICKLE
V18D
PVIN
V18A
V3A
VccA2
VccD
VccA1
LDO2
1.8V/300mA
LDO1
1.8V/300mA
LDO3
3V/300mA
Switching Reg 3
3.3V/250mA
V33A
VCC
VCONTROL
VCC
VCONTROL
VccA2
VccD
VccA1
VBAT
EN
2
2
1.8 V
VDDIO
VBAT_ACT
VBAT
VBUS
VCC I/O
SIM LDO
1.8/2.85V
SEMC Troubleshooting Manual
100 (124)

C905
1222-9526 rev. 1
FUNCTIONAL OVERVIEW Block Diagram Clocking Concept
FUNCTIONAL OVERVIEW
SEMC Troubleshooting Manual
101 (124)

C905
1222-9526 rev. 1
APPENDIX Replaceable Parts
APPENDIX
Part List Main Board
Contains only components that are possible to replace on the main board.
Pos. number refers to the components position number on the board.
Some components are noted as MSL X. These components are moisture-sensitive and are rated at various
levels (MSL):
Level 1: Unlimited floor life; does not require dry pack or re-baking.
Level 2: 1 year floor life; </=30 C; 60%rh; shipped in dry pack; must be re-baked after being opened if floor
life is exceeded.
Level 2A: 4 week floor life; </=30 C; 60%rh; shipped in dry pack; must be re-baked after being opened if floor
life is exceeded.
Level 3: 168 hours floor life; </=30 C; 60%rh; shipped in dry pack; must be re-baked after being opened if
floor life is exceeded.
Level 4: 72 hours floor life; </=30 C; 60%rh; shipped in dry pack; must be re-baked after being opened if
floor life is exceeded.
Level 5: 48 hours floor life; </=30 C; 60%rh; shipped in dry pack; must be re-baked
after being opened if floor life is exceeded.
Level 5A: 24 hours floor life; </=30 C; 60%rh; shipped in dry pack; must be re-baked
after being opened if floor life is exceeded.
Level 6: 6 hours floor life; </=30 C; 60%rh; shipped in dry pack; must be re-baked
after being opened if floor life is exceeded.
NOTE! RF Calibration by using SERP can only be done by authorized repair centers.
Fence modification according to Working Instruction Electrical.
F = Front Side, B = Back Side.
Side Pos. Description Part Number Comments Page
FC2214 0,07 F 3.3 V Capacitor RJE3551335/7
BL2200 Ind WW 4,7 uH +-20% 2,95x2,95x0,9 1201-2245 103
BL2201 120ohm 0603 2A 50mohm Bead REG70605/15
BL2401 Filter 0.0Hz 0402 REG70618/20 103
BL2402 Filter 0.0Hz 0402 REG70618/20 103
BL2403 Filter 0.0Hz 0402 REG70618/20 103
BL2404 Filter 0.0Hz 0402 REG70618/20 103
BL2406 Filter 1209-2182 103
FL2407 Filter 1.0 GHz 0402 REG70618/18
BL2408 Transformer REG70609/06
BL4200 Inductor Chip 1200-6306 103
BN1210 IC Linear 1203-5870 104
FN1211 LDO Regulator 300mA low noise 1204-5903 104
FN1300 Bluetooth and RDS FM radio tuner 1200-9840 105
FN1510 Mod Radio WLAN R041D 1200-6173 Not on EDGE variant, C905c 104
BN2200 IC Vreg SON 6-Pin 2x2x0.8mm 1204-4655 104
FN2201 LDO, 3.0V, 150mA, CS-4 RYT113955/7
BN2205 LDO regulator 500mA RYT1137807/1
BN2206 LDO Dual 2.8 V & 1.8 V 1201-6517 105
FN2208 LDO, 3.0V, 150mA, CS-4 RYT113955/7
FN2209 LDO regulator 150mA low noise RYT113955/4
FN2212 LDO regulator 150mA 1200-1974 105
BN2213 Step Down Converter 500mA 1208-4678 105
FN2300 ASIC Power Management 1203-2790 106
FN2410 IC IF 3.5x3.5x0.8 thin QFN 1200-1951 106
FN2411 ASIC Accelerometer 1202-1676 106
FN2420 IC IF ISP1508 ES3 (3.5*3.5*0.8) 1200-1694 107
Side Pos. Description Part Number Comments Page
FN2421 IC ESD Prot UDFN 6 2x2 mm 1200-6309 107
BN2422 ASIC Baseband 1201-4120 107
FN2500 Companion chip MP202 1200-1414 108
FN2700 TV Out Graphics Engine 1200-0362 108
FN3100 IC CS-9 1200-9978 108
BN3101 ASIC Tjatte3 CSP20 ROP1013074/1 109
FN4400 IC Dri MAX8830 ES3 4x4 UCSP 1200-1922 109
FR2443 Resistor 0.0 Ohm +/-5% NA mW K0402 REP622001/0
BR2448 Resistor 0.0 Ohm +/-5% NA mW K0402 REP622001/0
FS2415 Input Switch 1204-1127 109
FS2424 Input Switch 1204-1127 109
FS2453 Input Switch 1204-1127 109
FS2454 Input Switch 1204-1127 109
BV2200 Zener diode RKZ223911/1 109
BV2202 Trans P-ch FET RYN122910/1 109
BV2412 Zener Diode voltage regulator 15V 5% RKZ223905/2 109
FV2414 Diode Protection 5, V SOD-923 1201-8440 110
FV2415 Diode Protection 5, V SOD-923 1201-8440 110
FV2416 Diode Protection 5, V SOD-923 1201-8440 110
BV2417 Zener Diode voltage regulator 15V 5% RKZ223905/2 109
FV2470 Schottky Barrier Diodes 2PIN RKZ123905/1 110
BV3101 Dual ESD protection diode 6V RKZ223914/2
BV4200 Transistor, Mosfet, N-Channel RYN123915/1
BV4201 Diode Schottky 0, SOD523 RKZ123905/2 110
FV4203 Trans Array 1200-0320 110
BV4206 LED Red RKZ433924/1 110
FX1200 RF probe contact 6 Pin 1203-9688 110
BX1210 Conn Leaf Spring 1200-2144 110
BX1211 Conn Leaf Spring 1200-2144 110
FX1500 RF probe contact 6 Pin 1203-9688 110
FX1530 Conn other RNT79925
BX1540 Clip BT antenna 1211-1063 111
BX2201 Battery Leaf Connector 1201-0774 111
BX2401 Memory Card Reader RNK87147/3 Replaceable on EDGE variant only 111
BX2402 SIM Card Reader 1202-0528 111
FX2405 System Connector 1202-1195
BX2410 BtB Receptacle 24pin 1208-3264 112
BX2411 Clip Camera switch 1208-2932
BX3102 Conn Leaf Spring 1200-2144 110
BX3103 Conn Leaf Spring 1200-2144 110
FX4200 100 pin FPC connector 1204-5252 112
FX4300 Conn BtB 30 pin 1200-1733 112
FX4311 Ground Spring Finger 1 pin 1204-9353 112
FX4312 Ground Spring Finger 1 pin 1204-9353 112
FX4313 Ground Spring Finger 1 pin 1204-9353 112
FX4314 Ground Spring Finger 1 pin 1204-9353 112
FX4315 Ground Spring Finger 1 pin 1204-9353 112
BX4400 Conn BtB 24 pin 1201-5197 112
BX4410 Pogopin Plug 1pin 1208-0925 113
FZ2400 Filter 100, MHz K1210 1201-6833 113
FZ4200 LC Filter REV50148/1 113
FZ4201 LC Filter REV50148/1 113
FZ4202 LC Filter REV50148/1 113
SEMC Troubleshooting Manual
102 (124)

C905
1222-9526 rev. 1
APPENDIX Components
APPENDIX
- L2200, L4201-04, L2406, L4200
L2200 Ind WW 4,7 uH +-20% 1201-2245
0.116 ±0.003
2,95 ±0,076
Dash
number
0.116 ±0.003
2,95 ±0,076
0.130
3,30
0.040
1,02
0.025
0,64
0.045
1,16
0.020
0,51
0.130
3,30
0.035 ±0.004
0,9 ±0,1
Recommended
Land P attern
0.035
0,89
Winding
direction
XXX
*
*
Dimensions are of the case not
including the termination. For maximum
overall dimensions including the
termination, add 0.005 in / 0,13 mm.
*
(in mm)
0.5±0.05
0.5±0.05
1.0±0.05
0.25±0.1
(Resistance element becomes dominant
at high frequencies.)
Dimension Equivalent Circuit
L2401-04 Filter 0.0 Hz 0402 REG70618/20
0.4±0.2
1.6±0.15
0.8±0.15
0.8±0.15
(in mm)
L2406 Filter 1209-2182
0.116 ±0.003
2,95 ±0,076
Dash
number
0.116 ±0.003
2,95 ±0,076
0.130
3,30
0.040
1,02
0.025
0,64
0.045
1,16
0.020
0,51
0.130
3,30
0.035 ±0.004
0,9 ±0,1
Recommended
Land P attern
0.035
0,89
Winding
direction
XXX
*
*
Dimensions are of the case not
including the termination. For maximum
overall dimensions including the
termination, add 0.005 in / 0,13 mm.
*
L4200 Inductor Chip 1200-6306
SEMC Troubleshooting Manual
103 (124)

C905
1222-9526 rev. 1
APPENDIX
APPENDIX
Components - N1210, N1211, N1510, N2200
REFBP AGND
LDO2
IN2
REFIN
EN2
IN1B
PA_EN
(BUMP IN BOTTOM)
16-Bump, 2mm × 2mm WLP
HP
LDO1 PABEN1
PGND
LX
IN1A
PAA
A1 A2 A3 A4
B1 B4B3B2
C1 C2 C3 C4
D1 D4D3D2
TOP VIEW
Pin Conguration
Pin Description
PIN NAME FUNCTION
A1 REFBP Reference Noise Bypass. Bypass REFBP to AGND with a 0.22μF ceramic capacitor to reduce noise on the
LDO outputs. REFBP is internally pulled down through a 1k Ω resistor during shutdown.
A2 AGND Low-Noise Analog Ground
A3 REFIN DAC-Controlled Input. The output of the PA step-down converter is regulated to 2 x V REFIN . When V REFIN
reaches 0.465 x V IN2 , bypass mode is enabled.
A4 PGND Power Ground for PA Step-Down Converter
B1 LDO2 200mA LDO Regulator 2 Output. Bypass LDO2 with a 1μF ceramic capacitor as close as possible to LDO2
and AGND. LDO2 is internally pulled down through a 1k Ω resistor when this regulator is disabled.
B2 PA_EN PA Step-Down Converter Enable Input. Connect to IN_ or logic-high for normal operation. Connect to GND
or logic-low for shutdown mode.
B3 EN2 LDO2 Enable Input. Connect to IN2 or logic-high for normal operation. Connect to AGND or logic-low for
shutdown mode.
B4 LX Inductor Connection. Connect an inductor from LX to the output of the PA step-down converter.
C1 IN2
Supply Voltage Input for LDO1, LDO2, and Internal Reference. Connect IN2 to a battery or supply voltage
from 2.7V to 5.5V. Bypass IN2 with a 2.2μF ceramic capacitor as close as possible to IN2 and AGND.
Connect IN2 to the same source as IN1A and IN1B.
C2 HP
High-Power Mode Set Input. Drive HP high to invoke forced bypass mode. Bypass mode connects the
input of the PA step-down converter directly to its output through the internal bypass MOSFET. Drive HP
low to disable the forced bypass mode.
C3, C4 IN1B,
IN1A
Supply Voltage Input for PA Step-Down Converter. Connect IN1_ to a battery or supply voltage from 2.7V to
5.5V. Bypass the connection of IN1_ with a 2.2μF ceramic capacitor as close as possible to IN1_, and
PGND. IN1A and IN1B are internally connected together. Connect IN1_ to the same source as IN2.
D1 LDO1 200mA LDO Regulator 1 Output. Bypass LDO1 with a 1μF ceramic capacitor as close as possible to LDO1
and AGND. LDO1 is internally pulled down through a 1k Ω resistor when this regulator is disabled.
D2 EN1 LDO1 Enable Input. Connect to IN2 or logic-high for normal operation. Connect to AGND or logic-low for
shutdown mode.
D3, D4 PAB, PAA
PA Connection for Bypass Mode. Internally connected to IN1_ using the internal bypass MOSFET during
bypass mode. PA_ is connected to the internal feedback network. Bypass PA_ with a 2.2 μF ceramic
capacitor as close as possible to PA_ and PGND.
IN1A
LX
PAA
1μH
BATT
2.7V TO 5.5V
AGND
PA_EN
REFIN
EN1
EN2
IN2
BATT
2.7V TO 5.5V
PA ON/OFF
ANALOG CONTROL
VPA
0.4V TO V
BATT
REFBP
IN1B
LDO1 ON/OFF
LDO2 ON/OFF
PAB
LDO2
LDO1
VLDO2
UP
TO 200mA
PGND
HP
FORCED BYPASS
2.2μF
2.2μF
VLDO1
UP
TO 200mA
T ypical Operating Circuit
N1210 IC Linear 1203-5870 N1211 LDO Regulator 300mA Low Noise 1204-5903
Pin configuration
Pin assignment:
1 - GND
2 - Bluetooth
3 - Vc1 (switch control)
4 - Vc2 (switch control)
5 - Vc3 (switch control)
6 - Power detector output
7 - RXb (balanced)
8 - RXa (balanced)
9 - Vref PA
10 - GND
11 - TX
12 - GND
13 - GND
14 - GND
15 - GND
16 - Vcc PA
17 - ANT
18 - GND
19 - GND (center ground pad)
ANT
14
Top View
15 13
16
Vcc PA 19
RXa
Vc2
1012 11
17
18
21 3 64 5
9
8
7
Vref PA
Vc3
RXb
Vc1 DPTB
ANT
14
Top View
15 13
16
Vcc PA 19
RXa
Vc2
1012 11
17
18
21 3 64 5
9
8
7
Vref PA
Vc3
RXb
Vc1 DPTB
N1510 Mod Radio WLAN R041D 1200-6173
PIN ASSIGNMENTS
DRV PACKAGE
MODE
FB
GND
SW
EN
VIN
1
2
3
6
5
4
r
Powe PAD
TERMINAL FUNCTIONS
TERMINAL I/O DESCRIPTION
NAME NO.
VIN 5 PWR VIN power supply pin.
GND 6 PWR GND supply pin
This is the enable pin of the device. Pulling this pin to low forces the device into shutdown mode. Pulling
EN 4 I this pin to high enables the device. This pin must be terminated.
This is the switch pin and is connected to the internal MOSFET switches. Connect the external inductor
SW 1 OUT between this terminal and the output capacitor.
Feedback Pin for the internal regulation loop. Connect the external resistor divider to this pin. In case of
FB 3 I fixed output voltage option, connect this pin directly to the output capacitor
MODE pin = high forces the device to operate in fixed-frequency PWM mode. Mode pin = low enables
MODE 2 I the Power Save Mode with automatic transition from PFM mode to fixed-frequency PWM mode.
N2200 IC Vreg SON 6-pin 1204-4655
SEMC Troubleshooting Manual
104 (124)

C905
1222-9526 rev. 1
APPENDIX
APPENDIX
Components - N1300, N2206, N2212, N2213
Pinout Top View
A
B
C
D
E
F
G
H
J
K
L
M
N
FM_GND FM_VA FM_GPIO3 FM_GPIO2 FM_GPIO1
FM_VD FM_GND FM_LOUT FM_GND FM_GNDBT_RSRV_CL FM_FMIP
BT_RSRV_N BT_RSRV_CL FM_GND FM_ROUT FM_GND
BT_RSRV_DSM FM_GND FM_RFGND FM_RSTB
BT_VSSANA BT_HVA NC FM_GND FM_VIOBT_VSSANA FM_RCLK FM_SDIO FM_SENB
BT_HVA BT_VSSANA BT_HVA BT_VDD_CLDBT_HVA BT_CLK_
REQ_IN1
BT_HOST_WAKEUP
BT_SPI_INT FM_SCLK
BT_VSSANA BT_VSSANA BT_VSSANA BT_REF_CLK_INBT_VSSANA NC NC BT_CLK_REQ_IN2
BT_TEST2 BT_VSSANA BT_VSSANA BT_AF_PRGBT_VSSANA BT_UART_TXD
BT_SPI_DO BT_VIO_E BT_GPIO_0
BT_TEST1 BT_VSSANA BT_VSSANA BT_VSSDIGBT_VSSRF BT_VSSDIG BT_VSSDIG BT_UART_RXD
BT_SPI_DI
BT_VSSRF BT_GPIO_16 BT_REG_CTRL BT_UART_RTS
BT_SPI_CSN
BT_RFN BT_CLK_
REQ_OUT1
BT_CLK_
REQ_OUT2 BT_VIO_B
BT_VSSRF BT_GPIO_11 BT_GPIO_10 BT_PCM_A BT_UART_CTS
BT_SPI_CLK
BT_RFP BT_RESETN BT_VSSDIG BT_LP_CLK
BT_HVA BT_GPIO_8 NC NC NCBT_VSSRF BT_CONFIG_1 BT_VSSDIG BT_WAKEUP
BT_GPIO_9 BT_PCM_CLK BT_PCM_B BT_VIO_A BT_CONFIG_2BT_RSRV_RF BT_RSRV_D
BT_PCM_SYNC BT_VIO_D BT_CONFIG_3 BT_HVD
BT_VIO_C
1234 67895
Pin Description and Assignment
The table shows the pin list of the STLC2593.
In columns “Reset” and “Default after reset”, the “PD/PU” shows the pads implementing an internal pull-
down/up for the internal Bluetooth section.
The column “Reset” shows the state of the pins during hardware reset; the column “Default after reset”
shows the state of the pins after the hardware reset state is left, but before any software parameter down-
load.
The column “Type” describes the pin directions:
– I for Input (All inputs have a Schmitt trigger function.)
–OforOutput
– I/O for Input/Output
– O/t for tri-state output
For the output pin the default drive capability is 2 mA, except for pin K3 (BT_GPIO_11) and pin L3
(BT_GPIO_8) where it is 8 mA such that when used for Class 1, these 2 pins can be used for a switch
control in a cheaper way.
The STLC2593 Pin List (Functional and Supply)
Bluetooth Section
Name Pin
#Description Type Reset
(1)
Default
(2)
after reset
Clock and Reset Pins
BT_RESETN K7 Global reset - active low
BT_REF_CLK_IN F6 Reference clock input(3) I Input Input
BT_LP_CLK K9 Low power clock input
SW Initiated Low Power mode
BT_CLK_REQ_OUT_1 J7 Wake-up signal to Host (Active high or Active
low, depending on configuration pins)
I/O
(4)
Input PD/PU,
depends on
config
Output
depends on
config
BT_CLK_REQ_OUT_2 J8 Wake-up signal to Host. Active low sdnepedO/IUPtupnI)ylnoedomIPS( on config
BT_CLK_REQ_IN_1 E7 Clock request input DPtupnIDPtupnI)hgihevitcA(
BT_CLK_REQ_IN_2 F9 Clock request input UPtupnIUPtupnI)wolevitcA(
BT_HOST_WAKEUP/
BT_SPI_INT E8 Wake-up signal to Host or SPI interrupt Input PD Output
BT_WAKEUP L9 Wake-up signal to Bluetooth (Active high) I/O Input
(5)
Input
UART Interface
BT_UART_RXD/
BT_SPI_DI H9 UART receive data
I/O
(4)
Input PD
Input PD
DPtupnIniatadIPS
BT_UART_TXD/
BT_SPI_DO G7 hgihtuptuOatadtimsnartTRAU
DPtupnItuoatadIPS
BT_UART_CTS/
BT_SPI_CLK K6 UART clear to send
Input PU
Input PU
DPtupnIkcolcIPS
BT_UART_RTS/
BT_SPI_CSN J6 woltuptuOdnesott
seuqerTRAU
UPtupnItcelespihcIPS
PCM Interface
BT_PCM_SYNC N4 PCM frame signal
BT_PCM_CLK M4 PCM clock signal
BT_PCM_A K5 PCM data
BT_PCM_B M5 PCM data
JTAG Interface
BT_GPIO_9 M3 JTAG_TDI or GPIO
BT_GPIO_11 K3 JTAG_TDO or GPIO
BT_GPIO_10 K4 JTAG_TMS or GPIO
BT_GPIO_16 J3 JTAG_NTRST (Active low) or Alternate
BT_GPIO_8 L3 JTAG_TCK or GPIO
General Purpose Input/Output Pins
BT_GPIO_0 G9 General purpose I/O
Configuration Pins
BT_CONFIG_1 L7
NOC_TB
BT_CONFIG_3 N6
RF Signals
BT_RFP K1
BT_RFN J1
Power Supply
BT_HVA
BT_HVD N7
BT_VIO_A M6
BT_VIO_C N3
BT_VIO_D N5
BT_VIO_E G8
BT_VIO_B J9
BT_VDD_CLD E6
Bluetooth Section
Name
I/O
(4)
Input PD Input PD
Input PU(6) Input PU(6)
Input PD(6) Input PD(6)
I/O
(4)
Input PU(6) Input PU(6)
function Input PD(6) Input PD(6)
Input PD(6) Input PD(6)
I/O
(4)
Input PD Input PD
tupnItupnIIlangisnoitarugifnoC7M2_GIF
Differential RF port I/O
L2
Power supply (Connect to 2.75 V)
D3
E1
E2
E4
1.65 V to 2.85 V I/Os supply(7)
1.17 V to 2.85 V I/Os supply(7)
System clock supply
1.65 V to 2.85 V
(Connect to BT_VIO_A in case of a digital
reference clock input, to BT_VSSANA in case
of an analog reference clock input.)
Pin
#Description Type Reset
(1)
Default
(2)
after reset
H6
H7
BT_VSSDIG H8 Digital ground
K8
L8
D1
D2
E3
F1
F2
F3
BT_VSSANA F4 Analog ground
G1
G3
G4
H3
H4
BT_VSSRF
H1 RF ground
L1
J2 RF regulator ground
K2
BT_TEST1 H2 O/IniptseT Input
(8)
Input
(8)
BT_TEST2 G2
BT_AF_PRG G6 Test pin (Leave unconnected)(9) I/O Open Open
FM Radio Section
FM_GND
A3
FM ground (connect to ground plane on PCB)
B4
B6
B7
C4
C6
C7
D5
FM_VA A4 Analog supply voltage (may be connected
directly to battery)
FM_VD B3 Digital supply voltage (may be connected
directly to battery)
FM_GPIO1 A7
FM_GPIO2 A6 General purpose FM input/output I/O Input/Output Input/Output
FM_GPIO3 A5
FM_FMIP B8 FM RF input
FM_ROUT C5 FM right audio output
FM_LOUT B5 FM left audio output
FM_RFGND C8 FM RF ground (connect to ground plane on
PCB)
Bluetooth Section
Name Pin
#Description Type Reset
(1)
Default
(2)
after reset
1. Pin behaviour during HW reset (BT_RESETN low).
2. Pin behaviour immediately after HW reset and internal chip initialization, but before SW parameter download.
3. SeealsopinBT_VDD_CLD.
4. Reconfigurable I/O pin.The functionality of these I/Os can be configured through software parameter download
5. Should be strapped to BT_VSSDIG if not used.
6. JTAG mode.
7. Described in section 4.3.
8. To be strapped to BT_VSSANA.
9. Pin is ST - reserved for test function and it must be soldered to an isolated pad (not connected to anything, just floating).
10. Described in section 5.8.
11. Pin is not connected internally in the package; any connection can be done on board, in order to ease the board layout.
Itupni)wolevitcA(teserMF9CBTSR_MF
Input low Input high
FM_VIO D6 FM I/O supply voltage
FM_RCLK D7 FM External reference oscillator input I Input Input
FM_SDIO D8 FM Serial data input / output I/O Input/Output
Input/Output
FM_SENB D9 FM Serial enable input (active low) I Input
Input
tupnItupnIItupnikcolclaireSMF9EKLCS_MF
Other Pins
BT_RSRV_CL B2
Test pin (Leave unconnected)
(9)
C3
BT_RSRV_D M8
BT_RSRV_DSM C1
BT_RSRV_N C2
BT_RSRV_RF M2
BT_REG_CTRL J4 Regulator control pin
(10)
I/O Input PD Output high
NC
D4
Any use(11)
F7
F8
L4
L5
L6
N1300 Bluetooth and RDS FM Radio Tuner 1200-9840
Top View
654
123
Bottom View
456
321
Pin No. Symbol Description
V1 OUT2 Output Pin 2
V2 DD Input Pin
V3 OUT1 Output Pin 1
GND Ground Pin
1niPelbanEpihC1EC5
CE2 Chip Enable Pin 2
* Tab in the parts have GND level.
(They are connected to the reverse side of this IC.)
Do not connect to other wires or land patterns.
6
4
PIN CONFIGURATION
Mark Side Bump Side
4
1
3
2
4
1
3
2
PIN DESCRIPTIONS
Pin No. Symbol Description
1VDD Input Pin
2 NC No Connection
3 GND Ground Pin
4VOUT Output Pin
GND
OUT
1
+
IN
GND
LX
MAX8640Y
MAX8640Z
TOP VIEW
2
3
6
5
4SHDN
μDFN
1.5mm x 1.0mm
Pin Conguration
N2206 LDO Dual 2.8V & 1.8V 1201-6517
N2212 LDO Regulator 150mA 1200-1974
NN2213 Step Down Converter 500mA 1208-4678
SEMC Troubleshooting Manual
105 (124)

C905
1222-9526 rev. 1
APPENDIX
APPENDIX
Components - N2300, N2410, N2411
N2300 ASIC Power Management 1203-2790
TQFN (4mm x 4mm)
TOP VIEW
MAX7327
19
20
21
22
12 3456
18 17 16 15 14 13
23
24
12
11
10
9
8
7
SCL
V+
SDA
INT
AD2
O0
+
O1
P2
P3
P4
P5
AD0
O15
O13
O12
O11
RST
O10
O8
O9
GND
O6
O7
O14
EXPOSED PADDLE
Pin Congurations
Pin connection
(TOP VIEW)
DIRECTION OF THE
DETECTABLE
ACCELERATIONS
1
1
5
9
13
(BOTTOM VIEW)
Y
X
Z
Pin description
noitcnuFemaN#niP
1 Vdd_IO Power supply for I/O pins
2 NC Not Connected
3 NC Not Connected
4SCL
SPC
I2C Serial Clock (SCL)
SPI Serial Port Clock (SPC)
5 GND 0V supply
6
SDA
SDI
SDO
I2C Serial Data (SDA)
SPI Serial Data Input (SDI)
3-wire Interface Serial Data Output (SDO)
7 SDO SPI Serial Data Output
I2C less signicant bit of the device address
8CS
SPI enable
I2C/SPI mode selection (1: I 2C mode; 0: SPI enabled)
9 INT 2 Inertial interrupt 2
10 Reserved Connect to Gnd
11 INT 1 Inertial interrupt 1
12 GND 0V supply
13 GND 0V supply
14 Vdd Power supply
15 Reserved Connect to Vdd
16 GND 0V supply
N2411 ASIC Accelerometer 1202-1676
N2410 IC IF 3.5x3.5x0.8 thin QFN 1200-1951
SEMC Troubleshooting Manual
106 (124)

C905
1222-9526 rev. 1
APPENDIX
APPENDIX
Components - N2420, N2421, N2422
N2420 IC IF ISP1508 ES3 1200-1694
Pin Diagram
ball A1 index area
A
F
E
D
C
B
543216
ISP1508 TFBGA36 pinout (top view)
Pin Description
Symbol1Ball No Type2Description
RREF C2 AI/O Resistor reference. Connect through 12k:r1% to GND.
DM C1 AI/O Connect to D- pin of the USB connector
x USB mode: D- input/output
x UART mode: TXD output
DP D1 AI/O Connect to D+ pin of the USB connector
x USB mode: D+ input/output
x UART mode: RXD input
FAULT E2 I Input for Vbus digital over-current or fault detector signal.
If this pin is not in use, connect it to GND
Plain input, 5V tolerant
ID D3 I identification (ID) pin of the mini-USB cable.
If this pin is not in use, leave this pin open(there’s internal pull-up).
Plain input, TTL
VBUS F4 AI/O Connect to VBUS pin of the USB connector.
VCC F3 P Input supply voltage or battery source. Nominally 3.0V to 4.5V.
Note: Below 3.0V, USB FS and LS transactions are not guaranteed to
work though some devices may work with ISP1508 at these voltages.
PSW_N D4 OD Controls an external, active low VBUS power switch or charge pump.
An external pull up resistor is required.
Open drain,output, 5V tolerant.
REG3V3 E3 P 3.3V regulator output for USB mode or 2.7V regulator output for UART
mode; requiring parallel 0.1 uF and 4.7 uF capacitors. Internally
powers ATX and other analog circuits. Should not be used to power
external circuits.
XTAL1 F5 AI/O Crystal/clock input. 1.8V peak input allowed. Frequency depends on
status on CFG1 and CFG2 pins.
XTAL2 F6 AI/O Crystal output. If crystal is not in use, leave this pin open
CHIP_SEL C3 I Active HIGH chip select input.
•When this pin is none-active, ULPI pins will be in 3-state and the chip
1Symbol names ending with underscore N (for example, NAME_N) indicate active low signals
2I=input; O=output; I/O = Digital Input/Output; OD = Open Drain Output; AI/O = Analog Input/Output; P = Power or
Ground pin
PIN CONNECTIONS
IN
GND
FLAG
EN
OUT
OUT
1
2
3
6
5
4
PIN FUNCTION DESCRIPTION
Pin No. Name Type Description
1 EN INPUT Enable Pin. The device enters in shutdown mode when this pin is tied to a high level. In this case the
output is disconnected from the input. To allow normal functionality, the EN pin shall be connected to
GND to a pull down or to a I/O pin. This pin does not have an impact on the fault detection.
2 GND POWER Ground
3IN POWER Input Voltage Pin. This pin is connected to the VBUS. A 1 F low ESR ceramic capacitor, or larger,
must be connected between this pin and GND.
4, 5 OUT OUTPUT Output Voltage Pin. The output is disconnected from the VBUS power supply when the input voltage is
above OVLO threshold or below UVLO threshold. A 1 F capacitor must be connected to these pins.
The two OUT pins must be hardwired to common supply.
6 FLAG OUTPUT Fault Indication Pin. This pin allows an external system to detect a fault on VBUS pin. The FLAG pin
goes low when input voltage exceeds OVLO threshold. Since the FLAG pin is open drain functionality,
an external pull up resistor to VCC must be added.
Pin-out, top view; bumps down.
N2422 ASIC Baseband 1201-4120
N2421 IC ESD Prot UDFN 6 2x2mm 1200-6309
SEMC Troubleshooting Manual
107 (124)

C905
1222-9526 rev. 1
APPENDIX
APPENDIX
Components - N2500, N2700, N3100
Pin
Number Pin Name Pin
Number Pin Name Pin
Number Pin Name Pin
Number Pin Name
A1 GND D5 I.C H2 PLLVDD L14 U70_SOUT
A2 GND D6 SDRVDD H3 I.C M1 GND
A3 GND D7 GND H4 GND M2 PM0_SI
A4 PO7 D8 GND H5 GND M3 I.C
A5 IOVDD D9 SDRVDD H10 GND M4 PM1_SEN
A6 SPI0_SK D10 I.C H11 GND M5 L1VDD
A7 SPI0_CSZ D11 L0VDD H12 I.C M6 YUV_VS
A8 SPI1_SK D12 I.C H13 GIO_P3 M7 YUV_DATA5
A9 SPI1_CSZ D13 PO1 H14 GIO_P2 M8 YUV_DATA2
A10 IOVDD D14 PO0 J1 GND M9 SDRVDD
A11 INT_B E1 IOVDD J2 TCLKO M10 L1VDD
A12 GND E2 IOVDD J3 I.C M11 I.C
A13 GND E3 L1VDD J4 SDRVDD M12 I.C
A14 GND E4 I.C J5 I.C M13 I.C
B1 GND E5 I.C J10 I.C M14 GND
B2 GND E6 I.C J11 SDRVDD N1 GND
B3 L0_DET E7 GND J12 I.C N2 GND
B4 PO6 E8 GND J13 GIO_P1 N3 PM1_SI
B5 IOVDD E9 I.C J14 GIO_P0 N4 PM1_SO
B6 SPI0_SO E10 I.C K1 IOVDD N5 IOVDD
B7 SPI0_SI E11 L1VDD K2 IOVDD N6 YUV_HS
B8 SPI1_SO E12 L1VDD K3 L1VDD N7 YUV_DATA6
B9 SPI1_SI E13 IOVDD K4 I.C N8 YUV_DATA3
B10 IOVDD E14 IOVDD K5 I.C N9 YUV_DATA0
B11 PLLMODE F1 GND K6 I.C N10 IOVDD
B12 I.C F2 GND K7 GND N11 PO2
B13 GND F3 I.C K8 GND N12 I.C
B14 GND F4 SDRVDD K9 I.C N13 GND
C1 GND F5 I.C K10 I.C N14 GND
C2 RESETZ F6 I.C K11 L1VDD P1 GND
C3 L1_DET F10 I.C K12 L1VDD P2 GND
C4 I.C F11 SDRVDD K13 IOVDD P3 GND
C5 L1VDD F12 I.C K14 IOVDD P4 PM1_CLK
N2500 Companion Chip MP202 1200-4120
S1D13771 Pinout Diagram
S1D13771 W-CSP 64-pin Pinout Diagram (Top View)
Note
Pins marked as NC are not used and must be left unconnected. Pins marked as Reserved
must be left unconnected, unless otherwise specified.
S1D13771 W-CSP 64-pin Pinout (Top View)
12345678
ANC GPIO3 TE COREVDD D/C# MD2 MD4 NC A
B TESTEN VSS GPIO_INT CS# IOVDD VSS MD5 SCANEN B
C Reserved GPIO2 RESET# VSS WE# IOVDD MD6 MD7 C
D VSS GPIO1 IOVDD CS#SEL RD# MD3 IOVDD COREVDD D
E COREVDD GPIO0 VSS LCDCS# MD0 Reserved COREVDD VSS E
F DACVCC DACVCC DACVEE VSS MD1 VSS PLLVSS PLLVDD F
G DACVEE DACVEE VREF IOVDD COREVDD IOVDD VSS VCP G
HNC AOUT VADJ TEST0 TEST1 VSS CLKI NC H
12345678
TOP VIEW
H
G
F
E
D
C
B
A
These marks are for reference only
and do not appear on the top of
the package.
87654321
PIN CONNECTIONS
A3
B3
C3
A2
B2
C2
A1
B1
C1
INM OUTA INP
VM_P VM Vp
BYPASS OUTB SHUTDOWN
9−Pin Flip−Chip CSP
(Top View)
PIN DESCRIPTION
Pin Type Symbol Description
A1 I INM Negative input of the first amplifier, receives the audio input signal. Connected to the
feedback resistor Rf and to the input resistor Rin.
A2 O OUTA Negative output of the NCP2990. Connected to the load and to the feedback resistor Rf.
A3 I INP Positive input of the first amplifier, receives the common mode voltage.
B1 I VM_P Power Analog Ground.
B2 I VM Core Analog Ground.
B3 I VpPositive analog supply of the cell. Range: 2.2 V−5.5 V.
C1 I BYPASS Bypass capacitor pin which provides the common mode voltage (Vp/2).
C2 OOUTB Positive output of the NCP2990. Connected to the load.
C3 I SHUTDOWN The device enters in shutdown mode when a low level is applied on this pin.
N3100 IC CS-9 1200-9978
N2700 TV Out Graphics Engine 1200-0362
SEMC Troubleshooting Manual
108 (124)

C905
1222-9526 rev. 1
APPENDIX
APPENDIX
N3101 ASIC Tjatte3 CSP20 1200-9978
Pin conguration (Bump side)
12345
A
B
C
D
VMIC SPRi SPLi MIC
Ni
MIC
Pi
INT
mice Gnd INT
mici CCO VAD
Gnd Gnd Gnd Gnd Gnd
SPR
e
SPL
e
MIC
Ne
MIC
Pe
SPR
EF
1234152345
A
B
C
D
A
B
C
D
VMIC SPRi SPLi MIC
Ni
MIC
Pi
INT
mice Gnd INT
mici CCO VAD
Gnd Gnd Gnd Gnd Gnd
SPR
e
SPL
e
MIC
Ne
MIC
Pe
SPR
EF
Electrical diagram
SPRi
SPLi
MICPe
GND
SPRe
SPREF
MICPi
MICNi
CCO/VMICVAD
MICNe
INTmici
SPLe
GND
CCO/VMIC
INTmice
R1
R7
R8R6
R4
R5
R3
R2
SPRi
SPLi
MICPe
GND
SPRe
SPREF
MICPi
MICNi
CCO/VMICVAD
MICNe
INTmici
SPLe
GND
CCO/VMIC
INTmice
R1
R7
R8R6
R4
R5
R3
R2
Pin conguration
(Top View, Bump Side down)
FLED PGND
LED2
LED1
LX
MVON
SCL
LED3
FLEN
LED4 SDAGND
OUT
IN
COMP
VDD
A1 A2
B1
C1
A3
B3
C3
B2
C2
D1 D3D2
A4
B4
C4
D4
16-pin 2.5 x 2.5mm UCSP
3LQ 1$0( )81&7,21
B4 IN Analog Supply Voltage Input. The input voltage range is 2.7V to 5.5V. Bypass IN to AGND and
PGND with a 10μF ceramic capacitor as close to the IC as possible. IN is high impedance during
shutdown.
D2 GND Analog Ground. Connect AGND to PGND
A2 PGND Power Ground. Connect PGND toAGND and to the input capacitor ground. Also, connect PGND
to the PCB ground plane.
C4 COMP
Compensation Input. Connect a TBDkohm resistor and TBDμF ceramic capacitor in series from
COMP toAGND for regulator stability.
B3 MVON Movie On Logic Input. Connect to VDD or drive with logic 1 to enable the Movie Mode. The FLED
movie current is set in I2C registers. Connect toAGND or drive with logic 0 to turn off the Movie
Mode. The Movie Mode may also be enabled via the I2C registers.
C2 FLEN Flash Enable Logic Input. A transition from logic 0 to logic 1 on FLEN starts the Flash Mode. The
flash duration and FLED flash current are set in I2C registers. The Flash Mode ends when either
FLEN transitions back to logic 0 or after the flash duration timer expires (in case FLEN gets stuck
high).
C3 SCL I2C Clock Input. Data is read on the rising edge of SCL.
D3 SDA I2C Data Input. Data is read on the rising edge of SCL.
D4 VDD Logic Input Supply Voltage. Connect VDD to the logic supply driving SCL, SDA, MVON, and
FLEN. Bypass VDD to AGND with a 0.1μF ceramic capacitor.
B2
B1
C1
D1
LED3
LED2
LED1
LED4
LED Current Sink Regulators. Current flowing into these pins is based on the internal I2C
registers. Connect LED_ to the Cathodes of external LED’s. LED_ is high impedance during
shutdown. If unused, LED_ may be shorted to ground or left floating.
A1 FLED Flash LED Current Sink Regulator. Current flowing into these pins is based on the internal I2C
registers. Connect FLED to the Cathode of an external Flash LED or LED Module. FLED is high
impedance during shutdown. If unused, FLED may be shorted to ground or left floating.
A4 OUT Regulator Output. Connect OUT to the anodes of the external LED’s. Bypass OUT to PGND with
a 10μF or larger ceramic capacitor. During shutdown, OUT is one body-diode drop below the
input voltage.
A3 LX Inductor Connection. Connect LX to the switched side of the inductor. LX is internally connected
to the drains of the internal MOSFETs. Both MOSFETs are off during shutdown.
N4400 IC Dri MAX8830 ES3 4x4 UCSP
Components - N3101, N4400, S2415, V2200, V2202, V2412, V2417
5
16
2
34
MicroFET D1
S1
G2
G1 D2
S2
PIN
D1
G2
S2
S1
G1
D2
D1 D2
PINNING
PIN DESCRIPTION
1 cathode
2 anode
Top view
MAM387
The marking bar indicates the cathode.
V2412, V2417 Zener Diode Voltage Regulator 15V 5% RKZ223905/2
V2202 Trans P-ch FET RYN122910/1
V2200 Zener Diode RKZ223911/1
S2415, S2424, S2453, S2454 Input Switch 1204-1127
SEMC Troubleshooting Manual
109 (124)

C905
1222-9526 rev. 1
APPENDIX
APPENDIX
Components - V2414-16, V2470, V4201, V4203, X1200, X1210-11
V2414, V2415, V2416 Diode Protection 5, V SOD-923 1201-8440
SOD-923
CASE 514AB
MARKING DIAGRAM
D = Specic Device Code
M = Date Code
D M
External dimensions (Units : mm)
1.6±0.1
1.2±0.05
0.8±0.05
CATHODE MARK
0.6±0.1
0.12±0.05
JEDEC : SOD-523
0.3±0.05
B
SOT−563
CASE 463A
PLASTIC
1
6
Q1
(1)(2)
(3)
(4) (5) (6)
Q2
BC847CDXV6T1
MARKING DIAGRAMS
1x M
1x = Device Code
x=GorM
M = Date Code
=Pb−Free Package
(Note: Microdot may be in either location)
1
X1210, X1211, X3102, X3103 Conn Leaf Spring 1200-2144
X1200, X1500 RF Probe Contact 6 Pin 1203-9688
V4203 Trans Array 1200-0320
V2470, V4201 Schottky Barrier Diodes 2PIN RKZ123905/1
SEMC Troubleshooting Manual
110 (124)

C905
1222-9526 rev. 1
APPENDIX
APPENDIX
Components - X1540, X2201, X2401, X2402
X1540 Clip BT Antenna 1211-1063
X2201 Battery Leaf Connector 1201-0774
X2401 Memory Card Reader RNK87147/3
X2402 SIM Card Reader 1202-0528
SEMC Troubleshooting Manual
111 (124)

C905
1222-9526 rev. 1
APPENDIX
APPENDIX
Components - X2410, X4200, X4300, X4311-15, X4400
X2410 BtB Receptable 24pin 1208-3264
X4200 100 pin FPC Connector 1204-5252
X4311, 12, 13, 14, 15 Ground Spring Finger 1 pin 1204-9353
X4300 Conn BtB 30 pin 1200-1733
X4400 Conn BtB 24 pin 1201-5197
SEMC Troubleshooting Manual
112 (124)

C905
1222-9526 rev. 1
APPENDIX
APPENDIX
Components - X4410, Z2400, Z4200-02
X4410 Pogopin Plug 1pin 1208-0925
Equivalent circuit
4
2
1
3
0.6±0.07 0.55±0.1
1.25±0.07
1
2
4
3
Dimensions in mm
1.0±0.07
0.25+0.1 / -0.05
0.3±0.1
e
eCh1 Ch2 Ch3 Ch4
Z4200, Z4201, Z4202 LC Filter REV50148/1
Z2400 Filter 100 Mhz K1210 1201-6833
SEMC Troubleshooting Manual
113 (124)

C905
1222-9526 rev. 1
APPENDIX Keyboard FPC Schematics
APPENDIX
KEYOUT2
KEYIN1
KEYIN2
KEYIN4_1
KEYIN5
KEYOUT1
KEYIN0
LED_KEYPAD
STEPUP50
SLIDE_SENSE
VDDE18
VDDE18
KEYIN3_1
LED_CAM1
KEYOUT0
KEYOUT3
A6
X1000
24-pin
1208-3267
A5
A4
A3
A1
A7
A10
B1
B7
B10
B6
B5
B4
B3
B2
A2
Z1
Z2
12
S1000
21
S1001
21
S1002
21
S1020
21
S1021
21
S1023
21
S1014
21
S1025
21
S1035
21
S1034
21
S1032
21
S1031
A9
A8
R1100 22ohms
R1101 22ohms
NC
C1000
10nF
B8
B9
V1110 12
1201-0746
PESD15VS1UL
AC
V1111 12
1201-0746
PESD15VS1UL
AC
B1000
41
5
32
1207-0781
MRUS61C
SLUG
GND
VCC OUT
NC
A
B
A1
B1
CD
S1003
31200-2072
EVPAHAA6A
1
2
OUT1 IN1
IN2
OUT2
GND
OUT3
L1000
MMZ1005A152ET
L1001
L1002
MMZ1005A152ET
L1003 L1004
MMZ1005A152ET
L1005
21
V1112
1201-0746
PESD15VS1UL
AC
A11
A12
B11
B12
NC
NC
1211-7646
V1100
CA
21200-8900
V1103
CA
1211-7646
V1101
CA
1201-0746
21
<NM>V1113
PESD15VS1UL
AC
MR Sensor
Cam
Rec
Cam
Play
-
KEYFLEX
CONNECTOR
--
#74
9502
8
163
Vol-Vol+
*
Cam
Snap
Game
B
Game
A
Cam
AF -
Red
On/Off
Soft
Right
Rock
Down Rock
Left Rock
Up Rock
Push Rock
Right
Active
Menu
Soft
Left
Green CLR
-
Camera key
SEMC Troubleshooting Manual
114 (124)

C905
1222-9526 rev. 1
APPENDIX Troubleshooting Software Documentation
APPENDIX
Troubleshooting Software Documentation
Introduction
Using this software you can control most parts and functions of all Sony Ericsson mobile phones. It is a
GUI (Graphical User Interface) for the commands implemented in the ITP (Integrated Test Program).
The software communicates with the phone through standard serial communication over a USB/RS232
interface (SEPI).
Note: The Troubleshooting Software application is to be used with the Troubleshooting Manual and the
Troubleshooting fixture kit.
The functions in the Troubleshooting Software application are divided into three main sections:
Communication Settings,Radio Control and Base Band Controls. These main sections are
presented under six different tabs.
All settings and functions are collected under these six main tabs.
Communication Settings
All settings for the communication between the Troubleshooting Software application and the phone
are presented under the Communication Settings Tab.
Radio Controls
Note: Some parts of Radio Control functions may not be implemented since they are not supported by
the ITP SW.
Note: There are some differences in the user interface depending on the phone project file loaded.
Some functions may not be available on all products.
All Radio Control Functions implemented in the Troubleshooting Software are presented under the Tx
and Rx tab. The main radio functions of the mobile phone presented in this tab are:
xGSM radio part
xWCDMA radio part
xBluetooth radio part
In the GSM and the WCDMA radio control part the following radio functions can be controlled:
Transmitter (TX) and Receiver (RX)
In the Bluetooth radio control part only the Transmitter (TX) function is supported.
Base Band Controls
Note: Some parts of Base Band Control functions may not be implemented since they are not
supported by the ITP SW.
Note: There are some differences in the user interface depending on the phone project file loaded.
Some functions may not be available for all products.
The functions for Base Band Control are presented under the following four different tabs:
Audio and FM Radio
Used for setting Audio Loop mode and test the functionality of the FM Radio.
Logic
Used to:
- Read out of the ADC channels
- Control or Test of SIM and Memory Stick Card
- Perform of Battery and Current Calibration
- Check Radio and Display temperature
- Etc.
GPIO Manager
Used to control GPIO ports at the Access and Application CPU.
Note: It is very important to follow the GPIO activation sequence according to the Troubleshooting
Guide instructions when the GPIO manager is used to avoid Hardware or SW function interruption.
MMI
Used for:
- Main and VGA Camera Tests
- Camera Door Test
- Keyboard Scan Test
- Vibrator Test
- LED and Backlight Tests
- Xenon Flash Test
- Display Test
- Etc.
General
Used to:
- Read out Software and Product Data Information flashed into the phone
- Perform ASIC Revision test
- Perform available Self tests
SEMC Troubleshooting Manual
115 (124)

C905
1222-9526 rev. 1
APPENDIX
APPENDIX
Equipment Setup
Note: During calibration the accurate voltage from VBATT must be within ±0.015 V. If this is not
fulfilled it will cause a faulty calibration. For more information about recommended power supply units,
see the Repair Tool Catalogue in CSPN under the Mechanical level. The Power Supply Channel 1 VBATT
must allow reverse current.
Note: Before starting calibration test, the phone must be flashed with ITP Software.
Instructions for Customization of Power Supply Channel 2 DCIO/SEPI Cable
To perform Current Calibration the phone must be powered directly through the system connector.
Customize the cable according to following instructions: Take the CST-75 battery charger and cut off
the charger according to picture 1. Length of the cable must be exact 1.3m. Connect the CST-75
charger Red or White cable to the Positive (+) Output at Power Supply and the Black cable to the
Negative (GND) Output at the Power Supply according to picture 2. Cut off isolation material from
inside of the charger plug according to picture 3.
Picture 1
Picture 2
Picture 3
Power Supply Channel 2 DCIO/SEPI Cable Connection Setup
Note: The Power Supply Channel 1 (VBATT) must allow reverse current.
Note: The maximal cable length between the Power Supply Channel 1 VBATT and the dummy battery
must not exceed 1m. The cable must have a capacity for at least 16A.
Picture 4
Correct DCIO and SEPI A1 Cable setup when the Troubleshooting Fixture is used.
Picture 5
Correct DCIO and SEPI A1 Cable setup when a Dummy Battery is used.
Picture 6
This setup between DCIO and SEPI A1 Cable is WRONG!
Note: Voltage and Current settings for the Power Supply Channel 1 VBATT and 2 DCIO/SEPI can be
found in the Equipment List included in the Product Specific Troubleshooting Manual.
Note: Instructions about the Troubleshooting fixture connections with the External RF connector,
Display, SIM Card, Memory Stick Card, Keyboard etc. can be found in Troubleshooting Fixture
Connection Instruction included in the Product Specific Troubleshooting Manual.
Troubleshooting Software Documentation SEMC Troubleshooting Manual
116 (124)

C905
1222-9526 rev. 1
APPENDIX
APPENDIX
System Requirements
Note: Before start using the Troubleshooting Software, the phone must be flashed with ITP SW.
The system requirements for running the application are:
- At least a Pentium III 500 MHz, with 128 MB of RAM
- Win2000 or Win XP
- One free USB connector
- USB Computer Cable
- At least 1024x768 display resolution. (1152x864 is recommended.)
- SEPI Drivers must be installed
- SEPI BOX
- SEPI A1 Cable
- Phone Specific Dummy Battery
- Phone Specific TRS Fixture
- CST-75 Charger cable
- One Dual or Two Single Channel Power Supplies
TX and RX - Tab
Communication Functions
Note: Some parts of the Communications functions may not be implemented since they are not
supported by ITP Software.
Note: There are some differences in the user interface depending on the phone project file loaded.
Some functions may not be available on all products.
GSM
GSM Mode Settings
Used for selecting of the GSM radio mode. The following Radio Modes are available:
- TX and RX Switched
- TX and RX Static
Note: In the TX Switched mode all parameters are available (Band, Channel and Power Level). In the
TX Static mode the control of Power Level is hidden and the transmitter works with a predefined DAC
value. This is done to protect the power amplifier against overheating.
GSM Radio Settings
Used for Channel and Power Level control of the selected GSM Band. The TX and RX frequency value
for selected band and channel will be presented in the TX and RX frequency box.
1. Select the desired GSM band. Available options are GSM 850 (Ch 128…251), GSM 900 (Ch
1...124), EGSM 900 (Ch 975…1023), DCS 1800 (Ch 512…885) and PCS 1900 (Ch 512…810).
2. Use default value or select desired channel.
3. Use default value or select desired power level.
Note: Any GSM band not used by the Mobile Phone will be unavailable in the GSM Radio Settings.
GSM RSSI measurements
This measurement is only possible to perform when RX Switched mode is selected. Use the Mobile
Phone Tester instrument for feeding a signal to the mobile phone’s receiver. For Instrument and
Phone’s settings go to Troubleshooting Manual – GSM Network problems.
1. Select RX Switched Mode.
2. Select desired GSM band and Channel.
3. Go to GSM RSSI Measurements and Start RSSI Test.
Note: The RSSI Test can be performed differently from product to product due to the limited ITP
Software support.
WCDMA
Note: Unused WCDMA Bands will not be available in the WCDMA Radio Settings.
Note: For some products the TX and RX WCDMA Channels range can be reduced due to the limited
product functionality or Test Instrument limitation. This is done to avoid wrong and incorrect
measurement results.
Radio Settings
Used for TX and RX Channels control of the selected WCDMA Band. The TX and RX Channels frequency
for selected band will be presented in the TX and RX frequency box.
1. Select the desired WCDMA band. Available options are Band I (TX Ch 9612…9888, RX Ch
10562…10838), BAND II (TX Ch 9262…9538, RX Ch 9662…9938), BAND IV (TX Ch 1312…1513, RX
Ch 1537…1738), BAND V (TX Ch 4132…4233, RX Ch 4357…4458) and BAND VIII (TX Ch
2712…2863, RX Ch 2937…3088)
2. Use default value or select desired TX or RX channel.
Troubleshooting Software Documentation SEMC Troubleshooting Manual
117 (124)

C905
1222-9526 rev. 1
APPENDIX
APPENDIX
Fast select channels
Set High Channel: The High Channel for selected WCDMA Band will be set by the Troubleshooting SW.
Set Mid Channel: The Mid Channel for selected WCDMA Band will be set by the Troubleshooting SW.
Set Low Channel: The Low Channel for selected WCDMA Band will be set by the Troubleshooting SW.
Modes
Max Pwr 23dBm set the Phone to transmit with maximum power at the selected Band and TX
Channel. The limit is 23dBm.
Min Pwr Max -50dBm set the Phone to transmit with minimum power at the selected Band and TX
Channel. The limit is -50dBm.
Read RSSI set the Phone in RX mode at the selected Band and RX Channel.
Out Pwr level x dBm set the Phone in TX mode at the desired power level value at the selected Band
and TX Channel (Power level range to choose is: from -50dBm to 23dBm).
INP/OUT Pwr check set the Phone to transmit with maximum power and switch the receiver On at
the selected Band and TX/RX Channel
Reset output set the Phone in WCDMA Off mode.
Rx on
Read measurement read the RSSI and report the result at Phone reported power. This function can
only be used when the Receiver is On.
Note: The RSSI Measurement can be performed differently from product to product due to the limited
ITP Software support.
VCO and VCXO Functions
Note: These calibrations are only possible to perform when RX static mode is selected.
Note: These calibrations may not be possible to implement for all products due to limitations in ITP
Software.
VCO Calibration (TX)
Uses the default values in the TP to adjust the varactor diode to a pre-determined operating point, so
that the loop voltage of the TXVCO (measured with an ADC) is within the valid range and the optimal
value is chosen. The optimal value is defined as: The CVCO value that gives loop voltages within the
limits for both high and low channel and that has the lowest maximum loop voltage.
The optimum value is stored in GDFS.
VCXO Control
Used to fine tune the VCXO to MCLK frequency by calibrating the DAC that sets the VCXO control
voltage. It is also used to verify the VCXO tuning range. When transmission is in Switched TX mode
you are allowed to calibrate the VCXO oscillator controlling the DAC value on the AFC pin.
1. Switch the GSM tester to GSM900, Ch1.
2. Read the stored VCXO value from the GDFS by clicking the "Read from GD" button.
3. Start transmitting by clicking the "TX Switched" mode button.
4. To apply the VCXO DAC value you set, click the "Set VCXO" button.
5. Check your GSM tester.
6. Set the frequency error as close to 0 Hz as possible by using the up/down arrows and then click
the "Set VCXO" button again.
7. The button "Mean Value" sets the value to 1024.
8. When the procedure is finished, click on "Save VCXO" button to store the calibrated value in
GDFS.
VCO Calibration (RX)
Uses the default values in the TP to adjust the varactor diode to a pre-determined operating point, so
that the loop voltage of the RXVCO (measured with an ADC) is within the valid range, and the optimal
value is chosen. The optimal value is defined as: The CVCO value that gives loop voltages within the
limits for both high and low channel and that has the lowest maximum loop voltage.
The optimum value is stored in GDFS.
Audio and FM Radio - Tab
Audio & Radio Functions
Note: Some parts of Audio and FM Radio may not be possible to implement for all products due to
limitations in ITP Software.
Note: There are some differences in the user interface depending on the phone project file loaded.
Some functions may not be available on all products.
Audio Loop Test
1. Select desired Audio Loop Test
2. Click "Apply Audio Loop" to start the test.
3. To switch off the loop, select OFF from Audio Output and click "Apply Audio Loop".
Audio input:
-Mic1 is the internal microphone.
-Aux1 is the input from the system connector.
Loop mode:
-Analogue, where the loop is set before and after the AD/DA conversions.
-Digital/DSP loop, where the DSP signal processing also affects to the audio signal.
-CPU/PCM loop, where the loop is set between the PCM audio signals.
-Dictaphone loop.
Troubleshooting Software Documentation SEMC Troubleshooting Manual
118 (124)

C905
1222-9526 rev. 1
APPENDIX
APPENDIX
Audio output:
-Earphone is the internal Earpiece speaker of the unit.
-AUX earphone connected to the system connector.
-Loudspeaker is the internal loudspeaker of the unit.
-OFF is used to switch off the currently used Audio Loop.
Examples of different Audio Loop Test setups in Fault Trace SW.
Picture 9 Picture 10
K800 Project Setup K850 Project Setup
Note: Audio output and input pins can be used by disconnecting the blue SEPI connector from the
phone after the audio loop has been applied. Now the Portable Handsfree can be connected to the
System Connector. After function test operation, disconnect the PHF or external audio device from the
System Connector and connect the SEPI cable to proceed with other Audio Loop Tests.
FM Radio
- To activate the FM radio, click at the Set FM Radio button.
-To turn off the FM radio, click at the Turn OFF FM Radio button.
Audio output
Used for selecting Audio Output from the FM Radio. Most common Audio Outputs for all projects are
AUX Stereo (Portable Handsfree, PHF) or Loudspeaker.
Frequency in MHz
Frequency range box for the FM Radio. The frequency value can be selected in two different ways:
- The first one is with up/down spin buttons
- The second one is to type it directly into the Frequency field.
When typing directly into the Frequency field, the Frequency Span should be 100 KHz when changing
from one frequency to another. The Frequency Range used in the Troubleshooting Software is from
87.50 MHz to 108.00 MHz.
Examples of different FM Radio Test setups in the Troubleshooting Software
Picture 11 Picture 12
K850 Project FM Radio Setup K800 Project FM Radio Setup
Logic – Tab
Logic Functions
Note: Some of the Logic functions may not be possible to implement for all products due to limitations
in the ITP Software.
Note: There are some differences in the user interface depending on the phone project file loaded.
Some functions may not be available on all products.
Battery Calibration
Note: To perform this test only Power Supply channel 1 is needed. Make sure that the correct voltage
values are set for each test step, otherwise the test will fail.
The Battery Calibration test is similar to the Battery Calibration test performed in the factory
environment.
1. Click 1. Battery Calibration.
2. Click SET VBATT to 3.2 Volt.
3. Adjust Power Supply channel 1 (the dummy battery) to 3.2 V.
4. Click VBAT1.
5. Click SET VBATT to 4.1 Volt.
6. Adjust Power Supply channel 1 to 4.1 V and click VBAT2.
7. Adjust Power Supply channel 1 to 3.8 V and click SET VBATT to 3.8 Volt.
8. The test result (Passed or Failed) will now be displayed.
When the measured values are within the limits the calibration will be passed otherwise the test will be
failed. The compensation factor will be calculated and stored in the GDFS.
More information about the test limits can be found in the product specific Troubleshooting Manual and
in the Read Limits Table in the Battery and Current Calibration Test document.
Troubleshooting Software Documentation SEMC Troubleshooting Manual
119 (124)

C905
1222-9526 rev. 1
APPENDIX
APPENDIX
Current Calibration
The Current Calibration test is similar to the Current Test for the charging algorithm in the factory
environment.
Note: For a correct and accurate result, perform the Battery Calibration Test before current
calibration. To perform this test you will need both channel 1 and 2 from the Power Supply.
1. Click 2. Current Calibration.
2. Adjust channel 1 (the dummy battery) to 3.8 V.
3. Click button SET VBATT to 3.8 Volt.
4. Note the measured current for channel 2 (the customized charger with SEPI).
5. Type in the measured current (in mA) in the text box.
In this example the current is measured to 114 mA.
6. Press Enter.
7. The phone will switch to charging with 800mA. Note the measured current value result at Power
Supply Channel 2 DCIO/SEPI.
8. Type the new value in the text box.
9. Press Enter.
10. The test result (Passed or Failed) will now be displayed.
When the measured values are within the limits the calibration will be passed otherwise the test will be
failed. The compensation factor will be calculated and stored in the GDFS.
More information about the test limits can be found in the product specific Troubleshooting Manual and
in the Read Limits Table in the Battery and Current Calibration Test document.
ADC Values
1. Select the desired ADC Channel.
2. Click Read ADC value.
- The measured value will be presented in both hex and decimal info boxes.
- N/A means that the General Purpose port is not used by this phone or this port is not supported by
ITP.
- If a port is missing in the Troubleshooting SW that port is not supported by the ITP SW.
SIM Card Control
This section controls the SIM interface in the phone.
SIM VCC: Voltage for the SIM Card will be activated.
SIM RESET,SIM DATA and SIM CLOCK: Activate the Reset, Data and Clock signals for the SIM Card.
SIM Com Test: Checks the communication with the SIM Card.
The test result (Passed or Failed) will be displayed in the info box.
Note: A SIM card must be inserted and a card reader connected to run this test.
Memory stick test checks the communication with the Memory stick card.
The test result (Passed or Failed) will be displayed in the info box.
Note: A Memory stick card must be inserted and a Memory card reader connected to run this test.
End Calibration
Ends the calibration and no data will be stored.
Go Idle for 2 sec
The unit will be set to IDLE mode for 2 seconds.
Reboot Phone
IPT command KILL will be send and the phone will restart.
Radio Temperature
The value of the Radio Temperature will be displayed in the info box.
Display Temperature
The value of the Display Temperature will be displayed in the info box.
GPIO Manager Functions
Set GPIO port at Access and/or Application CPU to High or Low and Read Out status of the port.
MMI – Tab
Functions
Note: Some parts of MMI functions may not be possible to implement for all products due to
limitations in the ITP Software.
Note: There are some differences in the user interface depending on the phone project file loaded.
Some functions may not be available on all products.
Display Pattern
Activate different test patterns on the display.
LED and Backlight
Activate/Deactivate LEDs and Backlights on the phone.
Misc
Activate/Deactivate tests such as:
- Main Camera Test
- VGA Camera Test
Troubleshooting Software Documentation SEMC Troubleshooting Manual
120 (124)

C905
1222-9526 rev. 1
APPENDIX
APPENDIX
- Camera Door Test
- Vibrator Test
- Keyboard Scan Test
- Etc.
Note: When one test has been deactivated the phone will be restarted.
General – Tab
Functions
Note: Some parts of General functions may not be possible to implement for all products due to
limitations in ITP Software.
Note: There are some differences in the user interface depending on the phone project file loaded.
Some functions may not be available on all products.
Software Information
This function is used to display the following information stored into the phone:
- ITP version
- IMEI number
- OTP number
-CID number
- PAF status
- Lock Status
- Etc.
Note: The OTP number must match the IMEI number otherwise the IMEI has been changed.
Note: Some of these functions may not be available for all products due to security reasons.
Product Data
This function displays production data stored in the phone, such as:
- First Identification (Serial Nr.)
-PBA Nr.
- PBA Rev.
- DPY Nr. (Sales Unit)
- Etc.
ASIC Revisions
This function displays the types and revisions of the different ASICs. To find out more information
about which components are included in this test go to the ASIC Revision Test document included
in the product specific Troubleshooting Manual.
Self Test
This function runs available self tests on the Phone.
Troubleshooting Software Documentation
Fault Trace SW Error Messages
1.
...timeout when reading
Check the following items:
- Connection between Power Supply Channel 2 (DCIO) and SEPI A1 cable (Se picture 4, 5 and 6).
-If the SEPI BOX works properly (The Green LED at the SEPI BOX must be on).
-If the USB cable between SEPI BOX and PC is connected properly.
-If the phone has been flashed with the correct ITP version.
-If VBATT and DCIO Power Supply instruments are on.
2.
...timeout when writing
...timeout when reading
Check if the correct COM Port is selected in Troubleshooting Software - Communication Settings Tab
3.
...Port has not been succesfully opened timeout
- Check if COM Port is connected
- Check if the correct Phone Project File is loaded
- Restart the Troubleshootinge Software application and try again
4.
Command failed due to:
…. Error_NotValidParameter, ERR
or
CERR: Error_CommandDoesNotExist, ERR
- Check if the correct Phone Project File is loaded
-Check if the phone has been flashed with the correct ITP version.
SEMC Troubleshooting Manual
121 (124)

C905
1222-9526 rev. 1
APPENDIX Troubleshooting Fixture Setup Instructions
APPENDIX
Troubleshooting Fixture Setup Instructions
Top part overview of the TRS Fixture,
see picture 1.
Picture 1
Bottom part overview of the TRS
Fixture, see picture 2.
Picture 2
Connect Camera 8MP directly to the
PBA if needed, according to picture 3.
Picture 3
Insert Memory Card if needed,
according to picture 4.
Picture 4
Insert SIM Card if needed, according
to picture 5.
Picture 5
Open the Top part of the TRS Fixture,
according to picture 6.
Picture 6
Place the PBA by using the Guide Pin
mounted inside the TRS Fixture,
according to picture 7.
Picture 7
Connect the Numeric Key Foil with the
Keyboard directly to the PBA if needed,
according to picture 8.
Picture 8
Connect the Flash Complete directly to
the PBA if needed, according to
picture 9.
Picture 9
Close the Top part of the TRS Fixture
according to picture 10.
Picture 10
Open the Bottom part of the TRS
Fixture, according to pictures
11 and 12.
Picture 11
Picture 12
SEMC Troubleshooting Manual
122 (124)

C905
1222-9526 rev. 1
APPENDIX
APPENDIX
When the Display or Navigation
Keyboard is in use then use the PBA
Key Flex Flip, Display and Slider FPC
Assy, mounted according to pictures
13 and 14.
Picture 13
Picture 14
Connect the Slider FPC Assy to the
PBA, according to picture 15.
Picture 15
Place the PBA Key Flex Flip and
Display by using the Guide Pin inside
the Display holder, according to
picture 16.
Picture 16
Close the Bottom part of the TRS
Fixture, according to pictures 17 and
18.
Picture 17
Picture 18
Check that the Ear Speaker is
connected properly to the PBA Key
Flex Flip, see picture 19.
Picture 19
Connect Power Supply Channel 1
(VBATT) Black and Red Lab Plugs to
the TRS Fixture according to picture 20.
Picture 20
Connect the Power Supply Channel 2
Cable (DCIO/SEPI), according to
picture 21.
Picture 21
Secure the DCIO/SEPI Cable by using
the locking screw, according to
picture 22.
Picture 22
Connect SMK RF Probe to the X1200
RF Switch if needed, according to
picture 23.
Picture 23
Secure the SMK RF Probe with the RF
Probe locking device, according to
picture 24.
Picture 24
Troubleshooting Fixture Setup Instructions SEMC Troubleshooting Manual
123 (124)

C905
1222-9526 rev. 1
APPENDIX
APPENDIX
Troubleshooting Fixture Setup Instructions
Connect SMK RF Probe to the X1500
RF Switch if needed, according to
picture 25.
Picture 25
Secure the SMK RF Probe with the RF
Probe locking device, according to
picture 26.
Picture 26
Connect the Customized FM Radio
Cable, according to Step 1 and 2.
Step 1:
Connect the Black Lab Plug to the TRS
Fixture GND input, according to
picture 27.
Picture 27
Step 2:
Connect the Hands-Free (PHF)
connector to he Phone system
connector (X2405), according to
picture 28.
Picture 28
Please see picture 29 for the final
Customized FM Radio Cable connection
setup with the TRS Fixture.
Picture 29
The PIN marked with the GND text on
the Top part of the TRS Fixture can be
used as MP TRS Fixture GND or
grounding for the oscilloscope probe,
see picture 30.
Picture 30
The PIN marked with the GND text on
the Bottom part of the TRS Fixture can
be used as MP TRS Fixture GND or
grounding for the oscilloscope probe,
see picture 31.
Picture 31
SEMC Troubleshooting Manual
124 (124)