SONY ERICSSON K750 2
User Manual: SONY ERICSSON K750 2
Open the PDF directly: View PDF
.
Page Count: 9

VCXOCONT
ANTSW0
ANTSW1
TXON
RADDAT
RADSTR
RADCLK
MODD
MODC
MODB
MODA
PCMDATB
PCMSYNC
PCMCLK
VLOOP
QDATA
IDATA
DCLK
MCLK
CLKREQ15
PCMDATA
I2CDAT
RTCCLK
VDIG VRTC VMEMVCORE
VBATTi
VCORE
VDIG
VBACKUP
RESOUT2n
VRTC
FML
FMR
UARTTX3
UARTRTS3
FMI2CEN
VBATTi
VDIG
VBATTiVDIG
VCORE
VMEM
UARTRX3
UARTCTS3
I2CCLK
FM_ANTENNA
VDIG
VMEM
VDIGVBACKUP
VDIG
VMEM
VUSB
VUSB
EXTLDO
VBT
DCIOint
DCIOint
LDOA
VCLK
VBATTi
page 7
VUSB
VEXT15
VRTC
VCORE
VDIG
VPP
VMEM
VBATTi
page 7
Power_Management
Marita
FMINT
VDIG
ADSTRO
RTEMP
ANTSW2
BTSYSCLK
CLKREQ28
CAM_1V8
CAM_1V8
VDIG
VCORE
VMEM
MCLK
CLKREQ15
NANDRDY
RESOUT2n
IRQn
RTCCLK
SYSCLK1
RTCDCON
SLEEP
SERVICE_N
PWRRSTn
BTSYSCLK
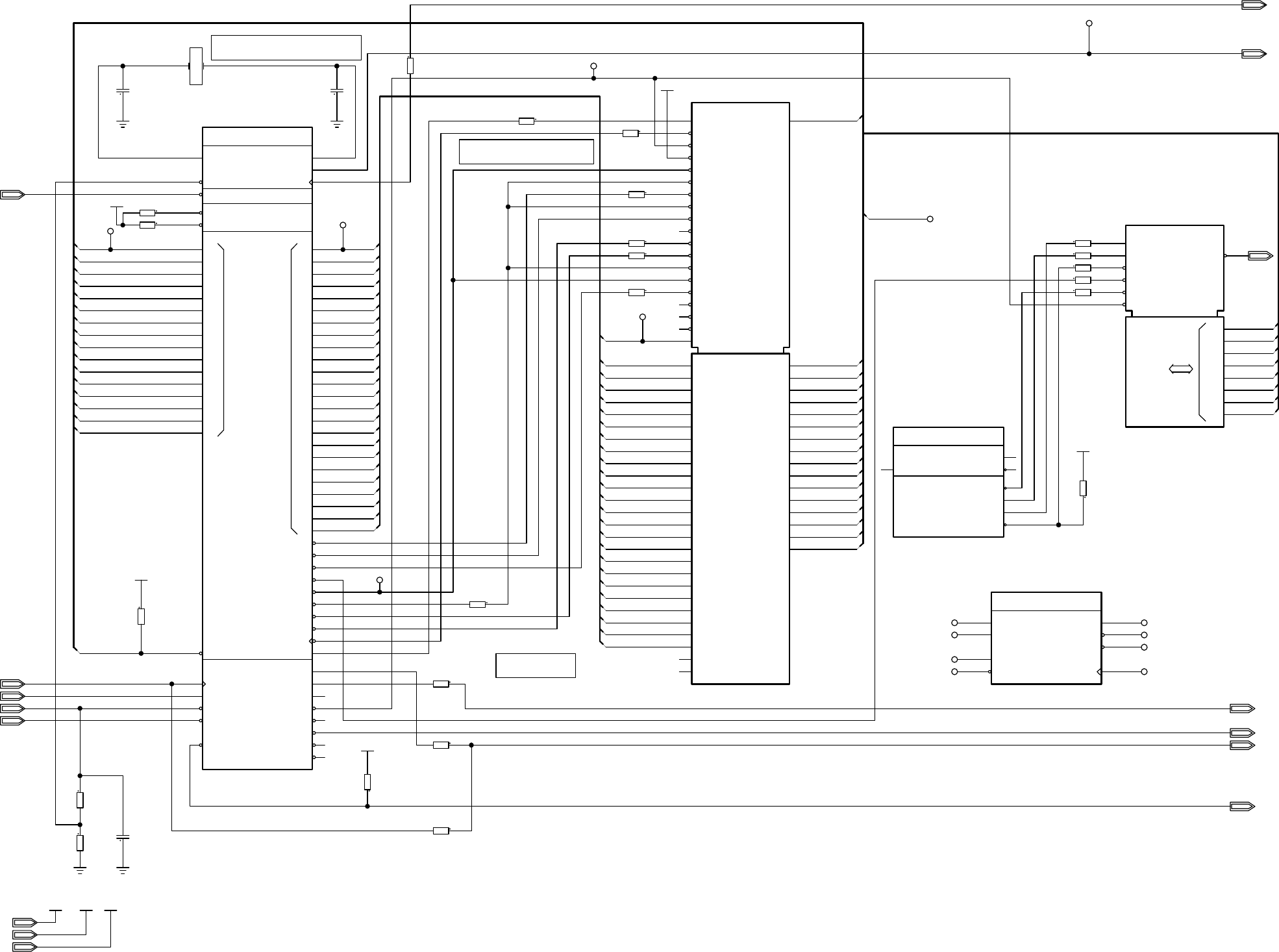
page 2
uP_mem
Ports_extIF_keyb page 4
I2CCLK
I2CDAT
VDIG
VBATTi
VMEM
CAM_2V7_ENABLE
MSDETECT
BLGTEN
SOFT_LED_ON
CAM_LED
CFMS_AID_PING
DFMS
USBPUEN
USBDM
USBDP
DTMS
CTMS
NANDRDY
OnSWAn
USBSENSE
page 4
Ports_extIF_keyb
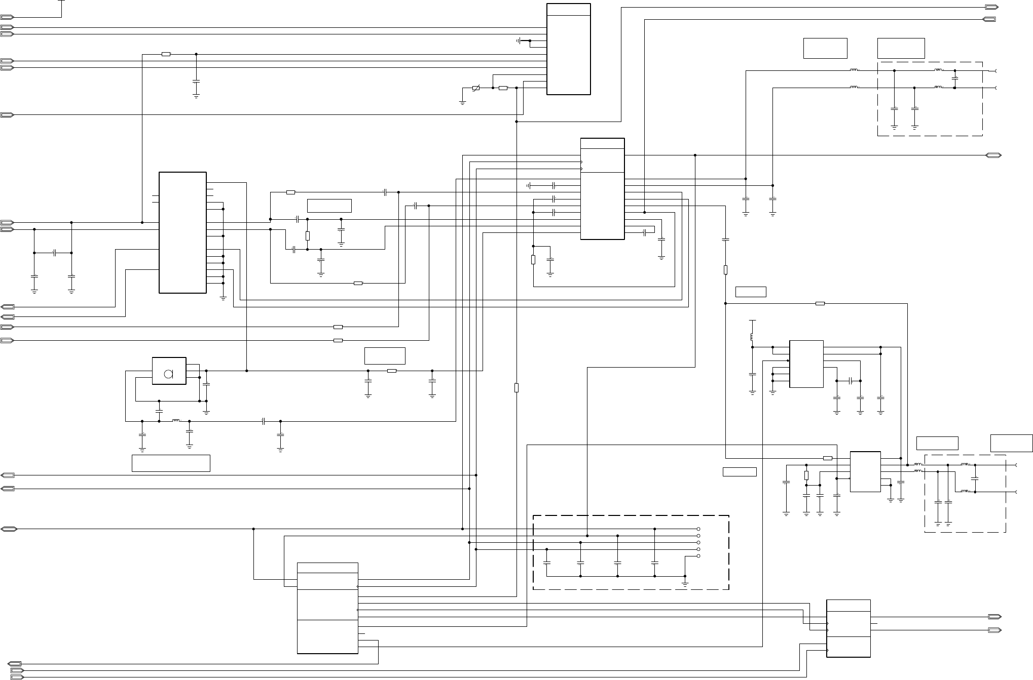
page 8
New_System
Connector
FLASH_STROBE
DCIOint
MICP/AUXinL
FM_ANTENNA
MICN/AUXinR
AID_AD
SERVICE_N
DCIO
CTMS
USBDM
DTMS
USBDP
VPP
SPL
SPR
DFMS
CFMS_AID_PING
VUSB
USBPUEN
VDIG
MIDREF
VBUS
New_System
Connector page 8
VDIG
VEXT15
EXTLDO
VBT
LDOA
VMEM
VRTC
VBATTi
VCORE
VBACKUP
VCLK
CAM_1V8
VUSB
USBSENSE
DCIO_ON
DCIO
IRQn
OnSWAn
RTCDCON
VBUS
SLEEP
CLKREQ15
RTCCLK
PWRRSTn
DCIOint
page 6
Power_Management
ANTSW2
ANTSW1
ANTSW0
RADDAT
RADCLK
RADSTR MODD
MODC
MODB
MODA
UARTTX3
FMI2CEN
DCIO_ON
TXON
UARTRTS3
QDATA
IDATA
DCLK
VDIG
UARTCTS3
UARTRX3
LIDSENSE
MSDETECT
msduo_radio
FMINT
CLKREQ28 VMSDUO_EN
page 9
page 9
RTEMP
ADSTRO
VCXOCONT
PCMDATB
PCMCLK
PCMSYNC
VDIG
VBACKUP
MIDREF
MICP_AUXinL
MICN_AUXinR
FMR
FML
AID_AD
PCMDATA
WLBRGT
VLOOP
I2CCLK
I2CDAT
SPL
SPR
CAM_1V2_ENABLE
FLASH_LED_TEMP_i
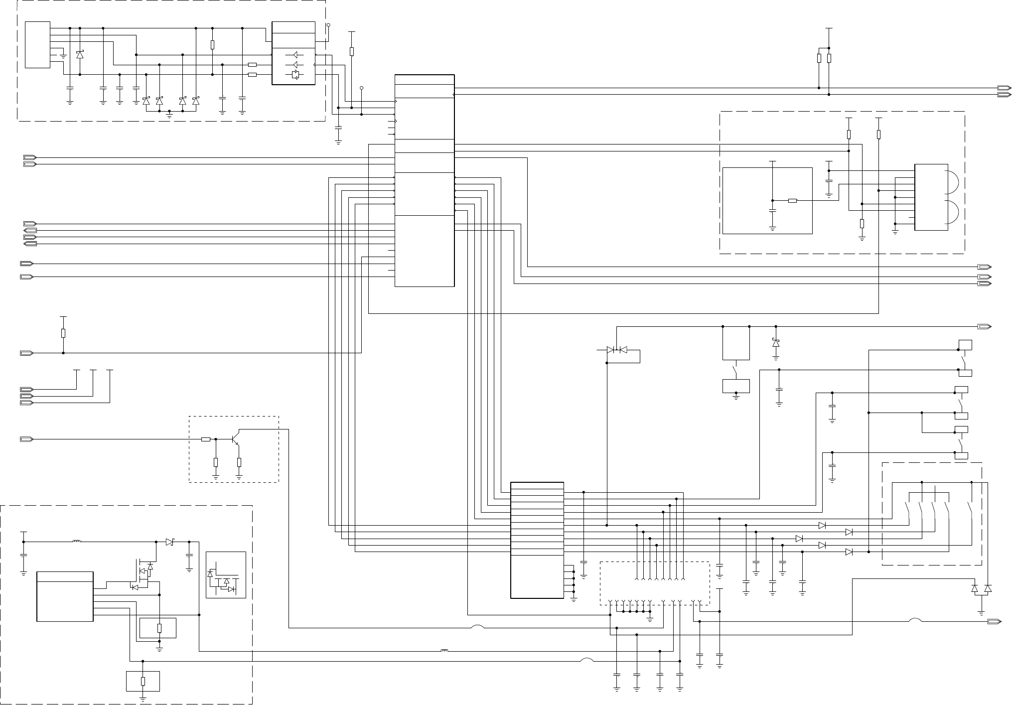
Analog page 3page 3
Analog
VMSDUO_EN
FLASH_LED_TEMP_i
DCIOInt
LIDSENSE
WLBRGT
CAM_1V2_ENABLE
VBATTi
VDIG
CAM_1V8
SOFT_LED_ON
I2CCLK
I2CDAT
SYSCLK1
FLASH_STROBE
CAM_LED
CAM_2V7_ENABLE
BLGTEN
page 5
LCD_Illum_Vibr
VCXOCONT
PCMDATB
PCMSYNC
PCMCLK
VLOOP
RESOUT2n
WLBRGT
PCMDATA
FML
FMR
SERVICE_N
EXTLDO
MICP/AUXinL
MICN/AUXinR
VBT
LDOA
AID_AD
I2CDAT
I2CCLK
BLGTEN
DCIO
USBDM
USBDP
DTMS
CTMS
USBPUEN
DFMS
SPL
SPR
SYSCLK1
RTCDCON
SLEEP
IRQn
VCLK
MIDREF
PWRRSTN
VBUS
RTCCLK
VPP
VPP
LIDSENSE
DCLK
IDATA
QDATA
UARTCTS3
UARTRX3
MODA
MODB
MODC
MODD
FMI2CEN
ANTSW0
ANTSW1
TXON
UARTTX3
UARTRTS3
DCIO_ON
MSDETECT
SOFT_LED_ON
CAM_LED
NANDRDY
FMINT
CFMS_AID_PING
FLASH_STROBE
ADSTRO
RTEMP
CAM_1V2_ENABLE
CAM_2V7_ENABLE
ANTSW2
BTSYSCLK
RADDAT
RADCLK
RADSTR
USBSENSE
OnSWAn
CLKREQ28
CLKREQ15
CLKREQ15
VUSB
VMSDUO_EN
FLASH_LED_TEMP_i

CGNDCGND
SERVICE_N
CLKREQ15
MCLK
PWRRSTn
SLEEP
RTCCLK
SP2206
SP2202
SP2201
SYSCLK1
DATA(0)
DATA(1)
DATA(2)
DATA(3)
DATA(4)
DATA(5)
DATA(6)
DATA(7)
DATA(8)
DATA(9)
DATA(10)
DATA(11)
DATA(12)
DATA(13)
DATA(14)
DATA(15)
ADR(1)
ADR(2)
ADR(3)
ADR(4)
ADR(5)
ADR(6)
RTCDCON
ADR(23)
ADR(22)
ADR(17)
ADR(21)
ADR(8)
ADR(10)
ADR(11)
ADR(12)
ADR(13)
ADR(14)
ADR(15)
ADR(16)
DATA(0)
DATA(14)
DATA(15)
ADR(7)
ADR(9)
ADR(18)
ADR(19)
ADR(20)
ADR(1)
DATA(1)
DATA(2)
DATA(3)
DATA(4)
DATA(5)
DATA(6)
DATA(7)
DATA(8)
DATA(9)
DATA(10)
DATA(11)
DATA(12)
DATA(13)
ADR(2)
ADR(3)
ADR(4)
ADR(5)
ADR(6)
ADR(7)
ADR(8)
ADR(9)
ADR(10)
ADR(11)
ADR(12)
ADR(13)
ADR(14)
ADR(15)
ADR(16)
ADR(17)
ADR(18)
ADR(19)
ADR(20)
ADR(21)
ADR(22)
ADR(24)
MEMWAIT
VCORE
SP2220
IRQn
RESOUT2n
SP2221
ADR[23]
ADR[24]
VMEM
VCORE
VCORE VMEM
LEADFREE
ROP1013049/4
Y8
W8
Y9 AA9
P11
V10
R10
V9
D2200
MARITA_RESPIN
R2A
JTAG & SCAN Interface
MARITA_COMPACT
TestEmulation IF
Mounted
TDI
TMS
RTCK
TCK
TRST_N
TDO
TEMU0_N
TEMU1_N
SP2260
SP2261
SP2262
SP2263
SP2264
SP2265
SP2266
SP2267
VDIG
VDIG
VDIG
VMEM
SP2203
DATA[14]
RTM501911/1
B2200
32768k
C2C1
C2201
22pF
R2211
100Kohms
R2201 100Kohms
R2202 100Kohms
R2212
120Kohms
C2211
1nF
R2216
27ohms
C2202
22pF
R2217 27ohms
R2205
47ohms
R2214
100Kohms
R2219 27ohms
R2210 27ohms
R2213 27ohms
R2218 27ohms
R2220 27ohms
ADR[23]
SP2290
DATA[0]
DATA[1]
DATA[2]
DATA[3]
DATA[4]
DATA[5]
DATA[6]
DATA[7]
NANDRDY
VMEM
R2203
100Kohms
LEADFREE
D2200
ROP1013049/4
W7
Y7
P10
Y13
R13
V13 W14
MARITA_RESPIN
R2A
SDRAM_CKE
SDRAM_CS_N
GPIO20/NAND_ALE
NAND_WE_N
SDRAM_CLK
Mounted
MARITA_COMPACT
NAND_SDRAM_IF
SDRAM IF
NAND IF
GPIO21/NAND_CLE
GPIO22/NAND_CS_N
LEADFREE
C8
T3
T2
R3
L3
W11
P12
W12W10
R2
U3
U2
P8
L1
F4
T4
D8
D2 G8
D3
C1
B9
P13
M3
M4
V2
A1
B2
C3
D4
B3
D5
C4
B4
D6
C5
B5
C6
D7
C7
B7
A7
D9
B10
H7
J8
M8
C9
H9
D10
C10
H10
C11
D11
G11
C12
D12
H11
C13
B13
G12
C14
B14
D14
H12
B15
C15
C16
G13
B17
C17
V11
ROP1013049/4
D2200
MARITA_RESPIN
R2A
CLK
Interupt handling Interface
A12
SYSCLK2
RTC Interface
Inter-System Interface
Memory Interface
Control System Interface
MARITA_COMPACT
uP&Memory
Mounted
RTCIN
RTCBDIS_N
IRQ0_N
ISSYNC_N
ISEVENT_N
D0
D1
D2
D3
D4
D5
D6
D7
D8
D9
D10
D11
D12
D13
D14
D15
MEMWAIT_N
MCLK
CLKREQ
RESPOW_N
SERVICE_N
PWRREQ_N
RTCOUT
RTCDCON
A1
A2
A3
A4
A5
A6
A7
A8
A9
A10
A11
A13
A14
A15/BANK_SEL_0
A16/BANK_SEL_1
A17
A18
A19
A20
A21
A22
A23
A24
CS0_N
CS1_N
CS2_N
CS3/NAND_OE_N
WE_N
OE/CAS_N
MEMBE0_N/DOML
MEMBE1_N/DOMU
MEMADV_N/RAS
MEMCLK
SYSCLK0
SYSCLK1
RESOUT0_N
RESOUT1_N
RESOUT2_N
RESOUT3_N
RESOUT4_N
VMEM
R2230
NM
10Kohms
LEADFREE
D2220
G7
C5
J1
D5
F3
H1
C2
K2
D6
K8
K3
H8
G8
J2
K1
E4
F5
F4
J7
H6
G6
H5
J4
G4
J3
G2
H7
J6
G5
J5
H4
G3
H3
H2
C6
E3
D3
C3
C7
B7
E6
B3
B2
D2
F8
E8
F7
D8
C8
B8
E7
D7
F6
E2
F2
C1
B1
D1
E1
F1
G1
E5
RYT118925/3
PF38F4050L0YTQ1_LEADFREE
D15
D14
D13
D12
D11
D10
D9
D8
D7
D6
D5
D4
D3
D2
D1
D0
WAIT
A25
A24
A23
A22
A21
A20
A19
A18
A17
A16
A15
A14
A13
A12
A11
A10
A9
A8
A7
A6
A5
A4
A3
A2
A1
A0
P-MODE
S-CS2
S-CS1
P2-CS
P1-CS
R-WE
R-OE
R-LB
R-UB
F3-CE
F2-CE
F2-OE
F1-CE
F1-OE
F-WE
F-WP
F-RST
ADV
CLK
Intel 256MBit_Strata-Flash_IF
BTSYSCLK
NM
R2221
0ohms
R2222
0ohms
R2250 27ohms
R2251 27ohms
R2252 27ohms
R2253 27ohms
R2254 27ohms
R2223
27ohms
LEADFREE
RYT118942/4
A2
A4
B3
F2
G2
H2
H3
H4
G5
H5
G6
A6
B2
A5
A1
D2230
NAND256-A
DATA
IO_7
IO_6
IO_5
IO_4
IO_3
IO_2
IO_1
IO_0
64Mx8Bit-NAND_FLASH_IF
CLE
ALE
CE
RE
WE
WP
R/B
SLEEP
WEn
MEMWAIT
RESOUT2n
CS2n
MEMADV
SYSCLK1
LBn
MCLK
MEMCLK
CS0n
OEn_2
RTCCLK
UBn
CS1n
SERVICE_N NANDOEN
BTSYSCLK
SYSCLK0
CLKREQ15
OEn
Mount R2210, R2213, R2217, R2218, R2219 ,
R2220 and R2223 close to D2200
FLASH + PS RAM
R2216 and R2221
close to D2200
POSITION B2200,C2201 and C2202 CLOSE TO D2200.
TRACK CGND AWAY FROM NOISE.
R2222 Close to C1332

VLOOP
VCXOCONT
PCMDATA
PCMSYNC
PCMCLK
PCMDATB
I2CDAT
I2CCLK
VBATTi
R2A
MARITA_RESPINLeadfree
D2200
W1
V4
W2
V3
T20
U21
W4
Y3
P4
P2
P3
P7
ROP1013049/4
GPIO06
GPIO07
GPIO35
GPIO37
GPIO
DAC&DC Interface
PCM Interface
DACDAT
DACCLK
DACSTR
ADCSTR
PCMCLK
PCMSYN
PCMDATB
PCMDATA
Mounted
MARITA_COMPACT
Analog
VDIG
VDIG
VBACKUP
WLBRGT
SPL
SPR
TP2300
TP2301
TP2302
TP2303
TP2304
22pF
C2350 22pF
C2351
22pF
C2352
22pF
C2353
4,7Kohms
R2325
22pF
C2313
NM
22pF
C2312
NM
10nF
C2320
1uF
C2337
33pF
C2339
NM
22pF
NM
C2340
1GHz
L2340
1GHz
L2342
22pF
C2343
470ohms
R2341
470ohms
R2342
100nF
C2344
1GHz
L2330
1GHz
L2332
10Kohms
R2340
33pF
C2336
NM
33pF
C2334
33pF
C2348
56nHL2331
56nH
L2341
56nH
L2343
33pF
C2346
33pF
C2347
33pF
C2331
33pF
C2332
2,2uF
C2335
220nF
C2341
220nF
C2342
100nF
C2310
100nF
C2311
15Kohms
R2311
AID_AD
L2334
22pF
NM
C2370
1GHz
L2301
FMR
FML
22pF
C2303
NM 100nF
C2329
MICN_AUXinR
MICP_AUXinL
22pF
C2373
NM
1Kohms
R2384
1Kohms
R2383
47Kohms
R2380
100nF
C2380
4,7uF
C2321
22pF
NM
C2372
MIDREF
47nF
C2330
VINCENNE2_LEADFREE
Leadfree
R1A
ROP1013066/2
C7
L10
K10
L11
K11
K12
J11
J10
J9
D9
N2600
ADC
OP AND SERVICES
ADSTR
GPA13
GPA12
GPA7
GPA6
GPA5
GPA4
GPA3
GPA2
GPA1
VINCENNE2_LEADFREE
Leadfree
R1A
ROP1013066/2
A10
C9 B5
G11
H11B10
B9
C8
N2600
SDA
SCL
DACDAT
DACCLK
DACSTR DACO3
DACO2
DACO1
DAC
OP AND SERVICES
I2C IF
VINCENNE2_LEADFREE
Leadfree
R1A
ROP1013066/2
K6
M6
L7
L6
K7
M7
L4
J4
L3
M4
L9
L5
H4
G4
M2
L1
L8
M8
J1
J2 K2
K1
N2600
LINEP
LINEN
DEC0
DEC3
DEC4
AUXO2
AUXO1
BEARP
BEARN
CCO
AUXI1N
AUXI2N
AUXI2P
AUXI1P
MIC1N
MIC1P
AUXI3N
AUXI3P
PCMSYNK
PCMCLK
PCMI MP_PCM IF
MMI
AUDIO IF
PCMO
1X2341
NM
NEGATIVE
1X2340
NM
POSITIVE
1X2330
NM
POSITIVE
1X2331
NM
NEGATIVE
56nH
L2333
0ohms
R2330
ADSTRO
RTEMP
4,7Kohms
R2382
NM
4,7Kohms
NM
R2381
0ohms
R2351
10uF
C2338
R1A
TJATTE2_R1A_LEADFREE
Leadfree
ROP1013059/2
A5 D5
D4B4
A3
C2
A4
D3
C1
B1
B2
B3
C3
C4
C5
A1 D1
A2 D2
B5
N2300
GND6
GND5
AFMS_L_INT
VDD
GND4
AFMS_R_INT
GND3
MICN_INT
MICP_INT
GND2
GND1
ATMS_INT
ATMS_AD
CCO
AFMS_L_CTS
AFMS_R_RTS
MICN
MICP
ATMS_CAP
ATMS
Mounted
REQ2114U
REV PA3 AV SPEC
100nF
C2371
CAM_1V2_ENABLE
470nF
C2381
470nF
C2382
470nF
C2383
NM
470nF
NM
C2384
SISONIC_MIC
1 4
5
23
B2370
GNDGND
VCCOUT
MICGND
LM2750_LEADFREE
Leadfree
RYT113923/2
10
73
5
6
4
8
9
1
2
N2311
C+
VOUT2
Mounted
VOUT1
C-
SD
VIN2
VIN1
GND2
GND3
GND1
10pF
C2327
10pF
C2328
2,2Kohms
R2333
22pF
NM
C2375
22pF
NM
C2376
470nF
C2333
NCP2890FCT1_LEADFREE
Leadfree
RYT101947/2
C1
A3
A1
C3
C2
A2
B3
B2
B1
N2310
IN-
IN+
Bypass
SHDN
V02
Vo1
VDD
GND
GND
AUDIO_PA
FLASH_LED_TEMP_i
4,7Kohms
R2324
100pF
C2322
0ohms
R2322
220pF
C2302 220pF
C2304
C2385
33nF
VCXOCONT
VLOOP
PCMSYN
PCMCLK
VAPA
AMPON
VBACKUP
WLBRGT
STEPUPEN
AID_AD
PCMDATA
SPL
VAD_ASENSE
FMR
MICN_AUXinR
I2CCLK
MICN_INT_FILTER
FML
MICP_INT_FILTER
MICP_AUXinL
MIDREF
RTEMP
RIN
ADSTRO
LIN
SPRi
SPLi
PCMDATB
ATMS_CCO
FLASH_LED_TEMP_i
Mounted C2372
close to Vincenne
Radio Components
Radio Components
Sensitive node
Mount C2312 and C2313
close to N2600
Mount L2330 and L2332
close to N2600
Mount L2331, L2333,
C2331, C2332
close to connector
Sensitive node
Mount L2340 and L2342
close to N2310
Mount L2341, L2343,
C2345 and C2347
close to connector
OPTOTEMP
SPEAKER
EARPIECE
MICROPHONE
PCM/DAI
Mount C2321 and R2322
close to ground point
Mounted C2370 ,C2373, C2374,
C2375 and C2376 close to Mic

VDIG
VDIG
I2CDAT
I2CCLK
OnSWAn
SP2430
SP2405
VBATTi VDIG
VDIG
V2432
NM
V2433
NM
V2434
NM
Leadfree
V2431
NM
RKZ223903/2
VBATTi
5
J2402
1
RNV79955
2
3 49 67 8
13
10
11 12 1914 16 18
S2420 8
7
6
5
4321
SXA1092476
VBATTi
VDIG
VDIG VBATTi
DTMS
VMEM
VMEM
Leadfree
D2200
H19J15
J20
L15
N19
M19
N18
M18
N20
W18
V16
W17
Y17
AA17
P14
W16
V15
W15
Y15
AA15
W3
Y2
P19P20
M15
Y20
W19
V17
R18
R19
V7
W6
AA5
Y5
Y4
V5
ROP1013049/4
MARITA_RESPIN
R2A
I2C Interface
SIM Interface
IRDA/2nd MP-PCM Interface
USB Interface
MARITA_COMPACT
PORTS&EXT_IF
Mounted
SIMCLK0
SIMDAT0
SIMRST0_N
SIMCLK1
SIMDAT1
SIMRST1_N
IRRX/PCM2DATA
USBDP
USBDM
I2CSDA
I2CSCL
IRTX/PCM2DATB
IRCTRL/PCM2CLK
USBPUEN
Keyboard IF
KEYIN0_N
KEYIN1_N
KEYIN2_N
KEYIN3_N
KEYIN4_N
KEYOUT0_N
KEYOUT1_N
KEYOUT2_N
KEYOUT3_N
KEYOUT4_N
KEYOUT5_N
GPIO
GPIO10
GPIO11
GPIO14
GPIO15
GPIO16
GPIO17
GPIO40/USBVBUS
GPIO41
GPIO42
GPIO46
GPIO47
J2401
1
2
7
3
6
5
RNK860118
CCM03-3801
SIMVCC
SIMCONRST
SIMCONCLK
GND
NC
SIMCONDAT
C2436
1uF
C2435
NM
22pF NM
C2433
22pF
C2431
1uF
C2420
100nF
C2432
1nF
USBPUEN
USBDP
USBDM
USBSENSE
CTMS
DFMS
CFMS_AID_PING
R2404
10Kohms
R2430
15Kohms
R2411
3,3Kohms
R2420
100Kohms
R2435
0ohms
NM
R2423
100Kohms
R2421
100Kohms
VDIG
BLGTEN
MSDETECT
VMEM
R2408
1,8Kohms
R2451
1Kohms
R2450
1,8Kohms
R2452
5,6ohms
SOFT_LED_ON
NANDRDY
Leadfree
ROP1013066/2
N2600
H2
F1
G2
C2
H3
G1
H1
J3
R1A
VINCENNE2_LEADFREE
SRST
SCLK
SDAT
SIM IF
OP AND SERVICES
SIMOFF
SIMRST
SIMCLK
SIMDAT
SIMVCC
20 1517
V2420
RKZ223906/1
ESDALC6V1P3
R2412
3,3Kohms
C2421
4,7uF
V2411 BAS16L
V2412 BAS16L
V2413 BAS16L
V2414 BAS16L
V2415 BAS16L
CAM_2V7_ENABLE
Leadfree
RKZ223903/2
V2416
5.6
NM
V2430
C2434
NM
22pF
R2431
0ohms
CAM_LED
Leadfree
E4
A4
A5
B4
D5
ROP1013066/2
N2600
R1A
VINCENNE2_LEADFREE
ISENSE+
FB+
ISENSE-
SWBOOST
ERICSSON AB 2010
BOOST
VBOOST
Leadfree
V2440
RKZ123905/2
R2454
27ohms
VBATTi
R2453
150mohms
RYN923602/1
6
2
1
V2435
FDG6303N
DS
G
RYN923602/1
3
5
4
V2435
FDG6303N
DS
G
C2404
100pF
Leadfree
RYN121910/1
V2450
BCW32_LEADFREE
C
E
B
Leadfree
V2410
A2
K1/K2
A1
Leadfree
RKZ923909/2
A1
A2
A3
A4
A5
B1
B2
B3
B4
B5
E1
E2
E3
E4
E5
D1
D2
D3
D4
D5
C5
C4
C3
C2
C1
Z2450
EMIF10_COM01_LEADFREE
I1
I2
I3
I4
I5
I6
I7
I8
I9
I10
O1
O2
O3
O4
O5
O6
O7
O8
O9
O10
GND
GND
GND
GND
GND
EMI_ESD-FILTER_10-ARRAY
GND
L2400
22uH
R2422
4,7ohms
RMD10116/4
ab
cd
S2410
EVQP7
RMD10116/4
ab
cd
S2411
EVQP7
RMD10116/4
ab
cd
S2414
EVQP7
S2415
RMD10116/4
ab
cdEVQP7
Leadfree
RKZ923915/1
4
1
6
5
7
3
8
9
2
H2410
RPM870-H7/HDSL3201
IrDA module
Vcc
NC
SD
TXD
AGND
RXD
VLED
GND
Shield
C2450
1uF C2441
1uF
C2413
33pF
C2414
33pF
C2415
33pF
C2451
33pF C2452
33pF
C2453
33pF C2454
33pF
C2455
1nF C2456
1nF
L2441
1GHz
C2457
33pF
C2458
33pF
C2459
33pF
C2460
33pF
C2461
33pF
C2462
33pF
C2463
33pF
ST2450
2 1
Strap
ST2551
2 1
Strap
ST2452
2 1
Strap
I2CDAT
IR_RCV
KIN1
KIN2
KIN3
OnSWAn
KOUT4
DFMS
USBPUEN
DTMS
CTMS
USBSENSE
BLGTEN
KIN4
KOUT0
MSDETECT
NANDRDY
SOFT_LED_ON
SOFT_LED_POW
CFMS_AID_PING
KIN0
CAM_2V7_ENABLE
CAM_LED
KEYB_LED_CATHODE
ISENSEp
KOUT3
KOUT3
KOUT2
KOUT2
KOUT1
KOUT1
SWBOOST
IR_SD
KOUT5
KEYB_LED_ANODE_1 KEYB_LED_ANODE
KEYBOARD-
CONNECTOR
Lower button
Upper button
VOLUME2
MUSIC PLAYER
VOLUME1
Mount C2436 close
to SIM-connector
ON/OFF
Mount R2431, C2431
and C2434 close to N2600
0805
size???
0805
size???
SIM
Keyboard LED driver
SOFT. LED DRIVER
IRDA / Remote
JOYSTICK
Not used
C2421 and R2422
close(less than 7mm) to H2410

VDIG
I2CDAT
I2CCLK
SYSCLK1
WLBRGT
VBATTi
VDIG
VBATTi VDIG
RKZ433924/1
H2500
SML-A12UT
CA
C2504
220nF
C2500
2,2uF
C2505
N.M
10uF
C2501
33pF
L2510 56nH
L2511 56nH
LIDSENSE
NM
C2560
22pF
NM
C2561
22pF
C2562
22pF
C2563
22pF
C2564
22pF
C2565
22pF
C2566
22pF
C2567
22pF
C2568
22pF
C2569
22pF
NM
C2571
22pF
C2572
22pF
C2573
22pF
DCIOint
BLGTEN
LCD_VSS 2
LCD_ID 17
LCD_VDD 3
LCD_FSYNC 18
LCD_CS 4
LCD_D7 15
LCD_RS 5
LCD_D1 9
LCD_D5 13
LCD_WR 6
LCD_D6 14
LCD_D2 10
LCD_D4 12
LCD_D0 8
LCD_VSS 16
LCD_RESET 1
X2500
LCD_RD 7
LCD_D3 11
17
CAM_PCLK 7
CAM_VSYNC 6
CAM_HSYNC
19
CAM_FLASHSYNC
24
CAM_GND
5
CAM_CAMRESETn
29
CAM_FLASH_C2
8
CAM_GND
18
CAM_GND
RNV79939X2510
16
CAM_D0
R1A
15
CAM_D1 14
CAM_D2 13
CAM_D3 12
CAM_D4 11
CAM_D5 10
CAM_D6 9
CAM_D7
1
CAM_GND
3
CAM_I2CCLK
20
CAM_1V2
30
CAM_LIDSWITCH
2
CAM_SYSCLK1
4
CAM_I2CDAT
VBATTi
C2534
NM
100nF
C2531
4,7uF
L2530
22uH
R1A
Leadfree
N2600
B3
B6
A6
ROP1013066/2
VINCENNE2_LEADFREE
LED1
LED2
VIBR
VIBRATOR
LED
MMI
LEADFREE
ROP1013049/4
E20
E21
H14
F19
F20
G18
G19
G20
G21
H18
E19
H15
P18
R21
P15
N15
T19
Y19
AA20
C19
D18
C20
C21
E18
B18
D17
C18
B19
A20
H13
G14
B20
D19
D2200
MARITA_RESPIN
R2A
GPIO2/PWM1(10)
GPIO1/PWM0(8)
CIPCLK
CIVSYNC
CIHSYNC
CID7
GPIO
GPIO44
GPIO45
GPIO36
GPIO34
GPIO23
Camera Interface
CID0
CID1
CID2
CID3
CID4
CID5
CID6
CIRES
Display IF
MARITA_COMAPCT
OPTICAL_IF
Mounted
PDID0
PDID1
PDID2
PDID3
PDID4
PDID5
PDID6
PDID7
PDIRES_N
PDIC0
PDIC1
PDIC2
PDIC3
PDIC4
NM
X2501
1
NM
X2502
1
FLASH_STROBE
SP2500
VDIG
CAM_FLASH_A1
26
CAM_FLASH_A2 27
CAM_1V8
23
C1
A1
C3
B2A3
N2514
LP3985ITL-27
2.7V ON
OFF
IN
GNDBYPASS
OUT
VDIG
C2511
1nF
C2514
1nF C2516
1uF
22
CAM_2V7
25
CAM_2V7_AF
VBATTi
CAM_2V7_ENABLE
CAM_1V2_ENABLE
28
CAM_FLASH_C1
N2575
3
5
21
4
RYT3266066/2C
TC7S66FU
1
X1 VCC
GND
1
NM
C2541
100nF
C2570
22pF
C2521
1nF
C2522
22pF
C2523
22pF
C2519
2,2uF
SOFT_LED_ON
CAM_LED
N2517
25
13
4
6
RYT113962/1
R1161D121B-XX
NCGND
VDDVOUT
CE
ECO
20
LCD_CATHODE
19
LCD_ANODE
V2500
RKZ123904/1
Leadfree
NM
A1
K1/K2
A2
Leadfree
RYT113934/2
A3
B3
A2
B1C1
C2
C3
A1
N2500
LM3501_LEADFREE
DC/DC_Converter
VIN
VSW
SHDN
CNTRL
VOUT
FB
AGND
GND
VBATTi
C2529
22pF
RYT113973/1
20
24
21
23
4
5
2
3
15
13
12
11
10
9
7
6
1
17
16
22
18
19
8
14
25
N2591
MAX1576ETG
GND_PAD
LED8
LED7
LED6
LED5
LED4
LED3
LED2
LED1
OUT
GND2
GND1
PGND
SETF
SETM
ENF2
ENF1
ENM2
ENM1
C2n
C2P
C1N
C1P
IN
INP
MAX1576
C2509
1uF
C2524
1uF
C2596
4,7uF
C2599
4,7uF
C2595
1uF
VCORE
TP2554 FLASH_LED_TEMP_i
C2510
100nF
C2520
10uF
C2518
10uF
VDIG
VMSDUO_EN
CAM_1V8
N2511
C1
A1
C3
B2A3
RYT113920/5
LP3985ITL-27
2.7V ON
OFF
IN
GND
BYPASS
OUT
VBATTi
C2513
1uF
C2517
1nF
CAM_1V8
CAM_1V8
FLASH_LED_TEMP
21
R2560
100Kohms R2570
100Kohms
R2567
100Kohms
R2566
100Kohms
R2561
100Kohms
R2562
100Kohms
R2563
100Kohms
R2564
100Kohms R2568
100Kohms
R2569
100Kohms
R2565
100Kohms
R2530
15ohms NM
R2535
0ohms
R2579
100Kohms
R2513
100Kohms
R2516
100Kohms
R2519
100Kohms
R2580
1Kohms
R2594
4,7Kohms
R2595
6,8Kohms
R2581
100Kohms
R2515 0ohms
R2511
0ohms
C2512
10uF
C2508
10nF
R2599
0ohms
R2503 0ohms
C2503
22pF
L2508
1GHz
C2506
100nF
R2507
NM
0ohms
N2580
3
2
54
1
RYT901955/1
MIC842NBC5
GND
NC
VOUT
INP
VDD
MIC842
C2502
33pF C2507
33pF
C2576
33pF
R2510
100Kohms
TP2552
TP2553
ST2502 21
Strap
Strap
1 2
ST2532
Strap
1
2
ST2531
Strap
1 2
ST2517
Strap
1 2
ST2590
R2512
330Kohms
R2517
0ohms
C2575
33pF
1
E2501
1
E2502
1
E2503
C2578
22nF
C2579
22nF
R2583
180ohms
C2532
1uF
C2535
1uF
C2581 33pF
C2585
33pF C2582
33pF
C2583
33pF
C2584
33pF
C2594
33pF
C2580
33pF
C2586
33pF
C2587
33pF C2588
33pF
C2589
33pF C2590
33pF
C2591
33pF C2592
33pF
C2593
33pF
CAMDAT[7]
CAMDAT[0]
CAMDAT[1]
CAMDAT[2]
CAMDAT[3]
CAMDAT[4]
CAMDAT[5]
CAMDAT[6]
CAMRESETn
DCIOInt
CIHSYNC
SYSCLK1
I2CDAT
WLBRGT
BLGTEN
I2CCLK
CAM_2V7_ENABLE
CAM_1V2_ENABLE
VIBR
FLASH_STROBE
FLASHSYNC
SOFT_LED_ON
CAM_LED
CIVSYNC
LIDSENSE
CAM_FLASH_A
CAM_FLASH_C1
FLBRGT_1
FLASH_LED_TEMP
VMSDUO_EN
CIPCLK
FLASH_LED_TEMP_i
FLBRGT
C2531 and C2534
close to N2500
Note! Local ground
Note! Local ground
Mount close to X2500
Radio Components
LCD CONNECTOR
CAMERA CONNECTOR
VIBRATOR
DISPLAY LIGHT
FLASH LED DRIVER
Camera Power

OnSWAn
RTCDCON
VCLK
SLEEP
CLKREQ15
IRQn
RTCCLK
Leadfree
V2610
5
4
8
7
6
3
2
1
RYN122684/2
VBATTi
VDIG
VBATTi
VCORE
VDIG
VCORE
VBATT
PWRRSTn
Leadfree
TP2601
TP2600
2
VBATTi
VDIG
VRTC
VBACKUP
VCORE
VDIG
Leadfree
RKZ223903/2
V2600
5.6
C2606
Backup-C
70mF
+
C2624
100nF
C2601
3,3pF C2603
4,7uF
C2620
N.M
1uF
C2605
1uF
C2607
10uF
C2615
10uF
C2613
100nF
C2621
100nF
C2622
100nF
C2628
100nF
C2602
10nF
C2604
10uF
L2608
22uH
L2607
DCIO_ON
Leadfree
5
4
8
7
6
3
2
1
RYN122684/2
V2681
R2612
220mohms
R2620
100mohms
R2627
100Kohms
R2632
100Kohms USBSENSE
VUSB
R2672
51Kohms
VBUS
R2681
100Kohms
VDIG
VRTC
C2640
10uF
C2643
1nF
VEXT15
VMEM
CAM_1V8
EXTLDO
LDOA
VBT
DCIOint
DCIO
C2641
1uF
Leadfree
ROP1013066/2
B11
D1
D3
D2
J8
H9
F11
F12
H12
E9
D10
A1
D4
F3
M12
A3
E1
A8
B2
F2
E2
M9
M3
A2
M5
M11
L12
B7
A9
C3
M10
L2
J12
K8
G3
K4
B1
C6
K5
E3
N2600
R1A
VINCENNE2_LEADFREE
LDO_G
LDO_F
VDDG
VDDFVBATF
USBMOD
VBUS
DIGVDD
DIGVSS
VBATB
VBATC
VDDD
VDDE
VDDLP
LDO_D
LDO_E
LPREG
VDDBUCK
SWBUCK
VSSBUCK
VBUCK
MOD1
BUCK
CONVERTER
VSSB
VSSC
BASEBAND REGULATORS
POWER
BATTERY MANAGEMENT
VSSD
VBATD
BDATA
VDCIO
CHREG
CHSENSE+
CHSENSE-
FGSENSE+
FGSENSE-
ANALOG BLOCK SUPPLY
VDDADC VSSADC
AUDIO BLOCK SUPPLY
VSSCODEC
VDDCODEC
VSSBEAR
VDDBEAR
REF
SUB
TEST
VREF
IREF
VDDIO
VDDIO_18
Leadfree
ROP1013066/2
K3
C1
K9
C4
C5
A7
B8
C10
M1
N2600
R1A
VINCENNE2_LEADFREE
ONSWA
ONSWB
ONSWC
PWRRST
IRQ
POWER ON/RESET
SYSTEM CONTROL
XTAL1
SLEEP
CLKREQ
MCLK
CONTROL
Leadfree
N2600
H10
A11
B12A12
C11
ROP1013066/2 R1A
VINCENNE2_LEADFREE
LDO_A
LDO_B
RADIO
POWER
VBATA VDDA
VDDB
EXTLDO
VSSA
R2671
10Kohms
C2661
NM
4,7uF C2662
4,7uF
C2642
4,7uF
C2616
100nF
X2600
3
SND10620
1
SND10620
V2680
2
3
1UNRF2A1
C2608
Close to
N2600
10pF
C2629
47pF C2630
47pF
C2633
4,7uF
R2606
4,7Kohms
C2634
100nF
R2604
330Kohms
TP2602
Leadfree
N2670
1
3
5
4
2
RYT113904/11
RYT113_LEADFREE
[VREG]
ON
OFF
IN
GND BYPASS
OUT
C2671
2,2uF
C2672
1uF
C2623
22pF
R2601
25mohms
R2603
330Kohms
RKZ123911/1
V2628
Strap
1 2
ST2620
Strap
1 2
ST2661
Strap
1 2
ST2642
Strap
1 2
ST2641
Strap
1 2
ST2640
12
ST2610
Strap
Strap
1 2
ST2670
IRQn
USBSENSE
VUSB
VBT
DCIOint
LDOA
VBUS
DCIO_ON
CLKREQ15
DCIO
DCIO
Mount C2629 and C2630
close to N2600
1.5V/30mA
2,7V/1mA
BATT CONNECTOR
DECOUPLING
CONNECT THE GROUND ON
A SINGLE POINT TO
THE GROUND PLANE
CONNECT THE GROUND ON
A SINGLE POINT TO
THE GROUND PLANE
Mount C2601 and C2602 close to
the battery connector
For current measurements cut between C2604 and C2621

VDIG
VRTC
VCORE
VDIG VMEM
VMEM
VMEM
VCOREVRTC
R2A LEADFREE
ROP1013049/4
E5
L14
Y12
R14
E1
M2
N2
Y10
H2
U1
AA1
AA3
Y18
V20
N21
B21
A19
K20
AA11
J21
V12
V14
E3
L4
M7
W9
G4
R4
U4
R9
Y16
V18
Y21
F18
A21
D16
L18
K18
R11
J18
D2200
MARITA_RESPIN
VSSE02
VSSE01
VSSE00
VSSE211
VSSE210
VSSE209
VSSE208
VSSE207
VSSE206
VSSE205
VSSE203
VSSE202
VSSE201
VSSE200
VSSRTC
VSSMC
VSSDM
VSSUSB
VSSA2
VSSA0
NC0
KeyPin
VDDE02
VDDE01
VDDE00
VDDE209
VDDE208
VDDE207
VDDE206
VDDE205
VDDE203
VDDE202
VDDE201
VDDE200
VDDRTC
VDDMC
VDDDM
VDDUSB
VDDA2
VDDA0
Mounted
MARITA_COMPACT
Power_other
CSC/PLL2X/PLL397X
1.5 V Analouge
PLL-USB
1.5 V Analouge
USB 3.3V
DirMod 1.8V
MMC/Memory stick
2.75 V
RTC 1.5V
I/O 2.75V
I/O 1.5V
VMEM
VPP
VDIG
VCORE
VRTC
VEXT15
VMEM
VCORE
VMEM
CGND
Place close
to memory
C2701
100nF C2702
100nF C2703
100nF C2704
100nF C2705
100nF
C2710
100nF C2711
100nF C2712
100nF
C2721
100nF C2722
100nF C2723
100nF
C2726
100nF
C2725
100nF
C2724
100nF
C2720
100nF
C2751
100nF C2752
100nF C2753
100nF C2754
100nF
C2730
100nF
C2731
100nF C2732
100nF C2733
100nF
C2734
100nF C2735
100nF C2737
100nF
C2713
100nF
R2730
1Kohms
C2750
4.7uF
C2738
100nF
C2741
220nF
R2A LEADFREE
ROP1013049/4
AA19
R12
Y14
M20
D20
B12
R1
Y1
AA7
H20
A15
L21
A17
B1
K2
A9
B6
R20
C2
B16
A13
A11
B8
A5
A3
Y6
AA13
E4
D15
D13
G10
G9
H8
A2
V8
W13
D2200
N1
MARITA_RESPIN
VSSE114
VSSE113
VDDE114
VDDE113
Core 1.5V
MARITA_COMPACT
Power_Vcore_EMIF
Mounted
VDDE100
VDDE102
VDDE104
VDDE106
VDDE108
VDDE110
VDDE112
VDDC00
VDDC01
VDDC02
VDDC03
VDDC04
VDDC05
VDDC06
VDDC07
VDDC08
VDDC09
VDDC10
VDDC11
VDDC12
VDDC13
VDDC14
VDDC15
VDDC16
VDDC17
VDDC18
VSSE100
VSSE102
VSSE104
VSSE106
VSSE108
VSSE110
VSSE112
GRAM -1.5V
GSM Core - 1.5V
DPLL - 1.5V
ARM - 1.5V
ARM RAM - 1.5V
MGS3 - 1.5V
EMIF - 1.5V/ 1.8V
VUSB
VUSB
VUSB
VBATTi
Leadfree
N2600
F4
J5
J6
J7
G9
F9
D8
D7
D6
F5
G5
H5
H6
H7
H8
G8
F8
E8
E7
E6
E5
G6
G7
F7
ROP1013066/2 R1A
VINCENNE2_LEADFREE
POWER
THERMAL GROUNDS
VSSTH1
VSSTH2
VSSTH3
VSSTH4
VSSTH5
VSSTH6
VSSTH7
VSSTH8
VSSTH9
VSSTH10
VSSTH11
VSSTH12
VSSTH13
VSSTH14
VSSTH15
VSSTH17
VSSTH18
VSSTH19
VSSTH21
VSSTH22
VSSTH25
VSSTH26
VSSTH27
VSSTH30
VMEM
GND
C2760
NM
100nF
VMEM
LEADFREE
D2220
L8
L7
L6
L5
L2
L1
C4
B4
L3
K7
J8
K4
K5
K6
B6
L4
B5
D4
M8
M7
M2
M1
A8
A7
A2
A1
RYT118925/3
PF38F4050L0YTQ1_LEADFREE
DO_NOT_USE_PINS
DU
DU
DU
DU
VSS
VSS
VSS
VSS
VSS
VSS
VSS
VSS
DU
DU
DU
DU
P-VCC
S-VCC
VCCQ
VCCQ
VCCQ
F2-VCC
F2-VCC
F1-VCC
F1-VCC
F-VPP/F-VPEN
Intel 256MBit_Strata-Flash_POW
C2736
100nF C2739
100nF
C2740
100nF
Leadfree
V2740
RKZ123904/1
A2
K1/K2
A1
Leadfree
V2730
RYN120903/1
B
C
E
LEADFREE
RYT118942/4
1
2
3
4
5
6
7
8
9
10
11
12
13
14
15
B1
B4
B5
B6
C1
C2
C3
C4
C5
C6
D1
D2
D3
D4
D5
D6
E1
E2
E3
E4
E5
E6
F1
F3
F4
F5
G1
G3
F6
G4
A3
H1
H6
D2230
NAND256-A
VSS
64Mx8Bit-NAND_FLASH_POW
VCC
VCCQ
NC
NC
NC
NC
NC
NC
NC
NC
NC
NC
NC
NC
NC
DNU
DNU
DNU
DNU
DNU
DNU
DNU
DNU
VSS
VSS
NC
NC
NC
NC
NC
NC
NC
NC
NC
NC
NC
NC
NC
NC
NC
DNU
DNU
DNU
DNU
DNU
DNU
DNU
POWER/GND
AND NC
SUPPORTPINS
VEXT15
VPP
VBATTi
C2750 close to flash pin B5,L4
C2751 close to flash pin B6,K6
C2752 close to flash pin J8,K7
C2753 close to flash pin L3
C2754 close to flash pin K5
Mount close to D2220
Mount close to D2220
Flash decouplings
Standard memory solution

1uH
L2821
1uH
L2822
MICP/AUXinL
FM_ANTENNA
MICN/AUXinR
SPL
SPR
DCIO
1KohmsR2804
100Kohms
R2805
100Kohms
R2806
DFMS
100Kohms
R2829
USBDM
DTMS
USBDP
VPP
AID_AD
1Kohms
R2812
SERVICE_N
CFMS_AID_PING
VDIG
10Kohms
R2814
USBPUEN
47pF
C2810
1Kohms
R2810
VDIG
VDIG
DCIOint
DCIOint
47Kohms
R2830
X2810
11 D-/DFMS
NM
10
D+/DTMS
7Video/Strobe
1Vbus
6SPR
5
SPL
4
Mic-/AuxinR
3Mic+/AuxinL
MIDREF
VBUS
8
AID/ACB/VPPFLASH
2
SPRef
15V
V2840
12 CA
GND
9DCIO
12
FLASH_STROBE
DCIOint
5.6
V2841
VUSB
1,5KohmsR2802
EMIF02-USB01_LEADFREE
N2802
D2
A3
B2
A1
E1E3
C1C3
RKZ923908/3
Leadfree
USBPU
DXI
DYI
ESD1
ESD2
DXO
DYO
GND
EMI/ESB-FILTER_USB
1uHL2820
1uF
C2841
560ohms
R2813
MAX4717_LEADFREE
RYN901905/2
LEADFREE
C3 A3
C2 A2
C1 A1
C4 A4
B4
B1
N2801
NO2
NC2
COM2
IN2
GND
NO1
NC1
COM1
IN1
V+
MAX4717
UNRF2A7
V2819
2
3
1RYN121918/1
68ohmsR2816
68ohmsR2817
VDIG
CTMS
Si1551DL
RYN901918/1
V2802
6
2
1
G
SD
Si1551DL
RYN901918/1
3
5
4
V2802
DS
G
10Kohms
R2811
470ohmsR2815
220ohms
R2801
220nF
C2840
2 1
V2842
15V
CA
100MHz
1Kohms
L2825
1Kohms 100MHz
L2823
1Kohms 100MHz
L2824
DM/DFMS
DP/DTMS
SPL
SPR
DFMS
USBDM
DTMS
AID_AD
SERVICE_N
MICP/AUXinL
MICN/AUXinR
AID/ACB/VPP
MIDREF
Vbus
FLASH_STROBE
DCIO
CFMS_AID_PING
FM_ANTENNA
USBDP
USBPUEN
VUSB
System connector
No ground plane
underneath

ANTSW1
ANTSW0
RADDAT
RADCLK
RADSTR
MODD
MODC
MODB
MODA
QDATA
IDATA
DCLK
VDIG
VDIG
LEADFREE
K7
ROP1013049/4
J2
J4
J3
J1
H3
K4
E2
J7
F3
F2
R8
K3
L8
L7
K8
G1
H4
G2
G3
D2200
MARITA_RESPIN
R2A
ANTSW3
ANTSW2
ANTSW1
ANTSW0
BANDSEL1
BANDSEL0
PCTL
TXON
RXON
RFDAT
RFSTR
RFCLK
DIRMOD3
DIRMOD2
DIRMOD1
DIRMOD0
QDATA
IDATA
DCLK
Mounted
MARITA_Compact_RadioIF
GPIO03
GPIO
ANTSW2
R2999 100ohms
R2998 100ohms
R2997 100ohms
R2996 100ohms
UARTRTS3
UARTTX3
FMI2CEN
UARTCTS3
UARTRX3
LEADFREE
D2200
K15 K19
K14
J19
J14 L19
AA21
U20
U19
T18
U18
W21
V19
W20
N14
W5
V6
AA2
P9
M14
ROP1013049/4
MARITA_RESPIN
R2A
GPIO
GPIO24_BTUARTRX
GPIO25_BTUARTTX
GPIO13_BTIRQ
GPIO12_BTON
GPIO05
GPIO04
GPIO00
MEMORY_STICK_IF
MMC_IF
MARITA_COMAPCT
ADDITIONAL_IF
Mounted
MMCCMD
MMCDAT
MSSDIO
MMCCLK
MSSCLK
MSBS
GPIO26_BTUARTCTS
GPIO27_BTUARTRTS
GPIO30
GPIO31
GPIO32
GPIO43
GPIO33
VDIG
R2959
100Kohms
2
X2950
BS
4DIO
5RES
6INS
8SCLK
7RES
10 VSS (GND)
9VCC (VMSDUO)
3VCC (VMSDUO)
1VSS (GND)
C2950
<NM>
22pF
R2950
0ohms
R2951
0ohms
R2953
To be mounted close to Marita
0ohms
DCIO_ON
LIDSENSE
MSDETECT
FMINT
R2952
100Kohms
CLKREQ28
R2960
NM
1Kohms
R2995 100ohms
TXON
NM
R2961
100Kohms
VBATTi
C2980
10uF
VMSDUO_EN
C2981
1uF
RYT113904/10
N2980
3
5
4
1 2
LP298528V_LEADFREE
2.8V
[VREG]
ON
OFF
IN
GND BYPASS
OUT
ST298021 Strap
ANTSW0
ANTSW1
MSDETECT
FMINT
FMI2CEN
RADCLK
RADSTR
RADDAT
CLKREQ28
ANTSW2
MS DUO
MS-DUO-connector