SR5003
User Manual: SR5003
Open the PDF directly: View PDF
.
Page Count: 159 [warning: Documents this large are best viewed by clicking the View PDF Link!]
- A4 1p-14p.pdf
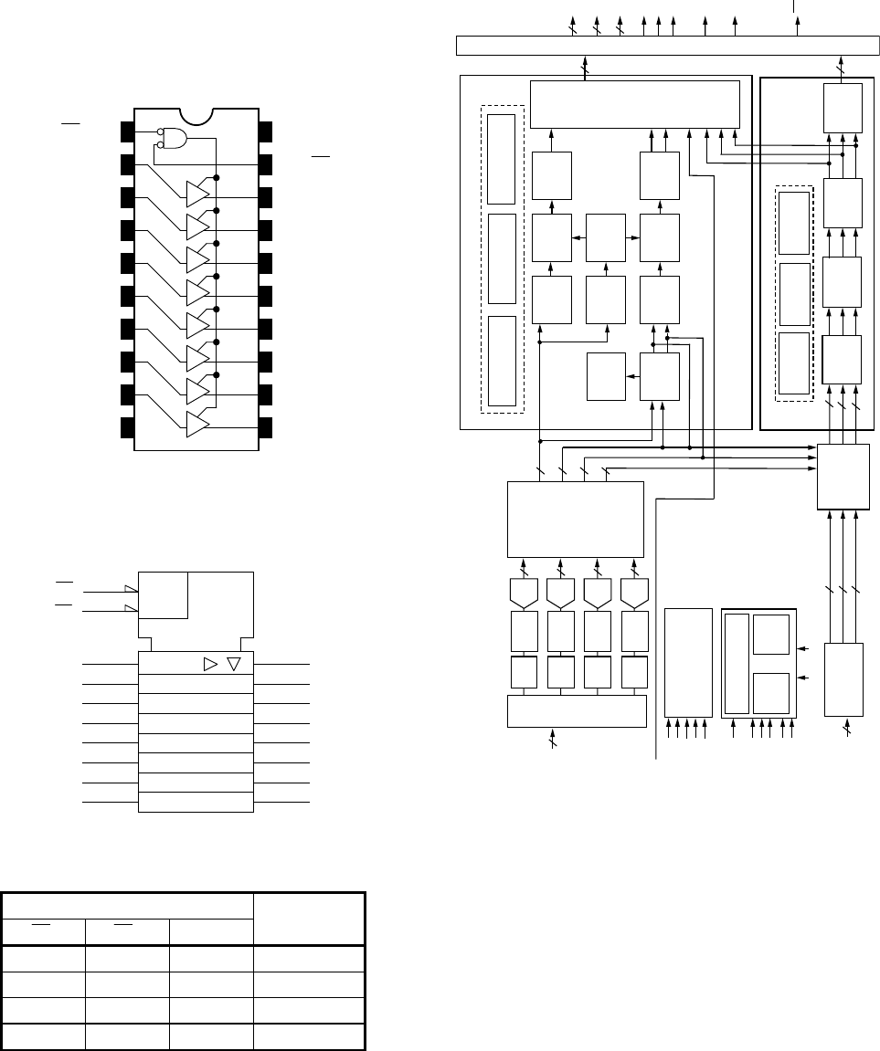
- 1. TECHNICAL SPECIFICATIONS
- 2. TECHNICAL DESCRIPTION
- 3. POWER AMPLIFIER ADJUSTMENT
- 4. SERVICE MODE
- 5. SYSTEM ERROR
- Check 1
- • Indication of abnormalities with the EEP-ROM (DSP PWB / IC12) Interface
- Check 2
- • +5V supply Error Detection (_5V DOWN)
- • Detection of DC on Power Amp Output (_P AMP FAIL)
- • Detection of abnormal heat of Power Amp (_P AMP FAIL)
- • Detection of Overcurrent below 200msec on Power Amp (_P CUR FAIL)
- NOTE : The product can recover from the SYSTEM ERROR when the user turns on and then off the STANDBY. However, once any of the above errors is redetected, the product goes into STANDBY again.
- Check 1
- 5. SYSTEM ERROR
- Check 1
- • EEP-ROM (INPUT PWB / IC12) Interface異常検出
- Check 2
- • +5V Supply異常検出 (_5V DOWN)
- • Power Amp出力のDC検出 (_P AMP FAIL)
- • Power Ampの異常温度検出 (_P AMP FAIL)
- • Power Ampの200msec未満の過電流検出 (_P CUR FAIL)
- 復帰操作 :
- このSystem ErrorはUserがSTANDBY ON/OFF操作を行うことで通常動作に復帰しますが、上記の異常を再検出することで製品は再びSystem Errorとなります。
- NOTE : HOW TO RECOVER FROM SYSTEM ERROR (STANDBY LED flickering) The product can recover by turning on STANDBY on the remote controller after the above errors are rectified.
- Check 3
- • Detection of Overcurrent over 200 msec on POWER AMP (_P CUR FAIL)
- • Detection of an abnormality on +/-12V Supply or Power Amp power supply (_P LINE FAIL)
- NOTE : This SYSTEM ERROR cannot be rectified by users. In order to power on the product, please do the following.
- : Hold down "SURROUND MODE", "EXIT" & "CLEAR" at the same time for 3 seconds or more. However, if any problem remains with the product, the SYSTEM ERROR will occur again.
- 復帰操作 :
- System Error (STANDBY LEDの点滅)からの復帰は上記の不具合を改善後リモコンのSTANDBY ON操作で復帰できます。
- Check 3
- • Power Ampの200msec以上の過電流検出 (_P CUR FAIL)
- • +/- 12V Supply又は、Power Amp用電源の異常検出 (_P LINE FAIL)
- Note : このSystem ErrorはUserが通常動作に復帰させることは出来ません。製品の電源をONさせる場合は次の操作を行います。
- 復帰操作 :
- "SURROUND MODE" + "EXIT" + "CLEAR"ボタンを同時に押して3秒以上保持する。但し、製品に不具合が残っている場合は再びSYSTEM ERRORが働きます。
- Check 4
- • TIMING CHART
- Check 4.
- • TIMING CHART
- Check 1
- A4 15p-36p 6-7.pdf
- 6. DUAL BACKUP MEMORY
- 6. DUAL BACKUP MEMORY
- 7. WRITING AND UPDATE SOFTWARE
- 7. WRITING AND UPDATE SOFTWARE
- • Mode 1: Update/Download MAIN CPU's software to internal Flash-ROM.
- 必要機器
- Mode 1: Update/Download MAIN CPU’s software to internal Flash-ROM
- Update/Download software for MAIN CPU (Mode 1)
- Mode 1: Update/Download MAIN CPU's software to internal Flash-ROM
- NOTE : The yy is two digits of year. The mm is month. The dd is date. The v is release number.
- 注意 : yyは年の下二桁、mmは月、ddは日、vはリリース番号
- Mode 2: Update/Download DSP’s software to Flash-ROM
- Update/Download Software for DSP (Mode 2)
- Mode 2 : Update/Download DSP's software to Flash-ROM
- Update/Download Software for DSP (Mode 2)
- NOTE : The yy is two digits of year. The mm is month. The dd is date. The v is release number.
- 注意 : yyは年の下二桁、mmは月、ddは日、vはリリース番号
- Mode 3 : Update/Download HDMI CPU’s software to internal Flash-ROM.
- Update/Download Software for HDMI CPU (Mode 3)
- Mode 3 : Update/Download HDMI CPU's software to internal Flash-ROM.
- Update/Download Software for HDMI CPU (Mode 3)
- NOTE : The yy is two digits of year. The mm is month. The dd is date. The vv is release number.
- 注意 : yyは年の下二桁、mmは月、ddは日、vvはリリース番号
- 2nd A3 37p-92p.pdf
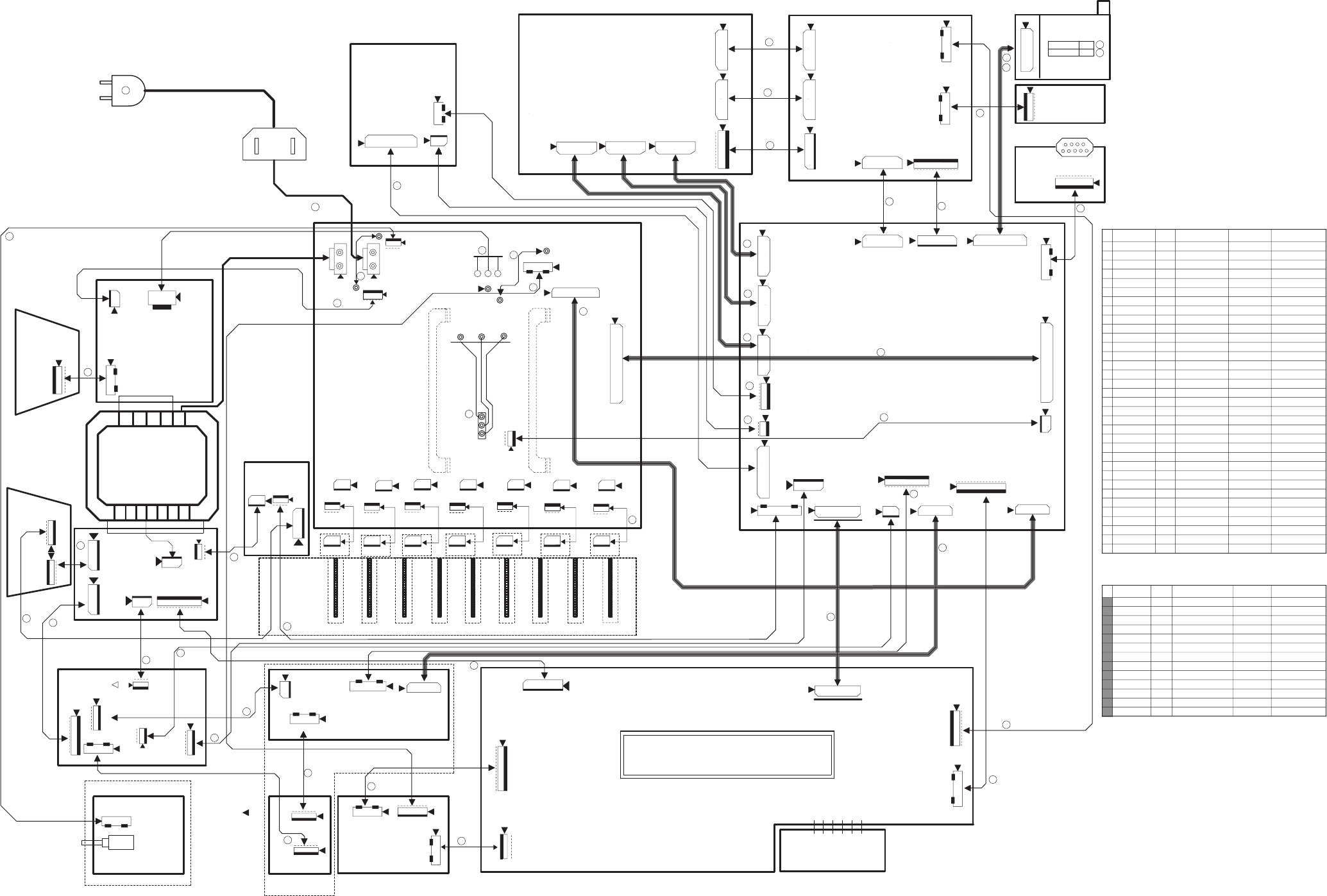
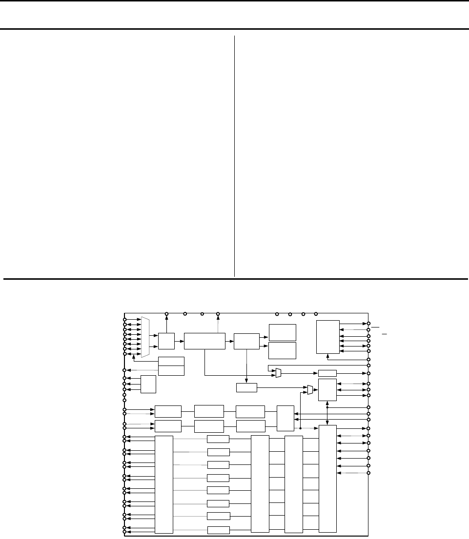
- 8. WIRING DIAGRAM
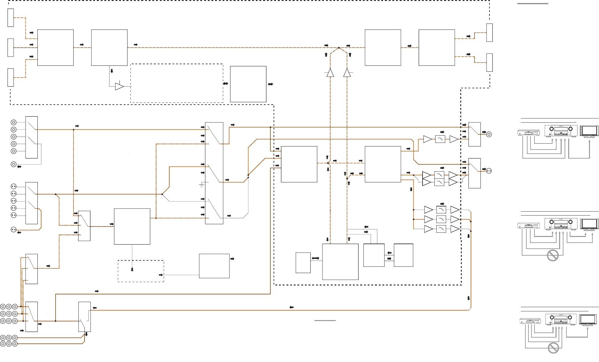
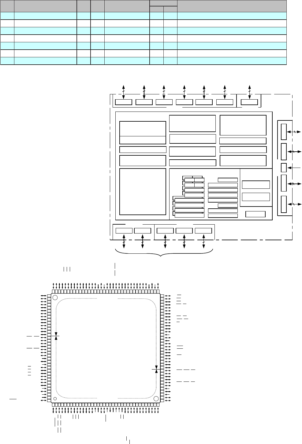
- 9. BLOCK DIAGRAM
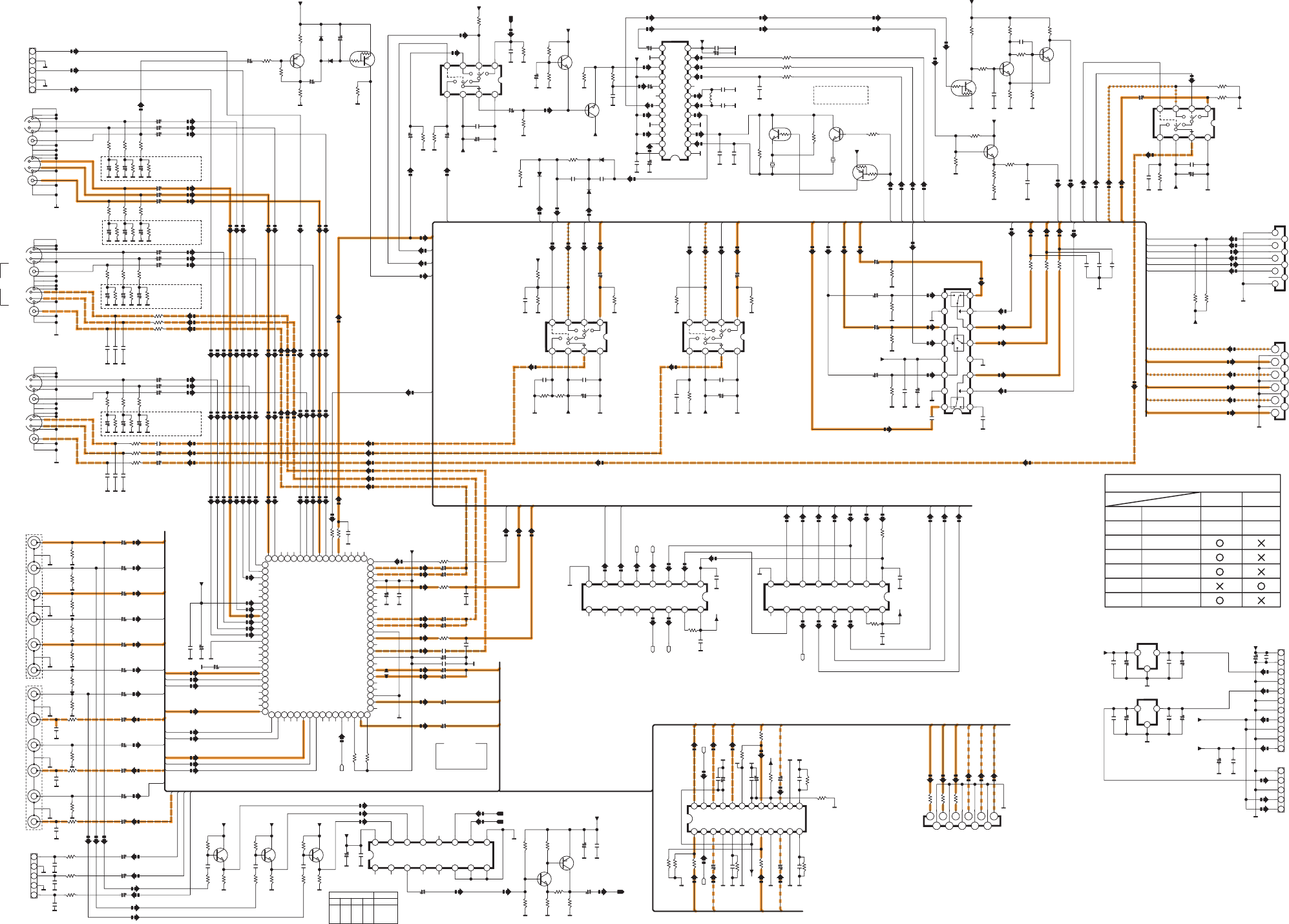
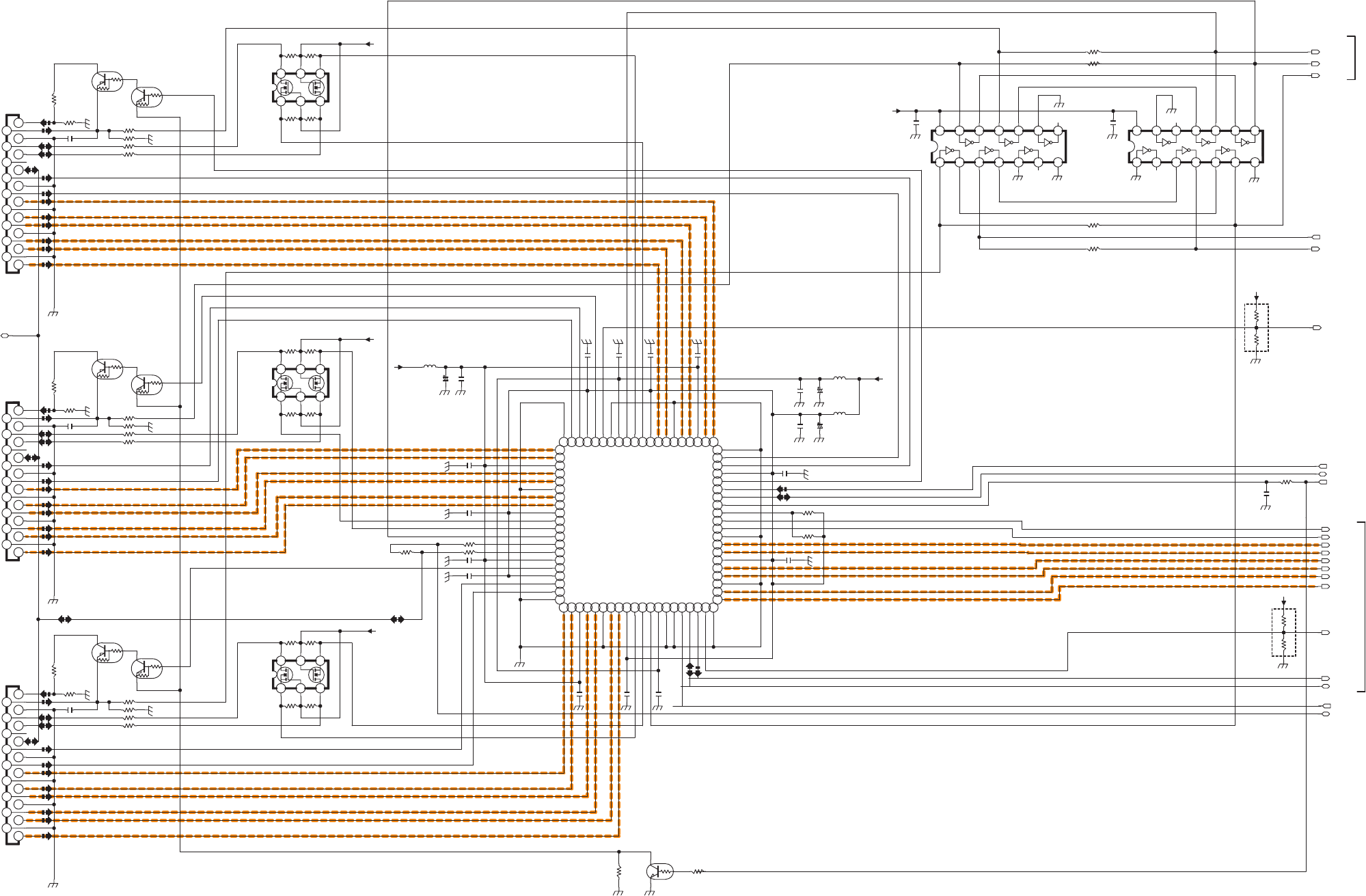
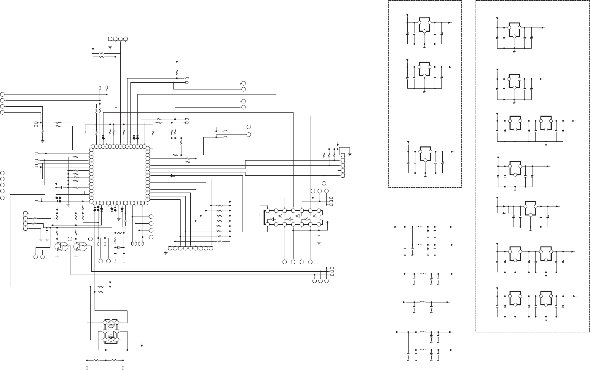
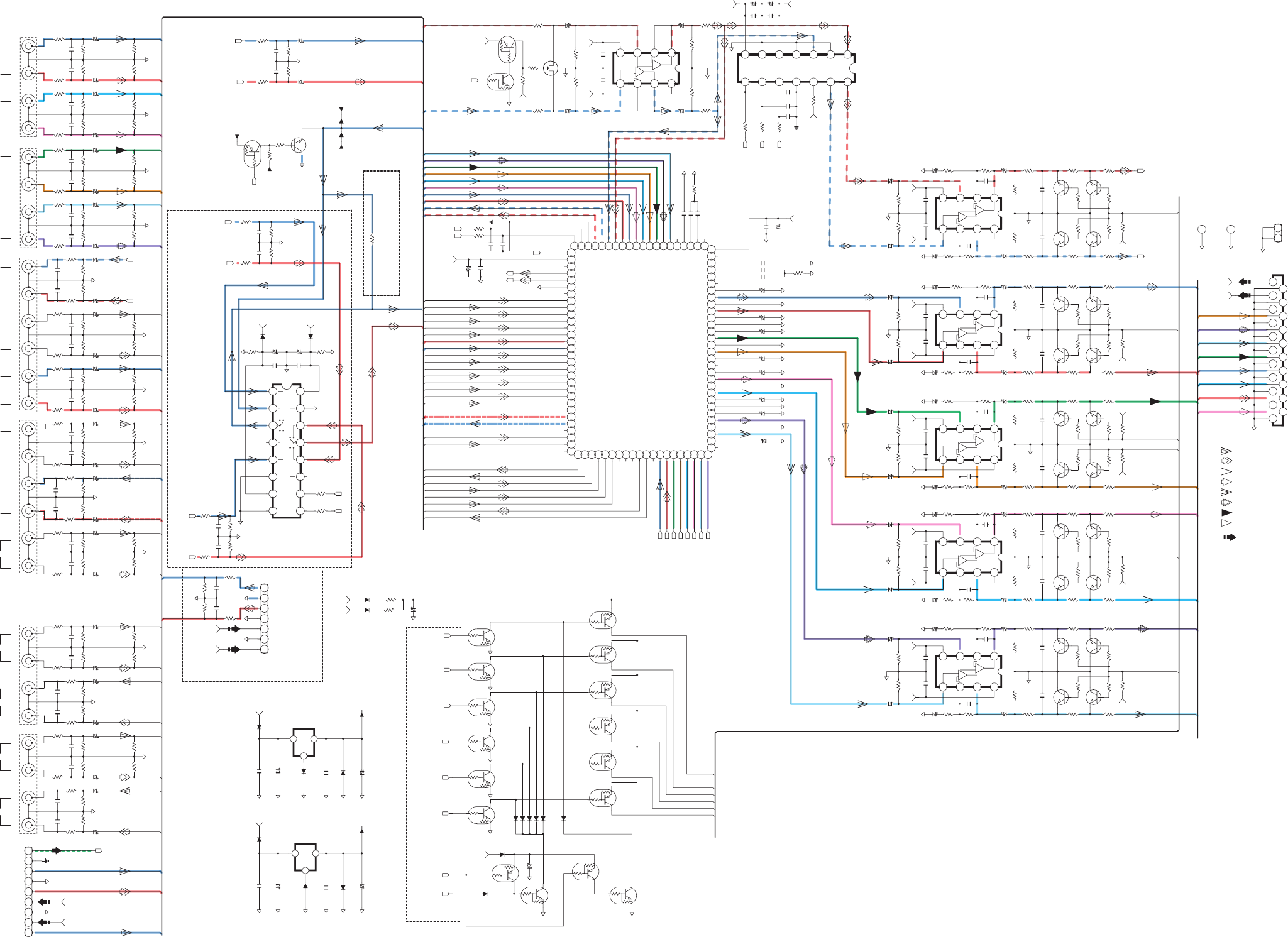
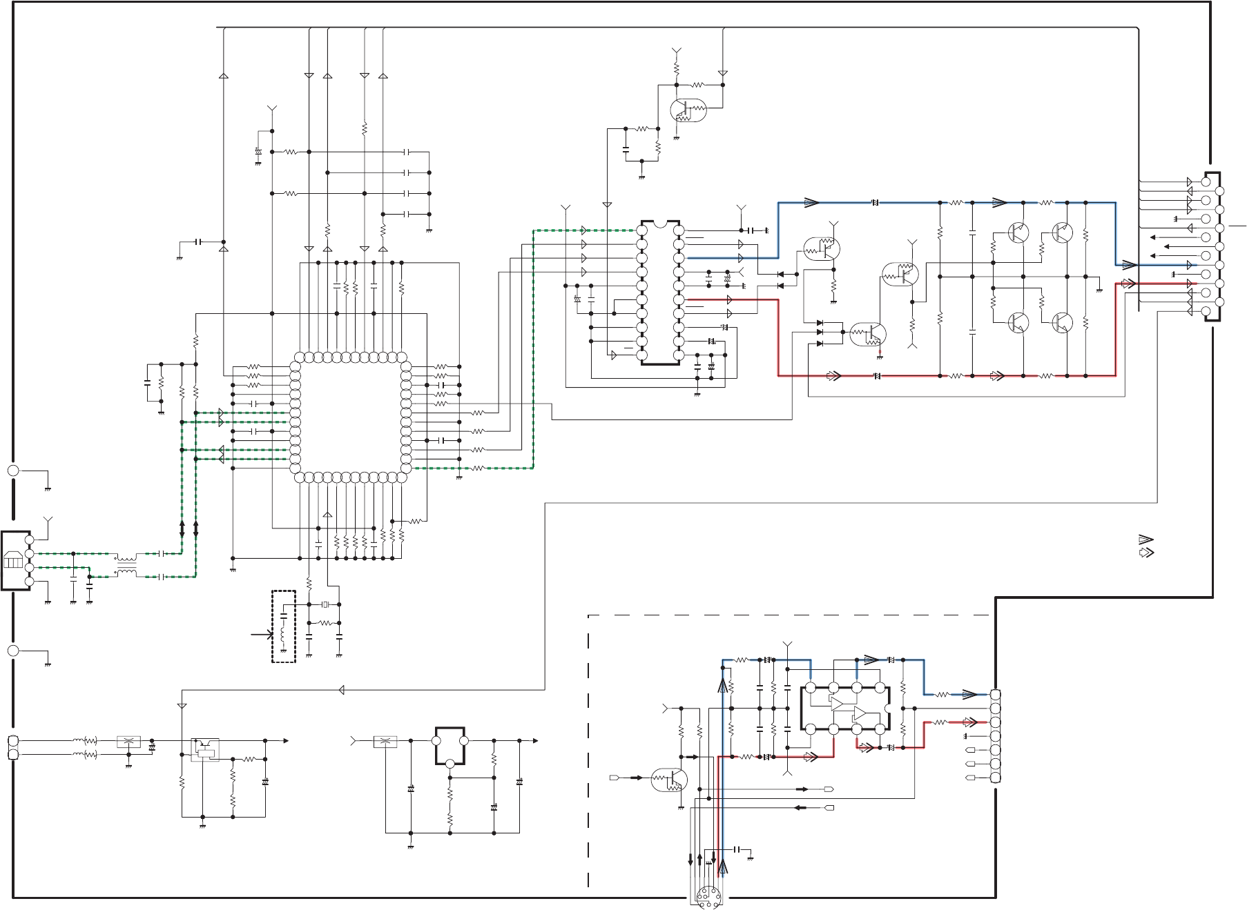
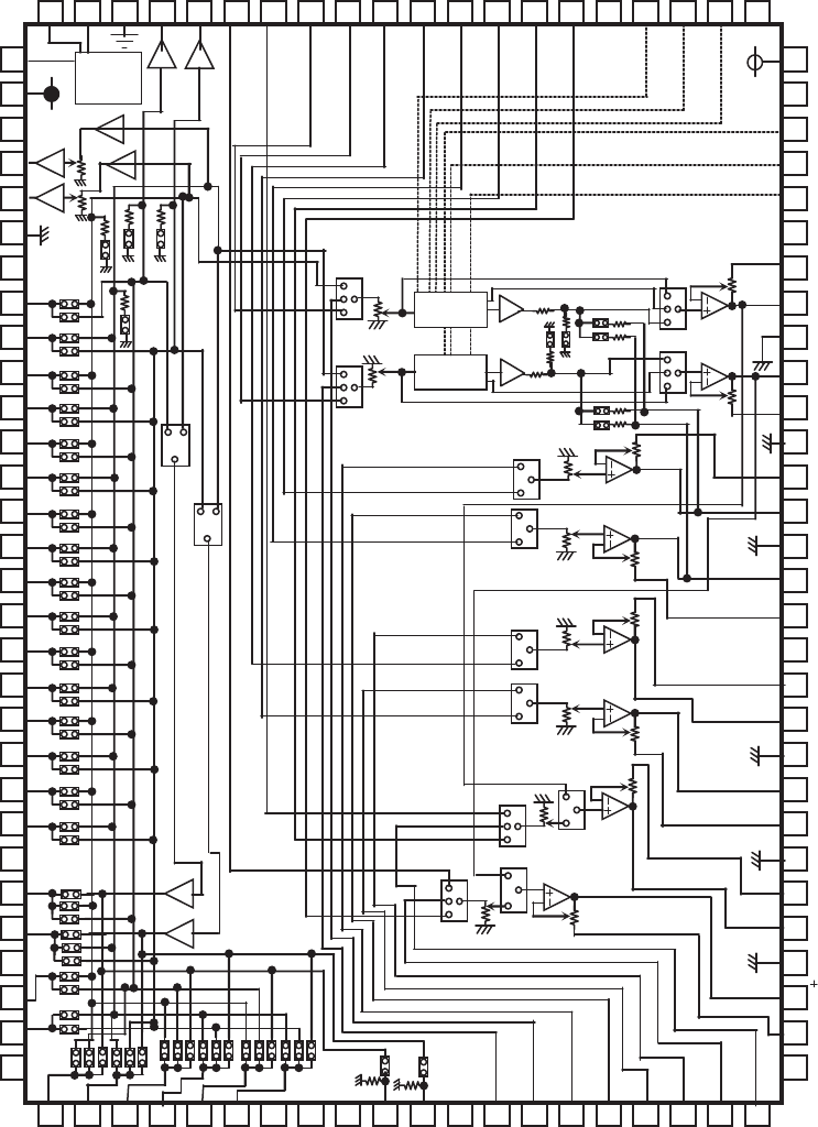
- 10. SCHEMATIC DIAGRAM
- VIDEO PWB
- HDMI PWB -1/5
- HDMI PWB -2/5
- HDMI PWB -3/5
- HDMI PWB -4/5
- HDMI PWB -5/5
- INPUT PWB 1/3
- INPUT PWB 2/3
- INPUT PWB 3/3
- XM PWB (/U Only)
- MAIN PWB
- FRONT PWB
- PUSH S/W PWB
- H/P PWB
- AUX PWB
- TR BIAS PWB
- REGULATOR 2 PWB
- REGULATOR 1 PWB
- TR BIAS PWB
- TR BIAS PWB
- BRIDGE DIODE 1 PWB
- TRANSF. 1 PWB
- TR BIAS PWB
- TR BIAS PWB
- TR BIAS PWB
- TRANSF. 2 PWB
- BRIDGE DIODE 2 PWB
- TR BIAS PWB
- DOWNLOADER CONNECTOR PWB
- COMPONENT OUT 2 PWB
- 11. PARTS LOCATION
- VIDEO A PWB
- XM A PWB (/U Only)
- VIDEO B PWB
- XM B PWB (/U Only)
- HDMI A PWB
- HDMI B PWB
- INPUT A PWB
- INPUT B PWB
- MAIN A PWB
- MAIN B PWB
- FRONT A PWB
- PUSH S/W A PWB
- PUSH S/W B PWB
- AUX 1 A PWB
- FRONT B PWB
- AUX 1 B PWB
- H/P A PWB
- H/P B PWB
- BRIDGE DIODE 1 A PWB
- COMPONENT OUT 2 A PWB
- REGULATOR 1 A PWB
- BRIDGE DIODE 1 B PWB
- COMPONENT OUT 2 B PWB
- REGULATOR 1 B PWB
- BRIDGE DIODE 2 A PWB
- DOWNLOADER CONNECTOR A PWB
- BRIDGE DIODE 2 B PWB
- DOWNLOADER CONNECTOR B PWB
- TRANSF. 1 A PWB
- TR BIAS A PWB
- REGULATOR 2 A PWB
- TRANSF. 1 B PWB
- REGULATOR 2 B PWB
- TR BIAS B PWB
- TRANSF. 2 A PWB
- TRANSF. 2 B PWB
- 12. EXPLODED VIEW AND PARTS LIST
- 53 A4 93p-124p IC.pdf
- 13. MICROPROCESSOR AND IC DATA
- IC61: R5F2122AASNFP
- IC61 : R5F212AASNFP [HDMI]
- IC11 : M3087BFK [SR5003 : MAIN] / M3087BFL [SR6003 : MAIN]
- IC11 : M3087BFK [SR5003 : MAIN] / M3087BFL [SR6003 : MAIN]
- IC11 : M3087BFK [SR5003 : MAIN] / M3087BFL [SR6003 : MAIN]
- IC11 : M3087BFK [SR5003 : MAIN] / M3087BFL [SR6003 : MAIN]
- IC11 : M3087BFK [SR5003 : MAIN] / M3087BFL [SR6003 : MAIN]
- IC04 : TC7WHU04FU
- IC03 [SR6003], IC52 : CS4352CZZR
- IC11 : SiI9185ACTU
- IC11 : SiI9185ACTU
- IC12 : LC74782
- IC12 : LC74782
- IC14 - IC17, IC19, IC21 : TC74HC4094AFN
- IC14 - IC17, IC19, IC21 : TC74HC4094AFN
- IC17 : AN15881AVT
- IC17 : AN15881AVT
- IC18 : M74HC4051
- IC20 : NJM2586
- IC21 : TMS320DA788B
- IC21 : SiI9135
- IC22 : SiI9134
- IC24 - IC26, IC33 - IC38 : TC74VCX541
- IC31 : ADV7403
- IC31 : ADV7403
- IC32 : ADV7342
- IC33 : CS42528
- IC33 : CS42528
- IC33 : CS42528
- IC41 : IP00C773 (IPSD2)
- IC41 : R2A15218FP
- IC41 : R2A15218FP
- IC51 : BU9450KV
- 13. MICROPROCESSOR AND IC DATA
- 53 A4 125p-185p PL.pdf

SR5003
Please use this service manual with referring to the user guide ( D.F.U. ) without fail.
Service
Manual
SR5003
SR5003 /F B/N1B/U1B
/K1SG/N1SG
Part no. 90M07DW855010
First Issue 2008.09
MZ
AV Surround Receiver
TABLE OF CONTENTS
SECTION PAGE
1. TECHNICAL SPECIFICATIONS ........................................................................................... 1
2. TECHNICAL DESCRIPTION ................................................................................................ 6
3. POWER AMPLIFIER ADJUSTMENT.................................................................................... 8
4. SERVICE MODE ................................................................................................................... 9
5. SYSTEM ERROR ............................................................................................................... 11
6. DUAL BACKUP MEMORY .................................................................................................. 15
7. WRITING AND UPDATE SOFTWARE ................................................................................ 16
Mode 1 : Update/Download MAIN CPU's software to internal Flash-ROM .................... 17
Mode 2 : Update/Download DSP's software to Flash-ROM ........................................... 23
Mode 3 : Update/Download HDMI CPU's software to internal Flash-ROM ................... 29
8. WIRING DIAGRAM ............................................................................................................. 37
9. BLOCK DIAGRAM .............................................................................................................. 39
10. SCHEMATIC DIAGRAM ...................................................................................................... 43
11. PARTS LOCATION .............................................................................................................. 69
12. EXPLODED VIEW AND PARTS LIST ................................................................................. 91
13. MICROPROCESSOR AND IC DATA .................................................................................. 96
14. ELECTRICAL PARTS LIST ............................................................................................... 125
15. ABOUT REPLACE THE MICROPROCESSOR WITH A NEW ONE ............................. 185

安全上の注意:
がついている部品は、安全上重要な部品です。必ず指定されている部品番号のものを使用して下さい。
MARANTZ DESIGN AND SERVICE
Using superior design and selected high grade components, MARANTZ company has created the ultimate in stereo sound.
Only original MARANTZ parts can insure that your MARANTZ product will continue to perform to the specifications for which
it is famous.
Parts for your MARANTZ equipment are generally available to our National Marantz Subsidiary or Agent.
ORDERING PARTS :
Parts can be ordered either by mail or by Fax.. In both cases, the correct part number has to be specified.
The following information must be supplied to eliminate delays in processing your order :
1. Complete address
2. Complete part numbers and quantities required
3. Description of parts
4. Model number for which part is required
5. Way of shipment
6. Signature : any order form or Fax. must be signed, otherwise such part order will be considered as null and void.
SHOCK, FIRE HAZARD SERVICE TEST :
CAUTION : After servicing this appliance and prior to returning to customer, measure the resistance between either primary AC
cord connector pins ( with unit NOT connected to AC mains and its Power switch ON ), and the face or Front Panel of product
and controls and chassis bottom.
Any resistance measurement less than 1 Megohms should cause unit to be repaired or corrected before AC power is applied,
and verified before it is return to the user/customer.
Ref. UL Standard No. 60065.
In case of difficulties, do not hesitate to contact the Technical
Department at above mentioned address.
080702MZ
USA
MARANTZ AMERICA, INC
100 CORPORATE DRIVE
MAHWAH, NEW JERSEY 07430
USA
EUROPE / TRADING
D&M EUROPE B. V.
P. O. BOX 8744, BUILDING SILVERPOINT
BEEMDSTRAAT 11, 5653 MA EINDHOVEN
THE NETHERLANDS
PHONE : +31 - 40 - 2507844
FAX : +31 - 40 - 2507860
KOREA
D&M SALES AND MARKETING KOREA LTD.
CHUNG JIN B/D., #1001,
53-5, WONHYORO 3 GA, YONGSAN-GU,
SEOUL, 140-719, KOREA
PHONE : +82 - 2 - 323 - 2155
FAX : +82 - 2 - 323 - 2154
CANADA
D&M Canada Inc.
5-505 APPLE CREEK BLVD.
MARKHAM, ONTARIO L3R 5B1
CANADA
PHONE : 905 - 415 - 9292
FAX : 905 - 475 - 4159
JAPAN
D&M BUILDING, 2-1 NISSHIN-CHO,
KAWASAKI-KU, KAWASAKI-SHI,
KANAGAWA, 210-8569 JAPAN
D&M Holdings Inc.
CHINA
D&M SALES AND MARKETING SHANGHAI LTD.
ROOM.808 SHANGHAI AIRPORT CITY TERMINAL
NO.1600 NANJING (WEST) ROAD, SHANGHAI,
CHINA. 200040
TEL : 021 - 6248 - 5151
FAX : 021 - 6248 - 4434
NOTE ON SAFETY :
Symbol Fire or electrical shock hazard. Only original parts should be used to replaced any part marked with symbol .
Any other component substitution (other than original type), may increase risk of fire or electrical shock hazard.

1
FM TUNER SECTION
Frequency Range .................................76.0 - 90.0 MHz [ /F ]
.............................................. 87.5 - 108.0 MHz [ /K/N/U ]
Usable Sensitivity ...................................IHF 1.8 µV/16.4 dBf
Signal to Noise Ratio ......................... Mono/Stereo 75/70 dB
Distortion .......................................... Mono/Stereo 0.2/0.3 %
Stereo Separation .............................................. 1 kHz 45 dB
Alternate Channel Selectivity ......± 300 kHz 60 dB [ /F/K/N ]
...................................................... ± 400 kHz 60 dB [ /U ]
Image Rejection ...................................83.0 MHz 50 dB [ /F ]
...................................................... 98 MHz 70 dB [ /K/N ]
....................................................... 98.1 MHz 70 dB [ /U ]
Tuner Output Level ...... 1 kHz, ± 40 kHz Dev 500 mV [ /K/N ]
............................... 1 kHz, ± 75 kHz Dev 800 mV [ /F/U ]
AM TUNER SECTION
Frequency Range ...........................531 - 1602 kHz [ /F/K/N ]
.........................................................530 - 1710 kHz [ /U ]
Signal to Noise Ratio .................................................... 50 dB
Usable Sensitivity .......................................... Loop 400 µV/m
Distortion ........................................400Hz, 30 % Mod. 0.5 %
Selectivity ...................................... ± 18 kHz 70 dB [ /F/K/N ]
.......................................................... ± 20 kHz 70 dB [U ]
HDMI SECTION
Version ......................................................... 1.3a [INPUT]
................................................................1.3a [OUTPUT]
AUDIO SECTION
Power Output (20 Hz - 20 kHz/THD=0.08%)
Front L&R .........................................................8 Ω, 90 W/Ch
Center ...............................................................8 Ω, 90 W/Ch
Surround L&R ..................................................8 Ω, 90 W/Ch
Surround Back L&R .........................................8 Ω, 90 W/Ch
Front L&R ....................................................... 6 Ω, 115 W/Ch
Center ............................................................. 6 Ω, 115 W/Ch
Surround L&R ................................................ 6 Ω, 115 W/Ch
Surround Back L&R ....................................... 6 Ω, 115 W/Ch
Input Sensitivity/Impedance ........................... 180 mV/47 kΩ
Signal to Noise Ratio
Analog Input / Pure Direct .................................... 105 dB
Frequency Response
Analog Input / Pure Direct .......... 8 Hz - 100 kHz (± 3 dB)
Digital Input / 96 kHz PCM ...........8 Hz - 45 kHz (± 3 dB)
VIDEO SECTION
Television Format ................................................. NTSC /PAL
Input Level/Impedance ...................................... 1 Vp-p/75 Ω
Output Level/Impedance.................................... 1 Vp-p/75 Ω
Video Frequency Response ..............5 Hz to 8 MHz (- 1 dB)
Video Frequency (Component) ........5 Hz to 80 MHz (- 3 dB)
S/N ............................................................................... 60 dB
GENERAL
Power Requirement ........................ AC 100 V 50/60 Hz [ /F ]
....................................................... AC 220 V 50 Hz [ /K ]
..................................................AC 230 V 50/60 Hz [ /N ]
....................................................... AC 120 V 60 Hz [ /U ]
Power Consumption .................................................... 600 W
Standby Power Consumption........................ (Normal) 0.7 W
..............................................................(Economy) 0.4 W
Weight ......................................................... 13.1 kg (28.8 lb)
ACCESSORIES
Remote Control Unit RC004SR ...........................................1
AAA-size batteries ...............................................................2
Microphone ..........................................................................1
FM Antenna ..........................................................................1
AM Loop Antenna ................................................................1
AC cable ...............................................................................1
1. TECHNICAL SPECIFICATIONS
DIMENSIONS
5-3/4 in
(146.5 mm)
9/16 in
(14 mm)
6-5/16 in
(160.5 mm)
17-3/8 in (440.0 mm)
15-5/16 in (388 mm)
7/8 in
(22 mm)
11/16 in
(17.5 mm) 13-11/16 in (348.5 mm)

2
The relation between the selected surround mode and the input signal
The surround mode is selected with the surround mode buttons on SR5003 or the remote control unit. However, the sound
you hear is subject to the relationship between the selected surround mode and input signal. That relationship is as follows;
68
ENGLISH
BASIC
CONNECTIONS
BASIC OPERATION
ADVANCED
CONNECTIONS SETUP ADVANCED
OPERATION
TROUBLESHOOTING
OTHERS
NAMES AND
FUNCTION
TROUBLESHOOTING
OTHERS
OTHERS
SURROUND MODE
This unit is equipped with many surround modes. These are provided to reproduce a variety of surround sound
effects, according to the content of the source to be played.
The available surround modes may be restricted depending on the input signal and speaker setup.
The relationship between the selected surround mode and the input signal
The surround mode is selected with the surround mode selector on the unit or the remote controller. However,
the sound you hear is subject to the relationship between the selected surround mode and the input signal. That
relationship is as follows:
PROTECTIVE FEATURE
In some cases, the STANDBY indicator may
blink slowly, twice per second. In this case, turn
off the unit, unplug the power cord, and check the
following points.
• Make sure the speaker cables are not reversed
and connected to the wrong sides (+ and -) on the
unit.
• Make sure the speaker cables connected to the
unit are not shorted. (Check both the unit end and
the speaker end.)
• Make sure the volume does not exceed the level
that the unit is capable of producing.
• When using the unit in a rack or other enclosed
space, heat may build up inside the unit and
cause a fi re. When installing the unit, be sure
to leave suffi cient space between the top, back
and both sides of the unit and walls or other AV
components to prevent the internal temperature
from rising.
After checking these points, plug in the power cord
and use the remote controller to turn on the unit.
Turn down the volume before resuming playback.
Confirm that there are no problems with the
speaker connections and playback performance.
If this symptom recurs, request service at your
nearest service center.
In rare instances, the unit may enter standby mode
and the STANDBY indicator may blink rapidly, 8
times per second. In this case, unplug the power
cord and request service at your nearest service
center.
SURROUND
MODE
PURE
DIRECT
EXIT CLEAR
FRONT KEY (BUTTON) LOCK OF THE UNIT
To lock all front panel buttons (except the POWER
ON/OFF button) and the INPUT SELECTER and
VOLUME knobs, hold the PURE DIRECT and EXIT
buttons on the front panel simultaneously for at least
3 seconds. At this time, “F-KEY LOCK!” is displayed.
To unlock the controls, press the same buttons again
simultaneously for at least 3 seconds. At this time,
“F-KEY UNLOCK” is displayed, and the buttons are
released.
GENERAL MALFUNCTION
If the equipment malfunctions, this may be because
an electrostatic discharge or AC line interference has
corrupted the information in the equipment memory
circuits. Therefore:
- disconnect the plug from the AC line supply
- after waiting at least three minutes, reconnect
the plug to the AC line supply
- re-attempt to operate the equipment
Memory backup
• In case a power outage occurs or the power
cord is accidentally unplugged, this unit is
equipped with a backup function to prevent
memory data such as the preset memory
from being erased.
HOW TO RESET THE UNIT
Should the operation or display seem to be abnormal,
reset the unit with the following procedure.
This unit is turned on, press and hold the SURROUND
MODE + CLEAR buttons simultaneously for 3
seconds or more.
Remember that the procedure will reset the settings
of the function selector, Surround mode, delay time,
TUNER PRESET etc., to their initial settings.
Surround Mode Input Signal Decoding
Output Channel Front information display
L/R C SL
SR
SBL
SBR
SubW
Signal format indicators Channel status
AUTO Dolby Surr.EX Dolby Digital EX
OOOOO
2 DIGITAL EX L, C, R, SL, SR, S, LFE
Dolby D (5.1ch) Dolby Digital 5.1
OOO-O
2 DIGITAL L, C, R, SL, SR, LFE
Dolby D (2ch) Dolby Digital 2.0
O- - - O
2 DIGITAL L, R
Dolby D (2ch Surr) Pro Logic IIx movie
OOOOO
2 DIGITAL L, R, S
Dolby Digital Plus (2ch) DolbyDigital +
O- - - O
2 DIGITAL PLUS L, R
Dolby Digital Plus (5.1ch)
DolbyDigital +
OOO-O
2 DIGITAL PLUS L, C, R, SL, SR, LFE
Dolby Digital Plus (6.1ch)
DolbyDigital +
OOOOO
2 DIGITAL PLUS L, C, R, SL, SR, S, LFE (,ex1)
Dolby Digital Plus (7.1ch)
DolbyDigital +
OOOOO
2 DIGITAL PLUS L, C, R, SL, SR, SBL, SBR, LFE
Dolby TrueHD (2ch) DolbyTrueHD
O- - - O
2 TrueHD L, R
Dolby TrueHD (5.1ch) DolbyTrueHD
OOO-O
2 TrueHD L, C, R, SL, SR, LFE (,ex1,ex2)
Dolby TrueHD (6.1ch) DolbyTrueHD
OOOOO
2 TrueHD L, C, R, SL, SR, S, LFE (,ex1,ex2)
Dolby TrueHD (7.1ch) DolbyTrueHD
OOOOO
2 TrueHD L, C, R, SL, SR, SBL, SBR, LFE
(,ex1,ex2)
DTS-ES DTS-ES
OOOOO
dts, ES L, C, R, SL, SR, S, LFE
DTS 96/24 DTS-96/24
OOO-O
dts 96/24 L, C, R, SL, SR, LFE
DTS (5.1ch) DTS 5.1
OOO-O
dts L, C, R, SL, SR, LFE
DTS-HD (2ch) DTS-HD
O- - - O
dts-HD MSTR/HIRES L, R
DTS-HD (5.1ch) DTS-HD
OOO-O
dts-HD MSTR/HIRES L, C, R, SL, SR, LFE (,ex1,ex2)
DTS-HD (6.1ch) DTS-HD
OOOOO
dts-HD MSTR/HIRES L, C, R, SL, SR, S, LFE (,ex1,ex2)
DTS-HD (7.1ch) DTS-HD
OOOOO
dts-HD MSTR/HIRES L, C, R, SL, SR, SBL, SBR, LFE
(,ex1,ex2)
Multi Ch-PCM Multi Ch-PCM
OOO-O
PCM L, C, R, SL, SR, LFE
Multi Ch-PCM 96kHz Multi Ch-PCM 96kHz
OOO-O
PCM L, C, R, SL, SR, LFE
SA-CD (5.1ch) SA-CD (5.1ch)
OOO-O
DSD L, C, R, SL, SR, LFE
SA-CD (2ch) SA-CD (Stereo)
O- - - O
DSD L, R
PCM (Audio) PCM (Stereo)
O- - - O
PCM L, R
PCM 96kHz PCM (Stereo 96kHz)
O- - - O
PCM L, R
HDCD HDCD
O- - - O
PCM, HDCD L, R
Analog Stereo
O- - - O
ANALOG -
7.1ch input Multi Ch
OOOOO
ANALOG -
SOURCE DIRECT
PURE DIRECT
Dolby Surr.EX Dolby Digital EX
OOOOO
2 DIGITAL EX L, C, R, SL, SR, S, LFE
Dolby D (5.1ch) Dolby Digital 5.1
OOO-O
2 DIGITAL L, C, R, SL, SR, LFE
Dolby D (2ch) Dolby Digital 2.0
O----
2 DIGITAL L, R
Dolby D (2ch Surr) Pro Logic IIx movie
OOOOO
2 DIGITAL L, R, S
Dolby Digital Plus (2ch) DolbyDigital +
O----
2 DIGITAL PLUS L, R
Dolby Digital Plus (5.1ch) DolbyDigital +
OOO-O
2 DIGITAL PLUS L, C, R, SL, SR, LFE
Dolby Digital Plus (6.1ch) DolbyDigital +
OOOOO
2 DIGITAL PLUS L, C, R, SL, SR, S, LFE (,ex1)
Dolby Digital Plus (7.1ch) DolbyDigital +
OOOOO
2 DIGITAL PLUS L, C, R, SL, SR, SBL, SBR, LFE
Dolby TrueHD (2ch) DolbyTrueHD
O----
2 TrueHD L, R
Dolby TrueHD (5.1ch) DolbyTrueHD
OOO-O
2 TrueHD L, C, R, SL, SR, LFE (,ex1,ex2)
Dolby TrueHD (6.1ch) DolbyTrueHD
OOOOO
2 TrueHD L, C, R, SL, SR, S, LFE (,ex1,ex2)
Dolby TrueHD (7.1ch) DolbyTrueHD
OOOOO
2 TrueHD L, C, R, SL, SR, SBL, SBR, LFE
(,ex1,ex2)
DTS-ES DTS-ES
OOOOO
dts, ES L, C, R, SL, SR, S, LFE
DTS 96/24 DTS-96/24
OOO-O
dts 96/24 L, C, R, SL, SR, LFE
SR5003_U_1_ENG 3_3.indd 68 08.7.4 4:49:21 PM

3
69
ENGLISH
BASIC
CONNECTIONS
BASIC OPERATION
ADVANCED
CONNECTIONS
SETUP
ADVANCED
OPERATION
TROUBLESHOOTING
OTHERS NAMES AND
FUNCTION
OTHERS
Surround Mode Input Signal Decoding
Output Channel Front information display
L/R C SL
SR
SBL
SBR
SubW
Signal format indicators Channel status
SOURCE DIRECT
PURE DIRECT
DTS (5.1ch) DTS 5.1
OOO-O
dts L, C, R, SL, SR, LFE
DTS-HD (2ch) DTS-HD
O----
dts-HD MSTR/HIRES L, R
DTS-HD (5.1ch) DTS-HD
OOO-O
dts-HD MSTR/HIRES L, C, R, SL, SR, LFE (,ex1,ex2)
DTS-HD (6.1ch) DTS-HD
OOOOO
dts-HD MSTR/HIRES L, C, R, SL, SR, S, LFE (,ex1,ex2)
DTS-HD (7.1ch) DTS-HD
OOOOO
dts-HD MSTR/HIRES L, C, R, SL, SR, SBL, SBR, LFE
(,ex1,ex2)
Multi Ch-PCM Multi Ch-PCM
OOO-O
PCM L, C, R, SL, SR, LFE
Multi Ch-PCM 96kHz Multi Ch-PCM 96kHz
OOO-O
PCM L, C, R, SL, SR, LFE
SA-CD (5.1ch) SA-CD (5.1ch)
OOO-O
DSD L, C, R, SL, SR, LFE
SA-CD (2ch) SA-CD (Stereo)
O- - - O
DSD L, R
PCM (Audio) PCM (Stereo)
O----
PCM L, R
PCM 96kHz PCM (Stereo 96kHz)
O----
PCM L, R
HDCD HDCD
O----
PCM, HDCD L, R
Analog Stereo
O----
ANALOG -
7.1ch input Multi Ch
OOOOO
ANALOG -
EX/ES Dolby Surr.EX Dolby Digital EX
OOOOO
2 DIGITAL EX L, C, R, SL, SR, S, LFE
Dolby D (5.1ch) Dolby Digital EX
OOOOO
2 DIGITAL L, C, R, SL, SR, LFE
Dolby Digital Plus (5.1ch) DolbyDigital + +EX
OOOOO
2 DIGITAL PLUS L, C, R, SL, SR, LFE
Dolby TrueHD (5.1ch) DolbyTrueHD +EX
OOOOO
2 TrueHD L, C, R, SL, SR, LFE (,ex1,ex2)
DTS-ES DTS-ES
OOOOO
dts, ES L, C, R, SL, SR, S, LFE
DTS (5.1ch) DTS-ES
OOOOO
dts L, C, R, SL, SR, LFE
DTS-HD (5.1) DTS-HD + NEO6
OOOOO
dts-HD MSTR/HIRES L, C, R, SL, SR, LFE (,ex1,ex2)
Multi-PCM Multi Ch-PCM + Dolby
Digital EX
OOOOO
PCM L, C, R, SL, SR, LFE
SA-CD (5.1ch) SA-CD (5.1ch) + Dolby
Digital EX
OOOOO
DSD L, C, R, SL, SR, LFE
DOLBY
(PLIIx movie)
(PLIIx music)
(PLIIx game)
Dolby Surr.EX Dolby Digital EX
OOO-O
2 DIGITAL EX L, C, R, SL, SR, S, LFE
Dolby D (5.1ch) Dolby Digital 5.1
OOO-O
2 DIGITAL L, C, R, SL, SR, LFE
Dolby D (5.1ch) Dolby Digital 5.1 + PLIIx
OOOOO
2 DIGITAL L, C, R, SL, SR, LFE
Dolby D (2ch) Pro Logic IIx
OOOOO
2 DIGITAL L, R
Dolby D (2ch Surr) Pro Logic IIx
OOOOO
2 DIGITAL L, R, S
Dolby Digital Plus (2ch) Pro Logic IIx
OOOOO
2 DIGITAL PLUS L, R
Dolby Digital Plus (5.1ch) DolbyDigital +
OOO-O
2 DIGITAL PLUS L, C, R, SL, SR, LFE
Dolby Digital Plus (5.1ch) Dolby Digital Plus + PLIIx
OOOOO
2 DIGITAL PLUS L, C, R, SL, SR, LFE
Dolby TrueHD (2ch) Pro Logic IIx
OOOOO
2 TrueHD L, R
Dolby TrueHD (5.1ch) DolbyTrueHD + PLIIx
OOOOO
2 TrueHD L, C, R, SL, SR, LFE (,ex1,ex2)
Dolby TrueHD (5.1ch) DolbyTrueHD
OOO-O
2 TrueHD L, C, R, SL, SR, LFE (,ex1,ex2)
DTS-HD (2ch) DTS-HD
OOOOO
2 TrueHD L, R
Multi Ch-PCM Multi Ch-PCM + PLII x
OOOOO
PCM L, C, R, SL, SR, LFE
SA-CD (5.1ch) SA-CD (5.1ch) + PLIIx
OOOOO
DSD L, C, R, SL, SR, LFE
SA-CD (2ch) Pro Logic IIx
OOOOO
DSD L, R
PCM (Audio) Pro Logic IIx
OOOOO
PCM L, R
HDCD Pro Logic IIx
OOOOO
PCM, HDCD L, R
Analog Pro Logic IIx
OOOOO
ANALOG -
DTS
(Neo:6 Cinema)
(Neo:6 Music)
DTS-ES DTS 5.1
OOO-O
dts, ES L, C, R, SL, SR, S, LFE
DTS 96/24 DTS-96/24
OOO-O
dts 96/24 L, C, R, SL, SR, LFE
DTS (5.1ch) DTS 5.1
OOO-O
dts L, C, R, SL, SR, LFE
DTS-HD (2ch) Neo:6
OOOOO
dts-HD MSTR/HIRES L, R
DTS-HD (5.1ch) DTS-HD
OOO-O
dts-HD MSTR/HIRES L, C, R, SL, SR, LFE (,ex1,ex2)
DTS-HD (6.1ch) DTS-HD
OOOOO
dts-HD MSTR/HIRES L, C, R, SL, SR, S, LFE (,ex1,ex2)
DTS-HD (7.1ch) DTS-HD
OOOOO
dts-HD MSTR/HIRES L, C, R, SL, SR, SBL, SBR, LFE
(,ex1,ex2)
Dolby D (2ch) Neo:6
OOOOO
2 DIGITAL L, R
Dolby D (2ch Surr) Neo:6
OOOOO
2 DIGITAL L, R, S
Dolby Digital Plus (2ch) Neo:6
OOOOO
2 DIGITAL PLUS L, R
Dolby TrueHD (2ch) Neo:6
OOOOO
2 TrueHD L, R
SA-CD (2ch) Neo:6
OOOOO
DSD L, R
PCM (Audio) Neo:6
OOOOO
PCM L, R
HDCD Neo:6
OOOOO
PCM, HDCD L, R
Analog Neo:6
OOOOO
ANALOG -
CSII
(Cinema
/Music
/ Mono)
Dolby D (2ch) CSII
OOOOO
2 DIGITAL L, R
Dolby D (2ch Surr) CSII
OOOOO
2 DIGITAL L, R, S
SA-CD (2ch) CSII
OOOOO
DSD L, R
PCM (Audio) CSII
OOOOO
PCM L, R
HDCD CSII
OOOOO
PCM, HDCD L, R
Analog CSII
OOOOO
ANALOG -
NEURAL- THX Dolby D (2ch) NEURAL_THX
OOOOO
2 DIGITAL L, R
Dolby D (2ch Surr) NEURAL_THX
OOOOO
2 DIGITAL L, R, S
SA-CD (2ch) NEURAL_THX
OOOOO
DSD L, R
PCM (Audio) NEURAL_THX
OOOOO
PCM L, R
HDCD NEURAL_THX
OOOOO
PCM, HDCD L, R
Analog NEURAL_THX
OOOOO
ANALOG -
Surround Mode Input Signal Decoding
Output Channel Front information display
L/R C SL
SR
SBL
SBR
SubW
Signal format indicators Channel status
STEREO Dolby Surr.EX Stereo
O- - - O
2 DIGITAL EX L, C, R, SL, SR, S, LFE
Dolby D (5.1ch) Stereo
O- - - O
2 DIGITAL L, C, R, SL, SR, LFE
Dolby D (2ch) Stereo
O- - - O
2 DIGITAL L, R
Dolby D (2ch Surr) Stereo
O- - - O
2 DIGITAL L, R, S
Dolby Digital Plus (2ch) Stereo
O- - - O
2 DIGITAL PLUS L, R
Dolby Digital Plus (5.1ch) Stereo
O- - - O
2 DIGITAL PLUS L, C, R, SL, SR, LFE
Dolby Digital Plus (6.1ch) Stereo
O- - - O
2 DIGITAL PLUS L, C, R, SL, SR, S, LFE (,ex1)
Dolby Digital Plus (7.1ch) Stereo
O- - - O
2 DIGITAL PLUS L, C, R, SL, SR, SBL, SBR, LFE
Dolby TrueHD (2ch) Stereo
O- - - O
2 TrueHD L, R
Dolby TrueHD (5.1ch) Stereo
O- - - O
2 TrueHD L, C, R, SL, SR, LFE (,ex1,ex2)
Dolby TrueHD (6.1ch) Stereo
O- - - O
2 TrueHD L, C, R, SL, SR, LFE (,ex1,ex2)
Dolby TrueHD (7.1ch) Stereo
O- - - O
2 TrueHD L, C, R, SL, SR, LFE (,ex1,ex2)
DTS-ES Stereo
O- - - O
dts, ES L, C, R, SL, SR, S, LFE
DTS 96/24 Stereo
O- - - O
dts 96/24 L, C, R, SL, SR, LFE
DTS (5.1ch) Stereo
O- - - O
dts L, C, R, SL, SR, LFE
DTS-HD (2ch) Stereo
O- - - O
dts-HD MSTR/HIRES L, R
DTS-HD (5.1ch) Stereo
O- - - O
dts-HD MSTR/HIRES L, C, R, SL, SR, LFE (,ex1,ex2)
DTS-HD (6.1ch) Stereo
O- - - O
dts-HD MSTR/HIRES L, C, R, SL, SR, S, LFE (,ex1,ex2)
DTS-HD (7.1ch) Stereo
O- - - O
dts-HD MSTR/HIRES L, C, R, SL, SR, SBL, SBR, LFE
(,ex1,ex2)
Multi Ch-PCM Stereo
O- - - O
PCM L, C, R, SL, SR, LFE
Multi Ch-PCM 96kHz Stereo
O- - - O
PCM L, C, R, SL, SR, LFE
SA-CD (5.1ch) Stereo
O- - - O
DSD L, C, R, SL, SR, LFE
SA-CD (2ch) Stereo
O- - - O
DSD L, R
PCM (Audio) Stereo
O- - - O
PCM L, R
PCM 96kHz Stereo
O- - - O
PCM L, R
HDCD Stereo
O- - - O
PCM, HDCD L, R
Analog Stereo
O- - - O
ANALOG -
Dolby Virtual
Speaker
Dolby Surr.EX Dolby Virtual Speaker
O- - - -
2 DIGITAL EX L, C, R, SL, SR, S, LFE
Dolby D (5.1ch) Dolby Virtual Speaker
O- - - -
2 DIGITAL L, C, R, SL, SR, LFE
Dolby D (2ch)
PLII+ Dolby Virtual Speaker
O- - - -
2 DIGITAL L, R
Dolby D (2ch Surr)
PLII+ Dolby Virtual Speaker
O- - - -
2 DIGITAL L, R, S
DTS-ES Dolby Virtual Speaker
O- - - -
dts, ES L, C, R, SL, SR, S, LFE
DTS 96/24 Dolby Virtual Speaker
O- - - -
dts 96/24 L, C, R, SL, SR, LFE
DTS (5.1ch) Dolby Virtual Speaker
O- - - -
dts L, C, R, SL, SR, LFE
Multi Ch-PCM Dolby Virtual Speaker
O- - - -
PCM L, C, R, SL, SR, LFE
SA-CD (5.1ch) Dolby Virtual Speaker
O- - - -
DSD L, C, R, SL, SR, LFE
SA-CD (2ch)
PLII+ Dolby Virtual Speaker
O- - - -
DSD L, R
PCM (Audio)
PLII+ Dolby Virtual Speaker
O- - - -
PCM L, R
HDCD
PLII+ Dolby Virtual Speaker
O- - - -
PCM, HDCD L, R
Analog
PLII+ Dolby Virtual Speaker
O- - - -
ANALOG -
Multi Ch.
Movie
Music
(O): Movie mode only.
Dolby Surr.EX Dolby Digital EX
O
(O)
OOO
2 DIGITAL EX L, C, R, SL, SR, S, LFE
Dolby D (5.1ch) Dolby Digital 5.1
O
(O)
O-O
2 DIGITAL L, C, R, SL, SR, LFE
Dolby D (2ch) Multi Channel
O
(O)
OOO
2 DIGITAL L, R
Dolby D (2ch Surr) Multi Channel
O
(O)
OOO
2 DIGITAL L, R, S
DTS-ES DTS-ES
O
(O)
OOO
dts, ES L, C, R, SL, SR, S, LFE
DTS 96/24 DTS-96/24
O
(O)
O-O
dts 96/24 L, C, R, SL, SR, LFE
DTS (5.1ch) DTS 5.1
O
(O)
O-O
dts L, C, R, SL, SR, LFE
Multi Ch-PCM Multi Ch-PCM
O
(O)
O-O
PCM L, C, R, SL, SR, LFE
Multi Ch-PCM 96kHz Multi Ch-PCM 96kHz
O
(O)
O-O
PCM L, C, R, SL, SR, LFE
SA-CD (5.1ch) SA-CD (5.1ch)
O
(O)
O-O
DSD L, C, R, SL, SR, LFE
SA-CD (2ch) Multi Channel
O
(O)
OOO
DSD L, R
PCM (Audio) Multi Channel
O
(O)
OOO
PCM L, R
HDCD Multi Channel
O
(O)
OOO
PCM, HDCD L, R
Analog Multi Channel
O
(O)
OOO
ANALOG -
SR5003_U_1_ENG 3_3.indd 69 08.7.4 4:49:21 PM

4
69
ENGLISH
BASIC
CONNECTIONS
BASIC OPERATION
ADVANCED
CONNECTIONS
SETUP
ADVANCED
OPERATION
TROUBLESHOOTING
OTHERS NAMES AND
FUNCTION
OTHERS
Surround Mode Input Signal Decoding
Output Channel Front information display
L/R C SL
SR
SBL
SBR
SubW
Signal format indicators Channel status
SOURCE DIRECT
PURE DIRECT
DTS (5.1ch) DTS 5.1
OOO-O
dts L, C, R, SL, SR, LFE
DTS-HD (2ch) DTS-HD
O----
dts-HD MSTR/HIRES L, R
DTS-HD (5.1ch) DTS-HD
OOO-O
dts-HD MSTR/HIRES L, C, R, SL, SR, LFE (,ex1,ex2)
DTS-HD (6.1ch) DTS-HD
OOOOO
dts-HD MSTR/HIRES L, C, R, SL, SR, S, LFE (,ex1,ex2)
DTS-HD (7.1ch) DTS-HD
OOOOO
dts-HD MSTR/HIRES L, C, R, SL, SR, SBL, SBR, LFE
(,ex1,ex2)
Multi Ch-PCM Multi Ch-PCM
OOO-O
PCM L, C, R, SL, SR, LFE
Multi Ch-PCM 96kHz Multi Ch-PCM 96kHz
OOO-O
PCM L, C, R, SL, SR, LFE
SA-CD (5.1ch) SA-CD (5.1ch)
OOO-O
DSD L, C, R, SL, SR, LFE
SA-CD (2ch) SA-CD (Stereo)
O- - - O
DSD L, R
PCM (Audio) PCM (Stereo)
O----
PCM L, R
PCM 96kHz PCM (Stereo 96kHz)
O----
PCM L, R
HDCD HDCD
O----
PCM, HDCD L, R
Analog Stereo
O----
ANALOG -
7.1ch input Multi Ch
OOOOO
ANALOG -
EX/ES Dolby Surr.EX Dolby Digital EX
OOOOO
2 DIGITAL EX L, C, R, SL, SR, S, LFE
Dolby D (5.1ch) Dolby Digital EX
OOOOO
2 DIGITAL L, C, R, SL, SR, LFE
Dolby Digital Plus (5.1ch) DolbyDigital + +EX
OOOOO
2 DIGITAL PLUS L, C, R, SL, SR, LFE
Dolby TrueHD (5.1ch) DolbyTrueHD +EX
OOOOO
2 TrueHD L, C, R, SL, SR, LFE (,ex1,ex2)
DTS-ES DTS-ES
OOOOO
dts, ES L, C, R, SL, SR, S, LFE
DTS (5.1ch) DTS-ES
OOOOO
dts L, C, R, SL, SR, LFE
DTS-HD (5.1) DTS-HD + NEO6
OOOOO
dts-HD MSTR/HIRES L, C, R, SL, SR, LFE (,ex1,ex2)
Multi-PCM Multi Ch-PCM + Dolby
Digital EX
OOOOO
PCM L, C, R, SL, SR, LFE
SA-CD (5.1ch) SA-CD (5.1ch) + Dolby
Digital EX
OOOOO
DSD L, C, R, SL, SR, LFE
DOLBY
(PLIIx movie)
(PLIIx music)
(PLIIx game)
Dolby Surr.EX Dolby Digital EX
OOO-O
2 DIGITAL EX L, C, R, SL, SR, S, LFE
Dolby D (5.1ch) Dolby Digital 5.1
OOO-O
2 DIGITAL L, C, R, SL, SR, LFE
Dolby D (5.1ch) Dolby Digital 5.1 + PLIIx
OOOOO
2 DIGITAL L, C, R, SL, SR, LFE
Dolby D (2ch) Pro Logic IIx
OOOOO
2 DIGITAL L, R
Dolby D (2ch Surr) Pro Logic IIx
OOOOO
2 DIGITAL L, R, S
Dolby Digital Plus (2ch) Pro Logic IIx
OOOOO
2 DIGITAL PLUS L, R
Dolby Digital Plus (5.1ch) DolbyDigital +
OOO-O
2 DIGITAL PLUS L, C, R, SL, SR, LFE
Dolby Digital Plus (5.1ch) Dolby Digital Plus + PLIIx
OOOOO
2 DIGITAL PLUS L, C, R, SL, SR, LFE
Dolby TrueHD (2ch) Pro Logic IIx
OOOOO
2 TrueHD L, R
Dolby TrueHD (5.1ch) DolbyTrueHD + PLIIx
OOOOO
2 TrueHD L, C, R, SL, SR, LFE (,ex1,ex2)
Dolby TrueHD (5.1ch) DolbyTrueHD
OOO-O
2 TrueHD L, C, R, SL, SR, LFE (,ex1,ex2)
DTS-HD (2ch) DTS-HD
OOOOO
2 TrueHD L, R
Multi Ch-PCM Multi Ch-PCM + PLII x
OOOOO
PCM L, C, R, SL, SR, LFE
SA-CD (5.1ch) SA-CD (5.1ch) + PLIIx
OOOOO
DSD L, C, R, SL, SR, LFE
SA-CD (2ch) Pro Logic IIx
OOOOO
DSD L, R
PCM (Audio) Pro Logic IIx
OOOOO
PCM L, R
HDCD Pro Logic IIx
OOOOO
PCM, HDCD L, R
Analog Pro Logic IIx
OOOOO
ANALOG -
DTS
(Neo:6 Cinema)
(Neo:6 Music)
DTS-ES DTS 5.1
OOO-O
dts, ES L, C, R, SL, SR, S, LFE
DTS 96/24 DTS-96/24
OOO-O
dts 96/24 L, C, R, SL, SR, LFE
DTS (5.1ch) DTS 5.1
OOO-O
dts L, C, R, SL, SR, LFE
DTS-HD (2ch) Neo:6
OOOOO
dts-HD MSTR/HIRES L, R
DTS-HD (5.1ch) DTS-HD
OOO-O
dts-HD MSTR/HIRES L, C, R, SL, SR, LFE (,ex1,ex2)
DTS-HD (6.1ch) DTS-HD
OOOOO
dts-HD MSTR/HIRES L, C, R, SL, SR, S, LFE (,ex1,ex2)
DTS-HD (7.1ch) DTS-HD
OOOOO
dts-HD MSTR/HIRES L, C, R, SL, SR, SBL, SBR, LFE
(,ex1,ex2)
Dolby D (2ch) Neo:6
OOOOO
2 DIGITAL L, R
Dolby D (2ch Surr) Neo:6
OOOOO
2 DIGITAL L, R, S
Dolby Digital Plus (2ch) Neo:6
OOOOO
2 DIGITAL PLUS L, R
Dolby TrueHD (2ch) Neo:6
OOOOO
2 TrueHD L, R
SA-CD (2ch) Neo:6
OOOOO
DSD L, R
PCM (Audio) Neo:6
OOOOO
PCM L, R
HDCD Neo:6
OOOOO
PCM, HDCD L, R
Analog Neo:6
OOOOO
ANALOG -
CSII
(Cinema
/Music
/ Mono)
Dolby D (2ch) CSII
OOOOO
2 DIGITAL L, R
Dolby D (2ch Surr) CSII
OOOOO
2 DIGITAL L, R, S
SA-CD (2ch) CSII
OOOOO
DSD L, R
PCM (Audio) CSII
OOOOO
PCM L, R
HDCD CSII
OOOOO
PCM, HDCD L, R
Analog CSII
OOOOO
ANALOG -
NEURAL- THX Dolby D (2ch) NEURAL_THX
OOOOO
2 DIGITAL L, R
Dolby D (2ch Surr) NEURAL_THX
OOOOO
2 DIGITAL L, R, S
SA-CD (2ch) NEURAL_THX
OOOOO
DSD L, R
PCM (Audio) NEURAL_THX
OOOOO
PCM L, R
HDCD NEURAL_THX
OOOOO
PCM, HDCD L, R
Analog NEURAL_THX
OOOOO
ANALOG -
Surround Mode Input Signal Decoding
Output Channel Front information display
L/R C SL
SR
SBL
SBR
SubW
Signal format indicators Channel status
STEREO Dolby Surr.EX Stereo
O- - - O
2 DIGITAL EX L, C, R, SL, SR, S, LFE
Dolby D (5.1ch) Stereo
O- - - O
2 DIGITAL L, C, R, SL, SR, LFE
Dolby D (2ch) Stereo
O- - - O
2 DIGITAL L, R
Dolby D (2ch Surr) Stereo
O- - - O
2 DIGITAL L, R, S
Dolby Digital Plus (2ch) Stereo
O- - - O
2 DIGITAL PLUS L, R
Dolby Digital Plus (5.1ch) Stereo
O- - - O
2 DIGITAL PLUS L, C, R, SL, SR, LFE
Dolby Digital Plus (6.1ch) Stereo
O- - - O
2 DIGITAL PLUS L, C, R, SL, SR, S, LFE (,ex1)
Dolby Digital Plus (7.1ch) Stereo
O- - - O
2 DIGITAL PLUS L, C, R, SL, SR, SBL, SBR, LFE
Dolby TrueHD (2ch) Stereo
O- - - O
2 TrueHD L, R
Dolby TrueHD (5.1ch) Stereo
O- - - O
2 TrueHD L, C, R, SL, SR, LFE (,ex1,ex2)
Dolby TrueHD (6.1ch) Stereo
O- - - O
2 TrueHD L, C, R, SL, SR, LFE (,ex1,ex2)
Dolby TrueHD (7.1ch) Stereo
O- - - O
2 TrueHD L, C, R, SL, SR, LFE (,ex1,ex2)
DTS-ES Stereo
O- - - O
dts, ES L, C, R, SL, SR, S, LFE
DTS 96/24 Stereo
O- - - O
dts 96/24 L, C, R, SL, SR, LFE
DTS (5.1ch) Stereo
O- - - O
dts L, C, R, SL, SR, LFE
DTS-HD (2ch) Stereo
O- - - O
dts-HD MSTR/HIRES L, R
DTS-HD (5.1ch) Stereo
O- - - O
dts-HD MSTR/HIRES L, C, R, SL, SR, LFE (,ex1,ex2)
DTS-HD (6.1ch) Stereo
O- - - O
dts-HD MSTR/HIRES L, C, R, SL, SR, S, LFE (,ex1,ex2)
DTS-HD (7.1ch) Stereo
O- - - O
dts-HD MSTR/HIRES L, C, R, SL, SR, SBL, SBR, LFE
(,ex1,ex2)
Multi Ch-PCM Stereo
O- - - O
PCM L, C, R, SL, SR, LFE
Multi Ch-PCM 96kHz Stereo
O- - - O
PCM L, C, R, SL, SR, LFE
SA-CD (5.1ch) Stereo
O- - - O
DSD L, C, R, SL, SR, LFE
SA-CD (2ch) Stereo
O- - - O
DSD L, R
PCM (Audio) Stereo
O- - - O
PCM L, R
PCM 96kHz Stereo
O- - - O
PCM L, R
HDCD Stereo
O- - - O
PCM, HDCD L, R
Analog Stereo
O- - - O
ANALOG -
Dolby Virtual
Speaker
Dolby Surr.EX Dolby Virtual Speaker
O- - - -
2 DIGITAL EX L, C, R, SL, SR, S, LFE
Dolby D (5.1ch) Dolby Virtual Speaker
O- - - -
2 DIGITAL L, C, R, SL, SR, LFE
Dolby D (2ch)
PLII+ Dolby Virtual Speaker
O- - - -
2 DIGITAL L, R
Dolby D (2ch Surr)
PLII+ Dolby Virtual Speaker
O- - - -
2 DIGITAL L, R, S
DTS-ES Dolby Virtual Speaker
O- - - -
dts, ES L, C, R, SL, SR, S, LFE
DTS 96/24 Dolby Virtual Speaker
O- - - -
dts 96/24 L, C, R, SL, SR, LFE
DTS (5.1ch) Dolby Virtual Speaker
O- - - -
dts L, C, R, SL, SR, LFE
Multi Ch-PCM Dolby Virtual Speaker
O- - - -
PCM L, C, R, SL, SR, LFE
SA-CD (5.1ch) Dolby Virtual Speaker
O- - - -
DSD L, C, R, SL, SR, LFE
SA-CD (2ch)
PLII+ Dolby Virtual Speaker
O- - - -
DSD L, R
PCM (Audio)
PLII+ Dolby Virtual Speaker
O- - - -
PCM L, R
HDCD
PLII+ Dolby Virtual Speaker
O- - - -
PCM, HDCD L, R
Analog
PLII+ Dolby Virtual Speaker
O- - - -
ANALOG -
Multi Ch.
Movie
Music
(O): Movie mode only.
Dolby Surr.EX Dolby Digital EX
O
(O)
OOO
2 DIGITAL EX L, C, R, SL, SR, S, LFE
Dolby D (5.1ch) Dolby Digital 5.1
O
(O)
O-O
2 DIGITAL L, C, R, SL, SR, LFE
Dolby D (2ch) Multi Channel
O
(O)
OOO
2 DIGITAL L, R
Dolby D (2ch Surr) Multi Channel
O
(O)
OOO
2 DIGITAL L, R, S
DTS-ES DTS-ES
O
(O)
OOO
dts, ES L, C, R, SL, SR, S, LFE
DTS 96/24 DTS-96/24
O
(O)
O-O
dts 96/24 L, C, R, SL, SR, LFE
DTS (5.1ch) DTS 5.1
O
(O)
O-O
dts L, C, R, SL, SR, LFE
Multi Ch-PCM Multi Ch-PCM
O
(O)
O-O
PCM L, C, R, SL, SR, LFE
Multi Ch-PCM 96kHz Multi Ch-PCM 96kHz
O
(O)
O-O
PCM L, C, R, SL, SR, LFE
SA-CD (5.1ch) SA-CD (5.1ch)
O
(O)
O-O
DSD L, C, R, SL, SR, LFE
SA-CD (2ch) Multi Channel
O
(O)
OOO
DSD L, R
PCM (Audio) Multi Channel
O
(O)
OOO
PCM L, R
HDCD Multi Channel
O
(O)
OOO
PCM, HDCD L, R
Analog Multi Channel
O
(O)
OOO
ANALOG -
SR5003_U_1_ENG 3_3.indd 69 08.7.4 4:49:21 PM
70
ENGLISH
BASIC
CONNECTIONS
BASIC OPERATION
ADVANCED
CONNECTIONS SETUP ADVANCED
OPERATION
TROUBLESHOOTING
OTHERS
NAMES AND
FUNCTION OTHERS
Notes:
• Dolby Digital (2 channel L/R): Speakers for signal
with Dolby Surround are fully equipped.
• No sound is outputs from the surround speaker,
center speaker and subwoofer if the DVD disc has
no surround data.
• Surround modes other than Stereo are not available
during Dolby TrueHD, Dolby Digital Plus, or DTS-
HD playback.
If surround modes other than Stereo are selected
and Dolby TrueHD, Dolby Digital Plus, or DTS-
HD content is played, the surround mode setting is
disabled.
Abbreviations
L/R : Front speakers
C : Center speaker
SL/SR : Surround speakers
SBL/SBR : Surround back speakers
SubW : Subwoofer
LFE : Low frequency efects
ex : Extension
AUTO
When this mode is selected, the unit determines
whether the digital input signal is Dolby Digital,
Dolby Digital Surround EX, Dolby Digital Plus, Dolby
TrueHD, DTS-HD, DTS, DTS-ES, DTS 96/24 or PCM
audio.
Surround EX & DTS-ES will operate for multichannel
sources that have a Dolby Digital Surround EX or
DTS-ES auto trigger fl ag in the digital signal.
When a Dolby Digital or DTS signal is input, the
number of channels for which the corresponding
signal is encoded will be played.
Inputting a Dolby Digital two channel signal with
Dolby surround status automatically subjects that
signal to Pro Logic IIx movie processing before play.
PCM 96 kHz source material can be played in this
mode.
Notes:
• When you use this mode with certain DVD and CD
players, performing operations such as skip or stop
may momentarily interrupt the output.
• When the signal is not decoded, the mode is changed
to AUTO mode automatically. See page 68 to
confi rm the available decoding modes.
SOURCE DIRECT
In the Source Direct mode, the tone control circuit
Acoustic EQ. and bass management confi guration
are bypassed for full-range frequency response and
the purist audio reproduction.
Notes:
• Speaker size is set to Front L/R = LARGE, Center =
LARGE, Surround L/R = LARGE and Subwoofer
= YES automatically. Tone controls, equalizer and
additional processing are deactivated.
• When you use this mode with certain DVD and CD
players, performing operations such as skip or stop
may momentarily interrupt the output.
• In SOURCE DIRECT mode, ACOUSTIC EQ and
M-DAX are not available.
PURE DIRECT
The Pure Direct mode further reduces sources of
noise in addition to effect of the Source Direct mode,
by blocking output from the video jacks (VIDEO,
S-VIDEO, COMPONENT VIDEO and HDMI) and
turning the FL display off.
Note:
• In PURE DIRECT mode, ACOUSTIC EQ and M-
DAX are not available.
EX/ES
This mode provides 6.1 channel surround for Dolby
Digital EX, and DTS-ES-encoded source material
such as DVD.
This mode cannot be used when an analog input has
been selected.
Dolby Digital EX
In a movie theater, fi lm soundtracks that have been
encoded with Dolby Digital Surround EX technology
are able to reproduce an extra channel which has
been added during the mixing of the program.
This channel, called surround back, places sounds
behind the listener in addition to the currently
available front left, front center, front right, surround
right, surround left and subwoofer channels.
This additional channel provides the opportunity
for more detailed imaging behind the listener and
brings more depth, spacious ambience and sound
localization than ever before.
Dolby Digital EX is not available in systems that do
not have without surround back speaker(s).
DTS-ES (Discrete 6.1, Matrix 6.1)
DTS-ES adds the surround center channel audio to
the DTS 5.1 channel format to improve the acoustic
positioning, and makes acoustic image movement
more natural with the 6.1 channel reproduction.
This unit incorporates a DTS-ES-decoder, which
can handle DTS-ES Discrete-encoded and DTS-ES
Matrix-encoded program sources from DVD, etc.
DTS-ES Discrete 6.1 features digital discrete
recording of all channels, including the surround back
channel(s), and higher quality audio reproduction.
DTS-ES is not available in systems that do not have
surround back speakers.
Surround Mode Input Signal Decoding
Output Channel Front information display
L/R C SL
SR
SBL
SBR
SubW
Signal format indicators Channel status
Dolby H.P Dolby Surr.EX Dolby H.P
O----
2 DIGITAL EX L, C, R, SL, SR, S, LFE
Dolby D (5.1ch) Dolby H.P
O----
2 DIGITAL L, C, R, SL, SR, LFE
Dolby D (2ch) Dolby H.P
O----
2 DIGITAL L, R
Dolby D (2ch Surr) Dolby H.P
O----
2 DIGITAL L, R, S
Dolby Digital Plus (5.1ch) Stereo
O----
2 DIGITAL PLUS L, C, R, SL, SR, LFE
Dolby Digital Plus (6.1ch) Stereo
O----
2 DIGITAL PLUS L, C, R, SL, SR, S, LFE (,ex1)
Dolby Digital Plus (7.1ch) Stereo
O----
2 DIGITAL PLUS L, C, R, SL, SR, SBL, SBR, LFE
Dolby TrueHD (5.1ch) Stereo
O----
2 TrueHD L, R
Dolby TrueHD (6.1ch) Stereo
O----
2 TrueHD L, R
Dolby TrueHD (7.1ch) Stereo
O----
2 TrueHD L, R
DTS-ES Dolby H.P
O----
dts, ES L, C, R, SL, SR, S, LFE
DTS 96/24 Dolby H.P
O----
dts 96/24 L, C, R, SL, SR, LFE
DTS (5.1ch) Dolby H.P
O----
dts L, C, R, SL, SR, LFE
DTS-HD (5.1ch) Stereo
O----
dts-HD MSTR/HIRES L, C, R, SL, SR, LFE (,ex1,ex2)
DTS-HD (6.1ch) Stereo
O----
dts-HD MSTR/HIRES L, C, R, SL, SR, S, LFE (,ex1,ex2)
DTS-HD (7.1ch) Stereo
O----
dts-HD MSTR/HIRES L, C, R, SL, SR, SBL, SBR, LFE
(,ex1,ex2)
Multi Ch-PCM Dolby H.P
O----
PCM L, C, R, SL, SR, LFE
PCM Dolby H.P
O----
PCM L, R
HDCD Dolby H.P
O----
PCM, HDCD L, R
ANALOG Dolby H.P
O----
ANALOG L, R
SR5003_U_1_ENG 3_3.indd 70 08.7.4 4:49:23 PM
• 日本仕向けのACC(5.1ch/2ch)については、取扱説明
書を参照してください。
また、5∼7ページの日本仕向けについても、同様に
取扱説明書を参照してください。

5
71
ENGLISH
BASIC
CONNECTIONS
BASIC OPERATION
ADVANCED
CONNECTIONS
SETUP
ADVANCED
OPERATION
TROUBLESHOOTING
OTHERS NAMES AND
FUNCTION
OTHERS
2 MODE
(Dolby Digital, Pro Logic
II
x MOVIE, Pro Logic
II
x
MUSIC, Pro Logic
II
x GAME)
This mode is used with source materials encoded in
Dolby Digital and Dolby Surround.
DOLBY DIGITAL
This mode is enabled when playing source materials
encoded in Dolby Digital.
Playing multichannel-encoded 5.1 channel Dolby
Digital sources provides 5 main audio channels (left,
center, right, surround left and surround right) and a
Low Frequency Effect channel.
Dolby Digital EX decoding is not available in this
mode.
Dolby Pro Logic II x has 5 modes:
Pro Logic
II
x MOVIE
This mode provides 6.1 or 7.1 channel surround
sound from Dolby Surround, encoded stereo movie
soundtracks.
Pro Logic
II
x MUSIC
This mode provides 6.1 or 7.1 channel surround
sound from conventional stereo sources (analog or
digital), such as CD, tape, FM, TV, stereo VCR, etc.
Pro Logic
II
x GAME
This mode
restores the impact low-frequency
surround effects by routing them to the system’s
subwoofer.
5.1ch + Pro Logic
II
x Movie
This mode provides 7.1 channel surround sound from
5.1 channel sources
movie soundtracks
.
5.1ch + Pro Logic
II
x Music
This mode provides 6.1 or 7.1 channel surround sound
from 5.1 channel sources music soundtracks.
Notes:
• Pro Logic IIx mode will decode as Pro Logic II
mode when the SURR. B is set to “NONE” from
SPEAKER SETUP menu. (See page 33)
• Pro Logic IIx mode is available for a 2 channel input
signal which is encoded in Dolby Digital, HDCD or
PCM format.
dts
dts, Neo:6 Cinema, Neo:6 Music
This mode is for DTS-encoded source materials
such as laserdisc, CD and DVD. Neo:6 is for some 2
channel sources.
dts
This mode is enabled when playing source materials
encoded in dts multichannel.
Playing multichannel encoded-5.1 channel dts
sources provides five main audio channels (left,
center, right, surround left and surround right) and a
Low Frequency Effects channel.
dts-ES decoding is not available in this mode.
The DTS mode cannot be used when an analog
input has been selected.
Neo:6 Cinema, Neo:6 Music
This mode decodes 2 channel signals into 6 channel
signals using high-accuracy digital matrix technology.
The DTS Neo:6 decoder has near-discrete properties
in the frequency characteristics of the channels as
well as in channel separation.
According to the signals to be played back, DTS Neo:6
uses either the Neo:6 Cinema mode optimized for
movie playback or the Neo:6 Music mode optimized
for music playback.
Note:
•
The Neo:6 mode is available for 2 channel input
signals which are encoded in Dolby Digital, HDCD
or PCM format.
CIRCLE SURROUND
II
(CS
II
-CINEMA, CS
II
-MUSIC, CS
II
-MONO)
Circle Surround is designed to enable multichannel
surround sound playback of non-encoded and
multichannel encoded material.
Backward compatibility provides listeners with up to
6.1 channels of surround performance from an entire
collection of music and fi lm, including broadcast,
videotape and stereo recorded music.
Depending on source material, you can select CSII -
Cinema mode, CSII -Music mode or CSII -Mono
mode.
Note:
• The CS II mode is available for 2 channel input
signals which are encoded in Dolby Digital, HDCD
or PCM format.
STEREO
This mode bypasses all surround processing.
In stereo program sources, the left and right channels
play normally when PCM audio or analog stereo is
input.
With Dolby Digital and DTS sources, the 5.1 channels
are converted to two channel stereo. 96 kHz PCM
source material can be played back in stereo mode.
Dolby Virtual Speaker
Dolby Virtual Speaker technology uses proprietary
technology of Dolby Laboratories to create a virtual
surround sound fi eld using only two speakers for the
front channels, allowing the user to experience sound
as if surround speakers were actually being used.
MULTI CH. (MOVIE, MUSIC)
This mode is used to create a wider, deeper and more
natural soundstage from two channel source material.
This is done by feeding the left channel signal to
both the left front and left surround speakers and the
right channel signal to both the right front and right
surround speakers. Additionally, the center channel
reproduces a mix of the right and left channels.
Note:
• Audio is not output from the CENTER channel
when using MULTI CH. MUSIC mode.
Neural Surround
Neural SurroundTM represents the latest advancement
in surround technology developed for music.
Neural SurroundTM employs psychoacoustic
frequency domain processing which allows delivery
of a more detailed sound stage with superior channel
separation and localization of audio elements.
System playback is scalable from 5.1 to 7.1 multi-
channel surround playback.
CAUTION
Note for DTS
•
To connected DVD player, laserdisc player or CD
player needs to support DTS digital output. You
may not be able to play some DTS source signals
from certain CD players and LD players even if
you connect the player to the unit digitally. This is
because the digital signal has been processed
(such as the output level, sampling frequency or
frequency response), and the unit cannot recognize
the signal as DTS data.
• Depending on the player used, DTS play may
produce a short noise. This is not a malfunction.
• While signals from a DTS laserdisc or CD are
playing in another surround mode, you cannot
switch to digital input or from digital input to analog
input from the INPUT SETUP in the MAIN MENU
or by pressing the A/D button.
• You can not listen to DTS-encoded software in a
multiroom.
•
The outputs for VCR OUT, TAPE OUT and CD/CD-R
OUT output analog audio signals only. Do not record
from CDs or LDs that support DTS using these
outputs. If you do, the DTS-encoded signal will be
recorded as noise.
Note or Dolby Digital Surround EX
•
When playing Dolby Digital Surround EX-encoded
software in 6.1 channels, it is required to set the
EX/ES mode.
• Note that some Dolby Digital Surround EX-encoded
software does not contain the identifi cation signal.
In this case, set the EX/ES mode manually.
Note for 96 kHz/192 kHz PCM audio
•
The AUTO, Pure Direct, and Stereo modes can be
used when playing PCM signals with a sampling
frequency of 96/192 kHz (such as from DVD-Video/
Audio discs).
•
Certain DVD player models inhibit digital output. For
details, refer to the player’s operation manual.
•
Some DVD discs feature copy protection. When using
such disc, 96 kHz PCM signal are not output from the
DVD player. For details, refer to the player’s operation
manual.
Note for HDCD
•
HDCD is effective only through digital input.
•
You may not be able to play some HDCD source
signals from certain CD players if you connect the
player to the unit digitally. This is because the digital
signal has been processed (such as the output level,
sampling frequency or frequency response) and the
unit cannot recognize the signal as HDCD data.
SR5003_U_1_ENG 3_3.indd 71 08.7.4 4:49:24 PM
70
ENGLISH
BASIC
CONNECTIONS
BASIC OPERATION
ADVANCED
CONNECTIONS SETUP ADVANCED
OPERATION
TROUBLESHOOTING
OTHERS
NAMES AND
FUNCTION OTHERS
Notes:
• Dolby Digital (2 channel L/R): Speakers for signal
with Dolby Surround are fully equipped.
• No sound is outputs from the surround speaker,
center speaker and subwoofer if the DVD disc has
no surround data.
• Surround modes other than Stereo are not available
during Dolby TrueHD, Dolby Digital Plus, or DTS-
HD playback.
If surround modes other than Stereo are selected
and Dolby TrueHD, Dolby Digital Plus, or DTS-
HD content is played, the surround mode setting is
disabled.
Abbreviations
L/R : Front speakers
C : Center speaker
SL/SR : Surround speakers
SBL/SBR : Surround back speakers
SubW : Subwoofer
LFE : Low frequency efects
ex : Extension
AUTO
When this mode is selected, the unit determines
whether the digital input signal is Dolby Digital,
Dolby Digital Surround EX, Dolby Digital Plus, Dolby
TrueHD, DTS-HD, DTS, DTS-ES, DTS 96/24 or PCM
audio.
Surround EX & DTS-ES will operate for multichannel
sources that have a Dolby Digital Surround EX or
DTS-ES auto trigger fl ag in the digital signal.
When a Dolby Digital or DTS signal is input, the
number of channels for which the corresponding
signal is encoded will be played.
Inputting a Dolby Digital two channel signal with
Dolby surround status automatically subjects that
signal to Pro Logic II x movie processing before play.
PCM 96 kHz source material can be played in this
mode.
Notes:
• When you use this mode with certain DVD and CD
players, performing operations such as skip or stop
may momentarily interrupt the output.
• When the signal is not decoded, the mode is changed
to AUTO mode automatically. See page 68 to
confi rm the available decoding modes.
SOURCE DIRECT
In the Source Direct mode, the tone control circuit
Acoustic EQ. and bass management confi guration
are bypassed for full-range frequency response and
the purist audio reproduction.
Notes:
• Speaker size is set to Front L/R = LARGE, Center =
LARGE, Surround L/R = LARGE and Subwoofer
= YES automatically. Tone controls, equalizer and
additional processing are deactivated.
• When you use this mode with certain DVD and CD
players, performing operations such as skip or stop
may momentarily interrupt the output.
• In SOURCE DIRECT mode, ACOUSTIC EQ and
M-DAX are not available.
PURE DIRECT
The Pure Direct mode further reduces sources of
noise in addition to effect of the Source Direct mode,
by blocking output from the video jacks (VIDEO,
S-VIDEO, COMPONENT VIDEO and HDMI) and
turning the FL display off.
Note:
• In PURE DIRECT mode, ACOUSTIC EQ and M-
DAX are not available.
EX/ES
This mode provides 6.1 channel surround for Dolby
Digital EX, and DTS-ES-encoded source material
such as DVD.
This mode cannot be used when an analog input has
been selected.
Dolby Digital EX
In a movie theater, fi lm soundtracks that have been
encoded with Dolby Digital Surround EX technology
are able to reproduce an extra channel which has
been added during the mixing of the program.
This channel, called surround back, places sounds
behind the listener in addition to the currently
available front left, front center, front right, surround
right, surround left and subwoofer channels.
This additional channel provides the opportunity
for more detailed imaging behind the listener and
brings more depth, spacious ambience and sound
localization than ever before.
Dolby Digital EX is not available in systems that do
not have without surround back speaker(s).
DTS-ES (Discrete 6.1, Matrix 6.1)
DTS-ES adds the surround center channel audio to
the DTS 5.1 channel format to improve the acoustic
positioning, and makes acoustic image movement
more natural with the 6.1 channel reproduction.
This unit incorporates a DTS-ES-decoder, which
can handle DTS-ES Discrete-encoded and DTS-ES
Matrix-encoded program sources from DVD, etc.
DTS-ES Discrete 6.1 features digital discrete
recording of all channels, including the surround back
channel(s), and higher quality audio reproduction.
DTS-ES is not available in systems that do not have
surround back speakers.
Surround Mode Input Signal Decoding
Output Channel Front information display
L/R C SL
SR
SBL
SBR
SubW
Signal format indicators Channel status
Dolby H.P Dolby Surr.EX Dolby H.P
O----
2 DIGITAL EX L, C, R, SL, SR, S, LFE
Dolby D (5.1ch) Dolby H.P
O----
2 DIGITAL L, C, R, SL, SR, LFE
Dolby D (2ch) Dolby H.P
O----
2 DIGITAL L, R
Dolby D (2ch Surr) Dolby H.P
O----
2 DIGITAL L, R, S
Dolby Digital Plus (5.1ch) Stereo
O----
2 DIGITAL PLUS L, C, R, SL, SR, LFE
Dolby Digital Plus (6.1ch) Stereo
O----
2 DIGITAL PLUS L, C, R, SL, SR, S, LFE (,ex1)
Dolby Digital Plus (7.1ch) Stereo
O----
2 DIGITAL PLUS L, C, R, SL, SR, SBL, SBR, LFE
Dolby TrueHD (5.1ch) Stereo
O----
2 TrueHD L, R
Dolby TrueHD (6.1ch) Stereo
O----
2 TrueHD L, R
Dolby TrueHD (7.1ch) Stereo
O----
2 TrueHD L, R
DTS-ES Dolby H.P
O----
dts, ES L, C, R, SL, SR, S, LFE
DTS 96/24 Dolby H.P
O----
dts 96/24 L, C, R, SL, SR, LFE
DTS (5.1ch) Dolby H.P
O----
dts L, C, R, SL, SR, LFE
DTS-HD (5.1ch) Stereo
O----
dts-HD MSTR/HIRES L, C, R, SL, SR, LFE (,ex1,ex2)
DTS-HD (6.1ch) Stereo
O----
dts-HD MSTR/HIRES L, C, R, SL, SR, S, LFE (,ex1,ex2)
DTS-HD (7.1ch) Stereo
O----
dts-HD MSTR/HIRES L, C, R, SL, SR, SBL, SBR, LFE
(,ex1,ex2)
Multi Ch-PCM Dolby H.P
O----
PCM L, C, R, SL, SR, LFE
PCM Dolby H.P
O----
PCM L, R
HDCD Dolby H.P
O----
PCM, HDCD L, R
ANALOG Dolby H.P
O----
ANALOG L, R
SR5003_U_1_ENG 3_3.indd 70 08.7.4 4:49:23 PM
71
ENGLISH
BASIC
CONNECTIONS
BASIC OPERATION
ADVANCED
CONNECTIONS
SETUP
ADVANCED
OPERATION
TROUBLESHOOTING
OTHERS NAMES AND
FUNCTION
OTHERS
2 MODE
(Dolby Digital, Pro Logic
II
x MOVIE, Pro Logic
II
x
MUSIC, Pro Logic
II
x GAME)
This mode is used with source materials encoded in
Dolby Digital and Dolby Surround.
DOLBY DIGITAL
This mode is enabled when playing source materials
encoded in Dolby Digital.
Playing multichannel-encoded 5.1 channel Dolby
Digital sources provides 5 main audio channels (left,
center, right, surround left and surround right) and a
Low Frequency Effect channel.
Dolby Digital EX decoding is not available in this
mode.
Dolby Pro Logic II x has 5 modes:
Pro Logic
II
x MOVIE
This mode provides 6.1 or 7.1 channel surround
sound from Dolby Surround, encoded stereo movie
soundtracks.
Pro Logic
II
x MUSIC
This mode provides 6.1 or 7.1 channel surround
sound from conventional stereo sources (analog or
digital), such as CD, tape, FM, TV, stereo VCR, etc.
Pro Logic
II
x GAME
This mode
restores the impact low-frequency
surround effects by routing them to the system’s
subwoofer.
5.1ch + Pro Logic
II
x Movie
This mode provides 7.1 channel surround sound from
5.1 channel sources
movie soundtracks
.
5.1ch + Pro Logic
II
x Music
This mode provides 6.1 or 7.1 channel surround sound
from 5.1 channel sources music soundtracks.
Notes:
• Pro Logic IIx mode will decode as Pro Logic II
mode when the SURR. B is set to “NONE” from
SPEAKER SETUP menu. (See page 33)
• Pro Logic IIx mode is available for a 2 channel input
signal which is encoded in Dolby Digital, HDCD or
PCM format.
dts
dts, Neo:6 Cinema, Neo:6 Music
This mode is for DTS-encoded source materials
such as laserdisc, CD and DVD. Neo:6 is for some 2
channel sources.
dts
This mode is enabled when playing source materials
encoded in dts multichannel.
Playing multichannel encoded-5.1 channel dts
sources provides five main audio channels (left,
center, right, surround left and surround right) and a
Low Frequency Effects channel.
dts-ES decoding is not available in this mode.
The DTS mode cannot be used when an analog
input has been selected.
Neo:6 Cinema, Neo:6 Music
This mode decodes 2 channel signals into 6 channel
signals using high-accuracy digital matrix technology.
The DTS Neo:6 decoder has near-discrete properties
in the frequency characteristics of the channels as
well as in channel separation.
According to the signals to be played back, DTS Neo:6
uses either the Neo:6 Cinema mode optimized for
movie playback or the Neo:6 Music mode optimized
for music playback.
Note:
•
The Neo:6 mode is available for 2 channel input
signals which are encoded in Dolby Digital, HDCD
or PCM format.
CIRCLE SURROUND
II
(CS
II
-CINEMA, CS
II
-MUSIC, CS
II
-MONO)
Circle Surround is designed to enable multichannel
surround sound playback of non-encoded and
multichannel encoded material.
Backward compatibility provides listeners with up to
6.1 channels of surround performance from an entire
collection of music and fi lm, including broadcast,
videotape and stereo recorded music.
Depending on source material, you can select CSII -
Cinema mode, CSII -Music mode or CSII -Mono
mode.
Note:
• The CS II mode is available for 2 channel input
signals which are encoded in Dolby Digital, HDCD
or PCM format.
STEREO
This mode bypasses all surround processing.
In stereo program sources, the left and right channels
play normally when PCM audio or analog stereo is
input.
With Dolby Digital and DTS sources, the 5.1 channels
are converted to two channel stereo. 96 kHz PCM
source material can be played back in stereo mode.
Dolby Virtual Speaker
Dolby Virtual Speaker technology uses proprietary
technology of Dolby Laboratories to create a virtual
surround sound fi eld using only two speakers for the
front channels, allowing the user to experience sound
as if surround speakers were actually being used.
MULTI CH. (MOVIE, MUSIC)
This mode is used to create a wider, deeper and more
natural soundstage from two channel source material.
This is done by feeding the left channel signal to
both the left front and left surround speakers and the
right channel signal to both the right front and right
surround speakers. Additionally, the center channel
reproduces a mix of the right and left channels.
Note:
• Audio is not output from the CENTER channel
when using MULTI CH. MUSIC mode.
Neural Surround
Neural SurroundTM represents the latest advancement
in surround technology developed for music.
Neural SurroundTM employs psychoacoustic
frequency domain processing which allows delivery
of a more detailed sound stage with superior channel
separation and localization of audio elements.
System playback is scalable from 5.1 to 7.1 multi-
channel surround playback.
CAUTION
Note for DTS
•
To connected DVD player, laserdisc player or CD
player needs to support DTS digital output. You
may not be able to play some DTS source signals
from certain CD players and LD players even if
you connect the player to the unit digitally. This is
because the digital signal has been processed
(such as the output level, sampling frequency or
frequency response), and the unit cannot recognize
the signal as DTS data.
• Depending on the player used, DTS play may
produce a short noise. This is not a malfunction.
• While signals from a DTS laserdisc or CD are
playing in another surround mode, you cannot
switch to digital input or from digital input to analog
input from the INPUT SETUP in the MAIN MENU
or by pressing the A/D button.
• You can not listen to DTS-encoded software in a
multiroom.
•
The outputs for VCR OUT, TAPE OUT and CD/CD-R
OUT output analog audio signals only. Do not record
from CDs or LDs that support DTS using these
outputs. If you do, the DTS-encoded signal will be
recorded as noise.
Note or Dolby Digital Surround EX
•
When playing Dolby Digital Surround EX-encoded
software in 6.1 channels, it is required to set the
EX/ES mode.
• Note that some Dolby Digital Surround EX-encoded
software does not contain the identifi cation signal.
In this case, set the EX/ES mode manually.
Note for 96 kHz/192 kHz PCM audio
•
The AUTO, Pure Direct, and Stereo modes can be
used when playing PCM signals with a sampling
frequency of 96/192 kHz (such as from DVD-Video/
Audio discs).
•
Certain DVD player models inhibit digital output. For
details, refer to the player’s operation manual.
•
Some DVD discs feature copy protection. When using
such disc, 96 kHz PCM signal are not output from the
DVD player. For details, refer to the player’s operation
manual.
Note for HDCD
•
HDCD is effective only through digital input.
•
You may not be able to play some HDCD source
signals from certain CD players if you connect the
player to the unit digitally. This is because the digital
signal has been processed (such as the output level,
sampling frequency or frequency response) and the
unit cannot recognize the signal as HDCD data.
SR5003_U_1_ENG 3_3.indd 71 08.7.4 4:49:24 PM

6
73
ENGLISH
BASIC
CONNECTIONS
BASIC OPERATION
ADVANCED
CONNECTIONS
SETUP
ADVANCED
OPERATION
TROUBLESHOOTING
OTHERS NAMES AND
FUNCTION
OTHERS
Dolby Digital identifi es the use of Dolby Digital audio
coding for such consumer formats as DVD and DTV.
As with fi lm sound, Dolby Digital can provide up
to fi ve full-range channels for left, center, and right
screen channels, independent left and right surround
channels, and a sixth (“.1”) channel for low-frequency
effects.
Dolby Surround Pro Logic
II
is an improved matrix
decoding technology that provides better spatiality
and directionality on Dolby Surround program
material; provides a convincing three-dimensional
soundfi eld on conventional stereo music recordings;
and is ideally suited to bring the surround experience
to automotive sound. While conventional surround
programming is fully compatible with Dolby Surround
Pro Logic
II
decoders, soundtracks will be able to be
encoded specifi cally to take full advantage of Pro
Logic
II
playback, including separate left and right
surround channels. (Such material is also compatible
with conventional Pro Logic decoders.)
Dolby Digital EX creates six full-bandwidth output
channels from 5.1-channel sources. This is done
using a matrix decoder that derives three surround
channels from the two in the original recording. For
best results, Dolby Digital EX should be used with
movies soundtracks recorded with Dolby Digital
Surround EX.
About Dolby Pro Logic II x
Dolby Pro Logic II x technology delivers a natural
and immersing 7.1-channel listening experience
to the home theater environment. A product of
Dolby's expertise in surround sound and matrix
decoding technologies, Dolby Pro Logic II x is a
complete surround sound solution that maximizes
the entertainment experience from stereo as well as
5.1-channel encoded sources.
Dolby Pro Logic II x is fully compatible with Dolby
Surround Pro Logic technology and can optimally
decode the thousands of commercially available
Dolby Surround encoded video cassettes and
television programs with enhanced depth and
spatiality. It can also process any high-quality
stereo or Advanced Resolution 5.1-channel music
content into a seamless 6.1- or 7.1-channel listening
experience.
The Dolby Headphone technology provides a
surround
sound listening experience over headphones.
When listening to multichannel content such as DVD
movies over headphones, the listening experience
is fundamentally different than listening to speakers.
Since the headphone speaker drivers are covering
the pinna of the ear, the listening experience differs
greatly from traditional speaker playback. Dolby
utilizes patented headphone perspective curves to
solve this problem and provides a non-fatiguing,
immersive, home theater listening experience. Dolby
Headphone also delivers exceptional 3D audio from
stereo material.
Dolby Virtual Speaker is a technologycertified
by Dolby Laboratories that creates a virtualized
surround sound experience from two speakers using
a multichannel Dolby Digital source. Additionally,
Dolby Virtual Speaker can simulate the surround
sound effect produced by Dolby Pro Logic or Dolby
Pro Logic II .
Dolby Virtual Speaker retains all the original
Multichannel audio information and provides the
listener with the sensation of being surrounded by
additional speakers.
Dolby® TrueHD is Dolby’s next-generation lossless
technology developed for high-defi nition disc-based
media. Dolby TrueHD delivers tantalizing sound
that is bit-for-bit identical to the studio master,
unlocking the true high-definition entertainment
experience on next-generation discs. When coupled
with high-defi nition video, Dolby TrueHD offers an
unprecedented home theater experience that lets
you enjoy sound as stunning as the high-defi nition
picture.
Dolby Digital Plus is a highly sophisticated and
versatile audio codec based on Dolby Digital and
designed specifically to adapt to the changing
demands of future audio, video delivery, and audio
storage systems while simultaneously retaining
backwards compatibility with the existing Dolby
Digital 5.1-channel home theater systems in use
today.
Manufactured under license from Dolby Laboratories.
“Dolby”, “Pro Logic”, “Surround EX”, and the double-D
symbol are trademarks of Dolby Laboratories.
Circle Surround II (CS-II ) is a powerful and versatile
multichannel technology. CS-II is designed to enable
up to 6.1 multichannel surround sound playback
from mono, stereo, CS encoded sources and other
matrix encoded sources. In all cases the decoder
extends it into 6 channels of surround audio and a
LFE/subwoofer signal. The CS-II decoder creates a
listening environment that places the listener “inside”
music performances and dramatically improves
both hi-fi audio conventional surround-encoded
video material. CS-II provides composite stereo rear
channels to greatly improve separation and image
positioning– adding a heightened sense of realism to
both audio and A/V productions.
CS-II is packed with other useful feature like dialog
clarity (SRS Dialog) for movies and cinema-like bass
enrichment (TruBass). CS-II can enable the dialog
to become clearer and more discernable in movies
and it enables the bass frequencies contained in the
original programming to more closely achieve low
frequencies–overcoming the low frequency limitations
of the speakers by full octave.
Circle Surround II, SRS and symbol are
trademarks of SRS Labs, Inc.
Circle Surround II technology is incorporated under
license from SRS Labs, Inc.
HDCD® (High Defi nition Compatible Digital ®) is a
patented process for delivering on Compact Disc the
full richness and details of the original microphone
feed.
HDCD encoded CDs sound better because they are
encoded with 20-bits of real musical information as
compared to 16-bits for all other CDs.
HDCD overcomes the limitation of the 16-bit CD
format by using a sophisticated system to encode
the additional four bits onto the CD while remaining
completely compatible with the CD format.
When listening to HDCD recordings, you hear more
dynamic range, a focused 3-D sound stage, and
extremely natural vocal and musical timbre. With
HDCD, you get the body, depth and emotion of the
original performance not a fl at, digital imitation.
HDCD system manufactured under license from
Microsoft. This product is covered by one or more
of the following: In the United States 5,479,168
5,638,074 5,640,161 5,808,574 5,838,274 5,854,600
5,864,311 5,872,531 and in Australia 669,114 with
other patents pending.
HDMI, the and High-Defi nition Multimedia
Interface are trademarks or registered trademarks of
HDMI Licensing LLC.
SR5003_U_1_ENG 3_3.indd 73 08.7.4 4:49:25 PM
72
ENGLISH
BASIC
CONNECTIONS
BASIC OPERATION
ADVANCED
CONNECTIONS SETUP ADVANCED
OPERATION
TROUBLESHOOTING
OTHERS
NAMES AND
FUNCTION OTHERS
DESCRIPTION
Neural-THX® Surround has been chosen as the
offi cial surround sound broadcast format for leading
FM/HD and satellite radio and television stations
worldwide. Neural-THX Surround delivers the rich
envelopment and discrete image detail of surround
sound in a format 100% compatible with stereo.
Neural-THX Surround draws the brain’s attention
to sonic details in musical instruments, vocals and
ambience that are typically masked by other playback
systems. This allows the listener to fully experience
the richness and subtleties in recorded performance
as never before for both surround encoded material
and regular stereo material such as CDs or digital
media players.
Neural-THX Surround: Taking Surround to the Next
Level.
This product is manufactured under license from
Neural Audio Corporation and THX Ltd. Marantz
hereby grants the user a non-exclusive, non-
transferable, limited right of use to this product under
USA and foreign patent, patent pending and other
technology or trademarks owned by Neural Audio
Corporation and THX Ltd. “Neural Surround”, “Neural
Audio”, “Neural” and “NRL” are trademarks and
logos owned by Neural Audio Corporation, THX is a
trademark of THX Ltd., which may be registered in
some jurisdictions. All rights reserved.
Manufactured under license under U.S. Patent
#’s: 5,451,942; 5,956,674; 5,974,380; 5,978,762;
6,226,616; 6,487,535; 7,003,467 & other U.S. and
worldwide patents issued & pending. DTS, DTS
Digital Surround, ES, and Neo:6 are registered
trademarks and the DTS logos, Symbol and DTS
96/24 are trademarks of DTS, Inc. © 1996-2007 DTS,
Inc. All Rights Reserved.
• dts Digital Surround
DTS was introduced in 1994 to provide 5.1 channels
of discrete digital audio into home theater systems.
DTS brings you premium quality discrete multichannel
digital sound to both movies and music.
DTS is a multichannel sound system designed to
create full range digital sound reproduction.
The no compromise DTS digital process sets the
standard of quality for cinema sound by delivering
an exact copy of the studio master recordings to
neighborhood and home theaters.
Now, every moviegoer can hear the sound exactly as
the moviemaker intended.
DTS can be enjoyed in the home for either movies or
music on of DVD’s, LD’s, and CD’s.
• dts Neo:6®
The advantages of discrete multichannel systems
over matrix are well known.
But even in homes equipped for discrete multichannel,
there remains a need for high-quality matrix decoding.
This is because of the large library of matrix surround
motion pictures available on disc and on VHS tape;
and analog television broadcasts.
The typical matrix decoder of today derives a center
channel and a mono surround channel from two-
channel matrix stereo material. It is better than a
simple matrix in that it includes steering logic to
improve separation, but because of its mono, band-
limited surround it can be disappointing to users
accustomed to discrete multichannel.
Neo:6 offers several important improvements as
follow,
• Neo:6 provides up to six full-band channels of
matrix decoding from stereo matrix material. Users
with 6.1 and 5.1 systems will derive six and fi ve
separate channels, respectively, corresponding to
the standard home-theater speaker layouts.
• Neo:6 technology allows various sound elements
within a channel or channels to be steered
separately, and in a way which follows naturally
from the original presentation.
• Neo:6 offers a music mode to expand stereo
nonmatrix recordings into the fi ve- or six-channel
layout, in a way which does not diminish the subtlety
and integrity of the original stereo recording.
• dts Digital Surround ES®
DTS-ES Extended Surround is a new multichannel
digital signal format developed by Digital Theater
Systems Inc. While offering high compatibility with the
conventional DTS Digital Surround format, DTS-ES
Extended Surround greatly improves the 360-degree
surround impression and space expression thanks
to further expanded surround signals. This format
has been used professionally in movie theaters since
1999.
In addition to the 5.1 surround channels (FL, FR, C,
SL, SR and LFE), DTS-ES Extended Surround also
offers the SB (Surround Back) channel for surround
playback with a total of 6.1 channels. DTS-ES
Extended Surround includes two signal formats with
different surround signal recording methods, as DTS-
ES Discrete 6.1 and DTS-ES Matrix 6.1.
• dts Digital Surround 96/24
The stereo CD is a 16-bit medium with sampling at
44.1 kHz. Professional audio has been 20- or 24-
bit for some time, and there is increasing interest
in higher sampling rates both for recording and for
delivery into the home. Greater bit depths provide
extended dynamic range. Higher sampling rates
allow wider frequency response and the use of anti-
alias and reconstruction fi lters with more favorable
aural characteristics.
DTS 96/24 allows for 5.1channel sound tracks to be
encoded at a rate of 96kHz/24bits on DVD-Video
titles.
When DVD-video appeared, it became possible to
deliver 24-bit, 96 kHz audio into the home, but only in
two channels, and with serious limitations on picture.
This capability has had little use.
DVD-audio allows 96/24 in six channels, but a
new player is needed, and only analog outputs are
provided, necessitating the use of the D/A converters
and analog electronics provided in the player.
DTS 96/24 offers the following:
1. Sound quality transparent to the original 96/24
master.
2. Full backward compatibility with all existing
decoders. (Existing decoders will output a 48 kHz
signal)
3. No new player required: DTS 96/24 can be carried
on DVD-video, or in the video zone of DVD-audio,
accessible to all DVD players.
4. 96/24 5.1-channel sound with full-quality full-
motion video, for music programs and motion
picture soundtracks on DVD-video.
DTS-HD Master Audio is capable of delivering audio
that is a bit-for-bit identical to the studio master.
DTS-HD Master Audio delivers audio at super high
variable bit rates -24.5 mega-bits per second (Mbps)
on Blu-ray discs and 18.0 Mbps on HD-DVD - that
are signifi cantly higher than standard DVDs . This bit
stream is so “fast” and the transfer rate is so “high”
that it can deliver the Holy Grail of audio: 7.1 audio
channels at 96k sampling frequency/24 bit depths
that are identical to the original. With DTS-HD Master
Audio, you will be able to experience movies and
music, exactly as the artist intended: clear, pure, and
uncompromised.
Manufactured under license under U.S. Patent
#’s: 5,451,942; 5,956,674; 5,974,380;5,978,762;
6,226,616; 6,487,535 & other U.S. and worldwide
patents issued & pending.
DTS is a registered trademark and the DTS logos,
Symbol, DTS-HD and DTS-HD Master Audio are
trademarks of DTS, Inc. © 1996-2007 DTS, Inc. All
Rights Reserved.
DTS-HD High Resolution Audio can deliver up to 7.1
channels of sound that is virtually indistinguishable
from the original. DTS-HD High Resolution Audio
delivers audio at high constant bit rates superior to
standard DVDs---6.0 Mbps on Blu-ray discs and 3.0
Mbps on HD-DVD to produce outstanding sound
quality. It is capable of delivering up to 7.1 channels
at 96k sampling frequency/24 bit depth resolution. It
allows content creators to deliver rich, high defi nition
audio on movies where disc space may not allow for
DTS-HD Master Audio.
Manufactured under license under U.S. Patent
#’s: 5,451,942; 5,956,674; 5,974,380; 5,978,762;
6,226,616; 6,487,535 & other U.S. and worldwide
patents issued & pending. DTS is a registered
trademark and the DTS logos, Symbol, DTS-HD,
DTS-HD High Resolution
Audio and DTS-HD High Res Audio are trademarks
of DTS, Inc. © 1996-2007 DTS, Inc. All Rights
Reserved.
SR5003_U_1_ENG 3_3.indd 72 08.7.4 4:49:24 PM
72
ENGLISH
BASIC
CONNECTIONS
BASIC OPERATION
ADVANCED
CONNECTIONS SETUP ADVANCED
OPERATION
TROUBLESHOOTING
OTHERS
NAMES AND
FUNCTION OTHERS
DESCRIPTION
Neural-THX® Surround has been chosen as the
offi cial surround sound broadcast format for leading
FM/HD and satellite radio and television stations
worldwide. Neural-THX Surround delivers the rich
envelopment and discrete image detail of surround
sound in a format 100% compatible with stereo.
Neural-THX Surround draws the brain’s attention
to sonic details in musical instruments, vocals and
ambience that are typically masked by other playback
systems. This allows the listener to fully experience
the richness and subtleties in recorded performance
as never before for both surround encoded material
and regular stereo material such as CDs or digital
media players.
Neural-THX Surround: Taking Surround to the Next
Level.
This product is manufactured under license from
Neural Audio Corporation and THX Ltd. Marantz
hereby grants the user a non-exclusive, non-
transferable, limited right of use to this product under
USA and foreign patent, patent pending and other
technology or trademarks owned by Neural Audio
Corporation and THX Ltd. “Neural Surround”, “Neural
Audio”, “Neural” and “NRL” are trademarks and
logos owned by Neural Audio Corporation, THX is a
trademark of THX Ltd., which may be registered in
some jurisdictions. All rights reserved.
Manufactured under license under U.S. Patent
#’s: 5,451,942; 5,956,674; 5,974,380; 5,978,762;
6,226,616; 6,487,535; 7,003,467 & other U.S. and
worldwide patents issued & pending. DTS, DTS
Digital Surround, ES, and Neo:6 are registered
trademarks and the DTS logos, Symbol and DTS
96/24 are trademarks of DTS, Inc. © 1996-2007 DTS,
Inc. All Rights Reserved.
• dts Digital Surround
DTS was introduced in 1994 to provide 5.1 channels
of discrete digital audio into home theater systems.
DTS brings you premium quality discrete multichannel
digital sound to both movies and music.
DTS is a multichannel sound system designed to
create full range digital sound reproduction.
The no compromise DTS digital process sets the
standard of quality for cinema sound by delivering
an exact copy of the studio master recordings to
neighborhood and home theaters.
Now, every moviegoer can hear the sound exactly as
the moviemaker intended.
DTS can be enjoyed in the home for either movies or
music on of DVD’s, LD’s, and CD’s.
• dts Neo:6®
The advantages of discrete multichannel systems
over matrix are well known.
But even in homes equipped for discrete multichannel,
there remains a need for high-quality matrix decoding.
This is because of the large library of matrix surround
motion pictures available on disc and on VHS tape;
and analog television broadcasts.
The typical matrix decoder of today derives a center
channel and a mono surround channel from two-
channel matrix stereo material. It is better than a
simple matrix in that it includes steering logic to
improve separation, but because of its mono, band-
limited surround it can be disappointing to users
accustomed to discrete multichannel.
Neo:6 offers several important improvements as
follow,
• Neo:6 provides up to six full-band channels of
matrix decoding from stereo matrix material. Users
with 6.1 and 5.1 systems will derive six and fi ve
separate channels, respectively, corresponding to
the standard home-theater speaker layouts.
• Neo:6 technology allows various sound elements
within a channel or channels to be steered
separately, and in a way which follows naturally
from the original presentation.
• Neo:6 offers a music mode to expand stereo
nonmatrix recordings into the fi ve- or six-channel
layout, in a way which does not diminish the subtlety
and integrity of the original stereo recording.
• dts Digital Surround ES®
DTS-ES Extended Surround is a new multichannel
digital signal format developed by Digital Theater
Systems Inc. While offering high compatibility with the
conventional DTS Digital Surround format, DTS-ES
Extended Surround greatly improves the 360-degree
surround impression and space expression thanks
to further expanded surround signals. This format
has been used professionally in movie theaters since
1999.
In addition to the 5.1 surround channels (FL, FR, C,
SL, SR and LFE), DTS-ES Extended Surround also
offers the SB (Surround Back) channel for surround
playback with a total of 6.1 channels. DTS-ES
Extended Surround includes two signal formats with
different surround signal recording methods, as DTS-
ES Discrete 6.1 and DTS-ES Matrix 6.1.
• dts Digital Surround 96/24
The stereo CD is a 16-bit medium with sampling at
44.1 kHz. Professional audio has been 20- or 24-
bit for some time, and there is increasing interest
in higher sampling rates both for recording and for
delivery into the home. Greater bit depths provide
extended dynamic range. Higher sampling rates
allow wider frequency response and the use of anti-
alias and reconstruction fi lters with more favorable
aural characteristics.
DTS 96/24 allows for 5.1channel sound tracks to be
encoded at a rate of 96kHz/24bits on DVD-Video
titles.
When DVD-video appeared, it became possible to
deliver 24-bit, 96 kHz audio into the home, but only in
two channels, and with serious limitations on picture.
This capability has had little use.
DVD-audio allows 96/24 in six channels, but a
new player is needed, and only analog outputs are
provided, necessitating the use of the D/A converters
and analog electronics provided in the player.
DTS 96/24 offers the following:
1. Sound quality transparent to the original 96/24
master.
2. Full backward compatibility with all existing
decoders. (Existing decoders will output a 48 kHz
signal)
3. No new player required: DTS 96/24 can be carried
on DVD-video, or in the video zone of DVD-audio,
accessible to all DVD players.
4. 96/24 5.1-channel sound with full-quality full-
motion video, for music programs and motion
picture soundtracks on DVD-video.
DTS-HD Master Audio is capable of delivering audio
that is a bit-for-bit identical to the studio master.
DTS-HD Master Audio delivers audio at super high
variable bit rates -24.5 mega-bits per second (Mbps)
on Blu-ray discs and 18.0 Mbps on HD-DVD - that
are signifi cantly higher than standard DVDs . This bit
stream is so “fast” and the transfer rate is so “high”
that it can deliver the Holy Grail of audio: 7.1 audio
channels at 96k sampling frequency/24 bit depths
that are identical to the original. With DTS-HD Master
Audio, you will be able to experience movies and
music, exactly as the artist intended: clear, pure, and
uncompromised.
Manufactured under license under U.S. Patent
#’s: 5,451,942; 5,956,674; 5,974,380;5,978,762;
6,226,616; 6,487,535 & other U.S. and worldwide
patents issued & pending.
DTS is a registered trademark and the DTS logos,
Symbol, DTS-HD and DTS-HD Master Audio are
trademarks of DTS, Inc. © 1996-2007 DTS, Inc. All
Rights Reserved.
DTS-HD High Resolution Audio can deliver up to 7.1
channels of sound that is virtually indistinguishable
from the original. DTS-HD High Resolution Audio
delivers audio at high constant bit rates superior to
standard DVDs---6.0 Mbps on Blu-ray discs and 3.0
Mbps on HD-DVD to produce outstanding sound
quality. It is capable of delivering up to 7.1 channels
at 96k sampling frequency/24 bit depth resolution. It
allows content creators to deliver rich, high defi nition
audio on movies where disc space may not allow for
DTS-HD Master Audio.
Manufactured under license under U.S. Patent
#’s: 5,451,942; 5,956,674; 5,974,380; 5,978,762;
6,226,616; 6,487,535 & other U.S. and worldwide
patents issued & pending. DTS is a registered
trademark and the DTS logos, Symbol, DTS-HD,
DTS-HD High Resolution
Audio and DTS-HD High Res Audio are trademarks
of DTS, Inc. © 1996-2007 DTS, Inc. All Rights
Reserved.
SR5003_U_1_ENG 3_3.indd 72 08.7.4 4:49:24 PM
2. TECHNICAL DESCRIPTION

7
73
ENGLISH
BASIC
CONNECTIONS
BASIC OPERATION
ADVANCED
CONNECTIONS
SETUP
ADVANCED
OPERATION
TROUBLESHOOTING
OTHERS NAMES AND
FUNCTION
OTHERS
Dolby Digital identifi es the use of Dolby Digital audio
coding for such consumer formats as DVD and DTV.
As with fi lm sound, Dolby Digital can provide up
to fi ve full-range channels for left, center, and right
screen channels, independent left and right surround
channels, and a sixth (“.1”) channel for low-frequency
effects.
Dolby Surround Pro Logic
II
is an improved matrix
decoding technology that provides better spatiality
and directionality on Dolby Surround program
material; provides a convincing three-dimensional
soundfi eld on conventional stereo music recordings;
and is ideally suited to bring the surround experience
to automotive sound. While conventional surround
programming is fully compatible with Dolby Surround
Pro Logic
II
decoders, soundtracks will be able to be
encoded specifi cally to take full advantage of Pro
Logic
II
playback, including separate left and right
surround channels. (Such material is also compatible
with conventional Pro Logic decoders.)
Dolby Digital EX creates six full-bandwidth output
channels from 5.1-channel sources. This is done
using a matrix decoder that derives three surround
channels from the two in the original recording. For
best results, Dolby Digital EX should be used with
movies soundtracks recorded with Dolby Digital
Surround EX.
About Dolby Pro Logic II x
Dolby Pro Logic II x technology delivers a natural
and immersing 7.1-channel listening experience
to the home theater environment. A product of
Dolby's expertise in surround sound and matrix
decoding technologies, Dolby Pro Logic II x is a
complete surround sound solution that maximizes
the entertainment experience from stereo as well as
5.1-channel encoded sources.
Dolby Pro Logic II x is fully compatible with Dolby
Surround Pro Logic technology and can optimally
decode the thousands of commercially available
Dolby Surround encoded video cassettes and
television programs with enhanced depth and
spatiality. It can also process any high-quality
stereo or Advanced Resolution 5.1-channel music
content into a seamless 6.1- or 7.1-channel listening
experience.
The Dolby Headphone technology provides a
surround
sound listening experience over headphones.
When listening to multichannel content such as DVD
movies over headphones, the listening experience
is fundamentally different than listening to speakers.
Since the headphone speaker drivers are covering
the pinna of the ear, the listening experience differs
greatly from traditional speaker playback. Dolby
utilizes patented headphone perspective curves to
solve this problem and provides a non-fatiguing,
immersive, home theater listening experience. Dolby
Headphone also delivers exceptional 3D audio from
stereo material.
Dolby Virtual Speaker is a technologycertified
by Dolby Laboratories that creates a virtualized
surround sound experience from two speakers using
a multichannel Dolby Digital source. Additionally,
Dolby Virtual Speaker can simulate the surround
sound effect produced by Dolby Pro Logic or Dolby
Pro Logic II .
Dolby Virtual Speaker retains all the original
Multichannel audio information and provides the
listener with the sensation of being surrounded by
additional speakers.
Dolby® TrueHD is Dolby’s next-generation lossless
technology developed for high-defi nition disc-based
media. Dolby TrueHD delivers tantalizing sound
that is bit-for-bit identical to the studio master,
unlocking the true high-definition entertainment
experience on next-generation discs. When coupled
with high-defi nition video, Dolby TrueHD offers an
unprecedented home theater experience that lets
you enjoy sound as stunning as the high-defi nition
picture.
Dolby Digital Plus is a highly sophisticated and
versatile audio codec based on Dolby Digital and
designed specifically to adapt to the changing
demands of future audio, video delivery, and audio
storage systems while simultaneously retaining
backwards compatibility with the existing Dolby
Digital 5.1-channel home theater systems in use
today.
Manufactured under license from Dolby Laboratories.
“Dolby”, “Pro Logic”, “Surround EX”, and the double-D
symbol are trademarks of Dolby Laboratories.
Circle Surround II (CS-II ) is a powerful and versatile
multichannel technology. CS-II is designed to enable
up to 6.1 multichannel surround sound playback
from mono, stereo, CS encoded sources and other
matrix encoded sources. In all cases the decoder
extends it into 6 channels of surround audio and a
LFE/subwoofer signal. The CS-II decoder creates a
listening environment that places the listener “inside”
music performances and dramatically improves
both hi-fi audio conventional surround-encoded
video material. CS-II provides composite stereo rear
channels to greatly improve separation and image
positioning– adding a heightened sense of realism to
both audio and A/V productions.
CS-II is packed with other useful feature like dialog
clarity (SRS Dialog) for movies and cinema-like bass
enrichment (TruBass). CS-II can enable the dialog
to become clearer and more discernable in movies
and it enables the bass frequencies contained in the
original programming to more closely achieve low
frequencies–overcoming the low frequency limitations
of the speakers by full octave.
Circle Surround II, SRS and symbol are
trademarks of SRS Labs, Inc.
Circle Surround II technology is incorporated under
license from SRS Labs, Inc.
HDCD® (High Defi nition Compatible Digital ®) is a
patented process for delivering on Compact Disc the
full richness and details of the original microphone
feed.
HDCD encoded CDs sound better because they are
encoded with 20-bits of real musical information as
compared to 16-bits for all other CDs.
HDCD overcomes the limitation of the 16-bit CD
format by using a sophisticated system to encode
the additional four bits onto the CD while remaining
completely compatible with the CD format.
When listening to HDCD recordings, you hear more
dynamic range, a focused 3-D sound stage, and
extremely natural vocal and musical timbre. With
HDCD, you get the body, depth and emotion of the
original performance not a fl at, digital imitation.
HDCD system manufactured under license from
Microsoft. This product is covered by one or more
of the following: In the United States 5,479,168
5,638,074 5,640,161 5,808,574 5,838,274 5,854,600
5,864,311 5,872,531 and in Australia 669,114 with
other patents pending.
HDMI, the and High-Defi nition Multimedia
Interface are trademarks or registered trademarks of
HDMI Licensing LLC.
SR5003_U_1_ENG 3_3.indd 73 08.7.4 4:49:25 PM
74
ENGLISH
BASIC
CONNECTIONS
BASIC OPERATION
ADVANCED
CONNECTIONS SETUP ADVANCED
OPERATION
TROUBLESHOOTING
OTHERS
NAMES AND
FUNCTION OTHERS
Several factors can degrade the sound from even
the best loudspeakers in a listening room. One
of the most important is the interaction of sound
from the loudspeakers with large surfaces such as
walls, the fl oor and the ceiling in the room. Even
with careful loudspeaker placement and acoustical
treatments, there are signifi cant problems that are
caused by room acoustics. These include refl ections
from nearby surfaces and standing waves created
between large parallel surfaces in the room. In a
home theater, the situation is further complicated
because there are several listening locations. The
effects of room acoustics on the sound arriving at
each person’s ears are very different and the result is
a listening experience that is degraded in a different
way for each person in the room.
It is not uncommon to have variations in two adjacent
seats as large as 10 dB, particularly in the frequency
range below 250 Hz. The solution to this problem is to
apply room correction after measuring precisely how
each loudspeaker interacts with the room. Because
the room causes variations in the frequency response
of the loudspeakers that are so large from seat to
seat, it is important to sample the sound from several
locations in the listening room. This should be done
even if there is only one listener. Measurement at a
single location is not representative of the acoustical
problems in the room and will, in most cases,
degrade overall performance. Audyssey MultEQ is
the only technology able to achieve room correction
for multiple listeners in a large listening area. It does
so by combining the data collected at several points
in the room from each loudspeaker and then applying
correction to minimize the acoustical effects of the
room and match the frequency resolution of human
perception (known as psychoacoustics).
Further, MultEQ correction is applied in frequency
and time domains and removes artifacts, such as
smearing or modal ringing, sometimes associated
with traditional methods of room equalization.
In addition to correcting frequency response problems
over a wide listening area, Audyssey MultEQ provides
a completely automated sound system set-up
process. It identifi es the number of loudspeakers
connected to the amplifi ers and whether they are
satellites or subwoofers. If there is a least one
subwoofer connected, Audyssey MultEQ determines
the optimum crossover frequency between each
satellite and the subwoofer(s). It automatically
checks the polarity of each loudspeaker and alerts
the user to the ones wired out-of- phase relative to
the others.
It measures the distance to each loudspeaker from
the main listening position and adjusts the delays
so the sound from each loudspeaker arrives at the
same time. Finally, Audyssey MultEQ determines the
playback level of each loudspeaker and adjusts the
volume trims so all levels are equal.
Manufactured under license from Audyssey
Laboratories. U.S. and foreign patents pending.
MultEQ is a registered trademark of Audyssey
Laboratories.
x.v.Color
“x.v.Color” and “x.v.Color” logo are trademarks of
Sony Corporation.
XM Satellite Radio Ready
The XM name and related logos are registered
trademarks of XM Satellite Radio Inc.
XM HD Surround uses Neural SurroundTM technology
to achieve optimal surround sound from XM radio.
© 2006 SIRIUS Satellite Radio Inc. “SIRIUS” and
the SIRIUS dog logo are registered trademarks of
SIRIUS Satellite Radio Inc.
SR5003_U_1_ENG 3_3.indd 74 08.7.4 4:49:25 PM

8
3. POWER AMPLIFIER ADJUSTMENT
Idling Current Alignment
Each of the measurement points are provided with the 1.
two test points. Set a digital Voltage meter to DC voltage
input, connect the meter to the test points at both contact
points.
After the setup above, turn on the main switch.2.
Adjust variable resistors (VR91 - VR97) according to the 3.
digital voltmeter readings. The target setting value is the
following table for each channels.
Settings :
Master Volume — Minimum
Speaker out — No Load
Top lid — OPEN
Channel Measuremet
Point Point
Surround Left CN62 VR93
Center CN65 VR91
Surround Right CN64 VR95
Front Left CN67 VR97
Surroud Back Left CN61 VR92
Front
Right
CN66 VR96
After Turning ON
Time Table of Idling Current Rise DC voltmeter........Connect to CN6x
Measurement Voltage
7.5 mV ±
0.5 mV
7.5 mV ±
0.5 mV
7.5 mV ±
0.5 mV
7.5 mV ±
0.5 mV
7.5 mV ±
0.5 mV
7.5 mV ±
0.5 mV
(CN6x)
Alignment
10 min
20 min
30 min
40 min
50 min
5 min
Surroud Back Right
No.
1
2
3
4
5
6
7
CN63 VR94 7.5 mV ±
0.5 mV60 min
MAIN PWB
CUP12083Z
TR BIAS
PWB
CN63(2p) CN61(2p) CN65(2p) CN67(2p) CN62(2p) CN66(2p) CN64(2p)
VR93 VR91 VR95 VR97 VR92 VR96 VR94
アイドリング電流調整
電源をONする前にそれぞれの"+"端子と"-"端子間にデジタ1.
ルボルトメーターを接続します。デジタルボルトメーター
をDC電圧入力にセットします。
上記のセットアップの後に、本機の電源をONします。2.
デジタルボルトメーターの電圧値を監視しながら可変抵抗3.
器(VR91 ∼ VR97)を調節します。
各チャンネルの目標値は下記の表を参照下さい。
セッティング :
マスター・ボリューム ̶ 最小
スピーカー接続 ̶ 無し
トップカバー –– 無し

9
4. SERVICE MODE
MAIN CPU (IC11) Version, DSP (IC23) Version, HDMI CPU
(IC61), USB CPU (IC01) Version and Segment Check
Mode.
Connect the mains cord into the unit.1.
Press the 2. POWER ON/OFF (STANDBY) button for turn
on the unit.
Press the 3. AUTO, EXIT and CLEAR buttons
simultaneously more then 3 seconds.
The FL display shows “SERVICE MODE” for 2 seconds 4.
then shows the model name and the software version of
the MAIN CPU (IC11) is displayed the format below.
Press the 5. ENTER button again, the software serial
Number of the unit is displayed.
Press the 6. ENTER button again, the TI DSP (IC23) B1
code is displayed
Press the 7. ENTER button again, the TI DSP (IC23) B2
code is displayed
Press the 8. ENTER button again, the software version of
the HDMI CPU (IC61) is displayed
Press the 9. ENTER button again, the software version of
the USB CPU (IC01) is displayed. (SR6003 only)
DVD :A A
N
S E R V I C E M O D E
S R 5 0 0 3
V 0 7 0 9 2 7 0
Month Date Destination
Year
S R 5 0 0 3
XMZ XXXXXXXXX
S R 5 0 0 3
B1 29705171
S R 5 0 0 3
B2 29704021
S R 5 0 0 3
H D M I V e r . h X X
S R 6 0 0 3
U S B : 0 8 0 5 0 7 1
S R 5 0 0 3
V 0 7 0 9 2 7 0
月 日 仕向け
年
MAIN CPU (IC11) Version, DSP (IC23) Version, HDMI CPU
(IC61), USB CPU (IC01) Version and Segment Check
Mode.
本機に電源コードを接続します。1.
POWER ON/OFF2. (STANDBY)ボタンを押し、本機の電源
を入れます。
AUTO3. , EXIT, CLEARの3つのボタンを同時に3秒以上押し
ます。
FLに"SERVICE MODE"と2秒表示し、次にモデル名と4.
MAINマイコン(IC11)を表示します。
更にENTERボタンを押すと、ソフトウエアシリアルナンバ5.
ーが表示されます。
更にENTERボタンを押すと、TI DSP(IC23) B1 Codeが表6.
示されます。
更にENTERボタンを押すと、TI DSP(IC23) B2 Codeが表7.
示されます。
更にENTERボタンを押すと、HDMI CPU(IC61) のバージ8.
ョンが表示されます。
更にENTERボタンを押すと、USB CPU(IC01)のバージョ9.
ンが表示されます。(
SR6003
のみ
)
10
Press the 10. ENTER button again, the left half, right half and
center of the label area in the FLD light on and off each
other.
Press the 11. ENTER button again, the segments of the
character area in the FLD flick in checker pattern.
Press the 12. ENTER button again, all the FL segments turn
off.
Press the 13. ENTER button again to quit this mode.
HOW TO RESET THE UNIT
Should the operation or display seem to be abnormal, reset
the unit with the following procedure.
The unit is turned on, press and hold the SURROUND
MODE and CLEAR buttons simultaneously for 3 seconds or
more. Remember that the procedure will reset the settings
of the function selector, Surround mode, delay time, TUNER
PRESET etc., to their initial settings.
更にENTER ボタンを押すと、FLのラベル部分の左半分と10.
右半分および中心部が交互に点灯と消灯を繰り返します。
更にENTERボタンを押すと、FLのキャラクタセグメント部11.
がチェッカーフラグのように点灯と消灯を繰り返します。
更にENTERボタンを押すと、FLは全消灯します。12.
更にENTERボタンを押すと、サービスモードを終了しま13.
す。
初期状態に戻すには(リセット)
但しリセット行うと、プリセットメモリ等の設定した内容が消
去されます。
電源が入っていることを確認します。1.
本体の2. SURROUND MODE ボタンを押しながら、CLEAR
ボタンを3 秒以上押します。
本機は一度スタンバイ状態になった後、再度POWER − ON
状態となり、各種設定された内容が初期化され、工場出荷時の
状態に戻ります。

11
5. SYSTEM ERROR
Check 1
• Indication of abnormalities with the EEP-ROM
(INPUT PWB / IC12) Interface
This indicates a communication error wherein the ACK
will not return for 2 seconds or more while the system
is in communication with the EEP-ROM (INPUT PWB /
IC12).
- Message on FL display
Points to be checked
1) The IIC Clock Line (IC11/116 pin – IC12/6 pin) is
normal when the power is ON.
2) The IIC Data Line (IC11/117 pin – IC12 / 5 pin) is
normal when the power is ON.
3) The IC12/8 pin is supplied with VCC +3.3V.
4) If none of the above is negative, the IC12 may be
having a defect.
Check 2
• +5V supply Error Detection (_5V DOWN)
When the power is turned on or while the unit is in normal
operation, an abnormality occurs with the +5V power
supply, and the +5V power into the CPU 137 pin cannot
be detected.
• Detection of DC on Power Amp Output
(_P AMP FAIL)
When the power is turned on or while the unit is in normal
operation, an abnormality occurs with the Power Amp,
and DC is detected on the CPU 121 pin.
•
Detection of abnormal heat of Power Amp (_P AMP FAIL)
The Power Amp is overheated while in normal operation,
with an abnormality detected on the CPU 121 pin.
•
Detection of Overcurrent below 200msec on Power Amp
(_P CUR FAIL)
When the product is in normal operation, an abnormality
occurs with the POWER AMP, and an overcurrent of less
than 200msec is detected on the CPU 120 pin.
When errors like the above abnormalities are detected,
the software automatically puts the product into STANDBY
mode, with the STANDBY LED flickering approximately
every 500msec.
NOTE : The product can recover from the SYSTEM
ERROR when the user turns on and then off
the STANDBY. However, once any of the above
errors is redetected, the product goes into
STANDBY again.
Points to be checked :
1) The CN97 (INPUT PWB) 1 & 2 pins are supplied with
+5V when the power is ON
2) The Microprocessor 121pin (Power Amp Fail) is
C H E C K E 2 P I F
C H E C K P O W 5
P R O T E C T
Less than 200msec
Power Amp Fail
SPK Relay Relay off
FL Display 2 sec
"PROTECT" Display on FL
STANDBY
STANDBY LED STANDBY LED OFF
0.5sec blinking
More than 200msec
Power Amp Fail
SPK Relay Relay off
STANDBY
STANDBY LED
STANDBY LED OFF
0.125sec blinking
Power Line Fail
SPK Relay Relay off
STANDBY
STANDBY LED
STANDBY LED OFF
0.125sec blinking
C H E C K D S P R O M
5. SYSTEM ERROR
Check 1
• EEP-ROM (INPUT PWB / IC12) Interface異常検出
EEP-ROM (INPUT PWB / IC12)との通信でACKが帰っ
てこない状態(通信エラー)が約2秒以上生じた場合FL
Displayに下記の様な表示がされます。
- FL DisplayへのError表示
回路上の確認箇所
① Power ON時にIIC Clock Line (IC11/116pin - IC12 /
6pin)が正常なのを確認する。
② Power ON時にIIC Data Line (IC11/117pin - IC12 /
5pin)が正常なのを確認する。
③ IC12 / 8pinにVCC (+3.3V)が供給されていることを
確認する。
④ 上記の①−③に不具合が生じていない場合はIC12の
不良が考えられます。
Check 2
• +5V Supply異常検出 (_5V DOWN)
電源ON時又は通常動作時に+5V電源に異常が発生し、CPU
の137pinに入力される+5Vの検出が出来なかった(出来な
くなった)場合。
• Power Amp出力のDC検出 (_P AMP FAIL)
電源ON時又は通常動作時にPower Ampに異常が発生
し、CPUの121pinでPower Amp出力のDC検出がされた場
合
• Power Ampの異常温度検出 (_P AMP FAIL)
通常動作時にPower Ampの異常な温度上昇が発生し、CPU
の121pinで異常が検出がされた場合。
• Power Ampの200msec未満の過電流検出
(_P CUR FAIL)
通常動作時にPower Ampに異常が発生し、CPUの120pinで
Power Ampの過電流が200msec未満で検出された場合。
上記の様な異常検出がされた場合は、Softwareは自動的に製品
をSTANDBY状態にして、STANDBY LEDを約500msec間隔
で点滅させます。
復帰操作 :
このSystem ErrorはUserがSTANDBY ON/OFF操
作を行うことで通常動作に復帰しますが、上記の異
常を再検出することで製品は再びSystem Errorとな
ります。
回路上の確認箇所
① 電源ON時にCN97 (INPUT PWB) 1, 2pinに+5Vが供
給されていることを確認する。
② 電源ON時にマイコンの121pin (Power Amp Fail)が
"H"になっていることを確認する。
(121pinが電源ONしてから2秒以上"L"状態が継続し
ている場合はPOWER AMP回路に異常が発生してい
る)
12
outputting the "H" signal; (If the 121 pin continues to be
in the "L" state for 2 seconds or more after the power is
turned ON, the Power Amp circuit is having a problem.)
3) Check that the speaker cable connected to the product
is not in contact and shorting out.
4) The Microprocessor 25 pin (Power Down) is outputting
the "H" signal when the power is turned ON. (If the
25pin continues to be in the "L" state after the power
is turned on, the MAIN PWB circuit , the IC96 and its
adjacent circuits are developing an abnormality.)
NOTE : HOW TO RECOVER FROM SYSTEM ERROR
(STANDBY LED flickering)
The product can recover by turning on
STANDBY on the remote controller after the
above errors are rectified.
Check 3
• Detection of Overcurrent over 200 msec on POWER
AMP (_P CUR FAIL)
When the power is turned on or while the product is
in normal operation, an abnormality occurs with the
POWER AMP, and an overcurrent of 200msec or more
(500msec or more when the power is on) is detected on
the CPU 120 pin.
• Detection of an abnormality on +/-12V Supply or
Power Amp power supply (_P LINE FAIL)
When the power is turned on or while the product is
in normal operation, an abnormality occurs with the
+/-12V supply or POWER AMP power supply with an
abnormality detected on CPU 122 pin.
When errors like the above abnormalities are detected,
the software automatically puts the product into STANDBY
mode, with the STANDBY LED flickering approximately
every 125msec.
NOTE : This SYSTEM ERROR cannot be rectified by users.
In order to power on the product, please do the
following.
: Hold down "SURROUND MODE", "EXIT" &
"CLEAR" at the same time for 3 seconds or
more. However, if any problem remains with
the product, the SYSTEM ERROR will occur
again.
Points to be checked on the circuit
1) Check that the 120 pin (_P CUR FAIL) of the
microprocessor is outputting "H". (If the 120pin is in
the L-state for 500msec or more after the power is
turned on, the POWER AMP circuit is developing an
abnormality.)
2) Make sure that the 122pin of the microprocessor
(POWER LINE FAIL) is "H". (If the 122 pin is in the
L-state for 3.5 seconds or more after the power is
turned on, the +/-12V power supply or the POWER
AMP power supply is developing an abnormality.)
③ 製品に接続されているSpeaker Cableが+/-又はRear
Panel等にShortしていないか確認する。
④ 電源ON時にマイコンの25pin (Power Down)が"H"に
なっていることを確認する。
(電源ONしても、25pinが"L"状態で継続している場
合はMAIN PWB上のIC96及び周辺回路に異常が発生
している)
復帰操作 :
System Error (STANDBY LEDの点滅)からの復帰
は上記の不具合を改善後リモコンのSTANDBY ON
操作で復帰できます。
Check 3
• Power Ampの200msec以上の過電流検出
(_P CUR FAIL)
電源ON時又は通常動作時にPower Ampに異常が発生
し、CPUの120pinでPower Ampの過電流が200msec以上
(Power ON時は500msec以上)検出された場合。
• +/- 12V Supply又は、Power Amp用電源の異常検出
(_P LINE FAIL)
電源ON時又は通常動作時に+/-12V電源又は、Power Amp
用の電源に異常が発生し、CPUの122pinで異常検出がされ
た場合。
上記の様な異常検出がされた場合は、製品をSTANDBY状態に
して、STANDBY LEDを約125 msec間隔で点滅させます。
Note : このSystem ErrorはUserが通常動作に復帰させること
は出来ません。製品の電源をONさせる場合は次の操作
を行います。
復帰操作 :
"SURROUND MODE" + "EXIT" + "CLEAR"ボタン
を同時に押して3秒以上保持する。
但し、製品に不具合が残っている場合は再び
SYSTEM ERRORが働きます。
回路上の確認箇所
① 電源ON時にマイコンの120pin (_P CUR Fail) が "H"
になっていることを確認する。
(120pinが電源ONしてから500 msec以上"L"状態が
継続している場合はPOWER AMP回路に異常が発生
している)
② 電源ON時にマイコンの122pin (Power Line Fail)が
"H"になっていることを確認する。
(122pinが電源ONしてから3.5秒以上"L"状態が継続し
ている場合は+/-12V電源又は、Power Amp用の電源
に異常が発生している)

13
Check 4
• TIMING CHART
Normal operation when the power is turned on
For the product to start operating normally when the power
is turned on, the circuit connected to each input port of _P
DOWN, _5V DOWN, _P CUR FAIL, _P AMP FAIL and _P
LINE FAIL needs to be operating normally.
4. TIMING CHART
Normal operation when the power is turned on
For the product to start operating normally when the power is turned on, the circuit connected
to each input port of _P DOWN, _5V DOWN, _P CUR FAIL, _P AMP FAIL and _P LINE FAIL needs
to be operating normally.
_P_AMP_FAIL (121pin)
FLRA_ON (IC15 : 4pin)
FLRB_ON (IC15 : 5pin)
SURR_ON (IC15 : 6pin)
SBLR_ON (IC15 : 7pin) SPEAKER:OFF
EACH CHANNEL MUTE
MUTE:ON
_STAND BY (138pin)
_STAND BY LED (135pin)
_PDOWN (25pin)
_P_LINE_FAIL (122pin)
_5V_DOWN (137pin)
Hi:P_LINE=OK
Hi:P_AMP=OK
_STAND BY:CANCEL
AC POWER SUPPLY: POWER ON
STANDBY LED: LIGHTS OUT
①
After 3.5sec, the detection start
②
+5VDD=OK
INCONSTANT
INCONSTANT
7sec
3.5sec
2sec
_P_CUR_FAIL (120pin)
500msec
(OUT)
(IN)
(IN)
(IN)
(IN)
(IN)
(OUT)
(OUT)
(OUT)
③
⑤
Hi:P_CUR=OK
After 2sec, the detection start
After 500msec, the detection start
_STAND BY:解除
不定
不定
2sec後、検出開始
3.5sec後、検出開始
500msec後、検出開始
STAND BY LED:消灯
電源ON時に製品が通常動作を開始するためには、上図の様なTimingで_P DOWN , _5V DOWN
_P CUR FAIL , _P AMP FAIL , _P LINE FAILの各入力Portで接続されている回路が
正常動作している必要があります。
電源ON時の正常動作
各ch MUTE
Check 4.
• TIMING CHART
電源ON時の正常動作
電源ON時に製品が通常動作を開始するためには、上図の様
なTimingで_P DOWN, _5V DOWN_P CUR FAIL, _P AMP
FAIL, _P LINE FAILの各入力Portで接続されている回路が正常
動作している必要があります。

14
Abnormal detection operation when the power is turned on
Abnormal detection operation when the power is turned on
_P_AMP_FAIL (121pin)
FLRA_ON (IC15 : 4pin)
FLRB_ON (IC15 : 5pin)
SURR_ON (IC15 : 6pin)
SBLR_ON (IC15 : 7pin) SPEAKER:OFF
EACH CHANNEL MUTE
MUTE:ON
_STAND BY (138pin)
_STAND BY LED (135pin)
_P DOWN (25pin)
_P_LINE_FAIL (122pin)
_5V_DOWN (137pin)
AC POWER SUPPLY: POWER ON
①
③
+5VDD=OK
INCONSTANT
INCONSTANT
2sec
Lo
Lo
②
STANDBY LED:
LIGHTS OUT
Flickering (every 125msec)
_P_CUR_FAIL (120pin)
500msec
(IN)
3.5sec
if ①=L
if ①=H
if ②=L
if ②=H
Lo:Abnormal
Hi:Normal
Lo:Abnormal
Hi:Normal
Lo: Abnormal
Hi: Normal
if ③=L
if ③=H
(OUT)
(IN)
(IN)
(IN)
(IN)
(OUT)
(OUT)
(OUT)
STANDBY (OUT): If it detects in order of
①②③④ and Lo is detected, it will be made Lo
after that.
_STAND BY LED (135pin) STANDBY LED:
LIGHTS OUT
Flickering (every 500msec)
(OUT)
How to respond to the
flickering
__STANDBY LED→A
How to respond to the
flickering
__STANDBY LED→A
A
B
How to respond to the
flickering
_STANDBY LED→B
④Lo: Abnormal
Hi: Normal How to respond to the
flickering
_STANDBY LED→B
if ④=H
if ④=L
_STAND BY(OUT):
①②③④の順で検出を行い、
Loを検出したら、以後Loにする
_STAND BY LEDの処理→A
_STAND BY LEDの処理→A
_STAND BY LEDの処理→B
_STAND BY LEDの処理→B
Lo:異常
Lo:異常
Lo:異常
各ch MUTE
点滅(500msec間隔)
点滅(125msec間隔)
LED:消灯
LED:消灯
不定
不定
電源ON時の異常検出動作
電源ON時の異常検出動作

15
6. DUAL BACKUP MEMORY
This product has a Dual Backup Memory function. The
conventional Backup functions to memorize, in the EEP-
ROM (IC12) in the circuit, a current setting of the moment
the main power is turned off so that it can be restored when
it is turned ON again. Meanwhile, the DUAL BACKUP
MEMORY is capable of memorizing any arbitrary setting
that is configured while the product is in operation so as to
restore it at any time.
When servicing units returned from end-users for repairs,
use this function to back up the current setting (e.g. Tuner
Preset). This will enable the units to be returned to the users
after repairs, with the setting unchanged.
NOTE : If end-users use this function, the data will be
overwritten.
• HOW TO OPERATE
-Backup-
1. Configure a setting you would like to save in the
MEMORY and hold down the [MEMORY] and
[ENTER] buttons on the Front Panel at the same
time for 3 seconds or more.
2. The FL Display indicates "MEMORY SAVING" while
the Backup is being performed..
3. The FL Display indicates "COMPLETE" when the
Backup is completed.
-Recovery-
1. Hold down the [MEMORY] and [ENTER] buttons on the
Front Panel at the same time for 3 seconds or more.
2. The FL Display indicates "MEMORY LOAD" while
the Recovery is being performed.
3. After the FL Display indicates "COMPLETE",
the product goes into Standby mode. When the
power is restored, the Recovery is completed.
The FL Display indicates "NO BACKUP" if the
DUAL BACKUP MEMORY has not been activated
with no data to be recovered saved in the Memory.
This function does not back up the levels of Main
ZONE Volume, ZONE A Volume and ZONE A
Speaker Volume. When the Recovery is done, -
is indicated.
• SERVICE PRECAUTIONS
When the Flash Rom (IC23) on the INPUT PWB is replaced
or when the DSP CODE is rewritten for a version upgrade,
make sure, in order to maintain consistency with the Backup
Memory, to clear the DUAL BACKUP MEMORY in the
following way :
-How to clear the Backup Memory-
1. Hold down the [MENU] and [CLEAR] buttons on the
Front Panel at the same time for 3 seconds or more.
2. The FL Display indicates "BACKUP CLEAR" while
the memory is being cleared.
3. After the FL Display indicates "COMPLETE", the
operation is completed.
6. DUAL BACKUP MEMORY
本機はDual Backup Memory機能を持っています。
通常のBackupは製品の主電源が切られた時に、その時の状態を
回路上のEEP-Rom (IC12)にMemoryして、電源がONされた時に
その状態を復帰させますが、DUAL BACKUP MEMORY機能は、
動作状態にある任意の状態をMemoryして、いつでもその状態を
復帰させることが出来る機能です。
この機能を使ってEnd Userから修理依頼を受けた時の状態を
Back Upさせておけば、修理後に確認の操作をしても、Userが使用
していたときの状態(TunerのPreset等)を復帰させて返却すること
もできます。
注意 : End Userがこの機能を使用していた場合はそのDataは上
書きされてしまうので注意が必要です。
• 操作方法
-Backup操作-
1. 製品をMemoryしたい状態にして、Front Panel上の
[MEMORY]と[ENTER]ボタンを同時に3秒以上押し続
けます。
2. FL Displayに"MEMORY SAVING"と表示されBackup
処理が行われます。
3. FL Displayに"COMPLETE"と表示されれば処理は完
了です。
-Recovery操作-
1. Front Panel上の[MEMORY]と[MENU]ボタンを同時に
3秒以上押し続けます。
2. FL Displayに "MEMORY LOAD"と表示されRecovery
処理が行われます。
3. FL Displayに"COMPLETE"と表示され製品は一度
Standby状態となり復帰後Recovery処理が完了します。
この時、DUAL BACK UP MEMORY操作がされてな
く、RecoveryするDataがMemoryされていない場合は
FL Displayに"NO BACKUP"と表示されます。
また、Main ZONE Volume , ZONE A Volume ,
ZONE A Speaker Volumeの各Volume値については
この機能ではBackupされずに-∞でRecoveryされます。
• Service時の注意点
INPUT PWB上のFlash Rom (IC23)を交換した場合または、DSP
CODEをVersion Up等の理由から書き換えた場合は、Backup
Memoryとの整合性の為に必ず次の方法でDUAL BACKUP
MEMORYの消去を行います。
-Backup MemoryのClear操作-
1. Front Panel上の[MENU]と[CLEAR]ボタンを同時に3
秒以上押し続けます。
2. FL Displayに"BACKUP CLEAR"と表示されClear処
理が行われます。
3. FL Displayに"COMPLETE"と表示されれば処理は完
了です。
16
7. WRITING AND UPDATE SOFTWARE
Software for MAIN CPU, flash ROM for DSP, HDMI CPU can
be updated/downloaded.
Have update/download application software. ("FlashUpdate_
v110.exe", "da708_writer.exe", "wr36049.exe", "FlashSta.
exe")
There are three mode of download, regarding to the target of
software as bellow.
• Mode 1: Update/Download MAIN CPU's software to
internal Flash-ROM.
This mode is to update/download the software for MAIN
CPU.
The target devise is internal flash ROM of CPU (IC11) on
CUP12086Z (INPUT PWB).
The unit needs to be set to writing condition, by
application software.
The updating of software takes about 3 minutes.
• Mode 2: Update/Download DSP's software to Flash-
ROM.
This mode is to update/download the software for DSP.
The target devise is Flash-ROM (IC23) on CUP12086Z
(INPUT PWB).
The unit needs to be set writing condition, by three front
buttons.
The updating of software takes about 6 minutes and 30
seconds.
• Mode 3: Update/Download HDMI CPU's software to
internal Flash-ROM.
This mode is to update/download the software for HDMI
CPU.
The target devise is internal flash ROM of CPU (IC61) on
CUP12088Z (HDMI PWB).
The unit needs to be set writing condition, by three front
buttons.
The updating of software takes about 2 minutes.
NECESSARY EQUIPMENT
The following items are required for updating/downloading.
Windows PC (OS: Windows2000 or WindowsXP) with
Serial port.
RS-232C Dsub-9 pin cable (female to female/straight
type)
Update software to MAIN CPU. (FlashUpdate_v110.exe,
etc... in main folder)
Update software to flash ROM for DSP. (da708_writer.
exe, etc... in DSP folder)
Update software to HDMI CPU. (FlashSta.exe, etc... in
HDMI folder)
Use RS232C Dsub-9 pin cable (female to female/straight
type) to connect PC and the RS-232C port in rear panel of
the unit, when updating/downloading each of software.
7. WRITING AND UPDATE SOFTWARE
MAINマイコン、DSPのフラッシュROM、HDMIマイコンのソ
フトウェアは更新、および書き込みが出来ます。
更新および書き込みには書き込み用アプリケーションが必
要です。("FlashUpdate_v110.exe", "da708_writer.exe",
"wr36049.exe", "FlashSta.exe")
書き込みには下記の3つのモードがあります。
• Mode 1: Update/Download MAIN CPU's software to
internal Flash-ROM.
このモードはMAINマイコンの更新および書き込み用です。
基板CUP12086Z (INPUT PWB) のIC11のマイコン内部の
フラッシュROMに書き込みます。
書き込み用アプリケーションから書き込みモードにする必
要があります。
書き込みにかかる時間は約3分です。
• Mode 2: Update/Download DSP's software to Flash-
ROM.
このモードはDSPのフラッシュROMの更新および書き込み
用です。
基板CUP12086Z (INPUT PWB)のIC23のフラッシュROM
に書き込みます。
本機のフロントボタン3つから書き込みモードにする必要が
あります。
書き込みにかかる時間は約6分30秒です。
• Mode 3: Update/Download HDMI CPU's software to
internal Flash-ROM.
このモードはHDMIマイコンの更新および書き込み用です。
基板CUP12088Z (HDMI PWB) のIC61のマイコン内部のフ
ラッシュROMに書き込みます。
本機のフロントボタン3つから書き込みモードにする必要が
あります。
書き込みにかかる時間は約2分です。
必要機器
下記は更新および書き込みに必要な機器です。
Windows PC (OS : Windows2000 またはWindowsXP) で
Serial ポートのあるもの
RS-232C ストレートケーブル(9Pin メス-9Pin メス)
MAINマイコン用書き込みソフトウェア(MAINフォルダ内
FlashUpdate_v110.exe、など)
DSPフラッシュROM用書き込みソフトウェア(DSPフォル
ダ内da708_writer.exe、など)
HDMIマイコン用書き込みソフトウェア(HDMIフォルダ内
FlashSta.exe, など)
それぞれのソフトウェアを更新および書き込みする場合、RS-
232Cケーブルで本機リアパネルのRS232Cコネクタと
Windows PCのSerialポートを接続します。

17
Mode 1: Update/Download MAIN CPU’s software to
internal Flash-ROM
Update/Download software for MAIN CPU (Mode 1)
Put the "MAIN (SR5003)" folder into anywhere on your 1.
PC's hard disc.
Connect RS-232C on the rear panel of the unit and 2.
Serial Port of windows PC with RS-232C cable.
Connect the mains cord into the unit.3.
And press the 4. POWER ON/OFF (STANDBY) button for
turn on the unit.
Double click the FlashUpdate_v110.exe. And launch the 5.
Flash Update.
Mode 1: Update/Download MAIN CPU's software to
internal Flash-ROM
Update/Download software for MAIN CPU (Mode 1)
"MAIN (SR5003)"フォルダをPCの任意のフォルダにコピ1.
ーします。
本機のリアパネルにあるRS-232CコネクタとWindows 2.
PCのSerialポートをRS-232Cケーブルで接続します。
本機に電源ケーブルを差します。3.
本機の4. POWER ON/OFF (STANDBY)ボタンを押して電源
を入れます。
FlashUpdate_v110.exeをダブルクリックし、Flash 5.
Updateを起動します。

18
Click the 6. Select.
Choose the sr5003_yymmdd_v.rom. And Click the 7.
Open.
NOTE : The yy is two digits of year. The mm is month. The
dd is date. The v is release number.
Select6. をクリックします。
sr5003_yymmdd_v.romを選択し、7. Openをクリックしま
す。
注意 : yyは年の下二桁、mmは月、ddは日、vはリリース番号

19
Input the 8. SR5003 in the Model ID.
Choose the COM Port number.
Choose the 9600 in the Speed.
And click the Change Mode.
The FLD of the unit alternately displays "UPDATE 9.
MODE" or "CONNECTING".
Click the 10. Connect.
Model IDに8. SR5003を入力します。
使用するCOMポート番号を選択します。
Speedから9600を選択します。
Change Modeをクリックします。
本機のFLディスプレイに”UPDATE MODE”9.
と"CONNECTIONG"が交互に表示されます。
Connect10. をクリックします。

20
The 11. 02.00 is inputted into the Boot Version automatically.
If the connection with the Main CPU is successfully
made, the Update becomes active.
If the connection fails, error message will appear.
(Please check the connection.)
Click the Update!.
Boot Versionに11. 02.00が入力されます。
MAINマイコンに接続ができた場合、Update!が有効にな
ります。
接続に失敗した場合は、エラーメッセージが表示されま
す。(各接続を確認してください。)
Update!をクリックします。

21
Software is written into the MAIN CPU. 12.
The writing of software takes about 3 minutes.
At that time, the unit keeps displaying "CONNECTING"
between a few seconds.
Then, the FLD of the unit alternately displays "UPDATE1
?%" or "UPDATE MODE".
If the software is updated/downloaded successfully, a 13.
dialog box saying "Update Complete" appears.
Click the OK.
MAINマイコンにソフトウェアの書き込みが開始されま12.
す。
書き込みにかかる時間は約3分です。
このとき、本機のFLディスプレイに"CONNECTING"を
2, 3秒表示した後、"UPDATE1 ?%"と"UPDATE MODE"
を交互に表示します。
更新・書き込みが成功すると"Update Complete"のダイア13.
ログボックスが表示されます。
OKをクリックします。

22
Click the 14. X to close the application.
Press the 15. POWER ON/OFF (STANDBY) button for turn
off the unit.
Disconnect the mains cord.16.
Disconnect the RS-232C cable from the unit.17.
X14. をクリックしアプリケーションを閉じます。
POWER ON/OFF (STANDBY)15. ボタンを押して本機の電源
を切ります。
本機から電源ケーブルを外します。16.
本機からRS-232Cケーブルを外します。17.

23
Mode 2: Update/Download DSP’s software to Flash-
ROM
Update/Download Software for DSP (Mode 2)
Put the "DSP (SR5003 SR6003)" folder into anywhere 1.
on your PC's hard disc.
Connect the RS-232C on rear panel of the unit and the 2.
Serial Port of windows PC with RS-232C cable.
Connect the mains cord into the unit.3.
Press the 4. POWER ON/OFF (STANDBY) button for turn
on the unit.
Press the 5. ENTER, CLEAR and BAND buttons
simultaneously more than 3 seconds to turn the unit into
Loading Mode.
The FLD shows "SELECT MAIN" after showed 6.
"LOADING MODE".
Turn the7. INPUT SELECTOR to change display from
"SELECT MAIN" to "SELECT DSP" on FLD.
Press the 8. ENTER button.
"SELECTED : DSP" shows on the FLD.9.
Mode 2 : Update/Download DSP's software to Flash-
ROM
Update/Download Software for DSP (Mode 2)
"DSP (SR5003 SR6003)"フォルダをPCの任意のフォル1.
ダにコピーします。
本機のリアパネルにあるRS-232CコネクタとWindows 2.
PCのSerialポートをRS-232Cケーブルで接続します。
本機に電源ケーブルを差します。3.
POWER ON/OFF (STANDBY)4. ボタンを押し、本機の電源
を入れます。
ENTER, CLEAR, BAND5. の3つボタンを同時に3秒以上押
し続け、本機をローディングモードにします。
FLに"LOADING MODE"と表示された後、"SELECT 6.
MAIN"と表示されます。
本機の7. INPUT SELECTORを回して、FLの表示
を"SELECT MAIN"から"SELECT DSP"に換えます。
ENTER8. ボタンを押します。
FLに"SELECTED : DSP"と表示されます。9.

24
Double click the da708_writer.exe. And launch the 10.
SR8001 TI Writer.
Choose the 11. COM Port number.
da708_writer.exeをダブルクリックし、SR8001 TI Writer10.
を起動します。
使用する11. COMポート番号を選択します。

25
Click the 12. Connect.
"Connection OK!!" appears on SR8001 TI Writer. And 13.
click the FileOpen.
Connect12. をクリックします。
SR8001 TI Writer上に"Connection OK!!"と表示された13.
ら、FileOpenをクリックします。

26
Choose the pa17_c78_yymmdd_v.upd. And click the 14.
Open.
NOTE : The yy is two digits of year. The mm is month. The
dd is date. The v is release number.
Click the 15. OK.
Click the 16. SEND.
pa17_c78_yymmdd_v.updを選択し、14. Openをクリックし
ます。
注意 : yyは年の下二桁、mmは月、ddは日、vはリリース番号
OK15. をクリックします。
SEND16. をクリックします。

27
Software is written into the DSP Flash ROM. 17.
The writing of software takes about 6 minutes and 30
seconds.
Click the 18. OK.
Click the 19. Discon.
ソフトウェアがDSPフラッシュROMに書き込まれます。 17.
書き込みにかかる時間は約6分30秒です。
OK18. をクリックします。
Discon19. をクリックします。

28
Click the 20. Exit.
Press the 21. POWER ON/OFF button for turn off the unit.
(Except /F B, /U1B)
Disconnect the mains cord.22.
Disconnect the RS-232C cable from the unit.23.
Exit20. をクリックします。
POWER ON/OFF21. ボタンを押し、本機の電源を切りま
す。(/F B, /U1Bを除く)
本機から電源コードを外します。22.
本機からRS-232Cケーブルを外します。23.

29
Mode 3 : Update/Download HDMI CPU’s software to
internal Flash-ROM.
Update/Download Software for HDMI CPU (Mode 3)
Put the “HDMI (SR5003 SR6003)” folder into anywhere 1.
on your PC’s hard disc.
Connect the RS-232C on rear panel of the unit and the 2.
Serial Port of windows PC with RS-232C cable.
Connect the mains cord into the unit.3.
Press the 4. POWER ON/OFF (STANDBY) button for turn
on the unit.
Press the 5. ENTER, CLEAR and BAND buttons
simultaneously more than 3 seconds to turn the unit into
Loading Mode.
The FLD shows “SELECT MAIN” after showed 6.
“LOADING MODE”.
Turn the 7. INPUT SELECTOR to change display from
“SELECT MAIN” to “SELECT HDMI” on FLD.
Press the 8. ENTER button.
“SELECTED : HDMI” shows on the FLD.9.
Mode 3 : Update/Download HDMI CPU's software to
internal Flash-ROM.
Update/Download Software for HDMI CPU (Mode 3)
"HDMI (SR5003 SR6003)"フォルダをPCの任意のフォル1.
ダにコピーします。
本機のリアパネルにあるRS-232CコネクタとWindows 2.
PCのSerialポートをRS-232Cケーブルで接続します。
本機に電源ケーブルを差します。3.
POWER ON/OFF (STANDBY)4. ボタンを押し、本機の電源
を入れます。
ENTER, CLEAR, BAND5. の3つボタンを同時に3秒以上押
し続け、本機をローディングモードにします。
FLに"LOADING MODE"と表示された後、"SELECT 6.
MAIN"と表示されます。
本機の7. INPUT SELECTORを回して、FLの表示
を"SELECT MAIN"から"SELECT HDMI"に換えます。
ENTER8. ボタンを押します。
FLに"SELECTED : HDMI"と表示されます。9.

30
Double click the FlashSta.exe. And launch the M16 10.
Flash Start.
Check the 11. Internal flash memory in the Select
Program.
Choose the COM Port number.
And click the OK.
FlashSta.exeをダブルクリックし、M16 Flash Startを起10.
動します。
Select Programの11. Internal flash memoryにチェックをし
て下さい。
使用するCOMポート番号を選択します。
OKをクリックします。

31
Click the 12. Refer....
Choose the HDMI_REPV5_yymmdd_hvv.upd. And click 13.
the Open.
NOTE : The yy is two digits of year. The mm is month. The
dd is date. The vv is release number.
Refer...12. をクリックします。
HDMI_REPV5_yymmdd_hvv.updを選択し、13. Openをクリ
ックします。
注意 : yyは年の下二桁、mmは月、ddは日、vvはリリース番号

32
The FilePath and ID are inputted automatically, and the 14.
MCU Type is selected to R8C automatically.
Click the OK.
Click the 15. Setting....
FilePathとIDは自動的に記入され、MCU TypeはR8Cが選14.
ばれます。
OKをクリックします。
Setting...15. をクリックします。

33
Choose the 16. 57600 in the Baud rate.
Choose the 40 in Program_intervals(ms).
Click the OK.
Click the 17. E.P.R....
Baud rateから16. 57600を選択します。
Program_intervals(ms)を40にします
OKをクリックします。
E.P.R...17. をクリックします。

34
Click the 18. OK.
Software is written into the internal Flash-ROM of HDMI 19.
CPU.
The writing of software takes about 1 minute.
Click the 20. OK.
OK18. をクリックします。
ソフトウェアがHDMI CPUの内部フラッシュROMに書き19.
込まれます。
書き込みにかかる時間は約1分です。
OK20. をクリックします。

35
Click the 21. Exit.
Press the 22. POWER ON/OFF button for turn off the unit.
(Except /F B, /U1B)
Disconnect the mains cord.23.
Disconnect the RS-232C cable from the unit.24.
Exit21. をクリックします。
POWER ON/OFF22. ボタンを押し、本機の電源を切りま
す。(/F B, /U1Bを除く)
本機から電源コードを外します。23.
本機からRS-232Cケーブルを外します。24.

36
Personal notes:

37 38
1
5
45
7
1
TUNER MODULE
RDS Ver
Other Ver
17P
15P
17
1
171
CN34
CN43
1
7
1
BN42
5
1
11 11
11
11 11
11
11
1
51
5 1
17 7131 11
1
171 1
17
13
1
7
1
5 1
31
CN94
51
CN96
1
5
11
12
17
18
19
1
1
7
CN14
7 1
33
VFD
AUX PWB
FRONT PWB
TR BIAS
PWB x 7
USB PWB
POWER TRANSF.
TRANSF. 1 PWB
TRANSF. 2 PWB
CN91
FROM TRANS
1 3
13
3
1
CN20
CN93
BN20
RED
BLKWHT
123
CN87
BN93
HEAT SINK ASS'Y
CN91
CN81(2P)
BN81(2P)
CN61(2P)
F L/R, SURR L/R
C, SURR-B L/R
-VCC
+VCC
CN92
CN27
)P2(46NC)P2(66NC)P2(26NC)P2(76NC)P2(56NC)P2(36NC
BN81(2P) BN81(2P) BN81(2P) BN81(2P) BN81(2P) BN81(2P)
CN81(2P) CN81(2P) CN81(2P) CN81(2P) CN81(2P) CN81(2P)
MAIN PWB
XM PWB
80MM
21
1
13
BN87
H/P
H/P PWB
PUSH SW PWB
CN19
21
N, K Ver.
9
1
BN21
9
1
BN21_1
BRIDGE
DIODE 2 PWB
7
CN95
INPUT PWB
CN27
21
1
AC plug
AC
AC
91
BN83
CN83
BN16
7
CN89
119
19
1
CN80
CN80
HDMI PWB
CN51
CN32
119
CN15
CN15
220/230V
100/120V
1
4
30
22
21
44
50
46
13
9
1
53
2 1 BN90
1
19
1
BN22
JW90
JW92
15
8
10
29
CN11
MIC
OPT
51
CN11
24
DOWNLOADER
CONNECTOR
PWB BN89
5
CN42
1
VIDEO PWB
9
1
5
CN41
BN95
16
11
1
CN95
CN43
19
7
COMPONENT
OUT 2 PWB
CN21
CN22
BN20 CN20
CN22
CN21
15 1
CN97
BN81
U only
48
CN98
CN51
151
17
XM_RADIO
1
CN31
CN11 CN32 CN31
&SIRIUS
2
1
BN98
1
2
CN81
1
5
17 CN98
BN97-1CN65
BN65
1
7
REGULATOR 1
PWB
BN95
9
1
CN30
9
1
CN01
51
BN11
31
CN13
BN13
31
BN94
51
BN96
51
CN35
1
3
BN35
31
REGULATOR 2
PWB
USB JACK PWB
SR6003 ONLY
3
5
6
9
14
BN26
71
1
7
CN05
20
OPTICAL
MIC
FRONT
VIDEO
FRONT
24
BN13
BN11
BN14
BN16
BN83
CWB2B903150EN
CWB2B905150EN
FRONT
FRONT
TRANS
FRONT
INPUT
VIDEOBN20HDMI
U ONLY
U ONLY
XM
SIRIUS
BN81
BN98
INPUT
INPUT
SR6003 ONLYUSBBN26INPUT
VIDEOBN95
CWB1D907250EN
CWB2B905500EN
CWB2B909550EN
CWB1E905180BM
CWB1D902150BM
CWB1C907100EN
CWB1C907150EN
CWB1E911200BMINPUT
BN87MAIN
N/K VERMOMS
HEADPHONE
MAIN BN90
KNIS TAEHNIAM BN81
SNARTNIAM
TRANSMAIN CWB3FB03280UP
MAINMAIN CWEE212080VV
CWE8202080AA MAIN
CWB4F232550PU
CWB1C902080BM
CWB1C903250BM
CWZSR4001BN87
BN93
BN20
JW92
JW90MAIN
MAINMAIN BN22 CWZSR4001BN22
COMPONENT OUTVIDEOCWB1C905050ENBN42REGULATOR
5V
12V
232CINPUTCWB1C907050ENBN89RC232C
TRANSCWB1E907100BMBN95REGULATOR1
TRANSCWB1D903150BMBN50REGULATOR1
TO PWB
INPUT
INPUT
BRIDGE
CWB1C903400BMBN98REGULATOR1
CWB1E907150BM
BN97-1
REGULATOR2
BN21 CWB1E909080MMTRANS
28
27
26
25
23
22
18
19
20
21
14
13
11
10
TNEMMOC.FER
* WIRE ASS'Y
15
12
9
8
7
6
5
4
3
2
FROM PWB
1
NO
25
HDMI
HDMI
USBBN94 CWZSR6003BN40 YLNO 3006RSKCAJ BSU
23
26
27
41
42
43
47
46
47
49
51
52
16
17
USB JACK BN96 CWB1E905300BM REGULATOR SR6003 ONLY
REGULATOR1 CWB1E903450BMBN35 USB
29 AC INLET CWZSR4001BN91A NIAM19NB
SR6003 ONLY
28
CN50
1 3
13
BN50
BN25
BRIDGE
DIODE 1 PWB
1
5
CN25
1
31
13
BN98
BN99
51
5
1
CN99
32
2
30 REGULATOR1 BN65 CWB1E905250BM TRANS
31 BRIDGE BN25 CWB1E909050BM TRANS
32 REGULATOR1 BN99 CWB1E905250BM INPUT
15
5
BN14
BN25 TUPNINIAM CWB1E902180BM33
1
2
12
CN25
BN25
5
1
51
BN15
5
CN15
1
34
BN15 ROTALUGEREGDIRB CWB1E905150BM34
INPUTCN15
IMDH22NCVIDEO
IMDH12NCVIDEO
VIDEOCN43INPUT
CN30INPUT
U VER
SR6003 ONLYUSB
XM
N VER
U VERTUNER
TUNER
MAIN
MAIN
HDMI
HDMI
HDMI
TO PWB
CN34
INPUT
INPUT CN31
SPECFROM PWB COMMENT
REF.
INPUT
CN34
CN27INPUT
INPUT CN80
CN11INPUT
CN32INPUT
CN51INPUT
41
42
43
44
45
46
47
48
49
50
51
52
53 FRONT
CWC4F4A13A100B
CWC4F4A17A100B
CWC4C4A17B150B
CWC4F4A09A180B
CWC4C4A09B100B
CWC4F4A11A180B
CWC4F4A11A180B
CWC4C4A15B150B
CWC4F4A17A250B
CWC4F4A19A150B
CWC4C4A15B080B
CWCSR5003CC27
CWCSR5003CC15
* CARD CABLE
NO
RDS ver 17P
other ver 15P
SPEC
RC232C
8. WIRING DIAGRAM

4039
MIC MONO
MIC MONO
CLOCKD ATA
USB
DATA 0~5
TONE
+
-
-
+
TONE
ATT
RT
LT
VCR1 OUT
VCR1 IN
DVD IN
TV IN
DSS/VCR2 IN
TAPE OUT
TAPE IN
CD/CDR IN
ZONE A
MULTI_OUT
CEN/SW
SURR BACK L/R
SURR L/R
FRONT L/R
XM_MCK
XM_BICK
XM_LRCK
XM_DAT
DAC
CS4352
D-
D+ XM_R
XM_L
XM_DT
MODULE
XM_RADIO
RC-5 IN
RC-5 OUT
DIG.5
TUNER
MODULE TUNER CONT
TUNER L/R TO FUNCTION SEL
FLASHER_IN
DC_TRIGGER
OPT OUT
ZONE B
DIG.2
DIG.3
DIG.4
LRCK
SCLK
SDOUT
ADUTA1+
ADUTA1-
ADUTB1+
ADUTB1-
ADUTA2+
ADUTA2-
ADUTB2+
ADUTB2-
ADUTA3+
ADUTA3-
ADUTB3+
ADUTB3-
ADUTB4-
ADUTB4+
ADC/CODEC/DAC/SPDIF RECEIVER
CS42528
OMCK
RMCK
LT
RT
AINR+
AINR-
AINL+
AINL-
LRCLK1
SCLK1
SDIN4
SDIN3
SDIN2
SDIN1
DIG.1
D_SW
D_CNT
D_SBL
D_SBR
D_SL
MAIN AMP
BACK
SURROUND
MUTE MUTE
SURROUND
CEN
SURR R
SURR L
SB L
SB R
FRONT R
FRONT L
HEAT
P_LINE_FAIL
+5VD (+5V)
REGULATOR
-12V
+12V
UNBAL
DETECT ( ±12V)
REGULATOR
-VCC
+VCC UNBAL
DETECT
FLFLVKK
SP_B
SP_A
FL
FR
SP_B_ON
SP_A_ON
HP_ON
CEN
SR
SL
SBR
SBL
FR
FL
P-AMP
+29dB
+29dB
P-AMP
+29dB
P-AMP
P-AMP
+29dB
P-AMP
+29dB
P-AMP
+29dB
+29dB
P-AMP
HP_IN H_PHONE OUT
SUB TRANS
POWER S/W
AC OUTLET
STANDBY
+5VL REG
PWR DOWN
+12V
+5VL
P-DOWN
AC IN
FL DISPL AY
KEY0~2
KEY MATRIX
MOD ENC
VR ENC
STANDBY
(SURR MODE)
R O T A R Y
(MASTER VR)
RC IN ENCODER
ENCODER
R O T A R Y
AUX 1
OPT
CVBS/S-V
AUX 1
AUX 1
AUDIO L/R
FRONT L
+
-
-
+
+
-
-
+
+
-
-
+
D_SR
D_FR
D_FL
D_FL
D_FR
FET
2CH
MULTI_MUTE
MULTI_MONO
FRONT R
D_SL
D_SR
D_CNT
D_SW
D_SBL
D_SBR
SURR L
SURR R
CEN
SB L
SB R
FRONT L
FRONT R
SURR L
SURR R
CEN
SB L
SB R
SUBWOOFER
VOL
IC41 : R2A15218FP
FRONT
DIG.6
OPT.
PRE-OUT
Bi-AMP
PRE AMP
PRE AMP
PRE AMP
PRE AMP
PRE AMP
PRE AMP
PRE AMP
PRE AMP
Temp. Sensor
HEAT_DET
PA_FAIL
DC/OVER CURRENT
SENS
TEMP I/F
HEAT2
TO DSP
SR5003/60035 ALL version
BD3812F
Only U ver.
MIC
MIC AMP
TO R2A15218FP
(+6V)
REG
TO XM_Radio
REG
(+5.3V)
+5.3V
CD/CDR OUT
74HC4052
+5VH
TO HDMI
(+5V)
REGULATOR
(+5V)
REGULATOR
+5VU
TO USB
USB
SPDIF
24.576 MHz
EEP_ROM
17.733 MHz
Other ver. : 32K
U ver. : 64K
M3087BFLBGP
64M
32M
SDRAM
RS232C
ST202EBW
MULTI R/C OUT
MULTI R/C IN
LRCLK0
SCLK0
AUDATA3
AUDATA2
AUDATA1
AUDATA0
DA788
DSP
ADDRESS&DATA
ADDRESS&DATA
FLASH ROM
CODEC_DATA
SPK RY CONT
USB CONT
CONT
POWER AMP CONT
RST IC
TUNER CONT
PH DET
MUTE CONT
VOL CONT
FUNC. SW CONT
DSP CONT
DIR CONT
FWE
RC-5 IN
RC-5 OUT
P-EXP CONT
VIDEO
OSD/FL CONT
KEY
VR ENC
MOD ENC
STANDBY
POWER DOWN
M3087BFKBGP
SPDIF IN (x 6)
FROM HDMI Part
FROM HDMI Part
MCK
LRCK
SCLK
RMCK
LRCK
SCLK
MCK
HDMI_DATA 0~5
uPD63901
R5F212AA
USB
(+5V)
REGULATOR
+5VV
TO VIDEO
SPDIF OUT
TC7WH157FU
TC74VHC157FT
LRCK
SCLK
:1M(SR6003)
:768K(SR5003)
CS4352
DAC
USB Audio
USB I/F
USB u-PRO
MAIN u-PRO
USB
DSP Part
INPUT Part
SR6003 ONLY
SR6003
ONLY
1
2
3
4
5
6
+
-
-
+
+
-
+
-
1
2
3
4
5
6
7
8
9
10
1
2
3
4
9. BLOCK DIAGRAM

41 42
HDMI1-IN
HDMI2-IN
HDMI3-IN
TMDS SW
SiI9185A
HDMI Rx
HDMI Part
VIDEO Part
SiI9135CTU
HDMI Tx
SiI9134CTU
TMDS SW
TMDS442
HDMI1-OUT
HDMI2-OUT
DSP Part
[CVBS]
[Y/C]
75 ohm
75 ohm
75 ohm
COMP OUT2
COMP OUT1
COMP3
COMP2
COMP1
COMP Y[SYNC]
4051+TR
75 ohm
VCR1 REC OUT
DSS
VCR1
DVD
TV
AUX
AN15881A [1/3]
CVBS_IN
VCR1 REC OUT
DSS
VCR1
DVD
TV
AUX
Y/C_IN
AN15881A [2/3]
75 ohm
AN15881A [3/3]
CVBS
Y/C
NJM2535
OSD
SYNC DET
SYNC DET[V_SYNC]
OSD_OUT[Y]
Y THRU
Y/Cb/Cr THRU
Y/Cb/Cr CONVERT Y/Cb/Cr CONVERT
Y/Cb/Cr CONVERT
CVBS CONVERT
Y/C CONVERT
C_MUTE
C THRU Y/C THRU
CVBS OSD
CVBS THRU
NJM2285
SDRAM IPOOC773
IPSD2
I/P Scaler
VIDEO A/D
ADV7403
VIDEO D/A
ADV7342
GUI
SC_CLK
POCLKO
VCX541 BUS SW
VCX541
CVBS
Y/C
Y/Cb/Cr
CVBS
Y/C
Y/Cb/Cr
Y
NJM2244
NJM2244[Y]
NJM2264[C]
HDMI MCU
R5F212AASNFP
MAIN MCU
OSD_OUT[Y]
Y_OSD
CVBS THRU/OSD_OUT[Y] CVBS THRU
C THRU/MUTE
Y THRU/OSD_OUT[Y]
LC74782
SR6003 : W9864G2GH6
SR5003 : M12L64164A-5TG
MONITOR OUT
MONITOR OUT
CVBS_SEL
Y/C_SEL
NJM2586A
Y/Cb/Cr
Y/Cb/Cr
COMP IN
TC74HC4094FN
MCU_EX
OSD CLK/DATA, CE_EX
C_MUTE, Y_OSD, CVBS_OSD
Y/C SEL, CVBS SEL
RESET : HDMI MCU, ADV7403, IPOOC773
MAIN MCU
RESET
SDA2/SCL2
: SiI9185A/9134CTU/9135CTU
: SiI9185A/9134CTU/9135CTU, TMDS442
SDA1/SCL1
: HDMI MCU, ADV7403, ADV7342
OSD CLK/DATA,CE_EX
: LC74782
OB
(SR6003 only)
(SR6003 only)
TC7HBL6125
(SR6003 only)
NB3N502
(SR6003 only)
HDMI DSD
SPDIF
45
ENGLISH
BASIC
CONNECTIONS
BASIC OPERATION
ADVANCED
CONNECTIONS
SETUP
ADVANCED
OPERATION
TROUBLESHOOTING
OTHERS NAMES AND
FUNCTION
ADVANCED
OPERATION
Notes:
• The HDMI video signal input from the playback
device is not output from the COMPONENT
VIDEO MONITOR OUT terminal of the unit.
Notes of OSD menu system:
• The setup menu can be displayed through all
video out terminals (“HDMI”, “COMPONENT”,
“SVIDEO” and “VIDEO”).
• OSD information is output only to the VIDEO and
S-VIDEO MONITOR OUT terminals.
OSD information is also output when the video
conversion feature is on and the video signal input
to the VIDEO or S-VIDEO input jack of the unit
is converted and output from the COMPONENT
VIDEO or HDMI MONITOR OUT terminals.
I/P CONVERT
The video circuit of the unit is equipped with an I/P
conversion feature.
When this feature is on, 480i/576i analog video
signals (VIDEO, S-VIDEO or COMPONENT VIDEO)
input from a playback device can be converted
to 480p/576p and progressively output to the
COMPONENT VIDEO or HDMI MONITOR OUT
terminals of the unit.
(For setting instructions, see page 36)
Note:
When a monitor is connected to the HDMI MONITOR
OUT terminal, and HDMI RESOLUTION is set to
720p, 1080i, 1080p, or AUTO, the I/P CONVERT for
COMPONENT VIDEO OUTPUT does not function.
HDMI OUT
HDMI OUTPUT 1 or 2 can be selected and used
with this unit.
Each time the HDMI button on the remote controller
is pressed, OUTPUT 1 is switched to OUTPUT 2 or
vice versa.
HDMI OUT 1 and HDMI OUT 2 cannot be output
simultaneously.
HDMI-O = OUT1
CONNECTION EXAMPLE
• When a monitor is connected to the HDMI
MONITOR OUT terminal of the unit
VIDEO
or S-VIDEO
or component
HDMI
or HDMI
Notes:
• If the resolution of the component video signal input
from the playback device is other than 480i/576i,
480p/576P, 1080i or 720p, images are not output
from the HDMI MONITOR OUT terminal of the
unit.
• If the resolution of the S-Video or Video signal input
from the playback device is other than 480i/576i,
images are not output from the HDMI MONITOR
OUT terminal of the unit.
• When a monitor is connected to the VIDEO or S-
VIDEO MONITOR OUT terminals of the unit
VIDEO
or S-VIDEO
VIDEO
or S-VIDEO
or component
HDMI
Notes:
• The HDMI video signal input from the playback
device is not output from the VIDEO or S-VIDEO
MONITOR OUT terminals of the unit.
• If the resolution of the component video signal input
from the playback device is other than 480i/576i,
it is not output from the VIDEO or S-VIDEO
MONITOR OUT terminals of the unit.
• When a monitor is connected to the COMPONENT
VIDEO MONITOR OUT terminal of the unit
VIDEO
or S-VIDEO component
or component
HDMI
VIDEO CONVERT
ANALOG VIDEO CONVERSION
This unit is equipped to convert video signals
for monitor output. Because of this, indifferent of
the connection (VIDEO, S-VIDEO, COMPONENT
VIDEO) between the playback device and this unit,
listening and viewing are possible with a single
higher grade cable between the MONITOR OUT
terminal of the unit and the monitor.
UP-CONVERSION FROM ANALOG VIDEO
SIGNALS TO HDMI
The up-conversion feature of this unit can output
the input analog video signals (for component video
signals of 480i/576i, 480p/576P, 1080i and 720p
resolution, and S-Video and Video (composite)
of 480i/576i resolution) to the HDMI MONITOR
terminal.
Notes:
• HDMI video input is only output to the HDMI
MONITOR OUT terminal of the unit. If connecting
a playback device such as a DVD player to the
HDMI input jack, connect the HDMI MONITOR
OUT terminal of the unit to a TV monitor.
• This mode is unavailable for the REC out terminal.
• This mode is unavailable for still picture, fast
forward and reverse play on video component.
•
If, while attempting to use the video convert feature,
the unit cannot synchronize with the display device,
“NO SIGNAL” appears on the monitor or noise is
generated, this feature cannot be used. All of these
signs are caused by equipment incompatibility; there
is nothing wrong with the unit.
If this occurs, set “VIDEO CONVERT” in the
“VIDEO SETUP” menu to “DISABLE”. Next,
connect the video input signal to the display component
via the MONITOR OUT terminal under VIDEO and
the S-video input signal to the display component via
the MONITOR OUT terminal under S-VIDEO.
• The video convert feature constantly monitors
input video signals and determines whether to
convert the input signals or not. However, some
input video signals cannot be detected correctly.
If this occurs, set “VIDEO CONVERT” in the
“VIDEO SETUP” menu to “DISABLE”.
HDMI RESOLUTION
This function is used to output the analog video
signal to HDMI as follows.
• 480i/576i signals can be converted to 480p/576p,
1080i, 720p or 1080p signals, while 480p/576p
signals can be converted to 1080i, 720p or 1080p
signals.
• 720p signals can be converted to 1080i or 1080p.
• 1080i signals can be converted to 1080p.
• The output resolution can be set for HDMI OUT 1
and HDMI OUT 2.
Notes:
• Do not set to 1080i, 720p or 1080p when connected
to a monitor that does not support 1080i, 720p or
1080p signals. The SETUP MENU will not be
displayed. If the SETUP MENU is not displayed,
change settings while viewing the main unit display
panel.
• The resolution of analog component output cannot
be changed.
• HDMI OUT 1 and HDMI OUT 2 cannot be output
simultaneously.
SR6003_N_01_ENG 3_3.indd 45 08.7.30 3:25:38 PM
45
ENGLISH
BASIC
CONNECTIONS
BASIC OPERATION
ADVANCED
CONNECTIONS
SETUP
ADVANCED
OPERATION
TROUBLESHOOTING
OTHERS NAMES AND
FUNCTION
ADVANCED
OPERATION
Notes:
• The HDMI video signal input from the playback
device is not output from the COMPONENT
VIDEO MONITOR OUT terminal of the unit.
Notes of OSD menu system:
• The setup menu can be displayed through all
video out terminals (“HDMI”, “COMPONENT”,
“SVIDEO” and “VIDEO”).
• OSD information is output only to the VIDEO and
S-VIDEO MONITOR OUT terminals.
OSD information is also output when the video
conversion feature is on and the video signal input
to the VIDEO or S-VIDEO input jack of the unit
is converted and output from the COMPONENT
VIDEO or HDMI MONITOR OUT terminals.
I/P CONVERT
The video circuit of the unit is equipped with an I/P
conversion feature.
When this feature is on, 480i/576i analog video
signals (VIDEO, S-VIDEO or COMPONENT VIDEO)
input from a playback device can be converted
to 480p/576p and progressively output to the
COMPONENT VIDEO or HDMI MONITOR OUT
terminals of the unit.
(For setting instructions, see page 36)
Note:
When a monitor is connected to the HDMI MONITOR
OUT terminal, and HDMI RESOLUTION is set to
720p, 1080i, 1080p, or AUTO, the I/P CONVERT for
COMPONENT VIDEO OUTPUT does not function.
HDMI OUT
HDMI OUTPUT 1 or 2 can be selected and used
with this unit.
Each time the HDMI button on the remote controller
is pressed, OUTPUT 1 is switched to OUTPUT 2 or
vice versa.
HDMI OUT 1 and HDMI OUT 2 cannot be output
simultaneously.
HDMI-O = OUT1
CONNECTION EXAMPLE
• When a monitor is connected to the HDMI
MONITOR OUT terminal of the unit
VIDEO
or S-VIDEO
or component
HDMI
or HDMI
Notes:
• If the resolution of the component video signal input
from the playback device is other than 480i/576i,
480p/576P, 1080i or 720p, images are not output
from the HDMI MONITOR OUT terminal of the
unit.
• If the resolution of the S-Video or Video signal input
from the playback device is other than 480i/576i,
images are not output from the HDMI MONITOR
OUT terminal of the unit.
• When a monitor is connected to the VIDEO or S-
VIDEO MONITOR OUT terminals of the unit
VIDEO
or S-VIDEO
VIDEO
or S-VIDEO
or component
HDMI
Notes:
• The HDMI video signal input from the playback
device is not output from the VIDEO or S-VIDEO
MONITOR OUT terminals of the unit.
• If the resolution of the component video signal input
from the playback device is other than 480i/576i,
it is not output from the VIDEO or S-VIDEO
MONITOR OUT terminals of the unit.
• When a monitor is connected to the COMPONENT
VIDEO MONITOR OUT terminal of the unit
VIDEO
or S-VIDEO component
or component
HDMI
VIDEO CONVERT
ANALOG VIDEO CONVERSION
This unit is equipped to convert video signals
for monitor output. Because of this, indifferent of
the connection (VIDEO, S-VIDEO, COMPONENT
VIDEO) between the playback device and this unit,
listening and viewing are possible with a single
higher grade cable between the MONITOR OUT
terminal of the unit and the monitor.
UP-CONVERSION FROM ANALOG VIDEO
SIGNALS TO HDMI
The up-conversion feature of this unit can output
the input analog video signals (for component video
signals of 480i/576i, 480p/576P, 1080i and 720p
resolution, and S-Video and Video (composite)
of 480i/576i resolution) to the HDMI MONITOR
terminal.
Notes:
• HDMI video input is only output to the HDMI
MONITOR OUT terminal of the unit. If connecting
a playback device such as a DVD player to the
HDMI input jack, connect the HDMI MONITOR
OUT terminal of the unit to a TV monitor.
• This mode is unavailable for the REC out terminal.
• This mode is unavailable for still picture, fast
forward and reverse play on video component.
•
If, while attempting to use the video convert feature,
the unit cannot synchronize with the display device,
“NO SIGNAL” appears on the monitor or noise is
generated, this feature cannot be used. All of these
signs are caused by equipment incompatibility; there
is nothing wrong with the unit.
If this occurs, set “VIDEO CONVERT” in the
“VIDEO SETUP” menu to “DISABLE”. Next,
connect the video input signal to the display component
via the MONITOR OUT terminal under VIDEO and
the S-video input signal to the display component via
the MONITOR OUT terminal under S-VIDEO.
• The video convert feature constantly monitors
input video signals and determines whether to
convert the input signals or not. However, some
input video signals cannot be detected correctly.
If this occurs, set “VIDEO CONVERT” in the
“VIDEO SETUP” menu to “DISABLE”.
HDMI RESOLUTION
This function is used to output the analog video
signal to HDMI as follows.
• 480i/576i signals can be converted to 480p/576p,
1080i, 720p or 1080p signals, while 480p/576p
signals can be converted to 1080i, 720p or 1080p
signals.
• 720p signals can be converted to 1080i or 1080p.
• 1080i signals can be converted to 1080p.
• The output resolution can be set for HDMI OUT 1
and HDMI OUT 2.
Notes:
• Do not set to 1080i, 720p or 1080p when connected
to a monitor that does not support 1080i, 720p or
1080p signals. The SETUP MENU will not be
displayed. If the SETUP MENU is not displayed,
change settings while viewing the main unit display
panel.
• The resolution of analog component output cannot
be changed.
• HDMI OUT 1 and HDMI OUT 2 cannot be output
simultaneously.
SR6003_N_01_ENG 3_3.indd 45 08.7.30 3:25:38 PM
45
ENGLISH
BASIC
CONNECTIONS
BASIC OPERATION
ADVANCED
CONNECTIONS
SETUP
ADVANCED
OPERATION
TROUBLESHOOTING
OTHERS NAMES AND
FUNCTION
ADVANCED
OPERATION
Notes:
• The HDMI video signal input from the playback
device is not output from the COMPONENT
VIDEO MONITOR OUT terminal of the unit.
Notes of OSD menu system:
• The setup menu can be displayed through all
video out terminals (“HDMI”, “COMPONENT”,
“SVIDEO” and “VIDEO”).
• OSD information is output only to the VIDEO and
S-VIDEO MONITOR OUT terminals.
OSD information is also output when the video
conversion feature is on and the video signal input
to the VIDEO or S-VIDEO input jack of the unit
is converted and output from the COMPONENT
VIDEO or HDMI MONITOR OUT terminals.
I/P CONVERT
The video circuit of the unit is equipped with an I/P
conversion feature.
When this feature is on, 480i/576i analog video
signals (VIDEO, S-VIDEO or COMPONENT VIDEO)
input from a playback device can be converted
to 480p/576p and progressively output to the
COMPONENT VIDEO or HDMI MONITOR OUT
terminals of the unit.
(For setting instructions, see page 36)
Note:
When a monitor is connected to the HDMI MONITOR
OUT terminal, and HDMI RESOLUTION is set to
720p, 1080i, 1080p, or AUTO, the I/P CONVERT for
COMPONENT VIDEO OUTPUT does not function.
HDMI OUT
HDMI OUTPUT 1 or 2 can be selected and used
with this unit.
Each time the HDMI button on the remote controller
is pressed, OUTPUT 1 is switched to OUTPUT 2 or
vice versa.
HDMI OUT 1 and HDMI OUT 2 cannot be output
simultaneously.
HDMI-O = OUT1
CONNECTION EXAMPLE
• When a monitor is connected to the HDMI
MONITOR OUT terminal of the unit
VIDEO
or S-VIDEO
or component
HDMI
or HDMI
Notes:
• If the resolution of the component video signal input
from the playback device is other than 480i/576i,
480p/576P, 1080i or 720p, images are not output
from the HDMI MONITOR OUT terminal of the
unit.
• If the resolution of the S-Video or Video signal input
from the playback device is other than 480i/576i,
images are not output from the HDMI MONITOR
OUT terminal of the unit.
• When a monitor is connected to the VIDEO or S-
VIDEO MONITOR OUT terminals of the unit
VIDEO
or S-VIDEO
VIDEO
or S-VIDEO
or component
HDMI
Notes:
• The HDMI video signal input from the playback
device is not output from the VIDEO or S-VIDEO
MONITOR OUT terminals of the unit.
• If the resolution of the component video signal input
from the playback device is other than 480i/576i,
it is not output from the VIDEO or S-VIDEO
MONITOR OUT terminals of the unit.
• When a monitor is connected to the COMPONENT
VIDEO MONITOR OUT terminal of the unit
VIDEO
or S-VIDEO component
or component
HDMI
VIDEO CONVERT
ANALOG VIDEO CONVERSION
This unit is equipped to convert video signals
for monitor output. Because of this, indifferent of
the connection (VIDEO, S-VIDEO, COMPONENT
VIDEO) between the playback device and this unit,
listening and viewing are possible with a single
higher grade cable between the MONITOR OUT
terminal of the unit and the monitor.
UP-CONVERSION FROM ANALOG VIDEO
SIGNALS TO HDMI
The up-conversion feature of this unit can output
the input analog video signals (for component video
signals of 480i/576i, 480p/576P, 1080i and 720p
resolution, and S-Video and Video (composite)
of 480i/576i resolution) to the HDMI MONITOR
terminal.
Notes:
• HDMI video input is only output to the HDMI
MONITOR OUT terminal of the unit. If connecting
a playback device such as a DVD player to the
HDMI input jack, connect the HDMI MONITOR
OUT terminal of the unit to a TV monitor.
• This mode is unavailable for the REC out terminal.
• This mode is unavailable for still picture, fast
forward and reverse play on video component.
•
If, while attempting to use the video convert feature,
the unit cannot synchronize with the display device,
“NO SIGNAL” appears on the monitor or noise is
generated, this feature cannot be used. All of these
signs are caused by equipment incompatibility; there
is nothing wrong with the unit.
If this occurs, set “VIDEO CONVERT” in the
“VIDEO SETUP” menu to “DISABLE”. Next,
connect the video input signal to the display component
via the MONITOR OUT terminal under VIDEO and
the S-video input signal to the display component via
the MONITOR OUT terminal under S-VIDEO.
• The video convert feature constantly monitors
input video signals and determines whether to
convert the input signals or not. However, some
input video signals cannot be detected correctly.
If this occurs, set “VIDEO CONVERT” in the
“VIDEO SETUP” menu to “DISABLE”.
HDMI RESOLUTION
This function is used to output the analog video
signal to HDMI as follows.
• 480i/576i signals can be converted to 480p/576p,
1080i, 720p or 1080p signals, while 480p/576p
signals can be converted to 1080i, 720p or 1080p
signals.
• 720p signals can be converted to 1080i or 1080p.
• 1080i signals can be converted to 1080p.
• The output resolution can be set for HDMI OUT 1
and HDMI OUT 2.
Notes:
• Do not set to 1080i, 720p or 1080p when connected
to a monitor that does not support 1080i, 720p or
1080p signals. The SETUP MENU will not be
displayed. If the SETUP MENU is not displayed,
change settings while viewing the main unit display
panel.
• The resolution of analog component output cannot
be changed.
• HDMI OUT 1 and HDMI OUT 2 cannot be output
simultaneously.
SR6003_N_01_ENG 3_3.indd 45 08.7.30 3:25:38 PM
45
ENGLISH
BASIC
CONNECTIONS
BASIC OPERATION
ADVANCED
CONNECTIONS
SETUP
ADVANCED
OPERATION
TROUBLESHOOTING
OTHERS NAMES AND
FUNCTION
ADVANCED
OPERATION
Notes:
• The HDMI video signal input from the playback
device is not output from the COMPONENT
VIDEO MONITOR OUT terminal of the unit.
Notes of OSD menu system:
• The setup menu can be displayed through all
video out terminals (“HDMI”, “COMPONENT”,
“SVIDEO” and “VIDEO”).
• OSD information is output only to the VIDEO and
S-VIDEO MONITOR OUT terminals.
OSD information is also output when the video
conversion feature is on and the video signal input
to the VIDEO or S-VIDEO input jack of the unit
is converted and output from the COMPONENT
VIDEO or HDMI MONITOR OUT terminals.
I/P CONVERT
The video circuit of the unit is equipped with an I/P
conversion feature.
When this feature is on, 480i/576i analog video
signals (VIDEO, S-VIDEO or COMPONENT VIDEO)
input from a playback device can be converted
to 480p/576p and progressively output to the
COMPONENT VIDEO or HDMI MONITOR OUT
terminals of the unit.
(For setting instructions, see page 36)
Note:
When a monitor is connected to the HDMI MONITOR
OUT terminal, and HDMI RESOLUTION is set to
720p, 1080i, 1080p, or AUTO, the I/P CONVERT for
COMPONENT VIDEO OUTPUT does not function.
HDMI OUT
HDMI OUTPUT 1 or 2 can be selected and used
with this unit.
Each time the HDMI button on the remote controller
is pressed, OUTPUT 1 is switched to OUTPUT 2 or
vice versa.
HDMI OUT 1 and HDMI OUT 2 cannot be output
simultaneously.
HDMI-O = OUT1
CONNECTION EXAMPLE
• When a monitor is connected to the HDMI
MONITOR OUT terminal of the unit
VIDEO
or S-VIDEO
or component
HDMI
or HDMI
Notes:
• If the resolution of the component video signal input
from the playback device is other than 480i/576i,
480p/576P, 1080i or 720p, images are not output
from the HDMI MONITOR OUT terminal of the
unit.
• If the resolution of the S-Video or Video signal input
from the playback device is other than 480i/576i,
images are not output from the HDMI MONITOR
OUT terminal of the unit.
• When a monitor is connected to the VIDEO or S-
VIDEO MONITOR OUT terminals of the unit
VIDEO
or S-VIDEO
VIDEO
or S-VIDEO
or component
HDMI
Notes:
• The HDMI video signal input from the playback
device is not output from the VIDEO or S-VIDEO
MONITOR OUT terminals of the unit.
• If the resolution of the component video signal input
from the playback device is other than 480i/576i,
it is not output from the VIDEO or S-VIDEO
MONITOR OUT terminals of the unit.
• When a monitor is connected to the COMPONENT
VIDEO MONITOR OUT terminal of the unit
VIDEO
or S-VIDEO component
or component
HDMI
VIDEO CONVERT
ANALOG VIDEO CONVERSION
This unit is equipped to convert video signals
for monitor output. Because of this, indifferent of
the connection (VIDEO, S-VIDEO, COMPONENT
VIDEO) between the playback device and this unit,
listening and viewing are possible with a single
higher grade cable between the MONITOR OUT
terminal of the unit and the monitor.
UP-CONVERSION FROM ANALOG VIDEO
SIGNALS TO HDMI
The up-conversion feature of this unit can output
the input analog video signals (for component video
signals of 480i/576i, 480p/576P, 1080i and 720p
resolution, and S-Video and Video (composite)
of 480i/576i resolution) to the HDMI MONITOR
terminal.
Notes:
• HDMI video input is only output to the HDMI
MONITOR OUT terminal of the unit. If connecting
a playback device such as a DVD player to the
HDMI input jack, connect the HDMI MONITOR
OUT terminal of the unit to a TV monitor.
• This mode is unavailable for the REC out terminal.
• This mode is unavailable for still picture, fast
forward and reverse play on video component.
•
If, while attempting to use the video convert feature,
the unit cannot synchronize with the display device,
“NO SIGNAL” appears on the monitor or noise is
generated, this feature cannot be used. All of these
signs are caused by equipment incompatibility; there
is nothing wrong with the unit.
If this occurs, set “VIDEO CONVERT” in the
“VIDEO SETUP” menu to “DISABLE”. Next,
connect the video input signal to the display component
via the MONITOR OUT terminal under VIDEO and
the S-video input signal to the display component via
the MONITOR OUT terminal under S-VIDEO.
• The video convert feature constantly monitors
input video signals and determines whether to
convert the input signals or not. However, some
input video signals cannot be detected correctly.
If this occurs, set “VIDEO CONVERT” in the
“VIDEO SETUP” menu to “DISABLE”.
HDMI RESOLUTION
This function is used to output the analog video
signal to HDMI as follows.
• 480i/576i signals can be converted to 480p/576p,
1080i, 720p or 1080p signals, while 480p/576p
signals can be converted to 1080i, 720p or 1080p
signals.
• 720p signals can be converted to 1080i or 1080p.
• 1080i signals can be converted to 1080p.
• The output resolution can be set for HDMI OUT 1
and HDMI OUT 2.
Notes:
• Do not set to 1080i, 720p or 1080p when connected
to a monitor that does not support 1080i, 720p or
1080p signals. The SETUP MENU will not be
displayed. If the SETUP MENU is not displayed,
change settings while viewing the main unit display
panel.
• The resolution of analog component output cannot
be changed.
• HDMI OUT 1 and HDMI OUT 2 cannot be output
simultaneously.
SR6003_N_01_ENG 3_3.indd 45 08.7.30 3:25:38 PM

4443
+5VV
+5VV
+5VV
+5VV
+5VV
+5VV
+5VV
+5VV
+5VV
OSD_CON
+5VV
+5VV +5VV
+5VV
COMP_Y
+5VV
+5VV
COMPONENT0
+5VV
INPUT1_CY
INPUT2_CY
INPUT3_CY
INPUT1_CY
INPUT2_CY
INPUT3_CY
INPUT1_CB
INPUT1_CR
INPUT2_CB
INPUT2_CR
INPUT3_CB
INPUT1_CB
+5VV
+5VV
INPUT2_CB
INPUT3_CB
INPUT1_CR
INPUT2_CR
INPUT3_CR
+5VV
COMP_Y
+5VV+5VV+5VV
CP_SEL1
CP_SEL2
+5VV
OSD_CLK
INPUT3_CR
COMPONENT0
COM_Y_IN
COM_CB_IN
COM_CR_IN
Y_OUT
CB_OUT
CR_OUT
CR_OUT
CB_OUT
Y_OUT
HDMI_CR_OUT
HDMI_CB_OUT
HDMI_Y_OUT
COM_CR_IN
COM_CB_IN
CR_OUT
CB_OUT
Y_OUT
COM_Y_IN
CP_SEL CP_MUTE
+5VV
COM_Y_IN
COM_CB_IN
COM_CR_IN
HDMI_Y_OUT
HDMI_CB_OUT
HDMI_CR_OUT
OSD_DATA
OSD_CLK
_CEOSD
TV_AUTO
Y_CONV
Y_THRU
CVBS_CONV
CVBS_THRU
CVBS_THRU
CVBS_CONV
CVBS_SEL
V_MUTE
C_MUTE
C_THRU
Y_THRU
CVBS_OSD
V_SYNC
V_SYNC
OSD_OUT
OSD_DATA
OSD_CLK
_CEOSD
NTSC/PAL
OSD_INT
C_MUTE
OSD_SEL
Y_IN
+5VT
TV_AUTO
OSD_SEL2
OSD_SEL
CVBS_IN
Y_OSD
CVBS_IN
Y_IN
OSD_OUT
C_IN
Y_THRU
Y_CONV
Y/C_SEL
V_MUTE
C_THRU
Y/C_SEL
C_CONV
V_MUTE
C_IN
Y_IN
OSD_DATA
+5VT
+5VH
C_CONV
C_THRU
-5VA
OSD_SEL2
CVBS_SEL
Y/C_SEL
_CEEX
OSD_DATA
NTSC/PAL
OSD_INT
OSD_SEL
V_MUTE
OSD_CLK
+5VV
CP_SEL
CP_MUTE CP_SEL1
CP_SEL2
CVBS_OSD
Y_OSD
V_MUTE1
V_MUTE1
_CEEX
CVBS_THRU
-5VA
+5VV
1
2
3
4
5
6
7
8
9
10
11
1
2
3
4
5
1
2
3
4
5
6
7
8
9
1
2
3
4
5
6
7
8
9
2
31
2
1 3
2
3 1
3
1 2
BUFF
75DRI75DRI
75DRI
S-Y
S-C
CVBS
TV IN
CVBS
S-C
S-Y
CVBS
S-C
S-Y
CVBS
S-C
S-Y
DVD IN
IN
OUT
VCR1
VCR2 IN S-Y
S-C
CVBS
MONITOR S-Y
S-C
CVBS
DSS/
OUT
VSS1
XIN
CNT1
XOUT
BLNK
OSC-I
OSC-O
CHARA
CS
SCLK
DATA
VDD1
RST
CNT3
CNT2
SEP-I
SEP-O
SEP-C
SY-IN
VDD1
CV-I
NC
VDD2
CV-O
QS
Q'S Q8 Q7 Q6 Q5 OE VCC
GND Q4 Q3 Q2 Q1 CLK DATA CE
INPUT 1-Y
INPUT 2-Y
INPUT 1-PB
INPUT 2-PB
INPUT 1-PR
INPUT 2-PR
INPUT 3-Y
M-OUT 1-Y
INPUT 3-PB
M-OUT 1-PB
INPUT 3-PR
M-OUT 1-PR
N/K=ONLY
N/K=ONLY
OSD_SDA
OSD_CLK
V_SYNC
CE_OSD
TV_AUTO
CEEX
30p27p
30p 30p
U/LN/K
LOAD CAP
17.7344 MHz
JUMPER
KRA102S
KTC2874B
KRC111S
LOAD CAP
X102
R209
Q107
Q106
Q105
C232
C231
VERSION OPTION TABLE
AUX1 IN CVBS
S-Y
S-C
N/K=ONLY
N/K=ONLY
U/F=ONLY
CVBS_OUT
Y_OUT
CVBS_OSD
M-OUT 2-Y
M-OUT 2-PB
M-OUT 2-PR
FROM
COMPONENT OUT 2
PWB FROM FRONT PWB
FROM INPUT PWB
FROM INPUT BPWB
OSD PART
GND
C104,105,106 : DUMMY
R104,105,106 : 0 ohm
R110,111,112 : 0 ohm
C110,111,112 : DUMMY
R116,117,118 : 0 ohm
C116,117,118 : DUMMY
R122,123,124 : 0 ohm
C125,126,127 : DUMMY
Y3
Y4
Y5
Y6
Y7
Y8
VCC1
C1
C2
C3
C4
C5
GND1
C6
C7
C8
BIAS
CY1
CY2
CY3
CY4
CY5
CY6
PB1
PB2
PB3
PB4
PB5
PB6
PR1
PR2
PR3
PR4
PR5
PR6
MUTE
PROUT2
O1
PROUT1
O2
PBOUT2
PBOUT1
GND2
CYOUT3-FB
CYOUT3
CYOUT2-FB
CYOUT2
COUT4
VCC2
COUT3
COUT2
COUT1
GND3
YOUT4-FB
YOUT4
YOUT3-FB
YOUT3
YOUT2-FB
YOUT2
YOUT1
VCC3
VOUT4-FB
VOUT4
SDA
VOUT3-FB
VOUT3
VOUT2-FB
VOUT2
VOUT1
SCL
V1
V2
V3
V4
V5
V6
V7
V8
Y1
Y2
MUTE ON : LOW
MUTE OFF : HIGH
*AN15881A*
CY1
CY2
CY3
Y4 Y6 Z Y7 Y5 E VEE GND
S2S1S0Y3Y0Y1Y2VCC
INPUTS Channel
ONE S2 S1 S0
L L L L
LLL H
HL L L
Y0-Z
Y1-Z
Y2-Z
** 74HC4051 **
-12V
+5VH
+5VH
GND
+5VT
GND
GND
FROM/TO HDMI PWB
FROM/TO HDMI PWB
+12V
GND
TO HDMI PWB
+5VH
+5VH
GND
GND
+8V
QS
Q'S Q8 Q7 Q6 Q5 OE VCC
GND Q4 Q3 Q2 Q1 CLK DATA CE
C_OUT
Y_OSD
C_MUTE
C_OUT(REC)
CVBS_OUT(REC)
Y_OUT(REC)
CVBS_OUT(MON)
Y_OUT(MON)
C_OUT(MON)
GND
+5VV
24 23 22 21 20 19 18 17 16 15 14 13
121110987654321
1234
5 6 7 8
1234
567 8
1234
567 8
1234
5 6 7 8
12345678
910111213141516
12345
80
79
78
77
76
75
74
73
72
71
70
69
68
67
66
65
646362616059585756555453525150494847464544434241
40
39
38
37
36
35
34
33
32
31
30
29
28
27
26
25
24 23 22 21 20 19 18 17 16 15 14 13 12 11 10 9 8 7 6 5 4 3 2 1
12345678
9 10 11 12 13 14 15 16
12345678
910111213141516
11
10
9
8
7
6
5
4
3
2
1
CH1OUT
PS
CH2OUT
V+2
CH3OUT
GND
V+2
CH3IN1
V+1
CH3IN2
GND
CH3IN3
CH2IN3
GND
CH2IN2
GND
CH2IN1
V+1
GND
CH1IN3
SW2
CH1IN2
SW1
CH1IN1
24 23 22 21 20 19 18 17 16 15 14 13
121110987654321
11
10
9
8
7
6
5
4
3
2
1
OUT
GND
IN 1
2
3
111098765432154321
9
8
7
6
5
4
3
2
1
GND
INOUT 2
1
3
12345678
9 10 11 12 13 14 15 16
12345
75
1/50V
1/50V
1/50V
75
75
75
75
1/50V
1/50V
1/50V
75
75
75
75
75
75
75
47P
47P
47P
75
75
75
470/10V
470/10V
68P
68P
68P
75
75
75
1/50V
1/50V
1/50V
1/50V
1/50V
1/50V
10u/50V
220K
220
10u/50V
KTA2014
10
10u/50V
10K
LC74782M8A13
NJM2535MTE1
10K
0.01
100
1000P
75
47P
10u/50V
1M
10K
OPEN
1M
10u/50V
1M
100u/16V
0.01
4.7/50
100K
KTC4075
KTC4075
10u/50V
15K
10K
470
1/50
220
1200P
KTC4075
10u/50V
0.01
OPEN
2200
10K
1/50
75
47P
C102S
KTC4075
10K
0.01
4.7K
1K56
1K
47P
10K
KTC4075
1K
0.01
100u/16V
0
33uH
22P
22P
10P
30P(U/F/N/K)
27p(N/K)
30p(U/F)
1M
14M318
C111S
0
17M734
A102S
NJM2244MTE1NJM2264MTE1
1M
10u/50V
3.3K
OPEN
3.3K
3.3K
3.3K 100u/16V
1M
0.01
100u/16V
0.010.01
1M
1M
10u/50V
A102S
NJM2244MTE1
0.01
100u/16V
0.01
1M
1M
1M
10u/50V
1000P
220P
4.7K
100K
NJM2285M
10u/50V
1M
10u/50V
1M
10u/50V
1M
10u/50V
1M
0.01
100u/16V
0.1
0.1
4.7K
4.7K
1/50V
7575
1/50V
75
1/50V
75
1/50V
75
1/50V
75
1/50V
1/50V
75
1/50V
75
75
75
75
1/50V
75
CJP05GA19ZY
KTC2874BT
10K
AN15881AVT
220/10V
22/50V
22/50V
220/10V
100u/16V
0.1
0.1
100u/16V
220/10V
22/50V
220/10V
220/10V
100u/16V
0.1
10K
10K
TC74HC4094FN
100
100
100
100
22/50V
47/25V
0.01
0.01
10u/50V
47/16V
10K
10K 12K
470
470470
47/16V
KTC4075 KTA2014
75
OPEN
0.1
75
OPEN
0.1
10K 0.1
KTC4075
470K
2.2K
2.2K
470K
KTC4075
0.1
10K
2.2K
470K
KTC4075
0.1
10K
M74HC4051RM13TR
33P27P27P
75
75
75
27P27P27P
OPEN
470/10V
470/10V
470/10V
470/10V
470/10V
470/10V
CJP11GA117ZY
NJM2586AMTE1
47/25V
47/25V 47/25V
1M
0.01
1M
0.01
100u/16V
0.01
100u/16V
0.01
1M
0.01
CJP11GA117ZY
0.01
100u/16V
KIA7808AF
0.1
100/16V
100/16V
0.1
CJP05GA01ZY
470
430
470
430
470
470
75
75
75
CJP09GA115ZY
75
75
OPEN
OPEN
OPEN
KIA7905PI
0.1
100/16V
100/16V
0.1
TC74HC4094FN
1000P
10K
0.01
CJP05GA19ZY
75
OPEN
00
100u/16V
0.1
0
R103
C106
R106
C105
C104
C102
C101
C103
R102
R101
R105
R104
R112
R111
R109
R108
C109
C107
C108
C112
C111
R110
C110 R107
R118
R117
R115
R114
C118
C117
R116
C116 R113
R235
R233
R234
C121
C120
C119
R119
C125
R122
C126
C127
R120
R121
R123
R124
C130
C129
C131
C132
C133
R126
R125
R127
C114
C113
C115
C123
C122
C124
C209 R182
R183
R185
C210
Q101
R184
C211
R186
IC12
IC11
R170
C185
R171
C184
R178
C208
C212
R187
R189
C217
R190
JK14
JK15
C213
R188
C214
C215
C216
R191
Q103
Q104
C218
R192 R193
R194
C224
R195
C219
Q111
C225
C222
R219
R221R222
R218
C223
R220
C235
Q108
Q109
R212
C233
R211
R213R215
R214
C234
R216
Q110
R217
C226
C227
R207
L101
C228
C230
C229
C231
C232
R208
X101
Q105
R209
X102
Q107
IC15
IC16
R199
C259
R198
C258
R236
R201R200
752 C256
C255
R202
C254
C253
C252
R204
R203
C251
Q102
IC13
C238
C239
C237
R225
R223
R224
C236
C221C220
R197
R196
IC14
C249
R230
C248
R231
C247
R229
C250
R232
C246
C245
C243
C244
R181
R180
C134
R128R129
C135
R130
C136
R131
C137
R132
C138
R134
C140
C143
R136
C146
R138
R135
R137
R139
C139
R133
D101
D102
D105
D103
D104
CN41
Q106
R210
IC17
C189
C190
C195
C194
C191
C192
C199
C198
C200
C201
C203
C204
C206
C207
R177
R176
IC21
R205
R206
R173
R179
C205
C158
C159
C162
C161
C163
R157
R156
R154
R155
R152 R153
C160
Q115
R174
C193
C196
R175
C197
C128
R149 C157
Q114
R150
R151
R148
R147
Q113
C156
R146
R145
R144
Q112
C155
R143
IC18
JK12
JK13
C142C145C148
R140
R141
R142
JK11
C150C152C154
C202
C141
C144
C147
C149
C151
C153
CN21
IC20
C173
C168
C171
R161
C172
R164
C169
C167
C166
C165
C164
R163
C170
CN22
C183
C182
IC23
C180
C181
C179
C178
BN95
CN20
R160
R159
R162
R158
R165
R166
R167
R168
R169
CN43
R228
R227
C240
C241
C242
IC22
C176
C177
C175
C174
IC19 C186
R172
C187
CN42
R226
R237
R238
C260
C261
10. SCHEMATIC DIAGRAM
VIDEO PWB

45 46
2
31
1
2
3
4
5
6
7
8
9
10
11
1
2
3
4
5
6
7
8
9
10
11
V-GND
VD_+1.8VPLL
V_B0/CB0
V_B1/CB1
V_CLK
V_B2/CB2
V_B7/CB7
V_B3/CB3
V_B4/CB4
V_B5/CB5
V_B6/CB6
V_G00/Y00
V_G01/Y01
VD_+3.3VIO
V_G0/Y0
V_G1/Y1
V_G2/Y2
V_G3/Y3
V_HSYNC
DEC_INT
VD_+1.8VD
RESET_DEC
V_DE
V_VSYNC
V_SDA
V_SCL
V_G7/Y7
V_G6/Y6
V_G5/Y5
V_G4/Y4
VD_+3.3VA
CVBS_DEC
CVBS_CONV_OUT
HDMI_Y_OUT
COMP_Y_DEC
V-GND V-GND V-GND V-GND V-GND V-GNDV-GND V-GND
V-GND
V-GND
V-GND V-GND V-GND
V-GND V-GND V-GND V-GND
V-GND
V-GND V-GND
V-GND V-GND
COMP_CB_DEC
V-GND V-GND V-GND V-GND
HDMI_CB_OUT
V-GND
Y_CONV_OUT
V-GND
V-GND
V-GNDV-GND
V-GND
V-GND
Y_DEC
V-GND
V-GND
V-GND
V-GND V-GND
COMP_CR_DEC
V-GND V-GND V-GND V-GND
HDMI_CR_OUT
V-GND
C_CONV_OUT
V-GND
V-GND
V-GNDV-GND
V-GND
V-GND
C_DEC
V-GND
V-GND
+8V
CVBS_CONV_OUT
Y_CONV_OUT
C_CONV_OUT
HDMI_CR_OUT
HDMI_CB_OUT
HDMI_Y_OUT
V-GND
V_CLK_SC
V_CLK_ENC
SC_Y2
SC_Y3
SC_Y4
SC_Y5
SC_Y6
SC_Y7
SC_Y8
SC_Y9
SC_C2
SC_C3
SC_C4
SC_HSYNC
SC_VSYNC
SC_C5
SC_C6
SC_C7
SC_C8
SC_C9
V_G7/Y7
V_G6/Y6
V_G5/Y5
V_G4/Y4
V_G3/Y3
V_G2/Y2
V_G1/Y1
V_G0/Y0
V_HSYNC
V_VSYNC
V+3.3V4
V_SDA
V_SCL
SC_CLK
V_CLK_ENC
V+3.3V4
V+1.8V5
V-GND
COMP_Y_DEC
COMP_CB_DEC
COMP_CR_DEC
CVBS_DEC
Y_DEC
C_DEC
V-GND
SFL
V_B01/CB01
V_B00/CB00
V-GND
V-GND
V-GND
V-GND
V-GND
V-GND
V+3.3V2
D_GND
D_GND
D_GND
D_GND
D_GND
D_GND
D_GND
D_GND
D_GND
D_GND
D_GND
D_GND
D_GND
D_GND
D_GND
SFL
D_GNDD_GND
V+1.8V5
+5VH
+8V
D_GND
D_GND
V_CLK_ENC
HD_D6
HD_D7
HD_D10
HD_D11
SC_Y0
SC_Y1
SC_C0
SC_C1
V_G00/Y00
V_G01/Y01
V_B00/CB00
V_B01/CB01
HD_VSYNC
HD_HSYNC
HD_DE
HD_D28
HD_D29
HD_D30
HD_D31
HD_D32
HD_D33
HD_D34
HD_D35
HD_D16
HD_D17
HD_D18
HD_D19
HD_D20
HD_D21
HD_D22
HD_D23
SC_CLK
SC_HSYNC
SC_VSYNC
SC_C9
SC_C8
SC_C7
SC_C6
SC_C5
SC_C4
SC_C3
SC_C2
SC_Y9
SC_Y8
SC_Y7
SC_Y6
SC_Y5
SC_Y4
SC_Y3
SC_Y2
V+3.3V2
V_B0/CB0
V_B1/CB1
V_B2/CB2
V_B3/CB3
V_B4/CB4
V_B5/CB5
V_B6/CB6
V_B7/CB7
V_G0/Y0
V_G1/Y1
V_G2/Y2
V_G3/Y3
V_G4/Y4
V_G5/Y5
V_G6/Y6
V_G7/Y7
V_DE
V_CLK
V_HSYNC
V_VSYNC
HD_DE
HD_HSYNC
HD_D11
HD_D10
HD_D7
HD_D6
HD_D28
HD_D29
HD_D30
HD_D31
HD_D32
HD_D33
HD_D34
HD_D35
HD_D16
HD_D17
HD_D18
HD_D19
HD_D20
HD_D21
HD_D22
HD_D23
SC_DE
V+3.3V2 V+3.3V2
SW_VIDEO2
HD_VSYNC
V+3.3V2
SW_VIDEO1
D_GND
D_GND
D_GND
D_GND
D_GND
D_GND
D_GND
D_GND
D_GND
D_GND
D_GND
D_GND
D_GND
D_GND
RESET_DEC_P
D_GND
+8V
ODCK
CHGND1CHGND2
AIN12
AIN5
AIN11
AGND
AGND
P7
P27
P32
P31
CS/HS
INT_INV
P15
P14
DVDDIO
DGND
P29
P28
SCLK2
SFL/SYNC_OUT
DGND
DVDD
P12
P13
DGND
DVDDIO
P11
SDA2
P8
P9
P10
P6
P5
P4
P26
P25
P24
P23
DVDD
XTAL
XTAL1
LLC1
DCLK_IN
P21
P22
PVDD
PVDD
ELPF
P20
P0
P1
P2
P3
DGND
FB
SOG
AIN7
AIN1
AIN8
AIN2
AIN9
AIN3
TEST1
AGND
CAPY1
CAPY2
AVDD
REFOUT
CML
AGND
BIAS
CAPC1
CAPC2
TEST0
AIN10
AIN4
HS_IN
VS_IN
P39
P40
SCLK1
SDA
ALSB
AIN6
SOY
/RESET
DE_IN
P17
P18
P19
DVDD
DGND
P37
P38
P16
P36
P35
P34
DE
VS
P33
VDD_IO
TEST0
TEST1
Y0
Y1
Y2
Y3
Y4
Y5
VDD
DGND
Y6
Y7
TEST2
TEST3
C0
C1
C2
ALSB
SDA
SCL
P_HSYNC
P_VSYNC
P_BLANK
C3
C4
C5
C6
C7
CLKIN_A
EXT_LF2
PGND
EXT_LF1
PVDD
COMP2
REST2
DAC6
DAC5
DAC4
AGND
VAA
DAC3
DAC2
DAC1
COMP1
VREF
SFL/MISO
REST1
S0
S1
S2
VDD
DGND
S3
S4
S5
S6
S7
COM_Y_IN
COM_CB_IN
COM_CR_IN
CVBS_THRU
Y_THRU
C_THRU
GND
GND
GND
HDMI_Y_OUT
HDMI_CB_OUT
HDMI_CR_OUT
CVBS_CONV
Y_CONV
C_CONV
+5VH
+5VH
GND
+8V
GND
GND
A8
A7
A6
Y8
Y7
Y6
Y5
A5
A4
A3
A2
A1
OE1
Y4
Y3
Y2
Y1
OE2
VCC
GND
A8
A7
A6
Y8
Y7
Y6
Y5
A5
A4
A3
A2
A1
OE1
Y4
Y3
Y2
Y1
OE2
VCC
GND
A8
A7
A6
Y8
Y7
Y6
Y5
A5
A4
A3
A2
A1
OE1
Y4
Y3
Y2
Y1
OE2
VCC
GND
A8
A7
A6
Y8
Y7
Y6
Y5
A5
A4
A3
A2
A1
OE1
Y4
Y3
Y2
Y1
OE2
VCC
GND
A8
A7
A6
Y8
Y7
Y6
Y5
A5
A4
A3
A2
A1
OE1
Y4
Y3
Y2
Y1
OE2
VCC
VCC
OE2
Y1
Y2
Y3
Y4
OE1
A1
A2
A3
A4
A5
Y5
Y6
Y7
Y8
A6
A7
A8
GND
GND
GND
GND
GND
GND
GND
GND
100
99
98
97
96
95
94
93
92
91
90
89
88
87
86
85
84
83
82
81
80
79
78
77
76
75 74 73 72 71 70 69 68 67 66 65 64 63 62 61 60 59 58 57 56 55 54 53 52 51
50
49
48
47
46
45
44
43
42
41
40
39
38
37
36
35
34
33
32
31
30
29
28
27
26
25242322212019181716151413121110987654321
1234
5678
1234
5678
1234
5678
14 13 12 11 10 9 8
7654321
64636261605958575655545352515049
48
47
46
45
44
43
42
41
40
39
38
37
36
35
34
33
32 31 30 29 28 27 26 25 24 23 22 21 20 19 18 17
16
15
14
13
12
11
10
9
8
7
6
5
4
3
2
1
5 4 3 2 1
1234
5678
1234
5678
12345678910
1413
12345
678910
1413
12345678910
1413
1234
5678
1234
5678
1234
5678
1234
5678
1234
5678
1234
5678
1234
5678
1234
5678
12345678910
1413
12345678910
1413
12345678910
11 12 15 16 17 18 19 20 11 12 15 16 17 18 19 20 11 12 15 16 17 18 19 20
11 12 15 16 17 18 19 20
11 12 15 16 17 18 19 20
11 12 15 16 17 18 19 20
1413
311
10
9
8
7
6
5
4 2
1
311
10
9
8
7
6
5
4 2
1
FROM/TO VIDEO PWB
FROM/TO VIDEO PWB
FROM VIDEO PWB
TO SCALER & HDMI BLK
FROM SCALER BLK
ADV7403
0
OPEN
0.01
0.1
10/25V(non-polar)
0.1
0.1
100/16
10/50
0.1
0.1
10/50
2.7K
2.7K
0.1
10/25V(non-polar)
0.1
0.01
0.1
KTA2014
1K
1K
1K
1K
KTA2014
820
1.5K
KTA2014
0.1
0.1
0.1
7575
0.1
75
0.1
1000P
0.1
27K
1.8K
0.082
0.01
22
22
28.636MHz
1M
47p
47p
0.1
22
22
22X4
22
22
22
0.1
22X4
0
22
0.1
0.1
5.6K
KRC102S
10K
22X4
0.1
22
22
100
100
OPEN
KTC4075
470
15K
470 150
470
10K
1K
47/25
10K
10P
12uH
10P
3p
1K
KTC4075
470 470
470
10K
10/50
0.1
10/50
0.1
1K
KTC4075
1K
3p
10P
12uH
10P
10K
47/25
1K
10K
470
560
15K
470
KTC4075
0.1
10/50
0.1
KTC4075
470
15K
560
470
10K
1K
47/25
10K
10P
12uH
10P
3p
1K
0.1
10/50
10K
470
470
470
KTC4075
1K
3p
10P
12uH
10P
10K
47/25
1K
10K
470
150470
15K
470
KTC4075
0.1
KTC4075
470
15K
560
470
10K
1K
47/25
10K
10P
12uH
10P
3p
1K
0.1
10K
470
470
470
KTC4075
1K
3p
10P
12uH
10P
10K
1K
10K
470
150470
15K
470
KTC4075
0.1
0.1
KTA2014 KTA2014 KTA2014 KTA2014 KTA2014 KTA2014
KTA2014KTA2014
KTA2014
0
0
22
22
0.1
0.1
OPEN
0
9R005Z
0.1
100/16
100
100
47
OPEN
100/16
0.1
10uH
100/16
0.1
9R005Z
OPEN
OPEN
2200P
2200P
3.9K
300
300
300
300
300
300
0.1
3.9K
20
0.012u
0.15uF
0
0
OPEN
OPEN
22
22
22
22
22
OPEN
OPEN
0
OPEN
OPEN
22
0.1
CVIADV7342BSTZ
0
0
0
0
0
0
0
20 150
0.012u
0.15uF
150
220
100/16
0.1
9R005Z
100/16
0.1
220
0.1uF
OPEN
330/10V
0.1
22
0
22
22
22
22
22
22X4
100/16
22X4
0.1
22X4
22X4
22X4
22X4
0.1
0.1
0.1
0.1
0.1
0.1
22X4
22X4
22X4
22X4
TC74VCX541FT
TC74VCX541FT
TC74VCX541FT
TC74VCX541FT
TC74VCX541FT
TC74VCX541FT
OPEN
OPEN
OPEN
OPEN
OPEN
OPEN
OPEN
OPEN
OPEN
OPEN
OPEN
OPEN
OPEN
OPENOPEN
OPEN
OPEN
OPEN
0.1
100/16
22
CJP11GB113ZY
CJP11GB113ZY
0
10uH
100
0.1uF
10/50V
33
OPEN
OPEN
OPEN
OPEN
IC31
R338
R346
C392
C393
C394
C395 C396
C397
C399
C398
C400
C501
R510
R512
C505
C502
C503
C504
C305
Q301
R304
R305
R307
R306
Q302
R309
R308
Q303
C306
C307
C308
R310R311
C309
R312
C310
C311
C325
R336
R337
C323
C324
R333
R332
X301
R331
C321
C320
C322
R326
R325
RN35
R324
R323
R322
C318
RN36
R320
R321
C316
C317
R314
Q304
R313
RN37 C315
R319
R318
R316
R317 R315
Q305
R379
R378
R382 R383
R381
R384
R385
C347
R380
C349
L305
C350
C348
R386
Q307
R387
R388
R389
R390
C351
C345
C346
C312
R433
Q321
R434
C374
C375
L310
C376
R441
C379
R435
R436
R439
R437
R440
R438
Q323
C378
C377
C372
Q320
R429
R431
R428
R430
R427
R426
C373
R432
C371
L309
C370
C369
R425
C352
C357
R403
R402
R400R401
Q311
R399
C354
C356
L306
C355
R392
C353
R398
R397
R394
R396R395
R391
R393
Q309
C367
Q318
R421
R423
R420
R422
R419
R418
C368
R424
C366
L308
C365
C364
R417
C358
R416
R415
R413R414
Q315
R412
C360
C362
L307
C361
R405
R411
R410
R407
R409R408
R404
R406
Q313
C363
C359
803Q603Q Q310 Q312 Q314 Q316
Q317
Q319Q333
R365
R366
T303
R329
R328
T304
C339
C340
R374
R373
L304
C341
C342
R375
R376
R371
R372
C336
C335
L302
C338
C337
L303
R367
R368
C332
C334
R361
R358
R357
R356
R355
R353
R354
C333
R351
R349
C331
C328
T302
T301
T305
R364
R363
C344
C343
R301
R302
R303
R335
R334
C313
C314
R330
R369
R370
IC39
R327
C319
IC32
R339
R340
R341
R342
R343
R344
R345
R347 R348
C327
C326
R350
R352
C330
C329
L301
BN20
C304
C303
R362
R360
R359
C302
C301
R462
R463
R464
R450
R451
R452
R453
RN38
C385
RN43
C384
IC33
IC35
IC34
RN41
RN42
RN39
RN40
C389
C386
C387
C380
C381
C383
RN47
RN46
RN45
RN44
IC38
IC37
IC36
R458
R459
R460
R461
R457
R456
R455
R454
C388
C382
R442
R443
R444
R445
R449
R448
R447
R446
C390
C391
R465
CN22
CN21
R654
L311
L312
C698
C699
R694
C694
C693
C692
C691
TO HDMI RX AND TX BLOCK
VIDEO DECODER AND VIDEO ENCODER BLOCK
TO SCALER BLOCK
FROM SCALER BLOCK
HDMI PWB -1/5

4847
+5VH
D_GND
D_GND
D_GND
D_GND
D_GND
D_GND D_GND D_GND
D_GND
D_GND D_GNDD_GND
D_GND
D_GND
D_GND D_GND
D_GND
D_GND
D_GNDD_GND
D_GND D_GND D_GND
D_GND
D_GND
D_GND
D_GND
D_GND D_GND D_GND D_GND
D_GND
D_GND
D_GND D_GND
D_GND
D_GND
D_GND
D_GND
D_GND
D_GND
D_GND
HP DET
+5V
GND
DDC DATA
DDC CLK
NC
CE REMOTE
CK-
D1 SHIELD
CK+
D0-
D0+
D1 SHIELD
D1-
D2 SHIELD
D1+
D2-
D2 SHIELD
D2+
D2+
D2 SHIELD
D2-
D1+
D2 SHIELD
D1-
D1 SHIELD
D0+
D0-
CK+
D1 SHIELD
CK-
CE REMOTE
NC
DDC CLK
DDC DATA
GND
+5V
HP DET
HP DET
+5V
GND
DDC DATA
DDC CLK
NC
CE REMOTE
CK-
D1 SHIELD
CK+
D0-
D0+
D1 SHIELD
D1-
D2 SHIELD
D1+
D2-
D2 SHIELD
D2+
TX2+
INPUT-1 INPUT-2 INPUT-3
TX2-
AGND
TX1+
TX0-
TX0+
AVCC18
TX1-
RESET#
LSDA
LSCL
HPD0
EXTSWING
TXC-
TXC+
AGND
R0XC-
AVCC18
R0XC+
AGND
R0X0-
R0X0+
AVCC33
R0X1-
R0X1+
AGND
R0X2-
R0X2+
AVCC18
DSDA0
DSCL0
RPWR0
DVCC18
DGND
I2CSEL/INT
HPD1
AVCC18
R1XC-
R1XC+
AGND
R1X0-
R1X0+
AVCC33
R1X1-
R1X1+
AGND
R1X2-
R1X2+
AVCC18
DSDA1
DSCL1
RPWR1
CEC_D
CEC-A
AVCC33
HPD2
AVCC18
R2XC-
R2XC+
AGND
R2X0-
R2X0+
AVCC33
R2X1-
R2X1+
AGND
R2X2-
R2X2+
AVCC18
DSDA2
DSCL2
RPWR2
DVCC18
DGND
RSVDL
HPDIN
TSDA
TSCL
TPWR
AGND
PULL-UP OR
PULL-DOWN 47K
PULL-UP OR PULL-DOWN 47K
HDMI CPU BLOCK
HDMI-RX AND TX BLOCK
P+5V2
+5VH
0_HPD_123
CEC_UP
D_CLK
D_DATA
TX2+
TX2-
TX1+
TX1-
TX0+
TX0-
TXC+
TXC-
HDMI_SDA2
HDMI_SCL2
I_5V_CH1
_RST_SW
V+1.8V4
V+3.3V2
+5VH
+5VH
INT_SW
+5VH
HPD1
HPD
I_5V_CH2
I_5V_CH3
+5VH
CEC1
1
2
3
4
5
6
7
8
9
10
11
12
13
14
15
16
17
18
191
2
3
4
5
6
7
8
9
10
11
12
13
14
15
16
17
18
19 1
2
3
4
5
6
7
8
9
10
11
12
13
14
15
16
17
18
19
80
79
78
77
76
75
74
73
72
71
70
69
68
67
66
65
64
63
62
61
60 59 58 57 56 55 54 53 52 51 50 49 48 47 46 45 44 43 42 41
40
39
38
37
36
35
34
33
32
31
30
29
28
27
26
25
24
23
22
21
2019181716151413121110987654321
14 13 12 11 10 9 8
7654321
654
321
654
321
14 13 12 11 10 9 8
7654321
654
321
0
0
0.1
0.1
0.1
0
0
22K
0
0
0.1
SII9185A
TC74VHCT14AFT
100
100
47K
OPEN
1K
1K
100
47K
47K
47K
1K
0.1
0.1
47/25
10uH
9R005Z
47/25
0.1
0.1
47/25
10uH
0.1
0.1
0.1
0.1
0.1
0.1
0.1
0.1
0.1
0.1
0.1
0.1
0.1
1K
KRC103S
KRA102S
10K
10K
UPA672T
47K
47K
47K
47K
UPA672T
10K
10K
KRA102S
KRC103S
1K
22K
22K
1K
KRC103S
KRA102S
OPEN
OPEN
OPEN
47K
OPEN
TC74VHCT04AFN
OPEN
OPEN
OPEN
OPEN
10K
10K
UPA672T
47K
47K
0.1
OPEN
0
0
JK13
R105
R106
C101
C125
C103
R126
R125
R122
R115
R116
C102
JK11 JK12
IC11
IC12
R123
R113
R145R146
R134
R133
R103
R124
R114
R104
R144
C123
C115
C116
L103
L102
C118
C117
C105
C104
L101
C110
C111
C112
C109
C108
C106
C107
C122
C121
C120
C119
C114
C113
R121
Q108
Q107
R129
R128
Q109
R127
R130
R120
R117
Q106
R118
R119
Q104
Q105
R111
R112
R102
R101
Q102
Q101
R137
R135
R136
R142
R143
IC13
R140
R139
R138
R141
R109
R108
Q103
R107
R110
C124
Q110
R132
R131
INPUT BLOCK
HDMI PWB -2/5

49 50
2
31
5678
1
2
3
4
5
D_CLK
D_DATA
DDC+5V
+5VH
V+1.8V1
V+3.3V1
_RST_RX
_SCDT
INT_RX
V+3.3V1
V+3.3V2
V+3.3V2
DDC+5V
V+1.8V3
V+1.8V3
V+3.3V2
SW_I2S_DSD
DL2/SPDIF_RX
DL0/SD0
DR1/SD1
DL1/SD2
DR2/SD3
DR0/WS
DSD_CLK/SCK
MCLK1
V+3.3V2
V+3.3V1
V+1.8V2
V+1.8V1
DDC+5V
V+3.3V2
D_GNDD_GND
D_GND
D_GNDD_GND
D_GND
D_GNDD_GND
D_GNDD_GND
D_GND D_GND
D_GND
D_GNDD_GND
D_GNDD_GND
D_GND D_GND
D_GND
D_GND
D_GND D_GND D_GND
D_GND
D_GNDD_GND
D_GND D_GND D_GNDD_GND
D_GND D_GND
D_GND
D_GND D_GND
D_GNDD_GND
D_GND
D_GND D_GND
D_GND
D_GND
P+5V2
D_GND
D_GNDD_GND
D_GND
D_GND D_GND D_GND
D_GND
D_GND
V+8V
D_GND
V+3.3V2 D_GND
D_GND
V+3.3V2
D_GND
DE
CVCC18
GND
IOVCC33
D5
D6
D7
D8
IDCK
D10
D11
D12
D13
D14
D15
GND
D19
D20
D16
D17
D18
D22
D21
D23
CSDA
CVCC18
CSCL
TMODE
CI2CA
PVCC2
AGND
TX2-
TX2+
TX1-
AGND
TX1+
AVCC18
TXC-
AGND
EXT_SWG
AVCC18
TXC+
TX0-
TX0+
HPD
INT
SD0
SD1
WS
SCK
GND
IOVCC33
MCLK
SPDIF
SD3
SD2
CVCC18
HSYNC
VSYNC
R1X1+
Q34
Q33
IOGND
Q32
Q30
Q29
Q31
IOVCC33
Q26
Q25
IOGND
Q24
CVCC18
Q27
CGND
Q28
Q18
Q17
IOGND
Q16
Q14
Q13
Q15
IOVCC33
Q20
CGND
Q19
CVCC18
Q22
Q21
Q23
IOVCC33
Q12
CGND
Q11
CVCC18
Q35 CVCC18
CGND
CI2CA
SCDT
INT
IOGND
IOVCC33
XTALVCC(PLL3.3)
XTALIN
XTALOUT
DGND(PLL)
REGVCC(PLL3.3)
RSVDNC
RSVDL
RESET#
SD3/DR2
SD2/DL1
SD1/DR1
SD0/DL0
RSVDNC
SPDIF/DL2
CGND
CVCC18
IOVCC33
IOGND
SCK
WS/DR0
MCLK
CGND
CVCC18
DVCC18(PLL)
RSVDNC
MUTEOUT
IOVCC33
IOGND
R0PWR5V
R1PWR5V
IOGND
IOVCC33
DE
HSYNC
CVCC18
CGND
EVNODD
VSYNC
DSDA1
DSCL1
DSDA0
DSCL0
CSCL
CSDA
CVCC18
Q5
Q4
CGND
CVCC18
Q0
Q1
Q2
Q3
ODCK
IOVCC33
Q7
Q6
IOGND
Q8
Q9
Q10
AVCC33
AVCC18
R0XC-
R0XC+
AVCC33
RSVDNC
AGND
AVCC18
AVCC33
AGND
R0X2-
R0X2+
R0X0+
R0X0-
AGND
AVCC33
AVCC33
AGND
R0X1-
R0X1+
AGND
R1X0+
AVCC33
R1X0-
R1XC-
R1XC+
AGND
AGND
R1X1-
AVCC33
R1X2-
AVCC33
R1X2+
AGND
IOGND
IOVCC33
AVCC18
AGND
DCLK
DR0
DL0
DR1
DL1
DR2
DL2
DL3
DR3
RESET#
PVCC1
AGND
AGND
AVCC33
DDCPWR5V
DSCL
DSDA
IOVCC33
CVCC18
D35
D33
D34
D30
D32
D31
GND
D26
D27
D25
D29
D28
CVCC18
GND
IOVCC33
D24
D9
D4
D3
D0 D1
D2
Y8
Y7
Y6
Y5
Y4
Y3
Y2
Y1
OE2
VCC OE1
A1
A2
A3
A4
A5
A6
A7
A8
GND
GND
A8
A7
A6
A5
A4
A3
A2
A1
OE1VCC
OE2
Y1
Y2
Y3
Y4
Y5
Y6
Y7
Y8
GND
A8
A7
A6
A5
A4
A3
A2
A1
OE1VCC
OE2
Y1
Y2
Y3
Y4
Y5
Y6
Y7
Y8
TO HDMI CPU
A B Y GND
YSELECTSTVCC
1234
5678
1234
5678
1234
5678
1234
5678
1234
5678
1234
5678
654
321
144
143
142
141
140
139
138
137
136
135
133
134
132
131
130
129
128
127
126
125
124
122
123
121
120
119
118
117
116
115
114
113
112
111
110
109
108107106105104103102101100999897969594939291908988878685848382818079787776757473
72
71
70
69
68
67
66
65
64
63
62
61
60
59
58
57
56
55
54
53
52
51
50
49
48
47
46
45
44
43
42
41
40
39
38
37
36 35 34 33 32 31 30 29 28 27 26 25 24 23 22 21 20 19 18 17 16 15 14 13 12 11 10 9 8 7 654 3 2 1
123 4
567 8
1 2 3 4
5 6 7 8
024131 19181716151211
10 9 8 7 6 5 432 1
024131 19181716151211
10 98765432 1
024131 19181716151211
10 9 87654321
1 2 3 4
5 6 7 8
1 2 3 4
5 6 7 8
8 7 6 5
4 3 2 1
8 7 6 5
4 3 2 1
1234
5678
100
99
98
97
96
95
94
93
92
91
90
89
88
87
86
85
84
83
82
81
80
79
78
77
76
75 74 73 72 71 70 69 68 67 66 65 64 63 62 61 60 59 58 57 56 55 54 53 52 51
50
49
48
47
46
45
44
43
42
41
40
39
38
37
36
35
34
33
32
31
30
29
28
27
26
25242322212019181716151413121110987654321
1 2 3 4
5 6 7 8
3
16
1715
14
13
12
11
10
9
8
7
6
5
42
1 313
12
11
10
9
8
7
6
5
42
1
19
18
17
16
15
14
13
12
11
10
9
8
7
6
5
4
3
2
1
1
32
5
VDD
CE
GND
Vout
NC 4
4321
12345
FROM VIDEO DEC/ENC BLOCK
HD_DE
ODCK
HD_HSYNC
HD_VSYNC
HD_D35
HD_D34
HD_D33
HD_D32
HD_D31
HD_D30
HD_D29
HD_D28
HD_D11
HD_D10
HD_D23
HD_D22
HD_D21
HD_D20
HD_D19
HD_D18
HD_D17
HD_D16
HD_D7
HD_D6 HD_D6
HD_D7
HD_D16
HD_D17
HD_D18
HD_D19
HD_D20
HD_D21
HD_D22
HD_D23
HD_D10
HD_D11
HD_D28
HD_D29
HD_D30
HD_D31
HD_D32
HD_D33
HD_D34
HD_D35
HD_VSYNC
HD_HSYNC
ODCK
HD_DE
SPDIF/DL2
SD0/DL0
SD1/DR1
SD2/DL1
SD3/DR2
WS/DR0
SCK
MCLK
HDMI CPU BLOCK
D2+
D2 SHIELD
D2-
D1+
D2 SHIELD
D1-
D1 SHIELD
D0+
D0-
CK+
D1 SHIELD
CK-
CE REMOTE
NC
DDC CLK
DDC DATA
GND
+5V
HP DET
HDMI OUT
HDMI_SCL2
HDMI_SDA2
HD_D11
HD_D10
HD_D9
HD_D8
ODCK
HD_D7
HD_D6
HD_D5
HD_D4
HD_D3
HD_D2
HD_D1
HD_D0
HD_DE
HD_HSYNC
HD_VSYNC
HPD
HD_D35
HD_D34
HD_D33
HD_D32
HD_D31
HD_D30
HD_D29
HD_D28
HD_D27
HD_D26
HD_D25
HD_D24
HD_D23
HD_D22
HD_D21
HD_D20
HD_D19
HDMI_SCL2
HDMI_SDA2
TX2+
TX2-
TX1+
TX1-
TX0+
TX0-
TXC+
TXC-
HD_D35
HD_D34
HD_D33
HD_D32
HD_D31
HD_D30
HD_D29
HD_D28
HD_D27
HD_D26
HD_D25
HD_D24
HD_D23
HD_D22
HD_D21
HD_D20
HD_D19
HD_D18
HD_D17
HD_D16
HD_D15
HD_D14
HD_D13
HD_D12
HD_DE
HD_HSYNC
HD_VSYNC
HD_D0
HD_D1
HD_D2
HD_D3
HD_D4
HD_D5
HD_D6
HD_D7
HD_D8
HD_D9
HD_D10
HD_D11
HD_D12
HD_D13
HD_D14
HD_D15
HD_D16
HD_D17
HD_D18
ODCK
HDMI_SPDIF_IN
HDMI_DSD_DATA0
HDMI_DSD_DATA1
HDMI_DSD_DATA2
HDMI_DSD_DATA3
HDMI_LRCK
HDMI_BCLK
HDMI_DSD_L2
HDMI_DSD_R2
HDMI_MUTE
SW_CLK_SEL
HDMI_MCLK
HDMI_RESET
HDMI_MD
HDMI_SDA
HDMI_SCL
HDMI_TXD
HDMI_RXD
DEC_INT
HDMI_DSD_DATA0
HDMI_DSD_DATA1
HDMI_DSD_DATA2
HDMI_DSD_DATA3
HDMI_DSD_L2
HDMI_DSD_R2
HDMI_SPDIF_IN
HDMI_LRCK
HDMI_SPDIF_OUT
HDMI_MUTE
HDMI_MCLK
IPSD_CLK
IPSD_OE
DL2/SPDIF_RX
HDMI_SPDIF_OUT
RESET_IPSD_P
RESET_DEC_P
V_SDA
V_SCL
HDMI_BCLK
DR2/SD3
DL1/SD2
DR1/SD1
DL0/SD0
MCLK1
DR0/WS
DSD_CLK/SCK
INT_TX
_RST_TX
0_5V_CH1
SW_SPDIF
CEC1
HPD1
HD_OEFLUG
0X4
0X4
0X4
0X4
0X4
27P
27P
28.322MHz
0X4
1M
0.1
UPA672T
SII9135CTU
0.1
0.1
0.1
0.1
0.1
0.1
0.1
0.1
0.1
0.1
47/25
100
100
0X4
0X4
10K
10K
1.8K
1.8K
10K
10K
0
TC74VCX541FT TC74VCX541FT TC74VCX541FT
330
9R005Z
0.1
47/25
47/25
0.1
9R005Z
9R005Z
0.1
47/25
1K
0.1
100
100
47K
0.1
10uH
0.1
47/25
10uH
9R005Z
47/25
0.10.1
47/25
9R005Z
0X4
0X4
10
OPEN
OPEN
0.1
0.1
0.1
0.1
0.1
0.1
0.1
0.1
0.1
0.1
0.1
0.1
0.1
0.1
0.1
0.1
0.1
0.1
KRC103S
100X4
100X4
68X4
100
68
68
68
0.1
68
68
100
100
68
68
68
68
0.1
0.1
10K
SII9134CTU
0
100
1K
1K
2.2K
10uH
47/25
0.1
10uH
10uH
10uH
0.1
47/25
47/25
0.1
0.1
47/25
0.1
0.1
0.1
0.1
0.1
0.1
OPEN
OPEN
OPEN
OPEN
0.1
0.1
0.1
9R005Z
47/25
0.1
0.1
47/25
9R005Z
OPEN
0.1
0.1
0.1
0.1
4.7K
100
100
0.1
0.1
0.1
OPEN
OPEN
OPEN
OPEN
3.3K
6.8K
47K
3.3K
6.8K
47K
47K
OPEN
100
100
OPEN
OPEN
4.7K
22
22
22
22
22X4
0
10K
10K
10K
CJP17GB113ZY CJP13GB113ZY
1p 1p
1p 1p
1p 1p
1p 1p
47K
100
10/50
0.1
RN5RZ50BA
0.1
1/50
OPEN
OPEN
OPEN
OPEN
0
0
0.1
CVITC7SH125FU
RN25
RN26
RN27
RN28
RN29
C223
C222
X201
RN30
R211
C207
Q202
IC21
C205
C206
C208
C209
C210
C211
C212
C213
C214
C204
C203
R203
R204
RN22
RN23
R248
R249
R247
R250
R202
R201
R232
IC26 IC25 IC24
R210
L203
C217
C216
C227
C226
L205
L204
C224
C225
R215
C230
R217
R216
R213
C215
L202
C202
C201
L201
L207
C240
C239C237
C238
L206
RN24
RN21
R221
R222
R220
T201
C246
C245
C244
C243
C242
C241
C218
C219
C220
C221
C228
C229
C231
C232
C233
C234
C235
C236
Q201
RN34
RN33
RN32
R274
R273
R272
R271
C295
R267
R268
R269
R270
R259
R260
R261
R262
C294
C293
R258
IC22
R233
R234
R235
R237
R236
L213
C278
C277
L212
L211
L210
C275
C276
C274
C273
C271
C272
C259
C260
C261
C262
C263
C279
C264
C265
R227
R226
C254
C255
C253
L209
C251
C250C252
C249
L208
R240
C270
C269
C268
C267
R241
R239
R238
C256
C257
C258
R228
R231
R230
R229
R243
R242
R205
R256
R257
R219
R218
R214
R223
R224
C247
C248
R212
R207
R206
R209
R208
RN31
R225
C266
R254
R253
23NC13NC
JK21
C280 C281
C282 C283
C284 C285
C286 C287
R245
R246
C291
C290
IC28
C288
C289
R255
IC23
R251
C292
R252
R275
C296
IC27
TO INPUT PWB TO INPUT PWB
FROM INOUT BLOCK
HDMI RX AND TX BLOCK
HDMI PWB -3/5

5251
HDMI PWB -4/5
D_GND
D_GND
D_GND
D_GND
D_GND
D_GND
D_GND
D_GND
D_GND
D_GND
D_GND
D_GND
D_GND
D_GND
D_GND
D_GND
D_GND
D_GND
V+3.3V2
V+3.3V2V+1.8V7V+1.8V6
D_GND
D_GND
V+3.3V2
D_GND
D_GND
D_GNDD_GND
MD[0]
MD[1]
MD[2]
MA[0]
POD[24]
VODE
VSS
MCLK0
VDDE
VSS
208
12345678910111213141516171819202122232425262728293031323334353637383940414243444546474849505152
53
54
55
56
57
58
59
60
61
62
63
64
65
66
67
68
69
70
71
72
73
74
75
76
77
78
79
80
81
82
83
84
85
86
87
88
89
90
91
92
93
94
95
96
97
98
99
100
101
102
103
104
105 106 107 108 109 110 111 112 113 114 115 116 117 118 119 120 121 122 123 124 125 126 127 128 129 130 131 132 133 134 135 136 137 138 139 140 141 142 143 144 145 146 147 148 149 150 151 152 153 154 155 156
157
158
159
160
161
162
163
164
165
166
167
168
169
170
171
172
173
174
175
176
177
178
179
180
181
182
183
184
185
186
187
188
189
190
191
192
193
194
195
196
197
198
199
200
201
202
203
206
207
204
205
8765
4321
8765
4321
8765
4321
8765
4321
8765
4321
8 7 6 5
4 3 2 1
8 7 6 5
4 3 2 1
8 7 6 5
4 3 2 1
8 7 6 5
4 3 2 1
8765
4321
8 7 6 5
4 3 2 1
8 7 6 5
4 3 2 1
8 7 6 5
4 3 2 1
8765
4321
8765
4321
123456789101112131415161718192021222324252627
28 29 30 31 32 33 34 35 36 37 38 39 40 41 42 43 44 45 46 47 48 49 50 51 52 53 54
16 14 12 10 8 6 4 2
123 4
5678
SC_C0
SC_C1
SC_C2
SC_C3
SC_C4
SC_C5
SC_C6
SC_C7
SC_C8
SC_C9
SC_Y0
SC_Y1
SC_Y2
SC_Y3
SC_Y4
SC_Y5
SC_Y6
SC_Y7
SC_Y8
SC_Y9
SC_CLK
SC_DE
SC_VSYNC
SC_HSYNC
IPSD_CLK
V_SCL
V_SDA
V_G7/Y7
V_G6/Y6
V_G5/Y5
V_G4/Y4
V_G3/Y3
V_G2/Y2
V_G1/Y1
V_G0/Y0
V_G01/Y01
V_G00/Y00
V_B7/CB7
V_B6/CB6
V_B5/CB5
V_B4/CB4
V_B3/CB3
V_B2/CB2
V_CLK_SC
V_B1/CB1
V_B0/CB0
V_B01/CB01
V_B00/CB00
V_DE
V_HSYNC
V_VSYNC
MCKB
MD[0]
MD[1]
MD[2]
MD[3]
MD[4]
MD[5]
MD[6]
MD[7]
MD[8]
MD[9]
MD[10]
MD[11]
MD[12]
MD[13]
MD[14]
MD[15]
MDQM[0]
MDQM[1]
MCSB
MA[0]
MA[1]
MA[2]
MA[3]
MA[4]
MA[5]
MA[6]
MA[7]
MA[8]
MA[9]
MA[10]
MA[11]
MRASB
MCASB
MWRB
BA[1]
BA[0]
MD[15]
MD[14]
MD[13]
MD[12]
MD[11]
MD[10]
MD[9]
MD[8]
MDQM[1]
MCKB
MA[11]
MA[9]
MA[8]
MA[7]
MA[6]
MA[5]
MA[4]
MA[3]
MA[2]
MA[1]
MA[0]
MA[10]
BA[1]
BA[0]
MCSB
MRASB
MCASB
MWRB
MDQM[0]
MD[7]
MD[6]
MD[5]
MD[4]
MD[3]
MD[2]
MD[1]
MD[0]
D_GND
RESET_IPSD
IPSD
IPSD_DB7
IPSD_DB6
IPSD_DB5
IPSD_DB4
IPSD_DB3
IPSD_DB2
IPSD_DB1
IPSD_DB0
IPSD_CS0
IPSD_RD
IPSD_WR
IPSD_AD
IPSD_RD
IPSD_CS0
IPSD_WR
IPSD_AD
IPSD_WAIT
IPSD_DB0
IPSD_DB1
IPSD_DB2
IPSD_DB3
IPSD_DB4
IPSD_DB5
IPSD_DB6
IPSD_DB7
RESET_IPSD_P
IPSD_WAIT
IPSD_OE
IPSD_RD
IPSD_CS0
IPSD_WR
IPSD_AD
IPSD_WAIT
IPSD_DB0
IPSD_DB1
IPSD_DB2
IPSD_DB3
IPSD_DB4
IPSD_DB5
IPSD_DB6
IPSD_DB7
317 15 13 11 9 7 5 1
VDDE
RSTB
VDDI
IFMD
PIVSB
PIHSB
PIACTB
PIFLD
PID[0]
PID[1]
PID[2]
PID[3]
VDDI
PICLK
VSS
VDDE
PID[4]
PID[5]
PID[6]
PID[7]
PID[8]
VSS
PID[9]
VDDI
PID[10]
PID[11]
PID[12]
PID[13]
PID[14]
PID[15]
PID[16]
MCLK
VDDE
PLL VDD2
PLL VSS2
VSS
PID[17]
PID[18]
PID[19]
MCLKAT
VDDI
TESTB[0]
TESTB[1]
TESTH
XTEST
MCLKSEL[0]
MCLKSEL[1]
POD[25]
POD[26]
POD[27]
POD[28]
VDD
POD[29]
POCLK0
VDDE
VSS
POACTB
POOSDACTB[0]
POOSDACTB[1]
VSS
VDDE
VDDI
POVSB
POHSB
POFLD
VSS
VDDE
WAITB
POEXTB
POENB
VDDI
POCLK
VDDE
PLL VDD1
PLL VSS1
VSS
SYSCLK
AD
WEB
REB
CEB
VSS
SCL
VDDE
SDA
VSS
VDDI
DB[0]
DB[1]
DB[2]
DB[3]
VSS
VDDE
DB[4]
DB[5]
DB[6]
MA[7]
MA[8]
VDDI
MA[9]
MA[10]
MA[11]
VDDE
MRASB
MCASB
MWRB
BA[1]
BA[0]
POD[0]
VSS
POD[1]
POD[2]
POD[3]
VDDE
POD[4]
POD[5]
POD[6]
POD[7]
POD[8]
VDDI
POD[9]
POD[10]
VDDE
VSS
POD[11]
POD[12]
POD[13]
POD[14]
POD[15
POD[16]
POD[17]
VDDE
VSS
POD[18]
POD[19]
POD[20]
VDDI
POD[21]
POD[22]
POD[23]
MD[3]
VSS
VDDE
MD[4]
MD[5]
MD[6]
MD[7]
VDDI
MD[8]
MD[9]
VDDE
MD[10]
MD[11]
MD[12]
VSS
MD[13]
MD[14]
MD[15]
VDDI
VDDE
MD[16]
MD[17]
MD[18]
MD[19]
MD[20]
MD[21]
VDDE
VSS
MD[22]
MD[23]
MD[24]
MD[25]
MD[26]
MD[27]
VDDE
VSS
MD[28]
MD[29]
MD[30]
VDDI
MD[31]
VSS
VDDE
MDQM[0]
MDQM[1]
MDQM[2]
MDQM[3]
MCSB
VSS
VDDE
MA[3]
MA[4]
MA[5]
MA[6]
MA[1]
MA[2]
DB[7]
VSS
VSS
DQ15
VSSQ
DQ14
DQ13
VDDQ
DQ12
DQ11
VSSQ
DQ10
DQ9
VDDQ
DQ8
VSS
NC/RFU
UDQM
CLK
CLKE
NC
A11
A9
A8
A7
A6
A5
A4
VSSVDD
A3
A2
A1
A0
A10/AP
BA1
BA0
CS
RAS
CAS
WE
LDQM
VDD
DQ7
VSSQ
DQ6
DQ5
VDDQ
DQ4
DQ3
VSSQ
DQ2
DQ1
VDDQ
DQ0
VDD
IP00C773
22X4
22X4
22X4
22X4
22X4
0
22X4
22X4
22X4
0
22X4
22X4
22X4
22X4
22X4
N.C
N.C
0.1
0.1
0.1
0.1
0.1
0.1
0.1
0.1
0.1
0.1
0.1
0.1
0.1
0.1
0.1
0.1
0.1
10uH
0.1
0.1
0.1
0.1
0.1
0.1
0.1
0.1
0.1
OPEN
0
0
10K
10K
0
N.C
10K
N.C
10K
0.1
0.1
0.1
0.1
0.1
0.1
0.1
0.1
0.1
0.1
0.1
0.1
10K
0
10K 22
22
22
22
OPEN
10K
OPEN
OPEN
10uH
10uH
22
100/16
100/16
0.1
0.1
100/16
0.1
OPEN
0
OPEN
0
0
OPEN
OPEN
0
0
0
0
M12L64164A-5TG
10uH
100/16
0.1
0.1
0.1
OPEN
0
0.1
0.1
0.1
0.1
0.1
CJP17GB113ZY
3.3K
4.7K
4.7K
4.7K
4.7K
4.7K
4.7K
4.7K
4.7K
4.7K
4.7K
4.7K
4.7K
4.7K
4.7K
OPEN
OPEN
OPEN
0
0
OPEN
27 MHz
0.1uF
0
1M
18P
18P
CVITC7WHU04FU
0
LAND
OPEN
100
OPEN
IC41
RN49
RN50
RN51
RN52
RN53
R469
RN54
RN55
RN56
R472
RN57
RN58
RN59
RN60
RN61
RN62
RN63
C426
C425
C424
C423
C422
C421
C420
C419
C410
C411
C412
C413
C414
C415
C416
C417
C418
L401
C447
C446
C445
C444
C443
C442
C441
C440
C439
R491
R496
R497
R495
R494
R498
R499
R501
R502
R503
C438
C437
C436
C435
C434
C433
C432
C431
C430
C429
C428
C427
R485
R482
R481
R480
R479
R478
R477
R483
R484
R486
R487
L402
L403
R468
C453
C451
C452
C450
C449
C448
R493
R492
R490
R489
R488
R475
R476
R470
R473
R471
R474
IC42
L404
C401
C402
C409
C408
R467
R466
C407
C406
C405
C404
C403
CN11
R655
R658
R659
R660
R661
R662
R663
R664
R665
R666
R667
R668
R669
R670
R671
R672
R673
Q401
R681
R683
R684
X401
C671
R692
R691
C672
C673
IC43
R693
T639
R697
R674
R685
FROM VIDEO DECODER BLOCK
TO VIDEO ENCODER [AND HDMI TX] BLOCK
FROM INPUT PWB
IP & SCALER BLOCK

53 54
HDMI PWB -5/5
MODE
RESET
+5V
GND
GND
141312111098
7 6 5 432 1
1 2 3 4 567 8 9
1234
1 2 3 4 5 6 789 10 11 12 13 14 15 16
17
18
19
20
21
22
23
24
25
26
27
28
29
30
31
32
33343536373839404142434445464748
49
50
51
52
53
54
55
56
57
58
59
60
61
62
63
64
1234
5 4 3 2 1
In Out
GND
3
1
2
In Out
GND
3
1
2
In Out
GND
3
1
2
In Out
GND
3
1
2
In Out
GND
3
1
2
In Out
GND
3
1
2
In Out
GND
3
1
2
In Out
GND
3
1
2
In Out
GND
3
1
2
In Out
GND
3
1
2
In Out
GND
3
1
2
In Out
GND
3
1
2
In Out
GND
3
1
2
654
3 2 1
1
2
3
4
5
6
7
8
9
10
11
12
13
14
15
16
17
18
19
20
21
22
23
24
25
26
27
28
29
30
31
32
33
34
35
36
37
38
39
40
41
42
43
44
45
46
47
48
1
1
1
1
1
1
1
1
1
1
1
1
1
1
1
1
1
1
1
1
1
1
1
1
1
1
1
1
1
1
1
1
1
1
11
DEBUG_RxDO
DEBUG_TxDO
DEBUG_RxD1
DEBUG_TxD1
DEBUG_07
DEBUG_06
DEBUG_05
DEBUG_04
DEBUG_03
DEBUG_02
DEBUG_01
DEBUG_00
+5V
DEBUG-X
+5V
GND
P26/TRDIOC1
P25/TRDIOB1
P24/TRDIOA1
P23/TRDIOD0
P22/TRDIOC0
P21/TRDIOB0
P20/TRDIOA0/TRDCLK
P17/TRAIO/INT1
P16/CLK0
P15/RXD0/(TRAIO)/(INT1)
P14/TXD0
P85/TRFO12
P84/TRFO11
P83/TRFO10/TRFI
P82/TRFO02
P10/KI0/AN8
P00/AN7
P02/AN5
P03/AN4
P04/AN3
P62
P61
P01/AN6
P07/AN0/DA1
VREF
VCC/AVCC
P37/SSO
P35/SCL/SSCK
49
50
51
52
53
54
55
56
57
58
59
60
61
62
63
64
3.3V REGULATOR 1.8V REGULATOR
P52/TRCIOB
P54/TRCIOD
VCC/AVCC
VSS/AVSS
P47/XOUT
P43/XCIN
P51/TRCIOA/TRCIOG
P46/XIN
P50/TRCCLK
P66/INT2/TXD1
P27/TRDIOD1
P33/SSI
P34/SDA/SCS
P53/TRCIOC
MODE
P44/XCOUT
RESET
P05/AN2/CLK1
P06/AN1/DA0
VSS/AVSS
P11/KI1/AN9
P12/KI2/AN10
P13/KI3/AN11
P32/(INT2)
P36/(INT1)
P30/TRAO
P31/TRBO
P63/TXD2
P64/RXD2
P65/(CLK1)/CLK2
P67/INT3/RXD1
P45/INT0
P60/TRE0
P80/TRFO00
P81/TRF01
P86
0_HPD_123
0_5V_CH1
_RST_SW
_RST_TX
_RST_RX
HDMI_RESET
HDMI_MD
INT_TX
HDMI_SDA
INT_RX
_SCDT
HDMI_MUTE
SW_CLK_SEL
SW_I2S_DSD
SW_VIDEO2
SW_VIDEO1
HDMI_TXD
HDMI_RXD
RESET_IPSD
RESET_DEC
HDMI_SCL
I_5V_CH1
I_5V_CH2
I_5V_CH3
HPD
D_GND
HDMI_SDA2
HDMI_SCL2
INT_SW
SW_SPDIF
+5VH
+5VH
+5VH
+5VH
+5VH
+5VH
+5VH
V+3.3V1
+5VH
V+3.3V2
+5VH
V+3.3V4
+5VH
V+1.8V1
+5VH
V+1.8V2
+5VH
V+1.8V3
V+1.8V4
+5VH
V+1.8V5
+5VH
+5VH
V+1.8V6
+5VH
V+1.8V7
+5VH
D_GND
D_GND
D_GND
D_GND
D_GND
D_GND
D_GND
D_GND
D_GND
D_GND
V+1.8V5 VD_+1.8VPLL
+5VH DDC+5V
+8V V+8V
D_GND D_GNDD_GND
D_GND D_GND
D_GND D_GND VD_+1.8VD
V-GND V-GND
D_GNDD_GND
V+3.3V4 VD_+3.3VIO
D_GND D_GND VD_+3.3VA
V-GND V-GND
D_GNDD_GND
D_GND D_GND
DNG_DDNG_D
D_GND D_GND
D_GND
D_GND
D_GND
D_GND
D_GND
D_GND
D_GND
D_GND
D_GND
D_GND
+5VH
V+3.3V2
TC74VHCT04AFN
KRC103S
20 MHz
27P
27P
KRC103S
10K
10K
4.7K4.7K
10K
10K
10K
10K
10K
10K
10K
10K
0
R5F212AASNFP
0.1
0.1
0.1
10K
10K
10K
4.7K
4.7K
3.3K
3.3K
6.8K
6.8K
10K
10K
10K
10K
10K
10K
10K
10K
10K
10K
10K
0.1
10K
OPEN
6.8K
3.3K
6.8K
KIA1117S33
KIA1117S18
0.1
0.1
100/16
100/16
0.1
100/16
0.1
100/16
KIA1117S33
0.1
0.1
100/16
100/16
KIA1117S33
0.1
0.1
100/16
100/16
KIA1117S18
0.1
100/16
0.1
100/16
KIA1117S18
0.1
100/16
0.1
100/16
KIA1117S18
0.1
100/16
0.1
100/16
KIA1117S18
0.1
100/16
0.1
100/16
1N4003SRT
1N4003SRT
KIA1117S33
100/16
0.1
KIA1117S18
0.1
100/16
0.1
100/16
KIA1117S33
100/16
0.1
KIA1117S18
0.1
100/16
0.1
100/16
KIA1117S33
100/16
0.1
9R005Z
0.1
100/16
47/25
0.1
9R005Z
0.1
9R005Z
0.1
0.1
10uH
0.1
100/16
0.1
0.1
9R005Z
0.1
100/16
10uH
0.1
100/16
0.1
0.1
10K
OPEN
10K
6.8K
3.3K 10K
10K
0
0
0
0
OPEN
UPA672T
4.7K4.7K
IC62
Q601
X601
C603
C604
Q602
CN62
CN64
R601
R602
R604
R603
R607
R611
R610
R609
R608
R612
R613
R614
R605
IC61
C602
C605
CN61
C601
CN63
R617
R616
R615
R619
R620
R624
R625
R622
R623
R628
R629
R630
R634
R636
R635
R644
R643
R642
R641
R645
C606
R640
T601
T602
T603
T604
T605
T606
T609
T608
T607
T616
T615
T614
T622
T621
T620
T619
T624
T623
T626
T632
T631
T633
T630
T629
T628
T627
R637
R638
R632
R633
IC63
IC66
C608
C609
C610
C607
C638
C639
C637
C636
IC64
C612
C613
C614
C611
IC65
C616
C617
C618
C615
IC67
C642
C643
C641
C640
IC69
C648
C649
C647
C646
IC70
C652
C653
C651
C650
IC71
C656
C657
C655
C654
D601
D602
IC68
C645
C644
IC73
C662
C663
C661
C660
IC72
C659
C658
IC75
C668
C669
C667
C666
IC74
C665
C664
L601
C622
C621
C626
C627
L603
C625
L604
C628
C629
L602
C624
C623
C620
C619
L605
C633
C632
L606
C635
C634
C631
C630
R626
R606
T625
T610
T611
T612
T613
R631
R621
R618
T638
R675
R676
R677
R678
R679
R680
T634
T635
T636T637
R682
Q603
R699R698
TO HDMI TX BLOCK
HDMI CPU BLOCK

5655
FL
FR
SL
SR
SBL
SBR
C
SW
FROM FRONT_AUX1 INPUT
AUX1_RCH
AUX1_LCH
7.1CH SBL/R
7.1CH FL/R
R
R
R
SW
R
R
R
L
L
L
C
L
L
L
7.1CH C/SW
7.1CH SL/R
TAPE IN
DSS IN
R
L
CT
SW
L
R
ZONE A
OUT
DVD IN
VCR1 IN
L
L
R
R
TV IN
VCR1 OUT
L
R
TAPE OUT
CD/CDR IN
CD/CDR OUT
L
L
R
R
SBR
SBL
SL
SR
FR
FL
FR
FL
SR
SL
SW
CT
SBR
SBL
AGND
AGND
AGND
AGND
AGND
AGND
AGND
AGND IN1AGNDAGND 2NIEEVCCV
MULTI_OUT-L
TO DAC IC33
SR
FR
SL
FL
C
SBL
SBR
SW
+12V
AGND
-12V
AGND
AGND
SBR/SPK_C-R
SBL/SPK_C-L
+6dB
+6dB
+6dB
+6dB
+6dB
+6dB
+6dB
+18dB
MULTI-R
MULTI-L
(AUX2)
FUNCTION
AGND
+14dB
+14dB
MULTI_OUT-R
ZONE A OUT
[MULTI_OUT]
MULTI_OUT-L
**
**
MIC_MONO
MIC_MONO MIC_MONO
7.1CH_FL
AUX2_L
AUX2_R
7.1CH_FR
7.1CH_SL
7.1CH_SR
7.1CH_CNT
7.1CH_SW
7.1CH_SBL
7.1CH_SBR
MULTI_SPK_L
MULTI_SPK_R
MULTI_R
MULTI_L
EL_DATA
EL_CLK
DGND
MUTE_VOL
AVEE
N.C.
LT
RT
AGND
N.C.
CD/CDR_R
CD/CDR_L
TV_R
TV_L
DVD_R
DVD_L
DSS_R
DSS_L
DMP_R
DMP_L
AUX1_R
AUX1_L
VCR1_R
VCR1_L
N.C.
VCR1_REC_R
VCR1_REC_L
TAPE_R
N.C.
TAPE_L
N.C.
TAPE_REC_R
TAPE_REC_L
D_TUNER_R
D_TUNER_L
D_TUNER_R
D_TUNER_L
TUNER_R
TUNER_L
TUNER_R
TUNER_L
N.C.
N.C.
N.C.
CD/CDR_REC_R
CD/CDR_REC_L
N.C.
DSP_FL
DSP_FR
DSP_CNT
DSP_SW
DSP_SL
DSP_SR
DSP_SBL
DSP_SBR
N.C.
SBLC
SBL_OUT
AGND
SBR_OUT
SBRC
AGND
SLC
SL_OUT
AGND
SR_OUT
SRC
N.C.
SWC
SW_OUT
AGND
CNT_OUT
CNTC
AGND
FLC
FL_OUT
AGND
FR_OUT
FRC
N.C.
BASSL1
BASSL2
TREL
N.C.
AVCC
N.C.
BASSR1
BASSR2
TRER
N.C.
L
R
XM_L
MIC
SIRIUS_L
D_TUNER_L
N.C.
INH
-6V
AGND
+6V
AGND
SIRIUS_R
D_TUNER_R
XM_R
N.C.
FUNC_SEL_A
FUNC_SEL_B
GND
GND
GND
+12V
-12V
CONNECT
MCU PART
TO USB PWB
7PIN-2.0MM-WIRE
FROM FRONT PWB
9PIN-2.0MM-CONNECT-WAFER
TO MAIN PWB
21PIN-1.25MM-FCC-WAFER
R2A15218FP
ONLY U VERSION
SR6003 ONLY
EXCEPT U VERSION
AGND
AGND
1234
5 6 7 8
A
+ -
B+-
A OUTPUT
A-INPUT
A+INPUT
V-
B+INPUT
B-INPUT
B OUTPUT
V+
1234
5 6 7 8
A
+ -
B+-
A OUTPUT
A-INPUT
A+INPUT
V-
B+INPUT
B-INPUT
B OUTPUT
V+
1234
5 6 7 8
A
+ -
B+-
A OUTPUT
A-INPUT
A+INPUT
V-
B+INPUT
B-INPUT
B OUTPUT
V+
1234
5 6 7 8
A
+ -
B+-
A OUTPUT
A-INPUT
A+INPUT
V-
B+INPUT
B-INPUT
B OUTPUT
V+
1234
5 6 7 8
A
+ -
B+-
A OUTPUT
A-INPUT
A+INPUT
V-
B+INPUT
B-INPUT
B OUTPUT
V+
141312111098
7654321
1234
5 6 7 8
A
+ -
B+-
A OUTPUT
A-INPUT
A+INPUT
V-
B+INPUT
B-INPUT
B OUTPUT
V+
1
2
3
4
5
6
7
8
9
10
11
12
13
14
15
16
17
18
19
20
21
99
98
97
96
95
94
93
92
91
90
89
88
87
86
85
84
83
82
81
50
49
48
47
46
45
44
43
42
41
40
39
38
37
36
35
34
33
32
31
302928272625242322212019181716151413121110987654321
100
161514131211109
7 6 5 4 3 2 1
In Out
GND
3
2
1
In Out
GND
2
1
3
2 1
80 79 78 77 76 75 74 73 72 71 70 69 68 67 66 65 64 63 62 61 60 59 58 57 56 55 54 53 52 51
87654321
9 8 7 6 5 4 3 2 1
CLK DATA MUTE DGND SEL OUT2 OUT1
R571 R570
0.047u 0.047u
R494 R493
C519 C518
0.047u 0.047u
47K 47K
R513 R512
0.047u 0.047u
47K 47K
C555 C554
0.047u0.047u
C500 C499
0.047u 0.047u
C494 C493
R483 R484
+12VA
SB_MUTE
C_MUTE
SW_MUTE
S_MUTE
F_MUTE
P_DOWN
ER_MUTE
+5VL
+5VL
-12VA
+12VA
-12VA
MUTE[00:06]
MULTI_OUT_R
MULTI_OUT_L
-12VA
+12VA
-12VA
-12VA
+12VA
-12VA
-12VA
+12VA
-12VA
DSP_FLIN
DSP_FRIN
DSP_CTIN
DSP_SWIN
DSP_SLIN
DSP_SRIN
DSP_SBLIN
DSP_SBRIN
LINE[00:40]
AGND
AGND
AGND
AGND
AGND
AGND
AGND
LINE01
LINE02
LINE03
LINE04
LINE05
LINE06
LINE07
LINE08
LINE09
LINE10
LINE11
LINE12
LINE13
LINE14
LINE17
LINE18
LINE16
LINE15
AGND
AGND
AGND
AGND
AGND
AGND
AGND
AGND
AGND
AGND
AGND
AGND
AGND
AGND
LINE24
LINE23
LINE30
LINE29
LINE26
LINE25
LINE28
LINE27
+6.5V -6.5V
+12VA
-12VA
MULTI_MONO AGND
AGND
M_VOL_CLK
M_VOL_DATA
M_VOL_MUTE
AGND
LINE08
RT
LT
+6.5V
-6.5V
-12VA
PRE[01:12]
PRE[01:12]
+12VA
-12VA
AGND
+12VA
-12VA
XM_LCH
XM_RCH
VOL_DATA
VOL_CLK
LINE07
LINE05
LINE06
LINE03
LINE04
LINE01
LINE02
LINE36
LINE35
AGND
TU_LCH
TU_RCH
AGND
DGND
AGND
AGND
AGND
AGND
AGND
AGND
AGND
AGND
AGND
AGND
AGND
AGND
AGND
AGND
AGND
AGND
AGND
AGND
AGND
AGND
AGND
AGND
AGND
AGND
DGND
DGND
+6.5V
AGND
AGND
AGND
AGND
-12VA
+12VA
-12VA
PRE08
PRE07
PRE06
PRE05
PRE04
PRE03
PRE02
PRE01
MUTE05
MUTE01
M_MUTE
AGND
MUTE05
MUTE04
MUTE03
MUTE02
MUTE01
MUTE06
MULTI_OUT_L
MULTI_OUT_R
+12VA
-12VA
-12VA
+12VA
AGND
PRE02
PRE01
LINE37
LINE34
LINE33
LINE28
LINE27
LINE24
LINE23
LINE22
LINE21
AGND
LINE31
LINE32
+5VD
MIC_MUTE
AGND
-12VA
-6.5V
+6.5V
PRE04
LINE21
LINE22
LINE15
LINE16
LINE13
LINE14
LINE33
LINE34
LINE19
LINE20
LINE17
LINE18
LINE11
LINE12
LINE09
LINE10
LINE31
LINE32
LINE01
LINE02
LINE25
LINE26
FUNC_SEL_A
FUNC_SEL_B
+6.5V
-6.5V
LINE29
LINE30
VOL_MUTE
MUTE06
AUX1_SPDIF_IN
LINE37
-6.5V-6.5V
+6.5V
MUTE03
MUTE04
MUTE02
SIRIUS_L
SIRIUS_R
+12V-12V
LINE19
LINE20
AGND
LINE36
LINE35
PRE03
PRE05
PRE06
PRE08
PRE07
AGND AGND AGND
1SS355
470u/10V
1000/16V
100
10/50V
82K
470P
100
10/50V
82K
100
P074P074
100
82K
10/50V
100
470P
82K
10/50V
1SS355
HVTKRC102S
HVTKRC104S
HVTKRC104S
HVTKRC104S
HVTKRC104S
HVTKRC104S
HVTKRA102S
HVTKRA102S
HVTKRA102S
HVTKRA102S
HVTKRA102S
HVTKRA102S
1SS355
1SS355
1SS355
1SS355
1SS355
1SS355
10/50V
120K
470P
1K
10/50V
120K
1K
470P
470P
100
82K
10/50V
100
470P
82K
10/50V
470P
1K
120K
10/50V
1K
470P
120K
10/50V
HVINJM2068MDTE1
22/50V
22/50V
47K47K
5.6K
5.6K
100P
100P
0.047u0.047u
4.7K
4.7K
22/50V
22/50V
47/25V
47/25V
220
220
47K47K
470P470P
C2874 C2874
4.7K
4.7K
33022
C2874 C2874
4.7K
4.7K
33022
1M
10/50V
82K
470P
100
10/50V
82K
100
470P
470P
100
82K
10/50V
100
470P
82K
10/50V
10/50V
82K
470P
100
10/50V
82K
100
P074P074
100
82K
10/50V
100
470P
82K
10/50V
470P
100
82K
10/50V
100
470P
82K
10/50V
10/50V
82K
470P
100
10/50V
82K
100
470P470P
100
82K
10/50V
100
470P
82K
10/50V
470P
1K
120K
10/50V
1K
470P
120K
10/50V
10/50V
47K
470P
1K
10/50V
47K
1K
470P
1M
33220
4.7K
4.7K
C2874
C2874
33220
4.7K
4.7K
C2874
C2874
P074P074
K74K7
4
220
220
47/25V
47/25V
22/50V
22/50V
4.7K
4.7K
100P
100P
5.6K
5.6K
22/50V
22/50V
HVINJM2068MDTE1 HVINJM2068MDTE1
22/50V
22/50V
47K47K
33K
5.6K
100P
100P
0.047u0.047u
4.7K
4.7K
22/50V
22/50V
47/25V
47/25V
220
220
47K47K
470P470P
C2874 C2874
4.7K
4.7K
33022
C2874 C2874
4.7K
4.7K
33022
1M 1M
33220
4.7K
4.7K
C2874
C2874
33220
4.7K
4.7K
C2874
C2874
P074P074
K74K74
220
220
47/25V
47/25V
22/50V
22/50V
4.7K
4.7K
220p
220p
5.6K
5.6K
22/50V
22/50V
HVINJM2068MDTE1
100/16V
100/16V
0.1uF
0.1uF
220
220
100P
100P
0.022u
0.047u
0.15uF
0.047u
0.015u
4.7K
4.7K
0.022u
22/50V 22/50V
220
220
220
220
220
100P
100P
100P
47K
47/25V
47/25V
22/50V
22/50V
HVINJM2068MDTE1
2SK117Y
1K
1K
47/25V
47/25V
47/25V
47/25V
47/25V
47/25V
47/25V
47/25V
1M
BD3812F
HVTKRC102S
HVTKRA102S
100K
1M
82K
470P
100
82K
100
470P
10/50V
82K
470P
100
10/50V
82K
100
470P
1K
1M
33220
4.7K
4.7K
C2874
C2874
33220
4.7K
4.7K
C2874
C2874
P074P074
K74K74
220
220
47/16V
47/16V
22/16V
22/16V
1.2K
1.2K
100P
100P
8.2K
8.2K
47K 47K
22/16V
22/16V
HVINJM2068MDTE1
HVTKRA102S
HVTKRC104S
0.047u 0.047u
100/16V
100/16V
100/16V
100/16V
HVTKRA102S
HVTKRC102S
1SS355
470P
100
10K
100
470P
10K
1SS355
1SS355
1SS355
1N40031N4003
1N4003
0.047u0.047u
1N4003
C2874
4.7K
1M
HVTKRA102S
TC74HC4052AFT
1SS355
0.047u 0.047u
1SS355
47/25V 47/25V
470P
100
82K
100
470P
82K
KIA78S06PAT
KIA79S06PAT
1K
10K10K
0
220
220
100K100K100K100K100K100K100K100K100K100K100K100K100K100K
100K100K
100K100K
100K100K
47K
47K 47K
D407
C565
C564
R589
C416
R416
C414
R414
C415
R415
R413
904C314C
R409
R411
C411
R410
C410
R412
C412
JK32
D405
BN83
Q439
Q428
Q430
Q432
Q434
Q436
Q438
Q437
Q435
Q433
Q431
Q429
D408
D410
D411
D412
D413
D406
C448
R448
C446
R446
C447
R447
R445
C445
C429
R429
R431
C431
R430
C430
R432
C432
C433
R433
R435
C435
R434
C434
R436
C436
IC48
C540
C541
R551
R552
R556
R555
C546
C547
C542C543
R553
R554
C544
C545
C548
C549
R559
R560
R557R558
C550C551
Q418 Q419
R566
R568
365R165R
Q420 Q421
R565
R567
465R265R
R549
JK31
C404
R404
C402
R402
C403
R403
R401
C401C405
R405
R407
C407
R406
C406
R408
C408
C428
R428
C426
R426
C427
R427
R425
124C524C
R421
R423
C423
R422
C422
R424
C424
C437
R437
R439
C439
R438
C438
R440
C440
C444
R444
C442
R442
C443
R443
R441
C441C449
R449
R451
C451
R450
C450
R452
C452
C453
R453
R455
C455
R454
C454
R456
C456
C420
R420
C418
R418
C419
R419
R417
C417
R588
R583R581
R587
R585
Q425Q424
R582R580
R586
R584
Q423Q422
265C365C
675R775R
R579
R578
C561
C560
C557
C556
R573
R572
C559
C558
R574
R575
C553
C552
IC49 IC47
C528
C529
R531R532
R536
R535
C534
C535
C530C531
R533
R534
C532
C533
C536
C537
R539
R540
R537R538
C538C539
Q414 Q415
R545
R547
345R145R
Q416 Q417
R546
R548
445R245R
R550 R530
R525R523
R529
R527
Q413Q412
R524R522
R528
R526
Q411
Q410
625C725C
815R915R
R521
R520
C525
C524
C521
C520
R515
R514
C523
C522
R516
R517
C517
C516
IC46
C489
C483
C490
C482
R477
R478
C487
C488
C486
C485
C484
C480
C479
R476
R475
C481
C498 C497
R490
R491
R489
R488
R487
C502
C503
C501
R486
R485
C496
C495
C492
C491
IC43
Q405
R482
R481
C478
C477
C476
C475
C474
C473
C472
C471
R569
IC44
Q403
Q404
R480
R479
R466
C462
R464
R465
R463
C461
C460
R460
C458
R458
C459
R459
R457
C457
R492
R511
R506R504
R510
R508
Q409
Q408
R505R503
R509
R507
Q407Q406
415C515C
994R005R
R502
R501
C513
C512
C509
C508
R496
R495
C507 C506
C511
C510
R497
R498
C505
C504
IC45
Q427
Q426
C570 C566
C571
C569
C567
C573
CN27
Q440 Q441
D414
C469
R473
R471
R474
C470
R472
JK37
D416
D420
D409
D415D419
D418
C568C572
D422
Q402
R462
R461
Q401
D402 D401
IC41
IC42
D403
C465 C466
D404
C464
C463
BN26
JK36
C467
R467
R469
R468
C468
R470
Q442
Q443
JK34
JK35
R590
R591R592
R593
R594
R595
BN12 BN12_1 CN25
R611R612R613R614R615R616R617R618R619R620R621R622R623R624R625R626R627R628R629R630
INPUT PWB 1/3

57 58
+5VD
+5VD
+5VD
+5VD
-12VA
+12VA
-12VA
+12VA
-12VA
-12VA
+12VA
ADATA[0:5]
+12VA
CODEC_RST
DSP_FLIN
DSP_FRIN
DSP_SLIN
DSP_SRIN
DSP_SBLIN
DSP_SBRIN
DSP_CTIN
DSP_SWIN
+3V3D
+5VD
+5VD
DGND
DGND
AUX1_SPDIF_IN
DGND
DGND
DGND
DGND
DGND
DGND
DGND
DGND
AGND
AGND
AGND
AGND
AGND
AGND
AGND
AGND
DAC
DSP_FL-
DSP_FL+
DSP_FR+
DSP_FR-
DSP_SL-
DSP_SL+
DSP_SR+
DSP_SR-
DSP_SBL-
DSP_SBL+
DSP_SBR+
DSP_SBR-
DSP_CNT-
DSP_CNT+
DSP_SW+
DSP_SW-
CODEC_CE
CODEC_DO
CODEC_DI
CODEC_CLK
+3V3D
ADATA3
ADATA2
ADATA1
ADATA0
ADATA4
ADATA5
+5VD
RT
+5VA
+5VA
LT
FROM FANC. IC41
+5VD
CODEC_BCK
CODEC_LRCK
CODEC_MCK
SDOUT
HDMI[00:07]
CLK_SEL1 +3V3D
+3V3D
+1V25
+3V3D
+1V25
+3V3D
ED[00:15]
EA[00:21]
MEM[00:09]
MEM03
+3V3D
+3V3D
SPIO_SOMI
SPIO_SIMO
SPIO_CLK
SPIO_SCS
TI_RST
+3V3D
MEM05
MEM04
MEM07
ED08
ED09
ED10
ED11
ED12
ED13
ED14
ED15
EA11
EA09
EA08
EA07
EA06
EA05
EA04
ED00
ED01
ED02
ED03
ED04
ED05
ED06
ED07
EA12
EA13
EA10
EA00
EA01
EA02
EA03
MEM00
MEM02
MEM01
MEM03
MEM06
MEM09
MEM08
ED00
ED01
ED02
ED03
ED04
ED05
ED06
ED07
MEM01
MEM03
MEM06
ED01
ED00
ED10
ED09
ED08
EA01
EA02
EA03
EA05
EA06
EA07
EA12
+3V3D
EA08
EA07
EA06
EA05
EA04
EA03
EA02
EA01
EA00
EA09
EA13
EA11
EA10
AMUTE0
ED07
ED06
ED05
ED04
ED03
ED02
ED15
ED12
ED13
ED14
ED11
MEM07
EA11
EA09
EA08
EA04
EA13
EA10
EA00
MEM00
MEM02
MEM08
MEM09
SPIO_ENA
MEM05
EA14
EA15
EA16
EA17
EA18
EA19
ED08
ED09
ED10
ED11
ED12
ED13
ED14
ED15
+3V3D
TI_RST
DEC_INT
HDMI_MUTE
HDMI05
EA19
HDMI04
EA14
EA15
EA16
EA17
EA18
EA20
EA21
EA20
EA21
EA21
EA20
+3V3D
CLK_SEL2
HDMI00
HDMI01
HDMI02
HDMI03
MEM04
DSP_FL-
DSP_FL+
DSP_FR+
DSP_FR-
DSP_SL-
DSP_SW-
DSP_SW+
DSP_CNT+
DSP_CNT-
DSP_SBR-
DSP_SBR+
DSP_SBL+
DSP_SBL-
DSP_SR-
DSP_SR+
DSP_SL+
CODEC_INT
+3V3D
ADATA5
ADATA4
ADATA0
ADATA1
ADATA2
ADATA3
SDOUT
CODEC_MCK
CODEC_BCK
CODEC_LRCK
HDMI07
HDMI06
+5VA
+1V25
+3V3D
TI_RST
+1V25
DGND
DGND
AGND
AGND
AGND
AGND
AGND AGND AGND
AGND
AGND
+5VD
DGND AGND
HDMI00
HDMI01
HDMI02
HDMI03
HDMI04
HDMI05
HDMI07
+3V3D
HDMI06
OMCK
+3V3D
+3V3D
CLK_SEL2
DGND
OMCK
CHGND ACH_GNDACH_GND
DGND
DGND AGND
AGND
+5VD
AGND
-12V
+5VD
AGND
-12V
AGND
+5VD
+5VD
SEL
1A
1B
1Y
2A
2B
2Y
GND 3Y
3B
3A
4Y
4B
4A
ST
VCC
GND
VCC
OPT1
OPT2
COAX1
COAX2
OPT
OPT3
CX-SDIN1
CX_SCLK BCK1
CX_LRCK LRCK1
VD
DGND
VLC
SCL/CCLK
SDA/CDOUT
AD1/CDIN
AD0/_CS
INT
_RESET
AINR-
AINR+
AINL+
AINL-
VQ
FILT+
GND
AOUTB4-
AOUTB4+
AOUTA4+
AOUTA4-
VA
AGND
AOUTB3-
AOUTB3+
AOUTA3+
AOUTA3-
AOUTB2-
AOUTB2+
AOUTA2+
AOUTA2-
AOUTB1-
AOUTB1+
AOUTA1+
AOUTA1-
MUTEC
LPFLT
AGND
VARX
RXP7
RXP6
RXP5
RXP4
RXP3
RXP2
RXP1
RXP0
TXP
VD
DGND
VLS
SAI_SDOUT
RMCK
CX_SDOUT
ADCIN2
ADCIN1
OMCK
SAI_LRCK
SAI_SCLK
CX_SDIN4
CX_SDIN3
CX_SDIN2
HDMI-SPDIF_IN
HDMI-I2S_DATA0
HDMI_I2S_DATA1
HDMI_I2S-DATA2
HDMI_I2S_DATA3
HDMI_DSD_L2
HDMI_DSD_R2
VSS
HDMI_MCK
CODEC_BCK
HDMI_BCK CODEC_LRCK
HDMI_LRCK
A15
A14
A13
A12
A11
A10
A9
A8
A19
A20
_W
_RP
NC
NC
_RB
A18
A17
A7
A6
A5
A4
A3
A2
A1
A0
_E
VSS
_G
DQ0
DQ8
DQ1
DQ9
DQ2
DQ10
DQ3
DQ11
VCC
DQ4
DQ12
DQ5
DQ13
DQ6
DQ14
DQ7
DQ15
VSS
_BYTE
A16
VDD
DQ0
DQ1
VSSQ
DQ2
DQ3
VDDQ
DQ4
DQ5
VSSQ
DQ6
DQ7
VDDQ
LDQM
_WE
_CAS
_RAS
_CS
A11
A10
A0
A1
A2
A3
VDD
VSS
A4
A5
A6
A7
A8
A9
NC
VDDQ
DQ8
DQ9
UDQM
CLK
CKE
NC
VSSQ
DQ10
DQ11
VDDQ
DQ12
DQ13
VSSQ
DQ14
DQ15
VSS
AHCLKX0/2
AMUTE0
AMUTE1
AHCLKX1
VSS
ACLKX1
CVDD
ACLKR1
DVDD
AFSX1
AFSR1
VSS
_RESET
VSS
CVDD
CLKIN
VSS
TMS
CVDD
_TRST
OSCVSS
OSCIN
OSCOUT
OSCVDD
VSS
PLLHV
TDI
TDO
VSS
DVDD
_EMU0
CVDD
_EMU1
TCK
VSS
_EM_CAS
_EM_WE
EM_WE_DQM0
VSS
EM_D7
DVDD
EM_D6
CVDD
EM_D5
EM_D4
VSS
EM_D3
EM_D2
DVDD
EM_D1
EM_D0
CVDD
VSS
EM_D15
EM_D14
EM_D13
CVDD
EM_D12
DVDD
EM_D11
VSS
EM_D10
EM_D9
CVDD
EM_D8
EM_WE_DQM1
DVDD
VSS
EM_CLK
EM_CKE
VSS
DVDD
EM_A11
EM_A9
EM_A8
CVDD
VSS
EM_A7
EM_A6
DVDD
VSS
EM_A5
EM_A4
CVDD
EM_A3
VSS
EM_A2
EM_A1
CVDD
EM_A0
DVDD
EM_A10
EM_BA1
VSS
EM_BA0
_EM_CS0
_EM_RAS
VSS
_EM_CS2
CVDD
EM_RW
DVDD
_EM_OE
_SPI0_ENA
VSS
_SPI0_SCS
SPI0_CLK
VSS
SPI0_SIMO
SPI0_SOMI
DVDD
AXR0_0
VSS
AXR0_1
AXR0_2
AXR0_3
VSS
AXR0_4
AXR0_5
AXR0_6
AXR0_7
CVDD
VSS
DVDD
AXR0_8
AXR0_9
CVDD
VSS
AXR0_10
AXR0_11
CVDD
VSS
AXR0_12
AXR0_13
DVDD
AXR0_14
AXR2_0
ACLKR0
VSS
AFSR0
ACLKX0
AHCLKR0/1
AFSX0
VDD
VSS
BA1
BA0
HDMI-MCLK
HDMI-BCLK
HDMI-LRCK
HDMI_MUTE
GND
DEC_INT
CLK_SEL1
H : HDMI
L : CODEC
GND
GND
A
B
GND
_Y
Y
SEL
_ST
VCC
L : DIR_MCK(A)
H : HDMI_MCK(B)
CLK_SEL2
HDMI-I2S_DATA0
HDMI_I2S_DATA1
HDMI_I2S-DATA2
HDMI_I2S_DATA3
HDMI_DSD_L2
HDMI_DSD_R2
CODEC-SAI_SDOUT
MCK
MCK
BCK
LRCK
CODEC_BCK
CODEC_LRCK
CODEC_SDOUT3
CODEC_SDOUT4
CODEC_SDOUT2
CODEC_SDOUT1
CONNECT MPU PART
17PIN-1.0MM-FCC-WAFER
HDMI-SPDIF_OUT
HDMI_MCK
A
B
GND
_Y
Y
SEL
_ST
VCC
L : DIR_MCK(A)
H : HDMI_MCK(B)
USE WIRE
AD_MUTE
141312111098
7654321
1234
5 6 7 8
A
+ -
B+-
A OUTPUT
A-INPUT
A+INPUT
V-
B+INPUT
B-INPUT
B OUTPUT
V+
1234
5 6 7 8
A
+ -
B+-
A OUTPUT
A-INPUT
A+INPUT
V-
B+INPUT
B-INPUT
B OUTPUT
V+
1234
5 6 7 8
A
+ -
B+-
A OUTPUT
A-INPUT
A+INPUT
V-
B+INPUT
B-INPUT
B OUTPUT
V+
1234
5 6 7 8
A
+ -
B+-
A OUTPUT
A-INPUT
A+INPUT
V-
B+INPUT
B-INPUT
B OUTPUT
V+
VCC
GND
OUT
VCC
GND
OUT
In Out
GND
3
1
2
RX
VCC
GND
OUT
321
64
63
62
61
60
59
58
57
56
55
54
53
52
51
50
49
48 47 46 45 44 43 42 41 40 39 38 37 36 35 34 33
32
31
30
29
28
27
26
25
24
23
22
21
20
19
18
17
16151413121110987654321
1234
5678
1234
5678
1 2 3
123456789101112131415161718192021222324
25 26 27 28 29 30 31 32 33 34 35 36 37 38 39 40 41 42 43 44 45 46 47 48
123456789101112131415161718192021222324252627
28 29 30 31 32 33 34 35 36 37 38 39 40 41 42 43 44 45 46 47 48 49 50 51 52 53 54
12345678
9 10 11 12 13 14 15 16
144
143
142
141
140
139
138
137
136
135
133
134
132
131
130
129
128
127
126
125
124
122
123
121
120
119
118
117
116
115
114
113
112
111
110
109
108107106105104103102101100999897969594939291908988878685848382818079787776757473
72
71
70
69
68
67
66
65
64
63
62
61
60
59
58
57
56
55
54
53
52
51
50
49
48
47
46
45
44
43
42
41
40
39
38
37
36 35 34 33 32 31 30 29 28 27 26 25 24 23 22 21 20 19 18 17 16 15 14 13 12 11 10 9 8 7 6 5 4 3 2 1
1234567
8 9 10 11 12 13 14
16
1715
14
13
12
11
10
9
8
7
6
5
4
3
2
1
1234
5 6 7 8
141312111098
7654321
4
1
2
3
VDD
NC
VSS
OUT
4
1
2
3
VDD
NC
VSS
OUT
IN
OUT
GND
3 2 1
5
016 987
4 3 2 1
1234
5 6 7 8
+5VA
8765
4321
8765
4 3 2 1
8765
4 3 2 1
8765
4 3 2 1
8765
4 3 2 1
8765
4321
8765
4321
8765
4 3 2 1
8765
4 3 2 1
8765
4 3 2 1
8765
4321
8765
4 3 2 1
8765
4 3 2 1
10
47/25V
0.010.01
47/25V
10
75
0.1 1K
100K
4.7K
HVI74HCU04AFNG
75
0.1 1K
100K
4.7K
100P
100P
10
47/25V
33P
0.01
0.022u
1.5K
22K
0.1 HVINJM2068MDTE1
0.1
1000P
0.1 100/16V
0.1
0.1
4.7/50V
100/16V
3.3K
3.3K
2700P
2700P
1.5K
1.5K
6.8K
6.8K
390P
390P
0.1
0.1
100 22/50V
100K
0.01
6.8K
2700P
2700P
1.5K
390P
1.5K
6.8K
390P
100 22/50V
100K
0.01
3.3K
3.3K
0.01
100K
22/50V
100
0.1
0.1
390P
390P
6.8K
6.8K
1.5K
1.5K
2700P
2700P
3.3K
3.3K
HVINJM2068MDTE1
3.3K
3.3K
0.01
100K
22/50V
100
390P
6.8K
1.5K
390P
1.5K
2700P
2700P
6.8K
0.01
100K
22/50V
100
0.1
0.1
390P
390P
6.8K
6.8K
1.5K
1.5K
2700P
2700P
3.3K
3.3K
HVINJM2068MDTE1HVINJM2068MDTE1
3.3K
3.3K
2700P
2700P
1.5K
1.5K
6.8K
6.8K
390P
390P
0.1
0.1
100 22/50V
100K
0.01
6.8K
2700P
2700P
1.5K
390P
1.5K
6.8K
390P
100
22/50V
100K
0.01
3.3K
3.3K
0.01
100K
22/50V
100
390P
2700P
6.8K
2700P
390P
6.8K
1.5K
1.5K3.3K
3.3K
22/50V
0.1
22/50V
0.1
100/16V
0.1
1K
1K
KIA1117S33
0.1
0.1
100/16V
47/25V
0.01
10
1uF
1uF
1uF
1uF
CS42528
33
100P
100P
0
33
100P
33
33
100P
100P
0.1
100/16V
10K
100/16V
0.1
2.2K
22/50V
DUMMY
1.5K
NJM2115
1.8K
150p
2.2K
2.2K
100P
100
2700P
100
0.1 0.1
100
2700P
100
100P
2.2K
2.2K
150p
1.8K
NJM2115
1.5K
DUMMY
22/50V
2.2K
3.9K
4.7K
1000/6.3V
DUMMY
0
0
0
0
0
0
0
0
0
ES29LV320ET70
M12L64164A7T
TC74VHC157FT
0.1
0.1
100X4
100X4
100X4
0.10.10.1
0.1
0.1
0.1
0.1
100X4
100X4
100X4
0.10.1
0.10.1
100X4
100X4
100X4
100X4
0.10.1
0.10.1
10K
0.1
0.10.1
0.1
0.10.1
0.1
0.10.1
0.1
10/50V
00
33
0.1
0.1
0.1
0.1
0.1
100X4
100X4
100X4
17M733-12P
15P
15P
470P
470P
270
1M
0
TC74VHC08FT
0.1
0
0
0
0
0
10K
10K
10K
10K
10K
10K
56
56
100
100
100
100
10K
0.1
0.1
0.1
0.1
10K
10K
10K
10K
10K
10K
10K
47K
47K
100K
10K
10K
HVITC7WH157FU
47K
47K
33
33
HVI74HCU04AFNG
COX24576E180TF
18P
18P
1M
0.1
33
S-80810CNNB-B90 S-80810CNNB-B90
2.2K
22K
0.1
2.2K
10K
0.1
18K
1000P
3.3 1%
220 1%
10/50V
220/16 ESR
LM1117S
10K
10K
10K
33
33
33
33
33
33
33
DUMMY
33
0
10K
0
33
CS2300
100
56
0.1
1uF
0.1
10K
10K
10K
10K
10K
10K
0.1
0
0.1
0 0
33
HVITC7WH157FU
3.3K
6.8K
0.1
0
0.01
1SS355
1SS355
1SS355
1SS355
1SS355
1SS355
47K
47K
47K
47K
DUMMY
DUMMY
DUMMY
DUMMYDUMMY
220
220
220
220
220
220
DUMMY
DUMMY
DUMMY
DUMMY
DUMMY
DUMMY
DUMMY
DUMMY
DUMMY
DUMMY
DUMMY
DUMMY
DUMMY
DUMMY
DUMMY
DUMMY
DUMMY
R203
C204
C203C207
C208
R207
R201
C201 R202
R211
R212
IC28
R205
C206 R206
R213
R214
C202
C205
R217
C214
C212
C213
C246
R245
R389
C238
IC34
C211
C245
C243 C244
C239
C241
C240
C242
R255
R256
C254
C250
R263
R261
R259
R264
C256
C252
C262
C263
R269 C258
R271
C260
R260
C251
C255
R262
C253
R268
R266
C257 R270 C259
R272
C261
R258
R257
C288
R307
C286
R305
C291
C290
C280
C284
R300
R295
R297
R299
C278
C282
R292
R291
IC36
R275
R276
C275
R290
C273
R288
C271
R285
R284
C267
R280
C269
C265
R278
C274
R289
C272
R287
C277
C276
C266
C270
R282
R277
R279
R281
C264
C268
R274
R273
IC35IC37
R309
R310
C296
C292
R319
R315
R313
R318
C298
C294
C304
C305
R323 C300
R325
C302
R314
C293
C297
R316
C295
R322
R321
C299 R324 C301
R326
C303
R312
R311
C289
R308
C287
R306
C285
C283
R296
C279
C281
R303
R302
R298
R294
R293
JK21
JK22
C365
C231
C367
C366
C248
C247
R251
R250
IC40
C358
C357
C356
JK23
C210
C209
R209
L205
L202
C363
C362
C361
C360
IC33
R243
C237
C249
R244
R242
C235
R241
R240
C234
C236
C233
C232
L201
R390
C221
C222
R229
C223
R230
R231
IC31
R232
C224
R234
R235
C225
R233
C226
R236
C227 C220
R226
C219
R223
C218
R225
R224
C217
R222
IC30
R221
R220
C216
R219
R228R227
C359
JK24
R246
R265
R267
R283
R286
R301
R304
R317
R320
L203 L204
R381
IC23
IC22
IC24
C306
C307
RN22
RN23
RN21
C337C324C323
C326
C328
C325
C327
RN24
RN25
RN26
C333 C334
C329 C330
RN27
RN28
RN29
RN30
C331 C332
C335 C336
R348
C321
C319 C320
C322
C339 C340
C338
C311C312
C317
C318
R335 R334
R333
C342
C343
C346
C349
C347
RN33
RN32
RN31
X202
C314
C315
C316
C313
R357
R356
R353
IC27
C310
R387
R386
R385
R384
R383
R366
R367
R368
R373
R372
R371
R344
R345
R365
R364
R330
R329
R363
C341
C344
C345
C348
R360
R361
R362
R349
R350
R351
R352
L206
R332
R331
R347
R370
R369
CN31
IC25
R327
R328
R355
R248
IC38
IC39
IC32
X201 C229
C230
R239
C228
R249
R374
R375
C351
R378
R377
C352
R376
C353
R379
R380
C355
C354
IC50
R354
R358
R359
R210
R204
R208
R216
R215
R252
R253
R247
R237
R238
R382
R254
R346
IC26
R337
R336
C308
C309
C350
R342
R340
R338
R343
R341
R339
C364
R391
C368
R393 R394
R392
IC07
R395
R396
C377
R607
C378
D202
D201
D204
D203
D206
D205
R647
R648
R649
R650
R635
R636
R637
R638R639
R640
R641
R642
R643
R644
R645
C701
C702
C703
C704
C705
C706
Q501
R632
Q502
Q503
Q504
R634
Q505
Q506
BN30_1
R631
R633
BN34_1
BN34
BN33_1
R646
IC21
CVITMS320DA788B
DIGITAL INDIGITAL OUT
TO HDMI PWB
DUMMY
INPUT PWB 2/3

6059
R104R103R104R103
SR6003 MODE1 SETSR5003 MODE1 SET
R102 : OR101 : XR102 : XR101 : O
SR6003 MODE2 SETSR5003 MODE2 SET
VER
A
S
L
6.8K2.7K
5.6K3.9K
6.8K2.7K
5.6K3.9K
47K47K
39K56K
22K47K
47K47K
39K56K
22K47K
2.2K8.2K 2.2K8.2K
JUMOPEN JUMOPEN
L
S
A
VER
U
N
N
U
K
FF
K
R196,R197
SR5003 SR6003 SR6003mk2
IC19
R194,R195
IC01
R198,R199
IC02
CN30
X
X
X
X
X
X
X
X
X
X
X
X
O O
O
O
O
O
O
9P 13P
+12V
+5VD
+5VD
+5VH
GND
DGND
VOL_DATA
P_LINE_FAIL
D802 ONLY USE
D801 ONLY USE
N/A/L/K VERSION
U/F VERSION
SKPC_SW
IPSD_DB5
HEAT_DET
SB_MUTE
N.C.
XM_ANT_REV
SDA
TI_RST
N.C.
BOOT
N.C.
IPSD_DB7
XM_RXD
FL_RST
VOL+
VOL-
SW_MUTE
STEREO
S2P_ENABLE
KEY1
P_CURR_FAIL
P_AMP_FAIL
KILL_IR
DEC_INT
HDMI_MUTE
N.C.
N.C.
N.C.
SEL+
S_MUTE
SPIO_CLK
HDMI_RST
RS232_SW2
DGND
N.C.
SPIO_SOMI
RS232_SW
GND
RXD
TXD
SB_AMP_ON
GND
N.C.
RC_OUT
PLL_CLK
TUD_OUT
PLL_CE
TUNED
RDS_CLK
TUD_IN
ER_MUTE
V_SCL
TXD
VCC1
RXD
DGND
S2P_STB
SPKC_SW
HDMI_SDA
HDMI_SCL
XM_TXD
IPSD_DB1
VCC2
IPSD_DB2
DGND
IPSD_DB6
F_MUTE
VCC2
IPSD_WAIT
AD
M_MUTE
C_MUTE
CODEC_DI
HDMI_MD
DGND
N.C.
N.C.
IPSD_CSO
TV_AUTO
MIC_DET
IPSD_WR
IPSD_CLK
IPSD_RD
HP_DET
CODEC_CE
CODEC_CLK
CODEC_DO
V_SDA
SCL
IPSD_DB4
IPSD_DB3
A8
5V_DOWN
STANDBY_RL
STANDBY_LED
SIRIUS_TX
DGND
S2P_CLK
CE_FL
OSD_CE
S2P_DATA
VCC2
OSD_DATA
XM_MUTE
AMUTE0
WAKE_UP
RC_IN
VSYNC
IR_REC_IN
M_VOL_CLK
M-VOL_DATA
DMP_TX
DMP_RX
AVCC
VREF
KEY0
OSD_CLK
VOL_CLK
TU_MUTE
KEY2
N.C.
SEL-
SPIO_ENA
CODEC_RST
P_DOWN
P8_5
VCC1
XIN
VSS
XOUT
RESET
SPIO_SIMO
RDS_DATA
BYTE
CE_EX
SDA
SCLWPVCC
A2A1A0
RST-FLD
CE-FLD
RC-OUT
OSD-CLK
VOL+
OSD-DATA
VOL-
OPTN_LED
STBY-LED
KEY0
KEY1
SEL+
KEY2
SEL-
GND
CEEX
N.C
TV_AUTO
OSD_CE
V_SYNC
OSD_CLK
OSD_DATA
HP_ON
HP_DET
P_DOWN
STANDBY_RELAY
HEAT_DETECT
P_LINE_FAIL
P_AMP_FAIL
+5VD
AVSS_ON
SURR_AMP_ON
SPK_B_SEL
SPK_A_SEL
PURE_LED
+5VL
DNLOAD_SW
+5VL
_MIC_IN
GND
HDMI_RST
HDMI_MD
HDMI_SDA
HDMI_TXD
HDMI_SCL
HDMI_RXD
V_SDA
V_SCL
RESET_IPSD_P
RESET_DEC_P
IPSD_CLK
IPSD_OE
XM_CMD
XM_RXD
XM_IRQ
XM_TXD
DGND
XM_RST
+5VD
+12VA
-12VA
XM_LOUT
AGND
XM_ROUT
XM_MUTE
XM_DAC_RST
XM_ON
GND
DGND
-12V
+5VH
+5VH
+5VH
DGND
+5VT
DGND
+6V
WAKEUP
GND
+5VL
+5VL
MODE1
GND
DGND
DMP_REQ
CNVSS
VCC1
MODE2
+6V
DGND
DGND
+12V
DGND
-12V
STEREO
TUNED
MUTE
R OUT
A-GND
L OUT
+12V
FM VSM
D-GND
PLL_DO
PLL CLK
PLL_DI
PLL CE
RDS DATA
RDS CLK
NC
NC
N.C.
IPSD_DB0
CODEC_INT
XM_LINK
SPIO_SCS
VOL_MUTE
SIRIUS_RX
SIRIUS_R_OUT
SIRIUS_L_OUT
AGND
RX
DGND
TX
RESET
CONNECT INPUT PART
CONNECT
VIDEO PART
CONNECT
TUNER PART
CONNECT
RS232C PART
GND
GND
CONNECT
INPUT PART
CONNECT
DSP PART
CONNECT
INPUT PART
CONNECT MAIN PART
CONNECT
DSP PART
CONNECT
CN80 (MAIN PART)
CONNECT
DSP PART
P_CURR_FAIL
FL_ON
IPSD_RD
IPSD_CSO
GND
IPSD_WR
IPSD_AD
IPSD_WAIT
IPSD_DB0
IPSD_DB1
IPSD_DB2
IPSD_DB3
IPSD_DB4
IPSD_DB5
IPSD_DB6
IPSD_DB7
GND
DMP_TXD0
DMP_RST
DMP_RXD0
GND
DMP_232SW
DMP_TXD1
DMP_RXD1
DMP_PRG
GND
ET01
UI_480I
GND
N.C
DMP_REQ
+5VD
+5VD
DGND
+5VV
+5VL
DGND
+5VD
+5VV
+5V
+5V
+8V
AD-MUTE
144
143
142
141
140
139
138
137
136
135
133
134
132
131
130
129
128
127
126
125
124
122
123
121
120
119
118
117
116
115
114
113
112
111
110
109
108 107 106 105 104 103 102 101 100 99 98 97 96 95 94 93 92 91 90 89 88 87 86 85 84 83 82 81 80 79 78 77 76 75 74 73
72
71
70
69
68
67
66
65
64
63
62
61
60
59
58
57
56
55
54
53
52
51
50
49
48
47
46
45
44
43
42
41
40
39
38
37
363534333231302928272625242322212019181716151413121110987654321
19
1816
1715
14
13
12
11
10
9
8
7
6
5
4
3
2
1
19
18 16
17 15
14
13
12
11
10
9
8
7
6
5
4
3
2
1
8765
4321
7 6 5 4 3 2 1
15
14
13
12
11
10
9
8
7
6
5
4
3
2
1
2 1
1110987654321
9
8
7
6
5
4
3
2
1
13
12
11
10
9
8
7
6
5
4
3
2
1
3
NC
OUT
DS
VSS
VDD
2
5
1
321
1
2
3
4
5
6
7
8
9
10
11
12
13
14
1517
16
654
3 2 1
654
3 2 1
12345678
910111213141516
123456 7 8
910111213141516
13
12
11
10
9
8
7
6
5
4
3
2
1
16 15 14 13 12 11 10 9
87654321
16 15 14 13 12 11 10 9
87654
4
321
16 15 14 13 12 11 10 9
87654321
7654321
123456 7
891011121314
123 4
567 8
123 4
567 8
16 15 14 13 12 11 10 9
87654321
654
321
16
17 15
14
13
12
11
10
9
8
7
6
5
4
3
2
1
1
2
10
21
22
24
ROUT GND Vcc
123
3NC
VOUT
CONTROL
GND
VIN
2
54
1
5 4 3 2 1
7654321
VOUT
GND
ON/OFF
VIN
4
12
3
MCU
M3087BFL(SR6003)
M3087BFK(SR5003)
9PIN-1.0MM-FCC-WAFER
19PIN-1.0MM-FCC-WAFER
13PIN-1.0MM-FCC-WAFER 17PIN-1.0MM-FCC-WAFER
TO DOWNLOADER CONNECTOR PWB
2.0MM-CONNECT-WAFER
TO HDMI PWB TO MAIN PWB TO USB PWB
TO HDMI PWB
TO FRONT PWB TO TUNER MODULE
19PIN-1.0MM-FCC-WAFER 1.25MM-FCC-WAFER
11PIN-1.25MM-FCC-WAFER
TO VIDEO PWB
FROM VIDEO PWB
FROM REGULATOR 2 PWB
7PIN-2.5MM-CONNET-WAFER
FROM REGULATOR 1 PWB
3PIN-2.5MM-CONNET-WAFER
11PIN-2.5MM-CONNET-WAFER
FL
FR
SL
SR
SBL
SBR
C
SW
FROM REGULATOR 1 PWB
5PIN-2.5MM-CONNET-WAFER
TO XM PWB
15PIN-1.25MM-FCC-WAFER
TO XM PWB
11PIN-2.0MM-WIRE
2PIN-2.5MM-WIRE
TO XM PWB
ONLY U VERSION
ONLY U VERSION
EEPROM
U : 64K
OTHER : 32K
DC TRIG OUT SHIELD
IR FLASH 1
IR FLASH IN
RC-5
IN
OUT
+5V
+5V
MODE
+3.3V
+5V
+5V
+5V
CONNECT
XM PART
mk2
SR6003
DMP_TX
CE_EX
+5VD
+12V
RDS_DATA
STANDBY_RL
+5VD
CE_FL_3
+5VD
P_DOWN
DMP_RX
+5VL
+5VL
+5VL
+5VL
HP_ON
SB_AMP_ON
AVSS_ON
P_LINE_FAIL
SPK_B_SEL
SPK_A_SEL
HEAT_DET
SURR_AMP_ON
DGND
AGND
+12V
-12V
XM_LCH
XM_RCH
+5VD
+5VL
+6V
XM_MUTE
M_VOL_CLK
OSD_DATA
OSD_CLK
+5VL
STANDBY_RL
+5VL
+3V3L
+5VL
+5VL
+5VL
VOL_MUTE
+6V
DGND
DGND
DGNDDGND
DGND
DGND
DGND DGND
DGND
DGND
DGND
DGND
DGND
DGND
DGND
DGND
AGND
XM_LINK
CNVSS
SPIO_SCS
DGND
+12V -12V
+5VD
STEREO
TUNED
RDS_CLK
M_VOL_DATA
IR_REC_IN
IR_REC_IN
VSYNC
VSYNC
CE_EX
OSD_CE
RC_IN
RC_IN
WAKE_UP
WAKE_UP
OSD_DATA
OSD_CLK
CNVSS
RDS_DATA
+5VL
P_DOWN
RDS_CLK
TU_MUTE
TU_MUTE
PLL_CE
TUD_OUT
PLL_CE
TUD_IN
PLL_CLK
PLL_CLK
RC_OUT
RC_OUT
TUD_OUT
ER_MUTE
+3V3L
TXD
TXD
+5VL
RXD
RXD
SPKC_SW
+3V3L
+5VD
RS232_SW
RS232_SW
RS232_SW2
RS232_SW2
SPIO_CLK
SPIO_SOMI
SPIO_SIMO
S_MUTE
F_MUTE
+3V3L+3V3L
M_MUTE
C_MUTE
SW_MUTE
SB_MUTE
XM_RXD
XM_TXD
XM_TXD
CE_FL
XM_LINK
HDMI_MUTE
HP_DET
TI_RST
SPIO_ENA
XM_ANT_REV
XM_ANT_REV
HEAT_DET
HP_DET
P_CURR_FAIL
P_CURR_FAIL
+3V3D
P_AMP_FAIL
P_AMP_FAIL
VOL_DATA
VOL_CLK
P_LINE_FAIL
CODEC_DI
SIRIUS_L
SIRIUS_R
+5VL
FUNC_SEL_A
M_VOL_MUTE
HP_ON
MULTI_MONO
FUNC_SEL_B
SPK_A_SEL
SPK_B_SEL
SURR_AMP_ON
SB_AMP_ON
+3V3D
DC_OUT
DC_OUT
AVSS_ON
OPTN_LED
FL_ON
P_DIR_LED
P_DIR_LED
DMP_PRG
DMP_PRG
DMP_RST
XM_ON
DMP_RST
XM_ON
SIRIUS_RST
CLK_SEL1
CLK_SEL2
XM_DAC_RST
SIRIUS_RST
XM_RXD
SPKC_SW
+5VD
AMUTE0
AMUTE0_5
CODEC_CLK
CODEC_CE
CODEC_DO
CODEC_RST
AMUTE0_5
XM_DAC_RST
XM_RST
TU_LCH
TU_RCH
HDMI_MD
+12VA
AGND
+3V3L
STEREO
CE_FL_3
CE_FL
DEC_INT
DGND
XM_RST
OPTN_LED
FL_ON
+3V3L
DMP_TX
DMP_RX
+5VD
HDMI_MD
TUNED
IPSD
IPSD_CLK
IPSD_DB0
IPSD_DB1
IPSD_DB2
IPSD_DB3
IPSD_DB4
IPSD_DB5
IPSD_DB6
IPSD_DB7
IPSD_CSO
IPSD_WR
IPSD_RD
IPSD_CLK
IPSD_WAIT
IPSD_RD
IPSD_CSO
IPSD_WR
IPSD_WAIT
IPSD_DB0
IPSD_DB1
IPSD_DB2
IPSD_DB3
IPSD_DB4
IPSD_DB5
IPSD_DB6
IPSD_DB7
FRONT
VOL+
VOL-
SEL+
SEL-
RST_FL
SEL+
MIC_DET
VOL-
VOL+
MIC_DET
RST_FL
SEL-
FRONT
KEY0
KEY1
KEY2
STANDBY_LED
S2P_ENABLE
KEY0
KEY1
KEY2
STANDBY_LED
HDMI_TXD
HDMI_RXD
HDMI_TXD
HDMI_RXD
S2P_ENABLE
S2P_ENABLE
S2P_ENABLE
S2P_STB
S2P_STB
S2P_STB
S2P_STB
S2P_CLK
S2P_CLK
S2P_CLK
S2P_CLK
IPSD_AD
MIC_MUTE
+5VD
IPSD_AD
RXD
+5VD
+5VD
DGND
OSD_CE
OSD_CLK
OSD_DATA
DGND
DGND
DGND
CH-GND
IR_REC_IN
RESET_IPSD_P
RESET_DEC_P
RESET_IPSD_P
RESET_DEC_P
+5VL
BOOT
+3V3D
BOOT
+5VD
IPSD_OE
IPSD_OE
AGND
DGND
+12V-12V
+12VA
-12VA
DGND
XM_MUTE
CODEC_INT
+3V3L
TUD_IN
DMP_REQ
UI_480I
UI_480I
DMP_REQ
+5VD
+3V3L
+3V3L
+3V3L
+5VL
+5VV
+5VV
+5VD
+5VD
47K
47/25V
100
1SS355
0.1
1SS355
1SS355
1SS355
4.7
22
68K
HVTKRC102S
2.2K
HVTKRC102S
HVTKRA102S
HVTKRA102S
100
0.1
47/25V
HVTKRA102S
1K
4.7
22K
1SS355
A1268
6.8K
0.01
10K
22
HVTKRA102S
C3199Y
18K
47K
47K
33P
1K
AT24C08
HVTKRA102S
18P
47K
22K
22K
47K
1K
47K 47K
27p
27p 0
1M
20MHz
0.1
0.1
10K
10K
47K
47K
0.047 0.047
0.1
0.1
0.1
0.1
0.1
47UH
S-80145ALMC
100/16V
0.1
0.1
100/16V
0.1 0.1 0.1 0.1
47K
HVTKRA102S
4.7K
47K
0.1
CVTUPA672T
CVTUPA672T
TC74HC4052AFT
TC74HC4052AFT
0.1
47K
0.1
10K10K
47K
47K
10K
1.5K
3.3K
2.2K
3.3K
22K
0.1
33K
33K
33K
33K
HVITC74HC4094FN HVITC74HC4094FN HVITC74HC4094FN
100
220P
100
220P
100
220P
1SS355
DUMMY
10K
4.7K
4.7K
4.7K
0.1
0.1
0.1
10K
OPEN
47K
TC74HCT7007F
0.1
0.1
0.1
0.1
10
1000/16V
0.1
220/16V
0.1
100/16V
100/16V
0.1
10K
0
0
33
33
33
33X4
33X4
HVTKRC102S
HVTKRC102S
1.5K
4.7K
HVITC74HC4094FN
100
220P
0.1
0
100/16V
100/16V
100/16V
100/16V
CVTUPA672T
22K
22K
0.1
0.1
0.1
47K
47K
47K
10K
10K
HOSIDEN JACK
220
RPM6936
0.1
47/25V
100
1SS355
220
0.01
0.01
33P
47
SIR-34ST3F
47K
HVTKRC102S
1SS355
47K
47K
4.7K
4.7K
0
0
6.8K
3.3K
47K
47K
0
0
0
0
0
0
47K
47K
47K
47K
47K
47K
CVINJM2831F33
100K
1000P
47K
0.1
HVTKRA102S
0.01
0.01
0.01
0.01
0.01
0.1
0.1
18K
10K
9R005Z
9R005Z
9R005Z
DUMMY
0.1
0.1
DUMMY
DUMMY
DUMMY
100/16V
100K
R103
C140
R170
D103
C107
IC11
D105
D104
D102
R180
R175
CN80
R146
Q109
R147
Q115
Q114
Q106
C141
C142
Q108
R182
R181
R178
D107 Q110
R179
C145
R177
R176
Q104
Q107
R168
R167
R169
C139
R158
CN15
IC12
Q102
C819
R138
R143
R142
R163
R139
R102 R101
C103
C102 R108
R109
X101
C101
C110
R128
R127
R126
R104
CN89
CN51
C148
C149
C147
C146
C152
C133
C134
C132
BN81
C135
CN95
L104
L105
L301
CN43
CN32
IC13
CN98
C153
C154
C155
C156
C157 C159
C158
C160
CN34
R106
Q111
R107
R110
C105
IC03
IC01
IC19
IC18
C125
CN30
R155
C124
R111R112
R153
R154
R115
R140
R141
R150
R151
R144
C109
R120
R121
R122
R123
IC14 IC15 IC16
R133
C116
R134
C118
R135
C120
D101
R165R162
BN98
R130
R131
R132
C115
C117
C119
R161
R105
R152
IC06
C114
C104
C106
C108
R145
C161
C128
C129
C126
C127
C131
C130
R164
R113
R114
R116
R117
R119
RN12
RN11
Q103
Q101
R124
R125
IC17
R136
C122
C121
R183
C150C151
IC02
R149
R148
CN11
C111
C113
C112
R137
R129
R118
R156
R157
JK12 R173
IC05
C143
C144
R172
D106
R174
C136C137
C138
R166
DL11
JK11
R159
Q116
D108
R184
R185
R186
R187
R190
R191
R189
R188
R192
R193
R195
R194
R196
R197
R198
R199
R606
R605
R604
R603
R602
R601
IC04
R397
C369
R398
C370
Q117
C165
C163
C164
C166
C162
CN99
CN97
C167
C168
R399
R400
L102
L103
L101
C169
BN11
BN33
IC08
C707
C708
BN30
BN32
BN32_1
BN31
C709
C710
C711
C712
R651
L106
L107
INPUT PWB 3/3

61 62
2PIN-2.5mm_CONNECTOR_WAFFER
(500mA)
+5.3V
+5.3V
V5+V5+
+3.3V
+3.3V
+3.3V
+3.3V
0V
V0
0V
0V
0V
0V
0V
0V
0V
0V
+3.3V
VARIABLE
11PIN-2.0MM-CONNECT-WAFER
15PIN-1.25MM-FCC-WAFER
L
R
48
47
46
45
44
43
42
41
40
39
38
37
363534333231302928272625
24
23
22
21
20
19
18
17
16
15
14
13
12 11 10 9 8 7 654321
024131 19181716151211
10 9 8 7 6 5 4 3 2 1
Specific IC
In Out
GND
3
1
2
4321
XM BUS
XM
4
3
2
1
15
14
13
12
11
10
9
8
7
6
5
4
3
2
1
V+
B OUTPUT
B-INPUT
B+INPUT
V-
A+INPUT
A-INPUT
A OUTPUT
-+ B
- +
A
8765
4 3 2 1
7 6 5 4 3 2 1
SDIN
SCLK
LRCK
MCLK
GND
DIF1
DIF0
DEM
RST VA
VBIAS
VQ
BMUTEC
AOUTB
AGND
VA_H
AOUTA
AMUTEC
VL
+3.3V VD
XM_DAC_RST
XM_DATA
XM_BCLK
XM_LRCK
XM_MCLK
XM_RST
XM_LA
XM_ANT_REV
XM_RXD
XM_TXD
XM_DAC_RST
+5V
+12V
-12V
XM_L_OUT
AGND
XM_R_OUT
MUTE_2
XM_ON
DGND
TO INPUT PWB
SIRIUS_R_OUT
SIRIUS_L_OUT
SIRIUS
SIRIUS
RX
DGND
TX
RESET
TO INPUT PWB
1. NC
2. POWER_ENABLE
3. SSP_RX
4. D_GND
5. SIRIUS_R
6. SSP_TX
7. A_GND
8. SIRIUS_L
+6V
DGND
+6V
V0
2 1
XM_ON
2012 size 50mA
VCC
D-
D+
GND
LSDP
VSS
SC_TX_OUT
VDD
SC_RX_IN
RFU6
RFU7
VDD
ANT_REV
VSS
RESET#
SLAVE-SEL
+3.3V
+3.3V
0V
0V
0V
+3.3V
+3.3V
0V
0V
0V
I2S_RATE
LINKACTIVE
COMM_TX_EN
VSS
VDD
COMM_TXRX_P
COMM_TXRX_M
VDD
VSS
COMM_TXRX_M
COMM_TXRX_P
VSS
VSS
OSC_OUT
VDD
OSC_IN
SC_RATE
TEST
VSS
HSDP_DATA
VDD
HSDP_CLK
DT4_MODE
HSDP_EN
I2S_DATA
VSS
IS2_SCLK
VDD
I2S_LRCLK
VSS
I2S_OCLK
MUTE
SAII_CLK
VDD
SAII_DATA
SAII_REQ
XM_ANT_REV
XM_RXD
XM_TXD
XM_RST
XM_DAC_RST
XM_LA
SIRRIUS_LCH
SIRRIUS_RCH
SIRIUS_RESET
SSP_RX5V
SSP_TX5V
XM_ANT_REV
XM_RXD
XM_LA
XM_TXD
XM_RST
XM_DAC_RST
1
2
3
4
5
6
7
8
FROM INPUT PWB
+3.3V
+3.3V
+5VD
+5.3V
-12V
D-GND
D-GND
D-GND
D-GNDD-GND
D-GND
D-GND
D-GND
D-GND
+12V
-12V
A-GND
A-GND
+12V
A-GND
A-GND
A-GND +12V
+5.3V
+5VD
+3.3V
D-GND
D-GND
+3.3V
+5VD
SIRIUS_RESET
+12V
-12V
SSP_RX5V
SSP_TX5V
AGND
D-GND
D-GND
A-GND
XM
XM
+3.3V
A-GND
D-GND
D-GND
D-GND
+12V
A-GND
D-GND D-GND
A-GND
CVIBU9450KV
CVICS4352CZZR
0.1 47/16V
0.1
10/50V
10/50V
47K 47K
0.1
22
22
22
22
22K
22K
22K
0.1
0.1
22K
47/16V
100K
100K
100
100
100
100
1000P
0.1
1000P
1000P
1000P
0.1
0.1
22K
22K
0.1
0.1
0.1
0.1
22K
22K
22K
100
1000P
10/50V
10/50V
2.2K
2.2K
0
0
DLW21HN121SQ2L
0.1
0.1
100
100
1K
1K
0.1
22P
22P
BLM41P600S PT
BLM41P600S PT
PQ20VZ51
100/16
1.2K 1%18 1%
10K
3.9K 1%
100/16
100/16
180 1%180 1%
220 1%
10/50V
100/16
KTC2875B DUMMY
KTC2875B DUMMY
DUMMY
2.2K
2.2K
DUMMY
KRC103S
KRA103S
DUMMY
1SS355
470K
1SS355
DUMMY
22K
22K
0
DUMMY
22K
10/50V
0.1
10P
10P
1M
45.1584 MHz
100
0.1
C102S
3.3K
3.3K
0.1 0.1
10/50V
10/50V
100
100
47K
47K
470P470P
47K
47K
1000P
1.5uH
0
022K
10/50V
DUMMY
DUMMY
1500P
1500P
KRC103S
12K
12K
4.7K
DUMMY
DUMMY
DUMMY
100
100
10/50V
10/50V
47K
47K
IC51
IC52
C530 C531
C526
C528
C527
R540 R539
C525
R526
R527
R528
R529
R531
R532
R533
C522
C521
R501
C512
R508
R507
R502
R506
R505
R510
C510
C508
C509
C507
C511
C505
C506
R509
R511
C514
C515
C516
C517
R523
R519
R520
R537
C523
C533
C534
R541
R542
R543
R544
L501 C503
C504
R514
R512 R513
R515
C513
C502
C501
CN81
F501
F502
F503 Q509
C537
R553R552
R551
R554
C538
C539
Q510
R555R556
R557
C540
C541
Q505 Q507
Q506 Q508
R549
R547
R548
R550
Q503
Q504
D503
D505
F504
R558
JK51
D504
R536
CN51
R503
R516
R530
R521
R522
C529
C532
C519
C518
R525
X501
R524
JK21
C608
Q601
R610
R609
IC61
C604 C603
C601
C602
R607
R608
R603R604
C605
C606
R605R606
CN98
C520
L502
R517
R518 R504
C524
D501
D502
C535C536
Q501
R545R546
R535
R534
Q502
R538
R601
R602
J503
J502 C609
C610
R613
R612
XM PWB (/U Only)

6463
TO PUSH SW PWB
SIG[00:60]
SIG01
SIG01
SIG01
SIG01
SIG00
SIG00
SIG00
SIG00
SIG[00:60]
SIG01
SIG00
SIG01
SIG00
SIG01
SIG[00:60]
SIG[00:60]
SIG06
SIG06
SIG06
SIG06
SIG13 SIG16
SIG17 SIG18
SIG19
SIG20
SIG00
SIG11
SIG21
SIG33
SIG08
SIG23
SIG00
SIG04
SIG03
SIG24
SIG33
SIG06
SIG03
SIG03
SIG00
SIG26
SIG26
SIG25
SIG24
SIG36
SIG01
SIG[00:60]
SIG06
SIG00
SIG06
SIG21
SIG03
SIG04
SIG22
SIG03
SIG10
SIG09
SIG11
SIG55
SIG35
SIG27
SIG36
SIG03
SIG34
SIG28
SIG04
SIG27
SIG23
SIG03
SIG04
SIG28
SIG29
SIG30
SIG06
SIG04
SIG03
SIG20
SIG16
SIG18
SIG22
SIG31
SIG05
SIG25
SIG54
SIG53
SIG09
SIG27
SIG28
SIG35
SIG34
SIG05
SIG12
SIG13
SIG53
SIG54
SIG16
SIG17
SIG18
SIG19
SIG55
SIG04
SIG03
SIG10
SIG37
SIG50
SIG50
SIG37
SIG00
SIG50
SIG38
SIG38
SIG29
SIG30
SIG28
SIG27
SIG17
SIG19
SIG54
SIG12
SIG53
SIG13
SIG07
SIG07
SIG32
SIG32
SIG32
SIG31
SIG08
SIG32
SIG07
MOMS S/W
+12V
-12V
+5VL
OVER
SR_CH
SL_CH
BN81
BN81BN81
BN81BN81
BN81
RESET IC
VDD
OUT
NJU7223F
100C HEAT DETECT
90C HEAT DETECT
DC DETECT
+12V
AVSS_ON
-12V
+1.2V
-1.2V
+1.2V
-1.2V
-1.2V
+1.2V
+1.2V
-1.2V
+1.2V
-1.2V
+1.2V
-1.2V
+1.2V
-1.2V
80842
JW92
AGND
Only U ver.
JW1
JW90
JW90_
JW93
JW91
JW91_
DUMMY
JW89
DUMMY
AGND
AGND
DUMMY
P_CURR_FAIL
BN81
21
2 12 1
21
2 1
2121
2 1
21
2 1
21
2 1 2 1
21
1
2
3
321
54321
1
2
3
4
19
18 16
17 15
14
13
12
11
10
9
8
7
6
5
4
3
2
1
12
12
3
4
2
1
12
3
VDD
VSS
OUT
6
5
42
31
6
5
42
3
1
6
5
42
3
1
2 1
321
321
321
21
1
2
3
4
5
6
7
8
9
10
11
12
13
14
15
16
17
18
19
20
21
1
2
3
4
6
5
4
3
2
1
1
2
3
4
21
SL-CH
SBR-CH
SBL-CH
SR-CH
FL-CH
FR-CH
TO H/P PWB
TO INPUT PWBTO INPUT PWB
(WIRE TO INPUT PWB)
SR5003,6003 (U,F):T 10A L 250V
SR5003,6003(N,A):T5A L 250V
C-CH
SR5003,6003 : 10000uF/63V
* C915 , C916 *
SR6003 ELNA CAP.
SR5003 KOSHIN CAP.
SR6003 ELNA CAP.
SR5003 KOSHIN CAP.
VCC
_VCC
GND
BN20
FRONSF. 2 PWB
PRE-OUT
TO TRANS B'D
AC IN
DUMMY
CEN
SL
SR
FL
FR
SBL
SBR
FR
FL
SPK-B
SPK-A
FL
FR
SL
SR
C
SUB
SBL
SBR
FROM TRANSF.
COMPONENT IDENTIFIED BY MARK HAVE SPECIAL CHARACTERISICS.
IMPORTANT FOR SAFETY. WHEN REPLACING ANY OF THESE COMPONENTS
USE ONLY MANUFACTURER'S SPECIFIED PARTS.
** THE UNIT OF RESISTANCE IS OHM.
K = 1000 OHM. M = 1000KOHM.
** THE UNIT OF CAPACITANCE IS MICROFARAD(uF)
pF = 10 uF
** THIS SCHEMATIC DIAGRAM MAY MODIFIED AT ANY TIME WITH THE
IMPOROVEMENT OF PERFORMANCE.
-6
** IMPORTAT SAFETY NOTICE.
* POWER T.R *
=> 2SB1647
Q652/653/654/655/661/804/807
=> 2SD2560
Q657/658/659/660/670/803/805
+5VL
SURR_ON
HP_DET
HP_ON
STANDBY
FLRA_ON
P_AMP_FAIL
P_DOWN
P_LINE_FAIL
SB_ON
HEAT DETECT
AVSS_ON
FLRB_ON
+5VD
P_CURR_FAIL
FL_ON
FL_ON
FL_MUTE
VCC
+12V
SB_MUTE
SUB
SBR
SBL
C
FL
SL
FR
SR
SBR
SURR_MUTE
SR
_VCC
_VCC
VCC
OVER
SURR_MUTE
L
SBR_CH
SB_ON
VCC
FL_MUTE
_VCC
_VCC
VCC
VCC
OVER
SURR_MUTE
C
R
FL_MUTE
VCC
OVER
SBL_CH
SB_MUTE
SBL
SURR_MUTE
H/P-R
H/P-L
HP_DET
SL
+5VD
-12V
VCC
+12V
SURR_ON
STANDBY
P_DOWN
SB_MUTE
_VCC
_VCC
VCC
-12V
+12V
OVER
H/P-L
HP_ON
FLRA_ON
FL_CH
FL_CH
FR_CH
FLCH-A
FRCH-A
FL_CH
FLRB_ON
+12V
-12V
FLCH-B
FL_CH
FR_CH
FRCH-B
_VCC
VCC
_VCC
-12V
+12V
OVER
H/P-R
P_LINE_FAIL
FR_CH
FR_CH
OVER
+12V
VCC
VCC
OVER
C_CH
P_AMP_FAIL
HEAT DETECT
+12V
FR_CH
FL_CH
FLCH-B
FRCH-B
FLCH-A
FRCH-A
FL
FR
SL
SR
C
SUB
SBL
SBR
FR_CH
FL_CH
SL_CH
SR_CH
C_CH
SBR_CH
SBL_CH
GND
+VCC
-VCC
47(1/4W)
47(1/4W)
0.5uH
75 75
33P
KTA1024Y
KTC3206Y
KTA1024Y
C3200GR C3200GR
C3200GR
560
22K22K22K22K
3.3 (1/4W)
3.3(1/4W)
560
560
560
560
560
1.5K
1.5K
150
150
470
270
1SS133
100/63V
47u/25V
100/63V
12P
18(1/4W)
18(1/4W)
1/50V
10
33K
10/50V
33K
330P
1.3K
2SD2560
2SB1647
0.27*2
10K
10K
9.1K
C3200GR
22K
330
22K
C3200GR
9.1K
10K
10K
0.27*2
2SB1647
2SD2560
1.3K
330P
33K
10/50V
33K
10
1/50V
18(1/4W)
18(1/4W)
12P
100/63V
47u/25V
100/63V
1SS133
270
470
150
150 1.5K
1.5K
560
560
560
560
560
3.3(1/4W)
3.3(1/4W)
560
C3200GR
C3200GR
C3200GR
KTA1024Y
KTC3206Y
KTA1024Y
33P
7575
0.5uH
47(1/4W)
47(1/4W)
330
22K
C3200GR
9.1K
10K
10K
0.27*2
2SB1647
2SD2560
1.3K
330P
33K
10/50V
33K
10
1/50V
18(1/4W)
18(1/4W)
12P
100/63V
47u/25V
100/63V
1SS133
270
470
150
150 1.5K
1.5K
560
560
560
560
560
3.3(1/4W)
3.3(1/4W)
560
C3200GR
C3200GR
C3200GR
KTA1024Y
KTC3206Y
KTA1024Y
100P
33P
75
75
0.5uH
47(1/4W)
47(1/4W)
47(1/4W)
47(1/4W)
0.5uH
75 75
33P
KTA1024Y
KTC3206Y
KTA1024Y
C3200GR C3200GR
C3200GR
560
22K22K 22K22K
3.3(1/4W)
3.3(1/4W)
560
560
560
560
560
1.5K
1.5K
150
150
470
270
1SS133
100/63V
47u/25V
100/63V
12P
18(1/4W)
18(1/4W)
1/50V
10
33K
10/50V
33K
330P
1.3K
2SD2560
2SB1647
0.27*2
10K
10K
9.1K
C3200GR
22K
330
47(1/4W)
47(1/4W)
0.5uH
75 75
33P
KTA1024Y
KTC3206Y
KTA1024Y
C3200GR C3200GR
C3200GR
560
22K22K
3.3(1/4W)
3.3(1/4W)
560
560
560
560
560
1.5K
1.5K
150
150
470
270
1SS133
100/63V
47u/25V
100/63V
12P
18(1/4W)
18(1/4W)
1/50V
10
33K
10/50V
33K
330P
1.3K
2SD2560
2SB1647
0.27*2
10K
10K
9.1K
C3200GR
22K
330
47(1/4W)
47(1/4W)
0.5uH
75 75
33P
KTA1024Y
KTC3206Y
KTA1024Y
C3200GR C3200GR
C3200GR
560
22K22K 22K22K
3.3(1/4W)
3.3(1/4W)
560
560
560
560
560
1.5K
1.5K
150
150
470
270
1SS133
100/63V
47u/25V
100/63V
12P
18(1/4W)
18(1/4W)
1/50V
10
33K
10/50V
33K
330P
1.3K
2SD2560
2SB1647
0.27*2
10K
10K
9.1K
C3200GR
22K
330
330
22K
C3200GR
9.1K
10K
10K
0.27*2
2SB1647
2SD2560
1.3K
330P
33K
10/50V
33K
10
1/50V
18(1/4W)
18(1/4W)
12P
100/63V
47u/25V
100/63V
1SS133
270
470
150
150 1.5K
1.5K
560
560
560
560
560
3.3(1/4W)
3.3(1/4W)
560
C3200GR
C3200GR
C3200GR
KTA1024Y
KTC3206Y
KTA1024Y
33P
7575
0.5uH
47(1/4W)
47(1/4W)
A1024YT
C3198YT
100u/16V
43K
1SS133
1SS133 43K
100u/16V
C3198YT
1SS133 43K
100u/16V
C3198YT
1SS133 43K
100u/16V
C3198YT
1SS133 43K
100u/16V
C3198YT
1SS133
1SS133
330
27K
C107M
1SS133
0.1
10K
10/50V
8.2V
2.2K
1N4003
1N4003
C114M
10K
4.7K
1000P
A1267Y
0.022
100u/16V
1.0/1W
3300/16V
1N4003
1N4003
1N4003 1N4003
0.0220.022
1.0
0.0047
47K
4.7u/50V
33K
47/50V
33K
0.01uF
15K
15K10K
10K
C3198YT
68K
10(1W)
0.047u
68K
0.047u 10(1W)
68K
0.047u 10(1W)
68K
0.047u 10(1W)
68K
0.047u 10(1W)
68K
0.047u 10(1W)
68K
0.047u
10(1W)
5600P
5600P
5600P
5600P
5600P
5600P
5600P
0.047u
0.047u
0.047u
0.047(M)
0.047(M)
0.047(M)
0.047u
C3198YT
C3198YT
A1267Y
100K
1000P
33K
47/50V
10K
15K
15K
15K
15K
10000/63V10000/63V
1SS133
A1267Y
0.001
4.7K
10K
C107M
4.7
4.7
C107M 10K
4.7K
1000P
A1267Y
1SS133
220P220P220P220P220P220P220P220P
22K
22K
22K
330
C107M
27K
330
1SS133 1SS133
A1024YT
A107M
C3198YT
A107M
C3198YT
4.7K
10K 15K
0.1uF
15K
39K
C3198YT
A1267Y
1000P
4.7K10K
C107M
2.2/50V
56
1000P
100K
0.1
A1360Y
A1360Y
A1360Y
A1360Y
A1360Y
A1360Y
A1360Y
C3423Y
C3423Y
C3423Y
C3423Y
C3423Y
C3423Y
C3423Y
1SS133
T 2.5A L 250V
T 2.5A L 250V
C3198YT
A1267Y
0.047(M)
0.047u
1SS133
A1267Y
1000P
4.7K
10K
C107M
4.7
5600P
5600P
0.1
1SS133
1SS133
1SS133
1SS133
0.1
JUMPER
JUMPER
1N4003
0.047u
1N5819
1N4003
100P
100P
100P 100P
100P
100P
100/25V
C107M
1SS133 43K
100u/16V
C3198YT
DUMMY
1SS133 43K
100u/16V
C3198YT
DUMMY
0
DUMMY
DUMMYDUMMYDUMMY
0
1SS133MT 33K
470/16V
KTA1267YT
10K4.7K
10K
4.7K
0.01uF
1K
47/50V
4.7K
1N4003SRT
1N4003SRT
T 100mA L 250V
15K
4.7K
15K
DUMMY
1N4003SRT
KTC3198Y KTD2854
KTC3198YT
A1024YT
1SS133
1SS133
330
27K
C107M
R669
R699
L504
R784 R774
C609
BN81
Q604
Q564
Q504
Q514 Q519
Q559
R589
R604R609
R649
R654
R594
R569
R599
R584
R574
R519
R514
R534
R539
R524
R544
D584
C634
C564
C639
C604
R639
R634
C684
R579
R559
C504
R509
C509
R564
Q660
Q654
R659
CN61
R674
R679
R684
Q684
R689
R976
R690
Q685
R685
R680
R675
CN62
R660
Q655
Q670
R565
C510
R510
C505
R560
R580
C685
R635
R640
C605
C640
C565
C635
D585
R545
R525
R540
R535 R515
R520
R575
R585
R600
R570
R595
R655
R650
R610 R605
R590
Q560
Q520
Q515
Q505
Q565
Q605
BN1
C610
R775R785
L505
R700
R670
R864
R801
Q801
R803
R808
R805
CN63
R810
Q804
Q803
R850
C815
R862
C817
R848
R611
C801
R821
R822
C805
C808
C811
C807
D801
R860
R872
R857
R856 R852
R853
R837
R843
R836
R842
R835
R818
R817
R831 R830
R834
Q820
Q819
Q818
Q816
Q813
Q812
BN2
C819
C803
R776R786
L506
R813
R812
R814
R815
L507
R787 R777
C804
BN3
Q814
Q815
Q817
Q821 Q822
Q823
R838
R832R833
R819
R820
R839
R844
R840
R845
R841
R855
R854
R858
R859
R873
R861
D802
C809
C812
C810
C806
R824
R823
C802
R612
R849
C818
R863
C816
R851
Q805
Q807
R811
CN64
R807
R809
R804
Q802
R802
R865
R668
R698
L503
R783 R773
C608
BN4
Q603
Q563
Q503
Q513 Q518
Q558
R588
R603R608
R648
R653
R593
R568
R598
R583
R573
R518
R513
R533
R538
R523
R543
D583
C633
C563
C638
C603
R638
R633
C683
R578
R558
C503
R508
C508
R563
Q659
Q653
R658
CN67
R673
R678
R683
Q683
R688
R978
R667
R697
L502
R782 R772
C607
BN5
Q602
Q562
Q502
Q512
Q517
Q557
R587
R602R607
R647
R652
R592
R567
R597
R582
R572
R517
R512
R532
R537
R522
R542
D582
C632
C562
C637
C602
R637
R632
C682
R577
R557
C502
R507
C507
R562
Q658
Q652
R657
CN66
R672
R677
R682
Q682
R687
R977
R974
R686
Q681
R681
R676
R671
CN65
R656
Q661
Q657
R561
C506
R506
C501
R556
R576
C681
R631
R636
C601
C636
C561
C631
D581
R541
R521
R536
R531 R511
R516
R571
R581
R596
R566
R591
R651
R646
R606 R601
R586
Q556
Q516
Q511
Q501
Q561
Q601
BN6
C606
R771R781
L501
R696
R666
Q961
Q825
C814
R871
D804
D803 R870
C813
Q824
D505 R503
C570
Q545
D504 R502
C569
Q544
D501 R501
C566
Q541
D954D955
R961
R962
Q960
D966
C950
R949
C949
D979
R948
D964
D965
Q902
R911
R912
C912
Q901
IC94
C908
C907
R905
C906
D901
D961
D963 D962
C905C999
R913
C904
R950
BN88
_BN88
C976
R939
C970
R938
C969
R937
R927R926
R925
Q920
BN7
BN8
BN9
BN10
BN11
BN12
BN13
R941R993
C993
R942
C994 R994
R943
C995 R995
R944
C997 R997
R945
C996 R996
R946
C990 R990
R947
C992
R999
C981
C980
C971
C974
C973
C972
C975
C900
C901
C910
C918
C919
C914
C917
BN20
_BN20
BN20_
Q913
Q912
Q911
R921
C921
R922
C922
R923
R917
R919
R918 R920
C915C916
D981
Q998
C954
R954
R932
Q997
R955
R959
Q917 R957
R958
C955
Q918
D982
C580C581C582C583C584C585C586C587
R951
R952
R953
R975
BN17
BN18
BN19
BN30
BN21
BN222
BN23
Q928
R928
R929
D958 D959
Q929
Q915
Q916
Q921
Q919
R972
R970 R971
C903
R980
R979
Q925
BN90
Q904
C902
R902
R903
Q903
BN93
C977
CN87
R981
C909
R906
C978
Q876
Q874
Q875
Q877
Q858
Q871
Q872
Q884
Q885
Q886
Q887
Q881
Q882
Q883
JK93
D912
T902
F902
F903
OL91
Q905
Q906
C577
C576
D983
CN80
Q926
C956
R984
R985
Q927
R982
C579
C578
CN91
BN91
RY94
IC96
F901
RY96
RY95
RY97
JK97
JK98
C591
D592
D591D593
D594
C592
J207
R963
R964
D902
C920
CN92
ET91
ET92
BN22
TH91
D903
D911
C820
C575
C574 C571
C572
C573
CN27
JK92
JK94
C951
Q930
D590 R991
C588
Q566
R998
D595 R992
C589
Q567
R940
R546
D586D587
D588
D589
R547
D900 R900
C960
Q910
R910R901
R930
R931
C930
R960
C961
R800
D800
D850
F800
R888
R890
R889
R891
D851
Q950 Q951
Q952
Q953
D852D853
R500
R499
Q954
JK91
BN25
MAIN PWB

65 66
3
2 1
1
2
3
1
2
3
3
2 1
3
2 1
1
2
3
4
5
6
3
2 1
3
1 2
3
1 2
3
1 2
3
2 1
1
2
3
1
8
7
3
2
4
5
9
6
1
2
3
1
2
3
1
2
3
4
5
6
7
V-
V+
+
-
+
-
H/P-DET
H/P-R
GND
H/P-L
AC
AC
2P-7.92MM-WIRE
CHASSIS
CHASSIS
+5VD
MIC
321
VccGNDVOUT
21
19
1816
1715
14
13
12
11
10
9
8
7
6
5
4
3
2
1
141312111098
7654321
12345
1
2
3
7
8
1234
5 6 7 8
NP
15G
17G
Q17G
Q16G
Q15G
F2
CS
CP
DA
TSA
TSB
16G
F1
NP
NP
NP
NP
NX
LGND
PGND
VH
VDD
OSC
/RST
60 56 55 54 53 52 51
5
50 49 48 47 46
9876 4 1
RX
VCC
GND
OUT
321
8
9
6
7
5
4
3
2
1
321 12345
987654321
7654 3 2 1
+5VD
+5VD
KEY00
+5VD
+5VD
DGND
DGND
A-GND
A-GND
A-GNDA-GNDA-GND
+5VL
+5VL
+5VL
+5VL
+5VL
+5VD
KEY01
+12V
-12V
+12V
KEY02
MIC_GND
CH-GND
MIC_DET
-12V
+12V
AGND
DGND
D-GND
V-GND
DGNDDGND
GND
CH_GNDGND GND
GND
GND
GND
GND
GND
GND
CHGND
GND
GND
DNGDNG
GND
GND GND
GND
GND
GND
GND GND GND
GND
GND
AGND AGND
AGND AGND
GND
AGND
AGND
AGND
AGND
AGND AGND
AGND
AGND
AGND
MIC_GND
+5VD
+5VD
GND
GNDGND
GND
GND
GND
CH-GND
V-GND
AGND
CHGND1
AGND
GND
CHGND2
+5VD
GND
VH
FL1
FL2
FROM INPUT PWB
FROM REGULATOR 1 PWB 19P-1.0MM-FFC
7P-2.5MM-WIRE
CHASSIS
+5VL
GND
MIC_DET
MIC_IN
+5VD
9P-2.0MM-WIRE
SEL-
SEL+
SB-LED
KEY02
KEY01
KEY00
OPTN_LED
S-Y
S-C
AUX1-CVBS
AUX1-L
AUX1-R
MIC_MONO
SEL+
SEL-
SB-LED
MIC_MONO
MIC_DET
+5VD
OPTN_LED
VH
FL1
FL2
VH
FL2
FL1
S-Y
S-C
AUX1-CVBS
AUX1-L
AUX1-R
5P-2.0MM-WIRE
TO INPUT PWB
POWER ON/OFF
TO VIDEO PWB
9P-2.0MM-WIRE
SPDIFO
Blue color
F, U VERSION ONLY
PURE DIRECT
OPTION_LED
(RESERVED)
DIGITAL IN
AUX 1 Lin
AUX 1 Rin
DGND
AGND
+12V
-12V
MIC_MONO
AGND
AUX-SC
AUX-SY
AUX-CV
VGND
VGND
+5VD
DGND
DIGITAL IN
3P-2.0MM-WIRE
CLEAR
ENTER
AUTO CURSOR
CURSOR SURROUND
MODE
IRGHITDOWN
PURE
DIRECT
CURSOR
LEFT MENU
BAND
CURSOR
UP T-MODE
EXIT
MEMORY
DISPLAY
SEL+
SEL-
SB-LED
FROM MAIN PWB
FROM FRONT PWB
FROM FRONT PWB
FROM MAIN PWB
FROM H/P PWB
FRONT PANNEL AUX 1 CONNECTION
5P-2.0MM-WIRE ASS'Y
N, K VERSION ONLY
DIGITAL
S-VIDEO
VIDEO
AUDIO
L
R
HEADPHONE MICROPHONE
MIC_DET
MIC_IN
+5VD
5P-2.0MM-WAFER
3P-2.0MM-WAFER
12345 54321
321
AUX1-CVBS
AUX1-L
AUX1-R
S-Y
S-C
SEL-
KEY2
SEL+
KEY1
ST BY-LED
KEY0
OPTN_LED
VOL-
OSD-DATA
VOL+
OSD-CLK
RC-OUT
CE-FL
RST_FL
PURE_DIRECT_LED
GND
GND
+5VL
MIC_DET
10K
10K
10K
10K
0.01uF
0.01uF
100P
KRA102MT
1.5K
10/16V
100P
0.01uF 0.1uF
0.022u 0.022u
100/16V
10K
10K
10K
10K
0.01uF
SEL-ENC
VOL-ENC
0.01uF
KRA102MT
RMC-SEN
100/16
0.1uF
100
75
0.1uF
75
75
470P
0.1uF
100P
100P
100P
4.7K
5608201K2.2K5.6K
5608201K1.5K
1.5K
2.2K5.6K
6805608201K2.2K5.6K
470
CJP19GA117ZY
0.1uF
KRA102MT
220
CVD52CSBBCEAB2
10
0.01uF
47/25V
100
470P
82K
100
82K
470P
10/50V
10/50V
1/50V
1/50V
1/50V
0.1uF
4.7K
100K
TC74HCU04
330/1W
330/1W
10K
0.1uF
ST/SILVER RING
CJJ9M004Y
POWER-LED
CVDSLI325URT31WT055
1SS133
1SS133
470
0.1uF
CJP05GA19ZY
CWB05
CJJ2E026Z
2.7K
2.7K
2.7K
1.5K
680
680
470P
470P
HVINJM2068MDTE1
220
220
47K
47K
22/16V
4.7/50
4.7K
2.2K
4.7/50
12K
100P
330
47/25V
0.1uF
0.1uF
4.7K
17ST10GINK
1010
0.1uF
10
12K
47/16V
0.1uF
0.1uF
100
DUMMY
10K
DUMMY
47
47
47
100P
100P
100P
100
100
100
KTC3200GRT KTC3200GRT KTC3200GRT
100K 100K 100K
33K
33K
33K
OPEN
33
DUMMY
33
OPEN
DUMMY
OPEN
ANG/5V
HJSTORX177L
ANG/GOLD RING(SILVER)
HJJ2E027Z
CJP03GA19ZY
CWB03
4.7K
CJJ4S028Y
100/50V
0.1uF
1SS133
1SS133
1SS133
1SS133
KLZ9H001Z
0.1uF
0.1uF
OPEN
JUMPER
CJP07GB03ZY
0.1uF
R101
R102
R104
R103
C103
C104
C101
Q101
R105
C105
C108C107 C109
C126 C135
C106
R133
R132
R134
R135
C113
EN12
EN11
C114
Q102
RC11
C112
C111
R130
R179
C115
R180
R181
BN87
CN19
SW27
C146
C148
C150
C149
C102
R184
R128R127R126
R125
R124R122 R123
R120R119R118R117R116R114
R113R112R111R110R108R106
SW24SW23SW22
SW21
SW20
SW25
SW18 SW19
SW17
SW16SW14SW13SW12SW11
R182
SW15
CN15
C110
Q103
R136
D102
R173
C138
C137
R178
C142
R177
R176
R175
C139
C141
C140
C143
C144
C145
C136
R170
R171
IC12
R183
R185
R137
C116
JK11
D101
D107
D106
R149
C147
CN11
BN11
JK14
R107
R115
R109
R121
R129
C117
C122
IC11
R140
R144
R139
R143
C125
C123
R145
R146
C118
R142
C120
R141
C119
C124
C121
R147
FL11
R151R150
C127
R156
R157
C128
C129
C133
R158
Q104
R159
C134
R152
R153
R154
C130
C131
C132
R161
R165
R167
Q105 Q106 Q107
R160 R166 R168
R162
R163
R164
R155
R169
R172
R174
Q108
R138
D103
JK15
JK13
CN13
BN13
BN16
CN83
J1
SW26
R148
JK12
J3
J4
C151
J169
J170
J171
J172
J173
J174
J175
J176
J177
J5
J6
C152
D108
D109 J7
D110
D111
L101
C155 C154
C153 C156
CN14
C157
FRONT PWB
PUSH S/W PWB
H/P PWB
AUX PWB

6867
LV5+LV5+LV5+ +5VL
+5VL
AGND1
GND1
GND1
GND1
GND1
GND1
GND1
GND1
GND1
!
!
!
!
+1.2V
-1.2V-1.2V
+1.2V+1.2V
V2.1-V2.1-
+1.2V+1.2V
-1.2V
-1.2V
+1.2V
COMPONENT IDENTIFIED BY MARK HAVE SPECIAL CHARACTERISICS.
IMPORTANT FOR SAFETY. WHEN REPLACING ANY OF THESE COMPONENTS
USE ONLY MANUFACTURER'S SPECIFIED PARTS.
** THE UNIT OF RESISTANCE IS OHM.
K = 1000 OHM. M = 1000KOHM.
** THE UNIT OF CAPACITANCE IS MICROFARAD(uF)
pF = 10 uF
** THIS SCHEMATIC DIAGRAM MAY MODIFIED AT ANY TIME WITH THE
IMPOROVEMENT OF PERFORMANCE.
-6
** IMPORTAT SAFETY NOTICE.
CN81
CN81
CN81
CN81
CN81
+6V
Only U ver.
+VCC
-VCC
+5VU
+12V
-12V
(±12V REGULATOR)
7PIN-2.0MM-CONNECT-WAFER
7PIN-2.5MM-WIRE
+B
+B
GND
GND
GND
+5VD
+5VL
VCC
GND
T1OUT
R1IN
R1OUT
T1IN
T2IN
R2OUT
R2IN
T2OUT
V-
C2-
C2+
C1-
V+
C1+
DTR
CTS
RTS
N/C
GND
DSR
RXD
TXD
N/C
ST202EBW
6P-2.0MM-WIRE
M-OUT2-PR
M-OUT2-PB
M-OUT2-Y
6P-2.0MM-WIRE
+1.2V
-1.2V
T5A/250V
JUMPER
TO Front USB Jack
(Analog Video Regulator)
+5VV
( FROM BRIDGE )
21
21
21
21
21
21
7654 3 2 1
321
2
4
3
1
321
321
9876543 2 1
9876543 2 1
8
7
6
5
4
3
2
1
VOUT
GND
ON/OFF
VIN
4
12
3
3 2 1
VOUT
GND
ON/OFF
VIN
4
12
3
VOUT
GND
ON/OFF
VIN
4
12
3
VOUT
GND
ON/OFF
VIN
4
12
3
54321
GND
OUT IN 1
3
2
GND
OUT IN 3
1
2
321
321
7654321
7654321
123
4 5 6
7654321
161514131211109
8 7 6 5 4 3 2 1
5
9
4
8
3
7
2
6
1
1 2 3 4 5
21
2
4
3
1
12345
VOUT
GND
ON/OFF
VIN
4
12
3
12345
5 4 3 2 1
7 6 5 4 3 2 1
1234 1235
1 2 3 4 5
54321
54321
DGND
TO MAIN PWB
TO MAIN PWB
TO MAIN PWB
TO MAIN PWB
TO MAIN PWB
TO MAIN PWB
AGND
+5VL
FROM MAIN PWB
MAIN
TRANS T901
FROM MAIN PWB
AC4.6V
+34V
AC4.6V
+5VD
AGND
+5VV
DGND
+5VL
+6V
USB OVER
GND
GND
AGND
+12V
-12V
AGND
+16V
-16V
TO FRONT PWB
TO USB PWB
5PIN-2.5MM-WIRE
TO INPUT PWB
5PIN-2.5MM-WIRE
TO USB PWB
3PIN-2.0MM-WIRE TO INPUT PWB
3PIN-2.5MM-WIRE
TO INPUT PWB
FROM RC232C WIRE
TO VIDEO PWB
COMPONENT M_OUT 2PWB
TO MAIN PWB
(Only SR6003)
+5VU
+5VU
AC
AC
AC
AC
+B
+B
+B
GND
GND
AC
AC
AC
AC
(TO REG.HEATSINK)
+5VD
USB OVER
AGND
+16V
-16V
5VH
5VH
5VD
5VD
DGND
DGND
+5VD
+B
+B
GND
GND
TO INPUT PWB
7PIN-2.5MM-WIRE
+B
+B
GND
GND
GND
GND
+B
+B
+B
+8V
SPK_C_SW
DOWNLOAD_SW
+5VL
RXD
TXD
PB
PR
PY
0.1uF
10/50V
220
10/50V
C3114A
1.2K
330330
1.2K
C3114A
10/50V
220
220
10/50V
C3114A
1.2K
330 330
1.2K
C3114A
10/50V
220
220
10/50V
C3114A
1.2K
330330
1.2K
C3114A
10/50V
220
100K
DUMMY DUMMY DUMMY DUMMY DUMMY DUMMY
0.1uF
10/50V
470/16V
4.7
CVD1N4003ST
0.47(1W)
4.7
10
4.7
M0.01
1.2K
47/50
M0.01
47K
0.01uF
0.1uF
0.01uF
0.47(1W)
0.01uF
0.01uF0.01uF
IN4003SRT
47/25V
47/50
100/50
27V
0.022u(M)
0.12U(M)
0.12U(M)
0.022u(M)
0.047(M)
0.047(M)
6.8V
3.3(1/4)
0.022u(M)
0.12U(M)
0.022u(M)
0.01uF
CVIKIA578R05PI
100K
0.1uF
470/16V
0.1uF
10/50V
10/50V
0.1uF
0.1uF
HVTKSC2316YT
6.8V
DUMMY
HVIKIA78R05PI
470/16V
0.1
10/50V
0.1
100K
CVIKIA578R05PI
HVIKIA278R05PI
DUMMY
DUMMY
0.1uF
0.1uF
10000/16V
4700/25V
15K 15K
100/25V
0.1uF
L7812
L7912
0.1uF
100/25V
CVD1N4003STCVD1N4003ST
0.1uF 0.1uF0
1K(1/4W)1K(1/4W)
20000UF/16V
1K
0
12K
1K
0.1uF
0.1uF
0.1uF
0.1uF
0.1uF
0.1uF
10K
4.7
220
10/50V
C3114A
1.2K
330
DUMMY
3300/25V
100K
HVIKIA278R00PI
DUMMY
1.8K
470
DUMMY
DUMMY
C936
C935
VR97
C965
Q908
R943
R945
CN81
CN82
R942
R940
Q907
C964
VR96
VR94
C962
Q905
R934
R936
CN84
CN83
R939
R937
Q906
C963
VR95
VR93
C961
Q904
R931
R933
CN85
CN86
R930
R928
Q903
C960
VR92
R916
R929 R932 R935 R938 R941 R944
C934
C951
C949
BN14
CN93
R901
D902
D901
J98
J99
J95
J94
J93
J92
J91
R902
R907
R908
R909
C918
R910
C920
C921
R911
C914
C915
C916
R903
C913
C910C911
D913
C922
C919
C917
D910
J88
J89
J90
C902
C901
C905
C906
C908
C909
CN20
D911
CN91
J97
J96
BN21_1
BN21
RL91
R906
C903
C904
C907
D903
D904
D905
D906
C912
IC94
R917
CN50
C938
C945
C946
C939
C947
C940
C948
Q901
D909
D912
IC95
C941
C942
C943
C944
R918
IC93
IC96
R919
CN96
C950
C952
C931
C923
R913 R912
C927
C929
IC91
IC92
C930
C928
D914D915
C926 C925
R914R915
BN50
BN98
C932
BN95 CN95
SW92
SW91
R921
R920
R923
R922
BN89
C958
C954
C955
C956
C957
IC98
C953
JK95
R924
BN42
JK96
R950
VR98
C966
Q909
R970
R972
CN80
R971
C924
D907
F910
BN25
R900
IC97
R990
R961R962
F911
R980
BN65
CN65
BN97-1
BN99
BN35
BN15
CN25
CN15
C970
R960
DOWNLOADER CONNECTOR PWB
TR BIAS PWB TR BIAS PWB TR BIAS PWB TR BIAS PWB TR BIAS PWB TR BIAS PWB TR BIAS PWB
TRANSF. 2 PWB
TRANSF. 1 PWB
BRIDGE DIODE 2 PWB
BRIDGE DIODE 1 PWB
REGULATOR 2 PWB
REGULATOR 1 PWB
COMPONENT OUT 2 PWB

69 70
IC18
IC20IC22
IC23
IC17
Q115 Q116Q114 Q113 Q112
IC15
IC13
IC19 IC21
IC14
IC16 IC11
Q104 Q103 Q111 Q101 Q102
Q107Q106Q108
Q109 Q110 Q105
IC12
IC51 IC61
IC52
Q510
Q509
Q503 Q504
Q501
Q505 Q507
Q506 Q508
Q502
Q601
11. PARTS LOCATION
VIDEO B PWB
VIDEO A PWB
XM B PWB (/U Only)
XM A PWB (/U Only)

7271
Q107 Q108 Q104 Q105 Q101 Q102 IC28
Q109 Q106
Q202
Q304
Q320 Q319 Q318 Q317
Q321 Q323 Q333 Q313 Q314 Q303
Q315 Q316 Q302
Q110 Q103
IC11
IC66
IC67
IC70
IC73
IC64
IC72 IC75
Q603
IC74 IC41
IC39 IC43 Q401 IC71 IC65
Q601 IC61
Q602 IC62
Q201 IC27 IC26 IC25 IC24 IC35 IC34 IC33 IC42
IC63 IC21
IC22
IC38 IC37
IC31
IC36 IC32
Q311 Q312 Q307 Q308
Q309 Q310 Q305 Q306 Q301
IC23
IC13
IC12
IC69 IC68
HDMI A PWB

73 74
HDMI B PWB

7675
IC05
IC28IC02
IC01
IC25
IC07
IC40
IC08
IC23 IC22
Q110
Q111
Q109 Q108
IC32
IC33
IC42 IC30
IC31
IC24
IC27
IC39 IC38
IC50
IC21
IC26
IC19 IC18 IC34
IC35
IC36
IC37 Q438 - Q441
Q403 Q404
Q426 - Q437
IC41
IC43 IC44
IC14
IC12
IC13
IC03
IC11
IC04Q117 Q116
Q107
IC16 IC17 IC15
IC06
IC45
IC46
IC47
IC48
IC49
Q406 Q407
Q408 Q409
Q410 Q411
Q412 Q413
Q414 Q415
Q416 Q417
Q418 Q419
Q420 Q421
Q422 Q423
Q424 Q425 Q443
Q442
Q101
Q114 Q115
Q402 Q401
Q106 Q102 -Q104
INPUT A PWB

77 78
鉛フリー半田
半田付けには、鉛フリー半田 (Sn-Ag-Cu) を使用してください。
Lead-free Solder
When soldering, use the Lead-free Solder (Sn-Ag-Cu).
INPUT B PWB

8079
Q916 Q905 Q925
Q915 Q919 Q920 Q913 Q912 Q930
Q921 Q906
Q901 Q902
IC94 Q903 Q904
Q910
Q951 Q911
Q952
Q950
IC96
Q926 Q927
Q998 Q997
Q918 Q917
Q818 Q819 Q820 Q824 Q514 Q519 Q559 Q544
Q812 Q816 Q813 Q604 Q504 Q564
Q511 Q516 Q556 Q541
Q601 Q501 Q561 Q603 Q503
Q513 Q518 Q558 Q567 Q515 Q520 Q560 Q545
Q563 Q605 Q505 Q565
Q512 Q517 Q557 Q566 Q821 Q822 Q823 Q825 Q954 Q953
Q602 Q502 Q562 Q814 Q817 Q815
Q887Q882 Q877Q885 Q871Q883 Q875Q881 Q872Q884 Q858Q886 Q874Q876
Q960 Q961
Q803 Q804 Q660 Q654 Q657 Q661 Q659 Q653 Q670 Q655 Q658 Q652 Q805 Q807
Q801 Q684 Q681 Q683 Q685 Q682 Q802
Q929 Q928
鉛フリー半田
半田付けには、鉛フリー半
田(Sn-Ag-Cu) を使用して
ください。
Lead-free Solder
When soldering, use the
Lead-free Solder (Sn-Ag-
Cu).
MAIN A PWB

81 82
MAIN B PWB
鉛フリー半田
半田付けには、鉛フリー半
田(Sn-Ag-Cu) を使用して
ください。
Lead-free Solder
When soldering, use the
Lead-free Solder (Sn-Ag-
Cu).

8483
Q103 Q104 Q107 Q106 Q105 Q108Q101 Q102
鉛フリー半田
半田付けには、鉛フリー半田 (Sn-Ag-Cu) を使用してください。
Lead-free Solder
When soldering, use the Lead-free Solder (Sn-Ag-Cu).
FRONT A PWB
PUSH S/W A PWB
PUSH S/W B PWB
AUX 1 A PWB

85 86
IC12 IC11
鉛フリー半田
半田付けには、鉛フリー半田 (Sn-Ag-Cu) を使用してください。
Lead-free Solder
When soldering, use the Lead-free Solder (Sn-Ag-Cu).
FRONT B PWB
AUX 1 B PWB
H/P B PWB H/P A PWB

8887
IC98
IC97 IC96 IC95 IC92 IC91
鉛フリー半田
半田付けには、鉛フリー半田 (Sn-Ag-Cu) を使用してください。
Lead-free Solder
When soldering, use the Lead-free Solder (Sn-Ag-Cu).
DOWNLOADER CONNECTOR A PWB DOWNLOADER CONNECTOR B PWB
BRIDGE DIODE 2 A PWB BRIDGE DIODE 2 B PWB
REGULATOR 1 A PWB
REGULATOR 1 B PWB
COMPONENT OUT 2 A PWB COMPONENT OUT 2 B PWB
BRIDGE DIODE 1 A PWB BRIDGE DIODE 1 B PWB

89 90
IC93 IC94
Q907 Q906 Q905 Q904 Q903 Q909
Q908
Q901
鉛フリー半田
半田付けには、鉛フリー半田 (Sn-Ag-Cu) を使用してください。
Lead-free Solder
When soldering, use the Lead-free Solder (Sn-Ag-Cu).
TR BIAS A PWB
TR BIAS B PWB
TRANSF. 2 A PWB
TRANSF. 1 B PWB
TRANSF. 1 A PWB TRANSF. 2 B PWB
REGULATOR 2 B PWB
REGULATOR 2 A PWB

9291
19
17
18
22
26
24
20
33
23
34
25
21
15
10
9
7
6
5
3
2
1
12
11
2
1
4
13
8
14
32
36
35
31
x2
x2
x2
x2
27
30
x2
28
29
N Only
U,F Only
U Only
S4
S5
S7
S10
S6
S8
S8
S5
S14
S9
S12
x4
S4
S6
S8
x2
x3
x7
x14
x4
x2
x4
x7
x14
x2
x6
S3 x7
x2
S5
S5
S13
S5
X3
S13
S5
S3
S4 x9
S1 x14
S4 x2
S4 x2
x3 S8 x2
S8 x2
S2 x1
S11 x1
S1 x3
S6 x2
x9
S4
S1 x2
S4 x1
S4 x1
S3 x1
S13
S11
S8 x2
x2
S5 x2
S13 x3
S8 x2
S13 x5
S13 x1
S14 x1
S14 x1
S3 x2
x2
S8 x1
x4
S8 x1
S5
S10
S11
S7
S6
S9
S8
CTW3+8JFZR(BLACK VERSION)/CTW3+8JFC(SILVER/GOLD VER.)
CHD1A023
CTW3+8JR
SCREW
SCREW
CTB3+8JFB
CTB3+8JR
CTW3+12JR
SCREW
SCREW
SCREW
SCREW
SCREW
4
12
6
14
2
10
S1
S3
S4
S2
No. Q,ty
PARTS-No.
CTB3+10JR
CTWS3+10GR
CTB3+10JFB
DESCRIPTION
SCREW
SCREW
SCREW
SCREW
1
41
23
S13 SCREW
SCREW
S12 CHD4A012R
CTW3+10JR
4
2
S14 SCREW
CHD1A012ZR 32
CTS3+8JR 2
CTB3+6FFB 11
P11
P1
P1
P1
P1
P6
P4
P3
P2
P7
P8
P8
P8
P8
P8
P8
P8
P8
P8
P8
P5
K Only
F, U Only
N Only
T901
TUNER MODULE
AUX PWB
FRONT PWB
BK12
BK11
FL11
POWER TRANSF.
TRANSF. 1 PWB
TRANSF. 2 PWB
MAIN PWB
XM PWB
H/P PWB
PUSH SW PWB
BRIDGE
DIODE 2 PWB
INPUT PWB
HDMI PWB
DOWNLOADER
CONNECTOR PWB
VIDEO PWB
COMPONENT
OUT 2 PWB
REGULATOR 1
PWB
REGULATOR 2 PWB
BRIDGE
DIODE 1 PWB
TR BIAS
PWB x 7
K, N Only
F, U Only
12. EXPLODED VIEW AND PARTS LIST

P.W.B.
NAME
VERS.
COLOR
PART NO.
(FOR EUR)
PART NO.
(MZ) PART NAME DESCRIPTION
1 F B ns
p
412410005014M KNOB
KNOB VOLUME BL
CGK1A133YA
1
/
K1SG ns
p
943412002020M KNOB
KNOB VOLUME SG
CGK1A133XA
1
/
N1B 412410005014M 412410005014M KNOB
KNOB VOLUME BL
CGK1A133YA
1
/
N1SG 943412002020M 943412002020M KNOB
KNOB VOLUME SG
CGK1A133XA
1
/U1B
412410005014M
KNOB
KNOB VOLUME BL
POS. NO.
1
/U1B
ns
p
412410005014M
KNOB
KNOB
VOLUME
BL
CGK1A133YA
2 F B ns
p
424510002017M ESCUTCHEON
VOLUME RING BL
CGR1A449B37
2
/
K1SG ns
p
943424002030M ESCUTCHEON
RING VOLUME SG
CGR1A449RMD10
2
/
N1B 424510002017M 424510002017M ESCUTCHEON
VOLUME RING BL
CGR1A449B37
2
/
N1SG 943424002030M 943424002030M ESCUTCHEON
RING VOLUME SG
CGR1A449RMD10
2
/
U1B ns
p
424510002017M ESCUTCHEON
VOLUME RING BL
CGR1A449B37
3 943416003550M 943416003550M WINDOW
FIP WINDOW SR5003
CGU1A422A12Y
4 421410006004M 421410006004M BADGE
MARANTZ BADGE (AL) M1 MODEL
CGB1A206
5 F B ns
p
943402004520M PANEL
FRONT PANEL AL SR5003 F BL
CKM1A200SC23
5
/K1SG
nsp
943422003590M
PANEL
FRONT PANEL AL SR5003 N SG
CKM1A200YC62
5
/K1SG
nsp
943422003590M
PANEL
FRONT
PANEL
AL
SR5003
N
SG
CKM1A200YC62
5
/
N1B 943422003580M 943422003580M PANEL
FRONT PANEL AL SR5003 N BL
CKM1A200ZC23
5
/
N1SG 943422003590M 943422003590M PANEL
FRONT PANEL AL SR5003 N SG
CKM1A200YC62
5
/
U1B ns
p
943422003600M PANEL
FRONT PANEL AL SR5003 U BL
CKM1A200UC23
6 F B ns
p
943415001940M DOOR
DOOR MOLD BL
CGR1A453B37
6
/
K1SG ns
p
943415001950M DOOR
DOOR MOLD SG
CGR1A453RMD10
6
/
N1B 943415001940M 943415001940M DOOR
DOOR MOLD BL
CGR1A453B37
6
/
N1SG 943415001950M 943415001950M DOOR
DOOR MOLD SG
CGR1A453RMD10
6
/
U1B ns
p
943415001940M DOOR
DOOR MOLD BL
CGR1A453B37
7 F B ns
p
943422001920M CHASSIS
FRONT MOLD PANEL BL
CGW1A458B37
p
7
/
K1SG ns
p
943422001930M CHASSIS
FRONT MOLD PANEL SG
CGW1A458RMD10
7
/
N1B 943422001920M 943422001920M CHASSIS
FRONT MOLD PANEL BL
CGW1A458B37
7
/
N1SG 943422001930M 943422001930M CHASSIS
FRONT MOLD PANEL SG
CGW1A458RMD10
7
/
U1B ns
p
943422001920M CHASSIS
FRONT MOLD PANEL BL
CGW1A458B37
8 F B ns
p
943422003530M ESCUTCHEON
ESCUTCHEON L STANDBY BL
CGW1A460RNXB37
8
/
K1SG ns
p
943422003560M ESCUTCHEON
ESCUTCHEON L ON/OFF SG
CGW1A460ROYD10
8
/
N1B 943422003520M 943422003520M ESCUTCHEON
ESCUTCHEON L ON/OFF BL
CGW1A460RNZB37
8
/
N1SG 943422003560M 943422003560M ESCUTCHEON
ESCUTCHEON L ON/OFF SG
CGW1A460ROYD10
8
/
U1B ns
p
943422003530M ESCUTCHEON
ESCUTCHEON L STANDBY BL
CGW1A460RNXB37
9 F B ns
p
943422003540M ESCUTCHEON
ESCUTCHEON R BL
CGW1A461RNB37
9
/
K1SG ns
p
943422003570M ESCUTCHEON
ESCUTCHEON R SG
CGW1A461ROD10
9
/
N1B 943422003540M 943422003540M ESCUTCHEON
ESCUTCHEON R BL
CGW1A461RNB37
9
/
N1SG 943422003570M 943422003570M ESCUTCHEON
ESCUTCHEON R SG
CGW1A461ROD10
9
/
U1B ns
p
943422003540M ESCUTCHEON
ESCUTCHEON R BL
CGW1A461RNB37
10 F B ns
p
943411001980M BUTTON
BUTTON FUNCTION BL
CBT1A1080
10
/
K1SG ns
p
943411001990M BUTTON
BUTTON FUNCTION SG
CBT1A1080RMD10
10
/
N1B 943411001980M 943411001980M BUTTON
BUTTON FUNCTION BL
CBT1A1080
10
/
N1SG 943411001990M 943411001990M BUTTON
BUTTON FUNCTION SG
CBT1A1080RMD10
10
/U1B
nsp
943411001980M
BUTTON
BUTTON FUNCTION BL
CBT1A1080
10
/U1B
nsp
943411001980M
BUTTON
BUTTON
FUNCTION
BL
CBT1A1080
11 00M10BW355010 00M10BW355010 LENS
INDICATOR POWER
CGL1A231
12 F B ns
p
411510015017M BUTTON
BUTTON POWER TACT BL
CBT1A1072
12
/
U1B ns
p
411510015017M BUTTON
BUTTON POWER TACT BL
CBT1A1072
13
/
K1SG ns
p
943411001970M BUTTON
BUTTON POWER SW SG
CBC1A166RMD10
13
/
N1B 411510016027M 411510016027M BUTTON
BUTTON POWER PUSH BL
CBC1A166
13
/
N1SG 943411001970M 943411001970M BUTTON
BUTTON POWER SW SG
CBC1A166RMD10
14 F B ns
p
943411002000M BUTTON
BUTTON ENTER BL
CBT1A1081Z
14
/
K1SG ns
p
943411002010M BUTTON
BUTTON ENTER SG
CBT1A1081RMYD10
14
/
N1B
9
4
3
411
00
2
000
M
9
4
3
411
00
2
000
MB
U
TT
O
N
BUTTON ENTER BL
CBT1A1081Z
/
9 3 00 000
9 3 00 000
UO
14
/
N1SG 943411002010M 943411002010M BUTTON
BUTTON ENTER SG
CBT1A1081RMYD10
14
/
U1B ns
p
943411002000M BUTTON
BUTTON ENTER BL
CBT1A1081Z
15 ns
p
ns
p
BRACKET
BRACKET BODY AV8003
CMD1A668
17 00M32CW107010 00M32CW107010 SHEET
CUSHION FOOT
CHG1A360
18 00M243W057210 00M243W057210 LEG
LEG FOR SILVER
CKL2A042H46
19 ns
p
ns
p
CHASSIS
MAIN CHASSIS
CUA5A247
20 ns
p
ns
p
BUFFER
CUSHION SUPPORT
CHG1A305
21 ns
p
ns
p
BUFFER
H=9.5(15X20)
CHG1A104
22 ns
p
ns
p
HOLDER
HOLDER PWB
CHE170
24 ns
p
ns
p
BURAKET
BRACKET TRANSF.
CMD1A675
25 ns
p
ns
p
HEATSINK
HEAT SINK MAIN
CMY3A266
26 ns
p
ns
p
BRACKET
BRACKET PWB AG-D8900
CMD1A417
27 ns
p
ns
p
BRACKET
BRAKECT H/S
CMD1A674
28 ns
p
ns
p
PLATE
SHIELD PLATE
CMX1A252
29 ns
p
ns
p
BUFFER
RABBER
CHG1A431
30 ns
p
ns
p
BRACKET
BRACKET HEAT SINK
CMD2A674
NOTE : "nsp" PART IS LISTED FOR REFERENCE ONLY, MARANTZ WILL NOT SUPPLY THESE PARTS.
93

P.W.B.
NAME
VERS.
COLOR
PART NO.
(FOR EUR)
PART NO.
(MZ) PART NAME DESCRIPTION
POS. NO.
31 ns
p
ns
p
INSULATOR
INSULATOR
CMX1A253
32 F B ns
p
ns
p
PANEL
REAR PANEL SR5003 F
CKF4A389W
32
/
K1SG ns
p
ns
p
PANEL
REAR PANEL SR5003 K
CKF3A389X
32
/
N1B ns
p
ns
p
PANEL
REAR PANEL SR5003 N
CKF1A389Z
32
/N1SG
PANEL
REAR PANEL SR N
32
/N1SG
ns
p
ns
p
PANEL
REAR
PANEL
SR
5003
N
CKF1A389Z
32
/
U1B ns
p
ns
p
PANEL
REAR PANEL SR5003 U
CKF2A389Y
33 ns
p
ns
p
TAPE
TAPE HEMELON
CHS1A032
34 ns
p
ns
p
SUPPORT
PWB SUPPORT
CRE1A071
35 ns
p
ns
p
HEATSINK
HEAT SINK TRS.
CMY1A302
BN91 ns
p
ns
p
CORD
2P WIRE ASSY 80MM
CWZSR5003BN91A
BN91-1 90M-FC500030R 90M-FC500030R FERRITE CORE
FERRITE RING 29X7.7X19
CLZ9W003Z
BN91-2 ns
p
ns
p
CORD
2P WIRE ASSY 80MM
CWZSR5003BN91
CC11 ns
p
943606003640S FPC
FFC 17P 100MM
CWC4F4A17A100B
CC15
nsp
943606003650S
FPC
FFC 19P 250MM 1 0MM B TYPE
CWCSR5003CC15
CC15
nsp
943606003650S
FPC
FFC
19P
250MM
1
.
0MM
B
TYPE
CWCSR5003CC15
CC21 ns
p
943606003660S FPC
FFC 11P 180MM 1.0MM B TYPE
CWC4F4A11A180B
CC22 ns
p
943606003660S FPC
FFC 11P 180MM 1.0MM B TYPE
CWC4F4A11A180B
CC27 ns
p
943606003670S FPC
FFC 21P 120MM 1.25MM B TYPE SHIELD
CWCSR5003CC27
CC31 ns
p
943606003680S FPC
FFC 17P 250MM 1.0MM B TYPE
CWC4F4A17A250B
CC32 ns
p
943606003690S FPC
FFC 13P 100MM 1.0MM B TYPE
CWC4F4A13A100B
CC34 F B ns
p
90M-YU002310R FPC
15P 150MM
CWC4C4A15B150B
CC34
/
K1SG ns
p
90M-YU002310R FPC
15P 150MM
CWC4C4A15B150B
CC34
/
N1B ns
p
90M-YU002320R FPC
17P 150MM
CWC4C4A17B150B
CC34
/
N1SG ns
p
90M-YU002320R FPC
17P 150MM
CWC4C4A17B150B
p
CC34
/
U1B ns
p
90M-YU002310R FPC
15P 150MM
CWC4C4A15B150B
CC43 ns
p
943606003700S FPC
FFC 9P 100MM 1.25MM B TYPE
CWC4C4A09B100B
CC51
/
U1B ns
p
943606002520S FPC
FFC 15P 80MM
CWC4C4A15B080B
CC80 ns
p
943606001020S FPC
FFC 19P 150MM
CWC4F4A19A150B
P1 F B ns
p
ns
p
PWB ASSY
FRONT PWB ASSY
COP12091C
P1
/
K1SG ns
p
ns
p
PWB ASSY
FRONT PWB ASSY
COP12091B
P1
/
N1B ns
p
ns
p
PWB ASSY
FRONT PWB ASSY
COP12091B
P1
/
N1SG ns
p
ns
p
PWB ASSY
FRONT PWB ASSY
COP12091B
P1
/
U1B ns
p
ns
p
PWB ASSY
FRONT PWB ASSY
COP12091C
P2 F B ns
p
ns
p
PWB ASSY
MAIN PWB ASSY
COP12083E
P2
/
K1SG ns
p
ns
p
PWB ASSY
MAIN PWB ASSY
COP12083D
P2
/
N1B ns
p
ns
p
PWB ASSY
MAIN PWB ASSY
COP12083B
P2
/
N1SG ns
p
ns
p
PWB ASSY
MAIN PWB ASSY
COP12083B
P2
/
U1B ns
p
ns
p
PWB ASSY
MAIN PWB ASSY
COP12083C
P3 F B ns
p
943309004530M PWB ASSY
INPUT PWB ASSY F
COP12086O
P3
/
K1SG ns
p
943309004540M PWB ASSY
INPUT PWB ASSY K
COP12086N
P3
/
N1B 943309003610M 943309003610M PWB ASSY
INPUT PWB ASSY N
COP12086L
P3
/
N1SG 943309003610M 943309003610M PWB ASSY
INPUT PWB ASSY N
COP12086L
P3
/U1B
nsp
943309003620M
PWB ASSY
INPUT PWB ASSY U
COP12086M
P3
/U1B
nsp
943309003620M
PWB
ASSY
INPUT
PWB
ASSY
U
COP12086M
P4 943309003630M 943309003630M PWB ASSY
HDMI PWB ASSY
COP12088B
P5 00MYJ04002640 00MYJ04002640 INLET
! R-301(21) AC INLET
CJJ8A006ZW
P6 F B ns
p
ns
p
PWB ASSY
VIDEO PWB ASSY U
COP12090C
P6
/
K1SG ns
p
ns
p
PWB ASSY
VIDEO PWB ASSY N
COP12090B
P6
/
N1B ns
p
ns
p
PWB ASSY
VIDEO PWB ASSY N
COP12090B
P6
/
N1SG ns
p
ns
p
PWB ASSY
VIDEO PWB ASSY N
COP12090B
P6
/
U1B ns
p
ns
p
PWB ASSY
VIDEO PWB ASSY U
COP12090C
P7
/
U1B ns
p
ns
p
PWB ASSY
XM PWB ASSY
COP12087B
P
8
F B n
sp
n
sp
PWB A
SS
Y
REGULATOR PWB ASSY
COP12085I
8
sp
sp
SS
P8
/
K1SG ns
p
ns
p
PWB ASSY
REGULATOR PWB ASSY
COP12085I
P8
/
N1B ns
p
ns
p
PWB ASSY
REGULATOR PWB ASSY
COP12085I
P8
/
N1SG ns
p
ns
p
PWB ASSY
REGULATOR PWB ASSY
COP12085I
P8
/
U1B ns
p
ns
p
PWB ASSY
REGULATOR PWB ASSY
COP12085H
P11 F B ns
p
90M-AV000540R TUNER
TUNER MODULE (JPN)
CNVMB015MA18L
P11
/
K1SG ns
p
90M-AV000420R TUNER
TUNER MODULE (CHINA)
CNVMB014MA18L
P11
/
N1B 90M-AV000400R 90M-AV000400R TUNER
TUNER MODULE (EUR)
CNVMB114MA18L
P11
/
N1SG 90M-AV000400R 90M-AV000400R TUNER
TUNER MODULE (EUR)
CNVMB114MA18L
P11
/
U1B ns
p
90M-AV000570R TUNER
MODULE TUNER (USA)
CNVMB014MA08LS
T901 F B ns
p
943101004390M TRANSF.
# POWER TRANSF. SR5003/SR6003 F
CLT5W034ZJ
T901
/
K1SG ns
p
943101004380M TRANSF.
# POWER TRANSF. SR5003/SR6003 K
CLT5W034ZH
T901
/
N1B 943101003710M 943101003710M TRANSF.
# TRANSF. POWER SR5003 N
CLT5W034ZE
T901
/
N1SG 943101003710M 943101003710M TRANSF.
# TRANSF. POWER SR5003 N
CLT5W034ZE
T901
/
U1B ns
p
943101003720M TRANSF.
# TRANSF. POWER SR5003 U
CLT5W034ZU
90M-FC500130R 90M-FC500130R FERRITE CORE
FERRITE CORE
CLZ9Z071Z
90M-FC500040R 90M-FC500040R FERRITE CORE
FERRITE CORE(21.2X6.4X12.7) K5C T
CLZ9Z028Z
NOTE : "nsp" PART IS LISTED FOR REFERENCE ONLY, MARANTZ WILL NOT SUPPLY THESE PARTS.
94

P.W.B.
NAME
VERS.
COLOR
PART NO.
(FOR EUR)
PART NO.
(MZ) PART NAME DESCRIPTION
POS. NO.
90M-FC500120R 90M-FC500120R FERRITE CORE
FERRITE CORE
CLZ9Z070Z
90M-FC500130R 90M-FC500130R FERRITE CORE
FERRITE CORE
CLZ9Z071Z
PACKING
F B ns
p
541110126010M USER GUIDE
USER GUIDE SR5003 F
CQX1A1354Z
/K1SG
541110126058M
USER GUIDE
USER GUIDE SR K
/K1SG
ns
p
541110126058M
USER
GUIDE
USER
GUIDE
SR
5003
K
CQX1A1353Z
/
N1B 541110126034M 541110126034M USER GUIDE
USER GUIDE SR5003 N
CQX1A1352Z
/
N1SG 541110126034M 541110126034M USER GUIDE
USER GUIDE SR5003 N
CQX1A1352Z
/
U1B ns
p
541110126027M USER GUIDE
USER GUIDE SR5003 U
CQX1A1351Z
307010033005M 307010033005M UNIT KIT
REMOTE CONTROLLER RC004SR
CARTSR5003
F B ns
p
90M-ZC000350R MAINS CORD
# MAINS CORD 12A/125V
CJA2J076Z
/
K1SG ns
p
90M-ZC000650R MAINS CORD
# MAINS CORD FOR K
CJA2N075Z
/
N1B 90M-ZC000320R 90M-ZC000320R MAINS CORD
# MAINS CORD 2WIRE 10A/250V
CJA2B054Z
/
N1SG 90M-ZC000320R 90M-ZC000320R MAINS CORD
# MAINS CORD 2WIRE 10A/250V
CJA2B054Z
/U1B
nsp
90M-ZC000310R
MAINS CORD
# MAINS CORD UL 032508/12
CJA2A070Z
/U1B
nsp
90M-ZC000310R
MAINS
CORD
#
MAINS
CORD
UL
032508/12
CJA2A070Z
90M-ZK000670R 90M-ZK000670R UNIT KIT
MIC AUDYSSEY WITH FERRITE CORE
CMICROSR8001A
NOT STANDRD SPARE PART
ns
p
00M07DW801010 PACKING CASE
PACKING CASE SR5003
CPG1A868Z
/
N1B ns
p
00M07DW805010 MASS CARTON
MASTR CARTON SR5003
CPG1A869Z
/
N1SG ns
p
00M07DW805010 MASS CARTON
MASTR CARTON SR5003
CPG1A869Z
ns
p
943533002050M CUSHION
CUSHION L SR5003
CPS1A823
ns
p
943533002060M CUSHION
CUSHION R SR5003
CPS1A824
36 F B ns
p
00M07BW257010 LID
TOP COVER (BLACK)
CKC1A155K117
36
/
K1SG ns
p
943403002040M LID
TOP COVER SG
CKC1A155D11
p
36
/
N1B ns
p
00M07BW257010 LID
TOP COVER (BLACK)
CKC1A155K117
36
/
N1SG ns
p
943403002040M LID
TOP COVER SG
CKC1A155D11
36
/
U1B ns
p
00M07BW257010 LID
TOP COVER (BLACK)
CKC1A155K117
F B ns
p
90M-ZA000210R ANTENNA
ANT FM WIRE (PIGTAIL)
CSA1A007
/
K1SG ns
p
90M-ZA000210R ANTENNA
ANT FM WIRE (PIGTAIL)
CSA1A007
/
N1B ns
p
90M-ZA000210R ANTENNA
ANT FM WIRE (PIGTAIL)
CSA1A007
/
N1SG ns
p
90M-ZA000210R ANTENNA
ANT FM WIRE (PIGTAIL)
CSA1A007
/
U1B ns
p
90M-ZA000290R ANTENNA
FM 1 POL ANT(UL)
CSA1A033Z
ns
p
90M-ZA000240R ANTENNA
AM LOOP ANT
CSA1A020Z
NOTE : "nsp" PART IS LISTED FOR REFERENCE ONLY, MARANTZ WILL NOT SUPPLY THESE PARTS.
95

96
R8C/2A Group, R8C/2B Group 1. Overview
Rev.1.00 Feb 09, 2007 Page 8 of 55
REJ03B0182-0100
1.3 Block Diagram
Figure 1.3 shows a Block Diagram.
Figure 1.3 Block Diagram
D/A converter
(8 bits u 2) R8C/Tiny Series CPU core Memory
ROM(1)
RAM(2)
Multiplier
R0H R0L
R1H
R2
R3
R1L
A0
A1
FB
SB
USP
ISP
INTB
PC
FLG
I/O ports
NOTES:
1. ROM size varies with MCU type.
2. RAM size varies with MCU type.
8
Port P1
8
Port P3
3 2
Port P4
8
Port P0
8
Port P2
5
Port P5
System clock
generation circuit
XIN-XOUT
High-speed on-chip oscillator
Low-speed on-chip oscillator
XCIN-XCOUT
Timers
Timer RA (8 bits u 1)
Timer RB (8 bits u 1)
Timer RC (16 bits u 1)
Timer RD (16 bits u 2)
Timer RE (8 bits u 1)
Timer RF (16 bits u 1)
UART or
clock synchronous serial I/O
(8 bits u 3)
I2C bus or SSU
(8 bits u 1)
Peripheral functions
Watchdog timer
(15 bits)
A/D converter
(10 bits u 12 channels)
LIN module
8
Port P6
7
Port P8
R8C/2A Group, R8C/2B Group 1. Overview
Rev.1.00 Feb 09, 2007 Page 9 of 55
REJ03B0182-0100
1.4 Pin Assignment
Figure 1.4 shows Pin Assignment (Top View). Tables 1.7 and 1.8 outlines the Pin Name Information by Pin
Number.
Figure 1.4 Pin Assignment (Top View)
48 47 46 45 44 43 42 41 40 39 38 37 36 35 34 33
R8C/2A Group
R8C/2B Group
17
18
19
20
21
22
23
24
25
26
27
28
29
30
31
32
1 3 4 5 6 7 8 9 10 11 12 13 14 15 162
64
63
62
61
60
59
58
57
56
55
54
53
52
51
50
49
P1_0/Kl0/AN8
P3_5/SCL/SSCK
P3_7/SSO
VCC/AVCC
VREF
P0_7/AN0/DA1
VSS/AVSS
P0_6/AN1/DA0
P0_5/AN2/CLK1
P6_1
P6_2
P0_3/AN4
P0_2/AN5
P0_0/AN7
P0_1/AN6
P0_4/AN3
P8_2/TRFO02
P2_6/TRDIOC1
P2_5/TRDIOB1
P2_4/TRDIOA1
P2_3/TRDIOD0
P2_2/TRDIOC0
P2_1/TRDIOB0
P2_0/TRDIOA0/TRDCLK
P1_7/TRAIO/INT1
P1_6/CLK0
P1_5/RXD0/(TRAIO)/(INT1)(2)
P8_6
P8_5/TRFO12
P8_3/TRFO10/TRFI
P8_4/TRFO11
P1_4/TXD0
P1_1/Kl1/AN9
P8_1/TRFO01
P8_0/TRFO00
P6_0/TREO
P4_5/INT0
P6_6/INT2/TXD1
P6_7/INT3/RXD1
P6_5/(CLK1)/CLK2(2)
P6_4/RXD2
P6_3/TXD2
P3_1/TRBO
P3_6/(INT1)(2)
P3_2/(INT2)(2)
P1_2/Kl2/AN10
P1_3/Kl3/AN11
P3_0/TRAO
P3_3/SSI
P2_7/TRDIOD1
P5_0/TRCCLK
P5_1/TRCIOA/TRCTRG
P5_2/TRCIOB
P5_3/TRCIOC
P5_4/TRCIOD
VCC/AVCC
P4_6/XIN
VSS/AVSS
P4_7/XOUT(1)
P4_4/XCOUT
P4_3/XCIN
P3_4/SDA/SCS
MODE
RESET
NOTES:
1. P4_7/XOUT are an input-only port.
2. Can be assigned to the pin in parentheses by a program.
3. Confirm the pin 1 position on the package by referring to the package dimensions.
PLQP0064KB-A(64P6Q-A)
PLQP0064GA-A(64P6U-A)
(top view)
13. MICROPROCESSOR AND IC DATA
IC61: R5F2122AASNFP

97
IC61 : R5F212AASNFP [HDMI]
Pin
No Port Name I/O Use Name PortSetup Note
Act. Init
1 P33/SSI I/O O HDMI_SCL - H HDMI Devices Control
2 P34/SDA/SCS I/O SDA CPU_SDA - H Communication to Main CPU
3 MODE I I MODE L H L:Boot/H:Normal
4 P43/XCIN I/O O O_HPD_123 H L HPD Output for SRC1,2 and 3
5 P44/XCOUT I/O O N.C. - L Open
6 RESET I I _RST_HDMI_CPU L H Reset Input
7 P47/XOUT (I/)O O XO - - X'tal 20MHz Output
8 VSS/AVSS I I GND - - GND
9 P46/XIN I(/O) I XI - - X'tal 20MHz Input
10 VCC/AVCC I I +5VH - - +5V
11 P54/TRCIOD I/O O O_5V_CH2 H L +5V Output for HDMI OUTPUT 2 (SR6003 only)
12 P53/TRCIOC I/O O O_5V_CH1 H L +5V Output for HDMI OUTPUT 1
13 P52/TRCIOB I/O O _RST_SW L H HDMI SW Device Reset
14 P51/TRCIOA/TRCTRG I/O O _RST_TX L H HDMI TX Device Reset
15 P50/TRCCLK I/O O _RST_RX L H HDMI RX Device Reset
16 P27/TRDIOD1 I/O O DEBUG_O7 - L For Debug Use
17 P26/TRDIOC1 I/O O DEBUG_O6 - L For Debug Use
18 P25/TRDIOB1 I/O O DEBUG_O5 - L For Debug Use
19 P24/TRDIOA1 I/O O DEBUG_O4 - L For Debug Use
20 P23/TRDIOD0 I/O O DEBUG_O3 - L For Debug Use
21 P22/TRDIOC0 I/O O DEBUG_O2 - L For Debug Use
22 P21/TRDIOB0 I/O O DEBUG_O1 - L For Debug Use
23 P20/TRDIOA0/TRDCLK I/O O DEBUG_O0 - L For Debug Use
24 P17/TRAIO/INT1 I/O I INT_TX L H HDMI TX Device INT
25 P16/CLK0 I/O O DEBUG_X - L For Debug Use
26 P15/RXD0/(TRAIO)/(INT1) I/O RXD DEBUG_RXD0 - H UART for Debug
27 P14/TXD0 I/O TXD DEBUG_TXD0 - H UART for Debug
28 P86 I/O O No Use - - Pull down to GND
29 P85/TRFO12 I/O O No Use - - Pull down to GND
30 P84/TRFO11 I/O O SW_CLK_SEL L H Audio Clock Select L:HDMI MCLK Enable/H:DIR
31 P83/TRFO10/TRFI I/O O SW_I2S_DSD H L Audio Data Select H:DSD/L:Other
32 P82/TRFO02 I/O O NO USE - L Pull down to GND
33 P81/TRFO01 I/O O SW_VIDEO2 L H Select Video Decorder
34 P80/TRFO00 I/O O SW_VIDEO1 L H Select Video Scaler
35 P60/TRE0 I/O I Rx_MUTEOUT H L HDMI Rx Device MUTEOUT
36 P45/INT0 I/O I INT_RX L H HDMI RX Device INT
37 P66/INT2/TXD1 I/O TXD AUX_TXD - H UART Output for Program
38 P67/INT3/RXD1 I/O RXD AUX_RXD - H UART Input for Program
39 P65/(CLK1)/CLK2 I/O I NO USE - L Pull down to GND
40 P64/RXD2 I/O RXD DEBUG_RxD1 - H UART Input for Debug
41 P63/TXD2 I/O TXD DEBUG_TxD1 - H UART Output for Debug
42 P31/TRBO I/O I SW1 H L Pull down to GND
43 P30/TRAO I/O I SW0 H L Pull down to GND
44 P36/(INT1) I/O I INT_SW L H HDMI SW Device INT
45 P32/(INT2) I/O I _SCDT L H HDMI RX Device SCDT
46 P13/KI3/AN11 I/O O SW_SPDIF - L S/PDIF Select Reserved
47 P12/KI2/AN10 I/O O NO USE - L Pull down to GND
48 P11/KI1/AN9 I/O O NO USE - L Open
49 P10/KI0/AN8 I/O O NO USE - L Open
50 P00/AN7 I/O I I_HPD_CH1 H L HPD Input from HDMI OUTPUT 1
51 P01/AN6 I/O I I_HPD_CH2 H L HPD Input from HDMI OUTPUT 2 (SR6003 only)
52 P02/AN5 I/O I I_5V_CH1 H L +5V from HDMI INPUT 1
53 P03/AN4 I/O I I_5V_CH2 H L +5V from HDMI INPUT 2
54 P04/AN3 I/O I I_5V_CH3 H L +5V from HDMI INPUT 3
55 P62 I/O I NO USE - - Pull down to GND
56 P61 I/O I NO USE - - Pull down to GND
57 P05/AN2/CLK1 I/O I I_5V_CH4 - - Pull down to GND

98
Page 4
1. Overview
67f o5002, 92. guA10 . 1. veR
1010 - 7210B30JER
)B78 / C23M, A78 / C23M, 78 /C23M(puo rG78 / C23M
1.3 Block Diagram
Figure 1.1 shows a block diagram of the M32C/87 group (M32C/87, M32C/87A, M32C/87B) microcomputer.
Figure 1.1 M32C/87 Group (M32C/87, M32C/87A, M32C/87B) Block Diagram
Port P0 Port P1 Port P2 Port P3 Port P4 Port P5 Port P6
Port P7
Port P14 Port P15 Port P11 Port P12
Port P10Port P9Port P8
P8
5
Port P13
R0H R0L
R1H R1L
R2
R3
A0
A1
FB
SB
NOTES:
1. Ports P11 to P15 are provided in the 144-pin package only.
2. Included in the 144-pin package only. 26 inputs maximum in the 100-pin package.
3. 6 channes available in the 100-pin package.
4. 10 channes available in the 100-pin package.
5. 1 channel is included in M32C/87A. No channel is included in M32C/87B.
FLG
INTB
ISP
USP
PC
SVF
SVP
VCT Multiplier
M32C/80 series CPU Core
Clock Generation Circuit
X
IN
- X
OUT
X
CIN
- X
COUT
On-chip Oscillator
PLL Frequency Synthesizer
A/D Converter:
1 circuit
Standard: 10 inputs
Maximum: 34 inputs
(2)
UART/Clock Synchronous Serial I/O:
7 channels
(3)
CRC Calculation Circuit (CCITT):
X16+X12+X5+1
X/Y Converter:
16 bits x 16 bits
D/A Converter:
8 bits x 2 circuits
Peripheral Functions
<
V
CC2><
V
CC1>
<
V
CC1>
ROM
RAM
Memory
<
V
CC1><
V
CC2>
78588
(Note 1)
8
8
7
888888 8
8
DMACII
DMAC
Watchdog Timer (15 bits)
CAN Module: 2 channels
(5)
Intelligent I/O
Time Measurement: 8 channels
Wave Generating: 16 channels
(4)
Communication Functions:
Clock Synchronous Serial I/O,
UART,
HDLC Data Processing,
IEBus,
Clock Synchronous Variable
Length Serial I/O
Timer (16 bits)
Timer A: 5 channels
Timer B: 6 channels
Three-Phase Motor Control Circuit
Page 7
1. Overview
67f o5002, 92. guA10 . 1. veR
1010 - 7210B30JER
)B78 / C23M, A78 / C23M, 78 /C23M(puo rG78 / C23M
P4
4
/ CS3 / A
20
P4
5
/ CS2 / A
21
P4
6
/ CS1 / A
22
P4
7
/ CS0 / A
23
P12
5
P12
6
P12
7
P5
0
/ WRL / WR
P5
1
/ WRH / BHE
P5
2
/ RD
P5
3
/ CLK
OUT
/ BCLK / ALE
P13
0
/ OUTC2
4
P13
1
/ OUTC2
5
V
CC2
P13
2
/ OUTC2
6
V
SS
P13
3
/ OUTC2
3
P5
4
/ HLDA / ALE
P5
5
/ HOLD
P5
6
/ ALE
P5
7
/ RDY
P13
4
/ OUTC2
0
/ ISTxD2 / IE
OUT
P13
5
/ OUTC2
2
/ ISRxD2 / IE
IN
P13
6
/ OUTC2
1
/ ISCLK2
P13
7
/ OUTC2
7
P6
0
/ CTS0 / RTS0 / SS0 / RTP0
0
P6
1
/ CLK0 / RTP0
1
P6
2
/ RxD0 / SCL0 / STxD0 / IrDA
IN
P6
3
/ TxD0 / SDA0 / SRxD0 / IrDA
OUT
P6
4
/ CTS1 / RTS1 / SS1 / OUTC2
1
/ ISCLK2
P6
5
/ CLK1
V
SS
P6
6
/ RxD1 / SCL1 / STxD1
V
CC1
P6
7
/ TxD1 / SDA1 / SRxD1
P7
0(11,14)
P9
6(1,15)
P9
5
/ ANEX0 / CLK4 / CAN1
IN
/ CAN1WU
(15)
P9
4
/ DA1 / TB4
IN
/ CTS4 / RTS4 / SS4
P9
3
/ DA0 / TB3
IN
/ CTS3 / RTS3 / SS3
P9
2(2)
P9
1(3)
P9
0
/ TB0
IN
/ CLK3
P14
6
/ INT8
P14
5
/ INT7
P14
4
/ INT6
P14
3
/ INPC1
7
/ OUTC1
7
P14
2
/ INPC1
6
/ OUTC1
6
P14
1
/ INPC1
5
/ OUTC1
5
P14
0
/ INPC1
4
/ OUTC1
4
BYTE
CNV
SS
P8
7
/ X
CIN
P8
6
/ X
COUT
RESET
X
OUT
V
SS
X
IN
V
CC1
P8
5
/ NMI
P8
4
/ INT2
P8
3
/ INT1 / CAN1
IN
/ CAN0
IN(15)
P8
2
/ INT0 / CAN1
OUT
/ CAN0
OUT(15)
P8
1(4)
P8
0
/ TA4
OUT
/ U / ISRxD0 / RxD5
P7
7(5,15)
P7
6(6,15)
P7
5(7)
P7
4(8)
P7
3(9)
P7
2
/ TA1
OUT
/ V / CLK2
P7
1(10,14)
1
2
3
4
5
6
7
8
9
10
11
12
13
14
15
16
17
18
19
20
21
22
23
24
25
26
27
28
29
30
31
32
33
34
35
36
50
49
48
47
46
45
44
43
42
41
40
39
38
37
56
55
54
53
52
51
62
61
60
59
58
57
68
67
66
65
64
63
72
71
70
69
108
107
106
105
104
103
102
101
100
99
98
97
96
95
94
93
92
91
90
89
88
87
86
85
84
83
82
81
80
79
78
77
76
75
74
73
131
132
133
134
135
136
137
138
139
140
141
142
143
144
125
126
127
128
129
130
11 9
120
121
122
123
124
11 3
11 4
11 5
11 6
11 7
11 8
109
11 0
111
11 2
M32C/87 Group
(M32C/87,M32C/87A,M32C/87B)
P1
1
/ D
9
P1
2
/ D
10
P1
3
/ D
11
P1
4
/ D
12
P1
5
/ D
13
/ INT3
P1
6
/ D
14
/ INT4
P1
7
/ D
15
/ INT5
P2
0
/ A
0
( / D
0
) / AN2
0
P2
1
/ A
1
( / D
1
) / AN2
1
P2
2
/ A
2
( / D
2
) / AN2
2
P2
3
/ A
3
( / D
3
) / AN2
3
P2
4
/ A
4
( / D
4
) / AN2
4
P2
5
/ A
5
( / D
5
) / AN2
5
P2
6
/ A
6
( / D
6
) / AN2
6
P2
7
/ A
7
( / D
7
) / AN2
7
V
SS
P3
0
/ A
8
( / D
8
)
V
CC2
P12
0
/ TxD6
P12
1
/ CLK6
P12
2
/ RxD6
P12
3
/ CTS6 / RTS6
P12
4
P3
1
/ A
9
( / D
9
)
P3
2
/ A
10
( / D
10
)
P3
3
/ A
11
( / D
11
)
P3
4
/ A
12
( / D
12
)
P3
5
/ A
13
( / D
13
)
P3
6
/ A
14
( / D
14
)
P3
7
/ A
15
( / D
15
)
P4
0
/ A
16
P4
1
/ A
17
V
SS
P4
2
/ A
18
V
CC2
P4
3
/ A
19
P1
0
/ D
8
P0
7
/ D
7
/ AN0
7
P0
6
/ D
6
/ AN0
6
P0
5
/ D
5
/ AN0
5
P0
4
/ D
4
/ AN0
4
P11
4
P11
3
/ INPC1
3
/ OUTC1
3
P11
2(12)
P11
1
/ INPC1
1
/ OUTC1
1
/ ISCLK1
P11
0(13)
P0
3
/ D
3
/ AN0
3
P0
2
/ D
2
/ AN0
2
P0
1
/ D
1
/ AN0
1
P0
0
/ D
0
/ AN0
0
P15
7
/ AN15
7
/ CTS6 / RTS6
P15
6
/ AN15
6
/ CLK6
P15
5
/ AN15
5
/ RxD6
P15
4
/ AN15
4
/ TxD6
P15
3
/ AN15
3
/ CTS5 / RTS5
P15
2
/ AN15
2
/ ISRxD0 / RxD5
P15
1
/ AN15
1
/ ISCLK0 / CLK5
V
SS
P15
0
/ AN15
0
/ ISTxD0 / TxD5
V
CC1
P10
7
/ AN
7
/ KI
3
/ RTP3
3
P10
6
/ AN
6
/ KI
2
/ RTP3
2
P10
5
/ AN
5
/ KI
1
/ RTP3
1
P10
4
/ AN
4
/ KI
0
/ RTP3
0
P10
3
/ AN
3
/ RTP1
3
P10
2
/ AN
2
/ RTP1
2
P10
1
/ AN
1
/ RTP1
1
AV
SS
P10
0
/ AN
0
/ RTP1
0
V
REF
AV
CC
P9
7
/ ADTRG / RxD4 / SCL4 / STxD4
<
VCC2
>
<
VCC1
>
NOTES:
1. P9
6
/ ANEX1 / TxD4 / SDA4 / SRxD4 / CAN1
OUT
2. P9
2
/ TB2
IN
/ TxD3 / SDA3 / SRxD3 / OUTC2
0
/ IE
OUT
/ ISTxD2
3. P9
1
/ TB1
IN
/ RxD3 / SCL3 / STxD3 / IE
IN
/ ISRxD2
4. P8
1
/ TA4
IN
/ U / INPC1
5
/ OUTC1
5
/ CTS5 / RTS5 / RTP2
3
5. P7
7
/ TA3
IN
/ CAN0
IN
/ INPC1
4
/ OUTC1
4
/ ISCLK0 / CLK5 / RTP2
2
6. P7
6
/ TA3
OUT
/ CAN0
OUT
/ INPC1
3
/ OUTC1
3
/ ISTxD0 / TxD5
7. P7
5
/ TA2
IN
/ W / INPC1
2
/ OUTC1
2
/ ISRxD1 / RTP2
1
8. P7
4
/ TA2
OUT
/ W / INPC11 / OUTC11 / ISCLK1 / RTP20
9. P7
3
/ TA1
IN
/ V / CTS2 / RTS2 / SS2 / INPC1
0
/ OUTC1
0
/ ISTxD1
10. P7
1
/ TA0
IN
/ TB5
IN
/ RxD2 / SCL2 / STxD2 / INPC1
7
/ OUTC1
7
/ OUTC2
2
/ ISRxD2 / IE
IN
/ RTP0
3
11. P7
0
/ TA0
OUT
/ TxD2 / SDA2 / SRxD2 / INPC1
6
/ OUTC1
6
/ OUTC2
0
/ ISTxD2 / IE
OUT
/ RTP0
2
12. P11
2
/ INPC1
2
/ OUTC1
2
/ ISRxD1
13. P11
0
/ INPC1
0
/ OUTC1
0
/ ISTxD1
14. P7
0
and P7
1
are ports for the N-channel open drain output.
15. The CAN pin cannot be used in M32C/87B. Only CAN 0 pin can be used in 32C/87A.
PLQP0144KA-A
(144P6Q-A)
1.5 Pin Assignment
Figures 1.3 to 1.5 show pin assignments (top view).
Figure 1.3 Pin Assignment for 144-Pin Package
Pin
No Port Name I/O Use Name PortSetup Note
Act. Init
58 P06/AN1/DA0 I/O I I_5V_CH5 - - Pull down to GND
59 VSS/AVSS I I GND - - GND
60 P07/AN0/DA1 I/O I I_5V_CH6 - - Pull down to GND
61 VREF I I +5VH - - +5V
62 VCC/AVCC I I +5VH - - +5V
63 P37/SSO I/O I/O HDMI_SDA - H HDMI Devices Control
64 P35/SCL/SSCK I/O SCL CPU_SCL - H Communication to Main CPU
IC11 : M3087BFK [SR5003 : MAIN] / M3087BFL [SR6003 : MAIN]
IC61 : R5F212AASNFP [HDMI]

99
IC11 : M3087BFK [SR5003 : MAIN] / M3087BFL [SR6003 : MAIN]
Pin
No. Port Name Vcc I/O
Volt I/O Use STBY Name PortSetup Note
Act. Init
1P9-6/ANEX1/TxD4/
SDA4/SRxD4 P1 +5V I/O I/O I DMP_TX - L USB UART Output (SR6003 only)
2 P9-5/ANEX0/CLK4/ P1 +5V I/O O I M_VOL_DTA - L ZONE A Volume Data (BD3812)
3P9-4/DA1/TB4in/_
CTS4/_RTS4/_SS4 P1 +5V I/O O I M_VOL_CLK - L ZONE A Volume Clock (BD3812)
4P9-3/DA0/TB3in/_
CTS3/_RTS3/_SS3 P1 +5V I/O T_IN I IR_REC_IN - - IR Flasher Input
5
P9-2/TB2in/TxD3/
SDA3/SRxD3/
OUTC20/IEout/ISTxD2
P1 +5V I/O T_IN I VSYNC ↑- V-Sync Detect (LC74782)
6
P9-1/TB1in/RxD3/
SCL3/STxD3/IEin/
ISRxD2
P1 +5V I/O O I CE_OSD L H OSD Enable (LC74782)
7 P9-0/TB0in/CLK3 P1 +5V I/O T_IN I RC_IN ↑↓ - RC-5 (D-BUS) Input
8 P14-6/_INT8 P1 +5V I/O INT I WAKEUP ↑- CPU Standby Mode Release
9 P14-5/_INT7 P1 +5V I/O INT I _AMUTE0 L H Mute Control from DSP (DA788)
10 P14-4/_INT6 P1 +5V I/O O I XM_MUTE H - XM Mute (U1B only)
11 P14-3/INPC1-7/
OUTC1-7 P1 +5V I/O SO O OSD_DAT - L Front FL, OSD and Expander Data
(AN15881, LC74782, 74HC4094)
12 P14-2/INPC1-6/
OUTC1-6 P1 +5V I/O SC I OSD_CLK - L Front FL, OSD and Expander Clock
(AN15881,LC74782,74HC4094)
13 P14-1/INPC1-5/
OUTC1-5 P1 +5V I/O O I _CE_EX L H Serial to Parallel Expander for Video Strobe
(74HC4094 x 2pcs)
14 P14-0/INPC1-4/
OUTC1-4 P1 +5V I/O O O(Lo) S2P_EN - L Port Expander Enable (74HC4094)
15 BYTE P1 +5V I I I BYTE H L Pull down to GND
16 CNVss P1 +5V I I I CNVSS H L H : Boot Mode/ L: Normal Operation
17 P8-7/Xcin P1 +5V I/O I I RDS_DAT H L Tuner RDS Data Input (Tuner Pack)
18 P8-6/Xcout P1 +5V I/O O I N.C H L No Use
19 _RESET P1 +5V I YES I _RESET L H Reset Input
20 Xout P1 +5V O YES I Xout - - X'tal (20MHz)
21 Vss Vss I - I VSS - - GND
22 Xin P1 +5V I YES I Xin - - X'tal (20MHz)
23 Vcc1 P1Vcc +5V I YES I VCC1 - - +5V
24 P8-5/_NMI P1 +5V I I I NMI H H Pull Up to +5VL
25 P8-4/_INT2 P1 +5V I/O INT I _P_DOWN L - Power Down Detect
26 P8-3/_INT1 P1 +5V I/O INT I RDS_CLK - - Tuner RDS Clock (Tuner Pck)
27 P8-2/_INT0 P1 +5V I/O I I _TU_SD L H Tuner Tuned (Tuner Pack)
28
P8-1/TA4in/_U/INPC1-
5/OUTC1-5/
_CTS5/_RTS5/RTP2-3
P1 +5V I/O I I TU_ST H Tuner FM Stereo (Tuner Pack)
29 P8-0/TA4out/U/
ISRxD0/RxD5 P1 +5V I/O O I TU_MUTE H H Tuner Mute (Tuner Pack)
30
P7-7/TA3in/INPC1-4/
OUTC1-4/
ISCLK0/CLK5/RTP2-2
P1 +5V I/O O I _CE_TU L L Tuner PLL Enable (Tuner Pack)
31
P7-6/TA3out/INPC1-3/
OUTC1-3/ISTxD0/
TxD5
P1 +5V I/O O I TUD_OUT - L Tuner PLL Data Output (Tuner Pack)
32
P7-5/TA2in/_W/
INPC1-2/ISRxD1/
RTP2-1
P1 +5V I/O O I TUCLK - L Tuner PLL Clock (Tuner Pack)
33
P7-4/TA2out/W/
INPC1-1/
OUTC1-1/ISCLK1/
RTP2-0
P1 +5V I/O T_
OUT I RC_OUT - H RC-5 (D-BUS) Output
34
P7-3/TA1in/_V/_
CTS2/_RTS2/_SS2/
INPC1-0/
OUTC1-0/ISTxD1
P1 +5V I/O I I TUDIN - L Tuner PLL Data Input (Tuner Pack)
35 P7-2/TA1out/V/CLK2 P1 +5V O I ERMUTE - L ERMUTE for Muting Transistor Control
36
P7-1/TA0in/TB5in/
RxD2/SCL2/STxD2/
INPC1-7/
OUTC1-7/OUTC2-2/
ISRxD2/IEin/RTP0-3
P1 +5V I/O SC I V_SCL - H I2C Clock for Video Devices (ADV7401/
ADV7342)

100
Pin
No. Port Name Vcc I/O
Volt I/O Use STBY Name PortSetup Note
Act. Init
37
P7-0/TA0out/TxD2/
SDA2/SRxD2/INPC1-
6/
OUTC1-6/OUTC2-0/
ISTxD2/IEout/RTP0-2
P1 +5V I/O SIO I V_SDA - H I2C Data for Video Devices (ADV7401/
ADV7342)
38 P6-7/TxD1/SDA1/
SRxD1 P1 +5V I/O SC O TXD - H RS-232C Output
39 Vcc1 P1Vcc +5V I YES I VCC1 - - +5V'
40 P6-6/RxD1/SCL1/
STxD1 P1 +5V I/O SI I RXD - H RS-232C Input
41 Vss Vss I - I VSS - - GND
42 P6-5/CLK1 P1 +5V I/O O O(Lo) S2P_STB - H Port Expander Strobe
43 P6-4/_CTS1/_RTS1/_
SS1/OUTC2-1/ISCLK2 P1 +5V I/O I I SPKC_DET H L Speaker-C Switch
44 P6-3/TxD0/SDA0/
SRxD0/IrDAout P1 +5V I/O SIO I HDMI_SDA - H I2C Data for HDMI CPU
45 P6-2/RxD0/SCL0/
STxD0/IrDAin P1 +5V I/O SC I HDMI_SCL - H I2C Clock for HDMI CPU
46 P6-1/CLK0/RTP0-1 P1 +5V I/O O I RS232_SW RS232C_SW1 CONTROL
47 P6-0/_CTS0/_RTS0/_
SS0/RTP0-0 P1 +5V I/O O I RS232_SW2 L - RS232C_SW2 CONTROL
48 P13-7/OUTC2-7 P2 +3.3V I/O O I HDMI_RST H H HDMI CPU Reset
49 P13-6/OUTC2-1/
ISCLK2 P2 +3.3V I/O SC O(Lo) SPIO_CLK - L Serial Clock Output for DSP (DA788)
50 P13-5/OUTC2-2/
ISRxD2/IEin P2 +3.3V I/O SI I SPIO_SOMI - L Serial Data Input from DSP (DA788)
51 P13-4/OUTC2-0/
ISTxD2/IEout P2 +3.3V I/O SO I SPIO_SIMO - H Serial Data Output for DSP (DA788)
52 P5-7/_RDY P2 +3.3V I/O I I IPSD_WAIT - - Wait from Video Scaler
53 P5-6/ALE P2 +3.3V I/O O I NO USE L - No Use
54 P5-5/_HOLD P2 +3.3V I/O I I _BOOT - - L : Boot Mode/ H: Normal Operation
55 P5-4/_HLDA/ALE P2 +3.3V I/O O I _HLDA/ALE L No Use
56 P13-3/OUTC2-3 P2 +3.3V I/O O I S_MUTE H H SL/SR Mute
57 Vss Vss I - I VSS - - GND
58 P13-2/OUTC2-6 P2 +3.3V I/O O I F_MUTE H H L/R Mute
59 Vcc2 P2Vcc +3.3V I YES I VCC2 - - +3.3V
60 P13-1/OUTC2-5 P2 +3.3V I/O O I M_MUTE H H ZONE A Mute
61 P13-0/OUTC2-4 P2 +3.3V I/O O I C_MUTE H H Center Mute
62 P5-3/CLKout/BCLK/
ALE P2 +3.3V I/O O I IPSD_CLK H Video Scaler Clock
63 P5-2/_RD P2 +3.3V I/O O I IPSD_RD_ L - Video Scaler Read
64 P5-1/_WRH/_BHE P2 +3.3V I/O O I BHE - - No Use
65 P5-0/_WRL/_WR P2 +3.3V I/O O I IPSD_WR_ L - Video Scaler Write
66 P12-7 P2 +3.3V I/O I I MIC_DET L H Microphone Jack Switch Input
67 P12-6 P2 +3.3V I/O O I SW_MUTE H L SW Mute
68 P12-5 P2 +3.3V I/O O I TV_AUTO H L TV Signal Detect
69 P4-7/_CS0/_A23 P2 +3.3V I/O O I IPSD_CS0_ - - Video Scaler CS0
70 P4-6/_CS1/A22 P2 +3.3V I/O O I _CS1 - - No Use
71 P4-5/_CS2/A21 P2 +3.3V I/O O I _CS2 - - No Use
72 P4-4/_CS3/A20 P2 +3.3V I/O O I _CS3 - - No Use
73 P4-3/A19 P2 +3.3V I/O O I SB_MUTE H H SBL/SBR Mute
74 Vcc2 P2Vcc +3.3V I YES I VCC2 - - +3.3V
75 P4-2/A18 P2 +3.3V I/O O I _CEFL L L Front FL Driver Chip Select
76 Vss Vss I - I VSS - - GND
77 P4-1/A17 P2 +3.3V I/O I I SEL- L H Front Select Knob Encoder -
78 P4-0/A16 P2 +3.3V I/O I I SEL+ L H Front Select Knob Encoder +
79 P3-7/A15(/D15) P2 +3.3V I/O I/O I A15/D15 - No Use
80 P3-6/A14(/D14) P2 +3.3V I/O I/O I A14/D14 - No Use
IC11 : M3087BFK [SR5003 : MAIN] / M3087BFL [SR6003 : MAIN]

101
Pin
No. Port Name Vcc I/O
Volt I/O Use STBY Name PortSetup Note
Act. Init
81 P3-5/A13(/D13) P2 +3.3V I/O I/O I A13/D13 - No Use
82 P3-4/A12(/D12) P2 +3.3V I/O I/O I A12/D12 - No Use
83 P3-3/A11(/D11) P2 +3.3V I/O I/O I A11/D11 - No Use
84 P3-2/A10(/D10) P2 +3.3V I/O I/O I A10/D10 - No Use
85 P3-1/A9(/D9) P2 +3.3V I/O I/O I A9/D9 - No Use
86 P12-4 P2 +3.3V I/O I I VOL- L H Front Volume Knob Encoder -
87 P12-3/_CTS6/_RTS6 P2 +3.3V I/O I I VOL+ L H Front Volume Knob Encoder +
88 P12-2/RxD6 P2 +3.3V I/O SI I XM_TXD - H XM UART Output
89 P12-1/CLK6 P2 +3.3V I/O O I RST_FL_3 H H Front FL Driver Reset
90 P12-0/TxD6 P2 +3.3V I/O SO O(Lo) XM_RXD - H XM UART Input
91 Vcc2 P2Vcc +3.3V I YES I VCC2 - - +3.3V
92 P3-0/A8(/D8) P2 +3.3V I/O I/O I A8/D8 - No Use
93 Vss Vss I - I VSS - - GND
94 P2-7/A7(/D7)/AN2-7 P2 +3.3V I/O I/O I IPSD_DB7 - Video Scaler DB7
95 P2-6/A6(/D6)/AN2-6 P2 +3.3V I/O I/O I IPSD_DB6 - Video Scaler DB6
96 P2-5/A5(/D5)/AN2-5 P2 +3.3V I/O I/O I IPSD_DB5 - Video Scaler DB5
97 P2-4/A4(/D4)/AN2-4 P2 +3.3V I/O I/O I IPSD_DB4 - Video Scaler DB4
98 P2-3/A3(/D3)/AN2-3 P2 +3.3V I/O I/O I IPSD_DB3 - Video Scaler DB3
99 P2-2/A2(/D2)/AN2-2 P2 +3.3V I/O I/O I IPSD_DB2 - Video Scaler DB2
100 P2-1/A1(/D1)/AN2-1 P2 +3.3V I/O I/O I IPSD_DB1 - Video Scaler DB1
101 P2-0/A0(/D0)/AN2-0 P2 +3.3V I/O I/O I IPSD_DB0 - Video Scaler DB0
102 P1-7/D15/_INT5 P2 +3.3V I/O INT I CODEC_INT - CODEC Interrupt
103 P1-6/D14/_INT4 P2 +3.3V I/O INT I XM_LINK L H XM Link Active (U1B only)
104 P1-5/D13/_INT3 P2 +3.3V I/O INT I HDMI_MUTE - HDMI Mute (Sii9134)
105 P1-4/D12 P2 +3.3V I/O I I DEC_INT L Video Decoder Interrupt(ADV7401)
106 P1-3/D11 P2 +3.3V I/O O O KILLIR L H Kill to IR Input Signal L: Disable/H: Enable
107 P1-2/D10 P2 +3.3V I/O I I HP_DET L H Head Phone Jack Insert Detect
108 P1-1/D9 P2 +3.3V I/O O I _TI_RST L H DSP Reset(DA788)
109 P1-0/D8 P2 +3.3V I/O O I _SPIO_SCS L H DSP Chip Select (DA788)
110 P0-7/D7/AN0-7 P2 +3.3V I/O I I SPIO_ENA L H DSP Communication Enable(DA788)
111 P0-6/D6/AN0-6 P2 +3.3V I/O O I CODEC_CE - L CODEC_Chip Enable
112 P0-5/D5/AN0-5 P2 +3.3V I/O O I CODEC_
RST - L CODEC Reset
113 P0-4/D4/AN0-4 P2 +3.3V I/O O I CODEC_
CLK L L CODEC Clock
114 P11-4 P2 +3.3V I/O O I CODEC_DO - L CODEC Data output
115 P11-3/INPC1-3/
OUTC1-3 P2 +3.3V I/O O I VOL_MUTE H - Mai Volume Mute (R2A15218)
116 P11-2/INPC1-2/
OUTC1-2/ISRxD1 P2 +3.3V I/O O O IICCLK - L I2C Clock for E2PROM
117 P11-1/INPC1-1/
OUTC1-1/ISCLK1 P2 +3.3V I/O I/O I/O IICDATA - L I2C Data for E2PROM
118 P11-0/INPC1-0/
OUTC1-0/ISTxD1 P2 +3.3V I/O I I ANT_REV H L XM Antenna Revision (U1B only)
119 P0-3/D3/AN0-3 P2 +3.3V I/O I I HEAT DET L - High Temperature Detect
120 P0-2/D2/AN0-2 P2 +3.3V I/O I I PC_FAIL L - Power Amp Over Current Detect
121 P0-1/D1/AN0-1 P2 +3.3V I/O I I PA_FAIL L - Power Amp DC offset and Over Heat Detect
122 P0-0/D0/AN0-0 P2 +3.3V I/O I I PL_FAIL L - Power Supply Unbalance Detect
123 P15-7/AN15-7/_
CTS6/_RTS6 P1 +5V I/O O I VOL_DATA - L Main Volume Data (R2A15218)
124 P15-6/AN15-6/CLK6 P1 +5V I/O O I VOL_CLK - L Main Volume Clock ( R2A15218)
125 P15-5/AN15-5/RxD6 P1 +5V I/O O O(Lo) S2P_CLK - L Port Expander Clock(74HC4094)
126 P15-4/AN15-4/TxD6 P1 +5V I/O O O(Lo) S2P_DATA - L Port Expander Data(74HC4094)
127 P15-3/AN15-3/_
CTS5/_RTS5 P1 +5V I/O I I CODEC_DI - L CODEC Data Input
IC11 : M3087BFK [SR5003 : MAIN] / M3087BFL [SR6003 : MAIN]

102
IC11 : M3087BFK [SR5003 : MAIN] / M3087BFL [SR6003 : MAIN]
Pin
No. Port Name Vcc I/O
Volt I/O Use STBY Name PortSetup Note
Act. Init
128 P15-2/AN15-2/
ISRxD0/RxD5 P1 +5V I/O Rx I SIRIUS RX SIRIUS UART Input (U1B only)
129 P15-1/AN15-1/
ISCLK0/CLK5 P1 +5V I/O O I HDMI_MD L H HDMI CPU H: Boot/L: Normal Operation
130 Vss Vss I - I VSS - - GND
131 P15-0/AN15-0/
ISRxD0/TxD5 P1 +5V I/O Tx I SIRIUS TX SIRIUS UART Output (U1B only)
132 Vcc1 P1Vcc +5V I YES I VCC1 - - +5V
133 P10-7/AN7/_KI3/
RTP3-3 P1 +5V I/O AD AD MODE2 - - Model Name Setting
134 P10-6/AN6/_KI2/
RTP3-2 P1 +5V I/O AD AD MODE1 - - Destination Setting
135 P10-5/AN5/_KI1/
RTP3-1 P1 +5V I/O O I STANDBY_
LED L - Standby LED
136 P10-4/AN4/_KI0/
RTP3-0 P1 +5V I/O O I STANDBY_
RL L L Standby Relay Control
137 P10-3/AN3/RTP1-3 P1 +5V I/O AD AD _5V_DOWN - - +5VD Supply Voltage Detect
138 P10-2/AN2/RTP1-2 P1 +5V I/O AD AD KEY2 - - Front Key 2 Input
139 P10-1/AN1/RTP1-1 P1 +5V I/O AD AD KEY1 - - Front Key 1Input
140 Avss AVss I - I AVSS - - GND
141 P10-0/AN0/RTP1-0 P1 +5V I/O AD AD KEY0 - - Front Key 0 Input
142 Vref Vref +5V I YES I VCC - - +5V
143 Avcc AvccVcc +5V I YES I AVCC - - +5V
144 P9-7/_ADTRG/RxD4/
SCL4/STxD4 P1 +5V I/O O I DMP_RX - L USB UART Input (SR6003 only)
IC04 : TC7WHU04FU

103
Copyright ¤ Cirrus Logic, Inc. 2006
(All Rights Reserved)
http://www.cirrus.com
Preliminary Product Information This document contains information for a new product.
Cirrus Logic reserves the right to modify this product without notice.
192 kHz Stereo DAC with 2 Vrms Line Out
Features
Multi-bit Delta-Sigma Modulator
24-Bit Resolution
Supports Sample Rates up to 192 kHz
102 dB A-wt Dynamic Range
-90 dB THD+N
Integrated Line Driver
– 2 Vrms Output into 5 kΩ AC Load
– Analog Low-Pass Filter
Stereo Mutes with Auto-Mute Function
Low Clock-Jitter Sensitivity
Low-Latency Digital Filtering
Popguard® Technology for Control of Clicks
and Pops
Single-Ended Outputs
+3.3 Core, +9 to 12 Analog, and +1.5 to
3.3 Interface Power Supplies
Low Power Consumption
20-pin TSSOP, Lead-Free Assembly
Description
The CS4352 is a complete stereo digital-to-analog sys-
tem including digital interpolation, fifth-order multi-bit
delta-sigma digital-to-analog conversion, digital de-em-
phasis, analog filtering, and on-chip 2 Vrms line-level
driver. The advantages of this architecture include ideal
differential linearity, no distortion mechanisms due to re-
sistor matching errors, no linearity drift over time and
temperature, high tolerance to clock jitter, and a minimal
set of external components.
The CS4352 is available in a 20-pin TSSOP package in
Commercial (-10°C to +70°C) grade. The CDB4352
Customer Demonstration Board is also available for de-
vice evaluation and implementation suggestions.
Please see “Ordering Information” on page 19 for com-
plete details.
These features are ideal for cost-sensitive, 2-channel
audio systems including video game consoles, DVD
players, A/V receivers, set-top boxes, digital TVs and
DVD Recorders, mini-component systems, and mixing
consoles.
PCM
Serial
Interface
Interpolation
Filter
Serial Audio Input
Left and Right
Mute Controls
2 Vrms Line Level
Right Channel
Output
2 Vrms Line Level
Left Channel
Output
Reset
1.5 V to 3.3 V
Hardware
Configuration
Level Translator
Hardware Control
Multibit
∆Σ Modulator
3.3 V 9 V to 12 V
Interpolation
Filter
Amp
+
Filter
Amp
+
Filter
Multibit
∆Σ Modulator
Auto Speed Mode
Detect
DAC
DAC
External
Mute
Control
Internal Voltage
Reference
SEPTEMBER '06
DS684PP1
CS4352
DS684PP1 3
CS4352
1. PIN DESCRIPTION
Pin Name Pin # Pin Description
SDIN 1 Serial Audio Data Input (Input) - Input for two’s complement serial audio data.
SCLK 2 Serial Clock (Input) - Serial clock for the serial audio interface.
LRCK 3 Left / Right Clock (Input) - Determines which channel, Left or Right, is currently active on the serial
audio data line.
MCLK 4 Master Clock (Input) - Clock source for the delta-sigma modulator and digital filters.
VD 5 Digital Power (Input) - Positive power supply for the digital section.
GND 6
16 Ground (Input) - Ground reference.
DIF0
DIF1
8
7
Digital Interface Format (Input) - Defines the required relationship between the Left/Right Clock, Serial
Clock, and Serial Audio Data.
DEM 9 De-emphasis (Input) - Selects the standard 15 µs/50 µs digital de-emphasis filter response for 44.1 kHz
sample rates
RST 10 Reset (Input) - Powers down the device and resets all internal registers to their default settings when
enabled.
VA 11 Low Voltage Analog Power (Input) - Positive power supply for the analog section.
VBIAS 12 Positive Voltage Reference (Output) - Positive reference voltage for the internal DAC.
VQ 13 Quiescent Voltage (Output) - Filter connection for internal quiescent voltage.
VA_H 17 High Voltage Analog Power (Input) - Positive power supply for the analog section.
VL 20 Serial Audio Interface Power (Input) - Positive power for the serial audio interface
BMUTEC
AMUTEC
14
19 Mute Control (Output) - Control signal for optional mute circuit.
AOUTB
AOUTA
15
18
Analog Outputs (Output) - The full-scale analog line output level is specified in the Analog Characteris-
tics table.
SDIN VL
SCLK AMUTEC
LRCK AOUTA
MCLK VA_H
VD GND
GND AOUTB
DIF1 BMUTEC
DIF0 VQ
DEM VBIAS
RST VA
1
2
3
4
5
6
7
8
9
10 11
12
17
18
19
20
13
14
15
16
IC03 [SR6003], IC52 : CS4352CZZR

104
SiI 9185 Three Input, Single Output Deep Color HDMI Switch
Data Sheet
Silicon Image, Inc.
© 2006 Silicon Image, Inc. CONFIDENTIAL SiI-DS-0198-0.8
8
SiI 9185 Pin Mapping
Figure 1. Pin Mapping
SiI 9185 Three Input, Single Output Deep Color HDMI Switch
Data Sheet
Silicon Image, Inc.
© 2006 Silicon Image, Inc. CONFIDENTIAL SiI-DS-0198-0.8
10
Block Level Functionality
The SiI 9185 Three Input, Single Output Deep Color HDMI Switch is used to select a single set of HDMI/DVI
signals from one of three HDMI/DVI receiver-ports, and to generate a fully compliant HDMI/DVI stream as an
output. It also provides DDC/HDCP, HPD, and +5V switching to allow full compliance to the HDMI/DVI
Specification.
The combination of programmable equalizer and state-of-the-art DPLL can overcome signal distortion due to the
long lengths of HDMI/DVI cables. SiI 9185-based switches can be cascaded many times to regenerate TMDS
and HDCP signals.
Figure 3. Functional Block Diagram
As shown in Figure 3, the SiI 9185 consists of five major blocks:
Receiver block
Transmitter block
CEC Interface block
EDID RAM block
Configuration Block
IC11 : SiI9185ACTU

105
9185 Three Input, Single Output Deep Color HDMI Switch
Data Sheet
Silicon Image, Inc.
© 2006 Silicon Image, Inc. CONFIDENTIAL SiI-DS-0198-0.8
27
Pin Descriptions
System Switching Pins
Pin Name Pin # Type Dir Description
DSDA0,
DSDA1,
DSDA2
30,
50,
70
LVTTL,
Schmitt Trigger,
5V tolerant
Input/
Output
DDC I2C Data for respective port. Note 1.
DSCL0,
DSCL1,
DSCL2
31,
51,
71
LVTTL,
Schmitt Trigger,
5V tolerant
Input DDC I2C Clock for respective port. Note 1.
RPWR0,
RPWR1,
RPWR2
32,
52,
72
LVTTL,
5V Tolerant
Input 5V Port detection input for respective port.
Connect to 5V signal from HDMI input connector.
HPD0,
HDP1,
HPD2
16,
36,
56
LVTTL, 2mA,
5V Tolerant
Output Hot Plug Detect Output for respective port.
Connect to HOTPLUG of HDMI input connector.
HPDIN 76 LVTTL,
5V Tolerant
Input Hot Plug Detect Input.
TSCL 78 LVTTL,
Schmitt Trigger.
Open Drain
5V tolerant
Output Master DDC I2C Clock (Open Drain Output) to HDMI receiver.
I2C transactions required for HDCP operation are performed
over this I2C bus. Note 1.
TSDA 77 LVTTL,
Schmitt Trigger,
5V tolerant
Input/
Output
Master DDC Data (Open drain output.) to HDMI receiver. I2C
transactions required for HDCP operation are performed over
this I2C bus. Note 1.
Note:
1. These signals are true open drain, and do not pull to ground when power is not applied to the device. These signals
require an external pull-up.
Configuration Pins
Pin Name Pin # Type Dir Description
I2CADDR/
TPWR
79 LVTTL, 4mA,
5V Tolerant
Input/
Output
I2C Slave Address input / Transmit Power Sense output pin.
When RESET# is low, this pin is used as an input to latch the
I2C sub-address. The level on this pin is latched when the
RESET# pin transitions from low to high.
When RESET# is high, this pin is used as the TPWR output,
indicating that the selected Rx-port is has 5V present. When
none of the Rx ports are selected, this signal is low.
See page 15 for more information.
I2CSEL/INT# 35 Schmitt Trigger,
Open Drain, 4mA,
5V Tolerant
Input/
Output
I2C Selection input / Interrupt output pin.
When RESET# is low, this pin is used as an input to latch the
External Port Detection signal. The level on this pin is latched
when the RESET# pin transitions from low to high.
When this pin is high during reset, the external pins
EPSEL1/LSCL and EPSEL0/LSDA are used to select the Rx-
port as EPSEL[1:0].
When this pin is low during reset, the internal local I2C register
is used to select the Rx-port.
After reset, this pin becomes the Interrupt output.
This is an open-drain output and requires an external pull-up.
See page 14 for more information.
RSVDL 75 Input Reserved for use by Silicon Image and must be tied low.
SiI 9185 Three Input, Single Output Deep Color HDMI Switch
Data Sheet
Silicon Image, Inc.
© 2006 Silicon Image, Inc. CONFIDENTIAL SiI-DS-0198-0.8
28
Control Pins
Pin Name Pin # Type Dir Description
RESET# 13 LVTTL,
Schmitt Trigger.
5V tolerant
Input Reset Pin (Active LOW). Certain configuration inputs are
latched when RESET# transitions from low to high. See page
14 for more information.
LSCL/EPSEL1 15 Schmitt
5V tolerant
Input Local I2C Clock / External Port Select 1. When I2CSEL is high,
this becomes the Local I2C bus clock pin, LSCL. When I2CSEL
is low, this becomes the external port select pin, EPSEL1. True
open drain, so does not pull to ground if power not applied. An
external pull-up is required.
See page 14 for more information.
LSDA/EPSEL0 14 LVTTL,
Schmitt Trigger.
Open Drain
5V tolerant
Input/
Output
Local I2C Data / External Port Select 0. When I2CSEL is high,
this becomes the Local I2C bus data pin, LSDA. When I2CSEL
is low, this becomes the external port select pin, EPSEL0. True
open drain, so does not pull to ground if power not applied. An
external pull-up is required.
See page 14 for more information.
CEC Pins
Pin Name Pin # Type Direction Description
CEC_A 54 CEC Compliant,
5V tolerant.
Input/
Output
HDMI compliant CEC I/O used to interface to CEC devices.
CEC electrically compliant signal. This pin connects to the CEC
signal of all HDMI connectors in the system.
As an input, the pad acts as a LVTTL Schmitt triggered input
and is 5V tolerant. As an output, the pad acts as an NMOS
driver with resistive pull-up. This pin has an internal pull-up
resistor.
CEC_D 53 LVTTL,
Schmitt Trigger
5V tolerant.
Input/
Output
CEC interface to local system. True open-drain. An external
pull-up is required. This pin typically connects to the local CPU.
9185 Three Input, Single Output Deep Color HDMI Switch
Data Sheet
Silicon Image, Inc.
© 2006 Silicon Image, Inc. CONFIDENTIAL SiI-DS-0198-0.8
29
Differential Signal Data Pins
Pin Name Pin # Type Dir Description
R0X0+ 22 TMDS Input
R0X0- 21 TMDS Input
R0X1+ 25 TMDS Input
R0X1- 24 TMDS Input
R0X2+ 28 TMDS Input
R0X2- 27 TMDS Input
TMDS input Port 0 data pairs.
R0C+ 19 TMDS Input
R0C- 18 TMDS Input
TMDS input Port 0 clock pair.
R1X0+ 42 TMDS Input
R1X0- 41 TMDS Input
R1X1+ 45 TMDS Input
R1X1- 44 TMDS Input
R1X2+ 48 TMDS Input
R1X2- 47 TMDS Input
TMDS input port 1 data pairs.
R1C+ 39 TMDS Input
R1C- 38 TMDS Input
TMDS input Port 1 clock pair.
R2X0+ 62 TMDS Input
R2X0- 61 TMDS Input
R2X1+ 65 TMDS Input
R2X1- 64 TMDS Input
R2X2+ 68 TMDS Input
R2X2- 67 TMDS Input
TMDS input port 2 data pairs.
R2C+ 59 TMDS Input
R2C- 58 TMDS Input
TMDS input Port 2 clock pair.
TX0+ 7 TMDS Output
TX0- 8 TMDS Output
TX1+ 4 TMDS Output
TX1- 5 TMDS Output
TX2+ 1 TMDS Output
TX2- 2 TMDS Output
TMDS output data pairs.
TXC+ 10 TMDS Output
TXC- 11 TMDS Output
TMDS output clock pair.
EXT_SWING 12 Analog Input Voltage Swing Adjust. A resistor tied from this pin to
AVCC18 determines the amplitude of the voltage swing.
The recommended value is 500ȍ.
SiI 9185 Three Input, Single Output Deep Color HDMI Switch
Data Sheet
Silicon Image, Inc.
© 2006 Silicon Image, Inc. CONFIDENTIAL SiI-DS-0198-0.8
30
Power and Ground Pins
Pin Name Pin # Type Description
AVCC33 23, 43, 55, 63 Power Analog VCC. Connect to 3.3V supply.
AVCC18 6, 17, 29, 37, 49, 57, 69 Power Analog VCC. Connect to 1.8V supply.
AGND 3, 9, 20, 26, 40,
46, 60, 66, 80
Ground Analog GND.
DVCC18 33, 73 Power Digital VCC. Connect to 1.8V supply.
DGND 34, 74 Ground Digital GND.
10uF
AVCC18
AGND
0.1uF 1nF
0.1uF
Ferrite
SiI 9185
VCCTP
Figure 12. Test Point VCCTP for VCC Noise Tolerance Spec
IC11 : SiI9185ACTU

106
System Block Diagram
No. 4989-6/16
LC74782, 74782M
IC12 : LC74782

107
Pin Functions
No. 4989-2/16
LC74782, 74782M
Pin No. Symbol Function Description
1 VSS1 Ground Ground connection (digital system ground)
2 XtalIN Crystal oscillator connection Used to connect the crystal oscillator and capacitor used to generate the internal
3 XtalOUT synchronization signal, or to input an external clock (2fsc or 4fsc).
4 CTRL1 Crystal oscillator input switching Switches between external clock input mode and crystal oscillator mode.
Low = crystal oscillator mode, high = external clock mode
Outputs the blank signal (the OR of the character and border signals). (Outputs a composite
5 BLANK Blanking output sync signal when MOD0 is high.) Outputs the crystal oscillator clock during reset (when the
RST pin is low), but can be set up to not output this signal by microprocessor command.
6 OSCIN LC oscillator connection Connections for the coil and capacitor that form the oscillator that generates the character
7 OSCOUT output dot clock.
Outputs the character signal. (Functions as the external synchronization signal discrimination
signal output pin when MOD0 is high, and outputs the state of the judgment as to whether the
8 CHARA Character output external synchronization signal is present or not. Outputs a high level when the synchronization
signal is present.) Outputs the dot clock (LC oscillator) during reset, but can be set up to not
output this signal by microprocessor command.
9 CS Enable input Serial data input enable input. Serial data input is enabled when low. A pull-up resistor is built in
(hysteresis input).
10 SCLK Clock input Serial data input clock input.
A pull-up resistor is built in (hysteresis input).
11 SIN Data input Serial data input. A pull-up resistor is built in (hysteresis input).
12 VDD2 Power supply Composite video signal level adjustment power supply pin (analog system power supply).
13 CVOUT Video signal output Composite video signal output
14 NC Must be either connected to ground or left open.
15 CVIN Video signal input Composite video signal input
16 VDD1 Power supply Power supply (+5 V: digital system power supply)
Video signal input for the built-in sync separator circuit (Used for either horizontal
17 SYNIN Sync separator circuit input synchronization signal or composite sync signal input when the built-in sync separator circuit is
not used.)
18 SEPCSync separator circuit bias voltage Built-in sync separator circuit bias voltage monitor pin
Built-in sync separator circuit composite sync signal output. (When MOD1 is high, outputs a high
19 SEPOUT Composite sync signal output level during internal synchronization and a low level during external synchronization.) (Outputs
the SYNIN input signal when the internal sync separator circuit is not used.)
20 SEPIN
Vertical synchronization Inputs a vertical synchronization signal created by integrating the SEPOUT pin output signal. An
signal input integrator must be attached at the SEPOUT pin. This pin must be tied to VDD1 if unused.
The setting indicated by this pin takes priority in switching between the NTSC, PAL, PAL-M and
21 CTRL2 NTSC/PAL-M switching input PAL-N formats. A low level selects NTSC after a reset. The microprocessor command NTSC,
PAL, PAL-M, or PAL-N setting is valid. High = PAL-M format.
22 CTRL3 SEPIN input control Controls whether or not the VSYNC signal is input to the SEPIN input. Low = VSYNC input,
high = VSYNC not input.
23 RST Reset input System reset input. A pull-up resistor is built in (hysteresis input).
24 VDD1 Power supply (+5 V) Power supply (+5 V: digital system power supply)
-
-
- --
-
-
--
--
-
--
--
--
-
-
-
-
--
-
x
x P
x
x--
x-
x-- a
x-
x-
--
IC12 : LC74782
IC14 - IC17, IC19, IC21 : TC74HC4094AFN

108
IC14 : TC74HC4094AFN
Pin
Number
Port
Name Name PortSetup Note
Act. Int
4 Q1 N.C. - L No Use
5 Q2 N.C. - L No Use
6 Q3 N.C. - L No Use
7 Q4 FUNC_SEL_B - L XM/SIRIUS/MIC Select, U1B only (74HC4052)
14 Q5 FUNC_SEL_A - L XM/SIRIUS/MIC Select, U1B only (74HC4052)
13 Q6 MULTI_MONO H L ZONE A Mono/Stereo Select H:Mono/L: Stereo
12 Q7 HP_ON H L Head Phone Output Relay Control
11 Q8 MULTI _VOL_MUTE H L ZONE A Volume Mute (BD3812)
IC15 : TC74HC4094AFN
Pin
Number
Port
Name Name PortSetup Note
Act. Int
4 Q1 SPK_B_SEL H L Speaker A Relay Control
5 Q2 SPK_A_SEL H L Speaker B Relay Control
6 Q3 SURR_AMP_ON L H SL/SR/Center Power Amplifier Enable
7 Q4 SB_AMP_ON H L SB Power Amplifier Enable
14 Q5 P_DIR_LED L H Pure Direct LED
13 Q6 FL_ON H L FL/FR Power Amplifier Enable
12 Q7 AVSS_ON H L Power Amplifier Supply Voltage Control H:Low Voltage, L:High Voltage
11 Q8 DC_OUT L H DC Triger Output
IC16 : TC74HC4094AFN
Pin
Number
Port
Name Name PortSetup Note
Act. Int
4 Q1 DMP_PRG H L USB CPU Mode H Boot/L:Normal
5 Q2 DMP_RESET L L USB CPU Reset H:Reset,/L:Normal
6 Q3 XM_ON H H XM Antenna Power Control, U1B only
7 Q4 XM_RST H H XM Reset H:Reset/L:Normal
14 Q5 SIRIUSE_RST H H SIRIUS Reset H:Reset
13 Q6 CLK_SEL1 - - HDMI-DIR Select (74VHC157) L:DIR/H:HDMI
12 Q7 CLK_SEL2 - - Digital Audio Clock Select L:DIR MCLK/H:HDMI MCLK
11 Q8 XM_DAC_RST H H XM DAC Reset H:Reset
IC17 : TC74HC4094AFN
Pin
Number
Port
Name Name PortSetup Note
Act. Int
4 Q1 TV_AUTO_ENA L L TV Auto Enable L:Enable,H:Disable
5 Q2 N.C - L No Use
6 Q3 UI_480I - H Video Clock Multiplex L:x2/H:x1
7 Q4 IPSD_OE L L Video Scaler OE L:Enable
14 Q5 RESET_IPSD_P H H Video Scaler Reset L:Reset
13 Q6 RESET_DEC_P L L Video Decorder Reset H:Reset
12 Q7 MIC_MUTE L L Microphone Mute L:Mute
11 Q8 OPTN_LED H L LED Option Reserved
IC19 : TC74HC4094AFN
Pin
Number
Port
Name Name PortSetup Note
Act. Int
4 Q1 CP_SEL1 - Component Sync Scan Select 1 (74HC4051)
5 Q2 CP_SEL2 - Component. Sync Scan Select 2 (74HC4051)
6 Q3 CVBS_OSD H CVBS Through Select (NJM2285) H=OSD/L=Through
7 Q4 Y_OSD H Y Through Select (NJM2285) H=OSD/L=Through
14 Q5 COMP_OUT_SEL Component Output Select (NJM2586) H=Convert/L=Through
13 Q6 CP_MUTE L Component Output Mute (NJM2586) L=Mute/H:Normal
12 Q7 N.C. No Use
11 Q8 N.C. No Use
IC21 : TC74HC4094AFN
Pin
Number
Port
Name Name PortSetup Note
Act. Int
4 Q1 V_MUTE H L CVBS,Y/C Output Mute (NJM2244,NJM2264)
5 Q2 OSD_SEL OSD Input Select NJM2535 H=Y,L=CVBS,COMP-Y
6 Q3 OSD_INT Video Decorder Input Select (NJM2285)
7 Q4 NTSC/PAL - H Video Format Select L=NTSC(3.58)/H=PAL(4.43)
14 Q5 Y/C SEL Y/C Monitor Select (NJM2244) H=Convert/L=Through
13 Q6 CVBS_SEL CVBS Monitor Select (NJM2244) H=Convert/L=Through
12 Q7 OSD_SEL2 OSD Input Select (NJM2535) H=Y,L=CVBS/Compornent
11 Q8 VIDEO_MUTE2 L Video Selector Mute (AN15881) L=Mute/H=Normal
IC14 - IC17, IC19, IC21 : TC74HC4094AFN

109
IC17 : AN15881AVT

110
IC17 : AN15881AVT

111
DESCRIPTION
The HC4051 is a single 8 channel multiplexer
demultiplexer having three binary control inputs A,
B and C to select 1 of 8 to be turned on, and
connected to the output.
The HC4052 has a pair of four channel multiplexer
demultiplexer having two control inputs A and B that
select one of four channels of the two sections.
The HC4053 is a triple two channel multiplexer
demultiplexer having three separate digital control
inputs A, B and C to select independently one of a
pair of channles.
CHIP CARRIER
HC4053HC4052HC4051
TRUTH TABLE (HC4051)
INPUT STATES ”ON” CHANNEL
INHIBIT C B A
L LLL 0
L LLH 1
L LHL 2
L LHH 3
L HL L 4
L HLH 5
L HH L 6
L HHH 7
H X X X NONE
X: DON’T CARE
TRUTH TABLE (HC4052)
INPUT STATES ”ON” CHANNELS
INHIBIT B A
L L L 0X, 0Y
L L H 1X, 1Y
L H L 2X, 2Y
L H H 3X, 3Y
H X X NONE
X: DON’T CARE
TRUTH TABLE (HC4053)
INPUT STATES ”ON” CHANNELS
INHIBIT A or B or C
L L ax or bx or cx
L H ay or by or cy
H X NONE
X: DON’T CARE
M54/M74HC4051/4052/4053
2/15
IEC LOGIC SYMBOLS
HC4053HC4052HC4051
PIN DESCRIPTION (HC4051)
PIN No SYMBOL NAME AND FUNCTION
3 COM
OUT/IN
Common Output/input
6 INH INHIBIT Input
7V
EE Negative Supply Voltage
11, 10, 9 A, B, C Select Inputs
13, 14, 15,
12, 1, 5, 2, 4
0 TO 7 Independent Input/Outputs
8 GND Ground (0V)
16 VCC Positive Supply Voltage
PIN DESCRIPTION (HC4053)
PIN No SYMBOL NAME AND FUNCTION
2, 1 bx, by Independent Input/Outputs
5, 3 cx, cy Independent Input/Outputs
6 INH INHIBIT Input
7V
EE Negative Supply Voltage
11, 10, 9 A, B, C Select Inputs
12, 13 ax, ay Independent Input/Outputs
14, 15, 4 ax TO cy Common Output/input
8 GND Ground (0V)
16 VCC Positive Supply Voltage
PIN DESCRIPTION (HC4052)
PIN No SYMBOL NAME AND FUNCTION
1, 5, 2, 4 0Y TO 3Y Independent Input/Outputs
6 INH INHIBIT Input
7V
EE Negative Supply Voltage
10, 9 A, B Select Inputs
12, 14, 15,
11
0X TO 3X Independent Input/Outputs
3 COM Y
OUT/IN
Common X Output/input
13 COM X
OUT/IN
Common Y Output/input
8 GND Ground (0V)
16 VCC Positive Supply Voltage
M54/M74HC4051/4052/4053
3/15
IEC LOGIC SYMBOLS
HC4053HC4052HC4051
PIN DESCRIPTION (HC4051)
PIN No SYMBOL NAME AND FUNCTION
3 COM
OUT/IN
Common Output/input
6 INH INHIBIT Input
7V
EE Negative Supply Voltage
11, 10, 9 A, B, C Select Inputs
13, 14, 15,
12, 1, 5, 2, 4
0 TO 7 Independent Input/Outputs
8 GND Ground (0V)
16 VCC Positive Supply Voltage
PIN DESCRIPTION (HC4053)
PIN No SYMBOL NAME AND FUNCTION
2, 1 bx, by Independent Input/Outputs
5, 3 cx, cy Independent Input/Outputs
6 INH INHIBIT Input
7V
EE Negative Supply Voltage
11, 10, 9 A, B, C Select Inputs
12, 13 ax, ay Independent Input/Outputs
14, 15, 4 ax TO cy Common Output/input
8 GND Ground (0V)
16 VCC Positive Supply Voltage
PIN DESCRIPTION (HC4052)
PIN No SYMBOL NAME AND FUNCTION
1, 5, 2, 4 0Y TO 3Y Independent Input/Outputs
6 INH INHIBIT Input
7V
EE Negative Supply Voltage
10, 9 A, B Select Inputs
12, 14, 15,
11
0X TO 3X Independent Input/Outputs
3 COM Y
OUT/IN
Common X Output/input
13 COM X
OUT/IN
Common Y Output/input
8 GND Ground (0V)
16 VCC Positive Supply Voltage
M54/M74HC4051/4052/4053
3/15
NJM2586A
WIDE BAND 3-INPUT 1-OUTPUT 3-CIRCUIT VIDEO AMPLIFIER
GENERAL DESCRIPTION PACKAGE OUTLINE
NJM2586A
---
NJM2586A-
-
FEATURES
- ±±
-
--
-Ω
--
-
BLOCK DIAGRAM
NJM2586AM NJM2586AL
DMP24 SDIP22
ȍ
ȍ
ȍ
ȍ
ȍ
ȍ
NJM2586
NJM2586A
�CONTROL TERMINAL
-
IC18 : M74HC4051
IC20 : NJM2586

112
www.ti.com
2 Device Overview
256K
Bytes
RAM
Bytes
ROM
768K
Memory Controller
C67x+
DSP Core
Program
Cache
Crossbar Switch
EMIF dMAX
McASP0
SPI1
McASP1
I2C0
I2C1
RTI
SPIO
McASP2
PLL OSC
ASYNC
FLASH
100-MHz/
133-MHz
SDRAM
DSP
Host
Microprocessor
Audio Zone 1
SPI or I2C
Control (optional)
Audio Zone 2
Audio Zone 3
CODEC, DIR,
ADC, DAC, DSD,
Network
Network
ADC, DAC, DSD,
CODEC, DIR,
Digital Out
DSP Control
SPI or I2C
5 Independent Audio
Zones (3 TX + 2 RX)
16 Serial Data Pins
2.1 Enhanced C67x+ CPU
2.2 Efficient Memory System
Aureus TMS320DA708, TMS320DA708B, TMS320DA788B
Floating-Point Digital Signal Processors
SPRS297E–JULY 2005– REVISED JULY 2007
The TMS320DA708/B/TMS320DA788B devices are the second generation of Texas Instruments'
Aureus™ family of high-performance 32-/64-bit floating-point digital signal processors.
Note: The TMS320DA788B supports DTS® 5.1, DTS-ES™ 6.1, DTS Neo:6™, DTS 96/24™, and DTS-ES
96/24™. If the application requires DTS algorithms, the TMS320DA788B DSP should be used.
Figure 2-1 illustrates a high-level block diagram of the device and other devices to which it may typically
connect. An overview of each major block follows the figure.
Figure 2-1. DA708/B/DA788B Aureus™ Audio DSP System Diagram
The C67x+ CPU is an enhanced version of the C67x CPU used on the DA6xxx first-generation Aureus™
DSP. It is compatible with the C67x CPU but offers significant improvements in speed, code density, and
floating-point performance per clock cycle. At 266 MHz, the CPU is capable of a maximum performance of
2128 MIPS/1596 MFLOPS by executing up to eight instructions (six of which are floating-point
instructions) in parallel each cycle. The CPU natively supports 32-bit fixed-point, 32-bit single-precision
floating-point, and 64-bit double-precision floating-point arithmetic.
The memory controller maps the large on-chip 256K-byte RAM and 768K-byte ROM as unified
program/data memory. Development is simplified since there is no fixed division between program and
data memory size as on some other devices.
The memory controller supports single-cycle data accesses from the C67x+ CPU to the RAM and ROM.
Up to four simultaneous accesses are supported:
Device Overview4Submit Documentation Feedback
www.ti.com
2.15 Device Block Diagram
Program/Data
RAM
256K Bytes
256
256
Program/Data
ROM Page1
256K Bytes
256
256
256K Bytes
ROM Page3
Program/Data
Program/Data
ROM Page2
256K Bytes
3232
DMPPMP
CSP 32
256
Program
Cache
32K Bytes
64
D1
Data
R/W
R/W
Data
D2
64
256
Program
FetchINTI/O
C67x+ CPU
Memory
Controller
32
High-Performance
Crossbar Switch 32
McASP DMA Bus
JTAG EMU
32
32
32
32
32
32
32
Peripheral Configuration Bus
EMIF
32
Events
In
32
MAX1MAX0
32
CONTROL
32
Interrupts
Out
I/O
dMAX
McASP0
16 Serializers
McASP1
6 Serializers
McASP2
2 Serializers
DIT Only
SPI1
SPI0
I2C1
I2C0
RTI32
PLL
Peripheral Interrupt and DMA Events
32
32
32
32
Aureus TMS320DA708, TMS320DA708B, TMS320DA788B
Floating-Point Digital Signal Processors
SPRS297E–JULY 2005– REVISED JULY 2007
Figure 2-3. DA708/B/DA788B DSP Block Diagram
Submit Documentation Feedback Device Overview 13
IC21 : TMS320DA788B

113
SiI9135 Starter Kit
(CP9135HDMI)
Contents include:
Hardware
• SiI9135 receiver board
• HDMI to HDMI cable
Software
• HDMIGear receiver
software tool
Documentation
• User's guide
• Schematics
• Bill of materials (BOM)
SiI9135 Features
Industry-Standard Compliance
• HDMI 1.3
• DVI 1.0
• EIA/CEA-861D
• HDCP 1.1
Digital Video Input / Output
• Dual integrated HDMI 1.3 cores
• Supports DTV resolutions up to 1080p @
60Hz or 720p/1080i @ 120Hz with 36-bit
color depth
• Flexible digital video interface:
- 24/30/36-bit RGB/YCbCr 4:4:4
- 16/20/24-bit YCbCr 4:2:2
- 8/10/12-bit YCbCr 4:2:2 (ITU-R BT.656)
- 12-bit digital media interface
• Integrated RGB to YCbCr color space conver-
sion with 12-bit accuracy
• 4:2:2 ÅÆ 4:4:4 converter with 12-bit accuracy
System Operation
• Register-programmable via slave I2C interface
• Auto video mode simplifies design
• Auto audio mode allows more robust system
• Flexible interrupt registers with interrupt pin
Digital Audio Output
• Supports Dolby True HD and DTS-HD up to
24Mb/s through 4xI2S inputs
• DVD-Audio support through 4xI2S inputs
• Direct Stream Digital (DSD) 6-channel Super
Audio SACD
• Supports 2- to 8-channel audio at 192kHz
• Supports IEC60958 2-channel PCM or
IEC61937 compressed audio (Dolby Digital,
DTS, etc.)
• Industry-standard S/PDIF output
Content Protection
• Integrated HDCP cipher engine
• Built-in HDCP BIST
• Pre-programmed HDCP keys:
- Simplify manufacturing process
- Provide extremely secure solution
- Lower system, manufacturing costs
• Built-in HDCP self-test
• Supports HDCP repeater capability
Power Management
• 1.8V core provides low-power operation
• Flexible power-down modes
© 2007 Silicon Image, Inc. All rights reserved. Silicon Image, the Silicon Image logo, SiI and SiI9133, VastLane and the VastLane logo, and TMDS are trademarks or registered trademarks of Silicon Image, Inc. in the
United States and other countries. HDMI, the HDMI logo and High-Definition Multimedia Interface are trademarks or registered trademarks of, and are used under license from, HDMI Licensing, LLC.
PLAYSTATION is a registered trademark of Sony Computer Entertainment, Inc. Other trademarks are property of their respective holders. Product specifications are subject to change without notice.
Part Number: SiI9135CTU SiI-PB-xx rev1 1/07
Silicon Image, Inc.
1060 E. Arques Avenue
Sunnyvale, CA 94085
T 408.616.4000
F 408.830.9530
www.siliconimage.com
SiI 9135 Circuit Diagram
IC21 : SiI9135

114
SiI9134 Starter Kit
(CP9134HDMI)
Contents include:
Hardware
• CP9134 transmitter stand-
alone board
• HDMI to HDMI cable
Software
• HDMIGear software tool
Documentation
• User's guide
• Schematics
• Bill of materials (BOM)
SiI9134 Features
Industry-Standard Compliance
• HDMI 1.3
• DVI 1.0
• EIA/CEA-861D
• HDCP 1.1
Power Management
• 1.8V core provides low-power operation
• Flexible power-down modes
Digital Video Output
• Integrated HDMI 1.3 TMDS core running at
225MHz
• Supports Deep Color 36-bit color depth and
resolutions up to 1080p @ 60Hz or
720p/1080i @ 120Hz
• Flexible video interface supports DVD and
HD MPEG decoders:
- 12/24/30/36-bit RGB YCbCr 4:4:4
- 16/20/24/30/36-bit YCbCr 4:2:2
- 8/10/12-bit YCbCr 4:2:2 (ITU-R BT.601 &
BT.656)
• Integrated YCbCr to RGB conversion
• 4:2:2 to 4:4:4 up-converter
• Programmable Data Enable (DE) generator
• 14-bit internal video processing and 14-bit to
12/10/8-bit dither
Digital Audio Output
• Supports Dolby®True HD and DTS-HD up to
24Mb/s through 4xI2S inputs
• DVD-Audio support through 4xI2S inputs
• Dedicated 8-pin interface to support Direct
Stream Digital (DSD) Super Audio SACD
• Supports 2-channel audio at 192kHz and
8-channel audio at 192kHz
• Supports IEC60958 2-channel PCM or
IEC61937 compressed audio (Dolby®Digital,
DTS, etc.)
• Industry-standard S/PDIF output
Content Protection
• Integrated HDCP cipher engine
• Pre-programmed HDCP keys:
- Simplify manufacturing process
- Provide extremely secure solution
- Lower system, manufacturing costs
• Encrypts both video and audio
System Operation
• Register-programmable via slave I2C interface
• Master I2C simplifies system design
• Flexible interrupt registers with interrupt pin
• Monitor detection supported through hot plug
and receiver detection
• Device address can be altered with CI2CA pin
© 2006 Silicon Image, Inc. All rights reserved. Silicon Image, the Silicon Image logo, SiI and SiI9134, VastLane and the VastLane logo, and TMDS are trademarks or registered trademarks of Silicon Image, Inc. in the
United States and other countries. HDMI, the HDMI logo and High-Definition Multimedia Interface are trademarks or registered trademarks of, and are used under license from, HDMI Licensing, LLC. Other trade-
marks are property of their respective holders. Product specifications are subject to change without notice.
Part Number: SiI9133CBHU SiI-PB-51 rev1 8/06
Silicon Image, Inc.
1060 E. Arques Avenue
Sunnyvale, CA 94085
T 408.616.4000
F 408.830.9530
www.siliconimage.com
SiI 9134 Circuit Diagram
IC22 : SiI9134

115
-
-
ADV7403
Rev. SpA | Page 3 of 24
FUNCTIONAL BLOCK DIAGRAM
INPUT
MUX
DATA
PREPROCESSOR
DECIMATION
AND
DOWNSAMPLING
FILTERS
STANDARD DEFINITION PROCESSOR
LUMA
FILTER
OUTPUT FIFO AND FORMATTER
AIN1
TO
AIN12
ADV7403
SERIAL INTERFACE
CONTROL AND VBI DATA
SCLK
SDA
ALSB
SYNC
EXTRACT
20
HS
8
8
P29–P20
P19–P10
P9–P0
PIXEL
DATA
VS
FIELD/DE
LLC1
SFL/
SYNCOUT
CVBS
S-VIDEO
YPrPb
SCART–
(RGB + CVBS)
GRAPHICS RGB
12
CHROMA
FILTER
CHROMA
DEMOD
F
SC
RECOVERY
INT
LUMA
RESAMPLE
LUMA
2D COMB
(5H MAX)
RESAMPLE
CONTROL
CHROMA
RESAMPLE
CHROMA
2D COMB
(4H MAX)
FAST
BLANK
OVERLAY
CONTROL
AND
AV CODE
INSERTION
FB
Y
Cb
Cr
VBI DATA RECOVERY
MACROVISION
DETECTION
STANDARD
AUTODETECTION
CVBS/Y
C
Cb
Cr
Cb
Y
COLORSPACE
CONVERSION
CVBS
Cr
8
COMPONENT PROCESSOR
SCLK2
SDA2
SSPD STDI
SYNC PROCESSING AND
CLOCK GENERATION
DCLK_IN
DE_IN
HS_IN
VS_IN
SOG
SOY
DIGITAL INPUT
PORT
DVI or HDMI
XTAL XTAL1
24
8
8
8
DIGITAL
FINE
CLAMP
GAIN
CONTROL
OFFSET
CONTROL
AV CODE
INSERTION
30
12
12
12
12
12
12
12
ACTIVE PEAK
AND
AGC
MACROVISION
DETECTION
CGMS DATA
EXTRACTION
P40–P31
P29–P20
P11–P10
P1–P0
12
A/DCLAMP ANTI-
ALIAS
FILTER
12
A/DCLAMP ANTI-
ALIAS
FILTER
12
A/DCLAMP ANTI-
ALIAS
FILTER
12
A/DCLAMP ANTI-
ALIAS
FILTER
05431-001
Figure 1.
IC24 - IC26, IC33 - IC38 : TC74VCX541 IC31 : ADV7403

116
ADV7403
Rev. SpA | Page 11 of 24
Pin No. Mnemonic Type Function
3 INT O Interrupt. This pin can be active low or active high. When SDP/CP status bits change,
this pin triggers. The set of events that triggers an interrupt is under user control.
4 HS/CS O HS is a Horizontal Synchronization Output Signal (SDP and CP modes). CS is a Digital
Composite Synchronization Signal (and can be selected while in CP mode).
99 VS O Vertical Synchronization Output Signal (SDP and CP modes).
98 FIELD/DE O FIELD is a Field Synchronization Output Signal (all interlaced video modes). This
pin also can be enabled as a Data Enable signal (DE) in CP mode to allow direct
connection to a HDMI/DVI Tx IC.
81, 19 SDA1, SDA2 I/O I2C Port Serial Data Input/Output Pins. SDA1 is the data line for the control port, and
SDA2 is the data line for the VBI readback port.
82, 16 SCLK1, SCLK2 I I2C Port Serial Clock Input (max clock rate of 400 kHz). SCLK1 is the clock line for the
Control port and SCLK2 is the clock line for the VBI data readback port.
80 ALSB I This pin selects the I2C address for the ADV7403 control and VBI readback ports. ALSB
set to Logic 0 sets the address for a write to control port of 0x40 and the readback
address for the VBI port of 0x21. ALSB set to a logic high sets the address for a write to
control port of 0x42 and the readback address for the VBI port of 0x23.
78 RESET I System Reset Input. Active low. A minimum low reset pulse width of 5 ms is required
to reset the ADV7403 circuitry.
36 LLC1 O LLC1 is a line-locked output clock for the pixel data (range is 12.825 MHz to 140 MHz
for ADV7403KSTZ-140; 12.825 MHz to 110 MHz for ADV7403BSTZ-110.
38 XTAL I Input Pin for 28.63636 MHz crystal, or can be overdriven by an external 3.3 V,
28.63636 MHz clock oscillator source to clock the ADV7403.
37 XTAL1 O This pin should be connected to the 28.63636 MHz crystal or left as a no connect if an
external 3.3 V 28.63636 MHz clock oscillator source is used to clock the ADV7403. In
crystal mode the crystal must be a fundamental crystal.
46 ELPF O The recommend external loop filter must be connected to this ELPF pin.
70 TEST0 NC This pin should be left unconnected or alternaltely tie to AGND.
59 TEST1 O This pin should be left unconnected.
15 SFL/SYNC_OUT O Subcarrier Frequency Lock (SFL). This pin contains a serial output stream, which can
be used to lock the subcarrier frequency when this decoder is connected to any
Analog Devices digital video encoder. SYNC_OUT is the sliced sync output signal
available only in CP mode.
64 REFOUT O Internal Voltage Reference Output.
65 CML O Common-Mode Level Pin (CML) for the internal ADCs.
61, 62 CAPY1, CAPY2 I ADC Capacitor Network.
68, 69 CAPC1, CAPC2 I ADC Capacitor Network.
67 BIAS O External Bias Setting Pin. Connect the recommended resistor (1.35 kΩ) between pin
and ground.
86 HS_IN/CS_IN I Can be configured in CP mode to be either a digital HS input signal or a digital CS
input signal used to extract timing in a 5-wire or 4-wire RGB mode.
85 VS_IN I VS Input Signal. Used in CP mode for 5-wire timing mode.
79 DE_IN I Data Enable Input Signal. Used in 24-bit digital input port mode (for example,
processing 24-bit RGB data from a DVI Rx IC).
35 DCLK_IN I Clock Input Signal. Used in 24-bit digital input mode (for example, processing 24-bit
RGB data from a DVI Rx IC) and also in digital CVBS input mode.
52 SOG I Sync on Green Input. Used in embedded sync mode.
77 SOY I Sync on Luma Input. Used in embedded sync mode.
ADV7403
Rev. SpA | Page 10 of 24
PIN CONFIGURATION AND FUNCTION DESCRIPTIONS
26
P6
27
P5
28
P4
29
P26
30
P25
31
P24
32
P23
33
P22
34
P21
35
DCLK_IN
36
LLC1
37
XTAL1
38
XTAL
39
DVDD
2
3
4
7
6
5
1
8
9
10
12
13
14
15
16
17
18
19
20
21
22
23
24
25
11
74
73
72
69
70
71
75
68
67
66
64
63
62
61
60
59
58
57
56
55
54
53
52
51
65
40
DGND
41
P3
42
P2
43
P1
44
P0
45
P20
46
ELPF
47
PVDD
48
PVDD
49
AGND
50
AGND
05431-002
100
99
98
97
96
95
94
93
92
91
90
89
88
87
86
85
84
83
82
81
80
79
78
77
76
PIN 1
ADV7403
LQFP
TOP VIEW
(Not to Scale)
P11
P32
P31
INT
CS/HS
DGND
DVDDIO
P15
P14
P13
P12
DGND
DVDD
P29
P28
SFL/SYNC_OUT
SCLK2
DGND
DVDDIO
SDA2
P10
P9
P8
P27
P7
AIN2
AIN8
AIN1
AIN7
SOG
AIN9
AIN3
TEST1
AGND
CAPY1
CAPY2
AVDD
REFOUT
CML
AGND
BIAS
CAPC1
CAPC2
TEST0
AIN10
AIN4
AIN11
AIN5
AIN12
FB
FIELD/DE
DE_IN
SOY
AIN6
ALSB
SDA1
SCLK1
P40
P39
VS_IN
HS_IN/CS_IN
P38
P37
DGND
DVDD
P19
P17
P16
P36
P35
P34
VS
P33
P18
RESET
Figure 2. Pin Configuration
Table 7. Pin Function Descriptions
Pin No. Mnemonic Type Function
5, 11, 17, 40, 89 DGND G Digital Ground.
49, 50, 60, 66 AGND G Analog Ground.
6, 18 DVDDIO P Digital I/O Supply Voltage (3.3 V).
12, 39, 90 DVDD P Digital Core Supply Voltage (1.8 V).
63 AVDD P Analog Supply Voltage (3.3 V).
47, 48 PVDD P PLL Supply Voltage (1.8 V).
51 FB I Fast Switch Overlay Input. This pin switches between CVBS and RGB analog signals.
54, 56, 58, 72, 74,
76, 53, 55, 57, 71,
73, 75
AIN1 to AIN12 I Analog Video Input Channels.
42, 41, 28, 27, 26,
25, 23, 22, 10, 9, 8,
7, 94, 93, 92, 91
P2 to P9, P12 to P19 O Video Pixel Output Port.
44, 43, 21, 20, 45,
34, 33, 32, 31, 30,
29, 24, 14, 13
P0 to P1, P10 to P11,
P20 to P21, P22 to
P25, P26 to P29
I/O Video Pixel Input/Output Port.
2, 1, 100, 97, 96,
95, 88, 87, 84, 83
P31 to P40 I Video Pixel Input Port.
IC31 : ADV7403

117
Multiformat Video Encoder
Six, 11-Bit, 297 MHz DACs
ADV7342/ADV7343
Rev. 0
In form atio n f urni she d by A nalo g Devi ces is be lieve d to b e a ccur ate an d re liab le. H oweve r, n o
res pon sibi lit y i s a ssu med by Ana log De vice s f or its us e, nor for a ny i nfr inge men ts of pate nts or ot her
rights of third par ties that may result from its use. Specifications subject to change with out n otice. N o
li cens e is gran ted by im pli cati on o r ot her wis e un der a ny pa ten t or pate nt r ight s of Anal og D evi ces.
Trad ema rks and re gist ere d tr ade mar ks a re the pro per ty of the ir resp ec tive ow ners .
One Technology Way, P.O. Box 9106, Norwood, MA 02062-9106, U.S.A.
Tel: 781.329.4700 www.analog.com
Fax: 781.461.3113 ©2006 Analog Devices, Inc. All rights reserved.
FEATURES
74.25 MHz 20-/30-bit high definition input support
Compliant with SMPTE 274M (1080i), 296M (720p),
and 240M (1035i)
6, 11-bit, 297 MHz video DACs
16× (216 MHz) DAC oversampling for SD
8× (216 MHz) DAC oversampling for ED
4× (297 MHz) DAC oversampling for HD
37 mA maximum DAC output current
NTSC M, PAL B/D/G/H/I/M/N, PAL 60 support
NTSC and PAL square pixel operation (24.54 MHz/29.5 MHz)
Multiformat video input support
4:2:2 YCrCb (SD, ED, and HD)
4:4:4 YCrCb (ED and HD)
4:4:4 RGB (SD, ED, and HD)
Multiformat video output support
Composite (CVBS) and S-Video (Y/C)
Component YPrPb (SD, ED, and HD)
Component RGB (SD, ED, and HD)
Macrovision® Rev 7.1.L1 (SD) and Rev 1.2 (ED) compliant
Simultaneous SD and ED/HD operation
EIA/CEA-861B compliance support
Programmable features
Luma and chroma filter responses
Vertical blanking interval (VBI)
Subcarrier frequency (FSC) and phase
Luma delay
Copy generation management system (CGMS)
Closed captioning and wide screen signaling (WSS)
Integrated subcarrier locking to external video source
Complete on-chip video timing generator
On-chip test pattern generation
On-board voltage reference (optional external input)
Serial MPU interface with dual I2C® and SPI® compatibility
3.3 V analog operation
1.8 V digital operation
3.3 V I/O operation
Temperature range: −40°C to +85°C
APPLICATIONS
DVD recorders and players
High definition Blu-ray DVD players
HD-DVD players
FUNCTIONAL BLOCK DIAGRAM
Figure 1.
Protected by U.S. Patent Numbers 5,343,196 and 5,442,355 and other intellectual property rights.
Protected by U.S. Patent Numbers 4,631,603, 4,577,216, 4,819,098 and other intellectual property rights.
ADV7342/ADV7343
Rev. 0 | Page 18 of 88
PIN CONFIGURATION AND FUNCTION DESCRIPTIONS
-
Figure 21. Pin Configuration
Table 13. Pin Function Descriptions
Pin No. Mnemonic
Input/
Output Description
13, 12,
9 to 4
Y7 to Y0 I 8-Bit Pixel Port. Y0 is the LSB. Refer to Table 31 for input modes.
29 to 25,
18 to 16
C7 to C0 I 8-Bit Pixel Port. C0 is the LSB. Refer to Table 31 for input modes.
62 to 58,
55 to 53
S7 to S0 I 8-Bit Pixel Port. S0 is the LSB. Refer to Table 31 for input modes.
52, 51, 15,
14, 3, 2
TEST5 to
TEST0
I Unused. These pins should be connected to DGND.
30 CLKIN_A I Pixel Clock Input for HD Only (74.25 MHz), ED1 Only (27 MHz or 54 MHz) or SD Only (27 MHz).
63 CLKIN_B I Pixel Clock Input for Dual Modes Only. Requires a 27 MHz reference clock for ED operation or a
74.25 MHz reference clock for HD operation.
50 S_HSYNC I/O SD Horizontal Synchronization Signal. This pin can also be configured to output an SD, ED, or HD
horizontal synchronization signal. See the External Horizontal and Vertical Synchronization
Control section.
49 S_VSYNC I/O SD Vertical Synchronization Signal. This pin can also be configured to output an SD, ED, or HD
vertical synchronization signal. See the External Horizontal and Vertical Synchronization Control
section.
22 P_HSYNC I ED/HD Horizontal Synchronization Signal. See the External Horizontal and Vertical
Synchronization Control section.
23 P_VSYNC I ED/HD Vertical Synchronization Signal. See the External Horizontal and Vertical Synchronization
Control section.
24 P_BLANK I ED/HD Blanking Signal. See the External Horizontal and Vertical Synchronization Control section.
48 SFL/MISO I/O Multifunctional Pin: Subcarrier Frequency Lock (SFL) Input/SPI Data Output. The SFL input is
used to drive the color subcarrier DDS system, timing reset, or subcarrier reset.
47 RSET1 I This pin is used to control the amplitudes of the DAC 1, DAC 2, and DAC 3 outputs. For full-drive
operation (for example, into a 37.5 Ω load), a 510 Ω resistor must be connected from RSET1 to
AGND. For low drive operation (for example, into a 300 Ω load), a 4.12 kΩ resistor must be
connected from RSET1 to AGND.
ADV7342/ADV7343
Rev. 0 | Page 19 of 88
Pin No. Mnemonic
Input/
Output Description
36 RSET2 I This pin is used to control the amplitudes of the DAC 4, DAC 5, and DAC 6 outputs. A 4.12 kΩ
resistor must be connected from RSET2 to AGND.
45, 35 COMP1,
COMP2
O Compensation Pins. Connect a 2.2 nF capacitor from both COMP pins to VAA.
44, 43, 42 DAC 1, DAC 2,
DAC 3
O DAC Outputs. Full and low drive capable DACs.
39, 38, 37 DAC 4, DAC 5,
DAC 6
O DAC Outputs. Low drive only capable DACs.
21 SCL/MOSI I Multifunctional Pin: I2C Clock Input/SPI Data Input.
20 SDA/SCLK I/O Multifunctional Pin: I2C Data Input/Output. Also, SPI clock input.
19 ALSB/SPI_SS I Multifunctional Pin: This signal sets up the LSB2 of the MPU I2C address. Also, SPI slave select.
46 VREF Optional External Voltage Reference Input for DACs or Voltage Reference Output.
41 VAA P Analog Power Supply (3.3 V).
10, 56 VDD P Digital Power Supply (1.8 V). For dual-supply configurations, VDD can be connected to other 1.8 V
supplies through a ferrite bead or suitable filtering.
1 VDD_IO P Input/Output Digital Power Supply (3.3 V).
34 PVDD P PLL Power Supply (1.8 V). For dual-supply configurations, PVDD can be connected to other 1.8 V
supplies through a ferrite bead or suitable filtering.
33 EXT_LF1 I External Loop Filter for On-Chip PLL 1.
31 EXT_LF2 I External Loop Filter for On-Chip PLL 2.
32 PGND G PLL Ground Pin.
40 AGND G Analog Ground Pin.
11, 57 DGND G Digital Ground Pin.
64 GND_IO G Input/Output Supply Ground Pin.
1 ED = enhanced definition = 525p and 625p.
2 LSB = least significant bit. In the ADV7342, setting the LSB to 0 sets the I2C address to 0xD4. Setting it to 1 sets the I2C address to 0xD6. In the ADV7343, setting the
LSB to 0 sets the I2C address to 0x54. Setting it to 1 sets the I2C address to 0x56.
IC32 : ADV7342

118
Preliminary Product Information This document contains information for a new product.
Cirrus Logic reserves the right to modify this product without notice.
Copyright ¤ Cirrus Logic, Inc. 2005
(All Rights Reserved)
Cirrus Logic, Inc.
http://www.cirrus.com
CS42528
114 dB, 192 kHz 8-Ch Codec with S/PDIF Receiver
Features
zEight 24-bit D/A, two 24-bit A/D Converters
z114 dB DAC / 114 dB ADC Dynamic Range
z-100 dB THD+N
zSystem Sampling Rates up to 192 kHz
zS/PDIF Receiver Compatible with EIAJ CP1201
and IEC-60958
zRecovered S/PDIF Clock or System Clock
Selection
z8:2 S/PDIF Input MUX
zADC High-pass Filter for DC Offset Calibration
zExpandable ADC Channels and One-line Mode
Support
zDigital Output Volume Control with Soft Ramp
zDigital +/-15dB Input Gain Adjust for ADC
zDifferential Analog Architecture
zSupports logic levels between 5 V and 1.8 V.
General Description
The CS42528 codec provides two analog-to-digital and eight
digital-to-analog delta-sigma converters, as well as an integrat-
ed S/PDIF receiver, in a 64-pin LQFP package.
The CS42528 integrated S/PDIF receiver supports up to eight
inputs, clock recovery circuitry and format auto-detection. The
internal stereo ADC is capable of independent channel gain
control for single-ended or differential analog inputs. All eight
channels of DAC provide digital volume control and differential
analog outputs. The general purpose outputs may be driven
high or low, or mapped to a variety of DAC mute controls or
ADC overflow indicators.
The CS42528 is ideal for audio systems requiring wide dynam-
ic range, negligible distortion and low noise, such as A/V
receivers, DVD receivers, digital speaker and automotive audio
systems.
ORDERING INFORMATION
CS42528-CQZ -10° to 70° C 64-pin LQFP Lead Free
CS42528-DQZ -40° to 85° C 64-pin LQFP Lead Free
CDB42528 Evaluation Board
RST
RXP0
RXP1/GPO1
AD0/CS
SCL/CCLK
SDA/CDOUT
AD1/CDIN
VLC
AOUTA1+
AOUTA1-
AOUTB1+
AOUTA3+
AOUTA3-
AOUTA2-
AOUTB2-
AOUTA2+
AOUTB2+
AOUTB1-
AOUTB3+
AOUTB3-
AOUTA4+
AOUTA4-
AOUTB4+
AOUTB4-
AINL+
AINL-
AIN R+
AINR-
FILT+
REFGND
VQ Ref
ADC#1
ADC#2
Digital Filter
Digital Filter
Gain & C lip
Gain & Clip CX_SDOUT
ADCIN1
ADCIN2
CX_SCLK
CX_LRCK
CX_SDIN4
CX_SDIN3
CX_SDIN2
CX_SDIN1
VLS
SAI_LRCK
SAI_SCLK
SAI_SDOUT
DGND VD
OMCK
RMCK
LPFLT
TXP
INT
Rx Clock/Data
Recovery
S/PDIF
Decoder
DEM
Serial
Audio
Interface
Port
C&U Bit
Data Buffer Control
Port
DAC#1
DAC#2
DAC#3
DAC#4
DAC#5
DAC#6
DAC#7
DAC#8
DigitalFilter
Volume Control
DGND
RXP2/GPO2
RXP3/GPO3
RXP4/GPO4
RXP5/GPO5
RXP6/GPO6
RXP7/GPO7
VD
MUTEC
GPO
MUTE
Analog Filter
VARX AGND
ADC
Serial
Data
AGND
VA
Internal MCLK
CODEC
Serial
Port
Mult/Div
Format
Detector
JAN ‘05
DS586PP5
IC33 : CS42528

119
DS586PP5 17
CS42528
2. PIN DESCRIPTIONS
Pin Name #Pin Description
CX_SDIN1
CX_SDIN2
CX_SDIN3
CX_SDIN4
1
64
63
62
Codec Serial Audio Data Input (Input) - Input for two’s complement serial audio data.
CX_SCLK 2CODEC Serial Clock (Input/Output) - Serial clock for the CODEC serial audio interface.
CX_LRCK 3CODEC Left Right Clock (Input/Output) - Determines which channel, Left or Right, is currently active on
the CODEC serial audio data line.
VD 4
51
Digital Power (Input) - Positive power supply for the digital section.
DGND 5
52
Digital Ground (Input) - Ground reference. Should be connected to digital ground.
VLC 6Control Port Power (Input)-Determines the required signal level for the control port.
SCL/CCLK 7Serial Control Port Clock (Input) - Serial clock for the serial control port. Requires an external pull-up
resistor to the logic interface voltage in I2C mode as shown in the Typical Connection Diagram.
SDA/CDOUT 8Serial Control Data (Input/Output)-SDA is a data I/O line in I2C mode and requires an external pull-up
resistor to the logic interface voltage, as shown in the Typical Connection Diagram. CDOUT is the output
data line for the control port interface in SPI mode.
AD1/CDIN 9Address Bit 1 (I2C)/Serial Control Data (SPI) (Input) - AD1 is a chip address pin in I2C mode; CDIN is
the input data line for the control port interface in SPI mode.
1
2
3
4
5
6
7
8
9
10
11
12
13
14
15
16
17 18 19 20 21 22 23 24 25 26 27 28 29 30 31 32
64 63 62 61 60 59 58 57 56 55 54 53 52 51 50 49
48
47
46
45
44
43
42
41
40
39
38
37
36
35
34
33
CX_SDIN1
SAI_SC LK
SAI_LR CK
VD
DGND
VLC
SCL/CCLK
SDA/CDOUT
AD1/CDIN
AD0/CS
INT
RST
AINR-
AINR+
AINL+
AINL-
VQ
FILT +
REFGND
AO UTB4-
AO UTB4+
AO UTA4+
AO UT A4-
VA
AG ND
AO UTB3-
AO UTB3+
AO UTA3+
AO UTA3-
AO UT B2-
AO UTB2+
AO UTA2+
AOUTA2-
AOUTB1-
AOUTB1+
AOUTA1+
AOUTA1-
MUTEC
AGND
VARX
RXP7/GPO7
RXP6/GPO6
RXP5/GPO5
RXP4/GPO4
RXP3/GPO3
RXP2/GPO2
RXP1/GPO1
LPFLT
RX P0
TXP
VD
DG ND
VLS
SAI_SD O U
T
RM CK
CX _SD O U T
AD CIN2
AD CIN1
OMCK
CX_LRCK
CX_SCLK
CX _SD IN4
CX _SD IN3
CX _SD IN2
CS42528
IC33 : CS42528

120
CS42528
18 DS586PP5
AD0/CS 10 Address Bit 0 (I2C)/Control Port Chip Select (SPI) (Input) - AD0 is a chip address pin in I2C mode; CS
is the chip select signal in SPI mode.
INT 11 Interrupt (Output) - The CS42528 will generate an interrupt condition as per the Interrupt Mask register.
See “Interrupts” on page 40 for more details.
RST 12 Reset (Input) - The device enters a low power mode and all internal registers are reset to their default
settings when low.
AINR-
AINR+
13
14
Differential Right Channel Analog Input (Input) - Signals are presented differentially to the delta-sigma
modulators via the AINR+/- pins.
AINL+
AINL-
15
16
Differential Left Channel Analog Input (Input) - Signals are presented differentially to the delta-sigma
modulators via the AINL+/- pins.
VQ 17 Quiescent Voltage (Output)-Filter connection for internal quiescent reference voltage.
FILT+ 18 Positive Voltage Reference (Output) - Positive reference voltage for the internal sampling circuits.
REFGND 19 Reference Ground (Input) - Ground reference for the internal sampling circuits.
AOUTA1 +,-
AOUTB1 +,-
AOUTA2 +,-
AOUTB2 +,-
AOUTA3 +,-
AOUTB3 +,-
AOUTA4 +,-
AOUTB4 +,-
36,37
35,34
32,33
31,30
28,29
27,26
22,23
21,20
Differential Analog Output (Output) - The full-scale differential analog output level is specified in the
Analog Characteristics specification table.
VA
VARX
24
41
Analog Power (Input) - Positive power supply for the analog section.
AGND 25
40
Analog Ground (Input) - Ground reference. Should be connected to analog ground.
MUTEC 38 Mute Control (Output) - The Mute Control pin outputs high impedance following an initial power-on con-
dition or whenever the PDN bit is set to a ‘1’, forcing the codec into power-down mode. The signal will
remain in a high impedance state as long as the part is in power-down mode. The Mute Control pin goes
to the selected “active” state during reset, muting, or if the master clock to left/right clock frequency ratio
is incorrect. This pin is intended to be used as a control for external mute circuits to prevent the clicks
and pops that can occur in any single supply system. The use of external mute circuits are not manda-
tory but may be desired for designs requiring the absolute minimum in extraneous clicks and pops.
LPFLT 39 PLL Loop Filter (Output) - An RC network should be connected between this pin and ground.
RXP7/GPO7
RXP6/GPO6
RXP5/GPO5
RXP4/GPO4
RXP3/GPO3
RXP2/GPO2
RXP1/GPO1
42
43
44
45
46
47
48
S/PDIF Receiver Input/ General Purpose Output (Input/Output) - Receiver inputs for S/PDIF encoded
data. The CS42528 has an internal 8:2 multiplexer to select the active receiver port, according to the
Receiver Mode Control 2 register. These pins can also be configured as general purpose output pins,
ADC Overflow indicators or Mute Control outputs according to the RXP/General Purpose Pin Control
registers.
RXP0 49 S/PDIF Receiver Input (Input) - Dedicated receiver input for S/PDIF encoded data.
TXP 50 S/PDIF Transmitter Output (Output) - S/PDIF encoded data output, mapped directly from one of the
receiver inputs as indicated by the Receiver Mode Control 2 register.
VLS 53 Serial Port Interface Power (Input) - Determines the required signal level for the serial port interfaces.
SAI_SDOUT 54 Serial Audio Interface Serial Data Output (Output) - Output for two’s complement serial audio PCM
data from the S/PDIF incoming stream. This pin can also be configured to transmit the output of the inter-
nal and external ADCs.
RMCK 55 Recovered Master Clock (Output) - Recovered master clock output from the External Clock Reference
(OMCK, pin 59) or the PLL which is locked to the incoming S/PDIF stream or CX_LRCK.
DS586PP5 19
CS42528
CX_SDOUT 56 CODEC Serial Data Output (Output) - Output for two’s complement serial audio data from the internal
and external ADCs.
ADCIN1
ADCIN2
58
57
External ADC Serial Input (Input) - The CS42528 provides for up to two external stereo analog to digital
converter inputs to provide a maximum of six channels on one serial data output line when the CS42528
is placed in One Line mode.
OMCK 59 External Reference Clock (Input) - External clock reference that must be within the ranges specified in
the register “OMCK Frequency (OMCK Freqx)” on page 54.
SAI_LRCK 60 Serial Audio Interface Left/Right Clock (Input/Output) - Determines which channel, Left or Right, is
currently active on the serial audio data line.
SAI_SCLK 61 Serial Audio Interface Serial Clock (Input/Output) - Serial clock for the Serial Audio Interface.
IC33 : CS42528

121
IP00C773
12 i-Chips Technology Inc.
CHAPTER 3 INTERNAL CONFIGURATION
3.1 Block Diagram
MCS*
MRAS*
MCAS*
MWR* MA[11:0]
MDQM[3:0] BA[1:0] MD[31:0] MCLKO MCLK
MCLKRT
PID[19:0] 30
POD[29:0]
PIVS* POCLK
PIHS*
PIFLD
PIACT*
POFLD
POACT*
POOSDACT[1:0]
POCLKO
RST* AD
WE*,RE*,CE*
DB[7:0] SYSCLK SCL,SDA
20
POVS*䋬POHS*
32
(Note) This block diagram simply shows the outline of IP00C773’s internal structure and does not describe
details of functions and operations.
IP
Image memory interface signal
CPU Interface signal
Image memory
address
Image memory
data
Image memory interface block
Image input
port signal
Image input block Image output block
Image output
port signal
Read image data
Write image data
Image input
timing signal
Internal bus
control block
Image input
timing control
circuit
Picture
quality
adjustment
Enlargement
Image output
timing signal
Image output
timing control
circuit
CPU interface block
IP
conversion
Temporal
filter
IC41 : IP00C773 (IPSD2)
IP00C773
i-Chips Technology Inc. 5
2.2 Pin Description
Group Designation No. of
pins I/O Function Remarks
Image input port PID[19:0] 20 I Image input port
PICLK 1 I Image input clock input Clock buffer
PIVS* 1 I Image input vertical sync signal
PIHS* 1 I Image input horizontal sync signal
PIFLD 1 I Image input field signal
PIACT* 1 I Digital interface
Image output port POD[29:0] 30 O Image output port 8 mA,Tri-state
POCLK 1 I Image output clock input Clock buffer
POVS* 1 I/O Image output vertical sync signal 8 mA,Bi-Dir
POHS* 1 I/O Image output horizontal sync signal 8 mA,Bi-Dir
POFLD 1 I/O Image output field signal 8 mA,Bi-Dir
POACT* 1 O L: Image output target area
H: Out of image output target area 8 mA,Tri-state
POOSDACT[1:0] 2 O OSD transparent/active area signal 8 mA,Tri-state
POCLKO 1 O Image output clock output 8 mA,Tri-state
POEN* 1 I Image output port enable signal schmitt
POEXT* 1 I Image output port external sync enable signal schmitt
BA[1:0] 2 O Image memory bank signal 4 mA Image memory
interface MA[11:0] 12 O Image memory address bus 4 mA
MD[31:0] 32 I/O Image memory data bus 8 mA,pull up
MCS* 1 O Image memory chip select 8 mA
MRAS* 1 O Image memory low address strobe 4 mA
MCAS* 1 O Image memory column address strobe 4 mA
MWR* 1 O Image memory write signal 4 mA
MDQM[3:0] 4 O Image memory data mask signal 8 mA
Memory clock MCLK 1 I Image memory clock Clock buffer
MCLKO 1 O Image memory clock output 8 mA
MCLKRT 1 I Image memory clock return input Clock buffer
MCLKSEL[1:0] 2 I Image memory clock select schmitt
SYSCLK 1 I System clock schmitt
CPU
interface AD 1 I Address bus 3.3 V CMOS
DB[7:0] 8 I/O Data bus 4 mA,Bi-Dir
WE* 1 I Write enable 3.3 V CMOS
RE* 1 I Read enable 3.3 V CMOS
CE* 1 I Chip enable 3.3 V CMOS
WAIT* 1 O Wait 4 mA,Tri-state
IFMD 1 I Interface mode schmitt
I2C slave SCL 1 I/O I2C buffer I2C buffer
SDA 1 I/O I2C buffer I2C buffer
RST* 1 I Reset signal schmitt
TEST*[1:0] 2 I Test signal - High level usually schmitt
TESTH 1 I Test signal - Low level usually
XTEST 1 I Test signal - Low level usually 3.3 V CMOS Pull-down
Power supply / GND VDDE 22 PWR Power supply (3.3 V)
VDDI 14 PWR Power supply (1.8 V)
PLLVDD 2 PWR PLL power supply (1.8 V)
VSS 22 PWR Ground
PLLVSS 2 PWR PLL ground
Total No. of pins 208
(Note 1) Designation marked with an asterisk (*) denotes negative logic.
(Note 2) All grounds must be connected to GND and power supply to VDD.
(Note 3) Since the LSI is CMOS device, leaving the input pins floating may cause undesirable operation. Pull up or down all
the unused input pins.

122
AGND
SWC
AGND
SLC
AGND
SBLC
INLB/RECL2
INRB/RECR2
INR11/RECR5
INL10/RECL4
RECR3
INL11/RECL5
FLIN1
RECL3
CIN1
FRIN1
SLIN1
SWIN1
AVEE
MUTE
FLIN2
FRIN2
SLIN2
SRIN2
CIN2
SWIN2
SBLIN2
SBRIN2
AVCC
TREL
BASSL1
BASSL2
FLOUT
CC
FLC
FROUT
AGND
FRC
ADCR
SBLIN1
SRIN1
SBRIN1
SBL OUT
ADCL
SBR OUT
SLOUT
SBRC
SROUT
SWOUT
SRC
COUT
INL5
INL1
INR1
INL2
INR2
INL3
INR3
INL4
INR4
INR5
INL6
INR6
INL7
INR7
INL8
INR8
INLA/RECL1
INRA/RECR1
INL9
INR9
SUBR
SUBL
DGND
INR10/RECR4
DATA
CLOCK
BASSR1
BASSR2
TRER
N.C.
AGND
N.C.
AGND
N.C.
N.C.
N.C.
N.C.
SBRCIN
SBLCIN
N.C.
N.C.
AGND
N.C.
N.C.
N.C.
N.C.
N.C.
N.C.
N.C.
MAIN
SUB
REC
ATT
0/-6/-12/-18dB
Bass/ Treble
-14~+14dB
(2dB step)
+42~-95dB,
- (0.5dBstep)
+42~-95dB,
- (0.5dBstep)
+42~-95dB,
- (0.5dBstep)
+42~-95dB,
- (0.5dBstep)
+42~-95dB,
- (0.5dBstep)
+42~-95dB,
- (0.5dBstep)
Tone
+42~0dB
(0.5dBstep)
Tone
Bass/ Treble
-14~+14dB
(2dB step)
0~-95dB,
-
(0.5dBstep)
+42~0dB
(0.5dBstep)
0~-95dB,
-
(0.5dBstep)
MCU
I/F
AVEE
AVCC
Bypass
Tone
Tone+MIX
Bypass
Tone
Tone+MIX
CMIX
SWMIX
MAIN
SUB
MAIN
SUB
81 82 83 84 85 86 87 88 89 90 91 92 93 94 95 96 97 98 99 100
1
2
3
4
5
6
7
8
9
10
11
12
13
14
15
16
17
18
19
20
21
22
23
24
25
26
27
28
29
30
80
79
78
77
76
75
74
73
72
71
70
69
68
67
66
65
64
63
62
61
60
59
58
57
56
55
54
53
52
51
50 49 48 47 46 45 44 43 42 41 40 39 38 37 36 35 34 33 32 31
IC41 : R2A15218FP

123
PIN No. Name Function
49 DATA Input pin of control data
50 CLOCK Input pin of control clock
Output pin of FL/FR/C/SW/SL/SR/SBL/SBR channel
FRIN2, FLIN2,
SRN2,SLIN2,
SWIN2,CIN2,
SBRIN2,SBLIN2
43,42,
41,40,
39,38,
37,36 Input pin of L/R/C/SW/SL/SR/SBL/SBR channel (Multi IN 1/2)
Output pin for L/R channel REC Output
Frequency characteristic setting pin of L/R channel tone control (Treble)
28,34 TREL, TRER
26,27,
32,33
23,21,
17,15,
11,9,
5,3
FROUT,FLOUT,
COUT,SWOUT,
SROUT, SLOUT,
SBROUT,SBLOUT
BASSL1,BASSL2
BASSR1,BASSR2
FLIN1, FRIN1,
CIN1,SWIN1,
SLIN1,SRIN1,
SBLIN1,SBRIN1
93,94,
95,96,
97,98,
99,100
Frequency characteristic setting pin of L/R channel tone control (Bass)
24,20,
18,14,
12,8,
6,2
FRC,FLC,
CC,SWC,
SRC,SLC,
SBRC,SBLC
Connects capacitor for reducing click noise of
L/R/C/SW/SL/SR/SBL/SBR channel volume
INL1,INL2, INL3,
INL4,INL5,INL6,
INL7,INL8,INL9 Input pin of L/R channel (Input Selector)
59,61,63,
65,67,69,
71,73,79
INR1,INR2, INR3,
INR4,INR5,INR6,
INR7,INR8,INR9
58,60,62,
64,66,68,
70,72,78
54,55 ADCL, ADCR Output pin for L/R channel ADC
90,91
4,7,10,16,
19,22,56 AGND Analog ground of internal circuit
30 AVCC Positive power supply to internal circuit
48 DGND Digital ground of internal circuit
52 AVEE Negative power supply to internal circuit
46,47 SUBL,SUBR Output pin for L/R channel SUB Output
RECR3,RECL3
51 MUTE Outside Mute Control PIN
75,76,
81,82,
83,84,
85,86
INRA/RECR1,INLA/RECL1,
INRB/RECR2,INLB/RECL2,
INR10/RECR4,INL10/RECL4,
INR11/RECR5,INL11/RECL5
Input pin of L/R channel (Input Selector)/
Output pin for L/R channel REC Output
N.C.
1,13,25,29,31,
35,53,
57,74,77,80,
87,88,89,92
No Connected PIN
44,45 SBRCIN,SBLCIN Input pin for SBL/SBR channel Volume
IC41 : R2A15218FP

124
IC51 : BU9450KV

125
The suppliers and their type numbers of fusible resistors
are as follows;
1. KOA Corporation
Part No. (MJI) Type No. (KOA) Description
00MNH05 × × × 140 RF25S × × × × ΩJ (±5% 1/4W)
00MNH05 × × × 120 RF50S × × × × ΩJ (±5% 1/2W)
00MNH85 × × × 110 RF73B2A × × × × ΩJ (±5% 1/10W)
00MNH95 × × × 140 RF73B2E × × × × ΩJ (±5% 1/4W)
2. Matsushita Electronic Components Co., Ltd
Part No. (MJI) Type No. (MEC) Description
00MNF05 × × × 140 ERD-2FCJ × × × (±5% 1/4W)
00MRF05 × × × 140
00MNF02 × × × 140
ERD-2FCG
× × × (±2% 1/4W)
00MRF02 × × × 140
Examples ;
* Resistance value
0.1Ω .... 001 10Ω ....100 1kΩ .... 102 100kΩ ....104
0.5Ω .... 005 18Ω ....180 2.7kΩ .... 272 680kΩ ....684
1
Ω .... 010 100Ω ....101 10kΩ .... 103 1MΩ ....105
6.8Ω .... 068 390Ω ....391 22kΩ .... 223 4.7MΩ ....475
PARTS INFORMATION
RESISTORS
1) 00MGD05 × × × 140, Carbon film fixed resistor, ±5% 1/4W
2) 00MGD05 × × × 160, Carbon film fixed resistor, ±5% 1/6W
Examples ;
➀ Resistance value
0.1Ω .... 001 10Ω ....100 1kΩ .... 102 100kΩ .... 104
0.5Ω .... 005 18Ω ....180 2.7kΩ .... 272 680kΩ .... 684
1
Ω .... 010 100Ω ....101 10kΩ .... 103 1MΩ .... 105
6.8Ω .... 068 390Ω ....391 22kΩ .... 223 4.7MΩ .... 475
Note : Please distinguish 1/4W from 1/6W by the shape of parts
used actually.
CAPACITORS
CERAMIC CAP.
3) 00MDD1 × × × × 370, Ceramic capacitor
Disc type
Temp.coeff.P350 ~N1000, 50V
Examples ;
➁ Tolerance (Capacity deviation)
±0.25pF ......0
±0.5pF ......1
±5% ......5
✽ Tolerance of COMMON PARTS handled here are as follows :
0.5pF ~ 5pF .... ±0.25pF
6pF ~ 10pF .... ±0.5pF
12pF ~ 560pF .... ±5%
➂ Capacity value
0.5pF .... 005 3pF ....030 100pF .... 101
1pF .... 010 10pF ....100 220pF .... 221
1.5pF .... 015 47pF ....470 560pF .... 561
CERAMIC CAP.
4) 00MDK16 × × × 300, High dielectric constant ceramic
capacitor
Disc type
Temp.chara. 2B4, 50V
Examples ;
➃ Capacity value
100pF .... 101 1000pF .... 102 10000pF ....103
470pF .... 471 2200pF .... 222
ELECTROLY CAP. ( )
5) 00MEA × × × × × × 10, Electrolytic capacitor
One-way lead type, Tolerance ±20%
Examples ;
➄ Capacity value
0.1µF.....104 4.7µF ....475 100µF ... 107
0.33µF.....334 10µF ....106 330µF ... 337
1µF.....105 22µF ....226 1100µF ... 118
2200µF ... 228
➅ Working voltage
6.3V.....006 25V ....025
10V.....010 35V ....035
16V.....016 50V ....050
FILM CAP. ( )
6) 00MDF15 × × × 350 Plastic film capacitor
00MDF15 × × × 310 One-way type, Mylar ±5% 50V
00MDF16 × × × 310 Plastic film capacitor
One-way type, Mylar ±10% 50V
Examples ;
➆ Capacity value
0.001µF (1000pF) ......... 102 0.1µF .... 104
0.0018µF......................... 182 0.56µF .... 564
0.01µF......................... 103 1µF .... 105
0.015µF......................... 153
NOTE ON FUSE :
Regarding to all parts of parts code 00MFS20xxx2xx, replace
only with Wickmann-Werke GmbH, Type 372 non glass type
fuse.
➀
}
➁ ➂
Capacity value
Tolerance
➃
Capacity value
Resistance value
➄ ➅
Working voltage
Capacity value
▲▲
➆
Capacity value
NOTE ON SAFETY FOR FUSIBLE RESISTOR :
▲ ▲
▲▲
✽ Resistance value Resistance value
(0.1 − 10kΩ)
▲ ▲
✽ Resistance value ✽ Resistance value
ANT. : ANTENNA BATT. : BATTERY
CAP. : CAPACITOR CER. : CERAMIC
CONN. : CONNECTING DIG. : DIGITAL
HP : HEADPHONE MIC. : MICROPHONE
µ-PRO : MICROPROCESSOR REC. : RECORDING
RES. : RESISTOR SPK : SPEAKER
SW : SWITCH
TRANSF.
: TRANSFORMER
TRIM. : TRIMMING TRS. : TRAMSISTOR
VAR. : VARIABLE X’TAL : CRYSTAL
NOTE ON SAFETY :
Symbol Fire or electrical shock hazard. Only original
parts should be used to replaced any part marked with
symbol . Any other component substitution (other
than original type), may increase risk of fire or electrical
shock hazard.
安全上の注意 :
がついている部品は、安全上重要な部品です。必ず
指定されている部品番号の部品を使用して下さい。
ABBREVIATION AND MARKS
}}}
}
}
}
}
}
}
060522 MZ
14. ELECTRICAL PARTS LIST

126
NOTE : "nsp" PART IS LISTED FOR REFERENCE ONLY, MARANTZ WILL NOT SUPPLY THESE PARTS.
P.W.B.
NAME
VERS.
COLOR
PART NO.
(FOR EUR)
PART NO.
(MZ) PART NAME DESCRIPTION
AUX PWB
(
CUP12091Z-3
)
AUX C152 ns
p
ns
p
CER. CAP.
0.1UF 50V Z CERAMIC
CCBS1H104ZFT
AUX C153 ns
p
ns
p
CER. CAP.
0.1UF 50V Z CERAMIC
CCBS1H104ZFT
AUX C156 ns
p
ns
p
CORD
SN95/PB5 0.6
C3A206
AUX
ET11
PLATE
EARTH PLETE SR
POS. NO.
AUX
ET11
ns
p
ns
p
PLATE
EARTH
PLETE
SR
6003
CMC1A354
AUX ET12 ns
p
ns
p
PLATE
EARTH PLETE SR6003
CMC1A354
AUX J169 ns
p
ns
p
CORD
SN95/PB5 0.6
C3A206
AUX J170 ns
p
ns
p
CORD
SN95/PB5 0.6
C3A206
AUX J171 ns
p
ns
p
CORD
SN95/PB5 0.6
C3A206
AUX J172 ns
p
ns
p
CORD
SN95/PB5 0.6
C3A206
AUX J173 ns
p
ns
p
CORD
SN95/PB5 0.6
C3A206
AUX J174 ns
p
ns
p
CORD
SN95/PB5 0.6
C3A206
AUX J175 ns
p
ns
p
CORD
SN95/PB5 0.6
C3A206
AUX
J176
nsp
nsp
CORD
SN95/PB5 0 6
C3A206
AUX
J176
nsp
nsp
CORD
SN95/PB5
0
.
6
C3A206
AUX J177 ns
p
ns
p
CORD
SN95/PB5 0.6
C3A206
AUX J5 ns
p
ns
p
CORD
WIRE ASSY
CWE8102140RV
AUX JK11 943643002080S 943643002080S TERMINAL
S-VHS SILVER
CJJ9M004Y
AUX JK12 943643002090S 943643002090S TERMINAL
CINCH JACK 3P SILVER
CJJ4S028Y
BRIDGE DIODE 1 PWB
(
CUP12085Z
)
BRIDGE 1 BN15 ns
p
ns
p
CORD
5P WIRE ASSY 150MM
CWB1E905150BM
BRIDGE 1 BN25 ns
p
ns
p
CORD
5P WIRE ASSY 50MM
CWB1E905050BM
BRIDGE 1 D907 90M-HE200390R 90M-HE200390R DIODE
! GBJ1006
HVDGBJ1006
BRIDGE 1 J970 ns
p
ns
p
CORD
SN95/PB5 0.6
C3A206
p
p
BRIDGE 1 J971 ns
p
ns
p
CORD
SN95/PB5 0.6
C3A206
BRIDGE DIODE 2 PWB
(
CUP12085Z
)
BRIDGE 2 BN21 ns
p
ns
p
CORD
WIRE ASSY
CWB1E909080MM
BRIDGE 2 D901 90M-HE200350R 90M-HE200350R DIODE
! GBJ1506
HVDGBJ1506
BRIDGE 2 J951 ns
p
ns
p
CORD
SN95/PB5 0.6
C3A206
BRIDGE 2 J952 ns
p
ns
p
CORD
SN95/PB5 0.6
C3A206
COMPONENT OUT 2 PWB
(
CUP12085Z
)
COMP 2 BN42 ns
p
ns
p
CORD
5P WIRE ASSY 50MM
CWB1C905050EN
COMP 2 JK96 90M-YT003210R 90M-YT003210R TERMINAL
CINCH 3P G/B/R SILVER
CJJ4S030Z
DOWNLOADER CONNECTOR PWB
(
CUP12085Z
)
DL CONN BK89 ns
p
ns
p
BRACKET
BRACKET FOR PWB
CMD1A569
DL CONN BN89 ns
p
ns
p
CORD
7P WIRE ASSY 50MM
CWB1C907050EN
DL CONN C953 ns
p
ns
p
CER. CAP.
0.1UF 50V Z CERAMIC
CCBS1H104ZFT
DL CONN C954 ns
p
ns
p
CER. CAP.
0.1UF 50V Z CERAMIC
CCBS1H104ZFT
DL CONN C955 ns
p
ns
p
CER. CAP.
0.1UF 50V Z CERAMIC
CCBS1H104ZFT
DL CONN C956 ns
p
ns
p
CER. CAP.
0.1UF 50V Z CERAMIC
CCBS1H104ZFT
DL CONN C957 ns
p
ns
p
CER. CAP.
0.1UF 50V Z CERAMIC
CCBS1H104ZFT
DL CONN C958 ns
p
ns
p
CER. CAP.
0.1UF 50V Z CERAMIC
CCBS1H104ZFT
DL CONN
IC98
90M HC108440R
90M HC108440R
IC
ST202EBW RS 232C
HVIST202EBW
DL
CONN
IC98
90M
-
HC108440R
90M
-
HC108440R
IC
ST202EBW
RS
-
232C
HVIST202EBW
DL CONN J837 ns
p
ns
p
CORD
SN95/PB5 0.6
C3A206
DL CONN J968 ns
p
ns
p
CORD
SN95/PB5 0.6
C3A206
DL CONN J969 ns
p
ns
p
CORD
SN95/PB5 0.6
C3A206
DL CONN JK95 90M-YT005040R 90M-YT005040R TERMINAL
9P D-SUB MALE (RS-232C) SEMCO
CJJ9V001Z
DL CONN R920 ns
p
ns
p
CORD
SN95/PB5 0.6
C3A206
DL CONN R921 ns
p
ns
p
RES.
1K OHM 1/6W J CARBON
CRD20TJ102T
DL CONN R922 ns
p
ns
p
RES.
1K OHM 1/6W J CARBON
CRD20TJ102T
DL CONN R923 ns
p
ns
p
RES.
12K OHM 1/6W J CARBON
CRD20TJ123T
DL
CO
NN R
9
24 n
sp
n
sp
RE
S
.
10K OHM 1/6W J CARBON
CRD20TJ103T
CO
9
sp
sp
S
DL CONN SW91 90M-SP001290R 90M-SP001290R SW
SPUJ19XSM011
HSH2B018Z
DL CONN SW92 90M-SS000710R 90M-SS000710R SW
SLIDE SWITCH
KSS2B016Z
FRONT PWB
(
CUP12091Z-1
)
FRONT BK11 ns
p
ns
p
BRACKET
BRACKET FLT
CMD1A468
FRONT BK12 ns
p
ns
p
BRACKET
BRACKET FLT
CMD1A468
FRONT BN11 ns
p
ns
p
CORD
WIRE ASSY
CWB2B905150EN
FRONT BN13 ns
p
ns
p
CORD
WIRE ASSY
CWB2B903150EN
FRONT BN16 ns
p
ns
p
CORD
WIRE ASSY
CWB2B905500EN
FRONT C101 ns
p
ns
p
CER. CAP.
100PF 50V K
CCBS1H101KBT
FRONT C102 ns
p
ns
p
CER. CAP.
100PF 50V K
CCBS1H101KBT
FRONT C103 ns
p
ns
p
CER. CAP.
0.01UF 50V Z
CCBS1H103ZFT
FRONT C104 ns
p
ns
p
CER. CAP.
0.01UF 50V Z
CCBS1H103ZFT
FRONT C105 ns
p
00MEJ10601640 ELECT CAP.
10UF 16V KS
CCEA1CKS100T
FRONT C106 ns
p
00MEJ10601610 ELECT CAP.
100UF 16V KS
CCEA1CKS101T
FRONT C107 ns
p
ns
p
CER. CAP.
0.01UF 50V Z
CCBS1H103ZFT
FRONT C108 ns
p
ns
p
CER. CAP.
100PF 50V K
CCBS1H101KBT

127
NOTE : "nsp" PART IS LISTED FOR REFERENCE ONLY, MARANTZ WILL NOT SUPPLY THESE PARTS.
P.W.B.
NAME
VERS.
COLOR
PART NO.
(FOR EUR)
PART NO.
(MZ) PART NAME DESCRIPTION
POS. NO.
FRONT C109 ns
p
ns
p
CER. CAP.
0.1UF 50V Z CERAMIC
CCBS1H104ZFT
FRONT C110 ns
p
ns
p
CER. CAP.
0.1UF 50V Z CERAMIC
CCBS1H104ZFT
FRONT C111 ns
p
ns
p
CER. CAP.
0.1UF 50V Z CERAMIC
CCBS1H104ZFT
FRONT C112 ns
p
90M-EJ000010R ELECT CAP.
100UF 10V
CCEA1AKS101T
FRONT
C113
CER CAP
UF V Z
FRONT
C113
ns
p
ns
p
CER
.
CAP
.
0.01
UF
50
V
Z
CCBS1H103ZFT
FRONT C114 ns
p
ns
p
CER. CAP.
0.01UF 50V Z
CCBS1H103ZFT
FRONT C115 ns
p
ns
p
CER. CAP.
0.1UF 50V Z CERAMIC
CCBS1H104ZFT
FRONT C116 ns
p
ns
p
CER. CAP.
0.1UF 50V Z CERAMIC
CCBS1H104ZFT
FRONT C117 ns
p
ns
p
CER. CAP.
470PF 50V
CCBS1H471KBT
FRONT C118 ns
p
90M-EJ000050R ELECT CAP.
4.7UF 50V
CCEA1HKS4R7T
FRONT C119 ns
p
90M-EJ000120R ELECT CAP.
47UF 25V
CCEA1EKS470T
FRONT C120 ns
p
ns
p
CER. CAP.
100PF 50V K
CCBS1H101KBT
FRONT C121 ns
p
ns
p
CER. CAP.
0.1UF 50V Z CERAMIC
CCBS1H104ZFT
FRONT
C122
nsp
nsp
CER CAP
470PF 50V
CCBS1H471KBT
FRONT
C122
nsp
nsp
CER
.
CAP
.
470PF
50V
CCBS1H471KBT
FRONT C123 ns
p
90M-EJ000050R ELECT CAP.
4.7UF 50V
CCEA1HKS4R7T
FRONT C124 ns
p
ns
p
CER. CAP.
0.1UF 50V Z CERAMIC
CCBS1H104ZFT
FRONT C125 ns
p
90M-EJ000020R ELECT CAP.
22UF 16V
CCEA1CKS220T
FRONT C126 ns
p
ns
p
CER. CAP.
0.022UF 50V Z CERAMIC
CCBS1H223ZFT
FRONT C127 ns
p
ns
p
CER. CAP.
0.1UF 50V Z CERAMIC
CCBS1H104ZFT
FRONT C128 ns
p
00MEJ47601640 ELECT CAP.
47 UF 16V KS
CCEA1CKS470T
FRONT C129 ns
p
ns
p
CER. CAP.
0.1UF 50V Z CERAMIC
CCBS1H104ZFT
FRONT C130 ns
p
ns
p
CER. CAP.
100PF 50V K
CCBS1H101KBT
FRONT C131 ns
p
ns
p
CER. CAP.
100PF 50V K
CCBS1H101KBT
p
p
FRONT C132 ns
p
ns
p
CER. CAP.
100PF 50V K
CCBS1H101KBT
FRONT C133 ns
p
ns
p
CER. CAP.
0.1UF 50V Z CERAMIC
CCBS1H104ZFT
FRONT C135 ns
p
ns
p
CER. CAP.
0.022UF 50V Z CERAMIC
CCBS1H223ZFT
FRONT C136 ns
p
ns
p
CER. CAP.
0.1UF 50V Z CERAMIC
CCBS1H104ZFT
FRONT C137 ns
p
90M-EJ000120R ELECT CAP.
47UF 25V
CCEA1EKS470T
FRONT C138 ns
p
ns
p
CER. CAP.
0.01UF 50V Z
CCBS1H103ZFT
FRONT C139 ns
p
ns
p
CER. CAP.
470PF 50V
CCBS1H471KBT
FRONT C140 ns
p
90M-EJ000040R ELECT CAP.
10UF 50V KS
CCEA1HKS100T
FRONT C141 ns
p
90M-EJ000040R ELECT CAP.
10UF 50V KS
CCEA1HKS100T
FRONT C142 ns
p
ns
p
CER. CAP.
470PF 50V
CCBS1H471KBT
FRONT C143 ns
p
00MEJ10505010 ELECT CAP.
1UF 50V
CCEA1HKS1R0T
FRONT C144 ns
p
00MEJ10505010 ELECT CAP.
1UF 50V
CCEA1HKS1R0T
FRONT C145 ns
p
00MEJ10505010 ELECT CAP.
1UF 50V
CCEA1HKS1R0T
FRONT C151 ns
p
00MOA10705020 ELECT CAP.
100UF 50V
CCEA1HH101T
FRONT C154 ns
p
ns
p
CER. CAP.
0.1UF 50V Z CERAMIC
CCBS1H104ZFT
FRONT C155 ns
p
ns
p
CER. CAP.
0.1UF 50V Z CERAMIC
CCBS1H104ZFT
FRONT CN14 ns
p
ns
p
CONN.
7P ANGLE 2.5MM
CJP07GB03ZY
FRONT CN15 ns
p
ns
p
CONN.
19P WAFER CARD CABLE
CJP19GA117ZY
FRONT
CN83
nsp
nsp
CONN
9P ANGLE
CJP09GB46ZY
FRONT
CN83
nsp
nsp
CONN
.
9P
ANGLE
CJP09GB46ZY
FRONT D101 263710016400S 263710016400S L.E.D.
SLI-325URT31W TP
CVDSLI325URT31WT055
FRONT D102 90M-HI101190R 90M-HI101190R L.E.D.
BLUE LED TOL-52CSBBCEAB2
CVD52CSBBCEAB2
FRONT D106 ns
p
00MHD20015210 DIODE
1SS133T-77
CVD1SS133MT
FRONT D107 ns
p
00MHD20015210 DIODE
1SS133T-77
CVD1SS133MT
FRONT EN11 943663001560S 943663001560S ROTARY SW
EC16B24T01D4ZZZ
CSR2A047Z
FRONT EN12 90M-SR000270R 90M-SR000270R ROTARY SW
EC16B12S0AD4ZZZ
HSR2A032Z
FRONT FL11 943172003730M 943172003730M DISPLAY
V.F.D. 17-ST-10GINK
CFL17ST10GINK
FRONT IC11 00MHC10102090 00MHC10102090 IC
NJM2068MD-TE1
HVINJM2068MDTE1
FR
O
NT I
C
12
00
MH
C
7
00
4
00
Z
0
00
MH
C
7
00
4
00
Z
0
I
C
TC74HCU04AFN
HVITC74HCU04AFN
O
C
00 C 00 00 0
00 C 00 00 0
C
FRONT J101 ns
p
ns
p
CORD
SN95/PB5 0.6
C3A206
FRONT J102 ns
p
ns
p
CORD
SN95/PB5 0.6
C3A206
FRONT J103 ns
p
ns
p
CORD
SN95/PB5 0.6
C3A206
FRONT J104 ns
p
ns
p
CORD
SN95/PB5 0.6
C3A206
FRONT J105 ns
p
ns
p
CORD
SN95/PB5 0.6
C3A206
FRONT J106 ns
p
ns
p
CORD
SN95/PB5 0.6
C3A206
FRONT J107 ns
p
ns
p
CORD
SN95/PB5 0.6
C3A206
FRONT J108 ns
p
ns
p
CORD
SN95/PB5 0.6
C3A206
FRONT J109 ns
p
ns
p
CORD
SN95/PB5 0.6
C3A206
FRONT J110 ns
p
ns
p
CORD
SN95/PB5 0.6
C3A206
FRONT J111 ns
p
ns
p
CORD
SN95/PB5 0.6
C3A206
FRONT J112 ns
p
ns
p
CORD
SN95/PB5 0.6
C3A206
FRONT J113 ns
p
ns
p
CORD
SN95/PB5 0.6
C3A206
FRONT J114 ns
p
ns
p
CORD
SN95/PB5 0.6
C3A206
FRONT J115 ns
p
ns
p
CORD
SN95/PB5 0.6
C3A206
FRONT J116 ns
p
ns
p
CORD
SN95/PB5 0.6
C3A206

128
NOTE : "nsp" PART IS LISTED FOR REFERENCE ONLY, MARANTZ WILL NOT SUPPLY THESE PARTS.
P.W.B.
NAME
VERS.
COLOR
PART NO.
(FOR EUR)
PART NO.
(MZ) PART NAME DESCRIPTION
POS. NO.
FRONT J117 ns
p
ns
p
CORD
SN95/PB5 0.6
C3A206
FRONT J118 ns
p
ns
p
CORD
SN95/PB5 0.6
C3A206
FRONT J119 ns
p
ns
p
CORD
SN95/PB5 0.6
C3A206
FRONT J120 ns
p
ns
p
CORD
SN95/PB5 0.6
C3A206
FRONT
J121
CORD
SN /PB
FRONT
J121
ns
p
ns
p
CORD
SN
95
/PB
5 0.6
C3A206
FRONT J123 ns
p
ns
p
CORD
SN95/PB5 0.6
C3A206
FRONT J124 ns
p
ns
p
CORD
SN95/PB5 0.6
C3A206
FRONT J125 ns
p
ns
p
CORD
SN95/PB5 0.6
C3A206
FRONT J126 ns
p
ns
p
CORD
SN95/PB5 0.6
C3A206
FRONT J127 ns
p
ns
p
CORD
SN95/PB5 0.6
C3A206
FRONT J128 ns
p
ns
p
CORD
SN95/PB5 0.6
C3A206
FRONT J129 ns
p
ns
p
CORD
SN95/PB5 0.6
C3A206
FRONT J130 ns
p
ns
p
CORD
SN95/PB5 0.6
C3A206
FRONT
J131
nsp
nsp
CORD
SN95/PB5 0 6
C3A206
FRONT
J131
nsp
nsp
CORD
SN95/PB5
0
.
6
C3A206
FRONT J132 ns
p
ns
p
CORD
SN95/PB5 0.6
C3A206
FRONT J133 ns
p
ns
p
CORD
SN95/PB5 0.6
C3A206
FRONT J134 ns
p
ns
p
CORD
SN95/PB5 0.6
C3A206
FRONT J135 ns
p
ns
p
CORD
SN95/PB5 0.6
C3A206
FRONT J136 ns
p
ns
p
CORD
SN95/PB5 0.6
C3A206
FRONT J137 ns
p
ns
p
CORD
SN95/PB5 0.6
C3A206
FRONT J138 ns
p
ns
p
CORD
SN95/PB5 0.6
C3A206
FRONT J139 ns
p
ns
p
CORD
SN95/PB5 0.6
C3A206
FRONT J140 ns
p
ns
p
CORD
SN95/PB5 0.6
C3A206
p
p
FRONT J141 ns
p
ns
p
CORD
SN95/PB5 0.6
C3A206
FRONT J142 ns
p
ns
p
CORD
SN95/PB5 0.6
C3A206
FRONT J143 ns
p
ns
p
CORD
SN95/PB5 0.6
C3A206
FRONT J144 ns
p
ns
p
CORD
SN95/PB5 0.6
C3A206
FRONT J145 ns
p
ns
p
CORD
SN95/PB5 0.6
C3A206
FRONT J146 ns
p
ns
p
CORD
SN95/PB5 0.6
C3A206
FRONT J147 ns
p
ns
p
CORD
SN95/PB5 0.6
C3A206
FRONT J148 ns
p
ns
p
CORD
SN95/PB5 0.6
C3A206
FRONT J149 ns
p
ns
p
CORD
SN95/PB5 0.6
C3A206
FRONT J150 ns
p
ns
p
CORD
SN95/PB5 0.6
C3A206
FRONT J151 ns
p
ns
p
CORD
SN95/PB5 0.6
C3A206
FRONT J152 ns
p
ns
p
CORD
SN95/PB5 0.6
C3A206
FRONT J153 ns
p
ns
p
CORD
SN95/PB5 0.6
C3A206
FRONT J154 ns
p
ns
p
CORD
SN95/PB5 0.6
C3A206
FRONT J155 ns
p
ns
p
CORD
SN95/PB5 0.6
C3A206
FRONT J156 ns
p
ns
p
CORD
SN95/PB5 0.6
C3A206
FRONT J157 ns
p
ns
p
CORD
SN95/PB5 0.6
C3A206
FRONT J158 ns
p
ns
p
CORD
SN95/PB5 0.6
C3A206
FRONT
J159
nsp
nsp
CORD
SN95/PB5 0 6
C3A206
FRONT
J159
nsp
nsp
CORD
SN95/PB5
0
.
6
C3A206
FRONT J160 ns
p
ns
p
CORD
SN95/PB5 0.6
C3A206
FRONT J161 ns
p
ns
p
CORD
SN95/PB5 0.6
C3A206
FRONT J162 ns
p
ns
p
CORD
SN95/PB5 0.6
C3A206
FRONT J163 ns
p
ns
p
CORD
SN95/PB5 0.6
C3A206
FRONT J164 ns
p
ns
p
CORD
SN95/PB5 0.6
C3A206
FRONT J165 ns
p
ns
p
CORD
SN95/PB5 0.6
C3A206
FRONT J166 ns
p
ns
p
CORD
SN95/PB5 0.6
C3A206
FRONT J167 ns
p
ns
p
CORD
SN95/PB5 0.6
C3A206
FR
O
NT
J
1
68
n
sp
n
sp
CO
RD
SN95/PB5 0.6
C3A206
O
J 68
sp
sp
CO
FRONT J178 ns
p
ns
p
CORD
SN95/PB5 0.6
C3A206
FRONT J179 ns
p
ns
p
CORD
SN95/PB5 0.6
C3A206
FRONT J180 ns
p
ns
p
CORD
SN95/PB5 0.6
C3A206
FRONT J181 ns
p
ns
p
CORD
SN95/PB5 0.6
C3A206
FRONT J182 ns
p
ns
p
CORD
SN95/PB5 0.6
C3A206
FRONT J183 ns
p
ns
p
CORD
SN95/PB5 0.6
C3A206
FRONT J184 ns
p
ns
p
CORD
SN95/PB5 0.6
C3A206
FRONT J185 F B ns
p
ns
p
CORD
SN95/PB5 0.6
C3A206
FRONT J185
/
U1B ns
p
ns
p
CORD
SN95/PB5 0.6
C3A206
FRONT J186 F B ns
p
ns
p
CORD
SN95/PB5 0.6
C3A206
FRONT J186
/
U1B ns
p
ns
p
CORD
SN95/PB5 0.6
C3A206
FRONT J187 ns
p
ns
p
CORD
SN95/PB5 0.6
C3A206
FRONT J3 ns
p
ns
p
CORD
WIRE ASSY
CWE8102140RV
FRONT J4 ns
p
ns
p
CORD
WIRE ASSY
CWE8102100RV
FRONT Q101 00MBA10001000 00MBA10001000 TRS.
KRA102M
HVTKRA102MT
FRONT Q102 00MBA10001000 00MBA10001000 TRS.
KRA102M
HVTKRA102MT

129
NOTE : "nsp" PART IS LISTED FOR REFERENCE ONLY, MARANTZ WILL NOT SUPPLY THESE PARTS.
P.W.B.
NAME
VERS.
COLOR
PART NO.
(FOR EUR)
PART NO.
(MZ) PART NAME DESCRIPTION
POS. NO.
FRONT Q103 00MBA10001000 00MBA10001000 TRS.
KRA102M
HVTKRA102MT
FRONT Q105 00MHT800931A0 00MHT800931A0 TRS.
KTC3200GR
HVTKTC3200GRT
FRONT Q106 00MHT800931A0 00MHT800931A0 TRS.
KTC3200GR
HVTKTC3200GRT
FRONT Q107 00MHT800931A0 00MHT800931A0 TRS.
KTC3200GR
HVTKTC3200GRT
FRONT
R101
RES
K OHM / W J CARBON
FRONT
R101
ns
p
ns
p
RES
.
10
K
OHM
1
/
6
W
J
CARBON
CRD20TJ103T
FRONT R102 ns
p
ns
p
RES.
10K OHM 1/6W J CARBON
CRD20TJ103T
FRONT R103 ns
p
ns
p
RES.
10K OHM 1/6W J CARBON
CRD20TJ103T
FRONT R104 ns
p
ns
p
RES.
10K OHM 1/6W J CARBON
CRD20TJ103T
FRONT R105 ns
p
ns
p
RES.
1.5K OHM 1/6W J CARBON
CRD20TJ152T
FRONT R106 ns
p
ns
p
RES.
5.6K OHM 1/6W J CARBON
CRD20TJ562T
FRONT R107 ns
p
ns
p
RES.
2.7K OHM 1/6W J CARBON
CRD20TJ272T
FRONT R108 ns
p
ns
p
RES.
2.2K OHM 1/6W J CARBON
CRD20TJ222T
FRONT R109 ns
p
ns
p
RES.
1.5K OHM 1/6W J CARBON
CRD20TJ152T
FRONT
R110
nsp
nsp
RES
1K OHM 1/6W J CARBON
CRD20TJ102T
FRONT
R110
nsp
nsp
RES
.
1K
OHM
1/6W
J
CARBON
CRD20TJ102T
FRONT R111 ns
p
ns
p
RES.
820 OHM 1/6W J CARBON
CRD20TJ821T
FRONT R112 ns
p
ns
p
RES.
560 OHM 1/6W J CARBON
CRD20TJ561T
FRONT R113 ns
p
ns
p
RES.
680 OHM 1/6W J CARBON
CRD20TJ681T
FRONT R114 ns
p
ns
p
RES.
5.6K OHM 1/6W J CARBON
CRD20TJ562T
FRONT R115 ns
p
ns
p
RES.
2.7K OHM 1/6W J CARBON
CRD20TJ272T
FRONT R116 ns
p
ns
p
RES.
2.2K OHM 1/6W J CARBON
CRD20TJ222T
FRONT R117 ns
p
ns
p
RES.
1.5K OHM 1/6W J CARBON
CRD20TJ152T
FRONT R118 ns
p
ns
p
RES.
1K OHM 1/6W J CARBON
CRD20TJ102T
FRONT R119 ns
p
ns
p
RES.
820 OHM 1/6W J CARBON
CRD20TJ821T
p
p
FRONT R120 ns
p
ns
p
RES.
560 OHM 1/6W J CARBON
CRD20TJ561T
FRONT R121 ns
p
ns
p
RES.
680 OHM 1/6W J CARBON
CRD20TJ681T
FRONT R122 ns
p
ns
p
RES.
5.6K OHM 1/6W J CARBON
CRD20TJ562T
FRONT R123 ns
p
ns
p
RES.
2.7K OHM 1/6W J CARBON
CRD20TJ272T
FRONT R124 ns
p
ns
p
RES.
2.2K OHM 1/6W J CARBON
CRD20TJ222T
FRONT R125 ns
p
ns
p
RES.
1.5K OHM 1/6W J CARBON
CRD20TJ152T
FRONT R126 ns
p
ns
p
RES.
1K OHM 1/6W J CARBON
CRD20TJ102T
FRONT R127 ns
p
ns
p
RES.
820 OHM 1/6W J CARBON
CRD20TJ821T
FRONT R128 ns
p
ns
p
RES.
560 OHM 1/6W J CARBON
CRD20TJ561T
FRONT R129 ns
p
ns
p
RES.
680 OHM 1/6W J CARBON
CRD20TJ681T
FRONT R130 ns
p
ns
p
RES.
100 OHM 1/6W J CARBON
CRD20TJ101T
FRONT R132 ns
p
ns
p
RES.
10K OHM 1/6W J CARBON
CRD20TJ103T
FRONT R133 ns
p
ns
p
RES.
10K OHM 1/6W J CARBON
CRD20TJ103T
FRONT R134 ns
p
ns
p
RES.
10K OHM 1/6W J CARBON
CRD20TJ103T
FRONT R135 ns
p
ns
p
RES.
10K OHM 1/6W J CARBON
CRD20TJ103T
FRONT R136 ns
p
ns
p
RES.
220 OHM 1/6W J CARBON
CRD20TJ221T
FRONT R137 ns
p
ns
p
RES.
10K OHM 1/6W J CARBON
CRD20TJ103T
FRONT R139 ns
p
ns
p
RES.
47K OHM 1/6W J CARBON
CRD20TJ473T
FRONT
R140
nsp
nsp
RES
220 OHM 1/6W J CARBON
CRD20TJ221T
FRONT
R140
nsp
nsp
RES
.
220
OHM
1/6W
J
CARBON
CRD20TJ221T
FRONT R141 ns
p
ns
p
RES.
330 OHM 1/6W J CARBON
CRD20TJ331T
FRONT R142 ns
p
ns
p
RES.
12K OHM 1/6W J CARBON
CRD20TJ123T
FRONT R143 ns
p
ns
p
RES.
47K OHM 1/6W J CARBON
CRD20TJ473T
FRONT R144 ns
p
ns
p
RES.
220 OHM 1/6W J CARBON
CRD20TJ221T
FRONT R145 ns
p
ns
p
RES.
4.7K OHM 1/6W J CARBON
CRD20TJ472T
FRONT R146 ns
p
ns
p
RES.
2.2K OHM 1/6W J CARBON
CRD20TJ222T
FRONT R147 ns
p
ns
p
RES.
4.7K OHM 1/6W J CARBON
CRD20TJ472T
FRONT R148 ns
p
ns
p
RES.
4.7K OHM 1/6W J CARBON
CRD20TJ472T
FR
O
NT R14
9
n
sp
n
sp
RE
S
.
470 OHM 1/6W J CARBON
CRD20TJ471T
O
9
sp
sp
S
FRONT R150 ns
p
ns
p
RES.
10 OHM 1/6W J CARBON
CRD20TJ100T
FRONT R151 ns
p
ns
p
RES.
10 OHM 1/6W J CARBON
CRD20TJ100T
FRONT R152 ns
p
ns
p
RES.
47 OHM 1/6W J CARBON
CRD20TJ470T
FRONT R153 ns
p
ns
p
RES.
47 OHM 1/6W J CARBON
CRD20TJ470T
FRONT R154 ns
p
ns
p
RES.
47 OHM 1/6W J CARBON
CRD20TJ470T
FRONT R156 ns
p
ns
p
RES.
10 OHM 1/6W J CARBON
CRD20TJ100T
FRONT R157 ns
p
ns
p
RES.
12K OHM 1/6W J CARBON
CRD20TJ123T
FRONT R158 ns
p
ns
p
RES.
100 OHM 1/6W J CARBON
CRD20TJ101T
FRONT R159 ns
p
ns
p
RES.
10K OHM 1/6W J CARBON
CRD20TJ103T
FRONT R160 ns
p
ns
p
RES.
100K OHM 1/6W J CARBON
CRD20TJ104T
FRONT R161 ns
p
ns
p
RES.
100 OHM 1/6W J CARBON
CRD20TJ101T
FRONT R162 ns
p
ns
p
RES.
33K OHM 1/6W J CARBON
CRD20TJ333T
FRONT R163 ns
p
ns
p
RES.
33K OHM 1/6W J CARBON
CRD20TJ333T
FRONT R164 ns
p
ns
p
RES.
33K OHM 1/6W J CARBON
CRD20TJ333T
FRONT R165 ns
p
ns
p
RES.
100 OHM 1/6W J CARBON
CRD20TJ101T
FRONT R166 ns
p
ns
p
RES.
100K OHM 1/6W J CARBON
CRD20TJ104T

130
NOTE : "nsp" PART IS LISTED FOR REFERENCE ONLY, MARANTZ WILL NOT SUPPLY THESE PARTS.
P.W.B.
NAME
VERS.
COLOR
PART NO.
(FOR EUR)
PART NO.
(MZ) PART NAME DESCRIPTION
POS. NO.
FRONT R167 ns
p
ns
p
RES.
100 OHM 1/6W J CARBON
CRD20TJ101T
FRONT R168 ns
p
ns
p
RES.
100K OHM 1/6W J CARBON
CRD20TJ104T
FRONT R169 ns
p
ns
p
RES.
33 OHM 1/6W J CARBON
CRD20TJ330T
FRONT R170 ns
p
ns
p
RES.
4.7K OHM 1/6W J CARBON
CRD20TJ472T
FRONT
R171
RES
K OHM / W J CARBON
FRONT
R171
ns
p
ns
p
RES
.
100
K
OHM
1
/
6
W
J
CARBON
CRD20TJ104T
FRONT R173 ns
p
ns
p
RES.
10 OHM 1/6W J CARBON
CRD20TJ100T
FRONT R174 ns
p
ns
p
RES.
33 OHM 1/6W J CARBON
CRD20TJ330T
FRONT R175 ns
p
ns
p
RES.
82K OHM 1/6W J CARBON
CRD20TJ823T
FRONT R176 ns
p
ns
p
RES.
100 OHM 1/6W J CARBON
CRD20TJ101T
FRONT R177 ns
p
ns
p
RES.
82K OHM 1/6W J CARBON
CRD20TJ823T
FRONT R178 ns
p
ns
p
RES.
100 OHM 1/6W J CARBON
CRD20TJ101T
FRONT R179 ns
p
ns
p
RES.
75 OHM 1/6W J CARBON
CRD20TJ750T
FRONT R180 ns
p
ns
p
RES.
75 OHM 1/6W J CARBON
CRD20TJ750T
FRONT
R181
nsp
nsp
RES
75 OHM 1/6W J CARBON
CRD20TJ750T
FRONT
R181
nsp
nsp
RES
.
75
OHM
1/6W
J
CARBON
CRD20TJ750T
FRONT RC11 90M-HW100650R 90M-HW100650R PHOTO UNIT
RPM6936-H4
HRVRPM6936H4
FRONT SW11 90M-SP001210R 90M-SP001210R SW
SKHV10910G TACT
CST1A012ZT
FRONT SW12 90M-SP001210R 90M-SP001210R SW
SKHV10910G TACT
CST1A012ZT
FRONT SW13 90M-SP001210R 90M-SP001210R SW
SKHV10910G TACT
CST1A012ZT
FRONT SW14 90M-SP001210R 90M-SP001210R SW
SKHV10910G TACT
CST1A012ZT
FRONT SW15 90M-SP001210R 90M-SP001210R SW
SKHV10910G TACT
CST1A012ZT
FRONT SW16 90M-SP001210R 90M-SP001210R SW
SKHV10910G TACT
CST1A012ZT
FRONT SW17 90M-SP001210R 90M-SP001210R SW
SKHV10910G TACT
CST1A012ZT
FRONT SW18 90M-SP001210R 90M-SP001210R SW
SKHV10910G TACT
CST1A012ZT
FRONT SW19 90M-SP001210R 90M-SP001210R SW
SKHV10910G TACT
CST1A012ZT
FRONT SW20 90M-SP001210R 90M-SP001210R SW
SKHV10910G TACT
CST1A012ZT
FRONT SW21 90M-SP001210R 90M-SP001210R SW
SKHV10910G TACT
CST1A012ZT
FRONT SW22 90M-SP001210R 90M-SP001210R SW
SKHV10910G TACT
CST1A012ZT
FRONT SW23 90M-SP001210R 90M-SP001210R SW
SKHV10910G TACT
CST1A012ZT
FRONT SW24 90M-SP001210R 90M-SP001210R SW
SKHV10910G TACT
CST1A012ZT
FRONT SW25 90M-SP001210R 90M-SP001210R SW
SKHV10910G TACT
CST1A012ZT
FRONT SW26 F B ns
p
90M-SP001210R SW
SKHV10910G TACT
CST1A012ZT
FRONT SW26
/
U1B ns
p
90M-SP001210R SW
SKHV10910G TACT
CST1A012ZT
H/P PWB
(
CUP12091Z-2
)
H/P BN87 ns
p
ns
p
CORD
5P WIRE ASSY 550MM
CWZSR5003BN87A
H/P BN87-1 90M-FC500040R 90M-FC500040R FERRITE CORE
FERRITE CORE(21.2X6.4X12.7) K5C T
CLZ9Z028Z
H/P BN87-2 ns
p
ns
p
CORD
5P WIRE ASSY 550MM
CWZSR5003BN87
H/P C147 ns
p
ns
p
CER. CAP.
0.1UF 50V Z CERAMIC
CCBS1H104ZFT
H/P C148 ns
p
ns
p
CER. CAP.
0.1UF 50V Z CERAMIC
CCBS1H104ZFT
H/P C149 ns
p
ns
p
CER. CAP.
100PF 50V K
CCBS1H101KBT
H/P C150 ns
p
ns
p
CER. CAP.
100PF 50V K
CCBS1H101KBT
H/P C157 ns
p
ns
p
CER. CAP.
0.1UF 50V Z CERAMIC
CCBS1H104ZFT
H/P
CN11
nsp
nsp
CONN
5P STRAIGHT 20017WS 05
CJP05GA19ZY
H/P
CN11
nsp
nsp
CONN
.
5P
STRAIGHT
20017WS
-
05
CJP05GA19ZY
H/P CN13 ns
p
ns
p
CONN.
3P STRAIGHT 20017WS-03
CJP03GA19ZY
H/P D108 ns
p
00MHD20015210 DIODE
1SS133T-77
CVD1SS133MT
H/P D109 ns
p
00MHD20015210 DIODE
1SS133T-77
CVD1SS133MT
H/P D110 ns
p
00MHD20015210 DIODE
1SS133T-77
CVD1SS133MT
H/P D111 ns
p
00MHD20015210 DIODE
1SS133T-77
CVD1SS133MT
H/P ET13 ns
p
ns
p
PLATE
EARTH PLETE SR6003
CMC1A354
H/P ET14 ns
p
ns
p
PLATE
EARTH PLETE SR6003
CMC1A354
H/P J7 ns
p
ns
p
CORD
WIRE ASSY
CWE8102140RV
H
/
P
J
K1
3
90
M-YT
003550
R
90
M-YT
003550
R TERMINAL
TC38-160-02
HJJ2E027Z
/
J3
90 003550
90 003550
H/P JK14 90M-YT004500R 90M-YT004500R TERMINAL
JACK SILVER PJ-612A-51
CJJ2E026Z
H/P JK15 90M-YT005030R 90M-YT005030R OPT. CONN.
TORX177L
HJSTORX177L
H/P L101 90M-FN000090R 90M-FN000090R EMI FILTER
BEAD
KLZ9H001Z
H/P R182 ns
p
ns
p
RES.
470 OHM 1/6W J CARBON
CRD20TJ471T
H/P R183 ns
p
ns
p
RES.
330 OHM 1W METAL OXIDE FILM
CRG1ANJ331H
H/P R184 ns
p
ns
p
RES.
4.7K OHM 1/6W J CARBON
CRD20TJ472T
H/P R185 ns
p
ns
p
RES.
330 OHM 1W METAL OXIDE FILM
CRG1ANJ331H
HDMI PWB
(
CUP12088Z
)
HDMI BK71 ns
p
ns
p
BRACKET
BRACKET FOR PWB
CMD1A569
HDMI BK72 ns
p
ns
p
BRACKET
BRACKET FOR PWB
CMD1A569
HDMI BN20 ns
p
ns
p
CORD
5P WIRE ASSY 180MM
CWB1E905180BM
HDMI C101 ns
p
00MDK96104300 CER. CAP.
0.1UF 50V K
CCUS1H104KC
HDMI C102 ns
p
00MDK96104300 CER. CAP.
0.1UF 50V K
CCUS1H104KC
HDMI C103 ns
p
00MDK96104300 CER. CAP.
0.1UF 50V K
CCUS1H104KC
HDMI C104 ns
p
00MOA47602520 ELECT CAP.
47UF 25V
CCEA1EH470T
HDMI C105 ns
p
00MDK96104300 CER. CAP.
0.1UF 50V K
CCUS1H104KC

131
NOTE : "nsp" PART IS LISTED FOR REFERENCE ONLY, MARANTZ WILL NOT SUPPLY THESE PARTS.
P.W.B.
NAME
VERS.
COLOR
PART NO.
(FOR EUR)
PART NO.
(MZ) PART NAME DESCRIPTION
POS. NO.
HDMI C106 ns
p
00MDK96104300 CER. CAP.
0.1UF 50V K
CCUS1H104KC
HDMI C107 ns
p
00MDK96104300 CER. CAP.
0.1UF 50V K
CCUS1H104KC
HDMI C108 ns
p
00MDK96104300 CER. CAP.
0.1UF 50V K
CCUS1H104KC
HDMI C109 ns
p
00MDK96104300 CER. CAP.
0.1UF 50V K
CCUS1H104KC
HDMI
C110
00MDK96104300
CER CAP
UF V K
HDMI
C110
ns
p
00MDK96104300
CER
.
CAP
.
0.1
UF
50
V
K
CCUS1H104KC
HDMI C111 ns
p
00MDK96104300 CER. CAP.
0.1UF 50V K
CCUS1H104KC
HDMI C112 ns
p
00MDK96104300 CER. CAP.
0.1UF 50V K
CCUS1H104KC
HDMI C113 ns
p
00MDK96104300 CER. CAP.
0.1UF 50V K
CCUS1H104KC
HDMI C114 ns
p
00MDK96104300 CER. CAP.
0.1UF 50V K
CCUS1H104KC
HDMI C115 ns
p
00MDK96104300 CER. CAP.
0.1UF 50V K
CCUS1H104KC
HDMI C116 ns
p
00MOA47602520 ELECT CAP.
47UF 25V
CCEA1EH470T
HDMI C117 ns
p
00MDK96104300 CER. CAP.
0.1UF 50V K
CCUS1H104KC
HDMI C118 ns
p
00MOA47602520 ELECT CAP.
47UF 25V
CCEA1EH470T
HDMI
C119
nsp
00MDK96104300
CER CAP
0 1UF 50V K
CCUS1H104KC
HDMI
C119
nsp
00MDK96104300
CER
.
CAP
.
0
.
1UF
50V
K
CCUS1H104KC
HDMI C120 ns
p
00MDK96104300 CER. CAP.
0.1UF 50V K
CCUS1H104KC
HDMI C121 ns
p
00MDK96104300 CER. CAP.
0.1UF 50V K
CCUS1H104KC
HDMI C122 ns
p
00MDK96104300 CER. CAP.
0.1UF 50V K
CCUS1H104KC
HDMI C123 ns
p
00MDK96104300 CER. CAP.
0.1UF 50V K
CCUS1H104KC
HDMI C124 ns
p
00MDK96104300 CER. CAP.
0.1UF 50V K
CCUS1H104KC
HDMI C125 ns
p
00MDK96104300 CER. CAP.
0.1UF 50V K
CCUS1H104KC
HDMI C201 ns
p
00MOA47602520 ELECT CAP.
47UF 25V
CCEA1EH470T
HDMI C202 ns
p
00MDK96104300 CER. CAP.
0.1UF 50V K
CCUS1H104KC
HDMI C203 ns
p
00MOA47602520 ELECT CAP.
47UF 25V
CCEA1EH470T
p
HDMI C204 ns
p
00MDK96104300 CER. CAP.
0.1UF 50V K
CCUS1H104KC
HDMI C205 ns
p
00MDK96104300 CER. CAP.
0.1UF 50V K
CCUS1H104KC
HDMI C206 ns
p
00MDK96104300 CER. CAP.
0.1UF 50V K
CCUS1H104KC
HDMI C207 ns
p
00MDK96104300 CER. CAP.
0.1UF 50V K
CCUS1H104KC
HDMI C208 ns
p
00MDK96104300 CER. CAP.
0.1UF 50V K
CCUS1H104KC
HDMI C209 ns
p
00MDK96104300 CER. CAP.
0.1UF 50V K
CCUS1H104KC
HDMI C210 ns
p
00MDK96104300 CER. CAP.
0.1UF 50V K
CCUS1H104KC
HDMI C211 ns
p
00MDK96104300 CER. CAP.
0.1UF 50V K
CCUS1H104KC
HDMI C212 ns
p
00MDK96104300 CER. CAP.
0.1UF 50V K
CCUS1H104KC
HDMI C213 ns
p
00MDK96104300 CER. CAP.
0.1UF 50V K
CCUS1H104KC
HDMI C214 ns
p
00MDK96104300 CER. CAP.
0.1UF 50V K
CCUS1H104KC
HDMI C215 ns
p
00MDK96104300 CER. CAP.
0.1UF 50V K
CCUS1H104KC
HDMI C216 ns
p
00MOA47602520 ELECT CAP.
47UF 25V
CCEA1EH470T
HDMI C217 ns
p
00MDK96104300 CER. CAP.
0.1UF 50V K
CCUS1H104KC
HDMI C218 ns
p
00MDK96104300 CER. CAP.
0.1UF 50V K
CCUS1H104KC
HDMI C219 ns
p
00MDK96104300 CER. CAP.
0.1UF 50V K
CCUS1H104KC
HDMI C220 ns
p
00MDK96104300 CER. CAP.
0.1UF 50V K
CCUS1H104KC
HDMI C221 ns
p
00MDK96104300 CER. CAP.
0.1UF 50V K
CCUS1H104KC
HDMI
C222
nsp
00MDD95270300
CER CAP
27PF 50V JA
CCUS1H270JA
HDMI
C222
nsp
00MDD95270300
CER
.
CAP
.
27PF
50V
JA
CCUS1H270JA
HDMI C223 ns
p
00MDD95270300 CER. CAP.
27PF 50V JA
CCUS1H270JA
HDMI C224 ns
p
00MDK96104300 CER. CAP.
0.1UF 50V K
CCUS1H104KC
HDMI C225 ns
p
00MOA47602520 ELECT CAP.
47UF 25V
CCEA1EH470T
HDMI C226 ns
p
00MDK96104300 CER. CAP.
0.1UF 50V K
CCUS1H104KC
HDMI C227 ns
p
00MOA47602520 ELECT CAP.
47UF 25V
CCEA1EH470T
HDMI C228 ns
p
00MDK96104300 CER. CAP.
0.1UF 50V K
CCUS1H104KC
HDMI C229 ns
p
00MDK96104300 CER. CAP.
0.1UF 50V K
CCUS1H104KC
HDMI C230 ns
p
00MDK96104300 CER. CAP.
0.1UF 50V K
CCUS1H104KC
HDMI
C
2
3
1n
sp
00
MDK
96
1
0
4
300
C
ER.
C
AP.
0.1UF 50V K
CCUS1H104KC
C3
sp
00 96 0 300
CC
HDMI C232 ns
p
00MDK96104300 CER. CAP.
0.1UF 50V K
CCUS1H104KC
HDMI C233 ns
p
00MDK96104300 CER. CAP.
0.1UF 50V K
CCUS1H104KC
HDMI C234 ns
p
00MDK96104300 CER. CAP.
0.1UF 50V K
CCUS1H104KC
HDMI C235 ns
p
00MDK96104300 CER. CAP.
0.1UF 50V K
CCUS1H104KC
HDMI C236 ns
p
00MDK96104300 CER. CAP.
0.1UF 50V K
CCUS1H104KC
HDMI C237 ns
p
00MDK96104300 CER. CAP.
0.1UF 50V K
CCUS1H104KC
HDMI C238 ns
p
00MOA47602520 ELECT CAP.
47UF 25V
CCEA1EH470T
HDMI C239 ns
p
00MDK96104300 CER. CAP.
0.1UF 50V K
CCUS1H104KC
HDMI C240 ns
p
00MOA47602520 ELECT CAP.
47UF 25V
CCEA1EH470T
HDMI C241 ns
p
00MDK96104300 CER. CAP.
0.1UF 50V K
CCUS1H104KC
HDMI C242 ns
p
00MDK96104300 CER. CAP.
0.1UF 50V K
CCUS1H104KC
HDMI C243 ns
p
00MDK96104300 CER. CAP.
0.1UF 50V K
CCUS1H104KC
HDMI C244 ns
p
00MDK96104300 CER. CAP.
0.1UF 50V K
CCUS1H104KC
HDMI C245 ns
p
00MDK96104300 CER. CAP.
0.1UF 50V K
CCUS1H104KC
HDMI C246 ns
p
00MDK96104300 CER. CAP.
0.1UF 50V K
CCUS1H104KC
HDMI C249 ns
p
00MOA47602520 ELECT CAP.
47UF 25V
CCEA1EH470T

132
NOTE : "nsp" PART IS LISTED FOR REFERENCE ONLY, MARANTZ WILL NOT SUPPLY THESE PARTS.
P.W.B.
NAME
VERS.
COLOR
PART NO.
(FOR EUR)
PART NO.
(MZ) PART NAME DESCRIPTION
POS. NO.
HDMI C250 ns
p
00MDK96104300 CER. CAP.
0.1UF 50V K
CCUS1H104KC
HDMI C251 ns
p
00MOA47602520 ELECT CAP.
47UF 25V
CCEA1EH470T
HDMI C252 ns
p
00MDK96104300 CER. CAP.
0.1UF 50V K
CCUS1H104KC
HDMI C253 ns
p
00MDK96104300 CER. CAP.
0.1UF 50V K
CCUS1H104KC
HDMI
C254
00MDK96104300
CER CAP
UF V K
HDMI
C254
ns
p
00MDK96104300
CER
.
CAP
.
0.1
UF
50
V
K
CCUS1H104KC
HDMI C255 ns
p
00MDK96104300 CER. CAP.
0.1UF 50V K
CCUS1H104KC
HDMI C256 ns
p
00MDK96104300 CER. CAP.
0.1UF 50V K
CCUS1H104KC
HDMI C257 ns
p
00MDK96104300 CER. CAP.
0.1UF 50V K
CCUS1H104KC
HDMI C258 ns
p
00MDK96104300 CER. CAP.
0.1UF 50V K
CCUS1H104KC
HDMI C259 ns
p
00MDK96104300 CER. CAP.
0.1UF 50V K
CCUS1H104KC
HDMI C260 ns
p
00MDK96104300 CER. CAP.
0.1UF 50V K
CCUS1H104KC
HDMI C261 ns
p
00MDK96104300 CER. CAP.
0.1UF 50V K
CCUS1H104KC
HDMI C262 ns
p
00MDK96104300 CER. CAP.
0.1UF 50V K
CCUS1H104KC
HDMI
C263
nsp
00MDK96104300
CER CAP
0 1UF 50V K
CCUS1H104KC
HDMI
C263
nsp
00MDK96104300
CER
.
CAP
.
0
.
1UF
50V
K
CCUS1H104KC
HDMI C266 ns
p
00MNN05103610 CHIP RES.
10K OHM 1/10W J
CRJ10DJ103T
HDMI C267 ns
p
00MDK96104300 CER. CAP.
0.1UF 50V K
CCUS1H104KC
HDMI C268 ns
p
00MDK96104300 CER. CAP.
0.1UF 50V K
CCUS1H104KC
HDMI C269 ns
p
00MDK96104300 CER. CAP.
0.1UF 50V K
CCUS1H104KC
HDMI C270 ns
p
00MDK96104300 CER. CAP.
0.1UF 50V K
CCUS1H104KC
HDMI C271 ns
p
00MDK96104300 CER. CAP.
0.1UF 50V K
CCUS1H104KC
HDMI C272 ns
p
00MOA47602520 ELECT CAP.
47UF 25V
CCEA1EH470T
HDMI C273 ns
p
00MDK96104300 CER. CAP.
0.1UF 50V K
CCUS1H104KC
HDMI C274 ns
p
00MOA47602520 ELECT CAP.
47UF 25V
CCEA1EH470T
p
HDMI C275 ns
p
00MDK96104300 CER. CAP.
0.1UF 50V K
CCUS1H104KC
HDMI C276 ns
p
00MOA47602520 ELECT CAP.
47UF 25V
CCEA1EH470T
HDMI C277 ns
p
00MDK96104300 CER. CAP.
0.1UF 50V K
CCUS1H104KC
HDMI C278 ns
p
00MOA47602520 ELECT CAP.
47UF 25V
CCEA1EH470T
HDMI C279 ns
p
00MDK96104300 CER. CAP.
0.1UF 50V K
CCUS1H104KC
HDMI C280 ns
p
00MDD90010300 CER. CAP.
1 PF 50V
CCUS1H1R0CA
HDMI C281 ns
p
00MDD90010300 CER. CAP.
1 PF 50V
CCUS1H1R0CA
HDMI C282 ns
p
00MDD90010300 CER. CAP.
1 PF 50V
CCUS1H1R0CA
HDMI C283 ns
p
00MDD90010300 CER. CAP.
1 PF 50V
CCUS1H1R0CA
HDMI C284 ns
p
00MDD90010300 CER. CAP.
1 PF 50V
CCUS1H1R0CA
HDMI C285 ns
p
00MDD90010300 CER. CAP.
1 PF 50V
CCUS1H1R0CA
HDMI C286 ns
p
00MDD90010300 CER. CAP.
1 PF 50V
CCUS1H1R0CA
HDMI C287 ns
p
00MDD90010300 CER. CAP.
1 PF 50V
CCUS1H1R0CA
HDMI C288 ns
p
00MDK96104300 CER. CAP.
0.1UF 50V K
CCUS1H104KC
HDMI C289 ns
p
00MOA10505020 ELECT CAP.
1UF 50V
CCEA1HH1R0T
HDMI C290 ns
p
00MDK96104300 CER. CAP.
0.1UF 50V K
CCUS1H104KC
HDMI C291 ns
p
00MOA10605020 ELECT CAP.
10UF 50V
CCEA1HH100T
HDMI C293 ns
p
00MDK96104300 CER. CAP.
0.1UF 50V K
CCUS1H104KC
HDMI
C294
nsp
00MDK96104300
CER CAP
0 1UF 50V K
CCUS1H104KC
HDMI
C294
nsp
00MDK96104300
CER
.
CAP
.
0
.
1UF
50V
K
CCUS1H104KC
HDMI C295 ns
p
00MDK96104300 CER. CAP.
0.1UF 50V K
CCUS1H104KC
HDMI C296 ns
p
00MDK96104300 CER. CAP.
0.1UF 50V K
CCUS1H104KC
HDMI C301 ns
p
00MDK96104300 CER. CAP.
0.1UF 50V K
CCUS1H104KC
HDMI C302 ns
p
00MOA33701020 ELECT CAP.
330UF/ 10V
CCEA1AH331T
HDMI C303 ns
p
00MDK96104300 CER. CAP.
0.1UF 50V K
CCUS1H104KC
HDMI C304 ns
p
00MOA10701620 ELECT CAP.
100UF 16V
CCEA1CH101T
HDMI C305 ns
p
00MDK96104300 CER. CAP.
0.1UF 50V K
CCUS1H104KC
HDMI C306 ns
p
00MDK96104300 CER. CAP.
0.1UF 50V K
CCUS1H104KC
HDMI
C30
7n
sp
00
MDK
96
1
0
4
300
C
ER.
C
AP.
0.1UF 50V K
CCUS1H104KC
C30
sp
00 96 0 300
CC
HDMI C308 ns
p
00MDK96104300 CER. CAP.
0.1UF 50V K
CCUS1H104KC
HDMI C309 ns
p
00MDK96104300 CER. CAP.
0.1UF 50V K
CCUS1H104KC
HDMI C310 ns
p
00MDK96104300 CER. CAP.
0.1UF 50V K
CCUS1H104KC
HDMI C311 ns
p
00MDK96102300 CER. CAP.
1000PF 50V KC
CCUS1H102KC
HDMI C312 ns
p
00MDK96104300 CER. CAP.
0.1UF 50V K
CCUS1H104KC
HDMI C315 ns
p
00MDK96104300 CER. CAP.
0.1UF 50V K
CCUS1H104KC
HDMI C316 ns
p
00MDK96104300 CER. CAP.
0.1UF 50V K
CCUS1H104KC
HDMI C317 ns
p
00MDK96104300 CER. CAP.
0.1UF 50V K
CCUS1H104KC
HDMI C318 ns
p
00MDK96104300 CER. CAP.
0.1UF 50V K
CCUS1H104KC
HDMI C319 ns
p
00MDK96104300 CER. CAP.
0.1UF 50V K
CCUS1H104KC
HDMI C320 ns
p
00MDD95470300 CER. CAP.
47PF 50V JA
CCUS1H470JA
HDMI C321 ns
p
00MDD95470300 CER. CAP.
47PF 50V JA
CCUS1H470JA
HDMI C322 ns
p
00MDK96104300 CER. CAP.
0.1UF 50V K
CCUS1H104KC
HDMI C323 ns
p
90M-DK900100R CER. CAP.
0.082UF 50V K
CCUS1H823KC
HDMI C324 ns
p
00MDK96103300 CER. CAP.
0.01UF 50V KC
CCUS1H103KC
HDMI C325 ns
p
00MDK96104300 CER. CAP.
0.1UF 50V K
CCUS1H104KC

133
NOTE : "nsp" PART IS LISTED FOR REFERENCE ONLY, MARANTZ WILL NOT SUPPLY THESE PARTS.
P.W.B.
NAME
VERS.
COLOR
PART NO.
(FOR EUR)
PART NO.
(MZ) PART NAME DESCRIPTION
POS. NO.
HDMI C326 ns
p
00MDK96154200 CER. CAP.
0.15UF +- 10% B 10V
CCUS1C154KC
HDMI C327 ns
p
00MDK96123200 CER. CAP.
GRM188R11H123KA01D
CCUS1H123KC
HDMI C328 ns
p
00MDK96154200 CER. CAP.
0.15UF +- 10% B 10V
CCUS1C154KC
HDMI C329 ns
p
00MDK96104300 CER. CAP.
0.1UF 50V K
CCUS1H104KC
HDMI
C330
00MOA10701620
ELECT CAP
UF V
HDMI
C330
ns
p
00MOA10701620
ELECT
CAP
.
100
UF
16
V
CCEA1CH101T
HDMI C331 ns
p
00MDK96123200 CER. CAP.
GRM188R11H123KA01D
CCUS1H123KC
HDMI C332 ns
p
00MDK96222300 CER. CAP.
2200PF 50V KC
CCUS1H222KC
HDMI C333 ns
p
00MDK96104300 CER. CAP.
0.1UF 50V K
CCUS1H104KC
HDMI C334 ns
p
00MDK96222300 CER. CAP.
2200PF 50V KC
CCUS1H222KC
HDMI C335 ns
p
00MDK96104300 CER. CAP.
0.1UF 50V K
CCUS1H104KC
HDMI C336 ns
p
00MOA10701620 ELECT CAP.
100UF 16V
CCEA1CH101T
HDMI C337 ns
p
00MDK96104300 CER. CAP.
0.1UF 50V K
CCUS1H104KC
HDMI C338 ns
p
00MOA10701620 ELECT CAP.
100UF 16V
CCEA1CH101T
HDMI
C339
nsp
00MDK96104300
CER CAP
0 1UF 50V K
CCUS1H104KC
HDMI
C339
nsp
00MDK96104300
CER
.
CAP
.
0
.
1UF
50V
K
CCUS1H104KC
HDMI C340 ns
p
00MDK96104300 CER. CAP.
0.1UF 50V K
CCUS1H104KC
HDMI C341 ns
p
00MDK96104300 CER. CAP.
0.1UF 50V K
CCUS1H104KC
HDMI C342 ns
p
00MOA10701620 ELECT CAP.
100UF 16V
CCEA1CH101T
HDMI C345 ns
p
00MDK96104300 CER. CAP.
0.1UF 50V K
CCUS1H104KC
HDMI C346 ns
p
00MOA10605020 ELECT CAP.
10UF 50V
CCEA1HH100T
HDMI C347 ns
p
00MOA47602520 ELECT CAP.
47UF 25V
CCEA1EH470T
HDMI C348 ns
p
00MDD90030300 CER. CAP.
3PF 50V
CCUS1H030CA
HDMI C349 ns
p
00MDD91100300 CER. CAP.
10PF 50V JA
CCUS1H100JA
HDMI C350 ns
p
00MDD91100300 CER. CAP.
10PF 50V JA
CCUS1H100JA
p
HDMI C351 ns
p
00MOA10605020 ELECT CAP.
10UF 50V
CCEA1HH100T
HDMI C352 ns
p
00MDK96104300 CER. CAP.
0.1UF 50V K
CCUS1H104KC
HDMI C353 ns
p
00MOA47602520 ELECT CAP.
47UF 25V
CCEA1EH470T
HDMI C354 ns
p
00MDD90030300 CER. CAP.
3PF 50V
CCUS1H030CA
HDMI C355 ns
p
00MDD91100300 CER. CAP.
10PF 50V JA
CCUS1H100JA
HDMI C356 ns
p
00MDD91100300 CER. CAP.
10PF 50V JA
CCUS1H100JA
HDMI C357 ns
p
00MOA10605020 ELECT CAP.
10UF 50V
CCEA1HH100T
HDMI C358 ns
p
00MDK96104300 CER. CAP.
0.1UF 50V K
CCUS1H104KC
HDMI C359 ns
p
00MDK96104300 CER. CAP.
0.1UF 50V K
CCUS1H104KC
HDMI C360 ns
p
00MDD90030300 CER. CAP.
3PF 50V
CCUS1H030CA
HDMI C361 ns
p
00MDD91100300 CER. CAP.
10PF 50V JA
CCUS1H100JA
HDMI C362 ns
p
00MDD91100300 CER. CAP.
10PF 50V JA
CCUS1H100JA
HDMI C363 ns
p
00MDK96104300 CER. CAP.
0.1UF 50V K
CCUS1H104KC
HDMI C364 ns
p
00MDD90030300 CER. CAP.
3PF 50V
CCUS1H030CA
HDMI C365 ns
p
00MDD91100300 CER. CAP.
10PF 50V JA
CCUS1H100JA
HDMI C366 ns
p
00MDD91100300 CER. CAP.
10PF 50V JA
CCUS1H100JA
HDMI C367 ns
p
00MDK96104300 CER. CAP.
0.1UF 50V K
CCUS1H104KC
HDMI C368 ns
p
00MOA47602520 ELECT CAP.
47UF 25V
CCEA1EH470T
HDMI
C369
nsp
00MDD90030300
CER CAP
3PF 50V
CCUS1H030CA
HDMI
C369
nsp
00MDD90030300
CER
.
CAP
.
3PF
50V
CCUS1H030CA
HDMI C370 ns
p
00MDD91100300 CER. CAP.
10PF 50V JA
CCUS1H100JA
HDMI C371 ns
p
00MDD91100300 CER. CAP.
10PF 50V JA
CCUS1H100JA
HDMI C372 ns
p
00MDK96104300 CER. CAP.
0.1UF 50V K
CCUS1H104KC
HDMI C373 ns
p
00MOA47602520 ELECT CAP.
47UF 25V
CCEA1EH470T
HDMI C374 ns
p
00MDD90030300 CER. CAP.
3PF 50V
CCUS1H030CA
HDMI C375 ns
p
00MDD91100300 CER. CAP.
10PF 50V JA
CCUS1H100JA
HDMI C376 ns
p
00MDD91100300 CER. CAP.
10PF 50V JA
CCUS1H100JA
HDMI C377 ns
p
00MOA10605020 ELECT CAP.
10UF 50V
CCEA1HH100T
HDMI
C3
7
8
n
sp
00
MDK
96
1
0
4
300
C
ER.
C
AP.
0.1UF 50V K
CCUS1H104KC
C3 8
sp
00 96 0 300
CC
HDMI C379 ns
p
00MOA47602520 ELECT CAP.
47UF 25V
CCEA1EH470T
HDMI C380 ns
p
00MDK96104300 CER. CAP.
0.1UF 50V K
CCUS1H104KC
HDMI C381 ns
p
00MDK96104300 CER. CAP.
0.1UF 50V K
CCUS1H104KC
HDMI C383 ns
p
00MDK96104300 CER. CAP.
0.1UF 50V K
CCUS1H104KC
HDMI C384 ns
p
00MDK96104300 CER. CAP.
0.1UF 50V K
CCUS1H104KC
HDMI C385 ns
p
00MOA10701620 ELECT CAP.
100UF 16V
CCEA1CH101T
HDMI C386 ns
p
00MDK96104300 CER. CAP.
0.1UF 50V K
CCUS1H104KC
HDMI C387 ns
p
00MDK96104300 CER. CAP.
0.1UF 50V K
CCUS1H104KC
HDMI C389 ns
p
00MDK96104300 CER. CAP.
0.1UF 50V K
CCUS1H104KC
HDMI C390 ns
p
00MDK96104300 CER. CAP.
0.1UF 50V K
CCUS1H104KC
HDMI C391 ns
p
00MOA10701620 ELECT CAP.
100UF 16V
CCEA1CH101T
HDMI C392 ns
p
00MDK96103300 CER. CAP.
0.01UF 50V KC
CCUS1H103KC
HDMI C393 ns
p
00MDK96104300 CER. CAP.
0.1UF 50V K
CCUS1H104KC
HDMI C394 90M-EQ000040R 90M-EQ000040R ELECT CAP.
10UF 25V NON-POLAR
CCEA1EN100T
HDMI C395 ns
p
00MDK96104300 CER. CAP.
0.1UF 50V K
CCUS1H104KC
HDMI C396 ns
p
00MDK96104300 CER. CAP.
0.1UF 50V K
CCUS1H104KC

134
NOTE : "nsp" PART IS LISTED FOR REFERENCE ONLY, MARANTZ WILL NOT SUPPLY THESE PARTS.
P.W.B.
NAME
VERS.
COLOR
PART NO.
(FOR EUR)
PART NO.
(MZ) PART NAME DESCRIPTION
POS. NO.
HDMI C397 ns
p
00MOA10701620 ELECT CAP.
100UF 16V
CCEA1CH101T
HDMI C398 ns
p
00MDK96104300 CER. CAP.
0.1UF 50V K
CCUS1H104KC
HDMI C399 ns
p
00MOA10605020 ELECT CAP.
10UF 50V
CCEA1HH100T
HDMI C400 ns
p
00MDK96104300 CER. CAP.
0.1UF 50V K
CCUS1H104KC
HDMI
C401
00MOA10701620
ELECT CAP
UF V
HDMI
C401
ns
p
00MOA10701620
ELECT
CAP
.
100
UF
16
V
CCEA1CH101T
HDMI C402 ns
p
00MDK96104300 CER. CAP.
0.1UF 50V K
CCUS1H104KC
HDMI C403 ns
p
00MDK96104300 CER. CAP.
0.1UF 50V K
CCUS1H104KC
HDMI C404 ns
p
00MDK96104300 CER. CAP.
0.1UF 50V K
CCUS1H104KC
HDMI C405 ns
p
00MDK96104300 CER. CAP.
0.1UF 50V K
CCUS1H104KC
HDMI C406 ns
p
00MDK96104300 CER. CAP.
0.1UF 50V K
CCUS1H104KC
HDMI C407 ns
p
00MDK96104300 CER. CAP.
0.1UF 50V K
CCUS1H104KC
HDMI C408 ns
p
00MDK96104300 CER. CAP.
0.1UF 50V K
CCUS1H104KC
HDMI C409 ns
p
00MDK96104300 CER. CAP.
0.1UF 50V K
CCUS1H104KC
HDMI
C410
nsp
00MDK96104300
CER CAP
0 1UF 50V K
CCUS1H104KC
HDMI
C410
nsp
00MDK96104300
CER
.
CAP
.
0
.
1UF
50V
K
CCUS1H104KC
HDMI C411 ns
p
00MDK96104300 CER. CAP.
0.1UF 50V K
CCUS1H104KC
HDMI C412 ns
p
00MDK96104300 CER. CAP.
0.1UF 50V K
CCUS1H104KC
HDMI C413 ns
p
00MDK96104300 CER. CAP.
0.1UF 50V K
CCUS1H104KC
HDMI C414 ns
p
00MDK96104300 CER. CAP.
0.1UF 50V K
CCUS1H104KC
HDMI C415 ns
p
00MDK96104300 CER. CAP.
0.1UF 50V K
CCUS1H104KC
HDMI C416 ns
p
00MDK96104300 CER. CAP.
0.1UF 50V K
CCUS1H104KC
HDMI C417 ns
p
00MDK96104300 CER. CAP.
0.1UF 50V K
CCUS1H104KC
HDMI C418 ns
p
00MDK96104300 CER. CAP.
0.1UF 50V K
CCUS1H104KC
HDMI C419 ns
p
00MDK96104300 CER. CAP.
0.1UF 50V K
CCUS1H104KC
p
HDMI C420 ns
p
00MDK96104300 CER. CAP.
0.1UF 50V K
CCUS1H104KC
HDMI C421 ns
p
00MDK96104300 CER. CAP.
0.1UF 50V K
CCUS1H104KC
HDMI C422 ns
p
00MDK96104300 CER. CAP.
0.1UF 50V K
CCUS1H104KC
HDMI C423 ns
p
00MDK96104300 CER. CAP.
0.1UF 50V K
CCUS1H104KC
HDMI C424 ns
p
00MDK96104300 CER. CAP.
0.1UF 50V K
CCUS1H104KC
HDMI C425 ns
p
00MDK96104300 CER. CAP.
0.1UF 50V K
CCUS1H104KC
HDMI C426 ns
p
00MDK96104300 CER. CAP.
0.1UF 50V K
CCUS1H104KC
HDMI C427 ns
p
00MDK96104300 CER. CAP.
0.1UF 50V K
CCUS1H104KC
HDMI C428 ns
p
00MDK96104300 CER. CAP.
0.1UF 50V K
CCUS1H104KC
HDMI C429 ns
p
00MDK96104300 CER. CAP.
0.1UF 50V K
CCUS1H104KC
HDMI C430 ns
p
00MDK96104300 CER. CAP.
0.1UF 50V K
CCUS1H104KC
HDMI C431 ns
p
00MDK96104300 CER. CAP.
0.1UF 50V K
CCUS1H104KC
HDMI C432 ns
p
00MDK96104300 CER. CAP.
0.1UF 50V K
CCUS1H104KC
HDMI C433 ns
p
00MDK96104300 CER. CAP.
0.1UF 50V K
CCUS1H104KC
HDMI C434 ns
p
00MDK96104300 CER. CAP.
0.1UF 50V K
CCUS1H104KC
HDMI C435 ns
p
00MDK96104300 CER. CAP.
0.1UF 50V K
CCUS1H104KC
HDMI C436 ns
p
00MDK96104300 CER. CAP.
0.1UF 50V K
CCUS1H104KC
HDMI C437 ns
p
00MDK96104300 CER. CAP.
0.1UF 50V K
CCUS1H104KC
HDMI
C438
nsp
00MDK96104300
CER CAP
0 1UF 50V K
CCUS1H104KC
HDMI
C438
nsp
00MDK96104300
CER
.
CAP
.
0
.
1UF
50V
K
CCUS1H104KC
HDMI C439 ns
p
00MDK96104300 CER. CAP.
0.1UF 50V K
CCUS1H104KC
HDMI C440 ns
p
00MDK96104300 CER. CAP.
0.1UF 50V K
CCUS1H104KC
HDMI C441 ns
p
00MDK96104300 CER. CAP.
0.1UF 50V K
CCUS1H104KC
HDMI C442 ns
p
00MDK96104300 CER. CAP.
0.1UF 50V K
CCUS1H104KC
HDMI C443 ns
p
00MDK96104300 CER. CAP.
0.1UF 50V K
CCUS1H104KC
HDMI C444 ns
p
00MDK96104300 CER. CAP.
0.1UF 50V K
CCUS1H104KC
HDMI C445 ns
p
00MDK96104300 CER. CAP.
0.1UF 50V K
CCUS1H104KC
HDMI C446 ns
p
00MDK96104300 CER. CAP.
0.1UF 50V K
CCUS1H104KC
HDMI
C
447 n
sp
00
MDK
96
1
0
4
300
C
ER.
C
AP.
0.1UF 50V K
CCUS1H104KC
C
sp
00 96 0 300
CC
HDMI C448 ns
p
00MDK96104300 CER. CAP.
0.1UF 50V K
CCUS1H104KC
HDMI C449 ns
p
00MOA10701620 ELECT CAP.
100UF 16V
CCEA1CH101T
HDMI C450 ns
p
00MDK96104300 CER. CAP.
0.1UF 50V K
CCUS1H104KC
HDMI C451 ns
p
00MOA10701620 ELECT CAP.
100UF 16V
CCEA1CH101T
HDMI C452 ns
p
00MDK96104300 CER. CAP.
0.1UF 50V K
CCUS1H104KC
HDMI C453 ns
p
00MOA10701620 ELECT CAP.
100UF 16V
CCEA1CH101T
HDMI C501 ns
p
00MOA10605020 ELECT CAP.
10UF 50V
CCEA1HH100T
HDMI C502 90M-EQ000040R 90M-EQ000040R ELECT CAP.
10UF 25V NON-POLAR
CCEA1EN100T
HDMI C503 ns
p
00MDK96104300 CER. CAP.
0.1UF 50V K
CCUS1H104KC
HDMI C504 ns
p
00MDK96103300 CER. CAP.
0.01UF 50V KC
CCUS1H103KC
HDMI C505 ns
p
00MDK96104300 CER. CAP.
0.1UF 50V K
CCUS1H104KC
HDMI C601 ns
p
00MDK96104300 CER. CAP.
0.1UF 50V K
CCUS1H104KC
HDMI C602 ns
p
00MDK96104300 CER. CAP.
0.1UF 50V K
CCUS1H104KC
HDMI C603 ns
p
00MDD95270300 CER. CAP.
27PF 50V JA
CCUS1H270JA
HDMI C604 ns
p
00MDD95270300 CER. CAP.
27PF 50V JA
CCUS1H270JA
HDMI C605 ns
p
00MDK96104300 CER. CAP.
0.1UF 50V K
CCUS1H104KC

135
NOTE : "nsp" PART IS LISTED FOR REFERENCE ONLY, MARANTZ WILL NOT SUPPLY THESE PARTS.
P.W.B.
NAME
VERS.
COLOR
PART NO.
(FOR EUR)
PART NO.
(MZ) PART NAME DESCRIPTION
POS. NO.
HDMI C606 ns
p
00MDK96104300 CER. CAP.
0.1UF 50V K
CCUS1H104KC
HDMI C607 ns
p
00MOA10701620 ELECT CAP.
100UF 16V
CCEA1CH101T
HDMI C608 ns
p
00MDK96104300 CER. CAP.
0.1UF 50V K
CCUS1H104KC
HDMI C609 ns
p
00MDK96104300 CER. CAP.
0.1UF 50V K
CCUS1H104KC
HDMI
C610
00MOA10701620
ELECT CAP
UF V
HDMI
C610
ns
p
00MOA10701620
ELECT
CAP
.
100
UF
16
V
CCEA1CH101T
HDMI C611 ns
p
00MOA10701620 ELECT CAP.
100UF 16V
CCEA1CH101T
HDMI C612 ns
p
00MDK96104300 CER. CAP.
0.1UF 50V K
CCUS1H104KC
HDMI C613 ns
p
00MDK96104300 CER. CAP.
0.1UF 50V K
CCUS1H104KC
HDMI C614 ns
p
00MOA10701620 ELECT CAP.
100UF 16V
CCEA1CH101T
HDMI C615 ns
p
00MOA10701620 ELECT CAP.
100UF 16V
CCEA1CH101T
HDMI C616 ns
p
00MDK96104300 CER. CAP.
0.1UF 50V K
CCUS1H104KC
HDMI C617 ns
p
00MDK96104300 CER. CAP.
0.1UF 50V K
CCUS1H104KC
HDMI C618 ns
p
00MOA10701620 ELECT CAP.
100UF 16V
CCEA1CH101T
HDMI
C619
nsp
00MDK96104300
CER CAP
0 1UF 50V K
CCUS1H104KC
HDMI
C619
nsp
00MDK96104300
CER
.
CAP
.
0
.
1UF
50V
K
CCUS1H104KC
HDMI C620 ns
p
00MDK96104300 CER. CAP.
0.1UF 50V K
CCUS1H104KC
HDMI C621 ns
p
00MOA10701620 ELECT CAP.
100UF 16V
CCEA1CH101T
HDMI C622 ns
p
00MDK96104300 CER. CAP.
0.1UF 50V K
CCUS1H104KC
HDMI C623 ns
p
00MOA10701620 ELECT CAP.
100UF 16V
CCEA1CH101T
HDMI C624 ns
p
00MDK96104300 CER. CAP.
0.1UF 50V K
CCUS1H104KC
HDMI C625 ns
p
00MDK96104300 CER. CAP.
0.1UF 50V K
CCUS1H104KC
HDMI C626 ns
p
00MOA47602520 ELECT CAP.
47UF 25V
CCEA1EH470T
HDMI C627 ns
p
00MDK96104300 CER. CAP.
0.1UF 50V K
CCUS1H104KC
HDMI C628 ns
p
00MDK96104300 CER. CAP.
0.1UF 50V K
CCUS1H104KC
p
HDMI C629 ns
p
00MDK96104300 CER. CAP.
0.1UF 50V K
CCUS1H104KC
HDMI C630 ns
p
00MDK96104300 CER. CAP.
0.1UF 50V K
CCUS1H104KC
HDMI C631 ns
p
00MDK96104300 CER. CAP.
0.1UF 50V K
CCUS1H104KC
HDMI C632 ns
p
00MOA10701620 ELECT CAP.
100UF 16V
CCEA1CH101T
HDMI C633 ns
p
00MDK96104300 CER. CAP.
0.1UF 50V K
CCUS1H104KC
HDMI C634 ns
p
00MOA10701620 ELECT CAP.
100UF 16V
CCEA1CH101T
HDMI C635 ns
p
00MDK96104300 CER. CAP.
0.1UF 50V K
CCUS1H104KC
HDMI C636 ns
p
00MOA10701620 ELECT CAP.
100UF 16V
CCEA1CH101T
HDMI C637 ns
p
00MDK96104300 CER. CAP.
0.1UF 50V K
CCUS1H104KC
HDMI C638 ns
p
00MDK96104300 CER. CAP.
0.1UF 50V K
CCUS1H104KC
HDMI C639 ns
p
00MOA10701620 ELECT CAP.
100UF 16V
CCEA1CH101T
HDMI C640 ns
p
00MOA10701620 ELECT CAP.
100UF 16V
CCEA1CH101T
HDMI C641 ns
p
00MDK96104300 CER. CAP.
0.1UF 50V K
CCUS1H104KC
HDMI C642 ns
p
00MDK96104300 CER. CAP.
0.1UF 50V K
CCUS1H104KC
HDMI C643 ns
p
00MOA10701620 ELECT CAP.
100UF 16V
CCEA1CH101T
HDMI C644 ns
p
00MDK96104300 CER. CAP.
0.1UF 50V K
CCUS1H104KC
HDMI C645 ns
p
00MOA10701620 ELECT CAP.
100UF 16V
CCEA1CH101T
HDMI C646 ns
p
00MOA10701620 ELECT CAP.
100UF 16V
CCEA1CH101T
HDMI
C647
nsp
00MDK96104300
CER CAP
0 1UF 50V K
CCUS1H104KC
HDMI
C647
nsp
00MDK96104300
CER
.
CAP
.
0
.
1UF
50V
K
CCUS1H104KC
HDMI C648 ns
p
00MDK96104300 CER. CAP.
0.1UF 50V K
CCUS1H104KC
HDMI C649 ns
p
00MOA10701620 ELECT CAP.
100UF 16V
CCEA1CH101T
HDMI C650 ns
p
00MOA10701620 ELECT CAP.
100UF 16V
CCEA1CH101T
HDMI C651 ns
p
00MDK96104300 CER. CAP.
0.1UF 50V K
CCUS1H104KC
HDMI C652 ns
p
00MDK96104300 CER. CAP.
0.1UF 50V K
CCUS1H104KC
HDMI C653 ns
p
00MOA10701620 ELECT CAP.
100UF 16V
CCEA1CH101T
HDMI C654 ns
p
00MOA10701620 ELECT CAP.
100UF 16V
CCEA1CH101T
HDMI C655 ns
p
00MDK96104300 CER. CAP.
0.1UF 50V K
CCUS1H104KC
HDMI
C656
n
sp
00
MDK
96
1
0
4
300
C
ER.
C
AP.
0.1UF 50V K
CCUS1H104KC
C656
sp
00 96 0 300
CC
HDMI C657 ns
p
00MOA10701620 ELECT CAP.
100UF 16V
CCEA1CH101T
HDMI C658 ns
p
00MDK96104300 CER. CAP.
0.1UF 50V K
CCUS1H104KC
HDMI C659 ns
p
00MOA10701620 ELECT CAP.
100UF 16V
CCEA1CH101T
HDMI C660 ns
p
00MOA10701620 ELECT CAP.
100UF 16V
CCEA1CH101T
HDMI C661 ns
p
00MDK96104300 CER. CAP.
0.1UF 50V K
CCUS1H104KC
HDMI C662 ns
p
00MDK96104300 CER. CAP.
0.1UF 50V K
CCUS1H104KC
HDMI C663 ns
p
00MOA10701620 ELECT CAP.
100UF 16V
CCEA1CH101T
HDMI C664 ns
p
00MDK96104300 CER. CAP.
0.1UF 50V K
CCUS1H104KC
HDMI C665 ns
p
00MOA10701620 ELECT CAP.
100UF 16V
CCEA1CH101T
HDMI C666 ns
p
00MOA10701620 ELECT CAP.
100UF 16V
CCEA1CH101T
HDMI C667 ns
p
00MDK96104300 CER. CAP.
0.1UF 50V K
CCUS1H104KC
HDMI C668 ns
p
00MDK96104300 CER. CAP.
0.1UF 50V K
CCUS1H104KC
HDMI C669 ns
p
00MOA10701620 ELECT CAP.
100UF 16V
CCEA1CH101T
HDMI C671 ns
p
00MDK96104300 CER. CAP.
0.1UF 50V K
CCUS1H104KC
HDMI C672 ns
p
00MDD95180300 CER. CAP.
18PF 50V JA
CCUS1H180JA
HDMI C673 ns
p
00MDD95180300 CER. CAP.
18PF 50V JA
CCUS1H180JA

136
NOTE : "nsp" PART IS LISTED FOR REFERENCE ONLY, MARANTZ WILL NOT SUPPLY THESE PARTS.
P.W.B.
NAME
VERS.
COLOR
PART NO.
(FOR EUR)
PART NO.
(MZ) PART NAME DESCRIPTION
POS. NO.
HDMI C691 ns
p
00MDK96104300 CER. CAP.
0.1UF 50V K
CCUS1H104KC
HDMI C693 ns
p
00MDK96104300 CER. CAP.
0.1UF 50V K
CCUS1H104KC
HDMI C698 ns
p
00MDK96104300 CER. CAP.
0.1UF 50V K
CCUS1H104KC
HDMI C699 ns
p
00MOA10605020 ELECT CAP.
10UF 50V
CCEA1HH100T
HDMI
CN11
CONN
P WAFER CARD CABLE
HDMI
CN11
ns
p
ns
p
CONN
.
17
P
WAFER
CARD
CABLE
CJP17GB113ZY
HDMI CN21 ns
p
ns
p
CONN.
WAFER 11P FPC
CJP11GB113ZY
HDMI CN22 ns
p
ns
p
CONN.
WAFER 11P FPC
CJP11GB113ZY
HDMI CN31 ns
p
ns
p
CONN.
17P WAFER CARD CABLE
CJP17GB113ZY
HDMI CN32 ns
p
ns
p
CONN.
13P WAFER CARD CABLE
CJP13GB113ZY
HDMI D601 ns
p
90M-HD201750R DIODE
1N4003
CVD1N4003SRT
HDMI D602 ns
p
90M-HD201750R DIODE
1N4003
CVD1N4003SRT
HDMI IC11 00D2623721007 00D2623721007 IC
SII9185CTU
CVISII9185ACTU
HDMI IC12 90M-HC700680R 90M-HC700680R IC
TC74VHCT14AF
CVITC74VHCT14AFT
HDMI
IC13
90M-HC700630R
90M-HC700630R
IC
TC74VHCT04AFN
CVITC74VHCT04AFN
HDMI
IC13
90M-HC700630R
90M-HC700630R
IC
TC74VHCT04AFN
CVITC74VHCT04AFN
HDMI IC21 ns
p
ns
p
IC
SII9135CTU HDMI RX 144PIN TQFP
CVISII9135CTU
HDMI IC22 00D2623719006 00D2623719006 IC
SII9134CTU HDMI TX 100PIN
CVISII9134CTU
HDMI IC24 90M-HC700650R 90M-HC700650R IC
TC74VCX541FT
CVITC74VCX541FT
HDMI IC25 90M-HC700650R 90M-HC700650R IC
TC74VCX541FT
CVITC74VCX541FT
HDMI IC26 90M-HC700650R 90M-HC700650R IC
TC74VCX541FT
CVITC74VCX541FT
HDMI IC27 943234001640S 943234001640S IC
TC7SH125FU
CVITC7SH125FU
HDMI IC28 90M-HC300830R 90M-HC300830R IC
RN5RZ50BA
HVIRN5RZ50BA
HDMI IC31 00D2623495003 00D2623495003 IC
ADV7403BSTZ-110 VIDEO ENCODER
CVIADV7403BS110
HDMI IC32 943235003740S 943235003740S IC
ADV7342BSTZ
CVIADV7342BSTZ
HDMI IC33 90M-HC700650R 90M-HC700650R IC
TC74VCX541FT
CVITC74VCX541FT
HDMI IC34 90M-HC700650R 90M-HC700650R IC
TC74VCX541FT
CVITC74VCX541FT
HDMI IC35 90M-HC700650R 90M-HC700650R IC
TC74VCX541FT
CVITC74VCX541FT
HDMI IC36 90M-HC700650R 90M-HC700650R IC
TC74VCX541FT
CVITC74VCX541FT
HDMI IC37 90M-HC700650R 90M-HC700650R IC
TC74VCX541FT
CVITC74VCX541FT
HDMI IC38 90M-HC700650R 90M-HC700650R IC
TC74VCX541FT
CVITC74VCX541FT
HDMI IC39 00MHC008205K0 00MHC008205K0 IC
TC74VHC08FT
CVITC74VHC08FT
HDMI IC41 943235003750S 943235003750S IC
IPSD2
CVIIPSD2
HDMI IC42 943246003760S 943246003760S IC
M12L64164A-5TG
CVIM12L64164A-5TG
HDMI IC43 00MHC008005K0 00MHC008005K0 IC
TC7WHU04FU(TE12
CVITC7WHU04FU
HDMI IC61 943243003770M 943243003770M U-PRO
R5F212AASNFP HDMI CPU SR5003
CVIR5F212AASNFP
HDMI IC62 90M-HC700630R 90M-HC700630R IC
TC74VHCT04AFN
CVITC74VHCT04AFN
HDMI IC63 90M-HC900150R 90M-HC900150R IC
KIA1117S/F33 REGULATOR(SOT-223)
CVIKIA1117S33
HDMI IC64 90M-HC900150R 90M-HC900150R IC
KIA1117S/F33 REGULATOR(SOT-223)
CVIKIA1117S33
HDMI IC65 90M-HC900150R 90M-HC900150R IC
KIA1117S/F33 REGULATOR(SOT-223)
CVIKIA1117S33
HDMI IC66 943231002450S 943231002450S IC
KIA1117S18-RTK/
CVIKIA1117S18
HDMI IC67 943231002450S 943231002450S IC
KIA1117S18-RTK/
CVIKIA1117S18
HDMI IC68 90M-HC900150R 90M-HC900150R IC
KIA1117S/F33 REGULATOR(SOT-223)
CVIKIA1117S33
HDMI
IC69
943231002450S
943231002450S
IC
KIA1117S18 RTK/
CVIKIA1117S18
HDMI
IC69
943231002450S
943231002450S
IC
KIA1117S18
-
RTK/
CVIKIA1117S18
HDMI IC70 943231002450S 943231002450S IC
KIA1117S18-RTK/
CVIKIA1117S18
HDMI IC71 943231002450S 943231002450S IC
KIA1117S18-RTK/
CVIKIA1117S18
HDMI IC72 90M-HC900150R 90M-HC900150R IC
KIA1117S/F33 REGULATOR(SOT-223)
CVIKIA1117S33
HDMI IC73 943231002450S 943231002450S IC
KIA1117S18-RTK/
CVIKIA1117S18
HDMI IC74 90M-HC900150R 90M-HC900150R IC
KIA1117S/F33 REGULATOR(SOT-223)
CVIKIA1117S33
HDMI IC75 943231002450S 943231002450S IC
KIA1117S18-RTK/
CVIKIA1117S18
HDMI JK11 90M-YT005010R 90M-YT005010R TERMINAL
HDMI YKF45-7009
HJJ9H003Z
HDMI JK12 90M-YT005010R 90M-YT005010R TERMINAL
HDMI YKF45-7009
HJJ9H003Z
HDMI
J
K1
3
90
M-YT
0050
1
0
R
90
M-YT
0050
1
0
R TERMINAL
HDMI YKF45-7009
HJJ9H003Z
J3
90 0050 0
90 0050 0
HDMI JK21 90M-YT005010R 90M-YT005010R TERMINAL
HDMI YKF45-7009
HJJ9H003Z
HDMI L101 90M-LU000290R 90M-LU000290R CHIP INDOCRTOR
MIP3226D100M 10UH
CLQ10E100MRY
HDMI L102 90M-FC900400R 90M-FC900400R FERRITE CORE
BEAD CHIP 60(1608 SIZE)
CLZ9R005Z
HDMI L103 90M-LU000290R 90M-LU000290R CHIP INDOCRTOR
MIP3226D100M 10UH
CLQ10E100MRY
HDMI L201 90M-LU000290R 90M-LU000290R CHIP INDOCRTOR
MIP3226D100M 10UH
CLQ10E100MRY
HDMI L202 90M-LU000290R 90M-LU000290R CHIP INDOCRTOR
MIP3226D100M 10UH
CLQ10E100MRY
HDMI L203 90M-FC900400R 90M-FC900400R FERRITE CORE
BEAD CHIP 60(1608 SIZE)
CLZ9R005Z
HDMI L204 90M-FC900400R 90M-FC900400R FERRITE CORE
BEAD CHIP 60(1608 SIZE)
CLZ9R005Z
HDMI L205 90M-FC900400R 90M-FC900400R FERRITE CORE
BEAD CHIP 60(1608 SIZE)
CLZ9R005Z
HDMI L206 90M-FC900400R 90M-FC900400R FERRITE CORE
BEAD CHIP 60(1608 SIZE)
CLZ9R005Z
HDMI L207 90M-FC900400R 90M-FC900400R FERRITE CORE
BEAD CHIP 60(1608 SIZE)
CLZ9R005Z
HDMI L208 90M-FC900400R 90M-FC900400R FERRITE CORE
BEAD CHIP 60(1608 SIZE)
CLZ9R005Z
HDMI L209 90M-FC900400R 90M-FC900400R FERRITE CORE
BEAD CHIP 60(1608 SIZE)
CLZ9R005Z
HDMI L210 90M-LU000290R 90M-LU000290R CHIP INDOCRTOR
MIP3226D100M 10UH
CLQ10E100MRY
HDMI L211 90M-LU000290R 90M-LU000290R CHIP INDOCRTOR
MIP3226D100M 10UH
CLQ10E100MRY
HDMI L212 90M-LU000290R 90M-LU000290R CHIP INDOCRTOR
MIP3226D100M 10UH
CLQ10E100MRY

137
NOTE : "nsp" PART IS LISTED FOR REFERENCE ONLY, MARANTZ WILL NOT SUPPLY THESE PARTS.
P.W.B.
NAME
VERS.
COLOR
PART NO.
(FOR EUR)
PART NO.
(MZ) PART NAME DESCRIPTION
POS. NO.
HDMI L213 90M-LU000290R 90M-LU000290R CHIP INDOCRTOR
MIP3226D100M 10UH
CLQ10E100MRY
HDMI L301 90M-FC900400R 90M-FC900400R FERRITE CORE
BEAD CHIP 60(1608 SIZE)
CLZ9R005Z
HDMI L302 90M-LU000290R 90M-LU000290R CHIP INDOCRTOR
MIP3226D100M 10UH
CLQ10E100MRY
HDMI L303 90M-FC900400R 90M-FC900400R FERRITE CORE
BEAD CHIP 60(1608 SIZE)
CLZ9R005Z
HDMI
L304
90M FC900400R
90M FC900400R
FERRITE CORE
BEAD CHIP ( SIZE)
HDMI
L304
90M
-
FC900400R
90M
-
FC900400R
FERRITE
CORE
BEAD
CHIP
60
(
1608
SIZE)
CLZ9R005Z
HDMI L305 ns
p
ns
p
COIL
12UH
CLQ02C120KT
HDMI L306 ns
p
ns
p
COIL
12UH
CLQ02C120KT
HDMI L307 ns
p
ns
p
COIL
12UH
CLQ02C120KT
HDMI L308 ns
p
ns
p
COIL
12UH
CLQ02C120KT
HDMI L309 ns
p
ns
p
COIL
12UH
CLQ02C120KT
HDMI L310 ns
p
ns
p
COIL
12UH
CLQ02C120KT
HDMI L311 90M-LU000290R 90M-LU000290R CHIP INDOCRTOR
MIP3226D100M 10UH
CLQ10E100MRY
HDMI L312 ns
p
00MNN05101610 CHIP RES.
100 OHM 1/10W J
CRJ10DJ101T
HDMI
L401
90M-LU000290R
90M-LU000290R
CHIP INDOCRTOR
MIP3226D100M 10UH
CLQ10E100MRY
HDMI
L401
90M-LU000290R
90M-LU000290R
CHIP
INDOCRTOR
MIP3226D100M
10UH
CLQ10E100MRY
HDMI L402 90M-LU000290R 90M-LU000290R CHIP INDOCRTOR
MIP3226D100M 10UH
CLQ10E100MRY
HDMI L403 90M-LU000290R 90M-LU000290R CHIP INDOCRTOR
MIP3226D100M 10UH
CLQ10E100MRY
HDMI L404 90M-LU000290R 90M-LU000290R CHIP INDOCRTOR
MIP3226D100M 10UH
CLQ10E100MRY
HDMI L601 90M-FC900400R 90M-FC900400R FERRITE CORE
BEAD CHIP 60(1608 SIZE)
CLZ9R005Z
HDMI L602 90M-LU000290R 90M-LU000290R CHIP INDOCRTOR
MIP3226D100M 10UH
CLQ10E100MRY
HDMI L603 90M-FC900400R 90M-FC900400R FERRITE CORE
BEAD CHIP 60(1608 SIZE)
CLZ9R005Z
HDMI L604 90M-FC900400R 90M-FC900400R FERRITE CORE
BEAD CHIP 60(1608 SIZE)
CLZ9R005Z
HDMI L605 90M-FC900400R 90M-FC900400R FERRITE CORE
BEAD CHIP 60(1608 SIZE)
CLZ9R005Z
HDMI L606 90M-LU000290R 90M-LU000290R CHIP INDOCRTOR
MIP3226D100M 10UH
CLQ10E100MRY
HDMI Q101 90M-HX600010R 90M-HX600010R CHIP TRS.
KRA102S
HVTKRA102S
HDMI Q102 90M-BA001620R 90M-BA001620R CHIP TRS.
KRC103S
CVTKRC103S
HDMI Q103 90M-HY200050R 90M-HY200050R F.E.T.
UPA672T
CVTUPA672T
HDMI Q104 90M-HX600010R 90M-HX600010R CHIP TRS.
KRA102S
HVTKRA102S
HDMI Q105 90M-BA001620R 90M-BA001620R CHIP TRS.
KRC103S
CVTKRC103S
HDMI Q106 90M-HY200050R 90M-HY200050R F.E.T.
UPA672T
CVTUPA672T
HDMI Q107 90M-HX600010R 90M-HX600010R CHIP TRS.
KRA102S
HVTKRA102S
HDMI Q108 90M-BA001620R 90M-BA001620R CHIP TRS.
KRC103S
CVTKRC103S
HDMI Q109 90M-HY200050R 90M-HY200050R F.E.T.
UPA672T
CVTUPA672T
HDMI Q201 90M-BA001620R 90M-BA001620R CHIP TRS.
KRC103S
CVTKRC103S
HDMI Q202 90M-HY200050R 90M-HY200050R F.E.T.
UPA672T
CVTUPA672T
HDMI Q301 90M-HT600050R 90M-HT600050R TRS.
KTA2014GR
HVTKTA2014GR
HDMI Q302 90M-HT600050R 90M-HT600050R TRS.
KTA2014GR
HVTKTA2014GR
HDMI Q303 90M-HT600050R 90M-HT600050R TRS.
KTA2014GR
HVTKTA2014GR
HDMI Q304 90M-HX800010R 90M-HX800010R CHIP TRS.
KRC102S
HVTKRC102S
HDMI Q305 90M-HT800110R 90M-HT800110R TRS.
KTC4075GR
HVTKTC4075GR
HDMI Q306 90M-HT600050R 90M-HT600050R TRS.
KTA2014GR
HVTKTA2014GR
HDMI Q307 90M-HT800110R 90M-HT800110R TRS.
KTC4075GR
HVTKTC4075GR
HDMI
Q308
90M HT600050R
90M HT600050R
TRS
KTA2014GR
HVTKTA2014GR
HDMI
Q308
90M
-
HT600050R
90M
-
HT600050R
TRS
.
KTA2014GR
HVTKTA2014GR
HDMI Q309 90M-HT800110R 90M-HT800110R TRS.
KTC4075GR
HVTKTC4075GR
HDMI Q310 90M-HT600050R 90M-HT600050R TRS.
KTA2014GR
HVTKTA2014GR
HDMI Q311 90M-HT800110R 90M-HT800110R TRS.
KTC4075GR
HVTKTC4075GR
HDMI Q312 90M-HT600050R 90M-HT600050R TRS.
KTA2014GR
HVTKTA2014GR
HDMI Q313 90M-HT800110R 90M-HT800110R TRS.
KTC4075GR
HVTKTC4075GR
HDMI Q314 90M-HT600050R 90M-HT600050R TRS.
KTA2014GR
HVTKTA2014GR
HDMI Q315 90M-HT800110R 90M-HT800110R TRS.
KTC4075GR
HVTKTC4075GR
HDMI Q316 90M-HT600050R 90M-HT600050R TRS.
KTA2014GR
HVTKTA2014GR
HDMI
Q3
17
90
M-HT
600050
R
90
M-HT
600050
R TR
S
.
KTA2014GR
HVTKTA2014GR
Q3
90 600050
90 600050
S
HDMI Q318 90M-HT800110R 90M-HT800110R TRS.
KTC4075GR
HVTKTC4075GR
HDMI Q319 90M-HT600050R 90M-HT600050R TRS.
KTA2014GR
HVTKTA2014GR
HDMI Q320 90M-HT800110R 90M-HT800110R TRS.
KTC4075GR
HVTKTC4075GR
HDMI Q321 90M-HT800110R 90M-HT800110R TRS.
KTC4075GR
HVTKTC4075GR
HDMI Q323 90M-HT800110R 90M-HT800110R TRS.
KTC4075GR
HVTKTC4075GR
HDMI Q333 90M-HT600050R 90M-HT600050R TRS.
KTA2014GR
HVTKTA2014GR
HDMI Q601 90M-BA001620R 90M-BA001620R CHIP TRS.
KRC103S
CVTKRC103S
HDMI Q602 90M-BA001620R 90M-BA001620R CHIP TRS.
KRC103S
CVTKRC103S
HDMI Q603 90M-HY200050R 90M-HY200050R F.E.T.
UPA672T
CVTUPA672T
HDMI R101 ns
p
00MNN05102610 CHIP RES.
1K OHM 1/10W J
CRJ10DJ102T
HDMI R102 ns
p
00MNN05223610 CHIP RES.
22K OHM 1/10W J
CRJ10DJ223T
HDMI R103 ns
p
00MNN05101610 CHIP RES.
100 OHM 1/10W J
CRJ10DJ101T
HDMI R104 ns
p
00MNN05473610 CHIP RES.
47K OHM 1/10W J
CRJ10DJ473T
HDMI R105 ns
p
00MNN05000610 CHIP RES.
0 OHM 1/10W J
CRJ10DJ0R0T
HDMI R106 ns
p
00MNN05000610 CHIP RES.
0 OHM 1/10W J
CRJ10DJ0R0T
HDMI R107 ns
p
00MNN05473610 CHIP RES.
47K OHM 1/10W J
CRJ10DJ473T

138
NOTE : "nsp" PART IS LISTED FOR REFERENCE ONLY, MARANTZ WILL NOT SUPPLY THESE PARTS.
P.W.B.
NAME
VERS.
COLOR
PART NO.
(FOR EUR)
PART NO.
(MZ) PART NAME DESCRIPTION
POS. NO.
HDMI R108 ns
p
00MNN05103610 CHIP RES.
10K OHM 1/10W J
CRJ10DJ103T
HDMI R109 ns
p
00MNN05103610 CHIP RES.
10K OHM 1/10W J
CRJ10DJ103T
HDMI R110 ns
p
00MNN05473610 CHIP RES.
47K OHM 1/10W J
CRJ10DJ473T
HDMI R111 ns
p
00MNN05102610 CHIP RES.
1K OHM 1/10W J
CRJ10DJ102T
HDMI
R112
00MNN05223610
CHIP RES
K OHM / W J
HDMI
R112
ns
p
00MNN05223610
CHIP
RES
.
22
K
OHM
1
/
10
W
J
CRJ10DJ223T
HDMI R113 ns
p
00MNN05101610 CHIP RES.
100 OHM 1/10W J
CRJ10DJ101T
HDMI R114 ns
p
00MNN05473610 CHIP RES.
47K OHM 1/10W J
CRJ10DJ473T
HDMI R115 ns
p
00MNN05000610 CHIP RES.
0 OHM 1/10W J
CRJ10DJ0R0T
HDMI R116 ns
p
00MNN05000610 CHIP RES.
0 OHM 1/10W J
CRJ10DJ0R0T
HDMI R117 ns
p
00MNN05473610 CHIP RES.
47K OHM 1/10W J
CRJ10DJ473T
HDMI R118 ns
p
00MNN05103610 CHIP RES.
10K OHM 1/10W J
CRJ10DJ103T
HDMI R119 ns
p
00MNN05103610 CHIP RES.
10K OHM 1/10W J
CRJ10DJ103T
HDMI R120 ns
p
00MNN05473610 CHIP RES.
47K OHM 1/10W J
CRJ10DJ473T
HDMI
R121
nsp
00MNN05102610
CHIP RES
1K OHM 1/10W J
CRJ10DJ102T
HDMI
R121
nsp
00MNN05102610
CHIP
RES
.
1K
OHM
1/10W
J
CRJ10DJ102T
HDMI R122 ns
p
00MNN05223610 CHIP RES.
22K OHM 1/10W J
CRJ10DJ223T
HDMI R123 ns
p
00MNN05101610 CHIP RES.
100 OHM 1/10W J
CRJ10DJ101T
HDMI R124 ns
p
00MNN05473610 CHIP RES.
47K OHM 1/10W J
CRJ10DJ473T
HDMI R125 ns
p
00MNN05000610 CHIP RES.
0 OHM 1/10W J
CRJ10DJ0R0T
HDMI R126 ns
p
00MNN05000610 CHIP RES.
0 OHM 1/10W J
CRJ10DJ0R0T
HDMI R127 ns
p
00MNN05473610 CHIP RES.
47K OHM 1/10W J
CRJ10DJ473T
HDMI R128 ns
p
00MNN05103610 CHIP RES.
10K OHM 1/10W J
CRJ10DJ103T
HDMI R129 ns
p
00MNN05103610 CHIP RES.
10K OHM 1/10W J
CRJ10DJ103T
HDMI R130 ns
p
00MNN05473610 CHIP RES.
47K OHM 1/10W J
CRJ10DJ473T
p
HDMI R131 ns
p
00MNN05000610 CHIP RES.
0 OHM 1/10W J
CRJ10DJ0R0T
HDMI R132 ns
p
00MNN05000610 CHIP RES.
0 OHM 1/10W J
CRJ10DJ0R0T
HDMI R133 ns
p
00MNN05102610 CHIP RES.
1K OHM 1/10W J
CRJ10DJ102T
HDMI R134 ns
p
00MNN05102610 CHIP RES.
1K OHM 1/10W J
CRJ10DJ102T
HDMI R142 ns
p
00MNN05473610 CHIP RES.
47K OHM 1/10W J
CRJ10DJ473T
HDMI R144 ns
p
00MNN05102610 CHIP RES.
1K OHM 1/10W J
CRJ10DJ102T
HDMI R145 ns
p
00MNN05473610 CHIP RES.
47K OHM 1/10W J
CRJ10DJ473T
HDMI R201 ns
p
00MNN05103610 CHIP RES.
10K OHM 1/10W J
CRJ10DJ103T
HDMI R202 ns
p
00MNN05103610 CHIP RES.
10K OHM 1/10W J
CRJ10DJ103T
HDMI R203 ns
p
00MNN05101610 CHIP RES.
100 OHM 1/10W J
CRJ10DJ101T
HDMI R204 ns
p
00MNN05101610 CHIP RES.
100 OHM 1/10W J
CRJ10DJ101T
HDMI R205 ns
p
00MNN05473610 CHIP RES.
47K OHM 1/10W J
CRJ10DJ473T
HDMI R206 ns
p
00MNN05220610 CHIP RES.
22 OHM 1/10W J
CRJ10DJ220T
HDMI R207 ns
p
00MNN05220610 CHIP RES.
22 OHM 1/10W J
CRJ10DJ220T
HDMI R208 ns
p
00MNN05220610 CHIP RES.
22 OHM 1/10W J
CRJ10DJ220T
HDMI R209 ns
p
00MNN05220610 CHIP RES.
22 OHM 1/10W J
CRJ10DJ220T
HDMI R210 ns
p
00MNN05331610 CHIP RES.
330 OHM 1/10W J
CRJ10DJ331T
HDMI R211 ns
p
00MNN05105610 CHIP RES.
1M OHM 1/10W J
CRJ10DJ105T
HDMI
R212
nsp
00MNN05472610
CHIP RES
4 7K OHM 1/10W J
CRJ10DJ472T
HDMI
R212
nsp
00MNN05472610
CHIP
RES
.
4
.
7K
OHM
1/10W
J
CRJ10DJ472T
HDMI R213 ns
p
00MNN05473610 CHIP RES.
47K OHM 1/10W J
CRJ10DJ473T
HDMI R215 ns
p
00MNN05102610 CHIP RES.
1K OHM 1/10W J
CRJ10DJ102T
HDMI R216 ns
p
00MNN05101610 CHIP RES.
100 OHM 1/10W J
CRJ10DJ101T
HDMI R217 ns
p
00MNN05101610 CHIP RES.
100 OHM 1/10W J
CRJ10DJ101T
HDMI R218 ns
p
00MNN05473610 CHIP RES.
47K OHM 1/10W J
CRJ10DJ473T
HDMI R219 ns
p
00MNN05473610 CHIP RES.
47K OHM 1/10W J
CRJ10DJ473T
HDMI R221 ns
p
00MNN05100610 CHIP RES.
10 OHM 1/10W J
CRJ10DJ100T
HDMI R223 ns
p
00MNN05101610 CHIP RES.
100 OHM 1/10W J
CRJ10DJ101T
HDMI R224 n
sp
00
MNN
05
1
0
1
6
1
0
C
HIP RE
S
.
100 OHM 1/10W J
CRJ10DJ101T
sp
00 05060
CS
HDMI R225 ns
p
00MNN05000610 CHIP RES.
0 OHM 1/10W J
CRJ10DJ0R0T
HDMI R232 ns
p
00MNN05000610 CHIP RES.
0 OHM 1/10W J
CRJ10DJ0R0T
HDMI R233 ns
p
00MNN05000610 CHIP RES.
0 OHM 1/10W J
CRJ10DJ0R0T
HDMI R234 ns
p
00MNN05101610 CHIP RES.
100 OHM 1/10W J
CRJ10DJ101T
HDMI R235 ns
p
00MNN05102610 CHIP RES.
1K OHM 1/10W J
CRJ10DJ102T
HDMI R236 ns
p
00MNN05222610 CHIP RES.
2.2K OHM 1/10W J
CRJ10DJ222T
HDMI R237 ns
p
00MNN05102610 CHIP RES.
1K OHM 1/10W J
CRJ10DJ102T
HDMI R238 ns
p
00MNN05101610 CHIP RES.
100 OHM 1/10W J
CRJ10DJ101T
HDMI R239 ns
p
00MNN05101610 CHIP RES.
100 OHM 1/10W J
CRJ10DJ101T
HDMI R241 ns
p
00MNN05472610 CHIP RES.
4.7K OHM 1/10W J
CRJ10DJ472T
HDMI R242 ns
p
00MNN05682610 CHIP RES.
6.8K OHM 1/10W J
CRJ10DJ682T
HDMI R243 ns
p
00MNN05332610 CHIP RES.
3.3K OHM 1/10W J
CRJ10DJ332T
HDMI R245 ns
p
00MNN05473610 CHIP RES.
47K OHM 1/10W J
CRJ10DJ473T
HDMI R246 ns
p
00MNN05101610 CHIP RES.
100 OHM 1/10W J
CRJ10DJ101T
HDMI R247 ns
p
00MNN05182610 CHIP RES.
1.8K OHM 1/10W J
CRJ10DJ182T
HDMI R248 ns
p
00MNN05103610 CHIP RES.
10K OHM 1/10W J
CRJ10DJ103T

139
NOTE : "nsp" PART IS LISTED FOR REFERENCE ONLY, MARANTZ WILL NOT SUPPLY THESE PARTS.
P.W.B.
NAME
VERS.
COLOR
PART NO.
(FOR EUR)
PART NO.
(MZ) PART NAME DESCRIPTION
POS. NO.
HDMI R249 ns
p
00MNN05103610 CHIP RES.
10K OHM 1/10W J
CRJ10DJ103T
HDMI R250 ns
p
00MNN05182610 CHIP RES.
1.8K OHM 1/10W J
CRJ10DJ182T
HDMI R252 ns
p
00MNN05000610 CHIP RES.
0 OHM 1/10W J
CRJ10DJ0R0T
HDMI R253 ns
p
00MNN05103610 CHIP RES.
10K OHM 1/10W J
CRJ10DJ103T
HDMI
R254
00MNN05103610
CHIP RES
K OHM / W J
HDMI
R254
ns
p
00MNN05103610
CHIP
RES
.
10
K
OHM
1
/
10
W
J
CRJ10DJ103T
HDMI R256 ns
p
00MNN05332610 CHIP RES.
3.3K OHM 1/10W J
CRJ10DJ332T
HDMI R257 ns
p
00MNN05682610 CHIP RES.
6.8K OHM 1/10W J
CRJ10DJ682T
HDMI R258 ns
p
00MNN05103610 CHIP RES.
10K OHM 1/10W J
CRJ10DJ103T
HDMI R259 ns
p
00MNN05680610 CHIP RES.
68 OHM 1/10W J
CRJ10DJ680T
HDMI R260 ns
p
00MNN05680610 CHIP RES.
68 OHM 1/10W J
CRJ10DJ680T
HDMI R261 ns
p
00MNN05680610 CHIP RES.
68 OHM 1/10W J
CRJ10DJ680T
HDMI R262 ns
p
00MNN05680610 CHIP RES.
68 OHM 1/10W J
CRJ10DJ680T
HDMI R267 ns
p
00MNN05680610 CHIP RES.
68 OHM 1/10W J
CRJ10DJ680T
HDMI
R268
nsp
00MNN05680610
CHIP RES
68 OHM 1/10W J
CRJ10DJ680T
HDMI
R268
nsp
00MNN05680610
CHIP
RES
.
68
OHM
1/10W
J
CRJ10DJ680T
HDMI R269 ns
p
00MNN05101610 CHIP RES.
100 OHM 1/10W J
CRJ10DJ101T
HDMI R270 ns
p
00MNN05101610 CHIP RES.
100 OHM 1/10W J
CRJ10DJ101T
HDMI R271 ns
p
00MNN05680610 CHIP RES.
68 OHM 1/10W J
CRJ10DJ680T
HDMI R272 ns
p
00MNN05680610 CHIP RES.
68 OHM 1/10W J
CRJ10DJ680T
HDMI R273 ns
p
00MNN05680610 CHIP RES.
68 OHM 1/10W J
CRJ10DJ680T
HDMI R274 ns
p
00MNN05101610 CHIP RES.
100 OHM 1/10W J
CRJ10DJ101T
HDMI R275 ns
p
00MNN05000610 CHIP RES.
0 OHM 1/10W J
CRJ10DJ0R0T
HDMI R301 ns
p
00MNN05220610 CHIP RES.
22 OHM 1/10W J
CRJ10DJ220T
HDMI R302 ns
p
00MNN05220610 CHIP RES.
22 OHM 1/10W J
CRJ10DJ220T
p
HDMI R303 ns
p
00MNN05220610 CHIP RES.
22 OHM 1/10W J
CRJ10DJ220T
HDMI R304 ns
p
00MNN05102610 CHIP RES.
1K OHM 1/10W J
CRJ10DJ102T
HDMI R305 ns
p
00MNN05102610 CHIP RES.
1K OHM 1/10W J
CRJ10DJ102T
HDMI R306 ns
p
00MNN05102610 CHIP RES.
1K OHM 1/10W J
CRJ10DJ102T
HDMI R307 ns
p
00MNN05102610 CHIP RES.
1K OHM 1/10W J
CRJ10DJ102T
HDMI R308 ns
p
00MNN05152610 CHIP RES.
1.5K OHM 1/10W J
CRJ10DJ152T
HDMI R309 ns
p
00MNN05821610 CHIP RES.
820 OHM 1/10W J
CRJ10DJ821T
HDMI R310 ns
p
00MNN05750610 CHIP RES.
75 OHM 1/10W J
CRJ10DJ750T
HDMI R311 ns
p
00MNN05750610 CHIP RES.
75 OHM 1/10W J
CRJ10DJ750T
HDMI R312 ns
p
00MNN05750610 CHIP RES.
75 OHM 1/10W J
CRJ10DJ750T
HDMI R313 ns
p
00MNN05103610 CHIP RES.
10K OHM 1/10W J
CRJ10DJ103T
HDMI R314 ns
p
00MNN05562610 CHIP RES.
5.6K OHM 1/10W J
CRJ10DJ562T
HDMI R316 ns
p
00MNN05101610 CHIP RES.
100 OHM 1/10W J
CRJ10DJ101T
HDMI R317 ns
p
00MNN05101610 CHIP RES.
100 OHM 1/10W J
CRJ10DJ101T
HDMI R318 ns
p
00MNN05220610 CHIP RES.
22 OHM 1/10W J
CRJ10DJ220T
HDMI R319 ns
p
00MNN05220610 CHIP RES.
22 OHM 1/10W J
CRJ10DJ220T
HDMI R320 ns
p
00MNN05000610 CHIP RES.
0 OHM 1/10W J
CRJ10DJ0R0T
HDMI R321 ns
p
00MNN05220610 CHIP RES.
22 OHM 1/10W J
CRJ10DJ220T
HDMI
R322
nsp
00MNN05220610
CHIP RES
22 OHM 1/10W J
CRJ10DJ220T
HDMI
R322
nsp
00MNN05220610
CHIP
RES
.
22
OHM
1/10W
J
CRJ10DJ220T
HDMI R323 ns
p
00MNN05220610 CHIP RES.
22 OHM 1/10W J
CRJ10DJ220T
HDMI R324 ns
p
00MNN05220610 CHIP RES.
22 OHM 1/10W J
CRJ10DJ220T
HDMI R325 ns
p
00MNN05220610 CHIP RES.
22 OHM 1/10W J
CRJ10DJ220T
HDMI R326 ns
p
00MNN05220610 CHIP RES.
22 OHM 1/10W J
CRJ10DJ220T
HDMI R327 ns
p
00MNN05220610 CHIP RES.
22 OHM 1/10W J
CRJ10DJ220T
HDMI R328 ns
p
00MNN05220610 CHIP RES.
22 OHM 1/10W J
CRJ10DJ220T
HDMI R329 ns
p
00MNN05220610 CHIP RES.
22 OHM 1/10W J
CRJ10DJ220T
HDMI R330 ns
p
00MNN05000610 CHIP RES.
0 OHM 1/10W J
CRJ10DJ0R0T
HDMI R
33
1n
sp
00
MNN
05
1
056
1
0
C
HIP RE
S
.
1M OHM 1/10W J
CRJ10DJ105T
33
sp
00 05 056 0
CS
HDMI R332 ns
p
00MNN05220610 CHIP RES.
22 OHM 1/10W J
CRJ10DJ220T
HDMI R333 ns
p
00MNN05220610 CHIP RES.
22 OHM 1/10W J
CRJ10DJ220T
HDMI R334 ns
p
00MNN05220610 CHIP RES.
22 OHM 1/10W J
CRJ10DJ220T
HDMI R335 ns
p
00MNN05220610 CHIP RES.
22 OHM 1/10W J
CRJ10DJ220T
HDMI R336 ns
p
00MNN05273610 CHIP RES.
27K OHM 1/10W J
CRJ10DJ273T
HDMI R337 ns
p
00MNN05182610 CHIP RES.
1.8K OHM 1/10W J
CRJ10DJ182T
HDMI R338 ns
p
00MNN05000610 CHIP RES.
0 OHM 1/10W J
CRJ10DJ0R0T
HDMI R339 ns
p
00MNN05000610 CHIP RES.
0 OHM 1/10W J
CRJ10DJ0R0T
HDMI R340 ns
p
00MNN05000610 CHIP RES.
0 OHM 1/10W J
CRJ10DJ0R0T
HDMI R341 ns
p
00MNN05000610 CHIP RES.
0 OHM 1/10W J
CRJ10DJ0R0T
HDMI R342 ns
p
00MNN05000610 CHIP RES.
0 OHM 1/10W J
CRJ10DJ0R0T
HDMI R343 ns
p
00MNN05000610 CHIP RES.
0 OHM 1/10W J
CRJ10DJ0R0T
HDMI R344 ns
p
00MNN05000610 CHIP RES.
0 OHM 1/10W J
CRJ10DJ0R0T
HDMI R345 ns
p
00MNN05000610 CHIP RES.
0 OHM 1/10W J
CRJ10DJ0R0T
HDMI R347 ns
p
943124003780S CHIP RES.
20 OHM 1/10W 1608
CRJ10DJ200T
HDMI R348 ns
p
00MNN05151610 CHIP RES.
150 OHM 1/10W J
CRJ10DJ151T

140
NOTE : "nsp" PART IS LISTED FOR REFERENCE ONLY, MARANTZ WILL NOT SUPPLY THESE PARTS.
P.W.B.
NAME
VERS.
COLOR
PART NO.
(FOR EUR)
PART NO.
(MZ) PART NAME DESCRIPTION
POS. NO.
HDMI R349 ns
p
943124003780S CHIP RES.
20 OHM 1/10W 1608
CRJ10DJ200T
HDMI R350 ns
p
00MNN05151610 CHIP RES.
150 OHM 1/10W J
CRJ10DJ151T
HDMI R351 ns
p
00MNN05392610 CHIP RES.
3.9K OHM 1/10W J
CRJ10DJ392T
HDMI R352 ns
p
00MNN05221610 CHIP RES.
220 OHM 1/10W J
CRJ10DJ221T
HDMI
R353
90M NN000860R
CHIP RES
OHM / W J
HDMI
R353
ns
p
90M
-
NN000860R
CHIP
RES
.
300
OHM
1
/
10
W
J
CRJ10DJ301T
HDMI R354 ns
p
90M-NN000860R CHIP RES.
300 OHM 1/10W J
CRJ10DJ301T
HDMI R355 ns
p
90M-NN000860R CHIP RES.
300 OHM 1/10W J
CRJ10DJ301T
HDMI R356 ns
p
90M-NN000860R CHIP RES.
300 OHM 1/10W J
CRJ10DJ301T
HDMI R357 ns
p
90M-NN000860R CHIP RES.
300 OHM 1/10W J
CRJ10DJ301T
HDMI R358 ns
p
90M-NN000860R CHIP RES.
300 OHM 1/10W J
CRJ10DJ301T
HDMI R360 ns
p
00MDK96104300 CER. CAP.
0.1UF 50V K
CCUS1H104KC
HDMI R361 ns
p
00MNN05392610 CHIP RES.
3.9K OHM 1/10W J
CRJ10DJ392T
HDMI R362 ns
p
00MNN05221610 CHIP RES.
220 OHM 1/10W J
CRJ10DJ221T
HDMI
R363
nsp
00MNN05000610
CHIP RES
0 OHM 1/10W J
CRJ10DJ0R0T
HDMI
R363
nsp
00MNN05000610
CHIP
RES
.
0
OHM
1/10W
J
CRJ10DJ0R0T
HDMI R364 ns
p
00MNN05000610 CHIP RES.
0 OHM 1/10W J
CRJ10DJ0R0T
HDMI R365 ns
p
00MNN05000610 CHIP RES.
0 OHM 1/10W J
CRJ10DJ0R0T
HDMI R366 ns
p
00MNN05000610 CHIP RES.
0 OHM 1/10W J
CRJ10DJ0R0T
HDMI R371 ns
p
00MNN05470610 CHIP RES.
47 OHM 1/10W J
CRJ10DJ470T
HDMI R373 ns
p
00MNN05000610 CHIP RES.
0 OHM 1/10W J
CRJ10DJ0R0T
HDMI R375 ns
p
00MNN05101610 CHIP RES.
100 OHM 1/10W J
CRJ10DJ101T
HDMI R376 ns
p
00MNN05101610 CHIP RES.
100 OHM 1/10W J
CRJ10DJ101T
HDMI R378 ns
p
00MNN05153610 CHIP RES.
15K OHM 1/10W J
CRJ10DJ153T
HDMI R379 ns
p
00MNN05471610 CHIP RES.
470 OHM 1/10W J
CRJ10DJ471T
p
HDMI R380 ns
p
00MNN05103610 CHIP RES.
10K OHM 1/10W J
CRJ10DJ103T
HDMI R381 ns
p
00MNN05471610 CHIP RES.
470 OHM 1/10W J
CRJ10DJ471T
HDMI R382 ns
p
00MNN05471610 CHIP RES.
470 OHM 1/10W J
CRJ10DJ471T
HDMI R383 ns
p
00MNN05151610 CHIP RES.
150 OHM 1/10W J
CRJ10DJ151T
HDMI R384 ns
p
00MNN05103610 CHIP RES.
10K OHM 1/10W J
CRJ10DJ103T
HDMI R385 ns
p
00MNN05102610 CHIP RES.
1K OHM 1/10W J
CRJ10DJ102T
HDMI R386 ns
p
00MNN05102610 CHIP RES.
1K OHM 1/10W J
CRJ10DJ102T
HDMI R387 ns
p
00MNN05471610 CHIP RES.
470 OHM 1/10W J
CRJ10DJ471T
HDMI R388 ns
p
00MNN05471610 CHIP RES.
470 OHM 1/10W J
CRJ10DJ471T
HDMI R389 ns
p
00MNN05471610 CHIP RES.
470 OHM 1/10W J
CRJ10DJ471T
HDMI R390 ns
p
00MNN05103610 CHIP RES.
10K OHM 1/10W J
CRJ10DJ103T
HDMI R391 ns
p
00MNN05153610 CHIP RES.
15K OHM 1/10W J
CRJ10DJ153T
HDMI R392 ns
p
00MNN05103610 CHIP RES.
10K OHM 1/10W J
CRJ10DJ103T
HDMI R393 ns
p
00MNN05471610 CHIP RES.
470 OHM 1/10W J
CRJ10DJ471T
HDMI R394 ns
p
00MNN05471610 CHIP RES.
470 OHM 1/10W J
CRJ10DJ471T
HDMI R395 ns
p
00MNN05471610 CHIP RES.
470 OHM 1/10W J
CRJ10DJ471T
HDMI R396 ns
p
00MNN05151610 CHIP RES.
150 OHM 1/10W J
CRJ10DJ151T
HDMI R397 ns
p
00MNN05103610 CHIP RES.
10K OHM 1/10W J
CRJ10DJ103T
HDMI
R398
nsp
00MNN05102610
CHIP RES
1K OHM 1/10W J
CRJ10DJ102T
HDMI
R398
nsp
00MNN05102610
CHIP
RES
.
1K
OHM
1/10W
J
CRJ10DJ102T
HDMI R399 ns
p
00MNN05102610 CHIP RES.
1K OHM 1/10W J
CRJ10DJ102T
HDMI R400 ns
p
00MNN05471610 CHIP RES.
470 OHM 1/10W J
CRJ10DJ471T
HDMI R401 ns
p
00MNN05471610 CHIP RES.
470 OHM 1/10W J
CRJ10DJ471T
HDMI R402 ns
p
00MNN05471610 CHIP RES.
470 OHM 1/10W J
CRJ10DJ471T
HDMI R403 ns
p
00MNN05103610 CHIP RES.
10K OHM 1/10W J
CRJ10DJ103T
HDMI R404 ns
p
00MNN05153610 CHIP RES.
15K OHM 1/10W J
CRJ10DJ153T
HDMI R405 ns
p
00MNN05103610 CHIP RES.
10K OHM 1/10W J
CRJ10DJ103T
HDMI R406 ns
p
00MNN05471610 CHIP RES.
470 OHM 1/10W J
CRJ10DJ471T
HDMI R4
0
7n
sp
00
MNN
05
471
6
1
0
C
HIP RE
S
.
470 OHM 1/10W J
CRJ10DJ471T
0
sp
00 05 6 0
CS
HDMI R408 ns
p
00MNN05471610 CHIP RES.
470 OHM 1/10W J
CRJ10DJ471T
HDMI R409 ns
p
00MNN05151610 CHIP RES.
150 OHM 1/10W J
CRJ10DJ151T
HDMI R410 ns
p
00MNN05103610 CHIP RES.
10K OHM 1/10W J
CRJ10DJ103T
HDMI R411 ns
p
00MNN05102610 CHIP RES.
1K OHM 1/10W J
CRJ10DJ102T
HDMI R412 ns
p
00MNN05102610 CHIP RES.
1K OHM 1/10W J
CRJ10DJ102T
HDMI R413 ns
p
00MNN05471610 CHIP RES.
470 OHM 1/10W J
CRJ10DJ471T
HDMI R414 ns
p
00MNN05471610 CHIP RES.
470 OHM 1/10W J
CRJ10DJ471T
HDMI R415 ns
p
00MNN05471610 CHIP RES.
470 OHM 1/10W J
CRJ10DJ471T
HDMI R416 ns
p
00MNN05103610 CHIP RES.
10K OHM 1/10W J
CRJ10DJ103T
HDMI R417 ns
p
00MNN05102610 CHIP RES.
1K OHM 1/10W J
CRJ10DJ102T
HDMI R418 ns
p
00MNN05102610 CHIP RES.
1K OHM 1/10W J
CRJ10DJ102T
HDMI R419 ns
p
00MNN05103610 CHIP RES.
10K OHM 1/10W J
CRJ10DJ103T
HDMI R420 ns
p
00MNN05561610 CHIP RES.
560 OHM 1/10W J
CRJ10DJ561T
HDMI R421 ns
p
00MNN05471610 CHIP RES.
470 OHM 1/10W J
CRJ10DJ471T
HDMI R422 ns
p
00MNN05471610 CHIP RES.
470 OHM 1/10W J
CRJ10DJ471T
HDMI R423 ns
p
00MNN05153610 CHIP RES.
15K OHM 1/10W J
CRJ10DJ153T

141
NOTE : "nsp" PART IS LISTED FOR REFERENCE ONLY, MARANTZ WILL NOT SUPPLY THESE PARTS.
P.W.B.
NAME
VERS.
COLOR
PART NO.
(FOR EUR)
PART NO.
(MZ) PART NAME DESCRIPTION
POS. NO.
HDMI R424 ns
p
00MNN05103610 CHIP RES.
10K OHM 1/10W J
CRJ10DJ103T
HDMI R425 ns
p
00MNN05102610 CHIP RES.
1K OHM 1/10W J
CRJ10DJ102T
HDMI R426 ns
p
00MNN05102610 CHIP RES.
1K OHM 1/10W J
CRJ10DJ102T
HDMI R427 ns
p
00MNN05103610 CHIP RES.
10K OHM 1/10W J
CRJ10DJ103T
HDMI
R428
00MNN05561610
CHIP RES
OHM / W J
HDMI
R428
ns
p
00MNN05561610
CHIP
RES
.
560
OHM
1
/
10
W
J
CRJ10DJ561T
HDMI R429 ns
p
00MNN05471610 CHIP RES.
470 OHM 1/10W J
CRJ10DJ471T
HDMI R430 ns
p
00MNN05471610 CHIP RES.
470 OHM 1/10W J
CRJ10DJ471T
HDMI R431 ns
p
00MNN05153610 CHIP RES.
15K OHM 1/10W J
CRJ10DJ153T
HDMI R432 ns
p
00MNN05103610 CHIP RES.
10K OHM 1/10W J
CRJ10DJ103T
HDMI R433 ns
p
00MNN05102610 CHIP RES.
1K OHM 1/10W J
CRJ10DJ102T
HDMI R434 ns
p
00MNN05102610 CHIP RES.
1K OHM 1/10W J
CRJ10DJ102T
HDMI R435 ns
p
00MNN05102610 CHIP RES.
1K OHM 1/10W J
CRJ10DJ102T
HDMI R436 ns
p
00MNN05103610 CHIP RES.
10K OHM 1/10W J
CRJ10DJ103T
HDMI
R437
nsp
00MNN05561610
CHIP RES
560 OHM 1/10W J
CRJ10DJ561T
HDMI
R437
nsp
00MNN05561610
CHIP
RES
.
560
OHM
1/10W
J
CRJ10DJ561T
HDMI R438 ns
p
00MNN05471610 CHIP RES.
470 OHM 1/10W J
CRJ10DJ471T
HDMI R439 ns
p
00MNN05471610 CHIP RES.
470 OHM 1/10W J
CRJ10DJ471T
HDMI R440 ns
p
00MNN05153610 CHIP RES.
15K OHM 1/10W J
CRJ10DJ153T
HDMI R441 ns
p
00MNN05103610 CHIP RES.
10K OHM 1/10W J
CRJ10DJ103T
HDMI R450 ns
p
00MNN05220610 CHIP RES.
22 OHM 1/10W J
CRJ10DJ220T
HDMI R451 ns
p
00MNN05220610 CHIP RES.
22 OHM 1/10W J
CRJ10DJ220T
HDMI R452 ns
p
00MNN05220610 CHIP RES.
22 OHM 1/10W J
CRJ10DJ220T
HDMI R453 ns
p
00MNN05220610 CHIP RES.
22 OHM 1/10W J
CRJ10DJ220T
HDMI R462 ns
p
00MNN05220610 CHIP RES.
22 OHM 1/10W J
CRJ10DJ220T
p
HDMI R463 ns
p
00MNN05000610 CHIP RES.
0 OHM 1/10W J
CRJ10DJ0R0T
HDMI R464 ns
p
00MNN05220610 CHIP RES.
22 OHM 1/10W J
CRJ10DJ220T
HDMI R465 ns
p
00MNN05220610 CHIP RES.
22 OHM 1/10W J
CRJ10DJ220T
HDMI R466 ns
p
00MNN05000610 CHIP RES.
0 OHM 1/10W J
CRJ10DJ0R0T
HDMI R468 ns
p
00MNN05220610 CHIP RES.
22 OHM 1/10W J
CRJ10DJ220T
HDMI R469 ns
p
00MNN05000610 CHIP RES.
0 OHM 1/10W J
CRJ10DJ0R0T
HDMI R470 ns
p
00MNN05000610 CHIP RES.
0 OHM 1/10W J
CRJ10DJ0R0T
HDMI R471 ns
p
00MNN05000610 CHIP RES.
0 OHM 1/10W J
CRJ10DJ0R0T
HDMI R472 ns
p
00MNN05000610 CHIP RES.
0 OHM 1/10W J
CRJ10DJ0R0T
HDMI R473 ns
p
00MNN05000610 CHIP RES.
0 OHM 1/10W J
CRJ10DJ0R0T
HDMI R474 ns
p
00MNN05000610 CHIP RES.
0 OHM 1/10W J
CRJ10DJ0R0T
HDMI R477 ns
p
00MNN05220610 CHIP RES.
22 OHM 1/10W J
CRJ10DJ220T
HDMI R478 ns
p
00MNN05220610 CHIP RES.
22 OHM 1/10W J
CRJ10DJ220T
HDMI R479 ns
p
00MNN05220610 CHIP RES.
22 OHM 1/10W J
CRJ10DJ220T
HDMI R480 ns
p
00MNN05220610 CHIP RES.
22 OHM 1/10W J
CRJ10DJ220T
HDMI R481 ns
p
00MNN05103610 CHIP RES.
10K OHM 1/10W J
CRJ10DJ103T
HDMI R482 ns
p
00MNN05000610 CHIP RES.
0 OHM 1/10W J
CRJ10DJ0R0T
HDMI R484 ns
p
00MNN05103610 CHIP RES.
10K OHM 1/10W J
CRJ10DJ103T
HDMI
R485
nsp
00MNN05103610
CHIP RES
10K OHM 1/10W J
CRJ10DJ103T
HDMI
R485
nsp
00MNN05103610
CHIP
RES
.
10K
OHM
1/10W
J
CRJ10DJ103T
HDMI R488 ns
p
00MNN05000610 CHIP RES.
0 OHM 1/10W J
CRJ10DJ0R0T
HDMI R489 ns
p
00MNN05000610 CHIP RES.
0 OHM 1/10W J
CRJ10DJ0R0T
HDMI R492 ns
p
00MNN05000610 CHIP RES.
0 OHM 1/10W J
CRJ10DJ0R0T
HDMI R494 ns
p
00MNN05103610 CHIP RES.
10K OHM 1/10W J
CRJ10DJ103T
HDMI R495 ns
p
00MNN05103610 CHIP RES.
10K OHM 1/10W J
CRJ10DJ103T
HDMI R496 ns
p
00MNN05000610 CHIP RES.
0 OHM 1/10W J
CRJ10DJ0R0T
HDMI R497 ns
p
00MNN05000610 CHIP RES.
0 OHM 1/10W J
CRJ10DJ0R0T
HDMI R498 ns
p
00MNN05000610 CHIP RES.
0 OHM 1/10W J
CRJ10DJ0R0T
HDMI R
50
1n
sp
00
MNN
05
1
036
1
0
C
HIP RE
S
.
10K OHM 1/10W J
CRJ10DJ103T
50
sp
00 05 036 0
CS
HDMI R503 ns
p
00MNN05103610 CHIP RES.
10K OHM 1/10W J
CRJ10DJ103T
HDMI R510 ns
p
00MNN05272610 CHIP RES.
2.7K OHM 1/10W J
CRJ10DJ272T
HDMI R512 ns
p
00MNN05272610 CHIP RES.
2.7K OHM 1/10W J
CRJ10DJ272T
HDMI R601 ns
p
00MNN05103610 CHIP RES.
10K OHM 1/10W J
CRJ10DJ103T
HDMI R602 ns
p
00MNN05103610 CHIP RES.
10K OHM 1/10W J
CRJ10DJ103T
HDMI R603 ns
p
00MNN05472610 CHIP RES.
4.7K OHM 1/10W J
CRJ10DJ472T
HDMI R604 ns
p
00MNN05472610 CHIP RES.
4.7K OHM 1/10W J
CRJ10DJ472T
HDMI R605 ns
p
00MNN05000610 CHIP RES.
0 OHM 1/10W J
CRJ10DJ0R0T
HDMI R607 ns
p
00MNN05103610 CHIP RES.
10K OHM 1/10W J
CRJ10DJ103T
HDMI R608 ns
p
00MNN05103610 CHIP RES.
10K OHM 1/10W J
CRJ10DJ103T
HDMI R609 ns
p
00MNN05103610 CHIP RES.
10K OHM 1/10W J
CRJ10DJ103T
HDMI R610 ns
p
00MNN05103610 CHIP RES.
10K OHM 1/10W J
CRJ10DJ103T
HDMI R611 ns
p
00MNN05103610 CHIP RES.
10K OHM 1/10W J
CRJ10DJ103T
HDMI R612 ns
p
00MNN05103610 CHIP RES.
10K OHM 1/10W J
CRJ10DJ103T
HDMI R613 ns
p
00MNN05103610 CHIP RES.
10K OHM 1/10W J
CRJ10DJ103T
HDMI R614 ns
p
00MNN05103610 CHIP RES.
10K OHM 1/10W J
CRJ10DJ103T

142
NOTE : "nsp" PART IS LISTED FOR REFERENCE ONLY, MARANTZ WILL NOT SUPPLY THESE PARTS.
P.W.B.
NAME
VERS.
COLOR
PART NO.
(FOR EUR)
PART NO.
(MZ) PART NAME DESCRIPTION
POS. NO.
HDMI R615 ns
p
00MNN05103610 CHIP RES.
10K OHM 1/10W J
CRJ10DJ103T
HDMI R616 ns
p
00MNN05103610 CHIP RES.
10K OHM 1/10W J
CRJ10DJ103T
HDMI R617 ns
p
00MNN05103610 CHIP RES.
10K OHM 1/10W J
CRJ10DJ103T
HDMI R618 ns
p
00MNN05332610 CHIP RES.
3.3K OHM 1/10W J
CRJ10DJ332T
HDMI
R619
00MNN05472610
CHIP RES
K OHM / W J
HDMI
R619
ns
p
00MNN05472610
CHIP
RES
.
4.7
K
OHM
1
/
10
W
J
CRJ10DJ472T
HDMI R620 ns
p
00MNN05472610 CHIP RES.
4.7K OHM 1/10W J
CRJ10DJ472T
HDMI R621 ns
p
00MNN05682610 CHIP RES.
6.8K OHM 1/10W J
CRJ10DJ682T
HDMI R622 ns
p
00MNN05682610 CHIP RES.
6.8K OHM 1/10W J
CRJ10DJ682T
HDMI R623 ns
p
00MNN05682610 CHIP RES.
6.8K OHM 1/10W J
CRJ10DJ682T
HDMI R624 ns
p
00MNN05332610 CHIP RES.
3.3K OHM 1/10W J
CRJ10DJ332T
HDMI R625 ns
p
00MNN05332610 CHIP RES.
3.3K OHM 1/10W J
CRJ10DJ332T
HDMI R626 ns
p
00MNN05103610 CHIP RES.
10K OHM 1/10W J
CRJ10DJ103T
HDMI R628 ns
p
00MNN05103610 CHIP RES.
10K OHM 1/10W J
CRJ10DJ103T
HDMI
R629
nsp
00MNN05103610
CHIP RES
10K OHM 1/10W J
CRJ10DJ103T
HDMI
R629
nsp
00MNN05103610
CHIP
RES
.
10K
OHM
1/10W
J
CRJ10DJ103T
HDMI R630 ns
p
00MNN05103610 CHIP RES.
10K OHM 1/10W J
CRJ10DJ103T
HDMI R631 ns
p
00MNN05103610 CHIP RES.
10K OHM 1/10W J
CRJ10DJ103T
HDMI R632 ns
p
00MNN05332610 CHIP RES.
3.3K OHM 1/10W J
CRJ10DJ332T
HDMI R633 ns
p
00MNN05682610 CHIP RES.
6.8K OHM 1/10W J
CRJ10DJ682T
HDMI R634 ns
p
00MNN05103610 CHIP RES.
10K OHM 1/10W J
CRJ10DJ103T
HDMI R635 ns
p
00MNN05103610 CHIP RES.
10K OHM 1/10W J
CRJ10DJ103T
HDMI R636 ns
p
00MNN05103610 CHIP RES.
10K OHM 1/10W J
CRJ10DJ103T
HDMI R638 ns
p
00MNN05682610 CHIP RES.
6.8K OHM 1/10W J
CRJ10DJ682T
HDMI R640 ns
p
00MNN05103610 CHIP RES.
10K OHM 1/10W J
CRJ10DJ103T
p
HDMI R641 ns
p
00MNN05103610 CHIP RES.
10K OHM 1/10W J
CRJ10DJ103T
HDMI R642 ns
p
00MNN05103610 CHIP RES.
10K OHM 1/10W J
CRJ10DJ103T
HDMI R643 ns
p
00MNN05103610 CHIP RES.
10K OHM 1/10W J
CRJ10DJ103T
HDMI R644 ns
p
00MNN05103610 CHIP RES.
10K OHM 1/10W J
CRJ10DJ103T
HDMI R645 ns
p
00MNN05103610 CHIP RES.
10K OHM 1/10W J
CRJ10DJ103T
HDMI R654 ns
p
00MNN05000610 CHIP RES.
0 OHM 1/10W J
CRJ10DJ0R0T
HDMI R655 ns
p
00MNN05332610 CHIP RES.
3.3K OHM 1/10W J
CRJ10DJ332T
HDMI R658 ns
p
00MNN05472610 CHIP RES.
4.7K OHM 1/10W J
CRJ10DJ472T
HDMI R659 ns
p
00MNN05472610 CHIP RES.
4.7K OHM 1/10W J
CRJ10DJ472T
HDMI R660 ns
p
00MNN05472610 CHIP RES.
4.7K OHM 1/10W J
CRJ10DJ472T
HDMI R661 ns
p
00MNN05472610 CHIP RES.
4.7K OHM 1/10W J
CRJ10DJ472T
HDMI R662 ns
p
00MNN05472610 CHIP RES.
4.7K OHM 1/10W J
CRJ10DJ472T
HDMI R663 ns
p
00MNN05472610 CHIP RES.
4.7K OHM 1/10W J
CRJ10DJ472T
HDMI R664 ns
p
00MNN05472610 CHIP RES.
4.7K OHM 1/10W J
CRJ10DJ472T
HDMI R665 ns
p
00MNN05472610 CHIP RES.
4.7K OHM 1/10W J
CRJ10DJ472T
HDMI R666 ns
p
00MNN05472610 CHIP RES.
4.7K OHM 1/10W J
CRJ10DJ472T
HDMI R667 ns
p
00MNN05472610 CHIP RES.
4.7K OHM 1/10W J
CRJ10DJ472T
HDMI R668 ns
p
00MNN05472610 CHIP RES.
4.7K OHM 1/10W J
CRJ10DJ472T
HDMI
R669
nsp
00MNN05472610
CHIP RES
4 7K OHM 1/10W J
CRJ10DJ472T
HDMI
R669
nsp
00MNN05472610
CHIP
RES
.
4
.
7K
OHM
1/10W
J
CRJ10DJ472T
HDMI R670 ns
p
00MNN05472610 CHIP RES.
4.7K OHM 1/10W J
CRJ10DJ472T
HDMI R671 ns
p
00MNN05472610 CHIP RES.
4.7K OHM 1/10W J
CRJ10DJ472T
HDMI R674 ns
p
00MNN05101610 CHIP RES.
100 OHM 1/10W J
CRJ10DJ101T
HDMI R675 ns
p
00MNN05103610 CHIP RES.
10K OHM 1/10W J
CRJ10DJ103T
HDMI R676 ns
p
00MNN05103610 CHIP RES.
10K OHM 1/10W J
CRJ10DJ103T
HDMI R677 ns
p
00MNN05000610 CHIP RES.
0 OHM 1/10W J
CRJ10DJ0R0T
HDMI R678 ns
p
00MNN05000610 CHIP RES.
0 OHM 1/10W J
CRJ10DJ0R0T
HDMI R679 ns
p
00MNN05000610 CHIP RES.
0 OHM 1/10W J
CRJ10DJ0R0T
HDMI R
680
n
sp
00
MNN
050006
1
0
C
HIP RE
S
.
0 OHM 1/10W J
CRJ10DJ0R0T
680
sp
00 050006 0
CS
HDMI R681 ns
p
00MNN05000610 CHIP RES.
0 OHM 1/10W J
CRJ10DJ0R0T
HDMI R683 ns
p
00MNN05000610 CHIP RES.
0 OHM 1/10W J
CRJ10DJ0R0T
HDMI R691 ns
p
00MNN05105610 CHIP RES.
1M OHM 1/10W J
CRJ10DJ105T
HDMI R692 ns
p
00MNN05000610 CHIP RES.
0 OHM 1/10W J
CRJ10DJ0R0T
HDMI R693 ns
p
00MNN05000610 CHIP RES.
0 OHM 1/10W J
CRJ10DJ0R0T
HDMI R694 ns
p
00MNN05330610 CHIP RES.
33 OHM 1/10W J
CRJ10DJ330T
HDMI R698 ns
p
00MNN05472610 CHIP RES.
4.7K OHM 1/10W J
CRJ10DJ472T
HDMI R699 ns
p
00MNN05472610 CHIP RES.
4.7K OHM 1/10W J
CRJ10DJ472T
HDMI RN21 90M-BW000470R 90M-BW000470R RES. COMPO.
RES ARRAY 0 OHM 1608X4
CRJ104DJ0R0T
HDMI RN22 90M-BW000470R 90M-BW000470R RES. COMPO.
RES ARRAY 0 OHM 1608X4
CRJ104DJ0R0T
HDMI RN23 90M-BW000470R 90M-BW000470R RES. COMPO.
RES ARRAY 0 OHM 1608X4
CRJ104DJ0R0T
HDMI RN24 90M-BW000470R 90M-BW000470R RES. COMPO.
RES ARRAY 0 OHM 1608X4
CRJ104DJ0R0T
HDMI RN25 90M-BW000470R 90M-BW000470R RES. COMPO.
RES ARRAY 0 OHM 1608X4
CRJ104DJ0R0T
HDMI RN26 90M-BW000470R 90M-BW000470R RES. COMPO.
RES ARRAY 0 OHM 1608X4
CRJ104DJ0R0T
HDMI RN27 90M-BW000470R 90M-BW000470R RES. COMPO.
RES ARRAY 0 OHM 1608X4
CRJ104DJ0R0T
HDMI RN28 90M-BW000470R 90M-BW000470R RES. COMPO.
RES ARRAY 0 OHM 1608X4
CRJ104DJ0R0T

143
NOTE : "nsp" PART IS LISTED FOR REFERENCE ONLY, MARANTZ WILL NOT SUPPLY THESE PARTS.
P.W.B.
NAME
VERS.
COLOR
PART NO.
(FOR EUR)
PART NO.
(MZ) PART NAME DESCRIPTION
POS. NO.
HDMI RN29 90M-BW000470R 90M-BW000470R RES. COMPO.
RES ARRAY 0 OHM 1608X4
CRJ104DJ0R0T
HDMI RN30 90M-BW000470R 90M-BW000470R RES. COMPO.
RES ARRAY 0 OHM 1608X4
CRJ104DJ0R0T
HDMI RN31 90M-BW000400R 90M-BW000400R RES. COMPO.
22 OHM X4 2012 ARRAY
CRJ104DJ220T
HDMI RN32 943126003790S 943126003790S RES. COMPO.
68 OHM 4ARRAY
CRJ104DJ680T
HDMI
RN33
90M BW000390R
90M BW000390R
RES COMPO
ARC R ARRAY
HDMI
RN33
90M
-
BW000390R
90M
-
BW000390R
RES
.
COMPO
.
ARC
241 100
R
ARRAY
CRJ104DJ101T
HDMI RN34 90M-BW000390R 90M-BW000390R RES. COMPO.
ARC 241 100R ARRAY
CRJ104DJ101T
HDMI RN35 90M-BW000400R 90M-BW000400R RES. COMPO.
22 OHM X4 2012 ARRAY
CRJ104DJ220T
HDMI RN36 90M-BW000400R 90M-BW000400R RES. COMPO.
22 OHM X4 2012 ARRAY
CRJ104DJ220T
HDMI RN37 90M-BW000400R 90M-BW000400R RES. COMPO.
22 OHM X4 2012 ARRAY
CRJ104DJ220T
HDMI RN38 90M-BW000400R 90M-BW000400R RES. COMPO.
22 OHM X4 2012 ARRAY
CRJ104DJ220T
HDMI RN39 90M-BW000400R 90M-BW000400R RES. COMPO.
22 OHM X4 2012 ARRAY
CRJ104DJ220T
HDMI RN40 90M-BW000400R 90M-BW000400R RES. COMPO.
22 OHM X4 2012 ARRAY
CRJ104DJ220T
HDMI RN41 90M-BW000400R 90M-BW000400R RES. COMPO.
22 OHM X4 2012 ARRAY
CRJ104DJ220T
HDMI
RN42
90M-BW000400R
90M-BW000400R
RES COMPO
22 OHM X4 2012 ARRAY
CRJ104DJ220T
HDMI
RN42
90M-BW000400R
90M-BW000400R
RES
.
COMPO
.
22
OHM
X4
2012
ARRAY
CRJ104DJ220T
HDMI RN43 90M-BW000400R 90M-BW000400R RES. COMPO.
22 OHM X4 2012 ARRAY
CRJ104DJ220T
HDMI RN44 90M-BW000400R 90M-BW000400R RES. COMPO.
22 OHM X4 2012 ARRAY
CRJ104DJ220T
HDMI RN45 90M-BW000400R 90M-BW000400R RES. COMPO.
22 OHM X4 2012 ARRAY
CRJ104DJ220T
HDMI RN46 90M-BW000400R 90M-BW000400R RES. COMPO.
22 OHM X4 2012 ARRAY
CRJ104DJ220T
HDMI RN47 90M-BW000400R 90M-BW000400R RES. COMPO.
22 OHM X4 2012 ARRAY
CRJ104DJ220T
HDMI RN49 90M-BW000400R 90M-BW000400R RES. COMPO.
22 OHM X4 2012 ARRAY
CRJ104DJ220T
HDMI RN50 90M-BW000400R 90M-BW000400R RES. COMPO.
22 OHM X4 2012 ARRAY
CRJ104DJ220T
HDMI RN51 90M-BW000400R 90M-BW000400R RES. COMPO.
22 OHM X4 2012 ARRAY
CRJ104DJ220T
HDMI RN52 90M-BW000400R 90M-BW000400R RES. COMPO.
22 OHM X4 2012 ARRAY
CRJ104DJ220T
HDMI RN53 90M-BW000400R 90M-BW000400R RES. COMPO.
22 OHM X4 2012 ARRAY
CRJ104DJ220T
HDMI RN54 90M-BW000400R 90M-BW000400R RES. COMPO.
22 OHM X4 2012 ARRAY
CRJ104DJ220T
HDMI RN55 90M-BW000400R 90M-BW000400R RES. COMPO.
22 OHM X4 2012 ARRAY
CRJ104DJ220T
HDMI RN56 90M-BW000400R 90M-BW000400R RES. COMPO.
22 OHM X4 2012 ARRAY
CRJ104DJ220T
HDMI RN57 90M-BW000400R 90M-BW000400R RES. COMPO.
22 OHM X4 2012 ARRAY
CRJ104DJ220T
HDMI RN58 90M-BW000400R 90M-BW000400R RES. COMPO.
22 OHM X4 2012 ARRAY
CRJ104DJ220T
HDMI RN59 90M-BW000400R 90M-BW000400R RES. COMPO.
22 OHM X4 2012 ARRAY
CRJ104DJ220T
HDMI RN60 90M-BW000400R 90M-BW000400R RES. COMPO.
22 OHM X4 2012 ARRAY
CRJ104DJ220T
HDMI RN61 90M-BW000400R 90M-BW000400R RES. COMPO.
22 OHM X4 2012 ARRAY
CRJ104DJ220T
HDMI X201 90M-JX001430R 90M-JX001430R X'TAL
28.322MHZ HC-49/S
COX28322E180TF
HDMI X301 90M-JX001360R 90M-JX001360R X'TAL
28.636MHZ
COX28636E330TF
HDMI X401 90M-JX001330R 90M-JX001330R X'TAL
27MHZ
COX27000E180TF
HDMI X601 90M-JX001190R 90M-JX001190R X'TAL
20MHZ
HOX20000E220TF
INPUT PWB
(
CUP12086Z
)
INPUT BN11 ns
p
ns
p
CORD
WIRE ASSY
CWE8102140RV
INPUT BN12 ns
p
ns
p
CORD
1P WIRE ASSY 180MM
CWE8202180AA
INPUT BN30 ns
p
ns
p
CORD
1P WIRE ASSY 180MM
CWE7202180AA
INPUT BN31 ns
p
ns
p
CORD
1P WIRE ASSY 150MM
CWE7202150AA
INPUT
BN32
nsp
nsp
CORD
1P WIRE ASSY 150MM
CWE7202150AA
INPUT
BN32
nsp
nsp
CORD
1P
WIRE
ASSY
150MM
CWE7202150AA
INPUT BN81
/
U1B ns
p
ns
p
CORD
WIRE ASSY
CWB1D902150BM
INPUT BN83 ns
p
ns
p
CORD
WIRE ASSY
CWB2B909550EN
INPUT BN98
/
U1B ns
p
ns
p
CORD
7P WIRE ASSY 100MM
CWB1C907100EN
INPUT C101 ns
p
00MDK96104300 CER. CAP.
0.1UF 50V K
CCUS1H104KC
INPUT C102 ns
p
00MDD95270300 CER. CAP.
27PF 50V JA
CCUS1H270JA
INPUT C103 ns
p
00MDD95270300 CER. CAP.
27PF 50V JA
CCUS1H270JA
INPUT C104 ns
p
00MDK96104300 CER. CAP.
0.1UF 50V K
CCUS1H104KC
INPUT C105 ns
p
00MDK96104300 CER. CAP.
0.1UF 50V K
CCUS1H104KC
INP
U
T
C
1
06
n
sp
00
MDK
96
1
0
4
300
C
ER.
C
AP.
0.1UF 50V K
CCUS1H104KC
U
C 06
sp
00 96 0 300
CC
INPUT C107 ns
p
00MDK96104300 CER. CAP.
0.1UF 50V K
CCUS1H104KC
INPUT C108 ns
p
00MDK96104300 CER. CAP.
0.1UF 50V K
CCUS1H104KC
INPUT C109 ns
p
00MDK96104300 CER. CAP.
0.1UF 50V K
CCUS1H104KC
INPUT C110 ns
p
00MDK96104300 CER. CAP.
0.1UF 50V K
CCUS1H104KC
INPUT C111 ns
p
00MDK96104300 CER. CAP.
0.1UF 50V K
CCUS1H104KC
INPUT C112 ns
p
00MDK96104300 CER. CAP.
0.1UF 50V K
CCUS1H104KC
INPUT C113 ns
p
00MDK96104300 CER. CAP.
0.1UF 50V K
CCUS1H104KC
INPUT C114 ns
p
00MDK96104300 CER. CAP.
0.1UF 50V K
CCUS1H104KC
INPUT C115 ns
p
00MDK96104300 CER. CAP.
0.1UF 50V K
CCUS1H104KC
INPUT C116 ns
p
00MDD95221300 CER. CAP.
220PF 50V JA
CCUS1H221JA
INPUT C117 ns
p
00MDK96104300 CER. CAP.
0.1UF 50V K
CCUS1H104KC
INPUT C118 ns
p
00MDD95221300 CER. CAP.
220PF 50V JA
CCUS1H221JA
INPUT C119 ns
p
00MDK96104300 CER. CAP.
0.1UF 50V K
CCUS1H104KC
INPUT C120 ns
p
00MDD95221300 CER. CAP.
220PF 50V JA
CCUS1H221JA
INPUT C121 ns
p
00MDK96104300 CER. CAP.
0.1UF 50V K
CCUS1H104KC
INPUT C122 ns
p
00MDD95221300 CER. CAP.
220PF 50V JA
CCUS1H221JA

144
NOTE : "nsp" PART IS LISTED FOR REFERENCE ONLY, MARANTZ WILL NOT SUPPLY THESE PARTS.
P.W.B.
NAME
VERS.
COLOR
PART NO.
(FOR EUR)
PART NO.
(MZ) PART NAME DESCRIPTION
POS. NO.
INPUT C124 ns
p
00MDK96104300 CER. CAP.
0.1UF 50V K
CCUS1H104KC
INPUT C125 ns
p
00MDK96104300 CER. CAP.
0.1UF 50V K
CCUS1H104KC
INPUT C126 ns
p
00MDK96104300 CER. CAP.
0.1UF 50V K
CCUS1H104KC
INPUT C127 ns
p
00MOA10701620 ELECT CAP.
100UF 16V
CCEA1CH101T
INPUT
C128
00MDK96104300
CER CAP
UF V K
INPUT
C128
ns
p
00MDK96104300
CER
.
CAP
.
0.1
UF
50
V
K
CCUS1H104KC
INPUT C129 ns
p
00MOA22701620 ELECT CAP.
220UF 16V
CCEA1CH221T
INPUT C130 ns
p
00MDK96104300 CER. CAP.
0.1UF 50V K
CCUS1H104KC
INPUT C131 ns
p
00MOA10701620 ELECT CAP.
100UF 16V
CCEA1CH101T
INPUT C132 F B ns
p
00MDK96104300 CER. CAP.
0.1UF 50V K
CCUS1H104KC
INPUT C132
/
U1B ns
p
00MDK96104300 CER. CAP.
0.1UF 50V K
CCUS1H104KC
INPUT C133 F B ns
p
00MDK96104300 CER. CAP.
0.1UF 50V K
CCUS1H104KC
INPUT C133
/
U1B ns
p
00MDK96104300 CER. CAP.
0.1UF 50V K
CCUS1H104KC
INPUT C134 F B ns
p
00MDK96104300 CER. CAP.
0.1UF 50V K
CCUS1H104KC
INPUT
C134
/U1B
nsp
00MDK96104300
CER CAP
0 1UF 50V K
CCUS1H104KC
INPUT
C134
/U1B
nsp
00MDK96104300
CER
.
CAP
.
0
.
1UF
50V
K
CCUS1H104KC
INPUT C135 F B ns
p
00MDK96104300 CER. CAP.
0.1UF 50V K
CCUS1H104KC
INPUT C135
/
U1B ns
p
00MDK96104300 CER. CAP.
0.1UF 50V K
CCUS1H104KC
INPUT C136 ns
p
00MDK96103300 CER. CAP.
0.01UF 50V KC
CCUS1H103KC
INPUT C137 ns
p
00MDK96103300 CER. CAP.
0.01UF 50V KC
CCUS1H103KC
INPUT C138 ns
p
00MDD95330300 CER. CAP.
33PF 50V JA
CCUS1H330JA
INPUT C139 ns
p
00MDD95330300 CER. CAP.
33PF 50V JA
CCUS1H330JA
INPUT C140 ns
p
00MOA47602520 ELECT CAP.
47UF 25V
CCEA1EH470T
INPUT C141 ns
p
00MDK96104300 CER. CAP.
0.1UF 50V K
CCUS1H104KC
INPUT C142 ns
p
00MOA47602520 ELECT CAP.
47UF 25V
CCEA1EH470T
p
INPUT C143 ns
p
00MDK96104300 CER. CAP.
0.1UF 50V K
CCUS1H104KC
INPUT C144 ns
p
00MOA47602520 ELECT CAP.
47UF 25V
CCEA1EH470T
INPUT C145 ns
p
00MDK96103300 CER. CAP.
0.01UF 50V KC
CCUS1H103KC
INPUT C146 ns
p
00MOA10701620 ELECT CAP.
100UF 16V
CCEA1CH101T
INPUT C147 ns
p
00MOA10701620 ELECT CAP.
100UF 16V
CCEA1CH101T
INPUT C148 ns
p
00MDK96473300 CER. CAP.
0.043UF 50V KC
CCUS1H473KC
INPUT C149 ns
p
00MDK96473300 CER. CAP.
0.043UF 50V KC
CCUS1H473KC
INPUT C150 ns
p
00MOA10701620 ELECT CAP.
100UF 16V
CCEA1CH101T
INPUT C151 ns
p
00MOA10701620 ELECT CAP.
100UF 16V
CCEA1CH101T
INPUT C152 ns
p
00MDK96104300 CER. CAP.
0.1UF 50V K
CCUS1H104KC
INPUT C153 ns
p
00MOA10701620 ELECT CAP.
100UF 16V
CCEA1CH101T
INPUT C154 ns
p
00MDK96104300 CER. CAP.
0.1UF 50V K
CCUS1H104KC
INPUT C155 ns
p
00MDK96104300 CER. CAP.
0.1UF 50V K
CCUS1H104KC
INPUT C156 ns
p
00MOA10701620 ELECT CAP.
100UF 16V
CCEA1CH101T
INPUT C157 ns
p
00MDK96104300 CER. CAP.
0.1UF 50V K
CCUS1H104KC
INPUT C158 ns
p
00MDK96104300 CER. CAP.
0.1UF 50V K
CCUS1H104KC
INPUT C159 ns
p
00MDK96104300 CER. CAP.
0.1UF 50V K
CCUS1H104KC
INPUT C160 ns
p
00MDK96104300 CER. CAP.
0.1UF 50V K
CCUS1H104KC
INPUT
C161
nsp
00MOA10801620
ELECT CAP
1000UF 16V
CCEA1CH102E
INPUT
C161
nsp
00MOA10801620
ELECT
CAP
.
1000UF
16V
CCEA1CH102E
INPUT C162 ns
p
00MDK96103300 CER. CAP.
0.01UF 50V KC
CCUS1H103KC
INPUT C163 ns
p
00MDK96103300 CER. CAP.
0.01UF 50V KC
CCUS1H103KC
INPUT C164 ns
p
00MDK96103300 CER. CAP.
0.01UF 50V KC
CCUS1H103KC
INPUT C165 ns
p
00MDK96103300 CER. CAP.
0.01UF 50V KC
CCUS1H103KC
INPUT C166 ns
p
00MDK96103300 CER. CAP.
0.01UF 50V KC
CCUS1H103KC
INPUT C167 ns
p
00MDK96104300 CER. CAP.
0.1UF 50V K
CCUS1H104KC
INPUT C168 ns
p
00MDK96104300 CER. CAP.
0.1UF 50V K
CCUS1H104KC
INPUT C169 ns
p
00MDK96104300 CER. CAP.
0.1UF 50V K
CCUS1H104KC
INP
U
T
C
2
0
1n
sp
00
MDK
96
1
0
4
300
C
ER.
C
AP.
0.1UF 50V K
CCUS1H104KC
U
C0
sp
00 96 0 300
CC
INPUT C202 ns
p
00MDD95101300 CER. CAP.
100PF 50V JA
CCUS1H101JA
INPUT C203 ns
p
00MDK96103300 CER. CAP.
0.01UF 50V KC
CCUS1H103KC
INPUT C204 ns
p
00MOA47602520 ELECT CAP.
47UF 25V
CCEA1EH470T
INPUT C205 ns
p
00MDD95101300 CER. CAP.
100PF 50V JA
CCUS1H101JA
INPUT C206 ns
p
00MDK96104300 CER. CAP.
0.1UF 50V K
CCUS1H104KC
INPUT C207 ns
p
00MDK96103300 CER. CAP.
0.01UF 50V KC
CCUS1H103KC
INPUT C208 ns
p
00MOA47602520 ELECT CAP.
47UF 25V
CCEA1EH470T
INPUT C209 ns
p
00MDK96103300 CER. CAP.
0.01UF 50V KC
CCUS1H103KC
INPUT C210 ns
p
00MOA47602520 ELECT CAP.
47UF 25V
CCEA1EH470T
INPUT C211 ns
p
00MDK96104300 CER. CAP.
0.1UF 50V K
CCUS1H104KC
INPUT C212 ns
p
00MDD95330300 CER. CAP.
33PF 50V JA
CCUS1H330JA
INPUT C213 ns
p
00MDK96103300 CER. CAP.
0.01UF 50V KC
CCUS1H103KC
INPUT C214 ns
p
00MOA47602520 ELECT CAP.
47UF 25V
CCEA1EH470T
INPUT C216 ns
p
00MOA22605020 ELECT CAP.
22UF 50V
CCEA1HH220T
INPUT C217 ns
p
00MDD95151300 CER. CAP.
150PF 50V JA
CCUS1H151JA
INPUT C218 ns
p
00MDD95101300 CER. CAP.
100PF 50V JA
CCUS1H101JA

145
NOTE : "nsp" PART IS LISTED FOR REFERENCE ONLY, MARANTZ WILL NOT SUPPLY THESE PARTS.
P.W.B.
NAME
VERS.
COLOR
PART NO.
(FOR EUR)
PART NO.
(MZ) PART NAME DESCRIPTION
POS. NO.
INPUT C219 ns
p
00MDK96272300 CER. CAP.
2700PF 50V KC
CCUS1H272KC
INPUT C220 ns
p
00MDK96104300 CER. CAP.
0.1UF 50V K
CCUS1H104KC
INPUT C221 ns
p
00MOA10701620 ELECT CAP.
100UF 16V
CCEA1CH101T
INPUT C222 ns
p
00MDK96104300 CER. CAP.
0.1UF 50V K
CCUS1H104KC
INPUT
C223
00MOA22605020
ELECT CAP
UF V
INPUT
C223
ns
p
00MOA22605020
ELECT
CAP
.
22
UF
50
V
CCEA1HH220T
INPUT C224 ns
p
00MDD95151300 CER. CAP.
150PF 50V JA
CCUS1H151JA
INPUT C225 ns
p
00MDD95101300 CER. CAP.
100PF 50V JA
CCUS1H101JA
INPUT C226 ns
p
00MDK96272300 CER. CAP.
2700PF 50V KC
CCUS1H272KC
INPUT C227 ns
p
00MDK96104300 CER. CAP.
0.1UF 50V K
CCUS1H104KC
INPUT C228 ns
p
00MDK96104300 CER. CAP.
0.1UF 50V K
CCUS1H104KC
INPUT C229 ns
p
00MDD95270300 CER. CAP.
27PF 50V JA
CCUS1H270JA
INPUT C230 ns
p
00MDD95270300 CER. CAP.
27PF 50V JA
CCUS1H270JA
INPUT C231 ns
p
00MDK96104300 CER. CAP.
0.1UF 50V K
CCUS1H104KC
INPUT
C232
nsp
00MOA10701620
ELECT CAP
100UF 16V
CCEA1CH101T
INPUT
C232
nsp
00MOA10701620
ELECT
CAP
.
100UF
16V
CCEA1CH101T
INPUT C233 ns
p
00MDK96104300 CER. CAP.
0.1UF 50V K
CCUS1H104KC
INPUT C234 ns
p
00MDD95101300 CER. CAP.
100PF 50V JA
CCUS1H101JA
INPUT C235 ns
p
00MDD95101300 CER. CAP.
100PF 50V JA
CCUS1H101JA
INPUT C236 ns
p
00MDD95101300 CER. CAP.
100PF 50V JA
CCUS1H101JA
INPUT C237 ns
p
00MDD95101300 CER. CAP.
100PF 50V JA
CCUS1H101JA
INPUT C238 ns
p
00MDK96104300 CER. CAP.
0.1UF 50V K
CCUS1H104KC
INPUT C239 ns
p
00MDK96104300 CER. CAP.
0.1UF 50V K
CCUS1H104KC
INPUT C240 ns
p
00MOA47505020 ELECT CAP.
4.7UF 50V
CCEA1HH4R7T
INPUT C241 ns
p
00MDK96104300 CER. CAP.
0.1UF 50V K
CCUS1H104KC
p
INPUT C242 ns
p
00MOA10701620 ELECT CAP.
100UF 16V
CCEA1CH101T
INPUT C243 ns
p
00MDK96104300 CER. CAP.
0.1UF 50V K
CCUS1H104KC
INPUT C244 ns
p
00MOA10701620 ELECT CAP.
100UF 16V
CCEA1CH101T
INPUT C245 ns
p
00MDK96102300 CER. CAP.
1000PF 50V KC
CCUS1H102KC
INPUT C246 ns
p
00MDK98223300 CER. CAP.
0.022UF 50V KC
CCUS1H223KC
INPUT C247 ns
p
00MDK96104300 CER. CAP.
0.1UF 50V K
CCUS1H104KC
INPUT C248 ns
p
00MOA10701620 ELECT CAP.
100UF 16V
CCEA1CH101T
INPUT C249 ns
p
00MDD95101300 CER. CAP.
100PF 50V JA
CCUS1H101JA
INPUT C250 ns
p
00MDK96272300 CER. CAP.
2700PF 50V KC
CCUS1H272KC
INPUT C251 ns
p
00MDK96272300 CER. CAP.
2700PF 50V KC
CCUS1H272KC
INPUT C252 ns
p
00MDD95391370 CER. CAP.
390PF 50V JA
CCUS1H391JA
INPUT C253 ns
p
00MDD95391370 CER. CAP.
390PF 50V JA
CCUS1H391JA
INPUT C254 ns
p
00MDK96272300 CER. CAP.
2700PF 50V KC
CCUS1H272KC
INPUT C255 ns
p
00MDK96272300 CER. CAP.
2700PF 50V KC
CCUS1H272KC
INPUT C256 ns
p
00MDD95391370 CER. CAP.
390PF 50V JA
CCUS1H391JA
INPUT C257 ns
p
00MDD95391370 CER. CAP.
390PF 50V JA
CCUS1H391JA
INPUT C258 ns
p
00MOA22605020 ELECT CAP.
22UF 50V
CCEA1HH220T
INPUT C259 ns
p
00MOA22605020 ELECT CAP.
22UF 50V
CCEA1HH220T
INPUT
C260
nsp
00MDK96103300
CER CAP
0 01UF 50V KC
CCUS1H103KC
INPUT
C260
nsp
00MDK96103300
CER
.
CAP
.
0
.
01UF
50V
KC
CCUS1H103KC
INPUT C261 ns
p
00MDK96103300 CER. CAP.
0.01UF 50V KC
CCUS1H103KC
INPUT C262 ns
p
00MDK96104300 CER. CAP.
0.1UF 50V K
CCUS1H104KC
INPUT C263 ns
p
00MDK96104300 CER. CAP.
0.1UF 50V K
CCUS1H104KC
INPUT C264 ns
p
00MDK96272300 CER. CAP.
2700PF 50V KC
CCUS1H272KC
INPUT C265 ns
p
00MDK96272300 CER. CAP.
2700PF 50V KC
CCUS1H272KC
INPUT C266 ns
p
00MDD95391370 CER. CAP.
390PF 50V JA
CCUS1H391JA
INPUT C267 ns
p
00MDD95391370 CER. CAP.
390PF 50V JA
CCUS1H391JA
INPUT C268 ns
p
00MDK96272300 CER. CAP.
2700PF 50V KC
CCUS1H272KC
INP
U
T
C
2
69
n
sp
00
MDK
96
272
300
C
ER.
C
AP.
2700PF 50V KC
CCUS1H272KC
U
C 69
sp
00 96 300
CC
INPUT C270 ns
p
00MDD95391370 CER. CAP.
390PF 50V JA
CCUS1H391JA
INPUT C271 ns
p
00MDD95391370 CER. CAP.
390PF 50V JA
CCUS1H391JA
INPUT C272 ns
p
00MOA22605020 ELECT CAP.
22UF 50V
CCEA1HH220T
INPUT C273 ns
p
00MOA22605020 ELECT CAP.
22UF 50V
CCEA1HH220T
INPUT C274 ns
p
00MDK96103300 CER. CAP.
0.01UF 50V KC
CCUS1H103KC
INPUT C275 ns
p
00MDK96103300 CER. CAP.
0.01UF 50V KC
CCUS1H103KC
INPUT C276 ns
p
00MDK96104300 CER. CAP.
0.1UF 50V K
CCUS1H104KC
INPUT C277 ns
p
00MDK96104300 CER. CAP.
0.1UF 50V K
CCUS1H104KC
INPUT C278 ns
p
00MDK96272300 CER. CAP.
2700PF 50V KC
CCUS1H272KC
INPUT C279 ns
p
00MDK96272300 CER. CAP.
2700PF 50V KC
CCUS1H272KC
INPUT C280 ns
p
00MDD95391370 CER. CAP.
390PF 50V JA
CCUS1H391JA
INPUT C281 ns
p
00MDD95391370 CER. CAP.
390PF 50V JA
CCUS1H391JA
INPUT C282 ns
p
00MDK96272300 CER. CAP.
2700PF 50V KC
CCUS1H272KC
INPUT C283 ns
p
00MDK96272300 CER. CAP.
2700PF 50V KC
CCUS1H272KC
INPUT C284 ns
p
00MDD95391370 CER. CAP.
390PF 50V JA
CCUS1H391JA
INPUT C285 ns
p
00MDD95391370 CER. CAP.
390PF 50V JA
CCUS1H391JA

146
NOTE : "nsp" PART IS LISTED FOR REFERENCE ONLY, MARANTZ WILL NOT SUPPLY THESE PARTS.
P.W.B.
NAME
VERS.
COLOR
PART NO.
(FOR EUR)
PART NO.
(MZ) PART NAME DESCRIPTION
POS. NO.
INPUT C286 ns
p
00MOA22605020 ELECT CAP.
22UF 50V
CCEA1HH220T
INPUT C287 ns
p
00MOA22605020 ELECT CAP.
22UF 50V
CCEA1HH220T
INPUT C288 ns
p
00MDK96103300 CER. CAP.
0.01UF 50V KC
CCUS1H103KC
INPUT C289 ns
p
00MDK96103300 CER. CAP.
0.01UF 50V KC
CCUS1H103KC
INPUT
C290
00MDK96104300
CER CAP
UF V K
INPUT
C290
ns
p
00MDK96104300
CER
.
CAP
.
0.1
UF
50
V
K
CCUS1H104KC
INPUT C291 ns
p
00MDK96104300 CER. CAP.
0.1UF 50V K
CCUS1H104KC
INPUT C292 ns
p
00MDK96272300 CER. CAP.
2700PF 50V KC
CCUS1H272KC
INPUT C293 ns
p
00MDK96272300 CER. CAP.
2700PF 50V KC
CCUS1H272KC
INPUT C294 ns
p
00MDD95391370 CER. CAP.
390PF 50V JA
CCUS1H391JA
INPUT C295 ns
p
00MDD95391370 CER. CAP.
390PF 50V JA
CCUS1H391JA
INPUT C296 ns
p
00MDK96272300 CER. CAP.
2700PF 50V KC
CCUS1H272KC
INPUT C297 ns
p
00MDK96272300 CER. CAP.
2700PF 50V KC
CCUS1H272KC
INPUT C298 ns
p
00MDD95391370 CER. CAP.
390PF 50V JA
CCUS1H391JA
INPUT
C299
nsp
00MDD95391370
CER CAP
390PF 50V JA
CCUS1H391JA
INPUT
C299
nsp
00MDD95391370
CER
.
CAP
.
390PF
50V
JA
CCUS1H391JA
INPUT C300 ns
p
00MOA22605020 ELECT CAP.
22UF 50V
CCEA1HH220T
INPUT C301 ns
p
00MOA22605020 ELECT CAP.
22UF 50V
CCEA1HH220T
INPUT C302 ns
p
00MDK96103300 CER. CAP.
0.01UF 50V KC
CCUS1H103KC
INPUT C303 ns
p
00MDK96103300 CER. CAP.
0.01UF 50V KC
CCUS1H103KC
INPUT C304 ns
p
00MDK96104300 CER. CAP.
0.1UF 50V K
CCUS1H104KC
INPUT C305 ns
p
00MDK96104300 CER. CAP.
0.1UF 50V K
CCUS1H104KC
INPUT C306 ns
p
00MDK96104300 CER. CAP.
0.1UF 50V K
CCUS1H104KC
INPUT C307 ns
p
00MDK96104300 CER. CAP.
0.1UF 50V K
CCUS1H104KC
INPUT C310 ns
p
00MDK96104300 CER. CAP.
0.1UF 50V K
CCUS1H104KC
p
INPUT C311 ns
p
00MDK96104300 CER. CAP.
0.1UF 50V K
CCUS1H104KC
INPUT C312 ns
p
00MDK96104300 CER. CAP.
0.1UF 50V K
CCUS1H104KC
INPUT C313 ns
p
00MDD95471300 CER. CAP.
470PF 50V JA
CCUS1H471JA
INPUT C314 ns
p
00MDD9515030R CER. CAP.
15PF 50V JA
CCUS1H150JA
INPUT C315 ns
p
00MDD9515030R CER. CAP.
15PF 50V JA
CCUS1H150JA
INPUT C316 ns
p
00MDD95471300 CER. CAP.
470PF 50V JA
CCUS1H471JA
INPUT C317 ns
p
00MDK96104300 CER. CAP.
0.1UF 50V K
CCUS1H104KC
INPUT C318 ns
p
00MOA10605020 ELECT CAP.
10UF 50V
CCEA1HH100T
INPUT C319 ns
p
00MDK96104300 CER. CAP.
0.1UF 50V K
CCUS1H104KC
INPUT C320 ns
p
00MDK96104300 CER. CAP.
0.1UF 50V K
CCUS1H104KC
INPUT C321 ns
p
00MDK96104300 CER. CAP.
0.1UF 50V K
CCUS1H104KC
INPUT C322 ns
p
00MDK96104300 CER. CAP.
0.1UF 50V K
CCUS1H104KC
INPUT C323 ns
p
00MDK96104300 CER. CAP.
0.1UF 50V K
CCUS1H104KC
INPUT C324 ns
p
00MDK96104300 CER. CAP.
0.1UF 50V K
CCUS1H104KC
INPUT C325 ns
p
00MDK96104300 CER. CAP.
0.1UF 50V K
CCUS1H104KC
INPUT C326 ns
p
00MDK96104300 CER. CAP.
0.1UF 50V K
CCUS1H104KC
INPUT C327 ns
p
00MDK96104300 CER. CAP.
0.1UF 50V K
CCUS1H104KC
INPUT C328 ns
p
00MDK96104300 CER. CAP.
0.1UF 50V K
CCUS1H104KC
INPUT
C329
nsp
00MDK96104300
CER CAP
0 1UF 50V K
CCUS1H104KC
INPUT
C329
nsp
00MDK96104300
CER
.
CAP
.
0
.
1UF
50V
K
CCUS1H104KC
INPUT C330 ns
p
00MDK96104300 CER. CAP.
0.1UF 50V K
CCUS1H104KC
INPUT C331 ns
p
00MDK96104300 CER. CAP.
0.1UF 50V K
CCUS1H104KC
INPUT C332 ns
p
00MDK96104300 CER. CAP.
0.1UF 50V K
CCUS1H104KC
INPUT C333 ns
p
00MDK96104300 CER. CAP.
0.1UF 50V K
CCUS1H104KC
INPUT C334 ns
p
00MDK96104300 CER. CAP.
0.1UF 50V K
CCUS1H104KC
INPUT C335 ns
p
00MDK96104300 CER. CAP.
0.1UF 50V K
CCUS1H104KC
INPUT C336 ns
p
00MDK96104300 CER. CAP.
0.1UF 50V K
CCUS1H104KC
INPUT C337 ns
p
00MDK96104300 CER. CAP.
0.1UF 50V K
CCUS1H104KC
INP
U
T
C338
n
sp
00
MDK
96
1
0
4
300
C
ER.
C
AP.
0.1UF 50V K
CCUS1H104KC
U
C338
sp
00 96 0 300
CC
INPUT C339 ns
p
00MDK96104300 CER. CAP.
0.1UF 50V K
CCUS1H104KC
INPUT C340 ns
p
00MDK96104300 CER. CAP.
0.1UF 50V K
CCUS1H104KC
INPUT C341 ns
p
00MDK96104300 CER. CAP.
0.1UF 50V K
CCUS1H104KC
INPUT C342 ns
p
00MDK96104300 CER. CAP.
0.1UF 50V K
CCUS1H104KC
INPUT C343 ns
p
00MDK96104300 CER. CAP.
0.1UF 50V K
CCUS1H104KC
INPUT C344 ns
p
00MDK96104300 CER. CAP.
0.1UF 50V K
CCUS1H104KC
INPUT C345 ns
p
00MDK96104300 CER. CAP.
0.1UF 50V K
CCUS1H104KC
INPUT C346 ns
p
00MDK96104300 CER. CAP.
0.1UF 50V K
CCUS1H104KC
INPUT C347 ns
p
00MDK96104300 CER. CAP.
0.1UF 50V K
CCUS1H104KC
INPUT C348 ns
p
00MDK96104300 CER. CAP.
0.1UF 50V K
CCUS1H104KC
INPUT C349 ns
p
00MDK96104300 CER. CAP.
0.1UF 50V K
CCUS1H104KC
INPUT C351 ns
p
00MDK96104300 CER. CAP.
0.1UF 50V K
CCUS1H104KC
INPUT C352 ns
p
00MDK96104300 CER. CAP.
0.1UF 50V K
CCUS1H104KC
INPUT C353 ns
p
00MDK96102300 CER. CAP.
1000PF 50V KC
CCUS1H102KC
INPUT C354 ns
p
90M-OA000540R ELECT CAP.
220UF 16V ESR
CCEA1CKXL221T
INPUT C355 ns
p
00MOA10605020 ELECT CAP.
10UF 50V
CCEA1HH100T

147
NOTE : "nsp" PART IS LISTED FOR REFERENCE ONLY, MARANTZ WILL NOT SUPPLY THESE PARTS.
P.W.B.
NAME
VERS.
COLOR
PART NO.
(FOR EUR)
PART NO.
(MZ) PART NAME DESCRIPTION
POS. NO.
INPUT C356 ns
p
00MOA10701620 ELECT CAP.
100UF 16V
CCEA1CH101T
INPUT C357 ns
p
00MDK96104300 CER. CAP.
0.1UF 50V K
CCUS1H104KC
INPUT C358 ns
p
00MDK96104300 CER. CAP.
0.1UF 50V K
CCUS1H104KC
INPUT C359 ns
p
00MOA10800620 ELECT CAP.
1000UF 6.3V
CCEA0JH102T
INPUT
C360
90M DK900090R
CER CAP
UF V KC
INPUT
C360
ns
p
90M
-
DK900090R
CER
.
CAP
.
1
UF
10
V
KC
CCUS1A105KC
INPUT C361 ns
p
90M-DK900090R CER. CAP.
1UF 10V KC
CCUS1A105KC
INPUT C362 ns
p
90M-DK900090R CER. CAP.
1UF 10V KC
CCUS1A105KC
INPUT C363 ns
p
90M-DK900090R CER. CAP.
1UF 10V KC
CCUS1A105KC
INPUT C364 ns
p
00MDK96104300 CER. CAP.
0.1UF 50V K
CCUS1H104KC
INPUT C365 ns
p
00MOA22605020 ELECT CAP.
22UF 50V
CCEA1HH220T
INPUT C366 ns
p
00MDK96104300 CER. CAP.
0.1UF 50V K
CCUS1H104KC
INPUT C367 ns
p
00MOA22605020 ELECT CAP.
22UF 50V
CCEA1HH220T
INPUT C368 ns
p
00MDK96104300 CER. CAP.
0.1UF 50V K
CCUS1H104KC
INPUT
C369
nsp
00MDK96102300
CER CAP
1000PF 50V KC
CCUS1H102KC
INPUT
C369
nsp
00MDK96102300
CER
.
CAP
.
1000PF
50V
KC
CCUS1H102KC
INPUT C370 ns
p
00MDK96104300 CER. CAP.
0.1UF 50V K
CCUS1H104KC
INPUT C377 ns
p
00MDK96104300 CER. CAP.
0.1UF 50V K
CCUS1H104KC
INPUT C378 ns
p
00MDK96103300 CER. CAP.
0.01UF 50V KC
CCUS1H103KC
INPUT C401 ns
p
00MDD95471300 CER. CAP.
470PF 50V JA
CCUS1H471JA
INPUT C402 ns
p
00MDD95471300 CER. CAP.
470PF 50V JA
CCUS1H471JA
INPUT C403 ns
p
00MOA10605020 ELECT CAP.
10UF 50V
CCEA1HH100T
INPUT C404 ns
p
00MOA10605020 ELECT CAP.
10UF 50V
CCEA1HH100T
INPUT C405 ns
p
00MDD95471300 CER. CAP.
470PF 50V JA
CCUS1H471JA
INPUT C406 ns
p
00MDD95471300 CER. CAP.
470PF 50V JA
CCUS1H471JA
p
INPUT C407 ns
p
00MOA10605020 ELECT CAP.
10UF 50V
CCEA1HH100T
INPUT C408 ns
p
00MOA10605020 ELECT CAP.
10UF 50V
CCEA1HH100T
INPUT C409 ns
p
00MDD95471300 CER. CAP.
470PF 50V JA
CCUS1H471JA
INPUT C410 ns
p
00MDD95471300 CER. CAP.
470PF 50V JA
CCUS1H471JA
INPUT C411 ns
p
00MOA10605020 ELECT CAP.
10UF 50V
CCEA1HH100T
INPUT C412 ns
p
00MOA10605020 ELECT CAP.
10UF 50V
CCEA1HH100T
INPUT C413 ns
p
00MDD95471300 CER. CAP.
470PF 50V JA
CCUS1H471JA
INPUT C414 ns
p
00MDD95471300 CER. CAP.
470PF 50V JA
CCUS1H471JA
INPUT C415 ns
p
00MOA10605020 ELECT CAP.
10UF 50V
CCEA1HH100T
INPUT C416 ns
p
00MOA10605020 ELECT CAP.
10UF 50V
CCEA1HH100T
INPUT C417 ns
p
00MDD95471300 CER. CAP.
470PF 50V JA
CCUS1H471JA
INPUT C418 ns
p
00MDD95471300 CER. CAP.
470PF 50V JA
CCUS1H471JA
INPUT C419 ns
p
00MOA10605020 ELECT CAP.
10UF 50V
CCEA1HH100T
INPUT C420 ns
p
00MOA10605020 ELECT CAP.
10UF 50V
CCEA1HH100T
INPUT C421 ns
p
00MDD95471300 CER. CAP.
470PF 50V JA
CCUS1H471JA
INPUT C422 ns
p
00MDD95471300 CER. CAP.
470PF 50V JA
CCUS1H471JA
INPUT C423 ns
p
00MOA10605020 ELECT CAP.
10UF 50V
CCEA1HH100T
INPUT C424 ns
p
00MOA10605020 ELECT CAP.
10UF 50V
CCEA1HH100T
INPUT
C425
nsp
00MDD95471300
CER CAP
470PF 50V JA
CCUS1H471JA
INPUT
C425
nsp
00MDD95471300
CER
.
CAP
.
470PF
50V
JA
CCUS1H471JA
INPUT C426 ns
p
00MDD95471300 CER. CAP.
470PF 50V JA
CCUS1H471JA
INPUT C427 ns
p
00MOA10605020 ELECT CAP.
10UF 50V
CCEA1HH100T
INPUT C428 ns
p
00MOA10605020 ELECT CAP.
10UF 50V
CCEA1HH100T
INPUT C429 ns
p
00MDD95471300 CER. CAP.
470PF 50V JA
CCUS1H471JA
INPUT C430 ns
p
00MDD95471300 CER. CAP.
470PF 50V JA
CCUS1H471JA
INPUT C431 ns
p
00MOA10605020 ELECT CAP.
10UF 50V
CCEA1HH100T
INPUT C432 ns
p
00MOA10605020 ELECT CAP.
10UF 50V
CCEA1HH100T
INPUT C433 ns
p
00MDD95471300 CER. CAP.
470PF 50V JA
CCUS1H471JA
INP
U
T
C
4
3
4n
sp
00
MDD
95
471
300
C
ER.
C
AP.
470PF 50V JA
CCUS1H471JA
U
C3
sp
00 95 300
CC
INPUT C435 ns
p
00MOA10605020 ELECT CAP.
10UF 50V
CCEA1HH100T
INPUT C436 ns
p
00MOA10605020 ELECT CAP.
10UF 50V
CCEA1HH100T
INPUT C437 ns
p
00MDD95471300 CER. CAP.
470PF 50V JA
CCUS1H471JA
INPUT C438 ns
p
00MDD95471300 CER. CAP.
470PF 50V JA
CCUS1H471JA
INPUT C439 ns
p
00MOA10605020 ELECT CAP.
10UF 50V
CCEA1HH100T
INPUT C440 ns
p
00MOA10605020 ELECT CAP.
10UF 50V
CCEA1HH100T
INPUT C441 ns
p
00MDD95471300 CER. CAP.
470PF 50V JA
CCUS1H471JA
INPUT C442 ns
p
00MDD95471300 CER. CAP.
470PF 50V JA
CCUS1H471JA
INPUT C443 ns
p
00MOA10605020 ELECT CAP.
10UF 50V
CCEA1HH100T
INPUT C444 ns
p
00MOA10605020 ELECT CAP.
10UF 50V
CCEA1HH100T
INPUT C445 ns
p
00MDD95471300 CER. CAP.
470PF 50V JA
CCUS1H471JA
INPUT C446 ns
p
00MDD95471300 CER. CAP.
470PF 50V JA
CCUS1H471JA
INPUT C447 ns
p
00MOA10605020 ELECT CAP.
10UF 50V
CCEA1HH100T
INPUT C448 ns
p
00MOA10605020 ELECT CAP.
10UF 50V
CCEA1HH100T
INPUT C449 ns
p
00MDD95471300 CER. CAP.
470PF 50V JA
CCUS1H471JA
INPUT C450 ns
p
00MDD95471300 CER. CAP.
470PF 50V JA
CCUS1H471JA

148
NOTE : "nsp" PART IS LISTED FOR REFERENCE ONLY, MARANTZ WILL NOT SUPPLY THESE PARTS.
P.W.B.
NAME
VERS.
COLOR
PART NO.
(FOR EUR)
PART NO.
(MZ) PART NAME DESCRIPTION
POS. NO.
INPUT C451 ns
p
00MOA10605020 ELECT CAP.
10UF 50V
CCEA1HH100T
INPUT C452 ns
p
00MOA10605020 ELECT CAP.
10UF 50V
CCEA1HH100T
INPUT C453 ns
p
00MDD95471300 CER. CAP.
470PF 50V JA
CCUS1H471JA
INPUT C454 ns
p
00MDD95471300 CER. CAP.
470PF 50V JA
CCUS1H471JA
INPUT
C455
00MOA10605020
ELECT CAP
UF V
INPUT
C455
ns
p
00MOA10605020
ELECT
CAP
.
10
UF
50
V
CCEA1HH100T
INPUT C456 ns
p
00MOA10605020 ELECT CAP.
10UF 50V
CCEA1HH100T
INPUT C457 ns
p
00MDD95471300 CER. CAP.
470PF 50V JA
CCUS1H471JA
INPUT C458 ns
p
00MDD95471300 CER. CAP.
470PF 50V JA
CCUS1H471JA
INPUT C459 ns
p
00MOA10605020 ELECT CAP.
10UF 50V
CCEA1HH100T
INPUT C460 ns
p
00MOA10605020 ELECT CAP.
10UF 50V
CCEA1HH100T
INPUT C461 F B ns
p
00MDD95471300 CER. CAP.
470PF 50V JA
CCUS1H471JA
INPUT C461
/
U1B ns
p
00MDD95471300 CER. CAP.
470PF 50V JA
CCUS1H471JA
INPUT C462 F B ns
p
00MDD95471300 CER. CAP.
470PF 50V JA
CCUS1H471JA
INPUT
C462
/U1B
nsp
00MDD95471300
CER CAP
470PF 50V JA
CCUS1H471JA
INPUT
C462
/U1B
nsp
00MDD95471300
CER
.
CAP
.
470PF
50V
JA
CCUS1H471JA
INPUT C463 F B ns
p
00MOA47602520 ELECT CAP.
47UF 25V
CCEA1EH470T
INPUT C463
/
U1B ns
p
00MOA47602520 ELECT CAP.
47UF 25V
CCEA1EH470T
INPUT C464 F B ns
p
00MOA47602520 ELECT CAP.
47UF 25V
CCEA1EH470T
INPUT C464
/
U1B ns
p
00MOA47602520 ELECT CAP.
47UF 25V
CCEA1EH470T
INPUT C465 F B ns
p
00MDK96473300 CER. CAP.
0.043UF 50V KC
CCUS1H473KC
INPUT C465
/
U1B ns
p
00MDK96473300 CER. CAP.
0.043UF 50V KC
CCUS1H473KC
INPUT C466 F B ns
p
00MDK96473300 CER. CAP.
0.043UF 50V KC
CCUS1H473KC
INPUT C466
/
U1B ns
p
00MDK96473300 CER. CAP.
0.043UF 50V KC
CCUS1H473KC
INPUT C467 F B ns
p
00MDD95471300 CER. CAP.
470PF 50V JA
CCUS1H471JA
p
INPUT C467
/
U1B ns
p
00MDD95471300 CER. CAP.
470PF 50V JA
CCUS1H471JA
INPUT C468 F B ns
p
00MDD95471300 CER. CAP.
470PF 50V JA
CCUS1H471JA
INPUT C468
/
U1B ns
p
00MDD95471300 CER. CAP.
470PF 50V JA
CCUS1H471JA
INPUT C471 ns
p
00MOA47602520 ELECT CAP.
47UF 25V
CCEA1EH470T
INPUT C472 ns
p
00MOA47602520 ELECT CAP.
47UF 25V
CCEA1EH470T
INPUT C473 ns
p
00MOA47602520 ELECT CAP.
47UF 25V
CCEA1EH470T
INPUT C474 ns
p
00MOA47602520 ELECT CAP.
47UF 25V
CCEA1EH470T
INPUT C475 ns
p
00MOA47602520 ELECT CAP.
47UF 25V
CCEA1EH470T
INPUT C476 ns
p
00MOA47602520 ELECT CAP.
47UF 25V
CCEA1EH470T
INPUT C477 ns
p
00MOA47602520 ELECT CAP.
47UF 25V
CCEA1EH470T
INPUT C478 ns
p
00MOA47602520 ELECT CAP.
47UF 25V
CCEA1EH470T
INPUT C479 ns
p
00MDK96153300 CER. CAP.
0.015UF 50V
CCUS1H153KC
INPUT C480 ns
p
00MDK96473300 CER. CAP.
0.043UF 50V KC
CCUS1H473KC
INPUT C481 ns
p
00MDK98223300 CER. CAP.
0.022UF 50V KC
CCUS1H223KC
INPUT C482 ns
p
00MDK96104300 CER. CAP.
0.1UF 50V K
CCUS1H104KC
INPUT C483 ns
p
00MOA10701620 ELECT CAP.
100UF 16V
CCEA1CH101T
INPUT C484 ns
p
00MDK96154200 CER. CAP.
0.15UF +- 10% B 10V
CCUS1C154KC
INPUT C485 ns
p
00MDK96473300 CER. CAP.
0.043UF 50V KC
CCUS1H473KC
INPUT
C486
nsp
00MDK98223300
CER CAP
0 022UF 50V KC
CCUS1H223KC
INPUT
C486
nsp
00MDK98223300
CER
.
CAP
.
0
.
022UF
50V
KC
CCUS1H223KC
INPUT C487 ns
p
00MDD95101300 CER. CAP.
100PF 50V JA
CCUS1H101JA
INPUT C488 ns
p
00MDD95101300 CER. CAP.
100PF 50V JA
CCUS1H101JA
INPUT C489 ns
p
00MOA10701620 ELECT CAP.
100UF 16V
CCEA1CH101T
INPUT C490 ns
p
00MDK96104300 CER. CAP.
0.1UF 50V K
CCUS1H104KC
INPUT C491 ns
p
00MOA22605020 ELECT CAP.
22UF 50V
CCEA1HH220T
INPUT C492 ns
p
00MOA22605020 ELECT CAP.
22UF 50V
CCEA1HH220T
INPUT C493 ns
p
00MDK96473300 CER. CAP.
0.043UF 50V KC
CCUS1H473KC
INPUT C494 ns
p
00MDK96473300 CER. CAP.
0.043UF 50V KC
CCUS1H473KC
INP
U
T
C
4
95
n
sp
00
M
O
A47
60
2
5
2
0
ELE
C
T
C
AP.
47UF 25V
CCEA1EH470T
U
C 95
sp
00 O 60 5 0
CC
INPUT C496 ns
p
00MOA47602520 ELECT CAP.
47UF 25V
CCEA1EH470T
INPUT C497 ns
p
00MOA22605020 ELECT CAP.
22UF 50V
CCEA1HH220T
INPUT C498 ns
p
00MOA22605020 ELECT CAP.
22UF 50V
CCEA1HH220T
INPUT C499 ns
p
00MDK96473300 CER. CAP.
0.043UF 50V KC
CCUS1H473KC
INPUT C500 ns
p
00MDK96473300 CER. CAP.
0.043UF 50V KC
CCUS1H473KC
INPUT C501 ns
p
00MDD95101300 CER. CAP.
100PF 50V JA
CCUS1H101JA
INPUT C502 ns
p
00MDD95101300 CER. CAP.
100PF 50V JA
CCUS1H101JA
INPUT C503 ns
p
00MDD95101300 CER. CAP.
100PF 50V JA
CCUS1H101JA
INPUT C504 ns
p
00MOA22601620 ELECT CAP.
22UF 16V
CCEA1CH220T
INPUT C505 ns
p
00MOA22601620 ELECT CAP.
22UF 16V
CCEA1CH220T
INPUT C506 ns
p
00MDK96473300 CER. CAP.
0.043UF 50V KC
CCUS1H473KC
INPUT C507 ns
p
00MDK96473300 CER. CAP.
0.043UF 50V KC
CCUS1H473KC
INPUT C508 ns
p
00MOA22601620 ELECT CAP.
22UF 16V
CCEA1CH220T
INPUT C509 ns
p
00MOA22601620 ELECT CAP.
22UF 16V
CCEA1CH220T
INPUT C510 ns
p
00MDD95101300 CER. CAP.
100PF 50V JA
CCUS1H101JA
INPUT C511 ns
p
00MDD95101300 CER. CAP.
100PF 50V JA
CCUS1H101JA

149
NOTE : "nsp" PART IS LISTED FOR REFERENCE ONLY, MARANTZ WILL NOT SUPPLY THESE PARTS.
P.W.B.
NAME
VERS.
COLOR
PART NO.
(FOR EUR)
PART NO.
(MZ) PART NAME DESCRIPTION
POS. NO.
INPUT C512 ns
p
00MOA47601640 ELECT CAP.
47UF 16V
CCEA1CH470T
INPUT C513 ns
p
00MOA47601640 ELECT CAP.
47UF 16V
CCEA1CH470T
INPUT C514 ns
p
00MDD95471300 CER. CAP.
470PF 50V JA
CCUS1H471JA
INPUT C515 ns
p
00MDD95471300 CER. CAP.
470PF 50V JA
CCUS1H471JA
INPUT
C516
00MOA22605020
ELECT CAP
UF V
INPUT
C516
ns
p
00MOA22605020
ELECT
CAP
.
22
UF
50
V
CCEA1HH220T
INPUT C517 ns
p
00MOA22605020 ELECT CAP.
22UF 50V
CCEA1HH220T
INPUT C518 ns
p
00MDK96473300 CER. CAP.
0.043UF 50V KC
CCUS1H473KC
INPUT C519 ns
p
00MDK96473300 CER. CAP.
0.043UF 50V KC
CCUS1H473KC
INPUT C520 ns
p
00MOA22605020 ELECT CAP.
22UF 50V
CCEA1HH220T
INPUT C521 ns
p
00MOA22605020 ELECT CAP.
22UF 50V
CCEA1HH220T
INPUT C522 ns
p
00MDD95221300 CER. CAP.
220PF 50V JA
CCUS1H221JA
INPUT C523 ns
p
00MDD95221300 CER. CAP.
220PF 50V JA
CCUS1H221JA
INPUT C524 ns
p
00MOA47602520 ELECT CAP.
47UF 25V
CCEA1EH470T
INPUT
C525
nsp
00MOA47602520
ELECT CAP
47UF 25V
CCEA1EH470T
INPUT
C525
nsp
00MOA47602520
ELECT
CAP
.
47UF
25V
CCEA1EH470T
INPUT C526 ns
p
00MDD95471300 CER. CAP.
470PF 50V JA
CCUS1H471JA
INPUT C527 ns
p
00MDD95471300 CER. CAP.
470PF 50V JA
CCUS1H471JA
INPUT C528 ns
p
00MOA22605020 ELECT CAP.
22UF 50V
CCEA1HH220T
INPUT C529 ns
p
00MOA22605020 ELECT CAP.
22UF 50V
CCEA1HH220T
INPUT C530 ns
p
00MDK96473300 CER. CAP.
0.043UF 50V KC
CCUS1H473KC
INPUT C531 ns
p
00MDK96473300 CER. CAP.
0.043UF 50V KC
CCUS1H473KC
INPUT C532 ns
p
00MOA22605020 ELECT CAP.
22UF 50V
CCEA1HH220T
INPUT C533 ns
p
00MOA22605020 ELECT CAP.
22UF 50V
CCEA1HH220T
INPUT C534 ns
p
00MDD95101300 CER. CAP.
100PF 50V JA
CCUS1H101JA
p
INPUT C535 ns
p
00MDD95101300 CER. CAP.
100PF 50V JA
CCUS1H101JA
INPUT C536 ns
p
00MOA47602520 ELECT CAP.
47UF 25V
CCEA1EH470T
INPUT C537 ns
p
00MOA47602520 ELECT CAP.
47UF 25V
CCEA1EH470T
INPUT C538 ns
p
00MDD95471300 CER. CAP.
470PF 50V JA
CCUS1H471JA
INPUT C539 ns
p
00MDD95471300 CER. CAP.
470PF 50V JA
CCUS1H471JA
INPUT C540 ns
p
00MOA22605020 ELECT CAP.
22UF 50V
CCEA1HH220T
INPUT C541 ns
p
00MOA22605020 ELECT CAP.
22UF 50V
CCEA1HH220T
INPUT C542 ns
p
00MDK96473300 CER. CAP.
0.043UF 50V KC
CCUS1H473KC
INPUT C543 ns
p
00MDK96473300 CER. CAP.
0.043UF 50V KC
CCUS1H473KC
INPUT C544 ns
p
00MOA22605020 ELECT CAP.
22UF 50V
CCEA1HH220T
INPUT C545 ns
p
00MOA22605020 ELECT CAP.
22UF 50V
CCEA1HH220T
INPUT C546 ns
p
00MDD95101300 CER. CAP.
100PF 50V JA
CCUS1H101JA
INPUT C547 ns
p
00MDD95101300 CER. CAP.
100PF 50V JA
CCUS1H101JA
INPUT C548 ns
p
00MOA47602520 ELECT CAP.
47UF 25V
CCEA1EH470T
INPUT C549 ns
p
00MOA47602520 ELECT CAP.
47UF 25V
CCEA1EH470T
INPUT C550 ns
p
00MDD95471300 CER. CAP.
470PF 50V JA
CCUS1H471JA
INPUT C551 ns
p
00MDD95471300 CER. CAP.
470PF 50V JA
CCUS1H471JA
INPUT C552 ns
p
00MOA22605020 ELECT CAP.
22UF 50V
CCEA1HH220T
INPUT
C553
nsp
00MOA22605020
ELECT CAP
22UF 50V
CCEA1HH220T
INPUT
C553
nsp
00MOA22605020
ELECT
CAP
.
22UF
50V
CCEA1HH220T
INPUT C554 ns
p
00MDK96473300 CER. CAP.
0.043UF 50V KC
CCUS1H473KC
INPUT C555 ns
p
00MDK96473300 CER. CAP.
0.043UF 50V KC
CCUS1H473KC
INPUT C556 ns
p
00MOA22605020 ELECT CAP.
22UF 50V
CCEA1HH220T
INPUT C557 ns
p
00MOA22605020 ELECT CAP.
22UF 50V
CCEA1HH220T
INPUT C558 ns
p
00MDD95101300 CER. CAP.
100PF 50V JA
CCUS1H101JA
INPUT C559 ns
p
00MDD95101300 CER. CAP.
100PF 50V JA
CCUS1H101JA
INPUT C560 ns
p
00MOA47602520 ELECT CAP.
47UF 25V
CCEA1EH470T
INPUT C561 ns
p
00MOA47602520 ELECT CAP.
47UF 25V
CCEA1EH470T
INP
U
T
C56
2n
sp
00
MDD
95
471
300
C
ER.
C
AP.
470PF 50V JA
CCUS1H471JA
U
C56
sp
00 95 300
CC
INPUT C563 ns
p
00MDD95471300 CER. CAP.
470PF 50V JA
CCUS1H471JA
INPUT C564 ns
p
00MOA10801620 ELECT CAP.
1000UF 16V
CCEA1CH102E
INPUT C565 ns
p
00MOA47701020 ELECT CAP.
470UF 10V
CCEA1AH471T
INPUT C566 ns
p
00MDK96473300 CER. CAP.
0.043UF 50V KC
CCUS1H473KC
INPUT C567 ns
p
00MOA10701620 ELECT CAP.
100UF 16V
CCEA1CH101T
INPUT C568 ns
p
00MDK96473300 CER. CAP.
0.043UF 50V KC
CCUS1H473KC
INPUT C569 ns
p
00MOA10701620 ELECT CAP.
100UF 16V
CCEA1CH101T
INPUT C570 ns
p
00MDK96473300 CER. CAP.
0.043UF 50V KC
CCUS1H473KC
INPUT C571 ns
p
00MOA10701620 ELECT CAP.
100UF 16V
CCEA1CH101T
INPUT C572 ns
p
00MDK96473300 CER. CAP.
0.043UF 50V KC
CCUS1H473KC
INPUT C573 ns
p
00MOA10701620 ELECT CAP.
100UF 16V
CCEA1CH101T
INPUT C707 ns
p
00MDK96104300 CER. CAP.
0.1UF 50V K
CCUS1H104KC
INPUT C708 ns
p
00MDK96104300 CER. CAP.
0.1UF 50V K
CCUS1H104KC
INPUT C712 ns
p
00MOA10701620 ELECT CAP.
100UF 16V
CCEA1CH101T
INPUT C713 ns
p
ns
p
CER. CAP.
0.01UF 50V Z
CCBS1H103ZFT
INPUT C714 ns
p
ns
p
CER. CAP.
0.01UF 50V Z
CCBS1H103ZFT

150
NOTE : "nsp" PART IS LISTED FOR REFERENCE ONLY, MARANTZ WILL NOT SUPPLY THESE PARTS.
P.W.B.
NAME
VERS.
COLOR
PART NO.
(FOR EUR)
PART NO.
(MZ) PART NAME DESCRIPTION
POS. NO.
INPUT C819 ns
p
00MDD95180300 CER. CAP.
18PF 50V JA
CCUS1H180JA
INPUT CN11 ns
p
ns
p
CONN.
17P WAFER FFC FCZ100E-17SSK
CJP17GA117ZY
INPUT CN15 ns
p
ns
p
CONN.
19P WAFER CARD CABLE
CJP19GA117ZY
INPUT CN25 ns
p
ns
p
CONN.
2P STRAIGHT YMW025-02R
CJP02GA01ZY
INPUT
CN27
CONN
P FPC WAFER
INPUT
CN27
ns
p
ns
p
CONN
.
21
P
FPC
WAFER
CJP21GA115ZY
INPUT CN31 ns
p
ns
p
CONN.
17P WAFER FFC FCZ100E-17SSK
CJP17GA117ZY
INPUT CN32 ns
p
ns
p
CONN.
13P WAFER CARD CABLE
CJP13GA117ZY
INPUT CN34 F B ns
p
ns
p
CONN.
15P WAFER FFC 12511HS-15
CJP15GA115ZY
INPUT CN34
/
K1SG ns
p
ns
p
CONN.
15P WAFER FFC 12511HS-15
CJP15GA115ZY
INPUT CN34
/
N1B ns
p
ns
p
CONN.
17P WAFER FFC 12511HS-17
CJP17GA115ZY
INPUT CN34
/
N1SG ns
p
ns
p
CONN.
17P WAFER FFC 12511HS-17
CJP17GA115ZY
INPUT CN34
/
U1B ns
p
ns
p
CONN.
15P WAFER FFC 12511HS-15
CJP15GA115ZY
INPUT CN43 ns
p
ns
p
CONN.
9P WAFER FFC 12511HS-09
CJP09GA115ZY
INPUT
CN51
/U1B
nsp
nsp
CONN
15P WAFER FFC 12511HS-15
CJP15GA115ZY
INPUT
CN51
/U1B
nsp
nsp
CONN
.
15P
WAFER
FFC
12511HS-15
CJP15GA115ZY
INPUT CN80 ns
p
ns
p
CONN.
19P WAFER CARD CABLE
CJP19GA117ZY
INPUT CN89 ns
p
ns
p
CONN.
7P STRAIGHT 20017WS-07
CJP07GA19ZY
INPUT CN95 ns
p
ns
p
CORD
WIRE ASSY
CJP11GA01ZY
INPUT CN97 ns
p
ns
p
CONN.
7P STRAIGHT 00906-0017
CJP07GA01ZY
INPUT CN98 ns
p
ns
p
CONN.
3P STRAIGHT YMW025-03R
CJP03GA01ZY
INPUT CN99 ns
p
ns
p
CONN.
5P WAFER YMW025-05R 00906-0014
CJP05GA01ZY
INPUT D101 00MHZ21303210 00MHZ21303210 DIODE
1SS355
CVD1SS355T
INPUT D102 F B ns
p
00MHZ21303210 DIODE
1SS355
CVD1SS355T
INPUT D102
/
U1B ns
p
00MHZ21303210 DIODE
1SS355
CVD1SS355T
p
INPUT D103
/
K1SG ns
p
00MHZ21303210 DIODE
1SS355
CVD1SS355T
INPUT D103
/
N1B 00MHZ21303210 00MHZ21303210 DIODE
1SS355
CVD1SS355T
INPUT D103
/
N1SG 00MHZ21303210 00MHZ21303210 DIODE
1SS355
CVD1SS355T
INPUT D104 00MHZ21303210 00MHZ21303210 DIODE
1SS355
CVD1SS355T
INPUT D105 00MHZ21303210 00MHZ21303210 DIODE
1SS355
CVD1SS355T
INPUT D106 00MHZ21303210 00MHZ21303210 DIODE
1SS355
CVD1SS355T
INPUT D107 00MHZ21303210 00MHZ21303210 DIODE
1SS355
CVD1SS355T
INPUT D108 00MHZ21303210 00MHZ21303210 DIODE
1SS355
CVD1SS355T
INPUT D201 00MHZ21303210 00MHZ21303210 DIODE
1SS355
CVD1SS355T
INPUT D202 00MHZ21303210 00MHZ21303210 DIODE
1SS355
CVD1SS355T
INPUT D203 00MHZ21303210 00MHZ21303210 DIODE
1SS355
CVD1SS355T
INPUT D204 00MHZ21303210 00MHZ21303210 DIODE
1SS355
CVD1SS355T
INPUT D205 00MHZ21303210 00MHZ21303210 DIODE
1SS355
CVD1SS355T
INPUT D206 00MHZ21303210 00MHZ21303210 DIODE
1SS355
CVD1SS355T
INPUT D401 ns
p
90M-HD201820R DIODE
RB160L-60TE25
HVDRB160L60TE25
INPUT D402 ns
p
90M-HD201820R DIODE
RB160L-60TE25
HVDRB160L60TE25
INPUT D403 F B ns
p
00MHZ21303210 DIODE
1SS355
CVD1SS355T
INPUT D403
/
U1B ns
p
00MHZ21303210 DIODE
1SS355
CVD1SS355T
INPUT
D404
FB
nsp
00MHZ21303210
DIODE
1SS355
CVD1SS355T
INPUT
D404
F
B
nsp
00MHZ21303210
DIODE
1SS355
CVD1SS355T
INPUT D404
/
U1B ns
p
00MHZ21303210 DIODE
1SS355
CVD1SS355T
INPUT D405 00MHZ21303210 00MHZ21303210 DIODE
1SS355
CVD1SS355T
INPUT D406 00MHZ21303210 00MHZ21303210 DIODE
1SS355
CVD1SS355T
INPUT D407 00MHZ21303210 00MHZ21303210 DIODE
1SS355
CVD1SS355T
INPUT D408 00MHZ21303210 00MHZ21303210 DIODE
1SS355
CVD1SS355T
INPUT D409 00MHZ21303210 00MHZ21303210 DIODE
1SS355
CVD1SS355T
INPUT D410 00MHZ21303210 00MHZ21303210 DIODE
1SS355
CVD1SS355T
INPUT D411 00MHZ21303210 00MHZ21303210 DIODE
1SS355
CVD1SS355T
INP
U
T D412
00
MHZ21
303
21
0
00
MHZ21
303
21
0
DI
O
DE
1SS355
CVD1SS355T
U
00 303 0
00 303 0
O
INPUT D413 00MHZ21303210 00MHZ21303210 DIODE
1SS355
CVD1SS355T
INPUT D414 00MHZ21303210 00MHZ21303210 DIODE
1SS355
CVD1SS355T
INPUT D415 ns
p
90M-HD201750R DIODE
1N4003
CVD1N4003SRT
INPUT D416 00MHZ21303210 00MHZ21303210 DIODE
1SS355
CVD1SS355T
INPUT D418 ns
p
90M-HD201750R DIODE
1N4003
CVD1N4003SRT
INPUT D419 ns
p
90M-HD201750R DIODE
1N4003
CVD1N4003SRT
INPUT D420 00MHZ21303210 00MHZ21303210 DIODE
1SS355
CVD1SS355T
INPUT D422 ns
p
90M-HD201750R DIODE
1N4003
CVD1N4003SRT
INPUT DL11 90M-HI200020R 90M-HI200020R L.E.D.
SIR-34ST3F
BVDSIR34ST3F
INPUT ET01 ns
p
ns
p
BRACKET
BRACKET SHIELD
CMD1A512
INPUT ET02 ns
p
ns
p
BUFFER
STOPPER IR SENSOR
CHG1A262
INPUT IC03 90M-HY200050R 90M-HY200050R F.E.T.
UPA672T
CVTUPA672T
INPUT IC04 00D2631242905 00D2631242905 IC
NJM2831F33
CVINJM2831F33
INPUT IC05 90M-HW100690R 90M-HW100690R PHOTO UNIT
RPM674CBR-S
CRVRPM6936
INPUT IC06 90M-HC108430R 90M-HC108430R IC
TC74HC7007AFEL
HVITC74HCT7007F
INPUT IC07 00MHC009105K0 00MHC009105K0 IC
TC7WH157FU
HVITC7WH157FU

151
NOTE : "nsp" PART IS LISTED FOR REFERENCE ONLY, MARANTZ WILL NOT SUPPLY THESE PARTS.
P.W.B.
NAME
VERS.
COLOR
PART NO.
(FOR EUR)
PART NO.
(MZ) PART NAME DESCRIPTION
POS. NO.
INPUT IC08 90M-HC300690R 90M-HC300690R IC
! KIA278R05PI
HVIKIA278R05PI
INPUT IC11 943243003800M 943243003800M U-PRO
M3087BFKBGP MAIN CPU SR5003
CVIM3087BFKBGP
INPUT IC12 F B ns
p
90M-HC110110R IC
AT24C32CN-SH-T
CVIAT24C32CNSHT
INPUT IC12
/
K1SG ns
p
90M-HC110110R IC
AT24C32CN-SH-T
CVIAT24C32CNSHT
INPUT
IC12
/N1B
90M HC110110R
90M HC110110R
IC
AT C CN SH T
INPUT
IC12
/N1B
90M
-
HC110110R
90M
-
HC110110R
IC
AT
24
C
32
CN
-
SH
-
T
CVIAT24C32CNSHT
INPUT IC12
/
N1SG 90M-HC110110R 90M-HC110110R IC
AT24C32CN-SH-T
CVIAT24C32CNSHT
INPUT IC12
/
U1B ns
p
90M-HC110120R IC
AT24C64CN-SH-T
CVIAT24C64CNSHT
INPUT IC13 00MHC10099540 00MHC10099540 IC
S-80145ALMC
HVIS-80145ALMC
INPUT IC14 90M-HC400060R 90M-HC400060R IC
TC74HC4094AFN
HVITC74HC4094FN
INPUT IC15 90M-HC400060R 90M-HC400060R IC
TC74HC4094AFN
HVITC74HC4094FN
INPUT IC16 90M-HC400060R 90M-HC400060R IC
TC74HC4094AFN
HVITC74HC4094FN
INPUT IC17 90M-HC400060R 90M-HC400060R IC
TC74HC4094AFN
HVITC74HC4094FN
INPUT IC18 00MHC705205Y0 00MHC705205Y0 IC
TC74HC4052AFT
CVITC74HC4052AFT
INPUT
IC21
nsp
nsp
IC
TMS320DA788B DSP
CVITMS320DA788B
INPUT
IC21
nsp
nsp
IC
TMS320DA788B
DSP
CVITMS320DA788B
INPUT IC22 90M-HC109920R 90M-HC109920R IC
M12L64164A7T
HVIM12L64164A7T
INPUT IC23 943248001590M 943248001590M U-PRO
ES29LV320ET70TG DSP AV8003
CVIES29LV320ET70TG
INPUT IC24 90M-HC109290R 90M-HC109290R IC
TC74VHC157FT
HVITC74VHC157FT
INPUT IC25 00MHC009105K0 00MHC009105K0 IC
TC7WH157FU
HVITC7WH157FU
INPUT IC27 00MHC008205K0 00MHC008205K0 IC
TC74VHC08FT
CVITC74VHC08FT
INPUT IC28 90M-HC700550R 90M-HC700550R IC
TC74HCU04AFNG
HVI74HCU04AFNG
INPUT IC30 00MHC10172090 00MHC10172090 IC
NJM2115MD OP AMP
HVINJM2115MDTE1
INPUT IC31 00MHC10172090 00MHC10172090 IC
NJM2115MD OP AMP
HVINJM2115MDTE1
INPUT IC32 90M-HC700550R 90M-HC700550R IC
TC74HCU04AFNG
HVI74HCU04AFNG
INPUT IC33 90M-HC110090R 90M-HC110090R IC
CS42528-CQ
HVICS42528-CQ
INPUT IC34 00MHC10102090 00MHC10102090 IC
NJM2068MD-TE1
HVINJM2068MDTE1
INPUT IC35 00MHC10102090 00MHC10102090 IC
NJM2068MD-TE1
HVINJM2068MDTE1
INPUT IC36 00MHC10102090 00MHC10102090 IC
NJM2068MD-TE1
HVINJM2068MDTE1
INPUT IC37 00MHC10102090 00MHC10102090 IC
NJM2068MD-TE1
HVINJM2068MDTE1
INPUT IC38 00MHC10114530 00MHC10114530 IC
S-80810CNNB
CVIS-80810CNNB
INPUT IC39 00MHC10114530 00MHC10114530 IC
S-80810CNNB
CVIS-80810CNNB
INPUT IC40 90M-HC900150R 90M-HC900150R IC
KIA1117S/F33 REGULATOR(SOT-223)
CVIKIA1117S33
INPUT IC41 943235003810S 943235003810S IC
R2A15218FP
CVIR2A15218FP
INPUT IC42 F B ns
p
00MHC705205Y0 IC
TC74HC4052AFT
CVITC74HC4052AFT
INPUT IC42
/
U1B ns
p
00MHC705205Y0 IC
TC74HC4052AFT
CVITC74HC4052AFT
INPUT IC43 00MHC10102090 00MHC10102090 IC
NJM2068MD-TE1
HVINJM2068MDTE1
INPUT IC44 90M-HC109850R 90M-HC109850R IC
BD3812F
CVIBD3812F
INPUT IC45 00MHC10102090 00MHC10102090 IC
NJM2068MD-TE1
HVINJM2068MDTE1
INPUT IC46 00MHC10102090 00MHC10102090 IC
NJM2068MD-TE1
HVINJM2068MDTE1
INPUT IC47 00MHC10102090 00MHC10102090 IC
NJM2068MD-TE1
HVINJM2068MDTE1
INPUT IC48 00MHC10102090 00MHC10102090 IC
NJM2068MD-TE1
HVINJM2068MDTE1
INPUT IC49 00MHC10102090 00MHC10102090 IC
NJM2068MD-TE1
HVINJM2068MDTE1
INPUT
IC50
90M HC900170R
90M HC900170R
IC
KIA1117S00 RTK/P
CVIKIA1117S00
INPUT
IC50
90M
-
HC900170R
90M
-
HC900170R
IC
KIA1117S00
-
RTK/P
CVIKIA1117S00
INPUT JK11 90M-YT003120R 90M-YT003120R TERMINAL
CINCH 2P JE0200598N
CJJ4N036Z
INPUT JK12 90M-YJ002760R 90M-YJ002760R TERMINAL
STEREO 2P 3.5MM HSJ1002-016020
HJJ1D002Z
INPUT JK21 90M-YT005330R 90M-YT005330R TERMINAL
YKC22-0836V OPT+CINCH RX
CJS9U013Z
INPUT JK22 90M-YT005330R 90M-YT005330R TERMINAL
YKC22-0836V OPT+CINCH RX
CJS9U013Z
INPUT JK23 90M-YT005030R 90M-YT005030R OPT. CONN.
TORX177L
HJSTORX177L
INPUT JK24 90M-YT005310R 90M-YT005310R OPT. CONN.
TOTX177L
HJSTOTX177L
INPUT JK31 90M-YT004050R 90M-YT004050R TERMINAL
RCA-401DA-16
CJJ4P052Z
INPUT JK32 90M-YT005000R 90M-YT005000R TERMINAL
CINCH 8P C/SUB/SBL/SBR
CJJ4P059Z
INP
U
T
J
K
3
4
90
M-YT
00
2
960
R
90
M-YT
00
2
960
R TERMINAL
CINCH 6P AUDIO
CJJ4R019Z
U
J3
90 00 960
90 00 960
INPUT JK35 90M-YT002960R 90M-YT002960R TERMINAL
CINCH 6P AUDIO
CJJ4R019Z
INPUT JK36 90M-YT003230R 90M-YT003230R TERMINAL
CINCH 4P AUDIO
CJJ4P014Y
INPUT JK37 90M-YT003230R 90M-YT003230R TERMINAL
CINCH 4P AUDIO
CJJ4P014Y
INPUT L101 90M-FC900400R 90M-FC900400R FERRITE CORE
BEAD CHIP 60(1608 SIZE)
CLZ9R005Z
INPUT L102 90M-FC900400R 90M-FC900400R FERRITE CORE
BEAD CHIP 60(1608 SIZE)
CLZ9R005Z
INPUT L103 90M-FC900400R 90M-FC900400R FERRITE CORE
BEAD CHIP 60(1608 SIZE)
CLZ9R005Z
INPUT L104 90M-FC900340R 90M-FC900340R FERRITE CORE
HU-1H4516-600JT
CLZ9Z014Z
INPUT L105 90M-FC900340R 90M-FC900340R FERRITE CORE
HU-1H4516-600JT
CLZ9Z014Z
INPUT L106 90M-FC900340R 90M-FC900340R FERRITE CORE
HU-1H4516-600JT
CLZ9Z014Z
INPUT L107 90M-FC900340R 90M-FC900340R FERRITE CORE
HU-1H4516-600JT
CLZ9Z014Z
INPUT L201 90M-FC900340R 90M-FC900340R FERRITE CORE
HU-1H4516-600JT
CLZ9Z014Z
INPUT L202 90M-FC900340R 90M-FC900340R FERRITE CORE
HU-1H4516-600JT
CLZ9Z014Z
INPUT L203 90M-FC900340R 90M-FC900340R FERRITE CORE
HU-1H4516-600JT
CLZ9Z014Z
INPUT L204 90M-FC900340R 90M-FC900340R FERRITE CORE
HU-1H4516-600JT
CLZ9Z014Z
INPUT L205 90M-FC900460R 90M-FC900460R EMI FILTER
CHIP BEAD NFM21PC474R1C3
CLZ9R007Z
INPUT L206 90M-FC900460R 90M-FC900460R EMI FILTER
CHIP BEAD NFM21PC474R1C3
CLZ9R007Z

152
NOTE : "nsp" PART IS LISTED FOR REFERENCE ONLY, MARANTZ WILL NOT SUPPLY THESE PARTS.
P.W.B.
NAME
VERS.
COLOR
PART NO.
(FOR EUR)
PART NO.
(MZ) PART NAME DESCRIPTION
POS. NO.
INPUT L301 ns
p
ns
p
COIL
47UH
HLQ02C470KT
INPUT Q101 90M-HX800010R 90M-HX800010R CHIP TRS.
KRC102S
HVTKRC102S
INPUT Q102 90M-HX600010R 90M-HX600010R CHIP TRS.
KRA102S
HVTKRA102S
INPUT Q103 90M-HX800010R 90M-HX800010R CHIP TRS.
KRC102S
HVTKRC102S
INPUT
Q104
90M HX600010R
90M HX600010R
CHIP TRS
KRA S
INPUT
Q104
90M
-
HX600010R
90M
-
HX600010R
CHIP
TRS
.
KRA
102
S
HVTKRA102S
INPUT Q106 90M-HX600010R 90M-HX600010R CHIP TRS.
KRA102S
HVTKRA102S
INPUT Q107 00MHT30001000 00MHT30001000 TRS.
KTC3199Y
HVTKTC3199YT
INPUT Q108 90M-HX600010R 90M-HX600010R CHIP TRS.
KRA102S
HVTKRA102S
INPUT Q109 90M-HX800010R 90M-HX800010R CHIP TRS.
KRC102S
HVTKRC102S
INPUT Q110 00MHT600121A0 00MHT600121A0 TRS.
KTA1268GR
HVTKTA1268GRT
INPUT Q111 90M-HX600010R 90M-HX600010R CHIP TRS.
KRA102S
HVTKRA102S
INPUT Q114 90M-HX600010R 90M-HX600010R CHIP TRS.
KRA102S
HVTKRA102S
INPUT Q115 90M-HX800010R 90M-HX800010R CHIP TRS.
KRC102S
HVTKRC102S
INPUT
Q116
FB
nsp
90M-HX800010R
CHIP TRS
KRC102S
HVTKRC102S
INPUT
Q116
F
B
nsp
90M-HX800010R
CHIP
TRS
.
KRC102S
HVTKRC102S
INPUT Q116
/
U1B ns
p
90M-HX800010R CHIP TRS.
KRC102S
HVTKRC102S
INPUT Q117 90M-HX600010R 90M-HX600010R CHIP TRS.
KRA102S
HVTKRA102S
INPUT Q401 90M-HX600010R 90M-HX600010R CHIP TRS.
KRA102S
HVTKRA102S
INPUT Q402 00MHT805501B0 00MHT805501B0 TRS.
KTC2874B
HVTKTC2874BT
INPUT Q403 90M-HX800010R 90M-HX800010R CHIP TRS.
KRC102S
HVTKRC102S
INPUT Q404 90M-HX600010R 90M-HX600010R CHIP TRS.
KRA102S
HVTKRA102S
INPUT Q405 00MHF201171D0 00MHF201171D0 TRS.
2SK117-BL
HVT2SK117-BL
INPUT Q406 00MHT805501B0 00MHT805501B0 TRS.
KTC2874B
HVTKTC2874BT
INPUT Q407 00MHT805501B0 00MHT805501B0 TRS.
KTC2874B
HVTKTC2874BT
INPUT Q408 00MHT805501B0 00MHT805501B0 TRS.
KTC2874B
HVTKTC2874BT
INPUT Q409 00MHT805501B0 00MHT805501B0 TRS.
KTC2874B
HVTKTC2874BT
INPUT Q410 00MHT805501B0 00MHT805501B0 TRS.
KTC2874B
HVTKTC2874BT
INPUT Q411 00MHT805501B0 00MHT805501B0 TRS.
KTC2874B
HVTKTC2874BT
INPUT Q412 00MHT805501B0 00MHT805501B0 TRS.
KTC2874B
HVTKTC2874BT
INPUT Q413 00MHT805501B0 00MHT805501B0 TRS.
KTC2874B
HVTKTC2874BT
INPUT Q414 00MHT805501B0 00MHT805501B0 TRS.
KTC2874B
HVTKTC2874BT
INPUT Q415 00MHT805501B0 00MHT805501B0 TRS.
KTC2874B
HVTKTC2874BT
INPUT Q416 00MHT805501B0 00MHT805501B0 TRS.
KTC2874B
HVTKTC2874BT
INPUT Q417 00MHT805501B0 00MHT805501B0 TRS.
KTC2874B
HVTKTC2874BT
INPUT Q418 00MHT805501B0 00MHT805501B0 TRS.
KTC2874B
HVTKTC2874BT
INPUT Q419 00MHT805501B0 00MHT805501B0 TRS.
KTC2874B
HVTKTC2874BT
INPUT Q420 00MHT805501B0 00MHT805501B0 TRS.
KTC2874B
HVTKTC2874BT
INPUT Q421 00MHT805501B0 00MHT805501B0 TRS.
KTC2874B
HVTKTC2874BT
INPUT Q422 00MHT805501B0 00MHT805501B0 TRS.
KTC2874B
HVTKTC2874BT
INPUT Q423 00MHT805501B0 00MHT805501B0 TRS.
KTC2874B
HVTKTC2874BT
INPUT Q424 00MHT805501B0 00MHT805501B0 TRS.
KTC2874B
HVTKTC2874BT
INPUT Q425 00MHT805501B0 00MHT805501B0 TRS.
KTC2874B
HVTKTC2874BT
INPUT
Q426
00D2690193901
00D2690193901
CHIP TRS
KRC104S
CVTKRC104S
INPUT
Q426
00D2690193901
00D2690193901
CHIP
TRS
.
KRC104S
CVTKRC104S
INPUT Q427 90M-HX600010R 90M-HX600010R CHIP TRS.
KRA102S
HVTKRA102S
INPUT Q428 00D2690193901 00D2690193901 CHIP TRS.
KRC104S
CVTKRC104S
INPUT Q429 90M-HX600010R 90M-HX600010R CHIP TRS.
KRA102S
HVTKRA102S
INPUT Q430 00D2690193901 00D2690193901 CHIP TRS.
KRC104S
CVTKRC104S
INPUT Q431 90M-HX600010R 90M-HX600010R CHIP TRS.
KRA102S
HVTKRA102S
INPUT Q432 00D2690193901 00D2690193901 CHIP TRS.
KRC104S
CVTKRC104S
INPUT Q433 90M-HX600010R 90M-HX600010R CHIP TRS.
KRA102S
HVTKRA102S
INPUT Q434 00D2690193901 00D2690193901 CHIP TRS.
KRC104S
CVTKRC104S
INP
U
T
Q
4
35
90
M-HX
6000
1
0
R
90
M-HX
6000
1
0
R
C
HIP TR
S
.
KRA102S
HVTKRA102S
U
Q 35
90 6000 0
90 6000 0
CS
INPUT Q436 00D2690193901 00D2690193901 CHIP TRS.
KRC104S
CVTKRC104S
INPUT Q437 90M-HX600010R 90M-HX600010R CHIP TRS.
KRA102S
HVTKRA102S
INPUT Q438 90M-HX600010R 90M-HX600010R CHIP TRS.
KRA102S
HVTKRA102S
INPUT Q439 90M-HX800010R 90M-HX800010R CHIP TRS.
KRC102S
HVTKRC102S
INPUT Q440 90M-HX600010R 90M-HX600010R CHIP TRS.
KRA102S
HVTKRA102S
INPUT Q441 90M-HX800010R 90M-HX800010R CHIP TRS.
KRC102S
HVTKRC102S
INPUT Q442 90M-HC300970R 90M-HC300970R IC
KIA78S06
CVIKIA78S06PAT
INPUT Q443 90M-HC300980R 90M-HC300980R IC
KIA79S06
CVIKIA79S06PAT
INPUT R101 ns
p
00MNN05473610 CHIP RES.
47K OHM 1/10W J
CRJ10DJ473T
INPUT R103 F B ns
p
00MNN05392610 CHIP RES.
3.9K OHM 1/10W J
CRJ10DJ392T
INPUT R103
/
K1SG ns
p
00MNN05272610 CHIP RES.
2.7K OHM 1/10W J
CRJ10DJ272T
INPUT R103
/
N1B ns
p
00MNN05822610 CHIP RES.
8.2K OHM 1/10W J
CRJ10DJ822T
INPUT R103
/
N1SG ns
p
00MNN05822610 CHIP RES.
8.2K OHM 1/10W J
CRJ10DJ822T
INPUT R104 F B ns
p
00MNN05562610 CHIP RES.
5.6K OHM 1/10W J
CRJ10DJ562T
INPUT R104
/
K1SG ns
p
00MNN05682610 CHIP RES.
6.8K OHM 1/10W J
CRJ10DJ682T
INPUT R104
/
N1B ns
p
00MNN05222610 CHIP RES.
2.2K OHM 1/10W J
CRJ10DJ222T

153
NOTE : "nsp" PART IS LISTED FOR REFERENCE ONLY, MARANTZ WILL NOT SUPPLY THESE PARTS.
P.W.B.
NAME
VERS.
COLOR
PART NO.
(FOR EUR)
PART NO.
(MZ) PART NAME DESCRIPTION
POS. NO.
INPUT R104
/
N1SG ns
p
00MNN05222610 CHIP RES.
2.2K OHM 1/10W J
CRJ10DJ222T
INPUT R104
/
U1B ns
p
00MNN05000610 CHIP RES.
0 OHM 1/10W J
CRJ10DJ0R0T
INPUT R106 ns
p
00MNN05473610 CHIP RES.
47K OHM 1/10W J
CRJ10DJ473T
INPUT R107 ns
p
00MNN05472610 CHIP RES.
4.7K OHM 1/10W J
CRJ10DJ472T
INPUT
R108
00MNN05000610
CHIP RES
OHM / W J
INPUT
R108
ns
p
00MNN05000610
CHIP
RES
.
0
OHM
1
/
10
W
J
CRJ10DJ0R0T
INPUT R109 ns
p
00MNN05105610 CHIP RES.
1M OHM 1/10W J
CRJ10DJ105T
INPUT R110 ns
p
00MNN05473610 CHIP RES.
47K OHM 1/10W J
CRJ10DJ473T
INPUT R111 ns
p
00MNN05103610 CHIP RES.
10K OHM 1/10W J
CRJ10DJ103T
INPUT R112 ns
p
00MNN05103610 CHIP RES.
10K OHM 1/10W J
CRJ10DJ103T
INPUT R114 ns
p
00MNN05000610 CHIP RES.
0 OHM 1/10W J
CRJ10DJ0R0T
INPUT R115 ns
p
00MNN05103610 CHIP RES.
10K OHM 1/10W J
CRJ10DJ103T
INPUT R116 ns
p
00MNN05330610 CHIP RES.
33 OHM 1/10W J
CRJ10DJ330T
INPUT R117 ns
p
00MNN05330610 CHIP RES.
33 OHM 1/10W J
CRJ10DJ330T
INPUT
R118
nsp
00MNN05473610
CHIP RES
47K OHM 1/10W J
CRJ10DJ473T
INPUT
R118
nsp
00MNN05473610
CHIP
RES
.
47K
OHM
1/10W
J
CRJ10DJ473T
INPUT R119 ns
p
00MNN05330610 CHIP RES.
33 OHM 1/10W J
CRJ10DJ330T
INPUT R120 ns
p
00MNN05333610 CHIP RES.
33K OHM 1/10W J
CRJ10DJ333T
INPUT R121 ns
p
00MNN05333610 CHIP RES.
33K OHM 1/10W J
CRJ10DJ333T
INPUT R122 ns
p
00MNN05333610 CHIP RES.
33K OHM 1/10W J
CRJ10DJ333T
INPUT R123 ns
p
00MNN05333610 CHIP RES.
33K OHM 1/10W J
CRJ10DJ333T
INPUT R124 ns
p
00MNN05152610 CHIP RES.
1.5K OHM 1/10W J
CRJ10DJ152T
INPUT R125 ns
p
00MNN05472610 CHIP RES.
4.7K OHM 1/10W J
CRJ10DJ472T
INPUT R126 ns
p
00MNN05473610 CHIP RES.
47K OHM 1/10W J
CRJ10DJ473T
INPUT R127 ns
p
00MNN05103610 CHIP RES.
10K OHM 1/10W J
CRJ10DJ103T
p
INPUT R128 ns
p
00MNN05103610 CHIP RES.
10K OHM 1/10W J
CRJ10DJ103T
INPUT R129 ns
p
00MNN05473610 CHIP RES.
47K OHM 1/10W J
CRJ10DJ473T
INPUT R130 ns
p
00MNN05472610 CHIP RES.
4.7K OHM 1/10W J
CRJ10DJ472T
INPUT R131 ns
p
00MNN05472610 CHIP RES.
4.7K OHM 1/10W J
CRJ10DJ472T
INPUT R132 ns
p
00MNN05472610 CHIP RES.
4.7K OHM 1/10W J
CRJ10DJ472T
INPUT R133 ns
p
00MNN05101610 CHIP RES.
100 OHM 1/10W J
CRJ10DJ101T
INPUT R134 ns
p
00MNN05101610 CHIP RES.
100 OHM 1/10W J
CRJ10DJ101T
INPUT R135 ns
p
00MNN05101610 CHIP RES.
100 OHM 1/10W J
CRJ10DJ101T
INPUT R136 ns
p
00MNN05101610 CHIP RES.
100 OHM 1/10W J
CRJ10DJ101T
INPUT R137 ns
p
00MNN05473610 CHIP RES.
47K OHM 1/10W J
CRJ10DJ473T
INPUT R138 ns
p
00MNN05473610 CHIP RES.
47K OHM 1/10W J
CRJ10DJ473T
INPUT R139 ns
p
00MNN05102610 CHIP RES.
1K OHM 1/10W J
CRJ10DJ102T
INPUT R140 ns
p
00MNN05152610 CHIP RES.
1.5K OHM 1/10W J
CRJ10DJ152T
INPUT R141 ns
p
00MNN05332610 CHIP RES.
3.3K OHM 1/10W J
CRJ10DJ332T
INPUT R142
/
K1SG ns
p
00MNN05223610 CHIP RES.
22K OHM 1/10W J
CRJ10DJ223T
INPUT R142
/
N1B ns
p
00MNN05223610 CHIP RES.
22K OHM 1/10W J
CRJ10DJ223T
INPUT R142
/
N1SG ns
p
00MNN05223610 CHIP RES.
22K OHM 1/10W J
CRJ10DJ223T
INPUT R143
/
K1SG ns
p
00MNN05223610 CHIP RES.
22K OHM 1/10W J
CRJ10DJ223T
INPUT
R143
/N1B
nsp
00MNN05223610
CHIP RES
22K OHM 1/10W J
CRJ10DJ223T
INPUT
R143
/N1B
nsp
00MNN05223610
CHIP
RES
.
22K
OHM
1/10W
J
CRJ10DJ223T
INPUT R143
/
N1SG ns
p
00MNN05223610 CHIP RES.
22K OHM 1/10W J
CRJ10DJ223T
INPUT R144 ns
p
00MNN05223610 CHIP RES.
22K OHM 1/10W J
CRJ10DJ223T
INPUT R145 ns
p
ns
p
RES.
10 OHM 1/4W J CARBON
CRD25TJ100T
INPUT R146 ns
p
00MNN05683610 CHIP RES.
68K OHM 1/10W J
CRJ10DJ683T
INPUT R147 ns
p
00MNN05222610 CHIP RES.
2.2K OHM 1/10W J
CRJ10DJ222T
INPUT R148 ns
p
00MNN05223610 CHIP RES.
22K OHM 1/10W J
CRJ10DJ223T
INPUT R149 ns
p
00MNN05223610 CHIP RES.
22K OHM 1/10W J
CRJ10DJ223T
INPUT R150 ns
p
00MNN05222610 CHIP RES.
2.2K OHM 1/10W J
CRJ10DJ222T
INP
U
T R1
5
1n
sp
00
MNN
0533
2
6
1
0
C
HIP RE
S
.
3.3K OHM 1/10W J
CRJ10DJ332T
U
5
sp
00 0533 6 0
CS
INPUT R152 ns
p
00MNN05473610 CHIP RES.
47K OHM 1/10W J
CRJ10DJ473T
INPUT R153 ns
p
00MNN05473610 CHIP RES.
47K OHM 1/10W J
CRJ10DJ473T
INPUT R154 ns
p
00MNN05473610 CHIP RES.
47K OHM 1/10W J
CRJ10DJ473T
INPUT R155 ns
p
00MNN05473610 CHIP RES.
47K OHM 1/10W J
CRJ10DJ473T
INPUT R156 ns
p
00MNN05103610 CHIP RES.
10K OHM 1/10W J
CRJ10DJ103T
INPUT R157 ns
p
00MNN05103610 CHIP RES.
10K OHM 1/10W J
CRJ10DJ103T
INPUT R158 ns
p
00MNN05102610 CHIP RES.
1K OHM 1/10W J
CRJ10DJ102T
INPUT R159 ns
p
00MNN05473610 CHIP RES.
47K OHM 1/10W J
CRJ10DJ473T
INPUT R161 ns
p
00MNN05103610 CHIP RES.
10K OHM 1/10W J
CRJ10DJ103T
INPUT R162 ns
p
00MNN05103610 CHIP RES.
10K OHM 1/10W J
CRJ10DJ103T
INPUT R163 ns
p
00MNN05473610 CHIP RES.
47K OHM 1/10W J
CRJ10DJ473T
INPUT R164 ns
p
00MNN05103610 CHIP RES.
10K OHM 1/10W J
CRJ10DJ103T
INPUT R166 ns
p
00MNN05470610 CHIP RES.
47 OHM 1/10W J
CRJ10DJ470T
INPUT R167 ns
p
00MNN05473610 CHIP RES.
47K OHM 1/10W J
CRJ10DJ473T
INPUT R168 ns
p
00MNN05183610 CHIP RES.
18K OHM 1/10W J
CRJ10DJ183T
INPUT R169 ns
p
00MNN05473610 CHIP RES.
47K OHM 1/10W J
CRJ10DJ473T

154
NOTE : "nsp" PART IS LISTED FOR REFERENCE ONLY, MARANTZ WILL NOT SUPPLY THESE PARTS.
P.W.B.
NAME
VERS.
COLOR
PART NO.
(FOR EUR)
PART NO.
(MZ) PART NAME DESCRIPTION
POS. NO.
INPUT R170 ns
p
00MNN05101610 CHIP RES.
100 OHM 1/10W J
CRJ10DJ101T
INPUT R171 ns
p
00MNN05101610 CHIP RES.
100 OHM 1/10W J
CRJ10DJ101T
INPUT R172 ns
p
00MNN05101610 CHIP RES.
100 OHM 1/10W J
CRJ10DJ101T
INPUT R173 ns
p
00MNN05221610 CHIP RES.
220 OHM 1/10W J
CRJ10DJ221T
INPUT
R174
00MNN05221610
CHIP RES
OHM / W J
INPUT
R174
ns
p
00MNN05221610
CHIP
RES
.
220
OHM
1
/
10
W
J
CRJ10DJ221T
INPUT R175 ns
p
00MNN05220610 CHIP RES.
22 OHM 1/10W J
CRJ10DJ220T
INPUT R176 ns
p
00MNN05220610 CHIP RES.
22 OHM 1/10W J
CRJ10DJ220T
INPUT R177 ns
p
00MNN05103610 CHIP RES.
10K OHM 1/10W J
CRJ10DJ103T
INPUT R178 ns
p
00MNN05223610 CHIP RES.
22K OHM 1/10W J
CRJ10DJ223T
INPUT R179 ns
p
00MNN05682610 CHIP RES.
6.8K OHM 1/10W J
CRJ10DJ682T
INPUT R180 ns
p
00MNN05047610 CHIP RES.
4.7 OHM 1/10W J
CRJ10DJ4R7T
INPUT R181 ns
p
00MNN05047610 CHIP RES.
4.7 OHM 1/10W J
CRJ10DJ4R7T
INPUT R182 ns
p
00MNN05102610 CHIP RES.
1K OHM 1/10W J
CRJ10DJ102T
INPUT
R183
nsp
00MNN05000610
CHIP RES
0 OHM 1/10W J
CRJ10DJ0R0T
INPUT
R183
nsp
00MNN05000610
CHIP
RES
.
0
OHM
1/10W
J
CRJ10DJ0R0T
INPUT R184 ns
p
00MNN05473610 CHIP RES.
47K OHM 1/10W J
CRJ10DJ473T
INPUT R185 ns
p
00MNN05473610 CHIP RES.
47K OHM 1/10W J
CRJ10DJ473T
INPUT R186 ns
p
00MNN05472610 CHIP RES.
4.7K OHM 1/10W J
CRJ10DJ472T
INPUT R187 ns
p
00MNN05472610 CHIP RES.
4.7K OHM 1/10W J
CRJ10DJ472T
INPUT R188 ns
p
00MNN05332610 CHIP RES.
3.3K OHM 1/10W J
CRJ10DJ332T
INPUT R189 ns
p
00MNN05682610 CHIP RES.
6.8K OHM 1/10W J
CRJ10DJ682T
INPUT R190 ns
p
00MNN05000610 CHIP RES.
0 OHM 1/10W J
CRJ10DJ0R0T
INPUT R192 ns
p
00MNN05473610 CHIP RES.
47K OHM 1/10W J
CRJ10DJ473T
INPUT R193 ns
p
00MNN05473610 CHIP RES.
47K OHM 1/10W J
CRJ10DJ473T
p
INPUT R194 ns
p
00MNN05000610 CHIP RES.
0 OHM 1/10W J
CRJ10DJ0R0T
INPUT R195 ns
p
00MNN05000610 CHIP RES.
0 OHM 1/10W J
CRJ10DJ0R0T
INPUT R201 ns
p
00MNN05750610 CHIP RES.
75 OHM 1/10W J
CRJ10DJ750T
INPUT R202 ns
p
00MNN05102610 CHIP RES.
1K OHM 1/10W J
CRJ10DJ102T
INPUT R203 ns
p
00MNN05100610 CHIP RES.
10 OHM 1/10W J
CRJ10DJ100T
INPUT R204 ns
p
00MNN05330610 CHIP RES.
33 OHM 1/10W J
CRJ10DJ330T
INPUT R205 ns
p
00MNN05750610 CHIP RES.
75 OHM 1/10W J
CRJ10DJ750T
INPUT R206 ns
p
00MNN05102610 CHIP RES.
1K OHM 1/10W J
CRJ10DJ102T
INPUT R207 ns
p
00MNN05100610 CHIP RES.
10 OHM 1/10W J
CRJ10DJ100T
INPUT R208 ns
p
00MNN05330610 CHIP RES.
33 OHM 1/10W J
CRJ10DJ330T
INPUT R209 ns
p
00MNN05100610 CHIP RES.
10 OHM 1/10W J
CRJ10DJ100T
INPUT R210 ns
p
00MNN05330610 CHIP RES.
33 OHM 1/10W J
CRJ10DJ330T
INPUT R211 ns
p
00MNN05104610 CHIP RES.
100K OHM 1/10W J
CRJ10DJ104T
INPUT R212 ns
p
00MNN05472610 CHIP RES.
4.7K OHM 1/10W J
CRJ10DJ472T
INPUT R213 ns
p
00MNN05104610 CHIP RES.
100K OHM 1/10W J
CRJ10DJ104T
INPUT R214 ns
p
00MNN05472610 CHIP RES.
4.7K OHM 1/10W J
CRJ10DJ472T
INPUT R215 ns
p
00MNN05330610 CHIP RES.
33 OHM 1/10W J
CRJ10DJ330T
INPUT R216 ns
p
00MNN05330610 CHIP RES.
33 OHM 1/10W J
CRJ10DJ330T
INPUT
R217
nsp
00MNN05100610
CHIP RES
10 OHM 1/10W J
CRJ10DJ100T
INPUT
R217
nsp
00MNN05100610
CHIP
RES
.
10
OHM
1/10W
J
CRJ10DJ100T
INPUT R219 ns
p
00MNN05332610 CHIP RES.
3.3K OHM 1/10W J
CRJ10DJ332T
INPUT R221 ns
p
00MNN05222610 CHIP RES.
2.2K OHM 1/10W J
CRJ10DJ222T
INPUT R222 ns
p
00MNN05272610 CHIP RES.
2.7K OHM 1/10W J
CRJ10DJ272T
INPUT R223 ns
p
00MNN05101610 CHIP RES.
100 OHM 1/10W J
CRJ10DJ101T
INPUT R224 ns
p
00MNN05472610 CHIP RES.
4.7K OHM 1/10W J
CRJ10DJ472T
INPUT R225 ns
p
00MNN05472610 CHIP RES.
4.7K OHM 1/10W J
CRJ10DJ472T
INPUT R226 ns
p
00MNN05101610 CHIP RES.
100 OHM 1/10W J
CRJ10DJ101T
INPUT R227 ns
p
00MNN05472610 CHIP RES.
4.7K OHM 1/10W J
CRJ10DJ472T
INP
U
T R22
8
n
sp
00
MNN
0539
2
6
1
0
C
HIP RE
S
.
3.9K OHM 1/10W J
CRJ10DJ392T
U
8
sp
00 0539 6 0
CS
INPUT R229 ns
p
00MNN05332610 CHIP RES.
3.3K OHM 1/10W J
CRJ10DJ332T
INPUT R231 ns
p
00MNN05222610 CHIP RES.
2.2K OHM 1/10W J
CRJ10DJ222T
INPUT R232 ns
p
00MNN05272610 CHIP RES.
2.7K OHM 1/10W J
CRJ10DJ272T
INPUT R233 ns
p
00MNN05101610 CHIP RES.
100 OHM 1/10W J
CRJ10DJ101T
INPUT R234 ns
p
00MNN05472610 CHIP RES.
4.7K OHM 1/10W J
CRJ10DJ472T
INPUT R235 ns
p
00MNN05472610 CHIP RES.
4.7K OHM 1/10W J
CRJ10DJ472T
INPUT R236 ns
p
00MNN05101610 CHIP RES.
100 OHM 1/10W J
CRJ10DJ101T
INPUT R237 ns
p
00MNN05101610 CHIP RES.
100 OHM 1/10W J
CRJ10DJ101T
INPUT R238 ns
p
00MNN05221610 CHIP RES.
220 OHM 1/10W J
CRJ10DJ221T
INPUT R239 ns
p
00MNN05105610 CHIP RES.
1M OHM 1/10W J
CRJ10DJ105T
INPUT R240 ns
p
00MNN05330610 CHIP RES.
33 OHM 1/10W J
CRJ10DJ330T
INPUT R241 ns
p
00MNN05330610 CHIP RES.
33 OHM 1/10W J
CRJ10DJ330T
INPUT R242 ns
p
00MNN05330610 CHIP RES.
33 OHM 1/10W J
CRJ10DJ330T
INPUT R243 ns
p
00MNN05330610 CHIP RES.
33 OHM 1/10W J
CRJ10DJ330T
INPUT R244 ns
p
00MNN05000610 CHIP RES.
0 OHM 1/10W J
CRJ10DJ0R0T
INPUT R245 ns
p
00MNN05152610 CHIP RES.
1.5K OHM 1/10W J
CRJ10DJ152T

155
NOTE : "nsp" PART IS LISTED FOR REFERENCE ONLY, MARANTZ WILL NOT SUPPLY THESE PARTS.
P.W.B.
NAME
VERS.
COLOR
PART NO.
(FOR EUR)
PART NO.
(MZ) PART NAME DESCRIPTION
POS. NO.
INPUT R248 ns
p
00MNN05330610 CHIP RES.
33 OHM 1/10W J
CRJ10DJ330T
INPUT R249 ns
p
00MNN05101610 CHIP RES.
100 OHM 1/10W J
CRJ10DJ101T
INPUT R250 ns
p
00MNN05102610 CHIP RES.
1K OHM 1/10W J
CRJ10DJ102T
INPUT R251 ns
p
00MNN05102610 CHIP RES.
1K OHM 1/10W J
CRJ10DJ102T
INPUT
R252
00MNN05330610
CHIP RES
OHM / W J
INPUT
R252
ns
p
00MNN05330610
CHIP
RES
.
33
OHM
1
/
10
W
J
CRJ10DJ330T
INPUT R253 ns
p
00MNN05330610 CHIP RES.
33 OHM 1/10W J
CRJ10DJ330T
INPUT R255 ns
p
00MNN05332610 CHIP RES.
3.3K OHM 1/10W J
CRJ10DJ332T
INPUT R256 ns
p
00MNN05332610 CHIP RES.
3.3K OHM 1/10W J
CRJ10DJ332T
INPUT R257 ns
p
00MNN05332610 CHIP RES.
3.3K OHM 1/10W J
CRJ10DJ332T
INPUT R258 ns
p
00MNN05332610 CHIP RES.
3.3K OHM 1/10W J
CRJ10DJ332T
INPUT R259 ns
p
00MNN05682610 CHIP RES.
6.8K OHM 1/10W J
CRJ10DJ682T
INPUT R260 ns
p
00MNN05682610 CHIP RES.
6.8K OHM 1/10W J
CRJ10DJ682T
INPUT R261 ns
p
00MNN05152610 CHIP RES.
1.5K OHM 1/10W J
CRJ10DJ152T
INPUT
R262
nsp
00MNN05152610
CHIP RES
1 5K OHM 1/10W J
CRJ10DJ152T
INPUT
R262
nsp
00MNN05152610
CHIP
RES
.
1
.
5K
OHM
1/10W
J
CRJ10DJ152T
INPUT R263 ns
p
00MNN05152610 CHIP RES.
1.5K OHM 1/10W J
CRJ10DJ152T
INPUT R264 ns
p
00MNN05682610 CHIP RES.
6.8K OHM 1/10W J
CRJ10DJ682T
INPUT R265 ns
p
00MNN05000610 CHIP RES.
0 OHM 1/10W J
CRJ10DJ0R0T
INPUT R266 ns
p
00MNN05682610 CHIP RES.
6.8K OHM 1/10W J
CRJ10DJ682T
INPUT R267 ns
p
00MNN05000610 CHIP RES.
0 OHM 1/10W J
CRJ10DJ0R0T
INPUT R268 ns
p
00MNN05152610 CHIP RES.
1.5K OHM 1/10W J
CRJ10DJ152T
INPUT R269 ns
p
00MNN05101610 CHIP RES.
100 OHM 1/10W J
CRJ10DJ101T
INPUT R270 ns
p
00MNN05101610 CHIP RES.
100 OHM 1/10W J
CRJ10DJ101T
INPUT R271 ns
p
00MNN05104610 CHIP RES.
100K OHM 1/10W J
CRJ10DJ104T
p
INPUT R272 ns
p
00MNN05104610 CHIP RES.
100K OHM 1/10W J
CRJ10DJ104T
INPUT R273 ns
p
00MNN05332610 CHIP RES.
3.3K OHM 1/10W J
CRJ10DJ332T
INPUT R274 ns
p
00MNN05332610 CHIP RES.
3.3K OHM 1/10W J
CRJ10DJ332T
INPUT R275 ns
p
00MNN05332610 CHIP RES.
3.3K OHM 1/10W J
CRJ10DJ332T
INPUT R276 ns
p
00MNN05332610 CHIP RES.
3.3K OHM 1/10W J
CRJ10DJ332T
INPUT R277 ns
p
00MNN05682610 CHIP RES.
6.8K OHM 1/10W J
CRJ10DJ682T
INPUT R278 ns
p
00MNN05682610 CHIP RES.
6.8K OHM 1/10W J
CRJ10DJ682T
INPUT R279 ns
p
00MNN05152610 CHIP RES.
1.5K OHM 1/10W J
CRJ10DJ152T
INPUT R280 ns
p
00MNN05152610 CHIP RES.
1.5K OHM 1/10W J
CRJ10DJ152T
INPUT R281 ns
p
00MNN05152610 CHIP RES.
1.5K OHM 1/10W J
CRJ10DJ152T
INPUT R282 ns
p
00MNN05682610 CHIP RES.
6.8K OHM 1/10W J
CRJ10DJ682T
INPUT R283 ns
p
00MNN05000610 CHIP RES.
0 OHM 1/10W J
CRJ10DJ0R0T
INPUT R284 ns
p
00MNN05152610 CHIP RES.
1.5K OHM 1/10W J
CRJ10DJ152T
INPUT R285 ns
p
00MNN05682610 CHIP RES.
6.8K OHM 1/10W J
CRJ10DJ682T
INPUT R286 ns
p
00MNN05000610 CHIP RES.
0 OHM 1/10W J
CRJ10DJ0R0T
INPUT R287 ns
p
00MNN05101610 CHIP RES.
100 OHM 1/10W J
CRJ10DJ101T
INPUT R288 ns
p
00MNN05101610 CHIP RES.
100 OHM 1/10W J
CRJ10DJ101T
INPUT R289 ns
p
00MNN05104610 CHIP RES.
100K OHM 1/10W J
CRJ10DJ104T
INPUT
R290
nsp
00MNN05104610
CHIP RES
100K OHM 1/10W J
CRJ10DJ104T
INPUT
R290
nsp
00MNN05104610
CHIP
RES
.
100K
OHM
1/10W
J
CRJ10DJ104T
INPUT R291 ns
p
00MNN05332610 CHIP RES.
3.3K OHM 1/10W J
CRJ10DJ332T
INPUT R292 ns
p
00MNN05332610 CHIP RES.
3.3K OHM 1/10W J
CRJ10DJ332T
INPUT R293 ns
p
00MNN05332610 CHIP RES.
3.3K OHM 1/10W J
CRJ10DJ332T
INPUT R294 ns
p
00MNN05332610 CHIP RES.
3.3K OHM 1/10W J
CRJ10DJ332T
INPUT R295 ns
p
00MNN05682610 CHIP RES.
6.8K OHM 1/10W J
CRJ10DJ682T
INPUT R296 ns
p
00MNN05682610 CHIP RES.
6.8K OHM 1/10W J
CRJ10DJ682T
INPUT R297 ns
p
00MNN05152610 CHIP RES.
1.5K OHM 1/10W J
CRJ10DJ152T
INPUT R298 ns
p
00MNN05152610 CHIP RES.
1.5K OHM 1/10W J
CRJ10DJ152T
INP
U
T R2
99
n
sp
00
MNN
05
1
5
2
6
1
0
C
HIP RE
S
.
1.5K OHM 1/10W J
CRJ10DJ152T
U
99
sp
00 05560
CS
INPUT R300 ns
p
00MNN05682610 CHIP RES.
6.8K OHM 1/10W J
CRJ10DJ682T
INPUT R301 ns
p
00MNN05000610 CHIP RES.
0 OHM 1/10W J
CRJ10DJ0R0T
INPUT R302 ns
p
00MNN05152610 CHIP RES.
1.5K OHM 1/10W J
CRJ10DJ152T
INPUT R303 ns
p
00MNN05682610 CHIP RES.
6.8K OHM 1/10W J
CRJ10DJ682T
INPUT R304 ns
p
00MNN05000610 CHIP RES.
0 OHM 1/10W J
CRJ10DJ0R0T
INPUT R305 ns
p
00MNN05101610 CHIP RES.
100 OHM 1/10W J
CRJ10DJ101T
INPUT R306 ns
p
00MNN05101610 CHIP RES.
100 OHM 1/10W J
CRJ10DJ101T
INPUT R307 ns
p
00MNN05104610 CHIP RES.
100K OHM 1/10W J
CRJ10DJ104T
INPUT R308 ns
p
00MNN05104610 CHIP RES.
100K OHM 1/10W J
CRJ10DJ104T
INPUT R309 ns
p
00MNN05332610 CHIP RES.
3.3K OHM 1/10W J
CRJ10DJ332T
INPUT R310 ns
p
00MNN05332610 CHIP RES.
3.3K OHM 1/10W J
CRJ10DJ332T
INPUT R311 ns
p
00MNN05332610 CHIP RES.
3.3K OHM 1/10W J
CRJ10DJ332T
INPUT R312 ns
p
00MNN05332610 CHIP RES.
3.3K OHM 1/10W J
CRJ10DJ332T
INPUT R313 ns
p
00MNN05682610 CHIP RES.
6.8K OHM 1/10W J
CRJ10DJ682T
INPUT R314 ns
p
00MNN05682610 CHIP RES.
6.8K OHM 1/10W J
CRJ10DJ682T
INPUT R315 ns
p
00MNN05152610 CHIP RES.
1.5K OHM 1/10W J
CRJ10DJ152T

156
NOTE : "nsp" PART IS LISTED FOR REFERENCE ONLY, MARANTZ WILL NOT SUPPLY THESE PARTS.
P.W.B.
NAME
VERS.
COLOR
PART NO.
(FOR EUR)
PART NO.
(MZ) PART NAME DESCRIPTION
POS. NO.
INPUT R316 ns
p
00MNN05152610 CHIP RES.
1.5K OHM 1/10W J
CRJ10DJ152T
INPUT R317 ns
p
00MNN05000610 CHIP RES.
0 OHM 1/10W J
CRJ10DJ0R0T
INPUT R318 ns
p
00MNN05682610 CHIP RES.
6.8K OHM 1/10W J
CRJ10DJ682T
INPUT R319 ns
p
00MNN05152610 CHIP RES.
1.5K OHM 1/10W J
CRJ10DJ152T
INPUT
R320
00MNN05000610
CHIP RES
OHM / W J
INPUT
R320
ns
p
00MNN05000610
CHIP
RES
.
0
OHM
1
/
10
W
J
CRJ10DJ0R0T
INPUT R321 ns
p
00MNN05682610 CHIP RES.
6.8K OHM 1/10W J
CRJ10DJ682T
INPUT R322 ns
p
00MNN05152610 CHIP RES.
1.5K OHM 1/10W J
CRJ10DJ152T
INPUT R323 ns
p
00MNN05101610 CHIP RES.
100 OHM 1/10W J
CRJ10DJ101T
INPUT R324 ns
p
00MNN05101610 CHIP RES.
100 OHM 1/10W J
CRJ10DJ101T
INPUT R325 ns
p
00MNN05104610 CHIP RES.
100K OHM 1/10W J
CRJ10DJ104T
INPUT R326 ns
p
00MNN05104610 CHIP RES.
100K OHM 1/10W J
CRJ10DJ104T
INPUT R327 ns
p
00MNN05473610 CHIP RES.
47K OHM 1/10W J
CRJ10DJ473T
INPUT R328 ns
p
00MNN05473610 CHIP RES.
47K OHM 1/10W J
CRJ10DJ473T
INPUT
R329
nsp
00MNN05101610
CHIP RES
100 OHM 1/10W J
CRJ10DJ101T
INPUT
R329
nsp
00MNN05101610
CHIP
RES
.
100
OHM
1/10W
J
CRJ10DJ101T
INPUT R330 ns
p
00MNN05101610 CHIP RES.
100 OHM 1/10W J
CRJ10DJ101T
INPUT R331 ns
p
00MNN05473610 CHIP RES.
47K OHM 1/10W J
CRJ10DJ473T
INPUT R332 ns
p
00MNN05473610 CHIP RES.
47K OHM 1/10W J
CRJ10DJ473T
INPUT R333 ns
p
00MNN05101610 CHIP RES.
100 OHM 1/10W J
CRJ10DJ101T
INPUT R336 ns
p
00MNN05560610 CHIP RES.
56 OHM 1/10W J
CRJ10DJ560T
INPUT R337 ns
p
00MNN05101610 CHIP RES.
100 OHM 1/10W J
CRJ10DJ101T
INPUT R344 ns
p
00MNN05560610 CHIP RES.
56 OHM 1/10W J
CRJ10DJ560T
INPUT R345 ns
p
00MNN05560610 CHIP RES.
56 OHM 1/10W J
CRJ10DJ560T
INPUT R346 ns
p
00MNN05330610 CHIP RES.
33 OHM 1/10W J
CRJ10DJ330T
p
INPUT R347 ns
p
00MNN05104610 CHIP RES.
100K OHM 1/10W J
CRJ10DJ104T
INPUT R348 ns
p
00MNN05103610 CHIP RES.
10K OHM 1/10W J
CRJ10DJ103T
INPUT R349 ns
p
00MNN05103610 CHIP RES.
10K OHM 1/10W J
CRJ10DJ103T
INPUT R350 ns
p
00MNN05103610 CHIP RES.
10K OHM 1/10W J
CRJ10DJ103T
INPUT R351 ns
p
00MNN05103610 CHIP RES.
10K OHM 1/10W J
CRJ10DJ103T
INPUT R352 ns
p
00MNN05103610 CHIP RES.
10K OHM 1/10W J
CRJ10DJ103T
INPUT R353 ns
p
00MNN05000610 CHIP RES.
0 OHM 1/10W J
CRJ10DJ0R0T
INPUT R354 ns
p
00MNN05103610 CHIP RES.
10K OHM 1/10W J
CRJ10DJ103T
INPUT R355 ns
p
00MNN05330610 CHIP RES.
33 OHM 1/10W J
CRJ10DJ330T
INPUT R356 ns
p
00MNN05105610 CHIP RES.
1M OHM 1/10W J
CRJ10DJ105T
INPUT R357 ns
p
00MNN05271610 CHIP RES.
270 OHM +-5% 1/16W
CRJ10DJ271T
INPUT R358 ns
p
00MNN05103610 CHIP RES.
10K OHM 1/10W J
CRJ10DJ103T
INPUT R359 ns
p
00MNN05103610 CHIP RES.
10K OHM 1/10W J
CRJ10DJ103T
INPUT R360 ns
p
00MNN05103610 CHIP RES.
10K OHM 1/10W J
CRJ10DJ103T
INPUT R361 ns
p
00MNN05103610 CHIP RES.
10K OHM 1/10W J
CRJ10DJ103T
INPUT R362 ns
p
00MNN05103610 CHIP RES.
10K OHM 1/10W J
CRJ10DJ103T
INPUT R363 ns
p
00MNN05103610 CHIP RES.
10K OHM 1/10W J
CRJ10DJ103T
INPUT R364 ns
p
00MNN05101610 CHIP RES.
100 OHM 1/10W J
CRJ10DJ101T
INPUT
R365
nsp
00MNN05101610
CHIP RES
100 OHM 1/10W J
CRJ10DJ101T
INPUT
R365
nsp
00MNN05101610
CHIP
RES
.
100
OHM
1/10W
J
CRJ10DJ101T
INPUT R366 ns
p
00MNN05103610 CHIP RES.
10K OHM 1/10W J
CRJ10DJ103T
INPUT R367 ns
p
00MNN05103610 CHIP RES.
10K OHM 1/10W J
CRJ10DJ103T
INPUT R368 ns
p
00MNN05103610 CHIP RES.
10K OHM 1/10W J
CRJ10DJ103T
INPUT R369 ns
p
00MNN05103610 CHIP RES.
10K OHM 1/10W J
CRJ10DJ103T
INPUT R370 ns
p
00MNN05103610 CHIP RES.
10K OHM 1/10W J
CRJ10DJ103T
INPUT R371 ns
p
00MNN05103610 CHIP RES.
10K OHM 1/10W J
CRJ10DJ103T
INPUT R372 ns
p
00MNN05103610 CHIP RES.
10K OHM 1/10W J
CRJ10DJ103T
INPUT R373 ns
p
00MNN05103610 CHIP RES.
10K OHM 1/10W J
CRJ10DJ103T
INP
U
TR
3
74 n
sp
00
MNN
05
222
6
1
0
C
HIP RE
S
.
2.2K OHM 1/10W J
CRJ10DJ222T
U
3
sp
00 05 6 0
CS
INPUT R375 ns
p
00MNN05223610 CHIP RES.
22K OHM 1/10W J
CRJ10DJ223T
INPUT R376 ns
p
00MNN05183610 CHIP RES.
18K OHM 1/10W J
CRJ10DJ183T
INPUT R377 ns
p
00MNN05103610 CHIP RES.
10K OHM 1/10W J
CRJ10DJ103T
INPUT R378 ns
p
00MNN05222610 CHIP RES.
2.2K OHM 1/10W J
CRJ10DJ222T
INPUT R379 00MNM1033G020 00MNM1033G020 CHIP RES.
3.3 OHM 1%
CRJ10DF3R30T
INPUT R380 00MNM12200020 00MNM12200020 CHIP RES.
220 OHM 1%
CRJ10DF2200T
INPUT R381 ns
p
00MNN05000610 CHIP RES.
0 OHM 1/10W J
CRJ10DJ0R0T
INPUT R382 ns
p
00MNN05103610 CHIP RES.
10K OHM 1/10W J
CRJ10DJ103T
INPUT R383 ns
p
00MNN05000610 CHIP RES.
0 OHM 1/10W J
CRJ10DJ0R0T
INPUT R384 ns
p
00MNN05000610 CHIP RES.
0 OHM 1/10W J
CRJ10DJ0R0T
INPUT R385 ns
p
00MNN05000610 CHIP RES.
0 OHM 1/10W J
CRJ10DJ0R0T
INPUT R386 ns
p
00MNN05000610 CHIP RES.
0 OHM 1/10W J
CRJ10DJ0R0T
INPUT R387 ns
p
00MNN05000610 CHIP RES.
0 OHM 1/10W J
CRJ10DJ0R0T
INPUT R389 ns
p
00MNN05223610 CHIP RES.
22K OHM 1/10W J
CRJ10DJ223T
INPUT R390 ns
p
00MNN05103610 CHIP RES.
10K OHM 1/10W J
CRJ10DJ103T
INPUT R391 ns
p
00MNN05000610 CHIP RES.
0 OHM 1/10W J
CRJ10DJ0R0T

157
NOTE : "nsp" PART IS LISTED FOR REFERENCE ONLY, MARANTZ WILL NOT SUPPLY THESE PARTS.
P.W.B.
NAME
VERS.
COLOR
PART NO.
(FOR EUR)
PART NO.
(MZ) PART NAME DESCRIPTION
POS. NO.
INPUT R392 ns
p
00MNN05101610 CHIP RES.
100 OHM 1/10W J
CRJ10DJ101T
INPUT R395 ns
p
00MNN05332610 CHIP RES.
3.3K OHM 1/10W J
CRJ10DJ332T
INPUT R396 ns
p
00MNN05682610 CHIP RES.
6.8K OHM 1/10W J
CRJ10DJ682T
INPUT R397 ns
p
00MNN05104610 CHIP RES.
100K OHM 1/10W J
CRJ10DJ104T
INPUT
R398
00MNN05473610
CHIP RES
K OHM / W J
INPUT
R398
ns
p
00MNN05473610
CHIP
RES
.
47
K
OHM
1
/
10
W
J
CRJ10DJ473T
INPUT R399 ns
p
00MNN05183610 CHIP RES.
18K OHM 1/10W J
CRJ10DJ183T
INPUT R400 ns
p
00MNN05103610 CHIP RES.
10K OHM 1/10W J
CRJ10DJ103T
INPUT R401 ns
p
00MNN05101610 CHIP RES.
100 OHM 1/10W J
CRJ10DJ101T
INPUT R402 ns
p
00MNN05101610 CHIP RES.
100 OHM 1/10W J
CRJ10DJ101T
INPUT R403 ns
p
00MNN05832610 CHIP RES.
82K OHM 1/10W J
CRJ10DJ823T
INPUT R404 ns
p
00MNN05832610 CHIP RES.
82K OHM 1/10W J
CRJ10DJ823T
INPUT R405 ns
p
00MNN05101610 CHIP RES.
100 OHM 1/10W J
CRJ10DJ101T
INPUT R406 ns
p
00MNN05101610 CHIP RES.
100 OHM 1/10W J
CRJ10DJ101T
INPUT
R407
nsp
00MNN05832610
CHIP RES
82K OHM 1/10W J
CRJ10DJ823T
INPUT
R407
nsp
00MNN05832610
CHIP
RES
.
82K
OHM
1/10W
J
CRJ10DJ823T
INPUT R408 ns
p
00MNN05832610 CHIP RES.
82K OHM 1/10W J
CRJ10DJ823T
INPUT R409 ns
p
00MNN05101610 CHIP RES.
100 OHM 1/10W J
CRJ10DJ101T
INPUT R410 ns
p
00MNN05101610 CHIP RES.
100 OHM 1/10W J
CRJ10DJ101T
INPUT R411 ns
p
00MNN05832610 CHIP RES.
82K OHM 1/10W J
CRJ10DJ823T
INPUT R412 ns
p
00MNN05832610 CHIP RES.
82K OHM 1/10W J
CRJ10DJ823T
INPUT R413 ns
p
00MNN05101610 CHIP RES.
100 OHM 1/10W J
CRJ10DJ101T
INPUT R414 ns
p
00MNN05101610 CHIP RES.
100 OHM 1/10W J
CRJ10DJ101T
INPUT R415 ns
p
00MNN05832610 CHIP RES.
82K OHM 1/10W J
CRJ10DJ823T
INPUT R416 ns
p
00MNN05832610 CHIP RES.
82K OHM 1/10W J
CRJ10DJ823T
p
INPUT R417 ns
p
00MNN05102610 CHIP RES.
1K OHM 1/10W J
CRJ10DJ102T
INPUT R418 ns
p
00MNN05102610 CHIP RES.
1K OHM 1/10W J
CRJ10DJ102T
INPUT R419 ns
p
00MNN05473610 CHIP RES.
47K OHM 1/10W J
CRJ10DJ473T
INPUT R420 ns
p
00MNN05473610 CHIP RES.
47K OHM 1/10W J
CRJ10DJ473T
INPUT R421 ns
p
00MNN05101610 CHIP RES.
100 OHM 1/10W J
CRJ10DJ101T
INPUT R422 ns
p
00MNN05101610 CHIP RES.
100 OHM 1/10W J
CRJ10DJ101T
INPUT R423 ns
p
00MNN05832610 CHIP RES.
82K OHM 1/10W J
CRJ10DJ823T
INPUT R424 ns
p
00MNN05832610 CHIP RES.
82K OHM 1/10W J
CRJ10DJ823T
INPUT R425 ns
p
00MNN05101610 CHIP RES.
100 OHM 1/10W J
CRJ10DJ101T
INPUT R426 ns
p
00MNN05101610 CHIP RES.
100 OHM 1/10W J
CRJ10DJ101T
INPUT R427 ns
p
00MNN05832610 CHIP RES.
82K OHM 1/10W J
CRJ10DJ823T
INPUT R428 ns
p
00MNN05832610 CHIP RES.
82K OHM 1/10W J
CRJ10DJ823T
INPUT R429 ns
p
00MNN05101610 CHIP RES.
100 OHM 1/10W J
CRJ10DJ101T
INPUT R430 ns
p
00MNN05101610 CHIP RES.
100 OHM 1/10W J
CRJ10DJ101T
INPUT R431 ns
p
00MNN05832610 CHIP RES.
82K OHM 1/10W J
CRJ10DJ823T
INPUT R432 ns
p
00MNN05832610 CHIP RES.
82K OHM 1/10W J
CRJ10DJ823T
INPUT R433 ns
p
00MNN05102610 CHIP RES.
1K OHM 1/10W J
CRJ10DJ102T
INPUT R434 ns
p
00MNN05102610 CHIP RES.
1K OHM 1/10W J
CRJ10DJ102T
INPUT
R435
nsp
00MNN05124610
CHIP RES
120K OHM
CRJ10DJ124T
INPUT
R435
nsp
00MNN05124610
CHIP
RES
.
120K
OHM
CRJ10DJ124T
INPUT R436 ns
p
00MNN05124610 CHIP RES.
120K OHM
CRJ10DJ124T
INPUT R437 ns
p
00MNN05101610 CHIP RES.
100 OHM 1/10W J
CRJ10DJ101T
INPUT R438 ns
p
00MNN05101610 CHIP RES.
100 OHM 1/10W J
CRJ10DJ101T
INPUT R439 ns
p
00MNN05832610 CHIP RES.
82K OHM 1/10W J
CRJ10DJ823T
INPUT R440 ns
p
00MNN05832610 CHIP RES.
82K OHM 1/10W J
CRJ10DJ823T
INPUT R441 ns
p
00MNN05101610 CHIP RES.
100 OHM 1/10W J
CRJ10DJ101T
INPUT R442 ns
p
00MNN05101610 CHIP RES.
100 OHM 1/10W J
CRJ10DJ101T
INPUT R443 ns
p
00MNN05832610 CHIP RES.
82K OHM 1/10W J
CRJ10DJ823T
INP
U
T R444 n
sp
00
MNN
0583
2
6
1
0
C
HIP RE
S
.
82K OHM 1/10W J
CRJ10DJ823T
U
sp
00 0583 6 0
CS
INPUT R445 ns
p
00MNN05102610 CHIP RES.
1K OHM 1/10W J
CRJ10DJ102T
INPUT R446 ns
p
00MNN05102610 CHIP RES.
1K OHM 1/10W J
CRJ10DJ102T
INPUT R447 ns
p
00MNN05124610 CHIP RES.
120K OHM
CRJ10DJ124T
INPUT R448 ns
p
00MNN05124610 CHIP RES.
120K OHM
CRJ10DJ124T
INPUT R449 ns
p
00MNN05101610 CHIP RES.
100 OHM 1/10W J
CRJ10DJ101T
INPUT R450 ns
p
00MNN05101610 CHIP RES.
100 OHM 1/10W J
CRJ10DJ101T
INPUT R451 ns
p
00MNN05832610 CHIP RES.
82K OHM 1/10W J
CRJ10DJ823T
INPUT R452 ns
p
00MNN05832610 CHIP RES.
82K OHM 1/10W J
CRJ10DJ823T
INPUT R453 ns
p
00MNN05102610 CHIP RES.
1K OHM 1/10W J
CRJ10DJ102T
INPUT R454 ns
p
00MNN05102610 CHIP RES.
1K OHM 1/10W J
CRJ10DJ102T
INPUT R455 ns
p
00MNN05124610 CHIP RES.
120K OHM
CRJ10DJ124T
INPUT R456 ns
p
00MNN05124610 CHIP RES.
120K OHM
CRJ10DJ124T
INPUT R457 ns
p
00MNN05101610 CHIP RES.
100 OHM 1/10W J
CRJ10DJ101T
INPUT R458 ns
p
00MNN05101610 CHIP RES.
100 OHM 1/10W J
CRJ10DJ101T
INPUT R459 ns
p
00MNN05832610 CHIP RES.
82K OHM 1/10W J
CRJ10DJ823T
INPUT R460 ns
p
00MNN05832610 CHIP RES.
82K OHM 1/10W J
CRJ10DJ823T

158
NOTE : "nsp" PART IS LISTED FOR REFERENCE ONLY, MARANTZ WILL NOT SUPPLY THESE PARTS.
P.W.B.
NAME
VERS.
COLOR
PART NO.
(FOR EUR)
PART NO.
(MZ) PART NAME DESCRIPTION
POS. NO.
INPUT R461 ns
p
00MNN05105610 CHIP RES.
1M OHM 1/10W J
CRJ10DJ105T
INPUT R462 ns
p
00MNN05472610 CHIP RES.
4.7K OHM 1/10W J
CRJ10DJ472T
INPUT R463 F B ns
p
00MNN05101610 CHIP RES.
100 OHM 1/10W J
CRJ10DJ101T
INPUT R463
/
U1B ns
p
00MNN05101610 CHIP RES.
100 OHM 1/10W J
CRJ10DJ101T
INPUT
R464
FB
00MNN05101610
CHIP RES
OHM / W J
INPUT
R464
F
B
ns
p
00MNN05101610
CHIP
RES
.
100
OHM
1
/
10
W
J
CRJ10DJ101T
INPUT R464
/
U1B ns
p
00MNN05101610 CHIP RES.
100 OHM 1/10W J
CRJ10DJ101T
INPUT R465 F B ns
p
00MNN05832610 CHIP RES.
82K OHM 1/10W J
CRJ10DJ823T
INPUT R465
/
U1B ns
p
00MNN05832610 CHIP RES.
82K OHM 1/10W J
CRJ10DJ823T
INPUT R466 F B ns
p
00MNN05832610 CHIP RES.
82K OHM 1/10W J
CRJ10DJ823T
INPUT R466
/
U1B ns
p
00MNN05832610 CHIP RES.
82K OHM 1/10W J
CRJ10DJ823T
INPUT R467 F B ns
p
00MNN05101610 CHIP RES.
100 OHM 1/10W J
CRJ10DJ101T
INPUT R467
/
U1B ns
p
00MNN05101610 CHIP RES.
100 OHM 1/10W J
CRJ10DJ101T
INPUT R468 F B ns
p
00MNN05101610 CHIP RES.
100 OHM 1/10W J
CRJ10DJ101T
INPUT
R468
/U1B
nsp
00MNN05101610
CHIP RES
100 OHM 1/10W J
CRJ10DJ101T
INPUT
R468
/U1B
nsp
00MNN05101610
CHIP
RES
.
100
OHM
1/10W
J
CRJ10DJ101T
INPUT R469 F B ns
p
00MNN05832610 CHIP RES.
82K OHM 1/10W J
CRJ10DJ823T
INPUT R469
/
U1B ns
p
00MNN05832610 CHIP RES.
82K OHM 1/10W J
CRJ10DJ823T
INPUT R470 F B ns
p
00MNN05832610 CHIP RES.
82K OHM 1/10W J
CRJ10DJ823T
INPUT R470
/
U1B ns
p
00MNN05832610 CHIP RES.
82K OHM 1/10W J
CRJ10DJ823T
INPUT R475 ns
p
00MNN05472610 CHIP RES.
4.7K OHM 1/10W J
CRJ10DJ472T
INPUT R476 ns
p
00MNN05472610 CHIP RES.
4.7K OHM 1/10W J
CRJ10DJ472T
INPUT R477 ns
p
00MNN05221610 CHIP RES.
220 OHM 1/10W J
CRJ10DJ221T
INPUT R478 ns
p
00MNN05221610 CHIP RES.
220 OHM 1/10W J
CRJ10DJ221T
INPUT R479 ns
p
00MNN05105610 CHIP RES.
1M OHM 1/10W J
CRJ10DJ105T
p
INPUT R480 ns
p
00MNN05104610 CHIP RES.
100K OHM 1/10W J
CRJ10DJ104T
INPUT R481 ns
p
00MNN05102610 CHIP RES.
1K OHM 1/10W J
CRJ10DJ102T
INPUT R482 ns
p
00MNN05102610 CHIP RES.
1K OHM 1/10W J
CRJ10DJ102T
INPUT R483 ns
p
00MNN05473610 CHIP RES.
47K OHM 1/10W J
CRJ10DJ473T
INPUT R484 ns
p
00MNN05473610 CHIP RES.
47K OHM 1/10W J
CRJ10DJ473T
INPUT R485 ns
p
00MNN05473610 CHIP RES.
47K OHM 1/10W J
CRJ10DJ473T
INPUT R486 ns
p
00MNN05473610 CHIP RES.
47K OHM 1/10W J
CRJ10DJ473T
INPUT R487 ns
p
00MNN05221610 CHIP RES.
220 OHM 1/10W J
CRJ10DJ221T
INPUT R488 ns
p
00MNN05221610 CHIP RES.
220 OHM 1/10W J
CRJ10DJ221T
INPUT R489 ns
p
00MNN05221610 CHIP RES.
220 OHM 1/10W J
CRJ10DJ221T
INPUT R490 ns
p
00MNN05221610 CHIP RES.
220 OHM 1/10W J
CRJ10DJ221T
INPUT R491 ns
p
00MNN05221610 CHIP RES.
220 OHM 1/10W J
CRJ10DJ221T
INPUT R492 ns
p
00MNN05102610 CHIP RES.
1K OHM 1/10W J
CRJ10DJ102T
INPUT R493 ns
p
00MNN05473610 CHIP RES.
47K OHM 1/10W J
CRJ10DJ473T
INPUT R494 ns
p
00MNN05473610 CHIP RES.
47K OHM 1/10W J
CRJ10DJ473T
INPUT R495 ns
p
00MNN05122610 CHIP RES.
1.2K OHM 1/10W J
CRJ10DJ122T
INPUT R496 ns
p
00MNN05122610 CHIP RES.
1.2K OHM 1/10W J
CRJ10DJ122T
INPUT R497 ns
p
00MNN05822610 CHIP RES.
8.2K OHM 1/10W J
CRJ10DJ822T
INPUT
R498
nsp
00MNN05822610
CHIP RES
8 2K OHM 1/10W J
CRJ10DJ822T
INPUT
R498
nsp
00MNN05822610
CHIP
RES
.
8
.
2K
OHM
1/10W
J
CRJ10DJ822T
INPUT R499 ns
p
00MNN05473610 CHIP RES.
47K OHM 1/10W J
CRJ10DJ473T
INPUT R500 ns
p
00MNN05473610 CHIP RES.
47K OHM 1/10W J
CRJ10DJ473T
INPUT R501 ns
p
00MNN05221610 CHIP RES.
220 OHM 1/10W J
CRJ10DJ221T
INPUT R502 ns
p
00MNN05221610 CHIP RES.
220 OHM 1/10W J
CRJ10DJ221T
INPUT R503 ns
p
00MNN05221610 CHIP RES.
220 OHM 1/10W J
CRJ10DJ221T
INPUT R504 ns
p
00MNN05221610 CHIP RES.
220 OHM 1/10W J
CRJ10DJ221T
INPUT R505 ns
p
00MNN05330610 CHIP RES.
33 OHM 1/10W J
CRJ10DJ330T
INPUT R506 ns
p
00MNN05330610 CHIP RES.
33 OHM 1/10W J
CRJ10DJ330T
INP
U
TR
50
7n
sp
00
MNN
05
472
6
1
0
C
HIP RE
S
.
4.7K OHM 1/10W J
CRJ10DJ472T
U
50
sp
00 05 6 0
CS
INPUT R508 ns
p
00MNN05472610 CHIP RES.
4.7K OHM 1/10W J
CRJ10DJ472T
INPUT R509 ns
p
00MNN05472610 CHIP RES.
4.7K OHM 1/10W J
CRJ10DJ472T
INPUT R510 ns
p
00MNN05472610 CHIP RES.
4.7K OHM 1/10W J
CRJ10DJ472T
INPUT R511 ns
p
00MNN05105610 CHIP RES.
1M OHM 1/10W J
CRJ10DJ105T
INPUT R512 ns
p
00MNN05473610 CHIP RES.
47K OHM 1/10W J
CRJ10DJ473T
INPUT R513 ns
p
00MNN05473610 CHIP RES.
47K OHM 1/10W J
CRJ10DJ473T
INPUT R514 ns
p
00MNN05472610 CHIP RES.
4.7K OHM 1/10W J
CRJ10DJ472T
INPUT R515 ns
p
00MNN05472610 CHIP RES.
4.7K OHM 1/10W J
CRJ10DJ472T
INPUT R516 ns
p
00MNN05562610 CHIP RES.
5.6K OHM 1/10W J
CRJ10DJ562T
INPUT R517 ns
p
00MNN05562610 CHIP RES.
5.6K OHM 1/10W J
CRJ10DJ562T
INPUT R518 ns
p
00MNN05473610 CHIP RES.
47K OHM 1/10W J
CRJ10DJ473T
INPUT R519 ns
p
00MNN05473610 CHIP RES.
47K OHM 1/10W J
CRJ10DJ473T
INPUT R520 ns
p
00MNN05221610 CHIP RES.
220 OHM 1/10W J
CRJ10DJ221T
INPUT R521 ns
p
00MNN05221610 CHIP RES.
220 OHM 1/10W J
CRJ10DJ221T
INPUT R522 ns
p
00MNN05221610 CHIP RES.
220 OHM 1/10W J
CRJ10DJ221T
INPUT R523 ns
p
00MNN05221610 CHIP RES.
220 OHM 1/10W J
CRJ10DJ221T

159
NOTE : "nsp" PART IS LISTED FOR REFERENCE ONLY, MARANTZ WILL NOT SUPPLY THESE PARTS.
P.W.B.
NAME
VERS.
COLOR
PART NO.
(FOR EUR)
PART NO.
(MZ) PART NAME DESCRIPTION
POS. NO.
INPUT R524 ns
p
00MNN05330610 CHIP RES.
33 OHM 1/10W J
CRJ10DJ330T
INPUT R525 ns
p
00MNN05330610 CHIP RES.
33 OHM 1/10W J
CRJ10DJ330T
INPUT R526 ns
p
00MNN05472610 CHIP RES.
4.7K OHM 1/10W J
CRJ10DJ472T
INPUT R527 ns
p
00MNN05472610 CHIP RES.
4.7K OHM 1/10W J
CRJ10DJ472T
INPUT
R528
00MNN05472610
CHIP RES
K OHM / W J
INPUT
R528
ns
p
00MNN05472610
CHIP
RES
.
4.7
K
OHM
1
/
10
W
J
CRJ10DJ472T
INPUT R529 ns
p
00MNN05472610 CHIP RES.
4.7K OHM 1/10W J
CRJ10DJ472T
INPUT R530 ns
p
00MNN05105610 CHIP RES.
1M OHM 1/10W J
CRJ10DJ105T
INPUT R531 ns
p
00MNN05473610 CHIP RES.
47K OHM 1/10W J
CRJ10DJ473T
INPUT R532 ns
p
00MNN05473610 CHIP RES.
47K OHM 1/10W J
CRJ10DJ473T
INPUT R533 ns
p
00MNN05472610 CHIP RES.
4.7K OHM 1/10W J
CRJ10DJ472T
INPUT R534 ns
p
00MNN05472610 CHIP RES.
4.7K OHM 1/10W J
CRJ10DJ472T
INPUT R535 ns
p
00MNN05562610 CHIP RES.
5.6K OHM 1/10W J
CRJ10DJ562T
INPUT R536 ns
p
00MNN05333610 CHIP RES.
33K OHM 1/10W J
CRJ10DJ333T
INPUT
R537
nsp
00MNN05473610
CHIP RES
47K OHM 1/10W J
CRJ10DJ473T
INPUT
R537
nsp
00MNN05473610
CHIP
RES
.
47K
OHM
1/10W
J
CRJ10DJ473T
INPUT R538 ns
p
00MNN05473610 CHIP RES.
47K OHM 1/10W J
CRJ10DJ473T
INPUT R539 ns
p
00MNN05221610 CHIP RES.
220 OHM 1/10W J
CRJ10DJ221T
INPUT R540 ns
p
00MNN05221610 CHIP RES.
220 OHM 1/10W J
CRJ10DJ221T
INPUT R541 ns
p
00MNN05221610 CHIP RES.
220 OHM 1/10W J
CRJ10DJ221T
INPUT R542 ns
p
00MNN05221610 CHIP RES.
220 OHM 1/10W J
CRJ10DJ221T
INPUT R543 ns
p
00MNN05330610 CHIP RES.
33 OHM 1/10W J
CRJ10DJ330T
INPUT R544 ns
p
00MNN05330610 CHIP RES.
33 OHM 1/10W J
CRJ10DJ330T
INPUT R545 ns
p
00MNN05472610 CHIP RES.
4.7K OHM 1/10W J
CRJ10DJ472T
INPUT R546 ns
p
00MNN05472610 CHIP RES.
4.7K OHM 1/10W J
CRJ10DJ472T
p
INPUT R547 ns
p
00MNN05472610 CHIP RES.
4.7K OHM 1/10W J
CRJ10DJ472T
INPUT R548 ns
p
00MNN05472610 CHIP RES.
4.7K OHM 1/10W J
CRJ10DJ472T
INPUT R549 ns
p
00MNN05105610 CHIP RES.
1M OHM 1/10W J
CRJ10DJ105T
INPUT R550 ns
p
00MNN05105610 CHIP RES.
1M OHM 1/10W J
CRJ10DJ105T
INPUT R551 ns
p
00MNN05473610 CHIP RES.
47K OHM 1/10W J
CRJ10DJ473T
INPUT R552 ns
p
00MNN05473610 CHIP RES.
47K OHM 1/10W J
CRJ10DJ473T
INPUT R553 ns
p
00MNN05472610 CHIP RES.
4.7K OHM 1/10W J
CRJ10DJ472T
INPUT R554 ns
p
00MNN05472610 CHIP RES.
4.7K OHM 1/10W J
CRJ10DJ472T
INPUT R555 ns
p
00MNN05562610 CHIP RES.
5.6K OHM 1/10W J
CRJ10DJ562T
INPUT R556 ns
p
00MNN05562610 CHIP RES.
5.6K OHM 1/10W J
CRJ10DJ562T
INPUT R557 ns
p
00MNN05473610 CHIP RES.
47K OHM 1/10W J
CRJ10DJ473T
INPUT R558 ns
p
00MNN05473610 CHIP RES.
47K OHM 1/10W J
CRJ10DJ473T
INPUT R559 ns
p
00MNN05221610 CHIP RES.
220 OHM 1/10W J
CRJ10DJ221T
INPUT R560 ns
p
00MNN05221610 CHIP RES.
220 OHM 1/10W J
CRJ10DJ221T
INPUT R561 ns
p
00MNN05221610 CHIP RES.
220 OHM 1/10W J
CRJ10DJ221T
INPUT R562 ns
p
00MNN05221610 CHIP RES.
220 OHM 1/10W J
CRJ10DJ221T
INPUT R563 ns
p
00MNN05330610 CHIP RES.
33 OHM 1/10W J
CRJ10DJ330T
INPUT R564 ns
p
00MNN05330610 CHIP RES.
33 OHM 1/10W J
CRJ10DJ330T
INPUT
R565
nsp
00MNN05472610
CHIP RES
4 7K OHM 1/10W J
CRJ10DJ472T
INPUT
R565
nsp
00MNN05472610
CHIP
RES
.
4
.
7K
OHM
1/10W
J
CRJ10DJ472T
INPUT R566 ns
p
00MNN05472610 CHIP RES.
4.7K OHM 1/10W J
CRJ10DJ472T
INPUT R567 ns
p
00MNN05472610 CHIP RES.
4.7K OHM 1/10W J
CRJ10DJ472T
INPUT R568 ns
p
00MNN05472610 CHIP RES.
4.7K OHM 1/10W J
CRJ10DJ472T
INPUT R569 ns
p
00MNN05105610 CHIP RES.
1M OHM 1/10W J
CRJ10DJ105T
INPUT R570 ns
p
00MNN05473610 CHIP RES.
47K OHM 1/10W J
CRJ10DJ473T
INPUT R571 ns
p
00MNN05473610 CHIP RES.
47K OHM 1/10W J
CRJ10DJ473T
INPUT R572 ns
p
00MNN05472610 CHIP RES.
4.7K OHM 1/10W J
CRJ10DJ472T
INPUT R573 ns
p
00MNN05472610 CHIP RES.
4.7K OHM 1/10W J
CRJ10DJ472T
INP
U
TR
5
74 n
sp
00
MNN
0556
2
6
1
0
C
HIP RE
S
.
5.6K OHM 1/10W J
CRJ10DJ562T
U
5
sp
00 0556 6 0
CS
INPUT R575 ns
p
00MNN05562610 CHIP RES.
5.6K OHM 1/10W J
CRJ10DJ562T
INPUT R576 ns
p
00MNN05473610 CHIP RES.
47K OHM 1/10W J
CRJ10DJ473T
INPUT R577 ns
p
00MNN05473610 CHIP RES.
47K OHM 1/10W J
CRJ10DJ473T
INPUT R578 ns
p
00MNN05221610 CHIP RES.
220 OHM 1/10W J
CRJ10DJ221T
INPUT R579 ns
p
00MNN05221610 CHIP RES.
220 OHM 1/10W J
CRJ10DJ221T
INPUT R580 ns
p
00MNN05221610 CHIP RES.
220 OHM 1/10W J
CRJ10DJ221T
INPUT R581 ns
p
00MNN05221610 CHIP RES.
220 OHM 1/10W J
CRJ10DJ221T
INPUT R582 ns
p
00MNN05330610 CHIP RES.
33 OHM 1/10W J
CRJ10DJ330T
INPUT R583 ns
p
00MNN05330610 CHIP RES.
33 OHM 1/10W J
CRJ10DJ330T
INPUT R584 ns
p
00MNN05472610 CHIP RES.
4.7K OHM 1/10W J
CRJ10DJ472T
INPUT R585 ns
p
00MNN05472610 CHIP RES.
4.7K OHM 1/10W J
CRJ10DJ472T
INPUT R586 ns
p
00MNN05472610 CHIP RES.
4.7K OHM 1/10W J
CRJ10DJ472T
INPUT R587 ns
p
00MNN05472610 CHIP RES.
4.7K OHM 1/10W J
CRJ10DJ472T
INPUT R588 ns
p
00MNN05105610 CHIP RES.
1M OHM 1/10W J
CRJ10DJ105T
INPUT R589 ns
p
00MNN05101610 CHIP RES.
100 OHM 1/10W J
CRJ10DJ101T
INPUT R590 ns
p
00MNN05102610 CHIP RES.
1K OHM 1/10W J
CRJ10DJ102T

160
NOTE : "nsp" PART IS LISTED FOR REFERENCE ONLY, MARANTZ WILL NOT SUPPLY THESE PARTS.
P.W.B.
NAME
VERS.
COLOR
PART NO.
(FOR EUR)
PART NO.
(MZ) PART NAME DESCRIPTION
POS. NO.
INPUT R591 F B ns
p
00MNN05103610 CHIP RES.
10K OHM 1/10W J
CRJ10DJ103T
INPUT R591
/
U1B ns
p
00MNN05103610 CHIP RES.
10K OHM 1/10W J
CRJ10DJ103T
INPUT R592 F B ns
p
00MNN05103610 CHIP RES.
10K OHM 1/10W J
CRJ10DJ103T
INPUT R592
/
U1B ns
p
00MNN05103610 CHIP RES.
10K OHM 1/10W J
CRJ10DJ103T
INPUT
R593
/K1SG
00MNN05000610
CHIP RES
OHM / W J
INPUT
R593
/K1SG
ns
p
00MNN05000610
CHIP
RES
.
0
OHM
1
/
10
W
J
CRJ10DJ0R0T
INPUT R593
/
N1B ns
p
00MNN05000610 CHIP RES.
0 OHM 1/10W J
CRJ10DJ0R0T
INPUT R593
/
N1SG ns
p
00MNN05000610 CHIP RES.
0 OHM 1/10W J
CRJ10DJ0R0T
INPUT R594 ns
p
00MNN05221610 CHIP RES.
220 OHM 1/10W J
CRJ10DJ221T
INPUT R595 ns
p
00MNN05221610 CHIP RES.
220 OHM 1/10W J
CRJ10DJ221T
INPUT R601 ns
p
00MNN05473610 CHIP RES.
47K OHM 1/10W J
CRJ10DJ473T
INPUT R602 ns
p
00MNN05473610 CHIP RES.
47K OHM 1/10W J
CRJ10DJ473T
INPUT R603 ns
p
00MNN05473610 CHIP RES.
47K OHM 1/10W J
CRJ10DJ473T
INPUT R604 ns
p
00MNN05473610 CHIP RES.
47K OHM 1/10W J
CRJ10DJ473T
INPUT
R605
nsp
00MNN05473610
CHIP RES
47K OHM 1/10W J
CRJ10DJ473T
INPUT
R605
nsp
00MNN05473610
CHIP
RES
.
47K
OHM
1/10W
J
CRJ10DJ473T
INPUT R606 ns
p
00MNN05473610 CHIP RES.
47K OHM 1/10W J
CRJ10DJ473T
INPUT R611 ns
p
00MNN05104610 CHIP RES.
100K OHM 1/10W J
CRJ10DJ104T
INPUT R612 ns
p
00MNN05104610 CHIP RES.
100K OHM 1/10W J
CRJ10DJ104T
INPUT R613 ns
p
00MNN05104610 CHIP RES.
100K OHM 1/10W J
CRJ10DJ104T
INPUT R614 ns
p
00MNN05104610 CHIP RES.
100K OHM 1/10W J
CRJ10DJ104T
INPUT R615 ns
p
00MNN05104610 CHIP RES.
100K OHM 1/10W J
CRJ10DJ104T
INPUT R616 ns
p
00MNN05104610 CHIP RES.
100K OHM 1/10W J
CRJ10DJ104T
INPUT R617 ns
p
00MNN05104610 CHIP RES.
100K OHM 1/10W J
CRJ10DJ104T
INPUT R618 ns
p
00MNN05104610 CHIP RES.
100K OHM 1/10W J
CRJ10DJ104T
p
INPUT R619 ns
p
00MNN05104610 CHIP RES.
100K OHM 1/10W J
CRJ10DJ104T
INPUT R620 ns
p
00MNN05104610 CHIP RES.
100K OHM 1/10W J
CRJ10DJ104T
INPUT R621 ns
p
00MNN05104610 CHIP RES.
100K OHM 1/10W J
CRJ10DJ104T
INPUT R622 ns
p
00MNN05104610 CHIP RES.
100K OHM 1/10W J
CRJ10DJ104T
INPUT R623 ns
p
00MNN05104610 CHIP RES.
100K OHM 1/10W J
CRJ10DJ104T
INPUT R624 ns
p
00MNN05104610 CHIP RES.
100K OHM 1/10W J
CRJ10DJ104T
INPUT R625 ns
p
00MNN05104610 CHIP RES.
100K OHM 1/10W J
CRJ10DJ104T
INPUT R626 ns
p
00MNN05104610 CHIP RES.
100K OHM 1/10W J
CRJ10DJ104T
INPUT R627 ns
p
00MNN05104610 CHIP RES.
100K OHM 1/10W J
CRJ10DJ104T
INPUT R628 ns
p
00MNN05104610 CHIP RES.
100K OHM 1/10W J
CRJ10DJ104T
INPUT R629 ns
p
00MNN05104610 CHIP RES.
100K OHM 1/10W J
CRJ10DJ104T
INPUT R630 ns
p
00MNN05104610 CHIP RES.
100K OHM 1/10W J
CRJ10DJ104T
INPUT R640 ns
p
00MNN05221610 CHIP RES.
220 OHM 1/10W J
CRJ10DJ221T
INPUT R641 ns
p
00MNN05221610 CHIP RES.
220 OHM 1/10W J
CRJ10DJ221T
INPUT R642 ns
p
00MNN05221610 CHIP RES.
220 OHM 1/10W J
CRJ10DJ221T
INPUT R643 ns
p
00MNN05221610 CHIP RES.
220 OHM 1/10W J
CRJ10DJ221T
INPUT R644 ns
p
00MNN05221610 CHIP RES.
220 OHM 1/10W J
CRJ10DJ221T
INPUT R645 ns
p
00MNN05221610 CHIP RES.
220 OHM 1/10W J
CRJ10DJ221T
INPUT
R647
nsp
00MNN05473610
CHIP RES
47K OHM 1/10W J
CRJ10DJ473T
INPUT
R647
nsp
00MNN05473610
CHIP
RES
.
47K
OHM
1/10W
J
CRJ10DJ473T
INPUT R648 ns
p
00MNN05473610 CHIP RES.
47K OHM 1/10W J
CRJ10DJ473T
INPUT R649 ns
p
00MNN05473610 CHIP RES.
47K OHM 1/10W J
CRJ10DJ473T
INPUT R650 ns
p
00MNN05473610 CHIP RES.
47K OHM 1/10W J
CRJ10DJ473T
INPUT R651 ns
p
00MNN05104610 CHIP RES.
100K OHM 1/10W J
CRJ10DJ104T
INPUT RN11 90M-BW000360R 90M-BW000360R RES. COMPO.
33 OHM X4 1608 ARRAY
CRJ104DJ330T
INPUT RN12 90M-BW000360R 90M-BW000360R RES. COMPO.
33 OHM X4 1608 ARRAY
CRJ104DJ330T
INPUT RN21 90M-BW000390R 90M-BW000390R RES. COMPO.
ARC 241 100R ARRAY
CRJ104DJ101T
INPUT RN22 90M-BW000390R 90M-BW000390R RES. COMPO.
ARC 241 100R ARRAY
CRJ104DJ101T
INP
U
T RN2
3
90
M-BW
000390
R
90
M-BW
000390
R RE
S
.
CO
MP
O
.
ARC 241 100R ARRAY
CRJ104DJ101T
U
3
90 000390
90 000390
S CO O
INPUT RN24 90M-BW000390R 90M-BW000390R RES. COMPO.
ARC 241 100R ARRAY
CRJ104DJ101T
INPUT RN25 90M-BW000390R 90M-BW000390R RES. COMPO.
ARC 241 100R ARRAY
CRJ104DJ101T
INPUT RN26 90M-BW000390R 90M-BW000390R RES. COMPO.
ARC 241 100R ARRAY
CRJ104DJ101T
INPUT RN27 90M-BW000390R 90M-BW000390R RES. COMPO.
ARC 241 100R ARRAY
CRJ104DJ101T
INPUT RN28 90M-BW000390R 90M-BW000390R RES. COMPO.
ARC 241 100R ARRAY
CRJ104DJ101T
INPUT RN29 90M-BW000390R 90M-BW000390R RES. COMPO.
ARC 241 100R ARRAY
CRJ104DJ101T
INPUT RN30 90M-BW000390R 90M-BW000390R RES. COMPO.
ARC 241 100R ARRAY
CRJ104DJ101T
INPUT RN31 90M-BW000390R 90M-BW000390R RES. COMPO.
ARC 241 100R ARRAY
CRJ104DJ101T
INPUT RN32 90M-BW000390R 90M-BW000390R RES. COMPO.
ARC 241 100R ARRAY
CRJ104DJ101T
INPUT RN33 90M-BW000390R 90M-BW000390R RES. COMPO.
ARC 241 100R ARRAY
CRJ104DJ101T
INPUT X101 90M-JX001190R 90M-JX001190R X'TAL
20MHZ
HOX20000E220TF
INPUT X201 90M-JX001340R 90M-JX001340R X'TAL
24.576MHZ
COX24576E180TF
INPUT X202 90M-JX001420R 90M-JX001420R X'TAL
17.733MHZ AT-49 12PF
COX17733E12TD
INPUT ns
p
ns
p
CORD
1P WIRE ASSY 20MM
CWE7202020AA
INPUT ns
p
ns
p
CORD
1P WIRE ASSY 30MM
CWE7202030AA
INPUT ns
p
ns
p
CORD
1P WIRE ASSY 40MM
CWE7202040AA

161
NOTE : "nsp" PART IS LISTED FOR REFERENCE ONLY, MARANTZ WILL NOT SUPPLY THESE PARTS.
P.W.B.
NAME
VERS.
COLOR
PART NO.
(FOR EUR)
PART NO.
(MZ) PART NAME DESCRIPTION
POS. NO.
INPUT ns
p
ns
p
CORD
WIRE ASSY
CWE7202050AA
INPUT ns
p
ns
p
CORD
WIRE ASSY
CWE7202060AA
INPUT ns
p
ns
p
CORD
WIRE ASSY
CWE8102100RV
MAIN PWB
(
CUP12083Z
)
MAIN
BN20
CORD
WIRE ASSY
MAIN
BN20
ns
p
ns
p
CORD
WIRE
ASSY
CWB3FB03280UP
MAIN BN22 ns
p
ns
p
CORD
WIRE ASSY
CWZSR4001BN22
MAIN BN25 ns
p
ns
p
CORD
2P WIRE ASSY 180MM
CWB1E902180BM
MAIN BN81 ns
p
ns
p
CORD
WIRE ASSY
CWB1C902080BM
MAIN BN90
/
K1SG ns
p
ns
p
CORD
2P WIRE ASSY 550MM
CWZSR5003BN90A
MAIN BN90
/
N1B ns
p
ns
p
CORD
2P WIRE ASSY 550MM
CWZSR5003BN90A
MAIN BN90
/
N1SG ns
p
ns
p
CORD
2P WIRE ASSY 550MM
CWZSR5003BN90A
MAIN BN90-1
/
K1SG ns
p
90M-FC500030R FERRITE CORE
FERRITE RING 29X7.7X19
CLZ9W003Z
MAIN BN90-1
/
N1B 90M-FC500030R 90M-FC500030R FERRITE CORE
FERRITE RING 29X7.7X19
CLZ9W003Z
MAIN
BN90-1
/N1SG
90M-FC500030R
90M-FC500030R
FERRITE CORE
FERRITE RING 29X7 7X19
CLZ9W003Z
MAIN
BN90-1
/N1SG
90M-FC500030R
90M-FC500030R
FERRITE
CORE
FERRITE
RING
29X7
.
7X19
CLZ9W003Z
MAIN BN90-2
/
K1SG ns
p
ns
p
CORD
2P WIRE ASSY 550MM
CWZSR5003BN90
MAIN BN90-2
/
N1B ns
p
ns
p
CORD
2P WIRE ASSY 550MM
CWZSR5003BN90
MAIN BN90-2
/
N1SG ns
p
ns
p
CORD
2P WIRE ASSY 550MM
CWZSR5003BN90
MAIN BN93 ns
p
ns
p
CORD
WIRE ASSY
CWB1E903250BM
MAIN C501 ns
p
00MOA10605020 ELECT CAP.
10UF 50V
CCEA1HH100T
MAIN C502 ns
p
00MOA10605020 ELECT CAP.
10UF 50V
CCEA1HH100T
MAIN C503 ns
p
00MOA10605020 ELECT CAP.
10UF 50V
CCEA1HH100T
MAIN C504 ns
p
00MOA10605020 ELECT CAP.
10UF 50V
CCEA1HH100T
MAIN C505 ns
p
00MOA10605020 ELECT CAP.
10UF 50V
CCEA1HH100T
p
MAIN C506 ns
p
ns
p
CER. CAP.
330PF 50V KB
CCKT1H331KB
MAIN C507 ns
p
ns
p
CER. CAP.
330PF 50V KB
CCKT1H331KB
MAIN C508 ns
p
ns
p
CER. CAP.
330PF 50V KB
CCKT1H331KB
MAIN C509 ns
p
ns
p
CER. CAP.
330PF 50V KB
CCKT1H331KB
MAIN C510 ns
p
ns
p
CER. CAP.
330PF 50V KB
CCKT1H331KB
MAIN C561 ns
p
00MOA47602520 ELECT CAP.
47UF 25V
CCEA1EH470T
MAIN C562 ns
p
00MOA47602520 ELECT CAP.
47UF 25V
CCEA1EH470T
MAIN C563 ns
p
00MOA47602520 ELECT CAP.
47UF 25V
CCEA1EH470T
MAIN C564 ns
p
00MOA47602520 ELECT CAP.
47UF 25V
CCEA1EH470T
MAIN C565 ns
p
00MOA47602520 ELECT CAP.
47UF 25V
CCEA1EH470T
MAIN C566 ns
p
00MOA10701620 ELECT CAP.
100UF 16V
CCEA1CH101T
MAIN C569 ns
p
00MOA10701620 ELECT CAP.
100UF 16V
CCEA1CH101T
MAIN C570 ns
p
00MOA10701620 ELECT CAP.
100UF 16V
CCEA1CH101T
MAIN C571 ns
p
ns
p
CER. CAP.
100PF 50V KB
CCKT1H101KB
MAIN C572 ns
p
ns
p
CER. CAP.
100PF 50V KB
CCKT1H101KB
MAIN C573 ns
p
ns
p
CER. CAP.
100PF 50V KB
CCKT1H101KB
MAIN C574 ns
p
ns
p
CER. CAP.
100PF 50V KB
CCKT1H101KB
MAIN C575 ns
p
ns
p
CER. CAP.
100PF 50V KB
CCKT1H101KB
MAIN
C576
nsp
nsp
FILM CAP
0 047UF 100V J
HCQI1H473JZT
MAIN
C576
nsp
nsp
FILM
CAP
.
0
.
047UF
100V
J
HCQI1H473JZT
MAIN C578 ns
p
ns
p
FILM CAP.
5600PF 100V J
HCQI1H562JZT
MAIN C579 ns
p
ns
p
FILM CAP.
5600PF 100V J
HCQI1H562JZT
MAIN C580 ns
p
ns
p
CER. CAP.
220PF 50V KB
CCKT1H221KB
MAIN C581 ns
p
ns
p
CER. CAP.
220PF 50V KB
CCKT1H221KB
MAIN C582 ns
p
ns
p
CER. CAP.
220PF 50V KB
CCKT1H221KB
MAIN C583 ns
p
ns
p
CER. CAP.
220PF 50V KB
CCKT1H221KB
MAIN C584 ns
p
ns
p
CER. CAP.
220PF 50V KB
CCKT1H221KB
MAIN C585 ns
p
ns
p
CER. CAP.
220PF 50V KB
CCKT1H221KB
MAIN
C586
n
sp
n
sp
C
ER.
C
AP.
220PF 50V KB
CCKT1H221KB
C586
sp
sp
CC
MAIN C587 ns
p
ns
p
CER. CAP.
220PF 50V KB
CCKT1H221KB
MAIN C588 ns
p
00MOA10701620 ELECT CAP.
100UF 16V
CCEA1CH101T
MAIN C589 ns
p
00MOA10701620 ELECT CAP.
100UF 16V
CCEA1CH101T
MAIN C601 ns
p
ns
p
CER. CAP.
12PF 50V JC
CCCT1H120JC
MAIN C602 ns
p
ns
p
CER. CAP.
12PF 50V JC
CCCT1H120JC
MAIN C603 ns
p
ns
p
CER. CAP.
12PF 50V JC
CCCT1H120JC
MAIN C604 ns
p
ns
p
CER. CAP.
12PF 50V JC
CCCT1H120JC
MAIN C605 ns
p
ns
p
CER. CAP.
12PF 50V JC
CCCT1H120JC
MAIN C606 ns
p
ns
p
CER. CAP.
33PF 50V JC
CCCT1H330JC
MAIN C607 ns
p
ns
p
CER. CAP.
33PF 50V JC
CCCT1H330JC
MAIN C608 ns
p
ns
p
CER. CAP.
33PF 50V JC
CCCT1H330JC
MAIN C609 ns
p
ns
p
CER. CAP.
33PF 50V JC
CCCT1H330JC
MAIN C610 ns
p
ns
p
CER. CAP.
33PF 50V JC
CCCT1H330JC
MAIN C631 ns
p
00MOA10706320 ELECT CAP.
100UF 63V
CCEA1JH101E
MAIN C632 ns
p
00MOA10706320 ELECT CAP.
100UF 63V
CCEA1JH101E
MAIN C633 ns
p
00MOA10706320 ELECT CAP.
100UF 63V
CCEA1JH101E

162
NOTE : "nsp" PART IS LISTED FOR REFERENCE ONLY, MARANTZ WILL NOT SUPPLY THESE PARTS.
P.W.B.
NAME
VERS.
COLOR
PART NO.
(FOR EUR)
PART NO.
(MZ) PART NAME DESCRIPTION
POS. NO.
MAIN C634 ns
p
00MOA10706320 ELECT CAP.
100UF 63V
CCEA1JH101E
MAIN C635 ns
p
00MOA10706320 ELECT CAP.
100UF 63V
CCEA1JH101E
MAIN C636 ns
p
00MOA10706320 ELECT CAP.
100UF 63V
CCEA1JH101E
MAIN C637 ns
p
00MOA10706320 ELECT CAP.
100UF 63V
CCEA1JH101E
MAIN
C638
00MOA10706320
ELECT CAP
UF V
MAIN
C638
ns
p
00MOA10706320
ELECT
CAP
.
100
UF
63
V
CCEA1JH101E
MAIN C639 ns
p
00MOA10706320 ELECT CAP.
100UF 63V
CCEA1JH101E
MAIN C640 ns
p
00MOA10706320 ELECT CAP.
100UF 63V
CCEA1JH101E
MAIN C681 ns
p
00MOA10505020 ELECT CAP.
1UF 50V
CCEA1HH1R0T
MAIN C682 ns
p
00MOA10505020 ELECT CAP.
1UF 50V
CCEA1HH1R0T
MAIN C683 ns
p
00MOA10505020 ELECT CAP.
1UF 50V
CCEA1HH1R0T
MAIN C684 ns
p
00MOA10505020 ELECT CAP.
1UF 50V
CCEA1HH1R0T
MAIN C685 ns
p
00MOA10505020 ELECT CAP.
1UF 50V
CCEA1HH1R0T
MAIN C801 ns
p
00MOA10505020 ELECT CAP.
1UF 50V
CCEA1HH1R0T
MAIN
C802
nsp
00MOA10505020
ELECT CAP
1UF 50V
CCEA1HH1R0T
MAIN
C802
nsp
00MOA10505020
ELECT
CAP
.
1UF
50V
CCEA1HH1R0T
MAIN C803 ns
p
ns
p
CER. CAP.
33PF 50V JC
CCCT1H330JC
MAIN C804 ns
p
ns
p
CER. CAP.
33PF 50V JC
CCCT1H330JC
MAIN C805 ns
p
ns
p
CER. CAP.
12PF 50V JC
CCCT1H120JC
MAIN C806 ns
p
ns
p
CER. CAP.
12PF 50V JC
CCCT1H120JC
MAIN C807 ns
p
00MOA10706320 ELECT CAP.
100UF 63V
CCEA1JH101E
MAIN C808 ns
p
00MOA10706320 ELECT CAP.
100UF 63V
CCEA1JH101E
MAIN C809 ns
p
00MOA10706320 ELECT CAP.
100UF 63V
CCEA1JH101E
MAIN C810 ns
p
00MOA10706320 ELECT CAP.
100UF 63V
CCEA1JH101E
MAIN C811 ns
p
00MOA47602520 ELECT CAP.
47UF 25V
CCEA1EH470T
p
MAIN C812 ns
p
00MOA47602520 ELECT CAP.
47UF 25V
CCEA1EH470T
MAIN C813 ns
p
00MOA10701620 ELECT CAP.
100UF 16V
CCEA1CH101T
MAIN C814 ns
p
00MOA10701620 ELECT CAP.
100UF 16V
CCEA1CH101T
MAIN C815 ns
p
ns
p
CER. CAP.
330PF 50V KB
CCKT1H331KB
MAIN C816 ns
p
ns
p
CER. CAP.
330PF 50V KB
CCKT1H331KB
MAIN C817 ns
p
00MOA10605020 ELECT CAP.
10UF 50V
CCEA1HH100T
MAIN C818 ns
p
00MOA10605020 ELECT CAP.
10UF 50V
CCEA1HH100T
MAIN C819 ns
p
ns
p
CER. CAP.
100PF 50V KB
CCKT1H101KB
MAIN C820 ns
p
ns
p
CER. CAP.
100PF 50V KB
CCKT1H101KB
MAIN C900 ns
p
ns
p
FILM CAP.
0.047UF 100V J
HCQI1H473JZT
MAIN C901 ns
p
ns
p
FILM CAP.
0.047UF 100V J
HCQI1H473JZT
MAIN C902 ns
p
ns
p
CER. CAP.
1000PF 50V B CERAMIC
CCBS1H102KBT
MAIN C903 ns
p
ns
p
CER. CAP.
0.1UF 50V Z CERAMIC
CCBS1H104ZFT
MAIN C904 90M-DK100770R 90M-DK100770R CER. CAP.
! 0.0047UF 2.5KV CERAMIC
KCKDKS472ME
MAIN C905 ns
p
ns
p
CER. CAP.
0.022UF 50V Z
CCFT1H223ZF
MAIN C906 90M-EA000930R 90M-EA000930R ELECT CAP.
3300UF 16V
CCEA1CH332E
MAIN C907 ns
p
00MOA10701620 ELECT CAP.
100UF 16V
CCEA1CH101T
MAIN C908 ns
p
ns
p
CER. CAP.
0.022UF 50V Z CERAMIC
CCBS1H223ZFT
MAIN
C909
nsp
nsp
CER CAP
1000PF 50V B CERAMIC
CCBS1H102KBT
MAIN
C909
nsp
nsp
CER
.
CAP
.
1000PF
50V
B
CERAMIC
CCBS1H102KBT
MAIN C910 ns
p
ns
p
FILM CAP.
0.047UF 100V J
HCQI1H473JZT
MAIN C912 ns
p
ns
p
CER. CAP.
1000PF 50V B CERAMIC
CCBS1H102KBT
MAIN C915 ns
p
90M-OA000530R ELECT CAP.
10000UF 63V
CCET63VKL5103NK
MAIN C916 ns
p
90M-OA000530R ELECT CAP.
10000UF 63V
CCET63VKL5103NK
MAIN C917 ns
p
ns
p
FILM CAP.
0.047UF 100V J
HCQI1H473JZT
MAIN C920 ns
p
ns
p
CER. CAP.
0.043UF 50V Z
CCFT1H473ZF
MAIN C921 ns
p
ns
p
CER. CAP.
1000PF 50V B CERAMIC
CCBS1H102KBT
MAIN C922 ns
p
00MOA47605020 ELECT CAP.
47UF 50V
CCEA1HH470T
MAIN
C930
n
sp
n
sp
C
ER.
C
AP.
0.01UF 50V Z
CCBS1H103ZFT
C930
sp
sp
CC
MAIN C949 ns
p
00MOA10605020 ELECT CAP.
10UF 50V
CCEA1HH100T
MAIN C950 ns
p
ns
p
CER. CAP.
0.1UF 50V Z CERAMIC
CCBS1H104ZFT
MAIN C951 ns
p
00MOA10702520 ELECT CAP.
100UF 25V
CCEA1EH101T
MAIN C954 ns
p
ns
p
CER. CAP.
1000PF 50V B CERAMIC
CCBS1H102KBT
MAIN C955 ns
p
ns
p
CER. CAP.
1000PF 50V B CERAMIC
CCBS1H102KBT
MAIN C956 ns
p
ns
p
CER. CAP.
1000PF 50V B CERAMIC
CCBS1H102KBT
MAIN C960 ns
p
00MOA47701620 ELECT CAP.
470UF 16V ZF
CCEA1CH471T
MAIN C961 ns
p
00MOA47605020 ELECT CAP.
47UF 50V
CCEA1HH470T
MAIN C969 ns
p
ns
p
CER. CAP.
0.01UF 50V Z
CCBS1H103ZFT
MAIN C970 ns
p
00MOA47605020 ELECT CAP.
47UF 50V
CCEA1HH470T
MAIN C971 ns
p
ns
p
FILM CAP.
5600PF 100V J
HCQI1H562JZT
MAIN C972 ns
p
ns
p
FILM CAP.
5600PF 100V J
HCQI1H562JZT
MAIN C973 ns
p
ns
p
FILM CAP.
5600PF 100V J
HCQI1H562JZT
MAIN C974 ns
p
ns
p
FILM CAP.
5600PF 100V J
HCQI1H562JZT
MAIN C975 ns
p
ns
p
FILM CAP.
5600PF 100V J
HCQI1H562JZT
MAIN C976 ns
p
00MOA47505020 ELECT CAP.
4.7UF 50V
CCEA1HH4R7T

163
NOTE : "nsp" PART IS LISTED FOR REFERENCE ONLY, MARANTZ WILL NOT SUPPLY THESE PARTS.
P.W.B.
NAME
VERS.
COLOR
PART NO.
(FOR EUR)
PART NO.
(MZ) PART NAME DESCRIPTION
POS. NO.
MAIN C977 ns
p
00MOA22505020 ELECT CAP.
2.2UF 50V
CCEA1HH2R2T
MAIN C978 ns
p
ns
p
CER. CAP.
0.1UF 50V Z CERAMIC
CCBS1H104ZFT
MAIN C980 ns
p
ns
p
FILM CAP.
5600PF 100V J
HCQI1H562JZT
MAIN C981 ns
p
ns
p
FILM CAP.
5600PF 100V J
HCQI1H562JZT
MAIN
C990
FILM CAP
UF V J
MAIN
C990
ns
p
ns
p
FILM
CAP
.
0.047
UF
100
V
J
HCQI1H473JZT
MAIN C992 ns
p
ns
p
FILM CAP.
0.047UF 100V J
HCQI1H473JZT
MAIN C993 ns
p
ns
p
FILM CAP.
0.047UF 100V J
HCQI1H473JZT
MAIN C994 ns
p
ns
p
FILM CAP.
0.047UF 100V J
HCQI1H473JZT
MAIN C995 ns
p
ns
p
FILM CAP.
0.047UF 100V J
HCQI1H473JZT
MAIN C996 ns
p
ns
p
FILM CAP.
0.047UF 100V J
HCQI1H473JZT
MAIN C997 ns
p
ns
p
FILM CAP.
0.047UF 100V J
HCQI1H473JZT
MAIN C999 ns
p
ns
p
CER. CAP.
0.022UF 50V Z
CCFT1H223ZF
MAIN CN27 ns
p
ns
p
CONN.
21P FPC WAFER
CJP21GA115ZY
MAIN
CN61
nsp
nsp
CONN
2P STRAIGHT YMW025-02R
CJP02GA01ZY
MAIN
CN61
nsp
nsp
CONN
.
2P
STRAIGHT
YMW025-02R
CJP02GA01ZY
MAIN CN62 ns
p
ns
p
CONN.
2P STRAIGHT YMW025-02R
CJP02GA01ZY
MAIN CN63 ns
p
ns
p
CONN.
2P STRAIGHT YMW025-02R
CJP02GA01ZY
MAIN CN64 ns
p
ns
p
CONN.
2P STRAIGHT YMW025-02R
CJP02GA01ZY
MAIN CN65 ns
p
ns
p
CONN.
2P STRAIGHT YMW025-02R
CJP02GA01ZY
MAIN CN66 ns
p
ns
p
CONN.
2P STRAIGHT YMW025-02R
CJP02GA01ZY
MAIN CN67 ns
p
ns
p
CONN.
2P STRAIGHT YMW025-02R
CJP02GA01ZY
MAIN CN80 ns
p
ns
p
CONN.
19P WAFER CARD CABLE
CJP19GA117ZY
MAIN CN87 ns
p
ns
p
CONN.
5P STRAIGHT 20017WS-05
CJP05GA19ZY
MAIN CN91 ns
p
ns
p
CONN.
7.92MM
(
YUNHO
)
CJP02KA060ZY
p
p
()
MAIN CN92 ns
p
ns
p
CONN.
2P WAFER
CJP02GA89ZY
MAIN D501 ns
p
00MHD20015210 DIODE
1SS133T-77
CVD1SS133MT
MAIN D504 ns
p
00MHD20015210 DIODE
1SS133T-77
CVD1SS133MT
MAIN D505 ns
p
00MHD20015210 DIODE
1SS133T-77
CVD1SS133MT
MAIN D581 ns
p
00MHD20015210 DIODE
1SS133T-77
CVD1SS133MT
MAIN D582 ns
p
00MHD20015210 DIODE
1SS133T-77
CVD1SS133MT
MAIN D583 ns
p
00MHD20015210 DIODE
1SS133T-77
CVD1SS133MT
MAIN D584 ns
p
00MHD20015210 DIODE
1SS133T-77
CVD1SS133MT
MAIN D585 ns
p
00MHD20015210 DIODE
1SS133T-77
CVD1SS133MT
MAIN D590 ns
p
00MHD20015210 DIODE
1SS133T-77
CVD1SS133MT
MAIN D595 ns
p
00MHD20015210 DIODE
1SS133T-77
CVD1SS133MT
MAIN D800 ns
p
90M-HD201750R DIODE
1N4003
CVD1N4003SRT
MAIN D801 ns
p
00MHD20015210 DIODE
1SS133T-77
CVD1SS133MT
MAIN D802 ns
p
00MHD20015210 DIODE
1SS133T-77
CVD1SS133MT
MAIN D803 ns
p
00MHD20015210 DIODE
1SS133T-77
CVD1SS133MT
MAIN D804 ns
p
00MHD20015210 DIODE
1SS133T-77
CVD1SS133MT
MAIN D850 ns
p
90M-HD201750R DIODE
1N4003
CVD1N4003SRT
MAIN D851 ns
p
90M-HD201750R DIODE
1N4003
CVD1N4003SRT
MAIN
D852
nsp
00MHD20015210
DIODE
1SS133T 77
CVD1SS133MT
MAIN
D852
nsp
00MHD20015210
DIODE
1SS133T
-
77
CVD1SS133MT
MAIN D853 ns
p
00MHD20015210 DIODE
1SS133T-77
CVD1SS133MT
MAIN D900 ns
p
00MHD20015210 DIODE
1SS133T-77
CVD1SS133MT
MAIN D901 ns
p
90M-HD201730R DIODE
1N4003
CVD1N4003ST
MAIN D902 ns
p
90M-HD201750R DIODE
1N4003
CVD1N4003SRT
MAIN D903 ns
p
90M-HD201850R DIODE
1N5819
HVD1N5819T
MAIN D911 ns
p
90M-HD201750R DIODE
1N4003
CVD1N4003SRT
MAIN D912 ns
p
00MHD20015210 DIODE
1SS133T-77
CVD1SS133MT
MAIN D954 ns
p
00MHD20015210 DIODE
1SS133T-77
CVD1SS133MT
MAIN D
955
n
sp
00
MHD2
00
1
5
21
0
DI
O
DE
1SS133T-77
CVD1SS133MT
955
sp
00 00 5 0
O
MAIN D958 ns
p
00MHD20015210 DIODE
1SS133T-77
CVD1SS133MT
MAIN D959 ns
p
00MHD20015210 DIODE
1SS133T-77
CVD1SS133MT
MAIN D961 ns
p
90M-HD201730R DIODE
1N4003
CVD1N4003ST
MAIN D962 ns
p
90M-HD201730R DIODE
1N4003
CVD1N4003ST
MAIN D963 ns
p
90M-HD201730R DIODE
1N4003
CVD1N4003ST
MAIN D964 ns
p
90M-HD201730R DIODE
1N4003
CVD1N4003ST
MAIN D965 ns
p
90M-HD201730R DIODE
1N4003
CVD1N4003ST
MAIN D966 ns
p
00MHD20015210 DIODE
1SS133T-77
CVD1SS133MT
MAIN D979 90M-HD302410R 90M-HD302410R ZENER DIODE
ZJ8.2BT
CVDZJ8.2BT
MAIN D981 ns
p
00MHD20015210 DIODE
1SS133T-77
CVD1SS133MT
MAIN D982 ns
p
00MHD20015210 DIODE
1SS133T-77
CVD1SS133MT
MAIN D983 ns
p
00MHD20015210 DIODE
1SS133T-77
CVD1SS133MT
MAIN ET91 ns
p
ns
p
TERMINAL
MET37-0002
HJT1A025
MAIN ET92 ns
p
ns
p
TERMINAL
MET37-0002
HJT1A025
MAIN F800 943652000620S 943652000620S FUSE
! FUSE(0.1A 372 SERIES/TR5)
CBA2D0100A3EYT
MAIN F901 F B ns
p
90M-FS001080R FUSE
! 10A/250V
KBA2C1002TLEY

164
NOTE : "nsp" PART IS LISTED FOR REFERENCE ONLY, MARANTZ WILL NOT SUPPLY THESE PARTS.
P.W.B.
NAME
VERS.
COLOR
PART NO.
(FOR EUR)
PART NO.
(MZ) PART NAME DESCRIPTION
POS. NO.
MAIN F901
/
K1SG ns
p
90M-FS001090R FUSE
! 5A/250V(EUR) T5AL
KBA2C5000TLEY
MAIN F901
/
N1B 90M-FS001090R 90M-FS001090R FUSE
! 5A/250V(EUR) T5AL
KBA2C5000TLEY
MAIN F901
/
N1SG 90M-FS001090R 90M-FS001090R FUSE
! 5A/250V(EUR) T5AL
KBA2C5000TLEY
MAIN F901
/
U1B ns
p
90M-FS001080R FUSE
! 10A/250V
KBA2C1002TLEY
MAIN
F901(1)
CONN
HOLDER FUSE
MAIN
F901(1)
ns
p
ns
p
CONN
.
HOLDER
FUSE
KJCFC5S
MAIN F902 F B ns
p
90M-FS001070R FUSE
! AC250V T2.5AL
KBA2D2500TLET
MAIN F902
/
N1B 90M-FS001070R 90M-FS001070R FUSE
! AC250V T2.5AL
KBA2D2500TLET
MAIN F902
/
N1SG 90M-FS001070R 90M-FS001070R FUSE
! AC250V T2.5AL
KBA2D2500TLET
MAIN F902
/
U1B ns
p
90M-FS001070R FUSE
! AC250V T2.5AL
KBA2D2500TLET
MAIN F903 F B ns
p
90M-FS001070R FUSE
! AC250V T2.5AL
KBA2D2500TLET
MAIN F903
/
U1B ns
p
90M-FS001070R FUSE
! AC250V T2.5AL
KBA2D2500TLET
MAIN IC94 00MHC3650509F 00MHC3650509F IC
NJU7223F50
CVINJU7223F50
MAIN IC96 90M-HC108410R 90M-HC108410R IC
S-80842CNY-X
HVIS-80842CNY-X
MAIN
J101
nsp
nsp
CORD
SN95/PB5 0 6
C3A206
MAIN
J101
nsp
nsp
CORD
SN95/PB5
0
.
6
C3A206
MAIN J102 ns
p
ns
p
CORD
SN95/PB5 0.6
C3A206
MAIN J103 ns
p
ns
p
CORD
SN95/PB5 0.6
C3A206
MAIN J104 ns
p
ns
p
CORD
SN95/PB5 0.6
C3A206
MAIN J105 ns
p
ns
p
CORD
SN95/PB5 0.6
C3A206
MAIN J106 ns
p
ns
p
CORD
SN95/PB5 0.6
C3A206
MAIN J107 ns
p
ns
p
CORD
SN95/PB5 0.6
C3A206
MAIN J109 ns
p
ns
p
CORD
SN95/PB5 0.6
C3A206
MAIN J110 ns
p
ns
p
CORD
SN95/PB5 0.6
C3A206
MAIN J111 ns
p
ns
p
CORD
SN95/PB5 0.6
C3A206
p
p
MAIN J112 ns
p
ns
p
CORD
SN95/PB5 0.6
C3A206
MAIN J113 ns
p
ns
p
CORD
SN95/PB5 0.6
C3A206
MAIN J114 ns
p
ns
p
CORD
SN95/PB5 0.6
C3A206
MAIN J115 ns
p
ns
p
CORD
SN95/PB5 0.6
C3A206
MAIN J117 ns
p
ns
p
CORD
SN95/PB5 0.6
C3A206
MAIN J118 ns
p
ns
p
CORD
SN95/PB5 0.6
C3A206
MAIN J119 ns
p
ns
p
CORD
SN95/PB5 0.6
C3A206
MAIN J121 ns
p
ns
p
CORD
SN95/PB5 0.6
C3A206
MAIN J122 ns
p
ns
p
CORD
SN95/PB5 0.6
C3A206
MAIN J123 ns
p
ns
p
CORD
SN95/PB5 0.6
C3A206
MAIN J125 ns
p
ns
p
CORD
SN95/PB5 0.6
C3A206
MAIN J126 ns
p
ns
p
CORD
SN95/PB5 0.6
C3A206
MAIN J127 ns
p
ns
p
CORD
SN95/PB5 0.6
C3A206
MAIN J130 ns
p
ns
p
CORD
SN95/PB5 0.6
C3A206
MAIN J133 ns
p
ns
p
CORD
SN95/PB5 0.6
C3A206
MAIN J134 ns
p
ns
p
CORD
SN95/PB5 0.6
C3A206
MAIN J135 ns
p
ns
p
CORD
SN95/PB5 0.6
C3A206
MAIN J137 ns
p
ns
p
CORD
SN95/PB5 0.6
C3A206
MAIN
J138
nsp
nsp
CORD
SN95/PB5 0 6
C3A206
MAIN
J138
nsp
nsp
CORD
SN95/PB5
0
.
6
C3A206
MAIN J140 ns
p
ns
p
CORD
SN95/PB5 0.6
C3A206
MAIN J141 ns
p
ns
p
CORD
SN95/PB5 0.6
C3A206
MAIN J143 ns
p
ns
p
CORD
SN95/PB5 0.6
C3A206
MAIN J144 ns
p
ns
p
CORD
SN95/PB5 0.6
C3A206
MAIN J145 ns
p
ns
p
CORD
SN95/PB5 0.6
C3A206
MAIN J146 ns
p
ns
p
CORD
SN95/PB5 0.6
C3A206
MAIN J147 ns
p
ns
p
CORD
SN95/PB5 0.6
C3A206
MAIN J151 ns
p
ns
p
CORD
SN95/PB5 0.6
C3A206
MAIN
J
1
5
2n
sp
n
sp
CO
RD
SN95/PB5 0.6
C3A206
J5
sp
sp
CO
MAIN J153 ns
p
ns
p
CORD
SN95/PB5 0.6
C3A206
MAIN J154 ns
p
ns
p
CORD
SN95/PB5 0.6
C3A206
MAIN J155 ns
p
ns
p
CORD
SN95/PB5 0.6
C3A206
MAIN J156 ns
p
ns
p
CORD
SN95/PB5 0.6
C3A206
MAIN J157 ns
p
ns
p
CORD
SN95/PB5 0.6
C3A206
MAIN J158 ns
p
ns
p
CORD
SN95/PB5 0.6
C3A206
MAIN J159 ns
p
ns
p
CORD
SN95/PB5 0.6
C3A206
MAIN J160 ns
p
ns
p
CORD
SN95/PB5 0.6
C3A206
MAIN J162 ns
p
ns
p
CORD
SN95/PB5 0.6
C3A206
MAIN J163 ns
p
ns
p
CORD
SN95/PB5 0.6
C3A206
MAIN J164 ns
p
ns
p
CORD
SN95/PB5 0.6
C3A206
MAIN J165 ns
p
ns
p
CORD
SN95/PB5 0.6
C3A206
MAIN J167 ns
p
ns
p
CORD
SN95/PB5 0.6
C3A206
MAIN J200 ns
p
ns
p
CORD
SN95/PB5 0.6
C3A206
MAIN J202 ns
p
ns
p
CORD
SN95/PB5 0.6
C3A206
MAIN J203 ns
p
ns
p
CORD
SN95/PB5 0.6
C3A206

165
NOTE : "nsp" PART IS LISTED FOR REFERENCE ONLY, MARANTZ WILL NOT SUPPLY THESE PARTS.
P.W.B.
NAME
VERS.
COLOR
PART NO.
(FOR EUR)
PART NO.
(MZ) PART NAME DESCRIPTION
POS. NO.
MAIN J204 ns
p
ns
p
CORD
SN95/PB5 0.6
C3A206
MAIN J205 ns
p
ns
p
CORD
SN95/PB5 0.6
C3A206
MAIN J206 ns
p
ns
p
CORD
SN95/PB5 0.6
C3A206
MAIN J207 F B ns
p
ns
p
CORD
SN95/PB5 0.6
C3A206
MAIN
J207
/U1B
CORD
SN /PB
MAIN
J207
/U1B
ns
p
ns
p
CORD
SN
95
/PB
5 0.6
C3A206
MAIN J210 ns
p
ns
p
CORD
SN95/PB5 0.6
C3A206
MAIN J211 ns
p
ns
p
CORD
SN95/PB5 0.6
C3A206
MAIN J214 ns
p
ns
p
CORD
SN95/PB5 0.6
C3A206
MAIN J216 ns
p
ns
p
CORD
SN95/PB5 0.6
C3A206
MAIN J218 ns
p
ns
p
CORD
SN95/PB5 0.6
C3A206
MAIN J219 ns
p
ns
p
CORD
SN95/PB5 0.6
C3A206
MAIN J220 ns
p
ns
p
CORD
SN95/PB5 0.6
C3A206
MAIN J224 ns
p
ns
p
CORD
SN95/PB5 0.6
C3A206
MAIN
J225
nsp
nsp
CORD
SN95/PB5 0 6
C3A206
MAIN
J225
nsp
nsp
CORD
SN95/PB5
0
.
6
C3A206
MAIN J226 ns
p
ns
p
CORD
SN95/PB5 0.6
C3A206
MAIN J227 ns
p
ns
p
CORD
SN95/PB5 0.6
C3A206
MAIN J230 ns
p
ns
p
CORD
SN95/PB5 0.6
C3A206
MAIN J241 ns
p
ns
p
CORD
SN95/PB5 0.6
C3A206
MAIN J301 ns
p
ns
p
CORD
SN95/PB5 0.6
C3A206
MAIN J302 ns
p
ns
p
CORD
SN95/PB5 0.6
C3A206
MAIN J303 ns
p
ns
p
CORD
SN95/PB5 0.6
C3A206
MAIN J304 ns
p
ns
p
CORD
SN95/PB5 0.6
C3A206
MAIN J305 ns
p
ns
p
CORD
SN95/PB5 0.6
C3A206
p
p
MAIN J306 ns
p
ns
p
CORD
SN95/PB5 0.6
C3A206
MAIN J307 ns
p
ns
p
CORD
SN95/PB5 0.6
C3A206
MAIN J308 ns
p
ns
p
CORD
SN95/PB5 0.6
C3A206
MAIN J309 ns
p
ns
p
CORD
SN95/PB5 0.6
C3A206
MAIN J310 ns
p
ns
p
CORD
SN95/PB5 0.6
C3A206
MAIN J311 ns
p
ns
p
CORD
SN95/PB5 0.6
C3A206
MAIN J312 ns
p
ns
p
CORD
SN95/PB5 0.6
C3A206
MAIN J313 ns
p
ns
p
CORD
SN95/PB5 0.6
C3A206
MAIN J314 ns
p
ns
p
CORD
SN95/PB5 0.6
C3A206
MAIN J315 ns
p
ns
p
CORD
SN95/PB5 0.6
C3A206
MAIN J316 ns
p
ns
p
CORD
SN95/PB5 0.6
C3A206
MAIN J322 90M-FN000090R 90M-FN000090R EMI FILTER
BEAD
KLZ9H001Z
MAIN J324 ns
p
ns
p
CORD
SN95/PB5 0.6
C3A206
MAIN J325 ns
p
ns
p
CORD
SN95/PB5 0.6
C3A206
MAIN J326 ns
p
ns
p
CORD
SN95/PB5 0.6
C3A206
MAIN J327 ns
p
ns
p
CORD
SN95/PB5 0.6
C3A206
MAIN J328 ns
p
ns
p
CORD
SN95/PB5 0.6
C3A206
MAIN J329 ns
p
ns
p
CORD
SN95/PB5 0.6
C3A206
MAIN
J330
nsp
nsp
CORD
SN95/PB5 0 6
C3A206
MAIN
J330
nsp
nsp
CORD
SN95/PB5
0
.
6
C3A206
MAIN J331 ns
p
ns
p
CORD
SN95/PB5 0.6
C3A206
MAIN J332 ns
p
ns
p
CORD
SN95/PB5 0.6
C3A206
MAIN J333 ns
p
ns
p
CORD
SN95/PB5 0.6
C3A206
MAIN J334 ns
p
ns
p
CORD
SN95/PB5 0.6
C3A206
MAIN J336 ns
p
ns
p
CORD
SN95/PB5 0.6
C3A206
MAIN J337 ns
p
ns
p
CORD
SN95/PB5 0.6
C3A206
MAIN J338 ns
p
ns
p
CORD
SN95/PB5 0.6
C3A206
MAIN J401 ns
p
ns
p
CORD
SN95/PB5 0.6
C3A206
MAIN
J
4
0
2n
sp
n
sp
CO
RD
SN95/PB5 0.6
C3A206
J0
sp
sp
CO
MAIN J403 ns
p
ns
p
CORD
SN95/PB5 0.6
C3A206
MAIN J404 ns
p
ns
p
CORD
SN95/PB5 0.6
C3A206
MAIN J405 ns
p
ns
p
CORD
SN95/PB5 0.6
C3A206
MAIN J406 ns
p
ns
p
CORD
SN95/PB5 0.6
C3A206
MAIN J407 ns
p
ns
p
CORD
SN95/PB5 0.6
C3A206
MAIN J408 ns
p
ns
p
CORD
SN95/PB5 0.6
C3A206
MAIN J409 ns
p
ns
p
CORD
SN95/PB5 0.6
C3A206
MAIN J410 ns
p
ns
p
CORD
SN95/PB5 0.6
C3A206
MAIN J411 ns
p
ns
p
CORD
SN95/PB5 0.6
C3A206
MAIN J412 ns
p
ns
p
CORD
SN95/PB5 0.6
C3A206
MAIN J413 ns
p
ns
p
CORD
SN95/PB5 0.6
C3A206
MAIN J501 ns
p
ns
p
CORD
SN95/PB5 0.6
C3A206
MAIN J502 ns
p
ns
p
CORD
SN95/PB5 0.6
C3A206
MAIN J503 ns
p
ns
p
CORD
SN95/PB5 0.6
C3A206
MAIN J504 ns
p
ns
p
CORD
SN95/PB5 0.6
C3A206
MAIN J505 ns
p
ns
p
CORD
SN95/PB5 0.6
C3A206

166
NOTE : "nsp" PART IS LISTED FOR REFERENCE ONLY, MARANTZ WILL NOT SUPPLY THESE PARTS.
P.W.B.
NAME
VERS.
COLOR
PART NO.
(FOR EUR)
PART NO.
(MZ) PART NAME DESCRIPTION
POS. NO.
MAIN J506 ns
p
ns
p
CORD
SN95/PB5 0.6
C3A206
MAIN J507 ns
p
ns
p
CORD
SN95/PB5 0.6
C3A206
MAIN J508 ns
p
ns
p
CORD
SN95/PB5 0.6
C3A206
MAIN J509 ns
p
ns
p
CORD
SN95/PB5 0.6
C3A206
MAIN
J510
CORD
SN /PB
MAIN
J510
ns
p
ns
p
CORD
SN
95
/PB
5 0.6
C3A206
MAIN J511 ns
p
ns
p
CORD
SN95/PB5 0.6
C3A206
MAIN J512 ns
p
ns
p
CORD
SN95/PB5 0.6
C3A206
MAIN J513 ns
p
ns
p
CORD
SN95/PB5 0.6
C3A206
MAIN J519 ns
p
ns
p
CORD
SN95/PB5 0.6
C3A206
MAIN J520 ns
p
ns
p
CORD
SN95/PB5 0.6
C3A206
MAIN J521 ns
p
ns
p
CORD
SN95/PB5 0.6
C3A206
MAIN J522 ns
p
ns
p
CORD
SN95/PB5 0.6
C3A206
MAIN J523 ns
p
ns
p
CORD
SN95/PB5 0.6
C3A206
MAIN
J524
nsp
nsp
CORD
SN95/PB5 0 6
C3A206
MAIN
J524
nsp
nsp
CORD
SN95/PB5
0
.
6
C3A206
MAIN J525 ns
p
ns
p
CORD
SN95/PB5 0.6
C3A206
MAIN J526 ns
p
ns
p
CORD
SN95/PB5 0.6
C3A206
MAIN J601 ns
p
ns
p
CORD
SN95/PB5 0.6
C3A206
MAIN J602 ns
p
ns
p
CORD
SN95/PB5 0.6
C3A206
MAIN J603 ns
p
ns
p
CORD
SN95/PB5 0.6
C3A206
MAIN J604 ns
p
ns
p
CORD
SN95/PB5 0.6
C3A206
MAIN J605 ns
p
ns
p
CORD
SN95/PB5 0.6
C3A206
MAIN J606 ns
p
ns
p
CORD
SN95/PB5 0.6
C3A206
MAIN J607 ns
p
ns
p
CORD
SN95/PB5 0.6
C3A206
p
p
MAIN J608 ns
p
ns
p
CORD
SN95/PB5 0.6
C3A206
MAIN J609 ns
p
ns
p
CORD
SN95/PB5 0.6
C3A206
MAIN J610 ns
p
ns
p
CORD
SN95/PB5 0.6
C3A206
MAIN J611 ns
p
ns
p
CORD
SN95/PB5 0.6
C3A206
MAIN J612 ns
p
ns
p
CORD
SN95/PB5 0.6
C3A206
MAIN J613 ns
p
ns
p
CORD
SN95/PB5 0.6
C3A206
MAIN J614 ns
p
ns
p
CORD
SN95/PB5 0.6
C3A206
MAIN J615 ns
p
ns
p
CORD
SN95/PB5 0.6
C3A206
MAIN J616 ns
p
ns
p
CORD
SN95/PB5 0.6
C3A206
MAIN J617 ns
p
ns
p
CORD
SN95/PB5 0.6
C3A206
MAIN J618 ns
p
ns
p
CORD
SN95/PB5 0.6
C3A206
MAIN J619 ns
p
ns
p
CORD
SN95/PB5 0.6
C3A206
MAIN J620 ns
p
ns
p
CORD
SN95/PB5 0.6
C3A206
MAIN J621 ns
p
ns
p
CORD
SN95/PB5 0.6
C3A206
MAIN J622 ns
p
ns
p
CORD
SN95/PB5 0.6
C3A206
MAIN J625 ns
p
ns
p
CORD
SN95/PB5 0.6
C3A206
MAIN J628 ns
p
ns
p
CORD
SN95/PB5 0.6
C3A206
MAIN J629 ns
p
ns
p
CORD
SN95/PB5 0.6
C3A206
MAIN
J630
nsp
nsp
CORD
SN95/PB5 0 6
C3A206
MAIN
J630
nsp
nsp
CORD
SN95/PB5
0
.
6
C3A206
MAIN J631 ns
p
ns
p
CORD
SN95/PB5 0.6
C3A206
MAIN J632 ns
p
ns
p
CORD
SN95/PB5 0.6
C3A206
MAIN J633 ns
p
ns
p
CORD
SN95/PB5 0.6
C3A206
MAIN J634 ns
p
ns
p
CORD
SN95/PB5 0.6
C3A206
MAIN J635 ns
p
ns
p
CORD
SN95/PB5 0.6
C3A206
MAIN J636 ns
p
ns
p
CORD
SN95/PB5 0.6
C3A206
MAIN J637 ns
p
ns
p
CORD
SN95/PB5 0.6
C3A206
MAIN J638 ns
p
ns
p
CORD
SN95/PB5 0.6
C3A206
MAIN
J639
n
sp
n
sp
CO
RD
SN95/PB5 0.6
C3A206
J639
sp
sp
CO
MAIN J680 ns
p
ns
p
CORD
SN95/PB5 0.6
C3A206
MAIN J681 ns
p
ns
p
CORD
SN95/PB5 0.6
C3A206
MAIN J682 ns
p
ns
p
CORD
SN95/PB5 0.6
C3A206
MAIN J701 ns
p
ns
p
CORD
SN95/PB5 0.6
C3A206
MAIN J702 ns
p
ns
p
CORD
SN95/PB5 0.6
C3A206
MAIN J704 ns
p
ns
p
CORD
SN95/PB5 0.6
C3A206
MAIN J708 ns
p
ns
p
CORD
SN95/PB5 0.6
C3A206
MAIN J801 ns
p
ns
p
CORD
SN95/PB5 0.6
C3A206
MAIN J802 ns
p
ns
p
CORD
SN95/PB5 0.6
C3A206
MAIN J803 ns
p
ns
p
CORD
SN95/PB5 0.6
C3A206
MAIN J804 ns
p
ns
p
CORD
SN95/PB5 0.6
C3A206
MAIN J805 ns
p
ns
p
CORD
SN95/PB5 0.6
C3A206
MAIN J806 ns
p
ns
p
CORD
SN95/PB5 0.6
C3A206
MAIN J807 ns
p
ns
p
CORD
SN95/PB5 0.6
C3A206
MAIN J808 ns
p
ns
p
CORD
SN95/PB5 0.6
C3A206
MAIN J809 ns
p
ns
p
CORD
SN95/PB5 0.6
C3A206

167
NOTE : "nsp" PART IS LISTED FOR REFERENCE ONLY, MARANTZ WILL NOT SUPPLY THESE PARTS.
P.W.B.
NAME
VERS.
COLOR
PART NO.
(FOR EUR)
PART NO.
(MZ) PART NAME DESCRIPTION
POS. NO.
MAIN J810 ns
p
ns
p
CORD
SN95/PB5 0.6
C3A206
MAIN J811 ns
p
ns
p
CORD
SN95/PB5 0.6
C3A206
MAIN J812 ns
p
ns
p
CORD
SN95/PB5 0.6
C3A206
MAIN J813 ns
p
ns
p
CORD
SN95/PB5 0.6
C3A206
MAIN
J814
CORD
SN /PB
MAIN
J814
ns
p
ns
p
CORD
SN
95
/PB
5 0.6
C3A206
MAIN J815 ns
p
ns
p
CORD
SN95/PB5 0.6
C3A206
MAIN J901 ns
p
ns
p
CORD
SN95/PB5 0.6
C3A206
MAIN J902 ns
p
ns
p
CORD
SN95/PB5 0.6
C3A206
MAIN J903 ns
p
ns
p
CORD
SN95/PB5 0.6
C3A206
MAIN J904 ns
p
ns
p
CORD
SN95/PB5 0.6
C3A206
MAIN J905 ns
p
ns
p
CORD
SN95/PB5 0.6
C3A206
MAIN J906 ns
p
ns
p
CORD
SN95/PB5 0.6
C3A206
MAIN J907 ns
p
ns
p
CORD
SN95/PB5 0.6
C3A206
MAIN
J908
nsp
nsp
CORD
SN95/PB5 0 6
C3A206
MAIN
J908
nsp
nsp
CORD
SN95/PB5
0
.
6
C3A206
MAIN J909 ns
p
ns
p
CORD
SN95/PB5 0.6
C3A206
MAIN J910 ns
p
ns
p
CORD
SN95/PB5 0.6
C3A206
MAIN J911 ns
p
ns
p
CORD
SN95/PB5 0.6
C3A206
MAIN J912 ns
p
ns
p
CORD
SN95/PB5 0.6
C3A206
MAIN J913 ns
p
ns
p
CORD
SN95/PB5 0.6
C3A206
MAIN J914 ns
p
ns
p
CORD
SN95/PB5 0.6
C3A206
MAIN J915 ns
p
ns
p
CORD
SN95/PB5 0.6
C3A206
MAIN J916 ns
p
ns
p
CORD
SN95/PB5 0.6
C3A206
MAIN J917 ns
p
ns
p
CORD
SN95/PB5 0.6
C3A206
p
p
MAIN J918 ns
p
ns
p
CORD
SN95/PB5 0.6
C3A206
MAIN J919 ns
p
ns
p
CORD
SN95/PB5 0.6
C3A206
MAIN J920 ns
p
ns
p
CORD
SN95/PB5 0.6
C3A206
MAIN J921 ns
p
ns
p
CORD
SN95/PB5 0.6
C3A206
MAIN J922 ns
p
ns
p
CORD
SN95/PB5 0.6
C3A206
MAIN J923 ns
p
ns
p
CORD
SN95/PB5 0.6
C3A206
MAIN J924 ns
p
ns
p
CORD
SN95/PB5 0.6
C3A206
MAIN J925 ns
p
ns
p
CORD
SN95/PB5 0.6
C3A206
MAIN J926 ns
p
ns
p
CORD
SN95/PB5 0.6
C3A206
MAIN J927 ns
p
ns
p
CORD
SN95/PB5 0.6
C3A206
MAIN J928 ns
p
ns
p
CORD
SN95/PB5 0.6
C3A206
MAIN J929 ns
p
ns
p
CORD
SN95/PB5 0.6
C3A206
MAIN J930 ns
p
ns
p
CORD
SN95/PB5 0.6
C3A206
MAIN J951 ns
p
ns
p
CORD
SN95/PB5 0.6
C3A206
MAIN J952 ns
p
ns
p
CORD
SN95/PB5 0.6
C3A206
MAIN J953 ns
p
ns
p
CORD
SN95/PB5 0.6
C3A206
MAIN J954 ns
p
ns
p
CORD
SN95/PB5 0.6
C3A206
MAIN J955 ns
p
ns
p
CORD
SN95/PB5 0.6
C3A206
MAIN
J956
nsp
nsp
CORD
SN95/PB5 0 6
C3A206
MAIN
J956
nsp
nsp
CORD
SN95/PB5
0
.
6
C3A206
MAIN J957 ns
p
ns
p
CORD
SN95/PB5 0.6
C3A206
MAIN J958 ns
p
ns
p
CORD
SN95/PB5 0.6
C3A206
MAIN J959 ns
p
ns
p
CORD
SN95/PB5 0.6
C3A206
MAIN J960 ns
p
ns
p
CORD
SN95/PB5 0.6
C3A206
MAIN J961 ns
p
ns
p
CORD
SN95/PB5 0.6
C3A206
MAIN J962 ns
p
ns
p
CORD
SN95/PB5 0.6
C3A206
MAIN J963 ns
p
ns
p
CORD
SN95/PB5 0.6
C3A206
MAIN J964 ns
p
ns
p
CORD
SN95/PB5 0.6
C3A206
MAIN
J965
n
sp
n
sp
CO
RD
SN95/PB5 0.6
C3A206
J965
sp
sp
CO
MAIN J966 ns
p
ns
p
CORD
SN95/PB5 0.6
C3A206
MAIN J985 ns
p
ns
p
CORD
SN95/PB5 0.6
C3A206
MAIN J990 ns
p
ns
p
CORD
SN95/PB5 0.6
C3A206
MAIN J991 ns
p
ns
p
CORD
SN95/PB5 0.6
C3A206
MAIN JK91 90M-YT004400R 90M-YT004400R TERMINAL
DCS2003
CJJ5P021Z
MAIN JK92 90M-YT003520R 90M-YT003520R TERMINAL
4P SPEAKER TERMINAL FL FR
CJJ5P020Z
MAIN JK93 90M-YT003520R 90M-YT003520R TERMINAL
4P SPEAKER TERMINAL FL FR
CJJ5P020Z
MAIN JK94 90M-YT003530R 90M-YT003530R TERMINAL
6PIN SPEAKER TERMINAL CNT SL SR
CJJ5R006Z
MAIN JK97 90M-YT004050R 90M-YT004050R TERMINAL
RCA-401DA-16
CJJ4P052Z
MAIN JK98 90M-YT005000R 90M-YT005000R TERMINAL
CINCH 8P C/SUB/SBL/SBR
CJJ4P059Z
MAIN JW90 ns
p
ns
p
CORD
WIRE ASSY
CWE8202080AA
MAIN JW92 ns
p
ns
p
CORD
WIRE ASSY
CWEE212080VV
MAIN L501 90M-LC107310R 90M-LC107310R COIL
0.5UH K
CLEY0R5KAK
MAIN L502 90M-LC107310R 90M-LC107310R COIL
0.5UH K
CLEY0R5KAK
MAIN L503 90M-LC107310R 90M-LC107310R COIL
0.5UH K
CLEY0R5KAK
MAIN L504 90M-LC107310R 90M-LC107310R COIL
0.5UH K
CLEY0R5KAK

168
NOTE : "nsp" PART IS LISTED FOR REFERENCE ONLY, MARANTZ WILL NOT SUPPLY THESE PARTS.
P.W.B.
NAME
VERS.
COLOR
PART NO.
(FOR EUR)
PART NO.
(MZ) PART NAME DESCRIPTION
POS. NO.
MAIN L505 90M-LC107310R 90M-LC107310R COIL
0.5UH K
CLEY0R5KAK
MAIN L506 90M-LC107310R 90M-LC107310R COIL
0.5UH K
CLEY0R5KAK
MAIN L507 90M-LC107310R 90M-LC107310R COIL
0.5UH K
CLEY0R5KAK
MAIN OL91 F B ns
p
90M-YT002410R TERMINAL
! A204D0041P AC(UL/2P/SEP)
CJJ7A015Z
MAIN
OL91
/N1B
90M YT002430R
90M YT002430R
TERMINAL
! A D P AC(EUR/ P)
MAIN
OL91
/N1B
90M
-
YT002430R
90M
-
YT002430R
TERMINAL
!
A
302
D
0061
P
AC(EUR/
1
P)
KJJ7A022Z
MAIN OL91
/
N1SG 90M-YT002430R 90M-YT002430R TERMINAL
! A302D0061P AC(EUR/1P)
KJJ7A022Z
MAIN OL91
/
U1B ns
p
90M-YT002410R TERMINAL
! A204D0041P AC(UL/2P/SEP)
CJJ7A015Z
MAIN Q501 90M-HT600030R 90M-HT600030R TRS.
KTA1024Y
HVTKTA1024YT
MAIN Q502 90M-HT600030R 90M-HT600030R TRS.
KTA1024Y
HVTKTA1024YT
MAIN Q503 90M-HT600030R 90M-HT600030R TRS.
KTA1024Y
HVTKTA1024YT
MAIN Q504 90M-HT600030R 90M-HT600030R TRS.
KTA1024Y
HVTKTA1024YT
MAIN Q505 90M-HT600030R 90M-HT600030R TRS.
KTA1024Y
HVTKTA1024YT
MAIN Q511 00MHT800931A0 00MHT800931A0 TRS.
KTC3200GR-AT/P
CVTKTC3200-GR-AT/PMT
MAIN
Q512
00MHT800931A0
00MHT800931A0
TRS
KTC3200GR-AT/P
CVTKTC3200-GR-AT/PMT
MAIN
Q512
00MHT800931A0
00MHT800931A0
TRS
.
KTC3200GR-AT/P
CVTKTC3200-GR-AT/PMT
MAIN Q513 00MHT800931A0 00MHT800931A0 TRS.
KTC3200GR-AT/P
CVTKTC3200-GR-AT/PMT
MAIN Q514 00MHT800931A0 00MHT800931A0 TRS.
KTC3200GR-AT/P
CVTKTC3200-GR-AT/PMT
MAIN Q515 00MHT800931A0 00MHT800931A0 TRS.
KTC3200GR-AT/P
CVTKTC3200-GR-AT/PMT
MAIN Q516 00MHT800931A0 00MHT800931A0 TRS.
KTC3200GR-AT/P
CVTKTC3200-GR-AT/PMT
MAIN Q517 00MHT800931A0 00MHT800931A0 TRS.
KTC3200GR-AT/P
CVTKTC3200-GR-AT/PMT
MAIN Q518 00MHT800931A0 00MHT800931A0 TRS.
KTC3200GR-AT/P
CVTKTC3200-GR-AT/PMT
MAIN Q519 00MHT800931A0 00MHT800931A0 TRS.
KTC3200GR-AT/P
CVTKTC3200-GR-AT/PMT
MAIN Q520 00MHT800931A0 00MHT800931A0 TRS.
KTC3200GR-AT/P
CVTKTC3200-GR-AT/PMT
MAIN Q541 90M-HT800050R 90M-HT800050R TRS.
KTC3198Y
HVTKTC3198YT
MAIN Q544 90M-HT800050R 90M-HT800050R TRS.
KTC3198Y
HVTKTC3198YT
MAIN Q545 90M-HT800050R 90M-HT800050R TRS.
KTC3198Y
HVTKTC3198YT
MAIN Q556 00MHT800931A0 00MHT800931A0 TRS.
KTC3200GR-AT/P
CVTKTC3200-GR-AT/PMT
MAIN Q557 00MHT800931A0 00MHT800931A0 TRS.
KTC3200GR-AT/P
CVTKTC3200-GR-AT/PMT
MAIN Q558 00MHT800931A0 00MHT800931A0 TRS.
KTC3200GR-AT/P
CVTKTC3200-GR-AT/PMT
MAIN Q559 00MHT800931A0 00MHT800931A0 TRS.
KTC3200GR-AT/P
CVTKTC3200-GR-AT/PMT
MAIN Q560 00MHT800931A0 00MHT800931A0 TRS.
KTC3200GR-AT/P
CVTKTC3200-GR-AT/PMT
MAIN Q561 00MHT800941B0 00MHT800941B0 TRS.
KTC3206Y
HVTKTC3206YAT
MAIN Q562 00MHT800941B0 00MHT800941B0 TRS.
KTC3206Y
HVTKTC3206YAT
MAIN Q563 00MHT800941B0 00MHT800941B0 TRS.
KTC3206Y
HVTKTC3206YAT
MAIN Q564 00MHT800941B0 00MHT800941B0 TRS.
KTC3206Y
HVTKTC3206YAT
MAIN Q565 00MHT800941B0 00MHT800941B0 TRS.
KTC3206Y
HVTKTC3206YAT
MAIN Q566 90M-HT800050R 90M-HT800050R TRS.
KTC3198Y
HVTKTC3198YT
MAIN Q567 90M-HT800050R 90M-HT800050R TRS.
KTC3198Y
HVTKTC3198YT
MAIN Q601 90M-HT600030R 90M-HT600030R TRS.
KTA1024Y
HVTKTA1024YT
MAIN Q602 90M-HT600030R 90M-HT600030R TRS.
KTA1024Y
HVTKTA1024YT
MAIN Q603 90M-HT600030R 90M-HT600030R TRS.
KTA1024Y
HVTKTA1024YT
MAIN Q604 90M-HT600030R 90M-HT600030R TRS.
KTA1024Y
HVTKTA1024YT
MAIN
Q605
90M HT600030R
90M HT600030R
TRS
KTA1024Y
HVTKTA1024YT
MAIN
Q605
90M
-
HT600030R
90M
-
HT600030R
TRS
.
KTA1024Y
HVTKTA1024YT
MAIN Q652 90M-HT200460R 90M-HT200460R TRS.
2SB1647
HVT2SB1647
MAIN Q653 90M-HT200460R 90M-HT200460R TRS.
2SB1647
HVT2SB1647
MAIN Q654 90M-HT200460R 90M-HT200460R TRS.
2SB1647
HVT2SB1647
MAIN Q655 90M-HT200460R 90M-HT200460R TRS.
2SB1647
HVT2SB1647
MAIN Q657 90M-HT400520R 90M-HT400520R TRS.
2SD2560
HVT2SD2560
MAIN Q658 90M-HT400520R 90M-HT400520R TRS.
2SD2560
HVT2SD2560
MAIN Q659 90M-HT400520R 90M-HT400520R TRS.
2SD2560
HVT2SD2560
MAIN Q660 90M-HT400520R 90M-HT400520R TRS.
2SD2560
HVT2SD2560
MAIN
Q66
1
90
M-HT2
00
4
60
R
90
M-HT2
00
4
60
R TR
S
.
2SB1647
HVT2SB1647
Q66
90 00 60
90 00 60
S
MAIN Q670 90M-HT400520R 90M-HT400520R TRS.
2SD2560
HVT2SD2560
MAIN Q681 00MHT800931A0 00MHT800931A0 TRS.
KTC3200GR-AT/P
CVTKTC3200-GR-AT/PMT
MAIN Q682 00MHT800931A0 00MHT800931A0 TRS.
KTC3200GR-AT/P
CVTKTC3200-GR-AT/PMT
MAIN Q683 00MHT800931A0 00MHT800931A0 TRS.
KTC3200GR-AT/P
CVTKTC3200-GR-AT/PMT
MAIN Q684 00MHT800931A0 00MHT800931A0 TRS.
KTC3200GR-AT/P
CVTKTC3200-GR-AT/PMT
MAIN Q685 00MHT800931A0 00MHT800931A0 TRS.
KTC3200GR-AT/P
CVTKTC3200-GR-AT/PMT
MAIN Q801 00MHT800931A0 00MHT800931A0 TRS.
KTC3200GR-AT/P
CVTKTC3200-GR-AT/PMT
MAIN Q802 00MHT800931A0 00MHT800931A0 TRS.
KTC3200GR-AT/P
CVTKTC3200-GR-AT/PMT
MAIN Q803 90M-HT400520R 90M-HT400520R TRS.
2SD2560
HVT2SD2560
MAIN Q804 90M-HT200460R 90M-HT200460R TRS.
2SB1647
HVT2SB1647
MAIN Q805 90M-HT400520R 90M-HT400520R TRS.
2SD2560
HVT2SD2560
MAIN Q807 90M-HT200460R 90M-HT200460R TRS.
2SB1647
HVT2SB1647
MAIN Q812 90M-HT600030R 90M-HT600030R TRS.
KTA1024Y
HVTKTA1024YT
MAIN Q813 00MHT800941B0 00MHT800941B0 TRS.
KTC3206Y
HVTKTC3206YAT
MAIN Q814 90M-HT600030R 90M-HT600030R TRS.
KTA1024Y
HVTKTA1024YT
MAIN Q815 00MHT800941B0 00MHT800941B0 TRS.
KTC3206Y
HVTKTC3206YAT

169
NOTE : "nsp" PART IS LISTED FOR REFERENCE ONLY, MARANTZ WILL NOT SUPPLY THESE PARTS.
P.W.B.
NAME
VERS.
COLOR
PART NO.
(FOR EUR)
PART NO.
(MZ) PART NAME DESCRIPTION
POS. NO.
MAIN Q816 90M-HT600030R 90M-HT600030R TRS.
KTA1024Y
HVTKTA1024YT
MAIN Q817 90M-HT600030R 90M-HT600030R TRS.
KTA1024Y
HVTKTA1024YT
MAIN Q818 00MHT800931A0 00MHT800931A0 TRS.
KTC3200GR-AT/P
CVTKTC3200-GR-AT/PMT
MAIN Q819 00MHT800931A0 00MHT800931A0 TRS.
KTC3200GR-AT/P
CVTKTC3200-GR-AT/PMT
MAIN
Q820
00MHT800931A0
00MHT800931A0
TRS
KTC GR AT/P
MAIN
Q820
00MHT800931A0
00MHT800931A0
TRS
.
KTC
3200
GR
-
AT/P
CVTKTC3200-GR-AT/PMT
MAIN Q821 00MHT800931A0 00MHT800931A0 TRS.
KTC3200GR-AT/P
CVTKTC3200-GR-AT/PMT
MAIN Q822 00MHT800931A0 00MHT800931A0 TRS.
KTC3200GR-AT/P
CVTKTC3200-GR-AT/PMT
MAIN Q823 00MHT800931A0 00MHT800931A0 TRS.
KTC3200GR-AT/P
CVTKTC3200-GR-AT/PMT
MAIN Q824 90M-HT800050R 90M-HT800050R TRS.
KTC3198Y
HVTKTC3198YT
MAIN Q825 90M-HT800050R 90M-HT800050R TRS.
KTC3198Y
HVTKTC3198YT
MAIN Q858 90M-HT100540R 90M-HT100540R TRS.
KTA1360Y
HVTKTA1360Y
MAIN Q871 90M-HT100540R 90M-HT100540R TRS.
KTA1360Y
HVTKTA1360Y
MAIN Q872 90M-HT100540R 90M-HT100540R TRS.
KTA1360Y
HVTKTA1360Y
MAIN
Q874
90M-HT100540R
90M-HT100540R
TRS
KTA1360Y
HVTKTA1360Y
MAIN
Q874
90M-HT100540R
90M-HT100540R
TRS
.
KTA1360Y
HVTKTA1360Y
MAIN Q875 90M-HT100540R 90M-HT100540R TRS.
KTA1360Y
HVTKTA1360Y
MAIN Q876 90M-HT100540R 90M-HT100540R TRS.
KTA1360Y
HVTKTA1360Y
MAIN Q877 90M-HT100540R 90M-HT100540R TRS.
KTA1360Y
HVTKTA1360Y
MAIN Q881 90M-HT300820R 90M-HT300820R TRS.
KTC3423Y
HVTKTC3423Y
MAIN Q882 90M-HT300820R 90M-HT300820R TRS.
KTC3423Y
HVTKTC3423Y
MAIN Q883 90M-HT300820R 90M-HT300820R TRS.
KTC3423Y
HVTKTC3423Y
MAIN Q884 90M-HT300820R 90M-HT300820R TRS.
KTC3423Y
HVTKTC3423Y
MAIN Q885 90M-HT300820R 90M-HT300820R TRS.
KTC3423Y
HVTKTC3423Y
MAIN Q886 90M-HT300820R 90M-HT300820R TRS.
KTC3423Y
HVTKTC3423Y
MAIN Q887 90M-HT300820R 90M-HT300820R TRS.
KTC3423Y
HVTKTC3423Y
MAIN Q901 00MHT600111B0 00MHT600111B0 TRS.
KTA1267Y
HVTKTA1267YT
MAIN Q902 90M-BA001530R 90M-BA001530R TRS.
KTC114M
HVTKRC114MT
MAIN Q903 90M-BA001460R 90M-BA001460R TRS.
KRC107M
HVTKRC107MT
MAIN Q904 00MHT600111B0 00MHT600111B0 TRS.
KTA1267Y
HVTKTA1267YT
MAIN Q905 90M-HT800050R 90M-HT800050R TRS.
KTC3198Y
HVTKTC3198YT
MAIN Q906 00MHT600111B0 00MHT600111B0 TRS.
KTA1267Y
HVTKTA1267YT
MAIN Q910 00MHT600111B0 00MHT600111B0 TRS.
KTA1267Y
HVTKTA1267YT
MAIN Q911 00MHT600111B0 00MHT600111B0 TRS.
KTA1267Y
HVTKTA1267YT
MAIN Q912 90M-HT800050R 90M-HT800050R TRS.
KTC3198Y
HVTKTC3198YT
MAIN Q913 90M-HT800050R 90M-HT800050R TRS.
KTC3198Y
HVTKTC3198YT
MAIN Q915 90M-BA001450R 90M-BA001450R TRS.
KRA107M
HVTKRA107MT
MAIN Q916 90M-HT800050R 90M-HT800050R TRS.
KTC3198Y
HVTKTC3198YT
MAIN Q917 90M-BA001460R 90M-BA001460R TRS.
KRC107M
HVTKRC107MT
MAIN Q918 00MHT600111B0 00MHT600111B0 TRS.
KTA1267Y
HVTKTA1267YT
MAIN Q919 90M-HT800050R 90M-HT800050R TRS.
KTC3198Y
HVTKTC3198YT
MAIN Q920 90M-HT800050R 90M-HT800050R TRS.
KTC3198Y
HVTKTC3198YT
MAIN Q921 90M-BA001450R 90M-BA001450R TRS.
KRA107M
HVTKRA107MT
MAIN
Q925
90M HT800050R
90M HT800050R
TRS
KTC3198Y
HVTKTC3198YT
MAIN
Q925
90M
-
HT800050R
90M
-
HT800050R
TRS
.
KTC3198Y
HVTKTC3198YT
MAIN Q926 00MHT600111B0 00MHT600111B0 TRS.
KTA1267Y
HVTKTA1267YT
MAIN Q927 90M-BA001460R 90M-BA001460R TRS.
KRC107M
HVTKRC107MT
MAIN Q928 90M-BA001460R 90M-BA001460R TRS.
KRC107M
HVTKRC107MT
MAIN Q929 90M-HT600030R 90M-HT600030R TRS.
KTA1024Y
HVTKTA1024YT
MAIN Q930 90M-BA001460R 90M-BA001460R TRS.
KRC107M
HVTKRC107MT
MAIN Q950 90M-HT800050R 90M-HT800050R TRS.
KTC3198Y
HVTKTC3198YT
MAIN Q951 943216000930S 943216000930S TRS.
KTD2854
CVTKTD2854
MAIN Q952 90M-HT800050R 90M-HT800050R TRS.
KTC3198Y
HVTKTC3198YT
MAIN
Q953
90
M-HT
600030
R
90
M-HT
600030
R TR
S
.
KTA1024Y
HVTKTA1024YT
Q953
90 600030
90 600030
S
MAIN Q954 90M-BA001460R 90M-BA001460R TRS.
KRC107M
HVTKRC107MT
MAIN Q960 90M-BA001460R 90M-BA001460R TRS.
KRC107M
HVTKRC107MT
MAIN Q961 90M-HT600030R 90M-HT600030R TRS.
KTA1024Y
HVTKTA1024YT
MAIN Q997 90M-BA001460R 90M-BA001460R TRS.
KRC107M
HVTKRC107MT
MAIN Q998 00MHT600111B0 00MHT600111B0 TRS.
KTA1267Y
HVTKTA1267YT
MAIN R499 ns
p
ns
p
RES.
27K OHM 1/6W J CARBON
CRD20TJ273T
MAIN R500 ns
p
ns
p
RES.
330 OHM 1/6W J CARBON
CRD20TJ331T
MAIN R501 ns
p
ns
p
RES.
43K OHM 1/6W J CARBON
CRD20TJ433T
MAIN R502 ns
p
ns
p
RES.
43K OHM 1/6W J CARBON
CRD20TJ433T
MAIN R503 ns
p
ns
p
RES.
43K OHM 1/6W J CARBON
CRD20TJ433T
MAIN R506 ns
p
ns
p
RES.
33K OHM 1/6W J CARBON
CRD20TJ333T
MAIN R507 ns
p
ns
p
RES.
33K OHM 1/6W J CARBON
CRD20TJ333T
MAIN R508 ns
p
ns
p
RES.
33K OHM 1/6W J CARBON
CRD20TJ333T
MAIN R509 ns
p
ns
p
RES.
33K OHM 1/6W J CARBON
CRD20TJ333T
MAIN R510 ns
p
ns
p
RES.
33K OHM 1/6W J CARBON
CRD20TJ333T
MAIN R511 ns
p
ns
p
RES.
1.5K OHM 1/6W J CARBON
CRD20TJ152T

170
NOTE : "nsp" PART IS LISTED FOR REFERENCE ONLY, MARANTZ WILL NOT SUPPLY THESE PARTS.
P.W.B.
NAME
VERS.
COLOR
PART NO.
(FOR EUR)
PART NO.
(MZ) PART NAME DESCRIPTION
POS. NO.
MAIN R512 ns
p
ns
p
RES.
1.5K OHM 1/6W J CARBON
CRD20TJ152T
MAIN R513 ns
p
ns
p
RES.
1.5K OHM 1/6W J CARBON
CRD20TJ152T
MAIN R514 ns
p
ns
p
RES.
1.5K OHM 1/6W J CARBON
CRD20TJ152T
MAIN R515 ns
p
ns
p
RES.
1.5K OHM 1/6W J CARBON
CRD20TJ152T
MAIN
R516
RES
K OHM / W J CARBON
MAIN
R516
ns
p
ns
p
RES
.
1.5
K
OHM
1
/
6
W
J
CARBON
CRD20TJ152T
MAIN R517 ns
p
ns
p
RES.
1.5K OHM 1/6W J CARBON
CRD20TJ152T
MAIN R518 ns
p
ns
p
RES.
1.5K OHM 1/6W J CARBON
CRD20TJ152T
MAIN R519 ns
p
ns
p
RES.
1.5K OHM 1/6W J CARBON
CRD20TJ152T
MAIN R520 ns
p
ns
p
RES.
1.5K OHM 1/6W J CARBON
CRD20TJ152T
MAIN R521 ns
p
ns
p
RES.
470 OHM 1/6W J CARBON
CRD20TJ471T
MAIN R522 ns
p
ns
p
RES.
470 OHM 1/6W J CARBON
CRD20TJ471T
MAIN R523 ns
p
ns
p
RES.
470 OHM 1/6W J CARBON
CRD20TJ471T
MAIN R524 ns
p
ns
p
RES.
470 OHM 1/6W J CARBON
CRD20TJ471T
MAIN
R525
nsp
nsp
RES
470 OHM 1/6W J CARBON
CRD20TJ471T
MAIN
R525
nsp
nsp
RES
.
470
OHM
1/6W
J
CARBON
CRD20TJ471T
MAIN R531 ns
p
ns
p
RES.
150 OHM 1/6W J CARBON
CRD20TJ151T
MAIN R532 ns
p
ns
p
RES.
150 OHM 1/6W J CARBON
CRD20TJ151T
MAIN R533 ns
p
ns
p
RES.
150 OHM 1/6W J CARBON
CRD20TJ151T
MAIN R534 ns
p
ns
p
RES.
150 OHM 1/6W J CARBON
CRD20TJ151T
MAIN R535 ns
p
ns
p
RES.
150 OHM 1/6W J CARBON
CRD20TJ151T
MAIN R536 ns
p
ns
p
RES.
150 OHM 1/6W J CARBON
CRD20TJ151T
MAIN R537 ns
p
ns
p
RES.
150 OHM 1/6W J CARBON
CRD20TJ151T
MAIN R538 ns
p
ns
p
RES.
150 OHM 1/6W J CARBON
CRD20TJ151T
MAIN R539 ns
p
ns
p
RES.
150 OHM 1/6W J CARBON
CRD20TJ151T
p
p
MAIN R540 ns
p
ns
p
RES.
150 OHM 1/6W J CARBON
CRD20TJ151T
MAIN R541 ns
p
ns
p
RES.
270 OHM 1/6W J CARBON
CRD20TJ271T
MAIN R542 ns
p
ns
p
RES.
270 OHM 1/6W J CARBON
CRD20TJ271T
MAIN R543 ns
p
ns
p
RES.
270 OHM 1/6W J CARBON
CRD20TJ271T
MAIN R544 ns
p
ns
p
RES.
270 OHM 1/6W J CARBON
CRD20TJ271T
MAIN R545 ns
p
ns
p
RES.
270 OHM 1/6W J CARBON
CRD20TJ271T
MAIN R546 ns
p
ns
p
CORD
SN95/PB5 0.6
C3A206
MAIN R547 ns
p
ns
p
CORD
SN95/PB5 0.6
C3A206
MAIN R556 ns
p
ns
p
RES.
33K OHM 1/4W J CARBON
CRD25TJ333T
MAIN R557 ns
p
ns
p
RES.
33K OHM 1/4W J CARBON
CRD25TJ333T
MAIN R558 ns
p
ns
p
RES.
33K OHM 1/4W J CARBON
CRD25TJ333T
MAIN R559 ns
p
ns
p
RES.
33K OHM 1/4W J CARBON
CRD25TJ333T
MAIN R560 ns
p
ns
p
RES.
33K OHM 1/4W J CARBON
CRD25TJ333T
MAIN R561 ns
p
ns
p
RES.
1.3K OHM 1/6W CARBON
CRD20TJ132T
MAIN R562 ns
p
ns
p
RES.
1.3K OHM 1/6W CARBON
CRD20TJ132T
MAIN R563 ns
p
ns
p
RES.
1.3K OHM 1/6W CARBON
CRD20TJ132T
MAIN R564 ns
p
ns
p
RES.
1.3K OHM 1/6W CARBON
CRD20TJ132T
MAIN R565 ns
p
ns
p
RES.
1.3K OHM 1/6W CARBON
CRD20TJ132T
MAIN
R566
nsp
nsp
RES
560 OHM 1/4W FLAME RETARDANT
CRG14SANCJ561T
MAIN
R566
nsp
nsp
RES
.
560
OHM
1/4W
FLAME
RETARDANT
CRG14SANCJ561T
MAIN R567 ns
p
ns
p
RES.
560 OHM 1/4W FLAME RETARDANT
CRG14SANCJ561T
MAIN R568 ns
p
ns
p
RES.
560 OHM 1/4W FLAME RETARDANT
CRG14SANCJ561T
MAIN R569 ns
p
ns
p
RES.
560 OHM 1/4W FLAME RETARDANT
CRG14SANCJ561T
MAIN R570 ns
p
ns
p
RES.
560 OHM 1/4W FLAME RETARDANT
CRG14SANCJ561T
MAIN R571 ns
p
ns
p
RES.
560 OHM 1/4W FLAME RETARDANT
CRG14SANCJ561T
MAIN R572 ns
p
ns
p
RES.
560 OHM 1/4W FLAME RETARDANT
CRG14SANCJ561T
MAIN R573 ns
p
ns
p
RES.
560 OHM 1/4W FLAME RETARDANT
CRG14SANCJ561T
MAIN R574 ns
p
ns
p
RES.
560 OHM 1/4W FLAME RETARDANT
CRG14SANCJ561T
MAIN R
5
7
5
n
sp
n
sp
RE
S
.
560 OHM 1/4W FLAME RETARDANT
CRG14SANCJ561T
55
sp
sp
S
MAIN R576 ns
p
ns
p
RES.
10 OHM 1/4W FLAME RETARDANT
CRG14SANCJ100T
MAIN R577 ns
p
ns
p
RES.
10 OHM 1/4W FLAME RETARDANT
CRG14SANCJ100T
MAIN R578 ns
p
ns
p
RES.
10 OHM 1/4W FLAME RETARDANT
CRG14SANCJ100T
MAIN R579 ns
p
ns
p
RES.
10 OHM 1/4W FLAME RETARDANT
CRG14SANCJ100T
MAIN R580 ns
p
ns
p
RES.
10 OHM 1/4W FLAME RETARDANT
CRG14SANCJ100T
MAIN R581 ns
p
ns
p
RES.
560 OHM 1/4W FLAME RETARDANT
CRG14SANCJ561T
MAIN R582 ns
p
ns
p
RES.
560 OHM 1/4W FLAME RETARDANT
CRG14SANCJ561T
MAIN R583 ns
p
ns
p
RES.
560 OHM 1/4W FLAME RETARDANT
CRG14SANCJ561T
MAIN R584 ns
p
ns
p
RES.
560 OHM 1/4W FLAME RETARDANT
CRG14SANCJ561T
MAIN R585 ns
p
ns
p
RES.
560 OHM 1/4W FLAME RETARDANT
CRG14SANCJ561T
MAIN R586 ns
p
ns
p
RES.
560 OHM 1/4W FLAME RETARDANT
CRG14SANCJ561T
MAIN R587 ns
p
ns
p
RES.
560 OHM 1/4W FLAME RETARDANT
CRG14SANCJ561T
MAIN R588 ns
p
ns
p
RES.
560 OHM 1/4W FLAME RETARDANT
CRG14SANCJ561T
MAIN R589 ns
p
ns
p
RES.
560 OHM 1/4W FLAME RETARDANT
CRG14SANCJ561T
MAIN R590 ns
p
ns
p
RES.
560 OHM 1/4W FLAME RETARDANT
CRG14SANCJ561T
MAIN R591 ns
p
ns
p
RES.
560 OHM 1/4W FLAME RETARDANT
CRG14SANCJ561T

171
NOTE : "nsp" PART IS LISTED FOR REFERENCE ONLY, MARANTZ WILL NOT SUPPLY THESE PARTS.
P.W.B.
NAME
VERS.
COLOR
PART NO.
(FOR EUR)
PART NO.
(MZ) PART NAME DESCRIPTION
POS. NO.
MAIN R592 ns
p
ns
p
RES.
560 OHM 1/4W FLAME RETARDANT
CRG14SANCJ561T
MAIN R593 ns
p
ns
p
RES.
560 OHM 1/4W FLAME RETARDANT
CRG14SANCJ561T
MAIN R594 ns
p
ns
p
RES.
560 OHM 1/4W FLAME RETARDANT
CRG14SANCJ561T
MAIN R595 ns
p
ns
p
RES.
560 OHM 1/4W FLAME RETARDANT
CRG14SANCJ561T
MAIN
R596
RES
OHM / W FLAME RETARDANT
MAIN
R596
ns
p
ns
p
RES
.
560
OHM
1
/
4
W
FLAME
RETARDANT
CRG14SANCJ561T
MAIN R597 ns
p
ns
p
RES.
560 OHM 1/4W FLAME RETARDANT
CRG14SANCJ561T
MAIN R598 ns
p
ns
p
RES.
560 OHM 1/4W FLAME RETARDANT
CRG14SANCJ561T
MAIN R599 ns
p
ns
p
RES.
560 OHM 1/4W FLAME RETARDANT
CRG14SANCJ561T
MAIN R600 ns
p
ns
p
RES.
560 OHM 1/4W FLAME RETARDANT
CRG14SANCJ561T
MAIN R601 ns
p
ns
p
RES.
22K OHM 1/6W J CARBON
CRD20TJ223T
MAIN R602 ns
p
ns
p
RES.
22K OHM 1/6W J CARBON
CRD20TJ223T
MAIN R603 ns
p
ns
p
RES.
22K OHM 1/6W J CARBON
CRD20TJ223T
MAIN R604 ns
p
ns
p
RES.
22K OHM 1/6W J CARBON
CRD20TJ223T
MAIN
R605
nsp
nsp
RES
22K OHM 1/6W J CARBON
CRD20TJ223T
MAIN
R605
nsp
nsp
RES
.
22K
OHM
1/6W
J
CARBON
CRD20TJ223T
MAIN R606 ns
p
ns
p
RES.
22K OHM 1/6W J CARBON
CRD20TJ223T
MAIN R607 ns
p
ns
p
RES.
22K OHM 1/6W J CARBON
CRD20TJ223T
MAIN R608 ns
p
ns
p
RES.
22K OHM 1/6W J CARBON
CRD20TJ223T
MAIN R609 ns
p
ns
p
RES.
22K OHM 1/6W J CARBON
CRD20TJ223T
MAIN R610 ns
p
ns
p
RES.
22K OHM 1/6W J CARBON
CRD20TJ223T
MAIN R611 ns
p
ns
p
RES.
10 OHM 1/4W FLAME RETARDANT
CRG14SANCJ100T
MAIN R612 ns
p
ns
p
RES.
10 OHM 1/4W FLAME RETARDANT
CRG14SANCJ100T
MAIN R631 ns
p
ns
p
RES.
18 OHM 1/4W CARBON
CRD25FJ180T
MAIN R632 ns
p
ns
p
RES.
18 OHM 1/4W CARBON
CRD25FJ180T
p
p
MAIN R633 ns
p
ns
p
RES.
18 OHM 1/4W CARBON
CRD25FJ180T
MAIN R634 ns
p
ns
p
RES.
18 OHM 1/4W CARBON
CRD25FJ180T
MAIN R635 ns
p
ns
p
RES.
18 OHM 1/4W CARBON
CRD25FJ180T
MAIN R636 ns
p
ns
p
RES.
18 OHM 1/4W CARBON
CRD25FJ180T
MAIN R637 ns
p
ns
p
RES.
18 OHM 1/4W CARBON
CRD25FJ180T
MAIN R638 ns
p
ns
p
RES.
18 OHM 1/4W CARBON
CRD25FJ180T
MAIN R639 ns
p
ns
p
RES.
18 OHM 1/4W CARBON
CRD25FJ180T
MAIN R640 ns
p
ns
p
RES.
18 OHM 1/4W CARBON
CRD25FJ180T
MAIN R646 ns
p
ns
p
RES.
3.3 OHM 1/4W CARBON
CRD25FJ3R3T
MAIN R647 ns
p
ns
p
RES.
3.3 OHM 1/4W CARBON
CRD25FJ3R3T
MAIN R648 ns
p
ns
p
RES.
3.3 OHM 1/4W CARBON
CRD25FJ3R3T
MAIN R649 ns
p
ns
p
RES.
3.3 OHM 1/4W CARBON
CRD25FJ3R3T
MAIN R650 ns
p
ns
p
RES.
3.3 OHM 1/4W CARBON
CRD25FJ3R3T
MAIN R651 ns
p
ns
p
RES.
3.3 OHM 1/4W CARBON
CRD25FJ3R3T
MAIN R652 ns
p
ns
p
RES.
3.3 OHM 1/4W CARBON
CRD25FJ3R3T
MAIN R653 ns
p
ns
p
RES.
3.3 OHM 1/4W CARBON
CRD25FJ3R3T
MAIN R654 ns
p
ns
p
RES.
3.3 OHM 1/4W CARBON
CRD25FJ3R3T
MAIN R655 ns
p
ns
p
RES.
3.3 OHM 1/4W CARBON
CRD25FJ3R3T
MAIN
R656
90M GO000013R
90M GO000013R
RES
0 27OHM X2 5W CEMENT
CRF5EKR27HX2K
MAIN
R656
90M
-
GO000013R
90M
-
GO000013R
RES
.
0
.
27OHM
X2
5W
CEMENT
CRF5EKR27HX2K
MAIN R657 90M-GO000013R 90M-GO000013R RES.
0.27OHM X2 5W CEMENT
CRF5EKR27HX2K
MAIN R658 90M-GO000013R 90M-GO000013R RES.
0.27OHM X2 5W CEMENT
CRF5EKR27HX2K
MAIN R659 90M-GO000013R 90M-GO000013R RES.
0.27OHM X2 5W CEMENT
CRF5EKR27HX2K
MAIN R660 90M-GO000013R 90M-GO000013R RES.
0.27OHM X2 5W CEMENT
CRF5EKR27HX2K
MAIN R666 ns
p
ns
p
RES.
47 OHM 1/4W J CARBON
CRD25TJ470T
MAIN R667 ns
p
ns
p
RES.
47 OHM 1/4W J CARBON
CRD25TJ470T
MAIN R668 ns
p
ns
p
RES.
47 OHM 1/4W J CARBON
CRD25TJ470T
MAIN R669 ns
p
ns
p
RES.
47 OHM 1/4W J CARBON
CRD25TJ470T
MAIN R
6
7
0
n
sp
n
sp
RE
S
.
47 OHM 1/4W J CARBON
CRD25TJ470T
60
sp
sp
S
MAIN R671 ns
p
ns
p
RES.
10K OHM 1/6W J CARBON
CRD20TJ103T
MAIN R672 ns
p
ns
p
RES.
10K OHM 1/6W J CARBON
CRD20TJ103T
MAIN R673 ns
p
ns
p
RES.
10K OHM 1/6W J CARBON
CRD20TJ103T
MAIN R674 ns
p
ns
p
RES.
10K OHM 1/6W J CARBON
CRD20TJ103T
MAIN R675 ns
p
ns
p
RES.
10K OHM 1/6W J CARBON
CRD20TJ103T
MAIN R676 ns
p
ns
p
RES.
10K OHM 1/6W J CARBON
CRD20TJ103T
MAIN R677 ns
p
ns
p
RES.
10K OHM 1/6W J CARBON
CRD20TJ103T
MAIN R678 ns
p
ns
p
RES.
10K OHM 1/6W J CARBON
CRD20TJ103T
MAIN R679 ns
p
ns
p
RES.
10K OHM 1/6W J CARBON
CRD20TJ103T
MAIN R680 ns
p
ns
p
RES.
10K OHM 1/6W J CARBON
CRD20TJ103T
MAIN R681 ns
p
ns
p
RES.
9.1K OHM 1/6W J CARBON
CRD20TJ912T
MAIN R682 ns
p
ns
p
RES.
9.1K OHM 1/6W J CARBON
CRD20TJ912T
MAIN R683 ns
p
ns
p
RES.
9.1K OHM 1/6W J CARBON
CRD20TJ912T
MAIN R684 ns
p
ns
p
RES.
9.1K OHM 1/6W J CARBON
CRD20TJ912T
MAIN R685 ns
p
ns
p
RES.
9.1K OHM 1/6W J CARBON
CRD20TJ912T
MAIN R686 ns
p
ns
p
RES.
22K OHM 1/6W J CARBON
CRD20TJ223T

172
NOTE : "nsp" PART IS LISTED FOR REFERENCE ONLY, MARANTZ WILL NOT SUPPLY THESE PARTS.
P.W.B.
NAME
VERS.
COLOR
PART NO.
(FOR EUR)
PART NO.
(MZ) PART NAME DESCRIPTION
POS. NO.
MAIN R687 ns
p
ns
p
RES.
22K OHM 1/6W J CARBON
CRD20TJ223T
MAIN R688 ns
p
ns
p
RES.
22K OHM 1/6W J CARBON
CRD20TJ223T
MAIN R689 ns
p
ns
p
RES.
22K OHM 1/6W J CARBON
CRD20TJ223T
MAIN R690 ns
p
ns
p
RES.
22K OHM 1/6W J CARBON
CRD20TJ223T
MAIN
R696
RES
OHM / W J CARBON
MAIN
R696
ns
p
ns
p
RES
.
47
OHM
1
/
4
W
J
CARBON
CRD25TJ470T
MAIN R697 ns
p
ns
p
RES.
47 OHM 1/4W J CARBON
CRD25TJ470T
MAIN R698 ns
p
ns
p
RES.
47 OHM 1/4W J CARBON
CRD25TJ470T
MAIN R699 ns
p
ns
p
RES.
47 OHM 1/4W J CARBON
CRD25TJ470T
MAIN R700 ns
p
ns
p
RES.
47 OHM 1/4W J CARBON
CRD25TJ470T
MAIN R771 ns
p
ns
p
RES.
75 OHM 1/4W FLAME RETARDANT
CRG14SANCJ750T
MAIN R772 ns
p
ns
p
RES.
75 OHM 1/4W FLAME RETARDANT
CRG14SANCJ750T
MAIN R773 ns
p
ns
p
RES.
75 OHM 1/4W FLAME RETARDANT
CRG14SANCJ750T
MAIN R774 ns
p
ns
p
RES.
75 OHM 1/4W FLAME RETARDANT
CRG14SANCJ750T
MAIN
R775
nsp
nsp
RES
75 OHM 1/4W FLAME RETARDANT
CRG14SANCJ750T
MAIN
R775
nsp
nsp
RES
.
75
OHM
1/4W
FLAME
RETARDANT
CRG14SANCJ750T
MAIN R776 ns
p
ns
p
RES.
75 OHM 1/4W FLAME RETARDANT
CRG14SANCJ750T
MAIN R777 ns
p
ns
p
RES.
75 OHM 1/4W FLAME RETARDANT
CRG14SANCJ750T
MAIN R781 ns
p
ns
p
RES.
75 OHM 1/4W FLAME RETARDANT
CRG14SANCJ750T
MAIN R782 ns
p
ns
p
RES.
75 OHM 1/4W FLAME RETARDANT
CRG14SANCJ750T
MAIN R783 ns
p
ns
p
RES.
75 OHM 1/4W FLAME RETARDANT
CRG14SANCJ750T
MAIN R784 ns
p
ns
p
RES.
75 OHM 1/4W FLAME RETARDANT
CRG14SANCJ750T
MAIN R785 ns
p
ns
p
RES.
75 OHM 1/4W FLAME RETARDANT
CRG14SANCJ750T
MAIN R786 ns
p
ns
p
RES.
75 OHM 1/4W FLAME RETARDANT
CRG14SANCJ750T
MAIN R787 ns
p
ns
p
RES.
75 OHM 1/4W FLAME RETARDANT
CRG14SANCJ750T
p
p
MAIN R800 ns
p
ns
p
RES.
4.7K OHM 1/6W J CARBON
CRD20TJ472T
MAIN R801 ns
p
ns
p
RES.
22K OHM 1/6W J CARBON
CRD20TJ223T
MAIN R802 ns
p
ns
p
RES.
22K OHM 1/6W J CARBON
CRD20TJ223T
MAIN R803 ns
p
ns
p
RES.
9.1K OHM 1/6W J CARBON
CRD20TJ912T
MAIN R804 ns
p
ns
p
RES.
9.1K OHM 1/6W J CARBON
CRD20TJ912T
MAIN R805 ns
p
ns
p
RES.
10K OHM 1/6W J CARBON
CRD20TJ103T
MAIN R807 ns
p
ns
p
RES.
10K OHM 1/6W J CARBON
CRD20TJ103T
MAIN R808 ns
p
ns
p
RES.
10K OHM 1/6W J CARBON
CRD20TJ103T
MAIN R809 ns
p
ns
p
RES.
10K OHM 1/6W J CARBON
CRD20TJ103T
MAIN R810 90M-GO000013R 90M-GO000013R RES.
0.27OHM X2 5W CEMENT
CRF5EKR27HX2K
MAIN R811 90M-GO000013R 90M-GO000013R RES.
0.27OHM X2 5W CEMENT
CRF5EKR27HX2K
MAIN R812 ns
p
ns
p
RES.
47 OHM 1/4W J CARBON
CRD25TJ470T
MAIN R813 ns
p
ns
p
RES.
47 OHM 1/4W J CARBON
CRD25TJ470T
MAIN R814 ns
p
ns
p
RES.
47 OHM 1/4W J CARBON
CRD25TJ470T
MAIN R815 ns
p
ns
p
RES.
47 OHM 1/4W J CARBON
CRD25TJ470T
MAIN R817 ns
p
ns
p
RES.
3.3 OHM 1/4W CARBON
CRD25FJ3R3T
MAIN R818 ns
p
ns
p
RES.
3.3 OHM 1/4W CARBON
CRD25FJ3R3T
MAIN R819 ns
p
ns
p
RES.
3.3 OHM 1/4W CARBON
CRD25FJ3R3T
MAIN
R820
nsp
nsp
RES
3 3 OHM 1/4W CARBON
CRD25FJ3R3T
MAIN
R820
nsp
nsp
RES
.
3
.
3
OHM
1/4W
CARBON
CRD25FJ3R3T
MAIN R821 ns
p
ns
p
RES.
18 OHM 1/4W CARBON
CRD25FJ180T
MAIN R822 ns
p
ns
p
RES.
18 OHM 1/4W CARBON
CRD25FJ180T
MAIN R823 ns
p
ns
p
RES.
18 OHM 1/4W CARBON
CRD25FJ180T
MAIN R824 ns
p
ns
p
RES.
18 OHM 1/4W CARBON
CRD25FJ180T
MAIN R830 ns
p
ns
p
RES.
22K OHM 1/6W J CARBON
CRD20TJ223T
MAIN R831 ns
p
ns
p
RES.
22K OHM 1/6W J CARBON
CRD20TJ223T
MAIN R832 ns
p
ns
p
RES.
22K OHM 1/6W J CARBON
CRD20TJ223T
MAIN R833 ns
p
ns
p
RES.
22K OHM 1/6W J CARBON
CRD20TJ223T
MAIN R
83
4n
sp
n
sp
RE
S
.
560 OHM 1/4W FLAME RETARDANT
CRG14SANCJ561T
83
sp
sp
S
MAIN R835 ns
p
ns
p
RES.
560 OHM 1/4W FLAME RETARDANT
CRG14SANCJ561T
MAIN R836 ns
p
ns
p
RES.
560 OHM 1/4W FLAME RETARDANT
CRG14SANCJ561T
MAIN R837 ns
p
ns
p
RES.
560 OHM 1/4W FLAME RETARDANT
CRG14SANCJ561T
MAIN R838 ns
p
ns
p
RES.
560 OHM 1/4W FLAME RETARDANT
CRG14SANCJ561T
MAIN R839 ns
p
ns
p
RES.
560 OHM 1/4W FLAME RETARDANT
CRG14SANCJ561T
MAIN R840 ns
p
ns
p
RES.
560 OHM 1/4W FLAME RETARDANT
CRG14SANCJ561T
MAIN R841 ns
p
ns
p
RES.
560 OHM 1/4W FLAME RETARDANT
CRG14SANCJ561T
MAIN R842 ns
p
ns
p
RES.
560 OHM 1/4W FLAME RETARDANT
CRG14SANCJ561T
MAIN R843 ns
p
ns
p
RES.
560 OHM 1/4W FLAME RETARDANT
CRG14SANCJ561T
MAIN R844 ns
p
ns
p
RES.
560 OHM 1/4W FLAME RETARDANT
CRG14SANCJ561T
MAIN R845 ns
p
ns
p
RES.
560 OHM 1/4W FLAME RETARDANT
CRG14SANCJ561T
MAIN R848 ns
p
ns
p
RES.
33K OHM 1/4W J CARBON
CRD25TJ333T
MAIN R849 ns
p
ns
p
RES.
33K OHM 1/4W J CARBON
CRD25TJ333T
MAIN R850 ns
p
ns
p
RES.
1.3K OHM 1/6W CARBON
CRD20TJ132T
MAIN R851 ns
p
ns
p
RES.
1.3K OHM 1/6W CARBON
CRD20TJ132T
MAIN R852 ns
p
ns
p
RES.
1.5K OHM 1/6W J CARBON
CRD20TJ152T

173
NOTE : "nsp" PART IS LISTED FOR REFERENCE ONLY, MARANTZ WILL NOT SUPPLY THESE PARTS.
P.W.B.
NAME
VERS.
COLOR
PART NO.
(FOR EUR)
PART NO.
(MZ) PART NAME DESCRIPTION
POS. NO.
MAIN R853 ns
p
ns
p
RES.
1.5K OHM 1/6W J CARBON
CRD20TJ152T
MAIN R854 ns
p
ns
p
RES.
1.5K OHM 1/6W J CARBON
CRD20TJ152T
MAIN R855 ns
p
ns
p
RES.
1.5K OHM 1/6W J CARBON
CRD20TJ152T
MAIN R856 ns
p
ns
p
RES.
150 OHM 1/6W J CARBON
CRD20TJ151T
MAIN
R857
RES
OHM / W J CARBON
MAIN
R857
ns
p
ns
p
RES
.
150
OHM
1
/
6
W
J
CARBON
CRD20TJ151T
MAIN R858 ns
p
ns
p
RES.
150 OHM 1/6W J CARBON
CRD20TJ151T
MAIN R859 ns
p
ns
p
RES.
150 OHM 1/6W J CARBON
CRD20TJ151T
MAIN R860 ns
p
ns
p
RES.
270 OHM 1/6W J CARBON
CRD20TJ271T
MAIN R861 ns
p
ns
p
RES.
270 OHM 1/6W J CARBON
CRD20TJ271T
MAIN R862 ns
p
ns
p
RES.
33K OHM 1/6W J CARBON
CRD20TJ333T
MAIN R863 ns
p
ns
p
RES.
33K OHM 1/6W J CARBON
CRD20TJ333T
MAIN R864 ns
p
ns
p
RES.
330 OHM 1/6W J CARBON
CRD20TJ331T
MAIN R865 ns
p
ns
p
RES.
330 OHM 1/6W J CARBON
CRD20TJ331T
MAIN
R870
nsp
nsp
RES
43K OHM 1/6W J CARBON
CRD20TJ433T
MAIN
R870
nsp
nsp
RES
.
43K
OHM
1/6W
J
CARBON
CRD20TJ433T
MAIN R871 ns
p
ns
p
RES.
43K OHM 1/6W J CARBON
CRD20TJ433T
MAIN R872 ns
p
ns
p
RES.
470 OHM 1/6W J CARBON
CRD20TJ471T
MAIN R873 ns
p
ns
p
RES.
470 OHM 1/6W J CARBON
CRD20TJ471T
MAIN R888 ns
p
ns
p
RES.
15K OHM 1/6W J CARBON
CRD20TJ153T
MAIN R889 ns
p
ns
p
RES.
15K OHM 1/6W J CARBON
CRD20TJ153T
MAIN R890 ns
p
ns
p
RES.
4.7K OHM 1/6W J CARBON
CRD20TJ472T
MAIN R900 ns
p
ns
p
RES.
33K OHM 1/6W J CARBON
CRD20TJ333T
MAIN R901 ns
p
ns
p
RES.
4.7K OHM 1/6W J CARBON
CRD20TJ472T
MAIN R902 ns
p
ns
p
RES.
4.7K OHM 1/6W J CARBON
CRD20TJ472T
p
p
MAIN R903 ns
p
ns
p
RES.
10K OHM 1/6W J CARBON
CRD20TJ103T
MAIN R905 ns
p
ns
p
RES.
1 OHM 1W METAL OXIDE FILM
CRG1ANJ1R0H
MAIN R906 ns
p
ns
p
RES.
100K OHM 1/6W J CARBON
CRD20TJ104T
MAIN R910 ns
p
ns
p
RES.
10K OHM 1/6W J CARBON
CRD20TJ103T
MAIN R911 ns
p
ns
p
RES.
10K OHM 1/6W J CARBON
CRD20TJ103T
MAIN R912 ns
p
ns
p
RES.
4.7K OHM 1/6W J CARBON
CRD20TJ472T
MAIN R913 ns
p
ns
p
RES.
1 OHM 1/6W J CARBON
CRD20TJ1R0T
MAIN R917 ns
p
ns
p
RES.
15K OHM 1/6W J CARBON
CRD20TJ153T
MAIN R918 ns
p
ns
p
RES.
15K OHM 1/6W J CARBON
CRD20TJ153T
MAIN R919 ns
p
ns
p
RES.
15K OHM 1/6W J CARBON
CRD20TJ153T
MAIN R920 ns
p
ns
p
RES.
15K OHM 1/6W J CARBON
CRD20TJ153T
MAIN R921 ns
p
ns
p
RES.
100K OHM 1/6W J CARBON
CRD20TJ104T
MAIN R922 ns
p
ns
p
RES.
10K OHM 1/6W J CARBON
CRD20TJ103T
MAIN R923 ns
p
ns
p
RES.
33K OHM 1/6W J CARBON
CRD20TJ333T
MAIN R925 ns
p
ns
p
RES.
10K OHM 1/6W J CARBON
CRD20TJ103T
MAIN R926 ns
p
ns
p
RES.
10K OHM 1/6W J CARBON
CRD20TJ103T
MAIN R927 ns
p
ns
p
RES.
15K OHM 1/6W J CARBON
CRD20TJ153T
MAIN R928 ns
p
ns
p
RES.
27K OHM 1/6W J CARBON
CRD20TJ273T
MAIN
R929
nsp
nsp
RES
330 OHM 1/6W J CARBON
CRD20TJ331T
MAIN
R929
nsp
nsp
RES
.
330
OHM
1/6W
J
CARBON
CRD20TJ331T
MAIN R930 ns
p
ns
p
RES.
4.7K OHM 1/6W J CARBON
CRD20TJ472T
MAIN R931 ns
p
ns
p
RES.
10K OHM 1/6W J CARBON
CRD20TJ103T
MAIN R932 ns
p
ns
p
RES.
10K OHM 1/6W J CARBON
CRD20TJ103T
MAIN R937 ns
p
ns
p
RES.
15K OHM 1/6W J CARBON
CRD20TJ153T
MAIN R938 ns
p
ns
p
RES.
33K OHM 1/6W J CARBON
CRD20TJ333T
MAIN R939 ns
p
ns
p
RES.
33K OHM 1/6W J CARBON
CRD20TJ333T
MAIN R941 ns
p
ns
p
RES.
68K OHM 1/4W J CARBON
CRD25TJ683T
MAIN R942 ns
p
ns
p
RES.
68K OHM 1/6W J CARBON
CRD20TJ683T
MAIN R
9
4
3
n
sp
n
sp
RE
S
.
68K OHM 1/6W J CARBON
CRD20TJ683T
93
sp
sp
S
MAIN R944 ns
p
ns
p
RES.
68K OHM 1/4W J CARBON
CRD25TJ683T
MAIN R945 ns
p
ns
p
RES.
68K OHM 1/6W J CARBON
CRD20TJ683T
MAIN R946 ns
p
ns
p
RES.
68K OHM 1/6W J CARBON
CRD20TJ683T
MAIN R947 ns
p
ns
p
RES.
68K OHM 1/4W J CARBON
CRD25TJ683T
MAIN R948 ns
p
ns
p
RES.
2.2K OHM 1/6W J CARBON
CRD20TJ222T
MAIN R949 ns
p
ns
p
RES.
10K OHM 1/6W J CARBON
CRD20TJ103T
MAIN R950 ns
p
ns
p
RES.
47K OHM 1/6W J CARBON
CRD20TJ473T
MAIN R951 ns
p
ns
p
RES.
22K OHM 1/6W J CARBON
CRD20TJ223T
MAIN R952 ns
p
ns
p
RES.
22K OHM 1/6W J CARBON
CRD20TJ223T
MAIN R953 ns
p
ns
p
RES.
22K OHM 1/6W J CARBON
CRD20TJ223T
MAIN R954 ns
p
ns
p
RES.
4.7K OHM 1/6W J CARBON
CRD20TJ472T
MAIN R955 ns
p
ns
p
RES.
4.7 OHM 1/6W J CARBON
CRD20TJ4R7T
MAIN R957 ns
p
ns
p
RES.
10K OHM 1/6W J CARBON
CRD20TJ103T
MAIN R958 ns
p
ns
p
RES.
4.7K OHM 1/6W J CARBON
CRD20TJ472T
MAIN R959 ns
p
ns
p
RES.
4.7 OHM 1/6W J CARBON
CRD20TJ4R7T
MAIN R960 ns
p
ns
p
RES.
1K OHM 1/6W J CARBON
CRD20TJ102T

174
NOTE : "nsp" PART IS LISTED FOR REFERENCE ONLY, MARANTZ WILL NOT SUPPLY THESE PARTS.
P.W.B.
NAME
VERS.
COLOR
PART NO.
(FOR EUR)
PART NO.
(MZ) PART NAME DESCRIPTION
POS. NO.
MAIN R961 ns
p
ns
p
RES.
330 OHM 1/6W J CARBON
CRD20TJ331T
MAIN R962 ns
p
ns
p
RES.
27K OHM 1/6W J CARBON
CRD20TJ273T
MAIN R963 ns
p
ns
p
CORD
SN95/PB5 0.6
C3A206
MAIN R964 ns
p
ns
p
CORD
SN95/PB5 0.6
C3A206
MAIN
R970
RES
K OHM / W J CARBON
MAIN
R970
ns
p
ns
p
RES
.
10
K
OHM
1
/
6
W
J
CARBON
CRD20TJ103T
MAIN R971 ns
p
ns
p
RES.
15K OHM 1/6W J CARBON
CRD20TJ153T
MAIN R972 ns
p
ns
p
RES.
4.7K OHM 1/6W J CARBON
CRD20TJ472T
MAIN R974 ns
p
ns
p
RES.
330 OHM 1/6W J CARBON
CRD20TJ331T
MAIN R975 ns
p
ns
p
RES.
330 OHM 1/6W J CARBON
CRD20TJ331T
MAIN R976 ns
p
ns
p
RES.
330 OHM 1/6W J CARBON
CRD20TJ331T
MAIN R977 ns
p
ns
p
RES.
330 OHM 1/6W J CARBON
CRD20TJ331T
MAIN R978 ns
p
ns
p
RES.
330 OHM 1/6W J CARBON
CRD20TJ331T
MAIN R979 ns
p
ns
p
RES.
39K OHM 1/6W J CARBON
CRD20TJ393T
MAIN
R980
nsp
nsp
RES
15K OHM 1/6W J CARBON
CRD20TJ153T
MAIN
R980
nsp
nsp
RES
.
15K
OHM
1/6W
J
CARBON
CRD20TJ153T
MAIN R981 ns
p
ns
p
RES.
56 OHM 1/4W J CARBON
CRD25TJ560T
MAIN R982 ns
p
ns
p
RES.
4.7 OHM 1/6W J CARBON
CRD20TJ4R7T
MAIN R984 ns
p
ns
p
RES.
4.7K OHM 1/6W J CARBON
CRD20TJ472T
MAIN R985 ns
p
ns
p
RES.
10K OHM 1/6W J CARBON
CRD20TJ103T
MAIN R990 ns
p
ns
p
RES.
10 OHM METAL OXIDE FILM
CRG1ANJ100H
MAIN R991 ns
p
ns
p
RES.
43K OHM 1/6W J CARBON
CRD20TJ433T
MAIN R992 ns
p
ns
p
RES.
43K OHM 1/6W J CARBON
CRD20TJ433T
MAIN R993 ns
p
ns
p
RES.
10 OHM METAL OXIDE FILM
CRG1ANJ100H
MAIN R994 ns
p
ns
p
RES.
10 OHM METAL OXIDE FILM
CRG1ANJ100H
p
p
MAIN R995 ns
p
ns
p
RES.
10 OHM METAL OXIDE FILM
CRG1ANJ100H
MAIN R996 ns
p
ns
p
RES.
10 OHM METAL OXIDE FILM
CRG1ANJ100H
MAIN R997 ns
p
ns
p
RES.
10 OHM METAL OXIDE FILM
CRG1ANJ100H
MAIN R999 ns
p
ns
p
RES.
10 OHM METAL OXIDE FILM
CRG1ANJ100H
MAIN RY94 00MLY10090010 00MLY10090010 RELAY
! SDT-S-109DMR
HSL1D016ZE
MAIN RY95 943682000800S 943682000800S RELAY
G5PA-28-MC DC24V
CSL3B014ZE
MAIN RY96 00MLY20240510 00MLY20240510 RELAY
OSA-SS-224DM3
HSL4B017ZU
MAIN RY97 943682000800S 943682000800S RELAY
G5PA-28-MC DC24V
CSL3B014ZE
MAIN T902 F B ns
p
943101004470M TRANSF.
! SUB TRANSF. SR5003/SR6003 F
CLT5I011ZJ
MAIN T902
/
K1SG ns
p
943101004480M TRANSF.
! SUB TRANSF. SR5003/SR6003 K
CLT5I011ZH
MAIN T902
/
N1B 943101003820M 943101003820M TRANSF.
! TRANSF. SUB SR5003 N
CLT5I011ZE
MAIN T902
/
N1SG 943101003820M 943101003820M TRANSF.
! TRANSF. SUB SR5003 N
CLT5I011ZE
MAIN T902
/
U1B ns
p
943101003830M TRANSF.
! TRANSF. SUB SR5003 U
CLT5I011ZU
MAIN TH91 90M-HP000090R 90M-HP000090R VARISTOR
POSISTOR ASSY
CRTSYPSX06850JD
PUSH SW PWB
(
CUP12091Z-4
)
P SW C146
/
K1SG ns
p
90M-DK100800R CER. CAP.
! DKS471ME
KCKDKS471ME
P SW C146
/
N1B 90M-DK100800R 90M-DK100800R CER. CAP.
! DKS471ME
KCKDKS471ME
P SW C146
/
N1SG 90M-DK100800R 90M-DK100800R CER. CAP.
! DKS471ME
KCKDKS471ME
P SW
CN19
/K1SG
nsp
nsp
CONN
2P WAFER
CJP02GA89ZY
P
SW
CN19
/K1SG
nsp
nsp
CONN
.
2P
WAFER
CJP02GA89ZY
P SW CN19
/
N1B ns
p
ns
p
CONN.
2P WAFER
CJP02GA89ZY
P SW CN19
/
N1SG ns
p
ns
p
CONN.
2P WAFER
CJP02GA89ZY
P SW SW27
/
K1SG ns
p
90M-SP001250R SW
! JPP1197CSA64
KSH1A001ZV
P SW SW27
/
N1B 90M-SP001250R 90M-SP001250R SW
! JPP1197CSA64
KSH1A001ZV
P SW SW27
/
N1SG 90M-SP001250R 90M-SP001250R SW
! JPP1197CSA64
KSH1A001ZV
REGULATOR 1 PWB
(
CUP12085Z
)
REG 1 BN50 ns
p
ns
p
CORD
WIRE ASSY
CWB1D903150BM
REG 1 BN95 ns
p
ns
p
CORD
7P WIRE ASSY 100MM
CWB1E907100BM
RE
G
1 BN
98
n
sp
n
sp
CO
RD
WIRE ASSY
CWB1C903400BM
G
98
sp
sp
CO
REG 1 BN99 ns
p
ns
p
CORD
5P WIRE ASSY 250MM
CWB1E905250BM
REG 1 C923 ns
p
00MOA47802520 ELECT CAP.
4700UF 25V
CCEA1EH472E
REG 1 C924 ns
p
00MOA33802520 ELECT CAP.
3300UF 25V
CCEA1EH332E
REG 1 C925 ns
p
ns
p
CER. CAP.
0.1UF 50V ZF
CCFT1H104ZF
REG 1 C926 ns
p
ns
p
CER. CAP.
0.1UF 50V ZF
CCFT1H104ZF
REG 1 C927 ns
p
00MOA10702520 ELECT CAP.
100UF 25V
CCEA1EH101T
REG 1 C928 ns
p
00MOA10702520 ELECT CAP.
100UF 25V
CCEA1EH101T
REG 1 C929 ns
p
ns
p
CER. CAP.
0.1UF 50V ZF
CCFT1H104ZF
REG 1 C930 ns
p
ns
p
CER. CAP.
0.1UF 50V ZF
CCFT1H104ZF
REG 1 C941 ns
p
00MOA47701620 ELECT CAP.
470UF 16V ZF
CCEA1CH471T
REG 1 C942 ns
p
ns
p
CER. CAP.
0.1UF 50V ZF
CCFT1H104ZF
REG 1 C943 ns
p
00MOA10605020 ELECT CAP.
10UF 50V
CCEA1HH100T
REG 1 C944 ns
p
ns
p
CER. CAP.
0.1UF 50V ZF
CCFT1H104ZF
REG 1 C950
/
U1B ns
p
ns
p
CER. CAP.
0.1UF 50V ZF
CCFT1H104ZF
REG 1 C951
/
U1B ns
p
00MOA10605020 ELECT CAP.
10UF 50V
CCEA1HH100T
REG 1 C952
/
U1B ns
p
ns
p
CER. CAP.
0.1UF 50V ZF
CCFT1H104ZF

175
NOTE : "nsp" PART IS LISTED FOR REFERENCE ONLY, MARANTZ WILL NOT SUPPLY THESE PARTS.
P.W.B.
NAME
VERS.
COLOR
PART NO.
(FOR EUR)
PART NO.
(MZ) PART NAME DESCRIPTION
POS. NO.
REG 1 D914 ns
p
90M-HD201730R DIODE
1N4003
CVD1N4003ST
REG 1 D915 ns
p
90M-HD201730R DIODE
1N4003
CVD1N4003ST
REG 1 IC91 90M-HC300650R 90M-HC300650R IC
L7812CP
HVIL7812CP
REG 1 IC92 90M-HC300660R 90M-HC300660R IC
L7912CP
HVIL7912CP
REG 1
IC95
90M HC300790R
90M HC300790R
IC
KIA R PI
REG
1
IC95
90M
-
HC300790R
90M
-
HC300790R
IC
KIA
78
R
05
PI
HVIKIA78R05PI
REG 1 IC97
/
U1B ns
p
90M-HC301010R IC
KIA278R00PI
CVIKIA278R00PI
REG 1 J112 ns
p
ns
p
CORD
SN95/PB5 0.6
C3A206
REG 1 J121 ns
p
ns
p
CORD
SN95/PB5 0.6
C3A206
REG 1 J901 ns
p
ns
p
CORD
SN95/PB5 0.6
C3A206
REG 1 J905 ns
p
ns
p
CORD
SN95/PB5 0.6
C3A206
REG 1 J910 ns
p
ns
p
CORD
SN95/PB5 0.6
C3A206
REG 1 J911 ns
p
ns
p
CORD
SN95/PB5 0.6
C3A206
REG 1 J912 ns
p
ns
p
CORD
SN95/PB5 0.6
C3A206
REG 1
J913
nsp
nsp
CORD
SN95/PB5 0 6
C3A206
REG
1
J913
nsp
nsp
CORD
SN95/PB5
0
.
6
C3A206
REG 1 J914 ns
p
ns
p
CORD
SN95/PB5 0.6
C3A206
REG 1 J915 ns
p
ns
p
CORD
SN95/PB5 0.6
C3A206
REG 1 J916 ns
p
ns
p
CORD
SN95/PB5 0.6
C3A206
REG 1 J917 ns
p
ns
p
CORD
SN95/PB5 0.6
C3A206
REG 1 J918 ns
p
ns
p
CORD
SN95/PB5 0.6
C3A206
REG 1 J919 ns
p
ns
p
CORD
SN95/PB5 0.6
C3A206
REG 1 J945 ns
p
ns
p
CORD
SN95/PB5 0.6
C3A206
REG 1 J980 ns
p
ns
p
CORD
SN95/PB5 0.6
C3A206
REG 1 R912 ns
p
ns
p
RES.
15K OHM 1/6W J CARBON
CRD20TJ153T
p
p
REG 1 R913 ns
p
ns
p
RES.
15K OHM 1/6W J CARBON
CRD20TJ153T
REG 1 R914 ns
p
ns
p
RES.
1K OHM 1/4W J CARBON
CRD25TJ102T
REG 1 R915 ns
p
ns
p
RES.
1K OHM 1/4W J CARBON
CRD25TJ102T
REG 1 R918 ns
p
ns
p
RES.
100K OHM 1/4W J CARBON
CRD25TJ104T
REG 1 R960 ns
p
ns
p
RES.
10 OHM 1/6W J CARBON
CRD20TJ100T
REG 1 R961
/
U1B ns
p
ns
p
RES.
1.8K OHM 1/6W J CARBON
CRD20TJ182T
REG 1 R962
/
U1B ns
p
ns
p
RES.
470 OHM 1/6W J CARBON
CRD20TJ471T
REGULATOR 2 PWB
(
CUP12085Z
)
REG 2 BK90 ns
p
ns
p
BRACKET
BRACKET PWB
CMD1A387
REG 2 BN97 ns
p
ns
p
CORD
WIRE ASSY
CWB1E907150BM
REG 2 C931 943134003840S 943134003840S ELECT CAP.
10000UF 16V KR3
CCEA1CH103EZ
REG 2 C932 943134003840S 943134003840S ELECT CAP.
10000UF 16V KR3
CCEA1CH103EZ
REG 2 C934 ns
p
ns
p
CER. CAP.
0.1UF 50V ZF
CCFT1H104ZF
REG 2 C935 ns
p
00MOA10605020 ELECT CAP.
10UF 50V
CCEA1HH100T
REG 2 C936 ns
p
ns
p
CER. CAP.
0.1UF 50V ZF
CCFT1H104ZF
REG 2 C938 ns
p
ns
p
CER. CAP.
0.1UF 50V ZF
CCFT1H104ZF
REG 2 C939 ns
p
00MOA10605020 ELECT CAP.
10UF 50V
CCEA1HH100T
REG 2 C940 ns
p
ns
p
CER. CAP.
0.1UF 50V ZF
CCFT1H104ZF
REG 2
CN15
nsp
nsp
CONN
5P WAFER YMW025 05R 00906 0014
CJP05GA01ZY
REG
2
CN15
nsp
nsp
CONN
.
5P
WAFER
YMW025
-
05R
00906
-
0014
CJP05GA01ZY
REG 2 CN65 ns
p
ns
p
CONN.
5P WAFER YMW025-05R 00906-0014
CJP05GA01ZY
REG 2 IC93 90M-HC300990R 90M-HC300990R IC
KIA578R05PI TO-220IS
CVIKIA578R05PI
REG 2 IC94 90M-HC300990R 90M-HC300990R IC
KIA578R05PI TO-220IS
CVIKIA578R05PI
REG 2 J930 ns
p
ns
p
CORD
SN95/PB5 0.6
C3A206
REG 2 J931 ns
p
ns
p
CORD
SN95/PB5 0.6
C3A206
REG 2 J932 ns
p
ns
p
CORD
SN95/PB5 0.6
C3A206
REG 2 J933 ns
p
ns
p
CORD
SN95/PB5 0.6
C3A206
REG 2 J934 ns
p
ns
p
CORD
SN95/PB5 0.6
C3A206
RE
G
2
J935
n
sp
n
sp
CO
RD
SN95/PB5 0.6
C3A206
G
J935
sp
sp
CO
REG 2 J936 ns
p
ns
p
CORD
SN95/PB5 0.6
C3A206
REG 2 R916 ns
p
ns
p
RES.
100K OHM 1/4W J CARBON
CRD25TJ104T
REG 2 R917 ns
p
ns
p
RES.
100K OHM 1/4W J CARBON
CRD25TJ104T
TR BIAS PWB
(
CUP12085Z
)
TR BIAS C960 ns
p
00MOA10605020 ELECT CAP.
10UF 50V
CCEA1HH100T
TR BIAS C961 ns
p
00MOA10605020 ELECT CAP.
10UF 50V
CCEA1HH100T
TR BIAS C962 ns
p
00MOA10605020 ELECT CAP.
10UF 50V
CCEA1HH100T
TR BIAS C963 ns
p
00MOA10605020 ELECT CAP.
10UF 50V
CCEA1HH100T
TR BIAS C964 ns
p
00MOA10605020 ELECT CAP.
10UF 50V
CCEA1HH100T
TR BIAS C965 ns
p
00MOA10605020 ELECT CAP.
10UF 50V
CCEA1HH100T
TR BIAS C966 ns
p
00MOA10605020 ELECT CAP.
10UF 50V
CCEA1HH100T
TR BIAS CN80 ns
p
ns
p
CONN.
2P STRAIGHT YMW025-02R
CJP02GA01ZY
TR BIAS CN81 ns
p
ns
p
CONN.
2P STRAIGHT YMW025-02R
CJP02GA01ZY
TR BIAS CN82 ns
p
ns
p
CONN.
2P STRAIGHT YMW025-02R
CJP02GA01ZY
TR BIAS CN83 ns
p
ns
p
CONN.
2P STRAIGHT YMW025-02R
CJP02GA01ZY
TR BIAS CN84 ns
p
ns
p
CONN.
2P STRAIGHT YMW025-02R
CJP02GA01ZY

176
NOTE : "nsp" PART IS LISTED FOR REFERENCE ONLY, MARANTZ WILL NOT SUPPLY THESE PARTS.
P.W.B.
NAME
VERS.
COLOR
PART NO.
(FOR EUR)
PART NO.
(MZ) PART NAME DESCRIPTION
POS. NO.
TR BIAS CN85 ns
p
ns
p
CONN.
2P STRAIGHT YMW025-02R
CJP02GA01ZY
TR BIAS CN86 ns
p
ns
p
CONN.
2P STRAIGHT YMW025-02R
CJP02GA01ZY
TR BIAS Q903 90M-HT800120R 90M-HT800120R TRS.
KTC3114A
HVTKTC3114A
TR BIAS Q904 90M-HT800120R 90M-HT800120R TRS.
KTC3114A
HVTKTC3114A
TR BIAS
Q905
90M HT800120R
90M HT800120R
TRS
KTC A
TR
BIAS
Q905
90M
-
HT800120R
90M
-
HT800120R
TRS
.
KTC
3114
A
HVTKTC3114A
TR BIAS Q906 90M-HT800120R 90M-HT800120R TRS.
KTC3114A
HVTKTC3114A
TR BIAS Q907 90M-HT800120R 90M-HT800120R TRS.
KTC3114A
HVTKTC3114A
TR BIAS Q908 90M-HT800120R 90M-HT800120R TRS.
KTC3114A
HVTKTC3114A
TR BIAS Q909 90M-HT800120R 90M-HT800120R TRS.
KTC3114A
HVTKTC3114A
TR BIAS R928 ns
p
ns
p
RES.
1.2K OHM 1/6W J CARBON
CRD20TJ122T
TR BIAS R930 ns
p
ns
p
RES.
330 OHM 1/6W J CARBON
CRD20TJ331T
TR BIAS R931 ns
p
ns
p
RES.
1.2K OHM 1/6W J CARBON
CRD20TJ122T
TR BIAS R933 ns
p
ns
p
RES.
330 OHM 1/6W J CARBON
CRD20TJ331T
TR BIAS
R934
nsp
nsp
RES
1 2K OHM 1/6W J CARBON
CRD20TJ122T
TR
BIAS
R934
nsp
nsp
RES
.
1
.
2K
OHM
1/6W
J
CARBON
CRD20TJ122T
TR BIAS R936 ns
p
ns
p
RES.
330 OHM 1/6W J CARBON
CRD20TJ331T
TR BIAS R937 ns
p
ns
p
RES.
1.2K OHM 1/6W J CARBON
CRD20TJ122T
TR BIAS R939 ns
p
ns
p
RES.
330 OHM 1/6W J CARBON
CRD20TJ331T
TR BIAS R940 ns
p
ns
p
RES.
1.2K OHM 1/6W J CARBON
CRD20TJ122T
TR BIAS R942 ns
p
ns
p
RES.
330 OHM 1/6W J CARBON
CRD20TJ331T
TR BIAS R943 ns
p
ns
p
RES.
1.2K OHM 1/6W J CARBON
CRD20TJ122T
TR BIAS R945 ns
p
ns
p
RES.
330 OHM 1/6W J CARBON
CRD20TJ331T
TR BIAS R970 ns
p
ns
p
RES.
1.2K OHM 1/6W J CARBON
CRD20TJ122T
TR BIAS R972 ns
p
ns
p
RES.
330 OHM 1/6W J CARBON
CRD20TJ331T
p
p
TR BIAS VR92 90M-RA001100R 90M-RA001100R TRIM. RES.
220 OHM
CVN1RA221B02T
TR BIAS VR93 90M-RA001100R 90M-RA001100R TRIM. RES.
220 OHM
CVN1RA221B02T
TR BIAS VR94 90M-RA001100R 90M-RA001100R TRIM. RES.
220 OHM
CVN1RA221B02T
TR BIAS VR95 90M-RA001100R 90M-RA001100R TRIM. RES.
220 OHM
CVN1RA221B02T
TR BIAS VR96 90M-RA001100R 90M-RA001100R TRIM. RES.
220 OHM
CVN1RA221B02T
TR BIAS VR97 90M-RA001100R 90M-RA001100R TRIM. RES.
220 OHM
CVN1RA221B02T
TR BIAS VR98 90M-RA001100R 90M-RA001100R TRIM. RES.
220 OHM
CVN1RA221B02T
TRANSF. 1 PWB
(
CUP12085Z
)
TRANSF 1 BN14 ns
p
ns
p
CORD
7P WIRE ASSY 150MM
CWB1D907150BM
TRANSF 1 BN65 ns
p
ns
p
CORD
5P WIRE ASSY 250MM
CWB1E905250BM
TRANSF 1 C910 ns
p
ns
p
FILM CAP.
0.01UF 100V J
HCQI1H103JZT
TRANSF 1 C911 ns
p
ns
p
FILM CAP.
0.01UF 100V J
HCQI1H103JZT
TRANSF 1 C912 ns
p
ns
p
FILM CAP.
0.01UF 100V J
HCQI1H103JZT
TRANSF 1 C913 ns
p
ns
p
FILM CAP.
0.01UF 100V J
HCQI1H103JZT
TRANSF 1 C914 ns
p
ns
p
FILM CAP.
0.01UF 100V J
HCQI1H103JZT
TRANSF 1 C915 ns
p
ns
p
CER. CAP.
0.1UF 50V ZF
CCFT1H104ZF
TRANSF 1 C916 ns
p
ns
p
FILM CAP.
0.01UF 100V J
HCQI1H103JZT
TRANSF 1 C917 ns
p
00MOA10706320 ELECT CAP.
100UF 63V
CCEA1JH101E
TRANSF 1
C918
nsp
nsp
FILM CAP
0 01UF 100V J
HCQI1H103JZT
TRANSF
1
C918
nsp
nsp
FILM
CAP
.
0
.
01UF
100V
J
HCQI1H103JZT
TRANSF 1 C919 ns
p
00MOA47605020 ELECT CAP.
47UF 50V
CCEA1HH470T
TRANSF 1 C920 ns
p
00MOA47605020 ELECT CAP.
47UF 50V
CCEA1HH470T
TRANSF 1 C921 ns
p
ns
p
FILM CAP.
0.01UF 100V J
HCQI1H103JZT
TRANSF 1 C922 ns
p
00MOA47602520 ELECT CAP.
47UF 25V
CCEA1EH470T
TRANSF 1 CN25 ns
p
ns
p
CONN.
5P WAFER YMW025-05R 00906-0014
CJP05GA01ZY
TRANSF 1 CN50 ns
p
ns
p
CONN.
3P STRAIGHT YMW025-03R
CJP03GA01ZY
TRANSF 1 CN91 ns
p
ns
p
CONN.
3P STRAIGHT YMW025-03R
CJP03GA01ZY
TRANSF 1 CN95 ns
p
ns
p
CONN.
7P STRAIGHT 00906-0017
CJP07GA01ZY
TRAN
S
F 1 D
903
n
sp
90
M-HD2
0
17
50
R DI
O
DE
1N4003
CVD1N4003SRT
S
903
sp
90 0 50
O
TRANSF 1 D904 ns
p
90M-HD201750R DIODE
1N4003
CVD1N4003SRT
TRANSF 1 D905 ns
p
90M-HD201750R DIODE
1N4003
CVD1N4003SRT
TRANSF 1 D906 ns
p
90M-HD201750R DIODE
1N4003
CVD1N4003SRT
TRANSF 1 D909 90M-HD302360R 90M-HD302360R ZENER DIODE
ZJ6.8B 1/2W
CVDZJ6.8BT
TRANSF 1 D910 90M-HD302310R 90M-HD302310R ZENER DIODE
27V 1/2W
HVDMTZJ27BT
TRANSF 1 D911 90M-HD302360R 90M-HD302360R ZENER DIODE
ZJ6.8B 1/2W
CVDZJ6.8BT
TRANSF 1 D913 ns
p
90M-HD201750R DIODE
1N4003
CVD1N4003SRT
TRANSF 1 F910 90M-FS001450R 90M-FS001450R FUSE
! T 5A 250V LITTLE FUSE 382
KBA2D5000A2EYT
TRANSF 1 F911 ns
p
ns
p
CORD
SN95/PB5 0.6
C3A206
TRANSF 1 J902 ns
p
ns
p
CORD
SN95/PB5 0.6
C3A206
TRANSF 1 J964 ns
p
ns
p
CORD
SN95/PB5 0.6
C3A206
TRANSF 1 J965 ns
p
ns
p
CORD
SN95/PB5 0.6
C3A206
TRANSF 1 J985 ns
p
ns
p
CORD
SN95/PB5 0.6
C3A206
TRANSF 1 Q901 90M-HT800040R 90M-HT800040R TRS.
! KSC2316Y
HVTKSC2316YT
TRANSF 1 R902 90M-NH000080R 90M-NH000080R FUSE RES.
! 0.47 OHM 1W J
CRQ1AJR47H
TRANSF 1 R903 90M-NH000080R 90M-NH000080R FUSE RES.
! 0.47 OHM 1W J
CRQ1AJR47H

177
NOTE : "nsp" PART IS LISTED FOR REFERENCE ONLY, MARANTZ WILL NOT SUPPLY THESE PARTS.
P.W.B.
NAME
VERS.
COLOR
PART NO.
(FOR EUR)
PART NO.
(MZ) PART NAME DESCRIPTION
POS. NO.
TRANSF 1 R906 ns
p
ns
p
RES.
3.3 OHM 1/4W CARBON
CRD25FJ3R3T
TRANSF 1 R907 ns
p
ns
p
RES.
4.7 OHM 1/6W J CARBON
CRD20TJ4R7T
TRANSF 1 R908 ns
p
ns
p
RES.
10 OHM 1/6W J CARBON
CRD20TJ100T
TRANSF 1 R909 ns
p
ns
p
RES.
4.7 OHM 1/6W J CARBON
CRD20TJ4R7T
TRANSF 1
R910
RES
K OHM / W J CARBON
TRANSF
1
R910
ns
p
ns
p
RES
.
1.2
K
OHM
1
/
6
W
J
CARBON
CRD20TJ122T
TRANSF 1 R911 ns
p
ns
p
RES.
47K OHM 1/6W J CARBON
CRD20TJ473T
TRANSF. 2 PWB
(
CUP12085Z
)
TRANSF 2 C901 ns
p
ns
p
FILM CAP.
0.12UF 100V J
HCQI1H124JZT
TRANSF 2 C902 ns
p
ns
p
FILM CAP.
0.022UF 100V J
HCQI1H223JZT
TRANSF 2 C903 ns
p
ns
p
FILM CAP.
0.022UF 100V J
HCQI1H223JZT
TRANSF 2 C904 ns
p
ns
p
FILM CAP.
0.12UF 100V J
HCQI1H124JZT
TRANSF 2 C905 ns
p
ns
p
FILM CAP.
0.12UF 100V J
HCQI1H124JZT
TRANSF 2 C906 ns
p
ns
p
FILM CAP.
0.022UF 100V J
HCQI1H223JZT
TRANSF 2
C907
nsp
nsp
FILM CAP
0 022UF 100V J
HCQI1H223JZT
TRANSF
2
C907
nsp
nsp
FILM
CAP
.
0
.
022UF
100V
J
HCQI1H223JZT
TRANSF 2 C908 ns
p
ns
p
FILM CAP.
0.047UF 100V J
HCQI1H473JZT
TRANSF 2 C909 ns
p
ns
p
FILM CAP.
0.047UF 100V J
HCQI1H473JZT
TRANSF 2 CN20 ns
p
ns
p
CONN.
3P WAFER
CJP03GA90ZY
TRANSF 2 CN93 ns
p
ns
p
CONN.
3P STRAIGHT YMW025-03R
CJP03GA01ZY
TRANSF 2 D902 ns
p
90M-HD201730R DIODE
1N4003
CVD1N4003ST
TRANSF 2 J861 ns
p
ns
p
CORD
SN95/PB5 0.6
C3A206
TRANSF 2 J862 ns
p
ns
p
CORD
SN95/PB5 0.6
C3A206
TRANSF 2 J967 ns
p
ns
p
CORD
SN95/PB5 0.6
C3A206
TRANSF 2 R901 ns
p
ns
p
RES.
4.7 OHM 1/6W J CARBON
CRD20TJ4R7T
p
p
TRANSF 2 R950 ns
p
ns
p
RES.
4.7 OHM 1/6W J CARBON
CRD20TJ4R7T
TRANSF 2 RL91 90M-LY000440R 90M-LY000440R RELAY
! GB-2C-D24P
CSL4B019ZU
VIDEO PWB
(
CUP12090Z
)
VIDEO BN95 ns
p
ns
p
CORD
11P WIRE ASSY 200MM
CWB1E911200BM
VIDEO C101 ns
p
00MOA10505020 ELECT CAP.
1UF 50V
CCEA1HH1R0T
VIDEO C102 ns
p
00MOA10505020 ELECT CAP.
1UF 50V
CCEA1HH1R0T
VIDEO C103 ns
p
00MOA10505020 ELECT CAP.
1UF 50V
CCEA1HH1R0T
VIDEO C107 ns
p
00MOA10505020 ELECT CAP.
1UF 50V
CCEA1HH1R0T
VIDEO C108 ns
p
00MOA10505020 ELECT CAP.
1UF 50V
CCEA1HH1R0T
VIDEO C109 ns
p
00MOA10505020 ELECT CAP.
1UF 50V
CCEA1HH1R0T
VIDEO C113 ns
p
00MOA10505020 ELECT CAP.
1UF 50V
CCEA1HH1R0T
VIDEO C114 ns
p
00MOA10505020 ELECT CAP.
1UF 50V
CCEA1HH1R0T
VIDEO C115 ns
p
00MOA10505020 ELECT CAP.
1UF 50V
CCEA1HH1R0T
VIDEO C119 ns
p
00MDD95470300 CER. CAP.
47PF 50V JA
CCUS1H470JA
VIDEO C120 ns
p
00MDD95470300 CER. CAP.
47PF 50V JA
CCUS1H470JA
VIDEO C121 ns
p
00MDD95470300 CER. CAP.
47PF 50V JA
CCUS1H470JA
VIDEO C122 ns
p
00MOA10505020 ELECT CAP.
1UF 50V
CCEA1HH1R0T
VIDEO C123 ns
p
00MOA10505020 ELECT CAP.
1UF 50V
CCEA1HH1R0T
VIDEO
C124
nsp
00MOA10505020
ELECT CAP
1UF 50V
CCEA1HH1R0T
VIDEO
C124
nsp
00MOA10505020
ELECT
CAP
.
1UF
50V
CCEA1HH1R0T
VIDEO C128 ns
p
00MDK96104300 CER. CAP.
0.1UF 50V K
CCUS1H104KC
VIDEO C129 ns
p
00MOA47701020 ELECT CAP.
470UF 10V
CCEA1AH471T
VIDEO C130 ns
p
00MOA47701020 ELECT CAP.
470UF 10V
CCEA1AH471T
VIDEO C131 ns
p
00MDD95680300 CER. CAP.
68PF 50V JA
CCUS1H680JA
VIDEO C132 ns
p
00MDD95680300 CER. CAP.
68PF 50V JA
CCUS1H680JA
VIDEO C133 ns
p
00MDD95680300 CER. CAP.
68PF 50V JA
CCUS1H680JA
VIDEO C134 ns
p
00MOA10505020 ELECT CAP.
1UF 50V
CCEA1HH1R0T
VIDEO C135 ns
p
00MOA10505020 ELECT CAP.
1UF 50V
CCEA1HH1R0T
VIDE
O
C
1
36
n
sp
00
M
O
A1
05050
2
0
ELE
C
T
C
AP.
1UF 50V
CCEA1HH1R0T
O
C 36
sp
00 O 05050 0
CC
VIDEO C137 ns
p
00MOA10505020 ELECT CAP.
1UF 50V
CCEA1HH1R0T
VIDEO C138 ns
p
00MOA10505020 ELECT CAP.
1UF 50V
CCEA1HH1R0T
VIDEO C139 ns
p
00MOA10505020 ELECT CAP.
1UF 50V
CCEA1HH1R0T
VIDEO C140 ns
p
00MOA10505020 ELECT CAP.
1UF 50V
CCEA1HH1R0T
VIDEO C141 ns
p
00MOA47701020 ELECT CAP.
470UF 10V
CCEA1AH471T
VIDEO C142 ns
p
00MDD95330300 CER. CAP.
33PF 50V JA
CCUS1H330JA
VIDEO C143 ns
p
00MOA10505020 ELECT CAP.
1UF 50V
CCEA1HH1R0T
VIDEO C144 ns
p
00MOA47701020 ELECT CAP.
470UF 10V
CCEA1AH471T
VIDEO C145 ns
p
00MDD95270300 CER. CAP.
27PF 50V JA
CCUS1H270JA
VIDEO C146 ns
p
00MOA10505020 ELECT CAP.
1UF 50V
CCEA1HH1R0T
VIDEO C147 ns
p
00MOA47701020 ELECT CAP.
470UF 10V
CCEA1AH471T
VIDEO C148 ns
p
00MDD95270300 CER. CAP.
27PF 50V JA
CCUS1H270JA
VIDEO C149 ns
p
00MOA47701020 ELECT CAP.
470UF 10V
CCEA1AH471T
VIDEO C150 ns
p
00MDD95270300 CER. CAP.
27PF 50V JA
CCUS1H270JA
VIDEO C151 ns
p
00MOA47701020 ELECT CAP.
470UF 10V
CCEA1AH471T
VIDEO C152 ns
p
00MDD95270300 CER. CAP.
27PF 50V JA
CCUS1H270JA

178
NOTE : "nsp" PART IS LISTED FOR REFERENCE ONLY, MARANTZ WILL NOT SUPPLY THESE PARTS.
P.W.B.
NAME
VERS.
COLOR
PART NO.
(FOR EUR)
PART NO.
(MZ) PART NAME DESCRIPTION
POS. NO.
VIDEO C153 ns
p
00MOA47701020 ELECT CAP.
470UF 10V
CCEA1AH471T
VIDEO C154 ns
p
00MDD95270300 CER. CAP.
27PF 50V JA
CCUS1H270JA
VIDEO C155 ns
p
00MDK96104300 CER. CAP.
0.1UF 50V K
CCUS1H104KC
VIDEO C156 ns
p
00MDK96104300 CER. CAP.
0.1UF 50V K
CCUS1H104KC
VIDEO
C157
00MDK96104300
CER CAP
UF V K
VIDEO
C157
ns
p
00MDK96104300
CER
.
CAP
.
0.1
UF
50
V
K
CCUS1H104KC
VIDEO C158 ns
p
00MOA47602520 ELECT CAP.
47UF 25V
CCEA1EH470T
VIDEO C159 ns
p
00MDK96103300 CER. CAP.
0.01UF 50V KC
CCUS1H103KC
VIDEO C160 ns
p
00MOA47601640 ELECT CAP.
47UF 16V
CCEA1CH470T
VIDEO C161 ns
p
00MOA10605020 ELECT CAP.
10UF 50V
CCEA1HH100T
VIDEO C162 ns
p
00MDK96103300 CER. CAP.
0.01UF 50V KC
CCUS1H103KC
VIDEO C163 ns
p
00MOA47601640 ELECT CAP.
47UF 16V
CCEA1CH470T
VIDEO C164 ns
p
00MDK96103300 CER. CAP.
0.01UF 50V KC
CCUS1H103KC
VIDEO C165 ns
p
00MOA10701620 ELECT CAP.
100UF 16V
CCEA1CH101T
VIDEO
C166
nsp
00MDK96103300
CER CAP
0 01UF 50V KC
CCUS1H103KC
VIDEO
C166
nsp
00MDK96103300
CER
.
CAP
.
0
.
01UF
50V
KC
CCUS1H103KC
VIDEO C167 ns
p
00MOA10701620 ELECT CAP.
100UF 16V
CCEA1CH101T
VIDEO C168 ns
p
00MOA47602520 ELECT CAP.
47UF 25V
CCEA1EH470T
VIDEO C169 ns
p
00MDK96103300 CER. CAP.
0.01UF 50V KC
CCUS1H103KC
VIDEO C170 ns
p
00MDK96103300 CER. CAP.
0.01UF 50V KC
CCUS1H103KC
VIDEO C171 ns
p
00MOA47602520 ELECT CAP.
47UF 25V
CCEA1EH470T
VIDEO C172 ns
p
00MDK96103300 CER. CAP.
0.01UF 50V KC
CCUS1H103KC
VIDEO C173 ns
p
00MOA47602520 ELECT CAP.
47UF 25V
CCEA1EH470T
VIDEO C174 ns
p
00MDK96104300 CER. CAP.
0.1UF 50V K
CCUS1H104KC
VIDEO C175 ns
p
00MOA10701620 ELECT CAP.
100UF 16V
CCEA1CH101T
p
VIDEO C176 ns
p
00MDK96104300 CER. CAP.
0.1UF 50V K
CCUS1H104KC
VIDEO C177 ns
p
00MOA10701620 ELECT CAP.
100UF 16V
CCEA1CH101T
VIDEO C178 ns
p
00MDK96104300 CER. CAP.
0.1UF 50V K
CCUS1H104KC
VIDEO C179 ns
p
00MOA10701620 ELECT CAP.
100UF 16V
CCEA1CH101T
VIDEO C180 ns
p
00MDK96104300 CER. CAP.
0.1UF 50V K
CCUS1H104KC
VIDEO C181 ns
p
00MOA10701620 ELECT CAP.
100UF 16V
CCEA1CH101T
VIDEO C182 ns
p
00MOA10701620 ELECT CAP.
100UF 16V
CCEA1CH101T
VIDEO C183 ns
p
00MDK96103300 CER. CAP.
0.01UF 50V KC
CCUS1H103KC
VIDEO C184 ns
p
00MDK96102300 CER. CAP.
1000PF 50V KC
CCUS1H102KC
VIDEO C185 ns
p
00MDK96103300 CER. CAP.
0.01UF 50V KC
CCUS1H103KC
VIDEO C186 ns
p
00MDK96102300 CER. CAP.
1000PF 50V KC
CCUS1H102KC
VIDEO C187 ns
p
00MDK96103300 CER. CAP.
0.01UF 50V KC
CCUS1H103KC
VIDEO C189 ns
p
00MOA22701020 ELECT CAP.
220UF 10V
CCEA1AH221T
VIDEO C190 ns
p
00MOA22605020 ELECT CAP.
22UF 50V
CCEA1HH220T
VIDEO C191 ns
p
00MOA10701620 ELECT CAP.
100UF 16V
CCEA1CH101T
VIDEO C192 ns
p
00MDK96104300 CER. CAP.
0.1UF 50V K
CCUS1H104KC
VIDEO C194 ns
p
00MOA22701020 ELECT CAP.
220UF 10V
CCEA1AH221T
VIDEO C195 ns
p
00MOA22605020 ELECT CAP.
22UF 50V
CCEA1HH220T
VIDEO
C196
nsp
00MDK96104300
CER CAP
0 1UF 50V K
CCUS1H104KC
VIDEO
C196
nsp
00MDK96104300
CER
.
CAP
.
0
.
1UF
50V
K
CCUS1H104KC
VIDEO C198 ns
p
00MOA10701620 ELECT CAP.
100UF 16V
CCEA1CH101T
VIDEO C199 ns
p
00MDK96104300 CER. CAP.
0.1UF 50V K
CCUS1H104KC
VIDEO C200 ns
p
00MOA22701020 ELECT CAP.
220UF 10V
CCEA1AH221T
VIDEO C201 ns
p
00MOA22605020 ELECT CAP.
22UF 50V
CCEA1HH220T
VIDEO C203 ns
p
00MOA22701020 ELECT CAP.
220UF 10V
CCEA1AH221T
VIDEO C204 ns
p
00MOA22701020 ELECT CAP.
220UF 10V
CCEA1AH221T
VIDEO C205 ns
p
00MOA22605020 ELECT CAP.
22UF 50V
CCEA1HH220T
VIDEO C206 ns
p
00MOA10701620 ELECT CAP.
100UF 16V
CCEA1CH101T
VIDE
O
C
2
0
7n
sp
00
MDK
96
1
0
4
300
C
ER.
C
AP.
0.1UF 50V K
CCUS1H104KC
O
C0
sp
00 96 0 300
CC
VIDEO C208 ns
p
00MDD95470300 CER. CAP.
47PF 50V JA
CCUS1H470JA
VIDEO C209 ns
p
00MOA10605020 ELECT CAP.
10UF 50V
CCEA1HH100T
VIDEO C210 ns
p
00MOA10605020 ELECT CAP.
10UF 50V
CCEA1HH100T
VIDEO C211 ns
p
00MOA10605020 ELECT CAP.
10UF 50V
CCEA1HH100T
VIDEO C212 ns
p
00MOA10605020 ELECT CAP.
10UF 50V
CCEA1HH100T
VIDEO C213 ns
p
00MOA10605020 ELECT CAP.
10UF 50V
CCEA1HH100T
VIDEO C214 ns
p
00MOA10701620 ELECT CAP.
100UF 16V
CCEA1CH101T
VIDEO C215 ns
p
00MDK96103300 CER. CAP.
0.01UF 50V KC
CCUS1H103KC
VIDEO C216 ns
p
00MOA47505020 ELECT CAP.
4.7UF 50V
CCEA1HH4R7T
VIDEO C218 ns
p
00MOA10605020 ELECT CAP.
10UF 50V
CCEA1HH100T
VIDEO C219 ns
p
00MDK96122300 CER. CAP.
1200PF 50V KC
CCUS1H122KC
VIDEO C220 ns
p
00MDD95221300 CER. CAP.
220PF 50V JA
CCUS1H221JA
VIDEO C221 ns
p
00MDK96102300 CER. CAP.
1000PF 50V KC
CCUS1H102KC
VIDEO C222 ns
p
00MDK96103300 CER. CAP.
0.01UF 50V KC
CCUS1H103KC
VIDEO C223 ns
p
00MOA10505020 ELECT CAP.
1UF 50V
CCEA1HH1R0T
VIDEO C224 ns
p
00MOA10505020 ELECT CAP.
1UF 50V
CCEA1HH1R0T

179
NOTE : "nsp" PART IS LISTED FOR REFERENCE ONLY, MARANTZ WILL NOT SUPPLY THESE PARTS.
P.W.B.
NAME
VERS.
COLOR
PART NO.
(FOR EUR)
PART NO.
(MZ) PART NAME DESCRIPTION
POS. NO.
VIDEO C225 ns
p
00MOA10605020 ELECT CAP.
10UF 50V
CCEA1HH100T
VIDEO C226 ns
p
00MDK96103300 CER. CAP.
0.01UF 50V KC
CCUS1H103KC
VIDEO C227 ns
p
00MOA10701620 ELECT CAP.
100UF 16V
CCEA1CH101T
VIDEO C228 ns
p
00MDD95220300 CER. CAP.
22PF 50V JA
CCUS1H220JA
VIDEO
C229
00MDD91100300
CER CAP
PF V JA
VIDEO
C229
ns
p
00MDD91100300
CER
.
CAP
.
10
PF
50
V
JA
CCUS1H100JA
VIDEO C230 ns
p
00MDD95220300 CER. CAP.
22PF 50V JA
CCUS1H220JA
VIDEO C231 ns
p
00MDD95300300 CER. CAP.
30PF JA 1608
CCUS1H300JA
VIDEO C232 F B ns
p
00MDD95300300 CER. CAP.
30PF JA 1608
CCUS1H300JA
VIDEO C232
/
K1SG ns
p
00MDD95270300 CER. CAP.
27PF 50V JA
CCUS1H270JA
VIDEO C232
/
N1B ns
p
00MDD95270300 CER. CAP.
27PF 50V JA
CCUS1H270JA
VIDEO C232
/
N1SG ns
p
00MDD95270300 CER. CAP.
27PF 50V JA
CCUS1H270JA
VIDEO C232
/
U1B ns
p
00MDD95300300 CER. CAP.
30PF JA 1608
CCUS1H300JA
VIDEO C233 ns
p
00MDK96103300 CER. CAP.
0.01UF 50V KC
CCUS1H103KC
VIDEO
C234
nsp
00MDD95470300
CER CAP
47PF 50V JA
CCUS1H470JA
VIDEO
C234
nsp
00MDD95470300
CER
.
CAP
.
47PF
50V
JA
CCUS1H470JA
VIDEO C235 ns
p
00MDD95470300 CER. CAP.
47PF 50V JA
CCUS1H470JA
VIDEO C236 ns
p
00MOA10605020 ELECT CAP.
10UF 50V
CCEA1HH100T
VIDEO C237 ns
p
00MDK96103300 CER. CAP.
0.01UF 50V KC
CCUS1H103KC
VIDEO C238 ns
p
00MDK96103300 CER. CAP.
0.01UF 50V KC
CCUS1H103KC
VIDEO C239 ns
p
00MOA10701620 ELECT CAP.
100UF 16V
CCEA1CH101T
VIDEO C243 ns
p
00MDK96104300 CER. CAP.
0.1UF 50V K
CCUS1H104KC
VIDEO C244 ns
p
00MDK96104300 CER. CAP.
0.1UF 50V K
CCUS1H104KC
VIDEO C245 ns
p
00MOA10701620 ELECT CAP.
100UF 16V
CCEA1CH101T
VIDEO C246 ns
p
00MDK96103300 CER. CAP.
0.01UF 50V KC
CCUS1H103KC
p
VIDEO C247 ns
p
00MOA10605020 ELECT CAP.
10UF 50V
CCEA1HH100T
VIDEO C248 ns
p
00MOA10605020 ELECT CAP.
10UF 50V
CCEA1HH100T
VIDEO C249 ns
p
00MOA10605020 ELECT CAP.
10UF 50V
CCEA1HH100T
VIDEO C250 ns
p
00MOA10605020 ELECT CAP.
10UF 50V
CCEA1HH100T
VIDEO C251 ns
p
00MOA10605020 ELECT CAP.
10UF 50V
CCEA1HH100T
VIDEO C252 ns
p
00MDK96103300 CER. CAP.
0.01UF 50V KC
CCUS1H103KC
VIDEO C253 ns
p
00MOA10701620 ELECT CAP.
100UF 16V
CCEA1CH101T
VIDEO C254 ns
p
00MDK96103300 CER. CAP.
0.01UF 50V KC
CCUS1H103KC
VIDEO C255 ns
p
00MOA10701620 ELECT CAP.
100UF 16V
CCEA1CH101T
VIDEO C256 ns
p
00MDK96103300 CER. CAP.
0.01UF 50V KC
CCUS1H103KC
VIDEO C257 ns
p
00MDK96103300 CER. CAP.
0.01UF 50V KC
CCUS1H103KC
VIDEO C259 ns
p
00MOA10605020 ELECT CAP.
10UF 50V
CCEA1HH100T
VIDEO C260 ns
p
00MOA10701620 ELECT CAP.
100UF 16V
CCEA1CH101T
VIDEO C261 ns
p
00MDK96104300 CER. CAP.
0.1UF 50V K
CCUS1H104KC
VIDEO CN20 ns
p
ns
p
CONN.
5P WAFER YMW025-05R 00906-0014
CJP05GA01ZY
VIDEO CN21 ns
p
ns
p
CONN.
11P WAFER FFC FCZ100E-11SSK
CJP11GA117ZY
VIDEO CN22 ns
p
ns
p
CONN.
11P WAFER FFC FCZ100E-11SSK
CJP11GA117ZY
VIDEO CN41 ns
p
ns
p
CONN.
5P STRAIGHT 20017WS-05
CJP05GA19ZY
VIDEO
CN42
nsp
nsp
CONN
5P STRAIGHT 20017WS 05
CJP05GA19ZY
VIDEO
CN42
nsp
nsp
CONN
.
5P
STRAIGHT
20017WS
-
05
CJP05GA19ZY
VIDEO CN43 ns
p
ns
p
CONN.
9P WAFER FFC 12511HS-09
CJP09GA115ZY
VIDEO D101 00MHZ21303210 00MHZ21303210 DIODE
1SS355
CVD1SS355T
VIDEO D102 00MHZ21303210 00MHZ21303210 DIODE
1SS355
CVD1SS355T
VIDEO D103 00MHZ21303210 00MHZ21303210 DIODE
1SS355
CVD1SS355T
VIDEO D104 00MHZ21303210 00MHZ21303210 DIODE
1SS355
CVD1SS355T
VIDEO D105 00MHZ21303210 00MHZ21303210 DIODE
1SS355
CVD1SS355T
VIDEO IC11 00MHC10224090 00MHC10224090 IC
NJM2535M
CVINJM2535MTE1
VIDEO IC12 90M-HC109860R 90M-HC109860R IC
LC74782M8A13
CVILC74782M8A13
VIDE
O
I
C
1
3
90
M-H
C
1
098
2
0
R
90
M-H
C
1
098
2
0
RI
C
NJM2244M
HVINJM2244MTE1
O
C3
90 C 098 0
90 C 098 0
C
VIDEO IC14 90M-HC108830R 90M-HC108830R IC
NJM2285M
HVINJM2285MTE1
VIDEO IC15 90M-HC109820R 90M-HC109820R IC
NJM2244M
HVINJM2244MTE1
VIDEO IC16 00MHC10077090 00MHC10077090 IC
NJM2264M
CVINJM2264MTE1
VIDEO IC17 90M-HC110080R 90M-HC110080R IC
AN15881AV
CVIAN15881AVT
VIDEO IC18 90M-HC400090R 90M-HC400090R IC
M74HC4051RM13TR/SOP
CVIM74HC4051RM13TR
VIDEO IC19 90M-HC400060R 90M-HC400060R IC
TC74HC4094AFN
HVITC74HC4094FN
VIDEO IC20 00MHC10236090 00MHC10236090 IC
NJM2586AM
HVINJM2586AMTE1
VIDEO IC21 90M-HC400060R 90M-HC400060R IC
TC74HC4094AFN
HVITC74HC4094FN
VIDEO IC22 00MHC3990599F 00MHC3990599F IC
KIA7905PI
CVIKIA7905PI
VIDEO IC23 00D2631213905 00D2631213905 IC
KIA7808AF
CVIKIA7808AF
VIDEO JK11 90M-YT005400R 90M-YT005400R TERMINAL
S-VIDEO CVBS JACK
CJJ9P003Z
VIDEO JK12 90M-YT005400R 90M-YT005400R TERMINAL
S-VIDEO CVBS JACK
CJJ9P003Z
VIDEO JK13 90M-YT005400R 90M-YT005400R TERMINAL
S-VIDEO CVBS JACK
CJJ9P003Z
VIDEO JK14 90M-YT004300R 90M-YT004300R TERMINAL
JACK BOARD 6P G/B/R SILVER
CJJ4R045Z
VIDEO JK15 90M-YT004300R 90M-YT004300R TERMINAL
JACK BOARD 6P G/B/R SILVER
CJJ4R045Z
VIDEO L101 00MLC13330140 00MLC13330140 COIL
33UH
HLQ02C330KT

180
NOTE : "nsp" PART IS LISTED FOR REFERENCE ONLY, MARANTZ WILL NOT SUPPLY THESE PARTS.
P.W.B.
NAME
VERS.
COLOR
PART NO.
(FOR EUR)
PART NO.
(MZ) PART NAME DESCRIPTION
POS. NO.
VIDEO Q101 90M-HT600050R 90M-HT600050R TRS.
KTA2014GR
HVTKTA2014GR
VIDEO Q102 90M-HX600010R 90M-HX600010R CHIP TRS.
KRA102S
HVTKRA102S
VIDEO Q103 90M-HT800110R 90M-HT800110R TRS.
KTC4075GR
HVTKTC4075GR
VIDEO Q104 90M-HT800110R 90M-HT800110R TRS.
KTC4075GR
HVTKTC4075GR
VIDEO
Q105
/K1SG
90M HX800090R
CHIP TRS
KRC S
VIDEO
Q105
/K1SG
ns
p
90M
-
HX800090R
CHIP
TRS
.
KRC
111
S
HVTKRC111S
VIDEO Q105
/
N1B 90M-HX800090R 90M-HX800090R CHIP TRS.
KRC111S
HVTKRC111S
VIDEO Q105
/
N1SG 90M-HX800090R 90M-HX800090R CHIP TRS.
KRC111S
HVTKRC111S
VIDEO Q106
/
K1SG ns
p
00MHT805501B0 TRS.
KTC2874B
HVTKTC2874BT
VIDEO Q106
/
N1B 00MHT805501B0 00MHT805501B0 TRS.
KTC2874B
HVTKTC2874BT
VIDEO Q106
/
N1SG 00MHT805501B0 00MHT805501B0 TRS.
KTC2874B
HVTKTC2874BT
VIDEO Q107
/
K1SG ns
p
90M-HX600010R CHIP TRS.
KRA102S
HVTKRA102S
VIDEO Q107
/
N1B 90M-HX600010R 90M-HX600010R CHIP TRS.
KRA102S
HVTKRA102S
VIDEO Q107
/
N1SG 90M-HX600010R 90M-HX600010R CHIP TRS.
KRA102S
HVTKRA102S
VIDEO
Q108
90M-HX800010R
90M-HX800010R
CHIP TRS
KRC102S
HVTKRC102S
VIDEO
Q108
90M-HX800010R
90M-HX800010R
CHIP
TRS
.
KRC102S
HVTKRC102S
VIDEO Q109 90M-HT800110R 90M-HT800110R TRS.
KTC4075GR
HVTKTC4075GR
VIDEO Q110 90M-HT800110R 90M-HT800110R TRS.
KTC4075GR
HVTKTC4075GR
VIDEO Q111 90M-HT800110R 90M-HT800110R TRS.
KTC4075GR
HVTKTC4075GR
VIDEO Q112 90M-HT800110R 90M-HT800110R TRS.
KTC4075GR
HVTKTC4075GR
VIDEO Q113 90M-HT800110R 90M-HT800110R TRS.
KTC4075GR
HVTKTC4075GR
VIDEO Q114 90M-HT800110R 90M-HT800110R TRS.
KTC4075GR
HVTKTC4075GR
VIDEO Q115 90M-HT800110R 90M-HT800110R TRS.
KTC4075GR
HVTKTC4075GR
VIDEO Q116 90M-HT600050R 90M-HT600050R TRS.
KTA2014GR
HVTKTA2014GR
VIDEO R101 ns
p
00MNN05750610 CHIP RES.
75 OHM 1/10W J
CRJ10DJ750T
p
VIDEO R102 ns
p
00MNN05750610 CHIP RES.
75 OHM 1/10W J
CRJ10DJ750T
VIDEO R103 ns
p
00MNN05750610 CHIP RES.
75 OHM 1/10W J
CRJ10DJ750T
VIDEO R104 ns
p
00MNN05000610 CHIP RES.
0 OHM 1/10W J
CRJ10DJ0R0T
VIDEO R105 ns
p
00MNN05000610 CHIP RES.
0 OHM 1/10W J
CRJ10DJ0R0T
VIDEO R106 ns
p
00MNN05000610 CHIP RES.
0 OHM 1/10W J
CRJ10DJ0R0T
VIDEO R107 ns
p
00MNN05750610 CHIP RES.
75 OHM 1/10W J
CRJ10DJ750T
VIDEO R108 ns
p
00MNN05750610 CHIP RES.
75 OHM 1/10W J
CRJ10DJ750T
VIDEO R109 ns
p
00MNN05750610 CHIP RES.
75 OHM 1/10W J
CRJ10DJ750T
VIDEO R110 ns
p
00MNN05000610 CHIP RES.
0 OHM 1/10W J
CRJ10DJ0R0T
VIDEO R111 ns
p
00MNN05000610 CHIP RES.
0 OHM 1/10W J
CRJ10DJ0R0T
VIDEO R112 ns
p
00MNN05000610 CHIP RES.
0 OHM 1/10W J
CRJ10DJ0R0T
VIDEO R113 ns
p
00MNN05750610 CHIP RES.
75 OHM 1/10W J
CRJ10DJ750T
VIDEO R114 ns
p
00MNN05750610 CHIP RES.
75 OHM 1/10W J
CRJ10DJ750T
VIDEO R115 ns
p
00MNN05750610 CHIP RES.
75 OHM 1/10W J
CRJ10DJ750T
VIDEO R116 ns
p
00MNN05000610 CHIP RES.
0 OHM 1/10W J
CRJ10DJ0R0T
VIDEO R117 ns
p
00MNN05000610 CHIP RES.
0 OHM 1/10W J
CRJ10DJ0R0T
VIDEO R118 ns
p
00MNN05000610 CHIP RES.
0 OHM 1/10W J
CRJ10DJ0R0T
VIDEO R119 ns
p
00MNN05750610 CHIP RES.
75 OHM 1/10W J
CRJ10DJ750T
VIDEO
R120
nsp
00MNN05750610
CHIP RES
75 OHM 1/10W J
CRJ10DJ750T
VIDEO
R120
nsp
00MNN05750610
CHIP
RES
.
75
OHM
1/10W
J
CRJ10DJ750T
VIDEO R121 ns
p
00MNN05750610 CHIP RES.
75 OHM 1/10W J
CRJ10DJ750T
VIDEO R122 ns
p
00MNN05000610 CHIP RES.
0 OHM 1/10W J
CRJ10DJ0R0T
VIDEO R123 ns
p
00MNN05000610 CHIP RES.
0 OHM 1/10W J
CRJ10DJ0R0T
VIDEO R124 ns
p
00MNN05000610 CHIP RES.
0 OHM 1/10W J
CRJ10DJ0R0T
VIDEO R125 ns
p
00MNN05750610 CHIP RES.
75 OHM 1/10W J
CRJ10DJ750T
VIDEO R126 ns
p
00MNN05750610 CHIP RES.
75 OHM 1/10W J
CRJ10DJ750T
VIDEO R127 ns
p
00MNN05750610 CHIP RES.
75 OHM 1/10W J
CRJ10DJ750T
VIDEO R128 ns
p
00MNN05750610 CHIP RES.
75 OHM 1/10W J
CRJ10DJ750T
VIDE
O
R12
9
n
sp
00
MNN
05
7
506
1
0
C
HIP RE
S
.
75 OHM 1/10W J
CRJ10DJ750T
O
9
sp
00 05 506 0
CS
VIDEO R130 ns
p
00MNN05750610 CHIP RES.
75 OHM 1/10W J
CRJ10DJ750T
VIDEO R131 ns
p
00MNN05750610 CHIP RES.
75 OHM 1/10W J
CRJ10DJ750T
VIDEO R132 ns
p
00MNN05750610 CHIP RES.
75 OHM 1/10W J
CRJ10DJ750T
VIDEO R133 ns
p
00MNN05750610 CHIP RES.
75 OHM 1/10W J
CRJ10DJ750T
VIDEO R134 ns
p
00MNN05750610 CHIP RES.
75 OHM 1/10W J
CRJ10DJ750T
VIDEO R135 ns
p
00MNN05750610 CHIP RES.
75 OHM 1/10W J
CRJ10DJ750T
VIDEO R136 ns
p
00MNN05750610 CHIP RES.
75 OHM 1/10W J
CRJ10DJ750T
VIDEO R137 ns
p
00MNN05750610 CHIP RES.
75 OHM 1/10W J
CRJ10DJ750T
VIDEO R138 ns
p
00MNN05750610 CHIP RES.
75 OHM 1/10W J
CRJ10DJ750T
VIDEO R139 ns
p
00MNN05750610 CHIP RES.
75 OHM 1/10W J
CRJ10DJ750T
VIDEO R140 ns
p
00MNN05750610 CHIP RES.
75 OHM 1/10W J
CRJ10DJ750T
VIDEO R141 ns
p
00MNN05750610 CHIP RES.
75 OHM 1/10W J
CRJ10DJ750T
VIDEO R142 ns
p
00MNN05750610 CHIP RES.
75 OHM 1/10W J
CRJ10DJ750T
VIDEO R143 ns
p
00MNN05103610 CHIP RES.
10K OHM 1/10W J
CRJ10DJ103T
VIDEO R144 ns
p
00MNN05474610 CHIP RES.
470K OHM 1/10W J
CRJ10DJ474T
VIDEO R145 ns
p
00MNN05222610 CHIP RES.
2.2K OHM 1/10W J
CRJ10DJ222T

181
NOTE : "nsp" PART IS LISTED FOR REFERENCE ONLY, MARANTZ WILL NOT SUPPLY THESE PARTS.
P.W.B.
NAME
VERS.
COLOR
PART NO.
(FOR EUR)
PART NO.
(MZ) PART NAME DESCRIPTION
POS. NO.
VIDEO R146 ns
p
00MNN05103610 CHIP RES.
10K OHM 1/10W J
CRJ10DJ103T
VIDEO R147 ns
p
00MNN05474610 CHIP RES.
470K OHM 1/10W J
CRJ10DJ474T
VIDEO R148 ns
p
00MNN05222610 CHIP RES.
2.2K OHM 1/10W J
CRJ10DJ222T
VIDEO R149 ns
p
00MNN05103610 CHIP RES.
10K OHM 1/10W J
CRJ10DJ103T
VIDEO
R150
00MNN05474610
CHIP RES
K OHM / W J
VIDEO
R150
ns
p
00MNN05474610
CHIP
RES
.
470
K
OHM
1
/
10
W
J
CRJ10DJ474T
VIDEO R151 ns
p
00MNN05222610 CHIP RES.
2.2K OHM 1/10W J
CRJ10DJ222T
VIDEO R152 ns
p
00MNN05103610 CHIP RES.
10K OHM 1/10W J
CRJ10DJ103T
VIDEO R153 ns
p
00MNN05123610 CHIP RES.
12K OHM 1/10W J
CRJ10DJ123T
VIDEO R154 ns
p
00MNN05471610 CHIP RES.
470 OHM 1/10W J
CRJ10DJ471T
VIDEO R155 ns
p
00MNN05471610 CHIP RES.
470 OHM 1/10W J
CRJ10DJ471T
VIDEO R156 ns
p
00MNN05471610 CHIP RES.
470 OHM 1/10W J
CRJ10DJ471T
VIDEO R157 ns
p
00MNN05103610 CHIP RES.
10K OHM 1/10W J
CRJ10DJ103T
VIDEO R158 ns
p
00MNN05431610 CHIP RES.
430 OHM 1/10W J
CRJ10DJ431T
VIDEO
R159
nsp
00MNN05431610
CHIP RES
430 OHM 1/10W J
CRJ10DJ431T
VIDEO
R159
nsp
00MNN05431610
CHIP
RES
.
430
OHM
1/10W
J
CRJ10DJ431T
VIDEO R160 ns
p
00MNN05471610 CHIP RES.
470 OHM 1/10W J
CRJ10DJ471T
VIDEO R161 ns
p
00MNN05105610 CHIP RES.
1M OHM 1/10W J
CRJ10DJ105T
VIDEO R162 ns
p
00MNN05471610 CHIP RES.
470 OHM 1/10W J
CRJ10DJ471T
VIDEO R163 ns
p
00MNN05105610 CHIP RES.
1M OHM 1/10W J
CRJ10DJ105T
VIDEO R164 ns
p
00MNN05105610 CHIP RES.
1M OHM 1/10W J
CRJ10DJ105T
VIDEO R165 ns
p
00MNN05471610 CHIP RES.
470 OHM 1/10W J
CRJ10DJ471T
VIDEO R166 ns
p
00MNN05471610 CHIP RES.
470 OHM 1/10W J
CRJ10DJ471T
VIDEO R167 ns
p
00MNN05750610 CHIP RES.
75 OHM 1/10W J
CRJ10DJ750T
VIDEO R168 ns
p
00MNN05750610 CHIP RES.
75 OHM 1/10W J
CRJ10DJ750T
p
VIDEO R169 ns
p
00MNN05750610 CHIP RES.
75 OHM 1/10W J
CRJ10DJ750T
VIDEO R170 ns
p
00MNN05103610 CHIP RES.
10K OHM 1/10W J
CRJ10DJ103T
VIDEO R171 ns
p
00MNN05101610 CHIP RES.
100 OHM 1/10W J
CRJ10DJ101T
VIDEO R172 ns
p
00MNN05103610 CHIP RES.
10K OHM 1/10W J
CRJ10DJ103T
VIDEO R173 ns
p
00MNN05101610 CHIP RES.
100 OHM 1/10W J
CRJ10DJ101T
VIDEO R174 ns
p
00MNN05750610 CHIP RES.
75 OHM 1/10W J
CRJ10DJ750T
VIDEO R175 ns
p
00MNN05750610 CHIP RES.
75 OHM 1/10W J
CRJ10DJ750T
VIDEO R176 ns
p
00MNN05103610 CHIP RES.
10K OHM 1/10W J
CRJ10DJ103T
VIDEO R177 ns
p
00MNN05103610 CHIP RES.
10K OHM 1/10W J
CRJ10DJ103T
VIDEO R178 ns
p
00MNN05750610 CHIP RES.
75 OHM 1/10W J
CRJ10DJ750T
VIDEO R179 ns
p
00MNN05101610 CHIP RES.
100 OHM 1/10W J
CRJ10DJ101T
VIDEO R180 ns
p
00MNN05472610 CHIP RES.
4.7K OHM 1/10W J
CRJ10DJ472T
VIDEO R181 ns
p
00MNN05472610 CHIP RES.
4.7K OHM 1/10W J
CRJ10DJ472T
VIDEO R182 ns
p
00MNN05000610 CHIP RES.
0 OHM 1/10W J
CRJ10DJ0R0T
VIDEO R183 ns
p
00MNN05224610 CHIP RES.
220K OHM 1/10W J
CRJ10DJ224T
VIDEO R184 ns
p
00MNN05100610 CHIP RES.
10 OHM 1/10W J
CRJ10DJ100T
VIDEO R185 ns
p
00MNN05221610 CHIP RES.
220 OHM 1/10W J
CRJ10DJ221T
VIDEO R186 ns
p
00MNN05103610 CHIP RES.
10K OHM 1/10W J
CRJ10DJ103T
VIDEO
R187
nsp
00MNN05105610
CHIP RES
1M OHM 1/10W J
CRJ10DJ105T
VIDEO
R187
nsp
00MNN05105610
CHIP
RES
.
1M
OHM
1/10W
J
CRJ10DJ105T
VIDEO R188 ns
p
00MNN05105610 CHIP RES.
1M OHM 1/10W J
CRJ10DJ105T
VIDEO R189 ns
p
00MNN05103610 CHIP RES.
10K OHM 1/10W J
CRJ10DJ103T
VIDEO R190 ns
p
00MNN05105610 CHIP RES.
1M OHM 1/10W J
CRJ10DJ105T
VIDEO R191 ns
p
00MNN05104610 CHIP RES.
100K OHM 1/10W J
CRJ10DJ104T
VIDEO R192 ns
p
00MNN05103610 CHIP RES.
10K OHM 1/10W J
CRJ10DJ103T
VIDEO R193 ns
p
00MNN05153610 CHIP RES.
15K OHM 1/10W J
CRJ10DJ153T
VIDEO R194 ns
p
00MNN05471610 CHIP RES.
470 OHM 1/10W J
CRJ10DJ471T
VIDEO R195 ns
p
00MNN05221610 CHIP RES.
220 OHM 1/10W J
CRJ10DJ221T
VIDE
O
R1
96
n
sp
00
MNN
05
1
0
4
6
1
0
C
HIP RE
S
.
100K OHM 1/10W J
CRJ10DJ104T
O
96
sp
00 05060
CS
VIDEO R197 ns
p
00MNN05472610 CHIP RES.
4.7K OHM 1/10W J
CRJ10DJ472T
VIDEO R198 ns
p
00MNN05332610 CHIP RES.
3.3K OHM 1/10W J
CRJ10DJ332T
VIDEO R199 ns
p
00MNN05105610 CHIP RES.
1M OHM 1/10W J
CRJ10DJ105T
VIDEO R200 ns
p
00MNN05332610 CHIP RES.
3.3K OHM 1/10W J
CRJ10DJ332T
VIDEO R201 ns
p
00MNN05332610 CHIP RES.
3.3K OHM 1/10W J
CRJ10DJ332T
VIDEO R202 ns
p
00MNN05105610 CHIP RES.
1M OHM 1/10W J
CRJ10DJ105T
VIDEO R203 ns
p
00MNN05105610 CHIP RES.
1M OHM 1/10W J
CRJ10DJ105T
VIDEO R204 ns
p
00MNN05105610 CHIP RES.
1M OHM 1/10W J
CRJ10DJ105T
VIDEO R205 ns
p
00MNN05101610 CHIP RES.
100 OHM 1/10W J
CRJ10DJ101T
VIDEO R206 ns
p
00MNN05101610 CHIP RES.
100 OHM 1/10W J
CRJ10DJ101T
VIDEO R207 ns
p
00MNN05000610 CHIP RES.
0 OHM 1/10W J
CRJ10DJ0R0T
VIDEO R208 ns
p
00MNN05105610 CHIP RES.
1M OHM 1/10W J
CRJ10DJ105T
VIDEO R209 F B ns
p
00MNN05000610 CHIP RES.
0 OHM 1/10W J
CRJ10DJ0R0T
VIDEO R209
/
U1B ns
p
00MNN05000610 CHIP RES.
0 OHM 1/10W J
CRJ10DJ0R0T
VIDEO R210 ns
p
00MNN05103610 CHIP RES.
10K OHM 1/10W J
CRJ10DJ103T
VIDEO R211 ns
p
00MNN05472610 CHIP RES.
4.7K OHM 1/10W J
CRJ10DJ472T

182
NOTE : "nsp" PART IS LISTED FOR REFERENCE ONLY, MARANTZ WILL NOT SUPPLY THESE PARTS.
P.W.B.
NAME
VERS.
COLOR
PART NO.
(FOR EUR)
PART NO.
(MZ) PART NAME DESCRIPTION
POS. NO.
VIDEO R212 ns
p
00MNN05103610 CHIP RES.
10K OHM 1/10W J
CRJ10DJ103T
VIDEO R213 ns
p
00MNN05102610 CHIP RES.
1K OHM 1/10W J
CRJ10DJ102T
VIDEO R214 ns
p
00MNN05102610 CHIP RES.
1K OHM 1/10W J
CRJ10DJ102T
VIDEO R215 ns
p
00MNN05560610 CHIP RES.
56 OHM 1/10W J
CRJ10DJ560T
VIDEO
R216
00MNN05103610
CHIP RES
K OHM / W J
VIDEO
R216
ns
p
00MNN05103610
CHIP
RES
.
10
K
OHM
1
/
10
W
J
CRJ10DJ103T
VIDEO R217 ns
p
00MNN05102610 CHIP RES.
1K OHM 1/10W J
CRJ10DJ102T
VIDEO R218 ns
p
00MNN05103610 CHIP RES.
10K OHM 1/10W J
CRJ10DJ103T
VIDEO R220 ns
p
00MNN05750610 CHIP RES.
75 OHM 1/10W J
CRJ10DJ750T
VIDEO R221 ns
p
00MNN05221610 CHIP RES.
220 OHM 1/10W J
CRJ10DJ221T
VIDEO R222 ns
p
00MNN05000610 CHIP RES.
0 OHM 1/10W J
CRJ10DJ0R0T
VIDEO R223 ns
p
00MNN05105610 CHIP RES.
1M OHM 1/10W J
CRJ10DJ105T
VIDEO R224 ns
p
00MNN05105610 CHIP RES.
1M OHM 1/10W J
CRJ10DJ105T
VIDEO R225 ns
p
00MNN05105610 CHIP RES.
1M OHM 1/10W J
CRJ10DJ105T
VIDEO
R226
nsp
00MNN05750610
CHIP RES
75 OHM 1/10W J
CRJ10DJ750T
VIDEO
R226
nsp
00MNN05750610
CHIP
RES
.
75
OHM
1/10W
J
CRJ10DJ750T
VIDEO R227 ns
p
00MNN05750610 CHIP RES.
75 OHM 1/10W J
CRJ10DJ750T
VIDEO R228 ns
p
00MNN05750610 CHIP RES.
75 OHM 1/10W J
CRJ10DJ750T
VIDEO R229 ns
p
00MNN05105610 CHIP RES.
1M OHM 1/10W J
CRJ10DJ105T
VIDEO R230 ns
p
00MNN05105610 CHIP RES.
1M OHM 1/10W J
CRJ10DJ105T
VIDEO R231 ns
p
00MNN05105610 CHIP RES.
1M OHM 1/10W J
CRJ10DJ105T
VIDEO R232 ns
p
00MNN05105610 CHIP RES.
1M OHM 1/10W J
CRJ10DJ105T
VIDEO R233 ns
p
00MNN05750610 CHIP RES.
75 OHM 1/10W J
CRJ10DJ750T
VIDEO R234 ns
p
00MNN05750610 CHIP RES.
75 OHM 1/10W J
CRJ10DJ750T
VIDEO R235 ns
p
00MNN05750610 CHIP RES.
75 OHM 1/10W J
CRJ10DJ750T
p
VIDEO R236 ns
p
00MNN05332610 CHIP RES.
3.3K OHM 1/10W J
CRJ10DJ332T
VIDEO R238 ns
p
00MNN05000610 CHIP RES.
0 OHM 1/10W J
CRJ10DJ0R0T
VIDEO X101 90M-JX001080R 90M-JX001080R X'TAL
14.318MHZ
HOX14318D220F
VIDEO X102
/
K1SG ns
p
90M-JX001090R X'TAL
17.318MHZ
HOX17744D220F
VIDEO X102
/
N1B 90M-JX001090R 90M-JX001090R X'TAL
17.318MHZ
HOX17744D220F
VIDEO X102
/
N1SG 90M-JX001090R 90M-JX001090R X'TAL
17.318MHZ
HOX17744D220F
XM PWB
(
CUP12087Z
)
XM C501
/
U1B ns
p
00MDD95220300 CER. CAP.
22PF 50V JA
CCUS1H220JA
XM C502
/
U1B ns
p
00MDD95220300 CER. CAP.
22PF 50V JA
CCUS1H220JA
XM C503
/
U1B ns
p
00MDK96104300 CER. CAP.
0.1UF 50V K
CCUS1H104KC
XM C504
/
U1B ns
p
00MDK96104300 CER. CAP.
0.1UF 50V K
CCUS1H104KC
XM C505
/
U1B ns
p
00MDK96104300 CER. CAP.
0.1UF 50V K
CCUS1H104KC
XM C506
/
U1B ns
p
00MDK96104300 CER. CAP.
0.1UF 50V K
CCUS1H104KC
XM C507
/
U1B ns
p
00MDK96102300 CER. CAP.
1000PF 50V KC
CCUS1H102KC
XM C508
/
U1B ns
p
00MDK96104300 CER. CAP.
0.1UF 50V K
CCUS1H104KC
XM C509
/
U1B ns
p
00MDK96102300 CER. CAP.
1000PF 50V KC
CCUS1H102KC
XM C510
/
U1B ns
p
00MDK96102300 CER. CAP.
1000PF 50V KC
CCUS1H102KC
XM C511
/
U1B ns
p
00MDK96102300 CER. CAP.
1000PF 50V KC
CCUS1H102KC
XM
C512
/U1B
nsp
00MOA47601640
ELECT CAP
47UF 16V
CCEA1CH470T
XM
C512
/U1B
nsp
00MOA47601640
ELECT
CAP
.
47UF
16V
CCEA1CH470T
XM C513
/
U1B ns
p
00MDK96104300 CER. CAP.
0.1UF 50V K
CCUS1H104KC
XM C514
/
U1B ns
p
00MDK96104300 CER. CAP.
0.1UF 50V K
CCUS1H104KC
XM C515
/
U1B ns
p
00MDK96104300 CER. CAP.
0.1UF 50V K
CCUS1H104KC
XM C516
/
U1B ns
p
00MDK96104300 CER. CAP.
0.1UF 50V K
CCUS1H104KC
XM C517
/
U1B ns
p
00MDK96104300 CER. CAP.
0.1UF 50V K
CCUS1H104KC
XM C518
/
U1B ns
p
00MDD91100300 CER. CAP.
10PF 50V JA
CCUS1H100JA
XM C519
/
U1B ns
p
00MDD91100300 CER. CAP.
10PF 50V JA
CCUS1H100JA
XM C520
/
U1B ns
p
00MDK96102300 CER. CAP.
1000PF 50V KC
CCUS1H102KC
XM
C5
21
/U
1B n
sp
00
MDK
96
1
0
4
300
C
ER.
C
AP.
0.1UF 50V K
CCUS1H104KC
C5
/U
sp
00 96 0 300
CC
XM C522
/
U1B ns
p
00MDK96104300 CER. CAP.
0.1UF 50V K
CCUS1H104KC
XM C523
/
U1B ns
p
00MDK96102300 CER. CAP.
1000PF 50V KC
CCUS1H102KC
XM C524
/
U1B ns
p
00MOA10605020 ELECT CAP.
10UF 50V
CCEA1HH100T
XM C525
/
U1B ns
p
00MDK96104300 CER. CAP.
0.1UF 50V K
CCUS1H104KC
XM C526
/
U1B ns
p
00MDK96104300 CER. CAP.
0.1UF 50V K
CCUS1H104KC
XM C527
/
U1B ns
p
00MOA10605020 ELECT CAP.
10UF 50V
CCEA1HH100T
XM C528
/
U1B ns
p
00MOA10605020 ELECT CAP.
10UF 50V
CCEA1HH100T
XM C529
/
U1B ns
p
00MOA10605020 ELECT CAP.
10UF 50V
CCEA1HH100T
XM C530
/
U1B ns
p
00MDK96104300 CER. CAP.
0.1UF 50V K
CCUS1H104KC
XM C531
/
U1B ns
p
00MOA47601640 ELECT CAP.
47UF 16V
CCEA1CH470T
XM C532
/
U1B ns
p
00MDK96104300 CER. CAP.
0.1UF 50V K
CCUS1H104KC
XM C533
/
U1B ns
p
00MOA10605020 ELECT CAP.
10UF 50V
CCEA1HH100T
XM C534
/
U1B ns
p
00MOA10605020 ELECT CAP.
10UF 50V
CCEA1HH100T
XM C535
/
U1B ns
p
00MDK56152300 CER. CAP.
GRM216B11H152KA01D 1500PF 50V
CCUS1H152KC
XM C536
/
U1B ns
p
00MDK56152300 CER. CAP.
GRM216B11H152KA01D 1500PF 50V
CCUS1H152KC
XM C537
/
U1B ns
p
00MOA10701620 ELECT CAP.
100UF 16V
CCEA1CH101T

183
NOTE : "nsp" PART IS LISTED FOR REFERENCE ONLY, MARANTZ WILL NOT SUPPLY THESE PARTS.
P.W.B.
NAME
VERS.
COLOR
PART NO.
(FOR EUR)
PART NO.
(MZ) PART NAME DESCRIPTION
POS. NO.
XM C538
/
U1B ns
p
00MOA10701620 ELECT CAP.
100UF 16V
CCEA1CH101T
XM C539
/
U1B ns
p
00MOA10701620 ELECT CAP.
100UF 16V
CCEA1CH101T
XM C540
/
U1B ns
p
00MOA10605020 ELECT CAP.
10UF 50V
CCEA1HH100T
XM C541
/
U1B ns
p
00MOA10701620 ELECT CAP.
100UF 16V
CCEA1CH101T
XM
C601
/U1B
00MOA10605020
ELECT CAP
UF V
XM
C601
/U1B
ns
p
00MOA10605020
ELECT
CAP
.
10
UF
50
V
CCEA1HH100T
XM C602
/
U1B ns
p
00MOA10605020 ELECT CAP.
10UF 50V
CCEA1HH100T
XM C603
/
U1B ns
p
00MDK96104300 CER. CAP.
0.1UF 50V K
CCUS1H104KC
XM C604
/
U1B ns
p
00MDK96104300 CER. CAP.
0.1UF 50V K
CCUS1H104KC
XM C605
/
U1B ns
p
00MDD95471300 CER. CAP.
470PF 50V JA
CCUS1H471JA
XM C606
/
U1B ns
p
00MDD95471300 CER. CAP.
470PF 50V JA
CCUS1H471JA
XM C608
/
U1B ns
p
00MDK96104300 CER. CAP.
0.1UF 50V K
CCUS1H104KC
XM C609
/
U1B ns
p
00MOA10605020 ELECT CAP.
10UF 50V
CCEA1HH100T
XM C610
/
U1B ns
p
00MOA10605020 ELECT CAP.
10UF 50V
CCEA1HH100T
XM
CN51
/U1B
nsp
nsp
CONN
15P WAFER FFC 12511HS-15
CJP15GA115ZY
XM
CN51
/U1B
nsp
nsp
CONN
.
15P
WAFER
FFC
12511HS-15
CJP15GA115ZY
XM CN81
/
U1B ns
p
ns
p
CONN.
2P STRAIGHT YMW025-02R
CJP02GA01ZY
XM CN98
/
U1B ns
p
ns
p
CONN.
7P STRAIGHT 20017WS-07
CJP07GA19ZY
XM D504
/
U1B ns
p
00MHZ21303210 DIODE
1SS355
CVD1SS355T
XM D505
/
U1B ns
p
00MHZ21303210 DIODE
1SS355
CVD1SS355T
XM F501
/
U1B ns
p
90M-FC900340R FERRITE CORE
HU-1H4516-600JT
CLZ9Z014Z
XM F502
/
U1B ns
p
90M-FC900340R FERRITE CORE
HU-1H4516-600JT
CLZ9Z014Z
XM F503
/
U1B ns
p
90M-FC900460R EMI FILTER
CHIP BEAD NFM21PC474R1C3
CLZ9R007Z
XM F504
/
U1B ns
p
90M-FC900460R EMI FILTER
CHIP BEAD NFM21PC474R1C3
CLZ9R007Z
XM IC51
/
U1B ns
p
943235003860S IC
BU9450KV
CVIBU9450KV
p
XM IC52
/
U1B ns
p
943235003870S IC
CS4352CZZR
CVICS4352CZZR
XM IC61
/
U1B ns
p
00MHC10102090 IC
NJM2068MD-TE1
HVINJM2068MDTE1
XM J502
/
U1B ns
p
ns
p
BRACKET
BRACKET FOR PWB
CMD1A569
XM J503
/
U1B ns
p
ns
p
BRACKET
BRACKET FOR PWB
CMD1A569
XM JK21
/
U1B ns
p
943646001440S TERMINAL
DIN-801 DIN SOCKET
CJJ9N007Z
XM JK51
/
U1B ns
p
00D2051362009 TERMINAL
XM JACK CAM-D96 CAM D96 R41 402
CJJ9L006Z
XM L501
/
U1B ns
p
00MFN21000080 EMI FILTER
DLW21HN121SQ2L
CLZ9R008Z
XM L502
/
U1B ns
p
943117003880S EMI FILTER
FCI2012F-1R5K
CLQ08E1R5KRZ
XM Q501
/
U1B ns
p
90M-BA001620R CHIP TRS.
KRC103S
CVTKRC103S
XM Q503
/
U1B ns
p
90M-BA001620R CHIP TRS.
KRC103S
CVTKRC103S
XM Q504
/
U1B ns
p
90M-BA001630R CHIP TRS.
KRA103S
HVTKRA103S
XM Q505
/
U1B ns
p
90M-HT300970R TRS.
KTC2875B
HVTKTC2875B
XM Q506
/
U1B ns
p
90M-HT300970R TRS.
KTC2875B
HVTKTC2875B
XM Q509
/
U1B ns
p
00MHC98520320 IC
PQ20VZ51
CVIPQ20VZ51
XM Q510
/
U1B ns
p
90M-HC900170R IC
KIA1117S00-RTK/P
CVIKIA1117S00
XM Q601
/
U1B ns
p
90M-HX800010R CHIP TRS.
KRC102S
HVTKRC102S
XM R501
/
U1B ns
p
00MNN05223610 CHIP RES.
22K OHM 1/10W J
CRJ10DJ223T
XM R502
/
U1B ns
p
00MNN05101610 CHIP RES.
100 OHM 1/10W J
CRJ10DJ101T
XM
R503
/U1B
nsp
00MNN05223610
CHIP RES
22K OHM 1/10W J
CRJ10DJ223T
XM
R503
/U1B
nsp
00MNN05223610
CHIP
RES
.
22K
OHM
1/10W
J
CRJ10DJ223T
XM R504
/
U1B ns
p
00MNN05223610 CHIP RES.
22K OHM 1/10W J
CRJ10DJ223T
XM R505
/
U1B ns
p
00MNN05101610 CHIP RES.
100 OHM 1/10W J
CRJ10DJ101T
XM R506
/
U1B ns
p
00MNN05101610 CHIP RES.
100 OHM 1/10W J
CRJ10DJ101T
XM R507
/
U1B ns
p
00MNN05104610 CHIP RES.
100K OHM 1/10W J
CRJ10DJ104T
XM R508
/
U1B ns
p
00MNN05104610 CHIP RES.
100K OHM 1/10W J
CRJ10DJ104T
XM R509
/
U1B ns
p
00MNN05223610 CHIP RES.
22K OHM 1/10W J
CRJ10DJ223T
XM R510
/
U1B ns
p
00MNN05101610 CHIP RES.
100 OHM 1/10W J
CRJ10DJ101T
XM R511
/
U1B ns
p
00MNN05223610 CHIP RES.
22K OHM 1/10W J
CRJ10DJ223T
XM R
5
12
/U
1B n
sp
00
MNN
05
1
0
1
6
1
0
C
HIP RE
S
.
100 OHM 1/10W J
CRJ10DJ101T
5
/U
sp
00 05060
CS
XM R513
/
U1B ns
p
00MNN05102610 CHIP RES.
1K OHM 1/10W J
CRJ10DJ102T
XM R514
/
U1B ns
p
00MNN05101610 CHIP RES.
100 OHM 1/10W J
CRJ10DJ101T
XM R515
/
U1B ns
p
00MNN05102610 CHIP RES.
1K OHM 1/10W J
CRJ10DJ102T
XM R516
/
U1B ns
p
00MNN05223610 CHIP RES.
22K OHM 1/10W J
CRJ10DJ223T
XM R517
/
U1B ns
p
00MNN05000610 CHIP RES.
0 OHM 1/10W J
CRJ10DJ0R0T
XM R518
/
U1B ns
p
00MNN05000610 CHIP RES.
0 OHM 1/10W J
CRJ10DJ0R0T
XM R519
/
U1B ns
p
00MNN05223610 CHIP RES.
22K OHM 1/10W J
CRJ10DJ223T
XM R520
/
U1B ns
p
00MNN05223610 CHIP RES.
22K OHM 1/10W J
CRJ10DJ223T
XM R522
/
U1B ns
p
00MNN05223610 CHIP RES.
22K OHM 1/10W J
CRJ10DJ223T
XM R523
/
U1B ns
p
00MNN05223610 CHIP RES.
22K OHM 1/10W J
CRJ10DJ223T
XM R524
/
U1B ns
p
00MNN05101610 CHIP RES.
100 OHM 1/10W J
CRJ10DJ101T
XM R525
/
U1B ns
p
00MNN05105610 CHIP RES.
1M OHM 1/10W J
CRJ10DJ105T
XM R526
/
U1B ns
p
00MNN05220610 CHIP RES.
22 OHM 1/10W J
CRJ10DJ220T
XM R527
/
U1B ns
p
00MNN05220610 CHIP RES.
22 OHM 1/10W J
CRJ10DJ220T
XM R528
/
U1B ns
p
00MNN05220610 CHIP RES.
22 OHM 1/10W J
CRJ10DJ220T
XM R529
/
U1B ns
p
00MNN05220610 CHIP RES.
22 OHM 1/10W J
CRJ10DJ220T

184
NOTE : "nsp" PART IS LISTED FOR REFERENCE ONLY, MARANTZ WILL NOT SUPPLY THESE PARTS.
P.W.B.
NAME
VERS.
COLOR
PART NO.
(FOR EUR)
PART NO.
(MZ) PART NAME DESCRIPTION
POS. NO.
XM R530
/
U1B ns
p
00MNN05000610 CHIP RES.
0 OHM 1/10W J
CRJ10DJ0R0T
XM R531
/
U1B ns
p
00MNN05223610 CHIP RES.
22K OHM 1/10W J
CRJ10DJ223T
XM R532
/
U1B ns
p
00MNN05223610 CHIP RES.
22K OHM 1/10W J
CRJ10DJ223T
XM R533
/
U1B ns
p
00MNN05223610 CHIP RES.
22K OHM 1/10W J
CRJ10DJ223T
XM
R535
/U1B
00MNN05472610
CHIP RES
K OHM / W J
XM
R535
/U1B
ns
p
00MNN05472610
CHIP
RES
.
4.7
K
OHM
1
/
10
W
J
CRJ10DJ472T
XM R537
/
U1B ns
p
00MNN05101610 CHIP RES.
100 OHM 1/10W J
CRJ10DJ101T
XM R539
/
U1B ns
p
00MNN05473610 CHIP RES.
47K OHM 1/10W J
CRJ10DJ473T
XM R540
/
U1B ns
p
00MNN05473610 CHIP RES.
47K OHM 1/10W J
CRJ10DJ473T
XM R541
/
U1B ns
p
00MNN05222610 CHIP RES.
2.2K OHM 1/10W J
CRJ10DJ222T
XM R542
/
U1B ns
p
00MNN05222610 CHIP RES.
2.2K OHM 1/10W J
CRJ10DJ222T
XM R543
/
U1B ns
p
00MNN05000610 CHIP RES.
0 OHM 1/10W J
CRJ10DJ0R0T
XM R544
/
U1B ns
p
00MNN05000610 CHIP RES.
0 OHM 1/10W J
CRJ10DJ0R0T
XM R545
/
U1B ns
p
00MNN05123610 CHIP RES.
12K OHM 1/10W J
CRJ10DJ123T
XM
R546
/U1B
nsp
00MNN05123610
CHIP RES
12K OHM 1/10W J
CRJ10DJ123T
XM
R546
/U1B
nsp
00MNN05123610
CHIP
RES
.
12K
OHM
1/10W
J
CRJ10DJ123T
XM R547
/
U1B ns
p
00MNN05222610 CHIP RES.
2.2K OHM 1/10W J
CRJ10DJ222T
XM R548
/
U1B ns
p
00MNN05222610 CHIP RES.
2.2K OHM 1/10W J
CRJ10DJ222T
XM R551
/
U1B ns
p
00MNN05103610 CHIP RES.
10K OHM 1/10W J
CRJ10DJ103T
XM R552
/
U1B ns
p
00MNM1180G020 CHIP RES.
18OHM/1608/1%
CRJ10DF18R0T
XM R553
/
U1B ns
p
00MNM11201020 CHIP RES.
1.2KOHM/1608/1%
CRJ10DF1201T
XM R554
/
U1B ns
p
00MNM13901020 CHIP RES.
3.9KOHM/1608/1%
CRJ10DF3901T
XM R555
/
U1B ns
p
00MNM11800020 CHIP RES.
180 OHM 1%
CRJ10DF1800T
XM R556
/
U1B ns
p
00MNM11800020 CHIP RES.
180 OHM 1%
CRJ10DF1800T
XM R557
/
U1B ns
p
00MNM12200020 CHIP RES.
220 OHM 1%
CRJ10DF2200T
p
XM R558
/
U1B ns
p
00MNN05474610 CHIP RES.
470K OHM 1/10W J
CRJ10DJ474T
XM R601
/
U1B ns
p
00MNN05101610 CHIP RES.
100 OHM 1/10W J
CRJ10DJ101T
XM R602
/
U1B ns
p
00MNN05101610 CHIP RES.
100 OHM 1/10W J
CRJ10DJ101T
XM R603
/
U1B ns
p
00MNN05473610 CHIP RES.
47K OHM 1/10W J
CRJ10DJ473T
XM R604
/
U1B ns
p
00MNN05473610 CHIP RES.
47K OHM 1/10W J
CRJ10DJ473T
XM R605
/
U1B ns
p
00MNN05473610 CHIP RES.
47K OHM 1/10W J
CRJ10DJ473T
XM R606
/
U1B ns
p
00MNN05473610 CHIP RES.
47K OHM 1/10W J
CRJ10DJ473T
XM R607
/
U1B ns
p
00MNN05101610 CHIP RES.
100 OHM 1/10W J
CRJ10DJ101T
XM R608
/
U1B ns
p
00MNN05101610 CHIP RES.
100 OHM 1/10W J
CRJ10DJ101T
XM R609
/
U1B ns
p
00MNN05332610 CHIP RES.
3.3K OHM 1/10W J
CRJ10DJ332T
XM R610
/
U1B ns
p
00MNN05332610 CHIP RES.
3.3K OHM 1/10W J
CRJ10DJ332T
XM R612
/
U1B ns
p
00MNN05473610 CHIP RES.
47K OHM 1/10W J
CRJ10DJ473T
XM R613
/
U1B ns
p
00MNN05473610 CHIP RES.
47K OHM 1/10W J
CRJ10DJ473T
XM X501
/
U1B ns
p
943141003890S X'TAL
45.1584MHZ SMD-49
COX45184E120SD

185
15. ABOUT REPLACE THE MICROPROCESSOR WITH A NEW ONE
When replaced of the U-PRO (Microprocessor) or the Flash ROM, confirm contents of the following.
PWB
Name
Pos.
No. Description After
replaced Remark
INPUT IC11 M3087BFKBGP MAIN CPU SR5003 B
INPUT IC23 ES29LV320ET70TG DSP AV8003 B
HDMI IC61 R5F212AASNFP HDMI CPU SR5003 B
After replaced
A : Mask ROM (With software). No need write-in of software to the microprocessor.
B : Flash ROM (With software). Usually, no need write-in of software. But, when the software was updated, you should be
write-in of the new software to the microprocessor or flash ROM. Please check the software version.
C : Empty Flash ROM (Without software). You should be write-in of the software to the microprocessor or flash ROM.
Refer to "Update procedure" or "writing procedure", when you should be write-in the software.
マイコン等を交換した場合の対応について
U-PRO(マイコン)およびFlash ROM等を交換した場合の対応方法を下記の記載します。
PWB
Name
Pos.
No. Description 交換時の
対応 備考
INPUT IC11 M3087BFKBGP MAIN CPU SR5003 B
INPUT IC23 ES29LV320ET70TG DSP AV8003 B
HDMI IC61 R5F212AASNFP HDMI CPU SR5003 B
交換時の対応
A : Mask ROM (ソフトウェア書き込み済み) 交換時にソフトウェアの書き込みは必要ありません。
B : Flash ROM (ソフトウェア書き込み済み) バージョンアップにより交換時にソフトウェアの書き換えが必要な場合がありま
す。バージョンの確認をしてください。
C : 空ROM (Flash ROM) 交換時必ずソフトウェアの書き込みが必要になります。Update、書き込み方法を参照してください。