SR510 SR510m
User Manual: SR510
Open the PDF directly: View PDF  .
.
Page Count: 73

MODEL SR510 
LOCK-IN AMPLIFIER 
1290-D Reamwood Avenue 
Sunnyvale, CA 94089 U.S.A. 
Phone: (408) 744-9040 • Fax: (408) 744-9049 
Email: info@thinkSRS.com • www.thinkSRS.com 
Copyright © 1985, 1987, 1989, 2003, 2013  
Stanford Research Systems, Inc. 
All Rights Reserved 
Revision: 3.4 (11/2013) 
 i
TABLE OF CONTENTS 
Condensed Information 
 SAFETY and Preparation for use  1 
 Symbols  2 
 Specifications  3 
  Front Panel Summary  5 
 Abridged Command List  6 
 Status Byte Definition  7 
 Configuration Switches  7 
Guide to Operation 
 Front Panel 8 
 Signal Inputs  8 
 Signal Filters  8 
 Sensitivity  8 
 Dynamic Reserve  9 
 Status Indicators  9 
 Display Select  9 
 Output  9 
 Expand Function  9 
 Rel Function  9 
 Offset  10 
 Time Constants  10 
 Noise Measurements  10 
  Reference Input and Trigger Levels  11 
 Phase Controls  11 
 Power Switch  12 
 Local/Remote Operation  12 
 Default Settings  12 
 Rear Panel 13 
 AC Power   13 
 GPIB (IEEE-488) Connector  13 
 RS232 Interface  13 
 Signal Monitor Output  13 
 Pre-Amp Connector  13 
  A/D Inputs and D/A Outputs  13 
 Ratio Feature  13 
 Internal Oscillator  13 
Guide to Programming 
 Communications  15 
 Command Syntax  15 
 Status LED's  15 
 RS232 Echo Feature  16 
  Try-out with an ASCII Terminal  16 
 Command List 17 
 Status Byte  20 
 Errors  20 
 Reset Command  20 
 Trouble-Shooting Interface Problems  21 
  Common Hardware Problems  21 
  Common Software Problems  21 
RS232 Interface 
  Introduction to the RS232  21 
  Data Communications Equipment  22 
 Wait Command  22 
 Termination Sequence  22 
GPIB (IEEE-488) Interface 
  Introduction to the GPIB  22 
 GPIB Capabilities  22 
  Response to Special GPIB commands  22 
  Serial Polls and SRQ's  23 
  Echo Mode using the RS232  23 
  Using Both the RS232 & GPIB  23 
Lock-in Technique 
  Introduction to Lock-in Amplifiers  24 
 Measurement Example  24 
  Understanding the Specifications   25 
  Shielding and Ground Loops  25 
 Dynamic Reserve  26 
 Current Input  26 
 Auto-Tracking Bandpass Filter  26 
 Notch Filters  27 
 Frequency Range  27 
 Noise Measurements  27 
 Output Filters  27 
 Ratio Capability  27 
 Computer Interface  27 
 Internal Oscillator  27 
SR510 Block Diagram 
 Block Diagram  28 
 Signal Channel  29 
 Reference Channel  29 
 Phase-Sensitive Detector  29 
  DC Amplifier and System Gain  29 
 Microprocessor System  29 
Circuit Description 
 Introduction  30 
 Signal Amplifier  30 
 Current Amplifier  30 
 Notch Filters  30 
 Bandpass Filter  30 
 Reference Oscillator  31 
  PSD, LP Filters and DC Amplifier  31 
 Analog Output  31 
 A/D's  31 
 D/A's  32 
 Expand   32 
 Front Panel  32 
 Microprocessor Control  32 
 ii
 RS232 Interface  32 
 GPIB Interface  32 
 Power Supplies  33 
 Internal Oscillator  33 
Calibration and Repair 
 Introduction  34 
 Multiplier Adjustments  34 
  Amplifier and Filter Adjustments  34 
 CMRR Adjustment  34 
  Line Notch Filter Adjustment  35 
 2xLine Notch Filter Adjustment  35 
  Repairing Damaged Front-End  35 
Appendix A: Noise Sources and Cures 
 Johnson Noise  36 
 '1/f' Noise  36 
 Noise Spectrum  36 
 Capacitive Coupling  37 
 Inductive Coupling  37 
 Ground Loops  38 
 Microphonics  38 
 Thermocouple Effect  38 
Appendix B: RS232  
  Simplest Case Using the RS232  39 
  Using Control Lines  39 
 Baud Rates  39 
 Stop Bits  40 
 Parity  40 
 Voltage Levels  40 
 'Eavesdropping'  40 
Appendix C: GPIB 
  Introduction to the GPIB  41 
 Bus Description  41 
Appendix D: Program Examples 
  IBM PC, Microsoft Basic, via RS232  42 
  IBM PC, Microsoft Fortran, via RS232  43 
  IBM PC, Microsoft C, via RS232  45 
  IBM PC, Microsoft Basic, via GPIB  47 
  HP-85, HP Basic, via HPIB  49 
Documentation 
  Part Numbering and Locations  50 
  Parts List, Main Assembly  51 
  Parts List, Internal Oscillator  65 
  Parts List, Miscellaneous  66 
  Parts List, Front Panel  67 
 Schematic Diagrams  71 

1 
Safety and Preparation for Use 
***CAUTION***: This instrument may be damaged if operated with the LINE VOLTAGE SELECTOR set for 
the wrong applied ac input-source voltage or if the wrong fuse is installed. 
 LINE VOLTAGE SELECTION 
The SR510 operates from a 100V, 120V, 220V, or 
240V nominal ac power source having a line 
frequency of 50 or 60 Hz.  Before connecting the 
power cord to a power source, verify that the LINE 
VOLTAGE SELECTOR card, located in the rear 
panel fuse holder, is set so that the correct ac input 
voltage value is visible. 
Conversion to other ac input voltages requires a 
change in the fuse holder voltage card position and 
fuse value. Disconnect the power cord, open the 
fuse holder cover door and rotate the fuse-pull lever 
to remove the fuse.  Remove the small printed circuit 
board and select the operating voltage by orienting 
the printed circuit board to position the desired 
voltage to be visible when pushed firmly into its slot. 
Rotate the fuse-pull lever back into its normal 
position and insert the correct fuse into the fuse 
holder. 
 LINE FUSE 
Verify that the correct line fuse is installed before 
connecting the line cord.  For 100V and 120V, use a 
1 Amp fuse and for 220V and 240V, use a 1/2 Amp 
fuse. 
 LINE CORD 
This instrument has a detachable, three-wire power 
cord with a three-contact plug for connection to both 
the power source and protective ground.  The 
protective ground contact connects to the accessible 
metal parts of the instrument.  To prevent electrical 
shock, always use a power source outlet that has a 
properly grounded protective-ground contact. 
OPERATE WITH COVERS IN 
PLACE 
To avoid personal injury, do not remove the 
product covers or panels.  Do not operate the 
product without all covers and panels in place. 
 WARNING REGARDING USE 
WITH PHOTOMULTIPLIERS 
It is relatively easy to damage the signal inputs if 
a photomultiplier is used improperly with the 
lock-in amplifier.  When left completely 
unterminated, a PMT will charge a cable to a 
few hundred volts in a very short time.  If this 
cable is connected to the lockin, the stored 
charge may damage the front-end transistors.  
To avoid this problem, provide a leakage path of 
about 100 KΩ to ground inside the base of the 
PMT to prevent charge accumulation. 

2
3
SR510 Specification Summary 
General 
Power        100, 120, 220, 240 VAC (50/60 Hz); 35 Watts Max 
Mechanical     17" x 17" x 3.5" (Rack Mount Included) 12 lbs. 
Warranty      Two years parts and labor. 
Signal Channel 
Inputs    Voltage: Single-ended or True Differential 
     Current: 10
6 Volts/Amp 
Impedance   Voltage: 100 MΩ + 25 pF, ac coupled 
     Current: 1 kΩ to virtual ground 
Full Scale      Voltage:  100 nV (10 nV on expand) to 500 mV  
Sensitivity      Current:  100 fA to 0.5 µA  
Maximum      Voltage:  100 VDC, 10 VAC damage threshold 
Inputs       2 VAC peak-to-peak saturation 
     Current: 10 µA damage threshold 
        1 µA ac peak-to-peak saturation 
Noise    Voltage: 7 nV/√Hz at 1 kHz 
     Current: 0.13 pA/√Hz at 1 kHz  
Common Mode   Range:   1 Volt peak; Rejection: 100 dB dc to 1KHz 
        Above 1KHz the CMRR degrades by 6 dB/Octave 
Gain Accuracy    1%  (2 Hz to 100KHz) 
Gain Stability    200 ppm/°C 
Signal Filters    60 Hz notch, -50 dB (Q=10, adjustable from 45 to 65 Hz) 
          120 Hz notch, -50 dB (Q=10, adjustable from 100 to 130 Hz)) 
          Tracking bandpass set to within 1% of ref freq (Q=5) 
Dynamic Reserve  20 dB  LOW  (1 µV to 500 mV sensitivity) 
          40 dB  NORM  (100 nV to 50 mV sensitivity) 
     60 dB HIGH (100 nV to 5 mV sensitivity) 
          Bandpass filter adds 20 dB to dynamic reserve 
     Line Notch filters increase dynamic reserve to 100 dB 
Reference Channel 
Frequency      0.5 Hz to 100 kHz 
Input Impedance  1 MΩ, ac coupled 
Trigger    SINE:  100 mV minimum, 1Vrms nominal 
     PULSE:  ±1 Volt, 1 µsec minimum width 
Mode    Fundamental (f) or 2nd Harmonic (2f) 
4
Acquisition Time 25 Sec at 1 Hz
6 Sec at 10 Hz
2 Sec at 10 kHz
Slew Rate  1 decade per 10 S at 1 kHz
Phase Control 90° shifts
Fine shifts in 0.025° steps
Phase Noise 0.01° rms at 1 kHz, 100 msec, 12 dB TC
Phase Drift 0.1°/°C
Phase Error Less than 1° above 10Hz
Demodulator
Stability 5 ppm/°C on LOW dynamic reserve
50 ppm/°C on NORM dynamic reserve
500 ppm/°C on HIGH dynamic reserve
Time Constants Pre: 1msec to 100 sec (6 dB/Octave)
Post: 1sec, 0.1 sec, none (6 dB/Octave) or none
Offset Up to 1X full scale (10X on expand)
Harmonic Rej -55 dB (bandpass filter in)
Outputs & Interfaces
Outputs    X (RcosØ), X Offset, Noise
Output Meter 2% Precision mirrored analog meter
Output LCD Four digit auto-ranging LCD display shows same values as the analog meters
Output BNC ±10 V output corresponds to full scale input
<1Ω output impedance
Reference LCD Four digit LCD display for reference phase shift or frequency
RS232  Interface controls all functions.  Baud rates from 300 to 19.2 K
GPIB Interface controls all functions. (IEEE-488 Std)
A/D 4 BNC inputs with 13 bit resolution (±10.24 V)
D/A 2 BNC outputs with 13 bit resolution (±10.24 V)
Ratio Ratio output equals 10X output divided by the Denominator input.
Internal Oscillator Range: 1 Hz to 100 kHz, 1% accuracy
Stability: 150 ppm/°C
Distortion: 2% THD
Amplitude: 1% accuracy, 500 ppm/°C stability

5
Front Panel Summary
Signal Inputs Single Ended (A), True Differential (A-B), or Current (I)
Signal Filters Bandpass: Q-of-5 Auto-tracking filter (In or Out)
Line Notch: Q-of-10 Notch Filter at line frequency (In or Out)
2XLine Notch: Q-of-10 Notch Filter at twice line frequency (In or Out)
Sensitivity Full scale sensitivity from 100 nV to 500 mV RMS for voltage inputs
or from 100 fA to 500 nA RMS for current inputs.
Dynamic Reserve Select Dynamic Reserve Stability  Sensitivity Ranges
LOW 20 dB   5 ppm    1 µV to 500 mV
NORM 40 dB 50 ppm 100 nV to 50 mV
HIGH 60 dB 500 ppm 100 nV  to 5 mV
Status Indicators OVLD Signal Overload
UNLK PLL is not locked to the reference input
ERR Illegal or Unrecognized command
ACT RS232 or GPIB interface Activity
REM Remote mode: front panel has been locked-out
Display Select X  Signal Amplitude at the selected phase (AcosØ)
OFST Display the offset which is being added to the signal output
NOISE Compute and display the noise on the signal
Analog Meters Displays Signal, Offset, or Noise as a fraction of full scale
Output LCD's Displays Signal, Offset, or Noise in absolute units
Output BNC's Output follows Analog Meter, ± 10 V for ± full scale
Expand Multiplies the Analog Meter and Output voltage by a factor X1 or X10.
REL Set the Offset to null the output: subsequent readings are relative readings.
Offset Enables or Disables Offset, and allows any offset (up to full scale) to be entered.
Time Constants Pre-filter has time constants from 1 mS to 100 S (6 dB/Octave)
Post-filter has time constants of 0, 0.1 or 1.0 S (6 dB/Octave)
ENBW Equivalent Noise Bandwidth. Specifies the bandwidth when making Noise
measurements. (1Hz or 10 Hz ENBW)
Reference Input 1 MΩ Input, 0.5 Hz to 100 KHz, 100 mV minimum
Reference Trigger Trigger on rising edge, zero crossing, or falling edge
f/2f Mode PLL can lock to either X1 or X2 of the reference input frequency
Phase Controls Adjust phase in smoothly accelerating 0.025° steps, or by
90° steps. Press both 90° buttons to zero the phase.
Reference LCD Display reference phase setting or reference frequency
Power Switch Instrument settings from the last use are recalled on power-up
6
Abridged Command List
A Return the ‘REL’ Status
A0 Turn the ‘REL’ off
A1 Turn the ‘REL’ on
B Return Bandpass Filter Status
B0 Take out the Bandpass Filter
B1 Put in the Bandpass Filter
C Return the Reference LCD Status
C0 Display the Reference Frequency
C1 Display the Reference Phase Shift
D Return Dynamic Reserve Setting
D0 Set DR to LOW range
D1 Set DR to NORM range
D2 Set DR to HIGH range
En Return Expand Status
En,0 Turn Expand off
En,1 Turn Expand on
F Return the Reference Frequency
G Return the Sensitivity Setting
G1 Select 10 nV Full-Scale
...   (G1-G3 with SRS preamp only)
G24 Select 500 mV Full-Scale
H Return Preamp Status (1=installed)
I Return the Remote/Local Status
I0 Select Local: Front panel active
I1 Select Remote: Front panel inactive
I2 Select Remote with full lock-out
J Set RS232 End-of-Record to <cr>
Jn,m,o,p  Set End-of-record to n,m,o,p
K1 Simulates Key-press of button #1
...    (see un-abridged command list)
K32 Simulates Key-press of button #32
L1 Return Status of Line Notch Filter
L1,0 Remove Line Notch Filter
L1,1 Insert Line Notch Filter
L2 Return Status of 2XLine Filter
L2,0 Remove 2XLine Notch Filter
L2,1 Insert 2XLine Notch Filter
M Return the f/2f Status
M0 Set reference mode to f
M1 Set reference mode to 2f
N Return the ENBW setting
N0 Select 1 Hz ENBW
N1 Select 10 Hz ENBW
O Return Offset Status
O0 Turn off Offset
O1,v Turn on Offset, v = offset
P Return the Phase Setting
Pv Set the Phase to v. Abs(v) < 999 deg
Q Return the value shown on the Output
LCD
R Return the trigger mode
R0 Set the trigger for rising edge
R1 Set the trigger for + zero crossing
R2 Set the trigger for falling edge
S Return the display status
S0 Display X = AcosØ
S1 Display Offset setting
S2 Display Noise
T1 Return pre-filter setting
T1,1 Set the pre-filter TC to 1 mS
...
T1,11 Set the pre-filter TC to 100 S
T2 Return the post-filter setting
T2,0 Remove post filter
T2,1 Set the post filter TC to 0.1 S
T2,2 Set the post filter TC to 1.0 S
V Return the value of the SRQ mask
Vn Set the SRQ Mask to the value n
(See the Status Byte definition)
W Return the RS232 wait interval
Wn Set RS232 wait interval to nX4mS
Xn Return the voltage at the rear panel
analog port n. (n from 1 to 6)
X5,v Set analog port 5 to voltage v
X6,v Set analog port 6 to voltage v
Y Return the Status Byte value
Yn Test bit n of the Status Byte
Z Reset to default settings and cancel
all pending command
7
Status Byte Definition
Bit Meaning
 0 Magnitude too small to calculate
phase
 1 Command Parameter is out-of-range
 2 No detectable reference input
 3 PLL is not locked to the reference
 4 Signal Overload
 5 Auto-offset failed: signal too large
 6 SRQ generated
 7 Unrecognized or illegal command
Configuration Switches
There are two banks of 8 switches, SW1 and
SW2, located on the rear panel.  SW1 sets the
GPIB address and SW2 sets the RS232
parameters.  The configuration switches are read
continuously and any changes will be effective
immediately.
SW1:GPIB Mode Switches
Bit Example Function
1 } up GPIB Address Switches
2 } up Address 0 to 30 allowed
3 } up 'up' for bit = 1
4 } down 'down' for bit = 0
5 } up (Most Significant Bit)
6 down 'down' to echo on RS232
(normally 'up')
7 up Not Used
8 up Not Used
If the GPIB mode switches are set as shown in the
example column above, then the lockin will be
addressed as GPIB device #23, and all GPIB
commands and data will be echoed over the
RS232 for de-bugging purposes.
SW2:RS232  Mode Switches
Bit 1 Bit 2 Bit 3 Baud Rate
up up up 19200
down up up 9600
up down up 4800
down down up 2400
up up down 1200
down up down 600
up down down 300
Bit Setting Explanation
4 up Odd parity
down Even parity
5 up No parity
down Parity enabled
6 up No echo (for computer)
down Echo mode (for terminal)
7 up Two stop bits
down One stop bit
8 unused
Eight data bits are always sent, regardless of the
parity setting.  The most significant bit is always
zero.
Example:  Bit 1 'down' and all others 'up' for
RS232 communication at 9600 baud, no parity,
two stop bits, and no echo or prompts by the
SR510.
8
SR510 Guide to Operation
Front Panel
The front panel has been designed to be almost
self-explanatory.  The effect of each keypress is
usually reflected in the change of a nearby LED
indicator or by a change in the quantity shown on
a digital display.  This discussion explains each
section of the front panel, proceeding left to right.
Signal Inputs
There are three input connectors located in the
SIGNAL INPUT section of the front panel.  The
rocker switch located above the B input selects
the input mode, either single-ended, A, differential,
A-B, or current, I.
The A and B inputs are voltage inputs with 100
MΩ, 25 pF input impedance.  Their connector
shields are isolated from the chassis ground by
10Ω.  These inputs are protected to 100V dc but
the ac input should never exceed 10V peak.  The
maximum ac input before overload is 1V peak.
The I input is a current input with an input
impedance of 1 KΩ to a virtual ground.  The
largest allowable dc current before overload is 1
µA.  No current larger than 10 mA should ever be
applied to this input.  The conversion ratio is 106
V/A, thus, the full scale current sensitivities range
from 100 fA to 500 nA with a max ac input before
overload of 1 µA peak.  You should use short
cables when using the current input.
Signal Filters
There are three user selectable signal filters
available; a line frequency notch, a 2X line
frequency notch, and an auto-tracking bandpass.
Each of the filters has a pair of indicator LED's and
a function key located in the SIGNAL FILTERS
section of the front panel.  Pressing a key will
toggle the status of the appropriate filter.  The
status of each filter is displayed as IN, filter active,
or OUT, filter inactive.
The notch filters have a Q of 10 and a depth of at
least 50 dB.  Thus, the line frequency notch is 6
Hz wide and the 2X line notch has a width of 12
Hz.  Both of these filters can increase the dynamic
reserve up to 50 dB at the notch frequencies.  The
achievable reserve is limited by the maximum
allowable signals at the inputs.  The notch
frequencies are set at the factory to either 50 Hz
or 60 Hz.  The user can adjust these frequencies.
(See the Maintenance and Repair section for
alignment details.)  These filters precede the
bandpass filter in the signal amplifier.
The bandpass filter has a Q of 5 and a 6 dB roll off
in either direction.  Thus, the pass band (between
70% pass points) is always equal to 1/5th of the
center frequency.  The center frequency is
continually adjusted to be equal to the internal
demodulator frequency.  When the reference
mode is f, the filter tracks the reference.  When the
mode is 2f, the filter frequency is twice the
reference input frequency.  The center frequency
tracks as fast as the reference oscillator can slew
and may be used during frequency scans.  The
bandpass filter adds up to 20 dB of dynamic
reserve for noise signals outside the pass band,
and increases the harmonic rejection by at least
13dB.  (2nd harmonic attenuated by 13 dB, higher
harmonics attenuated 6dB/octave more.)  If not
needed to improve the dynamic reserve or the
harmonic rejection then the filter should be left
OUT.
Sensitivity
The sensitivity is displayed as a value (1-500) and
a scale (nV, µV, mV).  When using the current
input, which has a gain of 106 V/A, these scales
read fA, pA, and nA.  The two keys in the
SENSITIVITY section move the sensitivity up and
down.  If either key is held down, the sensitivity will
continue to change in the desired direction four
times a second.
The full scale sensitivity can range from 100 nV to
500 mV.  The sensitivity indication is not changed
by the EXPAND function.  The EXPAND function
increases the output sensitivity (Volts out /volts in)
as well as the resolution of the digital output
display.
Not all dynamic reserves are available at all
sensitivities.  If the sensitivity is changed to a
setting for which the dynamic reserve is not
allowed, the dynamic reserve will change to the
next setting which is allowed.  Sensitivity takes
precedence over the dynamic reserve.  The
sensitivity range of each dynamic reserve is
shown below.

9
Dynamic Reserve Sensitivity Range
LOW 1 µV through 500 mV
NORM 100 nV through 50 mV
HIGH 100 nV through 5 mV
Dynamic Reserve
The dynamic reserve (DR) is set using the keys in
the DYNAMIC RESERVE section.  The reserve is
displayed by the three indicator LED's, HIGH,
NORM, LOW.  Only those dynamic reserve
settings available for the sensitivity are allowed
(see above table).  For example, when the
sensitivity is 500 mV, the DR will always be LOW.
The dynamic reserve and output stability of each
setting are shown below.
Setting Dynamic Reserve Output Stability
 (ppm/°C)
LOW 20 dB 5
NORM 40 dB 50
HIGH 60 dB 500
Since a higher DR results in degraded output
stability, you should use the lowest DR setting for
which there is no overload indication.  Note that
using the Bandpass Filter provides about 20dB of
additional DR and so allows you to operate with a
lower DR setting.
Status
There are five STATUS LED's.
OVLD indicates a signal overload.  This condition
can occur when the signal is too large, the
sensitivity is too high, the dynamic reserve is too
low, the offset is on, the expand is on, the time
constant is not large enough, or the ENBW is too
large.
UNLK indicates that the reference oscillator is not
phase locked to the external reference input.  This
can occur if the reference amplitude is too low, the
frequency is out of range, or the trigger mode is
incorrect for the reference signal waveform.
ERR flashes when an error occurs on one of the
computer interfaces, such as an incorrect
command, invalid parameter, etc.
ACT indicates activity on the computer interfaces.
This LED blinks every time a character is received
by the SR510 or transmitted by the SR510.
REM indicates that the unit is in the remote state
and that the front panel controls are not operative.
There are two remote states.  The Remote-With-
Lockout will not allow any inputs from the front
panel.  The Remote-Without-Lockout command
allows you to return the front panel to operation by
pressing the DISPLAY UP key.
Diplay Select
The keys in the DISPLAY section select the
parameter to be displayed on the output meters
and the output on the OUTPUT BNC connector.
The displayed parameter is indicated by one of the
three LED’s and can be either the demodulator
output (X), the offset (OFST), or the rms noise
(NOISE). When displaying NOISE, the equivalent
noise bandwidth (ENBW) is selected in the TIME
CONSTANT section.
Output
The analog output is available at the OUTPUT
BNC.  The input signal equal to the selected full
scale sensitivity will generate a ±10V output when
the EXPAND function is off. With the EXPAND on,
the output is multiplied by 10, effectively
increasing the full scale sensitivity by 10. The
ouptut impedance is <1Ω and the output current is
limited to 20 mA.
The analog meter always displays the OUTPUT
voltage.  Accuracy is 2% of full scale.
The OUTPUT LCD display provides a read-out of
the displayed parameter in real units.  The scale of
the displayed quantity is indicated by the three
scale LED's to the right of the display.  This read-
out auto ranges and will reflect the sensitivity
added when the EXPAND function is on.
Expand
The output EXPAND is toggled by pressing the
key in the EXPAND section.  The expand status is
indicated by the X10, expand on, and the X1,
expand off, LED's.
REL Function
The relative (auto-zero) function is toggled by the
key in the REL section. Every time the rel status
LED is turned ON the offset value is set to minus
the value of the X output, thus zeroing the X
output. This function will work even if X is not the
10
currently displayed parameter. If the output is
greater than 1.024 times full scale, the REL
function will not be able to zero the output and the
ON LED will blink. The offset value will then be set
to its max value. If NOISE is being displayed when
the REL function is turned on, the noise ouptut will
require a sew seconds to settle again.
If the manual OFFSET in ON when the REL
function is turned on, the manual OFFSET will be
turned OFF before the auto zero is done.
The REL function and the manual OFFSET are
both ways to enter the offset value. When the REL
function is turned off using the REL key the offset
is turned off but the value is not lost. If the manual
OFFSET is now turned ON, the offset will be that
set by the REL function.
Offset
The OFFSET section controls the manual
OFFSET.  The offset is turned ON and OFF using
the upper key in the OFFSET section.  When the
offset is ON, the lower two keys are used to set
the amount of offset.  A single key press will
advance the offset by 0.025% of full scale.  If the
key is held down, the offset advances in larger and
larger increments, the largest increment being
10% of full scale.  When the offset is turned OFF
the applied offset returns to zero but the offset
value is not lost.  The next press of the upper
offset key (returns to ON) sets the offset to the
previously entered value.
If an attempt is made to advance the offset value
beyond full scale, the OFFSET ON LED will blink.
An offset up to 1.024 times the full scale sensitivity
may be entered.  When the expand is on, this is
10X the full scale output.
If the REL function is ON when the manual
OFFSET is turned ON, the REL function is turned
OFF but the offset value remains the same. The
OFFSET keys may now be used to adjust this
offset value.
Note that the offsets (either manual offset or those
generated by the REL function) represent a
fraction of the full scale reading, and so their
absolute value will change when the sensitivity
scale is changed.  A signal which has been nulled
by an offset will not be nulled when the sensitivity
scale is changed.  The analog meter and the
output BNC indicate the same value given by the
equation:
Vout = 10Ae(AvVicosØ+Vos)
where...
     Ae= 1 or 10 per the Expand setting
     Av= 1/Sensitivity
     Vi= magnitude of the signal
     Ø = phase between signal & reference
     Vos = offset (fraction of FS < 1.024)
Time Constant
There are two post demodulator low pass filters,
labeled PRE and POST.  The PRE filter precedes
the POST filter in the output amplifier.  Each filter
provides 6 dB/oct attenuation.
The PRE filter time constant ranges from 1 mS to
100 S and is selected by the two keys below the
PRE filter indicator LED's.  Holding down either
key will advance the time constant twice a second
in the desired direction.
The POST filter time constant can be set to 1 S or
0.1 S, or can be removed altogether, NONE, using
the two keys below the ENBW indicators.  When
set to NONE, the total attenuation is that of the
PRE filter, or 6 dB/oct.  When the POST filter is 1
S or 0.1S, the total attenuation is 12 dB/oct for
frequency components beyond the larger of the
POST and PRE filter bandwidths (reciprocal time
constant).
Noise
When the DISPLAY is set to NOISE, none of the
PRE and POST indicator LED's are on.  Instead,
one of the two ENBW indicators will be on,
showing the Equivalent Noise Bandwidth of the
rms noise calculation.  The ENBW is set using the
keys below the ENBW indicator LED's (same keys
as used to set the POST filter).  The PRE filter
keys do nothing in this case.  Pressing the upper
key when the bandwidth is already 1 Hz will reset
the rms noise average (output) to zero, restarting
the calculation.  Likewise with pressing the lower
key when 10 Hz is already selected.
The noise is the rms deviation of the output within
a 1 or 10 Hz equivalent noise bandwidth about the
reference frequency.  A dc output does not
contribute to the noise, the noise is determined
11
only by the ac 'wiggles' at the output.  By
measuring the noise at different frequencies, the
frequency dependence of the noise density can be
found.  This usually has the form of vnoise ~ 1/f.
The noise computation assumes that the noise
has a Gaussian distribution (such as Johnson
noise).  Since the computation takes many time
constants (reciprocal bandwidth), the noise output
should be allowed to approach a steady value
before a reading is taken.  For the 1 Hz ENBW,
this time is on the order of 15 to 30 seconds; for
the 10 Hz ENBW, the output stabilizes much
faster.  The noise output will vary slightly since
there will always be noise variations that are slow
compared to the bandwidth.  Any DC component
in the output will not contribute to the noise.
However, a large DC output will cause the noise
computation to initially rise to a large value before
approaching the final answer.  As a result, the
computation will take longer to settle.
To obtain a value for the noise density, the noise
reading should be divided by the square root of
the ENBW.  Thus, when the ENBW is 1 Hz, the
noise output is the noise density, and when the
ENBW is 10 Hz, the noise density is the noise
output divided by √10.  For example, if the input
noise is measured to be 7 nV with the ENBW set
to 1 Hz, the noise density is 7 nV/√Hz.  Switching
the ENBW to 10 Hz results in a faster
measurement and a reading of 22 nV on the
output.  The noise density is 22 nV/√10 Hz or 7
nV/√Hz.  At frequencies » 10 Hz, the noise
density should be independent of the ENBW.
Reference and Trigger Level
The REFERENCE INPUT BNC is located in this
section.  The input is ac coupled and the
impedance is 1 MΩ.  The dc voltage at this input
should not exceed 100 V and the largest ac signal
should be less than 10 V peak. The three
indicators above the input BNC display the
TRIGGER MODE.  The single key above the input
BNC is used to select the TRIGGER MODE.
If the center TRIGGER MODE LED is on, the
mode is SYMMETRIC and the reference oscillator
will lock to the positive zero crossings of the ac
reference input.  The ac signal must be symmetric
(e.g. sine wave, square wave, etc.) and have a
peak to peak amplitude greater than 100 mV.  A
signal with 1 Vrms amplitude is recommended.
The phase accuracy of the reference channel is
specified for a 1Vrms sinewave in the symmetric
trigger mode.
If the upper TRIGGER MODE LED is on, the
mode is POSITIVE.  The trigger threshold is +1V
and the reference oscillator will lock to the positive
going transitions of the reference input.  This
mode triggers on the rising edges of a TTL type
pulse train.  The pulse width must be greater than
1 µS.
If the lower TRIGGER MODE LED is on, the mode
is NEGATIVE.  The trigger threshold is -1V and
the reference oscillator will lock to the negative
going transitions of the reference input.  This
mode triggers on a negative pulse train or on the
falling edges of a TTL type pulse train
(remembering that the input is ac coupled).  The
pulse width must be greater than 1 µS.
Above the TRIGGER MODE indicators are the
REFERENCE MODE LED's.  The key below the
REFERENCE MODE indicators toggles between f
and 2f.  When the MODE is f, the lock-in will
detect signals at the reference input frequency.
When the MODE is 2f, the lock-in detects signals
at twice the reference input frequency.  In either
case, the reference oscillator has a maximum
frequency of 100 KHz, thus, when in the 2f mode,
the reference input frequency may not exceed 50
KHz.
The REFERENCE DIGITAL DISPLAY shows
either the reference oscillator frequency or
phaseshift.  The displayed parameter toggles
between the two whenever the SELECT key is
pressed.  The appropriate scale indicator below
the display will be on.  It is useful to check the
frequency display to verify that the lock-in has
correctly locked to your reference.  The reference
frequency is measured to 1 part in 256 resolution.
Phase Controls
The phase shift between the reference oscillator
and the reference input is set using the four keys
in the PHASE section.  The two keys below the
FINE label increment the phase setting in small
amounts.  A single key press will change the
phase by 0.025 degrees in the desired direction.
Holding the key down will continue to change the
phase with larger and larger steps with the largest
step being 10 degrees.  The two 90° keys are
used to change the phase by 90 degree
increments.  The upper key will add 90 degrees
and the lower key will subtract 90 degrees.
Holding both keys down at once sets the phase
shift back to zero.  The REFERENCE DIGITAL
DISPLAY automatically displays the phase

12
whenever any of the PHASE keys are pressed.
The phase ranges from -180 degrees to +180
degrees and is the phase delay from the reference
input signal.
Power
This is the instrument's POWER switch.  When the
power is turned off, the front panel settings are
retained so that the instrument will return to the
same settings when the power is next turned on.
When the power is turned on, the OUTPUT
DIGITAL DISPLAY will show the SERIAL
NUMBER of the instrument and REFERENCE
DISPLAY shows the model number of the
instrument.  All displays return to normal after 2
seconds.
Local and Remote
When the instrument is programmed via the
computer interface to be in the REMOTE state
WITHOUT LOCK-OUT, the DISPLAY UP key will
return the instrument to LOCAL front panel
control.  If the instrument is in the REMOTE WITH
LOCK-OUT state, no front panel key will return the
status to LOCAL.  In this case, a RETURN TO
LOCAL command must be sent over the computer
interface or the power must be turned off and back
on.
Defaults
If the REL key is held down when the POWER is
turned on, the instrument settings will be set to the
defaults shown below instead of the settings in
effect when the power was turned off.
Parameter Setting
BANDPASS OUT
LINE OUT
LINE X 2 OUT
SENSITIVITY 500 mV
DYN RES LOW
DISPLAY X
EXPAND OFF
REL OFF
OFFSET OFF (value=0)
PRE TIME CONSTANT 100 mS
POST TIME CONSTANT 0.1 S
ENBW 1 Hz
REFERENCE MODE f
TRIGGER MODE SYMMETRIC
REFERENCE DISPLAY FREQUENCY
PHASE 0°
Whenever default values are used at power up,
the red ERR LED will turn on for about 3 seconds.
If the ERR LED is on when the instrument is
powered on without the LOCAL key down, then
the instrument is ignoring the retained settings.
This can be due to a low battery.

13
SR510 Guide to Operation
Rear Panel
AC Power
The ac line voltage selector card, line fuse, and
line cord receptacle are located in the fuse holder
at the left side of the rear panel.  See the section,
Preparation for Use at the front of this manual for
instructions on setting the ac voltage selector and
choosing the correct fuse.
GPIB Connector
The SR530 has an IEEE 488 (GPIB) interface built
in.  The GPIB address is set using SW1 located to
the right of the interface connectors.  Refer to
page 7 for switch setting details.
RS232 Connector
The SR530 has an RS232 interface.  The
connector is configured as a DCE.  The baud rate,
parity, stop bits, and echo mode are selected
using SW2 located to the right of the interface
connectors.  Refer to Page 7 for switch setting
details.
Signal Monitor Output
This BNC provides the buffered output of the
signal amplifiers and filters.  This is the signal just
before the demodulator.  The output impedance is
<1Ω.  When a full scale input is applied, the peak-
to-peak amplitude at this output is 20 mV, 200 mV
or 2 V for dynamic reserve settings of high, norm,
and low, respectively.
Preamp Connector
This 9 pin "D" connector provides power and
control signals to external peripherals such as pre-
amplifiers.  The available power is described
below.
Pin Voltage Current Available
1 +20 100 mA
2 +5 10 mA
6 -20 100 mA
7 Signal ground
8 Digital ground
General Purpose A/D and D/A
There are four analog input ports, labeled X1
through X4.  These inputs may be digitized and
read via the computer interfaces.  The range is -
10.24 V to +10.24 V and the resolution is 2.5 mV.
The input impedance is 1 MΩ.  A digitization can
be performed in about 3 mS but the result may
take longer to transmit over the interface being
used.
There are two analog output ports, labeled X5 and
X6.  The voltages at these ports may be
programmed via the computer interfaces.  The
range is -10.24 V to +10.24 V and the resolution is
2.5 mV.  The output impedance is <1Ω and the
output current is limited to 20 mA.
Ratio
Output X5 is the ratio output when not
programmed by the computer interface or set via
the front panel.  X5 becomes the ratio output
whenever the unit is turned on.
The voltage at X5 is the ratio of the detected
signal output, X, to the analog voltage at port X1.
An output of 10 V corresponds to a ratio of 1. The
ratio is computed by digitizing the demodulator
output and the voltage at port X1 and then taking
the ratio. The resolution is 0.0025 V. For best
accuracy, the sensitivity should be set to provide
at least a 50% full scale signal and the analog
denominator (X1) should be 5V or greater. The
ratio is updated approximately every 1.5 mS. For
the Ratio feature to work, the voltage at the
denominator input must exceed 40 mV.
Internal Oscillator
The INTERNAL OSCILLATOR is a voltage
controlled oscillator with a sine wave output .  To
use the oscillator as the reference source, connect
the REF OUTPUT on the rear panel to the REF
INPUT on the front panel.  The REF OUTPUT is a
1 Vrms sine wave.  The SINE OUTPUT may be
used as the stimulus to the experiment.  The SINE
14
OUTPUT can be set to three amplitudes, 1 V, 100
mV, and 10 mV (rms) using the amplitude switch.
The output impedance is 600Ω.  The AMP CAL
screw adjusts the amplitude.
The oscillator frequency is controlled by the VCO
INPUT voltage.  A voltage from 0V to 10V will
adjust the frequency according to the VCO
RANGE selected.  Three ranges are available, 1
Hz/V, 100 Hz/V, and 10 KHz/V.  The input
impedance is 10 kΩ.  The FREQUENCY CAL
screw adjusts the frequency.
There are four ways to set the frequency:
1) Connect X5 or X6 (D/A outputs) to the VCO
INPUT. The frequency is now controllable via the
computer interfaces by programming X5 or X6.
2) If the VCO INPUT is left open, then the
oscillator will run at the top of its range (i.e. 10 Hz,
1 KHz, or 100 KHz).
3) A 10 KΩ potentiometer may be connected from
the VCO INPUT to ground.  This pot will then set
the frequency.
4) Connect the VCO INPUT to an external voltage
source which can provide 0 to 10V.
In all four cases, if the REF OUTPUT is connected
to the REFERENCE INPUT on the front panel, the
frequency may be read on the front panel
REFERENCE DIGITAL DISPLAY or via the
computer interfaces.

15
SR510 Guide to
Programming
The SR510 Lock-in Amplifier is remotely
programmable via both RS232 and GPIB
interfaces.  It may be used with laboratory
computers or simply with a terminal.  All front
panel features (except signal input selection and
power) may be controlled and read via the
computer interfaces.  The SR510 can also read
the analog outputs of other laboratory instruments
using its four general purpose analog input ports.
There are also two programmable analog output
ports available to provide general purpose control
voltages.
Communicating with the SR510
Before using either the RS232 or GPIB interface,
the appropriate configuration switches need to be
set.  There are two banks of 8 switches, SW1 and
SW2, located on the rear panel.  SW1 sets the
GPIB address and SW2 sets the RS232
parameters.  The configuration switches are read
continuously and any changes will be effective
immediately.  For details on switch settings, see
page 7 at the front of this manual.
Command Syntax
Communications with the SR510 use ASCII
characters.  Commands to the SR510 may be in
either UPPER or lower case.
A command to the SR510 consists of one or two
command letters, arguments or parameters if
necessary, and an ASCII carriage return (<cr>) or
line-feed (<lf>) or both.  The different parts of the
command do not need to be separated by spaces.
If spaces are included, they will be ignored.  If
more than one parameter is required by a
command, the parameters must be separated by a
comma.  Examples of commands are:
G 5 <cr> set the sensitivity to 200 nV
T 1,4 <cr> set the pre filter to 30 mS
F <cr> read the reference frequency
P 45.10 <cr> set phase shift to 45.10°
X 5,-1.23E-1 <cr> set port X5 to -0.123 V
Multiple commands may be sent on a single line.
The commands must be separated by a semicolon
(;) character.  The commands will not be executed
until the terminating carriage return is sent.
An example of a multiple command is:
G 5; T 1,4; P 45.10 <cr>
It is not necessary to wait between commands.
The SR510 has a command input buffer of 256
characters and processes the commands in the
order received.  Likewise, the SR510 has an
output buffer (for each interface) of 256
characters.
In general, if a command is sent without
parameters, it is interpreted as a request to read
the status of the associated function or setting.
Values returned by the SR510 are sent as a string
of ASCII characters terminated usually by carriage
return, line-feed.  For example, after the above
command is sent, the following read commands
would generate the responses shown below.
Command Response from the SR510
G <cr> 5<cr><lf>
T 1 <cr> 4<cr><lf>
P <cr> 45.10<cr><lf>
The choice of terminating characters sent by the
SR510 is determined by which interface is being
used and whether the 'echo' feature is in use.  The
terminating sequence for the GPIB interface is
always <cr><lf> (with EOI).  The default sequence
for RS232 is <cr> when the echo mode is off, and
<cr><lf> when the echo mode is on.  The
terminating sequence for the RS232 interface may
be changed using the J command.
Note that the terminating characters are sent with
each value returned by the SR510.  Thus, the
response to the command string G;T1;P<cr> while
using the RS232 non-echo mode would be
5<cr>4<cr>45.10<cr>.
Front Panel Status LED's
The ACT LED flashes whenever the SR510 is
sending or receiving characters over the computer
interfaces.
The ERR LED flashes whenever an error has
occurred, such as, an illegal command has been
received, a parameter is out of range, or a
communication buffer has exceeded 240
characters.  This LED flashes for about three
seconds on power-up if the battery voltage is
insufficient to retain previous instrument settings.
16
The REM LED is on whenever the SR510 is
programmed to be in the remote state.
RS232 Echo and No Echo
Operation
In order to allow the SR510 to be operated from a
terminal, an echo feature has been included which
causes the unit to echo back commands received
over the RS232 port.  This feature is enabled by
setting switch 6 on SW2 to the DOWN position.  In
this mode, the SR510 will send line-feeds in
addition to carriage returns with each value
returned and will also send the prompts 'OK>' and
'?>' to indicate that the previous command line
was either processed or contained  an error.
Operating the SR510 from a terminal is an ideal
way to learn the commands and responses before
attempting to program a computer to control the
SR510.  When the unit is controlled by a
computer, the echo feature should be turned off to
prevent the sending of spurious characters which
the computer is not expecting.
Try-Out with an ASCII Terminal
Before attempting any detailed programming with
the SR510, it is best to try out the commands
using a terminal.  Connect a terminal with an
RS232 port to the RS232 connector on the rear
panel of the SR510. Set the baud rate, parity, and
stop bits to match the terminal by setting SW2 per
the switch setting table given on page 7.  The
echo mode should be enabled (switch 6 DOWN).
After setting SW2 and connecting the terminal,
hold down the REL key while turning the unit on.
This causes the SR510 to assume its default
settings so that the following discussion will agree
with the actual responses of the SR510.  The ACT
and ERR LED's on the front panel will flash for a
second and the sign-on message will appear on
the terminal.  Following the message, the prompt
'OK>' will be displayed.  This indicates that the
SR510 is ready to accept commands.
Type the letter 'P' followed by a carriage return
(P<cr>).  The SR510 responds by sending to the
terminal the characters 0.00 indicating that the
phase is set to 0 degrees.  In general, a command
with no arguments or parameters reads a setting
of the unit.  To set the phase to 45 degrees, type
the command, P45<cr>.  To see that the phase
did change, use the SELECT key on the front
panel to display the phase on the REFERENCE
DIGITAL DISPLAY.  Typing the phase read
command, P<cr>, will now return the string 45.00
to the terminal.
Now read the gain using the sensitivity read
command, G<cr>.  The response should be 24
meaning that the sensitivity is at the 24th setting or
500 mV.  Change the sensitivity by typing
G19<cr>.  The sensitivity should now be 10 mV.
Check the front panel to make sure this is so.
The output of the lock-in is read by typing the
command, Q1<cr>.  The response is a signed
floating point number with up to 5 significant digits
plus a signed exponent.  Change the gain to 10 uV
using the G10 command.  The response to the Q1
command will now be similar to the previous one
except that the exponent is different.
Attach a DC voltmeter to the X6 output on the rear
panel.  The range should allow for 10V readings.
The voltage at the X6 output can be set using the
X6 command.  Type X6,5.0<cr> and the X6 output
will change to 5.0V.  To read this back to the
terminal, just type X6<cr>.  When setting the X6
voltage, the voltage may be sent as an integer (5),
real (5.000), or floating point (0.500E1) number.
Now connect the X6 output to the X1 input (also
on the rear panel).  X1 through X4 are analog
input ports.  To read the voltage on X1, simply
type X1<cr>.  The response 5.000 should appear
on the terminal.  The analog ports X1 through X6
can be used by your computer to read outputs of
other instruments as well as to control other
laboratory parameters.
At this point, the user should experiment with a
few of the commands.  A detailed command list
follows.

17
SR510 Command List
The first letter in each command sequence is the
command.  The rest of the sequence consists of
parameters.  Multiple parameters are separated by
a comma.  Those parameters shown in {} are
optional while those without {} are required.
Variables m and n represent integer parameters
while v represents a real number.  Parameters m
and n must be expressed in integer format while v
may be in integer, real, or floating point format.
A {n}
If n is "1", the A command causes the auto offset
routine to run.  Every time an "A 1" command is
received, the auto offset function is executed.  If n
is "0", then the auto offset is turned off.  If n is
absent, then the auto offset status is returned.
Note that if the manual offset is on, an "A 1"
command will turn off the manual offset before
executing the auto offset function.
B {n}
If n is "1", the B command sets the bandpass filter
in.  If n is "0", the bandpass filter is taken out.  If n
is absent, then the bandpass filter status is
returned.
C {n}
If n is "1", the C command sets the reference LCD
display to show the phase setting.  If n is "0", the
LCD will display the reference frequency.  If n is
absent, the parameter being displayed (frequency
or phase) is returned.  Note that the P and F
commands are used to read the actual values of
the phase and frequency.
D {n}
If n is included, the D command sets the dynamic
reserve.  If n is absent, the dynamic reserve
setting is returned.
n Dyn Res
0LOW
1NORM
2 HIGH
Note that not all dynamic reserve settings are
allowed at every sensitivity.
E {n}
If n is "1", the E command turns the output expand
on.  If n is "0", the expand is turned off.  If n is
absent, the expand status is returned.
F
The F command reads the reference frequency.
For example, if the reference frequency is 100 Hz,
the F command returns the string "100.0".  If the
reference frequency is 100.0 kHz, the string
"100.0E+3" is returned.  The F command is a read
only command.
G {n}
If n is included, the G command sets the gain
(sensitivity).  If n is absent, the gain setting is
returned.
n Sensitivity
1 10 nV
2 20 nV
3 50 nV
4 100 nV
5 200 nV
6 500 nV
71 µV
82 µV
95 µV
10 10  µV
11 20  µV
12 50  µV
13 100  µV
14 200  µV
15 500  µV
16 1 mV
17 2 mV
18 5 mV
19 10 mV
20 20 mV
21 50 mV
22 100 mV
23 200 mV
24 500 mV
Note that sensitivity settings below 100 nV are
allowed only when a pre-amplifier is connected.
H
The H command reads the pre-amplifier status.
If a pre-amplifier is connected, a "1" is returned,
otherwise, a "0" is returned.  The H command is a
read only command.
I {n}
If n is included, the I command sets the remote-
local status.  If n is absent, the remote-local status
is returned.

18
n Status
0 Local: all front panel keys are operative
1 Remote: front panel keys are not
operative.  The display up key returns the
status to local.
2 Lock-out: front panel keys are not
operative.  No key returns the status to
local.  Another I command is needed to
return to local.
When using the GPIB interface, the REN, LLO,
and GTL commands are not implemented.  The I
command is used by both interfaces to set the
remote-local status.
J {n1,n2,n3,n4}
The J command sets the RS232 end-of-record
characters sent by the SR510 to those specified
by the ASCII codes n1-n4.  If no argument is
included, the end-of-record sequence returns to
the default (a carriage return), otherwise, up to
four characters may be specified.  The end-of-
record required by the SR510 when receiving
commands is not affected.
K n
The K command simulates a front panel key
press.  The effect is exactly the same as pressing
the selected key once.  The parameter n is
required.
nKey
1 Post Time Constant Up
2 Post Time Constant Down
3 Pre Time Constant Up
4 Pre Time Constant Down
5 Offset Up
6 Offset Down
7 Zero Phase (Simultaneous 90¡ Up and
Down)
8 Line Notch Filter
9 Bandpass Filter
10 Line X 2 Notch Filter
11 Relative (Auto Offset)
12 Offset (On/Off)
13 Expand
14 Local (Display Up when REMOTE)
15 Reference Trigger Mode
16 Reference Mode (f/2f)
17 Degrees Up
18 Degrees Down
19 Quad Up
20 Quad Down
21 Select Display (f/phase)
22 Sensitivity Up
23 Sensitivity Down
24 Dyn Res Up
25 Dyn Res Down
26 Display Up
27 Display Down
L m {,n}
The L command sets and reads the status of the
line notch filters.  If m is "1", then the 1X line
notch is selected, if m is "2", the 2X line notch is
selected.  The parameter m is required.  If n is "1",
the L command sets the selected filter in.  If n is
"0", the selected filter is taken out.  If n is absent,
the status of the selected filter is returned.
M {n}
If n is "1", the M command sets the reference
mode to 2f.  If n is "0", the reference mode is set
to f.  If n is absent, the reference mode is returned.
N {m}
If m is "1", the N command sets the ENBW to 10
Hz.  If m is "0", the ENBW is set to 1 Hz.  If m is
absent, the ENBW setting is returned.
O {n} {,v}
If n is "1", the O command turns the offset on.  If n
is "0", the offset is turned off.  If n is absent, the
offset status (on or off) is returned.  (The value of
the offset is read using the S and Q commands.)
If n is included, then v may also be sent.  v is the
offset value up to plus or minus full scale in units
of volts.  For example, to offset half of full scale on
the 100 µV sensitivity, v should be "50.0E-6" or an
equivalent value.  However, if the sensitivity is
then changed to 200 µV, the offset is now half of
the new full scale or 100 µV.  When the sensitivity
is changed, the offset is retained as a constant
fraction of full scale rather than as a voltage
referred to the input.  The expand function will, on
the other hand, preserve the value of the offset as
an input referred voltage.  Once a value of v is
sent, the offset may be turned off and on without
losing the offset value by using the O command
without the v parameter.  Note that if the auto
offset is on, an "O 1" command will turn the auto
offset off and turn the manual offset on without
changing the actual offset value.
P {v}
If v is absent, the P command returns the phase
setting from -180 to  +180 degrees.  When v is
included, the phase is set to the value of v up to
±999 degrees.

19
Q
The Q command returns the output reading in
units of volts.  For an input signal of 50 µV on a full
scale sensitivity of 100 µV, the Q command will
return the string "50.00E-6".  The parameter read
is the same as that being shown on the output
display and can be changed with the S command.
R {n}
If n is included, the R command sets the reference
input trigger mode.  If n is absent, the trigger
mode is returned.
n Mode
0 Positive
1 Symmetric
2 Negative
S {n}
If n is included, the S command selects the
parameter shown on the analog meter and output
digital display as well as the output BNC.  If n is
absent, the parameter being displayed is returned.
n Display
0X
1 Offset
2Noise
T m {,n}
The T command sets and reads the status of the
time constants.  If m is "1", the pre time constant
is selected, if m is "2", the post time constant is
selected.  The parameter m is required.  If n is
included, the T command sets the selected time
constant.  If n is absent, the setting of the selected
time constant is returned.
n Pre Time Constant (m=1)
11mS
23mS
310mS
430mS
5 100mS
6 300mS
71S
83S
910S
10 30 S
11 100S
n Post Time Constant (m=2)
0 none
1 0.1 S
21 S
U m {,n}
The U command sets and reads the unit's ROM
calibration bytes.  m is the address offset of the
byte, 0-255.  If n is absent, the value of the
addressed calibration byte is returned.  If n is
included, the addressed calibration byte is set to
the value of n, 0-255.  The new value will be in
effect until the power is turned off or a reset
command is issued.  Use of this command is not
recommended.
V {n}
If n is included, the V command sets the GPIB
SRQ (service request) mask to the value n.  If n is
absent, the value of the SRQ mask is returned.
W {n}
The W command sets and reads the RS232
character wait interval.  If n is included, the SR510
will wait n*4 mS between characters sent over the
RS232 interface.  This allows slow computer
interfaces to keep up.  n can range from 0 to 255.
If n is absent, the wait value is returned.  The wait
interval is set to 6 on power-up.
X n {,v}
n designates one of the 6 general purpose analog
ports located on the rear panel.  If n is 1,2,3, or 4,
the X command will return the voltage on the
designated analog input port (X1-X4) in volts.  If n
is 5 or 6, then v may also be sent.  If v is included,
the designated analog output port (X5 or X6) will
be set to v volts where v has the range -10.24V to
+10.24V.  If v is absent, the output value of the
selected port is returned.  On power-up, port X5 is
the ratio output.  An "X 5" command will read the
ratio output.  An "X 5" command with the
parameter v will set port X5 to v volts, overriding
the ratio output.  Port X5 will return to the ratio
output on power-up or reset.
Y {n}
The Y command reads the status byte. (See
below for a definition of the Status Byte.)  n
designates one bit, 0-7, of the status byte.  If n is
included, the designated bit of the status byte is
returned.  The bit which is read is then reset.  If n
is absent, the value of the entire byte is returned
and all status bits are then reset.  This status byte
may also be read over the GPIB using the serial
poll command.
Z
The Z command causes an internal reset.  All
settings return to their default values. The ERR
20
LED will be on for about 2 seconds to indicate that
the stored instrument settings are being ignored.
If the RS232 echo mode is on, the sign-on
message is sent over the RS232 interface.
Status Byte
The SR510 maintains an 8-bit status register
which the user may read to obtain information on
the unit's status.  The status byte may be read in
two ways: by sending the Y command, which
returns the value of the byte in ASCII coded
decimal, or, when using the GPIB, by performing a
serial poll.  The returned status byte reflects all of
the status conditions which have occurred since
the last time the byte was read.  After the status
byte has been read, it is cleared.  Thus, the status
byte should be read initially to clear all previous
conditions (especially after a power up or after
settings have been changed).
The definitions for each bit of the status byte are
given below:
Bit 0
Busy. When this bit is set, it indicates the SR510
has unprocessed commands pending on its
command queue.  For RS232 communications,
this bit is always high since the Y command itself
will be an unprocessed command.  This bit is not
reset when read but only when there are no
pending commands.  Since the SR510 buffers
incoming commands, it is not necessary to read
this bit before sending each command.
Commands received while the SR510 is executing
a previous command are stored until all previously
received commands have been executed.
Bit 1
Command Parameter Out of Range.  This bit is
set if a parameter associated with a command is
not in the allowed range.
Bit 2
No Reference.  This bit is set when no reference
input is detected, either because the amplitude is
too low or the frequency is out of range.
Bit 3
Unlock.  This bit is set when the reference
oscillator is not locked to the reference input.  If
there is no reference input, bit 2 (no reference) will
be set but bit 3 (unlock) may not be.
Bit 4
Overload.  This bit is set if there is a signal
overload.  This can happen when the sensitivity is
too high, the dynamic reserve is too low, the offset
is on, or the expand is on.  Overloads on the
general purpose A/D inputs or the ratio output are
not detected.
Bit 5
Auto Offset Out of Range.  This bit is set if the
auto offset function cannot zero the output
because the output exceeded 1.024X full scale.
Bit 6
SRQ.  This bit is high if the SR510 has generated
an SRQ on the GPIB interface.  This bit is reset
after the SR510 has been serial polled.  This bit is
set only for status reads via a serial poll, ie., Bit 6
always zero for the RS232.
Bit 7
Command Error.  This bit is set when an illegal
command string is received.
Errors
Whenever a 'parameter out of range' or an
'unrecognized command' error occurs, the
appropriate status bits are set and the ERR LED
flashes.  In addition, any commands remaining on
the current command line (up to the next <cr>) are
lost.  The ERR LED will also light if any of the
internal communication buffers overflows.  This
occurs when 240 characters are pending on the
command queue or output queue.  The ERR LED
will go off as soon as all buffers drop below 200
characters again.
Reset
The Z command resets the unit to its default state.
The default front panel settings are listed in the
DEFAULTS section of the Guide to Operations.
In addition, the interface status returns to LOCAL,
the SRQ mask is cleared, the RS232 character
WAIT interval is set to 6, and the terminating
sequence is reset to the proper defaults.
The command and output buffers are cleared by
the Z command.  Therefore, it is bad practice to
use the Z command before all previous commands
have been processed and all responses have
been received.
21
Trouble-Shooting Interface
Problems
If you are having difficulty getting your computer to
communicate with the SR510 look to the sections
on the RS232 and GPIB interfaces for some tips
specific to your particular interface.
An ASCII terminal is a valuable aid for debugging
interface problems.  You can use it to:
1) become familiar with the SR510's command
structure,
2) see GPIB bus transactions by using the GPIB
echo mode,
3) eavesdrop on transactions when using the
RS232 interface,
4) substitute a human for the SR510 by using a
null modem cable ( to make the DTE a DCE )
and  attaching the terminal to the port to which
you would normally have connected the
SR510.  This allows you to test your program's
responses to inputs which you provide from
the terminal.
Common Hardware Problems include:
1) The RS232 or GPIB cables are not properly
attached.
2) The configuration switches for the RS232
characteristics or GPIB address are not set
correctly (Make sure the RS232 echo is off
when using the RS232 interface with a
computer.  The GPIB with RS232 echo mode
should be off when not debugging the GPIB
interface.)
3) Your computer requires an RS232 control line
to be asserted, but your cable does not pass it
between the SR510 and the computer, or,
your computer is not asserting the DTR line on
the RS232.
Common Software Problems include:
1) You have sent the wrong command to ask for
data from the SR510.  Your program will wait
forever for a response which is not going to
come.  This may not be your fault; we have
seen Microsoft's Interpreted Basic on the IBM
PC occasionally send a curly bracket (ASCII
253) when it was supposed to have sent a
carriage return (ASCII 13).
2) Your computer's baud rate has been changed
and no longer matches the SR510's baud rate.
3) The initial command sent to the SR510 was
invalid due to a garbage character left in the
command queue from power-up, or, the first
character in you computer's UART is garbage,
also due to power-up.  It is good practice to
send a few carriage returns to the SR510
when your program begins, and have your
program clear-out its UART at the start of your
program.
4) The SR510 is not sending the correct 'end-of-
record' marker for your computer.  For
example, it appears that Microsoft's Rev 3.2
FORTRAN on the IBM PC under DOS 2.1
requires two carriage returns for an end-of-
record marker.  The J command can be used
to set the SR510 end-of-record marker to 2
carriage returns.  [The end-of-record marker is
that sequence which indicates that the
response is complete.  From the keyboard, a
single carriage return is the end-of-record
marker.]
5) Answers are coming back from the SR510 too
fast, overwriting the end-of-record markers,
and causing the computer to hang waiting for
a complete response.  In this case, the W
command can be used to slow down the
response time of the SR510 preventing
overwriting.
6) Answers are coming back from the SR510 too
slowly due to the W6 default setting for the
character interval time.  Use the W command
to speed up the transmission from the SR510.
This can cause problems for the GPIB
interface if the echo mode is on (switch 6 of
SW21).
The SR510 with the RS232 Interface
The RS232 is a popular serial interface standard
for bit serial communication.  Despite the
existence of the standard there are many
permutations of control lines, baud rates, and data
formats.  If you do not have a lot of experience
interfacing RS232 equipment you should read
Appendix B for a description of the RS232 and
interfacing tips.

22
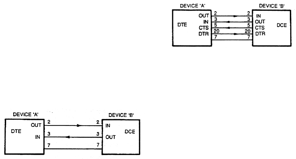
Data Communications Equipment
(DCE)
The SR510 is configured as DCE so that it may be
connected directly to a terminal.  If the SR510 is to
be interfaced with another DCE device, a special
cable (sometimes referred to as a 'modem' cable)
is required.  To use the RS232 interface you must
set the switches in SW2 to match your computer's
baud rate, parity, and number of stop bits.  Refer
to Page 7 for details.
Wait Command
The SR510 normally waits until the RS232 'Clear
to Send' control line (CTS) is asserted before
sending characters.  However, some computers
do not set and reset the CTS line, possibly
causing the SR510 to send data when the
computer is not ready to read it.  The SR510 may
be 'slowed down' using the W command.  Sending
'Wn' causes the unit to wait nX4 mS before
sending each character over the RS232 bus.  The
command W0 sets the wait interval to zero and
results in the fastest transmission.  The wait
interval is set to 6 (24 mS) on power-up.
Termination Sequences
The default RS232 termination characters are
sufficient to interface with most computers,
however, it will occasionally be necessary to send
special terminating sequences to fit the
requirements of some computers.  This can be
done with the J command.  The format for the
command is:
J {n1,n2,n3,n4}
where n1, n2, n3, and n4 are decimal values
between 0 and 255 corresponding to the decimal
ASCII codes of the desired termination characters.
For instance, if the desired termination sequence
is an asterisk, (ASCII 42), two carriage returns,
(ASCII 13), and a line feed, (ASCII 10), the
appropriate command is:
J 42,13,13,10
If a G command is sent requiring an answer of 24
(sensitivity = 500 mV), the SR510 would respond
with the string
24*<cr><cr><lf>
Up to four terminating characters may be specified
by the J command.  If no arguments are sent with
the J command, the terminating sequence returns
to the default (echo on: <cr><lf>; echo off: <cr>).
The J command does not affect the terminating
character (<cr>) required at the end of commands
received by the SR510.  It also does not affect the
terminating sequence sent with data over the
GPIB interface.
The SR510 with the GPIB
Interface
For a brief introduction to the GPIB standard,
please read Appendix C at the back of this
manual.  Before using the GPIB interface you
must set the switches in SW1 per the instructions
on page 7.
GPIB Capabilities
The GPIB capabilities of the SR510 consistent
with IEEE standard 488 (1978) are shown in the
table below.  Also shown are the responses of the
SR510 to some standard commands.
Code Function
SH1 Source handshake capability
AH1 Acceptor handshake capability
T5 Basic Talker, Serial Poll, Unaddressed to
talk if addressed to listen
L4 Basic Listener, Unaddressed to listen if
addressed to talk
SR1 Service request capability
PP0 No parallel poll capability
DC1 Device Clear capability
RL0 REN,LLO, GTL not implemented.
'I' command sets Remote-Local.
SR510  Response to GPIB Commands
Mnemonic Command Response
DCL Device Clear Same as Z command
SDC Selected Same as Z command
Device Clear
SPE Serial Poll Send Status Byte,
Enable & clear status byte
Because the SR510 can be controlled by an
RS232 interface as well as the GPIB, the remote-
local functions are not standard.  There is no local
with lock out state.  When in the local state,
remote commands are processed, even without
the REN command being issued.  This is because
23
the RS232 interface has no provision for bus
commands and remote commands over the
RS232 interface would never be enabled.
Serial Polls and Service Requests
The status byte sent by the SR510 when it is serial
polled is the same status byte which is read using
the Y command (except for bit 6, SRQ).  Of
course, when the SR510 is serial polled, it does
not encode the status byte as a decimal number.
The SR510 can be programmed to generate a
service request (SRQ) to the GPIB controller every
time a given status condition occurs.  This is done
using the V{n} command.  The mask byte, n (0-
255), is the SRQ mask byte.  The mask byte is
always logically anded with the status byte. If the
result is non-zero, the SR510 generates an SRQ
and leaves the status byte unchanged until the
controller performs a serial poll to determine the
cause of the service request.  When the unit has
been serial polled, the status byte is reset to
reflect all of the status conditions which have
occurred since the SRQ was generated.
For example, if we want to generate an SRQ
whenever there is an overload or unlock condition,
we need an SRQ mask byte equal to 00011000
binary, or 24 decimal ("V24" command).  The byte
00011000 binary corresponds to the status byte
with the 'no reference' and 'unlock' status bits set.
If an overload occurs, then an SRQ will be
generated.  The serial poll will return a status byte
showing SRQ and overload.  If an unlock condition
occurs before the serial poll is concluded, another
SRQ will be generated as soon as the serial poll is
finished.  A second serial poll will reflect the unlock
condition.
Any SRQ generated by the 'no reference, 'unlock',
'overload', and 'auto over-range' conditions will
also reset the corresponding bit in the SRQ mask
byte.  This is to prevent a constant error condition
(such as no reference applied to the input) from
continually interrupting the controller.  When such
an SRQ occurs, the controller should change
some parameter so as to solve the problem, and
then re-enable the SRQ mask bit again using the
V command.
GPIB with RS232 Echo Mode
It is sometimes useful when debugging a GPIB
system to have some way of monitoring exactly
what is going back and forth over the bus.  The
SR510 has the capability to echo all characters
sent and received over the GPIB to its RS232 port.
This mode of operation is enabled by setting
switch 6 of SW1 to the DOWN position.  The baud
rate, stop bits, and parity of the RS232 port are
still set by SW2.  Of course, the RS232 port
operates at much lower speeds than the GPIB and
will slow down the GPIB data rate in this mode.
(Use the W0 command to allow the RS232
interface to run at full speed, otherwise, the GPIB
transactions may take so long that the controller
can hang.)  During actual use, this mode should
be disabled.
The SR510 with BOTH Interfaces
If both interfaces are connected, commands may
be received from either interface.  Responses are
always sent to the source of the request (except in
GPIB echo mode).  It is unwise to send commands
from the two interfaces at the same time since the
characters from different sources can become
interleaved on the command queue and result in
'unrecognized command' errors.

24
The Lock-in Technique
The Lock-in technique is used to detect and
measure very small ac signals.  A Lock-in amplifier
can make accurate measurements of small signals
even when the signals are obscured by noise
sources which may be a thousand times larger.
Essentially, a lock-in is a filter with an arbitrarily
narrow bandwidth which is tuned to the frequency
of the signal.  Such a filter will reject most
unwanted noise to allow the signal to be
measured.  A typical lock-in application may
require a center frequency of 10 KHz and a
bandwidth of 0.01 Hz.  This 'filter' has a Q of 106  -
well beyond the capabilities of passive electronic
filters.
In addition to filtering, a lock-in also provides gain.
For example, a 10 nanovolt signal can be
amplified to produce a 10 V output--a gain of one
billion.
All lock-in measurements share a few basic
principles.  The technique requires that the
experiment be excited at a fixed frequency in a
relatively quiet part of the noise spectrum.  The
lock-in then detects the response from the
experiment in a very narrow bandwidth at the
excitation frequency.
Applications include low level light detection, Hall
probe and strain gauge measurement, micro-ohm
meters, C-V testing in semiconductor research,
electron spin and nuclear magnetic resonance
studies, as well as a host of other situations which
require the detection of small ac signals.
A Measurement Example
Suppose we wish to measure the resistance of a
material, and we have the restriction that we must
not dissipate very much power in the sample.  If
the resistance is about 0.1Ω and the current is
restricted to 1 µA, then we would expect a 100 nV
signal from the resistor.  There are many noise
signals which would obscure this small signal  --
60Hz noise could easily be 1000 times larger, and
dc potentials from dissimilar metal junctions could
be larger still.
In the block diagram shown below we use a
1Vrms sine wave generator at a frequency wr as
our reference source.  This source is current
limited by the 1 MΩ resistor to provide a 1 µA ac
excitation to our 0.1Ω sample.
Two signals are provided to the lock-in.  The
1VAC reference is used to tell the lock-in the exact
frequency of the signal of interest.  The lock-in's
Phase-Lock Loop (PLL) circuits will track this input
signal frequency without any adjustment by the
user.  The PLL output may be phase shifted to
provide an output of cos(wrt+Ø).
The signal from the sample under test is amplified
by a high gain ac coupled differential amplifier.
The output of this amplifier is multiplied by the PLL
output in the Phase-Sensitive Detector (PSD).
This multiplication shifts each frequency
component of the input signal, ws, by the
reference frequency, wr, so that the output of the
PSD is given by:

25
Vpsd = cos(wr+Ø) cos(wst)
= 1/2 cos[(wr + ws)t+Ø] +
1/2 cos[(wr - ws)t+Ø]
The sum frequency component is attenuated by
the low pass filter, and only those difference
frequency components within the low pass filter's
narrow bandwidth will pass through to the dc
amplifier. Since the low pass filter can have time
constants up to 100 seconds, the lock-in can reject
noise which is more than .0025 Hz away from the
reference frequency input.
For signals which are in phase with the reference,
the phase control is usually adjusted for zero
phase difference between the signal and the
reference. This can be done by maximizing the
output signal. A more sensitive technique would
be to adjust the phase to null the signal.  This
places the reference oscillator at 90 degrees with
respect to the signal. The phase control can now
be shifted by 90 degrees to maximize the signal.
Alternatively, since the phase control is well
calibrated, the phase of the signal can be
measured by adding 90 degrees to the phase
setting which nulls the signal.
Understanding the Specifications
The table below lists some specifications for the
SR510 lock-in amplifier.  Also listed are the error
contributions due to each of these items. The
specifications will allow a measurement with a 2%
accuracy to be made in one minute.
We have chosen a reference frequency of 5 kHz
so as to be in a relatively quiet part of the noise
spectrum.  This frequency is high enough to avoid
low frequency '1/f' noise as well as line noise.  The
frequency is low enough to avoid phase shifts and
amplitude errors due to the RC time constant of
the source impedance and the cable capacitance.
The full-scale sensitivity of 100 nV matches the
expected signal from our sample.  The sensitivity
is calibrated to 1%.  The instrument's output
stability also affects the measurement accuracy.
For the required dynamic reserve, the output
stability is 0.1%/°C. For a 10°C temperature
change we can expect a 1% error.
A front-end noise of 7 nV/√Hz will manifest itself
as a 1.2 nVrms noise after a 10 second low-pass
filter since the equivalent noise bandwidth of a
single pole filter is 1/4RC. The output will converge
exponentially to the final value with a 10 second
time constant. If we wait 50 seconds, the output
will have come to within 0.7% of its final value.
The dynamic reserve of 60 dB is required by our
expectation that the noise will be a thousand times
larger than the signal. Additional dynamic reserve
is available by using the bandpass and notch
filters.
A phase-shift error of the PLL tracking circuits will
cause a measurement error equal to the cosine of
the phase shift error.  The SR510’s 1° phase
accuracy will not make a significant contribution to
the measurement error.
Specifications for the Example Measurement
Specification Value Error
Full Scale Sensitivity 100 nV
Dynamic Reserve 60 dB
Reference Frequency 5 kHz
Gain Accuracy 1% 1%
Output Stability 0.1%/°C 1%
Front-End Noise < 7 nV/√Hz 1.2%
Output Time Constant > 10 S 0.7%
Total RMS Error 2%
Shielding and Ground Loops
In order to achieve the 2% accuracy given in this
measurement example, we will have to be careful
to minimize the various noise sources which can
be found in the laboratory. (See Appendix A for a
brief discussion on noise sources and shielding)
While intrinsic noise (Johnson noise, 1/f noise and
alike) is not a problem in this measurement, other
noise sources could be a problem. These noise
sources can be reduced by proper shielding.
There are two methods for connecting the lock-in
to the experiment: the first method is more
convenient, but the second eliminates spurious
pick-up more effectively.
In the first method, the lock-in uses the 'A' input in
a 'quasi-differential' mode. Here, the lock-in
detects the signal as the voltage between the
center and outer conductors of the A input.  The
lock-in does not force A's shield to ground, rather it
is connected to the lock-in's ground via a 10½
resistor.  Because the lock-in must sense the
shield voltage (in order to avoid the large ground
loop noise between the experiment and the lock-
in) any noise pickup on the shield will appear as
noise to the lock-in.  For a low impedance source

26
(as is the case here) the noise picked up by the
shield will also appear on the center conductor.
This is good, because the lock-in's 100 dB CMRR
will reject most of this common mode noise.
However, not all of the noise can be rejected,
especially the high frequency noise, and so the
lock-in may overload on the high sensitivity
ranges.
Quasi-Differential Connection
The second method of connecting the experiment
to the lock-in is called the 'true-differential' mode.
Here, the lock-in uses the difference between the
center conductors of the A & B inputs as the input
signal.  Both of the signal sources are shielded
from spurious pick-up.
With either method, it is important to minimize both
the common mode noise and the common mode
signal.  Notice that the signal source is held near
ground potential in both cases.  A signal which
appears on both the A & B inputs will not be
perfectly cancelled: the common mode rejection
ratio (CMRR) specifies the degree of cancellation.
For low frequencies the CMRR of 100 dB indicates
that the common mode signal is canceled to 1 part
in 105, but the CMRR decreases by about 6
dB/octave (20 dB/Decade) starting at 1KHz. Even
with a CMRR of 105, a 10 mV common mode
signal behaves like 100nV differential signal.
True-Differential Connection
There are some additional considerations in
deciding how to operate the lock-in amplifier:
Dynamic Reserve  (DR) is the ratio of the largest
noise signal that the lock-in can tolerate before
overload to the full scale input.  Dynamic reserve
is usually expressed in dB.  Thus a DR of 60 dB
means that a noise source 1000 times larger than
a full scale input can be present at the input
without affecting the measurement of the signal.  A
higher DR results in a degraded output stability
since most of the gain is DC gain after the phase
sensitive detector.  In general, the lowest DR
which does not cause an overload should be used.
The Current Input has a 1 kΩ input impedance
and a current gain of 106 Volts/Amp.  Currents
from 500 nA down to 100 fA full scale can be
measured.  The impedance of the signal source is
the most important factor to consider in deciding
between voltage and current measurements.
For high source impedances, (>1 MΩ) or small
currents, use the current input.  Its relatively low
impedance greatly reduces the amplitude and
phase errors caused by the cable capacitance-
source impedance time constant.  The cable
capacitance should still be kept small to minimize
the high frequency noise gain of the current
preamplifier.
For moderate source impedances or larger
currents, the voltage input is preferred.  A small
value resistor may be used to shunt the source.
The lock-in then measures the voltage across this
resistor.  Select the resistor value to keep the
source bias voltage small while providing enough
signal for the lock-in to measure.
The Auto-Tracking Bandpass Filter has a Q of 5
and follows the reference frequency.  The
passband is therefore 1/5 of the reference
frequency.  The bandpass filter can provide an
additional 20 dB of dynamic reserve for noise
signals at frequencies outside the passband.  The
filter also improves the harmonic rejection of the
lock-in.  The second harmonic is attenuated an
additional 13dB and higher harmonics are
attenuated by 6 dB/octave more.  You may wish to
use the bandpass filter and select a low dynamic
reserve setting in order to achieve a better output
stability.  Since the processor can only set the
bandpass filter's center frequency to within 1% of
the reference frequency, this filter can contribute
up to 5° of phase shift error and up to 5% of
amplitude error when it is used.  In addition, the
27
bandpass filter adds a few nanovolts of noise to
the front end of the instrument when it is in use.
Line Notch Filters should be used in most
measurement situations.  The filters will reject
about 50 dB of line frequency noise (about a factor
of 300).  If your reference frequency is one octave
away, then these filters will introduce a 10° phase
shift error, and a few percent amplitude error.
Their effect on your signal is negligible if your
reference frequency is more than two octaves
away.
The frequency range of the SR510 lock-in
amplifier extends from 0.5Hz to 100KHz.  No
additional cards are required for the instrument to
cover its full frequency range.  The SR510 can be
used to detect a signal at the reference frequency
or at twice the reference frequency to allow for
convenient measurement of the harmonic of the
signal.
Noise measurement is a feature which allows
direct measurement of the noise density of the
signal at the reference frequency.  This is a useful
feature to assess at what frequency you should
run your experiment.
Output Filters can have one pole (6 dB per
octave) or two poles (12 dB/octave).  A two-pole
filter provides a signal to noise improvement over
a single-pole filter due to its steeper roll off and
reduced noise bandwidth.  Single-pole filters are
preferred when the lock-in is used in a servo
system to avoid oscillation.
In many servo applications, no output filtering is
needed.  In this case, the SR510 may be modified
to reduce the output time constant to about 20 µS.
Contact the factory for details.
Ratio Capability allows the lock-in's output to be
divided by an external voltage input. This feature
is important in servo applications to maintain a
constant loop gain, and in experiments to
normalize a signal to the excitation level.
Computer Interface allows a computer to control
and to record data from the instrument. This is the
single most important feature for extending the
lock-in's capabilities and it's useful lifetime.
Measurements which are impractical without a
computer become simple when a computer is
used to coordinate various parts of the
experiment.
The Internal Oscillator provides a reference
source for the lock-in.  This allows the lock-in's
frequency to be set without an additional signal
generator.  It also provides a sine wave to be used
as the signal stimulus in an experiment.  The
frequency may be set via the computer interface
as well as manually.

28
SR510 Block Diagram
Several new concepts are used to simplify the
design of SR510 lock-in amplifier.  In addition to
implementing recent advances in linear integrated
circuit technology, the instrument was designed to
take full advantage of its microprocessor controller
to improve performance and to reduce cost.
As an example of the new techniques used in the
SR510, consider the harmonic rejection problem.
Previously, lock-in amplifiers used a PLL with a
square wave output.  The Fourier components of
the square wave created a serious problem -- the
lock-in would respond to signal and noise at f, 3f,
5f,.ad infinitum.  Quite often, one component of
this picket fence of frequencies would land on
some noise source, giving a spurious result.  To
overcome this difficulty designers employed tuned
amplifiers or heterodyning techniques.  All of these
'fix-ups' had drawbacks, including phase and
amplitude errors, susceptibility to drift, and card-
swapping to change frequencies.
In contrast, the SR510 detects the signal by
mixing a reference sine wave in a precision analog
multiplier.  Because of the low harmonic content of
this sine wave, the instrument is insensitive to
harmonics.  This approach has eliminated the
difficulty, performance compromises, and cost of
the older techniques.
29
The Signal Channel
The instrument has both current and voltage
inputs.  The current input is a virtual ground, and
the 100 MΩ voltage inputs can be used as single-
ended or true differential inputs.
There are three signal filters.  Each of these filters
may be switched 'in' or 'out' by the user.  The first
filter is a line notch filter.  Set to either 50 or 60 Hz,
this filter provides 50 dB of rejection at the line
frequency.  The second filter provides 50 dB of
rejection at the first harmonic of the line frequency.
The third filter is an auto-tracking bandpass filter
with a center frequency tuned by the micro-
processor to the frequency of the signal. These
three filters eliminate most of the noise from the
signal input before the signal is amplified.
A high-gain ac amplifier is used to amplify the
signal before entering the phase sensitive
detector. The high gain which is available from this
programmable amplifier allows the lock-in to
operate with a lower gain in its dc amplifier.  This
arrangement allows high stability operation even
when used on the most sensitive ranges.
Reference Channel
The processor controlled reference input
discriminator can lock the instrument's PLL to a
variety of reference signals.  The PLL can lock to
sine waves or to logic pulses with virtually no
phase error.  The PLL output is phase shifted and
shaped to provide a precision sine wave to the
phase sensitive detector.
Phase Sensitive Detector
The Phase Sensitive Detector is a linear multiplier
which mixes the amplified and filtered signal with
the reference sine wave.  The difference
frequency component of the multiplier's output is a
dc signal that is proportional to the amplitude of
the signal.  The low-pass filter which follows can
reject any frequency components which are more
than a fraction of a Hertz away from the signal
frequency.
DC Amplifier and System Gain
A  dc amplifier amplifies the output of the low pass
filters.  The total system gain is the product of the
ac and dc amplifier gains.  The partitioning of the
system gain between these two amplifiers will
affect the stability and dynamic reserve of the
instrument.  The output is most stable when most
of the gain is in the ac amplifier, however, high ac
gain reduces the dynamic reserve.
For the most demanding applications, the user
may specify how the system gain is partitioned.
However, with prefilters that are able to provide up
to 100 dB of dynamic reserve, and with chopper
stabilized dc amplifiers, most users will not be
concerned with just how the system gain is
allocated.
A Microprocessor Based Design
The instrument was designed to take full
advantage of its microprocessor controller.  This
approach provides several key advantages...
The instrument may be interfaced to a laboratory
computer over the RS-232 and IEEE-488
interfaces.  In addition to simply reading data from
the lock-in, the computer can control all of the
instrument settings with simple ASCII commands.
A key feature of the instrument is its four A/D
inputs and two D/A outputs.  These analog I/O
ports may be used to read and supply analog
voltages to an experiment or measurement.  All of
the input and output ports have a full scale range
of ±10.24VDC with 2.5 mV resolution and 0.05%
accuracy.
Computer control can eliminate set-up errors,
reduce tedium, and allow more complete data
recording and post measurement analysis.  Also,
the computer can play an active role in the data
acquisition by adjusting gains, etc., in response to
changing measurement conditions.
The microprocessor based design eliminates
many analog components to improve
performance, reliability, and reduce cost.  Each
unit is computer calibrated at the factory, and
calibration constants are placed in the instrument's
read-only memory.  The SR510 has only one-fifth
of the analog trimming components that are found
in older designs.
Creative programming on the user's part can
extend the instrument's capabilities.  For example,
the lab computer can instruct the lock-in to
measure the signal at zero and ninety degrees of
phase.  Doing so allows both the amplitude and
phase of the signal of interest to be measured.
30
Circuit Description
Introduction
The SR510 Lock-in amplifier is an integrated
instrument combining state of the art analog
design with advanced microprocessor based
control and interfaces.  This discussion is intended
to aid the advanced user in gaining a better
understanding of the instrument.
The SR510 has 8 main circuit areas: the signal
amplifier, the reference oscillator, the demod-
ulator, the analog output and controls, the front
panel, the microprocessor, the computer inter-
faces, and the power supplies.  With the exception
of the front panel and a few pieces of hardware,
the entire lock-in is built on a single printed circuit
board.  Each section is isolated from the others as
much as possible to prevent spurious signal
pickup.  To aid in the location of individual
components, the first digit of each part number
generally refers to the schematic sheet number on
which it occurs.  To help find the part on the circuit
board, the parts list includes a location on the
circuit board for each component.
Signal Amplifier
Assuming the input selector switch is set to a
voltage input, the signal is coupled in through
capacitors C101 and C102.  The input impedance
is set by the 100 MΩ resistors R101 and R102
over the operating frequency range.  Note that
R103 isolates the signal shields from the
instrument ground forcing the return signal current
back along the cable shields.  The signal is then
applied differentially to the gates of Q101.  Q101 is
a low noise dual JFET.  The drain current through
R109 is kept constant by 2/2 U101.  The other half
of U101 maintains a virtual null between the drains
of the two transistors and thus an identical current
flows through R110.  Any input that would cause a
differential between the two drains is amplified by
1/2 U101 and fed back via R112 in such a way as
to reduce that differential.  Since the two
transistors are at equal and constant currents,
their gate-source potentials are constant.  Thus,
the fed back signal which appears at the source of
the right hand transistor exactly matches the input.
Likewise, this signal will match the input to the left
hand transistor but with the opposite sign.
Resistors R112 and R110 attenuate the fed back
signal from the output of U101 resulting in a
differential input, single ended output, fixed gain of
10 amplifier.  P101 adjusts the current balance
between the two transistors and therefore their
gain match and common mode rejection.
The output of the pre-amp is scaled by resistors
R119-R122 and analog switch U103 which make
up a 1-2-5-10 attenuator.  The signal is then
amplified by 2/2 U102.  Input overload is sensed
through diodes D101-D104.
Current Amplifier
When the input selector is set to current, the input
to the pre-amp comes from the output of the
current to voltage converter, 1/2 U102.  U102 is a
low voltage-noise bipolar op amp.  Q102 serves as
an input buffer to provide low current-noise to the
input.  The op amp always maintains a null at the
gates of Q102 thus providing an input impedance
of 1KΩ (R128).  The input current is converted to a
voltage by R135 and the op amp.  Q103
bootstraps out the summing junction capacitance
of Q102.
Notch Filters
U107 is a high Q, line frequency, notch filter which
can be switched in and out by analog switch 1/4
U106.  The frequency and depth of the filter can
be adjusted with P102 and P103.  Resistors R146-
R149 and switch U108 make up a selectable
attenuator.  U118 is a line frequency 2nd harmonic
notch filter selected by 2/4 U106.  P104 and P105
adjust the frequency and depth.  The second
notch filter has a gain of 3 and its output is scaled
by U110 and resistors R156-R159.  The signal
then takes two paths; to inverting amplifier U111
and to the input of the tracking bandpass filter.
U111 has the same gain as the bandpass filter.
The output of either U111 or the bandpass filter is
selected by 3/4 U112 and 4/4 U106 and amplified
by U113.  U114 and U115 provide a last stage of
gain and scaling and the final output is ac coupled
and buffered by 4/4 U208.
Bandpass Filter
The bandpass filter is a three op amp state-
variable active filter.  3/4 of U201 make up the
three op amps of the standard filter.  U203, U204,
and U205 are analog switches which select the
feedback capacitors for the 5 decades of
operation.  The two halves of U202 are matched
transconductance amplifiers operating as
programmable, voltage controlled, current sources
which take the place of the normal, frequency
setting, resistors.  A voltage proportional to the
31
reference frequency is converted into a current by
1/4 U208 and Q201.  This current programs the
effective "resistance" of the two transconductance
amplifiers and thus, tunes the center frequency of
the filter to follow the reference.  The output of the
filter is buffered by 4/4 U201.  The two remaining
op amps in U208 are used to detect signal
overloads throughout the amplifier chain.
Reference Oscillator
The reference input signal is ac coupled and
buffered by U301.  R378 isolates the reference
shield from the lock-in ground to prevent ground
loop currents.  1/2 U303 switches the polarity of
the reference reaching comparator U304.  U305 is
a retriggerable one-shot whose output indicates a
no reference condition if no comparator pulses are
generated for 3 seconds.
U309 is a dual transconductance amplifier in a
triangle VCO configuration.  U310 selects the
integrating capacitor depending on the frequency
range.  The VCO frequency is determined by the
programming current through R318 and therefore
by the output voltage of U308.  C306 is the phase-
locked loop low pass filter which is buffered by
U308.  U307 is a programmable current source
used to charge and discharge C306.  The amount
of current available to U307 is determined by the
VCO control voltage, thus, the tracking rate of the
VCO is proportional to the VCO frequency.  The
triangle output is compared to a constant voltage
by U314.  1/2 U313 and 1/2 U312 select f or 2f
operation.  This signal is fed back to the phase
detector U306 to be compared with the reference
output of U304.  U315 compares the triangle
output with a variable voltage to generate a
square-wave signal phase-shifted from the
reference.  The range of this fine phase shift
control is -5 to 95 degrees.
The output of U315 serves as the reference to a
second phase-locked loop.  This second PLL uses
a similar proportional tracking triangle VCO.
Comparator U329 looks at the square wave output
of the VCO while comparator U328 detects the
zero crossings of the triangle output.  1/2 U327
selects one these comparators to feed back to the
phase detector, U316.  Since the square and
triangle outputs are in quadrature, U327 selects
either an in-phase or quadrature relationship
between the two VCO's.  Thus, the output of the
second VCO can be shifted from -5 to 185 deg
from the reference.
The triangle output is divided by R363 and R362
before reaching transconductance amplifier 2/2
U322.  The amplitude of the triangle input to this
amplifier is enough to just saturate the input and
provide a sine wave output.  2/2 U325 then
amplifies the sine wave before it goes to the
demodulator.  U324 is a comparator which
generates a square wave in-phase with the sine
output.  U326 divides the frequency of the square
wave by 8 and 2/2 U327 selects the frequency of
the square wave chopper.
Demodulator and Low Pass Amplifier
Amplifier U402 and switch U401 select the polarity
of the reference sine wave.  This allows phase
shifts up to 360 degrees from the reference input.
The sine wave is ac coupled by U403 and inverted
by U404.  U405 selects alternating polarities of the
sine wave at the chopper frequency, f/2 or f/16.
This chopped sine wave is then multiplied by the
output of the signal amplifiers by the analog
multiplier U406.  The synchronous output of the
multiplier that corresponds to the in-phase signal
is a square wave at the chopper frequency.  The
output is ac coupled by U407 to remove the dc
offset of the multiplier.  U408 inverts the signal and
U405 chops the square wave to recover a dc
output.  U409 buffers the chopper output before
the first low pass time constant.  Op amps U416
and 2/2 U402 make up the first low pass amplifier
with relays U411-U415 and U417 selecting the
time constant.  The second low pass amplifier is
U419.  Analog switch U418 selects the time
constant and gain.  The full scale output of U418 is
5 volts.
Analog Output and Control
The dc output of the demodulator/low pass
amplifiers is passed to the reference input of
multiplying DAC U502.  The DAC is programmed
with the appropriate attenuation to calibrate the
overall gain of the lock-in.  Every gain setting in
each dynamic reserve is calibrated independently
and the proper attenuations are stored in the unit's
ROM.
A/D's
Analog multiplexer U504 selects the signal to be
digitized by the microprocessor.  This signal can
be either the lock-in output or one of the four
independent analog inputs buffered by U501.
These general purpose inputs are located on the
rear panel of the instrument.  The selected signal
32
is sampled and held on capacitor C502 and
buffered by 4/4 U508.  The A/D conversion is done
by successive approximation using comparator
U514 to compare the sampled and held signal with
known outputs of U505, a 12 bit DAC with a
precision reference.  Note that the output of U506,
an 8 bit DAC is summed with the output of U505.
This 8 bit DAC corrects for offset errors which can
accumulate as analog voltages pass through
buffers, S/H amps, and comparators.  These
offsets are measured after each unit is
manufactured, and values to compensate for
these offsets are placed in the unit's ROM.  The
polarity of the offset-corrected 12 bit DAC is set by
2/4 U511 and the SIGN bit yielding 13 bits of
resolution from -10.24 to +10.24 volts.
D/A's
In addition to providing reference voltages for A/D
conversion, the DAC output voltage may be
multiplexed by U507 to one of eight sample and
hold amplifiers which provide analog output and
control voltages.  The microprocessor refreshes
each S/H amplifier every few milliseconds to
prevent droop.  Two of these outputs are available
as general programmable outputs on the rear
panel.  Two are used to program the band pass
filter and the reference oscillator phase shift.  One
output is subtracted from the lock-in output in
U508 to provide a variable offset and another is
the rms noise output.  Two outputs are not used.
Expand
Amplifier 3/4 U511 is the X10 expand amplifier.
U516 selects the display and output, either the
output of U511 or one of the DAC outputs.
Overload is detected by 1/4 and 2/4 U515 and the
signal monitor is driven by 3/4 U515.
Front Panel
There are 62 led's on the front panel controlled by
8 serial-in, parallel-out shift registers.  All 8 shift
registers are written to simultaneously and 8
consecutive write operations are required to set
the LED's.  The liquid crystal displays are
managed by the display controllers, U601 and
U602.  Exclusive-or gates U605 and U606 drive
the left over segments.  Octal latch U604 provides
the logic bits for these extra segments as well as
the keyboard row strobes.  U603 reads the switch
closures as the rows are scanned.
Microprocessor Control
The microprocessor, U701, is a Z80A CPU
clocked at 4 Mhz.  16K bytes of firmware are
stored in the ROM, U702.  U703 is a 2K byte static
RAM, backed-up by a lithium battery.  A power-
down standby circuit, Q701, preserves the RAM
contents when the power is turned off.  The
battery has a life of 5-10 years.  The CPU has
power-up and power-down resets to prevent
erroneous execution during turn-on or short sags
in the line voltage.
U704 is a 3-channel counter.  One channel
generates the baud rate for the RS232 interface
while the other two are used to measure the
frequency or period of the reference oscillator.
U709 provides a gate pulse to counter 0.
Multiplexer U708 selects whether the gate is a
single period of the reference (period
measurement) or a gate of known duration
(frequency measurement).  Counter 1 is a
programmable divide by N counter whose output
is either counted for one period of the reference,
or, generates the gate pulse during which
reference pulses are counted.
I/O addresses are decoded by U705, U706, and
U707.  The microprocessor controls the lock-in
functions through I/O ports U714-U721.  U713
generates an interrupt to the CPU every 4 msec to
keep the microprocessor executing in real time.
RS232 Interface
The RS232 interface uses an 8251A UART, U801,
to send and receive bytes in a bit serial fashion.
Any standard baud rate from 300 to 19.2K baud
may be selected with the configuration switches.
The X16 transmit and receive clock comes from
counter 2 of U704.  The RS232 interface is
configured as DCE so that a terminal may be
connected with a standard cable.  When a data
byte is received by the UART, the RxRDY output
interrupts the CPU to prevent the data from being
overwritten.
GPIB Interface
The interface to the GPIB is provided by U802, an
MC68488 General Purpose Interface Adapter
(GPIA).  The GPIB data and control lines are
buffered by drivers U808 and U811.  Because the
GPIA uses a 1 MHz clock, wait states are provided
by U805 to synchronize I/O transactions with the 4
MHz CPU.  The GPIA interrupts the CPU
33
whenever a GPIB transaction occurs which
requires the CPU’s response.  (The GPIB address
is set by switch bank SW1.)
Power Supplies
The line transformer provides two outputs, 40VAC
and 15VAC, both center -tapped.  The transformer
has dual primaries which may be selected by the
voltage selector card in the fuse holder.  The
15VAC is rectified by diode bridge BR2 and
passed to 5V regulator U909.  The output of U909
powers the microprocessor and its related
circuitry.  The 40VAC output is half-wave rectified
by BR1 and regulated by U901 and U902 to
provide +20V and -20V.  These two dc voltages
are then regulated again by 15V regulators U903-
U908.  Each 15V regulator powers a separate
section of the lock-in to reduce coherent pick up
between sections.  U911 and U912 provide plus
and minus 7.5V and U910 generates +5V for the
analog circuits.
Internal Oscillator
The internal oscillator is on a small circuit board
attached to the rear panel of the instrument.  Local
regulators, Q1 and Q2, provide power to the
board.  The VCO input is internally pulled up by
R12.  This pulls the VCO input to 10V when the
VCO input is left open.  2/4 U1 translates the VCO
input voltage to provide a negative control voltage
to U2, the function generator.  P3 adjusts the VCO
calibration.  U2 is a sine wave generator whose
frequency range is selected by the VCO Range
switch and capacitors, C4-C6.  P2 adjusts the sine
wave symmetry at low frequencies.  4/4 U1 buffers
the output of U2.  P1 adjusts the amplitude of the
output sine wave.  The output amplitude on the
SIne Out is selected by the amplitude switch.  The
output impedance is 600Ω.
34
Calibration and Repair
This section details calibration of the instrument.
Calibration should only be done by a qualified
electronics technician.
********** WARNING **********
The calibration procedure requires adjusting the
instrument with power applied and so there is a
risk of personal injury or death by electric shock.
Please be careful.
Most of the calibration parameters are determined
by a computer aided calibration procedure after
burn-in at the factory. These calibration
parameters are quite stable and so will not need to
be adjusted. Calibration parameters which may
need field adjustment are detailed below.
Multiplier Adjustments
On the HIGH dynamic reserve setting, there can
be some reference frequency feedthrough. This
section describes how to null this unwanted
output.
This adjustment requires an oscilloscope and a
signal generator which can proved a 500Hz
reference signal.
Allow the unit to warm up for about 1 hour.
Reset the unit by turning it off and back on while
holding the REL key down.
Select voltage input A and connect a 50Ω
terminator or shorting plug to the A input BNC
connector. Connect the 500 Hz reference signal to
the reference input. Set the SENSITVITY to 1mV
and DYN RES to HIGH. The PRE TIME
CONSTANT should be set to 1mS and the POST
TIME CONSTANT to NONE. Connect the scope
to the OUTPUT on the front panel. Set the scope
to 2V/div and 5mS/div. Externally trigger the scope
using the reference input signal.
After about 60 seconds, the scope display should
show a 500 Hz sine wave on a 30 Hz (500/16 Hz)
square wave. Remove the 4 screws holding the
top panel on. Slide the top panel back about half
way. Using a small screwdriver, adjust P402 at
location D2 to minimize the 500 Hz output. Adjust
P403 at location C2 to minimize the 30 Hz output.
Now set the both time constants to 1S. Adjust
P404 at location F4 to zero the output. This
adjustment has a range of 20% of full scale on the
HIGH dynamic reserve setting. (2% on NORM and
0.2% on LOW). This zeroes the DC output of the
unit on all dynamic reserve ranges.
Replace the top panel.
Amplifier and Filter Adjustments
This section describes how to adjust the Common
Mode Rejection and Line notch filter frequencies.
An oscilloscope and a signal generator which can
provide an accurate line frequency and twice line
frequency signal are required.
Allow the unit to warm up for about 1 hour.
Reset the unit by turning it off and back on while
holding the REL key down.
Remove the 4 screws holding down the top panel.
Slide the panel back about halfway.
CMRR
Set the reference frequency to 100 Hz. It is
convenient to use the SYNC output of the signal
generator as the reference input if it is available.
Connect the sine output of the signal generator to
the A input and set the input selector to A. With
the SENSITIVITY at 100mV, adjust the amplitude
of the input signal to 100mV (full scale).
Now set the input selector to A-B and connect the
signal to both the A and B inputs. Set the
SENSITIVITY to 20µ
µµ
µV, the DYN RES to NORM
and the BANDPASS fiter IN. Connect the scope to
the SIGNAL MONITOR output on the rear panel.
Set the scope to AC coupled, 0.2V/div, and
10mS/div. Externally trigger the scope using the
reference input signal.
The CMRR is adjusted by the single turn
potentionmeter located at A1 under the single hole
at the front of the signal shield. (The shield is the
aluminum box on the left side of the main board).
Using a small screwdriver, carefully adjust the pot
to minimize the 100 Hz output on the scope. After
nulling the output, set the sensitivity to 2µ
µµ
µV and
null the output again.
35
Notch Filters
Set the reference frequency to 60.0 Hz (50.0 Hz).
It is convenient to use the SYNC output of the
signal generator as the reference input if it is
available.  Connect the sine output of the signal
generator to the A input and set the input selector
to A.  With the SENSITIVITY at 100mV, adjust the
amplitude of the input signal to 100 mV (full scale).
Set the LINE NOTCH to IN, the SENSITIVITY to
10mV, and the DYN RES to LOW.  Connect the
scope to the SIGNAL MONITOR output on the
rear panel.  Set the scope to AC coupled, 0.2V/div,
10mS/div.  Trigger the scope externally using the
reference input signal.
The LINE NOTCH frequency and depth are
adjusted by the pair of 20 turn potentiometers
located under the middle two holes in the signal
shield (row 4 on the circuit board).  Using a small
screwdriver, carefully adjust one pot until the line
output on the scope is minimized.  Then adjust the
other pot until the output is minimized.  Iterate
between the two pots until there is no further
improvement.  Set the SENSITIVITY to 5mV,
2mV, and 1mV, repeating the adjustments at each
sensitivity.
Repeat this procedure using a reference
frequency of 120.0 Hz (100.0 Hz) and the LINEX2
NOTCH filter.  The LINEX2 NOTCH is adjusted by
the pair of 20 turn potentiometers located under
the back two holes in the signal shield (row 5 on
the circuit board).
Replace the top panel.
Replacing the Front-End Transistors
Both the voltage and current front end transistors
(Q101 and Q102) are 2N6485 (IMF6485) dual
JFETS.  These transistors are selected at the
factory to meet the noise specifications.
This section outlines their replacement procedure
in the event that they become damaged during
use.
1) Remove the AC power cord from the unit.
2) Remove top and bottom panels.
3) Release the signal shields by removing the
four screws which hold it onto the circuit
board.  Be careful not to lose the nuts.
Carefully slide the shields back and then lift
them out.
4) The input transistors are located on the main
board, just behind the input selector switch.
Q101 is the voltage (A, A-B) front end, and
Q102 is the current (I) front end.  Desolder
and replace the appropriate transistor.
5) Replace the signal shields.  Be careful to
check that the shields do not touch any circuit
board traces around their edges.
6) Replace the top and bottom panels.
7) If Q101, the voltage front end has just been
replaced, the Common Mode Rejection needs
to be readjusted using the procedure
described in the Amplifier Adjustments
section.

36
Appendix A:
Noise Sources and Cures
Noise, random and uncorrelated fluctuations of
electronic signals, finds its way into experiments in
a variety of ways.  Good laboratory practice can
reduce noise sources to a manageable level, and
the lock-in technique can be used to recover
signals which may still be buried in noise.
Intrinsic Noise Sources
Johnson Noise.  Arising from fluctuations of
electron density in a resistor at finite temperature,
these fluctuations give rise to a mean square
noise voltage,
_
V2 = ∫4kT Re[Z(f)] df = 4kTR ∆f
where k=Boltzman's constant, 1.38x10-23J/°K; T
is the absolute temperature in Kelvin; the real part
of the impedance, Re[z(f)] is the resistance R; and
we are looking at the noise source with a detector,
or ac voltmeter, with a bandwidth of ∆f in Hz.  For
a 1MΩ resistor,
 _
(V2)1/2 = 0.13 µV/√Hz
To obtain the rms noise voltage that you would
see across this 1MΩ resistor, we multiply
0.13µV/√Hz by the square root of the detector
bandwidth.  If, for example, we were looking at all
frequencies between dc and 1 MHz, we would
expect to see an rms Johnson noise of
     _
(V2)1/2 = 0.13 µV/√Hz*(106 Hz)1/2 = 130 µV
'1/f Noise'.  Arising from resistance fluctuations in
a current carrying resistor, the mean squared
noise voltage due to '1/f' noise is given by
_
V2  = A R2 I2 ∆f/f
where A is a dimensionless constant, 10-11 for
carbon, R is the resistance, I the current, ∆f the
bandwidth of our detector, and f is the frequency
to which the detector is tuned.  For a carbon
resistor carrying 10 mA with R = 1k, ∆f = f = 1Hz,
we have
Vnoise = 3 µVrms
And Others.  Other noise sources include flicker
noise found in vacuum tubes, and generation and
recombination noise found in semiconductors.
All of these noise sources are incoherent.  Thus,
the total noise is the square root of the sum of the
squares of all the incoherent noise sources.
Non-Essential Noise Sources
In addition to the "intrinsic" noise sources listed
above there are a variety of "non-essential" noise
sources, i.e. those noise sources which can be
minimized with good laboratory practice.  It is
worthwhile to look at what might be a typical noise
spectrum encountered in the laboratory
environment:
Noise Spectrum
Some of the non-essential noise sources appear
in this spectrum as spikes on the intrinsic
background.  There are several ways which these
noise sources work their way into an experiment.

37
Capacitive Coupling.  A voltage on a nearby
piece of apparatus (or operator) can couple to a
detector via a stray capacitance.  Although Cstray
may be very small, the coupled in noise may still
be larger than a weak experimental signal.
Capacitive Noise Coupling
To estimate the noise current through Cstray into
the detector we have
i=C
stray dV  =  jwCstrayVnoise
       dt
where a reasonable approximation to Cstray can
be made by treating it as parallel plate capacitor.
Here, w is the radian frequency of the noise
source (perhaps 2 * π * 60Hz ), Vnoise is the noise
voltage source amplitude (perhaps 120 VAC).  For
an area of A = (.01 m)2 and a distance of d =
0.1m, the 'capacitor' will have a value of 0.009 pF
and the resulting noise current will be 400pA.  This
meager current is about 4000 times larger than the
most sensitive current scale that is available on
the SR510 lock-in.
Cures for capacitive coupling of noise signals
include:
1) removing or turning off the interfering noise
source,
2) measuring voltages with low impedance
sources and measuring currents with high
impedance sources to reduce the effect of istray,
3) installing capacitive shielding by placing both
the experiment and the detector in a metal box.
Inductive Coupling.  Here noise couples to the
experiment via a magnetic field:
Inductive Noise Coupling
A changing current in a nearby circuit gives rise to
a changing magnetic field which induces an emf in
the loop connecting the detector to the
experiment.  (emf = dØB/dt.)  This is like a
transformer, with the experiment-detector loop as
the secondary winding.)
Cures for inductively coupled noise include:
1) removing or turning off the interfering noise
source (difficult to do if the noise is a broadcast
station),
2) reduce the area of the pick-up loop by using
twisted pairs or coaxial cables, or even twisting the
2 coaxial cables used in differential hook-ups,
3) using magnetic shielding to prevent the
magnetic field from inducing an emf (at high
frequencies a simple metal enclosure is
adequate),
4) measuring currents, not voltages, from high
impedance experiments.

38
Resistive Coupling (or 'Ground Loops').
Currents through common connections can give
rise to noise voltages.
Resistive Coupling
Here, the detector is measuring the voltage across
the experiment, plus the voltage due to the noise
current passing through the finite resistance of the
ground bus.  This problem arises because we
have used two different grounding points which
are not at exactly the same potential.  Some cures
for ground loop problems include:
1) grounding everything to the same physical
point,
2) using a heavier ground bus to reduce the
potential drop along the ground bus,
3) removing sources of large currents from ground
wires used for small signals.
Microphonics  provides a path for mechanical
noise to appear as electrical noise in a circuit or
experiment.  Consider the simple circuit below:
The capacitance of a coaxial cable is a function of
its geometry so mechanical vibrations will cause
the cable capacitance to vary with time.  Since
C=Q/V, we have
        C dV + V dC  =  dQ  =  i
            dt         dt       dt
so mechanical vibrations will cause a dC/dt which
in turn gives rise to a current i, which will affect the
detector.  Ways to eliminate microphonic signals
include:
1) eliminate mechanical vibrations,
2) tie down experimental cables so they will not
sway to and fro,
3) use a low noise cable that is designed to reduce
microphonic effects.
Thermocouple Effect.  The emf created by
dissimilar metal junctions can give rise to many
microvolts of dc potential, and can be a source of
ac noise if the temperature of the junction is not
held constant.  This effect is large on the scale of
many low level measurements.

39
Appendix B:
Introduction to the RS232
The 'RS232' is a standard for bit serial
asynchronous data communication.  The standard
defines the format for data transmission, the
electrical specifications for the signal levels, and
the mechanical dimensions of connectors.
Despite the definition of a standard, there are so
many permutations of control lines, data formats,
and transmission speeds, that getting two RS232
devices to communicate usually requires some
work.
In this section, we will provide some basic
information to aid you in connecting your RS232
device to the SR510 Computer Interface.
CASE 1 - The Simplest Configuration.
In this case, one wire is used to send data from
device A to device B and another wire is used to
send data from device B to device A.  Notice that
pin 2 is an output on device A and an input on
device B.  (It is good practice to run the ground,
pin 7, between the devices as well).  The RS232
defines two types of devices; DTE (Data Terminal
Equipment) and DCE (Data Communications
Equipment.)  An RS232 port on a computer may
be either a DTE or DCE but nearly every terminal
with an RS232 port is a DTE.  RS232 ports on a
computer which are intended to connect to a
modem, such as the COM1: port on the IBM PC,
are DTE.  The SR530 is configured as DCE, and
so it may be directly connected to ASCII terminals
and to the COM: ports on IBM PC's and
compatibles.
As an example, consider connecting an RS232
ASCII computer terminal to the SR510 using a 2
wire link.  The terminal is a DTE and the SR510 is
a DCE.  To operate correctly, the SR510 and the
terminal must have the same settings for baud
rate, parity, and number of stop bits.  The control
lines in the RS232 Standard, which are used to
indicate that a device is ready to accept data, must
also be connected correctly at the terminal end.  If
the terminal responds to a control line, it will
believe that the SR510 is not ready to accept data
(because the line is not passed in this example)
and will therefore not send any data.
CASE 2 - RS232 with Control Lines.
The data lines are the same as in Case 1.  In
addition to the data lines, there are two control
lines used:
CTS - Pin 5
"Clear to send" is a signal asserted by the DCE to
tell the DTE that the DCE is ready to receive data.
DTR - Pin 20
"Data Terminal Ready" is a signal asserted by the
DTE to tell the DCE that the DTE is ready to
receive data.
The SR510 responds to the control lines as
follows:
1) If the lines are not connected, the SR510
assumes that you are ready to receive data.
2) Data will not be transmitted from the SR510 if
the DTR line (pin 20) is low.  This is useful in the
case when your program is not yet ready to
receive data.  If data transmission is not
suspended, then data may be overwritten in your
computer's UART (as it is not being retrieved by
the program and so will be lost.)  When this
happens, the 'over-run' flag will be set in your
computer's UART and it may be recognized by the
operating system, generating an error message
such as "I/O Device Error" (See the "W" command
in the SR510 Command List for another way to
slow data transmission.)
Baud Rate
The RS232 baud rate of the SR510 is switch
selectable from 300 to 19.2K baud (see
configuration switch setting in the front of this
manual.)  19.2K baud means that data is
transmitted at 19,200 bits/second.  With one start
bit, 2 stop bits, 8 data bits, and no parity bits, each
ASCII character requires 573 µsec to be

40
transmitted (11bits/19.2K baud.)  The typical data
string 5.1270<cr> has 7 characters, requiring 4
msec to be sent.
Stop Bits
Generally, selection of 2 stop bits will result in
fewer data transmission errors.
Parity
Parity
The Parity bit provides a check against faulty data
transfer. It is not commonly used in local data
transmission environments. If the parity option is
selected, the SR510 will transmit 8 data bits and a
parity bit, however, no parity check of incoming
data is done.
Voltage Levels
The RS232 uses bipolar voltage levels:
The control lines use positive logic.  For example,
the DCE tells the DTE that it is clear to send (CTS)
by placing > +3 VDC on pin 5 of the interface.
Similarly, the DTE can tell the DCE that it is not
ready by placing -3 VDC on pin 20 (DTR) of the
interface.
The data lines, pins 2 and 3, use negative logic.  A
'zero' bit is represented by a positive voltage and a
'one' bit is represented by a negative voltage.  A
start bit is a positive voltage and a stop bit is a
negative voltage.  Data is transmitted with the
least significant bit first.  The letter 'A', which has
the ASCII code 41H (0100 0001), would appear as
follows:
If a parity option was selected, the parity bit would
be sent after the 8th data bit, but before the first
stop bit.
Final Tip
When you are trying to get the RS232 to work with
your computer, it is helpful to be able to
'eavesdrop' on the RS232 data lines going
between the SR510 and the computer.  This can
be done with an ASCII RS232 terminal and the
following connector:
To test the connector, place the hook clip on pin 2
of the same connector (shorting pin 2 to pin 3.)
Now, when you type at the terminal keyboard,
data transmitted from pin 2 is received at pin 3 and
displayed on the terminal screen.  To use as a
debugging tool, attach the hook clip to either pin 2
or pin 3 of the RS232 cable on the SR510 to show
either data sent from the Computer or the SR510.
The baud rate, parity, and stop bits of the terminal
must match those of the SR510 and the computer.
If your terminal has a mode which will display
control characters (such as carriage returns and
line feeds) it is helpful to operate in that mode.
A variant of the 'eavesdropping' approach is
diagrammed below:
With this cable arrangement, the ASCII terminal
can listen to the data passing in both directions.
The only drawback is that the terminal will display
garbled data if both devices transmit data at the
same time.
41
Appendix C:
Introduction to the GPIB
The IEEE-488 Standard specifies the voltage
levels, handshake requirements, timing, hardware
details, pinout and connector dimensions for a 16
line, bit parallel bus.  Many instruments may be
connected in series to communicate over the
same cable.  Because the bits are passed in
parallel, the GPIB is faster than the RS232.
The controller (generally your computer)
coordinates data transfer on the bus by
designating all participating instruments (including
itself) as either a talker or a listener.  Listeners can
receive data placed on the bus by the Talker.
Devices can have the capacity to operate in either
mode.  The address of each device is set by
switches in the device and must be between 0 and
30.
Bus Description
Byte Transfer Control Group.  This consists of 3
negative logic lines that implement the GPIB
handshaking.  The NRFD (Not Ready For Data)
line is held low by any designated listener who is
not ready to accept data.  When every listener is
ready, the line goes high and the talker may
release data to the bus.  After data is on the bus,
the talker pulls the DAV (Data Valid) line down.  At
this point, each listener retrieves the data.  Before
and during the retrieval of the data, the listener
holds the NDAC (No Data Accepted) line down.
When every listener has received the data, the
NDAC line goes high, allowing the talker to
release the DAV line high.  Finally, the listener
pulls down the NDAC line until another transfer is
initiated.
Data Bus: There are eight data lines which use
negative logic and pass the bits of each byte in
parallel.
General Interface Lines: These five lines operate
independently of the handshake lines and use
negative logic.
1) The EOI (End or Identify) line is used by the
talker to designate the end of message.
2) The SRQ (Service Request) line is used by any
device to ask for service.  The controller can serial
poll each device (each device returns an 8 bit
status byte) to determine who needs attention.  It
can also do a parallel poll using the EOI and ATN
lines where each device is assigned a single data
line.
3) The ATN (Attention) line makes both talkers
and listeners accept information and passes
control of the DAV line to the controller.  This line
is used by the controller to identify talkers and
listeners through their addresses.
4) The REN (Remote Enable) line changes the
status of an instrument from local to remote.
5) The IFC (Interface Clear) line clears the bus of
all data and activity.
Though GPIB is a very powerful interface, strict
protocol must be observed for it to operate
successfully.
42
Appendix D:
Program Examples
All of the program examples which follow do the
same thing, only the computer, language, or
interface is changed.  The programs read the
Channel 1 and 2 Outputs and write the results to
the computer screen.  In addition, the X6 analog
output port is ramped from 0 to 10V.
Program Example 1:
IBM PC, Basic, via RS232
In this example, the IBM PC's ASYNC port (known
as COM1: or AUX: to DOS users) will be used to
communicate with the SR510.  Only two wires
between the IBM PC's ASYNC port and the
SR510 are needed (pins #2 & #3 of the RS232),
but pins 5,6,8 and 20 should be connected
together on the connector at the IBM end.
10 ′EXAMPLE PROGRAM TO READ THE SR510 OUTPUT AND RAMP THE X6 ANALOG OUTPUT
20 ′USING IBM PC BASICA AND THE COM1: RS232 PORT.
30 ′
40 ′
50 ′ON THE REAR PANEL OF THE SR510, SET SWITCH #1 OF SW2 DOWN
60 ′AND ALL OTHER SWITCHES IN SW2 UP. (9600 BAUD, NO PARITY)
70 ′
80 OPEN ″COM1:9600,N,8,2,CS,DS,CD″ AS #1
90 ′SET UP COM1: PORT TO 9600 BAUD, NO PARITY, 8 DATA BITS, 2 STOP BITS,
100 ′IGNORE CTS (CLEAR TO SEND), DSR (DATA SET READY),
110 ′AND CD (CARRIER DETECT).
120 ′
130 PRINT #1, ″  ″′CLEAR UART BY SENDING SPACES
140 PRINT #1,″Z″′RESET SR510
150 FOR I = 1 TO 200: NEXT I ′WAIT FOR RESET TO FINISH
160 ′
170 X = 0 ′INIT X6 OUTPUT TO ZERO
180 ′
190 PRINT #1, ″Q″′READ OUTPUT
200 INPUT #1,V1 ′INTO V1
210 ′
220 PRINT ″OUTPUT = ″;V1
230 ′
240 X =X + .0025 ′INCREMENT X6 OUTPUT BY 2.5 MV
250 IF X > 10 THEN X = 0 ′RESET X6 RAMP
260 PRINT #1, USING ″X6, ##.###″;X ′SET X6 OUTPUT VOLTAGE
270 ′
280 GOTO 190 ′LOOP FOREVER
43
Program Example 2:
IBM PC, Microsoft Fortran
v3.3, via RS232
Machine language routines to interface to the
COM1:  RS232 port are provided in the file
RS232.OBJ found on the SR575 disk.  These
routines allow for simple interfacing to the SR510
at 19.2 kbaud from FORTRAN programs.
To use these routines, the file 'for232.inc' (also on
the SR575 disk) must be 'included' in the
FORTRAN source.
 Only two wires between the IBM PC's ASYNC
port and the SR530 are needed (pins #2 & #3 of
the RS232), but pins 5,6,8 and 20 should be
connected together on the connector at the IBM
end.
$storage:2
$include: ′for232.inc′
[ for 232.inc must be included to call subroutines in RS232.OBJ
[ link with RS232.OBJ (on SR565 disk)
[ RS232.OBJ defines:
[ init
[ initializes COM1: to 19.2 kbaud
[ txstr (str) str is a string terminated with ′$′
[ transmits str to COM1:
[ rxstr (str) str must be declared with length of 15 or greater
[ fills str with string received from COM1:
[ if and error occurs, nocom is called.
[ Nocom should be a FORTRAN subroutine in your program.
program test
character *20 str1,str2
[ Example program to read the SR510 outputs and ramp the
[ X6 analog output using Microsoft FORTRAN v3.3 and the
[ COM1: port. Set all switches in SW2 to UP on SR510
[ for 19.2 kbaud.
[ initialize COM1: port to 19.2 kbaud
call init
[ set character wait interval to zero
call txstr(′w0$′)
[ reset X6 to zero
x6=0.0
[ read output into string variable str1
20 call txstr(′q$′)
call rxstr(str1)
[ convert string variable into real variable v1
read (str1,1000) v1
1000 format (bn,f10.0)
44
[ print results to screen
write(*,2000) v1
2000 format(′ Output 1=′,G10.3)
[ ramp x6 by 2.5 mV
x6 = x6 + .0025
if (x6.gt.10) x6 = 0.0
[ make x6 command string
write (str2,3000) x6
3000 format (′x6,′,f7.3,′$′)
call txstr(str2)
[ and loop forever
goto 20
stop
end
[ ***********************************
subroutine nocom
[ in case of a timeout error, this routine runs
[ put your error handler here.
[ write(*,*) char (7)
write(*,*)′RS232 Tiemout Error!′
stop
end
45
Program Example 3:
IBM PC, Microsoft C v3.0,
via RS232
Machine language routines to interface to the
COM1: RS232 port are provided in the file
RS232.OBJ found on the SR565 disk.  These
routines allow for simple interfacing to the SR510
at 19.2 kbaud from C programs.
To use these routines, the large model must be
used.  Compile with the /AL switch and link with
RS232.OBJ.
Only two wires between the IBM PC's ASYNC port
and the SR530 are needed (pins #2 & #3 of the
RS232), but pins 5,6,8 and 20 should be
connected together on the connector at the IBM
end.
#include <stdio.h>
/* Compile with >MSC program name/AL;
link with RS232.OBJ (on SR565 disk)
RS232.OBJ defines:
init ()
Initializes COM1: to 19.2 kbaud
txstr (str);
Char *str; str must terminate with ′$′ char
Sends string str to COM1:
rxstr (str); str must be declared with 15 characters
  or more length.
Fills str with string received from COM1:
If an error occurs, your procedure nocom() is called.
Nocom() must be a C procedure in your program.
Example program to read the SR510 outputs and ramp the x6 analog
Output using Microsoft C v3.0 (large model) and the COM1: port.
Set all switches in SW2 to UP on SR510 for 19.2 kbaud.
*/
main ()
{
char str1[20], str2[20];
float v1,x;
init (); /* init COM1: port to 19.2 kbaud */
txstr (″w0$″); /* set character interval to 0 */
x = 0;
while (1)
{
txstr (″q$″); /* read channel 1 output */
rxstr (str1); /* into str1 */
sscanf (str1, ″%f″, &v1); /* scan str1 for a float variable */
46
x += 0.0025; /* increment x6 output by 2.5 mV */
if (x >= 10) x = 0;
sprintf (str2, ″X6,%f$″, x); /* make x6 command string */
txstr (str2); /* send x6 command */
/* print results to screen */
printf (″Output = %10.36\n″, v1);
}
}
/* ********************************************* */
nocom ()
/* error handling routine goes here */
{
printf(″RS232 Timeout Error\n″);
putch (7);
exit ();
}
47
Program Example 4:
IBM PC,Microsoft Basic,
via GPIB
This program requires the Capital Equipment
Corporation GPIB card for the IBM PC or XT.  It
has firmware in ROM to interface high level
languages to the GPIB.
Subroutine calls in Microsoft BASIC are done to
memory locations specified by the name of the
subroutine.  The address is relative to the segment
address specified by the DEF SEG statement
preceding CALL.
In this program, the CEC card's ROM starts at
OC0000H, the system controller's address is 21,
and the SR530 has been assigned as GPIB
address 23.
To monitor the GPIB activity with an RS232
terminal, SW1-6 should be down, and the ASCII
terminal should be attached to the rear panel
RS232 connector.
10 ′EXAMPLE PROGRAM TO READ THE SR510 OUTPUT AND RAMP THE X6 ANALOG OUTPUT
20 ′USING IBM PC BASICA AND THE CAPITAL EQUIPMENT CORP. GPIB INTERFACE CARD
30 ′
40 ′
50 ′ON THE SR510 REAR PANEL, SET SWITCHES #4 AND #6 ON SW1 TO DOWN (DEVICE
60 ′ADDRESS = 23, RS232 ECHO ON) AND SWITCH # 1 ON SW2 TO DOWN (RS232 BAUD
70 ′RATE = 9600). ALL OTHER SWITCHES SHOULD BE UP.
80 ′NOTE THAT THE RS232 ECHO IS FOR DEBUGGING AND DEMOSTRATION PURPOSES,
90 ′UNDER NORMAL CONDITIONING, SWITCH # 6 OF SW1 SHOULD BE UP SINCE THE RS232
100 ′ECHO SLOWS DOWN THE GPIB INTERFACE.
110 ′
120 DEF SEG = &HC000 ′BASE ADDRESS OF CEC CARD
130 INIT=0: TRANSMIT=3: RECV=6: ′ADDRESSES OF CEC FIRM WARE ROUTINES
140 ADDR%=21: SYS%=0 ′CONTROLLER ADDRESS
150 INZ$ = ″IFC UNT UNL MTA LISTEN 23 DATA ′Z′ 13″
160 ′
170 Q$ = ″IFC MTA LISTEN 23 DATA ′Q′ 13″
180 X6$ = ″IFC MTA LISTEN 23 DATA ′X6,″
190 LISN$ = ″IFC UNT UNL MLA TALK 23″
200 ′
210 ′
220 CALL INIT(ADDR%,SYS%) ′INIT X6 OUTPUT TO ZERO
230 CALL TRANSMIT(INZ$,STATUS%) ′RESET SR510
240 GOSUB 540 ′CHECK TRANSMIT STATUS
250 ′
260 X = 0 ′INIT X6 OUTPUT TO ZERO
270 ′
280 CALL TRANSMIT(Q$,STATUS%) ′READ OUTPUT
290 GOSUB 540
300 GOSUB 450 ′GET RESULT
310 V1 = VAL(ANS$) ′INTO V1
320 ′
330 ′
340 PRINT ″OUTPUT = ″;V1
350 ′
360 X = X + .0025 ′INCREMENT X6 OUTPUT BY 2.5 MV
370 IF X>10 THEN X  0 ′RESET RAMP
380 X$ = X6$ + STR$(X) + ″′ 13″′MAKE X6 COMMAND STRING
48
390 CALL TRANSMIT (X$,STATUS%) ′SET NEW X6 VOLTAGE
400 GOSUB 540
410 ′
420 GOTO 280 ′LOOP FOREVER
430 ′
440 ′GET AN ANSWER STRING FROM THE SR510
450 CALL TRANSMIT(LISN$,STATUS%) ′MAKE SR510 A TALKER
460 GOSUB 540
470 ANS$=SPACE$(10) ′INIT ANSWER STRING
480 CALL RECV(ANS$,LENGTH%STATUS%) ′READ RESULT INTO ANS$
490 GOSUB 540
500 RETURN
510 ′
520 ′
530 ′CHECK STATUS OF LAST TRANSMISSION FOR ERRORS
540 IF STATUS%=0 THEN RETURN ′STATUS OKAY
550 PRINT ″STATUS CODE = ″;STATUS%;″ ON GPIB: ERROR″
560 STOP
49
Program Example 5:
HP85 via GPIB
This program provides an example of an HP85
program using the GPIB interface which could be
used to control the lockin amplifier.  In this
example, the SR510 should be addressed as
device #16 by setting the switch bank SW1 per the
instructions Page 7.
10 x=0
20  OUTPUT 716 ; ″Q″
30  ENTER 716 : V1
40 DISP ″OUTPUT = ″ : V1
50  X = X + .0025
60 IF X>10 THEN X+0
70 OUTPUT 716 : ″X6,″:X
80 GOTO 20
50
Documentation
This section contains the parts lists and
schematics for the SR510 lock-in amplifier.
The first digit of any part number can be used
to locate the scematic diagram for the part.
For example, R415 is located on sheet 4 of
the schematic diagrams.

SR510 PARTS LIST
51
Main Assembly PCB Parts List
NO REF. SRS part# VALUE DESCRIPTION
1. BR1 3-00062-340 KBP201G/BR-81D Integrated Circuit (Thru-hole Pkg)
2. BR2 3-00062-340 KBP201G/BR-81D Integrated Circuit (Thru-hole Pkg)
3. BT1 6-00001-612 BR-2/3A 2PIN PC Battery
4. C 101 5-00069-513 .1U Capacitor, Mylar/Poly, 50V, 5%, Rad
5. C 102 5-00069-513 .1U Capacitor, Mylar/Poly, 50V, 5%, Rad
6. C 103 5-00038-509 10U Capacitor, Electrolytic, 50V, 20%, Rad
7. C 104 5-00008-501 22P Capacitor, Ceramic Disc, 50V, 10%, SL
8. C 105 5-00002-501 100P Capacitor, Ceramic Disc, 50V, 10%, SL
9. C 106 5-00008-501 22P Capacitor, Ceramic Disc, 50V, 10%, SL
10. C 107 5-00030-520 2200U Capacitor, Electrolytic, 16V, 20%, Rad
11. C 108 5-00030-520 2200U Capacitor, Electrolytic, 16V, 20%, Rad
12. C 110 5-00038-509 10U Capacitor, Electrolytic, 50V, 20%, Rad
13. C 111 5-00081-516 1P Capacitor, Silver Mica, 500V, 5%, DM15
14. C 116 5-00100-517 2.2U Capacitor, Tantalum, 35V, 20%, Rad
15. C 117 5-00035-521 47U Capacitor, Electrolytic, 25V, 20%, Rad
16. C 118 5-00100-517 2.2U Capacitor, Tantalum, 35V, 20%, Rad
17. C 120 5-00100-517 2.2U Capacitor, Tantalum, 35V, 20%, Rad
18. C 121 5-00035-521 47U Capacitor, Electrolytic, 25V, 20%, Rad
19. C 122 5-00100-517 2.2U Capacitor, Tantalum, 35V, 20%, Rad
20. C 123 5-00060-512 1.0U Cap, Stacked Metal Film 50V 5% -40/+85c
21. C 124 5-00060-512 1.0U Cap, Stacked Metal Film 50V 5% -40/+85c
22. C 125 5-00030-520 2200U Capacitor, Electrolytic, 16V, 20%, Rad
23. C 126 5-00030-520 2200U Capacitor, Electrolytic, 16V, 20%, Rad
24. C 127 5-00057-512 .22U Cap, Stacked Metal Film 50V 5% -40/+85c
25. C 128 5-00057-512 .22U Cap, Stacked Metal Film 50V 5% -40/+85c
26. C 129 5-00060-512 1.0U Cap, Stacked Metal Film 50V 5% -40/+85c
27. C 131 5-00060-512 1.0U Cap, Stacked Metal Film 50V 5% -40/+85c
28. C 132 5-00060-512 1.0U Cap, Stacked Metal Film 50V 5% -40/+85c
29. C 133 5-00052-512 .01U Cap, Stacked Metal Film 50V 5% -40/+85c
30. C 134 5-00052-512 .01U Cap, Stacked Metal Film 50V 5% -40/+85c
31. C 136 5-00003-501 10P Capacitor, Ceramic Disc, 50V, 10%, SL
32. C 137 5-00003-501 10P Capacitor, Ceramic Disc, 50V, 10%, SL
33. C 145 5-00009-501 24P Capacitor, Ceramic Disc, 50V, 10%, SL
34. C 146 5-00009-501 24P Capacitor, Ceramic Disc, 50V, 10%, SL
35. C 147 5-00003-501 10P Capacitor, Ceramic Disc, 50V, 10%, SL
36. C 148 5-00017-501 47P Capacitor, Ceramic Disc, 50V, 10%, SL
37. C 201 5-00020-501 7.5P Capacitor, Ceramic Disc, 50V, 10%, SL
38. C 202 5-00109-525 150P Capacitor, Polystyrene, 50V, 5%, Ax
39. C 203 5-00048-566 .0015U Cap, Polyester Film 50V 5% -40/+85c Rad
40. C 204 5-00051-512 .015U Cap, Stacked Metal Film 50V 5% -40/+85c
41. C 205 5-00055-512 .15U Cap, Stacked Metal Film 50V 5% -40/+85c
42. C 206 5-00060-512 1.0U Cap, Stacked Metal Film 50V 5% -40/+85c
43. C 207 5-00059-512 .47U Cap, Stacked Metal Film 50V 5% -40/+85c
44. C 208 5-00003-501 10P Capacitor, Ceramic Disc, 50V, 10%, SL
45. C 209 5-00109-525 150P Capacitor, Polystyrene, 50V, 5%, Ax
46. C 210 5-00048-566 .0015U Cap, Polyester Film 50V 5% -40/+85c Rad
47. C 211 5-00051-512 .015U Cap, Stacked Metal Film 50V 5% -40/+85c
48. C 212 5-00055-512 .15U Cap, Stacked Metal Film 50V 5% -40/+85c
49. C 213 5-00060-512 1.0U Cap, Stacked Metal Film 50V 5% -40/+85c

SR510 PARTS LIST
52
NO REF. SRS part# VALUE DESCRIPTION
50. C 214 5-00059-512 .47U Cap, Stacked Metal Film 50V 5% -40/+85c
51. C 215 5-00060-512 1.0U Cap, Stacked Metal Film 50V 5% -40/+85c
52. C 216 5-00056-512 .1U Cap, Stacked Metal Film 50V 5% -40/+85c
53. C 217 5-00038-509 10U Capacitor, Electrolytic, 50V, 20%, Rad
54. C 218 5-00038-509 10U Capacitor, Electrolytic, 50V, 20%, Rad
55. C 230 5-00055-512 .15U Cap, Stacked Metal Film 50V 5% -40/+85c
56. C 301 5-00060-512 1.0U Cap, Stacked Metal Film 50V 5% -40/+85c
57. C 302 5-00003-501 10P Capacitor, Ceramic Disc, 50V, 10%, SL
58. C 303 5-00009-501 24P Capacitor, Ceramic Disc, 50V, 10%, SL
59. C 304 5-00110-525 560P Capacitor, Polystyrene, 50V, 5%, Ax
60. C 305 5-00038-509 10U Capacitor, Electrolytic, 50V, 20%, Rad
61. C 306 5-00060-512 1.0U Cap, Stacked Metal Film 50V 5% -40/+85c
62. C 307 5-00049-566 .001U Cap, Polyester Film 50V 5% -40/+85c Rad
63. C 308 5-00058-512 .33U Cap, Stacked Metal Film 50V 5% -40/+85c
64. C 310 5-00008-501 22P Capacitor, Ceramic Disc, 50V, 10%, SL
65. C 311 5-00008-501 22P Capacitor, Ceramic Disc, 50V, 10%, SL
66. C 312 5-00017-501 47P Capacitor, Ceramic Disc, 50V, 10%, SL
67. C 313 5-00017-501 47P Capacitor, Ceramic Disc, 50V, 10%, SL
68. C 314 5-00056-512 .1U Cap, Stacked Metal Film 50V 5% -40/+85c
69. C 315 5-00038-509 10U Capacitor, Electrolytic, 50V, 20%, Rad
70. C 317 5-00060-512 1.0U Cap, Stacked Metal Film 50V 5% -40/+85c
71. C 318 5-00049-566 .001U Cap, Polyester Film 50V 5% -40/+85c Rad
72. C 319 5-00058-512 .33U Cap, Stacked Metal Film 50V 5% -40/+85c
73. C 320 5-00049-566 .001U Cap, Polyester Film 50V 5% -40/+85c Rad
74. C 321 5-00003-501 10P Capacitor, Ceramic Disc, 50V, 10%, SL
75. C 322 5-00003-501 10P Capacitor, Ceramic Disc, 50V, 10%, SL
76. C 323 5-00035-521 47U Capacitor, Electrolytic, 25V, 20%, Rad
77. C 324 5-00035-521 47U Capacitor, Electrolytic, 25V, 20%, Rad
78. C 325 5-00100-517 2.2U Capacitor, Tantalum, 35V, 20%, Rad
79. C 326 5-00100-517 2.2U Capacitor, Tantalum, 35V, 20%, Rad
80. C 327 5-00100-517 2.2U Capacitor, Tantalum, 35V, 20%, Rad
81. C 328 5-00100-517 2.2U Capacitor, Tantalum, 35V, 20%, Rad
82. C 329 5-00033-520 47U Capacitor, Electrolytic, 16V, 20%, Rad
83. C 330 5-00100-517 2.2U Capacitor, Tantalum, 35V, 20%, Rad
84. C 331 5-00100-517 2.2U Capacitor, Tantalum, 35V, 20%, Rad
85. C 332 5-00100-517 2.2U Capacitor, Tantalum, 35V, 20%, Rad
86. C 333 5-00100-517 2.2U Capacitor, Tantalum, 35V, 20%, Rad
87. C 334 5-00100-517 2.2U Capacitor, Tantalum, 35V, 20%, Rad
88. C 335 5-00016-501 470P Capacitor, Ceramic Disc, 50V, 10%, SL
89. C 336 5-00016-501 470P Capacitor, Ceramic Disc, 50V, 10%, SL
90. C 337 5-00100-517 2.2U Capacitor, Tantalum, 35V, 20%, Rad
91. C 338 5-00100-517 2.2U Capacitor, Tantalum, 35V, 20%, Rad
92. C 401 5-00060-512 1.0U Cap, Stacked Metal Film 50V 5% -40/+85c
93. C 402 5-00052-512 .01U Cap, Stacked Metal Film 50V 5% -40/+85c
94. C 403 5-00052-512 .01U Cap, Stacked Metal Film 50V 5% -40/+85c
95. C 404 5-00060-512 1.0U Cap, Stacked Metal Film 50V 5% -40/+85c
96. C 405 5-00060-512 1.0U Cap, Stacked Metal Film 50V 5% -40/+85c
97. C 406 5-00052-512 .01U Cap, Stacked Metal Film 50V 5% -40/+85c
98. C 407 5-00052-512 .01U Cap, Stacked Metal Film 50V 5% -40/+85c
99. C 408 5-00003-501 10P Capacitor, Ceramic Disc, 50V, 10%, SL
100. C 409 5-00056-512 .1U Cap, Stacked Metal Film 50V 5% -40/+85c

SR510 PARTS LIST
53
NO REF. SRS part# VALUE DESCRIPTION
101. C 410 5-00056-512 .1U Cap, Stacked Metal Film 50V 5% -40/+85c
102. C 411 5-00056-512 .1U Cap, Stacked Metal Film 50V 5% -40/+85c
103. C 412 5-00056-512 .1U Cap, Stacked Metal Film 50V 5% -40/+85c
104. C 413 5-00049-566 .001U Cap, Polyester Film 50V 5% -40/+85c Rad
105. C 414 5-00053-512 .033U Cap, Stacked Metal Film 50V 5% -40/+85c
106. C 415 5-00072-513 10U Capacitor, Mylar/Poly, 50V, 5%, Rad
107. C 416 5-00056-512 .1U Cap, Stacked Metal Film 50V 5% -40/+85c
108. C 417 5-00060-512 1.0U Cap, Stacked Metal Film 50V 5% -40/+85c
109. C 418 5-00052-512 .01U Cap, Stacked Metal Film 50V 5% -40/+85c
110. C 419 5-00052-512 .01U Cap, Stacked Metal Film 50V 5% -40/+85c
111. C 420 5-00049-566 .001U Cap, Polyester Film 50V 5% -40/+85c Rad
112. C 421 5-00013-501 33P Capacitor, Ceramic Disc, 50V, 10%, SL
113. C 422 5-00013-501 33P Capacitor, Ceramic Disc, 50V, 10%, SL
114. C 501 5-00012-501 330P Capacitor, Ceramic Disc, 50V, 10%, SL
115. C 502 5-00136-519 .01U Capacitor, Polystyrene, 50V, 5%, Rad
116. C 503 5-00007-501 220P Capacitor, Ceramic Disc, 50V, 10%, SL
117. C 504 5-00002-501 100P Capacitor, Ceramic Disc, 50V, 10%, SL
118. C 505 5-00008-501 22P Capacitor, Ceramic Disc, 50V, 10%, SL
119. C 506 5-00054-512 .047U Cap, Stacked Metal Film 50V 5% -40/+85c
120. C 507 5-00054-512 .047U Cap, Stacked Metal Film 50V 5% -40/+85c
121. C 508 5-00054-512 .047U Cap, Stacked Metal Film 50V 5% -40/+85c
122. C 509 5-00054-512 .047U Cap, Stacked Metal Film 50V 5% -40/+85c
123. C 510 5-00054-512 .047U Cap, Stacked Metal Film 50V 5% -40/+85c
124. C 511 5-00054-512 .047U Cap, Stacked Metal Film 50V 5% -40/+85c
125. C 512 5-00054-512 .047U Cap, Stacked Metal Film 50V 5% -40/+85c
126. C 513 5-00054-512 .047U Cap, Stacked Metal Film 50V 5% -40/+85c
127. C 514 5-00049-566 .001U Cap, Polyester Film 50V 5% -40/+85c Rad
128. C 515 5-00049-566 .001U Cap, Polyester Film 50V 5% -40/+85c Rad
129. C 516 5-00049-566 .001U Cap, Polyester Film 50V 5% -40/+85c Rad
130. C 517 5-00002-501 100P Capacitor, Ceramic Disc, 50V, 10%, SL
131. C 518 5-00056-512 .1U Cap, Stacked Metal Film 50V 5% -40/+85c
132. C 519 5-00049-566 .001U Cap, Polyester Film 50V 5% -40/+85c Rad
133. C 520 5-00052-512 .01U Cap, Stacked Metal Film 50V 5% -40/+85c
134. C 521 5-00052-512 .01U Cap, Stacked Metal Film 50V 5% -40/+85c
135. C 523 5-00052-512 .01U Cap, Stacked Metal Film 50V 5% -40/+85c
136. C 525 5-00052-512 .01U Cap, Stacked Metal Film 50V 5% -40/+85c
137. C 526 5-00023-529 .1U Cap, Monolythic Ceramic, 50V, 20%, Z5U
138. C 527 5-00023-529 .1U Cap, Monolythic Ceramic, 50V, 20%, Z5U
139. C 701 5-00007-501 220P Capacitor, Ceramic Disc, 50V, 10%, SL
140. C 702 5-00007-501 220P Capacitor, Ceramic Disc, 50V, 10%, SL
141. C 703 5-00040-509 1.0U Capacitor, Electrolytic, 50V, 20%, Rad
142. C 704 5-00040-509 1.0U Capacitor, Electrolytic, 50V, 20%, Rad
143. C 705 5-00052-512 .01U Cap, Stacked Metal Film 50V 5% -40/+85c
144. C 706 5-00052-512 .01U Cap, Stacked Metal Film 50V 5% -40/+85c
145. C 707 5-00052-512 .01U Cap, Stacked Metal Film 50V 5% -40/+85c
146. C 708 5-00052-512 .01U Cap, Stacked Metal Film 50V 5% -40/+85c
147. C 709 5-00052-512 .01U Cap, Stacked Metal Film 50V 5% -40/+85c
148. C 710 5-00052-512 .01U Cap, Stacked Metal Film 50V 5% -40/+85c
149. C 711 5-00052-512 .01U Cap, Stacked Metal Film 50V 5% -40/+85c
150. C 712 5-00052-512 .01U Cap, Stacked Metal Film 50V 5% -40/+85c
151. C 713 5-00014-501 390P Capacitor, Ceramic Disc, 50V, 10%, SL

SR510 PARTS LIST
54
NO REF. SRS part# VALUE DESCRIPTION
152. C 714 5-00014-501 390P Capacitor, Ceramic Disc, 50V, 10%, SL
153. C 801 5-00012-501 330P Capacitor, Ceramic Disc, 50V, 10%, SL
154. C 802 5-00012-501 330P Capacitor, Ceramic Disc, 50V, 10%, SL
155. C 803 5-00012-501 330P Capacitor, Ceramic Disc, 50V, 10%, SL
156. C 804 5-00052-512 .01U Cap, Stacked Metal Film 50V 5% -40/+85c
157. C 805 5-00052-512 .01U Cap, Stacked Metal Film 50V 5% -40/+85c
158. C 806 5-00100-517 2.2U Capacitor, Tantalum, 35V, 20%, Rad
159. C 807 5-00100-517 2.2U Capacitor, Tantalum, 35V, 20%, Rad
160. C 808 5-00100-517 2.2U Capacitor, Tantalum, 35V, 20%, Rad
161. C 809 5-00100-517 2.2U Capacitor, Tantalum, 35V, 20%, Rad
162. C 810 5-00010-501 270P Capacitor, Ceramic Disc, 50V, 10%, SL
163. C 901 5-00100-517 2.2U Capacitor, Tantalum, 35V, 20%, Rad
164. C 902 5-00100-517 2.2U Capacitor, Tantalum, 35V, 20%, Rad
165. C 903 5-00100-517 2.2U Capacitor, Tantalum, 35V, 20%, Rad
166. C 904 5-00100-517 2.2U Capacitor, Tantalum, 35V, 20%, Rad
167. C 905 5-00100-517 2.2U Capacitor, Tantalum, 35V, 20%, Rad
168. C 906 5-00100-517 2.2U Capacitor, Tantalum, 35V, 20%, Rad
169. C 907 5-00100-517 2.2U Capacitor, Tantalum, 35V, 20%, Rad
170. C 908 5-00100-517 2.2U Capacitor, Tantalum, 35V, 20%, Rad
171. C 909 5-00100-517 2.2U Capacitor, Tantalum, 35V, 20%, Rad
172. C 910 5-00100-517 2.2U Capacitor, Tantalum, 35V, 20%, Rad
173. C 911 5-00100-517 2.2U Capacitor, Tantalum, 35V, 20%, Rad
174. C 912 5-00100-517 2.2U Capacitor, Tantalum, 35V, 20%, Rad
175. C 913 5-00035-521 47U Capacitor, Electrolytic, 25V, 20%, Rad
176. C 914 5-00035-521 47U Capacitor, Electrolytic, 25V, 20%, Rad
177. C 915 5-00100-517 2.2U Capacitor, Tantalum, 35V, 20%, Rad
178. C 916 5-00100-517 2.2U Capacitor, Tantalum, 35V, 20%, Rad
179. C 917 5-00100-517 2.2U Capacitor, Tantalum, 35V, 20%, Rad
180. C 918 5-00100-517 2.2U Capacitor, Tantalum, 35V, 20%, Rad
181. C 919 5-00035-521 47U Capacitor, Electrolytic, 25V, 20%, Rad
182. C 920 5-00035-521 47U Capacitor, Electrolytic, 25V, 20%, Rad
183. C 923 5-00192-542 22U MIN Cap, Mini Electrolytic, 50V, 20% Radial
184. C 924 5-00100-517 2.2U Capacitor, Tantalum, 35V, 20%, Rad
185. C 925 5-00046-510 2500U Capacitor, Electrolytic, 50V, 20%, Ax
186. C 926 5-00046-510 2500U Capacitor, Electrolytic, 50V, 20%, Ax
187. C 927 5-00192-542 22U MIN Cap, Mini Electrolytic, 50V, 20% Radial
188. C 928 5-00192-542 22U MIN Cap, Mini Electrolytic, 50V, 20% Radial
189. C 929 5-00034-526 100U Capacitor, Electrolytic, 35V, 20%, Rad
190. C 930 5-00034-526 100U Capacitor, Electrolytic, 35V, 20%, Rad
191. C 931 5-00034-526 100U Capacitor, Electrolytic, 35V, 20%, Rad
192. C 932 5-00034-526 100U Capacitor, Electrolytic, 35V, 20%, Rad
193. C 933 5-00103-524 1.0U Capacitor, Tantalum, 50V, 20%, Rad
194. C 934 5-00103-524 1.0U Capacitor, Tantalum, 50V, 20%, Rad
195. C 935 5-00036-522 6800U Cap, Electro. 25V 10% Ax, Mallory TCX
196. C 936 5-00056-512 .1U Cap, Stacked Metal Film 50V 5% -40/+85c
197. C 937 5-00056-512 .1U Cap, Stacked Metal Film 50V 5% -40/+85c
198. C 938 5-00100-517 2.2U Capacitor, Tantalum, 35V, 20%, Rad
199. C 939 5-00100-517 2.2U Capacitor, Tantalum, 35V, 20%, Rad
200. CN801 1-00014-160 9 PIN D Connector, D-Sub, Right Angle PC, Female
201. CN802 1-00016-160 RS232 25 PIN D Connector, D-Sub, Right Angle PC, Female
202. CN803 1-00238-161 GPIB SHIELDED Connector, IEEE488, Reverse, R/A, Female

SR510 PARTS LIST
55
NO REF. SRS part# VALUE DESCRIPTION
203. CY1 6-00010-620 4.000 MHZ Crystal
204. D 101 3-00004-301 1N4148 Diode
205. D 102 3-00004-301 1N4148 Diode
206. D 103 3-00004-301 1N4148 Diode
207. D 104 3-00004-301 1N4148 Diode
208. D 105 3-00004-301 1N4148 Diode
209. D 106 3-00004-301 1N4148 Diode
210. D 201 3-00004-301 1N4148 Diode
211. D 202 3-00004-301 1N4148 Diode
212. D 203 3-00004-301 1N4148 Diode
213. D 204 3-00004-301 1N4148 Diode
214. D 301 3-00004-301 1N4148 Diode
215. D 302 3-00004-301 1N4148 Diode
216. D 303 3-00004-301 1N4148 Diode
217. D 401 3-00004-301 1N4148 Diode
218. D 402 3-00004-301 1N4148 Diode
219. D 403 3-00004-301 1N4148 Diode
220. D 404 3-00004-301 1N4148 Diode
221. D 501 3-00004-301 1N4148 Diode
222. D 502 3-00004-301 1N4148 Diode
223. D 701 3-00007-301 1N747A Diode
224. D 702 3-00203-301 1N5711 Diode
225. D 703 3-00203-301 1N5711 Diode
226. D 704 3-00004-301 1N4148 Diode
227. D 901 3-00003-301 1N4007 Diode
228. D 902 3-00003-301 1N4007 Diode
229. D 903 3-00003-301 1N4007 Diode
230. D 904 3-00003-301 1N4007 Diode
231. FU1 6-00004-611 1A 3AG Fuse
232. P 101 4-00006-440 20 Trim Pot, Single Turn, In-Line Leads
233. P 102 4-00012-441 20K Pot, Multi-Turn Trim, 3/8" Square Top Ad
234. P 103 4-00012-441 20K Pot, Multi-Turn Trim, 3/8" Square Top Ad
235. P 104 4-00013-441 50K Pot, Multi-Turn Trim, 3/8" Square Top Ad
236. P 105 4-00014-441 5K Pot, Multi-Turn Trim, 3/8" Square Top Ad
237. P 401 4-00011-441 10K Pot, Multi-Turn Trim, 3/8" Square Top Ad
238. P 402 4-00011-441 10K Pot, Multi-Turn Trim, 3/8" Square Top Ad
239. P 403 4-00011-441 10K Pot, Multi-Turn Trim, 3/8" Square Top Ad
240. P 404 4-00011-441 10K Pot, Multi-Turn Trim, 3/8" Square Top Ad
241. P 501 4-00002-440 100 Trim Pot, Single Turn, In-Line Leads
242. P 502 4-00002-440 100 Trim Pot, Single Turn, In-Line Leads
243. PC1 7-00036-701 SR500 Printed Circuit Board
244. Q 101 3-00016-323 2N6485 Transistor, TO-71 Package
245. Q 102 3-00016-323 2N6485 Transistor, TO-71 Package
246. Q 103 3-00031-325 MPSA18 Transistor, TO-92 Package
247. Q 201 3-00887-325 MPS2907A Transistor, TO-92 Package
248. Q 202 3-00026-325 2N5210 Transistor, TO-92 Package
249. Q 502 3-00026-325 2N5210 Transistor, TO-92 Package
250. Q 701 3-00026-325 2N5210 Transistor, TO-92 Package
251. Q 702 3-00026-325 2N5210 Transistor, TO-92 Package
252. Q 703 3-00026-325 2N5210 Transistor, TO-92 Package
253. R 101 4-00033-404 100M Resistor, Carbon Comp, 1/4W, 5%

SR510 PARTS LIST
56
NO REF. SRS part# VALUE DESCRIPTION
254. R 102 4-00033-404 100M Resistor, Carbon Comp, 1/4W, 5%
255. R 103 4-00030-401 10 Resistor, Carbon Film, 1/4W, 5%
256. R 104 4-00031-401 100 Resistor, Carbon Film, 1/4W, 5%
257. R 105 4-00031-401 100 Resistor, Carbon Film, 1/4W, 5%
258. R 108 4-00130-407 1.00K Resistor, Metal Film, 1/8W, 1%, 50PPM
259. R 109 4-00199-407 6.81K Resistor, Metal Film, 1/8W, 1%, 50PPM
260. R 110 4-00199-407 6.81K Resistor, Metal Film, 1/8W, 1%, 50PPM
261. R 111 4-00130-407 1.00K Resistor, Metal Film, 1/8W, 1%, 50PPM
262. R 112 4-00130-407 1.00K Resistor, Metal Film, 1/8W, 1%, 50PPM
263 R 113 4-00145-407 110 Resistor, Metal Film, 1/8W, 1%, 50PPM
264. R 114 4-00145-407 110 Resistor, Metal Film, 1/8W, 1%, 50PPM
265. R 115 4-00047-401 2.2 Resistor, Carbon Film, 1/4W, 5%
266. R 116 4-00196-407 6.04K Resistor, Metal Film, 1/8W, 1%, 50PPM
267. R 117 4-00210-407 9.09K Resistor, Metal Film, 1/8W, 1%, 50PPM
268. R 118 4-00130-407 1.00K Resistor, Metal Film, 1/8W, 1%, 50PPM
269. R 119 4-00193-407 499 Resistor, Metal Film, 1/8W, 1%, 50PPM
270. R 120 4-00180-407 301 Resistor, Metal Film, 1/8W, 1%, 50PPM
271. R 121 4-00141-407 100 Resistor, Metal Film, 1/8W, 1%, 50PPM
272. R 122 4-00141-407 100 Resistor, Metal Film, 1/8W, 1%, 50PPM
273. R 126 4-00210-407 9.09K Resistor, Metal Film, 1/8W, 1%, 50PPM
274. R 127 4-00130-407 1.00K Resistor, Metal Film, 1/8W, 1%, 50PPM
275. R 128 4-00021-401 1.0K Resistor, Carbon Film, 1/4W, 5%
276. R 130 4-00082-401 470K Resistor, Carbon Film, 1/4W, 5%
277. R 132 4-00082-401 470K Resistor, Carbon Film, 1/4W, 5%
278. R 133 4-00179-407 30.1K Resistor, Metal Film, 1/8W, 1%, 50PPM
279. R 134 4-00179-407 30.1K Resistor, Metal Film, 1/8W, 1%, 50PPM
280. R 135 4-00131-407 1.00M Resistor, Metal Film, 1/8W, 1%, 50PPM
281. R 138 4-00052-401 20 Resistor, Carbon Film, 1/4W, 5%
282. R 139 4-00052-401 20 Resistor, Carbon Film, 1/4W, 5%
283. R 140 4-00150-407 13.0K Resistor, Metal Film, 1/8W, 1%, 50PPM
284. R 141 4-00174-407 280 Resistor, Metal Film, 1/8W, 1%, 50PPM
285. R 142 4-00168-407 22.6K Resistor, Metal Film, 1/8W, 1%, 50PPM
286. R 143 4-00150-407 13.0K Resistor, Metal Film, 1/8W, 1%, 50PPM
287. R 144 4-00157-407 16.9K Resistor, Metal Film, 1/8W, 1%, 50PPM
288. R 145 4-00157-407 16.9K Resistor, Metal Film, 1/8W, 1%, 50PPM
289. R 146 4-00193-407 499 Resistor, Metal Film, 1/8W, 1%, 50PPM
290. R 147 4-00180-407 301 Resistor, Metal Film, 1/8W, 1%, 50PPM
291. R 148 4-00141-407 100 Resistor, Metal Film, 1/8W, 1%, 50PPM
292. R 149 4-00141-407 100 Resistor, Metal Film, 1/8W, 1%, 50PPM
293. R 150 4-00179-407 30.1K Resistor, Metal Film, 1/8W, 1%, 50PPM
294. R 151 4-00201-407 634 Resistor, Metal Film, 1/8W, 1%, 50PPM
295. R 152 4-00195-407 54.9K Resistor, Metal Film, 1/8W, 1%, 50PPM
296. R 153 4-00176-407 3.01K Resistor, Metal Film, 1/8W, 1%, 50PPM
297. R 154 4-00178-407 3.83K Resistor, Metal Film, 1/8W, 1%, 50PPM
298. R 155 4-00211-407 9.53K Resistor, Metal Film, 1/8W, 1%, 50PPM
299. R 156 4-00193-407 499 Resistor, Metal Film, 1/8W, 1%, 50PPM
300. R 157 4-00180-407 301 Resistor, Metal Film, 1/8W, 1%, 50PPM
301. R 158 4-00141-407 100 Resistor, Metal Film, 1/8W, 1%, 50PPM
302. R 159 4-00141-407 100 Resistor, Metal Film, 1/8W, 1%, 50PPM
303. R 160 4-00033-404 100M Resistor, Carbon Comp, 1/4W, 5%
304. R 161 4-00204-407 750 Resistor, Metal Film, 1/8W, 1%, 50PPM

SR510 PARTS LIST
57
NO REF. SRS part# VALUE DESCRIPTION
305. R 162 4-00188-407 4.99K Resistor, Metal Film, 1/8W, 1%, 50PPM
306. R 163 4-00035-401 10M Resistor, Carbon Film, 1/4W, 5%
307. R 165 4-00215-407 909 Resistor, Metal Film, 1/8W, 1%, 50PPM
308. R 166 4-00141-407 100 Resistor, Metal Film, 1/8W, 1%, 50PPM
309. R 167 4-00215-407 909 Resistor, Metal Film, 1/8W, 1%, 50PPM
310. R 168 4-00141-407 100 Resistor, Metal Film, 1/8W, 1%, 50PPM
311. R 169 4-00134-407 1.24K Resistor, Metal Film, 1/8W, 1%, 50PPM
312. R 170 4-00144-407 107 Resistor, Metal Film, 1/8W, 1%, 50PPM
313. R 171 4-00182-407 33.2 Resistor, Metal Film, 1/8W, 1%, 50PPM
314. R 172 4-00035-401 10M Resistor, Carbon Film, 1/4W, 5%
315. R 173 4-00193-407 499 Resistor, Metal Film, 1/8W, 1%, 50PPM
316. R 174 4-00180-407 301 Resistor, Metal Film, 1/8W, 1%, 50PPM
317. R 175 4-00165-407 200 Resistor, Metal Film, 1/8W, 1%, 50PPM
318. R 176 4-00211-407 9.53K Resistor, Metal Film, 1/8W, 1%, 50PPM
319. R 177 4-00130-407 1.00K Resistor, Metal Film, 1/8W, 1%, 50PPM
320. R 178 4-00035-401 10M Resistor, Carbon Film, 1/4W, 5%
321. R 201 4-00135-407 1.50K Resistor, Metal Film, 1/8W, 1%, 50PPM
322. R 202 4-00194-407 5.11K Resistor, Metal Film, 1/8W, 1%, 50PPM
323. R 203 4-00138-407 10.0K Resistor, Metal Film, 1/8W, 1%, 50PPM
324. R 204 4-00138-407 10.0K Resistor, Metal Film, 1/8W, 1%, 50PPM
325. R 205 4-00153-407 15.0K Resistor, Metal Film, 1/8W, 1%, 50PPM
326. R 206 4-00138-407 10.0K Resistor, Metal Film, 1/8W, 1%, 50PPM
327. R 207 4-00135-407 1.50K Resistor, Metal Film, 1/8W, 1%, 50PPM
328. R 208 4-00130-407 1.00K Resistor, Metal Film, 1/8W, 1%, 50PPM
329. R 209 4-00150-407 13.0K Resistor, Metal Film, 1/8W, 1%, 50PPM
330. R 210 4-00033-404 100M Resistor, Carbon Comp, 1/4W, 5%
331. R 211 4-00138-407 10.0K Resistor, Metal Film, 1/8W, 1%, 50PPM
332. R 212 4-00135-407 1.50K Resistor, Metal Film, 1/8W, 1%, 50PPM
333. R 213 4-00130-407 1.00K Resistor, Metal Film, 1/8W, 1%, 50PPM
334. R 214 4-00150-407 13.0K Resistor, Metal Film, 1/8W, 1%, 50PPM
335. R 215 4-00033-404 100M Resistor, Carbon Comp, 1/4W, 5%
336. R 216 4-00032-401 100K Resistor, Carbon Film, 1/4W, 5%
337. R 217 4-00032-401 100K Resistor, Carbon Film, 1/4W, 5%
338. R 218 4-00035-401 10M Resistor, Carbon Film, 1/4W, 5%
339. R 219 4-00032-401 100K Resistor, Carbon Film, 1/4W, 5%
340. R 220 4-00177-407 3.48K Resistor, Metal Film, 1/8W, 1%, 50PPM
341. R 221 4-00039-401 120K Resistor, Carbon Film, 1/4W, 5%
342. R 222 4-00096-401 62K Resistor, Carbon Film, 1/4W, 5%
343. R 223 4-00039-401 120K Resistor, Carbon Film, 1/4W, 5%
344. R 224 4-00094-401 6.8K Resistor, Carbon Film, 1/4W, 5%
345. R 225 4-00063-401 3.0K Resistor, Carbon Film, 1/4W, 5%
346. R 226 4-00094-401 6.8K Resistor, Carbon Film, 1/4W, 5%
347. R 227 4-00063-401 3.0K Resistor, Carbon Film, 1/4W, 5%
348. R 228 4-00021-401 1.0K Resistor, Carbon Film, 1/4W, 5%
349. R 229 4-00021-401 1.0K Resistor, Carbon Film, 1/4W, 5%
350. R 301 4-00034-401 10K Resistor, Carbon Film, 1/4W, 5%
351. R 302 4-00138-407 10.0K Resistor, Metal Film, 1/8W, 1%, 50PPM
352. R 303 4-00138-407 10.0K Resistor, Metal Film, 1/8W, 1%, 50PPM
353. R 304 4-00045-401 2.0K Resistor, Carbon Film, 1/4W, 5%
354. R 305 4-00032-401 100K Resistor, Carbon Film, 1/4W, 5%
355. R 306 4-00021-401 1.0K Resistor, Carbon Film, 1/4W, 5%

SR510 PARTS LIST
58
NO REF. SRS part# VALUE DESCRIPTION
356. R 307 4-00040-401 13K Resistor, Carbon Film, 1/4W, 5%
357. R 308 4-00193-407 499 Resistor, Metal Film, 1/8W, 1%, 50PPM
358. R 309 4-00073-401 330K Resistor, Carbon Film, 1/4W, 5%
359. R 310 4-00021-401 1.0K Resistor, Carbon Film, 1/4W, 5%
360. R 311 4-00021-401 1.0K Resistor, Carbon Film, 1/4W, 5%
361. R 312 4-00021-401 1.0K Resistor, Carbon Film, 1/4W, 5%
362. R 313 4-00034-401 10K Resistor, Carbon Film, 1/4W, 5%
363. R 314 4-00069-401 300K Resistor, Carbon Film, 1/4W, 5%
364. R 315 4-00099-401 680K Resistor, Carbon Film, 1/4W, 5%
365. R 316 4-00099-401 680K Resistor, Carbon Film, 1/4W, 5%
366. R 317 4-00093-401 6.2K Resistor, Carbon Film, 1/4W, 5%
367. R 318 4-00138-407 10.0K Resistor, Metal Film, 1/8W, 1%, 50PPM
368. R 319 4-00034-401 10K Resistor, Carbon Film, 1/4W, 5%
369. R 320 4-00034-401 10K Resistor, Carbon Film, 1/4W, 5%
370. R 321 4-00032-401 100K Resistor, Carbon Film, 1/4W, 5%
371. R 322 4-00170-407 249K Resistor, Metal Film, 1/8W, 1%, 50PPM
372. R 323 4-00199-407 6.81K Resistor, Metal Film, 1/8W, 1%, 50PPM
373. R 324 4-00199-407 6.81K Resistor, Metal Film, 1/8W, 1%, 50PPM
374. R 325 4-00163-407 2.80K Resistor, Metal Film, 1/8W, 1%, 50PPM
375. R 326 4-00150-407 13.0K Resistor, Metal Film, 1/8W, 1%, 50PPM
376. R 327 4-00159-407 2.10K Resistor, Metal Film, 1/8W, 1%, 50PPM
377. R 328 4-00029-401 1.8K Resistor, Carbon Film, 1/4W, 5%
378. R 329 4-00088-401 51K Resistor, Carbon Film, 1/4W, 5%
379. R 330 4-00021-401 1.0K Resistor, Carbon Film, 1/4W, 5%
380. R 332 4-00161-407 2.49K Resistor, Metal Film, 1/8W, 1%, 50PPM
381. R 333 4-00029-401 1.8K Resistor, Carbon Film, 1/4W, 5%
382. R 334 4-00197-407 6.49K Resistor, Metal Film, 1/8W, 1%, 50PPM
383. R 335 4-00088-401 51K Resistor, Carbon Film, 1/4W, 5%
384. R 336 4-00021-401 1.0K Resistor, Carbon Film, 1/4W, 5%
385. R 337 4-00035-401 10M Resistor, Carbon Film, 1/4W, 5%
386. R 338 4-00030-401 10 Resistor, Carbon Film, 1/4W, 5%
387. R 339 4-00032-401 100K Resistor, Carbon Film, 1/4W, 5%
388. R 340 4-00032-401 100K Resistor, Carbon Film, 1/4W, 5%
389. R 341 4-00025-401 1.2M Resistor, Carbon Film, 1/4W, 5%
390. R 342 4-00073-401 330K Resistor, Carbon Film, 1/4W, 5%
391. R 343 4-00046-401 2.0M Resistor, Carbon Film, 1/4W, 5%
392. R 344 4-00069-401 300K Resistor, Carbon Film, 1/4W, 5%
393. R 345 4-00022-401 1.0M Resistor, Carbon Film, 1/4W, 5%
394. R 346 4-00021-401 1.0K Resistor, Carbon Film, 1/4W, 5%
395. R 347 4-00021-401 1.0K Resistor, Carbon Film, 1/4W, 5%
396. R 348 4-00021-401 1.0K Resistor, Carbon Film, 1/4W, 5%
397. R 349 4-00069-401 300K Resistor, Carbon Film, 1/4W, 5%
398. R 350 4-00093-401 6.2K Resistor, Carbon Film, 1/4W, 5%
399. R 351 4-00138-407 10.0K Resistor, Metal Film, 1/8W, 1%, 50PPM
400. R 352 4-00032-401 100K Resistor, Carbon Film, 1/4W, 5%
401. R 353 4-00034-401 10K Resistor, Carbon Film, 1/4W, 5%
402. R 354 4-00203-407 75.0K Resistor, Metal Film, 1/8W, 1%, 50PPM
403. R 355 4-00187-407 4.53K Resistor, Metal Film, 1/8W, 1%, 50PPM
404. R 356 4-00160-407 2.26K Resistor, Metal Film, 1/8W, 1%, 50PPM
405. R 357 4-00163-407 2.80K Resistor, Metal Film, 1/8W, 1%, 50PPM
406. R 358 4-00034-401 10K Resistor, Carbon Film, 1/4W, 5%

SR510 PARTS LIST
59
NO REF. SRS part# VALUE DESCRIPTION
407. R 359 4-00045-401 2.0K Resistor, Carbon Film, 1/4W, 5%
408. R 360 4-00032-401 100K Resistor, Carbon Film, 1/4W, 5%
409. R 361 4-00084-401 5.1K Resistor, Carbon Film, 1/4W, 5%
410. R 362 4-00181-407 32.4K Resistor, Metal Film, 1/8W, 1%, 50PPM
411. R 363 4-00132-407 1.10K Resistor, Metal Film, 1/8W, 1%, 50PPM
412. R 364 4-00032-401 100K Resistor, Carbon Film, 1/4W, 5%
413. R 365 4-00045-401 2.0K Resistor, Carbon Film, 1/4W, 5%
414. R 366 4-00021-401 1.0K Resistor, Carbon Film, 1/4W, 5%
415. R 367 4-00151-407 130K Resistor, Metal Film, 1/8W, 1%, 50PPM
416. R 368 4-00156-407 16.2K Resistor, Metal Film, 1/8W, 1%, 50PPM
417. R 369 4-00130-407 1.00K Resistor, Metal Film, 1/8W, 1%, 50PPM
418. R 370 4-00130-407 1.00K Resistor, Metal Film, 1/8W, 1%, 50PPM
419. R 371 4-00030-401 10 Resistor, Carbon Film, 1/4W, 5%
420. R 372 4-00023-401 1.1M Resistor, Carbon Film, 1/4W, 5%
421. R 373 4-00033-404 100M Resistor, Carbon Comp, 1/4W, 5%
422. R 374 4-00033-404 100M Resistor, Carbon Comp, 1/4W, 5%
423. R 375 4-00033-404 100M Resistor, Carbon Comp, 1/4W, 5%
424. R 376 4-00033-404 100M Resistor, Carbon Comp, 1/4W, 5%
425. R 377 4-00187-407 4.53K Resistor, Metal Film, 1/8W, 1%, 50PPM
426. R 378 4-00045-401 2.0K Resistor, Carbon Film, 1/4W, 5%
427. R 401 4-00217-408 1.000K Resistor, Metal Film, 1/8W, 0.1%, 25ppm
428. R 402 4-00217-408 1.000K Resistor, Metal Film, 1/8W, 0.1%, 25ppm
429. R 403 4-00085-401 5.1M Resistor, Carbon Film, 1/4W, 5%
430. R 404 4-00217-408 1.000K Resistor, Metal Film, 1/8W, 0.1%, 25ppm
431. R 405 4-00217-408 1.000K Resistor, Metal Film, 1/8W, 0.1%, 25ppm
432. R 406 4-00193-407 499 Resistor, Metal Film, 1/8W, 1%, 50PPM
433. R 407 4-00130-407 1.00K Resistor, Metal Film, 1/8W, 1%, 50PPM
434. R 408 4-00131-407 1.00M Resistor, Metal Film, 1/8W, 1%, 50PPM
435. R 409 4-00022-401 1.0M Resistor, Carbon Film, 1/4W, 5%
436. R 410 4-00217-408 1.000K Resistor, Metal Film, 1/8W, 0.1%, 25ppm
437. R 411 4-00193-407 499 Resistor, Metal Film, 1/8W, 1%, 50PPM
438. R 412 4-00217-408 1.000K Resistor, Metal Film, 1/8W, 0.1%, 25ppm
439. R 413 4-00203-407 75.0K Resistor, Metal Film, 1/8W, 1%, 50PPM
440. R 414 4-00080-401 47 Resistor, Carbon Film, 1/4W, 5%
441. R 415 4-00142-407 100K Resistor, Metal Film, 1/8W, 1%, 50PPM
442. R 417 4-00034-401 10K Resistor, Carbon Film, 1/4W, 5%
443. R 418 4-00132-407 1.10K Resistor, Metal Film, 1/8W, 1%, 50PPM
444. R 419 4-00179-407 30.1K Resistor, Metal Film, 1/8W, 1%, 50PPM
445. R 420 4-00183-407 348K Resistor, Metal Film, 1/8W, 1%, 50PPM
446. R 421 4-00155-407 150K Resistor, Metal Film, 1/8W, 1%, 50PPM
447. R 422 4-00184-407 37.4K Resistor, Metal Film, 1/8W, 1%, 50PPM
448. R 423 4-00212-407 9.76K Resistor, Metal Film, 1/8W, 1%, 50PPM
449. R 424 4-00161-407 2.49K Resistor, Metal Film, 1/8W, 1%, 50PPM
450. R 425 4-00021-401 1.0K Resistor, Carbon Film, 1/4W, 5%
451. R 426 4-00045-401 2.0K Resistor, Carbon Film, 1/4W, 5%
452. R 427 4-00131-407 1.00M Resistor, Metal Film, 1/8W, 1%, 50PPM
453. R 428 4-00131-407 1.00M Resistor, Metal Film, 1/8W, 1%, 50PPM
454. R 429 4-00146-407 110K Resistor, Metal Film, 1/8W, 1%, 50PPM
455. R 430 4-00140-407 10.2K Resistor, Metal Film, 1/8W, 1%, 50PPM
456. R 431 4-00032-401 100K Resistor, Carbon Film, 1/4W, 5%
457. R 432 4-00021-401 1.0K Resistor, Carbon Film, 1/4W, 5%

SR510 PARTS LIST
60
NO REF. SRS part# VALUE DESCRIPTION
458. R 433 4-00021-401 1.0K Resistor, Carbon Film, 1/4W, 5%
459. R 501 4-00022-401 1.0M Resistor, Carbon Film, 1/4W, 5%
460. R 502 4-00022-401 1.0M Resistor, Carbon Film, 1/4W, 5%
461. R 503 4-00022-401 1.0M Resistor, Carbon Film, 1/4W, 5%
462. R 504 4-00022-401 1.0M Resistor, Carbon Film, 1/4W, 5%
463. R 505 4-00034-401 10K Resistor, Carbon Film, 1/4W, 5%
464. R 506 4-00034-401 10K Resistor, Carbon Film, 1/4W, 5%
465. R 507 4-00034-401 10K Resistor, Carbon Film, 1/4W, 5%
466. R 508 4-00034-401 10K Resistor, Carbon Film, 1/4W, 5%
467. R 509 4-00218-408 10.00K Resistor, Metal Film, 1/8W, 0.1%, 25ppm
468. R 510 4-00219-408 20.00K Resistor, Metal Film, 1/8W, 0.1%, 25ppm
469. R 511 4-00218-408 10.00K Resistor, Metal Film, 1/8W, 0.1%, 25ppm
470. R 512 4-00219-408 20.00K Resistor, Metal Film, 1/8W, 0.1%, 25ppm
471. R 513 4-00166-407 200K Resistor, Metal Film, 1/8W, 1%, 50PPM
472. R 514 4-00207-407 806K Resistor, Metal Film, 1/8W, 1%, 50PPM
473. R 515 4-00021-401 1.0K Resistor, Carbon Film, 1/4W, 5%
474. R 516 4-00021-401 1.0K Resistor, Carbon Film, 1/4W, 5%
475. R 518 4-00034-401 10K Resistor, Carbon Film, 1/4W, 5%
476. R 519 4-00021-401 1.0K Resistor, Carbon Film, 1/4W, 5%
477. R 520 4-00086-401 51 Resistor, Carbon Film, 1/4W, 5%
478. R 521 4-00086-401 51 Resistor, Carbon Film, 1/4W, 5%
479. R 522 4-00218-408 10.00K Resistor, Metal Film, 1/8W, 0.1%, 25ppm
480. R 523 4-00218-408 10.00K Resistor, Metal Film, 1/8W, 0.1%, 25ppm
481. R 524 4-00078-401 39K Resistor, Carbon Film, 1/4W, 5%
482. R 525 4-00059-401 22K Resistor, Carbon Film, 1/4W, 5%
483. R 526 4-00032-401 100K Resistor, Carbon Film, 1/4W, 5%
484. R 527 4-00021-401 1.0K Resistor, Carbon Film, 1/4W, 5%
485. R 528 4-00034-401 10K Resistor, Carbon Film, 1/4W, 5%
486. R 529 4-00057-401 220 Resistor, Carbon Film, 1/4W, 5%
487. R 530 4-00210-407 9.09K Resistor, Metal Film, 1/8W, 1%, 50PPM
488. R 531 4-00130-407 1.00K Resistor, Metal Film, 1/8W, 1%, 50PPM
489. R 532 4-00032-401 100K Resistor, Carbon Film, 1/4W, 5%
490. R 533 4-00032-401 100K Resistor, Carbon Film, 1/4W, 5%
491. R 534 4-00034-401 10K Resistor, Carbon Film, 1/4W, 5%
492. R 535 4-00057-401 220 Resistor, Carbon Film, 1/4W, 5%
493. R 536 4-00034-401 10K Resistor, Carbon Film, 1/4W, 5%
494. R 537 4-00057-401 220 Resistor, Carbon Film, 1/4W, 5%
495. R 538 4-00034-401 10K Resistor, Carbon Film, 1/4W, 5%
496. R 539 4-00057-401 220 Resistor, Carbon Film, 1/4W, 5%
497. R 540 4-00034-401 10K Resistor, Carbon Film, 1/4W, 5%
498. R 541 4-00057-401 220 Resistor, Carbon Film, 1/4W, 5%
499. R 542 4-00034-401 10K Resistor, Carbon Film, 1/4W, 5%
500. R 543 4-00034-401 10K Resistor, Carbon Film, 1/4W, 5%
501. R 544 4-00042-401 15K Resistor, Carbon Film, 1/4W, 5%
502. R 545 4-00034-401 10K Resistor, Carbon Film, 1/4W, 5%
503. R 546 4-00034-401 10K Resistor, Carbon Film, 1/4W, 5%
504. R 547 4-00042-401 15K Resistor, Carbon Film, 1/4W, 5%
505. R 548 4-00054-401 200K Resistor, Carbon Film, 1/4W, 5%
506. R 549 4-00032-401 100K Resistor, Carbon Film, 1/4W, 5%
507. R 701 4-00031-401 100 Resistor, Carbon Film, 1/4W, 5%
508. R 702 4-00079-401 4.7K Resistor, Carbon Film, 1/4W, 5%

SR510 PARTS LIST
61
NO REF. SRS part# VALUE DESCRIPTION
509. R 703 4-00027-401 1.5K Resistor, Carbon Film, 1/4W, 5%
510. R 705 4-00021-401 1.0K Resistor, Carbon Film, 1/4W, 5%
511. R 706 4-00034-401 10K Resistor, Carbon Film, 1/4W, 5%
512. R 707 4-00034-401 10K Resistor, Carbon Film, 1/4W, 5%
513. R 708 4-00069-401 300K Resistor, Carbon Film, 1/4W, 5%
514. R 709 4-00034-401 10K Resistor, Carbon Film, 1/4W, 5%
515. R 710 4-00032-401 100K Resistor, Carbon Film, 1/4W, 5%
516. R 711 4-00034-401 10K Resistor, Carbon Film, 1/4W, 5%
517. R 712 4-00032-401 100K Resistor, Carbon Film, 1/4W, 5%
518. R 801 4-00034-401 10K Resistor, Carbon Film, 1/4W, 5%
519. R 802 4-00034-401 10K Resistor, Carbon Film, 1/4W, 5%
520. R 803 4-00065-401 3.3K Resistor, Carbon Film, 1/4W, 5%
521. R 901 4-00107-402 10 Resistor, Carbon Comp, 1/2W, 5%
522. R 902 4-00107-402 10 Resistor, Carbon Comp, 1/2W, 5%
523. R 903 4-00060-401 240 Resistor, Carbon Film, 1/4W, 5%
524. R 904 4-00024-401 1.2K Resistor, Carbon Film, 1/4W, 5%
525. R 905 4-00024-401 1.2K Resistor, Carbon Film, 1/4W, 5%
526. R 906 4-00060-401 240 Resistor, Carbon Film, 1/4W, 5%
527. R 907 4-00107-402 10 Resistor, Carbon Comp, 1/2W, 5%
528. R 908 4-00107-402 10 Resistor, Carbon Comp, 1/2W, 5%
529. R 909 4-00053-401 200 Resistor, Carbon Film, 1/4W, 5%
530. R 910 4-00063-401 3.0K Resistor, Carbon Film, 1/4W, 5%
531. R 911 4-00063-401 3.0K Resistor, Carbon Film, 1/4W, 5%
532. R 912 4-00053-401 200 Resistor, Carbon Film, 1/4W, 5%
533. R 913 4-00107-402 10 Resistor, Carbon Comp, 1/2W, 5%
534. R 914 4-00107-402 10 Resistor, Carbon Comp, 1/2W, 5%
535. RN401 4-00220-420 10KX8 Resistor Network, DIP, 1/4W,2%,8 Ind
536. RN801 4-00225-425 100KX9 Resistor Network SIP 1/4W 2% (Common)
537. RN802 4-00225-425 100KX9 Resistor Network SIP 1/4W 2% (Common)
538. SO702 1-00026-150 28 PIN 600 MIL Socket, THRU-HOLE
539. SW1 2-00014-207 SPSTX8 Switch, DIP
540. SW2 2-00014-207 SPSTX8 Switch, DIP
541. SW601 2-00017-216 4PDT Switch, Rocker, PCB Mount (LHS of 510)
542. SW602 2-00004-213 DPDT Switch, Rocker, PCB Mount (RHS of 510)
543. T 1 6-00007-610 SR510/530 Transformer
544. U 101 8-00085-860 SR513 ASSY SRS sub assemblies
545. U 102 8-00085-860 SR513 ASSY SRS sub assemblies
546. U 103 3-00076-340 DG211 Integrated Circuit (Thru-hole Pkg)
547. U 104 3-00118-325 78L15 Transistor, TO-92 Package
548. U 105 3-00124-325 79L15 Transistor, TO-92 Package
549. U 106 3-00076-340 DG211 Integrated Circuit (Thru-hole Pkg)
550. U 107 3-00130-340 5532A Integrated Circuit (Thru-hole Pkg)
551. U 108 3-00076-340 DG211 Integrated Circuit (Thru-hole Pkg)
552. U 109 3-00088-340 LF353 Integrated Circuit (Thru-hole Pkg)
553. U 110 3-00076-340 DG211 Integrated Circuit (Thru-hole Pkg)
554. U 111 3-00089-340 LF357 Integrated Circuit (Thru-hole Pkg)
555. U 112 3-00076-340 DG211 Integrated Circuit (Thru-hole Pkg)
556. U 113 3-00089-340 LF357 Integrated Circuit (Thru-hole Pkg)
557. U 114 3-00076-340 DG211 Integrated Circuit (Thru-hole Pkg)
558. U 115 3-00089-340 LF357 Integrated Circuit (Thru-hole Pkg)
559. U 117 3-00088-340 LF353 Integrated Circuit (Thru-hole Pkg)

SR510 PARTS LIST
62
NO REF. SRS part# VALUE DESCRIPTION
560. U 118 3-00130-340 5532A Integrated Circuit (Thru-hole Pkg)
561. U 201 3-00087-340 LF347 Integrated Circuit (Thru-hole Pkg)
562. U 202 3-00093-340 LM13600 Integrated Circuit (Thru-hole Pkg)
563. U 203 3-00073-340 CD4052 Integrated Circuit (Thru-hole Pkg)
564. U 204 3-00073-340 CD4052 Integrated Circuit (Thru-hole Pkg)
565. U 205 3-00076-340 DG211 Integrated Circuit (Thru-hole Pkg)
566. U 206 3-00038-340 74HC139 Integrated Circuit (Thru-hole Pkg)
567. U 207 3-00038-340 74HC139 Integrated Circuit (Thru-hole Pkg)
568. U 208 3-00087-340 LF347 Integrated Circuit (Thru-hole Pkg)
569. U 301 3-00088-340 LF353 Integrated Circuit (Thru-hole Pkg)
570. U 303 3-00076-340 DG211 Integrated Circuit (Thru-hole Pkg)
571. U 304 3-00094-340 LM311 Integrated Circuit (Thru-hole Pkg)
572. U 305 3-00075-340 CD4538 Integrated Circuit (Thru-hole Pkg)
573. U 306 3-00072-340 CD4046 Integrated Circuit (Thru-hole Pkg)
574. U 307 3-00093-340 LM13600 Integrated Circuit (Thru-hole Pkg)
575. U 308 3-00066-340 CA3140E Integrated Circuit (Thru-hole Pkg)
576. U 309 3-00093-340 LM13600 Integrated Circuit (Thru-hole Pkg)
577. U 310 3-00076-340 DG211 Integrated Circuit (Thru-hole Pkg)
578. U 311 3-00076-340 DG211 Integrated Circuit (Thru-hole Pkg)
579. U 312 3-00076-340 DG211 Integrated Circuit (Thru-hole Pkg)
580. U 313 3-00049-340 74HC74 Integrated Circuit (Thru-hole Pkg)
581. U 314 3-00094-340 LM311 Integrated Circuit (Thru-hole Pkg)
582. U 315 3-00094-340 LM311 Integrated Circuit (Thru-hole Pkg)
583. U 316 3-00072-340 CD4046 Integrated Circuit (Thru-hole Pkg)
584. U 317 3-00093-340 LM13600 Integrated Circuit (Thru-hole Pkg)
585. U 318 3-00076-340 DG211 Integrated Circuit (Thru-hole Pkg)
586. U 319 3-00066-340 CA3140E Integrated Circuit (Thru-hole Pkg)
587. U 320 3-00076-340 DG211 Integrated Circuit (Thru-hole Pkg)
588. U 321 3-00066-340 CA3140E Integrated Circuit (Thru-hole Pkg)
589. U 322 3-00093-340 LM13600 Integrated Circuit (Thru-hole Pkg)
590. U 323 3-00093-340 LM13600 Integrated Circuit (Thru-hole Pkg)
591. U 324 3-00094-340 LM311 Integrated Circuit (Thru-hole Pkg)
592. U 325 3-00091-340 LF412 Integrated Circuit (Thru-hole Pkg)
593. U 326 3-00068-340 CD4018 Integrated Circuit (Thru-hole Pkg)
594. U 327 3-00076-340 DG211 Integrated Circuit (Thru-hole Pkg)
595. U 328 3-00094-340 LM311 Integrated Circuit (Thru-hole Pkg)
596. U 329 3-00094-340 LM311 Integrated Circuit (Thru-hole Pkg)
597. U 401 3-00076-340 DG211 Integrated Circuit (Thru-hole Pkg)
598. U 402 3-00091-340 LF412 Integrated Circuit (Thru-hole Pkg)
599. U 403 3-00090-340 LF411 Integrated Circuit (Thru-hole Pkg)
600. U 404 3-00106-340 LT1007 Integrated Circuit (Thru-hole Pkg)
601. U 405 3-00074-340 CD4066 Integrated Circuit (Thru-hole Pkg)
602. U 406 3-00057-340 AD534 Integrated Circuit (Thru-hole Pkg)
603. U 407 3-00090-340 LF411 Integrated Circuit (Thru-hole Pkg)
604. U 408 3-00106-340 LT1007 Integrated Circuit (Thru-hole Pkg)
605. U 409 3-00090-340 LF411 Integrated Circuit (Thru-hole Pkg)
606. U 410 3-00084-340 ICL7650 Integrated Circuit (Thru-hole Pkg)
607. U 411 3-00126-335 51A05 Relay
608. U 412 3-00126-335 51A05 Relay
609. U 413 3-00126-335 51A05 Relay
610. U 414 3-00126-335 51A05 Relay

SR510 PARTS LIST
63
NO REF. SRS part# VALUE DESCRIPTION
611. U 415 3-00126-335 51A05 Relay
612. U 416 3-00084-340 ICL7650 Integrated Circuit (Thru-hole Pkg)
613. U 417 3-00126-335 51A05 Relay
614. U 418 3-00076-340 DG211 Integrated Circuit (Thru-hole Pkg)
615. U 419 3-00090-340 LF411 Integrated Circuit (Thru-hole Pkg)
616. U 420 3-00064-340 CA3081 Integrated Circuit (Thru-hole Pkg)
617. U 421 3-00035-340 74C74 Integrated Circuit (Thru-hole Pkg)
618. U 501 3-00087-340 LF347 Integrated Circuit (Thru-hole Pkg)
619. U 502 3-00058-340 AD7524 Integrated Circuit (Thru-hole Pkg)
620. U 503 3-00046-340 74HC374 Integrated Circuit (Thru-hole Pkg)
621. U 504 3-00077-340 DG528 Integrated Circuit (Thru-hole Pkg)
622. U 505 3-00059-340 AD7542JN Integrated Circuit (Thru-hole Pkg)
623. U 506 3-00058-340 AD7524 Integrated Circuit (Thru-hole Pkg)
624. U 507 3-00077-340 DG528 Integrated Circuit (Thru-hole Pkg)
625. U 508 3-00087-340 LF347 Integrated Circuit (Thru-hole Pkg)
626. U 509 3-00076-340 DG211 Integrated Circuit (Thru-hole Pkg)
627. U 510 3-00076-340 DG211 Integrated Circuit (Thru-hole Pkg)
628. U 511 3-00087-340 LF347 Integrated Circuit (Thru-hole Pkg)
629. U 512 3-00087-340 LF347 Integrated Circuit (Thru-hole Pkg)
630. U 513 3-00087-340 LF347 Integrated Circuit (Thru-hole Pkg)
631. U 514 3-00094-340 LM311 Integrated Circuit (Thru-hole Pkg)
632. U 515 3-00087-340 LF347 Integrated Circuit (Thru-hole Pkg)
633. U 516 3-00076-340 DG211 Integrated Circuit (Thru-hole Pkg)
634. U 517 3-00092-340 LH0071 Integrated Circuit (Thru-hole Pkg)
635. U 701 3-00132-340 Z80A-CPU Integrated Circuit (Thru-hole Pkg)
636. U 703 3-00081-341 2KX8-100 STATIC RAM, I.C.
637. U 704 3-00491-340 UPD71054C Integrated Circuit (Thru-hole Pkg)
638. U 705 3-00037-340 74HC138 Integrated Circuit (Thru-hole Pkg)
639. U 706 3-00037-340 74HC138 Integrated Circuit (Thru-hole Pkg)
640. U 707 3-00037-340 74HC138 Integrated Circuit (Thru-hole Pkg)
641. U 708 3-00040-340 74HC157 Integrated Circuit (Thru-hole Pkg)
642. U 709 3-00049-340 74HC74 Integrated Circuit (Thru-hole Pkg)
643. U 710 3-00045-340 74HC32 Integrated Circuit (Thru-hole Pkg)
644. U 711 3-00051-340 74HCU04 Integrated Circuit (Thru-hole Pkg)
645. U 712 3-00047-340 74HC4040 Integrated Circuit (Thru-hole Pkg)
646. U 713 3-00049-340 74HC74 Integrated Circuit (Thru-hole Pkg)
647. U 714 3-00042-340 74HC175 Integrated Circuit (Thru-hole Pkg)
648. U 715 3-00042-340 74HC175 Integrated Circuit (Thru-hole Pkg)
649. U 716 3-00044-340 74HC244 Integrated Circuit (Thru-hole Pkg)
650. U 717 3-00046-340 74HC374 Integrated Circuit (Thru-hole Pkg)
651. U 718 3-00039-340 74HC14 Integrated Circuit (Thru-hole Pkg)
652. U 719 3-00046-340 74HC374 Integrated Circuit (Thru-hole Pkg)
653. U 720 3-00046-340 74HC374 Integrated Circuit (Thru-hole Pkg)
654. U 721 3-00046-340 74HC374 Integrated Circuit (Thru-hole Pkg)
655. U 722 3-00045-340 74HC32 Integrated Circuit (Thru-hole Pkg)
656. U 801 3-00493-340 UPD71051C Integrated Circuit (Thru-hole Pkg)
657. U 802 3-00111-340 MC68488 Integrated Circuit (Thru-hole Pkg)
658. U 803 3-00044-340 74HC244 Integrated Circuit (Thru-hole Pkg)
659. U 804 3-00044-340 74HC244 Integrated Circuit (Thru-hole Pkg)
660. U 805 3-00049-340 74HC74 Integrated Circuit (Thru-hole Pkg)
661. U 806 3-00109-340 MC1488 Integrated Circuit (Thru-hole Pkg)

SR510 PARTS LIST
64
No REF. SRS part# VALUE DESCRIPTION
662. U 807 3-00110-340 MC1489 Integrated Circuit (Thru-hole Pkg)
663. U 808 3-00078-340 DS75160A Integrated Circuit (Thru-hole Pkg)
664. U 809 3-00117-325 78L12 Transistor, TO-92 Package
665. U 810 3-00123-325 79L12 Transistor, TO-92 Package
666. U 811 3-00079-340 DS75161A Integrated Circuit (Thru-hole Pkg)
667. U 901 3-00095-331 LM317K Voltage Regulator, TO-3 Metal Can
668. U 902 3-00099-331 LM337K Voltage Regulator, TO-3 Metal Can
669. U 903 3-00114-329 7815 Voltage Reg., TO-220 (TAB) Package
670. U 904 3-00114-329 7815 Voltage Reg., TO-220 (TAB) Package
671. U 905 3-00114-329 7815 Voltage Reg., TO-220 (TAB) Package
672. U 906 3-00120-329 7915 Voltage Reg., TO-220 (TAB) Package
673. U 907 3-00120-329 7915 Voltage Reg., TO-220 (TAB) Package
674. U 908 3-00120-329 7915 Voltage Reg., TO-220 (TAB) Package
675. U 909 3-00113-340 7805CK Integrated Circuit (Thru-hole Pkg)
676. U 910 3-00116-325 78L05 Transistor, TO-92 Package
677. U 911 3-00096-340 LM317L Integrated Circuit (Thru-hole Pkg)
678. U 912 3-00100-340 LM337L Integrated Circuit (Thru-hole Pkg)
679. Z 0 0-00004-007 SR510 Heat Sinks
680. Z 0 0-00014-002 6J4 Power_Entry Hardware
681. Z 0 0-00016-000 TIE ANCHOR Hardware, Misc.
682. Z 0 0-00017-002 TRANSCOVER Power_Entry Hardware
683. Z 0 0-00019-003 MICA Insulators
684. Z 0 0-00025-005 3/8" Lugs
685. Z 0 0-00043-011 4-40 KEP Nut, Kep
686. Z 0 0-00048-011 6-32 KEP Nut, Kep
687. Z 0 0-00064-027 6-20X5/8P Screw, Sheet Metal
688. Z 0 0-00079-031 4-40X3/16 M/F Standoff
689. Z 0 0-00084-032 36154 Termination
690. Z 0 0-00089-033 4" Tie
691. Z 0 0-00095-040 #4 FLAT Washer, Flat
692. Z 0 0-00096-041 #4 SPLIT Washer, Split
693. Z 0 0-00114-050 10-1/8"#18 Wire #18 UL1007 Stripped 3/8x3/8 No Tin
694. Z 0 0-00117-053 12" #24 Wire #24 UL1007 Strip 1/4x1/4 Tin
695. Z 0 0-00130-050 5-5/8" #18 Wire #18 UL1007 Stripped 3/8x3/8 No Tin
696. Z 0 0-00132-053 6-1/2" #24 Wire #24 UL1007 Strip 1/4x1/4 Tin
697. Z 0 0-00135-050 7-5/8" #18 Wire #18 UL1007 Stripped 3/8x3/8 No Tin
698. Z 0 0-00136-053 8-1/2" #24 Wire #24 UL1007 Strip 1/4x1/4 Tin
699. Z 0 0-00153-057 GROMMET2 Grommet
700. Z 0 0-00185-021 6-32X3/8PP Screw, Panhead Phillips
701. Z 0 0-00187-021 4-40X1/4PP Screw, Panhead Phillips
702. Z 0 0-00207-003 TO-5 Insulators
703. Z 0 0-00222-021 6-32X1/4PP Screw, Panhead Phillips
704. Z 0 0-00225-052 17" #22 BLACK Wire #22 UL1007
705. Z 0 0-00226-052 17" #22 WHITE Wire #22 UL1007
706. Z 0 0-00227-052 17" #22 RED Wire #22 UL1007
707. Z 0 0-00228-052 17" #22 GREEN Wire #22 UL1007
708. Z 0 0-00231-043 #4 SHOULDER Washer, nylon
709. Z 0 0-00233-000 HANDLE1 Hardware, Misc.
710. Z 0 0-00241-021 4-40X3/16PP Screw, Panhead Phillips
711. Z 0 0-00249-021 6-32X1-1/2PP Screw, Panhead Phillips
712. Z 0 0-00256-043 #6 SHOULDER Washer, nylon

SR510 PARTS LIST
65
NO REF. SRS part# VALUE DESCRIPTION
713. Z 0 0-00371-026 4-40X3/16PF Screw, Black, All Types
714. Z 0 0-00500-000 554808-1 Hardware, Misc.
715. Z 0 0-00521-048 3" #18 Wire, #18 UL1015 Strip 3/8 x 3/8 No Tin
716. Z 0 0-00526-048 10-1/2" #18 Wire, #18 UL1015 Strip 3/8 x 3/8 No Tin
717. Z 0 0-00893-026 8-32X3/8PF Screw, Black, All Types
718. Z 0 1-00003-120 BNC Connector, BNC
719. Z 0 1-00010-130 20 PIN ELH Connector, Male
720. Z 0 1-00029-150 TO-3 Socket, THRU-HOLE
721. Z 0 1-00053-172 USA Line Cord
722. Z 0 7-00197-720 SR510-20 Fabricated Part
723. Z 0 7-00201-720 SR500-32 Fabricated Part
724. Z 0 7-00202-720 SR500-33 Fabricated Part
725. Z 0 7-00205-720 SR510-26 Fabricated Part
726. Z 0 9-00188-917 SR510/530 SER Product Labels
727. Z 0 9-00215-907 1/16" BLACK Shrink Tubing
728. Z 0 9-00216-907 1/8" BLACK Shrink Tubing
729. Z 0 9-00217-907 3/16" BLACK Shrink Tubing
Internal Oscillator PCB Parts List
NO REF. SRS part# VALUE DESCRIPTION
1. C 1 5-00023-529 .1U Cap, Monolythic Ceramic, 50V, 20%, Z5U
2. C 2 5-00023-529 .1U Cap, Monolythic Ceramic, 50V, 20%, Z5U
3. C 3 5-00102-517 4.7U Capacitor, Tantalum, 35V, 20%, Rad
4. C 4 5-00054-512 .047U Cap, Stacked Metal Film 50V 5% -40/+85c
5. C 5 5-00087-516 390P Capacitor, Silver Mica, 500V, 5%, DM15
6. C 6 5-00102-517 4.7U Capacitor, Tantalum, 35V, 20%, Rad
7. C 7 5-00014-501 390P Capacitor, Ceramic Disc, 50V, 10%, SL
8. C 8 5-00034-526 100U Capacitor, Electrolytic, 35V, 20%, Rad
9. C 9 5-00100-517 2.2U Capacitor, Tantalum, 35V, 20%, Rad
10. C 10 5-00034-526 100U Capacitor, Electrolytic, 35V, 20%, Rad
11. C 11 5-00100-517 2.2U Capacitor, Tantalum, 35V, 20%, Rad
12. P 1 4-00016-445 10K Pot, Multi-Turn, Side Adjust
13. P 2 4-00003-440 100K Trim Pot, Single Turn, In-Line Leads
14. P 3 4-00016-445 10K Pot, Multi-Turn, Side Adjust
15. PC1 7-00037-701 SR501 Printed Circuit Board
16. R 1 4-00079-401 4.7K Resistor, Carbon Film, 1/4W, 5%
17. R 2 4-00083-401 47K Resistor, Carbon Film, 1/4W, 5%
18. R 3 4-00202-407 698 Resistor, Metal Film, 1/8W, 1%, 50PPM
19. R 4 4-00189-407 41.2K Resistor, Metal Film, 1/8W, 1%, 50PPM
20. R 5 4-00186-407 4.22K Resistor, Metal Film, 1/8W, 1%, 50PPM
21. R 6 4-00190-407 42.2K Resistor, Metal Film, 1/8W, 1%, 50PPM
22. R 7 4-00186-407 4.22K Resistor, Metal Film, 1/8W, 1%, 50PPM
23. R 8 4-00202-407 698 Resistor, Metal Film, 1/8W, 1%, 50PPM
24. R 9 4-00078-401 39K Resistor, Carbon Film, 1/4W, 5%
25. R 10 4-00186-407 4.22K Resistor, Metal Film, 1/8W, 1%, 50PPM
26. R 11 4-00022-401 1.0M Resistor, Carbon Film, 1/4W, 5%
27. R 12 4-00042-401 15K Resistor, Carbon Film, 1/4W, 5%
28. R 13 4-00070-401 30K Resistor, Carbon Film, 1/4W, 5%
29. R 14 4-00034-401 10K Resistor, Carbon Film, 1/4W, 5%

SR510 PARTS LIST
66
NO REF. SRS part# VALUE DESCRIPTION
30. R 15 4-00022-401 1.0M Resistor, Carbon Film, 1/4W, 5%
31. R 16 4-00079-401 4.7K Resistor, Carbon Film, 1/4W, 5%
32. R 17 4-00104-401 82K Resistor, Carbon Film, 1/4W, 5%
33. R 18 4-00034-401 10K Resistor, Carbon Film, 1/4W, 5%
34. R 19 4-00034-401 10K Resistor, Carbon Film, 1/4W, 5%
35. R 20 4-00188-407 4.99K Resistor, Metal Film, 1/8W, 1%, 50PPM
36. R 21 4-00188-407 4.99K Resistor, Metal Film, 1/8W, 1%, 50PPM
37. R 22 4-00022-401 1.0M Resistor, Carbon Film, 1/4W, 5%
38. R 23 4-00022-401 1.0M Resistor, Carbon Film, 1/4W, 5%
39. R 24 4-00031-401 100 Resistor, Carbon Film, 1/4W, 5%
40. R 25 4-00031-401 100 Resistor, Carbon Film, 1/4W, 5%
41. SW1 2-00013-215 DPDT Switch, Toggle Right Angle PCB Mount
42. SW2 2-00013-215 DPDT Switch, Toggle Right Angle PCB Mount
43. U 1 3-00087-340 LF347 Integrated Circuit (Thru-hole Pkg)
44. U 2 3-00085-340 ICL8038 Integrated Circuit (Thru-hole Pkg)
45. U 3 3-00118-325 78L15 Transistor, TO-92 Package
46. U 4 3-00124-325 79L15 Transistor, TO-92 Package
47. Z 0 0-00100-040 1/4X1/16 Washer, Flat
48. Z 0 0-00122-053 2-1/4" #24 Wire #24 UL1007 Strip 1/4x1/4 Tin
49. Z 0 0-00136-053 8-1/2" #24 Wire #24 UL1007 Strip 1/4x1/4 Tin
Miscellaneous Parts List
NO REF. SRS part# VALUE DESCRIPTION
1.  Z0 7-00204-720 SR500-35 Fabricated Part
2. U 702 3-00161-342 27128-150 EPROM/PROM, I.C.
3. Z 0 0-00045-013 4-40 MINI Nut, Mini
4. Z 0 0-00078-031 4-40X1 M/F Standoff
5. Z 0 0-00167-023 6-32X1/2RP Screw, Roundhead Phillips
6. Z 0 0-00179-000 RIGHT FOOT Hardware, Misc.
7. Z 0 0-00180-000 LEFT FOOT Hardware, Misc.
8. Z 0 0-00185-021 6-32X3/8PP Screw, Panhead Phillips
9. Z 0 0-00187-021 4-40X1/4PP Screw, Panhead Phillips
10. Z 0 0-00204-000 REAR FOOT Hardware, Misc.
11. Z 0 0-00209-021 4-40X3/8PP Screw, Panhead Phillips
12. Z 0 0-00247-026 6-32X1/4 TRUSSP Screw, Black, All Types
13. Z 0 0-00248-026 10-32X3/8TRUSSP Screw, Black, All Types
14. Z 0 0-00371-026 4-40X3/16PF Screw, Black, All Types
15. Z 0 6-00054-611 .375A 3AG Fuse
16. Z 0 7-00147-720 BAIL Fabricated Part
17. Z 0 7-00198-720 SR510-23 Fabricated Part
18. Z 0 7-00199-720 SR510-24 Fabricated Part
19. Z 0 7-00200-720 SR510-25 Fabricated Part
20. Z 0 7-00203-720 SR500-34 Fabricated Part

SR510 PARTS LIST
67
Front Panel Parts List
NO REF. SRS part# VALUE DESCRIPTION
1. C 601 5-00019-501 68P Capacitor, Ceramic Disc, 50V, 10%, SL
2. C 602 5-00019-501 68P Capacitor, Ceramic Disc, 50V, 10%, SL
3. C 603 5-00052-512 .01U Cap, Stacked Metal Film 50V 5% -40/+85c
4. C 604 5-00052-512 .01U Cap, Stacked Metal Film 50V 5% -40/+85c
5. C 605 5-00056-512 .1U Cap, Stacked Metal Film 50V 5% -40/+85c
6. C 606 5-00056-512 .1U Cap, Stacked Metal Film 50V 5% -40/+85c
7. C 607 5-00023-529 .1U Cap, Monolythic Ceramic, 50V, 20%, Z5U
8. D 601 3-00004-301 1N4148 Diode
9. D 602 3-00004-301 1N4148 Diode
10. D 603 3-00004-301 1N4148 Diode
11. D 604 3-00004-301 1N4148 Diode
12. DS601 3-00012-306 GREEN LED, Rectangular
13. DS602 3-00012-306 GREEN LED, Rectangular
14. DS603 3-00012-306 GREEN LED, Rectangular
15. DS604 3-00012-306 GREEN LED, Rectangular
16. DS605 3-00012-306 GREEN LED, Rectangular
17. DS606 3-00012-306 GREEN LED, Rectangular
18. DS607 3-00012-306 GREEN LED, Rectangular
19. DS608 3-00012-306 GREEN LED, Rectangular
20. DS609 3-00012-306 GREEN LED, Rectangular
21. DS610 3-00012-306 GREEN LED, Rectangular
22. DS611 3-00012-306 GREEN LED, Rectangular
23. DS612 3-00012-306 GREEN LED, Rectangular
24. DS613 3-00012-306 GREEN LED, Rectangular
25. DS614 3-00012-306 GREEN LED, Rectangular
26. DS615 3-00012-306 GREEN LED, Rectangular
27. DS616 3-00012-306 GREEN LED, Rectangular
28. DS617 3-00012-306 GREEN LED, Rectangular
29. DS618 3-00012-306 GREEN LED, Rectangular
30. DS619 3-00012-306 GREEN LED, Rectangular
31. DS620 3-00012-306 GREEN LED, Rectangular
32. DS621 3-00012-306 GREEN LED, Rectangular
33. DS622 3-00012-306 GREEN LED, Rectangular
34. DS623 3-00012-306 GREEN LED, Rectangular
35. DS624 3-00012-306 GREEN LED, Rectangular
36. DS625 3-00012-306 GREEN LED, Rectangular
37. DS626 3-00012-306 GREEN LED, Rectangular
38. DS627 3-00012-306 GREEN LED, Rectangular
39. DS628 3-00012-306 GREEN LED, Rectangular
40. DS629 3-00012-306 GREEN LED, Rectangular
41. DS630 3-00012-306 GREEN LED, Rectangular
42. DS631 3-00012-306 GREEN LED, Rectangular
43. DS632 3-00012-306 GREEN LED, Rectangular
44. DS633 3-00012-306 GREEN LED, Rectangular
45. DS634 3-00012-306 GREEN LED, Rectangular
46. DS635 3-00012-306 GREEN LED, Rectangular
47. DS636 3-00012-306 GREEN LED, Rectangular
48. DS637 3-00012-306 GREEN LED, Rectangular
49. DS638 3-00013-306 RED LED, Rectangular

SR510 PARTS LIST
68
NO REF. SRS part# VALUE DESCRIPTION
50. DS639 3-00013-306 RED LED, Rectangular
51. DS640 3-00013-306 RED LED, Rectangular
52. DS641 3-00012-306 GREEN LED, Rectangular
53. DS642 3-00012-306 GREEN LED, Rectangular
54. DS643 3-00012-306 GREEN LED, Rectangular
55. DS644 3-00012-306 GREEN LED, Rectangular
56. DS645 3-00012-306 GREEN LED, Rectangular
57. DS646 3-00012-306 GREEN LED, Rectangular
58. DS647 3-00012-306 GREEN LED, Rectangular
59. DS648 3-00012-306 GREEN LED, Rectangular
60. DS649 3-00012-306 GREEN LED, Rectangular
61. DS650 3-00012-306 GREEN LED, Rectangular
62. DS651 3-00012-306 GREEN LED, Rectangular
63. DS652 3-00012-306 GREEN LED, Rectangular
64. DS653 3-00012-306 GREEN LED, Rectangular
65. DS654 3-00012-306 GREEN LED, Rectangular
66. DS655 3-00012-306 GREEN LED, Rectangular
67. DS656 3-00012-306 GREEN LED, Rectangular
68. DS657 3-00012-306 GREEN LED, Rectangular
69. DS658 3-00012-306 GREEN LED, Rectangular
70. DS659 3-00012-306 GREEN LED, Rectangular
71. DS660 3-00012-306 GREEN LED, Rectangular
72. DS661 3-00012-306 GREEN LED, Rectangular
73. DS662 3-00012-306 GREEN LED, Rectangular
74. LD1 8-00001-820 FE0206 LCD Display
75. LD2 8-00001-820 FE0206 LCD Display
76. M 1 8-00002-801 #DIV/0! Analog Meter
77. PB601 2-00001-201 D6-01-01 Switch, Momentary Push Button
78. PB602 2-00001-201 D6-01-01 Switch, Momentary Push Button
79. PB603 2-00001-201 D6-01-01 Switch, Momentary Push Button
80. PB604 2-00001-201 D6-01-01 Switch, Momentary Push Button
81. PB605 2-00001-201 D6-01-01 Switch, Momentary Push Button
82. PB606 2-00001-201 D6-01-01 Switch, Momentary Push Button
83. PB607 2-00001-201 D6-01-01 Switch, Momentary Push Button
84. PB608 2-00001-201 D6-01-01 Switch, Momentary Push Button
85. PB609 2-00001-201 D6-01-01 Switch, Momentary Push Button
86. PB610 2-00001-201 D6-01-01 Switch, Momentary Push Button
87. PB611 2-00001-201 D6-01-01 Switch, Momentary Push Button
88. PB612 2-00001-201 D6-01-01 Switch, Momentary Push Button
89. PB613 2-00001-201 D6-01-01 Switch, Momentary Push Button
90. PB614 2-00001-201 D6-01-01 Switch, Momentary Push Button
91. PB615 2-00001-201 D6-01-01 Switch, Momentary Push Button
92. PB616 2-00001-201 D6-01-01 Switch, Momentary Push Button
93. PB617 2-00001-201 D6-01-01 Switch, Momentary Push Button
94. PB618 2-00001-201 D6-01-01 Switch, Momentary Push Button
95. PB619 2-00001-201 D6-01-01 Switch, Momentary Push Button
96. PB620 2-00001-201 D6-01-01 Switch, Momentary Push Button
97. PB621 2-00001-201 D6-01-01 Switch, Momentary Push Button
98. PB622 2-00001-201 D6-01-01 Switch, Momentary Push Button
99. PB623 2-00001-201 D6-01-01 Switch, Momentary Push Button
100. PB624 2-00001-201 D6-01-01 Switch, Momentary Push Button

SR510 PARTS LIST
69
NO REF. SRS part# VALUE DESCRIPTION
101. PB625 2-00001-201 D6-01-01 Switch, Momentary Push Button
102. PC1 7-00038-701 SR511 Printed Circuit Board
103. R 601 4-00034-401 10K Resistor, Carbon Film, 1/4W, 5%
104. R 602 4-00034-401 10K Resistor, Carbon Film, 1/4W, 5%
105. RN601 4-00223-425 22KX7 Resistor Network SIP 1/4W 2% (Common)
106. RN602 4-00226-425 150X9 Resistor Network SIP 1/4W 2% (Common)
107. RN603 4-00226-425 150X9 Resistor Network SIP 1/4W 2% (Common)
108. RN604 4-00221-425 150X5 Resistor Network SIP 1/4W 2% (Common)
109. U 601 3-00086-340 ICM7211AM Integrated Circuit (Thru-hole Pkg)
110. U 602 3-00086-340 ICM7211AM Integrated Circuit (Thru-hole Pkg)
111. U 603 3-00044-340 74HC244 Integrated Circuit (Thru-hole Pkg)
112. U 604 3-00046-340 74HC374 Integrated Circuit (Thru-hole Pkg)
113. U 605 3-00071-340 CD4030 Integrated Circuit (Thru-hole Pkg)
114. U 606 3-00071-340 CD4030 Integrated Circuit (Thru-hole Pkg)
115. U 607 3-00053-340 74LS164 Integrated Circuit (Thru-hole Pkg)
116. U 608 3-00053-340 74LS164 Integrated Circuit (Thru-hole Pkg)
117. U 609 3-00053-340 74LS164 Integrated Circuit (Thru-hole Pkg)
118. U 610 3-00053-340 74LS164 Integrated Circuit (Thru-hole Pkg)
119. U 611 3-00053-340 74LS164 Integrated Circuit (Thru-hole Pkg)
120. U 612 3-00053-340 74LS164 Integrated Circuit (Thru-hole Pkg)
121. U 613 3-00053-340 74LS164 Integrated Circuit (Thru-hole Pkg)
122. U 614 3-00053-340 74LS164 Integrated Circuit (Thru-hole Pkg)
123. Z 0 0-00042-010 4-40 HEX Nut, Hex
124. Z 0 0-00077-030 3/16"X5/16"NYLN Spacer
125. Z 0 0-00102-042 #10 LOCK Washer, lock
126. Z 0 0-00104-043 #4 NYLON Washer, nylon
127. Z 0 0-00106-044 CLEAR Window
128. Z 0 0-00111-053 1-3/4"#24B Wire #24 UL1007 Strip 1/4x1/4 Tin
129. Z 0 0-00112-053 1-3/4"#24R Wire #24 UL1007 Strip 1/4x1/4 Tin
130. Z 0 0-00117-053 12" #24 Wire #24 UL1007 Strip 1/4x1/4 Tin
131. Z 0 0-00128-053 4" #24 Wire #24 UL1007 Strip 1/4x1/4 Tin
132. Z 0 0-00129-053 5" #24 Wire #24 UL1007 Strip 1/4x1/4 Tin
133. Z 0 0-00132-053 6-1/2" #24 Wire #24 UL1007 Strip 1/4x1/4 Tin
134. Z 0 0-00139-054 9" #26 X20 Wire #26 UL1061
135. Z 0 0-00203-032 323914 Termination
136. Z 0 1-00011-130 20 PIN IDP Connector, Male
137. Z 0 1-00073-120 INSL Connector, BNC
138. Z 0 1-00145-131 20 PIN DIF POL Connector, Female
139. Z 0 7-00294-710 SR510-27 Front Panel
140. Z 0 7-00308-709 SR510 Lexan Overlay
141. Z 0 9-00554-913 INDIRECT, MFG MISC. EXPENSE ITEMS - QUICK FIX!
142. Z 0 9-00815-924 DBL-SIDED 1/2" Tape, All types