Thanks SW40+ Manual
User Manual:
Open the PDF directly: View PDF
.
Page Count: 17

Instruction Manual
The “Small Wonder - 40+”
40 Meter Superhet Transceiver Kit
Thanks! For purchasing one of the Small Wonder Labs “SW-40+” transceiver kits. This kit is an updated version
of the classic ‘40-40’ transceiver board which originally appeared in the November 1994 issue of QST.
Please take a few moments to look over the section entitled “First Things First”. This is background information
in case you’re fairly new to homebrewing or kit-building.
Please – Be sure to read through the “Building Instructions” portion of this manual before you fire that
soldering iron up! That section contains useful information which is important to your success with this kit.
TABLE OF CONTENTS
First Things First ........................................... 2
Materials........................................................ 4
Parts List........................................................ 4-5
Theory of Operation ...................................... 6
Schematic ...................................................... 7
Pictorial Drawing .......................................... 8
Building Instructions..................................... 9-11
Wiring the “SW-40+”.................................... 12
Alignment...................................................... 14
Troubleshooting the “SW-40+” .................... 15
Troubleshooting Values ................................ 17
D. Benson, K1SWL Small Wonder Labs 2/9/2007
1

THE FINE PRINT
There are lots of small parts in this kit. With many of us
getting older, this may prove troublesome. I highly
recommend a magnifying glass or close-up glasses to
check all solder joints and component codes.
THE OTHER FINE PRINT
Despite the care I’ve put into this manual, it may contain
the occasional error. In the event of a conflict between
portions of this manual, the following order of precedence
applies (most trustworthy first):
Schematic
Pictorial
Parts list
Everything else
By all means, let me know when you catch these – I do
appreciate hearing about them. I add corrective changes
immediately because it improves the product!
TOOLS
You’ll need the following tools:
Soldering iron – 25-40W, solder
Diagonal cutters
Needle-nose pliers (helpful)
Small slot screwdriver
Magnifying glass (recommended)
TEST EQUIPMENT
You’ll need the following:
DC power source – 12-14V @ 500mA min.
Multimeter
Another transceiver (for final adjustment)
Frequency counter (helpful but not essential)
First Things First
- what you should know -
You don’t need to be an expert in all phases of this craft,
but you should be comfortable with the basics before you
embark on this adventure.
You should be familiar with the standard color-
code markings on resistors. If not, Radio
Shack’s Color-Code Guide, #271-1210, will
help. If you’re not sure, verify the resistor values
with an ohm meter. Resistor color codes are
given in the parts list.
For what it’s worth, approximately 8% of the
male population is red/green colorblind. If
you’re one of these, you should be verifying all
resistors with a meter before installing them.
The SW-40+ board is double-sided, and all holes
on the board are plated-through. This means that
you do not need to solder on the top side of the
board.
Soldering skills:
Hopefully this isn’t your first experience with a soldering
iron. If it is, though, or this is your first solid-state
project, here are some tips to ensure your success:
Use a small iron in the 25-watt class (such as a
Radio Shack #64-2070) and keep the tip clean.
Use a moistened sponge or paper towel and clean
the tip periodically as you work.
Apply only as much heat as is needed to get a
good joint. A small vise to hold the printed-
circuit board may make soldering easier.
Touch the soldering iron tip to the PC board
trace and the component lead simultaneously.
Within a second or two, apply solder and you’ll
see the solder flow onto the junction. Withdraw
the solder and then the soldering iron.
Avoid the temptation to load solder onto the joint
until no more will fit! This is an invitation for
trouble, as solder bridges may form across the
closer trace separations. Here’s what the correct
and incorrect joint treatments look like:
D .Benson, K1SWL 2/9/2007 2

PLEASE READ THE SECTION BELOW BEFORE
REMOVING ANY PARTS FROM THE CIRCUIT
BOARD
Get yourself a roll of desoldering braid (Radio Shack #64-
2090B). Lay the end of the braid down on the joint to be
cleaned and press the soldering iron tip over the braid.
Within several seconds you’ll see the braid begin to wick
up solder from the joint. Remove the braid and reapply a
new section as needed until the joint is clean. It may be
necessary to pull the component out from the top side of
the board while heating the joint. Leave the iron tip on
the board only as long as necessary to do the job – the PC
board traces will eventually delaminate (peel off) if
overheated.
If that still doesn’t do the trick, it may be necessary to
cut the offending part off on the top side and pull the
remaining leads through with pliers. Contact me for
replacement parts if necessary.
If you need to remove a transistor I’d highly
recommend sacrificing the part by snipping it off on
the top side of the board. The TO-92 pads in
particular are small and the leads are best pulled out
independently to minimize the risk of lifting pads.
After removing a component from the board, the
through-hole will probably still be blocked with
solder. Use a dissecting needle, dental probe
(explorer), or even a large sewing needle, applying
heat to the needle and board trace simultaneously
until the tool pushes through.
Winding Toroids:
Count as you go. Draw each turn snug against the
core to ensure a trim and tight winding. Please
ensure that none of the turns is wound “over” (on top
of) its neighbors.
Double-check the turn count when you’re finished.
Use your fingernail or a small screwdriver to “bump”
over each turn as you count – this is much easier than
counting by eye.
Trim the excess wire off to about ¼” and strip the
insulation off with a hobby knife.
Counting the turns
If the wire passes through the toroid center hole, it
counts as a turn.
D .Benson, K1SWL Small Wonder Labs 2/9/2007 3

Materials
Reference designators:
You’ll find the following items included with your SW-
40+ kit: Each component is uniquely identified by a reference
designator. Bypass capacitors are identified as C100 and
up.
1 bag of small parts (resistors, caps, etc.)
1 antistatic bag (semiconductors)
1 bag, miscellaneous parts
1 printed circuit board
This manual “C7”:
Capacitor C7 is an assortment of 6 different
capacitors designated ‘C7A’ through‘C7F’.
Selection and installation of this capacitor is
described later in the text.
Note: The RF chokes for this kit are supplied in the
‘miscellaneous’ bag’ to keep them separate from similar-
looking resistors.
Monolithic capacitors:
(You may want to reproduce the schematic and pictorial
pages so you can mark them as you work, and still keep
the originals clean.) The printing on these parts is tiny! I’d highly
recommend using a magnifying glass to verify
component values before installing them.
Special Parts Notes IF Transformers:
• Capacitors: Although not illustrated on the schematic
drawing for reasons of drawing clarity, T1-T3
contain internal capacitors. Do not remove these
capacitors.
Here's a general rule for capacitor markings:
If 3 digits are printed on the capacitor, the first two are
significant figures and the third is a multiplier. RF Chokes:
Examples: The order of the color-bands on the RF chokes may
vary by manufacturer.
'471' = 47 x 101 = 470 pF
'103' = 10 x 10 10,000 pF = .01 uF
tter suffixes: J=5%, K=10%, M=20%.
3 =
Le
Parts List - SW-40+ Transceiver
Qty Ref. Desig. Description Identification
2 C3,9 10 pF ceramic disk '10'
1 C7A 22 pF NPO cer. Disk '22'
9 C2,7B,11,17,18,28,30,32,40 47 pF NPO cer. Disk '47'
3 C1,7C,16 68 pF NPO cer. Disk '68'
2 C7D,8 82 pF NPO cer. Disk '82'
1 C7E 100 pF NPO monolithic cap epoxy, '101J'
1 C7F 120 pF NPO monolithic cap epoxy, '121J'
1 C7G 150 pF NPO monolithic cap epoxy, '151J'
7 C12-15,22,23,29 150 pF ceramic disk '151'
1 C31 220 pF ceramic disk '221'
1 C10 270 pF ceramic disk '271J'
2 C37,39 470 pF ceramic disk '471J'
D .Benson, K1SWL Small Wonder Labs 2/9/2007 4

Parts List (continued)
1 C25 820 pF mylar cap '821J'
1 C38 1000 pF NPO mono. cap epoxy, '102J'
2 C4,5 2700 pF NPO mono. cap epoxy, '272J'
1 C6 3300 pF NPO mono. cap epoxy, '332J'
1 C26 .0022 uF mylar cap '222J'
11 C21,33-35,102-105,108,109,111 .01 uF ceramic disk '103M'
1 C19 .033 uF disk or mono. cap '333J'
7 C20,24,36,101,107,113,114 0.1 uF mono. cap epoxy, '104'
1 C110 3.3 uF 50V radial elec. cap banded end is negative
2 C27,106 47 uF 16V radial elec. cap banded end is negative
1 C112 220 uF 16V or 25V radial elec. cap banded end is negative
1 D1 MV1662 Varicap diode TO-92, 2 leads, stripes only
9 D2-10 1N4148A diode glass body
1 D11 7.5V 0.5W 5% Zener diode 1N5236
1 D12 30V 0.5W 5% Zener diode 1N5256
1 D13 1N4001 diode black case
1 L1 T-50-6, see text, p.10 0.50" dia., yellow
1 L2 FT37-43, 6 turns 0.37" dia., dark grey
2 L3,4 T-37-2, 1.0 uH, 16 turns #26 0.37" dia., red
1 Q1 2N5485 or 2N5486 JFET plastic case (TO-92)
1 Q3 2N3906 PNP plastic case (TO-92)
3 Q2,4,5 2N4401 NPN plastic case (TO-92)
1 Q6 2SC2166 Power transistor
2 RFC1,2 22uH RF choke Red-Red-Blk
1 RFC3 10uH RF choke Brn-Blk-Blk
1 R24 500Ω trim pot Blue plastic, 3 leads
3 R6,14,27 10Ω ¼W 5% resistor Brn-Blk-Blk-Gold
2 R28,29 51Ω ¼W 5% resistor Grn-Brn-Blk-Gold
2 R1,26 470Ω ¼W 5% resistor Yel-Viol-Brn-Gold
1 R19 1KΩ ¼W 5% resistor Brn-Blk-Red-Gold
2 R17,25 2.2KΩ ¼W 5% resistor Red-Red-Red-Gold
4 R2,3,21,22 10KΩ ¼W 5% resistor Brn-Blk-Orange-Gold
4 R10,16,20,23 22KΩ ¼W 5% resistor Red-Red-Orange-Gold
1 R15 47KΩ ¼W 5% resistor Yel-Viol-Orange-Gold
3 R4,7,11 510KΩ ¼W 5% resistor Grn-Brn-Yel-Gold
4 R8,12,13,18 1MΩ ¼W 5% resistor Brn-Blk-Grn-Gold
1 R9 4.7MΩ ¼W 5% resistor Yel-Viol-Grn-Gold
4 S1-S4 8-pin low-profile IC socket
3 T1-3 10.7MHz IF transformer '42IF123'
1 T4 FT37-43, 8 turns :1 turn, see text 0.37" dia., dark grey
1 U2 78L08 voltage regulator plastic case (TO-92)
3 U1,3,5 SA602AN, or SA612AN 8-pin IC
1 U4 NE5532 8-pin IC
5 Y1-5 4.00MHz or 4.032MHz crystal HC-49/U holder, 20pF
D .Benson, K1SWL Small Wonder Labs 2/9/2007 5
Theory of operation
This transceiver is a single PC-board design measuring
2.8” x 4.0” (7 x 10 cm). It features VFO operation with a
35-40Hz tuning range, as well as QSK (full break-in)
operation. Let’s take the 50-cent tour:
The receiver’s RF input is applied to U1 through T1 and
C1, which provide a bandpass filter tuned to 7.0MHz.
T1’s secondary winding provides roughly unity gain into
U1 to minimize overload (IMD). U1 provides about
13dB of gain in this configuration, and converts the RF
input to the IF frequency of 4.0MHz. The L-network
(C11 and RFC1) following the mixer serve to step the
mixer output impedance down to the crystal filter’s design
value. Note that C12 and RFC1 appear to be
‘transposed’; this reflects the board’s physical layout.
The crystal filter itself uses 3 crystals. This works well
because of the choice of a low IF frequency. Loss
through the filter is less than 2dB, and with the
component values as shown, the -6dB bandwidth is about
500Hz. Despite the filter’s low parts count, performance
is adequate when combined with the AF section’s
selectivity. The unwanted sideband image is down about
50dB at the audio chain’s 800Hz peak response
frequency.
The filter output is terminated in a 470Ω resistor at the
input to U3, the product detector stage. U3 converts the
4.0MHz IF signal to audio and contributes another 13dB
of gain. BFO crystal Y4 has been selected to match the
IF filter frequency, so there’s no BFO frequency trimming
needed. The .033 uF capacitor across pins 4 and 5 of U3
provides the first measure of audio low-pass filtering.
The two sections of U4 each provide roughly 30dB of
amplification. The first section is configured as a
differential amplifier to make use of U3’s differential
output and rolls off the audio response above 1.5KHz.
Diodes D3 and D4 serve to limit the audio swing during
transmitter key-down to reasonable values. Without these
diodes, this stage saturates and upsets the operation of the
following FET switch section.
The AF mute function is the familiar series FET switch
popularized by W7EL. Despite its relative simplicity, it’s
hard to beat this circuit for click-free audio switching. In
the “key-up” condition the FET is zero-biased and acts
like a resistance of several hundred ohms. In the “key-
down” condition the FET is in cutoff (because the gate is
now 7-8 volts below the source) and acts like an open
circuit, preventing audio from getting to U4B, the audio
final stage. This stage is configured as a bandpass filter
centered at 800Hz. The high gain of the two NE5532
stages (64dB total) allows a design with no IF amp stage.
The audio output level is adequate to drive headphones,
but it won’t do the job for loudspeaker applications. The
AF output stage internally overcurrent-limits on loud
signals to provide a ready-made ear protection function.
If you’re interested in saving at least 5 milliamps on
receive, U4 may be replaced by an LMC662 (available
from Digikey). This suggestion is courtesy of Mitch Lee
and Dennis Monticelli, from their excellent article,
“Revisiting the 40-40” in the ARRL’s ‘QRP Power’. Use
good quality low-impedance headphones for best results.
“Walkman” headphones are fine, but remember – you get
what you pay for. The 3-dollar bargains are distinctly
inferior!
QSK: The T-R switch function is provided by C40 and
RFC3, which form a series-resonant circuit. Diodes D7-
D10 limit during key-down and thereby restrict the signal
levels presented to the receiver front-end during transmit.
The double-diode configuration raises the network’s
intercept point with respect to W7EL’s original
configuration to improve IMD immunity.
The LO uses the Colpitts configuration. The frequency-
determining capacitors are NPO (C0G) monolithic types.
These devices are extremely compact and offer good
temperature stability. C2 and C3 are a voltage divider
providing proper injection to U1. Note: If you want
broader frequency coverage, the value of C8 may be
increased. The useful upper limit for C8 is about 1000pF,
and especially at the larger values, capacitor (and
varicap diode D1) thermal stability will become crucial.
Use NPO/C0G capacitors if possible, if you tinker with
this circuit.
The design also uses a varicap tuning diode for tuning
coverage. While a smooth ball-bearing tuning cap and
vernier reduction drive are the preferred approach, that
choice drives the cost and mechanical complexity of a
transceiver up considerably. The varicap approach
supports quite a compact package! If you’ve just got to
have RIT, an outboard circuit that injects an adjustable
DC offset into the diode bias network on receive does the
trick.
The transmitter chain is a pretty standard affair. The
maximum output power is about 2-2.5 watts, and there’s a
drive control at the emitter follower stage (Q4) to adjust
the output level. The diode at the base of Q6 serves to
‘clamp’ the signal to Q6 above ground and thus improves
drive to the PA by several dB. I don’t feel that the PA
requires a heat sink at the 1.5-2.5W power level and CW
duty cycles. If you like, there’s room for a ‘compact’-
style TO-220 heat sink (Digikey #HS-105 or #HS-106).
D .Benson, K1SWL Small Wonder Labs 2/9/2007 6

[ IMAGE SCANNED FROM ORIGINAL DOCUMENT
D. Benson, K1SWL Small Wonder Labs 2/9/2007 7

[ SCANNED FROM ORIGINAL DOCUMENT ]
D. Benson, K1SWL Small Wonder Labs 2/9/2007 8

Building instructions
All parts installed on the PC board should be fully seated.
Do not install the parts in “flying-lead” fashion in the
hope that it will improve something-or-other! Minimum
lead length is important to a successful RF design.
Diode installation:
All diodes except D1 are bent for “upright” installation.
Installation polarity is as shown below. Be sure to note
the orientation of the silk-screened circle on the board and
install the diode body over this hole. The cathode
(banded) end of the diode is oriented at the top.
Resistor installation:
All resistors except R4 and R21 are likewise mounted in
“hairpin” fashion. As with the diodes, try to match the
mounting orientation shown on the drawing. (This
usually has nothing to do with critical dimensions – if
mounted as shown you’ve got better troubleshooting
access to circuit points from the top side of the board.)
Orientation of resistor (and other non-polar devices) color
bands is non-critical.
Installing IC sockets:
The “notch” or dot at one end should be oriented as
shown in the pictorial drawings. Double-check
orientation before soldering. A suggestion: solder down
two opposite corners of each socket, and then go back
and press a fingertip on the socket from underneath while
reheating both connections in turn. You may then solder
the remaining pads. This precaution ensures that the
socket is well seated on the PC board.
Some additional tips:
It’s helpful to work from one end or corner of the
board to the other. This minimizes the “tight
squeeze” cases where the last part in a cluster
has to drop into a tight space.
Stuff only a few parts at a time (3-4 pieces). If
you try to add too many parts at once between
soldering operations, you may lose track and
wind up with missing solder joints! Once you’ve
stuffed the parts on the board, bend the
protruding leads slightly outward to keep them
in place while the board is inverted for
soldering.
Some of the disk and monolithic capacitors may
be supplied with a lead spacing of 0.10”
(2.5mm). The “SW-40+” has generally been
laid out for a 0.20” (5mm) capacitor spacing.
The capacitor leads may be gently spread apart
near the component bodies and then bent
parallel to ease installation.
Recommended Assembly sequence:
I’ve specified the sequence below, but there’s nothing
critical about the order in which the board is populated.
Some parts are best installed in a particular order, as
noted within each group’s instructions.
Directions for winding toroids are found within
each group’s assembly instructions.
(The figures which follow are for reference only. See the
pictorial drawing on p. 8 for component values.)
D. Benson, K1SWL Small Wonder Labs 2/9/2007
9

[ ] Install D13, U2, C102, and C113. If you have the
companion enclosure kit, install connectors J4 (2-pin)
and J2 (3-pin) as well. This step supplies DC power to
the board and installs the 8 Volt regulator IC.
(J4) D13
U2
C113
.1 uF
C102
(J2)
1N4001
Group 1 assembly
-reference only-
78L08
[ ] Install an 8-pin IC socket at U4.
[ ] Install the components shown below:
C24
NE
5532
C107
R8
D5
Q1
U4
R4
J3
R14
C27
C20
C19
C21
R10
R9
C23
C26
C25
R2
R3 C22
R7
D3
D4
C106
R6 R11
(When these components have been installed, the audio
amplifier section of the transceiver is complete.)
[ ] Install an 8-pin IC socket at U3.
[ ] Install the components shown below:
Note: the 5 crystals supplied with this kit have been pre-
selected as a group. They are interchangeable within
this group. Do not, however, substitute replacement
parts – contact me for assistance.
C104
R1
C12
C13
C14
SA
612
U3
Y1
Y2
Y3
Y4
C15
C16
C17
C15
C105
D2
(When these components have been installed, the product
detector/BFO and crystal filter sections of the transceiver
are complete.)
[ ] Install an 8-pin IC socket at U1.
Install the components shown below:
L1 (yellow core) is wound using the larger-
diameter magnet wire from the “Miscellaneous”
envelope. Wind with 25 turns (24 turns for
Novice-band operation), prepare lead ends, and
install on the board. All other toroids use the
smaller-diameter wire.
C7 is not installed at this time; see “Alignment”
for installation procedure.
U1
RFC1
C1
J1
C101
C7
C9
C10 L1
T1
R17 Q2
C11
C4
C5
C6
D1
C2
C3
R15 R16
C8
R18 C103
install as
shown here.
Silkscreen
is wrong.
(When these components have been installed, the receiver
portion of the transceiver is complete.)
D. Benson, K1SWL Small Wonder Labs 2/9/2007
10

[ ] Install an 8-pin IC socket at U5.
[ ] Install the components shown below:
The following components are polarity-sensitive:
D11, C110, Q3-Q5
Spacing on C31 (between transformers T2 and T3) is
quite tight – install this capacitor prior to installing T2 and
T3.
Transformer T4 (grey core) is wound with 4” (10cm) of
magnet wire for the primary winding. The primary
winding is wound first, using 8 turns. Install T4.
[ ] Add a secondary winding to T4 as follows:
1) Strip 1/8” of insulation from one end of the 3”
length of insulated wire. Twist the wire gently
between your fingertips to ensure that all strands
are bundled together. Tin this lead-end with
solder.
2) Install this lead-end in S2 and solder.
3) Take the free end of this wire in the direction of
S1 and then double it back through the whole in
T4.
4) Draw the lead snug (not tight!) and proceed
around the toroid material until you’ve formed
one complete turn through the toroid as shown
below:
5) Trim off the free end of the wire so that it has
about ¼” (6mm) more than is needed to reach
pad S1. Repeat the lead preparation as in Step 1
above.
6) Install this lead-end in S1 and solder.
(When these components have been installed, the
transmitter mixer, bandpass filter, and driver sections of
the transceiver are complete.)
[ ] Install the components shown below:
The following components are polarity-sensitive:
C112, D6-10, D12, Q6
Q6 (2SC2166) is installed with the metal tab to
the rear (or ‘top’ when viewed from directly
overhead). When viewing the board from the
front edge (U1, U3, and U4 nearest you), Q6’s
labeling must be visible.
D. Benson, K1SWL Small Wonder Labs 2/9/2007
11

L2 is wound using 4” (10cm) of wire on an
FT37-43 (grey) core. Wind 6 turns on this core,
prepare lead ends, and install on the board.
L3 and L4 are each wound using 10” (25cm) of
wire on a T37-2 (red) core. Wind each with 16
turns, prepare lead ends, and install each of these
on the board.
(When these components have been installed, the board
assembly is complete.)
If you have not already done so, install all integrated
circuits on the board as indicated on page 8. Be sure that
the ICs are oriented properly – the dot or notch is on the
left side of the 8-pin DIP ICs as shown on the pictorial.
CLEAN UP YOUR ACT! Before you install the
finished PC board into an enclosure, grab some cotton
swabs and use acetone (nail polish remover) to remove
solder flux from the foil-side of the PC board. The result
is a much cleaner appearance once you’ve completed this
step.
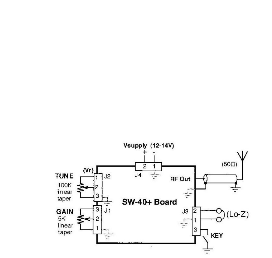
Wiring the SW-40+
The figure below shows the schematic interconnect
between the SW-40+ board and the outside world (more
on alignment later).
Short, direct leads between the SW-40+ board and your
connectors and controls are advisable. If you’re going to
run the RF output more than a couple of inches to an
antenna jack, coax (such as the subminiature RG-174) is
recommended. The other interconnect wiring is less
critical, but try to avoid routing the wiring over the audio
(U4) filter section if possible.
D. Benson, K1SWL Small Wonder Labs 2/9/2007
12

Wire the connectors and controls to the SW-40+ as shown
pictorially below. Note that the keying return line lacks
its own distinct board connection. This return line is
shared with the headphones’ return.
STOP!
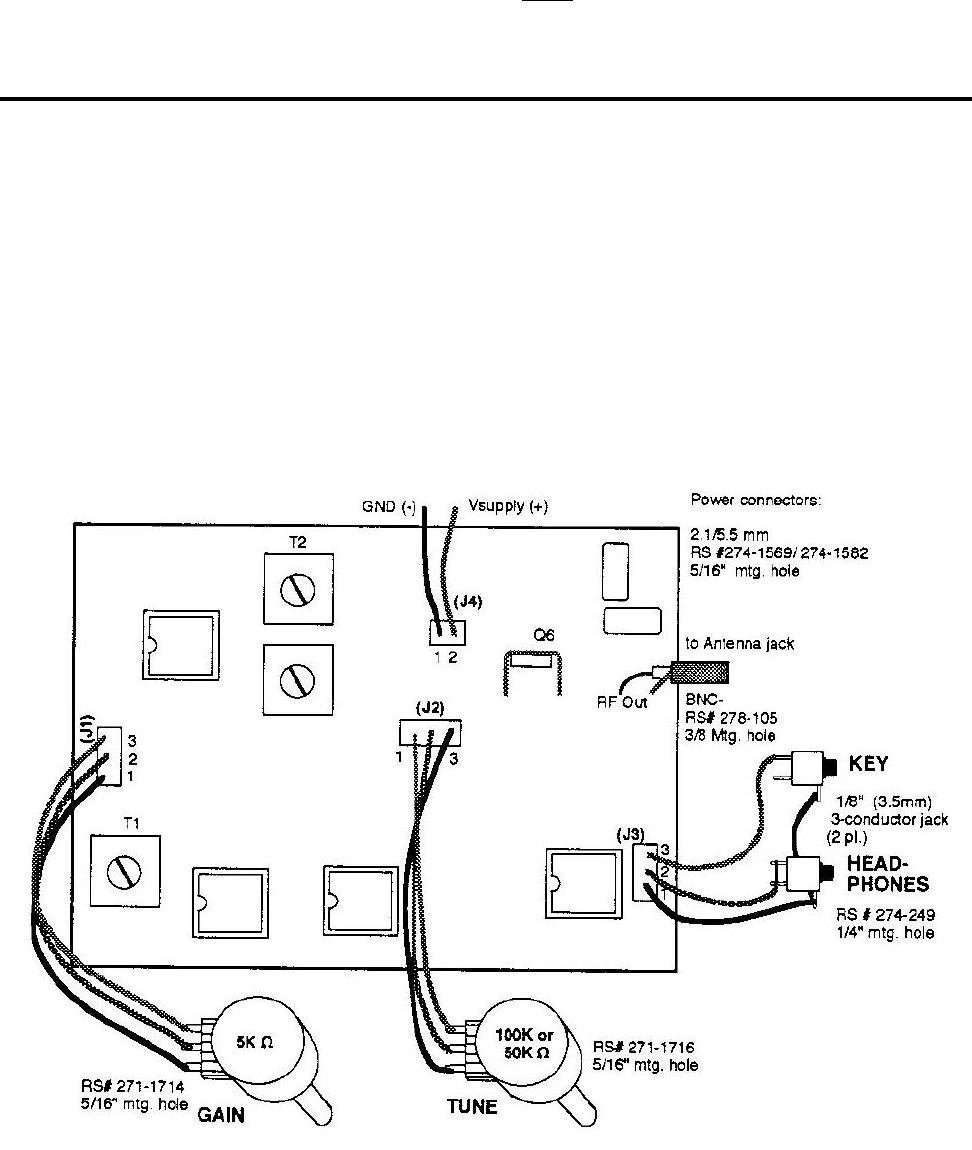
“SW-40+” Mechanical Details
The pictorial figure below shows some ideas for
connectors and their accompanying mounting-hole
diameters. These are merely suggestions and are a matter
of personal preference.
The board itself is mounted in an enclosure at the board’s
four corners using #4 machine screw hardware. #4
spacers should be used to separate the PC board from the
enclosure by 3/16” or more. (#4 hex nuts are an
acceptable substitute for spacers.)
Before you progress to the next phase of the project, this
might be a good time to check out the SW-40+. Add the
various connectors and controls using temporary leads
before you get the project buttoned up in a box. If you
need to do any troubleshooting, you’ll have saved the
aggravation of having to undo all the wiring to get at the
bottom side of the board!
Enclosures may be found in a variety of styles. Radio
Shack offers several types of metallic enclosures. I’d
especially recommend Hosfelt Electronics, Inc., who
carry enclosures offered by a number of companies.
There’s no minimum order, and they can be reached at
(800) 524-6464 for a catalog. Ten-Tec also offers a
complete line of enclosures, and they support small orders
as well. Call (800) 231-8842 for a free brochure.
D. Benson, K1SWL Small Wonder Labs 2/9/2007
13

Before the “Smoke Test”:
Inspect your work to ensure there are no solder
bridges or unsoldered joints. Check to see that
the ICs are mounted in their proper orientations.
Alignment
Alignment is easy with this little rig. For test equipment,
you’ll need a main-station rig and multimeter or SWR
bridge. Here’s how:
Transmitter alignment:
[ ] Connect a tuning pot to J2. (See page 13 for
interconnect pictorial.) Set the tuning pot to full
counterclockwise (0V on the pot’s center
terminal).
[ ] Connect a 50Ω dummy load to ‘RF Out’ and its
adjoining ground return pad.
[ ] Set trimmer R24 to the half-scale (‘3 o’clock’)
position. Do not exceed the half-scale position
until T2 and T3 have been peaked to
maximum. Yes…you may have to ‘hunt’ for
an output power indication!- those two
adjustments peaks are fairly narrow.
[ ] Using a small slot screwdriver, preset the tuning
slugs in T2 and T3 to the middle of their rotation
range. (This is non-critical; there’s no need to
count turns.)
[ ] Add a clip lead to R29 (see figure below) to
serve as a short whip antenna. Leave the other
end of the clip lead unconnected, and ensure that
this free end is well away from other circuitry.
[ ] Ground the “Key” (J3-3) input.
[ ] Tune in your transmitted signal on your “big rig”
receiver. This should be a strong carrier (S9+20
or better).
Be sure to hunt for the strongest signal over a range of 7.0
to 7.3MHz to ensure that you find the primary signal
instead of a receiver spurious response.
Operating frequency adjustment:
[ ] Note the frequency from the step above.
Remove power and install a value of C7 in
accordance with one of the tables below.
For 7-7.05 MHz operation:
If the frequency
was between
Install the following
value for C7
7000-7030 (none)
7030-7060 22pF
7060-7090 47pF
7090-7120 68pF
7120-7140 82pF
7140-7160 100pF
7160-7180 120pF
7180-7210 150pF
For 7.1-7.15 MHz (Novice) operation:
If the frequency
was between
Install the following
value for C7
7100-7130 (none)
7130-7160 22pF
7160-7190 47pF
7190-7220 68pF
7220-7240 82pF
7240-7260 100pF
7260-7280 120pF
7280-7310 150pF
The tables above do not show that more capacitance
moves the frequency higher. It means that more
capacitance compensates for higher frequency. Are we
clear on that?
(The approximate formula for the value of C7 is as
follows:)
[C7] (in pF) = ∆f(KHz) / 1.42
where
∆
f is the desired frequency shift
D. Benson, K1SWL Small Wonder Labs 2/9/2007
14

It’s possible to adjust the operating frequency as much as
15-20KHz downward by squeezing L1’s turns more
closely together. If in doubt as to which of two values of
C7 to use, install the smaller of the two and compress
L1’s turns as needed.
Connect the RF output to a wattmeter (if you have one).
You can also use your SWR meter with a dummy load
connected and set in the “Forward” metering position.
If you don’t have either of these pieces of equipment, you
can ‘haywire’ the test circuit below on a scrap of copper-
clad board. This peak detector circuit furnishes a DC
voltage to your multimeter.
Adjust T2 and T3 for maximum indicated signal on your
receiver’s S-meter. The adjustment will be somewhat
interactive, so alternate between the two for maximum
output.
[ ] Remove the clip lead. Adjust trimmer R24 as
needed for 1.5 watts of key-down power into a
dummy load or the test circuit shown on the
previous page. (For the test circuit above, this
corresponds to a DVM measurement of 24V
DC). Increase drive (turn R24 clockwise) only
as needed to get to this level.
“Can I set it for more output power?”
Sure! The component values in the PA stage were
designed for maximum efficiency at 1.5W out. The SW+
will deliver considerably more, but please be aware of the
following:
• The higher the output power, the more heat is
being generated by the PA, and this translates
into ‘driftier’ performance in the local oscillator.
• There’s a possibility of instability in the driver
(Q4/Q5) stage with R24 set to maximum. IF
THE SIDETONE SOUNDS RASPY OR
VANISHES ENTIRELY, reduce the R24
setting.
Receiver alignment:
[ ] Connect a matched antenna to “RF Out” and its
ground return. Using a small slot screwdriver,
peak T1 for maximum signal (or noise). Once
this step is complete, background noise should
be noticeably higher with an antenna connected
than without.
Troubleshooting the SW-40+
The “bugs” you’re most likely to encounter often turn out
to be caused by the simplest of problems. If your SW-
40+ doesn’t play, the following general suggestions may
be helpful:
“It works better plugged in!”
We’ve all heard that expression before, but unfortunately
it’s true. Ensure that DC power is getting to the SW-40+.
A board with no voltage anywhere probably isn’t getting
power.
“The headphones are silent!”
It’s probably the same as above – an interconnect
problem. The 1/8” (3.5mm) jacks in particular are
trouble-prone.
Check once more for solder bridges and missing solder
joints. Probing a suspect section of the circuitry with a
fingertip or insulated tool will sometimes bring a stubborn
circuit to life – if so, check again for a bad connection!
Of the returns I see, about 85% of problems are caused by
cold solder joints, 5% by solder bridges, and 5% due to
incorrect resistor installation. That leaves only 5% for all
the other problems put together! ‘Nuff said.
Ensure that ICs are installed in the correct location and
with the right orientation.
Likewise, ensure that the transistors and all diodes are
installed with the correct orientation.
If you don’t turn up anything with the above steps, see the
troubleshooting schematic on the last page of this manual.
Using a DVM, check the circuit points noted on the
D. Benson, K1SWL Small Wonder Labs 2/9/2007
15

drawing against your SW-40+ to confirm that the DC
voltage readings are all in order.
Here’s a rule of thumb for the troubleshooting voltages:
I’ve supplied the nominal voltage readings, but there’s
some unit-to-unit variation. As an overall guideline, a
20% variation is an acceptable tolerance. If you’re
making use of this schematic, “something’s broke”, and
things don’t generally break just a little; you’re looking
for the obvious departures from the published values.
The troubleshooting schematic also lists AC voltage
readings in case you have access to an oscilloscope or
have a high-impedance input RF probe. Readings are
given in Volts p-p.
The figure below illustrates IC pinout. The “pin
1 at lower left” convention applies to all Dual-
Inline-Package (DIP) ICs.
(TOP VIEW) (BOTTOM VIEW)
8
1
5
4
5
4
8
1
DOT AND/OR NOTCH
“Strange but True” – In general, the ICs themselves
shouldn’t be prime suspects during the troubleshooting
process. Despite their complexity, they’re very reliable,
and I’ve had to replace these parts at the rate of only 1
for every thousand or so shipped!
If those steps don’t turn up anything, here are some
additional steps to try:
Receiver
Touching either of the 10K resistor leads to the
left of the AF Amp IC (U4) should cause an
easily-audible hum or buzz in the headphones.
If not, and Vr (the 8V supply) is OK, the
NE5532 op amp (U4) is suspect.
Touching an antenna wire to the 470W resistor
to the left of U3 (product detector) should cause
shortwave “crud” to be audible in the
headphones. Also, a signal source such as your
main transmitter (on minimum power, please!)
should provide a plainly audible signal when you
transmit a string of CW characters just above or
below the 4.000MHz IF frequency. Do not
connect the main station transmitter to the SW-
40+! Stray leakage is sufficient. Similarly, you
should be able to hear the BFO at about
4000KHz on your main station receiver. If not,
these steps point to a problem with U3 or its
associated BFO components (Y4 and C17-18).
Transmitter
Be sure a load is connected anytime you’re
troubleshooting the transmitter.
Verify that the keying switch Q3 supplies 12V DC to
the transmit mixer (U5) and buffer/driver (Q4-5)
stages when the “Key” input is grounded. Note that
the voltage reading at pin 8 of U5 should be 7.1 to
7.9 volts. No voltage during key-down suggests that
Q3 is bad or that D11 is installed backward.
Touching a screwdriver to Q6’s case (collector)
should yield a distinct (key-down) increase in signal
received on your ‘big rig’ receiver. If not, suspect
Q6.
If you want to change the sidetone pitch, increasing the
value of C29 raises the sidetone pitch (and Tx offset), and
decreasing that cap lowers it.
Don’t panic!
… and don’t smash your SW-40+ against a wall! If all
else fails, contact me for further technical support:
Email: dave@smallwonderlabs.com
Troubleshooting/alignment is available for a $30 fee ($35
outside the US) . The unit will be returned to you in
working condition and will include a troubleshooting
report. The price includes return shipping.
Please do not send the unit without contacting me first.
[ We’ve moved- twice- …. and counting- since the
original edition of these instructions were published. The
work is done off-site in any case, and unsolicited returns
tend to end up ‘aging’ under the workbench. ]
D. Benson, K1SWL Small Wonder Labs 2/9/2007
16

D. Benson, K1SWL Small Wonder Labs 2/9/2007
17