ManualsLib Makes It Easy To Find Manuals Online! Samsung SGH 2100 Manual
User Manual: Samsung-SGH-2100-Manual
Open the PDF directly: View PDF
.
Page Count: 42

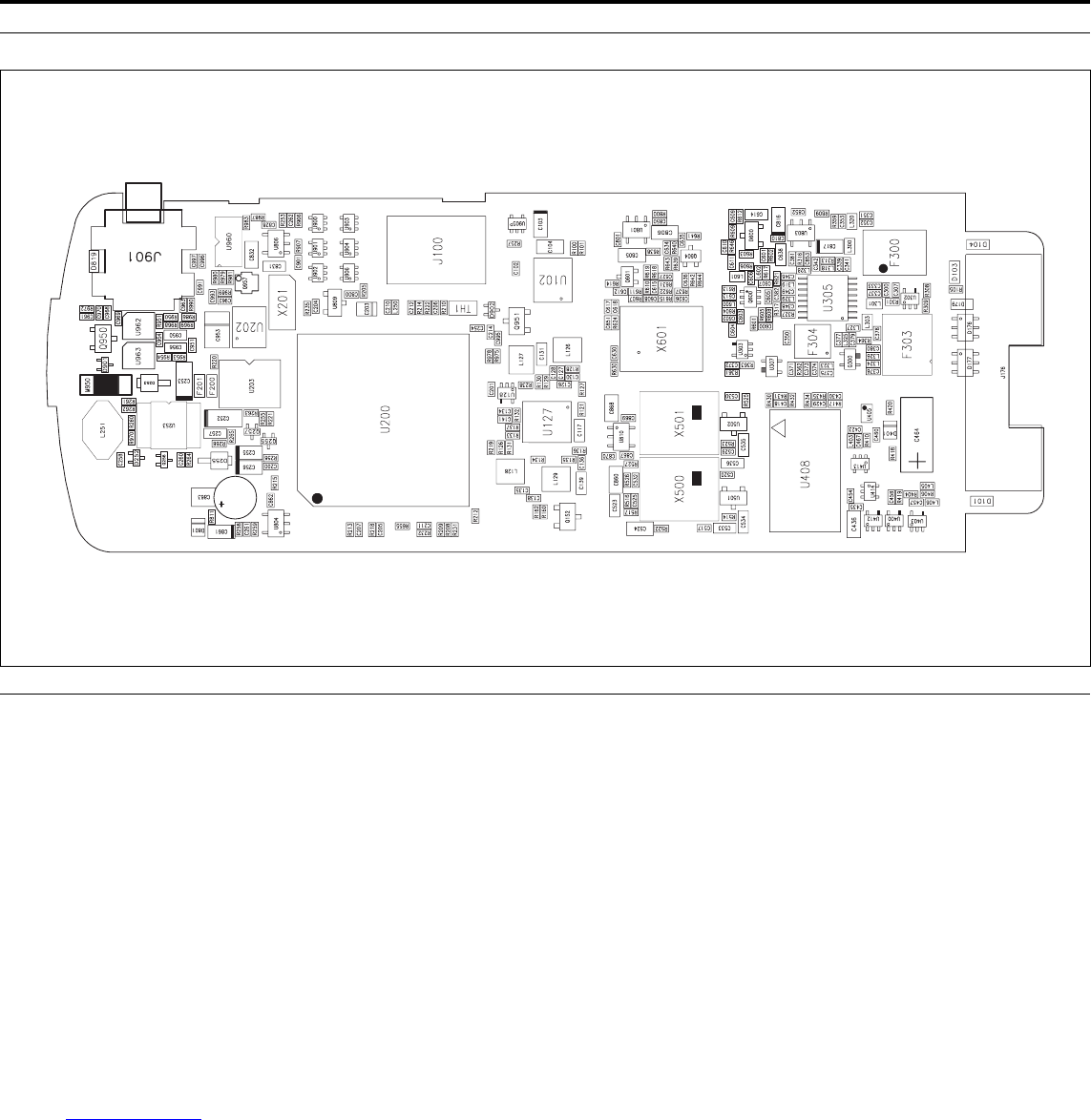
1-2 Main Parts List
1-2 Exploded Views and Parts List
NO DESCRIPTION SEC.CODE Q’TY REMARK
1 HALF-MIRROR GH72-00274A 1
2 TAPE-H/DUMMY GH74-00197A 1
3 H/FLIP GH72-00381A 1
4 MARGNETIC 937-312008AA 1
5 LABEL-FLIP GH68-11192A 1
6 TAPE WINDOE BOHO GH72-10001A 1
7 WINDOW LCD GH72-00139A 1
8 TAPE-WINDOW GH74-40520A 1
9 REFLETOR LED GH72-41576A 1
10 COVER EAR-JACK GH73-40726A 1
11 KEY VOLUMN GH73-40724A 1
12 HINGE-HOUSING GH72-41360A 2
13 SHAFT-HINGE GH72-41057A 2
14 HINGE-CAM GH61-80002A 2
15 SPRING-HINGE GH70-10680A 2
16 HOUSING-CAP GH72-41056A 2
17 KEY MAIN GH72-41756A 1
18 CLOTH-BUZZER GH63-20001A 1
19 FRONT-COVER GH72-41742A 1
20 SHIELD STRIP(C) GH71-10641A 2
21 SHIELD STRIP(B) GH71-10640A 1
22 SPONGE-LCD GH74-40521A 1
23 RUBBER-BUZZER GH73-40723A 1
24 SUPPORT SPK GH74-00131A
25 BACKUP TAPE GH74-40518A 1
26 KEY PCB GH59-00025A 1
27 HOLDER MIC GH73-40641A 1
28 SPK SPONGE GH74-10604A 1
29 SHIELD-FRAME GH72-41753A 1
30 MAIN PCB GH92-00740A 1
31 COVER CONNECTOR GH73-40686A 1
32 JACK-COVER GH73-10514A 1
33 ANTENNA CON. GH71-00020A 1
34 VIBRATOR GH31-10004A 1
35 ANTENNA BRK GH71-00021A 1
36 ANT GH42-00012A 1
37 REAR-COVER GH72-417423A 1
38 SCREW-MACHINE 6001-001046 4
Downloaded from www.Manualslib.com manuals search engine

Exploded Views and Parts List 1-3
NO DESCRIPTION SEC.CODE Q’TY REMARK
39 LABEL MAIN GH68-00352A 1
40 SPRING-LOCKER GH70-10516A 1
41 LOCKER-MAIN GH72-41373A 1
42 SPRING-SIM GH70-00006A 2
43 COVER-SIM GH72-00088A 1
45 BATTERY SLIM GH43-00029A
46 BATTERY STD GH43-00027A
47 BATTERY LONG GH43-00028A
Downloaded from www.Manualslib.com manuals search engine

1-6 Exploded Views and Parts List
1-6 Desk Top Charger Parts List
NO DESCRIPTION SEC.CODE Q’TY REMARK
1 UPPER-CASE 1
2 GATE-LABEL 1
3 BATTERY-HOUSING 1
4 HANDY-LOCKER 2
5 SCREW-TAPPING 4
6 BATTERY-LOCKER 2
7 HANGER-SPRING(R), (L) 1, 1
8 SCREW-TAPPING 3
9 CONTACT-PLATE 8
10 CONTACT-HOUSING 2
11 PCB 1
12 SCREW-TAPPING 1
13 LOWER-CASE 1
14 FOOT-RUBBER 4
15 LABEL NAME 1
16 SCREW-TAPPING 4
Downloaded from www.Manualslib.com manuals search engine

2-1 Electrical Parts List
2 Electrical Parts List
2-1 Main Parts List
LOCATION DESCRIPTIONSSEC.CODE
D401,D801 0401-001033 MCL4154,25V,200mA,M-MELF,TP
D253,D255,D808 0404-001044 UPS5817,20V,1A,SMD,TP
D400 0404-001054 HSMS-2805,70V,15mA,SOT-143,TP
D600 0405-001051 SMV1249,4.7V,50NA,SOT-23,TP
D176,D177 0406-001051 SMS05C,6V,300W,SOT-23-6
D252 0407-001002 DAN222,80V,300mA,CA2-3,EM3,TP
D901,D902 0407-001006 DA221,20V,100mA,C2-3,EM3,TR
D251 0407-001007 UMN1,80V,25mA,CA4-2,UM5,TR
Q152,Q950,Q951 0501-002011 2SD2114K,NPN,200mW,SOT-23,TP,8
Q300 0501-002037 BFP405,NPN,55mW,SOT-343,TP,50-
Q601,Q604 0501-002196 BFS17W,NPN,280mW,SOT-323,TP,20
U307 0501-002205 BCR400W,NPN,-,SOT-343,TP,-
Q151,Q153 0504-000167 RN1102,NPN,100MW,10K/10K,SSM,TP
Q255,Q256,Q257 0504-000168 RN1104,NPN,100MW,47K/47K,SSM,TP
Q500 0505-000110 2N7002,N,60V,115mA,5ohm,200mW,
U501,U502 0505-001131 TP0101T,P,-12V,-500mA,690mohm,
Q957 0505-001332 FDG6301,N,25V,0.22A,4OHM,.3W,SC70-6
Q600 0506-000173 BFS480,NPN,2,80mW,SOT-363,TP,3
U128,U252,U302,U303 0506-001004 UMC5N,NPN/PNP,2,50V,-,-100mA,3
U400,U403,U412,U813 0506-001004 UMC5N,NPN/PNP,2,50V,-,-100mA,3
LED100 0601-000276 CHIP,Y/GRN,1.6x2.0mm,570nm
U902,U903 0801-000022 7S00,NAND GATE,SOP,5P,49MIL,SINGLE,TP,PLASTIC,-,-,-,-40TO+85C,200MW,-,25MA,-,-
U900,U901,U904,U906 0801-000794 7S08,AND GATE,SOT-25,5P,63MIL,
U905 0801-002345 7S04FU,INVERTER,SOP,5P,-,-,TP,
U413,U414 0801-002349 7S66,BILATERAL SWITCH,SOP,5P,5
U962,U963 1001-001088
MAX4544EUT-T,-,SOT-23,6P,-,SINGLE,13V,-40TO+85C,PLASTIC,571MW,60 OHM,75NS,100NS,
U203 1103-001090 24C128,16Kx8BIT,SOP,8P,150MIL,
U105 1106-001272 4MBIT,TSOP,32P,813MIL,100NS,3V,-,PLASTIC,-40TO+85C,15UA,CMOS,-
U103 1107-001062 1Mx8BIT,SON,46P,-,100n
U104 1107-001158 1MX16BIT,SOP,46P,90MIL,120NS,3V,-,PLASTIC,-40TO+85CC,5UA,CMOS,-
U406 1201-001018 7131,SOT-23,5P,-,SINGLE,70dB,P
U127 1201-001212
925,TSSOP,16P,150MIL,DUAL,200MV,PLASTIC,14V,-,-40TO+125C,80DB,1.3V/US,1NA,15NA,3
U604 1201-001248 0916,SOT-143,4P,-,-,2.7V,-,6Vd
U402 1201-001299 RF-K,8P,-,SINGLE,-,-,8V,
U408 1201-001411 RF-K,5P,-,-,-,MODULE,8V,3W,-30TO+100C,-,-,-,-,-
U960 1202-001022 75W56,SSOP,8P,110MIL,DUAL,7V,C
U801,U803,U805,U806 1203-001285 5205,SOT-23,5P,150MIL,PLASTIC,
U810,U811 1203-001285 5205,SOT-23,5P,150MIL,PLASTIC,
Downloaded from www.Manualslib.com manuals search engine

2-2Electrical Parts List
LOCATION DESCRIPTIONSSEC.CODE
U809 1203-001511 809,SOT-23,3P,-,PLASTIC,0.3/6.
U253 1203-001515 SSOP,16P,150MIL,PLASTIC,3
U804 1203-001592 1015,SOT-23A-5,5P,59MIL,PLASTI
U812 1203-001702 SOP,10P,112MIL,PLASTIC,2/5.5V,444MW,-40TO+85C,220MA,1.3V,TP
U102 1203-001740 1555,SOP,16P,150MIL,PLASTIC,-0.3/12V,-,-0TO+70C,20MA,4.75/5.25V,ST
U301 1204-001006 SOP,20P,205MIL,PLASTIC,3
U300,U305 1205-001307 SOP,16P,197MIL,PLASTIC
U200 1205-001327 QFP,144P,14MIL,PLAST
U950 1205-001697 TQFP,80P,472MIL,PLASTIC,3V,-,-,TR,VLSI
U202 1206-001009 RS5C372A,SOP,8P,173MIL,PLASTIC
U603 1209-001220 SOP,20,173MIL,PLASTIC,
U500 1209-001233 SSOP,28P,-,PLASTIC,5.5V,-,-20TO+85C,TP
TH1 1404-001005 47Kohm,5%,4050K,2.0mW/C,TP
D179 1405-001018 14V,-,1.6x0.8mm,TP
D103,D104,D819 1405-001019 5.6V,-,1.6x0.8mm,TP
D101,D102 1405-001072 5V,20A,1.6X0.8X0.9MM,TP
R113,R114 2007-000072 47ohm,5%,1/16W,DA,TP,1608
R105,R129,R135,R163 2007-000138 100ohm,5%,1/16W,DA,TP,1005
R177,R178,R179,R182 2007-000138 100ohm,5%,1/16W,DA,TP,1005
R183,R185,R186,R187 2007-000138 100ohm,5%,1/16W,DA,TP,1005
R188,R621,R653,R970 2007-000138 100ohm,5%,1/16W,DA,TP,1005
R644 2007-000139 220ohm,5%,1/16W,DA,TP,1005
R160,R220,R221,R529 2007-000140 1Kohm,5%,1/16W,DA,TP,1005
R611,R646,R811,R951 2007-000140 1Kohm,5%,1/16W,DA,TP,1005
R954 2007-000140 1Kohm,5%,1/16W,DA,TP,1005
R640 2007-000141 2.2Kohm,5%,1/16W,DA,TP,1005
R309,R609 2007-000142 2.7Kohm,5%,1/16W,DA,TP,1005
R162,R351 2007-000143 4.7Kohm,5%,1/16W,DA,TP,1005
R606,R628 2007-000145 6.2Kohm,5%,1/16W,DA,TP,1005
R603 2007-000146 6.8Kohm,5%,1/16W,DA,TP,1005
R104,R152,R205,R210 2007-000148 10Kohm,5%,1/16W,DA,TP,1005
R232,R235,R238,R253 2007-000148 10Kohm,5%,1/16W,DA,TP,1005
R256,R363,R418,R419 2007-000148 10Kohm,5%,1/16W,DA,TP,1005
R605,R630,R637,R906 2007-000148 10Kohm,5%,1/16W,DA,TP,1005
R907,R952,R962,R963 2007-000148 10Kohm,5%,1/16W,DA,TP,1005
R984,R985 2007-000148 10Kohm,5%,1/16W,DA,TP,1005
R300 2007-000152 20Kohm,5%,1/16W,DA,TP,1005
R622 2007-000153 22Kohm,5%,1/16W,DA,TP,1005
R126,R208,R218,R219 2007-000157 47Kohm,5%,1/16W,DA,TP,1005
R352,R353 2007-000157 47Kohm,5%,1/16W,DA,TP,1005
R257 2007-000159 56Kohm,5%,1/16W,DA,TP,1005
R100,R101,R102,R151 2007-000162 100Kohm,5%,1/16W,DA,TP,1005
Downloaded from www.Manualslib.com manuals search engine

2-3 Electrical Parts List
LOCATION DESCRIPTIONSSEC.CODE
R153,R209,R212,R213 2007-000162 100Kohm,5%,1/16W,DA,TP,1005
R214,R215,R222,R231 2007-000162 100Kohm,5%,1/16W,DA,TP,1005
R251,R252,R254,R255 2007-000162 100Kohm,5%,1/16W,DA,TP,1005
R263,R264,R528,R812 2007-000162 100Kohm,5%,1/16W,DA,TP,1005
R972,R980 2007-000162 100Kohm,5%,1/16W,DA,TP,1005
R610,R639 2007-000164 150Kohm,5%,1/16W,DA,TP,1005
R131,R184,R326,R327 2007-000171 0ohm,5%,1/16W,DA,TP,1005
R361,R505,R531,R624 2007-000171 0ohm,5%,1/16W,DA,TP,1005
R631,R647,R800,R809 2007-000171 0ohm,5%,1/16W,DA,TP,1005
R828,R955,R968,R978 2007-000171 0ohm,5%,1/16W,DA,TP,1005
R986,L312 2007-000171 0ohm,5%,1/16W,DA,TP,1005
R180,R181,R308,R500 2007-000172 10ohm,5%,1/16W,DA,TP,1005
R501,R502,R503,R504 2007-000172 10ohm,5%,1/16W,DA,TP,1005
R517,R524,R527,R601 2007-000172 10ohm,5%,1/16W,DA,TP,1005
R602,R607,R633,R638 2007-000172 10ohm,5%,1/16W,DA,TP,1005
R650,R989,R990 2007-000172 10ohm,5%,1/16W,DA,TP,1005
R651,R654 2007-000173 22ohm,5%,1/16W,DA,TP,1005
R515,R516,R518 2007-000932 470ohm,5%,1/16W,DA,TP,1005
R130,R136,R417 2007-001119 680ohm,5%,1/16W,DA,TP,1005
R428 2007-001217 82ohm,5%,1/16W,DA,TP,1005
R623,R625,R627 2007-001288 18ohm,5%,1/16W,DA,TP,1005
R431 2007-001295 39ohm,5%,1/16W,DA,TP,1005
R305,R364,R410,R420 2007-001298 51ohm,5%,1/16W,DA,TP,1005
R511,R519,R520,R648 2007-001298 51ohm,5%,1/16W,DA,TP,1005
R649 2007-001298 51ohm,5%,1/16W,DA,TP,1005
R445 2007-001301 68ohm,5%,1/16W,DA,TP,1005
R404,R406,R617 2007-001305 120ohm,5%,1/16W,DA,TP,1005
R430,R432 2007-001306 150ohm,5%,1/16W,DA,TP,1005
R306,R311,R316,R317 2007-001307 180ohm,5%,1/16W,DA,TP,1005
R510,R613,R805 2007-001308 200ohm,5%,1/16W,DA,TP,1005
R128,R134 2007-001311 270ohm,5%,1/16W,DA,TP,1005
R356,R357,R365,R526 2007-001313 330ohm,5%,1/16W,DA,TP,1005
R950,R953 2007-001313 330ohm,5%,1/16W,DA,TP,1005
R525,R612 2007-001316 820ohm,5%,1/16W,DA,TP,1005
R507,R512 2007-001317 910ohm,5%,1/16W,DA,TP,1005
R629 2007-001323 3Kohm,5%,1/16W,DA,TP,1005
R354,R608 2007-001325 3.3Kohm,5%,1/16W,DA,TP,1005
R618,R643 2007-001339 180Kohm,5%,1/16W,DA,TP,1005
R413 2007-002797 560OHM,5%,1/16W,DA,TP,1005
R301 2007-003020 4.3KOHM,5%,1/16W,DA,TP,1005
R427,R429 2007-003030 91OHM,5%,1/16W,DA,TP,1005
R304 2007-003112 27OHM,5%,1/16W,DA,TP,1005
Downloaded from www.Manualslib.com manuals search engine

2-4Electrical Parts List
LOCATION DESCRIPTIONSSEC.CODE
R407 2007-007001 3.9KOHM,5%,1/16W,DA,TP,1005
R521 2007-007090 11KOHM,5%,1/16W,DA,TP,1005
R362 2007-007096 160OHM,5%,1/16W,DA,TP,1005
R132,R137,R259 2007-007107 100Kohm,1%,1/16W,DA,TP,1005
R265 2007-007133 300ohm,1%,1/16W,DA,TP,1005
R261 2007-007135 18Kohm,1%,1/16W,DA,TP,1005
R434,R619,R903,R905 2007-007137 1.2Kohm,1%,1/16W,DA,TP,1005
R522 2007-007141 240OHM,5%,1/16W,DA,TP,1005
R904,R987 2007-007142 10Kohm,1%,1/16W,DA,TP,1005
R514,R523,R626,R645 2007-007195 3.9OHM,5%,1/16W,DA,TP,1005
R652 2007-007195 3.9OHM,5%,1/16W,DA,TP,1005
R262,R416 2007-007309 12Kohm,1%,1/16W,DA,TP,1005
R414 2007-007310 8.2Kohm,1%,1/16W,DA,TP,1005
R412 2007-007311 22Kohm,1%,1/16W,DA,TP,1005
R409 2007-007316 3.3Kohm,1%,1/16W,DA,TP,1005
R200,R201,R202,R203 2007-007317 2.2Kohm,1%,1/16W,DA,TP,1005
R901 2007-007317 2.2Kohm,1%,1/16W,DA,TP,1005
R121,R127,R133,R303 2007-007318 1Kohm,1%,1/16W,DA,TP,1005
R313,R415 2007-007318 1Kohm,1%,1/16W,DA,TP,1005
R266 2007-007470 7.5Kohm,1%,1/16W,DA,TP,1005
R435,R655 2007-007588 1.8Kohm,1%,1/16W,DA,TP,1005
R258 2007-007590 82Kohm,1%,1/16W,DA,TP,1005
R260 2007-007592 270Kohm,1%,1/16W,DA,TP,1005
R979,R981 2007-007627 16Kohm,1%,1/16W,DA,TP,1005
R983 2007-007630 14Kohm,1%,1/16W,DA,TP,1005
R355,R900,R902 2007-007788 332OHM,1%,1/16W,DA,TP,1005
C524 2203-000151 1.5nF,5%,50V,NPO,TP,2012,-
C117 2203-000189 100nF,+80-20%,25V,Y5V,TP,1608,
C215,C216,C217,C218 2203-000233 100pF,5%,50V,NPO,TP,1005,-
C303,C318,C337,C362 2203-000233 100pF,5%,50V,NPO,TP,1005,-
C368,C411,C416,C501 2203-000233 100pF,5%,50V,NPO,TP,1005,-
C502,C503,C508,C509 2203-000233 100pF,5%,50V,NPO,TP,1005,-
C516,C521,C623,C628 2203-000233 100pF,5%,50V,NPO,TP,1005,-
C635,C642 2203-000233 100pF,5%,50V,NPO,TP,1005,-
C300,C307,C348 2203-000278 10pF,0.5pF,50V,NPO,TP,1005,-
C445 2203-000311 120pF,5%,50V,NPO,TP,1005,-
C310,C512,C514,C539 2203-000330 12pF,5%,50V,NPO,TP,1005,-
C604 2203-000330 12pF,5%,50V,NPO,TP,1005,-
C625 2203-000359 150pF,5%,50V,NPO,TP,1005,-
C316,C951,C958,C959 2203-000386 15pF,5%,50V,NPO,TP,1005,-
C968,C970 2203-000386 15pF,5%,50V,NPO,TP,1005,-
C207,C311,C351,C352 2203-000438 1nF,10%,50V,X7R,TP,1005,-
Downloaded from www.Manualslib.com manuals search engine

2-5 Electrical Parts List
LOCATION DESCRIPTIONSSEC.CODE
C354,C356,C361,C371 2203-000438 1nF,10%,50V,X7R,TP,1005,-
C373,C375,C379,C504 2203-000438 1nF,10%,50V,X7R,TP,1005,-
C522,C621,C637,C641 2203-000438 1nF,10%,50V,X7R,TP,1005,-
C966,C967 2203-000438 1nF,10%,50V,X7R,TP,1005,-
C624 2203-000455 1nF,5%,50V,NPO,TP,2012,-
C177 2203-000509 2.2pF,0.25pF,50V,NPO,TP,1608,-
C409 2203-000585 220pF,10%,50V,X7R,TP,1005,-
C950,C956 2203-000604 22nF,10%,25V,X7R,TP,1608,-
C305,C330,C374,C376 2203-000628 22pF,5%,50V,NPO,TP,1005,-
C378,C415,C505,C506 2203-000628 22pF,5%,50V,NPO,TP,1005,-
C515,C611,C617 2203-000628 22pF,5%,50V,NPO,TP,1005,-
C405,C418,C423,C428 2203-000679 27pF,5%,50V,NPO,TP,1005,-
C454,C457,C458,C459 2203-000679 27pF,5%,50V,NPO,TP,1005,-
C460,C510,C511,C517 2203-000679 27pF,5%,50V,NPO,TP,1005,-
C520,C529,C530,C632 2203-000679 27pF,5%,50V,NPO,TP,1005,-
C633,C639 2203-000679 27pF,5%,50V,NPO,TP,1005,-
C346 2203-000696 2pF,0.25pF,50V,NPO,TP,1005,-
C609 2203-000725 3.9nF,10%,50V,X7R,TP,1005,-
C614 2203-000800 33nF,10%,25V,X7R,TP,1608,-
C302,C306,C319,C467 2203-000812 33pF,5%,50V,NPO,TP,1005,-
C610 2203-000836 390pF,10%,50V,X7R,TP,1005,-
C325 2203-000854 39pF,5%,50V,NPO,TP,1005,-
C128,C136 2203-000885 4.7nF,10%,25V,X7R,TP,1005,-
C304,C357,C810,C819 2203-000940 470pF,10%,50V,X7R,TP,1005,-
C862,C867 2203-000940 470pF,10%,50V,X7R,TP,1005,-
C321,C350,C377,C647 2203-001017 4pF,0.25pF,50V,NPO,TP,1005,-
C518,C519 2203-001072 56pF,5%,50V,NPO,TP,1005,-
C165, C166, C167, C168 2203-001101 6.8nF,10%,25V,X7R,TP,1005,-
C507,C513 2203-001153 68pF,5%,50V,NPO,TP,1005,-
C315,C540 2203-001178 6pF,0.5pF,50V,NPO,TP,1005,-
C314,C339 2203-001201 7pF,0.5pF,50V,NPO,TP,1005,-
C131,C139 2203-001211 8.2nF,10%,50V,X7R,TP,1608,-
C410,C430 2203-001221 820pF,10%,50V,X7R,TP,1005,-
C613 2203-001259 8pF,0.5pF,50V,NPO,TP,1005,-
C169 2203-001402 220nF,+80-20%,16V,Y5V,TP,1608,
C523 2203-001408 270pF,5%,50V,COG,TP,1608,-
C170,C171,C172,C173 2203-001598 2.2uF,+80-20%,16V,Y5V,TP,2012,
C429 2203-002525 560pF,10%,50V,X7R,TP,1005,-
C317,C991,C993,C954 2203-003054 9PF,0.25PF,50V,CH,TP,1005,-
C969,C996,C997 2203-003054 9PF,0.25PF,50V,CH,TP,1005,-
C313,C341,C353 2203-005050 1.8pF,0.25pF,50V,NPO,TP,1005,-
C210,C528,C603,C644 2203-005054 4.7pF,0.25pF,50V,NPO,TP,1005,-
Downloaded from www.Manualslib.com manuals search engine

2-6Electrical Parts List
LOCATION DESCRIPTIONSSEC.CODE
C606 2203-005057 8.2pF,0.25pF,50V,NPO,TP,1005,-
C100,C102,C106,C107 2203-005061 100nF,+80-20%,16V,Y5V,TP,1005,
C126,C134,C141 2203-005061 100nF,+80-20%,16V,Y5V,TP,1005,
C201,C204,C205 2203-005061 100nF,+80-20%,16V,Y5V,TP,1005,
C206,C214,C254,C258 2203-005061 100nF,+80-20%,16V,Y5V,TP,1005,
C259,C260,C261,C322 2203-005061 100nF,+80-20%,16V,Y5V,TP,1005,
C358,C363,C372,C500 2203-005061 100nF,+80-20%,16V,Y5V,TP,1005,
C608,C618,C634,C800 2203-005061 100nF,+80-20%,16V,Y5V,TP,1005,
C851,C853,C855,C869 2203-005061 100nF,+80-20%,16V,Y5V,TP,1005,
C874,C901,C902,C903 2203-005061 100nF,+80-20%,16V,Y5V,TP,1005,
C904,C905,C961,C964 2203-005061 100nF,+80-20%,16V,Y5V,TP,1005,
C971,C972,C973,C974 2203-005061 100nF,+80-20%,16V,Y5V,TP,1005,
C990 2203-005061 100nF,+80-20%,16V,Y5V,TP,1005,
C257,C364,C533,C534 2203-005065 1uF,+80-20%,10V,Y5V,TP,1608,-
C535,C536,C638,C669 2203-005065 1uF,+80-20%,10V,Y5V,TP,1608,-
C830,C831,C872 2203-005065 1uF,+80-20%,10V,Y5V,TP,1608,-
C127,C135 2203-005138 1.8nF,10%,50V,X7R,TP,1005,-
C342,C645 2203-005158 2.2pF,0.25pF,50V,NPO,TP,1005,0
C629 2203-005195 10nF,5%,25V,COH,TP,3216,-
C349 2203-005234 1.2pF,0.25pF,50V,NPO,TP,1005,0
C602,C646 2203-005444 3pF,0.1pF,50V,NPO,TP,1005,-
C957,C962 2203-005481 47nF,10%,10V,X7R,TP,1005,-
C963 2203-005481 47nF,10%,10V,X7R,TP,1005,-
C365,C616,C955 2203-005562 10uF,+80-20%,10V,Y5V,TP,3216,-
C108,C200,C211,C262 2203-005607 10NF,10%,16V,X7R,BK,1005
C333,C359,C360,C433 2203-005607 10NF,10%,16V,X7R,BK,1005
C435,C531,C600,C601 2203-005607 10NF,10%,16V,X7R,BK,1005
C605,C607,C615,C620 2203-005607 10NF,10%,16V,X7R,BK,1005
C622,C626,C627,C630 2203-005607 10NF,10%,16V,X7R,BK,1005
C636,C801,C828,C850 2203-005607 10NF,10%,16V,X7R,BK,1005
C852,C854,C859,C870 2203-005607 10NF,10%,16V,X7R,BK,1005
C979,C612 2203-005607 10NF,10%,16V,X7R,BK,1005
C252,C253 2404-000203 3.3uF,10%,16V,-,TP,3216,-
C953 2404-001039 47uF,20%,6.3V,GP,TP,3528,-
C464,C871,C873 2404-001083 220uF,20%,6.3V,LZ,TP,7125,-
C203 2404-001086 4.7uF,20%,6.3V,GP,TP,2012,-
C103,C104,C255,C256 2404-001105 10UF,20%,6.3V,GP,TP,2012
C436,C805,C806,C816 2404-001105 10UF,20%,6.3V,GP,TP,2012
C817,C826,C827,C832 2404-001105 10UF,20%,6.3V,GP,TP,2012
C845,C860,C861,C868 2404-001105 10UF,20%,6.3V,GP,TP,2012
L126,L128 2703-000217 470uH,10%,2.5x3.2x2mm
L127,L129 2703-001071 330uH,10%,3.2x2.5x2mm
Downloaded from www.Manualslib.com manuals search engine

2-7 Electrical Parts List
LOCATION DESCRIPTIONSSEC.CODE
L302 2703-001172 100nH,5%,1.6x0.8x0.8mm
L401 2703-001174 33nH,5%,1.6x0.8x0.8mm
L301,L303,L320,L501 2703-001732 56nH,5%,1.6x0.8x0.8mm
L327 2703-001179 10nH,5%,1x0.5x0.5mm
L175 2703-001290 2.7nH, HK1608 1.6x0.8x0.8mm
L307,L326 2703-001263 4.7nH,10%,1x0.5x0.5mm
L502,L503 2703-001308 68nH,5%,1.6x0.8x0.8mm
L600 2703-001409 12nH,10%,1x0.5x0.5mm
L250,L324 2703-001595 47nH,5%,1.0x0.5x0.5mm
L325,L402 2703-001708 5.6nH,10%,1.0x0.5x0.5mm
L800 2703-001716 22uH,20%,6.60x4.45x2.92mm
L323 2703-001722 18nH,5%,1.0x0.5x0.5mm
L321,L322,L405,L406 2703-001723 33nH,5%,1.0x0.5x0.5mm
L504,L505 2703-001723 33nH,5%,1.0x0.5x0.5mm
L500,L507 2703-001726 27nH,5%,1x0.5x0.5mm
L328,L329,L602 2703-001727 22nH,5%,1x0.5x0.5mm
L604 2703-001728 1.5nH,0.3nH,1x0.5x0.5mm
L308 2703-001730 15nH,5%,1x0.5x0.5mm
L305,L309,L403,L607 2703-001734 6.8nH,5%,1x0.5x0.5mm
L306,L310,L319 2703-001735 3.9nH,10%,1x0.5x0.5mm
L603,L606 2703-001737 2.7nH,0.3nH,1x0.5x0.5mm
L251 2703-001740 10uH,20%,6.6x4.45x2.8mm
L300,L601 2703-001794 120NH,2%,1.8X1.12X1.02MM
L318 2703-001798 2.2NH,0.3NH,1.0X0.5X0.5MM
X201 2801-003747 .032768MHZ,30PPM,28-ACM,9PF,50OHM,TP
X600 2806-001190 1171-1216MHZ,-,-,TP,3V,8MA
X501 2806-001194 1747MHZ,-,10-+2.0DBM,TP,2.75V,-
X500 2806-001199 897.5MHZ,-,-,TP,3V,60MA
X601 2809-001220 13MHz,5ppm,10Kohm//10pF,TP,3V,
F305 2903-001203 BP,13MHZ,-,6DB,1DB,TP,-
F303 2904-001093 1842.5MHz,75MHz,1dB,TP,-,-
F300 2904-001146 246MHz,QCC12B,TP,4dB,LOW-LOSS,
F301 2904-001147 942.5MHz,DCC6,TP,2.3dB,LOW-LOS
F304 2904-001170 1.8425GHZ,-,1.0DB,TP,1805-1880MHZ/2.4DB,1765MHZ-1785MHZ/15DB
F302 2904-001175 942.5MHZ,35MHZ,1DB,TP,3.2DB,619MHZ-905MHZ/27DB
U401 2909-001086 942.5MHZ,897.5MHZ,1.1/1.1DB,TP,-,-
F200,F201 3301-001208 AB,1.6x0.8x0.8mm,-,-
J100 3709-001088 6P,2.54mm,SMD-S,AU
M950 3710-001105 2P,1R,1.27mm,SMD-S,AU
J151 3710-001117 24P,2R,0.8mm,SMD,SN
J176 3710-001302 18P,1R,0.5mm,SMD-A,AUF
J901 3722-001303 6P,2.6mm,AG,BLK,NO
Downloaded from www.Manualslib.com manuals search engine

2-8Electrical Parts List
LOCATION DESCRIPTIONSSEC.CODE
C863 4302-001081 -,.25MAH,COIN,0.03MA,-,-
U401 4709-001174 890~915/1710~1785MHZ,14DB,24DB,2.0X1.25X1.0,TP
J180 GH07-00007A SGH-2100,UG-11B02-FLHTX-A,-,-,38.4X47.7X5.0
W176 GH39-00022A SGH-2100,HANKHE SEMI ANTCABLE,-,-,-,-
Downloaded from www.Manualslib.com manuals search engine

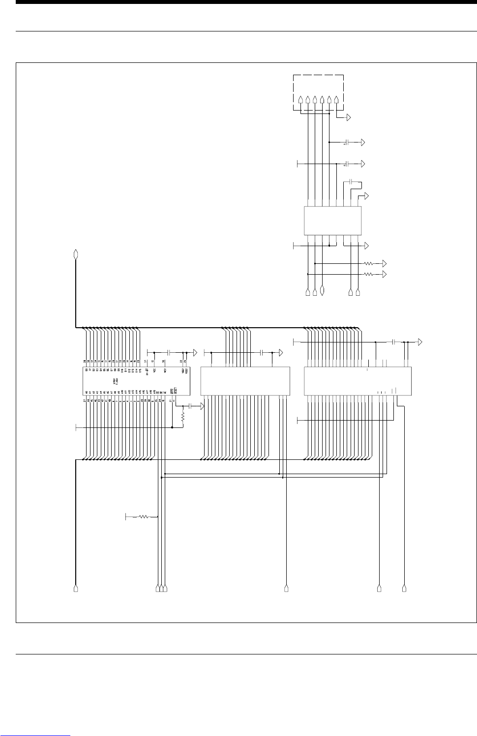
3 Block Diagrams
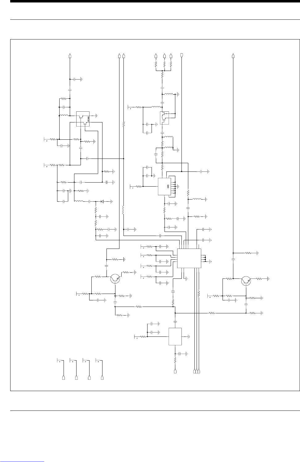
3-1 Main RF
3-1 Block Diagrams
SAW
DCS
GSM
GSMTX2 DCSTX2
RxEN_FEDCS
RxEN_FEGSM
U401
SAW
F304F303
F301 F302
U300
Q300
RxEGSM
(925~960MHz)
RxDCS(1805~1880MHz)
TxEGSM(880~915MHz)
TxDCS(1710~1785MHz)
U305
DUAL
COUPLER
U405
DET. DCSPAM U408
TXPOWER
SAW SAW BPF
246MHz
F300
Dip.
RXLO1DCS
2051.2~2125.8MHz
BANDSEL
DEMODEN
EGSM:1171.2~1216MHz
EGSM:493~518MHz
DCS:498~519MHz
DCS:310.8MHz
GSM:295.8MHz
DCS:2019.2~2125.8MHz
PLLEN
TXEN1
QRXP
IRXP
VMID
RXLO3
13MHz
TXEN1
DCSTX1
TXEN1 GSMTX2 DCSTX2
GSMPAM U402
GSMTX1 Dip. BPF Mod.
QTX
REF
13MHz
QTXI
ITX
ITXI
VCO
LPF PDF
U500
1/5 BPF
1/3
VCO
X501
X500
DUAL
PLL
DUAL
VCO VCO X2
Ref
Osc
BPF
U301
RXLO1GSM
1171.2~1205.8MHZ
RXLO2
259MHz
F305
PLL
O˚
90˚
LNA VGA
LNA
OP
amp
PA
PA
Downloaded from www.Manualslib.com manuals search engine

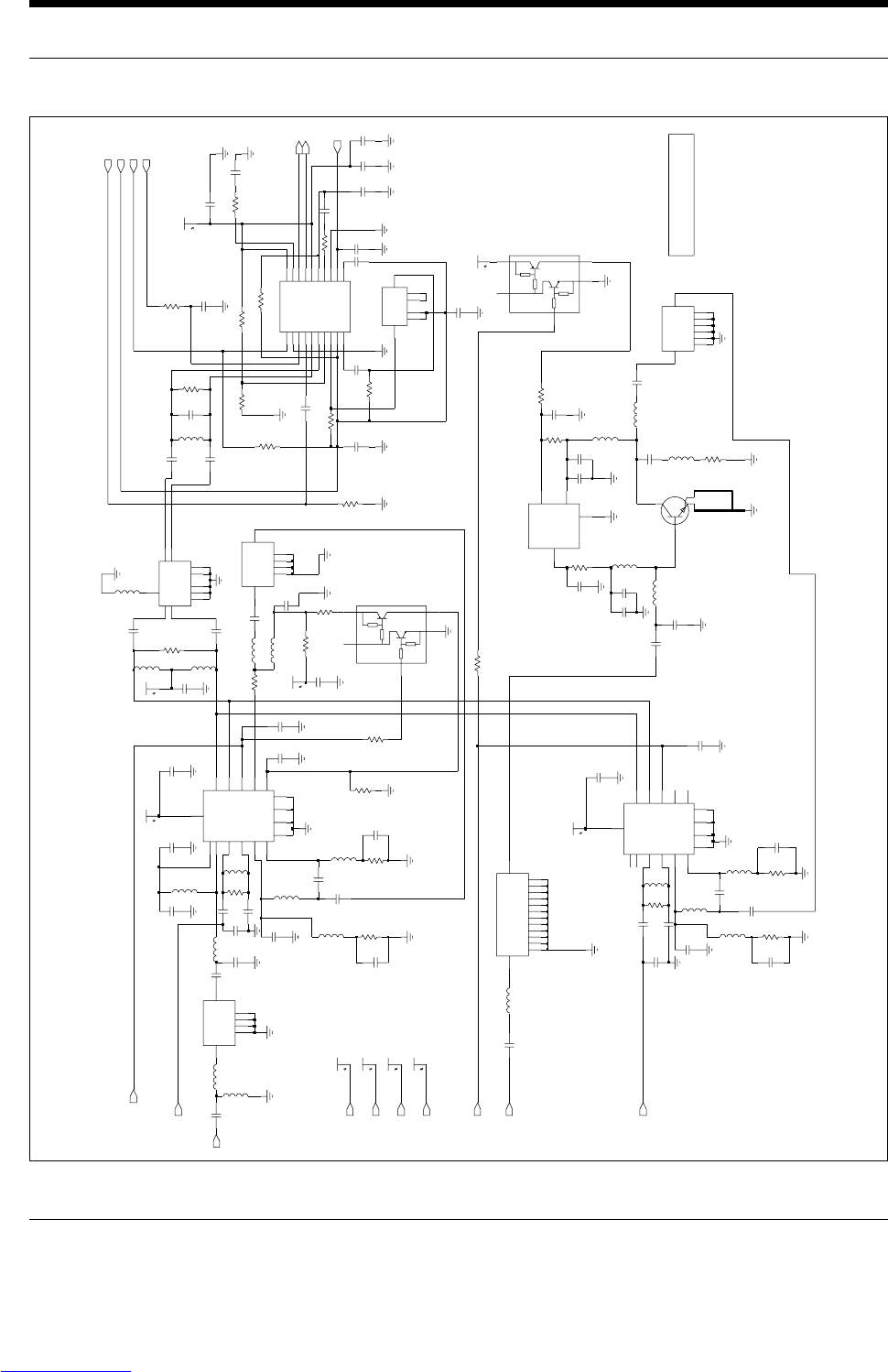
Block Diagrams 3-2
3-2 Main Base Band
VCC
SYSTEM
CLOCK
SYSTEM
RAM 4M
FLASH
ROM 16M
EEPROM 128K
8M ROM (Voice
Recognition)
KeyPad
Graphic LCD
(115*60)
SIM Card
B.B Interface
POWER
Circuit
GSM/DCS
RF interface
Serial Data
Interface
+3V SIM Card
+5V SIM Card
Battery Voltage
Battery
Temperature
GSM PLL
3V Tx
AVCC
RF PSU
Multi
Switch
Array
I/O Interface
A/D Interface
I/O BB Filter
PLL
GSM/DCS
VOCODER
Memory
Charging Circuit
Li_lon Battery (3.6V)
GSM/DCS
KERNEL 5
DCS PLL
GSM Tx
DCS Tx
GSM PSU
DCS PSU
Downloaded from www.Manualslib.com manuals search engine

Block Diagrams 3-4
3-4 Desk Top Charger
CHOKE COIL
Switching TR
Circuit
UVLO
Overcurrent Protector
2nd Regulator
Reference
Voltage
Overheat
Protector
Feed Back
LED
MPU
Filter FET Switch
INPUT
9V DC FRT 4.1V
FET Switch
REAR 4.1V
Static Current Circuit
Static Voltage Circuit
Battery Type Detector
Charge Voltage Detector
Charge Voltage Selector
Downloaded from www.Manualslib.com manuals search engine

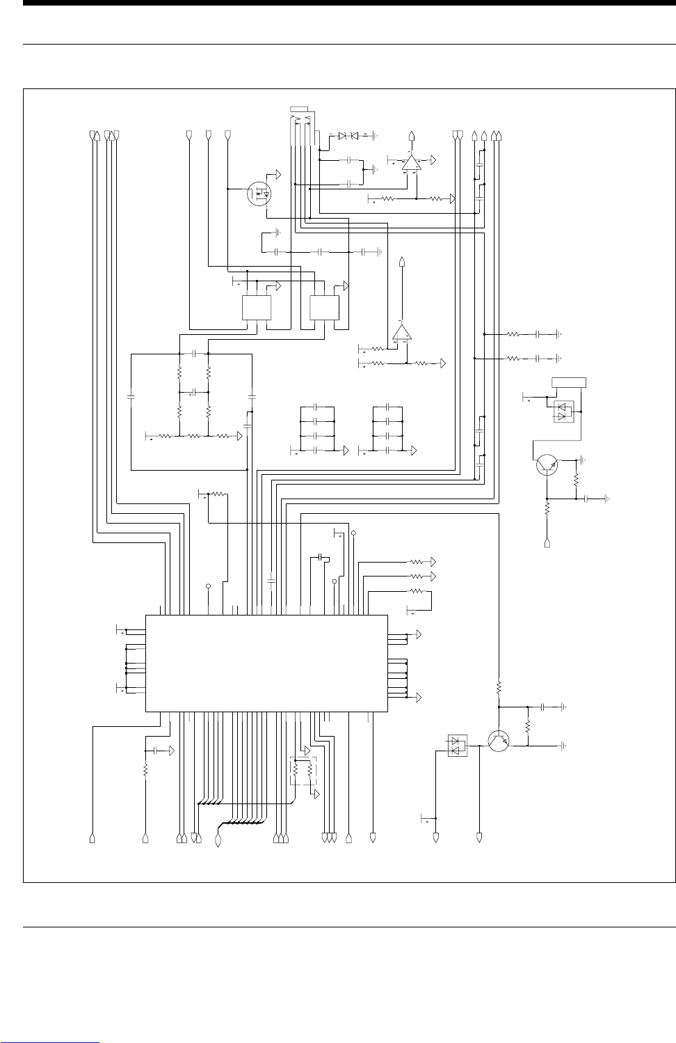
5. Schematic Diagrams
5-1 Top Level
5-1 Schematic Diagrams
TXPOWER
ITX1
QRXP
QTX1
+3VDC
+3VLNADCS
+3VLO1
RXEN_FEDCS
POWER_ON
+3V_RTC
TXEN2
+VBATT
VAGC
TXEN1
VMID
DEMODEN
GSMTX2
ITX
QRXP
+3VMD
+3VTX
GSMTX2
RXEN_FEGSM
CLK13M
_RESET
+3VBBAVCC +VBATT
+3VLNAGSM
+3VLO1
+3VLO2
+3VMD
+3VPLL
RF_ON_OFF
STARTUP_VOLTS
SYNDATA
_RESET
AFC
STARTUP_VOLTS
ANT
BANDSEL
DCSTX2
GSMTX1
TXPOWER
_BANDSEL
+3VDEMOD
+3VLNAGSM
+3VLO2
+3VPLL
+3VX
IRXP
DCSTX1
DEMODEN
TXEN2
ITX
POWER_ON
QTX
+3VTX
+3VX
SYNCLK
+VBATT
SYNEN
AFC
+3VDC
ANT
BANDSEL
AVCC
CLK13M
+3V_RTC
RF_ON_OFF
RXEN_FEGSM
SYNCLK
SYNEN
DCSTX2
GSMTX1
IRXP
ITX1
QTX
RXEN_FEDCS
VMID
_BANDSEL
_RESET
DCSTX1
+3VBB
+3VLNADCS
QTX1
VAGC
SYNDATA
TXEN1
+3VDEMOD
Downloaded from www.Manualslib.com manuals search engine

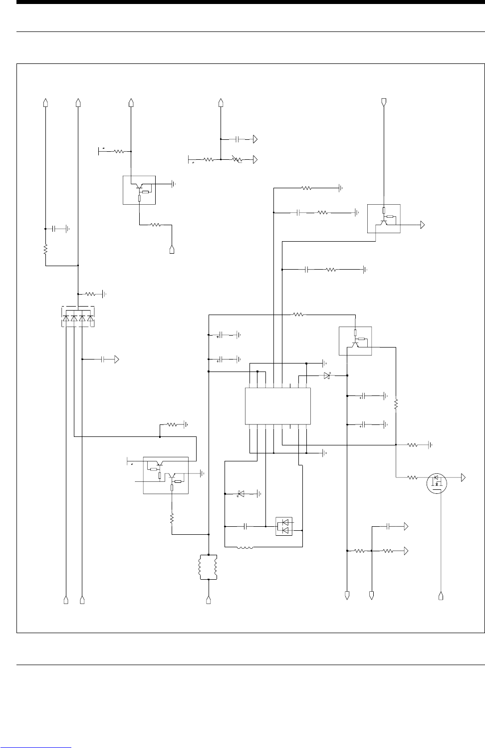
5-2Schematic Diagrams
5-2 Radio
+3VPLL
+3VLO2
+3VLNAGSM
+3VX
QRXP
IRXP
VMID
CLK13M
DCSTX1
GSMTX1
+3VMD
+3VLO1
SYNDATA
ITX
QTX
SYNCLK
AFC
SYNEN
ITX1
QTX1
VAGC
RXEN_FEDCS
RXEN_FEGSM
DEMODEN
DCSTX2
ANT
+VBATT
+3VTX
BANDSEL
_BANDSEL
TXPOWER
TXEN2
TXEN1
GSMTX2
+3VDC
+3VDEMOD
+3VLNADCS
RXL03SYNDATA
AFC
CLK13M
_BANDSEL
SYNEN
+3VPLL
+3VX
TXL02
TXPOWER
TXDCS
GSMTX2
ITX
TXGSM
QRXP
RXDCSIN
RXGSMIN
RXL01GSM
RXL02
RXEN_FEGSM
RXL03
SYNCLK
TXEN2
TXEN1
BANDSEL
IRXP
RXDCSIN
DEMODEN
RXEN_FEDCS
RXL02
TXL01
+3VLNADCS
+3VTX
TXGSM
RXL01DCS
DCSTX1
+3VLO1
+3VLO2
TXL01
VAGC
+3VDC
TXEN1
RXGSMIN
ITX1
DCSTX2
TXL02
GSMTX1
+3VMD
ANT
VMID
+VBATT
QTX1
TXDCS
+3VTX
+3VMD
QTX
+3VLNAGSM
RXL01DCS
RXL01GSM
+3VDEMOD
Downloaded from www.Manualslib.com manuals search engine

5-3 Schematic Diagrams
5-3 Main VCO and Local
SYNCLK
SYNDATA
SYNEN
AFC
TXL02
+3VLO1
+3VLO2
+3VPLL
TXL01
RXL01GSM
RXL01DCS
+3VX
RXL02
RXL03
CLK13M
C630
10nF _BANDSEL
U603
PLL
CLK
11
18
CPOIF
CPORF
DATA
16
FINIF
FINRF 5
10FO_LD
GND
9
4
GND1
7
GND2
14
GND3
17
GND4
LE
13
8OSCIN
VCCIF
201
VCCRF
19
VPIF
VPRF
2
15
_FINIF
_FINRF 6
C608
100nF
3
12
1uF
C638
390pF
C610
220
R644
L604
1.5nH
10
R602
R641
SOT
+3VPLL
22nH
L602
R629
+3VX
C601
3K
OUTPUT
VCC
VCONT
L605
SOT
10nF
C620
10nF
X601
13.0Mhz TCO-999
GND
C616
10uF
C611
22pF
12nH
L600
1.8K
R611
1K
C643
R655
R653
100
R650
SOT
+3VLO2
10
10nF
C647
4pF
10K
C629
BFS17W
Q601
+3VX
10K
R637
R630
10
R633
L607
27pF
C632
1nF
6.8nH
100pF
C642
R610
150K
C641
10nF
C605
C623
10nF
+3VPLL
+3VLO2
1uF
C669
200
R613
4.7pF
R645
3R9
2.7nH
3.9R
R652
R622
22K
C644
3.9nF
L603
C602
+3VLO1
33nF
C609
3pF
C614
+3VLO1
SOT
R614
100pF
180K
R643
C603
C628
C607
4.7pF
C633
10nF
C639
27pF
SOT
R642
27pF
0
R647
10K
R605
R601
10
R607
10
C625
150pF
C624
1nF
+3VLO2
18
R625
R612
820
R619
1.2K_1%
18
R627
R609
2.7K
1nF
C637
BFS17W
R648
51
Q604
C617
100
R621
8pF
C613
R617
120
22pF
L606
R632
SOT
150K
2.7nH
120nH
R639
L601
2.2K
0
R624
10nF
C622
100nF R640C634
10nF
C626
51
R649
18
R623
C636
10nF
+3VX
2.2pF
C645
1
GNDGND1
4
RF_IN23RF_OUT
R615
SOT
U604
SOT
R604
R651
22
R618
180K
C646
3pF
+3VPLL
10nF
C615
12pF
R646
1K
22
R654
C604
1nF
C612
10nF
C621
10nF
C600
+3VX
3.3K
R608
10
R638
10nF
+3VLO1
+3VPLL
R626
3R9
0
R631
Q600
C627
TRANSISTOR
SMV1249-001
1
4
63
25
C618
100nF
D600
6.2K
R606
+3VPLL
6.2K
R628
8.2pF
6.8K
R603
12 11
2347 89
OUTPUT 6
10
SW
C606
100pF
C635
X600
DUALVCO
VB
5
VC
1
0603,2%
0805
COG
0603
0603
1206
0603
1206
COG
Downloaded from www.Manualslib.com manuals search engine

5-4Schematic Diagrams
5-4 Receiver
RXL03
RXEN_FEDCS
RXDCSIN
DEMODEN
RXGSMIN
RXL02
VAGC
RXL01DCS
QRXP
IRXP
+3VLNAGSM
+3VLNADCS
+3VDC
+3VDEMOD
RXL01GSM
VMID
RXEN_FEGSM
SOT
C382
C381
SOT
0
R327
2.7K
R309
22pF
C376
1nF
C375
1uF
C364
47K
R353
+3VLNAGSM
47K
R352
R359
SOT
FILTER
C303
100pF
12
IN
1
IN-R
2OUT 7
OUT-R 8
R305
51
C313
F300
B4818
10
COIL
GND1
3
GND2
4
GND3
6
GND4
9
GND5
+3VDEMOD
1.8pF
22nH
R317
180
C333
+3VDC
F303
TDF18321
FILTER
L328
GND1
13 GND10
14 GND11
4GND2
5GND3
6GND4
GND5
7
9GND6
10 GND7
11 GND8
12 GND9
10nF
DEMODULATOR
U301
COM1
GND
2
3
FLTR
GAIN-RS 12
7GREF
10 IFHI 11
IFLO
IFOP 14
IOUT 18
LOIP
4
8MXOP
3PRUP 17
QOUT
RFHI
6
5
1IN OUT 8
VPS2 16
C373
1nF
2
13
COM2
15
DMIP
1FDIN 19
R362
160
RFLO
VMID
9
VPS1 20
15nH
L308
C325
39pF
100nF
C372 R363
10K C374
22pF
F304
GND
1
GND1
3
GND2
4
GND3
10pF
C348
33nH
FILTER
B4693
C314
5
GND4
7
GND5
8
IN
26
OUT
L321
7pF
56nH
330R356
L320
3.3K
1.8pF
C353
R354 C357
C356
1nF
C360
470pF
+3VLNADCS
C363
10nF
C317
9pF
100nF100pF
C362
180
R316
FAR-F5CH-942M50-L2KM
0
R361
IN2 5
OUT
5.6nH
L312
FILTER
F302
GND1
1
GND2
3
GND3
4
GND4
6
L322
SOT
C369
33nH
C307
L323
18nH
10pF
SOT
L311
330
R365
C358
L327
R311
100nF
L306
10nH
180
+3VDEMOD
3.9nH
33pF
C306
C321
4pF
L302
MO
100nH
GND3
MIXER
U305
2AI
15
AO
1AREF
16GC
GND1
3
GND2
414
GND3GND4
10
9LO
LOX
8
11 MI
MIX12
5
MOX 6
13
STB
VCC
7
FILTER
F301
1GND1
3GND2
4
6GND4
IN
2OUT 5
R308
L300
120nH
4.7nH
L307
10
C322
100nF
L309
6.8nH
C367
SOT
GND
5
1IN
NC
36
OUT 4
1nF
C361
CFECS13.0ME23-TC
F305
FILTER
13MHz
2
L310
3.9nH
1nF
1nF
C371
C342
2.2pF
C354
R326
0
33pF
C302
C339
7pF
C341
1.8pF
C305
22pF
U303
UMC5N
1
2
3
4
6
+3VDC
100pF
C318
R360
SOT
L305
6.8nH
C315
C370
SOT
C310
6pF
R303
12pF
C319
1K_1%
33pF
L329
22nH
C304
1nF
C379
Q300
BFP405
470pF
C378
51
R364
332_1%
R355
22pF
BCR400
CONTR
GND
R351
U307
1nF
C351
REXT
Vs
4.7K
L318
2.2nH
1K_1%
R313
4.3K
R301
C359
10nF
C330
22pF
4pF
U300
AI
2
AO 15
AREF
1
GC 16
3
GND1
4
GND2GND3
14 10
C350
8LOX
MI
11
12 MIX
MO 5
6
MOX
STB 13
7
VCC
C316
15pF
MIXER
L326
GND4
LO
9
L319
3.9nH
5.6nH
4.7nH
R306
180
1
L325
47nH
L324
U302
UMC5N
2
3
4
6
27
NC
R304
100pF
10pF
C300
330
C380
10uF
C368
C352
R357
R300
C365
C349
1nF
100pF
C337
20K
L301
1.2pF
C311
+3VLNAGSM
56nH
L303
56nH
1nF
+3VLNADCS
+3VDC
C346
2pF
+3VDC
4pF
C377
(1608)
(3216)
(2%)
(1608)
(1608)
NOTE
(1608)
COIL CRAFT : L300,L301,L303,L320
(1608)
(1608)
Downloaded from www.Manualslib.com manuals search engine

5-5 Schematic Diagrams
5-5 Modulator & Tx Vco
5
TXL02
5
55
5
TXEN1
5
TXGSM
5
TXDCS
5
QTX
TXL01
ITX1
QTX1
5
+3VMD
5
5
5
5
DCSTX1
ITX
12pF
C539
BANDSEL
5
GSMTX1
C523
470
R515
1.5nF
+3VMD
270pF C524
C531
10nF
6pF
C516
100pF
R529
1K
C540
C538
NC
R526
330
R531
0
1nF
C522R521
11K100pF
C521
X500
CONTROL
GND1
GND2
GND3
GND4
OUTPUT
SUPPLY
68nH
L503
3R9
R514C515
+3VMD
33nH
R520
51
L504
22pF
C507
27nH
68pF
R510
200
R527
10
L500
C509
+3VMD
CONTROL
GND1
GND2
GND3
GND4
OUTPUT
SUPPLY
+3VMD
100pF
L507
X501
R525
820
27nH
NC
C537
51
R519
+3VMD
2N7002
Q500
D
G
S
+3VTXVCOGSM
100pF
C508
+3VTXVCOGSM
+3VMD
L502
68nH
100K
R528
+3VMD
4.7pF
C528
U501
TP0101T
D
G
S
100pF
C510
27pF
R512
C502
TP0101T
U502
D
G
S
910
240
R522
+3VTXVCODCS
+3VTXVCODCS
1uF
R500
10
C534
R530
NC
100nF
C500
12pF
C514
1uF
C535
470
R516
10
R503
0
C525
SOT
51
R505
1nF
C526
C504
R511
1uF
NC
27pF
R523
3R9
C536
C511
C533
1uF
56nH
L501
GND3
10
GNDP
I
28
MC
15
3MDLO
5
MDO
20 MIXLO
MIXO 25
R504
10
PUMIX
1Q
RD13
RF 22
7
VS1 VS2
21 26
VS3 VSP
8
PLL
U500
CPC11
CPO 9
4
GND1GND2
18 24
C503
16
ND
NI
27
6
NMDO
NND 17
NQ
2
14 NRD
23
NRF
19
PU 12
C501 100pF
R501
100pF
12pF
10
C518
C512
10
C517
56pF
R502
10
R524 L505
27pF
33nH
SOT
C532
27pF
C520
27pF
C529
56pF
C519
C513
68pF
470
R518
22pF
C505
C530
27pF
10
R517
C527
R507
910
C506
NC
+3VMD
22pF
0805
COG
0603
COG
1608
1608
1608
0603
0603
1608 1608
Downloaded from www.Manualslib.com manuals search engine

5-6Schematic Diagrams
5-6 Transmit Output Stage
5
+3VTX
5
TXEN1
5
5
+VBATT
5
TXGSM
RXDCSIN
RXGSMIN
ANT
TXDCS
TXPOWER
5
5
5
5
5
DCSTX2
5
5
91
R429
5
GSMTX2
5
DCSTX2
33pF
C467
27pF
C459
R431
39
U414
TC7S66FU
4CONT
GND 3
IN 1
OUT 2
5VCC
L402
5.6nH
+3VALC
R413
560
4-V
2
1
C457
27pF
LM7131ACM5
U406
OPAMP
3+
5
+V
-
150
R430
1.2K_1%
R434 R435
1.8K_1%
27pF
27pF
C454
2
GND1 GND2
6
PORT1_GSM_IN
1PORT2_GSM_OUT 7
PORT3_DCS_IN
35
PORT4_DCS_OUT
PORT5_COUPLING_OUT
84
PORT6_TERMINATION
+3VALC
C428
R416
12K_1%
COUPLER
U405
27pF
C458
+3VALC
R410
51
+3VALC
C464
220uF,6V
150
R432
R415
1K_1%
GND2
4
GND3
6
GND4
8
PIN
R409
3.3K_1%
2
ANT
16
DCSRx
13 DCSTRx 3
+3VTX
POWER_AMP
U402
GND1
2
GSMTRx
4
VC1
14
VC2
17
POUT
VAPC 3
5
VDD
U401
RF_SWITCH
GND1
5 GND2 6GND3
8 GND4 10GND5
11
GND6
12
GND7
15
GND8
1
GND9
9
GSMRx
7
100pF
C416
L405
33nH
R407
3.9K
+3VTX
820pF
R417
680
C415
+3VDCS
+3VDCS
SOT
R446
C430
R414
8.2K_1%
22pF
27pF
+3VGSM
C460
82
R428
HSMS-2805-L31
D400
51
R420
D401
MCL4154
R418
10K
10uF,6.3V
10K
R419
6.8nH
L403
VCC
5
C436
TC7S66FU
U413
CONT
43
GND
1
IN
2
OUT
C410
+3VALC
C405
27pF
C418
27pF
820pF
10nF
R427
91
C433
120
R404
220pF
C409
L401
33nH
+3VGSM +3VTX
+3VTX
R412
22K_1%
GND4
1PIN POUT 7
3
VAPC
VDD
5
C423
27pF
U408
POWER_AMP
2GND1
4GND2
6GND3
8
L406
560pF
C429
33nH
10nF
120pF
C445
100pF
C435
R445
68
C411
R406
120
+3VALC
7125
1608
Downloaded from www.Manualslib.com manuals search engine

5-7 Schematic Diagrams
5-7 Base Band Block
TXSFM
VAGC
+3VBB
+VBATT
REED
REFADCN
TXEN1
CHRG_CURRENT
LCD_EN
RTC_ON_OFF
SIMCLK
AVCC
A(0:20)
LCD_WR
MIC-
DCIN
TXRDY
BAT_TYPE
WR
BBFILTEN
BFI
BOOT
TXCLK
RXRDY
DCSTX2
KQRX1
SPK2P TXDATA
TXSFMBAT_VSET
CLK13M_K
SIM_5V3V
MIC2N
RS232_CTS
RS232_RXD
RXDATA
SIMALIM
ITX
GSMTX1
GSMTX2
KEYBOARD_ROW(0:4)
REFADCP
KQRX
RXEN_FEGSM
LCD_A2
LCD_WR
RXSFM
CF
SPK2N
AVCC
REFTXN
+VBATT
RF_ON_OFF
+VBATT
WR
SCL
+VBATT
SPK2N
VF
LCD_EN
D(0:15)
KEYBOARD_COL(0:4)
RD
RXSFM
DCVOLT
SDA
ITX1
KEYBOARD_COL(0:4)
KIRX
ON_OFF
RXRDY
SP
REFADCP
MIC2P
REFTXP
RS232_RTS
RI_LIGHT
_RESET
ANT
LCD_A2
SCL
CHRG_CURRENT
CHG_ON
TEMPERATURE
KIRX
+3VBB
SP
RS232_CTS
SYNDATA
TXEN2
_RESET
SIMALIM
+VBATT
CHG_ON
RXEN_FE
D(0:15)
+3VBB
RTC_ON_OFF
STARTUP_VOLTS
TEMPERATURE
_RTC_INT
uP_ON_OFF
AVCC
_BANDSEL
MIC-
BAT_VOLT
CSROM
RS232_RTS
BBFILTEN
TXPOWER
TXRDY
REFTXN
RXDATA
BANDSEL
+VBATT
CSROM
REFADCN
RD
KIRX1
REFTXP
KQRX1
RXEN_FEDCS
CLK13M_K
BOOT BAT_VSET
DCVOLT
RS232_RXD
RS232_TXD
SPK2P
AVCC
KQRX
RS232_TXD
+3VBB
SDA
CS_FLASH2
KEYBOARD_ROW(0:4)
RXCLK
BACKLIGHT
RXEN_FE
CHK_BAT
QTX
DCIN
WR
MAX_VOLT
CF
POWER_ON
TXEN2
SIMRST
BAT_TYPE
ON_OFF
SYNCLK
RI_LIGHT
SYNEN
AFC
A(0:20)
BACKLIGHT
SIMRST
CSRAM
uP_ON_OFF
QTX1
TXDATA
_RESET
CSVOC CHK_BAT
MAX_VOLT
CLK13M
CSRAM
MIC2P
CSVOC
CS_FLASH2
A(0:20)
QRXP
KIRX1
DCSTX1
VF
SIMCLK
SIMDATA
MIC+
SIM_5V3V
REED
STARTUP_VOLTS
+3V_RTC
SIMDATA
_RTC_INT
BAT_VOLT
TXCLK
BFI
TXEN1
D(0:15)
MIC+
MIC2N
RD
RXCLK
IRXP
D(0:15)
VMID
DEMODEN
BANDSEL
Downloaded from www.Manualslib.com manuals search engine

5-8Schematic Diagrams
5-8 Memory & SIM Schematic
CSRAM
CSROM
D(0:15)
D(0:15)
A(0:20) A(0:20)
SIM_5V3V
SIMALIM
SIMDATA
SIMRST
SIMCLK
RD
5
3
_RESET
WR
CS_FLASH2
16
+3VBB
10uF,6.3V
C103
3
D
4
13
12
7
13
11
11
+3VBB
6
12
2
5
12
15
16 14
D
10
1
6
100nF
C100
20
9
D
3
5
11
5
J100-5
5
15
12
7
+3VBB +3VBB
18
8
27 A0
44 A1
6
1
D
12
20
39 A17
A18
38
A2
45
46 A3
A4
43
42 A5
A6
41
A7
40
8A8
A9
15
10
U103
D11
D12 14
16
D13
D14 18
23
D15
32
D2
D3 34
13
D4 15
D5 17
D6
D7
A10
A11
5
4A12
A13
1
2A14
A15
3
A16
OE
11 RESET
37
RY-BY
12
VCC
VSS1 22
25
VSS2
10 WE
6
7
BYTE
21
26 CE
28
D0
D1 30
D10 33
35
8
J100-6
6
1
19
29
D8
D9 31
NC1 9
36
NC2
24
9
14
6
D
2
70
9
5
9
10
5
D
+3VBB
4
7
17
14
0
C108
10nF
3
19
2
D
+3VBB
3
1
9
4
7
C107
100nF
2
+3VBB
4
1
3
10KR104
46
17
18
19
14
R100
100K
17
8
13
18
4
+3VBB
10
6
13
D
8
8
11
D
11
14
7
20
2
13 A7
10
2
15
0
U105
20 A0
5
C102
19 A1
A10
31
1A11
12 A12
A13
4
11 A14
7A15
10 A16
A17
6
A18
9
18 A2
17 A3
16 A4
15 A5
14 A6
3A8
2A9
I_O1 21
I_O2 22
I_O3 23
I_O4 25
I_O5 26
I_O6 27
I_O7 28
I_O8 29
VCC 8
VSS 24
~CS
30 ~OE
32 ~WE
100nF
2
100K
R102
4DDRV
5DVCC
9
GND
I_O
J100-1
1
J100-2
CONVERTER
U102
11
C1+
C1- 10
1CIN 16
CLK
DATA
314
M0
8
M1
7
RIN
2RST 15
13
VCC
VIN 12
6_SS
3
C104
15
0
D
J100-3
4
D
R101
10uF,6.3V
100K
100nF
16
J100-4
13
(GND)
C106
SIM CONNECTOR
(RST)
(0805)
(VCCSIM)
(VPP)
(I/O)
(CLK)
(0805)
Downloaded from www.Manualslib.com manuals search engine

5-9 Schematic Diagrams
5-9 Vocoder
DAICLK 39
25
DAIRSTGPI05
13
GPIO0
53
52
3
72 A0
73 A1
74 A2
75 A3
76 A4
70 A5
80 AD0
AD1
1
AD2
2
AD3
RXCLK
A(0:20)
A(6)
A(5)
A(4)
A(3)
A(2)
A(7)
TXSFM
RXSFM
TXRDY
D(0:15)
D(7)
D(6)
D(5)
D(4)
D(3)
D(2)
D(1)
D(0)
RXDATA
RXRDY
TXCLK
TXDATA
CSVOC
RD
WR
BFI
SP
BBFILTEN
RI_LIGHT
VIBRATOR
MIC-
MIC+
SPK2P
SPK2N
EAR_SWITCH
MIC2N
MIC2P
CLK13M_K
SPK+
SPK-
BUZ-
HEADSET_EN
JACK_IN
RF_ON_OFF
_RESET
C962
BUZ+
AVCC
VC060305A150
AVCC
D819
47nF
10
R989
D
TP950
VIBRATOR
M950
1
2
R972
100K
A
R986
D
C963
47nF
AVCC
SOT
R969
0
R968
A
AVCC
A
R990
10
0
+3VBB
TC75W56FU
U960-A
Q950
2SD2114KT146
AVCC
9pF
C993
R981
16K_1%
C953
47uF
A
4
NO
6
V+
A
16K_1%
R979
R983
U962
COM
5
GND 3
IN 1
NC
TP953
2
D
14K_1%
DA221
C961
+3VBB
STARTUP_VOLTS
A
A
D901
C972
100nF
22nF
C950
100nF
AVCC
1K
D
R954
1nF
C966
R952
R978
0
10K
TP952
C995
NC
D
D
+VBATT
C997C996 9pF
100nF
9pF
TC75W56FU
C974
C970
U960-B
AVCC
+3VBB
+3VBB
15pF
R950
100nF
C990
330
C973
10K_1%
100nF100nF
C971
R987
10K
R984
DA221
D902
10K
R985
0
R955
AVCC
NC
R956
2
V+
9pF
C991
A
U963
5COM
3
GND
1
IN
4NC
6NO
G
S
A
2SD2114KT146
1K
R951
Q957-1
FDG6301N
D
C951
Q951
R970
15pF
9pF
100
100K
D
C954
NC
R975
R980
C969
330
R953
9pF
C968
15pF
C967
1nF
C959 15pF
+3VBB
C964
100nF
10K
R962
10uFC955
22nF
C956
C979
10nF
U950
VOCODER
C957
AD4
6
AD5
7
AD6
8
AD7
9
36
47nF
PCMIN 44
PCMOUT 46
68 PCMRDY
PWO1N 32
PWO1P
ALERTER
AVD 29
AVD_AMP 35
AVD_PLL 58
AVS
18
AVSUB
31
AVS_AMP
28
AVS_PLL
57
BFI
14
CSN
77
DAI1 37
38
DAI2
TXCLK
55
TXDATA
56
TXRDY
54
VDDI-1 5
VDDI-2
GPIO1
51 GPIO2
GPIO3
50
49 GPIO4
67 GSMRDY
64 H13M
65 INT1
66 INT2
MICREFN 26
MICREFP 27
MP
71
62 NRST
VSS_PLL
63
VXI1N 21
VXI1P 22
VXI2N 19
VXI2P
30
PWO2N 33
PWO2P 34
RDN
79
RXCLK 59
RXDATA 61
RXRDY 60
40
SDI1
SDI2 42
SDI3 43
SDI4 45
12 SP
C958
15
VDDI-3 48
VDDO-1 11
VDDO-2 16
VDD_PLL 69
VREFN 24
23
VREFP
VSSI-1
4
VSSI-2
47
VSSO-1
10
VSSO-2
17
VSSO-3
41
6
7
IN7
20
78 WRN
15pF
R963
J901
AUDIO-JACK
IN1
1
2
IN2
IN3
3
4
IN4
IN5
5
IN6
(3528)
10K
(0603)
(0603)
(1206)
SEE NOTE 1
24-8005-002-000-867
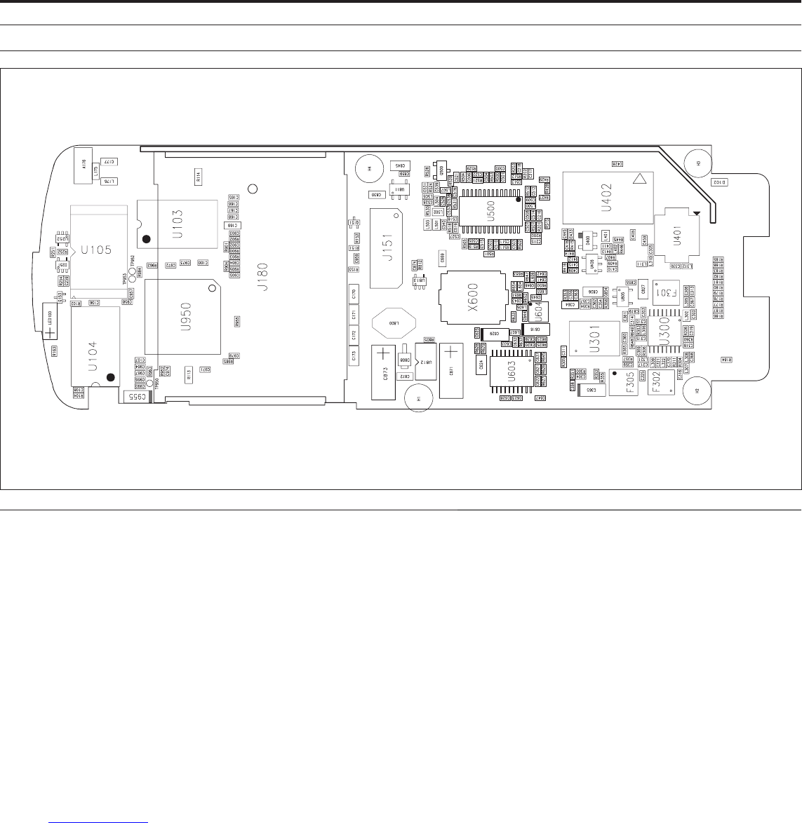
Downloaded from www.Manualslib.com manuals search engine

5-10Schematic Diagrams
5-10 Interface Connector
RS232_RXD
MAX4.2_BOOT
SPK2N
RS232_RTS
+VBATT
SCL
MIC2N
RS232_CTS
RS232_TXD
ANT
VC06LC18X500R
SPK2P
SDA
MIC2P
DCVOLT
VF
+3VBB
D177
SMS05C
1
2
3
D104
VC060305A150
A176
ANTENNA CLIP
VC060305A150
D103
D102
4
56
100R186
R185 100
D101
VC06LC18X500R
100R188
R177 100
100R178
10
R179 100
R181 10
R183 100
R180
1
2
34
56
D176
SMS05C
100R182
1
2
R187
R176 NC
D179
VC060314A300
R105 100
100
L175
2.7nH
0R184
SOT
L176
+3VBB
I18
19 I19
2I2
20 I20
2.2pF
C177
I8
9I9
+VBATT
INTERFACE CONNECTOR
J176
1I1
10 I10
11 I11
12 I12
13 I13
14 I14
15 I15
16 I16
17 I17
18
21 I21
22 I22
23 I23
24 I24
25 I25
26 I26
3I3
4I4
5I5
6I6
7I7
8
RF
COAX_CABLE
W176
0603
0603
SPK2N
GND2
0603
0603
DCVOLT2
MIC2N
VF
0603
GND4
MIC2P
SDA
0603
-VBATT
SCL
SPK2P
0603
DCVOLT1
+VBATT
GND5
BOOT
+3VBB
CTS
GND3
GND1
TXD
RTS
ANT
RXD
0603
CF
Downloaded from www.Manualslib.com manuals search engine

5-11 Schematic Diagrams
5-11 MMI Interface
(0805)
(0805)
(0805)
METAL SHIELD
(0805)
PCB FIXING HOLE
(0603)
(0603)
(UG-11B02)
(AXN324038)
(0603)
LCD CONNECTOR
MMI INTERFACE CONNECTOR
BACKLIGHT
+VBATT
D(15)
D(14)
D(13)
D(12)
D(11)
D(10)
D(9)
D(8)
MIC+
MIC-
BUZ-
BUZ+
STARTUP_VOLTS
+VBATT
KEYBOARD_ROW(0)
KEYBOARD_ROW(1)
ON_OFF
KEYBOARD_ROW(3)
KEYBOARD_ROW(4)
RI_LIGHT
KEYBOARD_ROW(2)
KEYBOARD_ROW(0:4)
D(8:15)
LCD_WR
LCD_A2
LCD_EN
J151-9
_RESET
J180-18
SPK+
SPK-
KEYBOARD_COL(0:4)
KEYBOARD_COL(1)
KEYBOARD_COL(2)
KEYBOARD_COL(3)
KEYBOARD_COL(0)
KEYBOARD_COL(4)
REED
19
18
J180-12 12
25
9
J151-19
+3VBB
J180-21
G3
J180-25
J180-13 13
J151-13 13
+3VBB
100
R163
21
H2
D
H4
C170 2.2uF
J151-14 14
2.2uFC171
J180-52 52
24
D
100K
R151
J151-20 20
J151-24
+3VBB
J151-23 23
J151-18 18
J151-15 15
H3
51
Q151
DTC114EETL
J180-43 43
10K
R152
J180-51J151-22 22
GND
IN
OUT
J151-11 11
J151-16 16
J180-24 24
D
J151-21 21
CL-150YG-CD-T
LED100
J180-11 11
J180-23 23
J180-19 19
J180-20 20
32
J180-22 22
D
G2
J180-1 1
J180-32
J151-12 12
J180-34 34
R153
100K
J151-8 8
J180-36 36
J151-2 2
J151-3 3
D
J180-16 16
J180-54 54
J151-4 4
J151-1 1
J151-10 10
J180-14 14
5
J151-6 62.2uFC173
J180-15 15
+VBATT
J151-5
C172
J180-29 29
J151-17 17
J180-9 9
30
J180-28 28
2.2uF
2SD2114KT146
Q152
J180-30
J180-17 17
J180-27
J180-26 26
J180-31 31
J180-38
J180-53 53
J180-35
27
D
J180-2 2
J180-40
38
40
J180-46 46
35
47R114
J180-4 4
4.7K
R162
J180-8
J180-10 10
J180-7
J180-6 6
J180-5 5
8
J180-3 3
J180-37
7
R113 47
7
J180-39
H1
44
37
J151-7
OUT
C165
C165, C166, C167, C168 changed to 6.8nF
39
J180-44
J180-47 47
Q153
DTC114EETL
GND
IN
49
47nFC166
47nF
J180-45 45
J180-49
41
100nFC167
J180-42 42
J180-41
48
C168 100nF
J180-33 33
J180-48
220nFC169
J180-50 50
1K
R160
Downloaded from www.Manualslib.com manuals search engine

5-12Schematic Diagrams
5-12 Kernel
2
R235
3
13
4
11
+3VBB
KEYBOARD_COL(0:4)
KQRX
KQRX1
TXPOWER
SYNDATA
SYNCLK
TXEN1
KIRX
RXEN_FE
5
SIMRST
SIMDATA
SIMCLK
SIMALIM
5
DEMODEN
BANDSEL
REED
KEYBOARD_ROW(0:4)
D(0:15)
5
AVCC
TEMPERATURE
LCD_EN
RS232_RXD
RS232_CTS
MAX4.2_BOOT
+3VBB
KIRX1
SIM_5V3V
BACKLIGHT
CHG_ON
VIBRATOR
DCIN
5
5TXEN2
JACK_IN
_RESET
LCD_WR
uP_ON_OFF
CS_FLASH2
CLK13M
VAGC
+3V_RTC
HEADSET_EN
RS232_RTS
RS232_TXD
CSRAM
CSROM
WR
RD
LCD_A2
A(0:20)
REFADCN
RXSFM
CSVOC
EAR_SWITCH
5
ITX
TXRDY
TXCLK
RXDATA
RXRDY
RXCLK
SP
BFI
TXSFM
BAT_VOLT
REFTXN
TXDATA
AFC
SCL
SDA
REFADCP
REFTXP
CLK13M_K
SYNEN
QTX
QTX1
ITX1
VF
10K
R232
14
18
D
100nF
C205
47nH
L250
D
R205
10K
12
+3VBB
+3VBB
47K
R218
+3VBB
11
10nF
C200
+3VBB
20
100pF
C215
AVCC
+3VBB
+3VBB
C216
10K
R238
100pF
0
2
0
R221
1K
100K
R209
2
10K
D
+3VBB
7
10K
R210
15
C214
100nF
2.2K_1%R203
D
D
4
D
5
+3VBB
9
100nF
+3VBB
0
+3VBB
+3VBB
+3VBB
DA
C206
C211
AVCC
8
8
3
+3VBB
3
15
D
R202 2.2K_1%
10NF
X201
9
CC4V-T1
32.768kHz
47K
R219
A
1
17
100K
R214
C217
1
+3VBB
100K
R213
D
100pF
2
1nF
C207
C218
100pF
6
6
3
+3VBB
4
AVCC
D
100nF
C201
C212
16
SOT
R200 2.2K_1%
100K
R222
1
7
+3VBB
1ADD0
131
ADD1
130
120 ADD10
119 ADD11
118 ADD12
117 ADD13
116 47K
R208
ADD4
127
ADD5
126
ADD6
125
124 ADD7
123 ADD8
121 ADD9
63
AFC-P
60
U200
AVS-3
65
BFI
26
BUSACK
38 BUSREQ
37
144
COL0
COL1 143
142
COL2 141
ADD14
114 ADD15
ADD16
113
ADD17
112
ADD18
111
110 ADD19
ADD2
129
ADD20
109
ADD3
128
CSVOC
134
CTS
16
DACK
84
104 DATA0
DATA1
103
DATA10
93
DATA11
92
DATA12
AGC-P
AUXV0 55
57
AUXV1
AUXVREFN 58
56
AUXVREFP
62
AVD-1
AVD-2 71
61 AVS-1
66 AVS-2
96 DATA7
95 DATA8
DATA9
94
48 DSR
DTR
7
30
EECS
138
EIRQN-EXTINT
GPIO0
COL3
COL4 140
36 CSCOD
CSDEC
35
135 CSRAM
133 CSROM
CSUSR1-AUXV2
81
CSUSR2-AUXV3
80
79 CSUSR3-AUXV4
106 GPIO8-ADD23
82
GPIO9-SIMDATA_OEN
68
I-IN-N
67
I-IN-P
52
I-OUT-N
51
I-OUT-P
LCDEN
136
46
91
DATA13
90
DATA14
87
DATA15
86
102 DATA2
101 DATA3
100 DATA4
99 DATA5
97 DATA6
50
Q-OUT-P
139 RDB
5
ROW0
ROW1 4
3
ROW2
ROW3 2
ROW4 1
15
72
73
GPIO1
GPIO10-WATCHDOG
29
74
GPIO2-EXTPROC
GPIO3-MSIZE
75
76
GPIO4-PWM1
77 GPIO5-BOOT-PWM2
GPIO6-ADD21
108
107 GPIO7-ADD22
14
SIMDATA
8
SIMPRES
SIMRST 9
SIMVDD 13
39 SP
34
SPW1 33
SPW2 32
PDTX
47
PLLCLK
PLLDAT 20
PLLEN1 24
23
PLLEN2
PTX-P 64
70
Q-IN-N
69
Q-IN-P
49
Q-OUT-N
12
VDDI-1 89
VDDI-2
18
VDDO-1 59
VDDO-2 88
VDDO-3 105
VDDO-4 132
VDDO-5
VREFIQN
RTS
41 RXCLOCK
RXD
21
RXDATA
43
42 RXRDY
25
SCK 27
SDAT
SIMALIM 11
SIMCLK 10
98 VSSO-4
115 VSSO-5
137 WRB
0
SPW3 40
SPW4
83 SYSCLKI
SYSCLKO
85
SYSRST
28
TXCLOCK
45
TXD
22
TXDATA
19
17 TXRDY
A2 SCL 6
SDA 5
VCC 8
4VSS
WP 7
13
53
54
VREFIQP
31 VSSI-1
122 VSSI-2
6VSSO-1
44 VSSO-2
78 VSSO-3
OSCIN 7
6
OSCOUT
2SCL
SDA
3
VDD 8
VSS
4_INTRA 5
_INTRB
1
U203
1A0
2A1
3
D
4
CLOCK
U202
12
100K
R215
10
1K
R220
4.7pFC210
+3VBB
C203
4.7uF
+3VBB
14
R212
100K
10
+3VBB
R231
100K
C204
100nF
19
AVCC
5
D
2.2K_1%R201
2012
Downloaded from www.Manualslib.com manuals search engine

5-13 Schematic Diagrams
5-13 Baseband Filters
100K_1%
R132
BBFILTEN
DEMODEN
VMID
AVCC
QRXP
IRXP
KQRX1
KQRX
KIRX1
KIRX
A
L129
5
L126
470u
330u
SOT
UMC5N
U128
1
R136
680
R131
0
C140
2
3
4
6
L127
330u
U127-B
OPAMP 5
+
-6
C136
4.7nF
R135
100
7
OPAMP
U127-D
+14
15
-
16
A
SOT
C130
A
C117
100nF
270
R128
C137
SOT
AA
470u
L128
1K_1%
OPAMP
U127-C
+12
11
-
10
AVCC
8.2nF
C131
R121
R137
100K_1%
C135
1.8nF
C127
1.8nF
C126
100nF
A
SOT
C129
A
SOT
C132
680
R130
A
C128
4.7nF
A
A
A
C134
100nF
100
R129 R127
1K_1%
8.2nF
C139
13
V-
A
A
SOT
C138
OPAMP
U127-E
PGND
89
STDBY
V+
4
100nF
C141
R126
47K
1K_1%
R133
NC
R138
270
R134
U127-A
OPAMP 3
+
-2
1
0603
0603
2012
0603
2012 2012
2012
Downloaded from www.Manualslib.com manuals search engine

5-14Schematic Diagrams
5-14 Control Logics
4
OUT
TC7S08FU
U906
5
+
3
-
1
IN1
2IN2
4
OUT
DCSTX1
REFTXN
REFTXP
DCSTX2
TC7S00FU
U9035
+
3
-
1
IN1
_BANDSEL
GSMTX2
GSMTX1
TXEN2
TXEN1
BANDSEL
RXEN_FE
REFADCP
REFADCN
RXEN_FEDCS
RXEN_FEGSM
2IN2
4
OUT
TC7S08FU
U901
+
5
-
3
IN1
1
IN2
2OUT 4
C903
332_1%
R900
100nF
A
332_1%
R902
A
AVCC
C901
2.2K_1%
R901
R907
10K
100nF
D
U905
GND
INA
2
1NCOUTY 4
5
VCC
A
TC7S04FU
3
+
5
-
3
IN1
1
IN2
2OUT 4
AVCC
+3VBB
10K
R906
100nF
C902
TC7S00FU
TC7S08FU
U904
U902
+
5
-
3
IN1
1
IN2
2OUT 4
100nF
A
C905
A
1.2K_1%
C904
100nF
+3VBB
D
A
R903
TC7S08FU
1.2K_1%
R905
U900
5
+
3
-
1
IN1
2IN2
10K_1%
R904
Downloaded from www.Manualslib.com manuals search engine

5-15 Schematic Diagrams
5-15 Power Management
(1206) (1206)
(0805)(0805)
(1608)
(1608)
R255
100K
IN
OUT
U253
11
BAT 10
3BOOST
1GND1
4GND2
6GND3
8GND4
GND5 16
GND6
CHG_ON
ON_OFF
uP_ON_OFF
DCVOLT
+VBATT
A
MAX4.2_BOOT
POWER_ON
POWER_ON_D
DCVOLT
TEMPERATURE
BAT_VOLT
DCIN
10K
R253
R261
18K_1%
D
DAN222
D252
R259
100K_1%
300_1%
R265
GND7 9
5OVP
DTC144EEA
Q256
GND
NTH5G40B473
TH1
PROG 13
7SENSE
2SW
VCC1 14
VCC2 15
Vc 12
+3VBB
DTC144EEA
Q255
STARTUP_VOLTS
R256
10K
A
GND
IN
OUT
U252
1
2
3
4
6
R252
100K
100nF
C252
UMC5N
D
UPS5817
C254
D255
D
3.3uF,16V
R266
7.5K_1%
R254
100K
A
AVCC
BLM11P600S
R264
100K
C261
BLM11P600S
F201
FDG6301N
Q957-2
F200
A
10nF
C262
100nF
56K
R257
D
G
S
100K
R263
C259
C256
10uF,6.3V
100nF
100nF
C258
100nF
C260
D251
UMN1
3.3uF,16V
C253
D253
10uF,6.3V
C255
2
Q257
DTC144EEA
GND
IN
OUT
UPS5817
L251
R251
100K
12K_1%
R262
10uH
270K_1%
R260
1UF
C257
82K_1%
R258
Downloaded from www.Manualslib.com manuals search engine

5-16Schematic Diagrams
5-16 Power Supply Units
0805
0805
0805
0805
0805
0603
7125
0805
0805
7125
0805
0805
0805 0603
U809
ADJ
+3VTX
AVCC
+3VBB
+3VX
+3VLNADCS
+3VLNAGSM
+3VPLL
STARTUP_VOLTS
POWER_ON
+VBATT
+3VLO2
+3VLO1
+3VMD
+3VDEMOD
_RESET
+3VDC
RF_ON_OFF
+3V_RTC
+3VMD
+3VPLL
P
+3VX
RF_ON_OFF
C817
0
R828
STARTUP_VOLTS
+3V8
U804
10uF,6.3V
43
EN
2
GND
1IN 5
OUT
C867
470pF
GND
1
RESET 2
VCC
3
AVCC
U801
ADJ
43
EN
2
GND
1IN 5
OUT
+3VLNAGSM
POWER_ON
POWER_ON_D
P
RF_ON_OFF
C855
100nF
10uF,6.3V
D801
MCL4154
IN
12
OUT
+3VBB
C860
10uF,6.3V
C854
STARPOINT
JP300
+3VMD
C861
10nF
10nF
C852
C828
10uF,6.3V
D
10nF
200
R805
C805
D
C819
470pF
+3V8
+3VLO1
D
+3VTX
+3VDC
C873
220uF,6V
MS414
R812
100K
P
250uAH
C863
+3VX
C870
10nF
UPS5817
C801
10nF
+3V8
+VBATT
C850
+3V8
A
+3VLNAGSM
D808
C872
+VBATT
10nF
C810
1uF
10uF,6.3V
C806
U813
470pF
1
2
3
4
6
+3V_RTC
+3VLO2
10uF,6.3V
C832
+3VTX
UMC5N
+3VDEMOD
A
POWER_ON_D
+3V8
RF_ON_OFF+3V8
+3VDEMOD
C868
10uF,6.3V
+3VLNADCS
+3V8
+3VPLL
10uF,6.3V
C816
10uF,6.3V
220uF,6V
JP200
STARPOINT
1IN OUT 2
C871
P
AVCC
C826
ADJ
43
EN
GND
2
IN
1OUT 5
+VBATT
U811
4
ADJEN
3
2
GND
1IN 5
OUT
U803
BDS-4020R-220M
RF_ON_OFF
STARPOINT
JP100
IN
12
OUT
1uF
C830
L800
+3VLO1
+3VLO2
C851
100nF
0
R800
100nF
C853
1uF
C831
+3VBB
C800
100nF
1K
R811
10nF
C859
2
IN
1OUT 5
U806
R809
0
1OUT 5
U810
ADJ
43
EN
GND
POWER_ON
U812
ADJ
43
EN
GND
2
IN
5
_LBO
3
6
_SHDN
P
C845
10uF,6.3V
+3VDC
7
BATTCLSEL
4
FB
1
8
GND
LBI
29
LX
10
OUT
REF
C827
C862
470pF
C869
+3VLNADCS
+3VBB
10uF,6.3V
C874
100nF
100nF
U805
ADJ
43
EN
2
GND
1IN 5
OUT
POWER_ON_D
Downloaded from www.Manualslib.com manuals search engine











