Scorbot ER III Manual
User Manual:
Open the PDF directly: View PDF
.
Page Count: 12

Table of Contents
Chapter 1
Operating Instructions
1. Warnings and Safety Information
2. Startup procedures
3. Manual Movement
4. Automatic Movement
5. Available Commands
Chapter 2
Components and Specifications
1. The Arm
a. Motors
b. Encoders
c. Limit Switches
d. Connector Cable
2. The Controller
a. Power Supply
b. Controller Boards
c. PC Communication Board
d. Controller Cable Breakout
e. Joysticks
Chapter 3
Misc Info
1. Parts List
2. Exploded Views
Reference Manual
Scorbot ER-III 1

Chapter 1
Operating Instructions
Part 1: Warnings and General Information
- If the arm stops moving while under automatic control, unplug the
power cord immediately, plug it back in, and move the arm to a safe
position using the joysticks before using automatic control again.
- If you send a command to the arm and it does not start moving, it
may be jammed and you will need to repeat the above steps.
- While using automatic control, start off with small values such as 50
or 100 to get an idea on how far the arm moves with those values so
the arm does not get jammed.
- The joysticks can be used if the arm isn't moving and the position will
be tracked so automatic control can be resumed later.
- There are 6 motos total numbered 0 through 5
Part 2: Startup Procedures
- Place the robotic arm on a flat, smooth surface.
- Connect the DB-50 cable from the robotic arm to the port on the side
of the control box.
- Plug the AC power cord from the control box into power.
- Wait 5 seconds.
- Try to move the arm using the joysticks.
- If the arm moves then it’s ready for use.
- If the arm doesn’t move then unplug the AC power cord and plug it
back in.
Part 3: Manual Movement
- Complete steps in Part 2.
- See Figure 1 for joystick mapping.
- Once you’re done with the arm then unplug the power and unplug the
arm from the control box.
Reference Manual
Scorbot ER-III 2

Figure 1:
Joysticks are numbered from left to right starting at 0
Axis 1 Forward
Rotate clockwise
Joystick 0
Rotate counterclockwise
Axis 1 Backwards
Axis 2 Forward
Axis 3 Rotate Up
Joystick 1
Axis 3 Rotate Down
Axis 2 Backwards
Claw Close
Axis 4 Rotate Down
Joystick 2
Axis 4 Rotate Up
Claw Open
Part 4: Automatic Movement
- Complete steps in Part 2.
- Plug the USB cable into a computer.
- Open a serial terminal (ex: the Arduino IDE one) and connect to the
available serial port at 9600 baud.
- Use commands to move the arm.
- If the arm ever stops responding to commands, unplug the USB
cable, plug it back in, restart the serial terminal, and retry commands.
- Once you’re done with the arm then unplug the power and unplug the
arm from the control box.
Part 5: Available Commands
- For similar info on the arm type help
Reference Manual
Scorbot ER-III 3

- To find the position of a motor type p<motor number> ex: p2 to find
the position of motor 2
- To send a motor to a position type m<motor number>:<position
number> ex: m2:100 would move motor 2 to position 100
- To home an axis and find its 0 position (EXPERIMENTAL AND
ONLY TO BE USED ON AXIS 0 AND 2) type h<motor number> ex:
h0 would home axis 0
- Note: Homing axis 0 will cause it to automatically rotate
clockwise so ensure that the limit switch is to the right of the
center pole
Reference Manual
Scorbot ER-III 4

Chapter 2
Components and Specifications
Part 1: The Arm
A. Motors: There are 6 total motors on the arm numbered 0 through 5.
They run at approximately 12 volts and draw around 400mA under
normal operation. They have gearboxes with a step down ratio of
127.7 to 1.
B. Encoders: Every motor on the arm has a built in rotary encoder. The
encoder outputs two pulses with a 90 degree phase shift relative to
the direction of rotation. The pulses are used to determine direction
and how far each motor has rotated in order to track the arm’s
movement. They have built in ultraviolet LEDs that run at 2.3 volts
and dual optical gates that, when active, short to ground pulling their
pins low thus working in a pull-down condition.
C. Limit Switches: The arm has 5 limit switches that can be used to
“home” the arm to a known position. Currently these are only used for
axis 0 and 2 but can be expanded to be used later. The limit switches
connect to ground when active and thus work in a pull-down
configuration.
D. Connector Cable: The arm has one connector cable with a DB-50
connector connected on the end to break out all pins. A pinout table
is included below in Figure 2.
Figure 2:
Pin #
Function
Pin #
Function
1
Axis 1 Rotary
Encoder Pin 2
25
Claw Rotary
Encoder VCC
2
Rotary Axis Rotary
Encoder Pin 2
26
Axis 3 Rotary
Encoder VCC
3
Axis 4 Rotary
27
Axis 1 Rotary
Reference Manual
Scorbot ER-III 5

Encoder Pin 2
Encoder VCC
4
Axis 2 Rotary
Encoder Pin 2
28
Claw Rotary
Encoder GND
5
Rotary Axis Rotary
Encoder Pin 1
29
Axis 4 Rotary
Encoder GND
6
Limit Switch 5
30
Axis 3 Rotary
Encoder GND
7
Limit Switch 2
31
Axis 2 Rotary
Encoder GND
8
Limit Switch 4
32
Axis 1 Rotary
Encoder GND
9
Axis 4 Rotary
Encoder VCC
33
Rotary Axis
Encoder GND
10
Axis 2 Rotary
Encoder VCC
34
Claw Rotary
Encoder Pin 2
11
Rotary Axis Rotary
Encoder VCC
35
Axis 3 Rotary
Encoder Pin 2
12
Axis 5 Motor Pin 1
36
Axis 2 Rotary
Encoder Pin 1
13
Axis 4 Motor Pin 1
37
N/A
14
Axis 3 Motor Pin 1
38
N/A
15
Axis 2 Motor Pin 1
39
N/A
16
Axis 1 Motor Pin 1
40
N/A
17
Rotary Axis Motor
Pin 1
41
N/A
18
Axis 4 Rotary
Encoder Pin 1
42
N/A
19
Claw Rotary
Encoder Pin 1
44
N/A
20
Axis 3 Rotary
45
Axis 5 Motor Pin 2
Reference Manual
Scorbot ER-III 6

Encoder Pin 1
21
Axis 1 Rotary
Encoder Pin 1
46
Axis 4 Motor Pin 2
22
N/A
47
Axis 3 Motor Pin 2
23
Limit Switch 1
48
Axis 2 Motor Pin 2
24
Limit Switch 3
49
Axis 1 Motor Pin 2
25
Claw Rotary
Encoder VCC
50
Rotary Axis Motor
Pin 2
Part 2: The Controller
A. Power Supply: There is a single mains voltage to 14v DC power
converter used for the main power supply. That 14v power is fed
directly to the motor drivers to drive the motors. The 14v is also fed to
a smaller power converter board with two switching buck converters
that produce 2.4v DC for the LEDs and 5v for other electronics
including microcontrollers and motor drivers.
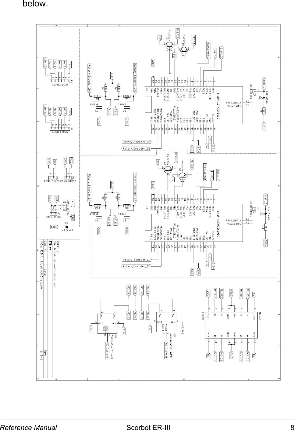
B. Controller Boards: There are 3 controller boards total. They are
each made up of one L239D motor driver IC, two STM32 “Blue Pill”
microcontrollers, and filter circuitry for the rotary encoders. Each
control board can control two motors with respective encoders. The
output pins for the motors are designed to be mated with the DB-50
breakout board which is mentioned in depth in Part D. Each
microcontroller controls two control pins on the L239D motor driver to
drive the two poles on each motor. The received rotary encoder
signals are then fed through a small filter circuit in order to smooth
out the signals and any other debouncing of the signals is done in
software on the microcontrollers. The control pins of the L239D is
also broken out on the final version so the joysticks can directly
control the motors. A schematic of the controller board is included
Reference Manual
Scorbot ER-III 7

below.
Reference Manual
Scorbot ER-III 8

C. PC Communication Board: The PC communication board is
another STM32 “Blue Pill” board that is used as the “master”
controller. Using a USB to TTL converter board a computer can
connect to the to the arm through USB. The communication board
then uses I2C to communicate with all of the controller
microcontrollers and to coordinate the movement of the arm. It does
not have its own power supply and is only powered when plugged
into a computer.
D. Controller Cable Breakout: The DB-50 cable, due to its high pin
count, is broken out using a special circuit board that breaks out all
controls to 6 pin headers specially designed for each controller board.
It contains a ground connection, both motor connections, both rotary
encoder connections, and a connection to the limit switch for that
respective axis. The breakout board also provides power to all rotary
encoder LEDs and respective ground connections. A schematic is
Reference Manual
Scorbot ER-III 9

included below.
Reference Manual
Scorbot ER-III
10

E. Joysticks: The joysticks on the box are simple two axis limit switch
based joysticks. When active, they connect their pins to 5V causing
the motor driver to activate. The joysticks have one large cable
running to the controller cable breakout board where it has a
removable connector for easy removal of the top. There is also a
power supply line that can be easily disconnected. The controller
cable breakout board then breaks out to each controller board to its
respective pins in order to ensure that each limit switch on the
joysticks control one part of the motor.
Reference Manual
Scorbot ER-III
11
