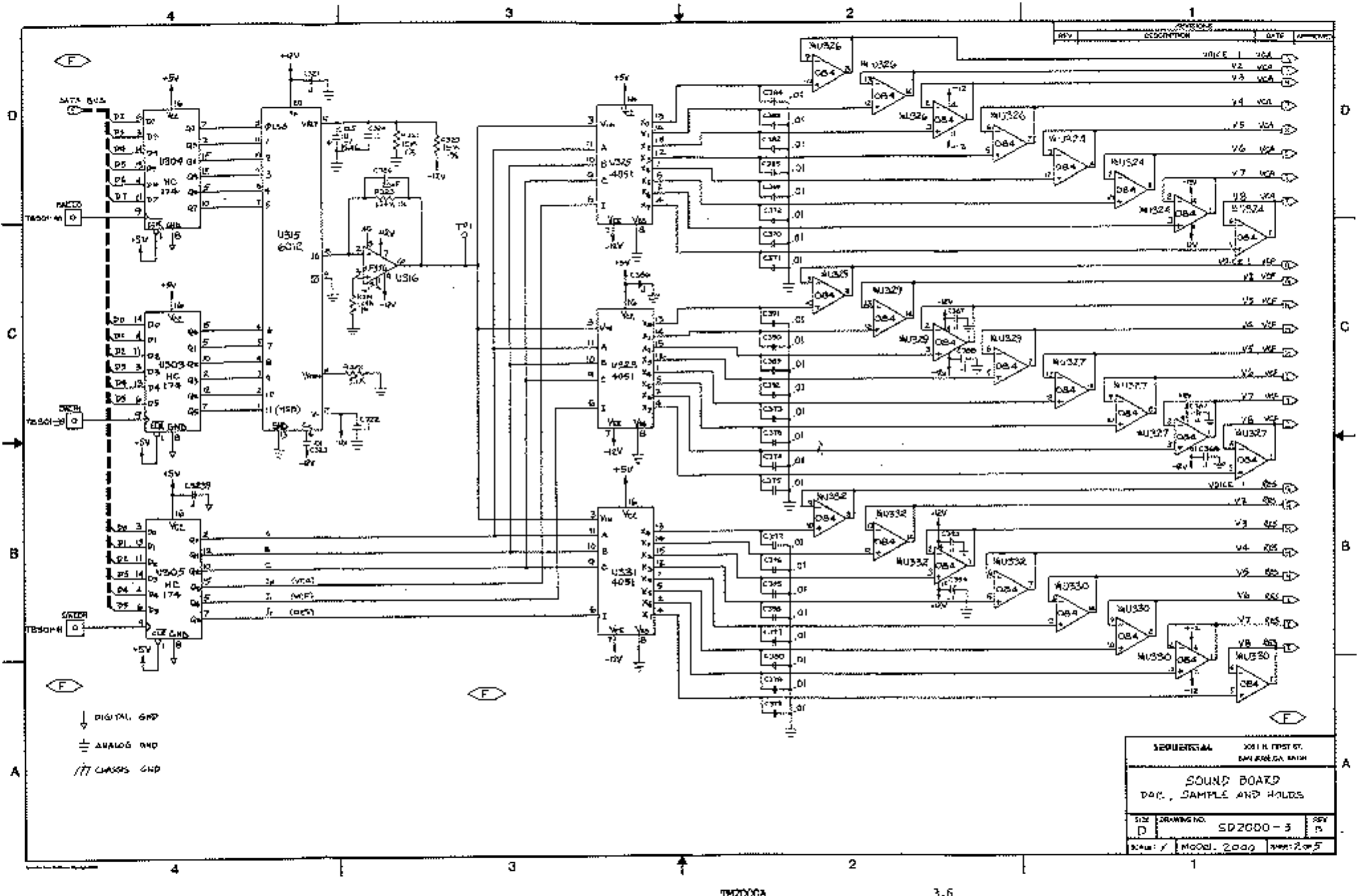
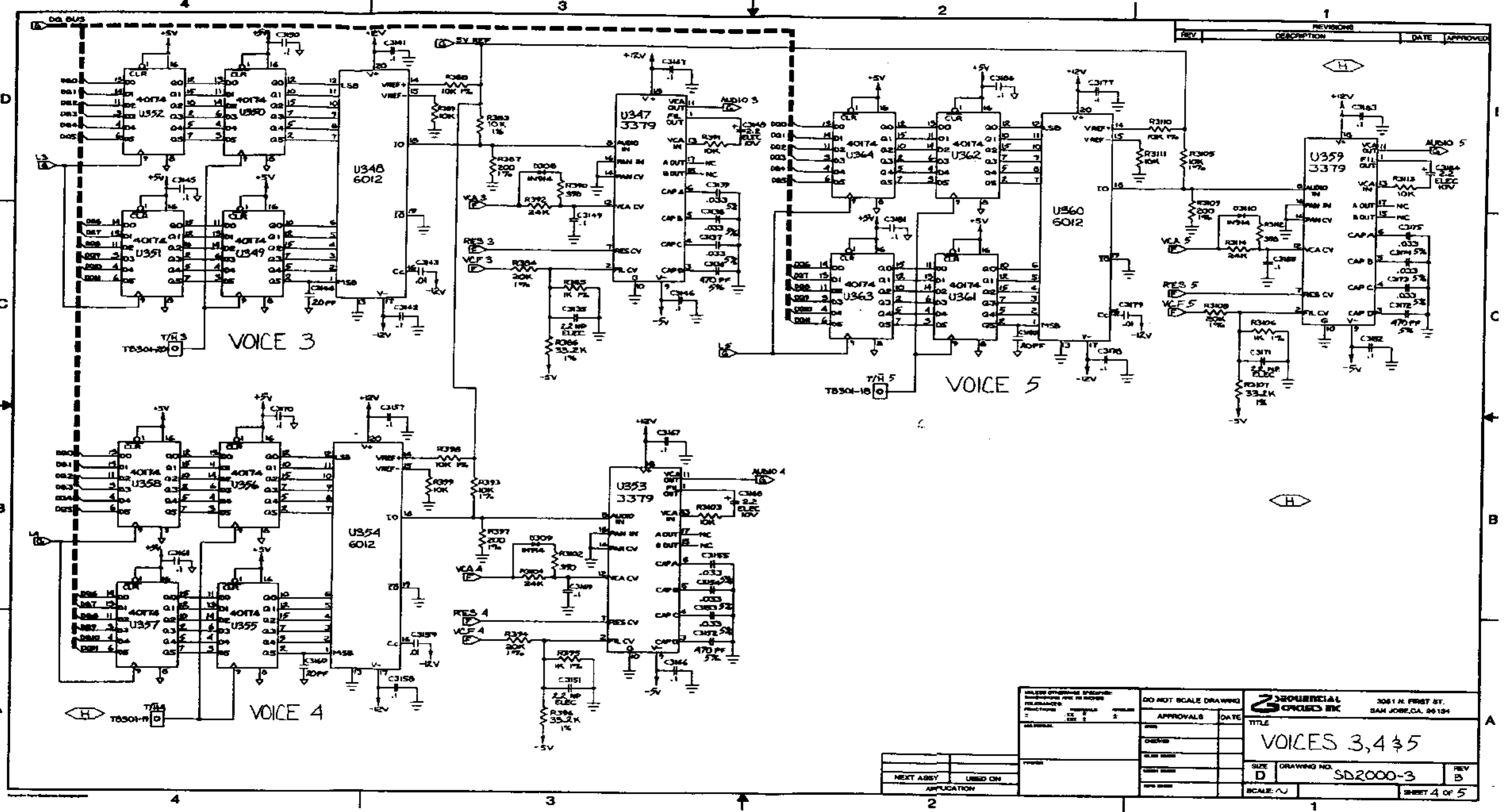
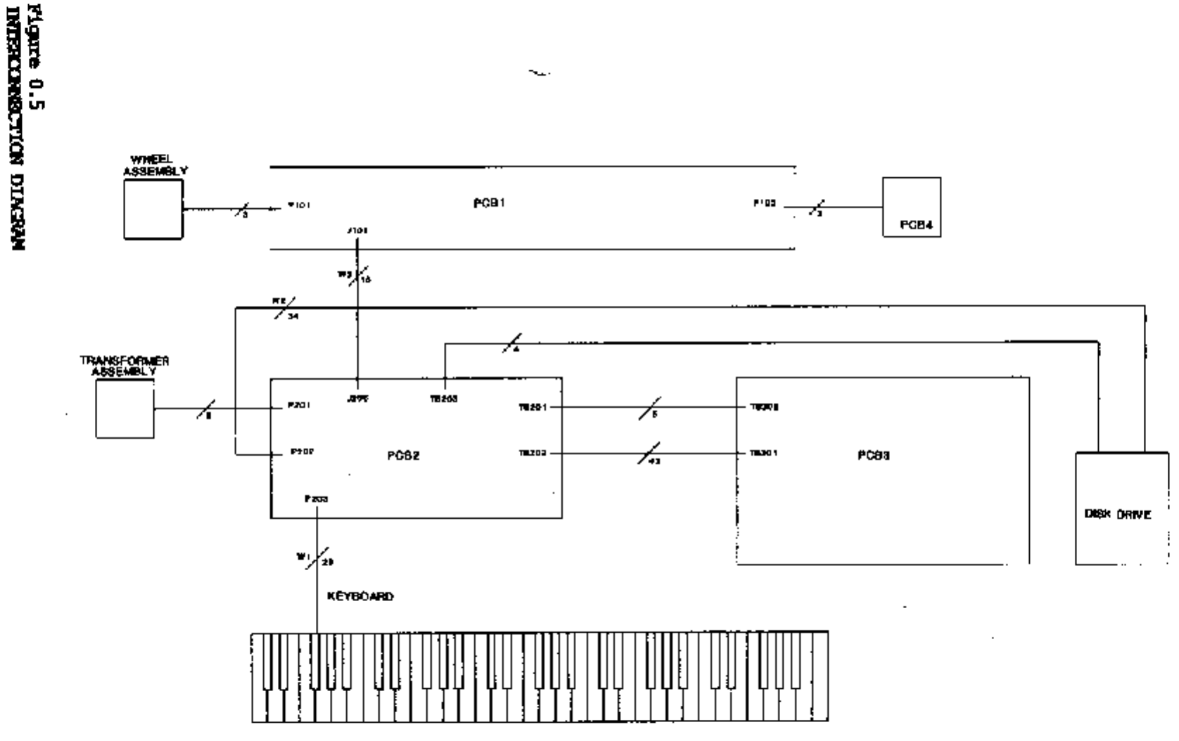
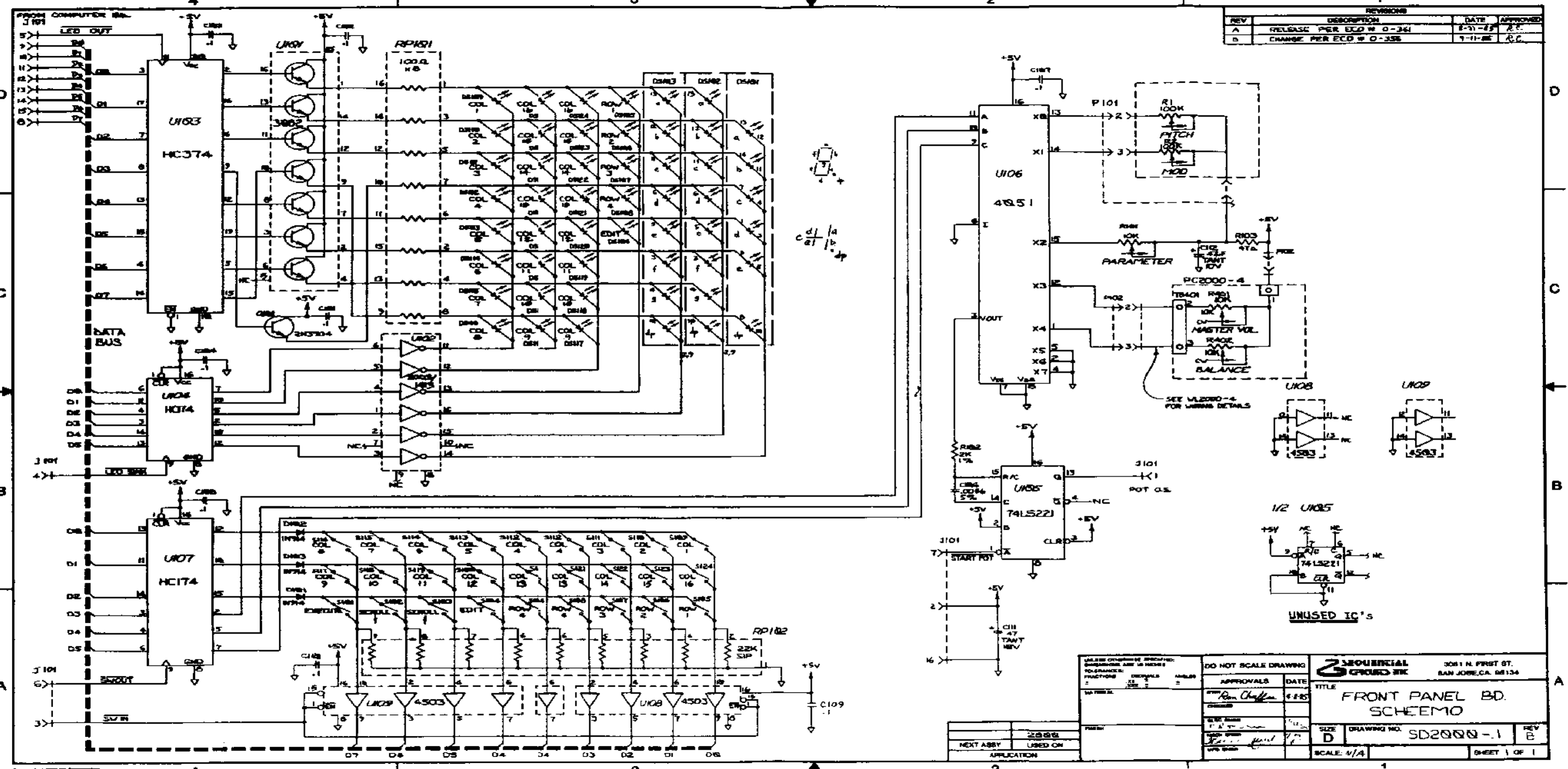
Sequential Prophet 2000 Schematics Prophet2000
User Manual: SequentialProphet2000-Schematics
Open the PDF directly:
View PDF
.
Page Count: 19
35182