SERVICE MANUAL PP 1519ECMC 110 Volt 1 20 12 Thompson Direct
User Manual: Service Manual PP-1519ECMC-110 volt 1-20-12 Thompson Direct
Open the PDF directly: View PDF
.
Page Count: 95

SERVICE MANUAL
Model TDI-1519ECMC Series Machine– 110 Volt
Economy Combination
Thompson Direct, Inc.
2397 Von Esch Road
Plainfield, IL. 60586
815-609-5164
www.thompsondirect.us
_____________________________________________________________
INSTRUCTIONS FOR OPERATION AND REPAIR OF THE
MODEL TDI-1519ECMC SERIES SEALER
AND TUNNEL COMBINATION
Thompson Direct, Inc.Type text]
IMPORTANT - PLEASE READ THIS CAREFULLY
The development of a good safety program, that is rigidly
enforced, is absolutely imperative when involved in the operation of
industrial equipment. Our machinery is well designed and includes
extremely important safety features. The part you the user play
through proper installation and maintenance procedures is of far
greater significance than our designs. Only properly trained
individuals following rigidly enforced safety rules, as recommended
by A.N.S.I. and O.S.H.A., should be allowed to operate these
machines.

Thompson Direct, Inc.Type text]
TABLE OF CONTENTS
___________________________________________________________
Preface
Unpacking 4-8
Warranty Notice 9
Warranty 10-11
Warranty Exceptions 12
Warnings 13-15
Tunnel Section
Description and Specifications 16
Installation and Basic Set-Up 17-23
Film Threading Diagram 24
Front Panel Diagram 25
Temperature Control Adjustment 26
Sequence of Operation 27-31
Troubleshooting -- L’Sealer 32-46
Troubleshooting – Tunnel 47-55
Maintenance Tunnel 56-70
Maintenance – L’Sealer 71-79
Electrical Schematic – NOTICE! 80
Electrical Schematic Model TDI-1519ECMC 81
Electrical Panel Diagram Model TDI-1519ECMC 82
Electrical Schematic Model TDI-1519ECMC 83
Electrical Panel Diagram Model TDI-1519ECMC 84
Electrical Schematic Model TDI-1519ECMC 85-86
Electrical Panel Diagram Model TDI-1519ECMC 87
Parts Nomenclature 88-89
Replacement Parts List -- Sealer 90-91
Replacement Parts List – Tunnel 92-93
Spare Parts List 94

Thompson Direct, Inc.Type text]
UNPACKING
UNPACKING
THOROUGHLY INSPECT EQUIPMENT UPON ARRIVAL.
If goods are received short or in a damaged condition, it
is important that you notify the carrier’s driver before he leaves
your company and insist on a notation of the loss or damage
across the face of the freight bill. Unless this is done, no claim can
be enforced against the transportation company.
If concealed loss or damage is discovered, notify the
carrier at once and insist on an inspection. This is absolutely
necessary! A concealed damage report must be made no later than
ten (10) days from the date the shipment was delivered. Unless you
do this, the carrier will not consider any claim for loss or damage.
The carrier’s agent will then make an inspection and grant a
concealed damage notation. If you give the transportation company
a clear receipt for the goods that have been damaged or lost in
transit, you do so at your own risk and expense.
All claims must be filed within 10 days of delivery date or
carrier will not accept them.
Thompson Direct, Inc. is willing to assist in every possible
manner to collect claims for loss or damage; however, this does not
hold Thompson Direct, Inc. responsible for collection on claims or
replacement of material.
Do not throw away damaged pallets or box until freight
inspection has occurred.

Thompson Direct, Inc.Type text]
UNPACKING
Your new Model TDI-1519ECMC comes bolted to a pallet and
has a tri-walled corrugated box strapped to the pallet to protect it.
1. If your machine does not arrive in this condition, write on
shipping paperwork that outside of box is damaged.
Concealed damage may have occurred.
2. Remove stretch film and Poly Bag covering machine.

Thompson Direct, Inc.Type text]
UNPACKING
3. Remove film rack from under L’Sealer.
4. Check film rack. You should have
(a) (1) Film Rack
(b) (1) adjustable center knob
(c) (2) film roll guides
5. Cut plastic strap from top and bottom of conveyor rollers
before attempting to operate conveyor.
Film Rack

Thompson Direct, Inc.Type text]
UNPACKING
6. Mount film rack on right side at end of machine (see page 18
for instructions).
7. Remove bolts holding L’ Sealer to pallet using 13-mm wrench.
8. Place forks of forklift under center of frame of machine and lift
off pallet.
9. Place in desired location and use locking casters to set in place.

Thompson Direct, Inc.Type text]
WARRANTY NOTICE
IMPORTANT WARRANTY NOTICES
OPERATING AND MAINTENANCE MANUAL
The operating and maintenance manual has been
carefully prepared to provide the user with all the information needed
to properly install, operate, and maintain your Thompson Direct, Inc.
equipment.
Please read this manual carefully and refer to it for
information on the care and use of your Thompson Direct, Inc.
equipment. It is recommended that additional copies be ordered for
use by production, maintenance, and supervisory personnel.
Although the design of this equipment incorporates safeguards to
protect personnel, care should be used in operating, adjusting, and
servicing.
Attention is directed to the warranty that accompanies all
your Thompson Direct, Inc. equipment. The terms and conditions of
this warranty apply only to unmodified units. Any unauthorized
modifications to the equipment automatically voids this
warranty.
Thompson Direct, Inc. provides a one-year warranty on
parts, excluding shipping or freight costs for replacement
parts. All warranty parts are shipped F.O.B. Plainfield,
Illinois.

Thompson Direct, Inc.Type text]
WARRANTY
THOMPSON DIRECT, INC.
WARRANTY
Thompson Direct, Inc. warrants each new product
manufactured to be free from defects in material and
workmanship for a period of (1) year from date of shipment
by Thompson Direct, Inc.
This warranty is not transferable with any subsequent resale.
Defective parts under warranty must be returned to
Thompson Direct, Inc. freight prepaid. Thompson Direct, Inc.
sole obligation and purchaser’s sole remedy in the event of a
warranty dispute shall be, at Thompson Direct, Inc. option, to repair
or replace the part in question. Labor incurred in removing or
installing the defective part is not covered by this warranty. Prior to
returning any parts for any reason, contact Thompson Direct, Inc. for
a Return Authorization Number. This number must accompany all
returns.
This warranty shall not apply if equipment has been tampered
with, misused, improperly installed, altered, or has received damage
due to abuse, carelessness, accident or failure to follow
recommended regular maintenance procedures or has been serviced
by someone other than a duly authorized factory representative
without the express written consent of Thompson Direct, Inc.
This warranty is in lieu of all other warranties, expressed or
implied, including but not limited to warranties of merchantability and
fitness for a particular purpose, non-infringement or any other
matter.
Thompson Direct, Inc. shall have no liability to any person for
direct, indirect, incidental or consequential damages or delay

Thompson Direct, Inc.Type text]
WARRANTY
resulting from any defect negligence, or tort and customer hereby
waives for itself any and all claims for punitive damages and all
claims of negligence of strict liability or both. In no event shall our
liability exceed the purchase price of the product that was actually
paid.
Thompson Direct, Inc. reserves the right to make changes,
additions, or improvements to our products with no obligation to
make such changes in any previously shipped product covered by this
warranty.
Thompson Direct, Inc. shall not be held liable for any damages
arising out of nor in connection with the operation of the equipment
should customer or its agent fail to maintain equipment in safe
operating condition. This warranty shall become unenforceable if and
to the extent the customer or its agents remove, disconnect, or
otherwise render useless any safety device and or parts designed or
affixed by us or fails to maintain and service equipment in a manner
as advised.
Thompson Direct, Inc. provides a one-year warranty on
parts, excluding shipping or freight costs for replacement
parts. All warranty parts are shipped F.O.B. Plainfield,
Illinois. Service Labor to install part is not covered under
warranty!

Thompson Direct, Inc.Type text]
WARRANTY EXCEPTIONS
WARRANTY EXCEPTIONS
The following parts are an exception to the general
warranty list on page 10. Each part listed below shall carry a 30-day
warranty unless designated otherwise.
TDI-1519ECMC Series Sealer Parts
1. Fuses
2. Conveyor Belt (Optional)
Tunnel Parts
1. Silicone Tubing (Roller Covers)
2. Tunnel Curtains
The following sealer parts are considered to be consumable and
not under warranty:
1. Silicone Sponge
2. Band Ribbon
3. Teflon Tapes

Thompson Direct, Inc.Type text]
WARNINGS
WARNINGS
Every effort has been taken to ensure your safety while
operating this machine; however, there still remain certain risks. Do
not allow this machine to be operated before informing all personnel
of the following warnings.
WARNING........
Do not tamper with the electrical wiring. Only use a
licensed electrician for maintenance. Always disconnect the electrical
power before attempting any maintenance to all electrical and/or
moving parts.
WARNING........
In order to prevent injury to personnel and/or machinery
DO NOT INCREASE SETTINGS OR RATINGS ON EITHER ELECTRICAL
OR MECHANICAL OVERLOAD SAFETY DEVICES.
WARNING........
KEEP HANDS AWAY FROM MOVING CONVEYORS AND
ASSEMBLIES. Conveyor belts that have become worn or frayed are
capable of being hazardous. They should be replaced promptly.
WARNING........
NEVER OPERATE THIS OR ANY MOVING EQUIPMENT
WITHOUT ALL COVERS AND GUARDS IN PLACE. The internal
mechanism of most packaging machinery contains numerous shear,
pinch, and inrunning nip points, many of which are capable of
causing severe injury and/or permanent disfigurement.

Thompson Direct, Inc.Type text]
WARNINGS
WARNING........
To minimize the potential for personnel injury, always be
sure that machine operators and others working on the machinery
are properly trained in the correct usage of the equipment and
properly instructed regarding the safety procedures for operation.
WARNING........
Heat sealing arms and jaws on packaging machinery can
become very warm after a period of use. KEEP HANDS AWAY WHILE
IN OPERATION AND USE CAUTION IF THE MACHINE HAS BEEN
RUNNING RECENPPY.
WARNING........
ANY MODIFICATIONS TO EITHER THE ELECTRICAL
CIRCUITRY OR THE MECHANICAL ASSEMBLIES OF THE MACHINERY
WILL VOID ANY WARRANTIES ASSOCIATED WITH THIS
EQUIPMENT. Such modifications may introduce hazards that would
not otherwise be associated with this machinery. Thompson Direct,
Inc. will not be responsible for any consequences resulting from such
unauthorized modifications.
WARNING........
The use of certain types of plastic films in sealing and/or
shrinking equipment may result in the release of HAZARDOUS FUMES
due to the degradation of the film at high temperatures. Before
using any plastic film in this equipment, the manufacturer or supplier
of the film should be contacted for specific information concerning
the potential release of hazardous fumes. ADEQUATE VENTILATION
MUST BE PROVIDED AT ALL TIMES.
WARNING........
It is important that the machine operator unplug the
machine when he/she has finished operating the unit.

Thompson Direct, Inc.Type text]
WARNINGS
WARNING........
Turn off machine and disconnect power cord from power
source before attempting to work on machine.

Thompson Direct, Inc.Type text]
SPECIFICATIONS
DESCRIPTION AND SPECIFICATIONS OF
MODEL TDI-1519ECMC SERIES COMBINATION
SEALER TUNNEL
DESCRIPTION
The purpose of a TDI-1519ECMC Series is for low to medium
volume packaging requiring excellent seals and minimal maintenance.
It features an impulse mode for sealing of films. This model
incorporates an optional electromagnetic hold-down system,
allowing the operator to load another package while the preceding
package is being sealed. This system provides consistent seals. In
addition, an optional package take-away conveyor increases
production speed by automatically discharging product into the
tunnel.
SPECIFICATIONS
Model: TDI-1519ECMC Series
Seal Area: Length: 19”
Width: 15”
Machine Size: Length: 74”
Width: 24”
Height: 53”
Volts: 110
Amperage: 20
Weight: 400 lbs.
Tunnel Chamber Size: Length: 20”
Width: 16”
Height: 6”

Thompson Direct, Inc.Type text]
INSTALLATION
INSTALLATION AND BASIC SET-UP
OF L’SEALER PORTION OF MACHINE
IMPORTANT
Read this manual carefully, and make it available to
everyone connected with the supervision, maintenance, or production
of this machine. Additional copies are available at your request.
(Contact your distributor for this information.) Be very careful when
operating, adjusting, or servicing this equipment. If in doubt, stop
and obtain qualified help before proceeding.
INSTALLATION OF PP-1519EC SERIES
Place the TDI-1519ECMC in the desired location with the
required electrical power source available. (See power
requirements.) Make certain that proper electrical wiring is provided
to guard against low voltage. If the voltage is too low, the
equipment will not function properly. Machine comes complete
with power cord and 110 volt plug.
Finding the proper location is a most important function
of the initial set-up. One must take several factors into
consideration:
1. Adequate power source.
2. Relationship to source of product.
3. Relationship to L’Sealer.

Thompson Direct, Inc.Type text]
INSTALLATION
4. Relationship to any conveyors necessary to remove
finished product.
5. Convenience of operator.
Make sure to connect machine to an Independent Power
Source. DO NOT run any other equipment on the same power
line as your machine.
Do not attempt to install, adjust, or operate this machine
without first reading the contents of this manual. Although the
design of the equipment incorporates safeguards to protect operating
and maintenance personnel, care should be used in operating,
adjusting, and servicing.
INSTALLING FILM RACK
IMPORTANT: Remove film rack from under sealer and
install at the end of the sealer on the right hand side with the four
bolts and center knob provided. Mounting holes are slotted for
adjustment, set film rack flush with backside of the machine frame.

Thompson Direct, Inc.Type text]
INSTALLATION
MOUNTING FILM
Select the proper width of centerfold film for the item being
packaged, allowing for width and height of package. With the
package properly positioned within the film in the sealing area, allow
sufficient film to overlap the sealing bars so that a seal may readily
be made without any possibility of open areas due to insufficient film.
Place film roll on cradle mount film rack. The centerfold is to
be placed away from the operator, toward the rear of the machine.
Use core chucks to position film roll on rack and tighten film guide
nuts to hold film roll in position.
PIN PERFORATOR
Located between the lower idler rollers, the pin perforator
creates holes for air escape as the operator pulls on the film. This
allows the air to escape as the package travels through the tunnel.

Thompson Direct, Inc.Type text]
INSTALLATION
The pin perforator is adjustable and must be properly placed in
conjunction with the width of the desired package. The positioning
should always be re-evaluated when setting the machine for different
size product or different size film.
Thread film through the Pin Perforator. Note that the
perforator wheel turns freely and is not binding. You can adjust the
depth of pin holes by Loosening the Allen screw on the sponge wheel
and rotate the cam to allow the pin to push deeper or shallower into
the film.
CAM Design to
Adjust Depth

Thompson Direct, Inc.Type text]
INSTALLATION
PRODUCT TRAY
The product tray is an adjustable metal platform used to
separate film and to insert product between top and bottom layers of
film.
Once threaded, separate film top from bottom and insert
product tray between. Make sure that the centerfold of film is placed
at the rear of the product tray. This allows the operator to insert
product between the layers of film on the product tray and to
prepare to move product and film into the sealing area. When
threading film, make sure to pull more than sufficient film through
the rollers, across the product tray, and into the sealing area to
ensure sufficient film to begin operation.
The tray is adjustable to achieve proper depth, equal to the
depth of the package, allowing product to be placed exactly in the
centerfold of the film each time. A locking wing screw allows you to
set tray position.
Place product against rear of film separator tray. Then move
product into seal area. Be sure to leave the bag loose around the
product when making the seal. This helps eliminate the seals from
blowing out in the shrink tunnel.

Thompson Direct, Inc.Type text]
INSTALLATION
LOCKING WING SCREW
Once the product is placed in the desired location, tighten the
wing screw under the loading tray to lock tray in position.
Optional Power Discharge Conveyor
Lower Power Discharge Conveyor using the crank wheel located
underneath the Power Discharge Conveyor. The Conveyor should be
set so the package height is centered to the seal pad. In essence, ½
of the package is above the seal pad and the other ½ of the package
is below the seal pad. This will place the seal in the center of your
package and help release any film tension that may occur.

Thompson Direct, Inc.Type text]
FILM THREADING
FILM THREADING DIAGRAM
Product
= Film
Pin Perf.
Film Roll

Thompson Direct, Inc.Type text]
FRONT PANEL DIAGRAM
Front Panel Diagram
TDI-1519ECMC
1. Start Switch -- Green
2. Heater Switch -- White
3. Temperature Control
4. Tunnel Conveyor Speed Control – Small Black Knob

Thompson Direct, Inc.Type text]
FRONT PANEL DIAGRAM
Temperature Control Adjustment
PV = Present Value
SV = Set Value
On the above temperature controller the set value is 300
degrees and its present temperature is at 298 degrees.
To Adjust Temperature Up or Down:
First you must press the arrow key that points left (). When
pressing this key the set value temperature will flash first in the ones
column. While flashing, you may adjust temperature by now
pressing the arrow keys either up or down () to the desired
temperature in the ones column. Repeat this procedure by pressing
the left arrow () to move flashing light to the tens column or the
hundreds column and adjust up or down to desired temperature.
Once you have adjusted to desired temperature press the set key
and the temperature will now become your new set value (SV).

Thompson Direct, Inc. Page 25
TDI-1519ECMC —110 Volt Sealer/Tunnel Combination Service Manual
SEQUENCE OF OPERATION
A. Turn the START switch (1) to the on position to start the
machine. (Temperature will be displayed on temperature
control at this time. This will also start the cooling fan motor.)
B. Turn the HEATER switch (2) to the on position, this will start
the blower, conveyor motors and heater.
C. Set the Conveyor Speed Control (3) between 1 and 3 until
the exact desired conveyor speed is determined later (based on
package size and sealer speed). Factory setting is 2.
D. Set the Temperature Controller (4) at the temperature you
believe will shrink your product. This temperature may need to
be adjusted higher or lower until you have achieved the shrink
you are happy with for that product. As long as you are
running the same product, this temperature should not have to
be adjusted again. Factory setting is 325 degrees. Your 110
volts machine requires approximately 30 minutes to
reach set temperature.
1
2
4
3

Thompson Direct, Inc. Page 26
TDI-1519ECMC —110 Volt Sealer/Tunnel Combination Service Manual
E. Set (Optional) Magnet Time (5) to approximately ½ to ¾
seconds. The sealing timer controls the length of time the
magnets stay down in the sealing position.
F. Set Sealing Timer (6) to approximately ½ or .5 seconds. The
Band Seal Technology seals very quickly with either PVC or
Polyolefin shrink films. Use only enough Sealing Time to seal
and cut film – no longer – otherwise overheating of Band
Ribbon and Films will occur.
G. Set (Optional) Conveyor Time (7) just enough to transfer
product into shrink tunnel. If you are running a very small
product, set conveyor time just long enough to move package
out of immediate seal area and allow it to transfer into tunnel
on the next cycle. This will allow you to speed up the operation
of machine.
5
6
7

Thompson Direct, Inc. Page 27
TDI-1519ECMC —110 Volt Sealer/Tunnel Combination Service Manual
SEQUENCE OF OPERATION
A. Product is placed on the film separator tray.
B. The product tray functions as a means to separate the film,
allowing placement of product between upper and lower
portions of the film.
C. Move product into seal head area by pushing the product to the
left.
D. Manually pull the seal head down. As the seal head meets the
lower seal pad, the machine automatically activates the band
ribbon. The optional magnet hold down timer is activated,
automatically holding seal bar down during seal cycle. Timer is
adjustable from one to six seconds.
E. Take-away Conveyor Unit Optional.
Once the seal is
completed, the seal head automatically releases and the take-
away conveyor begins to run. It is adjustable from one (1) to
six (6) seconds. The timer is located on the front of the
machine.
NOTE: If too much tension is on the film while the bag is
being made, the seals will, more than likely, be
weak or will “blow out” in the seal area while
passing through the shrink tunnel. Make sure to
relax the film tension prior to sealing.

Thompson Direct, Inc. Page 28
TDI-1519ECMC —110 Volt Sealer/Tunnel Combination Service Manual
SEQUENCE OF OPERATION
1. After completion of basic setup as described on pages 17-23
plug the sealer’s cord into the power source.
A. With film threaded, (see instructions for mounting film)
place right hand on package and slide product into the
upper left hand corner of the film (i.e. corner formed by
folded rear edge of film and previously sealed left edge of
film), pushing the package up against the ½” high
package stop at rear of product loading tray.
B. Place right hand under top sheet of film and on front
right corner of product. Place left hand on tail of both
sheets of film. Now push the package with right hand
and pull the film with left hand moving package and film

Thompson Direct, Inc. Page 29
TDI-1519ECMC —110 Volt Sealer/Tunnel Combination Service Manual
into lower right corner of seal area. Allow from ½” to 1”
of extra film around package. This will allow some slack
film between the package and the sealing bars, reducing
film tension.
C. Press sealing handle down. Applying pressure to
produce seal. Hold the sealing head down for the
duration of the time set on the seal timer, release seal
bar when Red Impulse Light goes out. If film will not
cut off, incrementally increase pulse timer until desired
result is achieved.
D. If you have the OPTIONAL MAGNETIC Hold Down
operator should simply bring seal head down to contact
magnets and immediately release pressure. Magnet timer
will engage holding seal arm down for duration of seal

Thompson Direct, Inc. Page 30
TDI-1519ECMC —110 Volt Sealer/Tunnel Combination Service Manual
time. Seal head will automatically release to up position.
Magnet hold down time should be slightly longer than
pulse time.
E. The operator may then load the next package onto the
product tray, thus speeding up the sealing operation.
F. Product transfers manually via operator or automatically
with Optional Power Discharge Conveyor through
shrink tunnel. Refer to Tunnel Control setup on page 26
until desired package appearance is achieved.
G. If you have the optional Power Discharge Conveyor,
once the seal timer releases the magnets, the Power
Conveyor will automatically transfer the product into the
tunnel.

Thompson Direct, Inc. Page 31
TDI-1519ECMC —110 Volt Sealer/Tunnel Combination Service Manual
TROUBLESHOOTING – L’SEALER
The following guidelines are provided to aid in determining the
source of any operation difficulties that may develop. In performing
the tests and checks which follow, carefully inspect for any loose
components, broken or loose wires, poor electrical connections, etc.,
while testing the various switches, controls, relays, transformers, etc.
For checking electrical problems, use a voltage meter.
Note:
While troubleshooting use caution to avoid danger of
electrical shock. When power is not required for
checking for the presence or value of voltages used,
always have it disconnected.
DISCONNECT ALL POWER BEFORE MAKING ANY REPAIRS.
REFER TO ELECTRICAL BOARD LAYOUT AND ELECTRICAL
SCHEMATIC FOR LOCATION OF ELECTRICAL COMPONENTS
NO HEAT TO BAND RIBBON
1. Check that the sealer is plugged in and that power is present at
the socket. Make sure the power switch is in the ON position.
Power Switch ON!

Thompson Direct, Inc. Page 32
TDI-1519ECMC —110 Volt Sealer/Tunnel Combination Service Manual
2. Make sure Sealing Timer is not set on zero (0).
3. Remove 6 screws to access L’Sealer Electronics. Make
sure the fuse F8, 20 AMP wires #29 and 32, is not burned
or that the band ribbon is not loose inside the
compensators.
3 screws on
each side
Sealing

Thompson Direct, Inc. Page 33
TDI-1519ECMC —110 Volt Sealer/Tunnel Combination Service Manual
4. Check Band pulse switch adjustment.
(a) Make sure switch is being activated when the seal bar is
within ¼” of contact with band ribbon.
(b) Press switch by hand – if no click is heard, replace switch.
5. Check the connections at the end of each compensator of the
band ribbon for loose or broken wires.
Make sure wires 7 and 25 are connected to each end of
the band ribbon compensator.

Thompson Direct, Inc. Page 34
TDI-1519ECMC —110 Volt Sealer/Tunnel Combination Service Manual
6. Check Pulse Timer at TR1, wires 7 and 26.
7. Check to see if CR1 is pulling in and voltage is present at
coil.
8. Check for operation of contactor CR2.
(a) Check circuit continuity through operated contacts of
contactor CR2. If required, clean or replace contact points
or replace contactor.
TR1. Wires 7 and 26.

Thompson Direct, Inc. Page 35
TDI-1519ECMC —110 Volt Sealer/Tunnel Combination Service Manual
9. Check for voltage present at primary and secondary of
transformer T1 as per values shown in the voltage specifications.
10. Check main power switch to determine if damaged or broken.
Power Switch

Thompson Direct, Inc. Page 36
TDI-1519ECMC —110 Volt Sealer/Tunnel Combination Service Manual
TROUBLESHOOTING—L’SEALER
WEAK SEALS AND/OR POOR FILM CUT-OFF
WEAK SEALS AND/OR POOR FILM CUT-OFF
1. Improper seal time – increase seal time.
2. Improper operating technique. Too much film tension-making
sure film is relaxed prior to sealing. Make sure product tray is
lowered so package is in center of seal bed.
3. Check Band Ribbon to see if cleaning or replacement is
necessary.
4. Burned Teflon tapes ½” 10 mill or 2” 3 mill replace. If Teflon
tapes become burned or worn, weak seal may occur. See page
75 for Replacement Instructions.
Lower Product Tray to
Center Package in Seal
Relax Film Before Sealing

Thompson Direct, Inc. Page 37
TDI-1519ECMC —110 Volt Sealer/Tunnel Combination Service Manual
TROUBLESHOOTING—L’SEALER
WEAK SEALS AND/OR POOR FILM CUT-OFF
5. Wavy silicone rubber sealing pad. Replace. (See instructions
on page 76.)
6. Hold down pressure uneven or incorrect on magnets. (See
page 78 for instructions.)
a. When seal bar is lowered, the gap between the lower
magnet and the upper magnet clamp should be 1/8”. (Refer
to Maintenance Section, page 78, for proper adjustment.)

Thompson Direct, Inc. Page 38
TDI-1519ECMC —110 Volt Sealer/Tunnel Combination Service Manual
TROUBLESHOOTING—L’SEALER
OPTIONAL CONVEYOR WILL NOT RUN
OPTIONAL CONVEYOR – WILL NOT RUN
1. Check conveyor Fuse F10, 1 AMP, wires 42 and 43, replace if
burned.
(a) Check main fuse F8, 20 AMP, wires 29 and 32.
2. Check optional conveyor timer. Make sure it is not set at
zero.
Not set at zero.
F8 -- 20 AMP
F9 -- 2 AMP
F10 -- 1 AMP

Thompson Direct, Inc. Page 39
TDI-1519ECMC —110 Volt Sealer/Tunnel Combination Service Manual
TROUBLESHOOTING—L’SEALER
OPTIONAL CONVEYOR WILL NOT RUN
3. Check optional conveyor timer at TR3 wires 7 and 43.
4. Check optional conveyor belt and make sure it is not adjusted
too tightly. Adjust conveyor belt using Drive Roller Adjustment
Screw.
Drive Roller Adjustment Screw
TR3. Wires 43 and 7

Thompson Direct, Inc. Page 40
TDI-1519ECMC —110 Volt Sealer/Tunnel Combination Service Manual
TROUBLESHOOTING—L’SEALER
OPTIONAL CONVEYOR WILL NOT RUN
5. Check that conveyor motor sprocket set screws are not loose
on shaft.
6. Check that conveyor chain is not jammed or broken.
7. Make sure wires 7, 7, and 43 are connected to the conveyor
motor.
8. Make sure wires number 7, 7 and 43 are connected to C2
capacitor.
Wires 7, 7 and 43 at C2

Thompson Direct, Inc. Page 41
TDI-1519ECMC —110 Volt Sealer/Tunnel Combination Service Manual
TROUBLESHOOTING—L’SEALER
OPTIONAL CONVEYOR WILL NOT RUN
9. Make sure RL2, 110 V relay is secure in relay socket and points
are not burnt.

Thompson Direct, Inc. Page 42
TDI-1519ECMC —110 Volt Sealer/Tunnel Combination Service Manual
TROUBLESHOOTING—SEALER
OPTIONAL MAGNET HOLD DOWN
OPTIONAL MAGNETIC HOLD DOWN
1. Seal head will not stay down – sealer operates normally
otherwise.
2. Check magnet Fuse F9, wire 37 and 39. Replace if burned.
Dual Magnets
F8 – 20 AMP
F9 – 2 AMP
F10 -- 1 AMP

Thompson Direct, Inc. Page 43
TDI-1519ECMC —110 Volt Sealer/Tunnel Combination Service Manual
TROUBLESHOOTING—SEALER
OPTIONAL MAGNET HOLD DOWN
3. Hold-down pressure uneven or incorrect on magnets.
(Optional) See maintenance section, page 78, for proper
adjustment.
4. Check seal timer (TR2) setting. Make sure it is not set at zero.
5. Check (optional) Magnet Timer. Also, check to see if burned
or damaged.
Sealing time
not at zero.
Magnet Timer,
Center Timer

Thompson Direct, Inc. Page 44
TDI-1519ECMC —110 Volt Sealer/Tunnel Combination Service Manual
TROUBLESHOOTING—SEALER
OPTIONAL MAGNET HOLD DOWN
6. Check for 110 Volts (nominal) to primary of transformer (T2)
wires 7 and 26.
(a) If voltage is present to primary winding of transformer
(T1), check for 24 (nominal) volts output from secondary
of transformer. Wires 35 and 36.
7. Check for 24 (nominal) volts DC output from + (positive) and –
(negative) wires number 38 and 37 on terminals of rectifier. If
no DC voltage, replace rectifier.
Wire 38
Wire 37

Thompson Direct, Inc. Page 45
TDI-1519ECMC —110 Volt Sealer/Tunnel Combination Service Manual
TROUBLESHOOTING—SEALER
OPTIONAL MAGNET HOLD DOWN
8. Check for circuit continuity through windings of hold-down
magnets. Check on terminal strip wires 38 and 39.
Disconnect from terminal strip before testing.
Wires38 & 39

Thompson Direct, Inc. Page 46
TDI-1519ECMC —110 Volt Sealer/Tunnel Combination Service Manual
TROUBLESHOOTING—TUNNEL
CONVEYOR MALFUNCTION
TROUBLESHOOTING – TUNNEL
Conveyor malfunction
1. Check main power at machine’s main breaker.
2. Open Tunnel Hood top panel, 12 screws. Check conveyor
motor fuse (F5/1 AMP) wires No. 16 and 11. If bad, replace.
F3 – 1 AMP
F4 -- 3 AMP
F5 – 1 AMP
F6 -- .5 AMP
F7 -- .5 AMP
F1 – 20 AMP
F2 – 20 AMP

Thompson Direct, Inc. Page 47
TDI-1519ECMC —110 Volt Sealer/Tunnel Combination Service Manual
TROUBLESHOOTING—TUNNEL
CONVEYOR MALFUNCTION
3. Check Motor Capacitor 1.5 mf. Make sure wires 7 and 23 and
22 are connected to Capacitor. Check to see if Capacitor is
burned.
4. Check incoming power on AC Control Board 110 volt, wires 7
and 16 (Pins 8 and 10). If no power present replace AC board.
(a) Check to make sure AC Board is not burned or damaged.
(b) If power is present at both locations 7 and 16 and motor
does not operate, replace conveyor motor.

Thompson Direct, Inc. Page 48
TDI-1519ECMC —110 Volt Sealer/Tunnel Combination Service Manual
TROUBLESHOOTING—TUNNEL
CONVEYOR MALFUNCTION
5. Remove end cover.
6. Look for obstructed product or lodged rollers.
(a) Check lubrication of conveyor chains.

Thompson Direct, Inc. Page 49
TDI-1519ECMC —110 Volt Sealer/Tunnel Combination Service Manual
TROUBLESHOOTING—TUNNEL
CONVEYOR MALFUNCTION
7. Make sure the connection wire on the motor and cable is not
loose.
(a) Refer to electrical schematic on page 82-87 for proper
wiring of the motor.
(b) Check wires 7 and 16 for power. If power present and
motor does not operate, replace motor.
8. Check to make sure the chain is not loose and the sprockets
are not touching the frame.
(a) Replace the motor if all the above checks properly. See
Maintenance, page 80.

Thompson Direct, Inc. Page 50
TDI-1519ECMC —110 Volt Sealer/Tunnel Combination Service Manual
TROUBLESHOOTING—TUNNEL
NO AIR FLOW
NO AIR FLOW
1. Open main electrical panel. Check power at fuse F1, 20 AMP
and F2, 20 AMP.
2. Test fuses F1, F2, F3, F4, F5, F6 and F7.
3. Check to make sure no air holes are obstructed due to plastic
build up covering air holes.

Thompson Direct, Inc. Page 51
TDI-1519ECMC —110 Volt Sealer/Tunnel Combination Service Manual
TROUBLESHOOTING—TUNNEL
NO AIR FLOW
4. Check main blower motor and replace if necessary.
(a) Check motor start capacitor to see if burned.
(b) Check motor wires 7 and 15 for loose connection.
(c) Check for 110-volt power across wires 7 and 15 (motor
wires). If voltage is present and the motor still does not
operate, replace motor.
5. Check to make sure blower wheel is not loose on the blower
motor shaft.
Wires 7 & 15
Motor Start
Capacitor

Thompson Direct, Inc. Page 52
TDI-1519ECMC—110 Volt Sealer/Tunnel Combination Service Manual
MAINTENANCE--TUNNEL
No Heat
1. Check thermocouple wires at temperature controller (Terminals
+1 and –2). First, disconnect, then check with meter for
continuity across the two thermocouple wires.
(a) If no continuity is present across thermocouple wires,
replace thermocouple.
(b) Check terminals at 6 and 9 (wires 7 and 14) for 110 volt
under set temperature.
(c) Check for 110 volt present with heater switch in ON
position. If no power is present, check Fuse F6, .5 AMP.
If voltage present at wires 7 and 14 and Fuse F6 is good,
replace Temperature Control.
2. Please note before replacing the Temperature Control,
check the TS1 (TS1 NO open; thermo overload for
blower motor) and TS2 (TS2 NC closed, heat cool down
sensor) for continuity with the lead wires disconnected
from sensor.
NOTE: When any of the sensors are not functioning properly,
this causes the temperature controller to malfunction.
+1
-2
Wires 7 and 14

Thompson Direct, Inc. Page 53
TDI-1519ECMC—110 Volt Sealer/Tunnel Combination Service Manual
MAINTENANCE--TUNNEL
(a) Check for 110 volts on wires 8 and 9 on CR2 with CR2
contactor pulled in under set temperature. If voltage is
present on CR2, contactor on wires 8 and 9, check the
Head Bank for broken lugs or wire inside the heater Bank.
If leads and jumper wires on Heater Bank are not broken
or burned, then replace the Heater Bank.
(b) Check Heater Bank for replacement. Make sure no lugs
on the Heater Bank have been broken.
Check Heater
Connection

Thompson Direct, Inc. Page 54
TDI-1519ECMC—110 Volt Sealer/Tunnel Combination Service Manual
MAINTENANCE--TUNNEL
3. Check the heater bank to make sure the wires are not loose or
broken on the heater bank. Pull the heater bank and make
sure the heater bank has continuity across each leg. If not,
replace it.
4. If no control over heat, interchange thermocouple wires at
temperature controller. If still no control, check for
replacement of CR2 or temperature control.

Thompson Direct, Inc. Page 55
TDI-1519ECMC—110 Volt Sealer/Tunnel Combination Service Manual
MAINTENANCE--TUNNEL
MAINTENANCE -- TUNNEL
To aid in maintaining the high reliability of this shrink tunnel,
the following maintenance should be provided.
DISCONNECT ALL POWER BEFORE MAKING ANY REPAIRS.
IF UNSURE OF ANYTHING, CONTACT A QUALIFIED
SERVICE TECHNICIAN
A. The conveyor chains should be lubricated once a month with a
high temperature oil. The lubricant should be applied with a
brush or sprayed while the conveyor is slowly running.
B. The silicone covering on the tunnel rollers should be inspected
regularly to assure that no scrap pieces of film are wrapped
around the rollers to cause sticking of packages. To clean, run
conveyor until the affected rollers are within the heated
chamber, thus heating the film residue to soften the film, then
advance the conveyor to stop the rollers outside the heat
chamber for cleaning. Make sure the conveyor is stopped
before putting your hands or anything else in the conveyor
area. If necessary to remove the film residue, use a dull, blunt-
edged tool. Do not use any sharp instruments, as nicking the
silicone may result in having to replace the roller covering.
To replace silicone covering on the roller:
C. Disconnect power to machine.

Thompson Direct, Inc. Page 56
TDI-1519ECMC—110 Volt Sealer/Tunnel Combination Service Manual
MAINTENANCE—
TUNNEL CONVEYOR
TUNNEL CONVEYOR
D. Remove loading tray to gain access to tunnel conveyor take-up
bolts.
E. Loosen the two take up bolts for the chain adjustment giving
yourself enough slack to pull chain upward and spread chain
apart to remove roller. See picture that follows.
Take Up Bolt

Thompson Direct, Inc. Page 57
TDI-1519ECMC—110 Volt Sealer/Tunnel Combination Service Manual
MAINTENANCE—
TUNNEL CONVEYOR
Now you are ready to move the rollers.
F. Remove old roller covering by very carefully slitting the
covering and pulling off.
G. Clean all rollers, using steel wool or a wire wheel. Make certain
all rollers are smooth and free of residue or burrs.
H. Fit the new silicone rubber tubing onto each roller and work on
by hand at least 1/2”. At the opposite end of the tubing, attach
and secure an air supply hose of low pressure, maximum
pressure 5 lbs. While the tubing is slightly expanded by the air
pressure, push the tubing onto the roller. Be very careful to
hold the roller at all times so it does not escape due to the air
pressure.
I. Replace rollers on conveyor by inserting roller end holes into
the extended pins on the chain.
J. Check conveyor chain tension as described below.

Thompson Direct, Inc. Page 58
TDI-1519ECMC—110 Volt Sealer/Tunnel Combination Service Manual
MAINTENANCE—
TUNNEL CONVEYOR
K. The adjustment of package conveyor chain tension should be
checked occasionally to ensure that it is not excessive, as this
would cause unnecessary wear of the sprockets. To check or
adjust tension, shut off power to the tunnel. Remove idler end
caps. Adjust conveyor to these specifications: On the idler end
of the conveyor, bring a roller to the three o’clock position (the
center of the end of the conveyor). From that point count
seven rollers in; the seventh roller should be evenly touching
the conveyor roller bottom rails.
L. Replacement of idler roller shaft, bearings, or
sprockets. Disconnect the conveyor chains by removing the
master links. Remove two bolts from the idler block holder and
shaft assembly should pull right out. Remove two tension bolts
Roller at 3 o’clock position

Thompson Direct, Inc. Page 59
TDI-1519ECMC—110 Volt Sealer/Tunnel Combination Service Manual
MAINTENANCE—
TUNNEL CONVEYOR
from idler block holder, then the shaft and sprockets will come
right off. Replace and reassemble in the same manner as
disassembled.
M. Drive shaft, bearings, or sprockets replacement.
(1) Remove drive end guard instead of idler side.
(2) Disconnect the conveyor chain by removing the master
links.

Thompson Direct, Inc. Page 60
TDI-1519ECMC—110 Volt Sealer/Tunnel Combination Service Manual
MAINTENANCE—
TUNNEL CONVEYOR
(3) Remove two bolts from the flange bearings and remove
drive shaft assembly.
(4) The drive shaft has one sprocket pinned to it and must be
reinstalled the same way. The other sprocket and
bearings will slide right off the drive shaft. Replace and
reassemble.
N. Conveyor motor replacement.
(1) Disconnect power to machine.

Thompson Direct, Inc. Page 61
TDI-1519ECMC—110 Volt Sealer/Tunnel Combination Service Manual
MAINTENANCE—
TUNNEL CONVEYOR
(2) Disconnect electrical wires from drive motor, and remove
four bolts that hold the drive motor.
(3) Remove sprocket from old motor and place on new drive
motor. Reassemble in the same manner it was
disassembled. For wire hook up refer to electrical
schematic, page 82-87.

Thompson Direct, Inc. Page 62
TDI-1519ECMC—110 Volt Sealer/Tunnel Combination Service Manual
MAINTENANCE—
HEATER REPLACEMENT
N. Heater bank replacement.
(1) Shut off power to machine.
(2) Remove left side tunnel curtains.
(3) Remove four (4) access cover screws to Blower Wheel.
Access Cover

Thompson Direct, Inc. Page 63
TDI-1519ECMC—110 Volt Sealer/Tunnel Combination Service Manual
MAINTENANCE—
HEATER REPLACEMENT
(4) Remove Blower Wheel Squirrel cage.
(5) Remove top cover of tunnel hood -- (12) Phillips screws.

Thompson Direct, Inc. Page 64
TDI-1519ECMC—110 Volt Sealer/Tunnel Combination Service Manual
MAINTENANCE—
HEATER REPLACEMENT
(6) Remove insulation from hood and disconnect two heater
wires connected to heater coil.
(a) Remove screw holding heater coil in place and
remove heater.
(b) Then remove heater bank.
(c) Replace heater coil. Reassemble in the same
manner it was disassembled.
P. Temperature controller replacement.
(1) Shut off power to machine.
(2) Remove top tunnel cover.

Thompson Direct, Inc. Page 65
TDI-1519ECMC—110 Volt Sealer/Tunnel Combination Service Manual
MAINTENANCE—
TEMPERATURE CONTROL REPLACEMENT
(3) Disconnect four wires (Two Nos. 7 and 14) and
thermocouple wires from temperature controller.
(4) Loosen screws on side of controller itself and pull
controller out of the front of the panel. Replace with new
controller. Refer to electrical schematic for replacement
of four wires (Two Nos. 7, 14 and 24) and thermocouple
wires.
WARNING: IF NO CONTROL OVER HEAT, INTERCHANGE
THERMOCOUPLE WIRES.
CAUTION! DO NOT EXCEED 500 DEGREES.
Wires 7 and 14

Thompson Direct, Inc. Page 66
TDI-1519ECMC—110 Volt Sealer/Tunnel Combination Service Manual
MAINTENANCE—
BLOWER MOTOR REPLACEMENT
Q. Blower Motor Replacement.
(1) Shut off power to machine.
(2) Remove top panel and 12 screws holding the cover.
R. Remove insulation from hood exposing Blower Motor mounting
bracket.
(1) Disconnect wires on the Blower Motor.
(2) Remove (4) bolts holding Blower Motor.

Thompson Direct, Inc. Page 67
TDI-1519ECMC—110 Volt Sealer/Tunnel Combination Service Manual
MAINTENANCE—
TUNNEL WEAR RAILS
(3) Replace Blower Motor.
(4) Reinstall in same manner it was disassembled.
S. Wear rails lower adjustments.
(1) Disconnect power to machine.
(2) Remove idler and drive end caps. Loosen four bolts
underneath conveyor, and slide rails over towards center.
There should be 1/16” to a max. of 1/8” clearance
between conveyor chain and roller. Retighten the four
bolts and reassemble.

Thompson Direct, Inc. Page 68
TDI-1519ECMC—110 Volt Sealer/Tunnel Combination Service Manual
MAINTENANCE—
TUNNEL WEAR RAILS
T. Wear rails lower replacement.
(1) Disconnect power to machine.
(2) Remove idler and drive end caps.
(3) Remove two bolts underneath conveyor from each wear
rail and slide rails out.
(4) Slide new rails in; reassemble and readjust.
(5) Wear rail should be 1/8” from edge of chain then tighten
bolt to secure wear rails.
U. Wear rails upper adjustments.
(1) Disconnect power to machine.
(2) Remove drive and idler end caps, and refer to “L.” and
“M.” of this section.
Note: Take out only ten rollers, then move the open space to
one end. Loosen the one bolt that holds rail in place.
With a screwdriver, pry rail over towards the center. Do
the same on all four corners. Spin conveyor by hand and
check clearance between chain and roller. The distance

Thompson Direct, Inc. Page 69
TDI-1519ECMC—110 Volt Sealer/Tunnel Combination Service Manual
MAINTENANCE—
TUNNEL WEAR RAILS
should be about 1/16”. Then tighten the four bolts on
the rails.
V. Wear rail upper replacement.
(1) Disconnect power to machine.
(2) Remove drive and idler end caps, and refer to B-2 of this
section.
Note: Take out only top half of rollers, then move the open
space to expose upper wear rails. Remove the two bolts
that hold rails in place. Pull out rails and replace with
new rails; reassemble and readjust. Refer to Section K.
IF UNSURE OF ANYTHING, CONTACT A QUALIFIED
SERVICE TECHNICIAN.
DOUBLE-CHECK ALL OF YOUR WORK BEFORE
STARTING THE MACHINE.

Thompson Direct, Inc. Page 70
TDI-1519ECMC—110 Volt Sealer/Tunnel Combination Service Manual
MAINTENANCE—L’SEALER
REPLACE BAND RIBBON
MAINTENANCE -- L’SEALER
Replacing Band Ribbon
A. Loosen screw holding Band Ribbon in corner.
B. Loosen screw holding Band Ribbon inside rear compensator
assembly.
Band Ribbon Corner Screw
Loosen corner
screws

Thompson Direct, Inc. Page 71
TDI-1519ECMC—110 Volt Sealer/Tunnel Combination Service Manual
MAINTENANCE—L’SEALER
REPLACE BAND RIBBON
C. Loosen screw holding Band Ribbon in front compensator
assembly.
D. Remove old Band Ribbon.
E. Use pre-cut Band Ribbon and place piece of Teflon tape ½”L x
¼”W x 3 mill around corner of new band ribbon. Install Band
Ribbon on corner first then insert into each end of front and side
compensator. Band Ribbon may be oversized slightly, if so cut
to fit ends.

Thompson Direct, Inc. Page 72
TDI-1519ECMC—110 Volt Sealer/Tunnel Combination Service Manual
MAINTENANCE—L’SEALER
REPLACE BAND RIBBON
F. Compensators are spring loaded. Use screwdriver to push in –
flush to transite bars before fastening.
G. Place other end of band ribbon in slot along front seal area.
With band ribbon in slot, use screwdriver to move front
compensator forward until band ribbon is inside compensator
and compensator is resting against the front seal bar.
H. Tighten the compensator screw to lock the band ribbon in
position.
Compensator Screw

Thompson Direct, Inc. Page 73
TDI-1519ECMC—110 Volt Sealer/Tunnel Combination Service Manual
MAINTENANCE—L’SEALER
REPLACE BAND RIBBON
Replacing Transite Channels
1. Refer to steps on page 72-73 on removing and replacing band
ribbon.
2. Remove band ribbon (see page 71-73)
3.
Remove the 4 each set screws holding the transite
channels into place on the front and side seal bar.
4. Remove old transite channels and replace with new factory
parts.

Thompson Direct, Inc. Page 74
TDI-1519ECMC—110 Volt Sealer/Tunnel Combination Service Manual
MAINTENANCE—L’SEALER
TAPE REPLACEMENT
TAPE REPLACEMENT
The item most subject to wear on the sealer is the Teflon tape
used to cover the silicone sponge rubber on the sealing bar. This
¾”x 10 mill tape should never be permitted to burn through. To
replace tape, proceed as follows:
1. Strip off old tape.
2. Cut off proper length of new Teflon, peel off backing, and
press new tape into position.
3. Apply ½” x 10 mill Teflon tape over the top of the 2” 3
mill Teflon tape.

Thompson Direct, Inc. Page 75
TDI-1519ECMC—110 Volt Sealer/Tunnel Combination Service Manual
MAINTENANCE—L’SEALER
SEALING PAD REPLACEMENT
SILICONE RUBBER SEALING PAD REPLACEMENT
Occasionally it will be necessary to replace the silicone rubber
sealing pads. This should be done if the following is noted:
Gaps in the seal
Weak seals
Improper film cut-off
Excessive sealing pressure required
To replace rubber, proceed as follows:
1. Seal pads are designed with a channel for easy
replacement. Pull silicone rubber out of the channel.
2. Replace with new silicone rubber. Press rubber back into
channel.
3. Install 3/4” - 10-mil Teflon tape on top of rubber.
4. Install 1/2” - 10 mil Teflon tape over the 3/4” tape.

Thompson Direct, Inc. Page 76
TDI-1519ECMC—110 Volt Sealer/Tunnel Combination Service Manual
MAINTENANCE—L’SEALER
ELEMENT PULSE SWITCH ADJUSTMENT
Element Pulse Switch Adjustment
The sealing cycle should not begin until the sealing head is
within 1/4” or less of the film to be sealed. If the magnets energize
before the head is within 1/4” of the film, loosen the lock-nut and
turn the screw (located at the rear end of the side seal bar) up
slightly (counterclockwise when viewed from above). The correct
adjustment has been obtained when the magnets energize just as
the seal bar comes into contact with lower pads.

Thompson Direct, Inc. Page 77
TDI-1519ECMC—110 Volt Sealer/Tunnel Combination Service Manual
MAINTENANCE—L’SEALER
OPTIONAL ADJUSTMENT OF MAGNETS
Optional Adjustment of Magnets for Correct Sealing Pressure
All magnets have been factory adjusted for equal sealing
pressure throughout the length of both the front and side seal bars.
However, if an adjustment is required, proceed as follows:
1. Disconnect the sealer’s power source.
2. Loosen the lower magnet bolts on all lower magnets so that the
magnets set to their lowest position in the mounting slots.
3. Lower the sealer’s operating handle fully and lift lower magnets
to within 1/16” from the holders. Tighten the mounting bolts
securely to retain the proper adjustment.
Optional Conveyor
From time to time, it will be necessary to disassemble the
conveyor as it will need adjustments or replacement of worn parts
and general maintenance. The following information is given to
assist the operator in that general fashion. If a problem persists,
discuss it with an authorized distributor of Thompson Direct, Inc. or
with authorized service personnel.

Thompson Direct, Inc. Page 78
TDI-1519ECMC—110 Volt Sealer/Tunnel Combination Service Manual
MAINTENANCE—L’SEALER
OPTIONAL ADJUSTMENT OF CONVEYOR
A. Adjust Discharge Conveyor Belt by loosening the Bearing Block
Mounting Bolts, then adjust the Conveyor Adjustment Screw in
to loosen belt, or out to tighten belt.
Conveyor
Adjustment
Screws
Bearing Block
Bolts

Thompson Direct, Inc. Page 79
TDI-1519ECMC—110 Volt Sealer/Tunnel Combination Service Manual
MAINTENANCE—L’SEALER
REPLACING CONVEYOR MOTOR
Replacing Conveyor Motor
1. Disconnect power plug from source of power.
2. Disconnect the three power wires from the rear of the motor.
3. Loosen the four bolts that hold the motor mount bracket to the
conveyor and slide motor mount forward.
4. Loosen set screws on sprocket that are attached to the motor
and remove sprocket.
5. Remove four bolts. These bolts hold the motor in place. Hold
motor while removing these bolts so the motor does not drop.

Thompson Direct, Inc. Page 80
TDI-1519ECMC—110 Volt Sealer/Tunnel Combination Service Manual
ELECTRICAL SCHEMATIC NOTICE
ELECTRICAL SCHEMATIC NOTICE!
This manual contains wiring schematics for the
PP-1519EC series machines (3 models). Please
verify your model and use the appropriate wiring
schematic and electrical drawing that pertains to your
machine.

Thompson Direct, Inc. Page 81
TDI-1519ECMC —110 Volt Sealer/Tunnel Combination Service Manual
ELECTRICAL SCHEMATIC
PP1518EC
GND
S1
CR1
PL1
18 2 3 4 5 6 7 9 10
AC MOTOR SPEED CONTROL PCB <MS-001>
EG1 M3
M1
M2
7(220V) 5(110V) 1 (+) 2 (-) 10(NC) 8 (NO) 9 (C) 6 (0V)
TEMPERATURE CONTROLER <TC-003>
A
CR2
TS1
TS2
S2
VR1
14 77
6
6
610
11 12 13 14
11 15
7
7
7
17 18 19 20 21 22
C1
16
2
3
32
CR1
S2
F4
F5
F1: 20A /250V
F2: 20A /250V
F3: 1A /250V
F4: 3A /250V
F5: 1.0A /250V
F6: 0.5A /250V
F7: 0.5A /250V
F8: 20A /250V
FUSE RATE
+-
INPUT VOLTAGE:
110V/ 60Hz, 20A
10 7
L2L1
L1
L2 2
L1 L2
45
67
F1 F2
CR2
6
7
7
7
23
RL1
F6 PT
PL2
L2
L1
C
NC
B
A
7
25
30 31
VR2
TR1
627
F8
26
F3
T1 89
PL3
DC
26
41
40
29
29
MS1 F7 28
27
6
RL1 15
15
12
1
1
PL1: Start
Switch Indicator
S1: Start Switch
CR1:
Contactor
M1: Cooling Fan Motor
TS1: Thermo Overload
Switch (Blower Motor)
PL2:
Heater Switch
Indicator
M2: Blower Motor
M3: Conveyor motor
S2: Heater Switch
TS2:
Heat Cool Down
Sensor Switch
EG1: Speed Detector
MS1:
Cycle Switch
TR1:
Sealing Timer
VR2:
Sealing Time
Potentiometer BAND RIBBON
7
T1: Pulse Transformer
PL3: Sealing Time
Indicator
HEATER BANK
RL1: Switching Relay
CR2:
Contactor
VR1: Conveyor Speed Potentiometer
A
24
PT:
Thermo
Couple
ECONOMY COMBO MODEL: PP1518EC (110V)

Thompson Direct, Inc. Page 82
TDI-1519ECMC —110 Volt Sealer/Tunnel Combination Service Manual
ELECTRICAL PANEL DIAGRAM
PP1519EC
ELECTRICAL PANEL DIAGRAM
Controls for PP-1519EC—110 Volt
Tunnel
Controls for PP-1519EC—110 Volt
Sealer
CR1
CR2
RL1
M1
M2
VR1
S1
S2
TC-001
L1
L2
L3
L4
L5
L6
L7
C1
TR1
CR2
CR1
C2
T1
BR1
F8

Thompson Direct, Inc. Page 83
TDI-1519ECMC —110 Volt Sealer/Tunnel Combination Service Manual
ELECTRICAL SCHEMATIC
PP1519ECM
GND
S1
CR1
18 2 3 4 5 6 7 9 10
AC MOTOR SPEED CONTROL PCB <MS-001>
EG1 M3
M1
M2
7(220V) 5(110V) 1 (+) 2 (-) 10(NC) 8 (NO) 9 (C) 6 (0V)
TEMPERATURE CONTROLER <TC-003>
A
CR2
TS2
S2
14 7
6
6
610
11 12 13 14
11 15
7
2
3
32
CR1
S2
F4
F1: 20A /250V
F2: 20A /250V
F3: 1A /250V
F4: 3A /250V
F5: 1.0A /250V
F6: 0.5A /250V
F7: 0.5A /250V
F8: 20A /250V
F9: 2A /250V
FUSE RATE
+-
INPUT VOLTAGE:
110V/ 60Hz, 20A
10 7
L2L1
L1
L2 2
A
PL2
F3
24
RL1 15
15
12
1
1
CR2
MG1
+
AC
-
AC
MG2 24V
L2
L1
C
NC
B
A
33 34
VR3
TR2 89
L2
L1
C
NC
B
A
7
VR2
TR1
T2
32
39
39 F9
38 38
37
38
35 36
7
26
30 31
25
26
26
32
PL1
F1
457
6
L2L1
VR1
7
6F6 PT 7
RL1
F7
29
23
C1
16 17 18 19 20 21 22 7
6PL3
41
40
28
7
7
7
67
7
F8
27
TS1
F5
C D
F2
CR1:
Contactor
M1: Cooling Fan Motor
PL2:
Heater Switch
Indicator
M3: Conveyor motor
M2: Blower Motor
TS2:
Heat Cool Down
Sensor Switch
S2: Heater Switch
TS1: Thermo Overload
Switch (Blower Motor)
EG1:
Speed
Detector
PT:
Thermo
Couple
HEATER BANK
RL1:
Switching RelayMS1:
Cycle Switch
MS1
T2: Step Down
Transformer
BR1:
Rectifier
MG1,MG2:
Magnets
7
T1
25 7
T1: Pulse Transformer
BR1
TR2:
Dwell Timer
VR3:
Dwell Time
Potentiometer
VR2:
Sealing Time
Potentiometer
BAND RIBBON
TR1: Sealing Timer
PL3: Sealing Time
Indicator
VR1: Conveyor Speed Potentiometer
PL1: Start
Switch Indicator
S1: Start Switch
CR2:
Contactor
ECONOMY COMBO MODEL: PP1518ECM (110V)

Thompson Direct, Inc. Page 84
TDI-1519ECMC —110 Volt Sealer/Tunnel Combination Service Manual
ELECTRICAL PANEL DIAGRAM
PP1519ECM
ELECTRICAL PANEL DIAGRAM
Controls for PP-1519ECM—110 Volt
Tunnel
Controls for PP-1519ECM—110 Volt
Sealer
CR1
CR2
RL1
M1
M2
VR1
S1
S2
TC-001
L1
L2
L3
L4
L5
L6
L7
C1
TR1
CR2
CR1
C2
T2
BR1
F9
TR2
F8
T1

Thompson Direct, Inc. Page 85
TDI-1519ECMC —110 Volt Sealer/Tunnel Combination Service Manual
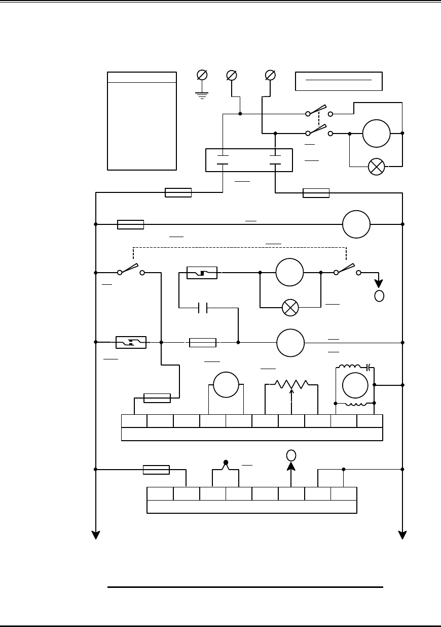
ELECTRICAL SCHEMATIC
PP1519ECMC
GND
CR1
18 2 3 4 5 6 7 9 10
AC MOTOR SPEED CONTROL PCB <MS-001>
EG1 M3
M1
M2
7(220V) 5(110V) 1 (+) 2 (-) 10(NC) 8 (NO) 9 (C) 6 (0V)
TEMPERATURE CONTROLER <TC-003>
A
CR2
TS2
S2
7
6
6
6
11 12 13 14
11 15
3
CR1
S2
F4
F1: 20A /250V
F2: 20A /250V
F3: 1A /250V
F4: 3A /250V
F5: 1.0A /250V
F6: 0.5A /250V
F7: 0.5A /250V
F8: 20A /250V
F9: 2A / 250V
F10: 1A / 250V
FUSE RATE
+-
INPUT VOLTAGE:
110V/ 60Hz, 20A
L2L1
L2 2
A
24
15
15
1
1
6
VR1
6F6 PT
7
C1
7
7
TS1
F5
6 7
14
7
7
10
L1 2
S1
23
F2
5
4
F1
L1 L2
F3 10
12
16 17 18 19 20 21 22 7
23
RL1
7
<< PAGE 1 >>
PL1
7
S1:
Start Switch
M2: Blower Motor
M3: Conveyor Motor
EG1:
Speed Detector
S2: Heater Switch
TS1: Thermo Overload
Switch (Blower Motor)
PL2
PT:
Thermo
Couple
6
PL1:
Start Switch
Indicator
CR1:
Contactor
CR2: Contactor
M1: Cooling Fan Motor
PL2:
Heater Switch
Indicator
TS2:
Heat Cool Down
Sensor Switch VR1: Conveyor
Speed Potentiometer
ECONOMY COMBO MODEL: PP1518ECMC (110V)

Thompson Direct, Inc. Page 86
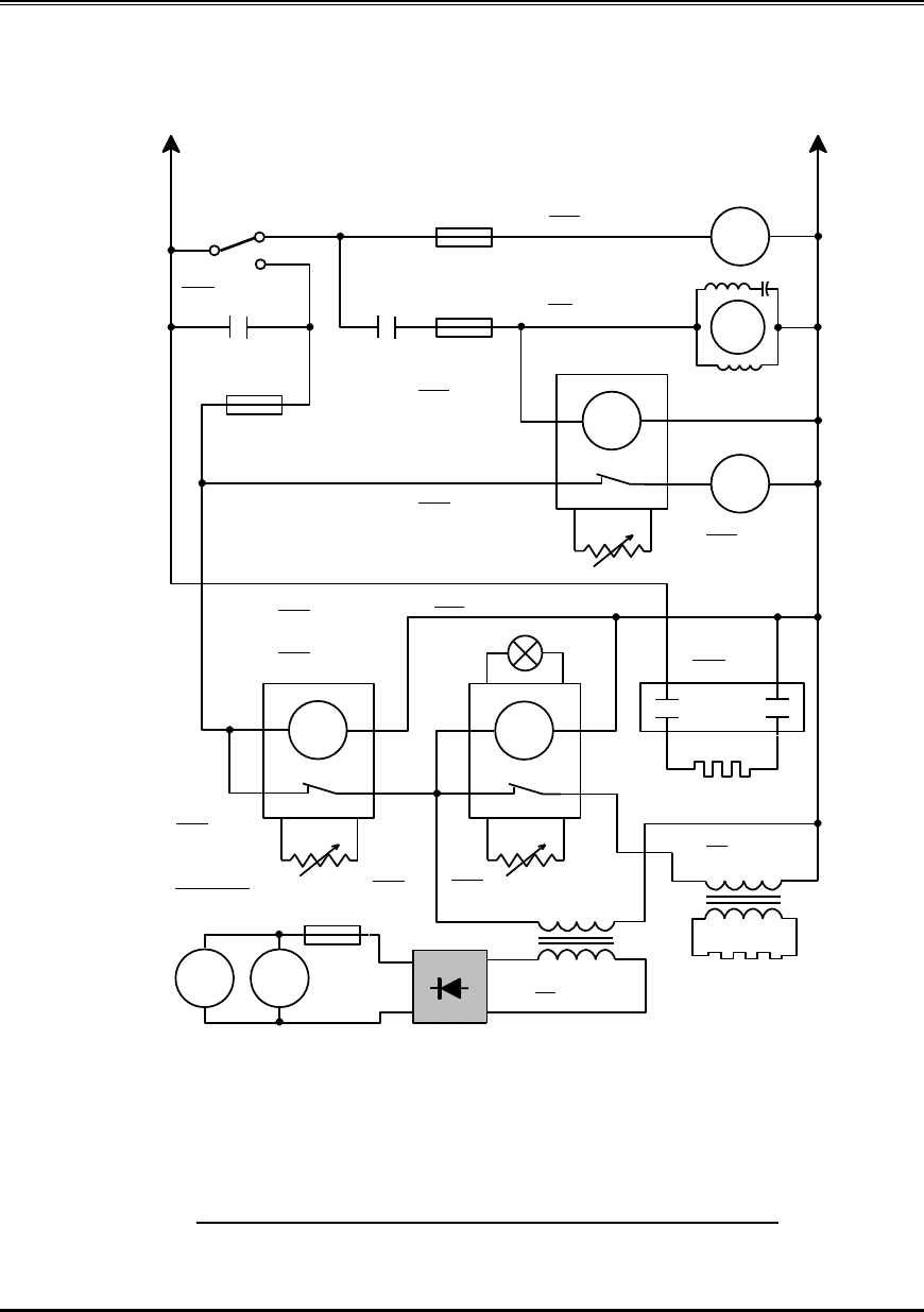
TDI-1519ECMC —110 Volt Sealer/Tunnel Combination Service Manual
ELECTRICAL SCHEMATIC
PP1519ECMC
RL2
CR2
MG1
+
AC
-
AC
MG2 24V
L2
L1
C
NC
B
A
33 34
VR3
TR2 89
L2
L1
C
NC
B
A
VR2
TR1
T2
32
39 F9
38
32
RL1
L2
L1
C
NC
B
A
VR4
TR3
41
40 6
MS1 F7
M4
CD
27
PL3
F8
32
6
6
6
29
29
27
27 42
RL2
29
F10
RL2
28
43 43
28
C2
7
7
7
44
7
46
45
43
32
32
7
26
39
37
38 38
35 36
T1
7
25
7
26
30 31
25
7
26
26
7
7
6 7
M4: Discharge
Conveyor Motor
MS1: Cycle Switch
VR4:
Discharge
Conveyor Time
Potentiometer
T2: Step Down
Transformer
T1: Pulse
Transformer
TR2:
Dwell Timer
TR1:
Sealing Timer
VR3:
Dwell Time
Potentiometer
BR1
BR1:
Rectifier
RL2: Discharge
Conveyor
Relay
<< PAGE 2 >>
RL1:
Switching Relay
TR3:
Discharge
Conveyor
Timer
PL3: Sealing Time Indicator
CR2:
Contactor
MG1, MG2:
Magnets
BAND RIBBON
HEATER BANK
7
VR2:
Sealing Time Potentiometer
ECONOMY COMBO MODEL: PP1518ECMC (110V)

Thompson Direct, Inc. Page 87
TDI-1519ECMC —110 Volt Sealer/Tunnel Combination Service Manual
ELECTRICAL PANEL DIAGRAM
PP1519ECMC
ELECTRICAL PANEL DIAGRAM
Controls for TDI-1519ECMC —110 Volt
Tunnel
Controls for TDI-1519ECMC —110 Volt
Sealer
CR1
CR2
RL1
M1
M2
VR1
S1
S2
TC-001
L1
L2
L3
L4
L5
L6
L7
C1
TR1
CR2
CR1
C2
T2
BR1
F9
TR2
TR3
F10
F8
RL2
T1

Thompson Direct, Inc. Page 88
TDI-1519ECMC —110 Volt Sealer/Tunnel Combination Service Manual
PARTS LIST NOMENCLATURE
MODEL TDI-1519ECMC SERIES
Item
Part #
Qty
Parts List Nomenclature
ACT
3600-30
1
AC Terminal
C1
3500-02
1
Capacitor – 3 MF 400 VAC
CR1
3400-13-110
1
Contactor – 2 Pole, 110V (Optional)
CR2
3400-12-110
1
Contactor Pulse – 110V
M1
1722-37-110
1
Cooling Fan Motor – 110 V
M4
1519-320-110
1
Discharge Conveyor Motor – 110V
F3 F6 F7
1519-335-110
1
Fuse -- .5 AMP
F1 F2 F8
1519-330-110
1
Fuse – 15 AMP, 110V
F4 & F9
1519-340-110
1
Fuse – 2 AMP, 110V
F5 & F10
1519-345-110
1
Fuse, 1 AMP
TS2
3500-46
1
Heat Cool Down Sensor (B-100)
Heater
1519-360-110
1
Heater Bank – 110V
MG1/MG2
1519-375
2
Magnets Hold Down (Optional)
M2
1519-350-110
1
Main Blower – 110V
PL-1 2 3
3600-10-110
3
Pilot Light, 110V
VR-1 2 3 4
3400-68
4
Potentiometer
LS
3400-47
1
Pulse Limit Switch
T1
1519-380
Pulse Transformer
BR1
1720-19
1
Rectifier (Optional)
RL1
1519-390
1
Relay Switching
RL2
1519-385
1
Relay – Discharge Conveyor
EG1
3500-25-110
1
Speed Control AC (PCB1) 110V
T2
1519-425
1
Stepdown Transformer – 110V/24V
(Optional)
S1
3600-25
1
Switch-Start
S2
3600-20
1
Switch-Heater
TC-003
1519-355-110
1
Temperature Controller – 110V
TS1
3600-35
1
Thermo Overload Sensor (S-90)
PT
3600-15
1
Thermocouple
TR3
1519-430
1
Timer – Conveyor 110V—Optional
TR2
1519-435
1
Timer – Magnet 110V—Optional
TR1
1519-440
1
Timer – Sealing 110V

Thompson Direct, Inc. Page 89
TDI-1519ECMC —110 Volt Sealer/Tunnel Combination Service Manual
PARTS LIST NOMENCLATURE
Item
Part #
Qty
Parts List Nomenclature
M3
3500-08-110
1
Tunnel Conveyor Motor AC (25 W)
110V

Thompson Direct, Inc. Page 90
TDI-1519ECMC —110 Volt Sealer/Tunnel Combination Service Manual
SEALER – REPLACEMENT PARTS
TDI-1519ECMC 110 VOLT SEALER REPLACEMENT PARTS
Part #
Qty
Description
1519U-701
1
Aluminum “C” Channel- Top-Front 5/8” x 5/8”
1519U-702
1
Aluminum “C” Channel- Top-Side 5/8” x 5/8”
1519U-703
1
Aluminum “C” Channel-Front- Bottom 7/8” x ½”
1519U-704
1
Aluminum “C” Channel-Side- Bottom 7/8” x ½”
1519U-705
1
Aluminum- Front Bar stock 1” x 3/8”
1519U-706
1
Aluminum-Side Bar stock 1” x 3/8”
1519-013
1
Band Ribbon- 37”
1519-395
1
Belt – Discharge Conveyor
1519-010
2
Blocks – Seal Head Mounting
1519U-028
1
Brass Corner Block
1519U-026
1
Brass Corner Block—Screw
1519-015
4
Casters
1519-400
1
Chain – Discharge Conveyor
1519U-710
2
Compensator Assembly – Complete-Stainless steel
1519U-711
1
Compensator – Screws
1519U-712
1
Compensators – Spring
1519-032
1
Contactor – 20 AMP, 110V
1519-713
2
Film Roll guides
1519-405
1
Discharge Conveyor Assembly-Complete
1519-714
1
Film Rack – Complete
3400-28
1
Fuse F1, F2, 15 AMP
3500-14
1
Fuse F3, F6, F7 .5 AMP,
3400-28
1
Fuse F8 15 AMP
3400-27
1
Fuse F9 2 AMP – (Optional) – Magnets F4
3400-99
1
Fuse F10 1 AMP (Optional) – Discharge Conveyor
3400-32
1
Handle – Crank for Discharge Conveyor
1519-045
1
Head Rear Shaft
1519-046
2
L’Brackets – Seal Bar Mounting Bracket
1519-055
2
Magnets – Upper – Optional
1519-042
2
Magnets coil lower(Optional)
1519-320-110
1
Motor – Discharge Conveyor

Thompson Direct, Inc. Page 91
TDI-1519ECMC —110 Volt Sealer/Tunnel Combination Service Manual
SEALER – REPLACEMENT PARTS
Part #
Qty
Description
1519-720
2
Pin Perforator Assembly Complete with Shaft
1519-721
2
Pin Perforator Sponge Wheel
1519-070
2
Pin Perforator Wheels with Pins
1519-722
1
Roller – Film Rack Idler Roller
1519U-723
1
Seal Bar – Complete Assembly
3450-15
1
Seal Pad Sponge Rubber – Bottom
1519-130
1
Speed Potentiometer – Conveyor
3440-22
1
Sponge – Handle
1519-420
4
Sprockets – Conveyor Adjustment, Up and Down
1519-185
1
Sprocket – Conveyor Drive Shaft
1519-190
1
Sprocket – Conveyor Motor
3400-47
1
Switch – Impulse
100002
2
Teflon Tape—1/2” x 10 yards x 10 mill (Upper)
100003
1
3/4” 10 yd x 10 mil Teflon tape
1519-022
1
Teflon—Insert/Insulator
1519-150
1
Terminal Strip
3400-77-110
3
Timer – Seal, Magnet or Conveyor
1519-325-110
1
Transformer – Pulse, 110V
1524-27-110
1
Transformer – Stepdown 110V to 24V -- Optional
1519U-724
1
Transite channel –front top
1519U-725
1
Transite channel – side top
1519-165
1
Tray – Product Discharge
1519-075
1
Tray - Product Separator

Thompson Direct, Inc. Page 92
TDI-1519ECMC —110 Volt Sealer/Tunnel Combination Service Manual
TUNNEL – REPLACEMENT PARTS
TDI-1519ECMC TUNNEL REPLACEMENT PARTS
Part #
Qty
Description
1519-170-110
1
AC Motor Speed Control – Complete 110V
1519-370
1
Belt – Teflon Mesh – 62 ½” L—Optional
1519-371
1
Belt – Teflon Mesh – Clamp Bar
1519-175-110
1
Blower Motor – 110 V
1519-180
1
Blower Wheel
3500-02
1
Capacitor, 3 MF, 400 VAC
3500-05
2
Chain – Master Link #40 Extended Pin
3600-06
2
Chain – Pinned #40
1519-190
1
Chain – Riveted #30
1519-190
1
Contactor – 2 Pole, 20 AMP 110V
1519-375
1
Contactor – 25 Amp
3500-08-110
1
Motor – Conveyor AC (25 W)
1519-205-110
1
Cooling Fan Motor
1519-215
2
Curtain Material Set
1519-220
1
Drive Shaft
1519-230
1
Fuse Block
3400-86
1
Fuse F4 3AMP
3500-14
1
Fuse F6 .5 AMP
1519-235
1
Fuse Holder
1519-330-110
2
Fuses F1 and F2 15 AMP
1519-260
2
Fuses F3 and F5 1 AMP
1519-240
2
Guide Rails
3500-46
1
Heat Cool Down Sensor (B-100)
1519-360-110
1
Heater Bank –110 V
1519-250
1
Idler Shaft
1519-255
59
Roller 12 ¾” – Covered 59
3500-26
2
Sprocket – Conveyor Drive
3500-27
2
Sprocket – Conveyor Idler with Bearing
3500-28
1
Sprocket – Conveyor Motor
3500-21
1
Switch – Heater Bank S2
3500-20
1
Switch – Start S1
1519-355-110
1
Temperature Controller – 110V

Thompson Direct, Inc. Page 93
TDI-1519ECMC —110 Volt Sealer/Tunnel Combination Service Manual
TUNNEL – REPLACEMENT PARTS
Part #
Qty
Description
1519-310
1
Terminal Strip – Short – 3 Lug
3600-35
1
Thermo Overload Sensor (S-90)-Motor
3500-30
1
Thermocouple Probe
3500-29
1
Thermocouple Probe Holder
3500-70
1
Wire – High Temperature

Thompson Direct, Inc. Page 94
TDI-1519ECMC —110 Volt Sealer/Tunnel Combination Service Manual
Spare Parts List
Item
#
Part #
Description
Qty.
Price
1
1519-013
Band Ribbon
2
2
1519-332-110
Fuse – 20 Amp
2
3
1519-335-110
Fuse - .5 Amp
2
4
1519-340-110
Fuse – 2 Amp
2
5
1519-348-110
Fuse – 1 Amp
2
6
1519-342-110
Fuse – 3 Amp
2
7
1710-28
Lubrication Chain
1
8
100002
½”x10 mill x 10yd Teflon
Tape
1
9
100003
¾” X 10yd x 10mill
1
10
3450-15
Seal Pad Rubber-Bottom
10ft
11
1519U-724
Transite channel – Front
1
12
1519U-725
Transite channel – Side
1
Total Cost
$call

Thompson Direct, Inc. Page 95
TDI-1519ECMC —110 Volt Sealer/Tunnel Combination Service Manual
Spare Parts Kit For
TDI-1519EC Series-110V, TDI-1519ECM, TDI-1519ECMC
Item #
Part #
Description
Qty.
Price
1
1519-013
Band Ribbon
2
2
1519U-724
Channel – Front transite
1
3
1519U-725
Channel – Side transite
1
4
1519-332-110
Fuse – 20 Amp
2
5
1519-335-110
Fuse – .5 Amp
2
6
1519-340-110
Fuse – 2 Amp
2
7
1519-348-110
Fuse – 1 Amp
2
8
1519-342-110
Fuse – 3 Amp
2
9
1710-28
Lubrication Chain
1
10
100002
½” x 10 mill x 10 yd. Teflon Tape
1
11
100003
3/4” x 10 yd x 3 mil
1
11
3450-15
Seal Pad Rubber – Bottom
1
Total Cost
$call