Owners Guide GAS BOOSTED SOLAR WATER HEATER Loline Rheem531Series
User Manual: GAS BOOSTED SOLAR WATER HEATER
Open the PDF directly: View PDF
.
Page Count: 52
- Contents
- About Your Water Heater
- Model Type
- Solar Operation
- Mains Pressure
- How Hot Should The Water Be?
- Hotter Water Increases The Risk Of Scald Injury
- Gas Boosting
- Temperature Adjustment
- Piezo Ignition
- Pilot Igniter
- Warning
- Safety
- Freeze Protection
- Pipe Work And Insulation
- Solar Monitor
- Bleeding The Solar Collectors
- To Turn Off The Water Heater
- To Turn On The Water Heater
- How Do I Know If The Water Heater Is Installed Correctly?
- Victorian Customers
- Does The Water Chemistry Affect The Water Heater?
- How Long Will The Water Heater Last?
- Going On Holidays
- Regular Care
- Timer Operation
- TIME PROG DAY HR MIN
- Water Supplies
- Save A Service Call
- Installation – Solar Storage Tank
- Important Notes
- Freeze Protection
- Installation Standards
- Solar Water Heater Storage Tank Location
- Mains Water Supply
- Tank Water Supply
- Hot Water Delivery
- Circulated Hot Water Flow And Return System
- Reducing Heat Losses
- Anode
- Saddling - Pipe Work
- Dimensions And Technical Data
- Typical Installation – Outdoor Location
- Assembly Of Solar Hot And Solar Cold Pipe Connections
- Installation – Solar Collectors
- Connections – Plumbing
- Connections – Electrical
- Commissioning
- Lighting The Water Heater
- Draining The Solar Collectors
- Draining The Water Heater
- Rheem Solar Loline Water Heater Warranty – Australia Only –

This water heater must be installed and serviced by an authorised person.
Please leave this guide with the householder.
Owner’s Guide
and
Installation Instructions
Solar Loline
Gas Boosted Water Heater
WARNING: Plumber – Be Aware
Use copper pipe ONLY. Plastic pipe MUST NOT be used.
It is a requirement of a solar water heater installation that all pipe work be in copper
and not plastic, due to the effects of high water temperatures and pressures.

PATENTS
This water heater may be protected by one or more patents or registered designs.
TRADEMARKS
® Registered trademark of Rheem Australia Pty Ltd.
™ Trademark of Rheem Australia Pty Ltd.
Note: Every care has been taken to ensure accuracy in preparation of this publication.
No liability can be accepted for any consequences, which may arise as a result of its application.
WARNING: Plumber – Be Aware
The solar hot and solar cold pipes between the solar storage tank and the solar collectors MUST BE
of copper. All compression fittings must use brass or copper olives.
The full length of the solar hot and solar cold pipes MUST BE insulated.
The insulation must:
be of a closed cell type or equivalent, suitable for a solar water heating application and capable
of withstanding the temperature of the water generated by the solar collectors under stagnation
conditions
The specification of the chosen insulation material should be checked with the insulation
manufacturer prior to installation as different materials may vary in temperature tolerance.
be at least 13 mm thick, however thicker insulation may be required to comply with the
requirements of AS/NZS 3500.4
be weatherproof and UV resistant if exposed
extend through any penetrations in the eaves, ceiling and roof
cover valves and fittings in the solar hot and solar cold pipe work
be fitted up to and cover the connections on both the solar storage tank and the solar collectors.
Note: Failure to observe these requirements increases the risk of freeze damage.
Uninsulated pipe work, including concealed in cavities and roof spaces or where it may be in contact
with a metal roof, may lead to freeze damage. The system has NO WARRANTY for freeze damage if
the solar hot and solar cold pipes are not insulated in accordance with the installation instructions.
The insulation is essential to assist in providing freeze protection, will offer corrosion protection to a
metal roof against water runoff over the copper pipe, assist in avoiding accidental contact with the
solar pipe work as high temperature water can flow from the solar collectors to the solar storage tank
and also reduce pipe heat losses.
Plastic pipe MUST NOT be used, as it will not withstand the temperature and pressure of the water
generated by the solar collectors under stagnation conditions. The solar collectors can generate
extremely high water temperatures up to 150°C and high water pressure of 1000 kPa. Plastic pipe
cannot withstand these temperatures and pressures and MUST NOT be used. Failure of plastic pipe
can lead to the release of high temperature water and cause severe water damage and flooding.
The highest point of the solar cold pipe and solar hot pipe must be where they connect to the solar
collectors, to avoid the possibility of air locks occurring in the system. There must be a continuous
fall in the pipe work between the solar collectors and solar storage tank. Horizontal runs of pipe work
are acceptable and may be installed.
A non return valve MUST BE installed on the cold water line to the solar storage tank AFTER the
cold water branch to a temperature limiting device. Due to the higher water temperatures generated
under certain conditions in the solar collectors of this solar water heater, an additional effective back-
flow prevention device also should be used as an extra safeguard. Valve manufacturer RMC
recommends Dual Check Valve model N7150, as being suitable for this application.
The pressure applied to the solar circuit and solar collectors during a pressure test of a direct open
circuit system MUST NOT exceed 1000 kPa, otherwise damage may result to the solar collectors.
Refer to “Pressure Testing” on page 35.

3
CONTENTS
HOUSEHOLDER – We recommend you read pages 4 to 22.
The other pages are intended for the installer but may be of interest.
About Your Water Heater ............................................................................................................ 4
Regular Care .............................................................................................................................. 11
Timer Operation ......................................................................................................................... 13
Water Supplies ........................................................................................................................... 17
Save A Service Call ................................................................................................................... 20
Installation – Solar Storage Tank ............................................................................................. 23
Installation – Solar Collectors .................................................................................................. 32
Connections – Plumbing .......................................................................................................... 36
Connections – Electrical ........................................................................................................... 39
Commissioning .......................................................................................................................... 41
Lighting The Water Heater ........................................................................................................ 45
Draining The Solar Collectors .................................................................................................. 48
Draining The Water Heater ....................................................................................................... 48
Warranty ..................................................................................................................................... 51
Warning: Upon completion of the installation and commissioning of the water heater,
leave this guide with the householder or a responsible officer. DO NOT leave this guide inside
of the cover of the water heater, as it may interfere with the safe operation of the water heater
or ignite when the water heater is turned on.

4
ABOUT YOUR WATER HEATER
MODEL TYPE
Your Rheem® solar Loline™ water heater is designed for the solar collectors to be roof mounted and the
solar storage tank to be installed at ground level. The solar storage tank is suitable for outdoor installation
only and can be installed with Rheem NPT 200 solar collectors. The system is not suitable for installation
above 400 metres altitude.
The system has a level of freeze protection designed to guard the
system against damage from freeze conditions (refer to “Freeze
Protection” on page 7). The system must be installed with the full
length of the solar hot and solar cold pipes insulated to offer protection
against freeze damage (refer to “Pipe Work and Insulation” on page 7).
Freeze conditions occur below 6°C.
The system has NO WARRANTY for freeze damage when installed
above 400 metres altitude or if the solar hot and solar cold pipes are
not insulated in accordance with the installation instructions (refer to
“Warranty Exclusions” on page 51). Note: Warranty against freeze
damage applies only to systems installed in Australia.
SOLAR OPERATION
The Rheem Loline system has its vitreous enamel lined solar storage
tank installed at ground level, remotely from the solar collectors.
As the sun heats the water in the solar collectors the increase in temperature activates the circulator. The
circulator then moves the water from the solar collectors through an insulated copper pipe to the solar
storage tank. The circulator switches on whenever the water in the solar collectors is hotter than the water in
the tank. Cooler water from the solar storage tank is circulated to the solar collectors to be heated by the
sun‟s energy. This process continues while solar energy is available and until the water in the solar storage
tank reaches a temperature of approximately 70°C to 75°C.
Automatic safety controls are fitted to the water heater to provide safe and efficient operation.
MAINS PRESSURE
The water heater is designed to operate at mains pressure by connecting directly to the mains water supply.
If the mains supply pressure in your area exceeds that shown on page 25, a pressure limiting valve must be
fitted. The supply pressure should be greater than 350 kPa for true mains pressure operation to be achieved.
A minimum water supply pressure of 200 kPa is required to enable the solar circulator and solar circuit
system to operate effectively.
HOW HOT SHOULD THE WATER BE?
The solar control unit will circulate water through the solar collectors
until a temperature of approximately 70°C to 75°C is reached. During
periods of low solar energy gain, the water temperature can be
boosted by the thermostatically controlled gas burner. The boosting is
controlled by both the timer unit and the gas control thermostat.
The water heater features a user adjustable thermostat, which allows
you to personally choose the most suitable boosting temperature for
your hot water needs. Refer to “Temperature Adjustment” on page 5.
Rheem recommends the thermostat is set at 60°C to maximise solar
contribution.
Note: AS 3498 requires that a water heater provides the means to
inhibit the growth of Legionella bacteria in potable water. This water
heater can satisfy this AS 3498 requirement provided the gas booster
is energised for a sufficient period each day and the gas booster
thermostat setting is 60°C or higher.
typical
maximum temperature
maximum
booster setting
minimum recommended
booster setting
maximum recommended
supply temperature to
bathrooms, ensuites and
public areas

ABOUT YOUR WATER HEATER
5
HOTTER WATER INCREASES THE RISK OF SCALD INJURY
This water heater can deliver water at temperatures which can cause scalding. Check the water temperature
before use, such as when entering a shower or filling a bath or basin, to ensure it is suitable for the
application and will not cause scald injury.
We recommend and it may also be required by regulations that an approved temperature limiting device be
fitted into the hot water pipe work to the bathroom and ensuite when this water heater is installed. This will
keep the water temperature below 50°C at the bathroom and ensuite. The risk of scald injury will be reduced
and still allow hotter water to the kitchen and laundry.
GAS BOOSTING
Water stored in the solar storage tank can be heated by a gas burner located under the cylinder. The gas
burner is for heating the water at times of low solar energy gain, such as during very cloudy or rainy weather,
or during the colder months. The boost water temperature is determined by the gas control thermostat
setting.
The gas burner is also controlled via a timer unit installed inside the house. It is recommended the timer be
set to enable boosting between 3:30 PM and 6:30 PM. This will allow boosting of the water temperature
before the main evening hot water usage period, but after the main solar heating period of the day. The timer
unit has a manual “OVERRIDE” to allow boosting outside of the set hours (refer to “Timer Operation” on
page 13).
Note: The gas burner will only light if the temperature of the water in the solar storage tank is below the gas
control thermostat setting.
TEMPERATURE ADJUSTMENT
The temperature adjusting dial is on the gas valve, behind the access
cover on the lower front of the water heater. A setting of „6‟ will
normally provide a boosted water temperature of about 60°C. Each
number represents a temperature difference of approximately 6°C.
To increase the boosted water temperature to 65°C, turn the gas
control knob counter-clockwise to a setting of „7‟. Refer to “Hotter
Water Increases the Risk of Scald Injury” on page 5.
PIEZO IGNITION
The “Piezo” push button igniter makes lighting the pilot flame of your
water heater very easy. Simply follow the instructions on the label
attached to the back of the access door. There is no need for matches
to light the water heater.
PILOT IGNITER
A permanent pilot flame burns to ignite the main burner automatically
for boosting. Heat from the pilot is absorbed by the water.

ABOUT YOUR WATER HEATER
6
WARNING
This water heater is only intended to be operated by persons who have the experience or the knowledge and
the capabilities to do so. This water heater is not intended to be operated by persons with reduced physical,
sensory or mental capabilities i.e. the infirm, or by children. Children should be supervised to ensure they do
not interfere with the water heater.
This water heater uses 240 V AC electrical power for operation of the control systems and the electrically
operated components. The removal of the side access panel will expose 240 V wiring. It must only be
removed by an authorised or qualified person.
Care should be taken not to touch the pipe work connecting the solar storage tank and the solar collectors.
Very high temperature hot water can be generated by the solar collectors under certain conditions and flow
through the pipe work from the solar collectors to the solar storage tank.
SAFETY
This water heater is supplied with a thermostat, an over-temperature cut-out, and a combination temperature
pressure relief valve. These devices must not be tampered with or removed. The water heater must not be
operated unless each of these devices is fitted and is in working order.
If the electrical conduit to the water heater is damaged, it must be replaced by an authorised person in order
to avoid a hazard. Phone Rheem Service or their nearest Accredited Service Agent to arrange for an
inspection.
Warning: For continued safety of this water heater it must be installed, operated and maintained in
accordance with the Owner‟s Guide and Installation Instructions.
The warranty can become void if relief valves or other safety devices are tampered with or if the
installation is not in accordance with these instructions.
Do not store flammable or combustible materials near the water
heater. Flammable liquids (such as petrol), newspapers and
similar articles must be kept well away from the water heater and
the flue terminal.
Do not use aerosols, stain removers and household chemicals
near the water heater whilst it is working. Gases from some
aerosol sprays, stain removers and household chemicals become
corrosive when drawn into a flame.
Do not store swimming pool chemicals, household cleaners, etc.,
near the water heater.
Do not place anything on top of the water heater or in contact with
the flue terminal.
Do not use Propane / Butane gas mixtures in a Propane model. A Propane model is designed to operate
on Propane only. The use of Propane / Butane mixture, such as automotive LPG fuel, in a Propane
model is unsafe and can cause damage to the water heater.

ABOUT YOUR WATER HEATER
7
FREEZE PROTECTION
The system has a level of freeze protection designed to guard the system against damage from freeze
conditions. The system must be installed with the full length of the solar hot and solar cold pipes insulated to
offer protection against freeze damage (refer to “Pipe Work and Insulation” on page 7). Freeze conditions
occur below 6°C.
The system has NO WARRANTY for freeze damage when installed above 400 metres altitude or if the solar
hot and solar cold pipes are not insulated in accordance with the installation instructions (refer to “Warranty
Exclusions” on page 51). Note: Warranty against freeze damage applies only to systems installed in
Australia.
The anti freeze control is designed to recirculate a small amount of water from the solar storage tank through
the solar pipe work during periods of low temperatures. This is to prevent the water inside the pipe work from
freezing. It is essential that the electrical circuit to the solar control unit is continually turned on if there is a
risk of freezing. The solar warranty does not cover damage caused by freeze conditions when the electrical
circuit to the solar control unit is turned off or interrupted.
Notes:
If it is necessary to switch the power off to the solar control unit and there is a risk of freezing, then it is
necessary to have your plumber drain the solar collectors and solar flow and return pipe work.
The freeze protection system will be rendered inoperable if electrical power is not available at the solar
control unit. Damage caused by freezing due to no power at the solar control unit, is not covered by
warranty.
The system is not covered for freeze damage above 400 metres altitude.
Refer to “Warranty Exclusions” on page 51.
PIPE WORK AND INSULATION
The solar hot and solar cold pipe work between the solar storage tank and the solar collectors MUST BE of
copper.
The full length of the solar hot and solar cold pipes MUST BE insulated. The insulation must:
be of a closed cell type or equivalent, suitable for a solar water heating application and capable of
withstanding the temperature of the water generated by the solar collectors under stagnation conditions
be at least 13 mm thick, however thicker insulation may be required to comply with the requirements of
AS/NZS 3500.4
be weatherproof and UV resistant if exposed
extend through any penetrations in the eaves, ceiling and roof
cover valves and fittings in the solar hot and solar cold pipe work
be fitted up to and cover the connections on both the solar storage tank and the solar collectors.
Note: Failure of these requirements to be observed increases the risk of freeze damage.
Uninsulated pipe work, including concealed in cavities and roof spaces or where it may be in contact with a
metal roof, may lead to freeze damage. There is NO WARRANTY for freeze damage if the solar hot and
solar cold pipes are not insulated in accordance with the installation instructions.
The insulation is essential to assist in providing freeze protection, will offer corrosion protection to a metal
roof against water runoff over the copper pipe, assist in avoiding accidental contact with the solar pipe work
as high temperature water can flow from the solar collectors to the solar storage tank and also reduce pipe
heat losses.
Plastic pipe MUST NOT be used, as it will not withstand the temperature and pressure of the water
generated by the solar collectors under certain conditions (refer to Warning on page 34).

ABOUT YOUR WATER HEATER
8
SOLAR MONITOR
A solar monitor is located on the side of the air duct and houses a green and a red LED.
The green LED, marked “Solar”, indicates the current operational mode of the solar water heater and the red
LED, marked “Attention”, indicates a fault mode.
The green LED will emit either a constant glow or a series of flashes, with a 2 second interval between each
series.
The red LED will emit a series of flashes, with a 2 second interval between each series, only if there is a
particular fault condition with the system.
The operational modes are:
Flashes
Operational Modes
solid green
(remains on)
Standby mode
green
slow pulse
Standby mode
(power on for less than 48 hours)
green
rapid pulse
Circulating water through collectors
3 x green
Circulating water through collectors
(power on for less than 48 hours)
no green
(remains off)
Power outage or call for service
If the power supply to the water heater is on and the green LED is off or the red LED is flashing, this
indicates there may be a fault with the water heater. The red LED may emit up to six flashes in each series
of flashes.
Notes:
If the system is in standby mode with the green LED emitting either a constant glow or slow pulsing
flashes (circulator is off) and the solar storage tank is full of hot water, the red LED may simultaneously
emit a constant glow if solar radiation is still being received by the solar collectors. This does not indicate
a fault. The red LED will go out when the temperature in the solar collectors decreases.
During periods of high solar radiation and if the circulator activates after having been off, it is possible
the red LED may emit a rapid pulse for a period of up to ten (10) minutes. This does not indicate a fault.
If the red LED continues to emit a rapid pulse for longer than ten (10) minutes, or emits a series of flashes,
then count the number of flashes and phone Rheem Service or their nearest Accredited Service Agent to
arrange for an inspection.

ABOUT YOUR WATER HEATER
9
BLEEDING THE SOLAR COLLECTORS
It is necessary to purge air from the collector circuit:
When the water heater is to be turned on and the solar collectors and solar hot and solar cold pipe work
have been drained.
After maintenance has been conducted on the pipe work and air has entered the system.
If the circulator appears not to be circulating water around the system.
Warning: Bleeding the solar collectors should be conducted in the morning, within three hours of
sunrise, when the water temperature inside the solar collectors is lower.
To purge air from the collector circuit:
Ensure the water heater is full of water and all of the hot taps
are turned off.
Using a flat blade screwdriver, open the bleed valve (if it is
not already open) fitted adjacent to the solar hot water (from
collector) inlet of the solar storage tank (see diagram).
The mains pressure will force water to flow from the tank and
through the pipe work, expelling air from the collector circuit
through the bleed valve. This is evidenced by spurting of
water from the drain line connected to the bleed valve.
Warning: Exercise care to avoid any splashing of water,
as water discharged from the solar collectors may be of a
very high temperature.
Close the bleed valve when water runs freely from the drain
line.
TO TURN OFF THE WATER HEATER
If it is necessary to turn off the water heater:
Shut down the gas control (refer to “Close Down Procedure” on page 47).
Close the gas isolation valve at the inlet to the gas control.
Switch off the electrical supply at the isolating switch to the water heater (refer to note below).
Close the cold water isolation valve at the inlet to the water heater.
Note: If there is a risk of freezing conditions, the electrical supply to the solar control unit should not be
switched off unless the solar collectors are drained, otherwise damage could result (refer to “Freeze
Protection” on page 7).
TO TURN ON THE WATER HEATER
Open the cold water isolation valve fully at the inlet to the water heater.
If the solar collectors and solar hot and solar cold pipes have been drained, it will be necessary to bleed
the collector circuit (refer to “Bleeding the Solar Collectors” on page 9).
If the electrical supply to the water heater has been switched off, switch on the electrical supply at the
isolating switch.
The isolating switch must be switched on for the solar control unit to operate and solar gain to be
achieved.
Open the gas isolation valve fully at the inlet to the gas control.
Light the water heater (refer to “Lighting the Water Heater” on page 45).
Ensure the timer is programmed (refer to “Timer Operation” on page 13).

ABOUT YOUR WATER HEATER
10
HOW DO I KNOW IF THE WATER HEATER IS INSTALLED CORRECTLY?
Installation requirements are shown on page 30. The water heater must be installed by an authorised person
and the installation must comply with Standards AS/NZS 3500.4, AS/NZS 3000, AS/NZS 5601 and all local
codes and regulatory authority requirements. In New Zealand, the installation must conform with the Code of
Practice for installation of Gas Appliances NZS 5261 and with Clause G12 of the New Zealand Building
Code.
The timer is not weatherproof and must be installed indoors.
Refer also to “Pipe Work and Insulation” on page 7.
VICTORIAN CUSTOMERS
Notice to Victorian Customers from the Victorian Plumbing Industry Commission. This water heater must be
installed by a licensed person as required by the Victorian Building Act 1993.
Only a licensed person will give you a Compliance Certificate, showing that the work complies with all the
relevant Standards. Only a licensed person will have insurance protecting their workmanship for 6 years.
Make sure you use a licensed person to install this water heater and ask for your Compliance Certificate.
DOES THE WATER CHEMISTRY AFFECT THE WATER HEATER?
The water heater is suitable for most public water supplies, however some water chemistries may have
detrimental effects on the cylinder, solar collectors and fittings. If you are in a known harsh water area you
must read page 17. If you are not sure, have your water chemistry checked against the conditions
described on page 17.
HOW LONG WILL THE WATER HEATER LAST?
There are a number of factors that will affect the length of service the water heater will provide. These
include the water chemistry (refer to “Water Supplies” on page 17), the water pressure, temperature (inlet
and outlet) and the water usage pattern. However, your water heater is supported by a comprehensive
warranty (refer to page 52).
GOING ON HOLIDAYS
If you are going on holiday for more than a few days the thermostat can be set to its lowest setting („1‟) to
conserve energy. Alternatively, the timer can be set so the burner will not activate during the period you are
away (refer to “Timer Operation” on page 13). If it is necessary to turn off the water heater, refer to “To Turn
Off The Water Heater” on page 9. Also if the system is not used for a period in excess of two (2) weeks it is
recommended the solar collectors be covered.

11
REGULAR CARE
TEMPERATURE PRESSURE RELIEF VALVE
This valve is near the top of the water heater and is essential for its
safe operation. It is possible for the valve to release a little water
through the drain line during each heating period. This occurs as the
water is heated and expands by approximately 1/50 of its volume.
Continuous leakage of water from the valve and its drain line may
indicate a problem with the water heater (refer to “Temperature
Pressure Relief Valve Running” on page 21).
Warning: Never block the outlet of this valve or its drain line for
any reason.
Operate the easing lever on the temperature pressure relief valve
once every six months. It is very important you raise and lower
the lever gently.
Warning: Failure to do this may result in the water heater
cylinder failing.
If water does not flow freely from the drain line when the lever is
lifted, then the water heater should be checked by Rheem Service
or their nearest Accredited Service Agent.
The temperature pressure relief valve should be checked for
performance or replaced at intervals not exceeding 5 years, or more
frequently in areas where there is a high incidence of water deposits
(refer to “Water Supplies” on page 17).
EXPANSION CONTROL VALVE
In many areas, including South Australia, Western Australia and
scaling water areas, an expansion control valve is fitted to the cold
water line to the water heater. The expansion control valve may
discharge a small quantity of water from its drain line during the
heating period instead of the temperature pressure relief valve on
the water heater.
Operate the easing lever on the expansion control valve once every six months. It is very important you
raise and lower the lever gently. The expansion control valve should be checked for performance or
replaced at intervals not exceeding 5 years, or more frequently in areas where there is a high incidence of
water deposits.
SERVICING
For safe and efficient operation, the water heater should be serviced annually by Rheem Service or their
nearest Accredited Service Agent. Only genuine replacement parts should be used on this water heater.
Warning: Servicing of a gas water heater should only be carried out by authorised personnel.
water
heater
drain
line
lift until water
flows from the
drain line –
lower gently

REGULAR CARE
12
COLLECTOR GLASS
Ensure the glass on your solar collectors is free of dust, salt spray or any other matter, which may reduce the
effectiveness of the solar collectors. If the collector glass becomes dirty, hose down or if the solar collectors
are accessible, wash the collector glass with water and a soft brush when the solar collectors are cool.
Have any trees trimmed which may shade the solar collectors.
Rheem solar collectors have passed the AS/NZS 2712 requirements for resistance to hailstone damage, so
it is not normally necessary to fit a guard to a collector. Stone Guards are available to provide a level of
protection to the collectors against vandalism or accidental damage. Refer to your local Solar Distributor for
details.
FLUSHING THE SOLAR COLLECTORS
It may be necessary to flush the solar collectors if there is sediment in the water supply. This should be
conducted in the morning, within three hours of sunrise, when the water temperature inside the solar
collector(s) is lower.
To flush the solar collectors:
Open a hot water tap and allow the water to run for five (5) minutes prior to flushing the solar
collector(s).
Close the hot tap.
Wait a further five (5) minutes before attempting to flush the solar collectors.
This will assist in the transfer of any high temperature water in the solar collector(s) to the solar storage
tank.
Warning: Exercise care, as water discharged from the solar collectors may be of a very high
temperature.
To flush the solar collectors, follow the procedure “Bleeding the Solar Collectors” on page 9, allowing the
water to flow from the bleed valve drain line for five (5) minutes before closing the bleed valve.
It is recommended to flush the solar collectors every five (5) years. This will assist in keeping the solar
collectors, solar cold pipe and solar hot pipe clear of sediment.

13
TIMER OPERATION
FUNCTIONS OF THE TIMER
The timer is an accurate, electronic device which allows up to six (6) ON-OFF periods to be set per day. It is
recommended only one (1) period per day be programmed into the timer. This will be sufficient for most
installations. The timer is not weatherproof and must be installed indoors. It is recommended the timer be
located in the kitchen or laundry or other location easily seen by the householder.
DAY Press this button to select the actual day switching operations.
Switching programme options and their order of appearance on the screen are:
Select seven days a week: „MO TU WE TH FR SA SU‟ will be displayed.
Select one day only: The selected day only will be displayed, i.e.,
„MO‟ (Monday), „TU‟ (Tuesday), „WE‟ (Wednesday),
„TH‟ (Thursday), „FR‟ (Friday), „SA‟ (Saturday),
„SU‟ (Sunday).
Select Monday to Friday only: „MO TU WE TH FR‟ will be displayed.
Select Saturday and Sunday only: „SA SU‟ will be displayed.
Select Monday to Saturday only: „MO TU WE TH FR SA‟ will be displayed.
Note: The DAY button will only operate in conjunction with the time and program buttons.
PROG Press this button once to activate the program
function. It allows the “ON” and “OFF” times to be set
and the “DAY” selection to be made.
TIME Press this button to set the current day and time and
to complete the programming operation.
HR Press this button to set the hours.
MIN Press this button to set the minutes.
MAN Press this button to turn the “OVERRIDE” function on
or off.
R Press this button to delete all programmed information
from the memory.
Note: Each press of a button will advance the setting by one
increment. Pressing a button continuously will scroll through the
settings.
The function of the timer is to enable the gas burner to automatically boost the stored water temperature, if
required, due to low solar energy gain during the day. This will ensure the solar storage tank is full of hot
water for the evening hot water requirements.
Warning: The timer is not waterproof. Do not splash the timer with water.
BATTERY BACKUP
The timer has an inbuilt rechargeable battery. If a power failure occurs, the rechargeable battery will maintain
the memory of the timer, avoiding the loss of any set programs.
Note: The rechargeable battery may be run down at the time of installation. Connecting to mains power will
recharge the battery.
TIME PROG DAY HR MIN
RANDOM
R MAN

TIMER OPERATION
14
RECOMMENDED TIMER ON/OFF SETTING
It is recommended the timer be set to enable a boosting period of three hours, with the end of the period to
coincide with the commencement of the evening hot water usage. A suggested boosting period is between
3:30 PM (15:30 Hours) and 6:30 PM (18:30 Hours), however the boosting period should be set to suit the hot
water usage of the household.
Note: The timer uses a 24 hour clock.
This three hour boosting period is sufficient to allow the gas burner to heat up the entire contents of the solar
storage tank through a 50°C temperature rise. This may be necessary during periods of very low solar
energy gain through the solar collectors, such as during constant rain or extremely cloudy weather,
particularly in winter when the incoming cold water temperature is lower. This period will also provide a
sufficient heat up time for the gas booster to operate, if required, to satisfy the requirements of AS 3498.
Note: The times given are for local standard time. When daylight saving time applies, you may consider
resetting the timer accordingly.
RESET THE TIMER
It is recommended the timer be reset before commencing the initial programming. This will delete any set
programs.
Press the “R” (reset) button gently to reset the timer.
Use a non-metallic object like a wooden or plastic
toothpick.
Warning: Do not use a sharp metal object as this
may pierce the protective membrane and an electric
shock may result.
Note: When the “R” (reset) button is pressed, the entire screen is illuminated and all programs, including the
current time, are deleted from the timer‟s memory.
TO SET THE TIME
Press and hold the “TIME” button.
Press the “DAY” button to select the current day.
Press the “HR” button to select the current hour
(Note: 24 hour clock).
Press the “MIN” button to select the current minute.
Release the 'TIME' button.
The current time is now set.
MO TU WE TH FR SA SU
TIMER
ON A
OFF P
88:88
Example: Setting the current time as Sunday at
half past one in the afternoon i.e. 1:30 PM.
TIME PROG DAY HR MIN
RANDOM
R MAN
SU
OFF
13:30

TIMER OPERATION
15
TO SET ON/OFF TIMES
To set “ON” time
Press and release the “PROG” button
If the timer has been reset, then “TIMER – ON”,
“– – : – –” and “MO TU WE TH FR SA SU” will be
displayed on the screen.
If the timer has not been reset, then the current “ON”
time program will be displayed on the screen.
Press the “DAY” button to select the days of operation.
Refer to “Functions of the Timer” on page 13.
The selected days will be displayed on the screen.
Note: There is no need to make an adjustment to the
“DAY” display if “MO TU WE TH FR SA SU” is displayed
on the screen and it is desired to set the timer function
for seven day operation.
Press the “HR” button to select the “hour on” time (Note: 24 hour clock).
Press the “MIN” button to select the “minute on” time.
To set “OFF” time
Press and release the “PROG” button.
If the timer has been reset, then “TIMER – OFF”,
“– – : – –” and “MO TU WE TH FR SA SU” will be
displayed on the screen.
If the timer has not been reset, then the current “OFF”
time program will be displayed on the screen.
Press the “DAY” button to select the days of operation.
Refer to “Functions of the Timer” on page 13.
The selected days will be displayed on the screen.
Note: There is no need to make an adjustment to the
“DAY” display if “MO TU WE TH FR SA SU” is displayed
on the screen and it is desired to set the timer function
for seven day operation.
Press the “HR” button to select the “hour off” time (Note: 24 hour clock).
Press the “MIN” button to select the “minute off” time.
Note: Six (6) “ON” and “OFF” times are available and each can be set by following the above procedure.
It is recommended only one “ON” and “OFF” time is set.
Press and release the “TIME” button to exit the program mode. The current time is displayed. The timer
is now programmed to operate.
Note: The program automatically sets after approximately two minutes if the “TIME” button is not
pressed.
Note: If the timer is not set with an ON-OFF period, the solar water heater will not boost automatically. If the
“MAN” button is pressed to activate the manual boosting “OVERRIDE” function and an ON-OFF period has
not been set, the solar water heater will remain in boosting mode until the “MAN” button is pressed again to
deactivate the manual boosting “OVERRIDE” function (refer to “Manual Boosting – “OVERRIDE” Function”
on page 16). During this time, only minimal solar gain may be achieved.
Example: Setting the “ON” time as 3:30 PM
(15:30 hours) for seven day a week boosting.
MO TU WE TH FR SA SU
TIMER
ON
15:30
TIME PROG DAY HR MIN
RANDOM
R MAN
Example: Setting the “OFF” time as 6:30 PM
(18:30 hours) for seven day a week boosting.
TIME PROG DAY HR MIN
RANDOM
R MAN
MO TU WE TH FR SA SU
TIMER
OFF
18:30

TIMER OPERATION
16
MANUAL BOOSTING – “OVERRIDE” FUNCTION
The timer also has an “OVERRIDE” function to allow for
boosting the temperature of the water in the solar storage
tank, outside of the set hours.
To activate manual boosting, press the “MAN” button
once.
The word “ON” appears in the display.
When the water has been heated to the temperature
setting of the gas control, the gas burner will
automatically extinguish.
To deactivate the manual boosting, press the “MAN”
button once.
The word “OFF” appears in the display.
Note: This is necessary to prevent further boosting of the
water temperature, whenever hot water is used. This
could potentially reduce the solar gain for one day.
If the “OVERRIDE” function is not manually deactivated,
it will automatically be deactivated at the end of the next
timer set boost period.
CAUTION – “RANDOM” FUNCTION
The timer features a “RANDOM” function setting, indicated by the word “TIMER” flashing in the display. The
“RANDOM” function will cause the timer to switch ON and OFF completely at random, regardless of any set
programmes. If the “RANDOM” function is inadvertently set, press the “DAY” and “HR” buttons
simultaneously to deactivate (the word “TIMER” disappears from the display).
Note: It is recommended the “RANDOM” function never be used.
TIME PROG DAY HR MIN
RANDOM
R MAN
SU
ON
09:15
Example: The Manual Boosting “Override” function
“ON” at quarter past nine on Sunday morning.
Example: The Manual Boosting “Override” function
“OFF” at ten past three on a Wednesday afternoon.
TIME PROG DAY HR MIN
RANDOM
R MAN
WE
OFF
15:10

17
WATER SUPPLIES
This water heater must be installed in accordance with this advice to be covered by the warranty.
This water heater is manufactured to suit the water conditions of most public reticulated water supplies.
However, there are some known water chemistries which can have detrimental effects on the water heater
and its operation and / or life expectancy. If you are unsure of your water chemistry, you may be able to
obtain information from your local water supply authority. This water heater should only be connected to a
water supply which complies with these guidelines for the water heater warranty to apply.
CHANGE OF WATER SUPPLY
The changing or alternating from one water supply to another can have a detrimental effect on the operation
and / or life expectation of a water heater cylinder, a temperature pressure relief valve and a solar collector in
a direct solar water heater system.
Where there is a changeover from one water supply to another, e.g. a rainwater tank supply, bore water
supply, desalinated water supply, public reticulated water supply or water brought in from another supply,
then water chemistry information should be sought from the supplier or it should be tested to ensure the
water supply meets the requirements given in these guidelines for warranty to apply.
ANODE
The vitreous enamel lined cylinder of the water heater is only covered by warranty when the total dissolved
solids (TDS) content in the water is less than 2500 mg/L and when the correct colour coded anode is
installed. The use of an incorrect colour coded anode will void the cylinder warranty and may shorten the life
of the water heater cylinder.
The correct colour coded anode must be selected and fitted to the water heater in accordance with the
following advice and the Anode Selection chart on page 17 for warranty to apply to the water heater cylinder.
Total Dissolved Solids
Anode colour code
0 – 40 mg/L
Green
40 – 150 mg/L
Green or Black
150 – 400 mg/L
Black
400 – 600 mg/L
Black or Blue
600 – 2500 mg/L
Blue
2500 mg/L +
Blue (no cylinder warranty)
The changing of anodes must be carried out by a plumber or authorised service person.
Note: Some water analysis reports may state the conductivity of the water rather than the level of total
dissolved solids. Conductivity, measured in microsiemens per centimetre (µS / cm), is directly proportional to
the TDS content of the water. TDS, in mg / L, is approximately 70% of the conductivity in µS / cm.
CONDUCTIVITY - µS/cm
TOTAL DISSOLVED SOLIDS & CONDUCTIVITY
(vitreous enamel lined water heater cylinder)
40 150 400 600 TOTAL DISSOLVED SOLIDS (TDS) - mg/L
ANODE SELECTION
warranty applies to a vitreous enamel lined water heater cylinder if the
correct coloured anode is used for the TDS / conductivity level of water
2500
3570
no warranty
applies
to a vitreous
enamel lined
water heater
cylinder
Blue
Black
Green
60 215 570 860
0
0
Blue

WATER SUPPLIES
18
ANODE INSPECTION
The anodes installed in your water heater will slowly dissipate whilst protecting the cylinder. The life of the
water heater cylinder may be extended by arranging for an authorised person to inspect the anodes and
replace if required.
The suggested time after installation when the anodes should be inspected is 8 years.
For water supplies which are either softened, desalinated or where the water supply may alternate between
a water tank and a reticulated public supply or another supply, it is recommended the anodes be inspected
3 years earlier than shown (refer to “Anode” on page 17).
It is recommended the anode be inspected during a five year service of the water heater, if one is conducted.
CAUTION
If the water supply has a TDS greater than 150 mg/L and a green anode has not been changed to a black
anode, or if the TDS is greater than 600 mg/L and the anode has not been changed to a blue anode, there is
the possibility the anode may become overactive and hydrogen gas could accumulate in the top of the water
heater during long periods of no use.
If, under these conditions, the water heater has not been used for two or more weeks the following
procedure should be carried out before using any electrical appliances (automatic washing machines and
dishwashers) which are connected to the hot water supply.
The hydrogen, which is highly flammable, should be vented safely by opening a hot tap and allowing the
water to flow. There should be no smoking or naked flame near the tap whilst it is turned on. Any hydrogen
gas will be dissipated. This is indicated by an unusual spurting of the water from the tap. Once the water
runs freely, any hydrogen in the system will have been released.
SATURATION INDEX
The saturation index is used as a measure of the water‟s corrosive or scaling properties.
In a corrosive water supply, the water can attack copper parts and cause them to fail.
Where the saturation index is less than –1.0, the water is very corrosive and warranty does not apply to a
solar collector in a direct solar water heater system.
In a scaling water supply calcium carbonate is deposited out of the water onto any hot metallic surface.
Where the saturation index exceeds +0.40, the water is very scaling. An expansion control valve must be
fitted on the cold water line after the non-return valve to protect and for warranty to apply to the temperature
pressure relief valve and water heater cylinder. Solar collectors in a direct solar water heater system should
be covered when the water heater is not intended to be used for more than two weeks.
Where the saturation index exceeds +0.80, warranty does not apply to a solar collector in a direct solar water
heater system.
Water which is scaling may be treated with a water softening device to reduce the saturation index of the
water.
Refer to the Saturation Index chart on page 19.
Refer to the cold water connection detail on page 36 for the position of the expansion control valve.

WATER SUPPLIES
19
-1.0
no warranty applies to a:
temperature pressure relief valve or a
water heater cylinder unless an
expansion control valve is fitted.
no warranty applies to a:
-direct (open circuit) solar collector
SATURATION INDEX (SI)
SOLAR WATER HEATERS - INTANK GAS BOOST
WITHIN WARRANTY
SPECIFICATION
SATURATION INDEX
(calculated @ 80°C water temperature)
no warranty applies to a:
-direct (open circuit) solar collector
+0.4 +0.80
very corrosive very scaling
scaling
corrosive
SUMMARY OF WATER CHEMISTRY ADVICE AFFECTING WARRANTY
The warranty of this water heater does not apply on the components listed below if the water heater is
connected at any time to a water supply with water chemistry of:
Water Chemistry
Component
Total Dissolved Solids (TDS) > 2500 mg/L
water heater cylinder
Total Dissolved Solids (TDS) not suitable for anode type
water heater cylinder
Saturation Index (SI) < -1.0
solar collector
Saturation Index (SI) > +0.4
(if an expansion control valve is not fitted)
water heater cylinder
temperature pressure relief valve
Saturation Index (SI) > +0.8
solar collector

20
SAVE A SERVICE CALL
Check the items below before making a service call. You will be charged for attending to any condition or
fault that is not related to manufacture or failure of a part.
NOT ENOUGH HOT WATER (OR NO HOT WATER)
This can occur with new installations and is normally related to
some misunderstandings as to the use of the timer and gas booster.
Insufficient sunlight
Insufficient sunlight due to cloudy weather during hotter months
or low solar energy contribution in colder months may mean
you will need to activate the gas boosting more often (refer to
“Manual Boosting – Override Function” on page 16).
Pilot flame alight?
Check the pilot flame is burning by removing the access cover.
Relight the pilot flame according to the lighting instructions
(refer to “Lighting the Water Heater” on page 45).
Gas burner not operating
Inspect the isolating switch (adjacent to the water heater or at the switch board marked “HOT WATER”
or “WATER HEATER”) and ensure it is turned “ON”.
Note: Check the settings on the TIMER are sufficient to allow a full boosting cycle (refer to
“Recommended Timer On/Off Setting” on page 14).
Green LED is off or red LED is flashing on Solar Monitor
If the green LED is off or the red LED is flashing on the Solar Monitor label, there may be a problem with
the solar water heater operation and solar gain is not being achieved. This will result in the gas booster
operating to provide all of the hot water required.
Switch off the electrical supply at the isolating switch to the solar storage tank for a few seconds, then
switch on again.
If the green LED remains off or the red LED recommences to flash, then count the number of flashes
and phone Rheem Service or their nearest Accredited Service Agent to arrange for an inspection.
Collectors shaded
If trees or other objects shade the solar collectors or if the glass is dirty, the effectiveness of the solar
collectors will be greatly reduced. Have the trees trimmed or the solar collectors relocated if the
obstruction is permanent or clean the collector glass (refer to “Collector Glass” on page 12).
Collector area is too small
For most installations, the number of solar collectors recommended in Rheem literature has been
proven to provide the required solar energy to meet the average family needs. However, in some
circumstances, it may be necessary to install an additional solar collector.
Air in collectors (No solar gain)
It is possible under certain conditions, such as when the pipe work has been opened, that air may
become trapped in the solar collectors. This will prevent the circulator from moving water around the
collector circuit. The air will need to be purged from the solar collectors (refer to “Bleeding The Solar
Collectors” on page 9).
Are you using more hot water than you think?
Is one outlet (especially the shower) using more hot water than you think? Very often it is not realised
the amount of hot water used, particularly when showering. Carefully review the family‟s hot water
usage. As you have installed an energy saving appliance, energy saving should also be practised in the
home. Adjust your water usage pattern to take advantage of maximum solar gains. Have your plumber
fit a flow control valve to each shower outlet to reduce water usage.
Temperature pressure relief valve running
Is the relief valve discharging too much water? (Refer to “Temperature Pressure Relief Valve Running”
on page 21).

SAVE A SERVICE CALL
21
Thermostat setting
Ensure the thermostat setting is appropriate. You may choose to adjust the thermostat upwards to gain
additional hot water capacity when boosting.
Warning: Hotter water increases the risk of scald injury.
Water heater size
Do you have the correct size water heater for your requirements? The sizing guide in the sales literature
and on the Rheem website (www.rheem.com.au) suggests average sizes that may be needed.
WATER NOT HOT ENOUGH
You may find that due to heavy hot water usage or low solar energy gain the water temperature may be
lower than normally expected. Ensure the booster is being used as advised. You will need to carefully plan
your use of the gas burner and you may need to activate the gas boosting more often (refer to “Manual
Boosting – Override Function” on page 16) to boost the water temperature on such occasions.
A lower water temperature may also be noticed in the morning if the gas boosting has not been used. This in
particular may be experienced during periods of low solar energy gain, or if there has been heavy hot water
usage the previous night.
TEMPERATURE PRESSURE RELIEF VALVE RUNNING
Normal Operation
It is normal and desirable this valve allows a small quantity of
water to escape during the heating cycle. However, if it
discharges more than a bucket full of water in 24 hours, there
may be another problem.
Continuous dribble
Try gently raising the easing lever on the relief valve for a few
seconds (refer to “Temperature Pressure Relief Valve” on
page 11). This may dislodge a small particle of foreign matter
and clear the fault. Release the lever gently.
Steady flows for long period (often at night)
This may indicate the mains water pressure sometimes rises
above the designed pressure of the water heater. Ask your
installing plumber to fit a pressure limiting valve.
Warning: Never replace the relief valve with one of a higher
pressure rating.
Heavy flows of hot water until the water heater is cold - then stops until water reheats
The gas control must be turned off using the knob on top of the gas control thermostat (refer to “Close
Down Procedure” on page 47). Phone Rheem Service or their nearest Accredited Service Agent to
arrange for inspection.
EXPANSION CONTROL VALVE RUNNING
If an expansion control valve is fitted in the cold water line to the
water heater (refer to page 36) it may discharge a small quantity of
water instead of the temperature pressure relief valve on the water
heater. The benefit is that energy is conserved as the discharged
water is cooler.
CAN’T LIGHT THE PILOT FLAME
Is there gas to the water heater?
Check the gas isolation valve on the gas supply line is open.
Is there a normal gas supply to the rest of the premises?
Try lighting another gas appliance to check. If there is no gas,
call the gas supplier.

SAVE A SERVICE CALL
22
WATER HEATER APPEARS TO BE LEAKING
When the water heater is first lit, or after a large usage of hot water, condensation may form on the burner of
the water heater. This is quite normal, especially in winter months and will dry off as the water is heated.
TIMER APPEARS TO BE FUNCTIONING INCORRECTLY
Check the following:
Has the programming been set correctly?
Check the programmed “ON” and “OFF” times (refer to “Timer Operation” on page 13).
Has the “R” (reset) button been inadvertently pressed?
Reprogram the timer.
Has the timer been set to the “RANDOM” function?
Deactivate the “RANDOM” function (refer to “Caution - Random Function” on page 16).
COLLECTOR GLASS
Warranty DOES NOT cover breakage of solar collector glass. Check your household insurance policy covers
collector glass breakage.
Warning: No attempt should be made to remove or replace broken collector glass.
The collector glass is not offered as a replacement part. Should the solar collector require replacement,
contact Rheem Service or their nearest Accredited Service Agent.
HIGHER THAN EXPECTED GAS BILLS
With the installation of your new solar hot water system, maximum gas energy savings can be achieved with
careful planning of hot water usage. Should you at any time, feel your gas account is higher than expected,
we suggest you check the following points:
Is the relief valve running excessively?
Refer to “Temperature Pressure Relief Valve Running” on page 21.
Is one outlet (especially the shower) using more hot water than
you think?
Refer to “Not Enough Hot Water” on page 20.
Is there a leaking hot water pipe, dripping hot water tap, etc?
Even a small leak will waste a surprising quantity of hot water
and gas. Replace faulty tap washers and have your plumber
rectify any leaking pipe work.
Are you using the gas boosting properly?
Refer to “Timer Operation” on page 13.
Has there been an increase in hot water usage?
An increase in hot water usage may result in an increase in booster operation.
Has your water heating tariff rate been increased by your gas retailer since your previous account?
IF YOU HAVE CHECKED ALL THE FOREGOING AND STILL BELIEVE YOU NEED ASSISTANCE,
PHONE RHEEM SERVICE OR THEIR NEAREST ACCREDITED SERVICE AGENT.

23
INSTALLATION – SOLAR STORAGE TANK
THIS WATER HEATER IS FOR OUTDOOR INSTALLATION ONLY.
THIS WATER HEATER IS NOT SUITABLE FOR POOL HEATING.
Check the water heater is suitable for the gas type available.
(refer to the rating label on the water heater)
The system is suitable for installation with Rheem NPT 200 solar collectors. The system is not suitable for
installation above 400 metres altitude.
IMPORTANT NOTES
Working on roofs is and should always be considered a hazardous activity, particularly early in the
morning, late in the evening, when the roof is wet or during and after periods of rain.
All work must be carried out in accordance with Local, State and Federal Occupational Safety, Health
and Welfare Regulations. In particular, the requirements for safety whilst manual lifting, working at
heights and on roofs.
Installers must be competently trained in:
Height Hazard Assessment
Working at Height Procedures
Assessment / Use / Wearing of correct height safety equipment (harnesses etc.)
All other relevant safety factors specific to the installation and maintenance work to be compliant
with suitable Occupational, Health and Safety Regulations / Codes.
All relevant permits shall be obtained from the regulatory authorities before commencing work to install
the solar hot water system.
All work carried out must be performed by appropriately qualified tradespeople or be suitably supervised
for trades assistant duties.
Every care must be taken to protect and warn occupants of the building and the public from personal
injury which may occur from falling tools, roof materials, fittings or any other hazards of a general nature.
Advise the occupants of any inconvenience which may occur due to disconnection of existing water and
electrical supplies.
The connection, attachment, integration or general association of other equipment or parts which either
directly or indirectly affect the operation or performance of this equipment could void the warranty.
All packaging materials must be removed from the water heater prior to its installation. This includes the
removal of the cardboard base of the carton from the underside of the water heater.
FREEZE PROTECTION
The system has a level of freeze protection designed to guard the system against damage from freeze
conditions. The system must be installed with the full length of the solar hot and solar cold pipes insulated to
offer protection against freeze damage (refer to “Warning: Plumber Be Aware” on page 34). Freeze
conditions occur below 6°C.
The system has NO WARRANTY for freeze damage when installed above 400 metres altitude or if the solar
hot and solar cold pipes are not insulated in accordance with the installation instructions (refer to “Warranty
Exclusions” on page 51). Note: Warranty against freeze damage applies only to systems installed in
Australia.

INSTALLATION – SOLAR STORAGE TANK
24
INSTALLATION STANDARDS
The installation must comply with the requirements of Standards AS/NZS 3500.4, AS/NZS 3000,
AS/NZS 5601 and all local codes and regulatory authority requirements. In New Zealand, the installation
must conform with NZS 5261 Code of Practice for Installation of Gas Burning Appliances and with
Clause G12 of the New Zealand Building Code.
Note: AS 3498 requires that a water heater provides the means to inhibit the growth of Legionella bacteria in
potable water. This water heater can satisfy this AS 3498 requirement provided the gas booster is energised
for a sufficient period each day and the gas booster thermostat setting is 60°C or higher.
SOLAR WATER HEATER STORAGE TANK LOCATION
The solar storage tank should be installed close to the most frequently used outlet and its position chosen
with safety and service in mind. Make sure people (particularly children) will not touch the flue outlet. The
flue terminal must be clear of obstructions and shrubbery.
Consideration must also be given to the position of the solar storage tank in relation to the solar collectors.
There are limitations on the maximum length of the solar hot and solar cold pipes between the solar storage
tank and the solar collectors. Refer to “Solar Collector Location” on page 32 and to “Pipe Lengths” on
page 33.
Clearance must be allowed for servicing of the solar
storage tank. The solar storage tank must be
accessible without the use of a ladder or scaffold.
Make sure the temperature pressure relief valve lever
is accessible and the access covers and burner can be
removed for service.
If possible leave headroom of one water heater height
so the anode can be inspected or replaced.
Remember you may have to remove the entire solar
storage tank later for servicing.
The water heater must not be installed in an area with
a corrosive atmosphere where chemicals are stored or
where aerosol propellants are released. Remember
the air may be safe to breathe, but when it goes
through a flame, chemical changes take place which
may attack the water heater.
The solar storage tank is to be installed at ground level on a concrete or brick plinth (fire proof base) and
must stand vertically upright with the back of the solar storage tank against an external wall or alternatively
against a fireproof screen extending at least 500 mm above, below and either side the flue terminal. Failure
to observe this precaution can cause problems in high wind areas. A secondary flue is not required.
As a guide the following requirements extracted from the Australian and New Zealand Gas Installations
Standard AS/NZS 5601, must be observed:
At least 300 mm between the top of the flue terminal and
the eaves.
At least 500 mm between the flue terminal and the edge
of any opening into the building, measured horizontally
and vertically.
At least 500 mm between the flue terminal and a return
wall or external corner, measured horizontally along the
wall.
At least 500 mm between the top of the flue terminal and
below any openable window measured vertically.
At least 500 mm clear of any combustibles.

INSTALLATION – SOLAR STORAGE TANK
25
MAINS WATER SUPPLY
Where the mains water supply pressure exceeds that shown in the table below, an approved pressure
limiting valve is required and should be fitted as shown in the installation diagram (refer to diagram on
page 36).
Model
260
Relief valve setting
1000 kPa
Expansion control valve setting *
850 kPa
Max. mains supply pressure
With expansion control valve
680 kPa
Without expansion control valve
800 kPa
Min. mains supply pressure
200 kPa
* Expansion control valve not supplied with the water heater.
TANK WATER SUPPLY
If the water heater is supplied with water from a tank supply and a minimum water supply pressure of
200 kPa at the water heater cannot be achieved, then a pressure pump system must be installed to allow the
solar circuit system to operate. Care must be taken to avoid air locks. The cold water line from the supply
tank should be adequately sized and fitted with a full flow gate valve or ball valve.

INSTALLATION – SOLAR STORAGE TANK
26
HOT WATER DELIVERY
This water heater can deliver water at temperatures which can cause scalding.
It is necessary and we recommend that a temperature limiting device be fitted between the water heater and
the hot water outlets in any ablution area such as a bathroom or ensuite, to reduce the risk of scalding. The
installing plumber may have a legal obligation to ensure the installation of this water heater meets the
delivery water temperature requirements of AS/NZS 3500.4 so that scalding water temperatures are not
delivered to a bathroom, ensuite or other ablution area.
The temperature limiting device used with a solar water heater should have a specified „minimum
temperature differential‟ between the hot water inlet and the tempered water outlet of no greater than 10°C..
Refer to the specifications of the temperature limiting device.
Where a temperature limiting device is installed adjacent to the solar water heater, the cold water line to the
temperature limiting device can be branched off the cold water line either before or after the isolation valve
and pressure limiting valve to the solar storage tank, but it MUST BE before the non return valve. If an
expansion control valve is required, it must always be installed after the non return valve and be the last
valve prior to the solar storage tank.
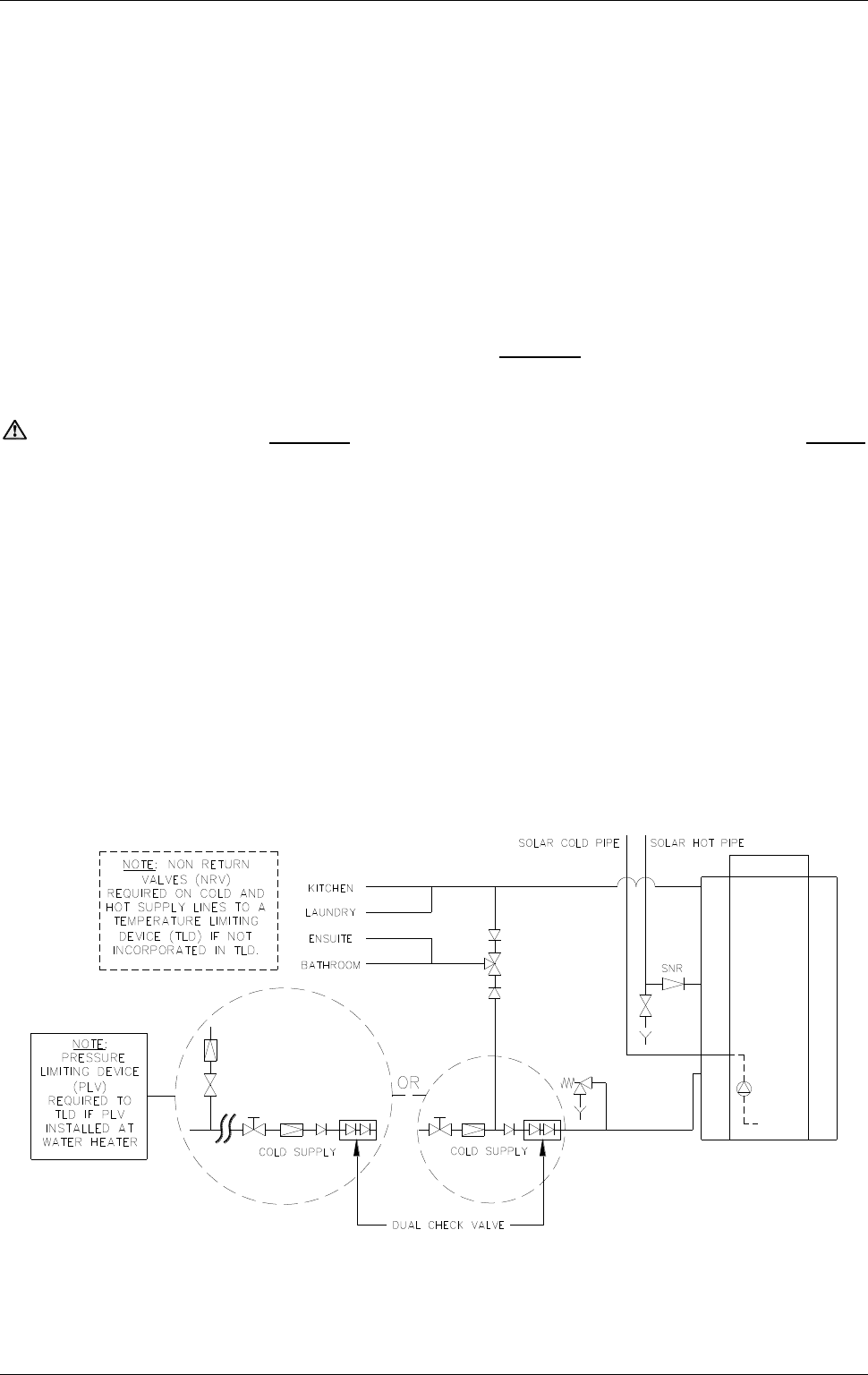
Warning: A non return valve MUST BE installed on the cold water line to the solar storage tank AFTER
the cold water branch to a temperature limiting device. Due to the higher water temperatures generated
under certain conditions in the solar collectors of this solar water heater, an additional effective back-flow
prevention device also should be used as an extra safeguard. Valve manufacturer RMC recommends Dual
Check Valve model N7150, as being suitable for this application.
If a combination isolation valve and non return valve (duo or trio valve) is installed on the cold water line to
the solar water heater and the cold water line to the temperature limiting device branches off after this valve,
then a second non return valve must be installed between the cold water branch and the solar storage tank.
Due to the higher water temperatures generated under certain conditions in the solar collectors of this solar
water heater, an effective back-flow prevention device should be used as the second non return valve as an
extra safeguard. Valve manufacturer RMC recommends Dual Check Valve model N7150, as being suitable
for this application.
If a pressure limiting valve is installed on the cold water line to the solar water heater and the cold water line
to a temperature limiting device branches off before this valve or from another cold water line in the
premises, then a pressure limiting valve of an equal pressure setting may be required prior to the
temperature limiting device.
LEGEND
Two Temperature Zones Using a Temperature Limiting Device

INSTALLATION – SOLAR STORAGE TANK
27
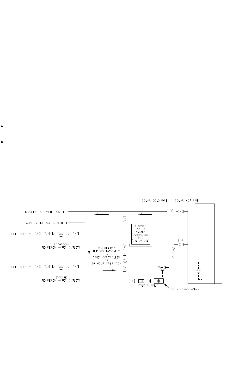
CIRCULATED HOT WATER FLOW AND RETURN SYSTEM
A solar water heater should not be installed as part of a circulated hot water flow and return system in a
building. The benefits of solar gain will be significantly reduced and energy gained from the sun lost through
the pipe work.
If a circulated flow and return system is required, it is necessary to bypass the solar water heater and install
a secondary water heater connected to the hot water flow and return line and supplied from the solar water
heater. The secondary water heater must be a storage water heater able to provide a hot water outlet
temperature of at least 60°C. Note: The thermostat must always be set to at least 60°C. Refer to the
diagram on page 27.
Temperature Limiting Device
A temperature limiting device cannot be installed in circulated hot water flow and return pipe work. The
tempered water from a temperature limiting device cannot be circulated. Where a circulated hot water flow
and return system is required in a building, a temperature limiting device can only be installed on a dead leg,
branching off the circulated hot water flow and return pipe.
If circulated tempered water were to be returned back to the water heater, depending on the location of the
return line connection on the water supply line to the water heater, then either:
water will be supplied to the cold water inlet of the temperature limiting device at a temperature
exceeding the maximum recommended water supply temperature, or
when the hot taps are closed no water will be supplied to the cold water inlet of the temperature limiting
device whilst hot water will continue to be supplied to the hot water inlet of the temperature limiting
device.
These conditions may result in either water at a temperature exceeding the requirements of AS/NZS 3500.4
being delivered to the hot water outlets in the ablution areas, or the device closing completely and not
delivering water at all, or the device failing. Under either condition, the operation and performance of the
device cannot be guaranteed.
LEGEND
Circulated Hot Water Flow and Return System – Solar Water Heater

INSTALLATION – SOLAR STORAGE TANK
28
REDUCING HEAT LOSSES
The cold water line to and the hot water line from the water heater must be insulated in accordance with the
requirements of AS/NZS 3500.4. The insulation must be weatherproof and UV resistant if exposed.
The full length of the solar hot and solar cold pipes between the solar storage tank and the solar collectors
MUST BE insulated. Refer to “Warning: Plumber Be Aware” on page 34.
ANODE
The vitreous enamel lined cylinder of the water heater is only covered by warranty when the total dissolved
solids (TDS) content in the water is less than 2500 mg/L and when the correct colour coded anode is
installed. The use of an incorrect colour coded anode will void the cylinder warranty and may shorten the life
of the water heater cylinder.
The correct colour coded anode for the water supply being used must be selected and fitted to the water
heater for warranty to apply to the water heater cylinder (refer to “Water Supplies” on page 17 and the Anode
Selection chart on page 17). The black anode is typically fitted as standard.
Total Dissolved Solids
Anode colour code
0 – 40 mg/L
Green
40 – 150 mg/L
Green or Black
150 – 400 mg/L
Black
400 – 600 mg/L
Black or Blue
600 – 2500 mg/L
Blue
2500 mg/L +
Blue (no cylinder warranty)
If the water supply has a TDS greater than 150 mg/L and a green anode has not been changed to a black
anode, or if the TDS is greater than 600 mg/L and the anode has not been changed to a blue anode, there is
the possibility the anode may become overactive and hydrogen gas could accumulate in the top of the water
heater during long periods of no use. In areas where this is likely to occur, the installer should instruct the
householder on how to dissipate the gas safely (refer to “Caution” on page 18).
SADDLING - PIPE WORK
To prevent damage to the cylinder when attaching pipe clips or saddles to the water heater jacket, we
recommend the use of self-drilling screws with a maximum length of 13 mm. Should pre drilling be required,
extreme caution must be observed when penetrating the jacket of the water heater.
Note: Damage to the cylinder as a result of saddling to the jacket will void the warranty.

INSTALLATION – SOLAR STORAGE TANK
29
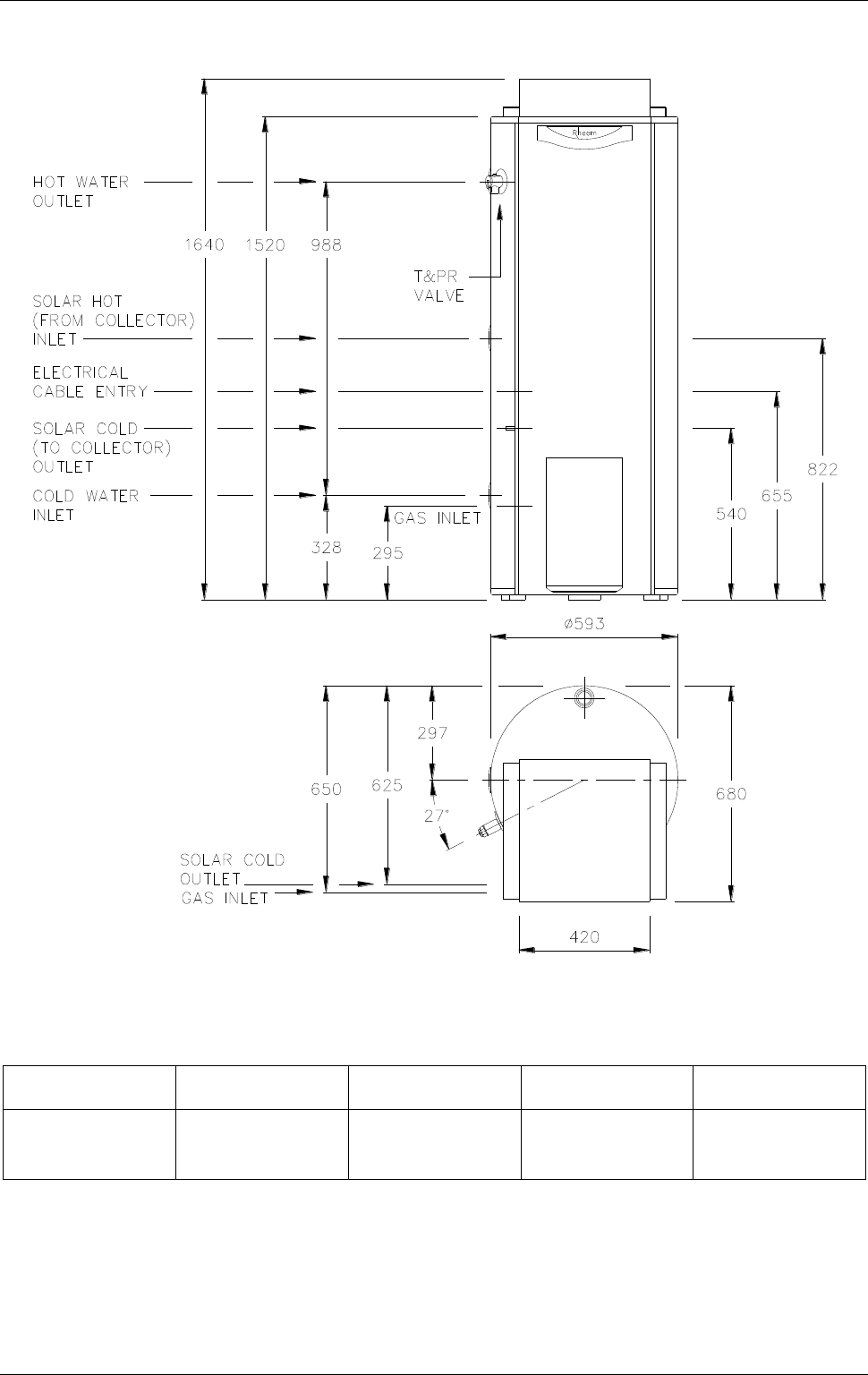
DIMENSIONS AND TECHNICAL DATA
RHEEM WATER HEATER
SOLAR LOLINE GAS BOOST EXTERNAL 531260
RHEEM
531260
RHEEM
531260
Model
531260
Mass (tank)
Empty
110 kg
Full
370 kg
Capacity & Boost
260 litres
Hourly Recovery (boost)
(natural gas @ 50°C rise)
100 litres
Gas Details
Hourly Gas
Consumption (MJ)
Min. Gas
Pressure (kPa)
Test Point Gas
Pressure (kPa)
Max. Gas Pressure
(kPa)
Natural
26
1.13
1.00
3.50
Propane
25
2.75
2.70
3.50
Butane
25
2.75
2.70
3.50
Model numbers: N = Natural, P = Propane, B = Butane. Letter N, P or B is included in the model number,
e.g. 531260N0, to denote gas type.
Technical data is subject to change.

INSTALLATION – SOLAR STORAGE TANK
30
TYPICAL INSTALLATION – OUTDOOR LOCATION
Rheem Solar Loline 531 Series Gas Boost - Typical Installation Solar Storage Tank

INSTALLATION – SOLAR STORAGE TANK
31
ASSEMBLY OF SOLAR HOT AND SOLAR COLD PIPE CONNECTIONS
GROUND KIT ASSEMBLY
SOLAR LOLINE GAS
Use thread sealing tape or approved thread sealant.
All olive compression fittings must use brass or copper olives.
Ensure air bleed valve is open when filling collectors.
Insulate the air bleed valve and 3 way tee assembly connected to the solar hot pipe with the 150 mm
long x 35 mm diam insulation and the solar non return valve at the solar hot (from collector) inlet of the
solar storage tank with the 50 mm long x 35 mm diam insulation. Secure the insulation with the cable
ties supplied.

32
INSTALLATION – SOLAR COLLECTORS
SOLAR COLLECTOR LOCATION
Consideration must be given to the position of the solar collectors in relation to the solar storage tank. There
are limitations on the maximum length of the solar hot and solar cold pipes between the solar storage tank
and the solar collectors. Refer to “Solar Storage Tank Location” on page 24 and to “Pipe Lengths” on
page 33.
The solar collectors must be installed in a shade free position.
The surrounding vicinity should be checked for higher buildings or trees which may cause shade at other
times of the year and for small trees which may grow and shade the solar collectors in the future.
For optimum performance, solar collectors should be
installed facing towards the equator (i.e. north facing in
the southern hemisphere and south facing in the
northern hemisphere). ALWAYS CHECK ORIENTATION
WITH A COMPASS. Where this orientation is not
practical, solar collectors facing up to 45° from the
equator will receive about 4% less total solar radiation.
For optimum performance, inclination of the solar
collectors should be approximately equal to 90% of the
local latitude angle. The latitudes of some Australian
cities are listed on page 33. Solar collectors may be
installed at the roof angle for simplicity of installation and
appearance, but must never be flat. If the roof angle
varies by 15° from the optimum angle, the solar
collectors will receive about 10% less total solar
radiation.
The collector kit is suitable for installations with an inclination of up to 45°. Where the solar collectors are
installed at inclinations greater than 45°, a With Pitch frame is necessary. Refer to your local Solar
Distributor for details.
For an installation on a roof with a pitch less than 10°, a Variable Pitch frame should be used. Refer to
your local Solar Distributor for details.
For an installation of collectors on a pitched roof in a cyclonic or high wind area, a suitable With Pitch
frame is required. Refer to your local Solar Distributor for details.
The installation of these solar collectors on a suitable frame, subject to the frame‟s design criteria not
being exceeded:
■ is suitable for installation in geographic locations up to and within Wind Region D (With Pitch frame)
or up to and within Wind Region C (Variable Pitch frame), as defined in the Building Code of
Australia, Australian / New Zealand Standard AS/NZS 1170.2:2002 and the Australian Standard
AS 4055-2006, and
■ provides an acceptable method of installation where it is necessary to satisfy the requirements of
the Building Code of Australia and AS/NZS 3500.4 Clause 6.5.3.4 for high wind areas.
The installer must ensure the structural integrity of the building is not compromised by the solar water
heater installation and the roof structure is suitable to carry the full weight of the solar collector(s). If in
doubt the roof structure should be suitably strengthened. Consult a structural engineer.
Each solar collector and its fittings weighs approximately 43 kg when full of water.
The installation must comply with the requirements of AS/NZS 3500.4 and all local codes and regulatory
authority requirements.
Refer to the installation instructions supplied with the collector kit for details on the installation of the
solar collectors.

INSTALLATION – SOLAR COLLECTORS
33
LATITUDE OF SOME AUSTRALIAN CITIES
Adelaide
35°S
Cairns
17°S
Hobart
42°S
Port Hedland
20°S
Alice Springs
24°S
Canberra
35°S
Mildura
34°S
Rockhampton
24°S
Brisbane
27°S
Darwin
12°S
Melbourne
38°S
Sydney
34°S
Broken Hill
31°S
Geraldton
28°S
Perth
32°S
Townsville
19°S
PIPE LENGTHS
The solar hot and solar cold pipes between the solar storage tank and the solar collectors shall:
be of bendable grade or hard drawn copper tube.
Annealed or soft copper shall not to be used.
have a continuous fall from the solar collectors to the solar storage tank. Horizontal runs of pipe work
are acceptable and may be installed.
not exceed the maximum recommended combined lengths as specified in the table.
Maximum recommended total combined pipe length (solar cold + solar hot)
and number of 90° bends
Pipe Size
1 or 2 Collectors
3 Collectors
Pipe Length
90° Bends
Pipe Length
90° Bends
DN15
40 metres
20
30 metres
20
DN20
NR
NR
40 metres
20
For each additional 90° bend, reduce the maximum total pipe length by 0.5 metres.
For each additional metre of pipe length, reduce the number of 90° bends by two.
Note: One 90° elbow is equal to two 90° bends.
NR – not recommended.
Notes:
It is important not to cross connect the solar cold and solar hot pipes to the incorrect connections at the
solar collectors and at the solar storage tank.
The solar cold pipe connects to the bottom of the solar collector and may connect to either the left or
right hand side. The solar hot pipe must connect to the top of the solar collector diagonally opposite to
the solar cold pipe connection.
The hot sensor connection is at the solar hot outlet where the solar hot pipe connects to the solar
collector.
Refer to “Warning: Plumber – Be Aware” on page 34.
It is essential for these requirements to be followed for the system to operate correctly and efficiently. Solar
pipe work which is oversized, or is too long, or does not have a continuous fall can result in a reduction in
performance or the system not operating effectively.

INSTALLATION – SOLAR COLLECTORS
34
WARNING: Plumber – Be Aware
The solar hot and solar cold pipes between the solar storage tank and the solar collectors MUST BE
of copper. All compression fittings must use brass or copper olives.
The full length of the solar hot and solar cold pipes MUST BE insulated.
The insulation must:
be of a closed cell type or equivalent, suitable for a solar water heating application and capable
of withstanding the temperature of the water generated by the solar collectors under stagnation
conditions
The specification of the chosen insulation material should be checked with the insulation
manufacturer prior to installation as different materials may vary in temperature tolerance.
be at least 13 mm thick, however thicker insulation may be required to comply with the
requirements of AS/NZS 3500.4
be weatherproof and UV resistant if exposed
extend through any penetrations in the eaves, ceiling and roof
cover valves and fittings in the solar hot and solar cold pipe work
be fitted up to and cover the connections on both the solar storage tank and the solar collectors.
Note: Failure to observe these requirements increases the risk of freeze damage.
Uninsulated pipe work, including concealed in cavities and roof spaces or where it may be in contact
with a metal roof, may lead to freeze damage. The system has NO WARRANTY for freeze damage
if the solar hot and solar cold pipes are not insulated in accordance with the installation instructions.
The insulation is essential to assist in providing freeze protection, will offer corrosion protection to a
metal roof against water runoff over the copper pipe, assist in avoiding accidental contact with the
solar pipe work as high temperature water can flow from the solar collectors to the solar storage tank
and also reduce pipe heat losses.
Plastic pipe MUST NOT be used, as it will not withstand the temperature and pressure of the water
generated by the solar collectors under stagnation conditions. The solar collectors can generate
extremely high water temperatures up to 150°C and high water pressure of 1000 kPa. Plastic pipe
cannot withstand these temperatures and pressures and MUST NOT be used. Failure of plastic pipe
can lead to the release of high temperature water and cause severe water damage and flooding.
The highest point of the solar cold pipe and solar hot pipe must be where they connect to the solar
collectors, to avoid the possibility of air locks occurring in the system. There must be a continuous
fall in the pipe work between the solar collectors and solar storage tank. Horizontal runs of pipe
work are acceptable and may be installed.
A non return valve MUST BE installed on the cold water line to the solar storage tank AFTER the
cold water branch to a temperature limiting device. Due to the higher water temperatures generated
under certain conditions in the solar collectors of this solar water heater, an additional effective back-
flow prevention device also should be used as an extra safeguard. Valve manufacturer RMC
recommends Dual Check Valve model N7150, as being suitable for this application.
The pressure applied to the solar circuit and solar collectors during a pressure test of a direct open
circuit system MUST NOT exceed 1000 kPa, otherwise damage may result to the solar collectors.
Refer to “Pressure Testing” on page 35.

INSTALLATION – SOLAR COLLECTORS
35
Maximum height to collectors
The maximum height of a solar Loline installation, from the solar controller (circulator) to the top of the solar
collectors, is determined by the maximum recommended total pipe length for the system and the water
supply pressure.
The maximum recommended total pipe length of the solar circuit should not be exceeded and a minimum
water supply pressure of 200 kPa should be available at the inlet to the system, otherwise the system
performance may be reduced or the solar circuit may not be purged of air during the commissioning of the
system.
Direct Open Circuit Solar – Pipe Work Installation Requirements
Pressure Testing
The solar water heater, including the collector circuit and solar collectors, is to be isolated during the testing
and commissioning of the heated water reticulation system in a building, in accordance with Clause 11.1
and 11.3 (a) of AS/NZS 3500.4.
It may be necessary to pressure test the collector circuit to comply with codes and regulatory authority
requirements or on other occasions where the solar collectors and solar cold and solar hot pipe work are
installed prior to the solar storage tank, such as on a building site.
Direct Open Collector Circuit
Warning: The pressure applied to the solar circuit and solar collectors during a pressure test of a direct
open circuit system MUST NOT exceed 1000 kPa where NPT200 solar collectors are installed, otherwise
damage may result to the solar collectors.
Direct Open System
If the solar collectors, solar pipe work and solar storage tank are installed and commissioned together, then
the flooding of the collector circuit with water under mains pressure and checking for leaks during the
commissioning procedure can be substituted for the pressure testing of the collector circuit.

36
CONNECTIONS – PLUMBING
CONNECTION SIZES
Hot water connection: RP¾/20
Cold water connection: DN20 compression fitting (cold water inlet of tank: RP¾/20).
Solar hot (from collector) connection: DN15 compression fitting.
(solar hot water inlet of tank: RP¾/20).
Solar cold (to collector) connection: DN15 compression fitting.
Relief valve connection: RP½/15.
Gas inlet: RP½/15.
Bleed valve connection: G1.0B.
All plumbing work must be carried out by a qualified person and in accordance with the Plumbing Standard
AS/NZS 3500.4 and local authority requirements.
All gas work must be carried out by a qualified person and in accordance with the Australian and New
Zealand Gas Installations Standard AS/NZS 5601 and local authority requirements. In New Zealand, the
installation must conform with the Code of Practice for installation of Gas Appliances NZS 5261.
Note: The solar water heater should not be installed as part of a circulated hot water flow and return system
in a building. The benefits of solar gain will be significantly reduced and energy gained from the sun lost
through the pipe work. If a circulated flow and return system is required, it is necessary to bypass the solar
water heater and install a secondary water heater supplied from the solar water heater and connected to the
hot water flow and return line. Refer to “Circulated Hot Water Flow and Return System” on page 27.
WATER INLET AND OUTLET
All pipe work must be cleared of foreign matter before connection and purged before attempting to operate
the water heater. All olive compression fittings must use brass or copper olives. Use thread sealing tape or
approved thread sealant on all fittings.
An isolation valve and non return valve must be used on the cold water line to the water heater. A non-return
valve must be fitted on the cold water supply to this water heater in compliance with Clause 5.9.1 of AS/NZS
3500.4. Due to the higher temperatures generated by solar water heaters, an additional effective back-flow
prevention device also should be fitted as an extra safeguard. Valve manufacturer RMC recommends Dual
Check Valve No N7150, as being suitable for this application.
An acceptable arrangement is shown in the diagram. Refer also to “Hot Water Delivery” on page 26 and to
“Mains Water Supply” on page 25. The plumbing arrangements for the solar hot and solar cold pipes are
shown on page 31.
OR
A disconnection union must always be provided at the cold water inlet, solar cold water outlet, solar hot
water inlet and hot water outlet on the water heater to allow for disconnection of the water heater.

CONNECTIONS – PLUMBING
37
This water heater has either a plastic dip tube or fitting liner in the inlet
and outlet fittings (see diagram). These must be in place for the water
heater to function properly. Do not remove or damage them by using
heat nearby. They will be pushed into the correct position as the fitting
is screwed in.
The solar cold pipe connects to the DN15 pipe protruding from the side
of the air duct on the solar storage tank. Use the compression fitting
supplied. The solar hot pipe connects to the raised inlet located above
the cold water inlet and below the hot water outlet (refer to “Assembly
of Solar Hot and Solar Cold Pipe Connections” diagram on page 31).
PIPE SIZES
To achieve true mains pressure operation, the cold water line to the water heater should be the same size or
bigger than the hot water line from the water heater.
The pipe sizing for hot water supply systems should be carried out by persons competent to do so, choosing
the most suitable pipe size for each individual application. Reference to the technical specifications of the
water heater and local regulatory authority requirements must be made.
TEMPERATURE PRESSURE RELIEF VALVE
The temperature pressure relief valve is shipped behind the front cover of the solar storage tank. The
temperature pressure relief valve must be fitted before the water heater is operated. Before fitting the relief
valve, make sure the probe has not been bent. Seal the thread with Teflon tape - never hemp. Make sure the
tape does not hang over the end of the thread.
Screw the valve into the correct opening (refer to the installation diagram on page 30) leaving the valve drain
pointing downwards. Do not use a wrench on the valve body - use the spanner flats provided. A copper drain
line must be fitted to the temperature pressure relief valve (refer to "Relief Valve Drain" on page 37).
The valve must be insulated with closed cell polymer insulation or similar (minimum thickness 9 mm) and the
insulation installed so as not to impede the operation of the valve. The insulation must be weatherproof and
UV resistant if exposed.
EXPANSION CONTROL VALVE
Local regulations may make it mandatory to install an expansion control valve (ECV) in the cold water line to
the water heater. In other areas, an ECV is required if the saturation index is greater than +0.4 (refer to
“Water Supplies” on page 17).
The expansion control valve must always be installed after the non return valve and be the last valve
installed prior to the water heater (refer to diagrams on page 36). A copper drain line must be fitted to the
expansion control valve (refer to "Relief Valve Drain" on page 37).
The valve must be insulated with closed cell polymer insulation or similar (minimum thickness 9 mm) and the
insulation installed so as not to impede the operation of the valve. The insulation must be weatherproof and
UV resistant if exposed.
RELIEF VALVE DRAIN
DN15 copper drain lines must be fitted to the temperature pressure relief valve and expansion control valve
(if one is installed) to carry the discharge clear of the water heater. Connect the drain lines to the valves
using disconnection unions. The drain line from the valve to the point of discharge should be as short as
possible, have a continuous fall all the way from the water heater to the discharge outlet and have no tap,
valves or other restrictions in the pipe work. A drain line from a relief valve must comply with the
requirements of AS/NZS 3500.4.
A drain line must be no longer than 9 metres with no more than three bends greater than 45° before
discharging at an outlet or air break. The maximum length of 9 metres for a drain line is reduced by 1 metre
for each additional bend required of greater than 45°, up to a maximum of three additional bends. Where the
distance to the point of final discharge exceeds this length, the drain line can discharge into a tundish.

CONNECTIONS – PLUMBING
38
Subject to local regulatory authority approval, the drain lines from the temperature pressure relief valve and
expansion control valve from an individual water heater may be interconnected.
The outlet of a drain line must be in such a position that flow out of the pipe can be easily seen, but arranged
so discharge will not cause injury, damage or nuisance. The termination point of a drain line must comply
with the requirements of AS/NZS 3500.4. Drain lines must not discharge into a safe tray.
In locations where water pipes are prone to freezing, drain lines must be insulated, must not exceed 300 mm
in length and are to discharge into a tundish through an air gap of between 75 mm and 150 mm.
If a drain line discharges into a tundish, the drain line from the tundish must be not less than DN20. The
drain line from a tundish must meet the same requirements as for a drain line from a relief valve.
Where a drain line crosses over a metal roof, the pipe work must be fully insulated with weatherproof lagging
to offer corrosion protection to the metal roof against water runoff over the copper pipe. The insulation must
be UV resistant if exposed.
Warning: As the function of the temperature pressure relief valve on this water heater is to discharge
high temperature water under certain conditions, it is strongly recommended the pipe work downstream of
the relief valve be capable of carrying water exceeding 93°C. Failure to observe this precaution may result in
damage to pipe work and property.
BLEED VALVE DRAIN
A DN15 copper drain line must be fitted to the bleed valve to carry the discharge clear of the water heater
and solar controls. Connect the drain line to the bleed valve using a disconnection union. The pipe work from
the bleed valve to the drain should be as short as possible and fall all the way from the valve with no
restrictions. It should have no more than three right angle bends in it.
The outlet of a drain line must be in such a position that flow out of the pipe can be easily seen, but arranged
so discharge will not cause injury, damage, nuisance or splashing. The termination point of a drain line must
comply with the requirements of AS/NZS 3500.4. The water discharged may be of a high temperature under
certain conditions.
The drain line must be fully insulated with closed cell polymer insulation or similar (minimum thickness
13 mm), capable of withstanding the temperature of the water generated by the solar collectors under
stagnation conditions. The insulation must be weatherproof and UV resistant if exposed.
GAS INLET
The gas connection is made through the grommet in the left hand side panel to the gas control. The pipe
work must be cleared of foreign matter before connection and purged before attempting to light the water
heater. An isolation valve and disconnection union must be used to allow servicing and removal of the solar
storage tank.
Refer to the Gas Installations Standard AS/NZS 5601 for the correct method of sizing the gas supply pipe to
the water heater.
Warning: Always isolate the water heater before pressure testing the gas supply system. Disconnect the
water heater after the isolating cock to prevent the risk of serious damage to the gas control. Warranty does
not cover damage of any nature resulting from failure to observe this precaution. Refer to rating label for gas
types and pressures.
Caution: Care is necessary when tightening fittings into the gas valve. The gas valve casting may crack if
the fittings are over tightened. Cracked valve castings are not covered under warranty. Damaged valves
must be replaced.

39
CONNECTIONS – ELECTRICAL
The power supply to the water heater must not be switched on until the water heater is filled with
water and a satisfactory megger reading is obtained.
All electrical work and permanent wiring must be carried out by a qualified person and in accordance with the
Standards Australia Wiring Rules AS/NZS 3000 and local authority requirements.
The water heater must be directly connected to a 240 V 50 Hz mains power supply. The continuous power
supply to the solar control unit and the timer must be on the same circuit. A weatherproof double pole
isolating switch must be installed adjacent to and accessible from the solar storage tank, in accordance with
AS/NZS 5601.
A flexible 20 mm conduit is required for the electrical cable to the solar storage tank. The conduit is to be
connected to the unit with a 20 mm terminator. Connect the power supply wires directly to the terminal block,
ensuring there are no excess wire loops inside of the cover.
The terminal block on the solar storage tank has two active connections. One active wire (marked “A”) is
required for the operation of the solar control unit and one active wire (marked “TIMER A”) is required for the
operation of the gas boosting system. The gas boosting system is switched by the timer.
Note:
It is essential the active to the solar control unit is not switched by the timer.
The timer is not weatherproof and must be installed indoors. It is recommended the timer be located in
the kitchen or laundry or other location easily seen by the householder.
Connect the hot sensor lead from the solar collectors, through the hole in the side of the air duct, to the hot
sensor cable connector adjacent to the terminal block. Fit the strain relief grommet over the hot sensor lead
and secure at the hole in the air duct.
The power consumption of the water heater is:
Component
Power
Consumption
Comments
Solar controls
14 watts
Constant load 4 Watts differential controller
6 Watts solenoid valve
4 Watts timer
Solar circulator
36 Watts
Maximum load at solar heating cycle start up
30 Watts
Average load during the solar heating cycle
The water heater will only operate on a sine wave at 50 Hz. Devices generating a square wave cannot be
used to supply power to the water heater.

CONNECTIONS – ELECTRICAL
40
Circuit Diagram – Water Heater
A double pole isolating switch must be
incorporated in the fixed wiring,
according to the SAA Wiring Rules,
AS/NZS 5601 and local authority
requirements.

41
COMMISSIONING
TO FILL AND TURN ON THE WATER HEATER
The power supply to the water heater must not be switched on and the gas pilot or burner must not
be lit until the water heater is filled with water and a satisfactory megger reading is obtained.
Open all of the hot water taps in the house (don‟t forget the shower).
Open the cold water isolation valve fully to the water heater.
Air will be forced out of the taps.
Close each tap as water flows freely from it.
Check the pipe work for leaks.
Bleed the solar collectors (refer to “Bleeding the Solar Collectors” on page 43).
Switch on the electrical supply at the isolating switch to the water heater.
The isolating switch must be switched on for the solar control unit to operate and solar gain to be
achieved.
Note: When the electrical supply is switched on to the water heater at start up:
■ If there is no solar gain, the circulator will not activate and the green LED will emit a slow pulse.
The slow pulse indicates the circulator is not activated and the power to the solar control unit has
been on for less than 48 hours.
■ If there is solar gain, the circulator activates and the green LED will emit a series of three (3)
flashes.
The three (3) flashes indicate the circulator is operating and power to the solar control unit has been
on for less than 48 hours.
■ The circulator will operate at full speed for approximately fifteen (15) seconds. If the red LED is
emitting a rapid pulse, the circulator may operate at full speed for up to ten (10) minutes.
After fifteen (15) seconds or after the red LED has extinguished, the solar controller will commence
to pulse the circulator to control the flow rate through the collector circuit and achieve a constant
temperature rise across the collector(s). It is normal operation for the circulator to experience a
pulsing effect.
■ The red LED may emit a rapid pulse for a short period.
This indicates a temperature difference between the hot sensor and cold sensor of greater than
40°C and does not represent a fault code. This is the result of a build-up of heat and increase in
water temperature in the collector prior to the switching on of the electrical supply to the water
heater.
The rapid pulsing of the red LED will cease as the water circulates and the heat is dissipated. This
should be within four (4) to five (5) minutes of start up, but may take up to ten (10) minutes.
If the red LED does continue to emit a rapid pulse for longer than ten (10) minutes, this may indicate
water is not circulating through the collectors and solar circuit:
switch off the electrical supply at the isolating switch to the water heater
repeat the procedure to bleed the solar collectors
switch on the electrical supply at the isolating switch to the water heater

COMMISSIONING
42
Program the timer (refer to “Timer Operation” on page 13).
It is recommended the timer be set to enable a boosting period of three hours, with the end of period to
coincide with the commencement of the evening hot water usage. A suggested boosting period is
between 3:30 PM (15:30 Hours) and 6:30 PM (18:30 Hours), however the boosting period should be set
to suit the hot water usage pattern of the household. Check with the householder.
Note: The timer uses a 24 hour clock.
This three hour boosting period is sufficient to allow the gas burner to heat up the entire contents of the
solar storage tank through a 50°C temperature rise. This may be necessary during periods of very low
solar energy gain through the solar collectors, such as during constant rain or extremely cloudy weather,
particularly in winter when the incoming cold water temperature is lower. This period will also provide a
sufficient heat up time for the gas booster to operate, if required, to satisfy the requirements of AS 3498.
Note: AS 3498 requires that a water heater provides the means to inhibit the growth of Legionella
bacteria in potable water. This water heater can satisfy this AS 3498 requirement provided the gas
booster is energised for a sufficient period each day and the gas booster thermostat setting is 60°C or
higher.
If necessary, press the timer “MAN” button to activate the “OVERRIDE” function of the timer.
This will allow the gas control system to operate.
Open the gas isolation valve fully.
Check the gas pipe work for leaks.
Light the water heater (refer to “Lighting the Water Heater” on page 45).
When you are satisfied the main burner is operating correctly, press the timer “MAN” button to
deactivate the timer.
The main burner will extinguish.
Explain to the householder or a responsible officer the functions and operation of the timer.
Warning: Upon completion of the installation and commissioning of the water heater, leave this guide
with the householder or a responsible officer. DO NOT leave this guide inside of the cover of the water
heater, as it may interfere with the safe operation of the water heater or ignite when the water heater is
turned on.
GAS INLET PRESSURE
IMPORTANT – CHECK the gas supply pressure at the inlet to the water heater with the water heater and all
other gas burning appliances in the premises operating (burners alight). The minimum gas supply pressure
is:
Natural Gas 1.13 kPa Propane 2.75 kPa Butane 2.75 kPa
If this minimum cannot be achieved, it may indicate the meter or the gas line to the water heater is
undersized. It is important to ensure that an adequate gas supply pressure is available to the water heater
when other gas burning appliances, on the same gas supply, are operating.

COMMISSIONING
43
BLEEDING THE SOLAR COLLECTORS
Upon completion of the installation, it is necessary to purge the air from the collector circuit.
To purge air from the collector circuit:
Ensure the water heater is full of water and all of the hot
taps are turned off.
Using a flat blade screwdriver, open the bleed valve
fitted adjacent to the solar hot water (from collector) inlet
of the solar storage tank (see diagram).
The mains pressure will force water to flow from the tank
and through the pipe work, forcing air from the collector
circuit through the bleed valve. This is evidenced by
spurting of water from the drain line connected to the
bleed valve.
Warning: Exercise care to avoid any splashing of
water, as water discharged from the solar collectors may
be of a very high temperature.
Close the bleed valve when water runs freely from the
drain line.
TO TURN OFF THE WATER HEATER
If it is necessary to turn off the water heater on completion of the installation, such as on a building site or
where the premises is vacant, then:
Shut down the gas control (refer to “Close Down Procedure” on page 47).
Close the gas isolation valve at the inlet to the gas control.
Switch off the electrical supply at the isolating switch to the water heater (refer to note below).
Close the cold water isolation valve at the inlet to the water heater.
Notes:
The freeze protection system will be rendered inoperable if electrical power is not available at the solar
control unit. Damage caused by freezing due to no power at the solar control unit is not covered by
warranty.
If there is a risk of freezing, then it is necessary to drain the solar collectors and solar collectors and
solar flow and return pipe work (refer to “Draining the Solar Collectors” on page 48).
Refer to “Warranty Exclusions” on page 51.

COMMISSIONING
44
DIAGNOSTIC FEATURES OF THE SOLAR CONTROLLER
A solar monitor is located on the side of the air duct and houses a green and a red LED.
The green LED, marked “Solar”, indicates the current operational mode of the solar water heater and the red
LED, marked “Attention”, indicates a fault mode.
The green LED will emit either a constant glow or a series of flashes, with a 2 second interval between each
series.
The red LED will emit a series of flashes, with a 2 second interval between each series, only if there is a
particular fault condition with the system.
The modes are:
Flashes
Operational Modes
solid green
(remains on)
Standby mode
green
slow pulse
Standby mode
(power on for less than 48 hours)
green
rapid pulse
Circulating water through collectors
3 x green
Circulating water through collectors
(power on for less than 48 hours)
no green
(remains off)
Power outage or call for service
Flashes
Fault Modes
solid red
(remains on)
Hot sensor temperature greater than 130°C
red
rapid pulse
Temperature rise across collector greater than 40°C
(circulator at full speed)
3 x red
Hot sensor in collector – short circuit
4 x red
Hot sensor in collector – open circuit
5 x red
Cold sensor – short circuit
6 x red
Cold sensor – open circuit
If the power supply to the solar control unit is on and the green LED is off or the red LED is flashing, this
indicates there may be a fault with the water heater. The red LED may emit up to six flashes in each series
of flashes.
Note: During periods of high solar radiation and if the circulator activates after having been off, such as
during start up, it is possible the red LED may emit a rapid pulse for a period of up to ten (10) minutes. This
does not indicate a fault. Refer to “To Fill And Turn On The Water Heater” on page 41 for the possible green
and red LED flashing sequence during start up procedure.
If the red LED continues to emit a rapid pulse for longer than ten (10) minutes, or emits a series of flashes,
then count the number of flashes and phone Rheem Service or their nearest Accredited Service Agent to
arrange for an inspection.

45
LIGHTING THE WATER HEATER
FOR YOUR SAFETY READ BEFORE LIGHTING
Warning: This gas water heater is designed to operate reliably and safely as long as the operating
instructions are followed exactly. You must comply with these lighting instructions at every stage.
Make sure the water heater is filled with water and the water supply is on, otherwise serious damage
to the vitreous enamel cylinder lining and plastic components may occur.
The installer must check all gas connections for leaks, gas supply pressure and test point pressure (refer
rating label). Remove the access cover at the front of the water heater to access the gas thermostat.
Note: The main burner will only light when the word “ON” appears on the timer.
Note: AS 3498 requires that a water heater provides the means to inhibit the growth of Legionella bacteria in
potable water. This water heater can satisfy this AS 3498 requirement provided the gas booster is energised
for a sufficient period each day and the gas booster thermostat setting is 60°C or higher.
SAFETY INFORMATION
A. This water heater is equipped with an igniter button which lights the pilot. When lighting the pilot follow
these instructions exactly.
B. Before lighting ensure there is no smell of gas around or in the vicinity of the water heater and the
burner opening. Be sure to smell next to ground level as some gases can settle there.
C. What to do if you smell gas.
Do not try to light the water heater.
If the gas smell is throughout the area, turn the gas control knob clockwise to the “-” (off) position and
then turn off the isolation valve on the gas line to the water heater. Leave the area and call Rheem
Service or their nearest Accredited Service Agent or a qualified service technician.
D. Use only your hand to turn the gas control knob, never use tools. If the control knob will not turn by
hand, don‟t try to repair it, contact Rheem Service or their nearest Accredited Service Agent or a
qualified service technician. Force or attempted repair may cause a fire or explosion.
E. Do not attempt to operate this water heater if it has been damaged. Contact Rheem Service or their
nearest Accredited Service Agent or a qualified service technician.

LIGHTING THE WATER HEATER
46
LIGHTING INSTRUCTIONS
Using the gas control light the water heater as follows:
1. Stop, read the safety information on page 45.
2. Turn the gas control knob fully clockwise to the “-” (off) position.
3. Wait five (5) minutes so any build up of unburnt gas can escape. If you then smell gas, stop and follow
“C” in the safety information. If you do not smell gas, proceed to step 4.
4. Turn the knob to the “” (pilot) position.
5. Depress the knob fully (until star disappears below housing) and after 30 seconds, whilst keeping the
knob depressed, repeatedly press the igniter button (for up to 40 seconds) until the pilot flame ignites.
Warning: Keep your face clear of the combustion chamber opening while pressing the igniter.
Note: It is not possible to depress the knob fully if the gas control has activated its safety shut-off
feature. In this case, wait 60 seconds for the gas control to reset.
6. Keep the knob depressed for 20 seconds after the pilot flame lights. The pilot can be checked by looking
through the large opening below the gas control.
7. Release the knob and check the pilot is still alight.
8. If the pilot has failed to light or has not remained alight, turn the gas control knob to the "-” (off) position.
Wait five (5) minutes for any unburnt gas to escape and then begin again at step 3.
Warning: Failure to wait five (5) minutes may result in a fire or explosion.
9. When the pilot flame remains alight with the gas control knob released, turn the knob anticlockwise to
the setting of "6". This will give a water temperature of about 60°C.
Rheem recommends the thermostat is set at 60°C to maximise solar contribution.
10. Refer to “Temperature Adjustment” on page 5, if further adjustment is required.
11. Replace the access cover.
The main burner will now automatically ignite during the set timer period when heating is required and
extinguish when the water has been heated to the set temperature. If the main burner does not light at the
selected setting, the water may already be at the selected temperature.
Note: Never press the igniter button while the top knob is in a numbered position.

LIGHTING THE WATER HEATER
47
TEST THE WATER HEATER AFTER INSTALLATION
The operation of the water heater must be thoroughly checked by the installer.
The burner flame must light smoothly and quickly from the pilot flame, and must go out quietly and
completely.
The main burner flame must be stable, although slight lifting at the front edge of the burner is acceptable
when the burner is cold.
The main burner flame should be blue, with a clearly defined inner cone - luminous yellow or "floating"
flames are not acceptable, and must be corrected by opening the air shutter (refer to “Air Shutter” on
page 47).
Check the test point pressure and compare with the rating label. The pressure regulator is not adjustable
and if the test point pressure is not within 5% of the specified value, contact Rheem Service or their
nearest Accredited Service Agent.
If unable to get the water heater working properly, contact your nearest Rheem Service or their nearest
Accredited Service Agent.
When satisfied everything is working properly instruct the user in the correct method of operation.
AIR SHUTTER
The air shutter is a hinged flap in the burner aeration tube. It may require adjustment on installation.
For a Propane and Butane model, the air shutter should be fully open.
The shutter is held in place by a screw on the side of the burner
aeration tube.
Note: A Natural gas model does not have an air shutter.
CLOSE DOWN PROCEDURE
1. Turn the gas control knob to the “” position (pilot). This setting
will leave the pilot flame alight however the main burner will not be
able to light.
2. Turn the gas control knob to the "-" (off) position. This setting
shuts the gas control down completely.

48
DRAINING THE SOLAR COLLECTORS
To drain the solar collectors and the solar hot and solar cold pipes:
Open a hot water tap and allow the water to run for five minutes immediately prior to draining the solar
collector(s).
This will assist in the transfer of any high temperature water in the solar collector(s) to the solar storage
tank.
Close the hot water tap.
Warning: Exercise care, as water discharged from the solar collectors may be of a very high
temperature.
Turn off the water heater (refer to “To Turn Off the Water Heater” on page 43).
Using a flat bladed screw driver, open the bleed valve fitted adjacent to the solar hot water inlet of the
water heater (refer to diagram on page 43).
Undo the compression fitting at the side of the air duct of the solar storage tank and disconnect the solar
cold pipe.
Water will now drain from the solar collectors and the solar hot and solar cold pipes.
When water stops flowing from the solar hot and solar cold pipes, reconnect the solar cold pipe to the
solar storage tank and tighten the compression fitting.
Close the bleed valve.
DRAINING THE WATER HEATER
To drain the water heater:
Open a hot water tap and allow the water to run for five minutes immediately prior to draining the solar
storage tank.
This will assist in the transfer of any high temperature water in the solar collector(s) to the solar storage
tank.
Close the hot water tap.
Warning: Exercise care, as water discharged from the solar storage tank may be of a very high
temperature.
Turn off the water heater (refer to “To Turn Off The Water Heater” on page 43).
Operate the relief valve release lever - do not let the lever snap back or you will damage the valve seat.
Operating the lever will release the pressure in the water heater.
Attach a hose to the spout of the draincock.
Let the other end of the hose go to a drain.
Open the draincock using the handle.
Operate the relief valve again.
This will let air into the water heater and allow the water to drain through the hose.

49
This page is intentionally blank.

50
This page is intentionally blank.

51
RHEEM SOLAR LOLINE WATER HEATER WARRANTY
– AUSTRALIA ONLY –
SOLAR LOLINE WATER HEATER MODELS 531260
WARRANTY CONDITIONS
1. This warranty is applicable only to water heaters
manufactured from 1st December 2010.
2. The water heater must be installed in accordance with the
water heater installation instructions, supplied with the water
heater, and in accordance with all relevant statutory and local
requirements of the State in which the water heater is
installed.
3. Where a failed component, storage tank or solar collector is
replaced under warranty, the balance of the original warranty
period will remain effective. The replaced component, storage
tank or solar collector does not carry a new warranty.
4. Where the water heater is installed outside the boundaries of
a metropolitan area as defined by Rheem or further than
25 km from a regional Rheem branch office, or an Accredited
Service Agent, the cost of transport, insurance and travelling
costs between the nearest Rheem Accredited Service
Agent’s premises be the owner’s responsibility.
5. Where the water heater is installed in a position that does not
allow safe, ready access, the cost of accessing the site
safely, including the cost of additional materials handling
and / or safety equipment, shall be the owner’s responsibility.
6. The warranty only applies to the water heater and original or
genuine (company) component replacement parts and
therefore does not cover any plumbing or electrical parts
supplied by the installer and not an integral part of the water
heater, e.g. pressure limiting valve; isolation valves; non-
return valves; electrical switches; pumps or fuse.
7. The water heater must be sized to supply the hot water
demand in accordance with the guidelines in the water heater
literature.
WARRANTY EXCLUSIONS
1. REPAIR AND REPLACEMENT WORK WILL BE CARRIED OUT AS SET OUT IN THE WATER HEATER WARRANTY, HOWEVER
THE FOLLOWING EXCLUSIONS MAY CAUSE THE WATER HEATER WARRANTY TO BECOME VOID AND MAY INCUR A
SERVICE CHARGE AND / OR COST OF PARTS.
a) Accidental damage to the water heater or any component,
including: Acts of God; failure due to misuse; incorrect
installation; attempts to repair the water heater other than by
Rheem Service or a Rheem Accredited Service Agent.
b) Where it is found there is nothing wrong with the water
heater; where the complaint is related to excessive discharge
from the temperature and / or pressure relief valve due to
high water pressure; where there is no flow of hot water due
to faulty plumbing; where water leaks are related to plumbing
and not the water heater or water heater components; where
there is a failure of gas, electricity or water supplies; where
the supply of gas, electricity or water does not comply with
relevant codes or acts.
c) Where the water heater or water heater component has failed
directly or indirectly as a result of: excessive water pressure;
excessive temperature and / or thermal input; blocked
overflow / vent drain; corrosive atmosphere; ice formation in
the pipe work to or from the water heater.
d) Where the solar Loline water heater or solar Loline water
heater component has failed directly or indirectly as a result
of ice formation in the water ways of a solar Loline water
heater system: with a freeze protection system where the
electricity supply has been switched off or has failed; installed
at an altitude more than 400 metres above sea level; where
the system has not been installed in accordance with the
water heater installation instructions.
e) Where the water heater is located in a position that does not
comply with the water heater installation instructions or
relevant statutory requirements, causing the need for major
dismantling or removal of cupboards, doors or walls, or use of
special equipment to bring the water heater to floor or ground
level or to a serviceable position.
f) Where the water heater has been connected at any time to a
water supply that does not comply with the water supply
guidelines as outlined in the Owner’s Guide and Installation
Instructions.
g) Breakage of collector glass for any reason including hail
damage (we suggest that the collector glass be covered by
your home insurance policy).
2. SUBJECT TO ANY STATUTORY PROVISIONS TO THE CONTRARY, THIS WARRANTY EXCLUDES ANY AND ALL CLAIMS FOR
DAMAGE TO FURNITURE, CARPETS, WALLS, FOUNDATIONS OR ANY OTHER CONSEQUENTIAL LOSS EITHER DIRECTLY OR
INDIRECTLY DUE TO LEAKAGE FROM THE WATER HEATER, OR DUE TO LEAKAGE FROM FITTINGS AND / OR PIPE WORK OF
METAL, PLASTIC OR OTHER MATERIALS CAUSED BY WATER TEMPERATURE, WORKMANSHIP OR OTHER MODES OF
FAILURE.

RHEEM SOLAR LOLINE WATER HEATER WARRANTY
– AUSTRALIA ONLY –
Revision Date: 2011 May 126547D
52
WARRANTY – SOLAR LOLINE WATER HEATER MODELS 531260
Rheem will repair or replace, at Rheem’s sole discretion and subject to the warranty conditions and exclusions, any component, the
storage tank or the solar collector if it fails within the warranty period below.
Installation
Period
Warranty
All Components (from date of installation)
All installations
Year
1
New component, storage tank or solar collector, free of charge,
including labour.**
Cylinder (from date of installation)
Water heater installed in a
“single-family domestic dwelling”
Years
2 & 3
New storage tank, free of charge, including labour.**
Years
4 & 5
New storage tank, free of charge, with installation and labour costs
being the responsibility of the owner.
Water heater installed in any other than a
“single-family domestic dwelling”
Years
2 & 3
New storage tank, free of charge, with installation and labour costs
being the responsibility of the owner.
Solar Collector (from date of installation)
All installations
Years
2 to 5
New solar collector, free of charge, with installation and labour costs
being the responsibility of the owner.
Notes:
** Refer to items 4 and 5 of warranty conditions.
Amended warranty may apply where a government rebate has been received for the solar water heater. Phone 131 031 for details.
Rheem reserves the right to transfer fully functional components from the defective storage tank to the replacement storage tank if
required.
In addition to this warranty, the Trade Practices Act 1974 and similar laws in each state and territory provide the owner under certain
circumstances with certain minimum statutory rights in relation to your Rheem water heater. This warranty must be read subject to
that legislation and nothing in this warranty has the effect of excluding, restricting or modifying those rights.
RHEEM AUSTRALIA PTY LTD
A.B.N. 21 098 823 511
www.rheem.com.au
FOR SERVICE TELEPHONE
131 031 AUSTRALIA
0800 657 335 NEW ZEALAND
or refer local Yellow Pages