Spec 10 WM2C2
Spec 10 WM2C2
User Manual:
Open the PDF directly: View PDF
.
Page Count: 75
- 1 Introduction ................................................................................... 6
- 1.1 Scope ..................................................................................................... 6
- 2 General description ........................................................................ 7
- 2.1 General information ................................................................................ 7
- 2.2 RF functionalities.................................................................................... 8
- 2.3 Baseband functionalities......................................................................... 8
- 2.4 Firmware ................................................................................................ 8
- 3 Interfaces ....................................................................................... 9
- 3.1 Functional description ............................................................................ 9
- 3.2 General Purpose Connector (GPC)......................................................... 10
- 3.2.1 Power supply........................................................................................ 10
- 3.2.2 Digital I/O.............................................................................................. 14
- 3.2.3 LCD interface........................................................................................ 14
- 3.2.4 SPI Auxiliar bus .................................................................................... 15
- 3.2.5 Keyboard interface ................................................................................ 16
- 3.2.6 Serial link .............................................................................................. 17
- 3.2.7 SIM interface ........................................................................................ 18
- 3.2.8 General Purpose Input/Output............................................................... 21
- 3.2.9 Analog to Digital Converter ................................................................... 22
- 3.2.10 Audio.............................................................................................. 23
- 3.2.11 Battery charging interface............................................................... 32
- 3.2.12 ON / ~OFF....................................................................................... 35
- 3.2.13 BOOT.............................................................................................. 38
- 3.2.14 Reset signal (~RST) ........................................................................ 39
- 3.2.15 External Interrupt (~INTR) ............................................................... 41
- 3.2.16 VCC output ..................................................................................... 42
- 3.2.17 VCC_RTC (Real Time Clock)............................................................. 42
- 3.3 RF interface .......................................................................................... 44
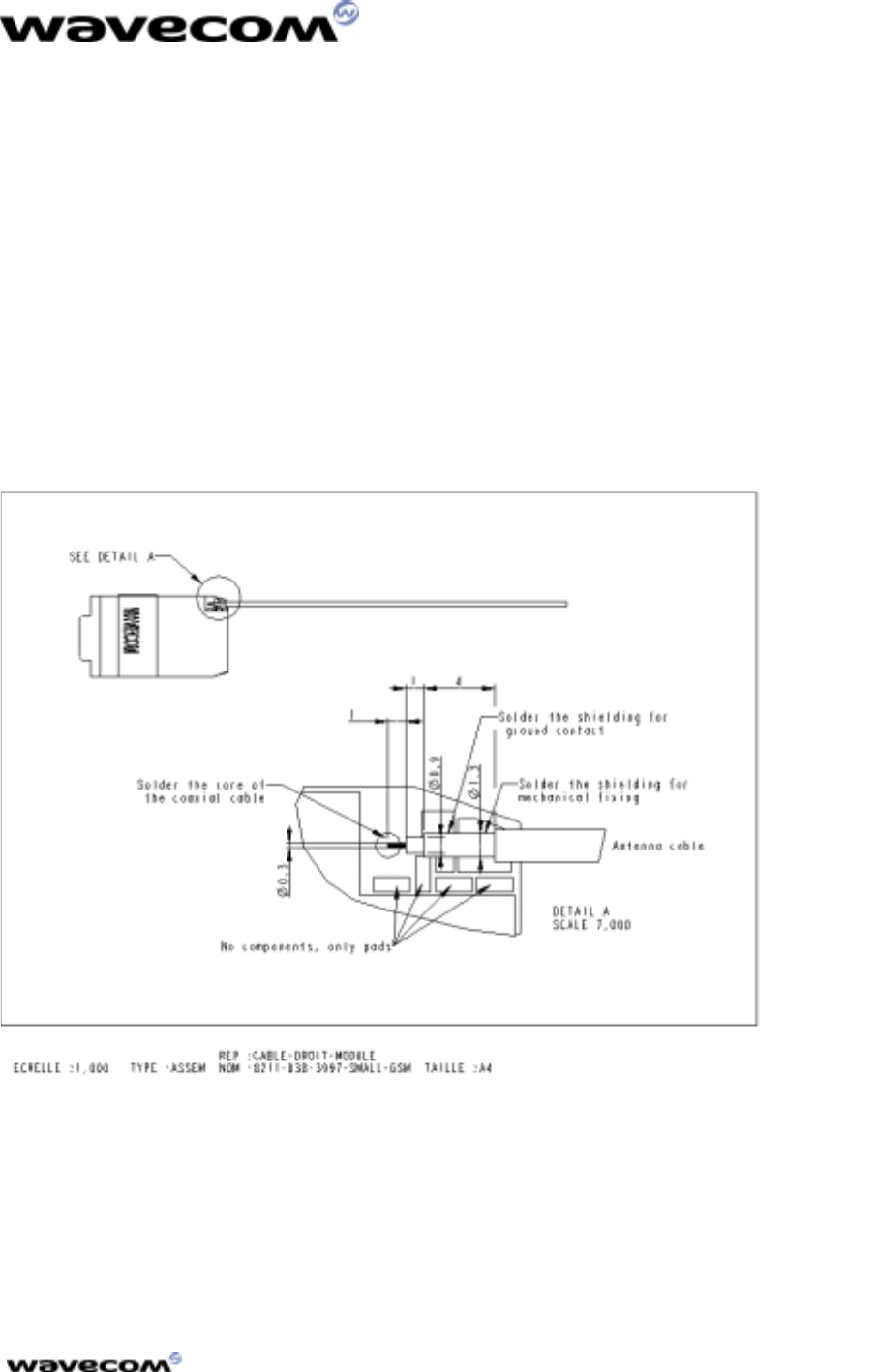
- 3.3.1 RF connection....................................................................................... 45
- 3.3.2 RF performances................................................................................... 47
- 3.3.3 Antenna specifications.......................................................................... 48
- 4 Technical specifications............................................................... 49
- 4.1 Interfaces.............................................................................................. 49
- 4.2 Climatic and mechanical environments................................................. 52
- 4.3 Mechanical specifications..................................................................... 53
- 4.3.1 Physical characteristics......................................................................... 53
- 4.3.2 Mechanical drawings ........................................................................... 53
- 5 Connectors and peripheral devices references ............................ 55
- 5.1 General Purpose Connector .................................................................. 55
- 5.2 SIM Card Reader .................................................................................. 56
- 5.3 Microphone .......................................................................................... 56
- 5.4 Speaker ................................................................................................ 56
- 5.5 Antenna Cable...................................................................................... 56
- 5.6 GSM antenna ....................................................................................... 56
- 6 Design Guidelines......................................................................... 57
- 6.1 HARDWARE and RF ............................................................................. 57
- 6.1.1 EMC ..................................................................................................... 57
- 6.1.2 Power Supply ....................................................................................... 57
- 6.1.3 Layout requirement............................................................................... 57
- 6.1.4 Antenna................................................................................................ 59
- 6.2 Mechanical integration ......................................................................... 59
- 6.3 Firmware upgrade ................................................................................ 60
- 6.3.1 Nominal upgrade procedure.................................................................. 60
- 6.3.2 Backup procedure................................................................................. 60
- 7 Appendix ...................................................................................... 61
- 7.1 Wavecom acceptance test .................................................................... 61
- 7.2 Reference documents ........................................................................... 62
- 7.3 Safety recommendations (for information only)..................................... 63
- 7.3.1 RF safety............................................................................................... 63
- 7.3.2 General safety....................................................................................... 64
- 7.4 Application notes for the SIM interface................................................. 66
- 7.5 General Purpose Connector data sheet ................................................. 69

WISMO2C-2
Hardware Specifications
confidential © Page : 1 / 69
This document is the sole and exclusive property of WAVECOM. Not to be distributed or divulged
without prior written agreement. Ce document est la propriété exlcusive de WAVECOM. Il ne peut
être communiqué ou divulgué à des tiers sans son autorisation préalable.
Version : 1.0
Date : 11th August 2000
Référence : WM_MKT_WISMO2C-2_HSP_001_001

WISMO2C-2 Hardware Specifications
11/08/00
confidential © Page : 2 / 69
This document is the sole and exclusive property of WAVECOM. Not to be distributed or divulged
without prior written agreement. Ce document est la propriété exlcusive de WAVECOM. Il ne peut
être communiqué ou divulgué à des tiers sans son autorisation préalable.
Level/
Indice Date/
Date History of the evolution /
Historique des évolutions Writer / Rédacteur
0.1 06/05/99 Creation JMB
0.2 16/06/99 Connector Modifications JMB
0.3 18/06/99 SIM Update PBE
0.4 02/08/99 SPK load update PJS
0.5 12/08/99 SIM and connector update PBE
0.6 15/09/99 Battery connection example JMB
Boot resistor modification
SIM max current update
0.7 23/09/99 General Update PBE
0.8 27/12/99 Validation LGI/DMA/PJS/PBE
0.9 10/04/00 Modification of Mechanical Drawings PJS
1.0 07/00 Rework of the document MNA
Name / Nom Function /
Fonction Date/
Date Signature/
Signature
Written by /
Rédigé par M.NAU Product Line Manager 07/00
Validated by /
Validé par P.BECHE Hardware Department
Manager
Approved by /
Approuvé par P.CALVEZ Product Marketing
Senior Manager

WISMO2C-2 Hardware Specifications
11/08/00
confidential © Page : 3 / 69
This document is the sole and exclusive property of WAVECOM. Not to be distributed or divulged
without prior written agreement. Ce document est la propriété exlcusive de WAVECOM. Il ne peut
être communiqué ou divulgué à des tiers sans son autorisation préalable.
Contents / Sommaire
1 Introduction ................................................................................... 6
1.1 Scope ..................................................................................................... 6
2 General description ........................................................................ 7
2.1 General information ................................................................................ 7
2.2 RF functionalities.................................................................................... 8
2.3 Baseband functionalities......................................................................... 8
2.4 Firmware................................................................................................ 8
3 Interfaces....................................................................................... 9
3.1 Functional description ............................................................................ 9
3.2 General Purpose Connector (GPC)......................................................... 10
3.2.1 Power supply........................................................................................ 10
3.2.2 Digital I/O.............................................................................................. 14
3.2.3 LCD interface........................................................................................ 14
3.2.4 SPI Auxiliar bus .................................................................................... 15
3.2.5 Keyboard interface................................................................................ 16
3.2.6 Serial link.............................................................................................. 17
3.2.7 SIM interface ........................................................................................ 18
3.2.8 General Purpose Input/Output............................................................... 21
3.2.9 Analog to Digital Converter................................................................... 22
3.2.10 Audio.............................................................................................. 23
3.2.11 Battery charging interface............................................................... 32
3.2.12 ON / ~OFF....................................................................................... 35
3.2.13 BOOT.............................................................................................. 38
3.2.14 Reset signal (~RST) ........................................................................ 39
3.2.15 External Interrupt (~INTR)............................................................... 41
3.2.16 VCC output ..................................................................................... 42
3.2.17 VCC_RTC (Real Time Clock)............................................................. 42
3.3 RF interface .......................................................................................... 44
3.3.1 RF connection....................................................................................... 45
3.3.2 RF performances................................................................................... 47
3.3.3 Antenna specifications.......................................................................... 48
4 Technical specifications...............................................................49
4.1 Interfaces.............................................................................................. 49
4.2 Climatic and mechanical environments................................................. 52
4.3 Mechanical specifications..................................................................... 53
4.3.1 Physical characteristics......................................................................... 53
4.3.2 Mechanical drawings ........................................................................... 53

WISMO2C-2 Hardware Specifications
11/08/00
confidential © Page : 4 / 69
This document is the sole and exclusive property of WAVECOM. Not to be distributed or divulged
without prior written agreement. Ce document est la propriété exlcusive de WAVECOM. Il ne peut
être communiqué ou divulgué à des tiers sans son autorisation préalable.
5 Connectors and peripheral devices references ............................ 55
5.1 General Purpose Connector .................................................................. 55
5.2 SIM Card Reader .................................................................................. 56
5.3 Microphone .......................................................................................... 56
5.4 Speaker ................................................................................................ 56
5.5 Antenna Cable...................................................................................... 56
5.6 GSM antenna ....................................................................................... 56
6 Design Guidelines.........................................................................57
6.1 HARDWARE and RF ............................................................................. 57
6.1.1 EMC ..................................................................................................... 57
6.1.2 Power Supply ....................................................................................... 57
6.1.3 Layout requirement............................................................................... 57
6.1.4 Antenna................................................................................................ 59
6.2 Mechanical integration ......................................................................... 59
6.3 Firmware upgrade ................................................................................ 60
6.3.1 Nominal upgrade procedure.................................................................. 60
6.3.2 Backup procedure................................................................................. 60
7 Appendix ...................................................................................... 61
7.1 Wavecom acceptance test.................................................................... 61
7.2 Reference documents ........................................................................... 62
7.3 Safety recommendations (for information only)..................................... 63
7.3.1 RF safety............................................................................................... 63
7.3.2 General safety....................................................................................... 64
7.4 Application notes for the SIM interface................................................. 66
7.5 General Purpose Connector data sheet ................................................. 69

WISMO2C-2 Hardware Specifications
11/08/00
confidential © Page : 5 / 69
This document is the sole and exclusive property of WAVECOM. Not to be distributed or divulged
without prior written agreement. Ce document est la propriété exlcusive de WAVECOM. Il ne peut
être communiqué ou divulgué à des tiers sans son autorisation préalable.
Cautions:
Cautions:Cautions:
Cautions:
Information furnished herein by Wavecom are accurate and reliable. However
no responsibility is assumed for its use. Please read carefully the safety
precautions for a terminal based on WISMO2C.
General information about Wavecom and its range of products is available at
the following internet address: http://www.wavecom.com
Trademarks:
Some mentioned products are registered trademarks of their respective
companies.

WISMO2C-2 Hardware Specifications
11/08/00
confidential © Page : 6 / 69
This document is the sole and exclusive property of WAVECOM. Not to be distributed or divulged
without prior written agreement. Ce document est la propriété exlcusive de WAVECOM. Il ne peut
être communiqué ou divulgué à des tiers sans son autorisation préalable.
1 Introduction
1.1 Scope
This document defines and specifies the second generation dual band module
called WISMO2C and available under two versions :
• WISMO2C-G900/1800 for dual band E-GSM 900 / GSM 1800 MHz
• WISMO2C-G900/1900 for dual band E-GSM 900 / GSM 1900 MHz
Figure
Figure Figure
Figure 1
11
1 :
: :
: WISMO2C (bottom vie
WISMO2C (bottom vie WISMO2C (bottom vie
WISMO2C (bottom view without shielding)
w without shielding)w without shielding)
w without shielding)

WISMO2C-2 Hardware Specifications
11/08/00
confidential © Page : 7 / 69
This document is the sole and exclusive property of WAVECOM. Not to be distributed or divulged
without prior written agreement. Ce document est la propriété exlcusive de WAVECOM. Il ne peut
être communiqué ou divulgué à des tiers sans son autorisation préalable.
2 General description
2.1 General information
WISMO2C is a self-contained E-GSM 900 / GSM 1800 (or E-GSM 900 / GSM
1900) dual band module including the following features :
• 58.3 x 32.2 x 6.0 mm external dimensions
• 2 Watts EGSM radio section running under 3,6 Volts
• 1 Watt GSM1800/GSM1900 radio section running under
3,6 Volts
• Digital section under 2.8 Volts
• 3V SIM interface
• Real Time Clock with calendar
• Battery charger
• Echo Cancellation
• Full GSM software stack
• Complete shielding
• Complete interfacing :
• Power supply
• Serial link
• Audio
• SIM card
• Keyboard (not fully available with AT commands)
• LCD (not available with AT commands)
WISMO2C has two external connections :
• RF connection pads (to the antenna)
• General Purpose Connector (GPC) to Digital, Keyboard,
Audio and Supply
WISMO2C is designed to fit in very small terminals and only some custom
functions have to be added to make a complete Dual Band solution:
• Keypad and LCD module
• Earpiece and Microphone
• Base connector
• Battery
• Antenna switch
• SIM connector
• Application processor

WISMO2C-2 Hardware Specifications
11/08/00
confidential © Page : 8 / 69
This document is the sole and exclusive property of WAVECOM. Not to be distributed or divulged
without prior written agreement. Ce document est la propriété exlcusive de WAVECOM. Il ne peut
être communiqué ou divulgué à des tiers sans son autorisation préalable.
2.2 RF functionalities
The RF functionalities comply with the Phase II GSM900/GSM1800 or
GSM1900 recommendation. The frequencies are :
• Rx (EGSM 900) : 925 to 960 MHz
• Tx (EGSM 900) : 880 to 915 MHz
• Rx (GSM 1800) : 1805 to 1880 MHz
• Tx (GSM 1800) : 1710 to 1785 MHz
• Rx (GSM 1900) : 1930 to 1990 MHz
• Tx (GSM 1900) : 1850 to 1910 MHz
The RF part is based on a specific dual band chip including :
◊ 2 dedicated down-converters.
◊ 1 FI demodulator
◊ 1 VCO
◊ Transmit loop (modulator, down mixer, phase frequency
comparator)
◊ 2 power amplifiers
2.3 Baseband functionalities
The digital part of the WISMO2C is composed of a PHILIPS-VLSI chip (ONE C
GSM Kernel). This chipset is using a 0,25 µm mixed technology CMOS, which
allows massive integration as well as low current consumption.
2.4 Firmware
WISMO2C is designed to be integrated into various types of applications such
as handsets or vertical applications (telemetry, multimedia, automotive,…).
For handsets, the firmware is customised by Wavecom. For vertical
applications, the firmware offers a set of AT commands to control the module.
With this standard software, some interfaces of the module are not available
since they are dependent on the peripheral devices connected to the module.
They are the LCD interface, the SPI bus, the battery charging interface.

WISMO2C-2 Hardware Specifications
11/08/00
confidential © Page : 9 / 69
This document is the sole and exclusive property of WAVECOM. Not to be distributed or divulged
without prior written agreement. Ce document est la propriété exlcusive de WAVECOM. Il ne peut
être communiqué ou divulgué à des tiers sans son autorisation préalable.
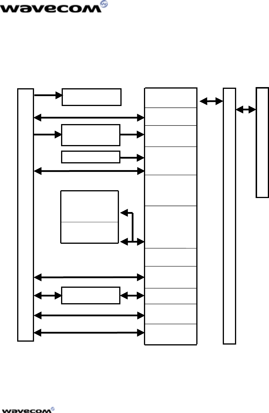
3 Interfaces
3.1 Functional description
Figure
Figure Figure
Figure 2
22
2 :
: :
: Functional architecture
Functional architecture Functional architecture
Functional architecture
SIM Controller
Battery
Management
Power Supply
G
E
N
E
R
A
L
P
U
R
P
O
S
E
C
O
N
N
E
C
T
O
R
SIM Supply
FLASH
SRAM
Audio Interface
A/D Converter
RF
F
U
N
C
T
I
O
N
S
CPU
Vocoder
GPSI Controller
Memory
Management
Unit
Keyboard
Controller
UART
RF Interface
I/O Controller
R.T.C
RF
C
O
N
N
E
C
T
I
O
N

WISMO2C-2 Hardware Specifications
11/08/00
confidential © Page : 10 / 69
This document is the sole and exclusive property of WAVECOM. Not to be distributed or divulged
without prior written agreement. Ce document est la propriété exlcusive de WAVECOM. Il ne peut
être communiqué ou divulgué à des tiers sans son autorisation préalable.
3.2 General Purpose Connector (GPC)
A 60 pins connector1 is provided to interface the WISMO2C with a board
containing either a LCD module, or a keyboard, or a SIM connector, or a battery
connection...
The interfaces available on the GPC are described in the next paragraphs.
!
!!
! Please be aware that some of these interfaces can not be handled when
Please be aware that some of these interfaces can not be handled whenPlease be aware that some of these interfaces can not be handled when
Please be aware that some of these interfaces can not be handled when
using the WISMO2C driven by AT commands
using the WISMO2C driven by AT commandsusing the WISMO2C driven by AT commands
using the WISMO2C driven by AT commands : LCD interface, SPI bus, battery
: LCD interface, SPI bus, battery : LCD interface, SPI bus, battery
: LCD interface, SPI bus, battery
charging interface.
charging interface.charging interface.
charging interface.
The
TheThe
The symbol is used to indicate the interfaces not available with AT
symbol is used to indicate the interfaces not available with ATsymbol is used to indicate the interfaces not available with AT
symbol is used to indicate the interfaces not available with AT
commands.
commands.commands.
commands.
These functions have then to be managed externally i.e using the main
These functions have then to be managed externally i.e using the mainThese functions have then to be managed externally i.e using the main
These functions have then to be managed externally i.e using the main
processor of the application.
processor of the application.processor of the application.
processor of the application.
3.2.1 Power supply
The power supply is one of the key issue in the design of a GSM terminal. Due
to the bursted emission in GSM, the power supply must be able to deliver high
current peaks in a short time. During these peaks the ripple (Uripp) and the drop
(Udrop) on the supply voltage must not exceed a certain limit.
In communication mode, a GSM terminal emits 577µs radio bursts every
4.615ms.
t = 577 µs
T = 4,615 ms
Uripp
Udrop
Figure
Figure Figure
Figure 3
33
3 :
: :
: burst
burst burst
bursted emission principle
ed emission principleed emission principle
ed emission principle
1 The communication interface connector is a 60 pins connector with 0.5mm pitch from KYOCERA
/ AVX group with the following reference (see chapter connectors reference for further details):
14 5087 060 930 861
14 5087 060 930 86114 5087 060 930 861
14 5087 060 930 861.
The matting connector has the following reference :
24 5087 060 X00 861.
24 5087 060 X00 861.24 5087 060 X00 861.
24 5087 060 X00 861.
A
A
A
A
A
AA
A
A
AA
A
T
TT
T
T
TT
T
T
TT
T

WISMO2C-2 Hardware Specifications
11/08/00
confidential © Page : 11 / 69
This document is the sole and exclusive property of WAVECOM. Not to be distributed or divulged
without prior written agreement. Ce document est la propriété exlcusive de WAVECOM. Il ne peut
être communiqué ou divulgué à des tiers sans son autorisation préalable.
Two different inputs are provided for the power supply. The first one, VBATT is
used to supply the RF part and VDD, the second one is used to supply the
baseband part.
Notes :
• It is possible to connect VBATT to VDD.
• In case of separate power supplies, they have to be in the same state i.e
both active or inactive at the same time.
VBATT : supplies directly the RF components with 3,6 V. It is essential to keep
a minimum voltage ripple at this connection in order to avoid any phase error.
The RF Power Amplifier current (2.0A peak in GSM mode) flows with a ratio of
1/8 of the time (around 577µs every 4.615ms). The rising time is around 10µs.
VDD : supplies the +2.8V ballast regulators of the WISMO2C. It is essential to
keep the voltage over 3.1 volts.
The WISMO2C shielding case is the grounding. The ground has to be
connected on the mother board through a complete layer on the PCB.
Power Supply Voltage
Power Supply VoltagePower Supply Voltage
Power Supply Voltage
V
VV
VMIN
MINMIN
MIN V
VV
VNOM
NOMNOM
NOM V
VV
VMAX
MAXMAX
MAX Ripple max
Ripple maxRipple max
Ripple max
VBATT
VBATTVBATT
VBATT
(for WISMO2C-
(for WISMO2C-(for WISMO2C-
(for WISMO2C-
G900/1800)
G900/1800)G900/1800)
G900/1800)
3.3 V (*) 3.6 V 4.5 V (**) 50 mVpp for freq<200kHz
2 mVpp for freq>200kHz
VBATT
VBATTVBATT
VBATT
(for WISMO2C-
(for WISMO2C-(for WISMO2C-
(for WISMO2C-
G900/1900)
G900/1900)G900/1900)
G900/1900)
3.4 V (*) 3.6 V 4.5 V (**) 50 mVpp for freq<200kHz
2 mVpp for freq>200kHz
VDD
VDDVDD
VDD 3.1 V 4.5 V 100 mVpp
(*) : This value has to be guaranted during the burst (with 2.0A Peak in GSM
mode)
(**) : max operating Voltage Stationnary Wave Ratio (VSWR) 2:1
When supplying the module with a battery, the characteristics should be :
• Total impedance (battery+protections+PCB)<150 mOhms

WISMO2C-2 Hardware Specifications
11/08/00
confidential © Page : 12 / 69
This document is the sole and exclusive property of WAVECOM. Not to be distributed or divulged
without prior written agreement. Ce document est la propriété exlcusive de WAVECOM. Il ne peut
être communiqué ou divulgué à des tiers sans son autorisation préalable.
Power consumption in OFF mode
Power consumption in OFF modePower consumption in OFF mode
Power consumption in OFF mode
(module supplied, OFF state, no software running)
(module supplied, OFF state, no software running)(module supplied, OFF state, no software running)
(module supplied, OFF state, no software running)
Conditions
ConditionsConditions
Conditions I
II
INOM
NOMNOM
NOM I
II
IMAX
MAXMAX
MAX
Overall
OverallOverall
Overall
consumption
consumptionconsumption
consumption Off 50 µA 100 µA
Power consumption in EGSM mode
Power consumption in EGSM modePower consumption in EGSM mode
Power consumption in EGSM mode
Conditions
ConditionsConditions
Conditions I
II
INOM
NOMNOM
NOM I
II
IMAX
MAXMAX
MAX
VBATT
VBATTVBATT
VBATT During TX bursts @
PCL5* 1.7 A peak 2.0 A peak
VBATT
VBATTVBATT
VBATT During RX bursts 75 mA peak 80 mA peak
VBATT
VBATTVBATT
VBATT Average
1Rx/1Tx@PCL5*
270 mA 320 mA
VBATT
VBATTVBATT
VBATT Average
1Rx/1Tx@PCL8*
180 mA 200 mA
VBATT
VBATTVBATT
VBATT Average Idle mode 100 µA 300 µA
VDD
VDDVDD
VDD Average TCH/FS mode 85 mA 100 mA
VDD
VDDVDD
VDD Average Idle mode
(module in handset
applications)
3 mA** 6 mA**
VDD
VDDVDD
VDD Average Idle mode
(module driven by AT
commands, UART running)
12 mA 16 mA
Overall
OverallOverall
Overall
consumption
consumptionconsumption
consumption Average communication
1Rx/1Tx@PCL5* 355 mA 420 mA
Average communication
2Rx/1Tx@PCL5* TBD TBD
Average Idle mode
(module in handset
applications)
3.1 mA 6.3 mA
Average Idle mode
(module driven by AT
commands, UART running)
12.1 mA 16.3 mA
(*) : PCL : Power Control Level.
PCL5 : 2W emission requested (max.power)
PCL8 : 0.5W emission requested
(**) : Informative value

WISMO2C-2 Hardware Specifications
11/08/00
confidential © Page : 13 / 69
This document is the sole and exclusive property of WAVECOM. Not to be distributed or divulged
without prior written agreement. Ce document est la propriété exlcusive de WAVECOM. Il ne peut
être communiqué ou divulgué à des tiers sans son autorisation préalable.
Power consumption in GSM1800 or GSM1900 mode
Power consumption in GSM1800 or GSM1900 modePower consumption in GSM1800 or GSM1900 mode
Power consumption in GSM1800 or GSM1900 mode
Conditions
ConditionsConditions
Conditions I
II
INOM
NOMNOM
NOM I
II
IMAX
MAXMAX
MAX
VBATT
VBATTVBATT
VBATT During TX bursts @
PCL0* 1.3 A peak 1.7 A peak
VBATT
VBATTVBATT
VBATT During RX bursts 75 mA peak 80 mA peak
VBATT
VBATTVBATT
VBATT Average
1Rx/1Tx@PCL0*
240 mA 270 mA
VBATT
VBATTVBATT
VBATT Average
1Rx/1Tx@PCL3*
150 mA 180 mA
VBATT
VBATTVBATT
VBATT Average Idle mode 100 µA 300 µA
VDD
VDDVDD
VDD Average TCH/FS mode 85 mA 100 mA
VDD
VDDVDD
VDD Average Idle mode
(module in handset
applications)
3 mA** 6 mA**
VDD
VDDVDD
VDD Average Idle mode
(module driven by AT
commands, UART running)
12 mA 16 mA
VDD
VDDVDD
VDD Average Idle mode 3 mA 6 mA
Overall
OverallOverall
Overall
consumption
consumptionconsumption
consumption Average communication
1Rx/1Tx@PCL0* 325 mA 370 mA
Average communication
2Rx/1Tx@PCL0* TBD TBD
Average Idle mode
(module in handset
applications)
3.1 mA 6.3 mA
Average Idle mode
(module driven by AT
commands, UART running)
12.1 mA 16.3 mA
(*) : PCL : Power Control Level.
PCL0 : 1W emission requested (max.power)
PCL3 : 0.25W emission requested
(**) : Informative value
Power Supply Pinout
Power Supply PinoutPower Supply Pinout
Power Supply Pinout
Signal
SignalSignal
Signal Pin number
Pin numberPin number
Pin number
VBATT 55, 57, 58, 59 60
VDD 11
GND Shielding
The grounding connection is done through the shielding
The grounding connection is done through the shieldingThe grounding connection is done through the shielding
The grounding connection is done through the shielding " the four legs have
to be soldered to the ground plane.

WISMO2C-2 Hardware Specifications
11/08/00
confidential © Page : 14 / 69
This document is the sole and exclusive property of WAVECOM. Not to be distributed or divulged
without prior written agreement. Ce document est la propriété exlcusive de WAVECOM. Il ne peut
être communiqué ou divulgué à des tiers sans son autorisation préalable.
3.2.2 Digital I/O
All digital I/O comply with 3Volts CMOS.
Operating conditions
Operating conditionsOperating conditions
Operating conditions
Parameter
ParameterParameter
Parameter I/O type
I/O typeI/O type
I/O type Min
MinMin
Min Max
MaxMax
Max Condition
ConditionCondition
Condition
V
VV
VIL
ILIL
IL CMOS -0.5 V 0.8 V
V
VV
VIH
IHIH
IH CMOS 2.1 V 3.0 V
V
VV
VOL
OLOL
OL 1X 0.2 V IOL = -1 mA
2X 0.2 V IOL = -2 mA
3X 0.2 V IOL = -3 mA
V
VV
VOH
OHOH
OH 1X 2.6 V IOH = 1 mA
2X 2.6 V IOH = 2 mA
3X 2.6 V IOH = 3 mA
To interface the WISMO2C digital signals with other logics :
• 3V logic : some serial resistors (between 2.2K and 4.7Kohms) can be added
on the lines
• 3.3V logic : some serial resistors (between 4.7K and 10Kohms) can be
added on the lines.
• For higher voltage logics, a resistor bridge or a level shifter IC can be added.
3.2.3 LCD interface
The WISMO2C can be connected to a LCD module driver through either a SPI
bus or a two wires interface.
3.2.3.1
3.2.3.13.2.3.1
3.2.3.1 SPI bus
SPI busSPI bus
SPI bus
The SPI bus includes a CLK signal, an IO signal and an EN signal complying
with SPI bus standard. The maximum speed transfer is 3.25Mb/s.
Pin description
Pin descriptionPin description
Pin description
Signal
SignalSignal
Signal Pin number
Pin numberPin number
Pin number I/O
I/OI/O
I/O I/O type
I/O typeI/O type
I/O type Description
DescriptionDescription
Description
SPI_CLK 10 O 1X SPI Serial Clock
SPI_IO 8 I/O CMOS / 1X SPI Data
SPI_EN 28 O 1X SPI Enable
A
A
A
A
A
AA
A
A
AA
A
T
TT
T
T
TT
T
T
TT
T

WISMO2C-2 Hardware Specifications
11/08/00
confidential © Page : 15 / 69
This document is the sole and exclusive property of WAVECOM. Not to be distributed or divulged
without prior written agreement. Ce document est la propriété exlcusive de WAVECOM. Il ne peut
être communiqué ou divulgué à des tiers sans son autorisation préalable.
3.2.3.2
3.2.3.23.2.3.2
3.2.3.2 Two wires interface
Two wires interfaceTwo wires interface
Two wires interface
The two wires interface includes a CLK signal and a DATA signal complying
with a standard 96KHz interface. The maximum speed transfer is 400Kb/s.
Pin description
Pin descriptionPin description
Pin description
Signal
SignalSignal
Signal Pin number
Pin numberPin number
Pin number I/O
I/OI/O
I/O I/O type
I/O typeI/O type
I/O type Description
DescriptionDescription
Description
SCL 10 O 1X Serial Clock
SDA 8 I/O CMOS / 1X Data
3.2.4 SPI Auxiliar bus
A second SPI Chip Enable (called SPI_AUX) has to be used to add a SPI
peripheral to the Wismo2C. The maximum speed transfer is 3.25Mb/s.
Pin description
Pin descriptionPin description
Pin description
Signal
SignalSignal
Signal Pin number
Pin numberPin number
Pin number I/O
I/OI/O
I/O I/O type
I/O typeI/O type
I/O type Description
DescriptionDescription
Description
SPI_CLK 10 O 1X SPI Serial Clock
SPI_IO 8 I/O CMOS / 1X SPI Data
SPI_AUX 26 O 1X SPI Aux. Enable
A
A
A
A
A
AA
A
A
AA
A
T
TT
T
T
TT
T
T
TT
T

WISMO2C-2 Hardware Specifications
11/08/00
confidential © Page : 16 / 69
This document is the sole and exclusive property of WAVECOM. Not to be distributed or divulged
without prior written agreement. Ce document est la propriété exlcusive de WAVECOM. Il ne peut
être communiqué ou divulgué à des tiers sans son autorisation préalable.
3.2.5 Keyboard interface
!
!!
! Warning :
This interface is not FULLY available with AT commands
This interface is not FULLY available with AT commandsThis interface is not FULLY available with AT commands
This interface is not FULLY available with AT commands :
: :
:
An AT command allows to get the input key code (see +CMER command
An AT command allows to get the input key code (see +CMER commandAn AT command allows to get the input key code (see +CMER command
An AT command allows to get the input key code (see +CMER command
description). This code has then to be managed by an external processor.
description). This code has then to be managed by an external processor.description). This code has then to be managed by an external processor.
description). This code has then to be managed by an external processor.
This interface provides 10 connections : 5 rows (R0 to R4) and 5 columns (C0
to C4).
The scanning is a digital one , and the debouncing is done in the WISMO2C.
No discrete components like R,C (Resistor, Capacitor) are needed.
Pin description
Pin descriptionPin description
Pin description
Signal
SignalSignal
Signal Pin number
Pin numberPin number
Pin number I/O
I/OI/O
I/O I/O type
I/O typeI/O type
I/O type Description
DescriptionDescription
Description
ROW0 13 I/O CMOS / 1X Row scan
ROW1 15 I/O CMOS / 1X Row scan
ROW2 17 I/O CMOS / 1X Row scan
ROW3 19 I/O CMOS / 1X Row scan
ROW4 21 I/O CMOS / 1X Row scan
COL0 23 I/O CMOS / 1X Column scan
COL1 25 I/O CMOS / 1X Column scan
COL2 27 I/O CMOS / 1X Column scan
COL3 29 I/O CMOS / 1X Column scan
COL4 31 I/O CMOS / 1X Column scan

WISMO2C-2 Hardware Specifications
11/08/00
confidential © Page : 17 / 69
This document is the sole and exclusive property of WAVECOM. Not to be distributed or divulged
without prior written agreement. Ce document est la propriété exlcusive de WAVECOM. Il ne peut
être communiqué ou divulgué à des tiers sans son autorisation préalable.
3.2.6 Serial link
A flexible 6 wires serial interface is available complying with V24 protocol
signaling but not with V28 (electrical interface) due to a 2.8 Volts interface.
The signals are Tx data (CT103/TX), Rx data (CT104/RX), Request To Send
(CT105/RTS), Clear To Send (CT106/CTS), Data Terminal Ready (CT108-2/DTR)
and Data Set Ready (CT107/DSR).
The set of RS232 signals can be required for GSM DATA services application
and is generated by the general purpose I/O provided by the WISMO2C. The 2
additional signals are Data Carrier Detect (CT109/DCD) and Ring Indicator
(CT125/RI).
Pin description
Pin descriptionPin description
Pin description
Signal
SignalSignal
Signal Pin
PinPin
Pin
number
numbernumber
number I/O
I/OI/O
I/O I/O type
I/O typeI/O type
I/O type Description
DescriptionDescription
Description
CT103 / TX 39 I CMOS Transmit serial data
CT104 / RX 32 O 1X Receive serial data
CT105 / RTS 30 I CMOS Ready To Send
CT106 / CTS 37 O 1X Clear To Send
CT107 / DSR 36 O 1X Data Set Ready
CT108-2 / DTR 34 I CMOS Data Terminal
Ready
CT109 / DCD 51 O CMOS / 2X Data Carrier Detect
CT125 / RI 54 O CMOS / 2X Ring Indicator
CT102/GND Shielding
legs Ground
The rising time and the falling times of the serial signals in reception (in
particular CT103) have to be less than 200ns.
Note :
The WISMO2C has been designed to be operated using all the serial signals. In
particular, it is necessary to use the RTS/CTS hardware flow control signals in
order not to lose data.

WISMO2C-2 Hardware Specifications
11/08/00
confidential © Page : 18 / 69
This document is the sole and exclusive property of WAVECOM. Not to be distributed or divulged
without prior written agreement. Ce document est la propriété exlcusive de WAVECOM. Il ne peut
être communiqué ou divulgué à des tiers sans son autorisation préalable.
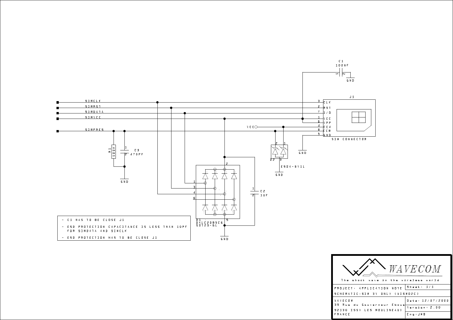
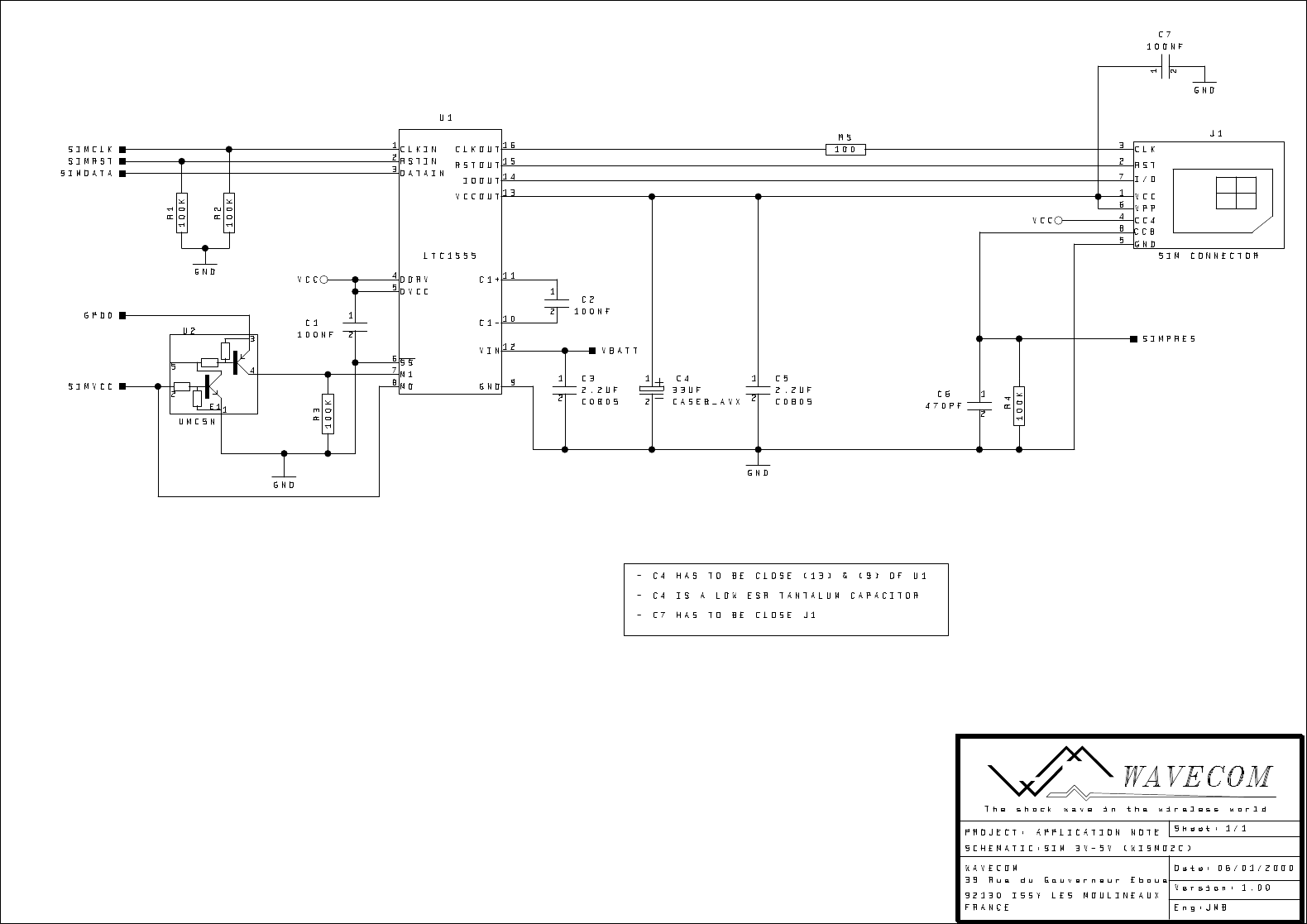
3.2.7 SIM interface
3.2.7.1
3.2.7.13.2.7.1
3.2.7.1 General Description
General DescriptionGeneral Description
General Description
5 signals exist : • SIMVCC : SIM power supply.
• SIMRST : reset.
• SIMCLK : clock.
• SIMDATA : I/O port.
• SIMPRES : SIM card detect.
The SIM interface controls a 3V SIMs (and a 5V SIMs through an external SIM
driver). This interface is fully compliant with GSM 11.11 recommendations
concerning SIM functions.
It is recommended to add Transient Voltage Suppressor diodes on the signal
connected to the SIM socket in order to prevent any ElectroStatic Discharge.
TVS diodes with low capacitance (less than 10pF) have to be connected on
SIMCLK and SIMDATA to avoid any disturbance of the rising and falling edge.
These types of diodes are mandatory for the Full Type Approval. They shall be
placed as close as possible to the SIM socket.
The following references can be used : DALC208SC6 from ST Microelectronics.
Pin description
Pin descriptionPin description
Pin description
Signal
SignalSignal
Signal Pin number
Pin numberPin number
Pin number I/O
I/OI/O
I/O I/O type
I/O typeI/O type
I/O type Description
DescriptionDescription
Description
SIMCLK 3 O 2X SIM Clock
SIMRST 5 O 2X SIM Reset
SIMDATA 7 I/O CMOS / 3X SIM Data
SIMVCC 9 O SIM Power Supply
SIMPRES 50 I CMOS SIM Card Detect

WISMO2C-2 Hardware Specifications
11/08/00
confidential © Page : 19 / 69
This document is the sole and exclusive property of WAVECOM. Not to be distributed or divulged
without prior written agreement. Ce document est la propriété exlcusive de WAVECOM. Il ne peut
être communiqué ou divulgué à des tiers sans son autorisation préalable.
Electrical Characteristics
Electrical CharacteristicsElectrical Characteristics
Electrical Characteristics
Parameter
ParameterParameter
Parameter Conditions
ConditionsConditions
Conditions Min
MinMin
Min Typ
TypTyp
Typ Max
MaxMax
Max Unit
UnitUnit
Unit
SIMDATA VIH IIH = ± 20µA 0.7xSIMVCC V
SIMDATA VIL IIL = 1mA 0.3xSIMVC
CV
SIMRST,
SIMDATA
SIMCLK VOH
Source current =
20µA SIMVCC – 0.1V V
SIMRST,
SIMDATA
SIMCLK VOL
Sink current = -
200µA 0.1 V
SIMVCC*
Output
Voltage
ISIMVCC <= 6mA 2.70 2.80 2.85 V
SIMCLK
Rise/Fall Time Loaded with 30pF 50 ns
SIMRST,
SIMDATA
Rise/Fall Time
Loaded with 30pF 1µs
SIMCLK
Frequency Loaded with 30pF 3.25 MHz
(*) : given for the 3V interface. An external SIM driver is needed to handle 5V
SIMs.
Note :
When not used SIMPRES
SIMPRESSIMPRES
SIMPRES has to be tied to VCC.
When used, a low to high transition means that the SIM card is inserted and a
high to low transition means that the SIM card is removed.

WISMO2C-2 Hardware Specifications
11/08/00
confidential © Page : 20 / 69
This document is the sole and exclusive property of WAVECOM. Not to be distributed or divulged
without prior written agreement. Ce document est la propriété exlcusive de WAVECOM. Il ne peut
être communiqué ou divulgué à des tiers sans son autorisation préalable.
SIM socket pin description
SIM socket pin descriptionSIM socket pin description
SIM socket pin description
Signal Pin number Description
VCC 1 SIMVCC
RST 2 SIMRST
CLK 3 SIMCLK
CC4 4 VCC module
GND 5 GROUND
VPP 6 Not connected
I/O 7 SIMDATA
CC8 8 SIMPRES with 100kΩ pull
down resistor
SIMVCC 1
SIMRST 2
SIMCLK 3
SIMDATA 7
SIMPRES 8
VCC
RST
CLK
CC4
GND
VPP
I / O
CC8
GND
VCC 4
5
GND 100 kΩ
Figure
Figure Figure
Figure 4
44
4 :
: :
: SIM socket
SIM socket SIM socket
SIM socket
3.2.7.2
3.2.7.23.2.7.2
3.2.7.2 SIM 3/5V management
SIM 3/5V management SIM 3/5V management
SIM 3/5V management
The WISMO2C module is designed to interface with 3V SIMs only2.
Nevertheless, it is possible to manage 3V and 5V SIMs using an external level
shifter (see application notes in appendix). In this case, depending on the type
of SIM detected, the module firmware triggers the GPO0 output signal (pin
#26) in order to properly set the external SIM driver level (3V or 5V).
2 Most of the GSM operators have been providing 3V SIMs since 1998.

WISMO2C-2 Hardware Specifications
11/08/00
confidential © Page : 21 / 69
This document is the sole and exclusive property of WAVECOM. Not to be distributed or divulged
without prior written agreement. Ce document est la propriété exlcusive de WAVECOM. Il ne peut
être communiqué ou divulgué à des tiers sans son autorisation préalable.
3.2.8 General Purpose Input/Output
The WISMO2C provides 6 General Purpose I/O, 3 General Purpose Outputs and
1 General Purpose Input. They are used to control any external device such as
a LCD or a Keyboard backlight.
Pin description
Pin descriptionPin description
Pin description
Signal
SignalSignal
Signal Pin number
Pin numberPin number
Pin number I/O
I/OI/O
I/O I/O type
I/O typeI/O type
I/O type Description
DescriptionDescription
Description
GPIO0 24 I/O CMOS / 2X General Purpose I/O
GPIO4 53 I/O CMOS / 2X General Purpose I/O
GPIO5 35 I/O CMOS / 2X General Purpose I/O
GPO1 22 O 3X General Purpose O
GPO2 20 O 1X General Purpose O
GPI 18 I CMOS General Purpose I
The following GPIOs are not available (reserved) in case of module running
with the AT commands firmware :
Signal
SignalSignal
Signal Pin number
Pin numberPin number
Pin number I/O
I/OI/O
I/O I/O type
I/O typeI/O type
I/O type Description
DescriptionDescription
Description Comments
CommentsComments
Comments
GPIO1 52 I/O CMOS / 2X General Purpose I/O FLASH
LED(*)
GPIO2 54 I/O CMOS / 2X General Purpose I/O RI
GPIO3 51 I/O CMOS / 2X General Purpose I/O DCD
GPO0 26 O 3X General Purpose O SIM 3V/5V
(*) The FLASH LED signal can be used to drive an LED according to the module
activity status.
LED status
LED statusLED status
LED status WISMO2C status
WISMO2C statusWISMO2C status
WISMO2C status
OFF Module in download mode or module OFF
Permanent Module switched ON, not registered
on the network
Slow flash
LED ON for 200ms,
OFF for 2s
Module switched ON, registered on
the network
ON
Quick flash
LED ON for 200ms,
OFF for 600ms
Module switched ON, registered on
the network, communication in
progress

WISMO2C-2 Hardware Specifications
11/08/00
confidential © Page : 22 / 69
This document is the sole and exclusive property of WAVECOM. Not to be distributed or divulged
without prior written agreement. Ce document est la propriété exlcusive de WAVECOM. Il ne peut
être communiqué ou divulgué à des tiers sans son autorisation préalable.
3.2.9 Analog to Digital Converter
Analog to Digital converter input is provided by the WISMO2C. This converter
is a 10 bits one, ranging from 0 to 2.8V .
Pin description
Pin descriptionPin description
Pin description
Signal
SignalSignal
Signal Pin number
Pin numberPin number
Pin number I/O
I/OI/O
I/O I/O type
I/O typeI/O type
I/O type Descsiption
DescsiptionDescsiption
Descsiption
AUXV0 33 I Analog A/D converter
Electrical Characteristics
Electrical CharacteristicsElectrical Characteristics
Electrical Characteristics
Parameter
ParameterParameter
Parameter Min
MinMin
Min Max
MaxMax
Max Unit
UnitUnit
Unit
Resolution 10 bits
Sampling rate 90.3 Ksps
Input signal range 0 2.8V V
ADC Reference Accuracy 0.75 2 %
Integral Accuracy +/- 1 LSB
Differential Accuracy +/- 1 LSB
Input Impedance ( R ) 10 MΩ
Input Impedance ( C ) 50 pF

WISMO2C-2 Hardware Specifications
11/08/00
confidential © Page : 23 / 69
This document is the sole and exclusive property of WAVECOM. Not to be distributed or divulged
without prior written agreement. Ce document est la propriété exlcusive de WAVECOM. Il ne peut
être communiqué ou divulgué à des tiers sans son autorisation préalable.
3.2.10 Audio
Two different microphone inputs and two different speaker outputs are
supported.
The WISMO2C also includes an echo cancellation feature which allows
handsfree function.
The MIC2 inputs already include the biasing for an electret microphone
allowing an easy connection to a handset.
The MIC1 inputs does not include an internal bias. MIC1/SPK1 is then
appropriate for a handsfree system or a handset with biasing exernal to the
module.
3.2.10.1
3.2.10.13.2.10.1
3.2.10.1 Common microphone inputs characteristics
Common microphone inputs characteristicsCommon microphone inputs characteristics
Common microphone inputs characteristics
The connection can be either differential or single-ended but using a differential
connection in order to reject common mode noise and TDMA noise is strongly
recommended. When using a single-ended connection, be sure to have a very
good ground plane, a very good filtering as well as shielding in order to avoid
any disturbance on the audio path.
Internal audio filter characteristics
Internal audio filter characteristicsInternal audio filter characteristics
Internal audio filter characteristics :
: :
:
Frequency
FrequencyFrequency
Frequency Gain
GainGain
Gain
0-150 Hz < -22dB
150-180 Hz < -11dB
180-200 Hz < -3dB
200-3700 Hz 0dB
>4000 Hz < -60dB
The gain of MIC inputs is internally adjusted. The gain can be tuned from 30dB
to 51dB using an AT command.
Microphone gain vs Max input voltage
Microphone gain vs Max input voltageMicrophone gain vs Max input voltage
Microphone gain vs Max input voltage
Transmit Gain (dB)
Transmit Gain (dB)Transmit Gain (dB)
Transmit Gain (dB) Max Vin (mVrms)
Max Vin (mVrms)Max Vin (mVrms)
Max Vin (mVrms) AT+VGT
AT+VGTAT+VGT
AT+VGT(*)
30 43.80 0 to 31
33 31.01 32 to 63
36 21.95 64 to 95
39 15.54 96 to 127
42 11 128 to 159
45 7.79 160 to 191
48 5.51 192 to 223
51 3.9 224 to 255
(*) control of the transmit gain by AT commands (for WISMO2C driven by AT
commands)

WISMO2C-2 Hardware Specifications
11/08/00
confidential © Page : 24 / 69
This document is the sole and exclusive property of WAVECOM. Not to be distributed or divulged
without prior written agreement. Ce document est la propriété exlcusive de WAVECOM. Il ne peut
être communiqué ou divulgué à des tiers sans son autorisation préalable.
Recommended characteristics for the microphone:
• 2V – 0.5mA
• 2 KOhms
• Sensitivity -40 to –50dB
• SNR > 50dB
• Frequency response compatible with the GSM specifications
For possible references, see chapter
connectors and peripheral devices
references
.
3.2.10.2
3.2.10.23.2.10.2
3.2.10.2 Common speaker outputs characteristics
Common speaker outputs characteristicsCommon speaker outputs characteristics
Common speaker outputs characteristics
The connection can be differential or single-ended but using a differential
connection to reject common mode noise and TDMA noise is strongly
recommended. Morover in single-ended mode, ½ of the power is lost. When
using a single-ended connection, be sure to have a very good ground plane, a
very good filtering as well as shielding in order to avoid any disturbance on the
audio path.
Speaker outputs SPK2 are push-pull amplifiers and can be loaded down to 150
Ohms and up to 1nF (see details in table
Speaker gain vs Max output voltage).
These outputs are differential and the output power can be adjusted by step of
2dB. The output can be directly connected to a speaker.
3.2.10.2.1 Differential Connection
Impedance of the speaker amplifier output in differential mode :
• R ≤ 1Ω +/-10%
Figure
Figure Figure
Figure 5
55
5 :
: :
: SPK outputs (differential connection)
SPK outputs (differential connection) SPK outputs (differential connection)
SPK outputs (differential connection)
SPKxP
SPKxN

WISMO2C-2 Hardware Specifications
11/08/00
confidential © Page : 25 / 69
This document is the sole and exclusive property of WAVECOM. Not to be distributed or divulged
without prior written agreement. Ce document est la propriété exlcusive de WAVECOM. Il ne peut
être communiqué ou divulgué à des tiers sans son autorisation préalable.
3.2.10.2.2 Single-ended Connection
Typical implementation:
Figure
Figure Figure
Figure 6
66
6 :
: :
: SPK outputs (single-ended connection)
SPK outputs (single-ended connection) SPK outputs (single-ended connection)
SPK outputs (single-ended connection)
C1 = from 4.7µF to 47µF as per the speaker characteristics and the output
power.
C1=C2
R1= Speaker Impedance
Using a single-ended connection also includes losing half of the output power
compared to a differential connection.
Nevertheless in a 32 Ohms speaker case, you should use a cheaper and
smaller solution : R1 = 82 Ohm et C2 = 4.7µF (ceramic)
SPKxP
C1
+
SPKxN
C2
+
Z
ZZ
ZHP
Speaker C3 33 to
100pF
R1

WISMO2C-2 Hardware Specifications
11/08/00
confidential © Page : 26 / 69
This document is the sole and exclusive property of WAVECOM. Not to be distributed or divulged
without prior written agreement. Ce document est la propriété exlcusive de WAVECOM. Il ne peut
être communiqué ou divulgué à des tiers sans son autorisation préalable.
The gain of SPK outputs is internally adjusted. The gain can be tuned using an
AT command. Speaker gain vs Max output voltage
Speaker gain vs Max output voltageSpeaker gain vs Max output voltage
Speaker gain vs Max output voltage
Receive Gain (dB) (*)
Receive Gain (dB) (*)Receive Gain (dB) (*)
Receive Gain (dB) (*) Max output level
Max output levelMax output level
Max output level
(Vrms)
(Vrms)(Vrms)
(Vrms) AT+VGR (**)
AT+VGR (**)AT+VGR (**)
AT+VGR (**) Max.speaker load (
Max.speaker load (Max.speaker load (
Max.speaker load (Ω
ΩΩ
Ω)
))
)
TBD 1.74 0 to 15 150
TBD 1.38 16 to 31 50
TBD 1.099 32 to 47 32
TBD 0.873 48 to 63 32
TBD 0.693 64 to 79 32
TBD 0.551 80 to 95 32
TBD 0.437 96 to 111 32
TBD 0.347 112 to 127 32
TBD 0.276 128 to 143 32
TBD 0.219 144 to 159 32
TBD 0.174 160 to 175 32
TBD 0.138 176 to 191 32
TBD 0.110 192 to 207 32
TBD 0.087 208 to 223 32
TBD 0.069 224 to 239 32
TBD 0.069 240 to 255 32
(*) analog gain : might not be significant
(**) control of the receive gain by AT commands (for WISMO2C driven by AT
commands)
Recommended characteristics for the speaker:
• 150 Ohms3
• 10mW
• 110dB
• Frequency response compatible with the GSM specifications
For possible references, see chapter
connectors and perpiheral devices
references
.
3 32 Ohms for handsets

WISMO2C-2 Hardware Specifications
11/08/00
confidential © Page : 27 / 69
This document is the sole and exclusive property of WAVECOM. Not to be distributed or divulged
without prior written agreement. Ce document est la propriété exlcusive de WAVECOM. Il ne peut
être communiqué ou divulgué à des tiers sans son autorisation préalable.
3.2.10.3
3.2.10.33.2.10.3
3.2.10.3 Microphone inputs
Microphone inputsMicrophone inputs
Microphone inputs
3.2.10.3.1 Microphone 2 Inputs
The MIC2 inputs are differential ones. They already include the convenient
biasing for an electret microphone (0,5 mA and 2 Volts). This electret
microphone can be directly connected on these inputs. The impedance of the
microphone 2 has to be around 2kΩ. These inputs are the standard ones for an
handset design while MIC1 inputs can be connected to an external headset or
a handsfree kit.
AC coupling is already embedded in the module.
Typical implementation:
Figure
Figure Figure
Figure 7
77
7 :
: :
:
MIC2 inputs (differential connection)
MIC2 inputs (differential connection)MIC2 inputs (differential connection)
MIC2 inputs (differential connection)
C1 = 10pF to 33pF
C2 = C3 = C4 = 47pF to 100pF
L1 = L2 = 100nH
C1 has to be the nearest possible to the microphone. Microphone
manufacturers provide this capacitor directly soldered on the microphone.
C2 has to be very close to the WISMO2C connector.
L1, L2, C3 and C4 has to be put near the WISMO2C connector and can be
removed according to their environment (ground plane, shielding, etc…). The
best way is to plan all the components and to remove those which are not
necessary to filter out the TDMA noise on the audio path.
Pin description
Pin descriptionPin description
Pin description
Signal
SignalSignal
Signal Pin #
Pin #Pin #
Pin # I/O
I/OI/O
I/O I/O type
I/O typeI/O type
I/O type Description
DescriptionDescription
Description
MIC2P 46 I Analog Microphone 2 positive
input
MIC2N 48 I Analog Microphone 2 negative
input
L1
L2
C1 C2
C4
C3
MIC2P
MIC2N

WISMO2C-2 Hardware Specifications
11/08/00
confidential © Page : 28 / 69
This document is the sole and exclusive property of WAVECOM. Not to be distributed or divulged
without prior written agreement. Ce document est la propriété exlcusive de WAVECOM. Il ne peut
être communiqué ou divulgué à des tiers sans son autorisation préalable.
3.2.10.3.2 Microphone 1 Inputs
The MIC1 inputs are differential and do not include internal bias. To use these
inputs with an electret microphone, bias has to be generated outside the
WISMO2C module according to the characteristic of this electret microphone.
These inputs are the standard ones used for an external headset or a handsfree
kit.
AC coupling is already embedded in the module.
3.2.10.3.2.1
Differential connection
Impedance of the microphone input in differential mode :
• Module ON : Rin = 10KΩ +/-10%
• Module OFF : Rin >1MΩ +/-10%
Typical implementation:
Figure
Figure Figure
Figure 8
88
8 :
: :
: MIC1 inputs (differential connection)
MIC1 inputs (differential connection) MIC1 inputs (differential connection)
MIC1 inputs (differential connection)
R1 = R4 = from 100 to 330Ω
R2 = R3 = usually between 1KΩ and 3.3KΩ as per the microphone
characteristics
C1 = 10pF to 33pF
C2 = C3 = C4 = 47pF to 100pF
C5 = 47µF
L1 = L2 = 100nH
L1
L2
C1 C2
C4
C3
MIC1P
MIC1N
VCC
C5
R1
R2
R3
R4

WISMO2C-2 Hardware Specifications
11/08/00
confidential © Page : 29 / 69
This document is the sole and exclusive property of WAVECOM. Not to be distributed or divulged
without prior written agreement. Ce document est la propriété exlcusive de WAVECOM. Il ne peut
être communiqué ou divulgué à des tiers sans son autorisation préalable.
R1 and R4 are used as a voltage supply filter with C5.
C1 has to be the nearest possible to the microphone. Microphone
manufacturers provide this capacitor directly soldered on the microphone.
C2 has to be very close to the WISMO2C connector.
L1, L2, C3 and C4 has to be put near the WISMO2C connector and can be
removed according to their environment (ground plane, shielding ...etc). The
best way is to plan all the components and to remove those which are not
necessary to filter out the TDMA noise on the audio path.
3.2.10.3.2.2
Single-ended connection
Typical implementation:
Figure
Figure Figure
Figure 9
99
9 :
: :
: MIC1 inputs (single-ended connection)
MIC1 inputs (single-ended connection) MIC1 inputs (single-ended connection)
MIC1 inputs (single-ended connection)
Note : VAUDIO must be very “clean” in single-ended connection (for example,
VCC plus filter cell like RC or LC).
R1 = from 100 to 330Ω
R2 = usually between 1KΩ and 3.3KΩ as per the VAUDIO voltage level and the
microphone characteristics
C1 = 10pF to 33pF
C2 = C3 = C5 = 47pF to 100pF
C4 = 47µF
L1 = L2 = 100nH
R1 is used as a voltage supply filter with C4.
C5 has to be the nearest possible to the microphone. Microphone
manufacturers provide this capacitor directly soldered on the microphone.
C1, C2, C3 have to be very close to the WISMO2C connector.
L1, and L2 has to be put near the WISMO2C connector and can be removed
according to their environment (ground plane, shielding ...etc). The best way is
to plan all the components and to remove those which are not necessary to
filter out the TDMA noise on the audio path.
L1
C1
C2
MIC1P
MIC1N
VAUDIO
C4
R1
R2
L2
C3
C5

WISMO2C-2 Hardware Specifications
11/08/00
confidential © Page : 30 / 69
This document is the sole and exclusive property of WAVECOM. Not to be distributed or divulged
without prior written agreement. Ce document est la propriété exlcusive de WAVECOM. Il ne peut
être communiqué ou divulgué à des tiers sans son autorisation préalable.
Pin description
Pin descriptionPin description
Pin description
Signal
SignalSignal
Signal Pin #
Pin #Pin #
Pin # I/O
I/OI/O
I/O I/O type
I/O typeI/O type
I/O type Description
DescriptionDescription
Description
MIC1P 42 I Analog Microphone 1 positive
input
MIC1N 44 I Analog Microphone 1 negative
input
3.2.10.4
3.2.10.43.2.10.4
3.2.10.4 Speaker outputs
Speaker outputsSpeaker outputs
Speaker outputs
3.2.10.4.1 Speaker 2 Outputs
Pin description
Pin descriptionPin description
Pin description
Signal
SignalSignal
Signal Pin #
Pin #Pin #
Pin # I/O
I/OI/O
I/O I/O type
I/O typeI/O type
I/O type Description
DescriptionDescription
Description
SPK2P 45 O Analog Speaker 2 positive output
SPK2N 47 O Analog Speaker 2 negative output
3.2.10.4.2 Speaker 1 Outputs
Pin description
Pin descriptionPin description
Pin description
Signal
SignalSignal
Signal Pin #
Pin #Pin #
Pin # I/O
I/OI/O
I/O I/O type
I/O typeI/O type
I/O type Description
DescriptionDescription
Description
SPK2P 41 O Analog Speaker 1 positive output
SPK2N 43 O Analog Speaker 1 negative output

WISMO2C-2 Hardware Specifications
11/08/00
confidential © Page : 31 / 69
This document is the sole and exclusive property of WAVECOM. Not to be distributed or divulged
without prior written agreement. Ce document est la propriété exlcusive de WAVECOM. Il ne peut
être communiqué ou divulgué à des tiers sans son autorisation préalable.
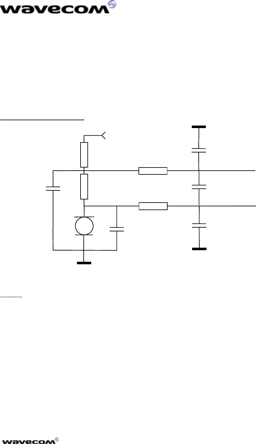
3.2.10.5
3.2.10.53.2.10.5
3.2.10.5 Buzzer Output
Buzzer Output Buzzer Output
Buzzer Output
The buzzer output is a digital one. A buzzer can be directly connected between
this output and VBATT. The maximum current is 80 mA (PEAK). A diode
against transient peak voltage must be connected as described below.
Figure
Figure Figure
Figure 10
1010
10 :
: :
: Buzzer connectio
Buzzer connectio Buzzer connectio
Buzzer connection
nn
n
C1 : depends on the buzzer type.
Pin description
Pin descriptionPin description
Pin description
Signal
SignalSignal
Signal Pin #
Pin #Pin #
Pin # I/O
I/OI/O
I/O I/O type
I/O typeI/O type
I/O type Description
DescriptionDescription
Description
BUZ 49 O Analog Buzzer output
Operating conditions
Operating conditionsOperating conditions
Operating conditions
Parameter
ParameterParameter
Parameter Condition
ConditionCondition
Condition Min
MinMin
Min Max
MaxMax
Max Unit
UnitUnit
Unit
VOL Imoy = 40mA 0.6 V
IPEAK VBATT = VBATTmax 80 mA
IAVERAGE VBATT = VBATTmax 40 mA
BUZ
C1
D1
VBATT

WISMO2C-2 Hardware Specifications
11/08/00
confidential © Page : 32 / 69
This document is the sole and exclusive property of WAVECOM. Not to be distributed or divulged
without prior written agreement. Ce document est la propriété exlcusive de WAVECOM. Il ne peut
être communiqué ou divulgué à des tiers sans son autorisation préalable.
3.2.11 Battery charging interface
The WISMO2C module supports one battery charging circuit for Li-Ion
batteries. This circuit uses an interface which consists of a current source
inputs (CHG_IN) where the constant current has to flow in order to charge the
battery. This current value depends on the battery capacity. It is recommended
to provide a current equal to the value of the capacity plus 50mA. For a 550mA
battery the current will be 600mA. The maximum current is 800mA.
The WISMO2C module monitors the battery voltage to detect the end of the
charge. WISMO2C also monitors the temperature of the battery through the
BAT_TEMP pin which has to be connected to a temperature sensor inside the
battery (a NTC resistor for instance).
Pin description
Pin descriptionPin description
Pin description
Signal
SignalSignal
Signal Pin number
Pin numberPin number
Pin number I/O
I/OI/O
I/O I/O type
I/O typeI/O type
I/O type Description
DescriptionDescription
Description
CHG_IN 1, 2, 4 I Analog Current source
input
BAT_TEMP 38 I Analog A/D converter
A
A
A
A
A
AA
A
A
AA
A
T
TT
T
T
TT
T
T
TT
T

WISMO2C-2 Hardware Specifications
11/08/00
confidential © Page : 33 / 69
This document is the sole and exclusive property of WAVECOM. Not to be distributed or divulged
without prior written agreement. Ce document est la propriété exlcusive de WAVECOM. Il ne peut
être communiqué ou divulgué à des tiers sans son autorisation préalable.
Electrical Characteristics
Electrical CharacteristicsElectrical Characteristics
Electrical Characteristics
Parameter
ParameterParameter
Parameter Min
MinMin
Min Max
MaxMax
Max Typ
TypTyp
Typ Unit
UnitUnit
Unit
BAT_TEMP resolution 10 bits
BAT_TEMP sampling rate 90.3 Ksps/s
BAT_TEMP Input Impedance ( R ) 4.7 kΩ
BAT_TEMP Input Impedance ( C ) 100 nF
CHG_IN Voltage (for I=Imax) +VBATT max +
0.7V TBD* V
CHG_IN Current 800 mA
BAT_TEMP Input signal range 2.8 V
* To be parametrized as per battery manufacturer
Figure
Figure Figure
Figure 11
1111
11 :
: :
: Connection examples
Connection examples Connection examples
Connection examples
Safety
Circuitr
CTN
GND
BAT_TEMP
+VBATT
R1
C1
VCC
Internal
Battery

WISMO2C-2 Hardware Specifications
11/08/00
confidential © Page : 34 / 69
This document is the sole and exclusive property of WAVECOM. Not to be distributed or divulged
without prior written agreement. Ce document est la propriété exlcusive de WAVECOM. Il ne peut
être communiqué ou divulgué à des tiers sans son autorisation préalable.
3.2.11.1
3.2.11.13.2.11.1
3.2.11.1 Li-ion charging procedure
Li-ion charging procedureLi-ion charging procedure
Li-ion charging procedure
A constant current source has to be provided through CHG_IN
CHG_INCHG_IN
CHG_IN input in order to
charge the Li-ion battery, and BAT_TEMP
BAT_TEMPBAT_TEMP
BAT_TEMP input has to be connected to a
battery temperature sensor. During this procedure the voltage of the battery is
accurately monitored.
The Li-ion charging involves two phases. During the first phase, the battery is
charged with a constant current until its voltage reaches 4.1V*. During the
second phase the constant current is pulsed by the module. The width and the
frequency of the pulse change during this phase in order to ensure a safety
charge. The battery is considered as fully charged when, after a pulse, the
voltage remains at a 4.1V* during more than 10s.
The Li-ion battery must have an included safety circuit to avoid any discharge
or overcharge. This circuit is delivered by the manufacturer inside the battery
pack. The impedance of this safety circuit has to be the lowest possible in
order to reduce the drop-out of the voltage. This drop-out is due to the RF
Power Amplifier current (up to 2.0A). A maximum of 150mΩ is required.
(*) : To be parametrized as per battery manufacturer
3.2.11.2
3.2.11.23.2.11.2
3.2.11.2 How to define R1 and C1
How to define R1 and C1How to define R1 and C1
How to define R1 and C1
How to choose R1:
How to choose R1:How to choose R1:
How to choose R1:
R1 has to be chosen to have a full range of BAT-TEMP (from 0V to 2.8V) when
the CTN value changes from the minimum to the maximum temperature
How to choose C1:
How to choose C1:How to choose C1:
How to choose C1:
C1 has to be chosen to have a RC filter with a time constant lower than 2ms.
Calculation examples :
Calculation examples :Calculation examples :
Calculation examples :
CTN(25°C) = 47K
CTN(55°C) = 10K
CTN(-10°C) = 300K
CTN(-10°C) x VCC = ( CTN(-10°C) + R1 ) x BAT-TEMP (full range)
R1= 47K " BAT-TEMP(-20°C) = 2.42V
BAT-TEMP(55°C) = 0.49V
R(-20°C) = R1//CTN(-10°C) = 40K
R(+55°C) = 8K
With C= 10nF ::
RC(-20°C) = 400µs
RC(+55°C) = 80µs

WISMO2C-2 Hardware Specifications
11/08/00
confidential © Page : 35 / 69
This document is the sole and exclusive property of WAVECOM. Not to be distributed or divulged
without prior written agreement. Ce document est la propriété exlcusive de WAVECOM. Il ne peut
être communiqué ou divulgué à des tiers sans son autorisation préalable.
3.2.12 ON / ~OFF
This input is used to switch ON or OFF the WISMO2C module. A high level
signal has to be provided on the pin ON/~OFF to swith ON the module. The
level of the voltage of this signal has to be maintained between 2.4V and VDD
during a minimum of 500ms. This signal can be left at high level until switch
off.
To be able to switch OFF the module, the pin ON/OFF has to be released.
Through the firmware, the module can be switched off (using the CPOF
command).
Pin description
Pin descriptionPin description
Pin description
Signal
SignalSignal
Signal Pin number
Pin numberPin number
Pin number I/O
I/OI/O
I/O I/O type
I/O typeI/O type
I/O type Description
DescriptionDescription
Description
ON/∼OFF 6 I CMOS Module Power ON
Electrical Characteristics
Electrical CharacteristicsElectrical Characteristics
Electrical Characteristics
Parameter Min Max Unit
Input Impedance ( R ) 10 kΩ
Input Impedance ( C ) 50 pF
Operating conditions
Operating conditionsOperating conditions
Operating conditions
Parameter
ParameterParameter
Parameter I/O type
I/O typeI/O type
I/O type Min
MinMin
Min Max
MaxMax
Max Unit
UnitUnit
Unit
VIL 0 V 0.6 V V
VIH 2.4 V VDD+0.5V V

WISMO2C-2 Hardware Specifications
11/08/00
confidential © Page : 36 / 69
This document is the sole and exclusive property of WAVECOM. Not to be distributed or divulged
without prior written agreement. Ce document est la propriété exlcusive de WAVECOM. Il ne peut
être communiqué ou divulgué à des tiers sans son autorisation préalable.
3.2.12.1
3.2.12.13.2.12.1
3.2.12.1 Operating sequences
Operating sequencesOperating sequences
Operating sequences
3.2.12.1.1 Power ON
Once the module supplied, the application must set the ON/OFF signal to high
to start the module power ON sequence. The ON/OFF signal must be hold for
500ms minimum. After this time, an internal mechanism keeps it on hold.
During the power ON sequence, an internal reset is automatically performed by
the module for 240ms (typical). During this phase, any external reset should be
avoided. Once the initialisation is complete (timing is SIM and network
dependent) the AT interface answers « OK » to the application4. For further
details, please check the AT commands manual (+WIND, +WAIP)
POWER SUPPL
Y
ON/OF
F
STATE OF THE MODUL
E
Module OFF
IBB+RF < 10µA
AT answers « OK »
Module READY
Ton/off-hold
(500ms min)
SIM and Network dependent
RESET mode
IBB+RF=20 to 40mA
INTERNAL RS
T
Trst
(240ms typ)
Module ON
IBB+RF<120mA
(no loc. update)
IBB+RF = overall current consumption (Base Band + RF part)
Figure
Figure Figure
Figure 12
1212
12 :
: :
: Power-ON sequence (no PIN code activated)
Power-ON sequence (no PIN code activated) Power-ON sequence (no PIN code activated)
Power-ON sequence (no PIN code activated)
4 For this, the application has to send AT↵. If the application manages hardware flow control, the
AT command can be sent during the initialisation phase. Another solution is to use the +WIND
command to get an unsollicited status from the module.

WISMO2C-2 Hardware Specifications
11/08/00
confidential © Page : 37 / 69
This document is the sole and exclusive property of WAVECOM. Not to be distributed or divulged
without prior written agreement. Ce document est la propriété exlcusive de WAVECOM. Il ne peut
être communiqué ou divulgué à des tiers sans son autorisation préalable.
3.2.12.1.2 Power OFF
To properly power OFF the module, the application must set the ON/OFF signal
to low and then send the AT+CPOF command to de-register from the network
and switch off the module. Once the « OK » response is issued by the module,
the power supply can be switched off.
POWER SUPPL
Y
ON
/
OFF
AT COMMAND
STATE OF THE MODULE
A
T+CPOF
Module
READY Module OFF
IBB+RF<100µA
Network dependent
OK res
p
onse
Figure
Figure Figure
Figure 13
1313
13 :
: :
: Power-OFF sequence
Power-OFF sequence Power-OFF sequence
Power-OFF sequence
IBB+RF = overall current consumption (Base Band + RF part)

WISMO2C-2 Hardware Specifications
11/08/00
confidential © Page : 38 / 69
This document is the sole and exclusive property of WAVECOM. Not to be distributed or divulged
without prior written agreement. Ce document est la propriété exlcusive de WAVECOM. Il ne peut
être communiqué ou divulgué à des tiers sans son autorisation préalable.
3.2.13 BOOT (optional)
This input can be used to download a software in the Flash ROM of the
WISMO2C module. For the applications based on AT commands this is a
backup download procedure only (see chapter on firmware download for
details on the nominal procedure). The internal boot procedure is started when
this pin is low during the reset of the module. In normal mode this pin has to
be left open. In Internal boot mode, low level has to be set through a 1KΩ
resistor. If used, this input has to be driven by an open collector or an open
drain.
Switch BOOT
Figure
Figure Figure
Figure 14
1414
14 :
: :
: BOOT pin connection
BOOT pin connection BOOT pin connection
BOOT pin connection
• If Switch Boot = 1, Boot pin 12 = 0, for download mode
• If Switch Boot = 0, Boot pin 12 = 1, for normal mode
Pin description
Pin descriptionPin description
Pin description
Signal
SignalSignal
Signal Pin number
Pin numberPin number
Pin number I/O
I/OI/O
I/O I/O type
I/O typeI/O type
I/O type Description
DescriptionDescription
Description
BOOT 12 I CMOS Flash Loading
Nota : The nominal firmware download procedure is using the X-modem
protocol (see chapter 6.3)
BOOT : Pin 12
1KΩ

WISMO2C-2 Hardware Specifications
11/08/00
confidential © Page : 39 / 69
This document is the sole and exclusive property of WAVECOM. Not to be distributed or divulged
without prior written agreement. Ce document est la propriété exlcusive de WAVECOM. Il ne peut
être communiqué ou divulgué à des tiers sans son autorisation préalable.
3.2.14 Reset signal (~RST)
This signal is used to force a reset procedure by providing low level during at
least 100µs. This signal has to be considered as an emergency reset only. A
reset procedure is already driven by an internal hardware during the power-up
sequence.
This signal can also be used to provide a reset to an external device. It then
behaves as an output. If no external reset is necessary this input can be left
open. If used (emergency reset), it has to be driven by an open collector or an
open drain.
RST : pin 14
Switch Reset
Figure
Figure Figure
Figure 15
1515
15 :
: :
: RST pin connection
RST pin connection RST pin connection
RST pin connection
• If Switch Reset = 1, Reset pin 14 = 0
• If Switch Reset = 0, Reset pin 14 = 1
Pin description
Pin descriptionPin description
Pin description
Signal
SignalSignal
Signal Pin number
Pin numberPin number
Pin number I/O
I/OI/O
I/O I/O type
I/O typeI/O type
I/O type Description
DescriptionDescription
Description
∼RST 14 I/O Module Reset
Electrical Characteristics
Electrical CharacteristicsElectrical Characteristics
Electrical Characteristics
Parameter
ParameterParameter
Parameter Min
MinMin
Min Max
MaxMax
Max Unit
UnitUnit
Unit
Input Impedance ( R ) 4.7 kΩ
Input Impedance ( C ) 10 nF

WISMO2C-2 Hardware Specifications
11/08/00
confidential © Page : 40 / 69
This document is the sole and exclusive property of WAVECOM. Not to be distributed or divulged
without prior written agreement. Ce document est la propriété exlcusive de WAVECOM. Il ne peut
être communiqué ou divulgué à des tiers sans son autorisation préalable.
Operating conditions
Operating conditionsOperating conditions
Operating conditions
Parameter
ParameterParameter
Parameter Min
MinMin
Min Max
MaxMax
Max Condition
ConditionCondition
Condition
*VT- 1.1V 1.2 V
*VT+ 1.7V 1.9 V
VOL 0.4 V IOL = -50 µA
VOH 2.0 V IOH = 50 µA
*
* *
* VT-, VT+ : Hysterisis Level
Additional comments on RESET:
The RESET process is activated either by the external ~RST signal OR by an
internal signal (coming from a RESET generator). This automatic reset is
activated at Power-up.
The module remains in reset mode as long as the RST signal is held low. This
signal should be used only for “emergency” resets.
A software reset will be preferred to a HW reset.
3.2.13.1
3.2.13.13.2.13.1
3.2.13.1 Reset sequence
Reset sequenceReset sequence
Reset sequence
To activate the « emergency » reset sequence, the ~RST signal has to be set to
low for 100µs minimum. As soon as the reset is complete, the AT interface
answers « OK » to the application5.
RESET mode
IBB+RF=20 to
40mA
EXTERNAL RST
STATE OF THE MODULE
Module READY
Min:100µs
Typ:2ms
A
T answers “OK”
Module READY
SIM and network dependent
Module ON
IBB+RF<120mA
without loc update
Figure
Figure Figure
Figure 16
1616
16 :
: :
: reset sequence
reset sequence reset sequence
reset sequence
5 For this, the application has to send AT↵. If the application manages hardware flow control, the
AT command can be sent during the initialisation phase. Another solution is to use the +WIND
command to get an unsollicited status from the module.

WISMO2C-2 Hardware Specifications
11/08/00
confidential © Page : 41 / 69
This document is the sole and exclusive property of WAVECOM. Not to be distributed or divulged
without prior written agreement. Ce document est la propriété exlcusive de WAVECOM. Il ne peut
être communiqué ou divulgué à des tiers sans son autorisation préalable.
3.2.15 External Interrupt (~INTR)
The WISMO2C provides an external interrupt input (not managed in the
standard AT commands firmware). This input is very sensitive and an interrupt
is activated on high to low edge. If this signal is not used it can be left open. If
used this input has to be driven by an open collector or an open drain.
Pin description
Pin descriptionPin description
Pin description
Signal
SignalSignal
Signal Pin number
Pin numberPin number
Pin number I/O
I/OI/O
I/O I/O type
I/O typeI/O type
I/O type Description
DescriptionDescription
Description
~INTR
~INTR~INTR
~INTR 16 I CMOS External Interrupt
Electrical characteristics
Electrical characteristicsElectrical characteristics
Electrical characteristics
Parameter
ParameterParameter
Parameter Min
MinMin
Min Max
MaxMax
Max Unit
UnitUnit
Unit
VIL -0.5V 0.7V Volt
VIH 2.2V 3.0V Volt

WISMO2C-2 Hardware Specifications
11/08/00
confidential © Page : 42 / 69
This document is the sole and exclusive property of WAVECOM. Not to be distributed or divulged
without prior written agreement. Ce document est la propriété exlcusive de WAVECOM. Il ne peut
être communiqué ou divulgué à des tiers sans son autorisation préalable.
3.2.16 VCC output
This output can be used to power some external functions. VCC
VCCVCC
VCC has to be used
as a digital power supply. This power supply is available when the module is
on.
Pin description
Pin descriptionPin description
Pin description
Signal
SignalSignal
Signal Pin number
Pin numberPin number
Pin number I/O
I/OI/O
I/O I/O type
I/O typeI/O type
I/O type Description
DescriptionDescription
Description
VCC 40 O Supply Digital supply
Operating conditions
Operating conditionsOperating conditions
Operating conditions
Parameter
ParameterParameter
Parameter Condition
ConditionCondition
Condition Min
MinMin
Min Max
MaxMax
Max Unit
UnitUnit
Unit
Ouput voltage
Ouput voltageOuput voltage
Ouput voltage I = 10mA 2.74 2.86 V
Output Current
Output CurrentOutput Current
Output Current 10 mA
3.2.17 VCC_RTC (Real Time Clock)
This pin is used as a back-up power supply for the internal Real Time Clock.
The RTC is supported by the module when powered on but a back-up power
supply is needed to save date and hour when the module is switched off.
If the RTC is not used this pin can be left open.
Pin description
Pin descriptionPin description
Pin description
Signal
SignalSignal
Signal Pin number
Pin numberPin number
Pin number I/O
I/OI/O
I/O I/O type
I/O typeI/O type
I/O type Description
DescriptionDescription
Description
VCC_RTC 56 I/O Supply RTC Back-up supply
Operating conditions
Operating conditionsOperating conditions
Operating conditions
Parameter
ParameterParameter
Parameter Condition
ConditionCondition
Condition Min
MinMin
Min Max
MaxMax
Max Unit
UnitUnit
Unit
Input voltage 2 2.75 V
Input Current VCC=0V; t° = 25°C
VCC_RTC=2.5V 3µA
Input Current VCC=0V; t°:-20°C / 55°C
VCC_RTC=2.5V 10 µA
Output voltage 2.4 2.75 V
Output current 2 mA

WISMO2C-2 Hardware Specifications
11/08/00
confidential © Page : 43 / 69
This document is the sole and exclusive property of WAVECOM. Not to be distributed or divulged
without prior written agreement. Ce document est la propriété exlcusive de WAVECOM. Il ne peut
être communiqué ou divulgué à des tiers sans son autorisation préalable.
Application example
Figure
Figure Figure
Figure 17
1717
17 :
: :
: VCC-RTC implementation example
VCC-RTC implementation example VCC-RTC implementation example
VCC-RTC implementation example
The regulator is used to charge the back-up battery cell.
Charge capacity with 470µF Capacitor : 30 seconds min (Estimation)
Figure 18 : Back-up RTC (capacitor)
Figure 18 : Back-up RTC (capacitor)Figure 18 : Back-up RTC (capacitor)
Figure 18 : Back-up RTC (capacitor)
.
Charge capacity with 0.47 Farad Gold Capacitor : 2 Hours min (Estimation)
Note: The Gold Capacitor max. voltage is 2.5v.
Figure 19 : Back-up RTC (super capacitor)
Figure 19 : Back-up RTC (super capacitor)Figure 19 : Back-up RTC (super capacitor)
Figure 19 : Back-up RTC (super capacitor)
Regulator 2.80v
(With very Low Iq)
(Ex : RQ5RW28B)
En
Vout
Gnd
+VBATT VCC-RTC
Shottky
Diode
2K 1K
Ex : ML616
(Panasonic)
Vin
VCC-RTC
Regulator 2.80v
(With very Low Iq)
(Ex : RQ5RW28B)
En
Vo
Gnd
+VBATT
Shottky
Diode
470 1K
Ex : 470uF
Vin
Regulator 2.50v
(With very Low Iq)
(Ex : RQ5RW25B)
En
Vo
Gnd
+VBATT VCC-RTC
Shottky
Diode
47
0
1K
Ex :
EECE0EL474S
(Panasonic)
Vin

WISMO2C-2 Hardware Specifications
11/08/00
confidential © Page : 44 / 69
This document is the sole and exclusive property of WAVECOM. Not to be distributed or divulged
without prior written agreement. Ce document est la propriété exlcusive de WAVECOM. Il ne peut
être communiqué ou divulgué à des tiers sans son autorisation préalable.
Charge capacity with 2mAH Rechargeable Battery : 3 Days (Estimation)
Figure 20 : Back-up RTC (Rechargeable Battery)
Figure 20 : Back-up RTC (Rechargeable Battery)Figure 20 : Back-up RTC (Rechargeable Battery)
Figure 20 : Back-up RTC (Rechargeable Battery)
Charge capacity with 85mAH Capacitor : 4000 Hours min (Estimation)
Note: The "non rechargeable battery" is always in active mode except when the
module is ON.
Figure 21 : Back-up RTC (non Rechargeable Battery)
Figure 21 : Back-up RTC (non Rechargeable Battery)Figure 21 : Back-up RTC (non Rechargeable Battery)
Figure 21 : Back-up RTC (non Rechargeable Battery)
Regulator 2.80v
(With very Low Iq)
(Ex : RQ5RW28B)
En
Vout
Gnd
+VBATT VCC-RTC
Shottky
Diode
2K 1K
Ex : ML616
(Panasonic)
Vin
VCC-RTC
(2.75 V
max)
Diode (Ex : BAS16)
10
Ex : CR2016
(VARTA)

WISMO2C-2 Hardware Specifications
11/08/00
confidential © Page : 45 / 69
This document is the sole and exclusive property of WAVECOM. Not to be distributed or divulged
without prior written agreement. Ce document est la propriété exlcusive de WAVECOM. Il ne peut
être communiqué ou divulgué à des tiers sans son autorisation préalable.
3.3 RF interface
The impedance is 50 Ohms nominal and the DC impedance is 0 Ohm.
3.3.1 RF connection
Two land patterns set on the PCB support the RF connection which can be
used by the application through spring contacts or a soldered RF cable.
Since no standard spring contact is available for WISMO2C, this solution
requires a specific part to be developed.
The soldered solution will preferably be based on a RG178 coaxial cable with
the following stripping and mounting guidelines :
Figure 22
Figure 22Figure 22
Figure 22 :
: :
: antenna cable mounting guidelines
antenna cable mounting guidelines antenna cable mounting guidelines
antenna cable mounting guidelines

WISMO2C-2 Hardware Specifications
11/08/00
confidential © Page : 46 / 69
This document is the sole and exclusive property of WAVECOM. Not to be distributed or divulged
without prior written agreement. Ce document est la propriété exlcusive de WAVECOM. Il ne peut
être communiqué ou divulgué à des tiers sans son autorisation préalable.
Notes :
• The WISMO2C does not support an antenna switch for a car kit but this
function can be implemented externally and it can be driven using a GPIO.
• The antenna cable and connector should be chosen in order to minimise
losses in the frequency bands used for GSM900 (900 MHz) and
GSM1800/GSM1900 (1.8GHz/1.9GHz).
• 0.5dB can be considered as a maximum value for loss between thr module
and an external connector.

WISMO2C-2 Hardware Specifications
11/08/00
confidential © Page : 47 / 69
This document is the sole and exclusive property of WAVECOM. Not to be distributed or divulged
without prior written agreement. Ce document est la propriété exlcusive de WAVECOM. Il ne peut
être communiqué ou divulgué à des tiers sans son autorisation préalable.
3.3.2 RF performances
RF performances are compliant with the ETSI recommendation 05.05 and
11.10 (Normal MS requirements)
The main parameters are :
• Receiver:
• EGSM Sensitivity : < -104 dBm
• GSM1800/GSM1900 Sensitivity : < -102 dBm
• Selectivity @ 200 kHz : > +9 dBc
• Selectivity @ 400 kHz : > +41 dBc
• Dynamic range : 62 dB
• Intermodulation : > -43 dBm
• Co-channel rejection : >= 9 dBc
• Transmitter :
• Maximum output power (EGSM): 33 dBm +/- 2 dB
• Maximum output power (GSM1800/GSM1900) :
30 dBm +/- 2 dB
• Minimum output power (EGSM) : 5 dBm +/- 5 dB
• Minimum output power (GSM1800/GSM1900) :
0 dBm +/- 5 dB
• H2 level : < -30 dBm
• H3 level : < -30 dBm
• Noise in 925 - 935 MHz : < -67 dBm
• Noise in 935 - 960 MHz : < -79 dBm
• Noise in 1805 - 1880 MHz (GSM1800 band) :
< -71 dBm
• Noise in 1930 - 1990 MHz (GSM1900 band) :
< -71 dBm
• Phase error at peak power : < 5 ° RMS
• Frequency error : +/- 0.1 ppm max

WISMO2C-2 Hardware Specifications
11/08/00
confidential © Page : 48 / 69
This document is the sole and exclusive property of WAVECOM. Not to be distributed or divulged
without prior written agreement. Ce document est la propriété exlcusive de WAVECOM. Il ne peut
être communiqué ou divulgué à des tiers sans son autorisation préalable.
3.3.3 Antenna specifications
The antenna must fullfill the following requirements :
• Frequency bands : dual band E-GSM 900 MHz – GSM 1800 MHz / GSM
1900 MHz
EGSM 900
EGSM 900EGSM 900
EGSM 900 GSM 1800
GSM 1800GSM 1800
GSM 1800 GSM 1900
GSM 1900GSM 1900
GSM 1900
Frequency RX
Frequency RXFrequency RX
Frequency RX 925 to 960 MHz 1805 to 1880 MHz 1930 to 1990 MHz
Frequency TX
Frequency TXFrequency TX
Frequency TX 880 to 915 MHz 1710 to 1785 MHZ 1850 to 1910 MHz
• Impedance : 50Ω
• VSWR Tx max 2 :1 / Rx max 2 :1
• Typical radiated gain : 0dBi

WISMO2C-2 Hardware Specifications
11/08/00
confidential © Page : 49 / 69
This document is the sole and exclusive property of WAVECOM. Not to be distributed or divulged
without prior written agreement. Ce document est la propriété exlcusive de WAVECOM. Il ne peut
être communiqué ou divulgué à des tiers sans son autorisation préalable.
4 Technical specifications
4.1 Interfaces
Pin
PinPin
Pin
#
##
#Name
NameName
Name I/O
I/OI/O
I/O I/O type
I/O typeI/O type
I/O type Description
DescriptionDescription
Description Comment
CommentComment
Comment
1 CHG_IN I Supply Supply for battery
charging High current
2 CHG_IN I Supply Supply for battery
charging High current
3SIMCLKO 2 X Clock for SIM
interface
4 CHG_IN I Supply Supply for battery
charging High current
5 SIMRST O 2 X Reset for SIM
interface
6 ON/~OFF I CMOS Power ON/OFF
control
7 SIMDATA I/O CMOS / 3X I/O for SIM interface
8 SDA/SPI_IO I/O CMOS/1X Wire interface or SPI
Data
9 SIMVCC O Supply SIM card supply 6mA max
10 SCL/SPI_CLK O 1X Wire interface or SPI
clock
11 VDD I Supply Low power supply 3.1V minimum or
connected to
VBATT
12 BOOT I CMOS BOOT Pull down
through 1K for
Flash
downloading
13 ROW0 I/O CMOS/1X Keyboard Row
14 ~RST I/O SCHMITT Module Reset Active low
15 ROW1 I/O CMOS/1X Keyboard Row
16 ~INTR I CMOS External interrupt Active low. 100K
Pull-up inside
17 ROW2 I/O CMOS/1X Keyboard Row
18 GPI I CMOS General Purpose
Input 100K Pull-down
inside
19 ROW3 I/O CMOS/1X Keyboard Row
20 GPO2 O 1X General Purpose
Output
21 ROW4 I/O CMOS/1X Keyboard Row
22 GPO1 I/O 3X General Purpose
Output
23 COL0 I/O CMOS/1X Keyboard Column
24 GPIO0 I/O CMOS/2X General Purpose I/O
25 COL1 I/O CMOS/1X Keyboard Column
26 GPO0 or O 3X General Purpose

WISMO2C-2 Hardware Specifications
11/08/00
confidential © Page : 50 / 69
This document is the sole and exclusive property of WAVECOM. Not to be distributed or divulged
without prior written agreement. Ce document est la propriété exlcusive de WAVECOM. Il ne peut
être communiqué ou divulgué à des tiers sans son autorisation préalable.
SPI_AUX Output or SPI Aux
enable
SIM 3V / 5V
27 COL2 I/O CMOS/1X Keyboard Column
28 SPI_EN O 1X SPI enable
29 COL3 I/O CMOS/1X Keyboard Column
30 CT105/RTS I CMOS RS232 interface
Request To Send Pull up to VCC
with 100KΩ
when not used
31 COL4 I/O CMOS/1X Keyboard Column
32 CT104/RX O 1X RS232 interface –
Receive
33 AUXV0 I Analog Auxiliar ADC input 0 Can be tied to
GND if not used
34 CT108-2/DTR I CMOS RS232 interface
Data Terminal Ready Pull up to VCC
with 100KΩ
when not used
35 GPIO5 I/O CMOS / 2X General Purpose I/O
36 CT107/DSR O 1X RS232 interface
Data Set Ready
37 CT106/CTS O 1X RS232 interface
Clear To Send
38 BAT_TEMP I Analog ADC input for battery
temperature
measurement
Can be tied to
GND if not used
39 CT103/TX I CMOS RS232 interface –
Transmit Pull up to VCC
with 100 KΩ
when not used
40 VCC O Supply 2.8V digital supply
output 10mA max.
41 SPK1P O Analog Speaker 1 positive
output
42 MIC1P I Analog Microphone 1
positive input
43 SPK1N O Analog Speaker 1 negative
output
44 MIC1N I Analog Microphone
1negative input
45 SPK2P O Analog Speaker 2 positive
output
46 MIC2P I Analog Microphone 2
positive input
47 SPK2N O Analog Speaker 2 negative
output
48 MIC2N I Analog Microphone 2
negative input
49 BUZ O Analog Buzzer output 80mA max
50 SIMPRES I CMOS SIM Card Detect Tied to VCC
when not used
51 GPIO3 or
CT109 / DCD
I/O
O
CMOS/2X General Purpose I/O
RS232 – Data Carrier
Detect

WISMO2C-2 Hardware Specifications
11/08/00
confidential © Page : 51 / 69
This document is the sole and exclusive property of WAVECOM. Not to be distributed or divulged
without prior written agreement. Ce document est la propriété exlcusive de WAVECOM. Il ne peut
être communiqué ou divulgué à des tiers sans son autorisation préalable.
52 GPIO1
FLASH LED I/O CMOS/2X General Purpose I/O
Module State Handset
application
AT command
appl.
53 GPIO4 I/O CMOS/2X General Purpose I/O
54 GPIO2 or
CT125 / RI
I/O
O
CMOS/2X General Purpose I/O
RS232 - Ring
Indicator
55 +VBATT Supply Battery Input High current
56 VCC_RTC I/O Supply RTC back-up supply
57 +VBATT Supply Battery Input High current
58 +VBATT Supply Battery Input High current
59 +VBATT Supply Battery Input High current
60 +VBATT Supply Battery Input High current
Figure 23
Figure 23Figure 23
Figure 23 :
: :
: WISMO2C pin position (bottom view)
WISMO2C pin position (bottom view) WISMO2C pin position (bottom view)
WISMO2C pin position (bottom view)
59
1
2
60

WISMO2C-2 Hardware Specifications
11/08/00
confidential © Page : 52 / 69
This document is the sole and exclusive property of WAVECOM. Not to be distributed or divulged
without prior written agreement. Ce document est la propriété exlcusive de WAVECOM. Il ne peut
être communiqué ou divulgué à des tiers sans son autorisation préalable.
4.2 Climatic and mechanical environments
Conditions
ConditionsConditions
Conditions Temperature range
Temperature rangeTemperature range
Temperature range
Operating / Full GSM specifications compliant -20°C to +55°C
Storage -30°C to +85°C
WISMO2C ENVIRONNEMENTAL CLASSES
TYPE OF TEST STANDARDS STORAGE TRANSPORTATION OPERATING (PORT USE)
Class 1.2 Class 2.3 Class 7.3
Cold IEC 68-2.1 -25° C 72 h -40° C 72 h -20° C (GSM900) 16 h
Ab test -10° C (GSM1800/1900) 16h
Dry heat IEC 68-2.2 +70° C 72 h +70° C 72 h +55° C 16 h
Bb test
Change of temperature IEC 68-2.14 -40° / +30° C 5 cycles -20° / +30° C (GSM900) 3 cycles
Na/Nb test t1 = 3 h -10° / +30° C (GSM1800/1900):
3 cycles t1 = 3 h
Damp heat IEC 68-2.30 +30° C 2 cycles +40° C 2 cycles +40° C 2 cycles
cyclic Db test 90% - 100% RH 90% - 100% RH 90% - 100% RH
variant 1 variant 1 variant 1
Damp heat IEC 68-2.56 +30° C 4 days +40° C 4 days +40° C 4 days
Cb test
Sinusoidal vibration IEC 68-2.6 5 - 62 Hz : 5 mm / s
Fc test 62 - 200Hz : 2 m / s2
3 x 5 sweep cycles
5 - 20 Hz : 0.96 m2 / s3 10 -12 Hz : 0.96 m2 / s3
Random vibration IEC 68-3.36 20 - 500Hz : - 3 dB / oct 12 - 150Hz : - 3 dB / oct
wide band Fdb test 3 x 10 min 3 x 30 min

WISMO2C-2 Hardware Specifications
11/08/00
confidential © Page : 53 / 69
This document is the sole and exclusive property of WAVECOM. Not to be distributed or divulged
without prior written agreement. Ce document est la propriété exlcusive de WAVECOM. Il ne peut
être communiqué ou divulgué à des tiers sans son autorisation préalable.
4.3 Mechanical specifications
4.3.1 Physical characteristics
The WISMO2C module has a complete self-contained shield.
Dimensions : 58.3 x 32.2 x 6.0 mm
Weight : 20 g
4.3.2 Mechanical drawings
The next page gives the mechanical specifications of WISMO2C.


WISMO2C-2 Hardware Specifications
11/08/00
confidential © Page : 55 / 69
This document is the sole and exclusive property of WAVECOM. Not to be distributed or divulged
without prior written agreement. Ce document est la propriété exlcusive de WAVECOM. Il ne peut
être communiqué ou divulgué à des tiers sans son autorisation préalable.
5 Connectors and peripheral devices
references
5.1 General Purpose Connector
The GPC is a 60 pins connector with 0.5mm pitch from KYOCERA / AVX group
with the following reference :
14 5087 060 930 861
14 5087 060 930 86114 5087 060 930 861
14 5087 060 930 861.
The matting connector has the following reference :
24 5087 060 X00 861
24 5087 060 X00 86124 5087 060 X00 861
24 5087 060 X00 8616
66
6.
The stacking height is 3.0 mm.
For further details see GPC data sheets in appendix. More information is also
available from http://www.avxcorp.com
6 X=2 or 9

WISMO2C-2 Hardware Specifications
11/08/00
confidential © Page : 56 / 69
This document is the sole and exclusive property of WAVECOM. Not to be distributed or divulged
without prior written agreement. Ce document est la propriété exlcusive de WAVECOM. Il ne peut
être communiqué ou divulgué à des tiers sans son autorisation préalable.
5.2 SIM Card Reader
• ITT CANNON CCM03 series (see http://www.ittcannon.com )
• AMPHENOL C707 series (see http://www.amphenol.com )
• JAE (see http://www.jae.com )
Drawer type :
• MOLEX 99228-0002 (connector) / MOLEX 91236-0002 (holder) (see
http://www.molex.com )
5.3 Microphone
Possible references :
• HOSIDEN KUF3323
• HOSIDEN KUF4323
• PANASONIC WM64
5.4 Speaker
Possible references :
• SANYO M15X0080
• PHILIPS
• PRIMO
5.5 Antenna Cable
The following cable reference has been qualified for being mounted on
WISMO2C :
• RG178
5.6 GSM antenna
GSM antennas and support for antenna adaptation can be obtained from
manufacturers such as:
• ALLGON (http://www.allgon.com )
• MOTECO (http://www.moteco.com )
• AMPHENOL (http://www.amphenol.com )
• GALTRONICS (http://www.galtronics.com )
• RADIALL / LARSEN (http://www.larsenantennas.com/)
• RANGESTAR (http://www.rangestar.com/)

WISMO2C-2 Hardware Specifications
11/08/00
confidential © Page : 57 / 69
This document is the sole and exclusive property of WAVECOM. Not to be distributed or divulged
without prior written agreement. Ce document est la propriété exlcusive de WAVECOM. Il ne peut
être communiqué ou divulgué à des tiers sans son autorisation préalable.
6 Design Guidelines
The following paragraphs aims giving general design guidelines.
6.1 HARDWARE and RF
6.1.1 EMC
The EMC tests have to be performed as soon as possible on the application to
detect any possible problem.
When designing, special attention should be paid to:
• Possible spurious emission radiated by the application to the RF receiver in
the receiver band
• ESD protection on SIM (if accessible from outside), serial link,…
• EMC protection on audio input/output (filters against 900MHz emissions)
• Bias of the Microphone inputs
• Length of the SIM interface lines (preferably <10cm)
• Ground plane : WAVECOM recommends to have a common ground plane
for analog / digital / RF grounds.
• Metallic case or plastic casing with conductive paint are recommended
Note :
The module does not include any protection against overvoltage.
6.1.2 Power Supply
The power supply is one of the key issues in the design of a GSM terminal.
A weak power supply design could affect in particular :
• EMC performances
• the emissions spectrum
• the phase error and frequency error
Warning:
Warning:Warning:
Warning:
Careful attention should be paid to
Careful attention should be paid toCareful attention should be paid to
Careful attention should be paid to :
: :
:
• Quality of the power supply
Quality of the power supplyQuality of the power supply
Quality of the power supply : low ripple, PFM or PSM systems should be
: low ripple, PFM or PSM systems should be : low ripple, PFM or PSM systems should be
: low ripple, PFM or PSM systems should be
avoided (PWM converter preferred).
avoided (PWM converter preferred).avoided (PWM converter preferred).
avoided (PWM converter preferred).
• Capacity to deliver high current peaks in a short time (pulsed radio
Capacity to deliver high current peaks in a short time (pulsed radioCapacity to deliver high current peaks in a short time (pulsed radio
Capacity to deliver high current peaks in a short time (pulsed radio
emission).
emission).emission).
emission).
6.1.3 Layout requirement


WISMO2C-2 Hardware Specifications
11/08/00
confidential © Page : 59 / 69
This document is the sole and exclusive property of WAVECOM. Not to be distributed or divulged
without prior written agreement. Ce document est la propriété exlcusive de WAVECOM. Il ne peut
être communiqué ou divulgué à des tiers sans son autorisation préalable.
6.1.4 Antenna
Antenna sub-system and integration in the application is a major issue.
Attention should be paid to :
• Choice of the antenna cable (type, length, performances, thermal resistance,
etc)
• Antenna connector (type + losses)
➧ These elements could affect GSM performances such as sensitivity and
emitted power
• The antenna should be isolated as much as possible from the digital
circuitry (including the interface signals) ➧ it is strongly recommended to
shield the terminal.
➧ On terminals including the antenna, a poor shielding could dramatically affect
the sensitivity of the terminal.
Moreover, the power emitted through the antenna could affect the application.
Warning:
Warning:Warning:
Warning:
Wavecom strongly recommends to work with an antenna manufacturer either
Wavecom strongly recommends to work with an antenna manufacturer eitherWavecom strongly recommends to work with an antenna manufacturer either
Wavecom strongly recommends to work with an antenna manufacturer either
to develop an antenna adapted to the application or to adapt an existing
to develop an antenna adapted to the application or to adapt an existingto develop an antenna adapted to the application or to adapt an existing
to develop an antenna adapted to the application or to adapt an existing
solution to the application. The antenna adaptation (mechanical and electrical
solution to the application. The antenna adaptation (mechanical and electricalsolution to the application. The antenna adaptation (mechanical and electrical
solution to the application. The antenna adaptation (mechanical and electrical
adaptation) is one of the key issues in the design of a GSM terminal.
adaptation) is one of the key issues in the design of a GSM terminal.adaptation) is one of the key issues in the design of a GSM terminal.
adaptation) is one of the key issues in the design of a GSM terminal.
6.2 Mechanical integration
Attention should be paid to :
• Antenna cable integration (bending, length, position, etc)
• Legs of the module to be soldered on the Ground plane

WISMO2C-2 Hardware Specifications
11/08/00
confidential © Page : 60 / 69
This document is the sole and exclusive property of WAVECOM. Not to be distributed or divulged
without prior written agreement. Ce document est la propriété exlcusive de WAVECOM. Il ne peut
être communiqué ou divulgué à des tiers sans son autorisation préalable.
6.3 Firmware upgrade
The WISMO2C firmware is stored in flash memory and it can easily be
upgraded.
Two upgrade procedures are available:
6.3.1 Nominal upgrade procedure
The firmware file can be downloaded into the modem using the Xmodem
protocol.
To enter this mode, the AT+WDWL command (see description in the AT
command manual) has to be sent.
The necessary serial signals to proceed with the Xmodem downloading are:
Rx, Tx, RTS, CTS and GND.
6.3.2 Backup procedure
In case the nominal upgrade mode is not possible (due to critical corruption on
the flash memory), a backup procedure is also available. It requires a WAVECOM
specific software to download the firmware file into the modem.
This tool has to run on a PC connected to the serial bus of the modem.
The necessary signals to proceed with the downloading are: Rx, Tx, RTS, CTS
and GND.
Prior to running the WAVECOM downloader, the modem has to be set in
download mode.
For this, the BOOT signal has to be set to low while powering ON (or reseting)
the modem.

WISMO2C-2 Hardware Specifications
11/08/00
confidential © Page : 61 / 69
This document is the sole and exclusive property of WAVECOM. Not to be distributed or divulged
without prior written agreement. Ce document est la propriété exlcusive de WAVECOM. Il ne peut
être communiqué ou divulgué à des tiers sans son autorisation préalable.
7 Appendix
7.1 Wavecom acceptance test
These tests are Wavecom internal qualification tests. They are performed on a
Wavecom evaluation platform (module on test board).
Test
TestTest
Test Applied standard
Applied standardApplied standard
Applied standard Acceptance criteria
Acceptance criteriaAcceptance criteria
Acceptance criteria
Performance
Test ETSI recommendation for
GSM900/GSM1800 (and
GSM900/GSM1900)
communication.
Full conformity to the recommendation regarding
the main RF parameters.
Cooking Test - The test continues even after the Cooking Test
milestone has been reached
Stress Test Therma shocks IEC 68-2-14. Full conformity to the recommendation regarding
the main parameters.
Vibration Test Sinusoidal vibration IEC 68-2-6. No performance degradation or mechanical
degradation is allowed after test.
Vibration Test Random vibration IEC 68-2-36. No performance degradation or mechanical
degradation is allowed after test.
Shock Test IEC 68-2-27. No performance degradation or mechanical
degradation is allowed after test.
Bump Test IEC 68-2-29. No performance degradation or mechanical
degradation is allowed after test.
Humidity Test Corrosion test IEC 68-2-3. No visible degradation of the product, both
visual and functionnal.
The unit is tested at room temperature and must
be fully operative for the main RF parameters.
Warehouse Tet Low temperance IEC 68-2-1. Under normal condition (room temperature) after
the test, the unit must behave in full conformity
with the main RF parameters specification.
Warehouse
Test High temperature IEC 68-2-2. Under normal condition (room temperature) after
the test, the unit must behave in full conformity
with the main RF parameters specification.
Dust Test1 MIL-STD-810D, method 510-3. No visible dust in the visible areas. No more than
50 dust particules in the cabinet of the product.
The unit, tested at room temperature must be
fully operative.
Light Test1 UV radiation and temperature EDF
HN60E03. Visual inspection on the discoloration and other
degradation effects such as cracks in the
material of the unit after the test.
Fall Test1 IEC 68-2-32. Only minor casing degradation is allowed, with a
maximum dimension change of 1mm. The unit
must remain fully operative and full specification
for the main RF parameters.
Electro Static
Discharge Test IEC 1000-4-2. No performance degradation allowed after the
test.
Salt Mist Test IEC 68-2-11 After the test, visual inspection on the unit.
Atmosphere
Test Flowing mixed gas corrosion. IEC
68-2-60 After the test, visual inspection on the unit and
inside.
Marking Test EN 60 950 After the test, visual inspection on the unit. No
degradation is allowed on the marking.

WISMO2C-2 Hardware Specifications
11/08/00
confidential © Page : 62 / 69
This document is the sole and exclusive property of WAVECOM. Not to be distributed or divulged
without prior written agreement. Ce document est la propriété exlcusive de WAVECOM. Il ne peut
être communiqué ou divulgué à des tiers sans son autorisation préalable.
7.2 Reference documents
GSM ETSI recommendations for Phase I and Phase II.
Specification Reference
Specification ReferenceSpecification Reference
Specification Reference Title
TitleTitle
Title
GSM900/1800/1900 ph2
Radio ETSI GSM 05.05 v7.1.0 release 1998
GSM ph2 Link-
Management ETSI GSM 03.06, 04.08, 05.05, 05.08, 05.10, 07.01
and GT 01 v4.2.1
GSM ph2 Link-
Management ETSI GSM 03.06, 04.08, 05.05, 05.08, 05.10, 07.01
and GT 01 v4.2.1
GSM ph2 Layer 2 ETSI GSM 04.06 and GT 01 v4.2.1
GSM900 ph2 Layer 3 ETSI GSM 04.08 and GT 01 v4.2.1
GSM1800 ph2 Layer 3 ETSI GSM 04.08 and GT 01 v4.2.1
GSM900/GSM1800
Multiband ETSI GSM 02.07, 03.22, 04.08, 04.13, 05.05, 05.08
and GT 01 v4.2.1
GSM ph2 SIM ETSI GSM 11.11 and GT 01 v4.2.1
GSM ph2 Teleservices ETSI GSM 03.50 and GT 01 v4.2.1
GSM ph2 Miscellaneous ETSI GSM 02.07, 03.40, 03.41, 04.08, 04.10, 04.11,
06.10, 06.11, 06.12, 06.31, 06.32, 07.01, 09.07 and
GT 01 v4.2.1
GSM1800 ph2
Miscellaneous ETSI GSM 02.07, 03.40, 03.41, 04.08, 04.10, 04.11,
06.10, 06.11, 06.12, 06.31, 06.32, 07.01, 09.07 and
GT 01 v4.2.1
GSM1900 ph2+ EN 300 919 V7.1.0 (1999-07) European standard
(Telecommunications series) Digital cellular
telecommunications system (phase2+)

WISMO2C-2 Hardware Specifications
11/08/00
confidential © Page : 63 / 69
This document is the sole and exclusive property of WAVECOM. Not to be distributed or divulged
without prior written agreement. Ce document est la propriété exlcusive de WAVECOM. Il ne peut
être communiqué ou divulgué à des tiers sans son autorisation préalable.
7.3 Safety recommendations (for information only)
IMPORTANT
IMPORTANTIMPORTANT
IMPORTANT
FOR THE EFFICIENT AND SAFE OPERATION OF
FOR THE EFFICIENT AND SAFE OPERATION OFFOR THE EFFICIENT AND SAFE OPERATION OF
FOR THE EFFICIENT AND SAFE OPERATION OF
YOUR GSM APPLICATION BASED ON WISMO2C
YOUR GSM APPLICATION BASED ON WISMO2CYOUR GSM APPLICATION BASED ON WISMO2C
YOUR GSM APPLICATION BASED ON WISMO2C
PLEASE READ THIS INFORMATION CAREFULLY
PLEASE READ THIS INFORMATION CAREFULLYPLEASE READ THIS INFORMATION CAREFULLY
PLEASE READ THIS INFORMATION CAREFULLY
7.3.1 RF safety
7.3.1.1
7.3.1.17.3.1.1
7.3.1.1 General
GeneralGeneral
General
Your GSM terminal7 is based on the GSM standard for cellular technology. The
GSM standard is spread all over the world. It covers Europe, Asia and some parts
of America and Africa. This is the most used telecommunication standard.
Your GSM terminal is actually a low power radio transmitter and receiver. It
sends out and receives radio frequency energy. When you use your GSM
application, the cellular system which handles your calls controls both the radio
frequency and the power level of your cellular modem.
7.3.1.2
7.3.1.27.3.1.2
7.3.1.2 Exposure to RF energy
Exposure to RF energyExposure to RF energy
Exposure to RF energy
There has been some public concern about possible health effects of using GSM
terminals. Although research on health effects from RF energy has focused on
the current RF technology for many years, scientists have begun research
regarding newer radio technologies, such as GSM. After existing research had
been reviewed, and after compliance to all applicable safety standards had been
tested, it has been concluded that the product was fitted for use.
If you are concerned about exposure to RF energy there are things you can do to
minimize exposure. Obviously, limiting the duration of your calls will reduce your
exposure to RF energy. In addition, you can reduce RF exposure by operating
your cellular terminal efficiently by following the below guidelines.
7.3.1.3
7.3.1.37.3.1.3
7.3.1.3 Efficient terminal operation
Efficient terminal operation Efficient terminal operation
Efficient terminal operation
For your GSM terminal to operate at the lowest power level, consistent with
satisfactory call quality :
If your terminal has an extendible antenna, extend it fully. Some models allow
you to place a call with the antenna retracted. However your GSM terminal
operates more efficiently with the antenna fully extended.
Do not hold the antenna when the terminal is « IN USE ». Holding the antenna
affects call quality and may cause the modem to operate at a higher power level
than needed.
7.3.1.4
7.3.1.47.3.1.4
7.3.1.4 Antenna care and replacement
Antenna care and replacementAntenna care and replacement
Antenna care and replacement
Do not use the GSM terminal with a damaged antenna. If a damaged antenna
comes into contact with the skin, a minor burn may result. Replace a damaged
7 based on WISMO2C

WISMO2C-2 Hardware Specifications
11/08/00
confidential © Page : 64 / 69
This document is the sole and exclusive property of WAVECOM. Not to be distributed or divulged
without prior written agreement. Ce document est la propriété exlcusive de WAVECOM. Il ne peut
être communiqué ou divulgué à des tiers sans son autorisation préalable.
antenna immediately. Consult your manual to see if you may change the antenna
yourself. If so, use only a manufacturer-approved antenna. Otherwise, have your
antenna repaired by a qualified technician.
Use only the supplied or approved antenna. Unauthorized antennas,
modifications or attachments could damage the terminal and may contravene
local RF emission regulations or invalidate type approval.
7.3.2 General safety
7.3.2.1
7.3.2.17.3.2.1
7.3.2.1 Driving
DrivingDriving
Driving
Check the laws and the regulations regarding the use of cellular devices in the
area where you have to drive as you always have to comply with them. When
using your GSM terminal while driving, please :
• give full attention to driving,
• pull off the road and park before making or answering a call if driving
conditions so require.
7.3.2.2
7.3.2.27.3.2.2
7.3.2.2 Electronic devices
Electronic devices Electronic devices
Electronic devices
Most electronic equipment, for example in hospitals and motor vehicles is
shielded from RF energy. However RF energy may affect some improperly
shielded electronic equipment.
7.3.2.3
7.3.2.37.3.2.3
7.3.2.3 Vehicle electronic equipment
Vehicle electronic equipment Vehicle electronic equipment
Vehicle electronic equipment
Check your vehicle manufacturer representative to determine if any on-board
electronic equipment is adequately shielded from RF energy.
7.3.2.4
7.3.2.47.3.2.4
7.3.2.4 Medical electronic equipment
Medical electronic equipment Medical electronic equipment
Medical electronic equipment
Consult the manufacturer of any personal medical devices (such as pacemakers,
hearing aids, etc...) to determine if they are adequately shielded from external RF
energy.
Turn your terminal OFF
OFF OFF
OFF in health care facilities when any regulations posted in
the area instruct you to do so. Hospitals or health care facilities may be using RF
monitoring equipment.

WISMO2C-2 Hardware Specifications
11/08/00
confidential © Page : 65 / 69
This document is the sole and exclusive property of WAVECOM. Not to be distributed or divulged
without prior written agreement. Ce document est la propriété exlcusive de WAVECOM. Il ne peut
être communiqué ou divulgué à des tiers sans son autorisation préalable.
7.3.2.5
7.3.2.57.3.2.5
7.3.2.5 Aircraft
AircraftAircraft
Aircraft
Turn your terminal OFF before boarding any aircraft.
• Use it on the ground only with crew permission.
• Do not use it in the air.
To prevent possible interference with aircraft systems, Federal Aviation
Administration (FAA) regulations require you to have permission from a crew
member to use your terminal while the aircraft is on the ground. To prevent
interference with cellular systems, local RF regulations prohibit using your
modem while airborne.
7.3.2.6
7.3.2.67.3.2.6
7.3.2.6 Children
Children Children
Children
Do not allow children to play with your GSM terminal. It is not a toy. Children
could hurt themselves or others (by poking themselves or others in the eye with
the antenna, for example). Children could damage the modem, or make calls that
increase your modem bills.
7.3.2.7
7.3.2.77.3.2.7
7.3.2.7 Blasting areas
Blasting areas Blasting areas
Blasting areas
To avoid interfering with blasting operations, turn your unit OFF
OFF OFF
OFF when in a
«
««
«
blasting area » or in areas posted : « turn off two-way radio ». Construction
crew often use remote control RF devices to set off explosives.
7.3.2.8
7.3.2.87.3.2.8
7.3.2.8 Potentially explosive atmospheres
Potentially explosive atmospheres Potentially explosive atmospheres
Potentially explosive atmospheres
Turn your terminal OFF
OFFOFF
OFF when in any area with a potentially explosive
atmosphere. It is rare, but your modem or its accessories could generate sparks.
Sparks in such areas could cause an explosion or fire resulting in bodily injuries
or even death.
Areas with a potentially explosive atmosphere are often, but not always, clearly
marked. They include fueling areas such as petrol stations ; below decks on
boats ; fuel or chemical transfer or storage facilities ; and areas where the air
contains chemicals or particles, such as grain, dust, or metal powders.
Do not transport or store flammable gas, liquid, or explosives, in the
compartment of your vehicle which contains your terminal or accessories.
Before using your terminal in a vehicle powered by liquefied petroleum gas (such
as propane or butane) ensure that the vehicle complies with the relevant fire and
safety regulations of the country in which the vehicle is to be used.

WISMO2C-2 Hardware Specifications
11/08/00
confidential © Page : 66 / 69
This document is the sole and exclusive property of WAVECOM. Not to be distributed or divulged
without prior written agreement. Ce document est la propriété exlcusive de WAVECOM. Il ne peut
être communiqué ou divulgué à des tiers sans son autorisation préalable.
7.4 Application notes for the SIM interface
The next 2 pages are application notes to interface the module with SIM
cards:
• application note #1: interface with 3V SIMs
• application note #2: interface with 3V/5V SIMs



WISMO2C-2 Hardware Specifications
11/08/00
confidential © Page : 69 / 69
This document is the sole and exclusive property of WAVECOM. Not to be distributed or divulged
without prior written agreement. Ce document est la propriété exlcusive de WAVECOM. Il ne peut
être communiqué ou divulgué à des tiers sans son autorisation préalable.
7.5 General Purpose Connector data sheet
The next pages are the KYOCERA/ELCO data sheets for the GPC (also available
from http://www.avxcorp.com .

0,5 mm Spacing SERIES 5087
Surface Mount
Vertical Plug
Specifications:
• 1000 per Tape and Reel
• Voltage - 50 V
• Current Rating - 0.4 A
• Dielectric Withstanding Voltage - 500 V
• Operating Temperature - (-25°C ~ +85°C)
• Contact Material - phosphor bronze
• Insulator Material - PPS (UL 94 V-0)
861
0XX
5087
14
14: PLUG - Tape and Reel
NUMBER OF CONTACTS:
40, 60 : 3.0mm Stack
36, 40, 50 : 3.5mm Stack
20, 30, 36,
50, 60 : 4.0mm Stack
2: Without Adhesive Tape
9: Adhesive Cover Tape
VARIATION CODE:
H I
30 .9 2.15
35 1.4 2.7
40 1.9 3.2
PLATING VARIATION:
861: 15 microinches of gold with gold flash tails
No. of Pos. P/N A B C D G
20 10 5087 020 XX0 861 4.5/.177 7.2/.283 6.2/.244 5.5/.217 0.25/.0098
30 10 5087 030 XX0 861 7.0/.276 9.7/.382 8.7/.343 8.0/.315 0.50/.0196
36 10 5087 036 XX0 861 8.5/.335 11.2/.441 10.2/.402 9.5/.374 0.25/.0098
40 10 5087 040 XX0 861 9.5/.374 12.2/.480 11.2/.441 10.5/.414 0.25/.0098
50 10 5087 050 XX0 861 12.0/.472 14.7/.579 13.7/.539 13.0/.512 0.50/.0196
60 10 5087 060 XX0 861 14.5/.571 17.2/.677 16.2/.638 15.5/.610 0.25/.0098
Dimensions millimeters/inches
2XX
ORDERING CODE
Typical Example
Consult factory for other sizes
MOUNTING LAYOUT

0,5 mm Spacing SERIES 5087
Surface Mount
Vertical Receptacle
Specifications:
• 1000 per Tape and Reel
• Voltage - 50 V
• Current Rating - 0.4 A
• Dielectric Withstanding Voltage - 500 V
• Operating Temperature - (-25°C ~ +85°C)
• Contact Material - phosphor bronze
• Insulator Material - PPS (UL 94 V-0)
861
0XX
5087
24
24: Receptacle - Tape and Reel
NUMBER OF CONTACTS:
20, 30, 36, 40, 50, 60
2: Without Adhesive Tape
9: Adhesive Cover Tape
PLATING VARIATION:
861: 15 microinches of gold with gold flash tails
No. of Pos. P/N A B C D G
20 20 5087 020 x00 861 4.5/.177 7.2/.283 6.4/.252 5.4/.213 0.25/.0098
30 20 5087 030 x00 861 7.0/.276 9.7/.382 8.9/.350 7.9/.311 0.50/.0196
36 20 5087 036 x00 861 8.5/.335 11.2/.441 10.4/.409 9.4/.370 0.25/.0098
40 20 5087 040 x00 861 9.5/.374 12.2/.480 11.4/.449 10.4/.409 0.25/.0098
50 20 5087 050 x00 861 12.0/.472 14.7/.579 13.9/.547 12.9/.508 0.50/.0196
60 20 5087 060 x00 861 14.5/.570 17.2/.677 16.4/.646 15.4/.606 0.25/.0098
Dimensions millimeters/inches
200
ORDERING CODE
Typical Example
Consult factory for other sizes
MOUNTING LAYOUT

0,5 mm Spacing Applications
0,5 mm Spacing Tape and Reel
Stacking
P/N Height
PLUG 10 5087 xxx x30 861 3.0
RECE. 20 5087 xxx x00 861
PLUG 10 5087 xxx x35 861 3.5
RECE. 20 5087 xxx x00 861
PLUG 10 5087 xxx x40 861 4.0
RECE. 20 5087 xxx x00 861
No. of Pos. A
20 7.2/.283
30 9.7/.382
36 11.2/.441
40 12.2/.480
50 14.7/.579
60 17.2/.677

ELCOELCO
Additional information on this product is available from AVX’s catalog or AVX’s FAX Service.
Call 1-800-879-1613 and request document #269. Visit our website http://www.avxcorp.com
Super Micro Connectors 0.5mm Pitch
Series 5087 Plug
ORDERING CODE
14 5087 0XX X XX 8XXFINISH
861 = Ni Under Coated
1.25µm min.
Gold-Mating Area
Au 0.38µm min.
829 = Ni Under Coated
1.25µm min.
Gold-Mating Area
Au 0.1µm min.
VARIATION
30 : H = 3.0mm
35 : H = 3.5mm
40 : H = 4.0mm
TYPE 0 = without Boss with
Retention Clip
2 = without Boss,
Retention Clip
9 = without Boss,
Retention Clip,
with Adhesive Tape
NUMBER OF POSITIONS
SERIES (20, 30, 32, 36, 40, 50, 60)
TAPE AND REEL
14 = Plug
A = 0.5 (N⁄2-1)
B = 0.5 (N⁄2-1)+2.7
C = 0.5 (N⁄2-1)+1.7
D = 0.5 (N⁄2-1)+1.0
H = 3.0mm Type H = 3.5mm Type H = 4.0mm Type

ELCOELCO
Additional information on this product is available from AVX’s catalog or AVX’s FAX Service.
Call 1-800-879-1613 and request document #270. Visit our website http://www.avxcorp.com
Super Micro Connectors 0.5mm Pitch
Series 5087 Receptacle H = 3.0 ~ 4.0mm Type
ORDERING CODE
24 5087 0XX X 00 8XXFINISH
861 = Ni Under Coated
1.25µm min.
Gold-Mating Area
Au 0.38µm min.
829 = Ni Under Coated
1.25µm min.
Gold-Mating Area
Au 0.1µm min.
VARIATION
H = 3.0 ~ 4.0mm
TYPE 0 = without Boss with
Retention Clip
2 = without Boss,
Retention Clip
9 = without Boss,
Retention Clip,
with Adhesive Tape
NUMBER OF POSITIONS
SERIES (20, 30, 32, 36, 40, 50, 60)
TAPE AND REEL
24 = Receptacle
A = 0.5 (N⁄2-1)
B = A +2.7
C = A +1.9
D = A +0.9

ELCOELCO
Additional information on this product is available from AVX’s catalog or AVX’s FAX Service.
Call 1-800-879-1613 and request document #271. Visit our website http://www.avxcorp.com
Super Micro Connectors 0.5mm Pitch
Series 5087 Plug
Series 5087 Receptacle H = 2.0 ~ 2.5mm Type
ORDERING CODE
14 5087 0XX X XX 8XXFINISH
861 = Ni Under Coated
1.25µm min.
Gold-Mating Area
Au 0.38µm min.
829 = Ni Under Coated
1.25µm min.
Gold-Mating Area
Au 0.1µm min.
VARIATION
20 : H = 2.0mm
25 : H = 2.5mm
TYPE 0 = without Boss with
Retention Clip
2 = without Boss,
Retention Clip
9 = without Boss,
Retention Clip,
with Adhesive Tape
NUMBER OF POSITIONS
SERIES (10*, 20, 30, 40, 50, 60) *2.0mm H only
TAPE AND REEL
14 = Plug
ORDERING CODE
24 5087 0XX X 01 8XXFINISH
861 = Ni Under Coated
1.25µm min.
Gold-Mating Area
Au 0.38µm min.
829 = Ni Under Coated
1.25µm min.
Gold-Mating Area
Au 0.1µm min.
VARIATION
H = 2.0 ~ 2.5mm
TYPE 0 = without Boss with
Retention Clip
2 = without Boss,
Retention Clip
9 = without Boss,
Retention Clip,
with Adhesive Tape
NUMBER OF POSITIONS
SERIES (10, 20, 30, 40, 50, 60)
TAPE AND REEL
24 = Receptacle
A = 0.5 (N⁄2-1)
B = 0.5 (N⁄2-1)+4.4
D = 0.5 (N⁄2-1)+1.5
H = 2.0mm Type
H = 2.5mm Type