[INSIDE FRONT COVER] Spraydome And Undavina Parts Catalogue (en) 9063 Rev 3
User Manual: Spraydome and Undavina Parts Catalogue (en) 9063 rev 3
Open the PDF directly: View PDF
.
Page Count: 46

Parts Calalogue
Publication
Part No: 9063 Revision: 3
Circular sprayers with breakaway and adjustable mounts CDA and Hi-Flo

3
Micron Sprayers Ltd. Spraydome and Undavina
Edition Notice
Prepared and printed by or on behalf of:
This publication covers the following products:
Spraydome all models and accessories
Undavina (including Grand Cru) all models and accessories
This document is prepared for Micron Sprayers Ltd. their agents and clients. The
document should be taken in its entirety. No responsibility can be accepted, nor can
consent be assumed for the part reproduction, editing, extract or quotation taken out
of context of this document.
All rights reserved. No part of this publication may be reproduced, stored in a retrieval
system, or transmitted in any form or by any means, electronic, mechanical,
photocopying, recording or otherwise, without the prior permission of Micron
Sprayers Ltd.
Copyright © Micron Sprayers Ltd. 2015
Whilst every effort has been made to ensure the accuracy of this document, any
errors or inaccuracies should be reported to Micron Sprayers Ltd. or their agents.
Bromyard Industrial Estate
Bromyard
Herefordshire
HR7 4HS
U.K.
T +44 (0)1885 482397
F +44 (0)1885 483043
E enquiries@micron.co.uk
www.microngroup.com
Micron Group is a trading name of Micron Sprayers Ltd. Company Registration No. 00529633 England & Wales

4
Micron Sprayers Ltd. Spraydome and Undavina
Table of Contents
1 Spraydome and Undavina sub-assemblies .................................................................... 6
1.1 Shroud Spares ................................................................................................................... 8
1.2 CDA Head and Bracket Assemblies .............................................................................. 10
1.2.1 250 CDA Head Assembly ................................................................................................ 10
1.2.2 400 CDA Head Assembly ................................................................................................ 11
1.2.3 600/900 CDA Head Assembly......................................................................................... 12
1.2.4 1000/1200 CDA Head Assembly .................................................................................... 13
1.2.5 CDA Head with Atomiser Drum (type A) ....................................................................... 14
1.2.6 CDA Head Assembly with Atomiser Disc (Ulva+) ........................................................ 16
1.3 Hi-Flo Nozzle Assemblies ............................................................................................... 17
1.3.1 Hi-Flo Nozzle Assembly, Single ..................................................................................... 17
1.3.2 Hi-Flo Nozzle Assembly, Twin ....................................................................................... 18
1.4 Breakaway Assemblies .................................................................................................. 20
1.4.1 Breakaway Assembly, Standard .................................................................................... 20
1.4.2 Breakaway Assembly, Large Domes ............................................................................ 22
1.4.3 Breakaway Assembly, Grand Cru ................................................................................. 24
1.5 Ancillaries ........................................................................................................................ 26
1.6 Mounting Components ................................................................................................... 28
1.6.1 Mounting Assembly, Standard ...................................................................................... 28
1.6.2 Chassis Extension Arm .................................................................................................. 29
1.6.3 ATV Poly Rack Mounting System .................................................................................. 30
1.6.4 ATV Front Rack Mounting Kit ........................................................................................ 31
1.6.5 Actuator Mounting Kit .................................................................................................... 32
2 Controllers And Backplates ........................................................................................... 33
2.1 Controller, Lamp Type, Single ....................................................................................... 34
2.2 Backplate Assembly, 2-Way........................................................................................... 36
2.3 Backplate Assembly, 4-Way........................................................................................... 38
2.4 Backplate Assembly, 6-Way........................................................................................... 40
2.5 Power Wire Assembly ..................................................................................................... 42

5
Micron Sprayers Ltd. Spraydome and Undavina
Only use spare parts recommended by Micron Group, their agents and/or
distributors.
The use of parts not specifically recommended by micron group, their agents and/or
distributors may void any warrantee agreements.
Spare parts should only be fitted by suitably qualified and/or experienced persons.
When ordering spare parts, please specify the following information:
Serial number of system/unit.
Approximate date of manufacture.
Description of part.
Part number as shown in this document.
Quantity required.
For spare parts and accessories contact:
Bromyard Industrial Estate
Bromyard
Herefordshire
HR7 4HS
U.K.
T +44 (0)1885 482397
F +44 (0)1885 483043
E enquiries@micron.co.uk
P.O. Box 1246
Berri 5343
South Australia
T +61 (0)8 8582 4077
E enquiries@enviromist.com.au
www.microngroup.com
Or your authorised agent:
Agent / Distributor details:

6
Micron Sprayers Ltd. Spraydome and Undavina
1 SPRAYDOME AND UNDAVINA SUB-ASSEMBLIES
Figure 1 – Spraydome and Undavina Sub-assemblies
1
2 4 6
3 5 7
11
8 9 10

7
Micron Sprayers Ltd. Spraydome and Undavina
Spraydome and Undavina Sub-assemblies
ITEM PART NO. DESCRIPTION SECTION
1 - DOMES AND SHROUDS 1.1
2 AA449 (RIGHT HAND)
AA450 (LEFT HAND) 250 CDA HEAD ASSEMBLY 1.2.1
3 AA275 400 CDA HEAD ASSEMBLY 1.2.2
4 AA276 600/900 CDA HEAD ASSEMBLY 1.2.3
5 AA277 1000/1200 CDA HEAD ASSEMBLY 1.2.4
6 ZU091 HI-FLO NOZZLE ASSEMBLY, SINGLE 1.3.1
7 ZU091E HI-FLO NOZZLE ASSEMBLY, TWIN 1.3.2
8 FZRU100 (RIGHT HAND)
FZRU101 (LEFT HAND) BREAKAWAY GRAND CRU 1.4.3
9 FRZU060 (RIGHT HAND)
FRZU061 (LEFT HAND) BREAKAWAY ASSEMBLY, STANDARD 1.4.1
10 ZU068 (RIGHT HAND)
ZU069 (LEFT HAND) BREAKAWAY ASSEMBLY, SD1200 1.4.2
11 - MOUNTING COMPONENTS 1.6
For ancillary components refer to section 1.5
For controllers and backplates refer to section 2

8
Micron Sprayers Ltd. Spraydome and Undavina
1.1 Shroud Components
Figure 2 – Shroud Components
14
21
21
26
28
30
24
15
20
19 20
B
B
B
B
B
B
B
B
B
B
B
B
25
27
29
31
32
33
34
35
22
23
16
17
18
A
A
B
A
A
148
9
10
11
12
13
5
6
7
2
3

9
Micron Sprayers Ltd. Spraydome and Undavina
Shroud Components - Parts List
ITEM PART NO. DESCRIPTION
1 ZU114 250 GRAND CRU DISK AND SHROUD
2 ZU062 UNDAVINA 400 SHROUD (INCLUDING BEARING AND CIRCLIP)
3 ZU102 500 GRAND CRU SHROUD
4 ZU077 UNDAVINA 250 DISC AND SHROUD ASSEMBLY
5 ZU062 UNDAVINA 400 DISC AND SHROUD ASSEMBLY
6 ZU063 UNDAVINA 600 DISC AND SHROUD ASSEMBLY
7 ZU064 UNDAVINA 900 DISC AND SHROUD ASSEMBLY
8 ZD020 SPRAYDOME 400 DOME ASSEMBLY
9 ZD020 400MM DOME (INCLUDING BEARING AND CIRCLIP)
10 ZD010 SPRAYDOME 600 DOME ASSEMBLY
11 ZD005 SPRAYDOME 1000 DOME ASSEMBLY
12 ZD005B SPRAYDOME 1000 DOME ASSEMBLY (SOFT EDGE)
13 ZU065 SPRAYDOME 1200 DOME ASSEMBLY
14 UF103 3/16 BSW X 1" PAN PHIL G304 S/S
15 ZU050 SECURING PLATE 25 MM
16 UF120 NUT, 10-24 UNC
17 GB002 BEARING
18 GB003 CIRCLIP, J50 X 2
19 ZU115 UNDAVINA 250 POLY PROTECTION (GRAND CRU)
20 ZU079 BRUSH, UNDAVINA 250
21 ZU078 250 POLY DISK (INCLUDING BEARING AND CIRCLIP)
22 ZU103 UNDAVINA 400 POLY PROTECTION (GRAND CRU)
23 ZU105 GRAND CRU CLASSE 400 SHROUD
24 ZU036 400 POLY DISK (INCLUDING BEARING AND CIRCLIP)
25 ZU037 BRUSH, UNDAVINA 400
26 ZU036 UNDAVINA 400 POLY DISK WITH BEARING
27 ZU033 BRUSH, UNDAVINA 600
28 ZU032 STEEL AND ELASTOMER DISC, UNDAVINA 600
29 ZU018 BRUSH, UNDAVINA 900
30 ZU017 STEEL AND ELASTOMER DISC, UNDAVINA 900
31 AA254 SLIP ON COVER, UNDAVINA 250
32 AA282 SLIP-ON COVER, UNDAVINA 400
33 AA217 SLIP-ON COVER, UNDAVINA 600
34 AA013 SLIP-ON COVER, UNDAVINA 900
35 AA297 SLIP ON COVER, SPRAYDOME 1200

10
Micron Sprayers Ltd. Spraydome and Undavina
1.2 CDA Head and Bracket Assemblies
1.2.1 250 CDA Head Assembly (AA449, AA450)
Figure 3 – 250 CDA Head Assembly
ITEM PART NO. DESCRIPTION QTY.
1 UF031 NUT, NYLOC, M20 1
2 ZD001 SPACER 2
3 ZU085 U/V 400 FEED TUBE 6 MM 1
4 ZU023 ELBOW EB4 (MODIFIED) 1
5 UF048 SCREW, 6-20 X 3/8" BZP 25PCRTC SELF TAP 5
6 ZU083 RECIRCULATING CAP 1
7 ZU080 CDA HEAD BRACKET, UNDAVINA 250 1
8 ZU081 CDA HEAD BRACKET, UNDAVINA 250 1
9 ZU089 FEED NOZZLE (MODIFIED) 1
10 ZD004B CDA ATOMISER HEAD (DRUM TYPE) 1
11 ZD004A CDA ATOMISER HEAD (OPEN DRUM TYPE) 1
1
2
7
8
3
4
5
6
10
11
5
9

11
Micron Sprayers Ltd. Spraydome and Undavina
1.2.2 400 CDA Head Assembly (AA275)
Figure 4 – 400 CDA Head Assembly
ITEM PART NO. DESCRIPTION QTY.
1 UF031 NUT, NYLOC, M20 1
2 ZD001 SPACER 2
3 ZU092 400 HEAD BRACKET (RECIRCULATING) 1
4 UF048 SCREW, 6-20 X 3/8" BZP 25PCRTC SELF TAP 5
5 ZU085 U/V 400 FEED TUBE 6 MM 1
6 ZU023 ELBOW EB4 (MODIFIED) 1
7 ZU089 FEED NOZZLE (MODIFIED) 1
8 ZU083 RECIRCULATING CAP 1
9 ZD004B CDA ATOMISER HEAD (DRUM TYPE) 1
10 ZD004A CDA ATOMISER HEAD (OPEN DRUM TYPE) 1
5
6
7
4
8
9
10
4
3
1
2

12
Micron Sprayers Ltd. Spraydome and Undavina
1.2.3 600/900 CDA Head Assembly (AA276)
Figure 5 – 600/900 CDA Head Assembly
ITEM PART NO. DESCRIPTION QTY.
1 ZD009 FEED TUBE 6 MM 1
2 ZU023 ELBOW EB4 (MODIFIED) 1
3 MI013 FEED NOZZLE, BLUE 1
4 ZD004 CDA HEAD WITH ATOMISER DISC (ULVA+) 1
5 UF031 NUT, NYLOC, M20 1
6 ZD001 SPACER 2
7 UF010 SCREW, SELF TAPPING, 4BA X 1/2" 2
8 ZU034 600/900 HEAD BRACKET 1
1
2
3
4
5
6
7
8

13
Micron Sprayers Ltd. Spraydome and Undavina
1.2.4 1000/1200 CDA Head Assembly (AA277)
Figure 6 – 1000/1200 CDA Head Assembly
ITEM PART NO. DESCRIPTION QTY.
1 ZD009 FEED TUBE 6 MM 1
2 ZU023 ELBOW EB4 (MODIFIED) 1
3 MI013 FEED NOZZLE, BLUE 1
4 ZD004 CDA HEAD WITH ATOMISER DISC (ULVA+) 1
5 UF031 NUT, NYLOC, M20 1
6 ZD001 SPACER 2
7 UF010 SCREW, SELF TAPPING, 4BA X 1/2" 2
8 ZD003 1000/1200 HEAD BRACKET 1
1
2
3
4
5
6
7
8

14
Micron Sprayers Ltd. Spraydome and Undavina
1.2.5 CDA Head with Atomiser Drum - Type A (ZD004A)
Figure 7 – CDA Head with Atomiser Drum - Type A
ITEM PART NO. DESCRIPTION QTY.
1 ZU082 ATOMISER DRUM 1
2 5399 SCREW, PAN HEAD, NO.6 X 3/8" SS 4
3 MI046A MOTOR FRONT PLATE, GREEN 1
4 5398 O-RING (ULVA+ MOTOR SHAFT) 1
5 5403 O-RING (ULVA+ MOTOR BODY) 1
6 MI009 MOTOR (ULVA+) 1
7 4134T WIRE 1 MM X 0.24 M, BLACK (WITH CRIMP TERMINAL) 1
8 4368T WIRE 1 MM X 0.24 M, RED (WITH CRIMP TERMINAL) 1
9 MI045 MOTOR HOUSING, GREEN 1
10 6717 BOOT, RUBBER 2
11 3512_20 BREATHER TUBE 1
1
2
3
4
5
6
8
7
9
10
11

15
Micron Sprayers Ltd. Spraydome and Undavina
CDA Head with Atomiser Drum - Type B (ZD004B)
Figure 8 – CDA Head with Atomiser Drum - Type B
ITEM PART NO. DESCRIPTION QTY.
1 ZU082 ATOMISER DRUM 1
2 5399 SCREW, PAN HEAD, NO.6 X 3/8" SS 4
3 ZU094 MOTOR HOUSING FRONT PLATE 1
4 ZU107 FELT WASHER 1
5 5398 O-RING (ULVA+ MOTOR SHAFT) 1
6 5403 O-RING (ULVA+ MOTOR BODY) 1
7 MI009 MOTOR (ULVA+) 1
8 4134T WIRE 1 MM X 0.24 M, BLACK (WITH CRIMP TERMINAL) 1
9 4368T WIRE 1 MM X 0.24 M, RED (WITH CRIMP TERMINAL) 1
10 MI045 MOTOR HOUSING, GREEN 1
11 6717 BOOT, RUBBER 2
12 3512_20 BREATHER TUBE 1
1
2
3
4
5
6
7
8
9
10
11
12

16
Micron Sprayers Ltd. Spraydome and Undavina
1.2.6 CDA Head Assembly with Atomiser Disc - Ulva+ (ZD004)
Figure 9 – CDA Head Assembly with Atomiser Disc - Ulva+ (ZD004)
ITEM PART NO. DESCRIPTION QTY.
1 MI025 ATOMISER DISC ASSEMBLY 1
2 5399 SCREW, PAN HEAD, NO.6 X 3/8" SS 4
3 MI046 MOTOR FRONT PLATE, GREEN 1
4 5398 O-RING (ULVA+ MOTOR SHAFT) 1
5 5403 O-RING (ULVA+ MOTOR BODY) 1
6 MI009 MOTOR (ULVA+) 1
7 4134T WIRE 1 MM X 0.24 M, BLACK (WITH CRIMP TERMINAL) 1
8 4368T WIRE 1 MM X 0.24 M, RED (WITH CRIMP TERMINAL) 1
9 MI045 MOTOR HOUSING, GREEN 1
10 6717 BOOT, RUBBER 2
11 3512_20 BREATHER TUBE 1
1
2
3
4
5
6
7
8
9
10
11

17
Micron Sprayers Ltd. Spraydome and Undavina
1.3 Hi-Flo Nozzle Assemblies
1.3.1 Hi-Flo Nozzle Assembly, Single (ZU091)
Figure 10 – Hi-Flo Nozzle Assembly, Single
ITEM PART NO. DESCRIPTION QTY.
1 CL059 HOSE, PRESSURE, 10 MM X 4.5 M 1
2 AL032 HOSE CONNECTOR, PLUG, 10 MM 1
3 NH015 CLIP, COBRA 2
4 AL033 ELBOW, MALE 10 MM X 1/4" BSP 1
5 UF031 NUT, NYLOC, M20 1
6 ZD001 SPACER 2
7 UF025S BOLT, M20 X 75 DRILLED AND TAPPED 1/4" BSP 1
8 CL060 ADAPTER, NOZZLE BODY 1
9 CL061 CAP AND GASKET SET, GREEN 1
10 10148 NOZZLE TIP, FULL CONE 02 (FCX02)1 1
10149 NOZZLE TIP, FULL CONE 03 (FCX03)1
FL-5/VC NOZZLE TIP, FULL CONE 051
XR11002-VK NOZZLE TIP, CERAMIC, 02
XR11003-VK NOZZLE TIP, CERAMIC, 03
XR11004-VK NOZZLE TIP, CERAMIC, 04
1 Used on Undavina 250 and Spraydome 250 only
23
14
5
6
7
8
9
10

18
Micron Sprayers Ltd. Spraydome and Undavina
1.3.2 Hi-Flo Nozzle Assembly, Twin (ZU091E)
Figure 11 – Hi-Flo Nozzle Assembly, Twin
1
3
2
4
5
6
7
8
11
9
10
12
13
14
15

19
Micron Sprayers Ltd. Spraydome and Undavina
Hi-Flo Nozzle Assembly, Twin - Parts List
ITEM PART NO. DESCRIPTION QTY.
1 CL059 HOSE, PRESSURE, 10 MM X 4.5 M 1
2 AL032 HOSE CONNECTOR, PLUG, 10 MM 1
3 NH015 CLIP, COBRA 2
4 AL039 HOSE CONNECTOR, STRAIGHT, 10 MM X 1/4" MALE 1
5 BI007 BUSH, 3/8" X 1/4" 1
6 ZT002 VALVE, NON-DRIP 1
7 BI004 COUPLING, 3/8" FEMALE 1
8 AL020 REDUCING ELBOW, 3/8" X 1/4" 1
9 ZD001 SPACER 2
10 UF025S BOLT, M20 X 75 DRILLED AND TAPPED 1/4" BSP 1
11 UF031 NUT, NYLOC, M20 1
12 BI009 NIPPLE, 1/4" 1
13 7450-2T DOUBLE SWIVEL NOZZLE, TYPE 7450 1
14 CP1325 NOZZLE CAP, BRASS 2
15 XR11002-VK NOZZLE TIP, CERAMIC, 02 2
XR11003-VK NOZZLE TIP, CERAMIC, 03
XR11004-VK NOZZLE TIP, CERAMIC, 04

20
Micron Sprayers Ltd. Spraydome and Undavina
1.4 Breakaway Assemblies
1.4.1 Breakaway Assembly, Standard (FRZU060, FRZU061)
Figure 12 – Breakaway Assembly, Standard
12 3 45
7
9
4
6
7
8
10
4
11
12
7
8
18 20 21
7
14
15
16
13
17
7
7
19

21
Micron Sprayers Ltd. Spraydome and Undavina
Breakaway Assembly, Standard - Parts List
ITEM PART NO. DESCRIPTION QTY.
1 ZU010 CHASSIS CLAMP NUT 1
2 FJ001 WASHER, FLAT, 3/8 X 1 1/4 X 1/8 1
3 ZU058 CHASSIS ARM XT UNIVERSAL 1
4 UF005 WASHER, FLAT, 3/8 X 1 1/4 X 16G BZP 4
5 ZU009 CLAMP BOLT ASSEMBLY 1
6 UF029 NUT, 3/8 UNC, NYLOC BZP 1
7 UF014 TEK-SCREW, 10X16X16, HEX HEAD, BZP 11
8 GE045 SADDLE CLAMP, 1” 2
9 ZU074 UNIVERSAL GUARD 1
10 UF073 SHOULDER BOLT, 1/2" X 1 1/2" 1
11 UF009 SPRING WASHER, 3/8" 1
12 UF032 NUT, 3/8" BSW BZP 1
13 ZU005 CONNECTING LINK 1
14 IE001 TENSION SPRING 1
15 UF028 NUT, 1/4" BSW, NYLOC, BZP 1
16 UF004 WASHER, FLAT, 1/4" X 5/8 X 18G, BZP 2
17 UF017 BOLT, 1/4" BSW X 1 1/2", BZP 1
18 ZU059 PIVOT ARM 1
19 DE009 BUSH, NYLON
20 ZU075 CHASSIS GUARD RIGHT HAND 1
21 ZU076 CHASSIS GUARD LEFT HAND

22
Micron Sprayers Ltd. Spraydome and Undavina
1.4.2 Breakaway Assembly, Spraydome 1200 (ZU068 ZU069)
Figure 13 – Breakaway Assembly – Spraydome 1200
1 2
5
3 4
5
9
10
3
6
5
7
11
12
8
18
19
17
13
14
15
16
5
7
20
21
22

23
Micron Sprayers Ltd. Spraydome and Undavina
Breakaway Assembly – Spraydome 1200
ITEM PART NO. DESCRIPTION QTY.
1 ZU010 CHASSIS CLAMP NUT 1
2 FJ001 WASHER, FLAT, 3/8 X 1 1/4 X 1/8 1
3 UF005 WASHER, FLAT, 3/8 X 1-1/4 X 16G, BZP 3
4 ZU009 CLAMP BOLT ASSEMBLY 1
5 UF014 TEK-SCREW, 10X16X16, HEX HEAD, BZP 8
6 UF029 NUT, 3/8 UNC, NYLOC BZP 1
7 GE045 SADDLE CLAMP, 1” 2
8 IE005 TENSION SPRING 1
9 RO016 CHASSIS GUARD SD1200 RIGHT HAND 1
10 RO017 CHASSIS GUARD SD1200 LEFT HAND
11 ZU066 CHASSIS ARM SD1200 RIGHT HAND 1
12 ZU067 CHASSIS ARM SD1200 LEFT HAND
13 UF073 SHOULDER BOLT, 1/2" X 1 1/2" 1
14 UF007 WASHER, FLAT, 1/2 X 1/4 BZP 1
15 UF009 SPRING WASHER, 3/8" 1
16 UF032 NUT, 3/8" BSW BZP 1
17 ZU005 CONNECTING LINK 1
18 UF016 SET SCREW, 1/4" BSW X 3/4" BZP 1
19 UF004 WASHER, FLAT, 1/4" X 5/8 X 18G, BZP 2
20 UF028 NUT, 1/4" UNC, NYLOC, BZP 1
21 ZU059 PIVOT ARM 1
22 DE009 BUSH, NYLON 1

24
Micron Sprayers Ltd. Spraydome and Undavina
1.4.3 Breakaway Assembly, Grand Cru (FRZU100, FRZU101)
Figure 14 – Breakaway Assembly – Grand Cru
17
16
17
18
19
13
14
12
11
15
3
4
5
2
6
7
8
9
1
5
10

25
Micron Sprayers Ltd. Spraydome and Undavina
Breakaway Assembly – Grand Cru
ITEM PART NO. DESCRIPTION QTY.
1 ZU098U GRAND CRU CHASSIS ARM 1
2 FJ001 WASHER, FLAT, 3/8 X 1 1/4 X 1/8 1
3 ZU010 CHASSIS CLAMP NUT 1
4 UF029 NUT, 3/8 BSW, NYLOC BZP 1
5 UF005 WASHER, FLAT, 3/8 X 1-1/4 X 16G, BZP 3
6 UF073 SHOULDER BOLT, 1/2" X 1 1/2" 1
7 UF007 WASHER, FLAT, 1/2 X 1/4 BZP 1
8 UF009 SPRING WASHER, 3/8" 1
9 UF032 NUT, 3/8" BSW 1
10 ZU009 CLAMP BOLT ASSEMBLY 1
11 IE005 TENSION SPRING 1
12 ZU005 CONNECTING LINK 1
13 UF028 NUT, 1/4" BSW, NYLOC, BZP 1
14 UF004 WASHER, FLAT, 1/4" X 5/8 X 18G, BZP 2
15 UF017 BOLT, 1/4" BSW X 1 1/2", BZP 1
16 ZU075G
ZU076G
CHASSIS GUARD L/H (not shown)
CHASSIS GUARD R/H 1
17 UF076 12-14X20 BZP HEX HD TEK SCREW 5
18 GE001 SADDLE CLAMP 16 MM 1
19 ZU059 SLEEVED PIVOT ARM 1

26
Micron Sprayers Ltd. Spraydome and Undavina
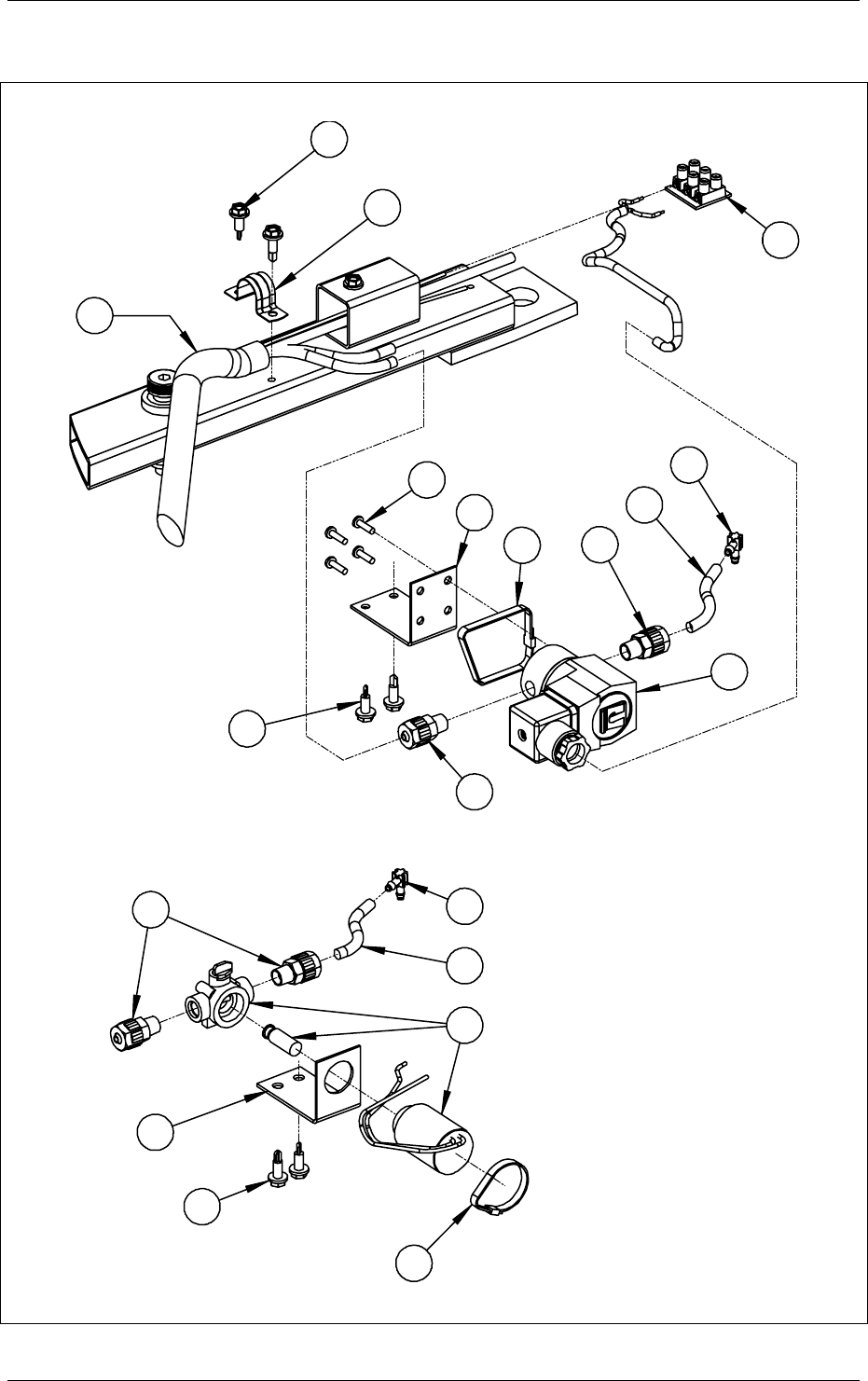
1.5 Ancillaries
Figure 15 – Ancillaries
10
9
8
8
11
2
5
6
7
8
12
10
13
15
2
14
2
3
4
1

27
Micron Sprayers Ltd. Spraydome and Undavina
Ancillaries - Parts List
ITEM PART NO. DESCRIPTION QTY.
1 ZU031
ZU031/15
ZU031/18
ZU031/22
ZU031/25
ZU031/30
ZU031/35
ZU031/40
HOSE AND CABLE ASSEMBLY 3.3 METRES
HOSE AND CABLE ASSEMBLY 4.5 METRES
HOSE AND CABLE ASSEMBLY 5.4 METRES
HOSE AND CABLE ASSEMBLY 6.7 METRES
HOSE AND CABLE ASSEMBLY 7.6 METRES
HOSE AND CABLE ASSEMBLY 9.1 METRES
HOSE AND CABLE ASSEMBLY 10.6 METRES
HOSE AND CABLE ASSEMBLY 12.1 METRES
1
3 UF014 TEK-SCREW, 10X16X16, HEX HEAD, BZP 15
4 GE045 SADDLE CLAMP, 20 MM 2
5 ZE008 CONNECTOR, 3 WAY 1
6 UF094 SCREW, SIZE 6 X 1/2" UNC, BZP 4
7 ZE016 BRACKET (GOYEN SOLENOID) 1
8 GE042 CABLE TIE 1
9 AL014 ADAPTER, 1/8 BSP X 6 MM 4
10 BI040 HOSE 6 MM (GOYEN SOLENOID OUTLET) 11
11 ZU025 ELBOW EB4 (MODIFIED) 2
12 GO001 GOYEN SOLENOID COMPLETE 1
13 BI040 HOSE, 6 MM (BACARA SOLENOID OUTLET) 11
14 BI044 SOLENOID, BACARA (WITH MANUAL OVERRIDE) 1
15 ZE009 BRACKET (BACARA SOLENOID) 1
16 GE023 CABLE TIE 1
1 State length required when ordering this component

28
Micron Sprayers Ltd. Spraydome and Undavina
1.6 Mounting Components
1.6.1 Mounting Assembly, Standard (ZU042)
Figure 16 – Mounting Assembly, Standard
ITEM PART NO. DESCRIPTION QTY.
1 ZU011 VERTICAL TUBE, MOUNTING BRACKET 1
2 ZU012 ADJUSTMENT ARM 1
3 ZU015 CLAMP BOLT 2
4 ZU022 CLAMP PLATE 2
5 SC001 U' BOLT (INCLUDING NUTS) 2
6 ZU013 MOUNTING TUBE 1
1
2
3 4
6
5

29
Micron Sprayers Ltd. Spraydome and Undavina
1.6.2 Chassis Extension Arm (AA115)
Figure 17 – Chassis Extension Arm
ITEM PART NO. DESCRIPTION QTY.
1 ZU035 CHASSIS EXTENSION ARM 1
2 UF005 WASHER, FLAT, 3/8 X 1-1/4 X 16G, BZP 3
3 UF029 NUT, 3/8 BSW, NYLOC BZP 1
4 ZU010 CHASSIS CLAMP NUT 1
5 FJ001 WASHER, FLAT, 3/8 X 1 1/4 X 1/8 1
6 ZU009 CLAMP BOLT ASSEMBLY 1
4
3
1
5
2
62

30
Micron Sprayers Ltd. Spraydome and Undavina
1.6.3 ATV Poly Rack Mounting System (AA373)
Figure 18 – ATV Poly Rack Mounting System
ITEM PART NO. DESCRIPTION QTY.
1 UF021 BOLT, 3/8" X 2" 8
2 ZU057 MOUNTING PLATE, ATV POLY RACK 2
3 ZU072 SPACER, ATV POLY RACK 4
* - SUPPLIED AS PART OF THE STANDARD MOUNTING
1
2
3

31
Micron Sprayers Ltd. Spraydome and Undavina
1.6.4 ATV Front Rack Mounting Kit (FRZU160)
Figure 19 – ATV Front Rack Mounting Kit
ITEM PART NO. DESCRIPTION QTY.
1 UF029 NUT, 3/8 BSW, NYLOC BZP 4
2 UF005 WASHER, FLAT, 3/8 X 1-1/4 X 16G, BZP 4
3 ZU097 FRONT RACK MOUNT ADJUSTMENT PLATE 2
4 UF018 3/8 X 1" BOLT 4
5 ZU015 CLAMP BOLT 2
6 ZU104 FRONT RACK MOUNT - SUPPORT WIRE 1
7 ST047 5/16" TURNBUCKLE - HOOK/EYE 1
8 ZU095 FRONT RACK MOUNT - TOP SUPPORT 1
9 ST048 ROPE GRIP - 4 MM 2
10 UF030 1/2 NYLOC NUT 1
11 UF200 1/2 BSW X 5 1/2" BZP BOLT 1
12 ZU096 FRONT RACK MOUNT - LOWER SUPPORT 1
9
5
8
4321
10
76
12
11
4 3 2 1

32
Micron Sprayers Ltd. Spraydome and Undavina
1.6.5 Actuator Mounting Kit (FRZU104)
Figure 20 – Actuator Mounting Kit
ITEM PART NO. DESCRIPTION QTY.
1 UF030 1/2 NYLOC NUT 4
2 UF007 WASHER, FLAT, 1/2 X 1/4 BZP 8
3 ZE014L TOP MOUNT LEFT HAND 1
4 ZE014 TOP MOUNT RIGHT HAND 1
5 UF041 SET SCREW, 5/16 BSW X 1 BZP 4
6 ZE015 LOWER MOUNT 2
7 UF052 NUT, NYLOC, 5/16 BSW 4
8 UF056 SET SCREW, 3/8 X 1 2
3
8
1
2
4
2
1
6
7
5

33
Micron Sprayers Ltd. Spraydome and Undavina
2 CONTROLLERS AND BACKPLATES
Figure 21 – Controllers and Backplates
ITEM PART NO. DESCRIPTION SECTION
1 AA249 CONTROL BOX, SINGLE 2.1
2 BBZP009 BACKPLATE MOUNT BRACKET -
3 AA240 BACKPLATE ASSEMBLY, 2 WAY 2.2
4 AA243 BACKPLATE ASSEMBLY, 4 WAY 2.3
5 AA242 BACKPLATE ASSEMBLY, 6 WAY 2.4
6 BBZP020 BACKPLATE POWER WIRE ASSEMBLY -
1
2
4
3
5
6

34
Micron Sprayers Ltd. Spraydome and Undavina
2.1 Controller, Lamp Type, Single (AA249)
Figure 22 – Controller, Lamp Type, Single
1
2
5 4 6
4
10
11
7
12
13
14
4
9
8
4
13
15
16
17
20
18
19
3

35
Micron Sprayers Ltd. Spraydome and Undavina
Controller, Lamp Type, Single - Parts List
ITEM PART NO. DESCRIPTION QTY.
1 DI002 FLOW METER, 30 LITRES PER HOUR 1
2 DI004 FLOAT (FLOW METER) 1
3 ZU039 TRIMMER FOR FLOW METER DI002 1
4 UF048 SCREW, 6-20 X 3/8" BZP 25PCRTC SELF TAP 6
5 RO003 ENCLOSURE, 1 WAY CONTROL BOX 1
6 CB006 LABEL, CAUTION 12V 5W 1
7 BI017 ELBOW, EB4 2
8 ST003 GLOBE, 12V 5W 1
9 ST004 LAMP ASSEMBLY 1
10 ZE008 CONNECTOR, 3 WAY 1
11 BBZP012A DIODE ASSEMBLY 1
12 ST005 SWITCH, TOGGLE 1
13 GE038 FITTING, 16MM, STRAIGHT 1
14 ST030 PLUG, 3 PIN, S/M, COMPLETE 1
15 MO006 GROMMET, 15.9 MM 1
16 BI040/0.260 6 MM FLEXIBLE MICRO HOSE X 260 MM 1
17 BI027 ADAPTER 1/4" X 6 MM 1
18 ZU024 RESTRICTOR NO 10 1
19 ZU030 RESTRICTOR NO 8 1
20 AL002 PLUG, 1/4" BSPT M (EXTERNAL THREAD) 1
21 BBZP012 WIRING LOOM, SINGLE CONTROL BOX (NOT
SHOWN) 1

36
Micron Sprayers Ltd. Spraydome and Undavina
2.2 Backplate Assembly, 2-Way (AA240)
Figure 23 – Backplate Assembly, 2-way
1
2
2
2
26
5
4
3
7
8
9
10
14
15
7
11
12
13
8
8

37
Micron Sprayers Ltd. Spraydome and Undavina
Backplate Assembly, 2-way - Parts List
ITEM PART NO. DESCRIPTION QTY.
1 AL012 HOSE CONNECTOR, PLUG 1
2 NH004 COBRA CLIP 4
3 MT001/115 HOSE 6 MM X 115 MM 1
4 AL008 BRANCH TEE, 6 MM, MALE 1
5 MT001/75 HOSE, 6 MM X 75 MM 1
6 AL009 ELBOW, 6 MM, MALE 1
7 UF048 SCREW, 6-20 X 3/8" BZP 25PCRTC SELF TAP 10
8 RO001 2 WAY BACKPLATE CHASSIS 1
9 GB007 O-RING, 6 X 3 VITON 2
10 AL001 SOCKET, 1/4" 2
11 ST007 GROMMET 14.3 MM 1
12 BBZP022 BACKPLATE FEED WIRE 1
13 ST008 PLUG, 2 PIN (MALE), IN-LINE 1
14 ST031 SOCKET, 3 PIN, S/M, COMPLETE 2
15 ST013 SOCKET, 2 PIN, S/M, COMPLETE 1

38
Micron Sprayers Ltd. Spraydome and Undavina
2.3 Backplate Assembly, 4-Way (AA243)
Figure 24 – Backplate Assembly, 4-way
2
2
2
2
2
2
2
2
1
3
4
5
4
6
4
5
7
8
10
9
14
15
8
12
13
16
11

39
Micron Sprayers Ltd. Spraydome and Undavina
Backplate Assembly, 4-way - Parts List
ITEM PART NO. DESCRIPTION QTY.
1 AL012 HOSE CONNECTOR, PLUG 1
2 NH004 COBRA CLIP 11 MM 8
3 MT001/115 HOSE 6 MM X 115 MM 1
4 AL008 BRANCH TEE, 6 MM, MALE 3
5 MT001/50 HOSE 6 MM X 50 MM 2
6 MT001/60 HOSE 6 MM X 60 MM 1
7 AL009 ELBOW, 6 MM X 1/4 ”, MALE 1
8 UF048 SCREW, 6-20 X 3/8" BZP 25PCRTC SELF TAP 14
9 GB007 O-RING, 6 X 3 VITON 4
10 AL001 SOCKET, 1/4" 4
11 RO002 4 WAY BACKPLATE CHASSIS 1
12 ST007 GROMMET 14.3 MM 1
13 BBZP022 BACKPLATE FEED WIRE 1
14 ST031 SOCKET, 3 PIN, S/M, COMPLETE 4
15 ST013 SOCKET, 2 PIN, S/M, COMPLETE 1
16 ST008 PLUG, 2 PIN (MALE), IN LINE 1

40
Micron Sprayers Ltd. Spraydome and Undavina
2.4 Backplate Assembly, 6-Way (AA242)
Figure 25 – Backplate Assembly, 6-way
1
2
3
4
4
4
4
4
1
2
2
5
6
7
5
11
12
13
15
3 2
14
8
9
10

41
Micron Sprayers Ltd. Spraydome and Undavina
Backplate Assembly, 6-way - Parts List
ITEM PART NO. DESCRIPTION QTY.
1 AL009 ELBOW, 6MM X 1/4" MALE 2
2 NH004 COBRA CLIP 11 MM 12
3 MT001/50 HOSE 6 MM X 50 MM 6
4 AI008 BRANCH TEE 6 MM (MODIFIED FROM AL008) 5
5 UF048 SCREW, 6-20 X 3/8" BZP 25PCRTC SELF TAP 18
6 ST031 SOCKET, 3 PIN, S/M, COMPLETE 6
7 ST013 SOCKET, 2 PIN, S/M, COMPLETE 1
8 GB007 O-RING, 6 X 3 VITON 6
9 AL001 SOCKET, 1/4" 6
10 AL003 PLUG, 1/4" INTERNAL THREAD 1
11 ST007 GROMMET 14.3 MM 1
12 BBZP022 BACKPLATE FEED WIRE 1
13 ST008 PLUG, 2 PIN (MALE), IN LINE 1
14 RO022 6 WAY BACKPLATE CHASSIS 1
15 BBZP009A BACKPLATE MOUNTING BRACKET - 6 WAY 2

42
Micron Sprayers Ltd. Spraydome and Undavina
2.5 Power Wire Assembly (ZC020)
Figure 26 – Power Wire Assembly
ITEM PART NO. DESCRIPTION QTY.
1 ST009 SOCKET, 2 PIN, IN-LINE 1
2 GE035 SWITCH, IN-LINE 1
3 GE021 TERMINAL LUG 8 MM 2
4 GE036 FUSE HOLDER 1
5 ST002 FUSE, 10A 1
35
2
1
4

Notes

Notes

Copyright © Micron Sprayers Ltd. 201
5
T
+44 (0)1885 482397
F
+44 (0)1885 483043
E
enquiries@micron.co.uk
T
+61 (0)8 8582 4077
E
enquiries@enviromist.com.au
General Enquiries:
Micron Group
Bromyard
Industrial Estate,
Bromyard, Herefordshire,
HR7 4HS, U.K.
Australian Enquiries:
Micron Group
P.O. Box 1246, Berri 5343,
South Australia
www.microngroup.com