T15xx_TI Miele Clothes Dryer T 1520 T1500
User Manual: Miele Clothes Dryer T 1520
Open the PDF directly: View PDF .
Page Count: 42

!
!
!
!
!
!
!
!
!
!
!
!
!
!
!
TECHNICAL INFORMATION
T 15xx Dryers
!
!
!
!
!
!
!
!
!
!
!
!
!
!
!
!
!
!
!
!
!
!
!
!
!
!
!
!
© "#$#!%&'('!)*+!

!
!
Technical Information!
!
!
"!
!
T 15xx Dryers
Table of Contents
1.0Construction and Design ......................................................................... 5
$,$+--(&./0'!12'32&'4!5!6'/7'8!%98'(:!,,,,,,,,,,,,,,,,,,,,,,,,,,,,,,,,,,,,,,,,,,,,,,,,,,,,,,,!;
$,"!+--(&./0'!12'32&'4!5!<9/8'/:'3!%98'(:!,,,,,,,,,,,,,,,,,,,,,,,,,,,,,,,,,,,,,,,,,,,,,,,,,!=
$,><9/739(:!12'32&'4!,,,,,,,,,,,,,,,,,,,,,,,,,,,,,,,,,,,,,,,,,,,,,,,,,,,,,,,,,,,,,,,,,,,,,,,,,,,,,,,,,,,,,!=
$,>,$?!$;$;!@;AB&(9C3.D!6'/7'8E!,,,,,,,,,,,,,,,,,,,,,,,,,,,,,,,,,,,,,,,,,,,,,,,,,,,,,,,,,,!=
$,>,"?!$;"#!@;AB&(9C3.D!6'/7'8E!,,,,,,,,,,,,,,,,,,,,,,,,,,,,,,,,,,,,,,,,,,,,,,,,,,,,,,,,,,!F
$,>,>?!$;"=!@=AB&(9C3.D!6'/7'8E!,,,,,,,,,,,,,,,,,,,,,,,,,,,,,,,,,,,,,,,,,,,,,,,,,,,,,,,,,,!F
$,>,G?!$;=;!<!,,,,,,,,,,,,,,,,,,,,,,,,,,,,,,,,,,,,,,,,,,,,,,,,,,,,,,,,,,,,,,,,,,,,,,,,,,,,,,,,,,,,,,,,!F
$,>,;?!$;F#!<!,,,,,,,,,,,,,,,,,,,,,,,,,,,,,,,,,,,,,,,,,,,,,,,,,,,,,,,,,,,,,,,,,,,,,,,,,,,,,,,,,,,,,,,,!F
$,>,=?!$;F=!,,,,,,,,,,,,,,,,,,,,,,,,,,,,,,,,,,,,,,,,,,,,,,,,,,,,,,,,,,,,,,,,,,,,,,,,,,,,,,,,,,,,,,,,,,,,!H
$,G+--(&./0'!I&D'/:&9/:!,,,,,,,,,,,,,,,,,,,,,,,,,,,,,,,,,,,,,,,,,,,,,,,,,,,,,,,,,,,,,,,,,,,,,,,,,,,,,,,!H
$,G,$;AB&(9C3.D!6'/7'8!%98'(:!,,,,,,,,,,,,,,,,,,,,,,,,,,,,,,,,,,,,,,,,,,,,,,,,,,,,,,,,,,,,!H
$,G,";AB&(9C3.D!<9/8'/:'3!%98'(:!,,,,,,,,,,,,,,,,,,,,,,,,,,,,,,,,,,,,,,,,,,,,,,,,,,,,,,!J
$,G,>=AB&(9C3.D!6'/7'8!%98'(:!,,,,,,,,,,,,,,,,,,,,,,,,,,,,,,,,,,,,,,,,,,,,,,,,,,,,,,,,,,,,!J
$,;<9D-9/'/7!K.L9M7:!,,,,,,,,,,,,,,,,,,,,,,,,,,,,,,,,,,,,,,,,,,,,,,,,,,,,,,,,,,,,,,,,,,,,,,,,,,,,,,,,!$#
$,;,$?!$;$;N!?!$;"#N!?!$;"=N!?!$;=;!<N!?!$;F#!<!,,,,,,,,,,,,,,,,,,,,,,,,,,,,,,!$#
$,;,"?!$;F=!,,,,,,,,,,,,,,,,,,,,,,,,,,,,,,,,,,,,,,,,,,,,,,,,,,,,,,,,,,,,,,,,,,,,,,,,,,,,,,,,,,,,,,,,,,!$$
2.0Installation .............................................................................................. 12
",$O('073&0.(!P'QM&3'D'/7:!,,,,,,,,,,,,,,,,,,,,,,,,,,,,,,,,,,,,,,,,,,,,,,,,,,,,,,,,,,,,,,,,,,,,,,,,,,,!$"
","!R(MDS&/C!T/U93D.7&9/!5!<9/8'/:'3!%98'(:!,,,,,,,,,,,,,,,,,,,,,,,,,,,,,,,,,,,,,,,,,,,,!$"
",>!T/:7.((.7&9/!R390'8M3'!,,,,,,,,,,,,,,,,,,,,,,,,,,,,,,,,,,,,,,,,,,,,,,,,,,,,,,,,,,,,,,,,,,,,,,,,,,,,,,!$>
3.0Commission and Operation .................................................................. 14
>,$V'/'3.(!1-'3.7&9/W!?!$;$;N!?!$;"#N!?!$;"=N!?!$;=;!<N!?!$;F#!<!,,,,,,,,,,!$G
>,"!+88&7&9/.(!XM/07&9/!RM:YSM779/:W!?!$;$;N!?!$;"#!?!$;"=N!!?!$;=;!<N!!!!!!!!!!!!!!
?!$;F#!<!,,,,,,,,,,,,,,,,,,,,,,,,,,,,,,,,,,,,,,,,,,,,,,,,,,,,,,,,,,,,,,,,,,,,,,,,,,,,,,,,,,,,,,,,,,,,,,,,,,!$G
>,>!V'/'3.(!1-'3.7&9/!5!?!$;F=!,,,,,,,,,,,,,,,,,,,,,,,,,,,,,,,,,,,,,,,,,,,,,,,,,,,,,,,,,,,,,,,,,,,,!$G
>,G!R39C3.D!1-7&9/!ZM779/:!5!?!$;F=!,,,,,,,,,,,,,,,,,,,,,,,,,,,,,,,,,,,,,,,,,,,,,,,,,,,,,,,,,,,!$;
>,;!<9/8'/:'8A[.7'3!I3.4'3!@<9/8'/:'3!%98'(:!1/(LE!,,,,,,,,,,,,,,,,,,,,,,,,,,,,,!$;
>,=!\'.7!O]0Y./C'3!@<9/8'/:'3!%98'(:!1/(LE!,,,,,,,,,,,,,,,,,,,,,,,,,,,,,,,,,,,,,,,,,,,,,!$;
4.0 Description of Function ......................................................................... 18
G,$!!6'/7'8!I3L'3!5!R3&/0&-('!9U!1-'3.7&9/!,,,,,,,,,,,,,,,,,,,,,,,,,,,,,,,,,,,,,,,,,,,,,,,,,,,,,!$H
G,"!!<9/8'/:'3!I3L'3!5!R3&/0&-('!9U!1-'3.7&9/!,,,,,,,,,,,,,,,,,,,,,,,,,,,,,,,,,,,,,,,,,,,,,,,!$J
G,>!X./!%9793!@%;E!+::'DS(L!,,,,,,,,,,,,,,,,,,,,,,,,,,,,,,,,,,,,,,,,,,,,,,,,,,,,,,,,,,,,,,,,,,,,,,,!"#
G,G!P':&8M.(!%9&:7M3'!*'77&/C!,,,,,,,,,,,,,,,,,,,,,,,,,,,,,,,,,,,,,,,,,,,,,,,,,,,,,,,,,,,,,,,,,,,,,,,,!"$
G,;!?'D-'3.7M3'!%9/&793&/C!,,,,,,,,,,,,,,,,,,,,,,,,,,,,,,,,,,,,,,,,,,,,,,,,,,,,,,,,,,,,,,,,,,,,,,,,,,!""
G,;,$?!$;$;N!?!$;"#N!?!$;"=N!?!$;=;!<!./8!?!$;F#!<!,,,,,,,,,,,,,,,,,,,,,,,,!""
G,;,"?!$;F=!,,,,,,,,,,,,,,,,,,,,,,,,,,,,,,,,,,,,,,,,,,,,,,,,,,,,,,,,,,,,,,,,,,,,,,,,,,,,,,,,,,,,,,,,,,!""
G,=!\'.7'3!Z./^!+::'DS(L!,,,,,,,,,,,,,,,,,,,,,,,,,,,,,,,,,,,,,,,,,,,,,,,,,,,,,,,,,,,,,,,,,,,,,,,,,,,,!">
G,F!<9/739(!@)--'3E!O('0739/&0!,,,,,,,,,,,,,,,,,,,,,,,,,,,,,,,,,,,,,,,,,,,,,,,,,,,,,,,,,,,,,,,,,,,,,,,!"G
G,H!R94'3!@K94'3E!O('0739/&0!,,,,,,,,,,,,,,,,,,,,,,,,,,,,,,,,,,,,,,,,,,,,,,,,,,,,,,,,,,,,,,,,,,,,,,,,!"G
G,J!O('0739/&0:!K90.7&9/:!SL!%98'(!_MDS'3!,,,,,,,,,,,,,,,,,,,,,,,,,,,,,,,,,,,,,,,,,,,,,,,,,!"G
G,J,$?!$;$;N!?!$;"#N!?!$;"=N!?!$;=;!<!./8!?!$;F#!<!,,,,,,,,,,,,,,,,,,,,,,,,!"G
G,J,"?!$;F=!,,,,,,,,,,,,,,,,,,,,,,,,,,,,,,,,,,,,,,,,,,,,,,,,,,,,,,,,,,,,,,,,,,,,,,,,,,,,,,,,,,,,,,,,,,!";
5.0 Service and Maintenance ...................................................................... 26
;,$!!K&8!P'D92.(!,,,,,,,,,,,,,,,,,,,,,,,,,,,,,,,,,,,,,,,,,,,,,,,,,,,,,,,,,,,,,,,,,,,,,,,,,,,,,,,,,,,,,,,,,,,,,!"=
;,"!X39/7!R./'(!1-'/&/CN!<9/8'/:'3!%98'(:!,,,,,,,,,,,,,,,,,,,,,,,,,,,,,,,,,,,,,,,,,,,,,,,!"F

!
!
Technical Information
!
!
>!
T 15xx Dryers
;,>!X39/7!R./'(!1-'/&/CN!6'/7'8!%98'(:!,,,,,,,,,,,,,,,,,,,,,,,,,,,,,,,,,,,,,,,,,,,,,,,,,,,,,!"F
;,G!R94'3!O('0739/&0!P'D92.(!,,,,,,,,,,,,,,,,,,,,,,,,,,,,,,,,,,,,,,,,,,,,,,,,,,,,,,,,,,,,,,,,,,,,,,!"F
;,G,$?!$;$;N!?!$;"#N!?!$;"=N!?!$;=;!<!./8!?!$;F#!<!,,,,,,,,,,,,,,,,,,,,,,,,!"F
;,G,"!?!$;F=!,,,,,,,,,,,,,,,,,,,,,,,,,,,,,,,,,,,,,,,,,,,,,,,,,,,,,,,,,,,,,,,,,,,,,,,,,,,,,,,,,,,,,,,,,,!"H
;,;!!<9/739(!O('0739/&0!P'D92.(!,,,,,,,,,,,,,,,,,,,,,,,,,,,,,,,,,,,,,,,,,,,,,,,,,,,,,,,,,,,,,,,,,,,,,!"J
;,;,$?!$;$;N!?!$;"#N!?!$;"=N!?!$;=;!<!./8!?!$;F#!<!,,,,,,,,,,,,,,,,,,,,,,,,!"J
;,;,"?!$;F=!,,,,,,,,,,,,,,,,,,,,,,,,,,,,,,,,,,,,,,,,,,,,,,,,,,,,,,,,,,,,,,,,,,,,,,,,,,,,,,,,,,,,,,,,,,!"J
;,=!!\'.7'3!P'(.L!+00'::!,,,,,,,,,,,,,,,,,,,,,,,,,,,,,,,,,,,,,,,,,,,,,,,,,,,,,,,,,,,,,,,,,,,,,,,,,,,,,,,!"J
;,F!!I3MD!P'.3!R./'(!P'D92.(!,,,,,,,,,,,,,,,,,,,,,,,,,,,,,,,,,,,,,,,,,,,,,,,,,,,,,,,,,,,,,,,,,,,,,,!>#
;,H!!\'.7'3!Z./^!+00'::!,,,,,,,,,,,,,,,,,,,,,,,,,,,,,,,,,,,,,,,,,,,,,,,,,,,,,,,,,,,,,,,,,,,,,,,,,,,,,,,,!>$
;,J!!X./!%9793!P'D92.(!,,,,,,,,,,,,,,,,,,,,,,,,,,,,,,,,,,,,,,,,,,,,,,,,,,,,,,,,,,,,,,,,,,,,,,,,,,,,,,,,,!>"
;,$#!!<9/8'/:'3!+::'DS(L!P'D92.(!,,,,,,,,,,,,,,,,,,,,,,,,,,,,,,,,,,,,,,,,,,,,,,,,,,,,,,,,,,,,,,,!>>
;,$$!!<9/8'/:'3!X./!P'D92.(!,,,,,,,,,,,,,,,,,,,,,,,,,,,,,,,,,,,,,,,,,,,,,,,,,,,,,,,,,,,,,,,,,,,,,,,,,!>>
;,$"!!P':&8M.(!%9&:7M3'!*'/:93!P'D92.(!,,,,,,,,,,,,,,,,,,,,,,,,,,,,,,,,,,,,,,,,,,,,,,,,,,,,,,,,!>G
;,$$!!I3MD!I3&2'!Z'(7!,,,,,,,,,,,,,,,,,,,,,,,,,,,,,,,,,,,,,,,,,,,,,,,,,,,,,,,,,,,,,,,,,,,,,,,,,,,,,,,,,,,,,,,!>;
6.0 Fault Diagnosis ...................................................................................... 36
=,$!*'32&0'!%98'!,,,,,,,,,,,,,,,,,,,,,,,,,,,,,,,,,,,,,,,,,,,,,,,,,,,,,,,,,,,,,,,,,,,,,,,,,,,,,,,,,,,,,,,,,,,!>=
=,$,$?!$;$;N!?!$;"#N!?!$;"=N!?!$;=;!<!./8!?!$;F#!<!,,,,,,,,,,,,,,,,,,,,,,,,!>=
=,$,"!?!$;F=!,,,,,,,,,,,,,,,,,,,,,,,,,,,,,,,,,,,,,,,,,,,,,,,,,,,,,,,,,,,,,,,,,,,,,,,,,,,,,,,,,,,,,,,,,,!>F
=,"!!X.M(7!<98':!@?!$;F=!1/(LE!,,,,,,,,,,,,,,,,,,,,,,,,,,,,,,,,,,,,,,,,,,,,,,,,,,,,,,,,,,,,,,,,,,,,,,!>F
=,>!!R39C3.DD&/C!%98'!@?!$;F=!1/(LE!,,,,,,,,,,,,,,,,,,,,,,,,,,,,,,,,,,,,,,,,,,,,,,,,,,,,,,,,,,!>H
=,G!P':&8M.(!%9&:7M3'!*'/:93!<&30M&7!?':7!,,,,,,,,,,,,,,,,,,,,,,,,,,,,,,,,,,,,,,,,,,,,,,,,,,,,!>J
=,G,$?!$;$;N!?!$;"#N!?!$;"=N!?!$;=;!<!./8!?!$;F#!<!R390'8M3'!,,,,,,!>J
=,G,"!?!$;F=!R390'8M3'W!,,,,,,,,,,,,,,,,,,,,,,,,,,,,,,,,,,,,,,,,,,,,,,,,,,,,,,,,,,,,,,,,,,,,,,,!G#
=,;!!I3L'3!?.^':!?99!K9/C!79!I3L!<(97Y':!,,,,,,,,,,,,,,,,,,,,,,,,,,,,,,,,,,,,,,,,,,,,,,,,,,,,,!G$
=,=!!P':&8M.(!%9&:7M3'!*'/:&/C!T/9-'3.7&2'!,,,,,,,,,,,,,,,,,,,,,,,,,,,,,,,,,,,,,,,,,,,,,,,,,,,!G$
=,F!I3L'3!I993!B''-:!R9--&/C!1-'/!@+((!%98'(:!']0'-7!?!$;F=E!,,,,,,,,,,,,,,,,!G$
=,H!![.7'3!K'.^:!&/!<9/8'/:'3!I3L'3!,,,,,,,,,,,,,,,,,,,,,,,,,,,,,,,,,,,,,,,,,,,,,,,,,,,,,,,,,,,,!G"
=,J!K&CY7N!P'-'7&7&2'!<(&0^&/C!+S9M7!O2'3L!*'09/8![Y&('!I3MD!&:!?M3/&/C!,,,!G"
=,$#!?!$;F=!I3L'3!*YM7:!I94/!+U7'3!K'::!7Y./!1/'!%&/M7'!9U!1-'3.7&9/!,,,,,,!G"
=,$$!!PMDS(&/C!*9M/8!8M3&/C!1-'3.7&9/!,,,,,,,,,,,,,,,,,,,,,,,,,,,,,,,,,,,,,,,,,,,,,,,,,,,,,,,,,,!G"
!
List of Figures
X&CM3'!$A$W!?L-&0.(!6'/7'8!;B!%98'(!,,,,,,,,,,,,,,,,,,,,,,,,,,,,,,,,,,,,,,,,,,,,,,,,,,,,,,,,,,,,,,,,,,,,,,,,,,,,,,,,!;
X&CM3'!$A"W!?L-&0.(!<9/8'/:'3!%98'(!T/:7.(('8!_']7!79![.:Y'3!,,,,,,,,,,,,,,,,,,,,,,,,,,,,,,,,,,,,,,,!=
X&CM3'!$A>W!?!$;$;!<9/739(:!,,,,,,,,,,,,,,,,,,,,,,,,,,,,,,,,,,,,,,,,,,,,,,,,,,,,,,,,,,,,,,,,,,,,,,,,,,,,,,,,,,,,,,,,,,,,,,!=
X&CM3'!$AGW!?!$;"#!<9/739(:!,,,,,,,,,,,,,,,,,,,,,,,,,,,,,,,,,,,,,,,,,,,,,,,,,,,,,,,,,,,,,,,,,,,,,,,,,,,,,,,,,,,,,,,,,,,,,,!F
X&CM3'!$A;W!?!$;"=!<9/739(:!,,,,,,,,,,,,,,,,,,,,,,,,,,,,,,,,,,,,,,,,,,,,,,,,,,,,,,,,,,,,,,,,,,,,,,,,,,,,,,,,,,,,,,,,,,,,,,!F
X&CM3'!$A=W!?!$;=;!<!<9/739(:!,,,,,,,,,,,,,,,,,,,,,,,,,,,,,,,,,,,,,,,,,,,,,,,,,,,,,,,,,,,,,,,,,,,,,,,,,,,,,,,,,,,,,,,,,,,!F
X&CM3'!$AFW!?!$;F#!<!<9/739(:!,,,,,,,,,,,,,,,,,,,,,,,,,,,,,,,,,,,,,,,,,,,,,,,,,,,,,,,,,,,,,,,,,,,,,,,,,,,,,,,,,,,,,,,,,,,!F
X&CM3'!$AHW!?!$;F=!<9/739(:!,,,,,,,,,,,,,,,,,,,,,,,,,,,,,,,,,,,,,,,,,,,,,,,,,,,,,,,,,,,,,,,,,,,,,,,,,,,,,,,,,,,,,,,,,,,,,,!H
X&CM3'!$AJW!I&D'/:&9/:N!;AB&(9C3.D!6'/7'8!%98'(:!,,,,,,,,,,,,,,,,,,,,,,,,,,,,,,,,,,,,,,,,,,,,,,,,,,,,,,,,,!H
X&CM3'!$A$#W!I&D'/:&9/:N!;AB&(9C3.D!<9/8'/:'3!%98'(:!,,,,,,,,,,,,,,,,,,,,,,,,,,,,,,,,,,,,,,,,,,,,,,,,!J
X&CM3'!$A$$W!I&D'/:&9/:N!=AB&(9C3.D!6'/7'8!%98'(:!,,,,,,,,,,,,,,,,,,,,,,,,,,,,,,,,,,,,,,,,,,,,,,,,,,,,,,,!J
X&CM3'!$A$"W!<9D-9/'/7!K.L9M7!@+((!%98'(:!']0'-7!?!$;F=E!,,,,,,,,,,,,,,,,,,,,,,,,,,,,,,,,,,,,,,,,,,!$#
X&CM3'!$A$>W!?!$;F=!<9D-9/'/7!K.L9M7!,,,,,,,,,,,,,,,,,,,,,,,,,,,,,,,,,,,,,,,,,,,,,,,,,,,,,,,,,,,,,,,,,,,,,,,,,!$$
X&CM3'!>A$W!1-'/&/C!7Y'!\'.7!O]0Y./C'3!<92'3!,,,,,,,,,,,,,,,,,,,,,,,,,,,,,,,,,,,,,,,,,,,,,,,,,,,,,,,,,,,,,!$=
X&CM3'!>A"W!R9:&7&9/&/C!7Y'!\'.7'3!O]0Y./C'3!K'2'3:!,,,,,,,,,,,,,,,,,,,,,,,,,,,,,,,,,,,,,,,,,,,,,,,,,,,,!$=

!
!
Technical Information!
!
!
G!
!
T 15xx Dryers
X&CM3'!>A>W!P'D92&/C!7Y'!\'.7!O]0Y./C'3!,,,,,,,,,,,,,,,,,,,,,,,,,,,,,,,,,,,,,,,,,,,,,,,,,,,,,,,,,,,,,,,,,,,,,!$F
X&CM3'!>AGW!<('./&/C!7Y'!\'.7!O]0Y./C'3!,,,,,,,,,,,,,,,,,,,,,,,,,,,,,,,,,,,,,,,,,,,,,,,,,,,,,,,,,,,,,,,,,,,,,,,!$F
X&CM3'!GA$W!6'/7'8!I3L'3!+&3U(94!,,,,,,,,,,,,,,,,,,,,,,,,,,,,,,,,,,,,,,,,,,,,,,,,,,,,,,,,,,,,,,,,,,,,,,,,,,,,,,,,,,,,,!$H
X&CM3'!GA"W!<9/8'/:'3!I3L'3!+&3U(94!,,,,,,,,,,,,,,,,,,,,,,,,,,,,,,,,,,,,,,,,,,,,,,,,,,,,,,,,,,,,,,,,,,,,,,,,,,,,,,,!$J
X&CM3'!GA>W!X./!%9793!+::'DS(L!,,,,,,,,,,,,,,,,,,,,,,,,,,,,,,,,,,,,,,,,,,,,,,,,,,,,,,,,,,,,,,,,,,,,,,,,,,,,,,,,,,,,,!"#
X&CM3'!GAGW!I3MD!I3&2'!Z'(7:!./8!P'8M07&9/!RM(('L!,,,,,,,,,,,,,,,,,,,,,,,,,,,,,,,,,,,,,,,,,,,,,,,,,,,,,,,,!"$
X&CM3'!GA;W!\'.7'3!Z./^!+::'DS(L!@?!$;F=!*Y94/E!,,,,,,,,,,,,,,,,,,,,,,,,,,,,,,,,,,,,,,,,,,,,,,,,,,,,,,,!">
X&CM3'!GA=W!\'.7'3!<&30M&7!,,,,,,,,,,,,,,,,,,,,,,,,,,,,,,,,,,,,,,,,,,,,,,,,,,,,,,,,,,,,,,,,,,,,,,,,,,,,,,,,,,,,,,,,,,,,,,,,!">
X&CM3'!GAFW!O('0739/&0:!K90.7&9/:!@?!$;$;N!?!$;"#N!?!$;"=N!?!$;=;!<N!?!$;F#!<E!,,,,,,,,,!"G
X&CM3'!GAHW!O('0739/&0:!K90.7&9/:!9/!?!$;F=!,,,,,,,,,,,,,,,,,,,,,,,,,,,,,,,,,,,,,,,,,,,,,,,,,,,,,,,,,,,,,,,,,,,!";
X&CM3'!;A$W!K&8!P'D92.(!./8!X39/7!R./'(!+00'::!,,,,,,,,,,,,,,,,,,,,,,,,,,,,,,,,,,,,,,,,,,,,,,,,,,,,,,,,,,,!"=
X&CM3'!;A"W!P'D92&/C!7Y'!K'U7!*'07&9/!9U!7Y'!X.:0&.!R./'(!,,,,,,,,,,,,,,,,,,,,,,,,,,,,,,,,,,,,,,,,,,,,!"F
X&CM3'!;A>W!*03'4!*'0M3&/C!R94'3!O('0739/&0!@?!$;$;N!?!$;"#N!?!$;"=N!?!$;=;!<N!!!!!!!!!!!!!!!!
?!$;F#!<E!,,,,,,,,,,,,,,,,,,,,,,,,,,,,,,,,,,,,,,,,,,,,,,,,,,,,,,,,,,,,,,,,,,,,,,,,,,,,,,,,,,,,,,,,,,,,,,,,,,,,,!"H
X&CM3'!;AGW!P'D92&/C!7Y'!R94'3!O('0739/&0!9/!7Y'!?!$;F=!I3L'3!,,,,,,,,,,,,,,,,,,,,,,,,,,,,,,,,,,,!"H
X&CM3'!;A;W!<9/739(!O('0739/&0!P'D92.(W!?!$;$;N!?!$;"#N!?!$;"=N!?!$;=;!<N!?!$;F#!<!,!"J
X&CM3'!;A=W!\'.7'3!P'(.L!Z3.0^'7!,,,,,,,,,,,,,,,,,,,,,,,,,,,,,,,,,,,,,,,,,,,,,,,,,,,,,,,,,,,,,,,,,,,,,,,,,,,,,,,,,,,,!"J
X&CM3'!;AFW!I3MD!R9:&7&9/'8!4&7Y!7Y'!?49!K.3C':7!\9(':!\93&`9/7.(!,,,,,,,,,,,,,,,,,,,,,,,,,,,,,,!>#
X&CM3'!;AHW!\'.7'3!Z./^!<92'3!P'7.&/&/C!Z9(7:!,,,,,,,,,,,,,,,,,,,,,,,,,,,,,,,,,,,,,,,,,,,,,,,,,,,,,,,,,,,,,,!>$
X&CM3'!;AJW!\'.7'3!Z./^!P'D92.(!,,,,,,,,,,,,,,,,,,,,,,,,,,,,,,,,,,,,,,,,,,,,,,,,,,,,,,,,,,,,,,,,,,,,,,,,,,,,,,,,,,,!>$
X&CM3'!;A$#W!6'/7!P&/C!+::'DS(L!,,,,,,,,,,,,,,,,,,,,,,,,,,,,,,,,,,,,,,,,,,,,,,,,,,,,,,,,,,,,,,,,,,,,,,,,,,,,,,,,,,,!>"
X&CM3'!;A$$W!X./!%9793!Z9(7:!,,,,,,,,,,,,,,,,,,,,,,,,,,,,,,,,,,,,,,,,,,,,,,,,,,,,,,,,,,,,,,,,,,,,,,,,,,,,,,,,,,,,,,,,,,!>"
X&CM3'!;A$"W!Z9779D!<92'3!*03'4:!,,,,,,,,,,,,,,,,,,,,,,,,,,,,,,,,,,,,,,,,,,,,,,,,,,,,,,,,,,,,,,,,,,,,,,,,,,,,,,,,,!>>
X&CM3'!;A$>W!<9/8'/:'3!X./!*03'4:!,,,,,,,,,,,,,,,,,,,,,,,,,,,,,,,,,,,,,,,,,,,,,,,,,,,,,,,,,,,,,,,,,,,,,,,,,,,,,,!>G
X&CM3'!;A$GW!P':&8M.(!%9&:7M3'!*'/:93!./8!*03'4!,,,,,,,,,,,,,,,,,,,,,,,,,,,,,,,,,,,,,,,,,,,,,,,,,,,,,,,,,!>G
X&CM3'!;A$;W!R9:&7&9/&/C!7Y'!I3MD!79!X93D!.!V.-!,,,,,,,,,,,,,,,,,,,,,,,,,,,,,,,,,,,,,,,,,,,,,,,,,,,,,,,,,,!>;
!
List of Tables
?.S('!=A$W!*'32&0'!%98'!XM/07&9/:!@?!$;$;N!?!$;"#N!?!$;"=N!?!$;=;!<N!?!$;F#!<E!,,,,,,!>=
?.S('!=A"W!*'32&0'!%98'!XM/07&9/:!@?!$;F=E!,,,,,,,,,,,,,,,,,,,,,,,,,,,,,,,,,,,,,,,,,,,,,,,,,,,,,,,,,,,,,,,,,,!>F
?.S('!=A>W!?!$;F=!X.M(7!<98':!,,,,,,,,,,,,,,,,,,,,,,,,,,,,,,,,,,,,,,,,,,,,,,,,,,,,,,,,,,,,,,,,,,,,,,,,,,,,,,,,,,,,,,,!>H
?.S('!=AGW!?!$;F=!R39C3.DD&/C!*'77&/C:!,,,,,,,,,,,,,,,,,,,,,,,,,,,,,,,,,,,,,,,,,,,,,,,,,,,,,,,,,,,,,,,,,,,,,,,!>J
!
!

!
!
Technical Information
!
!
;!
T 15xx Dryers
1.0 Construction and Design
!
!
1.1 Appliance Overview – Vented Models
!
!
Figure 1-1: ?L-&0.(!6'/7'8!;B!%98'(!
1 R94'3!0.S('a-(MC!
2 <9/739(!-./'(!
3 I3MD!8993!
4 O]Y.M:7!09//'07&9/!@;B!2'/7'8W!3&CY7N!('U7!b!3'.3c!=B!2'/7'8W!('U7!b!3'.3E!
5 +8dM:7.S('!('C:!
!

!
!
Technical Information!
!
!
=!
!
T 15xx Dryers
1.2 Appliance Overview – Condenser Models
!
!
Figure 1-2: ?L-&0.(!<9/8'/:'3!%98'(!T/:7.(('8!_']7!79
!
!
Technical Information
!
!
F!
T 15xx Dryers
1.3.2 T 1520 (5-Kilogram Vented)
!
!
Figure 1-4: ?!$;"#!<9/739(:!
!
1.3.3 T 1526 (6-Kilogram Vented)
!
!
Figure 1-5: ?!$;"=!<9/739(:!
!
1.3.4 T 1565 C
!
!
Figure 1-6: ?!$;=;!<!<9/739(:
!
1.3.5 T 1570 C
!
!
Figure 1-7: ?!$;F#!<!<9/739(:!
!

!
!
Technical Information!
!
!
H!
!
T 15xx Dryers
1.3.6 T 1576
!
!
Figure 1-8: ?!$;F=!<9/739(:!
!
!
1.4 Appliance Dimensions
!
1.4.1 5-Kilogram Vented Models
!
Angled Control Panel Flat Control Panel
Figure 1-9: I&D'/:&9/:N!;AB&(9C3.D!6'/7'8!%98'(:!
!

!
!
Technical Information
!
!
J!
T 15xx Dryers
1.4.2 5-Kilogram Condenser Models
!
Angled Control Panel Flat Control Panel
Figure 1-10: I&D'/:&9/:N!;AB&(9C3.D!<9/8'/:'3!%98'(:!
!
1.4.3 6-Kilogram Vented Models
!
!
Figure 1-11: I&D'/:&9/:N!=AB&(9C3.D!6'/7'8!%98'(:
!
Note: !
+7!7Y'!-3':'/7!7&D'N!.!=A^&(9C3.D!09/8'/:'3!D98'(!89':!_1?!']&:7,!!

!
!
Technical Information!
!
!
$#!
!
T 15xx Dryers
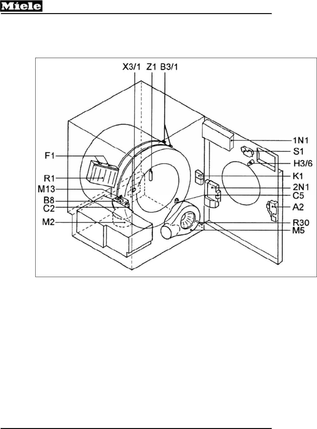
1.5 Component Layouts
!
1.5.1 T 1515, T 1520, T 1526, T 1565 C, T 1570 C
!
!
Figure 1-12: <9D-9/'/7!K.L9M7!@+((!%98'(:!']0'-7!?!$;F=E
A2 I993!(90^!
B3/1 P':&8M.(!D9&:7M3'!:'/:93!
B8 <9/8'/:.7'!4.7'3!U(9.7!:4&70Y!@09/8'/:'3!D98'(:!9/(LE!
C2 X./!0.-.0&793!@09/8'/:'3!D98'(:!9/(LE!
C5 <9/8'/:.7'!U./!D9793!0.-.0&793!@09/8'/:'3!D98'(:!9/(LE!
F1 ?'D-'3.7M3'!(&D&7'3:!
H3/6 I3MD!&/7'3&93!(&CY7!
K1 \'.7'3!3'(.L:!
M2 <9/8'/:.7'!U./!D9793!@09/8'/:'3!D98'(:!9/(LE!
M13 <9/8'/:.7'!-MD-!@09/8'/:'3!D98'(:!9/(LE!
M5 I3MD!83&2'!D9793!
1N1 <9/739(!'('0739/&0!
2N1 R94'3!'('0739/&0!
R1 \'.7'3!S./^!
R30 _?<!7'D-'3.7M3'!:'/:93!
S1 *'('0793!:4&70Y!
X3/1 ?'3D&/.(!S(90^!
Z1 T/7'3U'3'/0'!:M--3'::&9/!0.-.0&793!
!

!
!
Technical Information
!
!
$$!
T 15xx Dryers
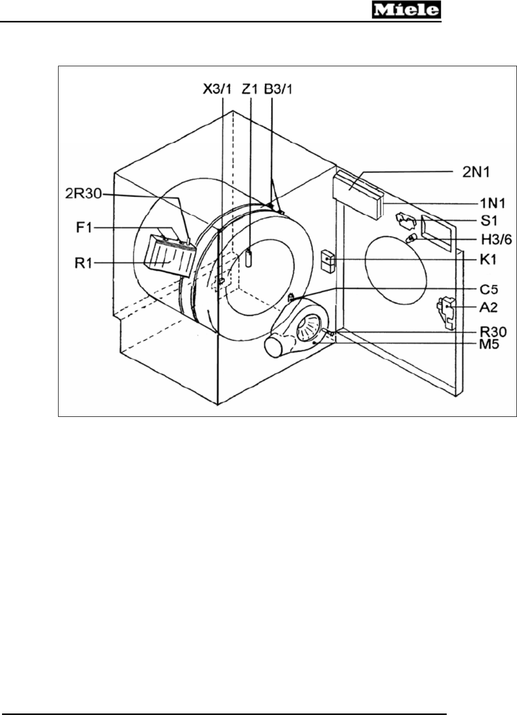
1.5.2 T 1576
!
!
Figure 1-13: ?!$;F=!<9D-9/'/7!K.L9M7
A2 I993!(90^!
B3/1 P':&8M.(!D9&:7M3'!:'/:93!
F1 ?'D-'3.7M3'!(&D&7'3:!
H3/6 I3MD!&/7'3&93!(&CY7!
K1 \'.7'3!3'(.L:!
M5 I3MD!83&2'!D9793!
1N1 <9/739(!'('0739/&0!
2N1 R94'3!'('0739/&0!@-&CCLS.0^'8!79!$_$E!
R1 \'.7'3!S./^!
R30 _?<!7'D-'3.7M3'!:'/:93!
2R30 \'.7'3!7'D-'3.7M3'!:'/:93!
S1 *'('0793!:4&70Y!
X3/1 ?'3D&/.(!S(90^!
Z1 T/7'3U'3'/0'!:M--3'::&9/!0.-.0&793!
!
!
!
!
!
!
!

!
!
Technical Information!
!
!
$"!
!
T 15xx Dryers
2.0 Installation
!
! I9!/97!83&/^!7Y'!09/8'/:'8!4.7'3,!!
! B''-!7Y'!.3'.!.39M/8!7Y'!.&3!&/7.^'!@79'^&0^E!./8!:M339M/8&/C!.3'.:!U3''!U39D!
(&/7N!8M:7!./8!8&37,!?Y&:!.3'.!:Y9M(8!/97!S'!S(90^'8N!93!&7!4&((!-3'2'/7!:MUU&0&'/7!
&/7.^'!9U!.&3!./8!.UU'07!.--(&./0'!9-'3.7&9/,!!
! I9!/97!3'.0Y!&/79!7Y'!83L'3!4Y&('!7Y'!83MD!&:!D92&/C,!!
! ?Y'!.--(&./0'!:Y9M(8!S'!('2'(!79!'/:M3'!-39-'3!9-'3.7&9/,!!!
! +!83L'3!0./!S'!-(.0'8!9/!79-!9U!.!%&'('!4.:Y'3!U93!.!:7.0^'8!&/:7.((.7&9/,!+/!
.--392'8!%&'('!:7.0^&/C!^&7!DM:7!S'!M:'8,!!
2.1 Electrical Requirements
!
! $"#a"G#!@"#HE!6+<N!=#\`N!$;+!S3'.^'3!!
! I3L'3!&:!'QM&--'8!4&7Y!.!GA4&3'!-94'3!0938!4&7Y!.!_O%+!$GA>#!-(MC!U93!
09//'07&9/!79!.!_O%+!$GA>#!3'0'-7.0(',!!
!
Note: !
TU!L9M!89!/97!Y.2'!.!8'8&0.7'8!$;A.D-!0&30M&7!U93!7Y&:!.--(&./0'N!SM7!Y.2'!.!
_O%+!$GA"#!93!_O%+!$GA>#N!"G#6+<N!>#A.D-!9M7('7N!L9M!D.L!S'!.S('!79!
M:'!.!%&'('!O.:L!T/:7.((.7&9/!B&7!79!:&D-(&UL!7Y'!'('073&0.(!09//'07&9/,!X93!
UM37Y'3!&/U93D.7&9/N!3'U'3!79!7Y'!Electrical information!-.C':!&/!7Y'!
&/:7.((.7&9/!D./M.(,!!
!
! I9!/97!0M7!9UU!93!3'D92'!7Y'!-(MC!U39D!7Y'!-94'3!0938,!
!
!
2.2 Plumbing Information – Condenser Models
!!
1/!09/8'/:'3!83L'3:N!7Y'!9-7&9/!']&:7:!79!Y.2'!7Y'!09/8'/:'8!4.7'3!']&7!7Y'!
.--(&./0'!2&.!.!83.&/!(&/',!+!:M&7.S('!83.&/!:L:7'D!@&,',!:7./8!-&-'E!&:!3'QM&3'8!U93!
7Y&:!9-7&9/,!!
!!
%.]&DMD!83.&/!Y9:'!('/C7YW!$#!U''7!!
%.]&DMD!83.&/!Y'&CY7W!G!U''7!
!!
+((!09/8'/:'3!83L'3:!09D'!:M--(&'8!4&7Y!7Y'!U9((94&/C!.00'::93&':!79!.88!7Y'!
83.&/!(&/'!9-7&9/,!R('.:'!89!/97!8&:0.38!7Y'!-.37:!8M3&/C!./!&/:7.((.7&9/!.:!7Y'L!
D.L!S'!M:'8!.7!.!(.7'3!8.7',!!
!!
! =AU997!83.&/!Y9:'!!
! \9:'!0(.D-!!
! \9:'!'(S94!!
!
!

!
!
Technical Information
!
!
$>!
T 15xx Dryers
2.3 Installation Procedure
!!
$,! R9:&7&9/!83L'3!.7!&/:7.((!(90.7&9/!./8!('2'(!M:&/C!7Y'!('C:!9/!7Y'!S9779D!9U!7Y'!
.--(&./0',!?Y'!D'7.(!U3.D'!9U!7Y'!.--(&./0'!-392&8':!7Y'!&8'.(!(90.7&9/!79!
-(.0'!.!('2'(,!O/:M3'!7Y.7!.--(&./0'!&:!('2'(,!!
",! <9//'07!-94'3!./8!-'3U93D!./!9-'3.7&9/.(!0Y'0^,!!
!!
Note: !
TU!7Y'!83L'3!&:!79!S'!&/:7.(('8!&/!09DS&/.7&9/!4&7Y!.!:7.0^&/C!^&7!./8!4.:Y'3N!
7Y'/!7Y'!4.:Y'3!DM:7!S'!-9:&7&9/'8!./8!&/:7.(('8!U&3:7,!!!
TU!./!9-7&9/.(!(.M/83L!:7./8!&:!79!S'!&/:7.(('8N!3'U'3!79!7Y'!Accessories!
:'07&9/!9U!7Y'!&/:7.((.7&9/!D./M.(!U93!&/:73M07&9/:!9/!&/:7.((&/C!7Y'!:7./8,!!
!
P'U'3!79!7Y'!&/:7.((.7&9/!D./M.(!U93!UM37Y'3!&/:7.((.7&9/!&/U93D.7&9/!./8!
-390'8M3':,!!

!
!
Technical Information!
!
!
$G!
!
T 15xx Dryers
3.0 Commission and Operation
!
!
3.1 General Operation: T 1515, T 1520, T 1526, T 1565 C, T 1570 C
!
$,! ?M3/!9/!7Y'!83L'3,!!
",! R3'::!7Y'!8993!SM779/!79!9-'/!7Y'!8993,!!!
>,! R(.0'!(.M/83L!&/79!7Y'!.--(&./0'!!
G,! *'('07!.!-39C3.D!!
;,! *'('07!8':&3'8!9-7&9/@:E,!!
=,! R3'::!7Y'!Start!SM779/,!!
!
!
3.2 Additional Function Pushbuttons: T 1515, T 1520 T 1526, T
1565 C, T 1570 C
!!
Door !
1-'/:!7Y'!8993c!0./!.(:9!S'!M:'8!79!0./0'(!.!-39C3.D!@89':!/97!:7.L!-M:Y'8!&/E,!!
ON/OFF !
?M3/:!7Y'!.--(&./0'!9/a9UUc!0./!.(:9!S'!M:'8!79!0./0'(!.!-39C3.D,!!!
Buzzer !
O/.S(':!7Y'!SM``'3!4Y'/!7Y'!./7&A03'.:'!:7.C'!9U!7Y'!-39C3.D!&:!3'.0Y'8,!!
Load size - Full/Half !
?9!83L!.!:7./8.38A:&`'8!(9.8!93!D93'!.7!-'.^!'UU&0&'/0LN!:'('07!7Y&:!9-7&9/!S'U93'!
:7.37&/C!.!-39C3.D,!!
Low Temperature !
)7&(&`':!(94'3!83L&/C!7'D-'3.7M3':!U93!8'(&0.7'!U.S3&0:,!!!
Start !
*7.37:!7Y'!:'('07'8!-39C3.D!@89':!/97!:7.L!-M:Y'8!&/E,!!
!
!
3.3 General Operation – T 1576
!!
$,! ?M3/!9/!7Y'!83L'3,!!
",! R3'::!7Y'!8993!SM779/!79!9-'/!7Y'!8993,!!!
>,! R(.0'!(.M/83L!&/79!7Y'!.--(&./0'!!
G,! *'('07!.!-39C3.D!!
;,! *'('07!8':&3'8!9-7&9/@:E,!!
=,! R3'::!7Y'!Start!SM779/,!!
!!
Service tip: !
?Y'!Y'.7'3:!.3'!/97!-94'3'8!8M3&/C!7Y'!&/&7&.(!:7.37!9U!.!-39C3.D,!?Y'!
Y'.7'3:!.3'!-94'3'8!.U7'3!7Y'!83MD!3'2'3:':!8&3'07&9/,!!
!
!!

!
!
Technical Information
!
!
$;!
T 15xx Dryers
3.4 Program Option Buttons – T 1576
!!
Low Energy (with Cottons Program) !
_93D.(!Y'.7'3!9-'3.7&9/!4&7Y!.!(94'3!7'D-'3.7M3',!!
Turbo (with Cottons Program) !
_93D.(!Y'.7'3!9-'3.7&9/!4&7Y!.!Y&CY'3!7'D-'3.7M3',!!
Gentle !
):':!.!(94'3!7'D-'3.7M3'!./8!']7'/8'8!-39C3.D!7&D'!U93!0.3'!9U!8'(&0.7'!U.S3&0:,!!
Buzzer !
O/.S(':!7Y'!SM``'3!4Y'/!7Y'!./7&A03'.:'!:7.C'!9U!7Y'!-39C3.D!&:!3'.0Y'8,!!
!
!
3.5 Condensed-Water Drawer (Condenser Models Only)
!!
General information: !
I'-'/8&/C!9/!7Y'!&/:7.((.7&9/N!09/8'/:'8!4.7'3!&:!'&7Y'3!-MD-'8!79!./!9/A:&7'!
83.&/!93!09(('07'8!&/!7Y'!09/8'/:'8A4.7'3!83.4'3,!!!
!!
?Y'!09/8'/:'8A4.7'3!83.4'3!Y9(8:!.--39]&D.7'(L!9/'!C.((9/!9U!4.7'3,!?Y'!4.7'3!
:Y9M(8!S'!'D-7&'8!U39D!7Y'!83.4'3!.U7'3!'.0Y!-39C3.D!09D-('7':,!*Y9M(8!7Y'!
09/7.&/'3!S'!UM((!@93!S'09D'!U&(('8!8M3&/C!9-'3.7&9/EN!7Y'!U9((94&/C!900M3:W!!
!!
! ?Y'!eOD-7L!9M7!09/7.&/'3f!KOI!(&CY7:!M-!!
! ?Y'!SM``'3!:9M/8:!!
! ?Y'!83L&/C!-39C3.D!:79-:!./8!'/7'3:!7Y'!099(894/!0L0('!!
!!
To empty the condensed-water drawer: !
$,! \9(8!7Y'!0.-!9-'/!4Y&('!'D-7L&/C!7Y'!4.7'3!83.4'3,!!
",! I3.&/!.((!4.7'3,!!
>,! T/:7.((!7Y'!4.7'3!83.4'3!S.0^!&/79!7Y'!.--(&./0',!O/:M3'!7Y.7!&7!(90^:!&/79!-(.0',!!
!!
Warning! !
?Y'!09/8'/:'3!4.7'3!&:!/97!:M&7.S('!U93!83&/^&/C,!!
!
!
3.6 Heat Exchanger (Condenser Models Only)
!!
Note: !
?Y'!Y'.7!']0Y./C'3!:Y9M(8!S'!0('./'8!.7!('.:7!74&0'!.!L'.3,!!
!
$,! 1-'/!7Y'!8993,!K90.7'!7Y'!Y'.7!']0Y./C'3!092'3!.7!7Y'!S9779D!('U7!9U!7Y'!
.--(&./0',!!
",! ?M3/!7Y'!('2'3!:9!7Y.7!&7!&:!&/!.!2'37&0.(!-9:&7&9/!@3'U'3!79!X&CM3'!>A$E,!!

!
!
Technical Information!
!
!
$=!
!
T 15xx Dryers
!
Figure 3-1: 1-'/&/C!7Y'!\'.7!O]0Y./C'3!<92'3!
>,! P'D92'!7Y'!092'3,!!
G,! ?M3/!S97Y!('2'3:!9/!7Y'!Y'.7!']0Y./C'3!:9!7Y.7!7Y'L!.3'!2'37&0.(!@:''!X&CM3'!>A"E,!!
!
Figure 3-2: R9:&7&9/&/C!7Y'!\'.7'3!O]0Y./C'3!K'2'3:
;,! RM((!9M7!7Y'!Y'.7!']0Y./C'3,!*''!X&CM3'!>A>,!

!
!
Technical Information
!
!
$F!
T 15xx Dryers
!
Figure 3-3: P'D92&/C!7Y'!\'.7!O]0Y./C'3
=,! <('./!7Y'!Y'.7!']0Y./C'3!SL!3M//&/C!4.7'3!7Y39MCY!7Y'!(9M2'3:!79!0('./!7Y'!
.::'DS(L!9U!(&/7!./8!8M:7,!*''!X&CM3'!>AG,!
!
Figure 3-4: <('./&/C!7Y'!\'.7!O]0Y./C'3
F,! *7./8!7Y'!Y'.7!']0Y./C'3!('/C7Y4&:'!9/!.!794'(!M/7&(!&7!83&':,!!
H,! P'-(.0'!7Y'!Y'.7!']0Y./C'3!SL!3'2'3:&/C!7Y'!:7'-:!.S92',!!
J,! O/:M3'!7Y.7!7Y'!Y'.7!']0Y./C'3!&:!UM((L!:'.7'8!&/79!-9:&7&9/!./8!7Y.7!7Y'!092'3!
&:!0(9:'8!./8!(90^'8,!!
!

!
!
Technical Information!
!
!
$H!
!
T 15xx Dryers
4.0 Description of Function
!!
!!
4.1 Vented Dryer – Principle of Operation
!!
!
Figure 4-1: 6'/7'8!I3L'3!+&3U(94
1 I993!
2 X&(7'3!
3 1M7-M7!U39D!U&(7'3!
4 X./!D9793!
5 _?<!:'/:93!@$>^ȍ!g!F;hXE!
6 I3MD!
7 [.3D'8!83L&/C!.&3!
8 I3L&/C!(9.8!
9 \'.7'3!S./^!
10 6'/7!9M7-M7!
!
?Y'!U./!D9793!@X&CM3'!GA$N!T7'D!GE!&:!3':-9/:&S('!U93!83.4&/C!Y'.7'8!.&3!U39D!7Y'!
Y'.7'3!S./^!@T7'D!=E,!?Y'!Y'.7'8!.&3!-.::':!7Y39MCY!7Y'!83MD!@T7'D!JEN!4Y'3'!
D9&:7M3'!U39D!7Y'!83L&/C!(9.8!@T7'D!FE!&:!.S:93S'8,!?Y'!.&3!&:!U&(7'3'8!.:!&7!-.::':!
7Y39MCY!7Y'!U&(7'3!@T7'D!"E!(90.7'8!&/!7Y'!U39/7!8993!@T7'D!$E,!?Y'!U(94!09/7&/M':!
7Y39MCY!7Y'!U./!D9793!@T7'D!GE!./8!']&7:!2&.!7Y'!2'/7!9M7-M7!@T7'D!;E,!!
!
!!

!
!
Technical Information
!
!
$J!
T 15xx Dryers
4.2 Condenser Dryer – Principle of Operation
!!
!
Figure 4-2: <9/8'/:'3!I3L'3!+&3U(94
1 <9/8'/:'8A4.7'3!83.4'3!
2 I993!
3 X&(7'3!
4 X&(7'3!:03''/:!
5 X./!D9793!
6 <9/8'/:'3!4.7'3!
7 <9/8'/:'3!.::'DS(L!
8 <9/8'/:.7'!U./!
9 <99(A.&3!&/7.^'!
10 <9/8'/:.7'!-MD-!
11 \'.7'3!S./^!
12 I3L&/C!(9.8!
13 \'.7'8!83L!.&3!
14 I3MD!
!
?Y'!U./!D9793!@X&CM3'!GA"N!T7'D!;E!&:!3':-9/:&S('!U93!83.4&/C!Y'.7'8!.&3!U39D!7Y'!
Y'.7'3!S./^!@T7'D!$$E,!?Y'!Y'.7'8!.&3!-.::':!7Y39MCY!7Y'!83MD!@T7'D!$GEN!4Y'3'!
D9&:7M3'!U39D!7Y'!83L&/C!(9.8!@$"E!&:!.S:93S'8,!?Y'!.&3!&:!U&(7'3'8!.:!&7!-.::':!
7Y39MCY!U&(7'3:!@T7'D:!>!./8!GE,!+&3!09/7&/M':!7Y39MCY!7Y'!U./!D9793!@T7'D!;E!./8!
7Y39MCY!7Y'!Y'.7!']0Y./C'3N!4Y'3'!7Y'!D9&:7M3'!09/7'/7!&/!7Y'!.&3!09/8'/:':!&/79!
4.7'3,!!
!
!!

!
!
Technical Information!
!
!
"#!
!
T 15xx Dryers
?Y'!09/8'/:'3!:L:7'D!83.4:!.&3!U39D!9M7:&8'!7Y'!.--(&./0'!2&.!7Y'!09/8'/:.7'!
U./!@T7'D!HE,!?Y'!9M7:&8'!.&3!-.::':!7Y39MCY!7Y'!Y'.7!']0Y./C'3!&/!.!J#h!8&3'07&9/!
U39D!7Y'!83L&/C!.&3,!?Y'!7'D-'3.7M3'!8&UU'3'/0'!S'74''/!7Y'!749!.((94:!D9&:7M3'!
@09/8'/:.7&9/E!79!U93D!9/!7Y'!Y'.7!']0Y./C'3,!+:!7Y'!D9&:7M3'!('2'(!&/03'.:':N!
4.7'3!839-('7:!09(('07!&/!.!739MCY,!!!
!!
[Y'/!7Y'!09/8'/:'8!4.7'3!.00MDM(.7':!79!.!:-'0&U&0!2.(M'N!7Y'!09/8'/:.7'!U(9.7!
:4&70Y!.07&2.7':,!?Y'!'('0739/&0!:4&70Y':!9/!7Y'!09/8'/:.7'!-MD-!@T7'D!$#E!./8!
7Y'!4.7'3!&:!-MD-'8!79!7Y'!09/8'/:'8A4.7'3!83.4'3!@T7'D!$E,!*Y9M(8!7Y'!
09/8'/:'8A4.7'3!83.4'3!S'09D'!UM((!-3&93!79!7Y'!'/8!9U!.!0L0('N!7Y'!eOD-7L!9M7!
09/7.&/'3f!KOI!4&((!(&CY7!M-!./8!7Y'!-39C3.D!4&((!:79-,!!
!!
Note: !
<9/8'/:'3!83L'3:!0./!S'!09/U&CM3'8!4&7Y!./!9-7&9/.(!83.&/!(&/',
!
!
Technical Information
!
!
"$!
T 15xx Dryers
?Y'!U./!D9793!@X&CM3'!GA>N!T7'D!GE!&:!.!S&A8&3'07&9/.(!$"#6+<!D9793,!I&3'07&9/.(!
:4&70Y&/C!U93!7Y'!D9793!&:!-'3U93D'8!4&7Y&/!7Y'!-94'3!'('0739/&0,!+::&:7./0'!79!
7Y'!D9793!8M3&/C!:7.37M-!&:!-392&8'8!SL!7Y'!D9793!:7.37!0.-.0&793!@T7'D!>E,!!!!
!!
?Y'!U./!D9793!-392&8':!83&2'!79!7Y'!83MD!2&.!.!83&2'!S'(7!./8!3'8M07&9/!-M(('L!
@T7'D!$E!D9M/7'8!9/!7Y'!D9793!S3.0^'7!@T7'D!"E,!!
!!!
?Y'!U./!D9793!.(:9!-392&8':!8&3'07!83&2'!79!7Y'!U./!&D-'(('3!@T7'D!=E!4&7Y&/!7Y'!U./!
Y9M:&/C!@T7'D!FE,!+:!7Y'!U./!&D-'(('3!397.7':N!.&3U(94!&:!03'.7'8!./8!83.4:!Y'.7'8!
.&3!U39D!7Y'!Y'.7'3!S./^N!.039::!7Y'!83MD!./8!7Y39MCY!7Y'!U&(7'3@:E,!?Y'!.&3!']&7&/C!
7Y'!U./!Y9M:&/C!&:!39M7'8!79!7Y'!2'/7!:L:7'D!@93!7Y39MCY!7Y'!Y'.7!']0Y./C'3!9/!
09/8'/:'3!83L'3:E,!!
!
Figure 4-4: I3MD!I3&2'!Z'(7:!./8!P'8M07&9/!RM(('L
!!
!
4.4 Residual Moisture Setting
!!
?Y'3'!.3'!749!2.3&.S(':!7Y.7!8'7'3D&/'!83L'3!3M/!7&D'W!&/&7&.(!D9&:7M3'!09/7'/7!&/!
7Y'!(.M/83L!./8!7Y'!-39C3.D!:'('07'8,!!
!!
+7!7Y'!S'C&//&/C!9U!7Y'!0L0('N!7Y'!D9&:7M3'!09/7'/7!4&7Y&/!7Y'!(.M/83L!&:!D'.:M3'8!
SL!7Y'!3':&8M.(!D9&:7M3'!:'/:93,!?Y&:!2.(M'!&:!M:'8!SL!7Y'!'('0739/&0!79!0.(0M(.7'!
7Y'!.--39]&D.7'!-39C3.D!8M3.7&9/,!!!
!!
IM3&/C!83L&/CN!7Y'!('2'(!9U!D9&:7M3'!4&7Y&/!7Y'!(.M/83L!8'03'.:':!./8!&:!3'U('07'8!
SL!7Y'!:7.7M:!9U!7Y'!83L&/CA:7.C'!KOI:,![Y'/!7Y'!D9&:7M3'!4&7Y&/!7Y'!(.M/83L!
3'.0Y':!7Y'!:'('07'8!-39C3.D!2.(M'!7Y'!83L'3!'/7'3:!7Y'!099(894/!-Y.:'N!
U9((94'8!SL!7Y'!./7&A03'.:'!D98',!!
Important! !
?Y'!'('0739/&0!(&D&7:!.((!D9&:7M3'A:'/:&/C!-39C3.D:!79!.!D.]&DMD!8M3.7&9/!
9U!"G#!D&/M7':,!*Y9M(8!"G#!D&/M7':!S'!3'.0Y'8N!7Y'!099(894/!-Y.:'!&:!
&/&7&.7'8c!Y94'2'3N!7Y'!./7&A03'.:'!U'.7M3'!&:!:^&--'8!4Y'/!7Y&:!900M3:,!!
?Y'!e<99(&/C!894/f!KOI!3'D.&/:!&((MD&/.7'8!M/7&(!7Y'!.--(&./0'!&:!:YM7!9UU!
2&.!7Y'!9/a9UU!SM779/,!!
1!I3MD!!
2!I3MD!83&2'!S'(7!!
3!Z'(7!@D9793!79!-M(('LE!!
4!X./!D9793!@%;E!

!
!
Technical Information!
!
!
""!
!
T 15xx Dryers
4.5 Temperature Monitoring
!
4.5.1 T 1515, T 1520, T 1526, T 1565 C and T 1570 C
!!
I3MD!7'D-'3.7M3'!&:!D9/&793'8!SL!7Y'!_?<!@/'C.7&2'!7Y'3D.(!09'UU&0&'/7E!
7'D-'3.7M3'!:'/:93!D9M/7'8!&/!7Y'!U39/7!9U!7Y'!U./!Y9M:&/C,!!!
!!
+:!7Y'!7'D-'3.7M3'!4&7Y&/!7Y'!83MD!.3'.!&/03'.:':N!7Y'!3':&:7./0'!9U!7Y'!:'/:93!
8'03'.:':,!?Y'!:'/:93!3':&:7./0'!&:!D9/&793'8!SL!7Y'!'('0739/&0!./8!&:!M:'8!79!
0.(0M(.7'!7Y'!83MD!7'D-'3.7M3',!?Y'!7'D-'3.7M3'!&:!3'CM(.7'8!SL!7Y'!'('0739/&0!
2&.!7Y'!749!Y'.7'3!3'(.L:,![Y'/!7Y'!'('0739/&0!:4&70Y':!7Y'!Y'.7'3!3'(.L@:E!9/N!
Y&CY'3!29(7.C'!09/7.07:!4&7Y&/!7Y'!3'(.L@:E!0(9:'!./8!.((94!-94'3!79!7Y'!Y'.7'3!
'('D'/7@:E,!!!
!!
4.5.2 T 1576
!!
I3MD!7'D-'3.7M3'!&:!D9/&793'8!SL!749!_?<!@/'C.7&2'!7Y'3D.(!09'UU&0&'/7E!
7'D-'3.7M3'!:'/:93:,!1/'!:'/:93!&:!D9M/7'8!&/!7Y'!Y'.7'3!S./^!.::'DS(Lc!7Y'!
:'09/8!:'/:93!&:!D9M/7'8!&/!7Y'!U./!Y9M:&/C,!Z97Y!:'/:93:!.3'!D9/&793'8!SL!7Y'!
'('0739/&0!./8!.3'!M:'8!79!0.(0M(.7'!7Y'!83MD!7'D-'3.7M3',!!!
!!
?Y'!7'D-'3.7M3'!&:!3'CM(.7'8!SL!7Y'!'('0739/&0!2&.!7Y'!749!Y'.7'3!3'(.L:,![Y'/!
7Y'!'('0739/&0!:4&70Y':!7Y'!Y'.7'3!3'(.L@:E!9/N!Y&CY'3!29(7.C'!09/7.07:!4&7Y&/!7Y'!
3'(.L@:E!0(9:'!./8!.((94!-94'3!79!7Y'!Y'.7'3!'('D'/7@:E,!!!
!!
*Y9M(8!7Y'!D.&/!D9793!U.&(!79!9-'3.7'N!.&3U(94!89':!/97!900M3N!3':M(7&/C!&/!
&/03'.:'8!7'D-'3.7M3':!&/!7Y'!Y'.7'3!S./^!./8!83MD!.3'.,!?49!7'D-'3.7M3'!
(&D&7'3:!@:''!X&CM3'!GA;N!T7'D!$E!.3'!.77.0Y'8!79!7Y'!Y'.7'3!S./^!./8!'('073&0.((L!
&/7'33M-7!7Y'!Y'.7&/C!0&30M&7!:Y9M(8!7Y'!7'D-'3.7M3'!']0''8!.!-3':'7!7Y3':Y9(8,!
?Y'!.--(&./0'!0./!/9!(9/C'3!-398M0'!Y'.7N!.:!7Y'!7'D-'3.7M3'!(&D&7'3:!.3'!/9/A
3':'77.S('!*1I:!@:&/C('A9-'3.7&9/!8'2&0':E!&/!.00938./0'!4&7Y!-398M07!.--392.(:,!!
!!
!

!
!
Technical Information
!
!
">!
T 15xx Dryers
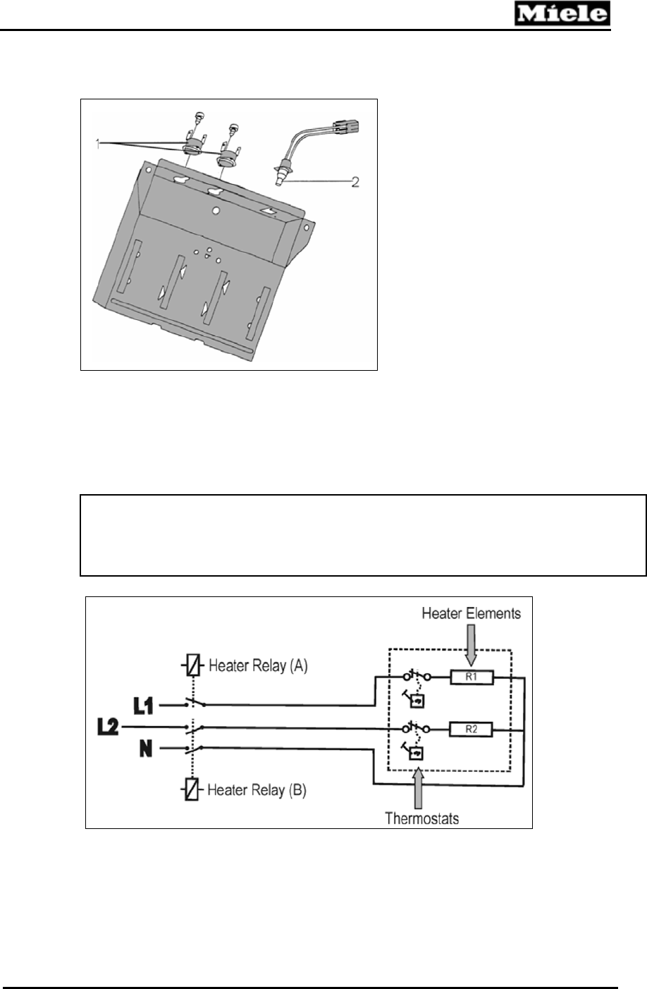
4.6 Heater Bank Assembly
!
!
Figure 4-5: \'.7'3!Z./^!+::'DS(L!@?!$;F=!*Y94/E!!
!
?Y'!Y'.7'3!S./^!.::'DS(L!&:!09D-3&:'8!9U!749!'('073&0.((L!&:9(.7'8!Y'.7'3!
'('D'/7:,!?'D-'3.7M3'!(&D&7'3:!.3'!:'0M3'8!79!7Y'!79-!9U!7Y'!.::'DS(L!./8!.3'!
'('073&0.((L!&/!:'3&':!4&7Y!7Y'!Y'.7'3!'('D'/7:,!?Y'!7'D-'3.7M3'!(&D&7'3:!.3'!/9/A
3':'77.S('!*1I:!@:&/C('A9-'3.7&9/!8'2&0':E!&/!.00938./0'!4&7Y!-398M07!.--392.(:,!!
!!
Note: !
?Y'!?!$;F=!83L'3!Y.:!./!.88&7&9/.(!_?<!:'/:93!&/:7.(('8!.7!7Y'!79-!9U!7Y'!
Y'.7'3!S./^!.::'DS(LN!/']7!79!7Y'!7'D-'3.7M3'!(&D&7'3:!@:''!X&CM3'!GA;N!T7'D!"E,!
+((!97Y'3!$;]]!83L'3:!DO NOT!Y.2'!.!7'D-'3.7M3'!:'/:93!&/!7Y'!Y'.7'3!S./^i!
!
!!
Figure 4-6: \'.7'3!<&30M&7
!!
!!
!
!!
!!
!!
1!!?'D-'3.7M3'!(&D&7'3:!@"E!!
2!!_?<!7'D-'3.7M3'!:'/:93!@?!$;F=!9/(LE!
@$##^ȍ!g!F;hXE!!
!

!
!
Technical Information!
!
!
"G!
!
T 15xx Dryers
4.7 Control (Upper) Electronic
!!
?Y'!09/739(!'('0739/&0!-'3U93D:!7Y'!U9((94&/C!UM/07&9/:W!!
! R39C3.D!:'QM'/0'!D9/&793&/C!!
! P':&8M.(!D9&:7M3'!:'/:&/C!:L:7'D!D9/&793&/C!!
! +&3!7'D-'3.7M3'!D9/&793&/C!./8!09/739(!!
! R94'3!'('0739/&0!:4&70Y&/C!@3'(.LE!09/739(!!
!
!!
4.8 Power (Lower) Electronic
!!
?Y'!-94'3!'('0739/&0!:M--(&':!-94'3!U93W!!
! P'(.L:!9/!7Y'!-94'3!D98M('!!
! P':&8M.(!D9&:7M3'!:'/:93!0&30M&7!!!
! <R)aD&039-390'::93!!
!
!!
4.9 Electronics Locations by Model Number
!
!!
4.9.1 T 1515, T 1520, T 1526, T 1565 C and T 1570 C
!!
!!
Figure 4-7: O('0739/&0:!K90.7&9/:!@?!$;$;N!?!$;"#N!?!$;"=N!?!$;=;!<N!?!$;F#!<E!!
!!
!!
!!
!!
!!
!!
!!
!!
!
1!!<9/739(!'('0739/&0!!
2!!P&SS9/!0.S('!!
3!!R94'3!'('0739/&0!!
!

!
!
Technical Information
!
!
";!
T 15xx Dryers
!!
4.9.2 T 1576
!!
!
Figure 4-8: O('0739/&0:!K90.7&9/:!9/!?!$;F=
!!
!
!
1 !<9/739(!'('0739/&0!!
2!!R94'3!'('0739/&0!!
!

!
!
Technical Information!
!
!
"=!
!
T 15xx Dryers
5.0 Service and Maintenance
!
!Note: !
*'32&0'!./8!3'-.&3!493^!:Y9M(8!9/(L!S'!-'3U93D'8!SL!QM.(&U&'8!-'3:9//'(!
./8!&/!.00938./0'!4&7Y!.--(&0.S('!098':,!!
!
!!
Warning! !
?Y'!.--(&./0'!:Y9M(8!S'!M/-(MCC'8!U39D!7Y'!-94'3!:9M30'!S'U93'!./L!
:'32&0'!./8a93!D.&/7'/./0'!-390'8M3':!.3'!-'3U93D'8,!!
!
!!!
5.1 Lid Removal
!!
$,! P'D92'!7Y'!:03'4:!U39D!7Y'!:&8'!'8C':!9U!7Y'!(&8!@X&CM3'!;A$N!T7'D!$E,!!
",! K&U7!7Y'!(&8!.7!7Y'!U39/7N!:(&8'!&7!794.38:!7Y'!3'.3!./8!(&U7!79!3'D92',!!
!
Figure 5-1: K&8!P'D92.(!./8!X39/7!R./'(!+00'::
!!
!
!!
!!
!!
!!

!
!
Technical Information
!
!
"F!
T 15xx Dryers
5.2 Front Panel Opening, Condenser Models
!!
$,! P'D92'!7Y'!U9M3!:03'4:!@X&CM3'!;A$N!T7'D!>E,!!
",! P'D92'!7Y'!09/8'/:'8A4.7'3!83.4'3!./8!M/:03'4!7Y'!7Y3''!:03'4:!@X&CM3'!
;A$N!T7'D!GE,!!
>,! R3'::!7Y'!:-3&/C!0(&-!@X&CM3'!;A$N!T7'D!"E!894/!4&7Y!7Y'!(&8!9-'/'3!./8!9-'/!
7Y'!U39/7!-./'(,!!
!!
!!
5.3 Front Panel Opening, Vented Models
!
$,! P'D92'!7Y'!('U7!:'07&9/!9U!7Y'!U.:0&.!-./'(!M:&/C!.!(&8!9-'/'3!@X&CM3'!;A"N!
T7'D!$E,!!
",! P'D92'!7Y'!U9M3!:03'4:!@X&CM3'!;A$N!T7'D!>E,!!!
>,! P'D92'!7Y'!749!:03'4:!@X&CM3'!;A$N!T7'D!GE!!
G,! R3'::!7Y'!:-3&/C!0(&-!@X&CM3'!;A$N!T7'D!"E!894/!4&7Y!7Y'!(&8!9-'/'3!./8!9-'/!
7Y'!U39/7!-./'(,!!
!
!!
Figure 5-2: P'D92&/C!7Y'!K'U7!*'07&9/!9U!7Y'!X.:0&.!R./'(
!!
!!
5.4 Power Electronic Removal
!!
5.4.1 T 1515, T 1520, T 1526, T 1565 C and T 1570 C
!
$,! 1-'/!7Y'!U39/7!8993!./8!3'D92'!7Y'!:03'4!/'.3!7Y'!G!9j0(90^!-9:&7&9/!@:''!
X&CM3'!;A>E,!!
",! 1-'/!7Y'!U39/7!-./'(!@:''!*'07&9/!;,"!93!;,>E,!!
>,! *(&8'!7Y'!-94'3!'('0739/&0!M-4.38!79!3'('.:'!&7!U39D!&7:!U3.D',!!
G,! I&:09//'07!7Y'!'('073&0.(!09//'07&9/:!./8!3'D92'!7Y'!'('0739/&0,!!
!

!
!
Technical Information!
!
!
"H!
!
T 15xx Dryers
!
Figure 5-3: *03'4!*'0M3&/C!R94'3!O('0739/&0!@?!$;$;N!?!$;"#N!?!$;"=N!?!$;=;!<N!?!$;F#!<E!!
!!
5.4.2 T 1576
!!
Note: !
?Y'!-94'3!'('0739/&0!&:!.77.0Y'8!79!7Y'!S.0^!9U!7Y'!09/739(!'('0739/&0,!
*Y9M(8!3'-(.0'D'/7!9U!'&7Y'3!'('0739/&0!S'!/'0'::.3LN!'.0Y!'('0739/&0!&:!
3'-(.0'8!&/8&2&8M.((L,!!
!
$,! 1-'/!7Y'!U39/7!-./'(c!:''!*'07&9/!;,"!93!;,>,!!
",! I&:09//'07!7Y'!'('073&0.(!09//'07&9/:!79!7Y'!-94'3!'('0739/&0!@X&CM3'!;AGN!
T7'D!$E,!!
>,! P'D92'!7Y'!3'7.&/&/C!:03'4!@X&CM3'!;AGN!T7'D!HE,!!
G,! R3'::!7Y'!3'7.&/'3!@X&CM3'!;AGN!T7'D!"E!./8!:(&8'!7Y'!-94'3!'('0739/&0!79!
3'D92'!&7!U39D!7Y'!Y9(8'3!@X&CM3'!;AGN!T7'D!;E,!!
!
Service tip: !
?Y'!3'7.&/&/C!:03'4!@X&CM3'!;AGN!T7'D!HE!&:!:Y937'3!./8!:Y9M(8!9/(L!S'!M:'8!
79!:'0M3'!7Y'!-94'3!'('0739/&0,!!
!
!
Figure 5-4: P'D92&/C!7Y'!R94'3!O('0739/&0!9/!7Y'!?!$;F=!I3L'3!!

!
!
Technical Information
!
!
"J!
T 15xx Dryers
5.5 Control Electronic Removal
!!
5.5.1 T 1515, T 1520, T 1526, T 1565 C and T 1570 C
!!
!!
Figure 5-5: <9/739(!O('0739/&0!P'D92.(W!?!$;$;N!?!$;"#N!?!$;"=N!?!$;=;!<N!?!$;F#!<!
$,! P'D92'!7Y'!-39C3.D!:'('0793!:4&70Y,!!
",! 1-'/!7Y'!U39/7!-./'(c!:''!*'07&9/!;,"!93!;,>,!!
>,! P'D92'!7Y'!7Y3''!3'7.&/&/C!:03'4:!@X&CM3'!;A;N!T7'D!"E,!!
G,! I&:09//'07!7Y'!'('073&0.(!09//'07&9/:,!!
;,! P'D92'!7Y'!09/739(!'('0739/&0,!!
!
5.5.2 T 1576
!!
$,! P'D92'!7Y'!-39C3.D!:'('0793!:4&70Y,!!
",! 1-'/!7Y'!U39/7!-./'(c!:''!*'07&9/!;,"!93!;,>,!!
>,! P'D92'!7Y'!-94'3!'('0739/&0c!:''!*'07&9/!;,G,",!!
G,! P'D92'!7Y'!7Y3''!:03'4:!:'0M3&/C!7Y'!'('0739/&0,!!
;,! I&:09//'07!7Y'!'('073&0.(!09//'07&9/:!./8!3'D92'!7Y'!'('0739/&0,!!
!
!
5.6 Heater Relay Access
!!
?Y'!Y'.7'3!3'(.L!S3.0^'7!&:!.77.0Y'8!79!7Y'!3&CY7AY./8!2'37&0.(!:'07&9/!9U!7Y'!
U3.D'N!./8!0./!'.:&(L!S'!.00'::'8!4&7Y!7Y'!:'32&0'!-./'(!9-'/'8,!
!!
!
Figure 5-6: \'.7'3!P'(.L!Z3.0^'7!
!!
Warning! !
O/:M3'!7Y.7!7Y'!.--(&./0'!&:!8&:09//'07'8!U39D!D.&/!-94'3!S'U93'!
.77'D-7&/C!79!3'D92'!7Y'!S3.0^'7,!!

!
!
Technical Information!
!
!
>#!
!
T 15xx Dryers
!!
$,! 1-'/!7Y'!U39/7!-./'(c!:''!*'07&9/!;,"!93!;,>,!!
",! K90.7'!7Y'!Y'.7'3!3'(.L!S3.0^'7!9/!7Y'!3&CY7AY./8!2'37&0.(!:'07&9/!9U!7Y'!U3.D',!!
>,! P'D92'!7Y'!:'0M3&/C!:03'4c!(&U7!7Y'!S3.0^'7!U39D!7Y'!U3.D',!!
G,! R9:&7&9/!7Y'!S3.0^'7!79!.((94!.00'::!79!7Y'!3'(.L@:E,!!
;,! *(&8'!'.0Y!3'(.L!U39D!7Y'!S3.0^'7!79!3'('.:',!!
!!
!!
5.7 Drum Rear Panel Removal
!!
$,! 1-'/!7Y'!U39/7!8993!9U!7Y'!83L'3,!!
",! ?M3/!7Y'!83MD!SL!Y./8!:9!7Y.7!7Y'!749!(.3C'3!Y9(':!.3'!Y93&`9/7.((L!.039::!
U39D!'.0Y!97Y'3c!3'U'3!79!X&CM3'!;AF,!?Y&:!-'3D&7:!.00'::!79!7Y'!83MD!S'.3&/C!
S9(7:,!
>,! R(.0'!.!;AD&((&D'7'3!+(('/!43'/0Y!7Y39MCY!'.0Y!Y9('!./8!09D-('7'(L!(99:'/!
S97Y!S9(7:!SL!7M3/&/C!7Y'D!09M/7'30(90^4&:'N!M/7&(!L9M!U''(!7Y'D!3'('.:'!U39D!
7Y'!7Y3'.8:,!!
!!
Service tip: !
?Y'!S9(7:!4&((!/97!U.((!9M7!'2'/!4Y'/!09D-('7'(L!(99:'/'8,!!
!
!
Figure 5-7: I3MD!R9:&7&9/'8!4&7Y!7Y'!?49!K.3C':7!\9(':!\93&`9/7.(
!!
G,! P'D92'!7Y'!:&]!+(('/AY'.8!S9(7:!U39D!7Y'!-'3&D'7'3!9U!7Y'!3'.3!-./'(,!!
;,! X39D!&/:&8'!7Y'!83MDN!-M:Y!7Y'!83MD!M-4.38!./8!-M((!7Y'!3'.3!-./'(!9M74.38!
79!3'D92',!!
!
Service tip: !
TU!7Y'!-./'(!89':!/97!3'('.:'!4Y'/!7Y'!83MD!&:!(&U7'8!&/!:7'-!;N!'/:M3'!7Y.7!
7Y'!749!S9(7:!&/!:7'-!>!.3'!09D-('7'(L!(99:'/'8,!!
!
!Note: !
?Y'!83MD!3'.3!-./'(!4&((!/97!U&7!7Y39MCY!7Y'!U39/7!8993,!!P'-9:&7&9/!7Y'!
-./'(!4&7Y&/!7Y'!83MD!.3'.!.:!/''8'8!8M3&/C!:'32&0&/C,!!I9!/97!-(.0'!
M//'0'::.3L!4'&CY7!93!-3'::M3'!9/!7Y'!-./'(,!!

!
!
Technical Information
!
!
>$!
T 15xx Dryers
5.8 Heater Bank Access
!!
$,! P'D92'!7Y'!83MD!3'.3!-./'(c!:''!*'07&9/!;,F,!!
",! P'D92'!7Y'!7Y3''!S9(7:!:'0M3&/C!7Y'!Y'.7'3!S./^!092'3,!*''!X&CM3'!;AH,!!
>,! K&U7!7Y'!Y'.7'3!S./^!092'3!79!3'D92',!!
!
!
Figure 5-8: \'.7'3!Z./^!<92'3!P'7.&/&/C!Z9(7:
!!
G,! )/:03'4!7Y'!Y'.7'3!S./^!3'7.&/'3:!@X&CM3'!;AJN!T7'D:!$!./8!"E,!!
;,! I&:09//'07!7Y'!'('073&0.(!09//'07&9/:!@X&CM3'!;AJN!T7'D!>E,!!
=,! RM((!7Y'!Y'.7'3!S./^!M-4.38:!9M7!9U!&7:!8M07,!!
!
!
Figure 5-9: \'.7'3!Z./^!P'D92.(

!
!
Technical Information!
!
!
>"!
!
T 15xx Dryers
5.9 Fan Motor Removal
!!
$,! 1-'/!7Y'!U39/7!:'32&0'!-./'(c!:''!*'07&9/!;,"!93!;,>,!!
",! P'D92'!7Y'!2'/7A3&/C!.::'DS(L!@X&CM3'!;A$#E!./8!7Y'!.&3!8M07!@9/!2'/7'8!
D98'(:E!93!09M-('3!@9/!09/8'/:'3!D98'(:E,!!
!
!
Figure 5-10: 6'/7!P&/C!+::'DS(L
!!
>,! P'D92'!7Y'!749!U./!D9793!S9(7:!@X&CM3'!;A$$E,!!
!
!
Figure 5-11: X./!%9793!Z9(7:
!!
G,! *(&8'!7Y'!U./!D9793!794.38!7Y'!U39/7!9U!7Y'!.--(&./0'N!9M7!&U!7Y'!(90^&/C!73.0^,!!
;,! K&U7!7Y'!U./!D9793c!7&(7&/C!&7!:(&CY7(L!M-4.38!794.38!7Y'!S.0^!79!3'('.:'!&7!U39D!
7Y'!S'(7,!!
=,! R9:&7&9/!7Y'!U./!D9793!794.38!7Y'!U39/7!9U!7Y'!.--(&./0'c!8&:09//'07!7Y'!
'('073&0.(!09//'07&9/,!!
!!
Warning! !
Z'U93'!Y./8(&/C!7Y'!U./!D9793!.::'DS(LN!'/:M3'!7Y.7!7Y'!0.-.0&793!&:!UM((L!
8&:0Y.3C'8!9U!:793'8!'/'3CL,!!
!
F,! K&U7!7Y'!D9793!U39D!7Y'!.--(&./0'!79!3'D92',!!

!
!
Technical Information
!
!
>>!
T 15xx Dryers
5.10 Condenser Assembly Removal
!!
Service tip: !
?9!.00'::!7Y'!09/8'/:.7'!-MD-!./8a93!U(9.7!:4&70Yc!7Y'!09/8'/:'3!
.::'DS(L!DM:7!S'!3'D92'8!U39D!7Y'!.--(&./0',!!
!
$,! P'D92'!7Y'!09M-('3!S'74''/!7Y'!U./!D9793!Y9M:&/C!./8!7Y'!09/8'/:'3!
.::'DS(L,!!
",! P'D92'!7Y'!U./!D9793c!:''!*'07&9/!;,J,!!
>,! P'D92'!7Y'!Y'.7!']0Y./C'3!U93D!7Y'!09/8'/:'3c!:''!*'07&9/!>,=,!!
G,! I&:09//'07!7Y'!'('073&0.(!09//'07&9/:,!!
;,! *(&8'!7Y'!09/8'/:'3!.::'DS(L!794.38!7Y'!U39/7!9U!7Y'!.--(&./0'!./8!(&U7!79!
3'D92',!!
!!
!!
5.11 Condenser Fan Removal
!!
$,! K.L!7Y'!.--(&./0'!9/!&7:!S.0^,!!
",! P'D92'!7Y'!U9M3!:03'4:!:'0M3&/C!7Y'!S9779D!092'3!@:''!X&CM3'!;A$"E!./8!(&U7!
7Y'!092'3!79!3'D92'!&7!U39D!7Y'!.--(&./0',!!
!
!
Figure 5-12: Z9779D!<92'3!*03'4:
!!
>,! P'D92'!7Y'!U9M3!:03'4:!:'0M3&/C!7Y'!09/8'/:'3!U./!79!7Y'!09/8'/:'3!
.::'DS(L!@:''!X&CM3'!;A$>E,!!
G,! I&:09//'07!7Y'!'('073&0.(!09//'07&9/,!!
;,! K&U7!7Y'!09/8'/:'3!U./!79!3'D92'!&7!U39D!7Y'!09/8'/:'3!.::'DS(L,!!
!

!
!
Technical Information!
!
!
>G!
!
T 15xx Dryers
!
Figure 5-13: <9/8'/:'3!X./!*03'4:
!!
!
5.12 Residual Moisture Sensor Removal
!!
$,! 1-'/!7Y'!U39/7!:'32&0'!-./'(c!:''!*'07&9/!;,"!93!;,>,!!
",! K90.7'!7Y'!3':&8M.(!D9&:7M3'!:'/:93!@3'U'3!79!X&CM3'!;A$GE,!!
>,! P'D92'!7Y'!:03'4!:'0M3&/C!7Y'!:'/:93!79!7Y'!U3.D',!!
!
!
Figure 5-14: P':&8M.(!%9&:7M3'!*'/:93!./8!*03'4
!!
G,! K&U7!7Y'!:'/:93!.::'DS(L!@4&7Y!S3.0^'7E!U39D!7Y'!.--(&./0',!!
;,! _97'aD.3^!4&3'!-9:&7&9/:!U93!3'A.::'DS(L,!!!
=,! I&:09//'07!7Y'!'('073&0.(!09//'07&9/:,!!

!
!
Technical Information
!
!
>;!
T 15xx Dryers
5.11 Drum Drive Belt
!
$,! P'D92'!7Y'!(&8,!*''!*'07&9/!;,$,!!
",! 1-'/!7Y'!U39/7!-./'(c!:''!*'07&9/!;,"!93!;,>,!!
>,! P'D92'!7Y'!3'.3!-./'(!9U!7Y'!83MD,!*''!*'07&9/!;,F,!!
G,! P'D92'!7Y'!Y'.7'3!S./^!092'3c!:''!*'07&9/!;,HN!*7'-!",!!
;,! K&U7!M-4.38!9/!7Y'!83MD!:9!7Y.7!.!:D.((!C.-!']&:7:!S'74''/!7Y'!'8C'!9U!7Y'!
83MD!./8!7Y'!Y'.7'3!8M07!@3'U'3!79!X&CM3'!;A$;E,!!
!
!
Figure 5-15: R9:&7&9/&/C!7Y'!I3MD!79!X93D!.!V.-!!
!!
=,! P9M7'!7Y'!S'(7!7Y39MCY!7Y'!C.-!./8!9/79!7Y'!83MD,!!
F,! X39D!7Y'!79-!9U!7Y'!.--(&./0'N!'/:M3'!7Y.7!7Y'!83MD!S'(7!&:!-9:&7&9/'8!./8!
.(&C/'8!0933'07(L,!!
H,! +00'::!7Y'!3'.3!9U!7Y'!U./!D9793!7Y39MCY!7Y'!:-.0'!S'(94!7Y'!83MD,!K&U7!
M-4.38!9/!7Y'!U./!D9793!7'/:&9/&/C!-M(('L!./8!-(.0'!7Y'!83&2'!S'(7!9/79!7Y'!
-M(('L,!?Y'!7'/:&9/&/C!-M(('L!:Y9M(8!S'!Y9(8&/C!7Y'!83MD!S'(7!&/!-9:&7&9/,!!
J,! O/:M3'!7Y.7!7Y'!83MD!S'(7!&:!.(&C/'8!S'74''/!7Y'!D9793!./8!7Y'!83MD,!!!
$#,!\./8A:-&/!7Y'!83MD!:(94(L!@7Y&:!.((94:!./L!D&/93!.(&C/D'/7!8&:03'-./0&':!79!
S'!0933'07'8E,!!
!!
Service tip: !
IM'!79!7Y'!(&D&7'8!:-.0'!S'/'.7Y!7Y'!83MDN!.00'::!79!7Y'!3'.3!.3'.!9U!7Y'!
U./!D9793!&:!2&.!7Y'!:-.0'!.(9/C!7Y'!&//'3!:'07&9/!9U!7Y'!3&CY7!:&8'!-./'(!
@.S92'!7Y'!U./!D9793!Y9M:&/CE,!!
!!
Note: !
Z'(7!&/:7.((.7&9/!0./!S'!:&D-(&U&'8!SL!M:&/C!7Y'!%&'('!e&/:7.((.7&9/!('2'3f!
@-.37!/9,!#;#;F>>#E,!!
!
!!

!
!
Technical Information!
!
!
>=!
!
T 15xx Dryers
6.0 Fault Diagnosis
!!
!!
6.1 Service Mode
6.1.1 T 1515, T 1520, T 1526, T 1565 C and T 1570 C
!!
Accessing: !
$,! *4&70Y!7Y'!.--(&./0'!9UU,!!
",! P'('.:'!.((!-M:YSM779/:,!!
>,! ?M3/!7Y'!-39C3.D!:'('0793!:4&70Y!79!7Y'!eX&/&:Yf!@$"!9j0(90^E!-9:&7&9/,!!
G,! *4&70Y!7Y'!.--(&./0'!9/,!!!
;,! R3'::!./8!3'('.:'!7Y'!Load size!SM779/!@93!Buzzer!SM779/N!8'-'/8&/C!9/!
D98'(E!>!7&D':!&/!QM&0^!:M00'::&9/!4&7Y&/!$#!:'09/8:,!!
!
Acknowledgement indicator: !
! ?Y'!eI3L&/Cf!KOI!U(.:Y':!79!:Y94!7Y.7!:'32&0'!D98'!&:!.07&2.7'8,!!
!!
Navigation: !
P'U'3!79!?.S('!=A$,!?M3/!7Y'!-39C3.D!:'('0793!:4&70Y!79!7Y'!8':&3'8!-9:&7&9/N!7Y'/!
-3'::!Start,!!
!!
! ?9!']&7!:'32&0'!D98'N!:4&70Y!7Y'!.--(&./0' off,!!
!!
Selector Switch Position!Function !
X&/&:Y!! ZM``'3!-M:YSM779/!7':7!!
<1??1_*!O]73.!83L!! \'.7'3!9/!!
<1??1_*!_93D.(!k!! I3MD!83&2':!('U7!@2'/7'8!D98'(:!9/(LE!!
<1??1_*!_93D.(!! ZM``'3!.07&2.7'8!!
<1??1_*!\./8!&39/!! I3MD!83&2':!3&CY7!@2'/7'8!D98'(:!9/(LE!!
<1??1_*!\./8!&39/! !! <9/8'/:'3!U./!@09/8'/:'3!D98'(:!9/(LE!!
<1??1_*!%.0Y&/'!&39/! !! <9/8'/:.7'!-MD-!@09/8'/:'3!D98'(:!9/(LE!
$;!D&/:,!099(!.&3!! P':&8M.(!D9&:7M3'!:'/:93!7':7c!:''!*'07&9/!=,G!
"#!D&/:,!4.3D!.&3!! P':&8M.(!D9&:7M3'!:'/:93!7':7c!:''!*'07&9/!=,G!
ROP%+_O_?!RPO**!\./8!&39/!! KOI!7':7!@KOI:!&((MD&/.7'8E!!
ROP%+_O_?!RPO**!_93D.(!k!! I3L'3!7L-',!<9/7&/M9M:!79/'!l!2'/7'8c!
&/7'3D&77'/7!79/'!l!09/8'/:'3,!
Table 6-1: *'32&0'!%98'!XM/07&9/:!@?!$;$;N!?!$;"#N!?!$;"=N!?!$;=;!<N!?!$;F#!<E
!!
!!

!
!
Technical Information
!
!
>F!
T 15xx Dryers
6.1.2 T 1576
!!
!Accessing:
$,! *4&70Y!7Y'!.--(&./0'!9UU,!!
",! ?M3/!7Y'!-39C3.D!:'('0793!:4&70Y!79!$"!9j0(90^,!!
>,! R3'::!./8!Y9(8!7Y'!Gentle!./8!Start!SM779/:,!!
G,! *4&70Y!7Y'!.--(&./0'!9/,!!
;,! P'('.:'!7Y'!SM779/:,!!
!!
Acknowledgement indicator:
! ?Y'!eI3L&/Cf!KOI!U(.:Y':!79!:Y94!7Y.7!:'32&0'!D98'!&:!.07&2.7'8,!!
!!
Navigation:!!
P'U'3!79!?.S('!=A",!?M3/!7Y'!-39C3.D!:'('0793!:4&70Y!79!7Y'!8':&3'8!-9:&7&9/N!7Y'/!
-3'::!Start,!!
!!
! ?9!']&7!7Y'!:'32&0'!D98'N!:4&70Y!7Y'!.--(&./0'!off,!!
!!
Selector Switch Position!Press Start to Activate…
<1??1_*!O]73.!83L!! %.&/!D9793!9-'3.7':!$#!:'09/8:!&/!'.0Y!8&3'07&9/!!
<1??1_*!_93D.(!k!! 6.0./7!!
<1??1_*!_93D.(!! 1/'!Y'.7'3!./8!D.&/!D9793!9-'3.7'!!
<1??1_*!\./8!&39/! !%.&/!D9793!9-'3.7':!!
<1??1_*!\./8!&39/! !Z97Y!Y'.7'3:!./8!D.&/!D9793!9-'3.7'!!
<1??1_*!P97.3L!&39/!! P':&8M.(!D9&:7M3'!
:'/:93!7':7!!
e<99(&/C!894/f!(&CY7:!M-!l!1B!!
e<99(&/C!894/f!U(.:Y':!l!U.M(7!
X(MUU!! P':&8M.(!D9&:7M3'!
:'/:93!7':7!!
e<99(&/C!894/f!(&CY7:!M-!l!1B!!
e<99(&/C!894/f!U(.:Y':!l!U.M(7!
"#!D&/:,!! KOI!7':7!!
K&/'!I3L!! ZM779/!7':7!!
[99('/:!!! X.M(7!098':!@:''!*'07&9/!=,"E!!
ROP%+!RPO**!\./8!&39/! 6.0./7!!
ROP%+!RPO**!_93D.(!! 6.0./7!!
ROP%+!RPO**!_93D.(!k! 6.0./7!!
Table 6-2: *'32&0'!%98'!XM/07&9/:!@?!$;F=E
!!
!!!
6.2 Fault Codes (T 1576 Only)
!!
Initial requirements:
$,! *4&70Y!7Y'!.--(&./0'!9/,!!
",! ?M3/!7Y'!:'('0793!:4&70Y!79!7Y'!e<1??1_*!O]73.!83Lf!-9:&7&9/,!!
>,! R3'::!7Y'!Start!SM779/!79!S'C&/!7Y'!-39C3.D,!!
G,! _97'!7Y'!:7.7M:!9U!7Y'!e+/7&A03'.:'f!KOIW!
!?Y'!e+/7&A03'.:'f!KOI!&:!(&7!*?O+ITKm!A!_9!U.M(7:!:793'8,!!

!
!
Technical Information!
!
!
>H!
!
T 15xx Dryers
?Y'!e+/7&A03'.:'f!KOI!&:!XK+*\T_V!A!X.M(7!:793'8,!R390''8!79!e+00'::f!
:7'-:!S'(94,!!
!
Access (retrieval): !
$,! +00'::!7Y'!:'32&0'!D98',!*''!*'07&9/!=,$,",!
",! ?M3/!7Y'!:'('0793!:4&70Y!79!e[99('/:f,!!
>,! R3'::!7Y'!Start!SM779/,!!
G,! _97'!7Y'!&((MD&/.7'8!KOI:,!!!
;,! P'U'3!79!?.S('!=A>!79!8'7'3D&/'!7Y'!:793'8!U.M(7,!!!
=,! *4&70Y!7Y'!.--(&./0'!9UU,!!
F,! R'3U93D!7Y'!/'0'::.3L!:'32&0'!:7'-:!79!3'07&UL!7Y'!0.M:'!9U!7Y'!U.M(7N!7Y'/!
-390''8!79!eI'('7'!.!*793'8!X.M(7!<98'f!S'(94,!!
!!
LED(s) Lit Steadily!Component !
P97.3L!&39/!! X./!_?<!9-'/!0&30M&7!!
\./8!&39/!! _?<!.7!Y'.7'3!S./^!9-'/!0&30M&7!!
_93D.(!! _?<!.7!Y'.7'3!S./^!:Y937!0&30M&7!!
P97.3L!&39/!b!\./8!&39/!! X./!_?<!:Y937!0&30M&7!!
_93D.(!./8!P97.3L!&39/!! %.]&DMD!83L&/C!7&D'!@$H#!D&/M7':E!']0''8'8!!
Table 6-3: ?!$;F=!X.M(7!<98':
!!
Delete a stored fault code: !
$,! +00'::!7Y'!:'32&0'!D98',!*''!*'07&9/!=,$,",!
",! ?M3/!7Y'!:'('0793!:4&70Y!79!e[99('/:f,!!
>,! R3'::!7Y'!Start SM779/,!!
G,! R3'::!./8!Y9(8!7Y'!Gentle!SM779/,!!
;,! R3'::!7Y'!Start SM779/,!!
=,! P'('.:'!7Y'!Gentle!SM779/,!?Y'!.--39-3&.7'!KOI!7M3/:!9UU,!!
F,! *4&70Y!7Y'!.--(&./0'!9UU,!!
!
!!
6.3 Programming Mode (T 1576 Only)
!!
Accessing: !
$,! *4&70Y!7Y'!.--(&./0'!9UU,!!
",! ?M3/!7Y'!-39C3.D!:'('0793!:4&70Y!79!$"!9j0(90^,!!
>,! R3'::!./8!Y9(8!7Y'!Gentle!./8!Buzzer!SM779/:,!!
G,! *4&70Y!7Y'!.--(&./0'!9/,!!
;,! P'('.:'!7Y'!SM779/:,!!
!!
Acknowledgement indicator: !
?Y'!eI3L&/Cf!./8!e<99(&/C!894/f!KOI:!U(.:Y!79!&/8&0.7'!7Y.7!-39C3.DD&/C!D98'!
&:!.07&2',!!
!!
Navigation: !
$,! ?M3/!7Y'!-39C3.D!:'('0793!:4&70Y!79!7Y'!8':&3'8!-9:&7&9/c!-3'::!Start!79!
.07&2.7'!7Y'!UM/07&9/,!!
",! ?Y'!-39C3.DD'8!9-7&9/!&:!&/8&0.7'8!SL!7Y'!:7.7M:!9U!7Y'!eP97.3L!&39/f!KOI,!

!
!
Technical Information
!
!
>J!
T 15xx Dryers
R3'::!Start!79!79CC('!S'74''/!9-7&9/:,!P'U'3!79!?.S('!=AG,!
>,! ?9!:793'!7Y'!:'('07'8!:'77&/CN!:4&70Y!7Y'!.--(&./0'!9UU!4Y&('!7Y'!-39C3.D!
:'('0793!:4&70Y!&:!&/!7Y'!8':&3'8!-9:&7&9/!./8!7Y'!eP97.3L!&39/f!KOI!&:!
8&:-(.L&/C!7Y'!8':&3'8!:'77&/C,!!
!
Selector Switch
Position !Function !Option(s) !Status of “Rotary iron” LED
<1??1_*!O]73.!83L!! P':&8M.(!%9&:7M3'!
K'2'(!!
Standard$!Off!!
P'8M0'8 1/
<1??1_*!_93D.(!! %'D93L!!XM/07&9/!! No$!! Off!!
m': 1/
<1??1_*!\./8!&39/!! +/7&A<3'.:'!+07&9/!! No$!! Off!!
m': 1/
Table 6-4: ?!$;F=!R39C3.DD&/C!*'77&/C:!
!$!X.0793L!:'77&/C!@89!/97!.8dM:7E!!
!!
!!
6.4 Residual Moisture Sensor Circuit Test
!
Purpose: !
?Y&:!:'32':!.:!.!7':7!9U!7Y'!09D-('7'!D9&:7M3'A:'/:&/C!0&30M&7!S'74''/!7Y'!
09/739(!D98M('!./8!7Y'!D9&:7M3'!:'/:93,!!
!!
6.4.1 T 1515, T 1520, T 1526, T 1565 C and T 1570 C Procedure
!
$,! O('073&0.((L!09//'07!9/'!(&U7'3!S.3!./8!7Y'!83MD!S98L!M:&/C!0(&-!('.8:!93!.!4&3'!
79!:&DM(.7'!4'7!(.M/83L!./8!Y&CY!09/8M07&2&7L,!!
",! *'('07!e$;!D&/:,!099(!.&3f!&/!7Y'!:'32&0'!D98'!./8!4.&7!.--39]&D.7'(L!=#!
:'09/8:,!!
.,! e<99(&/C!894/f!KOI!(&CY7:!M-W!<&30M&7!&:!&/!-39-'3!493^&/C!938'3,!!
S,! e<99(&/C!894/f!./8!eI3L&/Cf!KOI:!U(.:Y!.(7'3/.7'(LW!P':&:7./0'!9U!
09//'07&9/!S'74''/!09/739(:!./8!:'/:93:!&:!799!Y&CY!93!&:!9-'/A0&30M&7'8,!!
>,! I&:09//'07!7Y'!4&3':!79!7Y'!83MD!./8!(&U7'3!S.3!.7!7Y'!-&0^M-!09//'07&9/!-(MC,!!
G,! nMD-!7Y'!4&3':!('.8&/C!79!7Y'!'('0739/&0!@:Y937A0&30M&7&/C!7Y'!D9&:7M3'A:'/:&/C!
0&30M&7E,!!
;,! *'('07!e$;!D&/:,!099(!.&3f!&/!:'32&0'!D98'!./8!4.&7!.--39]&D.7'(L!=#!
:'09/8:,!!
.,! e<99(&/C!894/f!KOI!(&CY7:!M-W!<Y'0^!0&30M&7!9M7:&8'!9U!7Y'!09/739(!
'('0739/&0!@:(&-!3&/C:N!4&3&/CN!(&U7'3!S.3:N!:'/:93!09/7.07:N!'70,E,!!
S,! e<99(&/C!894/f!./8!eI3L&/Cf!KOI:!U(.:Y!.(7'3/.7'(LW!P'-(.0'!7Y'!09/739(!
'('0739/&0,!!
=,! P'D92'!7Y'!4&3'!dMD-'3!U39D!&/:&8'!7Y'!83MD,!!
F,! *'('07!e"#!D&/:,!4.3D!.&3f!&/!:'32&0'!D98'!./8!4.&7!.--39]&D.7'(L!=#!
:'09/8:,!!
.,! e<99(&/C!894/f!KOI!(&CY7:!M-W!<&30M&7!&:!&/!-39-'3!493^&/C!938'3,!!
S,! e<99(&/C!894/f!./8!eI3L&/Cf!KOI:!U(.:Y!.(7'3/.7'(LW!<&30M&7!8'U'07&2'!@(&U7'3!
S.3:N!83MD!-.37&.((L!:Y937A0&30M&7'8E,!P':&:7./0'!&:!o!;#!%ȍ,!!

!
!
Technical Information!
!
!
G#!
!
T 15xx Dryers
H,! I&:09//'07!7Y'!4&3':!79!7Y'!83MD!./8!(&U7'3!S.3:!.7!7Y'!-&0^M-!09//'07&9/!
-(MC,!!
J,! *'('07!e"#!D&/:,!4.3D!.&3f!&/!:'32&0'!D98'!./8!4.&7!.--39]&D.7'(L!=#!
:'09/8:,!!
.,! e<99(&/C!894/f!KOI!(&CY7:!M-W!<Y'0^!0&30M&7!9M7:&8'!9U!7Y'!09/739(!
'('0739/&0!@:(&-!3&/C:N!4&3&/CN!(&U7'3!S.3:N!:'/:93!09/7.07:N!'70,E,!!
S,! e<99(&/C!894/f!./8!eI3L&/Cf!KOI:!U(.:Y!.(7'3/.7'(LW!P'-(.0'!7Y'!09/739(!
'('0739/&0,!!
!!
6.4.2 T 1576 Procedure:
!!
$,! O('073&0.((L!09//'07!9/'!(&U7'3!S.3!./8!7Y'!83MD!S98L!M:&/C!0(&-!('.8:!93!.!4&3'!
79!:&DM(.7'!4'7!(.M/83L!./8!Y&CY!09/8M07&2&7L,!!
",! *'('07!eP97.3L!&39/f!&/!:'32&0'!D98',!R3'::!Start!./8!4.&7!.--39]&D.7'(L!>#!
:'09/8:,!!
.,! e<99(&/C!894/f!KOI!(&CY7:!M-W!<&30M&7!&:!&/!-39-'3!493^&/C!938'3,!!
S,! e<99(&/C!894/f!./8!eI3L&/Cf!KOI:!U(.:Y!.(7'3/.7'(LW!P':&:7./0'!9U!
09//'07&9/!S'74''/!09/739(:!./8!:'/:93:!&:!799!Y&CY!93!&:!9-'/A0&30M&7'8,!!
>,! I&:09//'07!7Y'!4&3':!79!7Y'!83MD!./8!(&U7'3!S.3!.7!7Y'!-&0^M-!09//'07&9/!-(MC,!!
G,! nMD-!7Y'!4&3':!('.8&/C!79!7Y'!'('0739/&0!@:Y937A0&30M&7&/C!7Y'!D9&:7M3'A!
:'/:&/C!0&30M&7E,!!
;,! *'('07!e$;!D&/:,!099(!.&3f!&/!:'32&0'!D98'!./8!4.&7!.--39]&D.7'(L!>#!
:'09/8:,!!
.,! e<99(&/C!894/f!KOI!(&CY7:!M-W!<Y'0^!0&30M&7!9M7:&8'!9U!7Y'!09/739(!
'('0739/&0!@:(&-!3&/C:N!4&3&/CN!(&U7'3!S.3:N!:'/:93!09/7.07:N!'70,E,!!
S,! e<99(&/C!894/f!./8!eI3L&/Cf!KOI:!U(.:Y!.(7'3/.7'(LW!P'-(.0'!7Y'!09/739(!
'('0739/&0,!!
=,! P'D92'!7Y'!4&3'!dMD-'3!U39D!&/:&8'!7Y'!83MD,!!
F,! *'('07!eX(MUUf!&/!:'32&0'!D98'!./8!4.&7!.--39]&D.7'(L!=#!:'09/8:,!!
.,! e<99(&/C!894/f!KOI!(&CY7:!M-W!<&30M&7!&:!&/!-39-'3!493^&/C!938'3,!!
S,! e<99(&/C!894/f!./8!eI3L&/Cf!KOI:!U(.:Y!.(7'3/.7'(LW!<&30M&7!8'U'07&2'!@(&U7'3!
S.3:N!83MD!-.37&.((L!:Y937A0&30M&7'8E,!P':&:7./0'!&:!o!;#%ȍ,!
H,! I&:09//'07!7Y'!4&3':!79!7Y'!83MD!./8!(&U7'3!S.3:!.7!7Y'!-&0^M-!09//'07&9/!
-(MC,!!
J,! *'('07!eX(MUUf!&/!:'32&0'!D98'!./8!4.&7!.--39]&D.7'(L!>#!:'09/8:,!!
.,! e<99(&/C!894/f!KOI!(&CY7:!M-W!<Y'0^!0&30M&7!9M7:&8'!9U!7Y'!09/739(!
'('0739/&0!@:(&-!3&/C:N!4&3&/CN!(&U7'3!S.3:N!:'/:93!09/7.07:N!'70,E,!!
S,! e<99(&/C!894/f!./8!eI3L&/Cf!KOI:!U(.:Y!.(7'3/.7'(LW!P'-(.0'!7Y'!09/739(!
'('0739/&0,!!
!
!!

!
!
Technical Information
!
!
G$!
T 15xx Dryers
6.5 Dryer Takes Too Long to Dry Clothes
!!
Possible cause:
K&/7!U&(7'3!0(9CC'8,!!
Remedy:
P'D92'!./8!0('./!U&(7'3,!!
Possible cause:
<9/8'/:'3!.&3!-.7Y!0(9CC'8!@09/8'/:'3!D98'(:!9/(LE,!!
Remedy:
P'D92'!./8!0('./!Y'.7!']0Y./C'3,!!
Possible cause:
6'/7!0(9CC'8!@2'/7'8!D98'(:!9/(LE,!!
Remedy:
P'D92'!2'/7c!&U!.--(&./0'!9-'3.7':!1BN!2'/7!/''8:!79!S'!&/:-'07'8a0('./'8,!!
Possible cause:
1/'!Y'.7'3!'('D'/7!&:!/97!9-'3.7&/C,!!
Remedy:
O/:M3'!7Y.7!S97Y!(&2'!@$"#6E!(&/':!.3'!-3':'/7!./8!7Y.7!S97Y!'('D'/7:!.3'!
9-'3.7&/C,!!
Possible cause:
<(97Y':!.3'!/97!:-M/!9M7!'/9MCY!U39D!4.:Y'3,!!
Remedy:
T/03'.:'!:-&/!:-''8!9/!7Y'!4.:Y'3,!!
!
!!!
6.6 Residual Moisture Sensing Inoperative
!!
Possible cause: !
?Y'!0&30M&7!&:!/97!9-'3.7&/C!/93D.((L,!!
!!
Remedy: !
R'3U93D!7Y'!3':&8M.(!D9&:7M3'!:'/:93!7':7!@:''!*'07&9/!=,;E,!T:9(.7'!./8!3'-.&3!U.M(7,!!
!!
!!
6.7 Dryer Door Keeps Popping Open (All Models except T 1576)
!!
Possible cause: !
?Y'!7'D-'3.7M3'!D9/&793!@Y&CYA7'D-'3.7M3'!0M79M7E!&/!7Y'!Y'.7'3!S./^!Y.:!
:4&70Y'8!:7.7',!!
!!
Remedies: !
$,! <Y'0^a0('./!(&/7!U&(7'3,!!
",! <Y'0^a0('./!2'/7!@2'/7'8!D98'(:E,!!
>,! <Y'0^a0('./!Y'.7!']0Y./C'3!@09/8'/:'3!D98'(:E,!!
G,! <Y'0^!9-'3.7&9/.(!7'D-'3.7M3',!!
;,! <Y'0^!Y'.7'3!3'(.L!:4&70Y&/C!0&30M&7,!!
=,! P'-(.0'!7Y'!7'D-'3.7M3'!D9/&793,!!

!
!
Technical Information!
!
!
G"!
!
T 15xx Dryers
6.8 Water Leaks in Condenser Dryer
!!
Possible cause: !
?Y'!09/8'/:'8!4.7'3!&:!('.^&/C!U39D!7Y'!.--(&./0',!!
!!!
Remedies: !
$,! O/:M3'!7Y.7!7Y'!09/8'/:'8A4.7'3!83.4'3!&:!S'&/C!'D-7&'8!4Y'/!/''8'8,!!
",! TU!7Y'!.--(&./0'!&:!09/U&CM3'8!4&7Y!.!83.&/!Y9:'!09//'07&9/N!0Y'0^!7Y'!Y9:'!
U93!:Y.3-!S'/8:N!^&/^:N!0(9C:!93!97Y'3!.S/93D.(&7&':!./8!'/:M3'!7Y.7!7Y'!
:79--'3!&:!&/:7.(('8!.7!7Y'!4.7'3!-937!.S92'!7Y'!09/8'/:'8A4.7'3!83.4'3,!!
>,! P'D92'!./8!0('./!7Y'!Y'.7!']0Y./C'3,!!
G,! O/:M3'!7Y.7!7Y'!09/8'/:'3!4.7'3!-.7Y!&:!/97!0(9CC'8,!!!
;,! <Y'0^!U93!-39-'3!9-'3.7&9/!9U!7Y'!09/8'/:'3!4.7'3!('2'(!:4&70Y!./8!
09/8'/:'3!4.7'3!-MD-,!!
!!
!!
6.9 Light, Repetitive Clicking About Every Second While Drum
is Turning
!!
Possible cause: !
X.M(7!&/!3':&8M.(!D9&:7M3'!:'/:93!-&0^M-a83MD!-.7Y,!!
!!
Remedies: !
$,! <Y'0^!U93!493/!-&0^M-!S3M:Y':,!!
",! <('./!7Y'!-&0^M-!-.7Y!.39M/8!7Y'!83MD,!!!
>,! O/:M3'!7Y.7!7Y'!:'/:93!&:!D9M/7'8!0933'07(L,!!
G,! <Y'0^!7Y.7!7Y'!:'/:93!.::'DS(L!Y.:!.8'QM.7'!:-3&/C!7'/:&9/,!!
!!
!!
6.10 T 1576 Dryer Shuts Down After Less than One Minute of
Operation
!!
Possible cause: !
TU!7Y'!83MD!89':!/97!09/7.&/!0(97Y':!@93!9/(L!09/7.&/:!83L!0(97Y':EN!7Y'!.--(&./0'!
4&((!:YM7!894/,!?Y&:!&:!/93D.(!9-'3.7&9/,!!
!!
Remedy: !
1-'3.7'!7Y'!.--(&./0'!4&7Y!.!8.D-!(9.8!9U!(.M/83L,!!
!!
!!
6.11 Rumbling Sound during Operation
!!
Possible cause: !
O]0'::&2'!(&/7!SM&(8M-!93!U93'&C/!9Sd'07!&/!7Y'!U./!Y9M:&/Ca&D-'(('3!.3'.,!!
!!
Remedy: !
<('./a&/:-'07!D9793N!U./!Y9M:&/C!./8!U./!&D-'(('3,!!!