TB8100 Installation And Operation Manual TB8100_Installation_Operation_Manual_(English) (English)
TB8100_Installation_Operation_Manual_(English) TB8100_Installation_Operation_Manual_(English)
User Manual: TB8100_Installation_Operation_Manual_(English)
Open the PDF directly: View PDF
.
Page Count: 204 [warning: Documents this large are best viewed by clicking the View PDF Link!]
- Installation and Operation Manual
- Contents
- Preface
- 1 Description
- 2 Circuit Description
- 3 Operating Controls
- 4 Functional Description
- 5 Installation
- 6 Connection
- 7 Configuration
- 8 Replacing Modules
- 8.1 Saving the Base Station’s Configuration
- 8.2 Preliminary Disassembly
- 8.3 Replacing the Control Panel
- 8.4 Replacing the Reciter
- 8.5 Replacing the Power Amplifier
- 8.6 Replacing the Power Management Unit
- 8.7 Replacing the Front Panel Fans
- 8.8 Replacing the Module Guide Rails
- 8.9 Replacing the Subrack Interconnect Board
- 8.10 Final Reassembly
- 9 Preparation for Operation
- 10 Maintenance Guide
- Glossary
- Tait General Software Licence Agreement
- Directive 1999/5/EC Declaration of Conformity

TB8100 base station
Installation and Operation
Manual
MBA-00005-08
Issue 8
December 2007

2TB8100 Installation and Operation Manual
© Tait Electronics Limited December 2007
Contact Information
Tait Radio Communications
Corporate Head Office
Tait Electronics Limited
P.O. Box 1645
Christchurch
New Zealand
For the address and telephone number of regional
offices, refer to the TaitWorld website:
We b s i te : www.taitworld.com
Technical Support
For assistance with specific technical issues, contact
Technical Support:
E-mail: support@taitworld.com
We b s i te : www.taitworld.com/technical
Copyright and Trademarks
All information contained in this document is the
property of Tait Electronics Limited. All rights reserved.
This document may not, in whole or in part, be copied,
photocopied, reproduced, translated, stored, or reduced
to any electronic medium or machine-readable form,
without prior written permission from Tait Electronics
Limited.
The word TAIT and the TAIT logo are trademarks of
Tait Electronics Limited.
All trade names referenced are the service mark,
trademark or registered trademark of the respective
manufacturers.
Disclaimer
There are no warranties extended or granted by this
document. Tait Electronics Limited accepts no
responsibility for damage arising from use of the
information contained in the document or of the
equipment and software it describes. It is the
responsibility of the user to ensure that use of such
information, equipment and software complies with the
laws, rules and regulations of the applicable
jurisdictions.
Enquiries and Comments
If you have any enquiries regarding this document, or
any comments, suggestions and notifications of errors,
please contact Technical Support.
Updates of Manual and Equipment
In the interests of improving the performance, reliability
or servicing of the equipment, Tait Electronics Limited
reserves the right to update the equipment or this
document or both without prior notice.
Intellectual Property Rights
This product may be protected by one or more patents
of Tait Electronics Limited together with their
international equivalents, pending patent applications
and registered trade marks: NZ338097, NZ508054,
NZ508340, NZ508806, NZ508807, NZ509242,
NZ509640, NZ509959, NZ510496, NZ511155,
NZ511421, NZ516280/519742, NZ519118,
NZ519344, NZ520650/537902, NZ522236,
NZ524369, NZ524378, NZ524509, NZ524537,
NZ524630, NZ530819, NZ534475, NZ534692,
NZ535471, NZ536945, NZ537434, NZ546295,
NZ547713, NZ521450, AU2003281447,
AU2002235062, AU2004216984, AU2005207405,
CA2439018, CA2554213, EU03784706.8,
EU02701829.0, EU04714053.8, EU05704655.9,
GB23865476, GB2386010, GB2413249,
GB0516092.4, US11,232716, US10/597339, US10/
520827, US10/468740, US5,745,840, US10/547653,
US10/546696, US10/547964, US10/523952, US11/
572700.
Environmental Responsibilities
Tait Electronics Limited is an
environmentally responsible company
which supports waste minimization,
material recovery and restrictions in the
use of hazardous materials.
The European Union’s Waste Electrical and Electronic
Equipment (WEEE) Directive requires that this product
be disposed of separately from the general waste stream
when its service life is over. For more information
about how to dispose of your unwanted Tait product,
visit the Tait Electronics WEEE website at
www.taitworld.com/weee. Please be environmentally
responsible and dispose through the original supplier, or
contact Tait Electronics Limited.
Tait Electronics Limited also complies with the
Restriction of the Use of Certain Hazardous Substances
in Electrical and Electronic Equipment (RoHS)
Directive in both the European Union and China.
In China, we comply with the Measures for
Administration of the Pollution Control of Electronic
Information Products. We will comply with
environmental requirements in other markets as they are
introduced.

TB8100 Installation and Operation Manual 3
© Tait Electronics Limited December 2007
Contents
Preface . . . . . . . . . . . . . . . . . . . . . . . . . . . . . . . . . . . . . . . . . . . . . . . . . . . . . 7
Scope of Manual . . . . . . . . . . . . . . . . . . . . . . . . . . . . . . . . . . . . . . . . . . . . . . . . . . . . 7
Document Conventions . . . . . . . . . . . . . . . . . . . . . . . . . . . . . . . . . . . . . . . . . . . . . . . 7
Associated Documentation . . . . . . . . . . . . . . . . . . . . . . . . . . . . . . . . . . . . . . . . . . . . . 8
Publication Record . . . . . . . . . . . . . . . . . . . . . . . . . . . . . . . . . . . . . . . . . . . . . . . . . . 9
1 Description. . . . . . . . . . . . . . . . . . . . . . . . . . . . . . . . . . . . . . . . . . . . . . . 11
1.1 The TB8100 Modules. . . . . . . . . . . . . . . . . . . . . . . . . . . . . . . . . . . . . . . . . . . . 12
1.2 Mechanical Assembly . . . . . . . . . . . . . . . . . . . . . . . . . . . . . . . . . . . . . . . . . . . . 14
2 Circuit Description . . . . . . . . . . . . . . . . . . . . . . . . . . . . . . . . . . . . . . . . . 17
2.1 Reciter. . . . . . . . . . . . . . . . . . . . . . . . . . . . . . . . . . . . . . . . . . . . . . . . . . . . . . . 18
2.2 PA . . . . . . . . . . . . . . . . . . . . . . . . . . . . . . . . . . . . . . . . . . . . . . . . . . . . . . . . . . 21
2.3 PMU . . . . . . . . . . . . . . . . . . . . . . . . . . . . . . . . . . . . . . . . . . . . . . . . . . . . . . . . 24
2.4 Control Panel. . . . . . . . . . . . . . . . . . . . . . . . . . . . . . . . . . . . . . . . . . . . . . . . . . 27
2.4.1 Control Circuitry . . . . . . . . . . . . . . . . . . . . . . . . . . . . . . . . . . . . . . . 27
2.4.2 Audio Circuitry. . . . . . . . . . . . . . . . . . . . . . . . . . . . . . . . . . . . . . . . . 29
2.4.3 Power Save . . . . . . . . . . . . . . . . . . . . . . . . . . . . . . . . . . . . . . . . . . . . 30
2.4.4 Power Supply . . . . . . . . . . . . . . . . . . . . . . . . . . . . . . . . . . . . . . . . . . 30
2.4.5 Multi-reciter Signal Switching . . . . . . . . . . . . . . . . . . . . . . . . . . . . . . 30
3 Operating Controls . . . . . . . . . . . . . . . . . . . . . . . . . . . . . . . . . . . . . . . . . 31
3.1 Control Panel. . . . . . . . . . . . . . . . . . . . . . . . . . . . . . . . . . . . . . . . . . . . . . . . . . 32
3.1.1 Standard Control Panel . . . . . . . . . . . . . . . . . . . . . . . . . . . . . . . . . . . 32
3.1.2 Dual Base Station Control Panel . . . . . . . . . . . . . . . . . . . . . . . . . . . . 34
3.1.3 Power Save Control Panel . . . . . . . . . . . . . . . . . . . . . . . . . . . . . . . . . 36
3.1.4 Multi-reciter Control Panel . . . . . . . . . . . . . . . . . . . . . . . . . . . . . . . . 37
3.2 Reciter. . . . . . . . . . . . . . . . . . . . . . . . . . . . . . . . . . . . . . . . . . . . . . . . . . . . . . . 40
3.3 PA . . . . . . . . . . . . . . . . . . . . . . . . . . . . . . . . . . . . . . . . . . . . . . . . . . . . . . . . . . 41
3.4 PMU . . . . . . . . . . . . . . . . . . . . . . . . . . . . . . . . . . . . . . . . . . . . . . . . . . . . . . . . 42
4 Functional Description . . . . . . . . . . . . . . . . . . . . . . . . . . . . . . . . . . . . . . . 45
4.1 Base Station Overview . . . . . . . . . . . . . . . . . . . . . . . . . . . . . . . . . . . . . . . . . . . 46
4.1.1 Single Base Station . . . . . . . . . . . . . . . . . . . . . . . . . . . . . . . . . . . . . . 46
4.1.2 Dual Base Station . . . . . . . . . . . . . . . . . . . . . . . . . . . . . . . . . . . . . . . 47
4.1.3 Single and Dual 12V PA Base Stations . . . . . . . . . . . . . . . . . . . . . . . . 49
4.2 System Control Bus . . . . . . . . . . . . . . . . . . . . . . . . . . . . . . . . . . . . . . . . . . . . . 50
4.3 Signal Path . . . . . . . . . . . . . . . . . . . . . . . . . . . . . . . . . . . . . . . . . . . . . . . . . . . . 54
4.4 Power Distribution . . . . . . . . . . . . . . . . . . . . . . . . . . . . . . . . . . . . . . . . . . . . . . 56
4.5 PMU Operation on DC Input. . . . . . . . . . . . . . . . . . . . . . . . . . . . . . . . . . . . . . 59
4TB8100 Installation and Operation Manual
© Tait Electronics Limited December 2007
4.6 Data, Control and Monitoring Paths . . . . . . . . . . . . . . . . . . . . . . . . . . . . . . . . . 62
4.7 Fan Operation . . . . . . . . . . . . . . . . . . . . . . . . . . . . . . . . . . . . . . . . . . . . . . . . . 64
4.8 Power Saving. . . . . . . . . . . . . . . . . . . . . . . . . . . . . . . . . . . . . . . . . . . . . . . . . . 65
4.8.1 Power Saving Measures . . . . . . . . . . . . . . . . . . . . . . . . . . . . . . . . . . . 66
4.8.2 Power Saving Modes. . . . . . . . . . . . . . . . . . . . . . . . . . . . . . . . . . . . . 68
4.8.3 Overview of Operation. . . . . . . . . . . . . . . . . . . . . . . . . . . . . . . . . . . 70
4.8.4 Using the Service Kit with Power Save Base Stations . . . . . . . . . . . . . 71
4.8.5 Configuring Receiver Gating for Base Stations with Power Save. . . . . 73
4.9 Ethernet Interface. . . . . . . . . . . . . . . . . . . . . . . . . . . . . . . . . . . . . . . . . . . . . . . 74
4.10 Multi-reciter Subracks . . . . . . . . . . . . . . . . . . . . . . . . . . . . . . . . . . . . . . . . . . . 76
4.10.1 Description of Operation. . . . . . . . . . . . . . . . . . . . . . . . . . . . . . . . . . 76
4.10.2 Operational Constraints. . . . . . . . . . . . . . . . . . . . . . . . . . . . . . . . . . . 79
5 Installation . . . . . . . . . . . . . . . . . . . . . . . . . . . . . . . . . . . . . . . . . . . . . . . 87
5.1 Personal Safety . . . . . . . . . . . . . . . . . . . . . . . . . . . . . . . . . . . . . . . . . . . . . . . . . 87
5.1.1 Lethal Voltages . . . . . . . . . . . . . . . . . . . . . . . . . . . . . . . . . . . . . . . . . 87
5.1.2 AC Power Connection . . . . . . . . . . . . . . . . . . . . . . . . . . . . . . . . . . . 88
5.1.3 Explosive Environments . . . . . . . . . . . . . . . . . . . . . . . . . . . . . . . . . . 88
5.1.4 Proximity to RF Transmissions . . . . . . . . . . . . . . . . . . . . . . . . . . . . . 88
5.1.5 High Temperatures . . . . . . . . . . . . . . . . . . . . . . . . . . . . . . . . . . . . . . 88
5.2 Equipment Safety . . . . . . . . . . . . . . . . . . . . . . . . . . . . . . . . . . . . . . . . . . . . . . . 88
5.2.1 ESD Precautions . . . . . . . . . . . . . . . . . . . . . . . . . . . . . . . . . . . . . . . . 88
5.2.2 Antenna Load . . . . . . . . . . . . . . . . . . . . . . . . . . . . . . . . . . . . . . . . . . 89
5.2.3 Equipment Grounding . . . . . . . . . . . . . . . . . . . . . . . . . . . . . . . . . . . 90
5.2.4 Installation and Servicing Personnel . . . . . . . . . . . . . . . . . . . . . . . . . . 90
5.3 Regulatory Information . . . . . . . . . . . . . . . . . . . . . . . . . . . . . . . . . . . . . . . . . . 91
5.3.1 Distress Frequencies . . . . . . . . . . . . . . . . . . . . . . . . . . . . . . . . . . . . . 91
5.3.2 FCC Compliance . . . . . . . . . . . . . . . . . . . . . . . . . . . . . . . . . . . . . . . 91
5.3.3 Unauthorised Modifications. . . . . . . . . . . . . . . . . . . . . . . . . . . . . . . . 91
5.3.4 Health, Safety and Electromagnetic Compatibility in Europe. . . . . . . . 91
5.4 Environmental Conditions . . . . . . . . . . . . . . . . . . . . . . . . . . . . . . . . . . . . . . . . 92
5.4.1 Operating Temperature Range . . . . . . . . . . . . . . . . . . . . . . . . . . . . . 92
5.4.2 Humidity . . . . . . . . . . . . . . . . . . . . . . . . . . . . . . . . . . . . . . . . . . . . . 92
5.4.3 Dust and Dirt . . . . . . . . . . . . . . . . . . . . . . . . . . . . . . . . . . . . . . . . . . 92
5.5 Grounding and Lightning Protection. . . . . . . . . . . . . . . . . . . . . . . . . . . . . . . . . 92
5.5.1 Electrical Ground . . . . . . . . . . . . . . . . . . . . . . . . . . . . . . . . . . . . . . . 92
5.5.2 Lightning Ground. . . . . . . . . . . . . . . . . . . . . . . . . . . . . . . . . . . . . . . 92
5.6 Recommended Tools. . . . . . . . . . . . . . . . . . . . . . . . . . . . . . . . . . . . . . . . . . . . 93
5.7 Ventilation. . . . . . . . . . . . . . . . . . . . . . . . . . . . . . . . . . . . . . . . . . . . . . . . . . . . 94
5.7.1 Ambient Air Temperature Sensor . . . . . . . . . . . . . . . . . . . . . . . . . . . 94
5.7.2 Cabinet and Rack Ventilation . . . . . . . . . . . . . . . . . . . . . . . . . . . . . . 94
5.8 Unpacking the Base Station . . . . . . . . . . . . . . . . . . . . . . . . . . . . . . . . . . . . . . . 97
5.9 Short Tuning Procedure . . . . . . . . . . . . . . . . . . . . . . . . . . . . . . . . . . . . . . . . . . 99
5.9.1 Before You Begin . . . . . . . . . . . . . . . . . . . . . . . . . . . . . . . . . . . . . . . 99
5.9.2 Setup . . . . . . . . . . . . . . . . . . . . . . . . . . . . . . . . . . . . . . . . . . . . . . . . 99
5.9.3 Adjusting the Lock Bands (Switching Ranges) . . . . . . . . . . . . . . . . . . 99
5.9.4 Tuning the Receiver Front End. . . . . . . . . . . . . . . . . . . . . . . . . . . . 101
TB8100 Installation and Operation Manual 5
© Tait Electronics Limited December 2007
5.9.5 Calibrating the RSSI . . . . . . . . . . . . . . . . . . . . . . . . . . . . . . . . . . . . 102
5.10 Mounting the Subrack . . . . . . . . . . . . . . . . . . . . . . . . . . . . . . . . . . . . . . . . . . 104
5.10.1 Auxiliary Support Bracket . . . . . . . . . . . . . . . . . . . . . . . . . . . . . . . . 105
5.10.2 Optional Slide Mounting Rails. . . . . . . . . . . . . . . . . . . . . . . . . . . . . 106
5.11 Cabling . . . . . . . . . . . . . . . . . . . . . . . . . . . . . . . . . . . . . . . . . . . . . . . . . . . . . 107
6 Connection. . . . . . . . . . . . . . . . . . . . . . . . . . . . . . . . . . . . . . . . . . . . . . .109
6.1 Overview. . . . . . . . . . . . . . . . . . . . . . . . . . . . . . . . . . . . . . . . . . . . . . . . . . . . 109
6.1.1 Module and Subrack Connections . . . . . . . . . . . . . . . . . . . . . . . . . . 110
6.1.2 Control Panel Connections . . . . . . . . . . . . . . . . . . . . . . . . . . . . . . . 118
6.1.3 Connector Torque Settings . . . . . . . . . . . . . . . . . . . . . . . . . . . . . . . 121
6.2 Power Supply Connections . . . . . . . . . . . . . . . . . . . . . . . . . . . . . . . . . . . . . . . 122
6.2.1 AC Power . . . . . . . . . . . . . . . . . . . . . . . . . . . . . . . . . . . . . . . . . . . 122
6.2.2 DC Power . . . . . . . . . . . . . . . . . . . . . . . . . . . . . . . . . . . . . . . . . . . 122
6.2.3 Auxiliary DC Power . . . . . . . . . . . . . . . . . . . . . . . . . . . . . . . . . . . . 125
6.3 RF Connections. . . . . . . . . . . . . . . . . . . . . . . . . . . . . . . . . . . . . . . . . . . . . . . 127
6.4 System Connections . . . . . . . . . . . . . . . . . . . . . . . . . . . . . . . . . . . . . . . . . . . . 128
6.4.1 Digital Interface. . . . . . . . . . . . . . . . . . . . . . . . . . . . . . . . . . . . . . . . 129
6.4.2 System Interface Connections . . . . . . . . . . . . . . . . . . . . . . . . . . . . . 131
6.4.3 Ethernet Site and Network Connections . . . . . . . . . . . . . . . . . . . . . 142
6.5 Service Kit Connections . . . . . . . . . . . . . . . . . . . . . . . . . . . . . . . . . . . . . . . . . 144
6.5.1 Service Kit Connection to an Ethernet Base Station . . . . . . . . . . . . . 145
6.6 Calibration Kit Connection. . . . . . . . . . . . . . . . . . . . . . . . . . . . . . . . . . . . . . . 147
6.6.1 Connecting to an Ethernet Base Station . . . . . . . . . . . . . . . . . . . . . . 147
6.6.2 Connecting to a Multi-reciter Subrack . . . . . . . . . . . . . . . . . . . . . . . 147
6.7 Microphone Connection. . . . . . . . . . . . . . . . . . . . . . . . . . . . . . . . . . . . . . . . . 148
6.8 12V PA Power Saving Control Connection. . . . . . . . . . . . . . . . . . . . . . . . . . . 149
6.9 TBA101D Interface Board . . . . . . . . . . . . . . . . . . . . . . . . . . . . . . . . . . . . . . . 150
7 Configuration . . . . . . . . . . . . . . . . . . . . . . . . . . . . . . . . . . . . . . . . . . . . .153
7.1 Configuring the Subrack Interconnect Board . . . . . . . . . . . . . . . . . . . . . . . . . . 154
7.1.1 Dual Base Station . . . . . . . . . . . . . . . . . . . . . . . . . . . . . . . . . . . . . . 154
7.1.2 Multi-reciter . . . . . . . . . . . . . . . . . . . . . . . . . . . . . . . . . . . . . . . . . . 156
7.2 Configuring the Multi-reciter Control Panel Board . . . . . . . . . . . . . . . . . . . . . 159
7.3 Configuring the Base Station with the Service Kit . . . . . . . . . . . . . . . . . . . . . . 161
7.4 Network Configuration for Ethernet Connections . . . . . . . . . . . . . . . . . . . . . . 162
7.4.1 Configuring the Base Station Network Identity. . . . . . . . . . . . . . . . . 162
7.4.2 Defining Routes for a Networked PC . . . . . . . . . . . . . . . . . . . . . . . 162
7.4.3 Testing . . . . . . . . . . . . . . . . . . . . . . . . . . . . . . . . . . . . . . . . . . . . . . 163
7.5 Using Syslog Messages with Ethernet Connections . . . . . . . . . . . . . . . . . . . . . . 164
7.5.1 Syslog Operation. . . . . . . . . . . . . . . . . . . . . . . . . . . . . . . . . . . . . . . 164
7.5.2 Message Format. . . . . . . . . . . . . . . . . . . . . . . . . . . . . . . . . . . . . . . . 165
7.5.3 Heartbeat Messages . . . . . . . . . . . . . . . . . . . . . . . . . . . . . . . . . . . . . 166
6TB8100 Installation and Operation Manual
© Tait Electronics Limited December 2007
8 Replacing Modules . . . . . . . . . . . . . . . . . . . . . . . . . . . . . . . . . . . . . . . . .169
8.1 Saving the Base Station’s Configuration. . . . . . . . . . . . . . . . . . . . . . . . . . . . . . 169
8.2 Preliminary Disassembly . . . . . . . . . . . . . . . . . . . . . . . . . . . . . . . . . . . . . . . . . 170
8.3 Replacing the Control Panel. . . . . . . . . . . . . . . . . . . . . . . . . . . . . . . . . . . . . . 172
8.4 Replacing the Reciter . . . . . . . . . . . . . . . . . . . . . . . . . . . . . . . . . . . . . . . . . . 173
8.5 Replacing the Power Amplifier. . . . . . . . . . . . . . . . . . . . . . . . . . . . . . . . . . . . 174
8.6 Replacing the Power Management Unit . . . . . . . . . . . . . . . . . . . . . . . . . . . . . 176
8.7 Replacing the Front Panel Fans. . . . . . . . . . . . . . . . . . . . . . . . . . . . . . . . . . . . 177
8.8 Replacing the Module Guide Rails . . . . . . . . . . . . . . . . . . . . . . . . . . . . . . . . . 180
8.9 Replacing the Subrack Interconnect Board . . . . . . . . . . . . . . . . . . . . . . . . . . . 181
8.10 Final Reassembly . . . . . . . . . . . . . . . . . . . . . . . . . . . . . . . . . . . . . . . . . . . . . . 184
9 Preparation for Operation. . . . . . . . . . . . . . . . . . . . . . . . . . . . . . . . . . . . .187
9.1 Tuning . . . . . . . . . . . . . . . . . . . . . . . . . . . . . . . . . . . . . . . . . . . . . . . . . . . . . 187
9.2 Configuration . . . . . . . . . . . . . . . . . . . . . . . . . . . . . . . . . . . . . . . . . . . . . . . . 187
9.3 Applying Power . . . . . . . . . . . . . . . . . . . . . . . . . . . . . . . . . . . . . . . . . . . . . . . 188
9.4 Test Transmissions . . . . . . . . . . . . . . . . . . . . . . . . . . . . . . . . . . . . . . . . . . . . . 189
10 Maintenance Guide . . . . . . . . . . . . . . . . . . . . . . . . . . . . . . . . . . . . . . . . .191
Glossary . . . . . . . . . . . . . . . . . . . . . . . . . . . . . . . . . . . . . . . . . . . . . . . . . . . .193
Tait General Software Licence Agreement . . . . . . . . . . . . . . . . . . . . . . . . . . . .201
Directive 1999/5/EC Declaration of Conformity . . . . . . . . . . . . . . . . . . . . . . . .203

TB8100 Installation and Operation Manual 7
© Tait Electronics Limited December 2007
Preface
Scope of Manual
Welcome to the TB8100 base station system Installation and Operation
Manual. This manual provides information on installing and operating the
TB8100 hardware. Also included in this manual are a high level circuit
description, a functional description and a maintenance guide.
The 100W PA is not available in all markets. A lower power level is also
available if required. Consult your nearest Tait Dealer or Customer Service
Organisation for more information.
Document Conventions
“File > Open” means “click File on the menu bar, then click Open on the
list of commands that pops up”. “Monitor > Module Details > Reciter”
means “click the Monitor icon on the toolbar, then in the navigation pane
find the Module Details group, and select Reciter from it”.
Within this manual, four types of alerts are given to the reader: Warning,
Caution, Important and Note. The following paragraphs illustrate each type
of alert and its associated symbol.
Warning!! This alert is used when there is a potential risk
of death or serious injury.
Caution This alert is used when there is a risk of minor or
moderate injury to people.
Important This alert is used to warn about the risk of equipment dam-
age or malfunction.
Note This alert is used to highlight information that is required to
ensure procedures are performed correctly.
8TB8100 Installation and Operation Manual
© Tait Electronics Limited December 2007
Associated Documentation
The following associated documentation is available for this product:
■MBA-00001-xx TB8100 Specifications Manual.
■MBA-00010-xx TB8100 Service Kit User’s Manual.
■MBA-00011-xx TB8100 Calibration Kit User’s Manual.
■MB8100-80-00-806 TB8100 Alarm Center User’s Manual.
■MBA-00013-xx TBA0STU/TBA0STP Calibration and Test Unit
Operation Manual.
■MBA-00016-xx TB8100 Service Manual
■MBA-00040-xx TB8100 Safety and Compliance Information..
The characters xx represent the issue number of the documentation.
Technical notes are published from time to time to describe applications for
Tait products, to provide technical details not included in manuals, and to
offer solutions for any problems that arise.
All available TB8100 product documentation is provided on the Product
CD supplied with the base station. Updates may also be published on the
Tait Technical Support website (www.taitworld.com/technical).

TB8100 Installation and Operation Manual 9
© Tait Electronics Limited December 2007
Publication Record
Issue Publication Date Description
1 June 2003 First release
2 March 2004 Chapter 4 “Functional Description” added
3 September 2004
(MBA-00005-03)
information added for 24VDC and 48VDC
PMU, TaitNet RS-232 system interface board,
and B-band & C-band equipment
4 December 2004 information added for K-band equipment;
improved description of PMU auxiliary DC
power supply, and system interface inputs and
outputs
5 March 2005 information added for 12V PA, and L-band
equipment (850MHz to 960MHz); improved
description of dual base station systems
6 June 2005 information added about PMU operation on
DC input; corrections to K-band and L-band
frequenciesa
a. Refer to “Frequency Bands and Sub-bands” on page 18 for the actual frequency cov-
erage in these bands.
7 February 2007 information added about multi-reciter and
Ethernet operation; improved descriptions of
PMU auxiliary DC power supply and
bidirectional digital inputs and outputs;
Chapter 7 “Configuration” added
8 December 2007 ■“Short Tuning Procedure” added to
Installation Chapter
■information added about the High Density/
RS-232 and High Density/Ethernet system
interfaces
■information added on the PMU lower DC
startup voltage
■minor corrections and additions
10 TB8100 Installation and Operation Manual
© Tait Electronics Limited December 2007

TB8100 Installation and Operation Manual Description 11
© Tait Electronics Limited December 2007
1 Description
The TB8100 is a software-controlled base station which is designed for
operation on most standard frequency ranges1. It makes extensive use of
digital and DSP technology. Many operating parameters such as channel
spacing, audio bandwidth, signalling, etc. are controlled by software. It is
also capable of generating alarms for remote monitoring.
The TB8100 comprises a number of separate modules. Each module is
inserted into the TB8100 4U subrack from the front and is secured at the
front with a metal clamp. Both clamp and module are easily removed for
rapid module replacement. The modules are secured laterally with plastic
guides which clip into the top and bottom of the subrack. These guides can
be easily repositioned to change the configuration of a subrack. The heavier
modules are also secured laterally by metal tabs at the rear of the subrack.
All modules are interconnected at the front of the subrack. The only
connections at the rear of the subrack are:
■RF input from and output to the antenna
■external frequency reference input
■AC and/or DC power supply input
■auxiliary DC output (optional)
■system inputs and outputs (via the optional system interface board fitted
to the reciter).
The TB8100 features rugged construction with generous heatsinks and fan-
forced cooling for continuous operation from –30°C to +60°C (–22°F to
+140°F). Several different configurations are possible. The most common
are:
■one 5W or 50W base station plus accessory modules or extra receivers
■two 5W or 50W base stations
■one 100W base station plus accessory module or extra receiver.
1. Consult your nearest Tait Dealer or Customer Service Organisation for
information on the most suitable equipment for your area and application.

12 Description TB8100 Installation and Operation Manual
© Tait Electronics Limited December 2007
1.1 The TB8100 Modules
The modules which make up the TB8100 base station are described briefly
below. You can find more detailed information on these modules in the
other chapters in this manual, and also in the service manual.
Reciter The receiver, exciter and digital
control circuitry is located in the
reciter module. It also incorporates an
optional system interface board which
provides standard system inputs and
outputs.
Power Amplifier The power amplifier (PA) amplifies the RF output from the reciter and is
available in 5W, 50W and 100W models.
The 5W and 50W models mount vertically in the subrack, while the 100W
model mounts horizontally as it has a wider heatsink. The 100W PA is also
fitted with an airflow duct.
All three models of PA are designed to operate on the 28VDC output
provided by the TB8100 power management unit. In addition, 5W and
50W models are available for operation on 12VDC. These two 12V PAs
are fitted with an internal boost regulator board, which converts the 12V
nominal DC input to a 28VDC output to power the PA circuit boards. The
boost regulator board also provides a 12VDC output to power the reciter.
5/50W PA 100W PA

TB8100 Installation and Operation Manual Description 13
© Tait Electronics Limited December 2007
Power
Management Unit The power management unit (PMU)
provides the 28VDC power supply for
the modules in the TB8100 base
station. The input voltage can be AC,
DC or both AC and DC, depending
on the model. An auxiliary DC
output is also available when the
optional power supply board is fitted.
This board is available with an output
of 13.65VDC, 27.3VDC, or
54.6VDC.
Front Panel The TB8100 front panel is mounted onto the subrack with two quick-
release fasteners. It incorporates the cooling fans for the PA and PMU.
Control Panel The TB8100 control panel is
mounted onto the subrack and is
accessible through an opening in the
front panel. The control panel
provides the user with hardware
controls and connections for direct
control of the base station.
Four models are available: standard,
dual base station, Power Save, and
multi-reciter.
Subrack The TB8100 4U subrack is made of passivated steel and is designed to fit
into a standard 19 inch rack or cabinet.
AC and DC PMU shown
standard control panel shown

14 Description TB8100 Installation and Operation Manual
© Tait Electronics Limited December 2007
Calibration and Test
Unit The base station calibration and test
unit (CTU) provides a selection of
inputs and outputs which allows the
TB8100 base station to be connected
to standard test equipment, and also to
a PC running the Service Kit or
Calibration Kit software. Refer to the
TBA0STU/TBA0STP Calibration
and Test Unit Operation Manual
(MBA-00013-xx) for more details.
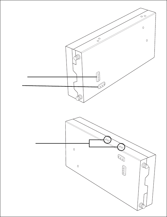
1.2 Mechanical Assembly
The main mechanical components of the TB8100 base station are shown in
the following illustrations.
Figure 1.1 Mechanical assembly - front panel, fans and control panel
bfront panel iairflow separator
cPMU fan jcable retaining clip
dPA fan 1) subrack
ePMU fan duct 1! reciter
fPA fan duct 1@ plastic guide rail
gPMU 1# module retaining clamp
hPA 1$ control panel
b
c
defghij
1)
1!
1@
1#
1$
single 5W or 50W base station shown

TB8100 Installation and Operation Manual Description 15
© Tait Electronics Limited December 2007
The front panel can be easily removed from the subrack by undoing two
quick-release fasteners. Once the front panel is removed, the control panel
can also be removed from the subrack by undoing a single screw. Refer to
“Replacing Modules” on page 169 for more details.
Note Figure 1.1 shows the cooling fans and their ducts detached from
the front panel only for the clarity of the illustration. The cooling
fans and ducts are normally screwed to the rear of the front panel.
Figure 1.1 also shows the configuration for a typical single 5W or 50W base
station. The PMU occupies the slot at the left end of the subrack, with the
PA directly beside it. The single reciter normally occupies the second slot
from the right of the subrack.
The single PA is mounted vertically with the heatsink facing the centre of
the subrack. This positions the cooling fins directly behind the PA fan. The
airflow separator is fitted directly beside the PA to help direct the cooling
airflow through the heatsink.
Figure 1.2 above shows the configuration for a typical dual 5W or 50W base
station. The PMU occupies its normal slot at the left end of the subrack,
with the reciters in the two right-hand slots.
Figure 1.2 Mechanical assembly - dual 5W or 50W base station
bPMU freciter for base station 1
cPA for base station 1 greciter for base station 2
dairflow separator hsubrack
ePA for base station 2
bcdef
h
g

16 Description TB8100 Installation and Operation Manual
© Tait Electronics Limited December 2007
The two PAs are mounted vertically in the middle of the subrack with the
heatsinks facing each other. This positions the cooling fins directly behind
the PA fan. The airflow separator between the PAs helps to direct the
cooling airflow evenly through each heatsink.
Note The configuration for single and dual 12V PA base stations is the
same as shown in Figure 1.1 and Figure 1.2, but the PMU and its
cooling fan are not fitted.
Figure 1.3 above shows the configuration for a typical single 100W base
station. The PMU occupies its normal slot at the left end of the subrack,
with the PA directly beside it. The single reciter occupies the slot
immediately to the right of the PA.
Unlike the 5W and 50W PAs, the 100W PA is mounted horizontally with
the heatsink facing upwards. It is also fitted with an airflow duct to channel
the airflow from the cooling fan through the heatsink fins.
Figure 1.3 Mechanical assembly - single 100W base station
bPMU fmodule retaining clamp
cPA gplastic guide rail
dairflow duct hsubrack
ereciter icable retaining clip
bcdef
g
h
i

TB8100 Installation and Operation Manual Circuit Description 17
© Tait Electronics Limited December 2007
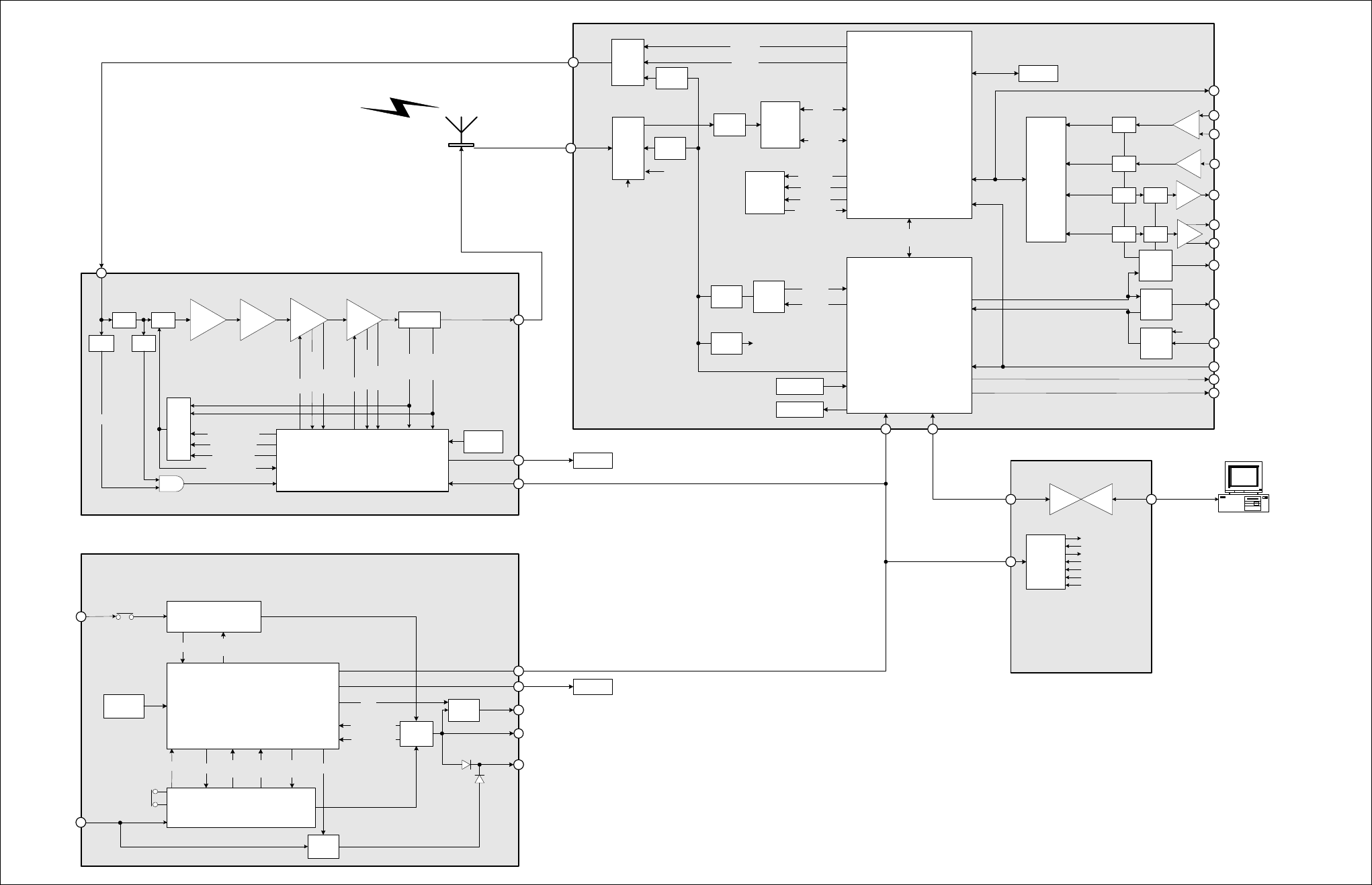
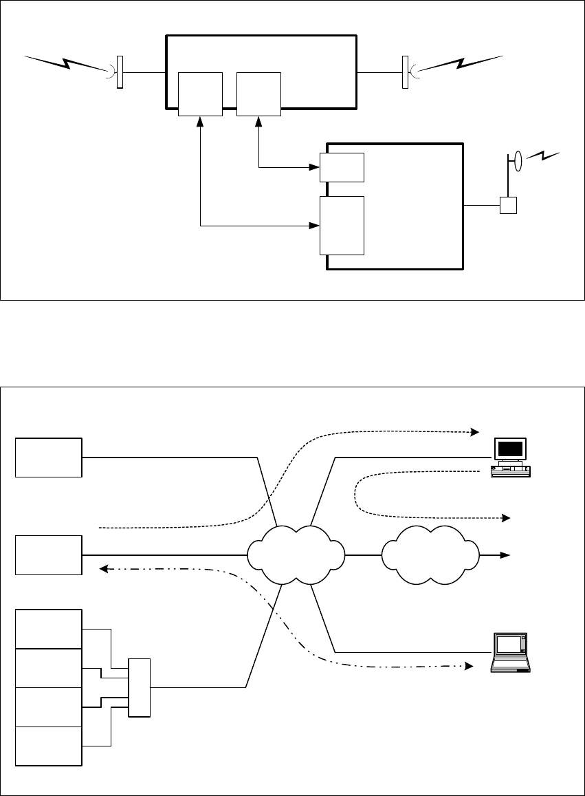
2 Circuit Description
Figure 2.1 below shows a typical TB8100 dual base station of 5W or 50W.
It illustrates the main inputs and outputs for power, RF and control signals,
as well as the interconnection between modules. The circuitry of the
individual modules that make up the base station is described in more detail
in the following sections.
Figure 2.1 Dual base station high level block diagram
Reciter 2
Reciter 1
PMU
PA 2
PA 1
System Control Bus
RF From
Antenna
Base Station 2 *located on subrack
interconnect board
Base Station 1
RF To
Antenna
RF To
Antenna
System I/O
External Reference
Frequency
(if used)
(if used)
RF From
Antenna
System I/O
External Reference
Frequency
AC I/P
DC I/P
28VDC
(low current)
Control
Panel
Cooling
Fans
Microphone I/P
Rotation
Sensor
RS-232
DC
RF +
PA Key
RF +
PA Key
Auxiliary
DC O/P
(Optional)
28VDC
(high current)
28VDC
(high current)
I C Current
Source
2
I C Current
Source*
2

18 Circuit Description TB8100 Installation and Operation Manual
© Tait Electronics Limited December 2007
Frequency Bands
and Sub-bands Much of the circuitry in the TB8100 base station modules is common to
both VHF and UHF frequency bands, and is therefore covered by a single
description in this manual. Where the circuitry differs between VHF and
UHF, separate descriptions are provided for each frequency band. In some
cases the descriptions refer to specific VHF or UHF bands or sub-bands, and
these are identified with the letters listed in the following table.
2.1 Reciter
The reciter comprises three boards: an RF, a digital, and an optional system
interface board. These boards are mounted on a central chassis/heatsink.
Figure 2.2 on page 20 shows the configuration of the main circuit blocks,
and the main inputs and outputs for power, RF and control signals.
Receiver RF -
VHF Reciter The incoming RF signal is fed through a low pass filter, then through a
band-pass “doublet” filter, and finally through a high-pass filter. The signal
is then amplified and passed through another band-pass “doublet” filter
before being passed to the mixer, where it is converted down to the
16.9MHz IF (intermediate frequency). A VCO (voltage controlled
oscillator) provides a +17dBm input to the mixer, and a diplexer terminates
the mixer IF port in 50Ω.. The signal from the mixer is fed through a 2-pole
crystal filter to the IF amplifier which provides enough gain to drive the
Frequency
Identification Frequency Band and Sub-band
VHF
B band B1 = 136MHz to 174MHz
B2 = 136MHz to 156MHz
B3 = 148MHz to 174MHz
C band C0 = 174MHz to 225MHz
C1 = 174MHz to 193MHz
C2 = 193MHz to 225MHz
UHF
H band H0 = 380MHz to 520MHza
H1 = 400MHz to 440MHz
H2 = 440MHz to 480MHz
H3 = 470MHz to 520MHz
H4 = 380MHz to 420MHz
a. Only PAs with hardware version 00.02 and later can operate from 380MHz to
520MHz. PAs with hardware version 00.01 and earlier can only operate from
400MHz to 520MHz.
K band K4 = 762MHz to 870MHzb
b. The actual frequency coverage in this band is:
Transmit: 762MHz to 776MHz, and 850MHz to 870MHz
Receive: 792MHz to 824MHz
L Band L0 = 850MHz to 960MHz
L1 = 852MHz to 854MHz, and 928MHz to 930MHz
L2 = 896MHz to 902MHz (receive only)
L2 = 927MHz to 941MHz (transmit only)

TB8100 Installation and Operation Manual Circuit Description 19
© Tait Electronics Limited December 2007
digital receiver. Note that there are two 2-pole crystal filters, one for narrow
bandwidth and one for wide bandwidth. The appropriate filter is selected
by software-controlled PIN switches, according to the bandwidth selected
in the Service Kit software. The signal is finally passed to the ADC
(analogue-to-digital converter) in the digital receiver via an anti-alias filter.
Receiver RF -
UHF Reciter The incoming RF signal is fed through a band-pass filter, followed by a
simple low-pass network. It then passes through further stages of filtering,
amplification and AGC1 (automatic gain control) before being fed to the
mixer where it is converted down to the 70.1MHz IF (intermediate
frequency). A VCO (voltage controlled oscillator) provides a +17dBm
input to the mixer, and a diplexer terminates the mixer IF port in 50Ω.. The
signal from the mixer is fed through a 4-pole crystal filter to the IF amplifier
which provides enough gain to drive the digital receiver. The signal is finally
passed to the ADC (analogue-to-digital converter) in the digital receiver via
an anti-alias filter.
Exciter RF Audio signals from the line or microphone input are fed to the exciter RF
circuitry via the DSP (digital signal processor) and CODECs (encoder/
decoder). These modulating signals are applied to the exciter at two points
(dual point modulation): low frequency modulation is via the FCL
(frequency control loop), which modulates the exciter synthesizer’s
frequency reference, and speech band modulation is supplied directly to the
VCO.
The VCO is phase-locked to the frequency reference via the synthesizer.
The output from the VCO passes through the VCO buffer to the exciter
amplifier, which increases the RF signal to +20dBm. This signal is then
attenuated through a pad to +11dBm. An 8VDC PA Key signal is mixed
in with the RF signal which is then fed to the PA.
The K-band and L-band reciters use two VCOs, with the appropriate VCO
stage being selected for operation according to the frequency of the channel
in use. Only one VCO can be operational at any one time.
Digital Circuitry The IF from the receiver RF circuitry is passed through an ADC and a DDC
(digital downconverter) to the DSP. The DSP provides demodulation, RSSI
calculation, SINAD calculations, muting, and decoding of subaudible
signals. Audio and RSSI from the DSP is passed via CODECs to the system
interface board.
Incoming audio from the system interface board or microphone is passed to
the exciter RF circuitry via the DSP and CODECs. The DSP provides the
audio characteristics, generates subaudible signals (e.g. DCS, CTCSS), and
controls the CODECs for line audio input.
1. AGC is available in H-band reciters only. It can be disabled using the Serv-
ice Kit software.

20 Circuit Description TB8100 Installation and Operation Manual
© Tait Electronics Limited December 2007
Control Circuitry The RISC controls the operating functions of the reciter and provides the
interface to the outside world. Some of the functions it controls are:
■Tx key and Rx gate
■communications to the system interface board
■digital input from the system interface board
■communication with the other modules in the TB8100 base station via
the I2C bus
■communications with the Service Kit software.
Figure 2.2 Reciter high level block diagram
DSP
CODEC
CODEC
CODEC
40MHz
Clock
Receiver
Exciter
Synthesizer
Subsystem
Reference
Frequency
Subsystem
Digital
Receiver
Power
Supply
Power
Supply
RISC
DSP/RISC
CODECs
IF
12.8MHz
Ref.
RF I/P
28VDC I/P
28V
28V 5V
3.3V
8.5V
RF O/P +
PA Key Audio
System
Control Bus System I/O
Digital
Receiver
Audio &
RSSI
Control &
Communications
Control &
Communications
Modulation
& Frequency
Control
Control &
Communications
External
Reference
Frequency
(if used)
RF Board Digital Board
System
Interface
Board
TB8100 Installation and Operation Manual Circuit Description 21
© Tait Electronics Limited December 2007
System Interface
Board The reciter can be fitted with an optional system interface board which
provides the links between the reciter’s internal circuitry and external
equipment. The circuitry on the system interface board provides additional
signal processing so that the outputs meet standard system requirements.
Several different types of system interface board are available, although only
one board can be fitted to a reciter at any one time. Each system interface
board can identify itself to the reciter control circuitry.
Power Supply The reciter operates off a +28 VDC (nominal) supply. The supply is fed to
two separate power supplies, one on the RF board and a second on the
digital board. The power supply on the RF board also powers some of the
circuitry on the system interface board.
The power supply on the RF board provides 5.3V and 8.5V regulated
supplies. This 5.3V supply is boosted to 23V and also provides a 3.3V
regulated supply. The power supply on the digital board provides 3.3V and
5.3V regulated supplies. It is also fed through to provide a 2.5V supply.
2.2 PA
The TB8100 PA is a modular design with the circuitry divided among
separate boards which are assembled in different configurations in different
models. Interconnect boards are used in certain models to connect boards
that are physically separated on the heatsink. The 5W, 50W and 100W PAs
are available for operation on 28VDC, while the 5W and 50W PAs are also
available for operation on 12VDC. Figure 2.3 on page 23 shows the
configurations of a 100W 28V PA and a 50W 12V PA, along with the main
inputs and outputs for power, RF and control signals.
RF Circuitry The RF output from the reciter is fed first to the 6W board. In the 100W
model shown in Figure 2.3, the output from the 6W board is fed into a
–3dB hybrid coupler on a separate splitter board and then to two 60W
boards in quadrature. The outputs from these two boards are then combined
by another –3dB hybrid coupler on a separate combiner board before being
fed to the low-pass filter (LPF)/directional coupler board.
In the 50W model, the output from the 6W board is fed to one 60W board
and then to the LPF/directional coupler board. In the 5W model, the
output from the 6W board is fed directly to the LPF/directional coupler
board.
Control Circuitry The microprocessor located on the control board monitors and controls the
operation of the PA. There are no manual adjustments in the PA because
all the calibration voltages and currents required to control and protect the
PA are monitored by the microprocessor. The software also automatically
detects the PA configuration and controls the PA accordingly.

22 Circuit Description TB8100 Installation and Operation Manual
© Tait Electronics Limited December 2007
If any of the monitored conditions exceeds its normal range of values, the
microprocessor will generate an alarm and reduce the output power to a
preset level (foldback). If the measured values do not return within the
normal range after foldback, the PA will be shut down.
The alarms and diagnostic functions are accessed through I2C bus messages
on the system control bus via the reciter, control panel and Service Kit
software. Some measurements are logged by the microprocessor and this
information can also be accessed through the system control bus.
The operation of the cooling fan mounted on the front panel is determined
by the temperature limits set in the PA software. If two PAs are fitted in a
TB8100 subrack, either PA will turn on the fan when required.
Power Supply The 100W PA operates off a 28VDC external power supply only, while the
5W and 50W PAs can operate off a 28VDC or 12VDC external power
supply, depending on the model. The 12V PAs are fitted with an internal
boost regulator board (refer to “Boost Regulator” below).
The PA also has four internal power supplies which produce –3, +2.5, +5
and +10VDC.
Boost Regulator 5W and 50W 12V PAs are fitted with a boost regulator board. Figure 2.3
on page 23 shows the configuration for a 50W PA, along with the main
inputs and outputs for power, RF and control signals. Note that the 60W
board is only fitted to the 50W PA.
The boost regulator board accepts an input of 12VDC nominal. The input
is firstly fed through the DC input filter, and then through an output filter
and switch which is controlled by a battery control circuit. This output is
fed to the reciter, which operates from 12VDC instead of the standard
28VDC provided when a PMU is used. The output from the DC input
filter is also fed to the power stage where the voltage is boosted to 28VDC,
and is then fed through an output filter to provide the 28VDC output for
the PA circuit boards.
The battery control circuitry monitors the DC input voltage from the
battery. Protection is provided against the wrong input voltage being
supplied. Reverse polarity protection is provided by a diode between
positive and ground, and requires a user-provided fuse or circuit breaker in
series with the DC input line. The fuse or circuit breaker should be rated
at 15A to 18A at 30VDC.
The minimum startup voltage is 12VDC. Once started, the boost regulator
will operate down to 10.5VDC ±0.25V before it shuts down to prevent
deep discharge of the battery.
Note The startup voltage and operating voltage range are set in hard-
ware at the factory, and cannot be adjusted in normal operation by
the user. However, the startup voltage can be lowered to

TB8100 Installation and Operation Manual Circuit Description 23
© Tait Electronics Limited December 2007
10.8VDC ±0.25V by carrying out the hardware modifications
described in TN-1305 (“Lowering the Startup Voltage of a 12V
PA”).
Figure 2.3 PA high level block diagrams
6W
Board
Control Board
Boost Regulator
60W
Board
Ambient Air
Temperature
Sensor
Board
Low-Pass
Filter
&
Directional
Coupler
Board
RF I/P +
PA Key RF O/P
12VDC
I/P
12VDC O/P
(Reciter)
DC
28VDC28VDC
RF RF
Control &
Monitor
Control &
Monitor
Control &
Monitor
System
Control
Bus
6W
Board
Control Board
60W
Board
60W
Board
Ambient Air
Temperature
Sensor
Board
Splitter
Board
Combiner
Board
Low-Pass
Filter
&
Directional
Coupler
Board
RF I/P +
PA Key RF O/P
28VDC
I/P
DC
DC
DC
RF RF RF RF
RF RF
Control &
Monitor
Control &
Monitor
Control &
Monitor
System
Control
Bus
100W 28V PA
50W 12V PA
24 Circuit Description TB8100 Installation and Operation Manual
© Tait Electronics Limited December 2007
2.3 PMU
The TB8100 PMU provides stable, low-noise 28VDC outputs to power the
TB8100 base station. The PMU is made up of a number of individual
boards and cards which comprise two main modules, the AC module and
the DC module. The auxiliary power supply board is optional. Figure 2.4
shows the configuration for an AC and DC PMU, along with the main
inputs and outputs for power and control signals.
The PMU is available in three main configurations:
■AC PMU (AC input only)
■DC PMU (DC input only)
■AC and DC PMU (both AC and DC converters are fitted to allow both
AC and DC inputs).
AC Module The AC module accepts an input of 115/230VAC 50/60Hz nominal. The
input is fed via the PFC (power factor control) input stage to the HVDC
(high voltage DC) stage on the AC converter board. The HVDC circuitry
generates the final 28VDC outputs and provides galvanic isolation between
the mains input and DC output. The output stage on the AC converter
board provides a common output filter and current monitoring circuit
which is used by both AC and DC modules.
Each power stage is controlled by its own plug-in control card. The
microprocessor is also located on the HVDC control card. The
microprocessor is used by both the AC and DC modules and is fitted to all
PMU models.
The leaded high-power components are situated on the AC converter
board, while the plug-in cards have only SMD control components.
DC Module The DC module accepts an input of 12 VDC, 24VDC or 48VDC nominal
(depending on the model). The input is fed through the DC input filter to
the input of the power stage on the DC converter board. This circuitry
provides PWM (pulse width modulation) conversion to produce the final
DC output. It also provides galvanic isolation, allowing the DC input to be
positive or negative ground. The final DC output is fed back to the output
stage on the AC convertor board.
The battery control card monitors the DC input voltage and prevents the
PMU from starting if an incorrect input voltage is applied. It also operates
as a fail-safe to prevent deep discharge of the battery, and provides
information to the microprocessor to allow the Service Kit software to
display information about the battery.
The DC control card controls the power stage of the DC converter. It also
provides protection from overload and short circuit conditions.

TB8100 Installation and Operation Manual Circuit Description 25
© Tait Electronics Limited December 2007
The leaded high-power components are situated on the DC converter
board, while the plug-in cards have only SMD control components.
Standby Power
Supply This power supply card plugs into the DC converter board and provides
power to the reciter output. This allows the main DC unit to be switched
off to reduce current consumption in low-power situations, e.g. when the
PA is not transmitting. Also, when battery capacity is low, it will maintain
the power supply to the microprocessor and shut down the rest of the PMU.
This card must be fitted to enable the software-controlled power saving
Figure 2.4 PMU high level block diagram
PFC
Circuitry
PFC
Control
Card
DC Input
Filter
Card
DC
Control
Card
Auxiliary
Power Supply
Board*
Battery
Control
Card
Standby
Power Supply
Card
HVDC Control &
Microprocessor
Card
HVDC Circuitry
DC Converter Board
28V
28V
28V O/P (PA)
System
Control Bus
28V O/P (Reciter)
AC I/P
115/230V
50/60Hz 400VDC
DC I/P
12/24/48V
28V
DC O/P
13.65/27.3/54.6V
AC Converter Board
AC Module
DC Module
*optional

26 Circuit Description TB8100 Installation and Operation Manual
© Tait Electronics Limited December 2007
feature to operate. Refer to “Power Saving” on page 65 for more
information.
Auxiliary Power
Supply This optional power supply board is mounted on the DC module. It
operates from the high current 28VDC output from the AC converter or
DC converter (depending on which is operating). It provides a regulated
13.65VDC, 27.3VDC or 54.6VDC output (depending on the model) to
power external accessory equipment. It can be configured using the Service
Kit to operate whenever AC mains voltage is available, or under the control
of Task Manager.
Microprocessor The microprocessor on the HVDC control card monitors and controls the
operation of the PMU. There are no manual adjustments in the PMU
because all the calibration voltages and currents required to control and
protect the PMU are monitored by the microprocessor. The software also
automatically detects the PMU configuration and controls the PMU
accordingly.
If any of the monitored conditions exceeds its normal range of values, the
microprocessor will generate an alarm and take appropriate action,
depending on the configuration of the PMU.
The alarms and diagnostic functions are accessed through I2C bus messages
on the system control bus via the reciter, control panel and Service Kit
software.
The operation of the cooling fan mounted on the front panel is determined
by the temperature limits set in the PMU software.
Important In base stations which use a PMU, the PMU must be con-
nected to the system control bus at all times. The I2C cur-
rent source is located in the PMU, and if the PMU is dis-
connected, the state of much of the bus will be undefined.
This may cause corrupted data to be present on the bus
when the reciter reads the states of the switches on the con-
trol panel. This in turn may result in random actuations of
microphone PTT, carrier, or speaker key, causing the base
station to transmit or the speaker to be actuated incorrectly.

TB8100 Installation and Operation Manual Circuit Description 27
© Tait Electronics Limited December 2007
2.4 Control Panel
The control panel is designed to be the link between the user and the
TB8100 base station. The circuitry for the operation of the control panel is
located on a board mounted behind its front face. All communication
between the base station and the control panel is via the system control bus.
Figure 2.5 on page 28 and Figure 2.6 on page 29 show the configuration of
the main circuit blocks, and the main inputs and outputs for power, audio
and control signals.
2.4.1 Control Circuitry
Standard, Dual Base
Station, and Power
Save
The control panel translates I2C messages into an appropriate response on
the LEDs. It also translates button inputs from the front panel membrane
and fan rotation inputs from both fans into appropriate I2C messages. The
type of control panel is also sent with I2C messages.
The control panel translates RS-232 communications from the
programming port into 0V to 5V open-collector signals which are
connected to the reciter (or to the selected reciter in a dual base station).
Note When a reciter fitted with a TaitNet RS-232 or High Density/
RS-232 system interface board is used in a TB8100 base station,
the RS-232 port on the control panel is disabled. In this situation
you must connect to the RS-232 port at the rear of the reciter.
Refer to “TaitNet RS-232” on page 138 or “High Density/
RS-232” on page 133 for more details. When a reciter fitted with
a TaitNet Ethernet system interface board is used, the RS-232
port on the control panel is available only when the base station
first powers up. Refer to “Service Kit Connection to an Ethernet
Base Station” on page 145 for more details.
Multi-reciter The control panel translates I2C messages from the reciter into an
appropriate response on the LEDs (except the channel LEDs). It also
translates control panel button inputs (except the channel button) and fan
rotation inputs from the PMU fan (if fitted) into appropriate I2C messages.
The type of control panel is also sent with I2C messages.
The control panel translates RS-232 communications from the
programming port into 0V to 5V open-collector signals which are
connected to whichever reciter is selected with the channel button.

28 Circuit Description TB8100 Installation and Operation Manual
© Tait Electronics Limited December 2007
Figure 2.5 Standard, dual base station, and Power Save control panel high level
block diagrams
IC
Translation
2
RS-232
Translation
Microphone
Pre-emphasis
& Gain Control
Speaker
Volume &
Gain Control
LEDs &
Switches
Control
Panel Type
Microphone
Connector
Speaker
Fan Inputs
RS-232
Connector
Power
Supply
Microphone Audio
System
Control Bus
Speaker
Enable
Speaker Audio
I C Bus
2
28V, GND
Fan Power & GND
Open Collector RS-232 RS-232 Bus
Channel Select (dual base station only)
IC
Translation
2
RS-232
Translation
LEDs
Control
Panel Type
Fan Inputs
RS-232
Connector
Power
Supply
System
Control Bus
Full Power On
Power Save On
I C Bus
2
28V, GND
Fan Power & GND
Open Collector RS-232 RS-232 Bus
Standard and Dual Base Station Control Panels
Power Save Control Panel

TB8100 Installation and Operation Manual Circuit Description 29
© Tait Electronics Limited December 2007
2.4.2 Audio Circuitry
Standard and Dual
Base Station The volume of the speaker is controlled by the volume control knob. In
addition, the control panel performs gain control so that, with an input of
167mV pp, the power output into a 16Ω speaker is ≥0.5W at the maximum
position of the volume control, and 0W at the minimum position of the
control. An LED indicates when the speaker is on.
The control panel is designed to work with an electret microphone with an
input range of 80dBSPL to 115dBSPL.
Figure 2.6 Multi-reciter control panel high level block diagram
IC
Translation
2
RS-232
Translation
Microphone
Pre-emphasis
& Gain Control
Speaker
Volume &
Gain Control
Monitor LEDs
& Switches
Channel LEDs
Control
Panel Type
Microphone
Connector
Speaker
Fan Rotation
RS-232
Connector
Power
Supply
Channel LED
Control &
Decoding
Microphone Audio
Switched
Signals
Fixed
Signal Lines
Speaker
Enable
I C Bus
2
V , GNDIN
Channel LED Signalling
Reciter Counter
PTT
to subrack
interconnect board
via 26-way D-range
Speaker Audio
Channel Select
Open Collector RS-232 RS-232 Bus
30 Circuit Description TB8100 Installation and Operation Manual
© Tait Electronics Limited December 2007
Power Save The audio circuitry is not fitted to this board.
Multi-reciter The volume of the speaker is controlled by the volume control knob. In
addition, the control panel performs gain control so that, with an input of
167mV pp, the power output into a 16Ω speaker is ≥0.5W at the maximum
position of the volume control, and 0W at the minimum position of the
control. Speaker audio is from the currently selected reciter only. An LED
indicates when the speaker is on.
The control panel is designed to work with an electret microphone with an
input range of 80dBSPL to 115dBSPL.
2.4.3 Power Save
This circuitry is present only on the Power Save control panel board.
When the base station enters Power Save mode, the control panel will shut
down after receiving the appropriate I2C bus message from the reciter. The
power LED flashes once every two seconds to indicate the base station is in
Power Save mode.
The control panel will power up again when it receives a signal from the
system control bus or from the serial port.
2.4.4 Power Supply
All control panels operate off the 28V (nominal) power supply provided by
a reciter. The power supply for the cooling fans mounted on the front panel
is fed through the control panel.
2.4.5 Multi-reciter Signal Switching
Speaker audio and power for the control panel share common circuitry for
all reciters in the subrack. Speaker audio is also controlled by software so
that only the audio from the currently selected reciter is audible.
The remaining signals (microphone audio, I2C messages, fan power, and
RS-232 communications) are switched so that only one reciter is connected
to the control panel at a time. This switching takes place on the subrack
interconnect board and is controlled by the channel button on the control
panel.

TB8100 Installation and Operation Manual Operating Controls 31
© Tait Electronics Limited December 2007
3 Operating Controls
The TB8100 base station has a number of hardware controls which are
available to the user. These controls are located on the control panel, reciter
and PMU. This chapter identifies and describes these controls.

32 Operating Controls TB8100 Installation and Operation Manual
© Tait Electronics Limited December 2007
3.1 Control Panel
3.1.1 Standard Control Panel
The operating controls on the standard control panel allow some manual
control of a single base station in a TB8100 subrack. These controls and
their associated LED indicators are identified in Figure 3.1 below, and their
functions are explained in the paragraphs which follow. Refer to “Control
Panel Connections” on page 118 for information on the connectors located
on the control panel.
Note The controls on the right side of the standard control panel are not
functional. Subracks with two base stations require the dual base
station control panel (refer to “Dual Base Station Control Panel”
on page 34).
Figure 3.1 Operating controls on the standard control panel
bspeaker volume fpower LED
cspeaker button and LED gcarrier button and transmit LED
dreceive LED halarm LED
espeaker imicrophone channel button and LED
f
i
h
g
e
d
c
b

TB8100 Installation and Operation Manual Operating Controls 33
© Tait Electronics Limited December 2007
Speaker Volume Controls the volume of the speaker mounted behind the control panel.
Rotate clockwise to increase the volume, and anticlockwise to decrease the
volume.
Speaker Button and
LED The speaker button cycles the base
station audio through three states. At
power-on the speaker is off. Pressing
the button once turns the speaker on,
but leaves the audio gated (muted).
Pressing the button a second time
leaves the speaker on and ungates the
audio (monitor mode). Pressing the
button for a third time returns to the
start of the sequence, with the speaker
off.
The green speaker LED is lit when the speaker is turned on.
Receive LED The green receive LED is lit when a valid signal is received on the base
station.
Speaker The control panel is fitted with a 0.5W speaker. Audio from the base station
can be connected to this speaker.
Power LED The green power LED is lit when the PMU or 12V PA is turned on and
supplying power to the base station.
Carrier Button and
Transmit LED The carrier button is a momentary press switch. When held down, it keys
the transmitter while disabling the 600Ω balanced and unbalanced line, and
microphone audio. The transmitted signal is unmodulated, i.e. carrier only.
The red transmit LED is lit while the transmitter is transmitting.
Alarm LED The red alarm LED will flash at a rate of 2 to 5Hz when an alarm has been
generated by any of the TB8100 modules. It will continue to flash until the
alarm is cancelled or the fault is fixed. Note that only those alarms which
are enabled using the Service Kit (Configure > Alarms > Alarm Control)
will cause this LED to flash. Refer to the Service Kit documentation for
more information.
Microphone
Channel Button and
LED
The microphone channel button controls whether the microphone audio is
connected to the base station. At power-on the audio is connected, and
pressing the button once disconnects the audio. Pressing the button a
second time reconnects the audio.
The green LED is lit when the microphone audio is connected.
power on
speaker off
speaker on,
audio gated
speaker on,
audio ungated press
press
press

34 Operating Controls TB8100 Installation and Operation Manual
© Tait Electronics Limited December 2007
3.1.2 Dual Base Station Control Panel
The operating controls on the dual base station control panel allow some
manual control of two base stations in a TB8100 subrack. These controls
and their associated LED indicators are identified in Figure 3.2, and their
functions are explained in the paragraphs which follow. Refer to “Control
Panel Connections” on page 118 for information on the connectors located
on the control panel.
Speaker Volume Controls the volume of the speaker mounted behind the control panel.
Rotate clockwise to increase the volume, and anticlockwise to decrease the
volume.
Figure 3.2 Operating controls on the dual base station control panel
bspeaker volume galarm LED
cspeaker button and LED hbase station 1 select button and LED
dreceive LED ipower LED
espeaker jbase station 2 select button and LED
fcarrier button and transmit LED
h
i
j
g
f
e
d
c
b

TB8100 Installation and Operation Manual Operating Controls 35
© Tait Electronics Limited December 2007
Speaker Button and
LED The speaker button cycles the base
station audio through three states. At
power-on the speaker is off. Pressing
the button once turns the speaker on,
but leaves the audio gated (muted).
Pressing the button a second time
leaves the speaker on and ungates the
audio (monitor mode). Pressing the
button for a third time returns to the
start of the sequence, with the speaker
off.
The green speaker LED is lit when the speaker is turned on.
Receive LED The green receive LED is lit when a valid signal is received on the selected
base station.
Speaker The control panel is fitted with a 0.5W speaker. Audio from either base
station can be connected to this speaker.
Carrier Button and
Transmit LED The carrier button is a momentary press switch. When held down, it keys
the transmitter while disabling the 600Ω balanced and unbalanced line, and
microphone audio. The transmitted signal is unmodulated, i.e. carrier only.
The red transmit LED is lit while the selected transmitter is transmitting.
Alarm LED The red alarm LED will flash at a rate of 2 to 5Hz when an alarm has been
generated by any of the TB8100 modules. It will continue to flash until the
alarm is cancelled or the fault is fixed. Note that only those alarms which
are enabled using the Service Kit (Configure > Alarms > Alarm Control)
will cause this LED to flash. Refer to the Service Kit documentation for
more information.
Base Station 1
Select Button and
LED
Pressing this button selects base station 1. Pressing the button again while
base station 1 is selected has no effect. The control panel selects base station
1 on power-up.
The green LED is lit when base station 1 is selected.
Power LED The green power LED is lit when the PMU or 12V PA is turned on and
supplying power to the base station.
Base Station 2
Select Button and
LED
Pressing this button selects base station 2. Pressing the button again while
base station 2 is selected has no effect.
The green LED is lit when base station 2 is selected.
power on
speaker off
speaker on,
audio gated
speaker on,
audio ungated press
press
press

36 Operating Controls TB8100 Installation and Operation Manual
© Tait Electronics Limited December 2007
3.1.3 Power Save Control Panel
The indicator LEDs on the power save control panel are identified in
Figure 3.3 below.
Indicator LEDs The power LED and alarm LED behave in the same way as for the standard
control panel. Refer to “Power Saving” on page 65 for information about
the behaviour of the LEDs when in power saving mode.
Figure 3.3 LED indicators on the power save control panel
bpower LED calarm LED
c
b

TB8100 Installation and Operation Manual Operating Controls 37
© Tait Electronics Limited December 2007
3.1.4 Multi-reciter Control Panel
The operating controls on the multi-reciter control panel allow some
manual control of the equipment mounted in the subrack. These controls
and their associated LED indicators are identified in Figure 3.4 below, and
their functions are explained in the subsections which follow. Refer to
“Control Panel Connections” on page 118 for information on the
connectors located on the control panel.
Figure 3.4 Operating controls on the multi-reciter control panel
bchannel button and LEDs galarm LED
cspeaker button and LED hmicrophone button and LED
dreceive LED ipower LED
espeaker jspeaker volume
fcarrier button and transmit LED
e
d
c
b
fh
i
j
g

38 Operating Controls TB8100 Installation and Operation Manual
© Tait Electronics Limited December 2007
Channel Button and
LEDs The channel button selects which reciter is connected to the control panel.
Repeatedly pressing this button cycles through positions 1 to 7 in the
subrack, regardless of whether the position is occupied. The selection
defaults to position 1 on power-up.
The channel LEDs have the following states (default settings):
Important The operation of these LEDs is controlled by links on the
subrack interconnect and control panel boards. The links
on the subrack board select whether the reciter’s Rx gate or
alarm status signal is connected to the control panel. The
links on the control panel board select the colour of the
LED when the selected status signal is received from the
reciter. The default settings are for the Rx gate signal to
turn the LED green. Refer to “Configuration” on
page 153 for more details.
Speaker Button and
LED The speaker button cycles the audio
of the currently selected reciter
through three states. At power-on the
speaker is off. Pressing the button
once turns the speaker on, but leaves
the audio gated (muted). Pressing the
button a second time leaves the
speaker on and ungates the audio
(monitor mode). Pressing the button
for a third time returns to the start of
the sequence, with the speaker off.
The green speaker LED is lit when the speaker is turned on.
In a multi-reciter subrack, use the channel button to select the reciter, then
use the speaker button to set the speaker output mode for that reciter.
Repeat this process for each reciter in the subrack.
Note The speaker audio is from the currently selected reciter only.
Receive LED The green receive LED is lit when a valid signal is received on the selected
reciter.
Speaker The control panel is fitted with a 0.5W speaker. Audio from the currently
selected reciter can be connected to this speaker.
CH
■red indicates which is the currently selected reciter
■green indicates that the reciter is receiving a valid signal
■orange indicates that the currently selected reciter is receiving a valid
signal.
power on
speaker off
speaker on,
audio gated
speaker on,
audio ungated press
press
press

TB8100 Installation and Operation Manual Operating Controls 39
© Tait Electronics Limited December 2007
Carrier Button and
Transmit LED The carrier button is a momentary press switch. When held down, it keys
the transmitter while disabling the 600Ω balanced and unbalanced line, and
microphone audio. The transmitted signal is unmodulated, i.e. carrier only.
The red transmit LED is lit while its associated transmitter is transmitting.
The carrier button is not used in a receive-only subrack.
Alarm LED The red alarm LED will flash at a rate of 2 to 5Hz when an alarm has been
generated by the currently selected reciter. It will continue to flash until the
alarm is cancelled or the fault is fixed. Note that only those alarms which
are enabled using the Service Kit (Configure > Alarms > Alarm Control)
will cause this LED to flash. Refer to the Service Kit documentation for
more information.
Alarm status signals can also be connected to the channel LEDs by setting
links on the subrack interconnect board (refer to “Configuring the Multi-
reciter Control Panel Board” on page 159).
Microphone Button
and LED The microphone button enables and disables the microphone input. At
power-on the audio is enabled, and pressing the button once disables the
audio. Pressing the button a second time re-enables the audio. The
microphone input is connected only to the currently selected reciter.
The green LED is lit when the microphone input is enabled.
Power LED The green power LED is lit when the PMU is turned on and supplying
power to the modules in the subrack, or when the DC supply is connected
to the DC input connector at the rear of the subrack.
Speaker Volume Controls the volume of the speaker mounted behind the control panel.
Rotate clockwise to increase the volume, and anticlockwise to decrease the
volume.

40 Operating Controls TB8100 Installation and Operation Manual
© Tait Electronics Limited December 2007
3.2 Reciter
The only controls on the reciter are the rotary hex switch mounted on the
front panel, and the indicator LEDs visible through a slot in the front panel.
Indicator LEDs These LEDs provide the following information about the state of the reciter:
■steady green - the reciter is powered up
■flashing red - one or more alarms have been generated; you can use the
Service Kit software to find out more details about the alarms.
Hex Switch The rotary hex switch mounted on the front panel is not used and has no
effect on the operation of the reciter.
Figure 3.5 Operating controls on the reciter
bindicator LEDs chex switch
c
b

TB8100 Installation and Operation Manual Operating Controls 41
© Tait Electronics Limited December 2007
3.3 PA
The only controls on the PA are the indicator LEDs visible through a slot in
the front panel.
Indicator LEDs These LEDs provide the following information about the state of the PA:
■steady green - the PA is powered up
■flashing green - the PA has no application firmware loaded; you can use
the Service Kit software to download the firmware
■flashing red - one or more alarms have been generated; you can use the
Service Kit software to find out more details about the alarms.
Figure 3.6 Operating controls on the PA
bindicator LEDs
b
5/50W PA
100W PA

42 Operating Controls TB8100 Installation and Operation Manual
© Tait Electronics Limited December 2007
3.4 PMU
The only controls on the PMU are the on/off switches on the rear panel for
the AC and DC modules, and the indicator LEDs visible through a slot in
the front panel.
AC Module On/Off
Switch This switch turns the AC input to the PMU on and off. Note that this
switch breaks only the phase circuit, not the neutral.
DC Module On/Off
Switch This switch turns the DC output from the PMU on and off. It is recessed
to prevent the DC module being accidentally switched off, thus disabling
the battery back-up supply.
Note that this switch disables only the control circuitry - the DC input is
still connected to the power circuitry.
Warning!! These switches do not totally isolate the internal
circuitry of the PMU from the AC or DC power
supplies. You must disconnect the AC and DC
supplies from the PMU before dismantling or
carrying out any maintenance. Refer to the
service manual for the correct servicing
procedures.
Figure 3.7 Operating controls on the PMU
bAC module on/off switch dindicator LEDs
cDC module on/off switch
bc
rear view
d
front view
TB8100 Installation and Operation Manual Operating Controls 43
© Tait Electronics Limited December 2007
Indicator LEDs These LEDs provide the following information about the state of the PMU:
■steady green - the PMU is powered up
■flashing green - the PMU has no application firmware loaded; you can
use the Service Kit software to download the firmware
■flashing red - one or more alarms have been generated; you can use the
Service Kit software to find out more details about the alarms.
Refer to “Indicator LEDs” on page 60 for more detailed information.
44 Operating Controls TB8100 Installation and Operation Manual
© Tait Electronics Limited December 2007

TB8100 Installation and Operation Manual Functional Description 45
© Tait Electronics Limited December 2007
4 Functional Description
This chapter describes some principles of the TB8100 operation.
Information is provided on the following topics:
■base station overview
■system control bus operation
■signal path
■power distribution
■data, control and monitoring paths
■fan control
■Power Saving
■Ethernet operation
■multi-reciter subracks.
Unless stated otherwise, the circuit descriptions are based on a single 50W
base station. Power Saving is an optional feature, enabled by a specific
hardware and software configuration. The additional operational features
which are available in Ethernet base stations or multi-reciter subracks are
described in their respective sub-sections.

46 Functional Description TB8100 Installation and Operation Manual
© Tait Electronics Limited December 2007
4.1 Base Station Overview
4.1.1 Single Base Station
The single base station comprises a reciter, a PA, and a PMU. The standard
control panel and single base station subrack interconnect board are used in
this type of base station. Figure 4.1 below illustrates the main
communication paths. Note that the fans have power supplied from the
relevant module, with the rotation sensor alarm signal interfaced into the
control panel. This signal is processed via the reciter.
Figure 4.1 Single base station communication paths
Microphone
Fan
I C
2
I C
2I C
2
I C
2
RS-232
Mic
Speaker
Fan
RS-232
PA
μP
Subrack Interconnect Board
Reciter
μP
Control Panel
PMU
Fan
PA
Fan
User
Controls
Speaker
PMU
μPI C Current
Source
2

TB8100 Installation and Operation Manual Functional Description 47
© Tait Electronics Limited December 2007
4.1.2 Dual Base Station
In a dual base station the second base station’s reciter and PA are isolated
from the first base station’s reciter, PA, and PMU. This is achieved through
the use of the dual base station subrack interconnect board and the dual base
station control panel. Solid state relays and control logic on the
interconnect board isolate the two base station communication channels
from each other. All other signals remain in parallel. The relays are
controlled by a key press of the base station select buttons on the control
panel.
Note The dual base station subrack interconnect board has a set of
switches which must be set according to the type of base station
in the subrack. Refer to “Configuring the Subrack Interconnect
Board” on page 154 for details of the switch settings.
Figure 4.2 Dual base station communication paths
Microphone
Fan
Fan
I C
2
I C
2
I C
2
I C
2
I C
2
I C
2
RS-232
RS-232
Mic Mic
Speaker Speaker
Fan
RS-232
PA 1
μP
Subrack Interconnect Board
PA 2
μP
Reciter 1
μP
Control Panel
PMU
Fan
PA
Fan
Reciter 2
μP
I C Current
Source
2
User
Controls
Speaker
Base Station
Selection
PMU
μPI C Current
Source
2

48 Functional Description TB8100 Installation and Operation Manual
© Tait Electronics Limited December 2007
The dual base station control panel imposes a number of constraints on the
operation of a base station. These are listed below.
Subrack ■The front panel LEDs, switches, and RS-232 interface are controlled by
the currently selected base station.
■The second base station does not communicate with the PMU, but the
PMU does provide power to it.
■Email alarm outputs are only possible from the currently selected base
station1.
■PA and PMU fan rotation detection should be turned off. This is not
supported by the system control bus, which can be switched IN/OUT
based on the currently selected base station. Refer to “Fan Signals” on
page 51 for more information on fan operation.
Service Kit ■The Service Kit can only log on to the currently selected base station (1
or 2).
■On the Monitor > Module Details > Reciter screen, the Module field
will state “Reciter 1” irrespective of the base station.
■On the Monitor > Module Details > Power Amplifier screen, the
Module field will state “Power Amplifier 1” irrespective of the base
station.
■As there is no PMU on base station 2, no PMU settings for this base
station will function. This includes the PMU battery voltage display,
monitoring, diagnostics, and power management display.
■All PMU alarm LEDs on the Alarm screen of base station 2 will be grey.
■In the Configure > Base Station > Miscellaneous form for base station
2, the Power configuration areas will display voltages of zero, and
error messages will be displayed when you leave the form.
■All fan faults will not be detected, displayed, or acted on (if disabled).
■The display of fan states in Diagnostic forms may be incorrect.
■If you read a configuration from base station 2 and then go to Configure
> Alarms > Thresholds, the PMU battery voltages will be at zero. If you
want to click OK to confirm any changes to the screen, you need to re-
enter the PMU voltages. If not, just click Cancel.
Recommended
Service Kit Settings The following Service Kit settings are recommended for dual base station
operation:
■Disable the fan alarm for the PA on base stations 1 and 2.
■Disable the fan alarm for the PMU on base station 1.
■Disable Alarm Center and Email on base stations 1 and 2.
■Disable the “No PMU detected” alarm on base station 2.
1. Email alarm outputs are available from both base stations if both reciters are
fitted with TaitNet RS-232 or High Density/RS-232 system interface
boards (see “System Interface Connections” on page 131 for more details).

TB8100 Installation and Operation Manual Functional Description 49
© Tait Electronics Limited December 2007
4.1.3 Single and Dual 12V PA Base Stations
The TB8100 platform also supports the operation of one or two 12V PA
base stations in one subrack. Figure 4.3 below shows the main
communication paths in a dual 12V PA base station. The 12V PA base
station does not require a PMU, as the DC input is connected directly to
the 12V PA. An internal boost regulator board converts the 12V nominal
DC input to a 28VDC output to power the PA circuit boards. The boost
regulator board also provides a 12VDC output to power the reciter.
A single or dual base station control panel is fitted, according to the type of
base station. However, both single and dual 12V PA base stations use the
dual base station subrack interconnect board. This board is mandatory for
Figure 4.3 Dual 12V PA base station communication paths
Microphone
Power Saving Control
Power Saving Control
SIF = system interface board
Fan
Fan
I C
2
I C
2
I C
2
I C
2
I C
2
RS-232
RS-232
Mic Mic
Speaker Speaker
RS-232
12V PA 1
μP
Subrack
Interconnect
Board
12V PA 2
μP
Reciter 1
μPSIF
Control Panel
PA
Fan SIF
Reciter 2
μP
I C Current
Source
2
I C Current
Source
2
User
Controls
Speaker
Base Station
Selection

50 Functional Description TB8100 Installation and Operation Manual
© Tait Electronics Limited December 2007
dual base station operation, but is also used for single base station operation
because it provides the I2C current source normally provided by the PMU.
Note The dual base station subrack interconnect board has a set of
switches which must be set according to the type of base station
in the subrack. Refer to “Configuring the Subrack Interconnect
Board” on page 154 for details of the switch settings.
Power Saving operation in a 12V PA base station requires an external
connection between the reciter and 12V PA (refer to “12V PA Power
Saving Control Connection” on page 149). For details on Power Saving in
a 12V PA base station, refer to “12V PA Operation” on page 68.
Constraints The dual base station control panel imposes the same constraints on the
operation of a dual 12V PA base station as those described in “Service Kit”
on page 48, except that those which refer to the PMU do not apply.
In addition, because there is no PMU fitted, we recommend the following
Service Kit settings for 12V PA base station operation:
■Disable the “No PMU detected” alarm on base stations 1 and 2.
4.2 System Control Bus
The system control bus, see Figure 4.4 on page 52, provides the
communications link between the modules in the TB8100 base station. It
provides the following physical paths:
■I2C communications between modules
■RS-232 communications between the reciter and Service Kit and
Calibration Kit software, via the control panel port
■fan power from the PA and PMU
■speaker and microphone signals to and from the control panel
■power connections for the control panel.
The system control bus has been designed so that, if a major fault occurs on
the bus, the basic operation of the base station is unaffected, but some
features will not operate correctly. For example, if the PA is disconnected
from the bus:
■the ‘PA not detected’ alarm is generated in the reciter; however,
transmission still takes place because the transmit RF and key signals are
transmitted from the reciter to the PA via the interconnecting coaxial
cable
■the PA is unable to turn on its fan. Depending on the ambient
temperature at the site and the transmit duty cycle, this could allow the
PA to heat up to the point where it reaches the upper temperature
threshold. At this point it will begin power foldback, protecting the
equipment from damage.
TB8100 Installation and Operation Manual Functional Description 51
© Tait Electronics Limited December 2007
The PMU behaves in a similar way to the PA.
The system control bus has been designed to operate only within the
TB8100 subrack. It has not been designed for use outside the subrack or to
interconnect two subracks.
I2C Signals The base station uses the I2C bus and a proprietary software protocol to
provide communications between any modules connected to the bus.
Typically this involves the reciter assuming “primary” status, and PAs and
PMUs “secondary” status. The reciter co-ordinates the entire subrack
operation, reading from and writing to all modules, including the control
panel. The I2C bus allows the reciter to perform the following functions:
■monitoring (e.g. operating status, module details, operating temperatures
etc.)
■diagnostics (execution of tests to confirm correct operation)
■firmware upgrades
■configuration (of operational parameters).
The I2C current source is located in the PMU so that the base station can
operate with the control panel removed. However, the PMU must be
powered up to enable the I2C communications to operate. Base stations
which use the 12V PA do not require a PMU, and in this case the I2C
current source is located on the dual base station subrack interconnect
board.
RS-232 Signals Service Kit, Alarm Center and Calibration Kit serial communications all
occur directly between the connected computer (or modem) and the reciter
over the RS-232 serial lines. When the connected computer needs to
communicate with the PA, PMU or control panel, the reciter routes the
RS-232 data stream to the I2C bus. Only reciters use the RS-232 interface.
Fan Signals The power and ground signals for the PA and PMU fans are routed from the
modules to the front panel (via the control panel) along the system control
bus. These signals are electrically isolated from all other system signals to
ensure fan noise is not transferred to other sensitive system components.
Protective diodes prevent the PA in one base station from being back-
powered by the PA in the other base station via the fan power lines.
In a dual base station, either PA can power the PA fan at any time. Thus the
PA that needs the cooling from the fan can control and receive it, while the
other PA will also be cooled even if it does not require it.
Although the PA and PMU modules provide the power and ground for their
respective fans, the fan rotation detection is performed in the control panel.
The result is then read and processed by the reciter via the I2C interface.
The PA and PMU do not know if their fan has been correctly enabled,
however, if there is a fault in the fan circuitry, each module is protected from
overheating by its internal foldback circuitry.

52 Functional Description TB8100 Installation and Operation Manual
© Tait Electronics Limited December 2007
Figure 4.4 System control bus high level block diagram
Power
Supply
Fan
Switch
Fan
Switch
3mA
Current
Source
Micro-
processor
Micro-
processor
Microphone
Compressor
Speaker
Buffer
Buffer
PMU Fan
RS-232
Converter
Microphone
28V
Service Kit &
Calibration Kit
Microphone Switch
RS-232 Open Collector TTL
Open Collector TTL
Speaker
PA Fan
(To I C Port
Expander)
2
(To I C Port
Expander)
2
Microphone
Rotation Output
Power/Ground
PMU Fan
IC
2
IC
2
IC
2
IC
2
IC
2
IC
2
IC
2
RS-232
PMU Fan
PA Fan
28V
UART
28V Input
from PMU
28V
28V
Subrack Interconnect Board
RISC
CODECsDSP
Buffer
Buffer
Buffer
Microphone
Speaker Control Panel
Reciter
PMU
PA
I C Port
Expander
2
Digital Outputs
Digital Inputs
15-Way D-range
16-Way IDC 16-Way IDC 16-Way IDC
PA Fan
Rotation Output
Power/Ground

TB8100 Installation and Operation Manual Functional Description 53
© Tait Electronics Limited December 2007
In a dual base station, the fan rotation sensors report only to the currently
selected base station. The other base station will conclude that the fan is not
working and generate false alarms. We therefore recommend that you
disable all fan failure alarms (refer to “Dual Base Station” on page 47).
Speaker Signal Received audio can be sent from the reciter to the control panel. This
function is controlled by the speaker button on the control panel. The audio
signal is then amplified and passed to the control panel speaker for
monitoring purposes.
Microphone Signal When you press the microphone PTT button, the reciter enables the
transmitter and connects the audio signal from the microphone input to the
modulator. The microphone PTT signal is read via the control panel using
the I2C bus and this then enables the transmitter. Note that the PTT
response times are slower than the response times for the TX_KEY input
from the system interface board.
Power and Ground The PMU provides power to the control panel via the reciters. Each reciter
has a series diode to “diode OR” the power to the control panel, but not to
backpower a reciter that does not have a power cable connected.
Pin Allocations The subrack interconnect board at the front of the TB8100 subrack provides
a parallel interconnection between all connectors on the board.
The following table gives the pin allocations for the IDC connectors to the
reciter, PA and PMU, and for the D-range connector to the control panel.
Signal
Reciter, PA & PMU
IDC Pin
Standard and Power
Save Control Panel
D-range Pin
Dual Base Station
Control Panel
D-range Pin
I2C interrupt 1 (not used) 8 (not used) channel 2 select
I2C data 2 15 15
ground (I2C) 3 no connection no connection
I2C clock477
+28V (control panel power) 5 14 14
RS-232 Tx data 6 6 6
ground (control panel power) 7 13 13
RS-232 Rx data 8 5 5
ground (analogue) 9 12 12
control panel speaker 10 4 4
control panel microphone 11 11 11
PSU back-up 12 (not used) 3 (not used) channel 1 select
+24V switched (PA fan) 13 2 2
ground (PA fan) 14 10 10
+24V switched (PMU fan) 15 9 9
ground (PMU fan) 16 1 1
54 Functional Description TB8100 Installation and Operation Manual
© Tait Electronics Limited December 2007
4.3 Signal Path
This section details what happens to an audio signal as it passes through the
various processes within a TB8100 base station, either from the RF input to
the system interface, or from the system interface to the RF output.
Figure 4.11 on page 82 shows the four main components of a single 50W
VHF base station: the reciter, PA, PMU and control panel. Figure 4.12 on
page 83 and Figure 4.13 on page 84 provide the same information for UHF
base stations.
The major ity of all Tx/Rx signal processing is performed within the reciter.
All receiver functionality occurs within the reciter while the PA provides RF
amplification of the modulated signal to be transmitted.
The reciter sections of Figure 4.11, Figure 4.12 and Figure 4.13 show the
entire reciter, which is then broken down into the individual digital, RF and
system interface boards. In the digital board, the solid line shows the
functions provided by the DSP (Digital Signal Processor).
Also refer to “Circuit Description” on page 17 for more detailed circuit
descriptions of the individual sub-systems that make up the base station.
The following sections explain the basic operation of the base station by
describing the basic signal paths.
Receiver Path On the receiver side, an RF input signal is received via the RF input BNC
connector, filtered, amplified then mixed down to the IF frequency. The IF
signal is further filtered and then transferred from the RF to the digital board
via a coaxial interconnection cable. On the digital board the IF signal is then
sampled and further sample-rate-reduced by the DDC. The DSP then
demodulates the signal and generates RSSI, SINAD and sub-audible
signalling values and passes these to the RISC. The demodulated signal is
then split and processed using the configured options as set by the user for
Path A & Path B responses. The Rx crosspoint switch patches the recovered
audio signals to the correct output paths, reflecting the current status of the
receiver.
The final received signal is then set to CODECs which convert the digital
signal back to audio. The system interface board provides level adjustments
and final output impedance buffering. The signal finally appears as audio
signals on the rear panel interface connector.
Transmit Path Audio signals presented to the system interface connector on the system
interface board are buffered and level-converted based on the user input gain
settings. These signals are then passed to the digital board and digitized via
the CODECs, read into the DSP, and passed to the Tx crosspoint switch.
Microphone audio is passed into the Tx crosspoint switch from the control
panel via the system control bus. Based on the current base station status,
the different audio inputs can be fed into either path A or B, which are then
TB8100 Installation and Operation Manual Functional Description 55
© Tait Electronics Limited December 2007
further processed depending on the user-configured path options. Audio
from both paths is then added together and processed via the channel
limiter/low pass filter. This signal then has any sub-audible signalling added
to it that is needed for the active channel before it is sent to the FCL
(Frequency Control Loop). The FCL performs a dual point modulation
process to modulate the VCXO and exciter VCO simultaneously. The final
modulated carrier signal is then buffered and passed, along with the DC
PA_KEY signal, to the PA (Power Amplifier) via an SMA interconnection
cable.
The PA detects and keys the PA based on this DC signal, also amplifying the
+11dBm input signal from the reciter to the final RF output power, which
is determined by the current channel output power setting. The amplified
RF output signal is then processed through a harmonic filter and a
directional coupler. The direction coupler provides power level information
to the PA to monitor and respond to the VSWR conditions on the PA
output.
Clock Processing The reciter reference clock can be selected from an external or internal
source (external reference or internal TCXO). Once the clock source has
been selected (based on the configuration and current operating status of the
base station), the 12.8MHz signal is passed from the RF board to the digital
board. On the digital board, the 12.8MHz signal is used by the CODECs,
and also generates the 40MHz clock for the DSP/RISC. This clock
structure ensures all clocks on the reciter are phase locked together to limit
possible clock interference from unlocked clock sources, generating
interference or deaf channels.
Direct Signal Paths It is possible to bypass a lot of the signal processing within the DSP on both
the Tx and Rx paths via user configuration. The demodulated audio signals
can be fed directly to the output CODECs, and the transmit CODEC
inputs are connected directly to the modulator. This allows wide band
audio signals to be processed via external equipment, if required, without
the DSP overheads usually needed for path A and B audio processing.
Digital I/O The bottom of the reciter section of Figure 4.11 shows the time-critical
RX_GATE, TX_KEY and COAX RELAY signals that interface directly
with the RISC. Less time-critical signals, such as digital I/O, interface to
the RISC via a synchronous serial I/O interface.
Module
Communication
Paths
The reciter RISC supports two main inter-module communication paths:
an asynchronous (RS-232) path to the control panel and a synchronous
(I2C) interface to all other modules and the control panel. Both of these
paths are interconnected via the system control bus cable on the front of the
modules.
The RS-232 signals from a connected computer or modem are buffered and
sent to the reciter on-board UART via the system control bus. The system
control bus uses an open collector TTL interface.
56 Functional Description TB8100 Installation and Operation Manual
© Tait Electronics Limited December 2007
The inter-module I2C bus provides a path for the RISC to communicate
with all other modules and the control panel. This supports module alarms,
diagnostics, monitoring and control panel LED/keypad traffic.
The Power
Management Unit
(PMU)
The PMU section of Figure 4.11 shows the major functional blocks of the
PMU. Each converter is under the control of the PMU microprocessor,
which is also under the control of the reciter RISC processor via the I2C
communication path.
The high current DC-DC converter and high efficiency standby card are
both powered directly from the DC input. This means that the high power
DC converter can be switched off to conserve power when not transmitting
during modes.
The HVDC control and microprocessor card also provides current sources
(effectively pull-up resistors) for the system control bus I2C inter-module
communications path.
4.4 Power Distribution
This section details how the input power feed is distributed throughout the
base station to power its various sub-systems. The high level block diagrams
in Figure 4.5 on page 58 show the power distribution paths in single and
dual base stations, while Figure 4.10 on page 81 provides more detailed
information on a typical single base station. Also refer to “Circuit
Description” on page 17 for more detailed circuit descriptions of the
individual sub-systems that make up the base station.
The TB8100 can receive input power from either the AC or DC input.
Internal seamless switching between the AC or DC input ensures there are
no power interruptions should a changeover occur between the two inputs.
The base station will default to the AC input if both AC and DC inputs are
provided.
The AC converter has a series switch which isolates the mains input from
the converter. The DC input, however, has much higher current ratings,
and supports an on/off switch on the converter only.
The outputs from both the AC and DC high power converters are added
together and fed to the PA via the PA1 and PA2 outputs. The auxiliary
output is also tapped off this summed output.
When a DC module is fitted, a high efficiency standby card can be used to
power up the receiver circuitry. If required, the high power but low
efficiency converters can then be disabled, saving considerable power during
periods of no channel activity, by using the standby card to power the reciter
more efficiently.
TB8100 Installation and Operation Manual Functional Description 57
© Tait Electronics Limited December 2007
Base stations fitted with a 12V PA do not require a PMU. In this case the
DC input is connected directly to the PA, where it is fed to the internal
boost regulator board. This board provides a 12VDC output for the reciter
and a 28VDC output for the PA circuit boards.
The reciter input power feed is distributed to all internal reciter boards.
Local regulation ensures that noise and common mode interface signals are
kept to a minimum between sub-assemblies. Various power supplies in the
reciter further power and isolate critical sub-sections.
The reciter also powers the control panel, via a backpower protection diode.
The system control bus is used to route power to the control panel, thus
whenever a reciter is powered, and plugged into the control bus, if a control
panel is connected there will always be a reciter present to drive the control
bus functions.
Reciter Power
Control Signals The power control signals PWD_EX, PWD_RX and PWR_ON (refer to
Figure 4.10 on page 81) are control lines internal to the reciter that originate
from the DSP on the digital board and are distributed to the RF and system
interface boards. These lines allow the power control software to selectively
turn on or off different reciter circuit blocks depending on the depth of
power savings configured.
PWD_EX controls the circuitry associated with the exciter RF path, such
as the exciter buffer amplifier, VCO and synthesizer.
PWD_RX controls the circuitry associated with the receiver RF path, such
as the receiver VCO and synthesizer.
PWR_ON turns off all non-critical control logic that is not required to
maintain a minimum level of RISC and DSP activity. This ensures a timed
power-up and activity cycling process. The RF and system interface board
are shut down completely.

58 Functional Description TB8100 Installation and Operation Manual
© Tait Electronics Limited December 2007
Figure 4.5 TB8100 base station power distribution high level block diagrams
DC DC
12V
Power Saving
Control
Power Saving
Control
12V
12V
12V
12V
12V
AC AC
28V 28V
28V
Aux. DC Aux. DC
28V
28V 28V
PMU PMU
PA PA 1 PA 2
Reciter Reciter 1 Reciter 2
Control
Panel
Control
Panel
Reciter 1 Reciter 2
Control
Panel
Control
Panel
28V
PA 2
Boost
Regulator
28V
PA 1
Boost
Regulator
12V
Power Saving
Control 12V
Reciter
28V
PA
Boost
Regulator
Single Base Station
Single 12V PA Base Station Dual 12V PA Base Station
Dual Base Station

TB8100 Installation and Operation Manual Functional Description 59
© Tait Electronics Limited December 2007
4.5 PMU Operation on DC Input
The operation of the PMU on DC input is controlled by three sets of
parameters:
■user-programmable alarms
■user-programmable startup and shutdown limits
■battery protection limits.
The voltage range for each of these parameters is provided in Table 4.1 on
page 60. Figure 4.6 on page 61 illustrates how these parameters interact,
and how they control the operation of the PMU over a range of DC input
voltages.
Alarms User-programmable alarms can be set for low or high battery voltage. The
alarms will be triggered when the set voltage levels are reached. These limits
are subject to the tolerances of the battery protection circuitry, as stated in
“Battery Protection (Fail-safe) Limits” in Table 4.1 on page 60.
To set the alarms, run the Service Kit and select Configure > Alarms >
Thresholds. In the Thresholds form, enter the required minimum and
maximum values in the PMU battery voltage fields.
Startup and
Shutdown Limits The user-programmable startup and shutdown limits allow for adjustable
startup and shutdown voltages. These limits can be adjusted for different
numbers of battery cells, or for the particular requirements of the base
station operation. Once the limits are reached, the PMU will shut down.
These limits are subject to the tolerances of the battery protection circuitry,
as stated in “Battery Protection (Fail-safe) Limits” in Table 4.1 on page 60.
To set the startup and shutdown limits, run the Service Kit and select
Configure > Base Station > Miscellaneous. In the Power Configuration
area, enter the required values in the Power shutdown voltage and
Power startup voltage fields.
Important The default startup voltage values in the Service Kit will not
allow the PMU to start up when the battery is below its
nominal voltage. However, PMUs with hardware version
00.03 and later, firmware version 02.09 and later, in con-
junction with Service Kit version 03.06 and later, allow the
user to set the startup voltage below the nominal voltage of
the battery. Continuing to use a battery for extended peri-
ods when it is below its nominal voltage will severely
shorten its service life. For more information on battery
management, we recommend that you consult the battery
manufacturer.

60 Functional Description TB8100 Installation and Operation Manual
© Tait Electronics Limited December 2007
Battery Protection
Limits The battery protection limits are set in hardware at the factory, and cannot
be adjusted by the user. These limits will not be reached under normal
operation conditions, but are provided as “fail-safe” measures to protect the
battery from deep discharge. They also remove the need for low-voltage
disconnect modules.
Indicator LEDs The indicator LEDs on the front panel are used to indicate the state of the
PMU and its microprocessor. There are two LEDs, one red and one green.
Each LED can be on, off, or flashing at two rates (fast or slow). The state
of these LEDs can indicate a number of operating modes or fault conditions,
as described in Table 4.2 on page 62.
Table 4.1 PMU DC voltage limitsa
Parameter
Voltage Range
12V PMU 24V PMU 48V PMU
User-programmable Alarmsb
Low Battery Voltage
High Battery Voltage
10V to 14V
14V to 17.5V
20V to 28V
28V to 35V
40V to 56V
56V to 70V
User-programmable Limitsbcd
Startup Voltage
(after shutdown)
Shutdown Voltage
10.9V to 15.0V
10V to 13.5V
21.8V to 30V
20V to 27V
43.6V to 60V
40V to 54V
Battery Protection (Fail-safe) Limits
Startup Voltage
Undervoltage Shutdown
Overvoltage Shutdown
Overvoltage Shutdown Reset
10.8V ±0.2V
9.5V ±0.3V
18.1V ±0.3V
17.1V ±0.3V
21.6V ±0.5V
19V ±0.5V
36.2V ±0.5V
34.2V ±0.5V
43.2V ±1V
38V ±1V
72.4V ±1V
68.4V ±1V
a. The information in this table is extracted from the TB8100 Specifications Manual. Refer to the latest issue of this
manual (MBA-00001-xx) for the most up-to-date and complete PMU specifications.
b. Using the Service Kit software.
c. Only available if the standby power supply card is fitted.
d. These limits are subject to the tolerances of the battery protection circuitry, as stated in “Battery Protection (Fail-
safe) Limits”.

TB8100 Installation and Operation Manual Functional Description 61
© Tait Electronics Limited December 2007
Figure 4.6 PMU alarm thresholds and voltage limits when operating on DC
Time
0V
DC Input Voltage
Overvoltage Shutdown (HW)
Undervoltage Shutdown (HW)
Overvoltage Shutdown Reset (HW)
High Battery Voltage Alarm (SW Alarm)
Low Battery Voltage Alarm (SW Alarm)
Startup Voltage (SW)
Shutdown Voltage (SW)
Startup Voltage (HW)
Run
Run
Stop
Stop
Active
Active
Off
Off
Software Control &
Hardware Combined
Hardware Behaviour
Software Alarm
(Low Battery Voltage)
Software Alarm
(High Battery Voltage)
30s delay 30s delay 30s delay

62 Functional Description TB8100 Installation and Operation Manual
© Tait Electronics Limited December 2007
4.6 Data, Control and Monitoring Paths
This section describes the types of data and the methods used to move the
data around a TB8100 base station. Refer to Figure 4.14 on page 85 for
more information.
The reciter RISC is the central command and control entity in a base
station. As such it will often command modules to change state, based on
the information received in a module poll message reply. Messages from the
reciter over the I2C bus can control actions in the PA and PMU hardware,
such as changing Hysteresis mode in the PMU based on the current status
of any active power cycling modes, or reading the ambient temperature via
the PA module.
Table 4.2 PMU indicator LED states
Green Red PMU condition
off off power off (input above or below safe operating range)
flashing
(3Hz)
off no application firmware loaded; use the Service Kit software to
download the firmware
on off the microprocessor is operating; no alarm detected
on flashing
(3Hz)
one or more alarm conditions detected:
■output is overvoltage
■output is undervoltage
■output is current-limiting
■overtemperature
■mains failure
■battery voltage is low
■battery voltage is high
■shutdown is imminent
■DC converter is faulty
■battery is faulty, or DC converter is switched off
■auxiliary power supply is faulty
■PMU is not calibrated
■self-test has failed
■PMU is not configured
flashing
(on 300ms,
off 2700ms)
flashing
(on 300ms,
off 2700ms)
PMU is in battery protection mode
flashing
(on 300ms,
off 4700ms)
flashing
(on 300ms,
off 4700ms)
PMU is in Deep Sleep mode
flashing
(3Hz)
flashing
(3Hz)
Service Kit LED test - LEDs flash alternately
TB8100 Installation and Operation Manual Functional Description 63
© Tait Electronics Limited December 2007
Serial Service Kit communications are transferred from the attached serial
device (e.g. a personal computer running the TB8100 Service Kit), buffered
on the control panel and passed into the RISC’s UART.
Inter-module communications traffic (for example monitoring, diagnostics
and firmware download messages) is passed between the reciter and
PA/PMU via the I2C bus, which runs a Tait proprietary protocol. The
reciter acts as a router, in that messages to and from the PA and PMU are
passed through the reciter between the UART and I2C ports.
When each PA/PMU module powers up for the first time, it requests the
RISC, via the I2C bus, to allocate a unique address to that module for use
across the I2C bus. Each module on the I2C bus must have a unique address.
The reciter assumes “primary” status, while all PAs and PMUs assume
“secondary” status. Consequently, the reciter polls modules and the
modules reply, forming a poll-response architecture with unique addresses
and associations.
There is no information passed over the system control bus that is real-time
dependent. All real-time processing needs, such as fault recovery for all
modules, are supported by the microprocessor present in each module. The
only real time signal in the system is the PA_KEY signal that is passed
between the reciter and the PA. This signal is a critical part of the TX_KEY
ramp up and down operation and is summed with the exciter RF output to
the PA over the coaxial interconnection cable.
For example, when a TX_KEY signal is passed to the reciter system
interface board, the following actions occur:
1. The TX_KEY signal is read and processed by the RISC
microprocessor which, depending on the configuration and status of
the reciter, will then initiate a transmission.
2. The RISC will instruct the DSP via the host port to initiate a
transmission and start modulating the RF carrier.
3. The DSP will enable the PA_KEY line to the PA microprocessor.
4. The PA microprocessor will then initiate a controlled PA output ramp
up.
Depending on the channel selected for the transmission, the RISC will also
re-configure the synthesizer as required, though this does not automatically
occur at the start of a Tx/Rx event.
At an appropriate time, the reciter’s RISC processor will poll the PA and
PMU modules for their status (including any alarm conditions) and process
the results accordingly. Whenever a user selects a PA/PMU monitor or
diagnostic screen in the Service Kit, the information is read from that
module via the I2C bus. It is then transferred through the RISC and passed
to the Service Kit computer using the Tait proprietary Service Kit protocol
over the serial port.

64 Functional Description TB8100 Installation and Operation Manual
© Tait Electronics Limited December 2007
The PA and PMU sections on Figure 4.14 show most of the monitored
parameters in each module and the control outputs from the
microprocessors, which are also available to the reciter RISC via the I2C bus
and form the basis of the TB8100 monitored alarms.
Each reciter, PA and PMU module also stores the following information
specific to that module:
■calibration parameters
■serial and product number
■factory configuration.
This ensures that the module is a true entity in its own right, thus helping
to support simple “plug and play” site module replacement procedures.
The TB8100 control panel provides several important functions.
Depending on the control panel version these functions include, but are not
limited to, the following:
■an interface point to monitor and respond to failure alarm outputs from
the fans
■a point to read key presses and display base station status on output LEDs
■speaker control and amplifier for on-site monitor audio.
All control panel logic inputs and outputs are implemented by using an I2C
port expander that performs a serial (I2C) to parallel conversion (and vice
versa) over the I2C bus. The control panel port expanders are fixed address
8-bit input and output interfaces. The heaviest user of the I2C bus is actually
the control panel keypad read polls which occur on average every 50ms.
4.7 Fan Operation
The cooling fans are mounted on the front panel. One fan is in front of the
PA and another in front of the PMU. The fans do not operate continuously
but are switched on and off as needed by the reciter firmware. When the
base station is switched on, both fans come on for a short time and are then
normally switched off. The operation of the PA fan is configurable via the
Service Kit but the PMU fan is not. It has fixed on/off thresholds and a
defined set of duty cycles based on the PMU temperature, as follows:
PMU Temperature Duty Cycle
<65°C (<149°F) increases with increasing current draw
65°C to 75°C (149°F to 167°F) on two minutes, off one minute
>75°C (>167°F) always on
TB8100 Installation and Operation Manual Functional Description 65
© Tait Electronics Limited December 2007
Fans used in the TB8100 must have the correct wiring: power and ground
(2-wire fans), or power, ground and rotation detect (3-wire fans). Both fans
in the subrack must be of the same type.
If 3-wire fans are fitted, the reciter can monitor whether the fans are rotating
and generate an alarm if the fan fails. Refer to the Service Kit and Alarm
Center documentation for more details. Refer also to “Dual Base Station”
on page 47 for information on the constraints of fan rotation detection in
dual base stations.
4.8 Power Saving
TB8100 base stations can be equipped with Power Saving. This set of
sophisticated current-reducing measures is made available through the
optional Power Saving Modes licence. Under the control of the reciter, all
modules in the subrack work together to offer many levels of current
reduction. The receiver circuitry can cycle on and off, parts of the PA
circuitry can be switched off, and the PMU can enter a power-saving
Hysteresis mode or even shut down its main DC-DC converter. These
measures can achieve a dramatic reduction in power consumption during
idle periods.
Power Saving is available for 5W, 50W and 100W base stations. There can
only be one base station in the subrack and most Power Saving measures are
only available when the base station is running on battery power. Dual base
stations cannot have Power Saving, but they can be configured to provide
modest reductions in current consumption. The same configuration can be
used for single base stations without a Power Saving licence. This brings
their power consumption in line with the Tait T800 range.
Two optional hardware items are needed to maximise the amount of power
that the base station can save. The Power Save Control Panel (for further
information, see “Power Save Control Panel” on page 36) is designed for
base stations with Power Saving; most of its circuitry can be switched off.
The PMU standby power supply card enables it to run in Hysteresis mode
or to turn off its DC-DC converter.
Power Saving is implemented in three different modes: Normal, Sleep, and
Deep Sleep. This makes it possible for the extent of the power saving
measures to vary depending on the amount of traffic on the channel. Each
mode combines a number of power saving measures and is enabled and
configured through the Service Kit.
66 Functional Description TB8100 Installation and Operation Manual
© Tait Electronics Limited December 2007
4.8.1 Power Saving Measures
The following describes the different ways that the modules of a Power Save
base station are able to reduce their power consumption. Service Kit users
select these measures indirectly by selecting values for the Rx cycling time
and the Tx keyup time.
Receiver Signal Path
Cycling The receiver can be cycled off for a user-definable time, then switched back
on. If a signal is detected, the receiver stays on, otherwise it cycles off again.
There are two levels of cycling: the first involves only the receiver, the
second involves most circuitry in the reciter.
If the Rx cycling time is 100 ms or less, only the PWD_RX power rail is
turned off. This turns off the receiver front end, receiver ADC (Analog to
Digital Converter) and DDC (Digital Down Converter). Once the cycling
time has elapsed, the following occurs:
1. The DSP turns on the PWD_RX power rail.
2. The DSP initialises the DDC. This results in a working receiver.
3. The DSP measures the RSSI to see whether there is a signal on the
channel.
4. If the RSSI does not exceed the threshold, the DSP turns the power
rail off.
The whole process takes about 10ms.
If the Rx cycling time is greater than 100ms, more circuitry (including the
receiver VCO) cycles on and off. In this case, the DSP turns the PWD_RX
and the PWR_ON power rails off (see “Power Distribution” on page 56 for
more information about reciter power rails). Once the cycling time has
elapsed, the following occurs:
1. The DSP turns the PWR_ON rail back on and tells the RISC.
2. The RISC programs the receiver synthesizer and waits for it to lock.
This takes around 20ms.
3. The RISC tells the DSP that the synthesizer is locked.
4. The DSP turns on the PWD_RX power rail back on, and the process
continues as for receiver cycling above.
Transmitter Keying Normally, the PA uses special Fast Key circuitry to give a fast but controlled
ramp-up of the PA’s power output. In Sleep and Deep Sleep modes (and in
Normal mode, with a Tx keyup time of 5ms or longer), this function is
disabled by turning off the PA 10V power rail (see “Power Distribution” on
page 56 for more information about power rails). This turns off most of the
PA analogue circuitry. The process of keying the transmitter then works like
this:

TB8100 Installation and Operation Manual Functional Description 67
© Tait Electronics Limited December 2007
1. The PA receives a PA_KEY_COAX signal instructing it to key up.
This is a DC signal on the coaxial cable that goes from reciter to PA.
2. The PA microprocessor turns the 10V power rail on, and then waits
for 20-30ms for the regulator to stabilise the power.
3. The microprocessor sets the power level.
4. The microprocessor provides its usual ramping signal. This has the
form of a raised cosine.
PMU Hysteresis
Mode Hysteresis mode is the first means of reducing current consumption in the
PMU. It requires a PMU standby power supply card and is not available if
the PMU’s auxiliary power output is on.
While the PMU DC converter is highly efficient for output currents in the
range of 1-15A, it is not efficient for low output currents. This is mainly due
to the current drive requirements for the heavy-duty switching FETs (field
effect transistors).
Hysteresis mode resolves this issue by setting the output voltage to swing
between two fixed levels. This allows the FETs drive signal to be turned off
for periods of time. The FET off time is dependent on the load current
drawn. Figure 4.7 on page 67 illustrates the output voltages for the PMU
DC converter in both normal and Hysteresis modes.
You can confirm whether the PMU is in Hysteresis mode by connecting an
oscilloscope to the PMU’s 28V output power connector. You should see the
voltage ripple.
Hysteresis mode is used only when the base station is not transmitting. The
ripple generated by Hysteresis mode does not degrade the performance of
the receiver. However, when the base station is transmitting, Hysteresis
mode is turned off because the PA should never transmit with the ripple
voltage present.
Figure 4.7 DC converter output voltages in PMU operation modes
Time
Voltage
27.9
Time
Voltage
27.9
Normal mode Hysteresis mode
27.5
FET switches OFF once upper
threshold reached
Output voltage
ripple
(hysteresis voltage)
FET switches ON once lower
threshold reached

68 Functional Description TB8100 Installation and Operation Manual
© Tait Electronics Limited December 2007
PMU Standby
Operation In Deep Sleep mode, the second means of reducing PMU current
consumption takes effect. The PMU microprocessor turns the DC-DC
converter off, removing all power to the PA. Only the reciter and the control
panel receive power (see Figure 4.10 on page 81 for details).
The PA LEDs go off. The PMU’s green Power LED also goes off, but the
red Alarm LED flashes briefly about every 20 seconds (these LEDs are only
visible when the subrack front panel is removed).
Control Panel
Shutdown In Sleep and Deep Sleep modes, the reciter instructs the Power Save control
panel to shut down. This turns off most of its circuitry (fan detection, I2C
interface, RS-232). However, it is still monitoring the RS-232 lines for
activity.
Note The Power Save control panel does not shut down in Sleep and
Deep Sleep modes if the reciter is fitted with a TaitNet RS-232 or
High Density/RS-232 system interface board.
The red alarm LED goes off. This means that it cannot light up if an alarm
is generated. If an alarm is present when the control panel shuts down, it
cannot be displayed.
The Power LED flashes under hardware control to indicate that the base
station is in Sleep or Deep Sleep mode.
If the base station needs to communicate with an Alarm Center, or a Service
Kit attempts to connect, activity is detected on the RS-232 lines and the
Control Panel turns itself on. Immediately after the Service Kit disconnects,
the Control Panel shuts itself down again.
Note The standard and dual base station control panels cannot shut
themselves down, but their LEDs (except the Power LED) also
flash in Sleep and Deep Sleep modes.
12V PA Operation Power Saving is also available in base stations using a 12V PA. Both Sleep
and Deep Sleep modes can be configured, with the same receiver cycling
and Tx keyup options as a base station with a PMU. In Deep Sleep mode,
the reciter shuts down the PA by shutting down the boost regulator board
in the PA (refer to “12V PA Power Saving Control Connection” on
page 149 for more information on this connection). The 12VDC output
from the boost regulator board is unswitched and continues to power the
reciter even when the rest of the circuitry on the board is shut down.
4.8.2 Power Saving Modes
The Power Saving Modes licence makes two power saving modes available:
Sleep and Deep Sleep. The base station runs in Normal mode when there
is activity on the channel but can transition to Sleep and/or Deep Sleep
mode after it has been idle for a period of time.

TB8100 Installation and Operation Manual Functional Description 69
© Tait Electronics Limited December 2007
Once the base station’s Power Saving Modes licence is enabled, you can use
the Service Kit to enable and configure its Sleep and Deep Sleep modes (see
the Service Kit online Help for details).
Each mode is defined by a receiver cycling time and a Tx keyup time and
the values of these parameters determine which power saving measures are
used. The transitions from Normal mode to Sleep and from Sleep to Deep
Sleep modes are initiated by an idle timer.
Normal mode needs no enabling and can be configured without a Power
Saving Modes licence. The configuration can involve no current reduction
at all (no receiver cycling and the fastest possible Tx Keyup time), or a
modest reduction to give similar performance to the T800.
The transitions between modes are shown in Figure 4.8. On startup, the
base station operates in Normal mode. A timer starts as soon as there is no
channel activity. PTT, front-panel carrier-only transmission, CWID bursts,
and alarm tones do not count as activity, and can all occur in Sleep and Deep
Sleep modes without affecting the timer.
When the timer reaches the value set in the Service Kit (in the “Start after’”
box) for Sleep mode, the base station enters Sleep mode. If the receiver
Figure 4.8 Transitions between sleep modes
Normal Mode
User-selected Rx cycling time
and Tx keyup time
Deep Sleep Mode
User-selected Rx cycling time.
Tx keyup time Slow
Tx Key is activated or receiver
detects activity and determines
that the signal is valid
Idle timer continues until it
reaches the Deep Sleep value
Idle timer reaches Sleep
mode value
Tx Key is activated or receiver
detects activity and determines
that the signal is valid
Sleep Mode
User-selected Rx cycling time.
Tx keyup time Medium

70 Functional Description TB8100 Installation and Operation Manual
© Tait Electronics Limited December 2007
detects activity and determines that the signal is valid (or the Tx key line is
activated), it reverts to Normal mode. Otherwise, the timer continues
running.
When the timer reaches the value for Deep Sleep mode, the base station
enters Deep Sleep mode.
If the base station is running on AC power, the timer operates as usual.
However, the base station will continue to run in Normal mode, as
configured in the Service Kit, even after reaching the value for Sleep or
Deep Sleep mode. It only enters these modes after it has changed over to
DC power. If it changes back to AC power, it returns to Normal mode.
4.8.3 Overview of Operation
The following tables show the receiver cycling times and Tx keyup times
available for Normal, Sleep, and Deep Sleep modes and the power saving
measures they correspond to. For more details on power and current
consumption refer to the TB8100 Specifications Manual (MBA-00001-xx).
Table 4.3 Power Saving measures selected by receiver cycling time
Power
Saving
Mode
Receiver
Cycling
Reciter Power Rails
PWR_ON PWD_EX PWD_RX
Normal No cycling on on on
5ms on on cycling
10ms on on cycling
20ms on on cycling
Sleep No cycling on on on
20ms on on cycling
50ms on on cycling
100ms on on cycling
200ms cycling off cycling
Deep
Sleep
No cycling on on on
200ms cycling off cycling
500ms cycling off cycling
1s cycling off cycling
5 s cycling off cycling

TB8100 Installation and Operation Manual Functional Description 71
© Tait Electronics Limited December 2007
Further
Considerations
■Auxiliary power is not available in Sleep or Deep Sleep modes.
■Hysteresis mode is only available if a standby power supply card is fitted
and the auxiliary power output has not been turned on by Task Manager
action.
■There may be a significant delay in the setting of digital outputs if
PWR_ON is cycling. A change, such as the state of a digital input, is
only read when the power cycles on. Task Manager carries out the action
to set the digital output while the power is off, but this action only takes
effect next time the power cycles on.
■During receiver cycling, the base station is unable to provide a
continuous output on its audio output lines. When the receiver cycles
off, so does its line output, even if the outputs are not gated.
4.8.4 Using the Service Kit with Power Save Base Stations
You can connect the Service Kit to a base station in Sleep or Deep Sleep
mode and log on. The reciter is still able to communicate with the Service
Kit when powered by the standby power supply card. The control panel
needs to wake up, but the rest of the base station does not change mode. The
reciter can also initiate communications via the control panel to an Alarm
Center.
You can use the Service Kit to monitor Power Save operation and see what
power saving measures are currently active.
Important Displaying any PA monitoring or diagnostic screen turns
the PA on. The PA stays on until the screen is closed. Make
sure that you do not waste power by leaving any of these
screens on.
Table 4.4 Power Saving measures selected by Tx keyup time
Power
Saving
Mode
Tx Keyup
Time
PMU PA
28V Power Fast key
Normal 2msab
a. The Tx Keyup time you select using the Service Kit refers to the amount of time need-
ed to key the transmitter AFTER the reciter detects valid RF or receives a Tx Key signal.
The total time needed is increased by receiver cycling and varies according to where
in the cycle the RF or Tx Key is applied. The reciter only looks for RF or Tx Key when
the PWD_RX rail is on.
b. The actual Tx Keyup time may be slightly shorter or longer than this value. Refer to
the TB8100 Specifications Manual for further details.
on enabled
5msaon disabled
20msaon disabled
Sleep Medium Hysteresis mode disabled
Deep Sleep Slow off n/a: PA is off

72 Functional Description TB8100 Installation and Operation Manual
© Tait Electronics Limited December 2007
A monitoring screen shows you whether the DC-DC converter has shut
down. Select Monitor > Monitoring > Power Management.
The display shows that the DC-Converter is off, and that there is no power
to the PA.
To check whether Hysteresis mode is active, select Diagnose > Power
Management > Control Tests.
When the DC-DC converter display shows that Low Power Mode is on, the
PMU is in Hysteresis mode.
TB8100 Installation and Operation Manual Functional Description 73
© Tait Electronics Limited December 2007
4.8.5 Configuring Receiver Gating for Base Stations with Power Save
Settings for receiver gating can adversely affect Power Save.
In low-noise situations, Tait recommends that you use the default settings
(RSSI disabled, SINAD enabled at 12dB).
In high-noise situations, follow these guidelines:
■Use RSSI and SINAD gating.
■Set the RSSI level to be above the ambient noise level, for example
–113dBm (0.5μV).
■Set the SINAD level as desired.
■Set the gating logic to OR.
■Have no receiver cycling in Normal mode.
■Set short idle times (for example 1 minute for Sleep mode and 10
minutes for Deep Sleep mode).
The background to these recommendations is as follows:
Receiver gating operates differently when the receiver is cycling. Whenever
the receiver cycles on, it first measures the RSSI, even if its configuration
disabled RSSI gating (this is because detecting the RSSI is very quick). If the
RSSI exceeds the threshold, power stays on. (If the configuration doesn’t
specify a threshold, –117dBm is used.)
If gating is configured for RSSI alone, the receiver unmutes straight away. If
SINAD gating is enabled, the base station must first determine whether the
SINAD is above the threshold. If it is, the base station stays on, otherwise it
returns to cycling in its existing mode.
To ensure the full benefits of power saving, it is important to use an RSSI
level that prevents the base station unnecessarily turning the receiver on
while it checks the SINAD. For example, if the RSSI gate is turned off, the
SINAD gate is set to 20dB, and the receiver cycling time is 100ms, the
following can happen in the presence of channel noise:
1. The receiver cycles on.
2. It detects a signal that is above the RSSI threshold.
3. It stays on for 100ms to check whether the SINAD is good enough.
4. The SINAD is too low, so the receiver cycles off.
5. 100ms later, it’s time for the receiver to cycle on again and repeat the
procedure.
The result is that the receiver is on for about 120ms out of every 220ms,
instead of for about 20ms out of every 120ms.

74 Functional Description TB8100 Installation and Operation Manual
© Tait Electronics Limited December 2007
The recommendations for noisy sites have the following effects.
■A high RSSI level means that the base station rarely wastes power by
holding the receiver on to check the SINAD. (This may mean that users
find it more difficult to gain access to the site. However, once they have
access and the base station is in Normal mode, the relatively low SINAD
makes access easy.)
■Receiver cycling in Normal mode is not selected so that the higher RSSI
level is not required in order to open the gate.
■The ‘OR’ setting for gating logic provides optimal gating when the base
station is in Normal mode: quick opening when the signal is strong,
reliable opening when it is weaker.
■Short idle times maximise the proportion of time that the base station is
in Sleep and Deep Sleep modes.
Note If the base station is part of a CTCSS/DCS system, the base station
will use additional power whenever it hears a signal with the
wrong subtone. For example, if the receiver has the same settings
as above, it would be on for 320ms out of every 420ms (a subau-
dible check can take up to 230ms). The only way to minimise the
effects of this is to set a very long receiver cycling time, such as 5
seconds.
4.9 Ethernet Interface
The TaitNet Ethernet system interface board provides the TB8100 base
station with an Ethernet interface, allowing it to be integrated into IP
networks, for example those used for microwave links between sites (refer to
Figure 6.20 on page 143).
The TB8100 Service Kit supports Ethernet connection, allowing all its
features such as configuration, firmware downloading, monitoring and
diagnostics to be performed from any location where there is an IP
connection to the site.
The TaitNet Ethernet system interface board is designed for use with all
TB8100 base stations, including paging, TaitNet trunking, and TaitNet QS²
Simulcast. It supports Computer Controlled Interface (CCI) commands,
but does not support VoIP. It also supports auto speed detection of either
10 or 100 base T.
The TaitNet Ethernet system interface board requires reciter firmware
version 3.00 and later, and hardware version 00.02 and later. PSTN Alarm
Center dial-up and email services are disabled when a TaitNet Ethernet
system interface board is fitted (refer to “Using Syslog Messages with
Ethernet Connections” on page 164), but are still supported on other system
interface boards.

TB8100 Installation and Operation Manual Functional Description 75
© Tait Electronics Limited December 2007
Alarm Processing Alarm processing has been enhanced from the solution previously available,
which involved the use of a PSTN, asynchronous port switch, and Alarm
Center. TB8100 base stations using an Ethernet connection cannot connect
to an Alarm Center. Instead, the TaitNet Ethernet system interface board
sends industry standard “syslog” TCP-IP messages to a syslog collector. The
syslog collector then displays the alarm notifications and, depending on the
actual collector used, can add further customised actions. Refer to “Using
Syslog Messages with Ethernet Connections” on page 164 for further details
on the syslog collector.
A typical process for TB8100 fault management via Ethernet would be as
follows:
1. A base station detects a fault and sends a syslog message to a syslog col-
lector.
2. Depending on the particular syslog collector being used, the collector
then:
■Translates the message into an email notification for sending, based
on various priority rules.
■Generates audible warnings, etc., or translates the message into an
SNMP trap for another SNMP-based notification service to use.
3. Once the fault has been notified, the TB8100 Service Kit may be
used to access the base station and diagnose the fault.
Ethernet and
System I/O The TaitNet Ethernet system interface board has an RJ45 Ethernet
connector and an enhanced 15-way D-range connector. Some pins on the
D-range connector can be configured to provide different signals. “TaitNet
Ethernet” on page 139 has more information on these switch-selectable
signals and the pin allocations of the D-range.
Note The pin allocations for the 15-way D-range connector on the
TaitNet Ethernet system interface board are different from those
of other TaitNet boards (refer to Table 6.2 on page 141).
Monitoring
Heartbeats Using the Service Kit you can configure the TB8100 to send a regular
heartbeat message. The interval between heartbeats can be set from one
minute to 12 hours. This enhances network fault monitoring because, if the
syslog collector fails to receive a periodic message from a base station, it can
raise the appropriate alarm.
The heartbeat output is disabled when CCI mode is active, because it is
expected that the remote device connecting to the base station will poll the
base stations to validate the communications link. There is also no heartbeat
if the Service Kit is connected.
Refer to “Using Syslog Messages with Ethernet Connections” on page 164
and the Service Kit documentation for more information.

76 Functional Description TB8100 Installation and Operation Manual
© Tait Electronics Limited December 2007
Note Only one type of connection to a TB8100 is possible at any one
time (either the Service Kit, or syslog, or CCI).
Power Saving Power Saving is still possible with the TaitNet Ethernet system interface
board. However, the total power consumption will be slightly greater (for
example, approximately 1W more than the isolated system interface board).
Note If the Rx Cycling time is set to 200ms or longer, during Sleep and
Deep Sleep the state of the digital inputs will be undefined, and
the state of the digital outputs will always be inactive.
4.10 Multi-reciter Subracks
4.10.1 Description of Operation
Refer to Figure 4.9 on page 78.
The multi-reciter subrack allows multiple receive-only reciters to be
installed in a TB8100 subrack. The multi-reciter subrack can accommodate
one to five reciters with a PMU, or one to seven reciters with no PMU (refer
to “Connection” on page 109 for more details).
Note Reciters are numbered from right to left when viewed from the
front of the subrack. Reciters should always be installed starting
from the right-hand side of the subrack.
The important functions of the multi-reciter subrack are to:
■provide an integrated wiring solution for the system control bus and DC
power connections to each reciter
■allow reciters to be replaced without affecting the operation of other
reciters in the subrack1
■provide a means of connecting to and monitoring, configuring and
diagnosing any reciter in the subrack
■allow the status of all reciters in the subrack to be monitored in real time.
Hardware The multi-reciter configuration is made up of two special modules: the
multi-reciter control panel and the multi-reciter subrack interconnect board.
The control panel provides the user with some manual control of the reciters
in the subrack, and can display status information for each reciter (refer to
“Multi-reciter Control Panel” on page 37). The subrack board provides
switching and control logic (refer to “Configuring the Subrack Interconnect
Board” on page 154).
1. You do need to power down reciter 2 before removing reciter 3. Refer to
“Replacing the Reciter” on page 173 for more details.

TB8100 Installation and Operation Manual Functional Description 77
© Tait Electronics Limited December 2007
Reciters are installed in the subrack from right to left (viewed from the
front), with the right-hand position corresponding to position 1 on the
control panel. Only the reciter in position 1 can communicate with the
PMU (if fitted).
The multi-reciter subrack interconnect board and control panel must be
used together and cannot be used in other types of TB8100 subracks. The
connection between the control panel and subrack board is made with a
high density 26-way D-range connector.
When power is applied to the subrack, the control panel will default to
reciter position 1. When a PMU is fitted, power is connected to the PMU
in the normal way. When no PMU is fitted, the DC input to the subrack
is connected to a terminal block mounted on the rear of the subrack (refer
to “Power Supply Connections” on page 122).
Control Panel and
Indicator LEDs The multi-reciter control panel allows you to select which reciter is
connected to the control panel. This reciter will then drive the status LEDs,
and respond to inputs from the controls on the control panel. You can also
connect to this reciter using the Service Kit (if the system interface board
fitted to the reciter supports front panel connection - refer to “Service Kit
Connections” on page 144 for more details).
Note When a reciter is not fitted and that subrack position is selected,
the status LEDs will reflect the status of the channel which was
selected before the change was made. This is because there is no
reciter present in the newly selected position to update or clear the
status of the LEDs.
The channel LEDs use different colours to indicate the currently selected
reciter, and to provide real-time status information for any reciter installed
in the subrack (refer to “Multi-reciter Control Panel” on page 37). Any
reciter can update (in real time) the channel LEDs to display one of two
possible reciter status signals: Rx gate or alarm. Links on the multi-reciter
subrack interconnect board allow you to choose which status signal (either
Rx gate or alarm) is connected to the channel LEDs. Links on the control
panel board also allow you to select which colour (either red or green) will
be used for the selected status signal; the other colour will then be used to
indicate the currently selected reciter. The default colours for TB8100 are
green for Rx gate and red for alarm. If the LED for the currently selected
reciter receives a status signal, it will change to orange. Refer to
“Configuration” on page 153 for more information.
Audio The speaker output is from the currently selected reciter only. Refer to
“Speaker Button and LED” on page 38 for more details.
Power Saving Power Saving is possible in the multi-reciter subrack, but with some
limitations. Refer to “Operational Constraints” on page 79 for more
details.

78 Functional Description TB8100 Installation and Operation Manual
© Tait Electronics Limited December 2007
Figure 4.9 Multi-reciter functional block diagram

TB8100 Installation and Operation Manual Functional Description 79
© Tait Electronics Limited December 2007
4.10.2 Operational Constraints
The multi-reciter subrack imposes a number of constraints on the operation
of TB8100 modules. These are listed below.
Reciter ■Only reciters with firmware version 3.00 or later can be used in a multi-
reciter subrack. The control panel will not work with earlier versions of
reciter firmware.
Power
Saving Important If there is a PMU in the subrack, the reciter in subrack posi-
tion 1 should never have Deep Sleep mode enabled, only
Sleep mode. If Deep Sleep is enabled for reciter 1, it will
turn off the power to all reciters in the subrack.
This is because the reciters in the multi-reciter subrack are powered from the
PA DC output on the PMU. In Deep Sleep mode this DC output is turned
off, which will power down all the reciters.
All other reciters in the subrack can have Sleep or Deep Sleep mode enabled.
Service Kit ■The Service Kit can only log on to the currently selected reciter via the
control panel.
■As the PMU is associated with reciter 1, no PMU settings for reciters 2
to 7 will function. This includes the PMU battery voltage display,
monitoring, diagnostics, and power management display.
■All PMU alarms for reciters 2 to 7 must be disabled (the alarm LEDs on
the Alarm screen will therefore be grey).
■In the Configure > Base Station > Miscellaneous form for reciters 2 to
7, the Power configuration areas will display voltages of zero.
■All fan faults will not be detected, displayed, or acted on (if disabled) for
all reciters. All Fan failure alarms should be disabled.
■The display of fan states in Diagnostic forms may be incorrect.
Recommended
Service Kit Settings The following Service Kit settings are recommended for multi-reciter
operation:
■Disable the “Fan failure” alarm for the PA for all reciters.
■Disable the “Fan failure” alarm for the PMU for all reciters (whether a
PMU is fitted or not).
■Disable the “No PMU detected” alarm for reciters 2 to 7 if a PMU is
fitted. If no PMU is fitted, disable the alarm for all reciters.
■Disable the “No PA detected” alarm for all reciters.
■Disable Alarm Center and Email on all reciters (refer also to “Service Kit
and Alarm Center Connections” below).
80 Functional Description TB8100 Installation and Operation Manual
© Tait Electronics Limited December 2007
Service Kit and
Alarm Center
Connections
If you want to use the serial port on the control panel to connect to a reciter
in a multi-reciter subrack, you must first select the reciter using the channel
button. You cannot connect to the serial port on the control panel and then
remotely select the reciter you want to connect to.
It is also impossible for any reciter that has generated an alarm to dial out to
an Alarm Center if that reciter is not the currently selected reciter. If you
do require dial-out access to an Alarm Center, or remote dial-in access to
any reciter in the subrack, you will need to install reciters fitted with High
Density/RS-232, TaitNet RS-232 or TaitNet Ethernet system interface
boards. These boards will allow connection to any reciter in the subrack via
the rear panel connector.
Additional information on remote monitoring is provided in Application
Note TN-742-AN (“Remotely Monitoring and Configuring the TB8100
Base Station”).

TB8100 Installation and Operation Manual Functional Description 81
© Tait Electronics Limited December 2007
Figure 4.10 TB8100 base station power distribution
b
Temperature
Mains good
To /
from
µP Shutdown
Rear panel
ON/OFF switch
AC input
(115-230VAC
50/60Hz)
DC input
12/24/48VDC
Data
To /
from
µP Run
Rear panel
ON/OFF switch
Temperature
Hysteresis enable
Standby present
Shutdown
To /
from
µP
PMU µP
&
I
2
C pull-ups
Standby isolate
(from uP)
Auxiliary
28 to 12/24/48V
(optional)
Front panel
PA1 & PA2
outputs
Front panel
Reciter outputs
Rear panel aux output
(SIF / trickle
charger output)
Data
To /
from
µP Run
28 to 10V
regulator
(switched)
28 to 5V
regulator
(permanent)
28 to -3V
regulator
(permanent)
Control board
Power
Management
Unit
(PMU)
28 to 2.5V
regulator
(permanent)
28 to 5V
regulator
(permanent)
6W board 60W board
Low pass
filter board
Power
Amplifier
(PA)
Digital board
RX/EX/EX
Ref
Synths &
VCO's
RF boardSystem interface board
Reciter
System
interface
analogue
circuitry
System interface
D-range supply
output
System interface
power input
Diagnostics
and power
control
circuitry
Analogue
power control
circuitry
Power
control
circuitry
RF circuits
RF circuits RF circuits
Power supply
connectors
DSP
-Codec
-ADC
-DDC
-Power control logic
PWD_EX
PWD_RX
PWR_ON
28 to 5V
Speaker
amplifier
I
2
C
control
signal
Control
Panel
AC module
DC module
Auxiliary power
supply board
SIF_28V
Not connected
Standby power supply card
Protection
Fuse
Power supply
connectors
AC converter
(500W)
(optional)
DC converter
(40/500W)
(optional)
Standby
28-29V
µP Control
µP Control
System
Control bus
Microphone
circuitry
RS-232
circuitry
I
2
C
circuitry
System
interface
digital
logic
Exciter
RF
circuitry
Receiver
RF
circuitry
Receiver
digital
logic
RISC
-memory
-clock

82 Functional Description TB8100 Installation and Operation Manual
© Tait Electronics Limited December 2007
Figure 4.11 TB8100 base station VHF signal path
RX
Cross
Point
Switch
(CPS)
Balanced
audio
input
Balanced
audio
output
Unbalanced
audio input
Unbalanced
audio output
Decimation
filter
Interpolation
filter
Decimation
filter
Interpolation
filter
Mic.
Test Signal
generator
PIP tones
FFSK
CWID
Selcall
Test tone
OTA
generators
FFSK
Tone remote
Selcall OTL decoders
Unbalanced
Balanced
Line input level
measurements
HPF
HPF
Notch filter
Notch filter
Pre-emphasis
Pre-emphasis
Variable delay
Variable delay
Voice filter
Service Kit
Interpolating
filter
Hard limiterLimiter filter
Voice reject
filter
Interpolating
filter DCS
encoder
CTCSS
encoder
TX sub-band signalling
TX path audio processing
Path A
Variable delay
Variable delay
Mute switch
Mute switch
De-emphasis
De-emphasis
HPF
HPF
CTCSS
decoder
DCS decoder
Voice reject
RX path audio processing
Rx sub-band
signalling
Interpolation
filter
BO audio
measurement
UO audio
measurement
Test signal
sink
Selcall decode
FFSK decode
Voting tones
FFSF
Pip tones
Line out test tone.
Tone remote
Frequency
control
loop
Decimating
filter
Loopback
Cross
Point
Switch
(CPS)
SINAD
processing
Normalisation,
FM Demod,
RSSI & SINAD
measurement
LPF
LPF
BPF1
Frequency
control loop
quadrature
mixer +
buffers
Change over
switch
Ex SynthEx Loop filterEx VCO
LPF
Switch
RF
Input*
RF
Amp BPF2
Mixer Diplexer Buffer Pad
NB Xtal
filter
IF
Amp
Anti-
alias
filter
Digital
down
converter
(DDC) RSSI,
processing
RX SynthLoop filterRX VCO
Ref VCXO
(12.8MHz)
REF Synth
Ref detect.
Ext.
Ref.
40MHz VCXO
40MHz Synth
To RISC, DSP,
ADC, DDC
Σ
100mW
PIN
atten. 1W 6W 60W Harmonic
filter
Directional
coupler
PA
Microprocessor
DAC
LPF
PA_KEY
DAC
AC converter
DC converter
10W
standby
AC
input
DC
input
PA1/PA2 output
40W
Converter
Aux. out (SIF)
µP
Standby
Isolate
Reciter output
Rear panel
ON/OFF
µP
µP
µP
Rear
panel
ON/OFF
µP
Σ
RF
output
Exciter to
PA RF
Reduced instruction
set computer
(RISC)
ADC
ADC
ADC
DAC
DAC
DAC
DAC
ADC
ADC
TX_KEY
RX_GATE
COAX Relay
I
2
C
I
2
CUART
LPF / Directional
Coupler Board
60W
Board
6W Board
Control Board
50W Power Amplifier
I
2
C current
sources
PMU
micro-
processor
I
2
C
Power factor
correction
Power Management
Unit
System
Control
bus
System
Control
bus
System Control bus
System
Control
bus
System
Interface Board
Digital Board
RF Board
Path B
Buffer 12.8MHz to
CODECs
Host port
RISC
RISC
RISC
RISC
RISC
Digital Signal Processor (DSP)
IF Receiver
front end
Decimating
filter
Reciter
Repeater AC
coupling filter
Line
loopback
*Frequency Bands & Sub-bands
B2 = 136-156MHz
B3 = 148-174MHz
C1 = 174-193MHz
C2 = 193-225MHz
152.9-241.9MHz
high side
VCXO
Buffer
+ coax
driver
VCO
modulation
VCXO
modulation
12.8MHz TCXO
TX
Cross
Point
Switch
(CPS)
Micro Card
AC Converter Board
DC Converter Board
ADCADC
Σ
DACDAC
Transient
wave shape
RF power
setting
Forward
power
Reverse
power
Bias
Bias
ADC
Power
control
RX_GATE
Σ
ΣΣ
Σ
Σ
Σ
RISC
RISC
RISC
RISC
RISC
RISC
RISC
RISC
RISC
RISC
RISC
RISC
RISC
RISC
RISC
RISC
RISC
RISC
RISC
RISC
RISC
I
Q
SIO
OTL
encoders
DAC
ADC
Fan
buff.
Fan buffer
PA
fan
PMU
fan
Standby PS card
Auxiliary PS
Board
RISC
RISC
RISC RISC
RISC
RISC
Buff
EPOT Buff
EPOT Mute
Sw.
Mute
Sw.
Digital audio output
Buff
Buff
EPOT
EPOT
Digital audio input
Digital
inputs
Digital
outputs
RSSI
output
voltage
Power
from PMU
Power to
external
equipment
Buff
Third party
interface
connections
Discrete
Logic
Conventional
signalling
buffers
EPOTs
Mute Switches
SIF ID
Amp
Amp &
Switch
Vol.
Knob
Compressor Amp.
I
2
C port
expanders
Speaker ON/OFF
Fan rotation
Control panel ID
LEDs
Keypad
Mic PTT
Standard
Control Panel
2.5A
polyfuse
Noise
source
PIN
switch
RISC
Buffer
10 or 12.8MHz
Buffer
General I/O
PA_KEY
DAC
Demodulated
audio
Direct demodulated audio output
Direct modulation audio input
Speaker
SIO to
UART RS-232
converter
Rear
panel
RS-232
TX_KEY
COAX Relay
General I/O
Reciter
fan
Fan buffer
RS-232
converter
HPF
RF
Detect
AND
Path A
Path B
Path A (muted)
Path A (un-muted)
Path B (un-muted)
Path B (muted)
HPF
WB Xtal
filter
Switch
RISC
SIF = system interface board

TB8100 Installation and Operation Manual Functional Description 83
© Tait Electronics Limited December 2007
Figure 4.12 TB8100 base station UHF signal path - H band and K band
RX
Cross
Point
Switch
(CPS)
Balanced
audio
input
Balanced
audio
output
Unbalanced
audio input
Unbalanced
audio output
Decimation
filter
Interpolation
filter
Decimation
filter
Interpolation
filter
Mic.
Test Signal
generator
PIP tones
FFSK
CWID
Selcall
Test tone
OTA
generators
FFSK
Tone remote
Selcall OTL decoders
Unbalanced
Balanced
Line input level
measurements
HPF
HPF
Notch filter
Notch filter
Pre-emphasis
Pre-emphasis
Variable delay
Variable delay
Voice filter
Service Kit
Interpolating
filter
Hard limiterLimiter filter
Voice reject
filter
Interpolating
filter DCS
encoder
CTCSS
encoder
TX sub-band signalling
TX path audio processing
Path A
Variable delay
Variable delay
Mute switch
Mute switch
De-emphasis
De-emphasis
HPF
HPF
CTCSS
decoder
DCS decoder
Voice reject
RX path audio processing
Rx sub-band
signalling
Interpolation
filter
BO audio
measurement
UO audio
measurement
Test signal
sink
Selcall decode
FFSK decode
Voting tones
FFSF
Pip tones
Line out test tone.
Tone remote
Frequency
control
loop
Decimating
filter
Loopback
Cross
Point
Switch
(CPS)
SINAD
processing
Normalisation,
FM Demod,
RSSI & SINAD
measurement
LPF
LPF
BPF
Frequency
control loop
quadrature
mixer +
buffers
Change over
switch
Ex SynthEx Loop filterEx VCO
LPF PIN
Atten.
RF
Amp
RF
Input*
RF
Amp BPF
Mixer Diplexer Buffer Pad
70.1MHz
XTAL
filter
AGC
Det.
IF
Amp
Anti-
alias
filter
Digital
down
converter
(DDC) RSSI,
processing
RX SynthLoop filterRX VCO
Ref VCXO
(12.8MHz)
REF Synth
Ref detect.
Ext.
Ref.
40MHz VCXO
40MHz Synth
To RISC, DSP,
ADC, DDC
Σ
100mW
PIN
atten. 1W 6W 60W Harmonic
filter
Directional
coupler
PA
Microprocessor
DAC
LPF
PA_KEY
DAC
AC converter
DC converter
10W
standby
AC
input
DC
input
PA1/PA2 output
40W
Converter
Aux. out (SIF)
µP
Standby
Isolate
Reciter output
Rear panel
ON/OFF
µP
µP
µP
Rear
panel
ON/OFF
µP
Σ
RF
output
Exciter to
PA RF
Reduced instruction
set computer
(RISC)
ADC
ADC
ADC
DAC
DAC
DAC
DAC
ADC
ADC
TX_KEY
RX_GATE
COAX Relay
I
2
C
I
2
CUART
LPF / Directional
Coupler Board
60W
Board
6W Board
Control Board
50W Power Amplifier
I
2
C current
sources
PMU
micro-
processor
I
2
C
Power factor
correction
Power Management
Unit
System
Control
bus
System
Control
bus
System Control bus
System
Control
bus
System
Interface Board
Digital Board
RF Board
Path B
Buffer 12.8MHz to
CODECs
Host port
RISC
RISC
RISC
RISC
RISC
Digital Signal Processor (DSP)
IF Receiver
front end
Decimating
filter
Reciter
Repeater AC
coupling filter
Line
loopback
Pad
369.9-510.1MHz
H1 = high side
H2 = low side
H3 = low side
H4 = high side
VCXO
Buffer
+ coax
driver
VCO
modulation
VCXO
modulation
12.8MHz
TCXO
TX
Cross
Point
Switch
(CPS)
Micro Card
AC Converter Board
DC Converter Board
ADCADC
Σ
DACDAC
Transient
wave shape
RF power
setting
Forward
power
Reverse
power
Bias
Bias
ADC
Power
control
RX_GATE
Σ
ΣΣ
Σ
Σ
Σ
RISC
RISC
RISC
RISC
RISC
RISC
RISC
RISC
RISC
RISC
RISC
RISC
RISC
RISC
RISC
RISC
RISC
RISC
RISC
RISC
RISC
I
Q
SIO
OTL
encoders
DAC
ADC
Fan
buff.
Fan buffer
PA
fan
PMU
fan
Standby PS card
Auxiliary PS
Board
RISC
RISC
RISC RISC
RISC
RISC
Buff
EPOT Buff
EPOT Mute
Sw.
Mute
Sw.
Digital audio output
Buff
Buff
EPOT
EPOT
Digital audio input
Digital
inputs
Digital
outputs
RSSI
output
voltage
Power
from PMU
Power to
external
equipment
Buff
Third party
interface
connections
Discrete
Logic
Conventional
signalling
buffers
EPOTs
Mute Switches
SIF ID
Amp
Amp &
Switch
Vol.
Knob
Compressor Amp.
I
2
C port
expanders
Speaker ON/OFF
Fan rotation
Control panel ID
LEDs
Keypad
Mic PTT
Standard
Control Panel
2.5A
polyfuse
Noise
source
PIN
switch
RISC
RISC RISC
Buffer
10 or 12.8MHz
Buffer
General I/O
PA_KEY
DAC
Demodulated
audio
Direct demodulated audio output
Direct modulation audio input
Speaker
SIO to
UART RS-232
converter
Rear
panel
RS-232
TX_KEY
COAX Relay
General I/O
Reciter
fan
Fan buffer
RS-232
converter
HPF
RF
Detect
AND
Path A
Path B
Path A (muted)
Path A (un-muted)
Path B (un-muted)
Path B (muted)
*Frequency Bands & Sub-bands
H1 = 400-440MHz
H2 = 440-480MHz
H3 = 470-520MHz
H4 = 380-420MHz
K4 = Rx 792-824MHz
Tx 762-776MHz & 850-870MHz
AGC not fitted to
K band reciters
721.9-753.9MHz
K4 = low side
SIF = system interface board

84 Functional Description TB8100 Installation and Operation Manual
© Tait Electronics Limited December 2007
Figure 4.13 TB8100 base station UHF signal path - L band
RX
Cross
Point
Switch
(CPS)
Balanced
audio
input
Balanced
audio
output
Unbalanced
audio input
Unbalanced
audio output
Decimation
filter
Interpolation
filter
Decimation
filter
Interpolation
filter
Mic.
Test Signal
generator
PIP tones
FFSK
CWID
Selcall
Test tone
OTA
generators
FFSK
Tone remote
Selcall OTL decoders
Unbalanced
Balanced
Line input level
measurements
HPF
HPF
Notch filter
Notch filter
Pre-emphasis
Pre-emphasis
Variable delay
Variable delay
Voice filter
Service Kit
Interpolating
filter
Hard limiterLimiter filter
Voice reject
filter
Interpolating
filter DCS
encoder
CTCSS
encoder
TX sub-band signalling
TX path audio processing
Path A
Variable delay
Variable delay
Mute switch
Mute switch
De-emphasis
De-emphasis
HPF
HPF
CTCSS
decoder
DCS decoder
Voice reject
RX path audio processing
Rx sub-band
signalling
Interpolation
filter
BO audio
measurement
UO audio
measurement
Test signal
sink
Selcall decode
FFSK decode
Voting tones
FFSF
Pip tones
Line out test tone.
Tone remote
Frequency
control
loop
Decimating
filter
Loopback
Cross
Point
Switch
(CPS)
SINAD
processing
Normalisation,
FM Demod,
RSSI & SINAD
measurement
LPF
LPF
Switch
Frequency
control loop
quadrature
mixer +
buffers
Change over
switch
Ex SynthEx Loop filterEx VCO
LPF RF
Amp
RF
Input*
Mixer Diplexer Buffer Pad
70.1MHz
XTAL
filter
IF
Amp
Anti-
alias
filter
Digital
down
converter
(DDC) RSSI,
processing
RX SynthLoop filterRX VCO
Ref VCXO
(12.8MHz)
REF Synth
Ref detect.
Ext.
Ref.
40MHz VCXO
40MHz Synth
To RISC, DSP,
ADC, DDC
Σ
100mW
PIN
atten. 1W 6W 60W Harmonic
filter
Directional
coupler
PA
Microprocessor
DAC
LPF
PA_KEY
DAC
AC converter
DC converter
10W
standby
AC
input
DC
input
PA1/PA2 output
40W
Converter
Aux. out (SIF)
µP
Standby
Isolate
Reciter output
Rear panel
ON/OFF
µP
µP
µP
Rear
panel
ON/OFF
µP
Σ
RF
output
Exciter to
PA RF
Reduced instruction
set computer
(RISC)
ADC
ADC
ADC
DAC
DAC
DAC
DAC
ADC
ADC
TX_KEY
RX_GATE
COAX Relay
I
2
C
I
2
CUART
LPF / Directional
Coupler Board
60W
Board
6W Board
Control Board
50W Power Amplifier
I
2
C current
sources
PMU
micro-
processor
I
2
C
Power factor
correction
Power Management
Unit
System
Control
bus
System
Control
bus
System Control bus
System
Control
bus
System
Interface Board
Digital BoardRF Board
Path B
Buffer 12.8MHz to
CODECs
Host port
RISC
RISC
RISC
RISC
RISC
Digital Signal Processor (DSP)
IF Receiver
front end
Decimating
filter
Reciter
Repeater AC
coupling filter
Line
loopback
Pad
L1 = 781.9-783.9MHz
L1 = 857.9-859.9MHz
L2 = 825.9-831.9MHz
low side
VCXO
Buffer
+ coax
driver
VCO
modulation
VCXO
modulation
12.8MHz
TCXO
TX
Cross
Point
Switch
(CPS)
Micro Card
AC Converter Board
DC Converter Board
ADCADC
Σ
DACDAC
Transient
wave shape
RF power
setting
Forward
power
Reverse
power
Bias
Bias
ADC
Power
control
RX_GATE
Σ
ΣΣ
Σ
Σ
Σ
RISC
RISC
RISC
RISC
RISC
RISC
RISC
RISC
RISC
RISC
RISC
RISC
RISC
RISC
RISC
RISC
RISC
RISC
RISC
RISC
RISC
I
Q
SIO
OTL
encoders
DAC
ADC
Fan
buff.
Fan buffer
PA
fan
PMU
fan
Standby PS card
Auxiliary PS
Board
RISC
RISC
RISC RISC
RISC
RISC
Buff
EPOT Buff
EPOT Mute
Sw.
Mute
Sw.
Digital audio output
Buff
Buff
EPOT
EPOT
Digital audio input
Digital
inputs
Digital
outputs
RSSI
output
voltage
Power
from PMU
Power to
external
equipment
Buff
Third party
interface
connections
Discrete
Logic
Conventional
signalling
buffers
EPOTs
Mute Switches
SIF ID
Amp
Amp &
Switch
Vol.
Knob
Compressor Amp.
I
2
C port
expanders
Speaker ON/OFF
Fan rotation
Control panel ID
LEDs
Keypad
Mic PTT
Standard
Control Panel
2.5A
polyfuse
Buffer
10 or 12.8MHz
Buffer
General I/O
PA_KEY
DAC
Demodulated
audio
Direct demodulated audio output
Direct modulation audio input
Speaker
SIO to
UART RS-232
converter
Rear
panel
RS-232
TX_KEY
COAX Relay
General I/O
Reciter
fan
Fan buffer
RS-232
converter
HPF
RF
Detect
AND
Path A
Path B
Path A (muted)
Path A (un-muted)
Path B (un-muted)
Path B (muted)
*Frequency Bands & Sub-bands
L1 = 852-854MHz, and 928-930MHz
L2 = 896-902MHz (receive only)
L2 = 927-941MHz (transmit only)
SAW
Filter
SAW
Filter
Switch LPF HPF Switch
SAW
Filter
SAW
Filter
Switch
SIF = system interface board

TB8100 Installation and Operation Manual Functional Description 85
© Tait Electronics Limited December 2007
Figure 4.14 TB8100 base station data, control and monitoring path
100mW 1W 6W 60W Directional
coupler
Power Amplifier
Microprocessor
Bias
AC converter
DC converter
Standby
PS card
AC
input
DC
input
Auxiliary
PS Board Aux. out (SIF)
Reciter
output
Rear panel
ON/OFF
Rear
panel
ON/OFF
RF
output
TB8100 50W Power Amplifier
Power Management Unit
Microprocessor
TB8100 Power
Management Unit
Reverse
power
Forward
power
PA fan
Temperature ON/
OFF
Temperature ON/OFF Input
voltage
Input
current ON/OFF
ON/
OFF
Sum
Output voltage PA1/PA2
output
Hysteresis
ON/OFF
PMU fan
Ambient
temperature
Current
Temperature
Bias
Current
Temperature
Sum
Control voltage
Transient wave
shape
RF power setting
Power control
Ambient
temperature
I
2
C port
expanders
RS232
converter
Speaker ON/OFF
Control panel ID
LEDs
Keypad
Mic PTT
TB8100
Standard
Control Panel
Reduced
Instruction
Set
Computer
(RISC)
Digital
Signal
Processor
(DSP)
Host
port
RF signal
Exciter
External
reference
Power
supply
sub-section
SYS_PWR
PWR_EX
PWR_RX
PWR_GOOD
PA_KEY
Temperature
CODECs
Balanced
audio input
Balanced
audio output
Unbalanced
audio input
Unbalanced
audio output
Buff
EPOT Buff
EPOT Mute
Sw.
Mute
Sw.
Digital audio I/O
Buff
Buff
EPOT
EPOT
Serial
to
parallel
Parallel
to
serial
Digital
outputs
Digital
inputs
SIF_ID
SYNC to
UART
Rear
panel
RS-232
PA fan rotation
PMU fan rotation
Ext REF
Det
Ext REF
Select
I
2
C Protocol
Service Kit
Protocol
DDCADC
Receiver
Data
Control
Connection types could be:
- Local Service Kit
- Modem to remote Service Kit
- Modem to ISP (E-mail alarms)
- CCI
I
2
C
peripheral UART
Synchronous
port 1
Synchronous
port 2
MCSPORT 2
Data
bus
MCSPORT 1
Output current
Serial port
(Not used)
MCSPORT 3
Control
panel
RS-232
TX_KEY
TB8100 Reciter
RX_GATE
COAX_RELAY
PIN
atten.
LPF
PA_KEY
HPF
RF
Detect
AND
Reciter Fan
AGC
Noise source
ON /OFF
EX
Synth
RX
Synth
Ref
Synth
40MHz
Synth
40MHz
clock
SIF = system interface board
86 Functional Description TB8100 Installation and Operation Manual
© Tait Electronics Limited December 2007

TB8100 Installation and Operation Manual Installation 87
© Tait Electronics Limited December 2007
5 Installation
This chapter describes how to install the TB8100 base station in a standard
19 inch rack or cabinet. It also provides some general information on safety
precautions and site requirements. We recommend that you read the entire
chapter before beginning the installation.
5.1 Personal Safety
5.1.1 Lethal Voltages
Warning!! The PMU contains voltages that may be lethal.
Refer to the ratings label on the rear of the
module.
The TB8100 base station must be installed so that the rear of the PMU is
located in a service access area which is accessible only by qualified
personnel. The PMU must be connected to the mains supply source by
qualified personnel in accordance with local and national regulations.
Disconnect the mains IEC connector and wait for five minutes for
the internal voltages to self-discharge before dismantling. The AC
power on/off switch does not isolate the PMU from the mains. It
breaks only the phase circuit, not the neutral.
The PMU should be serviced only by qualified technicians. There are no
user-replaceable parts inside. If the PMU is damaged and does not function
properly, stop the module safely and contact your nearest Tait Dealer or
Customer Service Organisation immediately.
All servicing should be carried out only when the PMU is powered through
a mains isolating transformer of sufficient rating. We strongly
recommend that the mains power to the whole of the repair and test area
is supplied via an earth leakage circuit breaker.

88 Installation TB8100 Installation and Operation Manual
© Tait Electronics Limited December 2007
5.1.2 AC Power Connection
5.1.3 Explosive Environments
Warning!! Do not operate TB8100 equipment near electri-
cal blasting caps or in an explosive atmosphere.
Operating the equipment in these environments
is a definite safety hazard.
5.1.4 Proximity to RF Transmissions
Do not operate the transmitter when someone is standing within 90cm (3ft)
of the antenna. Do not operate the transmitter unless you have checked that
all RF connectors are secure.
5.1.5 High Temperatures
Take care when handling a PMU or PA which has been operating recently.
Under extreme operating conditions (+60°C [+140°F] ambient air
temperature) or high duty cycles the external surfaces of the PMU and PA
can reach temperatures of up to +80°C (+176°F).
5.2 Equipment Safety
5.2.1 ESD Precautions
Important This equipment contains devices which are susceptible to
damage from static charges. You must handle these devices
carefully and according to the procedures described in the
manufacturers’ data books.
English (en) The PMU must be connected to a grounded mains
socket-outlet.
Norsk (no) Apparatet må tilkoples jordet stikkontakt.
Suomi (fi) Laite on liitettävä suojamaadoitus-koskettimilla
varustettuun pistorasiaan.
Svenska (sv) Apparaten skall anslutas till jordat uttag.

TB8100 Installation and Operation Manual Installation 89
© Tait Electronics Limited December 2007
We recommend you purchase an antistatic bench kit from a reputable
manufacturer and install and test it according to the manufacturer’s
instructions. Figure 5.1 shows a typical antistatic bench set-up.
You can obtain further information on antistatic precautions and the dangers
of electrostatic discharge (ESD) from standards such as ANSI/ESD
S20.20-1999 or BS EN 100015-4 1994. The Electrostatic Discharge
Association website is http://www.esda.org.
5.2.2 Antenna Load
Important The PA may be damaged if the load is removed or switched
while the PA is transmitting.
Introduction One of the inherent characteristics of 28V LDMOS technology is its lower
breakdown voltage. Tait Electronics, and most other major base station
manufacturers, have adopted this technology to benefit from its superb wide
band performance and high efficiency.
The MRF9060 LDMOS FET is used as the final power device in the
TB8100 50W and 100W PAs. In these PAs, the MRF9060 device is
protected from high VSWR by the design of the circuitry. This circuitry
makes it impossible to damage the device by keying the PA into a
mismatched load, or if the load deteriorates over even a short period of time
(milliseconds). Thus, no PA will fail if it is keyed while connected to a
mismatched load.
However, it is possible to damage the device if all the following conditions
happen at the same time:
■there is a step change in the PA load (i.e. the load is removed)
■the PA is transmitting
■the feed line loss between the PA and the mismatch is <1dB.
Figure 5.1 Typical antistatic bench set-up
common point ground
(building ground or
mains ground via 1M
ohm series resistor)
conductive wrist strap dissipative rubber
bench mat

90 Installation TB8100 Installation and Operation Manual
© Tait Electronics Limited December 2007
The effect of such conditions is variable: some devices will not be destroyed,
and some may fail after repeated load interruptions.
Note Ice on the antenna, or a broken antenna, is unlikely to cause dam-
age to the PA. There should be enough coaxial cable between the
antenna and PA to protect it from high VSWR.
5W PAs will not fail due to a highly mismatched load. They do not use the
60W board with the MRF9060 device.
Recommendations The procedures recommended below should help to protect the PA from
damage under all but the most extreme operating conditions.
1. Do not remove the load from the PA while it is transmitting.
2. Do not connect the PA directly to the antenna. To protect the PA
output stage from load transients (i.e. switching or removing the load)
or atmospheric disturbances (e.g. rain static, electrical storms, etc.),
we recommend that you fit an isolator or cavity filter (e.g. duplexer)
between the PA and the load.
Fit the isolator as close as possible to the RF output connector on the
PA. Do not connect any switching equipment between the isolator
and the PA, unless the switch cannot operate while there is RF
present (i.e. the base station is transmitting).
3. Fit a surge suppressor to the antenna cabling where it enters the
building.
4. Inspect all cables and equipment connected to the TB8100 base
station for defects.
5.2.3 Equipment Grounding
To ensure safe operation the TB8100 base station equipment must be
correctly grounded as described in these installation instructions.
5.2.4 Installation and Servicing Personnel
The TB8100 base station should be installed and serviced only by qualified
personnel.

TB8100 Installation and Operation Manual Installation 91
© Tait Electronics Limited December 2007
5.3 Regulatory Information
5.3.1 Distress Frequencies
The 406 to 406.1MHz frequency range is reserved worldwide for use by
Distress Beacons. Do not program transmitters to operate in this frequency
range.
5.3.2 FCC Compliance1
This device complies with part 15 of the FCC Rules. Operation is subject
to the following two conditions:
■this device may not cause harmful interference
■this device must accept any interference received, including interference
that may cause undesired operation.
5.3.3 Unauthorised Modifications
Any modifications you make to this equipment which are not authorised by
Tait Electronics Limited may invalidate your compliance authority’s approval
to operate the equipment.
5.3.4 Health, Safety and Electromagnetic Compatibility in Europe
In the European Community, radio and telecommunications equipment is
regulated by Directive 1999/5/EC, also known as the Radio and
Te l e c o m m u n i c a t i o n s Te r m i n a l E q u i pment (R&TTE) directive. The
requirements of this directive include protection of health and safety of users,
as well as electromagnetic compatibility.
Intended Purpose of
Product This product is an FM radio transceiver. It is intended for radio-
communication in the Private Mobile Radio (PMR) or Public Access
Mobile Radio (PAMR) services, to be used in all member states of the
European Union (EU) and states within the European Economic Area
(EEA).
This product can be programmed to transmit on frequencies that are not
harmonised throughout the EU/EEA, and will require a licence to operate
in each member state. Limitations may apply to transmitter power,
operating frequency, channel spacing, and emission.
1. Refer to the TB8100 Specifications Manual (MBA-00001-xx) for more information on the
compliance standards to which the TB8100 base station equipment has been tested and approved.
92 Installation TB8100 Installation and Operation Manual
© Tait Electronics Limited December 2007
Declaration of
Conformity Brief Declarations of Conformity appear on page 203. You can download
the formal Declaration of Conformity from http://eudocs.taitworld.com/.
You can also obtain a signed and dated paper copy of the Declaration of
Conformity from Tait Europe Ltd.
5.4 Environmental Conditions
5.4.1 Operating Temperature Range
The operating temperature range of the TB8100 base station is –30°C to
+60°C (–22°F to +140°F) ambient temperature. Ambient temperature is
defined as the temperature of the air at the intake to the cooling fans.
5.4.2 Humidity
The humidity should not exceed 95% relative humidity through the
specified operating temperature range.
5.4.3 Dust and Dirt
For uncontrolled environments, the level of airborne particulates must not
exceed 100µg/m3.
5.5 Grounding and Lightning Protection
5.5.1 Electrical Ground
The TB8100 modules are grounded by physical contact between the
module case and the subrack. To ensure a good ground connection you
must tighten each module retaining clamp securely (refer to “Final
Reassembly” on page 184 for the correct torque).
A threaded grounding connector is provided on the rear of the subrack for
connection to the site ground point (refer to “Connection” on page 109 for
more details).
TB8100 Installation and Operation Manual Installation 93
© Tait Electronics Limited December 2007
5.5.2 Lightning Ground
It is extremely important for the security of the site and its equipment that
you take adequate precautions against lightning strike. Because it is outside
the scope of this manual to provide comprehensive information on this
subject, we recommend that you conform to your country’s standards
organisation or regulatory body.
5.6 Recommended Tools
It is beyond the scope of this manual to list every tool that an installation
technician should carry. However, the following tools are specifically
required for installing the TB8100 base station:
■Pozidriv PZ3 screwdriver for the M6 screws used in the DC input
terminals on the PMU; M6 screws are also used to secure the subrack to
the cabinet in Tait factory-assembled systems
■Pozidriv PZ2 screwdriver for the M4 screws used to secure the module
retaining clamps
■1/4in or 6mm flat blade screwdriver for the fasteners used to secure the
front panel to the subrack
■5/16in or 8mm AF spanner for the SMA connectors.
You can also obtain the TBA0ST2 tool kit from your nearest Tait Dealer or
Customer Service Organisation. It contains the basic tools needed to install,
tune and service the TB8100 base station.

94 Installation TB8100 Installation and Operation Manual
© Tait Electronics Limited December 2007
5.7 Ventilation
Always ensure there is adequate ventilation around the TB8100 base station.
Do not operate it in a sealed cabinet. You must keep the ambient
temperature within the specified range, and we strongly recommended that
you ensure that the cooling airflow is not restricted.
Important The cooling fans are mounted on the front panel and will
only operate when the panel is fitted correctly to the front
of the subrack. To ensure adequate airflow through the base
station, do not operate it for more than a few minutes with
the front panel removed (e.g. for servicing purposes).
5.7.1 Ambient Air Temperature Sensor
The ambient air temperature reading
for the TB8100 base station is
provided by the ambient air
temperature sensor board b fitted to
the PA control board.
The sensor board is inserted through
slots in the control board and heatsink
to be positioned between the heatsink
fins.
Important If the sensor board is to provide accurate ambient tempera-
ture readings, it must have forced airflow and must not
come into contact with the metal of the heatsink fins. Do
not stack PAs with the fins together. It is possible for
the fins on one heatsink to slide between the fins on the
other heatsink. This can damage the sensor board, and pos-
sibly result in the heatsink fins becoming locked together.
5.7.2 Cabinet and Rack Ventilation
Refer to Figure 5.2 on page 96.
The cooling airflow for the TB8100 base station enters through the front
panel and exits at the rear of the subrack. For optimum thermal
performance, the heated air that has passed through a base station must not
be allowed to re-enter the air intakes on the front panel. Any space at the
front of the cabinet not occupied by equipment should be covered by a
blanking panel.
b

TB8100 Installation and Operation Manual Installation 95
© Tait Electronics Limited December 2007
To allow enough cooling airflow through a cabinet-mounted base station,
we recommend the following:
■an area of at least 150cm2 (23in2) of unrestricted ventilation slots or holes
in front of the air intakes for the fans for each subrack; for example,
thirty 6x85mm (0.25x3.3in) slots will allow the recommended airflow
■a vent in the top of the cabinet with an area of approximately 150cm2
(23in2) per subrack, or a similar area of ventilation per subrack at the rear
of the cabinet behind each subrack
■a 2U gap at the top of the cabinet.
Note The ventilation opening must be unrestricted. If the slots or holes
are covered with a filter, mesh or grille, the open area must be
increased to allow the same airflow as an unrestricted opening.
The maximum ambient temperature entering the cabinet must not exceed
+60°C (+140°F).
If you are installing multiple subracks in a cabinet, ensure that there will be
enough cooling airflow through the cabinet after the equipment has been
installed. For example, the recommended maximum number of subracks in
a 38U cabinet is five, as shown in Figure 5.2 on page 96.
If the TB8100 base station is installed in a rack or cabinet with other
equipment with different ventilation requirements, we recommend that the
TB8100 be positioned below this equipment.
Auxiliary Extractor
Fans The TB8100 base station does not require auxiliary extractor fans mounted
in the top of the cabinet. If your cabinet is already fitted with fans, the
following procedures apply:
■if there are six or more 120mm (4.75in) fans, each capable of extracting
160m3 per hour (94.2CFM), they must run continuously
■if there are fewer than six fans, you must remove them and ensure the
vent in the top of the cabinet has an area of approximately 150cm2
(23in2) per subrack.
If you have any other configuration, the performance of your system will
depend on how closely you comply with the base station airflow
requirements described above.

96 Installation TB8100 Installation and Operation Manual
© Tait Electronics Limited December 2007
Figure 5.2 Typical cabinet ventilation requirements
bventilation slots dairflow entry
cblanking panels eairflow exit
20cm
(8in)
2U
≥17.5cm
(≥7in)
side view front view
top view
c
c
d
e
b
c
c

TB8100 Installation and Operation Manual Installation 97
© Tait Electronics Limited December 2007
5.8 Unpacking the Base Station
Caution A TB8100 base station (subrack complete with mod-
ules) can weigh up to 28kg (62lb), or up to 30kg
(66lb) complete with packaging. We recommend
that you have another person help you unpack and
move the base station. The TBAA03-16 carrying
handles will make it easier to move the base station
once it has been unpacked. If necessary, remove the
modules from the subrack before moving it. In all
cases follow safe lifting practices.
The TB8100 base station is packed in a strong corrugated cardboard carton
with top and bottom foam cushions. To prevent personal injury and damage
to the equipment, we recommend that two people unpack the base station.
1. Cut the tape securing the flaps at the top of the carton and fold them
flat against the sides b.
2. Rotate the carton carefully onto its side c and then onto its top d,
ensuring that none of the flaps is trapped underneath.
Figure 5.3 Unpacking the TB8100 base station
b
e
g
f
hi
cd

98 Installation TB8100 Installation and Operation Manual
© Tait Electronics Limited December 2007
3. Slide the carton upwards over the foam cushions and lift it away e.
Remove the cushion from the bottom of the base station f.
4. Rotate the base station and cushion carefully over the rear of the base
station g so that the base station is the right way up with the cushion
on top h. Remove the cushion from the top of the base station i.
Moving the Base
Station The TBAA03-16 carrying handles can be used to move the base station
once it has been unpacked. The handles fit into the holes in the sides of the
subrack, as shown below.
Disposal of
Packaging If you do not need to keep the packaging, we recommend that you recycle
it according to your local recycling methods. The foam cushions are CFC-
and HCFC-free and may be burnt in a suitable waste-to-energy combustion
facility, or compacted in landfill.
Figure 5.4 Base station carrying handles

TB8100 Installation and Operation Manual Installation 99
© Tait Electronics Limited December 2007
5.9 Short Tuning Procedure
Before the TB8100 base station is installed on site, you may need to adjust
the lock band (switching range) of the reciter and/or tune the receiver front
end. These procedures assume you are familiar with the operation of the
TB8100 Service Kit and Calibration Kit.
5.9.1 Before You Begin
1. Using the Service Kit, select Diagnose > Reciter > Synthesizers to
determine the base station’s current lock band.
2. Define a channel with the desired frequency pair and make it the
default channel.
3. Configure the Signal Path tab of the current channel profile to
provide balanced and/or unbalanced audio to the system interface
connector. You may want to clear the Gated check boxes, so that the
audio output is not muted.
4. Program the base station with this configuration.
5.9.2 Setup
1. Remove the reciter from the subrack.
2. Reconnect power and the control bus connection to the reciter. If
desired, use a 16-way IDC extension cable to provide a longer control
bus connection, so that you can put the reciter on top of the subrack.
Otherwise, you must place the reciter in front of the subrack. Do not
borrow the ribbon cable for the PMU or PA, as this could cause the
control bus to malfunction.
5.9.3 Adjusting the Lock Bands (Switching Ranges)
Adjusting the lock bands is only needed if the desired operating frequencies
lie outside the current lock bands. Follow these steps.
1. Connect your PC to the serial port on the control panel.
Note When a reciter fitted with a TaitNet RS-232 or High Density/
RS-232 system interface board is used in a TB8100 base station,
the RS-232 port on the control panel is disabled. In this situation
you must connect to the RS-232 port at the rear of the reciter.
Refer to “TaitNet RS-232” on page 138 or “High Density/
RS-232” on page 133 for more details.

100 Installation TB8100 Installation and Operation Manual
© Tait Electronics Limited December 2007
2. Run the Calibration Kit and establish a software connection to the
reciter, as follows.
a. Click Connect to start the connection process.
b. When you see the “Waiting for logon prompt from Reciter”
screen, power up the reciter. If it is already on, turn it off, and
then on.
c. When the Calibration Kit has successfully connected to the
reciter, the Calibration Wizards are displayed in the main window.
Setting the Receiver
Lock Band 1. In the Calibration Kit, select the Frequency Setup tab and double-
click Set Receiver VCO. The Set Receiver VCO Wizard appears.
2. Enter the Center Frequency (which must be a multiple of 500kHz)
of the lock band that you want to use, and click Next.
3. Insert the Murata tuning tool into the correct receiver VCO tuning
hole for the reciter type (as shown in Figure 5.5) and then click Next.
4. Adjust the receiver VCO trimmer until the actual band matches the
desired band. The bands turn green.
5. Click Finish. This stores the lock band in the reciter.
Setting the Exciter
Lock Band 1. Select the Frequency Setup tab, and double-click Set Exciter VCO.
The Set Exciter VCO Wizard appears.
2. Enter the Center Frequency (which must be a multiple of 500kHz)
of the lock band that you want to use, and click Next.
3. Insert the Murata tuning tool into the correct exciter VCO tuning
hole (as shown in Figure 5.6) and adjust the trimmer until the actual
band matches the desired band. The bands turn green. Click Finish.
Figure 5.5 Receiver VCO tuning holes
H band (380–520MHz)
K band (792–824MHz)
L band (852–930MHz)
B band (136–74MHz)
C band (174–225MHz)

TB8100 Installation and Operation Manual Installation 101
© Tait Electronics Limited December 2007
Note K-band and L-band exciters do not need their VCO to be set.
They have two VCOs and you simply choose which one to display
in the Service Kit.
5.9.4 Tuning the Receiver Front End
The following procedure is suitable if the base station will operate on a single
frequency. If it will operate on a range of frequencies across the lock band,
follow the instructions in the Calibration Kit manual or online Help instead.
Note You can tune the receiver front end by measuring either SINAD
or RSSI, and both these methods are described below. We suggest
you tune via RSSI first, and then use the SINAD method for sub-
sequent repetitions to refine the response.
1. Using a test set, feed a signal at the receive frequency into the reciter’s
RF input. The signal should have a level that gives approximately
12dB SINAD (start at approximately –80dBm and adjust as needed).
Note If you do not have a test set, use a signal generator, and monitor
the RSSI voltage on the system interface connector. The System
Interface form in the Service Kit indicates which pin carries this
signal. Refer also to “System Interface Connections” on
page 131.
2. Fully unmute the front panel speaker (two presses of the speaker
button).
3. Connect a SINAD meter (audio frequency input on the test set) to
the balanced or unbalanced line output.
Figure 5.6 Exciter VCO tuning holes
H band (380–520MHz)
B band (136–74MHz)
C band (174–225MHz)
102 Installation TB8100 Installation and Operation Manual
© Tait Electronics Limited December 2007
4. If the receiver is UHF, adjust the front-end helical filters.
a. Insert the Johanson tuning tool into the first hole of the first
(horizontal) set (as shown in Figure 5.7 on page 103). You can
start with the hole on the left side and proceed along to the hole
on the right, or vice versa. On K-band reciters, the third hole
tends to tune with the slug well out of the filter body. Be careful
not to unscrew the slug completely.
b. Tune each of the resonators in the first set once to give the best
signal (by ear using the speaker audio and/or by the SINAD
meter), reducing the RF input as required to give approximately
12dB SINAD. If RSSI is used, tune for maximum RSSI.
c. Insert the Johanson tuning tool into the first hole of the second
(vertical) set. You can start with the top hole and proceed down
to the bottom hole, or vice versa. (For hardware version 00.04 or
earlier H-band reciters, use the Murata tuning tool on this set
instead.)
d. Tune each of the resonators in the second set once to give the best
response, reducing the RF level as above.
e. Repeat this procedure as necessary to refine the response.
5. If the receiver is VHF, adjust the four front-end trimmers. You can do
this in any order.
5.9.5 Calibrating the RSSI
Tait advise that the RSSI may need recalibrating if the front end tuning has
been adjusted. If the RSSI needs to be accurate to within 1dB (for example
in a voted system), recalibrate the RSSI, following the instructions in the
Calibration Kit online Help or manual.

TB8100 Installation and Operation Manual Installation 103
© Tait Electronics Limited December 2007
Figure 5.7 Receiver front end tuning holes
UHF Helical filters
H band (380–520MHz)
K band (792–824MHz)
Second set
First set
VHF Trimmers
B band (136–74MHz)
C band (174–225MHz)

104 Installation TB8100 Installation and Operation Manual
© Tait Electronics Limited December 2007
5.10 Mounting the Subrack
Caution We recommend that you have another person help
you lift the subrack. If necessary, remove the mod-
ules from the subrack before lifting it (refer to
“Replacing Modules” on page 169).
1. Remove the front panel, as described in “Preliminary Disassembly”
on page 170.
2. Fit the subrack into the cabinet or rack and secure it firmly with an
M6 (or 0.25in if you are using imperial fittings) screw, flat and spring
washer in each of the four main mounting holes b, as shown in
Figure 5.8.
Note If you need extra mounting security, there are additional mount-
ing holes c provided at the rear of the subrack for auxiliary sup-
port brackets.
Figure 5.8 Subrack mounting points
bmain mounting holes - front cauxiliary mounting holes - rear
front view
rear view
b
c

TB8100 Installation and Operation Manual Installation 105
© Tait Electronics Limited December 2007
5.10.1 Auxiliary Support Bracket
TBAA03-13 auxiliary support brackets can be fitted to the rear of the
TB8100 subrack to provide additional mounting security. Figure 5.9 below
shows a standard TBAA03-13 bracket b fitted in a typical Tait Electronics
cabinet c. If you are not using a Tait cabinet, you may have to make your
own brackets to suit your installation.
Important Yo u must fit the auxiliary support brackets if you intend to
transport a cabinet fitted with a fully built-up TB8100 base
station.
We also recommend that you fit the brackets under the following
conditions:
■when the installation is in an area prone to earthquakes
■when third party equipment is installed hard up underneath the TB8100
subrack.
Figure 5.9 Auxiliary support bracket
c
b

106 Installation TB8100 Installation and Operation Manual
© Tait Electronics Limited December 2007
5.10.2 Optional Slide Mounting Rails
You can also use TBAA03-14 slide mounting rails b when mounting the
TB8100 base station in a cabinet, as shown in Figure 5.10 below. These rails
will support the base station while you slide it into the cabinet.
However, you must still secure the base station to the cabinet with four M6
(0.25in) screws through the main mounting holes on the front of the
subrack, as shown in Figure 5.8 on page 104.
Important The slide mounting rails are not suitable for transporting a
cabinet fitted with a fully built-up TB8100 base station. In
this case, you must also fit the TBAA03-13 auxiliary sup-
port brackets to the upper set of rear mounting holes c.
Figure 5.10 Optional slide mounting rail - rear view
b
c

TB8100 Installation and Operation Manual Installation 107
© Tait Electronics Limited December 2007
5.11 Cabling
General We recommend that you try to route all cables to and from the TB8100 base
station along the side of the cabinet so the cooling airflow is not restricted.
DC Power Cabling DC power cables should be well supported so that the terminals on the
PMU and on the ends of the cables do not have to support the full weight
of the cables.
Figure 5.11 below shows two recommended methods of securing these
cables to prevent straining either set of terminals.
We recommend that you fit the supplied covers to the DC terminals to
protect against accidental shorts.
Figure 5.11 DC power cabling
secure the cables to the
cabinet to support their
weight
108 Installation TB8100 Installation and Operation Manual
© Tait Electronics Limited December 2007

TB8100 Installation and Operation Manual Connection 109
© Tait Electronics Limited December 2007
6 Connection
Once the TB8100 base station has been installed, you need to connect the
individual modules to each other, and to any ancillary equipment required
in your system. This chapter provides information on all the inputs and
outputs available on the base station.
6.1 Overview
This section identifies the main input and output connections for the
TB8100 base station.
Single and Dual
Base Stations The connections on typical single and dual base stations are shown in the
following illustrations:
■dual base station front: Figure 6.1 on page 110
■single base station rear: Figure 6.7 on page 116
■dual 12V PA base station front: Figure 6.2 on page 111
■single 12V PA base station rear: Figure 6.8 on page 117
■single 100W base station front: Figure 6.3 on page 112
■subrack interconnect board connections: Figure 6.4 on page 113
Multi-reciter
Subracks The connections on a multi-reciter subrack are shown in the following
illustrations:
■multi-reciter subrack with a PMU: Figure 6.5 on page 114
■multi-reciter subrack interconnect board: Figure 6.6 on page 115
Control Panels The connections on the different types of control panel are shown in the
following illustrations:
■standard: Figure 6.9 on page 118
■dual base station: Figure 6.10 and
■Power Save: Figure 6.11 on page 119
■multi-reciter: Figure 6.12 on page 120
Refer to the following sections in this chapter for more details on these
connections.

110 Connection TB8100 Installation and Operation Manual
© Tait Electronics Limited December 2007
6.1.1 Module and Subrack Connections
Important In base stations which use a PMU, the PMU must be con-
nected to the system control bus at all times. The I2C cur-
rent source is located in the PMU, and if the PMU is dis-
connected, the state of much of the bus will be undefined.
This may cause corrupted data to be present on the bus
when the reciter reads the states of the switches on the con-
trol panel. This in turn may result in random actuations of
microphone PTT, carrier, or speaker key, causing the base
station to transmit or the speaker to be actuated incorrectly.
Figure 6.1 Connections on a dual 5W or 50W base station - front view
b28VDC high current output for PA f28VDC high current input cable from PMU
c28VDC low current output for reciter gRF output to PA
dsystem control bus h28VDC low current input from PMU
eRF input from reciter iDC output (for optional reciter fan only)
bcd e ghfgh
ddidiefd
PA 1 PA 2 reciter 2PMU reciter 1

TB8100 Installation and Operation Manual Connection 111
© Tait Electronics Limited December 2007
Figure 6.2 Connections on a dual 5W or 50W 12V PA base station - front view
b12VDC output for reciter e12VDC input from PA
cRF input from reciter fDC output (for optional reciter fan only)
dRF output to PA gsystem control bus
cdeb
gfg
PA 2 reciter 1
ed
f
g
reciter 2
b
gc
PA 1

112 Connection TB8100 Installation and Operation Manual
© Tait Electronics Limited December 2007
Figure 6.3 Connections on a single 100W base station - front view
b28VDC high current output for PA fsystem control bus
c28VDC low current output for reciter gDC output (for optional reciter fan only)
dRF output to PA h28VDC high current input cable from PMU
e28VDC low current input from PMU iRF input from reciter
bc de
hfgfi
PA reciter
PMU

TB8100 Installation and Operation Manual Connection 113
© Tait Electronics Limited December 2007
Figure 6.4 System control bus connections on the single and dual base station
subrack interconnect boards
reciter 2
reciter 1
PA 2
PA 1/PMU

114 Connection TB8100 Installation and Operation Manual
© Tait Electronics Limited December 2007
The TB8100 subrack can accommodate one to seven reciters, or one to five
reciters with a PMU (as shown in Figure 6.5). When fitted, the PMU
occupies reciter positions 6 and 7 (numbered from right to left when viewed
from the front).
Note When a PMU is fitted, it is associated with reciter 1 and is visible
to the Service Kit for monitoring, configuration and diagnostics
when reciter 1 is selected.
Figure 6.5 Connections on a multi-reciter subrack with PMU - front view
b28VDC output to subrack board dDC output (for optional reciter fan only)
c28VDC input from subrack board esystem control bus
reciter 1
reciter 2
bc
ccc
dedddeeee
reciter 3
reciter 4PMU
c
reciter 5
d

TB8100 Installation and Operation Manual Connection 115
© Tait Electronics Limited December 2007
Figure 6.6 Connections on the multi-reciter subrack interconnect board
reciter 7
reciter 6
or PMU
reciter 5
reciter 4
reciter 3
reciter 2
reciter 1 reciter 1
reciter 2
reciter 3
reciter 4
reciter 5
reciter 6
reciter 7
system control bus connectors
DC output connectors for reciters
DC input from PMU or terminal
block at rear of subrack

116 Connection TB8100 Installation and Operation Manual
© Tait Electronics Limited December 2007
Figure 6.7 Connections on a single 5W or 50W base station - rear view
bsystem interface connector gauxiliary DC output
cexternal reference frequency input hAC mains input
dRF output (to antenna) iRF input (from antenna)
e–VDC input jauxiliary DC input for system interfacea
f+VDC input 1) subrack ground connector
a. Older system interface boards use the 4-way connector shown in the photograph, while the TaitNet RS-232 board
and all other boards manufactured after March 2005 use a 2-way connector. Refer to “Reciter Auxiliary DC Input
from PMU” on page 126 for more details.
cdfe
hgij
PAreciter PMU
b
1)

TB8100 Installation and Operation Manual Connection 117
© Tait Electronics Limited December 2007
Figure 6.8 Connections on a single 5W or 50W 12V PA base station - rear view
bRS-232 connector gPower Saving control input
cexternal reference frequency input hRF input (from antenna)
dauxiliary DC input for system interface iTaitNet system interface connector
eRF output (to antenna) jsubrack ground connector
f12VDC input
cd
fhi
PA
reciter
b
j
e
g
reciter shown with TaitNet RS-232
system interface board

118 Connection TB8100 Installation and Operation Manual
© Tait Electronics Limited December 2007
6.1.2 Control Panel Connections
Note When a reciter fitted with a TaitNet RS-232 or High Density/
RS-232 system interface board is used in a TB8100 base station,
the RS-232 port on the control panel is disabled. In this situation
you must connect to the RS-232 port at the rear of the reciter.
Refer to “TaitNet RS-232” on page 138 or “High Density/
RS-232” on page 133 for more details. When a reciter fitted with
a TaitNet Ethernet system interface board is used, the RS-232
port on the control panel is available only when the base station
first powers up. Refer to “Service Kit Connection to an Ethernet
Base Station” on page 145 for more details.
Note If high-power HF equipment is located close to the TB8100 base
station, it can sometimes cause interference to RS-232 serial port
communications. If this interference does occur, we recommend
fitting ferrites on the serial cable close to the control panel. This
recommendation only applies to communication equipment per-
manently connected to the base station.
Figure 6.9 Connections on the standard control panel
bDC outputs for fans mounted on front panel;
also used for fan rotation detectors (if fitted)
dRS-232 programming port
cmicrophone connector
b
c
d

TB8100 Installation and Operation Manual Connection 119
© Tait Electronics Limited December 2007
Note The microphone input feeds simultaneously to both base station 1
and base station 2. However, the PTT can only be used on the
currently selected base station. The RS-232 connection is only to
the reciter on the currently selected base station. You should dis-
connect the Service Kit before switching base stations.
Figure 6.10 Connections on the dual base station control panel
bDC outputs for fans mounted on front panel;
also used for fan rotation detectors (if fitted)
dRS-232 programming port
cmicrophone connector
b
c
d
Figure 6.11 Connections on the Power Save control panel
bDC outputs for fans mounted on front panel;
also used for fan rotation detectors (if fitted)
cRS-232 programming port
b
c

120 Connection TB8100 Installation and Operation Manual
© Tait Electronics Limited December 2007
Note The microphone input feeds to the currently selected reciter, and
the PTT can only be used on that channel. The RS-232 connec-
tion is only to the currently selected reciter. You should discon-
nect the Service Kit before switching reciters.
Figure 6.12 Connections on the multi-reciter control panel
bDC outputs for fan mounted on front panel (if
fitted); also used for fan rotation detectors (if
fitted)
dRS-232 programming port
cmicrophone connector
b
c
d

TB8100 Installation and Operation Manual Connection 121
© Tait Electronics Limited December 2007
6.1.3 Connector Torque Settings
Some of the connectors used in the TB8100 base station have recommended
torque settings. These are listed in the following table.
Location / Function Torque Driver Size
SMA connectors
(reciter RF output and PA RF input)
0.9N·m (8lbf·in) 5/16in or 8mm AF
DC input terminal screws on the PMU 2–2.25N·m (18–20lbf·in) PZ3 M6
DC connectors
(PA DC input cables, and PMU auxiliary DC
input cable)
0.5N·m (4.5lbf·in)

122 Connection TB8100 Installation and Operation Manual
© Tait Electronics Limited December 2007
6.2 Power Supply Connections
6.2.1 AC Power
The TB8100 PMU is designed to accept a mains input of 88 to 264VAC at
45 to 65Hz. A standard 3-wire grounded socket-outlet must be used to
supply the AC power. The socket-outlet must be installed near the
equipment and must be easily accessible. This outlet should be connected
to an AC power supply capable of providing a maximum of 600W. The
requirements of two typical AC supplies are given in the following table.
Your TB8100 base station should come
supplied with a power supply cord to
connect the male IEC connector on the
PMU to the local AC supply. The pins of
the IEC connector on the PMU are
identified at right.
6.2.2 DC Power
DC Power with a
PMU The TB8100 PMU is designed to accept a nominal 12VDC, 24VDC or
48VDC input (depending on the model) with negative or positive ground.
There is a minimum DC startup threshold to prevent damaging a battery
which has little capacity left.
You must connect the DC supply from the battery to the PMU via a fuse or
DC-rated circuit breaker with a contact separation of 3mm, and with the
Nominal Supply
Voltage Current Requirement Circuit Breaker/Fuse
Rating
115VAC 8A 10A
230VAC 4A 6A
ground
external view
neutral
phase
Figure 6.13 Recommended DC power connection
Battery
PMU or
12V PA
Circuit Breaker
or Fuse

TB8100 Installation and Operation Manual Connection 123
© Tait Electronics Limited December 2007
appropriate rating, as shown in the table below. The DC input leads should
be of a suitable gauge to ensure less than 0.2V drop at maximum load over
the required length of lead.
Terminate and insulate the DC input leads so they are protected from
accidentally shorting to the subrack if the PMU is removed before the leads
are disconnected. Protective covers for the DC terminals are supplied with
each PMU.
We recommend that you fit the supplied flat and shakeproof washers to the
DC terminal screws to stop them working loose.
DC Power with a
12V PA The TB8100 12V PA is designed to accept a nominal 12VDC input with
negative ground. There is a minimum DC startup threshold to prevent
damaging a battery which has little capacity left.
You must connect the DC supply from the battery to the PA via a fuse or
DC-rated circuit breaker with a contact separation of 3mm, and with the
appropriate rating, as shown in the table below. The DC input leads should
be of a suitable gauge to ensure less than 0.2V drop at maximum load over
the required length of lead.
The pin allocations for the 2-way DC input connector are shown below.
Nominal Supply
Voltage
Circuit Breaker/Fuse
Rating
Recommended Wire
Gaugea
a. For a length of 1.5m to 2m (5ft to 6.5ft) (typical).
12VDC 60A 35mm2 / 2AWG
24VDC 30A 16mm2 / 5AWG
48VDC 15A 8mm2 / 8AWG
Nominal Supply
Voltage
Circuit Breaker/Fuse
Rating
Recommended Wire
Gaugea
a. For a length of 1.5m to 2m (5ft to 6.5ft) (typical).
12VDC 15A to 18A 8mm2 / 8AWG
Pin Description
1+V input
2 ground
2-way connector - external view
b
c

124 Connection TB8100 Installation and Operation Manual
© Tait Electronics Limited December 2007
DC Power with a
Multi-reciter
Subrack
The multi-reciter subrack is designed to accept a DC input of 10.5VDC to
32VDC with negative ground. The DC input terminal block is mounted
on the rear of the subrack (refer to Figure 6.14).
Figure 6.14 DC power supply connection for a multi-reciter subrack
recommended DC power connection
subrack DC input terminal block
Battery
PMU or
12V PA
Circuit Breaker
or Fuse
Subrack
Terminal
Block

TB8100 Installation and Operation Manual Connection 125
© Tait Electronics Limited December 2007
6.2.3 Auxiliary DC Power
PMU Auxiliary DC
Output The PMU can provide an auxiliary DC output when it is fitted with the
optional auxiliary power supply board. This board is available with an
output of 13.65VDC, 27.3VDC, or 54.6VDC (depending on the model),
and is current limited to 3A, 1.5A or 750mA respectively. This optional
power supply is available on the auxiliary DC output connector b on the
rear panel. DC from this output can be supplied to the +AUX_V pin on
the system interface connector c on the reciter via the auxiliary DC input
connector d on the system interface board (see “Reciter Auxiliary DC
Input from PMU” below). The auxiliary DC power cable e is described
in “Auxiliary DC Power Supply Cable” on page 127.
The auxiliary power supply is configured with the Service Kit (Configure >
Base Station > Miscellaneous > Power configuration > Auxiliary power
control). Its operation can be controlled by Task Manager statements, for
example:
IF Digital input 01 active THEN Enable auxiliary supply.
Refer to the Service Kit documentation for more details.
Note The auxiliary power supply is not available in Sleep or Deep Sleep
modes.
You can connect multiple auxiliary power supply boards in parallel for
redundancy purposes, or to provide an output greater than 40W. Although
no active current sharing is used, auxiliary boards connected in parallel will
current-share before reaching their power limit. For redundancy purposes
the failure (or switching off) of one auxiliary board will not load any other
paralleled auxiliary boards in the circuit.
Two different types of auxiliary DC output connector have been fitted to
the PMU. The pin allocations for the 8-way connector fitted to PMUs
manufactured before August 2004 are given in the following table. Note
that pins 1 to 4 and pins 5 to 8 on this connector are linked.
Figure 6.15 Auxiliary DC power supply connections
b
c
de

126 Connection TB8100 Installation and Operation Manual
© Tait Electronics Limited December 2007
The pin allocations for the 2-way connector fitted to PMUs manufactured
from August 2004 onwards are given in the following table.
Reciter Auxiliary DC
Input from PMU The system interface board in the reciter has an auxiliary DC input
connector. DC from the auxiliary DC output on the PMU can be supplied
to the +AUX_V pin on the system interface connector via this input (see
“PMU Auxiliary DC Output” above).
The pin allocations for the auxiliary DC input on the system interface board
are given in the following table. Older boards use the 4-way connector,
while the TaitNet RS-232 board and all other boards manufactured after
March 2005 use the 2-way connector. Note that pins 1 & 3 and pins 2 & 4
on the 4-way connector are linked. Refer to “System Connections” on
page 128 for the pin allocations for +AUX_V on each system interface
board.
Pin Description
Linked
Pins
1 +V output
2 +V output
3 +V output
4 +V output
5 ground
6 ground
7 ground
8 ground
Pin Description
1 +V output
2 ground
1
5
26
37
48
8-way connector - external view
2-way connector - external view
b
c
Pin Description
Linked
Pins
1 +V input
2 ground
3 +V input
4 ground
2-way connector - external view
1
2
3
4
12
4-way connector - external view

TB8100 Installation and Operation Manual Connection 127
© Tait Electronics Limited December 2007
The DC output from the PMU is 13.65VDC, 27.3VDC, or 54.6VDC
(depending on the model). Although this power output is isolated, the
negative side of the supply is grounded on the system interface board to give
a +V output.
Auxiliary DC Power
Supply Cable Figure 6.16 below shows the TBAA04-05 auxiliary DC power cable.
Details of the individual connector types are also provided in case you want
to make up your own cable.
Contact your nearest Tait Dealer or Customer Service Organisation for
details on the full range of wiring kits available.
6.3 RF Connections
Important The PA may be damaged if the load is removed or switched
while the PA is transmitting. Refer to “Antenna Load” on
page 89 for more details.
The RF input to the TB8100 base station is via the lower BNC/TNC
connector on the rear panel of the reciter. The RF output is via the N-type
connector on the rear panel of the PA (refer to Figure 6.7 on page 116).
We recommend that you use dual-screened coaxial cable such as RG223 for
the BNC/TNC connections, and RG214 for the N-type connections.
When the base station is used in simplex mode using a single antenna with
a coaxial changeover relay, the isolation of this relay must be ≥40dB.
Figure 6.16 Auxiliary DC power cable
b2x1-way Molex 43025-0200/
crimp socket 43030-0001 female
cPhoenix MVSTBR2.5HC/2-ST/5.08
female
c
b
b

128 Connection TB8100 Installation and Operation Manual
© Tait Electronics Limited December 2007
6.4 System Connections
The reciter can be fitted with an optional system interface board which
provides the links between the reciter’s internal circuitry and external
equipment. This board is securely mounted to the reciter’s chassis and is
connected to the digital board with a flexible connector. The system
interface board is fitted with industry-standard connectors and several
standard types are available for different applications.
The circuitry on the system interface board provides additional signal
processing so that the outputs meet standard system requirements. It also
enables the board to identify itself to the reciter control circuitry. The
system interface board is removable, which makes it possible to change the
application of a reciter by removing one type of board and fitting another.
Only one system interface board can be fitted to a reciter at any one time.
This section provides details on the system interface boards available at the
time of publication. Other types may be developed for future applications.
Figure 6.17 System interface board
system interface board*
digital board
*isolated system interface board shown

TB8100 Installation and Operation Manual Connection 129
© Tait Electronics Limited December 2007
6.4.1 Digital Interface
The system interface board provides several different types of digital
interface connections. The type and number of connections available
depends on the type of system interface board. These connections are
described in “System Interface Connections” on page 131, and also in the
Service Kit (Configure > Base Station > System Interface). For details on
the interface levels for these connections refer to the TB8100 Specifications
Manual (MBA-00001-xx).
The digital interface signals supported by the TB8100 base station are
described below.
Digital Inputs Digital inputs are read by the reciter RISC and can be used to perform
various actions based on the configuration of the reciter. The two major
uses for digital inputs are Channel Change and Task Manager. For example,
to send a status email when the status of a digital input line is changed, you
can use the following Task Manager statement: IF Digital input 01 active
THEN Email status now.
Digital Outputs All digital outputs are controlled by Task Manager statements. For example,
when any enabled base station alarm goes active, you can indicate this by
turning on digital output 1 with the following Task Manager statement: IF
Base station alarm on THEN Activate digital output 1.
Note Digital outputs 1 and 2 on the reciter may be active while the
TB8100 base station is powering up. This applies to reciters fitted
with a version 0 (zero) system interface board, but does not apply
to reciters fitted with a TaitNet RS-232 system interface board. If
this will cause problems for external equipment connected to the
base station, disconnect the system interface connector when
resetting the base station. To check the version of a system inter-
face board, run the Service Kit and select Monitor > Module
Details > Reciter. In the Versions area, the System Interface
field displays the version number.
Bidirectional Inputs/
Outputs Bidirectional signals can operate as either digital inputs or digital outputs,
based on how Task Manager is configured. Bidirectional signals use the
same processes described above to set and read the status of digital inputs and
outputs. When a bidirectional pin has its output activated, a reading of that
pin will reflect the current status on that line. Thus, it is possible to use a
bidirectional pin for input-only or output-only actions, if only that specific
action is configured for that digital pin number in Task Manager.
Note Each bidirectional pin has a 10k pull-up resistor to +5V as part of
the digital input circuitry (refer to Figure 6.18 on page 130). If
you are using a bidirectional pin as a digital output, and the pull-
up voltage is greater than 5V, some residual current will flow
through the pull-up resistor. This may affect the operation of the
digital output.

130 Connection TB8100 Installation and Operation Manual
© Tait Electronics Limited December 2007
One possible way to offset this residual voltage is to use a zener diode. The
voltage rating of the diode should match the difference (in volts) between
the applied voltage and 5V. For example, if the applied voltage is 12V, the
rating of the diode should be approximately 7V.
Figure 6.18 Bidirectional input/output circuit detail
Bidirectional
Digital I/O

TB8100 Installation and Operation Manual Connection 131
© Tait Electronics Limited December 2007
6.4.2 System Interface Connections
Isolated This system interface board is fitted to reciters bearing the product code
TBA4xxx-0B00 or TBA5xxx-0B00. If purchased separately, it has the
spares code TBA-SP-S0B0. The balanced audio interfaces are galvanically
(transformer) isolated. It provides the following:
It is fitted with a 25-way female D-range connector and a 4-way auxiliary
DC input connector. The pin allocations for the D-range are listed in the
table below, and the pin allocations for the DC input connector are provided
in “Reciter Auxiliary DC Input from PMU” on page 126.
■transformer isolated 600Ω balanced audio I/O
■high impedance unbalanced audio I/O
■digital I/O (2 outputs, 6 inputs, 4 bi-directional)
■Tx key
■Tx relay
■Rx gate
■RSSI
Pin Signal Name Signal Type Notes
1 Rx line out + audio output transformer isolated line
2 Rx line out –
3 Rx audio out audio output AC coupled
4 ground ground
5 Tx audio in audio input AC coupled
6Tx line in + audio input transformer isolated line
7Tx line in –
8 RSSI DC signal
9 Rx gate output open collector
10 Tx key input active low
11 digital out 1a
output open collector
12 digital out 2
13 +AUX_V power output from auxiliary DC input;
maximum current 3A
14 digital in 1
input 5V TTL logic
active low
15 digital in 2
16 digital in/out 3b
17 digital in/out 4b
18 digital in/out 5b
19 digital in/out 6b
20 digital in 7
21 digital in 8
22 digital in 9
23 digital in 10
24 Tx relay output open collector
25 ground ground
a. If a base station with a 12V PA is configured for Deep Sleep, digital out 1 is dedicated to Power Saving control and
cannot be used for any other Task Manager function.
b. On version 1 and later system interface boards, digital inputs 3, 4, 5, and 6 may also be configured as outputs using
a Task Manager statement. Refer to “Digital Interface” on page 129 and to the Service Kit documentation.
external view
B
C
D
E
F
G
H
I
J
1)
1!
1@
1#
1$
1%
1^
1&
1*
1(
2)
2!
2@
2#
2$
2%

132 Connection TB8100 Installation and Operation Manual
© Tait Electronics Limited December 2007
Isolated E&M This system interface board is fitted to reciters bearing the product code
TBA4xxx-0C00 or TBA5xxx-0C00. If purchased separately, it has the
spares code TBA-SP-S0C0. It provides the following:
It is fitted with a 25-way female D-range connector and a 4-way auxiliary
DC input connector. The pin allocations for the D-range are listed in the
table below, and the pin allocations for the DC input connector are provided
in “Reciter Auxiliary DC Input from PMU” on page 126.
■transformer isolated 600Ω balanced audio I/O
■opto-isolated keying
■opto-isolated gate output
■digital I/O (2 outputs, 2 inputs, 4 bi-directional)
■Tx key
■Tx relay
■Rx gate
■RSSI
Pin Signal Name Signal Type Notes
1 Rx line out + audio output transformer isolated line
2 Rx line out –
3 Rx audio out audio output
4 audio ground ground
5 Tx audio in audio input
6Tx line in + audio input transformer isolated line
7Tx line in –
8 RSSI DC signal
9 Rx gate output open collector
10 Tx key input active low
11 digital out 1a
output open collector
12 digital out 2
13 +AUX_V power output from auxiliary DC input;
maximum current 3A
14 digital in 1
input 5V TTL logic
active low
15 digital in 2
16 digital in/out 3b
17 digital in/out 4b
18 digital in/out 5b
19 digital in/out 6b
20 opto +/–
isolated keying input
input voltage range
±10VDC to ±60VDC;
current rating 10mA
21 opto –/+
22 relay +/– isolated gate output
23 relay –/+
24 Tx relay output open collector
25 ground ground
a. If a base station with a 12V PA is configured for Deep Sleep, digital out 1 is dedicated to Power Saving control and
cannot be used for any other Task Manager function.
b. On version 1 and later system interface boards, digital inputs 3, 4, 5, and 6 may also be configured as outputs using
a Task Manager statement. For more details refer to “Digital Interface” on page 129 and to the Service Kit docu-
mentation.
external view
B
C
D
E
F
G
H
I
J
1)
1!
1@
1#
1$
1%
1^
1&
1*
1(
2)
2!
2@
2#
2$
2%

TB8100 Installation and Operation Manual Connection 133
© Tait Electronics Limited December 2007
High Density/
RS-232 The High Density/RS-232 system interface board provides the standard
inputs and outputs of the Isolated system interface, with the addition of an
RS-232 interface. This is made possible by providing the isolated inputs and
outputs on a high-density 26-way D-range connector.
Note The pin allocations for pins 1 to 25 on the high-density 26-way
D-range are the same as for pins 1 to 25 on the isolated 25-way
D-range. Pin 26 is ground.
This system interface board is fitted to reciters bearing the product code
TBA4xxx-0M00 or TBA5xxx-0M00. If purchased separately, it has the
spares code TBA-SP-S0M0. The balanced audio interfaces are galvanically
(transformer) isolated. It provides the following:
It is fitted with a 26-way female high density D-range connector, a 9-way
female D-range connector (RS-232), and a 2-way auxiliary DC input
connector. The pin allocations for the D-ranges are listed in the tables on
the following page, and the pin allocations for the DC input connector are
provided in “Reciter Auxiliary DC Input from PMU” on page 126.
Note When a reciter fitted with an High Density/RS-232 system inter-
face board is used in a TB8100 base station, the RS-232 port on
the control panel is disabled. In this situation you must connect
to the RS-232 port at the rear of the reciter.
Each High Density/RS-232 system interface board is supplied with a
TBA101D interface board. This brings the inputs and outputs from the
26-way D-range onto a standard 25-way female D-range with the same
functionality as the Isolated system interface. Refer to “TBA101D Interface
Board” on page 150 for more information.
■transformer isolated 600Ω balanced audio I/O
■high impedance unbalanced audio I/O
■digital I/O (2 outputs, 6 inputs, 4 bi-directional)
■Tx key
■Tx relay
■Rx gate
■RSSI

134 Connection TB8100 Installation and Operation Manual
© Tait Electronics Limited December 2007
Pin Signal Name Signal Type Notes
1 Rx line out + audio output transformer isolated line
2 Rx line out –
3 Rx audio out audio output AC coupled
4 ground ground
5 Tx audio in audio input AC coupled
6Tx line in + audio input transformer isolated line
7Tx line in –
8 RSSI DC signal
9 Rx gate output open collector
10 Tx key input active low
11 digital out 1a
output open collector
12 digital out 2
13 +AUX_V power output from auxiliary DC input;
maximum current 1A
14 digital in 1
input 5V TTL logic
active low
15 digital in 2
16 digital in/out 3b
17 digital in/out 4b
18 digital in/out 5b
19 digital in/out 6b
20 digital in 7
21 digital in 8
22 digital in 9
23 digital in 10
24 Tx relay output open collector
25 ground ground
26 ground
a. If a base station with a 12V PA is configured for Deep Sleep, digital out 1 is dedicated to Power Saving control and
cannot be used for any other Task Manager function.
b. On version 1 and later system interface boards, digital inputs 3, 4, 5, and 6 may also be configured as outputs using
a Task Manager statement. For more details refer to “Digital Interface” on page 129 and to the Service Kit docu-
mentation.
external view
2)
1(
c
B1!
1@
1#
1$
1%
1^
1&
1*
1)
d
e
f
g
h
i
j
2!
2@
2#
2$
2%
2^
Pin Description
Linked
Pins
1 not connected
2 receive data
3 transmit data
4 not connected
5 ground
6 not connected
7 not connected
8 not connected
9 not connected
h
j
bg
i
c
d
e
f
external view

TB8100 Installation and Operation Manual Connection 135
© Tait Electronics Limited December 2007
High Density/
Ethernet The High Density/Ethernet system interface board provides the standard
inputs and outputs of the Isolated system interface, with the addition of an
Ethernet interface. This is made possible by providing the isolated inputs
and outputs on a high-density 26-way D-range connector.
Note The pin allocations for pins 1 to 25 on the high-density 26-way
D-range are the same as for pins 1 to 25 on the isolated 25-way
D-range. Pin 26 is ground.
This system interface board is fitted to reciters bearing the product code
TBA4xxx-0J00 or TBA5xxx-0J00. If purchased separately, it has the spares
code TBA-SP-S0J0. The balanced audio interfaces are galvanically
(transformer) isolated. It provides the following:
It is fitted with a 26-way female high density D-range connector, an RJ45
connector (Ethernet), and a 2-way auxiliary DC input connector. The pin
allocations for the RJ45 and D-range connectors are listed in the tables on
the following page, and the pin allocations for the DC input connector are
provided in “Reciter Auxiliary DC Input from PMU” on page 126.
Note When a reciter fitted with an High Density/Ethernet system
interface board is used in a TB8100 base station, the RS-232 port
on the control panel is available only when the base station first
powers up. Refer to “Service Kit Connection to an Ethernet Base
Station” on page 145 for more details.
Each High Density/Ethernet system interface board is supplied with a
TBA101D interface board. This brings the inputs and outputs from the
26-way D-range onto a standard 25-way female D-range with the same
functionality as the Isolated system interface. Refer to “TBA101D Interface
Board” on page 150 for more information.
■transformer isolated 600Ω balanced audio I/O
■high impedance unbalanced audio I/O
■digital I/O (2 outputs, 6 inputs, 4 bi-directional)
■Tx key
■Tx relay
■Rx gate
■RSSI

136 Connection TB8100 Installation and Operation Manual
© Tait Electronics Limited December 2007
Pin Signal Name Signal Type Notes
1 Rx line out + audio output transformer isolated line
2 Rx line out –
3 Rx audio out audio output AC coupled
4 ground ground
5 Tx audio in audio input AC coupled
6Tx line in + audio input transformer isolated line
7Tx line in –
8 RSSI DC signal
9 Rx gate output open collector
10 Tx key input active low
11 digital out 1a
output open collector
12 digital out 2
13 +AUX_V power output from auxiliary DC input;
maximum current 1A
14 digital in 1
input 5V TTL logic
active low
15 digital in 2
16 digital in/out 3b
17 digital in/out 4b
18 digital in/out 5b
19 digital in/out 6b
20 digital in 7
21 digital in 8
22 digital in 9
23 digital in 10
24 Tx relay output open collector
25 ground ground
26 ground
a. If a base station with a 12V PA is configured for Deep Sleep, digital out 1 is dedicated to Power Saving control and
cannot be used for any other Task Manager function.
b. On version 1 and later system interface boards, digital inputs 3, 4, 5, and 6 may also be configured as outputs using
a Task Manager statement. For more details refer to “Digital Interface” on page 129 and to the Service Kit docu-
mentation.
external view
2)
1(
c
B1!
1@
1#
1$
1%
1^
1&
1*
1)
d
e
f
g
h
i
j
2!
2@
2#
2$
2%
2^
Pin Signal Description
1 Tx + transmit data +
2 Tx – transmit data –
3 Rx + Ethernet receive data +
4 terminated
5 terminated
6 Rx – Ethernet receive data –
7 terminated
8 terminated
12345678
external view

TB8100 Installation and Operation Manual Connection 137
© Tait Electronics Limited December 2007
TaitN e t This system interface board is fitted to reciters bearing the product code
TBA4xxx-0T10. If purchased separately, it has the spares code
TBA-SP-S0T1. It is designed for use with MPT trunking systems. It
provides the following:
It is fitted with a 15-way female D-range connector and a 4-way auxiliary
DC input connector. The pin allocations for the D-range are listed in the
table below, and the pin allocations for the DC input connector are provided
in “Reciter Auxiliary DC Input from PMU” on page 126.
■transformer isolated 600Ω balanced audio I/O
■high impedance unbalanced audio I/O
■digital I/O (3 outputs, 1 input)
■Tx key
■Rx gate
Pin Signal Name Signal Type Notes
1 Rx line out + audio output transformer isolated line
2 Rx line out –
3 Rx audio out audio output
4 Rx gate output open collector
5 Tx key input
6 Tx audio in audio input DC coupled
7Tx line in + audio input transformer isolated line
8Tx line in –
9 +AUX_V power output from auxiliary DC input;
maximum current 3A
10 digital out 3 output open collector
11 no connection
12 digital out 1a
output open collector
13 digital out 2
14 digital in 1 input 5V logic
15 ground ground
a. If a base station with a 12V PA is configured for Deep Sleep, digital out 1 is dedicated to Power Saving control and
cannot be used for any other Task Manager function.
external view
J
B
C
D
E
F
G
H
I
1)
1!
1@
1#
1$
1%

138 Connection TB8100 Installation and Operation Manual
© Tait Electronics Limited December 2007
TaitNet RS-232 This system interface board is fitted to reciters bearing the product code
TBA4xxx-0L00 or TBA5xxx-0L00. If purchased separately, it has the spares
code TBA-SP-S0L0. It is designed for use with MPT trunking systems, and
also for use with multiple base stations. It provides the following:
It is fitted with a 15-way female D-range connector (TaitNet), a 9-way
female D-range connector (RS-232), and a 2-way auxiliary DC input
connector. The pin allocations for the D-ranges are listed in the following
tables, and the pin allocations for the DC input connector are provided in
“Reciter Auxiliary DC Input from PMU” on page 126.
Note When a reciter fitted with a TaitNet RS-232 system interface
board is used in a TB8100 base station, the RS-232 port on the
control panel is disabled. In this situation you must connect to the
RS-232 port at the rear of the reciter.
■transformer isolated 600Ω balanced audio I/O
■high impedance unbalanced audio I/O
■digital I/O (3 outputs, 1 input)
■Tx key
■Rx gate
Pin Signal Name Signal Type Notes
1 Rx line out + audio output transformer isolated line
2 Rx line out –
3 Rx audio out audio output
4 Rx gate output open collector
5 Tx key input
6 Tx audio in audio input DC coupled
7Tx line in + audio input transformer isolated line
8Tx line in –
9 +AUX_V power output from auxiliary DC input;
maximum current 3A
10 digital out 3 output open collector
11 no connection
12 digital out 1a
output open collector
13 digital out 2
14 digital in 1 input 5V logic
15 ground ground
a. If a base station with a 12V PA is configured for Deep Sleep, digital out 1 is dedicated to Power Saving control and
cannot be used for any other Task Manager function.
external view
J
B
C
D
E
F
G
H
I
1)
1!
1@
1#
1$
1%

TB8100 Installation and Operation Manual Connection 139
© Tait Electronics Limited December 2007
TaitN e t Eth e r n e t This system interface board is fitted to reciters bearing the product code
TBA4xxx-0K00 or TBA5xxx-0K00 (receive-only). If purchased separately,
it has the spares code TBA-SP-S0K0. It provides the TB8100 base station
with an Ethernet interface.
It is fitted with a 15-way D-range connector (modified TaitNet), an RJ45
connector (Ethernet), and a 2-way auxiliary DC input connector. These
connectors are described in more detail below. The pin allocations for the
DC input connector are provided in “Reciter Auxiliary DC Input from
PMU” on page 126.
Some pins on the 15-way D-range connector can be configured to provide
different signals. These pins are as follows:
■pins 3, 4, 5 and 6 can be configured for Rx gate, Tx key and unbalanced
audio, or E&M signalling
■pin 11 can be configured for RSSI or Tx relay.
You can select which signal is connected to each pin by setting switches S1
and S2 on the system interface board.
Important You must set both switches correctly for each D-range pin.
Setting the switches incorrectly may result in both signals
being connected to the pin at the same time, or no signal at
all being connected.
The pin allocations and switch settings for the factory default and optional
signals are listed in Table 6.1 on page 140. Figure 6.19 on page 141 shows
the location of switches S1 and S2 on the board, and also provides a pictorial
guide to their settings.
Note The pin allocations for the 15-way D-range connector on the
TaitNet Ethernet system interface board are different from those
on other TaitNet boards. These differences are described in
Table 6.2 on page 141.
Pin Description
Linked
Pins
1 not connected
2 receive data
3 transmit data
4 not connected
5 ground
6 not connected
7 not connected
8 not connected
9 not connected
h
j
bg
i
c
d
e
f
external view

140 Connection TB8100 Installation and Operation Manual
© Tait Electronics Limited December 2007
Table 6.1 Pin allocations for the TaitNet Ethernet D-range connector
Pin Signal Name
Switch S1 &
S2 Settings
Signal Type NotesOn Off
1 Rx line out + audio output transformer isolated line
2 Rx line out –
3 Rx audio outa
or
S1:5 S1:6 audio output
opto +/– S1:6 S1:5 isolated
keying input
input voltage range
±10VDC to ±60VDC
4Rx gate
a
or
S1:3 S1:4 output open collector
relay +/– S1:4 S1:3 isolated gate
output
5 Tx keya
or
S1:7 S1:8 input
relay –/+ S1:8 S1:7 isolated gate
output
6 Tx audio ina
or
S1:1 S1:2 audio input DC coupled
opto –/+ S1:2 S1:1 isolated
keying input
input voltage range
±10VDC to ±60VDC
7 Tx line in + audio input transformer isolated line
8 Tx line in –
9 +AUX_V power output from auxiliary DC input;
maximum current 3A
10 digital in/out 1bc input 5V TTL logic, active low
11 RSSIa
or
S2:8 S2:7 DC signal
Tx relay S2:7 S2:8 output open collector
12 digital in/out 2b
input 5V TTL logic, active low13 digital in/out 3b
14 digital in/out 4b
15 ground ground
a. Factory default settings.
b. Digital inputs 1, 2, 3, and 4 may also be configured as outputs using a Task Manager statement. For more details
refer to “Digital Interface” in the “Connection” chapter of the Installation and Operation Manual, and to the Serv-
ice Kit documentation.
c. If a base station with a 12V PA is configured for Deep Sleep, digital out 1 is dedicated to Power Saving control and
cannot be used for any other Task Manager function.
external view
J
B
C
D
E
F
G
H
I
1)
1!
1@
1#
1$
1%

TB8100 Installation and Operation Manual Connection 141
© Tait Electronics Limited December 2007
Table 6.2 Differences between the TaitNet Ethernet D-range connector
and other TaitNet connectors
Pin TaitNet Ethernet Signal Name
TaitNet and TaitNet RS-232
Signal Name
10 digital in/out 1 digital out 3
11 RSSI no connection
12 digital in/out 2 digital out 1
13 digital in/out 3 digital out 2
14 digital in/out 4 digital in 1
Figure 6.19 Setting switches S1 and S2 on the TaitNet Ethernet system interface board
S1
S1
S2
S2
1
2345678
ON
1
2345678
ON
1
2345678
ON
1
2345678
ON
Factory default settings
Rx gate, Tx Key, unbalanced audio
S1
S2
Optional settings
E&M signalling
RSSI
Tx relay
switches 1 to 6 not used
switches 1 to 6 not used

142 Connection TB8100 Installation and Operation Manual
© Tait Electronics Limited December 2007
The pin allocations for the RJ45 Ethernet connector are given in the
following table.
6.4.3 Ethernet Site and Network Connections
Site Connections Figure 6.20 on page 143 shows typical connections for a site linked by
microwave.
Network
Connections Figure 6.21 on page 143 shows an example of interconnections between
TB8100 base stations, a network, a syslog collector, and the Service Kit.
It is also possible for customer-specific software applications to receive the
syslog message directly and integrate the handling of the message into
existing processes.
Ethernet
Connections The pin allocations of the Ethernet connector are configured for a straight-
through network cable. If you want to connect directly to a computer's
Ethernet port, you will need to use a cross-over cable.
Note The TB8100 does not support multiple, simultaneous Ethernet
connections. The Ethernet interface is only able to carry out one
Ethernet function at a time: either Service Kit connection, CCI
command protocol, or Syslog messaging. While one of these
functions is in progress, all other Ethernet functions are blocked
until the current Ethernet connection is terminated.
Table 6.3 Pin allocations for the RJ-45 Ethernet connector
Pin Signal Description
1 Tx + transmit data +
2 Tx – transmit data –
3 Rx + Ethernet receive data +
4 terminated
5 terminated
6 Rx – Ethernet receive data –
7 terminated
8 terminated
12345678
external view

TB8100 Installation and Operation Manual Connection 143
© Tait Electronics Limited December 2007
Figure 6.20 Typical site connections
4-way
E&M
Interface
Ethernet
Interface
Microwave Linking Channel
RJ45
15-way
D-range
TB8100
Ethernet
Base Station
Ethernet
600 Ohm Tx/Rx
Audio & E&M
Interfaces
Microwave Link
Microwave Link
Local
Repeater
Antenna
Figure 6.21 Example network connections
Intranet
TB8100
Ethernet
Ethernet
Site 1
Site 2
Site 3
TB8100
Ethernet
TB8100
Service Kit PC
Syslog
Collector
Email
Notification
Internet
TB8100
TB8100
TB8100
H
U
B
Ethernet
Ethernet
Syslog Notification
Monitoring and
Configuring
Email Notification

144 Connection TB8100 Installation and Operation Manual
© Tait Electronics Limited December 2007
6.5 Service Kit Connections
The TB8100 Service Kit is connected to the base station via the RS-232
serial port on the control panel. This port is a 9-way female D-range
connector. Use a straight through cable, as supplied with the Service Kit,
to connect your programming computer to the base station. The pin
allocations for the serial port are given in the following table. Note that pins
1, 4 & 6 and pins 7 & 8 are linked. This port is also used for remote
connection to the Service Kit or Alarm Center software via a modem or
radio modem.
Note When a reciter fitted with a TaitNet RS-232 or High Density/
RS-232 system interface board is used in a TB8100 base station,
the RS-232 port on the control panel is disabled. In this situation
you must connect to the RS-232 port at the rear of the reciter.
Refer to “TaitNet RS-232” on page 138 or “High Density/
RS-232” on page 133 for more details. When a reciter fitted with
a TaitNet Ethernet system interface board is used, the RS-232
port on the control panel is available only when the base station
first powers up. Refer to “Service Kit Connection to an Ethernet
Base Station” on page 145 for more details.
Pin Description
Linked
Pins
1 not connected
2 receive data
3 transmit data
4 not connected
5 ground
6 not connected
7 not connected
8 not connected
9 not connected
hj
b
gi
cdef
external view

TB8100 Installation and Operation Manual Connection 145
© Tait Electronics Limited December 2007
6.5.1 Service Kit Connection to an Ethernet Base Station
There are various ways of connecting the Service Kit to a TB8100 base
station that is fitted with a TaitNet Ethernet system interface board. These
are described briefly below. Refer also to the Service Kit documentation.
Note The TB8100 does not support multiple, simultaneous Ethernet
connections. The Ethernet interface is only able to carry out one
Ethernet function at a time: either Service Kit connection, CCI
command protocol, or Syslog messaging. While one of these
functions is in progress, all other Ethernet functions are blocked
until the current Ethernet connection is terminated.
Note Only one Service Kit can connect to the base station at one time.
Direct Connection
to the Control Panel You can use an ordinary RS-232 modem cable to connect the serial port on
the Service Kit PC to the serial port on the base station’s control panel. This
connection is available only when the base station first powers up.
1. Connect a serial cable from the Service Kit PC to the control panel.
2. Run the Service Kit and click Connect. In the Connecting dialog
box, select a direct connection, and click Connect.
3. Power up the base station.
4. If the base station has a multi-reciter or dual base station control panel,
select the appropriate channel.
Note When the base station is configured with a zero IP address (i.e. the
IP address field in the Service Kit is blank), direct connection at
the control panel is always available. There is no need to restart
the base station.
Note When a reciter fitted with a TaitNet Ethernet system interface
board is first powered up, the Service Kit (or Calibration Kit) can
connect via the reciter’s front panel serial port (16-way IDC con-
nector). If the reciter detects no activity on this port, it will switch
to communicating via the system interface board. All connection
via the front panel serial port will then be disabled until the next
power cycle.
Direct Connection
by Ethernet
Crossover Cable
You can connect the Service Kit PC directly to the RJ45 Ethernet
connector on the base station using an Ethernet crossover cable.
1. Connect an Ethernet crossover cable from the Service Kit PC to the
RJ45 connector at the rear of the reciter.
2. Configure the Service Kit PC with a fixed IP address that is on the
same subnet as the base station’s IP address. The PC will not be able

146 Connection TB8100 Installation and Operation Manual
© Tait Electronics Limited December 2007
to obtain an IP address automatically. On some versions of Windows,
you will need to restart the PC.
Note If the base station has the default IP address (192.168.1.2), config-
ure the Service Kit PC as follows:
IP address: 192.168.1.3
subnet mask: 255.255.255.0
default gateway: none.
3. Run the Service Kit and click Connect. In the Connecting dialog
box, select the appropriate network connection for the base station,
and click Connect.
Local Connection by
Ethernet at a Radio
Site
Before connecting a Service Kit PC to the Ethernet at a site, you must
configure the PC with an appropriate fixed IP address.
1. Configure the Service Kit PC with a fixed IP address that is on the
same subnet as the base station at the site.
2. At the site, use a normal (non-crossover) Ethernet cable to connect
the PC to a spare port on the switch or hub.
3. Run the Service Kit and click Connect. In the Connecting dialog
box, select the appropriate network connection for the base station,
and click Connect.
Remote Connection
over the Network If both the Service Kit PC and the base station have network access, you can
make a remote Service Kit connection.
1. Ensure that the Service Kit PC has network access, either via an office
network, or via modem to an ISP.
2. Run the Service Kit and click Connect. In the Connecting dialog
box, select the appropriate network connection for the base station,
and click Connect.
Remote Connection
over the Internet You can connect the Service Kit PC to more than one base station over the
Internet using a single router with a fixed IP address.
1. Make sure that the remote router is capable of port mapping, and has
a fixed IP address allocated by your ISP.
2. Find out the internal IP address range required by the router, and
allocate one IP address from this range to each base station.
3. Configure the router as follows:
■map a public port (10001, 10002, etc.) to each internal IP address
allocated in Step 2
■set the private port for each internal IP address to 10001.

TB8100 Installation and Operation Manual Connection 147
© Tait Electronics Limited December 2007
4. Using a direct connection from your PC, run the Service Kit and
configure each base station (Configure > Base Station > General)
with the IP address allocated to it in Step 2.
5. On the Service Kit PC, set up a connection to each base station
(Tools > Configure Connections) as follows:
■set the IP address of each base station to the fixed IP address of the
router
■set the public port for each base station to the number allocated to
that base station in Step 3.
Lost or Forgotten IP
Address If you misplace the IP address of the base station, connect to the reciter in
the normal way using RS-232, as described in “Direct Connection to the
Control Panel” on page 145. You can then read or configure the IP address
without using the network interface.
6.6 Calibration Kit Connection
The standard methods of connecting the Calibration Kit to a TB8100 base
station are described in detail in the Calibration Kit documentation. This
section describes the specific connection methods required for an Ethernet
base station and multi-reciter subrack.
6.6.1 Connecting to an Ethernet Base Station
The Calibration Kit still connects via RS-232. You must connect the
Calibration Kit to the reciter’s front panel serial port (via the control panel
or a Calibration Test Unit) as described in the Calibration Kit
documentation.
Note When a reciter fitted with a TaitNet Ethernet system interface
board is first powered up, the Calibration Kit (or Service Kit) can
connect via the reciter’s front panel serial port (16-way IDC con-
nector). If the reciter detects no activity on this port, it will switch
to communicating via the system interface board. All connection
via the front panel serial port will then be disabled until the next
power cycle.
6.6.2 Connecting to a Multi-reciter Subrack
You can connect to a particular reciter in a multi-reciter subrack via the
control panel by using the following procedures.
If the subrack is already powered up.
1. Connect the PC to the RS-232 port on the control panel.

148 Connection TB8100 Installation and Operation Manual
© Tait Electronics Limited December 2007
2. Using the channel button on the control panel, select the reciter you
want to calibrate.
3. Start the TB8100 Calibration Kit program.
4. Click Connect to start the connection process.
5. As soon as you see the “Waiting for logon prompt from Reciter”
screen, disconnect then reconnect the power to the selected reciter.
6. The reciter will generate the logon prompt within 20 to 30 seconds
after power-up and complete the connection to the Calibration Kit.
If the subrack is not powered up.
1. Connect the PC to the RS-232 port on the control panel.
2. Start the TB8100 Calibration Kit program.
3. Click Connect to start the connection process. The “Waiting for
logon prompt from Reciter” screen appears.
4. Power up the subrack.
5. Within 20 seconds, select the reciter you want to calibrate using the
channel button on the control panel. The selected reciter will
generate the logon prompt and complete the connection to the
Calibration Kit.
6.7 Microphone Connection
You can connect a microphone to the TB8100 base station via the standard
RJ45 socket on the control panel. If a standard TB8100 microphone has not
been supplied with your base station, you should use an electret
microphone. The pin allocations for the microphone socket are given in the
following table.
Pin Description
1 not connected
2 not connected
3 not connected
4PTT
5 voice band (microphone) input
6 microphone ground
7 not connected
8 not connected
12345678
external view

TB8100 Installation and Operation Manual Connection 149
© Tait Electronics Limited December 2007
6.8 12V PA Power Saving Control Connection
To enable Power Saving in the 12V PA, you must connect digital out 1 on
the reciter’s system interface connector to pin 1 of the Power Saving control
connector on the rear panel of the PA. Once this connection is made, the
PA will shut down whenever the reciter goes into Deep Sleep mode. For
more information on the operation and configuration of Power Saving, refer
to “Power Saving” on page 65.
Note When a base station with a 12V PA is configured for Deep Sleep,
digital out 1 is dedicated to Power Saving control and should not
be used for any other Task Manager function.
Two ways of making the Power Saving control connection between the 12V
PA and reciter are described below. The circled numbers in the following
instructions refer to Figure 6.22.
Method 1 1. Connect one end of the Power Saving control cable b (Tait part
number 219-02971-00) to the Power Saving control connector c at
the rear of the PA. Connect the other end to the auxiliary DC input
connector d at the rear of the reciter.
Note If you are using an older reciter with a 4-way connector, you will
need to use Method 2.
2. On the D-range plug that is fitted to the system interface connector
e on the reciter, link digital out 1 to +AUX_V.
Method 2 1. Connect one end of the Power Saving control cable b to the Power
Saving control connector c at the rear of the PA.
Figure 6.22 Fitting the Power Saving control cable to a 12V PA
becd
reciter shown with TaitNet RS-232
system interface board

150 Connection TB8100 Installation and Operation Manual
© Tait Electronics Limited December 2007
2. Cut the socket off the other end of the cable. Connect the wires
directly to the D-range plug fitted to the system interface connector
e as follows:
■red - digital out 1
■black - ground.
The pin allocations for the Power Saving control connector on the PA are
given in the following table.
If you wish to make up your own cable, use the following connector for
both the PA and reciter connections:
■2x1-way Molex 43025-0200/crimp socket 43030-0001 female.
6.9 TBA101D Interface Board
Refer to Figure 6.23 on page 151.
The TBA101D interface board plugs into the high-density 26-way D-range
connector b on the High Density/RS-232 and High Density/Ethernet
system interface boards. It brings the inputs and outputs from this connector
(pins 1 to 25, pin-for-pin) onto a standard 25-way female D-range c. This
25-way D-range has the same functionality as the Isolated system interface.
The Tx relay and +AUX_V lines are also available on connector J3,
providing an alternative connection for a coaxial relay.
Digital out 1, +AUX_V and ground are also available on solder pads DO1,
AUX and GND respectively, providing alternative connections for Power
Saving control of a 12V PA. Linking DO1 to AUX allows the Power Saving
cable to be connected between the 12V PA and the reciter’s auxiliary DC
input, as described in Method 1 in “12V PA Power Saving Control
Connection” on page 149. You can also solder one end of the Power
Saving control cable directly to pads DO1 and GND, as described in
Method 2.
Mount the TBA101D onto the reciter with the supplied 4-40 UNC screws
d, spacer e and M3 screw f. If required, fit the supplied retaining clips
to the 4-40 UNC screws.
Pin Signal Name Signal Type Notes
1 PA shutdown input active low
2 ground ground
external view
12

TB8100 Installation and Operation Manual Connection 151
© Tait Electronics Limited December 2007
Figure 6.23 Fitting the TBA101D to a reciter
b
c
d
e
f
B
C
D
E
F
G
H
I
J
1)
1!
1@
1#
1$
1%
1^
1&
1*
1(
2)
2!
2@
2#
2$
2%
J3
1
2
x2
Tx relay
+AUX_V
digital out 1 (DO1)
+AUX_V (AUX)
ground (GND)
152 Connection TB8100 Installation and Operation Manual
© Tait Electronics Limited December 2007

TB8100 Installation and Operation Manual Configuration 153
© Tait Electronics Limited December 2007
7 Configuration
The operation of the TB8100 base station can be configured in both
hardware and software. This chapter provides detailed information on the
hardware configuration required for dual base stations and multi-reciter
subracks. It also provides an overview of software configuration using the
Service Kit, and more detailed information on configuring the base station
for Ethernet operation.
Refer also to the Service Kit and its associated documentation for additional
information on software configuration.

154 Configuration TB8100 Installation and Operation Manual
© Tait Electronics Limited December 2007
7.1 Configuring the Subrack Interconnect Board
7.1.1 Dual Base Station
Switch Settings You must set the switches b on the dual base station interconnect board
correctly. The switch settings depend on the type of base station(s) installed
in the subrack, and on the part number (IPN) of the board itself.
Table 7.1 gives the switch settings for older boards with the part number
220-02037-02. This board can only be used with dual base stations using a
PMU.
Table 7.2 gives the switch settings for newer boards with the part number
220-02037-04 and later. These boards can be used with dual base stations
using a PMU, and with single or dual 12V PA base stations.
Table 7.1 Switch S1 settings - IPN 220-02037-02
Switch Function
Dual Base Station
with PMU
State
1CH1 select button active on
2CH2 select button active on
3independent CH1 and CH2 channels Tait use only - leave on
4channel 2 I2C_CLK pullup on
5channel 2 I2C_DATA pullup on
6unused off
7grounded CAN off
8connected CH1 and CH2 channels Tait use only - leave off
Table 7.2 Switch S1 settings - IPN 220-02037-04 and later
Switch Function
Dual Base Station
with PMU
Single or Dual Base
Station with 12V PA
State State
1CH1 select button active on single - off
dual - on
2CH2 select button active on single - off
dual - on
3independent CH1 and CH2 channels Tait use only - leave on Tait use only - leave on
4channel 1 I2C_CLK pullup off on
5channel 1 I2C_DATA pullup off on
6channel 2 I2C_CLK pullup on on
7channel 2 I2C_DATA pullup on on
8connected CH1 and CH2 channels Tait use only - leave off Tait use only - leave off

TB8100 Installation and Operation Manual Configuration 155
© Tait Electronics Limited December 2007
Figure 7.1 Location of switch S1 on the dual base station subrack interconnect board
dual base station - IPN 220-02037-02
b
dual base station - IPN 220-02037-04 and later
b

156 Configuration TB8100 Installation and Operation Manual
© Tait Electronics Limited December 2007
7.1.2 Multi-reciter
The TB8100 multi-reciter subrack can accommodate up to seven reciters,
or up to five reciters with a PMU (as shown in Figure 6.5 on page 114).
The PMU occupies reciter positions 6 and 7 (numbered from right to left).
The multi-reciter subrack interconnect board has a set of DIP switches and
links that must be set correctly before the equipment is used. The locations
of these switches and links are shown in Figure 7.2 on page 158.
Switch Settings You must set switches S1, S2, S3 and S4 according to the type of modules
installed in the subrack. The switch settings are given in Table 7.3.
Table 7.3 DIP switch settings for subracks with and without a PMU
Switch
Number
Switch Settings
with a PMUa
a. Note that these switch settings allow the Service Kit to communicate with the PMU
associated with reciter 1.
Switch Settings
without a PMU
S1:1
S1:2
S1:3
S1:4
not used
not used
off
off
not used
not used
on
on
S2:1
S2:2
S2:3
S2:4
off
off
on
on
off
off
on
on
S3:1
S3:2
S3:3
S3:4
off
off
on
on
off
off
on
on
S4:1
S4:2
S4:3
S4:4
on
on
off
off
off
off
on
on

TB8100 Installation and Operation Manual Configuration 157
© Tait Electronics Limited December 2007
Link Settings A set of links is provided on the interconnect board for each position in the
subrack, as described in Table 7.4. You can set these links to connect either
the reciter’s alarm or Rx gate status signal to the appropriate channel LED
on the control panel (refer to “Multi-reciter Control Panel” on page 37).
Note There is a link on the control panel board which allows you to
select the colour displayed by these LEDs. Refer to “Configuring
the Multi-reciter Control Panel Board” on page 159.
Table 7.4 Link settings for selecting alarm or Rx gate signals
Subrack
Position Link Link Settings
1J16
alarm status signal: link pins 1 & 2
Rx Gate status signal: link pins 2 & 3
2J18
3J19
4J20
5J21
6J22
7J23

158 Configuration TB8100 Installation and Operation Manual
© Tait Electronics Limited December 2007
Figure 7.2 Location of switches and links on the multi-reciter subrack interconnect board
S4
J23
S3
J22
S2
J20
J21
J18
J19
S1
J16
reciter 7
reciter 6
or PMU
reciter 5
reciter 4
reciter 3
reciter 2
reciter 1
pin 1

TB8100 Installation and Operation Manual Configuration 159
© Tait Electronics Limited December 2007
7.2 Configuring the Multi-reciter Control Panel Board
A link (J300) is provided on the control panel board which allows you to
select the colour displayed by the seven channel LEDs (refer to the examples
below). This link selects the colour for all the channel LEDs.
Note Figure 7.3 on page 160 shows the bottom side of the board (as
seen with the board mounted in the control panel chassis). J300
is mounted on the top side of the board, and is accessible from the
top of the control panel assembly.
Examples of LED
Colours Example 1
With the following link settings:
■subrack interconnect board links set for Rx gate status signal
■control panel board link across pins 1 and 2
the channel LEDs will have the following states:
The link settings described above are the TB8100 factory default settings.
Example 2
With the following link settings:
■subrack interconnect board links set for alarm status signal
■control panel board link across pins 2 and 3
the channel LEDs will have the following states:
■red indicates which is the currently selected reciter
■green indicates that the reciter is receiving a valid signal
■orange indicates that the currently selected reciter is receiving a valid
signal.
■green indicates which is the currently selected
reciter
■red indicates that the reciter is generating an
alarm
■green, flashing orange indicates that the currently selected reciter is
generating an alarm.

160 Configuration TB8100 Installation and Operation Manual
© Tait Electronics Limited December 2007
Figure 7.3 Location of links on the multi-reciter control panel board
J300
pin 1

TB8100 Installation and Operation Manual Configuration 161
© Tait Electronics Limited December 2007
7.3 Configuring the Base Station with the Service Kit
The TB8100 base station can be configured using software to operate in
many different ways. Although it is programmed with a default
configuration at the factory, you will need to use the Service Kit software to
configure your base station to suit the requirements of your radio system.
Refer to the Service Kit and its associated documentation for full details of
all the options available in the complete configuration process.
Note The base station will be programmed at the factory with default
passwords which you will need to use to log on for the first time.
Refer to the Service Kit Help for more information on these pass-
words and how to change them.
162 Configuration TB8100 Installation and Operation Manual
© Tait Electronics Limited December 2007
7.4 Network Configuration for Ethernet Connections
7.4.1 Configuring the Base Station Network Identity
IP Address This is the unique number that identifies this particular base station. The
address is allocated by the network administrator, and is only valid within
that network.
Typically, you will need to add a route to any PC that wishes to connect to
the base station from outside the network (refer to “Defining Routes for a
Networked PC” below).
On the TB8100, the IP address 0.0.0.0 (i.e. the IP address field in the
Service Kit is blank) means that the Ethernet interface is not enabled, and
the base station will not appear on the network at all. When configured
with this address, direct Service Kit connection remains permanently
available at the control panel.
Subnet Mask The subnet mask is a bit mask used to tell how many bits in the IP address
identify the particular subnetwork, and how many bits (the rest) represent
an individual host within that subnet. For instance, a subnet mask of
255.255.255.0 means that the first 24 bits (3 8-bit bytes) of the IP address
identify the subnet, and the remaining 8 bits identify a particular host (e.g.
a base station or Syslog server) within that subnet. The subnet mask will be
determined by the network administrator.
Default Gateway The default gateway address is used by the base station when an IP packet's
destination address is outside the local subnet. The default gateway is usually
an interface belonging to a router that is connected to the outside world.
The default gateway address will be determined by the network
administrator, and may be left blank.
7.4.2 Defining Routes for a Networked PC
You may need to define routes so that the Service Kit PC uses the correct
IP routing path to the base station subnet. Without a correct entry in the
network routing table, the Service Kit will be unable to remotely connect
to the base station. You can provide this using the “route” command. The
operating system Help gives assistance on the use of this command.
To define a route, proceed as follows:
1. Select Start > Run.
2. Enter “cmd”.
3. At the command line prompt, enter “route print”.
TB8100 Installation and Operation Manual Configuration 163
© Tait Electronics Limited December 2007
4. If the displayed list of persistent routes at the bottom of the output
does not provide a route to the base station subnet, add one or more
persistent routes in the format:
route -p add destination mask subnetmask gateway
For example:
route -p add 172.16.16.0 mask 255.255.240.0 172.25.206.252
This example tells the PC that all packets destined for the 172.16.16.0
subnet will need to go via the gateway router found at
172.25.206.252.
7.4.3 Testing
You can use “ping” to check the connection to a base station. To use ping
under Windows, proceed as follows:
1. Select Start > Run.
2. Enter “cmd”.
3. At the command line prompt, enter “ping IP address”.
For example:
ping 172.16.16.0
Typical responses are as follows:
Request timed out
Either the connection is faulty, or an intervening gateway is blocking
access to the ping service. Consult your network administrator.
Reply from 172.16.16.0: bytes=32 time<10ms TTL=64
The connection is OK.

164 Configuration TB8100 Installation and Operation Manual
© Tait Electronics Limited December 2007
7.5 Using Syslog Messages with Ethernet Connections
When TB8100 base stations have Ethernet connections instead of RS-232,
they are not able to communicate with a Tait Alarm Center. Instead, they
can send any alarms as syslog messages to a syslog collector. Other elements
in the network such as routers and switches can also be configured to send
syslog messages to the syslog collector.
Computers running Unix or Linux have a syslog collector as part of their
operating system. Windows-based PCs need a suitable third party syslog
collector. Tait has tested the TB8100 with the Kiwi Syslog Daemon (see
www.kiwisyslog.com). The Kiwi Syslog Daemon is able to handle the
syslog messages of Cisco routers as well. The freeware version can be used
to explore its capabilities, but the registered version offers useful additional
functions, such as the ability to display different screens for different base
stations.
To use syslog messages in your system, proceed as follows:
■Use the Service Kit to enable and configure the sending of alarm
messages to the Syslog collector (Configure > Communications >
Syslog).
■Configure the syslog collector to listen for TCP syslog messages.
Note TB8100 syslog messages are sent as TCP packets and, by default,
the Kiwi Syslog Daemon does not listen to them. In the Kiwi
Syslog Daemon, select File > Properties > Inputs > TCP > Listen
for TCP Syslog Messages, TCP Port 1468.
■Optional: Set things up to monitor base station failure. First, use the
Service Kit to enable the sending of a heartbeat and to configure its
interval. Then set up a script in your syslog collector that takes action if
the heartbeat is not received (emails the technician, pages the technician,
or sends a syslog message).
■Optional: Set up your syslog collector to email the duty technician
when significant error messages are received from a TB8100 or a router.
7.5.1 Syslog Operation
The TB8100 optionally sends syslog messages in Standby and in Run
modes.
Because the Ethernet interface communicates internally via RS-232, the
TB8100 cannot send syslog messages when it is in CCI mode or when a
Service Kit is connected. The fault log is able to store up to 50 messages
until they can be sent.
TB8100 syslog messages are not fully reliable, even though they use TCP.
They can be lost if Internet traffic is particularly heavy. This is due to
limitations of the base station’s Ethernet device. Syslog messages are also lost
if the fault log becomes full, for example during a long Service Kit session.

TB8100 Installation and Operation Manual Configuration 165
© Tait Electronics Limited December 2007
Task Manager actions can disable the sending of syslog messages. The fault
log continues to store any messages that are generated, and they are sent
when Task Manager re-enables the syslog service.
If Task Manager clears the alarm log, any syslog alarm messages that have not
already been sent are lost.
7.5.2 Message Format
TB8100 syslog messages have the following format:
IP address module: timestamp, alarm code - text
For example:
172.25.206.17 SYSTEM: 94608624.312, 007 – Unbalanced Line Input Low
They appear in the Kiwi Syslog Daemon like this:
Date and Time Syslog collectors display the date and time that the message was received.
Priority The priority consists of a facility code and a severity level. The default
facility code used by TB8100s is Local0. The severity for alarms is Error.
Note Heartbeat messages have a severity of Notice if an alarm is inactive,
and a severity of Warning if an alarm is active.
Hostname The host name or IP address that appears in the “sender” field of the TCP
packet containing the syslog message. If the network uses NAT, this will be
different from the IP address of the base station.
166 Configuration TB8100 Installation and Operation Manual
© Tait Electronics Limited December 2007
Message The message part of a TB8100 syslog message has the following parts:
7.5.3 Heartbeat Messages
The TB8100 can send a regular heartbeat message. You can enable this
function and select an interval between heartbeats using the Service Kit. If
there is an alarm, the heartbeat is given a severity of Warning (4), and its
MSG is as follows:
SYSTEM:Timestamp, 001 - Base Station Alarm is ACTIVE
If there is no alarm, the heartbeat is given a severity of Notice (5), and its
MSG is as follows:
SYSTEM:Timestamp, 001 - Base Station Alarm is INACTIVE
To set up a syslog collector to respond to base station failure, proceed as
follows:
1. For each base station, set up a filter for any message from the base sta-
tion's IP address.
2. Set up an action for that filter: if the syslog collector receives a
message, it starts a timer.
3. Set up a duration for the timer. This needs to be long enough to cope
with the unavailability of syslog messages when the base station is
connected to a Service Kit, or when it is in CCI mode.
IP Address The IP address of the TB8100 that originated the
syslog message.
Module Code The module code indicates which base station module
generated the message:
Module Code Module
SYSTEM TB8100 base station
REC reciter
PA power amplifier
PMU power management unit
Timestamp The timestamp gives the value of the base station timer
since its last start-up. It consists of a number of seconds
and milliseconds.
Alarm Code The alarm code is the last three characters of the CCI
data tag for the alarm (for a list of CCI data tags, see
TN-947-AN).
Text The text is an English description of the reason for the
message.

TB8100 Installation and Operation Manual Configuration 167
© Tait Electronics Limited December 2007
4. Set up an action if the timer expires (for example, send an email to
the duty technician).
(If you are using the Kiwi Syslog Daemon, these capabilities are only
available in the licensed version.)
Note There is no heartbeat when CCI mode is active or if the Service
Kit is connected.
168 Configuration TB8100 Installation and Operation Manual
© Tait Electronics Limited December 2007

TB8100 Installation and Operation Manual Replacing Modules 169
© Tait Electronics Limited December 2007
8 Replacing Modules
Caution The TB8100 PA and PMU weigh between 4.6kg
(10.1lb) and 5.8kg (12.8lb) each. Take care when
handling these modules to avoid personal injury.
Important The cooling fans are mounted on the front panel and will
only operate when the panel is fitted correctly to the front
of the subrack. To ensure adequate airflow through the base
station, do not operate it for more than a few minutes with
the front panel removed (e.g. for servicing purposes). Both
the PMU and PA modules have built-in protection mech-
anisms to prevent damage from overheating.
Important Be careful when removing module retaining clamps and
screws in a live multi-reciter subrack. Dropping any metal
items onto the subrack interconnect board can cause shorts
which may damage the equipment.
8.1 Saving the Base Station’s Configuration
Before replacing a module in the TB8100 base station, you should decide
whether you need to save its configuration data. If you are unsure whether
you have a record of the configuration, use the Service Kit to read the base
station and save the configuration file before removing any modules. Once
you have replaced the module, you will be able to restore the original
configuration by programming the saved configuration back into the base
station. If one or more of the modules is faulty, you may be unable to read
the base station. In this case, you will have to restore the configuration from
a back-up file. Refer to the Service Kit and its associated documentation
for more information.

170 Replacing Modules TB8100 Installation and Operation Manual
© Tait Electronics Limited December 2007
8.2 Preliminary Disassembly
Hot-pluggable
Modules The reciter, PA and control panel are hot-pluggable and can be removed
from the TB8100 base station without powering down the whole subrack.
These modules can also be removed without disrupting the system control
bus communications with the other modules in the base station.
Important In base stations which use a PMU, the PMU must be con-
nected to the system control bus at all times. The I2C cur-
rent source is located in the PMU, and if the PMU is dis-
connected, the state of much of the bus will be undefined.
This may cause corrupted data to be present on the bus
when the reciter reads the states of the switches on the con-
trol panel. This in turn may result in random actuations of
microphone PTT, carrier, or speaker key, causing the base
station to transmit or the speaker to be actuated incorrectly.
In a dual base station, you can remove the reciter and/or PA from one base
station without disrupting the operation of the other base station.
If you want to disconnect the power before working on the base station,
carry out the instructions in “Disconnect the Power” below.
Important Before removing a PA, disconnect the DC input and RF
input first, followed by the RF output (and DC output on
the 12V PA). After refitting the PA, reconnect the RF out-
put (and DC output on the 12V PA) first, followed by the
RF input, and then the DC input.
Disconnect the
Power 1. Turn off the AC b and DC c switches at the rear of the PMU.
2. Also at the rear of the PMU disconnect the mains d and battery e
supply leads, and the auxiliary DC supply lead f (if fitted).
3. 12V PA only: Disconnect the battery supply lead g.
4. Multi-reciter only: Disconnect the battery supply lead h.

TB8100 Installation and Operation Manual Replacing Modules 171
© Tait Electronics Limited December 2007
Remove the Front
Panel 1. Undo the fastener at each end of the front panel b with a quarter
turn anti-clockwise.
2. While supporting the left end of the front panel, place your fingers in
the recess provided on the left side of the control panel opening c
and pull the right end of the front panel away from the subrack. You
will need to overcome the resistance of the spring clip securing the
front panel to the control panel.
bcdef g
PMU 12V PA
h
multi-reciter
b
lockedunlocked
c

172 Replacing Modules TB8100 Installation and Operation Manual
© Tait Electronics Limited December 2007
8.3 Replacing the Control Panel
Removal 1. If you have not already done so, carry out the instructions in
“Preliminary Disassembly” on page 170.
2. Undo the retaining screw b. Note that the screw stays attached to
the control panel.
3. Pull the bottom of the control panel away from the subrack c to
disconnect the D-range socket on the back of the panel from the plug
d on the subrack.
4. Pull the control panel down e to disengage the centre tab f from
the subrack.
Refitting 1. Fit the top of the control panel to the subrack so that the centre tab
is behind the lip of the subrack and between the two locating tabs
formed in the lip. Push the control panel firmly upwards g.
2. Align the D-range socket on the back of the control panel with the
plug on the subrack. Gently push the bottom of the panel home
against the subrack h to engage the plug into the socket.
3. Insert the securing screw into the floating nut i in the subrack and
tighten. Note that you may have to push the screw in and down to
pick up the floating nut.
4. Carry out the instructions in “Final Reassembly” on page 184.
b
de
f
g
c
h
i
standard control panel shown

TB8100 Installation and Operation Manual Replacing Modules 173
© Tait Electronics Limited December 2007
8.4 Replacing the Reciter
Removal 1. If you have not already done so, carry out the instructions in
“Preliminary Disassembly” on page 170, and remove the control
panel, as described in “Replacing the Control Panel” on page 172.
2. At the rear of the reciter, unplug the RF input cable b, any system
cables c and the external reference cable d (if fitted).
3. At the front of the reciter, unplug the DC input cable e and the RF
output cable f, and move both cables to one side. Unplug both ends
of the system control bus g and remove it.
Note In a multi-reciter subrack, the DC output connector on the sub-
rack interconnect board for reciter 2 is located in front of reciter
3. You will need to disconnect reciter 2’s power cable from the
subrack board before removing reciter 3.
4. Loosen the screw securing the retaining clamp h and rotate the
clamp through 90° to clear the module.
5. Slide the reciter out of the subrack, taking care not to damage any of
the cables.
Refitting 1. Slide the replacement reciter into the subrack and secure it with the
retaining clamp.
2. Reconnect all the front and rear panel cables previously disconnected.
Ensure the front panel cables are retained by the cable retaining clips
i in the top of the subrack.
Important Do not force the system control bus behind the reciter
handle as this may damage the ribbon cable.
bcd gfh
e
i

174 Replacing Modules TB8100 Installation and Operation Manual
© Tait Electronics Limited December 2007
Note If you need to remove any front panel cables, simply pull the front
of the cable retaining clip down and then slide it out from the sub-
rack until it reaches the end of its travel.
3. Tighten the nut on the SMA connector to a torque of 0.9Nm
(8lbf·in).
4. Refit the control panel, as described in “Replacing the Control
Panel” on page 172.
5. Carry out the instructions in “Final Reassembly” on page 184.
8.5 Replacing the Power Amplifier
Important Before removing a PA, disconnect the DC input and RF
input first, followed by the RF output (and DC output on
the 12V PA). After refitting the PA, reconnect the RF out-
put (and DC output on the 12V PA) first, followed by the
RF input, and then the DC input.
Important If you are replacing the H-band PA in a base station which
operates on H4 band (380MHz to 420MHz), make sure
that the replacement PA has the correct version of hard-
ware. Only H-band PAs with hardware version 00.02 and
later can operate from 380MHz to 520MHz. H-band PAs
with hardware version 00.01 and earlier can only operate
from 400MHz to 520MHz.
Removal 1. If you have not already done so, carry
out the instructions in “Preliminary
Disassembly” on page 170. If
necessary, remove the control panel,
as described in “Replacing the
Control Panel” on page 172.
2. At the rear of the PA, unplug the RF
output cable b. 12V PA only: also
unplug the battery supply lead c,
and Power Saving control cable d
(if fitted).
cdb

TB8100 Installation and Operation Manual Replacing Modules 175
© Tait Electronics Limited December 2007
3. At the front of the PA, unplug the DC input cable (DC output cable
on the 12V PA) b and the RF input cable c, and move both cables
to one side. Unplug both ends of the system control bus d and
remove it.
4. Loosen the screw securing the retaining clamp(s) e and rotate the
clamp(s) through 90° to clear the module.
5. Slide the PA out of the subrack, taking care not to damage any of the
cables.
Refitting 1. Slide the replacement PA into the subrack and secure it with the
retaining clamp(s).
2. Reconnect all the front and rear panel cables previously disconnected.
Ensure the front panel cables are retained by the cable retaining clips
in the top of the subrack.
Note If you need to remove any front panel cables, simply pull the front
of the cable retaining clip down and then slide it out from the sub-
rack until it reaches the end of its travel.
3. Tighten the nut on the SMA connector to a torque of 0.9Nm
(8lbf·in).
4. If necessary, refit the control panel, as described in “Replacing the
Control Panel” on page 172.
5. Carry out the instructions in “Final Reassembly” on page 184.
bed
cb
b
ddec
e
e
(obscured)

176 Replacing Modules TB8100 Installation and Operation Manual
© Tait Electronics Limited December 2007
8.6 Replacing the Power Management Unit
Important You must disconnect the AC and DC power cables before
removing the PMU from the subrack.
Removal 1. If you have not already done so, carry
out the instructions in “Preliminary
Disassembly” on page 170.
2. At the front of the PMU, unplug the
output power cable(s) b and system
control bus c, and move them to
one side.
3. Loosen the screw securing the
retaining clamps d and rotate the
clamps through 90° to clear the
module.
4. Slide the PMU out of the subrack,
taking care not to damage any of the
cables.
Refitting 1. Slide the replacement PMU into the subrack and secure it with the
retaining clamps.
2. Reconnect all the front and rear panel cables previously disconnected.
Connect the DC power cables on the rear panel as shown in
Figure 5.11 on page 107. Ensure the front panel cables are retained
by the cable retaining clips in the top of the subrack.
Note If you need to remove any front panel cables, simply pull the front
of the cable retaining clip down and then slide it out from the sub-
rack until it reaches the end of its travel.
3. Carry out the instructions in “Final Reassembly” on page 184.
dbcd
(obscured)
TB8100 Installation and Operation Manual Replacing Modules 177
© Tait Electronics Limited December 2007
8.7 Replacing the Front Panel Fans
Unless otherwise indicated, the following instructions refer to Figure 8.2 on
page 179. The front panel used in multi-reciter subracks has some minor
differences. These are explained in “Multi-reciter Subracks” on page 178.
Removal 1. If you have not already done so, carry out the instructions in
“Preliminary Disassembly” on page 170.
2. PA Fan
a. Remove the four screws labelled b and remove the duct and fan
assembly from the front panel.
b. Unplug the fan from the fan contact board c.
c. Remove the fours screws holding the fan into the duct d and
remove the fan.
3. PMU Fan
a. Remove the PA fan/duct assembly as described above.
b. Remove the two screws labelled e and remove the PMU fan/
duct assembly.
c. Unplug the fan from the fan contact board f.
d. Remove the fours screws holding the fan into the duct g and
remove the fan.
Refitting 1. Fit the replacement fan into the duct with the power wires located in
the slot in the side of the duct h.
2. Refit the four screws securing the fan into the duct. Do not
overtighten these screws or you will distort the fan body.
3. PMU Fan
a. Refit the PMU fan/duct assembly onto its mounting bosses. Note
that the two inner mounting tabs i fit over the bosses.
b. Plug the fan into the fan contact board f and route the wires
around the PA fan opening j.
c. Refit the two screws labelled e.
d. Refit the PA fan as described below.
4. PA Fan
a. Plug the power wires into the fan contact board c and route the
wires around the PA fan opening j.
b. Refit the PA fan/duct assembly onto its mounting bosses. Note
that the two inner mounting tabs 1) fit over the inner tabs of the
PMU fan. Ensure that all the power wires are secured under the
retaining hooks 1! and are not crimped.
c. Refit the fours screws labelled b.

178 Replacing Modules TB8100 Installation and Operation Manual
© Tait Electronics Limited December 2007
5. Carry out the instructions in “Final Reassembly” on page 184.
Important You must connect the fans to the correct sockets on the fan
contact board. If the fan connections are reversed, the
wrong fan will be activated when a module needs cooling.
The module may then fold back and shut down. When you
power-up the TB8100 base station, check that the PMU
fan runs first, followed by the PA fan. Each fan will run for
about five seconds.
Important You must refit the correct duct to the PA fan. There are
several small but important differences between the duct for
a 5W or 50W PA and the duct for a 100W PA. Refer to
Figure 8.5 on page 184 for more details.
Multi-reciter
Subracks To replace the PMU fan (if fitted), follow the basic procedures described
above. When refitting the fan, note the following points (refer to
Figure 8.1):
■the PMU fan assembly is secured with two M3 washers b where the PA
fan would normally sit
■secure the fan wires with the two sleeved solder tags c
■connect the fan wire to the correct socket d on the fan contact board.
Figure 8.1 PMU fan installation for multi-reciter subracks
cd b

TB8100 Installation and Operation Manual Replacing Modules 179
© Tait Electronics Limited December 2007
Figure 8.2 Replacing the front panel fans
bc
d
e
f
hhg
ij1)1!
1!
PA fan PMU fan
PA fan PMU fan
PA fan connector
PMU fan connector
100W base station front panel shown

180 Replacing Modules TB8100 Installation and Operation Manual
© Tait Electronics Limited December 2007
8.8 Replacing the Module Guide Rails
The module guide rails are held in place by four hooks that fit through the
slots in the top and bottom of the subrack. There is also a locking tab which
prevents the guide rails from working loose.
Removal 1. Bottom Guide Rails
a. Insert a small flat-blade screwdriver under the front end of the
guide rail and lift it slightly b. This will ensure the small locking
tab is clear of the slot in the subrack.
b. Whilst holding the front end of the guide rail up, pull the guide
rail towards the front of the subrack c and lift it clear of the slots.
2. Top Rails
a. Insert a small flat-blade screwdriver under the rear end of the
guide rail and lift it slightly d. This will ensure the small locking
tab is clear of the slot in the subrack.
b. Whilst holding the rear end of the guide rail up, pull the guide rail
towards the rear of the subrack e and lift it clear of the slots.
Refitting 1. Bottom Guide Rails
a. With the locating hooks pointing towards the rear of the subrack,
insert the hooks into the slots in the subrack.
b. Push the guide rail towards the rear of the subrack until you hear
the locking tab “click” into place.
2. Top Guide Rails
a. With the locating hooks pointing towards the front of the subrack,
insert the hooks into the slots in the subrack.
b. Push the guide rail towards the front of the subrack until you hear
the locking tab “click” into place.
bottom guide rail top guide rail
b
c
d
e

TB8100 Installation and Operation Manual Replacing Modules 181
© Tait Electronics Limited December 2007
8.9 Replacing the Subrack Interconnect Board
There are three types of subrack interconnect board available, as described
in the following table. You can identify the type of board by referring to
the product code printed on the label on the top of the board. Figure 8.3
on page 182 and Figure 8.4 on page 183 show the three types of board.
Note In late 2006 the circuit board used in XBAK22C0 changed from
IPN 220-02029-04 to a sub-populated version of the dual base
station board, IPN 220-02037-05 or later. This sub-populated
version of the dual base station board must be used only for single
base stations.
Unless otherwise indicated, the circled numbers in the following
instructions refer to Figure 8.4 on page 183.
Removal 1. If you have not already done so, carry out the instructions in
“Preliminary Disassembly” on page 170, and remove the control
panel, as described in “Replacing the Control Panel” on page 172.
2. Disconnect all cables from the interconnect board.
3. Remove the M3 nuts and spring washers b securing the board to the
subrack.
4. Multi-reciter only: Remove the two retaining clamps b securing
the left end of the board, as shown in Figure 8.3 on page 182.
5. Remove the board. If you are changing the type of board, also
remove the insulator c.
Refitting 1. If previously removed, replace the insulator. If you are changing the
type of board, you must fit the matching insulator.
2. Multi-reciter only: Reconnect the DC feed wires to connector J17
c on the interconnect board (red (+) to pin 1), as shown in
Figure 8.3 on page 182.
3. Refit the board and secure with the M3 nuts and spring washers.
4. Multi-reciter only: Replace the two retaining clamps.
Board Type Product Code Spares Code Description
single base station XBAK22C0 TBA-SP-K22C0 for single base stations with PMU
dual base station XBAK22C2 TBA-SP-K22C2 ■for dual base stations with PMU
■for single and dual base stations with 12V PA
multi-reciter XBAK22C6 TBA-SP-K22C6 for multi-reciter subracks with or without PMU

182 Replacing Modules TB8100 Installation and Operation Manual
© Tait Electronics Limited December 2007
5. Dual base station only: Set the switches of S1 d as described in
“Dual Base Station” on page 154.
6. Multi-reciter only: Set the switches and links as described in
“Multi-reciter” on page 156.
7. Reconnect all cables as shown in “Connection”:
■single and dual base stations, refer to Figure 6.4 on page 113
■multi-reciter subracks, refer to Figure 6.6 on page 115.
Figure 8.3 Replacing the subrack interconnect board in multi-reciter subracks
bc

TB8100 Installation and Operation Manual Replacing Modules 183
© Tait Electronics Limited December 2007
Figure 8.4 Replacing the subrack interconnect board in single and dual base stations
bc x3
single base station - IPN 220-02029-04 and earlier
dual base station - IPN 220-02037-02
d
dual base station - IPN 220-02037-04 and later
d
single base station - IPN 220-02037-05 and later

184 Replacing Modules TB8100 Installation and Operation Manual
© Tait Electronics Limited December 2007
8.10 Final Reassembly
Important You must refit the correct type of front panel to your
TB8100 base station. There are several small but important
differences between the front panel for a 5W or 50W base
station and the front panel for a 100W base station. These
differences are in the duct for the PA fan and are described
in the following paragraphs.
5W or 50W Front
Panel The PA fan duct does not have the cut-outs b required for the 100W PA
RF and DC cables. The break-off tab c will also still be present and will
jam on the system control bus. Do not try to fit this front panel to a 100W
base station or you will damage these cables and possibly the front panel
itself.
100W Front Panel Do not fit this front panel to a 5W or 50W base station. The presence of
the cut-outs and absence of the break-off tab will allow air to escape and
reduce the velocity of air directed through the heatsink.
Figure 8.5 Identifying the correct front panel
b
c
100W front panel:
the PA fan duct has cut-outs
but no break-off tab
5W or 50W front panel:
the PA fan duct has the break-off
tab but no cut-outs

TB8100 Installation and Operation Manual Replacing Modules 185
© Tait Electronics Limited December 2007
1. Before fitting the front panel, ensure that all cables are secured and
positioned correctly so they are clear of the fan ducts (refer to
“Overview” on page 109). Otherwise the panel may not fit properly,
or you may damage the cables.
2. Refit the Front Panel
a. Fit the front panel onto the locating pegs on the subrack Fit the
left end first, followed by the right end, pressing the panel in the
centre as shown b to secure the spring clip behind the control
panel.
b. Secure the fastener at each end c with a quarter turn clockwise.
Align the slot horizontally, then press the fastener in and turn to
lock.
3. Before powering up the base station, check that all power, RF and
system cables are connected correctly and securely at the rear of the
base station.
Important When refitting modules, make sure they are fitted correctly
into the subrack and all retaining clamps are securely tight-
ened. The recommended torque for the retaining clamp
screws is 1.9Nm (17lbf·in). As well as holding the modules
in place, the retaining clamps push the modules hard against
the rear rail of the subrack to ensure a good ground connec-
tion between the modules and subrack.
c
lockedunlocked
b
186 Replacing Modules TB8100 Installation and Operation Manual
© Tait Electronics Limited December 2007

TB8100 Installation and Operation Manual Preparation for Operation 187
© Tait Electronics Limited December 2007
9 Preparation for Operation
Once the TB8100 base station has been installed and connected, it is time
to prepare it for operation. The main procedures required to ensure your
base station is ready for operation are as follows:
■tuning
■configuration
■applying power
■test transmissions.
The following sections provide more detail on these procedures. Some
sections provide only an overview, as the full procedures are described in
other documents.
9.1 Tuning
You may need to adjust and tune the TB8100 reciters before operating them
in your radio system. Refer to “Short Tuning Procedure” on page 99 for
details on how to adjust the lock band (switching range) and tune the
receiver front end.
Refer to the Calibration Kit documentation for full details on the complete
adjustment and tuning procedures.
9.2 Configuration
You must ensure that the TB8100 base station has been correctly configured,
both in hardware and software, before operating it in your radio system.
Refer to “Configuration” on page 153, and also to the Service Kit and its
associated documentation, for full details of all the options available in the
complete configuration process.
188 Preparation for Operation TB8100 Installation and Operation Manual
© Tait Electronics Limited December 2007
9.3 Applying Power
1. Before turning the TB8100 base station on:
■check that the PMU is turned off (refer to “Preliminary
Disassembly” on page 170)
■12V PA and multi-reciter only: check that the battery supply
lead is disconnected (refer to “Preliminary Disassembly” on
page 170)
■remove the front panel (refer to “Preliminary Disassembly” on
page 170)
■check that all looms and cables at the front and rear of the base
station are fitted correctly (refer to “Overview” on page 109)
■check that all connectors are secure
■refit the front panel - ensure it is fitted correctly so that the fans
will operate if needed (refer to “Final Reassembly” on page 184).
2. Apply power by turning on the PMU, or by connecting the battery
supply lead to the 12V PA or subrack.
3. Check that the base station powers up correctly:
■check that the cooling fans in the front panel turn on in the
correct order after power-up: the PMU fan will run first, followed
by the PA fan; each fan will run for about five seconds and then
switch off (note that the PMU fan is not fitted to a 12V PA base
station)
■check that the appropriate LEDs on the control panel turn on after
about five seconds, as listed below:
standard power and microphone channel LEDs
dual base station power and base station 1 LEDs
Power Save power LED
multi-reciter power, microphone, and channel 1 LEDs;
all other LEDs should remain off (refer to “Control Panel” on
page 32)
■at this point you can also safely press the speaker button and check
that it is operating correctly.

TB8100 Installation and Operation Manual Preparation for Operation 189
© Tait Electronics Limited December 2007
9.4 Test Transmissions
Once you have completed the procedures described in the previous sections,
you may want to make some test transmissions. These will verify that your
TB8100 base station is operating correctly.
Note You may wish to have the Service Kit software running during
these tests so that you can monitor the performance of the base
station.
1. Ensure that the base station is correctly connected to an appropriate
antenna and that all RF connectors are secure.
2. Plug the microphone into the RJ45 socket on the control panel.
3. Select the base station you wish to transmit on.
4. Turn on the speaker audio for the selected base station.
5. Press the PTT switch on the microphone and make your
transmission. Check that:
■the red transmit LED turns on
■there are no alarms generated
■the audio quality on the receiving radio is good.
6. When the other radio answers your transmission, check that:
■the green receive LED turns on
■the audio quality from the speaker in the control panel is good
(adjust the speaker volume as required).
190 Preparation for Operation TB8100 Installation and Operation Manual
© Tait Electronics Limited December 2007

TB8100 Installation and Operation Manual Maintenance Guide 191
© Tait Electronics Limited December 2007
10 Maintenance Guide
The TB8100 base station is designed to be very reliable and should require
little maintenance. However, performing regular checks will prolong the
life of the equipment and prevent problems from happening.
It is beyond the scope of this manual to list every check that you should
perform on your base station. The type and frequency of maintenance
checks will depend on the location and type of your system. The checks
and procedures listed below can be used as a starting point for your
maintenance schedule.
Remote Monitoring You can monitor the performance of your TB8100 base station remotely by
using the Service Kit and Alarm Center software provided with the
equipment. You can use the Service Kit to configure the base station to
generate alarms when its performance falls outside your own pre-defined
limits. Refer to the Service Kit and Alarm Center documentation for more
details.
Performance Checks We suggest you monitor the following operational parameters using the
Service Kit:
■VSWR
■DC input voltage, especially on transmit
■receiver sensitivity
■the setting of the receiver gate opening
■any temperature alarms.
These basic checks will provide an overview of how well your base station
is operating.
Reciter There are no special maintenance requirements for the reciter. You may,
however, choose to recalibrate the TCXO frequency periodically. Refer to
the Calibration Kit documentation for more details.
PA There are no special maintenance requirements for the PA.
PMU There are no special maintenance requirements for the PMU. However, if
you are using battery back-up, you should check the batteries regularly in
accordance with the manufacturer’s recommendations.
Ventilation The TB8100 base station has been designed to have a front-to-back cooling
airflow. We strongly recommend that you periodically check and maintain
the ventilation requirements described in “Ventilation” on page 94 to
ensure a long life and trouble-free operation for your base station.
192 Maintenance Guide TB8100 Installation and Operation Manual
© Tait Electronics Limited December 2007
Cooling Fans The cooling fans have a long service life and have no special maintenance
requirements. You can use the Service Kit to configure the base station to
generate an alarm if either of the cooling fans fails. Refer to the Service Kit
and Alarm Center documentation for more details.

TB8100 Installation and Operation Manual Glossary 193
© Tait Electronics Limited December 2007
Glossary
This glossary contains an alphabetical list of terms and abbreviations related
to the TB8100 base station. For information about trunking, mobile, or
portable terms, consult the glossary provided with the relevant
documentation.
A B C D E F G H I K L N P R S T U V W
A
access level There are three different levels of access to a base station: Administrator,
User, and Read-only. The User access level has a configurable access profile;
the Administrator decides which functions that access level can carry out.
action An action is the second part of a Task Manager task. It specifies what the
base station must do when the first part (the input) becomes true.
active Digital outputs are active when the base station pulls their voltage low and
current is flowing. Digital inputs are active when external equipment is
pulling them to ground. All base station digital inputs and outputs are open
collector.
ADC Analog-to-Digital Converter. A device for converting an analog signal to a
digital signal that represents the same information.
Alarm log The alarm log is a list of the last 50 alarms that the base station generated.
This list is stored in the base station. To view it, select Monitor > Alarms >
Reported Alarms.
Alarm Center Alarm Center is a utility provided with the Service Kit that is able to receive,
store, and display alarms from any number of base stations with dial-up
connections. Participating base stations need an Alarm Reporting license.
Alarm Center also routes emailed messages to the email server.
alarm notification Alarm notification is the process by which the base station passes on
information about an alarm condition. It can notify alarms over the air, over
the line, via email, or to an Alarm Center. It can also activate a digital
output. If the Service Kit is logged on to the base station, it is automatically
notified of any alarms.
air intake
temperature The temperature of the air as measured at the PA’s air intake.
194 Glossary TB8100 Installation and Operation Manual
© Tait Electronics Limited December 2007
anti-kerchunking Anti-kerchunking is a base station configuration that discourages users from
kerchunking.
B
balanced line A balanced line has two wires carrying equal and opposite signals. It is
typically used in a line-connected base station for connecting to the
despatcher console. The system interface identifies the balanced line in as
Rx+ and Rx-, and the balanced line out as Tx+ and Tx-.
BCD BCD (binary coded decimal) is a code in which a string of four binary digits
represents a decimal number.
C
Calibration Kit The TB8100 Calibration Kit is a utility for defining the switching ranges of
the receiver and the exciter and for flattening the receiver response across its
switching range. It can also be used to calibrate various parts of the reciter
and the PA circuitry.
CCDI2 CCDI2 (computer controlled data interface version 2) is a proprietary Tait
command protocol used between computer equipment and a Tait radio.
channel A channel is:
■A frequency pair (or just a single frequency in a simplex system).
■A set of configuration information that defines the frequency pair and
other settings. Also referred to as a channel configuration. Generally,
‘channel’ has this meaning in the Service Kit.
channel profile A channel profile is a named set of configuration items relating to the base
station’s RF configuration, transmitter power output and power saving
modes. Like the signalling profile, it can be applied to any channel.
Together, these profiles define most configuration items.
channel spacing Channel spacing is the bandwidth that a channel nominally occupies. If a
base station has a channel spacing of 12.5 kHz, there must be a separation of
at least 12.5 kHz between its operating frequencies and those of any other
equipment.
channel table The channel table is the base station’s database of channel configurations. To
view it, select Configure > Base Station > Channel Table.
CODEC An IC which combines analog-to-digital conversion (coding) and digital-
to-analog conversion (decoding).
TB8100 Installation and Operation Manual Glossary 195
© Tait Electronics Limited December 2007
configuration file A configuration file consists of all the configuration settings needed for a
base station, stored as a file in the configurations folder. Configuration files
have the extension *.t8c.
connection A connection is a named group of settings that the Service Kit uses when
establishing communications with a base station.
control bus The control bus is used for communications between modules in a base
station. It is an I2C bus, a bi-directional two-wire serial bus which is used
to connect integrated circuits (ICs). I2C is a multi-master bus, which means
that multiple chips can be connected to the same bus, and each one can act
as a master by initiating a data transfer.
control panel The control panel is an area at the front of the base station with buttons,
LEDs and other controls that let you interact with the base station.
CTCSS CTCSS (continuous tone controlled squelch system), also known as PL
(private line), is a type of signalling that uses subaudible tones to segregate
groups of users.
custom action A custom action is a user-defined Task Manager action that consists of more
than one pre-defined action.
custom input A custom input is a user-defined Task Manager input that consists of a
combination of pre-defined inputs.
CWID CWID (Continuous Wave IDentification) is a method of automatically
identifying the base station using a Morse code. Continuous wave means
transmission of a signal with a single frequency that is either on or off, as
opposed to a modulated carrier.
D
DAC Digital-to-Analog Converter. A device for converting a digital signal to an
analog signal that represents the same information.
DCS DCS (digital coded squelch), also known as DPL (digital private line), is a
type of subaudible signalling used for segregating groups of users. DCS
codes are identified by a three-digit octal number, which forms part of the
continuously repeating code word. When assigning DCS signalling for a
channel, you specify the three-digit code.
DDC Digital Down Converter. A device which converts the digitised IF signal of
the receiver down to a lower frequency (complex baseband) to suit the DSP.
de-emphasis De-emphasis is a process in the receiver that restores pre-emphasised audio
to its original relative proportions.
196 Glossary TB8100 Installation and Operation Manual
© Tait Electronics Limited December 2007
duty cycle Duty cycle is used in relation to the PA. It is the proportion of time
(expressed as a percentage) during which the PA is operated. The TB8100
PA can be operated continuously.
E
EIA Electronic Industries Alliance. Accredited by the American National
Standards Institute (ANSI) and responsible for developing
telecommunications and electronics standards in the USA.
EMC Electromagnetic Compatibility. The ability of equipment to operate in its
electromagnetic environment without creating interference with other
devices.
ETSI European Telecommunications Standards Institute. The non-profit
organisation responsible for producing European telecommunications
standards.
F
flag A flag is a programming term for a “yes/no” indicator used to represent the
current status of something. The base station has a set of system flags that
are read and set by Task Manager. There is also a separate set of flags that
you can use in your own Task Manager tasks.
frequency band The range of frequencies that the equipment is capable of operating on.
front panel The cover over the front of the base station containing fans for the PA and
PMU.
G
gating Gating is the process of opening and closing the receiver gate. When a valid
signal is received, the receiver gate opens.
H
hiccup mode Many power supplies switch off in the event of a short-circuit and try to start
again after a short time (usually after a few seconds). This “hiccup”-type of
switching off and on is repeated until the problem is eliminated.
TB8100 Installation and Operation Manual Glossary 197
© Tait Electronics Limited December 2007
hysteresis Hysteresis is the difference between the upper and lower trigger points. For
example, the receiver gate opens when the upper trigger point is reached,
but will not close until the level falls to the lower trigger point. An adequate
hysteresis prevents the receiver gate from repeatedly opening and closing
when the level is about that of the trigger point.
Hysteresis mode A mode of PMU operation designed to save power. The PMU is mainly
turned off, but switches back on intermittently to maintain output voltage
when the output current is low.
I
inactive Digital outputs are inactive if the base station is doing nothing to them.
They are floating, open collector outputs. Digital inputs are inactive when
they are open circuit.
Intercom mode Intercom mode makes it possible for the operator at the dispatch centre and
the servicing technician at the base station to communicate with each other
over the line. It connects the base station microphone to line out.
isolator An isolator is a passive two-port device which transmits power in one
direction, and absorbs power in the other direction. It is used in a PA to
prevent damage to the RF circuitry from high reverse power.
K
kerchunking Kerchunking is transmitting for a second or less without saying anything in
order to test the base station. This results in a ‘kerchunk’ sound.
L
line-controlled base
station A TB8100 is a line-controlled base station when it receives audio (sending
it out via its system interface), transmits audio received over its system
interface, and its transmitter is keyed via the Tx Key line.
logging on Once you have connected to a base station, you can log on. This establishes
communications between the Service Kit and the base station.
N
navigation pane The navigation pane is the left-hand pane of the Service Kit application
window. It displays a hierarchical list of items. When you click an item, the
main pane displays the corresponding form.
198 Glossary TB8100 Installation and Operation Manual
© Tait Electronics Limited December 2007
0
operating range Operating range is another term for switching range.
P
PA The PA (power amplifier) is a base station module that boosts the exciter
output to transmit level.
PMU The PMU (power management unit) is a module that provides power to the
base station.
pre-emphasis Pre-emphasis is a process in the transmitter that boosts higher audio
frequencies to improve the audio quality.
R
reciter The reciter is a module of a TB8100 base station that acts as receiver and
exciter.
reverse tone burst Reverse tone bursts can be used with CTCSS. When reverse tone bursts are
enabled, the phase of the generated tones is reversed for a number of cycles
just before transmission ceases. If the receiver is configured for reverse tone
burst, it responds by closing its gate.
RSSI RSSI (Received Signal Strength Indicator) is a level in dBm or volts that
indicates the strength of the received signal.
Run mode Run mode is the normal operating mode of the base station.
S
SAW filter Surface Acoustic Wave filter. A band pass filter that can be used to filter both
RF and IF frequencies. A SAW filter uses the piezoelectric effect to turn
the input signal into vibrations that are turned back into electrical signals in
the desired frequency range.
selectivity The ability of a radio receiver to select the wanted signal and reject
unwanted signals on adjacent channels (expressed as a ratio).
sensitivity The sensitivity of a radio receiver is the minimum input signal strength
required to provide a useable signal.
TB8100 Installation and Operation Manual Glossary 199
© Tait Electronics Limited December 2007
signalling profile A signalling profile is a named set of configuration items related to signalling
that can be applied to any channel. Items include subaudible signalling and
transmit timers.
SINAD SINAD (Signal plus Noise and Distortion) is a measure of signal quality. It
is the ratio of (signal + noise + distortion) to (noise + distortion). A SINAD
of 12dB corresponds to a signal to noise ratio of 4:1. The TB8100 can
provide an approximate SINAD value while in service by comparing the in-
band audio against out-of-band noise. This value should not be relied upon
to make calibrated measurements.
Sleep mode Sleep mode is a power saving state in which a part of the base station is
switched off, and then periodically switched on again.
Standby mode Standby mode is a mode of base station operation in which active service is
suspended so that special operations can be carried out, such as
programming the base station with a new configuration.
status message A status message is a set of information about the base station that can be
emailed. It identifies the base station, indicates the current operating
channel, lists the status of all alarms, and gives the current values of a number
of other monitored parameters. It also contains the alarm log.
subaudible
signalling Subaudible signalling is signalling that is at the bottom end of the range of
audible frequencies. The TB8100 base station supports CTCSS and DCS
subaudible signalling.
subtone A subtone (subaudible signalling tone) is a CTCSS tone or a DCS code.
switching range The switching range is the range of frequencies (about 10MHz) that the
equipment is tuned to operate on. This is a subset of the equipment’s
frequency band.
system flag System flags are binary indicators that are read and set by Task Manager.
Generally, they are used to disable or enable configured base station
functions.
system interface The system interface is the set of inputs to and outputs from the base station
(excluding power and RF), provided by a board inside the reciter. A range
of different boards are available for different applications.
T
TB8100 Base Station A Tait TB8100 base station consists of the equipment necessary to receive
and transmit on one channel. Generally, this means a reciter, a PA, and a
PMU. Often abbreviated to TB8100 or base station.
200 Glossary TB8100 Installation and Operation Manual
© Tait Electronics Limited December 2007
Talk Through
Repeater A TB8100 is a talk through repeater when its audio path is configured to
pass the audio it receives on to the transmitter.
Task M a nage r Task Manager is a part of the TB8100 base station firmware that carries out
tasks in response to inputs. These tasks are formulated using the Service Kit.
template file A template file contains configuration information that can be used to create
a new base station configuration. Template files have the extension *.t8t.
test set A communications test set. It is used to analyse the performance of radio
equipment.
transmit lockout The transmit lockout feature prevents the base station from transmitting for
a time once the transmit timer has expired. It is designed to prevent users
from monopolising the base station.
U
Unbalanced line An unbalanced line has one wire earthed. It is typically used for short
connections, for example, between a base station and a repeater on the same
site. The system interface identifies the wires of unbalanced lines with Rx
audio, Tx audio, and Audio Ground. Audio Ground is common to line-in
and line-out.
V
valid signal A valid signal is a signal that the receiver responds to by opening the receiver
gate. A signal is valid for example when it is stronger than a minimum level
and when it has the specified subtone.
VSWR Voltage Standing Wave Ratio (VSWR) is the ratio of the maximum peak
voltage anywhere on the transmission line to the minimum value anywhere
on the transmission line. A perfectly matched line has a VSWR of 1:1. A
high ratio indicates that the antenna subsystem is poorly matched.
W
Watchdog A watchdog circuit checks that the system is still responding. If the system
does not respond (because the firmware has locked up), the circuit resets the
system.

TB8100 Installation and Operation Manual 201
© Tait Electronics Limited December 2007
Tait General Software Licence Agreement
This legal document is an Agreement between
you (the “Licensee”) and Tait Electronics
Limited (“Tait”). By using any of the Software
or Firmware items prior-installed in the
related Tait product, included on CD or
downloaded from the Tait website,
(hereinafter referred to as “the Software or
Firmware”) you agree to be bound by the
terms of this Agreement. If you do not agree
to the terms of this Agreement, do not install
and use any of the Software or Firmware.
If you install and use any of the Software or
Firmware that will be deemed to be
acceptance of the terms of this
licence agreement.
The terms of this Agreement shall apply
subject only to any express written terms of
agreement to the contrary between Tait and
the Licensee.
Licence
TAIT GRANTS TO YOU AS LICENSEE THE NON-
EXCLUSIVE RIGHT TO USE THE SOFTWARE OR
FIRMWARE ON A SINGLE MACHINE PROVIDED
YOU MAY ONLY:
1. COPY THE SOFTWARE OR FIRMWARE INTO
ANY MACHINE READABLE OR PRINTED FORM
FOR BACKUP PURPOSES IN SUPPORT OF YOUR
USE OF THE PROGRAM ON THE SINGLE MACHINE
(CERTAIN PROGRAMS, HOWEVER, MAY INCLUDE
MECHANISMS TO LIMIT OR INHIBIT COPYING,
THEY ARE MARKED “COPY PROTECTED”),
PROVIDED THE COPYRIGHT NOTICE MUST BE
REPRODUCED AND INCLUDED ON ANY SUCH
COPY OF THE SOFTWARE OR FIRMWARE;
AND / OR
2. MERGE IT INTO ANOTHER PROGRAM FOR
YOUR USE ON THE SINGLE MACHINE (ANY
PORTION OF ANY SOFTWARE OR FIRMWARE
MERGED INTO ANOTHER PROGRAM WILL
CONTINUE TO BE SUBJECT TO THE TERMS AND
CONDITIONS OF THIS AGREEMENT).
THE LICENSEE MAY NOT DUPLICATE, MODIFY,
REVERSE COMPILE OR REVERSE ASSEMBLE ANY
SOFTWARE OR FIRMWARE IN WHOLE OR PART.
Important Notice
THE SOFTWARE OR FIRMWARE MAY CONTAIN
OPEN SOURCE SOFTWARE COMPONENTS
(“OPEN SOURCE COMPONENTS”). OPEN SOURCE
COMPONENTS ARE EXCLUDED FROM THE TERMS
OF THIS AGREEMENT EXCEPT AS EXPRESSLY
STATED IN THIS AGREEMENT AND ARE COVERED
BY THE TERMS OF THEIR RESPECTIVE LICENCES
WHICH MAY EXCLUDE OR LIMIT ANY
WARRANTY FROM OR LIABILITY OF THE
DEVELOPERS AND/OR COPYRIGHT HOLDERS OF
THE OPEN SOURCE COMPONENT FOR THE
PERFORMANCE OF THOSE OPEN SOURCE
COMPONENTS. YOU AGREE TO BE BOUND BY
THE TERMS AND CONDITIONS OF EACH SUCH
LICENCE. FOR MORE INFORMATION SEE:
http://support.taitworld.com/go/opensource
Title to Software
THIS AGREEMENT DOES NOT CONSTITUTE A
CONTRACT OF SALE IN RELATION TO THE
SOFTWARE OR FIRMWARE SUPPLIED TO THE
LICENSEE. NOT WITHSTANDING THE LICENSEE
MAY OWN THE MAGNETIC OR OTHER PHYSICAL
MEDIA ON WHICH THE SOFTWARE OR
FIRMWARE WAS ORIGINALLY SUPPLIED, OR HAS
SUBSEQUENTLY BEEN RECORDED OR FIXED, IT IS
A FUNDAMENTAL TERM OF THIS AGREEMENT
THAT AT ALL TIMES TITLE AND OWNERSHIP OF
THE SOFTWARE OR FIRMWARE, WHETHER ON
THE ORIGINAL MEDIA OR OTHERWISE, SHALL
REMAIN VESTED IN TAIT OR THIRD PARTIES
WHO HAVE GRANTED LICENCES TO TAIT.
Term and Termination
THIS LICENCE SHALL BE EFFECTIVE UNTIL
TERMINATED IN ACCORDANCE WITH THE
PROVISIONS OF THIS AGREEMENT. THE LICENSEE
MAY TERMINATE THIS LICENCE AT ANY TIME BY
DESTROYING ALL COPIES OF THE SOFTWARE OR
FIRMWARE AND ASSOCIATED WRITTEN
MATERIALS. THIS LICENCE WILL BE TERMINATED
AUTOMATICALLY AND WITHOUT NOTICE FROM
TAIT IN THE EVENT THAT THE LICENSEE FAILS TO
COMPLY WITH ANY TERM OR CONDITION OF
THIS AGREEMENT. THE LICENSEE AGREES TO
DESTROY ALL COPIES OF THE SOFTWARE OR
FIRMWARE AND ASSOCIATED WRITTEN
MATERIALS IN THE EVENT OF
SUCH TERMINATION.
202 TB8100 Installation and Operation Manual
© Tait Electronics Limited December 2007
Limited Warranty
THE SOFTWARE OR FIRMWARE (INCLUDING
OPEN SOURCE COMPONENTS) IS SUPPLIED BY
TAIT AND ACCEPTED BY THE LICENSEE “AS IS”
WITHOUT WARRANTY OF ANY KIND EITHER
EXPRESSED OR IMPLIED, INCLUDING BUT NOT
BEING LIMITED TO ANY IMPLIED WARRANTIES AS
TO MERCHANTABILITY OR FITNESS FOR ANY
PARTICULAR PURPOSE. THE LICENSEE
ACKNOWLEDGES THAT THE SOFTWARE OR
FIRMWARE (INCLUDING OPEN SOURCE
COMPONENTS) IS USED BY IT IN BUSINESS AND
ACCORDINGLY TO THE MAXIMUM EXTENT
PERMITTED BY LAW NO TERMS OR WARRANTIES
WHICH ARE IMPLIED BY LEGISLATION SHALL
APPLY TO THIS AGREEMENT. TAIT DOES NOT
WARRANT THAT THE FUNCTIONS CONTAINED
IN THE SOFTWARE OR FIRMWARE (INCLUDING
OPEN SOURCE COMPONENTS) WILL MEET THE
LICENSEE’S REQUIREMENTS OR THAT THE
OPERATION OF THE SOFTWARE OR FIRMWARE
(INCLUDING OPEN SOURCE COMPONENTS) WILL
BE UNINTERRUPTED OR ERROR FREE.
Exclusion of Liability
IN NO CIRCUMSTANCES SHALL TAIT BE UNDER
ANY LIABILITY TO THE LICENSEE, OR ANY
OTHER PERSON WHATSOEVER, WHETHER IN
TORT (INCLUDING NEGLIGENCE), CONTRACT
(EXCEPT AS EXPRESSLY PROVIDED IN THIS
AGREEMENT), EQUITY, UNDER ANY STATUTE,
OR OTHERWISE AT LAW FOR ANY LOSSES OR
DAMAGES WHETHER GENERAL, SPECIAL,
EXEMPLARY, PUNITIVE, DIRECT, INDIRECT OR
CONSEQUENTIAL ARISING OUT OF OR IN
CONNECTION WITH ANY USE OR INABILITY OF
USING THE SOFTWARE OR FIRMWARE
(INCLUDING OPEN SOURCE COMPONENTS).
THE LICENSEE’S SOLE REMEDY AGAINST TAIT
WILL BE LIMITED TO BREACH OF CONTRACT
AND TAIT’S SOLE AND TOTAL LIABILITY FOR ANY
SUCH CLAIM SHALL BE LIMITED AT THE OPTION
OF TAIT TO THE REPAIR OR REPLACEMENT OF
THE SOFTWARE OR FIRMWARE OR THE REFUND
OF THE PURCHASE PRICE OF THE SOFTWARE
OR FIRMWARE.
General
THE LICENSEE CONFIRMS THAT IT SHALL
COMPLY WITH THE PROVISIONS OF LAW IN
RELATION TO THE SOFTWARE OR FIRMWARE.
Law and Jurisdiction
THIS AGREEMENT SHALL BE SUBJECT TO AND
CONSTRUED IN ACCORDANCE WITH
NEW ZEALAND LAW AND DISPUTES BETWEEN
THE PARTIES CONCERNING THE PROVISIONS
HEREOF SHALL BE DETERMINED BY THE NEW
ZEALAND COURTS OF LAW. PROVIDED HOWEVER
TAIT MAY AT ITS ELECTION BRING PROCEEDINGS
FOR BREACH OF THE TERMS HEREOF OR FOR
THE ENFORCEMENT OF ANY JUDGEMENT IN
RELATION TO A BREACH OF THE TERMS HEREOF
IN ANY JURISDICTION TAIT CONSIDERS FIT FOR
THE PURPOSE OF ENSURING COMPLIANCE WITH
THE TERMS HEREOF OR OBTAINING RELIEF FOR
BREACH OF THE TERMS HEREOF.
No Dealings
THE LICENSEE MAY NOT SUBLICENSE, ASSIGN OR
TRANSFER THE LICENCE OR THE PROGRAM
EXCEPT AS EXPRESSLY PROVIDED IN THIS
AGREEMENT. ANY ATTEMPT OTHERWISE TO
SUBLICENSE, ASSIGN OR TRANSFER ANY OF THE
RIGHTS, DUTIES OR OBLIGATIONS HEREUNDER
IS VOID.
No Other Terms
THE LICENSEE ACKNOWLEDGES THAT IT HAS
READ THIS AGREEMENT, UNDERSTANDS IT AND
AGREES TO BE BOUND BY ITS TERMS AND
CONDITIONS. THE LICENSEE FURTHER AGREES
THAT SUBJECT ONLY TO ANY EXPRESS WRITTEN
TERMS OF AGREEMENT TO THE CONTRARY
BETWEEN TAIT AND THE LICENSEE THIS IS THE
COMPLETE AND EXCLUSIVE STATEMENT OF THE
AGREEMENT BETWEEN IT AND TAIT IN
RELATION TO THE SOFTWARE OR FIRMWARE
WHICH SUPERSEDES ANY PROPOSAL OR PRIOR
AGREEMENT, ORAL OR WRITTEN AND ANY
OTHER COMMUNICATIONS BETWEEN THE
LICENSEE AND TAIT RELATING TO THE
SOFTWARE OR FIRMWARE.

TB8100 Installation and Operation Manual 203
© Tait Electronics Limited December 2007
Directive 1999/5/EC Declaration of Conformity
da Dansk
Undertegnede Tait Electronics Limited
erklærer herved, at følgende udstyr TBAB1,
TBAC0 & TBAH0 overholder de væsentlige
krav og øvrige relevante krav i direktiv 1999/
5/EF.
Se endvidere: http://eudocs.taitworld.com/
de Deutsch
Hiermit erklärt Tait Electronics Limited die
Übereinstimmung des Gerätes TBAB1,
TBAC0 & TBAH0 mit den grundlegenden
Anforderungen und den anderen relevanten
Festlegungen der Richtlinie 1999/5/EG.
Siehe auch: http://eudocs.taitworld.com/
el Ελληνικός
Με την παρουσα Tait Electronics Limited
δηλωνει οτι TBAB1, TBAC0 & TBAH0
συμμορφωνεται προσ τισ ουσιωδεισ
απαιτησεισ και τισ λοιπεσ σχετικεσ διαταξεισ
τησ οδηγιασ 1999/5/ΕΚ.
βλέπε και: http://eudocs.taitworld.com/
en English
Tait Electronics Limited declares that this
TBAB1, TBAC0 & TBAH0 complies with
the essential requirements and other relevant
provisions of Directive 1999/5/EC.
See also: http://eudocs.taitworld.com/
es Español
Por medio de la presente Tait Electronics
Limited declara que el TBAB1, TBAC0 &
TBAH0 cumple con los requisitos esenciales y
cualesquiera otras disposiciones aplicables o
exigibles de la Directiva 1999/5/CE.
Vea también: http://eudocs.taitworld.com/
fi Suomi
Tait Electronics Limited vakuuttaa täten että
TBAB1, TBAC0 & TBAH0 tyyppinen laite
on direktiivin 1999/5/EY oleellisten
vaatimusten ja sitä koskevien direktiivin
muiden ehtojen mukainen.
Katso: http://eudocs.taitworld.com/
fr Français
Par la présente, Tait Electronics Limited
déclare que l'appareil TBAB1, TBAC0 &
TBAH0 est conforme aux exigences
essentielles et aux autres dispositions
pertinentes de la directive 1999/5/CE.
Voir aussi: http://eudocs.taitworld.com/
it Italiano
Con la presente Tait Electronics Limited
dichiara che questo TBAB1, TBAC0 &
TBAH0 è conforme ai requisiti essenziali ed
alle altre disposizioni pertinenti stabilite dalla
direttiva 1999/5/CE.
Vedi anche: http://eudocs.taitworld.com/
nl Nederlands
Hierbij verklaart Tait Electronics Limited dat
het toestel TBAB1, TBAC0 & TBAH0 in
overeenstemming is met de essentiële eisen en
de andere relevante bepalingen van richtlijn
1999/5/ EG.
Zie ook: http://eudocs.taitworld.com/
pt Português
Tait Electronics Limited declara que este
TBAB1, TBAC0 & TBAH0 está conforme
com os requisitos essenciais e outras provisões
da Directiva 1999/5/CE.
Veja também: http://eudocs.taitworld.com/
sv Svensk
Härmed intygar Tait Electronics Limited att
denna TBAB1, TBAC0 & TBAH0 står I
överensstämmelse med de väsentliga
egenskapskrav och övriga relevanta
bestämmelser som framgår av direktiv 1999/
5/EG.
Se även: http://eudocs.taitworld.com/
204 TB8100 Installation and Operation Manual
© Tait Electronics Limited December 2007