TG200_300_56018802 TG 200 Installation Guide May 24 2000
User Manual: TG-200 Installation Guide May 24 2000 AlarmHow.net Library
Open the PDF directly: View PDF
.
Page Count: 49

56018803 © 2000 Telular Corporation
TELGUARD®
Cellular Alarm Transmission System
Using Microburst™ Control Channel Technology
MODELS TG-200; TG-300
UL
R
INSTALLATION AND OPERATING INSTRUCTIONS
COMPANY CONFIDENTIAL
For use by TELGUARD® customers only.
Distribution to others strictly prohibited.
May 24, 2000
TELGUARD® is a registered trademark of Telular Corporation. Products are protected
under one or more of the following U.S. patents:
4,658,096 4,737,975 4,775,997 4,868,519 4,922,517
© 2000 Telular Corporation
C O R P O R A T I O N
®
Corporate Headquarters
647 North Lakeview Parkway
Vernon Hills, Illinois 60061
847-247-9400 Fax: 847-247-0021
T E L U L A R

56018803 Page © 2000 Telular Corporationi
FOREWORD
A word about the significance of our UL Listings: These UL Listings allow the Telguard models to meet certain
requirements of insurance companies, fire marshals, building inspectors and other regulatory authorities in burglary and
fire alarm service as follows:
1. In Burglary Alarm Service: When used in conjunction with a Listed central station burglary alarm control unit with
integral or Listed DACT that is connected to a Listed Grade A bell and bell housing, the combined
control/communicator and Telguard TG-300 is suitable for Grade A central station service. This is one grade higher
than a Listed control/communicator can obtain on its own without some type of external line supervision, such as is
involved in UL AA service.
A UL Grade A Listing is available in installations where the host Listed burglary alarm control/communicator
transmits through the TG-300 solely on cellular ("Cellular only": No Telco; Cellular primary). Also, where the
control/communicator is switched to transmit over cellular when it can not reach the central station over telco
("Cellular backup for Telco": Telco primary; Cellular secondary).
The specific UL Listings for the TG-300 with respect to burglary alarm service are Residential Burglary, UL1023.
Central Station Burglar Alarm Systems, UL1610; Police Station Connected Alarm Systems, UL365; and Digital
Alarm Communicators, UL1635.
2. In Fire Alarm Service: When used in conjunction with a Listed central station fire alarm control unit with a two-
telco line integral or Listed DACT, the combined control/communicator and Telguard TG-200 meet the requirements
for commercial fire alarm usage under UL 864 and NFPA. This enables the TG-200 to be the second "phone line" in
commercial fire installations.
In UL/NFPA Listed fire alarm installations, the Listed two-line fire alarm control communicator must always use
telco as the primary transmission path, switching to cellular only when and if it can not reach the central station over
telco. Also, the TG-200 may be employed in residential fire, UL985 applications.
Appendices A3.1 through A3.3.1 (burglary alarm service) and A3.4 through A3.5.1 (fire alarm service) show the
installation configurations and the connections that must be made to meet various UL Listing requirements.

56018803 Page © 2000 Telular Corporationii
NOTICES
ABOUT THIS MANUAL
This manual assumes that you have basic security system installation skills such as measuring
voltages, stripping wire, properly connecting wires together, connecting wires to terminals, and
checking phone lines. It also assumes that you have a familiarity with the proper installation and
programming tasks related to various Control/Communicator panels.
The material and instructions covered in this manual have been carefully checked for accuracy
and are presumed to be reliable. However, Telular assumes no responsibility for inaccuracies and
reserves the right to modify and revise this manual without notice.
It is our goal at Telular to always supply accurate and reliable documentation. If a discrepancy is
found in this documentation, please mail or fax a photocopy of the corrected material to:
Telular Security Products
Technical Services Department
420 Thornton Road, Suite 109
Lithia Springs, GA 30122
Fax: 678-945-1651
© 2000 Telular Corporation. Lithia Springs, GA U.S.A. All rights reserved.
FCC NOTICES
Part 15This equipment generates and uses radio frequency energy. If not installed and used in
accordance with the manufacturer’s instructions, it may cause interference to radio and
television reception. It has been tested and found to comply with the specifications in
Part 15 of FCC rules for Class computing devices.
If this equipment causes interference to radio or television reception -- which can be
determined by turning the equipment on and off -- the installer is encouraged to correct
the interference by one or more of the following measures: 1) Reorient the antenna of
the radio/television. 2) Connect the AC transformer to a different outlet so the Telguard
and radio/television are on different branch circuits. 3) Relocate the Telguard with
respect to the radio/television.
If necessary, the installer should consult an experienced radio/television technician for
additional suggestions, or send for the “Interference Handbook” prepared by the Federal
Communications Commission. This booklet is available from the U.S. Government
Printing Office, Washington D.C. 20402, stock number 004-000-00450-7.
Part 68This equipment complies with Part 68 of the FCC Rules. Located on the inside of the hinged
door of Telguard models TG-200 and TG-300 is a label that contains, among other
information, the FCC Registration Number and Ringer Equivalence Number (REN) for this
equipment. If requested, this information must be provided to the Telephone Company.
The Telguard Cellular Alarm Transmission System is registered for connection to the
public telephone network using an RJ38X or RJ31X jack.
The ringer equivalence number (REN) is used to determine the quantity of devices
which may be connected to the telephone line. Excessive REN's on the telephone line

56018803 Page © 2000 Telular Corporationiii
may result in the devices not ringing in response to an incoming call. In most, but not
all areas, the sum of the REN's should not exceed five (5.0). To be certain of the
number of devices that may be connected to the line, as determined by the total number
of REN's, contact the telephone company to determine the maximum of REN for the
calling area.
If the Telguard Cellular Alarm Transmission System caused harm to the telephone
network, the Telephone Company will notify you in advance that temporary
discontinuance of the service may be required. But if advance notice is not practical, the
Telephone Company will notify the customer as soon as possible. Also, you will be
advised of your rights to file a complaint with the FCC if you believe it is necessary.
The telephone company may make changes in it's facilities, equipment, operation, or
procedures that could affect the operation of the equipment. If this happens, the
Telephone Company will provide advance notice in order for you to make the necessary
modifications in order to maintain uninterrupted service. If trouble is experienced with
the Telguard Cellular Alarm Transmission System please contact Telular Technical
Service in the U.S.A. for repair and (or) warranty information.
Telular Security Products
TECHNICAL SERVICES DEPARTMENT
420 Thornton Road, Suite 109
Lithia Springs, GA 30122
Phone: (800) 229-2326
If the trouble is causing harm to the telephone network, the Telephone Company may request
that you remove the equipment from the network until the problem is resolved.
The customer (user) should not attempt any repair to the Telguard Cellular Alarm
Transmission System. Repair of this equipment should be referred to only qualified
technical personnel.
Note that this equipment cannot be used on the public coin service provided by the
Telephone Company. Connection to Party Line Service is subject to state tariffs.
(Contact the state public utility commission or corporation commission for
information).
FUTURE TESTING AND LIMITATIONS ON USE
Telguard is part of an advanced design alarm-communication system. It does not offer
guaranteed protection against burglary and fire. Any alarm communication system is subject to
compromise or failure.
The Telguard will not work without power. Devices powered by AC will not work if the AC
power supply is off for any reason, however briefly, and at the same time, the backup battery is
missing, dead or not properly installed.
The cellular radio network, needed to transmit alarm signals from a protected premises to a
central monitoring station, may be inoperable or temporarily out of service. Cellular radio
networks are also subject to compromise by sophisticated methods of attack.
This equipment, like any other electrical device is subject to component failure. Although this
equipment is designed to be long lasting, the electrical components could fail at any time.

56018803 Page © 2000 Telular Corporationiv
Due to these limitations, we recommend that if the automatic self-test feature is not enabled,
other arrangements be made with the user to test the system at least once every three months.
Moreover, arrangements should also be made for on site inspection/test by a licensed alarm
installer at least once each year.

56018803 Page © 2000 Telular Corporationv
TABLE OF CONTENTS
FOREWORD ........................................................................................................................................................I
NOTICES............................................................................................................................................................ II
ABOUT THIS MANUAL..........................................................................................................................................II
FCC NOTICES.....................................................................................................................................................II
Part 15...........................................................................................................................................................ii
Part 68...........................................................................................................................................................ii
TECHNICAL SERVICES DEPARTMENT ...................................................................................................................III
FUTURE TESTING AND LIMITATIONS ON USE......................................................................................... III
1.0 GENERAL DESCRIPTION AND OPERATION ................................................................................... 1
2.0 FEATURES............................................................................................................................................... 1
2.1 OPERATING MODE ................................................................................................................................... 1
2.2 C/C COMPATIBLE COMMUNICATION FORMATS ......................................................................................... 2
2.3 COMPLETE SUPERVISION OF COMMUNICATION PATHS................................................................................ 2
2.3.1 Line Fault Condition (LFC)............................................................................................................. 2
2.3.2 Telco Communications Failure Condition (CFC) ............................................................................ 2
2.3.3 No Service Condition (NSC)............................................................................................................ 2
2.3.4 Radio Communications Failure Condition (RFC)............................................................................ 3
2.4 COMPLETE POWER SUPERVISION .............................................................................................................. 3
2.4.1 Low/Missing Battery Condition (LBC)............................................................................................. 3
2.4.2 AC Failure Condition (ACFC)......................................................................................................... 3
2.4.3 Watchdog Monitor/Reset (WR)........................................................................................................ 3
2.4.4 Catastrophic Failure (CF)............................................................................................................... 3
2.5 TELGUARD AUTOMATIC SELF-TEST REPORT.............................................................................................. 4
2.5.1 Telguard Remote Query Capability................................................................................................. 4
2.6 TELGUARD TERMINAL STRIP CONNECTIONS.............................................................................................. 4
2.6.1 Programmable Supervisory Trip Output (STC) Relay ...................................................................... 4
2.7 DIAGNOSTIC AND STATUS LEDS............................................................................................................... 5
2.7.1 LED Signal Strength Indication....................................................................................................... 5
2.8 TELGUARD SETUP PROGRAMMING PARAMETERS ....................................................................................... 6
2.9 UL LISTINGS BY MODEL .......................................................................................................................... 6
2.9.1 Model TG-200................................................................................................................................. 6
2.9.2 Model TG-300................................................................................................................................. 6
3.0 REQUEST TELGUARD ACTIVATION FOR CELLULAR SERVICE FROM TELULAR ............... 7
3.1 GETTING READY ................................................................................................................................ 7
4.0 INSTALLATION SUMMARY ................................................................................................................ 7
4.1 TRANSMIT C/C ALARMS OVER THE TELCO CONNECTION ........................................................................... 8
4.2 PROGRAM TELGUARD AND CONFIRM COMMUNICATIONS INTEGRITY .......................................................... 8
4.3 TRANSMIT C/C ALARMS OVER THE CELLULAR RADIO NETWORK ............................................................... 8
4.4 CONNECT TELCO LINE AND SUPERVISORY TRIP OUTPUT............................................................................ 8
4.5 COMPLETE THE INSTALLATION ................................................................................................................. 8
5.0 INSTALLATION STEPS......................................................................................................................... 8
5.1 STEP 1: TRANSMIT C/C ALARMS OVER THE TELCO CONNECTION ............................................................... 9
5.2 STEP 2: PROGRAM TELGUARD AND CONFIRM COMMUNICATIONS INTEGRITY ............................................ 10
5.2.1 Locate Unit................................................................................................................................... 10

56018803 Page © 2000 Telular Corporationvi
5.2.2 Connect Backup Battery and AC Power Transformer.................................................................... 11
5.2.3 Decide on a STC Trip Output Strategy .......................................................................................... 11
5.2.4 Default Programming.................................................................................................................... 12
5.2.5 Complete the Telguard Programming Data Sheet.......................................................................... 12
5.2.7 Connect Antenna and Temporarily Place Unit .............................................................................. 14
5.2.8 Measure Received Signal Strength (RSSI) for Best Antenna Placement ......................................... 14
5.2.9 Request Telguard Activation "PING" from Telular's IVR............................................................... 15
5.3 STEP 3: TRANSMIT C/C ALARMS OVER THE CELLULAR RADIO NETWORK ................................................. 16
5.3.1 Connect C/C to Telguard Jack 2.................................................................................................... 16
5.3.2 Verify Alarm Signal Transmissions over Cellular.......................................................................... 17
5.4 STEP 4: CONNECT TELCO LINE AND SUPERVISORY TRIP OUTPUT.............................................................. 18
5.4.1 Be sure the Telguard is the first device on incoming phone line .................................................... 18
5.4.2 Connect RJ31X to Telguard Jack 1 and Check LFC...................................................................... 19
5.4.3 Connect STC Trip Output.............................................................................................................. 19
5.4.4 Check Telguard Supervisory Trip to C/C....................................................................................... 20
5.5 STEP 5: COMPLETE THE TELGUARD INSTALLATION.................................................................................. 21
5.5.1 Check Settings............................................................................................................................... 21
5.5.2 Permanently Mount and Properly Ground the Telguard Chassis ................................................... 21
A1.0 APPENDICES......................................................................................................................................... 21
A1.1 WIRING DIAGRAM.............................................................................................................................. 22
A1.2 JACK AND PIN ASSIGNMENTS .............................................................................................................. 23
A1.3 TERMINAL STRIP PIN ASSIGNMENTS.................................................................................................... 24
A1.4 LED MODES AND FUNCTIONS ............................................................................................................ 25
A1.5 JUMPERS............................................................................................................................................ 26
A2.0 OPERATIONAL QUICK REFERENCE TABLE................................................................................ 27
A2.1 SETUP PROGRAMMING PARAMETERS......................................................................................... 28
A2.2 TELGUARD COMMUNICATION FORMATS................................................................................... 29
A2.3 COMPATIBLE CONTROL COMMUNICATORS.............................................................................. 29
A2.4 COMPATIBLE RECEIVERS................................................................................................................ 29
A2.5 ACTIVATION FORM ........................................................................................................................... 30
A3.0 COMPLIANCE FOR UL LISTED INSTALLATIONS........................................................................ 31
A3.1 UL GRADE A CENTRAL STATION SERVICE.............................................................................................. 31
A3.2 UL GRADE A POLICE STATION CONNECT SERVICE.............................................................................. 32
A3.3 NOTES TO INSTALLATION/WIRING REQUIREMENTS ON APPENDICES A3.1 AND A3.2.............................. 33
A3.3.1 Supervisory Requirements for Listed Burglary Configurations ...................................................... 34
A3.4 UL864/NFPA FIRE ALARM CENTRAL STATION SERVICE ..................................................................... 35
A3.5 NOTES TO INSTALLATION/WIRING REQUIREMENTS ON APPENDIX A3.4................................................. 37
A3.5.1 Supervisory Requirements for Listed Fire Configurations ............................................................. 37
A4.0 UL INSTALLATION REQUIREMENTS SUMMARY TABLE.......................................................... 38
A5.0 DETAILED SPECIFICATIONS............................................................................................................ 39
A5.1 DIALER TO INTERFACE ELECTRONICS.................................................................................................. 39
A5.2 POWER .............................................................................................................................................. 39
A5.3 RADIO ............................................................................................................................................... 39
A5.4 PHYSICAL .......................................................................................................................................... 39
A5.5 WARRANTY ....................................................................................................................................... 39

56018803 Page © 2000 Telular Corporationvii
A6.0 PARTS LIST........................................................................................................................................... 40
INDEX................................................................................................................................................................ 41

56018803 Page © 2000 Telular Corporation1
1.0 GENERAL DESCRIPTION AND OPERATION
The Telguard is a cellular radio alarm transmission device, which is used to provide a backup transmission path
(cellular) for control communicators (C/Cs) in case the primary transmission path (telco) is not available. When
transmitting over cellular, Telguard obtains its data from the C/C by way of a telco interface. The device transmits
a Link Request to the Telular operated Communication Center and when a link acknowledgement is received, the
Telguard handshakes with the C/C and causes the C/C to transmit the alarm data. Telguard encodes the alarm
data into digital packet data protocol and transmits on one of twenty-one available control channels used by the
local AMPS cellular network provider. The signal is routed from the network provider through the Aeris virtual
network system to the decoding (message) center. The Communication Center performs like a central station
receiver and issues the transmission kiss-off when the last message in the transmission is received. After decoding
and reformatting, the alarm signal is routed over telco to the appropriate alarm company central station for action.
Telguard is compatible with most control/communicators and no special equipment is needed at the premises or in the
alarm monitoring station. All Telguard programming is done with a standard touch-tone telephone or lineman’s buttset
and Telguard can be installed wherever cellular service is available. Different dialing patterns between telco and cellular,
cellular area code changes and PBX access numbers are not a problem for installers. Fraud and cloning problems are
eliminated since all transmissions occur over the cellular control channels in packet-type data format and never over any
voice channels.
In a typical alarm installation, Telguard is installed in the same area as the host alarm system. The incoming telco line is
connected from the RJ31X to Telguard and then to the host control/communicator's digital dialer in the normal fashion.
A programmable supervisory trip (STC) output is available for connection to the host control/communicator's trip zone
input terminals in order to provide a Telguard trouble signal to the C/C. Additionally, automatic self-test and status-on-
demand report signals are transmitted exclusively over the cellular network to the Communication Center. All models are
capable of transmitting an automatic self-test signal to the central station on a daily, weekly, or monthly schedule.
Telguard has its own internal power supply/battery charger. All telco line and cellular monitoring, switching and
supervisory functions are built in--no extra modules are required.
All Telguard models come with a special Microburst™ compatible 3-watt cellular transceiver (without handset), antenna,
interface with integrated control and power module, connecting cable, and plug-in transformer. The installer to provide
backup times that range from twenty-four to seventy-two hours must supply a rechargeable 12V battery, 7.0AH or
21.0AH. Model TG-200, UL Listed for residential and commercial fire, as well as residential burglary, comes in a
standard metal enclosure (12in.x12in.x3½in.) with keylock and magnetic mount antenna with 12ft. of cable. Model TG-
300, UL Listed for all residential burglary and fire, commercial burglary and fire, and bank applications comes in an
attack-resistant enclosure with keylock, tamper switch, and magnetic mount antenna.
The Listed equipment at the Telular operated Communication Center (TCC) plays a key role in the operation of every
Telguard. All Telguard units are required to use the Communication Center because of the C/C alarm signal format
encoding and decoding requirements used in packet-data transmissions over the cellular network control channels. The
Communication Center also manages the real-time databases for cellular activation, airtime, billing, installation site
location, and a complete history of every Telguard's operating conditions. These conditions include programming setup
information, cellular alarm transmission information, supervisory trouble information, status-on-demand information, and
automatic self-test information. This information is made available to authorized personnel through Telular's Interactive
Voice Response System (IVR), Telular's computer access Communication Center Intranet System, or though Telular's
Customer Service Center.
2.0 FEATURES
This section summarizes the key features of the Telguard. Actual installation instructions begin in Section 5.0.
2.1 OPERATING MODE
The Telguard is a cellular radio packet transmission device that is installed at the protected premises to
provide alarm transmission integrity for security systems. It is used to provide a backup transmission path
(cellular) for control communicators (C/Cs) in case the primary transmission path (telco) is not available.

56018803 Page © 2000 Telular Corporation2
If the telco line is cut or the C/C is unable to communicate with the central station receiver due to busy
telephone line circuits then Telguard transmits the alarm message over the cellular network.
2.2 C/C COMPATIBLE COMMUNICATION FORMATS
The Telguard reads the C/C’s alarm messages and converts the C/C’s digital data format into Microburst
packet data protocol for transmission over the cellular radio network. In order for the C/C to be
compatible with the Telguard, the C/C must be programmed to transmit alarm messages to the central
station using one of the following non-extended formats:
• 3+1 pulse; 10pps, Double Round, 1400Hz ack
• 3+1 pulse; 20pps, Double Round, 2300Hz ack
• 3+1 pulse; 40pps, Double Round, 2300Hz ack
• 4+2 pulse; 20pps, Double Round, 1400Hz ack
• 4+2 pulse; 20pps, Double Round, 2300Hz ack
• 4+2 pulse; 40pps, Double Round, 2300Hz ack
• Ademco Contact ID
Hexadecimal account numbers (001-FFF or 0001-FFFF) can be used with 3+1 or 4+2 formats, but Contact
ID requires a four digit account number using digits 0-9 (0001-9999).
2.3 COMPLETE SUPERVISION OF COMMUNICATION PATHS
The Telguard continuously supervises both the primary (telco) and the secondary (cellular)
communication paths. If either path becomes inoperative, the Telguard generates a relay trip output that
can be connected to a zone input of the host control communicator and/or used to activate remote
sounding devices.
2.3.1 Line Fault Condition (LFC)
The Telguard monitors voltage on the incoming telco line. If an inoperative telco line is
identified, a telco line fault condition (LFC) is declared and Telguard switches to the cellular
path. Once the telco line restores to normal, Telguard checks the radio link and switches back to
the telco path after any communications on the radio link are completed.
LFC is programmable to trip the supervisory relay output (STC) after a 30 or 60 second delay.
When the STC trips, the STC LED indicates 3 flashes at a time and the C/C zone trip message is
transmitted to the alarm company central station indicating system trouble. Upon telco restoral,
the STC relay and LFC LED are returned to normal and a STC restoral message is transmitted if
the C/C is programmed to transmit restorals.
2.3.1.1 PBX Installations
PBX’s and other proprietary phone systems sometimes operate at lower voltages than
the standard telco line. Telguard works equally well on PBX lines or telco lines.
Note: PBX connections are not allowed in any UL Listed installations.
2.3.2 Telco Communications Failure Condition (CFC)
Telco communications failure condition (CFC) is declared when the C/C fails to deliver the
alarm message to the central station receiver after a selected number (1-5) of attempts over an
operative telco line. Immediately upon CFC, Telguard switches to cellular mode and allows the
C/C to attempt five transmissions over the cellular network. If the call is not acknowledged after
the fifth attempt, Telguard switches the C/C back to telco and “disarms” the CFC detection. The
CFC detection is re-armed when the C/C has been on-hook continuously for ten-minutes.
2.3.3 No Service Condition (NSC)
Telguard declares a no service condition (NSC) when the measured “receive” cellular radio
signal strength at the protected premises drops to -114 dBm or less.
NSC is programmable to trip the supervisory relay output (STC) after a 30 or 60 second delay.
When the STC trips, the STC LED indicates 4 flashes at a time and the C/C zone trip message is
transmitted to the central station indicating system trouble. Restoral of this condition occurs

56018803 Page © 2000 Telular Corporation3
when a measurable signal strength greater than –114 dBm is maintained for the trip period of 30
or 60 seconds.
2.3.4 Radio Communications Failure Condition (RFC)
Radio communications failure condition (RFC) is declared when Telguard is unable to transmit
over the cellular network even with acceptable signal strength. Two conditions can cause an
RFC to occur, Link Request failure (RFC1) or Link Termination failure (RFC2).
2.3.4.1 RFC1 (Link Request Failure)
When a LFC or CFC has been declared and there is an alarm signal to communicate, the
Telguard attempts to transmit its message via radio. When the C/C goes off-hook, the
Telguard transmits a Link Request to the TCC and waits for a Link Request ACK. If
the Telguard does not receive an ACK for the transmission before the C/C hangs up, it
will retransmit the Link Request again when the C/C goes off-hook for a redial attempt.
If the Telguard does not receive an ACK after three attempts, then an RFC will be
declared which trips the STC relay, causes the STC LED to flash five times and switches
the Telguard to Telco. Restoral of RFC occurs when the communication cycle is
completed.
2.3.4.2 RFC2 (Link Termination Failure)
After the Telguard receives a Link Request ACK from the TCC, the Telguard
communicates with the C/C to acquire the alarm message and transmits the message via
radio. If the Telguard does not receive a link termination ACK (where the TCC
acknowledges receiving the transmission) within 150 seconds, it will retry sending the
entire transmission. Upon failing two attempts, the Telguard switches to Telco and
allows the C/C to communicate directly with the Central Station. An RFC is declared
causing the STC relay to trip and the STC LED to flash five times. Restoral of RFC
occurs when the communication cycle is completed.
2.4 COMPLETE POWER SUPERVISION
Telguard monitors its backup battery as well as its AC power source and reports low or missing power
conditions from either. Telguard’s integrated control and power module, protected by a 3 amp 3AG fuse,
incorporates battery charger circuitry that is jumper selectable for high or low battery capacities. The high
battery capacity selection is used for 12V 7Ah, or 12V 21Ah batteries.
2.4.1 Low/Missing Battery Condition (LBC)
The Telguard checks the backup battery voltage on initial power-up and every minute thereafter.
Additionally, a battery voltage test is performed by the Telguard every 24-hours while operating
on AC power in order to measure the loaded battery voltage. Battery charging voltage is lowered
to 10.0 volts and the Telguard is forced to operate entirely from the battery supply. If the battery
voltage is less than 11.6 volts, a LBC is declared whereby the STC LED blinks twice (½ sec ON,
½ sec OFF, ½ sec ON, ½ OFF every 5 seconds) and the STC relay trips. When the battery
voltage increases to 12.1 volts, the STC LED and STC relay restore.
2.4.2 AC Failure Condition (ACFC)
AC failure condition (ACFC) occurs when AC power is lost or less than 102 VAC for 6
continuous hours. The AC Power LED goes out immediately, the STC LED blinks once and the
STC trip output is activated after 6 hours. When AC power returns too normal (≥106 VAC for
60 seconds), the AC Power LED turns on immediately and the STC trip output restores after 60
seconds.
2.4.3 Watchdog Monitor/Reset (WR)
A watchdog monitor/reset (WR) circuit continuously monitors the Telguard’s internal operating
microprocessor functions.
2.4.4 Catastrophic Failure (CF)
Catastrophic Failure (CF) is any condition that causes the Telguard to stop functioning at all
levels. Most commonly because of AC power failure followed by a complete discharge of the

56018803 Page © 2000 Telular Corporation4
backup battery. The STC trip output is activated and visible indication is loss of all LED activity.
Total loss of power to Telguard does not prevent transmission of alarm messages from the host
C/C “through” the Telguard and out over an operative phone line in the normal fashion.
2.5 TELGUARD AUTOMATIC SELF-TEST REPORT
The Telguard automatic self-test signal is originated by the Communication Center on a daily, weekly, or
monthly schedule (note: UL Listed installations require a daily self-test). When the time for an automatic
self-test occurs, the Communication Center transmits a radio signal to the Telguard and the Telguard
responds with a self-test radio signal that is received by the Communication Center and processed on to
the central station, just as normal alarm signals are processed. The central station receives the automatic
self-test report in the same format that the C/C normally uses for communication over the telco line. The
central station provides the Telguard self-test code along with the time and frequency of transmission
when the Telguard is initially activated. However, an automatic self-test report can be initiated later, after
the Telguard is installed, as well as modifying the time or frequency of reporting.
The Communication Center captures all current and historical data pertaining to the operation of the
Telguard when it processes the automatic self-test signal on to the central station. This data contains
current operational status (C.O.S.) of the Telguard such as "All OK", "AC fail condition", "low/missing
battery condition", "line fault condition", or any combination of these as well as the current signal
strength and mode of operation. In addition, the data also contains historical data for supervisory events
that occurred since the last self-test signal was transmitted. This data includes the number of occurrences
of AC fail conditions, low battery conditions, line fault conditions, communications failure conditions and
no cellular service conditions. This self-test data is available for review at any time by authorized
personnel such as installers, dealers, central station operators, or technical service personnel. Methods
used to review this data include Telular's Interactive Voice Response System (IVR), Telular's computer
access Communication Center Intranet System, or simply calling Telular Customer Service who can
review the data using the "Back Office" program.
2.5.1 Telguard Remote Query Capability
Although Telguard has the capability for a daily, weekly, or monthly automatic self-test, a
separate feature is provided for determining the current operational status of every Telguard.
This feature is called Remote Query and is used to provide real-time operational status for
Telguard on-demand. It is useful in resolving STC events that are reported by the C/C to the
central station. Authorized personnel can initiate the Remote Query at any time by accessing the
IVR, Intranet, or calling Customer Service. The Remote Query causes Telguard to upload
current operational status data and historical data, just as the automatic self-test described above,
except that the query signal is controlled by the one who initiates it. The query signal is held in
the Telguard database at the Communication Center for review and is not forwarded on to the
central station.
2.6 TELGUARD TERMINAL STRIP CONNECTIONS
The conveniently located terminal strip provides wiring connections for the Telguard supervisory trip
output (STC-pins 1&2, N.O.), battery leads for connecting to a 12 volt 7.0Ah, or 21.0AH rechargeable
battery (BAT-pin 3 neg., pin 4 pos.), and AC power (16.5VAC 40VA, pins 6&7). If using a 12V 0.8Ah
battery, a separate plug (J6) is provided that is located next to the terminal strip. The removable terminal
strip can accommodate solid or stranded wire sizes from 14 gauge to 30 gauge.
2.6.1 Programmable Supervisory Trip Output (STC) Relay
The Telguard has one supervisory relay trip output (STC), a single pole single throw (SPST,
form C) with contacts rated at 1.0A 30VDC, and is energized normally open (N.O.) in a powered
up state when no system troubles exist. It enables a supervisory trouble code (zone shorted) to be
transmitted to the central station when connected to a C/C’s 24-hour instant input zone. The
STC relay is programmable, using a standard touch-tone telephone or buttset, to meet virtually
any installation requirement.

56018803 Page © 2000 Telular Corporation5
The following supervisory features or combination of features are programmable to trip the STC
relay in order to meet a variety of installation requirements:
• Always Off.
• Trips on AC fail condition (ACFC)
• Trips on low or missing battery condition (LBC).
• Trips on line fault condition (LFC).
• Trips on no service condition (NSC).
• Trips on radio communication failure condition (RFC).
NOTE: For UL installations, all the above features must be enabled.
The following system trouble features are embedded in the Telguard for tripping the STC relay
and cannot be changed:
• Trips on catastrophic failure (CF) if all power is lost.
• Trips on transmit-disable command from the Communication Center. This
radio command disables only the Telguard transmitter and would be used,
for example, to shut down the Telguard due to a runaway dialer. The
Telguard receiver function stays active so that a transmit-enable command
can be received by radio to put the Telguard back into normal service.
2.7 DIAGNOSTIC AND STATUS LEDS
Four LEDs are provided as a useful aid during installation and give installers an immediate visual
indication of system status. These LEDs include an AC Power LED indicator that is green when AC
power is normal and off when AC power is low or missing. The red STC LED provides system trouble
information for low/missing AC power-ACFC (1 flash), low/missing battery-LBC (2 flashes), telco line
fault-LFC (3 flashes), no cellular service-NSC (4 flashes), radio communication failure-RFC (5 flashes)
and loss of dial-tone voltage-DTF (6 flashes). An Operating Mode LED indicates solid yellow for normal
operating mode or slow flash for C/C off-hook when communicating over cellular. A short (1 second)
solid green Radio TX LED indicates it is in a Microburst communication cycle. Separately, these LED’s
can be converted into a bar graph during installation to indicate radio signal strength by using a single
jumper (J5) to select normal LED mode (off) or signal strength mode (on).
2.7.1 LED Signal Strength Indication
The Telguard provides the installer with an easy to use LED radio signal strength indicator
(RSSI) for positioning the unit or remote antenna to obtain the strongest RF signal possible. A
signal strength reading can be obtained at any time there is power applied to the Telguard
without affecting the operation of the unit. When the “RSSI” jumper J5 is “IN”, the Telguard
displays the current received signal strength within 5 seconds and should the jumper be
inadvertently left “IN”; the Telguard will revert to normal display operation after 10 minutes.
The signal strength is read from bottom to top using the four sequential LEDs located on the top
right side of the printed circuit board with the Radio TX LED = 1 and the AC POWER LED = 4.
RSSI Value LED’s Lighted RF dBm
NO SVC LED 1* = on, LED 2-4 = off ≤ -116 dBm
0LED 1 = on, LED 2-4 = off ≤ -111 dBm
1LED 1 = on, LED 2 = slow flash
LED 3-4 = off ≥ -110 dBm
2LED 1-2 = on, LED 3-4 = off ≥ -100 dBm
3LED 1-2 = on, LED 3 = slow flash
LED 4 = off ≥ -90 dBm (Minimum signal
strength required)
4LED 1-3 = on, LED 4 = off ≥ -80 dBm
5LED 1-3 = on , LED 4 = slow flash ≥ -70 dBm
6LED 1-4 = on ≥ -60 dBm
*Note: LED 1 = Radio TX; LED 2 = Mode; LED 3 = STC; LED 4 = AC Power.

56018803 Page © 2000 Telular Corporation6
2.8 TELGUARD SETUP PROGRAMMING PARAMETERS
The Telguard will not operate until the unit is activated from the Communication Center. There are no
radio NAM programming requirements since the radios have been preprogrammed at the factory.
However, certain Telguard operating parameters may need to be changed from the factory default
programming by the installer during installation in order to have the Communication Center process
alarm signals to the central station. These are setup parameters and are used to tell the Communication
Center how to encode alarm messages to the appropriate alarm monitoring station. Included in the setup
parameters are the C/C reporting format and cellular operating system A or B. Also included are the STC
supervisory trip input settings, CFC settings, NFC/LFC trip delay time, and standby battery size. If
operating parameters are not uploaded to the Communication Center, a "missing parameters (MP)
condition" exists and the Telguard will not operate. When an MP condition exists, the Telguard causes
the STC LED to light and the STC (System Trouble) trip output to occur.
If default programming is correct or operating parameters are re-programmed into the Telguard, the
installer calls the Telular IVR and follows the activation procedure to request an activation "ping". The
Communication Center responds with a radio acknowledgement to the Telguard clearing the STC
condition and allowing the Telguard to operate over the cellular radio network. The programmed
parameters are transmitted automatically to the TCC when the Telguard is activated. The installer must
perform any changes to the Telguard programming data since the Communication Center cannot download
data to the unit.
2.9 UL LISTINGS BY MODEL
There is a Telguard model designed to meet UL requirements for virtually any residential and commercial
burglary/fire installation. All models contain the same circuitry and perform the same functions. The
difference between models is simply the type of enclosure and type of antenna that is shipped with the
unit.
2.9.1 Model TG-200
Model TG-200 meets the requirements for Household Burglary, Household Fire, and Commercial
Fire installations. TG-200 has a standard metal enclosure, keylock, and magnetic mount antenna
with 12ft.cable. TG-200 is UL Listed for the following:
♦ UL Household Burglary
♦ UL Household Fire
♦ UL Household Burg/Fire Combination
♦ UL Commercial Fire
2.9.2 Model TG-300
Model TG-300 meets the requirements for all Household Burglary, Commercial Burglary,
Household Fire, and Commercial Fire installations. TG-300 has an attack-resistant enclosure,
keylock, tamper switch, and a magnetic mount antenna with 12ft.cable. Model TG-300 is UL
Listed for the following and UL Listed for Grade A Burglary Certificate installations:
♦ UL Household Burglary
♦ UL Household Fire
♦ UL Household Burg/Fire Combination
♦ UL Central Station Burglary
§ Grade A
§ Grade B
♦ UL Police Connect Burglary
§ Grade A
♦ UL Commercial Fire
♦ UL Commercial Fire and Central Station Burglary Grade A
♦ UL Bank, Safe and Vault
§ Grade A

56018803 Page © 2000 Telular Corporation7
3.0 Request Telguard Activation for Cellular Service from Telular
There are two ways that you may activate cellular service for a Telguard. Both methods require the activation information
to be completed and approved prior to installing the Telguard. The Telguard can only be activated when all the necessary
accounting information has been entered into the customer database located at the Telular Communication Center. The
database includes information about the customer account, unit location, and central station information.
1. FAX Cellular Service Activation Form: Complete the Cellular Service Activation Form that is shipped
with each Telguard and fax it to Telular Customer Service, 678-945-1651. Within 24-hours, you will be
notified of service activation.
2. Computer access via Telular's Intranet: Dealers may access their Telguard customer database via Telular's
Intranet. The pertinent customer account information and serial number can be completed and submitted on-
line. After an approval acknowledgement is issued, usually within 10-minutes, the Telguard is ready to install.
3.1 GETTING READY
Before attempting to connect Telguard to the host C/C, please note the following:
1. Be sure your unit has cellular service activated. (See Section 3.0)
2. Be sure you have all the proper parts before you go to the job site. The following items are shipped with each
Telguard unit:
ü Basic Telguard unit (Model TG-200 in standard metal enclosure, or Model TG-300 in attack enclosure with
tamper switch).
ü 16.5 VAC, 40 VA UL Listed plug-in transformer (Revere, P/N: RT-1640).
Note: The 40 VA transformer is required for proper operation since the Telguard is
capable of transmitting at 3 watts of output power. Do not use the C/C power transformer
to provide AC power to the Telguard.
ü Antenna: Magnetic-mount 3dB-gain antenna with 12ft. cable for TG-200 or TG-300.
ü 3-foot modular plug-to-plug cord for connecting Telguard to RJ31X jack.
ü Telguard Installation and Operating Instructions Manual, P/N: 56018802
ü Account Activation and Programming form documenting the unit's electronic serial number, cellular
telephone number, etc.
NOTE: Backup batteries are not supplied with any models. You must source backup batteries
separately. The TG-200 and TG-300 have flying leads with terminals for convenient plug-in
connections to the larger capacity batteries.
All Telguard Models Approx. Standby
Time 12V. Battery
Capacity Manufacturer/model
35-Hours 7.0 Ah Technacell EP 1270TG-200/TG-300
72-Hours 21.0 Ah (3 ea. 7.0 Ah) Technacell EP 1270
3. You must also have certain installation test tools.
• A standard telephone or lineman's buttset is required at the job site for use in programming the unit.
• Optimal signal strength is determined by placing the unit where the most LEDs (up to four) are lighted
when using Telguard's on-board Signal Strength Indicator feature so that the unit can be easily placed
during installation where signal strength is greatest.
NOTE:Your unit may be subject to airtime charges for unintended use. Telular offers several cellular
service rate plans. Check the Activation and Programming form that was shipped with your unit or
call us to determine what rate plan each unit is operating under.
4.0 INSTALLATION SUMMARY
There are five steps in installing Telguard properly. IF YOU DO NOT PROCEED IN THE ORDER AND
MANNER PRESCRIBED, YOU MAY NOT COMPLETE THE INSTALLATION IN THE TIME
ALLOCATED. These five steps are summarized below and then explained in detail in the remainder of this manual.

56018803 Page © 2000 Telular Corporation8
4.1 TRANSMIT C/C ALARMS OVER THE TELCO CONNECTION
First, make sure you can transmit alarm signals from the C/C host to the central monitoring station over
the telco line without any connection to Telguard.
4.2 PROGRAM TELGUARD AND CONFIRM COMMUNICATIONS INTEGRITY
Next, you will be confirming that Telguard's programming parameters are correctly entered into the unit and cellular
service is activated. This is the most important step in the installation, since the programming parameters contain
all the necessary information for successful communications. Also, you will confirm that Telguard has adequate
cellular signal strength.
4.3 TRANSMIT C/C ALARMS OVER THE CELLULAR RADIO NETWORK
Next, you will be connecting the C/C's digital dialer output to Telguard and verifying that alarm signals can be
reliably sent through Telguard over cellular to the central station digital receiver. The incoming Telco line is not
connected to Telguard during this step.
4.4 CONNECT TELCO LINE AND SUPERVISORY TRIP OUTPUT
Once alarms are being successfully transmitted over cellular by the C/C, you will be ready to connect Telguard to
the incoming phone line at the RJ31X and check that it properly switches to and from cellular upon telco restoral
and telco line fault. Telguard's supervisory trip output (normally open) is connected to a 24-hour zone of the C/C
and then tested.
When backing up the host C/C's phone line, Telguard must be the first device on the incoming phone line
in order to prevent Telguard from going into Telco Line Fault Condition when a phone device in front of it
goes off-hook. This is the step where this is checked.
4.5 COMPLETE THE INSTALLATION
Your last step will be to check the jumper setting of J5 (LED mode, out = normal), J7 (battery capacity selection-
Jumper across pins 2 and 3 for 7Ah or 21 Ah batteries), attach earth ground, and permanently mount the unit.
* * * *
With this overview of the installation in mind, you should now proceed with the actual installation, following the
steps described in the remainder of this manual. Experienced installers following these steps can usually install
Telguard in new installations with good signal strength in a maximum of 30 minutes and in retrofit/existing
installations in a maximum of one hour. However, you must first get the host C/C working correctly when
transmitting over the incoming telco line.
If you come to a road block at any step during the installation of Telguard, call Telular Technical Support
Department immediately before going on to the next step, so that we can help you complete each step in
the proper order.
5.0 INSTALLATION STEPS
This five-step installation approach (5.1 through 5.5) provides the alarm installer with the easiest and fastest
method of properly installing Telguard. Please follow the instructions carefully and if you should need assistance
or have any questions, call for
TECHNICAL SUPPORT:1-800-229-2326 / 678-945-7770 FAX: 678-945-1651
TELULAR IVR (Interactive Voice Response): 678-945-0228 (Local-Area: Atlanta, Ga.)
1-888-TELULAR (Toll-Free: 1-888-835-8527)
TELULAR INTRANET (Computer Dial-up Connection): 678-945-1993

56018803 Page © 2000 Telular Corporation9
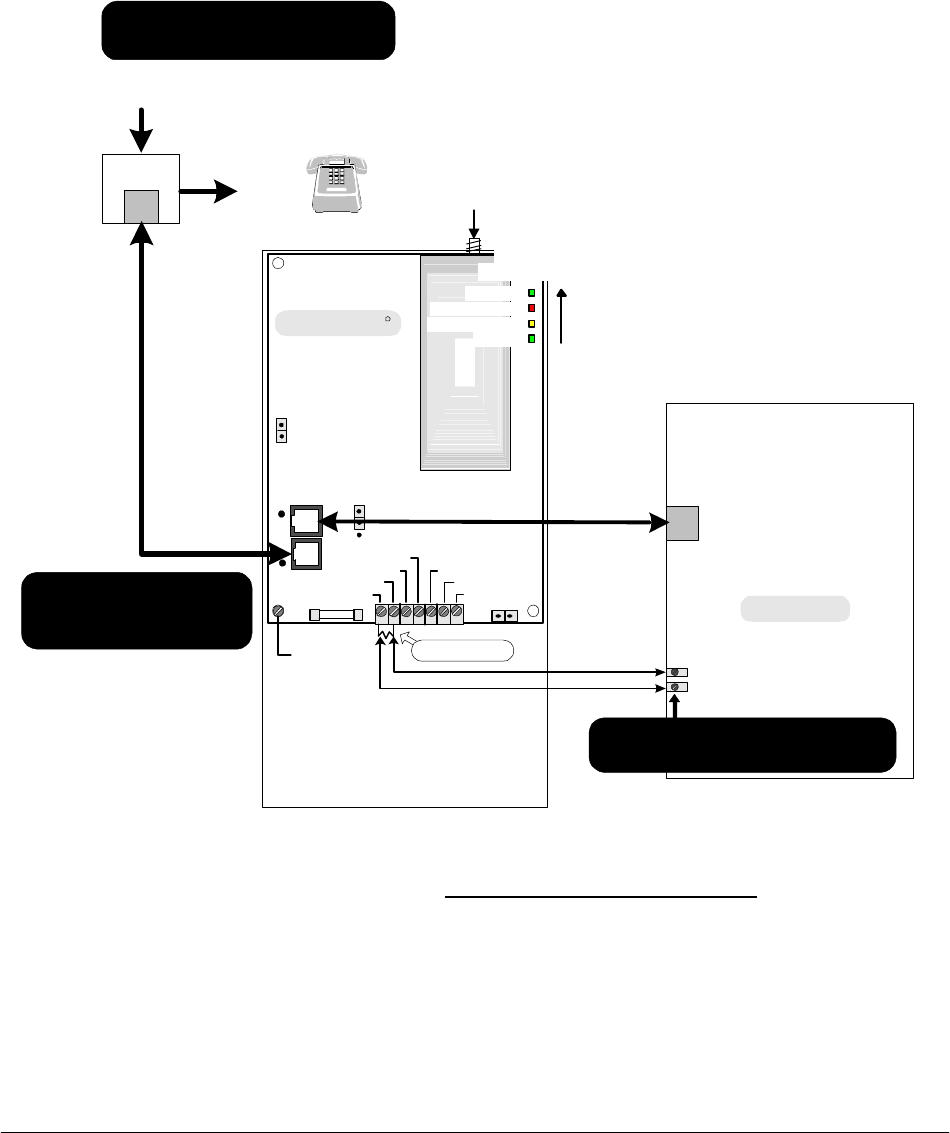
5.1 STEP 1: TRANSMIT C/C ALARMS OVER THE TELCO CONNECTION
Be sure the C/C is powered up and programmed so that it will transmit a simple alarm signal over the
telco line through the RJ31X to the central station when not connected to the Telguard. In checking this,
do not connect the host C/C or incoming telco line to the Telguard.
TG2 Step 1.VSD
HOST C/C
24 HOUR ZONE COMMON
24 HOUR ZONE INPUT
TELCO DIALER
RJ31X PREMISE
PHONES
INCOMING
TELCO
MAKE SURE HOST C/C IS PROGRAMMED
AND WORKING THROUGH RJ31X
BEFORE INSTALLING TELGUARD.

56018803 Page © 2000 Telular Corporation10
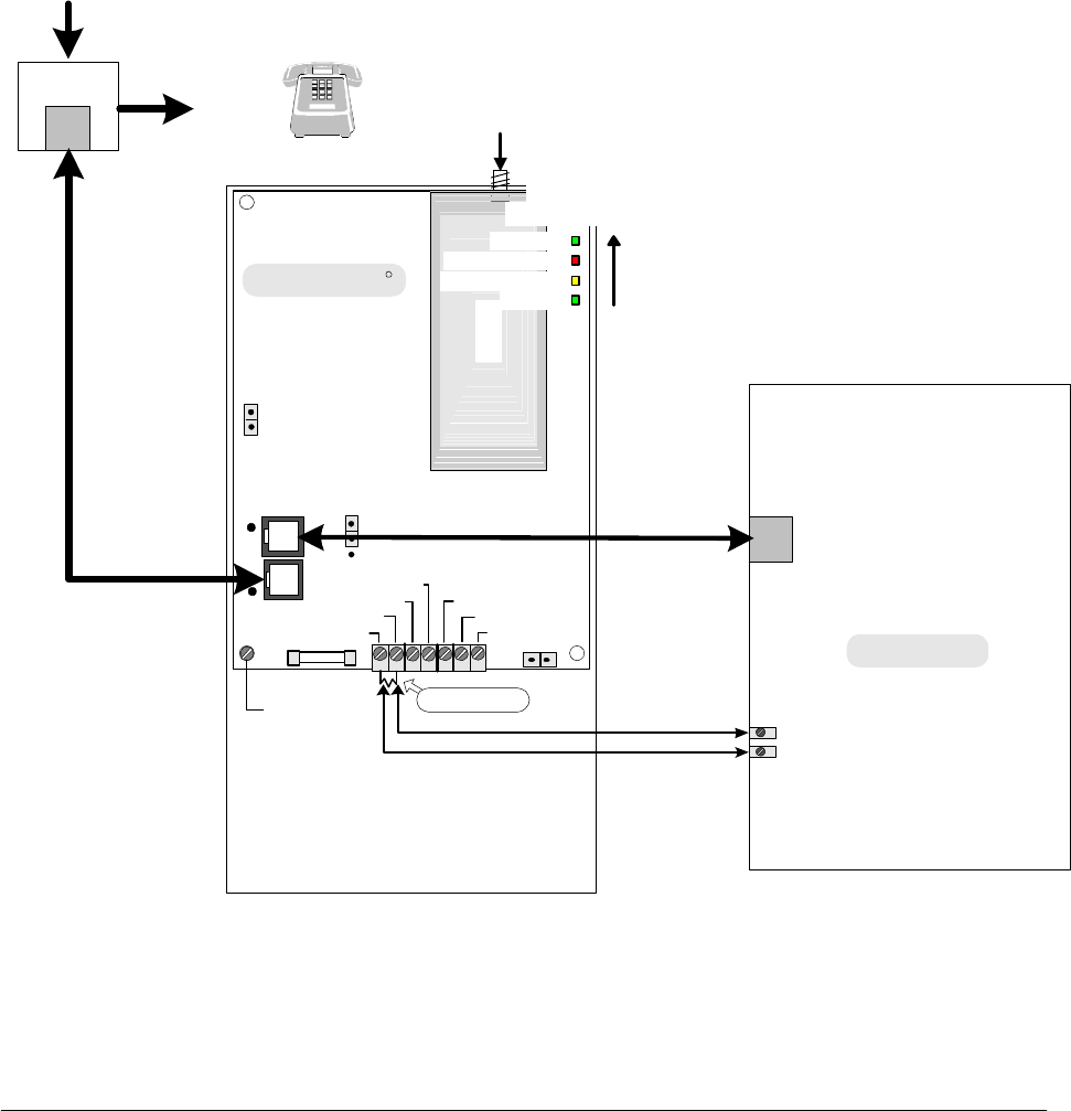
5.2 STEP 2: PROGRAM TELGUARD AND CONFIRM COMMUNICATIONS INTEGRITY
Confirm that Telguard's programming parameters are correctly entered into the unit, cellular service is activated, and
Telguard has adequate cellular signal-strength. This is the most important step in the installation, since the
programming parameters contain all the necessary information for successful communications and good signal-
strength insures performance reliability.
TG2 Step 02.VSD
HOST C/C
24 HOUR ZONE COMMON
24 HOUR ZONE INPUT
TELCO DIALER
RJ31X DETAILS ON JACK AND PIN ASSIGNMENTS,
TERMINAL STRIP, JUMPER, AND STATUS LEDS.
SEE APPENDICES A1.1 THROUGH A1.4 FOR
ANTENNA
LED MODE SELECT
J5 IN = RSSI
OUT = NORMAL
J2
FUSE 3A 3AG
HIGH AMP CHARGE 4.0Ah, 7.0Ah, or 21.0Ah.
COMMON AMP CHARGE
LOW AMP CHARGE 1.2Ah.
J7
1
2
3
TELGUARDR
TRANSCEIVER
SIGNAL
STRENGTH
LEDS
AC POWER
SYSTEM TROUBLE
RADIO TX
OPERATION MODE
STATUS LEDS
(See Appendix A1.3)
PREMISE
PHONES
INCOMING
TELCO
T
R
12345 6
STC (COM)
STC (N.O.)
+ BATTERY 12V
- BATTERY
7
AC (16.5V 40VA)
AC (16.5V 40VA)
BLANK PIN
J1
TO PROGRAM UNIT:
USE BUTTSET CONNECTED TO T AND R
TEST PINS OR USE TOUCHTONE
TELEPHONE PLUGGED DIRECTLY INTO J2.
EARTH GROUND
STC relay maximum contact rating: 1A 30VDC
Note: AC terminals 6 and 7 are power limited.
5.2.1 Locate Unit
Pick a spot next to the C/C where you think the Telguard will be mounted and place the unit down
temporarily in that spot. Do not mount it permanently now, since it may need to be moved to receive
a better cellular radio signal or a remote high-gain antenna may be necessary.

56018803 Page © 2000 Telular Corporation11
J7
1
2
3
5.2.2 Connect Backup Battery and AC Power Transformer
To apply power on models TG-200 or TG-300 attach battery leads to terminals 3 (-) and 4 (+) noting
polarity and set Jumper J7 for the proper battery capacity.
Use this default setting for
1.2Ah batteries. Use this setting for 7.0Ah, or
21.0Ah batteries.
Jumper across pins 1 & 2. Jumper across pins 2 & 3.
Connect the Telguard AC power transformer to terminals 6 and 7 marked "AC 16.5V 40VA" using
stranded copper insulated wire following wire gauge and length recommendations below:
Recommended Wire Size Length Not to Exceed
18 ga 20 ft
16 ga 40 ft
14 ga 60 ft
5.2.3 Decide on a STC Trip Output Strategy
The Telguard provides the host C/C with one supervisory trip output for reporting a Telguard system
trouble code to the central station. The supervisory trip output (terminals 1 & 2, N.O.) is
programmable via a touch-tone telephone or buttset to suit various installation requirements. The
programming options for this supervisory trip output can be any combination of the following (except
Always off):
a. Always Off: Disables all relay supervisory functions with relay in N.C. condition.
b. ACFC: Trips 6-hours after loss of AC power. Restores 60 seconds after AC power is restored.
c. LBC: Trips within 60 seconds on low battery condition. Restores when battery voltage ≥ 12.1
vdc.
d. LFC: Trips 30/60-sec. on Telco line fault condition. Restores 30/60 seconds after Telco line
restores.
e. NSC: Trips 30/60-sec. on no service condition due to loss of RF signal strength. Restores 30/60
seconds after RF signal strength is available.
f. RFC: Trips on radio failure to communicate with the Telular Communication Center due to
either of the following:
1. Failing to receive a Link Request acknowledgement from the Communication Center
after 3 Link Request transmissions. A Link Request transmission is generated each
time the C/C goes off-hook to dial when the Telguard is in radio mode. The Link
Request acknowledgment from the Communication Center allows the Telguard to begin
accepting and transmitting alarm data from the C/C.
2. Failing to receive a Link Termination acknowledgement from the Communication
Center after 2 complete transmission retries. A Link Termination acknowledgement is
generated by the Communication Center only when all messages in an alarm
transmission have been received successfully.
Refer to Appendix A3.3.1 for UL supervisory requirements for Listed burglary configurations and
Appendix A3.5.1 for Listed fire configurations.
J7
1
2
3

56018803 Page © 2000 Telular Corporation12
5.2.4 Default Programming
The Telguard default setup is pre-programmed at the factory. Default setup values are listed in
Section 5.2.5 (Telguard Programming Data Sheet) and highlighted in "bold" type. Setup
parameters are stored in non-volatile memory and retain their settings when power is removed
from the unit. Review the default settings and record on the data sheet all changes that you
make. Typically, the only critical programming entries are:
Memory Location Field
32 *Cellular System A or B
33 ** Enter the 1-digit C/C Reporting Format
* Note: The Cellular carrier is factory defaulted to the "B" carrier. If the cellular carrier in your
area providing Microburst™ service is an "A" carrier, then memory location 32 must be
reprogrammed to 1. (Refer to the following Telguard Programming Data Sheet, location 32).
**Note: The C/C Reporting Format is already factory defaulted to Ademco Contact ID. Refer to
Telguard Programming Data Sheet, location 33.
5.2.5 Complete the Telguard Programming Data Sheet
Fill out the following Telguard Programming Data Sheet. The completed data sheet enables
you to properly install and test the Telguard as well as provide a valuable aid to future
troubleshooting if it becomes necessary. Detach and retain this data sheet in your customer
account file for future reference.
Customer Name: Dealer No: Telguard Serial No:
Installation Location: Date Installed: Installed By:
MEM
LOC. FIELD DEFAULT
VALUE NEW PROGRAM
VALUE SETTING
32 Cellular System A or B 21=System A 2=System B
33 C/C Reporting Format 81=4 x 2 Pulse 40 PPS 2300 Ack (Double Round) Non-Extended
2=4 x 2 Pulse 20 PPS 2300 Ack (Double Round) Non-Extended
3=4 x 2 Pulse 20 PPS 1400 Ack (Double Round) Non-Extended
4=3 x 1 Pulse 40 PPS 2300 Ack (Double Round) Non-Extended
5=3 x 1 Pulse 20 PPS 2300 Ack (Double Round) Non-Extended
6=3 x 1 Pulse 10 PPS 1400 Ack (Double Round) Non-Extended
7=Not Used
8=Contact ID (Ademco) 1400/2300 Ack
51 STC Trip Output Reporting 31 Enter the SUM TOTAL of the events that you wish to trip the STC relay by
ADDING the corresponding values:
(ex: 01+02+08+16=27) Note that a LFC will not trip the STC relay.
Program 31 (27+04) for all supervised features to trip the STC relay.
00 = STC Trip Input Not Used
01 = AC Failure 04 = LFC 16 = RFC
02 = Low Battery 08 = NSC
52 STC Trip Delay for LFC and NSC 21=30 Seconds 2=60 Seconds
61 CFC Number of Attempts 20=Disabled 2=4 Attempts
1=2 Attempts 3=8 Attempts
62 CFC Between Events 11=30 Seconds 2=60 Seconds
67 Standby Battery Size
(standard lead-acid battery)
44=7 Amp Hour
5=21 Amp Hour
99 Factory Default Values 12345 Returns EEPROM to original factory settings.

56018803 Page © 2000 Telular Corporation13
5.2.6 Setup & Programming
When the Telguard is received from the factory and is powered up for the first time, it is
immediately ready for activation after a 10-second delay, provided the default settings are what
you want. The STC LED turns on steady and the STC relay is tripped. If changes to the default
values are required, then the Telguard is re-programmed with a plain old telephone set (POTS)
connected to J2 where the C/C is usually connected. A standard lineman's buttset (set to TALK
and TONE modes) can also be used when connected to the tip (T) and ring (R) test pins on the
printed circuit board (PCB) adjacent to JI and J2. Put jumper J5 "IN" and power up the
Telguard. The Telguard Programming Data Sheet explains the programming options and
memory locations.
NOTE: The telephone line input to J1 must be disconnected prior to programming and the
antenna must be connected. The Telguard will transmit the programming setup data to the
communication center automatically when you activate the Telguard using the Telular IVR.
5.2.6.1 Command Key Sequences For POTS Re-Programming
Key Sequence Description
memorylocation, value Selects memory-location and stores data.
*Exits and stores programming.
The syntax for programming a specific memory location is as follows:
Memorylocation (2 digits), value.
For example, to re-program the Telguard to transmit over the "A" carrier, the installer would
power down the Telguard; put jumper J5 "IN", connect the buttset to T and R test pins, and then
power up the unit. After approximately 10 seconds, four tones will be sounded on the buttset
indicating entry into programming mode. After entering 32, two tones will be sounded on the
buttset indicating entry into a valid memory location (in this case, location 32). After the digit 1
is entered, four tones will be sounded on the buttset indicating a valid entry has been selected. If
an invalid memory location or data value is entered, a long low tone will be sounded before the
normal tones. To re-enter a correct value, the memory location must be entered again and
then a correct value for that memory location.
NOTE: To reset Telguard programming to factory default values, program memory
location 99 with 12345 and the Telguard will reload factory default data to the EEPROM
(This takes about 10 seconds!). The Telguard will now be ready to activate with factory
default values or to re-program again, just as it was received from the factory.
To exit programming mode, press *. Two tones will be sounded on the buttset. Remove jumper
J5 and disconnect the buttset. The Telguard does not need to power down and back up again
unless you changed from B to A carrier or from A to B carrier. The red STC LED will remain
on and the STC relay will remain tripped. Call the Telular IVR (888-TELULAR) and follow the
“new activation or re-programming” menu. When the Telguard transmits the setup
programming information to the Communication Center successfully, the red STC LED will
begin flashing a Telco line fault trouble (LFC=3 flashes), the yellow Mode LED will turn on, and
the AC power LED will turn on if AC is connected. This indicates the unit is in normal
operating mode and is ready to transmit alarm signals.

56018803 Page © 2000 Telular Corporation14
5.2.7 Connect Antenna and Temporarily Place Unit
Pick a high, visually secure spot, using the guidelines below.
5.2.7.1 Tips for Improved Radio Signal Reception
• The higher the antenna the better. So, start in the drop ceiling above the unit and
proceed up from there, to the roof if necessary.
• Remember, the antenna should be as inconspicuous as possible for greatest visual
security. If on the roof, plan to place the antenna in PVC tubing or in a custom wooden
structure.
• Try to keep the antenna away from sources of RF interference, including pumps,
compressors, ovens, etc., or where metal objects can shield it or otherwise block the
cellular radio RF signal.
• Place the antenna perpendicular to the ground, either right side up or upside down. Do
not mount the antenna horizontally.
5.2.8 Measure Received Signal Strength (RSSI) for Best Antenna Placement
Measure the received signal strength by putting jumper J5 "IN". This switches the LEDs to
signal strength mode. Now, slowly move the unit or remote antenna to achieve maximum signal
strength. Pick the place where the most LEDs (up to four) are lighted. The LEDs are located on the
top-right side of the PCB and are read from bottom to top with the Radio TX LED = 1 and the AC
Power LED = 4. At least two lighted LEDs with the third LED flashing are necessary to assure
continuous, trouble free operation. Move antenna slowly and check often. Only a few inches can
make a great difference in signal strength.
LED Function Table – View RSSI Mode
RSSI Value LED’s Lighted RF dBm
NO SVC LED 1* = on, 2-4 = off ≤ -116 dBm
0LED 1 = on, 2-4 = off ≤ -111 dBm
1LED 1 = on, 2 = slow flash
LED 3-4 = off ≥ -110 dBm
2LED 1-2 = on, LED 3-4 = off ≥ -100 dBm
3LED 1-2 =ON, 3 =SLOW FLASH
LED 4 = off ≥≥ -90 dBm (Minimum signal
strength required)
4LED 1-3 = on, LED 4 = off ≥ -80 dBm
5LED 1-3 = on , 4 = slow flash ≥ -70 dBm
6LED 1-4 = on ≥ -60 dBm
*Note: LED 1 = Radio TX; LED 2 = Mode; LED 3 = STC; LED 4 = AC Power.
NOTE: If you can not obtain a signal strength reading of TWO LEDS ON SOLID AND THE
THIRD LED ON SLOW FLASH, you will probably need to move the unit and/or remote
antenna higher, or switch to a special antenna, as described below.
5.2.8.1 Antenna Options
Antenna problems are unlikely unless the premises are located in a fringe network coverage
area, in a building below ground level, or in a metal structure. However, here are your
options:
Magnetic Mount 3-dB gain Antenna with 12ft. Cable: The magnetic mount antenna
comes with 12 feet of cable (Telular P/N: MMA-1).
Magnetic Mount Antenna with Longer Cable: If the MMA-1 does not have enough cable
to allow for optimal antenna location, longer cables can be special ordered from Telular.
These come in 35-foot (Telular P/N MMA-35M) and 50-foot lengths (Telular P/N
MMA-50M), and include another antenna with the necessary connectors. It is not possible to
splice cable to the existing antenna in the field. The extension cable is a special, low loss
type.

56018803 Page © 2000 Telular Corporation15
High Gain Antennas (Directional): High Gain Antennas (HGA's) are also available from
Telular. These boost signal strength (9-dB gain) by concentrating power in a single direction,
toward the nearest cellular tower. HGA's come with 35 feet (Telular P/N HGA-35M) or 50
feet (Telular P/N HGA-50M) of cable.
NOTE: After determining the best signal strength location for the antenna, set the RSSI
jumper J5 "OUT" to return to normal operating mode. If the “RSSI” jumper
is inadvertently left "IN", Telguard will automatically cancel the RSSI LED
mode after 10 minutes and return the LEDs to normal operation. During the
10-minute interval, Telguard will still operate normally.
5.2.9 Request Telguard Activation "PING" from Telular's IVR
When you are ready to install and test the Telguard, call Telular's IVR (Interactive Voice
Response) number, 1-888-TELULAR (1-888-835-8527). The automated system will ask you for
the following information: (All information must be supplied correctly)
Reminder!!! The Activation form must be faxed to the Telular Communication Center (fax:
678-945-1651) and entered into the database before this step can occur.
a) Dealer number?
b) Tech number?
c) Telguard Serial Number? Or, Confirmation Number if the Serial Number has not been
previously submitted on the Activation Form.
d) New Telguard programming/reprogramming or Requesting Status Report? (Select the
programming menu.)
After you have programmed the Telguard, entered the correct Dealer, Tech, Telguard Serial
number (or Confirmation Number), and selected "yes" for new install or reprogram on the menu,
a radio "activation ping" will be generated from the Communication Center to the Telguard.
This activates the Telguard and allows the Telguard to communicate over the cellular network.
A successful "ping" causes the red STC LED to turn off. Additionally, if the Telguard is
programmed to monitor LFC, then the STC LED will begin to flash 3 times indicating a telco
line fault condition since there is no telco line connected to J1 at this time. Also, the yellow
Mode LED will turn on and if AC power is connected, the green AC power LED will turn on.
Now, combined with other data previously submitted with the activation information such as
automatic self-test data, the communication center is able to process alarm signals from the host
C/C to the alarm monitoring station.
Note to Installers: The Telguard must be powered-up with antenna connected in order to receive
the "activation ping". Also, the Telular IVR system will allow you to enter a TEST menu to
access the Telguard's operational history (e.g., number of occurrences of ACFC, LBC, LFC, and
NSC since the last self-test transmission to the communication center). Only the Dealer number,
Tech number, and serial number are required to enter the TEST menu if the unit has already
been activated. This feature is extremely helpful when troubleshooting intermittent problems
such as NSC or LFC.
MOVE ON
Once you have completed the Telguard Programming Data Sheet, confirmed Telguard programming, received
the "activation ping" from the Communication Center and have good signal-strength, move on to Step 3.

56018803 Page © 2000 Telular Corporation16
5.3 STEP 3: TRANSMIT C/C ALARMS OVER THE CELLULAR RADIO NETWORK
Confirm that the Telguard enables the host C/C to transmit alarm signals over the cellular radio network. In
checking this, do not connect the incoming telco line to the Telguard or connect the supervisory trip output (STC) to the
C/C zone input.
TG2 Step 03.VSD
HOST C/C
24 HOUR ZONE COMMON
24 HOUR ZONE INPUT
TELCO DIALER
RJ31X DETAILS ON JACK AND PIN ASSIGNMENTS,
TERMINAL STRIP, JUMPER, AND STATUS LEDS.
SEE APPENDICES A1.1 THROUGH A1.4 FOR
ANTENNA
LED MODE SELECT
J5 IN = RSSI
OUT = NORMAL
J2
FUSE 3A 3AG
J7
TELGUARDR
TRANSCEIVER
SIGNAL
STRENGTH
LEDS
AC POWER
SYSTEM TROUBLE
RADIO TX
OPERATION MODE
STATUS LEDS
(See Appendix A1.3)
PREMISE
PHONES
INCOMING
TELCO
T
R
1 2 3 4 5 6
STC (COM)
STC (N.O.)
+ BATTERY 12V
- BATTERY
7
AC (16.5V 40VA)
AC (16.5V 40VA)
BLANK PIN
J1
EARTH GROUND
STC relay maximum contact rating: 1A 30VDC
Note: AC terminals 6 and 7 are power limited.
5.3.1 Connect C/C to Telguard Jack 2
Unplug the modular jack of the C/C-to-RJ31X cable (not supplied) from the RJ31X and plug it into J2
on the Telguard.
NOTE: Since no RJ31X telco cable is connected to J1 at this point in the installation, the
Telguard is detecting a telco line fault condition (LFC). The Telguard is forced to
switch transmission paths from telco to cellular causing all C/C alarm signals to be
transmitted over the cellular radio network during testing in this step.

56018803 Page © 2000 Telular Corporation17
5.3.2 Verify Alarm Signal Transmissions over Cellular
Trip several alarms on the C/C and verify that the central station received them by calling the central
station operator. Use a lineman's buttset in MONITOR MODE and connected to Telguard's "T" and
"R" test pins to "listen" to communications between the C/C and Telguard. The Radio TX LED flashes
quickly when the Telguard microprocessor is communicating with the radio and provides a long flash
(approximately 1 second) when the radio is in communication with the cellular network.
If you are having problems getting reliable alarm signal transmissions, additional adjustments may be
necessary.
♦ Recheck signal strength. You need TWO LEDS ON SOLID AND THE THIRD LED
FLASHING for adequate signal strength. Also, check antenna connector and make sure it is
seated correctly.
♦ Try resetting the Telguard by powering the unit down then back up again.
♦ Call Telular Technical Service, 800-229-2326, and request the Communication Center operator to
check the Telguard programming configuration for proper operation on "A" carrier or "B" carrier
and proper communications format. The Telguard MUST be programmed to use the SAME
FORMAT that the C/C is using (e.g. 3+1, 4+2, etc.,) to report alarm signals.
MOVE ON
Once you have determined that the C/C can reliably transmit alarm signals over the cellular network, proceed to
Step 4.

56018803 Page © 2000 Telular Corporation18
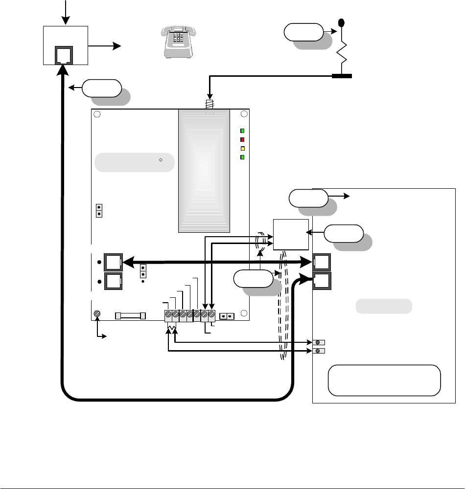
5.4 STEP 4: CONNECT TELCO LINE AND SUPERVISORY TRIP OUTPUT
Now, you are ready to connect and test the incoming telco line and the supervisory trip output to the C/C. Also,
you must check to be sure that there are no other phone devices connected in front, or in parallel, of the
RJ31X.
TG2 Step 04.VSD
HOST C/C
24 HOUR ZONE COMMON
24 HOUR ZONE INPUT
TELCO DIALER
RJ31X DETAILS ON JACK AND PIN ASSIGNMENTS,
TERMINAL STRIP, JUMPER, AND STATUS LEDS.
SEE APPENDICES A1.1 THROUGH A1.4 FOR
ANTENNA
LED MODE SELECT
J5 IN = RSSI
OUT = NORMAL
J2
FUSE 3A 3AG
J7
TELGUARDR
TRANSCEIVER
SIGNAL
STRENGTH
LEDS
AC POWER
SYSTEM TROUBLE
RADIO TX
OPERATION MODE
STATUS LEDS
(See Appendix A1.4)
PREMISE
PHONES
INCOMING
TELCO
T
R
12 3 4 5 6
STC (COM)
STC (N.O.)
+ BATTERY 12V
- BATTERY
7
AC (16.5V 40VA)
AC (16.5V 40VA)
BLANK PIN
J1
EARTH GROUND
UNPLUG AND REPLUG J/J CABLE
(SUPPLIED) AT J1 AND VERIFY THAT
TELGUARD SWITCHES TO CELLULAR AND
BACK TO TELCO BY WATCHING THE STC
LED (3 flashes for LFC).
PROGRAM ZONE SHORTED FOR "SYSTEM TROUBLE".
BE SURE TELGUARD IS FIRST DEVICE ON INCOMING
PHONE LINE TO PREVENT
PHANTOM TRIPPING.
E.O.L. RESISTOR
STC relay maximum contact rating: 1A 30VDC
Note: AC terminals 6 and 7 are power limited.
5.4.1 Be sure the Telguard is the first device on incoming phone line
The Telguard monitors voltage on the incoming phone line to decide when to switch transmission
paths. This requires that the Telguard must be the first device on the telco line. If not, a line fault
condition will be created (we call this a "phantom trip") each time the improperly connected device
goes off-hook. This happens because the Telguard‘s line fault monitor detects the parallel "taps" to the
street side of the RJ31X.
A phantom trip causes the Telguard to switch to cellular and if the STC trip-out is connected and
programmed to trip the C/C, the C/C will call the central station over the cellular network to report the
"Line Fault" (phantom trip). The result is a phone line trouble report although the incoming line
measurements are good at the RJ31X. Therefore, look over Exhibit I (next page) carefully and be sure
that there are no other phone devices connected to Tip and Ring on the incoming phone line.

56018803 Page © 2000 Telular Corporation19
Exhibit 1. Telco Signal Path through Telguard
RJ31X
HOST C/C
PREMISE PHONES
INCOMING TELCO
SIGPATH0.VSD
2
3
4
5
67
T GREEN
R RED
R1 BROWN
T1 GREY
8
T1 T R R1
J1
T1 T R R1
J2
Telco Voltage
Measurement
House Phone
Current
Measurement
Dialer Current
Measurement
1
Internal Circuitry
Telco Dialer
T1 T R R1
TELGUARD
5.4.2 Connect RJ31X to Telguard Jack 1 and Check LFC
Find the modular Jack-to-Jack (J/J) cable supplied and connect one end to Telguard Jack 1 and other
end to the RJ31X. Note that the STC LED goes out and the STC relay returns to normal due to telco
line restoral.
5.4.3 Connect STC Trip Output
Connect the STC trip output (terminals 1 & 2, N.O.) to the 24-hour zone input of C/C.
NOTE: Activation of a local alarm or strobe light may be desirable when a trip is declared. The STC
trip output can be used directly to activate a local signaling device, provided that the trip output is not
needed to trip the host control/communicator at the same time. If both a local signal and a control trip
input is required, then external relays are needed to provide additional uncommitted contacts.

56018803 Page © 2000 Telular Corporation20
5.4.4 Check Telguard Supervisory Trip to C/C
After you have connected the STC trip output, check to be sure that it operates correctly.
5.4.4.1 Reprogram C/C to Send Proper Code
Reprogram C/C to send proper alarm code when tripped by the Telguard’s supervisory output.
Program zone restoral as desired.
5.4.4.2 Check Proper Operation of Telguard Supervisory Output
Check for proper operation of each programmed supervisory output by causing it to trip the
C/C and be sure the proper LED illuminates and that the proper trouble code is reported to the
central station. Skip the testing of any supervisory functions that have not been enabled. Note
that the yellow mode LED starts to flash when the C/C goes off-hook to report the alarm
signal over cellular. The yellow mode LED stays on solid when the C/C goes off-hook to
report the alarm signal over Telco.
• Low Battery Condition (LBC): Disconnect the battery and during the next 60 seconds
check to see that the STC LED flashes 2 times indicating that the battery is missing.
Check to see that the C/C transmits the STC trouble code (over Telco) to the central
station. Reconnect the battery and check during the next 60 seconds to see that the STC
LED goes off, indicating the missing battery condition has been restored. If the C/C is
programmed for transmitting restorals, another transmission will be sent (over Telco) to
the central station.
• Line Fault Condition (LFC): Disconnect J/J cable at RJ31X. Check to see that the STC
LED flashes 3 times in 30/60 seconds and the C/C transmits the STC trouble code (over
radio) to the central station indicating the incoming telco line is disconnected. Reconnect
J/J cable and check to see that the STC LED goes off in 30/60-seconds indicating telco
line restoral. If the C/C is programmed for transmitting restorals, another transmission
will be sent to the central station (over Telco) after the 30/60-second delay.
• No Service Condition (NSC): Disconnect the antenna from the Telguard. Check to see
that the STC LED flashes 4 times in 30/60 seconds and the C/C transmits the STC
trouble code over the telco line indicating loss of RF signal strength. Reconnect the
antenna and check to see that the STC LED goes off in 30/60-seconds indicating RF
signal strength restoral. If the C/C is programmed for transmitting restorals, another
transmission will be sent to the central station (over Telco) after the 30/60-second delay.
Note: The Received Signal Strength (RSSI) must be less than -114 dBm in order to
cause a NSC condition. If the Telguard is located in a high signal strength area (close to
a cellular tower), it is possible for the signal strength to be greater than -114 dBm even
with the antenna disconnected.
• AC Fail Condition (ACFC): Disconnect the 40VA AC transformer and check to see
that the AC POWER LED goes out and the STC LED flashes once indicating that AC
power is missing. Reconnect the AC transformer and check to see that the AC POWER
LED goes on and the STC LED goes off indicating that AC power has been restored. No
transmissions will be sent to the central station. The AC power must be off,
continuously, for 6-hours before the STC relay causes the C/C to send a trouble code. If
the AC power is restored for 60 seconds or more, then the 6-hour timer restarts.
MOVE ON
When you are sure that the Telguard is monitoring the telco path and cellular path correctly and the C/C is
correctly reporting the STC supervisory trip output, move on to Step 5.

56018803 Page © 2000 Telular Corporation21
5.5 STEP 5: COMPLETE THE TELGUARD INSTALLATION
Last step is to handle loose ends.
5.5.1 Check Settings
Check the jumper settings of J5 (LED mode, out = normal) and J7 (battery capacity selection).
5.5.2 Permanently Mount and Properly Ground the Telguard Chassis
Attach earth ground to the green grounding screw located on lower left-hand corner of printed circuit
board assembly and permanently mount the Telguard chassis.
A1.0 APPENDICES
A1.1 WIRING DIAGRAM.............................................................................................................................. 22
A1.2 JACK AND PIN ASSIGNMENTS .............................................................................................................. 23
A1.3 TERMINAL STRIP PIN ASSIGNMENTS.................................................................................................... 24
A1.4 LED MODES AND FUNCTIONS ............................................................................................................ 25
A1.5 JUMPERS............................................................................................................................................ 26
A2.0 OPERATIONAL QUICK REFERENCE TABLE................................................................................ 27
A2.1 SETUP PROGRAMMING PARAMETERS......................................................................................... 28
A2.2 TELGUARD COMMUNICATION FORMATS................................................................................... 29
A2.3 COMPATIBLE CONTROL COMMUNICATORS.............................................................................. 29
A2.4 COMPATIBLE RECEIVERS................................................................................................................ 29
A2.5 ACTIVATION FORM ........................................................................................................................... 30
A3.0 COMPLIANCE FOR UL LISTED INSTALLATIONS........................................................................ 31
A3.1 UL GRADE A CENTRAL STATION SERVICE.............................................................................................. 31
A3.2 UL GRADE A POLICE STATION CONNECT SERVICE.............................................................................. 32
A3.3 NOTES TO INSTALLATION/WIRING REQUIREMENTS ON APPENDICES A3.1 AND A3.2.............................. 33
A3.3.1 Supervisory Requirements for Listed Burglary Configurations ...................................................... 34
A3.4 UL864/NFPA FIRE ALARM CENTRAL STATION SERVICE ..................................................................... 35
A3.5 NOTES TO INSTALLATION/WIRING REQUIREMENTS ON APPENDIX A3.4................................................. 37
A3.5.1 Supervisory Requirements for Listed Fire Configurations ............................................................. 37
A4.0 UL INSTALLATION REQUIREMENTS SUMMARY TABLE.......................................................... 38
A5.0 DETAILED SPECIFICATIONS............................................................................................................ 39
A5.1 DIALER TO INTERFACE ELECTRONICS.................................................................................................. 39
A5.2 POWER .............................................................................................................................................. 39
A5.3 RADIO ............................................................................................................................................... 39
A5.4 PHYSICAL .......................................................................................................................................... 39
A5.5 WARRANTY ....................................................................................................................................... 39
A6.0 PARTS LIST........................................................................................................................................... 40
INDEX................................................................................................................................................................ 41

56018803 Page © 2000 Telular Corporation22
A1.1 WIRING DIAGRAM
HOST C/C
24 HOUR ZONE COMMON
24 HOUR ZONE INPUT
TELCO DIALER
RJ31X
ANTENNA*
LED MODE SELECT
J5 IN = RSSI
OUT = NORMAL
J2
FUSE 3A 3AG
J7
TELGUARDR
TRANSCEIVER
SIGNAL
STRENGTH
LEDS
AC POWER
SYSTEM TROUBLE
RADIO TX
OPERATION MODE
STATUS LEDS
(See Appendix A1.4)
PREMISE
PHONES
INCOMING
TELCO
T
R
12 3 4 5 6
STC (COM)
STC (N.O.)
+ BATTERY 12V*
- BATTERY
7
AC (16.5V 40VA)*
AC (16.5V 40VA)
BLANK PIN
J1
EARTH GROUND
TG2 WIRING1.VSD
WARNING: HIGH VOLTAGE PRESENT ON
PHONE LINES. DISCONNECT
PRIOR TO SERVICING.
* INDICATES SUPERVISED CIRCUIT.
THIS DEVICE COMPLIES WITH FCC RULES PART
68 AND 15.
FCC REGISTRATION NO: 204USA-33648-MO-N
RINGER EQUIVALENCE: 0.0B
TELGUARD ® is a registered trademark of Telular
Corporation. Products are protected under one or more of
the following U.S. patents: 4,658,096 4,737,975
4,775,997 4,868,519 4,922,517.
© 2000 Telular Corporation.
*
E.O.L. RESISTOR
CAUTION: INCORRECT CONNECTIONS MAY
RESULT IN DAMAGE TO UNIT.
DO NOT
CONNECT TO A
SWITCHED AC
RECEPTACLE.
STC relay maximum contact rating: 1A 30VDC
Note: AC terminals 6 and 7 are power limited.

56018803 Page © 2000 Telular Corporation23
A1.2 JACK AND PIN ASSIGNMENTS
Jack
Designation Connects To Pin Assignment Function Status LED
Reference
J1
Telco RJ31X.
Incoming Telco
RJ31X Jack. 1 Gray R1
4 Red R(Ring)
5 Green T(Tip)
8 Brown T1
Connects telco line to
Telguard and provides
output for premises phone
connection at RJ31X.
STC LED Flash 3
times when telco
voltage is lost.
J2
C/C Digital
Dialer
Digital Dialer
input/output of
host C/C.
1 Gray R1
4 Red R(Ring)
5 Green T(Tip)
8 Brown T1
Connects C/C digital dialer
input/output through unit. None.
J4
Radio Interface.
Radio 1 VCC
2 SVC
3 GND
4 Rsvd
5 RXD
6 Rsvd
7 TXD
8 P-IN
9 RSSI
10 N/C
11 IN-A
12 IN-B
13 OUT-A
14 OUT-B
+12V DC supply input
Service available flag
Primary Ground
Reserved
Control serial data RX
Reserved
Control serial data TX
Pulse Input
Rx signal strength
indication
Pulse Ground
Auxiliary input A
Auxiliary input B
Auxiliary output A
Auxiliary output B
STC LED Flash 4
times for NSC or Flash
5 times for RFC when
Radio is unable to
communicate.
Or
Radio Tx LED Fast
Flash when
microprocessor is
communicating with
radio and 1 sec Flash
when Radio is
transmitting over the
cellular network.

56018803 Page © 2000 Telular Corporation24
A1.3 TERMINAL STRIP PIN ASSIGNMENTS
Terminal
Strip Pin Definition Connects
To Function Status LED
Reference
1 STC
2 STC
Supervisory Relay
Trip output for
programmable trouble
conditions. (N.O.)
24-hour trip
zone input on
host C/C.
Enables transmission of programmed supervisory
trouble code:
♦ AC Power Fail (ACFC).
- AC failure detected at 102 VAC.
♦ Low/Missing Battery Condition (LBC) due to:
- Low Battery detected at 11.6 VDC.
♦ Line Fault Condition (LFC) due to:
- Improper Telco voltage (LFC) ≤ 18 VDC.
♦ No Service Condition (NSC) due to:
- Received Signal Strength ≤ -114 dBm.
♦ Radio Communications Failure (RFC) due to:
- RFC1- Failure to receive Link Request Ack after 3
attempts.
OR
- RFC2- Failure to receive Link Termination Ack
after 2 attempts.
♦ Loss of Telguard Dial Tone Voltage (DTF) due
to: Improper dial tone voltage. ≤ 35 VDC.
When fault condition
occurs:
AC Power LED OFF
STC LED Flashes 1
time.
STC LED Flashes 2
times.
STC LED Flashes 3
times.
STC LED Flashes 4
times.
STC LED Flashes 5
times.
STC LED Flashes 6
times.
2 - BATT
3 + BATT
(12 V)
Telguard Battery
negative terminal.
Telguard Battery
positive terminal.
Telguard
backup battery Provides 24 to 72 hour battery stand-by for Telguard
depending on battery capacity provided. STC LED Flashes 2
times when battery is
low or missing.
5 BLANK Not Used N/A Not Used None
6 AC
7 AC
AC power input.
16.5 VAC 40 VA. 120 VAC
60Hz
unswitched
circuit.
Provides primary operational power to Telguard and
battery charging circuit.
AC Power LED ON
when AC is normal.
OR
AC power LED OFF
And
STC LED Flashes 1
time when AC is low
or missing.

56018803 Page © 2000 Telular Corporation25
A1.4 LED MODES AND FUNCTIONS
As shown below, J5 is a two-pin jumper used to select the LED Mode. Refer to the LED
Function Tables for a description of each LED in "Normal Operating Mode" and "Received
Signal Strength Mode".
LED Function Table – Normal Operating Mode (J5 = OUT)
LED Symbol Color Duty Cycle Indication
Solid ON AC Power is goodAC POWER – LED 4 Green
OFF AC Failure (<102 VAC, restores at 106 VAC)
1 Flash* System Trouble Condition – Low/Missing AC Power
2 Flashes* System Trouble Condition – Low/Missing Battery Condition
3 Flashes* System Trouble Condition – LFC
4 Flashes* System Trouble Condition – NSC
5 Flashes* System Trouble Condition – RFC
STC - LED 3 RED
6 Flashes* System Trouble Condition – DTF
Solid ON Telguard operating in Mode 1MODE – LED 2 Yellow
Fast Flash C/C off-hook to transmit signals over cellular.
Solid ON (1 sec) Telguard in Microburst transmission.
Fast Flash Microprocessor communicating with Radio.
Radio TX – LED 1 Green
OFF No Activity
* - Note: One flash = ½ sec On and ½ second OFF. In order to diagnose multiple problems on STC LED, each condition will
display for 5 seconds and then cycle to the next condition
LED Function Table – View RSSI Mode (J5 = IN)
RSSI Value LED’s Lighted RF Signal (dBm)
NO SVC LED 1* = on, 2-4 = off ≤ -114 dBm (Lowest)
0LED 1 = on, 2-4 = off ≤ -111 dBm
1LED 1 = on, 2 = slow flash
LED 3-4 = off ≥ -110 dBm
2LED 1-2 = on, LED 3-4 = off ≥ -100 dBm
3LED 1-2 =ON, 3 =SLOW FLASH
LED 4 = off ≥≥ -90 dBm (Minimum signal
strength required)
4LED 1-3 = on, LED 4 = off ≥ -80 dBm
5LED 1-3 = on , 4 = slow flash ≥ -70 dBm
6LED 1-4 = on ≥ -60 dBm (Highest)
*Note: LED 1 = Radio TX; LED 2 = Mode; LED 3 = STC; LED 4 = AC Power.
LED Mode Selection
OFF = NORMAL MODE
ON = VIEW RSSI MODE OR ENTER PROGRAMMING MODE
ON OFF

56018803 Page © 2000 Telular Corporation26
J7
1
2
3
A1.5 JUMPERS
Jumper Position
Jumper Feature Function In Out
J5 Normal Operating
Mode, RSSI or
Programming Mode.
Used as LED Mode selector to indicate
operating conditions of Telguard, used to
view Received Signal Strength or enter
Programming Mode. Refer to A1.4.
View Received
Signal Strength
or
Enter
Programming
Mode.
Normal*
J7
Backup battery
capacity selection. Used to select proper charging current for
backup battery. See below.
Use this default setting for
1.2Ah batteries. Use this setting for 7.0Ah or
21.0Ah batteries.
Jumper across pins 1 & 2. Jumper across pins 2 & 3.
J7
1
2
3

56018803 Page © 2000 Telular Corporation27
A2.0 Operational Quick Reference Table
Telguard Event LED
Response Relay
Output Radio
Message Internal Action
Typical C/C Alarm Cycle over Telco None None None Monitors Telco line voltage and C/C
attempts
ACFC – AC Fail
Condition Yes
AC Power off
and
STC flashes 1
time.
If Selected None Switch to standby battery if present,
monitor battery, monitor AC for
restoral.
LBC - Low Battery
Condition Yes
STC flashes 2
times.
If Selected None Wait for LBC restoral, charge battery.
LFC – Telco Line Fault
Condition Yes
STC flashes 3
times.
If Selected None Switch to Radio, wait for C/C to go off
hook, transmit alarm via radio if
necessary, switch back to Telco when
restored, remove LFC condition
NSC – No Service
Condition (Low Signal
Strength)
Yes
STC flashes 4
times.
If Selected None Continue to validate signal strength,
remove NSC when signal returns
RFC – Radio Failure to
Communicate due to:
RFC1: No Link Request
ACK. OR
RFC2: No Link
Termination ACK.
Yes
STC flashes 5
times.
If Selected None Switch back to Telco so that C/C can
communicate directly with Central
Station.
DTF - Dial Tone Failure Yes
STC flashes 6
times.
Yes Yes Internal 50V supply circuit failure.
Return unit for repair on RMA.
MP - Missing
Programming
parameters.
Yes
STC on
steady.
Yes None Telguard will not function until
operating parameters are programmed
and unit receives activation ping from
Communication Center. Telguard
remains in Telco only mode.
STC
Telguard
System
Trouble
Conditions
CF - Catastrophic
Failure None Yes None Telguard not working. Remains in
Telco only mode.
CFC – C/C communication failure over
good Telco line. None None Yes
(Alarm data) Switch to Radio, transmit alarm via
radio, switch back to Telco
Automatic Self-Test - Communication
Center Activated. Yes
Radio TX
When
transmitting
None Yes
(Self-test)) Send Self-test information to central
station via Communication Center,
return to ready state
Telguard Remote Query -
Communication Center Activated by
IVR, Intranet, or Customer Service.
Yes
Radio TX
When
transmitting
None Yes
(Status data) Send Status data to Communication
Center for review by IVR or Intranet.
Telguard Enable and Configuration
Upload – Communication Center
Activated.
Yes
Radio TX
When
transmitting
None Configuration Data
(Setup data) Telguard sends setup configuration to
the Communication Center and
switches to READY state to begin
operation. Mode LED turns on and
STC LED turns off.
Disable TX – Communication Center
Activated. Yes
Radio TX
When
transmitting.
Yes Yes
(Status data) TX capability is disabled until further
notice. Telguard can still receive
radio signals from Communication
Center.

56018803 Page © 2000 Telular Corporation28
A2.1 Setup Programming Parameters
Parameter Description
Cellular System A or B
Program Location 32
The cellular network system through which the Telguard radio is authorized to place calls to the central station.
System B is the wireline system (usually operated by the local telephone company) and System A is the non-
wireline system (usually operated by the telephone company's competitor). 1=A, 2=B.
C/C Reporting Format
Program Location 33
This format must be the same format that the C/C is programmed to use when communicating with the central
station over Telco. The programmed selection tells the Telguard how to digitally encode alarm messages from
the C/C to the central station over the cellular network control channels.
1=4 + 2 Pulse 40 PPS 2300 Ack (Double Round) Non-Extended
2=4 + 2 Pulse 20 PPS 2300 Ack (Double Round) Non-Extended
3=4 + 2 Pulse 20 PPS 1400 Ack (Double Round) Non-Extended
4=3 + 1 Pulse 40 PPS 2300 Ack (Double Round) Non-Extended
5=3 + 1 Pulse 20 PPS 2300 Ack (Double Round) Non-Extended
6=3 + 1 Pulse 10 PPS 1400 Ack (Double Round) Non-Extended
8=Contact ID (Ademco)
STC Trip Output Reporting
Program Location 51
Telguard has the capability to supervise proper operation of both power supplies (AC & DC) and proper
operation of both paths of communication (Telco and Cellular) to the central station. Should a condition occur
that prevents Telguard from operating properly, the condition if programmed, will cause the supervisory trip
output (STC) to trip the C/C's 24-hour zone forcing the C/C to communicate the "Telguard System Trouble
Condition" to the central station.
Enter the Sum Total of STC events that you wish to report by adding the corresponding values:
Example: 01 (AC Failure) + 02 (Low Battery) + 08 (NSC) + 16 (RFC) = 27.
A failure of any individual or combination of these five programmable supervised conditions will cause the
STC relay to trip. Notice that since LFC is not selected, a Telco line fault will not cause the STC relay to trip
and therefore, no STC trouble report will be sent to the central station by the C/C.
00 = STC Relay Trip Not Used
01 = AC Failure
02 = Low Battery
04 = LFC
08 = NSC
16 = RFC
STC Trip Output Delay for LFC
and/or NSC
Program Location 52
The amount of time (30 or 60 seconds) after a LFC or NSC fault condition occurs that the STC relay will trip.
This trip delay also applies to a LFC or NSC restoral.
CFC Number of Attempts
Program Location 61
The number of attempts that the C/C will try to communicate with the central station over a good Telco line
before Telguard switches the C/C to the cellular path.
0=Disabled
1=2 Attempts
2=4 Attempts
3=8 Attempts
CFC Between Events
Program Location 62
The amount of time that the C/C is allowed to go off-hook, on-hook, then off-hook again to qualify as a
communications failure over Telco.
1=30 Seconds
2=60 Seconds
Standby Battery Size
(standard lead-acid battery)
Program Location 67
This information is provided as historical data for the Telguard database.
0=No Battery Installed 3=4 Amp/Hour
1=0.8 Amp/Hour 4=7 Amp/Hour
2=1.4 Amp/Hour 5=21 Amp/Hour

56018803 Page © 2000 Telular Corporation29
A2.2 Telguard Communication Formats
Telguard Standard Communication Formats
NAME HANDSHAKE
FREQUENCY DATA
FREQUENCY BAUD RATE FORMAT EXTENDED KISS OFF
FREQUENCY Telguard
CODE
RADIONICS (Double Round) 2300Hz 1800Hz 40 PPS 4-2 NO 2300Hz 1
FRANKLIN (Double Round) 2300Hz 1800Hz 20 PPS 4-2 NO 2300Hz 2
SIA P3 (Double Round) 1400Hz 1900Hz 20 PPS 4-2 NO 1400Hz 3
RADIONICS (Double Round) 2300Hz 1800Hz 40 PPS 3-1 NO 2300Hz 4
FRANKLIN (Double Round) 2300Hz 1800Hz 20 PPS 3-1 NO 2300Hz 5
SIA P1 (Double Round) 1400Hz 1900Hz 10 PPS 3-1 NO 1400Hz 6
ADEMCO CONTACT ID DUAL TONE
1400Hz / 2300Hz DTMF DTMF 4-2-1-3-2-3 NO 1400Hz 8
A2.3 Compatible Control Communicators
For UL Listed Commercial Burglary and Fire, and Residential Burglary and Fire (Combination Listed)
C/C Compatible Data Formats
1
Radionics 2
Franklin 3
SIA P3 4
Radionics 5
Franklin 6
SIA P1 8
Ademco
Model
UL LISTED 4+2 40pps
2300Hz
ACK
4+2 20pps
2300Hz
ACK
4+2 20pps
1400Hz
ACK
3+1 40pps
2300Hz
ACK
3+1 20pps
2300Hz
ACK
3+1 10pps
1400Hz
ACK
Ademco
Contact ID
(DTMF)
DS7400Xi XXXXXXX
NAPCO MA3000 XXXXXXX
A2.4 Compatible Receivers
Receiver Compatible Data Formats
1
Radionics 2
Franklin 3
SIA P3 4
Radionics 5
Franklin 6
SIA P1 8
Ademco
Model
4+2 40pps
2300Hz
ACK
4+2 20pps
2300Hz
ACK
4+2 20pps
1400Hz
ACK
3+1 40pps
2300Hz
ACK
3+1 20pps
2300Hz
ACK
3+1 10pps
1400Hz
ACK
Ademco
Contact ID
(DTMF)
FBI CP220 XXXXXXX
Radionics 6500 XXXXXX
Osborne-Hoffman
Quickalert XXXXXXX
Silent Knight 9000 XXXXXXX
SUR-GARD DRL2A XXXXXXX
Ademco 685 XXXXXXX

56018803 Page © 2000 Telular Corporation30
A2.5 Activation Form
Subscriber Information
This data is pertinent to the installation and location of the Telguard
DataBurst system.
Subscriber Name:
Subscriber Address:
City, ST, Zip:
Contact Name:
Contact Phone:
Billing Information
In order to activate Telguard DataBurst systems on the cellular network,
you must be a registered Telguard DataBurst Dealer. Enter your Dealer
information below. If you are not registered as a dealer and would like
more information, contact Telular Sales at (800) 229-2326.
Dealer Company Name:
Dealer Account Number:
Contact Name:
Contact Phone:
Installer Information
In order to activate the Telguard DataBurst from the toll free IVR, your
installer must be registered under your Dealer Account.
Installer Name:
Installer Number: _______________________________
Telguard DataBurst Information
The following data must be entered into the Telular Communication
Center computers prior to activation on the cellular network.
Telguard Serial Number:
C/C Account Number:
C/C Reporting Format:
Primary C/C Phone Number:
Secondary C/C Phone Number:
Central Station Information
Name of Central Station: _________________________
Contact Name: _________________________________
Contact Phone: _________________________________
Telguard Automatic Self-Test
Most rate plans include options for a Telguard Automatic Self-Test
signal to be sent to your Central Station. This test signal verifies the
integrity of the DataBurst system to your central station, and logs status
information for that system on the Telular Communication Center.
Please select the Test Code, which is transmitted to your central station,
and the time of day the Test signal should be transmitted. The
frequency of the Automatic Self-Test is selected when you choose a
Cellular Service Rate Plan (Monthly Test, Weekly Test, or Daily Test).
Telguard Automatic Self-Test Code:
Telguard Automatic Self-Test Time: AM / PM
NOTE: When activating the Telguard DataBurst unit using the Interactive Voice Recognition (IVR) system, you will be
required to enter your Dealer number, Installer number, and the unit’s Serial number or Confirmation number.
Select a Customer Code: _____________
Financial Government
B1 Banks G1 Federal/Military Locations
B2 Credit Unions G2 State Locations
B3 Other Financial Locations G3 Local/County Locations
B4 Check Cashing Locations G4 Other Government Locations
B5 ATMs
Business Facilities Retail General
C1 Office Locations R1 Drug/Pharmacies
C2 Manufacturing/Industrial R2 Supermarket/Convenient Stores
C3 Utilities/Cable Sites R4 Department/Chain Stores/Malls
C4 Warehouse/Storage
Other Facilities Retail Specialty
D1 Fleet/Distribution Hubs R3 Office Equipment Stores
D2 Medial/Research Labs R3A Jewelry Stores
D3 Schools R5 Home Related Stores
D4 Other Facilities R6 Other Retail Stores
R7 Electronic/Cellular/Entertainment
Miscellaneous R8 Pawn Shops
E1 Entertainment (Museums/Parks) R9 Clothing/Shoe Stores
F1 Restaurants
H1 Residential/Private Homes 01 No Category Fit
Select a Monthly Rate Plan
Monthly Test (Please enter Day that test is scheduled)
This rate plan includes 1 automatic self-test to allow for
monthly testing of the Telguard unit over the cellular
network. This plan also includes 2 free monthly alarm
signals.
Select
o
Day of
Month
1 to 28
Weekly Test (Please enter Day that test is scheduled)
This rate plan includes 5 automatic self-tests to allow for
weekly testing of the Telguard unit over the cellular
network. This plan also includes 2 free monthly alarm
signals.
Select
o
Day of
Week
Mon. to Sun.
Daily Test
This rate plan includes 31 automatic self-tests to allow for
daily testing of the Telguard unit over the cellular network.
This plan also includes 2 free monthly alarm signals.
Select
o
Hi-Volume
This rate plan is flexible to meet your self-testing and alarm
signaling needs. Call a Telular Sales Representative to
create a rate plan that works for you.
Select
o

56018803 Page © 2000 Telular Corporation31
A3.0 Compliance for UL Listed Installations
A3.1 UL GRADE A CENTRAL STATION SERVICE
Installation and wiring requirements for UL commercial burglary and residential burglary usage to
achieve UL Grade A Central Station Service using Telguard model TG-300. Refer to Appendix
A3.3 for “NOTE” explanations. If installing for UL Bank Safe and Vault Service refer to additional
requirements in Appendix A3.3 Note "J".
Telco Primary/Radio Secondary (Grade A)
TG2 ULB.VSD
HOST C/C
EARTH GROUND
REMOTE ANTENNA
12 3 4 67
J2
J1
STC (COM)
STC (N.O.)
+ BATTERY 12V
- BATTERY
TO DIGITAL DIALER
TO TELCO RJ31X
ATTACK CHASSIS:
SEE NOTE H.
ZONE TRIP INPUTS
TAMPER SWITCH
NOTE G.
TELGUARD R
TRANSCEIVER
NOTE D.
RJ31X
INCOMING
TELCO
PREMISE
PHONES
INITIATION CIRCUITS:
See Appendix A3.3.1
NOTE F.
NOTE B.
TELCO DIALER
5
AC (16.5V 40VA)
AC (16.5V 40VA)
NOTE C.
BLANK PIN
16.5 VAC
40 VA
Transformer
NOTE E.
NOTE A.

56018803 Page © 2000 Telular Corporation32
A3.2 UL GRADE A POLICE STATION CONNECT SERVICE
Installation and wiring requirements for UL commercial burglary and residential burglary usage to achieve UL
Grade A Police Station Connect Service using Telguard model TG-300. Refer to Appendix A3.3 for “NOTE”
explanations.
Radio Only Mode
TG2 ULA.VSD
HOST C/C
EARTH GROUND
REMOTE ANTENNA
J2
J1
TO DIGITAL DIALER
TO TELCO RJ31X
ATTACK CHASSIS:
SEE NOTE H.
ZONE TRIP INPUTS
INITIATION CIRCUITS:
See Appendix A3.3.1
TAMPER SWITCH
NOTE G.
TELGUARD
Model TG-300
R
TRANSCEIVER
NOTE D.
NOTE B.
TELCO DIALER
1 2 3 4 67
STC (COM)
STC (N.O.)
+ BATTERY 12V
- BATTERY
5
AC (16.5V 40VA)
AC (16.5V 40VA)
NOTE C.
BLANK PIN
16.5 VAC
40 VA
Transformer
NOTE E.
NOTE A.

56018803 Page © 2000 Telular Corporation33
A3.3 NOTES TO INSTALLATION/WIRING REQUIREMENTS ON APPENDICES A3.1 AND
A3.2
(Must use Telguard Model TG-300 for Commercial Burglary applications. Telguard Model
TG-200 is acceptable for Residential Burglary applications.)
A. All cables between the host burglary alarm control communicator (C/C) and Telguard model TG-300 must
be enclosed in rigid conduit. Antenna cable may be enclosed in flexible conduit concealed within building
structure or in field of vision of motion detector (if commercial burglary, UL1610, see Note D).
• Host burglary alarm C/C and Telguard must be within 3 feet of each other.
B. Tamper switch on door of Telguard must be connected to instant 24 hour initiating circuit of host burglary
alarm C/C.
C. Must use Listed burglary alarm central station control with integral or Listed remote DACT installed
according to manufacturer's instructions. (For central station use only).
D. The Telguard antenna must be installed indoors in an area concealed from field of vision and in an area
where access is protected by Listed motion detector. The motion detector must be connected to an instant-
armed initiating circuit of host burglary alarm C/C∗. Example: If the antenna is placed above a drop
ceiling, the motion detector must protect the room below the antenna. (Not required for residential use).
E. Transformer must be connected to unswitched AC outlet.
F. Incoming Telco is connected to J1. Direct Telco line connection required. No PBX.
• Ring-back opening and closing is done over the DACT and the 24-hour check-in is done over both
lines.
G. In “TELCO PRIMARY/RADIO SECONDARY” or “RADIO ONLY” configurations, use a Listed bell and
bell housing (for example, Ademco AB-12, etc.) installed according to manufacturers instructions in order
to maintain Grade A. Grade B available without bell and bell housing.
H. Tamper resistant housing supplied with model TG-300 is required for commercial burglary UL1635, but not
required for residential burglary, residential fire, or commercial fire UL864. Use model TG-200 with
standard metal enclosure for residential burglary, residential fire, or commercial fire UL864.
J. Additional requirements for UL Bank Safe and Vault Service:
• Three 7Ah batteries and harnesses must be used to meet the minimum UL required 72-hour standby
time in case of power failure.
• The unit must be mounted inside of the bank safe or vault. If mounted outside the safe, the enclosure
shall be lined or used in conjunction with a Listed compatible shock sensor.
• The unit must be connected to a Control Unit that is UL Listed for Bank Safe and Vault Service.
∗ - Motion detector required for commercial burglary UL1610, but not for residential burglary, residential fire,
or commercial fire UL864.

56018803 Page © 2000 Telular Corporation34
A3.3.1 Supervisory Requirements for Listed Burglary Configurations
Listed
Burglary Telguard Supervisory Trip to
Host Telguard Programming Host C/C Programming
Configuration Trip Output C/C* Supervised
Condition Setup
Requirement Transmission
to Central
Station**
Local
Annunciation
LBC
LFC Enabled
Enabled with 30
or 60-sec. delay.
Yes
Yes Yes
Yes
NSC Enabled with 30
or 60-sec. delay. Yes Yes
STC Yes AC Failure
RFC
CFC
DTF
(Self-Test)
Enabled
4 Attempts
4 Attempts
None
Daily
Yes
Yes
Yes
Yes
Yes
Yes
Yes
Yes
Yes
No
Telco
Primary/Radio
Secondary
- Grade A Central
Station Service.
Tamper Switch Yes N/A N/A Yes Yes
LBC
LFC Enabled
Disabled Yes
N/A Yes
N/A
NSC Enabled with 30
or 60-sec. delay. N/A Yes
STC Yes
AC Failure
RFC
CFC
DTF
(Self-Test)
Enabled
4 Attempts
Off
None
Monthly
Yes
N/A
N/A
N/A
Yes
Yes
Yes
N/A
N/A
No
Radio Only
Mode - Grade A
Police Station
Connect Service.
Tamper Switch Yes N/A N/A Yes Yes
* - Trips must be 24-hour initiating circuits
** - Use trouble code with restoral.

56018803 Page © 2000 Telular Corporation35
A3.4 UL864/NFPA FIRE ALARM CENTRAL STATION SERVICE
Installation and Wiring Requirements for UL commercial and residential fire usage to achieve
UL864/NFPA Fire Alarm Central Station Service using Telguard model TG-200. Refer to Appendix
A3.5 for “Note” explanations.
Telco Primary/Radio Secondary - Host C/C switches communication paths
TG2 ULE.VSD
HOST C/C
EARTH GROUND
REMOTE ANTENNA
TO DIGITAL DIALER
TO TELCO RJ31X
ZONE TRIP INPUT
TELGUARD R
TRANSCEIVER
NOTE C.
INITIATION CIRCUITS:
See Appendix A3.5.1
J2
J1
NOTE E.
TELCO DIALER
PRI
SEC
PREMISE
PHONES
RJ31X
1 2 3 4 6 7
STC (COM)
STC (N.O.)
+ BATTERY 12V
- BATTERY
5
PRIMARY
INCOMING
TELCO
AC (16.5V 40VA)
AC (16.5V 40VA)
BLANK PIN
16.5 VAC
40 VA
Transformer
NOTE B.
NOTE D.
NOTE A.

56018803 Page © 2000 Telular Corporation36
Telco Primary/Radio Secondary - Telguard switches communication paths
TG2 ULF.VSD
HOST C/C
EARTH GROUND
REMOTE ANTENNA
TO DIGITAL DIALER
TO TELCO RJ31X
ZONE TRIP INPUT
TELGUARD R
TRANSCEIVER
NOTE C.
INITIATION CIRCUITS:
See Appendix A3.5.1
J2
J1
NOTE E.
TELCO DIALER
PRI
SEC
PREMISE
PHONES
RJ31X
1 2 3 4 6 7
STC (COM)
STC (N.O.)
+ BATTERY 12V
- BATTERY
5
PRIMARY
INCOMING
TELCO
AC (16.5V 40VA)
AC (16.5V 40VA)
BLANK PIN
16.5 VAC
40 VA
Transformer
NOTE B.
NOTE D.
NOTE A.

56018803 Page © 2000 Telular Corporation37
A3.5 NOTES TO INSTALLATION/WIRING REQUIREMENTS ON APPENDIX A3.4
(Must use Telguard Model TG-200 or Model TG-300 for Commercial Fire or Residential Fire
applications.)
A. All cables between the host fire alarm control communicator and the Telguard must be enclosed in rigid
conduit and Host fire alarm C/C and Telguard must be within 3 feet of each other.
B. Must be Listed fire alarm central station control or Listed combination fire/burglar alarm control unit with
two-line integral or Listed remote DACT installed according to manufacturer’s instructions.
C. Antenna must be installed indoors in an area concealed from field of vision.
D. Installations using conduit: (conduit only required for commercial fire applications)
1. Mount a Listed pull box (e.g., Notifier Integrated System, Model:NISCAB-4) as close to the Telguard
as possible. The pull box dimensions should not be less than 8”W x 8”H x 6”D.
2. Interconnect the pull box and Telguard with conduit and wire the Listed transformer (e.g., Revere, P/N:
RT-1640) to the Telguard in accordance with local wiring codes.
3. Plug the transformer into the 120 VAC receptacle and secure the transformer.
4. Secure the pull box cover.
5. AC power cable between the pull box housing and Telguard and between the host fire alarm control
communicator must be enclosed in rigid conduit.
E. Direct Telco line connection required. No PBX.
A3.5.1 Supervisory Requirements for Listed Fire Configurations
Listed
Fire Telguard Supervisory Trip to
Host Telguard Programming Host C/C Programming
Configuration Trip Output C/C* Supervised
Condition Setup
Requirement Transmission
to Central
Station**
Local
Annunciation
LBC
LFC Enabled
Enabled with 30
or 60-sec. delay.
Yes
Yes Optional
Yes***
NSC Enabled with 30
or 60-sec. delay. Yes Yes***
Telco Primary/
Radio Secondary
UL864/NFPA Fire
Alarm Central
Station Service.
(Telguard
switches)
STC Yes AC Failure
RFC
CFC
DTF
(Self-Test)
Enabled
4 Attempts
4 Attempts
None
Monthly
Yes
Yes
Yes
Yes
Yes
Yes
Yes
Yes
Yes
Yes***
* Trips must be 24-hour initiating circuits
** Use trouble code with restoral.
*** Must activate a trouble buzzer in the host C/C chassis and not the local bell/given.

56018803 Page © 2000 Telular Corporation38
A4.0UL Installation Requirements Summary Table
Household
Burglary Household
Fire Household
Burg/Fire
Combination
Central
Station
Burg
Grade B
Central
Station
Burg
Grade A
Police
Connect
Burg
Grade A
Bank, Safe
and Vault
Grade A
Commercial
Fire Commercial
Fire & Central
Station Burg
Grade A
TG-200 TG-200 TG-200 TG-300 TG-300 TG-300 TG-300 TG-200 TG-300 Telguard Model Required.
O O O Y Y Y Y* O Y
UL Listed Bell and Bell
Housing **
O O O O O O Y Y Y AC transformer lines in rigid
conduit.
Y Y Y Y Y Y Y Y Y AC transformer plugged into
unswitched outlet.
O O O O O O Y Y Y AC transformer plugged into
dedicated branch circuit.
O O O O O O Y Y Y
AC transformer enclosed in
Listed pull box (example:
Hoffman A-SG8x8x6).
- - - N N N N N N PBX connection to RJ31X jack.
O O O Y Y Y Y O Y Enclosure Tamper Switch
connected to 24-hour circuit.
O O O O Y Y Y Y Y
Antenna cable in flexible conduit
concealed or covered by motion
detector.
O O O Y Y Y Y O Y Attack resistant enclosure (APC-
32S).
24 hrs.
Use
7Ah.
24 hrs.
Use
7Ah.
24 hrs.
Use
7Ah.
24 hrs.
Use
7Ah.
24 hrs.
Use
7Ah.
24 hrs.
Use
7Ah.
72 hrs.
Use
21Ah.
24 hrs.
Use
7Ah.
24 hrs.
Use
7Ah.
12V. Battery backup
requirement.
* Must be connected to C/C UL Listed for Bank and Vault
** Use Mercantile Listed bell and bell housing
O=Optional (Not Required) Y=Yes (Required) N=No (Not Allowed)

56018803 Page © 2000 Telular Corporation39
A5.0 Detailed Specifications
A5.1 DIALER TO INTERFACE ELECTRONICS
The patented integrated interface by Telular, Inc. allows digital dialers to dial into the cellular radio network.
• Line voltage: 48 vdc into standard telephone device when on-hook.
• Dial tone: Precision 400 Hz @-13 dBm +/- 2 dBm. 16 digits dial out capability.
• Ringer equivalent: 0.0B.
• Mode: Loop start only. 25mA +/- 5% off-hook.
• Protected by U.S. Patents: 4,658,096; 4,775,997; 4,922,517; 4,737,975; 4,868,519; 5,134,644.
A5.2 POWER
• Power Input Rating: 120 VAC, 0.48A.
• Power Supply: Max full charge DC voltage = 13.8V +/- .01V. Max ripple = 30 mV.
Low capacity charge for 1.2 Ah = Max. charging current of 200ma.
High capacity charge for 7.0 Ah or 21.0 Ah = Max. charging current of 1.2A.
Max voltage drop at max current = 1%.
• Transformer Supplied: 16.5 VAC, 40 VA, UL, plug-in.
A5.3 RADIO
The Standard radio module, CMM8600, provides RF control channel data communication facilities for the
Telguard. It provides real-time wireless access to the AMPS cellular network.
• Number of Control Channels: 42.
• Frequency range = 824.030 - 848.980 MHz Tx; 869.030 - 893.980 MHz Rx.
• Channel Spacing = 30 kHz.
• RF Communications: asynchronous, full duplex.
• Protocol: Standard Communications Serial Control Protocol.
• Data Rate: 9600 baud.
• Data bits, parity, stop bits: 8, N, 1.
• Antenna Port: Mini-UHF jack connector.
• Data Port: 14-pin header.
• Receiver Sensitivity: -114 dBm (SCR = 80%)
• Transmit Power: 3.0 W into 50-ohm load @ 25.07 C. (max allowable)
• Standard Antenna: TG-200/300: Magnetic mount, 5/8 wave. 825-896 MHz. Gain: 3 dB. One section
14-1/2" tall mast with 12 feet of cable terminated with mini-UHF plug connector. Optional cable lengths of
35 ft. or 50 ft. are also available.
• Optional Antenna: High Gain Directional Antenna (Gain: 9dB) with 35 or 50 feet of cable. Mini-UHF plug
to N type adapter is included.
A5.4 PHYSICAL
• Size: TG-200/300 12.0"H x 12.0"W x 3.5"D.
• Shipping weight: TG-200/300 16 lbs. with transformer only.
• FCC Registration: 204USA-33648-MO-N. Ringer equivalence 0.0B.
• Operating Environment: -10.0° C to +50° C; 0 - 90% humidity (non-condensing).
A5.5 WARRANTY
Telular will repair or replace (our option) inoperative units for up to two years from date of shipment. Excludes
damage due to lightning or installer error. Unauthorized modifications void this warranty. Not responsible for
incidental or consequential damages. Liability limited to price of unit. This is the exclusive warranty and no
other warranties will be honored, whether expressed or implied.

56018803 Page © 2000 Telular Corporation40
A6.0 Parts List
Part No. Description
Basic Hardware:
Model TG-200 Model TG-200 meets the requirements for Household Burglary, Household Fire, and
Commercial Fire installations. TG-200 has a standard metal enclosure, keylock, and
magnetic mount antenna with 12ft. cable. TG-200 is UL Listed for the following:
0 UL Household Burglary
0 UL Household Fire
0 UL Household Burg/Fire Combination
0 UL Commercial Fire
Model TG-300 Model TG-300 meets the requirements for all Household Burglary, Commercial Burglary,
Household Fire, and Commercial Fire installations. TG-300 has an attack-resistant
enclosure, keylock, tamper switch, and a magnetic mount antenna with 12ft. cable. Model
TG-300 is UL Listed for the following and UL Listed for Grade A Burglary Certificate
installations:
0 UL Household Burglary
0 UL Household Fire
0 UL Household Burg/Fire Combination
0 UL Central Station Burglary
0 Grade A
0 Grade B
0 UL Police Connect Burglary
0 Grade A
0 UL Commercial Fire
0 UL Commercial Fire and Central Station Burglary Grade A
0 UL Bank, Safe and Vault
0 Grade A
General
Accessories:
BMR-1250 Battery, 12V, 7.0 AH.
TMR-1250 Transformer, 16.5V, 40VA (Revere RT-1640 or RT1640SL). Supplied with all models.
MMA-1 Standard magnetic mount antenna. Supplied with models TG-200 and TG-300.
MMA-35M Magnetic mount antenna with 35 feet of low loss cable.
MMA-50M Magnetic mount antenna with 50 feet of low loss cable.
HGA-35M High Gain Directional Antenna Kit with 35 feet of low loss cable.
HGA-50M High Gain Directional Antenna Kit with 50 feet of low loss cable.
APC-32S Attack resistant, heavy-duty enclosure. Supplied with model TG-300. Required for UL1635
(commercial burglary) Listing. Priced when purchased separately.

56018803 Page © 2000 Telular Corporation41
Index
AC Failure Condition (ACFC)...............................3
Aeris.......................................................................1
AMPS.....................................................................1
Antenna Options ..................................................14
automatic self-test.....................................................1
Automatic Self-test Report....................................4
Backup batteries.......................................................7
Burglary Alarm Service .............................................i
C/C Compatible Communication Formats ...........2
Catastrophic Failure (CF)......................................3
Cellular Service Activation Form............................7
central station .........................................................1
Communications Failure Condition (CFC) ...........2
Compatible Control Communicators .....................29
Compliance for UL Listed Installations.................31
Contents.................................................................v
control channels......................................................1
current operational status (C.O.S.) ..........................4
Customer Service Center...........................................1
Default Programming..........................................12
Detailed Specifications........................................39
Diagnostic and Status LEDs..................................5
Dialer to Interface Electronics.............................39
Directional Antennas..............................................15
FCC Notices .......................................................... ii
Fire Alarm Service ....................................................i
General Description..............................................1
Ground.................................................................21
Installation Summary............................................7
Intranet System ........................................................1
IVR.........................................................................1
Jack and Pin Assignments ...................................23
Jumpers................................................................26
LED Function Table .............................................14
LED Function Table – Normal Operating Mode....25
LED Function Table – View RSSI Mode...............25
LED Modes and Functions..................................25
LED Signal Strength Indication ............................5
limitations on use.................................................. iii
Line Fault Condition (LFC)...................................2
Low/Missing Battery Condition (LBC) ..................3
message center ....................................................... 1
Microburst™........................................................... 1
Model TG-200........................................................ 6
Model TG-300........................................................ 6
NAM programming................................................ 6
No Service Condition (NSC).................................. 2
Operating Modes.................................................. 1
Parts List............................................................. 40
PBX Installations .................................................. 2
Physical ............................................................... 39
POTS Programming............................................ 13
Power................................................................... 39
Power Supervision ................................................ 3
Primary Modes of Operation ............................. 27
Programming Data Sheet...................................... 13
Quick Reference Tables ..................................... 27
Radio ................................................................... 39
Radio Communications Failure Condition (RFC).3
Remote Query........................................................ 4
Request for Cellular Service................................. 7
RF Signal Strength.............................................. 14
RFC1 (Link Request Failure)................................ 3
RFC2 (Link Termination Failure)......................... 3
RJ31X..................................................................... 1
RSSI jumper........................................................... 5
Setup Programming Parameters.................... 6, 28
STC Trip Output Strategy.................................... 11
Supervisory Trip Output (STC) Relay.................... 4
Telco Signal Path through Telguard................... 19
Telguard Communication Formats ..................... 29
Terminal Strip Connections ................................. 4
Terminal Strip Pin Assignments.......................... 24
UL Grade A Central Station Service.................... 31
UL Grade A Police Station Connect Service ....... 32
UL Installation Summary Table............................ 38
UL Listings by Model........................................... 6
UL/NFPA.................................................................i
Warranty.............................................................. 39
Watchdog Monitor/Reset (WR).............................. 3
Wiring Diagram................................................... 22