46pz85u TH46PZ85U
User Manual: TH46PZ85U
Open the PDF directly: View PDF  .
.
Page Count: 128 [warning: Documents this large are best viewed by clicking the View PDF Link!]

© 2008 Matsushita Electric Industrial Co., Ltd. All
rights reserved. Unauthorized copying and distribu-
tion is a violation of law.
ORDER NO.MTNC080204CE
B34 Canada: B07
46 inch Class 1080p Plasma HDTV
Model No. TH-46PZ85U
GPF11DU Chassis

2
1 Safety Precautions
1.1. General Guidelines
1. When conducting repairs and servicing, do not attempt to modify the equipment, its parts or its materials.
2. When wiring units (with cables, flexible cables or lead wires) are supplied as repair parts and only one wire or some of the
wires have been broken or disconnected, do not attempt to repair or re-wire the units. Replace the entire wiring unit instead.
3. When conducting repairs and servicing, do not twist the Faston connectors but plug them straight in or unplug them straight
out.
4. When servicing, observe the original lead dress.  If a short circuit is found, replace all parts which have been overheated or
damaged by the short circuit.
5. After servicing, see to it that all the protective devices such as insulation barriers, insulation papers shields are properly
installed.
6. After servicing, make the following leakage current checks to prevent the customer from being exposed to shock hazards.
1.1.1. Leakage Current Cold Check
1. Unplug the AC cord and connect a jumper between the
two prongs on the plug.
2. Measure the resistance value, with an ohmmeter,
between the jumpered AC plug and each exposed metal-
lic cabinet part on the equipment such as screwheads,
connectors, control shafts, etc.  When the exposed metal-
lic part has a return path to the chassis, the reading
should be between 1Mohm and 5.2Mohm.
When the exposed metal does not have a return path to 
the chassis, the reading must be  .
1.1.2. Leakage Current Hot Check (See
Figure 1.)
1. Plug the AC cord directly into the AC outlet.  Do not use
an isolation transformer for this check.
2. Connect a 1.5kohm, 10 watts resistor, in parallel with a
0.15μF capacitors, between each exposed metallic part
on the set and a good earth ground such as a water pipe,
as shown in Figure 1.
3. Use an AC voltmeter, with 1000 ohms/volt or more sensi-
tivity, to measure the potential across the resistor.
4. Check each exposed metallic part, and measure the volt-
age at each point.
5. Reverse the AC plug in the AC outlet and repeat each of
the above measurements.
6. The potential at any point should not exceed 0.75 volts
RMS.  A leakage current tester (Simpson Model 229 or
equivalent) may be used to make the hot checks, leakage
current must not exceed 1/2 milliamp.  In case a mea-
surement is outside of the limits specified, there is a pos-
sibility of a shock hazard, and the equipment should be
repaired and rechecked before it is returned to the cus-
tomer.
Figure 1

3
2 Warning
2.1. Prevention of Electrostatic Discharge (ESD) to Electrostatically 
Sensitive (ES) Devices
Some semiconductor (solid state) devices can be damaged easily by static electricity.  Such components commonly are called Elec-
trostatically Sensitive (ES) Devices. Examples of typical ES devices are integrated circuits and some field-effect transistors and
semiconductor  [chip] components.  The following techniques should be used to help reduce the incidence of component damage
caused by electrostatic discharge (ESD).
1. Immediately before handling any semiconductor component or semiconductor-equipped assembly, drain off any ESD on your
body by touching a known earth ground.  Alternatively, obtain and wear a commercially available discharging ESD wrist strap,
which should be removed for potential shock reasons prior to applying power to the unit under test.
2. After removing an electrical assembly equipped with ES devices, place the assembly on a conductive surface such as alumi-
num foil, to prevent electrostatic charge buildup or exposure of the assembly.
3. Use only a grounded-tip soldering iron to solder or unsolder ES devices.
4. Use only an anti-static solder removal device.  Some solder removal devices not classified as [anti-static (ESD protected)] can
generate electrical charge sufficient to damage ES devices.
5. Do not use freon-propelled chemicals.   These can generate electrical charges sufficient to damage ES devices.
6. Do not remove a replacement ES device from its protective package until immediately before you are ready to install it. (Most
replacement ES devices are packaged with leads electrically shorted together by conductive foam, aluminum foil or compara-
ble conductive material).
7. Immediately before removing the protective material from the leads of a replacement ES device, touch the protective material
to the chassis or circuit assembly into which the device will be installed.
Caution
Be sure no power is applied to the chassis or circuit, and observe all other safety precautions.
8. Minimize bodily motions when handling unpackaged replacement ES devices. (Otherwise ham less motion such as the brush-
ing together of your clothes fabric or the lifting of your foot from a carpeted floor can generate static electricity (ESD) sufficient
to damage an ES device).

4
2.2. About lead free solder (PbF)
Note: Lead is listed as (Pb) in the periodic table of elements.
In the information below, Pb will refer to Lead solder, and PbF will refer to Lead Free Solder.
The Lead Free Solder used in our manufacturing process and discussed below is (Sn+Ag+Cu).
That is Tin (Sn), Silver (Ag) and Copper (Cu) although other types are available.
This model uses Pb Free solder in it’s manufacture due to environmental conservation issues. For service and repair work, we’d
suggest the use of Pb free solder as well, although Pb solder may be used.
PCBs manufactured using lead free solder will have the PbF within a leaf Symbol PbF stamped on the back of PCB.
Caution
• Pb free solder has a higher melting point than standard solder. Typically the melting point is 50 ~ 70 °F (30~40 °C) higher. Please
use a high temperature soldering iron and set it to 700 ± 20 °F (370 ± 10 °C).
• Pb free solder will tend to splash when heated too high (about 1100 °F or 600 °C).
If you must use Pb solder, please completely remove all of the Pb free solder on the pins or solder area before applying Pb sol-
der. If this is not practical, be sure to heat the Pb free solder until it melts, before applying Pb solder.
• After applying PbF solder to double layered boards, please check the component side for excess solder which may flow onto the
opposite side. (see figure below)
Suggested Pb free solder
There are several kinds of Pb free solder available for purchase. This product uses Sn+Ag+Cu (tin, silver, copper) solder. How-
ever, Sn+Cu (tin, copper), Sn+Zn+Bi (tin, zinc, bismuth) solder can also be used.

5
3 Service Navigation
3.1. Service Hint
Board Name Function Board Name Function
P Power Supply C1 Data Driver  (Lower Right)
A DC-DC Converter
Speaker out, Sound Processor
AV Terminal, AV Switch
Digital Signal Processor, Micon, HDMI Interface
Peaks Lite 2p
C2 Data Driver  (Lower Center)
C3 Data Driver  (Lower Left)
SC Scan Drive
SU Scan out (Upper)
SD Scan out (Lower)
D Format Converter, Plasma AI, Sub-Field Processor SS Sustain Drive
K Remote receiver, Power LED GH HDMI3 in
S Power Switch G Side Terminal
GS SD Card Slot, Key Switch PB Fan control

6
3.2. Applicable signals
* Mark: Applicable input signal for Component (Y, PB, PR) and HDMI 
Note
• Signals other than those shown above may not be displayed properly.
• The above signals are reformatted for optimal viewing on your display.
horizontal frequency (kHz) vertical frequency (Hz) COMPONENT HDMI PC
525 (480) / 60i 15.73 59.94 * *
525 (480) /60p 31.47 59.94 * *
750 (720) /60p 45.00 59.94 * *
1,125 (1,080) /60i 33.75 59.94 * *
1,125 (1,080) /60p 67.43 59.94 *
1,125 (1,080) /60p 67.50 60.00 *
1,125 (1,080) /24p 26.97 23.98 *
1,125 (1,080) /24p 27.00 24.00 *
640 × 400 @70 31.47 70.08 *
640 × 480 @60 31.47 59.94 *
Macintosh13 inch (640 × 480) 35.00 66.67 *
640 ×480 @75 37.50 75.00 *
852 × 480 @60 31.47 59.94 *
800 × 600 @60 37.88 60.32 *
800 × 600 @75 46.88 75.00 *
800 × 600 @85 53.67 85.08 *
Macintosh16 inch (832 × 624) 49.73 74.55 *
1,024 × 768 @60 48.36 60.00 *
1,024 × 768 @70 56.48 70.07 *
1,024 × 768 @75 60.02 75.03 *
1,024 × 768 @85 68.68 85.00 *
Macintosh 21 inch (1,152 ×870) 68.68 75.06 *
1,280 × 1,024 @60 63.98 60.02 *
1,366 × 768 @60 48.36 60.00 *

7
4 Specifications
Power Source  AC 120 V, 60 Hz 
Power Consumption
Maximum 628 W 
Standby condition  0.2 W 
Plasma Display panel
Drive method  AC type 
Aspect Ratio  16:9
Visible screen size  46 inch class (46.0 inches measured diagonally)
(W × H × Diagonal)  40.1 inch × 22.5 inch × 46.0 inch (1,019 mm × 573 mm × 1,169 mm)
(No. of pixels)  2,073,600 (1,920 (W) × 1,080 (H))[5,760 × 1,080 dots] 
Sound
Audio Output  20 W [ 10 W + 10 W ] ( 10 % THD ) 
PC signals VGA, SVGA, XGA, WXGA, SXGA
Horizontal scanning frequency 31 - 69 kHz
Vertical scanning frequency 59 - 86 Hz
Channel Capability (Digital/Analog)  VHF/ UHF: 2 - 69, CATV: 1 - 135 
Operating Conditions 
Temperature: 32 °F - 104 °F (0 °C - 40 °C)
Humidity: 20 % - 80 % RH (non-condensing) 
Connection Terminals
VIDEO IN 1-2  VIDEO:  RCA PIN Type × 1 1.0 V [p-p] (75 Ω)
S-VIDEO: Mini DIN 4-pin Y: 1.0 V [p-p] (75 Ω) C: 0.286 V [p-p] (75 Ω)
AUDIO L-R: RCA PIN Type × 2 0.5 V [rms]
COMPONENT INPUT 1-2  Y: 1.0 V [p-p] (including synchronization)
PB, PR: ±0.35 V [p-p]
AUDIO L-R: RCA PIN Type × 2 0.5 V [rms] 
HDMI 1-3  TYPE A Connector × 3
This TV supports [HDAVI Control 3] function.
PC D-SUB 15PIN: R,G,B / 0.7 V [p-p] (75 Ω)
HD, VD / 1.0 - 5.0 V [p-p] (high impedance)
AUDIO L-R: Stereo Mini Jack (  3.5 mm) × 1
Card slot  SD CARD slot × 1 
AV PROG OUT  VIDEO: RCA PIN Type × 1 1.0 V [p-p] (75 Ω)
AUDIO L-R: RCA PIN Type × 2 0.5 V [rms] 
DIGITAL AUDIO OUT  PCM / Dolby Digital, Fiber Optic 
FEATURES  3D Y/C FILTER
CLOSED CAPTION  V-Chip
Photo Viewer HDAVI Control 3 
Dimensions (W × H × D)
Including pedestal  46.0 inch × 31.0 inch × 15.3 inch (1,168 mm × 786 mm × 387 mm)
TV Set only  46.0 inch × 28.9 inch × 3.7 inch (1,168 mm × 734 mm × 93 mm)
Mass
Including pedestal  81.6 lb. (37 kg) 
TV Set only  77.2 lb. (35 kg) 
Note
• Design and Specifications are subject to change without notice. Mass and Dimensions shown are approximate.

8
5 Service Mode
5.1. How to enter into Service Mode
While pressing [VOLUME ( - )] button of the main unit, press [INFO] button of the remote control three times within 2 seconds.
5.1.1. Key command
 [1] button...Main items  Selection in forward direction
 [2] button...Main items  Selection in reverse direction
 [3] button...Sub items  Selection in forward direction
 [4] button...Sub items  Selection in reverse direction
 [VOL] button...Value of sub items change in forward direction ( + ), in reverse direction ( - )

9
5.1.2. Contents of adjustment mode
• Value is shown as a hexadecimal number.
• Preset value differs depending on models.
• After entering the adjustment mode, take note of the value in each item before starting adjustment.
5.1.3. How to exit
Switch off the power with the [POWER] button on the main unit or the [POWER] button on the remote control.
Main item Sub item Sample Data Remark
ADJUST CONTRAST 000
COLOR 3C
TINT 03
SUB-BRT 800
WB-ADJ R-CUT 80
G-CUT 80
B-CUT 80
R-DRV FC
G-DRV F8
B-DRV D9
ALL-CUT 80
ALL-DRV FC
OPTION BOOT ROM Factory Preset
STBY-SET 00
EMERGENCY ON
CLK MODE 00
CLOCK 000
AGING RGBW
COUNT 
ALL WHITE
ALL RED
ALL GREEN
ALL BLUE
ON/OFF
RAMP WHITE
RAMP RED
RAMP GREEN
RAMP BLUE
1% WINDOW
COLOR BAR
A-ZONE B-ZONE/4 TRIO
SCROLL
WHITE FLAME
RM-SET CODE A Fixed
SRV-TOOL - See next

10
5.2. Service tool mode
5.2.1. How to access
1. Select [SRV-TOOL] in Service Mode.
2. Press [OK] button on the remote control.
5.2.2. Display of SOS History
SOS History (Number of LED blinking) indication.
From left side; Last SOS, before Last, three occurrence before, 2nd occurrence after shipment, 1st occurrence after shipment.
This indication except 2nd and 1st occurrence after shipment will be cleared by [Self-check indication and forced to factory ship-
ment setting].
5.2.3. POWER ON TIME/COUNT
Note : To display TIME/COUNT menu, highlight position, then press MUTE for (3sec).
Time : Cumulative power on time, indicated hour : minute by decimal
Count : Number of ON times by decimal
Note : This indication will not be cleared by either of the self-checks or any other command.
5.2.4. Exit
1. Disconnect  the AC cord from wall outlet.

11
5.3. Hotel mode
1. Purpose
Restrict a function for hotels.
2. Access command to the Hotel mode setup menu
In order to display the Hotel mode setup menu, please
enter the following command (within 2 second).
 [TV] : Vol. [Down] + [REMOTE] : TV/VIDEO (3 times) 
Then, the Hotel mode setup menu is displayed.
3. To exit the Hotel mode setup menu 
Disconnect AC power cord from wall outlet.
4. Explain the Hotel mode setup menu
item Function
Mode Select hotel mode ON/OFF
Input Select input signal modes.
Set the input, when each time power is
switched on.
Selection:
-/RF/COMP1/COMP2/HDMI1/HDMI2/HDMI3
VIDEO1/VIDEO2/PC
• Off: give priority to a last memory. 
Channel Select channel when input signal is RF.
Set the channel, each time power is switched
on.
Selection: 
Any channel number or [-]. 
[-] means  the channel when turns off.
Volume Adjust the volume when each time power is
switched on.
Range:
 0 to 100
Vol. Max Adjust maximum volume.
Range: 
 0 to 100
OSD Ctrl Restrict the OSD.
Selection:
OFF/PATTERN1
• OFF: No restriction
• PATTERN1: restriction
FP Ctrl Select front key conditions.
Selection: 
 Off/Pattern1/All
• Off: altogether valid.
• Pattern: only input key is valid.
• All: altogether invalid.
Pow Ctrl Select POWER-ON/OFF condition when AC
power cord is disconnected and then con-
nected. 
OFF: The same condition when AC power
cord is disconnected. 
ON: Forced power ON condition.

12
6 Troubleshooting Guide
Use the self-check function to test the unit.
1. Checking the IIC bus lines
2. Power LED Blinking timing
6.1. Check of the IIC bus lines
6.1.1. How to access
Self-check indication only:
Produce TV reception screen, and while pressing [VOLUME ( - )]   button on the main unit, press [OK]  button on the remote control
for more than 3 seconds.
Self-check indication and forced to factory shipment setting:
Produce TV reception screen, and while pressing [VOLUME ( - )]   button on the main unit, press [MENU]  button on the remote
control for more than 3 seconds.
6.1.2. Exit
Disconnect the AC cord from wall outlet.
6.1.3. Screen display
6.1.4. Check Point
Confirm the following parts if NG was displayed.

13
6.2. Power LED Blinking timing chart
1. Subject
Information of LED Flashing timing chart.
2. Contents
When an abnormality has occurred the unit, the protection circuit operates and reset to the stand by mode. At this time, the
defective block can be identified by the number of blinks of the Power LED on the front panel of the unit.

14
6.3. No Power
First check point
There are following 2 states of No Power indication by power LED.
1. No lit
2. Red is lit then turns red blinking a few seconds later. (See 6.2.)

15
6.4. No Picture

16
6.5. Local screen failure
Plasma display may have local area failure on the screen. Fig-1 is the possible defect P.C.B. for each local area.
Fig-1

17
7 Disassembly and Assembly Instructions
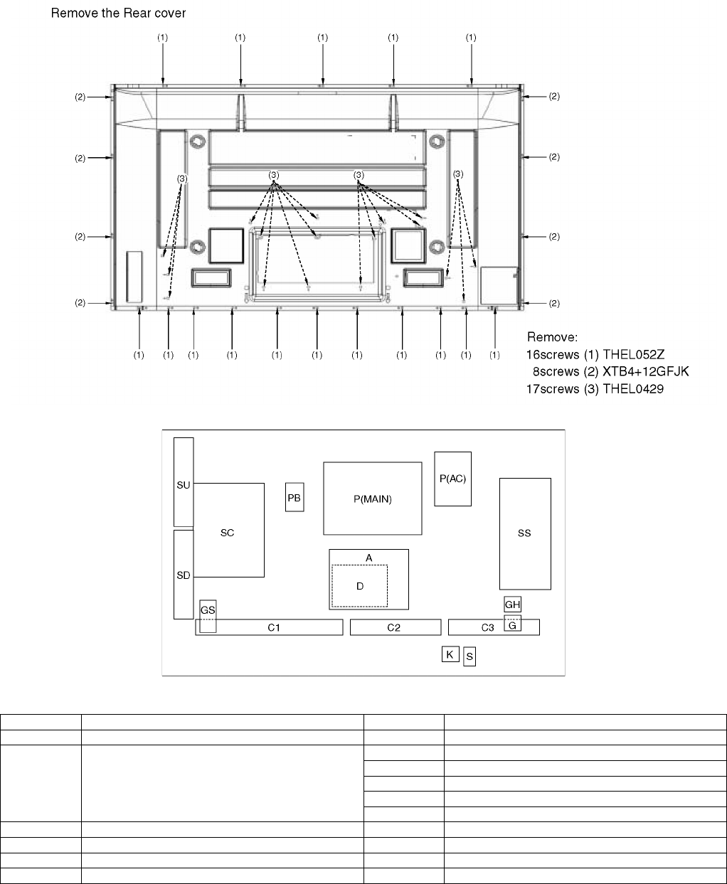
7.1. Remove the Rear cover
1. See Service Hint (Section 3)
7.2. Remove the Rear cover bottom
1. Remove the screws (×9 ).
2. Remove the Rear cover bottom.
7.3. Remove the Fan unit
1. Unlock the cable clampers to free the cable.
2. Remove the screws (×3 ).
3. Remove the relay connectors and remove the Fan unit.
4. Remove the screw (×1  ) on the back side.
5. Remove the Fan.
7.4. Remove the PB-Board
1. Unlock the cable clampers to free the cable.
2. Remove the screws (×2 ).
3. Remove a short-jumper connectors (PB31 and PB32)
and re-use for new PB-Board.
4. Disconnect the connectors (PB30, PB33, PB34, PB35,
PB36 and PB37)
5. Remove the PB-Board.
7.5. Remove the P(AC)-Board
Caution:
To remove P.C.B. wait 1 minute after power was off for dis-
charge from electrolysis capacitors.
1. Unlock the cable clampers to free the cable.
2. Disconnect the connectors (P9, P51, P53 and P55).
3. Remove the screws (×6  ) and remove the P(AC)-
Board.

18
7.6. Remove the P(MAIN)-Board
Caution:
To remove P.C.B. wait 1 minute after power was off for dis-
charge from electrolysis capacitors.
1. Unlock the cable clampers to free the cable.
2. Disconnect the couplers (P2, P6, P7, P11, P12, P25, P52,
P54 and P56).
3. Remove the screws (×6  ) and remove the P(MAIN)-
Board unit.
4. Remove the screws (×25  ) on the back side.
5. Remove the screws (×6 ).
6. Remove the molding props (×9 ).
7. Remove the P(MAIN)-Board.
Note:
When assembling the P-Board, the position of each hole of
the insulation sheets (A and B) is set to the position of each
hole of the P-Board, then assemble them. (  marks indi-
cate setting positions.)

19
7.7. Remove the Rear Terminal
cover
1. Remove the screws (×4 , ×2 ).
2. Remove the Rear Terminal cover.
7.8. Remove the A-Board unit
1. Unlock the cable clampers to free the cable.
2. Disconnect the connectors (A1, A3, A5, A6, A7, A11, A12,
A30, A51 and A52).
3. Remove the screws (×4  ) and remove the A-Board
unit.
7.9. Remove the A-Board
1. Remove the A-Board unit. (See section 7.8.)
2. Remove the screws (×8  ) and remove the A-Board.
7.10. Remove the Side control unit
assy
1. Disconnect the connectors (A52). (See section 7.8.)
2. Remove the screws (×4  ) and remove the Side control
unit assy.
7.11. Remove the GS-Board and the
Control button
1. Remove the Side control unit assy. (See section 7.10.)
2. Remove the screws (×2 ).
3. Disconnect the connectors (GS52) and remove the GS-
Board.
4. Remove the screws (×2 )
5. Remove the Side control mount metal from Side control

20
metal frame.
6. Remove the screws (×2  ) and remove the Side control
panel bottom and the Control button.
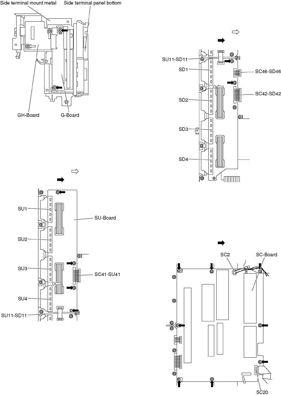
7.12. Remove the Side terminal unit
assy
1. Unlock the cable clampers to free the cable.
2. Disconnect the connectors (GH11 and G51).
3. Remove the screws (×3  ) and remove the Side termi-
nal unit assy.
7.13. Remove the G-Board and the
GH-board
1. Remove the Side terminal unit assy. (See section 7.12.)
2. Remove the screws (×2  ) from back side.
3. Remove the Side terminal shield.
4. Remove the Side terminal panel bottom.
5. Remove the screws (×2 ,×2 ).

21
6. Remove the G-Board and the GH-board.
7.14. Remove the SU-Board
1. Remove the flexible cables (SU1, SU2, SU3 and SU4)
connected to the SU-Board.
2. Remove the flexible cable (SU11-SD11) and the bridge
connector (SC41-SU41).
3. Remove the molding prop (×1 ).
4. Remove the screws (×4  ) and remove the SU-Board.
7.15. Remove the SD-Board
1. Remove the flexible cables (SD1, SD2, SD3 and SD4)
connected to the SD-Board.
2. Remove the flexible cable (SU11-SD11) and the bridge
connectors (SC42-SD42 and SC46-SD46).
3. Remove the molding prop (×1 ).
4. Remove the screws (×4  ) and remove the SD-Board.
7.16. Remove the SC-Board
1. Remove the SU-Board and SD-Board. (See section 7.14.
and 7.15.)
2. Unlock the cable clampers to free the cable.
3. Disconnect the connector (SC2).
4. Disconnect the flexible cable (SC20).
5. Remove the screws (×8  ) and remove the SC-Board.

22
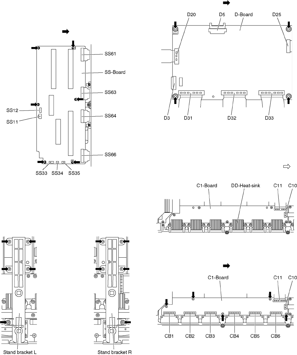
7.17. Remove the SS-Board
1. Unlock the cable clampers to free the cable.
2. Disconnect the connectors (SS11, SS12, SS33 and
SS35).
3. Remove a short-jumper connector SS34 and re-use for
new SS-Board.
4. Disconnect the flexible cables (SS61, SS63, SS64 and
SS66).
5. Remove the screws (×6  ) and remove the SS-Board.
7.18. Remove the Stand brackets
1. Remove the Plasma panel section from the servicing
stand and lay on a fiat surface such as a table (covered)
with the Plasma panel surface facing downward.
2. Remove the Stand brackets (L, R) fastening screws (×5
each) and remove the Stand brackets (L, R).
7.19. Remove the D-Board
1. Remove the A-Board unit. (See section 7.8.)
2. Disconnect the connectors (D3, D5 and D25).
3. Disconnect the flexible cables (D20, D31, D32 and D33).
4. Remove the screws (×4  ) and remove the D-Board.
7.20. Remove the C1-Board
1. Remove the A-Board unit. (See section 7.8.)
2. Remove the Side control unit assy. (See section 7.10.)
3. Remove the Stand bracket L. (See section 7.18.)
4. Remove the DD-Heat-sink fastening screws (×12 ).
5. Remove the DD-Heat-sink (×6).
6. Disconnect the flexible cables (CB1, CB2, CB3, CB4,
CB5 and CB6).
7. Disconnect the flexible cables (C10 and C11).
8. Remove the screws (×5  ) and remove the C1-Board.

23
7.21. Remove the C2-Board
1. Remove the A-Board unit. (See section 7.8.)
2. Remove the stand bracket R. (See section 7.18.)
3. Remove the DD-Heat-sink fastening screws (×10 ).
4. Remove the DD-Heat-sink (×5).
5. Disconnect the flexible cables (CB7, CB8, CB9, CB10
and CB11).
6. Disconnect the flexible cables (C20, C21, C22 and C26).
7. Remove the screws (×5  ) and remove the C2-Board.
7.22. Remove the C3-Board
1. Remove the Side terminal unit assy. (See section 7.12.)
2. Remove the DD-Heat-sink fastening screws (×8 ).
3. Remove the DD-Heat-sink (×4).
4. Disconnect the flexible cables (CB12, CB13, CB14 and
CB15).
5. Disconnect the flexible cable (C36).
6. Disconnect the connectors (C33 and C35).
7. Remove the screws (×4  ) and remove the C3-Board.
7.23. Remove the Speakers
1. Disconnect the relay connectors
2. Remove the screws (×4   each) and remove the
Speaker (L, R).
7.24. Remove the Plasma panel sec-
tion from the Cabinet assy
(glass)
1. Remove the stand brackets (left, right) fastening screw
(×1  each).
2. Remove the cabinet assy and the plasma panel fastening
screws (×8 , ×6 ).
3. For leaving the plasma panel from the front frame, pull the

24
bottom of the cabinet assy forward, lift, and remove.
4. Remove the spacers and spacer rings (×6 ).
7.25. Remove the K-Board and S-
Board
1. Remove the Cabinet assy. (See section 7.24.)
2. Remove the screws (×2  ) and remove the K and S-
Board shield.
3. Remove the screws (×3  ) and remove the K and S-
Board unit.
4. Disconnect the connector (S2).
5. Remove the screws (×2  ) and remove the S-Board.
6. Disconnect the connector (K1).
7. Remove the screws (×1  ) and remove the K-Board.
25
7.26. Remove the plasma panel (fin-
ished)
1. Place the new plasma panel (finished) on the flat surface
of the table (covered by a soft cloth), with the plasma
panel surface facing downward.
2. Attach the C1-Board, C2-Board and the C3-Board, con-
nect the flexible cables (×15) from the plasma panel to the
C1-Board, C2-Board and the C3-Board, and fit the flexi-
ble cable holders.
3. Attach the Hooks (left, right) and fit the stand brackets (L,
R) to the new plasma panel.
4. Place the plasma panel section on the servicing stand.
5. Attach the cabinet assy and each P.C.Board and so on, to
the new plasma panel.
*When fitting the cabinet assy, be careful not to allow 
any debris, dust or handling residue to remain 
between the front glass and plasma panel.

26
8 Measurements and Adjustments
8.1. Adjustment Procedure
8.1.1. Driver Set-up
8.1.1.1. Item / Preparation
1. Input a white signal to plasma video input.
2. Set the picture controls as follows.
Picture menu: Vivid
Normal: Set
Aspect: Full
Caution
1. First perform Vsus adjustment.
2. Confirmation of Vscn voltage should be performed after
confirmation of Vad adjustment.
When Vad= -140V, Voltage of Vscn is 5V ±4V.
8.1.1.2. Adjustments
Adjust driver section voltages referring the panel data on the
panel data label.
Check or adjust the following voltages with the multimeter.
*See the Panel label.
Name Test Point Voltage Volume Remarks
Vsus TPVSUS
(SS)
Vsus ± 2V VR251 (P) *
Ve TPVE (SS) Ve ± 1V VR16000
(SS)
*
Vset TPVSET
(SC)
330V ± 7V Fixed
Vad TPVAD (SC) -140V ± 1V VR16600
(SC)
Vscn TPVSCN
(SC)
Vad+145V ± 4V Fixed
Vda TPVDA (SS) 75V + 1V, -2V Fixed

27
8.1.2. Initialization Pulse Adjust 
1. Input the White signal to plasma video input.
2. Set the picture controls as follows.
Picture menu : Vivid
Normal : Set
Aspect : Full
3. Connect Oscilloscope to TPSC1 (SC).
Check the voltage (T2) at 100μs period on the down slope.
8.1.3. P.C.B. (Printed Circuit Board) exchange
8.1.3.1. Caution
1. To remove P.C.B. , wait 1 minute after power was off for discharge from electrolysis capacitors.
8.1.3.2. Quick adjustment after P.C.B. exchange
Adjust the following voltages with the multimeter.
*See the Panel label.
Caution: 
Absolutely do not reduce Vsus below Ve not to damage the P.C.B.
Test point Volume Level
T2 TPSC1 (SC) VR16602 (SC) 250 V ± 10 V
P.C.B. Name Test Point Voltage Volume Remarks
P Board Vsus TPVSUS (SS) Vsus ± 2V VR251 (P) *
SC Board Vad TPVAD (SC) -140V ± 1V VR16600 (SC)
SS Board Ve TPVE (SS) Ve ± 1V VR16000 (SS) *
A, D Board White balance and Sub brightness for NTSC,  PAL,  HD,  PC and 625i signals

28
8.1.4. Adjustment Volume Location
8.1.5. Test Point Location

29
8.2. Adjustment
8.2.1. White balance adjustment
Name of measuring instrument Connection Remarks
• W/B pattern
• Color analyzer
(Minolta CA-100 or equivalent) 
Component input 
Panel surface 
Procedure Remarks
• Ensure aging is adequate.  
• Make sure the front panel to be used on the final set is fitted. 
• Make sure a color signal is not being shown before adjustment. 
• Put the color analyzer where there is little color variation.
1. Output a white balance pattern. 
2. Check that the color temperature is [Cool].
3. Set to serviceman mode, WB-ADJ.
4.  Set [R-CUT] [G-CUT] [B-CUT] the values written in table 1.  
5. Attach the sensor of color analyzer to the center of highlight window.
6. Fix G drive at C0h and adjust [B-DRV] and [R-DRV] so x, y value of color analyzer 
 become the [Color temperature High] in table 2.
7. Increase RGB together so the maximum drive value in RGB becomes FC. That is, 
 set [ALL DRIVE] to FC.
Execute adjustment again. When that, the maximum value of R/G/B DRV should be FC,
and either R/G/B DRV should be FC.
8.  Set color temperature to [Normal].
9. Set [R-CUT] [G-CUT] [B-CUT] the values written in table 1.
10. Attach the sensor of color analyzer to the center of highlight window.
11. Fix G drive at C0h and adjust [B-DRV] and [R-DRV] so x, y value of color analyzer 
become the [Color temperature Mid] in table 2.
12.  Increase RGB together so the maximum drive value in RGB becomes FC. That is, 
set [ALL DRIVE] to FC.
Execute adjustment again. When that, the maximum value of R/G/B DRV should be FC,
and either R/G/B DRV should be FC.
13. Set color temperature to [Warm].
14.  Set [R-CUT] [G-CUT] [B-CUT] the values written in table 1.  
15. Attach the sensor of color analyzer to the center of highlight window.
16. Fix G drive at C0h and adjust [B-DRV] and [R-DRV] so x, y value of color analyzer
 become the [Color temperature Low] in table 2.
17. Increase RGB together so the maximum drive value in RGB becomes FC. That is, 
 set [ALL DRIVE] to FC.
Execute adjustment again. When that, the maximum value of R/G/B DRV should be FC,
and either R/G/B DRV should be FC.
18. Set color temperature to [Cool].
-  adjustment of [Normal] [Warm] by data shift from [Cool] adjust. -
For [Normal] [Warm] adjustment, set values that the adjusted value of [Cool] 
 plus the figures wrote below.
19.  Copy values adjusted by HD pattern to the NTSC data area of EEPROM. 

30

31
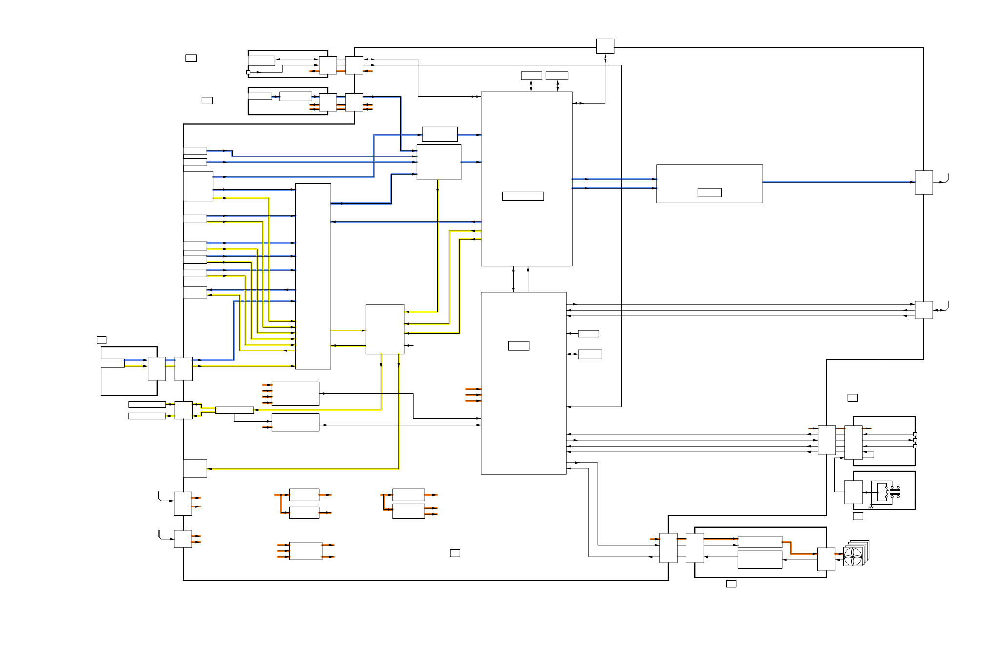
9 Block Diagram
9.1. Block Diagram (1/6)
SLOT
FAN SOS DET
PROCESSOR
POWER LED
REMOTE
RECEIVER
AUDIO AMP
to D5
SD CARD DATA
TUNER
A6
+3.3V(S)
A51
FAN SOS
+5V(S)
FRONT TERMINAL
POWER LED(R)
+5V(S)
OPTICAL OUT
SUB+5V
 SD CARD SLOT
DCDC
+15V(SND)
KEYSCAN3
PB30
DVB VIDEO R/G/B_24bit
+5V(S)
ON
TUNER SOS
+1.8V(S)
REMOTE RECEIVER
L,R
RESET
SUPPORT
CARD SLOT
A30
+3.3V(S)
HDMI2
DTV_V
DCDC
A52
POWER
PB31
PB32
PB34
PB36
PB37
PAMEL SOS
AI SENSOR
S
A3
RESET
V
V, Y, C
PB FAN CONTROL
PANEL STB_ON
GS
A11
OPTICAL
FSTB+15V
SOUND SOS
PANEL STATUS
PC
EEPROM
AI SENSOR
+9/7.2V
STB MCU
+3.3V(S)
CPU BUS I/F
G
DIGITAL VIDEO DATA
SD CARD
to D3
HDMI3
GH
LED(R)
+15V(FAN)
SOUND SOS
DTV AUDIO
L,R
A11
VIDEO1
OUT
L,R
S1
MONITOR
OUT
SUB+5V DET
SUB+3.3V
Y,PB,PR
SUB+9V DET
L,R
AUDIO SW
VIDEO2
+15V(SND)
SPEAKER(R)
+1.2V(S)
OPTICAL OUT
OSD_16bit
+5V(STB)
+9V(S)
Y, C , V
Y,PB,PR
CLKGEN
DCDC
RESET
AUDIO
from P7
HDMI AUDIO
SD BOOT
SBO2
SBI2
+30V(BT)
DIGITAL SIGNAL PROCESSOR
DVB VIDEO R/G/B_24bit
AI SENSOR
L,R
FAN POWER
SD CARD DATA
HDMI1
+3.3V(S)
DCDC
HDMI
EQUALIZER
VIDEO SW
+3.3V(STB)
TUNER SOS
GS52
K
OSD_6bit
FSTB+15V
A7
R,G,B
L,R
TUNER SOS DET
CIRCUIT
FSTB+15V
FAN CONT
FRONT END
PROCESSOR
V, Y, C
HDMI3 IN
SUB+1.8V
K1
FPGA
+5V(S)
HDMI I/F
RECEIVER
+3.3V(S)
+15V(FAN)
L,R
POWER SWITCH
R/G/B
G51
A12
A5
+3.3V(S)
CH0 DATA
+15V(S)
+15V(FAN)
COMP2
V
P6
A
SUB+9V
LVDS DATA
Peaks Lite2p
SOUND SOS DET
CIRCUIT
GH11
10bit A/D
IIC1
L,R
DDR2
FAN_A-E
FAN CONT
SPEAKER(L)
+5V(S)
L,R
+9V(S)
COMP1
DTV AUDIO
from
MONITOR
L,R
+9V(S)
LVDS DATA
CIRCUIT
PWM AUDIO OUT
A1
CH0 DATA
SUB+3.3V DET
SUB+1.2V
FAN SOS
SOUND
OPTICAL OUT
SWITCH
GenX5
+3.3V(STB)
REMOTE IN
KEY SWITCH
KEYSCAN1
KEY SWITCH
BT+30V
+9V(S)
+3.3V(STB)
+30V(BT)
STB+3.3V
+5V(STB)
+5V(S)
(LED:11TIMES)
(LED:10TIMES)
(LED:10TIMES)
(LED:12TIMES) (LED:12TIMES)
TH-46PZ85U
Block (1/6) Diagram
TH-46PZ85U
Block (1/6) Diagram

32
9.2. Block Diagram (2/6)
+5V(P)
VSUS
SD11
SD42
D20
SOS7_SC2
+15V(P)
FSTB+15V
P12
D5
P9
SS12
to/from
P11
D25
SC2
SU11
D31
SS35
+15V(P)
Vda
VSUS
SS11
VSUS
+15V(P)
SU41 SC41
D3
+5V(STB)
SC42
SCAN
DRIVER
SS34
D33
A3,A5
SS33
VSUS
P25
SC20
D32
SOS6_SC1
+5V(STB)
+15V(P)
+5V(P)
P2
VSUS
+5V(P)
Vda
+5V(P)
+5V(P)
SOS8_SS
+5V(P)
+5V(P)
SOS8_SS
SUSTAIN
PULSE
SCAN
PULSE
VOLTAGE
GENERATOR
CONTROL
PULSE
SC-BOARD
FLOTING PART
SOS DETECT
SC-BOARD
ENEGRY RECOVERY
SOS DETECT
+3.3V(P)
SOS7_SC2
+3.3V(STB)
SOS8_SS
VIDEO DATA
RESET
SOS6_SC1
+2.5V(P)
+5V(P)
+5V(STB)
PANEL STB_ON
+15V(P)
+5V(P) DET
POWER SOS
(36bit)
(30bit)
(30bit)
+15V(P)
+5V(P)
+3.3V(P) DET
+3.3V(P)
PANEL MICOM
SOS8_SS
+5V(P)
SOS7_SC2
RESET
+15V(P)
+15V(P)
PANEL READY
DCDC
DDR
FLASH
+5V(STB)
VIDEO DATA
+1.2V(P)
+3.3V(P)
SUSTAIN
CONTROL
CONTROL SIGNAL
(STB)
+2.5V(P)
+15V(P) DET
GenX6
+5V(STB)
DCDC
PANEL  SOS
+15V(P)
EEPROM
SOS4_PS
+5V(P)
+3.3V
+5V(P)
+1.2V(P)
SOS8_SS
+5V(P)
MEMORY
SOS6_SC1
DCDC
SOS4_PS
ALL OFF
PANEL MAIN ON
VIDEO DATA
ADDRESS
VOLTAGE
(VE)
SOS8_SS
ERASE
PULSE
MAIN SW1
SUSTAIN
PULSE
SUSTAIN CONTROL
+5V(P)
MAIN SW2
SS-BOARD
SOS DETECT
PS SOS
P-BOARD
SOS DETECT
SUSTAIN
VOLTAGE
RECTIFIER
RECTIFIER
STANBY
VOLTAGE
CONTROL
SUSTAIN
VOLTAGE
CONTROL
ON/OFF CONTROL
LINE
FILTER
LINE
FILTER
RECTIFIER
STANBY
VOLTAGE
RECTIFIER
PROCESS
VOLTAGE
CONTROL
PROCESS
VOLTAGE
RECTIFIER
POWER MICOM
POWER
FACTOR
CONTROL
SCAN CONTROL
VIDEO DATA
VIDEO DATA
SUSTAIN CONTROL
VIDEO DATA
SUSTAIN CONTROL
AC CORD
SCAN OUT (UPPER)SU
POWER SUPPLY
SUSTAIN DRIVESS
SC SCAN DRIVE
P
SD
FORMAT CONVERTER,
PLASMA AI PROCESSOR
SCAN OUT (LOWER)
D
MAIN SW1
MAIN SW2
to
A6,A7
+5V(STB)
P7
P6
+15V(FAN)
FSTB+15V
+15V(SND)
DATA DRIVER
LVDS DATA 
H/V SYNC CONTROL
DISCHARGE CONTROL
PLASMA AI
CPG with SS
SUB-FIELD PROCESSOR
LVDS RX
SD46 SC46
SCAN
DRIVER
DATA
DRIVER
DATA
DRIVER
DATA
DRIVER
DATA
DRIVER
DATA
DRIVER
DATA
DRIVER
DATA
DRIVER
DATA
DRIVER
DATA
DRIVER
DATA
DRIVER
DATA
DRIVER
VIDEO DATA
VIDEO DATA
SUSTAIN CONTROL
C33
Vda
C26
+5V(P)
+5V(P)
+5V(P)
C22
C20
SOS8_SS
DATA
DRIVER
Vda Vda
C10
SUSTAIN CONTROL
VIDEO DATA
+5V(P)
C36
C21 C35
C11
+5V(P)
DATA DRIVER (LEFT)
C1 DATA DRIVER (RIGHT) C2 DATA DRIVER (CENTER)
SOS8_SS
DATA
DRIVER
DATA
DRIVER
DATA
DRIVER
C3
(LED 6 TIMES)
(LED 7 TIMES)
(LED:8TIMES)
(LED:5TIMES)
(LED:6TIMES)
(LED:4TIMES)
(LED:7TIMES)
(LED:2TIMES)
(LED:3TIMES)
(LED 8 TIME)
(LED 4 TIME)
HOTCOLD
TH-46PZ85U
Block (2/6) Diagram
TH-46PZ85U
Block (2/6) Diagram

33
9.3. Block Diagram (3/6)
CH0DATA
+1.2V(S)
+5V(S)
Q5604
+30V(BT)
+3.3V(S)
D5613
+5V(S)
D2301
L4001
D5615
5V(S)
+3.3V(S)
D4006 L4000
D4007 9V(S)
Q4016
3.3V(STB)
+3.3V(S)
D5692
5V(STB)
Q5603
+30V(BT)
+1.8V(S)
D5614
+3.3V(S)
F15V
+5V(S)
+9V(S)
+15V(SND)
L
OSD_6bit
AUDIO SW
V2_V
VIDEO
GS
52
AFT
+3.3V(S)
ON/OFF
STB3.3V
V1_V
V2_L
STB
I/F
L/R
Y/C
9
V2_V
DIGITAL
DEMODULATOR
PC
D2
IC5601
RESET
SPDIF-OUT
+1.8V
SUB MONO
L+R
PC_R
HDMI-SPDIF
VIDEO4
JK3701
L_OUT
V2_R
+5V(S)
L(-)
SUB+3.3V
IC4000
TV_V
SUB
OUT
F+15V DET
FRONT END PROCESSOR
L/R
Y/PB/PR
4bit
AFT
IC2008
A52
CONTROL
R(+)
D1
AUDIO
PROCESS
HDMI-SDIN
MONITOR
Peaks
D2
V1_C
VIDEO4
+9V
1
SD DATA
2
STB
+3.3V
IIC2
PC_H
PC_R
V2_V
VIDEO2
IIC1
F15V
D1_PB
CLOCK
NOR FLASH
SPDIF-IN
TV
L/R
+9V
D1_PR
R
COMP2
V2_Y
IC2106
ANT IN
V
SBI2
HS/VS
IC8001
VIDEO2
V1
AV L/R
PC_V
IC8503
+1.2V(S)
L/R
DTV_R
IFD_OUT1
L/R
+3.3V
7
MON
D2_L
OUT
KEYSCAN3
TV
+3.3V(STB)
3
L/R
IC2301
D1_Y
VIDEO1
IIC_TU
CLOCK GEN
DTV_L/R
R(-)
DIGITAL SIGNAL PROCESSOR
L(+)
DTV_L
EEPROM
DTV1
D2_Y
SD CARD
COMP1
HDMI SOUND
A
IC8300
MON
SOUND SOS
V1_L
V2_R
PC_HS/VS
OUT
A12
RESET
AV_L/R
SPEAKER
V2_C
AUDIO
TV
TV_L
+1.2V(S)
R_OUT
COMP1
Y/PB/PR
VIDEO3
IC3017
R/G/B_24bit
2
D1
DTV2
SPDIF-OUT
IC8502
ERROR DET
SOUND PROCESSOR
OSD_6bit
Q2301
DDR I/F
OPTICAL
TV
Y/PB/PR
+9V(S)
(TERRESTRIAL RECEIVER)
+1.8V
L/R
Y/C/V
RESET
MAIN
OUT
+3.3V
 SD CARD SLOT
5
5
7
+1.8V(S)
MON_R
+1.2V
Lite2p
Y/PB/PR
VIDEO2
3
D3005
IIC2
IC5600
SD CARD
13
9
IC3001
STB_RESET
R/G/B_30bit
HS/VS
+30V(BT)
Y/C/V
IF_AGC
DTV_V
V2_L
+3.3V
SD DATA
D2_R
OSD
PROCESS
DTV-SDIN
VIDEO
PROCESS
IF_AGC
COMP2
SPEAKER
DTV_V
IC8002,03
2
CPU BUS I/F
PC
IIC_IF
1
+1.8V
DTV1
R/G/B/H/V
RGB_CVBS
1
IIC3
PC_L
VIDEO SW
DTV RESET
D1_R
FRONT TERMINAL
AUDIO AMP
IC2107
D2_PR
ANALOG ASIC
4
SOUND
SOS
DET
SUB+1.2V
A51
11
MAIN L/R
V2_C
KEYSCAN1
V1
IC8004
PC_G
TV_R
+3.3V(S)
V2
11
IIC2
L/R
GS
IIC_TU
COMP1
TRANSPORT
DECODER
OUT
V2
DTV-SDIN
IC5606
VIDEO1
IFD_OUT2
RESET
IIC0
PC
AUDIO
MON_L
+15V
KEY SWITCH
Y/PB/PR
COMP2
V2_L
Y/C
L/R
JK7701
V
+3.3V(S)
DDR2 #0/#1
V2_C
G51
3
SOS
L/R
VIDEO3
SPDIF-IN
4
MUTE
SPEAKER_R
+5V
+5V(S)
V1_R
G
VIDEO1
4
(TS)
R/G/B_30bit
PC_B
STB_RESET
SUB+1.8V
AUDIO
+3.3V(S)
D1_L
V1_Y
R/G/B_24bit
V2_R
IIC2
SPEAKER_L
KEYSCAN1
V2_Y
SBO2
V2_Y
D2_PB
13
+30V(BT)
+15V(SND)
MON_V
PC
JK3000
JK3001
KEY SWITCH
PWM
SOUND
PROCESSOR
CONV.
OUT
CONV.
OUT
CONV.
OPTICAL
D/A
D/A
A/D
MONITOR
OUT
JK3000
TU8300
TUNER
13
6
14
2
7
5
12
10
11
4
8
3
9
1
(LED:12TIMES)
TH-46PZ85U
Block (3/6) Diagram
TH-46PZ85U
Block (3/6) Diagram

34
9.4. Block Diagram (4/6)
PC2501
+3.3V(S)
D5522
PA5600
D3813
Q5522
D3814
+5V(S)
D2520A
D1107
D5521
+3.3V(S)
D861
D860
TPF0S
IIC1
HDMI I/F RECEIVER
DRIVER
1
+5V(HDMI)
A3
DIGITAL SIGNAL PROCESSOR
4
FAN CONT
FSTB+15V
POWER SWITCH
1
+15V(FAN)
+15V(SND)
12
R/G/B_30bit
+5V(HDMI)
DET
31
Y/PB/PR
I/P CONV.
6
HDMI_CEC
STB RESET
TV SUB ON
Q3802
6
IC3801
VOLTAGE
+3.3V
10
+5V(S)
OSD
SYNTHETIC
HS/VS
IC4511
EEPROM
26
+1.8V
FAN SOS
KEYSCAN3
2
DDCB_IIC
+5V(HDMI)
HDMI3 IN
HDMI EQUALIZER
PIXEL CONV.
Q4503
HDMI IN 2
ON
1
18
K1
ECO ON
22
AC GOOD
4
IIC2
DDCA_IIC
FPGA
+5V(HDMI)
FAN CONT
IIC1
+15V(SND)
IC1101
AI SENSOR
+3.3V
+30V(BT)
+3.3V(STB)
AI GAMMA
S
10bit A/D
SUB+9V DET
HDMI SOUND
TV SUB N
TUNER SOS TUNER SOS
HDMI_SPDIF
AFT
IC5401
SOUND SOS
D5
IIC3
ECO ON
7
IC4800
1
RM2501
7
IIC_DATA1
FAN SOS
DET_1
VIDEO
RGB MATRIX
FAN SOS
KEYSCAN3
AI SENSOR
LVDS DATA
TMDS DATA
CLOCK
+1.8V
REMOTE IN
+15V(SND)
10
AC GOOD
+5V
PROCESS
PANEL SOS
SD LED
+3.3V(S)
POWER LED
TEMP SENSOR
PANEL STATUS
DET_2
AI SENSOR
1
HDMI5V DET
IIC1
12
FSTB+15V
+1.8V
IIC_DATA2
D3
+3.3V
+5V
DDC IIC
TMDS DATA
CLOCK
SUB+5V DET
11
11
PANEL STATUS
DDCC_IIC
GH10
LED R
SW2500
TUNER SOS
+5V
JK4500
DET_3
FAN CONTROL
7
2
SBI2
+9V
HDMI_CEC
PANEL STB_ON
8
IC4510
4
HDMI_CEC
1
A5
IC5400
IIC1
Y/PB/PR
P7
R/G/B_24bit
HV ENHANCE
REMOTE IN
OSD_6bit
TV SUB ON
G(10bit)
PANEL SOS
PB
+9V(S)
S2
ECO ON
DDC IIC
DDC IIC
AI SENSOR
18
FAN CONT
F15V
22
+5V(S)
8
STB MCU
5
IIC1
Q4502
POWER
IIC_CLK2
A6
TV SUB ON
JK4501
IIC0
HDMI IN 1 HDMI IN 3
3
9
+1.8V
Q4014,15
+5V(STB)
6
9
AFT
DTV RESET
7
FSTB+15V
+5V
ERROR DET
9
IIC3
HDMI_CEC
26
20
GH
LVDS
HDMI_SD
R(10bit)
IC3802
TMDS DATA
CLOCK
IIC_CLK1
3
SERIAL SW
REMOTE RECEIVER
P6
GenX5
3
HDMI_CEC_
PU_ON
DROP
PANEL STATUS
KEYSCAN1
+3.3V(STB)
IC4200
+5V(S)
IC1100
TH-46PZ85U
Block (4/6) Diagram
TH-46PZ85U
Block (4/6) Diagram
+15V(SND)
SOUND SOS
2
FAN CONT
1
B(10bit)
+3.3V(S)
7
GH11
+15V(FAN)
FSTB+15V
PANEL STB_ON
+3.3V(S)
A7
20
KEYSCAN1
PANEL SOS
IC4512
IC4513
POWER LED(R)
+5V(STB)
A
A30
DTV RESET
DDC IIC
FSTB+15V
+30V(BT)
+3.3V(STB)
2
LVDS DATA
+5V(S)
K
2
POWER LED
SWITCH
A11
HDMI_CEC
A1
REMOTE
RECEIVER
TMDS DATA
IC4013
SD LED
KEYSCAN3
EEPROM
+9V(S)
SUB+3.3V DET
STB RESET
+9V(S)
5
ECO ON
I/F
PANEL STB_ON
OSD
SBO2
FAN SOS
+15V(FAN)
+5V(S)
2
A18
A17
FOR FACTORY USE
FOR FACTORY USE
1
PB
30
FAN A-E
1
FAN A
1+9/7.2V
3
FAN STOP
3
PB31
PB32
PB34
PB36
PB37
+9/7.2V
FAN D
3
IC850
OVEN
VOLTAGE
SOS DET
D851
D852
D853
5
IIC
HDMI
AUDIO
HDCP KEY
HDMI PROCESSOR
DECODE
VIDEO
INTERFACE
INTERFACE
A/D CONV.
H/V
SW
3
9
7
14
11
6
10
1
12
13
2
8
4
5
(LED:12TIMES)
(LED:10TIMES)
(LED:10TIMES)
(LED:11TIMES)
(LED:11TIMES)
+5V(STB)

35
9.5. Block Diagram (5/6)
F301
D551
D402
F601
F201
F602
F501
D352
F604
D506
D505
C22
IC9805
IIC2
RESET
CONTROL DATA
IC9002
IIC_CLK2
DISCHARGE
CONTROL
RESET
10
VDATA_DET
SUSTAIN CONTROL
62
66
FLASH I/F
IIC2
PANEL MAIN ON
LVDS DATA
2
IIC2
+1.2V
+2.5V
D32
11
SCAN CONTROL
FLASH
MEMORY
5
+3.3V
2
SOS8_SS
IC9802
6
IC9806
DDR I/F
DDR I/F
VIDEO DATA
IC9001
VIDEO DATA
VIDEO DATA
PLASMA AI PROCESSOR
29
VIDEO DATA
D
SOS7_SC2
68
+3.3V(STB)
+15V(P)
SOS6_SC1
16
IC9300
IIC_DATA1
IIC1
D20
3
+5V(P)
13
67
IC9803
IC9019
+3.3V
A5
1
+3.3V
+1.2V
A3
+5V(P) DET
C21
PANEL STATUS
68
1
+5V(P)
28
11
IIC2
FORMAT CONVERTER,
7
68
56
67
IIC2
H/V SYNC CONTROL
IIC2
+2.5V
PLASMA AI
(LEFT)
VIDEO DATA
CPG with SS
VIDEO DATA
D5
IC9011
CONTROL DATA
SUB-FIELD PROCESSOR
IC9401
CONTROL DATA
SUSTAIN CONTROL
BUS SW
8
+5V(P)
LVDS RX
CONTROL DATA
+5V(P)
VIDEO DATA
LVDS DATA
SCAN CONTROL
SC20
IC9301
DATA DRIVER
2
+1.2V
POWER SOS
DISCHARGE CONTROL
POWER ON/OFF
SOS4_PS
GenX6
PANEL MICOM
IC9003
+15V(P)
VIDEO/PANEL CONTROL
C11
D33
48
FACTORY
66
30
+2.5V
2
SOS6_SC1
EEPROM
IC9500
IIC_CLK1
2
4
IC9303
15
67
(RIGHT)
FOR
USE
IIC2
IIC1
DDR(R)
MEMORY
IC9013
IC9400
IIC_DATA2
Q9805,06
PANEL SOS
D31
1
PANEL STATUS
12
PANEL STB_ON
66
DDR(L)
MEMORY
D3
IIC2
+3.3V(P) DET
+15V(P) DET
SOS8_SS
PANEL SOS
+3.3V(STB)
9
D6
+3.3V
31
IIC2
TEMP SENSOR
+15V(P)
SOS7_SC2
BUFFER
56
IIC1
D25
MC401
Vsus
5
P7
COLD
PC201
Vda_ON
P6
VDATA_DET
T201
PC501
1
8
TV SUB ON
MC606
SC2
MC552
A7
IC501
+15V(SND)
9
K601
MC451
6
+15V(P)
MC201
MC603
Vsus
Q401
+15V(P)
IC251
+5V(STB)
+5V(P)
6
+5V
PC502
7
Vsus_ON
9
Vda OUT
P2
Vsus
Q402
1
T301 D401
Vda_ON
PC202
P12
VR251
FSTB+15V
2
Vda
7
11
2
STB5V_ON
15V_IN
Vda
1
PC302
6
12
HOT
VR401
P25
D254-D257
POW ON
15V_0CL
IC352
AC IN
3
10
1
1
MC352
+15V(SND)
6
AC DET
1
FSTB+15V
ECO ON ECO ON
L601,
L602,
L604
K602
1
T501
5
P9
1
P53
15VON
P55
2
SUS OUT
Q403
MC601
PC401
A6
PC301
10 2
PFC
13
BIAS
RF601
BAIS_ON
3
STB5V_OUT
4
+5V(P)
2
Vda
15V_ON
P54
1
Q351
MAIN SW
P51
P52
1
Vsus GEN.
MULTI_ON
+15V(P)
5V_ON
SS12
SS11
COLD
5V_OUT
HOT
4
P11
P56
1
4
PHOTO
COUPLER
PHOTO
COUPLER
Vsus
ERROR DET
Vda
CONTROL
PHOTO
COUPLER
PHOTO
COUPLER
PHOTO
COUPLER
MC602 MC203
RECTIFIER
PFC
CONTROL
+15V
ERROR DET
POWER
CONTROL
MC301
Vsus POWER
SUPPLY
CONTROL
Vsus POWER
Q301,302
POWER SUPPLY
MC502
BIAS/
SUS/
MULTI
CONTROL
MAIN RELAY
RUSH RELAY
AC INLET
AC CORD
AC100V
50/60Hz
FILTER
D501
RECTIFIER POWER SOS
PANEL MAIN ON
RUSH RELAY(H)
MAIN RELAY(H)
POWER MICOM
MC701
TV SUB ON
+12V
STB_PS
IC555
STB
ERROR DET
POWER
CONTROL
MC501
IPD
CONTROL SWITCH
PANEL MAIN ON
+5V(P)
+5V(P)
+15V(P)
POWER SOS
+5V(STB)
VDA_DET
+15V(P)
POWER SUPPLY
P
PHOTO
COUPLER
PHOTO
COUPLER
(LED:2TIMES)
(LED:3TIMES)
(LED:5TIMES)
(LED:8TIMES)
(LED:4TIMES)
(LED:7TIMES)
(LED:6TIMES)
TH-46PZ85U
Block (5/6) Diagram
TH-46PZ85U
Block (5/6) Diagram

36
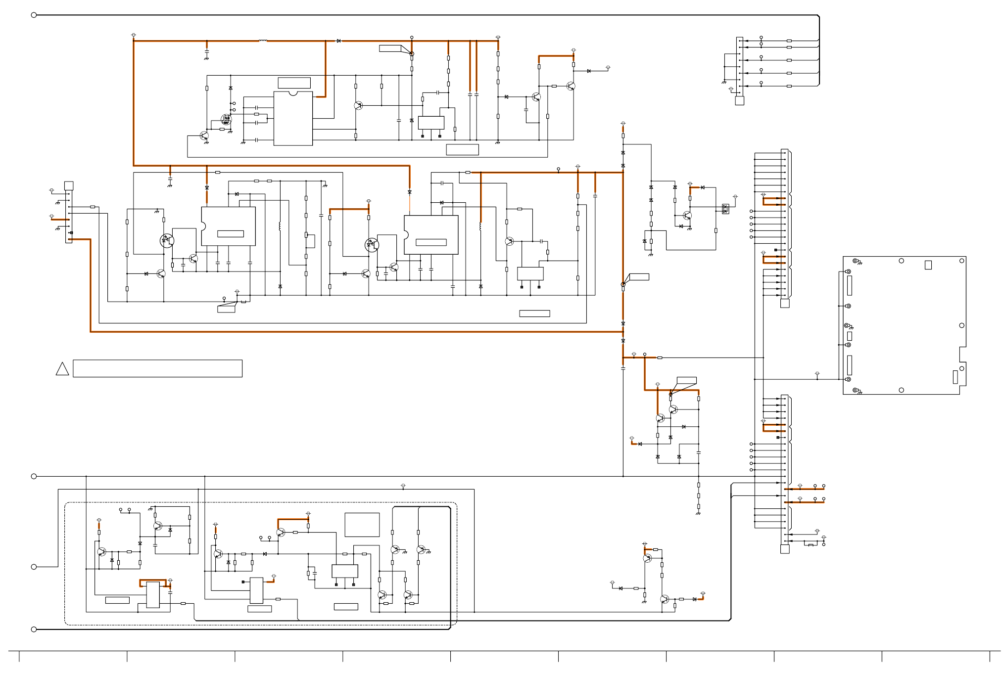
9.6. Block Diagram (6/6)
D16585 D16255
TPVSUS
TPVE2
D16717
D16872
D16725
D16791
TPVSUS
TPSC1
TPSS1
D16480
D16820
D16821
D16280
D16253
TPSOS6
VF_GND
D16718
TPVE
TPVAD
5V
D14721
D16583
TPSOS8
TPVDA
TPVSET
TPVSCN
5V
TPSOS7
C11
62
D33
CB
12
3
6
CLOCK
67
SS35
5
C36
7
1
5
15
IC17201,02
SS33
35
1
IC17301
Vda
3 1
CB2
5
1
C26
Vda
59
C21
33 33
+5V(P)
2
IC17101-03
C33
CB8
+5V(P)
39
64
+5V(P)
68
Vda
CB
10
SOS8_SS
39
+5V(P)
2
IC17302-04
8
5
CB
11
CB1
20
21
2
SOS8_SS
+5V(P)DET
Vda
1
13
CB5
68
CB7
67
+5V(P)
+5V(P)
+5V(P)
+5V(P)
59
3
+5V(P)
8
20
39
CB4
2
+5V(P)
61
+5V(P)
CB
15
63
D32
+5V(P)DET
61
+5V(P)
CB
13
SOS8_SS
7
C22
CB3
D31
1
C35
Vda
37
1
1
Vda
66
3
+5V(P)DET
1
33
C10
17
CB9CB6
61
IC17204
C20
CB
14
IC17203
+5V(P)DET
+5V(P)DET
CLOCK
IC17104-06
BUFFER
VIDEO DATA
CONTROL DATA
CLOCK
BUFFER BUFFER BUFFER
BUFFER
BUFFER
BUFFER
VIDEO DATA
VIDEO DATA
CONTROL DATA
VIDEO DATA
PANEL DRIVER PANEL DRIVER PANEL DRIVER
VIDEO DATA
VIDEO DATA
CLOCK
CLOCK
SUSTAIN CONTROL
SUSTAIN CONTROL
CONTROL DATA
VIDEO DATA
PLASMA PANEL
SUSTAIN CONTROL
CEL
IC16302
D16873
P11
PC16710
1
IC16561-63
(15V_F)
IC16784
+5V(P)
16V_F
SOS6_SC1
SD1-SD5
8
IC16788,89
IC16564
9
IC16131
SC2
Vscn
16V-F
7
8
6
CML
Q16661
16V_F
1
15
SD
46
Q16022-24
+15V(P)
SS
63
7
IC16251
IC16801
Vfo
IC16792
+15V(P)
IC16724
1
LED(G)
Vda
VSET2,6
DRIVER
D16282
SD
42
VSCN
Q16051
2
VAD SEPA
IC16472
CPH2
CONVERTER
+15V
ERROR DET
18
CSL
F_5V_B
ERROR DET
18
SC
42
VSCN-F
CMH
PHOTO COUPLER
+5V(P)
Q16403
+5V
VSET OUT
1
DRIVER
VSET SEPA
SOS7_SC2
DC/DC
CPH
SU1-SU5
(SC2)
2
20
VOLTAGE
20
DROP
Vda
USH
SC
41
SCAN CONTROL
IC16191
UML
1
UEH
SS
11
IC16151
USL
SS
35
1
USH,USL
VAD
VSCN
GEN.
Q16423
2
Q16421
SCAN
SCAN CONTROL
DRIVER
SCAN
CONTROL
SCAN
ERROR DET
7
1
IC16752 IC16301
BUFFER
UMH,UML
Q16875,79
ELECTRODE
PLASMA PANEL
PANEL SUSTAIN
VSET
PANEL SCAN
IC16772
ELECTRODES
ERROR DET
21
Q16876
BUFFER
SS
12
ENERGY
GEN.
SU
11
1
Q16791,94
1
DRIVER
SD
11
+5V
15
IC16725
SCAN
VE Gen.
2
Q16641-44
DRIVER
IC16786,87
+15V(P)
UMH
+15V(P)
VSUS Gen.
STB_PS
5V-F_A
IC16501
12V
STB_PS
PC16480
SCAN
12V
DRIVER
DRIVER
SC
20
Q16647-50
DRIVER
20
+15V(P)
Q16452
SU
41
IC14901-04
Q16634
6
SC30
IC16791
UMH
Vfo
IC14905-08
VSUS Gen.
9
AND GATE
PC16705
LED(G)
RECOVERY
(SC1)
T16301A
P12
Vsus
ERROR DET
1
Q16280
IC14961-65
F_5V_A
Q16442
PHOTO COUPLER
IC14951-54
PHOTO COUPLER
VSET
IC14955-58
ERROR DET
4
5V_F_A
SCAN DATA
BUFFER
D16871
Q16424
PLASMA PANEL
SCAN CONTROL
SUSTAIN CONTROL
IC16521
SUSTAIN CONTROL
IC16581
RECOVERY
Q16102
VSET2,6
ENERGY
IPD
Q16042
35
Vda
Q16404
SS
33
C33
Q16627-29
DRIVER
ERROR DET
USL
TRANS
8
UML
2
ERROR DET
2
13
Vsus
1
SS
64
1
UEL
Q16601
SS
61
SS
34
6
IC16241
Q16104
Q16331
10
Q16002-04
SOS8_SS
2
D16859
P2
1
7
C35
D16860
CEL
Vda
UEH,UML
13
Q16401
13
SS
66
13
Q16622-25
Q16339
1
Q16604
SC
46
3
USH
CSH
D20
Q16441
SD
SC
SS
SCAN OUT (LOWER)
SUSTAIN DRIVE
SCAN DRIVE
SU
DATA DRIVER (RIGHT)
C1 C3
SCAN OUT (UPPER)
DATA DRIVER (LEFT)
C2 DATA DRIVER (CENTER)
FOR
USE
FACTORY
(LED:8TIMES)(LED:6TIMES)
(LED:7TIMES)
TH-46PZ85U
Block (6/6) Diagram
TH-46PZ85U
Block (6/6) Diagram

37
10 Wiring Connection Diagram
10.1. Caution statement.
Caution:
Please confirm that all flexible cables are assembled correctly.
Also make sure that they are locked in the connectors.
Verify by giving the flexible cables a very slight pull.
10.2. Wiring (1)

38
10.3. Wiring (2)

39
11 Schematic Diagram
11.1. Schematic Diagram Note

40
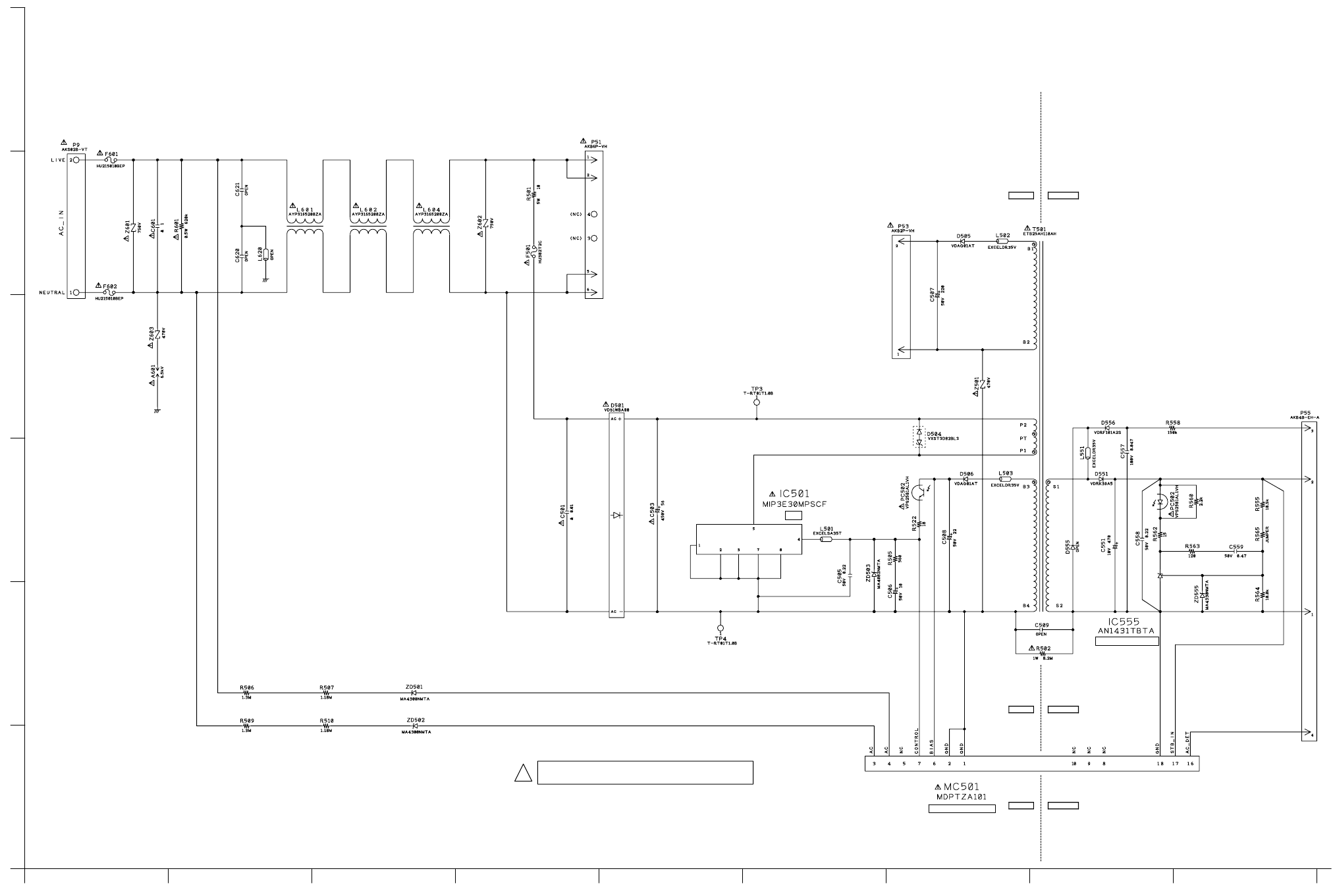
11.2. P(AC)-Board Schematic Diagram
C
32
B
A
E
657
D
14
F
89
TH-46PZ85U
P(AC)-Board Schematic Diagram
TH-46PZ85U
P(AC)-Board Schematic Diagram
TO
AC CORD
!
P(AC)-BOARD ETX2MM704MGA
<Exchange board only>
IPD
POWER CONTROL
TO
P(MAIN)-BOARD
(P52)
TO
P(MAIN)-BOARD
(P54)
TO
P(MAIN)-BOARD
(P56)
COLDHOT
COLDHOT
COLDHOT
STB ERROR DET

41
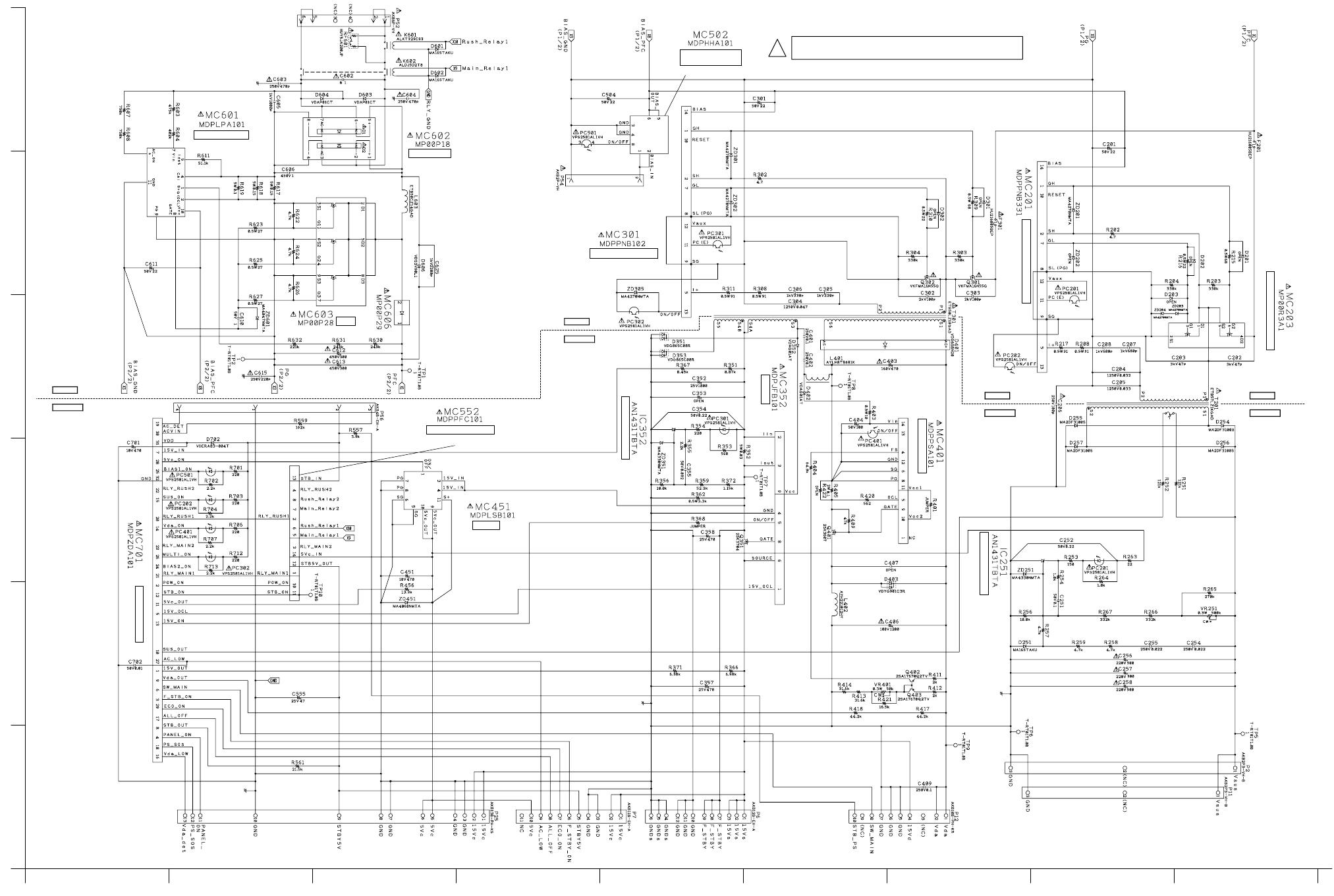
11.3. P(MAIN)-Board Schematic Diagram
C
32
B
A
E
657
D
14
F
89
TH-46PZ85U
P(MAIN)-Board Schematic Diagram
TH-46PZ85U
P(MAIN)-Board Schematic Diagram
COLD
HOT
COLD
HOT
COLD
HOT
POWER MICOM
<Exchange board only>
CONTROL SWITCH
<Exchange board only>
BIAS/PFC/MULTI
CONTROL
<Exchange board only>
POWER CONTROL
<Exchange board only>
Vsus POWER CONTROL
<Exchange board only>
Vsus POWER SUPPLY
<Exchange board only>
Vda CONTROL
<Exchange board only>
15V ON
<Exchange board only>
+5V(P)
<Exchange board only>
PFC CONTROL
<Exchange board only>
PFC
<Exchange board only>
RECTIFIER
<Exchange board only>
Vsus ERROR DET
+15V ERROR DET
!
P(MAIN)-BOARD ETX2MM704MGL
TO
SC-BOARD
(SC2)
TO
SS-BOARD
(SS11)
TO
SS-BOARD
(SS12)
TO
A-BOARD
(A6)
TO
A-BOARD
(A7)
TO
D-BOARD
(D25)
TO
P(AC)-BOARD
(P55)
TO
P(AC)-BOARD
(P51)
TO
P(AC)-BOARD
(P53)
COLD
HOT

42
11.4. PB-Board Schematic Diagram
+
+
9V
C869
470u
25V
C859
25V
0.1u
C862
25V
0.1u
PB37
1
2
3
L852
G0C101KA0167
D862
MAZ80330LL
R856
4.7k
D861
MA2J11100L
C860
470u
25V
R874
470
C0DBAZF00003
IC850
1Vin
2Vout(sw)
3GND
4Vadj
5ON/OFF
TP853
D854
MA2J11100L
TP850
D859
B0JCME000037
R852
4.7k
C858
25V
0.1u
R857
4.7k
PB34
1
2
3
PB32
1
2
3
R859
2k
D851
MA2J11100L
R867
0
R854
4.7k
PB36
1
2
3
D856
MA2J11100L
PB31
1
2
3
R851
4.7k
R871
13k
PB30
1
2
3
4
5
C861
0.1u
25V
R861
4.7k
D852
MA2J11100L
TP852
R869
1k
D860
MAZ81100ML
R872
845
TP851
D857
MA2J11100L
9V
GND
FAN_SOS
+B FOR FAN
GND FOR FAN
DR15V
FAN CONT
FAN SOS
MAIN9V
C
168547
A
3
B
D
E
2
TO
A-BOARD
(A30)
TO
FAN
PB-BOARD TNPA4243AHS
!
+9/7.2V
TH-46PZ85U
PB-Board Schematic Diagram
TH-46PZ85U
PB-Board Schematic Diagram

43
11.5. G, GS, K and S-Board Schematic Diagram
PUSH
BALLAN
BALLAN
BALLAN
R
V
L
YC
+
D.S W
W.P.
VCC
GND
OUT
S2
1
2
SW2500
K0F122A00172
D3701
MAZ81400ML
D3702
MAZ81400ML
FL3710
J0ZZA0000091
1
2
3
4
ZA3702
K4CZ01000027
FL3712
J0ZZA0000091
1
2
3
4
R3717
39k
R3721
10k
R3716
39k
D3709
MAZ80510LL
D3711
MAZ81400ML
FL3711
J0ZZA0000091
1
2
3
4
D3710
MAZ80510LL
G51
1
2
3
4
5
6
7
8
9
10
ZA3701
K4CZ01000027
JK3701
K4AK13B00002
C
Y
G
CY-G
G
R-SW
R
R-G
L
L-G
V-SW
V
V-G
R7731
0
R7705 33
SW3751
EVQPC105K
C7710
50V 10p
C7702
47u
16V
R7795 0
C7726
50V 33p
C7727
50V 33p
SW3757
EVQPC105K
C7729
10u
6.3V
R3752
1.74k
ZA7701
K4CZ01000027
ZA7702
K4CZ01000027
R3754
2.32k
C7705
16V 0.1u
R7703 33
C7701
50V 33p
R3753
1.62k
R7796 0
R7702
0
R7706 0
GS52
1
2
3
4
5
6
7
8
9
10
11
12
13
14
SW3756
EVQPC105K
SW3754
EVQPC105K
R7704 33
C7708
16V
0.1u
SW3755
EVQPC105K
R3751
6.65k
R3750
14.3k
JS7701
0
R7793 0
C7709
16V 0.1u
SW3758
EVQPC105K
R7710
100
C7730
10u
6.3V
R7792 0
SW3753
EVQPC105K
JK7701
1
2
3
4
5
6
7
8
9
10
11
12
R7709 68
R7713
J0JCC0000100
C3750
1000p
50V
R7794 0
R7701 33
R3756
0
C7703
50V 33p
R3758
3.16k
R7791 0
C2515
50V
0.01u
R2517
47
Q2510
2SD0601A0L
C2512
6.3V
10u
R2557
5.6k
Q2511
2SD0601A0L
D2512
MAZ80430LL
D2520A
LN1271RALTR
C2521
0.01u
50V
R2524
22k
K1
1
2
3
4
5
6
7
8
9
10
11
12
C2522
0.1u
16V
R2513
5.6k
R2542
47k
PC2501
B3JB00000046
R2520
220k
RM2501
PNA4701M07TV
R2516
22k
R2525
820
12
C
E
A
7
D
65
B
3 84
POWER SW
S-BOARD TNPA4499S
AV3_Y_GND
AV3_C
AV3_C_GND
AV3_V
AV3_V_GND
G-BOARD TNPA4503S
AV3_V_GND
AV3_C
AV3_S_DET
GND
AV3_R
AV3_C_GND
AV3_L
AV3_Y_GND
AV3_V
AV3_Y
AV3_S_DET
AV3_L
AV3_R
AV3_Y
TO
A-BOARD
(A51)
VOL.UP TV/VTR VOL.DN CH.DN CH.UP 
GS-BOARD TNPA4504S
OK
+/ F-/
SD CARD SLOT
STRTV/AV
MENU
TO
A-BOARD
(A52)
GND
USA
SDDTC
SDWP
KEYSCAN1
GND
SDDAT2
SDDAT1
3.3V
GND
SDCMD
SDDAT3
SDCMD
GND
GND
SDDAT1
SDCLK
GND
SDDAT0
3.3V
SDDAT2
SDCLK
SDDAT0
SDDAT3
GND
KEYSCAN3
TO
A-BOARD
(A1)
CATS
REMOTE RECEIVER
K-BOARD TNPA4502S
GND
KEYSCAN3
AI_SENSOR
R_LED_ON
POWER LED
GND
STB3.3V
GND
SUB5V
RM_IN
D3711
!
!
!
!
TH-46PZ85U
G, GS, K and S-Board Schematic Diagram
TH-46PZ85U
G, GS, K and S-Board Schematic Diagram

44
11.6. GH-Board Schematic Diagram
ZA3801
K4AD01D00005
ZA3802
K4AD01D00005
*R3854
10k
R3830 2.7
D3802
EZAEG2A50AX
R3825 2.7
0.1u
16V
C3807
D3811
EZJZ0V80008B
Q3801
2SD0601A0L
R3809
1k
R3831 2.7
D3801
EZAEG2A50AX
0.1u
16V
C3814
R3807
10
L3801
J0JHC0000078
C3823
0.1u
16V
R3840
10
D3808
EZJZ0V80008B
R3812
10k
C3817
16V
0.01u
0.1u
16V
C3810
C3806
0.1u
16V
R3808
10
R3826 2.7
TP3801
L3805
J0JHC0000078
R3803
3.3k
R3832
4.7k
R3805
4.7k
D3807
EZJZ0V80008B
C3801
0.1u
16V
C3804
0.1u
16V
D3814
B0HCMM000014
C3818
16V
0.01u
R3810
1k
L3804
J0JHC0000078
D3810
EZAEG2A50AX
R3824 2.7
TP3802
R3801
10k
D3815
EZJZ0V120JA
R3814
4.7k
R3829 2.7
0.1u
16V
C3808
C3802
0.1u
16V
C3815
16V
0.01u
D3813
B0HCMM000014
C3820
16V
0.01u
R3802
10k
D3803
EZAEG2A50AX
R3818
10k
TP3805
R3821
33
R3827 2.7
R3811
4.7k
C3813
6.3V
10u
R3822
1k
C3819
16V
0.01u
D3806
EZAEG2A50AX
TP3803
IC3802
TVRP820S
1E0
2E1
3E2
4VSS 5
SDA
6
SCL
7
WC
8
VCC
C3816
16V
0.01u
D3805
EZAEG2A50AX
R3845
4.7k
C3803
1u
10V
R3828 2.7
D3809
EZAEG2A50AX
0.1u
16V
C3809
Q3802
2SD0601A0L
R3847
0
C1AB00002835
IC3801
1
TEST
2VCC
3DN
4DP
5GND
6SCL3
7SDA3
8DDCGND
9IPACTRL
10 OPACTRL
11 VCC
12
REXT
13
ZP
14
ZN
15
GND
16
YP
17
YN
18
VCC
19
VCC
20
XP
21
XN
22
GND
23
WP
24
WN
25
CE
26
VCC
27
HPD
28
DDC5V
29
DDCGND
30
SDA5
31
SCL5
32
GND
33
AN
34
AP
35
VCC
36
RXTM
37
VCC
38 VCC
39 BN
40 BP
41 GND
42 VCC
43 VCC
44 GND
45 CN
46 CP
47 VCC
48
VCC
0.1u
16V
C3812
R3841
10
D3804
EZAEG2A50AX
0.1u
16V
C3811
C3829
1u
10V
R3804
4.7k
R3806
47k
Q3804
2SD0601A0L
R3815
0
GH11
1
2
3
4
5
6
7
8
9
10
11
12
13
14
15
16
17
18
19
20
21
22
23
24
25
26
27
28
29
30
GH10
K1FA119E0013
1
2
3
4
5
6
7
8
9
10
11
12
13
14
15
16
17
18
19
DDCG
Main2_3.3V
Main2_3.3V
SDA
D0-
D2+
7
A
D2+
D
CEC
HDMI_CE1
CEC
D1-
D2G
HDMI_5V_DET3
SCL
N.C.
HDMI IN 3
HPDT
WP
CLK-
D1+
D0+
Main5V
TO
A-BOARD
(A11)
HPD3
SCL
DDC5V
D2-
CLK+
D1-
CLK-
D0-
D0+
CLKG
D1+
+5V
D2-
D0G
CLK+
D1G
SDA
SDA
SCL
SDA
SCL
8
HDMI EQUALIZER
EEPROM
4
!
65
B
132
GH-BOARD TNPA4506S
C
E
TH-46PZ85U
GH-Board Schematic Diagram
TH-46PZ85U
GH-Board Schematic Diagram

45
11.7. A-Board (1/12) Schematic Diagram
S
S
C8030
6.3V
1u
C8028
16V
0.1u
C8072
16V
0.1u
C8020
16V
0.1u
C8074
16V
0.1u
C8015
6.3V
1u
C8016
6.3V
1u
C8077
16V
0.1u
C8080
16V
0.1u
C8006
16V
0.1u
C8018
16V
0.1u
C8021
16V
0.1u
C8027
16V
0.1u
C8079
16V
0.1u
C8067
16V
0.01u
C8057
16V
0.1u
C8013
16V
0.1u
C8009
10u
10V
C8076
16V
0.1u
C8075
4V
22u
C8011
16V
0.1u
C8068
16V
0.1u
C8024
10u
10V
C8014
16V
0.1u
C8026
16V
0.1u
C8070
16V
0.1u
C8031
6.3V
1u
C8025
16V
0.1u
C8034
16V
0.1u
C8056
16V
0.1u
C8073
16V
0.1u
C8033
16V
0.1u
C8005
1u6.3V
C8071
16V
0.1u
C8022
6.3V
1u
C8002
6.3V
1u
C8001
16V
0.1u
C8023
10u
10V
C8032
10u
10V
C8052
6.3V
1u
C8017
10u
10V
C8019
16V
0.1u
C8058
10u
10V
C8010
10u
10V
C8012
16V
0.1u
C8003
1u
6.3V
C8008
16V
0.1u
C8007
16V
0.1u
C8078
16V
0.1u
C8029
16V
0.1u
C8053
16V
0.01u
C8004
1u6.3V
IC8001 A1 VSS
IC8001 N2 XNMIRQ
IC8001 U2 EA6
IC8001 AB8 SBT0
IC8001 D24 TSTAIO
IC8001 P15 VSS
IC8001K21CK27
IC8001 AF26 VDDIO
IC8001 D4 VSS
IC8001 Y4 XERE
IC8001 AE25 VSS
IC8001 AA18 VSS
IC8001 AF7 RXD0
IC8001 AC18 VDDIO
IC8001 A12 DACVSS2
IC8001 T2 EA1
IC8001 M3 VI2P29
IC8001 AD3 XNFWE
IC8001 N5 SCL1
IC8001 L6 VI2P21
IC8001 AD13 SDCD
IC8001 AC3 XECS4
IC8001 AB25 VDDIO
IC8001 AB22 VDDIO
IC8001 K13 VSS
IC8001 R17 VDDR
IC8001 A10 IECOUT0
IC8001 AB2 ERXW
IC8001 T25 VDDIO
IC8001 E14 DACVDD2
IC8001 F21 LVVDD
IC8001 D9 VSS
IC8001 L4 VSS
IC8001 P14 VSS
IC8001 AD4 XNFRE
IC8001 K10 VSS
IC8001 E13 VSS
IC8001 E21 VDD33
IC8001 M6 VI2P27
IC8001 N17 VDDR
IC8001 AB19 VDDIO
IC8001 F20 VDD33
IC8001 AC14 VDD12
IC8001 AB1 ECLK
IC8001 AE11 CH0VAL
IC8001 E23 LVVDD
IC8001 P23 VSS
IC8001 AB3 XEWE1
IC8001 AD7 XCTS0
IC8001 W4 ED9
IC8001 N6 VDD33
IC8001 U5 ED0
IC8001 R3 TDO
IC8001 Y22 VDDIOCK
IC8001 D26 TC1P
IC8001 E24 VSS
IC8001 H1 VI2P15
IC8001 AA5 XECS0
IC8001 K5 VI2P16
IC8001 K14 VSS
IC8001 N10 VDD12
IC8001 AB13 SDDAT2
IC8001 B26 TA1P
IC8001 AD15 VDDR
IC8001 U16 VDDR
IC8001 AC15 VDDR IC8001 K15 VSS
IC8001 T16 VSS
IC8001 AD10 CH1CLK
IC8001 R10 VDD12
IC8001 B11 MVIREF
IC8001 G25 TE1N
IC8001 AD9 SMTCLK0
IC8001 T22 VSS
IC8001 AB14 VDD12
IC8001 L3 VI2P25
IC8001 N15 VSS
IC8001 Y2 ED11
IC8001 P11 VSS
IC8001 AD8 SMTCLK1
IC8001 L5 VI2P23
IC8001 AF5 IS1DATA
IC8001H25CLK74
IC8001 AE21 VDDIO
IC8001 AD14 VDD12
IC8001 B2 VSS
IC8001 AB6 NFCLE
IC8001 L2 VI2P26
IC8001 D23 SBO0
IC8001 W3 ED8
IC8001J22VC27
IC8001 V6 ED7
IC8001 A26 VDD33
IC8001 M12 VSS
IC8001 T11 VDD12
IC8001 R4 VDD33
IC8001 N24 VDDIO
IC8001 H5 VI2VSYNC
IC8001 AF9 SMTCMD0
IC8001 R15 VSS
IC8001 N4 XIRQ1
IC8001 P10 VDD12
IC8001 AB5 XEXDMK0
IC8001 AD5 IS1CLK
IC8001 V25 VSS
IC8001 T3 EA3
IC8001 V4 VSS
IC8001 U15 VDDA
IC8001 F12 VDD33
IC8001 F22 LVVSS
IC8001 F26 TD1P
IC8001 U14 N.C.(DPAVDD12)
IC8001 AA9 VDD33
IC8001 AD17 VDDIO
IC8001 AF1 VSSIC8001 N12 VSS
IC8001 D11 MVCOMP
IC8001 V3 ED4
IC8001 AF8 SMTCMD1
IC8001 L10 VSS
IC8001 AA11 SMTD0
IC8001 M17 VDDA
IC8001 W6 VSS
IC8001 D16 VDD33
IC8001 AC22 VSS
IC8001 AE13 SDDAT1
IC8001 G21 LVVSS
IC8001 G1 VI2P10
IC8001 T15 VDDR
IC8001 AF13 SDCLK
IC8001 B25 TA1N
IC8001 AA25 VSS
IC8001 AB4 XECS2
IC8001 AA22 VSS
IC8001 T13 VDD12
IC8001 A11 SVCOMP
IC8001 H22 TCPOUT
IC8001 AE1 XECS7
IC8001 P3 AGAVDD
IC8001 K1 VI2P24
IC8001 L15 VSS
IC8001 AF15 VDDR
IC8001 AE22 VSS
IC8001 T6 EA2
IC8001 L1 VI2P28
IC8001 U13 VDD12
IC8001 AC20 VSS
IC8001 J1 VI2CLK2
IC8001 F11 VDD33
IC8001 K6 VDD33
IC8001 AC10 VDD33
IC8001 A24 SBI2
IC8001 K16 VSS
IC8001 AB11 SMTSEL0
IC8001 U17 VSS
IC8001 B24 VDD33
IC8001 AD23 VSS
IC8001 D18 VSS
IC8001 AB17 VSS
IC8001 C11 DACVSS1
IC8001 W26 VDDIO
IC8001 AA2 ED15
IC8001 G4 VDD33
IC8001 U12 VDD12
IC8001 K26 VDDIO
IC8001 AD12 SDCMD
IC8001 U6 VDD33
IC8001 H21 MVAVDD
IC8001 AF24 VSS
IC8001 K2 VI2P22
IC8001 AE6 XRTS0
IC8001 C13 DACCK0
IC8001 D21 XRST
IC8001 D10 VSS
IC8001 AD26 VSS
IC8001 AD1 XECS3
IC8001 AF20 VDDIO
IC8001 L14 VSS
IC8001 Y5 XEDK
IC8001 K4 VI2P18
IC8001 AA10 SMTRST1
IC8001 W1 ED5
IC8001 L24 VSS
IC8001 P1 XIRQ3
IC8001 F15 USBVDD
IC8001 G22 LPFOUT
IC8001 A25 VDD33
IC8001 P6 VDD33
IC8001 R21 VDDIO
IC8001 R12 VDD12
IC8001 AA6 VSS
IC8001 AA3 XEWE0
IC8001 N14 VSS
IC8001 AD2 XECS6
IC8001 AA7 VSS
IC8001 H3 VI2P12
IC8001 P5 AVCOIN
IC8001 J6 VDD33
IC8001 R11 VDD12
IC8001 AE10 CH1PSYNC
IC8001 M11 VSS
IC8001 Y1 ED10
IC8001 T14 VSS
IC8001 AF2 XNFWP
IC8001 L13 VSS
IC8001 AA1 ED14
IC8001 AB9 XDCD0
IC8001 G5 VI1P1
IC8001 AE5 IS1VAL
IC8001 C23 VDD33
IC8001 C24 SBI0
IC8001 Y24 VDDIO
IC8001 AC4 XECS5
IC8001 H4 VDD33
IC8001 AC11 VDD33
IC8001 K17 LVVDD12
IC8001 AA21 VDDIO
IC8001 D15 DAUDIO
IC8001 M10 VSS
IC8001 C26 TB1P
IC8001 J2 VI2P19
IC8001 K12 VSS
IC8001 D19 VSS
IC8001 E6 VI2P4
IC8001 AA14 VDD12
IC8001 AE9 SMTRST0
IC8001 H6 VI1P20
IC8001 AC1 ESZ1
IC8001 K11 VSS
IC8001 C12 DACVDD1
IC8001 E26 TCLK1P
IC8001 AE12 SDWP
IC8001 E25 TCLK1N
IC8001 A13 DMIX0
IC8001 M1 SDA0
IC8001 AC9 XRI0
IC8001 AD6 SBT2
IC8001 U3 EA7
IC8001 F24 VSS
IC8001 M5 RMCO
IC8001 T5 TDI
IC8001 AF23 BOOTSWAP
IC8001 V22 VDDIO
IC8001AD24CK27D
IC8001 E5 VSS
IC8001 F25 TD1N
IC8001 N11 VSS
IC8001 J21 MVAVSS
IC8001 P25 VDDIO
IC8001 W21 VSS
IC8001 B12 MVDACO1
IC8001 AD11 CH0PSYNC
IC8001 AC2 XECS1
IC8001 P13 VSS
IC8001 AE4 IS0PSYNC
IC8001 M23 VDDIO
IC8001 AE16 VDDIO
IC8001 G24 VSS
IC8001 P17 VSS
IC8001 R16 N.C.(DPAVSS)
IC8001 R5 ATCPOUT
IC8001 AE15 VDDR
IC8001 R26 VSS
IC8001 T12 VDD12
IC8001 T4 VDD33
IC8001 N22 VSS
IC8001 E22 LVVDD
IC8001 R6 TCK
IC8001 AD19 VSS
IC8001 R24 VSS
IC8001 M13 VSS
IC8001 AF3 IS0CLK
IC8001 AC6 NANDRYBY
IC8001 H2 VI2P14
IC8001 AF6 XDSR0
IC8001 AB12 SDDAT0
IC8001 V2 ED2
IC8001 AA13 SDDAT3
IC8001 W2 ED6
IC8001 M21 VDDIO
IC8001 AE14 VDD12
IC8001 AA15 VSS
IC8001 AF4 IS0DATA
IC8001 AC7 IS1PSYNC
IC8001 AA8 VDD33
IC8001 R13 VDD12
IC8001 AF14 VDD12
IC8001 L16 VSS
IC8001 W24 VSS
IC8001 AA12 CH1VAL
IC8001 AC8 XDTR0
IC8001 AC5 XNFCE
IC8001 AD22 VDDIO
IC8001 AE8 SMTD1
IC8001 F13 MVDACO2
IC8001 P2 AGAVSS
IC8001 AB7 IS0VAL
IC8001 N16 VSS
IC8001 V1 ED1
IC8001 N3 SDA1
IC8001 U24 VDDIO
IC8001 G23 LPFIN
IC8001 AF21 VSS
IC8001 U4 EA4
IC8001 AE24 DTCPOUT
IC8001 M14 VSS
IC8001 G3 VI2ENB
IC8001 D13 USBDP
IC8001 AF11 CH0DATA
IC8001 W5 ED12
IC8001 AD25 VDDIO
IC8001 H24 AUDCLK
IC8001 AC23 VDDIO
IC8001 M2 SCL0
IC8001 D25 TC1N
IC8001 Y23 VSS
IC8001 AB15 VDDR
IC8001 H23 VSS
IC8001 M25 VSS
IC8001 L17 VSS
IC8001 R1 TMS
IC8001 J3 VI2P17
IC8001 Y3 ED13
IC8001 R14 VSS
IC8001 L12 VSS
IC8001 Y6 VSS
IC8001 D14 USBDM
IC8001 D8 VDD33
IC8001 AE18 VSS
IC8001 U11 VDD12
IC8001 D22 VDD33
IC8001 AC16 VSS
IC8001 M15 VSS
IC8001 V5 ED3
IC8001 AE7 TXD0
IC8001 AF12 CH0CLK
IC8001 P4 GTCPOUT
IC8001 U1 EA5
IC8001 M4 VSS
IC8001 AE2 XEXDMR0
IC8001 T1 EA0
IC8001 AC13 VSS
IC8001 D17 VDD33
IC8001 U10 VDD12
IC8001 M16 VSS
IC8001 J5 VI2P11
IC8001 T17 VDDA
IC8001 N1 XIRQ2
IC8001 B23 SBO2
IC8001 K3 VI2P20
IC8001 C25 TB1N
IC8001 G7 VSS
IC8001 F6 VSS
IC8001 AB21 VSS
IC8001 L22 VSS
IC8001 J4 VI2P13
IC8001 F1 VI2HSYNC
IC8001 R2 TRST
IC8001 P16 DPAVDD
IC8001 AB23 VSS
IC8001 L11 VSS
IC8001 D12 MVDACO3
IC8001 E12 VVREF
IC8001 AA4 ESZ0 IC8001 AF10 CH1DATA
IC8001 AB10 SMTSEL1
IC8001 T10 VDD12
IC8001 P12 VSS
IC8001 K23 VDDIO
IC8001 G26 TE1P
IC8001 AC25 VSS
IC8001 J25 VSS
IC8001 C3 VSS
IC8001 B13 SRCK0
IC8001 F23 LVVSS
IC8001 A7 VI1P26
IC8001 C5 VI1P28
IC8001 A2 VI1P16
IC8001 A4 VI1P29
IC8001 B5 VI1P9
IC8001 C7 VI1P5
IC8001 A9 VI1P22
IC8001 B6 VI1P7
IC8001 E2 VI1CLK2
IC8001 B9 VI1P23
IC8001 E1 VI1P11
IC8001 D1 VI1HSYNC
IC8001 A3 VI1P14
IC8001 A8 VI1CKOUT
IC8001 B8 VI1P24
IC8001 C6 VI1P27
IC8001 B4 VI1P12
IC8001 B1 VI1P17
IC8001 C1 VI1P19
IC8001 D2 VI1VSYNC
IC8001 F2 VI1P21
IC8001 E3 VI1ENB
IC8001 C9 VI1CLK
IC8001 C4 VI1P13
IC8001 A5 VI1P8
IC8001 B3 VI1P15
IC8001 B7 VI1P4
IC8001 C10 VI1P3
IC8001 C8 VI1P25
IC8001 G6 VI1P0
IC8001 B10 VI1P2
IC8001 F3 VI1P10
IC8001 C2 VI1P18
IC8001 A6 VI1P6
IC8001 A16 VOP10
IC8001 B21 VOP4
IC8001 D20 VOP8
IC8001 A23 MVCLK
IC8001 F16 VOP11
IC8001 C21 VOP6
IC8001 B18 VOP28
IC8001 B16 VOP0
IC8001 A21 VOP3
IC8001 B17 VOP24
IC8001 F19 VOP5
IC8001 E17 VOP22
IC8001 C17 VOP25
IC8001 C20 VOP2
IC8001 C15 VOP21
IC8001 E20 MVSYNC
IC8001 A19 VOP13
IC8001 C22 MHSYNC
IC8001 B19 VOP14
IC8001 E18 VOP29
IC8001 F18 VOP15
IC8001 A20 VOP17
IC8001 B20 VOP19
IC8001 E19 VOP18
IC8001 C16 VOP1
IC8001 H26 VOUTENB
IC8001 A22 VOP7
IC8001 C18 VOP12
IC8001 B22 VOP9
IC8001 C19 VOP16
IC8001 A18 VOP26
IC8001 F17 VOP27
IC8001 E16 VOP20
IC8001 A17 VOP23
IC8001 E4 VI2P7
IC8001 A14 ADIN
IC8001 E9 VI1CVBS0
IC8001 E8 VI1CK208F
IC8001 D3 VI2P8
IC8001 A15 LCSCK
IC8001 B14 ADCCK
IC8001 D5 VI2P5
IC8001 F7 VI2P2
IC8001 E7 VI2P1
IC8001 D6 VI2P3
IC8001 E11 VI1CVBS3
IC8001 B15 LCSID
IC8001 F10 VI1CVBS1
IC8001 F9 VI1CK204F
IC8001 F8 VI2P0
IC8001 F5 VI2P6
IC8001 F4 VI2P9
IC8001 C14 DSRCK
IC8001 E15 SLRCK
IC8001 E10 VI1CVBS2
IC8001 AE3 NFALE
IC8001 D7 VDD33
IC8001 G2 VI2CLK
IC8001 AC12 VSS
IC8001 N13 VSS
IC8001 F14 LRCK0
C0ZBZ0001030
IC8004
1X1
2S0
3S1
4VIN
5VDD
6GND
774M
8COMM 9
27M
10
4.9152M
11
24.576/33M
12
GND
13
VDD
14
S2
15
VDD
16
X2
L8001
J0JHC0000045
L8002
J0JHC0000045
L8007
J0JHC0000045
L8010
J0JHC0000045
L8005
J0JHC0000045
L8008
J0JHC0000045
L8004
J0JHC0000045
L8003
J0JHC0000045
L8009
J0JHC0000045
SUB3.3V
SUB1.2V
SUB1.2V
SUB3.3V
SUB1.8V
SUB3.3V
1.8V_DDRI/F
SUB3.3V
SUB3.3V
SUB1.2V
SUB3.3V
SUB3.3V
R8764
VJUMP1005-S
R8003
VJUMP1608-S
TP8000 TP8001
AG_SD_BOOT_STS
EA3
SDDAT1
VI2P22
ED10
VI2P20
VI1CLK
VI1P11
VI1P29
VI1P10
VI1P9
XECS5
VI1P14
VI1P3
VI2P29
XIRQ1
SDWP
XERE
MVDACO1
ESZ1
VI2P18
XECS2
VI1ENB
SBI0
ED3
VI1P22
MVDACO3
VI1P18
VI1P15
VI2P27
VI1P2
VI1P5
VI1P19
VI1P13
VI2P17
XECS3
SRCK0
VI2P12
EA4
XECS0
VI1P21
IECOUT0
VI1P4
VI1P26
EA7
VI1P7
VI1P6
VI1P8
VI1P1
XECS6
VI2P16
ED5
VI1P24
VI1CLK2
SDCD
VI1P27
SDA0
VI1P23
SDA1
VI1P25
VI1P12
VI1P17
VI1P0
VI2P19
AG_DTV_VOUTENB
SBO0
VOP9
ED2
ED7
VOP28
SDCMD
VOP5
SBT0
EA5
VOP19
VOP21
VOP29
VI2P24
TDI
VOP26
TMS
VOP23
ED0
VI2P13
VOP24
VOP12
ED4
VI2CLK2
VI1P28
VI2P23
SBI2
TRST
XIRQ2
VI2P26
DMIX0
ADIN
ED11
SDDAT3
VOP20
VI2P15
VOP17
VOP1
VOP10
ED15
VI2ENB
VOP16
VOP15
VI1HSYNC
VOP11
VOP13
CH0CLK
VOP8
ED14
VOP4
VOP3
VOP22
MVSYNC
VOP27
EA1
VOP18
SBT2
VI2P14
VOP14
SDCLK
ED12
MHSYNC
MVCLK
VI1P16
VOP2
VOP7
LRCK0
VI1CKOUT
EA6
VI2P25
ED1
TCK
MVDACO2
NANDRYBY
ED9
ESZ0
ED8
SBO2
EA2
XNFWP
VI2P28
XRST
SCL1
XECS4
SCL0
CH0DATA
SDDAT2
ED6
CH0PSYNC
XEWE0
XIRQ3
ED13
SDDAT0
VOP0
EA0
VOP6
VI1VSYNC
CH0VAL
VOP25
R8086
100k
R8106
2k
R8898
10k
R8087
10k
L8006
0
R8094
10k
R8005
10k
R8002
56
R8090
10k
R8006
6.8k
R8004
24k
R8107
100
R8091
47
R8112
2.2k
R8093
47
R8001
220
X8001
H0J270500061
TP8557
TP8559
TP8556
TP8554
TP8562
TP8558
TP8555
TP8574
TP8563
TP8561
TP8560
R4330
47k
PORT16[1]
PORT8(3)
PORT8(4)
PORT8(6)
PORT8(5)
PORT8(7)
PORT10(0)
PORT10(1)
PORT10(2)
PORT10(3)
PORT10(4)
PORT10(5)
PORT10[6]
PORT10[7]
PORT16[0]
PORT6[5]
PORT6[7]
C
EA12
LVDS I/F
LOSD OUT (for HQ1)
SCL2
Y
PORT16(4), Pro_power_det
SDA2
Cmp
FOR ADV7495
PORT8(0), SBO1
SCL3
V
SDA3
U
CH,IS IF
Y
EA24
EA11
PORT16(3)
EA15
NAND I/F
EA16
EA10
R
EA21
G
EA09
EA18
EA17
EA23
EA08
EA14
EA20
FOR HQ1L VIDEO
EA19
EA13
IIC I/F
AUDIO IF SD CARD I/F
PORT6[4]
EA22
PORT5[5]
PORT5[6]
PORT16(6)
PORT5[7]
PORT15(6), POWER_DET
PORT7(7), SBI1
B PORT (Sub Video Input or Address)
Analog Video I/F
POD,CI I/F
CPU BUS I/F
COMMON PORT .etc
CLOCK GEN
B
XEAS XEAS
FE_IRQ
-> ->
-> ->
PORT14[1]: FE_XRST
PORT14[2]
PORT14[3]
PORT14[4]
HDMI_IRQ
PORT16[1]
RMCO DAUDIORMCO
PORT9(4): EEPROM_WP
PORT16(5),
FBI_ON / GC6 IRQ2
JTAG
SCARD_NMIRQ
SERIAL I/F
SCARD_IRQ ->
->
->
->
PORT16[1]
PORT15[7], DISPEN
LOSDOUT7
LOSDOUT0
LOSDOUT4
LOSDOUT3
LOSDOUT_CLK_O
LOSDOUT1
LOSDOUT15
LOSDOUT2
PORT9[0]
LOSDOUT9
LOSDOUT6
LOSDOUT_V_I
LOSDOUT12
LOSDOUT10
LOSDOUT11
LOSDOUT8
LOSDOUT5
LOSDOUT_H_I
LOSDOUT_CLK_I
LOSDOUT_H_O
LOSDOUT14
VI1P20
VI1P1
VI1P11
VI1P10
VI1P21
VI1VSYNC
VI1HSYNC
VI1P0
G9/Y9
R9
B9/CbCr9
VI1ENB
B8/CbCr8
B7/CbCr7
B6/CbCr6
B5/CbCr5
B4/CbCr4
B3/CbCr3
B2/CbCr2
B1/CbCr1
B0/CbCr0
G8/Y8
G7/Y7
G6/Y6
G5/Y5
G4/Y4
G3/Y3
G2/Y2
G1/Y1
G0/Y0
R8
R7
R6
R5
R4
R3
R2
R1
R0
-   -   -
PORT15[4]: ETHER_IRQ
PORT7[3]
PORT7[5]
PORT7[4]
PORT7[6]
PORT16[2],  DDR_CLK_SEL
PORT16[1], SDBOOT
PORT16[7], OSD_FLAG
73
F
54
C
12
B
E
96
D
8
A
CLOCK GEN
Peaks Lite 2p
IC8001
MN2WS0047
A-BOARD TNPH0721ABS (1/12)
!
Peaks-Lite2p,DDR
to (8/12)
to (7/12)
to (8/12)
to (10/12) to (3/12)
to
(3/12)
to
(3/12)
to
(3/12)
to (10/12)
to (11/12)
to (3/12)
to (4/12)
to (11/12)
to (3/12)
to (3/12)
to (3/12)
to (3/12)
to (7/12)
to (3/12)
to (12/12)
to
(11/12)
to (3/12)
to (3/12)
to (7/12)
to (12/12)
to (5/12)
TH-46PZ85U
A-Board (1/12) Schematic Diagram
TH-46PZ85U
A-Board (1/12) Schematic Diagram

46
11.8. A-Board (2/12) Schematic Diagram
+
S
S
S
S
S
S
S
S
S
S
S
S
S
S
S
S
S
S
S
S
S
S
S
S
S
S
S
S
S
S
S
S
S
S
S
S
S
S
S
S
S
S
S
CH0A10
CH0A2
CH0DQ4
CH0DQ13
CH0DM0
CH0DQS1
CH0DQ12
CH0DQ24
CH0A7
CH0DQ14
CH0DQ26
CH0A7
CH0DM1
CH0DQ15
CH0A2
CH0A0
CH0BA2
CH0A8
CH0CKE
CH0XCK
CH0DQ3
CH0XWE
CH0A6
CH0ODT
CH0XWE
CH0DQS3
CH0A12
CH0A4
CH0XRAS
CH0XCAS
CH0BA1
CH0DM2
CH0BA1
CH0A8
CH0BA0
CH0A10
CH0A8
CH0DQ28
CH0XCS1
CH0CKE
CH0A9
CH0A10
CH0CK
CH0DQ30
CH0DQ10
CH0DQ25
CH0DQ29
CH0A1
CH0A5
CH0DQ9
CH0DQ8
CH0A3
CH0DQ27
CH0DQ16
CH0A7
CH0DQ20
CH0A6
CH0DQ21
CH0DQ1
CH0A4
CH0DQ5
CH0A11
CH0BA0
CH0A9
CH0XWE
CH0DQ19
CH0CKE
CH0CKE
CH0XRAS
CH0A0
CH0DQ2
CH0A11
CH0A2
CH0DQ17
CH0A5
CH0A11
CH0XCAS
CH0BA1
CH0BA2
CH0DQS2
CH0A5
CH0A3
CH0DM3
CH0XCS0
CH0A1
CH0DQS0
CH0BA0
CH0XCAS
CH0XCS0
CH0A0
CH0DQ11
CH0XRAS
CH0DQ6
CH0DQ31
CH0ODT
CH0DQ22
CH0A4
CH0A12
CH0DQ7
CH0BA2
CH0A6
CH0XCS1
CH0DQ0
CH0DQ18
CH0A1
CH0XCK
CH0DQ23
CH0A3
CH0ODT
CH0A12
CH0A9
CH0DQ1
CH0DQ3
CH0DQ5
CH0DQ8
CH0DQ10
CH0DQ12
CH0DQ14
CH0XCK
CH0DM3
CH0DQS3
CH0DQ17
CH0DQ21
CH0DQ23
CH0DQ25
CH0DQ27
CH0DQ29
CH0DQ31
CH0DQ19
CH0DM0
CH0DQS0
CH0DQS1
CH0DM1
CH0DQ0
CH0DQ2
CH0DQ4
CH0DQ6
CH0DQ7
CH0DQ9
CH0DQ11
CH0DQ13
CH0DQ15
CH0CK
CH0DM2
CH0DQS2
CH0DQ16
CH0DQ18
CH0DQ20
CH0DQ22
CH0DQ24
CH0DQ26
CH0DQ28
CH0DQ30
CH0CK
CH0ODT
C8050
16V
0.1u
C8038
16V
0.1u
C8041
16V
0.1u
C8046
16V
0.1u
C8036
10u
10V
C8049
16V
0.1u
C8039
16V
0.1u
C8051
16V
0.1u
C8043
16V
0.1u
C8035
10u
10V
C8037
16V
0.1u
C8044
16V
0.1u
C8047
16V
0.1u
C8040
16V
0.1u
C8048
16V
0.1u
C8045
16V
0.1u
C8042
68u
4V
IC8003 A1 VDD
IC8002 A1 VDD
IC8001W23MMA0
IC8003 C2 DQ9
IC8003 E2 NC
IC8003 N3 A5
IC8002 C3 VDDQ
IC8003 M3 A1
IC8001T21MMA3
IC8001T26MMA10
IC8003 L1 RFU
IC8003 F3 LDM
IC8002 B7 UDQS
IC8002 L2 BA0
IC8003 B7 UDQS
IC8003 P2 A7
IC8003 H9 DQ5
IC8001V24MMBA1
IC8001T24MMBA2
IC8003 E3 VSS
IC8002 R2 A12
IC8003 C1 VDDQ
IC8001P22MMDQ13
IC8003 J7 VSSDL
IC8001N26MMDQ11
IC8002 H2 VSSQ
IC8003 A7 VSSQ
IC8002 B1 DQ14
IC8003 D2 VSSQ
IC8001AB24MMMONA
IC8001AE26MMRODT
IC8003 D9 DQ13
IC8002 H8 VSSQ
IC8003 K7 RAS
IC8003 D1 DQ12
IC8003 R8 RFU
IC8002 N2 A3
IC8001N25MMDQ10
IC8001AB20MMDQ16
IC8002 B3 UDM
IC8001AC17MMDQ25
IC8002 B8 VSSQ
IC8002 E7 VSSQ
IC8003 A3 VSS
IC8003 G3 VDDQ
IC8002 K9 ODT
IC8001V23MMA11
IC8001L26MMDQS0
IC8001K22MMDQ4
IC8001P24MMDQ14
IC8003 D3 DQ11
IC8003 K3 WE
IC8003 J3 VSS
IC8002 G9 VDDQ
IC8002 F3 LDM
IC8002 G8 DQ0
IC8003 H1 DQ4
IC8001AF18MMDM3
IC8001Y25MMA8
IC8003 J2 VREF
IC8003 G7 VDDQ
IC8001K24MMDQ3
IC8002 L3 BA1
IC8001AD16MMDQ30
IC8001P21MMDQ12
IC8001J24MMDQ7
IC8002 N1 VSS
IC8002 L8 CS
IC8003 A2 NC
IC8003 K8 CK
IC8002 J8 CK
IC8003 R7 RFU
IC8001AB26MMXCK
IC8001U26MMA7
IC8001AF19MMDQS2
IC8001M22MMVREF0
IC8002 G1 VDDQ
IC8001AB18MMVREF1
IC8003 B2 VSSQ
IC8003 K9 ODT
IC8001R25MMXWE
IC8002 E3 VSS
IC8002 C2 DQ9
IC8003 G2 DQ1
IC8002 J1 VDDL
IC8003 J8 CK
IC8003 J1 VDDL
IC8003 R3 RFU
IC8003 H7 DQ2
IC8001AA16MMDQ29
IC8001AF16MMDQ31
IC8002 E9 VDDQ
IC8002 H9 DQ5
IC8001AC21TSTSEL
IC8001M24MMDQS1
IC8001R22MMXCS0
IC8003 B1 DQ14
IC8001N21MMDQ8
IC8001V26MMA1
IC8003 P7 A11
IC8003 P8 A8
IC8001AC24MMPCLKEXT
IC8003 F1 DQ6
IC8002 P9 VSS
IC8001U22MMA5
IC8003 R2 A12
IC8003 N7 A6
IC8003 C7 VDDQ
IC8002 F7 LDQS
IC8001AB16MMDQ28
IC8002 M8 A0
IC8002 J3 VSS
IC8002 H3 DQ3
IC8002 A9 VDDQ
IC8003 F7 LDQS
IC8002 M2 A10
IC8003 F9 DQ7
IC8003 M2 A10
IC8001AE17MMDQ26
IC8001AD20MMDQ19
IC8001AF22MMDQ22
IC8003 K2 CKE
IC8001R23MMCKE
IC8001U23MMA12
IC8003 B3 UDM
IC8002 D7 DQ10
IC8001AC26MMCK
IC8001Y21MMVCAL
IC8002 F9 DQ7
IC8001Y26MMA6
IC8001W22MMXCS1
IC8001M26MMDM1
IC8001K25MMDQ2
IC8002 G2 DQ1
IC8001AA20MMDQ21
IC8002 J7 VSSDL
IC8003 C8 DQ8
IC8001U25MMA9
IC8002 D9 DQ13
IC8001AA23MMMONB
IC8003 P3 A9
IC8001AD21MMDQ23
IC8003 D8 VSSQ
IC8002 P2 A7
IC8001N23MMDQ9
IC8001AC19MMDQ17
IC8003 L7 CAS
IC8002 N8 A4
IC8001V21MMA4
IC8002 A2 NC
IC8003 N1 VSS
IC8002 N7 A6
IC8003 H2 VSSQ
IC8003 P9 VSS
IC8001AA24MMODT
IC8002 B9 DQ15
IC8002 D3 DQ11
IC8002 R8 RFU
IC8001AA19MMDQ20
IC8002 E8 LDQS
IC8002 K7 RAS
IC8002 H7 DQ2
IC8002 D8 VSSQ
IC8002 P7 A11
IC8003 E8 LDQS
IC8003 J9 VDD
IC8002 P8 A8
IC8002 D1 DQ12
IC8001AA17MMDQ24
IC8003 A9 VDDQ
IC8002 G7 VDDQ
IC8002 M7 A2
IC8003 R1 VDD
IC8002 M9 VDD
IC8003 G9 VDDQ IC8003 E7 VSSQ
IC8003 N2 A3
IC8001AD18MMDQS3
IC8001W25MMXRAS
IC8003 E9 VDDQ
IC8003 E1 VDD
IC8003 M9 VDD
IC8003 H8 VSSQ
IC8002 P3 A9
IC8002 H1 DQ4
IC8001U21MMXCAS
IC8001L21MMDQ1
IC8002 F8 VSSQ
IC8001AA26MMA2
IC8002 K3 WE
IC8002 L1 RFU
IC8003 M7 A2
IC8002 K2 CKE
IC8003 F8 VSSQ
IC8003 N8 A4
IC8002 B2 VSSQ
IC8003 D7 DQ10
IC8003 B9 DQ15
IC8002 C9 VDDQ
IC8002 A3 VSS
IC8003 G1 VDDQ
IC8003 F2 VSSQ
IC8002 J9 VDDIC8002 A8 UDQS
IC8003 B8 VSSQ
IC8003 A8 UDQS
IC8002 D2 VSSQ
IC8002 R3 RFU
IC8002 M3 A1
IC8001AF25MMRDRV
IC8002 F2 VSSQ
IC8001AF17MMDQ27
IC8003 M8 A0
IC8001L23MMDQ0
IC8003 C9 VDDQ
IC8002 R7 RFU
IC8003 C3 VDDQ
IC8003 L2 BA0
IC8003 H3 DQ3
IC8001L25MMDM0
IC8002 K8 CK
IC8001AE23MCLK
IC8002 L7 CAS
IC8002 C8 DQ8
IC8003 L8 CS
IC8001AE19MMDM2
IC8003 G8 DQ0
IC8002 N3 A5
IC8002 J2 VREF
IC8001J26MMDQ6
IC8002 R1 VDD
IC8002 A7 VSSQ
IC8001P26MMDQ15
IC8001T23MMBA0
IC8001J23MMDQ5
IC8002 C7 VDDQ
IC8002 E2 NC
IC8002 C1 VDDQ
IC8003 L3 BA1
IC8002 E1 VDD
IC8001AE20MMDQ18
IC8002 F1 DQ6
IC8002 G3 VDDQ
1.8V_DDRI/F
1.8V_DDRI/F
1.8V_DDRI/F
VREF
R8015 VJUMP1005-S
R8014 VJUMP1005-S
R8013 VJUMP1005-S
R8012 VJUMP1005-S
R8011 VJUMP1005-S
R8010 VJUMP1005-S
R8009 VJUMP1005-S
R8008 VJUMP1005-S
R8007 VJUMP1005-S
R8029 VJUMP1005-S
R8028 VJUMP1005-S
R8080 VJUMP1005-S
R8079 VJUMP1005-S
R8016 VJUMP1005-S
R8026 VJUMP1005-S
R8055 VJUMP1005-S
R8054 VJUMP1005-S
R8053 VJUMP1005-S
R8052 VJUMP1005-S
R8051 VJUMP1005-S
R8050 VJUMP1005-S
R8049 VJUMP1005-S
R8048 VJUMP1005-S
R8047 VJUMP1005-S
R8046 VJUMP1005-S
R8045 VJUMP1005-S
R8044 VJUMP1005-S
R8043 VJUMP1005-S
R8042 VJUMP1005-S
R8041 VJUMP1005-S
R8040 VJUMP1005-S
R8025 VJUMP1005-S
R8024 VJUMP1005-S
R8039 VJUMP1005-S
R8023 VJUMP1005-S
R8084
VJUMP1005-S
R8022 VJUMP1005-S
R8020 VJUMP1005-S
R8019 VJUMP1005-S
R8021 VJUMP1005-S
R8018 VJUMP1005-S
R8017 VJUMP1005-S
R8027 VJUMP1005-S
R8062 47
R8097 220
R8067 47
R8030
100
R8059 47
R8069 47
R8098
10k
R8073 47
R8064 47
R8081
10k
R8056 47
R8032
270
R8100 47
R8063 47
R8076 47
R8057 47
R8101
10k
R8099
10k
R8078 47
R8068 47
R8061 47
R8058 47
R8070 47
R8031
270
R8082
75
R8066 47
R8060 47
R8071 47
R8065 47
R8075 47
R8083
300
R8077 47
R8035
0
R8072 47
R8074 220
1712 13 1611 151410 18
MN2WS0047
Peaks Lite 2p
IC8001
C3ABSY000014
DDR2#0 512M
IC8002
IC8003
DDR2#1 512M
C3ABSY000014
Peaks-Lite2p,DDR
!
A-BOARD TNPH0721ABS (2/12)
TH-46PZ85U
A-Board (2/12) Schematic Diagram
TH-46PZ85U
A-Board (2/12) Schematic Diagram

47
11.9. A-Board (3/12) Schematic Diagram
G
G
G
G
S
S
AA_ED1
AA_EA6
AA_ED4
AA_ED13
AA_EA3
AA_EA10
AA_EA21
AA_EA17
AA_XERE
AE_SDCLK
AA_ED2
AA_XECS0
AD_SDA1
AD_SDA3
AA_ED11
AD_SDA2
A_SCL0
AA_EA8
AA_ED15
AA_EA18
AA_EA16
AD_SDA3
AA_ED14
AA_EA5
AA_ED8
AA_EA13
AD_SCL3
AD_SCL3
AA_EA2
AA_EA22
AA_EA11
AA_EA9
A_SDA0
AD_SCL2
AA_XEWE0
AD_SCL1
AA_XECS0
AA_ED12
AA_ED5
AA_EA14
AD_SDA1
A_SDA0
AA_ED10
AA_ED0
AA_XERE
AA_ED6
AA_ED7
AD_SCL2
AG_DTV_XRST
AA_EA7
AA_XEWE0
AE_SDCMD
AA_EA15
AA_ED3
A_SCL0
AA_ED9
AD_SCL1
AA_EA4
AA_EA12
AA_EA1
AA_EA20
AA_EA19
AE_SDWP
AE_SDCD
XECS2
XECS2
AA_ED0
AA_EA22
AA_ED2
AA_ED13
AA_EA15
AA_ED1
AA_EA19
AA_EA23
AA_EA16
AA_EA20
AA_ED4
AA_EA12
AA_ED9
AA_EA13
AA_EA7
AA_ED10
AA_EA8
AA_ED6
AA_ED8
AA_ED12
AA_EA14
AA_ED11
AA_ED7
AA_ED14
AA_EA9
AA_EA10
AA_EA11
AA_EA21
AA_ED15
AA_EA17
AA_ED5
AA_EA18
AA_ED3
NANDRYBY
AE_SDDAT0
AE_SDCMD
AA_EA23
AA_EA0
AA_EA1
AA_EA2
AA_EA3
AA_EA4
AA_EA5
AA_EA6
AE_SDDAT1
AE_SDDAT2
AE_SDDAT3
XECS4
AD_SCL3
AD_SDA3
AE_SDDAT1
AE_SDDAT3
AE_SDDAT2
AE_SDDAT0
AE_SDCD
AE_SDCLK
XNFWP
NANDRYBY
XECS4
AG_DTV_XRST
AD_SDA2
AE_SDWP
C8506
16V
0.1u
C4780
16V
0.1u
C8501
16V
0.1u
C8513
16V
0.01u
C8519
16V
0.01u
C8517
16V
0.1u
*FL8052
J0HAAB000036
1
2
3
4
FL8500
J0HAAA000013
12
3
4
5
6
7
8
9
10
FL8501
J0HAAA000013
12
3
4
5
6
7
8
9
10
*IC8503
TVRP755S
1NC
2NC
3NC
4VSS 5
SDA
6
SCL
7
WC
8
VCC
TVRP753S
IC8502
1N.C.
2A22
3A15
4A14
5A13
6A12
7A11
8A10
9A9
10 A8
11 A19
12 A20
13 WE
14 RESET
15 A21
16 WP/ACC
17 RY/BY
18 A18
19 A17
20 A7
21 A6
22 A5
23 A4
24 A3
25 A2
26 A1
27 N.C.
28 N.C. 29
Vio
30
N.C.
31
A0
32
CE
33
Vss
34
OE
35
DQ0
36
DQ8
37
DQ1
38
DQ9
39
DQ2
40
DQ10
41
DQ3
42
DQ11
43
Vcc
44
DQ4
45
DQ12
46
DQ5
47
DQ13
48
DQ6
49
DQ14
50
DQ7
51
DQ15/A-1
52
Vss
53
BYTE
54
A16
55
N.C.
56
N.C.
A52
1
2
3
4
5
6
7
8
9
10
11
12
13
14
15
L8507
J0JHC0000045
L8500
J0JHC0000075
SUB3.3V
SUB3.3V
SUB3.3V
SUB3.3V
SUB3.3V
SUB3.3V
SUB3.3V
SUB3.3V
SUB3.3V
SUB3.3V
SUB3.3V
R8505
VJUMP1005-S
R8524
VJUMP1005-S
R8568
VARAY405
TP8515
TP8510
TP8550
TP8517
TP8514
TP8546
TP8553
TP8502
TP8516
TP8544
TP8548
TP8547
TP8552
TP8551
TP8513
TP8519
TP8518
TP8511
TP8512
EA3
EA0
ESZ0
AG_SW_OFF_DET
EA1
ESZ1
SBT2
XEWE0
XECS4
EA7
SCL0
EA4
EA5
XERE
XECS5
SCL1
AG_DTV_XRST
SDCLK
EA2
EA6
XNFWP
SDWP
DTV_V
XIRQ1
AG_KEY1(CON-PANE)
NANDRYBY
A_SCL0
AD_SCL3
AD_SCL1
AD_SCL2
SDCMD
VI2P14
ED9
MVDACO3
ED5
VI2P24
MVDACO1
VI2P18
VI2P27
VI2P16
ED7
VI2P13
MVDACO2
VI2ENB
XECS0
ED0
TDI
SBT0
ED10
TMS
VI2P22
SDDAT1
TCK
TRST
SDA1
XECS2
VI2P12
VI2P15
ED11
VI2P28
VI2P17
AD_SDA1
ED2
ED3
SDA0
AD_SDA2
SDDAT0
SDCD
ED1
SDDAT2
VI2P25
ED15
ED14
VI2P26
VI2CLK2
ED8
VI2P23
VI2P29
ED12
A_SDA0
ED6
XECS3
VI2P19
AD_SDA3
SDDAT3
ED13
ED4
R8573
EXB28V680JX
R8566
EXB28V103JX
R4079
EXB2HV560JV
R4089
EXB2HV560JV
R4090
EXB2HV560JV
R4091
EXB2HV560JV
R4081
EXB2HV560JV
R4168
EXB2HV473JV
R8570
33
R8553 1.8k
R8539 22
R8564
10k
R8541 22
R8504
10k
R8772
10k
R8770
10k
R8545 22
R8661
10k
R8520
33
R8769
33
R8502
0
R8722 56
R8556
4.7k
R8554
22
R8563
10k
R8767
75
R8565
10k
R8561
33
R8540 22
R8519
33
R8562
10k
R8550 3.3k
R5058
1k
R8574 68
R8529 56
R8765
75
R8557
3.3k
R8512
10k
R5069
10k
R8533
10k
R8538 22
R8866
91
R5137
1k
R8663
10k
R8555
22
R8528 56
R8532 56
R8530 56
R8844
10k
R8517
33
R8544 22
R8542 22
R8793
10k
R8552 1.8k
R8575 82
R8558
3.3k
R8548 3.3k
R8721 56
R8546 3.3k
R8547 3.3k
R8543 22
(A23)
(VIO)
from LiteIIp
SD_CARD
PORT9[4] EEPROM_WP
I2C
to other devices
NAND_I/F
SD CARD
MODE
EA10, UV2
EA8, UV0
EA9. UV1
EA21, Y5
EA19, Y3
EA23, Y7
LiteIIp
EA18, Y2
EA16, Y0
EA17, Y1
From PEAKS-LiteIIp
EA11, UV3
EA12, UV4
EA13, UV5
EA14, UV6
EA15, UV7
EA20, Y4
EA22, Y6
SW_OFF_DET
to GenX4 portto Peaks Lite 2
to H.264 board
SDDAT1
GND
SDWP
SDDAT3
SDCMD
SDDAT2
GND
3.3V
GND
SDDAT0
SDDTC
SDCLK
C     U     B
Y     Y     G
YC    YUV   RGB
Comp.   V     R
-     -     -
Comp
Power_det
KEYSCAN1
GND
TDI
TMS
TCK
TRST
20 272221 25 262319 24
128/256Mbit
NOR FLASH
EEPROM
LiteIIp
to (1/12)
TO
GS-BOARD
(GS52)
!
DIGITAL(NAND,BOOT,ETC)
B_PORT
LiteIIp
to (1/12)
to (1/12)
to (1/12)
to (1/12)
to (4/12)(7/12)
to (12/12)
to (10/12)(12/12)
to (5/12)(11/12)(12/12)
to (7/12)(12/12)
to (1/12)
to (1/12)
LiteIIp
to (1/12)
to (1/12)
to (1/12)
LiteIIp
to (1/12)
to (1/12)
to (5/12)
to (7/12)
to (7/12)
A-BOARD TNPH0721ABS (3/12)
TH-46PZ85U
A-Board (3/12) Schematic Diagram
TH-46PZ85U
A-Board (3/12) Schematic Diagram

48
11.10. A-Board (4/12) Schematic Diagram
+
+
+
+
S
S
S
S
S
S
S
S
SUB5V
C5663
6.3V
10u
C5667
50V
100p
C5652
50V
1000p
C5664
6.3V
10u
C5412
10u
16V
C5522
16V
0.1u
C5521
16V
0.1u
C5401
0.1u
25V
C5420
10u
16V
C5406
10u
25V
C5402
25V
0.01u
C5408
10u
10V
C5418
10u
25V
C5400
10u
10V
C5416
25V
4700p
C5413
0.1u
25V
C5404
25V
3900p
C5414
25V
0.01u
C5417
0.1u
25V
C5405
0.1u
25V
C5601
0.1u
16V
C5627
0.1u
16V
C5611
25V
10u
C5765
10V
0.047u
C5615
10u
25V
C5637
0.1u16V
C5625
0.01u
25V
C5636
0.1u16V
C5621
0.01u
25V
C5766
16V
0.01u
C5624
220p
50V
C5600
1u
10V
C5616
0.047u
10V
C5607
50V
220p
C5642
10u
25V
C5619
10u
25V
C5622
4.7u
10V
C5644
0.01u
25V
C5612
25V
10u
C5603
0.01u
25V
C5618
10u
25V
C5608
0.1u
16V
C5640
0.1u
16V
C5639
0.1u16V
C5626
0.1u
16V
C5632
1u
25V
C5617
1u
10V
C5638
0.1u16V
C5688
2.2u
10V
C5623
470p
50V
C5606
470p
50V
C5767
16V
0.01u
C5605
4.7u
10V
C5641
0.1u
16V
C5643
0.1u
25V
C5620
0.1u
25V
C5604
0.01u
25V
C5629
68u
4V
C5628
68u
4V
C5602
68u
4V
C5631
25V
47u
D5400
B0JCME000037
D5403
B0JCME000037
D5615
MA2J11100L
D5604
B0JCDD000002
D5616
MA2J72800L
D5601
MA22D3900L
D5603
B0JCDD000002
D5605
MA22D3900L
D5602
MA22D3900L
D5613
MA2J11100L
D5614
MA2J11100L
D5606
B0JCDD000002
D5522
MA3X152D0L
D5521
MA3X152D0L
D5405
B0BC4R700007
D5573
B0BC01100001
D5404
B0BC4R700007
D5571
B0BC6R600005
D5402
B0BC4R700007
D5692
MAZ80560LL
D5401
B0BC4R700007
C0EBF0000354
IC5606
4
OUT
3
CD
1VSS
2VDD
IC3017
C0EBM0000026
1
OUT
2
Vdd
3
GND
5
Cd
4
NC
IC5400
C0DBAYY00183
1BS
2VIN
3SW
4GND 5
FB
6
COMP
7
EN
8
SS
IC5401
C0DBAYY00183
1BS
2VIN
3SW
4GND 5
FB
6
COMP
7
EN
8
SS
C0DBAYY00273
IC5600
1GND
2REFIN
3VREF
4CS
5COVP
6CUVP
7PGOOD
8CTL
9LSAT
10 ILIM
11 +INC
12 -INC 13
FSW
14
PGND
15
OUT-2
16
VB
17
VCC
18
VBIN
19
LX
20
OUT-1
21
CB
22
RT
23
VO
24
FB
C0DBAYY00274
IC5601
1RT
2CS1
3VO1
4FB1
5REFIN1
6ILIM1
7-INC1
8-INC2
9ILIM2
10 FSW
11 FB2
12 VO2
13 CS2
14 GND
15 VREF 16
CTL
17
CB2
18
OUT2-1
19
LX2
20
OUT2-2
21
VB
22
PGND
23
VCC
24
OUT1-2
25
LX1
26
OUT1-1
27
CB1
28
PGOOD
29
CUVP
30
OVP
L5605
J0JHC0000075
L5604
G1C100MA0203
L5600
G1C2R2Z00007
L5401
G1C330M00027
L5601
G1C2R2Z00007
L5602
G1C4R7Z00014
L5606
G1C100MA0203
L5405
G1C330M00027
BT30V
SUB3.3V
SUB3.3V
SUB1.8V
STB5V
SUB9V
F15V
SUB1.2V
F15V
F15V
STB3.3V
F15V
STB5V
F15V
SUB5V
R5603
R5601
VJUMP1608-S
R5409
VJUMP1005-S
R5616
VJUMP1005-S
R5404
VJUMP1005-S
R5663
VJUMP1005-S
R5614
VJUMP1608-S
R5602
TPS0S
TP3506
TP3504
TP5600
TP5602
TP5601
TP5400
TP3508
TP3505
TP3507
STB_RST
AG_KEY3
AG_SOS
AG_ODU_DET/KEY3
AG_DTV_XRST
XRST
Q5602
B1MBDDA00003
S1G1S2G2
D2 D2 D1 D1
Q5601
B1MBDDA00003
SP8K1TB
S1G1S2G2
D2 D2 D1 D1
Q5600
B1MBEDA00015
S1G1S2G2
D2 D2 D1 D1
Q5603
2SD0601A0L
Q5604
2SD0601A0L
Q5522
2SB0709A0L
Q5684
2SB0709A0L
R5631
36k
R5646
10k
R5606
0
R5641
47k
R5652
100k
R5610
100k
R5748
12k
R5405
100k
R5632
30k
R5667
100
R5662
10k
R5600
68
R5403
10k
R5644
2.2k
R5665
100
R5188
470
R5408
10k
R5604
47k
1%
R5400
100k
R5406
20k
R5747
10k
R5627 0
R5536
4.7k
R5612
36k
R5762
100
R5651
56k
R5637
0
R5401
10k
R5647
47k
R5630
47.5k
R5544
220
R5626 0
R5540
470
R5542
470
R5535
2.2k
R5628 0
R5537
1.5k
R5538
2.2k
R5648
10k
R5664
1M
R5666
470
R5629
28k
R5635
22k
R5623
47k
R5605
12.7k
1%
R5402
45.3k
R5638
10k
R5622
100k
R5636
68k
R5607
0
R5625 0
R5634
28k
R5633
36k
R5749
47k
R5611
47k
R5650
56k
R5621
28k
R5620
68
R5407
88.7k
GenX5
PEAKS-LITE2 RESET
RESET IC
PEAKS-LITE2 POWER
36
28 31 32 33 34 3529 30
VREF(2.5V)
SUB 5V
SUB 9V
15V->3.3V
DC-DC CONVERTER
15V->1.2V,15V->1.8V
DC-DC CONVERTER
!
POWER SUPPLY
to (1/12)
to (3/12)(7/12)
to (7/12)
to (6/12)
to (7/12)
to (7/12)(12/12)
STB RESET
A-BOARD TNPH0721ABS (4/12)
TH-46PZ85U
A-Board (4/12) Schematic Diagram
TH-46PZ85U
A-Board (4/12) Schematic Diagram

49
11.11. A-Board (5/12) Schematic Diagram
+
+
+
V
MONITOR OUT
V1
COMPONENT2
COMPONENT1
V
R
L
R
L
Pb
Pr
CY
Pb
R
R
Y
L
Pr
Y
L
S
S
P
AD_SDA2
MAIN_Y/CVBS
MAIN_PB/C
AD_SCL2
RGB_CVBS
MAIN_PR
HDMI_LRCK
HDMI_SDIN
HDMI_BCLK
RF_R
RF_L
RF_V
DTV_SRCK
DTV_LRCK
DTV_DMIX
DTV_SPDIF
AG_AUDIO_MUTE
AG_SOUND_SOS
AG_AUDIO_XRST
AAM_RMON_R
AAM_LMON_L
A_MON_MUTE
MCLK
V1_Y
V1_C
V1_S_DET
AG_VIDEO_STATUS
MAIN_Y/CVBS
PC_HS
MAIN_PB/C
PC_VS
PC_VS
MAIN_PR
RGB_CVBS
MON_V
MAIN_R
MAIN_L
AAM_R
AAM_L
DTV_V
RF_V
D1_PR
D1_Y
D1_PB
D2_PR
D2_Y
D2_PB
D1_L
D1_R
D2_L
D2_R
V1_L
V1_R
DTV_L
DTV_R V1_V
V2_R
V2_L
V2_S_DET
RF_L
RF_R
PC_H_IN
PC_V_IN
PC_B_IN
PC_G_IN
PC_R_IN
PC_R_IN
PC_R
PC_L
PC_L
PC_R
HDMI_INT2
AD_SDA2
AD_SCL2
PC_G_IN
PC_H_IN
PC_V_IN
D1_R
D1_PR
D2_R
D2_L
D2_Y
V1_L
V1_V
V1_C
MON_L
MON_R
V1_Y
V1_S_DET
V1_R
D2_PB
D2_PR
D1_PB
D1_Y
D1_L
V2_C
V2_Y
V2_V
PC_B_IN
MON_V
PC_HS
AG_VIDEO_STATUS
DTV_V
HDMI_SPDIF
C3035 10V 1u
C3034 10V 1u
C3033 10V 1u
C3031 10V 1u
C3030 10V 1u
C3032 10V 1u
C3028 10V 1u
C3029 10V 1u
C3026 10V 1u
C3027 10V 1u
C3024 10V 1u
C3025 10V 1u
C3042
10V 10u
C3124
10V
10u
C3011
16V 0.01u
C3017
16V
0.1u
C3016
10V 10u
C3013
10V 10u
C3008
10V 10u
C3043
10V 10u
C3001
10V 10u
C3044
10V 10u
C3045
10V 10u
C3007
10V 10u
C3010
16V 0.01u
C3050
16V
0.1u
C3046
10V 10u
C3047
10V 10u
C3019
16V
0.1u
C3123
10V
10u
C3022
16V
0.1u C3015
10V
10u
*C3059
10V
10u
*C3061
10V
10u
*C3057
10V
10u
*C3052 10V 1u
*C3051 10V 1u
C3023
10u
10V
C3006
10u
10V
C3020
16V
22u
C3049
10V
100u
C3021
10V
220u
*D3054
MAZ81400ML
D3065
MAZ81400ML
D3064
MAZ81400ML
D3077
MAZ81400ML
D3063
MAZ81400ML
D3071
MAZ81400ML
D3072
MAZ81400ML
D3048
MAZ81400ML
D3067
MAZ81400ML
D3076
MAZ81400ML
D3052
MAZ81400ML
D3051
MAZ81400ML
D3073
MAZ81400ML
D3068
MAZ81400ML
D3080
MAZ81400ML
D3066
MAZ81400ML
D3069
MAZ81400ML
D3079
MAZ81400ML
*D3053
MAZ81400ML
D3070
MAZ81400ML
D3078
MAZ81400ML
*FL3010
J0MAB0000140
1
23
4
*FL3011
J0MAB0000140
1
23
4
C1AB00002855
IC3001
1
Gin
2
HDin
3
Rin
4
T DET5
5
CVBSin4
6
T DET4
7
CVBSin3
8
BG
9
Yin3
10
S2 DET3
11
R2/Cin3
12
GND
13
G2/Yin2
14
S2 DET2
15
B2/Cin2
16
T DET3
17
CVBSin1
18
T DET2
19
G1/Yin1
20
S2 DET1
21
B1/Cin1
22
T DET1
23
CVBSin2
24
VCC5V
25
R1
26
State out
27
FBout/T DET10
28
SDA
29 SCL
30 GND
31 G/CY/CVBSout1
32 HD out1
33 B/PB/Cout1
34 VD out1
35 R/Prout1
36 VCC5V
37 SAG CVBSout4
38 Y/Y+C/CVBSout4
39 S2out
40 SAG CVBSout5
41 C/Y+C/CVBSout5
42 GND
43 SAG CVBSout3
44 CVBS/Y+Cout3
45 VCC9V
46 G/CY/Y/CVBSout7
47 O3
48
AU_GND
49
R4out
50
L4out
51
R3out
52
L3out
53
R2out
54 L2out
55 R1out
56 L1out
57 AU1/2Vcc
58 L1in
59 R1in
60 L2in
61 R2in
62 L3in
63 R3in
64 L4in
65 R4in
66 L5in
67 R5in
68 L6in
69 R6in
70 L7in
71 R7in
72 L8in
73
R8in
74
L9in
75
R9in
76
FBin1/O1
77
CVBSin7
78
FBin2/O2
79
CVBSin6
80
VCC9V
81
CVBSin5
82
T DET9
83
Yin4
84
T DET8
85
Cin4
86
VCC5V
87
PBin2/B3
88
L3 DET2
89
CYin2/G3
90
T DET7
91
PRin2/R3
92
T DET6
93
PBin1
94
L3 DET1
95
CYin1
96
HD VD/FBKMUTE
97
PRin1
98
GND
99
Bin
100
VDin
*JK3000
K1U932A00001
V
L
R
G
C
Y
G
Y- G
C-G
G
V
L
R
G
Y
PB
PR
G
L
R
G
Y
PB
PR
G
L
R
G
S
T
R
*JK3001
K1FB315A0006
1
2
3
4
5
6
7
8
9
10
11
12
13
14
15
*L3309
J0JCC0000269
L3000
J0JYC0000068
*L3308
J0JCC0000269
L3001
J0JYC0000068
SUB3.3V
SUB5V
SUB9V
R3072
VJUMP1005-S
R3073
VJUMP1005-S
R3100
VJUMP1005-P
AG_AUDIO_XRST
HDMI_BCLK
AG_AUDIO_MUTE
HDMI_SPDIF
HDMI_LRCK
HDMI_SDIN
MAIN_PR
MAIN_PB/C
AG_SOUND_SOS
MAIN_Y/CVBS
MCLK
RGB_CVBS
PC_HS
IECOUT0
RF_L
RF_R
RF_V
DMIX0
AD_SCL2
SRCK0
AD_SDA2
LRCK0
HDMI_INT2
PC_VS
Q3123
2SD0601A0L
Q3124
2SD0601A0L
Q3125
2SB0709A0L
330
R4136
*R3313
75
R3099
68
R3085 220
R3192
39k
R3148
180k
R3079 220
R3080 220
*R3210
39k
R3193
39k
*R3196
68
R3124
1.8k
*R3316
0
*R3188
68
R3082 220
R3081 220
R3151
1M
*R3318
75
R3084 220
R3098
68
R3209
75
R3059 220
R3149
100
330
R4135
R3198
75
R3147
100
R3189
75
R3152
47k
R3077
220
R3087 220
R3202
39k
R3061 75
R3064 75
R3066 75
R3076
75
R3083 220
*R3091 220
R3097
68
R3096
68
R3095
68
*R3310
75
*R3319
0
*R3311
0
R3150
100
R3153
1k
R3146
180k
*R3301
0
*R3303
0
R3191
39k
*R3302
100
*R3305
100
100
R4137
R3154
270k
R3089 220
R3090 220
*R3206
39k
R3204
39k
R3203
75
*R3306
4.7k
R3058 220
R3078
220
R3062 220
R3070 1k
*R3074 68
*R3075 68
R3212
75
R3123
1.8k
R3190
39k
330
R4134
R3208
75
R3145
100
R3063 220
R3071 220
R3067 220
R3060 220
R3065 1k
*R3195
68
R3194
75
R3107
68
*R3307
4.7k
R3199
75
R3211
75
R3068
220
R3088 220
R3086 220
*R3092 220
SUB9V
DTV_V
5V  :A-AVSW/A-TNR
IRD
IIC2p
GenX4
ADV7493
3.3V:V-AVSW/ADV4422/FE/DVB-TNR
<< Connection Device >>
Front End
24.576MHz for ADV
OUT1:Main(ADV)
V3/YC3:AV2 Back
V5/YC4:AV3 Side
RENESAS
YPbPr2:Comp2
YPbPr1:Comp1
V1/YC1:AV1 Back
RGB:(PC)
OUT3:Monitor out
Video Out
OUT7:ADV(SOY)
V2:Peaks DC out
Video Input
V4:nonuse
Other:
Audio Input
L1/R1 RF
L2/R2 Comp1
L3/R3 Comp2
L4/R4 AV1
L5/R5 Av2
L6/R6 AV3
L7/R7 (PC)
V6:nonuse
V7:RF
L8/R8 (DVI)
L9/R9 DTV
OUT4:Main(ADAV)
Audio Out
OUT2:nonuse
OUT3:Monitor out
OUT1:nonuse
G
VD
HD
R
PC IN
B
43 4439 40 41 4537 4238
AUDIO SW
VIDEO SW
CONNECTOR,AVSW
!
to (11/12)
to (1/12)
to (3/12)
to (10/12)
to (7/12)(12/12)
to (7/12)
to
(3/12)(11/12)(12/12)
to (7/12)
1
2
3
4
5
A-BOARD TNPH0721ABS (5/12)
TH-46PZ85U
A-Board (5/12) Schematic Diagram
TH-46PZ85U
A-Board (5/12) Schematic Diagram

50
11.12. A-Board (6/12) Schematic Diagram
+
+
DRIVE IC
VCC
Vin
GND
Thermal Pad
S
S
S
S
S
S
S
S
S
S
S
S
S
P
V2_Y
V2_V
V2_R
V2_C
V2_S_DET
V2_L
AG_R_LED_ON
AG_KEY3
AG_RMIN
DTV_SRCK
HDMI_BCLK
HDMI_SPDIF
HDMI_SDIN
MAIN_R
PWM_SQ_R+
AG_AUDIO_MUTE
AG_SOUND_SOS
DTV_DMIX
SQ_L+
DTV_LRCK
PWM_SQ_L+
MAIN_L
SQ_R-
PWM_SQ_R-
PWM_SQ_R+
PWM_SQ_L-
PWM_SQ_L+
SQ_L- PWM_SQ_L-
PWM_SQ_R-
HDMI_LRCK
SQ_R+
DTV_SPDIF
AMP_MUTE
AD_SDA2
AD_SCL2
MCLK
AG_SOUND_SOS
S15V
DTV_R
DTV_L
ADAV_MUTE
AG_AUDIO_XRST
A_MON_MUTE
AMP_MUTE
C4075
16V
0.1u
C2053
0.1u
16V
C2301
16V
0.1u
C2387
50V
1000p
C2196 0.01u
25V
C2321
0.1u
50V
C2303
25V
1u
C2189
1u
10V
C2359
50V
0.1u
C2197 0.01u
25V
C2389
50V
1000p
C2313
10V
1u
C2337
50V
0.022u
C2198 0.01u
25V
C2050
0.1u
16V
C2339
50V
0.022u
C2213
1000p
50V
C2323
0.1u
50V
C2116
470p
50V
C2381
50V
0.022u
C2190 10u10V
C2383
50V
1000p
C2379
50V
0.022u
C2377
50V
0.022u
C2305
25V
1u
C2054
10u
10V
C2181
25V
0.01u
C2335
25V
0.33u
C2059 10u10V
C2375
50V
0.022u
C2186 0.1u16V
C2317
0.1u
50V
C2106
0.1u
16V
C2126
10u
10V
C2187
2.2u
6.3V
C2244
0.1u
16V
C2264
10u
10V
C2353
50V
0.1u
C2105
0.1u
16V
C2307
25V
1u
C2188
470p
50V
C2055
12p
50V
C2385
50V
1000p
C2180
25V
0.01u
C2319
0.1u
50V
C2263
10u
10V
C2245
1000p
50V
C3157
0.1u
16V
C2251
10u
10V
C2343
25V
0.33u
C2345
50V
0.022u
C2052
0.1u
16V
C2309
25V
1u
C2216
0.1u
16V
C2100
0.1u
16V
C2341
25V
0.33u
C2118
1u
10V
C2101
10u
10V
C2111
2.2u
6.3V
C2195 0.01u
25V
C2023
0.1u
16V
C2048
0.1u
16V
C2302
16V
0.1u
C2333
25V
0.33u
C2049
0.1u
16V
C2347
50V
0.022u
C2058 0.1u16V
C2056
15p
50V
C3532
25V
10u
C2107
10u
10V
C2192
10u
10V
C2108
10u
10V
*C5731
6.3V
47u
C3530
25V
470u
D2301
MA2J11100L
D3005
K7AAAY000003
D3086
MAZ81400ML
D3087
MAZ81400ML
D3088
MAZ81400ML
D3085
MAZ81400ML
D3089
MAZ81400ML
*FL4002
J0HAAB000036
1
2
3
4
FL4004
J0HAAB000036
1
2
3
4
FL4003
J0HAAB000036
1
2
3
4
FL4000
J0HAAB000036
1
2
3
4
C0CBCBE00001
IC2008
1VOUT
2NC
3GND
4CNCONT 5
SUB 6
VIN 7
C0DBFFD00003
IC2107
1
2
3
45
6
7
C1AB00002908
IC2106
1
FILTA
2
VREF
3
AGND
4AVD D
5NC
6NC
7NC
8NC
9NC
10 NC
11 NC
12 NC
13 DGND
14 DVDD
15 MUTE
16 SDA
17 SCL
18
SPDIF_IN5/LRCLK2
19
SPDIF_IN6/BCLK2
20
DGND
21
DVDD
22
SDIN0
23
SDIN1
24 SDIN2
25 SPDIF_IN0/SDIN3
26 SPDIF_IN1/LRCLK0
27 SPDIF_IN2/BCLK0
28 ODGND
29 ODVDD
30 MCLK_OUT
31 DVDD
32 DGND
33 MCLKI/XIN
34 XOUT
35 SPDIF_IN4/BCLK1
36 SPDIF_IN3/LRCLK1
37 SDO0/AD0
38
SPDIF_OUT/SDO1
39
PWM_READY
40
DVD D
41
DGND
42
PWM1A
43
PWM1B
44
PWM2A
45
PWM2B
46
PWM3A
47
PWM3B
48
PWM4A
49
PWM4B
50
RESET
51
DVDD
52
DGND
53
AVD D
54
PLL_LF
55
AGND
56
AGND
57
HPOUT1L
58
HPOUT1R
59
AVDD
60
NC
61
NC
62
AUXOUT3L
63
AUXOUT3R
64
AUXOUT4L
65
AUXOUT4R
66
NC
67
FILTD
68
AVDD
69
AGND
70
AGND
71
AVDD
72
AUXOUT1L
73
AUXOUT1R
74
NC
75
NC
76
NC
77
NC
78
AUXIN1L
79
AUXIN1R
80
ISET
C1AB00002875
IC2301
1STBY
2NC1
3MUTE
4NC2
5PWM_A1
6NC3
7PWM_B1
8NC4
9VREG5
10 GND
11 NC5
12 PWM_B2
13 NC6
14 PWM_A2
15 NC7
16 NOD_THERM
17 NOD_OUTSHDN
18 NC8 19
PVD2
20
PVD2
21
OUT_CH2_P
22
BOOT_CH2_P
23
VDDA2
24
BOOT_CH2_N
25
OUT_CH2_N
26
PGND2
27
PGND2
28
PGND1
29
PGND1
30
OUT_CH1_N
31
BOOT_CH1_N
32
VDDA1
33
BOOT_CH1_P
34
OUT_CH1_P
35
PVD1
36
PVD1
37
38
39
A12
1
2
3
4
A30
1
2
3
4
5
A7
1
2
3
4
5
6
7
8
9
A1
1
2
3
4
5
6
7
8
9
A51
1
2
3
4
5
6
7
8
9
10
11
12
A6
1
2
3
4
5
6
7
8
9
10
11
12
L2038
J0JYC0000068
L3512
J0JHC0000042
L2029
J0JCC0000059
L2041
J0JYC0000068
L2304
G1C220MA0291
L2300
G1C220MA0291
L2302
G1C220MA0291
L2306
G1C220MA0291
SUB3.3V
SUB5V
AUD3.3V
SUB3.3V
SUB9V
SOUND15V
DVDD1.8V
SUB9V
STB3.3V
SOUND15V
SUB5V
F15V
STB5V
SUB3.3V
DVDD1.8V
AUD3.3V
R2056 VJUMP1005-S
R2355
VJUMP1005-S
R3051
VJUMP1005-S
R2125
VJUMP1005-S
R2306
VJUMP1005-S
R2317
VJUMP1005-S
R2057 VJUMP1005-S
R2358
VJUMP1005-S
R2191
VJUMP1005-S
L2020
VJUMP1005-S
R3052
VJUMP1005-S
R3053
VJUMP1005-S
R2190
VJUMP1005-S
R2374
VJUMP1005-P
PA5600
K5H5022A0023
TP3521
TP3522
TP3523
TP3525 TP3524
TP2313
TP2302
TP2315
TP3528
TP2311
TP4005
TP2002
TP4008
TP3501
TP3510
TP3518
TP4003
TP4002
TP2314
TP3509
TP4001
TP3527
TP3500
TP3519
TP3503
TP2000
TP3520
TP3502
TP2312
TP3526
AG_ECO_ON
AG_TV_SUB_ON
AG_FAN_MAX
AG_AI_SENSOR
AG_RMIN
AG_R_LED_ON
AG_KEY3
AG_FAN_SOS
Q2042
2SD0601A0L
Q2041
2SD0601A0L
Q2301
2SB0709A0L
R2271
EXB28V220JX
JS3056 0
JS3051 0
*JS4015
0
JS4010
0
JS3052 0
JS3054 0
JS3053 0
JS2088 0
JS3055 0
JS2300
0
R2301
2.2k
*R5732
0
R2117
10k
*R5733
15k
20k
R2100
R2325
100
1M
R2059
R2164
1k
28k
R2150
R2115
10k
2kR2104
R2308
3.3
R2113
120k
10k
R2110
R2138
10k
470
R2058
10k
R2162
R2331
220
R2305
470
R2152
0
R2315
3.3
100
R2111
R2313
3.3
R2114
75k
R2060
68
R2311
3.3
R2116
10k
R2330
3.9k
10k
R2163
28k
R2151
R2302
2.2k
H0J245500089
X2010
A_MON_MUTE
AMP_MUTE
AV3_Y
AV3_V
KEYSCAN1
AV3_L
AV3_V_GND
AV3_R
AV3_S_DET
AV3_C
AV3_C_GND
AV3_Y_GND
GND
GND
GND
TUNER_SUB_ON
GND
ALL_OFF
GND
+15Vc
AC_GOOD/KEY
ECO_ON
STB5V
+15Vc
SUB9V
Fan cont
FAN SOS
DR15V
GND
S_GND
F+15V
F+15V
+15V_S
S_GND
+15V_S
+15V_S
S_GND
F+15V
STB3.3V
GenX5
GND
GND
KEYSCAN3
RM_IN
SUB5V
AI_SENSOR
DTV_LRCLK >>
HDMI_BCLK >>
>> Monitor R
>> RESETB 
DTV_BCLK >>
HDMI_SDIN >>
1.8V (500mA)
HDMI_LRCLK >>
SOUND SOS
DTV_SDIN >>
HDMI_SPDIF >>
MUTE
OPERATE
>> MAIN_R
SDA2
AMP_SD(SOS_DET)
OPERATE
SOS
MUTE
PWM_READY
>> Monitor L
>> MAIN_L
R+
L+
To SOS
L-
21Pin
TO WOOFER/SPEAKER
R-
(W-R & W-L)
VIH > 2.2V => PowerDown
Digital_Audio_in
VIL < 0.8V => active
>> RESETB 
from Peaks and HDMI
DTV_SPDIF >>
SCL2
to ADV << 24.576MHz
R_LED_ON
GND
5347 5048 51 5246 49 54
AUD 3.3V
AUDIO AMP
OUT
OPTICAL
AUDIO
DVDD1.8V
SOUND PROCESSOR
MUTE
MUTE OPERATE
OPERATE
TO
G-BOARD
(G51)
TO
P-BOARD
(P7)
TO
P-BOARD
(P6)
TO
K-BOARD
(K1)
CONNECTOR,AVSW
!
to
(7/12)
to (7/12)
to (7/12)
to (4/12)
2
5
3
1
4
TO
PB-BOARD
(PB30)
A-BOARD TNPH0721ABS (6/12)
TH-46PZ85U
A-Board (6/12) Schematic Diagram
TH-46PZ85U
A-Board (6/12) Schematic Diagram

51
11.13. A-Board (7/12) Schematic Diagram
S
S
S
S
S
S
S
S
SDA
AG_HDMI_5V_DET3
SCL
AG_KEY1(CON-PANE)
AG_SD_BOOT_STS
AG_HPD1
AG_EDID_WP
PANEL_STBY/VCC_ON
AG_ADV_XRST
AG_AUDIO_XRST
AG_AUDIO_MUTE
AG_SOS
AG_DTV_XRST
SBO2
AG_RF_AFT1
AG_HDMI_CEC
AD_SCL3
SBI2
AG_ODU_DET/KEY3
AG_R_LED_ON
AG_HDMI_5V_DET1
AD_SDA3
AG_SW_OFF_DET
AG_HDMI_REP_EN
AG_HPD2
AG_HDMI_5V_DET2
AG_RMIN
AG_A_MON_MUTE/SP_MUTE
AG_TV_SUB_ON
SUB5V_SENSE
AG_HDMI_5V_DET1
AG_DTV_XRST
AG_PANEL_ARARM
AG_CONFIG_DONE
PANEL_STBY/VCC_ON
AG_SOUND_SOS
DDCSCL0
DDCSDA0
AG_R_LED_ON
AG_HPD2
AG_HPD1
DTV9V_SENSE
AG_HDMI_CEC
AG_ADV_XRST
AG_HQ_XRST
AG_ECO_ON
AG_HDMI_5V_DET2
AG_SW_OFF_DET
AG_EDID_WP
AG_SD_BOOT_STS
AG_DTV_VOUTENB
AG_AUDIO_XRST
DDCSCL1
DDCSDA1
AG_PANEL_READY
AG_RMIN
AG_ODU_DET/KEY3
AG_SOS
AG_SD_LED_ON
AG_SD_LED_ON
DDCSCL0
DDCSDA1
DDCSCL1
DDCSDA0
AD_SDA3
AD_SCL3
AG_HDMI_REP_EN
AG_HPD3
AG_AI_SENSOR
AG_HDMI_MUX_EN
AG_DTV_VOUTENB
AG_PANEL_READY
AG_HPD4
AG_HDMI_5V_DET4
AG_HDMI_MUX_EN
AG_HDMI_MUX_SEL
AG_HPD4
AG_HDMI_5V_DET3
AG_HDMI_5V_DET4
AG_BACK_VOUTENB
AG_A_MON_MUTE/SP_MUTE
AG_AUDIO_MUTE
MAIN9V_SENSE
AG_BACK_VOUTENB
SRQ-GENX
SRQ-GENX
SRQ-GENX
IIC_SW
IIC_SW
AG_HPD3
AG_SYSCLK_OUT
SCL
SDA
SCL
SDA
SBO2
SBI2
AG_FAN_MAX
AG_HDMI_MUX_SEL
AG_TV_SUB_ON
AG_RF_AFT1
SD_PWR_CTRL
AG_FAN_SOS
AG_AI_SENSOR
AG_KEY1(CON-PANE)
AG_CONFIG_DONE
AG_PANEL_ARARM
AG_SOUND_SOS
AG_ECO_ON
AG_FAN_SOS
AG_FAN_MAX
C1122
25V
0.01u
C1103
16V
0.1u
C1108
16V
0.1u
C1111
1u
10V
C1112
16V
0.1u
C1107
50V
22p
C1109
1u
10V
C1117
16V
0.1u
C1104
16V
0.1u
C1106
50V
27p
C1123
1u
10V
C1102
10u
10V
C1114
16V 0.1u
*D1112
MA2J11100L
D1114
MA2J11100L
D1115
MA2J11100L
D1107
MA3X704A0L
IC1101
1A0
2A1
3A2
4GND 5
SDA
6
SCL
7
WP
8
Vcc
MNZSFG3GP52
IC1100
1
P41.TMIO1
2
P42.TMIO2
3
P43_TMIO3
4P44_TMIO4
5P00
6P01
7P02
8P03_SBT0B
9P04_SBO0B
10 PD0_DDCSDA0
11 PD1_DDCSCL0
12 PD2_DDCSDA1
13 PD3_DDCSCL1
14 PF1
15 PF2
16 PF3
17 P65_USBO2
18 P66_USBI2
19 P26
20 P70_SDA0
21 P71_SCL0
22 VSS
23
P27
24
IVDD
25
VDD
26
P60_SBO0A
27
P61_SBT0A
28
P62_SBI0A
29
P05_IRQ6
30
P06_IRQ7
31
P07_IRQ8
32
P50_RMIN_IRQ0
33
P20_IRQ1
34
P21_IRQ2
35
P22_IRQ3
36
P23_IRQ4
37
P24_IRQ5
38
P25
39
IVDD
40
VSS
41
P10
42
P11
43
P12
44
P13
45
P14
46
P15
47
P16
48
P17
49
P72_SDA1
50
P73_SCL1
51
P30
52
P31
53
P32
54
P33
55
P34
56
P35
57
P36
58
P37
59
PE0
60
PE3
61
PE4_VPPEX
62
IVDD
63
VDD
64
RONA
65
VSS
66
OSCXO
67
OSCXI
68
IVDD
69
PD4
70
PD5
71
NBOOT
72
NRST
73
NTEST
74
SCLOCK
75
S DATA
76
EXTRG0
77
TRCCLK
78
TRCST
79 TRCD0
80 TRCD1
81 TRCD2
82 TRCD3
83 PULDSEL
84 P80_ADIN0
85 P81_ADIN1
86 P82_ADIN2
87 P83_ADIN3
88 IVDD
89 VSS
90 P84_ADIN4
91 P85_ADIN5
92 P74_CECAVL1B
93 P75_CECAVL1A
94 PF0
95 P76_CEC0
96 PE1
97 PE2
98
P63_SBO1
99
P64_SBI1
100
P40_TMIO0_SYSCLK
L1100
J0JYC0000068
SUB9V
STB3.3V
SUB9V
STB3.3V
SUB5V
SUB3.3V
R1214 VJUMP1005-S
R1181 VJUMP1005-S
R1357
VJUMP1005-S
R1179 VJUMP1005-S
R1239
VJUMP1005-S
R1256
VJUMP1005-S
R1213 VJUMP1005-S
R1146
VJUMP1005-S
TP1100
TP1111
TP1103
TP1101
TP1102
TP1105
TP1104
TP1110
AG_ODU_DET/KEY3
AG_RMIN
AG_SOUND_SOS
AG_HDMI_5V_DET2
AG_HDMI_5V_DET1
STB_RST
AG_HDMI_5V_DET4
AG_FAN_SOS
AG_SOS
AG_SRQ-GENX
AG_RF_AFT1
AG_PANEL_READY
AG_HDMI_5V_DET3
AG_KEY1(CON-PANE)
IIC_SW
AG_HPD1
AG_TV_SUB_ON
AG_EDID_WP
SD_PWR_CTRL
AG_ECO_ON
AG_HPD2
AG_ADV_XRST
AG_SD_LED_ON
PANEL_STBY/VCC_ON
AG_SW_OFF_DET
AG_DTV_XRST
AG_HDMI_MUX_SEL
AG_FAN_MAX
AG_HDMI_REP_EN
AG_SD_BOOT_STS
AG_AI_SENSOR
AG_R_LED_ON
AG_HPD3
AG_AUDIO_MUTE
AG_AUDIO_XRST
AG_DTV_VOUTENB
AG_A_MON_MUTE/SP_MUTE
AG_HDMI_MUX_EN
AG_HPD4
SBI2
SBO2
DDCSDA1
SCL
SDA
AD_SCL3
AG_PANEL_ARARM
DDCSCL0
AG_HDMI_CEC
AG_BACK_VOUTENB
AD_SDA3
DDCSCL1
DDCSDA0
R1200
4.7k
R1157
47k
R1237 1k
R1152 47k
R1153 47k
R1150
47k
R1125
47k
R1216
10k
R1154
47k
R1151 47k
R1203
47k
R1219
47k
R1194
68k
R1205
22
R1172
33k
R1148
47k
R1199
47k
R1169
68k
R1206
22
R1184 22
R1171
68k
R1170
33k
R1220 47k
R1182
27k
R1223
47k
R1162
100
R1198
2.2k
R1124
47k
R1201
4.7k
R1160
47k
R1161
47k
R1221
7.15k
R1174 22
R1209
47k
R1183 22
R1139
47k
*R1112
330
R1243
47k
R1210 47k
R1255
1k
R1149
47k
R1188
0
R1196
47k
R1143 47k
R1175 22
R1218
47k
R1145
470
R1236 47k
X1100
H0J100500035
R4327
47k
LVDS Out
IIC
Lite2p ExBUS/Etc.
GenX4 E2PROM LINE
UART(LITE2p-GenX4)
Power Supply
CN to H
Lite2 E2PROM LINE
ADV7495
FAN_SOS
SW_OFF_DET
TV_SUB_ON
HDMI_MUX_EN PANEL_STBY_ON
DTV9V_SENSE
PANEL_SOS
AUDIO_XRST
ODU_ON/GEMSTER_STBY_EN
SOS
10MHz
AUDIO_MUTE
SBO
HPD1
KEY1
PANEL_STATUS
R_LED_ON
SUB5V_SENSE
(HDMI_CEC_PU_ON)
RF_AFT1
PWM_POWER_ON
RF_AFT2
EDID_WP
ECO_ON
AI_SENSOR
HDMI_5V_Det2
SUB3.3V_SENSE
FAC T
FAN_MAX
SBI
HPD3
MAIN3.3V_SENSE
HDMI_5V_Det1
RSV4(LITE2)
GenX5 RST
HDMI_REP_EN
(SD_LED_ON)
HPD2
HQ_XRET
SOUND_SOS
ADV_XRST
DTV_VOUTENB
SRQ_GenX
DTV_XRST
SD_BOOT_STS
A_MON_MUTE/SP_MUTE
HDMI_MUX_SEL
HDMI_5V_Det3
MAIN9V_SENSE
CONFIG_DONE
GenX-EEP_WP
SYSCLK_OUT
HQ1L/CN to HFD
To D pri
TVRP920S
58 6357 60 6256 59 6155
GenX5
STB MCU
EEPROM
!
GenX5,EEPROM
to (4/12)(12/12)
Power Supply
to (12/12)
to (10/12)
to (9/12)
to (10/12)
to (3/12)(4/12)
to (1/12)
to (1/12)
to (5/12)(12/12)
to (6/12)
to (6/12)
to (6/12)
to (12/12)
to (6/12)
to (12/12)
to (5/12)
to (5/12)
to (4/12)
to (11/12)
to (12/12)
to (6/12)
to (6/12)
to (6/12)
to (4/12)
to (3/12)
to (8/12)
to (3/12)(12/12)
to (12/12)
to (1/12)
to (12/12)
to (3/12)
NO USE
NO USE
A-BOARD TNPH0721ABS (7/12)
TH-46PZ85U
A-Board (7/12) Schematic Diagram
TH-46PZ85U
A-Board (7/12) Schematic Diagram

52
11.14. A-Board (8/12) Schematic Diagram
VOP19
MVCLK
VOP9
VOP14
VOP29
VOP16
VOP17
VOP1
VOP15
VOP17
VOP6
VOP22
VOP21
VOP10
VOP18
VOP7
VOP11
VOP20
VOP9
VOP6
VOP26
VOP23
VOP10
VOP25
MVCLK
VOP26
VOP0
VOP1
VOP20
VOP25
MHSYNC
VOP18
ADIN
VOP28
VOP22
VOP16
VOP11
VOP2
VOP21
VOP19
VOP24
VOP0
VOP15
VOP7
VOP8
VOP14
VOP24
MVSYNC
VOP5
VOP23
VOP3
VOP5
VOP3
MVSYNC
VOP29
VOP13
VOP27
VOP4
VOP28
VOP2
VOP12
VOP27
VOP4
VOP8
VOP12
VOP13
MHSYNC
AG_BACK_VOUTENB
ADIN
AG_BACK_VOUTENB
RB_E+
RB_E-
RA_E+
RA_E-
RCLK_E+
RCLK_E-
RC_E+
RC_E-
RD_E-
RD_E+
RE_E-
RE_E+
RC_O-
RC_O+
RCLK_O-
RCLK_O+
RB_O+
RB_O-
RA_O+
RA_O-
RE_O+
RE_O-
RD_O+
RD_O-
C4223
10u
6.3V
C4207
16V
0.1u
C4215
16V
0.1u
C4205
16V
0.1u
C4206
16V
0.1u
1000p
50V
C4219
C4212
16V
0.1u
C4208
16V
0.1u
C4201
16V
0.1u
C4200
16V
0.1u
C4211
16V
0.1u
C4202
16V
0.1u
C4213
16V
0.1u
C4204
16V
0.1u
C4214
16V
0.1u
C4210
16V
0.1u
1000p 50V
C4216
C4221
10u
6.3V
C4222
10u
6.3V
C4203
16V
0.1u
C4224
10u 6.3V
FL4210
J0JAD0000028
1
2
3
4
FL4206
J0JAD0000028
1
2
3
4
FL4211
J0JAD0000028
1
2
3
4
FL4207
J0JAD0000028
1
2
3
4
FL4209
J0JAD0000028
1
2
3
4
FL4208
J0JAD0000028
1
2
3
4
C0ZBZ0001568
IC4200
1
B26/TD20
2
B27/TD21
3
VCC
4GND
5B28/TD22
6B29/TD23
7HSYNC1/TD24
8VSYNC1/TD25
9DE1/TD26
10 HSYNC2/TE20
11 VSYNC2/TE21
12 DE2/TE22
13 VCC
14 GND
15 CLKIN1
16 CLKIN2
17 CONT11/TE23
18 CONT12/TE24
19 CONT21/TE25
20 CONT22/TE26
21 R/F
22 RS
23 MODE3
24 MAP
25 MODE1
26 MODE0
27 MODE2
28 ASYNC
29 N/C
30 /PDWN
31 PRBS
32 Reserved
33 N/C
34
PGND
35
PVCC
36
PGND
37
LGND
38
TE2+
39
TE2-
40
TD2+
41
TD2-
42
LGND
43
LVC C
44
TCLK2+
45
TCLK2-
46
TC2+
47
TC2-
48
LGND
49
LVC C
50
TB2+
51
TB2-
52
TA 2 +
53
TA 2 -
54
LGND
55
LVC C
56
TE1+
57
TE1-
58
TD1+
59
TD1-
60
LGND
61
LVC C
62
TCLK1+
63
TCLK1-
64
TC1+
65
TC1-
66
LGND
67
LVC C
68
TB1+
69
TB1-
70
TA1+
71
TA1-
72
LGND
73
PGND
74
PVCC
75
PGND
76
R10/TA10
77
R11/TA11
78
R12/TA12
79
R13/TA13
80
R14/TA14
81
R15/TA15
82
VCC
83
GND
84
R16/TA16
85
R17/TB10
86
R18/TB11
87
R19/TB12
88
G10/TB13
89
G11/TB14
90
G12/TB15
91
G13/TB16
92
G14/TC10
93
VCC
94
GND
95
G15/TC11
96
G16/TC12
97
G17/TC13
98
G18/TC14
99
G19/TC15
100
B10/TC16
101
B11/TD10
102
B12/TD11
103
B13/TD12
104
VCC
105
GND
106
B14/TD13
107
B15/TD14
108
B16/TD15
109
N/C
110
B17/TD16
111
B18/TE10
112 B19/TE11
113 VCC
114 GND
115 R20/TE12
116 R21/TE13
117 R22/TE14
118 R23/TE15
119 R24/TE16
120 R25/TA20
121 R26/TA21
122 R27/TA22
123 R28/TA23
124 R29/TA24
125 VCC
126 GND
127 G20/TA25
128 G21/TA26
129 G22/TB20
130 G23/TB21
131 G24/TB22
132 G25/TB23
133 G26/TB24
134 G27/TB25
135 G28/TB26
136 G29/TC20
137 VCC
138 GND
139 B20/TC21
140 B21/TC22
141 B22/TC23
142
B23/TC24
143
B24/TC25
144
B25/TC26
A5
1
2
3
4
5
6
7
8
9
10
11
12
13
14
15
16
17
18
19
20
21
22
23
24
25
26
27
28
29
30
31
L4201
J0JHC0000078
L4202
J0JHC0000078
L4600
J0JHC0000045
SUB3.3V
TP4233
TP4219
TP4213
TP4231
TP4226
TP4228
TP4230
TP4223
TP4222
TP4229
TP4234
TP4215
TP4224
TP4218
TP4221
TP4225
TP4212
TP4216
TP4235
TP4227
TP4232
TP4220
TP4214
TP4217
TP4236
VOP12
VOP15
VOP29
VOP23
VOP25
MVCLK
VOP22
VOP16
VOP9
VOP24
VOP21
VOP4
VOP13
VOP19
VOP7
VOP3
VOP6
VOP27
VOP8
VOP28
MHSYNC
VOP0
VOP1
AG_BACK_VOUTENB
VOP18
VOP5
VOP20
VOP26
VOP11
MVSYNC
VOP10
VOP14
ADIN
VOP17
VOP2
R4294
EXB28V470JX
R4292
EXB28V470JX
R4289
47
EXB28V470JX
R4291
EXB28V470JX
R4293
EXB28V470JX
R4290
EXB28V470JX
R4298 47
R4309
47k
R4299 47
R4302
47
R4296 47
R4300 47
R4297 47
R4305
47
R4304
47
R4301
47
R4286
47k
R4288
47k
R4303
33
R4295 47
R4287
47k
C4220
10u
6.3V
LVDS-Tx
GND
GOE3
ROE2
PWMA
GOE5
BOE6
BOE7
ROE3
ROE5
LOSD10
LOSD13
LOSD11
LOSD14
PWM5
RD_E-
RCLK_E+
GND
GND
LVDS_DET
ROE8
ROE6
ROE7
ROE9
GOE7
ROE4
GND
Lite2p
GOE9
PWM4
LOSD12
BOE3
BOE5
intPU after reset
PWM6
BOE4
LOSD15
Hi-Z after reset
GOE6
GOE8
GOE4
RC_O-
RC_E-
RB_O-
RA_O+
RE_E+
RCLK_E-
GenX5
OSDYS
RB_E-
RE_O-
GND
RD_O-
RA_E+
RCLK_O+
RB-E+
RA_O-
RC_0+
RB_O+
RE_O+
RA_E-
RC_E+
BOE2 PWMSS
RE_E-
GND
RD_E+
PWMANA
RD_O+
BOE9
BOE8
GOE2
RCLK_O-
7165 7266 6964 67 68 70
!
to (1/12)
to (7/12)
FPGA
TO
D-BOARD
(D5)
A-BOARD TNPH0721ABS (8/12)
TH-46PZ85U
A-Board (8/12) Schematic Diagram
TH-46PZ85U
A-Board (8/12) Schematic Diagram

53
11.15. A-Board (9/12) Schematic Diagram
P
P
AG_HDMI_CEC
AG_HDMI_5V_DET2
AG_HDMI_5V_DET1
AG_HDMI_5V_DET1
AG_HDMI_5V_DET3
AG_EDID_WP
AG_HPD3
AG_HDMI_REP_EN
RXC_CN
RXC_CP
RXC_0N
RXC_0P
RXC_1N
RXC_1P
RXC_2N
RXC_2P
DDCC_SCL
DDCC_SDA
RXA_CN
RXA_CP
RXA_0N
RXA_0P
RXA_1N
RXA_1P
RXA_2N
RXB_CN
RXB_0N
RXB_1N
AG_HPD1
AG_HPD2
RXB_2N
DDCB_SDA
RXA_2P
RXB_CP
RXB_0P
RXB_1P
RXB_2P
DDCA_SDA
DDCB_SCL
DDCA_SCL
C4500
0.1u
16V
C4501
0.1u
16V
D4542
MA2J11100L
D4541
MA2J11100L
D4502
EZAEG2A50AX
D4508
EZAEG2A50AX
D4514
EZAEG2A50AX
D4519
EZAEG2A50AX
D4523
EZAEG2A50AX
D4520
EZAEG2A50AX
D4516
EZAEG2A50AX
D4511
EZAEG2A50AX
D4510
EZAEG2A50AX
D4517
EZAEG2A50AX
D4503
EZAEG2A50AX
D4509
EZAEG2A50AX
D4504
EZAEG2A50AX D4505
EZAEG2A50AX
D4522
EZAEG2A50AX
D4521
EZAEG2A50AX
D4507
EZAEG2A50AX
D4506
EZAEG2A50AX
D4512
EZAEG2A50AX
D4518
EZAEG2A50AX
D4515
MAZ30560ML
D4513
MAZ30560ML
A11
1
2
3
4
5
6
7
8
9
10
11
12
13
14
15
16
17
18
19
20
21
22
23
24
25
26
27
28
29
30
JK4501
K1FY119D0003
1
2
3
4
5
6
7
8
9
10
11
12
13
14
15
16
17
18
19
JK4500
K1FY119D0003
1
2
3
4
5
6
7
8
9
10
11
12
13
14
15
16
17
18
19
L4504
J0JHC0000078
L4500
J0JHC0000078
L4507
J0JHC0000078
L4505
J0JHC0000078
L4502
J0JHC0000078
L4501
J0JHC0000078
L4503
J0JHC0000078
L4506
J0JHC0000078
SUB3.3V SUB5V
SUB5V
STB5V
STB5V
STB5V
STB5V R4671
VJUMP1608-P
R4667
VJUMP1608-P
TP4500
TP4503TP4501
TP4502
DDCSCL0
DDCSDA0
DDCSDA1
DDCSCL1
Q4523
2SD0601A0L
Q4522
2SD0601A0L
Q4502
2SD0601A0L
Q4503
2SD0601A0L
Q4530
2SB0709A0L
Q4531
2SB0709A0L
Q4528
2SB0709A0L
Q4529
2SB0709A0L
R4604
68
R4540
47k
R4503
10k
R4530
10k
R4643
22
R4641
22
R4528
10k
R4526
1k
R4538
47k
R4613
68
R4552
22
R4548
10k
R4549
10k
R4502
10k
R4603
68
R4590
10k
R4571
4.7k
R4572
4.7k
R4591
10k
R4524
100k
R4568
10k
R4550
10k
R4698
4.7k
R4699
4.7k
R4527
1k
R4600
68
SCL
CEC
DDCG
D2+
CLK+
N.C.
SCL
D2-
D1G
D1+
D0G
D2G
HPDT
+5V
D2G
D0+
+5V
CLKG
N.C.
D1G
D0-
DDCG
CLK-
D1-
SDA
CEC
HPDT
D1-
SDA
CLK-
D1+
D2-
D0G
D0+
CLK+
D2+
CLKG
D0-
GenX5
HDMI1
HDMI2
HDMI_CE1
CEC
SCL
WP
CLK-
D1+
D0+
Main5V
HPD3
DDC5V
D2-
CLK+
D1-
D0-
SDA
Main2_3.3V
Main2_3.3V
D2+
HDMI_5V_DET3
GND
GND
GND
GND
GND
GND
HDMI_CE1
GND
GND
GND
GND
GND
80 817674 7973 75 77 78
TO
GH-BOARD
(GH11)
!
ADV7495,HDMI-Mux
11
12
13
14
to (7/12)
to (7/12)
GenX5
A-BOARD TNPH0721ABS (9/12)
TH-46PZ85U
A-Board (9/12) Schematic Diagram
TH-46PZ85U
A-Board (9/12) Schematic Diagram

54
11.16. A-Board (10/12) Schematic Diagram
++
+
S
S
S
S
S
S
S
S
S
MAIN_Y/CVBS
VI1P15
HDMI_LRCK
RXB_0N
RXA_0P
VI1P19
VI1CLK
RXB_1N
DDCA_SCL
VI1P19
VI1P2
RXC_CN
VI1P23
VI1P6
AG_HPD2
VI1P27
VI1P7
RXA_1P
MAIN_PB/C
VI1P7
VI1P8
HDMI_BCLK
RXB_2N
RXB_1P
VI1P25
RXB_0P
VI1P22
AG_HPD1
RXB_CP
VI1P23
VI1P14
VI1P10
VI1P11
VI1ENB
CLKOA
VI1VSYNC
VI1P5
MAIN_PR
VI1P9
DDCB_SCL
VI1P2
VI1P4
VI1P24
RXC_2P
VI1P14
VI1P18
AG_HDMI_REP_EN
VI1P10
VI1CLK2
RXC_1N VI1P26
VI1P17
VI1P6
AG_EDID_WP
VI1VSYNC
VI1P16
VI1P0
AG_HDMI_5V_DET2
RXC_1P
VI1P16
VI1P21
RXC_0N
VI1P3
VI1P17
AG_HPD3
DDCB_SDA
HDMI_SPDIF
CLKOA
MAIN_PR
MAIN_PB/C
VI1P0
RXA_1N
VI1P22
VI1HSYNC
RXA_2P
XIRQ3
VI1CLK2
VI1ENB
RXB_CN
VI1P24
RXA_0N
DDCA_SDA
AG_HDMI_CEC
VI1P3
VI1CLK
VI1P13
RXC_2N
VI1P29
VI1P21
VI1P28
VI1P26
VI1P15
VI1P5
RXC_CP
RXC_0P
VI1P12
AG_HDMI_5V_DET1
RGB_CVBS
RXA_CN
VI1P13
VI1P25
VI1P29
RXA_2N
VI1P18
RXA_CP
VI1P12
VI1P8
RGB_CVBS
VI1P11
VI1HSYNC
VI1P9
RXB_2P
AG_HDMI_5V_DET3
VI1P4
AG_ADV_XRST
VI1P28
VI1P27
PC_HS
PC_VS
PC_VS
PC_HS
AG_ADV_XRST
XIRQ3
DDCC_SCL
MCLK
DDCC_SDA
MAIN_Y/CVBS
HDMI_SDIN
MCLK
C4596
16V
0.1u
C4549
16V
0.1u
C4535
16V
0.1u
C4580
25V
0.01u
C4644
16V
0.1u
C4614
16V
0.1u
C4598
1u
10V
C4595
25V
0.01u
C4550
16V
0.1u
C4616
10u
10V
C4574
25V 0.01u
C4642
1u
10V
C4612
25V
0.01u
C4619
16V
0.1u
C4608
16V
0.1u
C4625
16V
0.1u
C4547
16V
0.1u
C4605
1u
10V
C4533
50V
68p
C4632
1u
10V
C4638
1u
10V
C4628
16V
0.1u
C4645
16V
0.1u
C4643
16V
0.1u
C4646
16V
0.1u
C4602
16V
0.1u
C4630
16V
0.1u
C4636
1u
10V
C4551
16V
0.1u
C4575
1u
10V
C4634
1u
10V
C4613
1u 10V
C4617
10u
10V
C4607
10u
10V
C4534
16V
0.1u
C4548
16V
0.1u
C4640
1u
10V
C4624
16V
0.1u
C4600
16V
0.1u
C4606
10u
10V
C4585
1u
10V
C4552
16V
0.1u
C4553
50V
1000p
C4604
470p
50V
C4603
2.2u
6.3V
C4555
10V
10u
C4601
47u
6.3V
C4599
47u
6.3V
C4554
16V
47u
C0DBGYY00477
IC4513
1
CE
2
GND
3
NC
5
VOUT
4
VDD
C0DBGYY00477
IC4512
1
CE
2
GND
3
NC
5
VOUT
4
VDD
C0CBCBE00001
IC4511
1
VOUT
2
NC
3
GND
4
CNCONT
5
SUB
6
VIN
7
C1AB00002901
IC4510
1
CVDD
2
GND
3
DVDD
4
SPDIF
5
CLK_24.576
6
SCLK
7
LRCLK
8
I2S0
9
S DATA
10
SCL
11
GND
12
DVDDIO
13
DE
14
HS
15
VS/FIELD
16
INT1
17
SFL/SYNC_OUT/INT2
18
GND
19
DVDD
20
P0
21
P1
22
P2
23
P3
24
P4
25
P5
26
P6
27
P7
28
P8
29
P9
30
P10
31
P11
32
GND
33
DVDDIO
34
P12
35
P13
36
P14
37
P15
38
P16
39
P17
40
P18
41
P19
42
P20
43
P21
44
P22
45
P23
46
P24
47
P25
48
P26
49
P27
50
DCLKIN
51
GND
52
DVDDIO
53
LLC
54
TRIGIN/P28
55
SRL_UP/P29
56
GND
57
DVDD
58
SRL_IN/P30
59
R_ACTIVE/P31
60
P32
61
P33
62
P34
63
P35
64
RESETB
65
HS_IN
66
VS_IN
67
FB
68
AGND
69
SYNC2
70
NC
71
AIN4
72
AIN5
73
AIN6
74
NC
75
AVDD
76 AGND
77 NC
78 AIN9
79 NC
80 AGND
81 AVD D
82 REF2
83 REF1
84 AGND
85 AVD D
86 GND
87 PVDD
88 XTAL1
89 XTAL
90 PVDD
91 GND
92 CVDD
93 GND
94 TVDD
95 RxA_C-
96 RxA_C+
97 GND
98 RxA_0-
99 RxA_0+
100 GND
101 RxA_1-
102 RxA_1+
103 GND
104 RxA_2-
105 RxA_2+
106
DDCA_SCL
107
DDCA_SDA
108
TVDD
109
CVDD
110
GND
111
DDCB_SCL
112 DDCB_SDA
113 TVDD
114 RxB_C-
115 RxB_C+
116 GND
117 RxB_0-
118 RxB_0+
119 GND
120 RxB_1-
121 RxB_1+
122 GND
123 RxB_2-
124 RxB_2+
125 TVDD
126 RTERM
127 CVDD
128 GND
129 TVDD
130 RxC_C-
131 RxC_C+
132 GND
133 RxC_0-
134 RxC_0+
135 GND
136 RxC_1-
137 RxC_1+
138 GND
139 RxC_2-
140 RxC_2+
141 TVDD
142
DDCC_SCL
143
DDCC_SDA
144
GND
L4512
J0JCC0000241
L4514
J0JYC0000068 L4515
J0JYC0000068
L4511
J0JHC0000078
L4516
J0JYC0000068
L4513
J0JCC0000241
L4519
J0JYC0000068
L4517
J0JYC0000068
L4518
J0JYC0000068
SUB3.3V
SUB5V
SUB9V
R4656 VJUMP1005-S
R4644
VJUMP1005-S
R4628 VJUMP1005-S
R4657
VJUMP1005-S
R4658
VJUMP1005-S
R4659
VJUMP1005-S
R4672
VJUMP1005-S
R4629 VJUMP1005-S
R4673 VJUMP1005-S
TP4512
TP4519
MAIN_PR
MAIN_Y/CVBS
PC_HS
PC_VS
MAIN_PB/C
RGB_CVBS
AG_HDMI_5V_DET4
HDMI_LRCK
AG_HDMI_MUX_EN
HDMI_BCLK
HDMI_INT2
HDMI_SDIN
AG_HDMI_MUX_SEL
HDMI_SPDIF
AG_HPD4
VI1P19
VI1P21
VI1P10
AD_SCL1
VI1P13
AG_HDMI_REP_EN
VI1P14
AG_HPD3
AG_HPD1
AG_ADV_XRST
VI1P9
VI1P17
VI1CKOUT
VI1P27
VI1P4
VI1P7
AG_HDMI_5V_DET2
VI1P6
MCLK
VI1P5
VI1P29
VI1P25
VI1VSYNC
VI1P26
VI1P24
VI1P2
VI1ENB
AG_EDID_WP
VI1P15
VI1P16
VI1P28
AG_HDMI_CEC
VI1P8
VI1CLK2
VI1P1
AG_HDMI_5V_DET3
VI1P22
AG_HPD2
VI1P18
VI1P12
VI1P23
VI1CLK
AD_SDA1
VI1HSYNC
AG_HDMI_5V_DET1
VI1P0
VI1P11
XIRQ3
VI1P3
Q4517
2SB0709ASL
Q4515
2SB0709ASL
Q4516
2SB0709ASL
Q4514
2SB0709ASL
R4649
EXB28V680JX
R4635
EXB28V680JX
R4679
EXB28V680JX
R4678
EXB28V680JX
R4648
EXB28V330JX
R4640
EXB28V680JX
R4639
EXB28V680JX
R4587
604
R4627
220
R4651
68
R4626
220
R4597
1k
R4636
68
R4631
499
R4609
68
R4650
68
R4637 68
R4638 68
R4704
47k
R4705
47k
R4706
47k
R4703 47k
R4701 47k
R4700 47k
R4702 47k
R4625
10k
R4593
2.2k
R4624
10k
R4615
0
R4601
1k
R4588
806
R4666 47k
R4606
9.1k
R4646
68
R4622
0
R4610
68
R4670
68
R4598
1k
R4596
1k
R4620
0
R4645
68
R4634
220
R4652
47k
R4592
806
R4665
47k
R4611
5.6k
R4589
806
B8/CbCr8
CVDD  1.8V
RX_WS
PVDD  1.8V
RX_SCK
R4
R6
G9/Y9
G0/Y0
GenX5
R2
Cb1,Cr1
B3/CbCr3
DVDDIO  3.3V
VI1P11
VI1P0
Y1
CVDD  1.8V
Peaks Lite IIp
DVDD  1.8V
R5
R7
Peaks Lite IIp
R1
VI1HSYNC
PVDD  1.8V
PR
TVDD  3.3V
G6/Y6
R2
Cb8,Cr8
B5/CbCr5
Cb0,Cr0
B1/CbCr1
Cb5,Cr5
R1
VSIA
G0/Y0
CN_to_H
R0
R8
CLKIA
AVDD  1.8V
VI1ENB
VI1P20
R3
G4/Y4
R1
VI1VSYNC
Cb4,Cr4
G7/Y7
Cb7,Cr7
G2/Y2
AVDD  1.8V
Y0
VI1P10
Cb9,Cr9
CLKOA
R0
CVDD  1.8V
R0
DVDD  1.8V
B0/CbCr0
DTV
G1/Y1
B0/CbCr0
B7/CbCr7
Cb2,Cr2
G8/Y8
VI1P1
Cb3,Cr3
AUDIO
G3/Y3
B9/CbCr9
G5/Y5
R9
B2/CbCr2
R3
B1/CbCr1
RX_SD0#
Cb6,Cr6
PB/C
DVDDIO  3.3V
B6/CbCr6
B4/CbCr4
G1/Y1
YIN
VI1P21
HSIA
85 8884 86 898382 87 90
AVR 1.8V AVR 1.8V
AVR 3.3V
10bit A/D
HDMI I/F RECEIVER
!
ADV7495,HDMI-Mux
A-BOARD TNPH0721ABS (10/12)
to (7/12)
to (1/12)
to (1/12)
to (5/12)
to (5/12)
to (3/12)(12/12)
13
12
11
14
TH-46PZ85U
A-Board (10/12) Schematic Diagram
TH-46PZ85U
A-Board (10/12) Schematic Diagram

55
11.17. A-Board (11/12) Schematic Diagram
+
+
+
Thermal
Pad
S
S
S
S
IF_Monitor
18
AD_SCL2
RF_V
FE_SDA_TU
CH0VAL
RF_V
AG_RF_AFT1
XIRQ2
FA_IF_AGC
CH0VAL
RF_L
5V_+B
AD_SDA2
CH0CLK
FE_SDA_TU
CH0PSYNC
FA_IF_AGC
AD_SCL2
5V_VB
FA_FAT_P
CH0DATA
AG_RF_AFT1
BT30V AD_SDA2
RF_R
FE_SCL_TU
CH0DATA
CH0CLK
XECS6
CH0PSYNC
VIDEO_OUT
3.3V_D
FE_SCL_TU
FA_FAT_N
FA_FAT_P
XIRQ2
XECS6
FA_FAT_N
RF_L
RF_R
VIDEO_OUT
C8378
16V
0.01u
C8305
50V 220p
C8364
16V
0.1u
C8354
16V
0.1u
C8321
16V
0.01u
C8302
16V
0.1u
C8377
16V
0.1u
C8380
50V
0.01u
C8316
50V
12p
C8337
16V
0.1u
C8379
16V
0.1u
C8332
16V
0.1u
C8338
16V
0.1u
C8374
10V
10u
C8334
16V
0.1u
C8339
16V
0.1u
C8376
16V
0.01u
C8320
50V
22p
C8361
16V
0.1u
C8347
16V
0.1u
C8365
16V
0.1u
C8326
16V
0.1u
C8372
10V
10u
C8352
16V
0.1u
C8358
10u
10V
C8343
16V
0.1u
C8360
16V
0.1u
C8324
50V
12p
C8366
16V
0.1u
C8367
16V
0.1u
C8327
16V
0.1u
C8301
50V
1000p
C8341
16V
0.1u
C8353
16V
0.1u
C8318
50V
100p
C8314
50V
27p
0.1u
50V
C8371
C8368
16V 0.1u
C8359
10u
10V
C8362
16V
0.1u
C8355
6.3V
1u
C8325
16V
0.1u
C8345
16V
0.1u
C8351
16V
0.1u
C8350
16V
0.1u
C8381
16V
0.1u
C8336
10u
10V
C8322
16V
0.01u
C8370
50V
1000p
C8348
16V
0.1u
C8349
16V
0.1u
C8363
16V
0.1u
C8307
16V
0.1u
C8369
10u
10V
C8375
10V
10u
C8315
50V
12p
C8313
50V
1000p
C8335
16V
0.1u
C8333
16V
0.1u
C8319
50V
100p
C8357
10u
10V
C8340
16V
0.1u
C8328
16V
0.1u
C8382
16V
0.01u
C8373
16V
0.1u
C8330
16V
0.1u
C8317
50V
27p
C8304
50V 220p
C8303
50V
0.01u
C8342
16V
0.1u
C8323
50V
12p
C8346
16V
0.01u
C8331
16V
0.1u
C8386
1000p
50V
C8387
1000p
50V
C8312
6.3V
220u
C8311
35V
22u
C8310
6.3V
220u
MN884350
IC8300
1
NC0
2
NC1
3
NC2
4NC3
5NC4
6NC5
7VDDA0
8VSSA0
9VSSA1
10 VDDL0
11 VSS0
12 NC6
13 VDDA1
14 VSSA2
15 NC7
16 NC8
17 VDDA2
18 VSSA3
19 OPN0
20 VDDA3
21 VDDL1
22 VSS1
23 VDDL2
24 XO
25 XI
26 VSS2
27 IBADIRF
28 VSSA4
29 VDDA4
30 VSSA5
31 VDDA5
32 IBAINP
33 NC9
34
IBAINN
35
NC10
36
IBADCMO
37
IBADVRL
38
NC11
39
IBADVRL2
40 IBADVRH2
41 IBADVRH
42 SADR0
43 IBMSDA
44 IBMSCL
45 VDDH0
46 GPIO0
47 GPIO1
48 VSS3
49 IBAGCIF
50 VDDL3
51 IBAGCRF
52 VSS4
53 GPIO2
54 SADR1
55 VSS5
56 NRST
57 VDDL4
58 GPIO3
59 VSS6
60 GPIO4
61 VDDH1
62 GPIO5
63 VSS7
64 GPIO6
65 VDDL5
66 GPIO7
67 FIXL0
68 VSS8
69 FIXL1
70
FIXL2
71
FIXL3
72
NC12
73
NC13
74
NC14
75
VDDL6
76
IBFSYNC
77
IBERR
78
OPN1
79
VSS9
80
VDDH2
81
OPN2
82
OPN3
83
VSS10
84
VDDL7
85
OPN4
86
OPN5
87
VSS11
88
VDDH3
89
OPN6
90
OPN7
91
VSS12
92
VDDH4
93
IBPCK
94
IBDEN
95
IBSDO
96
VSS13
97
VDDL8
98
IBSCK
99
VSS14
100
VDDH5
101
OPN8
102
OPN9
103
VSS15
104
VDDL9
105
NC15
106
INT
107
NC16
108
OPN10
109
OPN11
110
NC17
111
TRST
112
NC18
113
FIXL4
114
OPN12
115
VSS16
116
VDDL10
117
SCL
118
SDA
119
VSS17
120
VDDH6
121
GPIO8
122
VSS18
123
GPIO9
124
VDDL11
125
OPN13
126
VSS19
127
OPN14
128
VDDH7
129
GPIO10
130
GPIO11
131
VSS20
132
FIXL5
133
FIXL6
134
CSEL0
135
CSEL1
136
GPIO12
137
VDDL12
138
VSSA6
139
FIXLA0
140
FIXHA0
141
FIXLA1
142
VDDA6
143
NC19
144
NC20
L8303
J0JHC0000045
L8302
J0JHC0000045
L8310
J0JHC0000045
L8309
J0JHC0000045
L8307
J0JHC0000045
L8308
J0JHC0000045
L8301
J0JHC0000045
L8311
G1CR39JA0020
L8304
G1CR22JA0020
L8305
G1CR22JA0020
L8306
G1CR39JA0020
L8312
G1CR39JA0020
BT30V
BT30V
SUB1.2V
SUB5V
SUB3.3V
SUB3.3V
SUB3.3V
SUB1.2V
SUB5V
SUB3.3V
SUB5V
R8332 VJUMP1005-S
R8301 VJUMP1005-S
R8337
VJUMP1005-S
R8300 VJUMP1005-S
TP8302
TP8301
TP8300
TP8303 XECS6
AD_SCL2
RF_R
RF_V
AG_RF_AFT1
RF_L
XIRQ2
CH0PSYNC
CH0VAL
CH0CLK
AD_SDA2
CH0DATA
Q8300
2SB0709ASL
R8308 5.6k
R8302 47
R8316 10k
R8315
1k
R8334
47k
R8327 47
R8313
1k
R8306
100
R8324 47
R8303 47
R8320 22
R8305
100
R8309
220
R8307 5.6k
R8311
220
R8319 22
R8331 0
R8336
0
R8325 47
R8314
12k
R8326 47
R8317 10k
R8335
68
R8304 0
R8323 100
R8321
10k
R8318
22
R8333
47k
TU8300
ENGE6608KF
NC
1
NC
2
NC
3
L-out
4
R-out
5
RF-AGC_Monitor
7
Video-out
8
VB
9
BT_Monitor
11
BTL
12
SDA
14
SCL
15
AFT-out
16
+B
17
IF-AGC
19
IFD-out1
20
IFD-out2
21
H0J250500079
X8300
FrontEnd
ANALOG
TS
I2C, RESET, IRQ
IF_OUT_N
ANALOG
IF_OUT_P
25MHz
FE_XRST
FE_XRST
9691 999492 979593 98
TUNER
(TERRESTRIAL RECEIVER)
FRONT END PROCESSOR
!
LiteII
to (1/12)
to (1/12)
to (1/12)
to (3/12)(5/12)(12/12)
to (5/12)
to (7/15)
A-BOARD TNPH0721ABS (11/12)
!
TH-46PZ85U
A-Board (11/12) Schematic Diagram
TH-46PZ85U
A-Board (11/12) Schematic Diagram

56
11.18. A-Board (12/12) Schematic Diagram
+
+
S
S
S
S
S
AD_SDA3
AD_SCL3
AD_SDA2
AD_SCL2
AD_SDA1
AD_SCL1
SCL
SDA
AG_PANEL_STBY/VCC_ON
AG_PANEL_READY
AG_PANEL_ARARM
AG_PANEL_ARARM
AD_SDA0
AD_SCL0
D_IIC_CONT
VI2P20
AG_PANEL_STBY/VCC_ON
D_TXD
D_RXD
D_IIC_CONT
VI2P20
AMP_MUTE
A_MON_MUTE
STB_RST
AG_AUDIO_MUTE
D_TXD
D_RXD
AD_SCL0
AD_SDA0
AD_SCL1
AD_SDA1
AD_SCL2
AD_SDA2
SCL
SDA
AD_SCL3
AD_SDA3
AR_PANEL_SCL
AR_PANEL_SDA
SDA
SCL
A_SCL0
AD_SCL0
AD_SDA0
AD_SDA1
AD_SCL1
D_IIC_CONT
AR_PANEL_SDA
AR_PANEL_SCL
AG_A_MON_MUTE/SP_MUTE
AG_PANEL_READY
C4797
50V
1000p
C4796
50V
1000p
C4755
16V
0.1u
C4718
50V
1000p
C4771
50V
1000p
C4762
50V
0.01u
C4711
16V
0.1u
C4751
16V
0.1u
C4779
16V
0.1u
C4761
50V
0.01u
C4772
16V
0.1u
C4721
16V
0.1u
C4712
16V
0.1u
C4753
16V
0.1u
C4742
16V
0.1u
C4703
50V
1000p
C4716
50V
1000p
C4701
50V
1000p
C4727
16V
0.1u
C4795
50V
1000p
C4728
16V
0.1u
C4752
16V
0.1u
C4726
16V
0.1u
C4725
16V
0.1u
C4798
50V
1000p
C4775
16V
0.1u
C4746
50V
1000p
C4713
50V
1000p
C4724
50V
1000p
C4778
16V
0.1u
C4702
16V
0.1u
C4705
16V
0.1u
C4763
50V
0.01u
C4741
50V
1000p
C4715
16V
0.1u
C4776
50V
1000p
C4722
50V
1000p
C4717
50V
1000p
C4744
16V
0.1u
C4743
50V
1000p
C4754
16V
0.1u
C4719
50V
1000p
C4714
50V
1000p
C4777
16V
0.1u
C4704
16V
0.1u
C4774
16V
0.1u
C4773
50V
1000p
C4745
16V
0.1u
C4830
16V
0.1u
C4083
0.47u
50V
C4086
0.47u
50V
C4082
10u
16V
C4090
180p
50V
C4096
10V
1u
C4084
0.47u
50V
C4089
16V
0.1u
C4087
0.47u
50V
C4091
16V
0.1u
C4095
2.2u
6.3V
C4093
50V
1000p
C4098
10V
1u
C4085
0.47u
50V
C4094
16V
0.1u
C4101
16V
0.1u
C4081
10V
220u
C4092
35V
22u
D4004
MA2J11100L
D4000
MA2J11100L
D4005
MA2J11100L
D4010
MA22D3900L
D4009
MA2J11100L
D4002
MA2J11100L
D4006
MA3X78900L
D4007
B0BC03900015
IC4800
C1ZBZ0003775
1SDA
2SCL
3ALERT
4GND 5
A2
6
A1
7
A0
8
V+
IC4013
C0JBAZ002060
11OE
21A
31B
42OE
52A
62B
7GND 8
3B
9
3A
10
3OE
11
4B
12
4A
13
4OE
14
VCC
C1AB00002877
IC4000
1DTV5VIN2
2DTV5VIN1A
3DTV5VIN1B
4DTV5VOUTA
5DTV5VOUTB
6REF1
7NC
8FB1
9FB2
10 NC
11 SFS
12 NC
13 OUT
14 GND1
15 Vref1 16
STB_RST
17
Cd
18
STB3.3V_OUT
19
REG5V_IN
20
GND2
21
MONITOR_MUTE
22
MUTE_PWR_SENSE_IN
23
AUDIO_MUTE_IN
24
MUTE_VCC
25
PWR_SENSE_MUTE_OUT
26
STB_RST_IN
27
A_MON_MUTE_IN
28
AMUTE
29
MAIN9V
30
STB5V
A18
1
2
3
4
5
6
7
8
9
10
11
A3
1
2
3
4
5
6
7
8
9
10
11
12
13
14
A17
1
2
3
4
5
6
7
8
9
10
11
12
13
14
15
16
17
18
19
20
L4002
J0JYC0000068
L4000
G1C470MA0291
L4001
G1C100MA0072
STB3.3V
BT30V
SUB5V
SUB5V
STB5V
SUB9V
SUB3.3V
STB5V
STB3.3V
STB3.3V
SUB9V
SUB3.3V
STB5V
SUB5V
STB5V
SUB9V
STB5V
STB3.3V
STB5V
BT30V
R4750
VJUMP1005-S
R4819
VJUMP1005-S
R4820
VJUMP1005-S
R4751
VJUMP1005-S
R4151
VJUMP1608-S
ZA4704
K4AZ01D00004
ZA4707
K4AZ01D00004
ZA4703
K4AZ01D00004
ZA4700
K4AZ01D00004
ZA4706
K4AZ01D00004
ZA4705
K4AZ01D00004
ZA4708
K4AZ01D00004
ZA4702
K4AZ01D00004
TP4701
TP8530
TP8504
TP8505
TP8521
TP8522
TP8523
TP8524
TP8526
TP8525
TP8527
TP8528
TP8529
TP4006
TP4105
TP8501
TP8503
TP8500
TP4700
TP4007
AG_A_MON_MUTE/SP_MUTE
AG_AUDIO_MUTE
PANEL_STBY/VCC_ON
STB_RST
AG_PANEL_ARARM
AG_SRQ-GENX
A_MON_MUTE
AMP_MUTE
VI2P20
AG_PANEL_READY
AD_SCL3
AD_SDA2
SCL
IIC_SW
AD_SCL2
AD_SCL1
A_SDA0
AD_SDA3
SBI0
SBO0
SDA
AD_SDA1
Q4016
B1CFNG000001
Q4014
2SD0601A0L
Q4015
2SD0601A0L
Q4017
2SD0601ASL
R4129 22
R4122
68
R2310
10k
R4113
680
R4158
15k
R4139 22
R4133 22
R4138 22
R4131 22
R4132 22
R4127 22
R4140 22
R4112
330
R4740
100k
R4125 22
R4130 22
R4737
1k
R4128
22
R4123 22
R4124 22
R4126 22
R4170
22
R4171
22
R4162
100k
R4741
1k
R4738
1k
R4166
10k
R4739
100k
R4167
47k
R4155
10k
R4116
3.4k R4821
10k
R4153
47k
R4117
4.7k
R4115
100k
R4736
100
GenX5
IIC
GenX4
Genx5
SRQ1
STB5V
GND
Lite2 SCL3
Lite2 SDA3
GenX SDA1
GenX SCL1
PANEL SCL
PANEL SDA
GenX4
EEPROM WRITE
LiteII
EEPROM WRITE
C1 C3
C7 C9
TOP SIDE
GENX6 SRQ
LITE2_SCL0
STB3.3V
LITE2_SCL2
Panel_TXD
Panel_RXD
SBI0_LITE2 (Diag Control)
SBO0_LITE2 (Diag Control
IIC_CONT/SRQ
(Device Control)
LITE2_SDA2
(Device Control)
(Device Control)
(Device Control)
(Device Control)
LITE2_SCL1
LITE2_SDA1
IIC_CONT
STB5V
LITE2_SDA0 (Device Control)
GND
PANEL REM_CON
PANEL LED
INEXCH
MUTE
OPERATE
MUTE
MUTE
MUTE
MUTE
C2
C4 C5 C6
C8
GenX4
PANEL SDA
PANEL SCL
105100 107 108103 104101 106102
C1
C6
C8
C4 C5
C3
C7 C9
SERIAL SW
TEMP SENSOR
FOR
FAC TORY
USE
FOR
FACTORY
USE
ANALOG ASIC
STB3.3V
STB_RESET
!
CONNECTOR
to (7/12)
to (7/12)
to (1/12)
to (5/12)(7/12)
to (7/12)
to (6/12)
to (6/15)
to (4/12)(7/12)
to (1/12)
to (7/12)
to (3/12)(7/12)
to (3/12)(5/12)(11/12)
to (7/12)
to (3/12)(10/12)
to (3/12)
GND
RXD
GND
TXD
IIC_CONT
GND
ALARM
READY
IIC_CLK1
IIC_DATA1
DISPEN
IIC_CLK2
IIC_DATA2
PANEL_STBY_ON
TO
D-BOARD
(D3)
A-BOARD TNPH0721ABS (12/12)
TH-46PZ85U
A-Board (12/12) Schematic Diagram
TH-46PZ85U
A-Board (12/12) Schematic Diagram
JS4017 0
AB

57
11.19. D-Board (1/6) Schematic Diagram
+
+
+
G
G
G
G
G
G
TERM
SIDE
FP_CSL
SC_CSL
SC_SID
SC_SCSU
SC_CLK
FP_SCSU
FP_CMH
SC_CERS
SC_CPH1
SC_OC2
SC_SIU
FP_CSH
FP_OC2
SC_CML
SC_CSH
SC_CMH
SC_CSH
FP_CML
SC_CMH
SC_CLK
SC_SIU
SC_OC2
FP_SID
SC_CML
SC_SID
SC_CEL
FP_CPH1
SC_CSL
SC_CPH1
FP_SIU
SC_SCSU
P_ON/OFF
SC_OC1
SC_CPH2
SC_OC1
SC_CPH2 FP_OC1
FP_CPH2
VDATA_DET
FP_CLK
SC_CQR
SC_CEL
SC_CQR
FP_SC_DRV_RST
FP_CERS
FP_OC2B
FP_CQR
FP_CEL
SC_OC2B
SC_DRV_RST
SC_CERS
SC_OC2B
SC_DRV_RST
SOS6_SC1
SOS7_SC2
SOS4_PS
SC_CQR5
PANEL_MAIN_ON
FP_CQR4
FP_CQR5
FP_SC3
SC_CQR4
SC_CQR5
SC_CQR4
C9881
0.01u
25V
C9867
10u
25V
C9823
10u
25V
C9884
1000p
50V
C9869
10u
25V
C9864
0.1u
25V
C9860
4.7u
6.3V
C9885
1000p
50V
C9887
0.1u
25V
C9837
10u
10V
C9840
25V
0.01u
C9872
10u
25V
C9877
68p
50V
C9861
0.1u
25V
C9883
100p
50V
C9841
16V
0.1u
C9842
16V
0.1u
C9874
68p
50V
C9846
16V
0.1u
C9832
10u
10V
C9886
0.1u
25V
C9859
25V
0.01u
C9863
4.7u
6.3V
C9870
10u
25V
C9871
10u
25V
C9878
0.01u
25V
C9868
10u
25V
C9858
10u
25V
C9844
25V
0.01u
C9845
16V
0.1u
C9862
0.1u
25V
C9168
16V
0.1u
C9879
0.015u
16V
C9882
8200p
16V
C9880
8200p
16V
C9888
360p
50V
C9865
68u
4V
C9873
68u
4V
C9866
68u
4V
D9813
B0JCGD000002
D9807
B0JCCE000008
D9816
MA22D3900L
D9815
B0JCGD000002
D9808
B0JCCE000008
D9817
MA22D3900L
D9814
B0JCGD000002
D9812
MA22D3900L
F1J1E104A148
FL9806
F1J1E104A148
FL9803
F1J1E104A148
FL9805
C0JBAZ002692
IC9802
G1 1
2
A1
3
A2
4
A3
5
A4
6
A5
7
A6
8
A7
9
A8
10
GND
11
Y8
12
Y7
13
Y6
14
Y5
15
Y4
16
Y3
17
Y2
18
Y1
19
G2
20
Vcc
C0JBAZ002692
IC9803
G1 1
2
A1
3
A2
4
A3
5
A4
6
A5
7
A6
8
A7
9
A8
10
GND
11
Y8
12
Y7
13
Y6
14
Y5
15
Y4
16
Y3
17
Y2
18
Y1
19
G2
20
Vcc
C0JBAZ002692
IC9019
G1 1
2
A1
3
A2
4
A3
5
A4
6
A5
7
A6
8
A7
9
A8
10
GND
11
Y8
12
Y7
13
Y6
14
Y5
15
Y4
16
Y3
17
Y2
18
Y1
19
G2
20
Vcc
C0DBAYY00273
IC9806
1GND
2REFIN
3VREF
4CS
5COVP
6CUVP
7PGOOD
8CTL
9LSAT
10 ILIM
11 +INC
12 -INC 13
FSW
14
PGND
15
OUT-2
16
VB
17
VCC
18
VBIN
19
LX
20
OUT-1
21
CB
22
RT
23
VO
24
FB
C0DBAYY00274
IC9805
1RT
2CS1
3VO1
4FB1
5REFIN1
6ILIM1
7-INC1
8-INC2
9ILIM2
10 FSW
11 FB2
12 VO2
13 CS2
14 GND
15 VREF 16
CTL
17
CB2
18
OUT2-1
19
LX2
20
OUT2-2
21
VB
22
PGND
23
VCC
24
OUT1-2
25
LX1
26
OUT1-1
27
CB1
28
PGOOD
29
CUVP
30
OVP
D20
23
29
30
2
12
5
33
14
32
20
28
26
4
9
11
19
22
21
25
8
13
6
31
17
10
34
24
18
1
7
27
16
15
3
35
D25
1
2
3
4
5
6
7
8
9
10
11
12
13
L9802
G1C2R2Z00007
L9800
G1C2R2Z00007
L9801
G1C1R5Z00006
P5V
P3.3V
P15V
P5V
P5V
P2.5V
P15V
VB1_5V
P15V
VB1_5V
P3.3V
P15V_MOTO
P15V
STB5V_M
P1.2V
P15V
VB1_5V
P15V_MOTO
P5V
P5V
PA9800
K5H4022A0031
PA9900
K5H5022A0031
Q9807
B1MBDDA00003
S1G1S2G2
D2 D2 D1 D1
Q9808
B1MBDDA00015
S1G1S2G2
D2 D2 D1 D1
Q9809
B1MBDDA00003
1
S1
2
G1
3
S2
4
G2
5
D2
6
D2
7
D1
8
D1
Q9806
2SD0601A0L
Q9805
2SD0601A0L
R9120
EXB2HV103JV
R9847
EXB2HV103JV
R9848
EXB2HV470JV
R9849
EXB2HV470JV
R9846
EXB2HV103JV
R9350
100
R9351
100
R9116 100
R9887
51k
R9890
47.5k
R9892
100k
R9868
100k
R9888
15k
R9886
47k
R9197
47
R9202
47
R9895
100k
R9115 100
R9889
18.2k
R9893
43k
R9896
18.2k
R9897
47.5k
R9891
12.7k
R9126 100
R9870
10k
R9894
20k
R9232
47
R9871
10k
R9900
0
R9869
10k
R9879
13k
R9878
15k
TP9003
TP9004
STBY5V
GND
GND
+15V
+15V
GND
GND
+5V
+5V
GND
VDATA_DET
PANEL_MAIN_ON
SOS4_PS
P5V
OC1(CL)
CPH2
GND
GND
GND
OC2B
GND
GND
GND
CLK
SIU
SID
SCSU
OC2(CEL2)
CPH1
CQR
SOS6_SC1
SOS7_SC2
CEL
CERS
SC_DRV_RST
CSL
CSH
CML
CMH
NC
+15V
+15V
+15V
GND
NC
CQR4
CQR5
NC
F
5
A
E
96873
D
C
142
B
15V->1.2V
DC-DC CONVERTER
DC-DC CONVERTER
15V->2.5V
LEVEL CONVERTERLEVEL CONVERTERLEVEL CONVERTER
15V->5V
TO
SC-BOARD
(SC20)
TO
P-BOARD
(P25)
1
2
!
D-BOARD TNPA4439AKS (1/6)
15V->3.3V
TH-46PZ85U
D-Board (1/6) Schematic Diagram
TH-46PZ85U
D-Board (1/6) Schematic Diagram

58
11.20. D-Board (2/6) Schematic Diagram
PANEL_STBY_ON
STB_SCL02
STB_SDA02
IIC_CONT
AR_IIC_CONT
AR_RXD_PC
AR_TXD_PC
AR_STB_SDA02
AR_STB_SCL02
TRST
AR_RXD_PCRXD_PC
TXD_PC
STB_SCL02 AR_STB_SCL02
STB_SDA02 AR_STB_SDA02
P3V_SCL1
ALARM
READY
AR_TXD_PC
STB_SCL01
STB_SDA01
STB_SCL02
STB_SDA02
P3V_SCL02
P3V_SDA02
DRVMUTE
P3V_SCL1
P3V_SDA1
P3V_SDA1
P3V_SCL1
AR_TXD_PC
AR_STB_SDA02
FP_UEH
FP_OC2B
FP_CQR
FP_CEL
FP_OC2
FP_CERS
FP_CLK
FP_SC_DRV_RST
FP_CSL
FP_CPH1
FP_CSH
FP_CML
TMS
FP_CMH
FVSEL
FP_SIU
FP_OC1
FP_SCSU
FP_SID
DD_ODED
FP_CPH2
DD_PCD2
FP_NUEL
FP_UMH
FP_UML
FP_USH
FP_USL
CLKMO
FPCLK
TMS
TCK
AR_RXD_PC
STB_SDA01
STB_SDA02
STB_SCL01
STB_SCL02
VDATA_DET
INEXCH
MCCLK
REM_IN
OSDVO
RXD_PC
ALARM
OSDHO
TXD_PC
SOS6_SC1
FPGANRST
LED_G
LED_R
OSDCKO
DRVRST
OSD_YS
IIC_CONT
SOS8_SS
OSD_B
IIC_CONT
OSD_G
XI_DONE
OSD_R
SOS7_SC2
P_ON/OFF
FVSEL
DMLL
DMHL
DSHL
SFRST
SFVRST
SFLATCH
FPDAT1
DD_PCU2
DD_CLRU
DD_PCU1
DD_LEU
DD_ODEU
DRVMUTE
DRVRST
OSDVO_FP
XRST
FPGANRST
P3V_SCL02
DD_CLRD
DD_PCD1
DD_LED
TDI_L
TDO
TCK
TDO
FCCLK
SFVRST
XI_PROG_B
SFRST
SIN
PROG_M
PANEL_MAIN_ON
DSLR
EEP_WR_CTL
AR_IIC_CONT
FPDAT0
XRST
XRST
REM_IN
IIC_SW
OSDHO_FP
PANEL_STBY_ON
P3V_SDA02
DSLL
FP_CQR4
FP_CQR5
FP_SC3
AR_IIC_CONT
LED_G
LED_R
P3V_SDA1
P3V_SCL02
AR_STB_SCL02
READY
EEP_WR_CTL
IIC_SW
SOS4_PS
XI_DONE
TDI_FP
XRST_SYS
C9825
50V
100p
C9037
0.01u
25V
C9034
16V
0.1u
C9033
16V
0.1u
C9056
16V
0.1u
C9055
16V
0.1u
C9035
10V
10u
C9057
16V
0.1u
C9036
10V
10u
C9058
10V
10u
C9154
16V
0.1u
C9159
16V
0.1u
C9165
16V
0.1u
C9163
4.7u
6.3V
C9158
16V
0.1u
C9135
10V
10u
C9157
16V
0.1u
C9156
16V
0.1u
C9164
16V 0.1u
C9136
16V
0.1u
C9161
16V
0.1u
C9152
6.3V
4.7u
C9155
16V
0.1u
C9160
16V
0.1u
C9153
16V
0.1u
C9143
16V
0.1u
C9540
16V 0.1u
C9550
16V 0.1u
C9544
16V 0.1u
C9542
16V 0.1u
C9541
16V 0.1u
C9535
16V 0.1u
C9546
16V 0.1u
C9547
16V 0.1u
C9537
16V0.1u
C9538
16V 0.1u
C9536
16V0.1u
C9539
16V 0.1u
C9545
16V 0.1u
C9548
16V 0.1u
C9543
16V 0.1u
C9549
16V 0.1u
C9162
16V
0.1u
C9552
10V
10u
C9551
10V
10u
C9553
10V
10u
D9110
B0JCGD000002
D9029
B0BC3R3A0273
D9027
B0BC3R3A0273
D9028
B0BC3R3A0273
IC9002
C1ZBZ0003577
1SCL
2GND
3A1 4
VDD
5
A0
6
SDA
IC9011
C0EBF0000431
1
RESET
2
Cd
3
VOUT
4
VDD
5
GND
6
CE
*IC9001
TVRP925S
1E0
2E1
3E2
4Vss 5
SDA
6
SCL
7
WC
8
Vcc
IC9013
C0JBAZ002060
11OE
21A
31B
42OE
52A
62B
7GND 8
3B
9
3A
10
3OE
11
4B
12
4A
13
4OE
14
VCC
MNZSFG4GPH1
IC9003
1
P60_SBO0A
2
P61_SBT0A
3
P62_SBI0A
4
P05_IRQ6
5
P06_IRQ7
6
P07_IRQ8
7
P70_SDA0
8
P71_SCL0
9
P50_RMIN_IRQ0
10
P20
11
P21
12
P22
13
P23
14
IVDD
15
VSS
16
P10
17
P11
18
P12
19
P13
20
P14
21
P15
22
P16
23
EXCLKSEL
24
P72_SDA1
25
P73_SCL1
26
P65_SBT2
27
P66_SBI2
28
P30
29 P31
30 P32
31 P33
32 P34
33 P35
34 P36
35 P37
36 VPPEX_(N.C.)
37 IVDD
38 VDD
39 RONA
40 VSS
41 OSCXO
42 OSCXI
43 IVDD
44 P64_SBI1
45 P63_SBT1
46 NBOOT_(N.C.)
47 NRST
48
NTEST
49
SCLOCK_(UND)
50
SDATA_(UND)
51
ENTRG0_(UND)
52
ENTRG1_(UND)
53
TRCCLK_(UND)
54 TRCST_(UND)
55 TRCD0_(UND)
56 TRCD1_(UND)
57 TRCD2_(UND)
58 TRCD3_(UND)
59 P80_ADIN0
60 P81_ADIN1
61 P82_ADIN2
62 P83_ADIN3
63 IVDD
64 VSS
65 P84_ADIN4
66 P85_ADIN5
67 P86_ADIN6
68 P87_ADIN7
69 P90_ADIN8
70 P91_ADIN9
71 P92_ADIN10
72 P93_ADIN11
73
P74_SDA2
74
P75_SCL2
75
P40_TM0IO
76
P41_TM1IO
77
P42_TM2IO
78
P43_TM3IO
79
P44_TM4IO_SYSCLK
80
P00
81
P01
82
P02
83
P03_SBT0B
84
P04_SBO0B
85
P51_IRQ2
86
P52_IRQ3
87
P53_IRQ4
88
P54_IRQ5
89
PA7_VCLKOUT
90
PA6_HOUT
91
PA5_YSOUT
92
PA4_B00
93
PA3_G00
94
PA2_R00
95
PA1_VSYNC_IRQ1
96
PA0_HSYNC
97
VSS
98
OSDXI
99
IVDD
100
VDD
D3
1
2
3
4
5
6
7
8
9
10
11
12
13
14
D6
1
2
3
4
5
6
7
8
9
10
11
12
13
14
15
16
17
18
19
20
STB3.3V
P3.3V
STB5V_M
STB3.3V
P5V
P15V
STB5V_M
STB3.3V
P3.3V
STB3.3V
P3.3V
P3.3V
P2.5V
P1.2V
P3.3V
P3.3V
STB3.3V
STB3.3V
P3.3V
P3.3V
TP9312 VIN
TP9000
TP9100 HIN
Q9010
2SD0601A0L
R9333
EXB38V103JV
R9859
EXB38V101JV
R9119
EXB38V470JV
R9839
EXB38V101JV
R9171
10k
R9600
68
R9121
100k
R9105
10k
R9155
10k
R9233
4.7k
R9198
0
R9129
68k
R9840
22
R9578
4.7k
R9161
39k
R9143
22
R9151
10k
R9167
4.7k
R9186
33k
R9201
10
R9187
56k
R9159
39k
R9215
47
R9170
4.7k
R9218 47
R9854
100
R9131
4.7k
R9611
68
R9219 10k
R9189
100k
R9142
22
R9279
0
R9355
10k
R9103 10k
R9207 47
R9206 1k
R9135 4.7k
R9362
10k
R9358
10k
R9348
10k
R9309
10k
R9166 22
R9132
4.7k
R9158 47
R9344 47
R9343 1k
R9174 1k
R9342 1k
R9188
24k
R9101
1k
R9337
10k
R9325
10k
R9107
3.3k
R9172
0
R9150
10k
R9164 22
R9145
4.7k
R9149
4.7k
R9110
1k
R9824 100
R9826 100
R9223
2.7k
R9160
39k
R9200
10
R9825 100
R9225
2.7k
R9205
330
R9141 100
R9204
22k
R9117
4.7k
R9185
22k
R9599
68
X9000
H2D100500004
TP9005
TP9006
TP9007
TP9008
TP9009
C1ZBZ0003760
IC9500
1
PROG_B
2
IO_L01P_3
3
IO_L01N_3
4
IO_L02P_3
5
IO_L02N_3/VREF_3
6
VCCINT
7
GND
8
VCCO_3
9
IO_L03P_3/LHCLK0
10
IO_L03N_3/LHCLK1
11
IO_L04P_3/LHCLK2
12
IO_L04N_3/LHCLK3/IRDY2
13
IP
14
GND
15
IO_L05P_3/LHCLK4/TRDY2
16
IO_L05N_3/LHCLK5
17
IO_L06P_3/LHCLK6
18
IO_L06N_3/LHCLK7
19
GND
20
VCCO_3
21
VCCAUX
22
IO_L07P_3
23
IO_L07N_3
24
IO_L01P_2/CSO_B
25
IO_L01N_2/INIT_B
26
IO_L02P_2/DOUT/BUSY
27
IO_L02N_2/MOSI/CSI_B
28
VCCINT
29
GND
30
IP/VREF_2
31
VCCO_2
32
IO_L03P_2/D7/GCLK12
33
IO_L03N_2/D6/GCLK13
34
IO/D5
35
IO_L04P_2/D4/GCLK14
36
IO_L04N_2/D3/GCLK15
37
GND
38
IP_L05P_2/RDWR_B/GCLK0
39
IP_L05N_2/M2/GCLK1
40
IO_L06P_2/D2/GCLK2
41
IO_L06N_2/D1/GCLK3
42
IO/M1
43
IO_L07P_2/M0
44
IO_L07N_2/DIN/D0
45
VCCO_2
46
VCCAUX
47
IO_L08P_2/VS2
48
IO_L08N_2/VS1
49
IO_L09P_2/VS0
50
IO_L09N_2/CCLK
51
DONE
52
GND
53
IO_L01P_1
54 IO_L01N_1
55 VCCO_1
56 VCCINT
57 IO_L02P_1
58 IO_L02N_1
59 GND
60 IO_L03P_1/RHCLK0
61 IO_L03N_1/RHCLK1
62 IO_L04P_1/RHCLK2
63 IO_L04N_1/RHCLK3/TRDY1
64 GND
65 IO_L05P_1/RHCLK4/IRDY1
66 IO_L05N_1/RHCLK5
67 IO_L06P_1/RHCLK6
68 IO_L06N_1/RHCLK7
69 IP/VREF_1
70 IO_L07P_1
71 IO_L07N_1
72 GND
73
VCCO_1
74
VCCAUX
75
TMS
76
TDO
77
TCK
78
IO_L01P_0
79 IO_L01N_0
80 VCCINT
81 GND
82 VCCO_0
83 IO_L02P_0/GCLK4
84 IO_L02N_0/GCLK5
85 IO_L03P_0/GCLK6
86 IO_L03N_0/GCLK7
87 GND
88 IP_L04P_0/GCLK8
89 IP_L04N_0/GCLK9
90 IO_L05P_0/GCLK10
91 IO_L05N_0/GCLK11
92 IO
93 GND
94 IO_L06P_0
95 IO_L06N_0/VREF_0
96 VCCAUX
97 VCCO_0
98
IO_L07P_0
99
IO_L07N_0/HSWAP
100
TDI
SS_PULSE
SC_PULSE
FPGA
STB3.3V ON/OFF
JTAG CHAIN
DATA_DRIVER
to ucom/FPGA/PD2
NCS_ASIC
SOUT
IIC_DATA2
IIC_CLK1
IIC_DATA1
READY
DISPEN
GND
GND
GND
IIC_CLK2
IIC_CONT
RXD
TXD
PANEL_STBY_ON
ALARM
SCLK
InternalPD_always + O.D.
PanasonicMode
GENX6
NCS_FPGA
DONE
PROG_B
ODED
PCD2
NUEL
UMH
UML
USH
USL
UEH
FP_CQR4/DMHR
FP_CQR5/DSHR
DMLR
DSLR
DSLL
DMHL
DSHL
INIT_B
DOUT
DMLL
FPDATA0
SFRST
SFVRST
LATCH
FPCLK
CLKMI
FPADATA1
M2
PCU2
CLRU
M1
M0
DIN
PCU1
LEU
ODEU
CCLK
CQR
SIU
TMS
OC1 CL)
DONE
CPH2
OC2B
CEL
CPH(1)
CSL
CLK
SID
SCSU
OC2(CEL2)
CERS
DRVMUTE
SC_DRV_RST
XRST(NRST2)
VD
FVSEL
DRVRST
CMH
CLRD
HSWAP
SCL
CML
CSH
TCK
TDI
SDA
HD
FPGANRST(NRST)
PCD1
LED
SIN
Open Drain
SCL2
TCK
STBY5V
RXD
IIC_CONT
TMS
IIC_INT
TXD
REMOCON
SDA1
LED_R
TDI
GND
LED_G
GND
SDA2
TDO
TRST
SCL1
STBY3.3V
1714 181210 1611 1513
TENP SENSOR
EEPROM
PANEL MICOM
DISCHARGE
CONTROL
RESET
STB 3.3V
FOR
FACTORY
USE TO
A-BOARD
(A3)
BUS SW
2
1
11
12
13
!
D-BOARD TNPA4439AKS (2/6)
TH-46PZ85U
D-Board (2/6) Schematic Diagram
TH-46PZ85U
D-Board (2/6) Schematic Diagram

59
11.21. D-Board (3/6) Schematic Diagram
L8R_UB08
L8R_UA06
L8R_UA09
L8R_UC08
L8R_UA10
L8R_UB10
L8R_UC05
L8R_UB05
L8R_UB06
L8R_UC12
L8R_UC06
L8R_UC09
L8R_UA12
L8R_UB07
L8R_UB12
L8R_UA07
L8R_UC07
L8R_UA08
L8R_UB09
TMS
L8R_DA04
L8R_DRVCLKD2
L8R_DB11
L8R_DA07
L8R_DRVCLKD3
TRST
L8R_DB06
L8R_DA13
L8R_DRVCLKD0
L8R_DB03
L8R_DA02
L8R_DC15
L8R_DB14
L8R_DA10
L8R_DA06
L8R_DB00
L8R_DA05
L8R_DA12
L8R_DB10
L8R_DA14
L8R_DA15
L8R_DC08
L8R_DB05
L8R_DA01
L8R_DA11
L8R_DC04
L8R_DA00
L8R_DA03
L8R_DC02
L8R_DC12
TDI_FP
L8R_DC14
L8R_DB09
L8R_DC07
P3V_SCL02
L8R_DB13
P3V_SDA02
L8R_DC03
L8R_DB15
L8R_DC11
XRST_SYS
L8R_DC13
XRST L8R_DB01
L8R_DC10
L8R_DB08
L8R_DC06
L8R_DB07
L8R_DC09
L8R_DB04
L8R_DC00
L8R_DB12
L8R_DC05
L8R_DB02
TCK
L8R_DA09
L8R_DC01
L8R_DA08
L8R_DRVCLKD1
L8R_UA07
L8R_UA06
L8R_UA05
L8R_UA01
L8R_UA03
L8R_UA00
L8R_UA04
L8R_UA02
L8R_UC10
L8R_UB03
L8R_UC09
L8R_UC00
L8R_UB12
L8R_UC08
L8R_UC15
L8R_UC01
L8R_UB11
L8R_UB10
L8R_UC03
L8R_UB09
L8R_UB00
L8R_UB08
L8R_UB15
L8R_UC07L8R_UB07
L8R_UC06L8R_UB06
L8R_UB05
L8R_UC02L8R_UB02
L8R_UC04
L8R_UC14
L8R_UC12
L8R_UC13
L8R_UB14
L8R_UB04
L8R_UC05
L8R_UC11
L8R_UB01
L8R_UB13
USH
D_ODED5
USL
UEH
DD_PCD1
FP_UEH
FP_NUEL
FP_USL
D_CLRD6
FP_UMH
D_PCD5
FP_UML
D_LED6
FP_USH
DD_ODED
DD_PCD2
D_ODED6
NUEL
D_PCD6
UMH
UML
D_CLRD5
RE_O+
RE_E-
RD_E-
RB_O-
RC_E-
RC_O+
RD_E+
RD_O-
RA_O-
RCLK_E-
RB_O+
RCLK_O-
RA_O+
RB_E-
RCLK_O+
RCLK_E+
RB_E+
RD_O+
RE_O-
RC_O-
RA_E+
RC_E+
RE_E+
RA_E-
RC_O+
RCLK_O+
RA_O+
RB_O-
RCLK_O-
RB_O+
RE_O+
RC_O-
RE_O-
RD_O+
RD_O-
RA_O-
CKMOSI
CKSOMI
XOUT
SFLATCH
SFRST
SFVRST
INEXCH
IOSW
FULL0
FULL1
L8R_DRVCLKU0
L8R_DRVCLKU1
CLKD10
D_LED5
CLKD11
TDI_R
VIO
CLKMO
L8R_UA15
L8R_UA14
L8R_UA13
L8R_UA12
L8R_UA11
L8R_UA10
L8R_UA09
L8R_UA08
L8R_UA14
L8R_UC15
L8R_UC13
L8R_UB15
L8R_UA15
L8R_UB13
L8R_UB14
L8R_UC14
L8R_UA11
L8R_UC10
L8R_UB11
L8R_UC11
L8R_UA13
L8R_UA05
L8R_UC04
L8R_UB04
L8R_UA04
ACTV
HIO
DD_LEU
DD_LED
L8L_DIO21
L8L_DIO09
L8L_DIO19
L8L_DIO25
L8L_DIO06
L8L_DIO26
L8L_DIO22
L8L_DIO13
L8L_DIO07
L8L_DIO18
L8L_DIO03
L8L_DIO15
L8L_DIO01
L8L_DIO29
L8L_DIO05
L8L_DIO20
L8L_DIO24
L8L_DIO11
L8L_DIO08
L8L_DIO00
L8L_DIO12
L8L_DIO10
L8L_DIO27
L8L_DIO04
L8L_DIO02
L8L_DIO16
L8L_DIO28
L8L_DIO23
L8L_DIO30
L8L_DIO14
L8L_DIO17
DD_CLRD
C9237
10V 10u
C9247
10V 10u
C9245
10V 10u
C9123
0.1u
16V
C9148
0.1u
16V
C9149
0.1u
16V
C9226
0.1u
16V
C9124
0.1u
16V
C9220
0.1u
16V
C9250
0.1u
16V
C9127
0.1u
16V
C9119
0.1u
16V
C9240
0.1u
16V
C9128
0.1u
16V
C9232
0.1u
16V
C9216
0.1u
16V
C9219
0.1u
16V
C9221
0.1u
16V
C9234
0.1u
16V
C9121
0.1u
16V
C9130
0.1u
16V
C9224
0.1u
16V
C9246
0.1u
16V
C9144
0.1u
16V
C9150
0.1u
16V
C9230
0.1u
16V
C9231
0.1u
16V
C9241
16V 0.1u
C9132
0.1u
16V
C9243
0.1u
16V
C9122
0.1u
16V
C9223
0.1u
16V
C9126
0.1u
16V
C9239
0.1u
16V
C9233
0.1u
16V
C9218
0.1u
16V
C9129
0.1u
16V
C9235
0.1u
16V
C9217
0.1u
16V
C9244
0.1u
16V
C9227
0.1u
16V
C9236
0.1u
16V
C9125
0.1u
16V
C9242
16V 0.1u
C9248
0.1u
16V
C9222
0.1u
16V
C9215
0.1u
16V
C9249
16V 0.1u
C9228
0.1u
16V
IC9400 A19 CKSI
IC9400 P22 DOUTDC06
IC9400 E16 DOUTUB09
IC9400 P25 DOUTDB06
IC9400 AB7 AVDD_D25
IC9400 K24 VDD33
IC9400 U11 VDD25
IC9400 E6 DIO4
IC9400 R10 VDD12
IC9400 AD6 VDD25
IC9400 E10 VDD12
IC9400 A24 DOUTUA00
IC9400 C9 DIO20
IC9400 L5 AVDD_PM33
IC9400 AB21 AVDD_PD33
IC9400 W24 TDI
IC9400 AE2 VDD25
IC9400 L26 DOUTDC09
IC9400 C15 DOUTUB12IC9400 B15 DOUTUA12
IC9400 F3 VDD12
IC9400 M5 AVDD_L33
IC9400 AA26 DOUTDB00
IC9400 M22 DOUTDC08
IC9400 V3 OSDBI
IC9400 Y5 OSDCKO
IC9400 G23 DOUTDC14
IC9400 B11 ROMCE
IC9400 E25 DOUTDA13
IC9400 D21 DOUTUA03
IC9400 H2 SFLATCH
IC9400 T13 VDD25
IC9400 B18 DOUTUC08
IC9400 H25 DOUTDA10
IC9400 D11 DIO29
IC9400 U26 DOUTDC04
IC9400 P4 AVDD_L33
IC9400 E9 VDD12
IC9400 P1 RCLKM
IC9400 T10 VDD12
IC9400 U22 VDD33
IC9400 D16 DOUTUA10
IC9400 B19 DOUTUA06
IC9400 D2 VDD12
IC9400 C19 DOUTUB06
IC9400 D26 DOUTDB14
IC9400 E17 VDD33
IC9400 P26 DOUTDA06
IC9400 C20 DOUTUB05
IC9400 C12 ROMWE
IC9400 U12 VDD25
IC9400 A23 DOUTUB02
IC9400 K25 DRVCLKD2
IC9400 B7 DIO13
IC9400 AB20 VDD25
IC9400 C8 DIO17
IC9400 W25 DOUTDB01
IC9400 L12 VDD12
IC9400 F25 DOUTDA12
IC9400 M1 RBM
IC9400 AB16 AVDD_Q25
IC9400 D19 DOUTUC06
IC9400 C14 DOUTUB13
IC9400 B20 DOUTUA05
IC9400 F4 VDD12
IC9400 M10 VDD12
IC9400 AA25 TMS
IC9400 V4 OSDGI
IC9400 A7 DIO15
IC9400 B10 DIO26
IC9400 H3 FPDAT0
IC9400 E26 DOUTDC13
IC9400 E21 DOUTUC02
IC9400 B17 DOUTUA09
IC9400 H26 DOUTDB10
IC9400 P5 AVDD_L33
IC9400 E8 DIO14
IC9400 M26 DOUTDB08
IC9400 E1 ROMRESET
IC9400 A15 DOUTUC13
IC9400 AA2 XO
IC9400 D8 DIO16
IC9400 J23 DOUTDC11
IC9400 Y3 SDA
IC9400 U23 DOUTDB02
IC9400 D1 VDD12
IC9400 B13 DRVCLKU2
IC9400 E18 VDD33
IC9400 C18 DOUTUA07
IC9400 L17 VDD33
IC9400 AB10 VDD25
IC9400 R1 RDM
IC9400 P24 VDD33
IC9400 W3 SCL
IC9400 U13 VDD25
IC9400 C25 VDD33
IC9400 K26 DRVCLKD3
IC9400 C7 DIO12
IC9400 L13 VDD12
IC9400 F26 DOUTDB12
IC9400 R23 DOUTDB05
IC9400 D13 DOUTUB14
IC9400 M2 RBP
IC9400 B21 DOUTUA04
IC9400 E5 IOSW
IC9400 C13 DOUTUC14
IC9400 B25 DOUTDC15
IC9400 A8 DIO19
IC9400 M11 VDD12
IC9400 AA24 VDD33
IC9400 R16 VDD33
IC9400 M24 VDD33
IC9400 V5 AVDD_PI33
IC9400 H4 FULL1
IC9400 AA5 PROG
IC9400 B8 DIO18
IC9400 AD25 VDD33
IC9400 F1 CLKMO
IC9400 J3 SFRST
IC9400 J5 AVDD_L12
IC9400 E22 DOUTUC00
IC9400 B16 DOUTUC11
IC9400 E7 DIO8
IC9400 E12 DIO30
IC9400 T26 DOUTDA04
IC9400 N1 RCM
IC9400 AC2 MCCLK
IC9400 W2 OSDVO
IC9400 K12 VDD12
IC9400 T24 VDD33
IC9400 A16 DOUTUA11
IC9400 T12 VDD25
IC9400 D7 DIO11
IC9400 D23 DOUTDB15
IC9400 Y4 PRCKO
IC9400 AB5 VDD25
IC9400 B12 DOUTUB15IC9400 A11 DOUTUA15
IC9400 E19 DOUTUB07
IC9400 AB9 VDD25
IC9400 C17 DOUTUC09
IC9400 R2 RDP
IC9400 C24 OCKOUT
IC9400 C6 DIO10
IC9400 L1 RAM
IC9400 AB4 XRST
IC9400 N22 VDD33
IC9400 G1 FPCLK
IC9400 A10 DIO28
IC9400 AC4 VDD25
IC9400 B14 DRVCLKU0
IC9400 A5 CKMI
IC9400 N26 DOUTDC07
IC9400 R17 VDD33
IC9400 D10 DIO23
IC9400 A20 CKSO
IC9400 M25 DOUTDA08
IC9400 D18 DOUTUC07
IC9400 H5 VDD12
IC9400 F2 FULL0
IC9400 V22 DOUTDC00
IC9400 J4 OCK
IC9400 N10 AVDD_L12
IC9400 J22 VDD33
IC9400 E23 VDD33
IC9400 G25 DOUTDC12
IC9400 D20 DOUTUB04
IC9400 B4 DIO2
IC9400 U25 DOUTDB03
IC9400 K13 VDD12
IC9400 AB15 VDD25
IC9400 AC1 XOUT
IC9400 R11 VDD12
IC9400 N2 RCP
IC9400 T25 DOUTDB04
IC9400 D6 DIO5
IC9400 B6 DIO9
IC9400 J25 DRVCLKD0
IC9400 A12 DOUTUA14
IC9400 AB23 VDD33
IC9400 D14 DOUTUA13
IC9400 U4 AVDD_L33
IC9400 B24 DOUTUB00
IC9400 E15 DOUTUC12
IC9400 C23 DOUTUC01
IC9400 C16 DOUTUB10
IC9400 W26 DOUTDC02
IC9400 AA1 XI
IC9400 G4 VDD12
IC9400 C11 ROMOE
IC9400 AD1 PROG_M
IC9400 A6 CKMO
IC9400 AA22 VDD33
IC9400 W5 OSDHO
IC9400 L23 DOUTDA09
IC9400 V26 DOUTDC03
IC9400 D9 DIO21
IC9400 L2 RAP
IC9400 C5 DIO3
IC9400 AB13 AVDD_D25
IC9400 Y25 DOUTDA00
IC9400 D12 DOUTUC15
IC9400 A21 DOUTUC05
IC9400 H22 DOUTDB13
IC9400 AB3 FVSEL
IC9400 T17 VDD33
IC9400 N23 DOUTDB07
IC9400 V23 DOUTDA01
IC9400 G2 FPDAT1
IC9400 B9 DIO22
IC9400 N4 AVDD_L33
IC9400 A3 DIO1
IC9400 T4 AVDD_L33
IC9400 R25 DOUTDC05
IC9400 B3 HIO
IC9400 G26 DOUTDB11
IC9400 AB14 AVDD_D25
IC9400 C22 DOUTUA02
IC9400 D5 SLVDOUTUB14
IC9400 B5 DIO7
IC9400 H24 VDD33
IC9400 A13 DRVCLKU3
IC9400 K11 VDD12
IC9400 J26 DRVCLKD1
IC9400 AE26 VDD33
IC9400 A17 DOUTUC10
IC9400 B22 DOUTUC03
IC9400 K22 DOUTDC10
IC9400 D22 DOUTUB01
IC9400 U5 AVDD_L33
IC9400 F24 DOUTDA14
IC9400 D24 VDD33
IC9400 E2 VDD12
IC9400 A26 VDD33
IC9400 R4 AVDD_L33
IC9400 M4 AVDD_L33
IC9400 C10 DIO25
IC9400 V2 OSDRI
IC9400 T1 REM
IC9400 M17 VDD33
IC9400 AB19 VDD25
IC9400 AD3 VDD25
IC9400 C1 VDD12
IC9400 W1 OSDYSI
IC9400 C4 ACTV
IC9400 H1 SFVRST
IC9400 AC24 VDD33
IC9400 AB25 TDO
IC9400 N25 DOUTDA07
IC9400 AB26 TCK
IC9400 G3 FCCLK
IC9400 M13 VDD12
IC9400 R26 DOUTDA05
IC9400 L10 VDD12
IC9400 M16 VDD33
IC9400 L25 DOUTDB09
IC9400 B26 VDD33
IC9400 G5 VDD12
IC9400 AD2 XRSTSYS
IC9400 L4 AVDD_L33
IC9400 W23 TRST
IC9400 E3 VDD12
IC9400 A2 DIO0
IC9400 B23 DOUTUA01
IC9400 AF1 VDD25
IC9400 Y26 DOUTDC01
IC9400 A22 DOUTUB03
IC9400 E11 DIO27
IC9400 D15 DOUTUB11
IC9400 H23 DOUTDA11
IC9400 F22 VDD33
IC9400 T22 DOUTDA03
IC9400 A25 DOUTDA15
IC9400 R5 AVDD_L33
IC9400 V24 VDD33IC9400 N5 AVDD_L33
IC9400 P2 RCLKP
IC9400 A4 DIO6
IC9400 T5 AVDD_L33
IC9400 D17 DOUTUA08
IC9400 A18 DOUTUB08
IC9400 C21 DOUTUC04
IC9400 AB8 AVDD_D25
IC9400 AB17 AVDD_D25
IC9400 A14 DRVCLKU1
IC9400 D4 VIO
IC9400 T2 REP
IC9400 A9 DIO24
IC9400 K5 AVDD_PO33
IC9400 V25 DOUTDA02
D5
1
2
3
4
5
6
7
8
9
10
11
12
13
14
15
16
17
18
19
20
21
22
23
24
25
26
27
28
29
30
31
L9006
J0JHC0000078
L9007
J0JHC0000078
L9005
J0JHC0000078
L9004
J0JHC0000078
P2.5V
P2.5V
L8RAVDD3.3V
L8RAVDD3.3V
P1.2V
P1.2V P3.3V
P3.3V
P3.3V
L8RAVDD3.3V
R9310
EXB38V103JV
R9276
EXB2HV151JV
R9274
EXB2HV151JV
*R9293
EXB2HV470JV
R9254
EXB2HV103JV
R9253
EXB2HV103JV
R9255
EXB2HV103JV
*R9292
EXB2HVR000V
R9354
EXB2HV103JV
R9275
EXB2HV151JV
R9277
EXB2HV151JV
*R9321
22
*R9326
47
R9226
100
R9199
47
R9287
0
R9327
10k
R9303
100
R9273
47
R9298
100
R9302
100
R9299
100
R9296
100
R9272
100
R9304
100
R9297
100
R9229
100
R9301
100
R9295
100
R9300
100
R9112
47
R9231 0
R9246
10k
*R9323
22
RB+
RC+
RCLK-
RCLK+
RD+
RA-(MSB)
RA+(MSB)
RD-
RE-(LSB)
Low Active
RE+(LSB)
LVDS_INPUT
for LVDS_TX
20MHz(SS)
IIC
PD2M Right (Slave)
RC-
RB-
RD_E-
RD_E+
RC_E+
RC_E-
RCLK_E+
GND
RCLK_E-
RA_E-(MSB)
RB_E-
GND
RA_E+(MSB)
GND
RE_E+(LSB)
RE_E-(LSB)
RB_E+
LVDS_DET
RB_O+
RE_O-(LSB)
RE_O+(LSB)
GND
RA_O+(MSB)
GND
RB_O-
RA_O-(MSB)
RCLK_O-
GND
RCLK_O+
RC_O-
RC_O+
RD_O+
RD_O-
rromdata[06]
rromdata[09]
rromdata[12]
rromdata[00]
rromdata[01]
rromdata[02]
rromdata[03]
rromdata[04]
rromdata[07]
rromdata[10]
rromdata[13]
rromdata[15]
rromdata[05]
rromdata[08]
rromdata[11]
rromdata[14]
DIO0
DIO1
DIO2
DIO3
DIO4
DIO5
DIO6
DIO7
DIO8
DIO9
DIO10
DIO11
DIO14
DIO18
DIO23
DIO19
DIO13
DIO12
DIO15
DIO16
DIO20
DIO22
DIO21
DIO17
DIO26
DIO30
DIO25
DIO24
DIO27
DIO28
DIO29
ACTV
HIO
VIO
IOSW
Flash ROM
JTAG
INPUT
INPUT
INPUT
OUTPUT
2520 262319 242221 27
IC9400
VIDEO/PANEL CONTROL
MN84526
TO
A-BOARD
(A5)
11
13
12
21
22
23
!
D-BOARD TNPA4439AKS (3/6)
TH-46PZ85U
D-Board (3/6) Schematic Diagram
TH-46PZ85U
D-Board (3/6) Schematic Diagram

60
11.22. D-Board (4/6) Schematic Diagram
L8L_DIO17
L8L_DIO25
L8L_DIO22
L8L_UC15
L8L_DIO21
L8L_UC14
L8L_DIO18
L8L_DIO26
L8L_UB15
L8L_DIO30
L8L_DIO29
L8L_DIO23
L8L_ROMCE
L8L_UA14
L8L_UA15
L8L_DIO20
L8L_DIO27
L8L_UB14
L8L_DIO24
L8L_DIO19
L8L_DIO28
L8L_DIO16
L8L_ROMWE
L8L_ROMOE
XRST
L8L_ROMRST
L8L_DIO00
L8L_DIO03
L8L_DIO01
L8L_DIO04
L8L_DIO02
L8L_DIO10
L8L_DIO06
L8L_DIO05
L8L_DIO07
L8L_DIO08
L8L_DIO09
L8L_DIO12
L8L_DIO13
L8L_DIO11
L8L_DIO15
L8L_DIO14
L8DR_DQ2
L8DR_DQ6
L8R_DQ5
L8DR_DQ25
L8R_DQ26
L8R_DQ29
L8DR_DQ4
L8R_DQ0
L8R_NSDCLKO
L8R_DQ30
L8DR_A3
L8R_DQ20
L8DR_DQ22
L8R_DQ0
L8R_DQ25
L8DR_DQ12
L8DR_DQ20
L8R_DQ17
L8DR_A7
L8R_DQ28
L8R_A6
L8R_DQ11
L8DR_DQ10
L8DR_DQ23
L8DR_DQ11
L8R_DQ25
L8R_DQ10
L8DR_DQ22
L8DR_A11
L8R_DQ12
L8R_DQ10
L8R_DQ6
L8R_DQ3
L8R_DQ2
L8DR_DQ21
L8DR_DQ5
L8R_DQ4
L8DR_DQ26
L8R_SDCLKO
L8DR_DQ9
L8R_DQS1
L8R_WE
L8R_DQS1
L8R_DQS0
L8DR_BA1
L8DR_A1
L8DR_DQ2
L8R_DQ18
L8R_DQ23
L8DR_DQ5
L8DR_CLK
L8DR_DQ1
L8R_A11
L8DR_DQS1
L8DR_DQ30
L8R_DQ3
L8DR_DQ0
L8DR_DQS2
L8R_DQ31
L8DR_DQ18
L8DR_DQ31
L8R_DQ19
L8DR_DQ14
L8R_DQ27
L8R_DQ23
L8DR_DQS1
L8DR_DQ16
L8R_DQ21
L8DR_DQ19
L8R_A9
L8DR_DQ8
L8DR_DQ7
L8DR_DQ27
L8DR_DQ8
L8DR_DQ13
L8DR_NCAS
L8DR_DQ3
L8R_DQS0
L8R_RAS
L8DR_DQ15
L8DR_DQS2
L8DR_NWE
L8DR_A6
L8DR_CKE
L8R_DQ4
L8R_DQ24
L8DR_DQ15
L8DR_DQS3
L8R_DQ20
L8R_DQ6
L8DR_DQ11
L8DR_A5
L8DR_DQ17
L8DR_DQ20
L8DR_DQ9
L8DR_DQ12
L8DR_DQ14
L8DR_BA0
L8R_DQ15
L8DR_DQ28
L8DR_NCLK
L8DR_DQ29
L8DR_NCLK
L8R_DQ14
L8DR_A0
L8DR_DQ23
L8R_CS
L8DR_DQ0
L8R_CAS
L8R_DQ9
L8R_DQ7
L8DR_DQ7
L8R_DQ24
L8R_DQS3
L8R_DQ12
L8R_DQ5
L8DR_DQ1
L8DR_DQS3
L8R_DQ31
L8DR_DQ4
L8DR_A4
L8R_BA1
L8R_DQ1
L8R_NSDCLKO
L8DR_DQ18
L8R_DQ21
L8DR_DQ17
L8R_DQ13
L8DR_DQ3
L8R_DQ1
L8DR_NRAS
L8R_DQS2
L8DR_DQS0
L8R_DQ17
L8R_DQ13
L8R_A0
L8R_DQ18
L8DR_DQS0
L8DR_DQ16
L8DR_DQ29
L8R_DQ2
L8R_DQ14
L8R_A10
L8R_DQ15
L8DR_DQ10
L8DR_DQ30
L8R_DQ9
L8R_A7
L8DR_DQ6
L8R_A3
L8DR_DQ21
L8R_DQS2
L8R_A1
L8R_DQ19
L8R_DQS3
L8R_A2
L8DR_NCS
L8R_SDCKE
L8DR_DQ24
L8DR_A8
L8R_BA0
L8R_A4
L8R_DQ22
L8R_DQ27
L8DR_A9
L8DR_CLK
L8R_DQ8
L8DR_DQ19
L8DR_A2
L8R_A5
L8R_DQ16
L8DR_DQ28
L8R_DQ30
L8DR_A10
L8R_DQ29
L8DR_DQ13
L8DR_DQ31
L8R_DQ11
L8R_DQ28
L8R_DQ8
L8R_DQ26
L8R_SDCLKO
L8R_DQ22
L8R_DQ16
L8R_DQ7
L8R_A8
0V
L8DR_A0
L8DR_A6
L8R_WE
L8R_A0
L8DR_A3
L8DR_A11
L8R_A1
L8DR_NCS
L8R_RAS
L8R_BA1 L8DR_BA1
L8R_A10
L8R_A4
L8R_SDCKE
L8R_A8
L8R_A5
L8DR_NRAS
L8R_A7
L8R_A3
L8DR_A9
L8DR_NWE
L8DR_A2
L8DR_A1
L8DR_A8
L8R_CAS
L8R_BA0
L8DR_A5
L8R_A6
L8R_CS
L8DR_A4
L8R_A11
L8DR_A10
L8DR_BA0
L8R_A2
L8R_A9
L8DR_NCAS
L8DR_A7
L8DR_DQ26
L8DR_DQ27
L8DR_DQ25
L8DR_DQ24
L8DR_CKE
L8R_MONOUT
C9469
16V 0.1u
C9131
16V
0.1u
C9096
16V 0.1u
C9112
16V 0.1u
C9100
16V 0.1u
C9108
16V 0.1u
C9110
16V 0.1u
C9117
16V 0.1u
C9114
16V 0.1u
C9116
16V 0.1u
C9104
16V 0.1u
C9097
16V 0.1u
C9113
16V 0.1u
C9105
16V 0.1u
C9109
16V 0.1u
C9107
16V 0.1u
C9099
16V 0.1u
C9102
16V 0.1u
C9111
16V 0.1u
C9098
16V 0.1u
C9106
16V 0.1u
C9103
16V 0.1u
C9142
16V
0.1u
C9101
16V 0.1u
C9120
16V
0.1u
C9115
16V 0.1u
IC9400 A1 VSS
IC9401 B2 DQS0
IC9400 D3 VSS
IC9400 K2 AVSS_L
IC9400 AF8 DQ2
IC9401 G12 DQ13
IC9400 AF26 VSS
IC9401 K10 VSSQ
IC9401 G3 DQ18
IC9401 N5 A0
IC9400 K17 VSS
IC9401 N10 A7
IC9400 F23 VSS
IC9401 H7 VSS_Thermal
IC9400 AE5 DQ20
IC9401 F10 VSSQ
IC9401 M2 RAS
IC9401 B11 VSSQ
IC9401 L5 VSS
IC9401 N2 CS
IC9400 L11 VSS
IC9401 C11 NC
IC9400 L16 VSS
IC9401 C13 DQ27
IC9400 AF20 VSS
IC9400 AB18 VSS
IC9400 AF5 VSS
IC9400 AF14 AVSS_D
IC9400 AC16 VSS
IC9401 C8 VDDQ
IC9400 AD7 AVSS_D
IC9401 L6 A10
IC9400 AF25 AD4
IC9400 AE25 VSS
IC9400 E13 VSS
IC9400 J1 TCPOUT
IC9401 B7 DQ0
IC9401 N9 A6
IC9400 E20 VSS
IC9401 G11 VDDQ
IC9401 J7 VSS_Thermal
IC9400 N14 VSS
IC9400 AC18 VSS
IC9400 AA3 VSS
IC9401 L4 VDD
IC9400 U1 AVSS_L
IC9401 D2 DQ6
IC9401 F2 DQ17
IC9400 AF13 VSS
IC9401 F5 VSSQIC9400 K3 AVSS_L
IC9401 G5 VSSQ
IC9401 E8 VSS
IC9400 AF7 VSS
IC9400 AE23 AD3
IC9401 E12 VDDQ
IC9400 P23 VSS
IC9401 N8 A4
IC9400 AD5 DQ16
IC9400 AD23 ID0
IC9400 C26 VSS
IC9400 AE21 AD0
IC9400 L14 VSS
IC9401 N13 VREF
IC9401 J12 DQ11
IC9401 B9 DQ29
IC9400 R22 VSS
IC9401 D8 VDD
IC9401 L9 RFU
IC9401 D12 DQ26
IC9401 F13 DQ14
IC9401 E5 VSS
IC9401 H3 DM2
IC9401 D7 VDD
IC9401 M13 NC
IC9400 AF19 NRAS
IC9400 AF4 DQ21
IC9401 H9 VSS_Thermal
IC9400 AC15 DQ13
IC9401 C4 NC
IC9401 G7 VSS_Thermal
IC9400 R15 VSS
IC9400 M23 VSS
IC9400 Y22 TEST0
IC9400 AF24 AD11
IC9401 C2 DQ4
IC9401 B13 DQS3
IC9400 AC20 AD6
IC9400 T14 VSS
IC9401 H10 VSSQ
IC9401 N6 A1
IC9400 J2 AVSS_PO
IC9401 B12 DM3
IC9401 L13 NC
IC9400 AF11 DQ28
IC9400 AC17 VSS
IC9400 AE15 DQ15
IC9401 B10 DQ28
IC9400 U2 AVSS_L
IC9400 T23 VSS
IC9401 E13 DQ24
IC9401 G8 VSS_Thermal
IC9400 T11 VSS
IC9401 G9 VSS_Thermal
IC9401 J13 DQ10
IC9401 K6 VSS
IC9400 AB6 VSS
IC9400 U17 VSS
IC9400 K4 AVSS_PM
IC9400 AF6 VSS
IC9401 H2 DQS2
IC9401 H12 DM1
IC9400 AD4 DQ18
IC9401 N4 BA0
IC9401 E2 DQ7
IC9400 AD22 AD8
IC9400 AE20 BA0
IC9400 L15 VSS
IC9400 R14 VSS
IC9401 K11 VDDQ
IC9401 H6 VSS_Thermal
IC9401 F9 VSS_Thermal
IC9400 F5 VSS
IC9401 M6 A2
IC9400 AF3 DQ22
IC9401 C6 DQ1
IC9400 AC5 DQ17
IC9401 D13 DQ25
IC9401 L12 NC
IC9401 D5 VSSQ
IC9400 Y23 TEST
IC9400 AD18 NCAS
IC9401 J8 VSS_Thermal
IC9401 K9 VSS
IC9400 AC19 CKE
IC9400 T15 VSS
IC9401 L7 VDD
IC9400 AC7 VREF1
IC9400 N16 VSS
IC9400 P10 VSS
IC9400 AF10 DQ29
IC9401 G13 DQ12
IC9400 AE14 DQS1
IC9400 U3 AVSS_L
IC9400 AF12 VSS
IC9400 J24 VSS
IC9400 AF18 CK
IC9401 C3 VDDQ
IC9401 C5 VDDQ
IC9401 H8 VSS_Thermal
IC9400 AB24 ID2
IC9400 P14 VSS
IC9400 W4 VSS
IC9401 J4 VDDQ
IC9400 U14 VSS
IC9400 L22 VSS
IC9401 F7 VSS_Thermal
IC9400 AD21 AD5
IC9400 AA23 ID1
IC9400 AB2 VSS
IC9401 L11 VDD
IC9401 M3 NC
IC9401 E7 VSS
IC9400 AE19 NCS
IC9400 AE8 DQ3
IC9400 R24 VSS
IC9400 M3 AVSS_L
IC9400 E4 VSS
IC9400 F6 VSS
IC9400 M14 VSS
IC9400 AE16 DQ9
IC9400 AF2 VSS
IC9401 C10 VDDQ
IC9401 H4 NC
IC9400 Y24 VSS
IC9401 L2 CAS
IC9401 L8 VDD
IC9400 AA4 VSS
IC9401 J9 VSS_Thermal
IC9400 AD17 AVSS_Q
IC9400 AF22 AD2
IC9400 AE1 VSS
IC9400 AD24 VSS
IC9400 T16 VSS
IC9401 J5 VSSQ
IC9401 F4 VDDQ
IC9400 AC6 AVSS_D
IC9401 F6 VSS_Thermal
IC9400 N17 VSS
IC9400 P3 AVSS_L
IC9400 T3 AVSS_L
IC9401 M12 CK
IC9401 J3 DQ20
IC9400 P11 VSS
IC9401 E4 VDD
IC9400 AE13 VSS
IC9400 AF9 DQ0
IC9400 AF17 DQ8
IC9400 P15 VSS
IC9401 G6 VSS_Thermal
IC9401 D6 VSSQ
IC9400 K10 VSS
IC9401 B6 DQ2
IC9400 M15 VSS
IC9400 R3 AVSS_L IC9401 E3 VDDQ
IC9400 AC14 VREF0
IC9400 AD13 AVSS_D
IC9400 U15 VSS
IC9400 AC11 DQ25
IC9400 AB1 VSS
IC9400 AD15 DQ14
IC9400 C2 VSS
IC9400 AE18 AVSS_D
IC9401 L10 VSS
IC9400 AD16 DQ12
IC9401 K3 DQ23
IC9401 B5 DQ3
IC9401 F12 DQ15
IC9400 AF21 BA1
IC9400 AC23 VSS
IC9400 AD26 TEST1
IC9401 M4 NC
IC9400 N11 VSS
IC9401 K8 VSS
IC9401 F3 DQ16
IC9400 AF23 AD10 IC9401 J10 VSSQ
IC9401 K4 VDDQ
IC9400 E24 VSS
IC9401 M8 A9
IC9401 G10 VSSQIC9400 AC3 VSS
IC9401 H13 DQS1
IC9400 M12 VSS
IC9400 P12 VSS
IC9400 K14 VSS
IC9400 N3 AVSS_L
IC9401 B3 DM0
IC9400 R12 VSS
IC9401 K12 DQ9
IC9400 AE12 DQS3
IC9401 E9 VSSQ
IC9400 N13 VSS
IC9401 D4 VSSQ
IC9400 P16 VSS
IC9401 M5 BA1
IC9400 AF16 DQ10
IC9400 E14 VSS
IC9401 C9 DQ30
IC9401 D9 VSSQ
IC9400 AD14 VSS
IC9400 AC9 DQ5
IC9400 AD8 DQ6
IC9400 G22 VSS
IC9400 Y1 VSS
IC9401 K5 VSSQ
IC9400 AD9 DQ4
IC9400 AC13 VSS
IC9400 AB11 VSS
IC9400 AC26 MONOUT
IC9401 M7 A11
IC9400 AD12 VSS
IC9400 AC10 DQ27
IC9400 W22 VSS
IC9401 D11 VSSQ
IC9401 E11 VDD
IC9400 AE7 DQS0
IC9400 AC22 AVSS_PD
IC9400 L24 VSS
IC9400 L3 AVSS_L
IC9401 G2 DQ19
IC9401 L3 WE
IC9400 AE22 AD1
IC9400 AE4 DQ23
IC9400 N24 VSS
IC9400 AD20 AD9
IC9401 J6 VSS_Thermal
IC9400 AD19 NWE
IC9400 AE3 DQ19
IC9400 C3 VSS
IC9400 V1 AVSS_PI
IC9400 AD10 DQ26
IC9400 AC21 AD7
IC9401 D10 VSSQ
IC9400 D25 VSS
IC9400 AE6 DQS2
IC9400 AB22 VSS
IC9401 N3 NCIC9401 N12 CKE
IC9400 AB12 VSS
IC9401 C7 VDDQ
IC9401 H5 VSSQ
IC9401 N7 A3
IC9400 AD11 DQ24
IC9401 F8 VSS_Thermal
IC9400 U24 VSS
IC9400 N12 VSS
IC9401 G4 VDDQ
IC9400 Y2 VSS
IC9400 AC12 VSS
IC9400 U10 VSS
IC9400 B2 VSS
IC9401 B4 VSSQ
IC9401 K7 VSS
IC9400 K23 VSS
IC9400 AC8 DQ7
IC9401 D3 DQ5
IC9401 B8 DQ31
IC9400 P13 VSS
IC9401 F11 VDDQ
IC9400 AE9 DQ1
IC9400 AC25 V_TEST
IC9400 K15 VSS
IC9401 M11 CK
IC9400 AE11 DQ30
IC9401 K13 DQ8
IC9400 B1 VSS
IC9400 R13 VSS
IC9400 U16 VSS
IC9401 C12 VDDQ
IC9401 J11 VDDQ
IC9400 K1 AVSS_L
IC9401 M9 A5
IC9400 AF15 DQ11
IC9400 K16 VSS
IC9400 P17 VSS
IC9401 N11 A8/AP
IC9400 AE24 TCPOUT_D
IC9401 H11 NC
IC9401 M10 RFU
IC9400 N15 VSS
IC9400 AE10 DQ31
IC9401 K2 DQ22
IC9400 AE17 NCK
IC9400 G24 VSS
IC9401 J2 DQ21
IC9401 E6 VSSQ
IC9401 E10 VSS
TVRP926S
*IC9303
1A15
2A14
3A13
4A12
5A11
6A10
7A9
8A8
9A19
10 A20
11 WE
12 RESET
13 NC
14 WP/ACC
15 RY/BY
16 A18
17 A17
18 A7
19 A6
20 A5
21 A4
22 A3
23 A2
24 A1 25
A0
26
CE
27
Vss
28
OE
29
DQ0
30
DQ8
31
DQ1
32
DQ9
33
DQ2
34
DQ10
35
DQ3
36
DQ11
37
Vcc
38
DQ4
39
DQ12
40
DQ5
41
DQ13
42
DQ6
43
DQ14
44
DQ7
45
DQ15/A-1
46
Vss
47
BYTE
48
A16
P2.5V
P2.5V
P2.5V
P2.5V
P3.3V
P3.3V
R9259
EXB38V470JV
R9258
EXB38V470JV
R9256
EXB38V470JV
R9237
EXB38V470JV
R9260
EXB38V470JV
R9257
EXB38V470JV
R9263
EXB38V470JV
R9261
EXB38V470JV
R9262
EXB38V470JV
R9234
EXB2HV470JV
R9235
EXB2HV470JV
R9385 4.7k
R9265
47
R9252
33
R9251
1k
R9236
33
R9264 47
R9267
47
R9249
1k
R9248
1k
R9250
1k
R9238
150
R9266
47
*R9400 4.7k
R9288
0
R9324 0
to DDR
DDR-Terminate
FlashROM (PDROM)
Vss
WP#/ACC
28 33 34 3529 30 31 32 36
PD2M Right (Master)
IC9400
VIDEO/PANEL CONTROL
MN84526
DDR MEMORY
C3ABQJ000055
IC9401
Right
FLASH MEMORY
21
22
23
31
32
33
!
D-BOARD TNPA4439AKS (4/6)
TH-46PZ85U
D-Board (4/6) Schematic Diagram
TH-46PZ85U
D-Board (4/6) Schematic Diagram

61
11.23. D-Board (5/6) Schematic Diagram
TERM
SIDE
P3V_SDA02
P3V_SCL02
L8L_DIO08
L8L_DIO09
L8L_DIO10
L8L_DIO11
L8L_DIO12
L8L_DIO13
L8L_DIO14
L8L_DIO16
L8L_DIO17
L8L_DIO18
L8L_DIO19
L8L_DIO20
L8L_DIO21
L8L_DIO22
L8L_DIO24
L8L_DIO25
L8L_DIO26
L8L_DIO27
L8L_DIO28
L8L_DIO29
L8L_ROMRST
L8L_ROMOE
L8L_ROMWE
L8L_ROMCE
XI_PROG_B
OSDHO
OSDVO
OSDCKO
OSD_YS
OSD_R
OSD_B
OSD_G
FPCLK
FPDAT1
SFRST
SFVRST
FVSEL
PROG_M
MCCLK
XOUT
XRST
XRST_SYS
TRST
TMS
TCK
DOUTDB30
CLKD9
DOUTDA27
L8R_DB10
DOUTDB25
DOUTDB23
L8R_DA05
DOUTDB31
DOUTDC18
DOUTDA23
L8R_DC04
DOUTDC30
DOUTDC22
L8R_DB05
DOUTDB26
DOUTDA19
DOUTDC22
L8R_DC10
L8R_DB13
L8R_DA01
DOUTDC29
DOUTDC27
L8R_DB06
L8R_DC15
DOUTDA18
L8R_DA15
L8R_DB00
L8R_DA09
L8R_DA00
DOUTDA31
DOUTDB22
DOUTDC21
DOUTDC16
L8R_DC02
DOUTDB17
DOUTDB16
DOUTDA25
L8R_DC07
L8R_DB08
L8R_DC08
DOUTDB27
DOUTDC25
DOUTDB27
DOUTDC30
CLKD10
L8R_DC14
L8R_DA10
L8R_DA12
CLRD_6
L8R_DB07
DOUTDC28
L8R_DC00
DOUTDA28
L8R_DA06
DOUTDC28
DOUTDC29
L8R_DC06DOUTDC24
DOUTDA30
DOUTDA29
L8R_DA03
CLKD11
L8R_DB04
DOUTDC31
DOUTDB19
DOUTDA25
DOUTDC26
L8R_DA02
L8R_DB02
L8R_DC11
L8R_DC03
DOUTDB26
LED_6
L8R_DB12
DOUTDB23
DOUTDB31
DOUTDB24
DMLL_C4
DOUTDA22
DOUTDC27
L8R_DB14
DOUTDB28
DOUTDB29
DOUTDA29
DOUTDA22
DSHL_C4
L8R_DC05
L8R_DA08
L8R_DC01
DOUTDA30
ODED_6
DOUTDA31
DOUTDC17
DMHL_C4
L8R_DC13
DOUTDB21
L8R_DA13
DOUTDA28
PCD_6
L8R_DA14
L8R_DB15
DOUTDA20
DOUTDB22
DOUTDB25
DOUTDA24
L8R_DB09
L8R_DB01
DOUTDC31
DOUTDC23
DMLR_C6
DOUTDA21
DOUTDA16
DOUTDB28
DOUTDA26
DOUTDA17
5V_DET6
L8R_DA07
DOUTDB20
5V_DET6
L8R_DA11
DOUTDC24
DOUTDB18
DSHR_C6
DOUTDC25
DOUTDB24
L8R_DA04
DOUTDA24
DOUTDC19
DOUTDA26
DOUTDB29
DOUTDC23
DOUTDA23
DOUTDA27
DOUTDC26
L8R_DC12
5V_SENSE
DMHR_C6
L8R_DC09
CLKD8
L8R_DB11
DOUTDB30
DOUTDC20
L8R_DB03
L8L_UA02
L8L_UA03
L8L_UA14
L8L_UA07
L8L_UA06
L8L_UA13
L8L_UA11
L8L_UA12
L8L_UA10
L8L_UA00
L8L_UA05
L8L_UA04
L8L_UA08
L8L_UA15
L8L_UA09
L8L_UA01
L8L_UB13
L8L_UB03
L8L_UB14
L8L_UB02
L8L_UB09
L8L_UB07
L8L_UB10
L8L_UB11
L8L_UB04
L8L_UB01
L8L_UB00
L8L_UB06
L8L_UB05
L8L_UB15
L8L_UB12
L8L_UB08
L8L_UC07
L8L_UC14
L8L_UC01
L8L_UC05
L8L_UC08
L8L_UC12
L8L_UC15
L8L_UC03
L8L_UC10
L8L_UC13
L8L_UC06
L8L_UC02
L8L_DRVCLKU3
L8L_DRVCLKU2
L8L_UC04
L8L_UC00
L8L_UC11
L8L_UC09
L8L_DA14
L8L_DA15
L8L_DA02
L8L_DA06
L8L_DA03
L8L_DA09
L8L_DA08
L8L_DA07
L8L_DA05
L8L_DA04
L8L_DA10
L8L_DA11
L8L_DA00
L8L_DA01
L8L_DA13
L8L_DA12
L8L_DB10
L8L_DB09
L8L_DB00
L8L_DB02
L8L_DB04
L8L_DB11
L8L_DB05
L8L_DB06
L8L_DB08
L8L_DB03
L8L_DB14
L8L_DB13
L8L_DB12
L8L_DB07
L8L_DB15
L8L_DB01
L8L_DRVCLKD0
L8L_DC01
L8L_DC06
L8L_DC15
L8L_DC10
L8L_DC02
L8L_DC00
L8L_DC14
L8L_DRVCLKD1
L8L_DC13
L8L_DC05
L8L_DC12
L8L_DRVCLKD2
L8L_DC03
L8L_DRVCLKD3
L8L_DC04
L8L_DC11
L8L_DC07
L8L_DC09
L8L_DC08
RB_E+
RD_E-
RD_E+
RCLK_E+
RE_E-
RB_E-
RC_E-
RCLK_E-
RE_E+
RA_E+
RC_E+
RA_E-
CKSOMI
CKMOSI
OSDVO_FP
TDI_L
FULL1
FULL0
CLKD0
CLKD1
OCKOUT_RD
ACTV
L8L_DIO05
L8L_DIO04
L8L_DIO02
L8L_DIO30
SIN
FPDAT0
FCCLK
SFLATCH
TDI_R
L8L_DIO06
L8L_DIO23
OSDHO_FP
L8L_DIO07
L8L_DIO15L8L_DIO15
VIO
HIO
L8L_DIO03
L8L_DIO01
L8L_DIO00
IOSW
C9961
10V 10u
C9971
50V
18p
C9972
50V
15p
C9068
25V
0.01u
C9212
10V 10u
C9210
10V 10u
C9181
0.1u
16V
C9204
0.1u
16V
C9186
0.1u
16V
C9183
0.1u
16V
C9211
0.1u
16V
C9175
0.1u
16V
C9169
0.1u
16V
C9187
0.1u
16V
C9184
0.1u
16V
C9147
0.1u
16V
C9189
0.1u
16V
C9185
0.1u
16V
C9182
0.1u
16V
C9178
0.1u
16V
C9213
0.1u
16V
C9171
0.1u
16V
C9203
0.1u
16V
C9194
0.1u
16V
C9179
0.1u
16V
C9192
0.1u
16V
C9193
0.1u
16V
C9195
0.1u
16V
C9205
0.1u
16V
C9170
0.1u
16V
C9207
16V 0.1u
C9206
16V 0.1u
C9146
0.1u
16V
C9190
0.1u
16V
C9188
0.1u
16V
C9196
0.1u
16V
C9173
0.1u
16V
C9176
0.1u
16V
C9214
16V 0.1u
C9200
0.1u
16V
C9145
0.1u
16V
C9177
0.1u
16V
C9172
0.1u
16V
C9199
0.1u
16V
C9201
0.1u
16V
C9198
0.1u
16V
C9202
0.1u
16V
C9209
0.1u
16V
C9174
0.1u
16V
C9180
0.1u
16V
C9191
0.1u
16V
C9208
0.1u
16V
D9025
B0JCCE000008
IC9300 M16 VDD33
IC9300 M13 VDD12
IC9300 M11 VDD12
IC9300 M10 VDD12
IC9300 M5 AVDD_L33
IC9300 M4 AVDD_L33
IC9300 M2 RBP
IC9300 M1 RBM
IC9300 L26 DOUTDC09IC9300 L25 DOUTDB09IC9300 L23 DOUTDA09
IC9300 L17 VDD33
IC9300 L13 VDD12
IC9300 L12 VDD12
IC9300 L10 VDD12
IC9300 L5 AVDD_PM33
IC9300 L2 RAP
IC9300 L1 RAM
IC9300 K26 DRVCLKD3
IC9300 K25 DRVCLKD2
IC9300 K24 VDD33
IC9300 K22 DOUTDC10
IC9300 K13 VDD12
IC9300 K12 VDD12
IC9300 K11 VDD12
IC9300 K5 AVDD_PO33
IC9300 B23 DOUTUA01
IC9300 J26 DRVCLKD1
IC9300 J25 DRVCLKD0
IC9300 J23 DOUTDC11
IC9300 J22 VDD33
IC9300 J5 AVDD_L12
IC9300 J4 OCK
IC9300 J3 SFRST
IC9300 H26 DOUTDB10IC9300 H25 DOUTDA10
IC9300 H24 VDD33
IC9300 H23 DOUTDA11
IC9300 H22 DOUTDB13
IC9300 H5 VDD12
IC9300 H4 FULL1
IC9300 H3 FPDAT0
IC9300 H2 SFLATCH
IC9300 H1 SFVRST
IC9300 G26 DOUTDB11
IC9300 G25 DOUTDC12
IC9300 G23 DOUTDC14
IC9300 G5 VDD12
IC9300 G4 VDD12
IC9300 G3 FCCLK
IC9300 G2 FPDAT1
IC9300 G1 FPCLK
IC9300 F26 DOUTDB12IC9300 F25 DOUTDA12
IC9300 F24 DOUTDA14
IC9300 F22 VDD33
IC9300 F4 VDD12
IC9300 F3 VDD12
IC9300 F2 FULL0
IC9300 F1 CLKMO
IC9300 E26 DOUTDC13IC9300 E25 DOUTDA13
IC9300 E23 VDD33
IC9300 E22 DOUTUC00
IC9300 E21 DOUTUC02
IC9300 E15 DOUTUC12
IC9300 E19 DOUTUB07
IC9300 E18 VDD33
IC9300 E17 VDD33
IC9300 E16 DOUTUB09
IC9300 L4 AVDD_L33
IC9300 B9 DIO22
IC9300 AB17 AVDD_D25
IC9300 AB16 AVDD_Q25
IC9300 AB15 VDD25
IC9300 AB14 AVDD_D25
IC9300 AB13 AVDD_D25
IC9300 AB10 VDD25
IC9300 AB9 VDD25
IC9300 B8 DIO18
IC9300 AB8 AVDD_D25
IC9300 AB7 AVDD_D25
IC9300 AB5 VDD25
IC9300 AB4 XRST
IC9300 AB3 FVSEL
IC9300 AA26 DOUTDB00
IC9300 AA25 TMS
IC9300 AA24 VDD33
IC9300 AA22 VDD33
IC9300 AA5 PROG
IC9300 AA2 XO
IC9300 AA1 XI
IC9300 B10 DIO26
IC9300 B5 DIO7
IC9300 A24 DOUTUA00
IC9300 B22 DOUTUC03
IC9300 A2 DIO0
IC9300 A3 DIO1
IC9300 A4 DIO6
IC9300 A5 CKMI
IC9300 A6 CKMO
IC9300 B21 DOUTUA04
IC9300 A8 DIO19
IC9300 A9 DIO24
IC9300 A10 DIO28
IC9300 A11 DOUTUA15
IC9300 A12 DOUTUA14
IC9300 A14 DRVCLKU1
IC9300 B20 DOUTUA05
IC9300 A15 DOUTUC13
IC9300 A16 DOUTUA11
IC9300 A17 DOUTUC10
IC9300 A18 DOUTUB08
IC9300 A19 CKSI
IC9300 A20 CKSO
IC9300 A21 DOUTUC05
IC9300 B19 DOUTUA06
IC9300 T22 DOUTDA03
IC9300 T10 VDD12
IC9300 AE26 VDD33
IC9300 D18 DOUTUC07
IC9300 B7 DIO13
IC9300 B4 DIO2
IC9300 B3 HIO
IC9300 T12 VDD25
IC9300 AE2 VDD25
IC9300 T2 REP
IC9300 B6 DIO9
IC9300 AD25 VDD33
IC9300 T1 REM
IC9300 M17 VDD33
IC9300 M22 DOUTDC08IC9300 M25 DOUTDA08
IC9300 AD6 VDD25
IC9300 AD3 VDD25
IC9300 AD2 XRSTSYS
IC9300 AD1 PROG_M
IC9300 AC24 VDD33
IC9300 AC4 VDD25
IC9300 AC2 MCCLK
IC9300 AC1 XOUT
IC9300 AB26 TCK
IC9300 AB25 TDO
IC9300 AB23 VDD33
IC9300 A25 DOUTDA15
IC9300 AB21 AVDD_PD33
IC9300 AB20 VDD25
IC9300 AB19 VDD25
IC9300 B18 DOUTUC08
IC9300 B17 DOUTUA09
IC9300 B16 DOUTUC11
IC9300 B15 DOUTUA12
IC9300 B14 DRVCLKU0
IC9300 B13 DRVCLKU2
IC9300 B12 DOUTUB15
IC9300 B11 ROMCE
IC9300 A13 DRVCLKU3
IC9300 A7 DIO15
IC9300 A23 DOUTUB02
IC9300 A26 VDD33
IC9300 D17 DOUTUA08
IC9300 D16 DOUTUA10
IC9300 D15 DOUTUB11
IC9300 D14 DOUTUA13
IC9300 T24 VDD33
IC9300 T25 DOUTDB04IC9300 T26 DOUTDA04
IC9300 U4 AVDD_L33
IC9300 U5 AVDD_L33
IC9300 U11 VDD25
IC9300 U12 VDD25
IC9300 U13 VDD25
IC9300 U22 VDD33
IC9300 U23 DOUTDB02
IC9300 U25 DOUTDB03
IC9300 U26 DOUTDC04
IC9300 V2 OSDRI
IC9300 V3 OSDBI
IC9300 V4 OSDGI
IC9300 V5 AVDD_PI33
IC9300 V22 DOUTDC00
IC9300 V23 DOUTDA01
IC9300 V24 VDD33
IC9300 V25 DOUTDA02
IC9300 V26 DOUTDC03
IC9300 W1 OSDYSI
IC9300 W2 OSDVO
IC9300 W3 SCL
IC9300 W5 OSDHO
IC9300 W23 TRST
IC9300 W24 TDI
IC9300 W25 DOUTDB01
IC9300 W26 DOUTDC02
IC9300 Y3 SDA
IC9300 Y4 PRCKO
IC9300 Y5 OSDCKO
IC9300 Y25 DOUTDA00
IC9300 Y26 DOUTDC01
IC9300 E12 DIO30
IC9300 E11 DIO27
IC9300 E10 VDD12
IC9300 E9 VDD12
IC9300 E8 DIO14
IC9300 E7 DIO8
IC9300 E6 DIO4
IC9300 E5 IOSW
IC9300 E3 VDD12
IC9300 E2 VDD12
IC9300 E1 ROMRESET
IC9300 D26 DOUTDB14
IC9300 D24 VDD33
IC9300 D23 DOUTDB15
IC9300 D22 DOUTUB01
IC9300 D21 DOUTUA03
IC9300 D20 DOUTUB04
IC9300 D19 DOUTUC06
IC9300 AF1 VDD25
IC9300 B24 DOUTUB00
IC9300 B25 DOUTDC15
IC9300 B26 VDD33
IC9300 C1 VDD12
IC9300 C4 ACTV
IC9300 C5 DIO3
IC9300 C6 DIO10
IC9300 C7 DIO12
IC9300 C8 DIO17
IC9300 C9 DIO20
IC9300 A22 DOUTUB03
IC9300 C10 DIO25
IC9300 C11 ROMOE
IC9300 C12 ROMWE
IC9300 C13 DOUTUC14
IC9300 C14 DOUTUB13
IC9300 C15 DOUTUB12
IC9300 C16 DOUTUB10
IC9300 C17 DOUTUC09
IC9300 C18 DOUTUA07
IC9300 C19 DOUTUB06
IC9300 C20 DOUTUB05
IC9300 C21 DOUTUC04
IC9300 C22 DOUTUA02
IC9300 C23 DOUTUC01
IC9300 C24 OCKOUT
IC9300 C25 VDD33
IC9300 D1 VDD12
IC9300 D2 VDD12
IC9300 D4 VIO
IC9300 D5 SLVDOUTUB14
IC9300 D6 DIO5
IC9300 D7 DIO11
IC9300 D8 DIO16
IC9300 D9 DIO21
IC9300 D10 DIO23
IC9300 D11 DIO29
IC9300 D12 DOUTUC15
IC9300 D13 DOUTUB14
IC9300 T17 VDD33
IC9300 T13 VDD25
IC9300 T4 AVDD_L33
IC9300 T5 AVDD_L33
IC9300 N22 VDD33
IC9300 N23 DOUTDB07IC9300 N25 DOUTDA07 IC9300 N26 DOUTDC07
IC9300 P1 RCLKM
IC9300 P2 RCLKP
IC9300 P4 AVDD_L33
IC9300 P5 AVDD_L33
IC9300 P22 DOUTDC06
IC9300 P24 VDD33
IC9300 P25 DOUTDB06IC9300 P26 DOUTDA06
IC9300 R1 RDM
IC9300 R2 RDP
IC9300 R4 AVDD_L33
IC9300 R5 AVDD_L33
IC9300 R10 VDD12
IC9300 R11 VDD12
IC9300 R16 VDD33
IC9300 R17 VDD33
IC9300 R23 DOUTDB05 IC9300 R25 DOUTDC05IC9300 R26 DOUTDA05
IC9300 M26 DOUTDB08
IC9300 N1 RCM
IC9300 N2 RCP
IC9300 N4 AVDD_L33
IC9300 N5 AVDD_L33
IC9300 N10 AVDD_L12
IC9300 M24 VDD33
D31
1
2
3
4
5
6
7
8
9
10
11
12
13
14
15
16
17
18
19
20
21
22
23
24
25
26
27
28
29
30
31
32
33
34
35
36
37
38
39
40
41
42
43
44
45
46
47
48
49
50
51
52
53
54
55
57
58
59
60
61
62
63
64
65
66
67
68
56
L9003
J0JHC0000078
L9002
J0JHC0000078
L9001
J0JHC0000078
L9000
J0JHC0000078
P2.5V
P2.5V
P3.3V
P5V
L8LAVDD3.3V
L8LAVDD3.3V
P1.2V
P1.2V
P3.3V
P3.3V
P3.3V
L8LAVDD3.3V
Q9059
2SD0601A0L
R9230
EXB38V470JV
R9140
EXB2HV220JV
R9137
EXB2HV220JV
R9146
EXB2HV220JV
R9147
EXB2HV220JV
R9139
EXB2HV220JV
R9138
EXB2HV220JV
R9335
EXB2HV103JV
R9281
EXB2HV103JV
R9280
EXB2HV103JV
R9282
EXB2HV103JV
*R9319
22
*R9317
22
R9247
47
R9270
47
R9271
47
R9157
4.7k
R9162
100k
R9168
0
R9163
10k
R9966
470
R9311
1k
R9345
68
R9217
68
R9341
100
R9133
68
R9154
47
R9969
47
R9113
47
R9114
47
R9975
47
R9974
10k
R9973
10k
R9972
10k
R9334
10k
R9245
1k
R9308
1k
R9980
0
X9200
H0J200500076
TP9001
TP9002
LVDS_INPUT
IIC
rromdata[14]
rromadrs[00]
rromdata[06]
rromdata[09]
rromdata[12]
rromadrs[11]
rromadrs[14]
rromdata[15]
rromadrs[01]
rromadrs[04]
rromadrs[17]
rromadrs[20]
rromadrs[07]
rromadrs[10]
rromadrs[13]
rromadrs[16]
rromdata[00]
rromdata[01]
rromdata[02]
rromadrs[19]
rromadrs[03]
rromdata[03]
rromdata[04]
rromdata[07]
rromdata[10]
rromadrs[06]
rromadrs[09]
rromdata[13]
rromadrs[12]
rromdata[05]
rromadrs[15]
rromadrs[18]
rromadrs[02]
rromadrs[05]
rromadrs[08]
rromdata[08]
rromdata[11]
RC-
RB-
RB+
RC+
RCLK-
RCLK+
RD+
RA-(MSB)
RA+(MSB)
RD-
RE-(LSB)
for LVDS_TX
20MHz(SS)
Low Active
RE+(LSB)
GND
CLKD9(-)
GND
DMLL
DOUTDB[31]
GND
GND
NC/OCKOUT_RD
DOUTDA[29]
GND
GND
GND
LED6
DOUTDC[24]
CLKD8(+)
DOUTDB[23]
DOUTDC[25]
DOUTDA[28]
GND
GND
DOUTDC[27]
DSHR
DOUTDB[24]
DOUTDA[27]
DOUTDC[28]
GND
CLKD10(+)/DSLL
DOUTDC[26]
DOUTDB[26]
DOUTDA[31]
GND
5V_DET
GND
DOUTDB[27]
DOUTDA[24]
DOUTDB[25]
DMHR
GND
DMLR
GND
CLKD11(-)/DSLR
DOUTDC[23]
DOUTDB[29]
DOUTDC[22]
DOUTDB[22]
GND
NC
DOUTDC[29]
CLRD6
DOUTDC[31]
DOUTDB[30]
DOUTDA[26]
P5V
PCD6
DOUTDB[28]
DMHL
GND
DOUTDA[23]
P5V
GND
DOUTDA[22]
DOUTDC[30]
DOUTDA[30]
DOUTDA[25]
ODED6
P5V
GND
DSHL
PD2M Left (Master)
to PD2M Right
JTAG
SCLK
NCS_FPGA
OUTPUT
OUTPUT
OUTPUT
INPUT
43 443938 40 41 4537 42
TO
C1-BOARD
(C11)
VIDEO/PANEL CONTROL
MN84526
IC9300
31
32
33
41
42
43
44
!
D-BOARD TNPA4439AKS (5/6)
TH-46PZ85U
D-Board (5/6) Schematic Diagram
TH-46PZ85U
D-Board (5/6) Schematic Diagram

62
11.24. D-Board (6/6) Schematic Diagram
TERM
SIDE
TERM
SIDE
L8DL_DQ28
L8L_A0
L8L_DQ9
L8DL_DQS0
L8DL_DQ31
L8L_DQ23
L8L_A6
L8DL_NCS
L8L_DQ15
L8DL_A5
L8DL_A1
L8DL_NCAS
L8L_A3
L8DL_A11
L8L_DQ17
L8DL_DQ21
L8DL_DQ23
L8DL_DQ22
L8DL_DQ25
L8L_DQ16
L8DL_BA1
L8L_A5
L8L_A4
L8DL_A11
L8DL_DQ10
L8L_DQ13
L8DL_DQ3
L8L_DQ24
L8L_DQ14
L8L_DQ24
L8DL_BA0
L8DL_DQ1
L8DL_DQ9
L8L_DQ10
L8DL_A7
L8DL_DQ4
L8L_SDCLKO
L8DL_DQ31
L8DL_A2
L8L_BA0
L8L_DQS2
L8L_BA0
L8DL_NRAS
L8L_BA1
L8DL_DQ11
L8L_DQ4
L8L_DQ31
L8DL_DQ2
L8DL_DQ26
L8DL_DQ0
L8DL_BA1
L8DL_DQ5
L8DL_DQ11
L8L_DQ0
L8L_DQ26
L8L_A4
L8L_BA1
L8L_DQ19
L8L_DQ2
L8L_DQ13
L8DL_A6
L8DL_DQS3
L8L_DQ9
L8DL_NCLK
L8DL_DQ20
L8L_A2
L8L_RAS
L8DL_DQ18
L8L_DQ18
L8DL_A2
L8DL_A3
L8DL_A9
L8L_DQ22
L8DL_NRAS
L8L_A8
L8L_A10
L8L_A1
L8L_A1
L8DL_A3
L8L_WE
L8L_A10
L8L_A0
L8L_DQS2
L8L_DQ31
L8DL_DQ7
L8DL_DQ24
L8L_SDCKE
L8DL_DQ8
L8DL_DQ16
L8L_DQ3
L8L_DQ4
L8L_RAS
L8DL_DQ20
L8DL_DQ6
L8L_DQ8
L8L_DQ11
L8DL_DQ19
L8DL_DQ24
L8L_A3
L8L_DQ14
L8DL_A4
L8L_DQS3
L8DL_A0
L8L_DQ1
L8DL_DQ12
L8L_A6
L8DL_A6
L8DL_DQ8
L8L_DQ23
L8L_WE
L8L_DQ3
L8L_DQ10
L8DL_DQ12
L8DL_DQ2
L8L_DQ26
L8L_DQ8
L8L_DQ1
L8DL_DQ18
L8DL_DQ4
L8DL_DQ0
L8L_DQ21
L8DL_DQS2
L8DL_A1
L8DL_A0
L8DL_DQ22
L8L_A9
L8L_SDCKE
L8DL_DQ6
L8DL_DQ29
L8DL_DQS0
L8L_DQ21
L8DL_DQS2
L8DL_DQ7
L8DL_DQ19
L8DL_DQ14
L8DL_DQ5
L8L_SDCLKO
L8L_DQ12
L8L_DQ28
L8L_DQ30
L8DL_DQ23
L8DL_DQ14
L8L_DQ6
L8DL_CKE
L8DL_DQ13
L8L_A9
L8DL_DQS1
L8DL_DQ30
L8L_DQS1
L8DL_A8
L8L_DQ22
L8DL_NCS
L8L_A7
L8DL_DQ16
L8L_DQ17
L8DL_DQ17
L8L_NSDCLKO
L8L_DQ5
L8L_DQ7
L8DL_DQ28
L8DL_DQ17
L8DL_DQ15
L8DL_DQ15
L8L_DQ30
L8L_DQ27
L8L_DQS3
L8L_DQ15
L8DL_A5
L8DL_DQS1
L8L_DQS0
L8L_DQ6
L8L_DQ11
L8L_DQ25
L8L_DQ29
L8L_A8
L8DL_NCAS
L8DL_DQ9
L8DL_DQS3
L8DL_NWE
L8L_CS
L8L_DQ27
L8L_A11
L8L_NSDCLKO
L8L_A7
L8L_DQ29
L8DL_A9
L8DL_A8
L8DL_DQ21
L8L_DQ12
L8L_CS
L8DL_BA0
L8L_DQ20
L8DL_DQ27
L8DL_A10
L8DL_A4
L8L_DQS1
L8L_CAS
L8L_DQ20
L8DL_NWE
L8DL_DQ13
L8DL_CLK
L8L_DQS0
L8L_A5
L8L_DQ19
L8L_DQ2
L8DL_DQ10
L8L_DQ28
L8L_DQ16
L8DL_A7
L8L_A2
L8DL_DQ30
L8L_DQ18
L8L_A11
L8DL_DQ1
L8L_CAS
L8DL_DQ29
L8DL_DQ3L8L_DQ25
L8L_DQ0
L8L_DQ5
L8L_DQ7
L8DL_A10
0V
L8L_DA06
DOUTDB9
CLKD5
CLKD2
L8L_DA14
DOUTDB10
DOUTDA15
DOUTDB14
DOUTDC14
DOUTDA20
L8L_DB01
CLKD3
DOUTDC9
L8L_DC12
LED_5
DOUTDB13
L8L_DB15
DOUTDA13
L8L_DA04
L8L_DC06
DOUTDB4
L8L_DA10
L8L_DA11
DOUTDC1
DOUTDB4
DOUTDA1
L8L_DC08
DOUTDC5
DOUTDB16
L8R_DRVCLKD2
L8L_DB09
L8L_DA01
PCD_6
5V_DET5
DOUTDC12
L8L_DA13
C_NUEL
L8L_DA12
CLKD5
DOUTDA5
DOUTDB17
DOUTDB0
DOUTDA1
L8L_DC14
SOS8_SS
D_CLRD6
DOUTDB7
DOUTDA17
DOUTDB6
DOUTDB7
CLKD6
DOUTDC15
L8L_DB08
DOUTDB18
CLKD2
L8L_DC09
DOUTDA12
DOUTDC14
ODED_6
DOUTDC5
DOUTDC15
DOUTDC13
NUEL
CLKD7
DOUTDA8
DOUTDC12
DOUTDA3
DOUTDB12
DOUTDA16
C_NUEL
C_UML
LED_6
DOUTDA7
DOUTDC16
DOUTDC11
DOUTDC4
DOUTDA13
CLKD8
L8L_DC03
5V_DET4
C_UEH
C_UMH
DOUTDB6
LED_5
L8L_DA05
DOUTDC19
DOUTDC7
L8L_DC05
CLRD_5
CLRD_5
CLKD9
DOUTDB8
DOUTDA6
DOUTDA15
L8L_DC13
DOUTDB2
DOUTDA6
D_LED6
DOUTDA11
L8L_DB14
CLKD0
USH
CLKD4
DOUTDA14
L8L_DB05
L8L_DB00
SOS8_SS_C
C_USL
SOS8_SS_C
D_ODED5
DOUTDB1
DOUTDB8
CLKD7
DOUTDC8
DOUTDA19
DOUTDB3
DOUTDA7
DOUTDC1
C_USL
L8L_DB03
DOUTDC2
DOUTDC21
C_UML
L8L_DA08
L8L_DC15
DOUTDA18
L8L_DC07
DOUTDA5
SOS7_DRD
DOUTDC10
UMH
DOUTDA3
UML
ODED_5
DOUTDB19
L8L_DA15
DOUTDB15
L8R_DRVCLKD3
DOUTDB5
DOUTDA21
DOUTDB11
CLKD0
L8L_DC04
C_UEH
DOUTDC20
DOUTDB13
5V_DET4
C_USH
L8L_DB10
D_CLRD5
DOUTDA14
DOUTDB0
L8R_DRVCLKD0
DOUTDA0
L8L_DC00
L8L_DB13
5V_SENSE
DOUTDB14
DOUTDA4
L8L_DA09
D_ODED6
L8L_DB12
UEH
DOUTDA0
5V_SENSE
CLKD1
DOUTDC8
DOUTDC17
DOUTDC0
DOUTDB1
DOUTDC10
L8L_DA07
DOUTDC4
DOUTDC11
DOUTDC9
C_UMH
PCD_5
CLRD_6
DOUTDA2
DOUTDA11
DOUTDA12
DOUTDB9
L8L_DB02
DOUTDC2
PCD_5
ODED_5
DOUTDA10
L8L_DB06
DOUTDC13
USL
CLKD3
DOUTDA9
DOUTDC6
L8L_DRVCLKD3
DOUTDA2
L8L_DB07
DOUTDB10
L8L_DA02
D_PCD6
DOUTDA10
PCD_4
DOUTDB15
L8L_DB11
DOUTDC7
DOUTDC3
DOUTDB2
L8R_DRVCLKD1
DOUTDC18
DOUTDB3
DOUTDA8
DOUTDB21
L8L_DRVCLKD2
L8L_DA00
DOUTDA4
DOUTDB12
L8L_DC02
L8L_DB04
L8L_DC11
DOUTDC6
L8L_DC01
L8L_DA03
CLKD4
DOUTDB20
DRVRST
DOUTDB11
DOUTDC0
CLKD6
DOUTDC3
DOUTDB5
5V_DET5
L8L_DC10
DOUTDA9
C_USH
L8L_DRVCLKD0
L8L_DRVCLKD1
CLKD10
CLKD11
5V_SENSE
OCKOUT_RD
L8DL_DQ26
L8DL_DQ27
L8DL_DQ25
CLKD1
D_PCD5
D_LED5
LED_4
L8L_MONOUT
L8DL_CKE
L8DL_CLK
L8DL_NCLK
C9069
25V
0.01u
C9067
25V
0.01u
C9929
16V 0.1u
C9936
16V 0.1u
C9941
16V 0.1u
C9133
16V
0.1u
C9931
16V 0.1u
C9947
16V 0.1u
C9951
16V
0.1u
C9930
16V 0.1u
C9933
16V 0.1u
C9928
16V 0.1u
C9946
16V 0.1u
C9948
16V 0.1u
C9937
16V 0.1u
C9932
16V 0.1u
C9940
16V 0.1u
C9935
16V 0.1u
C9927
16V 0.1u
C9942
16V 0.1u
C9934
16V 0.1u
C9966
16V
0.1u
C9945
16V 0.1u
C9943
16V 0.1u
C9939
16V 0.1u
C9944
16V 0.1u
C9938
16V 0.1u
D9026
B0JCCE000008
D9024
B0JCCE000008
IC9301 B2 DQS0
IC9300 A1 VSS
IC9300 M15 VSS
IC9300 M14 VSS
IC9300 M12 VSS
IC9300 M3 AVSS_L
IC9300 L24 VSS
IC9300 L22 VSS
IC9300 L16 VSS
IC9300 L15 VSS
IC9300 L14 VSS
IC9300 L11 VSS
IC9300 N17 VSS IC9300 L3 AVSS_L
IC9300 K23 VSS
IC9300 K17 VSS
IC9300 K16 VSS
IC9300 K15 VSS
IC9300 K14 VSS
IC9300 K10 VSS
IC9300 K4 AVSS_PM
IC9300 K3 AVSS_L
IC9300 K1 AVSS_L
IC9300 J24 VSS
IC9300 J2 AVSS_PO
IC9300 J1 TCPOUT
IC9300 G24 VSS
IC9300 G22 VSS
IC9300 F23 VSS
IC9300 F6 VSS
IC9300 F5 VSS
IC9300 E24 VSS
IC9300 E20 VSS
IC9301 K8 VSS
IC9301 N12 CKE
IC9301 K4 VDDQ
IC9301 M5 BA1
IC9301 M12 CK
IC9301 J8 VSS_Thermal
IC9301 M13 NC
IC9301 N2 CS
IC9301 M11 CK
IC9301 E5 VSS
IC9301 F10 VSSQ
IC9301 C12 VDDQ
IC9301 B3 DM0
IC9301 F4 VDDQ
IC9301 L12 NC
IC9301 F13 DQ14
IC9301 N5 A0
IC9301 H11 NC
IC9301 M8 A9
IC9301 L8 VDD
IC9301 F9 VSS_Thermal
IC9301 N13 VREF
IC9301 G12 DQ13
IC9300 AC25 V_TEST
IC9300 AB12 VSS
IC9300 AF19 NRAS
IC9300 AB11 VSS
IC9300 AF18 CK
IC9300 AF17 DQ8
IC9300 AF16 DQ10
IC9300 AF15 DQ11
IC9300 AB6 VSS
IC9300 AB2 VSS
IC9300 AB1 VSS
IC9300 AA23 ID1
IC9300 AA4 VSS
IC9300 AA3 VSS
IC9301 K3 DQ23
IC9300 K2 AVSS_L
IC9301 D13 DQ25
IC9301 N6 A1
IC9301 E6 VSSQ
IC9301 D7 VDD
IC9301 K9 VSS
IC9301 C8 VDDQ
IC9301 H10 VSSQ
IC9301 B5 DQ3
IC9301 H6 VSS_Thermal
IC9301 H4 NC
IC9301 F2 DQ17
IC9301 E2 DQ7
IC9301 K6 VSS
IC9301 C10 VDDQ
IC9301 G11 VDDQ
IC9301 G9 VSS_Thermal
IC9301 B4 VSSQ
IC9301 D3 DQ5
IC9301 G3 DQ18
IC9301 H3 DM2
IC9301 J5 VSSQ
IC9301 K12 DQ9
IC9301 C4 NC
IC9301 J9 VSS_Thermal
IC9301 G10 VSSQ
IC9301 C7 VDDQ
IC9301 N4 BA0
IC9301 F7 VSS_Thermal
IC9300 T11 VSS
IC9301 H13 DQS1
IC9301 D11 VSSQ
IC9301 B12 DM3
IC9301 E10 VSS
IC9301 E9 VSSQ
IC9301 F11 VDDQ
IC9301 F6 VSS_Thermal
IC9301 N7 A3
IC9301 B13 DQS3
IC9301 C2 DQ4
IC9301 G13 DQ12
IC9301 J12 DQ11
IC9301 B6 DQ2
IC9301 G2 DQ19
IC9301 H2 DQS2
IC9301 E7 VSS
IC9301 E11 VDD
IC9301 C9 DQ30
IC9301 L4 VDD
IC9301 G6 VSS_Thermal
IC9301 K13 DQ8
IC9301 L5 VSS
IC9301 F3 DQ16
IC9300 N16 VSS
IC9301 M2 RAS
IC9301 N11 A8/AP
IC9301 H7 VSS_Thermal
IC9301 G7 VSS_Thermal
IC9301 K2 DQ22
IC9301 G4 VDDQ
IC9300 AF13 VSS
IC9300 AF12 VSS
IC9300 AF11 DQ28
IC9300 AF10 DQ29
IC9300 AF9 DQ0
IC9300 AF8 DQ2
IC9300 AF7 VSS
IC9300 AF6 VSS
IC9300 AF5 VSS
IC9300 AF4 DQ21
IC9300 AF3 DQ22
IC9300 AF2 VSS
IC9301 D2 DQ6
IC9301 H12 DM1
IC9300 T23 VSS
IC9301 H5 VSSQ
IC9301 C6 DQ1
IC9300 AE25 VSS
IC9301 M3 NC
IC9301 D12 DQ26
IC9300 AE24 TCPOUT_D
IC9301 F5 VSSQ
IC9300 AE23 AD3
IC9300 AE22 AD1
IC9300 AE21 AD0
IC9300 T14 VSS
IC9300 AE20 BA0
IC9301 L6 A10
IC9301 L13 NC
IC9300 AE19 NCS
IC9300 AE18 AVSS_D IC9300 AE17 NCK
IC9300 AE16 DQ9
IC9300 AE15 DQ15
IC9300 AE14 DQS1
IC9300 AE13 VSS
IC9300 AE12 DQS3
IC9300 AE11 DQ30
IC9300 AE10 DQ31
IC9300 AE9 DQ1
IC9300 AE8 DQ3
IC9300 AE7 DQS0
IC9301 J6 VSS_Thermal
IC9300 AE6 DQS2
IC9300 T15 VSS
IC9300 B2 VSS
IC9300 T16 VSS
IC9300 AE4 DQ23
IC9300 B1 VSS
IC9300 AE1 VSS
IC9300 AD26 TEST1
IC9300 AF26 VSS
IC9300 AD24 VSS
IC9300 AD23 ID0
IC9300 AD22 AD8
IC9300 AD21 AD5
IC9300 AD20 AD9
IC9300 AD19 NWE
IC9300 AD18 NCAS
IC9300 AD17 AVSS_Q
IC9300 AD16 DQ12
IC9300 M23 VSS
IC9300 AD14 VSS
IC9300 AF25 AD4
IC9300 AD13 AVSS_D
IC9300 AF24 AD11
IC9300 AD12 VSS
IC9300 AD11 DQ24
IC9300 AD10 DQ26
IC9300 AD9 DQ4
IC9300 AD8 DQ6
IC9300 AD7 AVSS_D
IC9300 AD5 DQ16
IC9300 AD4 DQ18
IC9300 AF23 AD10
IC9300 AC26 MONOUT
IC9301 F12 DQ15
IC9300 AC23 VSS
IC9300 AC22 AVSS_PD
IC9300 AC21 AD7
IC9300 AC20 AD6
IC9300 AC19 CKE
IC9300 AC18 VSS
IC9300 AC17 VSS
IC9300 AC16 VSS
IC9300 AC15 DQ13
IC9300 AC14 VREF0
IC9300 AC13 VSS
IC9300 AC12 VSS
IC9300 AC11 DQ25
IC9300 AC10 DQ27
IC9300 AC9 DQ5
IC9300 AC8 DQ7
IC9300 AC7 VREF1
IC9300 AC6 AVSS_D
IC9300 AC5 DQ17
IC9300 AC3 VSS
IC9300 AF22 AD2
IC9300 AB24 ID2
IC9300 AF21 BA1
IC9300 AB22 VSS
IC9300 AF20 VSS
IC9300 AB18 VSS
IC9301 E8 VSS
IC9301 J10 VSSQ
IC9301 B10 DQ28
IC9301 C3 VDDQ
IC9301 E3 VDDQ
IC9301 E12 VDDQ
IC9301 M9 A5
IC9301 K10 VSSQ
IC9301 B9 DQ29
IC9301 L11 VDD
IC9301 G5 VSSQ
IC9301 M4 NC
IC9301 E13 DQ24
IC9301 H8 VSS_Thermal
IC9301 L3 WE
IC9301 K5 VSSQ
IC9301 N9 A6
IC9301 G8 VSS_Thermal
IC9301 C5 VDDQ
IC9300 U1 AVSS_L
IC9300 U2 AVSS_L
IC9300 U3 AVSS_L
IC9300 U10 VSS
IC9300 U14 VSS
IC9300 U15 VSS
IC9300 U16 VSS
IC9300 U17 VSS
IC9300 U24 VSS
IC9300 V1 AVSS_PI
IC9300 W4 VSS
IC9300 W22 VSS
IC9300 Y1 VSS
IC9300 Y2 VSS
IC9300 Y22 TEST0
IC9300 Y23 TEST
IC9300 Y24 VSS
IC9300 E14 VSS
IC9300 E13 VSS
IC9301 J2 DQ21
IC9301 D6 VSSQ
IC9301 M7 A11
IC9301 D8 VDD
IC9301 L9 RFU
IC9300 E4 VSS
IC9301 L10 VSS
IC9301 B7 DQ0
IC9300 D25 VSS
IC9301 J7 VSS_Thermal
IC9301 J13 DQ10
IC9301 D10 VSSQ
IC9301 D4 VSSQ
IC9301 K7 VSS
IC9301 C11 NC
IC9301 H9 VSS_Thermal
IC9301 L7 VDD
IC9301 E4 VDD
IC9301 D9 VSSQ
IC9301 F8 VSS_Thermal
IC9301 C13 DQ27
IC9301 D5 VSSQ
IC9300 C2 VSS
IC9300 C3 VSS
IC9300 C26 VSS
IC9301 J4 VDDQ
IC9300 D3 VSS
IC9301 J3 DQ20
IC9301 N3 NC
IC9301 K11 VDDQ
IC9301 N8 A4
IC9301 B11 VSSQ
IC9301 B8 DQ31
IC9301 L2 CAS
IC9301 M10 RFU
IC9301 N10 A7
IC9300 AE5 DQ20 IC9301 M6 A2
IC9300 T3 AVSS_L
IC9300 AE3 DQ19
IC9300 AF14 AVSS_D
IC9300 N24 VSS
IC9300 P3 AVSS_L
IC9300 P10 VSS
IC9300 P11 VSS
IC9300 P12 VSS
IC9300 P13 VSS
IC9300 P14 VSS
IC9300 P16 VSS
IC9300 P17 VSS
IC9300 P23 VSS
IC9300 R3 AVSS_L
IC9300 R12 VSS
IC9300 R13 VSS
IC9300 R14 VSS
IC9300 R15 VSS
IC9300 R22 VSS
IC9300 R24 VSS
IC9300 N3 AVSS_L
IC9300 N11 VSS
IC9300 N12 VSS
IC9300 N13 VSS
IC9300 N14 VSS
IC9300 AD15 DQ14
IC9300 N15 VSS
IC9301 J11 VDDQ
IC9300 P15 VSS
D33
1
2
3
4
5
6
7
8
9
10
11
12
13
14
15
16
17
18
19
20
21
22
23
24
25
26
27
28
29
30
31
32
33
34
35
36
37
38
39
40
41
42
43
44
45
46
47
48
49
50
51
52
53
54
55
57
58
59
60
61
62
63
64
65
66
67
68
56
D32
1
2
3
4
5
6
7
8
9
10
11
12
13
14
15
16
17
18
19
20
21
22
23
24
25
26
27
28
29
30
31
32
33
34
35
36
37
38
39
40
41
42
43
44
45
46
47
48
49
50
51
52
53
54
55
57
58
59
60
61
62
63
64
65
66
67
68
56
P2.5V
P2.5V
P2.5V
P2.5V
P3.3V
P3.3V
P5V P5V
ZA9000
K4CD01000011
TP9395
5V_S
Q9058
2SD0601A0L
Q9060
2SD0601A0L
Q9061
2SD0601A0L
R9950
EXB38V470JV
R9951
EXB38V470JV
R9947
EXB38V470JV
R9945
EXB38V470JV
R9944
EXB38V470JV
R9948
EXB38V470JV
R9949
EXB38V470JV
*R9148
EXB38VR000V
R9353
EXB38V470JV
R9946
EXB38V470JV
R9210
EXB2HV220JV
R9193
EXB2HV220JV
R9195
EXB2HV220JV
R9209
EXB2HV220JV
R9212
EXB2HV470JV
R9211
EXB2HV220JV
R9352
EXB2HV470JV
R9123
EXB2HV470JV
R9208
EXB2HV220JV
R9936
1k
R9938
1k
R9190
4.7k
R9224
22
R9940
33
R9178
22
R9216
22
R9118
0
R9180
22
R9177
22
R9192
10k
R9953
47
R9124
0
R9191
100k
R9136
10k
R9181
22
R9937
1k
R9125
4.7k
R9954
47
R9952
47
R9179
22
R9214
100k
R9130
100k
R9213
100
R9939
1k
R9286
0
*R9156
0
*R9144
0
*R9134
0
*R9127
0
R9175
100
R9907
150
R9955
47
R9905
33
R9182
22
R9152
0
DDR-Terminate
to DDR
D36
D31 D33D32
D35D34
CLRD5
DOUTDC[20]
PCD_4/NC
CLKD2(+)
DOUTDC[8]
CLKD1(-)/NC/
OCKOUT_LD
DOUTDC[10]
GND
GND
GND
GND
GND
DOUTDC[21]
DOUTDB[17]
DOUTDC[17]
GND
GND
DOUTDC[7]
GND
DOUTDB[16]
DOUTDB[12]
DOUTDC[16]
GND
GND
DOUTDB[18]
DOUTDC[9]
GND
DOUTDB[20]
DOUTDB[2]
GND
GND
GND
GND
DOUTDA[3]
LED_4/NC
GND
NC
GND
DOUTDC[12]
CLKD6(+)
DOUTDA[20]
DOUTDC[11]
DOUTDB[11]
DOUTDC[15]
GND
DOUTDC[4]
DOUTDA[4]
DOUTDC[2]
P5V
DOUTDB[13]
DOUTDC[14]
DOUTDB[5]
DOUTDC[6]
DOUTDC[5]
CLKD0(+)/NC
DOUTDA[1]
DOUTDC[0]
DOUTDA[0]
CLKD3(-)
DOUTDC[19]
DOUTDB[21]
DOUTDA[21]
GND
DOUTDB[8]
DOUTDA[7]
NC/LED5
DOUTDA[10]
GND
CLKD5(-)
USL
DOUTDA[19]
DOUTDC[1]
GND
DOUTDA[11]
DOUTDA[2]
GND
NC
DOUTDB[1]
DRVSOS8
P5V
GND
GND
DOUTDC[18]
5V_DET
UML
GND
GND
ODED5
NUEL
GND
DOUTDA[5]
DOUTDA[18]
NC/PCD5
DOUTDA[17]
UEH
CLKD4(+)
GND
DOUTDB[10]
DOUTDC[13]
DOUTDB[9]
DOUTDB[14]
DOUTDA[14]
GND
DOUTDA[13]
5V_DET
DOUTDB[4]
GND
GND
DOUTDB[19]
CLKD7(-)
DOUTDB[15]
DOUTDA[16]
DOUTDA[6]
DOUTDA[9]
GND
DOUTDB[6]
UMH
GND
DRV_SOS7
DOUTDB[3]
GND
P5V
DOUTDC[3]
P5V
DOUTDA[15]
DOUTDB[7]
NC
DOUTDB[0]
DOUTDA[12]
DOUTDA[8]
NC
GND
GND
USH
P5V
P5V
Vss
5246 49 5448 51 5347 50
TO
C2-BOARD
(C21)
TO
C2-BOARD
(C22)
IC9300
MN84526
VIDEO/PANEL CONTROL
PD2M Left (Master)
DDR MEMORY
IC9301
C3ABQJ000055
Left
41
42
43
44
!
D-BOARD TNPA4439AKS (6/6)
TH-46PZ85U  D-Board (6/6) Schematic Diagram
TH-46PZ85U
D-Board (6/6) Schematic Diagram

63
11.25. C1-Board (1/2) Schematic Diagram
TERM
SIDE
TERM
SIDE
TERM
SIDE
TERM
SIDE
AB_PCD61
AB_DDA29
AB_NCLK4
AB_DDB31
AB_PCD61
AB_ODED61
AB_DDB28
AB_DDC24
AB_LED61
AB_ODED62
AB_CLRD61
AB_DDB29
AB_DDB26
AB_DDA31
AB_DDA24
AB_DDC31
AB_LED61
AB_NCLK3
AB_CLK4
AB_NCLK2
AB_DDC28
AB_DDC26
AB_ODED61
AB_LED62
AB_CLRD61
AB_CLRD62
AB_ODED61
AB_LED61
AB_CLK1
AB_DDB24
AB_DDC25
AB_DDC30
AB_DDC29
AB_CLK2
AB_DDA28
AB_DDB25
AB_DDB30
AB_NCLK1
AB_PCD62
AB_DDA25
AB_DDA26
AB_DDA30
AB_CLK3
AB_CLRD61
AB_PCD61
AB_DDC30
AB_DDA30
AB_DDB30
AB_DDC31
AB_DDB31
AB_DDA31
AB_DDC29
AB_DDA29
AB_DDB29
AB_DDB28
AB_DDC28
AB_DDA28
AB_DDA26
AB_DDB26
AB_DDC26
AB_DDA27
AB_DDB27
AB_DDC27
AB_DDA27
AB_DDC27
AB_DDB27
AB_DDA24
AB_DDB24
AB_DDC24
AB_DDA25
AB_DDC25
AB_DDB25
AB_DDC27
AA_DDC27
AB_DDB29
AA_DDC29
AA_DDB29
AB_DDA31
AA_DDC31
AA_DDB28
AB_DDA28
AB_DDC28
AB_DDB28
AA_DDC28
AB_DDC29
AB_DDB31
AA_DDA26
AB_DDA30
AA_DDC30
AB_DDC30
AB_DDB26
AB_DDB30
AA_DDC26
AB_DDC26
AB_DDC31 AA_DDB30
AB_DDA26
AA_DDB31
AA_DDA28
AB_DDA29
AA_DDA30
AA_DDA31 AA_DDB26
AA_DDA29
C1_5V
C1_5V C1_5V
VDA_75V
C1_5V
VDA_75V
VDA_75V
VDA_75V
C1_5VC1_5V
C17147
10V
1u
C17160
16V
0.1u
C17137
250V
0.15u
C17143
250V
0.15u
C17140
250V
0.15u
C17136
250V
0.15u
C17146
10V
1u
C17134
250V
0.15u
C17135
250V
0.15u
C17142
250V
0.15u
C17149
10V
1u
C17141
250V
0.15u
C17148
10V
1u
C17159
16V
0.1u
C0JBAZ002692
IC17106
G1 1
2
A1
3
A2
4
A3
5
A4
6
A5
7
A6
8
A7
9
A8
10
GND
11
Y8
12
Y7
13
Y6
14
Y5
15
Y4
16
Y3
17
Y2
18
Y1
19
G2
20
Vcc
C0JBAZ002692
IC17105
G1 1
2
A1
3
A2
4
A3
5
A4
6
A5
7
A6
8
A7
9
A8
10
GND
11
Y8
12
Y7
13
Y6
14
Y5
15
Y4
16
Y3
17
Y2
18
Y1
19
G2
20
Vcc
1
3
4
5
7
8
9
10
11
12
13
14
15
16
17
18
19
20
21
22
23
24
25
26
27
28
29
31
32
33
34
35
36
37
39
40
41
42
43
44
45
46
47
48
49
50
51
52
53
54
55
57
58
59
60
61
63
64
65
67
68
56
1
3
4
5
7
8
9
10
11
12
13
14
15
16
17
18
19
20
21
22
23
24
25
26
27
28
29
31
32
33
34
35
36
37
39
40
41
42
43
44
45
46
47
48
49
50
51
52
53
54
55
57
58
59
60
61
63
64
65
67
68
56
1
3
4
5
7
8
9
10
11
12
13
14
15
16
17
18
19
20
21
22
23
24
25
26
27
28
29
31
32
33
34
35
36
37
39
40
41
42
43
44
45
46
47
48
49
50
51
52
53
54
55
57
58
59
60
61
63
64
65
67
68
56
1
3
4
5
7
8
9
10
11
12
13
14
15
16
17
18
19
20
21
22
23
24
25
26
27
28
29
31
32
33
34
35
36
37
39
40
41
42
43
44
45
46
47
48
49
50
51
52
53
54
55
57
58
59
60
61
63
64
65
67
68
56
ZA17104
K4AD01Z00001
ZA17103
K4AD01Z00001
ZA17105
K4AD01Z00001
ZA17101
K4AD01Z00001 ZA17102
K4AD01Z00001
R17182
EXB38V471JV
R17173
EXB38V470JV
R17181
EXB38V471JV
R17175
EXB38V471JV
R17179
EXB38V470JV
R17176
EXB38V471JV
R17180
EXB38V470JV
R17174
EXB38V470JV
R17108
6.8
R17119
6.8
R17121
6.8
R17107
6.8
R17109
6.8
R17137
4.7k
R17122
6.8
R17120
6.8
R17110
6.8
1
C10
20
681681681681681681
168 C11
A6-2
GND
NC NC
NC
DM
A2-2
NC
GND
GND
VDD2
NC
NC
VDD2
VDD2
ODE
NC
VDD1
NC
VDD1
VDD2
NC
VDD2
GND
GND
VDD2
A4-2
NC
A3-1
GND
NC
GND
VDD2
BLK(PC)
A2-2
NC
GND
DSEL
VDD2
DM
GND
NC
GND
GND
GND
LEN
NC
GND
GND
A5-2
GND
NC
ODE
VDD2
VDD1
GND
VDD2
NC
A4-2
BLK(PC)
NC
DSEL
GND
A5-2
VDD2
NC
A2-1
NC
GND
GND
A4-1
GND
NC
GND
LEN
GND
NC
VDD2
VDD2
BLK(PC)
DSEL
VDD2
A2-1
GND
GND
GND
DSEL
DM
GND
GNDGND
GND
A6-2
GND
GND
NC
VDD2
GND
NC
NC
ODE
NC
GND
NC
A4-2
DM
NC
VDD2
A2-2
VDD2
A5-2
NC
NC
GND
GND
A3-1
CLR
GND
NC
VDD2
NC
A5-1
GND
VDD2
VDD2
A1-1
A6-2
GND
VDD2
VDD1
CLR
A6-1
GND
VDD2
DM
VDD2
NC
A3-2
DM
GND
NC
NC
GND
VDD2
GND
A1-1
NC
A5-1
VDD2
DM
NC
VDD1
A2-2
GND
NC
VDD2
GND
VDD2
VDD2
VDD1
GND
NC
FX2(+)
A3-1
GND
A5-2
VDD1
FX2(+)
CLR
VDD1
GND
GND
NC
VDD1
NC
GND
VDD2
VDD2
VDD2
A3-2
NC
GND
A3-2
NC
NC
A4-1
GND
A5-1
NC
GND
VDD2
VDD2
VDD2
NC
FX2(+)
A6-2
NC
A1-2
VDD2
GND
FX1(-)
VDD1
VDD2
ODE
FX1(-)
FX2(+)
GND
NC
VDD1
A1-2
GND
VDD1
NC
VDD2
VDD2
VDD2
NC
VDD1
FX1(-)
A4-2
VDD1
A1-1
FX1(-)
NC
VDD2
VDD2
CLR
A3-1
NC
A6-1
VDD1
GND
A4-1
VDD2
VDD2
NC
DM
A6-1
VDD2
NC
GND
A1-2
VDD2
VDD2
A3-2
GND
VDD1
BLK(PC)
NC
GND
A1-1
A5-1
VDD2
A4-1
GND
A6-1
GND
A1-2
GND
LEN
VDD2
GND
NC
GND
A2-1
LEN
NC
A2-1
NCNC
NCNC
A
E
956 84
B
723
C
F
D
1
BUFFER
BUFFER
PANEL DATA
TO
DRIVER
CB1
DRIVER
CB3
PANEL DATA
TO
PANEL DATA
TO
DRIVER
CB4
PANEL DATA
TO
DRIVER
CB2
1
2
3
4
C1-BOARD TXNC11RKTU (1/2)
!
TH-46PZ85U
C1-Board (1/2) Schematic Diagram
TH-46PZ85U
C1-Board (1/2) Schematic Diagram

64
11.26. C1-Board (2/2) Schematic Diagram
G
G
SIDE
TERM
TERM
SIDE
TERM
SIDE
TERM
SIDE
AA_DDC28
AA_DDA31
AA_DDB31
AA_DDC31
AA_DDA30
AA_DDB30
AA_DDB28
AA_DDA28
AA_DDC29
AA_DDA29
AA_DDB29
AA_DDB23
AA_DDA23
AA_DDC23
AA_DDA22
AA_DDB22
AA_DDC22
AA_DDB24
AA_DDC24
AA_DDA24
AA_DDC25
AA_DDB25
AA_DDA25
AA_DDC26
AA_DDB26
AA_DDA26
AA_DDC27
AA_DDB27
AA_CLK8
AA_NCLK9
AA_LED6
AA_PCD6
AA_CLRD6
AA_ODED6
AA_DDC30
AA_NCLK11
AA_CLK10
AA_DDB21
AA_DDA20
AA_DDC21
AA_DDB20
AA_DDC20
AB_PCD61
AB_CLK6
AB_LED61
AB_ODED62
AB_PCD62
AB_NCLK5
AB_NCLK6
AB_ODED61
AB_LED62
AB_CLK5
AB_CLRD62
AB_CLRD61
AB_NCLK2
AB_CLK2
AB_NCLK1
AB_NCLK3
AB_CLK3
AB_CLK1
AB_NCLK4
AB_CLK4
AA_CLK10
AA_DDC20 AA_DDC22
AA_DDB22
AB_NCLK5
AA_DDB23
AB_PCD62
AB_CLRD62
AA_DDC21
AA_DDA22
AA_DDC23
AB_ODED62
AB_LED62
AB_ODED62
AB_NCLK6
AA_DDB21
AA_DDA23
AA_DDB20
AB_LED62
AB_CLK6
AB_PCD62
AB_CLK5
AA_DDA20
AB_CLRD62
AA_DDA21
AA_DDA27
AA_DDA21
AA_NCLK11
AA_LED6
AA_NCLK9
AA_CLK8
AA_PCD6
AA_CLRD6
AA_ODED6
AA_DDC22
AA_DDA22
AA_DDB22
AA_DDA23
AA_DDC23
AA_DDB23
AA_DDA20
AA_DDC20
AA_DDB20
AA_DDB21
AA_DDA21
AA_DDC21
AA_DDB27
AA_DDA25
AA_DDB24
AB_DDB25
AB_DDC25
AB_DDB24
AB_DDC24
AB_DDA24
AB_DDA25
AA_DDC24
AA_DDA27
AA_DDB25
AB_DDB27
AA_DDA24
AB_DDA27
AA_DDC25
VDA_75V
C1_5V
VDA_75V
C1_5V
C1_5V
C1_5V
C1_5V
VDA_75V
C1_5V
C1_5V
C17151
10V
1u
C17145
250V
0.15u
C17132
16V
0.1u
C17113
10V
1u
C17144
250V
0.15u
C17138
250V
0.15u
C17131
16V
0.1u
C17158
16V
0.1u
C17139
250V
0.15u
C17133
16V
0.1u
J0HABH000013
FL17101
1
2
3
C0JBAZ002692
IC17103
G1 1
2
A1
3
A2
4
A3
5
A4
6
A5
7
A6
8
A7
9
A8
10
GND
11
Y8
12
Y7
13
Y6
14
Y5
15
Y4
16
Y3
17
Y2
18
Y1
19
G2
20
Vcc
C0JBAZ002692
IC17101
G1 1
2
A1
3
A2
4
A3
5
A4
6
A5
7
A6
8
A7
9
A8
10
GND
11
Y8
12
Y7
13
Y6
14
Y5
15
Y4
16
Y3
17
Y2
18
Y1
19
G2
20
Vcc
C0JBAZ002692
IC17104
G1 1
2
A1
3
A2
4
A3
5
A4
6
A5
7
A6
8
A7
9
A8
10
GND
11
Y8
12
Y7
13
Y6
14
Y5
15
Y4
16
Y3
17
Y2
18
Y1
19
G2
20
Vcc
C0JBAZ002692
IC17102
G1 1
2
A1
3
A2
4
A3
5
A4
6
A5
7
A6
8
A7
9
A8
10
GND
11
Y8
12
Y7
13
Y6
14
Y5
15
Y4
16
Y3
17
Y2
18
Y1
19
G2
20
Vcc
C10
1
2
3
4
5
6
7
8
9
10
11
12
13
14
15
16
17
18
19
20
C11
1
2
3
4
5
6
7
8
9
10
11
12
13
14
15
16
17
18
19
20
21
22
23
24
25
26
27
28
29
30
31
32
33
34
35
36
37
38
39
40
41
42
43
44
45
46
47
48
49
50
51
52
53
54
55
57
58
59
60
61
62
63
64
65
66
67
68
56
1
3
4
5
7
8
9
10
11
12
13
14
15
16
17
18
19
20
21
22
23
24
25
26
27
28
29
31
32
33
34
35
36
37
39
40
41
42
43
44
45
46
47
48
49
50
51
52
53
54
55
57
58
59
60
61
63
64
65
67
68
56
R17153
EXB38V681JV
R17169
EXB38V471JV
R17168
EXB38V470JV
R17167
EXB38V470JV
R17154
EXB38V220JV
R17152
EXB38V470JV
R17157
EXB38V220JV
R17125
EXB38V471JV
R17151
EXB38V470JV
R17131
EXB38V471JV
R17170
EXB38V471JV
R17132
EXB38V471JV
R17126
EXB38V471JV
R17158
EXB38V220JV
R17155
680
R17156
680
R17138
22k
R17134
6.8
R17135
6.8
R17160
680
R17128
6.8
R17139
100k
R17159
680
R17129
6.8
R17140
220k
1
3
4
5
7
8
9
10
11
12
13
14
15
16
17
18
19
20
21
22
23
24
25
26
27
28
29
31
32
33
34
35
36
37
39
40
41
42
43
44
45
46
47
48
49
50
51
52
53
54
55
57
58
59
60
61
63
64
65
67
68
56
DOUTDC[29]
GND
DOUTDC[25]
DOUTDC[30]
DOUTDC[31]
DOUTDC[27]
GND
DOUTDB[22]
DOUTDA[31]
GND
DOUTDB[26]
NC
P5V
P5V
GND
DOUTDB[25]
DOUTDB[29]
5V_DET
DOUTDA[29]
ODED6
GND
CLKD[8](+)
CLKD[9](-)
GND
GND
GND
NC
NC
NC
NC
DOUTDC[24]
NC
GND
NC
P5V
GND
DOUTDA[28]
DOUTDC[26]
GND
DOUTDB[24]
DOUTDB[31]
DOUTDC[28]
DOUTDA[25]
DOUTDB[28]
GND
GND
PCD6
GND
GND
DOUTDA[27]
DOUTDA[22]
DOUTDA[26]
DOUTDC[22]
GND
GND
LED6
DOUTDA[23]
DOUTDB[30]
DOUTDA[24]
DOUTDB[27]
GND
DOUTDA[30]
DOUTDB[23]
DOUTDC[23]
CLRD6
NC
CLKD[11](-)
CLKD[10](+)
GND
A2-1
VDD2
A5-2
NC
DM
NC
VDD1
VDD2
GND
NC
A2-2
GND
GND
A3-2
VDD1
NC
ODE
NC
VDD2
GND
GND
A1-2
GND
VDD2
NC
NC
VDD1
GND
VDD2
NC
GND
NC
GND
NC
GND
VDD2
NC
NC
FX2(+)
CLR
VDD2
GND
VDD1
NC
A1-1
LEN
VDD2
VDD2
NC
NC
A6-1
FX1(-)
GND
VDD2
GND
A2-1
A2-2
A6-2
VDD2
GND
VDD2
NC
VDD1
GND
VDD1
NC
A3-2
VDD2
GND
NC
A1-1
VDD1
VDD2
VDD2
GND
VDD2
VDD2
NC
A4-1
A6-1
GND
GND
GND
DM
A1-2
GND
VDD2
A4-2
A3-1
VDD2
GND
VDD2
NC
GND
A5-1
A4-1
DSEL
NC
VDD1
LEN
GND
NC
NC
VDD2
NC
DSEL
A4-2
NC
FX2(+)
NC
GND
CLR
VDD2
NC
FX1(-)
A3-1
VDD2
BLK(PC)BLK(PC)
GND
GND
A5-2
GND
DM
GND
GND
A5-1
GND
ODE
VDD2
DM
NC
A6-2
DDC20
GND
5V_DET
DDB20
VDA
DDB21
VDA
GND
NC
GND
VDA
GND
NC
DDC21
GND
DDA21
DDA20
VDA
VDA
NC
CLK_R
NCNC
1510 1714 16 181211 13
BUFFER BUFFERBUFFER
BUFFER
TO
C2-BOARD
(C20)
TO
D-BOARD
(D31)
CB6
TO
DRIVER
TO
DRIVER
CB5
PANEL DATA
PANEL DATA
4
3
1
2
C1-BOARD TXNC11RKTU (2/2)
!
TH-46PZ85U
C1-Board (2/2) Schematic Diagram
TH-46PZ85U
C1-Board (2/2) Schematic Diagram

65
11.27. C2-Board (1/2) Schematic Diagram
SIDE
TERM
TERM
SIDE
G
G
TERM
SIDE
TERM
SIDE
AA_DDA13
AA_CLRD5
AA_DDC19
AA_PCD5
AA_DDA18
AA_DDB11
AA_DDB18
AA_DDC11
AA_NCLK7
AA_DDB14
AA_DDA10
AA_DDC14
AA_DDA17
AA_DDB10
AA_DDB17
AA_DDC10
AA_DDA21
AA_DDB15
AA_DDC17
AA_DDB21
AA_DDA15
AA_DDA16
AA_DDC21
AA_DDA11
AA_DDB16
AA_DDC12
AA_DDA20
AA_CLK6
AA_DDC16
AA_DDB12
AA_DDB20
AA_DDA12
AA_DDC13
AA_DDA19
AA_DDB13
AA_DDB19
AA_ODED5
AA_LED5
AA_NCLK5
AA_CLK4
AB_NCLK7
AB_PCD5
AB_LED5
AB_CLK7
AB_ODED5_C3
AB_PCD5_C3
AB_ODED5
AB_LED5_C3
AB_CLRD5_C3
AB_CLRD5
AB_NCLK10
AB_CLK11
AB_NCLK11
AB_CLK10
AB_CLK8
AA_CLK2
AA_NCLK3
AB_NCLK9
AB_CLK9
AB_NCLK8
AA_CLK6
AA_NCLK7
AA_DDC18
AA_DDB19
AB_PCD5
AB_LED5
AA_DDA15
AB_ODED5
AB_CLRD5
AA_DDB18
AA_DDC19
AA_DDA18
AB_NCLK7
AA_DDC18
AB_ODED5
AA_DDC19
AA_DDA19
AA_DDC15
AA_DDB18
AA_DDB19
AB_PCD5
AA_DDB15
AA_DDA18
AB_CLK7
AA_DDC20
AA_DDC18
AA_DDA14
AA_DDC15
AA_DDA19
AA_DDC20
AA_DDB20
AA_DDA20
AA_DDC21
AA_DDA21
AA_DDB21
AB_CLRD5
AB_CLK8
AB_LED5
AA_DDC16
AA_DDB16
AB_NCLK8
AA_CLK4
AA_NCLK5
AA_LED5
AA_PCD5
AA_CLRD5
AA_ODED5
AA_DDB14
AA_DDA14
AA_DDC14
AA_DDA16
AA_DDB17
AA_DDA17
AA_DDC17
5V_DET_C2
P5V
C2_5V
C2_5V
C2_5V
VDA_75V
VDA_75V
VDA_75V
C2_5V
C2_5V
C2_5V
C20
1
2
3
4
5
6
7
8
9
10
11
12
13
14
15
16
17
18
19
20
C21
1
2
3
4
5
6
7
8
9
10
11
12
13
14
15
16
17
18
19
20
21
22
23
24
25
26
27
28
29
30
31
32
33
34
35
36
37
38
39
40
41
42
43
44
45
46
47
48
49
50
51
52
53
54
55
57
58
59
60
61
62
63
64
65
66
67
68
56
C17232
250V
0.15u
C17208
10V
1u
C17231
250V
0.15u
C17241
10V
1u
C17227
250V
0.15u
C17226
250V
0.15u
C17223
16V
0.1u
C17222
16V
0.1u
C17221
16V
0.1u
J0HABH000013
FL17201
1
2
3
C0JBAZ002692
IC17203
G1
1
2A1
3A2
4A3
5A4
6A5
7A6
8A7
9A8
10 GND 11
Y8
12
Y7
13
Y6
14
Y5
15
Y4
16
Y3
17
Y2
18
Y1
19
G2
20
Vcc
C0JBAZ002692
IC17201
G1
1
2A1
3A2
4A3
5A4
6A5
7A6
8A7
9A8
10 GND 11
Y8
12
Y7
13
Y6
14
Y5
15
Y4
16
Y3
17
Y2
18
Y1
19
G2
20
Vcc
C0JBAZ002692
IC17202
G1
1
2A1
3A2
4A3
5A4
6A5
7A6
8A7
9A8
10 GND 11
Y8
12
Y7
13
Y6
14
Y5
15
Y4
16
Y3
17
Y2
18
Y1
19
G2
20
Vcc
CB7
1
3
4
5
7
8
9
10
11
12
13
14
15
16
17
18
19
20
21
22
23
24
25
26
27
28
29
31
32
33
34
35
36
37
39
40
41
42
43
44
45
46
47
48
49
50
51
52
53
54
55
57
58
59
60
61
63
64
65
67
68
56
CB8
1
3
4
5
7
8
9
10
11
12
13
14
15
16
17
18
19
20
21
22
23
24
25
26
27
28
29
31
32
33
34
35
36
37
39
40
41
42
43
44
45
46
47
48
49
50
51
52
53
54
55
57
58
59
60
61
63
64
65
67
68
56
ZA17203
K4AD01Z00001
ZA17204
K4AD01Z00001
ZA17205
K4AD01Z00001
ZA17201
K4AD01Z00001
R17259
EXB38V220JV
R17204
EXB38V471JV
R17277
EXB38V471JV
R17214
EXB38V471JV
R17253
EXB38V681JV
R17258
EXB38V681JV
R17257
EXB38V220JV
R17254
EXB38V470JV
R17251
EXB38V470JV
R17278
EXB38V471JV
R17202
EXB38V471JV
R17252
EXB38V470JV
R17216
EXB38V471JV
R17210
6.8
R17255
680
R17256
680
R17212
6.8
R17222
6.8
R17224
6.8
168
1
C20
C22
20
GND
GND
DOUTDB[20]
DOUTDC[21]
DOUTDB[21]
GND
GND
DOUTDA[21]
DOUTDC[17]
DOUTDA[20]
DOUTDB[14]
DOUTDC[20]
GND
DOUTDA[14]
DOUTDC[19]
GND
DOUTDA[18]
DOUTDC[16]
5V_DET
ODED5
DOUTDC[11]
DOUTDA[15]
DOUTDA[11]
DOUTDC[15]
P5V
GND
CLRD5
GND
GND
NC
DOUTDA[16]
NC(DRVSOS7)
GND
CLKD[5](-)
DOUTDC[12]
CLKD[4](+)
GND
GND
CLKD[7](-)
DOUTDC[13]
DOUTDB[13]
DOUTDA[13]
DOUTDA[10]
DOUTDC[10]
DOUTDB[10]
DOUTDB[15]
DOUTDB[19]
DOUTDB[17]
GND
DOUTDB[12]
DOUTDC[18]
DOUTDC[14]
DOUTDB[18]
DOUTDB[11]
DOUTDA[19]
PCD5
DOUTDA[17]
GND
GND
DOUTDB[16]
P5V
CLKD[6](+)
DOUTDA[12]
P5V
LED5
GND
GND
GND
681681681681681
168 C21
30
C26
1
GND
DDC20
GND
VDA
VDA
5V_DET
VDA
GND
GND
VDA
GND
NC
DDC21
NC
VDA
DDA21
DDA20
DDB20
DDB21
NC
A6-2
GND
NC NC
NC
DM
A2-2
NC
GND
GND
VDD2
NC
NC
VDD2
VDD2
ODE
NC
VDD1
NC
VDD1
VDD2
NC
VDD2
GND
GND
VDD2
A4-2
NC
A3-1
GND
NC
GND
VDD2
BLK(PC)
A2-2
NC
GND
VDD2
NC
A5-2
VDD1
NC
GND
NC
A4-1
NC
GND
LEN
GND
NC
VDD2
VDD2
BLK(PC)
DSEL
VDD2
A2-1
GND
GND
DSEL
DM
GND
GNDGND
GND
GND
ODE
GND
A4-2
NC
A5-2
NC
GND
GND
A3-1
CLR
GND
NC
VDD2
NC
A5-1
GND
VDD2
VDD2
A6-2
GND
VDD1
GND
NC
DM
NC
GND
VDD2
VDD2
VDD1
FX2(+)
GND
VDD1
VDD2
A3-2
GND
NC
NC
VDD2
FX2(+)
A1-2
VDD2
FX1(-) FX1(-)
VDD1
NC
VDD2
VDD1
A1-1
VDD2
CLR
A6-1
VDD2
DM
VDD2
A3-2
GND
NC
A1-1
A5-1
A4-1
A6-1
A1-2
GND
VDD2
GND
GND
LEN
NC
A2-1
CLK_R CLK_L
NCNC
F
5 942 8
B
E
D
31
C
A
67
BUFFERBUFFERBUFFER
PANEL DATACB8 TO
DRIVER
PANEL DATA
TO
DRIVER
CB7
TO
D-BOARD
(D32)
TO
C1-BOARD
(C10)
C2-BOARD TXNC21RKTU (1/2)
!
1
2
3
4
5
6
TH-46PZ85U
C2-Board (1/2) Schematic Diagram
TH-46PZ85U
C2-Board (1/2) Schematic Diagram

66
11.28. C2-Board (2/2) Schematic Diagram
G
G
TERM
SIDE
TERM
SIDE
TERM
SIDE
TERM
SIDE
TERM
SIDE
AA_DDA6
AA_DDC1
AA_DDC7
AA_DDC9
AA_NUEL
AA_DDA3
AA_DDB5
AA_DDB6
AA_DDC0
AA_DDC2
AA_DDC6
AA_DDB0
AA_UMH
DRV_SOS8
AA_DDA0
AA_DDA4
AA_DDA9
AA_DDC8
AA_DDB2
AA_DDB8
AA_DDC3
AA_UML
AA_DDA8
AA_DDB3
AA_DDB4
AA_DDA2
AA_USH
AA_DDC5
AA_DDC4
AA_USL
AA_DDA7
AA_DDB1
AA_CLK0
AA_DDB9
AA_DDA5
AA_UEH
AA_NCLK1
AA_DDA1
AA_DDB7
AA_DDA5
AA_DDA1
AA_DDA6
AA_DDB4
AA_DDA2
AA_DDC1
AA_DDB6
AA_DDC6
AA_DDA0
AA_DDC5
AA_DDC4
AA_DDC0
AA_DDA7
AA_DDB7
AA_DDB1
AA_DDC7
AA_DDA3
AA_DDC3
AA_DDB5
AA_DDB3
AA_DDB0
AA_DDC2
AA_DDA4
AA_DDB2
AB_USL
AB_ODED5_C3
AB_UML
AB_PCD5_C3
AB_UMH
AB_CLRD5_C3
AB_NUEL
AB_LED5_C3
AB_USH
AA_NCLK1
AA_CLK0
AB_UEH
AA_DDA8
AB_CLRD5
AA_DDB8
AA_DDA13
AA_DDA12
AA_DDB12
AB_CLRD5
AA_DDA11
AA_DDA12
AA_DDB11
AA_DDA10
AA_DDB12
AA_DDB10
AB_CLRD5
AA_DDC12
AB_NCLK9
AA_DDA10
AA_DDB10
AA_DDA13
AA_DDC10
AB_PCD5
AB_NCLK10
AA_DDA11
AB_PCD5
AA_DDB13AA_DDB11
AA_DDC11
AA_DDC11
AA_DDC13
AB_LED5
AB_CLK10
AA_DDC13
AA_DDC10
AB_LED5
AA_DDC8
AB_CLK9
AB_CLK11
AB_LED5
AA_DDC12
AA_DDB9
AA_DDC9
AA_DDA9
AA_DDC9
AA_DDA8
AA_DDB9
AB_ODED5
AB_PCD5
AB_ODED5
AA_DDA9
AB_NCLK11
AA_DDC8
AB_ODED5
AA_DDB8
AA_DDB13
AA_NCLK3
AA_CLK2
AB_UML
AB_UEH
AB_NUEL
AB_UMH
AB_USH
AB_USL
AA_UEH
AA_USL
AA_USH
AA_UML
AA_UMH
AA_NUEL
DRV_SOS8
5V_DET
5V_DET
C2_5V
VDA_75V
VDA_75V
P5V
VDA_75V
C2_5V
C2_5V
C2_5V
VDA_75V
C2_5V
C17229
250V
0.15u
C17228
250V
0.15u
C17234
250V
0.15u
C17224
16V
0.1u
C17235
250V
0.15u
C17207
10V
1u
C17230
250V
0.15u
C17201
10V
1u
C17213
10V
1u
C17233
250V
0.15u
J0HABH000013
FL17202
1
2
3
C0JBAZ002692
IC17204
G1
1
2A1
3A2
4A3
5A4
6A5
7A6
8A7
9A8
10 GND 11
Y8
12
Y7
13
Y6
14
Y5
15
Y4
16
Y3
17
Y2
18
Y1
19
G2
20
Vcc
C22
1
2
3
4
5
6
7
8
9
10
11
12
13
14
15
16
17
18
19
20
21
22
23
24
25
26
27
28
29
30
31
32
33
34
35
36
37
38
39
40
41
42
43
44
45
46
47
48
49
50
51
52
53
54
55
57
58
59
60
61
62
63
64
65
66
67
68
56
C26
1
2
3
4
5
6
7
8
9
10
11
12
13
14
15
16
17
18
19
20
21
22
23
24
25
26
27
28
29
30
31
32
33
34
35
36
37
38
39
40
41
42
43
44
45
46
47
48
49
50
51
52
53
54
55
57
58
59
60
61
62
63
64
65
66
67
68
56
1
3
4
5
7
8
9
10
11
12
13
14
15
16
17
18
19
20
21
22
23
24
25
26
27
28
29
31
32
33
34
35
36
37
39
40
41
42
43
44
45
46
47
48
49
50
51
52
53
54
55
57
58
59
60
61
63
64
65
67
68
56
1
3
4
5
7
8
9
10
11
12
13
14
15
16
17
18
19
20
21
22
23
24
25
26
27
28
29
31
32
33
34
35
36
37
39
40
41
42
43
44
45
46
47
48
49
50
51
52
53
54
55
57
58
59
60
61
63
64
65
67
68
56
1
3
4
5
7
8
9
10
11
12
13
14
15
16
17
18
19
20
21
22
23
24
25
26
27
28
29
31
32
33
34
35
36
37
39
40
41
42
43
44
45
46
47
48
49
50
51
52
53
54
55
57
58
59
60
61
63
64
65
67
68
56
R17262
EXB38V470JV
R17261
EXB38V470JV
R17263
EXB38V681JV
R17215
EXB38V471JV
R17225
EXB38V471JV
R17264
EXB38V681JV
R17203
EXB38V471JV
R17201
EXB38V471JV
R17213
EXB38V471JV
R17226
EXB38V471JV
R17223
6.8
R17209
6.8
R17229
6.8
R17211
6.8
R17260
220k
R17230
6.8
R17221
6.8
CLKD[3](-)
DOUTDB[2]
GND
5V_DET
GND
NC
NUEL
GND
GND
DOUTDA[7]
DOUTDB[0]
DOUTDC[6]
DOUTDA[4]
USL
DOUTDB[3]
DOUTDA[5]
NC(URL)
DOUTDA[1]
DOUTDC[5]
DOUTDA[0]
GND
P5V
NC
DOUTDC[7]
DOUTDB[5]
NC
CLKD[2](+)
UML
GND
GND
DOUTDB[6]
DOUTDA[2]
DOUTDA[3]
DRV_SOS8
P5V
DOUTDC[3]
DOUTDB[7]
DOUTDB[9]
CLKD[0](+)
GND
DOUTDA[9]
P5V
GND
GND
UMH
DOUTDA[6]
DOUTDB[8]
DOUTDC[2]
GND
DOUTDC[4]
GND
USH
DOUTDA[8]
NC(URH)
DOUTDC[8]
UEH
DOUTDC[0]
DOUTDB[4]
GND
DOUTDC[9]
GND
CLKD[1](-)
DOUTDC[1]
GND
GND
GND
GND
DOUTDB[1]
P5V
VDA
CLKD[0](+)
P5V
UMH
DOUTDC[4]
USH
LE
DOUTDA[1]
VDA
DOUTDC[0]
DOUTDC[5]
NUEL
GND
PC
GND
DOUTDB[2]
DOUTDA[7]
5V_DET
UML
DOUTDA[2]
DOUTDA[0]
GND
P5V
DRV_SOS8
DOUTDB[5]
VDA
GND
GND
NC
VDA
GND
DOUTDA[3]
VDA
GND
GND
DOUTDC[3]
VDA
GND
GND
DOUTDA[6]
DOUTDB[7]
DOUTDC[2]
CLR
VDA
GND
UEH
GND
DOUTDB[4]
NC
CLKD[1](-)
GND
GND
GND
GND
DOUTDB[1]
DOUTDC[1]
DOUTDB[0]
DOUTDC[7]
DOUTDC[6]
DOUTDA[4]
USL
DOUTDB[3]
DOUTDA[5]
ODE
VDA
NC
DOUTDB[6]
GND
NC
VDD2
DM
NC
GND
A4-1
LEN
A2-1
DM
GND
NC
NC
GND
NC
ODE
NC
GND
VDD2
VDD2
NC
NC
BLK(PC)
GND
A2-2
NC
GND
VDD2
A5-2
GND
NC
VDD2
GND
GND
NC
GND
VDD2
DSEL
GND
GND
GND
GND
VDD1
VDD2
NC
GND
NC
VDD2
GND
CLR
NC
NC
GND
GND
A6-2
VDD2
DSEL
VDD1
A4-2
GND
NC
A3-2
NC
A3-1
A1-2
BLK(PC)
VDD2
VDD2
GND
DM
GND
NC
A4-1
A5-1
GND
LEN
A2-1
A5-2
NC
DM
VDD1
GND
NC
GND
GND
ODE
NC
NC
GND
VDD2
NC
NC
VDD2
BLK(PC)
NC
A2-2
NC
GND
GND
VDD2
VDD2
NC
NC
NC
A5-2
FX2(+)
VDD1
NC
CLR
GND
VDD2
NC
A4-1
VDD2
GND
LEN
VDD2
FX1(-)
VDD2
A2-1
GND
DSEL
DM
VDD1
GND
A3-2
GND
A1-1
ODE
A4-2
NC
A3-1
GND
A6-1
VDD2
A5-1
A1-2
VDD2
VDD1
VDD2
GND
VDD2
NC
VDD2
VDD2
FX2(+)
VDD1
VDD2
GND
NC
VDD2
FX2(+)
VDD2
FX1(-) FX1(-)
VDD1
NC
VDD1
A1-1
CLR
A6-1
VDD2
VDD2
A3-2
A1-1
A6-1
A1-2
VDD2
VDD2
DM
A6-2
GND
NC
VDD1
GND
NC
GND
A2-2
VDD2
NC
VDD2
VDD2
NC
VDD1
VDD2
GND
A4-2
A3-1
GND
GND
GND
A5-1
GND
GND
NC
A6-2
VDD1
GND
NC
GND
NC
CLK_L
NC NC
NC
17 181610 151211 1413
PANEL DATA
CB9
TO
DRIVER
CB10 PANEL DATA
DRIVER
TO CB11 PANEL DATA
DRIVER
TO
TO
D-BOARD
(D33)
BUFFER
TO
C3-BOARD
(C36)
C2-BOARD TXNC21RKTU (2/2)
!
5
4
3
1
2
6
TH-46PZ85U
C2-Board (2/2) Schematic Diagram
TH-46PZ85U
C2-Board (2/2) Schematic Diagram

67
11.29. C3-Board (1/2) Schematic Diagram
G
G
TERM
SIDE
AB_NCLK12
AB_NCLK13
AB_CLK12
AB_NCLK14
AB_CLK13
AB_CLK14
AB_CLK15
AA_DDC6
AA_DDB6
AA_DDA6
AA_DDC7
AA_DDB7
AA_DDA7
AA_DDC4
AA_DDC5
AA_DDA2
AA_DDB4
AA_DDB2
AA_DDA4
AA_DDC2
AA_DDB5
AA_DDA5
AA_NCLK1
AA_CLK0
AB_UMH
AB_USL
AB_UEH
AB_UML
AB_NUEL
AB_USH
AA_NCLK1
AA_CLK0
AB_UML
AB_NUEL
AB_USH
DRV_SOS8
AB_USL
AB_UEH
AB_UMH
AB_LED5
AB_CLRD5
AB_PCD5
AB_ODED5
AA_DDA1
AA_DDC0
AA_DDB0
AA_DDA0
AA_DDC3
AA_DDB3
AA_DDC1
AA_DDA3
AA_DDB1
AB_DDC0
AB_DDA0
AB_DDA1
AB_DDB0
AB_DDB1
AB_DDC1
AB_DDA3
AB_DDB3
AA_DDA1
AA_DDB1
AA_DDC1
AA_DDA0
AA_DDB0
AA_DDC0
AA_DDA3
AA_DDB3
AA_DDA2
AA_DDC3
AB_DDA5
AB_DDA4
AA_DDC2
AA_DDB2
AA_DDA4
AB_DDB5
AB_DDC3
AA_DDC5
AB_DDC2
AA_DDB5
AB_DDC5
AB_DDA2
AB_DDB2
AA_DDA5
AA_DDB7
AA_DDA7
AB_DDC7
AA_DDC6
AB_DDB4
AB_DDB7
AA_DDA6
AA_DDB4
AB_DDC6
AB_DDA6
AB_DDB6
AA_DDC4
AA_DDB6
AB_DDC4
AB_DDA7
AA_DDC7
DRV_SOS8
AB_NCLK15
C3_5V
VDA_75V
VDA_75V
C3_5V
C3_5V
C3_5V
C3_5V
C3_5V
C17315
16V
0.1u
C17317
100V
1u
C17314
16V
0.1u
C17316
16V
0.1u
C17313
16V
0.1u
J0HABH000013
FL17301
1
2
3
C0JBAZ002692
IC17303
G1
1
2A1
3A2
4A3
5A4
6A5
7A6
8A7
9A8
10 GND 11
Y8
12
Y7
13
Y6
14
Y5
15
Y4
16
Y3
17
Y2
18
Y1
19
G2
20
Vcc
C0JBAZ002692
IC17304
G1
1
2A1
3A2
4A3
5A4
6A5
7A6
8A7
9A8
10 GND 11
Y8
12
Y7
13
Y6
14
Y5
15
Y4
16
Y3
17
Y2
18
Y1
19
G2
20
Vcc
C0JBAZ002692
IC17301
G1
1
2A1
3A2
4A3
5A4
6A5
7A6
8A7
9A8
10 GND 11
Y8
12
Y7
13
Y6
14
Y5
15
Y4
16
Y3
17
Y2
18
Y1
19
G2
20
Vcc
C0JBAZ002692
IC17302
G1
1
2A1
3A2
4A3
5A4
6A5
7A6
8A7
9A8
10 GND 11
Y8
12
Y7
13
Y6
14
Y5
15
Y4
16
Y3
17
Y2
18
Y1
19
G2
20
Vcc
C36
1
2
3
4
5
6
7
8
9
10
11
12
13
14
15
16
17
18
19
20
21
22
23
24
25
26
27
28
29
30
31
32
33
34
35
36
37
38
39
40
41
42
43
44
45
46
47
48
49
50
51
52
53
54
55
57
58
59
60
61
62
63
64
65
66
67
68
56
C35
1
2
3
4
C33
1
2
3
4
5
6
7
8
9
10
R17344
EXB38V471JV
R17349
EXB38V471JV
R17352
EXB38V471JV
R17347
EXB38V470JV
R17345
EXB38V471JV
R17350
EXB38V470JV
R17343
EXB38V470JV
R17351
EXB38V470JV
R17348
EXB38V471JV
R17346
EXB38V470JV
R17342
EXB38V470JV
R17358
EXB38V220JV
R17353
EXB38V471JV
R17357
EXB38V220JV
R17354
22k
R17356
220k
R17359
680
R17355
100k
R17360
680
GND
DOUTDB[1]
DOUTDB[2]
5V_DET
GND
GND
PC
DRV_SOS8
GND
GND
DOUTDB[4]
CLKD[1](-)
DOUTDC[1]
DOUTDB[0]
DOUTDC[6]
DOUTDA[4]
USL
DOUTDB[3]
DOUTDA[5]
DOUTDA[1]
DOUTDC[5]
DOUTDA[0]
GND
P5V
DOUTDB[5]
DOUTDA[3]
DOUTDB[7]
GND
GND
DOUTDC[7]
DOUTDB[6]
P5V
CLKD[0](+)
P5V
UMH
DOUTDC[4]
USH
DOUTDC[0]
NUEL
GND
DOUTDA[7]
UML
DOUTDA[2]
DOUTDC[3]
GND
DOUTDA[6]
DOUTDC[2]
CLR
UEH
GND
GND
Vda 75V
Vda 75V
NC
UML
UMH
SOS8_SS
NC
GND
P5V
NUEL
UEH
USL
USH
VDA
VDA
NC
VDA
VDA
VDA
NC
GND
GND
ODE
LE
GND
GND
GND
VDA
VDA
VDA
NC
C
A
D
743 92
F
E
56 81
B
TO
SS-BOARD
(SS33)
TO
SS-BOARD
(SS35)
TO
C2-BOARD
(C26)
BUFFER BUFFER BUFFER BUFFER
1
2
3
C3-BOARD TXNC31RKTU (1/2)
!
TH-46PZ85U
C3-Board (1/2) Schematic Diagram
TH-46PZ85U
C3-Board (1/2) Schematic Diagram

68
11.30. C3-Board (2/2) Schematic Diagram
TERM
SIDE
TERM
SIDE
TERM
SIDE
TERM
SIDE
AB_CLK12
AB_LED5
AB_DDC7
AB_DDB7
AB_DDA7
AB_DDC6
AB_DDA6
AB_DDB6
AB_DDA7
AB_DDB7
AB_DDC7
AB_PCD5
AB_NCLK12
AB_CLRD5
AB_ODED5
AB_DDC6
AB_DDB6
AB_DDA6
AB_DDA5
AB_DDA4
AB_DDB4
AB_CLRD5
AB_DDA4
AB_DDB4
AB_DDC4
AB_NCLK13
AB_DDA5
AB_PCD5
AB_DDB5
AB_DDC5
AB_DDC5
AB_LED5
AB_CLK13
AB_DDC4
AB_ODED5
AB_DDB5
AB_DDA3
AB_DDA2
AB_DDB2
AB_CLRD5
AB_DDA2
AB_DDB2
AB_DDC2
AB_NCLK14
AB_DDA3
AB_PCD5
AB_DDB3
AB_DDC3
AB_DDC3
AB_LED5
AB_CLK14
AB_DDC2
AB_ODED5
AB_DDB3
AB_DDA1
AB_DDA0
AB_DDB0
AB_CLRD5
AB_DDA0
AB_DDB0
AB_DDC0
AB_NCLK15
AB_DDA1
AB_PCD5
AB_DDB1
AB_DDC1
AB_DDC1
AB_LED5
AB_CLK15
AB_DDC0
AB_DDB1
AB_ODED5
C3_5V
VDA_75V
C3_5V
VDA_75V
VDA_75V
VDA_75V
C3_5VC3_5V
C17324
250V
0.15u
C17321
250V
0.15u
C17307
10V
1u
F1H1A1050032
C17319
250V
0.15u
C17323
250V
0.15u
C17318
250V
0.15u
C17328
10V
1u
C17320
250V
0.15u
C17326
250V
0.15u
C17310
10V
1u
C17325
250V
0.15u
C17327
10V
1u
1
3
4
5
7
8
9
10
11
12
13
14
15
16
17
18
19
20
21
22
23
24
25
26
27
28
29
31
32
33
34
35
36
37
39
40
41
42
43
44
45
46
47
48
49
50
51
52
53
54
55
57
58
59
60
61
63
64
65
67
68
56
1
3
4
5
7
8
9
10
11
12
13
14
15
16
17
18
19
20
21
22
23
24
25
26
27
28
29
31
32
33
34
35
36
37
39
40
41
42
43
44
45
46
47
48
49
50
51
52
53
54
55
57
58
59
60
61
63
64
65
67
68
56
1
3
4
5
7
8
9
10
11
12
13
14
15
16
17
18
19
20
21
22
23
24
25
26
27
28
29
31
32
33
34
35
36
37
39
40
41
42
43
44
45
46
47
48
49
50
51
52
53
54
55
57
58
59
60
61
63
64
65
67
68
56
1
3
4
5
7
8
9
10
11
12
13
14
15
16
17
18
19
20
21
22
23
24
25
26
27
28
29
31
32
33
34
35
36
37
39
40
41
42
43
44
45
46
47
48
49
50
51
52
53
54
55
57
58
59
60
61
63
64
65
67
68
56
ZA17304
K4AD01Z00001
ZA17301
K4AD01Z00001
ZA17303
K4AD01Z00001
ZA17302
K4AD01Z00001
R17305
6.8
R17304
6.8
R17311
6.8
R17323
6.8
R17341
4.7k
R17322
6.8
R17310
6.8
R17317
6.8
R17316
6.8
C35
10
C33
4
1
1
68
1
681681681681
GND
ODE
VDD2
A2-2
VDD2
GND
NC
VDD2
VDD2
GND
NC
CLR
VDD2
A3-2
A1-2
VDD2
NC
LEN
DM
NC
VDD2
NC
VDD2
NC
VDD1
A4-2
GND
VDD1
GND
FX2(+)
VDD2
A5-2
NC
NC
A6-2
NC
GND
DM
GND
GND
DSEL
A3-1
A5-1
A1-1
A6-1
A4-1
A2-1
NC
BLK(PC)
FX1(-)
VDD1
VDD1
GND
GND
GND
GND
GND
GND
GND
GND
NC
NC
NC
VDD2
VDD2
VDD2
NC
C36
GND
VDD2
DM
NC
GND
GND
NC
NC
NC
NC
BLK(PC)
GND
A5-2
GND
NC
GND
VDD2
DSEL
GND
NC
CLR
VDD2
A3-2
A1-2
VDD2
NC
A4-1
LEN
A2-1
DM
GND
ODE
NC
VDD2
VDD2
A2-2
NC
VDD2
NC
VDD1
VDD2
GND
A4-2
A3-1
GND
A5-1
VDD1
GND
NC
VDD2
FX2(+)
VDD2
FX1(-)
VDD1
A1-1
A6-1
VDD2
VDD2
GND
GND
GND
GND
NC
A6-2
VDD1
GND
NC
GND
VDD2
DM
NC
GND
GND
NC
NC
NC
NC
BLK(PC)
GND
A5-2
GND
NC
GND
VDD2
DSEL
GND
NC
CLR
VDD2
A3-2
A1-2
VDD2
NC
A4-1
LEN
A2-1
DM
GND
ODE
NC
VDD2
VDD2
A2-2
NC
VDD2
NC
VDD1
VDD2
GND
A4-2
A3-1
GND
A5-1
VDD1
GND
NC
VDD2
FX2(+)
VDD2
FX1(-)
VDD1
A1-1
A6-1
VDD2
VDD2
GND
GND
GND
GND
NC
A6-2
VDD1
GND
NC
GND
VDD2
DM
NC
GND
GND
NC
NC
NC
NC
BLK(PC)
GND
A5-2
GND
NC
GND
VDD2
DSEL
GND
NC
CLR
VDD2
A3-2
A1-2
VDD2
NC
A4-1
LEN
A2-1
DM
GND
ODE
NC
VDD2
VDD2
A2-2
NC
VDD2
NC
VDD1
VDD2
GND
A4-2
A3-1
GND
A5-1
VDD1
GND
NC
VDD2
FX2(+)
VDD2
FX1(-)
VDD1
A1-1
A6-1
VDD2
VDD2
GND
GND
GND
GND
NC
A6-2
VDD1
GND
NC
1410 13 1612 1511 1817
CB12
TO
PANEL DATA
DRIVER
CB14 PANEL DATA
DRIVER
TO
CB15 PANEL DATA
DRIVER
TO
CB13 PANEL DATA
DRIVER
TO
2
3
1
C3-BOARD TXNC31RKTU (2/2)
!
TH-46PZ85U
C3-Board (2/2) Schematic Diagram
TH-46PZ85U
C3-Board (2/2) Schematic Diagram

69
11.31. SC-Board (1/3) Schematic Diagram
+
+
+
TERM
SIDE
AA_CEL
AA_SIDOC2A
AA_SCSU
AA_OC2A
AA_CML
AA_CSL
AA_CSH
AA_OC1
AA_CSH
AA_CSL AA_CML
AA_CMH
AA_CLK
CPH1
AA_CERS
CMH
AA_DRV_RST
AA_SIU
AA_CMH
OC2B
OC2B
CPH2
AA_CQR3
AA_CQR4CQR4
CQR3
CSH
AA_CPH2
CSL
AA_CPH1
C16564
16V
1u
C16491
630V
1000p
C16566
50V
0.01u
C16565
50V
0.01u
C16480
50V
0.1u
C16505
25V
1u
C16593
50V
1000p
*C16632
250V
4u
C16562
16V
1u
C16582
16V
1u
*C16633
250V
4u
C16424
5600p
630V
C16524
25V
4.7u
C16522
25V
4.7u
C16581
25V
1u
C16521
25V
1u
C16504
25V
4.7u
C16525
25V
4.7u
C16502
25V
4.7u
C16471
630V
1000p
*C16634
250V
4u
C16403
5600p
630V
*C16441
50V
3900p
C16442
50V
3900p
C16416
2.2u
250V
*C16413
220V
250u
*C16414
220V
250u
C16563
10V
100u
D16451
B0ECKP000047
D16466
MA2J11100L
D16480
MA2J11100L
D16501
B0ECHP000003
D16503
B0ECKP000047
D16585
MA2J11100L
D16523
B0ECKP000047
D16521
B0ECHP000003
D16522
B0ECKP000047
*D16482
B0FBCN000005
*D16481
B0FBCN000005
D16401
B0FBCN000005
D16402
B0FBCN000005
*D16462
MA3DF46000LW
*D16461
MA3DF46000LW
*D16421
MA3DF40000LW
*D16422
MA3DF40000LW
D16583
LNJ301MPUJA
C0JBAA000377
IC16472
1
IN_B
2
IN_A
3
GND
5
VCC
4
OUT_Y
IC16581
C0BBBA000024
1A_OUTPUT
2A_-INPUT
3A_+INPUT
4GND 5
B_+INPUT
6
B_-INPUT
7
B_OUTPUT
8
VCC
C0ZBZ0001324
IC16521
1
LO
2
Vcom
3
VCC2
4
NC
5
NC
6
VS
7
VB
8
HO
9
NC
10
NC
11
VCC
12
HIN
13
NC
14
LIN
15
GND
16
NC
C0ZBZ0000895
IC16501
1
LO
2
GND
3
VCC
4
NC
5
NC
6
VS
7
VB
8
HO
9
NC
10
NC
11
NC
12
HIN
13
NC
14
LIN
15
GND
16
NC
C0JBAZ002811
IC16561
1G
1
21A1
32Y4
41A2
52Y3
61A3
72Y2
81A4
92Y1
10 GND 11
2A1
12
1Y4
13
2A2
14
1Y3
15
2A3
16
1Y2
17
2A4
18
1Y1
19
2G
20
VCC
C0JBAZ002811
IC16562
1G
1
21A1
32Y4
41A2
52Y3
61A3
72Y2
81A4
92Y1
10 GND 11
2A1
12
1Y4
13
2A2
14
1Y3
15
2A3
16
1Y2
17
2A4
18
1Y1
19
2G
20
VCC
C0JBAZ002811
IC16563
1G
1
21A1
32Y4
41A2
52Y3
61A3
72Y2
81A4
92Y1
10 GND 11
2A1
12
1Y4
13
2A2
14
1Y3
15
2A3
16
1Y2
17
2A4
18
1Y1
19
2G
20
VCC
SC20
23
29
30
2
12
5
33
14
32
20
28
26
4
9
11
19
22
21
25
8
13
6
31
17
10
34
24
18
1
7
27
16
15
3
35
SC2
1
3
L16591
G0ZZ00002183
*L16416
G0C1R6KA0119
*L16405
G0C1R6KA0119
*L16402
G0C1R6KA0119
*L16412
G0C1R6KA0119
*L16404
G0C1R6KA0119
*L16414
G0C1R6KA0119
*L16403
G0C1R6KA0119
*L16406
G0C1R6KA0119
*L16413
G0C1R6KA0119
*L16415
G0C1R6KA0119
VSUS
15V
VSUS
VSUS
15V
15V
5V
5V
MAIN_STOP
SOS7_SC2
MAIN_STOP
15V
15V
5V
SOS7_SC2
TP7
TP8
TP23
TP18
TP27
TP24
TP16
TP20
TP15
TP37
TP12
TP10
TP6
TP26
TP72
TP3
TP70
TP1
TP71
TP52
TP19
TP39
TP34
TP21
TP22
TP32
TP82
TP35
TP5
TP25
TP2
TP4
TP40
TP9
TP88
TP89
TP38
TP28
TP36
TP90 TP91
TP33
TP93
TP17
TP30TP29
TP14
TP46
TP11
TP31
TP92
Q16531
B1ABRD000003
Q16551
B1ABRD000003
Q16581
B1ABCF000231
*Q16452
B1JAEP000003
Q16401
B1JAEN000002
Q16403
B1JAEN000002
*Q16423
B1JAEP000002
*Q16441
B1JAEN000003
*Q16442
B1JAEN000003
Q16404
B1JAEN000002
*Q16421
B1JAEP000002
*Q16424
B1JAEP000002
Q16532
B1ADRD000001
Q16552
B1ADRD000001
Q16501
B1HFPFA00001
Q16521
B1HFPFA00001
R16561
EXB38V470JV
R16579
EXB38V470JV
R16565
EXB38V472JV
R16567
EXB38V472JV
R16570
EXB38V472JV
R16563
EXB38V470JV
R16568
EXB38V472JV
R16564
EXB38V470JV
R16566
EXB38V472JV
R16562
EXB38V470JV
R16591
EXB38V472JV
R16465
27k
R16512
47k
R16588
10k
R16580
2.2k
R16466
56k
R16452
5.6
R16582
39k
R16587
2.2k
R16553
47k
R16424
7.5
R16507
1
R16552
47k
R16516
47k
R16511
47k
R16583
39k
R16533
47k
R16585
1.2k
R16521
100
R16404
7.5
R16509
1
R16510
1
R16468
82k
R16421
7.5
R16586
1.5k
R16541
0
R16543
0
R16442
5.6
R16592
4.7k
R16403
7.5
R16517
47k R16423
7.5
75
R16504
R16503
10
R16501
100
*R16441
5.6
R16476
4.7k
R16522
100
75
R16523
R16593
1.4k
R16590
220
R16551
10
R16502
100
R16475
4.7k
R16584
6.8k
R16506
10
R16401
7.5
R16531
10
R16532
47k
R16508
1
R16467
82k
TP13
*L16401
G0C1R6KA0119
GND
Vsus
TPVSUS
P5V
CMH
CML
CSH
CSL
SC_DRV_RST
CEL
SOS7_SC2
SOS6_SC1
CPH1
OC2
SCSU
SID
SIU
CLK
OC1
TPSOS7
TPSOS6
(GREEN LED)
P5V
OC1(CL)
CLK
SIU
SID
SCSU
OC2(CEL2)
CPH1
OC2B
SOS6_SC1
SOS7_SC2
CEL
SC_DRV_RST
CSL
CSH
CML
CMH
CPH2
GND
GND
GND
GND
GND
GND
CQR3
CERS
CERS
OC2B
CQR3
NC
P15V
P15V
P15V
NC
NC
GND
CQR5
CQR4
CQR4
CQR5
CPH2
3
C
E
D
1 96258
F
A
4
B
7
CPH2
CQR3
Vsus Gen.
FET DRIVER
AND GATE
BUFFER
BUFFER
BUFFER
FET DRIVER
ENERGY RECOVERY
COMPARATOR
TO
D-BOARD
(D20)
TO
P-BOARD
(P2)
AND 44V OR LESS
OPERATES AT 116V OR MORE
1
2
3
4
5
!
SC-BOARD TXNSC1RKTUS (1/3)
VSUS:193V
TH-46PZ85U
SC-Board (1/3) Schematic Diagram
TH-46PZ85U
SC-Board (1/3) Schematic Diagram

70
11.32. SC-Board (2/3) Schematic Diagram
+
+
+
+
AA_DRV_RST
AA_CPH2
AA_CEL
AA_CPH1
AA_CPH2
AA_CERS
AA_SCSU
C16752
25V
1u
C16641
1u
250V
C16662
630V
1000p
C16603
630V
1000p
C16724
25V
4.7u
C16604
630V
1000p
C16775
25V
4.7u
C16723
25V
4.7u
C16753
25V
4.7u
C16755
25V
4.7u
C16606
630V
5600p
C16756
25V
4.7u
C16605
630V
5600p
C16773
25V
4.7u
C16708
50V
0.1u
C16725
25V
4.7u
C16661
630V
1000p
C16472
25V
1u
C16608
50V
220p
C16666
50V
82p
C16665
50V
82p
C16664
50V
82p
C16721
50V
100u
C16791
25V
220u
C16806
160V
100u
C16795
25V
470u
D16721
B0HCKS000002
D16642
B0HCKS000002
D16762
MA2J11100L
D16607
MA2J11100L
D16497
B0ECKP000047
D16618
B0ECKP000047
D16761
MA2J11100L
D16407
MA22D3900L
D16765
B0ECKP000047
D16764
B0HCKS000002
D16408
MA22D3900L
D16725
MA2J11100L
D16667
MA2J11100L
D16643
MA2J11100L
D16604
MA2J11100L
D16609
MA2J11100L
D16619
B0ECKP000047
D16645
MA2J11100L
D16763
B0ECKP000047
RF101L4STE25
D16606
B0ECKM000038
D16669
MA2J11100L
D16610
MA2J11100L
D16671
MA2J11100L
D16661
MA2J11100L
D16766
B0ECKP000047
D16659
B0HCMM000014
D16668
MA3X152D0L
D16473
MA3X152D0L
D16475
MAZ80510LL
D16602
MAZ81500ML
D16608
MAZ81200ML
*D16632
MAZ81500ML
D16771
MAZ80510LL
D16664
MAZ81500ML
D16662
MAZ81500ML
D16605
MAZ80510LL
D16663
MAZ81500ML
D16665
MAZ80510LL
*D16631
MAZ81500ML
*D16633
MAZ81500ML
C0DBEKA00003
IC16471
1
NC
2
A
3
K
5
A
4
REF
IC16772
C0ZBZ0001325
1Vcc
2IN
3GND
4LO 5
NC
6
VS
7
HO
8
VB
C0ZBZ0001324
IC16752
1
LO
2
Vcom
3
VCC2
4
NC
5
NC
6
VS
7
VB
8
HO
9
NC
10
NC
11
VCC
12
HIN
13
NC
14
LIN
15
GND
16
NC
EHMDD9878
IC16791
1GND
2GND
3VIN
4VIN
7COM
8COM
9VOUT
IC16725
C0CBADC00072
VIN 3
2
COM
VOUT
1
IC16724
C0CBADC00072
VIN 3
2
COM
VOUT
1
15V_F
VF_GND
15V_F
CHA
15V
5V_F_A
16V_F
5V
5V_F_B
VSUS
VAD
15V
16V_F
16V_F
15V_F
VSET
VSCN_F_DET
16V_F
SCNR_PRO
PC16603
B3PBA0000223
12
34
PC16601
B3PBA0000223
12
34
PC16480
B3PBA0000223
12
34
PC16710
B3PBA0000223
12
34
PC16602
B3PBA0000443
12
34
PC16705
B3PBA0000456
1
23
4
5
TP97
Q16607
B1CBGD000001
Q16601
B1DEET000002G
D
S
Q16642
2SK4175000LZ
Q16627
B1CFRM000008
Q16622
B1CFRM000008
Q16634
B1CFRM000008
Q16625
B1CFRM000008
Q16647
2SK4175000LZ
Q16648
2SK4175000LZ
Q16641
2SK4175000LZ
Q16624
B1CFRM000008
Q16623
B1CFRM000008
Q16629
B1CFRM000008
Q16628
B1CFRM000008
Q16649
2SK4175000LZ
Q16643
2SK4175000LZ
Q16644
2SK4175000LZ
Q16650
2SK4175000LZ
Q16604
B1CHPM000001
G
D
S
Q16606
2SD0601AQL
Q16662
2SD0601AQL
Q16602
2SD0601AQL
Q16608
B1ABCF000231
Q16665
B1ABCF000231
Q16471
B1ABCF000231
Q16661
B1JAER000004
Q16605
2SB0709ASL
Q16603
2SB0709ASL
Q16762
B1ADNF000006
Q16663
2SB0709ASL
Q16763
B1ADNF000006
Q16783
B1HFPFA00001
Q16664
B1HFPFA00001
Q16781
B1HFPFA00001
R16647
33
R16663
5.6k
75
R16766
R16784
47k
R16669
4.7k
R16684
10
R16642
33
R16612
47
R16611
100k
R16707
470
R16687
10
R16473
560
R16668
47k
R16672
1k
R16671
47k
R16771
1.8k
R16627
220
R16600
10k
R16615
1.1k
R16869
47k
R16666
10k
R16682
10
R16673
0
R16617
2.2k
R16689
10
R16667
470
R16717
2.2k
R16664
1k
R16633
22k
R16634
470
R16625
220
R16706
100
R16622
220
R16604
330
R16781
47
R16471
3.9k
R16686
10
R16478
5.6k
R16605
1.8k
R16474
1k
R16688
10
R16607
7.15k
R16608
1k
R16602
1k
R16613
47k
R16601
4.7k
R16606
10k
R16762
47k
R16681
10
R16624
220
R16472
2.2k
R16776
100
R16609
1k
R16769
75
R16650
33
1%
R16662
2.2k
R16705
100
R16648
33
R16670
47
R16644
33
R16649
33 R16660
220k
R16778
1.8k
R16661
1.8k
R16643
33
R16603
330
R16783
47
R16628
220
R16657
6.8k
R16675
1k
R16480
4.7k
R16623
220
R16616
0
R16763
10
R16665
33
R16629
220
R16761
10
R16683
10
R16659
220k
R16630
220
R16641
33
1
R16765
R16479
10k
R16777
150
R16658
100
R16834
0
R16636
4.7k
R16635
10k
R16764
47k
1
R16768
R16632
10k
R16782
47k
R16639
1
*R16619
120k
R16638
1
R16610
100k
*R16637
0
R16477
0
VR16602
2k
1
2
3
*
INIT-F
INIT-F
121110 15 171613 14 18
AND GATE
FET DRIVER
VSET SEPARATE
FET DRIVER
VAD SEPARATE
+5V(SC1)
+5V(SC2)
DC/DC CONV.
COLD FLOATING GND
COLD FLOATING GND
COLD FLOATING GND
4
2
5
3
1
!
SC-BOARD TXNSC1RKTUS (2/3)
12
13
14
11
TH-46PZ85U
SC-Board (2/3) Schematic Diagram
TH-46PZ85U
SC-Board (2/3) Schematic Diagram

71
11.33. SC-Board (3/3) Schematic Diagram
+
+
+
+
+
+
AA_OC1
AA_OC2A
AA_SIU
AA_SID
AA_CLK
AB_VSET23
AB_VSET23
AA_CQR3
AA_CQR4
AB_VSET6
AB_VSET6
VAD
C16860
1u
10V
C16868
0.1u
16V
C16858
0.1u
16V
C16869
50V
0.1u
*C16863
50V
0.01u
C16867
4700p
50V
C16856
1u
10V
C16861
4700p
50V
C16832
50V
3900p
C16857
4700p
50V
C16866
1u
10V
C16862
0.1u
16V
C16855
16V
1u
C16864
0.1u
50V
C16821
0.1u
50V
C16823
5600p
630V
C16797
50V
0.1u
C16798
250V
0.1u
C16843
50V
0.1u
C16844
50V
0.1u
C16811
50V
4700p
C16813
160V
100u
250u
220V
*C16419
C16822
400V
47u
250u
220V
*C16418
C16842
160V
100u
C16691
160V
100u
D16715
B0HCMR000002
D16839
B0ECKP000047
D16875
MA2J11100L
D16872
MA2J11100L
D16477
MA2J11100L
D16860
B0HCKS000002
D16719
B0ECKP000047
D16859
B0HCKS000002
D16711
B0HCMR000002
D16718
MA2J11100L
D16713
B0HCMR000002
D16720
B0ECKP000047
D16722
MA2J11100L
D16822
MA2J11100L
D16793
B0HCKS000002
D16792
MA2J11100L
D16478
B0HCKS000002
D16837
MA2J11100L
D16794
MA2J11100L
D16820
MA3X152E0L
D16874
MAZ80510LL
D16791
MAZ82000ML
D16836
MAZ81500ML
D16821
MAZ82000ML
D16714
MAZ81500ML
D16824
MAZ83300ML
D16861
MAZ83300ML
D16717
MAZ83300ML
D16830
MAZ80560HL
D16862
MAZ83300ML
D16710
MAZ81500ML
D16825
MAZ83300ML
D16712
MAZ81500ML
D16838
B0BC027A0234
D16873
MAZ82000ML
D16871
MAZ82000ML
C0JBAB000715
IC16564
1
NC
2
IN_A
3
GND
5
VCC
4
OUT_Y
C0DBEYY00078
*IC16787
1
NC
2
ANODE
3
NC
5
REFERENCE
4
CATHODE
C0DBEYY00078
IC16789
1
NC
2
ANODE
3
NC
5
REFERENCE
4
CATHODE
C0JBAA000377
IC16792
1
IN_B
2
IN_A
3
GND
5
VCC
4
OUT_Y
C0DBEYY00078
IC16801
1
NC
2
ANODE
3
NC
5
REFERENCE
4
CATHODE
MIP9L02MBS
IC16786
1SOURCE
2BY
3FB
5VCC 6
GND
7
V01
8
VOUT
10
DRAIN
MIP9L02MBS
IC16788
1SOURCE
2BY
3FB
5VCC 6
GND
7
V01
8
VOUT
10
DRAIN
MIP9L02MBS
IC16784
1SOURCE
2BY
3FB
5VCC 6
GND
7
V01
8
VOUT
10
DRAIN
SC30
1
2
3
4
5
6
7
8
SC46
1
2
3
4
5
6
7
8
9
SC41
1
2
3
4
5
6
7
8
9
10
11
12
13
14
15
16
17
18
19
20
21
22
23
SC42
1
2
3
4
5
6
7
8
9
10
11
12
13
14
15
16
17
18
19
20
21
22
23
L16472
G0ZZ00002183
L16801
G0ZZ00002183
L16698
G0C681KA0187
L16697
G0C102KA0187
L16699
G0C331KA0187
SOS7_SC2
SCNR_PRO
15V_F
VSUS
VSUS
5V
5V_F_A
CHA
VSCN_F
SOS7_SC2
VAD
5V_F_B
5V
5V_F_B
VSCN_F
5V_F_A
VSCN
VSCN
5V_F_B
SOS7_SC2
VSCN_F
5V
5V_F_B
VF_GND
VAD
5V_F_B
VSCN_F
5V
VSCN
VSET
16V_F
16V_F
SOS7_SC2
ZA16422
TUXJ490
ZA16411
TUXJ490
ZA16402
K4CD01000011
ZA16401
K4CD01000011
ZA16412
TUXJ490
ZA16421
TUXJ490
ZA16403
K4CD01000011
PC16896
B3PBA0000223
12
34
PC16897
B3PBA0000223
12
34
TP54
TP57
TP51
TP55
TP45
TP64
TP44
TP79TP78
TP59
TP60
TP65
TP80
TP84
TP86
TP56
TP58
TP81
TP41
TP94
TP95
TP96
TP61
TP42
TP43
TP66
TP63
TP85
TP83
TP62
Q16874
B1CBGD000001
Q16795
2SD0601A0L
Q16814
B1ABCN000007
Q16873
B1ABCF000231
Q16811
B1ABCF000231
Q16816
2SD0601AQL
Q16812
B1ABCF000231
Q16817
2SD0601AQL
Q16796
2SC1473ARA
Q16879
B1ABCF000231
Q16876
B1ABCF000231
Q16791
2SD0814A0L
Q16805
2SC3063000RL
Q16743
2SD0601A0L
Q16810
B1ABCF000231
Q16806
2SC1473AEA
Q16875
B1ABCF000231
Q16815
B1ABCN000007
B1ADCN000007
Q16801
Q16872
2SB0709A0L
B1ADCN000007
Q16802
*Q16871
2SB0709A0L
Q16794
B1ADCE000022
R16887
220k
R16846
57.6k
R16879
4.7k
R16856
56
R16857
120k
*R16872
3.3k
R16775
4.7k
R16888
220k
R16870
33k
R16740
100k
*R16851
100k
R16732
3.9k
R16731
82k
R16795
200k
*R16875
71.5k
R16749
10k
R16700
4.7k
R16838
56k
R16822
82k
R16730
47k
R16832
100k
R16701
10k
R16746
10k
R16744
200k
*R16852
10k
R16729
47k
R16720
22
R16747
10k
R16696
2.2
R16824
33k
R16826
10k
R16734
4.99k
R16573
22
R16801
4.7k
R16802
4.7k
R16886
220k
R16807
4.7k
R16808
4.7k
R16810
17.4k
R16816
0
R16742
10k
R16855
10k
R16736
221k
*R16873
2.49k
R16735
221k
R16794
200k
R16841
56k
R16738
82k
R16850
4.7k
*R16737
221k
R16821
100k
R16820
78.7k
R16789
10k
R16818
68k
R16703
10k
R16785
82k
R16819
68k
R16799
33k
R16796
56k
R16798
10k
R16797
22
R16719
22
R16704
10k
R16745
4.7k
R16752
4.7k
R16774
68k
R16753
47k
R16833
10k
R16723
22
R16831
100k
R16845
56.2k
R16878
22k
R16750
22k
R16721
22
R16827
0
R16702
3.3k
R16823
82k
R16860
8.2
R16733
470k
*R16874
71.5k
R16792
10k
R16811
17.4k
R16805
220k
*R16871
3.9k
R16722
22
R16813
1k
R16788
150k
R16791
1k
R16844
1.24k
R16787
33k
R16835
0
R16828
4.7k
R16751
220k
R16825
150k
R16786
82k
R16756
22k
R16757
0
R16814
14.3k
R16804
220k
*R16880
0
VR16600
50k
1
2
3
R16815
10k
*
*
*
*
*
TPSC1
TPVAD
TPVSET
TPVSCN
VSET2= 6V
Vset2-6 GEN
VSET3= 8V
VSET4= 10V
VSET5= --V
AND INV
SC41
SC20
SC46SC42
SC2
19 2521 2720 22 2423 26
VAD GEN.
ERROR DET
VSET OUT
ERROR DET
VSET OUT
VSCN GEN.
VSCN GEN.
OPERATES AT 395V OR MORE
VSET DET
VSET2,6
VSET2,6
VSET2,6
!
SC-BOARD TXNSC1RKTUS (3/3)
TO
(SU41)
SU-BOARD
SD-BOARD
(SD42)
TO
VscnVfo VF5V VfVfVfoVf Vf Vscn
(SD46)
TO
SD-BOARD
13
14
12
OPERATES AT 21V OR MORE
F16V DET
11
USE
FOR
FACTORY
VAD:-140V
VSET:330V
VSCN:Vad+145V
TH-46PZ85U
SC-Board (3/3) Schematic Diagram
TH-46PZ85U
SC-Board (3/3) Schematic Diagram

72
11.34. SU-Board (1/2) Schematic Diagram
SIDE
TERM
TERM
SIDE
TERM
SIDE
AB_1057
AB_1055
AB_1056
AC_951
AC_952
AC_953
AC_954
AC_955
AC_956
AC_957
AC_958
AC_959
AC_960
AC_961
AC_962
AC_963
AC_964
AC_965
AC_966
AC_967
AC_968
AC_969
AC_970
AC_971
AC_972
AC_973
AC_975
AC_974
AC_976
AC_978
AC_977
AD_946
AD_945
AD_944
AD_943
AD_942
AD_941
AD_940
AD_939
AD_938
AD_937
AD_936
AD_935
AD_934
AD_933
AD_932
AD_931
AD_930
AD_929
AD_928
AD_927
AD_926
AD_925
AD_924
AD_922
AD_923
AD_921
AD_919
AD_920
AE_815
AE_816
AE_817
AE_818
AE_819
AE_820
AE_821
AE_822
AE_823
AE_824
AE_825
AE_826
AE_827
AE_828
AE_829
AE_830
AE_831
AE_832
AE_833
AE_834
AE_835
AE_836
AE_837
AE_839
AE_838
AE_840
AE_842
AE_841
AC_950
AC_949
AD_947
AE_813
AE_814
AB_1017
AB_1018
AB_1019
AB_1020
AB_1021
AB_1022
AB_1023
AB_1024
AB_1025
AB_1026
AB_1027
AB_1028
AB_1029
AB_1030
AB_1031
AB_1032
AB_1033
AB_1034
AB_1035
AB_1036
AB_1037
AB_1038
AB_1039
AB_1040
AB_1041
AB_1042
AB_1043
AB_1044
AB_1045
AB_1046
AB_1047
AB_1048
AB_1054
AB_1053
AC_1016
AC_1015
AC_1014
AC_1013
AC_1012
AC_1011
AC_1010
AC_1009
AC_1008
AC_1007
AC_1006
AC_1005
AC_1004
AC_1003
AC_1002
AC_1001
AC_1000
AC_999
AC_998
AC_997
AC_996
AC_995
AC_994
AC_993
AC_992
AC_991
AC_990
AC_989
AC_988
AC_987
AC_986
AC_985
AC_979
AC_980
AD_881
AD_882
AD_883
AD_884
AD_885
AD_886
AD_887
AD_888
AD_889
AD_890
AD_891
AD_892
AD_893
AD_894
AD_895
AD_896
AD_897
AD_898
AD_899
AD_900
AD_901
AD_902
AD_903
AD_904
AD_906
AD_905
AD_907
AD_908
AD_909
AD_910
AD_911
AD_912
AD_918
AD_917
AE_879
AE_878
AE_877
AE_876
AE_875
AE_874
AE_873
AE_872
AE_871
AE_870
AE_869
AE_868
AE_867
AE_866
AE_865
AE_864
AE_863
AE_862
AE_861
AE_860
AE_859
AE_858
AE_857
AE_856
AE_855
AE_854
AE_853
AE_852
AE_851
AE_850
AE_849
AE_843
AE_844
AA_SIU
AA_SO1
AA_SO2
AA_SO3
AA_CLKU1
AA_OC2U1
AA_CLKU1
AA_OC2U1
AA_CLKU1
AA_CLKU1
AA_OC2U1
AA_CLKU1
AA_OC1U1
AA_OC2U1
AD_948
AA_OC2U1
AE_880
AA_OC1U1
AA_OC1U1
AA_OC1U1
AA_OC1U1
AA_OC1U2
AA_CLKU2
AA_OC2U2
AB_1065
AB_1073
AB_1061
AB_1058
AB_1068
AB_1072
AB_1080
AB_1059
AB_1077
AB_1064
AB_1071
AB_1067
AB_1079
AB_1076
AB_1063
AB_1070
AB_1078
AB_1066
AB_1074
AB_1075
AB_1062
AB_1060
AB_1069
AA_OC1U1
AA_CLKU1
AA_CLKU2
AA_OC2U1
AA_OC2U2
AA_LATU1
AA_LATU1
AA_LATU1
AA_LATU1
AA_LATU1
AA_LATU2
AA_SO4
AB_1049
AB_1050
AB_1051
AB_1052
AC_982
AC_981
AC_983
AC_984
AD_913
AD_914
AD_915
AD_916
AE_848
AE_847
AE_846
AE_845
AA_OC1U2
AA_LATU1
AA_LATU2
AA_LATU1
AA_OC2U2
AA_OC2U1
CHA
AA_SIU
OCM
AA_SO1
AA_SO2
AA_SO3
AC_993
AD_941
AE_816
AD_913
AC_1000
AE_851
AD_894
AB_1030
AD_906
AD_889
AC_955
AC_1010
AD_940
AE_828
AC_990
AE_880
AD_939
AD_907
AE_817
AC_1011
AC_1013
AD_935
AB_1066
AD_932
AB_1053
AC_1001
AD_937
AD_923
AB_1056
AD_909
AC_989
AE_825
AC_952
AE_872
AD_890
AB_1027
AE_813
AD_945
AC_986
AE_820
AC_972
AD_915
AE_842
AB_1061
AE_875
AB_1078
AE_818
AD_916
AB_1071
AE_836
AB_1079
AB_1072
AC_969
AE_850
AE_819
AD_942
AB_1070
AE_823
AD_944
AE_856
AE_829
AE_835
AD_927
AE_853
AD_931
AC_991
AD_891
AE_821
AE_857
AD_928
AE_867
AF_812
AB_1077
AB_1042
AC_996
AC_987
AD_917
AD_926
AD_901
AE_863
AB_1037
AD_881
AB_1049
AB_1059
AC_976
AC_973
AE_864
AC_961
AD_921
AC_980
AD_948
AE_879
AE_837
AE_865
AD_919
AC_975
AE_826
AB_1018
AB_1020
AC_968
AB_1050
AE_834
AB_1047
AB_1028
AD_905
AD_925
AE_878
AE_855
AE_859
AB_1069
AC_974
AD_946
AC_982
AB_1062
AD_910
AC_957
AF_811
AB_1075
AD_911
AC_963
AC_953
AD_934
AE_846
AB_1019
AB_1055
AD_929
AC_999
AC_988
AE_871
AB_1045
AB_1025
AC_1012
AC_1002
AD_895
AD_924
AC_985
AD_888
AE_847
AB_1073
AC_967
AC_956
AE_830
AD_908
AE_848
AB_1021
AC_964
AE_866
AD_918
AB_1064
AE_840
AC_951
AB_1052
AE_833
AE_861
AC_995
AB_1023
AD_904
AD_914
AB_1041
AC_983
AD_938
AB_1032
AB_1036
AC_1006
AB_1024
AC_977
AE_858
AD_897
AE_862
AC_949
AB_1058
AE_822
AE_874
AE_852
AD_898
AB_1038
AC_966
AE_854
AB_1031
AD_903
AC_1004
AB_1074
AC_958
AC_970
AB_1043
AD_884
AE_845
AC_950
AD_922
AD_912
AC_1005
AC_1016
AC_1015
AD_892
AE_839
AC_971
AD_882
AB_1040
AD_936
AC_998
AD_883
AB_1057
AD_899
AC_965
AC_1007
AE_838
AC_1014
AC_997
AD_930
AB_1017
AB_1068
AE_841
AD_893
AE_832
AC_992
AC_978
AB_1035
AB_1080
AE_814
AE_870
AC_1009
AC_979
AE_860
AB_1033
AD_886
AC_962
AE_815
AE_869
AB_1034
AD_947
AE_843
AB_1022
AE_831
AB_1048
AD_900
AB_1067
AB_1039
AD_887
AD_933
AD_943
AB_1044
AB_1054
AE_844
AE_877
AD_902
AD_885
AC_1003
AB_1051
AC_1008
AB_1076
AE_827
AB_1029
AB_1065
AC_994
AC_959
AC_960
AB_1060
AC_981
AC_984
AE_868
AD_920
AE_876
AE_873
AE_824
AB_1026
AE_849
AD_896
AB_1063
AB_1046
AC_954
145V
C14923
250V
0.1u
C14930
250V
0.1u
C14942
50V
470p
C14940
50V
1000p
C14941
50V
470p
C14922
250V
0.1u
C14906
16V
1u
C14921
250V
0.1u
C14939
50V
470p
C14932
250V
0.1u
C14904
16V
1u
C14902
16V
1u
C14920
250V
0.1u
C14901
50V
1000p
C14928
250V
0.1u
C14908
16V
1u
C14934
250V
0.1u
D14907
B0HCMM000013
D14905
B0HCMM000013
D14903
B0HCMM000013
D14912
B0HCMM000013
D14910
MA2J11100L
D14908
B0HCMM000013
D14911
B0HCMM000013
D14904
B0HCMM000013
D14906
B0HCMM000013
D14909
MA3X152E0L
AN16182A-VT
IC14903
1
OUT3
2
OUT4
3
OUT5
4
OUT6
5
OUT7
6
OUT8
7
OUT9
8
OUT10
9
OUT11
10
OUT12
11
OUT13
12
OUT14
13
OUT15
14
OUT16
15
OUT17
16
OUT18
17
OUT19
18
OUT20
19
OUT21
20
OUT22
21
OUT23
22
OUT24
23
OUT25
24
OUT26
25
OUT27
26
OUT28
27
OUT29
28
OUT30
29
OUT31
30
OUT32
31
OUT33
32
OUT34
33
N.C.
34
VDDH
35
VDDH
36
N.C.
37
GND
38
GND
39
GND
40
N.C.
41
VDDH
42
VDDH
43
N.C.
44
OUT35
45
OUT36
46
OUT37
47
OUT38
48
OUT39
49
OUT40
50
OUT41
51
OUT42
52
OUT43
53
OUT44
54 OUT45
55 OUT46
56 OUT47
57 OUT48
58 OUT49
59 OUT50
60 OUT51
61 OUT52
62 OUT53
63 OUT54
64 OUT55
65 OUT56
66 OUT57
67 OUT58
68 OUT59
69 OUT60
70 OUT61
71 OUT62
72 OUT63
73
OUT64
74
OUT65
75
OUT66
76
OUT67
77
OUT68
78
N.C.
79 VDDH
80 VDDH
81 N.C.
82 GND
83 GND
84 DIR
85 SO
86 CLK
87 LAT
88 VDD
89 OC1
90 OC2
91 SI
92 CLR
93 GND
94 GND
95 N.C.
96 VDDH
97 VDDH
98
N.C.
99
OUT1
100
OUT2
AN16182A-VT
IC14902
1
OUT3
2
OUT4
3
OUT5
4
OUT6
5
OUT7
6
OUT8
7
OUT9
8
OUT10
9
OUT11
10
OUT12
11
OUT13
12
OUT14
13
OUT15
14
OUT16
15
OUT17
16
OUT18
17
OUT19
18
OUT20
19
OUT21
20
OUT22
21
OUT23
22
OUT24
23
OUT25
24
OUT26
25
OUT27
26
OUT28
27
OUT29
28
OUT30
29
OUT31
30
OUT32
31
OUT33
32
OUT34
33
N.C.
34
VDDH
35
VDDH
36
N.C.
37
GND
38
GND
39
GND
40
N.C.
41
VDDH
42
VDDH
43
N.C.
44
OUT35
45
OUT36
46
OUT37
47
OUT38
48
OUT39
49
OUT40
50
OUT41
51
OUT42
52
OUT43
53
OUT44
54 OUT45
55 OUT46
56 OUT47
57 OUT48
58 OUT49
59 OUT50
60 OUT51
61 OUT52
62 OUT53
63 OUT54
64 OUT55
65 OUT56
66 OUT57
67 OUT58
68 OUT59
69 OUT60
70 OUT61
71 OUT62
72 OUT63
73
OUT64
74
OUT65
75
OUT66
76
OUT67
77
OUT68
78
N.C.
79 VDDH
80 VDDH
81 N.C.
82 GND
83 GND
84 DIR
85 SO
86 CLK
87 LAT
88 VDD
89 OC1
90 OC2
91 SI
92 CLR
93 GND
94 GND
95 N.C.
96 VDDH
97 VDDH
98
N.C.
99
OUT1
100
OUT2
AN16182A-VT
IC14904
1
OUT3
2
OUT4
3
OUT5
4
OUT6
5
OUT7
6
OUT8
7
OUT9
8
OUT10
9
OUT11
10
OUT12
11
OUT13
12
OUT14
13
OUT15
14
OUT16
15
OUT17
16
OUT18
17
OUT19
18
OUT20
19
OUT21
20
OUT22
21
OUT23
22
OUT24
23
OUT25
24
OUT26
25
OUT27
26
OUT28
27
OUT29
28
OUT30
29
OUT31
30
OUT32
31
OUT33
32
OUT34
33
N.C.
34
VDDH
35
VDDH
36
N.C.
37
GND
38
GND
39
GND
40
N.C.
41
VDDH
42
VDDH
43
N.C.
44
OUT35
45
OUT36
46
OUT37
47
OUT38
48
OUT39
49
OUT40
50
OUT41
51
OUT42
52
OUT43
53
OUT44
54 OUT45
55 OUT46
56 OUT47
57 OUT48
58 OUT49
59 OUT50
60 OUT51
61 OUT52
62 OUT53
63 OUT54
64 OUT55
65 OUT56
66 OUT57
67 OUT58
68 OUT59
69 OUT60
70 OUT61
71 OUT62
72 OUT63
73
OUT64
74
OUT65
75
OUT66
76
OUT67
77
OUT68
78
N.C.
79 VDDH
80 VDDH
81 N.C.
82 GND
83 GND
84 DIR
85 SO
86 CLK
87 LAT
88 VDD
89 OC1
90 OC2
91 SI
92 CLR
93 GND
94 GND
95 N.C.
96 VDDH
97 VDDH
98
N.C.
99
OUT1
100
OUT2
AN16182A-VT
IC14901
1
OUT3
2
OUT4
3
OUT5
4
OUT6
5
OUT7
6
OUT8
7
OUT9
8
OUT10
9
OUT11
10
OUT12
11
OUT13
12
OUT14
13
OUT15
14
OUT16
15
OUT17
16
OUT18
17
OUT19
18
OUT20
19
OUT21
20
OUT22
21
OUT23
22
OUT24
23
OUT25
24
OUT26
25
OUT27
26
OUT28
27
OUT29
28
OUT30
29
OUT31
30
OUT32
31
OUT33
32
OUT34
33
N.C.
34
VDDH
35
VDDH
36
N.C.
37
GND
38
GND
39
GND
40
N.C.
41
VDDH
42
VDDH
43
N.C.
44
OUT35
45
OUT36
46
OUT37
47
OUT38
48
OUT39
49
OUT40
50
OUT41
51
OUT42
52
OUT43
53
OUT44
54 OUT45
55 OUT46
56 OUT47
57 OUT48
58 OUT49
59 OUT50
60 OUT51
61 OUT52
62 OUT53
63 OUT54
64 OUT55
65 OUT56
66 OUT57
67 OUT58
68 OUT59
69 OUT60
70 OUT61
71 OUT62
72 OUT63
73
OUT64
74
OUT65
75
OUT66
76
OUT67
77
OUT68
78
N.C.
79 VDDH
80 VDDH
81 N.C.
82 GND
83 GND
84 DIR
85 SO
86 CLK
87 LAT
88 VDD
89 OC1
90 OC2
91 SI
92 CLR
93 GND
94 GND
95 N.C.
96 VDDH
97 VDDH
98
N.C.
99
OUT1
100
OUT2
SU11
1
2
3
4
5
6
7
8
9
10
11
12
13
14
15
16
17
18
19
20
SU2
A1
A2
A3
A4
A5
A6
A7
A8
A9
A10
A11
A12
A13
A14
A15
A16
A17
A18
A19
A20
A21
A22
A23
A24
A25
A26
A27
A28
A29
A30
A31
A32
A33
A34
A35
A36
A37
A38
A39
A40
A41
A42
A43
A44
A45
A46
A47
A48
A49
A50
A51
A52
A53
A54
A55
A56
A57
A58
A59
A60
A61
A62
A63
A64
A65
A66
A67
A68
B1
B2
B3
B4
B5
B6
B7
B8
B9
B10
B11
B12
B13
B14
B15
B16
B17
B18
B19
B20
B21
B22
B23
B24
B25
B26
B27
B28
B29
B30
B31
B32
B33
B34
B35
B36
B37
B38
B39
B40
B41
B42
B43
B44
B45
B46
B47
B48
B49
B50
B51
B52
B53
B54
B55
B56
B57
B58
B59
B60
B61
B62
B63
B64
B65
B66
B67
B68
SU1
A1
A2
A3
A4
A5
A6
A7
A8
A9
A10
A11
A12
A13
A14
A15
A16
A17
A18
A19
A20
A21
A22
A23
A24
A25
A26
A27
A28
A29
A30
A31
A32
A33
A34
A35
A36
A37
A38
A39
A40
A41
A42
A43
A44
A45
A46
A47
A48
A49
A50
A51
A52
A53
A54
A55
A56
A57
A58
A59
A60
A61
A62
A63
A64
A65
A66
A67
A68
B1
B2
B3
B4
B5
B6
B7
B8
B9
B10
B11
B12
B13
B14
B15
B16
B17
B18
B19
B20
B21
B22
B23
B24
B25
B26
B27
B28
B29
B30
B31
B32
B33
B34
B35
B36
B37
B38
B39
B40
B41
B42
B43
B44
B45
B46
B47
B48
B49
B50
B51
B52
B53
B54
B55
B56
B57
B58
B59
B60
B61
B62
B63
B64
B65
B66
B67
B68
R14376
0
R14908
22
R14381
0
R14915
22
R14384
0
R14912
10k
R14920
22
R14913
10k
R14916
10k
R14902
220
R14910
22
R14909
22
R14921
220k
R14380
0
R14907
22
R14911
10k
R14378
0
R14901
100
R14903
220
R14914
10k
R14904
220
R14382
0
R14386
0
R14375
0
R14919
22
R14917
22
74
F
35
C
D
B
12
A
E
986
Vf
VF5V
Vscn
Vf
Vfo
VF5V
S/P
68bit
PDP SCAN DRIVER
S/P
68bit
PDP SCAN DRIVER
S/P
68bit
PDP SCAN DRIVER
S/P
64bit
PDP SCAN DRIVER
To 1st 134pins of
SCAN ELECTRODES SCAN ELECTRODES
To 2nd 136pins of
UP
1
2
3
4
5
6
7
8
9
SU-BOARD TXNSU1RKTU (1/2)
!
TO
SD-BOARD
(SD11)
TH-46PZ85U
SU-Board (1/2) Schematic Diagram
TH-46PZ85U
SU-Board (1/2) Schematic Diagram

73
11.35. SU-Board (2/2) Schematic Diagram
TERM
SIDE
TERM
SIDE
AF_810
AF_809
AF_808
AF_807
AF_806
AF_805
AF_804
AF_803
AF_802
AF_801
AF_800
AF_799
AF_798
AF_797
AF_796
AF_795
AF_794
AF_793
AF_792
AF_791
AF_790
AF_789
AF_788
AF_786
AF_787
AF_785
AF_783
AF_784
AG_679
AG_680
AG_681
AG_682
AG_683
AG_684
AG_685
AG_686
AG_687
AG_688
AG_689
AG_690
AG_691
AG_692
AG_693
AG_694
AG_695
AG_696
AG_697
AG_698
AG_699
AG_700
AG_701
AG_703
AG_702
AG_704
AG_706
AG_705
AF_811
AF_812
AG_677
AG_678
AF_745
AF_746
AF_747
AF_748
AF_749
AF_750
AF_751
AF_752
AF_753
AF_754
AF_755
AF_756
AF_757
AF_758
AF_759
AF_760
AF_761
AF_762
AF_763
AF_764
AF_765
AF_766
AF_767
AF_768
AF_769
AF_770
AF_771
AF_772
AF_773
AF_774
AF_775
AF_776
AF_782
AF_781
AG_744
AG_743
AG_742
AG_741
AG_740
AG_739
AG_738
AG_737
AG_736
AG_735
AG_734
AG_733
AG_732
AG_731
AG_730
AG_729
AG_728
AG_727
AG_726
AG_725
AG_724
AG_723
AG_722
AG_721
AG_720
AG_719
AG_718
AG_717
AG_716
AG_715
AG_714
AG_713
AG_707
AG_708
AA_SO5
AA_CLKU2
AA_OC2U2
AA_OC1U2
AA_OC1U2
AH_633
AH_653
AH_621
AI_600
AI_572
AH_636
AA_SO6
AH_669
AH_661
AI_596
AH_675
AH_671
AI_591
AH_674
AH_625
AI_542
AH_656
AI_559
AH_614
AI_567
AH_611
AI_561
AH_622
AI_597
AH_637
AH_652
AH_618
AA_CLKU2
AI_590
AA_OC1U2
AI_595
AI_593
AH_655
AH_615
AH_668
AA_OC2U2
AI_550
AI_562
AI_564
AH_623
AH_646
AA_OC2U2
AH_638
AH_626
AI_566
AI_594
AI_548
AH_654
AH_659
AH_616
AH_650
AI_589
AI_563
AA_OC1U2
AI_592
AH_665
AH_639
AH_627
AI_551
AI_547
AH_619
AH_647
AH_667
AI_565
AI_568
AI_603
AI_606
AH_645
AH_630
AH_651
AI_549
AI_588
AI_580
AI_583
AH_664
AH_628
AH_658
AI_552
AI_602
AI_544
AH_648
AH_666
AA_CLKU2
AH_620
AI_570
AI_579
AI_605
AH_631
AH_649
AI_587
AI_577
AI_601
AI_555
AI_582
AH_663
AH_676
AH_629
AI_553
AI_578
AI_545
AI_607
AH_657
AH_609
AI_557
AH_662
AI_569
AH_634
AI_604
AI_584
AH_632
AI_599
AH_617
AI_586
AH_673
AI_581
AI_556
AH_640
AI_554
AH_612
AI_546
AI_543
AI_571
AH_635
AI_608
AI_558
AH_660
AH_670
AI_541
AH_672
AI_585
AH_610
AH_624
AA_SO7
AI_560
AI_598
AH_613
AA_LATU2
AA_LATU2
AA_LATU2
AA_LATU2
AA_CLKU2
AA_SO4
AF_777
AF_778
AF_779
AF_780
AG_712
AG_711
AG_710
AG_709
AH_642
AH_641
AH_643
AH_644
AI_574
AI_573
AI_576
AI_575
CHA
AA_LATU2
AA_OC2U2
AA_OC1U2
AA_OC2U1
AA_CLKU1
AA_OC1U1
AA_LATU1
AA_OC2U2
AA_CLKU2
AA_SO5
AA_SO6
AH_671
AH_659
AI_546
AG_691
AI_543
AH_619
AI_555
AI_580
AG_717
AH_661
AI_562
AH_651
AI_584
AI_563
AF_781
AH_654
AF_766
AH_666
AG_694
AI_542
AH_626
AI_568
AF_780
AH_640
AI_557
AF_783
AI_556
AH_656
AH_627
AH_615
AI_573
AH_652
AI_595
AH_610
AH_641
AG_705
AF_753
AG_736
AI_547
AI_549
AH_649
AH_660
AI_559
AG_725
AG_701
AF_764
AF_786
AH_669
AG_720
AF_777
AF_747
AH_630
AI_578
AG_693
AG_682
AG_719
AG_703
AG_702
AF_755
AI_551
AI_560
AG_731
AH_638
AI_577
AG_715
AI_608
AI_586
AI_564
AF_806
AI_583
AF_765
AI_561
AF_794
AG_744
AG_697
AF_810
AG_698
AF_789
AG_722
AH_664
AG_689
AH_616
AH_657
AF_772
AF_769
AF_760
AF_809
AG_712
AI_567
AG_726
AH_647
AI_576
AG_730
AG_716
AI_548
AG_733
AF_746
AF_748
AI_575
AG_734
AG_711
AH_636
AI_596
AG_678
AH_672
AH_618
AF_793
AI_592
AF_808
AH_634
AF_805
AH_674
AI_565
AI_569
AF_798
AG_686
AH_665
AH_670
AG_739
AF_771
AG_738
AF_752
AI_603
AG_700
AF_792
AF_801
AI_572
AF_800
AI_545
AF_799
AH_662
AH_645
AG_708
AH_637
AG_690
AH_633
AF_779
AI_589
AF_804
AF_763
AG_729
AH_673
AH_644
AF_762
AH_667
AH_650
AF_761
AG_687
AI_570
AF_758
AH_621
AI_588
AI_587
AF_796
AF_750
AH_655
AF_797
AI_600
AH_653
AI_591
AH_613
AI_558
AF_795
AG_743
AH_622
AF_784
AH_639
AG_741
AI_544
AI_582
AI_541
AH_609
AI_606
AH_658
AH_675
AH_668
AF_768
AI_566
AH_623
AI_554
AI_552
AG_696
AI_607
AG_737
AH_617
AI_581
AF_802
AG_688
AG_723
AF_775
AF_788
AG_699
AF_749
AG_709
AH_631
AG_683
AI_571
AH_624
AF_756
AG_685
AH_620
AF_754
AG_728
AH_642
AH_612
AG_740
AF_745
AI_593
AF_757
AI_574
AF_782
AI_604
AH_676
AH_632
AH_646
AF_787
AG_713
AG_704
AI_553
AG_714
AI_601
AF_791
AG_677
AH_635
AG_692
AG_684
AG_721
AF_767
AH_648
AI_590
AF_790
AH_663
AI_585
AG_735
AI_594
AG_695
AI_598
AG_710
AG_742
AF_803
AF_770
AG_724
AH_625
AF_776
AF_785
AH_643
AG_707
AF_751
AF_774
AI_599
AH_629
AG_727
AF_759
AH_611
AG_681
AG_680
AI_605
AI_550
AF_807
AH_628
AI_602
AH_614
AF_778
AG_679
AG_732
AG_718
AF_773
AI_597
AG_706
AI_579
C14912
16V
1u
C14910
16V
1u
C14352
16V
1u
C14937
50V
470p
C14931
50V
1000p
C14356
16V
1u
C14936
50V
470p
C14938
50V
470p
AN16182A-VT
IC14905
1
OUT3
2
OUT4
3
OUT5
4
OUT6
5
OUT7
6
OUT8
7
OUT9
8
OUT10
9
OUT11
10
OUT12
11
OUT13
12
OUT14
13
OUT15
14
OUT16
15
OUT17
16
OUT18
17
OUT19
18
OUT20
19
OUT21
20
OUT22
21
OUT23
22
OUT24
23
OUT25
24
OUT26
25
OUT27
26
OUT28
27
OUT29
28
OUT30
29
OUT31
30
OUT32
31
OUT33
32
OUT34
33
N.C.
34
VDDH
35
VDDH
36
N.C.
37
GND
38
GND
39
GND
40
N.C.
41
VDDH
42
VDDH
43
N.C.
44
OUT35
45
OUT36
46
OUT37
47
OUT38
48
OUT39
49
OUT40
50
OUT41
51
OUT42
52
OUT43
53
OUT44
54 OUT45
55 OUT46
56 OUT47
57 OUT48
58 OUT49
59 OUT50
60 OUT51
61 OUT52
62 OUT53
63 OUT54
64 OUT55
65 OUT56
66 OUT57
67 OUT58
68 OUT59
69 OUT60
70 OUT61
71 OUT62
72 OUT63
73
OUT64
74
OUT65
75
OUT66
76
OUT67
77
OUT68
78
N.C.
79 VDDH
80 VDDH
81 N.C.
82 GND
83 GND
84 DIR
85 SO
86 CLK
87 LAT
88 VDD
89 OC1
90 OC2
91 SI
92 CLR
93 GND
94 GND
95 N.C.
96 VDDH
97 VDDH
98
N.C.
99
OUT1
100
OUT2
AN16182A-VT
IC14907
1
OUT3
2
OUT4
3
OUT5
4
OUT6
5
OUT7
6
OUT8
7
OUT9
8
OUT10
9
OUT11
10
OUT12
11
OUT13
12
OUT14
13
OUT15
14
OUT16
15
OUT17
16
OUT18
17
OUT19
18
OUT20
19
OUT21
20
OUT22
21
OUT23
22
OUT24
23
OUT25
24
OUT26
25
OUT27
26
OUT28
27
OUT29
28
OUT30
29
OUT31
30
OUT32
31
OUT33
32
OUT34
33
N.C.
34
VDDH
35
VDDH
36
N.C.
37
GND
38
GND
39
GND
40
N.C.
41
VDDH
42
VDDH
43
N.C.
44
OUT35
45
OUT36
46
OUT37
47
OUT38
48
OUT39
49
OUT40
50
OUT41
51
OUT42
52
OUT43
53
OUT44
54 OUT45
55 OUT46
56 OUT47
57 OUT48
58 OUT49
59 OUT50
60 OUT51
61 OUT52
62 OUT53
63 OUT54
64 OUT55
65 OUT56
66 OUT57
67 OUT58
68 OUT59
69 OUT60
70 OUT61
71 OUT62
72 OUT63
73
OUT64
74
OUT65
75
OUT66
76
OUT67
77
OUT68
78
N.C.
79 VDDH
80 VDDH
81 N.C.
82 GND
83 GND
84 DIR
85 SO
86 CLK
87 LAT
88 VDD
89 OC1
90 OC2
91 SI
92 CLR
93 GND
94 GND
95 N.C.
96 VDDH
97 VDDH
98
N.C.
99
OUT1
100
OUT2
AN16182A-VT
IC14908
1
OUT3
2
OUT4
3
OUT5
4
OUT6
5
OUT7
6
OUT8
7
OUT9
8
OUT10
9
OUT11
10
OUT12
11
OUT13
12
OUT14
13
OUT15
14
OUT16
15
OUT17
16
OUT18
17
OUT19
18
OUT20
19
OUT21
20
OUT22
21
OUT23
22
OUT24
23
OUT25
24
OUT26
25
OUT27
26
OUT28
27
OUT29
28
OUT30
29
OUT31
30
OUT32
31
OUT33
32
OUT34
33
N.C.
34
VDDH
35
VDDH
36
N.C.
37
GND
38
GND
39
GND
40
N.C.
41
VDDH
42
VDDH
43
N.C.
44
OUT35
45
OUT36
46
OUT37
47
OUT38
48
OUT39
49
OUT40
50
OUT41
51
OUT42
52
OUT43
53
OUT44
54 OUT45
55 OUT46
56 OUT47
57 OUT48
58 OUT49
59 OUT50
60 OUT51
61 OUT52
62 OUT53
63 OUT54
64 OUT55
65 OUT56
66 OUT57
67 OUT58
68 OUT59
69 OUT60
70 OUT61
71 OUT62
72 OUT63
73
OUT64
74
OUT65
75
OUT66
76
OUT67
77
OUT68
78
N.C.
79 VDDH
80 VDDH
81 N.C.
82 GND
83 GND
84 DIR
85 SO
86 CLK
87 LAT
88 VDD
89 OC1
90 OC2
91 SI
92 CLR
93 GND
94 GND
95 N.C.
96 VDDH
97 VDDH
98
N.C.
99
OUT1
100
OUT2
AN16182A-VT
IC14906
1
OUT3
2
OUT4
3
OUT5
4
OUT6
5
OUT7
6
OUT8
7
OUT9
8
OUT10
9
OUT11
10
OUT12
11
OUT13
12
OUT14
13
OUT15
14
OUT16
15
OUT17
16
OUT18
17
OUT19
18
OUT20
19
OUT21
20
OUT22
21
OUT23
22
OUT24
23
OUT25
24
OUT26
25
OUT27
26
OUT28
27
OUT29
28
OUT30
29
OUT31
30
OUT32
31
OUT33
32
OUT34
33
N.C.
34
VDDH
35
VDDH
36
N.C.
37
GND
38
GND
39
GND
40
N.C.
41
VDDH
42
VDDH
43
N.C.
44
OUT35
45
OUT36
46
OUT37
47
OUT38
48
OUT39
49
OUT40
50
OUT41
51
OUT42
52
OUT43
53
OUT44
54 OUT45
55 OUT46
56 OUT47
57 OUT48
58 OUT49
59 OUT50
60 OUT51
61 OUT52
62 OUT53
63 OUT54
64 OUT55
65 OUT56
66 OUT57
67 OUT58
68 OUT59
69 OUT60
70 OUT61
71 OUT62
72 OUT63
73
OUT64
74
OUT65
75
OUT66
76
OUT67
77
OUT68
78
N.C.
79 VDDH
80 VDDH
81 N.C.
82 GND
83 GND
84 DIR
85 SO
86 CLK
87 LAT
88 VDD
89 OC1
90 OC2
91 SI
92 CLR
93 GND
94 GND
95 N.C.
96 VDDH
97 VDDH
98
N.C.
99
OUT1
100
OUT2
SU4
A1
A2
A3
A4
A5
A6
A7
A8
A9
A10
A11
A12
A13
A14
A15
A16
A17
A18
A19
A20
A21
A22
A23
A24
A25
A26
A27
A28
A29
A30
A31
A32
A33
A34
A35
A36
A37
A38
A39
A40
A41
A42
A43
A44
A45
A46
A47
A48
A49
A50
A51
A52
A53
A54
A55
A56
A57
A58
A59
A60
A61
A62
A63
A64
A65
A66
A67
A68
B1
B2
B3
B4
B5
B6
B7
B8
B9
B10
B11
B12
B13
B14
B15
B16
B17
B18
B19
B20
B21
B22
B23
B24
B25
B26
B27
B28
B29
B30
B31
B32
B33
B34
B35
B36
B37
B38
B39
B40
B41
B42
B43
B44
B45
B46
B47
B48
B49
B50
B51
B52
B53
B54
B55
B56
B57
B58
B59
B60
B61
B62
B63
B64
B65
B66
B67
B68
SU3
A1
A2
A3
A4
A5
A6
A7
A8
A9
A10
A11
A12
A13
A14
A15
A16
A17
A18
A19
A20
A21
A22
A23
A24
A25
A26
A27
A28
A29
A30
A31
A32
A33
A34
A35
A36
A37
A38
A39
A40
A41
A42
A43
A44
A45
A46
A47
A48
A49
A50
A51
A52
A53
A54
A55
A56
A57
A58
A59
A60
A61
A62
A63
A64
A65
A66
A67
A68
B1
B2
B3
B4
B5
B6
B7
B8
B9
B10
B11
B12
B13
B14
B15
B16
B17
B18
B19
B20
B21
B22
B23
B24
B25
B26
B27
B28
B29
B30
B31
B32
B33
B34
B35
B36
B37
B38
B39
B40
B41
B42
B43
B44
B45
B46
B47
B48
B49
B50
B51
B52
B53
B54
B55
B56
B57
B58
B59
B60
B61
B62
B63
B64
B65
B66
B67
B68
SU41
1
2
3
4
5
6
7
8
9
10
11
12
13
14
15
16
17
18
19
20
21
22
23
ZA14902
K4AD01Z00003
ZA14901
K4AD01Z00003
R14390
0
R14392
0
R14393
0
R14394
0
R14398
0
R14923
10k
R14925
10k
R14926
10k
R14929
220
R14905
220
R14924
10k
R14928
220
R14906
220
R14388
0
R14387
0
Vscn
Vf
Vfo
VF5V
141211 1710 15 1613 18
VF5V
Vf
S/P
68bit
PDP SCAN DRIVER
S/P
68bit
PDP SCAN DRIVER
S/P
68bit
PDP SCAN DRIVER
S/P
68bit
PDP SCAN DRIVER
To 3rd 136pins of
SCAN ELECTRODES
To 4th 134pins of
SCAN ELECTRODES
UP
1
2
7
8
5
3
9
4
6
SU-BOARD TXNSU1RKTU (2/2)
!
TO
SC-BOARD
(SC41)
TH-46PZ85U
SU-Board (2/2) Schematic Diagram
TH-46PZ85U
SU-Board (2/2) Schematic Diagram

74
11.36. SD-Board (1/3) Schematic Diagram
TERM
SIDE
TERM
SIDE
AC_475
AC_476
AC_477
AC_478
AC_479
AC_480
AC_481
AC_482
AC_483
AC_484
AC_485
AC_486
AC_487
AC_488
AC_489
AC_490
AC_491
AC_492
AC_493
AC_494
AC_495
AC_496
AC_497
AC_499
AC_498
AC_500
AC_502
AC_501
AD_470
AD_469
AD_468
AD_467
AD_466
AD_465
AD_464
AD_463
AD_462
AD_461
AD_460
AD_459
AD_458
AD_457
AD_456
AD_455
AD_454
AD_453
AD_452
AD_451
AD_450
AD_449
AD_448
AD_446
AD_447
AD_445
AD_443
AE_339
AE_340
AE_341
AE_342
AE_343
AE_344
AE_345
AE_346
AE_347
AE_348
AE_349
AE_350
AE_351
AE_352
AE_353
AE_354
AE_355
AE_356
AE_357
AE_358
AE_359
AE_360
AE_361
AE_363
AE_362
AE_364
AE_366
AE_365
AF_334
AF_333
AF_332
AF_331
AF_330
AF_329
AF_328
AF_327
AF_326
AF_325
AF_324
AF_323
AF_322
AF_321
AF_320
AF_319
AF_318
AF_317
AF_316
AF_315
AF_314
AF_313
AF_312
AF_310
AF_311
AF_309
AF_307
AF_308
AC_473
AC_474
AD_472
AD_471
AE_337
AE_338
AF_336
AF_335
AC_539
AC_538
AC_537
AC_536
AC_535
AC_534
AC_533
AC_532
AC_531
AC_530
AC_529
AC_528
AC_527
AC_526
AC_525
AC_524
AC_523
AC_522
AC_521
AC_520
AC_519
AC_518
AC_517
AC_516
AC_515
AC_514
AC_513
AC_512
AC_511
AC_510
AC_509
AC_504
AC_503
AD_405
AD_406
AD_407
AD_408
AD_409
AD_410
AD_411
AD_412
AD_413
AD_414
AD_415
AD_416
AD_417
AD_418
AD_419
AD_420
AD_421
AD_422
AD_423
AD_424
AD_425
AD_426
AD_427
AD_428
AD_429
AD_430
AD_431
AD_432
AD_433
AD_434
AD_435
AD_436
AD_442
AD_441
AD_444
AE_403
AE_404
AE_401
AE_400
AE_399
AE_398
AE_397
AE_396
AE_395
AE_394
AE_393
AE_392
AE_391
AE_390
AE_389
AE_388
AE_387
AE_386
AE_385
AE_384
AE_383
AE_382
AE_381
AE_380
AE_379
AE_402
AE_378
AE_377
AE_376
AE_375
AE_374
AE_373
AE_367
AE_368
AF_269
AF_270
AF_271
AF_272
AF_273
AF_274
AF_275
AF_276
AF_277
AF_278
AF_279
AF_280
AF_281
AF_282
AF_283
AF_284
AF_285
AF_286
AF_287
AF_288
AF_289
AF_290
AF_291
AF_292
AF_293
AF_294
AF_295
AF_296
AF_297
AF_298
AF_299
AF_300
AF_305
AF_306
AA_CLKD1
AA_OC2D1
AA_CLKD1
AA_OC2D1
AA_CLKD1
AA_SO13
AA_OC2D1
AA_SO13
AA_SO12
AC_540
AA_OC1D1
AA_OC1D1
AA_OC1D1
AA_OC2D1
AA_CLKD1
AA_OC2D1
AA_LATD1
AA_CLKD1
AA_LATD1
AA_LATD1
AA_LATD1
AA_SO11
AA_SO11
AA_SO10
AF_301
AF_302
AF_303
AF_304
AE_369
AE_372
AE_371
AE_370
AD_437
AD_438
AD_439
AD_440
AC_507
AC_508
AC_506
AC_505
CHA
AA_CLKD1
AA_OC1D1
AA_OC2D1
AA_LATD1
AA_OC1D1
AA_LATD1
AA_SID
AF_293
AC_492
AD_413
AD_426
AF_328
AF_323
AE_362
AF_325
AD_460
AE_340
AE_351
AC_539
AE_344
AD_446
AC_518
AD_442
AE_403
AF_311
AD_461
AD_414
AF_300
AF_288
AE_367
AF_276
AF_310
AE_337
AF_306
AE_369
AE_372
AF_299
AF_312
AD_463
AC_510
AD_410
AF_303
AC_488
AE_393
AD_425
AF_274
AC_491
AE_349
AD_431
AE_355
AF_271
AD_421
AD_470
AC_478
AE_379
AC_504
AD_435
AC_503
AD_445
AD_439
AF_314
AF_285
AE_373
AC_474
AD_440
AE_348
AF_316
AF_275
AD_441
AF_292
AE_397
AE_378
AE_388
AF_273
AE_400
AC_523
AD_406
AC_540
AC_506
AF_281
AC_483
AC_501
AC_532
AF_326
AD_407
AF_301
AF_289
AE_345
AF_284
AD_415
AD_465
AE_371
AF_317
AD_464
AE_364
AC_482
AF_329
AD_451
AE_357
AE_343
AE_404
AC_536
AC_502
AC_486
AC_515
AD_450
AF_324
AC_490
AF_302
AD_436
AE_390
AE_398
AE_347
AE_341
AC_529
AF_330
AF_305
AD_469
AF_283
AE_365
AF_304
AD_423
AC_473
AF_278
AC_479
AE_376
AE_402
AE_356
AD_429
AF_307
AE_377
AC_499
AF_272
AC_526
AC_530
AD_467
AF_290
AC_531
AF_282
AC_493
AE_346
AC_520
AD_420
AD_449
AE_361
AF_296
AF_279
AC_480
AC_494
AC_527
AE_366
AC_524
AF_294
AD_411
AD_432
AE_374
AE_391
AE_401
AF_277
AF_321
AC_477
AD_422
AC_487
AD_416
AD_418
AD_459
AC_516
AD_409
AD_454
AD_419
AE_339
AC_522
AC_511
AF_332
AF_298
AC_475
AD_417
AF_334
AD_455
AC_495
AF_286
AE_385
AD_452
AF_333
AC_505
AF_297
AC_534
AC_517
AC_519
AE_354
AD_433
AD_457
AD_466
AE_350
AE_342
AD_458
AC_498
AC_514
AE_352
AE_370
AC_533
AE_382
AD_443
AC_509
AF_318
AE_360
AC_525
AC_497
AF_319
AD_405
AC_507
AD_444
AE_353
AD_472
AE_338
AD_453
AC_508
AD_434
AE_363
AC_512
AD_447
AF_320
AC_484
AC_485
AF_295
AD_424
AD_471
AD_437
AE_384
AF_291
AD_456
AE_399
AE_381
AF_315
AD_412
AE_387
AC_528
AD_468
AC_537
AE_389
AF_309
AF_308
AD_430
AE_396
AC_500
AE_358
AC_496
AD_427
AC_538
AC_521
AC_489
AE_368
AF_335
AE_383
AF_336
AE_380
AC_476
AC_535
AE_359
AD_408
AE_395
AF_322
AF_327
AD_448
AD_462
AE_375
AE_394
AF_287
AD_438
AD_428
AC_481
AF_280
AE_386
AE_392
AF_331
AC_513
AF_313
AA_OC1D1
AA_SO12
C14360
250V
0.1u
C14985
250V
0.1u
C14984
250V
0.1u
C14983
250V
0.1u
C14982
250V
0.1u
C14952
16V
1u
C14970
50V
470p
C14950
50V
470p
C14973
50V
1000p
C14975
250V
0.1u
C14955
16V
1u
C14957
16V
1u
C14361
250V
0.1u
C14974
250V
0.1u
C14958
16V
1u
C14972
50V
470p
C14373
50V
1000p
D14953
B0HCMM000013
D14955
B0HCMM000013
D14978
B0HCMM000013
D14958
B0HCMM000013
D14954
B0HCMM000013
D14956
B0HCMM000013
D14957
B0HCMM000013
D14977
B0HCMM000013
AN16182A-VT
IC14951
1
OUT3
2
OUT4
3
OUT5
4
OUT6
5
OUT7
6
OUT8
7
OUT9
8
OUT10
9
OUT11
10
OUT12
11
OUT13
12
OUT14
13
OUT15
14
OUT16
15
OUT17
16
OUT18
17
OUT19
18
OUT20
19
OUT21
20
OUT22
21
OUT23
22
OUT24
23
OUT25
24
OUT26
25
OUT27
26
OUT28
27
OUT29
28
OUT30
29
OUT31
30
OUT32
31
OUT33
32
OUT34
33
N.C.
34
VDDH
35
VDDH
36
N.C.
37
GND
38
GND
39
GND
40
N.C.
41
VDDH
42
VDDH
43
N.C.
44
OUT35
45
OUT36
46
OUT37
47
OUT38
48
OUT39
49
OUT40
50
OUT41
51
OUT42
52
OUT43
53
OUT44
54 OUT45
55 OUT46
56 OUT47
57 OUT48
58 OUT49
59 OUT50
60 OUT51
61 OUT52
62 OUT53
63 OUT54
64 OUT55
65 OUT56
66 OUT57
67 OUT58
68 OUT59
69 OUT60
70 OUT61
71 OUT62
72 OUT63
73
OUT64
74
OUT65
75
OUT66
76
OUT67
77
OUT68
78
N.C.
79 VDDH
80 VDDH
81 N.C.
82 GND
83 GND
84 DIR
85 SO
86 CLK
87 LAT
88 VDD
89 OC1
90 OC2
91 SI
92 CLR
93 GND
94 GND
95 N.C.
96 VDDH
97 VDDH
98
N.C.
99
OUT1
100
OUT2
AN16182A-VT
IC14953
1
OUT3
2
OUT4
3
OUT5
4
OUT6
5
OUT7
6
OUT8
7
OUT9
8
OUT10
9
OUT11
10
OUT12
11
OUT13
12
OUT14
13
OUT15
14
OUT16
15
OUT17
16
OUT18
17
OUT19
18
OUT20
19
OUT21
20
OUT22
21
OUT23
22
OUT24
23
OUT25
24
OUT26
25
OUT27
26
OUT28
27
OUT29
28
OUT30
29
OUT31
30
OUT32
31
OUT33
32
OUT34
33
N.C.
34
VDDH
35
VDDH
36
N.C.
37
GND
38
GND
39
GND
40
N.C.
41
VDDH
42
VDDH
43
N.C.
44
OUT35
45
OUT36
46
OUT37
47
OUT38
48
OUT39
49
OUT40
50
OUT41
51
OUT42
52
OUT43
53
OUT44
54 OUT45
55 OUT46
56 OUT47
57 OUT48
58 OUT49
59 OUT50
60 OUT51
61 OUT52
62 OUT53
63 OUT54
64 OUT55
65 OUT56
66 OUT57
67 OUT58
68 OUT59
69 OUT60
70 OUT61
71 OUT62
72 OUT63
73
OUT64
74
OUT65
75
OUT66
76
OUT67
77
OUT68
78
N.C.
79 VDDH
80 VDDH
81 N.C.
82 GND
83 GND
84 DIR
85 SO
86 CLK
87 LAT
88 VDD
89 OC1
90 OC2
91 SI
92 CLR
93 GND
94 GND
95 N.C.
96 VDDH
97 VDDH
98
N.C.
99
OUT1
100
OUT2
AN16182A-VT
IC14952
1
OUT3
2
OUT4
3
OUT5
4
OUT6
5
OUT7
6
OUT8
7
OUT9
8
OUT10
9
OUT11
10
OUT12
11
OUT13
12
OUT14
13
OUT15
14
OUT16
15
OUT17
16
OUT18
17
OUT19
18
OUT20
19
OUT21
20
OUT22
21
OUT23
22
OUT24
23
OUT25
24
OUT26
25
OUT27
26
OUT28
27
OUT29
28
OUT30
29
OUT31
30
OUT32
31
OUT33
32
OUT34
33
N.C.
34
VDDH
35
VDDH
36
N.C.
37
GND
38
GND
39
GND
40
N.C.
41
VDDH
42
VDDH
43
N.C.
44
OUT35
45
OUT36
46
OUT37
47
OUT38
48
OUT39
49
OUT40
50
OUT41
51
OUT42
52
OUT43
53
OUT44
54 OUT45
55 OUT46
56 OUT47
57 OUT48
58 OUT49
59 OUT50
60 OUT51
61 OUT52
62 OUT53
63 OUT54
64 OUT55
65 OUT56
66 OUT57
67 OUT58
68 OUT59
69 OUT60
70 OUT61
71 OUT62
72 OUT63
73
OUT64
74
OUT65
75
OUT66
76
OUT67
77
OUT68
78
N.C.
79 VDDH
80 VDDH
81 N.C.
82 GND
83 GND
84 DIR
85 SO
86 CLK
87 LAT
88 VDD
89 OC1
90 OC2
91 SI
92 CLR
93 GND
94 GND
95 N.C.
96 VDDH
97 VDDH
98
N.C.
99
OUT1
100
OUT2
AN16182A-VT
IC14954
1
OUT3
2
OUT4
3
OUT5
4
OUT6
5
OUT7
6
OUT8
7
OUT9
8
OUT10
9
OUT11
10
OUT12
11
OUT13
12
OUT14
13
OUT15
14
OUT16
15
OUT17
16
OUT18
17
OUT19
18
OUT20
19
OUT21
20
OUT22
21
OUT23
22
OUT24
23
OUT25
24
OUT26
25
OUT27
26
OUT28
27
OUT29
28
OUT30
29
OUT31
30
OUT32
31
OUT33
32
OUT34
33
N.C.
34
VDDH
35
VDDH
36
N.C.
37
GND
38
GND
39
GND
40
N.C.
41
VDDH
42
VDDH
43
N.C.
44
OUT35
45
OUT36
46
OUT37
47
OUT38
48
OUT39
49
OUT40
50
OUT41
51
OUT42
52
OUT43
53
OUT44
54 OUT45
55 OUT46
56 OUT47
57 OUT48
58 OUT49
59 OUT50
60 OUT51
61 OUT52
62 OUT53
63 OUT54
64 OUT55
65 OUT56
66 OUT57
67 OUT58
68 OUT59
69 OUT60
70 OUT61
71 OUT62
72 OUT63
73
OUT64
74
OUT65
75
OUT66
76
OUT67
77
OUT68
78
N.C.
79 VDDH
80 VDDH
81 N.C.
82 GND
83 GND
84 DIR
85 SO
86 CLK
87 LAT
88 VDD
89 OC1
90 OC2
91 SI
92 CLR
93 GND
94 GND
95 N.C.
96 VDDH
97 VDDH
98
N.C.
99
OUT1
100
OUT2
SD2
A1
A2
A3
A4
A5
A6
A7
A8
A9
A10
A11
A12
A13
A14
A15
A16
A17
A18
A19
A20
A21
A22
A23
A24
A25
A26
A27
A28
A29
A30
A31
A32
A33
A34
A35
A36
A37
A38
A39
A40
A41
A42
A43
A44
A45
A46
A47
A48
A49
A50
A51
A52
A53
A54
A55
A56
A57
A58
A59
A60
A61
A62
A63
A64
A65
A66
A67
A68
B1
B2
B3
B4
B5
B6
B7
B8
B9
B10
B11
B12
B13
B14
B15
B16
B17
B18
B19
B20
B21
B22
B23
B24
B25
B26
B27
B28
B29
B30
B31
B32
B33
B34
B35
B36
B37
B38
B39
B40
B41
B42
B43
B44
B45
B46
B47
B48
B49
B50
B51
B52
B53
B54
B55
B56
B57
B58
B59
B60
B61
B62
B63
B64
B65
B66
B67
B68
SD1
A1
A2
A3
A4
A5
A6
A7
A8
A9
A10
A11
A12
A13
A14
A15
A16
A17
A18
A19
A20
A21
A22
A23
A24
A25
A26
A27
A28
A29
A30
A31
A32
A33
A34
A35
A36
A37
A38
A39
A40
A41
A42
A43
A44
A45
A46
A47
A48
A49
A50
A51
A52
A53
A54
A55
A56
A57
A58
A59
A60
A61
A62
A63
A64
A65
A66
A67
A68
B1
B2
B3
B4
B5
B6
B7
B8
B9
B10
B11
B12
B13
B14
B15
B16
B17
B18
B19
B20
B21
B22
B23
B24
B25
B26
B27
B28
B29
B30
B31
B32
B33
B34
B35
B36
B37
B38
B39
B40
B41
B42
B43
B44
B45
B46
B47
B48
B49
B50
B51
B52
B53
B54
B55
B56
B57
B58
B59
B60
B61
B62
B63
B64
B65
B66
B67
B68
SD42
1
2
3
4
5
6
7
8
9
10
11
12
13
14
15
16
17
18
19
20
21
22
23
VSET6_O
5V_F1_B
VSET2_O
5V_F1_A
ZA14952
K4AD01Z00003
ZA14951
K4AD01Z00003
R14362
0
R14990
10k
R14984
10k
R14357
220
R14354
220
R14353
0
R14351
10k
R14350
100
R14360
220
R14980
0
R14986
220k
R14953
0
R14952
0
R1498110k
R14982
10k
R14954
0
R14359
0
R14356
0
Vfo
Vscn
VF
2 841 96735
F
C
E
D
B
A
SCN_PRO
VF5V
VF5V
VF
1
2
3
4
5
6
7
8
9
68bit
PDP SCAN DRIVER
S/P
68bit
PDP SCAN DRIVER
S/P
68bit
PDP SCAN DRIVER
S/P
68bit
PDP SCAN DRIVER
S/P
To 1st 134pins of
SCAN ELECTRODES SCAN ELECTRODES
To 2nd 136pins of
DOWN
TO
SC-BOARD
(SC42)
SD-BOARD TXNSD1RKTU (1/3)
!
TH-46PZ85U
SD-Board (1/3) Schematic Diagram
TH-46PZ85U
SD-Board (1/3) Schematic Diagram

75
11.37. SD-Board (2/3) Schematic Diagram
TERM
SIDE
TERM
SIDE
AG_203
AG_204
AG_205
AG_206
AG_207
AG_208
AG_209
AG_210
AG_211
AG_212
AG_213
AG_214
AG_215
AG_216
AG_217
AG_218
AG_219
AG_220
AG_221
AG_222
AG_223
AG_224
AG_225
AG_227
AG_226
AG_228
AG_230
AG_229
AG_201
AG_202
AG_267
AG_266
AG_265
AG_264
AG_263
AG_262
AG_261
AG_260
AG_259
AG_258
AG_257
AG_256
AG_255
AG_254
AG_253
AG_252
AG_251
AG_250
AG_249
AG_248
AG_247
AG_246
AG_245
AG_244
AG_243
AG_242
AG_241
AG_240
AG_239
AG_238
AG_237
AG_231
AG_232
AA_CLKD2
AA_OC2D2
AG_268
AA_SO9
AA_OC1D2
AI_115
AI_128
AJ_3
AH_180
AI_66
AH_151
AH_190
AJ_25
AJ_61
AJ_45
AI_116
AI_94
AI_71
AI_129
AJ_2
AH_181
AI_65
AH_150
AJ_24
AJ_63
AH_191
AJ_46
AJ_62
AI_117
AI_92
AI_70
AI_130
AJ_1
AH_182
AH_149
AJ_23
AJ_64
AI_118
AJ_47
AH_199
AI_90
AI_69
AH_183
AH_148
AJ_22
AI_119
AJ_48
AH_200
AI_91
AI_68
AH_147
AJ_21
AI_131
AJ_49
AI_89
AI_67
AJ_36
AH_146
AJ_20
AI_132
AJ_50
AI_95
AI_88
AH_145
AJ_35
AJ_19
AH_169
AJ_51
AI_96
AI_87
AH_144
AJ_18
AJ_37
AH_170
AI_101
AA_OC2D2
AJ_52
AH_143
AI_86
AJ_17
AJ_39
AH_164
AI_102
AJ_53
AH_142
AI_85
AJ_16
AJ_38
AH_163
AI_103
AH_141
AJ_54
AJ_15
AJ_40
AH_162
AI_104
AH_140
AJ_14
AJ_55
AH_161
AJ_41
AI_78
AI_105
AH_139
AA_SO8
AJ_13
AJ_56
AH_160
AJ_42
AH_172
AI_106
AI_77
AH_138
AA_OC2D2
AJ_12
AJ_57
AH_159
AH_192
AJ_43
AI_107
AH_171
AI_76
AH_137
AA_CLKD2
AI_120
AJ_11
AJ_58
AH_135
AH_193
AI_108
AH_173
AI_75
AH_136
AA_CLKD2
AI_121
AJ_10
AH_158 AH_175
AA_SO7
AH_194
AI_109
AI_84
AH_184
AI_122
AJ_9
AH_157
AH_174
AA_SO8
AI_110
AH_195
AI_83
AA_CLKD2
AH_185
AI_123
AJ_8
AH_156
AH_133
AJ_33
AH_176
AI_111
AH_196
AI_82
AI_124
AJ_7
AH_186
AH_155
AJ_34
AH_134
AI_112
AH_177
AH_197
AI_125
AJ_6
AI_81
AH_187
AH_154
AI_74
AJ_28
AI_113
AH_178
AI_126
AJ_5
AH_198
AI_80
AH_188
AJ_59
AH_153
AJ_27
AI_73
AI_114
AH_179
AI_127
AJ_4
AI_79
AH_152
AH_189
AJ_60
AJ_44
AJ_26
AI_93
AI_72
AA_OC2D2
AA_LATD2
AA_LATD2
AA_LATD2
AA_LATD2
AA_OC2D2
AA_OC1D2
AA_CLKD2
AA_LATD2
AJ_32
AJ_30
AJ_29
AJ_31
AI_100
AI_99
AI_98
AI_97
AH_168
AH_167
AH_165
AH_166
AG_236
AG_235
AG_234
AG_233
AA_LATD2
AA_CLKD2
AA_OC1D2
AA_SO10
AA_SO9
AA_SO7
AI_123
AH_188
AI_76
AG_228
AG_255
AI_83
AI_115
AI_125
AI_114
AI_81
AJ_52
AI_90
AG_234
AJ_63
AJ_4
AI_107
AG_215
AJ_33
AJ_3
AI_87
AI_74
AI_106
AH_195
AG_253
AJ_19
AG_247
AH_144
AH_157
AI_85
AJ_46
AJ_1
AH_191
AH_168
AJ_20
AJ_50
AJ_27
AI_129
AJ_10
AG_219
AH_190
AG_266
AJ_15
AG_254
AH_189
AJ_55
AH_171
AG_225
AI_109
AH_169
AJ_49
AH_161
AH_155
AI_108
AG_239
AH_160
AJ_6
AJ_23
AG_232
AH_156
AH_145
AJ_51
AG_252
AG_257
AG_210
AG_227
AI_91
AG_256
AI_79
AH_164
AG_238
AI_102
AJ_54
AH_139
AG_236
AH_159
AH_163
AG_208
AG_261
AJ_36
AG_244
AH_165
AI_132
AI_122
AJ_62
AI_120
AH_183
AH_162
AJ_44
AG_230
AH_153
AG_258
AH_175
AJ_17
AH_181
AI_130
AG_251
AI_93
AJ_8
AH_140
AH_187
AI_72
AG_259
AJ_57
AH_167
AH_182
AJ_64
AI_92
AH_173
AI_126
AG_260
AJ_53
AH_184
AG_222
AG_245
AG_242
AI_82
AH_141
AH_199
AI_98
AI_110
AH_176
AI_113
AI_94
AJ_5
AJ_37
AI_68
AG_268
AH_193
AG_203
AH_147
AH_174
AI_99
AG_249
AI_105
AJ_34
AI_127
AH_166
AJ_13
AG_202
AG_213
AJ_48
AG_224
AH_177
AI_100
AJ_25
AG_240
AG_262
AJ_12
AI_111
AG_201
AI_73
AJ_31
AI_131
AI_67
AJ_58
AH_143
AI_121
AJ_60
AI_84
AG_233
AG_218
AH_142
AG_231
AJ_30
AG_229
AI_112
AG_250
AJ_22
AJ_32
AI_97
AG_246
AI_75
AH_158
AI_86
AH_197
AG_267
AG_241
AH_200
AJ_11
AF_269
AJ_61
AI_78
AH_151
AI_96
AG_265
AG_223
AH_178
AG_220
AH_137
AI_117
AJ_39
AJ_7
AF_270
AH_136
AH_185
AJ_56
AH_146
AI_70
AH_194
AI_128
AG_263
AI_104
AJ_14
AH_172
AJ_28
AG_226
AH_170
AG_209
AI_118
AG_211
AI_88
AI_119
AG_216
AI_101
AI_69
AI_77
AJ_42
AI_89
AG_204
AI_71
AH_179
AG_207
AJ_18
AH_154
AI_65
AG_243
AH_180
AH_186
AH_135
AH_148
AH_198
AG_217
AJ_16
AJ_40
AH_192
AG_205
AJ_45
AJ_38
AI_95
AG_248
AJ_24
AJ_59
AJ_35
AI_116
AJ_47
AJ_29
AJ_43
AJ_41
AG_206
AI_103
AJ_21
AG_237
AI_66
AJ_2
AJ_26
AG_221
AH_149
AI_80
AH_196
AG_212
AJ_9
AG_214
AH_133
AH_134
AH_150
AH_152
AI_124
AG_264
AH_138
AG_235
AA_OC1D2
AA_OC1D2
AA_OC1D2
AA_OC2D2
C14364
16V
1u
C14963
16V
1u
C14961
16V
1u
C14368
16V
1u
C14989
50V
470p
C14976
50V
1000p
C14971
50V
470p
C14981
50V
470p
AN16182A-VT
IC14957
1
OUT3
2
OUT4
3
OUT5
4
OUT6
5
OUT7
6
OUT8
7
OUT9
8
OUT10
9
OUT11
10
OUT12
11
OUT13
12
OUT14
13
OUT15
14
OUT16
15
OUT17
16
OUT18
17
OUT19
18
OUT20
19
OUT21
20
OUT22
21
OUT23
22
OUT24
23
OUT25
24
OUT26
25
OUT27
26
OUT28
27
OUT29
28
OUT30
29
OUT31
30
OUT32
31
OUT33
32
OUT34
33
N.C.
34
VDDH
35
VDDH
36
N.C.
37
GND
38
GND
39
GND
40
N.C.
41
VDDH
42
VDDH
43
N.C.
44
OUT35
45
OUT36
46
OUT37
47
OUT38
48
OUT39
49
OUT40
50
OUT41
51
OUT42
52
OUT43
53
OUT44
54 OUT45
55 OUT46
56 OUT47
57 OUT48
58 OUT49
59 OUT50
60 OUT51
61 OUT52
62 OUT53
63 OUT54
64 OUT55
65 OUT56
66 OUT57
67 OUT58
68 OUT59
69 OUT60
70 OUT61
71 OUT62
72 OUT63
73
OUT64
74
OUT65
75
OUT66
76
OUT67
77
OUT68
78
N.C.
79 VDDH
80 VDDH
81 N.C.
82 GND
83 GND
84 DIR
85 SO
86 CLK
87 LAT
88 VDD
89 OC1
90 OC2
91 SI
92 CLR
93 GND
94 GND
95 N.C.
96 VDDH
97 VDDH
98
N.C.
99
OUT1
100
OUT2
AN16182A-VT
IC14958
1
OUT3
2
OUT4
3
OUT5
4
OUT6
5
OUT7
6
OUT8
7
OUT9
8
OUT10
9
OUT11
10
OUT12
11
OUT13
12
OUT14
13
OUT15
14
OUT16
15
OUT17
16
OUT18
17
OUT19
18
OUT20
19
OUT21
20
OUT22
21
OUT23
22
OUT24
23
OUT25
24
OUT26
25
OUT27
26
OUT28
27
OUT29
28
OUT30
29
OUT31
30
OUT32
31
OUT33
32
OUT34
33
N.C.
34
VDDH
35
VDDH
36
N.C.
37
GND
38
GND
39
GND
40
N.C.
41
VDDH
42
VDDH
43
N.C.
44
OUT35
45
OUT36
46
OUT37
47
OUT38
48
OUT39
49
OUT40
50
OUT41
51
OUT42
52
OUT43
53
OUT44
54 OUT45
55 OUT46
56 OUT47
57 OUT48
58 OUT49
59 OUT50
60 OUT51
61 OUT52
62 OUT53
63 OUT54
64 OUT55
65 OUT56
66 OUT57
67 OUT58
68 OUT59
69 OUT60
70 OUT61
71 OUT62
72 OUT63
73
OUT64
74
OUT65
75
OUT66
76
OUT67
77
OUT68
78
N.C.
79 VDDH
80 VDDH
81 N.C.
82 GND
83 GND
84 DIR
85 SO
86 CLK
87 LAT
88 VDD
89 OC1
90 OC2
91 SI
92 CLR
93 GND
94 GND
95 N.C.
96 VDDH
97 VDDH
98
N.C.
99
OUT1
100
OUT2
AN16182A-VT
IC14955
1
OUT3
2
OUT4
3
OUT5
4
OUT6
5
OUT7
6
OUT8
7
OUT9
8
OUT10
9
OUT11
10
OUT12
11
OUT13
12
OUT14
13
OUT15
14
OUT16
15
OUT17
16
OUT18
17
OUT19
18
OUT20
19
OUT21
20
OUT22
21
OUT23
22
OUT24
23
OUT25
24
OUT26
25
OUT27
26
OUT28
27
OUT29
28
OUT30
29
OUT31
30
OUT32
31
OUT33
32
OUT34
33
N.C.
34
VDDH
35
VDDH
36
N.C.
37
GND
38
GND
39
GND
40
N.C.
41
VDDH
42
VDDH
43
N.C.
44
OUT35
45
OUT36
46
OUT37
47
OUT38
48
OUT39
49
OUT40
50
OUT41
51
OUT42
52
OUT43
53
OUT44
54 OUT45
55 OUT46
56 OUT47
57 OUT48
58 OUT49
59 OUT50
60 OUT51
61 OUT52
62 OUT53
63 OUT54
64 OUT55
65 OUT56
66 OUT57
67 OUT58
68 OUT59
69 OUT60
70 OUT61
71 OUT62
72 OUT63
73
OUT64
74
OUT65
75
OUT66
76
OUT67
77
OUT68
78
N.C.
79 VDDH
80 VDDH
81 N.C.
82 GND
83 GND
84 DIR
85 SO
86 CLK
87 LAT
88 VDD
89 OC1
90 OC2
91 SI
92 CLR
93 GND
94 GND
95 N.C.
96 VDDH
97 VDDH
98
N.C.
99
OUT1
100
OUT2
AN16182A-VT
IC14956
1
OUT3
2
OUT4
3
OUT5
4
OUT6
5
OUT7
6
OUT8
7
OUT9
8
OUT10
9
OUT11
10
OUT12
11
OUT13
12
OUT14
13
OUT15
14
OUT16
15
OUT17
16
OUT18
17
OUT19
18
OUT20
19
OUT21
20
OUT22
21
OUT23
22
OUT24
23
OUT25
24
OUT26
25
OUT27
26
OUT28
27
OUT29
28
OUT30
29
OUT31
30
OUT32
31
OUT33
32
OUT34
33
N.C.
34
VDDH
35
VDDH
36
N.C.
37
GND
38
GND
39
GND
40
N.C.
41
VDDH
42
VDDH
43
N.C.
44
OUT35
45
OUT36
46
OUT37
47
OUT38
48
OUT39
49
OUT40
50
OUT41
51
OUT42
52
OUT43
53
OUT44
54 OUT45
55 OUT46
56 OUT47
57 OUT48
58 OUT49
59 OUT50
60 OUT51
61 OUT52
62 OUT53
63 OUT54
64 OUT55
65 OUT56
66 OUT57
67 OUT58
68 OUT59
69 OUT60
70 OUT61
71 OUT62
72 OUT63
73
OUT64
74
OUT65
75
OUT66
76
OUT67
77
OUT68
78
N.C.
79 VDDH
80 VDDH
81 N.C.
82 GND
83 GND
84 DIR
85 SO
86 CLK
87 LAT
88 VDD
89 OC1
90 OC2
91 SI
92 CLR
93 GND
94 GND
95 N.C.
96 VDDH
97 VDDH
98
N.C.
99
OUT1
100
OUT2
SD4
A1
A2
A3
A4
A5
A6
A7
A8
A9
A10
A11
A12
A13
A14
A15
A16
A17
A18
A19
A20
A21
A22
A23
A24
A25
A26
A27
A28
A29
A30
A31
A32
A33
A34
A35
A36
A37
A38
A39
A40
A41
A42
A43
A44
A45
A46
A47
A48
A49
A50
A51
A52
A53
A54
A55
A56
A57
A58
A59
A60
A61
A62
A63
A64
A65
A66
A67
A68
B1
B2
B3
B4
B5
B6
B7
B8
B9
B10
B11
B12
B13
B14
B15
B16
B17
B18
B19
B20
B21
B22
B23
B24
B25
B26
B27
B28
B29
B30
B31
B32
B33
B34
B35
B36
B37
B38
B39
B40
B41
B42
B43
B44
B45
B46
B47
B48
B49
B50
B51
B52
B53
B54
B55
B56
B57
B58
B59
B60
B61
B62
B63
B64
B65
B66
B67
B68
SD3
A1
A2
A3
A4
A5
A6
A7
A8
A9
A10
A11
A12
A13
A14
A15
A16
A17
A18
A19
A20
A21
A22
A23
A24
A25
A26
A27
A28
A29
A30
A31
A32
A33
A34
A35
A36
A37
A38
A39
A40
A41
A42
A43
A44
A45
A46
A47
A48
A49
A50
A51
A52
A53
A54
A55
A56
A57
A58
A59
A60
A61
A62
A63
A64
A65
A66
A67
A68
B1
B2
B3
B4
B5
B6
B7
B8
B9
B10
B11
B12
B13
B14
B15
B16
B17
B18
B19
B20
B21
B22
B23
B24
B25
B26
B27
B28
B29
B30
B31
B32
B33
B34
B35
B36
B37
B38
B39
B40
B41
B42
B43
B44
B45
B46
B47
B48
B49
B50
B51
B52
B53
B54
B55
B56
B57
B58
B59
B60
B61
B62
B63
B64
B65
B66
B67
B68
R14951
0
R14997
10k
R14998
10k
R14366
220
R14371
0
R14372
220
R14374
0
R14995
10k
R14955
0
R14996
10k
R14363
220
R14365
0
R14932
0
R14368
0
R14369
220
141211 161310 1815 17
VF5V
VF
SCN_PRO
VF5V
Vfo
VF
SCN_PRO
VF
11
12
13
68bit
PDP SCAN DRIVER
S/P
68bit
PDP SCAN DRIVER
S/P
68bit
PDP SCAN DRIVER
S/P
64bit
PDP SCAN DRIVER
S/P
To 3rd 136pins of
SCAN ELECTRODES
To 4th 134pins of
SCAN ELECTRODES
DOWN
SD-BOARD TXNSD1RKTU (2/3)
!
9
3
SCN_PRO
8
1
4
6
2
7
5
TH-46PZ85U
SD-Board (2/3) Schematic Diagram
TH-46PZ85U
SD-Board (2/3) Schematic Diagram

76
11.38. SD-Board (3/3) Schematic Diagram
SIDE
TERM
AA_OC1U1
AA_OC2U1
AA_CLKU2
AA_CLKU1
AA_OC2U2
AA_LATU2
AA_SIU
AA_OC1U2
AA_LATU1
CHA
AA_LATD1
AA_LATU2
AB_SID
AB_CLK
AA_CLKU2
AA_OC1D1
AA_OC2D1
AA_OC2D2
AA_CLKD1
AB_OC1
AB_SIU
AA_OC1D2
AA_LATU1
AA_OC1U1
AA_OC1U2
AA_SIU
AB_OC2A
AA_OC2U2
AA_CLKD2
AA_OC2D1
AA_SID
AA_OC2U1
AA_OC2D2
AA_CLKU1
AA_LATD2
AA_LATD1
AB_SID
AB_SIU
AB_OC2A
AB_CLK
AB_OC1
OCM
C14992
16V
1u
C14943
25V
4.7u
C14987
50V
0.1u
C14945
50V
100p
C14969
50V
0.1u
C14990
50V
0.1u
C14944
50V
1000p
C14988
50V
0.1u
D14976
MA2J11100L D14979
MA2J11100L
D14975
MA2J11100L
D14974
MA3X152E0L
D14961
MAZ80560HL
C0JBAE000321
IC14963
1
IN_B
2
IN_A
3
GND
5
VCC
4
OUT_Y
C0JBAE000321
IC14965
1
IN_B
2
IN_A
3
GND
5
VCC
4
OUT_Y
IC14964
C0JBAA000174
1
1A
2
1B
3
1Y
4
2A
5
2B
6
2Y
7
GND
8
3Y
9
3A
10
3B
11
4Y
12
4A
13
4B
14
Vcc
IC14962
C0JBAZ000994
1
1A
2
1Y
3
2A
4
2Y
5
3A
6
3Y
7
GND
8
4Y
9
4A
10
5Y
11
5A
12
6Y
13
6A
14
VCC
IC14961
C0JBAZ000994
1
1A
2
1Y
3
2A
4
2Y
5
3A
6
3Y
7
GND
8
4Y
9
4A
10
5Y
11
5A
12
6Y
13
6A
14
VCC
SD11
1
2
3
4
5
6
7
8
9
10
11
12
13
14
15
16
17
18
19
20
SD46
1
2
3
4
5
6
7
8
9
5V_F1_B
5V
VSET2_O
VSET6_O
5V
5V_F1_A
PC14953
B3PBA0000456
1
23
4
5
PC14951
B3PBA0000457
1
2
3
45
6
7
8
PC14952
B3PBA0000457
1
2
3
45
6
7
8
R14992 47
R14963
330
R14976 47
R14936
4.7k
R14971
22
R14966 22
R14987 47
R14975 47
R14974 47
R14957 22
R14977
2.2k
R14965
330
R14939
0
R14930
0
R14942
0
R14940
0
R14988
2.2k
R14943
47
R14931
22
R14944
10
R14999
330
R14994 47
R14962
330
R14937
1k
R14967 22
R14964 22
R14979
2.2k
R14960 22
R14959 22
R14935
2.2k
R14978
2.2k
R14934 47
R14956 22
R14949
20k
R14973 47
R14950
10k
R14991 22
R14349
10k
R14993 47
R14958 22
R14961
330
19 24 2721 22 25 262320
BUFFER
BUFFER
BUFFER
BUFFER
BUFFER
VF
SCN_PRO
11
12
13
TO
SC-BOARD
(SC46)
TO
SU-BOARD
(SU11)
SD-BOARD TXNSD1RKTU (3/3)
!
TH-46PZ85U
SD-Board (3/3) Schematic Diagram
TH-46PZ85U
SD-Board (3/3) Schematic Diagram

77
11.39. SS-Board (1/2) Schematic Diagram
+
+
+
+
+
+
+
+
+
+
+
AA_SOS8
AA_UMH
AA_UML
AA_USL
AA_USH
AA_NUEL
AA_USL
AA_UEH
AA_UML
AA_UMH
AA_USH
5V
AA_SOS8
75V 75V
C16152
25V
4.7u
C16251
16V
1u
C16153
25V
4.7u
C16092
630V
1000p
C16133
25V
4.7u
C16135
25V
1u
C16071
630V
1000p
C16003
630V
5600p
C16154
25V
4.7u
C16023
630V
5600p
C16252
25V
1u
C16131
25V
4.7u
C16243
50V
0.01u
C16242
16V
1u
C16042
50V
3900p
C16151
25V
1u
*C16013
2.2u
250V
*C16202
250V
4u
*C16203
250V
4u
*C16201
250V
4u
*C16014
220V
250u
C16272
25V
470u
*C16011
220V
250u
C16262
100V
470u
C16263
100V
470u
*C16016
220V
250u
C16264
100V
470u
C16265
100V
470u
C16266
100V
470u
*C16261
100V
470u
C16241
10V
100u
D16151
B0ECHP000003
D16152
B0ECKP000047 D16153
B0ECKP000047
D16032
MA2J11100L
D16050
B0ECKP000047
D16132
B0ECKP000047
D16131
B0ECHP000003
D16255
MA2J11100L
D16051
B0FBCN000005
*D16002
B0FBCN000005
*D16001
B0FBCN000005
D16043
MA3DF46000LW
*D16021
MA3DF30000LW
D16041
MA3DF46000LW
*D16022
MA3DF30000LW
D16253
LNJ301MPUJA
IC16251
C0BBBA000024
1A_OUTPUT
2A_-INPUT
3A_+INPUT
4GND 5
B_+INPUT
6
B_-INPUT
7
B_OUTPUT
8
VCC
C0ZBZ0000895
IC16131
1
LO
2
GND
3
VCC
4
NC
5
NC
6
VS
7
VB
8
HO
9
NC
10
NC
11
NC
12
HIN
13
NC
14
LIN
15
GND
16
NC
C0ZBZ0001324
IC16151
1
LO
2
Vcom
3
VCC2
4
NC
5
NC
6
VS
7
VB
8
HO
9
NC
10
NC
11
VCC
12
HIN
13
NC
14
LIN
15
GND
16
NC
C0JBAZ002811
IC16241
1G
1
21A1
32Y4
41A2
52Y3
61A3
72Y2
81A4
92Y1
10 GND 11
2A1
12
1Y4
13
2A2
14
1Y3
15
2A3
16
1Y2
17
2A4
18
1Y1
19
2G
20
VCC
SS34
1
2
3
SS35
1
2
3
4
SS12
1
2
3
4
5
6
7
8
9
10
SS33
1
2
3
4
5
6
7
8
9
10
SS11
1
3
L16262
G0ZZ00002183
L16271
G0ZZ00002183
L16398
J0JJC0000015
L16399
J0JJC0000015
*L16002
G0C1R6KA0119
*L16005
G0C1R6KA0119
*L16014
G0C1R6KA0119
*L16013
G0C1R6KA0119
*L16015
G0C1R6KA0119
*L16001
G0C1R6KA0119
*L16003
G0C1R6KA0119
*L16011
G0C1R6KA0119
*L16012
G0C1R6KA0119
*L16004
G0C1R6KA0119
15V
5V
VE2EXT165V
5V
15V
VSUS
15V
VEEXT160V
TP14
TP34
TP13
TP5
TP12
TP7
TP6
TP21
TP37
TP2
TP15
TP10
TP16
TP19
TP20
TP41TP40
TP38 TP39
TP17
TP3
TP9
TP18
TP33
TP11
TP22
TP1
TP8
Q16251
2SD0601A0L
Q16181
B1ABRD000003
Q16171
B1ABRD000003
Q16042
B1JAEN000003
*Q16022
B1JAEN000002
Q16051
B1JAEN000003
*Q16023
B1JAEN000002
*Q16002
B1JAEN000002
*Q16004
B1JAEN000002
*Q16024
B1JAEN000002
*Q16003
B1JAEN000002
Q16182
B1ADRD000001
Q16172
B1ADRD000001
Q16161
B1HFPFA00001
Q16141
B1HFPFA00001
R16242
EXB38V472JV
R16241
EXB38V470JV
R16171
10
R16231
4.7k
R16261
100k
R16255
1.2k
75
R16134
R16256
1.5k
R16132
100
R16161
10
R16004
7.5
R16031
82k
75
R16154
R16142
47k
R16181
10
R16131
100
R16253
39k
R16257
10k
R16220
47
R16260
2.2k
R16254
6.8k
R16151
100
R16173
47k
R16042
5.6
R16137
1
R16034
27k
R16022
7.5
R16032
82k
R16002
7.5
R16024
7.5
R16023
7.5
R16051
5.6
R16251
1.4k
R16143
47k
R16159
1
R16163
47k
R16152
100
R16252
39k
R16183
47k
R16033
56k
R16230
47
R16258
2.2k
R16155
1
R16141
10
R16221
4.7k
R16172
47k
R16003
7.5
R16162
47k
R16138
1
R16182
47k
R16139
1
D16053
B0FBCN000005
TPVDA
(GREEN LED)
TPVSUS
VSUS
GND
VDA
VDA
GND
NC
UML
SOS8_SS
UMH
NUEL
TPSOS8
 NC
(URH)
P5V
USH
USL
UEH
GND
-
2684
F
75
A
B
3
C
D
1
E
9
FET DRIVER
ENERGY
RECOVERY
VSUS Gen.
DRIVER
FET DRIVER
BUFFER
TO
C3-BOARD
(C33)
P-BOARD
TO
(P12)
P-BOARD
TO
(P11)
TO
(C35)
C3-BOARD
ERROR DET
STB_PS
12V
GND
!
SS-BOARD TXNSS1RKTU (1/2)
1
2
VSUS:193V
VDA:75V
TH-46PZ85U
SS-Board (1/2) Schematic Diagram
TH-46PZ85U
SS-Board (1/2) Schematic Diagram
SHORT JUMPER

78
11.40. SS-Board (2/2) Schematic Diagram
+
+
+
+
+
+
TERM
SIDE
TERM
SIDE
TERM
SIDE
TERM
SIDE
AA_UEH
AA_UML
AA_SOS8
AA_UEH
AA_NUEL
C16197
25V
4.7u
C16192
25V
4.7u
C16195
25V
4.7u
C16194
25V
4.7u
C16321
0.22u
250V
C16325
25V
4.7u
C16313
16V
1u
C16312
50V
4700p
C16311
10V
1u
C16322
0.22u
250V
C16326
25V
4.7u
*C16327
250V
2.2u
C16337
50V
0.1u
C16336
50V
1000p
C16286
0.1u
50V
C16287
0.1u
50V
C16284
0.1u
50V
C16285
0.1u
50V
C16302
470p
50V
C16329
220u
200V
C16328
220u
200V
C16301
47u
25V
C16323
25V
47u
C16324
470u
25V
*C16310
220V
250u
D16300
B0ECKP000047
D16313
B0ECKP000047
D16280
MA2J11100L
D16104
MA22D3900L
D16192
B0ECKP000047
D16102
MA22D3900L
D16321
B0ECKP000047
D16191
B0ECKP000047
D16335
B0ECLM000006
D16336
B0ECLM000006
D16302
MA2J11100L
D16331
B0ECHP000003
D16284
MA3X152D0L
D16285
MA3X152D0L
D16324
MA3X152D0L
D16301
MA3X152E0L
D16281
MAZ80510LL
D16311
MAZ81500ML
D16282
MAZ80680ML
C0JBAC000363
IC16303
1
IN_B
2
IN_A
3
GND
5
VCC
4
OUT
C0ZBZ0000895
IC16191
1
LO
2
GND
3
VCC
4
NC
5
NC
6
VS
7
VB
8
HO
9
NC
10
NC
11
NC
12
HIN
13
NC
14
LIN
15
GND
16
NC
MIP9L02MBS
IC16301
1SOURCE
2BY
3FB
5VCC 6
GND
7
V01
8
VOUT
10
DRAIN
C0CBALC00012
IC16302
Vin3
2
Com
Vout
1
*SS64
1
2
3
4
5
6
7
8
9
10
11
12
13
*SS61
1
2
3
4
5
6
7
8
9
10
11
12
13
*SS63
1
2
3
4
5
6
7
8
9
10
11
12
13
*SS66
1
2
3
4
5
6
7
8
9
10
11
12
13
L16221
G0ZZ00002183
L16103
G0ZZ00002183
J0JJC0000015
L16104
J0JJC0000015
L16102
J0JHC0000031
L16301
T16301A
ETS19AB249AC
1NC
2P1
4PT
5NC
6P2 7
S1
10
S2
15V
5V
15V
VSUS
TP29TP25 TP31
TP35
TP26
TP36
TP30TP28TP24
TP54
TP53
TP51
TP42
TP43
TP56
TP27
*Q16335
B1CERL000012
G
D
S
Q16301
B1CBGD000001
Q16302
B1CFNG000001
*Q16331
B1CERL000012
G
D
S
Q16339
2SK399500L
G
D
S
Q16102
2SK399800L
G
D
S
Q16104
2SK399800L
G
D
S
Q16280
2SD0601A0L
Q16304
2SB0709ASL
Q16191
B1HFPFA00001
R16194
1
R16305
270
R16289
62k
R16300
1k
R16340
1.5k
R16295
62k
R16324
10k
R16333
330k
R16284
220k
R16309
4.7k
R16109
10
R16315
1.24k
R16307
100
R16191
100
R16334
100
R16314
66.5k
R16302
1M
R16310
5.6k
R16304
680
R16339
330k
R16325
0
R16311
120k
R16338
100
R16303
100
R16280
2.2k
R16317
0
R16306
100
R16281
10k
R16293
62k
R16110
47k
R16312
120k
R16322
560
R16321
47k
R16116
47k
R16323
22k
R16102
220
75
R16193 R16104
220
R16301
4.7k
R16308
100
R16290
330k
R16292
330k
R16296
330k
R16294
330k
R16331
100
R16283
47k
R16282
220
R16195
1
R16192
100
R16336
1
*R16313
52.3k
R16291
62k
VR16000
50k
1
2
3
C16280
25V
1u
ZA16001
K4CD01000011
ZA16002
K4CD01000011
ZA16003
K4CD01000011
TPSS1
FPC es SOS
42/4xFHD
SS61
SS21
SS62
SS63
SS64
SS65
SS66
SS34SS35 SS33
SS12
SS11
TPVe
1613 181714121110 15
DRIVER
VE Gen.
FET DRIVER
SUSTAIN
ELECTRODE
PANEL
PANEL
ELECTRODE
SUSTAIN
SUSTAIN
ELECTRODE
PANEL
PANEL
ELECTRODE
SUSTAIN
IPD
NAND GATE
+15V
!
SS-BOARD TXNSS1RKTU (2/2)
1
2
Ve:145V
TH-46PZ85U
SS-Board (2/2) Schematic Diagram
TH-46PZ85U
SS-Board (2/2) Schematic Diagram

79
12 Printed Circuit Board
12.1. P(AC)-Board
ABCDEFGH I
1
2
3
4
5
6
P(AC)-BOARD ETX2MM704MGA (FOIL SIDE) P(AC)-BOARD ETX2MM704MGA (COMPONET SIDE)
TH-46PZ85U
P(AC)-BOARD ETX2MM704MGA
TH-46PZ85U
P(AC)-BOARD ETX2MM704MGA
Parts Location
P-BOARD (FOIL SIDE)
IC501  B-5
IC555  B-6
MC501  C-5
IC
MODULE
TP3  A-5
TP4  C-5
TEST POINT
Parts Location
P-BOARD (COMPONENT SIDE)
IC501  E-5
IC555  E-6
MC501  D-5
IC
MODULE
TP3  F-5
TP4  D-5
TEST POINT
P(AC)

80
12.2. P(MAIN)-Board
ABCDEFGH I
1
2
3
4
5
6
TH-46PZ85U
P(MAIN)-BOARD ETX2MM704MGL
P(MAIN)-BOARD ETX2MM704MGL (FOIL SIDE)
TH-46PZ85U
P(MAIN)-BOARD ETX2MM704MGL

81
TH-46PZ85U
P(MAIN)-BOARD PARTS LOCATION
TH-46PZ85U
P(MAIN)-BOARD PARTS LOCATION
Parts Location
P-BOARD (FOIL SIDE)
IC251  F-5
IC352  D-5
MC201  F-3
MC203  G-3
MC301  D-2
MC352  E-5
MC401  F-5
MC451  C-5
MC502  B-3
MC552  C-5
MC601  G-1
MC602  D-2
MC603  E-1
MC606  E-3
MC701  B-5
IC
MODULE
Q301  B-3
Q302  C-3
Q401  F-5
Q402  E-5
Q403  F-5
TP1  G-2
TP2  G-2
TP5  G-4
TP6  H-5
TP7  D-5
TP8  F-4
TP9    E-6
TP10  B-5
TRANSISTOR
TEST POINT
VR251  F-6
VR401  F-5
VOLUME
Parts Location
IC251  C-5
IC352  F-5
MC201  D-3
MC203  B-2
MC301  F-2
MC352  E-5
MC401  D-5
MC451  F-5
MC502  G-3
MC552  G-5
MC601  B-2
MC602  E-2
MC603  B-2
MC606  E-3
MC701  H-5
IC
MODULE
Q301  H-3
Q302  G-3
Q351  E-5
Q401  D-5
Q402  D-5
Q403  D-5
TP1  B-2
TP2  C-2
TP5  B-4
TP6  B-5
TP7  E-5
TP8  D-4
TP9  D-6
TP10  G-5
TRANSISTOR
TEST POINT
VR251  C-6
VR401  D-5
VOLUME
P-BOARD (COMPONENT SIDE)
P(MAIN)

82
ABCDEFGH I
1
2
3
4
5
6
TH-46PZ85U
P(MAIN)-BOARD ETX2MM704MGL
P(MAIN)-BOARD ETX2MM704MGL (COMPONENT SIDE)
TH-46PZ85U
P(MAIN)-BOARD ETX2MM704MGL

83
12.3. G, GH and GS-Board
ABCDEFGH I
1
2
3
4
5
6
TNPA4503 1G
G51
FL3710 FL3711
FL3712
ZA3701
ZA3702
JK3701
PbF
1
10
ORDER NO.
RLV
TNPA4503
1G
JA1
JA2
JA3
JA4
JA5
JA6
L3713
G51
C3702
C3704
C3708
C3714
D3701
D3702
D3703
D3704
D3705
D3706
D3707
D3708
D3709
D3710
D3711
R3714
R3716
R3717
R3718
R3719
R3720
R3721
R3732
R3736
R3737
R3738
R3739
R3740
R3741
FL3710
FL3711
FL3712
JS3711 JS3712 J S3713
JS3714
ZA3701
ZA3702
JK3701
PbF
1
10
SEE REVERSE FOR ORDER NO.
RL
V
OK MENU TV/VTR VOL.DN VOL.UP CH.DN CH.UP
1GS
TNPA4504
JK7701
C7702
SW3751SW3753 SW3754 SW3755 SW3756 SW3757 SW3758
ZA7701
ZA7702
GS52
P  b  F
10 9
1
87
ORDER NO.
1
14
TNPA4504
1GS
MENU
TV/VTR
VOL.UPCH.DN OKVOL.DNCH.UP
JK7701
JA1
JA2
JA3
JA4
JA5
JA6
JA7
JA8
JA9
JA10
JA11
JA12
JA13
JA14
JA15
JA16
JA17
JA18
JA19
C7701
C7702
C7703
JA20
C7705
JA21
C7706
JA22
JA23
JA24
C7708
JA25
C7709
JA26
JA27
JA28
JA29
C7710
JA30
L3750
C7723
C7724
D7701
C7726
C7727
C7728
R7701
C7729
R7702
R7703
R7704
R7705
R7706
R7707
C7730
R7709
R7710
R7712
R7713
R7714
R7715
R7731
R7738
R7739
R7740
R7741
R7742
R7743
JA101
JA102
JA103
JA104
JA105
JA106
JA107
JA108
R7791
JA109
R7792
R7793
R7794
R7795
R7796
JA110
JA111
JA112
JA113
C3750
JA114
JA115
JA116
JS7701
SW3751 SW3753SW3754SW3755
SW3756
SW3757
D3750
SW3758
R3750
R3751
R3752
R3753
R3754
R3756
R3758
ZA7701
ZA7702
L7701
L7702
L7706
L7721
GS52
PbF
9
1
10
78
ORDER NO.
SEE REVERSE FOR
1
14
TNPA4506 GH
1
CR NO.3
L801
R848
R826
R804
C802
R817
D804
Q801
R820
D810
D803
R831
R830
Q802
R821
D811
D806
C827
C801
R832
R816
IC801
C828
D801L804
R849
R827
D809
C803
R854
R835
R818
R809
D805
R825
R810
R828
R805
R845
R823
C806
R844
R822
D812
R802
D802
GH10
R829
R824
R803
C804
R819
IC802
R801
SEE REVERSE
FOR ORDER NO.
P  b  F
112
13
24
25
36
37
48
14
58
19
1
TNPA4506 GH
CR NO.3
1
TP801
TP802
TP803
TP804
TP805
ZA802
ZA801
C824
C809
D815
C815
R853
R833
C818
R841
C829
C813
GH11
R815
R808
C826
C812
R851
R814
R807
C819
R843
C814
R852
Q806
R811
C816
C823
C808
R847
D808
C825 C810
L805
R850
R812
C821
C807
D813
D807
C820
C811
R813
R806
C822
Q804
R846
D814
C817
FL801
R840
PbF
1
2
2930
ORDER NO.
G-BOARD (FOIL SIDE)
TNPA4503S
G-BOARD (COMPONENT SIDE)
TNPA4503S
GS-BOARD (FOIL SIDE)
TNPA4504S
GS-BOARD (COMPONENT SIDE)
TNPA4504S
GH-BOARD (FOIL SIDE)
TNPA4506S
GH-BOARD (COMPONENT SIDE)
TNPA4506S
GS-BOARD TNPA4504S
TH-42PZ85U
G-BOARD TNPA4503S GH-BOARD TNPA4506S GS-BOARD TNPA4504S
TH-42PZ85U
G-BOARD TNPA4503S GH-BOARD TNPA4506S
G GHGS

84
12.4. K, PB and S-Board
ABCDEFGH I
1
2
3
4
5
6
Q2510
Q2511
RM2501
K1
SUFFIX
CATS
TNPA4502 K 1
POWER LED
AD
AE
AC
AB
PbF
1
2
11
12
RM2501
K1
TNPA4502 K 1
PbF
FOR SUFFIX.
REVERSESEE
2
111
12
TNPA4499
1S
SW2500
S2
PbF
ORDER NO.
12
TNPA4499
1 S
C2500
SW2500
S2
PbF
FOR
ORDER NO.
SEE REVERSE 12
L850
L852
C860
C869
PB30
PB31
PB32
PB33
PB34
PB35
PB36
PB37
PB1
TNPA4243
PBMM1
PbF
ORDER NO.
15
31
31
31
31
31
31
31
Q850
L850
L852
JA1
JA2
JA3
JA4
JA5
JA6
JA7
R851
R852
R853
R854
R855
R856
R857
R858 R859
R861 R865
R866
R867
R868
R869
R871
R872
R874
C851
C852
C853
C854
C855
C856
C857
C858
C859
C860
C861
C862
C869
C877
C878
C879
C880 C881
D851
D852
D853
D854
D855
D856
D857
D859
D860
D861
D862
IC850
TP850
TP851
TP852
TP853
PB30
PB31
PB32
PB33
PB34
PB35
PB36
PB37
TNPA4243
1PB
PBMM1
PbF
SEE REVERSE
FOR ORDER NO.
15
15
13 1
3
1
3
1
3
1
3
13
13
K-BOARD (FOIL SIDE)
TNPA4502S
K-BOARD (COMPONENT SIDE)
TNPA4502S
S-BOARD (COMPONENT SIDE)
TNPA4499S
S-BOARD (FOIL SIDE)
TNPA4499S
PB-BOARD (COMPONENT SIDE)
TNPA4243AHS
PB-BOARD (FOIL SIDE)
TNPA4243AHS
S-BOARD TNPA4499S
TH-42PZ85U
K-BOARD TNPA4502S PB-BOARD TNPA4243AHS S-BOARD TNPA4499S
TH-42PZ85U
K-BOARD TNPA4502S PB-BOARD TNPA4243AHS
PB
S
K

85
12.5. A-Board
ABCDEFGH I
1
2
3
4
5
6
TP8301
TP8302
TP8303
TP8500
TP8501
TP8510
TP8511
TP8512
TP8513
TP8514
TP8515
TP3501
TP8516
TP8517
TP8518
TP3505
TP8550
TP4501
TP4503
TP4505
TP4507
Q8300
TU8300
IC5606
JK4501
IC8300
IC8505
Q5684
IC4501
IC4513
IC4514
IC4516
TP4006
SUB5V
STB5V
A30
IC1101
TP8502
TP8503
TP8505
TP3503
TP3508
TP3509
TP3510
TP3519
TP3520
TP3521
TP3522
TP3523
TP3524
TP3525
TP3526
TP3527
TP3528
TP8544
TP8546
A6
A7
TP8547
TP8548
TP8551
TP8552 TP8553
TP8554
TP8555
TP8556 TP8557
TP8558
TP8559
TP8560
TP8561
TP4105
TP8562
TP8563
TP8564
TP4500
TP4502
TP4504
TP4506
TP4508
TP4700
TP4701
TP4512 TP4519
IC5400
IC5401
IC5600
IC5601
JK4500
IC8502
IC8503
Q4505
TPS0S
TP1100
TP1101
TP1102
TP1103
TP1104
TP1105
IC4500
TP1111
IC4512
IC4515
TP4001
TP4002
TP4003
TP4005
TP4008
TP4212
TP4213
TP4214
TP4215
TP4216 TP4217
TP4218
TP4219
TP4220 TP4221
TP4222 TP4223
TP4224 TP4225
TP4226 TP4227
TP4228
TP4229
TP4230 TP4231
TP4232 TP4233
TP4234 TP4235
TP4236
IC8004
TP2313
TP2314
A12
TP5400
Q1101
TP5600
TP5601
TP5602
15VS
F+15V
TP8519
Q4529
Q4530
Q4531
TP8525
TP8527
TP8522
TP8528
TP8523
TP8521
TP8529
TP8524
TP8526
TP8530
TP8300
TP8504
Q4016
TP3507
IC2106
IC2107
TP2000
TP2002
Q3123
Q3124
Q3125
JK3000
JK3001
IC2008
TP2302
D3005
TP2311
TP2312
TP2315
IC3001
SUB9V
PbF
THERMAL PAD
TNPH0721 A
1
LOUT
ROUT
BTL
SDA
IFAGC
VIDEOOUT
VB
BT
MONITOR
AFTOUT
+B
IF
MONITOR
IFDOUT2
IFDOUT1
SCL
RFAGC
MONITOR
36
37
72
73
108
109
144
1
1
4
57
1
4
5
8
1
3
45
4
5
8
1
1
5
1
4
5
8
1
12
1
9
REVERSE FOR SUFFIX.SEE
14
5
8
14
5
8
12
13
24
1
1
15
16
30
128
29
56
1
4
58
1
4
5
8
1
3
4
5
1
4
5
8
1
8
9
16
1
4
1
20
21
40
41
60
61
80
1
45
7
MONOUT
COMPONENT2
COMPONENT1
V1
15
610
11 15
MONOUT
COMPONENT2
COMPONENT1
V1
1
4
5
7
125
26
50
51
75
76
100
R8044
C1119
R8045
L8507
C8070
R8048
A30
R8049
C8071
C8072
C8073
C8074
C8075
C8076
C8077
C1123
C8078
C8079
TP8301
R8052
C1126
TP8302
R8053
TP8303
D1104
R1100
R1101
R8056
R1102
R1103
R1104
C4200
C8080
R1105
R8059
C4201
R1106
R1107
R1108
TP8500
IC1101
R1109
TP8501
C4206
TP8502
TP8503
C4208
R8060
TP8505
R8061
R1110
R8067
R8068
C4210
R8069
C4212
TP8510
TP8511
TP8512
TP8513
X4500
C4600
TP8514
R8071
TP3501
TP8515
C4602
TP8516
TP3503
TP8517
R8074
TP8518
R4001
R8651
R8075
TP3505
C4606
C4607
R8077
C4220
R8078
TP3508
C4221
TP3509
R8079
C4609
C4222
R8657
R8080
TP3510
R8081
C4612
R8082
C4613
R8083
R8084
R8661
R8086
C4616
R8663
C4617
R1134
TP3519
C4619
TP3520
R8091
TP3521
TP3522
TP3523
R8093
TP3524
TP3525 TP3526
R8866
C4626
TP3527
C4627
TP3528
R8098
R4600
R1145
R8099
R1146
R4603
R4604
R1149
C2307
TP8544
A5
C4631
A6
TP8546
C4632
TP8547
C4633
A7
C4634
TP8548
C4635
R1151
C4636
R1152
R1153
C4637
C4638
R1154
C4639
R1155
R4613
R4614
TP8550
TP8551
TP8552
R4616
TP8553
R4617
C4640
TP8554
R4618
TP8555
C2319
C4641
R4619
C4642
TP8556
TP8557
TP8558
R8690
TP8559
C4645
R8693
R1163
L4504
R8694
C2321
L4505
R4621
L4506
FL8052
C2323
L4507
TP8560
R4625
TP4105
TP8561
TP8562
TP8563
TP8564
C4075
C5401
R1171
C5402
R1172
L4512
C5403
L4513
R8898
R1174
C5404
L4514
R1175
L4515
R4631
C5405
C5406
L4516
C5407
L4517
L4518
C5409
R1179
L4519
TP4500
C5600
TP4501TP4502
C5603
TP4503
C5604
TP4504
C5410
R1181
C5411
TP4505
C5606
TP4506
C5607
C5413
TP4507
C5414
TP4508
C5608
X8001
R1185
C5415
C5609
R1186
C5416
R1187
C5417
R1188
TP4700
R4644
C5418
C5419
TP4701
C5610
FL4005
TP4512
C5421
C8301
C5616
C5422
C8302
C5617
C5423
C8303
Q8300
C8304
TP4519
D5401
C8305
R4652
D5402
C8306
R4653
C8307
D5404
R1198
R5400
R4654
C8308
D5405
R4655
R5401
R4656
R5402
R5403
C5620
R5404
R5405
C5621
C8501
C5622
R5406
JS8052
C8502
C5623
R5407
C5624
R5408
IC5400
C8310
IC5401
C5625
R5409
C8311
C8505
C5626
C8506
C8312
C5627
D5603
C8313
R4660
D5604
R5601
R4661
R5602
D5606
D5607
R4663
R5604
D5608
R5605
R5606
R4667
C5630
IC5600
R8100
C5631
IC5601
R8101
C5632
C8513
R8104
TU8300
R8105
C5635
R8106
R4286
IC5606
C5636
C8516
R8107
C8517
D5613
R8108
C8518
D5614
R4671
R4289
D5615
C5639
D5616
R5614
JK4500
R5615
JK4501
R8301
R5616
R8302
R5617
R8303
R4290
C5640
R8304
C8520
R5619
C5641
R8111
R4291
C8521
R4292
R8112
C8522
C8523
IC8300
C8524
D8500
C8525
R5620
R5621
R5622
R8502
R5623
R4684
R8504
R5625
L8001
R8505
R8311
L8002
R5626
R8312
R5627
L8003
R8313
R5628
L8004
L8005
R5629
R8316
L8006
IC8502
C5652
IC8503
L8007
R8317
JS4010
L8008
L8009
C8341
IC8505
C8342
R5630
R8510
R5631
R8705
R5632
R8512
JS4016
R8513
C8347
R5633
C8348
R8514
X1100
L8010
R5634
R8516
R5637
R8517
R4697
R4698
R8518
R8324
R4699
R8519
R8325
R8326
R8327
C5663
C8350
C5664
C5665
C8352
C5666
C8353
C5667
C8354
C8355
C8356
R8524
R5069
R8331
R8332
R8334
R5648
R8336
R8530
C8364
R5650
C8365
R5651
C8366
R8532
R5652
C8367
R8533
C8368
C8369
R1200R1201
C8371
Q5684
C8375
R1205
R8541
R1206
R5662
R8543
R5663
R1207
C8377
R8544
R5664
R1208
R8545
R1209
R5665
C8379
R8546
R5666
R8547
R5667
R5668
R1210
R1212
C4502
C8382
C8383
C4506
R1216
R1217
R8554
R8555
Q4505
R1219
R8556
R8557
L1100
R8558
C4700
TPS0S
C4510
R1220
FL8300
C4511
R8561
R8562R8563
R8564
R8566
R8568
C4712
R4303
C4714
C4715
C4717
R8764
C4719
R8765
R1236
R1237
R8767
TP1100
TP1101
R4502
TP1102
TP1103
TP1104
R8578
Q4529
TP1105
R8770
IC4500
R3569
IC4501
R4122
R8772
C4726
Q4530
R8580
Q4531
D4512
R8584
TP1111
R8585
D4515
R4129
L4202
D4517D4518
R4708
R4709
R4130
IC4512
IC4513
D4520
IC4514IC4515
R4711
R4136
IC4516
TP4001
R4715
TP4002
TP4003
R4330
R4525
C4741
TP4005
TP4006
C4743
TP4008
C4745
R8792
C4746
R8793
JS8501
D4533
D4534
D4535
D4536
D4537
D4538
D4539
R4535
C4752
R4538
C4754
R4151
R4539
C4755
R4152
D4540
D4541
TP4212
D4542
TP4213
TP4214
R4540
C8001
TP4215
R4541
TP4216
C8002
R4542
R4736
R4737
TP4217
C8003
R4543
C8004
TP4218
R4738
C8005
TP4219
R4739
C8006
R4547
C8007
C8008
R4548
R4549
C8009
R4740
C4574
TP4220
C4575
R4741
TP4221
TP4222
TP4223
R4550
TP4224
R4168
C8010
R4551
C8011
TP4225
TP4226
C8012
C8013
TP4227
C8014
TP4228
C4771
C8015
TP4229
C4772
C8016
C8017
C4773
C4580
C8018
R4170
C8019
C4775
R4171
C4776
C4777
TP4230
C4778
TP4231
C4585
TP4232TP4233
TP4234
C8020
C8021
TP4235
TP4236
C8022
C8023
C8024
C8025
C8026
C8027
R4568
C8028
FL4500
R4569
C8029
R8001
FL4501
R8002
FL4502
R8003
FL4503
FL4504
R8004
FL4505
R8005
C4595
R8006
R8007
C8030
C4598
R8008
R4571
C8031
C4599
R4572
C8032
C8033
IC8004
C8034
C5730
C8035
C5731
C8036
C8037
C8038
C8039
C4795
R8011
R8012
C4796
C4797C4798
R8015
C4799
R8016
TP2313
C8040
TP2314
R8019
C8041
C8043
C8044
C8045
C8046
C8047
C8048
R8020
C8049
R8023
R8024
R8025
L5605
L5606
R8028
C8050
R4591
C8051
R8029
A12
C8052 R8606
C8053
R8607
C8054
A15
C8055
C8056
C1102
C8057
C1103
C8058
R8030
TP5400
C1105
R8031
C8059
Q1101
R8032
C1106 C1107
R8033
C1108
R8034
C1109
R8035
L8301
R5732
L8302
R8037
R5733
L8303
R8038
C8060
C8061
R8039
C8062
TP5600
L8308
TP5601
L8309
C1111
C8065
TP5602
C8066
C8067
C1114
R8040
C8068
L8500
R8041
C8069
L8502
C1117
TP8519
C4601
TP8525
TP8527
TP8522
TP8528
TP8523
TP8521
TP8529
TP8524
TP8526
TP8530
L8311
R2286
L8312
S3010
S3017
L3308 TP8300
D3048
S3020
S3021
S3022
S3023
S3024
S3025
S3026
S3027
S3028
TP8504
S3029
D3051
D3052
Q4016
S3030
S3031
S3032
R3057
R3058
R3059
D4000
D4002
D3063
R3060
D3064
R3061
D3065
D4006
D3066
R3062
R3063
TP3507
D4007
D3067
R3064
D3068
D4008
D4009
D3069
R3065
R3066
R3067
R3068
FL3001
D3070
D4010
D3071
D3072
D3073
R3070
R3071
R3072
D3076
D3077
R3073
D3078
R3074
R3075
D3079
R3076
R3077
R3078
C2100
R3079
C2101
C2102
D3080
C2105
C2106
C2107
C2108
R3080
R3081
R3082
R3083
R3084
R3085
C2301
R3086
R3087
R3088
C2305
C2111
R3089
D3090
C2116
R3090
C2118
R3091
R3092
R3095
R3096
R3097
R3098
R3099
C2317
C2126
R2100
R2104
FL8051
R2109
IC2106
IC2107
R2110
R2111
R2113R2114
C4083
C4084
R2310
C4085
C5601
C4086
C4087
C4089
C5605
JS2084
R2125
JS2085
JS2086
JS2087
JS2088
C4090
C4091
C4092
C4093
C4095
C4098
TP2000
TP2002
L2020
R2330
L2021
R2331
JS8051
C8314
R5600
L2029
C3301
C8315
C8316
R5603
C8317
C8318
C8319
R5607
C8320
R2150
C8321
R2151
C8322
C5637
L2038
R5610
R5611
C8325
R5612
C8326
R5613
C8327
C2180
C2181
R2159
C3123
C3124
R5618
R8305
L2041
C2186
R8306
Q3123
C2187
C5643
R8307
C8330
R3100
C2188
R2160
Q3124
R8308
R2161
R2355
C8331
C2189
Q3125
C8332
R2162
C8333
R2163
R2164
C8334
C8335
R3107
C8337
C8338
C2190
C2191
D3301
C8339
C2192
C2195
R3301
R8315
R3302
C2196
C2197
C2198
C8340
R8318
R3305
C2199
R3306
C8343
C8345
C8346
C8349
L3000
L3001
L3002
L3003
C8351
R3123
R3124
R2189
C3153
R8335
C3157
R2190
R2191
R2197
C4100
R2198
R3145R3146
R3147
R3148
R3149
JS2300
R3150
C8380
R3151
R3152
R3153
C8384
R3154
C8385
C8386
C8387
C4702
C4703
C4704
C4705
R3174
JK3000
R4115
JK3001
R4116
R4117
R4119
L4001
C4722
L4002
R3180
R4121
R3181
C4725
R3182
C4727
C4728
R3188
R3189
C2213
C2020
C2021
C2216
C2023
R3190
R3191
R3192
R3193
R3194
R3195
R3196
R3198
R3199
JK3000A
IC2008
R2014
C2048
C2049
R4158
C2244
C2050
C4761
C2245
C2052
C2246
C2053
C2054
C2057
C2058
C2059
C2251
C3000
C3001
C3002
C3003
C3004
C3005
C3006
C3007
C3008
C3009
C2263
C3010
C2264
C3011
C3012
C2267
C3013
C3014
C2268
C3015
C3016
C3017
C3018
C3019
TP2302
R2056
R2057
C3020
C3021
C3022
C3023
C3024
C3025
C3026
C3027
R2060
C3028
C3029
D3005
TP2311
TP2312
TP2315
C3030
C3031
IC3001
C3032
C3033
C3034
C3035
C3036 R3202
C3037
R3203
R3204
C3038
C3039
R3208
R3209
C3042
C3043
C3044
R3211
R2271
C3045
C3046
R3212
C3047
C3048
C3049
R2276
L8304
L8305
L8306
C3050
C3051
C3052
S3008
S3009
C3056
R4716
L2022
A-BOARD (FOIL SIDE) TNPH0721ABS
TH-46PZ85U
A-BOARD TNPH0721ABS
TH-46PZ85U
A-BOARD TNPH0721ABS

86
TH-46PZ85U
A-BOARD PARTS LOCATION
TH-46PZ85U
A-BOARD PARTS LOCATION
Parts Location
A-BOARD (FOIL SIDE)
Q1101  B-1
Q3123  G-1
Q3124  H-1
Q3125  G-1
Q4016  G-4
Q4505  C-2
Q4529  C-3
Q4530  C-3
Q4531  C-3
Q5684  D-2
Q8300  E-2
TRANSISTOR
IC1101  C-1
IC2008  G-3
IC2106  G-3
IC2107  G-4
IC3001  G-1
IC4500  C-2
IC4501  D-3
IC4512  C-4
IC4513  D-4
IC4514  D-3
IC4515  C-3
IC4516  E-4
IC5400  G-5
IC5401  F-6
IC5600  F-4
IC5601  F-5
IC5606  E-2
IC8004  D-5
IC8300  F-5
IC8502  B-5
IC8503  C-1
IC8505  D-1
ICIC
TP1100  C-1
TP1101  C-1
TP1102  C-1
TP1103  C-1
TP1104  B-2
TP1105  B-2
TP1111  B-2
TP2000  G-3
TP2002  G-4
TP2302  G-4
TP2311  H-4
TP2312  H-4
TP2313  H-4
TP2314  H-5
TP2315  G-4
TP3501  E-3
TP3503  F-5
TP3505  E-4
TP3507  H-3
TP3508  F-6
TP3509  F-6
TP3510  F-6
TP3519  G-5
TP3520  H-5
TP3521  H-6
TP3522  H-6
TP3523  H-6
TP3524  G-6
TP3525  F-6
TP3526  G-6
TP3527  F-6
TP3528  F-6
TP4001  B-2
TP4002  B-2
TP4003  B-2
TP4005  B-2
TP4006  E-2
TP4008  B-2
TP4105  C-5
TP4212  E-6
TP4213  E-6
TP4214  E-6
TP4215  E-6
TEST POINT
Parts Location
A-BOARD (COMPONENT SIDE)
IC1100  H-1
IC2301  C-5
IC3017  G-4
IC4000  C-4
IC4013  F-2
IC4200  E-5
IC4510  G-3
IC4511  E-4
IC4517  H-3
IC4800  F-1
IC8001  G-5
IC8002  E-5
IC8003  F-6
IC
Q1114  H-2
Q2041  G-1
Q2042  F-1
Q2043  G-1
Q2301  C-4
Q4014  G-2
Q4015  G-2
Q4017  F-2
Q4502  H-3
Q4503  F-3
Q4504  F-2
Q4514  F-4
Q4515  F-3
Q4516  F-4
Q4517  F-4
Q4518  H-4
Q4522  F-3
Q4523  G-3
Q4528  F-3
TRANSISTOR
TP1110  H-2
TP3500  F-2
TP3502  B-5
TP3504  H-3
TP3506  D-5
TP3518  C-5
TP4007  C-3
TP8000  G-5
TP8001  G-5
TP8572  G-6
TP8573  G-6
TP8574  G-6
TP
TP4216  E-6
TP4217  E-6
TP4218  E-6
TP4219  E-6
TP4220  E-6
TP4221  E-6
TP4222  E-6
TP4223  E-6
TP4224  E-6
TP4225  E-6
TP4226  E-6
TP4227  E-6
TP4228  E-6
TP4229  E-6
TP4230  E-6
TP4231  E-6
TP4232  E-6
TP4233  E-6
TP4234  E-6
TP4235  E-6
TP4236  F-6
TP4500  C-3
TP4501  D-3
TP4502  C-3
TP4503  C-3
TP4504  C-2
TP4505  D-2
TP4506  B-2
TP4507  D-2
TP4508  C-2
TP4512  D-4
TP4519  D-4
TP4700  H-5
TP4701  H-5
TP5400  H-5
TP5600  F-5
TP5601  F-5
TP5602  F-5
TP8300  G-1
TP8301  E-2
TP8302  E-2
TP8303  E-2
TP8500  D-2
TP8501  D-2
TP8502  C-5
TP8503  C-1
TP8504  F-4
TP8505  H-5
TP8510  E-2
TP8511  E-1
TP8512  E-1
TP8513  E-1
TP8514  E-1
TP8515  E-1
TP8516  E-1
TP8517  E-1
TP8518  E-4
TP8519  E-1
TP8521  C-1
TP8522  C-2
TP8523  C-2
TP8524  D-1
TP8525  C-2
TP8526  C-2
TP8527  C-2
TP8528  C-2
TP8529  C-1
TP8530  C-1
TP8544  C-6
TP8546  B-5
TP8547  C-5
TP8548  C-5
TP8550  D-1
TP8551  C-1
TP8552  C-6
TP8553  C-6
TP8554  C-6
TP8555  C-6
TP8556  C-6
TP8557  D-6
TP8558  C-6
TP8559  C-6
TP8560  C-6
TP8561  C-6
TP8562  C-6
TP8563  C-6
TP8564  B-6
TPSOS  F-6
Q5522  D-6
Q5600  C-5
Q5601  C-5
Q5602  C-5
Q5603  C-4
Q5604  D-5
Q8597  E-1
Q8598  E-1
A

87
ABCDEFGH I
1
2
3
4
5
6
Q4017
A51
A52
TP3500
IC4013
IC4800
TU8300
JK4501
Q4503
Q4504
Q4514
Q4515
Q4522
Q8598
IC4511
A18
Q1114
A30
IC1100
Q4014
Q4015
TP3502
TP3504
TP3506
IC4200
TP3518
A1
A3
A5
A6
A7
IC2301
TP8572
TP8573
TP8574
Q5600
Q5601
Q5602
Q5603
Q5604
JK4500
TP8000
TP8001
Q4502
Q4516
Q4517
Q4518
Q4523
TP1110
IC4510
IC4517
Q2041
Q2042
Q2043
Q5522
IC8001
IC8002
IC8003
A11
A12
A15
IC3017
A20
Q4528
A17
IC4000
Q2301
JK3000
JK3001
Q8597
TP4007
D3005
STB5V
AMM3
PbF
SUB9V
F+15V
AB
AC
AD
AE
AF
1A
CLKOA
TNPH0721
AMM5
Debugger
GenX5
15VS
AH
AG
SUB5V
AMM4
AJ AL AN
APAMAK
AMM1
AMM2
111
1
14
1
7
814
1
4
5
8
LOUT
ROUT BTL
SDA
IFAGC
VIDEOOUT
VB AFTOUT
+B
IFMONITOR
IFDOUT1
IFDOUT2
BTMONITOR
SCL
RFAGCMONITOR
19 1
1
4
5
7
111
1
5
1
25
26 50
51
75
76
100
1
36
37
72
73
108
109
144
1
9
1
14
1
31
1
12
1
9
SUFFIX.
1
19 18
36
9
10
+
+
+
19 1
1
37
72
73
108
109 144
36
1
78
14
A
1
1
A
1
A
+
1
4
137
38
74
13
4
5
1
2
19
20
1
2
19
20
1
15 16
30
MONOUT
COMPONENT2
COMPONENT1
V1
1
6
10
15
11
5
MONOUT
COMPONENT1
V1 COMPONENT2
1
29
30 2
L8310
Q1114
R8046
R8047
A30
R5747
R5748
R5749
C1122
R8050
R8051
R8054
R8055
R8057
D1107
R8058
C4202
C4203
IC1100
C4204
C4205
C4207
R8062
D1112
R8063
D1113
Q4014
R8064
D1114
L3511
Q4015
D1115
D5571
R8065
R3051
R1112
R8066
L3512
R5762
R3052
D5573
Q4017
R3053
R5188
C4211
A51A52
C4213
C4214
C4215
C4216
R8070
TP3500
C4219
TP3502
R8072
R8073
C4603
TP3504
R8844
C4604
C4605
R8076
TP3506
R1124
C4608
R1125
R1126
C4223
R1127
C4224
C4610
C4614
R8087
TP3518
R8088
IC4200
ZA4700
R8089
ZA4702
R1138
ZA4704
ZA4705
R1139
IC4013
ZA4708
R8090
R8094
C4624
R1140
R8095
R1141
C4625
D3085
R1142
D3086
R8097
R1143
D3087
C4628
D3088
C4629
R4601
D3089
C2302
R4602
R1148
R4605
A1
R4606
A3
R4607
C4630
R4608
C2309
A5
R4609
A6
A7
R1150
R4610
R4611
R4612
C2313
R1157
IC4800
C4830
R4615
FL3035
FL3036
C4643
FL3037
C4644
R1160
L4500
FL3038
R1161
L4501
FL3039
L4502
C4646
R1162
R1357
L4503
R4620
R8695
R4622
R4623
R4624
FL3040
R1169
D2301
R4819
R4626
FL3042
R4627
C4074
R4628
R2301
R4629
C5400
R1170
R4820
R2305
L4511
R4821
R4630
R2308
IC2301
C2331
R2115
R4632
R2116
R4633
R2117
C4080
C5408
R4634
R4635
C2335
TP8572
R4636
TP8573
R4637
TP8574
R4638
R4639
R2311
C2339
C5602
R2313
Q5600
Q5601
Q5602
C5412
R1182
R1183
Q5603
R1184
PA5600
Q5604
R4640
C2341
R4641
R2319
R4643
C2343
FL4000
C2345
R4645
FL4002
R4646
FL4003
C2347
R4648
FL4004
R4649
C5611
FL4006
C5612
C5420
C5615
R2325
D5400
C5618
R1194
R4650
C5619
R4651
R2136
R1196
R1197
R2137
D5403
R2138
R1199
R4079
D5406
FL4206
R4657
FL4207
D5407
R4658
FL4208 FL4209
R4659
C2359
D5600
D5601
R4081
D5602
C5628
FL4210FL4211
C5629
D5605
R4662
D8100
R4089
R4665
D8101
R4666
R4668
R4669
R8102
R8103
C5633
R4090
TU8300
C8514
R4091
C8515
JS3051
JS3052
R4287
JS3053
R4288
R4670
C5638
JS3054
C8519
JS3055
R4672
JS3056
R4673
JK4500
JS3058
C2375
C8329
JK4501
R4675
R4676
R4678
C2379
R4679
C5642
R4293
R8113
C5644
R8114
R4294
R4295
R4296
R4297
R4298
R2358
R4299
C2381
C2383C2385
R8506 R8507
R8319
JS4011
JS4013
JS4014
JS4015
R8706
JS4017
R8707
JS4018
R8320
R5058
JS4019
R5635
R8321
R4695
R5636
R8323
R5638
JS4020
C3530
JS4021
C3531
C3532
JS4022
C3533
JS4023
JS4024
R8520
TP8000
JS4025
R5641
TP8001
JS4026JS4027
C8357
JS4028
C8358
R5644
JS4029
C8359
R5646
R5647
R8333
R8528
R8529
C8360
R8721
C8361
C8362
R8722
C8363
R8531R8534
C4101
R8537
R8538
R8539
C8370
C8372
R1203
C8373
C8374
R8540
C5688
C8376
R8542
C8378
R8548
C4500
C8381
C4501
R1213
C4503
R1214
R8550
R8552
Q4502
R8553
Q4503
C4507
R1218
Q4504
C4701
R1221
R1222
R1223
Q4514
Q4515
R8565
Q4516
Q4517
Q4518
R4300
FL8500
R4301
C4711
FL8501
R4302
C4713
R4304
R4305
D5692
C4716
C4718
D4500
R8570
R4309
D4501 D4502
Q4522
Q4523
R8573
D4503
R4500
R8574
R1238
D4504
Q8598
R1239
R8769
R8575
R4501
C4529
D4505
R8576
D4506D4507
R4503
Q4528
R4504
R4310
D4508
R8579
D4509
R4505
R4312
R3568
R4508
C4530
R4509
C4532
C4533
R4123
R1243
R4700
R4124
D4510
C4534
R8581
R4701
R4125
C4535
D4511
R4702
R8582
R4126
D4513
R8583
R4703
R4127
R4128
R4704
D4514
R4510
TP1110
R4705
L4201
R4511
D4516
R4706
R4512
R4513
R4514
D4519
R4515
R4321
R4516
R4517
IC4510
R4518
R4131
R4519
IC4511
R4132
R4133
R4327
R4710
R4134
R8591
D4521
R1255
R4135
R1256
D4522
C4547
IC4517
R4137
D4523
R8787
R8593
R4138
C4548
R4520
R4139
R4521
C4549
R4522
R8596
R4523
R4524
D4528
C4742
R4526
R4527
R4528
C4550
L4600
R4140
C4744
C4551
C4552
C4553
C4554
C4555
R4530
R4532
R4533
C4751
R4536
C4753
Q2041
Q2042
Q2043
R4153
R4154
R4155
R4156
R4157
R1278
R4546
C4762
C4763
R4161
R4162
R4163
R4164
R4165
R4166
R4167
L2302
R4552
L2304
L2306
C4774
X8300
C5521
C5522
C4779
Q5522
C4780
C4781
C4596
IC8001
R8009
IC8002
IC8003
R8010
R8013
R8014
L5400
L5401
D5521
L5402
D5522
R5137
R8017
L5403
R8018
L5404
L5405
C8042
R4587
L5600
R4588
R8021
L5601
R4589
L5602
R8022
L5604
R8026
R8027
R4590
A11
A12
R4592
R4593
R4594
A15
R5535
R4595
R5536
R4596
R5537
R4597
R4598
C1104
R5538
A18
R5539
R4599
IC3017
R5540
A20
R5541
R5542
R5543
L8307
C8063
C8064
R5544
R5545
C1112
C5764C5765
L8501
R8042
C1116
C5766
R8043
C5767
A17
C3059
L8509
C3061
S3018
L3309
S3019
D3053
D3054
D4004
D4005
IC4000
FL3002
FL3003
FL3004
FL3005
ZA4703
FL3010 FL3011
S001
S002
ZA4706
ZA4707
S003S004S005
C2303
X2010
Q2301
C2325
R2302
R2306
C2333
C4081
C4082
C2337
R2315
R2317
C4094 C4096
C2353
C3302
C3303
C3304
C3306
C5634
R2152
C8323C8324
R8300
C8328
C2377
R8309
C8336
R8310
D3302
C2387
R8508
R8314
C2389
R8509
R3303
R3307
R3310
R3311
R3313
R2374
R3316
R3318
R3319
R8337
C3158
D3334
D3335
D3336
D3337
D3338
D3339
JS2301 R4112
R4113
JK3000
R4114
JK3001
Q8597
L4000
C4721
C4723
R4120
C4724
R3185
R3186
R3187
R8592
JK3000A
TP4007
JS8500
C4765
C2055
C4766
C2056
C4767
C4768
L2300
R4750
R4751
R2058R2059
D3005
R3206
R3210R3213
R3214
R3215
R3216
S3006
S3007
C3057
L4510
A-BOARD (COMPONENT SIDE) TNPH0721ABS
TH-46PZ85U
A-BOARD TNPH0721ABS
TH-46PZ85U
A-BOARD TNPH0721ABS

88
12.6. D-Board
ABCDEFGH I
1
2
3
4
5
6
C200
C201
C202
C203
C204
C205
C206
C207
Q010
C208
C209
C210
C211
C212C213
C214
C215
C216
C217
C218
C219
C220
C221
C222
C223
C224
IC001
C225
IC002
C032
C226
C227
R200
C228
R201
C229
R202
R203
Q805
Q806
R208
C230
R209
C231
C232
C233
C234
C235
C236
IC013
C237
R210
C238
R211
D021
C239
IC016
R212
D022
D023
R213
IC017
D024
R214
IC018
D025
IC019
R216
D027
R217
D028
C240
D029
C241
C242
C243
C244
C245
C246
C247
C248
C055
C249
C056
R223
C057
C058
R224
R225
Q055
Q056
D807
Q057
D808
Q058
C250
Q059
IC802
IC803
R230
C064
IC805
Q061
C065
C066
IC806
R232
D813
D814
C068
D815
R235
R237
R238
C841
C842
R246
R247
R248
R249
R257
R258
C860
R068
R839
C861
R069
FL001
C862
C863
C864
R261
R262
C096
C097
R070
C098
C099
R071R072
R073
R074
R075
R076
R846
R077
R847
R848
R078
R849
R270
C874
R271
C877
R273
C878
R274
R080
C879
R275
R276
R082
R083
R277
R279
R086
R087
R088
C880
R859
C881
R089
C882
C883
C884
C885
R282
C886
C887
C888
R285 R286
R092
R093
R288
R094
R095
R096
R097
R868
R098
R869
R099
R290
R291
R870
R294
R871
R878
R879
R886
R887
R888
R889
R890
R891
R892
R893
R894
R895
R896
R897
R898
R899
C100
C101
C102
C103
C104
C105
C106
C107
C108
C109
TP395
C110
C111
C112
C113
C114
C115
C116
C117
C119
C121
C122
C123
C124
C125
C126
C127
R100
C128
C129
R102
R103
R106
R108
C130
R109
C131
C132
C133
D110
C136
C138
R111
C139
R305
R306
R112
R113
R307
R114
R309
C140
C142
L9000
R310
C144
R311
L001
C145
L002
C146
L003
C147
R120
C148
L004
L005
C149
R316
L006
R317
L007
R318
R319
R127
R128
C150
R129
C157
C927
R900
C158
C928
R901
C159
R131
C929
R326
R132
R133
R327
R134
R136
R137
R907
R138
TP9000
C930
TP001
R139
C931
TP002
C932
TP003
C933
TP004
C934
TP005
C935
TP006
C936
TP007
C937
TP008
R140
R334
C938
C168
TP009
R141
R335
C169
C939
C552
R144
R146
R147 R148
C170
C940
C171
C941
C172
C942
C173
C943
C944
C174
C175
C945
C176
C946
C177
C947
C948
C178
R345
C179
R348
R154
R156
R157
C180
R159
C181
C182
C183
C184
R350
C185
R351
C186
R352
C187
R353
R160
C188
R161
C189
R162
R163
R358
R165
R936
R937
C960
C190
C191
R169
C961
C192
C193
C194
C964
C195
R362
C966
C196
R363
C197
C198
C199
R945
R175
R176
R946
R177
R178
R949
R179
R950
R180
R181
R182
R186
R187
R188
R189
R578
R193
R194
R195
R196
R197
R969
R972
R973
R974
R975
R982
TNPA4439
CR NO.9
12
5V_S
1D
3
PbF
14
85
13
4
6
1
7
8
14
1
10
11 20
1
10
11
20
1
10
11 20
1
10
11
20
10
11
20
1
110
11
20
1
15
16
30
12
13
24
1
SEE REVERSE FOR ORDER NO.
D-BOARD (FOIL SIDE)
TNPA4439AKS
TH-46PZ85U
D-BOARD TNPA4439AKS
TH-46PZ85U
D-BOARD TNPA4439AKS
D
Parts Location
D-BOARD (FOIL SIDE)
IC
TRANSISTOR
IC9001  F-2
IC9002  F-4
IC9013  F-2
IC9016  C-2
IC9017  E-3
IC9018  E-3
IC9019  F-3
IC9802  F-4
IC9803  F-3
IC9805  A-2
IC9806  A-2
Q9010  F-2
Q9055  F-4
Q9056  D-4
Q9057  B-4
Q9058  A-1
Q9059  D-1
Q9061  F-4
Q9805  F-2
Q9806  F-2
TP9000  F-3
TP9001  C-3
TP9002  C-3
TP9003  A-3
TP9004  A-4
TP9005  F-2
TP9006  F-2
TP9007  F-2
TP9008  F-2
TP9009  F-2
TP9395  G-4
TEST POINT

89
ABCDEFGH I
1
2
3
4
5
6
C029
C033
IC003
C034
C035
C036
C037
R204
C038
PA800
R205
R206
Q807
R207
Q808
Q809
R400
IC011
IC400
IC401
R215
D026
R600
R218
R219
R601
R602
C823
C825
R226
R611
R229
C832
Q060
R231
D812
C837
C067
R233
R234
C069
D816
R236
D817
TP100
C840
C844
C845
C846
R245
R824
R825
R826
C469
C853
C854
R250
C855
R251
C856
R252
R253
C858
R254
C859
R255
TP312
R256
R259
FL9000
FL002
FL003
R260
FL004
C865
FL005
C866
D3
C867
R263
R840
C868
R264
C869
R265
D5
D6
R266
R267
C870 C871
R079
C872
C873
R272
R081
R278
R854
R280
R281
R283
R287
R289
FL803
FL805
FL806
R292
R293
R295
R296
R297
R298
R299
X9000
X200
D20
ZA9000
D25
D31 D32
D33
C120
D34 D35 D36
R101
R104
R105
R107
R300
C135
R301
R302
C137
R303
R110
PA900
R304
IC300
R308
R115
IC301
R116
R117
IC303
R118
R119
C143
R312
IC500
R315
R121
R122
R123
R124
R125
C535
R126
C536
C537
C538
C151
C539
C152
C153
C154
R320
C155
R321
C156
R322
R323
R324
R130
C540
R325
C541
C542
C543
C544
R135
R905
C545
C546
C547
C160
C548
C161
C549
C162
C163
C164
C165
R333
C550
C551
R142
C553
R337
R143 R145
R149
L800
R341
L801
R342
L802
R343
R344
R150
R151
R152
R155
R158
C951
R354
R355 R164
R359
R166
R167
R938
R168
R939
R360
R361
R170
R940
R171
R172
R173
R174
R944
R947 R948
C971
C972
R951
R952
R183
R953
R184
R954
R185
R955
R190
R385
R191
R192
R965
R966
R198
R199
R394
R980
R599
TNPA4439
VD
CR NO.9
1D
HD
R579
PbF
1
25
26
50
51
75
76
100
3
4
6
1
12
34
5
6
78
9
10
1112
13
14
15
16
17
18
19
20
21 22
23
24
25
26
A
B
CD
E
FGHJKLMNPRTU
VWY
AAAB
AC
AD
AE
AF
13
11
9
7
5
3
12
10
6
4
2
B
D
F
HK
M
NLJG
E
C
8
+
+
1
14
1
31
1
2
19
20
+
ORDER NO.
1
35
113
1
68
1
68 68
1
1
68
1
68
1
68
12
3
4
5
6
78
910
11
12
13 14
15
16
17 18
19 20
21
22
23 24
25
26
A
B
C
D
E
F
GHJKLMNPRT
U
V
W
Y
AA
AB
AC
AD
AE
AF
13
11
9
7
5
3
12
10
8
6
4
2
B
D
F
H
KM
NL
JG
E
C
1
24
25
48
1
25
26
50
51
75
76
100
D-BOARD (COMPONENT SIDE)
TNPA4439AKS
TH-46PZ85U
D-BOARD TNPA4439AKS
TH-46PZ85U
D-BOARD TNPA4439AKS
D
Parts Location
D-BOARD (COMPONENT SIDE)
IC
IC9003  B-2
IC9011  B-2
IC9300  E-3
IC9301  E-2
IC9303  D-4
IC9400  C-3
IC9401  C-2
IC9500  B-3 TP9100  B-3
TP9312  A-3
TEST POINT
Q9060  D-2
Q9807  F-3
Q9808  F-3
Q9809  F-2
TRANSISTOR

90
12.7. C1-Board
ABCDEFGH I
1
2
3
4
5
6
C104
C105
C106
C107
C108
IC101
C109
IC102
IC103
IC104
IC105
IC106
C110
C111
C112
C113
C114
C115
C116
C117
C118
FL101
C131
C132
C133
C134 C135 C136 C137
C138
C139
ZA101
ZA102
ZA103
ZA104
ZA105
C140
C141
C142
C143
C144
C145
C146
C147
C148
C149
D101D102 D103
C150
D104
C151
D105 D106
C152
C153
C154
C155
C156
C157
C158
C159
C160
C161
C162
C163
C164
C165
C166
C167 C168
R101
R102
R103 R104
R107 R108
R109 R110
R111
R112
R113
R114
R115
R116
R119R120
R121
R122
R123
R124
R125 R126
R128
R129
R130
R131
R132
R134
R135
R136
R137
R138
R139
R140
R151
R152
R153
R154
R155
R156
R157 R158
R159
R160
R167
R168
R169
R170
R173
R174
R175 R176
R179
CB1 CB2 CB3 CB4 CB5
CB6
R180
R181 R182
C10
C11
C101
C102
C103
TNPA4443 1C1
CR NO.17
PbF
1
10
11
20
1
1011
20
1
10
11
20
1
10
11
20
1
10
11
20
1
1011
20
ORDER NO.
1
20
168 68
1 1 68
168 68
116 8
1
68 1
68
1
20
32
1
TNPA4443 1C1
PbF
SEE REVERSE FOR ORDER NO.
C1-BOARD (FOIL SIDE)
TXNC11RKTU
C1-BOARD (COMPONENT SIDE)
TXNC11RKTU
TH-46PZ85U
C1-BOARD TXNC11RKTU
TH-46PZ85U
C1-BOARD -TXNC11RKTU
Parts Location
C1-BOARD
IC17101 G-2
IC17102 H-2
IC17103 G-2
IC17104 F-2
IC17105 E-2
IC17106 D-2
ICIC
C1

91
12.8. C2-Board
ABCDEFGH I
1
2
3
4
5
6
C20
C21 C22
C26
R277
R278
CB10
CB11
C201
C202
C203
C204
C205
C206
C207
C208
IC201
C209
IC202
IC203
CB7
IC204
CB8 CB9
C210
C211
C212
C213
C214
C215
C221
C222
C223
C224
C226
C227 C228 C229
FL201
FL202
C230
C231 C232 C233 C234
C235
C236
C237
C238
ZA201
C239
ZA203
ZA204
ZA205
C240
C241
C242
C243
C244
C245
C246
C247
C248
C249
D201
D202 D203
D204
C250
C251
D205
C252
C253
C254
C255
R201
R202
R203
R204
R207
R208
R209
R210
R211
R212
R213
R214 R215
R216
R219
R220
R221
R222
R223
R224
R225
R226
R228
R229
R230
R251
R252
R253
R254
R255
R256
R257
R258
R259
R260
R261
R262
R263R264
C2
1
TNPA4444 CR NO.17
PbF
20 1
168
168 168
ORDER NO.
168
168
1
10
11
20
1
10
11
20
1
10 11
20
16 8
1
10
11 20
168
20 1
1
68 1
68
168
168
168
TNPA4444 C2
12
1
3
PbF
SEE REVERSE FOR ORDER NO.
C2-BOARD (FOIL SIDE)
TXNC21RKTU
C2-BOARD (COMPONENT SIDE)
TXNC21RKTU
TH-46PZ85U
C2-BOARD TXNC21RKTU
TH-46PZ85U
C2-BOARD TXNC21RKTU
Parts Location
C2-BOARD
IC17201 B-2
IC17202 D-2
IC17203 C-2
IC17204 G-2
ICIC
C2

92
12.9. C3-Board
ABCDEFGH I
1
2
3
4
5
6
C301
C302
C303
C304
C305
C306
C307
C308
IC301
C309
IC302
IC303
C33
IC304
C35
C36
C310
C311
C312
C313
C314
C315
C316
C317
C318
C319
C320
C321
C323
C324
C325
C326
C327
C328
C329
FL301
C330
C331
C332
C333
C334
C335
C336
C337
C338
ZA301
ZA302
ZA303
ZA304
D301 D302 D303
D304
R301
R302
R304
R305
R306
R307
R308
CB12
CB13
CB14
R310
CB15
R311
R312
R313
R314
R316
R317
R318
R319 R320
R322
R323
R324
R341
R342
R343
R344
R345
R346R347
R348
R349
R350
R351
R352R353
R354
R355
R356
R357
R358
R359R360
TNPA4445
C3
CR NO.17
1
C3MM1
PbF
16 8
1
10 11
20
1
10 11
20
1
10 11
20
1
10
1
10
11
20
14
68
1
168
ORDER NO.
1
68 16 8 1 68 168
1
68 16 8
1
6868
1
C3
TNPA4445
12 3
1
PbF
SEE REVERSE FOR ORDER NO.
Parts Location
C3-BOARD
IC17301 B-2
IC17302 E-2
IC17303 D-2
IC17304 C-2
ICIC
C3-BOARD (FOIL SIDE)
TXNC31RKTU
C3-BOARD (COMPONENT SIDE)
TXNC31RKTU
TH-46PZ85U
C3-BOARD TXNC31RKTU
TH-46PZ85U
C3-BOARD TXNC31RKTU
C3

93
12.10. SC-Board
ABCDEFGH I
1
2
3
4
5
6
TP90 TP91
TP92
SC46
TP93
TP94
TP95
TP96
L697
L698
L699
C563
C592
IC784
IC786
IC788
C791C795
VR841
R731
ZA421 ZA422
D583
R738
ZA411
ZA412
Q796
VR600
VR601
VR602
C411C412C413C414C415
C416
R774
C418
C419
C806
C813
C822
C632
C633
C440
C634
C635
Q401
Q402Q403
Q404
C641
D401
Q601
D402
D403
C450
L591
C842
Q805
Q806
Q421 Q422
Q423 Q424
D421
D422
Q441
Q442
D441
Q641
Q642
Q643
Q644
Q451
Q645
Q452
Q647
Q648
Q649Q650
C691
TP1
TP2
TP4
R611
TP5
TP6
TP7
TP8
D461
Q661
TP9
D462
L401L402L403L404
L405L406 L411L412
SC2
L413L414
D481
L415
D482
L416
TP10
L801
TP11
TP12
TP13
TP14
TP15
TP16
TP17
TP18
TP19
D491
TP20
TP21
TP22
TP23
TP24
TP25
TP26
TP27
TP28
TP29
R658
TP30
TP31
TP32
TP33
TP34
TP35
TP36
TP37
TP38
R855
TP39
R856
TP40
TP41
TP42
TP43
R860
TP44
TP45
TP51
TP52
R870
TP54
TP55
TP56
TP57
TP58
TP59
TP60
TP61
TP62
TP63
TP64
IC791
TP65
TP66
L472
C721
R696
TP70
TP78
TP79
SC30
TP80
TP81
TP83
TP84
TP85
TP86
TP88
TP89
CRNo.16 123
TNPA4410 1SC
A
A
SC42
SC41
PbF
1
28
9
5
610
1
5
610
1
5
6
10
1
SEE REVERSE FOR ORDER NO.
E
B
C
GCE
GCEGCEGCE
AA
K
G
D
S
AA
K
A
A
K
E
C
B
E
BC
GCE GCE
GCEG CE
AA
K
A
A
K
GCEGCE
AA
K
GS
D
GS
D
GS
D
GS
D
GCE
GS
D
G
C
E
GS
D
GS
D
GS
D
GS
D
A
A
K
C
GE
A
A
K
13
A
A
K
A
A
K
AA
K
19
8
1
1
222
23
1
2
22
23
SC-BOARD (FOIL SIDE)
TXNSC1RKTUS
TH-46PZ85U
SC-BOARD TXNSC1RKTUS
TH-46PZ85U
SC-BOARD TXNSC1RKTUS

94
TH-46PZ85U
SC-BOARD PARTS LOCATION
TH-46PZ85U
SC-BOARD PARTS LOCATION
Parts Location
SC-BOARD (FOIL SIDE)
IC16784  G-3
IC16786  H-3
IC16788  B-4
IC16791  G-2
Q16401  D-4
Q16402  D-3
Q16403  D-3
Q16404  C-3
Q16421  F-4
Q16422  F-4
Q16423  F-3
Q16424  F-3
Q16441  D-2
Q16442  D-2
Q16451  E-2
Q16452  F-2
Q16601  C-5
Q16641  F-5
Q16642  F-5
Q16643  F-5
Q16644  E-5
Q16645  E-5
Q16647  E-5
Q16648  D-5
Q16649  D-5
Q16650  D-5
Q16661  G-5
Q16796  H-4
Q16805  H-5
Q16806  H-5
IC
TRANSISTOR
TP1  B-2
TP2  B-2
TP4  B-2
TP5  B-2
TP6  H-1
TP7  G-2
TP8  H-1
TP9  H-2
TP10  G-1
TP11  H-2
TP12  G-1
TP13  G-1
TP14  F-1
TP15  G-1
TP16  G-1
TP17  F-1
TP18  G-2
TP19  F-1
TP20  H-1
TP21  F-1
TP22  F-1
TP23  H-1
TP24  G-1
TP25  H-1
TP26  F-1
TP27  H-1
TP28  H-2
TP29  H-5
TP30  G-5
TP31  E-1
TP32  E-6
TP33  D-1
TP34  B-4
TP35  B-5
TP36  G-1
TP37  H-1
TP38  G-2
TP39  G-2
TEST POINT
VOLUME
Parts Location
SC-BOARD (COMPONENT SIDE)
IC16471  B-5
IC16472  B-5
IC16473  A-1
IC16474  B-2
IC16501  E-4
IC16521  E-1
IC16561  C-1
IC16562  C-1
IC16563  B-1
IC16564  B-5
IC16581  F-1
IC16724  B-6
IC16725  B-6
IC16752  G-5
IC16772  C-4
IC16784  C-3
IC16786  B-3
IC16787  C-2
IC16788  H-4
IC16789  H-5
IC16791  B-2
IC16792  B-5
IC16801  B-4
IC
PC16480  B-5
PC16601  H-5
PC16602  H-6
PC16603  H-5
PC16705  C-4
PC16710  C-4
PC16896  C-3
PC16897  C-3
Q16401  F-4
Q16402  F-3
Q16403  F-3
Q16404  G-3
Q16421  D-4
Q16422  C-4
Q16423  D-3
Q16424  C-3
Q16441  E-1
Q16442  F-1
Q16451  E-1
Q16452  D-1
Q16471  B-5
Q16501  F-4
Q16521  D-4
Q16531  F-1
Q16532  F-1
Q16551  E-1
Q16552  E-1
Q16581  F-1
Q16601  G-5
Q16602  H-5
Q16603  G-5
Q16604  G-5
Q16605  H-5
Q16606  G-5
Q16607  H-6
Q16608  H-5
Q16622  G-4
Q16623  F-4
Q16624  F-4
Q16625  E-4
Q16627  E-4
Q16628  E-4
Q16629  E-4
Q16634  D-4
Q16635  D-4
Q16641  C-5
Q16642  D-5
Q16643  D-5
Q16644  E-5
Q16645  E-5
PHOTO COUPLER
TRANSISTOR
TP3  C-1
TP46  C-1
TP82  B-2
TP97  H-5
TPSC1  B-5
TPSOS6  C-1
TPSOS7  C-2
TPVDA  C-4
TPVSCN  B-2
TPVSET  G-5
TPVSUS  G-1
TEST POINT
VR16600  C-3
VR16601  G-5
VR16602  C-5
VR16841  B-2
VOLUME
TP40  F-1
TP41  F-6
TP42  F-6
TP43  F-6
TP44  F-6
TP45  F-6
TP51  G-6
TP52  F-1
TP54  C-6
TP55  C-6
TP56  C-6
TP57  C-6
TP58  C-6
TP59  G-6
TP60  G-6
TP61  G-6
TP62  G-6
TP63  G-6
TP64  B-4
TP65  B-5
TP66  B-5
TP70  F-1
TP78  G-6
TP79  G-6
TP80  G-6
TP81  G-6
TP83  H-4
TP84  H-4
TP85  H-4
TP86  H-4
TP88  H-1
TP89  H-1
TP90  D-2
TP91  D-2
TP92  F-2
TP93  F-2
TP94  H-3
TP95  H-2
TP96  H-5
VR16600  G-3
VR16601  B-5
VR16602  G-5
VR16841  H-2
Q16647  E-5
Q16648  F-5
Q16649  F-5
Q16650  F-5
Q16661  C-5
Q16662  C-5
Q16663  C-5
Q16664  C-4
Q16665  B-4
Q16666  C-5
Q16743  B-4
Q16762  F-4
Q16763  F-4
Q16781  C-6
Q16783  D-6
Q16791  B-4
Q16794  B-4
Q16795  B-5
Q16796  B-4
Q16801  B-3
Q16802  B-3
Q16803  C-3
Q16805  B-5
Q16806  B-5
Q16810  B-4
Q16811  B-4
Q16812  B-4
Q16813  C-4
Q16814  C-3
Q16815  B-3
Q16816  C-3
Q16817  B-3
Q16871  C-2
Q16872  H-4
Q16873  H-5
Q16874  H-4
Q16875  H-5
Q16876  C-2
Q16879  H-4
Q16881  H-5
Q16882  H-4
SC

95
ABCDEFGH I
1
2
3
4
5
6
D501
D503
SC46
TP97
L697
L698
L699
C752
D706
C753
C754
D708
C755
Q521
C562
C756
C563
C564
C565
C566
IC752
C568
D710
IC561
D711
IC562
D712
IC563
D713
IC564
D714
D521
D715
D522
D523
D717
D718
Q531
D719
Q532
D720
D721
D722
C771
D725
D726
C773
C581
C775
C582
IC772
IC581
R501
R502
Q743
R503
R504
Q551
C592
Q552
R506
C593
R507
R508
R509
IC784
R700
R701
IC786
R702
IC787
R703
IC788
R510
R704
C791
IC789
R511
R705
R512
R706
R707
C795
R516
C797
R517
C798
R521
Q762
R522
Q763
R523
R717
R719
R720
D761
R721
D762
R722
D763
R723
D764
R724
VR841
D765
R531
R725
D766
R532
R726
R533
R727
R728
Q581
R729
R730
D771
R731
R732
R733
R540
R734
Q781
R541
R735
ZA421
R542
R736
ZA422
D583
Q783
R543
R737
R544
R738
D585
R545
R739
R740
R742
R744
Q791
R551
R745
ZA411
R552
R746
ZA412
R553
R747
Q794
R748
Q795
R749
Q796
R750
D791
R751
D792
R752
D793
R753
R754
D794
R561
R756
R562
R563
R757
R564
VR600
R565
VR601
R566
VR602
R567
R568
C401
C402
C403
C404
R761
R762 R763
R570
R764
R765
R766
R573
R768
R769
C603
C604
R579
C411
C605
C412
C606
C413
C607
C414
C608
R771
C415
C609
C416
R580
R774
C418
R775
C419
R582
R776
R583
R777
R584
R778
R585
R586
C806
R587
R588
R589
C421
IC801
C422
C423
C424
R781
R782
R783
R590
R784
R591
R785
C811
R592
R786
R593
R787
C813
R788
R789
R791
R792
R794
R795
C821
ZA401
R796
C822
ZA402
R797
C823
ZA403
R798
C824
R799
C825
PC601
C632
C826
PC602
C633
C827
PC603
C440
C634
C441
C635
Q401
C442
Q402 Q403 Q404
C832
C641
D401
Q601
Q602
D402
Q603
D403
C450
Q604
C451
Q605
C452
Q606
D407
Q607
D408
Q608
L591
Q801
D601
C842
Q802
D602
C843
Q803
C844
D604
D605
Q805
D606
Q806
D607
D608
Q421
D609
Q422
Q423
Q424
Q810
D610
Q811
Q812
Q813
Q814
C661
C855
D421
Q815
C662
C856
Q622
D422
Q816
C663
C857
Q623
Q817
C664
C858
Q624
D618
C471
C665
C859
Q625
D619
C472
C666
Q627
Q628
D810
Q629
C860
IC471
C861
IC472
C862
IC473
C863
IC474
C864
PC896
C866
PC897
C867
C480
C868
Q634
C869
Q441
Q635
Q442
D820
D821
D822
D823
D824
C871
D631
D825
D632
D633
D634
D635
D441
Q641
R401
Q642
R402
Q643
R403
Q644
R404
C491
Q451
Q645
Q452
Q647 Q648
D830
Q649
R600
D641
R601
D642
D836
R602
D643
D837
R603
Q650
D644
D838
R604
C691
D451
D645
D839
R605
R606
R607
R608
R609
R801
R802 R803
TP3
R610
R804
IC521
R611
R805
R612
R806
R613
R807
R808
D461
Q661
R421
R615
R809
Q662
D462
R422
R616
Q663
R423
R617
PC480
Q664
R424
R618
Q471
Q665
D465
R619
D466
Q666
R810
R429
R811
R812
R813
IC724
R814
D661
IC725
R815
L401
D662
R622
R816
L402
D663
R623
R817
L403
D664
R430
R624
R818
L404
D665
D859
R431
R625
R819
L405
D472
D666
L406
D473
D667
R627
D668
R628
D475
D669
R629
D476
D477
D478
D860
R820
D861
R821
D862
R822
R823
R630
R824
Q871
D671
R631
R825
L411
Q872
R632
R826
L412
SC2
Q873
R633
R827
L413
D480
Q874
R634
L414
R828
D481
D675
Q875
R441
R635
L415
D482
Q876
R442
R636
L416
R637
R638
Q879
R639
L801
D871
R831
D872
R832
D873
R833
D874
R834
Q881
D875
R641
R835
Q882
R642
R836
R643
R837
R644
R838
D491
R451
R645
R452
R647
R648
R649
D497
R841
R650
R844
R845
R846
PC710
R657
R658
R465
R659
R466
R467
R468
R850
R851
R852
R853
R660
R661
R855
R662
R856
R663
R857
R664
R471
R665
R472
R666
R473
R667
R474
R668
R475
R669
R476
C502
R477
R478
R860
C504
R479
R861
C505
R862
TP46
R863
R670
R864
R671
R865
IC501
R672
R866
R673
R867
R480
R868
R675
R869
R870
C708
R871
R872
R873
R874
R681
R875
R682R683
R684
R878
R879
R686
R687
R688
R689
C521
C522
R880
C524
R881
IC791
C525
R882
IC792
C527
R690
R886
L472
R887
R888
SC20
C721
R696
C723
C724 C725
TPSOS6
TPSOS7
SC30
PC705
Q501
TP82
42’’
46’’
Discharge
TPVSCN
TPVAD
50’’
TPSC1
H.V. DANGER
H.V. DANGER
CRNo.16
1
SC
TPVSET
H.V. DANGER
DIP
TNPA4410
H.V. DANGER
SCMM1
SCMM2
SCMM3
SCMM4
SCMM5
TPVSUS
D659
SC42 SC41
PbF
1
28
9
1
8
16
9
1
10
11
20
1
10
11
20
1
10
11
20
13
4
5
1
5
8
4
1
45
8
5
6
10
1
1
5
610
3
5
1
4
1
5
6
10
13
5
4
ORDER NO.
B
C
E
1
3
4
5
1
2
3
4
1
2
3
4
C
GE
C
GE
C
GE
C
GE
AA
K
G
S
D
AA
K
A
A
K
G
D
S
B
C
E
B
C
E
C
GE
C
G
E
C
GE
C
GE
AA
K
D
GS
AA
K
D
GS
D
GS
D
GS
D
G
S
D
G
S
D
G
S
1
3
4
5
3
4
5
1
12
3
4
12
34
D
G
S
C
GE
D
G
S
C
GE
AA
K
GS
D
G
S
D
GS
D
GS
D
C
GE
G
S
D
C
GE
GS
D
G
S
D
GS
D
1
2
3
4
GS
D
1
8
9
16
A
A
K
G
C
E
AA
K
1
3
4
2
13
A
A
K
A
A
K
AA
K
12
3
4
1
89
16
9
1
1
34
5
1
35
8
1
1
2
22
23 1
2
22
23
SC-BOARD (COMPONENT SIDE)
TXNSC1RKTUS
TH-46PZ85U
SC-BOARD TXNSC1RKTUS
TH-46PZ85U
SC-BOARD TXNSC1RKTUS

96
12.11. SU-Board
ABCDEFGH I
1
2
3
4
5
6
R393
R394
R395
SU11
SU41
SU1
SU2
SU3
SU4
C901
C904
C905
C908
IC901
C909
IC903
IC905
IC907
C911
C912
C915
C917
C918
C922
C923
C924
C925
C349
C926
C927
C928
C351
C353
C930
C354
C932
C356
C933
C934
C935
ZA901
C939
ZA902
C940
C941
C942
C946
C948
C949
D901
D902
D903
D904
D906
D907
D908
D909
D910
D912
TPSU1
TPSU2
TPSU3
TPSU4TPSU5
R901
R903
R905
R906
R907
R908
R909
R910
R911
R912
R913
R914
R915
R916
R917
R919
R920
R921
R922
R923
R924
R925
R926
R928
R375
R376
R377
R381
R382
R383
R387
R388
R389
H.V.DANGER
TNPA4403 SU
1CRNo.14
H.V.DANGER
PbF
120
222
23
1
ORDER NO.
A1
B1
A68
B68
A1
B1
A68
B68
A1
B1
A68
B68
A1
B1
A68
B68
125
26
50
51
75
76
100
1
25
26
50
51
75
76
100
1
26
50
51
75
76
100
25
1
25
26
50
51
75
76 100
120
R390
R391 R392
R396
R397
R398
R399
C902
C903
C906
C907
IC902
IC904
IC906
IC908
C910
C913
C914
C916
C919
C920
C921
C348
C929
C350
C352
C931
C355
C357
C936
C937
C938
C947
D905
C375
D911
D350
R902
R904
R929
R378
R379
R380
R384
R385
R386
CRNo.14
123
PbF
SUMM1
TNPA4403
SU
1
SEE REVERSE FOR ORDER NO.
1
25
26
50
51
75
76
100
1
25
26
50
51
75
76 100
1
25
26
50
51
75
76
100
1
26
50
51
75
76
100
25
SU-BOARD (FOIL SIDE)
TXNSU1RKTU
SU-BOARD (COMPONENT SIDE)
TXNSU1RKTU
TH-46PZ85U
SU-BOARD TXNSU1RKTU
TH-46PZ85U
SU-BOARD TXNSU1RKTU
SU
Parts Location
SU-BOARD
IC14901 G-2
IC14902 B-4
IC14903 E-2
IC14904 D-4
IC14905 D-2
IC14906 E-4
IC14907 B-2
IC14908 G-4
TPSU1 B-1
TPSU2 B-1
TPSU3 B-2
TPSU4 G-2
TPSU5 F-2
ICIC
TEST POINT

97
12.12. SD-Board
ABCDEFGH I
1
2
3
4
5
6
R971
R973
R975
R976
R977
R978
R979
R980
R981
R985
R988
R991
R992
R993
R994
R999
TPSD1TPSD2
TPSD3
TPSD4
TPSD5
SD11
SD42 SD46
C362
C365
C367
C943
C944
C945
C370
C371
C372
C950
C951
C952
C953
C956
C957
IC952
C380
IC954
C381
IC956
C960
IC958
C965
C966
C969
IC961
IC962
IC963
IC964
IC965
C970
C972
C973
C974
C975
C979
C980
SD1
C982
SD2
C983
SD3
SD4
C986
C987
C988
R900
C990
C992
C994
C996
D952
D954
PC951
D956
PC952
D957
PC953
R918
ZA951
ZA952
D961
R349
R354
R930
R931
R932
R357
D974
R358
R934
D975
R935
D976
R936
R937
D978
R938
D979
R939
R360
R361
R362
R364
R940
R365
R941
R942
R943
R944
R949
R370 R371
R372
R373
R374
R952
R953
R956
R958
R960
R961
R962
R963
R965
R967
H.V.DANGER
1
TNPA4404
H.V.DANGER
CRNo.14
SD
PbF
ORDER NO.
1
20
222
123
19
82
1
20
100
76
75
51
50
26
25
1
100
76
75
51
50
26
1
25
100
76
75
51
50 26
25
1
51
100
76
75
50
26
25
1
1
7
8
14
1
7
14
8
1
78
14
A1
B1
A68
B68
A1
B1
A68
B68
A1
B1
A68
B68
A1
B1
A68
B68
R974
R982
R983
R984
R986
R987
R990
R995
R996
R997
R998
C358
C359
C360
C361
C363
C364
C366
C368
C369
C373
C954
C955
C958
C959
IC951 IC953
IC955
IC957
C961
C962
C963
C964
C967
C968
C971
C976
C977
C978
C981
C984
C985
C989
C995
C997
C998
C999
D951
D953
D955
D958
R350
R351
R352
R353
R355
R356
R933
R359
D977
R363
R366
R367
R368
R369
R950
R951
R954
R955
R957
D999
R959
R964
R966
SDMM1
SD
1
TNPA4404
CRNo.14
123
PbF
SEE REVERSE FOR ORDER NO.
1
26
50
51
75
76
100
25
1
25
26
50
51
75
76
100
1
25
26
50
51
75
76 100
1
25
26
50
51
75
76 100
SD-BOARD (FOIL SIDE)
TXNSD1RKTU
SD
SD-BOARD (COMPONENT SIDE)
TXNSD1RKTU
TH-46PZ85U
SD-BOARD TXNSD1RKTU
TH-46PZ85U
SD-BOARD TXNSD1RKTU
Parts Location
SD-BOARD
IC14951 B-4
IC14952 E-2
IC14953 C-4
IC14954 D-2
IC14955 D-4
IC14956 C-2
IC14957 F-4
IC14958 B-2
IC14961 F-2
IC14962 F-1
IC14963 F-2
IC14964 G-2
IC14965 F-2
PC14951 F-1
PC14952 G-1
PC14953 F-1
TPSD1 F-2
TPSD2 F-2
TPSD3 F-2
TPSD4 B-1
TPSD5 B-1
ICIC
TEST POINT
TRANSISTER

98
12.13. SS-Board
ABCDEFGH I
1
2
3
4
5
6
C323
C324
C327
IC301
L001
L002
L003
L004
L005
L011
L012
L013
L014
L015
R327
SS11 SS12
L221
T301
SS34
SS35
SS53
SS54
SS55
SS56
SS57
SS61
SS62
SS63
SS64
SS65
SS66
L262
L271
C201
C202
C203
C204
C013
Q041 Q042 Q043
VR000
C241
L103
Q051 Q052 Q053
C272
D253
C301
D051
D001
D052 D053
D002
D071
D040
D072
D041 D043D042
D022
D092
D021
D091
Q024
Q002
Q023
Q003
Q021
Q004
Q001
Q022
TP38
TP39
TP41
TP40
TP56
TP55 TP54 TP53 TP52 TP51
TP36
TP9
TP26
TP3
TP29
TP24
TP2
TP11
TP34
TP14
TP5
TP31
TP25
TP19 TP21
TP17
TP10
TP27
TP16
TPSOS8
TP15
TP20
TP7
TP6
TP30
TP18
TP8
TP33
TP28
TP13
TP4
C262
C266
C265
C269C270
C267
C263
C264
C261
C268C329
C328
C016
C015
C014
C310
C011
C012
Q331
Q335
SS21
TNPA4411
CR No.16
SS 1
PbF
TPVSUS
TPVDA
TPSSS1
TPVe2
TPVe
123
56
10
1
1
3110
113113
S1S2
P2P1 PTBPTA
1
3
1
4
11 3
SEE REVERSE FOR ORDER NO.
113
11311 3
G
C
EG
C
EG
C
E
G
C
EG
C
EG
C
E
113
113
113
113
113 113
113
113
11311 3 113
113
113113
113
11 3
113 113
113
11 3 113
113
113
113
11311 3
113
AA
K
AA
K
A
A
K
A
A
K
AA
K
AA
K
AA
K
AA
K
A
A
K
A
A
K
AA
K
AA
K
A
A
K
AA
K
AA
K
G
C
E
G
C
EG
C
E
G
C
E
G
C
E
G
C
E
G
C
EG
C
E
G
D
S
G
D
S
S2
P2P1 PT
S1
17
6
2
SS-BOARD (FOIL SIDE)
TXNSS1RKTU
TH-46PZ85U
SS-BOARD TXNSS1RKTU
TH-46PZ85U
SS-BOARD TXNSS1RKTU
Parts Location
SS-BOARD (FOIL SIDE)
IC
Q16001  C-3
Q16002  D-3
Q16003  D-3
Q16004  D-3
Q16021  G-3
Q16022  G-3
Q16023  G-3
Q16024  H-3
Q16041  E-2
Q16042  E-2
Q16043  E-2
Q16051  G-2
Q16052  G-2
Q16053  G-2
Q16331  B-3
Q16335  B-3
IC16301  C-1
TP25  B-4
TP26  C-4
TP27  E-4
TP28  F-4
TP29  G-4
TP30  H-4
TP31  I-4
TP33  A-2
TP34  A-2
TP36  I-1
TP38  C-3
TP39  D-3
TP40  I-3
TP41  H-3
TP51  H-4
TP52  G-4
TP53  E-4
TP54  C-4
TP55  B-4
TP56  A-4
TPSOS8  A-2
TPSS1  H-4
TPVDA  A-3
TPVe  B-2
TPVe2  C-2
TPVSUS  D-1
TP2  D-1
TP3  D-1
TP4  D-1
TP5  D-1
TP6  D-1
TP7  E-1
TP8  E-1
TP9  E-1
TP10  E-1
TP11  A-3
TP13  A-2
TP14  A-2
TP15  A-2
TP16  A-2
TP17  A-2
TP18  A-2
TP19  A-2
TP20  A-2
TP21  A-2
TP24  A-4
TRANSISTORTEST POINT
TRANSISTOR
VR16000  D-1
VOLUME
SS

99
ABCDEFGH I
1
2
3
4
5
6
R104
C320
C321
C322
R106
C323
C324
C131
C325
R109
D301
Q321
C326
D302
C133
C327
R300
C135
R301
R302
R303
R110
R304
R305
R306
R307
C330
R308
C331
IC301
R309
C332
IC302
R116
IC303
D311
C335
C336
C337
D314
R310
L001
Q141
R311
L002
R312
L003
R313
L004
R314
L005
R315
R316
R317
C151
C152
D322
C153
C154
D324
D325
L011
R321
L012
R322
D326
C157
L013
R323
L014
R324
L015
R131
R325
R132
R326
R327
R134
R135
SS11
R136
SS12
R137
R138
IC131
D335
Q161
R331
D336
R333
R334
R141
R142
R143
R338
R339
L221
R340
Q171
Q172
R150
R151
R152
R153
R154
R155
T301
SS34
IC151
R159
SS35
Q181 Q182
R161
R162
R163
C192
C194
C195
Q191
C197
R171
R172R173
SS53 SS54 SS55 SS56
SS57
R181
R182
R183
SS61 SS62 SS63 SS64 SS65
SS66
L262
R191
R192
R193
R194
R195
IC191
L271
R399
C001
C002C003
C004
C201
C202
C203
C204
C013
C021C022C023
C024
R001
R002
R003
R004
C041
C042
C043
Q041
Q042
Q043
R021
R022
R023
VR000
R024
C241
C242
C243
C051
L102
C052
L103
C053
L104
R220
Q051
R221
D032
L106
Q052Q053
R031
R032
R033
R034
C251
C252
Q251
R230
R231
R041
R042
R043
C071
C072
R241
R242
R051
R052
R053
IC241
C272
D253
D255
R251
R252
R253 R254
R255
R256
R257
C280
R258
C281
IC251
R259
C282
C283
C284
Q280
C091
C285
C092
C286
C287
R260
R261
D280
D281
D282
D283
D284
R280
D285
R281
R282
R283
R284
R285
R286
R287
R288
R289
R290
R291
R292
R293
R294
R295
R296
L398
L399
C301
ZA001
ZA002
ZA003
Q302
Q304
C311
C312
C313
D102
D104D106
R102
D051
D001
D052
D053
D002
D071
D040
D072
D041D043 D042
D022
D092
D021
D091
Q024
Q002
Q023
Q003
Q021
Q004 Q001
Q022
Q102Q104
Q106
Q339
R336
Q301
C262
C266
C265
C269 C270
C267
C263
C264
C261
C268 C329
C328
C016
C015
C014
C310
C011
C012
L301
C302
R139
Q331
Q335
SS33
SS21
D050
D272
D313
D271
D300 D312
D192
D153
D132
D191
D152
D321
D320
D310
D151
D331
D131
TPVSUS
TPVe
TNPA4411
1SS
DIP
CR No.16
Discharge
TPVDA
50’’
46’’
42’’
42’’
46’’
50’’
TPSOS8
TPSS1
PbF
SSMM1
SSMM2
SSMM3
SSMM4
SSMM5
SSMM6
15
6
10
1
3
1
10
1
8
9
16
1
13 1
13
S2
S1
PTA
P2
PTB
P1
1
3
1
89
16
1
4
1
13
ORDER NO.
18
9
16
1
13 1
13 1
13
C
GE
C
GE
C
GE
C
GE
C
GE
C
GE
1
13 1
13
1
10
11
20
1
13
1
4
58
113 1
13
1
13 113 1
13 1
13 1
131
13 1
13 1
13 1
13 1
13
1
13
13 113 1
13
113 1
13 1
13 113 113 113 113 1
13 1
AA
K
AA
K
A
A
K
A
A
K
AA
K
A
A
K
A
A
K
A
A
K
A
A
K
A
A
K
A
A
K
AA
K
A
A
K
AA
K
AA
K
C
G
E
C
G
E
C
G
E
C
G
E
C
G
E
C
GE
C
G
E
C
GE
G
S
D
G
S
D
G
S
D
G
S
D
D
G
S
D
G
S
10
1
S1
S2
PT
P2
P1
17
62
Discharge
SS-BOARD (COMPONENT SIDE)
TXNSS1RKTU
TH-46PZ85U
SS-BOARD TXNSS1RKTU
TH-46PZ85U
SS-BOARD TXNSS1RKTU
Parts Location
SS-BOARD (COMPONENT SIDE)
IC
IC16131  E-3
IC16151  E-1
IC16191  I-3
IC16241  I-2
IC16251  D-3
IC16301  G-2
IC16302  G-2
IC16303  I-2
Q16001  G-4
Q16002  F-4
Q16003  F-4
Q16004  F-4
Q16021  C-4
Q16022  C-4
Q16023  C-4
Q16024  B-4
Q16041  F-2
Q16042  E-2
Q16043  E-2
Q16051  C-2
Q16052  C-2
Q16053  C-2
Q16102  I-4
Q16104  H-4
Q16106  H-4
Q16141  E-4
Q16161  D-4
Q16171  E-1
Q16172  E-1
Q16181  D-2
Q16182  D-2
Q16191  I-4
Q16251  E-3
Q16280  A-1
Q16301  I-3
Q16302  I-2
Q16304  I-2
Q16321  G-2
Q16331  H-4
Q16335  H-3
Q16339  H-3
TRANSISTOR
TPSOS8  I-2
TPSS1  B-4
TPVDA  H-1
TPVe  H-2
TPVSUS  F-1
TRANSISTORTEST POINT
VR16000  G-1
VOLUME
SS
100

101
13 Exploded View and Replacement Parts List
13.1. Exploded View and Mechanical Replacement Parts List
13.1.1. Exploded View

102
13.1.2. Fan part location

103
13.1.3. Accessories

104
13.1.4. Mechanical Replacement Parts List

105
Safety Ref. 
No. Part No. Part Name & Description Q'ty Remarks
1 10030-0035400 BATTERY COVER 1 PAVCA
2 EAS16S10A SPEAKER 2 PAVCA
3 K1RYYYA00016 F-TYPE (5C) 1
4 K2CG3YY00029 AC CORD 1 PAVCA
5 L6FAYYYH0050 FAN(80MM) 3
6 MD46F11A1J PLASMA DISPLAY PANEL 1
7 N2QAYB000220 REMOTE CONTROL 1 PAVCA
8 TBLA3614 STAND POLE REFT 1
9 TBLA3615 STAND POLE LIGHT 1
10 TBLX0034 PEDESTAL STAND 1 PAVCA
11 TBX2AA4802-1    POWER BUTTON (PAINT)                        1   PAVCA
12 TBX2AA4902 CONTROL BUTTON (PAINT) 1 PAVCA
13 TES2AA0191 POWER BUTTON SPRING 1 PAVCA
THEJ016J SCREW(AC INRET:2) 2
THEL037N SCREW 30
THEL0429 SCREW 19
THEL060N SCREW(STAND-TV) 4
THTD013N SCREW 9
THTF011N SCREW 62
14 TKGA5436S FRONT GLASS(50FHD) 1 PAVCA
15 TKK2AA7701 ADJUSTMENT COVER 1 PAVCA
16 TKK2AA8501 LED PANEL 1 PAVCA
17 TKP2AA11201 M8 SPACER CAP 4 PAVCA
18 TKP2AA7901 INLET COVER 1 PAVCA
19 TKP2AA8401 SIDE TERMINAL PANEL TOP 1 PAVCA
20 TKP2AX0201 SIDE CONTROL PANEL BOTTOM 1 PAVCA
21 TKR2AA00161 REAR COVER HANDLE 2 PAVCA
22 TKU2AC7101 REAR C0VER (BOTTOM) 1 PAVCA
TMM15414-2 CLAMPER 1
TMM17499 CLAMPER 1
23 TMM2AD01101 M8 SPACER 4 PAVCA
TMM6428-1 CLAMPER 1
TMM7464-2 CLAMPER 3
TMME084 CLAMPER 2
TMME088 CLAMPER 6
TMME190 CLAMPER 1
TMME199 CLAMPER 1
TMME260 CLAMPER 2
TMME287 CLAMPER 9
24 TMME289 CLAMPER 2
TMME292 CLAMPER 7
25 TMMJ068 RUBBER(FAN) 9
26 TMMJ082 SPONGE(FAN CORNER) 12

106
Safety Ref. 
No. Part No. Part Name & Description Q'ty Remarks
27 TMXX041 AC CORD CLAMPER 2
28 TMZ2AX0301 STAND BRACKET LEFT 1 PAVCA
29 TMZ2AX0302 STAND BRACKET RIGHT 1 PAVCA
TPD169487 JOINT 4
TPEB331 BAG (PEDESTAL STAND) 1
TPEH273 TOP PROTECT SHEET(TOP/BOT) 2
30 TQB2AA0773 INSTRUCTION BOOK(ENG/FRE/SPA) 1 PAVCA
TQZH983 SCREW USE HANDBILL 1
TSXL519 CABLE(C10-C20/SU11-SD11) 2
TSXL658 CABLE(D20-SC20) 1 PAVCA
TSXL660 CABLE(D31-C11/D32-C21/D33 3 PAVCA
TSXL661 CABLE(C26-C36) 1 PAVCA
31 TXALK01RJTU AC INLET ASSY 1 PAVCA
32 TXFKP04TSER SIDE DOOR ASSY 1 PAVCA
33 TXFKP05TSER SIDE TERMINAL PANEL BOTTOM 1 PAVCA
34 TXFKU05TSER REAR COVER 1 PAVCA
35 TXFKY01RKTUA    CABINET ASSY                                1   PAVCA
TXJA12RJTU SPEAKER LEAD(A12-SPL/SPR) 1 PAVCA
TXJSWRRLTU SPEAKER LEAD(SP-SPR/L) 2 PAVCA
XSB3+6FJ SCREW (LCD MTG) 2
XTB4+12GFJ SCREW 34
XTB4+12GFJK SCREW 21
XTV3+8GFJ SCREW(BC HOOK:2) 2
XTV3+8GFJ SCREW(MOUNT METAL:2) 2
XTV3+8GFJK SCREW 1
XTW3+8TFJ SCREW 6
XYN3+F8FJ SCREW 29
XYN3+J12FJ SCREW 44
XYN3+J8FJ SCREW 3
XYN4+E8FJ SCREW 1
XYN4+F10FJ SCREW 14
XYN4+F14FJ SCREW 6
XYN5+C15FJ SCREW 8
XYN5+F18FN SCREW(FOR STAND POLE) 4
XZB17X19C03 POLY BAG(STAND POLE) 1

107
13.2. Electrical Replacement Parts List
13.2.1. Replacement Parts List Notes

108
13.2.2. Electrical Replacement Parts List
Safety Ref. No. Part No. Part Name & 
Description
Pcs Remarks
A1 K1KA09A00220 9P CONNECTOR 1
A3 K1KA14B00129 14P CONNECTOR 1
A5 K1KB31AA0140 31P CONNECTOR 1
A6 K1KA12AA0194 12P CONNECTOR 1
A7 K1KA09AA0193 9P CONNECTOR 1
A11 K1KA30B00078 30P CONNECTOR 1
A12 K1KA04AA0190 4P CONNECTOR 1
A17 K1KA20AA0009 20P CONNECTOR 1
A18 K1KA11AA0715 11P CONNECTOR 1
A30 K1KA05AA0193 5P CONNECTOR 1
A51 K1KA11A00178 11P CONNECTOR 1
A52 K1KA14A00248 14P CONNECTOR 1
AMM1-M5 TMME292 CLAMPER 5
C10 K1MN20BA0231 20P CONNECTOR 1
C11 K1MN68BA0266 68P CONNECTOR 1
C20 K1MN20BA0266 20P CONNECTOR 1 PAVCA
C21,22 K1MN68BA0266 68P CONNECTOR 2
C26 K1MN68BA0266 68P CONNECTOR 1
C33 K1KA10B00218 10P CONNECTOR 1
C35 K1KA04BA0107 4P CONNECTOR 1
C36 K1MN68BA0266 68P CONNECTOR 1
C858,59 ECJ2VB1E104K C 0.1UF, K, 25V 2
C860 ECA1EHG471 E 470UF, 25V 1
C861,62 ECJ2VB1E104K C 0.1UF, K, 25V 2
C869 ECA1EHG471 E 470UF, 25V 1
C1102 F1J1A106A043 C 0.010UF, K, 
10V
1
C1103,04 F1G1C104A116 C 0.10UF, K, 16V 2
C1106 F1G1H270A731 E 27UF, 50V 1
C1107 F1G1H220A731 E 22UF, 50V 1
C1108 F1G1C104A116 C 0.10UF, K, 16V 1
C1109 F1H1A1050032 E 10UF, 50V 1
C1111 F1H1A1050032 E 10UF, 50V 1
C1112 F1G1C104A116 C 0.10UF, K, 16V 1
C1114 F1G1C104A116 C 0.10UF, K, 16V 1
C1117 F1G1C104A116 C 0.10UF, K, 16V 1
C1122 F1G1E103A123 C 0.010UF, K, 
16V
1
C1123 F1H1A1050032 E 10UF, 50V 1
C2023 F1G1C104A116 C 0.10UF, K, 16V 1
C2048-50 F1G1C104A116 C 0.10UF, K, 16V 3
C2052,53 F1G1C104A116 C 0.10UF, K, 16V 2
C2054 F1J1A106A043 C 0.010UF, K, 
10V
1
C2055 F1G1H120A731 E 12UF, 50V 1
C2056 F1G1H150A731 E 15UF, 50V 1
C2058 F1G1C104A116 C 0.10UF, K, 16V 1
C2059 F1J1A106A043 C 0.010UF, K, 
10V
1
C2100 F1G1C104A116 C 0.10UF, K, 16V 1
C2101 F1J1A106A043 C 0.010UF, K, 
10V
1
C2105,06 F1G1C104A116 C 0.10UF, K, 16V 2
C2107,08 F1J1A106A043 C 0.010UF, K, 
10V
2
C2111 F1H0J2250008 C 2.2UF, K, 16V 1
C2116 F1G1H471A731 E 470UF, 50V 1
C2118 F1H1A1050032 E 10UF, 50V 1
C2126 F1J1A106A043 C 0.010UF, K, 
10V
1
C2180,81 F1G1E103A123 C 0.010UF, K, 
16V
2
C2186 F1G1C104A116 C 0.10UF, K, 16V 1
C2187 F1H0J2250008 C 2.2UF, K, 16V 1
C2188 F1G1H471A731 E 470UF, 50V 1
C2189 F1H1A1050032 E 10UF, 50V 1
C2190 F1J1A106A043 C 0.010UF, K, 
10V
1
C2192 F1J1A106A043 C 0.010UF, K, 
10V
1
C2195-98 F1G1E103A123 C 0.010UF, K, 
16V
4
C2213 F1G1H102A730 E 1000UF, 50V 1
C2216 F1G1C104A116 C 0.10UF, K, 16V 1
C2244 F1G1C104A116 C 0.10UF, K, 16V 1
C2245 F1G1H102A730 E 1000UF, 50V 1
C2251 F1J1A106A043 C 0.010UF, K, 
10V
1
C2263,64 F1J1A106A043 C 0.010UF, K, 
10V
2
C2301,02 F1G1C104A116 C 0.10UF, K, 16V 2
C2303 F1J1E105A171 C 1 UF 25V 1
C2305 F1J1E105A171 C 1 UF 25V 1
C2307 F1J1E105A171 C 1 UF 25V 1
C2309 F1J1E105A171 C 1 UF 25V 1
C2313 F1H1A1050032 E 10UF, 50V 1
C2317 ECJ1XB1H104K C 10PF, J, 50V 1
C2319 ECJ1XB1H104K C 10PF, J, 50V 1
C2321 ECJ1XB1H104K C 10PF, J, 50V 1
C2323 ECJ1XB1H104K C 10PF, J, 50V 1
C2333 F1J1E3340003 C 0.33UF, Z, 25V 1
C2335 F1J1E3340003 C 0.33UF, Z, 25V 1
C2337 F1H1H223A970 C 0.22UF, K, 50V 1
C2339 F1H1H223A970 C 0.22UF, K, 50V 1
C2341 F1J1E3340003 C 0.33UF, Z, 25V 1
C2343 F1J1E3340003 C 0.33UF, Z, 25V 1
C2345 F1H1H223A970 C 0.22UF, K, 50V 1
C2347 F1H1H223A970 C 0.22UF, K, 50V 1
C2353 ECJ1XB1H104K C 10PF, J, 50V 1
C2359 ECJ1XB1H104K C 10PF, J, 50V 1
C2375 F1H1H223A970 C 0.22UF, K, 50V 1
C2377 F1H1H223A970 C 0.22UF, K, 50V 1
C2379 F1H1H223A970 C 0.22UF, K, 50V 1
C2381 F1H1H223A970 C 0.22UF, K, 50V 1
C2383 F1G1H102A730 E 1000UF, 50V 1
C2385 F1G1H102A730 E 1000UF, 50V 1
C2387 F1G1H102A730 E 1000UF, 50V 1
C2389 F1G1H102A730 E 1000UF, 50V 1
C2512 ECJ3XB0J106M C 10UF, M,6.3V 1
C2515 F1H1H103A970 C 0.001UF, K, 
50V
1
C2521 F1H1H103A970 C 0.001UF, K, 
50V
1
C2522 F1H1C104A143 C 0.1UF, K, 16V 1
C3001 F1J1A106A043 C 0.010UF, K, 
10V
1
C3006-08 F1J1A106A043 C 0.010UF, K, 
10V
3
C3010,11 ECJ0EB1C103K C 0.010UF, K, 
16V
2
C3013 F1J1A106A043 C 0.010UF, K, 
10V
1
C3015,16 F1J1A106A043 C 0.010UF, K, 
10V
2
C3017 F1G1C104A116 C 0.10UF, K, 16V 1
C3019 F1G1C104A116 C 0.10UF, K, 16V 1
C3020 EEEHB1C220R C 22PF, J, 16V 1
C3021 F2G1A221A149 E 220UF, 10V 1
C3022 F1G1C104A116 C 0.10UF, K, 16V 1
Safety Ref. No. Part No. Part Name & 
Description
Pcs Remarks

109
C3023 F1J1A106A043 C 0.010UF, K, 
10V
1
C3024-35 F1H1A1050032 E 10UF, 50V 12
C3042-47 F1J1A106A043 C 0.010UF, K, 
10V
6
C3049 F2G1A101A019 E 100UF, 10V 1
C3050 F1G1C104A116 C 0.10UF, K, 16V 1
C3051,52 F1H1A1050032 E 10UF, 50V 2
C3057 F1J1A106A043 C 0.010UF, K, 
10V
1
C3059 F1J1A106A043 C 0.010UF, K, 
10V
1
C3061 F1J1A106A043 C 0.010UF, K, 
10V
1
C3123,24 F1J1A106A043 C 0.010UF, K, 
10V
2
C3157 F1G1C104A081 C 0.10UF, K, 16V 1
C3530 EEEFG1E471P E 470UF, 25V 1
C3532 ECJ3YB1E106M C 10 UF, K, 25V 1
C3750 F1J1H102A721 C 1000UF, 50V 1
C3801,02 F1G1C104A116 C 0.10UF, K, 16V 2
C3803 F1H1A1050032 E 10UF, 50V 1
C3804 F1G1C104A116 C 0.10UF, K, 16V 1
C3806-12 F1G1C104A116 C 0.10UF, K, 16V 7
C3813 F1J0J106A004 C 0.010UF, K, 
16V
1
C3814 F1G1C104A116 C 0.10UF, K, 16V 1
C3815-20 ECJ0EB1C103K C 0.010UF, K, 
16V
6
C3823 F1G1C104A116 C 0.10UF, K, 16V 1
C3827 F1H0J4750004 C 4.7UF, K, 16V 1
C3829 F1H1A1050032 E 10UF, 50V 1
C4075 F1G1C104A116 C 0.10UF, K, 16V 1
C4081 EEEHB1A221P C 220PF, J, 10V 1
C4082 F1K1C1060004 C 0.010UF, 16V 1
C4083-87 F1J1H474A757 C 0.47UF, 50V 5
C4089 F1G1C104A116 C 0.10UF, K, 16V 1
C4090 F1G1H181A731 E 180UF, 50V 1 PAVCA
C4091 F1G1C104A116 C 0.10UF, K, 16V 1
C4092 F2G1V220A020 E 22UF, 35V 1
C4093 F1G1H102A730 E 1000UF, 50V 1
C4094 F1G1C104A116 C 0.10UF, K, 16V 1
C4095 F1H0J2250008 C 2.2UF, K, 16V 1
C4096 F1H1A1050032 E 10UF, 50V 1
C4098 F1H1A1050032 E 10UF, 50V 1
C4101 F1G1C104A116 C 0.10UF, K, 16V 1
C4200-08 F1G1C104A116 C 0.10UF, K, 16V 9
C4210-15 F1G1C104A116 C 0.10UF, K, 16V 6
C4216 F1G1H1020008 E 1000UF, 50V 1
C4219 F1G1H1020008 E 1000UF, 50V 1
C4220-24 F1J0J106A021 C 0.010UF, K, 
16V
5
C4500,01 F1G1C104A116 C 0.10UF, K, 16V 2
C4533 F1G1H680A731 E 68UF, 50V 1
C4534,35 F1G1C104A116 C 0.10UF, K, 16V 2
C4547-52 F1G1C104A116 C 0.10UF, K, 16V 6
C4553 F1G1H102A730 E 1000UF, 50V 1
C4554 EEEHB1C470P C 47PF, J, 16V 1
C4555 F1J1A106A043 C 0.010UF, K, 
10V
1
C4574 F1G1E103A123 C 0.010UF, K, 
16V
1
C4575 F1H1A1050032 E 10UF, 50V 1
C4580 F1G1E103A123 C 0.010UF, K, 
16V
1
C4585 F1H1A1050032 E 10UF, 50V 1
C4595 F1G1E103A123 C 0.010UF, K, 
16V
1
C4596 F1G1C104A116 C 0.10UF, K, 16V 1
C4598 F1H1A1050032 E 10UF, 50V 1
C4599 F2G0J470A019 E 47UF 6.3V 1
C4600 F1G1C104A116 C 0.10UF, K, 16V 1
C4601 F2G0J470A019 E 47UF 6.3V 1
C4602 F1G1C104A116 C 0.10UF, K, 16V 1
C4603 F1H0J2250008 C 2.2UF, K, 16V 1
C4604 F1G1H471A730 E 470UF, 50V 1 PAVCA
Safety Ref. No. Part No. Part Name & 
Description
Pcs Remarks
C4605 F1H1A1050032 E 10UF, 50V 1
C4606,07 F1J1A106A043 C 0.010UF, K, 
10V
2
C4608 F1G1C104A116 C 0.10UF, K, 16V 1
C4612 F1G1E103A123 C 0.010UF, K, 
16V
1
C4613 F1H1A1050032 E 10UF, 50V 1
C4614 F1G1C104A116 C 0.10UF, K, 16V 1
C4616,17 F1J1A106A043 C 0.010UF, K, 
10V
2
C4619 F1G1C104A116 C 0.10UF, K, 16V 1
C4624,25 F1G1C104A116 C 0.10UF, K, 16V 2
C4628 F1G1C104A116 C 0.10UF, K, 16V 1
C4630 F1G1C104A116 C 0.10UF, K, 16V 1
C4632 F1H1A1050032 E 10UF, 50V 1
C4634 F1H1A1050032 E 10UF, 50V 1
C4636 F1H1A1050032 E 10UF, 50V 1
C4638 F1H1A1050032 E 10UF, 50V 1
C4640 F1H1A1050032 E 10UF, 50V 1
C4642 F1H1A1050032 E 10UF, 50V 1
C4643-46 F1G1C104A116 C 0.10UF, K, 16V 4
C4701 F1G1H102A730 E 1000UF, 50V 1
C4702 F1G1C104A116 C 0.10UF, K, 16V 1
C4703 F1G1H102A730 E 1000UF, 50V 1
C4704,05 F1G1C104A116 C 0.10UF, K, 16V 2
C4711,12 F1G1C104A116 C 0.10UF, K, 16V 2
C4713,14 F1G1H102A730 E 1000UF, 50V 2
C4715 F1G1C104A116 C 0.10UF, K, 16V 1
C4716-19 F1G1H102A730 E 1000UF, 50V 4
C4721 F1G1C104A116 C 0.10UF, K, 16V 1
C4722 F1G1H102A730 E 1000UF, 50V 1
C4724 F1G1H102A730 E 1000UF, 50V 1
C4725-28 F1G1C104A116 C 0.10UF, K, 16V 4
C4741 F1G1H102A730 E 1000UF, 50V 1
C4742 F1G1C104A116 C 0.10UF, K, 16V 1
C4743 F1G1H102A730 E 1000UF, 50V 1
C4744,45 F1G1C104A116 C 0.10UF, K, 16V 2
C4746 F1G1H102A730 E 1000UF, 50V 1
C4751-55 F1G1C104A116 C 0.10UF, K, 16V 5
C4761-63 F1H1H103A970 C 0.001UF, K, 
50V
3
C4771 F1G1H102A730 E 1000UF, 50V 1
C4772 F1G1C104A116 C 0.10UF, K, 16V 1
C4773 F1G1H102A730 E 1000UF, 50V 1
C4774,75 F1G1C104A116 C 0.10UF, K, 16V 2
C4776 F1G1H102A730 E 1000UF, 50V 1
C4777-80 F1G1C104A116 C 0.10UF, K, 16V 4
C4795-98 F1G1H102A730 E 1000UF, 50V 4
C4830 F1G1C104A116 C 0.10UF, K, 16V 1
C5400 F1K1A106A021 C 0.010UF, 
K,6.3V
1
C5401 F1H1E104A129 E 0.1UF, 25V 1
C5402 F1G1E103A123 C 0.010UF, K, 
16V
1
C5404 F1G1E392A123 C 3900UF, Z, 25V 1 PAVCA
C5405 F1H1E104A129 E 0.1UF, 25V 1
C5406 ECJ3YB1E106M C 10 UF, K, 25V 1
C5408 F1K1A106A021 C 0.010UF, 
K,6.3V
1
C5412 F1K1C1060004 C 0.010UF, 16V 1
C5413 F1H1E104A129 E 0.1UF, 25V 1
C5414 F1G1E103A123 C 0.010UF, K, 
16V
1
C5416 F1G1E472A123 C 4200UF, Z, 25V 1 PAVCA
C5417 F1H1E104A129 E 0.1UF, 25V 1
C5418 ECJ3YB1E106M C 10 UF, K, 25V 1
C5420 F1K1C1060004 C 0.010UF, 16V 1
C5521,22 F1G1C104A116 C 0.10UF, K, 16V 2
C5600 F1H1A1050032 E 10UF, 50V 1
C5601 F1G1C104A116 C 0.10UF, K, 16V 1
C5602 ECGRL0G680ER C 68PF, J, 4V 1
C5603,04 F1G1E103A123 C 0.010UF, K, 
16V
2
C5605 F1J1A475A039 C 4.7UF, K, 10V 1
C5606 F1G1H471A730 E 470UF, 50V 1 PAVCA
Safety Ref. No. Part No. Part Name & 
Description
Pcs Remarks

110
C5607 F1G1H221A731 E 220UF, 50V 1 PAVCA
C5608 F1G1C104A116 C 0.10UF, K, 16V 1
C5611,12 ECJ3YB1E106M C 10 UF, K, 25V 2
C5615 ECJ3YB1E106M C 10 UF, K, 25V 1
C5616 F1G1A473A053 E 0.47UF, 10V 1
C5617 F1H1A1050032 E 10UF, 50V 1
C5618,19 ECJ3YB1E106M C 10 UF, K, 25V 2
C5620 F1H1E104A129 E 0.1UF, 25V 1
C5621 F1G1E103A123 C 0.010UF, K, 
16V
1
C5622 F1J1A475A039 C 4.7UF, K, 10V 1
C5623 F1G1H471A730 E 470UF, 50V 1 PAVCA
C5624 F1G1H221A731 E 220UF, 50V 1 PAVCA
C5625 F1G1E103A123 C 0.010UF, K, 
16V
1
C5626,27 F1G1C104A116 C 0.10UF, K, 16V 2
C5628,29 ECGRL0G680ER C 68PF, J, 4V 2
C5631 EEEHB1E470P C 47PF, J, 25V 1
C5632 F1J1E105A171 C 1 UF 25V 1
C5636-41 F1G1C104A116 C 0.10UF, K, 16V 6
C5642 ECJ3YB1E106M C 10 UF, K, 25V 1
C5643 F1H1E104A129 E 0.1UF, 25V 1
C5644 F1G1E103A123 C 0.010UF, K, 
16V
1
C5652 F1H1H102A971 C 1000PF, K, 50V 1
C5663,64 F1J0J106A020 C 0.010UF, K, 
16V
2
C5667 F1G1H101A731 C 100PF, K, 50V 1
C5688 F1H1A225A051 E 22UF, 50V 1
C5731 F2G0J470A019 E 47UF 6.3V 1
C5765 F1G1A473A053 E 0.47UF, 10V 1
C5766,67 ECJ0EB1C103K C 0.010UF, K, 
16V
2
C7701 F1H1H330A971 E 33UF, 50V 1 PAVCA
C7702 F2A1C470A263 E 47UF, 16V 1 PAVCA
C7703 F1H1H330A971 E 33UF, 50V 1 PAVCA
C7705 F1H1C104A144 C 0.1UF, K, 16V 1 PAVCA
C7708,09 F1H1C104A144 C 0.1UF, K, 16V 2 PAVCA
C7710 F1H1H100A971 C 10PF, K, 50V 1 PAVCA
C7726,27 F1H1H330A971 E 33UF, 50V 2 PAVCA
C7729,30 F1J0J106A020 C 0.010UF, K, 
16V
2
C8001 F1G1C104A116 C 0.10UF, K, 16V 1
C8002-05 F1H0J1050012 C 1UF, K, 16V 4
C8006-08 F1G1C104A116 C 0.10UF, K, 16V 3
C8009,10 F1J1A106A043 C 0.010UF, K, 
10V
2
C8011-14 F1G1C104A116 C 0.10UF, K, 16V 4
C8015,16 F1H0J1050012 C 1UF, K, 16V 2
C8017 F1J1A106A043 C 0.010UF, K, 
10V
1
C8018-21 F1G1C104A116 C 0.10UF, K, 16V 4
C8022 F1H0J1050012 C 1UF, K, 16V 1
C8023,24 F1J1A106A043 C 0.010UF, K, 
10V
2
C8025-29 F1G1C104A116 C 0.10UF, K, 16V 5
C8030,31 F1H0J1050012 C 1UF, K, 16V 2
C8032 F1J1A106A043 C 0.010UF, K, 
10V
1
C8033,34 F1G1C104A116 C 0.10UF, K, 16V 2
C8035,36 F1J1A106A043 C 0.010UF, K, 
10V
2
C8037-41 F1G1C104A116 C 0.10UF, K, 16V 5
C8042 ECGRL0G680ER C 68PF, J, 4V 1
C8043-51 F1G1C104A116 C 0.10UF, K, 16V 9
C8052 F1H0J1050012 C 1UF, K, 16V 1
C8053 ECJ0EB1C103K C 0.010UF, K, 
16V
1
C8056,57 F1G1C104A116 C 0.10UF, K, 16V 2
C8058 F1J1A106A043 C 0.010UF, K, 
10V
1
C8067 ECJ0EB1C103K C 0.010UF, K, 
16V
1
C8068 F1G1C104A116 C 0.10UF, K, 16V 1
C8070-74 F1G1C104A116 C 0.10UF, K, 16V 5
C8075 F1J0G2260001 C 0.001UF, 6.3V 1
Safety Ref. No. Part No. Part Name & 
Description
Pcs Remarks
C8076-80 F1G1C104A081 C 0.10UF, K, 16V 5
C8301 F1G1H102A730 E 1000UF, 50V 1
C8302 F1G1C104A116 C 0.10UF, K, 16V 1
C8303 F1G1H103A735 E 0.01UF, 50V 1 PAVCA
C8304,05 F1G1H221A731 E 220UF, 50V 2 PAVCA
C8307 F1G1C104A116 C 0.10UF, K, 16V 1
C8310 F2G0J2210013 E 220UF 6.3V 1
C8311 F2G1V220A020 E 22UF, 35V 1
C8312 F2G0J2210013 E 220UF 6.3V 1
C8313 F1G1H102A730 E 1000UF, 50V 1
C8314 F1G1H270A731 E 27UF, 50V 1
C8315,16 F1G1H120A731 E 12UF, 50V 2
C8317 F1G1H270A731 E 27UF, 50V 1
C8318,19 F1G1H101A731 C 100PF, K, 50V 2
C8320 F1G1H220A731 E 22UF, 50V 1
C8321,22 ECJ0EB1C103K C 0.010UF, K, 
16V
2
C8323,24 F1G1H120A731 E 12UF, 50V 2
C8325-28 F1G1C104A116 C 0.10UF, K, 16V 4
C8330-35 F1G1C104A116 C 0.10UF, K, 16V 6
C8336 F1J1A106A043 C 0.010UF, K, 
10V
1
C8337-43 F1G1C104A116 C 0.10UF, K, 16V 7
C8345 F1G1C104A116 C 0.10UF, K, 16V 1
C8346 ECJ0EB1C103K C 0.010UF, K, 
16V
1
C8347-54 F1G1C104A116 C 0.10UF, K, 16V 8
C8355 F1H0J1050012 C 1UF, K, 16V 1
C8357-59 F1J1A106A043 C 0.010UF, K, 
10V
3
C8360-68 F1G1C104A116 C 0.10UF, K, 16V 9
C8369 F1J1A106A043 C 0.010UF, K, 
10V
1
C8370 F1G1H102A730 E 1000UF, 50V 1
C8371 ECJ1XB1H104K C 10PF, J, 50V 1
C8372 F1J1A106A043 C 0.010UF, K, 
10V
1
C8373 F1G1C104A116 C 0.10UF, K, 16V 1
C8374,75 F1J1A106A043 C 0.010UF, K, 
10V
2
C8376 ECJ0EB1C103K C 0.010UF, K, 
16V
1
C8377 F1G1C104A116 C 0.10UF, K, 16V 1
C8378 ECJ0EB1C103K C 0.010UF, K, 
16V
1
C8379 F1G1C104A116 C 0.10UF, K, 16V 1
C8380 F1G1H103A735 E 0.01UF, 50V 1 PAVCA
C8381 F1G1C104A116 C 0.10UF, K, 16V 1
C8382 ECJ0EB1C103K C 0.010UF, K, 
16V
1
C8386,87 F1G1H102A730 E 1000UF, 50V 2
C8501 F1G1C104A116 C 0.10UF, K, 16V 1
C8506 F1G1C104A116 C 0.10UF, K, 16V 1
C8513 ECJ0EB1C103K C 0.010UF, K, 
16V
1
C8517 F1G1C104A116 C 0.10UF, K, 16V 1
C8519 ECJ0EB1C103K C 0.010UF, K, 
16V
1
C9033,34 F1G1C104A119 C 0.10UF, K, 16V 2
C9035,36 F1J1A106A043 C 0.010UF, K, 
10V
2
C9037 F1G1E103A123 C 0.010UF, K, 
16V
1
C9055-57 F1G1C104A119 C 0.10UF, K, 16V 3
C9058 F1J1A106A043 C 0.010UF, K, 
10V
1
C9067-69 F1G1E103A123 C 0.010UF, K, 
16V
3
C9096-17 F1G1C104A116 C 0.10UF, K, 16V 22
C9119-33 F1G1C104A116 C 0.10UF, K, 16V 15
C9135 F1J1A106A043 C 0.010UF, K, 
10V
1
C9136 F1G1C104A119 C 0.10UF, K, 16V 1
C9142 F1G1C104A116 C 0.10UF, K, 16V 1
C9143 F1G1C104A119 C 0.10UF, K, 16V 1
C9144-50 F1G1C104A116 C 0.10UF, K, 16V 7
Safety Ref. No. Part No. Part Name & 
Description
Pcs Remarks

111
C9152 F1J0J475A035 C 4.7UF, K, 16V 1
C9153-62 F1G1C104A119 C 0.10UF, K, 16V 10
C9163 F1J0J475A035 C 4.7UF, K, 16V 1
C9164,65 F1G1C104A119 C 0.10UF, K, 16V 2
C9168 F1G1C104A119 C 0.10UF, K, 16V 1
C9169-96 F1G1C104A116 C 0.10UF, K, 16V 28
C9198-09 F1G1C104A116 C 0.10UF, K, 16V 12
C9210 F1J1A106A043 C 0.010UF, K, 
10V
1
C9211 F1G1C104A116 C 0.10UF, K, 16V 1
C9212 F1J1A106A043 C 0.010UF, K, 
10V
1
C9213-24 F1G1C104A116 C 0.10UF, K, 16V 12
C9226-28 F1G1C104A116 C 0.10UF, K, 16V 3
C9230-36 F1G1C104A116 C 0.10UF, K, 16V 7
C9237 F1J1A106A043 C 0.010UF, K, 
10V
1
C9239-44 F1G1C104A116 C 0.10UF, K, 16V 6
C9245 F1J1A106A043 C 0.010UF, K, 
10V
1
C9246 F1G1C104A116 C 0.10UF, K, 16V 1
C9247 F1J1A106A043 C 0.010UF, K, 
10V
1
C9248-50 F1G1C104A116 C 0.10UF, K, 16V 3
C9469 F1G1C104A119 C 0.10UF, K, 16V 1
C9535-50 F1G1C104A116 C 0.10UF, K, 16V 16
C9551-53 F1J1A106A043 C 0.010UF, K, 
10V
3
C9823 ECJ3YB1E106M C 10 UF, K, 25V 1
C9825 F1G1H101A731 C 100PF, K, 50V 1
C9832 F1J1A106A043 C 0.010UF, K, 
10V
1
C9837 F1J1A106A043 C 0.010UF, K, 
10V
1
C9840 F1G1E103A123 C 0.010UF, K, 
16V
1
C9841,42 F1G1C104A119 C 0.10UF, K, 16V 2
C9844 F1G1E103A123 C 0.010UF, K, 
16V
1
C9845,46 F1G1C104A119 C 0.10UF, K, 16V 2
C9858 ECJ3YB1E106M C 10 UF, K, 25V 1
C9859 F1G1E103A123 C 0.010UF, K, 
16V
1
C9860 F1J0J475A035 C 4.7UF, K, 16V 1
C9861,62 F1H1E104A129 E 0.1UF, 25V 2
C9863 F1J0J475A035 C 4.7UF, K, 16V 1
C9864 F1H1E104A129 E 0.1UF, 25V 1
C9865,66 ECGRL0G680ER C 68PF, J, 4V 2
C9867-72 ECJ3YB1E106M C 10 UF, K, 25V 6
C9873 ECGRL0G680ER C 68PF, J, 4V 1
C9874 F1G1H680A731 E 68UF, 50V 1
C9877 F1G1H680A731 E 68UF, 50V 1
C9878 F1G1E103A123 C 0.010UF, K, 
16V
1
C9879 F1G1C153A116 C 0.015UF, K, 
16V
1
C9880 F1G1A563A032 E 0.56UF, 10V 1
C9881 F1G1E103A123 C 0.010UF, K, 
16V
1
C9882 F1G1C822A116 C 8200UF, K, 16V 1 PAVCA
C9883 F1G1H101A731 C 100PF, K, 50V 1
C9884,85 F1G1H102A730 E 1000UF, 50V 2
C9886,87 F1H1E104A129 E 0.1UF, 25V 2
C9888 F1G1H361A731 E 360UF, 50V 1 PAVCA
C9927-48 F1G1C104A116 C 0.10UF, K, 16V 22
C9951 F1G1C104A116 C 0.10UF, K, 16V 1
C9961 F1J1A106A043 C 0.010UF, K, 
10V
1
C9966 F1G1C104A116 C 0.10UF, K, 16V 1
C9971 F1G1H180A731 E 18UF, 50V 1
C9972 F1G1H150A731 E 15UF, 50V 1
C14352 F1J1C1050030 C 1UF, Z, 16V 1
C14356 F1J1C1050030 C 1UF, Z, 16V 1
C14360,61 F1L2E104A028 E 1000UF, 25V 2 PAVCA
C14364 F1J1C1050030 C 1UF, Z, 16V 1
C14368 F1J1C1050030 C 1UF, Z, 16V 1
Safety Ref. No. Part No. Part Name & 
Description
Pcs Remarks
C14373 F1J1H102A834 C 1000UF, 50V 1 PAVCA
C14901 F1J1H102A834 C 1000UF, 50V 1 PAVCA
C14902 F1J1C1050030 C 1UF, Z, 16V 1
C14904 F1J1C1050030 C 1UF, Z, 16V 1
C14906 F1J1C1050030 C 1UF, Z, 16V 1
C14908 F1J1C1050030 C 1UF, Z, 16V 1
C14910 F1J1C1050030 C 1UF, Z, 16V 1
C14912 F1J1C1050030 C 1UF, Z, 16V 1
C14920-23 F1L2E104A028 E 1000UF, 25V 4 PAVCA
C14928 F1L2E104A028 E 1000UF, 25V 1 PAVCA
C14930 F1L2E104A028 E 1000UF, 25V 1 PAVCA
C14931 F1J1H102A834 C 1000UF, 50V 1 PAVCA
C14932 F1L2E104A028 E 1000UF, 25V 1 PAVCA
C14934 F1L2E104A028 E 1000UF, 25V 1 PAVCA
C14936-39 F1J1H471A836 C 470UF, 50V 4 PAVCA
C14940 F1J1H102A834 C 1000UF, 50V 1 PAVCA
C14941,42 F1J1H471A836 C 470UF, 50V 2 PAVCA
C14943 F1L1E4750012 C 4.7UF, 25V 1
C14944 F1J1H102A836 C 1000UF, 50V 1
C14945 F1J1H101A836 C 100PF, K, 50V 1 PAVCA
C14950 F1J1H471A836 C 470UF, 50V 1 PAVCA
C14952 F1J1C1050030 C 1UF, Z, 16V 1
C14955 F1J1C1050030 C 1UF, Z, 16V 1
C14957,58 F1J1C1050030 C 1UF, Z, 16V 2
C14961 F1J1C1050030 C 1UF, Z, 16V 1
C14963 F1J1C1050030 C 1UF, Z, 16V 1
C14969 F1J1H104A835 C 0.10UF, 50V 1
C14970-72 F1J1H471A836 C 470UF, 50V 3 PAVCA
C14973 F1J1H102A834 C 1000UF, 50V 1 PAVCA
C14974,75 F1L2E104A028 E 1000UF, 25V 2 PAVCA
C14976 F1J1H102A834 C 1000UF, 50V 1 PAVCA
C14981 F1J1H471A836 C 470UF, 50V 1 PAVCA
C14982-85 F1L2E104A028 E 1000UF, 25V 4 PAVCA
C14987,88 F1J1H104A835 C 0.10UF, 50V 2
C14989 F1J1H471A836 C 470UF, 50V 1 PAVCA
C14990 F1J1H104A835 C 0.10UF, 50V 1
C14992 F1H1C105A008 C 1UF, K, 16V 1
C16003 F1L2J562A022 C 5600UF, K,6.3V 1
C16011 F2A2T251A004 E 250UF, 220V 1
C16013 F0C2E225A230 E 0.022UF, 250V 1
C16014 F2A2T251A004 E 250UF, 220V 1
C16016 F2A2T251A004 E 250UF, 220V 1
C16023 F1L2J562A022 C 5600UF, K,6.3V 1
C16042 F1H1H392A970 C 3900PF, K, 50V 1
C16071 F1L2J1020001 C 1000UF, K,6.3V 1
C16092 F1L2J1020001 C 1000UF, K,6.3V 1
C16131 F1L1E4750012 C 4.7UF, 25V 1
C16133 F1L1E4750012 C 4.7UF, 25V 1
C16135 F1K1E105A029 C 1UF, Z, 25V 1
C16151 F1K1E105A029 C 1UF, Z, 25V 1
C16152-54 F1L1E4750012 C 4.7UF, 25V 3
C16192 F1L1E4750012 C 4.7UF, 25V 1
C16194,95 F1L1E4750012 C 4.7UF, 25V 2
C16197 F1L1E4750012 C 4.7UF, 25V 1
C16201-03 F0C2E405A230 E 0.040UF, 250V 3 PAVCA
C16241 EEUFC1A101 E 100UF, 10V 1
C16242 F1H1C105A008 C 1UF, K, 16V 1
C16243 F1J1H103A834 C 0.01UF, K, 50V 1
C16251 F1H1C105A008 C 1UF, K, 16V 1
C16252 F1K1E105A029 C 1UF, Z, 25V 1
C16261-66 F2A2A471A072 E 470UF, 100V 6
C16272 F2A1E471A487 E 470UF, 25V 1
C16280 F1K1E105A029 C 1UF, Z, 25V 1
C16284-87 ECJ1XB1H104K C 10PF, J, 50V 4
C16301 F2A1E470A454 E 47UF, 25V 1
C16302 F1H1H471A219 E 470UF, 50V 1
C16310 F2A2T251A004 E 250UF, 220V 1
C16311 F1H1A1050032 E 10UF, 50V 1
C16312 F1H1H472A970 C 4700PF, K, 50V 1
C16313 F1H1C105A008 C 1UF, K, 16V 1
C16321,22 F1L2E224A028 E 2200UF, 25V 2
C16323 F2A1E470A454 E 47UF, 25V 1
C16324 F2A1E471A487 E 470UF, 25V 1
Safety Ref. No. Part No. Part Name & 
Description
Pcs Remarks

112
C16325,26 F1L1E4750012 C 4.7UF, 25V 2
C16327 F0C2E225A230 E 0.022UF, 250V 1
C16328,29 F2A2D221A022 E 220UF, 200V 2
C16336 F1H1H102A970 C 1000PF, K, 50V 1
C16337 ECJ1XB1H104K C 10PF, J, 50V 1
C16403 F1L2J562A022 C 5600UF, K,6.3V 1
C16413,14 F2A2T251A004 E 250UF, 220V 2
C16416 F0C2E225A230 E 0.022UF, 250V 1
C16418,19 F2A2T251A004 E 250UF, 220V 2
C16424 F1L2J562A022 C 5600UF, K,6.3V 1
C16441,42 F1H1H392A970 C 3900PF, K, 50V 2
C16471 F1L2J1020001 C 1000UF, K,6.3V 1
C16472 F1K1E105A029 C 1UF, Z, 25V 1
C16480 F1J1H104A835 C 0.10UF, 50V 1
C16491 F1L2J1020001 C 1000UF, K,6.3V 1
C16502 F1L1E4750012 C 4.7UF, 25V 1
C16504 F1L1E4750012 C 4.7UF, 25V 1
C16505 F1K1E105A029 C 1UF, Z, 25V 1
C16521 F1K1E105A029 C 1UF, Z, 25V 1
C16522 F1L1E4750012 C 4.7UF, 25V 1
C16524,25 F1L1E4750012 C 4.7UF, 25V 2
C16562 F1H1C105A008 C 1UF, K, 16V 1
C16563 EEUFC1A101 E 100UF, 10V 1
C16564 F1H1C105A008 C 1UF, K, 16V 1
C16565,66 F1J1H103A834 C 0.01UF, K, 50V 2
C16581 F1K1E105A029 C 1UF, Z, 25V 1
C16582 F1H1C105A008 C 1UF, K, 16V 1
C16593 F1J1H102A836 C 1000UF, 50V 1
C16603,04 F1K2J102A014 C 1000UF, K,6.3V 2
C16605,06 F1L2J562A022 C 5600UF, K,6.3V 2
C16608 F1H1H221A971 C 220UF, K, 50V 1
C16632-34 F0C2E405A230 E 0.040UF, 250V 3 PAVCA
C16641 ECQE2105RKB P 1UF, 250V 1
C16661,62 F1K2J102A014 C 1000UF, K,6.3V 2
C16664-66 F1J1H820A836 C 82UF, 50V 3 PAVCA
C16691 ECA2CM101 E 100UF, 160V 1
C16708 F1J1H104A835 C 0.10UF, 50V 1
C16721 F2A1H101A493 E 100UF, 50V 1
C16723-25 F1L1E4750012 C 4.7UF, 25V 3
C16752 F1K1E105A029 C 1UF, Z, 25V 1
C16753 F1L1E4750012 C 4.7UF, 25V 1
C16755,56 F1L1E4750012 C 4.7UF, 25V 2
C16773 F1L1E4750012 C 4.7UF, 25V 1
C16775 F1L1E4750012 C 4.7UF, 25V 1
C16791 F2A1E221A487 E 220UF, 25V 1
C16795 F2A1E471A487 E 470UF, 25V 1
C16797 F1J1H104A835 C 0.10UF, 50V 1
C16798 F1L2E1040002 E 1000UF, 25V 1
C16806 ECA2CM101 E 100UF, 160V 1
C16811 ECJ3VC1H472J C 4700PF, J, 50V 1
C16813 ECA2CM101 E 100UF, 160V 1
C16821 F1J1H104A835 C 0.10UF, 50V 1
C16822 F2A2G470A018 E 470UF, 400V 1
C16823 F1L2J562A022 C 5600UF, K,6.3V 1
C16832 F1J1H392A834 C 3900UF, 50V 1
C16842 ECA2CM101 E 100UF, 160V 1
C16843,44 F1J1H104A835 C 0.10UF, 50V 2
C16855 F1H1C105A008 C 1UF, K, 16V 1
C16856 F1H1A1050032 E 10UF, 50V 1
C16857 F1H1H472A970 C 4700PF, K, 50V 1
C16858 F1H1C104A143 C 0.1UF, K, 16V 1
C16860 F1H1A1050032 E 10UF, 50V 1
C16861 F1H1H472A970 C 4700PF, K, 50V 1
C16862 F1H1C104A143 C 0.1UF, K, 16V 1
C16863 F1J1H103A834 C 0.01UF, K, 50V 1
C16864 F1J1H104A835 C 0.10UF, 50V 1
C16866 F1H1A1050032 E 10UF, 50V 1
C16867 F1H1H472A970 C 4700PF, K, 50V 1
C16868 F1H1C104A143 C 0.1UF, K, 16V 1
C16869 F1J1H104A835 C 0.10UF, 50V 1
C17113 F1H1A1050032 E 10UF, 50V 1
C17131-33 F1H1C104A143 C 0.1UF, K, 16V 3
C17134-45 F1L2E154A009 E 1500UF, 25V 12 PAVCA
Safety Ref. No. Part No. Part Name & 
Description
Pcs Remarks
C17146-49 F1H1A1050032 E 10UF, 50V 4
C17151 F1H1A1050032 E 10UF, 50V 1
C17158-60 F1H1C104A143 C 0.1UF, K, 16V 3
C17201 F1H1A1050032 E 10UF, 50V 1
C17207,08 F1H1A1050032 E 10UF, 50V 2
C17213 F1H1A1050032 E 10UF, 50V 1
C17221-24 F1H1C104A143 C 0.1UF, K, 16V 4
C17226-35 F1L2E154A009 E 1500UF, 25V 10 PAVCA
C17241 F1H1A1050032 E 10UF, 50V 1
C17307 F1H1A1050032 E 10UF, 50V 1
C17310 F1H1A1050032 E 10UF, 50V 1
C17313-16 F1H1C104A143 C 0.1UF, K, 16V 4
C17317 F1K2A105A006 C 1UF, 100V 1
C17318-21 F1L2E154A009 E 1500UF, 25V 4 PAVCA
C17323-26 F1L2E154A009 E 1500UF, 25V 4 PAVCA
C17327,28 F1H1A1050032 E 10UF, 50V 2
CB1-15 K1MN68BA0052 68P CONNECTOR 15
D3 K1KA14B00129 14P CONNECTOR 1
D5 K1KB31BA0064 31P CONNECTOR 1
D6 K1KA20AA0009 20P CONNECTOR 1
D20 K1MN35BA0266 35P CONNECTOR 1 PAVCA
D25 K1KA13B00069 13P CONNECTOR 1
D31-33 K1MN68BA0266 68P CONNECTOR 3
D851,52 MA2J11100L DIODE 2
D854 MA2J11100L DIODE 1
D856,57 MA2J11100L DIODE 2
D859 B0JCME000037 DIODE 1
D860 MAZ81100ML ZENER DIODE 1
D861 MA2J11100L DIODE 1
D862 MAZ80330LL ZENER DIODE 1
D1107 MA704A DIODE 1
D1112 MA2J11100L DIODE 1
D1114,15 MA2J11100L DIODE 2
D2301 MA2J11100L DIODE 1
D2512 MA8043LTX ZENER DIODE 1
D2520A LN1271RAL-TR LED 1
D3005 K7AAAY000003 PHOTO LINK 1
D3048 MA8140M ZENER DIODE 1
D3051-54 MA8140M ZENER DIODE 4
D3063-73 MA8140M ZENER DIODE 11
D3076-80 MA8140M ZENER DIODE 5
D3085-89 MA8140M ZENER DIODE 5
D3701,02 MA8140M ZENER DIODE 2
D3709,10 MAZ80510LL ZENER DIODE 2
D3711 MA8140M ZENER DIODE 1
D3801-06 EZAEG2A50AX DIODE 6
D3807,08 EZJZ0V80008B VARISTOR 2
D3809,10 EZAEG2A50AX DIODE 2
D3811 EZJZ0V80008B VARISTOR 1
D3813,14 B0HCMM000014 DIODE 2
D3815 EZJZ0V120JA VARISTOR 1 PAVCA
D4000 MA2J11100L DIODE 1
D4002 MA2J11100L DIODE 1
D4004,05 MA2J11100L DIODE 2
D4006 MA3X78900L ZENER DIODE 1
D4007 B0BC03900015 ZENER DIODE 1
D4009 MA2J11100L DIODE 1
D4010 MA22D3900L DIODE 1
D4502-12 EZAEG2A50AX DIODE 11
D4513 MA3056MTX ZENER DIODE 1
D4514 EZAEG2A50AX DIODE 1
D4515 MA3056MTX ZENER DIODE 1
D4516-23 EZAEG2A50AX DIODE 8
D4541,42 MA2J11100L DIODE 2
D5400 B0JCME000037 DIODE 1
D5401,02 B0BC4R700007 ZENER DIODE 2
D5403 B0JCME000037 DIODE 1
D5404,05 B0BC4R700007 ZENER DIODE 2
D5521,22 MA3X152A0L DIODE 2
D5571 B0BC6R600005 ZENER DIODE 1
D5573 B0BC01100001 ZENER DIODE 1
Safety Ref. No. Part No. Part Name & 
Description
Pcs Remarks

113
D5601,02 MA22D3900L DIODE 2
D5603,04 B0JCDD000002 DIODE 2
D5605 MA22D3900L DIODE 1
D5606 B0JCDD000002 DIODE 1
D5613-15 MA2J11100L DIODE 3
D5616 MA2J72800L DIODE 1
D5692 MA8056LTX ZENER DIODE 1
D9024-26 B0JCCE000008 DIODE 3
D9027-29 B0BC3R3A0273 ZENER DIODE 3
D9110 B0JCGD000002 DIODE 1
D9807,08 B0JCCE000008 DIODE 2
D9812 MA22D3900L DIODE 1
D9813-15 B0JCGD000002 DIODE 3
D9816,17 MA22D3900L DIODE 2
D14903-08 B0HCMM000013 DIODE 6
D14909 MA3X152A0L DIODE 1
D14910 MA2J11100L DIODE 1
D14911,12 B0HCMM000013 DIODE 2
D14953-58 B0HCMM000013 DIODE 6
D14961 MA8056H ZENER DIODE 1
D14974 MA3X152A0L DIODE 1
D14975,76 MA2J11100L DIODE 2
D14977,78 B0HCMM000013 DIODE 2
D14979 MA2J11100L DIODE 1
D16001,02 B0FBCN000005 DIODE 2
D16021,22 MA3DF30000LW ZENER DIODE 2
D16032 MA2J11100L DIODE 1
D16041 MA3DF46000LW ZENER DIODE 1
D16043 MA3DF46000LW ZENER DIODE 1
D16050 B0ECKP000047 DIODE 1
D16051 B0FBCN000005 DIODE 1
D16053 B0FBCN000005 DIODE 1
D16102 MA22D3900L DIODE 1
D16104 MA22D3900L DIODE 1
D16131 B0ECHP000003 DIODE 1
D16132 B0ECKP000047 DIODE 1
D16151 B0ECHP000003 DIODE 1
D16152,53 B0ECKP000047 DIODE 2
D16191,92 B0ECKP000047 DIODE 2
D16253 LNJ301MPUJA LED 1
D16255 MA2J11100L DIODE 1
D16280 MA2J11100L DIODE 1
D16281 MAZ80510LL ZENER DIODE 1
D16282 MAZ80680ML ZENER DIODE 1
D16284,85 MA3X152A0L DIODE 2
D16300 B0ECKP000047 DIODE 1
D16301 MA3X152A0L DIODE 1
D16302 MA2J11100L DIODE 1
D16311 MAZ81500ML ZENER DIODE 1
D16313 B0ECKP000047 DIODE 1
D16321 B0ECKP000047 DIODE 1
D16324 MA3X152A0L DIODE 1
D16331 B0ECHP000003 DIODE 1
D16335,36 B0ECLM000006 DIODE 2
D16401,02 B0FBCN000005 DIODE 2
D16407,08 MA22D3900L DIODE 2
D16421,22 MA3DF40000LW ZENER DIODE 2
D16451 B0ECKP000047 DIODE 1
D16461,62 MA3DF46000LW ZENER DIODE 2
D16466 MA2J11100L DIODE 1
D16473 MA3X152A0L DIODE 1
D16475 MAZ80510LL ZENER DIODE 1
D16477 MA2J11100L DIODE 1
D16478 B0HCKS000002 DIODE 1
D16480 MA2J11100L DIODE 1
D16481,82 B0FBCN000005 DIODE 2
D16497 B0ECKP000047 DIODE 1
D16501 B0ECHP000003 DIODE 1
D16503 B0ECKP000047 DIODE 1
D16521 B0ECHP000003 DIODE 1
D16522,23 B0ECKP000047 DIODE 2
D16583 LNJ301MPUJA LED 1
D16585 MA2J11100L DIODE 1
Safety Ref. No. Part No. Part Name & 
Description
Pcs Remarks
D16602 MAZ81500ML ZENER DIODE 1
D16604 MA2J11100L DIODE 1
D16605 MAZ80510LL ZENER DIODE 1
D16606 B0ECKM000038 DIODE 1
D16607 MA2J11100L DIODE 1
D16608 MA8120M ZENER DIODE 1
D16609,10 MA2J11100L DIODE 2
D16618,19 B0ECKP000047 DIODE 2
D16631-33 MAZ81500ML ZENER DIODE 3
D16642 B0HCKS000002 DIODE 1
D16643 MA2J11100L DIODE 1
D16645 MA2J11100L DIODE 1
D16659 B0HCMM000014 DIODE 1
D16661 MA2J11100L DIODE 1
D16662-64 MAZ81500ML ZENER DIODE 3
D16665 MAZ80510LL ZENER DIODE 1
D16667 MA2J11100L DIODE 1
D16668 MA3X152A0L DIODE 1
D16669 MA2J11100L DIODE 1
D16671 MA2J11100L DIODE 1
D16710 MAZ81500ML ZENER DIODE 1
D16711 EC8FS6 DIODE 1
D16712 MAZ81500ML ZENER DIODE 1
D16713 EC8FS6 DIODE 1
D16714 MAZ81500ML ZENER DIODE 1
D16715 EC8FS6 DIODE 1
D16717 MA8330M ZENER DIODE 1
D16718 MA2J11100L DIODE 1
D16719,20 B0ECKP000047 DIODE 2
D16721 B0HCKS000002 DIODE 1
D16722 MA2J11100L DIODE 1
D16725 MA2J11100L DIODE 1
D16761,62 MA2J11100L DIODE 2
D16763 B0ECKP000047 DIODE 1
D16764 B0HCKS000002 DIODE 1
D16765,66 B0ECKP000047 DIODE 2
D16771 MAZ80510LL ZENER DIODE 1
D16791 MA8200M ZENER DIODE 1
D16792 MA2J11100L DIODE 1
D16793 B0HCKS000002 DIODE 1
D16794 MA2J11100L DIODE 1
D16820 MA3X152A0L DIODE 1
D16821 MA8200M ZENER DIODE 1
D16822 MA2J11100L DIODE 1
D16824,25 MA8330M ZENER DIODE 2
D16830 MA8056H ZENER DIODE 1
D16836 MAZ81500ML ZENER DIODE 1
D16837 MA2J11100L DIODE 1
D16838 B0BC027A0234 ZENER DIODE 1
D16839 B0ECKP000047 DIODE 1
D16859,60 B0HCKS000002 DIODE 2
D16861,62 MA8330M ZENER DIODE 2
D16871 MA8200M ZENER DIODE 1
D16872 MA2J11100L DIODE 1
D16873 MA8200M ZENER DIODE 1
D16874 MAZ80510LL ZENER DIODE 1
D16875 MA2J11100L DIODE 1
FL3010,11 J0MAB0000140 LC FILTER 2
FL3710-12 J0ZZA0000091 FILTER 3 PAVCA
FL4000 J0HAAB000036 LC FILTER 1
FL4002-04 J0HAAB000036 LC FILTER 3
FL4206-11 J0JAD0000028 CHIP INDUCTOR 6
FL8052 J0HAAB000036 LC FILTER 1
FL8500,01 J0HAAA000013 LC FILTER 2
FL9803 F1J1E104A148 C 0.10UF, Z, 25V 1
FL9805,06 F1J1E104A148 C 0.10UF, Z, 25V 2
FL17101 J0HABH000013 LC FILTER 1
FL17201,0
2
J0HABH000013 LC FILTER 2
FL17301 J0HABH000013 LC FILTER 1
G51 K1KA10BA0062 10P CONNECTOR 1
Safety Ref. No. Part No. Part Name & 
Description
Pcs Remarks

114
GH10 K1FA119E0013 CONNECTOR 1
GH11 K1KA30AA0009 30P CONNECTOR 1
GS52 K1KA14BA0062 14P CONNECTOR 1 PAVCA
IC850 C0DBAZF00003 IC 1
IC1100 MNZSFG3GP53 1
IC1101 TVRP920S IC 1 PAVCA
IC2008 C0CBCBE00001 IC 1
IC2106 C1AB00002908 IC 1
IC2107 C0DBFFD00003 IC 1
IC2301 C1AB00002875 IC 1
IC3001 C1AB00002855 IC 1
IC3017 C0EBM0000026 IC 1
IC3801 C1AB00002835 IC 1 PAVCA
IC3802 TVRP820S IC 1 PAVCA
IC4000 C1AB00002877 IC 1
IC4013 C0JBAZ002060 IC 1
IC4200 C0ZBZ0001568 IC 1 PAVCA
IC4510 C1AB00002901 IC 1
IC4511 C0CBCBE00001 IC 1
IC4512,13 C0DBGYY00477 IC 2
IC4800 C1ZBZ0003775 IC 1
IC5400,01 C0DBAYY00183 IC 2
IC5600 C0DBAYY00273 IC 1
IC5601 C0DBAYY00274 IC 1
IC5606 C0EBF0000354 IC 1
IC8001 MN2WS0047 IC 1 PAVCA
IC8002,03 C3ABSY000014 IC 2
IC8004 C0ZBZ0001030 IC 1
IC8300 MN884350 IC 1 PAVCA
IC8502 TVRP753S IC 1 PAVCA
IC8503 TVRP755S IC 1 PAVCA
IC9001 TVRP925S IC 1 PAVCA
IC9002 C1ZBZ0003577 IC 1
IC9003 MNZSFG4GPH1 IC 1
IC9011 C0EBF0000431 IC 1
IC9013 C0JBAZ002060 IC 1
IC9019 C0JBAZ001120 IC 1
IC9300 MN84526 IC 1
IC9301 C3ABQJ000055 IC 1
IC9303 TVRP926S IC 1 PAVCA
IC9400 MN84526 IC 1
IC9401 C3ABQJ000055 IC 1
IC9500 C1ZBZ0003760 IC 1 PAVCA
IC9802,03 C0JBAZ001120 IC 2
IC9805 C0DBAYY00274 IC 1
IC9806 C0DBAYY00273 IC 1
IC14901-
08
AN16182A-VT IC 8 PAVCA
IC14951-
58
AN16182A-VT IC 8 PAVCA
IC14961,6
2
C0JBAZ000994 IC 2
IC14963 C0JBAE000321 IC 1
IC14964 C0JBAA000174 IC 1
IC14965 C0JBAE000321 IC 1
IC16131 C0ZBZ0000895 IC 1
IC16151 C0ZBZ0001324 IC 1
IC16191 C0ZBZ0000895 IC 1
IC16241 C0JBAZ002811 IC 1
IC16251 NJM2903V IC 1
IC16301 MIP9L02MBS IC 1
IC16302 C0CBALC00012 IC 1
IC16303 C0JBAC000363 IC 1
IC16471 C0DBEKA00003 IC 1
IC16472 C0JBAA000377 IC 1
IC16501 C0ZBZ0000895 IC 1
IC16521 C0ZBZ0001324 IC 1
IC16561-
63
C0JBAZ002811 IC 3
IC16564 C0JBAB000715 IC 1
IC16581 NJM2903V IC 1
Safety Ref. No. Part No. Part Name & 
Description
Pcs Remarks
IC16724,2
5
C0CBADC00072 IC 2
IC16752 C0ZBZ0001324 IC 1
IC16772 C0ZBZ0001325 IC 1
IC16784 MIP9L02MBS IC 1
IC16786 MIP9L02MBS IC 1
IC16787 C0DBEYY00078 IC 1
IC16788 MIP9L02MBS IC 1
IC16789 C0DBEYY00078 IC 1
IC16791 EHMDD9878 LINEAR IC 1 PAVCA
IC16792 C0JBAA000377 IC 1
IC16801 C0DBEYY00078 IC 1
IC17101-
06
C0JBAZ001120 IC 6
IC17201-
04
C0JBAZ001120 IC 4
IC17301-
04
C0JBAZ001120 IC 4
JA1 D0GDR00Z0002 M 0 OHM, 1/10W 1
JA1 01 D0GDR00Z0002 M 0 OHM, 1/10W 1
JA1 ERJ6GEY0R00V M 0 OHM, 1/10W 1
JA2 D0GDR00Z0002 M 0 OHM, 1/10W 1
JA2 02 D0GDR00Z0002 M 0 OHM, 1/10W 1
JA2 ERJ6GEY0R00V M 0 OHM, 1/10W 1
JA3 D0GDR00Z0002 M 0 OHM, 1/10W 1
JA3 03 D0GDR00Z0002 M 0 OHM, 1/10W 1
JA3 ERJ6GEY0R00V M 0 OHM, 1/10W 1
JA4 D0GDR00Z0002 M 0 OHM, 1/10W 1
JA4 04 D0GDR00Z0002 M 0 OHM, 1/10W 1
JA4 ERJ6GEY0R00V M 0 OHM, 1/10W 1
JA5 D0GDR00Z0002 M 0 OHM, 1/10W 1
JA5 05 D0GDR00Z0002 M 0 OHM, 1/10W 1
JA5 ERJ6GEY0R00V M 0 OHM, 1/10W 1
JA6-30 D0GDR00Z0002 M 0 OHM, 1/10W 25
JA101-13 ERJ8GEY0R00 M 0 OHM, 1/8W 13
JK3000 K1U932A00001 CONNECTOR UNIT 1 PAVCA
JK3001 K1FB315A0006 CONNECTOR 1
JK3701 K4AK13B00002 TERMINAL BOARD 1 PAVCA
JK4500,01 K1FY119D0003 CONNECTOR 2 PAVCA
JK7701 K1NA12B00004 CONNECTOR 1
JS2088 D0GDR00Z0002 M 0 OHM, 1/10W 1
JS2300 D0YAR0000007 M 0.0 OHM, 
J,0.063W
1
JS3051-56 D0GDR00Z0002 M 0 OHM, 1/10W 6
JS4010 D0GDR00Z0002 M 0 OHM, 1/10W 1
JS4015 D0GDR00Z0002 M 0 OHM, 1/10W 1
JS4017 ERJ3GEY0R00 M 0 OHM, 1/16W 1
JS7701 ERJ3GEY0R00 M 0 OHM, 1/16W 1
K1 K1KY12B00001 12P CONNECTOR 1
L852 G0C101KA0167 PEAKING COIL 1
L1100 J0JYC0000068 CHIP INDUCTOR 1
L2022 J0JHC0000078 CHIP INDUCTOR 1
L2029 J0JCC0000059 CHIP INDUCTOR 1
L2038 J0JYC0000068 CHIP INDUCTOR 1
L2041 J0JYC0000068 CHIP INDUCTOR 1
L2300 G1C220MA0291 INDUCTION COIL 1
L2302 G1C220MA0291 INDUCTION COIL 1
L2304 G1C220MA0291 INDUCTION COIL 1
L2306 G1C220MA0291 INDUCTION COIL 1
L3000,01 J0JYC0000068 CHIP INDUCTOR 2
L3308,09 J0JCC0000269 CHIP INDUCTOR 2 PAVCA
L3512 J0JHC0000042 CHIP INDUCTOR 1
L3801 J0JHC0000078 CHIP INDUCTOR 1
L3804,05 J0JHC0000078 CHIP INDUCTOR 2
L4000 G1C470MA0291 INDUCTION COIL 1 PAVCA
L4001 G1C100MA0072 INDUCTION COIL 1
L4002 J0JYC0000068 CHIP INDUCTOR 1
L4201,02 J0JHC0000078 CHIP INDUCTOR 2
L4500-07 J0JHC0000078 CHIP INDUCTOR 8
Safety Ref. No. Part No. Part Name & 
Description
Pcs Remarks

115
L4510,11 J0JHC0000078 CHIP INDUCTOR 2
L4512,13 J0JCC0000241 CHIP INDUCTOR 2
L4514-19 J0JYC0000068 CHIP INDUCTOR 6
L4600 J0JHC0000045 CHIP INDUCTOR 1
L5401 G1C330M00027 INDUCTION COIL 1 PAVCA
L5405 G1C330M00027 INDUCTION COIL 1 PAVCA
L5600,01 G1C2R2Z00007 INDUCTION COIL 2
L5602 G1C4R7Z00014 INDUCTION COIL 1
L5604 G1C100MA0203 INDUCTION COIL 1
L5605 J0JCC0000241 CHIP INDUCTOR 1
L5606 G1C100MA0203 INDUCTION COIL 1
L8001-05 J0JHC0000045 CHIP INDUCTOR 5
L8006 ERJ3GEY0R00 M 0 OHM, 1/16W 1
L8007-10 J0JHC0000045 CHIP INDUCTOR 4
L8301-03 J0JHC0000045 CHIP INDUCTOR 3
L8304,05 G1CR22JA0020 INDUCTION COIL 2
L8306 G1CR39JA0020 INDUCTION COIL 1 PAVCA
L8307-10 J0JHC0000045 CHIP INDUCTOR 4
L8311,12 G1CR39JA0020 INDUCTION COIL 2 PAVCA
L8500 J0JCC0000241 CHIP INDUCTOR 1
L8502 J0JCC0000143 CHIP INDUCTOR 1
L8507 J0JHC0000045 CHIP INDUCTOR 1
L9000-07 J0JHC0000078 CHIP INDUCTOR 8
L9800 G1C2R2Z00007 INDUCTION COIL 1
L9801 G1C1R5Z00006 INDUCTION COIL 1
L9802 G1C2R2Z00007 INDUCTION COIL 1
L16001-05 G0C1R6KA0119 PEAKING COIL 5
L16011-15 G0C1R6KA0119 PEAKING COIL 5
L16102 J0JJC0000015 CHIP INDUCTOR 1
L16103 G0ZZ00002183 PEAKING COIL 1
L16104 J0JJC0000015 CHIP INDUCTOR 1
L16221 G0ZZ00002183 PEAKING COIL 1
L16262 G0ZZ00002183 PEAKING COIL 1
L16271 G0ZZ00002183 PEAKING COIL 1
L16301 J0JHC0000031 CHIP INDUCTOR 1
L16398,99 J0JJC0000015 CHIP INDUCTOR 2
L16402-06 G0C1R6KA0119 PEAKING COIL 5
L16412-16 G0C1R6KA0119 PEAKING COIL 5
L16472 G0ZZ00002183 PEAKING COIL 1
L16591 G0ZZ00002183 PEAKING COIL 1
L16697 G0C102KA0187 PEAKING COIL 1
L16698 G0C681KA0187 PEAKING COIL 1
L16699 G0C331KA0187 PEAKING COIL 1
L16801 G0ZZ00002183 PEAKING COIL 1
PA5600 K5H5022A0023 FUSE 1
PA9800 K5H4022A0031 FUSE 1
PA9900 K5H5022A0031 FUSE 1 PAVCA
PB30 K1KA05AA0193 5P CONNECTOR 1
PB31,32 K1KA03AA0192 3P CONNECTOR 2
PB34 K1KA03AA0192 3P CONNECTOR 1
PB36,37 K1KA03AA0192 3P CONNECTOR 2
PC2501 B3JB00000046 IC 1 PAVCA
PC14951,5
2
B3PBA0000457 IC 2
PC14953 B3PBA0000456 IC 1
PC16480 B3PBA0000223 IC 1
PC16601 B3PBA0000223 IC 1
PC16602 B3PBA0000443 IC 1
PC16603 B3PBA0000223 IC 1
PC16705 B3PBA0000456 IC 1
PC16710 B3PBA0000223 IC 1
PC16896,9
7
B3PBA0000223 IC 2
 PCB TNPH0721ABS CIRCUIT BOARD A 1 PAVCA
 PCB TNPA4243AHS CIRCUIT BOARD PB 1 PAVCA
 PCB ETX2MM704MGA CIRCUIT BOARD P 
(AC)
1 PAVCA
 PCB ETX2MM704MGL CIRCUIT BOARD P 
(MAIN)
1 PAVCA
 PCB TXNC11RKTU CIRCUIT BOARD C1 1 PAVCA
Safety Ref. No. Part No. Part Name & 
Description
Pcs Remarks
 PCB TXNC21RKTU CIRCUIT BOARD C2 1 PAVCA
 PCB TXNC31RKTU CIRCUIT BOARD C3 1 PAVCA
 PCB TNPA4439AKS CIRCUIT BOARD D 1 PAVCA
 PCB TXNSC1RKTUS CIRCUIT BOARD SC 1 PAVCA
 PCB TXNSD1RKTU CIRCUIT BOARD SD 1 PAVCA
 PCB TXNSS1RKTU CIRCUIT BOARD SS 1 PAVCA
 PCB TXNSU1RKTU CIRCUIT BOARD SU 1 PAVCA
 PCB TNPA4502S CIRCUIT BOARD K 1 PAVCA
 PCB TNPA4499S CIRCUIT BOARD S 1 PAVCA
 PCB TNPA4503S CIRCUIT BOARD G 1 PAVCA
 PCB TNPA4506S CIRCUIT BOARD GH 1 PAVCA
 PCB TNPA4504S CIRCUIT BOARD GS 1 PAVCA
Q2041,42 2SD0601ARL TRANSISTOR 2
Q2301 2SB0709ARL TRANSISTOR 1
Q2510,11 2SD0601ARL TRANSISTOR 2
Q3123,24 2SD0601ARL TRANSISTOR 2
Q3125 2SB0709ARL TRANSISTOR 1
Q3801,02 2SD0601ARL TRANSISTOR 2
Q3804 2SD0601ARL TRANSISTOR 1
Q4014,15 2SD0601ARL TRANSISTOR 2
Q4016 2SK3065T100 FET 1
Q4017 2SD0601ARL TRANSISTOR 1
Q4502,03 2SD0601ARL TRANSISTOR 2
Q4514-17 2SB0709ARL TRANSISTOR 4
Q4522,23 2SD0601ARL TRANSISTOR 2
Q4528-31 2SB0709ARL TRANSISTOR 4
Q5522 2SB0709ARL TRANSISTOR 1
Q5600 B1MBEDA00015 FET 1
Q5601,02 B1MBDDA00003 FET 2
Q5603,04 2SD0601ARL TRANSISTOR 2
Q5684 2SB0709ARL TRANSISTOR 1
Q8300 2SB0709ARL TRANSISTOR 1
Q9010 2SD0601ARL TRANSISTOR 1
Q9058-61 2SD0601ARL TRANSISTOR 4
Q9805,06 2SD0601ARL TRANSISTOR 2
Q9807 B1MBDDA00003 FET 1
Q9808 B1MBDDA00015 FET 1
Q9809 B1MBDDA00003 FET 1
Q16002-04 B1JAEN000002 TRANSISTOR 3
Q16022-24 B1JAEN000002 TRANSISTOR 3
Q16042 B1JAEN000003 TRANSISTOR 1
Q16051 B1JAEN000003 TRANSISTOR 1
Q16102 2SK399800L FET 1
Q16104 2SK399800L FET 1
Q16141 B1HFPFA00001 TRANSISTOR 1
Q16161 B1HFPFA00001 TRANSISTOR 1
Q16171 B1ABRD000003 TRANSISTOR 1
Q16172 B1ADRD000001 TRANSISTOR 1
Q16181 B1ABRD000003 TRANSISTOR 1
Q16182 B1ADRD000001 TRANSISTOR 1
Q16191 B1HFPFA00001 TRANSISTOR 1
Q16251 2SD0601ARL TRANSISTOR 1
Q16280 2SD0601ARL TRANSISTOR 1
Q16301 B1CBGD000001 FET 1
Q16302 2SK3065T100 FET 1
Q16304 2SB0709ARL TRANSISTOR 1
Q16331 B1CERL000012 FET 1
Q16335 B1CERL000012 FET 1
Q16339 2SK399500L FET 1
Q16401 B1JAEN000002 TRANSISTOR 1
Q16403,04 B1JAEN000002 TRANSISTOR 2
Q16421 B1JAEP000002 TRANSISTOR 1
Q16423,24 B1JAEP000002 TRANSISTOR 2
Q16441,42 B1JAEN000003 TRANSISTOR 2
Q16452 B1JAEP000003 TRANSISTOR 1
Q16471 B1ABCF000231 TRANSISTOR 1
Q16501 B1HFPFA00001 TRANSISTOR 1
Q16521 B1HFPFA00001 TRANSISTOR 1
Q16531 B1ABRD000003 TRANSISTOR 1
Q16532 B1ADRD000001 TRANSISTOR 1
Q16551 B1ABRD000003 TRANSISTOR 1
Safety Ref. No. Part No. Part Name & 
Description
Pcs Remarks

116
Q16552 B1ADRD000001 TRANSISTOR 1
Q16581 B1ABCF000231 TRANSISTOR 1
Q16601 B1DEET000002 FET 1
Q16602 2SD0601ARL TRANSISTOR 1
Q16603 2SB0709ARL TRANSISTOR 1
Q16604 B1CHPM000001 FET 1
Q16605 2SB0709ARL TRANSISTOR 1
Q16606 2SD0601ARL TRANSISTOR 1
Q16607 B1CBGD000001 FET 1
Q16608 B1ABCF000231 TRANSISTOR 1
Q16622-25 B1CFRM000008 FET 4 PAVCA
Q16627-29 B1CFRM000008 FET 3 PAVCA
Q16634 B1CFRM000008 FET 1 PAVCA
Q16641-44 2SK4175000LZ FET 4
Q16647-50 2SK4175000LZ FET 4
Q16661 B1JAER000004 TRANSISTOR 1 PAVCA
Q16662 2SD0601ARL TRANSISTOR 1
Q16663 2SB0709ARL TRANSISTOR 1
Q16664 B1HFPFA00001 TRANSISTOR 1
Q16665 B1ABCF000231 TRANSISTOR 1
Q16743 2SD0601ARL TRANSISTOR 1
Q16762,63 B1ADNF000006 TRANSISTOR 2
Q16781 B1HFPFA00001 TRANSISTOR 1
Q16783 B1HFPFA00001 TRANSISTOR 1
Q16791 2SD0814A TRANSISTOR 1
Q16794 B1ADCE000022 TRANSISTOR 1
Q16795 2SD0601ARL TRANSISTOR 1
Q16796 2SC1473A TRANSISTOR 1
Q16801,02 B1ADCN000007 TRANSISTOR 2
Q16805 2SC3063 TRANSISTOR 1
Q16806 2SC1473AEA TRANSISTOR 1
Q16810-12 B1ABCF000231 TRANSISTOR 3
Q16814,15 B1ABCN000007 TRANSISTOR 2
Q16816,17 2SD0601ARL TRANSISTOR 2
Q16871,72 2SB0709ARL TRANSISTOR 2
Q16873 B1ABCF000231 TRANSISTOR 1
Q16874 B1CBGD000001 FET 1
Q16875,76 B1ABCF000231 TRANSISTOR 2
Q16879 B1ABCF000231 TRANSISTOR 1
R851,52 ERJ6GEYF472 M 4.7KOHM,J,1/
10W
2
R854 ERJ6GEYF472 M 4.7KOHM,J,1/
10W
1
R856,57 ERJ6GEYF472 M 4.7KOHM,J,1/
10W
2
R859 ERJ6ENF2001 M 2KOHM, 1/10W 1
R861 ERJ6GEYF472 M 4.7KOHM,J,1/
10W
1
R867 ERJ6GEY0R00V M 0 OHM, 1/10W 1
R869 ERJ6GEYG102 M 1KOHM,J,1/10W 1
R871 ERJ6ENF1302 M 13KOHM, 1/10W 1
R872 ERJ6ENF8450 M 845 OHM, 1/10W 1
R874 ERJ6GEYJ471 M 470 OHM,J,1/
10W
1
R1112 ERJ2GEJ331 M 330 OHM, 
J,0.063W
1
R1124,25 ERJ2GEJ473 M 47KOHM, 
J,0.063W
2
R1139 ERJ2GEJ473 M 47KOHM, 
J,0.063W
1
R1143 ERJ2GEJ473 M 47KOHM, 
J,0.063W
1
R1145 ERJ2GEJ471 M 470 OHM, 
J,0.063W
1
R1148-54 ERJ2GEJ473 M 47KOHM, 
J,0.063W
7
R1157 ERJ2GEJ473 M 47KOHM, 
J,0.063W
1
R1160,61 ERJ2GEJ473 M 47KOHM, 
J,0.063W
2
R1162 ERJ2GEJ101 M 100 OHM, 
J,0.063W
1
R1169 ERJ2GEJ683 M 68KOHM, 
J,0.063W
1
Safety Ref. No. Part No. Part Name & 
Description
Pcs Remarks
R1170 ERJ2GEJ333 M 33KOHM, 
J,0.063W
1
R1171 ERJ2GEJ683 M 68KOHM, 
J,0.063W
1
R1172 ERJ2GEJ333 M 33KOHM, 
J,0.063W
1
R1174,75 ERJ2GEJ220 M 22 OHM, 
J,0.063W
2
R1182 ERJ2GEJ273 M 27KOHM 
,J,0.063W
1
R1183,84 ERJ2GEJ220 M 22 OHM, 
J,0.063W
2
R1188 D0YAR0000007 M 0.0 OHM, 
J,0.063W
1
R1194 ERJ2GEJ683 M 68KOHM, 
J,0.063W
1
R1196 ERJ2GEJ473 M 47KOHM, 
J,0.063W
1
R1198 ERJ2GEJ222 M 2.2KOHM, 
J,0.063W
1
R1199 ERJ2GEJ473 M 47KOHM, 
J,0.063W
1
R1200,01 ERJ2GEJ472 M 4.7KOHM, 
J,0.063W
2
R1203 ERJ2GEJ473 M 47KOHM, 
J,0.063W
1
R1205,06 ERJ2GEJ220 M 22 OHM, 
J,0.063W
2
R1209,10 ERJ2GEJ473 M 47KOHM, 
J,0.063W
2
R1216 ERJ2GEJ103 M 10KOHM, 
J,0.063W
1
R1218-20 ERJ2GEJ473 M 47KOHM, 
J,0.063W
3
R1221 D1BB7151A055 M7.15KOHM, 1/10W 1
R1223 ERJ2GEJ473 M 47KOHM, 
J,0.063W
1
R1236 ERJ2GEJ473 M 47KOHM, 
J,0.063W
1
R1237 ERJ2GEJ102X M 1KOHM, 
J,0.063W
1
R1243 ERJ2GEJ473 M 47KOHM, 
J,0.063W
1
R1255 ERJ2GEJ102X M 1KOHM, 
J,0.063W
1
R2058 ERJ2GEJ471 M 470 OHM, 
J,0.063W
1
R2059 ERJ2GEJ105 M 1MOHM, 
J,0.063W
1
R2060 ERJ2GEJ181 M 180 OHM, 
J,0.063W
1
R2100 D1BB2002A055 M 20KOHM, 1/10W 1
R2104 D1BB2001A055 M 2KOHM, 1/10W 1
R2110 ERJ2GEJ103 M 10KOHM, 
J,0.063W
1
R2111 ERJ2GEJ101 M 100 OHM, 
J,0.063W
1
R2113 D1BB1203A055 M 120KOHM, 1/10W 1
R2114 D1BB7502A055 M 75KOHM, 1/10W 1
R2115-17 ERJ2GEJ103 M 10KOHM, 
J,0.063W
3
R2138 ERJ2GEJ103 M 10KOHM, 
J,0.063W
1
R2150,51 D1BB2802A055 M 28KOHM, 1/10W 2
R2152 ERJ3GEY0R00 M 0 OHM, 1/16W 1
R2162,63 ERJ2GEJ103 M 10KOHM, 
J,0.063W
2
R2164 ERJ2GEJ102X M 1KOHM, 
J,0.063W
1
R2271 EXB28V220J RESISTOR ARRAY 1
R2301,02 ERJ2GEJ222 M 2.2KOHM, 
J,0.063W
2
R2305 ERJ2GEJ471 M 470 OHM, 
J,0.063W
1
R2308 ERJ8GEYJ3R3V M 3.3 OHM, J,1/
8W
1
R2310 ERJ2GEJ103 M 10KOHM, 
J,0.063W
1
R2311 ERJ8GEYJ3R3V M 3.3 OHM, J,1/
8W
1
Safety Ref. No. Part No. Part Name & 
Description
Pcs Remarks

117
R2313 ERJ8GEYJ3R3V M 3.3 OHM, J,1/
8W
1
R2315 ERJ8GEYJ3R3V M 3.3 OHM, J,1/
8W
1
R2325 ERJ2GEJ101 M 100 OHM, 
J,0.063W
1
R2330 ERJ2GEJ392 M 3.9KOHM, 
J,0.063W
1
R2331 ERJ3GEYJ221 M 220 OHM,J,1/
16W
1
R2513 D1BB5601A055 M 5.6KOHM, 1/10W 1
R2516 ERJ3GEYJ223 M 22KOHM,J,1/16W 1
R2517 ERJ6GEYG470V M 47 OHM,J,1/10W 1
R2520 ERJ3GEYJ224 M 220KOHM,J,1/
16W
1
R2524 ERJ3GEYJ223 M 22KOHM,J,1/16W 1
R2525 D1BB8200A055 M 820 OHM, 1/10W 1 PAVCA
R2542 D0GB473JA057 M 47KOHM,J,1/16W 1
R2557 ERJ3GEYJ562 M 5.6KOHM,J,1/
16W
1
R3058-60 ERJ2GEJ221 M 220 OHM, 
J,0.063W
3
R3061 D1BB75R0A055 M 75 OHM, 1/10W 1 PAVCA
R3062,63 ERJ2GEJ221 M 220 OHM, 
J,0.063W
2
R3064 D1BB75R0A055 M 75 OHM, 1/10W 1 PAVCA
R3065 ERJ2GEJ102X M 1KOHM, 
J,0.063W
1
R3066 D1BB75R0A055 M 75 OHM, 1/10W 1 PAVCA
R3067,68 ERJ2GEJ221 M 220 OHM, 
J,0.063W
2
R3070 ERJ2GEJ102X M 1KOHM, 
J,0.063W
1
R3071 ERJ2GEJ221 M 220 OHM, 
J,0.063W
1
R3074,75 ERJ2GEJ680 M 68 OHM, 
J,0.063W
2
R3076 ERJ6RED750 M 75 OHM, 1/10W 1
R3077-92 ERJ2GEJ221 M 220 OHM, 
J,0.063W
16
R3095-99 ERJ2GEJ680 M 68 OHM, 
J,0.063W
5
R3107 ERJ2GEJ680 M 68 OHM, 
J,0.063W
1
R3123,24 ERJ2GEJ182 M 1.8KOHM, 
J,0.063W
2
R3145 ERJ2GEJ101 M 100 OHM, 
J,0.063W
1
R3146 ERJ2GEJ184 M 180KOHM, 
J,0.063W
1
R3147 ERJ2GEJ101 M 100 OHM, 
J,0.063W
1
R3148 ERJ2GEJ184 M 180KOHM, 
J,0.063W
1
R3149,50 ERJ2GEJ101 M 100 OHM, 
J,0.063W
2
R3151 ERJ2GEJ105 M 1MOHM, 
J,0.063W
1
R3152 ERJ2GEJ473 M 47KOHM, 
J,0.063W
1
R3153 ERJ2GEJ102X M 1KOHM, 
J,0.063W
1
R3154 ERJ2GEJ274 M 270KOHM, 
J,0.063W
1
R3188 ERJ2GEJ680 M 68 OHM, 
J,0.063W
1
R3189 D1BB75R0A055 M 75 OHM, 1/10W 1 PAVCA
R3190-93 D0GB393JA041 M 39KOHM,J,1/16W 4
R3194 D1BB75R0A055 M 75 OHM, 1/10W 1 PAVCA
R3195,96 ERJ2GEJ680 M 68 OHM, 
J,0.063W
2
R3198,99 D1BB75R0A055 M 75 OHM, 1/10W 2 PAVCA
R3202 D0GB393JA041 M 39KOHM,J,1/16W 1
R3203 D1BB75R0A055 M 75 OHM, 1/10W 1 PAVCA
R3204 D0GB393JA041 M 39KOHM,J,1/16W 1
R3206 D0GB393JA041 M 39KOHM,J,1/16W 1
R3208,09 D1BB75R0A055 M 75 OHM, 1/10W 2 PAVCA
R3210 D0GB393JA041 M 39KOHM,J,1/16W 1
R3211,12 D1BB75R0A055 M 75 OHM, 1/10W 2 PAVCA
Safety Ref. No. Part No. Part Name & 
Description
Pcs Remarks
R3301 D0GDR00Z0002 M 0 OHM, 1/10W 1
R3302 ERJ2GEJ101 M 100 OHM, 
J,0.063W
1
R3303 D0GDR00Z0002 M 0 OHM, 1/10W 1
R3305 ERJ2GEJ101 M 100 OHM, 
J,0.063W
1
R3306,07 ERJ6GEYF472 M 4.7KOHM,J,1/
10W
2
R3310 D1BB75R0A055 M 75 OHM, 1/10W 1 PAVCA
R3311 D0GDR00Z0002 M 0 OHM, 1/10W 1
R3313 D1BB75R0A055 M 75 OHM, 1/10W 1 PAVCA
R3316 D0GDR00Z0002 M 0 OHM, 1/10W 1
R3318 D1BB75R0A055 M 75 OHM, 1/10W 1 PAVCA
R3319 D0GDR00Z0002 M 0 OHM, 1/10W 1
R3716,17 ERJ6ENF3902 M 39KOHM,J,1/10W 2
R3721 D0GD103JA036 M 10KOHM,J,0.25W 1
R3750 ERJ6ENF1432 M14.3KOHM, 1/10W 1
R3751 ERJ6ENF6651 M6.65KOHM, 1/10W 1
R3752 ERJ6ENF1741 M1.74KOHM, 1/10W 1
R3753 ERJ6ENF1621 M1.62KOHM, 1/10W 1
R3754 ERJ6ENF2321 M2.32KOHM, 1/10W 1
R3756 D0GDR00Z0002 M 0 OHM, 1/10W 1
R3758 ERJ6ENF3161 M3.16KOHM, 1/10W 1
R3801,02 ERJ2GEJ103 M 10KOHM, 
J,0.063W
2
R3803 ERJ2GEJ332 M 3.3KOHM, 
J,0.063W
1
R3804,05 ERJ2GEJ472 M 4.7KOHM, 
J,0.063W
2
R3806 ERJ2GEJ473 M 47KOHM, 
J,0.063W
1
R3807,08 ERJ2GEJ100 M 10 OHM, 
J,0.063W
2
R3809,10 ERJ2GEJ102X M 1KOHM, 
J,0.063W
2
R3811 D1BB4701A055 M 4.7KOHM, 1/10W 1
R3812 ERJ2GEJ103 M 10KOHM, 
J,0.063W
1
R3814 ERJ2GEJ472 M 4.7KOHM, 
J,0.063W
1
R3815 D0YAR0000007 M 0.0 OHM, 
J,0.063W
1
R3818 ERJ2GEJ103 M 10KOHM, 
J,0.063W
1
R3821 ERJ2RKD330 M 33 OHM, 
J,0.063W
1
R3822 ERJ2GEJ102X M 1KOHM, 
J,0.063W
1
R3824-31 D0GA2R7JA014 M 2.7OHM, 
J,0.063W
8 PAVCA
R3832 ERJ2GEJ472 M 4.7KOHM, 
J,0.063W
1
R3840,41 ERJ2GEJ100 M 10 OHM, 
J,0.063W
2
R3845 ERJ2GEJ472 M 4.7KOHM, 
J,0.063W
1
R3847 D0YAR0000007 M 0.0 OHM, 
J,0.063W
1
R3854 ERJ2GEJ103 M 10KOHM, 
J,0.063W
1
R4079 D1HG5608A002 NETWORK RESISTER 1
R4081 D1HG5608A002 NETWORK RESISTER 1
R4089-91 D1HG5608A002 NETWORK RESISTER 3
R4112 ERJ2GEJ331 M 330 OHM, 
J,0.063W
1
R4113 ERJ6GEYG681 M 680 OHM,J,1/
10W
1
R4115 D1BB1003A055 M 100KOHM, 1/10W 1 PAVCA
R4116 D1BB3401A055 M 3.4KOHM, 1/10W 1 PAVCA
R4117 D1BB4701A055 M 4.7KOHM, 1/10W 1
R4122 ERJ2GEJ680 M 68 OHM, 
J,0.063W
1
R4123-33 ERJ2GEJ220 M 22 OHM, 
J,0.063W
11
R4134-36 ERJ2GEJ331 M 330 OHM, 
J,0.063W
3
R4137 ERJ2GEJ101 M 100 OHM, 
J,0.063W
1
Safety Ref. No. Part No. Part Name & 
Description
Pcs Remarks

118
R4138-40 ERJ2GEJ220 M 22 OHM, 
J,0.063W
3
R4153 ERJ2GEJ473 M 47KOHM, 
J,0.063W
1
R4155 ERJ2GEJ103 M 10KOHM, 
J,0.063W
1
R4158 ERJ3GEYD153V M 15KOHM,J,1/16W 1
R4162 ERJ2GEJ104 M 100KOHM, 
J,0.063W
1
R4166 ERJ2GEJ103 M 10KOHM, 
J,0.063W
1
R4167 ERJ2GEJ473 M 47KOHM, 
J,0.063W
1
R4168 EXB2HV473JV RESISTOR ARRAY 1
R4170,71 ERJ2GEJ220 M 22 OHM, 
J,0.063W
2
R4286-88 ERJ2GEJ473 M 47KOHM, 
J,0.063W
3
R4289-94 EXB28V470JX RESISTOR ARRAY 6
R4295-02 ERJ2GEJ470 M 47 OHM, 
J,0.063W
8
R4303 ERJ2RKD330 M 33 OHM, 
J,0.063W
1
R4304,05 ERJ2GEJ470 M 47 OHM, 
J,0.063W
2
R4309 ERJ2GEJ473 M 47KOHM, 
J,0.063W
1
R4327 ERJ2GEJ473 M 47KOHM, 
J,0.063W
1
R4330 ERJ2GEJ473 M 47KOHM, 
J,0.063W
1
R4502,03 ERJ2GEJ103 M 10KOHM, 
J,0.063W
2
R4524 ERJ2GEJ104 M 100KOHM, 
J,0.063W
1
R4526,27 ERJ2GEJ102X M 1KOHM, 
J,0.063W
2
R4528 ERJ2GEJ103 M 10KOHM, 
J,0.063W
1
R4530 ERJ2GEJ103 M 10KOHM, 
J,0.063W
1
R4538 ERJ2GEJ473 M 47KOHM, 
J,0.063W
1
R4540 ERJ2GEJ473 M 47KOHM, 
J,0.063W
1
R4548-50 ERJ2GEJ103 M 10KOHM, 
J,0.063W
3
R4552 ERJ2GEJ220 M 22 OHM, 
J,0.063W
1
R4568 ERJ2GEJ103 M 10KOHM, 
J,0.063W
1
R4571,72 ERJ2GEJ472 M 4.7KOHM, 
J,0.063W
2
R4587 D1BB60400001 M 604 OHM, 1/10W 1
R4588,89 D1BB8060A055 M 806 OHM, 1/10W 2
R4590,91 ERJ2GEJ103 M 10KOHM, 
J,0.063W
2
R4592 D1BB8060A055 M 806 OHM, 1/10W 1
R4593 D1BB2201A055 M 2.2KOHM, 1/10W 1
R4596-98 ERJ6GEYG102 M 1KOHM,J,1/10W 3
R4600 ERJ2GEJ680 M 68 OHM, 
J,0.063W
1
R4601 ERJ6GEYG102 M 1KOHM,J,1/10W 1
R4603,04 ERJ2GEJ680 M 68 OHM, 
J,0.063W
2
R4606 D1BB9101A055 M 9.1KOHM, 1/10W 1
R4609,10 ERJ2GEJ680 M 68 OHM, 
J,0.063W
2
R4611 D1BB5601A055 M 5.6KOHM, 1/10W 1
R4613 ERJ2GEJ680 M 68 OHM, 
J,0.063W
1
R4620 D0YAR0000007 M 0.0 OHM, 
J,0.063W
1
R4622 D0YAR0000007 M 0.0 OHM, 
J,0.063W
1
R4624,25 ERJ2GEJ103 M 10KOHM, 
J,0.063W
2
R4626,27 D1BB2200A055 M 220 OHM, 1/10W 2
R4631 D1BB4990A055 M 499 OHM, 1/10W 1
Safety Ref. No. Part No. Part Name & 
Description
Pcs Remarks
R4634 D1BB2200A055 M 220 OHM, 1/10W 1
R4635 EXB28V680JX RESISTOR ARRAY 1
R4636-38 ERJ2GEJ680 M 68 OHM, 
J,0.063W
3
R4639,40 EXB28V680JX RESISTOR ARRAY 2
R4641 ERJ2GEJ220 M 22 OHM, 
J,0.063W
1
R4643 ERJ2GEJ220 M 22 OHM, 
J,0.063W
1
R4645,46 ERJ2GEJ680 M 68 OHM, 
J,0.063W
2
R4648 EXB28V330J RESISTOR ARRAY 1
R4649 EXB28V680JX RESISTOR ARRAY 1
R4650,51 ERJ2GEJ680 M 68 OHM, 
J,0.063W
2
R4652 ERJ2GEJ473 M 47KOHM, 
J,0.063W
1
R4665,66 ERJ2GEJ473 M 47KOHM, 
J,0.063W
2
R4670 ERJ2GEJ680 M 68 OHM, 
J,0.063W
1
R4678,79 EXB28V680JX RESISTOR ARRAY 2
R4698,99 ERJ2GEJ472 M 4.7KOHM, 
J,0.063W
2
R4700-06 ERJ2GEJ473 M 47KOHM, 
J,0.063W
7
R4736 ERJ2GEJ101 M 100 OHM, 
J,0.063W
1
R4737,38 ERJ2GEJ102X M 1KOHM, 
J,0.063W
2
R4739,40 ERJ2GEJ104 M 100KOHM, 
J,0.063W
2
R4741 ERJ2GEJ102X M 1KOHM, 
J,0.063W
1
R4821 ERJ2GEJ103 M 10KOHM, 
J,0.063W
1
R5058 ERJ2GEJ102X M 1KOHM, 
J,0.063W
1
R5069 ERJ2GEJ103 M 10KOHM, 
J,0.063W
1
R5137 ERJ2GEJ102X M 1KOHM, 
J,0.063W
1
R5188 ERJ2GEJ471 M 470 OHM, 
J,0.063W
1
R5400 ERJ2GEJ104 M 100KOHM, 
J,0.063W
1
R5401 ERJ2GEJ103 M 10KOHM, 
J,0.063W
1
R5402 D1BB4532A055 M4.53KOHM, 1/10W 1
R5403 D1BB1002A055 M 10KOHM, 1/10W 1
R5405 ERJ2GEJ104 M 100KOHM, 
J,0.063W
1
R5406 ERJ2GEJ203 M 
20KOHM,J,0.063W
1
R5407 D1BB8872A055 M8.87KOHM, 1/10W 1
R5408 D1BB1002A055 M 10KOHM, 1/10W 1
R5535 ERJ2GEJ222 M 2.2KOHM, 
J,0.063W
1
R5536 ERJ2GEJ472 M 4.7KOHM, 
J,0.063W
1
R5537 ERJ2GEJ152 M 1.5KOHM, 
J,0.063W
1
R5538 ERJ2GEJ222 M 2.2KOHM, 
J,0.063W
1
R5540 ERJ6GEYJ471 M 470 OHM,J,1/
10W
1
R5542 ERJ6GEYJ471 M 470 OHM,J,1/
10W
1
R5544 ERJ2GEJ221 M 220 OHM, 
J,0.063W
1
R5600 ERJ2GEJ680 M 68 OHM, 
J,0.063W
1
R5604 D1BB4702A055 M 47KOHM, 1/10W 1
R5605 D1BB1272A055 M12.7KOHM, 1/10W 1
R5606,07 D0YAR0000007 M 0.0 OHM, 
J,0.063W
2
R5610 ERJ2GEJ104 M 100KOHM, 
J,0.063W
1
R5611 D1BB4702A055 M 47KOHM, 1/10W 1
Safety Ref. No. Part No. Part Name & 
Description
Pcs Remarks

119
R5612 D1BB3602A055 M 36KOHM, 1/10W 1
R5620 ERJ2GEJ680 M 68 OHM, 
J,0.063W
1
R5621 D1BB2802A055 M 28KOHM, 1/10W 1
R5622 ERJ2GEJ104 M 100KOHM, 
J,0.063W
1
R5623 D1BB4702A055 M 47KOHM, 1/10W 1
R5625-28 D0YAR0000007 M 0.0 OHM, 
J,0.063W
4
R5629 D1BB2802A055 M 28KOHM, 1/10W 1
R5630 D1BB4752A055 M4.75KOHM, 1/10W 1
R5631 D1BB3602A055 M 36KOHM, 1/10W 1
R5632 D1BB3002A055 M 30KOHM, 1/10W 1
R5633 D1BB3602A055 M 36KOHM, 1/10W 1
R5634 D1BB2802A055 M 28KOHM, 1/10W 1
R5635 ERJ2GEJ223 M 22KOHM, 
J,0.063W
1
R5636 ERJ2GEJ683 M 68KOHM, 
J,0.063W
1
R5637 D0YAR0000007 M 0.0 OHM, 
J,0.063W
1
R5638 ERJ2GEJ103 M 10KOHM, 
J,0.063W
1
R5641 ERJ2GEJ473 M 47KOHM, 
J,0.063W
1
R5644 ERJ2GEJ222 M 2.2KOHM, 
J,0.063W
1
R5646 ERJ2GEJ103 M 10KOHM, 
J,0.063W
1
R5647 ERJ2GEJ473 M 47KOHM, 
J,0.063W
1
R5648 ERJ2GEJ103 M 10KOHM, 
J,0.063W
1
R5650,51 ERJ2GED563X M 56KOHM 
,J,0.063W
2
R5652 ERJ2GEJ104 M 100KOHM, 
J,0.063W
1
R5662 ERJ2GEJ103 M 10KOHM, 
J,0.063W
1
R5664 ERJ2GEJ105 M 1MOHM, 
J,0.063W
1
R5665 ERJ2GEJ101 M 100 OHM, 
J,0.063W
1
R5666 ERJ2GEJ471 M 470 OHM, 
J,0.063W
1
R5667 ERJ2GEJ101 M 100 OHM, 
J,0.063W
1
R5732 D0YAR0000007 M 0.0 OHM, 
J,0.063W
1
R5733 ERJ2GEJ153 M 15KOHM 
,J,0.063W
1
R5747 ERJ2GEJ103 M 10KOHM, 
J,0.063W
1
R5748 ERJ2GEJ123 M 12KOHM 
,J,0.063W
1
R5749 ERJ2GEJ473 M 47KOHM, 
J,0.063W
1
R5762 ERJ2GEJ101 M 100 OHM, 
J,0.063W
1
R7701 ERJ3GEYJ680 M 68 OHM,J,1/16W 1
R7702 ERJ3GEY0R00 M 0 OHM, 1/16W 1
R7703-05 ERJ3GEYJ680 M 68 OHM,J,1/16W 3
R7706 ERJ3GEY0R00 M 0 OHM, 1/16W 1
R7709 ERJ3GEYJ680 M 68 OHM,J,1/16W 1
R7710 D0GB101JA041 M 100 OHM,J,1/
16W
1
R7713 J0JCC0000100 CHIP INDUCTOR 1
R7731 ERJ3GEY0R00 M 0 OHM, 1/16W 1
R7791-96 ERJ3GEY0R00 M 0 OHM, 1/16W 6
R8001 ERJ2GEJ221 M 220 OHM, 
J,0.063W
1
R8002 ERJ2GEJ560 M 56 OHM, 
J,0.063W
1
R8004 D1BB2402A055 M 24KOHM, 1/10W 1
R8005 D1BB1002A055 M 10KOHM, 1/10W 1
R8006 D1BB6801A055 M 6.8KOHM, 1/10W 1
R8030 ERJ2GEJ101 M 100 OHM, 
J,0.063W
1
R8031,32 D1BB2700A055 M 270 OHM, 1/10W 2
Safety Ref. No. Part No. Part Name & 
Description
Pcs Remarks
R8035 D0YAR0000007 M 0.0 OHM, 
J,0.063W
1
R8056-73 ERJ2GEJ470 M 47 OHM, 
J,0.063W
18
R8074 ERJ2GEJ221 M 220 OHM, 
J,0.063W
1
R8075-78 ERJ2GEJ470 M 47 OHM, 
J,0.063W
4
R8081 ERJ2GEJ103 M 10KOHM, 
J,0.063W
1
R8082 D1BA75R0A014 M0.75KOHM, 1/10W 1
R8083 ERJ2GEJ301 M 300 OHM, 
J,0.063W
1
R8086 ERJ2GEJ104 M 100KOHM, 
J,0.063W
1
R8087 ERJ2GEJ103 M 10KOHM, 
J,0.063W
1
R8090 ERJ2GEJ103 M 10KOHM, 
J,0.063W
1
R8091 ERJ2GEJ470 M 47 OHM, 
J,0.063W
1
R8093 ERJ2GEJ470 M 47 OHM, 
J,0.063W
1
R8094 ERJ2GEJ103 M 10KOHM, 
J,0.063W
1
R8097 ERJ2GEJ221 M 220 OHM, 
J,0.063W
1
R8098,99 ERJ2GEJ103 M 10KOHM, 
J,0.063W
2
R8100 ERJ2GEJ470 M 47 OHM, 
J,0.063W
1
R8101 ERJ2GEJ103 M 10KOHM, 
J,0.063W
1
R8106 ERJ2GEJ202 M 2KOHM, 
J,0.063W
1
R8107 ERJ2GEJ101 M 100 OHM, 
J,0.063W
1
R8112 ERJ2GEJ222 M 2.2KOHM, 
J,0.063W
1
R8302,03 ERJ2GEJ470 M 47 OHM, 
J,0.063W
2
R8304 D0YAR0000007 M 0.0 OHM, 
J,0.063W
1
R8305,06 ERJ2GEJ101 M 100 OHM, 
J,0.063W
2
R8307,08 ERJ2GEJ562 M 5.6KOHM, 
J,0.063W
2
R8309 ERJ2GEJ221 M 220 OHM, 
J,0.063W
1
R8311 ERJ2GEJ221 M 220 OHM, 
J,0.063W
1
R8313 ERJ6GEYG102 M 1KOHM,J,1/10W 1
R8314 D1BB1202A055 M 12KOHM, 1/10W 1 PAVCA
R8315 ERJ2GEJ102X M 1KOHM, 
J,0.063W
1
R8316,17 ERJ2GEJ103 M 10KOHM, 
J,0.063W
2
R8318-20 ERJ2GEJ220 M 22 OHM, 
J,0.063W
3
R8321 ERJ2GEJ103 M 10KOHM, 
J,0.063W
1
R8323 ERJ2GEJ101 M 100 OHM, 
J,0.063W
1
R8324-27 ERJ2GEJ470 M 47 OHM, 
J,0.063W
4
R8331 ERJ3GEY0R00 M 0 OHM, 1/16W 1
R8333,34 ERJ2GEJ473 M 47KOHM, 
J,0.063W
2
R8335 ERJ2GEJ680 M 68 OHM, 
J,0.063W
1
R8336 D0GDR00Z0002 M 0 OHM, 1/10W 1
R8504 ERJ2GEJ103 M 10KOHM, 
J,0.063W
1
R8512 ERJ2GEJ103 M 10KOHM, 
J,0.063W
1
R8517 ERJ2RKD330 M 33 OHM, 
J,0.063W
1
R8519,20 ERJ2RKD330 M 33 OHM, 
J,0.063W
2
Safety Ref. No. Part No. Part Name & 
Description
Pcs Remarks

120
R8528-30 ERJ2GEJ560 M 56 OHM, 
J,0.063W
3
R8532 ERJ2GEJ560 M 56 OHM, 
J,0.063W
1
R8533 ERJ2GEJ103 M 10KOHM, 
J,0.063W
1
R8538-45 ERJ2GEJ220 M 22 OHM, 
J,0.063W
8
R8546-48 ERJ2GEJ332 M 3.3KOHM, 
J,0.063W
3
R8550 ERJ2GEJ332 M 3.3KOHM, 
J,0.063W
1
R8552,53 ERJ2GEJ182 M 1.8KOHM, 
J,0.063W
2
R8554,55 ERJ2GEJ220 M 22 OHM, 
J,0.063W
2
R8556 ERJ2GEJ472 M 4.7KOHM, 
J,0.063W
1
R8557,58 ERJ2GEJ332 M 3.3KOHM, 
J,0.063W
2
R8561 ERJ2RKD330 M 33 OHM, 
J,0.063W
1
R8562-65 ERJ2GEJ103 M 10KOHM, 
J,0.063W
4
R8566 EXB28V103JX RESISTOR ARRAY 1
R8570 ERJ2RKD330 M 33 OHM, 
J,0.063W
1
R8573 EXB28V680JX RESISTOR ARRAY 1
R8574 ERJ2GEJ680 M 68 OHM, 
J,0.063W
1
R8575 ERJ2GEJ820 M 82 OHM, 
J,0.063W
1
R8661 ERJ2GEJ103 M 10KOHM, 
J,0.063W
1
R8663 ERJ2GEJ103 M 10KOHM, 
J,0.063W
1
R8721,22 ERJ2GEJ560 M 56 OHM, 
J,0.063W
2
R8765 ERJ2GEJ750 M 75 OHM, 
J,0.063W
1
R8767 ERJ2GEJ750 M 75 OHM, 
J,0.063W
1
R8769 ERJ2RKD330 M 33 OHM, 
J,0.063W
1
R8770 ERJ2GEJ103 M 10KOHM, 
J,0.063W
1
R8772 ERJ2GEJ103 M 10KOHM, 
J,0.063W
1
R8793 ERJ2GEJ103 M 10KOHM, 
J,0.063W
1
R8844 ERJ2GEJ103 M 10KOHM, 
J,0.063W
1
R8866 D1BB91R0A055 M 91 OHM, 1/10W 1 PAVCA
R8898 ERJ2GEJ103 M 10KOHM, 
J,0.063W
1
R9101 ERJ2GEJ102X M 1KOHM, 
J,0.063W
1
R9103 ERJ2GEJ103 M 10KOHM, 
J,0.063W
1
R9105 ERJ2GEJ103 M 10KOHM, 
J,0.063W
1
R9107 ERJ2GEJ332 M 3.3KOHM, 
J,0.063W
1
R9110 ERJ2GEJ102X M 1KOHM, 
J,0.063W
1
R9112-14 ERJ2GEJ470 M 47 OHM, 
J,0.063W
3
R9115,16 ERJ2GEJ101 M 100 OHM, 
J,0.063W
2
R9117 ERJ2GEJ472 M 4.7KOHM, 
J,0.063W
1
R9118 D0GDR00Z0002 M 0 OHM, 1/10W 1
R9119 EXB38V470J RESISTOR ARRAY 1
R9120 D1HG1038A002 NETWORK RESISTER 1
R9121 ERJ2GEJ104 M 100KOHM, 
J,0.063W
1
R9122 ERJ2GEJ332 M 3.3KOHM, 
J,0.063W
1
R9123 EXB2HV470JV RESISTOR ARRAY 1
R9124 D0GDR00Z0002 M 0 OHM, 1/10W 1
Safety Ref. No. Part No. Part Name & 
Description
Pcs Remarks
R9125 ERJ2GEJ472 M 4.7KOHM, 
J,0.063W
1
R9126 ERJ2GEJ101 M 100 OHM, 
J,0.063W
1
R9127 D0YAR0000007 M 0.0 OHM, 
J,0.063W
1
R9129 ERJ2GEJ683 M 68KOHM, 
J,0.063W
1
R9130 ERJ2GEJ104 M 100KOHM, 
J,0.063W
1
R9131,32 ERJ2GEJ472 M 4.7KOHM, 
J,0.063W
2
R9133 ERJ2GEJ680 M 68 OHM, 
J,0.063W
1
R9134 D0YAR0000007 M 0.0 OHM, 
J,0.063W
1
R9135 ERJ2GEJ472 M 4.7KOHM, 
J,0.063W
1
R9136 ERJ2GEJ103 M 10KOHM, 
J,0.063W
1
R9137-40 EXB2HV220JV RESISTOR ARRAY 4
R9141 ERJ2GEJ101 M 100 OHM, 
J,0.063W
1
R9142,43 ERJ2GEJ220 M 22 OHM, 
J,0.063W
2
R9144 D0YAR0000007 M 0.0 OHM, 
J,0.063W
1
R9145 ERJ2GEJ472 M 4.7KOHM, 
J,0.063W
1
R9146,47 EXB2HV220JV RESISTOR ARRAY 2
R9148 EXB38VR000V RESISTOR ARRAY 1
R9149 ERJ2GEJ472 M 4.7KOHM, 
J,0.063W
1
R9150,51 ERJ2GEJ103 M 10KOHM, 
J,0.063W
2
R9154 ERJ2GEJ470 M 47 OHM, 
J,0.063W
1
R9155 ERJ2GEJ103 M 10KOHM, 
J,0.063W
1
R9156 D0YAR0000007 M 0.0 OHM, 
J,0.063W
1
R9157 ERJ2GEJ472 M 4.7KOHM, 
J,0.063W
1
R9158 ERJ2GEJ470 M 47 OHM, 
J,0.063W
1
R9159-61 ERJ2GEJ393 M 
39KOHM,J,0.063W
3
R9162 ERJ2GEJ104 M 100KOHM, 
J,0.063W
1
R9163 ERJ2GEJ103 M 10KOHM, 
J,0.063W
1
R9164 ERJ2GEJ220 M 22 OHM, 
J,0.063W
1
R9166 ERJ2GEJ220 M 22 OHM, 
J,0.063W
1
R9167 ERJ2GEJ472 M 4.7KOHM, 
J,0.063W
1
R9168 D0GDR00Z0002 M 0 OHM, 1/10W 1
R9170 ERJ2GEJ472 M 4.7KOHM, 
J,0.063W
1
R9171 ERJ2GEJ103 M 10KOHM, 
J,0.063W
1
R9172 D0YAR0000007 M 0.0 OHM, 
J,0.063W
1
R9174 ERJ2GEJ102X M 1KOHM, 
J,0.063W
1
R9175 ERJ2GEJ101 M 100 OHM, 
J,0.063W
1
R9177-82 ERJ2GEJ220 M 22 OHM, 
J,0.063W
6
R9185 ERJ2GEJ223 M 22KOHM, 
J,0.063W
1
R9186 ERJ2GEJ333 M 33KOHM, 
J,0.063W
1
R9187 ERJ2GED563X M 56KOHM 
,J,0.063W
1
R9188 ERJ2GEJ243 M 24KOHM, 
J,0.063W
1
R9189 ERJ2GEJ104 M 100KOHM, 
J,0.063W
1
Safety Ref. No. Part No. Part Name & 
Description
Pcs Remarks

121
R9190 ERJ2GEJ472 M 4.7KOHM, 
J,0.063W
1
R9191 ERJ2GEJ104 M 100KOHM, 
J,0.063W
1
R9192 ERJ2GEJ103 M 10KOHM, 
J,0.063W
1
R9193 EXB2HV220JV RESISTOR ARRAY 1
R9195 EXB2HV220JV RESISTOR ARRAY 1
R9197 ERJ2GEJ470 M 47 OHM, 
J,0.063W
1
R9198 D0YAR0000007 M 0.0 OHM, 
J,0.063W
1
R9199 ERJ2GEJ470 M 47 OHM, 
J,0.063W
1
R9200,01 ERJ2GEJ100 M 10 OHM, 
J,0.063W
2
R9202 ERJ2GEJ470 M 47 OHM, 
J,0.063W
1
R9204 ERJ2GEJ223 M 22KOHM, 
J,0.063W
1
R9205 ERJ2GEJ331 M 330 OHM, 
J,0.063W
1
R9206 ERJ2GEJ102X M 1KOHM, 
J,0.063W
1
R9207 ERJ2GEJ470 M 47 OHM, 
J,0.063W
1
R9208-11 EXB2HV220JV RESISTOR ARRAY 4
R9212 EXB2HV470JV RESISTOR ARRAY 1
R9213 ERJ2GEJ101 M 100 OHM, 
J,0.063W
1
R9214 ERJ2GEJ104 M 100KOHM, 
J,0.063W
1
R9215 ERJ2GEJ470 M 47 OHM, 
J,0.063W
1
R9216 ERJ2GEJ220 M 22 OHM, 
J,0.063W
1
R9217 ERJ2GEJ680 M 68 OHM, 
J,0.063W
1
R9218 ERJ2GEJ470 M 47 OHM, 
J,0.063W
1
R9219 ERJ2GEJ103 M 10KOHM, 
J,0.063W
1
R9223 ERJ2RHD272 M 2.7KOHM, 
J,0.063W
1
R9224 ERJ2GEJ220 M 22 OHM, 
J,0.063W
1
R9225 ERJ2RHD272 M 2.7KOHM, 
J,0.063W
1
R9226 ERJ2GEJ101 M 100 OHM, 
J,0.063W
1
R9229 ERJ2GEJ101 M 100 OHM, 
J,0.063W
1
R9230 EXB38V470J RESISTOR ARRAY 1
R9231 D0YAR0000007 M 0.0 OHM, 
J,0.063W
1
R9232 ERJ2GEJ470 M 47 OHM, 
J,0.063W
1
R9233 ERJ2GEJ472 M 4.7KOHM, 
J,0.063W
1
R9234,35 EXB2HV470JV RESISTOR ARRAY 2
R9236 ERJ2RKD330 M 33 OHM, 
J,0.063W
1
R9237 EXB38V470J RESISTOR ARRAY 1
R9238 ERJ2GEJ151 M 150 OHM, 
J,0.063W
1
R9245 ERJ2GEJ102X M 1KOHM, 
J,0.063W
1
R9246 ERJ2GEJ103 M 10KOHM, 
J,0.063W
1
R9247 ERJ2GEJ470 M 47 OHM, 
J,0.063W
1
R9248-51 D1BB1001A055 M 1KOHM, 1/16W 4
R9252 ERJ2RKD330 M 33 OHM, 
J,0.063W
1
R9253-55 D1HG1038A002 NETWORK RESISTER 3
R9256-63 EXB38V470J RESISTOR ARRAY 8
R9264-67 ERJ2GEJ470 M 47 OHM, 
J,0.063W
4
R9270,71 ERJ2GEJ470 M 47 OHM, 
J,0.063W
2
Safety Ref. No. Part No. Part Name & 
Description
Pcs Remarks
R9272 ERJ2GEJ101 M 100 OHM, 
J,0.063W
1
R9273 ERJ2GEJ470 M 47 OHM, 
J,0.063W
1
R9274-77 EXB2HV151JV   RESISTOR ARRAY    4  PAVCA
R9279 D0YAR0000007 M 0.0 OHM, 
J,0.063W
1
R9280-82 D1HG1038A002 NETWORK RESISTER 3
R9283 ERJ2GEJ103 M 10KOHM, 
J,0.063W
1
R9286-88 D0YAR0000007 M 0.0 OHM, 
J,0.063W
3
R9292 EXB2HVR000 RESISTOR ARRAY 1
R9293 EXB2HV470JV RESISTOR ARRAY 1
R9295-04 ERJ2GEJ101 M 100 OHM, 
J,0.063W
10
R9308 ERJ2GEJ102X M 1KOHM, 
J,0.063W
1
R9309 ERJ2GEJ103 M 10KOHM, 
J,0.063W
1
R9310 EXB38V103JV RESISTOR ARRAY 1
R9311 ERJ2GEJ102X M 1KOHM, 
J,0.063W
1
R9312 ERJ2GEJ332 M 3.3KOHM, 
J,0.063W
1
R9315 ERJ2GEJ103 M 10KOHM, 
J,0.063W
1
R9317 ERJ2GEJ220 M 22 OHM, 
J,0.063W
1
R9319 ERJ2GEJ220 M 22 OHM, 
J,0.063W
1
R9321 ERJ2GEJ220 M 22 OHM, 
J,0.063W
1
R9323 ERJ2GEJ220 M 22 OHM, 
J,0.063W
1
R9325 ERJ2GEJ103 M 10KOHM, 
J,0.063W
1
R9326 ERJ2GEJ470 M 47 OHM, 
J,0.063W
1
R9327 ERJ2GEJ103 M 10KOHM, 
J,0.063W
1
R9333 EXB38V103JV RESISTOR ARRAY 1
R9334 ERJ2GEJ103 M 10KOHM, 
J,0.063W
1
R9335 D1HG1038A002 NETWORK RESISTER 1
R9337 ERJ2GEJ103 M 10KOHM, 
J,0.063W
1
R9341 ERJ2GEJ101 M 100 OHM, 
J,0.063W
1
R9342,43 ERJ2GEJ102X M 1KOHM, 
J,0.063W
2
R9344 ERJ2GEJ470 M 47 OHM, 
J,0.063W
1
R9345 ERJ2GEJ680 M 68 OHM, 
J,0.063W
1
R9348 ERJ2GEJ103 M 10KOHM, 
J,0.063W
1
R9350,51 ERJ2GEJ101 M 100 OHM, 
J,0.063W
2
R9352 EXB2HV470JV RESISTOR ARRAY 1
R9353 EXB38V470J RESISTOR ARRAY 1
R9354 D1HG1038A002 NETWORK RESISTER 1
R9355 ERJ2GEJ103 M 10KOHM, 
J,0.063W
1
R9358 ERJ2GEJ103 M 10KOHM, 
J,0.063W
1
R9362 ERJ2GEJ103 M 10KOHM, 
J,0.063W
1
R9385 ERJ2GEJ472 M 4.7KOHM, 
J,0.063W
1
R9400 ERJ2GEJ472 M 4.7KOHM, 
J,0.063W
1
R9578 ERJ2GEJ472 M 4.7KOHM, 
J,0.063W
1
R9599,00 ERJ2GEJ680 M 68 OHM, 
J,0.063W
2
R9611 ERJ2GEJ680 M 68 OHM, 
J,0.063W
1
R9824-26 ERJ2GEJ101 M 100 OHM, 
J,0.063W
3
Safety Ref. No. Part No. Part Name & 
Description
Pcs Remarks

122
R9839 EXB38V101JV RESISTOR ARRAY 1
R9840 ERJ2GEJ220 M 22 OHM, 
J,0.063W
1
R9846,47 D1HG1038A002 NETWORK RESISTER 2
R9848,49 EXB2HV470JV RESISTOR ARRAY 2
R9854 ERJ2GEJ101 M 100 OHM, 
J,0.063W
1
R9859 EXB38V101JV RESISTOR ARRAY 1
R9868 ERJ2GEJ104 M 100KOHM, 
J,0.063W
1
R9869-71 ERJ2GEJ103 M 10KOHM, 
J,0.063W
3
R9878 D1BB1502A055 M 15KOHM, 1/10W 1
R9879 D1BB1302A055 M 13KOHM, 1/10W 1
R9886 D1BB4702A055 M 47KOHM, 1/10W 1
R9887 D1BB5102A055 M 51KOHM, 1/10W 1
R9888 D1BB1502A055 M 15KOHM, 1/10W 1
R9889 D1BB1822A055 M18.2KOHM, 1/10W 1
R9890 D1BB4752A055 M4.75KOHM, 1/10W 1
R9891 D1BB1272A055 M12.7KOHM, 1/10W 1
R9892 ERJ2GEJ104 M 100KOHM, 
J,0.063W
1
R9893 D1BB4302A055 M 43KOHM, 1/10W 1
R9894 D1BB2002A055 M 20KOHM, 1/10W 1
R9895 ERJ2GEJ104 M 100KOHM, 
J,0.063W
1
R9896 D1BB1822A055 M18.2KOHM, 1/10W 1
R9897 D1BB4752A055 M4.75KOHM, 1/10W 1
R9901 D0YAR0000007 M 0.0 OHM, 
J,0.063W
1
R9905 ERJ2RKD330 M 33 OHM, 
J,0.063W
1
R9907 ERJ2GEJ151 M 150 OHM, 
J,0.063W
1
R9936-39 D1BB1001A055 M 1KOHM, 1/16W 4
R9940 ERJ2RKD330 M 33 OHM, 
J,0.063W
1
R9944-51 EXB38V470J RESISTOR ARRAY 8
R9952-55 ERJ2GEJ470 M 47 OHM, 
J,0.063W
4
R9966 ERJ2GEJ471 M 470 OHM, 
J,0.063W
1
R9969 ERJ2GEJ470 M 47 OHM, 
J,0.063W
1
R9972-74 ERJ2GEJ103 M 10KOHM, 
J,0.063W
3
R9975 ERJ2GEJ470 M 47 OHM, 
J,0.063W
1
R9980 D0YAR0000007 M 0.0 OHM, 
J,0.063W
1
R14349 D0GD103JA036 M 10KOHM,J,0.25W 1
R14350 D0GD101JA036 M 100 
OHM,J,0.25W
1
R14351 D0GD103JA036 M 10KOHM,J,0.25W 1
R14353 D0GDR00Z0002 M 0 OHM, 1/10W 1
R14354 ERJ6GEYG221 M 220 OHM,J,1/
10W
1
R14356 D0GDR00Z0002 M 0 OHM, 1/10W 1
R14357 ERJ6GEYG221 M 220 OHM,J,1/
10W
1
R14359 D0GDR00Z0002 M 0 OHM, 1/10W 1
R14360 ERJ6GEYG221 M 220 OHM,J,1/
10W
1
R14362 D0GDR00Z0002 M 0 OHM, 1/10W 1
R14363 ERJ6GEYG221 M 220 OHM,J,1/
10W
1
R14365 D0GDR00Z0002 M 0 OHM, 1/10W 1
R14366 ERJ6GEYG221 M 220 OHM,J,1/
10W
1
R14368 D0GDR00Z0002 M 0 OHM, 1/10W 1
R14369 ERJ6GEYG221 M 220 OHM,J,1/
10W
1
R14371 D0GDR00Z0002 M 0 OHM, 1/10W 1
R14372 ERJ6GEYG221 M 220 OHM,J,1/
10W
1
R14374-76 D0GDR00Z0002 M 0 OHM, 1/10W 3
R14378 D0GDR00Z0002 M 0 OHM, 1/10W 1
R14380-82 D0GDR00Z0002 M 0 OHM, 1/10W 3
Safety Ref. No. Part No. Part Name & 
Description
Pcs Remarks
R14384 D0GDR00Z0002 M 0 OHM, 1/10W 1
R14386-88 D0GDR00Z0002 M 0 OHM, 1/10W 3
R14390 D0GDR00Z0002 M 0 OHM, 1/10W 1
R14392-94 D0GDR00Z0002 M 0 OHM, 1/10W 3
R14398 D0GDR00Z0002 M 0 OHM, 1/10W 1
R14901 D0GD101JA036 M 100 
OHM,J,0.25W
1
R14902-06 ERJ6GEYG221 M 220 OHM,J,1/
10W
5
R14907-10 ERJ3GEYJ220 M 22 OHM,J,1/16W 4
R14911-14 D0GD103JA036 M 10KOHM,J,0.25W 4
R14915 ERJ3GEYJ220 M 22 OHM,J,1/16W 1
R14916 D0GD103JA036 M 10KOHM,J,0.25W 1
R14917 ERJ3GEYJ220 M 22 OHM,J,1/16W 1
R14919,20 ERJ3GEYJ220 M 22 OHM,J,1/16W 2
R14921 ERJ8GEYJ224 M 220KOHM, J,1/
8W
1
R14923-26 D0GD103JA036 M 10KOHM,J,0.25W 4
R14928,29 ERJ6GEYG221 M 220 OHM,J,1/
10W
2
R14930 D0GDR00Z0002 M 0 OHM, 1/10W 1
R14931 ERJ6GEYJ220 M 22 OHM,J,1/10W 1
R14932 D0GDR00Z0002 M 0 OHM, 1/10W 1
R14934 ERJ3GEYJ470 M 47 OHM,J,1/16W 1
R14935 ERJ6GEYG222 M 2.2KOHM,J,1/
10W
1
R14936 ERJ6GEYF472 M 4.7KOHM,J,1/
10W
1
R14937 ERJ6GEYG102 M 1KOHM,J,1/10W 1
R14939,40 D0GDR00Z0002 M 0 OHM, 1/10W 2
R14942 D0GDR00Z0002 M 0 OHM, 1/10W 1
R14943 ERJ6GEYG470V M 47 OHM,J,1/10W 1
R14944 ERJ6GEYJ100V M 10 OHM,J,1/10W 1
R14949 ERJ6GEYJ203 M 20KOHM,J,1/10W 1
R14950 D0GD103JA036 M 10KOHM,J,0.25W 1
R14951-55 D0GDR00Z0002 M 0 OHM, 1/10W 5
R14956-60 ERJ3GEYJ220 M 22 OHM,J,1/16W 5
R14961-63 ERJ6GEYG331 M 330 OHM,J,1/
10W
3
R14964 ERJ3GEYJ220 M 22 OHM,J,1/16W 1
R14965 ERJ6GEYG331 M 330 OHM,J,1/
10W
1
R14966,67 ERJ3GEYJ220 M 22 OHM,J,1/16W 2
R14971 ERJ6GEYJ220 M 22 OHM,J,1/10W 1
R14973-76 ERJ3GEYJ470 M 47 OHM,J,1/16W 4
R14977-79 ERJ6GEYG222 M 2.2KOHM,J,1/
10W
3
R14980 D0GDR00Z0002 M 0 OHM, 1/10W 1
R14981,82 D0GD103JA036 M 10KOHM,J,0.25W 2
R14984 D0GD103JA036 M 10KOHM,J,0.25W 1
R14986 ERJ8GEYJ224 M 220KOHM, J,1/
8W
1
R14987 ERJ3GEYJ470 M 47 OHM,J,1/16W 1
R14988 ERJ6GEYG222 M 2.2KOHM,J,1/
10W
1
R14990 D0GD103JA036 M 10KOHM,J,0.25W 1
R14991 ERJ3GEYJ220 M 22 OHM,J,1/16W 1
R14992-94 ERJ3GEYJ470 M 47 OHM,J,1/16W 3
R14995-98 D0GD103JA036 M 10KOHM,J,0.25W 4
R14999 ERJ6GEYG331 M 330 OHM,J,1/
10W
1
R16002-04 ERJT08J7R5V M 7.5OHM,J, 
0.33W
3
R16022-24 ERJT08J7R5V M 7.5OHM,J, 
0.33W
3
R16031,32 ERJ6ENF8202 M 82KOHM, 1/10W 2
R16033 ERJ6ENF5602 M 56KOHM, 1/10W 1
R16034 ERJ6ENF2702 M 27KOHM, 1/10W 1
R16042 ERJT08J5R6V M 5.6 
OHM,F,0.33W
1
R16051 ERJT08J5R6V M 5.6 
OHM,F,0.33W
1
R16102 ERJT06J221V M 220 
OHM,F,0.25W
1
R16104 ERJT06J221V M 220 
OHM,F,0.25W
1
Safety Ref. No. Part No. Part Name & 
Description
Pcs Remarks

123
R16109 ERJT06J100V M 10 OHM,F,0.25W 1
R16110 ERJ6GEYF473 M 47KOHM,J,1/10W 1
R16116 ERJ6GEYF473 M 47KOHM,J,1/10W 1
R16131,32 D0GD101JA036 M 100 
OHM,J,0.25W
2
R16134 ERJT06J750V M 75 OHM,F,0.25W 1
R16137-39 ERJT08J1R0V M 1.8OHM,J, 
0.33W
3
R16141 ERJT06J100V M 10 OHM,F,0.25W 1
R16142,43 ERJ6GEYF473 M 47KOHM,J,1/10W 2
R16151,52 D0GD101JA036 M 100 
OHM,J,0.25W
2
R16154 ERJT06J750V M 75 OHM,F,0.25W 1
R16155 ERJT08J1R0V M 1.8OHM,J, 
0.33W
1
R16159 ERJT08J1R0V M 1.8OHM,J, 
0.33W
1
R16161 ERJT06J100V M 10 OHM,F,0.25W 1
R16162,63 ERJ6GEYF473 M 47KOHM,J,1/10W 2
R16171 ERJT06J100V M 10 OHM,F,0.25W 1
R16172,73 ERJ6GEYF473 M 47KOHM,J,1/10W 2
R16181 ERJT06J100V M 10 OHM,F,0.25W 1
R16182,83 ERJ6GEYF473 M 47KOHM,J,1/10W 2
R16191,92 D0GD101JA036 M 100 
OHM,J,0.25W
2
R16193 ERJT06J750V M 75 OHM,F,0.25W 1
R16194 ERJT14J1R0U C1.0 OHM, J,1/4W 1 PAVCA
R16195 ERJT08J1R0V M 1.8OHM,J, 
0.33W
1
R16220 ERJ6GEYG470V M 47 OHM,J,1/10W 1
R16221 ERJ6GEYF472 M 4.7KOHM,J,1/
10W
1
R16230 ERJ6GEYG470V M 47 OHM,J,1/10W 1
R16231 ERJ6GEYF472 M 4.7KOHM,J,1/
10W
1
R16241 EXB38V470J RESISTOR ARRAY 1
R16242 EXB38V472JV RESISTOR ARRAY 1
R16251 ERJ6ENF1401 M 1.4KOHM, 1/10W 1
R16252,53 ERJ6ENF3902 M 39KOHM, 1/10W 2
R16254 ERJ6ENF6801 M 6.8KOHM, 1/10W 1
R16255 ERJ6ENF1201 M 1.2KOHM, 1/10W 1
R16256 ERJ6ENF1501 M 1.5KOHM, 1/10W 1
R16257 D0GD103JA036 M 10KOHM,J,0.25W 1
R16258 ERJ6GEYG222 M 2.2KOHM,J,1/
10W
1
R16260 ERJ6GEYG222 M 2.2KOHM,J,1/
10W
1
R16261 ERJ6GEYG104 M 100KOHM,J,1/
10W
1
R16280 ERJ6GEYG222 M 2.2KOHM,J,1/
10W
1
R16281 D0GD103JA036 M 10KOHM,J,0.25W 1
R16282 ERJ6GEYG221 M 220 OHM,J,1/
10W
1
R16283 ERJ6GEYF473 M 47KOHM,J,1/10W 1
R16284 ERJ6GEYJ224 M 220KOHM,J,1/
10W
1
R16289 ERJ6GEYJ623 M 62KOHM,J,1/10W 1
R16290 ERJT08J334V M 
330KOHM,F,0.33W
1
R16291 ERJ6GEYJ623 M 62KOHM,J,1/10W 1
R16292 ERJT08J334V M 
330KOHM,F,0.33W
1
R16293 ERJ6GEYJ623 M 62KOHM,J,1/10W 1
R16294 ERJT08J334V M 
330KOHM,F,0.33W
1
R16295 ERJ6GEYJ623 M 62KOHM,J,1/10W 1
R16296 ERJT08J334V M 
330KOHM,F,0.33W
1
R16300 ERJT08J102V M 1KOHM,J, 0.33W 1
R16301 ERJ6GEYF472 M 4.7KOHM,J,1/
10W
1
R16302 ERJ8GEYJ105 M 1MOHM, J,1/8W 1
R16303 D0GD101JA036 M 100 
OHM,J,0.25W
1
R16304 ERJT08J681V M 680 
OHM,F,0.33W
1
Safety Ref. No. Part No. Part Name & 
Description
Pcs Remarks
R16305 ERJ6GEYG271 M 270 OHM,J,1/
10W
1
R16306-08 D0GD101JA036 M 100 
OHM,J,0.25W
3
R16309 ERJ6GEYF472 M 4.7KOHM,J,1/
10W
1
R16310 ERJ6GEYG562 M 5.6KOHM,J,1/
10W
1
R16311,12 ERJ6GEYF124 M 120KOHM,J,1/
10W
2
R16313 ERJ6ENF5232 M52.3KOHM, 1/10W 1
R16314 ERJ6ENF6652 M66.5KOHM, 1/10W 1
R16315 ERJ6ENF1241 M1.24KOHM, 1/10W 1
R16317 D0GDR00Z0002 M 0 OHM, 1/10W 1
R16321 ERJ6GEYF473 M 47KOHM,J,1/10W 1
R16322 ERJ6GEYF561 M 560 OHM,J,1/
10W
1
R16323 ERJ6GEYJ223 M 22KOHM,J,1/10W 1
R16324 D0GD103JA036 M 10KOHM,J,0.25W 1
R16325 D0GDR00Z0002 M 0 OHM, 1/10W 1
R16331 ERJT06J101V M 100 
OHM,F,0.25W
1
R16333 ERJ6GEYJ334 M 330KOHM,J,1/
10W
1
R16334 ERJT06J101V M 100 
OHM,F,0.25W
1
R16336 ERJT08J1R0V M 1.8OHM,J, 
0.33W
1
R16338 ERJT06J101V M 100 
OHM,F,0.25W
1
R16339 ERJ6GEYJ334 M 330KOHM,J,1/
10W
1
R16340 ERJT06J152V M 
1.5KOHM,F,0.25W
1
R16401 ERJT08J7R5V M 7.5OHM,J, 
0.33W
1
R16403,04 ERJT08J7R5V M 7.5OHM,J, 
0.33W
2
R16421 ERJT08J7R5V M 7.5OHM,J, 
0.33W
1
R16423,24 ERJT08J7R5V M 7.5OHM,J, 
0.33W
2
R16441,42 ERJT08J5R6V M 5.6 
OHM,F,0.33W
2
R16452 ERJT08J5R6V M 5.6 
OHM,F,0.33W
1
R16465 ERJ6ENF2702 M 27KOHM, 1/10W 1
R16466 ERJ6ENF5602 M 56KOHM, 1/10W 1
R16467,68 ERJ6ENF8202 M 82KOHM, 1/10W 2
R16471 ERJ6GEYG392 M 3.9KOHM,J,1/
10W
1
R16472 ERJ6GEYG222 M 2.2KOHM,J,1/
10W
1
R16473 ERJ6GEYF561 M 560 OHM,J,1/
10W
1
R16474 ERJ6GEYG102 M 1KOHM,J,1/10W 1
R16475,76 ERJ6GEYF472 M 4.7KOHM,J,1/
10W
2
R16477 ERJ3GEY0R00 M 0 OHM, 1/16W 1
R16478 ERJ6GEYG562 M 5.6KOHM,J,1/
10W
1
R16479 D0GD103JA036 M 10KOHM,J,0.25W 1
R16480 ERJ6GEYF472 M 4.7KOHM,J,1/
10W
1
R16501,02 D0GD101JA036 M 100 
OHM,J,0.25W
2
R16503 ERJT06J100V M 10 OHM,F,0.25W 1
R16504 ERJT06J750V M 75 OHM,F,0.25W 1
R16506 ERJT06J100V M 10 OHM,F,0.25W 1
R16507-09 ERJT08J1R0V M 1.8OHM,J, 
0.33W
3
R16510 ERJT14J1R0U C1.0 OHM, J,1/4W 1 PAVCA
R16511,12 ERJ6GEYF473 M 47KOHM,J,1/10W 2
R16516,17 ERJ6GEYF473 M 47KOHM,J,1/10W 2
R16521,22 D0GD101JA036 M 100 
OHM,J,0.25W
2
R16523 ERJT06J750V M 75 OHM,F,0.25W 1
R16531 ERJT06J100V M 10 OHM,F,0.25W 1
Safety Ref. No. Part No. Part Name & 
Description
Pcs Remarks

124
R16532,33 ERJ6GEYF473 M 47KOHM,J,1/10W 2
R16541 D0GDR00Z0002 M 0 OHM, 1/10W 1
R16543 D0GDR00Z0002 M 0 OHM, 1/10W 1
R16551 ERJT06J100V M 10 OHM,F,0.25W 1
R16552,53 ERJ6GEYF473 M 47KOHM,J,1/10W 2
R16561-64 EXB38V470J RESISTOR ARRAY 4
R16565-68 EXB38V472JV RESISTOR ARRAY 4
R16570 EXB38V472JV RESISTOR ARRAY 1
R16573 ERJ6GEYJ220 M 22 OHM,J,1/10W 1
R16579 EXB38V470J RESISTOR ARRAY 1
R16580 ERJ6GEYG222 M 2.2KOHM,J,1/
10W
1
R16582,83 ERJ6ENF3902 M 39KOHM, 1/10W 2
R16584 ERJ6ENF6801 M 6.8KOHM, 1/10W 1
R16585 ERJ6ENF1201 M 1.2KOHM, 1/10W 1
R16586 ERJ6ENF1501 M 1.5KOHM, 1/10W 1
R16587 ERJ6GEYG222 M 2.2KOHM,J,1/
10W
1
R16588 D0GD103JA036 M 10KOHM,J,0.25W 1
R16590 ERJ6GEYG221 M 220 OHM,J,1/
10W
1
R16591 EXB38V472JV RESISTOR ARRAY 1
R16592 ERJ6GEYF472 M 4.7KOHM,J,1/
10W
1
R16593 ERJ6ENF1401 M 1.4KOHM, 1/10W 1
R16600 D0GD103JA036 M 10KOHM,J,0.25W 1
R16601 ERJ6GEYF472 M 4.7KOHM,J,1/
10W
1
R16602 ERJ6GEYG102 M 1KOHM,J,1/10W 1
R16603,04 ERJ6GEYG331 M 330 OHM,J,1/
10W
2
R16605 ERJ6GEYG182 M 1.8KOHM,J,1/
10W
1
R16606 D0GD103JA036 M 10KOHM,J,0.25W 1
R16607 ERJ6ENF7151 M7.15KOHM, 1/10W 1
R16608,09 ERJT08J102V M 1KOHM,J, 0.33W 2
R16610 ERJ6GEYG104 M 100KOHM,J,1/
10W
1
R16611 ERG2FJS104D M 100KOHM, J, 2W 1
R16612 ERJT06J470V M 47 OHM,F,0.25W 1
R16613 ERJ8GEYJ473 M 47KOHM, J,1/8W 1
R16615 ERJ6ENF1101 M 1.1KOHM, 1/10W 1
R16616 D0GDR00Z0002 M 0 OHM, 1/10W 1
R16617 ERJ6GEYG222 M 2.2KOHM,J,1/
10W
1
R16619 ERJ6GEYF124 M 120KOHM,J,1/
10W
1
R16622-25 ERJ6GEYG221 M 220 OHM,J,1/
10W
4
R16627-30 ERJ6GEYG221 M 220 OHM,J,1/
10W
4
R16632 D0GD103JA036 M 10KOHM,J,0.25W 1
R16633 ERJ6GEYJ223 M 22KOHM,J,1/10W 1
R16634 ERJ6GEYJ471 M 470 OHM,J,1/
10W
1
R16635 D0GD103JA036 M 10KOHM,J,0.25W 1
R16636 ERJ6GEYF472 M 4.7KOHM,J,1/
10W
1
R16637 ERJ3GEY0R00 M 0 OHM, 1/16W 1
R16638 ERJT08J1R0V M 1.8OHM,J, 
0.33W
1
R16639 ERJT14J1R0U C1.0 OHM, J,1/4W 1 PAVCA
R16641-44 ERJT06J330V M 33 OHM,F,0.25W 4
R16647-50 ERJT06J330V M 33 OHM,F,0.25W 4
R16657 ERJ6GEYG682 M 6.8KOHM,J,1/
10W
1
R16658 D0D1101JA009 M 100 OHM,J,1W 1
R16659,60 ERJ6GEYJ224 M 220KOHM,J,1/
10W
2
R16661 ERJ6GEYG182 M 1.8KOHM,J,1/
10W
1
R16662 ERJ6ENF2201 M 2.2KOHM, 1/10W 1
R16663 ERJ6GEYG562 M 5.6KOHM,J,1/
10W
1
R16664 ERJT08J102V M 1KOHM,J, 0.33W 1
R16665 ERJT06J330V M 33 OHM,F,0.25W 1
R16666 D0GD103JA036 M 10KOHM,J,0.25W 1
Safety Ref. No. Part No. Part Name & 
Description
Pcs Remarks
R16667 ERJ6GEYJ471 M 470 OHM,J,1/
10W
1
R16668 ERJ6GEYF473 M 47KOHM,J,1/10W 1
R16669 ERJ6GEYF472 M 4.7KOHM,J,1/
10W
1
R16670 ERJT06J470V M 47 OHM,F,0.25W 1
R16671 ERJ6GEYF473 M 47KOHM,J,1/10W 1
R16672 ERJ6GEYG102 M 1KOHM,J,1/10W 1
R16673 ERJ3GEY0R00 M 0 OHM, 1/16W 1
R16675 ERJT08J102V M 1KOHM,J, 0.33W 1
R16681-84 ERJT06J100V M 10 OHM,F,0.25W 4
R16686-89 ERJT06J100V M 10 OHM,F,0.25W 4
R16696 ERF5TK2R2 W 2.2 OHM, K, 5W 1
R16700 ERJ6GEYF472 M 4.7KOHM,J,1/
10W
1
R16701 D0GD103JA036 M 10KOHM,J,0.25W 1
R16702 ERJ6GEYG332 M 3.3KOHM,J,1/
10W
1
R16703,04 D0GD103JA036 M 10KOHM,J,0.25W 2
R16705,06 D0GD101JA036 M 100 
OHM,J,0.25W
2
R16707 ERJ6GEYJ471 M 470 OHM,J,1/
10W
1
R16717 ERJ6GEYG222 M 2.2KOHM,J,1/
10W
1
R16719-23 ERJ3GEYJ220 M 22 OHM,J,1/16W 5
R16729,30 ERJ6GEYF473 M 47KOHM,J,1/10W 2
R16731 ERG1FJS823D M 82KOHM, J, 1W 1
R16732 ERJ6GEYG392 M 3.9KOHM,J,1/
10W
1
R16733 ERJ6GEYJ474 M 470KOHM,J,1/
10W
1
R16734 ERJ6ENF4991 M4.99KOHM, 1/10W 1
R16735-37 ERJ6ENF2213 M 221KOHM, 1/10W 3
R16738 ERG1FJS823D M 82KOHM, J, 1W 1
R16740 ERJ6GEYG104 M 100KOHM,J,1/
10W
1
R16742 D0GD103JA036 M 10KOHM,J,0.25W 1
R16744 ERJ6ENF2003 M 200KOHM, 1/10W 1
R16745 ERJ6ENF4701 M 4.7KOHM, 1/10W 1
R16746,47 ERJT06J103V M 10KOHM,F,0.25W 2
R16749 D0GD103JA036 M 10KOHM,J,0.25W 1
R16750 ERJT06J223V M 22 
KOHM,F,0.25W
1
R16751 ERJT06J224V M 
220KOHM,F,0.25W
1
R16752 ERJ6GEYF472 M 4.7KOHM,J,1/
10W
1
R16753 ERJ6GEYF473 M 47KOHM,J,1/10W 1
R16756 ERJT06J223V M 22 
KOHM,F,0.25W
1
R16757 D0GDR00Z0002 M 0 OHM, 1/10W 1
R16761 ERJT06J100V M 10 OHM,F,0.25W 1
R16762 ERJ6GEYF473 M 47KOHM,J,1/10W 1
R16763 ERJT06J100V M 10 OHM,F,0.25W 1
R16764 ERJ6GEYF473 M 47KOHM,J,1/10W 1
R16765 ERJT08J1R0V M 1.8OHM,J, 
0.33W
1
R16766 ERJT06J750V M 75 OHM,F,0.25W 1
R16768 ERJT08J1R0V M 1.8OHM,J, 
0.33W
1
R16769 ERJT06J750V M 75 OHM,F,0.25W 1
R16771 ERJ6GEYG182 M 1.8KOHM,J,1/
10W
1
R16774 ERG1SJ683 M 68KOHM, J, 1W 1
R16775 ERJ6GEYF472 M 4.7KOHM,J,1/
10W
1
R16776 D0GD101JA036 M 100 
OHM,J,0.25W
1
R16777 ERJT06J151V M 150 
OHM,F,0.25W
1
R16778 ERJ6GEYG182 M 1.8KOHM,J,1/
10W
1
R16781 ERJT06J470V M 47 OHM,F,0.25W 1
R16782 ERJ6GEYF473 M 47KOHM,J,1/10W 1
R16783 ERJT06J470V M 47 OHM,F,0.25W 1
R16784 ERJ6GEYF473 M 47KOHM,J,1/10W 1
Safety Ref. No. Part No. Part Name & 
Description
Pcs Remarks

125
R16785,86 ERJ6ENF8202 M 82KOHM, 1/10W 2
R16787 ERJ6ENF3302 M 33KOHM, 1/10W 1
R16788 ERJT06J154V M 
150KOHM,F,0.25W
1
R16789 D0GD103JA036 M 10KOHM,J,0.25W 1
R16791 ERJ6GEYG102 M 1KOHM,J,1/10W 1
R16792 D0GD103JA036 M 10KOHM,J,0.25W 1
R16794,95 ERJ6ENF2003 M 200KOHM, 1/10W 2
R16796 ERJ6ENF5602 M 56KOHM, 1/10W 1
R16797 ERJ6GEYJ220 M 22 OHM,J,1/10W 1
R16798 D0GD103JA036 M 10KOHM,J,0.25W 1
R16799 ERJ6ENF3302 M 33KOHM, 1/10W 1
R16801,02 ERJ6GEYF472 M 4.7KOHM,J,1/
10W
2
R16804,05 ERJ8GEYJ224 M 220KOHM, J,1/
8W
2
R16807,08 ERJ6GEYF472 M 4.7KOHM,J,1/
10W
2
R16810,11 ERJ6ENF1742 M17.4KOHM, 1/10W 2
R16813 ERJ8GEYJ102 M 1KOHM, J,1/8W 1
R16814 ERJ6ENF1432 M14.3KOHM, 1/10W 1
R16815 D1BD1002A044 M10.0KOHM, 1/10W 1 PAVCA
R16816 D0GDR00Z0002 M 0 OHM, 1/10W 1
R16818,19 ERJ6ENF6802 M 68KOHM, 1/10W 2
R16820 ERJ6ENF7872 M78.7KOHM, 1/10W 1
R16821 ERJ6ENF1003 M 100KOHM, 1/10W 1
R16822,23 ERJ6ENF8202 M 82KOHM, 1/10W 2
R16824 ERJ6ENF3302 M 33KOHM, 1/10W 1
R16825 ERJT06J154V M 
150KOHM,F,0.25W
1
R16826 D0GD103JA036 M 10KOHM,J,0.25W 1
R16827 D0GDR00Z0002 M 0 OHM, 1/10W 1
R16828 ERJ6GEYF472 M 4.7KOHM,J,1/
10W
1
R16831,32 ERJ6GEYG104 M 100KOHM,J,1/
10W
2
R16833 D0GD103JA036 M 10KOHM,J,0.25W 1
R16834,35 D0GDR00Z0002 M 0 OHM, 1/10W 2
R16838 ERJ14YJ563U M 56KOHM, 1/2W 1
R16841 ERJ14YJ563U M 56KOHM, 1/2W 1
R16844 ERJ6ENF1241 M1.24KOHM, 1/10W 1
R16845 ERJ6ENF5622 M5.62KOHM, 1/10W 1
R16846 ERJ6ENF5762 M57.6KOHM, 1/10W 1
R16850 ERJ6GEYF472 M 4.7KOHM,J,1/
10W
1
R16851 ERJ6GEYG104 M 100KOHM,J,1/
10W
1
R16852 D0GD103JA036 M 10KOHM,J,0.25W 1
R16855 ERG1FJS103D M 10KOHM, J, 1W 1
R16856 ERQ12AJW560E F 56 OHM, J,1/2W 1
R16857 ERJ12YJ124U M 120KOHM, 1/2W 1
R16860 D0D28R2JA021 M 8.2 OHM,J,2W 1
R16869 ERJ8GEYJ473V M 47KOHM, J,1/8W 1
R16870 ERG2FJS333D M 33KOHM, J, 2W 1
R16871 ERJ6GEYG392 M 3.9KOHM,J,1/
10W
1
R16872 ERJ6GEYG332 M 3.3KOHM,J,1/
10W
1
R16873 ERJ6ENF2491 M2.49KOHM, 1/10W 1
R16874,75 ERJ6ENF7152 M71.5KOHM, 1/10W 2
R16878 ERJ6GEYJ223 M 22KOHM,J,1/10W 1
R16879 ERJ6GEYF472 M 4.7KOHM,J,1/
10W
1
R16880 ERJ3GEY0R00 M 0 OHM, 1/16W 1
R16886-88 ERJ6GEYJ224 M 220KOHM,J,1/
10W
3
R17107-10 D0GZ6R8JA020 M 6.8 OHM,J, 
0.5W
4
R17119-22 D0GZ6R8JA020 M 6.8 OHM,J, 
0.5W
4
R17125,26 EXB38V471J RESISTOR ARRAY 2
R17128,29 D0GZ6R8JA020 M 6.8 OHM,J, 
0.5W
2
R17131,32 EXB38V471J RESISTOR ARRAY 2
R17134,35 D0GZ6R8JA020 M 6.8 OHM,J, 
0.5W
2
Safety Ref. No. Part No. Part Name & 
Description
Pcs Remarks
R17137 D0GF472JA047 M 
4.7KOHM,J,0.33W
1
R17138 ERJ6GEYJ223 M 22KOHM,J,1/10W 1
R17139 ERJ6GEYG104 M 100KOHM,J,1/
10W
1
R17140 ERJ6GEYJ224 M 220KOHM,J,1/
10W
1
R17151,52 EXB38V470J RESISTOR ARRAY 2
R17153 EXB38V681J RESISTOR ARRAY 1
R17154 EXB38V220JV RESISTOR ARRAY 1
R17155,56 ERJ3GEYJ681 M 680 OHM,J,1/
16W
2
R17157,58 EXB38V220JV RESISTOR ARRAY 2
R17159,60 ERJ3GEYJ681 M 680 OHM,J,1/
16W
2
R17167,68 EXB38V470J RESISTOR ARRAY 2
R17169,70 EXB38V471J RESISTOR ARRAY 2
R17173,74 EXB38V470J RESISTOR ARRAY 2
R17175,76 EXB38V471J RESISTOR ARRAY 2
R17179,80 EXB38V470J RESISTOR ARRAY 2
R17181,82 EXB38V471J RESISTOR ARRAY 2
R17201-04 EXB38V471J RESISTOR ARRAY 4
R17209-12 D0GZ6R8JA020 M 6.8 OHM,J, 
0.5W
4
R17213-16 EXB38V471J RESISTOR ARRAY 4
R17221-24 D0GZ6R8JA020 M 6.8 OHM,J, 
0.5W
4
R17225,26 EXB38V471J RESISTOR ARRAY 2
R17229,30 D0GZ6R8JA020 M 6.8 OHM,J, 
0.5W
2
R17251,52 EXB38V470J RESISTOR ARRAY 2
R17253 EXB38V681J RESISTOR ARRAY 1
R17254 EXB38V470J RESISTOR ARRAY 1
R17255,56 ERJ3GEYJ681 M 680 OHM,J,1/
16W
2
R17257 EXB38V220JV RESISTOR ARRAY 1
R17258 EXB38V681J RESISTOR ARRAY 1
R17259 EXB38V220JV RESISTOR ARRAY 1
R17260 ERJ6GEYJ224 M 220KOHM,J,1/
10W
1
R17261,62 EXB38V470J RESISTOR ARRAY 2
R17263,64 EXB38V681J RESISTOR ARRAY 2
R17277,78 EXB38V471J RESISTOR ARRAY 2
R17304,05 D0GZ6R8JA020 M 6.8 OHM,J, 
0.5W
2
R17310,11 D0GZ6R8JA020 M 6.8 OHM,J, 
0.5W
2
R17316,17 D0GZ6R8JA020 M 6.8 OHM,J, 
0.5W
2
R17322,23 D0GZ6R8JA020 M 6.8 OHM,J, 
0.5W
2
R17341 D0GF472JA047 M 
4.7KOHM,J,0.33W
1
R17342,43 EXB38V470J RESISTOR ARRAY 2
R17344,45 EXB38V471J RESISTOR ARRAY 2
R17346,47 EXB38V470J RESISTOR ARRAY 2
R17348,49 EXB38V471J RESISTOR ARRAY 2
R17350,51 EXB38V470J RESISTOR ARRAY 2
R17352,53 EXB38V471J RESISTOR ARRAY 2
R17354 ERJ6GEYJ223 M 22KOHM,J,1/10W 1
R17355 ERJ6GEYG104 M 100KOHM,J,1/
10W
1
R17356 ERJ6GEYJ224 M 220KOHM,J,1/
10W
1
R17357,58 EXB38V220JV RESISTOR ARRAY 2
R17359,60 ERJ3GEYJ681 M 680 OHM,J,1/
16W
2
RM2501 PNA4701M07TV REMOCON RECEIVER 1
S2 K1KA02BA0061 2P CONNECTOR 1
SC2 K1KA02A00676 2P CONNECTOR 1
SC20 K1MN35BA0266 35P CONNECTOR 1 PAVCA
SC30 K1KA08AA0190 8P CONNECTOR 1
SC41,42 K1KA23AA0733 23P CONNECTOR 2
Safety Ref. No. Part No. Part Name & 
Description
Pcs Remarks

126
SC46 K1KA09A00239 9P CONNECTOR 1
SCMM1 TMME047 CLAMPER 1
SCMM4 TMME292 CLAMPER 1
SCMM5 TMME260 CLAMPER 1
SD1-D4 K1MND6BA0264 6P CONNECTOR 4
SD11 K1MN20BA0231 20P CONNECTOR 1
SD42 K1KB23AA0234 23P CONNECTOR 1 PAVCA
SD46 K1KY09AA0607 9P CONNECTOR 1
SS11 K1KA02A00676 2P CONNECTOR 1
SS12 K1KA10AA0194 10P CONNECTOR 1
SS33 K1KA10A00416 10P CONNECTOR 1
SS34 K1KA03AA0193 3P CONNECTOR 1
SS35 K1KA04AA0193 4P CONNECTOR 1
SS61 K1MN13BA0258 13P CONNECTOR 1
SS63,64 K1MN13BA0258 13P CONNECTOR 2
SS66 K1MN13BA0258 13P CONNECTOR 1
SSMM3,M4 TMME190 CLAMPER 2
SU1-U4 K1MND6BA0264 6P CONNECTOR 4
SU11 K1MN20BA0266 20P CONNECTOR 1 PAVCA
SU41 K1KB23AA0234 23P CONNECTOR 1 PAVCA
SW2500 K0F122A00172 SWITCREMOTE CON-
TROLH
1
SW3751 EVQPC105K SWITCH 1
SW3753-58 EVQPC105K SWITCH 6
T16301A ETS19AB249AC SWITCHING TRANS 1
 TU8300 ENGE6608KF TUNER 1 PAVCA
VR16000 EVMEASA00B54 CONTROL 50KOHMB 
0.3W
1
VR16600 EVMEASA00B54 CONTROL 50KOHMB 
0.3W
1
VR16602 EVMEASA00B23 CONTROL 2KOHMB 
0.3W
1
X1100 H0J100500035 CRYSTAL 1
X2010 H0J245500089 CRYSTAL 1
X8001 H0J270500061 CRYSTAL 1
X8300 H0J250500079 CRYSTAL 1 PAVCA
X9000 H2D100500004 CRYSTAL 1
X9200 H0J200500076 CRYSTAL 1
ZA3701,02 K4CZ01000027 COMPATIBLE WITH 
JALCO K9
2
ZA3801,02 K4AD01D00005 TERMINAL 2
ZA4700 K4AZ01D00004 TERMINAL 1
ZA4702-08 K4AZ01D00004 TERMINAL 7
ZA7701,02 K4CZ01000027 COMPATIBLE WITH 
JALCO K9
2
ZA9000 K4CD01000011 AV TERMINAL 1
ZA14901,0
2
K4AD01Z00003 TERMINAL 2 PAVCA
ZA14951,5
2
K4AD01Z00003 TERMINAL 2 PAVCA
ZA16001-
03
K4CD01000011 AV TERMINAL 3
ZA16401-
03
K4CD01000011 AV TERMINAL 3
ZA17101-
05
K4AD01Z00001 TERMINAL 5
ZA17201 K4AD01Z00001 TERMINAL 1
ZA17203-
05
K4AD01Z00001 TERMINAL 3
ZA17301-
04
K4AD01Z00001 TERMINAL 4
 A601 AYRA652MSV8T ARRESTOR 1
Safety Ref. No. Part No. Part Name & 
Description
Pcs Remarks
 C501 ECQU2A103MLA P 0.01UF, M,250V 1
 C503 ACKMQ2W560T ELECTROLYTIC 
CAPACITOR
1
C505 ECQV1H224JL P 0.22UF, J, 50V 1
C506 ACKZE1H100T ELECTROLYTIC 
CAPACITOR
1
C507 ACKZE1H221T ELECTROLYTIC 
CAPACITOR
1
C508 ACKZE1H220T ELECTROLYTIC 
CAPACITOR
1
C551 ACKZE1A471C ELECTROLYTIC 
CAPACITOR
1
C557 ECQV1473JM PLASTIC FILM 
CAPACITOR
1
C558 ECQV1H224JL P 0.22UF, J, 50V 1
C559 ECQV1H474JL P 0.47UF, J, 50V 1
 C601 ECQU2A105MLA PLASTIC FILM 
CAPACITOR
1
 D501 VDS1WBA80 DIODE 1
D504 VXST3D82BL3 POWER CLAMPER 1
D505,06 VDAG01AT DIODE 2
D551 VDRK39A5 DIODE 1
D556 VDRF101A2S DIODE 1
 F501 HU382T2C MICRO FUSE 1
 F601,02 HU215010BEP CARTRIDGE 
FUSE(LEADTYPE)
2
 IC501 MIP3E30MPSCF IC 1
IC555 AN1431TBTA INTEGRATED CIR-
CUIT
1
L501 EXCELSA35 BEAD CHOKE 1
L502,03 EXCELDR35C BEAD CHOKE 2
L551 EXCELDR35C BEAD CHOKE 1
 L601,02 AYP3165208ZA FILTER CHOKE 2
 L604 AYP3165208ZA FILTER CHOKE 1
MC501 MDPTZA101 MODULE 1
 P9 AKS02B-VT CONNECTOR 1
 P51 AKB6P-VH CONNECTOR 1
 P53 AKB2P-VH CONNECTOR 1
P55 AKB4B-EH-A CONNECTOR 1
 PC502 VPS2581AL1VH OPTOISOLATOR 1
R501 ARR5B100JC2 WIREWOUND RESIS-
TOR
1
 R502 ARRCR6J825M METAL GLAZE 
FIXED RESISTOR
1
R505 ERDS2FJ561 C 560 OHM, J,1/
4W
1
R506 ARRCR2F1304T METAL GLAZE 
FIXED RESISTOR
1
R507 ARRCR2F1184T METAL GLAZE 
FIXED RESISTOR
1
R509 ARRCR2F1304T METAL GLAZE 
FIXED RESISTOR
1
R510 ARRCR2F1184T METAL GLAZE 
FIXED RESISTOR
1
R522 ERDS2FJ180 CARBON FILM 
RESISTOR
1
R555 ER0S2CKF1052 M10.5KOHM, F,1/
4W
1
R558 ER0S2CKF1503 M 150KOHM, F,1/
4W
1
R560 ERDS2FJ222 C 2.2KOHM, J,1/
4W
1
R562 ERDS2FJ150 CARBON FILM 
RESISTOR
1
R563 ERDS2FJ121 CARBON FILM 
RESISTOR
1
R564 ER0S2CHD1002 METAL FILM 
RESISTOR
1
Safety Ref. No. Part No. Part Name & 
Description
Pcs Remarks

127
 R601 ARRCR5J624M METAL GLAZE 
FIXED RESISTOR
1
 T501 ETB25AH118AH TRANSFORMER 1
 Z501 ERZVGAD471 VARISTOR 1
 Z601,02 ERZVGED751 VARISTOR 2
 Z603 ERZVGAD471 VARISTOR 1
ZD501,02 MA4300NM ZENER DIODE 2
ZD503 MA4082NM ZENER DIODE 1
ZD555 MA4330NM ZENER DIODE 1
C201 ACKZE1H220T ELECTROLYTIC 
CAPACITOR
1
C202,03 ACCC3FD470JP CERAMIC CAPACI-
TOR
2
C204,05 ACMPEF12333H PLASTIC FILM 
CAPACITOR
2
 C206 ECKENA101KBR C 100P 250V 1
C207,08 ACDE1R681KP CERAMIC CAPACI-
TOR
2
C251 ECQV1H104JL P 0.1UF, J, 50V 1
C252 ECQV1H224JL P 0.22UF, J, 50V 1
C254,55 ECQE2223SKF PLASTIC FILM 
CAPACITOR
2
 C256-58 ACKMQ220901Z ELECTROLYTIC 
CAPACITOR
3
C301 ACKZE1H220T ELECTROLYTIC 
CAPACITOR
1
C302,03 ACRR3DD101K7 CERAMIC CAPACI-
TOR
2
C304 ACMPEF12473H PLASTIC FILM 
CAPACITOR
1
C305,06 ACCK1B331KP CERAMIC CAPACI-
TOR
2
C352 ACKZE1E182ST ELECTROLYTIC 
CAPACITOR
1
C354 ECQV1H224JL P 0.22UF, J, 50V 1
C355 ECQV1H823JL PLASTIC FILM 
CAPACITOR
1
C357,58 ACKZE1E471LT ELECTROLYTIC 
CAPACITOR
2
C401,02 ECQE2104SKF PLASTIC FILM 
CAPACITOR
2
 C403 EETHC2C471HX ELECTROLYTIC 
CAPACITOR
1
C404 ACKZE1H101T ELECTROLYTIC 
CAPACITOR
1
 C406 EETHC2A122JJ ELECTROLYTIC 
CAPACITOR
1
C409 ECQE2104SKF PLASTIC FILM 
CAPACITOR
1
C451 ACKZE1A471C ELECTROLYTIC 
CAPACITOR
1
C504 ACKZE1H220T ELECTROLYTIC 
CAPACITOR
1
C555 ACKZE1E470T ELECTROLYTIC 
CAPACITOR
1
 C602 ECQU2A105MLA PLASTIC FILM 
CAPACITOR
1
 C603,04 ECKENA471KBR CERAMIC CAPACI-
TOR
2
C605 ACDE1R102K7 CERAMIC CAPACI-
TOR
1
C606 AC4MPK105KA3 PLASTIC FILM 
CAPACITOR
1
C610 ECQV1H105JL PLASTIC FILM 
CAPACITOR
1
C611 ACKZE1H220T ELECTROLYTIC 
CAPACITOR
1
 C612,13 EETHD2W301LZ ELECTROLYTIC 
CAPACITOR
2
 C615 ECKENA221KBR C 221P 250V 1
C625 ACDE1R222KP CERAMIC CAPACI-
TOR
1
C701 ACKZE1A471C ELECTROLYTIC 
CAPACITOR
1
Safety Ref. No. Part No. Part Name & 
Description
Pcs Remarks
C702 ECQV1H103JL P 0.01UF, J, 50V 1
D251 MA165KU DIODE 1
D254-57 MA2DF3100S DIODE 4
D351 VDG865C08R DIODE 1
D352 VDAG01AT DIODE 1
D353 VDG865C08R DIODE 1
D401 VDD6SBN20 DIODE 1
D402 VDAG01AT DIODE 1
D403 VDYG901C3R DIODE 1
D601,02 MA165KU DIODE 2
D603,04 VDAP01CT DIODE 2
D606 VDS3V60L1 DIODE 1
D702 VDERA83-004T DIODE 1
 F201 HU216005BEP CARTRIDGE 
FUSE(LEADTYPE)
1
 F301 HU216005BEP CARTRIDGE 
FUSE(LEADTYPE)
1
IC251 AN1431TBTA INTEGRATED CIR-
CUIT
1
IC352 AN1431TBTA INTEGRATED CIR-
CUIT
1
 K601 ALKT329C93 RELAY 1
 K602 ALDJ5D2T8 RELAY 1
L401 AYLH8TB681K CHOKE 1
L402 AYH221012HY CHOKE 1
L603 ETB50CZ14GAD CHOKE 1
 MC201 MDPPNB331 MODULE 1
 MC203 MP00R3A1 MODULE 1
 MC301 MDPPNB102 MODULE 1
 MC352 MDPJFB101 MODULE 1
 MC401 MDPPSA101 MODULE 1
 MC451 MDPLSB101 MODULE 1
 MC502 MDPHHA101 MODULE 1
 MC552 MDPPFC101 MODULE 1
 MC601 MDPLPA101 MODULE 1
 MC602 MP00P18 MODULE 1
 MC603 MP00P28 MODULE 1
 MC606 MP00P29 MODULE 1
 MC701 MDPZDA101 MODULE 1
P2 AKB2P3-VH-B CONNECTOR 1
P6 AKB12B-EH-A CONNECTOR 1
P7 AKB11B-EH-A CONNECTOR 1
P11 AKB2P3-VH-B CONNECTOR 1
P12 AKB10B-PH-KS CONNECTOR 1
P25 AKB13B-PH-KS CONNECTOR 1
 P52 AKB6P-VH CONNECTOR 1
 P54 AKB2P-VH CONNECTOR 1
P56 AKB4B-EH-A CONNECTOR 1
 PC201,02 VPS2581AL1VH OPTOISOLATOR 2
 PC301,02 VPS2581AL1VH OPTOISOLATOR 2
 PC401 VPS2581AL1VH OPTOISOLATOR 1
 PC501 VPS2581AL1VH OPTOISOLATOR 1
 Q301,02 VKFMA16N55G FIELD EFFECT 
TRANSISTOR
2
Q351 2SK3704 FIELD EFFECT 
TRANSISTOR
1
Q401 2SK3607 FIELD EFFECT 
TRANSISTOR
1
Q402,03 2SA17670Q2TV TRANSISTOR 2
R202 ERQ14AJ4R7J F 4.7 OHM, J,1/
4W
1
R203,04 ERDS2FJ334 CARBON FILM 
RESISTOR
2
Safety Ref. No. Part No. Part Name & 
Description
Pcs Remarks

128
R208 ERG12SJ910J METAL OXIDE FILM 
RESISTOR
1
R215 ERG12SJ680J METAL OXIDE FILM 
RESISTOR
1
R216 ERG12SJ220J METAL OXIDE FILM 
RESISTOR
1
R217 ERG12SJ910J METAL OXIDE FILM 
RESISTOR
1
R251,52 ARRCR2F1213T METAL GLAZE 
FIXED RESISTOR
2
R253 ERDS2FJ151 CARBON FILM 
RESISTOR
1
R254 ERDS2FJ102 M 1KOHM,J,1/10W 1
R256 ER0S2CHD1002 METAL FILM 
RESISTOR
1
R257-59 ERDS2FJ472 CARBON FILM 
RESISTOR
3
R263 ERDS2FJ220 C 22 OHM, J,1/4W 1
R264 ERDS2FJ102 M 1KOHM,J,1/10W 1
R265 ARRCR1F2703T METAL GLAZE 
FIXED RESISTOR
1
R266,67 ARRCR1F3323T METAL GLAZE 
FIXED RESISTOR
2
R302 ERQ14AJ4R7J F 4.7 OHM, J,1/
4W
1
R303,04 ERDS2FJ334 CARBON FILM 
RESISTOR
2
R308 ERG12SJ910J METAL OXIDE FILM 
RESISTOR
1
R309 ERG12SJ680J METAL OXIDE FILM 
RESISTOR
1
R310 ERG12SJ220J METAL OXIDE FILM 
RESISTOR
1
R311 ERG12SJ910J METAL OXIDE FILM 
RESISTOR
1
R351 ER0S2CHF8871 M8.87KOHM, F,1/
4W
1
R352 ARMPC5WR03J METAL PLATE 
RESISTOR
1
R353 ERDS2FJ561 C 560 OHM, J,1/
4W
1
R354 ERDS2FJ221 C 220 OHM, J,1/
4W
1
R355 ERDS2FJ222 C 2.2KOHM, J,1/
4W
1
R356 ER0S2CHD1002 METAL FILM 
RESISTOR
1
R359 ER0S2CHD5232 METAL FILM 
RESISTOR
1
R362 ERG12SJ332J METAL OXIDE FILM 
RESISTOR
1
R366 ER0S2CHF6981 METAL FILM 
RESISTOR
1
R367 ER0S2CHF8451 METAL FILM 
RESISTOR
1
R371 ER0S2CHF6981 METAL FILM 
RESISTOR
1
R372 ER0S2CHF1151 METAL FILM 
RESISTOR
1
R403 ERG12SJ100J METAL OXIDE FILM 
RESISTOR
1
R404 ER0S2CKF6492 M64.9KOHM, F,1/
4W
1
R405 ARRF2EJR10B METAL PLATE 
RESISTOR
1
R409 ERDS2FJ473 C 47KOHM, J,1/4W 1
R411 ER0S2CHF2001 METAL FILM 
RESISTOR
1
R412 ER0S2CKF2001 METAL FILM 
RESISTOR
1
R413,14 ER0S2CHF3162 METAL FILM 
RESISTOR
2
R417,18 ER0S2CHF4422 METAL FILM 
RESISTOR
2
R420 ER0S2CHF5620 METAL FILM 
RESISTOR
1
R421 ER0S2CHF1652 METAL FILM 
RESISTOR
1
R456 ER0S2CKF1332 M13.3KOHM, F,1/
4W
1
Safety Ref. No. Part No. Part Name & 
Description
Pcs Remarks
R557 ERDS2TJ392 C 3.9KOHM, J,1/
4W
1
R559 ER0S2CKF1623 M 162KOHM, F,1/
4W
1
R561 ER0S2CHF2152 METAL FILM 
RESISTOR
1
R603 ARRCR2F4753T METAL GLAZE 
FIXED RESISTOR
1
R604 ARRCR2F4023T METAL GLAZE 
FIXED RESISTOR
1
R607,08 ARRCR2F7503T METAL GLAZE 
FIXED RESISTOR
2
R611 ER0S2CHF5112 METAL FILM 
RESISTOR
1
R617,18 ARRF5EJR15B METAL PLATE 
RESISTOR
2
R619 ARRF5EJR10B METAL PLATE 
RESISTOR
1
R622 ERDS2FJ472 CARBON FILM 
RESISTOR
1
R623 ERG12SJ270J METAL OXIDE FILM 
RESISTOR
1
R624 ERDS2FJ472 CARBON FILM 
RESISTOR
1
R625 ERG12SJ270J METAL OXIDE FILM 
RESISTOR
1
R626 ERDS2FJ472 CARBON FILM 
RESISTOR
1
R627 ERG12SJ270J METAL OXIDE FILM 
RESISTOR
1
R630,31 ARRCR1F2493T METAL GLAZE 
FIXED RESISTOR
2
R632 ARRCR1F2213T METAL GLAZE 
FIXED RESISTOR
1
R701 ERDS2FJ221 C 220 OHM, J,1/
4W
1
R702 ERDS2FJ222 C 2.2KOHM, J,1/
4W
1
R703 ERDS2FJ221 C 220 OHM, J,1/
4W
1
R704 ERDS2FJ222 C 2.2KOHM, J,1/
4W
1
R706 ERDS2FJ221 C 220 OHM, J,1/
4W
1
R707 ERDS2FJ222 C 2.2KOHM, J,1/
4W
1
R712 ERDS2FJ221 C 220 OHM, J,1/
4W
1
R713 ERDS2FJ222 C 2.2KOHM, J,1/
4W
1
 RF601 HUY5JA200JP THERMAL CUTOFF 
WITH RESISTOR
1
 T201 ETB57LZ1KGAD TRANSFORMER 1
 T301 ETB50LZ18GAD TRANSFORMER 1
VR251 EVMEASA01B55 VARIABLE RESIS-
TOR
1
VR401 EVMEASA01B54 VARIABLE RESIS-
TOR
1
ZD201 MA4270NM ZENER DIODE 1
ZD203,04 MA4270NM ZENER DIODE 2
ZD251 MA4330NM ZENER DIODE 1
ZD301,02 MA4270NM ZENER DIODE 2
ZD305 MA4270NM ZENER DIODE 1
ZD351 MA4330NM ZENER DIODE 1
ZD451 MAZ4068NMF ZENER DIODE 1
ZD601 MA4047NM ZENER DIODE 1
Safety Ref. No. Part No. Part Name & 
Description
Pcs Remarks