Kenwood TH F6A F7E Service Manual THF6A
User Manual: THF6A
Open the PDF directly: View PDF
.
Page Count: 74

144/220/440MHz FM TRIBANDER / 144/430MHz FM DUAL BANDER
TH-F6A/F7E
© 2001-8 PRINTED IN JAPAN
B51-8580-00 (S) 798
SERVICE MANUAL
DISASSEMBLY FOR REPAIR .................................................. 2
CIRCUIT DESCRIPTION .......................................................... 4
DESCRIPTION OF COMPONENTS ....................................... 14
PARTS LIST............................................................................ 19
EXPLODED VIEW .................................................................. 32
PACKING ................................................................................ 33
ADJUSTMENT ........................................................................ 34
PC BOARD VIEWS
TX-RX UNIT (CONTROL SECTION) ...................................... 59
TX-RX UNIT ............................................................................ 65
TX-RX UNIT (VCO SECTION) ................................................ 71
SCHEMATIC DIAGRAM ......................................................... 73
BLOCK DIAGRAM .................................................................. 81
LEVEL DIAGRAM ................................................................... 83
OPTIONS ................................................................................ 85
SPECIFICATIONS .................................................................. 86
CONTENTS
KNOB(ENC)
(K29-5159-03)
WHIP ANTENNA
(T90-0781-05):K
(T90-0789-05):T,E
KNOB(VOL)
(K29-5150-03)
CABINET ASSY
(A02-3620-13):T,E
(A02-3719-13):K
CAP
(B09-0615-23)
FRONT GLASS
(B10-2685-13):T,E
(B10-2723-13):K
KEY TOP
(K29-9107-12)
KNOB(PTT/MONI)
(K29-9108-13)

TH-F6A/F7E
2
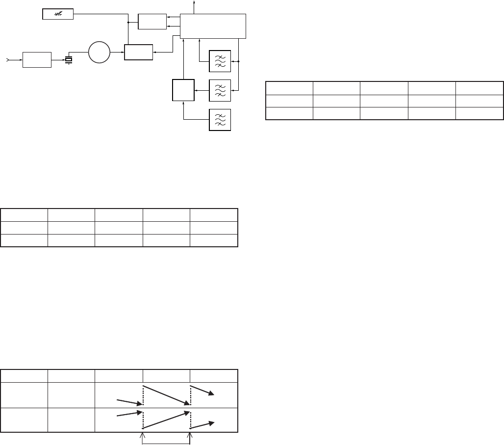
DISASSEMBLY FOR REPAIR
1. How to remove the case assembly from
the chassis:
1. Remove 2 screws (1).
2. Remove 2 knobs (2) and 2 round nuts (3).
3. Remove the SP/MIC jack cover (4).
4. Open the bottom part of case assembly and lift the front
panel from the chassis (5).
2. How to remove the main PCB:
2-1. Control section
1. Remove the SP/MIC jack cover (6).
2. Remove 5 screws (7) and lift and remove the control PCB
(TX-RX A/3).
3. Extract the encoder flat cable from the connector.
2-2. RF section
4. Remove 8 screws (8), and 1 round screw (9), then remove
the RF shield cover. Remove the soldering that connects
the whip antenna and bar-antenna (3 locations).
5. Remove the battery terminal screw (0).
6. Lift and remove the RF PCB (TX-RX B/3).
2-3. PLL/VCO section
7. Remove the soldering (8 locations) that holds the PLL/VCO
shield cover (!) then lift the shield cover.
8. Lift the PLL/VCO PCB upward to seperate it from the main
PCB.
3
3
1
2
2
4
6
7
7
7
8
8
8
8
8
8
9
10
5
11
Fig. 1

TH-F6A/F7E
3
DISASSEMBLY FOR REPAIR
3. Soldering the Bar antenna wires
Before solding the bar antenna wires, form the wires as
shown in the figure 2.
Then solder the wires to lands on the PCB.
Fig. 2
4. Removing a relay terminal
Insert a screw driver between the relay terminal and its
holder.
Then pull the relay terminal as shown in the figure 3.
5. Assembling a release latch
Place a coil spring(1) on the release latch(2) as shown in
the figure 4.
Then insert a shaft(3) into the release latch.
Push the above assembly into the rear panel while the
end of coil spring is hooked to the “A” tab.
Fig. 4
2
1
3
Notch Notch
A
6. Caution at the time of reassembling
While you are reassembling the battery terminal holder
(J19-5428) and the packing (G53-1532), confirm that the
packing is reassembled at the condition that any swell is
not occurred on it. If the packing is assembled with any
swell, width of body also becomes expansive.
J19-5428
G53-1532
Swell not
allowed
Fig. 3
Fig. 5

TH-F6A/F7E
4
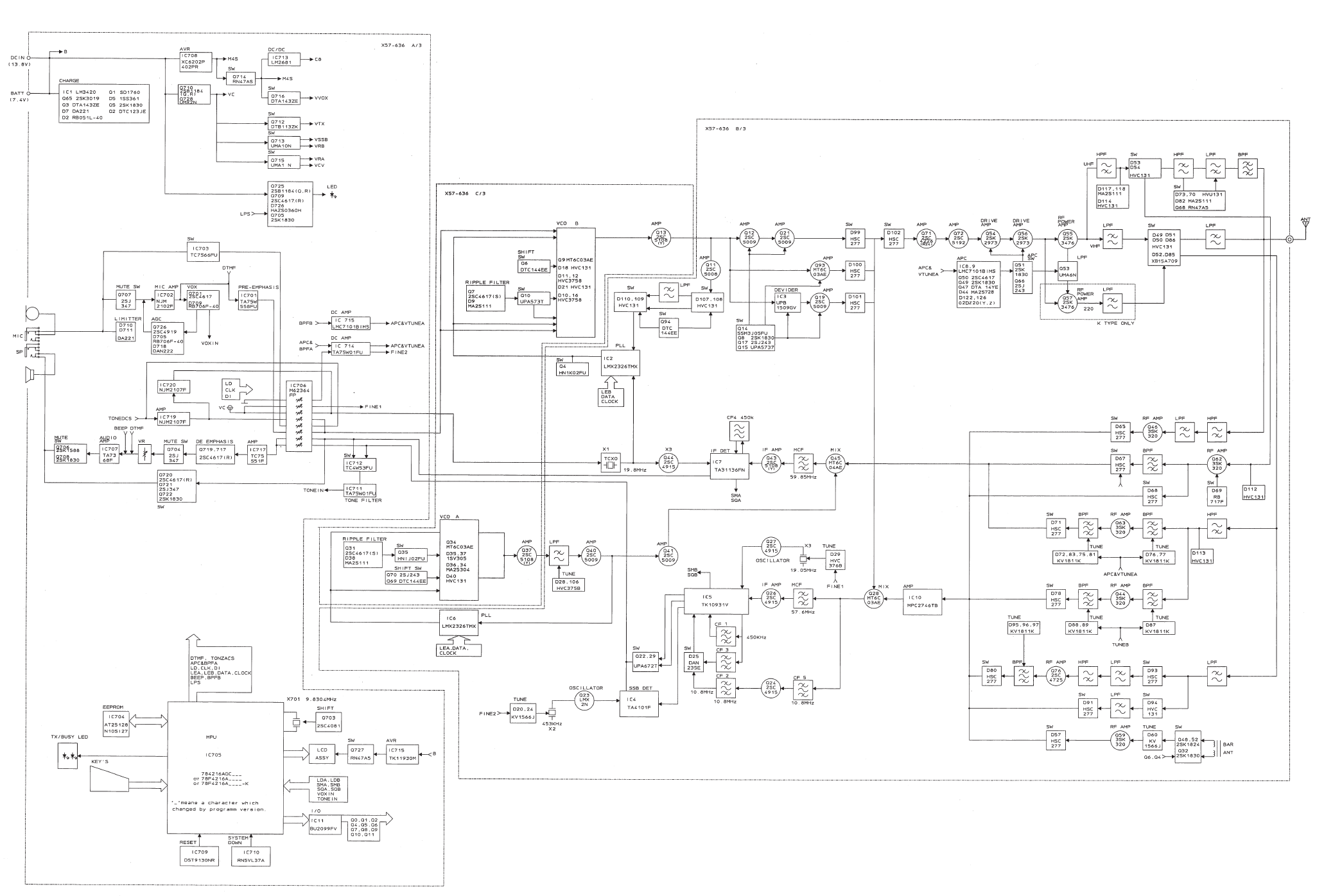
CIRCUIT DESCRIPTION
1. A band receiver system
1-1. Receiver circuit
The A band can receive signals in two bands: VHF (220 MHz
band <K type only>) and UHF (K type: three bands). It uses
FM receive mode only, and uses double conversion with the
first IF of 59.85 MHz and the second IF of 450 kHz.
The first amplifier is divided into two bands: 137 MHz -
173.995 MHz (216 MHz - 260 MHz <K type only>) and 410 MHz
- 470 MHz. The incoming signal from the antenna passes
through a low-pass filter and a duplexer, and goes to an
independent amplifier (Q63, Q62) for each band.
1-1-1. VHF band frontend
The incoming signal from the antenna passes through a
VHF band low-pass filter and a duplexer, passes through a
band-pass filter where it is tuned with varicaps (D76, D77),
and goes to the first amplifier (Q63). Unwanted signal
components are eliminated by a two-pole band-pass filter
where it is tuned by varicaps (D72, D75, D81, D83), and the
signal goes to the common mixer (Q45) for the A band. (K
type only: For 200MHz band reception, D74 is turned off with
a control signal to improve band-pass filter coupling and
ensure pass bandwidth.)
ANT
Q45
MT6C
04AE
BPF
APC&VTUNEA
MIX
Q63
3SK320
RFAMP BPFBPF
MPU
D76
D77
D72,D75
D81,D83
LPF
LO
1st IF
59.85MHz
Fig.1
1-1-2. UHF band frontend
The incoming signal from the antenna passes through a
UHF band low-pass filter and enters the first amplifier (Q62)
common to both A and B bands. The amplified signal is
distributed by L distributors (L95, L96) and goes to the LC filter
module (L92). Unwanted signal components are eliminated
by the filter, and the resulting signal passes through another
band-pass filter and enters the mixer (Q45).
ANT
BPF
Q62
3SK320
RFAMP
L95
L96
HPF
LPF
L92
Q45
MT6C
04AE
MIX
LO
1st IF
59.85MHz
BPF
LC FILTER
MODULE
1-1-3. Circuits following IF
The signal heterodowned to the first IF of 59.85 MHz by the
mixer (Q45) passes through a 15kHz MCF (XF2) and unwanted
signal components are eliminated. The resulting signal is
amplified by the IF amplifier (Q43) and goes to the FM IC (IC7).
The FM IC heterodowns it to the second IF of 450 kHz. Then,
the signal passes through a 15kHz external ceramic filter (CF4)
and goes to the FM IC again. The signal amplified by the IF
amplifier built into the IC is demodulated by the quadrature
FM demodulation circuit using a discriminator (CD1) and
converted into an audio signal and output.
The FM modulation signal output from the FM IC passes
through a low-pass filter consisting of a resistor and a capacitor
and is output to the control section. The demodulation signal
input to the control section goes to the electronic volume
(IC706, pin 13) to adjust the audio balance with the B band.
The output signal is amplified by the operational amplifier
(IC717), passes through an active filter consisting of Q719 and
Q717, and goes to the audio amplifier (IC707). The signal
amplified to a higher power by the audio amplifier becomes
the final output signal from the set and output through the
internal speaker or speaker output pin (J701).
Q45
MT6C
04AE
MIX
LO X3
IC7
XF2
X1
TCXO
Q44
2SC
4915
IFAMPMCF
Q43
2SC
5108(Y)
19.8MHZ CF4
4.50KHz
LPF
IC700
VR
BAF
IC707
Q719
Q717
AUDIO
AMP
DE EMPHASIS
IC717
AMP
SP
J701
Fig.3
Fig.2
1-2. Mixer local oscillator
1-2-1. First mixer
The local oscillator signal for the first mixer is supplied from
the VCO-PLL circuit.
1-2-2. Second mixer
The local oscillator signal for the second mixer is a 59.4
MHz signal that is produced by multiplying the 19.8MHz TCXO
(X1) oscillator output with a multiplier (Q44).
2. B band receiver system
2-1. Receiver circuit
The B band has a broadband receiver circuit configuration
and implements broadband reception of 100 kHz to 1.3 GHz.
FM/AM/SSB/CW reception is possible in the range 100 kHz to
29.7 MHz, and FM/wide FM/AM/SSB/CW reception is possible
in the range 29.7 MHz to 1.3 GHz. The FM/AM receiver circuit
uses double conversion with the first IF of 57.6 MHz and the
second IF of 450 kHz. The SSB/CW receiver circuit uses triple
conversion with the first IF of 57.6 MHz and the second IF of
450 kHz. The wide FM receiver circuit uses single conversion
with the IF of 10.8 MHz.

TH-F6A/F7E
5
CIRCUIT DESCRIPTION
Fig.4
The first amplifier is divided into four bands: 100 kHz - 50
MHz, 50MHz - 108MHz, 108 MHz - 265 MHz, 265 MHz - 600
MHz, and 600 MHz - 1.3 GHz. The incoming signal from the
antenna passes through a low-pass filter and a duplexer, and
goes to an independent amplifier for each band. Then, the
signal goes to the second common broadband amplifier (IC10)
and its output is fed to the mixer (Q28) and heterodowned to
the first IF.
2-1-1. FM/AM receiver circuit
The signal heterodowned to the first IF of 57.6MHz passes
through a 15kHz MCF (XF1), and unwanted signal components
are eliminated. The resulting signal is amplified by the IF
amplifier (Q26) and goes to the FM IC (IC5). The FM IC
heterodowns it to the second IF of 450 kHz. In FM mode, the
signal passes through a 12.0kHz external ceramic filter (CF3)
and goes to the FM IC. The signal amplified by the internal IF
amplifier is demodulated by the quadrature FM demodulation
circuit using a coil (L19) and converted into an audio signal
and output. In AM mode, the signal passes through a 4kHz
external ceramic filter CF1 and goes back to the FM IC. It is
amplified by the AM AGC amplifier built in the FM IC, an audio
output from the FM IC as an audio signal.
2-1-4. AM bar antenna receiver circuit
This unit incorporates an AM bar antenna, and either the
bar antenna or the supplied antenna can be selected in the
520kHz-1.8MHz (SW) and 3.5MHz-10.1MHz (MW) bands (the
initial value: bar antenna). The bar antenna has two kinds of
tuners for SW and MW tuning, one of which is selected with a
switching FET (Q32, Q48, Q52). The antenna is tuned with a
varicap (D60) for AM tuning to select a desired signal. The
signal from the bar antenna is amplified by and its impedance
is converted by the buffer amplifier (Q59), and the resulting
signal goes to the common mixer (Q28) for the B band. The
signal is routed over the same path for AM demodulation as
for the supplied antenna after leaving the mixer.
19.05MHZ
FINE2
D20,24
KV1566J
TUNE
IC4
TA4101F
SSB DET
SSB/CW
Q22,29
UPA672T
IC5
TK10931V
SW
FM
AM
SMB
SQB
Q23
LMX
2N
OSCILLATOR
453KHz
SW
CF1
450KHz
CF3
CF2
10.8MHz
D25
DAN
235E
TUNE
D29
HVC
376B
Q27
2SC
4915
OSCILLATOR
Q26
2SC
4915
IF AMP
Q28
MT6C
03AE
MIX
FINE1
UHF(600~1300)
UHF(265~600)
VHF(108~265)
HF
HF
IC10
MPC2746TB
AMP
LO
57.6MHz
XF1
10.8MHz
MCF
Q24
2SC
4915
CF5
Q28
MT6C
03AE
SW
IC10
MPC2746TB
AMP
D57
HSC277
TUNE
D60
KV1566J
SW
BAR
ANT
Q6,Q4
Q48,52
2SK1824
Q32
2SK1830
MIX
LO
Q59
3SK320
RF AMP
Fig.5
2-1-5. Audio signal
The FM and AM demodulation signals output from the FM
IC (IC5) pass through a low-pass filter consisting of a resistor
and a capacitor, and goes to the switching FET (Q29), from
which a switched signal is output to the control unit. The
SSB/CW demodulation signal passes through an RC LPF,
connects to the Q29 output section, and output to the control
unit through a line common to all modes. The demodulation
signal input to the control unit goes to the electronic volume
(IC706, pin 16), the audio balance output with the A band is
restricted, then the signal is output. It joins the A band
demodulation signal and is processed in the same manner
for both A and B bands.
signal demodulated by the diode detection circuit is output.
2-1-2. SSB/CW receiver circuit
In SSB/CW mode reception, the signal takes the same path
to CF1 as in AM mode. The signal input to the FM IC again is
amplified by the AM AGC amplifier in the FM IC, then output
from the AM IF output pin. The signal is fed to the third mixer
(IC4) and converted to an audio signal and output.
2-1-3. Wide FM receiver circuit
The signal converted to the first IF of 10.8 MHz passes
through a ceramic filter CF5 for wide FM, and is amplified by
the IF amplifier (Q24). The signal passes through ceramic filter
CF2 again to eliminate unwanted signal components, and goes
to the FM IF input (pin 7) of the FM IC. The input signal is
amplified by the IF amplifier in the IC, demodulated by the
quadrature FM demodulation circuit using an L18 coil, and

TH-F6A/F7E
6
CIRCUIT DESCRIPTION
FINE2 D20,24
KV1566J
IC706
M62364
FP
TUNE IC4
TA4101F
SSB DET
SSB/CW
Q22,29
UPA672T IC5
TK10931V
SW FM
AM
SMB
SQB
Q23
LMX
2N
OSCILLATOR
453KHz
SW
CF1
450KHz
CF3
CF2
10.8MHz
D25
DAN
235E
2-2. Mixer local oscillator
2-2-1. First mixer
The local oscillator signal for the first mixer is supplied from
the VCO-PLL circuit. To offset according to modes, the PLL
switching frequency changes in FM/AM/CW, USB, LSB.
1st LOCAL (PLL Switching Frequency)
Fig.6
FM/AM CW USB LSB
UPPER Per 5kHz FM-2.5kHz FM-4.5kHz FM-0.5kHz
LOWER Per 5kHz FM-2.5kHz FM-4.5kHz FM-0.5kHz
2-2-2. Second mixer
The local oscillator signal of the second mixer uses
57.15MHz which is three times as high as the 19.05MHz crystal
oscillator (X3) output. This local oscillator signal is used to (i)
implement fine steps during fine tuning and (ii) offset during
SSB/CW reception.
2rd LOCAL (Oscillator Frequency)
(i) Fine tuning function
When the fine tuning function is ON, the PLL comparison
frequency is 5 kHz (5kHz step). The "receive frequency of
10Hz steps as a set" is implemented by operating the local
oscillator signal of the second mixer in 33.3Hz steps in the
5kHz frequency range. The frequency is varied by 57.15
MHz +/- 2.5 kHz by changing the voltage applied to the
varicap (D29) installed in the local oscillator circuit.
(ii) Mode offset
The IF frequency is adjusted by 2 Hz in SSB mode so that
the demodulated signal passes through the center of the
4kHz ceramic filter (CF1). The frequency is adjusted by
varying the local oscillator frequency.
FM/AM
CW(Fine Tuning)
USB(Fine Tuning) LSB(Fine Tuning)
UPPER 57.15MHz
57.15MHz+2.5kHz
57.15MHz-2.5kHz
LOWER 57.15MHz
57.15MHz+2.5kHz
57.15MHz-2.5kHz
2-2-3. Third mixer
The third mixer (IC4) works in SSB/CW mode only. The
local oscillator signal of 450 kHz +/- 2 kHz is produced in SSB
mode to restore 2kHz correction (offset), and the signal of 450
kHz - 800 Hz is produced to generate an 800Hz beat frequency
in CW mode. A demodulation signal is produced in SSB, and
a 800Hz beat signal is produced in CW.
3rd LOCAL (Oscillator Frequency)
FM/AM CW USB LSB
UPPER 450kHz
450kHz+800Hz 450kHz+2kHz 450kHz-2kHz
LOWER 450kHz
450kHz+800Hz 450kHz-2kHz 450kHz+2kHz
2-3. AGC circuit
The AGC is controlled by using the output from the RF AGC
built into the FM IC (IC5). The AGC is controlled by controlling
the bias current of the IF amplifier (Q26) and the forward
current of the pin diode (D32) for the attenuater. In non-FM
mode, the AM AGC circuit built-into the FM IC is also used.
3. Control
3-1. Reset and backup circuits
The CPU reset signal is generated with the CR time constant
by detecting a rising edge of the M4 line voltage with the
voltage detection IC (IC709). If the voltage supplied to the TH-
F6/TH-F7 decreases and the M4 line voltage falls below the
detection voltage of the voltage detection IC (IC710), the CPU
(IC705) detects it through the interrupt pin, backs up data in
the EEPROM (IC704), and shuts the power off.
3-2. Voltage detection processing
The voltages are measured through the A/D port of the CPU
(IC705) for processing. The battery voltage is supplied through
a resistor, and a warning sound is produced when an abnormal
power supply voltage (17.5 to 22.0 V) is applied to the battery
meter during transmission. The squelch voltage is input from
the IF IC, and a change in the noise voltage is detected to
control squelch. The S meter voltage is input from the IF IC to
control the S meter display. Thermistor voltage (temperature)
detection, remote control microphone key operation, VOX
voltage monitoring, and TONE/DCS decoding are performed
through the A/D port.
3-3. VOX
The signal output from the microphone amplifier (IC702) is
amplified by Q701, rectified/integrated by D709 to convert to
DC voltage, and monitored through the A/D port of the CPU
(IC705) to perform VOX processing.
3-4. Battery save
The CPU (IC705) controls Q728 through the SAVE port to
save battery power.
3-5. LED drive circuit
The CPU (IC705) controls Q709 to turn LEDs on to illuminate
the LCD and keys. The ON AIR/BUSY LED is directly controlled
through the open drain port of the CPU (IC705).
* During fine tuning, it changes with 33.3 Hz step from PLL
Switching Frequency to the next Switching Frequency.
PLL Switching Frequency
* Perform Mode OFFSET
Oscillator Frequency
Oscillator Frequency
Table.2
Table.1
Table.3
* PLL Switching Frequency changes with the modes.

TH-F6A/F7E
7
CIRCUIT DESCRIPTION
3-6. Key/encoder input circuit
The PWR key is assigned to an interrupt port. The PTT key
is assigned to another interrupt port. The other keys and
destination diodes form a 5x6 matrix and pressing a key is
detected by scanning the matrix by software. The encoder
reads data through the interrupt port.
3-7. CTCSS/DCS
The encode signal is output from the D/A port of the CPU
(IC705) by software. The signal level is adjusted with an
electronic VR (IC706) and the signal is divided into VCO and
TCXO and modulated like a 9600bps packet signal.
The audio signal from the IF IC passes through the IC712/
IC711 waveform rectification circuit and enters the A/D port
of the CPU (IC705). The CPU detects that the specified CTCSS
tone frequency and DCS code are detected and controls
muting.
TH-F6A Frequency Construction
A band RX Double Super Heterodyne
3-8. DTMF
The DTMF signal is output from the D/A port of the CPU
(IC705) by software means. The signal is mixed with a signal
at the input side of the audio amplifier (IC707) and output as a
monitor tone. It is mixed with a modulation signal at the input
side of the preemphasis (IC701) and used to as a transmit
signal.
3-9. Serial control
The REM/PTT terminal of the speaker mic jack (J701) is
switched by the CPU (IC705) and functions as TXT/RXD to
communicate with a personal computer.
4. PLL • VCO
The TH-F6/TH-F7 has two PLL loops and a total of four VCOs,
two for each PLL loop. The PLL is divided for A band reception,
B band reception and transmission. Each VCO has oscillator
frequency shift control. For relationships between VCO
oscillator frequencies and shifts, see Table 4-11.
TH-F6A Frequency Construction
TX
2nd
Mixer 1st IF Amplifier1st Mixer2nd IF
VCO2nd LO
Audio
VCO Devider Amplifier
Fig.7
1st Mix.
1st IF
[MHz]
2nd LO
[MHz]
2nd
Mix.
2nd IF
[kHz]
137.000 173.995 196.850 233.845 Upper 59.85 59.4 Lower 450
216.000 259.995 275.850 319.845 Upper 59.85 59.4 Lower 450
410.000 469.995 350.150 410.145 Lower 59.85 59.4 Lower 450
RX Freq. Range
[MHz]
VCO Oscillation
[MHz]
Table.4
Band
[MHz] Devide
144 144.000 147.995 576.000 591.980 4
220 222.000 224.995 444.000 449.990 2
440 438.000 449.995 438.000 449.995 1
Transmission
Frequency Range
[MHz]
VCO Oscillation
[MHz]
Fig.8
Table.5

TH-F6A/F7E
8
* TH-F6A Frequency Construction
B band RX FM mode Double Super Heterodyne
2nd
Mixer 1st IF Amplifier
1st
Mixer
2nd IF
Devider
Multiplyer
2nd LO VCO
Audio
B band RX WFM mode Single Super Heterodyne
1st IF 1st
Mixer
Devider
Multiplyer
VCO
Audio Amplifier
CIRCUIT DESCRIPTION
Multiply Devide 1st Mix.
1st IF
[MHz]
2nd LO
[MHz] 2nd Mix.
2nd IF
[kHz]
0.100 22.995 461.600 644.760 1 8 57.700 80.595 Upper 57.6 57.15 Lower 450
23.000 103.995 322.400 646.380 1 4 80.600 161.595 Upper 57.6 57.15 Lower 450
104.000 266.995 323.200 649.190 1 2 161.600 324.595 Upper 57.6 57.15 Lower 450
267.000 409.995 324.600 467.595 1 1 324.600 467.595 Upper 57.6 57.15 Lower 450
410.000 469.995 352.400 412.395 1 1 352.400 412.395 Lower 57.6 57.15 Lower 450
470.000 591.995 527.600 649.595 1 1 527.600 649.595 Upper 57.6 57.15 Lower 450
592.000 706.995 534.400 649.395 1 1 534.400 649.395 Lower 57.6 57.15 Lower 450
707.000 707.995 382.300 382.798 2 1 764.600 765.595 Upper 57.6 57.15 Lower 450
708.000 851.995 325.200 397.198 2 1 650.400 794.395 Lower 57.6 57.15 Lower 450
852.000 868.995 454.800 463.298 2 1 909.600 926.595 Upper 57.6 57.15 Lower 450
869.000 896.995 405.700 419.698 2 1 811.400 839.395 Lower 57.6 57.15 Lower 450
897.000 922.995 477.300 490.298 2 1 954.600 980.595 Upper 57.6 57.15 Lower 450
923.000 938.995 432.700 440.698 2 1 865.400 881.395 Lower 57.6 57.15 Lower 450
939.000 1009.995 498.300 533.798 2 1 996.600 1067.595 Upper 57.6 57.15 Lower 450
1010.000 1299.995 476.200 621.198 2 1 952.400 1242.395 Lower 57.6 57.15 Lower 450
RX Freq. Range [MHz] VCO Oscillation [MHz] 1st LO
Fig.9
Table.6
Multiply Devide 1st Mix.
1st IF
[MHz]
29.700 54.995 324.000 526.360 1 8 40.500 65.795 Upper 10.8
55.000 91.995 353.600 649.560 1 8 44.200 81.195 Lower 10.8
92.000 130.795 324.800 479.980 1 4 81.200 119.995 Lower 10.8
130.800 150.995 566.400 647.180 1 4 141.600 161.795 Upper 10.8
151.000 309.995 323.600 641.590 1 2 161.800 320.795 Upper 10.8
310.000 449.995 320.800 460.795 1 1 320.800 460.795 Upper 10.8
450.000 659.995 439.200 649.195 1 1 439.200 649.195 Lower 10.8
660.000 1299.995 324.600 644.598 2 1 649.200 1289.195 Lower 10.8
RX Freq. Range [MHz] VCO Oscillation [MHz] 1st LO
Table.7
Fig.10

TH-F6A/F7E
9
CIRCUIT DESCRIPTION
* TH-F7 Frequency Construction
A band RX Double Super Heterodyne
2nd
Mixer 1st IF Amplifier1st Mixer2nd IF
VCO2nd LO
Audio
Fig.11
Table.8
1st Mix.
1st IF
[MHz]
2nd LO
[MHz]
2nd
Mix.
2nd IF
[kHz]
144.000 145.995 203.850 205.845 Upper 59.85 59.4 Lower 450
430.000 439.995 370.150 380.145 Lower 59.85 59.4 Lower 450
RX Freq. Range
[MHz]
VCO Oscillation
[MHz]
Band
[MHz] Devide
144 144.000 145.995 576.000 583.980 4
440 430.000 439.995 430.000 439.995 1
Transmission
Frequency Range
[MHz]
VCO Oscillation
[MHz]
Fig.12
Table.9
TH-F7 Frequency Construction

TH-F6A/F7E
10
CIRCUIT DESCRIPTION
* TH-F7 Frequency Construction
B band RX FM mode Double Super Heterodyne
2nd
Mixer 1st IF 1st
Mixer
2nd IF
Devider
Multiplyer
2nd LO VCO
Audio Amplifier
B band RX WFM mode Single Super Heterodyne
1st IF Amplifier
1st
Mixer
Devider
Multiplyer
VCO
Audio
Multiply Devide 1st Mix.
1st IF
[MHz]
2nd LO
[MHz] 2nd Mix.
2nd IF
[kHz]
0.100 22.995 461.600 644.760 1 8 57.700 80.595 Upper 57.6 57.15 Lower 450
23.000 103.995 322.400 646.380 1 4 80.600 161.595 Upper 57.6 57.15 Lower 450
104.000 266.995 323.200 649.190 1 2 161.600 324.595 Upper 57.6 57.15 Lower 450
267.000 409.995 324.600 467.595 1 1 324.600 467.595 Upper 57.6 57.15 Lower 450
410.000 469.995 352.400 412.395 1 1 352.400 412.395 Lower 57.6 57.15 Lower 450
470.000 591.995 527.600 649.595 1 1 527.600 649.595 Upper 57.6 57.15 Lower 450
592.000 706.995 534.400 649.395 1 1 534.400 649.395 Lower 57.6 57.15 Lower 450
707.000 707.995 382.300 382.798 2 1 764.600 765.595 Upper 57.6 57.15 Lower 450
708.000 851.995 325.200 397.198 2 1 650.400 794.395 Lower 57.6 57.15 Lower 450
852.000 868.995 454.800 463.298 2 1 909.600 926.595 Upper 57.6 57.15 Lower 450
869.000 896.995 405.700 419.698 2 1 811.400 839.395 Lower 57.6 57.15 Lower 450
897.000 922.995 477.300 490.298 2 1 954.600 980.595 Upper 57.6 57.15 Lower 450
923.000 938.995 432.700 440.698 2 1 865.400 881.395 Lower 57.6 57.15 Lower 450
939.000 1009.995 498.300 533.798 2 1 996.600 1067.595 Upper 57.6 57.15 Lower 450
1010.000 1299.995 476.200 621.198 2 1 952.400 1242.395 Lower 57.6 57.15 Lower 450
RX Freq. Range [MHz] VCO Oscillation [MHz] 1st LO
Fig.13
Table.10
Multiply Devide 1st Mix.
1st IF
[MHz]
29.700 54.995 324.000 526.360 1 8 40.500 65.795 Upper 10.8
55.000 91.995 353.600 649.560 1 8 44.200 81.195 Lower 10.8
92.000 130.795 324.800 479.980 1 4 81.200 119.995 Lower 10.8
130.800 150.995 566.400 647.180 1 4 141.600 161.795 Upper 10.8
151.000 309.995 323.600 641.590 1 2 161.800 320.795 Upper 10.8
310.000 449.995 320.800 460.795 1 1 320.800 460.795 Upper 10.8
450.000 659.995 439.200 649.195 1 1 439.200 649.195 Lower 10.8
660.000 1299.995 324.600 644.598 2 1 649.200 1289.195 Lower 10.8
RX Freq. Range [MHz] VCO Oscillation [MHz] 1st LO
Table.11
Fig.14

TH-F6A/F7E
11
CIRCUIT DESCRIPTION
4-1. A band reception
IC6 functions as A band reception PLL. This PLL IC controls
the VCO produced by Q34. VCOs are changed over by
switching the power provided to each VCO by Q35 through
control line "DAVCOS" from the CPU. VCO power passes
through a ripple filter consisting of Q31 and C235.
RIPPLE FILTER
Q31
2SC4617(S)
Q38
MA2S111
Q35
HNIJ02FU
SW
Q70 2SJ243
Q69 DTC144EE
SHIFT SW
Q34
MT6C03AE
D35,37
1SV305
D36,34
MA25304
D40
HVC131
VCO
IC6
LMX2326TMX
PLL
Q37
2SC
5108(Y)
AMP
Q40
2SC
5009
AMP
Q41
2SC
5009
AMP
Q45
MT6C
04AE
MIX
LPF
TUNE
D28,106
HVC375B
A
4-2. B band reception and transmission
IC2 functions as B band reception PLL. This PLL IC controls
the VCO produced by Q9. VCOs are changed over by switching
the power supplied to each VCO by Q10 through control line
"DBSS" from the CPU. VCO power passes through a ripple
filter consisting of Q7 and C52. Each VCO output is amplified
by a common amplifier (Q13).
4-2-1. 0.1MHz-267MHz reception, VHF (220MHz <K type
only>) band transmission
The VCO oscillator frequency is UHF. The signal output
from Q13 goes to the prescaler IC (IC3) and is divided into 1/8
(0.1MHz-23MHz), 1/4 (23MHz-104MHz), and 1/2 (104MHz-
267MHz). Division is controlled by using control signals "SW1
(Q15)" and "SW2 (Q15)" from the CPU. The division output is
amplified by an amplifier (Q19), and the signal goes to the
mixer (Q28) during reception and to the drive during
transmission. The PLL IC FIN input is generated by extracting
the output from Q13 and amplifying it with an amplifier (Q11).
4-2-2. 267MHz-707MHz reception, UHF transmission
The Q13 output goes to the mixer during reception and to
the drive during transmission. The PLL IC FIN input is
generated by extracting the output from Q13 and amplifying
it with an amplifier (Q11).
4-2-3. 707MHz-1.3GHz reception
Output signal from Q13 is amplified by an aplifier(Q11), then
the signal is multiplied by 2 by a multiplier (Q12). The signal
is then amplified with three amplifiers (Q21), and goes to the
mixer (Q28) during reception and to the drive (Q71) during
transmission. The FIN input of the PLL IC (IC2) is input by
taking the output from Q11.
Q13
2SC
5108(Y)
AMP
Q12
2SC
5009
AMP
Q21
2SC
5009
Q93
MT6C
03AE
AMP
AMP
Q19
2SC
5009
AMP
Q71
2SC4226
(R24)
Q72
2SC
5192
AMP AMP
Q28
MT6C
03AE
Lo
MIX
Q54
2SK
2973
Q56
2SK
2973
DRIVE AMP DRIVE AMP
Q55
2SK
3476
RF POWER AMP
SW
D99
HSC
277
D100
HSC
277
D101
HSC
277
DEVIDER
IC3
UPB
1509GV
SW
D102
HSC
277
LPF
HPF HPFSW
D53
D54
HVC131
SW
D49 D85
D50 D86
D51
D52
HVC131
VHF
UHF
LPF
LPF
BPF
ANT
Q2MT6C03AE
D18 HVC131
D11,12
HVC3758
D21 HVC131
D10,16
HVC3758
VCO
B
Each VCO output is amplified by a common amplifier Q37.
In VHF/UHF band reception, the signal passes through a low-
pass filter, is amplified by Q40, then by a common local
amplifier (Q41), and goes to a mixer. This low-pass filter uses
a varicap (D28, D106) to shift cut-off frequency. The FIN input
to the PLL IC is taken from the Q40 output.
Fig.15
Fig.16

TH-F6A/F7E
12
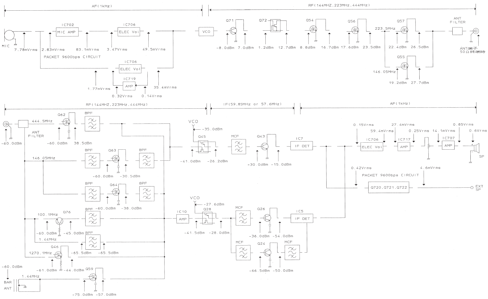
7. Transmission signal system
7-1. Modulation circuit
The audio modulation input is switched between external
input and internal microphone using an external microphone
terminal, and its base band is processed by microphone
amplifier IC 702 and preemphasis/limiter IC 701. The signal is
mixed with a DTMF subtone before the preemphasis circuit,
the level is adjusted by electronic VR IC706, and the signal is
input to the VCO as a modulation signal. The excessive input
of the 9600bps packet signal and the high-speed FM mode
SSTV transmit signal input through the external microphone
input terminal is suppressed by D710 and D711, switched by
IC703, and input to electronic VR IC706. The level-adjusted
signal is amplified by Q719, passes through electronic VR
IC706, and is divided into two paths: one for modulating the
VCO through electronic VR IC706 the other for modulating
TCXO X1 through amplifier IC702 to perform broadband
transmission modulation.
CIRCUIT DESCRIPTION
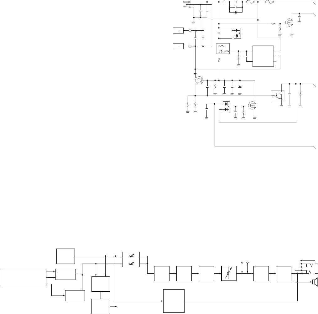
5. Lithium ion battery charging control
If a lithium ion battery is installed, it is charged when power
is supplied to the DCIN JACK from outside. The mechanism
of charging control is described below.
When power is provided to the DCIN JACK, Q65 turns ON
and the control port is made LOW to notify the CPU of
connection of an external power source. The CPU grounds
the Q2 collector according to this information. As a result, Q5
turns OFF and Q1 turns ON. If the remaining battery level is
low, the Q1 collector current increases, so the emitter voltage
is reduced by R2 and Q2 turns ON to charge the battery
(charging). The CPU pulls up the Q2 collector voltage, uses
this port as input, and monitors it. If the battery voltage level
increases, the Q1 collector current decreases, the emitter
voltage drops and Q2 turns OFF at a certain voltage. The CPU
recognizes that charging is approaching its end by this change,
and enters an additional charging state. In the additional
charging state, the CPU grounds the Q2 collector and
continues charging slowly in about an hour. When it ends,
the battery charging is complete.
IC1 is a lithium ion battery charge control IC. When the
battery voltage exceeds 8.4 V, the output port is made HIGH
and Q3 is turned OFF to stop charging. If it is 8.4 V or lower,
"LOW" is output and Q3 is turned ON to bias Q1.
6. Receive audio circuit
The receive signal demodulated by the FM IC on each of
the A and B bands passes through an electronic volume (IC706)
and is amplified by IC717. The signal is deemphasized by
Q719, passes through a variable RESISTOR (AFVR), is
amplified by the audio amplifier (IC707), and output to the
speaker (SP1) or external speaker jack (J701).
CTCSS or DCS is a 2-channel multiplexer from FM IC output,
and A or B band is selected, the signal passes through an
amplifier filter (IC711), and goes to the CPU where it is
decoded.
The 9600bps packet signal is produced by converting the
impedance of the output signal from the FM IC by Q720 and
Q721, passing it through the Q722 switch, and outputting it to
the speaker (SP1) or external speaker jack (J701).
IC706
M62364 FP
IC4
TA4101F
SSB DET
SSB/CW
Q22,29
UPA672T
IC5
TK10931V
SW
FM
AM
IF DET
IC7
TA31136FN
SW
TONEIN
IC712
TC4W53FU
IC711
TA75W01FU
TONE FILTER
AMP
IC717
TC75
S51F
SW
Q720
2SC4617(R)
Q721
2SJ347
Q722
2SK1830
MUTE SW
Q704
2SJ
347
AUDIO AMP
IC707
TA73
68F
DE EMPHASIS
Q719
2SC4617
(R)
MUTE SW
Q706
2SK1588
Q708
2SK1830
AF VR
BEEPDTMF
SP
SP
Fig.18
C23 1000p F2
4A
F1 B
DCDET
CHG1
VTx
2.5A
L3
C24 100p
D6
RB051L-40
D7 DA221
C21 1000p
C5 1000p
C22
470p
C3 100p
C4 100p
J1
CN1
CN2
R5
1.2k
R7
39k
C19
0.1u
Q3
DTA143ZE
5OUT + IN 1
IC1
LM3420-8.4
R23 22k
R24 4.7k
2
3
GND
COMP NC
4
15S361
D5
470p
C17
0.1u
C16
1000p
C2
D2 RB051L-40
R2
R19
10
10
CHG
Q1
2SD1760
100k
R6
D4
HZU2ALL
Q5
2SK1830
Q2
DTC123JE
C20
0.01u
R365 1.0M
C15 0.1u
470p
470k
C18
R10
Q65
2SK3019
C46
0.01u
Fig.17

TH-F6A/F7E
13
IC706
M62364
FP
PRE-EMPHASISMIC AMP
IC701
TA75W
558FU
IC702
NJM
2102F
MUTE SW
Q707
25J
347
LIMITTER
D710
D711
DA221
DTMF
VOXIN
VOX
Q701
2SC4617
D709
RB706F-40
AGC
Q726
2SC4919
D705
RB706F-40
D718
DAN222
MIC
IC703
TC7S66FU
SW
IC719
Q9MT6C03AE
D18 HVC131
D11,12
HVC3758
D21 HVC131
D10,16
HVC3758
VCO
B
TONE & 96H AMP
IC720
AF AMP
TCX0
X1
L77-1859-05
7-2. Transmission circuit
For the VHF VCO output, the 500MHz output passes through
the RF amplifier (Q13), is divided into 1/4 and amplified by
Q19. The signal passes through switch D101/D102, is amplified
by four amplifiers Q71, Q72, Q54, and Q56, and amplified to
the final output by power amplifier Q55. The signal passes
through a low-pass filter, an antenna switch, and another low-
pass filter, and is sent to the antenna.
[(K only) The 220MHz VCO output is produced by passing
the 400MHz output through the RF amplifier (Q13), dividing it
into 1/2 by IC3, and amplifying it by Q19. The signal passes
through a switch (D101/D102), is amplified by four amplifiers
Q71/Q72/Q54/Q56, and amplified to the final output by power
amplifier Q57. The signal passes through a low-pass filter, an
antenna switch, and another low-pass filter, and is supplied
to the antenna.]
The UHF VCO output is directly produced, passes through
RF amplifier Q13, and is amplified by Q93. It passes through
switch D100/D102, is amplified by four amplifiers Q71/Q72/
Q54/Q56, and amplified to the final output by power amplifier
Q55. It passes through a high-pass filter, an antenna switch,
and an antenna filter, and goes to the antenna.
Q13
2SC
5108(Y)
AMP
Q12
2SC
5009
AMP
UHF
VHF
Q21
2SC
5009
Q93
MT6C
03AE
AMP
AMP
Q19
2SC
5009
AMP
Q71
2SC4226
(R24)
Q72
2SC
5192
AMP AMP
Q54
2SK
2973
Q56
2SK
2973
DRIVE AMP DRIVE AMP
Q55
2SK
3476
RF POWER AMP
SW
D99
HSC
277
D100
HSC
277
D101
HSC
277
DEVIDER
IC3
UPB
1509GV
SW
D102
HSC
277
LPF
HPF HPFSW
D53
D54
HVC131
SW
D49 D85
D50 D86
D51
D52
HVC131
VHF
UHF
LPF
LPF
BPF
ANT
Q9MT6C03AE
D18 HVC131
D11,12
HVC3758
D21 HVC131
D10,16
HVC3758
VCO
B
CIRCUIT DESCRIPTION
Fig.19
Fig.20
7-3. APC circuit
The APC circuit is used to provide stable transmission
output, detects drain current of the power module and controls
transmission output. The voltage produced at R204, and R206
is amplified by IC8 and Q50, and the difference between the
voltage and the reference voltage of each band/power output
from the CPU (IC705) is detected by IC9 to produce APC
voltage. This voltage controls the gain of Q54, Q56, Q55, and
Q57.
7-4. Temperature protection circuit
To prevent thermal destruction of the final power amplifier,
the voltage of the thermistor TH1 installed near the power
module is monitored by the CPU IC705. If the prescribed
temperature is exceeded, the APC voltage is decreased to
reduce heat generation.

TH-F6A/F7E
14
DESCRIPTION OF COMPONENTS
● (X14-6750-00)
Ref. No.
DESCRIPTION NAME
Use/function
IC1 Charge IC
IC2 PLL IC B band RX TX
IC3 PRESCALER divided into 1/2, 1/4, and 1/8
IC4
Mixer for SSB detection
IC5 FM/AM IC 2nd mix, quadrature detection, AF
output, noise amp output, S-meter
IC6 PLL IC for A band receiver
IC7 FM IC 2nd mix, quadrature detection, AF
output, noise amp output, S-meter
IC8 APC Control Transmission APC control OP-AMP
IC9 APC Control Transmission APC control OP-AMP
IC10 Wide band AMP B band receiver 2nd amp
IC11 Shift register Shift register (ATT, power supply,
ANT SW, )
IC701 MIC&DTMF AMP Limiter amp, splatter filter
IC702 MIC AMP
IC703 AMP for packet
IC704 E2PROM
IC705 CPU for J, K, E type
IC706 Electronic VR
IC707 AF AMP
IC708 4.0 regulator
IC709 RESET IC
IC710 3.5V Detector
IC711 TONE FILTER CTCSS, ADCS
IC712
TONE DETECTOR
IC713
DC · DC converter
IC714 APC circuit Transmitter
IC715 3.0 regulator LCD booster Circuit
IC717 Rx AF AMP
IC718
BPF Voltage adjus
t B band RX TX
IC719 TONE&96H AMP
IC720 AF AMP
D1 voltage shift Power supply voltage shift
D2
reverse current protector
reverse current protector
D4 Limiter
D5 Charge IC reverse current protector
D6
reverse current protector
reverse current protector
D7 voltage shift voltage shift
D8
PLL Lock voltage detect SW
B band RX TX
D9 DC SW Speed up SW
D10-12
VCO VCO
D16 VCO VCO
D18 VCO VCO shift SW
D20 Tuning
SSB/CW 3rd LO oscillation frequency
tuning
D21 VCO VCO shift SW
D24 Tuning
SSB/CW 3rd LO oscillation frequency
tuning
D25 RF SW FM/W-FM SW
D28 Tuning
A band local filter tuning
D29 Tuning
2rd LO oscillation frequency tuning
Ref. No.
DESCRIPTION NAME
Use/function
D32 ATT B band RF AGC ATT
D33
PLL Lock voltage detect SW
A band PLL IC power supply voltage
shift
D34-37
VCO VCO
D38 DC SW Speed up SW
D40 RF SW VCO shift SW
D41 RF SW A band VCO output SW
D44
reverse current protector
D45 Limiter voltage limiter
D49 ANT SW
D51-54
ANT SW
D57 RF SW Bar antenna RF receve line SW
D58 POWER SW B band 2nd wide band amp power
supply SW
D59 RF AMP SW
D60 Tuning Bar antenna frequency tuning
D62 ANT SW
D63
reverse current protector
D65 RF SW B band RF receive line SW 600 to
1300MHz
D67 RF SW A band 265 to 680MHz
D68 RF SW B band 265 to 680MHz
D69
UHF RF AMP SW
UHF 1st amp control
D70 ANT SW
D71 RF SW
A band VHF ( 220MHz K type only )
D72 Tuning A band VHF BPF tuning
D73 ANT SW
D74 RF SW 220MHz band BPF tuning
D75-77
Tuning A band VHF BPF tuning
D78 RF SW B band 108 to 265MHz
D80 RF SW B band 50 to 108MHz
D81 Tuning A band VHF BPF tuning
D82 ANT SW
D83 Tuning A band VHF BPF tuning
D85 ANT SW
D87-90
Tuning B band VHF BPF tuning
D91 RF SW B band 0.1 to 50MHz
D93 ANT SW B band 50 to 105MHz
D94 ANT SW B band 0.1 to 50MHz
D95-97
BPF tuning B band 50 to 108MHz receive BPF
tuning
D99 RF SW B band local 650 to 1.3GHz
D100 RF SW B band local 325 to 650MHz
D101 RF SW B band local 0.1 to 325MHz
D102 RF SW Transmission drive input SW
D103 SW Matching SW
D104 ANT SW
D106 Tuning A band local filter tuning
D107-110
RF SW B band PLL IC Fin filter SW
D112,113
ANT SW Receiver circuit protector SW
(ON:transmission)
D114 ANT SW Transmission band SW

TH-F6A/F7E
15
DESCRIPTION OF COMPONENTS
Ref. No.
DESCRIPTION NAME
Use/function Ref. No.
DESCRIPTION NAME
Use/function
D115 RF SW
D116 ATT SW B band 50 to 108MHz ON:receive
ATT on
D117,118
ANT SW
D119 ANT SW Q57 control SW
D120 ANT SW Q55 control SW
D121
reverse current protector
D122 voltage shift
D123
overvoltage protector
D124,125
overinput protector
D126 voltage shift
D702-704
Type setting diode
D705 AF rectification
D706-708 reverse current protector
D709 AF rectification
D710,711
overvoltage protector
D712-717
LED
D718 AGC SW
D719
reverse current protector
D720-725
LED
D726
constant-voltage circuit
D727
reverse current protector
D730-732 reverse current protector
Q1
constant-current circuit
constant current charge
Q2 Charge control
Q3 Charge control constant potential charge
Q4 SW B band/transmission PLL charge
pump SW
Q5 Charge control
Q6 SW B band/transmission PLL VCO shift
SW
Q7 RIPPLE FILTER B band/transmission VCO power
supply
Q8 SW Prescaler divider SW
Q9 OSCILLATOR B band /transmission VCO
Q10
VCO power supply SW
Q11 RF AMP
Q12 RF AMP
Q13 BUFFER AMP
Q14
Power supply switch
Prescaler power supply SW
Q15 SW Prescaler divider SW
Q17 SW Prescaler divider SW
Q19 RF SW B band local amp
Q21 RF AMP B band local amp
Q22 AF SW B band AF output SW
Q23 3rd local AMP 3rd local (crystal oscillator) buffer
amp
Q24 IF AMP B band W-FM
Q25 AGC AMP B band IF AGC DC amp
Q26 BUFFER AMP B band IF AGC amp (57.6MHz)
Q27 local AMP B band 2nd local (crystal oscillator)
buffer amp
Q28 MIXER B band
Q29 AF SW B band AF output SW
Q30 SW
B band FM / W-FM power supply SW
Q31 RIPPLE FILTER A band VCO power supply
Q32 ANT SW Bar antenna switch
Q34 OSCILLATOR A band VCO oscillator
Q35
VCO power supply SW
A band RX VCO power supply
switching
Q37 BUFFER AMP A band RX VCO output amp
Q40 RF AMP A band local amp
Q41 RF AMP A band mixer input amp
Q43 IF AMP A band 1st IF amp
Q44 RF AMP A band 2nd local multiplyng
Q45 MIXER A band
Q46 RF AMP B band 1.2GHz band 1st amp
Q47 APC SW APC control
Q48 ANT SW Bar antenna switch
Q49 APC controller APC control
Q50 AMP APC control
Q51 APC SW APC control
Q52 ANT SW Bar antenna switch
Q53 DC SW Bias control
Q54 RF AMP Pre-drive
Q55 RF AMP VHF/UHF final-amp
Q56 RF AMP Drive amp
Q57 RF AMP 220MHz band final-amp (K-type
only)
Q58
Power supply switch
B band 2nd amp power supply
control
Q59 RF AMP Bar antenna 1st amp
Q62 RF AMP UHF 1st amp (A/B band)
Q63 RF AMP A band VHF 1st amp
Q64 RF AMP B band VHF 1st amp
Q65
DC IN DETECT SW
DC-IN / battery
Q66 APC SW APC control
Q68 SW BPF SW
Q69 VCO switching VCO oscillator frequency shift SW
Q70 VCO switching VCO oscillator frequency shift SW
Q71 RF AMP Drive amp
Q72 RF AMP Pre-amp
Q73 BAND SW
B band 50 to 108MHz On when RX
Q74 BAND SW B band 50 or less On when RX
Q76 RF AMP
B band 50 to 108MHz On when RX
Q92
Power supply switch
B band 1.2GHz band 1st amp
power supply SW
Q93 RF AMP B band local amp
Q94 RF SW PLL Fin filter SW
Q95,96
SW Final SW
Q97 RF AMP B band local amp
Q98 GAIN SW Bar antenna RF amp gain SW
Q99 DC SW Bias control
Q100 IF SW when bar antenna use : ON

TH-F6A/F7E
16
● Microcomputer pin functions
:µPD784216(IC705)
Pin I/O Pin name
Active level
Function
No.
1 I LDB L B band PLL lock detect
H:Lock
2 I LDA L A band PLL lock detect
H:Lock
3 O PLF1 H PLL filter switch
4 I CHGI L charging detection
L:Charging
5 O VRBS L B band receiver power supply
when receiving:L
6O
BRXSW1
H Prescaler
7O
BRXSW2
H Prescaler
8O
BVCOSW
H B band VCO double switch
H:Upper
9 - --- --- Positive power supply
10 O --- --- System clock
11 I --- --- System clock
12 - --- --- Ground
13 - --- --- Open
14 - --- --- Connect to VSS
15 I RESET H System reset L:Reset[3.0V]
16 I INT Power supply voltage drop
detection interrupt 3.5[V]
17 O LEA A band PLL enable
H:Enable
18 O LEB --- B band PLL enable
H:Enable
19 I EN2 Encoder data input
20 I EN1 Encoder interrupt
21 I PWR L [PWR] Switch interrupt
L:pressed
22 I DCDET L DC-IN detection
L:DC-IN connect
23,24
- --- --- Connect to VDD
25 I BATT --- Battery voltage level A/D input
26 I SQB --- B band noise level A/D input
27 I SMA --- A band S meter level A/D input
28 I SMB --- B band S meter level A/D input
29 I REM --- Remote control microphone
key A/D input
30 I VOXIn --- VOX sensitivity A/D input
31 I TOIn --- TONE detection input pin
32 I
SQA&THM
---
A band noise level & temperature-
compensated thermistor voltage
A/D input
33 - --- --- Connect to VSS
34 O
1750/DTMF
DTMF tone,1750Hz tone D/A
output
35 O TONE Subtone D/A output
36 - --- --- Connect to VDD
37 O SAVE L Save L:ON
Ref. No.
DESCRIPTION NAME
Use/function
DESCRIPTION OF COMPONENTS / SEMICONDUCTOR DATA
Q701 VOX AMP
Q702 impedance 9600bps transmitter
Q703 BEAT SHIFT
Q704 AF SP MUTE SW
Q705 RAMP SW
Q706 AF SP MUTE SW Ext speaker
Q707 MIC MUTE SW
Q708 AF SP MUTE SW
Q709 AUDIO AVR SW
Q710 AVR
Q712 VTx SW
Q713 VSSB&VRB SW
Q714 M4S SW
Q715 VRA&VCV SW
Q716 VVOX SW when VOX mode ON
Q719 Rx AF filter
Q720 RX packet AMP
Q721,722
impedance conversion
9600bps receiving
Q723 TNC cotrol SW
Q725 Audio AVR
Q726 Voltage cotro SW
Q727 LCD DRIVE SW
Q728 AVR SW
Q729
NOISE SHIFT SW

TH-F6A/F7E
17
Pin I/O Pin name
Active level
Function
No. Pin I/O Pin name
Active level
Function
No.
SEMICONDUCTOR DATA
38 O LAPS H Key, LCD ilumination power
supply H:ON
39 O AFC H Audio amp power supply SW,
key,LCD ilumination, power
supply SW H:ON
40 I RxD1 L UART data input from PC pin
41 O TxD1 L UART data output to PC pin
42 O AFV L AF mute switch
L:DCS,CTCSS ON
43 O RESLCD H LCD driver resetL:Reset
44 O R0LCD --- LCD driver data type bit
L:Control H:Display
45 O ELCD LCD driver enable
H:Enable
46 O RWLCD --- LCD driver read/write
L:write
47 O
MIC MUTE
H Micmute switch H:MUTE
48-55
I/O D0-7 --- LCD driver data line
56-60
I KEYI1-5 L Key matrix input 1-5
61 I TYPE L Destination, channel display
mode diode input
62 O 96H H 9600BPSH:ON
63 O ABS TONE band switch
H:B band L:A band
64-68
O
KEYO1-5
L Key matrix output 1-5
69 O LCK Shift register enable
H:ON
70 I PTT2 L External [PTT] key input
L:pressed
71 O M4SS H M4SSW H:ON
72 - --- --- Ground
73 O BVCOS H B Band VCO select switch
H:VCO2
74 O WFMS L W-FM switch L:WFM
75 O BAMS L B Band FM detector switch
L:FM,WFM mode
76 O DACEN --- D/A enable
77 O SPM H Receiving on mute SW
L:MUTE
78 O BMS H Band matching SW
79 O BUSY L 9600bps BUSY output
H:BUSY
80 O BSHIFT L Beet shift SW H:ON
81 - --- --- Positive power supply
82 O VVOXS L VOX power supply
VOX ON, at TX:L
83 O VSSBS L SSB power supply
L:SSB,CW
84 O
APC/BPFA
--- APC & A BPF tuning PWM
output 144,220MHz band
recive
85 O BPFB --- B band BPF PWM output
input with the bar antenna
86 O VRAS L A Band receiver power supply
Receiving:L
87 O BEEP Beep output
88 I SI EEPROM data input line
(EEPROM SO pin)
89 O CLK Common clock line
90 O DATA Common data line
91 O CS EEPROM chip select
L:Enable
92 O VTXS L Transmission power supply
L:Transmission
93 O VCVS L
B band VCO, PLL power supply
switch
L:B band ON
94 I
VPP/TEST
Flash write 10V application pin
Normally:L
95 O RLEDA L A band busy LED L:ON
96 O TLEDA L A band transmission LED
L:ON
97 O RLEDB L B band busy LED L:ON
98 O TLEDB L B band transmission LED
L:ON
99 I PTT1 L PTT SW(main)
L:Transmisson
100 O TXL H Transmission VCO1 shift
H:Shift ON

TH-F6A/F7E
18
SEMICONDUCTOR DATA
● Terminal Functions
CN7 1
APC & TUNEA
APC&A band BPF tuning voltage
2 BMS Band matching switch
3 PLF1 PLL filter switch
CN716 4 CHGI Charge detect interrupt
5 LDB B band PLL lock detection
6 BVCOSW B band VCO doubler SW
7 DCDET DC-IN detection
8 LDA A band PLL lock detection
9 SW1 Prescaler divide
10 SW2 Prescaler divide
11 LEB B band PLL enable
12 AFB B band audio output
13 LEA A band PLL enable
14 AFA A band audio output
15 FINE2 3rd local control voltage
16 B Battery power
17 FINE1 2nd local control voltage
18 MOD Modulation signal input
19 LCK Shift register enable
20 CLK Common clock
21 TXL VCO shift
22 DATA Common data
23
THM&SQA
Thermal detection & A band
squelch voltage
24 C8 Charge pump power supply
25 SMB B band S-meter voltage
26 VTX Transmission power supply
27 SQB B band squelch voltage
28 VRB B band RX voltage
29 SMA A band s meter voltage
30 VRA A band RX power supply
31 M4S AVR power supply
32 VCV B band VCO, PLL power supply
33 VTUNEB B band BPF tuning voltage
34 VC Power supply
35 BAMS B band AM power supply
36 BSS B band PLL fin filter switch
37 VXTAL TCXO modulation signal
38 WFMS W-FM power supply
39 GND GND
40 VSSB SSB,CW power supply
CN8 1 GND GND
2 MBCV B band VCO control voltage
3 MACV A band VCO control voltage
4 MOD Modulation signal
5 MAVCOS A band VCO SW
6 BSS B band PLL fin filter SW
7 A220S A band PLL fin filter SW
8 TXL B band VCO shift
9 VRA A band RX power supply
10 VCV B band VCO, PLL power supply
11 MAOUT A band VCO output signal
Connecter No.
NO
Name Terminal function
Connecter No.
NO
Name Terminal function
CN8 12 MBOUT B band VCO output signal
CN9 1 GND GND
2 DBCV B band VCO control voltage
3 DACV A band VCO control voltage
4 DMOD Modulation signal
5 DAVCOS A band VCO SW
6 DBSS B band VCO SW
7 DA220S A band VCO shift
8 DTXL B band VCO shift
9 DVRA A band RX power supply
10 DVCV B band VCO, PLL power supply
11 DAOUT A band VCO output signal
12 DBOUT B band VCO, output signal
CN713 1 NC NC
2 IM1 Interface mode specify
3
OPDFF/TES Parallel ·bus specify
/IMO/ID
4-11 DB7-0 LCD driver data bus
12 RESET LCD driver data reset
13 CS Chip select signal (L)
14 RS
LCD driver register select signal
15 E LCD driver enable
16 RW/RD LCD driver read /write
17 GND GND
18 OSC2 CR oscillator
19 OSC1 CR oscillator
20 Vcc Power supply
21 Vci Reference voltage output,
boost circuit power supply
22 C1+ Boost voltage circuit
23 C1- Boost voltage circuit
24 VLOUT Boost voltage output
25 VLCD LCD power supply
26 V1OUT output voltage V1
27 V2OUT output voltage V2
28 V3OUT output voltage V3
29 V4OUT output voltage V4
30 V5OUT output voltage V5
CN714 1 GND GND
2 AFVO AF output
3 AFVI AF input
4 EN2 Encoder pulse 2
5 GND GND
6 EN1 Encoder pulse 1
CN715 1 SP+ SP
2 SP- GND

TH-F6A/F7E
PARTS LIST
19
Parts No. Description
Adrress New
parts
Destination Destination
Ref. No. Parts No. Description
Adrress New
parts
Ref. No.
TH-F6A/F7E
∗ New Parts. indicates safety critical components.
Parts without Parts No. are not supplied.
Les articles non mentionnes dans le Parts No. ne sont pas fournis.
Teile ohne Parts No. werden nicht geliefert.
!
L:
Scandinavia
K:
USA
P:
Canada
Y:
PX (Far East, Hawaii)
T:
England
E:
Europe
Y:
AAFES (Europe)
X:
Australia
M:
Other Areas
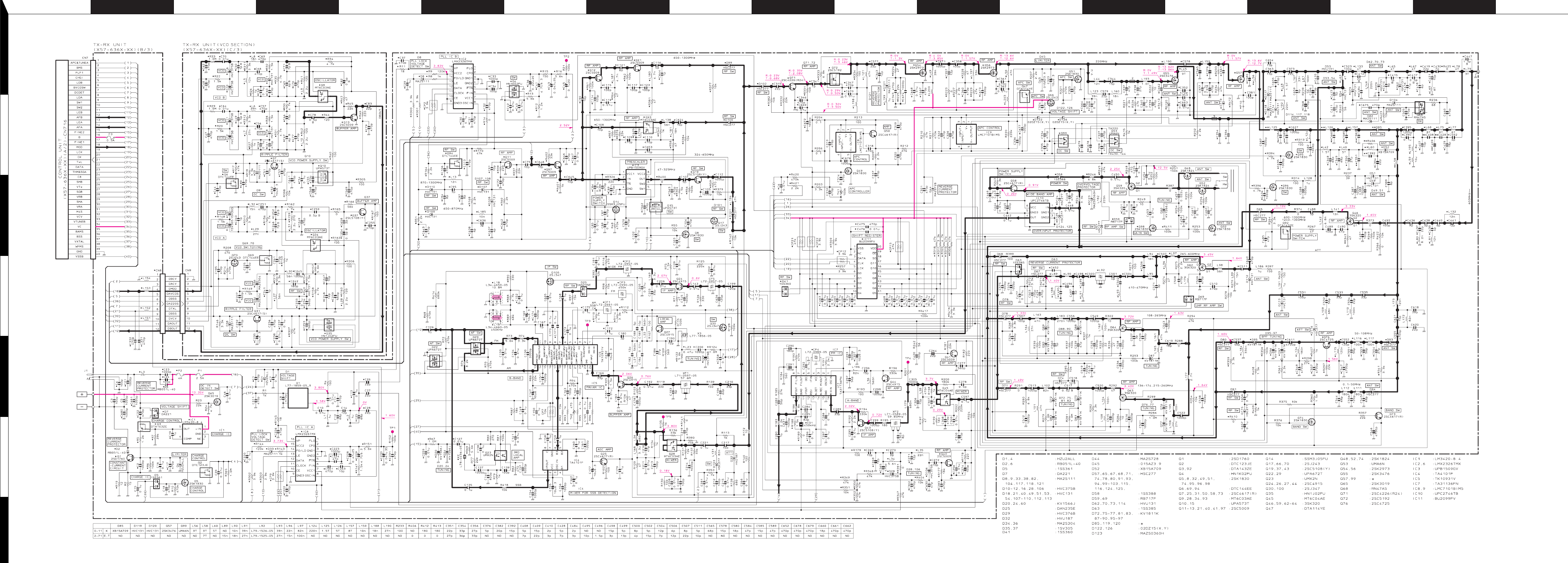
TX-RX UNIT (X57-6360-00)
TH-F6A/F7E
11A∗A02-3727-03 CABINET ASSY
23A∗A10-4050-01 CHASSIS
33B∗A82-0046-02 REAR PANEL
41B∗B09-0615-23 CAP (MIC/SP/DC)
51A∗B10-2685-13 FRONT GLASS T,E
51A∗B10-2723-13 FRONT GLASS K
62B∗B11-1280-04 ILLUMINATION GUIDE (LCD)
72B∗B11-1281-04 FILTER (LCD)
82B∗B38-0852-15 LCD ASSY
9-∗B62-1441-00 INSTRUCTION MANUAL(ENG/SPA)
9-∗B62-1442-00 INSTRUCTION MANUAL(FRE/ITA) E
9-∗B62-1443-00 INSTRUCTION MANUAL(NET/GER) E
10 - ∗B72-2054-14 MODEL NAME PLATE K
10 - ∗B72-2055-04 MODEL NAME PLATE T,E
11 2B ∗D21-0856-04 SHAFT (RELEASE)
12 3B E04-0407-15 RF COAXIAL RECEPTACLE(SMA)
13 2B ∗E23-1177-04 RELAY TERMINAL (BATTERY)
14 2B ∗E23-1180-04 GROUND TERMINAL(SMA)
15 1B E37-0695-05 LEAD WIRE WITH CONNECTOR(SP)
16 - ∗F07-1859-03 COVER (HOOK)
17 2B ∗F10-2411-04 SHIELDING COVER(ANTENNA)
18 2A ∗F10-2437-04 SHIELDING PLATE(BAR-ANTENNA)
19 1B ∗F12-0464-14 SHIELDIBG SHEET(LCD)
20 1B ∗F15-1002-04 SHADOW PLATE (LCD)
21 1B ∗F15-1004-04 SHADOW PLATE (TX-RX)
23 2A ∗F20-3325-04 INSULATING SHEET
24 1B,2B ∗F20-3336-04 INSULATING SHEET
25 2B ∗G01-4532-04 COIL SPRING (RELEASE)
26 3A ∗G11-4060-04 RUBBER SHEET
27 3A ∗G13-1858-14 CUSHION (CHASSIS)
28 2A ∗G13-1860-04 CUSHION (BAR-ANTENNA)
29 3B ∗G53-1529-04 PACKING (VOL/ENC)
30 3A ∗G53-1532-02 PACKING (CASE)
31 2A ∗G53-1533-03 PACKING (MOLTI-F)
32 2B ∗G53-1534-13 PACKING (SP/MIC)
33 - ∗H52-1857-02 ITEM CARTON CASE K
33 - ∗H52-1858-02 ITEM CARTON CASE T,E
34 3A ∗J19-5428-03 HOLDER (TERMINAL)
35 2A ∗J19-5429-13 HOLDER (BER-ANTENNA)
36 2B ∗J21-8419-03 HARDWARE FIXTURE(LCD)
37 - J29-0623-04 BELT HOOK
38 2A ∗J32-0927-04 CYLINDRICAL BOSS
39 - J69-0342-05 HANDSTRAP
40 2B ∗J82-0076-05 FPC (VOL/ENC)
41 1B ∗K29-5150-03 KNOB (VOL)
42 1B ∗K29-5159-03 KNOB (ENC)
43 2A ∗K29-9107-12 KEY TOP
44 1A ∗K29-9108-13 KNOB (PTT/MONI)
45 2B ∗K29-9109-03 LEVER KNOB (RELEASE)
46 1A ∗K29-9110-03 KNOB (PTT)
47 1A ∗K29-9111-03 KNOB (MULTI-F)
48 - L79-1417-05 LINE FILTER T,E
A 3B N09-1492-05 PAN HEAD SCREW (SMA)
B-∗N09-2385-05 BINDING HEAD SCREW (HOOK)
C 1B N14-0573-04 CIRCULAR NUT (SMA)
D1B∗N14-0593-04 CIRCULAR NUT (VOL/ENC)
E 2A N79-2035-45 PAN HEAD TAPTITE SCREW
F 2A,2B ∗N79-2040-46 PAN HEAD TAPTITE SCREW
G 3A N80-2008-45 PAN HEAD TAPTITE SCREW
H 2A N83-2006-45 PAN HEAD TAPTITE SCREW
49 2B R39-0602-05 VARIABLE RESISTOR
SP 1B T07-0266-05 SPEAKER
50 - ∗T90-0781-05 WHIP ANTENNA K
50 - ∗T90-0789-05 WHIP ANTENNA T,E
ANT 2A ∗T90-0787-05 ANTENNA (Bar antenna)
51 - ∗W08-0927-05 AC ADAPTER K
51 - ∗W08-0928-05 AC ADAPTER E
51 - ∗W08-0929-05 AC ADAPTER T
53 3A X57-6362-01 VCO UNIT
D712,713 B30-2131-05 LED
D714-717 B30-2210-05 LED(TLY)
D720-725 B30-2157-05 LED(YELLOW)
C1 CK73HB1H471K CHIP C 470PF K
C2 CK73HB1H102K CHIP C 1000PF K
C3,4 CC73HCH1H101J CHIP C 100PF J
C5 CK73HB1H102K CHIP C 1000PF K
C6 CK73HB1C103K CHIP C 0.010UF K
C7 CK73HB1A104K CHIP C 0.10UF K
C8 CK73HB1H471K CHIP C 470PF K
C9,10 CK73HB1C103K CHIP C 0.010UF K
C11 CK73HB1H471K CHIP C 470PF K
C12 CC73HCH1H680J CHIP C 68PF J
C13 CK73HB1A104K CHIP C 0.10UF K
C14 CC73HCH1H120J CHIP C 12PF J
C15,16 CK73HB1A104K CHIP C 0.10UF K
C17,18 CK73HB1H471K CHIP C 470PF K
C19 CK73GB0J105K CHIP C 1.0UF K
C20 CK73HB1C103K CHIP C 0.010UF K
C21 CC73HCH1H102J CHIP C 1000PF J
C22 CK73HB1H471K CHIP C 470PF K
C23 CK73HB1H102K CHIP C 1000PF K
C24 CC73HCH1H101J CHIP C 100PF J
C25 CC73HCH1H680J CHIP C 68PF J
C26-28 CC73HCH1H220J CHIP C 22PF J
C29,30 CK73HB1A104K CHIP C 0.10UF K
C31,32 CK73HB1H471K CHIP C 470PF K
C33 CK73HB1H102K CHIP C 1000PF K
TX-RX UNIT (X57-6360-00) 0-11:K, 2-71:T,E

TH-F6A/F7E
PARTS LIST
20
Ref. No. Parts No. Description
Adrress New
parts
Ref. No. Parts No. Description
Adrress New
parts Destination Destination
C34 CC73HCH1H101J CHIP C 100PF J
C36 C92-0518-05 CHIP-TAN 0.22UF 20WV
C37 CK73HB1H471K CHIP C 470PF K
C40 CK73HB1C103K CHIP C 0.010UF K
C41 C92-0766-05 CHIP-TAN 4.7UF 6.3WV
C42 CK73HB1C103K CHIP C 0.010UF K
C43 C92-0555-05 CHIP-TAN 0.047UF 35WV
C44 CK73HB1H471K CHIP C 470PF K
C45 C92-0542-05 CHIP-TAN 0.10UF 20WV
C46 CK73HB1C103K CHIP C 0.010UF K
C47,48 CK73HB1H471K CHIP C 470PF K
C49 CC73HCH1H0R5B CHIP C 0.5PF B
C50 CC73HCH1H010B CHIP C 1.0PF B
C51 CK73HB1H471K CHIP C 470PF K
C52 C92-0772-05 CHIP-TAN 10UF 6.3WV
C53 CK73HB1H471K CHIP C 470PF K
C54 CK73HB1A104K CHIP C 0.10UF K
C55-57 CK73HB1H471K CHIP C 470PF K
C58,59 CK73HB1A104K CHIP C 0.10UF K
C60-62 CK73HB1H471K CHIP C 470PF K
C64 CK73HB1C103K CHIP C 0.010UF K
C65 CC73HCH1H060B CHIP C 6.0PF B
C66 CC73HCH1H150J CHIP C 15PF J
C67 CC73HCH1H060B CHIP C 6.0PF B
C68,69 CK73HB1H471K CHIP C 470PF K
C70 CK73HB1C103K CHIP C 0.010UF K
C71 CC73HCH1H070B CHIP C 7.0PF B
C72 CK73HB1H471K CHIP C 470PF K
C75 ∗CC73HCH1H100C CHIP C 10PF C
C76,77 CK73HB1H471K CHIP C 470PF K
C78 CC73HCH1H0R5B CHIP C 0.5PF B
C79,80 CK73HB1H471K CHIP C 470PF K
C82 CC73HCH1H0R5B CHIP C 0.5PF B
C83 CC73HCH1H220J CHIP C 22PF J
C84,85 CK73HB1C103K CHIP C 0.010UF K
C86,87 CK73HB1H471K CHIP C 470PF K
C88 CK73HB1A104K CHIP C 0.10UF K
C89 CK73HB1H471K CHIP C 470PF K
C90,91 ∗CC73HCH1H100C CHIP C 10PF C
C94 CC73HCH1H080B CHIP C 8.0PF B
C95 CC73HCH1H030C CHIP C 3.0PF C
C97 CC73HCH1H080B CHIP C 8.0PF B
C102,103 CK73HB1C103K CHIP C 0.010UF K
C104 CK73HB1H471K CHIP C 470PF K
C105 CK73HB1H102K CHIP C 1000PF K
C106 CK73HB1H471K CHIP C 470PF K
C107 CC73HCH1H050C CHIP C 5.0PF C
C108 ∗CC73HCH1H100C CHIP C 10PF C
C109,110 CK73HB1H471K CHIP C 470PF K
C112 CK73HB1H102K CHIP C 1000PF K
C113 CK73HB1H471K CHIP C 470PF K
C114,115 CC73HCH1H101J CHIP C 100PF J
C116 CC73HCH1H050C CHIP C 5.0PF C
C117 CC73HCH1H101J CHIP C 100PF J
C119 CK73HB1C103K CHIP C 0.010UF K
C121 CC73HCH1H060B CHIP C 6.0PF B
C123 CC73HCH1H101J CHIP C 100PF J
C126 CK73FB1C105K CHIP C 1.0UF K
C127 CK73HB1C103K CHIP C 0.010UF K
C129 CK73HB1C103K CHIP C 0.010UF K
C130 CK73HB1H332K CHIP C 3300PF K
C133,134 CK73HB1C103K CHIP C 0.010UF K
C135 CK73HB1A104K CHIP C 0.10UF K
C137 CK73HB1H152K CHIP C 1500PF K
C138 CK73HB1A104K CHIP C 0.10UF K
C139 CC73HCH1H101J CHIP C 100PF J
C140 CK73HB1H821K CHIP C 820PF K
C141 CK73HB1C103K CHIP C 0.010UF K
C143 CK73HB1C103K CHIP C 0.010UF K
C145 CK73HB1H102K CHIP C 1000PF K
C147 C92-0772-05 CHIP-TAN 10UF 6.3WV
C149 CK73GB1A474K CHIP C 0.47UF K
C150 CK73HB1A104K CHIP C 0.10UF K
C151 CK73HB1H102K CHIP C 1000PF K
C152 CK73HB1A104K CHIP C 0.10UF K
C154 CK73HB1H102K CHIP C 1000PF K
C155 C92-0772-05 CHIP-TAN 10UF 6.3WV
C156,157 CK73HB1H102K CHIP C 1000PF K
C158-160 CK73HB1A104K CHIP C 0.10UF K
C161 CK73HB1H102K CHIP C 1000PF K
C162 CK73HB1A104K CHIP C 0.10UF K
C163,164 CC73HCH1H101J CHIP C 100PF J
C165 CK73HB1A104K CHIP C 0.10UF K
C166 CC73HCH1H330J CHIP C 33PF J
C167 CC73HCH1H070B CHIP C 7.0PF B
C168 CK73HB1A104K CHIP C 0.10UF K
C169 C92-0772-05 CHIP-TAN 10UF 6.3WV
C170-173 CK73HB1A104K CHIP C 0.10UF K
C174 CK73HB1H102K CHIP C 1000PF K
C175 CK73HB1A104K CHIP C 0.10UF K
C177 C92-0772-05 CHIP ELECTR 470UF 10WV
C178 CK73HB1H102K CHIP C 1000PF K
C179 CK73HB1A104K CHIP C 0.10UF K
C180 CC73HCH1H030C CHIP C 3.0PF C
C181 CK73HB1C103K CHIP C 0.010UF K
C182 CC73HCH1H120J CHIP C 12PF J
C183,184 CK73HB1C103K CHIP C 0.010UF K
C186 CC73HCH1H270J CHIP C 27PF J
C188 CC73HCH1H050C CHIP C 5.0PF C
C189 ∗CC73HCH1H100C CHIP C 10PF C
C190 CC73HCH1H120J CHIP C 12PF C
C191 CK73HB1A104K CHIP C 0.10UF K
C192 CK73HB1C103K CHIP C 0.010UF K
C193 CC73HCH1H060B CHIP C 6.0PF B
C195 CK73HB1H471K CHIP C 470PF K
C196 CC73HCH1H220J CHIP C 22PF J
C199 CC73HCH1H121J CHIP C 120PF J
C200 CK73HB1H102K CHIP C 1000PF K
C202 CK73HB1C103K CHIP C 0.010UF K
C203 CC73HCH1H330J CHIP C 33PF J
C205,206 CK73HB1C103K CHIP C 0.010UF K
C208 CK73HB1C103K CHIP C 0.010UF K
TX-RX UNIT (X57-6360-00)

TH-F6A/F7E
PARTS LIST
21
Ref. No. Parts No. Description
Adrress New
parts
Ref. No. Parts No. Description
Adrress New
parts Destination Destination
C209 CC73HCH1H101J CHIP C 100PF J
C210 CC73HCH1H330J CHIP C 33PF J
C211 CK73HB1C103K CHIP C 0.010UF K
C212,213 CC73HCH1H101J CHIP C 100PF J
C214 CK73HB1H102K CHIP C 1000PF K
C215 CK73HB1C103K CHIP C 0.010UF K
C217 ∗CC73HCH1H100C CHIP C 10PF C
C218 CC73HCH1H470J CHIP C 47PF J
C219 CK73HB1H471K CHIP C 470PF K
C220,221 CK73HB1A104K CHIP C 0.10UF K
C222 CK73HB1H471K CHIP C 470PF K
C223 CK73HB1H102K CHIP C 1000PF K
C224 CC73HCH1H470J CHIP C 47PF J
C225,226 CK73HB1H471K CHIP C 470PF K
C227 CK73HB1H561K CHIP C 560PF K
C228 C92-0003-05 CHIP-TAN 0.47UF 25WV
C229 C92-0766-05 CHIP-TAN 4.7UF 6.3WV
C230 C92-0555-05 CHIP-TAN 0.047UF 35WV
C231,232 CK73HB1H471K CHIP C 470PF K
C233 CK73HB1A104K CHIP C 0.10UF K
C234 CK73HB1H561K CHIP C 560PF K
C235 C92-0772-05 CHIP-TAN 10UF 6.3WV
C236 CK73HB1H471K CHIP C 470PF K
C237 CK73HB1A104K CHIP C 0.10UF K
C238 CK73HB1C103K CHIP C 0.010UF K
C239 CK73HB1H561K CHIP C 560PF K
C240,241 CC73HCH1H010B CHIP C 1.0PF B
C242 CC73HCH1E181J CHIP C 180PF J
C245 CK73HB1H102K CHIP C 1000PF K
C246 CC73HCH1H070B CHIP C 7.0PF B
C247 ∗CC73HCH1H100C CHIP C 10PF C
C248 CC73HCH1H120J CHIP C 12PF J
C249 CK73HB1H471K CHIP C 470PF K
C251 CK73HB1H471K CHIP C 470PF K
C252 CC73HCH1H070B CHIP C 7.0PF B
C253 CK73HB1H561K CHIP C 560PF K
C254 CC73HCH1H0R5B CHIP C 0.5PF B
C255 CK73HB1H471K CHIP C 470PF K
C256 CK73HB1C103K CHIP C 0.010UF K
C259 CC73HCH1H0R5B CHIP C 0.5PF B
C260 ∗CC73HCH1H100C CHIP C 10PF C
C261 CK73HB1H471K CHIP C 470PF K
C263 ∗CC73HCH1H100C CHIP C 10PF C
C264 CC73HCH1H220J CHIP C 22PF J
C265 CK73HB1H471K CHIP C 470PF K
C266 CK73HB1A104K CHIP C 0.10UF K
C269 CC73HCH1H120J CHIP C 12PF J
C270 CC73HCH1H020B CHIP C 2.0PF B
C271 CC73HCH1H120J CHIP C 12PF J
C272 ∗CC73HCH1H100C CHIP C 10PF C
C274 CC73HCH1H101J CHIP C 100PF J
C277 CK73HB1H561K CHIP C 560PF K
C278 CC73HCH1H0R5B CHIP C 0.5PF B
C280 CK73FB1C105K CHIP C 1.0UF K
C281 CK73HB1C103K CHIP C 0.010UF K
C282 CC73HCH1H150J CHIP C 15PF J
C283 CK73HB1H471K CHIP C 470PF K
C284 CC73HCH1H090D CHIP C 9.0PF D
C285 CC73HCH1H820J CHIP C 82PF J
C286 CK73HB1A104K CHIP C 0.10UF K
C287 CK73HB1A104K CHIP C 0.10UF K
C288 CK73HB1A104K CHIP C 0.10UF K
C289 CC73HCH1H330J CHIP C 33PF J
C290,291 CC73HCH1E181J CHIP C 180PF J
C292 CK73HB1A104K CHIP C 0.10UF K
C293 CK73HB1H102K CHIP C 1000PF K
C295 CK73HB1C103K CHIP C 0.010UF K
C296 CC73HCH1H150J CHIP C 15PF J
C297 CC73HCH1H560J CHIP C 56PF J
C298,299 CK73HB1H102K CHIP C 1000PF K
C301 C92-0772-05 CHIP-TAN 10UF 6.3WV
C302 CK73HB1H471K CHIP C 470PF K
C303 CC73HCH1H080B CHIP C 8.0PF B
C305 CK73HB1H102K CHIP C 1000PF K
C306 CC73HCH1H150J CHIP C 15PF J
C307 CK73HB1C103K CHIP C 0.010UF K
C308 CK73HB1H471K CHIP C 470PF K
C309 CK73HB1C103K CHIP C 0.010UF K
C310-314 CK73HB1H471K CHIP C 470PF K
C315 CC73HCH1H220J CHIP C 22PF J
C317-322 CK73HB1H471K CHIP C 470PF K
C323 C92-0772-05 CHIP-TAN 10UF 6.3WV
C324-328 CK73HB1H471K CHIP C 470PF K
C331,332 CK73HB1H471K CHIP C 470PF K
C333 CC73HCH1H330J CHIP C 33PF J
C334,335 CK73HB1H471K CHIP C 470PF K
C336 CK73HB1H102K CHIP C 1000PF K
C337 CC73HCH1H470J CHIP C 47PF J
C338 CC73HCH1H270J CHIP C 27PF J
C339 CK73GB1H471K CHIP C 470PF K
C340 CK73HB1A104K CHIP C 0.10UF K
C341 CC73HCH1H070B CHIP C 7.0PF B
C343 CC73HCH1H120J CHIP C 12PF J
C344 CC73HCH1H150J CHIP C 15PF J
C345-347 CK73HB1H471K CHIP C 470PF K
C348,349 CC73GCH1H680J CHIP C 68PF J
C350 CC73GCH1H270J CHIP C 27PF J
C351 CC73GCH1H220J CHIP C 22PF J K
C351 CC73GCH1H270J CHIP C 27PF J T,E
C352 CK73HB1H471K CHIP C 470PF K
C353 CK73FB1C105K CHIP C 1.0UF K
C354 CC73GCH1H330J CHIP C 33PF J K
C354 CC73GCH1H360J CHIP C 36PF J T,E
C356 CC73GCH1H270J CHIP C 27PF J K
C356 CC73GCH1H330J CHIP C 33PF J T,E
C357 CC73GCH1H120J CHIP C 12PF J
C358 CC73HCH1H101J CHIP C 100PF J
C360,361 CK73HB1H471K CHIP C 470PF K
C362 CK73HB1C103K CHIP C 0.010UF K
C363 CC73GCH1H130J CHIP C 13PF J
C368 CK73HB1H471K CHIP C 470PF K
C373 CC73GCH1H220J CHIP C 22PF J
TX-RX UNIT (X57-6360-00)

TH-F6A/F7E
PARTS LIST
22
Ref. No. Parts No. Description
Adrress New
parts
Ref. No. Parts No. Description
Adrress New
parts Destination Destination
C376 CC73HCH1H050C CHIP C 5.0PF C K
C377 CK73HB1A104K CHIP C 0.10UF K
C378 CK73HB1H471K CHIP C 470PF K
C381 CC73HCH1H101J CHIP C 100PF J
C382 CC73GCH1H200J CHIP C 20PF J K
C387,388 CK73HB1H102K CHIP C 1000PF K
C389 CC73HCH1H080B CHIP C 8.0PF B
C390 CK73HB1A104K CHIP C 0.10UF K
C392 CC73HCH1H150J CHIP C 15PF B K
C395 CK73HB1H102K CHIP C 1000PF K
C396 CK73HB1H471K CHIP C 470PF K
C407 CC73GCH1H100C CHIP C 10PF C
C408 CC73HCH1H050C CHIP C 5.0PF C K
C408 CC73HCH1H070B CHIP C 7.0PF B T,E
C409 CC73GCH1H150J CHIP C 15PF J K
C409 CC73GCH1H220J CHIP C 22PF J T,E
C410 CC73GCH1H010B CHIP C 1.0PF B K
C410 CC73GCH1H020B CHIP C 2.0PF B T,E
C411 CK73HB1H471K CHIP C 470PF K
C412 CC73HCH1H020B CHIP C 2.0PF B
C413 CC73HCH1H050C CHIP C 5.0PF C
C414 CC73GCH1H080D CHIP C 8.0PF D
C415 CC73HCH1H010B CHIP C 1.0PF B
C416 CC73GCH1H110J CHIP C 11PF J
C417 CC73HCH1H0R5B CHIP C 0.5PF B
C418 CC73GCH1H040B CHIP C 4.0PF B
C419 CC73GCH1H220J CHIP C 22PF J
C420 CC73HCH1H101J CHIP C 100PF J
C421 ∗CC73HCH1H100C CHIP C 10PF C
C428 CC73HCH1H050C CHIP C 5.0PF C K
C428 CC73HCH1H070B CHIP C 7.0PF B T,E
C429 CC73GCH1H180J CHIP C 18PF J
C430 CC73GCH1H070B CHIP C 7.0PF B
C436 CC73HCH1H090D CHIP C 9.0PF D
C437 CC73HCH1H220J CHIP C 22PF J
C438 CC73HCH1H050C CHIP C 5.0PF C
C439 CC73HCH1H040C CHIP C 4.0PF C
C440 CC73HCH1H060B CHIP C 6.0PF B
C441 CC73HCH1H120J CHIP C 12PF J
C442 CK73HB1A104K CHIP C 0.10UF K
C443 CK73HB1H471K CHIP C 470PF K
C444 CK73HB1C103K CHIP C 0.010UF K
C445 CC73HCH1H101J CHIP C 100PF J
C446 CK73HB1A104K CHIP C 0.10UF K
C447 ∗CC73HCH1H1R5B CHIP C 1.5PF B
C448 CK73HB1C103K CHIP C 0.010UF K
C449 CK73HB1H471K CHIP C 470PF K
C450 CK73HB1C103K CHIP C 0.010UF K
C451 CK73HB1A104K CHIP C 0.10UF K
C453 CK73HB1C103K CHIP C 0.010UF K
C454,455 CK73HB1A104K CHIP C 0.10UF K
C457 CK73HB1C223K CHIP C 0.022UF K
C458 CK73HB1A104K CHIP C 0.10UF K
C460 CK73HB1H471K CHIP C 470PF K
C461,462 CK73HB1A104K CHIP C 0.10UF K
C463-474 CK73HB1C103K CHIP C 0.010UF K
C475 CK73HB1H471K CHIP C 470PF K
C476,477 CK73HB1C103K CHIP C 0.010UF K
C484 CC73GCH1H020B CHIP C 2.0PF B K
C484 CC73GCH1H030C CHIP C 3.0PF C T,E
C485 CC73HCH1H470J CHIP C 47PF J
C488 CC73HCH1H030C CHIP C 3.0PF C
C489 CC73HCH1H101J CHIP C 100PF J
C490 CC73HCH1H470J CHIP C 47PF J
C491 CC73HCH1H101J CHIP C 100PF J
C492 CC73HCH1H101J CHIP C 100PF J
C494 CK73HB1H471K CHIP C 470PF K
C495 CC73HCH1H150J CHIP C 15PF J T,E
C497 CC73HCH1H040C CHIP C 4.0PF C
C498 CC73HCH1H030C CHIP C 3.0PF C T,E
C498 CC73HCH1H150J CHIP C 15PF J K
C499 CC73HCH1H050B CHIP C 5.0PF C K
C499 ∗CC73HCH1H130J CHIP C 13PF J T,E
C500 CC73HCH1H080B CHIP C 8.0PF B K
C500 CC73HCH1H040C CHIP C 4.0PF C T,E
C501 CC73HCH1H040C CHIP C 4.0PF C
C502 CC73HCH1H050C CHIP C 5.0PF C K
C502 CC73HCH1H150J CHIP C 15PF J T,E
C503 CC73HCH1H101J CHIP C 100PF J
C504 CC73HCH1H070B CHIP C 7.0PF B T,E
C504 CC73HCH1H120J CHIP C 12PF J K
C505 CK73HB1H471K CHIP C 470PF K
C506 CC73HCH1H060B CHIP C 6.0PF B K
C506 CC73HCH1H180J CHIP C 18PF J T,E
C507 CC73HCH1H080B CHIP C 8.0PF B K
C507 CC73HCH1H220J CHIP C 22PF J T,E
C508-510 CK73HB1H471K CHIP C 470PF K
C511 CC73HCH1H050C CHIP C 5.0PF C K
C511 ∗CC73HCH1H100C CHIP C 10PF C T,E
C512,513 CK73HB1H102K CHIP C 1000PF K
C515,516 CK73HB1H102K CHIP C 1000PF K
C517 CC73HCH1H0R5B CHIP C 0.5PF B
C518 CC73HCH1H010B CHIP C 1.0PF B
C519-522 CK73HB1H102K CHIP C 1000PF K
C523 CC73GCH1H101J CHIP C 100PF J
C524 CK73HB1H561K CHIP C 560PF K
C525 CK73HB1H102K CHIP C 1000PF K
C527 CC73HCH1H030C CHIP C 3.0PF C
C528 CK73HB1H102K CHIP C 1000PF K
C529 CC73HCH1H101J CHIP C 100PF J
C531 CC73HCH1H101J CHIP C 100PF J
C532 CC73HCH1H560J CHIP C 56PF J
C533 CC73HCH1H330J CHIP C 33PF J
C534 CC73HCH1H220J CHIP C 22PF J
C535 CC73HCH1H330J CHIP C 33PF J
C536 CK73HB1H102K CHIP C 1000PF K
C537 CC73HCH1H560J CHIP C 56PF J
C538 CK73HB1H102K CHIP C 1000PF K
C539 CC73HCH1H470J CHIP C 47PF J
C543 CK73HB1H102K CHIP C 1000PF K
C544,545 CC73HCH1H680J CHIP C 68PF J
TX-RX UNIT (X57-6360-00)

TH-F6A/F7E
PARTS LIST
23
Ref. No. Parts No. Description
Adrress New
parts
Ref. No. Parts No. Description
Adrress New
parts Destination Destination
C546-548 CK73HB1E472K CHIP C 4700PF K
C549 CK73HB1H102K CHIP C 1000PF K
C551 CC73HCH1H560J CHIP C 56PF J
C552 CC73HCH1H121J CHIP C 120PF J
C553 CC73HCH1H560J CHIP C 56PF J
C554 CC73HCH1H270J CHIP C 27PF J
C555 CK73HB1E472K CHIP C 4700PF K
C556 CK73HB1H102K CHIP C 1000PF K
C557 CK73HB1E472K CHIP C 4700PF K
C558,559 CK73HB1C103K CHIP C 0.010UF K
C560 CC73HCH1H050C CHIP C 5.0PF C
C561-563 CK73HB1H471K CHIP C 470PF K
C565 CC73HCH1H680J CHIP C 68PF J K
C567 CC73HCH1H101J CHIP C 100PF J
C568-570 CK73HB1H471K CHIP C 470PF K
C571 CC73HCH1H030C CHIP C 3.0PF C K
C571 CC73HCH1H050C CHIP C 5.0PF C T,E
C575,576 CK73HB1H102K CHIP C 1000PF K
C577 CC73HCH1H220J CHIP C 22PF J
C578 CC73HCH1H150J CHIP C 15PF J K
C579 CC73HCH1H220J CHIP C 22PF J
C580 CC73GCH1H180J CHIP C 18PF J K
C582 CK73HB1H102K CHIP C 1000PF K
C584 CC73GCH1H470J CHIP C 47PF J K
C585 CC73GCH1H150J CHIP C 15PF J K
C587 CK73GB1H102K CHIP C 1000PF K
C588 CK73HB1H102K CHIP C 1000PF K
C589 CC73GCH1H470J CHIP C 47PF J K
C592 CC73HCH1H040C CHIP C 4.7PF C
C596 CC73HCH1H121J CHIP C 120PF J
C597 CK73HB1A104K CHIP C 0.10UF K
C611 CK73HB1E472K CHIP C 4700PF K
C616 CK73HB1A104K CHIP C 0.10UF K
C618 CC73HCH1H390J CHIP C 39PF J
C619 CC73HCH1H180J CHIP C 18PF J
C620 CC73HCH1H220J CHIP C 22PF J
C621 CC73HCH1H150J CHIP C 15PF J
C624 ∗CC73HCH1H100C CHIP C 10PF C
C625 CC73HCH1H471K CHIP C 470PF K
C626 CC73HCH1H121J CHIP C 120PF J
C627 CK73GB1H102K CHIP C 1000PF K
C628 CK73HB1A104K CHIP C 0.10UF K
C630 CC73HCH1H470J CHIP C 47PF J
C631 CK73HB1H102K CHIP C 1000PF K
C632 C92-0772-05 CHIP-TAN 10UF 6.3WV
C634,635 CK73HB1H102K CHIP C 1000PF K
C636 CC73HCH1H030C CHIP C 3.0PF C
C637,638 CC73HCH1H040C CHIP C 4.0PF C
C640-643 CK73HB1H471K CHIP C 470PF K
C644 CC73HCH1H010B CHIP C 1.0PF B
C645 ∗CC73HCH1H100C CHIP C 10PF C
C646 CK73HB1H471K CHIP C 470PF K
C647 CK73HB1C103K CHIP C 0.010UF K
C648 ∗CC73HCH1H100C CHIP C 10PF C
C652 CK73HB1H471K CHIP C 470PF K K
C653 CK73HB1H471K CHIP C 470PF K
C654 CC73GCH1H150J CHIP C 15PF J
C655 CK73HB1H471K CHIP C 470PF K
C656,657 CK73HB1A104K CHIP C 0.10UF K
C658 CC73HCH1H020B CHIP C 2.0PF B
C659 CC73HCH1H090D CHIP C 9.0PF D
C660 CC73GCH1H180J CHIP C 18PF J K
C661,662 CK73HB1H471K CHIP C 470PF K K
C663 CK73HB1C103K CHIP C 0.010UF K
C664 CK73HB1H471K CHIP C 470PF K
C665,666 CK73HB1A104K CHIP C 0.10UF K
C667 CK73HB1H471K CHIP C 470PF K
C668-670 CK73HB1C103K CHIP C 0.010UF K
C672 CK73GB1H102K CHIP C 1000PF K
C673,674 CK73HB1H102K CHIP C 1000UF K
C675 CK73GB1H471K CHIP C 470PF K
C676 CK73GB1H102K CHIP C 1000PF K
C677 CK73HB1H102K CHIP C 1000PF K
C678,679 CK73HB1H471K CHIP C 470PF K K
C680,681 CK73GB1H102K CHIP C 1000PF K
C701 CK73GB1A224K CHIP C 0.22UF K
C702,703 CK73HB1A104K CHIP C 0.10UF K
C704 CK73HB1H392K CHIP C 3900PF K
C705 CK73GB0J105K CHIP C 1.0UF K
C706 C92-0772-05 CHIP-TAN 10UF 6.3WV
C707 C92-0656-05 CHIP-TAN 2.2UF 6.3WV
C709 C92-0656-05 CHIP-TAN 2.2UF 6.3WV
C710 CK73HB1H471K CHIP C 470PF K
C711 CC73HCH1H151J CHIP C 150PF J
C712 CK73HB1H471K CHIP C 470PF K
C713 CK73FB0J475K CHIP C 4.7UF K
C714 CK73HB1A104K CHIP C 0.10UF K
C715 CK73HB1C103K CHIP C 0.010UF K
C716 CK73HB1H182K CHIP C 1800PF K
C717 CK73HB1C822K CHIP C 8200PF K
C718 CK73HB1H332K CHIP C 3300PF K
C719 CK73HB1A473K CHIP C 0.047UF K
C720,721 CK73GB0J105K CHIP C 1.0UF K
C722 CK73HB1H681K CHIP C 680PF K
C723 C92-0766-05 CHIP-TAN 4.7UF 6.3WV
C724 CC73HCH1H470J CHIP C 47PF J
C725 CK73HB1H471K CHIP C 470PF K
C726 CC73GCH1H221J CHIP C 220PF J
C727 CC73HCH1H060B CHIP C 6.0PF B
C728 CC73HCH1H220J CHIP C 22PF J
C729 CC73HCH1H180J CHIP C 18PF J
C730 CK73HB1H102K CHIP C 1000PF K
C732 CK73HB1C103K CHIP C 0.010UF K
C733 CK73HB1E472K CHIP C 4700PF K
C734 CK73HB1H471K CHIP C 470PF K
C735 C92-0628-05 CHIP-TAN 10UF 10WV
C737 CK73GB0J105K CHIP C 1.0UF K
C738 CK73HB1C103K CHIP C 0.010UF K
C739 CK73HB1H332K CHIP C 3300PF K
C740 CK73HB1A104K CHIP C 0.10UF K
C741 CK73HB1H471K CHIP C 470PF K
C742 CC73HCH1H101J CHIP C 100PF J
TX-RX UNIT (X57-6360-00)

TH-F6A/F7E
PARTS LIST
24
Ref. No. Parts No. Description
Adrress New
parts
Ref. No. Parts No. Description
Adrress New
parts Destination Destination
C743 C92-0628-05 CHIP-TAN 10UF 10WV
C744,745 CK73HB1H471K CHIP C 470PF K
C746 CK73GB0J105K CHIP C 1.0UF K
C747 CK73HB1H471K CHIP C 470PF K
C748 ∗C92-0786-05 CHIP-TAN 100UF 6.3WV
C749,750 CK73HB1H471K CHIP C 470PF K
C751 CK73GB0J105K CHIP C 1.0UF K
C752 CK73HB1H471K CHIP C 470PF K
C753 CK73GB0J105K CHIP C 1.0UF K
C754-758 CK73HB1H471K CHIP C 470PF K
C759 CK73HB1A104K CHIP C 0.10UF K
C760 CK73HB1H471K CHIP C 470PF K
C761 CK73GB0J105K CHIP C 1.0UF K
C762 CK73HB1A104K CHIP C 0.10UF K
C763 CK73HB1H471K CHIP C 470PF K
C764 CK73HB1C103K CHIP C 0.010UF K
C765 CK73HB1H471K CHIP C 470PF K
C766 ∗C92-0786-05 CHIP-TAN 100UF 6.3WV
C767 CK73HB1H471K CHIP C 470PF K
C768 CK73HB1A104K CHIP C 0.10UF K
C769 CK73HB1H471K CHIP C 470PF K
C770 CC73HCH1H470J CHIP C 47PF J
C771 CK73HB1A333K CHIP C 0.033UF K
C772 C92-0656-05 CHIP-TAN 2.2UF 6.3WV
C773 CC73HCH1H121J CHIP C 120PF J
C774 CK73HB1C103K CHIP C 0.010UF K
C775 CK73HB1H222K CHIP C 2200PF K
C776 CK73HB1C123K CHIP C 0.012UF K
C777 CK73HB1A473K CHIP C 0.047UF K
C778 CK73HB1A104K CHIP C 0.10UF K
C780 CK73HB1A104K CHIP C 0.10UF K
C781 CK73GB0J105K CHIP C 1.0UF K
C782 CK73HB1H332K CHIP C 3300PF K
C783,784 ∗C92-0786-05 CHIP-TAN 100UF 6.3WV
C787 CK73GB0J105K CHIP C 1.0UF K
C788 CK73HB1A104K CHIP C 0.10UF K
C789 CK73HB1E682K CHIP C 6800PF K
C791 CK73GB0J105K CHIP C 1.0UF K
C792,793 CK73HB1A333K CHIP C 0.033UF K
C794 CK73GB1A224K CHIP C 0.22UF K
C795 CK73HB1A104K CHIP C 0.10UF K
C796 CK73GB0J105K CHIP C 1.0UF K
C797 CK73HB1C223K CHIP C 0.022UF K
C798,799 CK73HB1H102K CHIP C 1000PF K
C800-802 CK73HB1H471K CHIP C 470PF K
C803 CK73HB1H102K CHIP C 1000PF K
C804 CK73HB1H471K CHIP C 470PF K
C805,806 CK73FB0J475K CHIP C 4.7UF K
C807 CK73HB1H471K CHIP C 470PF K
C808 CK73FB0J475K CHIP C 4.7UF K
C809 CK73GB1A474K CHIP C 0.47UF K
C810 CK73GB0J105K CHIP C 1.0UF K
C811-819 CK73HB1A104K CHIP C 0.10UF K
C820 C92-0628-05 CHIP-TAN 10UF 10WV
C822 CK73HB1A473K CHIP C 0.047UF K
C823,824 CK73FB0J475K CHIP C 4.7UF K
C825,826 CK73HB1H471K CHIP C 470PF K
C827,828 CK73HB1C103K CHIP C 0.010UF K
C829 CK73HB1H471K CHIP C 470PF K
C831 CC73HCH1H470J CHIP C 47PF J
C832,833 CK73HB1H471K CHIP C 470PF K
C834 CK73HB1C103K CHIP C 0.010UF K
C835 CK73HB1H471K CHIP C 470PF K
C836 CK73GB0J105K CHIP C 1.0UF K
C837,838 CK73HB1A104K CHIP C 0.10UF K
C839 CK73GB0J105K CHIP C 1.0UF K
C841-843 CK73HB1A104K CHIP C 0.10UF K
C844,845 CK73FB0J475K CHIP C 4.7UF K
C846 CC73HCH1H101J CHIP C 100PF J
C847 CK73GB0J105K CHIP C 1.0UF K
C848 C92-0628-05 CHIP-TAN 10UF 10WV
C849 C92-0792-05 CHIP-TAN
C852 CK73HB1A104K CHIP C 0.10UF K
C853 C92-0656-05 CHIP-TAN 2.2UF 6.3WV
C870 CK73HB1H471K CHIP C 470PF K
C871 CK73GB0J105K CHIP C 1.0UF K
C872 CK73HB1E682K CHIP C 6800PF K
C873 CK73HB1C223K CHIP C 0.022UF K
C874 CC73HCH1H680J CHIP C 68PF J
C875 CK73HB1H221K CHIP C 220PF K
C876 C92-0772-05 CHIP-TAN 10UF 6.3WV
C878 CK73FB0J475K CHIP C 4.7UF K
C879 CK73GB1A474K CHIP C 0.47UF K
C880 C92-0772-05 CHIP-ELECTR 470UF 10WV
C881 CK73GB1C104K CHIP C 0.1UF K
C882 CK73HB1H471K CHIP C 470PF K
C883 CK73HB1A104K CHIP C 0.1UF K
C884 CK73HB1H102K CHIP C 0.1UF K
C885 C92-0792-05 CHIP-TAN 330UF 25WV
E23-1059-04 TERMINAL
CN7 * E40-6171-05 PIN ASSY
CN8 * E40-6215-05 PIN ASSY
CN9 * E40-6216-05 PIN ASSY SOCKET
CN713 E40-5972-05 FLAT CABLE CONNECTOR
CN714 E40-5915-05 FLAT CABLE CONNECTOR
CN715 E40-5929-05 PIN ASSY
CN716 * E40-6172-05 PIN ASSY SOCKET
J1 E03-0190-05 DC JACK
J701 E11-0457-05 PHONE JACK (2.5D/3.5D)
54 - * F01-1019-14 RADIATION PLATE
55 2B * F10-2423-04 SHIELDING PLATE
56 - * F10-2426-04 SHIELDING COVER
F1 F53-0190-05 FUSE
F2 F53-0246-05 FUSE
F3 F53-0245-05 FUSE
CD1 L79-1474-05 TUNING COIL
CF1 * L72-0991-05 CERAMIC FILTER
CF2 L72-0957-05 CERAMIC FILTER
CF3 * L72-0990-05 CERAMIC FILTER
CF4 * L72-0989-05 CERAMIC FILTER
CF5 L72-0957-05 CERAMIC FILTER
TX-RX UNIT (X57-6360-00)

TH-F6A/F7E
PARTS LIST
25
Ref. No. Parts No. Description
Adrress New
parts
Ref. No. Parts No. Description
Adrress New
parts Destination Destination
L1,2 L40-1091-86 SMALL FIXED INDUCTOR(1.0U)
L3 L92-0149-05 FERRITE CHIP
L5 ∗L41-1278-14 SMALL FIXED INDUCTOR
L6 ∗L41-3978-14 SMALL FIXED INDUCTOR
L7 ∗L41-2778-14 SMALL FIXED INDUCTOR
L8 ∗L41-1878-14 SMALL FIXED INDUCTOR
L9,10 L40-2291-37 SMALL FIXED INDUCTOR(2.200UH)
L13 L40-1275-71 SMALL FIXED INDUCTOR(12NH)
L18 ∗L34-4659-05 COIL
L19 ∗L34-4660-05 COIL
L21,22 L40-5681-86 SMALL FIXED INDUCTOR(0.56U)
L23 ∗L40-4788-76 SMALL FIXED INDUCTOR(0.47UH)
L26 L40-6881-37 SMALL FIXED INDUCTOR(0.680UH)
L27 ∗L41-5678-14 SMALL FIXED INDUCTOR
L28 L40-2291-37 SMALL FIXED INDUCTOR(2.200UH)
L29 ∗L41-2778-14 SMALL FIXED INDUCTOR
L30 ∗L41-5678-14 SMALL FIXED INDUCTOR
L31 L40-2291-37 SMALL FIXED INDUCTOR(2.200UH)
L32 ∗L41-1578-14 SMALL FIXED INDUCTOR
L34 L40-5668-71 SMALL FIXED INDUCTOR(5.6NH)
L35 L40-2275-71 SMALL FIXED INDUCTOR(22NH)
L36 L40-5681-86 SMALL FIXED INDUCTOR(0.56U)
L38 L40-4781-86 SMALL FIXED INDUCTOR(0.47U)
L42 L34-1230-05 AIR-CORE COIL
L44 L40-1275-71 SMALL FIXED INDUCTOR(12NH)
L45 L34-4577-05 AIR-CORE COIL
L46 L34-4566-05 AIR-CORE COIL
L48 L34-1230-05 AIR-CORE COIL
L49 L40-3975-92 SMALL FIXED INDUCTOR
L50 L40-4775-76 SMALL FIXED INDUCTOR
L56 L34-4577-05 AIR-CORE COIL K
L58L34-4575-05AIR-CORE COILT,E
L58 L34-4577-05 AIR-CORE COIL K
L59 L40-1005-85 SMALL FIXED INDUCTOR(220U)
L60 L34-4573-05 AIR-CORE COIL K
L61 L40-1085-54 SMALL FIXED INDUCTOR(100NH)
L63 L34-4572-05 AIR-CORE COIL
L65 L34-4572-05 AIR-CORE COIL
L67 L34-4572-05 AIR-CORE COIL
L68,69 ∗L34-4576-05 AIR-CORE COIL
L75 ∗L34-4576-05 AIR-CORE COIL
L77 L34-4574-05 AIR-CORE COIL
L78 L34-4572-05 AIR-CORE COIL
L79 ∗L34-4689-05 AIR-CORE COIL
L80 ∗L41-8268-14 SMALL FIXED INDUCTOR
L81 ∗L41-1278-14 SMALL FIXED INDUCTOR
L89 ∗L41-1575-01 SMALL FIXED INDUCTOR T,E
L90 ∗L41-1075-01 SMALL FIXED INDUCTOR K
L90 ∗L41-1875-01 SMALL FIXED INDUCTOR T,E
L91 ∗L41-2775-01 SMALL FIXED INDUCTOR T,E
L91 ∗L41-3975-01 SMALL FIXED INDUCTOR K
L92 L79-1525-05 FILTER MODULE T,E
L92 L79-1526-05 FILTER MODULE K
L93 ∗L41-2775-01 SMALL FIXED INDUCTOR T,E
L93 ∗L41-3975-01 SMALL FIXED INDUCTOR K
L94,95 ∗L41-1875-01 SMALL FIXED INDUCTOR
L96 ∗L41-1575-01 SMALL FIXED INDUCTOR T,E
L96 ∗L41-2275-01 SMALL FIXED INDUCTOR K
L97 ∗L41-1085-03 SMALL FIXED INDUCTOR T,E
L97 ∗L41-8275-03 SMALL FIXED INDUCTOR K
L98 ∗L41-5675-03 SMALL FIXED INDUCTOR
L99 ∗L41-1575-01 SMALL FIXED INDUCTOR
L101 ∗L41-4775-03 SMALL FIXED INDUCTOR
L102 ∗L41-8278-14 SMALL FIXED INDUCTOR
L104,105 ∗L41-1085-14 SMALL FIXED INDUCTOR
L106 ∗L41-2775-03 SMALL FIXED INDUCTOR
L108 L92-0161-05 BEADS CORE
L109 ∗L41-6875-03 SMALL FIXED INDUCTOR
L110 ∗L41-1085-03 SMALL FIXED INDUCTOR
L111,112 L40-1885-92 SMALL FIXED INDUCTOR(180NH)
L115 ∗L41-1285-03 SMALL FIXED INDUCTOR
L116,117 ∗L41-1085-03 SMALL FIXED INDUCTOR
L121 ∗L40-3975-92 SMALL FIXED INDUCTOR
L123 ∗L40-3975-71 SMALL FIXED INDUCTOR(39NH)
L124 L40-2285-54 SMALL FIXED INDUCTOR(220NH) K
L125 L34-1230-05 AIR-CORE COIL K
L126 L34-4573-05 AIR-CORE COIL K
L128 L40-1098-76 SMALL FIXED INDUCTOR(1UH)
L131 ∗L41-8275-03 SMALL FIXED INDUCTOR
L132 ∗L41-1278-14 SMALL FIXED INDUCTOR
L133 ∗L34-4690-05 AIR-CORE COIL
L134 ∗L41-1885-03 SMALL FIXED INDUCTOR
L138 ∗L41-5675-01 SMALL FIXED INDUCTOR
L141 L40-1275-71 SMALL FIXED INDUCTOR(12NH)
L142 L40-6865-71 SMALL FIXED INDUCTOR(18NH)
L146 L40-2285-54 SMALL FIXED INDUCTOR(220NH)
L151-154 L92-0161-05 BEADS CORE
L157 ∗L34-4576-05 AIR-CORE COIL K
L159 L40-1075-71 SMALL FIXED INDUCTOR(10NH) K
L160 L40-1875-71 SMALL FIXED INDUCTOR(18NH)
L161 ∗L41-4775-03 SMALL FIXED INDUCTOR
L162 ∗L41-1085-03 SMALL FIXED INDUCTOR
L163 ∗L41-4775-03 SMALL FIXED INDUCTOR
L164 ∗L41-2775-03 SMALL FIXED INDUCTOR
L165 ∗L41-1875-03 SMALL FIXED INDUCTOR
L167 ∗L41-3378-14 SMALL FIXED INDUCTOR
L168,169 L40-3391-86 SMALL FIXED INDUCTOR(3.3U)
L172 ∗L41-8275-03 SMALL FIXED INDUCTOR
L173 ∗L41-1285-03 SMALL FIXED INDUCTOR
L176 ∗L92-0163-05 BEADS CORE
L177 ∗L41-2761-01 SMALL FIXED INDUCTOR
L179 L40-6881-37 SMALL FIXED INDUCTOR(0.680UH)
L180 L40-4768-71 SMALL FIXED INDUCTOR(4.7NH)
L181 L40-1875-71 SMALL FIXED INDUCTOR(18NH)
L182 L40-2285-92 SMALL FIXED INDUCTOR(220NH)
L183 L40-2781-37 SMALL FIXED INDUCTOR(0.270UH)
L184 L40-3381-37 SMALL FIXED INDUCTOR(0.330UH)
L185 L40-1075-71 SMALL FIXED INDUCTOR(10NH)
L186 L40-1091-37 SMALL FIXED INDUCTOR(1.000UH)
L187 L40-4768-71 SMALL FIXED INDUCTOR(4.7NH)
L188 ∗L41-1875-03 SMALL FIXED INDUCTOR K
L190 L40-2775-71 SMALL FIXED INDUCTOR(27NH) K
TX-RX UNIT (X57-6360-00)

TH-F6A/F7E
PARTS LIST
26
Ref. No. Parts No. Description
Adrress New
parts
Ref. No. Parts No. Description
Adrress New
parts Destination Destination
L191 L40-1091-37 SMALL FIXED INDUCTOR(1.000UH)
L192 L40-2285-54 SMALL FIXED INDUCTOR(220NH)
L193 L40-1068-71 SMALL FIXED INDUCTOR(1.0NH)
L194 ∗L40-4775-71 SMALL FIXED INDUCTOR(47NH)
L195 L40-1895-85 SMALL FIXED INDUCTOR(220NH)
L196 L40-8275-57 SMALL FIXED INDUCTOR
L197 L40-3375-71 SMALL FIXED INDUCTOR
L198 L92-0161-05 BEADS CORE
L199 L40-1091-86 SMALL FIXED INDUCTOR
L200 L92-0161-05 BEADS CORE
L203 L92-0138-05 FERRITE CHIP
L702 L92-0131-05 FERRITE CHIP
L703 L92-0140-05 FERRITE CHIP
L704,705 ∗L92-0163-05 BEADS CORE
L706 L40-3301-37 SMALL FIXED INDUCTOR
L707,708 L92-0163-05 BEADS CORE
X1 ∗L77-1859-05 TCXO (19.8MHZ)
X2 ∗L78-0496-05 RESONATOR (453KHZ)
X3 ∗L77-1856-05 CRYSTAL RESONATOR(19.05MHZ)
X701 L78-0462-05 RESONATOR (9.8304M)
XF1 ∗L71-0597-05 MCF (57.6MHZ)
XF2 ∗L71-0589-05 MCF (59.85MHZ)
CP2 ∗RK75HA1J392J CHIP-COM 3.9K J 1/16W
CP7 ∗RK75HA1J103J CHIP-COM 10K J 1/16W
CP9 ∗RK75HA1J392J CHIP-COM 3.9K J 1/16W
CP12 ∗RK75HA1J392J CHIP-COM 3.9K J 1/16W
CP13 ∗RK75HA1J473J CHIP-COM 47K J 1/16W
CP21 ∗RK75HA1J473J CHIP-COM 47K J 1/16W
CP22 ∗RK75HA1J392J CHIP-COM 3.9K J 1/16W
CP701-712 R90-0741-05 MULTIPLE RESISTOR
CP713 ∗RK75HA1J392J CHIP-COM 3.9K J 1/16W
R1 RK73HB1J102J CHIP R 1.0K J 1/16W
R2 R92-1255-05 CHIP R 15 1/2W
R4 RK73HB1J101J CHIP R 100 J 1/16W
R5 RK73FB2A122J CHIP R 1.2K J 1/10W
R6 RK73HB1J104J CHIP R 100K J 1/16W
R7 RK73HB1J393J CHIP R 39K J 1/16W
R8 RK73HB1J102J CHIP R 1.0K J 1/16W
R9 RK73HB1J124J CHIP R 120K J 1/16W
R10 RK73HB1J474J CHIP R 470K J 1/16W
R11 RK73HB1J180J CHIP R 18 J 1/16W
R12 RK73HB1J122J CHIP R 1.2K J 1/16W
R13 RK73HB1J562J CHIP R 5.6K J 1/16W
R14 R92-1368-05 CHIP R 0 OHM
R15 RK73HB1J151J CHIP R 150 J 1/16W
R16 RK73HB1J562J CHIP R 5.6K J 1/16W
R17 RK73HB1J473J CHIP R 47K J 1/16W
R18 RK73HB1J332J CHIP R 3.3K J 1/16W
R19 R92-2559-05 CHIP R 12 1/2W
R20 RK73HB1J152J CHIP R 1.5K J 1/16W
R21 RK73HB1J104J CHIP R 100K J 1/16W
R22 RK73HB1J152J CHIP R 1.5K J 1/16W
R23 RK73HB1J223J CHIP R 22K J 1/16W
R24 RK73HB1J472J CHIP R 4.7K J 1/16W
R26,27 RK73HB1J102J CHIP R 1.0K J 1/16W
R28 RK73HB1J152J CHIP R 1.5K J 1/16W
R29 RK73HB1J105J CHIP R 1.0M J 1/16W
R30,31 RK73HB1J472J CHIP R 4.7K J 1/16W
R32 RK73HB1J152J CHIP R 1.5K J 1/16W
R33 RK73HB1J105J CHIP R 1.0M J 1/16W
R34,35 RK73HB1J472J CHIP R 4.7K J 1/16W
R37 RK73HB1J223J CHIP R 22K J 1/16W
R39 RK73HB1J221J CHIP R 220 J 1/16W
R40 RK73HB1J101J CHIP R 100 J 1/16W
R41,42 RK73HB1J121J CHIP R 120 J 1/16W
R43 RK73HB1J470J CHIP R 47 J 1/16W
R44 RK73HB1J121J CHIP R 120 J 1/16W
R45 RK73HB1J223J CHIP R 22K J 1/16W
R46 RK73HB1J221J CHIP R 220 J 1/16W
R48 RK73HB1J474J CHIP R 470K J 1/16W
R51 RK73HB1J222J CHIP R 2.2K J 1/16W
R55 RK73HB1J103J CHIP R 10K J 1/16W
R56,57 RK73HB1J104J CHIP R 100K J 1/16W
R58 RK73HB1J470J CHIP R 47 J 1/16W
R59 RK73HB1J471J CHIP R 470 J 1/16W
R60 RK73HB1J222J CHIP R 2.2K J 1/16W
R61,62 RK73HB1J104J CHIP R 100K J 1/16W
R64 RK73HB1J470J CHIP R 47 J 1/16W
R67 RK73HB1J105J CHIP R 1.0M J 1/16W
R68 RK73HB1J474J CHIP R 470K J 1/16W
R69 RK73HB1J562J CHIP R 5.6K J 1/16W
R70 RK73HB1J474J CHIP R 470K J 1/16W
R71 RK73HB1J470J CHIP R 47 J 1/16W
R72 RK73HB1J474J CHIP R 470K J 1/16W
R73 RK73HB1J562J CHIP R 5.6K J 1/16W
R74 RK73HB1J332J CHIP R 3.3K J 1/16W
R75 RK73HB1J152J CHIP R 1.5K J 1/16W
R76 RK73HB1J822J CHIP R 8.2K
R77 RK73HB1J223J CHIP R 22K J 1/16W
R79 RK73HB1J102J CHIP R 1.0K J 1/16W
R80 RK73HB1J271J CHIP R 270 J 1/16W
R81 RK73HB1J154J CHIP R 150K J 1/16W
R82 RK73HB1J471J CHIP R 470 J 1/16W
R86 RK73HB1J223J CHIP R 22K J 1/16W
R87 RK73HB1J183J CHIP R 18K J 1/16W
R88 RK73HB1J272J CHIP R 2.7K J 1/16W
R89 RK73HB1J683J CHIP R 68K J 1/16W
R90 RK73HB1J331J CHIP R 330 J 1/16W
R92 RK73HB1J153J CHIP R 15K J 1/16W
R93 RK73HB1J102J CHIP R 1.0K J 1/16W
R94 RK73HB1J474J CHIP R 470K J 1/16W
R95 RK73HB1J472J CHIP R 4.7K J 1/16W
R96 RK73HB1J104J CHIP R 100K J 1/16W
R97,98 RK73HB1J153J CHIP R 15K J 1/16W
R102 RK73HB1J101J CHIP R 100 J 1/16W
R103 RK73HB1J224J CHIP R 220K J 1/16W
R105 RK73HB1J152J CHIP R 1.5K J 1/16W
R106 RK73HB1J470J CHIP R 47 J 1/16W
R107 RK73HB1J101J CHIP R 100 J 1/16W
R109 RK73HB1J561J CHIP R 560 J 1/16W
R110 RK73HB1J472J CHIP R 4.7K J 1/16W
TX-RX UNIT (X57-6360-00)

TH-F6A/F7E
PARTS LIST
27
Ref. No. Parts No. Description
Adrress New
parts
Ref. No. Parts No. Description
Adrress New
parts Destination Destination
R112 RK73HB1J473J CHIP R 47K J 1/16W
R113 RK73HB1J102J CHIP R 1.0K J 1/16W
R114 RK73HB1J332J CHIP R 3.3K J 1/16W
R115 RK73HB1J104J CHIP R 100K J 1/16W
R116 RK73HB1J471J CHIP R 470 J 1/16W
R119 RK73HB1J331J CHIP R 330 J 1/16W
R122 RK73HB1J562J CHIP R 5.6K J 1/16W
R124 RK73HB1J105J CHIP R 1.0M J 1/16W
R125 RK73HB1J224J CHIP R 220K J 1/16W
R126 RK73HB1J331J CHIP R 330 J 1/16W
R128 RK73HB1J104J CHIP R 100K J 1/16W
R129 RK73HB1J470J CHIP R 47 J 1/16W
R130 RK73HB1J101J CHIP R 100 J 1/16W
R131 RK73HB1J123J CHIP R 12K J 1/16W
R134,135 RK73HB1J102J CHIP R 1.0K J 1/16W
R136,137 RK73HB1J333J CHIP R 33K J 1/16W
R138 RK73HB1J681J CHIP R 680 J 1/16W
R139 RK73HB1J151J CHIP R 150 J 1/16W
R140 RK73HB1J121J CHIP R 120 J 1/16W
R141 R92-1368-05 CHIP R 0 OHM
R142 RK73HB1J103J CHIP R 10K J 1/16W
R143 RK73HB1J102J CHIP R 1.0K J 1/16W
R144 RK73HB1J124J CHIP R 120K J 1/16W
R145 RK73HB1J180J CHIP R 18 J 1/16W
R146 RK73HB1J332J CHIP R 3.3K J 1/16W
R147-149 RK73HB1J152J CHIP R 1.5K J 1/16W
R151 RK73HB1J562J CHIP R 5.6K J 1/16W
R152 RK73HB1J104J CHIP R 100K J 1/16W
R153 RK73HB1J102J CHIP R 1.0K J 1/16W
R154 RK73HB1J152J CHIP R 1.5K J 1/16W
R156 RK73HB1J472J CHIP R 4.7K J 1/16W
R157 RK73HB1J562J CHIP R 5.6K J 1/16W
R158 RK73HB1J472J CHIP R 4.7K J 1/16W
R159 RK73HB1J271J CHIP R 270 J 1/16W
R160 RK73HB1J121J CHIP R 120 J 1/16W
R162 RK73HB1J472J CHIP R 4.7K J 1/16W
R163 RK73HB1J101J CHIP R 100 J 1/16W
R164 RK73HB1J222J CHIP R 2.2K J 1/16W
R165 R92-1368-05 CHIP R 0 OHM
R166 RK73HB1J563J CHIP R 56K J 1/16W
R167 RK73HB1J101J CHIP R 100 J 1/16W
R168 RK73HB1J222J CHIP R 2.2K J 1/16W
R170 RK73HB1J473J CHIP R 47K J 1/16W
R172 RK73HB1J100J CHIP R 10 J 1/16W
R177 RK73HB1J183J CHIP R 18K J 1/16W
R178 RK73HB1J221J CHIP R 220 J 1/16W
R179 RK73HB1J101J CHIP R 100 J 1/16W
R181 RK73HB1J223J CHIP R 22K J 1/16W
R182 RK73HB1J221J CHIP R 220 J 1/16W
R183 RK73HB1J222J CHIP R 2.2K J 1/16W
R184 RK73HB1J561J CHIP R 560 J 1/16W
R185 RK73HB1J273J CHIP R 27K J 1/16W
R186 RK73HB1J182J CHIP R 1.8K J 1/16W
R188 RK73HB1J152J CHIP R 1.5K J 1/16W
R189 R92-1368-05 CHIP R 0 OHM
R190 RK73HB1J474J CHIP R 470K J 1/16W
R191,192 RK73HB1J222J CHIP R 2.2K J 1/16W
R193 RK73HB1J101J CHIP R 100 J 1/16W
R194 RK73HB1J334J CHIP R 330K J 1/16W
R195 RK73HB1J181J CHIP R 180 J 1/16W
R196 RK73HB1J334J CHIP R 330K J 1/16W
R197 RK73HB1J470J CHIP R 47 J 1/16W
R198 RK73HB1J102J CHIP R 1.0K J 1/16W
R199 RK73HB1J181J CHIP R 180 J 1/16W
R200 RK73HB1J184J CHIP R 180K J 1/16W
R201 RK73HB1J102J CHIP R 1.0K J 1/16W
R202 RK73HB1J224J CHIP R 220K J 1/16W
R203 RK73HB1J472J CHIP R 4.7K J 1/16W
R204 ∗R92-3512-05 CARBON RESISTOR0.1 1/2W
R206 ∗R92-3512-05 CARBON RESISTOR0.1 1/2W
R207 RK73HB1J222J CHIP R 2.2K J 1/16W
R208 RK73HB1J473J CHIP R 47K J 1/16W
R209 RK73HB1J222J CHIP R 2.2K J 1/16W
R210 RK73HB1J473J CHIP R 47K J 1/16W
R211 RK73HB1J104J CHIP R 100K J 1/16W
R212 RK73HB1J273J CHIP R 27K J 1/16W
R213 RK73HB1J101J CHIP R 100 J 1/16W
R214 RK73HB1J474J CHIP R 470K J 1/16W
R220 RK73HB1J224J CHIP R 220K J 1/16W
R221 RK73HB1J222J CHIP R 2.2K J 1/16W
R222 RK73HB1J100J CHIP R 10 J 1/16W
R224 RK73HB1J470J CHIP R 47 J 1/16W
R225 RK73HB1J223J CHIP R 22K J 1/16W
R226 RK73HB1J473J CHIP R 47K J 1/16W
R227 RK73HB1J222J CHIP R 2.2K J 1/16W
R228 RK73HB1J470J CHIP R 47 J 1/16W
R229 RK73HB1J473J CHIP R 47K J 1/16W
R232 RK73HB1J222J CHIP R 2.2K J 1/16W
R233 RK73HB1J101J CHIP R 100 J 1/16W K
R234 RK73HB1J473J CHIP R 47K J 1/16W
R236 RK73HB1J680J CHIP R 68 J 1/16W
R237 RK73HB1J390J CHIP R 39 J 1/16W
R239,240 RK73HB1J560J CHIP R 56 J 1/16W
R242 RK73HB1J560J CHIP R 56 J 1/16W
R243,244 RK73HB1J332J CHIP R 3.3K J 1/16W
R245 RK73HB1J473J CHIP R 47K J 1/16W
R246 RK73HB1J682J CHIP R 6.8K J 1/16W
R248 RK73HB1J471J CHIP R 470 J 1/16W
R249 RK73HB1J100J CHIP R 10 J 1/16W
R251 RK73HB1J154J CHIP R 150K J 1/16W
R252-256 RK73HB1J104J CHIP R 100K J 1/16W
R257 RK73HB1J392J CHIP R 3.9K J 1/16W
R264 RK73HB1J332J CHIP R 3.3K J 1/16W
R267 RK73HB1J470J CHIP R 47 J 1/16W
R269 RK73HB1J104J CHIP R 100K J 1/16W
R270 R92-1368-05 CHIP R 0 OHM
R271 RK73HB1J682J CHIP R 6.8K J 1/16W
R272 RK73HB1J332J CHIP R 3.3K J 1/16W
R273 RK73HB1J101J CHIP R 100 J 1/16W
R274 RK73HB1J470J CHIP R 47 J 1/16W
R275 RK73HB1J222J CHIP R 2.2K J 1/16W
R278 RK73HB1J104J CHIP R 100K J 1/16W
TX-RX UNIT (X57-6360-00)

TH-F6A/F7E
PARTS LIST
28
Ref. No. Parts No. Description
Adrress New
parts
Ref. No. Parts No. Description
Adrress New
parts Destination Destination
R279 RK73HB1J105J CHIP R 1.0M J 1/16W
R280 RK73HB1J682J CHIP R 6.8K J 1/16W
R281 RK73HB1J105J CHIP R 1.0M J 1/16W
R282 RK73HB1J332J CHIP R 3.3K J 1/16W
R284 RK73HB1J100J CHIP R 10 J 1/16W
R285 RK73HB1J103J CHIP R 10K J 1/16W
R286 RK73HB1J105J CHIP R 1.0M J 1/16W
R287 RK73HB1J332J CHIP R 3.3K J 1/16W
R288 R92-1368-05 CHIP R 0 OHM
R291 R92-1368-05 CHIP R 0 OHM
R292 RK73HB1J470J CHIP R 47 J 1/16W
R293 RK73HB1J104J CHIP R 100K J 1/16W
R294 RK73HB1J104J CHIP R 100K J 1/16W
R297 RK73HB1J223J CHIP R 22K J 1/16W
R298 RK73HB1J273J CHIP R 27K J 1/16W
R299 R92-1368-05 CHIP R 0 OHM
R300-303 RK73HB1J392J CHIP R 3.9K J 1/16W
R304 RK73HB1J152J CHIP R 1.5K J 1/16W
R305,306 RK73HB1J101J CHIP R 100 J 1/16W
R307,308 RK73HB1J473J CHIP R 47K J 1/16W
R309 RK73HB1J392J CHIP R 3.9K J 1/16W
R310-312 RK73HB1J332J CHIP R 3.3K J 1/16W
R313,314 RK73HB1J101J CHIP R 100 J 1/16W
R315 RK73HB1J332J CHIP R 3.3K J 1/16W
R317 RK73HB1J332J CHIP R 3.3K J 1/16W
R318,319 RK73HB1J473J CHIP R 47K J 1/16W
R320 RK73HB1J472J CHIP R 4.7K J 1/16W
R321 RK73HB1J474J CHIP R 470K J 1/16W
R322 RK73HB1J100J CHIP R 10 J 1/16W
R324 RK73HB1J103J CHIP R 10K J 1/16W
R326 RK73HB1J221J CHIP R 220 J 1/16W
R327 RK73HB1J102J CHIP R 1.0K J 1/16W
R329 RK73HB1J220J CHIP R 22 J 1/16W
R331 RK73HB1J101J CHIP R 100 J 1/16W
R332 RK73HB1J223J CHIP R 22K J 1/16W
R333 RK73HB1J682J CHIP R 6.8K J 1/16W
R334 RK73HB1J101J CHIP R 100 J 1/16W
R336 RK73HB1J470J CHIP R 47 J 1/16W
R337 RK73HB1J104J CHIP R 100K J 1/16W
R339 RK73HB1J104J CHIP R 100K J 1/16W
R340 RK73HB1J102J CHIP R 1.0K J 1/16W
R341 RK73HB1J332J CHIP R 3.3K J 1/16W
R343 RK73HB1J470J CHIP R 470 J 1/16W
R347-350 RK73HB1J473J CHIP R 47K J 1/16W
R351 RK73HB1J103J CHIP R 10K J 1/16W
R352 RK73HB1J473J CHIP R 47K J 1/16W
R353 RK73HB1J472J CHIP R 4.7K J 1/16W
R354 RK73HB1J104J CHIP R 100K J 1/16W
R356 RK73HB1J104J CHIP R 100K J 1/16W
R357 RK73HB1J223J CHIP R 22K J 1/16W
R359 RK73HB1J332J CHIP R 3.3K J 1/16W
R360 RK73HB1J152J CHIP R 1.5K J 1/16W
R361 RK73HB1J332J CHIP R 3.3K J 1/16W
R365 RK73HB1J105J CHIP R 1.0M J 1/16W
R366 R92-1368-05 CHIP R 0 OHM
R373,374 R92-1368-05 CHIP R 0 OHM
R375 RK73HB1J473J CHIP R 47K J 1/16W
R376,377 RK73HB1J103J CHIP R 10K J 1/16W
R378 RK73HB1J333J CHIP R 33K J 1/16W
R379 RK73HB1J103J CHIP R 10K J 1/16W
R381 RK73HB1J470J CHIP R 47 J 1/16W
R382 RK73HB1J103J CHIP R 10K J 1/16W
R384 RK73HB1J103J CHIP R 10K J 1/16W
R387 R92-1368-05 CHIP R 0 OHM
R390 RK73HB1J153J CHIP R 15K J 1/16W
R391 R92-1368-05 CHIP R 0 OHM
R392 RK73HB1J123J CHIP R 12K J 1/16W
R394 RK73HB1J472J CHIP R 4.7K J 1/16W
R396 RK73HB1J472J CHIP R 4.7K J 1/16W
R397 RK73HB1J151J CHIP R 150 J 1/16W
R398 RK73HB1J103J CHIP R 10K J 1/16W
R399 RK73HB1J101J CHIP R 100 J 1/16W
R400 R92-1368-05 CHIP R 0 OHM
R401 RK73HB1J102J CHIP R 1.0K J 1/16W
R402 RK73HB1J333J CHIP R 33K J 1/16W
R403 RK73HB1J151J CHIP R 150 J 1/16W
R404 RK73HB1J103J CHIP R 10K J 1/16W
R406 R92-1252-05 CHIP R 0 OHM T,E
R407 RK73HB1J102J CHIP R 1K J 1/16W
R408 RK73HB1J152J CHIP R 1.5K J 1/16W
R409 RK73HB1J102J CHIP R 1.0K J 1/16W
R410 R92-1368-05 CHIP R 0 OHM
R411 RK73HB1J104J CHIP R 100K J 1/16W
R412,413 RK73HB1J181J CHIP R 180 J 1/16W K
R414 RK73HB1J684J CHIP R 680K J 1/16W
R415 RK73HB1J102J CHIP R 1.0K J
R416 RK73HB1J332J CHIP R 3.3K J 1/16W
R417 RK73HB1J104J CHIP R 100K J 1/16W
R418 RK73HB1J103J CHIP R 10K J 1/16W
R420,421 RK73HB1J474J CHIP R 470K J 1/16W
R422,423 RK73HB1J103J CHIP R 10K J 1/16W
R425 R92-1252-05 CHIP R 0 OHM
R426 RK73HB1J102J CHIP R 1.0K J 1/16W
R427 R92-1368-05 CHIP R 0 OHM
R701 R92-1252-05 CHIP R 0 OHM
R702 RK73HB1J824J CHIP R 820K J 1/16W
R703 RK73HB1J224J CHIP R 220K J 1/16W
R704 RK73HB1J561J CHIP R 560 J 1/16W
R705 RK73HB1J101J CHIP R 100 J 1/16W
R706,707 RK73HB1J473J CHIP R 47K J 1/16W
R708 RK73HB1J393J CHIP R 39K J 1/16W
R709 RK73HB1J273J CHIP R 27K J 1/16W
R710 RK73HB1J103J CHIP R 10K J 1/16W
R711 RK73HB1J472J CHIP R 4.7K J 1/16W
R712 RK73HB1J222J CHIP R 2.2K J 1/16W
R713 RK73HB1J391J CHIP R 390 J 1/16W
R714 RK73HB1J474J CHIP R 470K J 1/16W
R715 RK73HB1J103J CHIP R 10K J 1/16W
R716 RK73HB1J472J CHIP R 4.7K J 1/16W
R717 RK73HB1J103J CHIP R 10K J 1/16W
R718,719 RK73HB1J104J CHIP R 100K J 1/16W
R720 RK73HB1J824J CHIP R 820K J 1/16W
TX-RX UNIT (X57-6360-00)

TH-F6A/F7E
PARTS LIST
29
Ref. No. Parts No. Description
Adrress New
parts
Ref. No. Parts No. Description
Adrress New
parts Destination Destination
R721 RK73HB1J183J CHIP R 18K J 1/16W
R722 R92-1368-05 CHIP R 0 OHM
R723 RK73HB1J824J CHIP R 820K J 1/16W
R724 RK73HB1J823J CHIP R 82K J 1/16W
R725 RK73HB1J103J CHIP R 10K J 1/16W
R726 RK73HB1J100J CHIP R 10 J 1/16W
R728,729 RK73HB1J103J CHIP R 10K J 1/16W
R730 RK73HB1J471J CHIP R 470 J 1/16W
R731 RK73HB1J104J CHIP R 100K J 1/16W
R732 RK73HB1J182J CHIP R 1.8K J 1/16W
R733 RK73HB1J101J CHIP R 100 J 1/16W
R734 RK73HB1J121J CHIP R 120 J 1/16W
R735 RK73HB1J151J CHIP R 150 J 1/16W
R736 RK73HB1J121J CHIP R 120 J 1/16W
R737 RK73HB1J151J CHIP R 150 J 1/16W
R738 RK73HB1J102J CHIP R 1.0K J 1/16W
R739 RK73HB1J104J CHIP R 100K J 1/16W
R740 RK73GB1J473J CHIP R 47K J 1/16W
R741 RK73HB1J104J CHIP R 100K J 1/16W
R742 RK73HB1J472J CHIP R 4.7K J 1/16W
R743 R92-1368-05 CHIP R 0 OHM
R744 RK73HB1J102J CHIP R 1.0K J 1/16W
R745 R92-1368-05 CHIP R 0 OHM
R746 RK73HB1J152J CHIP R 1.5K J 1/16W
R747 RK73HB1J564J CHIP R 560K J 1/16W
R749 RK73HB1J103J CHIP R 10K J 1/16W
R750 RK73HB1J103J CHIP R 10K J 1/16W
R751 RK73HB1J103J CHIP R 10K J 1/16W
R752 RK73HB1J223J CHIP R 22K J 1/16W
R753 R92-1252-05 CHIP R 0 OHM
R754 RK73HB1J182J CHIP R 1.8K J 1/16W
R755,756 RK73HB1J102J CHIP R 1.0K J 1/16W
R757 RK73HB1J102J CHIP R 1.0K J 1/16W
R758 RK73GB1J221J CHIP R 220 J 1/16W
R759 RK73HB1J101J CHIP R 100 J 1/16W
R760 RK73GB1J560J CHIP R 56 J 1/16W
R761 RK73HB1J100J CHIP R 10 J 1/16W
R763 RK73HB1J563J CHIP R 56K J 1/16W
R764 RK73HB1J184J CHIP R 180K J 1/16W
R765 RK73HB1J821J CHIP R 820 J 1/16W
R766 RK73HB1J222J CHIP R 2.2K J 1/16W
R767 RK73HB1J105J CHIP R 1.0M J 1/16W
R768 RK73HB1J332J CHIP R 3.3K J 1/16W
R769 RK73HB1J224J CHIP R 220K J 1/16W
R770 RK73HB1J221J CHIP R 220 J 1/16W
R771 RK73HB1J471J CHIP R 470 J 1/16W
R772 RK73HB1J561J CHIP R 560 J 1/16W
R773 RK73HB1J473J CHIP R 47K J 1/16W
R774 RK73HB1J102J CHIP R 1.0K J 1/16W
R775 RK73HB1J474J CHIP R 470K J 1/16W
R776 RK73HB1J102J CHIP R 1.0K J 1/16W
R777 RK73HB1J334J CHIP R 330K J 1/16W
R778 R92-1368-05 CHIP R 0 OHM
R779,780 RK73HB1J153J CHIP R 15K J 1/16W
R781 RK73HB1J334J CHIP R 330K J 1/16W
R782 RK73HB1J104J CHIP R 100K J 1/16W
R783 R92-1368-05 CHIP R 0 OHM
R784,785 RK73HB1J184J CHIP R 180K J 1/16W
R786 RK73HB1J473J CHIP R 47K J 1/16W
R787,788 RK73HB1J472J CHIP R 4.7K J 1/16W
R789 RK73HB1J103J CHIP R 10K J 1/16W
R790 RK73HB1J102J CHIP R 1.0K J 1/16W
R793,794 R92-1368-05 CHIP R 0 OHM
R796 R92-1368-05 CHIP R 0 OHM
R797 RK73HB1J101J CHIP R 100 J 1/16W
R798 RK73HB1J332J CHIP R 3.3K J 1/16W
R799 RK73HB1J102J CHIP R 1.0K J 1/16W
R800 RK73HB1J104J CHIP R 100K J 1/16W
R801 RK73HB1J103J CHIP R 10K J 1/16W
R802 R92-1368-05 CHIP R 0 OHM
R803 RK73HB1J154J CHIP R 150K J 1/16W
R804,805 RK73HB1J472J CHIP R 4.7K J 1/16W
R806 RK73HB1J154J CHIP R 150K J 1/16W
R807 RK73HB1J273J CHIP R 27K J 1/16W
R808 RK73GB1J155J CHIP R 1.5M J 1/16W
R809 RK73HB1J222J CHIP R 2.2K J 1/16W
R810 RK73HB1J681J CHIP R 680 J 1/16W
R811 RK73HB1J470J CHIP R 47 J 1/16W
R812 RK73HB1J222J CHIP R 2.2K J 1/16W
R813 RK73HB1J104J CHIP R 100K J 1/16W
R814,815 RK73HB1J472J CHIP R 4.7K J 1/16W
R816,817 RK73HB1J103J CHIP R 10K J 1/16W
R818 RK73HB1J101J CHIP R 100 J 1/16W
R819 RK73HB1J102J CHIP R 1.0K J 1/16W
R820 RK73HB1J123J CHIP R 12K J 1/16W
R821 RK73HB1J101J CHIP R 100 J 1/16W
R824 RK73HB1J472J CHIP R 4.7K J 1/16W
R825 RK73HB1J223J CHIP R 22K J 1/16W
R826 RK73HB1J104J CHIP R 100K J 1/16W
R827,828 RK73HB1J823J CHIP R 82K J 1/16W
R829 RK73HB1J104J CHIP R 100K J 1/16W
R830 RK73HB1J102J CHIP R 1.0K J 1/16W
R831 RK73HB1J103J CHIP R 10K J 1/16W
R832,833 R92-1368-05 CHIP R 0 OHM
R834 RK73HB1J473J CHIP R 47K J 1/16W
R835 RK73HB1J100J CHIP R 10 J 1/16W
R837 RK73HB1J104J CHIP R 100K J 1/16W
R839,840 RK73HB1J104J CHIP R 100K J 1/16W
R841 RK73HB1J273J CHIP R 27K J 1/16W
R842 RK73HB1J472J CHIP R 4.7K J 1/16W
R843 RK73HB1J104J CHIP R 100K J 1/16W
R844,845 RK73HB1J392J CHIP R 3.9K J 1/16W
R846 RK73HB1J272J CHIP R 2.7K J 1/16W
R848 RK73HB1J824J CHIP R 820K J 1/16W
R849 R92-1368-05 CHIP R 0 OHM
R852 R92-1368-05 CHIP R 0 OHM
R853 RK73HB1J224J CHIP R 220K J 1/16W
R854 RK73HB1J104J CHIP R 100K J 1/16W
R855 RK73HB1J334J CHIP R 330K J 1/16W
R856 RK73HB1J104J CHIP R 100K J 1/16W
R857 RK73HB1J334J CHIP R 330K J 1/16W
R858,859 RK73HB1J152J CHIP R 1.5K J 1/16W
TX-RX UNIT (X57-6360-00)

TH-F6A/F7E
PARTS LIST
30
Ref. No. Parts No. Description
Adrress New
parts
Ref. No. Parts No. Description
Adrress New
parts Destination Destination
R860,861 RK73HB1J103J CHIP R 10K J 1/16W
R862 RK73HB1J184J CHIP R 180K J 1/16W
R863 RK73HB1J103J CHIP R 10K J 1/16W
R864 RK73HB1J333J CHIP R 33K J 1/16W
R865 R92-1368-05 CHIP R 0 OHM
R866 R92-1252-05 CHIP R 0 OHM
R867 RK73HB1J102J CHIP R 1.0K J 1/16W
R868 RK73HB1J820J CHIP R 82 J 1/16W
R869 RK73HB1J823J CHIP R 82K J 1/16W
R870 RK73HB1J822J CHIP R 8.2K J 1/16W
R871 RK73HB1J474J CHIP R 470K J 1/16W
R872 RK73HB1J472J CHIP R 4.7K J 1/16W
R875 R92-1368-05 CHIP R 0 OHM
R876 RK73HB1J223J CHIP R 22K J 1/16W
R877 R92-1368-05 CHIP R 0 OHM
R878 RK73HB1J101J CHIP R 100 J 1/16W
R879 RK73HB1J104J CHIP R 100K J 1/16W
R880 RK73HB1J101J CHIP R 100 J 1/16W
VR701 R12-7494-05 TRIMMING POT.(220K)
S701-703 ∗S70-0483-05 TACT SWITCH
S704 S70-0477-05 TACT SWITCH
MIC701 T91-0580-05 MIC ELEMENT
D1 ∗HZU2ALL ZENER DIODE
D2 RB051L-40 DIODE
D4 ∗HZU2ALL ZENER DIODE
D5 1SS361 DIODE
D6 RB051L-40 DIODE
D7 DA221 DIODE
D8,9 MA2S111 DIODE
D10-12 HVC375B VARIABLE CAPACITANCE DIODE
D16 HVC375B VARIABLE CAPACITANCE DIODE
D18 HVC131 DIODE
D20 ∗KV1566J VARIABLE CAPACITANCE DIODE
D21 HVC131 DIODE
D24 ∗KV1566J VARIABLE CAPACITANCE DIODE
D25 DAN235E DIODE
D28 HVC375B VARIABLE CAPACITANCE DIODE
D29 ∗HVC376B VARIABLE CAPACITANCE DIODE
D32 ∗HVU187 DIODE
D33 MA2S111 DIODE
D34 MA2S304 VARIABLE CAPACITANCE DIODE
D35 ∗1SV305 VARIABLE CAPACITANCE DIODE
D36 MA2S304 VARIABLE CAPACITANCE DIODE
D37 ∗1SV305 VARIABLE CAPACITANCE DIODE
D38 MA2S111 DIODE
D40 HVC131 DIODE
D41 1SS360 DIODE
D44 MA2S728 DIODE
D45 015AZ3.9 ZENER DIODE
D49 HVC131 DIODE
D51 HVC131 DIODE
D52 XB15A709 DIODE
D53 HVU131 DIODE
D54 HVC131 DIODE
D57 HSC277 DIODE
D58 1SS388 DIODE
D59 RB717F DIODE
D60 ∗KV1566J VARIABLE CAPACITANCE DIODE
D62 HVU131 DIODE
D63 1SS385 DIODE
D65 HSC277 DIODE
D67,68 HSC277 DIODE
D69 RB717F DIODE
D70 HVU131 DIODE
D71 HSC277 DIODE
D72 ∗KV1811K VARIABLE CAPACITANCE DIODE
D73 HVU131 DIODE
D74 HSC277 DIODE
D75-77 ∗KV1811K VARIABLE CAPACITANCE DIODE
D78 HSC277 DIODE
D80 HSC277 DIODE
D81 ∗KV1811K VARIABLE CAPACITANCE DIODE
D82 ∗MA2S111 DIODE
D83 ∗KV1811K VARIABLE CAPACITANCE DIODE
D85 XB15A709 DIODE K
D87-90 ∗KV1811K VARIABLE CAPACITANCE DIODE
D91 HSC277 DIODE
D93,94 HSC277 DIODE
D95-97 ∗KV1811K VARIABLE CAPACITANCE DIODE
D99-103 HSC277 DIODE
D104 MA2S111 DIODE
D106 HVC375B VARIABLE CAPACITANCE DIODE
D107-110 HVC131 DIODE
D112,113 HVC131 DIODE
D114 HVU131 DIODE
D115,116 HSC277 DIODE
D117,118 MA2S111 DIODE
D119,120 HVC131 DIODE K
D121 MA2S111 DIODE
D122 02DZ15(X,Y) ZENER DIODE
D123 MAZS0360H ZENER DIODE
D124,125 HSC277 DIODE
D126 02DZ15(X,Y) ZENER DIODE
D702-704 MA2S111 DIODE K
D702 MA2S111 DIODE T,E
D704 MA2S111 DIODE T,E
D705 RB706F-40 DIODE
D706 MA2S111 DIODE
D707,708 DA227 DIODE
D709 RB706F-40 DIODE
D710,711 DA221 DIODE
D718 DAN222 DIODE
D719 MA2S111 DIODE
D726 ∗MAZS0360H ZENER DIODE
D727 1SS388 DIODE
D730,731 1SS388 DIODE
D732 MA2S111 DIODE
IC1 ∗LM3420-8.4 MOS IC
IC2 ∗LMX2326TMX MOS IC
IC3 UPB1509GV BI-POLAR IC
IC4 TA4101F IC
TX-RX UNIT (X57-6360-00)

TH-F6A/F7E
PARTS LIST
31
Ref. No. Parts No. Description
Adrress New
parts
Ref. No. Parts No. Description
Adrress New
parts Destination Destination
IC5 ∗TK10931V ANALOG IC
IC6 ∗LMX2326TMX MOS IC
IC7 TA31136FN MOS IC
IC8,9 LMC7101BIM5 MOS IC
IC10 ∗UPC2746TB BI-POLAR IC
IC11 BU2099FV MOS IC
IC701 TA75W558FU MOS IC
IC702 NJM2107F MOS IC
IC703 TC7S66FU MOS IC
IC704 AT25128N10SI27 ROM IC
IC705 ∗78F4216AJYUBK MPU K
IC705 ∗78F4216AJYVBK MPU T,E
IC706 M62364FP MOS IC
IC707 TA7368F MOS IC
IC708 ∗XC6202P402PR MOS IC
IC709 PST9130NR MOS IC
IC710 RN5VL35A MOS IC
IC711 TA75W01FU MOS IC
IC712 TC4W53FU MOS IC
IC713 ∗LM2681 MOS IC
IC714 TA75W01FU MOS IC
IC715 ∗TK11930M MOS IC
IC717 TC75S51F MOS IC
IC718 LMC7101BIM5 MOS IC
IC719,720 NJM2107F MOS IC
Q1 2SD1760 TRANSISTOR
Q2 DTC123JE DIGITAL TRANSISTOR
Q3 DTA143ZE DIGITAL TRANSISTOR
Q4 HN1K02FU FET
Q5 2SK1830 FET
Q6 2SK1824 FET
Q7 2SC4617(S) TRANSISTOR
Q8 2SK1830 FET
Q9 ∗MT6C03AE TRANSISTOR
Q10 UPA573T FET
Q11-13 2SC5009 TRANSISTOR
Q14 SSM3J05FU FET
Q15 UPA573T FET
Q17 2SJ243 FET
Q19 2SC5108(Y) TRANSISTOR
Q21 2SC5009 TRANSISTOR
Q22 UPA672T FET
Q23 UMX2N TRANSISTOR
Q24 ∗2SC4915 TRANSISTOR
Q25 2SC4617(R) TRANSISTOR
Q26,27 ∗2SC4915 TRANSISTOR
Q28 ∗MT6C03AE TRANSISTOR
Q29 UPA672T FET
Q30 2SJ347 FET
Q31 2SC4617(S) TRANSISTOR
Q32 2SK1830 FET
Q34 ∗MT6C03AE TRANSISTOR
Q35 ∗HN1J02FU FET
Q37 2SC5108(Y) TRANSISTOR
Q40,41 2SC5009 TRANSISTOR
Q43 2SC5108(Y) TRANSISTOR
Q44 ∗2SC4915 TRANSISTOR
Q45 ∗MT6C04AE TRANSISTOR
Q46 3SK320 FET
Q47 DTA114YE DIGITAL TRANSISTOR
Q48 2SK1824 FET
Q49 2SK1830 FET
Q50 2SC4617(R) TRANSISTOR
Q51 2SK1830 FET
Q52 2SK1824 FET
Q53 ∗UMA6N TRANSISTOR
Q54 ∗2SK2973 FET
Q55 2SK3476 FET
Q56 ∗2SK2973 FET
Q57 2SK3476 FET K
Q58 2SC4617(R) TRANSISTOR
Q59 3SK320 FET
Q62-64 3SK320 FET
Q65 2SK3019 FET
Q66 2SJ243 FET
Q68 ∗RN47A5 TRANSISTOR
Q69 DTC144EE DIGITAL TRANSISTOR
Q70 2SJ243 FET
Q71 2SC4226(R24) TRANSISTOR
Q72 2SC5192 TRANSISTOR
Q73 2SC4617(R) TRANSISTOR
Q74 2SK1824 FET
Q76 ∗2SC4725 TRANSISTOR
Q92 DTA143ZE DIGITAL TRANSISTOR
Q93 ∗MT6C03AE TRANSISTOR
Q94 DTC144EE DIGITAL TRANSISTOR
Q95,96 2SK1830 FET
Q97 2SC5009 TRANSISTOR
Q98 2SK1830 FET
Q99 UMA6N TRANSISTOR K
Q100 2SJ347 FET
Q701 2SC4617(R) TRANSISTOR
Q702 2SJ347 FET
Q703 2SC4081 TRANSISTOR
Q704 2SJ347 FET
Q705 2SK1830 FET
Q706 2SK1588 FET
Q707 2SJ347 FET
Q708 2SK1830 FET
Q709 2SC4617(R) TRANSISTOR
Q710 2SB1184(Q,R) TRANSISTOR
Q712 DTB113ZK DIGITAL TRANSISTOR
Q713 UMA10N TRANSISTOR
Q714 ∗RN47A5 TRANSISTOR
Q715 UMA10N TRANSISTOR
Q716 DTA143ZE DIGITAL TRANSISTOR
Q719,720 2SC4617(R) TRANSISTOR
Q721 2SJ347 FET
Q722 2SK1830 FET
Q723 DTC114EE DIGITAL TRANSISTOR
Q725 2SB1184(Q,R) TRANSISTOR
Q726 2SC4919 TRANSISTOR
Q727 ∗RN47A5 TRANSISTOR
Q728 UMX2N TRANSISTOR
Q729 2SK1830 FET
TH1 ∗ERTJ0EV104H THERMISTOR
TH2 157-471-65001 THERMISTOR
TH701 157-503-65001 THERMISTOR
TX-RX UNIT (X57-6360-00)

TH-F6A/F7E
32
EXPLODED VIEW
AB
1
2
3
Parts with exploded numbers larger than 700 are not suppied.
D
46
44
1
43
ANT
28
35
53
5
41
42
C
4
24
SP
15
19
24
17
14
21
20
36
8
6
7
25
45
11
3
27
2
30
26 34
13
47
31
18
HH
F
F
E
A
A
29
12
G
40
49
38
23
F
F
H
H
F
F
A: N09-1492-05
E : N79-2035-45
F : N79-2040-46
G: N80-2008-45
H: N83-2006-45
FF
32
55

TH-F6A/F7E
33
PACKING
701 WARRANTY CARD
702 PAMPHLET
9 INSTRUCTION MANUAL (ENG/SPA)
(B62-1441-00):K,T,E
INSTRUCTION MANUAL (FRE/ITA)
(B62-1442-00):E
INSTRUCTION MANUAL (NET/GER)
(B62-1443-00):E
50 WHIP ANTENNA
(T90-0781-05):K
(T90-0789-05):T,E
705 Li-ion BATTERY PACK
37 BELT HOOK
(J29-0623-04)
16 COVER
(F07-1859-03)
B BINDING HEAD SCREW
(N09-2385-05)
33 ITEM CARTON CASE
(H52-1857-02):K
(H52-1858-02):T,E
704 PACKING FIXTURE
48 LINE FILTER
(L79-1417-05):T,E
703 PACKING FIXTURE
39 HANDSTRAP
(J69-0342-05)
51 AC ADAPTER
(W08-0927-05):K
(W08-0928-05):E
(W08-0929-05):T

TH-F6A/F7E
34
ADJUSTMENT
REQUIRED TEST EQUIPMENT
1. Stabilized Power Supply
1The supply voltage can be changed between 3V and 16V and
the current is 1A or more.
2The standard voltage is 13.8V.
2. DC Ammeter (DC.A)
1Class 1 ammeter (17 ranges and other features)
2The full scale can be switched between 300mA and 3A.
3A cable with low internal loss must be used.
3. Frequency Counter (f. counter)
1Frequencies of up to 1 GHz or so can be measured.
2The sensitivity can be changed to 250 MHz or below and
measurements are highly stable and accurate (about 0.2 ppm).
4. Power Meter (terminal type)
1Measurable frequency: Up to 500 MHz
2Impedance: 50Ω, unbalanced
3Measuring range: Full scale of 10W
4The specified special connection cable must be used.
5. RF VTVM (RF V.M)
1Measurable frequency: Up to 500 MHz or so
6. Linear Detector
1Measurable frequency: Up to 500 MHz
2Characteristic is flat and CN is 60 dB or more.
7. Digital Voltmeter
1Voltage range: FS = 18V or so
2Input resistance: 1MΩ or more
8. Oscilloscope
1Measuring range: DC to 30 MHz
2Provides highly accurate measurements for 5 to 25 MHz
9. AF Voltmeter (AF V.M)
1Measurable frequency: 50 Hz to 1 MHz
2Maximum sensitivity: 1mV or more
10. Spectrum Analyzer
1Measuring range: DC to 1GHz or more
11. Standard Signal Generator (SSG)
1Maximum frequency: 500MHz or more
2Output: -133 dBm (0.05 µV) to -13 dBm (50mV)
3Output impedance: 50Ω
12. Tracking Generator
1Center frequency: 50 kHz to 200 MHz
2Frequency deviation: ±35 MHz
3Output voltage: 100 mV or more
13. Dummy Load
18Ω, 3W or more
Adjustment service jig
Used to connect the control unit with the RF unit.
Adjustment Points
TX-RX unit
Control section
(Component Side View) (Foil Side View)
Relay cable
VR701
ANT ENC/VR
LCD
VR701: LCD contrast LCD: VLCD voltage point
TX-RX unit
(Foil Side View) (Component Side View)
TP3
TP2
TP1
L18
L19
TP1: A -Band Lock Voltage Point.
TP2: B -Band Lock Voltage Point.
TP3: 2nd Local frequency
L18: RX Demodulation
(W-FM)
L19: RX Demodulation
(FM)
(X62-3480-00)

TH-F6A/F7E
35
Example
•It is used to replace the EEPROM, readjust it, or review the
design in a service center.
Operation
1) Set the tone frequency and DCS code of each of the
frequency bands (144, 200, 400, 1200) of the A band to
specified values.
2) Set single band mode.
3) Service Setup Mode appears when accessing two illustrated
lands on the component mounted side of the TX-RX Unit
(A/3) while the trasceiver is switched ON. When the Service
Setup Mode is set, the following is displayed and adjustment
item setting state is displayed on the non-operation band
side.
Single tone transmission
Function Overview
•This function enables you to transmit a single tone.
Example
•It is used to adjust DTMF deviation during production.
Operation
1 Press [PTT] and enter transmission mode.
2 Press [MONI] to enter the single tone mode.
3 Press any of [1] to [8] numeric keys to transmit a single
tone.
Details
•The single tone has eight frequencies.
[1] 697Hz
[2] 770Hz
[3] 852Hz
[4] 941Hz
[5] 1209Hz
[6] 1336Hz
[7] 1477Hz
[8] 1633Hz
•The single tone mode can be enabled only during
transmission.
•When the unit returns from transmission mode to reception
mode, the single tone mode is canceled. When
transmission mode is set again and a numeric key is
pressed, dual tone (DTMF) is transmitted.
•When [MONI] is pressed again in single tone mode, it
returns to dual to tone mode.
•A dual tone is transmitted during DTMF memory
transmission even in the single tone mode.
Service Setup Mode
Function Overview
A. Power supply voltage :Set power supply voltage to 6.5 V.
B. TCXO :PLL reference TCXO adjustment
C. BPF :Adjust the BPF tune level.
D. 2nd local :Adjust the B band 2nd local
oscillator.
E. SSB BFO :Adjust the SSB offset frequency
(LSB, USB) level.
F. Squelch :Adjust the squelch threshold and
level 2 (level 2) voltage.
G. S meter :Adjust the first segment and all-
segment ON level of the S meter.
H. APC :Adjust the HI, LOW, EL transmission
power.
I. DCS modulation balance :Adjust the DCS modulation
balance.
J. MAX deviation :Adjust the max deviation.
K. Tone deviation :Adjust the tone deviation.
L. DCS deviation :Adjust the DCS deviation.
M.
9600 deviation :Adjust the 9600 deviation.
N. VOX gain adjustment :Adjust VOX gain.
ADJUSTMENT
ANT ENC/VR
•[2], [3] : Changes adjustment items.
•[5], [∞] : Increase or decrease frequency and
memory channel number.
•Encoder : Increase or decrease the adjustment
value (real-time value).
•[MNU] : Set the adjusted real-time value in
the EEPROM.
•Press [LAMP] : Press the [LAMP] key to enter into
the menu modes. To release the
mode, press the key once again.
•Keys other than the above can be operated normally.
A. Power supply voltage adjustment
1) Display the “VOLT” item.
2) Set power supply voltage to 6.5 V.
3) Press [MNU] key to set the 6.5V reference voltage in the
EEPROM.
Overvoltage warning, battery remaining voltage display and
APC are controlled based on this value.
B. TCXO adjustment
1) Display the “TCXO” item.
2) The “real-time value” can be changed by turning the
encoder during transmission with “L” power.
3) Press [MNU] key to set the “real-time value” in the
EEPROM.
3144.000
VOLT : 83 : FF
A pict flashes.
3144.000
TCXO : 83 FF
Real-time value EEPROM setting
Real-time value EEPROM setting
3144.000
VOLT : 83 FF

TH-F6A/F7E
36
ADJUSTMENT
C. BPF adjustment
1) Display the “BPF” item.
2) Select points f1 to f3 as shown in the “Frequency
Adjustment Points” table below.
3) Set the display frequency to the frequency appropriate
to the frequency adjustment point.
4) Turn the encoder to change the “real-time value”.
5) Press [MNU] key to set the “real-time value” in the
EEPROM.
6) Adjust all frequency adjustment points.
•Frequency adjustment points
•To adjust “AM radio” or “HF” band, the bar antenna must
be activated (factory default: ON).
•If a band does not require adjustment, the following
message appears. Operations 4) and 5) are invalid.
D. Second local adjustment
1) Display the [2nd: 0] item.
2) Set the operation band to B band.
3) Set display frequency to the adjustment frequency.
4) Turn the encoder, change the “real-time value”, and
maximize the receiver volume. (Max. sensitivity)
5) Press [MNU] key to set the “real-time value” in the
EEPROM.
6) Display the [2nd: -25] item.
7) Set the measuring equipment frequency to the “display
frequency -2.5kHz” and perform steps 4) and 5).
8) Display the [2nd: +25] item.
9) Set the measuring equipment frequency to the “display
frequency +2.5kHz” and perform steps 4) and 5).
•Adjustment in FINE mode.
•Adjustment in B band only.
•There are only three frequency adjustment points (0, -25
and +25).
• 433.000
BPF : ∗∗ f1 : ∗∗
2nd :83 +25 :FF
3120.000
Real-time value EEPROM setting
Frequency adjustment point
3144.000
BPF : 83 f1 : FF
Real-time value EEPROM setting
Frequency adjustment point
Band Frequency adjustment point
A band 144MHz 3 points (f1, f2, f3)
220MHz 3 points (f1, f2, f3) K destination only
Others No adjustment
B band
AM radio
3 points (f1, f2, f3)
HF 3 points (f1, f2, f3)
50,FM radio
3 points (f1, f2, f3)
118,144 3 points (f1, f2, f3)
TV-V,200
Others No adjustment
•If the operation band is A band, no adjustment is required,
and the following message appears. Operations 4) and 5)
are invalid.
E. SSB BFO adjustment
Note: You do not need to adjust [BFO: SW].
1) Display the [BFO: LS] item.
2) Set demodulation mode to LSB.
3) Turn the encoder, change the “real-time value”, and set
the detection frequency to 1 kHz.
4) Press [MNU] key to set the “real-time value” in the
EEPROM.
5) Display the [BFO: US] item.
6) Set demodulation mode to USB.
7) Turn the encoder, change the “real-time value”, and set
the detection frequency to 1 kHz.
8) Press [MNU] key to set the “real-time value” in the
EEPROM.
•Adjustment in B band only
•There are only two adjustment points (LS and US).
•If the operation band is A band, no adjustment is required
and the following message appears. Operations 3), 4), 7)
and 8) are invalid.
F. Squelch adjustment
1) Display the [SQ: 1] item.
2) Set the display frequency and demodulation mode as
shown in the “Frequency/Mode Adjustment Points”
table below.
3) Press [MNU] key to set the “real-time value” in the
EEPROM as a threshold value.
4) Display the [SQ: 2] item.
5) Press [MNU] key to set the “real-time value” in the
EEPROM as a level 2 value.
6) Adjust all frequency/mode adjustment points.
• 144.000
2nd : ∗∗ +25 : ∗∗
BFO : 83 CW : FF
3120.000
Real-time value EEPROM setting
Adjustment point
3144.000
BPF : ∗∗ CW : ∗∗
3144.000
SQ : 83 1 : FF
Real-time value EEPROM setting
Adjustment point

TH-F6A/F7E
37
•To adjust “AM radio” or “HF” band, the bar antenna must
be activated (factory default: ON).
H. APC adjustment
1) Display the [P: BAf1] item.
2) Set the A band to the operation band.
3) Set power supply voltage to 6 V.
4) Set display frequency and transmission power as shown
in the “Frequency/Power Adjustment Points” table
below.
5) Press [PTT] and turn the encoder during transmission
to increase or decrease transmission power and change
the “real-time value”.
6) Press [MNU] key to set the “real-time value” in the
EEPROM.
7) Set the item display to “f2” and “f3” and adjust all
frequency/power adjustment points.
8) Display the [P: 7f1] item.
9) Set the power supply voltage to 7.4 V and perform steps
4 to 7 above.
10)Display the [P: 13f1] item.
11)Set the power supply voltage to 13.8 V.
12)Set transmission power to H and perform steps 4) to 7).
For any band that does not requires three-point
adjustment, enter the same data at all three points.
Band Power Frequency adjustment point
•Frequency/power/power supply voltage adjustment points
Power supply
voltage
Dry cell 144MHz H 3 points (f1, f2, f3)
6[v] L 3 points (f1, f2, f3)
EL 3 points (f1, f2, f3)
220MHz H
3 points (f1, f2, f3) K destination only
L
3 points (f1, f2, f3) K destination only
EL
3 points (f1, f2, f3) K destination only
400
MHz H 3 points (f1, f2, f3)
L 3 points (f1, f2, f3)
EL 3 points (f1, f2, f3)
Lithium ion
144MHz H 3 points (f1, f2, f3)
7.4[v] L 3 points (f1, f2, f3)
EL 3 points (f1, f2, f3)
220MHz H
3 points (f1, f2, f3) K destination only
L
3 points (f1, f2, f3) K destination only
EL
3 points (f1, f2, f3) K destination only
400MHz H 3 points (f1, f2, f3)
L 3 points (f1, f2, f3)
EL 3 points (f1, f2, f3)
13.8[v] 144MHz H 3 points (f1, f2, f3)
L 3 points (f1, f2, f3)
EL 3 points (f1, f2, f3)
ADJUSTMENT
•Frequency/mode adjustment points
•To adjust “AM radio” or “HF” band, the bar antenna must
be activated (factory default: ON).
G. S meter adjustment
1) Display the [SM: S1] item.
2) Set the display frequency and demodulation mode as
shown in the “Frequency/Mode Adjustment Points”
table below.
3) Press [MNU] key to set the “real-time value” in the
EEPROM as the first segment ON value.
4) Display the [SM: S9] item.
5) Press [MNU] key to set the “real-time value” in the
EEPROM as all-segment ON value.
6) Adjust all frequency/mode adjustment points.
Band Mode Adjustment point
A band 144MHz FM 2 points (Threshold, level 2)
220MHz FM
2 points (Threshold, level 2) K destination only
400MHz FM 2 points (Threshold, level 2)
B band
AM radio
FM 2 points (Threshold, level 2)
HF FM 2 points (Threshold, level 2)
50MHz FM 2 points (Threshold, level 2)
80MHz W-FM 2 points (Threshold, level 2)
120MHz FM 2 points (Threshold, level 2)
144MHz FM 2 points (Threshold, level 2)
TV-V W-FM 2 points (Threshold, level 2)
200MHz FM 2 points (Threshold, level 2)
400MHz FM 2 points (Threshold, level 2)
TV-U W-FM 2 points (Threshold, level 2)
1200MHz
FM 2 points (Threshold, level 2)
3144.000
SM : 83 S1 : FF
Real-time value EEPROM setting
Adjustment point
•Frequency/mode adjustment points
Band Mode Adjustment point
A band 144MHz FM
2 points (First segment ON, all-segment ON)
220MHz FM
2 points (First segment ON, all-segment ON)
K destination only
400MHz FM
2 points (First segment ON, all-segment ON)
B band
AM radio
FM
2 points (First segment ON, all-segment ON)
HF FM
2 points (First segment ON, all-segment ON)
50MHz FM
2 points (First segment ON, all-segment ON)
80MHz W-FM
2 points (First segment ON, all-segment ON)
120MHz FM
2 points (First segment ON, all-segment ON)
144MHz FM
2 points (First segment ON, all-segment ON)
TV-V W-FM
2 points (First segment ON, all-segment ON)
200MHz FM
2 points (First segment ON, all-segment ON)
400MHz FM
2 points (First segment ON, all-segment ON)
TV-U W-FM
2 points (First segment ON, all-segment ON)
1200MHz
FM
2 points (First segment ON, all-segment ON)
3144.000
P: 83 7 f1 : FF
Real-time value EEPROM setting
Frequency adjustment point
Voltage adjustment point

TH-F6A/F7E
38
ADJUSTMENT
•If no adjustment is necessary for an item (for example, 50
MHz f2), the following message appears. Operations 5) and
6) are invalid.
I. DCS balance adjustment
1) Display the “BAL” item.
2) Set the A band to the operation band.
3) Select points f1 to f3 as shown in the “Frequency
Adjustment Points” table below.
4) Set the display frequency to the frequency appropriate
to the frequency adjustment point.
5) Press [PTT] and turn the encoder during transmission
to change the “real-time value”.
6) Press [MNU] key to set the “real-time value” in the
EEPROM.
7) Adjust all frequency adjustment points.
•When transmission is performed in DCS balance adjustment
mode, a 100Hz square waveform is modulated.
•If no adjustment is necessary for an item (for example, 50
MHz f2), the following message appears. Operations 5) and
6) are invalid.
J. Max deviation adjustment
1) Display the “MAX” item.
2) Set the A band to the operation band.
3) Select points f1 to f3 as shown in the “Frequency
Adjustment Points” table below.
4) Set the display frequency to the frequency appropriate
to the frequency adjustment point.
5) Press [PTT] and turn the encoder during transmission
to change the “real-time value”.
Band Power Frequency adjustment point
Power supply
voltage
13.8[v] 220MHz H
3 points (f1, f2, f3) K destination only
L
3 points (f1, f2, f3) K destination only
EL
3 points (f1, f2, f3) K destination only
400MHz H 3 points (f1, f2, f3)
L 3 points (f1, f2, f3)
EL 3 points (f1, f2, f3)
P: ∗ ∗ f2 : ∗ ∗
350.000
3144.000
BAL : 83 f1 : FF
Real-time value EEPROM setting
Frequency adjustment point
•Frequency adjustment points
Band Frequency adjustment point
144MHz 3 points (f1, f2, f3)
220MHz 3 points (f1, f2, f3) K destination only
400MHz 3 points (f1, f2, f3)
BAL : ∗ ∗ f2 : ∗ ∗
350.000
6) Press [MNU] key to set the “real-time value” in the
EEPROM.
7) Adjust all frequency adjustment points.
•If no adjustment is necessary for an item (for example, 50
MHz f2), the following message appears. Operations 5) and
6) are invalid.
K. Tone deviation adjustment
1) Display the “TON” item.
2) Set the A band as the operation band.
3) Select points f1 to f3 as shown in the “Frequency
Adjustment Points” table below.
4) Set the display frequency to the frequency appropriate
to the frequency adjustment point.
5) Press [PTT] and turn the encoder during transmission
to change the “real-time value”.
6) Press [MNU] key to set the “real-time value” in the
EEPROM.
7) Adjust all frequency adjustment points.
•The tone frequency of each band must be set to a specified
value before entering the service adjustment mode.
•To adjust, switch the tone ON (ensure to switch it OFF after
adjustment).
•If no adjustment is necessary for an item (for example, 50
MHz f2), the following message appears. Operations 5) and
6) are invalid.
3144.000
MAX : 83 f1 : FF
Real-time value EEPROM setting
Frequency adjustment point
MAX : ∗ ∗ f2 : ∗ ∗
350.000
• 144.000
TON : 83 f1 : FF
Real-time value EEPROM setting
Frequency adjustment point
•Frequency adjustment points
Band Frequency adjustment point
144MHz 3 points (f1, f2, f3)
220MHz 3 points (f1, f2, f3) K destination only
400MHz 3 points (f1, f2, f3)
•Frequency adjustment points
Band Frequency adjustment point
144MHz 3 points (f1, f2, f3)
220MHz 3 points (f1, f2, f3) K destination only
400MHz 3 points (f1, f2, f3)
TON : ∗ ∗ f2 : ∗ ∗
350.000

TH-F6A/F7E
39
•If no adjustment is necessary for an item (for example, 50
MHz f2), the following message appears. Operations 5) and
6) are invalid.
When this item is selected, set 9600 (menu) to ON. When
this item is deselected, set it to OFF.
Press [LAMP] key in the Service Setup mode to enter a menu
mode.
N. VOX gain adjustment
1) Display the “VOX” item [1].
2) Enter the voltage of level 1 of the VOX gain.
3) Press [MNU] key to set the “real-time value” in the
EEPROM.
4) Display the “VOX” item [9].
5) Enter the voltage of level 9 of the VOX gain.
6) Press [MNU] key to set the “real-time value” in the
EEPROM.
To adjust, switch VOX ON (ensure to switch it OFF after
adjustment).
To terminate the Service Setup mode, turn the power supply
OFF.
96 : ∗ ∗ f2 : ∗ ∗
350.000
• 144.000
VOX : 83 1 : FF
Real-time value EEPROM setting
VOX gain adjustment point
L. DCS deviation adjustment
1) Display the “DCS” item.
2) Set the A band as the operation band.
3) Select points f1 to f3 as shown in the “Frequency
Adjustment Points” table below.
4) Set the display frequency to the frequency appropriate
to the frequency adjustment point.
5) Press [PTT] and turn the encoder during transmission
to change the “real-time value”.
6) Press [MNU] key to set the “real-time value” in the
EEPROM.
7) Adjust all frequency adjustment points.
•The DCS code of each band must be set to a specified value
before entering the service adjustment mode.
•To adjust, switch the DCS ON (ensure to switch it OFF after
adjustment).
•If no adjustment is necessary for an item (for example, 50
MHz f2), the following message appears. Operations 5) and
6) are invalid.
M. 9600 deviation adjustment
1) Display the “96” item.
2) Set the A band as the operation band.
3) Select points f1 to f3 as shown in the “Frequency
Adjustment Points” table below.
4) Set the display frequency to the frequency appropriate
to the frequency adjustment point.
5) Press [PTT] and turn the encoder during transmission
to change the “real-time value”.
6) Press [MNU] key to set the “real-time value” in the
EEPROM.
7) Adjust all frequency adjustment points.
• 144.000
DCS : 83 f1 : FF
Real-time value EEPROM setting
Frequency adjustment point
•Frequency adjustment points
Band Frequency adjustment point
144MHz 3 points (f1, f2, f3)
220MHz 3 points (f1, f2, f3) K destination only
400MHz 3 points (f1, f2, f3)
DCS : ∗ ∗ f2 : ∗ ∗
350.000
•Frequency adjustment points
Band Frequency adjustment point
144MHz 3 points (f1, f2, f3)
220MHz 3 points (f1, f2, f3) K destination only
400MHz 3 points (f1, f2, f3)
ADJUSTMENT
3144.000
96 : 83 f1 : FF
Real-time value EEPROM setting
Frequency adjustment point

TH-F6A/F7E
40
Item Conditions Measurement Adjustment Specifications/Remarks
Test equipment
Unit
Terminal
Unit Parts Method
1.Setting and 1) External power supply
resetting connection DC IN terminal LCD total illumination display Internal value setting display after
voltage: 13.8V all resetting
2) Total illumination display
confirmation
Turn the power switch on while
pressing the F key
3) Full-resettng and install value
setting
Release [F]
Select the reset mode by turning
the tuning contorol or press[5]/[∞].
If you select "NO", the transceiver
exits the reset mode.
2.LCD contrast 1) Ta=+25˚C Digital TX-RX LCD TX-RX VR701 Adjust to Max Vlotage Max Voltage Level
(A/3) (A/3)
3.VCO A-Band Digital TX-RX TP1 Check
Lock voltage 1) Frequency:137.00MHz Voltmeter (B/3) 0.7V or more
2) Frequency:173.99MHz 5.5V or less
3) Frequency:216.00MHz (K-only) 0.7V or more
4) Frequency:259.99MHz (K-only) 5.5V or less
5) Frequency:410.00MHz 0.7V or more
6) Frequency:469.99MHz 5.5V or less
B-Band TP2 Check
7) Frequency:23.00MHz 0.7V or more
8) Frequency:42.39MHz 5.5V or less
9) Frequency:142.40MHz 0.7V or more
10)Frequency:182.39MHz 5.5V or less
11)Frequency:182.40MHz 0.7V or more
12)Frequency:222.39MHz 5.5V or less
13)Frequency:502.40MHz 0.7V or more
14)Frequency:591.99MHz 5.5V or less
Battery Voltage Switch to Service Setup mode
Align / Check and carry out the operaations
for item A
1) Frequency:145.000MHz (E,T) DC DC-IN MNU Write
Frequency:146.000MHz (K) Power
DC-IN:6.5V Supply
2) Frequency:145.000MHz (E,T)
Check for alarm sound
Frequency:146.000MHz (K) and messgae
DC-IN:17V "VOLTAGE ERROR"
3) Frequency:145.000MHz (E,T) Press <F>,<LOW> 1~2 bars
Frequency:146.000MHz (K) Key to check for 1-
Battery Terminal:7.6V segment display on
the battery meter
Common section
ADJUSTMENT
Example: E,T Type

TH-F6A/F7E
41
ADJUSTMENT
Receiver section
Item Conditions Measurement Adjustment Specifications/Remarks
Test equipment
Unit
Terminal
Unit Parts Method
1.2nd Local
Switch to Service Setup mode
f.counter
TX-RX TP3
Tuning
Write
and carry out the operations for item D.
Spectrum B/3 control
1) B-Band analyzer
Frequency:146.050MHz (USB) 57.1500MHz ± 50Hz
2) Frequency:-2.5KHz shift 57.1475MHz ± 50Hz
3) Frequency:+2.5KHz shift 57.1525MHz ± 50Hz
2.RX 1) B-Band SSG ANT
L19
Tune L19 to obtain Min. Distortion
Demodulation
Frequency:146.050MHz (FM) Distortion
S.P
min distortion and
SSG:(0dBm) 224mV Meter max AF OUTPUT.
FM:3KHz AF.V.M
2) Frequency:90.100MHz(W-FM)
Oscilloscope
L18 Tune L18 to obtain Min. Distortion
SSG:(0dBm) 224mV min distortion and
FM:50KHz max AF OUTPUT
RX BPF tune
Switch to Service Setup mode
and carry out the operations for item C.
A-Band SSG TX-RX ANT Tuning Write Max. Sensitivity
1) Frequency:145.050MHz
Oscilloscope
SP control
SSG:(-53dBm) 501µV Distortion
Mode:FM (3KHz) Meter
AF VR:0.63V/8ΩAF.V.M
SSG:(-121dBm) 0.199µV
2) Frequency:137.000MHz
SSG:(-115dBm) 0.398µV
3) Frequency:173.990MHz
SSG:(-121dBm) 0.199µV
4)
Frequency:223.550MHz (K-Type only)
SSG:(-120dBm) 0.22µV
5)
Frequency:216.000MHz (K-Type only)
SSG:(-115dBm) 0.398µV
6)
Frequency:259.990MHz (K-Type only)
SSG:(-103dBm) 1.58µV
B-Band
7) Frequency:146.100MHz
SSG:(-117dBm) 0.32µV
8) Frequency:118.100MHz
SSG:(-110dBm) 0.707µV
9) Frequency:173.900MHz
SSG:(-120dBm) 0.22µV
10)Frequency:50.100MHz
SSG:(-115dBm) 0.398µV
11)Frequency:90.100MHz
SSG:(-93dBm) 5.01µV
12)Frequency:107.900MHz
SSG:(-110dBm) 0.707µV
13)With no device is connected to
Oscilloscope
Tuning Turn the Tuning MAX.AF level
the antenna terminal, put the AF.V.M control control to obtain
transceiver in receive mode. Distortion max AF output.
Frequency:MW0.540MHz
14)Frequency:MW0.800MHz
MNU key
Write
15)Frequency:MW1.200MHz
16)Frequency:SW3.000MHz
17)Frequency:SW6.550MHz
18)Frequency:SW10.090MHz

TH-F6A/F7E
42
ADJUSTMENT
Item Conditions Measurement Adjustment Specifications/Remarks
Test equipment
Unit
Terminal
Unit Parts Method
SSB BFO Align
Switch to Service Setup mode
and carry out the operations for item E.
B-Band SSG Tuning
1) USB
Oscilloscope
control
Write 1KHz ± 50Hz
Frequency:145.800MHz Distortion
MNU key
SSG:(-53dBm) 501µV Meter
Mode:OFF
f. counter
AF VOL:0.63V/8ΩAF.V.M
2) USB 1KHz ± 50Hz
Frequency:145.800MHz
Squelch write
Switch to Service Setup mode
and carry out the operations for item F.
A-Band SSG TX-RX ANT TX-RX
MNU key
Write
1) Frequency:145.050MHz
SQL1
SSG:(-127dBm) 0.1µV
SQL2
SSG:(-124dBm) 0.141µV
2) Frequency:435.050MHz(E,T)
Frequency:440.000MHz(K)
SQL1
SSG:(-125dBm) 0.126µV
SQL2
SSG:(-120dBm) 0.22µV
3) Frequency:223.550MHz(K)
SQL1
SSG:(-125dBm) 0.126µV
SQL2
SSG:(-120dBm) 0.22µV
B-Band
4) Frequency:14.100MHz (AM)
SQL1
SSG:(-110dBm) 0.707µV
SQL2
SSG:(-105dBm) 1.3µV
5) Frequency:51.100MHz (FM)
SQL1
SSG:(-120dBm) 0.22µV
SQL2
SSG:(-115dBm) 0.398µV
6) Frequency:120.100MHz (AM)
SQL1
SSG:(-110dBm) 0.707µV
SQL2
SSG:(-105dBm) 1.3µV
7) Frequency:145.800MHz (FM)
SQL1
SSG:(-122dBm) 0.178µV
SQL2
SSG:(-117dBm) 0.32µV
8)
Frequency:222.100MHz (FM)(K)
Frequency:230.100MHz (FM)(E,T)
SQL1
SSG:(-122dBm) 0.178µV (K)
SSG:(-118dBm) 0.28µV (E,T)
SQL2
SSG:(-117dBm) 0.316µV (K)
SSG:(-113dBm) 0.501µV (E,T)

TH-F6A/F7E
43
Item Conditions Measurement Adjustment Specifications/Remarks
Test equipment
Unit
Terminal
Unit Parts Method
ADJUSTMENT
Squelch write 9) Frequency:438.100MHz (FM) SSG TX-RX ANT TX-RX
MNU key
Write
SQL1
SSG:(-125dBm) 0.126µV
SQL2
SSG:(-120dBm) 0.22µV
10)Frequency:1270.100MHz (FM)
SQL1
SSG:(-120dBm) 0.22µV
SQL2
SSG:(-115dBm) 0.398µV
Item Conditions Measurement Adjustment Specifications/Remarks
Test equipment
Unit
Terminal
Unit Parts Method
Squelch check A Band SSG TX-RX ANT Check
1) Frequency:145.050MHz
Oscilloscope
(B/3) open squelch
Mode:FM
SSG:(-125dBm) 0.126µV
2) SSG:(-135dBm) 0.04µVclose squelch
3) Frequency:435.050MHz(E,T) open squelch
Mode:FM
SSG:(-123dBm) 0.158µV
4) SSG:(-130dBm) 0.071µVclose squelch
5) Frequency:223.550MHz(K) open squelch
SSG:(-123dBm) 0.158µV
6) SSG:(-130dBm) 0.071µVclose squelch
B Band
7) Frequency:14.100MHz open squelch
Mode:AM
SSG:(-108dBm) 0.891µV
8) SSG:(-118dBm) 0.28µVclose squelch
9) Frequency:51.100MHz open squelch
Mode:FM
SSG:(-118dBm) 0.28µV
10)SSG:(-130dBm) 0.071µVclose squelch
11)Frequency:120.100MHz open squelch
Mode:AM
SSG:(-108dBm) 0.891µV
12)SSG:(-115dBm) 0.4µVclose squelch
13)Frequency:145.800MHz open squelch
Mode:FM
SSG:(-120dBm) 0.22µV
14)SSG:(-130dBm) 0.071µVclose squelch
15)Frequency:230.100MHz(E,T) open squelch
:222.100MHz(K)
Mode:FM
SSG:(-118dBm) 0.28µV
16)SSG:(-125dBm) 0.126µVclose squelch
17)Frequency:438.100MHz open squelch
Mode:FM
SSG:(-123dBm) 0.158µV
18)SSG:(-130dBm) 0.071µVclose squelch
19)Frequency:1270.100MHz open squelch
Mode:FM
SSG:(-118dBm) 0.28µV
20)SSG:(-128dBm) 0.089µVclose squelch

TH-F6A/F7E
44
Item Conditions Measurement Adjustment Specifications/Remarks
Test equipment
Unit
Terminal
Unit Parts Method
S-meter write
Switch to Service Setup mode
SSG TX-RX ANT TX-RX
MNU key
Write
and carry out the operations for item G.
A-Band
1) Frequency:145.050MHz (FM)
S1
SSG:(-124dBm) 0.141µV
FULL
SSG:(-109dBm)
2) Frequency:435.050MHz (E,T)
Frequency:440.000MHz (K)
S1
SSG:(-120dBm) 0.22µV
FULL
SSG:(-105dBm) 1.3µV
3)
Frequency:223.550MHz (K only)
S1
SSG:(-120dBm) 0.22µV
FULL
SSG:(-105dBm) 1.3µV
B-Band
4) Frequency:0.800MHz (AM)
S1
SSG:(-95dBm) 3.98µV
FULL
SSG:(-75dBm) 39.8µV
5) Frequency:14.100MHz (AM)
S1
SSG:(-105dBm) 1.3µV
FULL
SSG:(-90dBm) 7.08µV
6) Frequency:51.100MHz (FM)
S1
SSG:(-115dBm) 0.398µV
FULL
SSG:(-100dBm) 2.24µV
7) Frequency:120.100MHz (AM)
S1
SSG:(-110dBm) 0.707µV
FULL
SSG:(-95dBm) 3.98µV
8) Frequency:145.800MHz (FM)
S1
SSG:(-117dBm) 0.316µV
FULL
SSG:(-105dBm) 1.3µV
9)
Frequency:222.100MHz (FM)(K)
Frequency:230.100MHz (FM)(E,T)
S1
SSG:(-117dBm) 0.32µV (K)
SSG:(-113dBm) 0.501µV (E,T)
FULL
SSG:(-105dBm) 1.3µV (K)
SSG:(-100dBm) 2.24µV (E,T)
10)Frequency:438.100MHz (FM)
S1
SSG:(-120dBm) 0.22µV
FULL
SSG:-105dBm 1.3µV
ADJUSTMENT

TH-F6A/F7E
45
Item Conditions Measurement Adjustment Specifications/Remarks
Test equipment
Unit
Terminal
Unit Parts Method
S-meter write 11)Frequency:1270.100MHz (FM) SSG TX-RX ANT TX-RX
MNU key
Write
S1
SSG:(-115dBm) 0.398µV
FULL
SSG:(-100dBm) 2.24µV
12)Frequency:90.100MHz (W-FM)
S1
SSG:(-95dBm) 3.98µV
FULL
SSG:(-70dBm) 70.8µV
13)
Frequency:200.100MHz (W-FM)
S1
SSG:(-95dBm) 3.98µV
FULL
SSG:(-70dBm) 70.8µV
14)
Frequency:500.100MHz (W-FM)
S1
SSG:(-95dBm) 3.98µV
FULL
SSG:(-70dBm) 70.8µV
ADJUSTMENT
Item Conditions Measurement Adjustment Specifications/Remarks
Test equipment
Unit
Terminal
Unit Parts Method
S-meter check A-Band SSG TX-RX ANT LCD Check
1) Frequency:145.050MHz (B/3) One segment in S-meter lights
Mode:FM
SSG:(-124dBm) 0.14µV±3dB
2) SSG:(-109dBm) 0.794µV±3dB All segments in S-meter lights
3) Frequency:435.050MHz(E,T) One segment in S-meter lights
:440.000MHz(K)
Mode:FM
SSG:(-120dBm) 0.22µV±3dB
4) SSG:(-105dBm) 1.3µV±3dB All segments in S-meter lights
Frequency:223.550MHz(K) One segment in S-meter lights
SSG:(-120dBm) 0.22µV±3dB
SSG:(-105dBm) 1.3µV±3dB All segments in S-meter lights
B-Band
5) Frequency:0.800MHz One segment in S-meter lights
Mode:AM
SSG:(-95dBm) 3.98µV±3dB
6) SSG:(-75dBm) 39.8µV±3dB All segments in S-meter lights
7) Frequency:14.100MHz One segment in S-meter lights
Mode:AM
SSG:(-105dBm) 1.3µV±3dB
8) SSG:(-90dBm) 7.08µV±3dB All segments in S-meter lights
9) Frequency:51.100MHz One segment in S-meter lights
Mode:FM
SSG:(-115dBm) 0.4µV±3dB
10)SSG:(-100dBm) 2.24µV±3dB All segments in S-meter lights
11)Frequency:120.100MHz One segment in S-meter lights
Mode:AM
SSG:(-110dBm) 0.707µV±3dB
12)SSG:(-95dBm) 3.98µV±3dB All segments in S-meter lights
13)Frequency:145.800MHz One segment in S-meter lights
Mode:FM
SSG:(-117dBm) 0.32µV±3dB

TH-F6A/F7E
46
ADJUSTMENT
Item Conditions Measurement Adjustment Specifications/Remarks
Test equipment
Unit
Terminal
Unit Parts Method
S-meter check 14)SSG:(-105dBm) 1.3µV±3dB SSG TX-RX ANT LCD Check All segments in S-meter lights
Frequency:222.100MHz(K) (B/3) One segment in S-meter lights
SSG:(-117dBm) 0.32µV±3dB
Frequency:230.100MHz(E,T)
SSG:(-113dBm) 0.5µV±3dB
SSG:(-105dBm) 1.3µV±3dB(K) All segments in S-meter lights
SSG:(-100dBm) 2.24µV±3dB(E,T)
15)Frequency:438.100MHz One segment in S-meter lights
Mode:FM
SSG:(-120dBm) 0.22µV±3dB
16)SSG:(-105dBm) 1.3µV±3dB All segments in S-meter lights
17)Frequency:1270.100MHz One segment in S-meter lights
Mode:FM
SSG:(-115dBm) 0.4µV±3dB
18)SSG:(-100dBm) 2.24µV±3dB All segments in S-meter lights
19)Frequency:90.100MHz One segment in S-meter lights
Mode:WFM
SSG:(-95dBm) 3.98µV±3dB
20)SSG:(-70dBm) 70.8µV±3dB All segments in S-meter lights
21)Frequency:200.100MHz One segment in S-meter lights
Mode:WFM
SSG:(-95dBm) 3.98µV±3dB
22)SSG:(-70dBm) 70.8µV±3dB All segments in S-meter lights
23)Frequency:500.100MHz One segment in S-meter lights
Mode:WFM
SSG:(-95dBm) 3.98µV±3dB
24)SSG:(-70dBm) 70.8µV±3dB All segments in S-meter lights
High level input A-Band SSG TX-RX ANT Check
1) Frequency:145.050MHz Distortion (B/3) SP 38dB or more
SSG:(-53dBm) 501µV meter
AF output:0.63V/8Ω
Oscilloscope
2) Frequency:440.000MHz(K) 34dB or more
:435.050MHz(E,T)
SSG:(-53dBm) 501µV
AF output:0.63V/8Ω
3) Frequency:225.560MHz(K) 36dB or more
SSG:(-53dBm) 60dBµ
B-Band
4) Frequency:145.050MHz 36dB or more
SSG:(-53dBm) 501µV
AF output:0.63V/8Ω
5) Frequency:444.050MHz(K) 32dB or more
:435.050MHz(E,T)
SSG:(-53dBm) 501µV
AF output:0.63V/8Ω
6) Frequency:222.050MHz(K) 34dB or more
SSG:(-53dBm) 501µV
Sensitivity check A-Band
1) Frequency:144.000MHz(K) 12dB SINAD or more
2) Frequency:146.050MHz(K)
Frequency:145.050MHz(E,T)
3) Frequency:147.990MHz(K)
Frequency:145.990MHz(E,T)
4) Frequency:444.050MHz(K)
Frequency:435.050MHz(E,T)
5) Frequency:438.000MHz(K)
Frequency:430.040MHz(E,T)

TH-F6A/F7E
47
Item Conditions Measurement Adjustment Specifications/Remarks
Test equipment
Unit
Terminal
Unit Parts Method
Sensitivity check 6) Frequency:449.990MHz(K) SSG TX-RX ANT Check 12dB SINAD or more
Frequency:439.990MHz(E,T) Distortion (B/3) SP
Mode:FM meter
SSG:(-121dBm) 0.2µV
Oscilloscope
AF output:0.63V/8Ω
7) Frequency:223.550MHz(K)
SSG:(-120dBm) 0.22µV
8) Frequency:216.000MHz(K)
SSG:(-103dBm) 1.58µV
9) Frequency:259.990MHz(K)
SSG:(-103dBm) 1.58µV
B-Band
10)Frequency:146.100MHz
Mode:FM
SSG:(-117dBm) 0.32µV
AF output:0.63V/8Ω
11)Frequency:118.100MHz
Mode:FM
SSG:(-93dBm) 5.01µV
AF output:0.63V/8Ω
12)Frequency:173.900MHz
Mode:FM
SSG:(-100dBm) 2.24µV
AF output:0.63V/8Ω
13)Frequency:51.100MHz
Mode:FM
SSG:(-110dBm) 0.707µV
AF output:0.63V/8Ω
14)Frequency:144.000MHz
15)Frequency:147.950MHz
Mode:FM
SSG:(-117dBm) 0.32µV
AF output:0.63V/8Ω
16)Frequency:222.050MHz
Frequency:224.950MHz
Mode:FM
SSG:(-110dBm) 0.707µV
AF output:0.63V/8Ω
17)Frequency:438.100MHz
18)Frequency:444.050MHz
19)Frequency:449.950MHz
Mode:FM
SSG:(-117dBm) 0.32µV
AF output:0.63V/8Ω
20)Frequency:850.100MHz
Mode:FM
SSG:(-100dBm) 2.24µV
AF output:0.63V/8Ω
21)Frequency:1240.050MHz
22)Frequency:1270.050MHz
23)Frequency:1299.950MHz
Mode:FM
SSG:(-110dBm) 0.707µV
AF output:0.63V/8Ω
24)Frequency:90.100MHz
Mode:FM
SSG:(-100dBm) 2.24µV
AF output:0.63V/8Ω
ADJUSTMENT

TH-F6A/F7E
48
ADJUSTMENT
Item Conditions Measurement Adjustment Specifications/Remarks
Test equipment
Unit
Terminal
Unit Parts Method
Sensitivity check 25)Frequency:107.900MHz SSG TX-RX ANT Check 12dB SINAD or more
Mode:FM Distortion (B/3) SP
SSG:(-93dBm) 5.01µV meter
AF output:0.63V/8Ω
Oscilloscope
26)Frequency:500.100MHz
Mode:FM
SSG:(-100dBm) 2.24µV
AF output:0.63V/8Ω
27)Frequency:90.100MHz
Mode:WFM
SSG:(-78dBm) 28.2µV
AF output:0.63V/8Ω
For the ininternal bar antenna
AM Loop
10dB S/N or more
connect SSG output to the Loop
ANTENNA
ANTENNA as shown in figure ∗.
27)Frequency:1080KHz
Mode:AM
S/N Mod:60%
SSG:(0dBm) 2.24mV
AF distortion A-Band SSG TX-RX ANT Check
check 1) Frequency:145.050MHz Distortion (B/3) SP 5% or less
SSG:(-53dBm) 501µV meter
AF output:0.63V/8Ω
Oscilloscope
B-Band
2) Frequency:146.050MHz 10% or less
SSG:(-53dBm) 501µV
AF output:0.63V/8Ω

TH-F6A/F7E
49
Transmitter section
Item Conditions Measurement Adjustment Specifications/Remarks
Test equipment
Unit
Terminal
Unit Parts Method
Transmission
Switch to Service Setup mode
Frequency
and carry out the operations for item B.
Adjust 1) POWER:EL f. counter ANT Tuning Write
Frequency:444.000MHz (K) control
Frequency:435.100MHz (E,T)
MNU key
435.100MHz ± 500Hz
Transmission 444.000MHz ± 500Hz
Power Write
Switch to Service Setup mode
[6.0V]
and carry out the operations for item H.
Battery Battery Terminal:6.0V
Power meter
ANT Tuning Write check
1) Power:Hi Am meter control
Frequency:146.000MHz (K)
MNU key
Frequency:145.000MHz (E,T) 0.5W ± 0.1W
Transmission 1.2A or less
2) Power:Hi
Frequency:144.050MHz 0.5W ± 0.1W
Transmission 1.2A or less
3) Power:Hi
Frequency:147.995MHz (K)
Frequency:145.995MHz (E,T) 0.5W ± 0.1W
Transmission 1.2A or less
4) Power:Low
Frequency:146.000MHz (K)
Frequency:145.000MHz (E,T) 0.3W ± 0.1W
Transmission 0.8A or less
5) Power:Low
MNU key
Write
Frequency:145.050MHz
6) Power:Low
MNU key
Write
Frequency:147.995MHz (K)
Frequency:145.995MHz (E,T)
7) Power:EL
MNU key
Write
Frequency:146.000MHz (K)
Frequency:145.000MHz (E,T)
8) Power:EL
MNU key
Write
Frequency:144.050MHz
9) Power:EL
MNU key
Write
Frequency:147.995MHz (K)
Frequency:145.995MHz (E,T)
10)Power:Hi Tuning Write check
Frequency:444.000MHz (K)
Frequency:435.000MHz (E,T) 0.5W ± 0.1W
Transmission 1.2A or less
11)Power:Hi
Frequency:438.050MHz (K)
Frequency:430.050MHz (E,T) 0.5W ± 0.1W
Transmission 1.2A or less
12)Power:Hi
Frequency:449.995MHz (K)
Frequency:439.995MHz (E,T) 0.5W ± 0.1W
Transmission 1.2A or less
13)Power:Low
Frequency:444.000MHz (K)
Frequency:435.000MHz (E,T) 0.3W ± 0.1W
Transmission 0.8A or less
14)Power:Low
MNU key
Write
Frequency:438.050MHz (K)
Frequency:430.050MHz (E,T)
ADJUSTMENT

TH-F6A/F7E
50
ADJUSTMENT
Item Conditions Measurement Adjustment Specifications/Remarks
Test equipment
Unit
Terminal
Unit Parts Method
Power Write 15)Power:Low
Power meter
ANT
MNU key
Write
[6.0V] Frequency:449.995MHz (K) Am meter
Battery Frequency:439.995MHz (E,T)
16)Power:EL
MNU key
Write
Frequency:444.000MHz (K)
Frequency:435.000MHz (E,T)
17)Power:EL
MNU key
Write
Frequency:438.050MHz (K)
Frequency:430.050MHz (E,T)
18)Power:EL
MNU key
Write
Frequency:449.995MHz (K)
Frequency:439.995MHz (E,T)
19)Power:Hi
Frequency:224.000MHz (K) 0.5W ± 0.1W
Transmission 1.2A or less
20)Power:Hi
Frequency:222.050MHz (K)
0.5W ± 0.1W
Transmission 1.2A or less
21)Power:Hi
Frequency:224.995MHz (K) 0.5W ± 0.1W
Transmission 1.2A or less
22)Power:Low
Frequency:224.000MHz (K) 0.3W ± 0.1W
Transmission 0.8A or less
23)Power:Low
Frequency:222.050MHz (K)
MNU key
Write
24)Power:Low
MNU key
Write
Frequency:224.995MHz
25)Power:EL
MNU key
Write
Frequency:224.000MHz (K)
26)Power:EL
MNU key
Write
Frequency:222.050MHz (K)
27)Power:EL
MNU key
Write
Frequency:224.995MHz (K)
Power write Battery Terminal:7.4V
Power meter
ANT Tuning Write Check
[7.4V] 1) Power:Hi Am meter control
Battery Frequency:146.000MHz (K)
Frequency:145.000MHz (E,T) 2.0A
Transmission 4.7~4.8W
2) Power:Hi
Frequency:144.050MHz 2.0A
Transmission 4.7~4.8W
3) Power:Hi
Frequency:147.995MHz (K)
Frequency:145.995MHz (E,T) 2.0A
Transmission 4.7~4.8W
4) Power:Low
Frequency:146.000MHz (K)
Frequency:145.000MHz (E,T) 0.5W ± 0.1W
Transmission 0.9A
5) Power:Low
MNU key
Write
Frequency:144.050MHz
6) Power:Low
MNU key
Write
Frequency:147.995MHz (K)
Frequency:145.995MHz (E,T)
7) Power:EL Tuning Write check
Frequency:146.000MHz (K) control
Frequency:145.000MHz (E,T)
MNU key
75mW ± 25mW
Transmission 0.6A

TH-F6A/F7E
51
Item Conditions Measurement Adjustment Specifications/Remarks
Test equipment
Unit
Terminal
Unit Parts Method
Power write 8) Power:EL
Power meter
ANT
MNU key
Write
[7.4V] Frequency:144.050MHz (K) Am meter
Battery 9) Power:EL
MNU key
Write
Frequency:147.995MHz (K)
Frequency:145.995MHz (E,T)
10)Power:Hi Tuning Write check
Frequency:444.000MHz (K) control
Frequency:435.000MHz (E,T)
MNU key
2.0A
Transmission 4.7~4.8W
11)Power:Hi Tuning Write check
Frequency:438.050MHz (K) control
Frequency:430.050MHz (E,T)
MNU key
2.0A
Transmission 4.7~4.8W
12)Power:Hi Tuning Write check
Frequency:449.995MHz (K) control
Frequency:439.995MHz (E,T)
MNU key
2.0A
Transmission 4.7~4.8W
13)Power:Low Tuning Write check
Frequency:444.000MHz (K) control
Frequency:435.000MHz (E,T)
MNU key
0.5W ± 0.1W
Transmission 0.9A or less
14)Power:Low
MNU key
Write
Frequency:438.050MHz (K)
Frequency:430.050MHz (E,T)
15)Power:Low
MNU key
Write
Frequency:449.995MHz (K)
Frequency:439.995MHz (E,T)
16)Power:EL Tuning Write check
Frequency:444.000MHz (K) control
Frequency:435.000MHz (E,T)
MNU key
75mW ± 25mW
Transmission 0.6A or less
17)Power:EL
MNU key
Write
Frequency:438.050MHz (K)
Frequency:430.050MHz (E,T)
18)Power:EL
MNU key
Write
Frequency:449.995MHz (K)
Frequency:439.995MHz (E,T)
19)Power:Hi Tuning Write check
Frequency:224.000MHz (K) control 2.0A
Transmission
MNU key
4.7~4.8W
20)Power:Hi
Frequency:222.050MHz (K) 2.0A
Transmission 4.7~4.8W
21)Power:Hi
Frequency:224.995MHz (K) 2.0A
Transmission 4.7~4.8W
22)Power:Low Tuning Write check
Frequency:224.000MHz (K) control 0.5W ± 0.1W
Transmission
MNU key
0.9A or less
23)Power:Low
MNU key
Write
Frequency:222.050MHz (K)
24)Power:Low
MNU key
Write
Frequency:224.995MHz (K)
25)Power:EL Tuning Write check
Frequency:224.000MHz (K) control 75mW ± 25mW
Transmission
MNU key
0.6A or less
26)Power:EL
MNU key
Write
Frequency:222.050MHz (K)
ADJUSTMENT

TH-F6A/F7E
52
Item Conditions Measurement Adjustment Specifications/Remarks
Test equipment
Unit
Terminal
Unit Parts Method
ADJUSTMENT
Power write 27)Power:EL
Power meter
ANT
MNU key
Write
[7.4V] Frequency:224.995MHz (K) Am meter
Power write DC IN:13.8V
Power meter
ANT Tuning Write check
[13.8V] 1) Power:Hi Am meter control
DC-IN Frequency:146.000MHz (K)
MNU key
Frequency:145.000MHz (E,T) 5.05W ± 0.05W
Transmission 2.0A or less
2) Power:Hi
Frequency:144.050MHz 5.05W ± 0.05W
Transmission 2.0A or less
3) Power:Hi
Frequency:147.995MHz (K)
Frequency:145.995MHz (E,T) 5.05W ± 0.05W
Transmission 2.0A or less
4) Power:Low
Frequency:146.000MHz (K)
Frequency:145.000MHz (E,T) 2.0W ± 0.1W
Transmission 1.8A or less
5) Power:Low
Frequency:144.050MHz 2.0W ± 0.1W
Transmission 1.8A or less
6) Power:Low
Frequency:147.995MHz (K)
Frequency:145.995MHz (E,T) 2.0W ± 0.1W
Transmission 1.8A or less
7) Power:EL Tuning
Frequency:146.000MHz (K) control
Frequency:145.000MHz (E,T) 0.5W ± 0.05W
Transmission 0.9A or less
8) Power:EL
MNU key
Write
Frequency:144.050MHz
9) Power:EL
MNU key
Write
Frequency:147.995MHz (K)
Frequency:145.995MHz (E,T)
10)Power:Hi Tuning Write check
Frequency:444.000MHz (K) control
Frequency:435.000MHz (E,T) 2.0A
Transmission 4.7~4.8W
11)Power:Hi
Frequency:438.050MHz (K)
Frequency:430.050MHz (E,T) 2.0A
Transmission 4.7~4.8W
12)Power:Hi
Frequency:449.995MHz (K)
Frequency:439.995MHz (E,T) 2.0A
Transmission 4.7~4.8W
13)Power:Low
Frequency:444.000MHz (K)
Frequency:435.000MHz (E,T) 2.0W ± 0.1W
Transmission 1.8A or less
14)Power:Low
Frequency:438.050MHz (K)
Frequency:430.050MHz (E,T) 2.0W ± 0.1W
Transmission 1.8A or less
15)Power:Low
Frequency:449.995MHz (K)
Frequency:439.995MHz (E,T) 2.0W ± 0.1W
Transmission 1.8A or less

TH-F6A/F7E
53
Item Conditions Measurement Adjustment Specifications/Remarks
Test equipment
Unit
Terminal
Unit Parts Method
ADJUSTMENT
Power write 16)Power:EL
Power meter
ANT Tuning Write check 0.5W ± 0.05W
[13.8V] Frequency:444.000MHz (K) Am meter control 0.9A or less
DC-IN Frequency:435.000MHz (E,T)
Transmission
17)Power:EL
Frequency:438.050MHz (K)
MNU key
Write
Frequency:430.050MHz (E,T)
18)Power:EL
MNU key
Write
Frequency:444.995MHz (K)
Frequency:439.995MHz (E,T)
19)Power:Hi Tuning Write check
Frequency:224.000MHz (K) control 2.0A
Transmission 4.7~4.8W
20)Power:Hi
Frequency:222.050MHz (K) 2.0A
Transmission 4.7~4.8W
21)Power:Hi
Frequency:224.995MHz (K) 2.0A
Transmission 4.7~4.8W
22)Power:Low
Frequency:224.000MHz (K) 2.0W ± 0.1W
Transmission 1.8A or less
23)Power:Low
MNU key Write
Frequency:222.050MHz (K)
24)Power:Low
MNU key Write
Frequency:224.995MHz (K)
25)Power:EL Tuning
Frequency:224.000MHz (K) control 0.5W ± 0.05W
Transmission
MNU key
0.9A or less
26)Power:EL
MNU key Write
Frequency:222.050MHz (K)
27)Power:EL
MNU key Write
Frequency:224.995MHz (K)
Item Conditions Measurement Adjustment Specifications/Remarks
Test equipment
Unit
Terminal
Unit Parts Method
Power check Battery Terminal:6.0V DC.A TX-RX ANT Check
[6.0V] Power:Hi
Power meter
(B/3) 0.3W~0.7W
Battery 1) Frequency:146.000MHz (K) 0.9A or less
Frequency:145.000MHz (E,T)
2) Frequency:144.050MHz
3) Frequency:147.995MHz (K)
Frequency:145.995MHz (E,T)
Transmission
Power:Hi 0.3W~0.7W
4) Frequency:444.000MHz (K) 0.9A or less
Frequency:435.000MHz (E,T)
5) Frequency:438.050MHz (K)
Frequency:430.050MHz (E,T)
6) Frequency:449.995MHz (K)
Frequency:439.995MHz (E,T)
Transmission
Power:Hi 0.3W~0.7W
7) Frequency:224.000MHz (K) 0.9A or less
8) Frequency:222.050MHz (K)
9) Frequency:224.995MHz (K)

TH-F6A/F7E
54
Item Conditions Measurement Adjustment Specifications/Remarks
Test equipment
Unit
Terminal
Unit Parts Method
Power check Battery Terminal:7.4V DC.A TX-RX ANT Check
[7.4V] Power:Hi
Power meter
(B/3) 4.5W~5.4W
Battery 1) Frequency:146.000MHz (K) 2.1A or less
Frequency:145.000MHz (E,T)
2) Frequency:144.050MHz
3) Frequency:147.995MHz (K)
Frequency:145.995MHz (E,T)
Transmission
Power:Low 0.3W~0.7W
4) Frequency:146.000MHz (K) 0.9A or less
Frequency:145.000MHz (E,T)
Transmission
5) Frequency:144.050MHz 0.3W~0.7W
6) Frequency:147.995MHz (K)
Frequency:145.995MHz (E,T)
Transmission
Power:EL 50mW~100mW
7) Frequency:146.000MHz (K) 0.6A or less
Frequency:145.000MHz (E,T)
Transmission
8) Frequency:144.050MHz 50mW~100mW
9) Frequency:147.995MHz (K)
Frequency:145.995MHz (E,T)
Transmission
Power:Hi
10)Frequency:435.000MHz 4.5W~5.4W
11)Frequency:438.050MHz (K) 2.1A or less
Frequency:430.050MHz (E,T)
12)Frequency:449.995MHz (K)
Frequency:439.995MHz (E,T)
Transmission
Power:Low
13)Frequency:444.000MHz (K) 0.3W~0.7W
Frequency:435.000MHz (E,T) 0.9A or less
Transmission
14)Frequency:438.050MHz (K) 0.3W~0.7W
Frequency:430.050MHz (E,T)
15)Frequency:449.995MHz (K)
Frequency:439.995MHz (E,T)
Transmission
Power:EL
16)Frequency:444.000MHz (K) 50mW~100mW
Frequency:435.000MHz (E,T) 0.6A or less
Transmission
17)Frequency:438.050MHz (K) 50mW~100mW
Frequency:430.050MHz (E,T)
18)Frequency:449.995MHz (K)
Frequency:439.995MHz (E,T)
Transmission
Power:Hi
19)Frequency:224.000MHz (K) 4.5W~5.4W
Transmission 2.1A or less
20)Frequency:222.050MHz (K)
Transmission
21)Frequency:224.995MHz (K)
Transmission
ADJUSTMENT

TH-F6A/F7E
55
Item Conditions Measurement Adjustment Specifications/Remarks
Test equipment
Unit
Terminal
Unit Parts Method
Power check Power:Low DC.A TX-RX ANT Check 0.3W~0.7W
[7.4V] 22)Frequency:224.000MHz (K)
Power meter
(B/3) 0.9A or less
Battery 23)Frequency:222.050MHz (K)
24)Frequency:224.995MHz (K)
Power:EL 50mW~100mW
25)Frequency:224.000MHz (K)
26)Frequency:222.050MHz (K)
27)Frequency:224.995MHz (K)
Power check DC-IN:13.8V
[13.8V] Power:Hi 4.5W~5.4W
DC-IN 1) Frequency:146.000MHz (K) 2.1A or less
Frequency:145.000MHz (E,T)
2) Frequency:144.050MHz
3) Frequency:147.995MHz (K)
Frequency:145.995MHz (E,T)
Transmission
Power:Low 1.6W~2.4W
4) Frequency:146.000MHz (K) 1.8A or less
Frequency:145.000MHz (E,T)
Transmission
5) Frequency:144.050MHz (E,T) 1.6W~2.4W
6) Frequency:147.995MHz (K)
Frequency:145.995MHz (E,T)
Transmission
Power:EL
7) Frequency:146.000MHz (K) 0.3W~0.7W
Frequency:145.000MHz (E,T) 0.9A or less
Transmission
8) Frequency:144.050MHz (E,T) 0.3W~0.7W
9) Frequency:147.995MHz (K)
Frequency:145.995MHz (E,T)
Transmission
Power:Hi
10)Frequency:444.000MHz (K) 4.5W~5.4W
Frequency:435.000MHz (E,T) 2.1A or less
11)Frequency:438.050MHz (K)
Frequency:430.050MHz (E,T)
12)Frequency:449.995MHz (K)
Frequency:439.995MHz (E,T)
Transmission
Power:Low
13)Frequency:444.000MHz (K) 1.6W~2.4W
Frequency:435.000MHz (E,T) 1.8A or less
Transmission
14)Frequency:438.050MHz (K) 1.6W~2.4W
Frequency:430.050MHz (E,T)
15)Frequency:449.995MHz (K)
Frequency:439.995MHz (E,T)
Transmission
Power:EL
16)Frequency:444.000MHz (K) 0.3W~0.7W
Frequency:435.000MHz (E,T) 0.9A or less
Transmission
17)Frequency:438.050MHz (K) 0.3W~0.7W
Frequency:430.050MHz (E,T)
18)Frequency:449.995MHz (K)
Frequency:439.995MHz (E,T)
Transmission
ADJUSTMENT

TH-F6A/F7E
56
Item Conditions Measurement Adjustment Specifications/Remarks
Test equipment
Unit
Terminal
Unit Parts Method
ADJUSTMENT
MAX DEV
Switch to Service Setup mode
and carry out the operations for item J.
1) Frequency:146.000MHz (K)
Oscilloscope
ANT Tuning Write 4KHz ± 200Hz
Frequency:145.000MHz (E,T)
Linear detector
control
AG:1KHz/80mV
Power meter
MNU key
Mod.Analyzer
15KHz, LPF,FM+/-Peak
Transmission
2) Frequency:144.050MHz
MNU key
Write
3) Frequency:147.995MHz (K)
MNU key
Write
Frequency:145.995MHz (E,T)
4) Frequency:444.000MHz (K) Tuning Write 4KHz ± 200Hz
Frequency:435.000MHz (E,T) control
Transmission
MNU key
5) Frequency:438.050MHz (K) 4KHz ± 200Hz
Frequency:430.050MHz (E,T)
Transmission
6) Frequency:449.995MHz (K) 4KHz ± 200Hz
Frequency:439.995MHz (E,T)
Transmission
7) Frequency:224.000MHz (K) 4KHz ± 200Hz
Transmission
8) Frequency:222.050MHz (K)
MNU key Write
9) Frequency:224.995MHz (K)
MNU key Write
MIC Sencitivity 1) Frequency:146.000MHz (K)
Linear detector
ANT Check 2.2KHz~3.6KHz
Frequency:145.000MHz (E,T)
Power meter
AG:1KHz/7mV
Oscilloscope
Transmission AG
2) Frequency:444.000MHz (K) 2.2KHz~3.6KHz
Frequency:435.000MHz (E,T)
3) Frequency:224.000MHz (K) 2.2KHz~3.6KHz
Item Conditions Measurement Adjustment Specifications/Remarks
Test equipment
Unit
Terminal
Unit Parts Method
Power check Power:Hi DC.A TX-RX ANT Check
[138V] 19)Frequency:224.000MHz (K)
Power meter
(B/3) 4.5W~5.4W
DC-IN Transmission 2.1A or less
20)Frequency:222.050MHz (K)
Transmission
21)Frequency:224.995MHz (K)
Transmission
Power:Low
22)Frequency:224.000MHz (K) 1.6W~2.4W
Transmission 1.8A or less
23)Frequency:222.050MHz (K)
Transmission
24)Frequency:224.995MHz (K)
Transmission
Power:EL
25)Frequency:224.000MHz (K) 0.3W~0.7W
Transmission 0.9A or less
26)Frequency:222.050MHz (K)
Transmission
27)Frequency:224.995MHz (K)
Transmission

TH-F6A/F7E
57
ADJUSTMENT
Item Conditions Measurement Adjustment Specifications/Remarks
Test equipment
Unit
Terminal
Unit Parts Method
VOX Sencitivity
Switch to Service Setup mode
write
and carry out the operations for item N.
1) Frequency:146.000MHz (K) AG MIC
MNU key
Write
Frequency:145.000MHz (E,T)
VOX1
AG:1KHz/50mV
Transmission
2) Frequency:146.000MHz (K)
Frequency:145.000MHz (E,T)
VOX9
AG:1KHz/3mV
Transmission
DCS balanc
Switch to Service Setup mode
Power meter
ANT Tuning By turning the tuning
and carry out the operations for item I.
Linear detector
control control, adjust the
1) Frequency:146.000MHz (K)
Oscilloscope
MNU key
modulation wave until
Frequency:145.000MHz (E,T) if becomes the square
Transmission wave.
2) Frequency:144.050MHz
Transmission
3) Frequency:147.995MHz (K)
Frequency:145.995MHz (E,T)
Transmission
4) Frequency:444.000MHz (K)
Frequency:435.000MHz (E,T)
Transmission
5) Frequency:438,050MHz (K)
Frequency:430,050MHz (E,T)
Transmission
6) Frequency:449.995MHz (K)
Frequency:439.995MHz (E,T)
Transmission
7) Frequency:224.000MHz (K)
Transmission
8) Frequency:222.050MHz (K)
9) Frequency:224.995MHz (K)
DCS Dev. write
Switch to Service Setup mode
and carry out the operations for item L.
1) Frequency:146.000MHz (K)
Power meter
ANT Tuning Write 0.9KHz ± 50Hz
Frequency:145.000MHz (E,T)
Linear detector
control
cade:D023
Oscilloscope
MNU key
Transmission
2) Frequency:144.050MHz
MNU key
Write
3) Frequency:147.995MHz (K)
MNU key
Write
Frequency:145.995MHz (E,T)
4) Frequency:444.000MHz (K) Tuning Write 0.9KHz ± 50Hz
Frequency:435.000MHz (E,T) control
Transmission
MNU key
5) Frequency:438.050MHz (K) 0.9KHz ± 50Hz
Frequency:430.050MHz (E,T)
Transmission
6) Frequency:449.995MHz (K) 0.9KHz ± 50Hz
Frequency:439.995MHz (K)
Transmission
7) Frequency:224.000MHz (K) 0.9KHz ± 50Hz
Transmission
8) Frequency:222.050MHz (K)
MNU key
Write
9) Frequency:224.995MHz (K)
MNU key
Write

TH-F6A/F7E
58
ADJUSTMENT
Item Conditions Measurement Adjustment Specifications/Remarks
Test equipment
Unit
Terminal
Unit Parts Method
CTCSS Dev.
Switch to Service Setup mode
and carry out the operations for item K.
1) Frequency:146.000MHz (K)
Power meter
ANT Tuning Write 0.8KHz ± 50Hz
Frequency:145.000MHz (E,T)
Linear detector
control
TONE:151.4HZ
Oscilloscope
MNU key
Transmission
2) Frequency:144.050MHz
MNU key
Write
3) Frequency:147.995MHz (K)
MNU key
Write
Frequency:145.995MHz (E,T)
4) Frequency:444.000MHz (K) Tuning Write 0.8KHz ± 50Hz
Frequency:435.000MHz (E,T) control
Transmission
MNU key
5) Frequency:438.050MHz (K) 0.8KHz ± 50Hz
Frequency:430.050MHz (E,T)
Transmission
6) Frequency:449.995MHz (K) 0.8KHz ± 50Hz
Frequency:439.995MHz (E,T)
Transmission
7) Frequency:224.000MHz (K)
Power meter
ANT 0.8KHz ± 50Hz
8) Frequency:222.050MHz (K)
Linear detector
MNU key Write
9) Frequency:224.995MHz (K)
Oscilloscope
MNU key Write
9600bps Dev.
Switch to Service Setup mode
and carry out the operations for item M.
1) Frequency:146.000MHz (K)
Power meter
ANT Tuning Write 2.2KHz ± 500Hz
Frequency:145.000MHz (E,T)
Linear detector
control
AG:1KHz/0.566V
Oscilloscope
Transmission
MNU key
2) Frequency:144.050MHz
MNU key
Write
3) Frequency:147.995MHz (K)
MNU key
Write
Frequency:145.995MHz (E,T)
4) Frequency:444.000MHz (K)
MNU key
Write 2.2KHz ± 500Hz
Frequency:435.000MHz (E,T)
Transmission
5) Frequency:438.050MHz (K) 2.2KHz ± 500Hz
Frequency:430.050MHz (E,T)
Transmission
6) Frequency:449.995MHz (K) 2.2KHZ ± 500Hz
Frequency:439.995MHz (E,T)
Transmission
7) Frequency:224.000MHz (K) Tuning Write 2.2KHZ ± 500Hz
control
MNU key
8) Frequency:222.050MHz (K)
MNU key
Write
9) Frequency:224.995MHz (K)
MNU key
Write
Item Conditions Measurement Adjustment Specifications/Remarks
Test equipment
Unit
Terminal
Unit Parts Method
DTMF Dev. 1) Frequency:146.000MHz (K) AG TX-RX ANT Check
check 2) Frequency:145.000MHz (E,T)
AF.V.M
(B/3) MIC 2.0KHz~4.2KHz
[7.4V]
Power meter
Protection check
1) Frequency:146.000MHz (K) DC.A 2.4A or less
[7.4V] Frequency:145.000MHz (E,T) Linear
2) Frequency:444.000MHz (K) detector
Frequency:435.000MHz (E,T)
osilloscope
ANT:Open
Transmission

ABCDE FGH I JKLMNOPQRS
1
3
4
5
6
7
8
9
10
11
12
13
14
2
TH-F6A/F7E
PC BOARD VIEW
59 60
Component side
Foil side
Pattern 1
Pattern 2
Pattern 3
Pattern 4
R758
R734
R735
R737
R736
R868 VR701
R832
C797
R815
R816
R820
R732
C720
C721
C810
C871
C879
R877
C803
CN715
C801
R818
R817C730
R821 R814
R716
R825
R760
R872
C799
R730
D710
D711
R731
C802
C800 C798
L705
R819
R733
L708
C744
D707
D708
C874
R855 R854
R701
C844
R801
R853
R859
IC719
S704
1
3
5
4
IC720
1
3
5
4
C733
C732 R752
R751
R858
R843
L709
R842
R837
C846
R857
C847
R856
R729
L704
C825
R726
C839
Q723
Q702
Q705
C723
C849
C848
C845
D706
D704
D702
D703
D716
D724
D721
D720D722
D723
D725
D717
D715
D712
D713
D714
PWR
MIC
1
4
7
∗
0
8
5
23
6
9
#
V
M
C
F
B
R
X57-636 A/3
J72-0778-09
CONTROL SECTION(A/3)
(Component side)
.oN.feRsserddA
917CIJ3
027CII5
207QK9
507QL3
327QO01
207DG3
307DF3
407DG3
607DI3
707DK3
807DG4
017DK01
117DJ01
217DO6
317DO7
417DM3
517DN3
617DN01
717DL01
027DE8
127DE7
227DD8
327DD7
427DE5
527DD5
DTC114EE
E
C
B
2SJ347
2SK1830
G
D
S
NJM2107F
+IN -IN
GND
VOUT
TX-RX UNIT (X57-636X-XX) (A/3) Component Side View
CONTROL SECTION

ABCDE FGH I JKLMNOPQRS
1
3
4
5
6
7
8
9
10
11
12
13
14
2
TH-F6A/F7E PC BOARD VIEW
62
61
t
CN714
1
GND
AFVO
AFVI
EN2
GND
EN1
IC707
1
5
10
6
6
TxD
RxD
M4
I
R
Q
G
X
C880 S701 S702 S703
C814
R738
R775
R773
R767
D727
R714
R747
C724
C767
C769
C765
C764
R739
IC704
IC709
1
3
5
4
IC710
R756
R776
C768
R769
C756
C760
C826
C763
R774
C815
CP705
CP704
CP703
CP702
CP701
Q714
123
54
R839
R757
D731
D730
D732
R764
C838
C743
C820
C747
R759
R763
R789
R845
R725
C738
R728
C717
R720
C782
C795
C742
R705
C714
C796
C701
C751
D726
C753
C809
C791
C885
C781
C881
R808
C794
C761
R740
C726
C705
R798
R797
R796
R708
R711
R709
C873
R715
R719
R718
C716
C712
TH701
R789
R703
C727
R742
R745
R729
C788
IC701
4
1
5
8
R710
R846
C827
C816
C817
C818
C819
R761
C745
CN713
C876
C766
L703
R866
R753
C783
D719
C784
CP706 CP707CP709
CP708 CP710
CP711
CP712
30
V50UT
IM1
OPOFF/TES/IMO/ID
DB7
DB6
DB5
DB4
DB3
DB2
DB1
DB0
RESET
CS
RS
E
RW/RD
GND
OSC2
OSC1
Vcc
Vc1
C1+
C1-
VLOUT
VLCD
V10UT
V20UT
V30UT
V40UT
NC
1
1
1
3
5
4
4
85
C746
L706 R890
C787
C836
C737
Q704
R744
R724
C828 C778
R835
C741
R871
C739 C740
R869
R870 C725
R706
R741
C728
R746
R743
R833
C703
C710
D709
C711
C875
C749
Q709
Q729
R717
Q725 Q710
R849
R712
R713
R704
C722
R721 C719
C718
C853
C702R844
R707
R876
C872
C843
R840
C770
Q708
Q706
C748
Q707
D705
Q701
C707
C709
C706
L702
IC702
1
2
3
5
4
C806
C805
C713
C878
C772
C823
C808
C824
Q716
C771
R830
IC714
IC711
1
1
2
3
4
8
7
6
5
2
3
4
8
7
6
5
IC712
X701
1
2
3
4
8
7
6
5
C883
R723
R863
C831
R864
C758
R771
R826 C759
C757
R782
C775
C752
R768
R879
C807
C750
R878
R783 R799
D718
C812
R829
C837
Q726
R702
R722
C755 R828
R827 R824
R772
C754
Q728
1
2
3
6
5
6R770
R766
R852
C773
R778
R780C774
C776
R875
R784
R804
R802
C792 R805
R785
R793
Q719
Q722
Q721
Q720
Q703
IC705
25
1
100
76
75
51
50 26 Q712
IC708
123
R812
R813
R786
C822R834
R803
R806R865
R750
R749
C780
R809
R810
R811
R794
C793
R860
R779
C852
R862 C735
IC706
1
1213
24
C715
C884
C734
R867
CP713
R861
R755
R754
C835C832
Q727
IC718
1
2
3
5
4
IC717
4
2
5
3
1
3
2
1
4
5
IC703
3
2
1
4
5
Q715
CN716
12
39 40
3
4
5
2
1
Q713
5
4
3
1
2
C834C833
R807
C829
R781
R777
R848
R790
R788
R787
R841
C841
C842
C704
C804
C777
R800
C870
C762
C811 R831
C813
R765
IC713
6
5
4
1
2
3
IC715
3
2
1
4
5
6
C882
APC&TUNEA BMS
PLF1 CHGI
LDB BVCOSW
DCDET LDA
SW1 SW2
LEB AFB
LEA AFA
FINE2 B
FINE1 MOD
LCK CK
TxL DATA
THM&SQA C8
SMB VTx
SQB VRB
SMA VRA
M4S VCV
VTUNEB VC
BAMS BSS
VXTAL WFMS
GND VSSB
LCD
X57-636 A/3
J72-0778-09
CONTROL SECTION(A/3)
(Foil side)
Component side
Foil side
Pattern 1
Pattern 2
Pattern 3
Pattern 4
TX-RX UNIT (X57-636X-XX) (A/3) Foil Side View
CONTROL SECTION
.oN.feRsserddA
107CII8
207CIG8
307CIM8
407CIG3
507CIG6
607CIN6
707CIF8
807CIJ4
907CIJ4
017CII3
117CIM7
217CIK4
317CIL8
417CIN8
517CIN7
717CIN7
817CIM8
107QH7
307QI6
407QE7
607QE9
707QG9
807QF8
907QK9
017QM9
217QJ4
317QM5
417QE7
517QN3
617QH8
917QM6
027QK5
127QK6
227QK6
527QJ9
627QM7
727QO8
827QN01
927QL9
507DH8
907DH7
817DM8
917DK3
627DK9
727DI5
037DL8
137DE9
237DE9
2SC4617
E
C
B
2SB1184
BCE
2SC4081
B
C
E
2SC4919
C
BE
UMA10N
UMX2N
4
6
1
3
RN47A5
1
3
4
5
TA75W558FU
TC4W53FU
1234
8765
2SJ347
2SK1830
G
D
S
RN5VL37A
TC7S66FU
1
2
3
45
TA7368F
10
15
6
LMC7101BIM5
4
5
1
3
XC6202P402PR
1
3
M62364FP
TA75W01FU
5
8
1
4
AT25128N10SI27
4
3
2
1
5
6
7
8
NJM2107F
PST9130NR
123
45
LM2681
1
3
4
6
TK11930M
1
3
6
4
+IN -IN
GND
VOUT
12
1
24
13

ABCDE FGH I JKLMNOPQRS
1
3
4
5
6
7
8
9
10
11
12
13
14
2
TH-F6A/F7E
PC BOARD VIEW
64
t
LCD
CN714
1
GND
AFVO
AFVI
EN2
GND
EN1
IC707
1
5
10
6
6
TxD
RxD
M4
I
R
Q
G
X
C880
S701
S702S703
C814
R738
R775
R773
R767
D727
R714
R747
C724
C767
C769
C765
C764
R739
IC704
IC709
1
3
5
4
IC710
R756
R776
C768
R769
C756
C760
C826
C763
R774
C815
CP705
CP704
CP703
CP702
CP701
Q714
123
54
R839
R757
D731
D730
D732
R764
C838
C743
C820
C747
R759
R763
R789
R845
R725
C738
R728
C717
R720
C782
C795
C742
R705
C714
C796
C701
C751
D726
C753
C809
C791
C885
C781
C881
R808
C794
C761
R740
C726
C705
R798
R797
R796
R708
R711
R709
C873
R715
R719
R718
C716
C712
TH701
R789
R703
C727
R742
R745
R729
C788
IC701
4
1
5
8
R710
R846
C827
C816
C817
C818
C819
R761
C745
CN713
C876
C766
L703
R866
R753
C783
D719
C784
CP706
CP707
CP709
CP708
CP710
CP711
CP712
30
V50UT
IM1
OPOFF/TES/IMO/ID
DB7
DB6
DB5
DB4
DB3
DB2
DB1
DB0
RESET
CS
RS
E
RW/RD
GND
OSC2
OSC1
Vcc
Vc1
C1+
C1-
VLOUT
VLCD
V10UT
V20UT
V30UT
V40UT
NC
1
1
1
3
5
4
4
85
C746
L706 R890
C787
C836
C737
Q704
R744
R724
C828
C778
R835
C741
R871
C739
C740
R869 R870
C725
R706
R741
C728
R746
R743
R833
C703
C710
D709
C711
C875
C749
Q709
Q729
R717
Q725
Q710
R849
R712
R713
R704
C722
R721
C719
C718
C853
C702 R844
R707
R876
C872
C843
R840
C770
Q708
Q706
C748
Q707
D705
Q701
C707
C709
C706
L702
IC702
1
2
3
5
4
C806
C805
C713
C878
C772
C823
C808
C824
Q716
C771
R830
IC714
IC711
1
1
2
3
4
8
7
6
5
2
3
4
8
7
6
5
IC712
X701
1
2
3
4
8
7
6
5
C883
R723
R863
C831
R864
C758
R771
R826 C759
C757
R782
C775
C752
R768
R879
C807
C750
R878
R783
R799
D718
C812
R829
C837
Q726
R702
R722
C755
R828 R827R824
R772
C754
Q728
1
2
3
6
5
6
R770
R766
R852
C773
R778
R780C774
C776
R875
R784
R804
R802
C792 R805
R785
R793
Q719 Q722
Q721
Q720
Q703
IC705
25
1
100 76
75
51
50
26
Q712
IC708
123
R812
R813
R786
C822R834
R803
R806R865
R750
R749
C780
R809
R810
R811
R794
C793
R860
R779
C852
R862
C735
IC706
1
12 13
24
C715
C884
C734
R867
CP713
R861
R755
R754
C835 C832
Q727
IC718
1
2
3
5
4
IC717
4
2
5
3
1
3
2
1
4
5IC703
3
2
1
4
5
Q715
CN716
12
39 40
3
4
5
2
1
Q713
5
4
3
1
2
C834C833
R807
C829
R781
R777
R848
R790
R788
R787
R841
C841 C842 C704 C804
C777
R800
C870
C762
C811
R831
C813
R765
IC713
6
5
4
1
2
3
IC715
3
2
1
4
5
6
C882
APC&TUNEA BMS
PLF1 CHGI
LDB BVCOSW
DCDET LDA
SW1 SW2
LEB AFB
LEA AFA
FINE2 B
FINE1 MOD
LCK CK
TxL DATA
THM&SQA C8
SMB VTx
SQB VRB
SMA VRA
M4S VCV
VTUNEB VC
BAMS BSS
VXTAL WFMS
GND VSSB
R758
R734
R735
R737
R736
R868 VR701
R832
C797
R815
R816
R820
R732
C720
C721
C810
C871
C879
R877
C803
CN715
C801
R818
R817C730
R821 R814
R716
R825
R760
R872
C799
R730
D710
D711
R731
C802
C800 C798
L705
R819
R733
L708
C744
D707
D708
C874
R855 R854
R701
C844
R801
R853
R859
IC719
S704
1
3
5
4
IC720
1
3
5
4
C733
C732 R752
R751
R858
R843
L709
R842
R837
C846
R857
C847
R856
R729
L704
C825
R726
C839
Q723
Q702
Q705
C723
C849
C848
C845
D706
D704
D702
D703
D716
D724
D721
D720D722
D723
D725
D717
D715
D712
D713
D714
PWR
MIC
1
4
7
0
8
5
23
6
9
#
V
M
C
F
B
R
X57-636 A/3
J72-0778-09
CONTROL SECTION(A/3)
(Component + Foil side)
Component side
Foil side
Pattern 1
Pattern 2
Pattern 3
Pattern 4
● Connect 1 and 4.
.oN.feRsserddA
107CIK8
207CIM8
307CIG8
407CIM3
507CIM6
607CIF6
707CIN8
807CIJ4
907CIJ4
017CIK3
117CIG7
217CII4
317CIH8
417CIF8
517CIF7
717CIF7
817CIG8
917CIJ3
027CII5
107QL7
207QK9
307QK6
407QO7
507QL3
607QO9
707QM9
807QN8
907QI9
017QG9
217QJ4
317QG5
417QO7
517QF3
617QL8
917QG6
027QI5
127QI6
227QI6
327QO01
527QJ9
627QG7
727QE8
827QF01
927QH9
207DG3
307DF3
407DG3
507DL8
607DI3
707DK3
807DG4
907DL7
017DK01
117DJ01
217DO6
317DO7
417DM3
517DM4
617DN01
717DL01
817DG8
917DI3
027DE8
127DE7
227DD8
327DD7
427DE5
527DD5
627DI9
727DK5
037DH8
137DO9
237DO9
DTC114EE
2SC4617
E
C
B
2SB1184
BCE
2SC4081
B
C
E
UMA10N
UMX2N
4
6
1
3
2SC4919
C
BE
RN47A5
1
3
4
5
TA75W558FU
TC4W53FU
1234
8765
2SJ347
2SK1830
2SK3019
G
D
S
RN5VL37A
TC7S66FU
1
2
3
45
TA7368F
10
15
6
PST9130NR
123
45
TK11930M
1
3
6
4
LM2681
1
3
4
6
LMC7101BIM5
4
5
1
3
XC6202P402PR
1
3
M62364FP
TA75W01FU
5
8
1
4
AT25128N10SI27
4
3
2
1
5
6
7
8
NJM2107F
63
+IN -IN
GND
VOUT
TX-RX UNIT (X57-636X-XX) (A/3) Component Side View + Foil Side View
CONTROL SECTION
12
1
24
13

ABCDE FGH I JKLMNOPQRS
1
3
4
5
6
7
8
9
10
11
12
13
14
2
TH-F6A/F7E PC BOARD VIEW
66
65
TX-RX UNIT (X57-686X-XX) (B/3) Component Side View
Q3
Q1
D7
R90
C152
C171
R89
C22
C21
R87
C24
L3
R122
L23
C200
R69 C30
C31
C559
R67
C37
R143
R144 R151
D1
D62
D33
C7
C226
R178
C274
C256
R177
C272
L35
C302
R352
R257
C463
C464
C465
R417
C468
C361
C353 L203
L49
L199
L121
C672
R223
L184
L134
L115
L46
L116 L117
Q72 12
43
R229
C360
C673
R227
C671
C664
C577
C347
C666
C469
C470
C471
C472
C473
C474
C475
C476
R416 R317
R318
R319
R396
C437
C447
C417
C415
C412
F10
C413
R394
C368
C663
R349
D28
C645
C646
C647
R37
R402
C648
C72
C642
L151
L152
L153
C91
C97
C95
L13
C332
R60
C331
L154
C270
L34
C628
R246
C286
R188
R421
C6
R411
R11
C263
C113
C33C34C32
C106
R168
C643
C638
C636
L185
C222
C561 C224 C223
C26
C28
L2
R124
D29
D58
D108
D107
D110
D99
D100
D121
D116
D93
D118
D73
D70
D117
L48
D101
D102
D109
D8
C558 C127
D20
D24
D106
D95
D96
D97
R301
CP2 CP9
CP12
CP13
IC11
1
11
10
20
CP22 CP21
R8
C29
R300
R245
C451
R189
R308
R302
IC6
1
8
9
16
IC2
1
8
9
16
C228
C36
C41
C301
C229
C230
C220
C231
R179
R401
R39
C94
C75
Q11
Q12
Q93
IC3
14
85
1
2
3
6
5
4
Q21
Q19 Q71
Q76
Q94
Q97
Q40 Q96
Q95
C260
C265
R391
C283 R347
R404
R350
R351
R348
R309
R308
C467
C466
R320
R343
C635
R313
C634
C436 C438 C440
C421
C352
C381
C439 C441
C630
C269
CN8
GND
DACV
DAVCOS
DA220S
DBSS
DAOUT
12
1112
C271
R145
C1
R147
C13
Q98 R420
R9
C23 F2
D6
D2
C17
R16
R13 R12
C119
R326
R57
R378C625
C110
R340
L138
R377
R384
C644
C107
R56
C105
R331
R333
C562 C563
C112
R359
R356
C548
R407
R15
C2
R6
R5
C40
Q4
1
34
6
25
R14
C25
X2
CD1
C42
C117
C116
R141
L194 R332
C537
C611
C557
R297
C552
C553
C554
R341
C392
C551
C547
C351
R406
D52
D85
L157
L45
L75
L69
L56
L58
L60
L68
L59
L132
L81
L80
L195
C350
C349 C394
C407
C409
C429
C382
L42
C484
C418
C419
C627
C430
C348
C660
C523
C414
C416
D62
K TYPE ONLY
J,E,T TYPE
C432
C584
L125
C589
L126
L65
L78
L133
L63
L77
L67
L76
L79
C585
R298
C395 C390
C428
C592
C408
C315R382
R379
R59
C86
C84
R304
R400
R142
L180
C123
R381
R62
C121
C89
C108
C362
L50
Q56
Q54
C667
L201
C358
C357
L197
R228
C343
R334
C670
L198
C669
C346
C341
C345
C674
R224
R255
C668
C109
L181 C624
R58
C653
L187 C115
R64
C114
R61
C90
R164
R170
C637
R51
C19
R7
C4
R88 C172 R112
R114 CF1
CF3
CF4
CF2
C169
C175
R110 C174
L19
L18
IC1
4
5
3
1
D59
D41
DBCV
DMOD
DBSS
DTXL
DVCV
DBOUT
C43
X57 B/3
C45
Component side
Foil side
Pattern 1
Pattern 2
Pattern 3
Pattern 3
TX-RX UNIT(B/3)
(Component side)
.oN.feRsserddA
1CIE3
2CIE8
3CIH7
6CIE9
11CII01
1QF5
3QE3
4QF5
11QG9
21QF7
91QH6
12QG7
04QF01
65QI9
17QI6
27QJ6
67QK5
39QG7
49QF8
59QK01
69QL01
79QH01
89QD11
1DF11
2DG4
6DE4
7DE3
8DD8
02DD7
42DD8
82DH11
92DD7
33DE01
14DH01
25DM5
25DM5
45DI7
85DD9
95DC9
26D)K(M8
26D)T,E,J(L9
07DL8
37DM7
58DM6
39DL5
59DI5
69DI5
79DJ5
99DG6
001DH6
101DH6
201DH5
601DG11
701DH9
801DG9
901DG8
011DH8
611DK5
711DL7
811DL7
121DI7
DTA143ZE
DTC144EE
2SC4226
2SC4725
2SC5009
2SC5108
E
C
B
2SC5192
3
4
1
2
2SK1830
G
D
S
2SD1760
BCE
LMX2326TMX
1
8
9
16
HN1K02FU
D1
S2 G1
D2
S2
G2
MT6C03AE LM3420-8.4
1
3
4
5
BU2099FV
1
10
11
20
1
3
4
6

ABCDE FGH I JKLMNOPQRS
1
3
4
5
6
7
8
9
10
11
12
13
14
2
TH-F6A/F7E
PC BOARD VIEW
68
TX-RX UNIT (X57-686X-XX) (B/3) Foil Side View
C167
R76
R94 C165
R96
R93
R95
C16
R102 C166 R105
C181
R103
C178
C15C179
C626
R24
R23
C199
C149
TH2
IC5
1
24
12
13
C130
C134
R74
R73
C133
C665
R86
C151
C163
C150
C20
C18
C46
C5
C3
F3
TP2
TP5
TP4
TP1
F1
R10
R365
C218
CF5
XF1
XF2
L92
X1
R126
C183
R106
CP7
Q5
D5
Q25
Q2
Q73
Q50
Q65
Q30
Q26
D4
R2
R19
C164
Q100
C170
C173
R97
C168
C129
R75
Q24
Q43
Q32
Q52
Q27
X3
C145
R71
R77
C140
R79
R82
R92
C158
C296
L196
C27
Q44
C135
C461
R186
IC7
1
8
16
9
C631
R183
C282
R185
R251
Q59
C450
R252
R190
C299
C264
R182
C310
C103 C570
R152
C104
R202C597
R198
R201
R1
R139
R21
C208
C209
R136
R339
R287
R292
C516
R221
C339
R286
C521
R329
C556
C549
R327
R322
C539
R376
Q74
Q49
IC8
123
54
R375
Q64
Q63
R360
C656
C544
R361
C619
C596C620
C546
C545
C621
C618
C314
C535
R237
C388
C676
C387 C588
R403
C655
R210
TH1
C565
L159
C502
C678
C679
C501
C335
C507
R275
R270
R234
R232 R366
R422
R373
L141C491
R267
C489
L94
L95
R415C328
C325
Q47
Q92
Q66
Q51
L99
C411
C659
C582
C396
D126
D122
R211
C322
R212
R209
C326
IC9
3
2
1
4
5
C460
C677
C323
D45
R269 C490
C376
R336
C538
R299
R337
C196
C210
R135
C281
C212
R137
C215
R113
C442
R172
C266
R140
R272
C616
C519
R281
R282
R243 R55
C214
R390
C219
C9
R48 C303
C88
R199
D67
D119
D71
D65
D125
D123
D124
D68
D74
D57
D115
D114
D53
D94
D51
D49 D44
D54
D112
D113
D104
D103
D78 D32
D91
D80
D120
D75
D81
D89
D90
D76
D88
D87
D77
D72
D83
R197
C308
C309
C513
C449
C445
R244
C448
C485
IC10
1
2
3
6
5
4
C496
C499
C498 L90
Q41
Q58
Q17
Q14
Q8
D63
D69
C290
R255
C143
R107 C632
C147
C177
C155
C280
L102
L104
L105
L192
L146
L124 Q57
Q55
L167
L61
C126
C180
L21
L22
L169
C182
C189
C186
R109
C190
C141
C139
Q23
1
3
6
4Q22 1
25
3
6
4
Q45 4
5
6
3
2
1
Q28
4
6
3
1
Q29
Q48
D60
4
6
3
1
4
Q15
2
1
3
5
C191
R98 C205
R392
D25
R125
C184
C188
TP3
J1
C202 C138 R80 C137
R418
R196 C287
C288
R193
C157
C154 C156
C159
C12 C14
C10
L1
L36
L188
L101
CN1
L38
L182
L131
L26
L168
L163
L106
L112
L191
L186
L98
L97
C587
C654
C410
C356C363
C354
C580
C583
C373
L128
L165
L111
L173
L172
L161
L109
L110
R204
R206
L164
L183
L162
L179
C462
R256
R253
C457 R254
C285
R72
C284
C458
R387
C454
R249
C453 R248
C455
R68
R414
R184
C291
C292
C293
R191
CN7
1
APC&TUNEA
BMS
PLF1
CHGI
LDB
BVCOSW
DCDET
LDA
SW1
SW2
LEB
AFB
LEA
AFA
FINE2
B
FINE1
MOD
LCK
CK
TxL
DATA THM&SQAC8
SMB
VTx
SQB
VRB
SMA
VRA
M4S
VCV
VTUNEB
VC
BAMS
BSS
VXTAL
WFMS
GND
VSSB 39
2
40
C297
R195
R181
C277
C278
R200
C306
C307
C305
R324
C575
C576
C652
L89
C495
R271
C494
R291
C512R280
C444
C503
R264
R285 R279
R399
C517
C518
C497
C500
L91
C477
C298
C295
R192
C85
C87
C8
C311
R4C11
C102
R129
C211
C213 R134
R130
C681
R128
R131 R353
C221 R138
C217
C520
R354
R284
R413
C515
L108
C662
R222
L193
C338
C333
C340
R226
C524
C560
C528
C543
R294
C527
R293
C529
R410
C657
R409
R408
R357
C522
L177
R288
C555
C531
C533 C532
R314
C389
C318
C319
C321
C313
R213
C317
C320
C336
R220
R239
C675
D82
C640
R240 C511
R397 R207 C324 R321
C420
L176
R278
C509
C508
C510
C571
C506
R273
C504 R374 C488
L142
C334
R412
C661
R233
L190
C578
L123
L44
C579
L160
C344
C337
C312 R203
C378
C377
R274
L96 C492
R242
C327
C505
R423
C534
C536
C525
C567
C446
C443
C289
R194
R70
R81
R116
C206
C203
R115
C162
C160
IC4
1
4
8
5
C161
C192
R119
C193
4
Q68
Q62
Q46
2
1
3
5
2
Q53
4
5
3
1
2
Q99
4
5
3
1
C680
X57 B/3
Component side
Foil side
Pattern 1
Pattern 2
Pattern 3
Pattern 4
TX-RX UNIT(B/3) (Foil side)
.oN.feRsserddA.oN.feRsserddA
4CIP64DN4
5CIP45DN5
7CIP852DQ5
8CIF623DL8
9CIF844DG8
01CIL854DG01
2QN494DG6
5QN515DG6
8QM1135DH8
41QN845DH8
51QM875DL7
71QN0106DQ8
22QQ836DM01
32QQ756DL8
42QQ676DL01
52QO586DL8
62QO696DH01
72QP617DL01
82QL627DK8
92QP847DK8
03QL557DK7
23QQ767DJ6
14QN0177DJ6
34QO987DL8
44QP708DK7
54QM918DK7
64QI1128DG9
74QG0138DK8
84QQ978DI6
94QF688DK5
05QF798DK5
15QG1109DK6
25QQ819DL7
35QH0149DH5
55QJ7301DL7
75QI8401DH9
85QM8211DG8
95QQ01211DH9
26QH01311DI6
36QK6511DI5
46QJ5911DJ9
56QM4021DJ7
66QG01321DL9
86QG9421DL9
37QH5521DL8
47QJ5621DG8
29QJ01
99QJ01
001QP3
411QG7
DTA114YE
DTA143ZE
DTC123JE
2SC4617
2SC5009
2SC5108
E
C
B
UMX2N
4
6
1
3
2SK1830
2SK3019
G
D
S
3SK320
D
S
G1
G2
SSM3J05FU
UPA672T
13
64
2SJ243
2SK1824
S
G
D
LMC7101BIM5
4
5
1
3
MT6C03AE TA31136FN
1
8
9
16
UPC2746TB
3
4
2
5
1
6
67
1
3
4
6

ABCDE FGH I JKLMNOPQRS
1
3
4
5
6
7
8
9
10
11
12
13
14
2
TH-F6A/F7E PC BOARD VIEW
TX-RX UNIT (X57-686X-XX) (B/3) Component Side View + Foil Side View
C167
R76
R94 C165
R96
R93
R95
C16
R102 C166 R105
C181
R103
C178
C15C179
C626
R24
R23
C199
C149
TH2
IC5
1
24
12
13
C130
C134
R74 R73
C133
C665
R86
C151
C163 C150
C20
C18
C46
C5
C3
F3
TP2
TP5
TP4
TP1
F1
R10
R365
C218
CF5
XF1
XF2
L92
X1
R126
C183
R106
CP7
Q5
D5
Q25
Q2 Q73
Q50
Q65
Q30
Q26
D4
R2
R19
C164
Q100
C170
C173
R97
C168
C129
R75
Q24
Q43
Q32
Q52
Q27
X3
C145
R71
R77
C140
R79 R82
R92
C158
C296
L196
C27
Q44
C135
C461
R186
IC7
1
8
16
9
C631
R183
C282
R185
R251
Q59
C450
R252
R190
C299
C264 R182
C310
C103
C570
R152 C104
R202 C597
R198
R201
R1
R139
R21 C208
C209
R136
R339
R287
R292
C516
R221
C339
R286
C521
R329
C556 C549
R327 R322
C539
R376
Q74
Q49
IC8
123
54
R375
Q64
Q63
R360
C656
C544
R361
C619 C596 C620
C546
C545
C621 C618
C314
C535
R237
C388 C676
C387
C588
R403
C655 R210
TH1
C565 L159
C502
C678
C679 C501
C335
C507
R275
R270
R234
R232
R366
R422
R373
L141 C491
R267
C489
L94
L95
R415 C328
C325
Q47
Q92
Q66
Q51
L99
C411
C659
C582 C396
D126
D122
R211
C322
R212 R209
C326
IC9
3
2
1
4
5
C460
C677
C323
D45
R269C490
C376
R336
C538
R299
R337
C196 C210
R135
C281
C212
R137
C215 R113
C442
R172 C266
R140 R272
C616
C519
R281
R282
R243
R55
C214
R390
C219
C9
R48
C303
C88
R199 D67
D119
D71
D65
D125
D123
D124
D68 D74
D57
D115
D114
D53
D94
D51
D49 D44
D54
D112
D113
D104
D103
D78
D32
D91
D80
D120
D75
D81
D89
D90
D76
D88
D87
D77
D72
D83
R197 C308
C309 C513
C449
C445 R244
C448 C485
IC10
1
2
3
6
5
4
C496 C499
C498
L90
Q41
Q58
Q17
Q14
Q8
D63
D69
C290
R255
C143
R107
C632
C147
C177
C155
C280
L102
L104
L105
L192
L146
L124
Q57
Q55
L167
L61
C126
C180
L21
L22
L169
C182
C189
C186
R109
C190
C141
C139
Q23
1
3
6
4Q22 1
25
3
6
4
Q45 4
5
6
3
2
1
Q28
4
6
3
1
Q29
Q48
D60
4
6
3
14
Q15
2
1
3
5
C191
R98 C205
R392
D25
R125
C184
C188
TP3
J1
C202 C138 R80 C137
R418
R196 C287
C288
R193
C157
C154 C156
C159
C12 C14
C10
L1
L36
L188
L101
CN1
L38
L182
L131
L26
L168
L163
L106
L112
L191
L186
L98
L97
C587
C654
C410
C356 C363
C354
C580
C583
C373
L128
L165
L111
L173
L172
L161
L109
L110
R204
R206
L164
L183
L162
L179
C462
R256
R253
C457 R254
C285
R72
C284
C458
R387
C454
R249
C453 R248
C455
R68
R414
R184
C291
C292
C293
R191
CN7
1
APC&TUNEA
BMS
PLF1CHGI
LDBBVCOSW
DCDET
LDA
SW1
SW2
LEBAFB
LEAAFA
FINE2
B
FINE1
MOD
LCKCK
TxL
DATA THM&SQA
C8
SMBVTx
SQBVRB
SMA
VRA
M4SVCV
VTUNEBVC
BAMSBSS
VXTALWFMS
GND
VSSB 39
2
40
C297
R195
R181
C277
C278
R200
C306
C307
C305
R324
C575
C576
C652
L89
C495
R271
C494
R291
C512R280
C444
C503
R264
R285 R279
R399
C517
C518
C497
C500
L91
C477
C298
C295
R192
C85
C87
C8
C311
R4C11
C102
R129
C211
C213 R134
R130
C681
R128
R131 R353
C221 R138
C217
C520
R354
R284
R413
C515
L108
C662
R222
L193
C338
C333
C340
R226
C524
C560
C528
C543
R294
C527
R293
C529
R410
C657
R409
R408
R357
C522
L177
R288
C555
C531
C533 C532
R314
C389
C318
C319
C321
C313
R213
C317
C320
C336
R220
R239
C675
D82
C640
R240 C511
R397 R207 C324 R321
C420
L176
R278
C509
C508
C510
C571
C506
R273
C504 R374 C488
L142
C334
R412
C661
R233
L190
C578
L123
L44
C579
L160
C344
C337
C312 R203
C378
C377
R274
L96 C492
R242
C327
C505
R423
C534
C536
C525
C567
C446
C443
C289
R194
R70
R81
R116
C206
C203
R115 C162 C160
IC4
1
4
8
5
C161 C192
R119
C193
4
Q68
Q62
Q46
2
1
3
5
2
Q53 4
5
3
1
2
Q99
4
5
3
1
C680
Q3
Q1
D7
R90
C152
C171
R89
C22
C21
R87
C24
L3
R122
L23
C200
R69 C30
C31
C559
R67
C37
R143
R144 R151
D1
D62
D33
C7
C226
R178
C274
C256
R177
C272
L35
C302
R352
R257
C463
C464
C465
R417
C468
C361
C353 L203
L49
L199
L121
C672
R223
L184
L134
L115
L46
L116 L117
Q72 12
43
R229
C360
C673
R227
C671
C664
C577
C347
C666
C469
C470
C471
C472
C473
C474
C475
C476
R416 R317
R318
R319
R396
C437
C447
C417
C415
C412
F10
C413
R394
C368
C663
R349
D28
C645
C646
C647
R37
R402
C648
C72
C642
L151
L152
L153
C91
C97
C95
L13
C332
R60
C331
L154
C270
L34
C628
R246
C286
R188
R421
C6
R411
R11
C263
C113
C33C34C32
C106
R168
C643
C638
C636
L185
C222
C561 C224 C223
C26
C28
L2
R124
D29
D58
D108
D107
D110
D99
D100
D121
D116
D93
D118
D73
D70
D117
L48
D101
D102
D109
D8
C558 C127
D20
D24
D106
D95
D96
D97
R301
CP2 CP9
CP12
CP13
IC11
1
11
10
20
CP22 CP21
R8
C29
R300
R245
C451
R189
R308
R302
IC6
1
8
9
16
IC2
1
8
9
16
C228
C36
C41
C301
C229
C230
C220
C231
R179
R401
R39
C94
C75
Q11
Q12
Q93
IC3
14
85
1
2
3
6
5
4
Q21
Q19 Q71
Q76
Q94
Q97
Q40 Q96
Q95
C260
C265
R391
C283 R347
R404
R350
R351
R348
R309
R308
C467
C466
R320
R343
C635
R313
C634
C436 C438 C440
C421
C352
C381
C439 C441
C630
C269
CN8
GND
DACV
DAVCOS
DA220S
DBSS
DAOUT
12
1112
C271
R145
C1
R147
C13
Q98 R420
R9
C23 F2
D6
D2
C17
R16
R13 R12
C119
R326
R57
R378C625
C110
R340
L138
R377
R384
C644
C107
R56
C105
R331
R333
C562 C563
C112
R359
R356
C548
R407
R15
C2
R6
R5
C40
Q4
1
34
6
25
R14
C25
X2
CD1
C42
C117
C116
R141
L194 R332
C537
C611
C557
R297
C552
C553
C554
R341
C392
C551
C547
C351
R406
D52
D85
L157
L45
L75
L69
L56
L58
L60
L68
L59
L132
L81
L80
L195
C350
C349 C394
C407
C409
C429
C382
L42
C484
C418
C419
C627
C430
C348
C660
C523
C414
C416
D62
K TYPE ONLY
J,E,T TYPE
C432
C584
L125
C589
L126
L65
L78
L133
L63
L77
L67
L76
L79
C585
R298
C395 C390
C428
C592
C408
C315R382
R379
R59
C86
C84
R304
R400
R142
L180
C123
R381
R62
C121
C89
C108
C362
L50
Q56
Q54
C667
L201
C358
C357
L197
R228
C343
R334
C670
L198
C669
C346
C341
C345
C674
R224
R255
C668
C109
L181 C624
R58
C653
L187 C115
R64
C114
R61
C90
R164
R170
C637
R51
C19
R7
C4
R88 C172 R112
R114 CF1
CF3
CF4
CF2
C169
C175
R110 C174
L19
L18
IC1
4
5
3
1
D59
D41
DBCV
DMOD
DBSS
DTXL
DVCV
DBOUT
C43
X57 B/3
C45
.oN.feRsserddA.oN.feRsserddA.oN.feRsserddA
1CIE337QL538DI8
2CIE847QJ558DM6
3CIH767QK578DK6
4CID629QJ0188DI5
5CID439QG798DI5
6CIE949QF809DI6
7CID859QK0119DH7
8CIN669QL0139DL5
9CIN879QH0149DL5
01CIH889QD1159DI5
11CII0199QJ0169DI5
1QF5001QD379DJ5
2QF4411QM799DG6
3QE31DF11101DH6
4QF52DG4201DH5
5QF54DF4301DH7
8QG115DF5401DL9
11QG96DE4601DG11
21QF77DE3701DH9
41QF88DD8801DG9
51QG802DD7901DG8
71QF0142DD8011DH8
91QH652DC5211DM8
12QG782DH11211DL9
22QC892DD7311DK6
32QC723DH8511DK5
42QC633DE01611DK5
52QE514DH01711DL7
62QE644DM8811DL7
72QD654DM01911DJ9
82QH694DM6021DJ7
92QD815DM6121DI7
03QH525DM5321DH9
23QC725DM5421DH9
04QF0135DL8521DH8
14QF0145DL8621DM8
34QE945DI7
44QD775DH7
54QG985DD9
64QK1195DC9
74QM0106DC8
84QC926D)K(M8
94QN626D)T,E,J(L9
05QN736DG01
15QM1156DH8
25QC876DH01
35QL1186DH8
55QJ796DL01
65QI907DL8
75QK817DH01
85QG827DI8
95QC0137DM7
26QL0147DI8
36QI657DI7
46QJ567DJ6
56QG477DJ6
66QM0187DH8
86QM908DI7
17QI618DI7
27QJ628DM9
HN1K02FU
D1
S2 G1
D2
S2
G2
SSM3J05FU
UPA672T
13
64
2SJ243
2SK1824
S
G
D
LMC7101BIM5
4
5
1
3
MT6C03AE LM3420-8.4
1
3
4
5
LMX2326TMX
1
8
9
16
Component side
Foil side
Pattern 1
Pattern 2
Pattern 3
Pattern 4
● Connect 1 and 4.
TA31136FN
1
8
9
16
UPC2746TB
3
4
2
5
1
6
BU2099FV
1
10
11
20
DTA114YE
DTA143ZE
DTC123JE
DTC144EE
2SC4226
2SC4617
2SC4725
2SC5009
2SC5108
E
C
B
2SD1760
BCE
2SC5192
3
4
1
2
UMX2N
4
6
1
3
2SK1830
2SK3019
G
D
S
3SK320
D
S
G1
G2
TX-RX UNIT(B/3) (Component side + Foil side)
70
69
1
3
4
6

ABCDE FGH I
1
3
4
5
6
7
8
9
10
11
12
13
14
2
71
TH-F6A/F7E
PC BOARD VIEW
VCO SECTION(C/3)
(Component side)
.oN.feRsserddA
6QE5
7QF5
9QE3
01QF4
31QF3
43QF5
53QD5
73QG5
9DE5
01DE3
11DD4
21DD4
61DE2
81DE4
12DF3
43DE6
53DF6
63DE6
73DG7
04DE6
VCO SECTION(C/3)
(Foil side)
.oN.feRsserddA
13QF21
96QE21
07QE21
83DF21
DTC144EE
2SC4617
2SC5009
2SC5108
E
C
B
HN1J02FU
D1
S2 G1
D2
S2
G2
MT6C03AE
DTC144EE
2SC4617
E
C
B
TX-RX UNIT
VCO SECTION (X57-636X-XX)
(C/3) Foil Side View
TX-RX UNIT
VCO SECTION (X57-636X-XX) (C/3)
Component Side View
1
3
4
6
Component side
Foil side
Pattern 1
Pattern 2
Pattern 3
Pattern 4
X57 C/3
D16
D11
D10
D12
D18
Q13
Q7
Q37
Q10
Q6
Q9
1
1
1
232
3
6
5
4
23
4
5
C50
C71
C49
C568
C245C237
C238
R307
C253
R306
R158
R153
C82
C78
C44
C242
C51
C58
C60
C52
C79
C658
C249
R311
R35
R41
R42
R43
R312
R18
R160
R46
R167
R159
R166
R156
C69
C48
L8
L6
L7
L30
L27
L29
L32
L9
L5
R22
C68
C70
C57
C66
C67
C77
C62
C56 C64
R33
R30
R31
R29
R20
R28
R40
R154
R315
R149
C227
R148
C65
C76
C53C254
C83
C569C246 C259
C252
C239
C248 C247
C54C55C255
R32
R44
R305
R162
R310
C240
R165
R163
R26
R34
R17
R27
R157 C61
C59
C80
C241
C234
C233
C251
R45
D21
D9
D34
D40
D36
D35 D37
L10
L28
L31
Q35
6
4
5
3
2
1
Q34
1
2
3
6
5
4
C235
Component side
Foil side
Pattern 1
Pattern 2
Pattern 3
Pattern 4
C641
R398
C47
C195
Q70
1GND
DACV
DAVCOS
DA220S
DVRA
DAOUT
DBCV
DMOD
DBSS
DTXL
DVCV
DBOUT
11 12
2
Q69
Q31
D38
R214
R208
CN9
C225
C261
C236
R146
C232
X57 C/3

ABCDE FGH I
1
3
4
5
6
7
8
9
10
11
12
13
14
2
72
TH-F6A/F7E PC BOARD VIEW
.oN.feRsserddA
6QD7
7QE6
9QD5
01QF6
31QF5
13QE8
43QE7
53QD7
73QF7
96QE7
07QE8
9DE7
01DE4
11DC6
21DD6
61DD4
81DD6
12DE5
43DE8
53DF8
63DD8
73DF8
83DD8
04DD8
VCO SECTION(C/3)
(Component side + Foil side)
DTC144EE
2SC4617
2SC5009
2SC5108
E
C
B
HN1J02FU
D1
S2 G1
D2
S2
G2
MT6C03AE
TX-RX UNIT
VCO SECTION (X57-636X-XX) (C/3)
Component Side View + Foil Side View
1
3
4
6
Component side
Foil side
Pattern 1
Pattern 2
Pattern 3
Pattern 4
● Connect 1 and 4.
C641
R398
C47
C195
Q70
1GND
DACV
DAVCOS
DA220S
DVRA
DAOUT
DBCV
DMOD
DBSS
DTXL
DVCV
DBOUT
11 12
2
Q69
Q31
D38
R214
R208
CN9
C225
C261
C236
R146
C232
X57 C/3
D16
D11
D10
D12
D18
Q13
Q7
Q37
Q10
Q6
Q9
1
1
1
232
3
6
5
4
23
4
5
C50
C71
C49
C568
C245C237
C238
R307
C253
R306
R158
R153
C82
C78
C44
C242
C51
C58
C60
C52
C79
C658
C249
R311
R35
R41
R42
R43
R312
R18
R160
R46
R167
R159
R166
R156
C69
C48
L8
L6
L7
L30
L27
L29
L32
L9
L5
R22
C68
C70
C57
C66
C67
C77
C62
C56 C64
R33
R30
R31
R29
R20
R28
R40
R154
R315
R149
C227
R148
C65
C76
C53C254
C83
C569C246 C259
C252
C239
C248 C247
C54C55C255
R32
R44
R305
R162
R310
C240
R165
R163
R26
R34
R17
R27
R157 C61
C59
C80
C241
C234
C233
C251
R45
D21
D9
D34
D40
D36
D35 D37
L10
L28
L31
Q35
6
4
5
3
2
1
Q34
1
2
3
6
5
4
C235

SCHEMATIC DIAGRAM
ABCDEFG IHJKRSML
1
2
3
4
5
6
7
NO QP
TH-F6A/F7E

TUVWXYZ ABAA AC AD AK ALAFAE AG AH AJAI
1
2
3
4
5
6
7
TH-F6A/F7E SCHEMATIC DIAGRAM

81 82
BLOCK DIAGRAM
TH-F6A/F7ETH-F6A/F7E

83 84
TH-F6A/F7ETH-F6A/F7E
LEVEL DIAGRAM
All voltage levels must be measured at "H" output power position.
The RF and IF sections are inspected by using a spectrum analyzer.
After setting the standard (1 kHz, 3 kHz Dev.) deviation, each voltage of the
AF section is inspected by using an AF VTVM or osciloscope.
Measure the level at each point without removing components or cutting
the circuit board foil.
All voltage levels must be measured after setting the AF output voltage at 0.60V rms.
The RF and IF sections are inspected by using a spectrum analyzer.
Each voltage of the AF section is inspected by using an AF VTVM or osciloscope.
Measure the level at each point without removing components or cutting the circuit
board foil

TH-F6A/F7E
85
OPTIONS
BT-13
Battery Case (4 AA/ LR6)
PB-42L PG-2W PG-3J SMC-32
Li-ion Battery Pack DC Power Cable Cigarette Lighter Power Speaker Microhone
(7.4V, 1500 mAh) Cable
SMC-33 SMC-34 EMC-3 HMC-3
Speaker Microphone Speaker Microphone Clip Microphone with Headset (with VOX/PTT)
(with PF keys) (with PF keys and VOL Earphone
control)
Ref. No. Parts No. Description
Adrress New
parts Destination
∗A02-3729-08 CABINET
∗F07-1864-08 COVER
BT-13 PARTS LIST
COVER
CABINET
KHS-21
Headset

TH-F6A/F7E
86
lareneGA6F-HTE7F-HT
slennahcyromemforebmuN seiromemnoitcnuflaiceps53+slennahc004 seiromemnoitcnuflaiceps43+slennahc004
)epytrotcennoC(ecnadepmiannetnA )AMS(05
egatloVgnitarepO kcaJNICD )lamronV8.31(V0.61~0.21CD
lanimretyrettaB )lamronV4.7(V5.7~5.5CD
dohtemgnidnuorG dnuorgevitageN
tnerruC
V8.31,HthiwtimsnarT )NICD( ssetroA0.2
V4.7,HthiwtimsnarT )L24-BP( ssetroA0.2
V4.7,LthiwtimsnarT )L24-BP( ssetroA8.0
V4.7,LEthiwtimsnarT )L24-BP( ssetroA5.0
)langison(evieceR )dnab-laud(sselroAm071/)dnabelgniS(Am001
)egarevA(NOrevaSyrettaB )dnab-laud(sselroAm53/)dnabelgnis(Am03
egnarerutarepmetelbasU )F˚041~F˚4-(C˚06~C˚02- L24-BPhtiw)F˚221~F˚41+(C˚05~C˚01-
ytilibatsycneuqerF )C˚06~C˚02-(mpp8±nihtiW )C˚05~C˚01-(mpp5±nihtiW
)dedulcnitonsnoitcejorPDxHxW(snoisnemiD L24-BPehthtiw"2.1x"4.3x"3.2/mm03x78x85 31-TBehthtiw"5.1x"4.3x"3.2/mm83x78x85
thgieW L24-BPehthtiwbI55.0/g052.xorppA 31-TBehthtiwbI26.0/g082.xorppA
rettimsnarTA6F-HTE7F-HT
edoMtimsnarT )MF(D2F/)MF(E3F
egnarycneuqerF
dnabm2zHM841~441zHM641~441
dnabm52.1zHM522~222A/N
dnabmc07zHM054~034zHM044~034
tuptuOrewoP /dnabm2 /dnabm52.1 dnabmc07
kcajNI-CD )V8.31(
).xorppa(W0.5:H ).xorppa(W0.2:L ).xorppa(W5.0:LE
L24-BP )V4.7(
).xorppa(W0.5:H ).xorppa(W5.0:L ).xorppa(W50.0:LE
41-TB )V0.6(
).xorppa(W5.0:H ).xorppa(W3.0:L ).xorppa(W50.0:LE
noitaludoM ecnatcaeR
noitaivedycneuqerfmumixaM )MFN(zHk5.2±/)MF(zHk5±
)rewoptimsnarthgithta(snoissimesuoiruqS sselroBd06-
ecnadepmienophorciMk2
SPECIFICATIONS

TH-F6A/F7E
87
SPECIFICATIONS
revieceRA6F-HTE7F-HT
edomevieceR
dnab-A )MF(D1F/)MF(D2F/)MF(E3F
dnab-B zHG074<f≤zHM1.0:)WC(A1A/)BSU,BSL(E3J zHG3.1<f≤zHM1.0:)MF(D2F/)MF(E3F/)MA(A3A
epyttucriC MF/MA/WC/BSU/BSLenydoretehrepuselbuoD
MFWenydoretehrepuselgniS
egnarrycneuqerF
dnab-A zHM471~731 zHM062~612 zHM074~014
zHM641~441 zHM044~034
dnab-B
zHM8.1~1.0 zHM7.92~8.1 zHM45~7.92 zHM801~45 zHM731~801 zHM471~731 zHM612~471 zHM004~612 zHM074~004 zHM608~074 zHM428~608 zHM968~948 zHM0031~498
zHM17.1~1.0 zHM7.92~17.1 zHM5.78~7.92 zHM801~5.78 zHM731~801 zHM471~731 zHM032~471 zHM004~032 zHM074~004 zHM268~074 zHM0031~268
etaidemretnI )FI(ycneuqerF
dnab-A zHM58.95:FIts1 zHk054:FIdn2
dnab-B )MF/MA/WC/BSU/BSL(zHM06.75:zHG3.1~zHM1.0:FIts1 )MFW(zHM8.01:zHG3.1~zHM7.92: )MF/MA/WC/BSU/BSL(zHk054:zHG3.1~zHM1.0:FIdn2
ytivitisneS
dnab-A )DANISBd21(MF sselroVµ81.0:sdnaboidarruetamamc07/)ylnoA6F-HT(m52.1/m2
dnab-B
)DANISBd21(MF Vµ04.0:zHM801~5 Vµ82.0:zHM441~811 Vµ22.0:zHM522~441 Vµ98.0:zHM052~522 Vµ04.0:zHM004~083 Vµ22.0:zHM054~004 Vµ04.0:zHM025~054 Vµ80.7:zHM007~025 Vµ62.1:zHM059~008 Vµ04.0:zHM0031~059
)N/SBd03(MFW Vµ61.3:zHM801~05 Vµ28.2:zHM222~051 Vµ89.3:zHM005~004
)N/SBd01(MA Vµ80.7:zHM25.0~3.0 Vµ42.2:zHM8.1~25.0 Vµ98.0:zHM05~8.1 Vµ04.0:zHM052~811 Vµ04.0:zHM005~083
)N/SBd01(BSU/BSL Vµ54.0:zHM03~3 Vµ04.0:zHM05~03 Vµ22.0:zHM841~441 Vµ22.0:zHM054~034
etamixorppaeraseulavllA*
ytivitisneshcleuqS sselroVµ31.0 )sdnaboidarruetamamc07/m52.1/m2nihtiW(
ytivitceleS sselrozHk21/Bd6- sselrozHk82/Bd04- )sdnaboidarruetamamc07/m52.1/m2nihtiW(
)noitrotsid%01(tuptuooiduA )daol
8,V4.7(rehgihroWm003

TH-F6A/F7E
88
KENWOOD CORPORATION
14-6, Dogenzaka 1-chome, Shibuya-ku, Tokyo 150-8501, Japan
KENWOOD SERVICE CORPORATION
P.O. BOX 22745, 2201 East Dominguez Street, Long Beach, CA 90801-5745,
U.S.A.
KENWOOD ELECTRONICS CANADA INC.
6070 Kestrel Road, Mississauga, Ontario, Canada L5T 1S8
KENWOOD ELECTRONICS DEUTSCHLAND GMBH
Rembrücker Str. 15, 63150 Heusenstamm, Germany
KENWOOD ELECTRONICS BELGIUM N.V.
Mechelsesteenweg 418 B-1930 Zaventem, Belgium
KENWOOD ELECTRONICS FRANCE S.A.
13, Boulevard Ney, 75018 Paris, France
KENWOOD ELECTRONICS U.K. LIMITED
KENWOOD House, Dwight Road, Watford, Herts., WD1 8EB United Kingdom
KENWOOD ELECTRONICS EUROPE B.V.
Amsterdamseweg 37, 1422 AC Uithoorn, The Netherlands
KENWOOD ELECTRONICS ITALIA S.p.A.
Via G. Sirtori, 7/9 20129 Milano, Italy
KENWOOD IBERICA S.A.
Bolivia, 239-08020 Barcelona, Spain
KENWOOD ELECTRONICS AUSTRALIA PTY. LTD.
(A.C.N. 001 499 074)
16 Giffnock Avenue, Centrecourt Estate, North Ryde, N.S.W. 2113, Australia
KENWOOD ELECTRONICS (HONG KONG) LTD.
Unit 3712-3724, Level 37, Tower one Metroplaza, 223 Hing Fong Road, Kwai Fong, N.T.,
Hong Kong
KENWOOD ELECTRONICS TECHNOLOGIES(S) PTE LTD.
Sales Marketing Division
1 Ang Mo Kio Street 63, Singapore 569110