TK 3180(K.K3) 3180(K,K3) B51 8690 00
TK-3180(K,K3) B51-8690-00 TK-3180(K,K3) B51-8690-00
User Manual: TK-3180(K,K3) B51-8690-00
Open the PDF directly: View PDF
.
Page Count: 70
- COVER/CONTENTS
- GENERAL
- SYSTEM SET-UP
- REALIGNMENT
- DISASSEMBLY FOR REPAIR
- CIRCUIT DESCRIPTION
- SEMICONDUCTOR DATA
- COMPONENTS DESCRIPTION
- PARTS LIST
- EXPLODED VIEW
- PACKING
- ADJUSTMENT
- TERMINAL FUNCTION
- PC BOARD
- SCHEMATIC DIAGRAM
- BLOCK DIAGRAM
- LEVEL DIAGRAM
- OPTIONAL ACCESSORIES
- SPECIFICATIONS

© 2004-6 PRINTED IN JAPAN
B51-8690-00 (N) 961
UHF FM TRANSCEIVER
TK-3180
SERVICE MANUAL
GENERAL ...................................................2
SYSTEM SET-UP .......................................2
REALIGNMENT ..........................................3
DISASSEMBLY FOR REPAIR ....................5
CIRCUIT DESCRIPTION .............................7
SEMICONDUCTOR DATA .......................13
COMPONENTS DESCRIPTION ............... 14
PARTS LIST ..............................................16
EXPLODED VIEW.....................................25
PACKING ..................................................26
ADJUSTMENT .........................................27
TERMINAL FUNCTION ............................39
PC BOARD
DISPLAY UNIT (X54-3470-XX) ............ 42
TX-RX UNIT (X57-6940-10) ................. 46
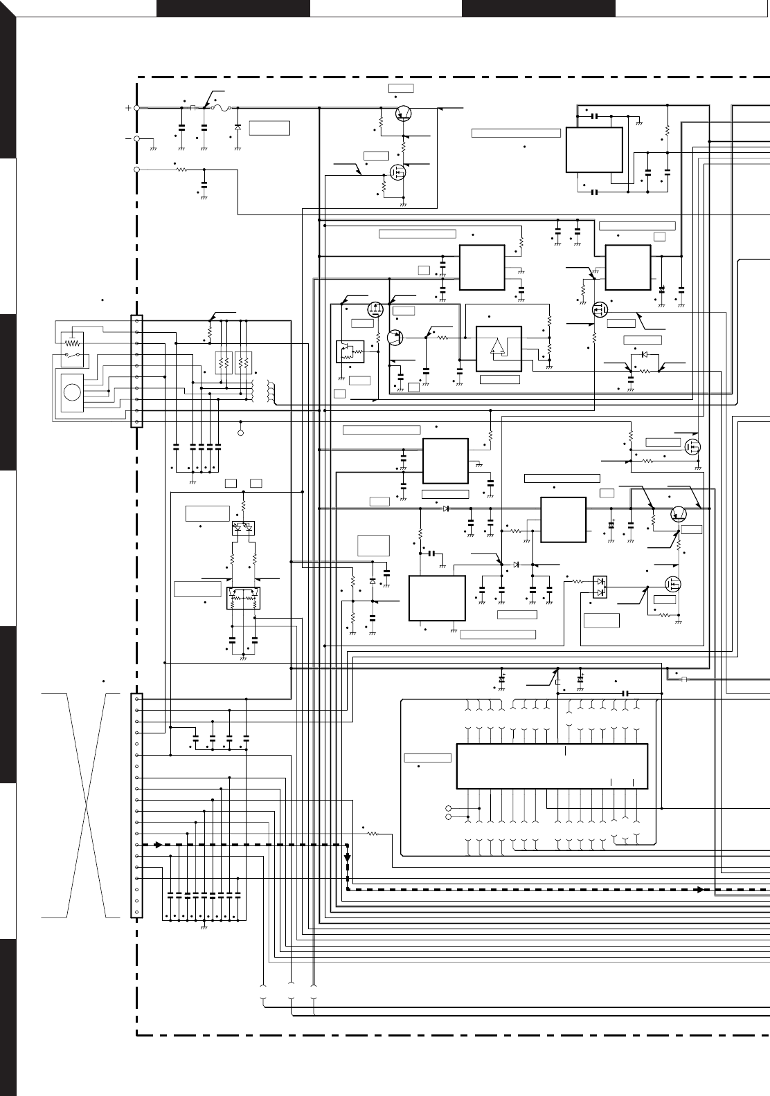
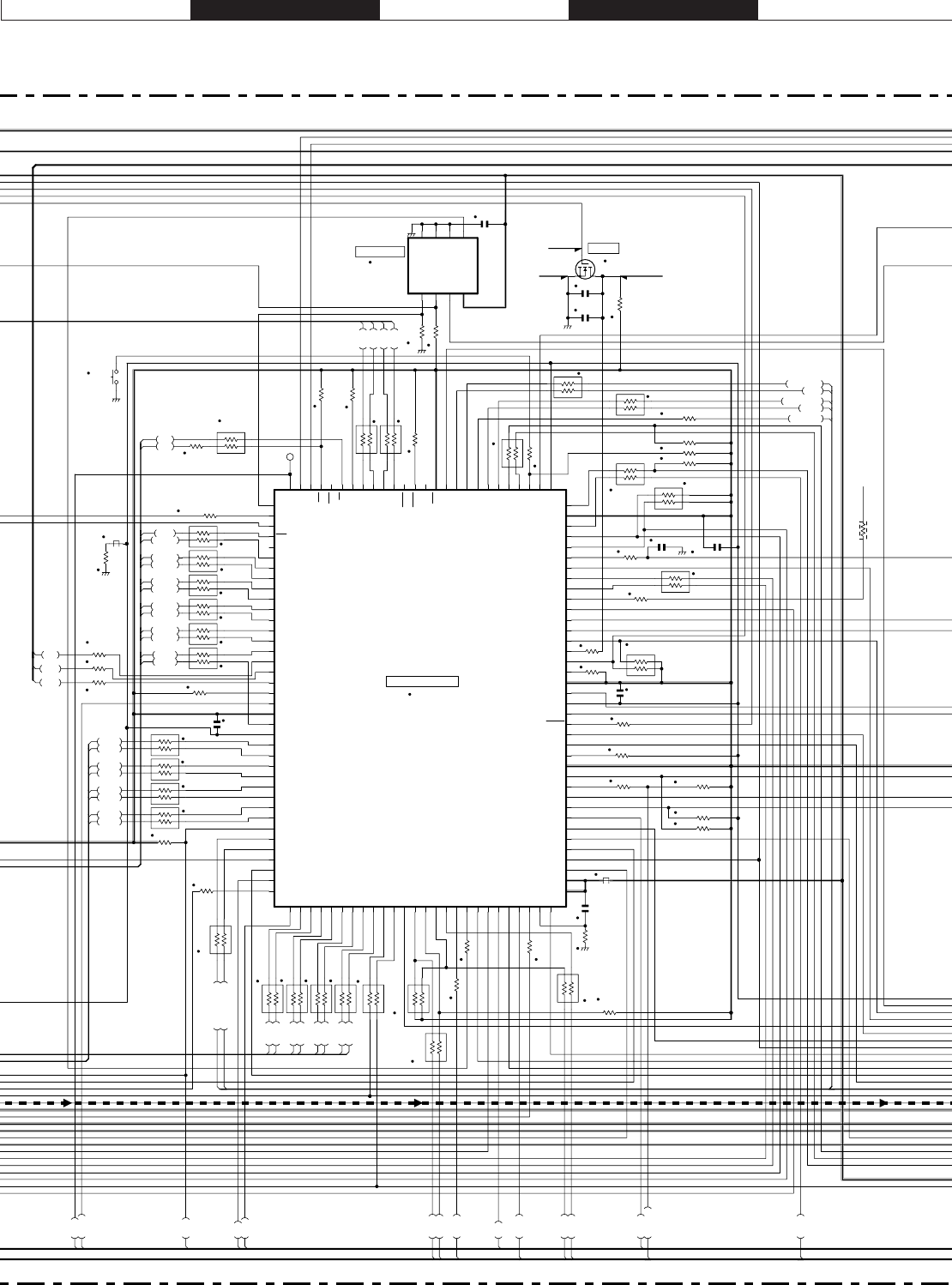
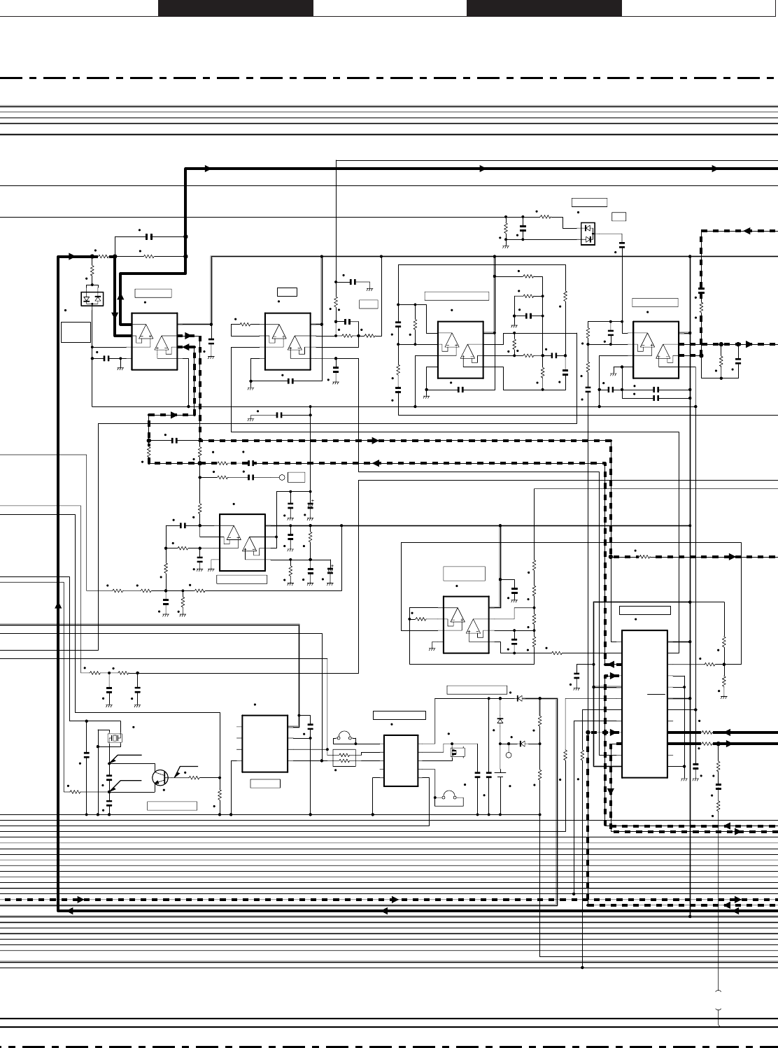
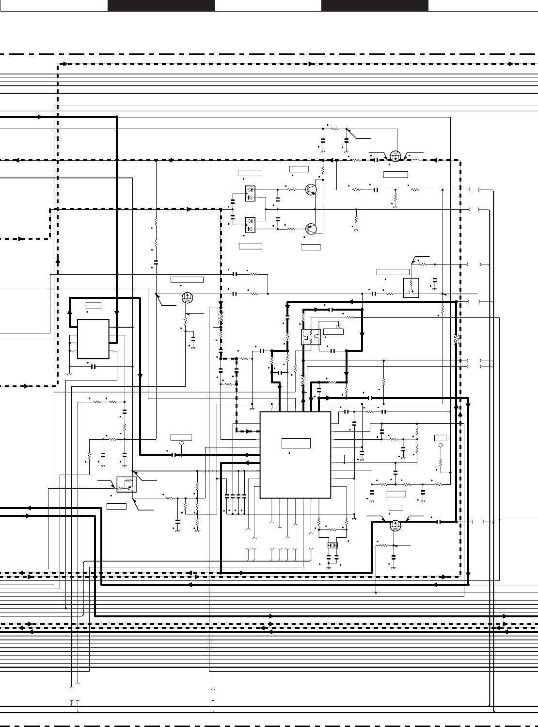
SCHEMATIC DIAGRAM
DISPLAY UNIT (X54-3470-XX) ............ 50
TX-RX UNIT (X57-6940-10) ................. 52
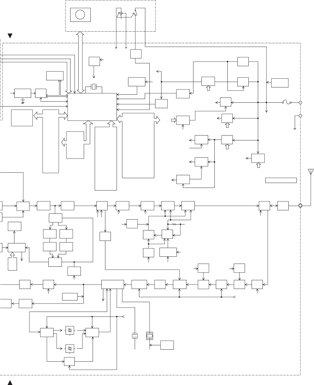
BLOCK DIAGRAM ....................................60
LEVEL DIAGRAM .....................................62
OPTIONAL ACCESSORIES
KNB-31A/32N/33L ............................... 63
KSC-32 ..................................................63
SPECIFICATIONS ................. BACK COVER
CONTENTS
Cabinet assy
(A02-3848-03)
Cabinet assy
(A02-3847-03)
Knob (PTT)
(K29-9302-23)
Packing
(G53-1599-01)
Packing
(G53-1598-01)
Button knob (Side)
(K29-9303-03)
Front glass
(B10-2752-22)
Helical antenna
(KRA-23 : Option)
Knob (Volume)
(K29-9304-03)
Knob (CH selector)
(K29-9305-03)
TK-3180 K TK-3180 K3
Does not come with antenna.
Antenna is available as an option.

TK-3180
2
INTRODUCTION
SCOPE OF THIS MANUAL
This manual is intended for use by experienced techni-
cians familiar with similar types of commercial grade commu-
nications equipment. It contains all required service informa-
tion for the equipment and is current as of the publication
date. Changes which may occur after publication are covered
by either Service Bulletins or Manual Revisions. These are
issued as required.
ORDERING REPLACEMENT PARTS
When ordering replacement parts or equipment informa-
tion, the full part identification number should be included.
This applies to all parts : components, kits, or chassis. If the
part number is not known, include the chassis or kit number
of which it is a part, and a sufficient description of the re-
quired component for proper identification.
PERSONNEL SAFETY
The following precautions are recommended for person-
nel safety:
•DO NOT transmit until all RF connectors are verified se-
cure and any open connectors are properly terminated.
•SHUT OFF and DO NOT operate this equipment near elec-
trical blasting caps or in an explosive atmosphere.
•This equipment should be serviced by a qualified techni-
cian only.
SERVICE
This transceiver is designed for easy servicing. Refer to
the schematic diagrams, printed circuit board views, and
alignment procedures contained within.
GENERAL / SYSTEM SET-UP
SYSTEM SET-UP
Merchandise received
License and frequency allocated by FCC
Choose the type of transceiver
Transceiver programming
Are you using the optional antenna?
Are you using the speaker microphone?
A personal computer (IBM PC or compatible), programming
interface (KPG-36), and programming software (KPG-89D)
are required for programming.
(The frequency, and signalling data are programmed for the
transceiver.)
Frequency range (MHz) RF power Type 12-key
TX/RX 450~520 5W TK-3180 K No
TX/RX 450~520 5W TK-3180 K3 Yes
YES KRA-23 or KRA-27
Helical antenna
NO
NO
(Option)
(Option)
(Option)
YES KMC-25
Are you using the voice guide & storage unit?
Delivery
NO
YES VGS-1

TK-3180
3
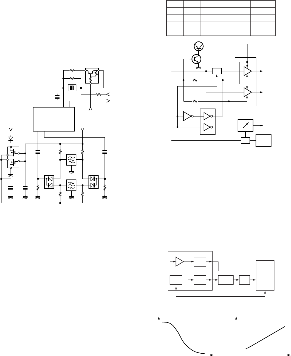
1. Modes 2. How to Enter Each Mode
Mode Operation
User mode Power ON
Panel test mode [A] + Power ON
PC mode Received commands from PC
Panel tuning mode [Panel test mode] + [S]
Firmware programming mode [S] + Power ON
Clone mode [B] + Power ON
Firmware version information [Side1] + Power ON
Clock adjustment mode [C] + Power ON
3. Panel Test Mode
Setting method refer to ADJUSTMENT.
4. Panel Tuning Mode
Setting method refer to ADJUSTMENT.
5. PC Mode
5-1. Preface
The transceiver is programmed by using a personal com-
puter, programming interface (KPG-36) and programming
software (KPG-89D).
The programming software can be used with an IBM PC
or compatible. Figure 1 shows the setup of an IBM PC for
programming.
REALIGNMENT
User mode
Panel test mode
Firmware version information
Panel tuning mode
Data programming mode
PC test mode PC tuning mode
PC mode
Clone mode
Firmware
programming mode
Clock adjustment mode
Mode Function
User mode For normal use.
Panel test mode Used by the dealer to check the funda-
mental characteristics.
Panel tuning mode Used by the dealer to tune the radio.
PC mode Used for communication between the
radio and PC (IBM compatible).
Data programming Used to read and write frequency data
mode and other features to and from the radio.
PC test mode Used to check the radio using the PC.
This feature is included in the FPU.
See panel tuning.
Firmware Used when changing the main program
programming mode of the flash memory.
Clone mode Used to transfer programming data from
one radio to another.
Firmware version Used to confirm the internal firmware
information version.
Clock adjustment mode
Used by dealer to adjust data and time.
Fig. 1
MIC
IBM-PC
KPG-36
KPG-89D
TK-3180
4
5-2. Connection procedure
1. Connect the transceiver to the personal computer with
the interface cable.
2. When the POWER switch on, user mode can be entered
immediately. When PC sends command the radio enter
PC mode, and “PROGRAM” is displayed on the LCD.
When data transmitting from transceiver, the red LED is
lights.
When data receiving to transceiver, the green LED is
lights.
Note:
•The data stored in the personal computer must match
model type, when it is written into the flash memory.
5-3. KPG-36 description
(PC programming interface cable: Option)
The KPG-36 is required to interface the transceiver to the
computer. It has a circuit in its D-subconnector (25-pin) case
that converts the RS-232C logic level to the TTL level.
The KPG-36 connects the universal connector of the trans-
ceiver to the computers RS-232C serial port.
5-4. Programming software KPG-89D description
The KPG-89D is the programming software for the trans-
ceiver supplied on a CD-ROM. This software runs under MS-
Windows 98, ME, Windows 2000 or XP on an IBM-PC or
compatible machine.
The data can be input to or read from the transceiver and
edited on the screen. The programmed or edited data can be
printed out. It is also possible to tune the transceiver.
6. Firmware Programming Mode
6-1. Preface
Flash memory is mounted on the transceiver. This allows
the transceiver to be upgraded when new features are re-
leased in the future. (For details on how to obtain the firm-
ware, contact Customer Service.)
6-2. Connection procedure
Connect the transceiver to the personal computer (IBM
PC or compatible) with the interface cable (KPG-36). (Con-
nection is the same as in the PC Mode.)
6-3. Programming
1. Start up the firmware programming software (Fpro.exe).
2. Set the communications speed (normally, 115200 bps)
and communications port in the configuration item.
3. Set the firmware to be updated by File name item.
4. Turn the transceiver power ON with the [S] switch held
down. Then, the orange LED on the transceiver lights and
“PROG 115200” is displayed.
5. Check the connection between the transceiver and the
personal computer, and make sure that the transceiver is
in the Program mode.
6. Press write button in the window. When the transceiver
starts to receive data, the [PG] display is blinking.
7. If writing ends successfully, the checksum is calculated
and a result is displayed.
8. If you want to continue programming other transceivers,
repeat steps 4 to 7.
Notes:
•This mode cannot be entered if the Firmware Program-
ming mode is set to Disable in the Programming software.
•When programming the firmware, it is recommend to
copy the data from the floppy disk to your hard disk before
update the radio firmware.
Directly copying from the floppy disk to the radio may not
work because the access speed is too slow.
6-4. Function
1. If you press the [Side2] switch (under of left side) while
“PROG 115200” is displayed, the display changes to
“PROG 19200” to indicate that the write speed is low
speed (19200 bps). If you press the [Side2] switch again
while “PROG 19200” is displayed, the display changes to
“PROG 38400”. If you press the [Side2] switch again
while “PROG 38400” is displayed, the display changes to
“PROG 57600”. If you press the [Side2] switch again
while “PROG 57600” is displayed, the display returns to
“PROG 115200”.
2. If you press the [Side1] switch (top of left side) while
“PROG 115200” is displayed, the checksum is calculated,
and a result is displayed. If you press the [Side1] switch
again while the checksum is displayed, “PROG 115200”
is redisplayed.
Note:
Normally, write in the high-speed mode.
7. Clone Mode
Programming data can be transferred from one radio to
another by connecting them via their external universal con-
nectors. The operation is as follows (the transmit radio is the
master and the receive radio is a slave).
The “password” of description by explanation of 1. to 7.
are “Read Authorization Password”.
1. Turn the master transceiver power ON with the [B] key
held down. If the Data password is set to the transceiver,
the transceiver displays “CLONE LOCK”. If the password
is not set, the transceiver displays “CLONE MODE”.
2. When you enter the correct password, and “CLONE
MODE” is displayed, the transceiver can be used as the
cloning master. The following describes how to enter the
password.
REALIGNMENT

TK-3180
5
3. How to enter the password with the keypad;
If you press a key while “CLONE LOCK” is displayed, the
number that was pressed is displayed on the transceiver.
Each press of the key shifts the display in order to the left.
When you enter the password and press the [✳] or [S] key,
“CLONE MODE” is displayed if the entered password is
correct. If the password is incorrect, “CLONE LOCK” is
redisplayed.
How to enter the password with the encoder;
If the encoder is rotated while “CLONE LOCK” is dis-
played, numbers (0 to 9) are displayed flashing. When you
press the [C] key, the currently selected number is deter-
mined. If you press the [S] key after entering the pass-
word in this procedure, “CLONE MODE” is displayed if
the entered password is correct. If the password is incor-
rect, “CLONE LOCK” is redisplayed.
4. Power on the slave transceiver.
5. Connect the cloning cable (part No. E30-3325-05) to the
universal connectors on the master and slave.
6. Press the [S] key on the master while the master displays
“CLONE MODE”. The data of the master is sent to the
slave. While the slave is receiving the data, “PROGRAM”
is displayed. When cloning of data is completed, the mas-
ter displays “END”, and the slave automatically operates
in the User mode. The slave can then be operated by the
same program as the master.
7. The other slave can be continuously cloned. When the [S]
key on the master is pressed while the master displays
“END”, the master displays “CLONE MODE”. Carry out
the operation in step 4 to 6.
Notes:
Can not be cloned if the password (over write password)
is programmed to the slave.
Only the same models can be cloned together.
REALIGNMENT / DISASSEMBLY FOR REPAIR
[C] + Power ON
MINUTE
HOUR
DAY
MONTH
YEAR
[S]
[S]
[S]
[S]
[S]
Channel selector
Channel selector
Channel selector
Channel selector
Channel selector
Completion
DISASSEMBLY FOR REPAIR
1. How to Attach the Rubber Spacer
1) Press the rubber spacer with fingers and insert it between
the rubber spacer and the rear panel without crevice.
Rubber spacer
Rear panel
Tighten the circle nut, after
applying “THREE BOND 1401”
to the circle nut.
Cloning cable
(E30-3325-05)
MIC
MIC
Fig. 2
8. Firmware Information Mode
Turn the transceiver ON with the [Side1] switch held
down. Then, the version is displayed during holding the
[Side1] switch.
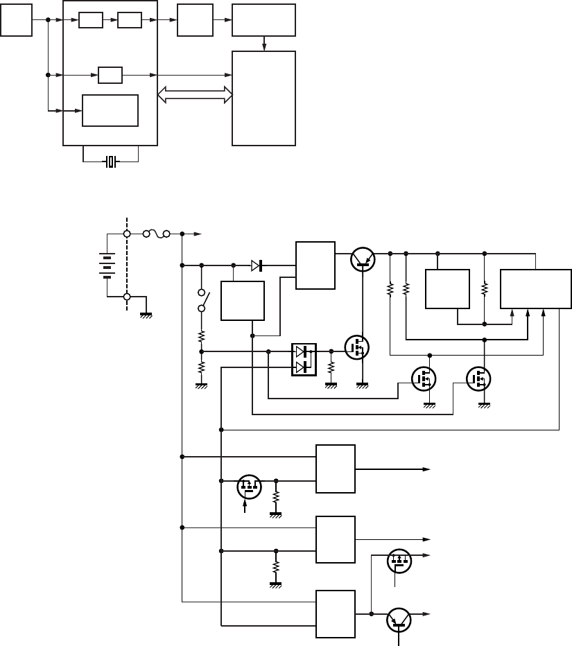
9. Clock Adjustment Mode
9-1. Flow chart of operation

TK-3180
6
4. How to Attach the VGS-1
1) Remove the 2 screws.
2) The tip of tweezers is put into the screw hole of the cover
and is pried, the cover will remove.
3) Use the 2 rubber cushions and attach them to the VGS-1.
4) Plug the VGS-1 into the VGS-1 connector of the PC board,
pressing down on the top of the VGS-1 until secure.
5) The spacer turns the adhesive surface down. Next, push
between the chassis and VGS-1.
6) Replace the cover and tighten the 2 screws.
Rubber cushion
(G13-1995-04)
20 x 30 x 1.0 mm
Rubber cushion
(G13-1974-04)
21 x 21 x 2.5 mm
VGS-1
Spacer
(J30-1292-04)
4.5 x 24 x 3.0 mm
VGS-1
VGS-1 connector
DISASSEMBLY FOR REPAIR
Checks the sheet is
attached to the chassis.
3. How to Attach the TX-RX Unit
1) In order to attach the TX-RX unit in chassis, don’t put in the
TX-RX unit aslant.
Please level the chassis and the TX-RX unit and attach
them.
Sheet (G11-4326-04)
Front-glass
q
w
e
2. How to Stick the Sheet (G11-4326-04)
1) Remove the white separation paper of the sheet first (q)
and stick the sheet on the front-glass (w).
Next, remove the transparent separation paper of the
sheet (e).

TK-3180
7
1. Overview
This transceiver is UHF/FM portable transceiver designed
to operate in the frequency range of 450 to 520MHz.
2. Circuit Configuration by Frequency
The receiver is a double-conversion superheterodyne with
a first intermediate frequency (IF) of 59.85MHz and a second
IF of 455kHz. Incoming signals from the antenna are mixed
with the local signal from the PLL to produce the first IF of
59.85MHz.
This is then mixed with the 59.395MHz second local oscil-
lator output to produce the 455kHz second IF. This is de-
tected to give the demodulated signal.
The transmit signal frequency is generated by the PLL
VCO, and modulated by the signal from the microphone. It is
then amplified and sent to the antenna.
3. Receiver System
3-1. RF unit
An incoming RF signal from the antenna terminal is
passed through the antenna switch (D106, D107 and D213
are off) and then the bandpass filter (L215, L216). The
bandpass filter is adjusted by a variable capacitor. The input
voltage to the variable capacitor is regulated by the voltage
output from the D/A converter (IC605). The signal is ampli-
fied by RF amplifier (Q207), and passed through the band-
pass filter (L210, L211, L212).
The resulting signal is applied to the first mixer (Q206),
where it is mixed with the first local oscillator signal output
from the frequency synthesizer to produce the first IF
(59.85MHz).
3-2. IF unit
The first IF signal is passed through a four-pole monolithic
crystal filter (XF200) to remove a adjacent channel signal. The
filtered first IF signal is amplified by the first IF amplifier
(Q205) and then applied to the lF system IC (IC200). The IF
system IC provides a second mixer, second local oscillator,
limiting amplifier, quadrature detector and RSSI (Received
Signal Strength Indicator). The second mixer mixes the first
IF signal with the 59.395MHz of second local oscillator output
(crystal unit X200) and produces the second IF signal of
455kHz.
The second IF signal is passed through the ceramic filter
(CF201 : Wide, CF200 : Narrow) to more remove the adjacent
channel signal. The filtered second IF signal is amplified by
the limiting amplifier and demodulated by the quadrature de-
tector with ceramic discriminator (CD200). The demodulated
signal is routed to the audio circuit.
ANT
TX/RX : 450~520MHz
ANT
SW
RF
AMP
PA
AMP
TX
AMP
1st MIX MCF
59.85MHz
CF
455kHz
FM IF
SYSTEM
AF
AMP
SP
59.395MHz
390.15~
460.15MHz
PLL
VCO MIC
AMP
MIC
450~520MHz
Fig. 1 Frequency configuration
IC200
MIX, DET, IF SW SW
Q203 IC606
DMUTE
IC600 (1/2)
AF AMP
2nd local
OSC
X200
VOL
IC605
VC1
VC2
Q618
SSW
SW
ANT
SW
L111,112
L113
L215
L216
BPF
D106,107
D213,214
Q207
RF
AMP
Q206
1st MIX
Q205
IF AMP
ANT
L210
L211
L212
BPF
XF200
MCF
1st Local
OSC (PLL)
CF200
CF201
AQUA-L
IC607
HSDO
SW
Q605
(1/2)
AM2
IC609
AF PA
INT. SP
EXT. SP
Fig. 2 Receiver section
CIRCUIT DESCRIPTION

TK-3180
8
3-3. Wide/Narrow switching circuit
Wide and Narrow settings can be made for each channel
by switching the ceramic filters CF201 (Wide), CF200 (Nar-
row). The Wide (low level) and Narrow (high level) is output
from IC502.
When a Wide (low level) is selected, Q200 (N-ch) turn off
and Q200 (P-ch) turn on. When a Narrow (high level) is se-
lected, Q200 (N-ch) turn on and Q200 (P-ch) turn off. D201
and D203 are switched to ceramic filters when a high/low
level is selected.
Q204 turns on/off with the Wide/Narrow and the IC200
detector output level is changed to maintain a constant out-
put level during wide or narrow signals.
When SP-MIC is attached, SSW is connected to GND at
inside of SP-MIC. For this reason, Q618 is turned off, and the
AF signal is input only to amplifier for EXT SP of IC609.
Change of INT/EXT SP refer to Fig. 4.
AM1 AM2 SSW VC1 VC2 SP
HLHHL INT
HLLLHEXT
LHHLLMUTE
LHLLLMUTE
MXO
AFOUT
QUAD
IFOUT
IFI
W/N5R
D314
C201
C200
C215
C217
R208
R211
R215
R212
R209
C209
R205
Q200 D201 D203
CF200
CF201
IC200
R222
R224
Q204
R225 5C
AFOUT
W/N
CD200
“H”: Narrow
“L” : Wide
Fig. 3 Wide/Narrow switching circuit
SW
SW
Q618
VC1
2
VC2
8
B
AF
AM1
SSW
AM2
Q616
(1/2)
Q617
Q605
Q613
Q612
5
VP
IC609
IC605
IC607
INT.SP
EXT.SP
AF
3-4. Audio amplifier circuit
The demodulated signal from IC200 goes through the
mute switch (Q203), IC600 (1/2) and IC606, high-pass fil-
tered, low-pass filtered, high-pass filtered and de-empha-
sized by IC607.
The signal then goes through mute switch (Q605 1/2), and
an electronic volume control (IC605), and an AF switch (Q618
is on), and is routed to audio power amplifier (IC609), where it
is amplified and output to the internal speaker.
The audio mute signal (AM1) from the IC502 becomes
Low in the standby and Q612, Q613 which are power supply
circuit for IC609 turn off. Also, the audio mute signal (AM2)
becomes High to turn Q605 (1/2) off. When the audio is
output, AM1 becomes High to turn Q612, Q613 on, and volt-
age is supplied to power terminal VP of IC609. Also, AM2
becomes Low to turn Q605 (1/2) on.
The speaker is switched by the logic of speaker switching
terminal SSW on the universal connector. When SP-MIC is
not attached, the logic of SSW becomes High and SW (Q618)
is turned on, and the AF signal is input to both amplifiers of
IC609.
3-5. Squelch circuit
The output from IC200 enters FM IC again, then passed
through a bandpass filter. The noise component output from
IC200 is amplified by Q201 and rectified by D202 to produce
a DC voltage corresponding to the noise level. The DC volt-
age is sent to the analog port of the CPU (IC502). And IC200
outputs a DC voltage (RSSI) corresponding to the input of the
IF amplifier. The CPU reads the RSSI signal via pin 125.
IC502 determines whether to output sounds from the
speaker by comparing the input voltage of pin 124 and pin
125 with the preset value.
DET
BPF
AMP DET
NOISE
AMP
IF AMP
RSSI
12
7
Q201 D202
IC200 : FM IF IC
IC502
CPU
125
124
SQ close Preset
value Preset
value
ANT input level ANT input level
SQ voltage
RSSI voltage
SQ open
Fig. 4 Audio amplifier circuit
Fig. 5 Squelch circuit
Fig. 6 Squelch and RSSI voltage vs ANT input level
CIRCUIT DESCRIPTION

TK-3180
9
4. Transmitter System
4-1. Microphone amplifier
The signal from the internal microphone goes through the
mute switch (Q614).
When the SP-MIC is not attached, the microphone switch-
ing terminal (MSW) on the universal connector becomes
High, and mute switch (Q614) is turned on. When the SP-
MIC is attached, MSW is connected to GND at inside of SP-
MIC. For this reason, Q614 is turned off, the internal micro-
phone is muted, and only the input of the external micro-
phone is supplied to the microphone amplifier.
The signal from microphone goes through D/A converter
(IC605), mute switch (Q610), and amplified by IC608 (1/2) and
limited by AGC circuit composed of D601, D602, Q606 and
Q607. IC607 is composed of high-pass filter, low-pass filter
and pre-emphasis/IDC circuit.
The signal passes through the D/A converter (IC605) for
the maximum deviation adjustment, and enters the summing
amplifier consisting of IC600 (2/2), and is mixed with the low
speed data from the CPU (IC502).
The output signal from the summing amplifier goes to the
VCO modulation input. The other output signal from the
summing amplifier passes through the D/A converter (IC605)
again for the BAL adjustment, and the buffer amplifier
(IC602), and goes to the TCXO modulation input.
4-2. VOX
The IC608 (2/2) amplify the audio signal captured in the
microphone, and then the signal is converted into the DC
voltage D603 rectifies.
The DC voltage activates the CPU (IC502), and the VOX
starts.
4-3. Drive and Final amplifier
The signal from the T/R switch (D100 is on) is amplified by
drive amplifier (Q100, Q101 and Q102) to +15~17dBm.
The output of the drive amplifier is amplified by the RF
power amplifier (Q105) to 5.0W (1W when the power is low).
The RF power amplifier is MOS FET. The output of the RF
power amplifier is then passed through the harmonic filter
(LPF) and antenna switch (D106, D107 are on) and applied to
the antenna terminal.
4-4. APC circuit
The APC circuit always monitors the current flowing
through the RF power amplifier (Q105) and keeps a constant
current. The voltage drop at R125, R127 and R130 is caused
by the current flowing through the RF power amplifier and
this voltage is applied to the differential amplifier (IC100 1/2).
IC100 (2/2) compares the output voltage of IC100 (1/2)
with the reference voltage from IC502, and the output of
IC100 (2/2) controls the VGG of Q101, Q102 and Q105 to
make the both voltages to same voltage.
The change of power high/low is carried out by the change
of the reference voltage. Q106, Q107 and Q108 are turned
on and Q104 is turned off in transmit and the APC circuit is
active.
Q614 IC605MIC
SW
Q610
SW
IC608
(1/2)
AMP
IC600
(2/2)
Q616
(2/2)
SUM
AMP
IC602 X1
BUFF
AMP TCXO
VCO
AGC
VOL
MMUTE
AQUA-L
IC607
IC605
D601,602
Q606,607
D/A
O2
I2
IC605
D/A
O1
I1
LSD
OUT
EXT.
MIC
MSW
From
T/R SW
(D100)
RF AMP DRIVE
AMP
Q100
Pre-DRIVE
AMP
Q101 Q102
RF POWER
AMP
Q105
ANT
SW LPF
D106,107
ANT
VDD VGG
IC100
(1/2)
IC100
(2/2)
R130
R127
R125
+B
REF
VOL
(IC502)
Fig. 7 Microphone amplifier
Fig. 8 Drive and final amplifier and APC circuit
CIRCUIT DESCRIPTION

TK-3180
10
5. Frequency Synthesizer Unit
5-1. Frequency synthesizer
The frequency synthesizer consists of the TCXO (X1),
VCO, PLL IC (IC1) and buffer amplifiers.
The TCXO generates 16.8MHz. The frequency stability is
2.5ppm within the temperature range of –30 to +60°C. The
frequency tuning and modulation of the TCXO are done to
apply a voltage to pin 1 of the TCXO. The output of the TCXO
is applied to pin 8 of the PLL IC.
The VCO consists of 2VCO and covers a dual range of the
390.15~460.15MHz and the 450~520MHz. The VCO gener-
ates 390.15~460.15MHz for providing to the first local signal
in receive. The operating frequency is generated by Q7 in
transmit mode and Q6 in receive mode. The oscillator fre-
quency is controlled by applying the VCO control voltage, ob-
tained from the phase comparator (IC1) to the variable capaci-
tor diodes (D9, D12 and D13 in transmit mode and D7, D10
and D11 in receive mode).
The T/R pin of IC502 goes “high” in receive mode causing
Q8 and Q7 to turn off, and Q6 turn on. The T/R pin goes
“low” in transmit mode.
The outputs from Q6 and Q7 are amplified by buffer ampli-
fier (Q10) and doubled by Q14 and Q15, and then sent to PLL
IC.
The PLL IC consists of a prescaler, reference divider,
phase comparator, charge pump (The frequency step of the
PLL circuit is 20 or 25kHz). The input signal from the pins 8
and 5 of the PLL IC is divided down to the 20 or 25kHz and
compared at phase comparator. The pulsed output signal of
the phase comparator is applied to the charge pump and
transformed into DC signal in the loop filter (LPF). The DC
signal is applied to the CV of the VCO and locked to keep the
VCO frequency constant.
PLL data is output from DT (pin 112), PCK (pin 82) and PLE
(pin 81) of the microprocessor (IC502). The data are input to
the PLL IC when the channel is changed or when transmis-
sion is changed to reception and vice versa. A PLL lock con-
dition is always monitored by the pin 80 (UL) of the micropro-
cessor. When the PLL is unlocked, the UL goes low.
LPF
BUFFVCO
PLL
CPU
20
15
5
Doubler
x2
CV
Q13
TCXO
X1
SW
D100
SW D205
To
drive
amp
Q14,15
To mixer
8
FC
BAL
IC602
VC
T/R
T/R
(TX : Low)
IC1
UL
IC502
DT,PCK,PLE
6. Control Circuit
The control circuit consists of microprocessor (IC502) and
its peripheral circuits. It controls the TX-RX unit and transfers
data to the Display unit. IC502 mainly performs the follow-
ing;
1) Switching between transmission and reception by PTT
signal input.
2) Reading system, zone, frequency, and program data from
the memory circuit.
3) Sending frequency program data to the PLL.
4) Controlling squelch on/off by the DC voltage from the
squelch circuit.
5) Controlling the audio mute circuit by decode data input.
6) Transmitting tone and encode data.
6-1. Memory circuit
Memory circuit consists of the CPU (IC502) and a flash
memory (IC500). A flash memory has a capacity of 4M bits
and contains the transceiver control program for the CPU. It
also stores the data for transceiver channels and operating
parameter that are written by the FPU. This program can be
easily written from an external devices.
The EEPROM (IC504) stores the last channel data, the
scan on status, and other parameters.
■ Flash memory
Note : The flash memory stores the data that is written by
the FPU (KPG-89D), and firmware program (User mode, Test
mode, Tuning mode, etc.). This data must be rewritten when
replacing the flash memory.
■ EEPROM
Note : The EEPROM stores tuning data (Deviation, Squelch,
etc.).
Realign the transceiver after replacing the EEPROM.
■ Real-time cock
The clock function is based on real-time clock IC (IC503).
When the power supply is off, it is backed up by an internal
secondary lithium battery
CPU EEPROM
FALSH
IC502
IC500
IC504
Fig. 9 PLL block diagram
Fig. 10 Memory circuit
CIRCUIT DESCRIPTION

TK-3180
11
6-2. Low battery warning
The battery voltage is monitored by the microprocessor
(IC502 pin 126 : BATTLVL). When the battery voltage falls
below the voltage set by the Low Battery Warning adjust-
ment during the transmission, the red LED blinks to notify the
operator that it is time to replace the battery (When the “On
TX” option (default setting) under the Battery Warning / sta-
tus function in the FPU is selected.). If the battery voltage
falls below 5.8V, the transceiver does not transmit and the
warning tone beeps while the PTT switch is pressed.
Low battery warning Battery condition
The red LED blinks during The battery voltage is low but
the transmission. the transceiver is still usable.
The red LED blinks and The battery voltage is low and
the warning tone beeps while the transceiver is not usable
the PTT switch is pressed. to make calls.
6-3. Battery type detection
The transceiver automatically detects the battery type,
measuring the resistance between the S-terminal and GND
terminal on the battery pack and changes the supplied volt-
age to the S-terminal as below. The microprocessor then de-
tects the battery type.
Resistor value Battery type Input voltage of S-terminal
Open Ni-Cd 4.5~5.0V
150kΩNi-MH 2.0~3.34V
47kΩLi-ion 0.8~2.0V
Short Battery case 0~0.8V
6-4. Key input
When any key is pressed, KI1 or KI2 become Low. And
CPU (IC502) set Q1 to Q9 “Low” sequentially. The CPU de-
tects which key is pressed, according to the voltage of KI1
and Kl2 and Q1 to Q9 timing.
7. Signaling Circuit
7-1. Encode
■ Low-speed data (QT, DQT, LTR)
Low-speed data is output from pin 33 of the CPU. The
signal passes through a low-pass filter (IC601 1/2), and goes
to the summing amplifier (IC600 2/2). The signal is mixed
with the audio signal and goes to the VCO and TCXO (X1)
modulation input after passing through the D/A converter
(IC605) for BAL adjustment.
SW
SW
SW
SUM
SUM
BUFF
AMP
VCO
TCXO
RXAF
MOD
6
5
7
EXTLIMIN
RX Audio
IC606
LPF
IC601
(1/2)
IC600 (2/2)
IC602 (1/2)
I2 O2
O1 I1
I6 O6 AF AMP
IC605
IC607
AQUA-L
HSDO
IC502
CPU
33
LSDO
■ High-speed data (2-tone, 5-tone, DTMF)
High-speed data (HSD) is output from pin 7 of the CPU.
The signal passes through a low-pass CR filter and provides a
TX HSD tone and a RX HSD tone. TX HSD deviation making
an adjustment by microprocessor is passed through the
switch (IC606) and then applied to the audio processor
(IC607).
The signal is mixed with the audio signal and goes to the
VCO and TCXO. The RX HSD tone is passed a summing am-
plifier (IC607). The D/A converter (IC605) for audio control,
audio power amplifier and then to the speaker.
■ MSK
MSK signal is output from pin 6 of IC607. The signal
passes through the D/A converter (IC605) for the MSK devia-
tion adjustment, and is routed to the VCO. When encoding
MSK, the microphone input signal is muted.
6 3
S2 B
S1 A
C S
7*
8 0
9 #
5 2
4 1
Q1
Q2
Q3
Q4
Q5
Q6
Q7
Vss
Vdd
LCK
DATA
CLK
Vss
SO
Q10
Q9
Q8
IC500
KI1
KI2
CK
DT
SPSTB
IC502
CPU
Fig. 11 Key input
Fig. 12 Encode
CIRCUIT DESCRIPTION

TK-3180
12
7-2. Decode
■ Low-speed data (QT, DQT, LTR)
The demodulated signal from the IF IC (IC200) is amplified
by IC600 (1/2) and passes through a low-pass filter (IC607) to
remove audio components. The signal is input to pin 128 of
the CPU.
The CPU digitizes this signal, performs processing such as
DC restoration, and decodes the signal.
■ High-speed data (DTMF)
The DTMF input signal from the IF IC (IC200) is amplified
by IC600 (1/2) and goes to IC607, the DTMF decoder. The
decoded information is then processed by the CPU. During
transmission and standby, the DTMF IC is set to the power
down mode.
LPF
LPF HPF
DTMF
DECODE
AMP COM-
PARATOR
HSDIN
10
128 LSDIN
IC201
AMP
IC600 IC305
DTRLOAD
STD
DTRCLK
DTRDO
XIN XOUT
X600
IC607
IC502
CPU
■ High-speed data (2-tone, 5-tone)
The demodulated signal from the IF IC (IC200) is amplified
by IC600 (1/2) and passes through an audio processor (IC607)
and amplifier IC604 (1/2) and comparator IC604 (2/2) to re-
move a low-speed data. The CPU digitizes this signal and
decodes the signal.
■ MSK
The MSK input signal from the IF IC is amplified by IC600
(1/ 2) and goes to pin 5 of IC607. The signal is demodulated
by MSK demodulator in IC607. The demodulated data goes
to the CPU for processing.
8. Power Supply Circuit
Battery +B is supplied via a 3A fuse from the battery ter-
minal connected to the TX-RX unit. Power supply (+B) is ap-
plied to the four AVRs. IC402 supplies 5V (5M) to the control
circuit. IC401 and IC403 supplies 5V to common circuits.
IC406 supplies to the TX circuit, the RX circuit and common
circuits. During transmission, 5TC becomes Low and Q406
is turned on to supply 5V (5T) to the TX circuit. During recep-
tion, 5RC becomes Low and Q405 is turned on to supply 5V
(5R) to the RX circuit.
The power supply voltage monitor IC (IC400) monitors
power supply voltage (+B). If the voltage falls (less than
5.6V), the VOUT port goes “LOW” level, the CPU INT port
also goes “HIGH” level, and the CPU stops.
VIN
VOUT
VDD
OUT
IC400
VIN
CE
IC402
VOUT
RESET
INT
PSW
Power SW
VIN
CE
VOUT
VIN
CONT
VOUT
VIN
CONT
VOUT
SAVE
5RC
Q405
Q409
Q406
5TC
5T
5R
5CNS
5C
IC401
IC403
IC406
Q408 5M
D405
IC405
IC502
CPU
Q401
Q407
Q502
D403
RF power amp
+B
F400
3A
Fig. 13 Decode
Fig. 14 Power supply circuit
CIRCUIT DESCRIPTION

TK-3180
13
Pin No. Port Name I/O Function
1VREF - +5V
2AVCC - +5V
3 SBC O Switched B control
45RC O RX control
55TC O TX control
6 APC/TV2 O TX APC adjust / TV adjust 2
7HSDO O High speed data output
8STSW O Side tone switch
9RTCL/EEPCL O RTC/EEPROM clock
10 HSDIN I High speed data input
11 MAN-DN IN I Man down switch input
12 RTDT/EEPDAT I/O RTC/EEPROM data
13 BYTE - +5V
14 CNVSS - DGND (Vss)
15 DMUTE O Det mute
16 AM2 O Audio mute 2
17 RST I Reset
18 Xout O 11.0592MHz clock output
19 DGND - DGND (Vss)
20 Xin I 11.0592MHz clock input
21 VCC1 - +5V
22 NMI - +5V
23 PSW I Power switch input
24 INT I BATT voltage INT
25 INTRA I RTC INT
26 SHIFT/MODEL I/O Beat shift / Model select
27 BEEP O Beep out
28 SPSTB O BU2099 storage enable
29 VCO ADJ O VCO adjust switch
30 LEDR O LED red
31 LEDG O LED green
32 DSTB O STB for DAC
33 LSDO O Low speed data output
34 KEY1 I Key matrix 1 input
35 KEY2 I Key matrix 2 input
36 TXD1 I/O TXD1 and PTT (SC20-460)
37 Vcc1 - +5V
38 RXD1 I RXD1
39 DGND - DGND (Vss)
SEMICONDUCTOR DATA
Pin No. Port Name I/O Function
40 MMUTE O Mic mute
41 AUX I AUX key
42 TXD O TXD (COM0)
43 RXD I RXD (COM0)
44 AFDAT O BB TDATA and DTRCLK
45 AFDIO I/O BB DI/O
46 AFDIR O BB DIR
47 DTRLOAD O BB DTMF enable
48 AFSTD I BB STD
49 LSW O BB LIM switch
50 RDY - +5V
51 NC - Non connection
52 HOLD - +5V
53 NC - Non connection
54~57 EN4~EN1 I Encoder in 4~1
58 NC O Non connection
59 RD O Read (RD)
60 NC O Non connection
61 WR O Write (WR)
62 APCSW O APC switch output
63 DSW O APC voltage discharge switch
64 5UC O 5U control
65 BTSE/VOX O BATT select / VOX input switch
66 LCDRST O LCD reset
67 LCDCS O LCD chip select
68 CS0 O Chip select 0
69 NC - -
70~79 A18~A9 O Address bus 18~9
80 UL I PLL unlock
81 PLE O PLL enable
82 PCK O PLL clock
83 NC - NC
84 OPT6 O Option board I/F 6
85 VCC2 - +5V
86 A8 O Address bus 8
87 DGND - DGND (Vss)
88~95 A7~A0 O Address bus 7~0
96 PTT I PTT input
97 AFRTM I BB RDF/FD
Microprocesser : M30625MGP (TX-RX unit IC502)

TK-3180
14
Pin No. Port Name I/O Function
98 TCLK/DTRDO I BB TCLK and DTRDO
99 SAVE O Save
100 T/R O TX/RX switch
101 AM1 O AF PA switch
102 LCDRS O LCDRS
103 SSW I EXT/INT SP switch input
104~111
D7~D0 I/O Data bus 7~0
112 DT O Serial data
113 CK O Serial clock
114 W/N O Wide/Narrow switch
115~119
OPT 1~OPT 5 I/O Option boad I/F 1~5
120 BATTSEL/VOX I BATT select and VOX input
121 THP/VCO ADJ I Thermal detect and VCO adjust
122 VOL I Volume level input
123 PF I PF key in
124 ASQ I RX Analog SQ. input
125 RSSI I RX RSSI input
126 BATT LVL I BATT level
127 AGND - DGND (Vss)
128 LSDIN I Low speed data input
Key Processor
: BU2099FV (Display unit IC500)
Pin No. Port Name I/O Function
1Vss - GND
2NC -
3DATA I Serial data input
4CLK I Serial clock input
5LCK I Storage enable input
6Q0OLCD back light control
7~15 Q1~Q9 O Key matrix output
16 Q10 O NC
17 Q11 O NC
18 SO O NC
19 OE I /LCDRST
20 VDD I 5V
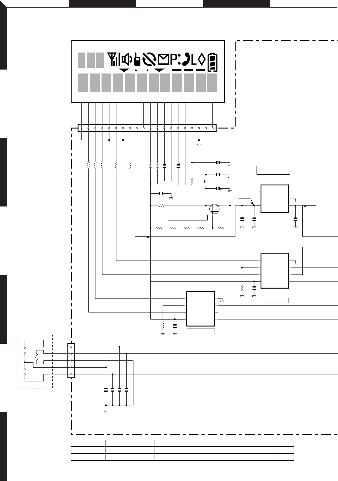
Display unit (X54-3470-XX)
Ref. No. Part name Description
IC500 IC Key processor
IC501 IC Voltage regulator / LCD
IC502,503 IC LCD control
Q501,502 Transistor Back light control
Q504 FET LCD reset
Q505 FET Contrast control
D500 Diode Contrast control
D501,502 LED Key back light (TK-3180-K3 only)
D511~514
LED Key back light (TK-3180-K3 only)
D515~520
LED Key back light
D522 Diode Key control
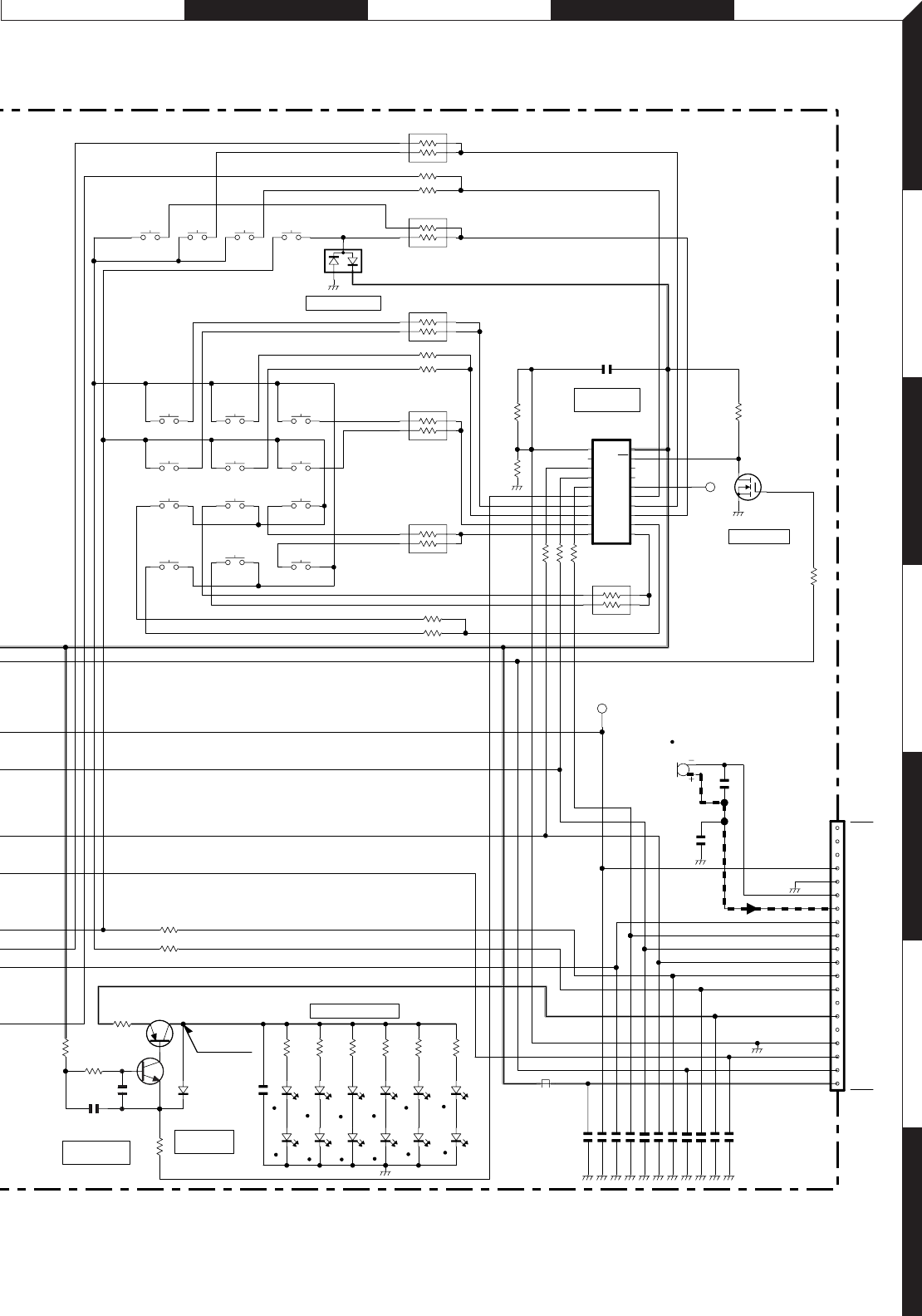
TX-RX unit (X57-6940-10)
Ref. No. Part name Description
IC1 IC PLL system
IC100 IC Comparator (APC)
IC200 IC FM IF system
IC400 IC Voltage detector / INT
IC401~403
IC Voltage regulator / 5V
IC404 IC 5T control
IC405 IC Voltage detector / Reset
IC406 IC Voltage regulator / 5V
IC500 IC Flash memory
IC502 IC Microprocessor
IC503 IC RTC processor
IC504 IC EEPROM
IC505 IC Selector
IC600 IC AF buffer
IC601 IC LSD LPF / V REF
IC602 IC LSD buffer to TCXO
IC603 IC Tune
IC604 IC HSD BPF / HSD COMP
IC605 IC D/A converter
IC606 IC AF switch
IC607 IC AQUA-L
IC608 IC MIC AMP / VOX
IC609 IC AF power AMP
Q1,2 Transistor Fin filter shift switch
Q6 FET VCO / RX
Q7 FET VCO / TX
Q8 FET DC switch / TX VCO
Q9 FET DC switch / RX VCO
Q10 Transistor RF buffer AMP
Q11 Transistor DC switch / RX VCO
SEMICONDUCTOR DATA / COMPONENTS DESCRIPTION

TK-3180
15
Ref. No. Part name Description
Q12 FET Ripple filter
Q13 Transistor RF AMP
Q14,15 Transistor PLL IC f_in AMP
Q100 Transistor RF AMP
Q101 FET Pre-drive AMP
Q102 FET TX drive AMP
Q104 Transistor APC switch
Q105 FET TX final AMP
Q106 Transistor APC switch
Q107,108 FET APC switch
Q200 FET W/N filter shift switch
Q201 Transistor SQL noise AMP
Q202 FET W/N noise switch
Q203 FET AF mute
Q204 Transistor W/N switch / RX
Q205 Transistor IF AMP
Q206 FET Mixer
Q207 FET RF AMP
Q400 Transistor LED switch / Green or Red
Q401 FET Power switch
Q402 FET SBC switch
Q403 Transistor SB2 switch
Q404 Transistor 5R switch
Q405 FET 5R switch
Q406 Transistor 5T switch
Q407 FET 5M switch
Q408 Transistor 5M switch
Q409 FET SAVE switch
Q502 FET INT switch
Q602 Transistor LIMIT switch
Q605 Transistor AF switch
Q606,607 Transistor MIC AGC
Q608 FET AF switch
Q609 FET OP switch
Q610 FET MMUTE switch
Q611 FET OP switch
Q612,613 Transistor SP control
Q614 FET MIC shift switch
Q615 Transistor SP control
Q616,617 FET AF mute
Q618 FET SP control
Q619 FET Side tone switch
Q620 Transistor Side tone switch
Q621 Transistor Beet shift switch
Q622 Transistor 5UC switch
Ref. No. Part name Description
Q623,624 FET 5UC switch
D1~4 Diode T / R switch
D7,11 Variable Frequency control / RX VCO
capacitance diode
D9,13 Variable Frequency control / TX VCO
capacitance diode
D17 Variable Modulaor
capacitance diode
D18 Diode Current steering
D100 Diode TX/RX RF switch
D103 Zener diode APC protect
D106,107 Diode ANT switch
D108 Zener diode APC switch
D200 Diode SQL control
D201 Diode Filter switch
D202 Diode SQL rectifier
D203 Diode Filter switch
D204 Diode DMUTE control
D205 Diode TX/RX RF switch
D206~210
Variable RF BPF tuning
D212
capacitance diode
D213,214 Diode ANT switch
D314 Diode 5R protector
D400 LED LED Red & Green
D402 Diode Reverse protection
D403 Diode Power switch control
D404 Diode Batt level control
D405 Diode 5M protector
D406 Diode 5M control
D408 Diode 5T control
D500~502
Diode RTC BATT control
D600 Diode AF BUFFER control
D601~603
Diode Detector
D604 Zener diode MIC shift control
D605 Diode SP control
D606 Zener diode MIC shift control
D607 Zener diode SP control
D608 Zener diode MIC shift control
D609 Diode RXD control
D610 Diode TXD control
D611 Zener diode PTT PF TXD RXD control
D612 Zener diode OPT control
D613 Diode SSW control
D614 Diode SP control
COMPONENTS DESCRIPTION

TK-3180
16
PARTS LIST
✽ New Parts. indicates safety critical components.
Parts without Parts No. are not supplied.
Les articles non mentionnes dans le Parts No. ne sont pas fournis.
Teile ohne Parts No. werden nicht geliefert.
L: Scandinavia K:USA P:Canada
Y: PX (Far East, Hawaii) T:England E:Europe
Y:AAFES (Europe) X:Australia M:Other Areas
Ref. No.
Address
Parts No. Description Desti-
nation
New
parts
Ref. No.
Address
Parts No. Description Desti-
nation
New
parts
11B✽A02-3847-03 CABINET ASSY K
21A✽A02-3848-03 CABINET ASSY K3
33A✽A10-4076-11 CHASSIS
43B✽A62-1093-02 PANEL
62DB09-0625-03 CAP ACCESSORY
71A✽B10-2752-22 FRONT GLASS
82A✽B11-1815-04 FILTER (LCD)
92A✽B11-1816-12 ILLUMINATION GUIDE (LCD)
10 3B ✽B11-1820-04 ILLUMINATION GUIDE (BUSY/TX)
11 2A ✽B38-0900-05 LCD ASSY
12 2C ✽B62-1759-00 INSTRUCTION MANUAL
13 3A ✽B72-2260-04 MODEL NAME PLATE K
13 3A ✽B72-2262-04 MODEL NAME PLATE K3
15 2B E04-0416-05 RF COAXIAL RECEPTACLE (SMA)
16 3B E23-1104-04 TERMINAL
17 2A E37-1101-05 SPEAKER WIRE (RED)
18 2A E37-1102-05 SPEAKER WIRE (BLACK)
19 2A ✽E37-1107-05 FLAT CABLE
20 3B ✽E58-0511-05 SQUARE SOCKET
21 3B ✽E72-0419-03 TERMINAL BLOCK
23 3A ✽F07-1880-04 COVER
24 2B ✽F12-0476-04 SHIELDIBG SHEET
25 2B ✽F12-0477-04 SHIELDIBG SHEET
26 2A ✽F15-1012-04 SHADOW PLATE
27 3B ✽F20-3350-04 INSULATING SHEET
29 2A ✽G10-1340-04 FIBROUS SHEET
30 2A ✽G10-1341-04 FIBROUS SHEET
31 2A ✽G11-4272-04 RUBBER CUSHION
32 3A ✽G11-4273-14 SHEET
33 3A ✽G11-4308-14 RUBBER SHEET (FINAL FET)
34 1A ✽G11-4326-04 SHEET
35 3A ✽G11-4332-04 SHEET
36 2B G13-1934-04 CUSHION
37 2A ✽G13-2055-04 CUSHION
38 2A ✽G13-2068-04 CUSHION
39 2B ✽G53-1598-01 PACKING K
40 1A ✽G53-1599-01 PACKING K3
41 3B ✽G53-1600-12 PACKING
42 3B ✽G53-1601-04 PACKING
43 3A ✽G53-1602-14 PACKING
44 2B,3B ✽G53-1603-04 PACKING
46 2C,1D ✽H12-3157-02 PACKING FIXTURE
47 3D ✽H52-2060-02 ITEM CARTON CASE
49 2A ✽J19-5460-02 HOLDER
50 2B ✽J19-5478-03 HOLDER
51 2C ✽J29-0710-05 HOOK ACCESSORY
52 3B ✽J30-1279-04 SPACER
53 2B ✽J82-0089-05 FPC (VOL/ENC)
54 3B ✽J82-0090-15 FPC (UNIVERSAL)
55 3A ✽J82-0091-15 FPC (PTT)
57 1A ✽K29-9302-23 KNOB (SIDE)
58 1A ✽K29-9303-03 BUTTON KNOB (SIDE)
59 1B ✽K29-9304-03 KNOB (VOLUME)
60 1A ✽K29-9305-03 KNOB (CH SELECTOR)
A2DN08-0548-04 DRESSED SCREW ACCESSORY
B3B✽N09-2426-04 HEXAGON HEAD SCREW
C3B✽N14-0806-04 CIRCULAR NUT
D3B✽N14-0810-04 CIRCULAR NUT
E2A,3A N30-2004-45 PAN HEAD MACHINE SCREW
F2BN30-2604-46 PAN HEAD MACHINE SCREW
G3AN30-2608-45 PAN HEAD MACHINE SCREW
H2C✽N30-3008-60 PAN HEAD MACHINE SCREW ACC
J2A,2B N83-2005-46 PAN HEAD TAPTITE SCREW
62 3B ✽R31-0652-05 VARIABLE RESISTOR
64 2B ✽S60-0430-05 ROTARY SWITCH
66 1A ✽T07-0749-15 SPEAKER
68 3A ✽W09-0971-05 LITHIUM CELL
D501,502 B30-2215-05 LED
D511-516 B30-2215-05 LED K3
D517-520 B30-2210-05 LED (TLY)
C500-503 CK73HB1H471K CHIP C 470PF K
C508 CK73HB1H471K CHIP C 470PF K
C513 CK73GB1C104K CHIP C 0.10UF K
C518 CK73HB1H471K CHIP C 470PF K
C522 CK73HB1H102K CHIP C 1000PF K
C523,524 ✽C92-0827-05 CHIP-TAN 4.7UF 10WV
C525 CK73HB1H471K CHIP C 470PF K
C527,528 ✽C92-0826-05 CHIP-TAN 1.0UF 16WV
C537,538 CK73GB0J475K CHIP C 4.7UF K
C539-546 CC73HCH1H470J CHIP C 47PF J
C548-551 CC73HCH1H470J CHIP C 47PF J
C553,554 CK73HB1H102K CHIP C 1000PF K
C555 ✽CK73HB0J105K CHIP C 1.0UF K
C556 CK73HB1H102K CHIP C 1000PF K
C562 ✽CK73HB0J105K CHIP C 1.0UF K
CN507 ✽E40-6410-05 FLAT CABLE CONNECTOR
CN508,509 ✽E40-6413-05 FLAT CABLE CONNECTOR
L550 L92-0163-05 BEADS CORE
L553,554 L92-0419-15 FERRITE CHIP
L555 L92-0163-05 BEADS CORE
CP501 RK75HA1J102J CHIP-COM 1.0K J 1/16W
CP503,504 RK75HA1J102J CHIP-COM 1.0K J 1/16W
CP506,507 RK75HA1J102J CHIP-COM 1.0K J 1/16W
CP509 RK75HA1J102J CHIP-COM 1.0K J 1/16W
R500,501 RK73HB1J102J CHIP R 1.0K J 1/16W
R517 R92-1368-05 CHIP R 0 OHM
R518 RK73HB1J331J CHIP R 330 J 1/16W
R520 RK73HB1J472J CHIP R 4.7K J 1/16W
R522 RK73HB1J391J CHIP R 390 J 1/16W
R524-526 RK73HB1J391J CHIP R 390 J 1/16W K3
DISPLAY UNIT (X54-3470-XX) -10 : K -11 : K3
TK-3180
TK-3180 (Y50-5880-XX)
DISPLAY UNIT (X54-3470-XX)

TK-3180
17
PARTS LIST
Ref. No.
Address
Parts No. Description Desti-
nation
New
parts
Ref. No.
Address
Parts No. Description Desti-
nation
New
parts
R527 R92-1368-05 CHIP R 0 OHM
R531 R92-1368-05 CHIP R 0 OHM
R533 R92-1368-05 CHIP R 0 OHM
R534 RK73HB1J101J CHIP R 100 J 1/16W
R535 R92-1368-05 CHIP R 0 OHM
R537 RK73HB1J101J CHIP R 100 J 1/16W
R540-543 RK73HB1J471J CHIP R 470 J 1/16W
R544 RK73HB1J154J CHIP R 150K J 1/16W
R545 RK73HB1J474J CHIP R 470K J 1/16W
R546 RK73HB1J823J CHIP R 82K J 1/16W
R547 RK73HB1J393J CHIP R 39K J 1/16W
R552 RK73HB1J471J CHIP R 470 J 1/16W
R559 R92-1368-05 CHIP R 0 OHM
R560 RK73HB1J474J CHIP R 470K J 1/16W
R561 RK73HB1J103J CHIP R 10K J 1/16W
R562-568 RK73HB1J102J CHIP R 1.0K J 1/16W
R570 R92-1252-05 CHIP R 0 OHM J 1/16W
R571 R92-1368-05 CHIP R 0 OHM
R573 RK73HB1J474J CHIP R 470K J 1/16W
R574,575 R92-1368-05 CHIP R 0 OHM
MIC500 2A T91-0579-05 MIC ELEMENT
D500 MA2S111 DIODE
D522 DA221 DIODE
IC500 BU2099FV MOS IC
IC501 XC6201P352MR MOS IC
IC502,503 HD74LV2G34AUS MOS IC
Q501 2SC4617(S) TRANSISTOR
Q502 2SB1132(Q,R) TRANSISTOR
Q504 2SK1830 FET
Q505 ✽2SJ144(Y) FET
D400 ✽B30-2278-05 LED (RED/YELLOW)
C1,2 CC73HCH1H101J CHIP C 100PF J
C3 CC73HCH1H100C CHIP C 10PF C
C4 CK73HB1C103K CHIP C 0.010UF K
C5 CC73HCH1H100C CHIP C 10PF C
C6 CK73HB1H102K CHIP C 1000PF K
C7,8 CC73HCH1H470J CHIP C 47PF J
C9-13 CC73HCH1H101J CHIP C 100PF J
C14-16 CC73HCH1H470J CHIP C 47PF J
C17 CC73HCH1H080B CHIP C 8.0PF B
C18 CC73HCH1H101J CHIP C 100PF J
C19 CC73HCH1H090B CHIP C 9.0PF B
C20 CC73HCH1H101J CHIP C 100PF J
C21 CK73HB1C223K CHIP C 0.022UF K
C22 CC73HCH1H1R5B CHIP C 1.5PF B
C23 CC73HCH1H030B CHIP C 3.0PF B
C24 C92-0001-05 CHIP C 0.1UF 35WV
C25 C92-0588-05 CHIP-TAN 1.5UF 16V
C26 CC73HCH1H030B CHIP C 3.0PF B
C27 CC73HCH1H020B CHIP C 2.0PF B
C28 CC73HCH1H050B CHIP C 5.0PF B
C29 CC73HCH1H470J CHIP C 47PF J
C30 C92-0001-05 CHIP C 0.1UF 35WV
C31 CC73HCH1H470J CHIP C 47PF J
C32,33 CC73HCH1H101J CHIP C 100PF J
C35 CC73HCH1H470J CHIP C 47PF J
C37 CC73HCH1H470J CHIP C 47PF J
C38 CC73GCH1H560J CHIP C 56PF J
C41 CC73GCH1H820J CHIP C 82PF J
C43 CK73HB0J105K CHIP C 1.0UF K
C44 CC73HCH1H130J CHIP C 13PF J
C45 CC73HCH1H090B CHIP C 9.0PF B
C46 CC73HCH1H040B CHIP C 4.0PF B
C47 CC73HCH1H020B CHIP C 2.0PF B
C48 CC73HCH1HR75B CHIP C 0.75PF B
C49,50 CC73HCH1H020B CHIP C 2.0PF B
C51 CC73HCH1H050B CHIP C 5.0PF B
C52 CC73HCH1H040B CHIP C 4.0PF B
C53 CC73HCH1H101J CHIP C 100PF J
C54 CC73HCH1H060B CHIP C 6.0PF B
C55 CC73HCH1H040B CHIP C 4.0PF B
C56 CC73HCH1H101J CHIP C 100PF J
C57,58 CC73GCH1H0R5B CHIP C 0.5PF B
C59-62 CC73HCH1H101J CHIP C 100PF J
C63 C92-0713-05 CHIP-TAN 10UF 6.3WV
C64 CC73HCH1H101J CHIP C 100PF J
C65 CC73HCH1H070D CHIP C 7.0PF D
C66 CC73HCH1H100C CHIP C 10PF C
C67 CC73HCH1H330J CHIP C 33PF J
C68-70 CK73HB1H471K CHIP C 470PF K
C71 CC73HCH1H070D CHIP C 7.0PF D
C72-74 CC73HCH1H470J CHIP C 47PF J
C75 CC73HCH1H030B CHIP C 3.0PF B
C78 CC73HCH1H101J CHIP C 100PF J
C79 CK73HB1H222K CHIP C 2200PF K
C100,101 CK73HB1H471K CHIP C 470PF K
C103,104 CK73HB1H471K CHIP C 470PF K
C105 CC73HCH1H070D CHIP C 7.0PF D
C106,107 CK73HB1H471K CHIP C 470PF K
C109 CK73HB1H471K CHIP C 470PF K
C111 CK73HB1A104K CHIP C 0.10UF K
C113 CK73HB1H471K CHIP C 470PF K
C114 CC73HCH1H100C CHIP C 10PF C
C116 CK73HB1H471K CHIP C 470PF K
C117 CK73HB1A104K CHIP C 0.10UF K
C118 CC73HCH1H330J CHIP C 33PF J
C119,120 CC73HCH1H100C CHIP C 10PF C
C121 ✽CK73GB1E105K CHIP C 1.0UF K
C122 CK73HB1H471K CHIP C 470PF K
C123 C92-0565-05 CHIP-TAN 6.8UF 10WV
C125-128 CK73HB1H471K CHIP C 470PF K
C129 CC73HCH1H180J CHIP C 18PF J
C131 CK73HB1H471K CHIP C 470PF K
C132 CC73HCH1H101J CHIP C 100PF J
C133 CK73HB1H471K CHIP C 470PF K
C135 CK73HB1H471K CHIP C 470PF K
C136 CK73HB1C103K CHIP C 0.010UF K
C137 C93-0764-05 CHIP C 47PF 50WV
C138 CK73HB1H471K CHIP C 470PF K
C139 CK73GB1C104K CHIP C 0.10UF K
C140 ✽CK73GB1E105K CHIP C 1.0UF K
C141 C93-0754-05 CHIP C 18PF J
C142 C93-0760-05 CHIP C 33PF 50WV
C143 CK73HB1C103K CHIP C 0.010UF K
C144 CK73HB1H471K CHIP C 470PF K
C149 CC73GCH1H101J CHIP C 100PF J
TX-RX UNIT (X57-6940-10)
DISPLAY UNIT (X54-3470-XX)
TX-RX UNIT (X57-6940-10)

TK-3180
18
PARTS LIST
Ref. No.
Address
Parts No. Description Desti-
nation
New
parts
Ref. No.
Address
Parts No. Description Desti-
nation
New
parts
C150 CK73HB1H471K CHIP C 470PF K
C151 CC73GCH1H030B CHIP C 3.0PF B
C152 CC73GCH1H101J CHIP C 100PF J
C153 CC73HCH1H050B CHIP C 5.0PF B
C154 CC73HCH1H1R5B CHIP C 1.5PF B
C155 CC73HCH1H060B CHIP C 6.0PF B
C156 CC73GCH1H020B CHIP C 2.0PF B
C157 CC73HCH1H070B CHIP C 7.0PF B
C159 CC73HCH1H040B CHIP C 4.0PF B
C161 C93-0745-05 CHIP C 7.0PF 50WV
C200 CK73HB1A104K CHIP C 0.10UF K
C201 CK73HB1C103K CHIP C 0.010UF K
C202 CK73HB1C223K CHIP C 0.022UF K
C203 CK73HB1H102K CHIP C 1000PF K
C204 CK73HB1A104K CHIP C 0.10UF K
C205 CK73HB1C103K CHIP C 0.010UF K
C206 CK73HB1H102K CHIP C 1000PF K
C207 CK73HB1A104K CHIP C 0.10UF K
C208 CK73HB1H182K CHIP C 1800PF K
C209,210 CK73HB1A104K CHIP C 0.10UF K
C211,212 CK73HB1H221K CHIP C 220PF K
C213 CC73HCH1H101J CHIP C 100PF J
C214 C92-0773-05 CHIP-TAN 15UF 6.3WV
C215,216 CK73HB1A104K CHIP C 0.10UF K
C217 CC73HCH1H680J CHIP C 68PF J
C218 CC73HCH1H470J CHIP C 47PF J
C219 CK73HB1A333K CHIP C 0.033UF K
C220 CK73HB1C103K CHIP C 0.010UF K
C221 C92-0713-05 CHIP-TAN 10UF 6.3WV
C222 CK73HB1A104K CHIP C 0.10UF K
C226 CK73HB1H471K CHIP C 470PF K
C227,228 CK73HB1C103K CHIP C 0.010UF K
C229 CC73HCH1H040B CHIP C 4.0PF B
C230 CC73HCH1H270J CHIP C 27PF J
C231 CC73HCH1H040B CHIP C 4.0PF B
C232 CK73HB1C103K CHIP C 0.010UF K
C233 CK73HB1H471K CHIP C 470PF K
C234 CK73HB1A104K CHIP C 0.10UF K
C235,236 CK73HB1C103K CHIP C 0.010UF K
C237 CK73HB1H471K CHIP C 470PF K
C238 CC73HCH1H060D CHIP C 6.0PF D
C239 CC73HCH1H090B CHIP C 9.0PF B
C240 CC73HCH1H020B CHIP C 2.0PF B
C241 CC73HCH1H100C CHIP C 10PF C
C242 CK73HB1H471K CHIP C 470PF K
C243 CK73HB1C103K CHIP C 0.010UF K
C244 CC73HCH1H020B CHIP C 2.0PF B
C245 CK73HB1H471K CHIP C 470PF K
C246 CC73HCH1H100C CHIP C 10PF C
C247 CC73HCH1H040B CHIP C 4.0PF B
C248 CK73HB1H471K CHIP C 470PF K
C250 CK73HB1H471K CHIP C 470PF K
C251 CC73HCH1H3R5B CHIP C 3.5PF B
C252 CC73HCH1H330J CHIP C 33PF J
C253 CK73HB1H471K CHIP C 470PF K
C255 CC73GCH1HR75B CHIP C 0.75PF B
C256 CC73GCH1H3R5B CHIP C 3.5PF B
C257 CC73HCH1H330J CHIP C 33PF J
C258 CK73HB1H471K CHIP C 470PF K
C260 CC73GCH1H010B CHIP C 1.0PF B
C261 CK73HB1H471K CHIP C 470PF K
C262 CC73HCH1H330J CHIP C 33PF J
C263 CC73HCH1H040B CHIP C 4.0PF B
C264 C92-0714-05 CHIP-TAN 4.7UF 6.3WV
C265,266 CK73HB1H471K CHIP C 470PF K
C269,270 CK73HB1H471K CHIP C 470PF K
C271 ✽CK73HB0J105K CHIP C 1.0UF K
C273-275 CK73HB1H471K CHIP C 470PF K
C276 CC73GCH1H2R5B CHIP C 2.5PF B
C277 CC73HCH1H330J CHIP C 33PF J
C279 CC73GCH1H1R5B CHIP C 1.5PF B
C280 CK73HB1H471K CHIP C 470PF K
C281 CC73HCH1H330J CHIP C 33PF J
C282 CC73HCH1H010B CHIP C 1.0PF B
C283 CC73HCH1H050B CHIP C 5.0PF B
C284 CC73GCH1H030B CHIP C 3.0PF B
C285 CK73HB1H471K CHIP C 470PF K
C286 CC73GCH1H101J CHIP C 100PF J
C287 CC73GCH1H090B CHIP C 9.0PF B
C289 CC73HCH1H040B CHIP C 4.0PF B
C290 ✽CK73HB0J224K CHIP C 0.22UF K
C292 CK73HB1C103K CHIP C 0.010UF K
C294 CC73GCH1H200J CHIP C 20PF J
C401,402 CK73HB1H471K CHIP C 470PF K
C404-414 CK73HB1H471K CHIP C 470PF K
C415 CK73FB1A475K CHIP C 4.7UF K
C416 CK73HB1H102K CHIP C 1000PF K
C418 CK73HB1H102K CHIP C 1000PF K
C419 ✽CK73GB1E105K CHIP C 1.0UF K
C420 CK73GB1C104K CHIP C 0.10UF K
C421 CK73GB1A224K CHIP C 0.22UF K
C422 ✽CK73GB1E105K CHIP C 1.0UF K
C423 ✽C92-0825-05 CHIP-TAN 10UF 10WV
C425 ✽CK73GB1E105K CHIP C 1.0UF K
C426 CC73HCH1H101J CHIP C 100PF J
C427 ✽CK73GB1E105K CHIP C 1.0UF K
C428 CK73HB1H471K CHIP C 470PF K
C429 ✽CK73GB1E105K CHIP C 1.0UF K
C431 CK73HB1H471K CHIP C 470PF K
C432 ✽C92-0825-05 CHIP-TAN 10UF 10WV
C433 CK73HB1H471K CHIP C 470PF K
C434 CC73HCH1H101J CHIP C 100PF J
C435 CK73GB1A224K CHIP C 0.22UF K
C436 CK73GB1H103K CHIP C 0.010UF K
C437 CC73HCH1H101J CHIP C 100PF J
C441 ✽CK73GB1E105K CHIP C 1.0UF K
C442 CK73GB1A224K CHIP C 0.22UF K
C443 ✽CK73GB1E105K CHIP C 1.0UF K
C445 CC73HCH1H470J CHIP C 47PF J
C446 CK73HB1H471K CHIP C 470PF K
C447 CK73HB1E472K CHIP C 4700PF K
C450,451 CK73GB0J475K CHIP C 4.7UF K
C500 C92-0712-05 CHIP-TAN 22UF 6.3WV
C502 C92-0712-05 CHIP-TAN 22UF 6.3WV
C503 CK73GB1E105K CHIP C 1.0UF K
C505-508 CK73GB1E105K CHIP C 1.0UF K
C509 CC73HCH1H270J CHIP C 27PF J
C510 CC73HCH1H040C CHIP C 4.0PF C
C511 CC73HCH1H270J CHIP C 27PF J
C512 CK73HB1C103K CHIP C 0.010UF K
TX-RX UNIT (X57-6940-10)

TK-3180
19
PARTS LIST
Ref. No.
Address
Parts No. Description Desti-
nation
New
parts
Ref. No.
Address
Parts No. Description Desti-
nation
New
parts
C514 CK73HB1C103K CHIP C 0.010UF K
C515 CC73HCH1H150G CHIP C 15PF G
C516 CK73HB1C103K CHIP C 0.010UF K
C517 CK73HB1A104K CHIP C 0.10UF K
C518 ✽CK73HB0J105K CHIP C 1.0UF K
C600 CK73HB1A104K CHIP C 0.10UF K
C601 CC73HCH1H220J CHIP C 22PF J
C602 CK73HB1A104K CHIP C 0.10UF K
C603 CK73HB1E472K CHIP C 4700PF K
C604,605 CC73HCH1H680J CHIP C 68PF J
C608 CK73HB1A104K CHIP C 0.10UF K
C609,610 CK73HB1C103K CHIP C 0.010UF K
C611 CC73HCH1H101J CHIP C 100PF J
C612,613 CK73HB1A104K CHIP C 0.10UF K
C614 CK73HB1H471K CHIP C 470PF K
C615 CC73HCH1H101J CHIP C 100PF J
C616 CK73HB1H471K CHIP C 470PF K
C617 C92-0656-05 CHIP-TAN 2.2UF 6.3WV
C618 C92-0713-05 CHIP-TAN 10UF 6.3WV
C619 CK73HB1H561K CHIP C 560PF K
C620 CK73HB1A104K CHIP C 0.10UF K
C621 CK73HB1C103K CHIP C 0.010UF K
C622 CK73HB1E562K CHIP C 5600PF K
C625 CK73HB1A104K CHIP C 0.10UF K
C627 CK73HB1C103K CHIP C 0.010UF K
C628 CK73HB1A104K CHIP C 0.10UF K
C630 CK73HB1H271K CHIP C 270PF K
C631 CK73HB1A104K CHIP C 0.10UF K
C632 CK73GB1E105K CHIP C 1.0UF K
C633 CK73HB1C103K CHIP C 0.010UF K
C635 CC73HCH1H101J CHIP C 100PF J
C636 CK73HB1A104K CHIP C 0.10UF K
C638 CK73HB1H102K CHIP C 1000PF K
C640,641 CK73GB0J475K CHIP C 4.7UF K
C642 CK73HB1A473K CHIP C 0.047UF K
C644 CK73HB1C123K CHIP C 0.012UF K
C645 CK73HB1A104K CHIP C 0.10UF K
C646 CK73GB0J475K CHIP C 4.7UF K
C647 CK73HB1C123K CHIP C 0.012UF K
C648 CK73HB1H102K CHIP C 1000PF K
C650,651 CK73HB1A104K CHIP C 0.10UF K
C652 CC73HCH1H680J CHIP C 68PF J
C653-655 CK73HB1A104K CHIP C 0.10UF K
C656 ✽CK73HB0J224K CHIP C 0.22UF K
C657 CC73HCH1H330J CHIP C 33PF J
C658 CK73HB1A104K CHIP C 0.10UF K
C659,660 CK73GB1C104K CHIP C 0.10UF K
C661 CK73HB1A104K CHIP C 0.10UF K
C662 CK73HB1H102K CHIP C 1000PF K
C663 ✽CK73HB0J105K CHIP C 1.0UF K
C665 CK73GB1E223K CHIP C 0.022UF K
C666 CK73HB1A104K CHIP C 0.10UF K
C667 CC73HCH1H470J CHIP C 47PF J
C668 CC73HCH1H120J CHIP C 12PF J
C669 CK73HB1H102K CHIP C 1000PF K
C670 CK73HB1A104K CHIP C 0.10UF K
C672 CK73HB1H102K CHIP C 1000PF K
C673-675 CK73HB1A104K CHIP C 0.10UF K
C676 CC73HCH1H470J CHIP C 47PF J
C677 CK73HB1H222K CHIP C 2200PF K
C678 CK73GB1C104K CHIP C 0.10UF K
C679,680 CK73HB1A104K CHIP C 0.10UF K
C681 CK73HB1H102K CHIP C 1000PF K
C682 CK73HB1C153K CHIP C 0.015UF K
C683 CK73HB1C123K CHIP C 0.012UF K
C684 CK73HB1H102K CHIP C 1000PF K
C685 CK73HB1A104K CHIP C 0.10UF K
C686 CK73HB1A683K CHIP C 0.068UF K
C687 C92-0713-05 CHIP-TAN 10UF 6.3WV
C688 CK73GB1A474K CHIP C 0.47UF K
C689 CK73HB1C103K CHIP C 0.010UF K
C690 CC73HCH1H470J CHIP C 47PF J
C691 CK73GB1A474K CHIP C 0.47UF K
C692 CC73HCH1H470J CHIP C 47PF J
C693 CK73GB1A474K CHIP C 0.47UF K
C694 CK73HB1H152K CHIP C 1500PF K
C695 CK73HB1A104K CHIP C 0.10UF K
C696 CK73HB1C103K CHIP C 0.010UF K
C697,698 CK73HB1A104K CHIP C 0.10UF K
C699 ✽C92-0816-05 CHIP-TAN 10UF 16WV
C700 CC73HCH1H470J CHIP C 47PF J
C702-710 CC73HCH1H470J CHIP C 47PF J
C711-714 CK73HB1H102K CHIP C 1000PF K
C715-717 CK73HB1A104K CHIP C 0.10UF K
C718 CC73HCH1H180J CHIP C 18PF J
C719 CC73HCH1H220J CHIP C 22PF J
C720 CK73HB1H471K CHIP C 470PF K
C721 CK73HB1H102K CHIP C 1000PF K
C725 CK73HB1H392K CHIP C 3900PF K
C727 CK73HB1A104K CHIP C 0.10UF K
C728 ✽CK73HB0J105K CHIP C 1.0UF K
C729 CK73HB1H271K CHIP C 270PF K
C730 CK73HB1H332K CHIP C 3300PF K
C732 CK73HB1H471K CHIP C 470PF K
C734 CC73HCH1H220J CHIP C 22PF J
C736 CC73HCH1H470J CHIP C 47PF J
C737 CK73GB0J475K CHIP C 4.7UF K
C738 CK73HB1H331K CHIP C 330PF K
C739-751 CC73HCH1H470J CHIP C 47PF J
C752,753 CC73HCH1H050B CHIP C 5.0PF B
C754 CK73HB1A104K CHIP C 0.10UF K
C755 CK73HB1E472K CHIP C 4700PF K
C756 CK73HB1A104K CHIP C 0.10UF K
C757 CK73HB1E472K CHIP C 4700PF K
C759 CK73HB1C123K CHIP C 0.012UF K
C763 CK73HB1H471K CHIP C 470PF K
TC1,2 C05-0384-05 CERAMIC TRIMMER CAP (10PF)
CN400 E40-5823-05 FLAT CABLE CONNECTOR
CN500 E40-6413-05 FLAT CABLE CONNECTOR
CN502,503 ✽E23-0342-05 TEST TERMINAL
CN600 E40-6389-05 PIN ASSY
CN602 E40-5856-05 FLAT CABLE CONNECTOR
CN603 ✽E23-1263-05 TERMINAL
F400 F53-0190-05 FUSE
F601,602 ✽F53-0315-05 FUSE
CN501 J19-5386-05 HOLDER
CD200 L79-1072-05 TUNING COIL
TX-RX UNIT (X57-6940-10)

TK-3180
20
PARTS LIST
Ref. No.
Address
Parts No. Description Desti-
nation
New
parts
Ref. No.
Address
Parts No. Description Desti-
nation
New
parts
CF200 ✽L72-1013-05 CERAMIC FILTER
CF201 ✽L72-1014-05 CERAMIC FILTER
L1 L40-4795-85 SMALL FIXED INDUCTOR (4.7UH)
L2 L41-2767-31 SMALL FIXED INDUCTOR
L3 L41-3367-31 SMALL FIXED INDUCTOR
L4 L41-1878-31 SMALL FIXED INDUCTOR
L6 L41-1878-31 SMALL FIXED INDUCTOR
L8 L40-1075-92 SMALL FIXED INDUCTOR (10NH)
L9 L92-0138-05 FERRITE CHIP
L10 L40-1891-86 SMALL FIXED INDUCTOR (1.8UH)
L11 L40-3391-86 SMALL FIXED INDUCTOR (3.3UH)
L12 L92-0163-05 BEADS CORE
L13 L40-1891-86 SMALL FIXED INDUCTOR (1.8UH)
L14 L40-3391-86 SMALL FIXED INDUCTOR (3.3UH)
L17 L40-1578-67 SMALL FIXED INDUCTOR (15NH)
L18 L40-2278-67 SMALL FIXED INDUCTOR (22NH)
L19,20 L40-2785-92 SMALL FIXED INDUCTOR (270NH)
L21,22 L40-3391-86 SMALL FIXED INDUCTOR (3.3UH)
L23 L92-0163-05 BEADS CORE
L24,25 L40-2275-92 SMALL FIXED INDUCTOR (22NH)
L27 L40-1075-92 SMALL FIXED INDUCTOR (10NH)
L100,101 L40-1875-92 SMALL FIXED INDUCTOR (18NH)
L102 L92-0138-05 FERRITE CHIP
L103 L40-1275-92 SMALL FIXED INDUCTOR (12NH)
L104 L40-1575-54 SMALL FIXED INDUCTOR (15NH)
L105 L92-0149-05 FERRITE CHIP
L106 L40-2275-92 SMALL FIXED INDUCTOR (22NH)
L107 L34-4566-05 AIR-CORE COIL
L108 L92-0149-05 FERRITE CHIP
L109 L40-2285-54 SMALL FIXED INDUCTOR (220NH)
L110 L34-4572-05 AIR-CORE COIL
L111-113 L34-4564-05 AIR-CORE COIL
L200 L92-0141-05 FERRITE CHIP
L201 L40-1091-86 SMALL FIXED INDUCTOR (1.0UH)
L202 L40-1591-86 SMALL FIXED INDUCTOR (1.5UH)
L203 L92-0138-05 FERRITE CHIP
L204 L40-2785-85 SMALL FIXED INDUCTOR (0.27UH)
L206,207 L40-1875-92 SMALL FIXED INDUCTOR (18NH)
L208 L40-2275-92 SMALL FIXED INDUCTOR (22NH)
L210-212 L41-8268-14 SMALL FIXED INDUCTOR
L213 L92-0138-05 FERRITE CHIP
L214 L41-2285-03 SMALL FIXED INDUCTOR
L215,216 L41-8268-14 SMALL FIXED INDUCTOR
L217 L41-3378-03 SMALL FIXED INDUCTOR
L218 L40-8625-92 SMALL FIXED INDUCTOR (8.2NH)
L220 L40-5685-85 SMALL FIXED INDUCTOR (0.56UH)
L400 L92-0149-05 FERRITE CHIP
L500-503 L92-0163-05 BEADS CORE
L600 L92-0163-05 BEADS CORE
L601 ✽L92-0419-15 FERRITE CHIP
L602-607 L92-0163-05 BEADS CORE
L608,609 L92-0467-05 FERRITE CHIP
L610,611 L92-0408-05 FERRITE CHIP
L612 L92-0163-05 BEADS CORE
L615 L92-0163-05 BEADS CORE
X1 ✽L77-1952-05 TCXO (16.8MHZ)
X200 ✽L77-1957-05 CRYSTAL RESONATOR (59.395MHZ)
X500 ✽L77-1958-05 CRYSTAL RESONATOR (11.0592MHZ)
X501 ✽L77-1802-05 CRYSTAL RESONATOR (32768HZ)
X600 ✽L77-1965-05 CRYSTAL RESONATOR (3.6864MHZ)
XF200 ✽L71-0622-05 MCF (59.85MHZ)
CP400,401 RK75HA1J473J CHIP-COM 47K J 1/16W
CP500-510 RK75HA1J102J CHIP-COM 1.0K J 1/16W
CP511 ✽RK75HA1J331J CHIP-COM 330 J 1/16W
CP512-515 RK75HA1J102J CHIP-COM 1.0K J 1/16W
CP516 RK75HA1J103J CHIP-COM 10K J 1/16W
CP517 RK75HA1J102J CHIP-COM 1.0K J 1/16W
CP518 RK75HA1J473J CHIP-COM 47K J 1/16W
CP519 RK75HA1J103J CHIP-COM 10K J 1/16W
CP521 RK75HA1J102J CHIP-COM 1.0K J 1/16W
CP522 RK75HA1J101J CHIP-COM 100 J 1/16W
CP600 RK75HA1J473J CHIP-COM 47K J 1/16W
CP601-603 RK75HA1J102J CHIP-COM 1.0K J 1/16W
CP604,605 ✽RK75HA1J331J CHIP-COM 330 J 1/16W
CP606 RK75HA1J102J CHIP-COM 1.0K J 1/16W
CP607,608 ✽RK75HA1J101J CHIP-COM 100 J 1/16W
R2 RK73HB1J101J CHIP R 100 J 1/16W
R3 R92-1368-05 CHIP R 0 OHM
R4 RK73HB1J100J CHIP R 10 J 1/16W
R5 RK73HB1J103J CHIP R 10K J 1/16W
R6,7 RK73HB1J223J CHIP R 22K J 1/16W
R8-10 RK73HB1J100J CHIP R 10 J 1/16W
R11 RK73HB1J102J CHIP R 1.0K J 1/16W
R12 RK73HB1J272J CHIP R 2.7K J 1/16W
R13 RK73HB1J154J CHIP R 150K J 1/16W
R14,15 RK73HB1J100J CHIP R 10 J 1/16W
R16 RK73HB1J821J CHIP R 820 J 1/16W
R17,18 RK73HB1J271J CHIP R 270 J 1/16W
R19,20 RK73HB1J223J CHIP R 22K J 1/16W
R21 RK73HB1J681J CHIP R 680 J 1/16W
R22 RK73HB1J103J CHIP R 10K J 1/16W
R23,24 RK73HB1J472J CHIP R 4.7K J 1/16W
R29 RK73HB1J184J CHIP R 180K J 1/16W
R30,31 RK73HB1J473J CHIP R 47K J 1/16W
R32 RK73HB1J100J CHIP R 10 J 1/16W
R33 RK73HB1J181J CHIP R 180 J 1/16W
R34 RK73HB1J151J CHIP R 150 J 1/16W
R35 RK73HB1J100J CHIP R 10 J 1/16W
R36 RK73HB1J154J CHIP R 150K J 1/16W
R37 RK73HB1J472J CHIP R 4.7K J 1/16W
R38 RK73HB1J101J CHIP R 100 J 1/16W
R39 RK73HB1J472J CHIP R 4.7K J 1/16W
R40 RK73HB1J682J CHIP R 6.8K J 1/16W
R41 RK73HB1J103J CHIP R 10K J 1/16W
R42 RK73HB1J331J CHIP R 330 J 1/16W
R43 RK73HB1J222J CHIP R 2.2K J 1/16W
R44 RK73HB1J470J CHIP R 47 J 1/16W
R45 R92-1368-05 CHIP R 0 OHM
R46 RK73HB1J472J CHIP R 4.7K J 1/16W
R47 RK73HB1J474J CHIP R 470K J 1/16W
R51 R92-1368-05 CHIP R 0 OHM
R53 R92-1368-05 CHIP R 0 OHM
R100 RK73HH1J333D CHIP R 33K D 1/16W
R101 RK73HB1J472J CHIP R 4.7K J 1/16W
R102 RK73HB1J223J CHIP R 22K J 1/16W
R103 RK73HB1J822J CHIP R 8.2K J 1/16W
R104 RK73HB1J473J CHIP R 47K J 1/16W
R105 RK73HB1J100J CHIP R 10 J 1/16W
R106 RK73HB1J331J CHIP R 330 J 1/16W
TX-RX UNIT (X57-6940-10)

TK-3180
21
PARTS LIST
Ref. No.
Address
Parts No. Description Desti-
nation
New
parts
Ref. No.
Address
Parts No. Description Desti-
nation
New
parts
R107 RK73HB1J220J CHIP R 22 J 1/16W
R108 RK73HB1J331J CHIP R 330 J 1/16W
R109 RK73HB1J180J CHIP R 18 J 1/16W
R110 RK73HB1J331J CHIP R 330 J 1/16W
R111 RK73HB1J101J CHIP R 100 J 1/16W
R112 RK73HB1J103J CHIP R 10K J 1/16W
R113 RK73HB1J822J CHIP R 8.2K J 1/16W
R115 RK73HB1J331J CHIP R 330 J 1/16W
R116 RK73HB1J103J CHIP R 10K J 1/16W
R117 RK73HB1J473J CHIP R 47K J 1/16W
R119 RK73HB1J470J CHIP R 47 J 1/16W
R120 R92-1368-05 CHIP R 0 OHM
R122 RK73HB1J271J CHIP R 270 J 1/16W
R123 RK73HB1J561J CHIP R 560 J 1/16W
R124 R92-1368-05 CHIP R 0 OHM
R125 RK73EB2ER39K CHIP R 0.39 K 1/4W
R126 RK73HB1J470J CHIP R 47 J 1/16W
R127 RK73EB2ER39K CHIP R 0.39 K 1/4W
R128 RK73HH1J104D CHIP R 100K D 1/16W
R130 RK73EB2ER39K CHIP R 0.39 K 1/4W
R132,133 RK73HH1J154D CHIP R 150K D 1/16W
R134 R92-1368-05 CHIP R 0 OHM
R135 RK73HB1J102J CHIP R 1.0K J 1/16W
R137-140 RK73HH1J154D CHIP R 150K D 1/16W
R141 RK73HB1J103J CHIP R 10K J 1/16W
R142 RK73HB1J473J CHIP R 47K J 1/16W
R143 R92-1368-05 CHIP R 0 OHM
R144 RK73HB1J105J CHIP R 1.0M J 1/16W
R145 RK73HB1J102J CHIP R 1.0K J 1/16W
R146,147 RK73HB1J104J CHIP R 100K J 1/16W
R148,149 RK73HB1J271J CHIP R 270 J 1/16W
R150 R92-0670-05 CHIP R 0 OHM
R152 R92-1368-05 CHIP R 0 OHM
R153 RK73HB1J393J CHIP R 39K J 1/16W
R154 R92-1368-05 CHIP R 0 OHM
R155 RK73EB2E823J CHIP R 82K J 1/4W
R157,158 R92-1368-05 CHIP R 0 OHM
R200 RK73HB1J824J CHIP R 820K J 1/16W
R202 RK73HB1J224J CHIP R 220K J 1/16W
R203 RK73HB1J683J CHIP R 68K J 1/16W
R204 RK73HB1J104J CHIP R 100K J 1/16W
R205 RK73HB1J472J CHIP R 4.7K J 1/16W
R206 RK73HB1J152J CHIP R 1.5K J 1/16W
R207 R92-1368-05 CHIP R 0 OHM
R208,209 RK73HB1J223J CHIP R 22K J 1/16W
R210 RK73HB1J332J CHIP R 3.3K J 1/16W
R211,212 RK73HB1J223J CHIP R 22K J 1/16W
R213 RK73HB1J471J CHIP R 470 J 1/16W
R214 RK73HB1J334J CHIP R 330K J 1/16W
R215 RK73HB1J472J CHIP R 4.7K J 1/16W
R216 RK73HB1J392J CHIP R 3.9K J 1/16W
R217 RK73HB1J184J CHIP R 180K J 1/16W
R218 RK73HB1J822J CHIP R 8.2K J 1/16W
R219 RK73GB1J153J CHIP R 15K J 1/16W
R220 RK73HB1J334J CHIP R 330K J 1/16W
R221 RK73GB1J332J CHIP R 3.3K J 1/16W
R222 RK73HB1J272J CHIP R 2.7K J 1/16W
R223 RK73HB1J474J CHIP R 470K J 1/16W
R224 RK73HB1J392J CHIP R 3.9K J 1/16W
R225 RK73HB1J100J CHIP R 10 J 1/16W
R226 RK73HB1J562J CHIP R 5.6K J 1/16W
R227 R92-1368-05 CHIP R 0 OHM
R228 RK73HB1J221J CHIP R 220 J 1/16W
R230 RK73HB1J564J CHIP R 560K J 1/16W
R231 RK73HB1J121J CHIP R 120 J 1/16W
R232 RK73HB1J221J CHIP R 220 J 1/16W
R233 RK73HB1J472J CHIP R 4.7K J 1/16W
R234 RK73HB1J470J CHIP R 47 J 1/16W
R236 RK73HB1J681J CHIP R 680 J 1/16W
R237 RK73HB1J151J CHIP R 150 J 1/16W
R239 RK73HB1J104J CHIP R 100K J 1/16W
R240 RK73HB1J154J CHIP R 150K J 1/16W
R241 RK73HB1J104J CHIP R 100K J 1/16W
R242 RK73HB1J184J CHIP R 180K J 1/16W
R243 R92-1252-05 CHIP R 0 OHM J 1/16W
R244-246 RK73HB1J105J CHIP R 1.0M J 1/16W
R248 RK73HB1J680J CHIP R 68 J 1/16W
R249 RK73HB1J221J CHIP R 220 J 1/16W
R251 RK73HB1J104J CHIP R 100K J 1/16W
R253 RK73HB1J104J CHIP R 100K J 1/16W
R254 RK73HB1J683J CHIP R 68K J 1/16W
R255 RK73HB1J104J CHIP R 100K J 1/16W
R256-258 RK73HB1J105J CHIP R 1.0M J 1/16W
R400 R92-1368-05 CHIP R 0 OHM
R402 RK73HB1J821J CHIP R 820 J 1/16W
R403 RK73HB1J561J CHIP R 560 J 1/16W
R404 RK73HB1J103J CHIP R 10K J 1/16W
R405 RK73HB1J104J CHIP R 100K J 1/16W
R406 RK73HB1J224J CHIP R 220K J 1/16W
R407 RK73HB1J684J CHIP R 680K J 1/16W
R408,409 RK73HB1J474J CHIP R 470K J 1/16W
R410 RK73HB1J103J CHIP R 10K J 1/16W
R411,412 RK73HH1J474D CHIP R 470K D 1/16W
R414 RK73HB1J103J CHIP R 10K J 1/16W
R415 RK73HB1J153J CHIP R 15K J 1/16W
R416 R92-1368-05 CHIP R 0 OHM
R417 RK73HB1J684J CHIP R 680K J 1/16W
R418 RK73HB1J474J CHIP R 470K J 1/16W
R419 RK73HB1J105J CHIP R 1.0M J 1/16W
R421 RK73HB1J102J CHIP R 1.0K J 1/16W
R422 RK73HB1J472J CHIP R 4.7K J 1/16W
R423,424 RK73HB1J103J CHIP R 10K J 1/16W
R425-427 RK73HB1J473J CHIP R 47K J 1/16W
R428 RK73HB1J124J CHIP R 120K J 1/16W
R430 RK73HB1J103J CHIP R 10K J 1/16W
R500 R92-1368-05 CHIP R 0 OHM
R504 R92-1368-05 CHIP R 0 OHM
R505,506 RK73HB1J473J CHIP R 47K J 1/16W
R507 RK73HB1J474J CHIP R 470K J 1/16W
R508-510 RK73HB1J473J CHIP R 47K J 1/16W
R511 R92-1368-05 CHIP R 0 OHM
R512 RK73HB1J473J CHIP R 47K J 1/16W
R513 RK73HB1J102J CHIP R 1.0K J 1/16W
R514 RK73HB1J472J CHIP R 4.7K J 1/16W
R515 RK73HB1J473J CHIP R 47K J 1/16W
R516,517 RK73HB1J102J CHIP R 1.0K J 1/16W
R518 RK73HB1J103J CHIP R 10K J 1/16W
R519 RK73HB1J474J CHIP R 470K J 1/16W
R520 RK73HB1J103J CHIP R 10K J 1/16W
R521 RK73HH1J272D CHIP R 2.7K D 1/16W
TX-RX UNIT (X57-6940-10)

TK-3180
22
PARTS LIST
Ref. No.
Address
Parts No. Description Desti-
nation
New
parts
Ref. No.
Address
Parts No. Description Desti-
nation
New
parts
R522 ✽RK73HH1J512D CHIP R 5.1K D 1/16W
R523,524 R92-1368-05 CHIP R 0 OHM
R525 RK73HB1J102J CHIP R 1.0K J 1/16W
R526 R92-1252-05 CHIP R 0 OHM J 1/16W
R527 RK73HB1J473J CHIP R 47K J 1/16W
R528 RK73HB1J474J CHIP R 470K J 1/16W
R600 RK73HB1J684J CHIP R 680K J 1/16W
R601 RK73HB1J394J CHIP R 390K J 1/16W
R603 R92-1368-05 CHIP R 0 OHM
R604 RK73HB1J184J CHIP R 180K J 1/16W
R605 RK73HB1J393J CHIP R 39K J 1/16W
R606 RK73HB1J184J CHIP R 180K J 1/16W
R607 RK73HB1J223J CHIP R 22K J 1/16W
R609 RK73HB1J104J CHIP R 100K J 1/16W
R612 RK73HB1J103J CHIP R 10K J 1/16W
R613 RK73HB1J104J CHIP R 100K J 1/16W
R614 RK73HB1J683J CHIP R 68K J 1/16W
R615 RK73HB1J473J CHIP R 47K J 1/16W
R616 RK73HB1J104J CHIP R 100K J 1/16W
R617 RK73HB1J683J CHIP R 68K J 1/16W
R618 R92-1368-05 CHIP R 0 OHM
R619 RK73HB1J184J CHIP R 180K J 1/16W
R623 RK73HB1J104J CHIP R 100K J 1/16W
R624 R92-1368-05 CHIP R 0 OHM
R625 RK73HB1J472J CHIP R 4.7K J 1/16W
R626 RK73HB1J184J CHIP R 180K J 1/16W
R627 RK73HB1J684J CHIP R 680K J 1/16W
R628,629 R92-1368-05 CHIP R 0 OHM
R631 RK73HB1J474J CHIP R 470K J 1/16W
R633 RK73HB1J105J CHIP R 1.0M J 1/16W
R635,636 RK73HB1J472J CHIP R 4.7K J 1/16W
R637 RK73HB1J332J CHIP R 3.3K J 1/16W
R638 RK73HB1J103J CHIP R 10K J 1/16W
R641 RK73HB1J273J CHIP R 27K J 1/16W
R642 RK73HB1J472J CHIP R 4.7K J 1/16W
R643 RK73HB1J104J CHIP R 100K J 1/16W
R644 RK73HB1J103J CHIP R 10K J 1/16W
R645 RK73HB1J472J CHIP R 4.7K J 1/16W
R648 RK73HB1J104J CHIP R 100K J 1/16W
R650 RK73HB1J472J CHIP R 4.7K J 1/16W
R652 RK73HB1J103J CHIP R 10K J 1/16W
R654 RK73HB1J683J CHIP R 68K J 1/16W
R655 RK73HB1J682J CHIP R 6.8K J 1/16W
R656 RK73HB1J563J CHIP R 56K J 1/16W
R657 RK73HB1J564J CHIP R 560K J 1/16W
R658 RK73HB1J473J CHIP R 47K J 1/16W
R659 R92-1252-05 CHIP R 0 OHM J 1/16W
R660 R92-1368-05 CHIP R 0 OHM
R661 RK73HB1J334J CHIP R 330K J 1/16W
R663 RK73HB1J103J CHIP R 10K J 1/16W
R664 RK73HB1J124J CHIP R 120K J 1/16W
R666 RK73HB1J105J CHIP R 1.0M J 1/16W
R667 RK73HB1J394J CHIP R 390K J 1/16W
R668 RK73HB1J154J CHIP R 150K J 1/16W
R669 RK73HB1J124J CHIP R 120K J 1/16W
R670 R92-1252-05 CHIP R 0 OHM J 1/16W
R671 RK73HB1J104J CHIP R 100K J 1/16W
R672 RK73HB1J224J CHIP R 220K J 1/16W
R673,674 R92-1368-05 CHIP R 0 OHM
R675 RK73HB1J105J CHIP R 1.0M J 1/16W
R676 RK73HB1J274J CHIP R 270K J 1/16W
R677 RK73HB1J223J CHIP R 22K J 1/16W
R679 R92-1368-05 CHIP R 0 OHM
R680 RK73HB1J274J CHIP R 270K J 1/16W
R681 RK73HB1J102J CHIP R 1.0K J 1/16W
R682 RK73HB1J272J CHIP R 2.7K J 1/16W
R683 RK73HB1J154J CHIP R 150K J 1/16W
R684 R92-1252-05 CHIP R 0 OHM J 1/16W
R685 RK73HB1J472J CHIP R 4.7K J 1/16W
R686 RK73HB1J824J CHIP R 820K J 1/16W
R687 RK73HB1J105J CHIP R 1.0M J 1/16W
R688 RK73HB1J273J CHIP R 27K J 1/16W
R689,690 R92-1368-05 CHIP R 0 OHM
R691 RK73HB1J103J CHIP R 10K J 1/16W
R692 RK73HB1J823J CHIP R 82K J 1/16W
R693 RK73HB1J472J CHIP R 4.7K J 1/16W
R694 RK73HB1J104J CHIP R 100K J 1/16W
R695 RK73HB1J103J CHIP R 10K J 1/16W
R696 RK73HB1J184J CHIP R 180K J 1/16W
R697 RK73HB1J474J CHIP R 470K J 1/16W
R698 RK73HB1J105J CHIP R 1.0M J 1/16W
R699 RK73HB1J334J CHIP R 330K J 1/16W
R700 RK73HB1J184J CHIP R 180K J 1/16W
R701 RK73HB1J223J CHIP R 22K J 1/16W
R702,703 RK73HB1J473J CHIP R 47K J 1/16W
R704 RK73HB1J471J CHIP R 470 J 1/16W
R705,706 RK73HB1J153J CHIP R 15K J 1/16W
R707 RK73HB1J182J CHIP R 1.8K J 1/16W
R708 RK73HB1J102J CHIP R 1.0K J 1/16W
R709 RK73HB1J104J CHIP R 100K J 1/16W
R710 RK73HB1J102J CHIP R 1.0K J 1/16W
R711 RK73HB1J473J CHIP R 47K J 1/16W
R712 RK73HB1J104J CHIP R 100K J 1/16W
R713 RK73HB1J102J CHIP R 1.0K J 1/16W
R714 RK73HB1J104J CHIP R 100K J 1/16W
R715 RK73HB1J272J CHIP R 2.7K J 1/16W
R716 RK73HB1J104J CHIP R 100K J 1/16W
R717-720 RK73HB1J101J CHIP R 100 J 1/16W
R721 RK73HB1J103J CHIP R 10K J 1/16W
R722 RK73HB1J474J CHIP R 470K J 1/16W
R723 RK73HB1J470J CHIP R 47 J 1/16W
R724 RK73HB1J102J CHIP R 1.0K J 1/16W
R725,726 RK73HB1J331J CHIP R 330 J 1/16W
R728-734 RK73HB1J102J CHIP R 1.0K J 1/16W
R735 RK73HB1J473J CHIP R 47K J 1/16W
R736,737 RK73HB1J472J CHIP R 4.7K J 1/16W
R738 RK73HB1J124J CHIP R 120K J 1/16W
R739 RK73HB1J184J CHIP R 180K J 1/16W
R740,741 RK73HB1J123J CHIP R 12K J 1/16W
R742 RK73HB1J822J CHIP R 8.2K J 1/16W
R744 RK73HB1J472J CHIP R 4.7K J 1/16W
R745 RK73HB1J823J CHIP R 82K J 1/16W
R747 R92-1368-05 CHIP R 0 OHM
R748 RK73HB1J104J CHIP R 100K J 1/16W
R750 RK73HB1J823J CHIP R 82K J 1/16W
R752 R92-1368-05 CHIP R 0 OHM
R753 RK73HB1J103J CHIP R 10K J 1/16W
R754 RK73HB1J472J CHIP R 4.7K J 1/16W
R755 R92-1252-05 CHIP R 0 OHM J 1/16W
R758 RK73HB1J473J CHIP R 47K J 1/16W
TX-RX UNIT (X57-6940-10)

TK-3180
23
PARTS LIST
Ref. No.
Address
Parts No. Description Desti-
nation
New
parts
Ref. No.
Address
Parts No. Description Desti-
nation
New
parts
R760 RK73HB1J104J CHIP R 100K J 1/16W
R761 RK73HB1J222J CHIP R 2.2K J 1/16W
R762 RK73HB1J472J CHIP R 4.7K J 1/16W
R764,765 R92-1252-05 CHIP R 0 OHM J 1/16W
R766 RK73HB1J222J CHIP R 2.2K J 1/16W
R767 RK73HB1J474J CHIP R 470K J 1/16W
R768 RK73HB1J101J CHIP R 100 J 1/16W
R769-771 RK73HB1J102J CHIP R 1.0K J 1/16W
R772 R92-1368-05 CHIP R 0 OHM
R773 RK73HB1J823J CHIP R 82K J 1/16W
R775 RK73HB1J563J CHIP R 56K J 1/16W
R776 RK73HB1J473J CHIP R 47K J 1/16W
R777 RK73HB1J100J CHIP R 10 J 1/16W
R780 RK73HB1J103J CHIP R 10K J 1/16W
R781,782 R92-1368-05 CHIP R 0 OHM
R783 RK73HB1J683J CHIP R 68K J 1/16W
R784 RK73HB1J473J CHIP R 47K J 1/16W
R785 RK73HH1J123D CHIP R 12K D 1/16W
R786 ✽RK73HH1J562D CHIP R 5.6K D 1/16W
R787 RK73HH1J103D CHIP R 10K D 1/16W
R788 RK73HB1J473J CHIP R 47K J 1/16W
R790 R92-1368-05 CHIP R 0 OHM
R792 RK73HB1J223J CHIP R 22K J 1/16W
R794 R92-1368-05 CHIP R 0 OHM
R796 R92-1252-05 CHIP R 0 OHM J 1/16W
S400 S70-0483-05 TACT SWITCH
D1-4 HVC131 DIODE
D7 1SV325 VARIABLE CAPACITANCE DIODE
D9 1SV325 VARIABLE CAPACITANCE DIODE
D11 1SV325 VARIABLE CAPACITANCE DIODE
D13 1SV325 VARIABLE CAPACITANCE DIODE
D17 1SV278 VARIABLE CAPACITANCE DIODE
D18 MA2S111 DIODE
D100 HSC277 DIODE
D103 HZU3BLL ZENER DIODE
D106,107 HVC131 DIODE
D108 HZU2ALL ZENER DIODE
D200 MA2S111 DIODE
D201 DAN222 DIODE
D202 RB706F-40 DIODE
D203 DAN222 DIODE
D204 MA2S111 DIODE
D205 HSC277 DIODE
D206-210 HVC369B VARIABLE CAPACITANCE DIODE
D212 HVC369B VARIABLE CAPACITANCE DIODE
D213,214 HVC131 DIODE
D314 MA2S111 DIODE
D402 1SR154-400 DIODE
D403 1SS301 DIODE
D404 MA2S111 DIODE
D405 RB521S-30 DIODE
D406 MA2S111 DIODE
D408 MA2S111 DIODE
D500 MA2S111 DIODE
D501,502 1SS388 DIODE
D600-603 RB706F-40 DIODE
D604 015AZ6.8 ZENER DIODE
D605 1SS373 DIODE
D606 015AZ6.8 ZENER DIODE
D607 015AZ2.4-X ZENER DIODE
D608 015AZ6.8 ZENER DIODE
D609,610 DA221 DIODE
D611 NNCD6.8G ZENER DIODE
D612 015AZ6.8 ZENER DIODE
D613 DA221 DIODE
D614 DAN222 DIODE
IC1 ADF4111BCP7 MOS IC
IC100 TA75W01FU MOS IC
IC200 TA31136FN MOS IC
IC400 ✽XC61CC5602NR MOS IC
IC401 TK11250CUCB MOS IC
IC402,403 XC6204B502MR MOS IC
IC404 TC75S51FE MOS IC
IC405 S-80942CNNBG9C MOS IC
IC406 TK11250CUCB MOS IC
IC500 AT29C040A-90TI ROM IC
IC502 30625MGP-169GP MPU
IC503 RV5C386A MOS IC
IC504 AT24256N10SI27 ROM IC
IC505 ✽TC7W53FK HYBRID IC
IC600-604 TC75W51FK MOS IC
IC605 M62364FP MOS IC
IC606 ✽TC7W53FK HYBRID IC
IC607 AQUA-L MOS IC
IC608 TC75W51FK MOS IC
IC609 TDA7053AT BI-POLAR IC
Q1 DTA144EE DIGITAL TRANSISTOR
Q2 DTC144EE DIGITAL TRANSISTOR
Q6,7 2SK508NV(K52) FET
Q8,9 2SJ347 FET
Q10 2SC5108(Y) TRANSISTOR
Q11 2SK1830 FET
Q12 2SC4617(S) TRANSISTOR
Q13-15 2SC5108(Y) TRANSISTOR
Q100 2SC5108(Y) TRANSISTOR
Q101 2SK3077 FET
Q102 2SK3391 FET
Q104 2SC4738(GR) TRANSISTOR
Q105 RD07MVS1 FET
Q106 DTC114EE DIGITAL TRANSISTOR
Q107,108 2SK1824 FET
Q200 HN1L02FU FET
Q201 2SC4617(S) TRANSISTOR
Q202 2SJ243 FET
Q203 2SK1824 FET
Q204 DTA144EE DIGITAL TRANSISTOR
Q205 2SC5108(Y) TRANSISTOR
Q206,207 3SK318 FET
Q400 UMG9N TRANSISTOR
Q401 SSM3K15TE FET
Q402 2SK1830 FET
Q403 2SA1955(A) TRANSISTOR
Q404 DTC144EE DIGITAL TRANSISTOR
Q405 2SJ347 FET
Q406 2SA1955(A) TRANSISTOR
Q407 2SK1830 FET
Q408 2SA1955(A) TRANSISTOR
Q409 2SJ347 FET
Q502 SSM3K15TE FET
TX-RX UNIT (X57-6940-10)

TK-3180
24
PARTS LIST
Ref. No.
Address
Parts No. Description Desti-
nation
New
parts
Ref. No.
Address
Parts No. Description Desti-
nation
New
parts
Q602 DTA114EE DIGITAL TRANSISTOR
Q605 RN4910 TRANSISTOR
Q606 2SC4738(GR) TRANSISTOR
Q607 2SA1832(GR) TRANSISTOR
Q608-610 2SJ243 FET
Q611 HN1L02FU FET
Q612 2SC4617(S) TRANSISTOR
Q613 2SB1132(Q,R) TRANSISTOR
Q614 2SJ347 FET
Q615 2SC4617(S) TRANSISTOR
Q616,617 UPA672T FET
Q618 2SK1824 FET
Q619 2SJ243 FET
Q620 DTA144TE DIGITAL TRANSISTOR
Q621 2SC4649(N,P) TRANSISTOR
Q622 FMMT717 TRANSISTOR
Q623,624 2SK1830 FET
TH100 ERTJ0EV104H THERMISTOR
TH200 ERTJ0EV104H THERMISTOR
TX-RX UNIT (X57-6940-10)

TK-3180
25
EXPLODED VIEW
3
2
1
BA
25
24
1
2
60
59
57
58
40
39
34
66
31
49
7
26
37
37
9
8
29
30x2
17 18
35
MIC500
19
38x2
36
15
44
44
50
53
68
27
16
33
32
55
43
23
42
21
54
41
10
4
52
3
11
13
20
D
C
Fx2
J
Jx2Jx2
Display
unit (X54)
TX-RX unit
(X57)
J
J
64
62
B
E
E
G
701
702
700
G
Ex2
Jx2
Jx3
Jx2
Jx4
J
B: N09-2426-04
C: N14-0806-04
D: N14-0810-04
E M2 x 4 BLK : N30-2004-45
F M2.6 x 4 : N30-2604-46
G M2.6 x 8 BLK : N30-2608-45
J: N83-2005-46
Parts with the exploded numbers larger than 700 are not supplied.

TK-3180
26
PACKING
3
2
1
DC
46 Packing fixture
(H12-3157-02)
46 Packing fixture
(H12-3157-02)
47 Item carton case
(H52-2060-02)
51 Hook
(J29-0710-05)
A Dressed screw
(N08-0548-04)
703
704
H Pan head machine screw
(N30-3008-60) x 2
6 Cap
(B09-0625-03)
12 Instruction manual
(B62-1759-00)
705
706 707
Parts with the exploded numbers larger than 700 are not supplied.

TK-3180
27
Controls Key “FNC” appears
Function Display
[S] High power / Low power Low : icon appears
[A] Function off -
[B] Compander on/off On : icon appears
[C] Beat shift on/off On : icon appears
[Selector]
Test frequency CH up/down
-
[Side1] Squelch level 0 On : icon appears
[Side2] LCD all lights LCD all point appears
[PTT] Transmit -
[0] to [9] Function off -
and [#],[
*
]
Notes :
•If a [S], [A], [B], [C] key is pressed during transmission, the
DTMF corresponding to the key that was pressed is sent.
•The “Wide 4k” can not use, please skip it.
• LED indicator
Red LED Lights during transmission. Blinks at the low
battery voltage warning.
Green LED Lights when there is carrier.
• Sub LCD indicator
“FNC” Appears at function on.
• LCD display in panel test mode
SABC
12
ABC
5
JKL
8
0
TUV
4
GHI
7
PQRS
3
DEF
6
MNO
MIC
9
#
WXYZ
<>
Selector
Volume
Side1
Side2
PTT
Panel Test Mode
■ Test mode operation features
This transceiver has a test mode.
To enter test mode,
press [A] key and turn power on. Hold [A] key until fre-
quency version appears on LCD.
Test mode can be inhib-
ited by programming. To exit test mode, switch the power
on again. The following functions are available in test mode.
■ Key operation
Key “FNC” not appears
Function Display
[S]
Shifts to Panel tuning mode
-
[A] Function on “FNC” appears
[B]
MSK 1200bps and 2400bps 2400bps : icon appears
[C] Test signaling CH up Signalling No.
[Selector]
Test frequency CH up/down
Channel No.
[Side1] Squelch on/off
[Side2] Narrow/Wide 4k/Wide 5k Narrow : “n”,
Wide 4k : “s”,
Wide 5k : “w”
[PTT] Transmit -
[0] to [9] Use as the DTMF keypad. -
and [#],[
*
]
If a key is pressed during
transmission, the DTMF
corresponding to the key
that was presses is sent.
■ Frequency and Signaling
The set has been adjusted for the frequencies shown in
the following table. When required, readjust them following
the adjustment procedure to obtain the frequencies you want
in actual operation.
• Test frequency
CH RX (MHz) TX (MHz)
1 485.05000 485.10000
2 450.05000 450.10000
3 519.95000 519.90000
4 485.00000 485.00000
5 485.20000 485.20000
6 485.40000 485.40000
7~16 - -
n1 1
–
Channel No.
n : Narrow
s : Wide 4k
w : Wide 5k
Signaling No.
ADJUSTMENT

TK-3180
28
• Test signaling
No. RX TX
1None None
2None 100Hz Square Wave
3LTR Data : LTR Data :
AREA=0, GOTO=12 AREA=0, GOTO=12
HOME=12 HOME=12
ID=47, FREE=25 ID=47, FREE=25
4QT : 67.0Hz QT : 67.0Hz
5QT : 151.4Hz QT : 151.4Hz
6QT : 210.7Hz QT : 210.7Hz
7QT : 254.1Hz QT : 254.1Hz
8DQT : 023N DQT : 023N
9DQT : 754I DQT : 754I
10 DTMF : 159D DTMF : 159D
11 None DTMF Code 9
12 2-tone : 2-tone :
A : 304.7Hz A : 304.7Hz
B : 3106.0Hz B : 3106.0Hz
13 Single Tone : 979.9Hz Single Tone : 979.9Hz
14 None Single Tone : 1000Hz
15 5-tone (CCIR 12345) 5-tone (CCIR 12345)
16 None MSK
17 MSK : MSK :
Preamble : 0xAAAA Preamble : 0xAAAA
Sync : 0x23EB Sync : 0x23EB
Data : 0x230960C6AAAA Data : 0x230960C6AAAA
CRC : 0xC4D7 CRC : 0xC4D7
Note : The “5-tone signaling” can not use, please skip it.
Panel Tuning Mode
■ Preparations for tuning the transceiver
Before attempting to tune the transceiver, connect the
unit to a suitable power supply.
Whenever the transmitter is turned, the unit must be con-
nected to a suitable dummy load (i.e. power meter).
The speaker output connector must be terminated with a
8Ω dummy load and connected to an AC voltmeter and an
audio distortion meter or a SINAD measurement meter at all
times during tuning.
■ Transceiver tuning
(To place transceiver in tuning mode)
Press [S] key, now in tuning mode. Use [B] key to write
tuning data through tuning modes, and [Selector] to adjust
tuning requirements (1 to 256 appeares on LCD).
Use [C] key to select the adjustment item through tuning
modes. Use [A] key to adjust 3 or 5 reference level adjust-
ments, and use [Side2] key to switch between Wide 5k/Wide
4k/Narrow.
Channel appears on LCD. Set channel according to tuning
requirements.
• LCD display in panel tuning mode
nBAL 256
Adjustment item
n : Narrow
s : Wide 4k
w : Wide 5k
Adjustment value (1~256)
■ Key operation
Key Function
Push Hold (1 second)
[S]
End of panel tuning mode
-
[A] To enter 3 or 5 reference -
level adjustments
[B]
Writes the adjustment value
-
[C]
Go to next adjustment item
Back to last adjustment item
[Selector]
Adjustment value up/down
[Volume] Volume level up/down
[Side1] Squelch on/off -
[Side2] Selects Narrow, -
Wide 4k, Wide 5k
■ 3 or 5 reference level adjustments frequency
Tuning point RX (MHz) TX (MHz)
Low 450.05000 450.10000
Low’ 469.05000 467.60000
Center 485.05000 485.10000
High’ 502.55000 502.60000
High 519.95000 519.90000
■ Adjustment item and Display (✳✳✳ : 1~256)
Order Adjustment item Display
1Frequency FREQ ✳✳✳
2Shift 1 SHFT1 ✳✳✳
3Shift 2 SHFT2 ✳✳✳
4High power HPWR ✳✳✳
5Low power LPWR ✳✳✳
6Balance B A L ✳✳✳
7Max deviation D E V ✳✳✳
8VOX 1 VOX1 ✳✳✳
9VOX 10 V O X 10 ✳✳✳
10 QT Q T ✳✳✳
11 DQT D Q T ✳✳✳
12 LTR L T R ✳✳✳
13 DTMF DTMF ✳✳✳
14 MSK M S K ✳✳✳
15 Tone TONE ✳✳✳
16 Sensitivity 1 SENS1 ✳✳✳
17 Sensitivity 2 SENS2 ✳✳✳
18 Squelch S Q L ✳✳✳
19 Low RSSI LRSSI ✳✳✳
20 Squelch tight SQLT ✳✳✳
21 High RSSI HRSSI ✳✳✳
22 Battery BATT ✳✳✳
ADJUSTMENT

TK-3180
29
■ Flow chart
Note : The “Wide 4k” can not use, please skip it.
Frequency
[C]
Shift 1
[C]
Shift 2
[C]
High power
[C]
VOX 1
[C]
VOX 10
Low power
[C]
Balance Narrow
[C] [C]
[C] [C]
[C][A]
Balance Wide 4k Balance Wide 5k
Max deviation Narrow
[C] [A]
Max deviation Wide 4k Max deviation Wide 5k
[C]
QT Narrow
[C] [C]
[C] [C]
[C][A]
QT Wide 4k QT Wide 5k
DTMF Narrow
[C] [C] [C]
DTMF Wide 4k DTMF Wide 5k
MSK Narrow
[C] [C] [C]
MSK Wide 4k MSK Wide 5k
Tone Narrow
[C] [C] [C]
Tone Wide 4k Tone Wide 5k
LTR Narrow
[C] [C][A]
LTR Wide 5k
DQT Narrow
Low RSSI Narrow
[C] [C] [C][A]
Low RSSI Wide 4k
[C] [A] [A]
[A] [A]
[A] [A]
[A] [A]
Squelch Wide 4k
Low RSSI Wide 5k
Squelch tight Narrow
[C] [C] [C][A]
Squelch tight Wide 4k Squelch tight Wide 5k
High RSSI Narrow
[C]
Battery
[C]
[C] [C][A]
High RSSI Wide 4k High RSSI Wide 5k
Squelch Narrow
[C] [C][A]
Squelch Wide 5k
[C] [A]
DQT Wide 4k DQT Wide 5k
[A]
[A]
Sensitivity 1
[C]
Sensitivity 2
[C]
[A]
[A]
[A]
[A]
3 reference level
adjustments
3 reference level
adjustments
5 reference level
adjustments
5 reference level
adjustments
3 reference level
adjustments
3 reference level
adjustments
3 reference level
adjustments
3 reference level
adjustments
3 reference level
adjustments
5 reference level
adjustments
5 reference level
adjustments
3 reference level
adjustments
3 reference level
adjustments
3 reference level
adjustments
3 reference level
adjustments
[Side2] [Side2] [Side2]
[Side2] [Side2] [Side2]
[Side2] [Side2] [Side2]
[Side2] [Side2] [Side2]
[Side2] [Side2]
[Side2] [Side2] [Side2]
[Side2] [Side2] [Side2]
[Side2] [Side2] [Side2]
[Side2] [Side2] [Side2]
[Side2] [Side2] [Side2]
[Side2] [Side2] [Side2]
[Side2] [Side2] [Side2]
3 reference level
adjustments
3 reference level
adjustments exit
[C]
Low
[C]
Center
[C]
High
[A]
[A]
[A]
5 reference level
adjustments
5 reference level
adjustments exit
[C]
Low
[C]
Low’
[C]
Center
[C]
High’
[C]
High
[A]
[A]
[A]
[A]
[A]
ADJUSTMENT

TK-3180
30
ADJUSTMENT
Test Equipment Required for Alignment
Test Equipment Major Specifications
1. Standard Signal Generator Frequency Range 400 to 520MHz
(SSG) Modulation Frequency modulation and external modulation
Output –127dBm/0.1µV to greater than –47dBm/1mV
2. Power Meter Input Impedance 50Ω
Operation Frequency 400 to 520MHz or more
Measurement Capability Vicinity of 10W
3. Deviation Meter Frequency Range 400 to 520MHz
4. Digital Volt Meter Measuring Range 10mV to 10V DC
(DVM) Input Impedance High input impedance for minimum circuit loading
5. Oscilloscope DC through 30MHz
6. High Sensitivity Frequency Range 10Hz to 1000MHz
Frequency Counter Frequency Stability 0.2ppm or less
7. Ammeter 5A
8. AF Volt Meter Frequency Range 50Hz to 10kHz
(AF VTVM) Voltage Range 1mV to 10V
9. Audio Generator (AG) Frequency Range 50Hz to 5kHz or more
Output 0 to 1V
10. Distortion Meter Capability 3% or less at 1kHz
Input Level 50mV to 10Vrms
11. 8Ω Dummy Load Approx. 8Ω, 3W
12. Regulated Power Supply 5V to 10V, approx. 5A
Useful if ammeter equipped
■ Universal connector
Use the interface cable (KPG-36) for PC tuning or the lead
wire with plug (E30-3287-18) and screw (N08-0535-08) for
panel tuning. Connect the plug to the universal connector of
the radio and tighten the screw.
The lead wire with plug (E30-3287-18) and screw (N08-
0535-08) terminals are as follows. Numbers are universal
connector terminal numbers.
Caution
1. When connecting the plug to the universal connector of
the radio, a short circuit may occur. To prevent this, be
sure to turn the radio POWER switch off.
2. Since the RX AF output is a BTL output, there is a DC com-
ponent. Isolate this with a capacitor or transformer as
shown in the figure.
3. Do not connect an instrument between red or black and
GND.
1: SSW
3: SP–
5: EMC
7: PTT
9: OPT
11: 5U
13: RXD
2: SP+
4: MSW
6: ME
8: PF
10: E
12: TXD
14: NC
• Universal connector

TK-3180
31
Connector case
KPG-36
Remove the
screw
PCB layout
Shield
AF voltmeter
Audio generator
100µ 10 V
100µ 10 V
10µ 10 V
+
+
+
8Ω
11: GREEN (5M)
TUBE
SCREW
8: YELLOW (PF SW)
2: RED (RX AF OUTPUT)
3: BLACK (RX AF OUTPUT)
10: BROWN (GND)
6: BROWN (MIC GND)
5: WHITE (MIC INPUT)
7: BLUE (PTT SW) GND → ON
RED (2)
BLK (3)
+
+
100µ 10V
100µ 10V
8Ω
WHT
(5)
BRN (6)
BLU (7)
BRN (10)
PTT SWTo Radio
AF Voltmeter
Audio generator
+
10µ 10V
• Panel tuning
• PC tuning
Connect the wires to the PCB in the connector case of
interface cable.
For output the wires out of the connector case, need to
process the connector case.
ADJUSTMENT
to transceiver
to VGS-1
■ Check Jig for the VGS-1
KENWOOD part : W05-1127-00
■ Nut wrench
In order to turn the volume nut and the channel selector
nut, use a recommendation tool.
KENWOOD part : W05-1123-00

TK-3180
32
Item Condition
Measurement Adjustment
Specifications/Remarks
Test-
equipment Unit Terminal PartsUnit Method
ADJUSTMENT
1. Frequency 1) Adj item : [FREQ] f. counter Panel ANT Panel
Selector
Center frequency Note : After replacing the
adjust Adjust : [✳✳✳]knob ±80Hz TCXO (X1) align frequency.
PTT : ON
2. Frequency 1) Adj item : [SHFT1] [L SHFT1] ±80Hz
shift 1 Adjust : [✳✳✳]
Low frequency+5.00kHz
adjust 2) Adj item : [L SHFT1] → [C SHFT1]
[C SHFT1] → [H SHFT1]
Center frequency+5.00kHz
Adjust : [✳✳✳][H SHFT1]
PTT : ON
High frequency+5.00kHz
3. Frequency 1) Adj item : [SHFT2] [L SHFT2] ±80Hz
shift 2 Adjust : [✳✳✳]
Low frequency+6.25kHz
adjust 2) Adj item : [L SHFT2] → [C SHFT2]
[C SHFT2] → [H SHFT2]
Center frequency+6.25kHz
Adjust : [✳✳✳][H SHFT2]
PTT : ON
High frequency+6.25kHz
4. High power 1) Adj item : [HPWR]
Power meter
5.0W ±0.1W
adjust Adjust : [✳✳✳]Ammeter 2.3A or less
2) Adj item : [L HPWR] →
[L’ HPWR] → [C HPWR] →
[H’ HPWR] → [H HPWR]
Adjust : [✳✳✳]
PTT : ON
5. High power [Panel test mode] Check 4.5~5.5W
check 1) CH-Sig : 1-1 2.4A or less
PTT : ON
2) CH-Sig : 2-1
PTT : ON
3) CH-Sig : 3-1
PTT : ON
Transmitter Section (K market model skips adjustment of Wide 4k.)
Common Section
1. Setting 1) BATT terminal voltage : 7.5V
2) SSG standard modulation
[Wide 5k] MOD : 1kHz, DEV : 3kHz
[Wide 4k] MOD : 1kHz, DEV : 2.4kHz
[Narrow] MOD : 1kHz, DEV : 1.5kHz
2. VCO lock [Panel test mode]
Power meter
Panel ANT TX-RX TC2 4.20V ±0.1V
voltage 1) CH-Sig : 3-1
• RX DVM TX-RX CV
2) CH-Sig : 2-1 Check 0.7V or more
• TX [Panel tuning mode] LPWR* TX-RX TC1 4.20V ±0.1V
3) CH-Sig : 3-1
PTT : ON
4) CH-Sig : 2-1 Check 0.7V or more
PTT : ON
* TX can be continued on unlock condition in panel tuning mode.
Item Condition
Measurement Adjustment
Specifications/Remarks
Test-
equipment Unit Terminal PartsUnit Method

TK-3180
33
Item Condition
Measurement Adjustment
Specifications/Remarks
Test-
equipment Unit Terminal PartsUnit Method
ADJUSTMENT
6. Low power 1) Adj item : [LPWR]
Power meter
Panel ANT Panel
Selector
1.0W ±0.1W
adjust Adjust : [✳✳✳]Ammeter knob 1.2A or less
2) Adj item : [L LPWR] →
[L’ LPWR] → [C LPWR] →
[H’ LPWR] → [H LPWR]
Adjust : [✳✳✳]
PTT : ON
7. Low power [Panel test mode] Check 0.7~1.4W
check 1) CH-Sig : 1-1 1.2A or less
Set low power (Push [S])
PTT : ON
2) CH-Sig : 2-1
PTT : ON
3) CH-Sig : 3-1
PTT : ON
8. DQT balance 1) Adj item : [n BAL] Panel ANT Panel
Selector
Make the demodu-
adjust Adjust : [✳✳✳]knob lation waves into
Deviation meter filter Deviation
Universal
square waves.
LPF : 3kHz meter
connector
HPF : OFF
Oscilloscope
• Narrow 2) Adj item : [nL BAL] → AG
[nC BAL] → [nH BAL] AF VTVM
Adjust : [✳✳✳]
PTT : ON
• Wide 4k 3) Adj item : [s BAL]
Adjust : [✳✳✳]
PTT : ON
• Wide 5k 4) Adj item : [w BAL]
Adjust : [✳✳✳]
PTT : ON
9. Max DEV 1) Adj item : [n DEV] 2.10kHz ±50Hz
adjust Adjust : [✳✳✳](According to the
AG : 1kHz/75mV at MIC terminal
larger +, –)
Deviation meter filter
LPF : 15kHz
HPF : OFF
• Narrow 2) Adj item : [nL DEV] →
[nC DEV] → [nH DEV]
Adjust : [✳✳✳]
PTT : ON
• Wide 4k 3) Adj item : [s DEV] 3.35kHz ±50Hz
Adjust : [✳✳✳](According to the
PTT : ON larger +, –)
• Wide 5k 4) Adj item : [w DEV] 4.20kHz ±50Hz
Adjust : [✳✳✳](According to the
PTT : ON larger +, –)
10. MIC [Panel test mode] Check 0.9~1.4kHz (Narrow)
sensitivity 1) CH-Sig : 1-1 1.3~2.2kHz (Wide 4k)
check
AG : 1kHz/5.0mV at MIC terminal
1.5~2.7kHz (Wide 5k)
PTT : ON

TK-3180
34
Item Condition
Measurement Adjustment
Specifications/Remarks
Test-
equipment Unit Terminal PartsUnit Method
ADJUSTMENT
11. VOX1 1) Adj item : [VOX1] AG Panel
Universal
Panel After apply signal
adjust Adjust : [✳✳✳]
connector
from AG, press [B]
AG : 1kHz/45mV at MIC terminal
key that numeric
will be stored in
12. VOX10 1) Adj item : [VOX10] memory.
adjust Adjust : [✳✳✳]
AG : 1kHz/3mV at MIC terminal
13.
QT deviation
1) Remove the panel tuning
Power meter
Panel ANT Panel
Selector
0.35kHz ±50Hz
adjust cable assembly from the knob
universal connector. Deviation
Universal
Adj item : [n QT] meter
connector
Adjust : [✳✳✳]
Oscilloscope
Deviation meter filter AG
LPF : 3kHz AF VTVM
HPF : OFF
• Narrow 2) Adj item : [nL QT] →
[nC QT] → [nH QT]
Adjust : [✳✳✳]
PTT : ON
• Wide 4k 3) Adj item : [s QT] 0.60kHz ±50Hz
Adjust : [✳✳✳]
PTT : ON
• Wide 5k 4) Adj item : [w QT] 0.75kHz ±50Hz
Adjust : [✳✳✳]
PTT : ON
14. DQT 1) Adj item : [n DQT] 0.35kHz ±50Hz
deviation Adjust : [✳✳✳]
adjust Deviation meter filter
LPF : 3kHz
HPF : OFF
• Narrow 2) Adj item : [nL DQT] →
[nC DQT] → [nH DQT]
Adjust : [✳✳✳]
PTT : ON
• Wide 4k 3) Adj item : [s DQT] 0.60kHz ±50Hz
Adjust : [✳✳✳]
PTT : ON
• Wide 5k 4) Adj item : [w DQT] 0.75kHz ±50Hz
Adjust : [✳✳✳]
PTT : ON
15. LTR 1) Adj item : [n LTR] 0.75kHz ±0.10kHz
deviation Adjust : [✳✳✳]
adjust Deviation meter filter
LPF : 3kHz
HPF : OFF
• Narrow 2) Adj item : [nL LTR] →
[nC LTR] → [nH LTR]
Adjust : [✳✳✳]
PTT : ON
• Wide 3) Adj item : [w LTR] 1.00kHz ±0.10kHz
Adjust : [✳✳✳]
PTT : ON

TK-3180
35
Item Condition
Measurement Adjustment
Specifications/Remarks
Test-
equipment Unit Terminal PartsUnit Method
ADJUSTMENT
16. DTMF 1) Adj item : [n DTMF]
Power meter
Panel ANT Panel
Selector
1.25kHz ±0.1kHz
deviation Adjust : [✳✳✳]knob
adjust Deviation meter filter Deviation
Universal
• Narrow LPF : 15kHz meter
connector
HPF : OFF
Oscilloscope
PTT : ON AG
AF VTVM
• Wide 4k 2) Adj item : [s DTMF] 2.0kHz ±0.1kHz
Adjust : [✳✳✳]
PTT : ON
• Wide 5k 3) Adj item : [w DTMF] 2.5kHz ±0.1kHz
Adjust : [✳✳✳]
PTT : ON
17. MSK 1) Adj item : [n MSK] 1.5kHz ±0.1kHz
deviation Adjust : [✳✳✳]
adjust Deviation meter filter
• Narrow LPF : 15kHz
HPF : OFF
PTT : ON
• Wide 4k 2) Adj item : [s MSK] 2.4kHz ±0.1kHz
Adjust : [✳✳✳]
PTT : ON
• Wide 5k 3) Adj item : [w MSK] 3.0kHz ±0.1kHz
Adjust : [✳✳✳]
PTT : ON
18. TONE 1) Adj item : [n TONE] 1.5kHz ±0.1kHz
deviation Adjust : [✳✳✳]
adjust Deviation meter filter
• Narrow LPF : 15kHz
HPF : OFF
PTT : ON
• Wide 4k 2) Adj item : [s TONE] 2.4kHz ±0.1kHz
Adjust : [✳✳✳]
PTT : ON
• Wide 5k 3) Adj item : [w TONE] 3.0kHz ±0.1kHz
Adjust : [✳✳✳]
PTT : ON
19. BATT 1) Adj item : [BATT]
Power meter
Panel ANT Panel After pressing the BATT terminal voltage : 5.8V
detection Adjust : [✳✳✳]PTT switch, confirm
writing PTT : ON DVM BATT that one predeter-
terminal mined numeric in
the range 1 to 256
appears and then
press [B] key. That
numeric will be
stored in memory.

TK-3180
36
Item Condition
Measurement Adjustment
Specifications/Remarks
Test-
equipment Unit Terminal PartsUnit Method
ADJUSTMENT
1. Sensitivity 1) Adj item : [H SENS1] SSG Panel ANT Panel
Selector
1) Write the value to “150”
fixed value knob
write 2) Adj item : [L SENS2] →AF VTVM
Universal
2)
Write the value as followings
[L’ SENS2] → [C SENS2] →
Oscilloscope
connector
[L SENS2] : “1”
[H’ SENS2] [L’ SENS2] : “27”
[C SENS2] : “49”
[H’ SENS2] : “63”
2. Sensitivity 2 1) Adj item : [H SENS2] Adjust for Rotate the selector knob and
adjust Adjust : [✳✳✳]12dB SINAD increase the adjustment value
SSG output :
–119dBm (0.25µV)
starting from “1” to obtain
(MOD : 1kHz/±1.5kHz) SINAD 12dB.
3. Sensitivity 1 1) Adj item : [SENS1] Rotate the selector knob and
adjust Adjust : [✳✳✳]
decrease the adjustment value
2) Adj item : [L SENS1] → starting from “256” to obtain
[L’ SENS1] → [C SENS1] → SINAD 12dB.
[H’ SENS1]
Adjust : [✳✳✳]
SSG output :
–119dBm (0.25µV)
(MOD : 1kHz/±1.5kHz)
4. Sensitivity [Panel test mode] Check 12dB SINAD or more
check 1) CH-Sig : 1-1
SSG output
Wide 5k : –118dBm (0.28µV)
(MOD : 1kHz/±3kHz)
Narrow : –118dBm (0.28µV)
(MOD : 1kHz/±1.5kHz)
5. Squelch 1) Adj item : [n SQL] Panel
Selector
After input signal After adjusting SQL, check
(Preset) Adjust : [✳✳✳]knob from SSG, press [B] SQL open/close.
adjust SSG output :
–118dBm (0.28µV)
key. That numeric SSG –118dBm : Open
• Narrow (MOD : 1kHz/±1.5kHz) will be stored in SSG OFF : Close
memory. [nC SQL] MOD 1kHz/±1.5kHz
2) Adj item : [nL SQL] → [sC SQL] MOD 1kHz/±2.4kHz
[nC SQL] → [nH SQL] [wC SQL] MOD 1kHz/±3.0kHz
Adjust : [✳✳✳]
• Wide 4k 3) Adj item : [s SQL]
Adjust : [✳✳✳]
SSG output :
–118dBm (0.28µV)
(MOD : 1kHz/±2.4kHz)
4) Adj item : [sL SQL] →
[sC SQL] → [sH SQL]
Adjust : [✳✳✳]
Item Condition
Measurement Adjustment
Specifications/Remarks
Test-
equipment Unit Terminal PartsUnit Method
Receiver Section (K market model skips adjustment of Wide 4k.)
20. BATT [Panel test mode]
Power meter
Panel ANT Check The transceiver can transmit
detection 1) CH-Sig : 1-1 without causing the LED to
check BATT terminal voltage : 6.6V DVM BATT blink.
PTT : ON terminal
2) BATT terminal voltage : 5.8V The transceiver should not
PTT : ON transmit and LED blinking.

TK-3180
37
Item Condition
Measurement Adjustment
Specifications/Remarks
Test-
equipment Unit Terminal PartsUnit Method
ADJUSTMENT
• Wide 5k 5) Adj item : [w SQL] SSG Panel ANT Panel
Selector
After input signal After adjusting SQL, check
Adjust : [✳✳✳]knob from SSG, press [B] SQL open/close.
SSG output :
–118dBm (0.28µV)
AF VTVM
Universal
key. That numeric SSG –118dBm : Open
(MOD : 1kHz/±3.0kHz)
Oscilloscope
connector
will be stored in SSG OFF : Close
memory. [nC SQL] MOD 1kHz/±1.5kHz
6) Adj item : [wL SQL] → [sC SQL] MOD 1kHz/±2.4kHz
[wC SQL] → [wH SQL] [wC SQL] MOD 1kHz/±3.0kHz
Adjust : [✳✳✳]
6. Low RSSI 1) Adj item : [n LRSSI] After input signal
adjust Adjust : [✳✳✳]from SSG, press [B]
• Narrow SSG output :
–118dBm (0.28µV)
key. That numeric
(MOD : 1kHz/±1.5kHz) will be stored in
memory.
2) Adj item : [nL LRSSI] →
[nC LRSSI] → [nH LRSSI]
Adjust : [✳✳✳]
• Wide 4k 3) Adj item : [s LRSSI]
Adjust : [✳✳✳]
SSG output :
–118dBm (0.28µV)
(MOD : 1kHz/±2.4kHz)
4) Adj item : [sL LRSSI] →
[sC LRSSI] → [sH LRSSI]
Adjust : [✳✳✳]
• Wide 5k 5) Adj item : [w LRSSI]
Adjust : [✳✳✳]
SSG output :
–118dBm (0.28µV)
(MOD : 1kHz/±3.0kHz)
6) Adj item : [wL LRSSI] →
[wC LRSSI] → [wH LRSSI]
Adjust : [✳✳✳]
7. Squelch 1) Adj item : [n SQLT] After input signal After adjusting SQL, check
(Tight) Adjust : [✳✳✳]from SSG, press [B] SQL open/close.
adjust SSG output :
–113dBm (0.5µV)
key. That numeric SSG –113dBm : Open
• Narrow (MOD : 1kHz/±1.5kHz) will be stored in SSG OFF : Close
memory.
[nC SQLT] MOD 1kHz/±1.5kHz
2) Adj item : [nL SQLT] →
[sC SQLT] MOD 1kHz/±2.4kHz
[nC SQLT] → [nH SQLT]
[wC SQLT] MOD 1kHz/±3.0kHz
Adjust : [✳✳✳]
• Wide 4k 3) Adj item : [s SQLT]
Adjust : [✳✳✳]
SSG output :
–113dBm (0.5µV)
(MOD : 1kHz/±2.4kHz)
4) Adj item : [sL SQLT] →
[sC SQLT] → [sH SQLT]
Adjust : [✳✳✳]
• Wide 5k 5) Adj item : [w SQLT]
Adjust : [✳✳✳]
SSG output :
–113dBm (0.5µV)
(MOD : 1kHz/±3.0kHz)
6) Adj item : [wL SQLT] →
[wC SQLT] → [wH SQLT]
Adjust : [✳✳✳]

TK-3180
38
Item Condition
Measurement Adjustment
Specifications/Remarks
Test-
equipment Unit Terminal PartsUnit Method
ADJUSTMENT
8. High RSSI 1) Adj item : [n HRSSI] SSG Panel ANT Panel
Selector
After input signal
adjust Adjust : [✳✳✳]knob from SSG, press [B]
• Narrow SSG output : –70dBm AF VTVM
Universal
key. That numeric
(MOD : 1kHz/±1.5kHz)
Oscilloscope
connector
will be stored in
memory.
2) Adj item : [nL HRSSI] →
[nC HRSSI] → [nH HRSSI]
Adjust : [✳✳✳]
• Wide 4k 3) Adj item : [s HRSSI]
Adjust : [✳✳✳]
SSG output : –70dBm
(MOD : 1kHz/±2.4kHz)
4) Adj item : [sL HRSSI] →
[sC HRSSI] → [sH HRSSI]
Adjust : [✳✳✳]
• Wide 5k 5) Adj item : [w HRSSI]
Adjust : [✳✳✳]
SSG output : –70dBm
(MOD : 1kHz/±3.0kHz)
6) Adj item : [wL HRSSI] →
[wC HRSSI] → [wH HRSSI]
Adjust : [✳✳✳]
Adjustment Points
TC1 TC2 ANT
CV
TX-RX unit
Foil side view

TK-3180
39
Display unit (X54-3470-XX)
Pin No.
Name I/O Function
1SW2 O Key matrix output (Side2 key)
2K1IKey matrix input (Side key)
3GND - GND
4PTT I PTT input
5SW1 O Key matrix output (Side1 key)
1NC-Non connection
2V5OLCD driving voltage output
3Vss - GND
4V5OUT I Step up voltage input
5C2- - Step up capacitor connecting terminal
6C2+ - Step up capacitor connecting terminal
7C1- - Step up capacitor connecting terminal
8C1+ - Step up capacitor connecting terminal
9Vci O Voltage converter power supply output
10 VDD O LCD power supply output
11 OSC1 - Non connection
12 OSC2 - Non connection
13 RESET O LCD reset output
14 P/S O GND
15 RS O Register select output
16 R/W O GND
17 SCL O Serial clock output
18 SIO O Serial data output
19 CS O Chip select output
20 Vss -
1NC-Non connection
2NC-Non connection
3NC-Non connection
4LCDRS I LCD RS input
5AGND - GND
6ME-Internal microphone ground
7MIC O Internal microphone output
8PTT O PTT output
9SPSTB I Shift register storage enable input
10 CLK I Serial clock input
11 DATA I Serial data input
12 KI1 O Key matrix 1 output
13 KI2 O Key matrix 2 output
Pin No.
Name I/O Function
14 NC - Non connection
15 SB2 I Power input after power switch
16 NC - Non connection
17 DGND - GND
18 LCDCS I LCD chip select input
19 LCDRST I LCD reset input
20 5M I 5V
TX-RX unit (X57-6940-10)
Pin No.
Name I/O Function
1SB1 I Power input after power switch
2+B O
Power output after passing through the fuse
3EN3 I Encoder pulse input
4EN4 I Encoder pulse input
5DGND - GND
6EN2 I Encoder pulse input
7EN1 I Encoder pulse input
8DGND - GND
9VOL I Volume level input for audio control
10 5M O 5V
15M O5V
2LCDRST O LCD reset output
3LCDCS O LCD chip select output
4DGND - GND
5NC-Non connection
6SB2 O Power output after power switch
7NC-Non connection
8KI2 I Key matrix 2 input
9KI1 I Key matrix 1 input
10 DATA O Serial data output
11 CLK O Serial clock output
12 SPSTB O Shift register storage enable output
13 PTT I PTT input
14 MIC I Internal microphone input
15 ME - Internal microphone ground
16 AGND - GND
17 LCDRS O LCD RS output
18 NC - Non connection
19 NC - Non connection
20 NC - Non connection
TERMINAL FUNCTION
CN507
CN508
CN509
CN400
CN500

TK-3180
40
Pin No.
Name I/O Function
1OPT1 I/O Option boad I/F 1
Output : L ≤ 0.45V, H ≥ 4.7V/25kΩ load
Input : L ≤ 1.0V, H ≥ 4.0V, Input voltage : 0V~5.0V
2OPT3 I/O Option boad I/F 3
Output : L ≤ 0.45V, H ≥ 4.7V/25kΩ load
Input : L ≤ 1.0V, H ≥ 4.0V, Input voltage : 0V~5.0V
3RXD1 I Serial data input
Input : L ≤ 1.0V, H ≥ 4.0V, Input voltage : 0V~5.0V
4TXD1 O
Serial data output / PTT signal output (SC20-460)
Output : L ≤ 0.45V, H ≥ 4.7V/25kΩ load
5NC -
6 OPT4 O Option boad I/F 4
Output : L ≤ 0.45V, H ≥ 4.7V/25kΩ load
7USEL O
UART speed select output L : 19200bps fixed
8 OPT5 O Option boad I/F 5
Output : L ≤ 0.45V, H ≥ 4.7V/25kΩ load
9DGND - GND
10 AGND - GND
11 AI I VGS audio input
Zin ≥ 10kΩ, 1Vp-p max, Input voltage : 0V~5.0V
12 AO O VGS audio output Zo ≥ 10kΩ
13 AGND - GND
14 5A O 5V power supply output 78mA max
15 STON I Side tone input 1kHz, 5Vp-p
16 DI/ANI I
Data signal input Zin ≥ 22kΩ, 600±200mVp-p
17 TCONT I Speaker mute signal input
Input : L ≤ 1.0V, H ≥ 4.0V, Input voltage : 0V~5.0V
18
MAN DOWN
OMan down output
Output : L ≤ 0.45V, H ≥ 4.7V/25kΩ load
19 INH O MIC mute signal input
20 OPT2 I/O Option boad I/F 2
Output : L ≤ 0.45V, H ≥ 4.7V/25kΩ load
Input : L ≤ 1.0V, H ≥ 4.0V, Input voltage : 0V~5.0V
21 TXO O MIC signal output (AC coupled) before
pre-emphasis
ZL ≥ 22kΩ, 130±50mVp-p
22 RXEO O Audio signal output (DC coupled) after
de-emphasis ZL ≥ 30kΩ, 1±0.3Vp-p
23 RXEI I Audio signal input (DC coupled) after
de-emphasis Zin ≥ 15kΩ, 1±0.3Vp-p
Pin No.
Name I/O Function
24 TXI I MIC signal input (AC coupled) before
pre-emphasis
Zin ≥ 22kΩ, 130±50mVp-p
25 OPT6 O Option boad I/F 6
Output : L ≤ 0.45V, H ≥ 4.7V/25kΩ load
26 SB2 I Power input after power switch
7.5V typ, 100mA max
1NC-Non connection
2RXD I Serial data input
3TXD O Serial data output
45CNS O 5V output
5E -GND
6OPT I/O Option interface I/O
7PFIProgrammable function key input
8PTT I External PTT input
9ME-External microphone ground
10 EMC I External microphone input
11 MSW I EXT/INT MIC switch input
12 SP- O BTL output + for external speaker
13 SP+ O BTL output - for external speaker
14 SSW I EXT/INT SP switch input
Universal connector
Pin No.
Name I/O Function
1SSW I Ext/Int speaker switch input
L : External speaker ON, H : Internal
speaker ON, Input voltage : 0V~5.0V
2SP+ O BTL output + for external speaker
Audio output power at volume max
(1kHz, Batt =7.5V)
1.3±0.5W typ (at RL=8Ω)
0.9±0.5W typ (at RL=16Ω)
3 SP- O BTL output - for external speaker
Audio output power at volume max
(1kHz, Batt =7.5V)
1.3±0.5W typ (at RL=8Ω)
0.9±0.5W typ (at RL=16Ω)
4MSW I Ext/Int MIC switch Input
L : External Mic ON, H : Internal Mic ON
Input voltage : 0V~5.0V
TERMINAL FUNCTION
CN600
CN602

TK-3180
41
Pin No.
Name I/O Function
5EMC I External MIC input
Impedance : 1.8kΩ typ (at 1kHz)
Audio level : 7.5±2.5mVrms for 60% of
system deviation
Nominal DC voltage : 5.0±1V DC
6ME-External MIC GND
7PTT I External PTT input L : PTT ON
8PFIProgrammable function key input
Input voltage : 0V~5.0V
Input level : 4.4V~5.0V (None), 3.1V~4.4V
(PF2 key ON), 2.3V~3.1V (PF1 key ON), 0V~
2.3V (PF1,PF2 key ON) (Pull up to 5V 10kΩ)
9OPT - Non connection
10 E - GND
11 5U O 5V power supply output
Max output current : 140mA
12 TXD O Serial data output
L ≤ 0.45V, H ≥ 4.7V/25kΩ load
Baud rate : 115200bps max
13 RXD I Serial data input
Input : L ≤ 1.0V, H ≥ 4.0V, Input voltage : 0V~5.0V
Baud rate : 57600bps max
14 NC (E) - Not use (GND)
Solder pad
Name I/O Function
OPT5 O Option boad I/F 5
Output : L ≤ 0.45V, H ≥ 4.7V/25kΩ load
OPT6 O Option boad I/F 6
Output : L ≤ 0.45V, H ≥ 4.7V/25kΩ load
OPT3 I/O Option boad I/F 3
Output : L ≤ 0.45V, H ≥ 4.7V/25kΩ load
Input : L ≤ 1.0V, H ≥ 4.0V, Input voltage : 0V~5.0V
OPT1 O Option boad I/F 1
Output : L ≤ 0.45V, H ≥ 4.7V/25kΩ load
Name I/O Function
RXD I Serial data input
Input : L ≤ 1.0V, H ≥ 4.0V, Input voltage : 0V~5.0V
TXD O Serial data output
Output : L ≤ 0.45V, H ≥ 4.7V/25kΩ load
RXI I
Audio signal input (DC coupled) before de-emphasis
STON I Side tone input 1kHz, 5Vp-p
TCONT
I Speaker mute signal input
Input : L ≤ 1.0V, H ≥ 4.0V, Input voltage : 0V~5.0V
TXO O
MIC signal output (AC coupled) before pre-emphasis
ZL ≥ 22kΩ, 130±50mVp-p
RXEO O
Audio signal output (DC coupled) after de-emphasis
ZL ≥ 30kΩ, 1±0.3Vp-p
OPT2 I/O Option boad I/F 2
Output : L ≤ 0.45V, H ≥ 4.7V/25kΩ load
Input : L ≤ 1.0V, H ≥ 4.0V, Input voltage : 0V~5.0V
OPT4 O Option boad I/F 4
Output : L ≤ 0.45V, H ≥ 4.7V/25kΩ load
GND - GND
SB2 I Power input after power switch
7.5V typ, 100mA max
RXEI I Audio signal input (DC coupled) after de-emphasis
Zin ≥ 15kΩ, 1±0.3Vp-p
TXI I
MIC signal input (AC coupled) before pre-emphasis
Zin ≥ 22kΩ, 130±50mVp-p
RXO O
Audio signal output (DC coupled) before de-emphasis
5A O 5V power supply output 78mA max
DI/ANI I Data signal input Zin ≥ 22kΩ, 600±200mVp-p
INH O MIC mute signal input
RSSI O RSSI output Zo=56kΩ
MDSW
I Man down switch input
Input : L ≤ 1.0V, H ≥ 4.0V, Input voltage : 0V~5.0V
GND - GND for man down switch
RXD1 I Serial data input
Input : L ≤ 1.0V, H ≥ 4.0V, Input voltage : 0V~5.0V
TXD1 O Serial data output / PTT signal output (SC20-460)
Output : L ≤ 0.45V, H ≥ 4.7V/25kΩ load
TERMINAL FUNCTION

42
JIHGFEDCBA
1
2
3
4
5
6
7
8
9
10
11
12
13
14
S50
5
S
S506
A
S507
1
S508
4
S509
7
S510
*
S511
B
S512
2
S513
5
S514
8
S515
0
S51
6
C
S517
3
S518
6
S519
9
S520
#
D501
D502
D511 D512
D513 D514
D515 D516
TK-3180 PC BOARD
DISPLAY UNIT (X54-3470-XX) -10 : K -11 : K3
Component side view (J72-0921-09)
Ref. No. Address
D501 5J
D502 8J
D511 5H
D512 7H
D513 5F
D514 7F
Ref. No. Address
D515 5E
D516 7E
D517 3M
D518 3N
D519 10N
D520 10M

43
JKLMNOPQRS
1
2
3
4
5
6
7
8
9
10
11
12
13
14
MIC500
+–
S505
S
S506
A
S511
B
S516
C
D
501
D
502
D517 D518
D519
D520
J72-0921-09
DISPLAY UNIT (X54-3470-XX) -10 : K -11 : K3
Component side view (J72-0921-09)
PC BOARD TK-3180
Component side
Foil side
Layer 1
Layer 2

JKLMNOPQRSIHGFEDCBA
1
2
3
4
5
6
7
8
9
10
11
12
13
14
1
2
3
4
5
6
7
8
9
10
11
12
13
14
MIC500
+–
S505
S
S506
A
S507
1
S508
4
S509
7
S510
*
S511
B
S512
2
S513
5
S514
8
S515
0
S516
C
S517
3
S518
6
S519
9
S520
#
D501
D502
D511 D512
D513 D514
D515 D516
D517 D518
D519
D520
J72-0921-09
TK-3180 PC BOARD
DISPLAY UNIT (X54-3470-XX) -10 : K -11 : K3
Component side view (J72-0921-09)
DISPLAY UNIT (X54-3470-XX) -10 : K -11 : K3
Component side view (J72-0921-09)
PC BOARD TK-3180
Ref. No. Address
D501 5J
D502 8J
D511 5H
D512 7H
D513 5F
D514 7F
Ref. No. Address
D515 5E
D516 7E
D517 3M
D518 3N
D519 10N
D520 10M
Component side
Foil side
Layer 1
Layer 2

44
JIHGFEDCBA
1
2
3
4
5
6
7
8
9
10
11
12
13
14
E
Q504
S
GD
Q505
G
S
D
R500
R501
L550
L553
L554
L555
R517
CN507
CN508
CN509
R527
CN510
CN511
R531R533
R534
R535
R537
C500
C501
C502
C503
1
5
SW2
K1
GND
PTT
SW1
R540
R541
R542
R543
R544
R545
R546
R547
R552
C518
C522
C523
R560
C524
R561
C525
R562
R563
C527
R564
C528
R565
R566
R567
R568
R570
R571
C537
R573
R574
C538
R575
C539
C540
C541
C542
C543
C544
C545
C546
C548
C549
C550
1
NC
NC
NC
LCDRS
AGND
ME
MIC
PTT
SPSTB
CLK
DATA
KI1
KI2
NC
SB2
NC
DGND
LCDCS
LCDRST
5M 20
C551
C553
C554
C555
C556
1
NC
V5
Vss
V5out
C2–
C2+
C1–
C1+
Vci
VDD
OSC1
OSC2
RESET
P/S
RS
R/W
SCL
SIO
CS
Vss 20
IC500
1
10 11
20
IC501
D522
IC502
1
45
8
1
45
8
IC503
CP501
CP503
CP504
CP506
CP507
CP509
+
+
+
+
1
34
5
J72-0921-09
TK-3180 PC BOARD
DISPLAY UNIT (X54-3470-XX) -10 : K -11 : K3
Foil side view (J72-0921-09)
Ref. No. Address
IC500 8H
IC501 5J
IC502 7I
IC503 7I
Q501 8K
Ref. No. Address
Q502 9K
Q504 7I
Q505 5I
D500 8K
D522 7J

45
JKLMNOPQRS
1
2
3
4
5
6
7
8
9
10
11
12
13
14
Q501
Q502
B
C
E
R500
R501
R517
R518
C562
R520
R522
R524
R525
R526
C508
C513
R559
C537
D500
C
501
D522
CP503
1
3
PC BOARD TK-3180
Component side
Foil side
Layer 1
Layer 2
DISPLAY UNIT (X54-3470-XX) -10 : K -11 : K3
Foil side view (J72-0921-09)

JKLMNOPQRSIHGFEDCBA
1
2
3
4
5
6
7
8
9
10
11
12
13
14
1
2
3
4
5
6
7
8
9
10
11
12
13
14
Q501
Q502
B
C
E
Q504
S
GD
Q505
G
S
D
R500
R501
L550
L553
L554
L555
R517
R518
C562
R520
R522
CN507
CN508
R524
CN509
R525
R526
R527
CN510
CN511
R531R533
R534
R535
R537
C500
C501
C502
C503
1
5
SW2
K1
GND
PTT
SW1
R540
R541
R542
R543
R544
C508
R545
R546
R547
C513
R552
C518
R559
C522
C523
R560
C524
R561
C525
R562
R563
C527
R564
C528
R565
R566
R567
R568
R570
R571
C537
R573
R574
C538
R575
C539
C540
C541
C542
C543
C544
C545
C546
C548
C549
C550
1
NC
NC
NC
LCDRS
AGND
ME
MIC
PTT
SPSTB
CLK
DATA
KI1
KI2
NC
SB2
NC
DGND
LCDCS
LCDRST
5M 20
C551
C553
C554
C555
C556
1
NC
V5
Vss
V5out
C2–
C2+
C1–
C1+
Vci
VDD
OSC1
OSC2
RESET
P/S
RS
R/W
SCL
SIO
CS
Vss 20
D500
IC500
1
10 11
20
IC501
D522
IC502
1
45
8
1
45
8
IC503
CP501
CP503
CP504
CP506
CP507
CP509
+
+
+
+
1
34
5
J72-0921-09
TK-3180 PC BOARD PC BOARD TK-3180
Component side
Foil side
Layer 1
Layer 2
DISPLAY UNIT (X54-3470-XX) -10 : K -11 : K3
Foil side view (J72-0921-09)
DISPLAY UNIT (X54-3470-XX) -10 : K -11 : K3
Foil side view (J72-0921-09)
Ref. No. Address
IC500 8H
IC501 5J
IC502 7I
IC503 7I
Q501 8K
Ref. No. Address
Q502 9K
Q504 7I
Q505 5I
D500 8K
D522 7J

46
JIHGFEDCBA
1
2
3
4
5
6
7
8
9
10
11
12
13
14
R400
R402
R403
R210
R404
R405
R406
R407
R213
R408
R214
R409
R216
R217
R218
R600
R219
R601
R410
R604
R411
R605
R412
R606
R607
R220
R414
R415
R221
R416
R417
R223
R418
R225
R419
R612
R614
R421
R615
R422
R616
R423
R617
R424
R425
R426
R427
R623
R430
C202
C203
R628
C204
TH200
R629
C206
C207
C208
R631
C401
C402
R633
C210
C404
R635
C211
C405
R636
C212
C406
R637
C213
C407
R638
C214
C408
C409
C216
C600
C601C602
C603
C604
C410
C605
C411
C412
C413
R644
C414
C220
C
R645
C221
C415
C222
C416
C418
C419
C610
C612
C420
C614
C615
C421
R652
C616
C422
C617
C423
C618
C425
C426
C427
C428
C429
C
6
C622
C431
C625
C432
C433
C627
C434
C628
C435
C436
C437
C631
C632
R671
C441
C442
C443
R674
C445
C446
C447
D200
D202
R686
R687
D204
R688
D400
R691
C656
D402
D403
R694
D404
D405
R695
D406
D408
D600
C663
D603
D604
C665
D605
D606
C667
D607
C668
D608
D609
D610
OPT
D611
D612
C672
D613
IC400
D614
IC401
C675
IC402
IC403
C678
IC404
C679
IC405
IC406
IC600
IC601
C684
C685
C687
C688
IC608
C689
C690
C691
C692
C693
C694
CP400
CP401
C695
C696
C697
C698
C699
R100
CP600
R702
R703
R704
R128
R705
R706
R707
R708
R709
R710
R711
R712
R713
R714
R715
R716
R717
R718
R719
TH100
R720
R721
R722
R723
R155
C700
C702
C703
C128
C704
C705
C706
C707
C708C709
R748
C710
C711
C712
R750
F400
R752
C717
F601
C728
R768
R771
C736
C737
R773
C738
C739
R775
R777
C740
C741
Q201
C742
Q202
Q203
C744
C745
R781
R782
R785
C749
R786
R787
Q400
R788
Q401
Q402
Q403
Q404
Q405
Q406
Q407
C754
Q408
L200
R790
Q409
R792
C759
L400
C763
Q610
Q612
Q613
Q614
L600
Q615
L601
Q616
L602
Q617
L603
Q618
L604
L605
L606
L607
L608
L609
L610
L611
L612
L615
R202
R203
R204
R20
7
J72-0920-09
IC609
1
89
16
+
S400 (ORG)
AUX
DS
G
1
34
6
1
34
6
CN400
1
10 5M
VOL
DGND
EN1
EN2
DGND
EN4
EN3
+B
SB1
D
S
G
GND
MDSW
SB
1
23
5
S
G
D
ANT
SP–
SP+
1
3
4
2
B
C
E
CN602
1
14 SSW
SP+
SP–
MSW
EMC
ME
PTT
PF
OPT
E
5CNS
TXD
RXD
NC
DET
14
32
D
S
G
D
G
S
BATT+
+
1
34
5
1
45
8
DS
G
1
34
5
DS
G
1
45
8
1
34
5
+
+
1
45
8
1
34
5D
G
S
+
+
+
DG
S
1
43
5
5
+
DS
G
IC605
1
1213
24
DI9
1
5M
LCDRST
LCDCS
DGND
NC
SB2
NC
KI2
KI1
C
TK-3180 PC BOARD
TX-RX UNIT (X57-6940-10) Component side view (J72-0920-09)
Ref. No. Address
IC400 8E
IC401 6H
IC402 8F
IC403 5I
IC404 3G
IC405 6G
IC406 4G
IC500 9P
IC502 6P
IC503 4Q
IC504 3Q
IC505 8N
IC600 5H
IC601 4H
Ref. No. Address
IC602 7K
IC603 6J
IC604 5J
IC605 7H
IC606 6L
IC607 5L
IC608 9H
IC609 4B
Q201 4J
Q202 3I
Q203 4J
Q400 8A
Q401 8C
Q402 7D
Ref. No. Address
Q403 7D
Q404 6G
Q405 6F
Q406 7G
Q407 6E
Q408 6F
Q409 6H
Q502 5N
Q602 6L
Q605 4K
Q606 8M
Q607 8M
Q608 5K
Q609 3K
Ref. No. Address
Q610 8H
Q611 3K
Q612 5D
Q613 5D
Q614 7J
Q615 5D
Q616 6C
Q617 6C
Q618 5C
Q619 7L
Q620 4K
Q621 4P
D200 4J
D202 3J
Ref. No. Address
D204 5J
D400 7A
D402 8D
D403 7C
D404 6D
D405 7E
D406 8F
D408 3G
D500 4R
D501 3R
D502 4R
D600 5I
D601 8L
D602 8L
Ref. No. Address
D603 8G
D604 6J
D605 7D
D606 6C
D607 5C
D608 6C
D609 5F
D610 5F
D611 5G
D612 5F
D613 5E
D614 6D

47
JKLMNOPQRS
1
2
3
4
5
6
7
8
9
10
11
12
13
14
CP518
CP519
R210
4
CP521
CP522
2
17
R603
R609
3
R613
R615
R616
R618
R619
R428
R
623
R624
R625
C202
R626
R627
C203
TH200
C208
R633
C210
R635
R636
C212
R637
R638
R641
R642
R643
C608
C609
R648
C611
C613
R650
C615 C616
R654
C619
R655R656
R657
R658
C620
C621
C
622
C642
C644
C625
C647
C627
R664
C628
R666
R667
R668
R669
C630
C633
C635
R672
C636
R673
C638
R675
R676
R677
R679
C640
C641
R660
R680
R661
R681
C645
C646
R682
R683
R663
C648
D200
R685
D202
D204
R689
C650
C651
C652
C653
R690
C654
5UC
C655
R692
R693
C657
C658
C659
Q502
R696
R697
R698
R699
C660
C661
D601
C662
D602
C666
C669
L500
L501
L502
L503
C670
C673
C674
C676 C677
C290
C680
C681
C682
IC602
C683
IC603
IC604
C686
IC606
C687
CP601
CP602 CP603
CP604
CP605
CP606
CP607
CP608
R500
R504
R505
R506
R507
R508
R509
R700R701
R
704
R510
R511
R512
R513
R
707
R514
R709
R515
R516
R517
R518
R519
R520
R521
R522
R523
R524
R525
R527
R528
R724
R725
R726
R728
R729 R730
C500
R731
R732
R733
C503
R734
R735
C505
R736
C506
R737
C507
R738
C508
R739
C509
R740
C510
X500
R741
C511
X501
R742
C512
R744
C514
R745
C515
C516
R747
C517
C518
C713
C714
C715
C716
R753
R754
C725
C727
C729
R769
C730
C734
R770
R772
R776
C741
0
1
C742
C743
R780
C744
C745
C746
R783
C747
R784
C748
C750
C751
C752 C753
D500
L200
C755
D501
C756
D502
C757
R794
Q602
Q605
Q606
Q607
Q608
Q609
Q611
4
Q619
IC500
IC502
Q620
Q621
IC505
CP500
CP501
CP502
CP503
CP504
CP505
CP506
CP507
CP508
CP509
R200
R202
R203
CP510
R204
CP511
CP512
R206
CP513
R207
CP514
CP515
CP516
CP517
ASQL
D
G
S
1
45
8
1
45
8
+
LCDRST
LCDCS
DGND
NC
SB2
NC
KI2
KI1
DATA
CLK
SPSTB
PTT
MIC
ME
AGND
LCDRS
NC
NC
NC 20
CN500
1
45
8
DS
G
1
1
3
3
4
4
6
6
DS
G
DEO
IC607
19
10
16
1725
26
32
S
GD
EXTLIMIN
1
45
8
CV
+
1
4
5
8
64
65
38
39
X600
1
16 17 A3
A2
32
102
103
1
128
IC503
1
56
10
IC504
1
45
8
CHAE
CN501
BATT
TX-RX UNIT (X57-6940-10) Component side view (J72-0920-09)
PC BOARD TK-3180
Component side
Foil side
Layer 1
Layer 2
Layer 3
Layer 4
Layer 5
Layer 6

JKLMNOPQRSIHGFEDCBA
1
2
3
4
5
6
7
8
9
10
11
12
13
14
1
2
3
4
5
6
7
8
9
10
11
12
13
14
CP518
R400
CP519
R402
R403
R210
R404
R405
R406
R407
R213
R408
R214
CP521
R409
R216
CP522
R217
R218
R600
R219
R601
R603
R410
R604
R411
R605
R412
R606
R607
R220
R414
R415
R221
R609
R416
R417
R223
R418
R225
R419
R612
R613
R614
R421
R615
R422
R616
R423
R617
R618
R424
R425
R619
R426
R427
R428
R623
R624
R430
R625
C202
R626
R627
C203
R628
C204
TH200
R629
C206
C207
C208
R631
C401
C402
R633
C210
C404
R635
C211
C405
R636
C212
C406
R637
C213
C407
R638
C214
C408
C409
C216
C600
C601C602
C603
C604
C410
C605
R641
C411
R642
C412
C413 R643
R644
C414
C220
C608
R645
C221
C415
C609
C222
C416
R648
C418
C419
C610
C611
C612
C613
C420
R650
C614
C615
C421
R652
C616
C422
C617
C423
R654
C618
C425
C619
R655R656
C426
R657
C427
R658
C428
C429
C620
C621
C622
C642
C431
C644
C625
C432
C433
C647
C627
R664
C434
C628
C435
R666
C436
R667
C437
R668
R669
C630
C631
C632
C633
R671
C635
C441
R672
C636
C442
R673
C443
R674
C638
C445
R675
C446
R676
R677
C447
R679
C640
C641
R660
R680
R661
R681
C645
C646
R682
R683
R663
C648
D200
R685
D202
R686
R687
D204
R688
R689
C650
C651
C652
C653
D400
R690
C654
5UC
R691
C655
C656
D402
R692
R693
C657
D403
R694
C658
D404
C659
D405
R695
D406
Q502
R696
R697
R698
D408
R699
C660
D600
C661
D601
C662
D602
C663
D603
D604
C665
D605
C666
D606
C667
D607
C668
D608
C669
D609
L500
L501
L502
L503
C670
D610
OPT
D611
D612
C672
C673
D613
C674
IC400
D614
IC401
C675
C676
IC402
C677
IC403
C678
IC404
C290
C679
IC405
IC406
C680
IC600
C681
IC601
C682
IC602
C683
IC603
C684
IC604
C685
C686
IC606
C687
C688
IC608
C689
C690
C691
C692
C693
C694
CP400
CP401
C695
C696
C697
C698
C699
R100
CP600
CP601
CP602 CP603
CP604
CP605
CP606
CP607
CP608
R500
R504
R505
R506
R507
R508
R509
R700R701
R702
R703
R704
R128
R510
R511
R705
R512
R706
R513
R707
R514
R708
R709
R515
R516
R517
R518
R519
R710
R711
R712
R713
R714
R520
R521
R715
R522
R716
R523
R717
R718
R524
R719
R525
R527
R528
TH100
R720
R721
R722
R723
R724
R725
R726
R728
R729 R730
C500
R155
R731
R732
R733
C503
R734
R735
C505
R736
C506
R737
C507
R738
C508
R739
C509
C700
C702
C703
R740
C128
C510
C704
X500
R741
C511
C705
X501
R742
C512
C706
C707
R744
C514
C708
R745
C709
C515
C516
R747
C517
R748
C518
C710
C711
C712
C713
R750
C714
F400
C715
R752
C716
C717
R753
R754
F601
C725
C727
C728
C729
R768
R769
C730
C734
R770
R771
C736
R772
C737
R773
C738
C739
R775
R776
R777
C740
C741
Q201
C742
Q202
C743
Q203
R780
C744
C745
R781
R782
C746
R783
C747
R784
C748
R785
C749
R786
R787
Q400
R788
Q401
Q402
Q403
C750
Q404
C751
Q405
C752
Q406
C753
Q407
C754
Q408
D500
L200
R790
C755
D501
Q409
C756
D502
R792
C757
R794
C759
Q602
Q605
Q606
Q607
Q608
L400
Q609
C763
Q610
Q611
Q612
Q613
Q614
L600
Q615
L601
Q616
L602
Q617
L603
Q618
L604
Q619
L605
L606
L607
IC500
L608
L609
IC502
Q620
Q621
IC505
L610
L611
L612
L615
CP500
CP501
CP502
CP503
CP504
CP505
CP506
CP507
CP508
CP509
R200
R202
R203
CP510
R204
CP511
CP512
R206
CP513
R207
CP514
CP515
CP516
CP517
J72-0920-09
IC609
1
89
16
+
S400 (ORG)
AUX
DS
G
1
34
6
1
34
6
CN400
1
10 5M
VOL
DGND
EN1
EN2
DGND
EN4
EN3
+B
SB1
D
S
G
GND
MDSW
SB
1
23
5
S
G
D
ANT
SP–
SP+
1
3
4
2
B
C
E
CN602
1
14 SSW
SP+
SP–
MSW
EMC
ME
PTT
PF
OPT
E
5CNS
TXD
RXD
NC
DET
14
32
D
S
G
D
G
S
BATT+
+
1
34
5
1
45
8
DS
G
1
34
5
D
S
G
1
45
8
1
34
5
+
+
1
45
8
1
34
5D
G
S
ASQL
+
+
+
DG
S
D
G
S
1
43
5
1
45
8
1
45
8
+
DS
G
IC605
1
1213
24
DI9
1
5M
LCDRST
LCDCS
DGND
NC
SB2
NC
KI2
KI1
DATA
CLK
SPSTB
PTT
MIC
ME
AGND
LCDRS
NC
NC
NC 20
CN500
1
45
8
DS
G
1
1
3
3
4
4
6
6
DS
G
DEO
IC607
19
10
16
1725
26
32
S
GD
EXTLIMIN
1
45
8
CV
+
1
4
5
8
64
65
38
39
X600
1
16 17 A3
A2
32
102
103
1
128
IC503
1
56
10
IC504
1
45
8
CHAE
CN501
BATT
TK-3180 PC BOARD
TX-RX UNIT (X57-6940-10) Component side view (J72-0920-09) TX-RX UNIT (X57-6940-10) Component side view (J72-0920-09)
PC BOARD TK-3180
Component side
Foil side
Layer 1
Layer 2
Layer 3
Layer 4
Layer 5
Layer 6
Ref. No. Address
IC400 8E
IC401 6H
IC402 8F
IC403 5I
IC404 3G
IC405 6G
IC406 4G
IC500 9P
IC502 6P
IC503 4Q
IC504 3Q
IC505 8N
IC600 5H
IC601 4H
Ref. No. Address
IC602 7K
IC603 6J
IC604 5J
IC605 7H
IC606 6L
IC607 5L
IC608 9H
IC609 4B
Q201 4J
Q202 3I
Q203 4J
Q400 8A
Q401 8C
Q402 7D
Ref. No. Address
Q403 7D
Q404 6G
Q405 6F
Q406 7G
Q407 6E
Q408 6F
Q409 6H
Q502 5N
Q602 6L
Q605 4K
Q606 8M
Q607 8M
Q608 5K
Q609 3K
Ref. No. Address
Q610 8H
Q611 3K
Q612 5D
Q613 5D
Q614 7J
Q615 5D
Q616 6C
Q617 6C
Q618 5C
Q619 7L
Q620 4K
Q621 4P
D200 4J
D202 3J
Ref. No. Address
D204 5J
D400 7A
D402 8D
D403 7C
D404 6D
D405 7E
D406 8F
D408 3G
D500 4R
D501 3R
D502 4R
D600 5I
D601 8L
D602 8L
Ref. No. Address
D603 8G
D604 6J
D605 7D
D606 6C
D607 5C
D608 6C
D609 5F
D610 5F
D611 5G
D612 5F
D613 5E
D614 6D

48
JIHGFEDCBA
1
2
3
4
5
6
7
8
9
10
11
12
13
14
C20
C21
C22
C23
C24
C25
R211
C26
R212
C27
C28
R215
C29
C30
C31
C33
C35
R
C37
C38
C41
C43
C44
C45
C46
C47
C48
C49
C200
C50
C201
C51
C52
C53
C205
C55
C56 C57
C58
C59
C60
C61
C62
C63
C64
Q10
Q11
C65
C66
Q12
C67
Q14
C68
Q15
C
6
C72
C73
C74
C75
C78
C79
C234
R659
C1
C2
C3
R670
C4
TC1
C5
C6
C7
C8
C9
D1
D2
D3
C450
D4
C451
R684
D201
D9
D203
D10
D11
D12
D13
D17
CF200
D18
CF201
L1
L2
L3
L4
L6
L8
L9
L11
L12
L13
L14
R526
L17
L18
L19
L20
L22
L23
L24
IC1
L27
C502
R10
R11
R12
R13
R14
R15
R16
R17
R18
R19
R20
R21
R22
R23
R24
Q
R29
Q7
Q8
R755
Q9
R758
R30
R31
R32
R34
R35
F602
R2
R36
R37
R3
R38
R4 R39
R5
R6
R7
R8
R764
R765
R9
R42
R47
R51
R53
Q200
Q204
R796
D314
X1
C10
C11
C12
C13
C14
C15
C16 C17
C18
R205
C19
R208
R209
CN503
RTC CKC
RSSI
INH
DI/A
5A
RXO
TXI
RXEI
SB2
GND
OPT4
OPT2
RXEO
TXO
TCNT
STON
RXI
TXD
RXD
OPT1
OPT3
OPT6
OPT5
MDSW
GND
CN502
RTC 32k
Reset
RXD1
TXD1
CV
CN600
12
26SB2
TXI
RXEO
OPT2
MAN DOWN
DI/ANI
5A
AO
AGND
OPT5
OPT4
TXD1
OPT3
OPT6
RXEI
TXO
INH
TCONT
STON
AGND
AI
DGND
USEL
NC
RXD1
OPT1
25
1
5
610
11
15
16 20
++
+
+
+
G
S
D
DS
G
D
S
G
DS
G
1
34
6
TK-3180 PC BOARD
TX-RX UNIT (X57-6940-10) Foil side view (J72-0920-09)
Ref. No. Address
IC1 7G
IC100 6P
IC200 3K
Q1 6J
Q2 5J
Q6 8K
Q7 7I
Q8 6I
Q9 7I
Q10 7J
Ref. No. Address
Q11 6I
Q12 6I
Q13 6J
Q14 6I
Q15 5I
Q100 7L
Q101 8K
Q102 7M
Q104 4P
Q105 8M
Ref. No. Address
Q106 5O
Q107 6P
Q108 5O
Q200 5I
Q204 5J
Q205 4L
Q206 5N
Q207 4P
Q622 3Q
Q623 3M
Ref. No. Address
Q624 3Q
D1 6G
D2 6H
D3 5J
D4 5J
D7 9J
D9 8I
D10 9J
D11 9J
D12 9I
Ref. No. Address
D13 9I
D17 8I
D18 7H
D100 6L
D103 5P
D106 8P
D107 8P
D108 4O
D201 4I
D203 3I
Ref. No. Address
D205 6L
D206 4N
D207 3O
D208 3O
D209 5Q
D210 6Q
D212 6Q
D213 7Q
D214 7Q
D314 5I

49
JKLMNOPQRS
1
2
3
4
5
6
7
8
9
10
11
12
13
14
XF200
C32
R222
R224
R226
R227
R228
C41
R230
R231
C45
R232
R233
C47
R234
C49
R236
R237
CN603
R239
C51
C53
R240
C54
R241
R242
C
57
R243
CD200
C58
R244
C209
R245
R246
R248
R249
X200
6
2
Q10
C215
C65
R251
C66
C217
C67
R253
Q13
C218
C68
R254
C219
C69
R255
R256
R257
R258
C294
C70
C71
C72
C73
L218
C74
C226C227
C228
C229
C230
C231C232
C233
C235
C236
C237
C238
C239
C240
C241
C242
C243
C244
C245
C246
C247 C248
TC2
C250 C251
C252
C253
C255
C256 C257
C258
Q100
Q101
Q102
D3
D4
Q104
Q105
Q106
D7
Q107
Q108
C260
C261
C262
C263
C264
D205
C265
C266
D206
D207
D208
D209
C269
L100
L101
L102
L103
L104
D210
C270
L105
C271
D212
L106
L107
C273
D213
L108
D214
C274
C275
L109
C276
C277
C279L110
L111
L112
L113
C280
C281
C282
C283
C284
C285
C286
C287
C292
R101
R102
R103
R104
R105
R106
R107
D10
R108
D11
R109
R110
R111
R112
R113
R115
R116
R117
R119
R120
R122
R123
R124
R125
R126
R127
R130
R132
R133
R134
R135
R137
L10
R138
R139
L13
C100
C101
C103
C104
L18
R140
L19
C105
R141
C106
R142
C107
R143
R144
C109
R145
R146
R147
C289
R148
L21
R149
L
22
2
4
C111
L25
C113
R150
C114
R152
C116
R153
C117
R154
C118
C119
R157
R158
C120
C121
C122
C123
C125
C126
C127
R19
C129
C131
C132
R23
C133
C135
Q1
Q2
C136
C137
C138
C139
Q6
C718C719
C140
C141
C142
R32
R33
C143
C720
R34
C144
C721
3
6
R760 R761
C149
R762
R766
R767
R40
C150
R41
C151
C152
R42
R43
C153
R44
C154
R45
C155
C732
C156
R46
C157
C159
D100
C161
D103
D106
D107
Q204
D108
Q205
Q206
Q207
L201
L202
L203
L204
L206 L207
L208
L210
L211
L212
L213
L214
L215
L216
L217
L220
Q622
Q623
Q624
J72-0920-09
IC200
1
89
16
D
S
G
1
23
4
D
S
G
S
GD
BPF
1
23
4
DG
IC100
1
45
6
DS
G
D
S
G
+
1
23
4
+
D
S
G
TX-RX UNIT (X57-6940-10) Foil side view (J72-0920-09)
PC BOARD TK-3180
Component side
Foil side
Layer 1
Layer 2
Layer 3
Layer 4
Layer 5
Layer 6

JKLMNOPQRSIHGFEDCBA
1
2
3
4
5
6
7
8
9
10
11
12
13
14
1
2
3
4
5
6
7
8
9
10
11
12
13
14
C20
C21
C22
C23
XF200
C24
C25
R211
C26
R212
C27
C28
R215
C29
C30
C31
C32
C33
C35
R222
C37
R224
C38
R226
R227
R228
C41
C43
R230
C44
R231
C45
R232
C46
R233
C47
C48
R234
C49
R236
R237
CN603
R239
C200
C50
C201
C51
C52
C53
R240
C54
C205
R241
C55
R242
C56 C57
R243
CD200
C58
R244
C209
C59
R245
R246
R248
R249
X200
C60
C61
C62
C63
C64
Q10
C215
Q11
C65
R251
C66
Q12
C217
C67
R253
Q13
C218
Q14
C68
R254
C219
Q15
C69
R255
R256
R257
R258
C294
C70
C71
C72
C73
L218
C74
C75
C226C227
C78
C228
C79
C229
C230
C231C232
C233
C234
R659
C235
C236
C237
C238
C239
C240
C241
C242
C243
C244
C245
C246
C247 C248
C1
C2
C3
R670
C4
TC1
C5
TC2
C6
C7
C8
C250
C9
C251
C252
C253
C255
C256 C257
C258
Q100
D1
Q101
D2
Q102
D3
C450
D4
Q104
C451
Q105
Q106
D7
Q107
R684
Q108
C260
D201
C261
D9
C262
D203
C263
C264
D205
C265
C266
D206
D207
D208
D209
C269
L100
L101
L102
L103
L104
D210
C270
L105
C271
D212
L106
L107
C273
D213
L108
D214
C274
C275
L109
C276
C277
C279L110
L111
L112
L113
C280
C281
C282
C283
C284
C285
C286
C287
C292
R101
R102
R103
R104
R105
R106
R107
D10
R108
D11
R109
D12
D13
D17
CF200
R110
D18
CF201
R111
R112
R113
R115
R116
R117
R119
R120
L1
L2
R122
R123
L3
L4
R124
R125
L6
R126
R127
L8
L9
R130
R132
R133
R134
R135
R137
L10
R138
L11
R139
L12
L13
L14
C100
C101
R526
C103
L17
C104
L18
R140
L19
C105
R141
C106
R142
C107
R143
R144
C109
R145
R146
R147
C289
L20
R148
L21
R149
L22
L23
L24
IC1
C111
L25
L27
C113
R150
C114
R152
C116
R153
C117
R154
C118
C119
C502
R157
R158
C120
R10
C121
R11
C122
R12
C123
R13
R14
R15
C125
R16
C126
R17
C127
R18
R19
C129
R20
R21
C131
R22
C132
R23
C133
R24
C135
Q1
Q2
C136
C137
C138
R29
C139
Q6
Q7
C718
Q8
R755
C719
Q9
R758
C140
R30
R31
C141
C142
R32
R33
C143
C720
R34
C144
C721
R35
F602
R2
R36
R37
R3
R760
R38
R4
R761
C149
R39
R5
R762
R6
R7
R8
R764
R765
R9
R766
R767
R40
C150
R41
C151
C152
R42
R43
C153
R44
C154
R45
C155
C732
C156
R46
C157
R47
C159
D100
C161
R51
R53
D103
Q200
D106
D107
Q204
D108
Q205
Q206
Q207
L201
L202
L203
L204
R796
L206 L207
D314
L208
L210
L211
L212
L213
L214
L215
L216
L217
L220
Q622
Q623
Q624
X1
C10
C11
C12
C13
C14
C15
C16 C17
C18
R205
C19
R208
R209
J72-0920-09
CN503
RTC CKC
RSSI
INH
DI/A
5A
RXO
TXI
RXEI
SB2
GND
OPT4
OPT2
RXEO
TXO
TCNT
STON
RXI
TXD
RXD
OPT1
OPT3
OPT6
OPT5
MDSW
GND
CN502
RTC 32k
Reset
RXD1
TXD1
CV
CN600
12
26SB2
TXI
RXEO
OPT2
MAN DOWN
DI/ANI
5A
AO
AGND
OPT5
OPT4
TXD1
OPT3
OPT6
RXEI
TXO
INH
TCONT
STON
AGND
AI
DGND
USEL
NC
RXD1
OPT1
25
1
5
610
11
15
16 20
++
+
+
+
G
S
D
DS
G
D
S
G
DS
G
1
34
6
IC200
1
89
16
D
S
G
1
23
4
D
S
G
S
GD
BPF
1
23
4
DG
IC100
1
45
6
DS
G
D
S
G
+
1
23
4
+
D
S
G
TK-3180 PC BOARD
TX-RX UNIT (X57-6940-10) Foil side view (J72-0920-09) TX-RX UNIT (X57-6940-10) Foil side view (J72-0920-09)
PC BOARD TK-3180
Component side
Foil side
Layer 1
Layer 2
Layer 3
Layer 4
Layer 5
Layer 6
Ref. No. Address
IC1 7G
IC100 6P
IC200 3K
Q1 6J
Q2 5J
Q6 8K
Q7 7I
Q8 6I
Q9 7I
Q10 7J
Ref. No. Address
Q11 6I
Q12 6I
Q13 6J
Q14 6I
Q15 5I
Q100 7L
Q101 8K
Q102 7M
Q104 4P
Q105 8M
Ref. No. Address
Q106 5O
Q107 6P
Q108 5O
Q200 5I
Q204 5J
Q205 4L
Q206 5N
Q207 4P
Q622 3Q
Q623 3M
Ref. No. Address
Q624 3Q
D1 6G
D2 6H
D3 5J
D4 5J
D7 9J
D9 8I
D10 9J
D11 9J
D12 9I
Ref. No. Address
D13 9I
D17 8I
D18 7H
D100 6L
D103 5P
D106 8P
D107 8P
D108 4O
D201 4I
D203 3I
Ref. No. Address
D205 6L
D206 4N
D207 3O
D208 3O
D209 5Q
D210 6Q
D212 6Q
D213 7Q
D214 7Q
D314 5I

TK-3180 SCHEMATIC DIAGRAM
50
7
6
5
4
3
2
1
ABCDE
X54-347 1/2
C524
4.7u16
IC503
HD74LV2G34AUS
1
1A
2
3Y
3
2A
4
GND
52Y
63A
71Y
8VCC
1
1A
2
3Y
3
2A
4
GND
52Y
63A
71Y
8VCC
R571
0
C538
4.7u
R545 R546
C527
1u10
CN507
E40-6410-05
1
2
3
4
5
L553
R542 470
R547
R574
C501 470p
C525
470p
C528
1u10
C556
1000p
R544
R541 470
C537
4.7u
C555
1u
L550
R575
0
1
VIN
2
VSS
3
NC1
4
NC2
5
VoUT
R552 470
C500 470p
C503 470p
R560
470k
L554
R573
470k
C523
4.7u16
C502 470p R543 470
CN508
E40-6413-05
1
2
3
4
5
6
7
8
9
10
11
12
13
14
15
16
17
18
19
20
C553
1000p
2SJ144(Y)
Q505
SD
G
R540 470
C554
1000p
C2+
V5out
(X54-3470-XX)
RESET
SCL
GND
X54-3470-XX
P/S
C1+
SIDE KEY
SECTION
LCD ASSY
(B38-0900-05)
C1-
K1
LCD CONTROL
K1
OSC1
LCD CONTROL
SW1
PTT
Vci
SW2
VOLTAGE
REGULATOR/LCD
OSC2
NC
V5
Vss
CONTRAST CONTROL
CS
GND
SW1
SIO
PTT
DISPLAY UNIT
RS
SW2
VDD
C2-
R/W
Vss
B30-2215-05
NO
D516D515
B30-2215-05
NONO
B30-2215-05
D514
NO
D513
B30-2215-05
NO
B30-2215-05
D512
B30-2215-05
D511
NO
IC502
HD74LV2G34AUS
470k 82k39k0 150k
SW2
SW1
5M
LCDRS
LCDCS
CLK
DATA
LCDRST
PTT
K
K3
-10
-11
NO
R524
390
NO
R525
390
NO
R526
390
IC501
XC6201P352MR
3.51V
3.51V
4.98V

SCHEMATIC DIAGRAM TK-3180
51
7
6
5
4
3
2
1
JIHGF
X54-347 2/2
C549 47p
R533 0
C551
47p
CP504
1k*2
R561
10k
D512
*
D513
*
C548 47p
S515
D501 R522
390
D500
MA2S111
C542 47p
C544 47p
D514
*
CP506
1k*2
C543 47p
C539 47p
S514
IC500
BU2099FV
1VSS
2NC
3DATA
4CLK
5LCK
6Q0
7Q1
8Q2
9Q3
10 Q4 11
Q5
12
Q6
13
Q7
14
Q8
15
Q9
16
Q10
17
Q11
18
SO
19
OE
20
VDD
D502
R563 1k
S510
S513
R534
100
D518
CP503
1k*2
R526
*
S519
D519
C541 47p
R535 0
C546 47p
R570
0
R527
0
R501 1k
S505
S507
R517
0
R537
100
CP507
1k*2
C550 47p
C540 47p
R531 0
R567 1k
D520
R565 1k
R525
*
R559
0
C513 0.1u
S511
S508
R524
*
R562
1k
D515
*
R520
4.7k
2SB1132(Q,R)
Q502
S520
R564 1k
S518
L555
L92-0163-05
D516
*
CN510
CP501
1k*2
S509
D517
C518
470p
CP509
1k*2
R566 1k
D511
*
C545 47p
MIC500
T91-0579-05
S506
S512 S517
R500 1k
S516
CN511
C522
1000p
D522
DA221
R568 1k
1
2
3
4
5
6
7
8
9
10
11
12
13
14
15
16
17
18
19
20
87
#
5
C
BACK LIGHT
CONTROL
B30-2215-05
D501,502,511-516
*
0
4
3
6
KEY CONTROL
B
D500
CONTRAST
CONTROL
AGND
(MAIN)
1
9
INT MIC
KEY
PROCESSOR
Q501,502
A
2
S
R518
330
2SC4617(S)
Q501
C508
470p
C562
1u
TO TX-RX UNIT CN500
B30-2210-05
517-520
D501,502,511-520
KEY BACK LIGHT
5M
SW2
SW1
LCDRS
CLK
DATA
LCDCS
LCDRST
PTT
MIC
ME
PTT
DATA
LCDRST
CLK
LCDCS
KI2
5M
DGND
SB2
SPSTB
KI1
LCDRS
CN509
E40-6413-05
2SK1830
Q504
LCD RESET
LED ON:5.0V
OFF:2.7V
Note : The components marked with a dot (•) are parts of layer 1.
DISPLAY UNIT (X54-3470-XX)

C549 47p
R533 0
C551
47p
CP504
1k*2
R561
10k
D512
*
C524
4.7u16
D513
*
C548 47p
IC503
HD74LV2G34AUS
1
1A
2
3Y
3
2A
4
GND
52Y
63A
71Y
8VCC
S515
D501 R522
390
1
1A
2
3Y
3
2A
4
GND
52Y
63A
71Y
8VCC
D500
MA2S111
C542 47p
R571
0
C538
4.7u
C544 47p
R545
D514
*
CP506
1k*2
C543 47p
C539 47p
S514
IC500
BU2099FV
1VSS
2NC
3DATA
4CLK
5LCK
6Q0
7Q1
8Q2
9Q3
10 Q4 11
Q5
12
Q6
13
Q7
14
Q8
15
Q9
16
Q10
17
Q11
18
SO
19
OE
20
VDD
D502
R563 1k
S510
R546
C527
1u10
CN507
E40-6410-05
1
2
3
4
5
S513
L553
R534
100
R542 470
D518
R547
R574
CP503
1k*2
R526
*
C501 470p
C525
470p
C528
1u10
S519
D519
C541 47p
R535 0
C546 47p
R570
0
C556
1000p
R527
0
R544
R541 470
R501 1k
S505
C537
4.7u
S507
R517
0
C555
1u
R537
100
L550
R575
0
CP507
1k*2
C550 47p
C540 47p
R531 0
R567 1k
1
VIN
2
VSS
3
NC1
4
NC2
5
VoUT
R552 470
D520
C500 470p
R565 1k
R525
*
R559
0
C513 0.1u
S511
S508
C503 470p
R524
*
R562
1k
D515
*
R520
4.7k
R560
470k
L554
2SB1132(Q,R)
Q502
S520
R564 1k
S518
R573
470k
L555
L92-0163-05
D516
*
CN510
CP501
1k*2
S509
D517
C523
4.7u16
C518
470p
C502 470p
CP509
1k*2
R566 1k
D511
*
R543 470
CN508
E40-6413-05
1
2
3
4
5
6
7
8
9
10
11
12
13
14
15
16
17
18
19
20
C553
1000p
C545 47p
MIC500
T91-0579-05
2SJ144(Y)
Q505
SD
G
S506
S512 S517
R540 470
R500 1k
S516
CN511
C522
1000p
D522
DA221
R568 1k
C554
1000p
1
2
3
4
5
6
7
8
9
10
11
12
13
14
15
16
17
18
19
20
C2+
V5out
(X54-3470-XX)
RESET
SCL
8
GND
X54-3470-XX
P/S
C1+
SIDE KEY
SECTION
7
#
LCD ASSY
(B38-0900-05)
C1-
5
K1
C
LCD CONTROL
BACK LIGHT
CONTROL
K1
B30-2215-05
OSC1
LCD CONTROL
SW1
PTT
Vci
SW2
D501,502,511-516
VOLTAGE
REGULATOR/LCD
*0
OSC2
4
3
NC
V5
6
Vss
CONTRAST CONTROL
CS
GND
KEY CONTROL
SW1
SIO
B
D500
PTT
DISPLAY UNIT
CONTRAST
CONTROL
RS
AGND
(MAIN)
SW2
1
9
INT MIC
KEY
PROCESSOR
Q501,502
VDD
C2-
A
2
R/W
S
Vss
B30-2215-05
NO
D516D515
B30-2215-05
NONO
B30-2215-05
D514
NO
D513
B30-2215-05
NO
B30-2215-05
D512
B30-2215-05
D511
NO
R518
330
2SC4617(S)
Q501
C508
470p
C562
1u
TO TX-RX UNIT CN500
IC502
HD74LV2G34AUS
B30-2210-05
517-520
D501,502,511-520
KEY BACK LIGHT
470k 82k39k0 150k
SW2
SW1
5M
LCDRS
LCDCS
CLK
DATA
LCDRST
PTT
5M
SW2
SW1
LCDRS
CLK
DATA
LCDCS
LCDRST
PTT
K
K3
-10
-11
NO
R524
390
NO
R525
390
NO
R526
390
MIC
ME
PTT
DATA
LCDRST
CLK
LCDCS
KI2
5M
DGND
SB2
SPSTB
KI1
LCDRS
CN509
E40-6413-05
2SK1830
Q504
LCD RESET
IC501
XC6201P352MR
LED ON:5.0V
OFF:2.7V
3.51V
3.51V
4.98V

TK-3180 SCHEMATIC DIAGRAM
52
7
6
5
4
3
2
1
ABCDE
X57-694 1/8
R414
10k
C406 470p
D400
B30-2278-05
D406
MA2S111
R422
4.7k
C739
47p
R405
100k
CP400
47k*2
C405
470p
A[12]
F400
WR
C743 47p
A[10]
C751 47p
2SJ347
Q405
C749 47p
A[0]
C418
1000p
2SA1955(A)
Q408
A[8]
C414
470p
L501
C446
470p
C445
47p
R406
220k
R403
560
RD
C500
22u6.3
C437
100p
A[6]
R427
47k
A[15]
D403
1SS301
C744 47p
A[9]
A[11]
D408
MA2S111
C435
0.22u
C420
0.1u
R411
470k (D)
ME
Q400
UMG9N
C407
470p
R408
470k
2SA1955(A)
Q403
C413
470p
R400
0
C419
1u
R410
10k
C404 470p
C447
4700p
D[1]
R771
1k
Q404
DTC144EE
R409
470k
A[2] A[5]
C432
10u10
2SK1830
Q407
C427
1u
C741
47p
D402
1SR154-400
R425
47k
IC403
XC6204B502MR
1
VIN
2
VSS
3
CE 4
NC
5
VoUT
D[4]
D[6]
C421
0.22u
R419
1M
R412
470k(D)
C416
1000p
C443
1u
CP401
47k*2
C503
1u
R407
680k
R777
10
2SK1830
Q402
CN400
E40-5823-05
1
2
3
4
5
6
7
8
9
10
R430
10k
IC401
TK11250CUCB
1
2
3
4VIN
VoUT
5
CN500
E40-6413-05
1
2
3
4
5
6
7
8
9
10
11
12
13
14
15
16
17
18
19
20
C742
47p
D[2]
D[5]
C409 470p
C433
470p
A[3]
R404
10k
C426
100p
R402
820
C442
0.22u
C429
1u
A[14]
C431
470p
A[1]
C748 47p
2SJ347
Q409
D[0]
A[17]
IC406
TK11250CUCB
1
NP
2
GND
3
CoNT
4VIN
VoUT
5
R417
680k
A[16]
C441
1u
IC500
AT29C040A-90TI
1
2
3
4
5
6
7
8
9
10
11
12
13
14
15
16
17
A3
18
A2
19
A1
20
A0
21
Io0
22
Io1
23
Io2
24
GND
25
Io3
26
Io4
27
Io5
28
Io6
29
Io7
30
CE
31
A10
32
oE
2SA1955(A)
Q406
A[7]
C745 47p C411 470p
C740
47p
C428
470p
IC402
XC6204B502MR
1
VIN
2
VSS
3
CE 4
5
C747 47p
L500
D[3]
SSM3K15TE
Q401
C436
0.01u
D405
RB521S-30
IC400
XC61CC5602NR
1
VoUT
2
VIN
4VSS
3NC
A[4]
C425
1u
C410
470p
C746 47p
R415
15k
R421
1k
R418
470k
IC404
TC75S51FE
1
IN+
2
VSS
3
IN-
4oUT
5VDD
C422
1u
C415
4.7u
C401
470p
A[18]
R423
10k
C750 47p
D404
MA2S111
R416
0
C502
22u6.3
R782
0
R426
47k
C434
100p
D[7]
L400
CSO
C402
470p
R424
10k
C408 470p
IC405
S-80942CNNBG9C
1
VSS
2
VDD
4
oUT
3
CD
C412
470p
A[13] C423
10u10
EN1
EN2
EN4
EN3
5A
SB2
DGND
DGND
+B
LR
EN3
BATT
EN1
VR/SW:R31-0617-05
5M
5M
BATT
EN4
5CNS
SB1
5T
EN2
5R
LG
CH_SW:S60-0415-05
VOL
DET
5A
5C
SAVE
CPU_VCC
S_DET
CPU_DGND
KI1
LEDR
SPSTB
SBC
5R
MIC
VOL
B
DT
LEDG
CLK
5CNS
KI2
VOLTAGE DETECTOR / INT
VOLTAGE REGULATOR / 5V
VOLTAGE REGULATOR / 5V
VOLTAGE REGULATOR / 5V
5T CONTROL
VOLTAGE DETECTOR / RESET
VOLTAGE REGULATOR / 5V
FLASH MEMORY
LED SW /
GREEN or RED
LED
RED & GREEN
POWER SW
SBC SW
SB2 SW
5R SW
5R SW
5T SW
5M SW
5M SW
POWER SW
CONTROL
5M CONTROL
D406
SAVE SW
REVERSE
PROTECTION
BATT
LEVEL
CONTROL
D404
5M PROTECTOR
5T CONTROL
IC400
INT
BATT_LEVEL
TO DISPLAY UNIT CN509
TX-RX UNIT(X57-6940-10)
5M_CHARG
CLK
SBC
LEDG
LEDR
MIC
KI1
5TC
5R
SPSTB
B
VOL
5CNS
DT
KI2
LCDRS
PTT
BATT_LEVEL
5C
5T
INT
PSW
5RC
RESET
5M
KI1
SB2
MIC
DGND
ME
LCDRS
DATA
LCDRST
AGND
SPSTB
5M
KI2
CLK
PTT
LCDCS
A11
A9
A8
A13
A14
A17
WE
VCC
A18
A16
A15
A12
A7
A6
A5
A4
NC
VoUT
NP
GND
CoNT
7.5V
R:7.47V
T:7.43V
R:6.78V
T:6.76V
R:0V
T:0.21V
R:4.79V
T:5.15V
R:4.98V
T:5.16V
R:4.43V
T:5.09V R:0V
T:0.20V
R:4.76V
T:0.20V
R:5.04V
T:5.20V
R:0V
T:5.14V
R:0V
T:5.12V R:4.98V
T:0.20V
R:4.97V
T:5.09V
R:4.96V
T:0.20V
R:5.00V
T:4.41V
R:3.66V
T:3.72V
R:6.37V
T:0.2V
R:0.1V
T:6.21V
R:7.48V
T:7.44V
R:7.49V
T:7.45V
R:5.02V
T:5.19V
R:4.99V
T:5.16V
R:0V
T:0.2V
R:4.30V
T:4.47V
R:4.47V
T:4.59V
R:4.81V
T:4.91V
R:0V
T:0.2V
R:4.99V
T:5.14V

SCHEMATIC DIAGRAM TK-3180
53
JIHGF
X57-694 2/8
R784
47k
CP512
1k*2
A[1]
PTT
D[7]
R729
1k
CP514
1k*2
A[2]
A[17]
OPT3
CP602
1k*2
CP505
1k*2
R734
1k
R730
1k
R514 4.7k
A[8]
A[13]
A[6]
C516
0.01u
WR R510 47k
D[0]
D[3]
R524
0
R731
1k
R769
1k
OPT1
R758 47k
R732
1k
CP606
1k*2
A[5]
PF
C506
1u
R508
47k
R724
1k
CP508
1k*2
CP510
1k*2
OPT6
A[3]
CP501
1k*2
R528 470k
OPT2
D[2]
A[0]
R728 1k
PLE
A[10]
IC505
TC7W53FK
1
2
3
4
5A
6CH1
7CH0
8VCC
R526
0
AM
CP607
100*2
OPT5
MANDN
A[4]
RSSI
A[11]
C508 1u
CP521
1k*2
CP504
1k*2
A[18]
RD
A[15]
D[6]
R780
10k
R504
0
A[16]
A[12]
CP518
47k*2
A[14]
C505
1u
1
2
3
4
5
6
7
8
9
10
11
12
13
14
15
16
17
18
19
20
21
22
23
24
25
26
27
28
29
30
31
32
33
34
35
36
37
38
RXD1
39
40
41
42
43
44
45
46
47
48
49
50
51
52
53
54
55
56
57
58
59
60
61
62
63
64
65
BTSE/VOX
66
67
68
69
70
71
72
73
74
75
76
77
78
79
80
81
82
83
84
85
86
87
88
89
90
91
92
93
94
95
96
97
98
99
100
101
102
103
SSW
104
D7
105
D6
106
D5
107
D4
108
D3
109
D2
110
D1
111
D0
112
DT
113
CK
114
WN
115
OPT1
116
OPT2
117
OPT3
118
OPT4
119
OPT5
120
BATTSEL/VOX
121
THP/VCOADJ
122
VOL
123
PF
124
ASQ
125
RSSI
126
BATTLVL
127
AGND
128
LSDIN
R500
0
PCK
R515 47k
CP603
1k*2
R726
330
C755
4700p
R513 1k
C507
1u
L503
R523
0
A[7]
CSO
SSM3K15TE
Q502
R735
47k
CP519
10k*2
5UC
R511
0
C757
4700p
S400
ORG
CP500
1k*2
R507
470k
STSW
A[9]
CP507
1k*2
CP502
1k*2
CP513
1k*2
R527 47k
D[1]
CP601
1k*2
L502
R525
1k
CP515
1k*2
CP516
10k*2
R770
1k
R725
330
CP605
330*2
CP608
100*2
CP506
1k*2
D[4]
SSW
R505
47k
CP509
1k*2
D[5]
CP604
330*2
CP517
1k*2
R733
1k
CP503
1k*2
C734
22p
R509
47k
OPT4
R512
47k
R506
47k
CP511
330*2
R428
120k
EN1
EN2
EN3
EN4
LD
TXD1
DTRLOAD
STD
DI/O
TDATA(10)
DIR(14)
TCLK/DTRDO
RFD/FD(12)
AUX_Key
APCSW
DSW
5C
MMUTE
5T
VOX
5C
5T
SAVE
VOL
MIC
5M_CHARG
CPU_DGND
B
CLK
LCDRS
SBC
PTT
DT
5R
5TC
LEDR
5CNS
SPSTB
KI1
KI2
LEDG
CPU_VCC
5RC
RESET
PSW
INT
5M
S_DET
CPU_VCC
CPU_DGND
KI2
LEDR
LEDG
KI1
SBC
5TC
S DETECTOR INT SW
BATT_LEVEL
LSW
SPSTB
XOUT
DGND
XIN
VCC1
NMI
PSW
INT
INTRA
SHIFT/MODEL
BEEP
SPSTB
VCO ADJ
LEDR
LEDG
DSTB
LSDO
KEY1
KEY2
TXD1
VCC1
VREF
AVCC
SBC
5RC
5TC
APC/TV2
HSDO
STSW
RTCL/EEPCL
HSDIN
MAN-DN IN
RTDT/EEPDAT
BYTE
CNVSS
DMUTE
AM2
RESET
DGND
MMUTE
AUX
TXD
RXD
AFDAT
AFDIO
AFDIR
DTRLOAD
AFSTD
LSW
RDY
ALE
HOLD
HLDA
EN4
EN3
EN2
EN1
BCLK
RD
BHE
WR
APCSW
DSW
5UC
CoMMoN
INH
VEE
GND
5M
CPU_DGND
RXD
LSDIN
AM2
LSW
DMUTE
INTRA
MIC
5R
RXD1
T/R
THP/VCOADJ
APC/TV2
CLK
5CNS
TXD
DSTB
HSDOUT
DT
B
ASQL
5M_CHARG
5RC
W/N
LCDRST
LCDCS
CS0
A19
A18
A17
A16
A15
A14
A13
A12
A11
A10
A9
UL
PLE
PCK
NC
OPT6
VCC2
A8
DGND
A7
A6
A5
A4
A3
A2
A1
A0
PTT
AFRTM
TCLK/DTRDO
SAVE
T/R
AM1
LCDRS
IC502
30625MGP-169GP
MICROPROCESSOR
CPU_VCC
LSDO
BEEP
XOUT
XIN
BSHIFT
HSDIN
RTDT
R:0V
T:0.2V
R:0V
T:0.2V
R:7.49V
T:7.46V
TX-RX UNIT (X57-6940-10)

TK-3180 SCHEMATIC DIAGRAM
54
KLMNO
X57-694 3/8
R615
47k
D500
MA2S111
R786
5.6k(D)
R787
10k(D)
R750
82k
C625
0.1u
R773
82k
R792
22k
R612
10k
C619
560p
D600
RB706F-40
C614
470p
C613 0.1u
C514
0.01u
2SC4649(N,P)
Q621
C685
0.1u
IC604
TC75W51FK
1
2
3
4
4
5
6
7
8
8
C628
0.1u
R522
5.1k(D)
R519
470k
R628 0
R601
390k
R775
56k
C620
0.1u
C717
0.1u
R629 0
C517 0.1u
R517
1k
R603
0
C632
1u
C610
0.01u
R518
10k
CP522
100*2
R627
680k
C509
27p
C616
470p
R638
10k
IC608
TC75W51FK
1
2
3
4
4
5
6
7
8
8
C612
0.1u
R605
39k
R652
10k
CN501
J19-5386-05
C618
10u6.3
C738
330p
1
2
3
445
6
7
8
8
IC600
TC75W51FK
1
2
3
445
6
7
8
8
D603
RB706F-40
C615
100p
C678 0.1u
R625
4.7k
R613
100k
R636
4.7k
C684 1000p
R626
180k
R790
0
R614
68k
C611
100p
C617
2.2u6.3
C627
0.01u
R600
680k
C759
0.012u
IC504
AT24256N10SI27
1A0
2A1
3NC
4GND 5
6
7
8
IC605
M62364FP
1VIN1
2VOUT1
3VOUT2
4VIN2
5VDD
6LD
7CLK
8DI
9VIN3
10 VOUT3
11 VOUT4
12 VIN4 13
14
15
16
17
18
19
20
21
22
23
24
C667
47p
C631
0.1u
R619
180k
R618
0
R674
0
C511
27p
IC602
TC75W51FK
1
2
3
445
6
7
8
8
C604
68p
C622
5600p
D502
1SS388
R623
100k
C668
12p
C603
4700p
R521
2.7k(D)
C675
0.1u
C605
68p
D501
1SS388
C663
1u
R748
100k
R694
100k
R686
820k
C515
15p(G)
R631
470k
R671
100k
X501
L77-1802-05
C608
0.1u C621
0.01u
R642
4.7k
C510
4p
R616
100k
R752
0
R606
180k
CN502
C609
0.01u
C512
0.01u
R520
10k
R783
68k
R644
10k
R687
1M
R785
12k(D)
R609
100k
C665
0.022u
R633
1M
C602
0.1u
R516
1k
R617
68k
R604
180k
R637
3.3k
R645
4.7k
R635
4.7k
X500
L77-1958-05
C601
22p
C656
0.22u
CN503
C737
4.7u
R688
27k
R624
0
C600
0.1u
C518
1u
IC503
RV5C386A
1
32KOUT
2
SCL
3
SDA
4
INTRB
5
VSS
6
7
8
9
10
R607
22k
IC601
TC75W51FK
1
2
3
445
6
7
8
8
STON
DI9
LSD BUFFER
TO TCXO
VOX
MIC AMP / VOX
TUNE
HSD BPF / HSD COMP
LSD LPF / V REF
CPU_VCC
XIN
XOUT
LSDO
BEET SHIFT SW
EEPROM
AF BUFFER
AF
BUFFER
CONTROL
DETECTOR
BEEP
BSHIFT
HSDIN
DMUTE
VOX
MMUTE
RTDT
INTRA
CPU_DGND
5RC
HSDOUT
THP/VCOADJ
LSDIN
ASQL
DSTB
T/R
LSW
5M_CHARG
5CNS
5R
RXD
B
TXD
RXD1
AM2
APC/TV2
MIC
5M
DT
CLK
5T
5C
DSW
APCSW
SPOUT
5M_CHARG
INTRA DSTB
RTC PROCESSOR
D/A CONVERTER
RTC BATT CONTROL
D500-502
W/N
SDA
SCL
WP
VCC
INTRA
CLKC
OSCOUT
OSCIN
VDD
VIN5
VOUT5
VOUT6
VIN6
DO
VDAref
RESET
GND
VIN7
VOUT7
VOUT8
VIN8
5C
5T
APCSW
TV
DSW
RXAFI(25)
MMUTE
TCXO
MOD
BEEP
FILTERO
B
LSW
5R
APC/TV2
RXD
5M
AM2
MIC
HSDOUT
THP/VCOADJ
ASQL
5RC
T/R
LSDIN
DMUTE
RXD1
TXD
5CNS
CPU_DGND
W/N
CLK
DT
IC603
TC75W51FK
TUNE
R:0.1V
T:0V
R:2.47V
T:2.47V
R:0V
T:0V
TX-RX UNIT (X57-6940-10)

SCHEMATIC DIAGRAM TK-3180
55
TSRQP
X57-694 4/8
A
C640 4.7u
R656
56k
C660
0.1u
R684 0
C636
0.1u
R754
4.7k
C713
1000p
R689
0
R666
1M
R668
150k
2SC4738(GR)
Q606
R677
22k
C673
0.1u
C676
47p
R683
150k
C641 4.7u
R648
100k
R700
180k
R675
1M
R641
27k
Q602
DTA114EE
C674
0.1u
C683
0.012u
C651
0.1u
IC607
AQUA-L
1
AGNDIN
2
TXIN
3
TXINO
4
LIMLV
5
EXTLIMIN
6
MOD
7
VDD
8
DTRLOADN
9
STD
10
TCLK/DTRDO
11
TDATA/DTRCLK
12
DI/O
13
RDF/FD
14
SCLK
15
DIR
16
XOUT
17
18
19
20
21
22
23
24
25
26
27
28
29
30
31
32
R772
0
R747
0
C648
1000p
R738
120k
R739
180k
C666
0.1u
C633
0.01u
R741
12k
C730
3300p
R658
47k
R701
22k
R695
10k
C659
0.1u
C672
1000p
R676
270k
R680
270k
R650
4.7k
C658
0.1u
R669
120k
IC606
TC7W53FK
1
CoMMoN
2
INH
3
VEE
4
GND 5
A
6
CH1
7
CH0
8
VCC
R682
2.7k
R697
470k
C752
5p(B)
R654
68k
2SJ243
Q619
C638
1000p
X600
3.6864MHz
L77-1965-05
C686
0.068u
R740
12k
C677
2200p
R699
330k
C714
1000p
C729
270p
R655
6.8k
R673
0
R698
1M
R776
47k
D602
RB706F-40
C630
270p
C725
3900p
C652
68p
2SJ243
Q608
C662
1000p
C754
0.1u
C650
0.1u
R737
4.7k
R679
0
L600
R664
120k
R692
82k
C661
0.1u
R681
1k
C653
0.1u
R691
10k
C679
0.1u
C670
0.1u
C756
0.1u
R672
220k
R643
100k
R794
0
D601
RB706F-40
C635
100p
C654
0.1u
R690
0
C655
0.1u
Q620
DTA144TE
C680
0.1u
C657
33p
R753
10k
C645 0.1u
Q605
RN4910
R667
390k
R659
0
R696
180k
C753
5p(B)
C669
1000p C682
0.015u
2SA1832(GR)
Q607
R670 0
2SJ243
Q610
R736
4.7k
R657
560k
R685
4.7k
C646 4.7u
STSW
TXI
AI
ME
STSW
RXO
RXEI
RXEO
RXI
DI/ANI
STD
DIR(14)
DI/O
TDATA(10)
DTRLOAD
TCLK/DTRDO
RFD/FD(12)
C642
0.047u
R660
0
R663
10k
C647
0.012u
R661
330k
C644
0.012u
DEO
EXTLIMIN
LSD LPF
CPU_DGND
FILTERO
MOD
BEEP
AF SW
MMUTE SW
MIC.AGC
MIC.AGC
DETECTOR
DETECTOR
5C
DSW
APCSW
5T
TV
TCXO
RXAFI(25)
MMUTE
5M
RXD
LSDIN
AM2
LSW
DMUTE
MIC
5R
RXD1
T/R
THP/VCOADJ
APC/TV2
5CNS
TXD
HSDOUT
B
ASQL
5RC
SPOUT
CLK
LSDIN
AUDIO
PROCESSOR
LIMIT SW
BEEP SW
SIDE TONE SW
SIDE TONE SW
AF SW
W/N
W/N
DT
RXAF
RXAFIN
EXPOUT
FILTERO
RXINO
RXIN
AGND
XIN
VSS
AMP3P
AMP3N
AMP3O
AMP4P
AMP4N
AMP4O
DTRAIN
RXD
5M
B
T/R
APC/TV2
MIC
RXD1
CPU_DGND
DMUTE
ASQL
5R
SPOUT
5CNS
THP/VCOADJ
TXD
5RC
DT
MOD
DSW
TV
APCSW
TCXO
5T
5C
R:0V
T:2.66V
R:2.52V
T:2.66V
R:4.97V
T:0.17V
R:4.94V
T:5.12V
R:2.45V
T:2.59V
R:4.98V
T:5.12V
R:2.47V
T:2.61V
R:5.02V
T:5.17V
R:0V
T:0.2V
R:8.03V
T:5.17V
R:2.50V
T:2.64V
R:0V
T:5.10V
R:2.51V
T:0V
TX-RX UNIT (X57-6940-10)

TK-3180 SCHEMATIC DIAGRAM
56
UVWXY
X57-694 5/8
D
-t
C292
0.01u
R202
220k
L27
10n
R4
10
C35
47p C31
47p
R20
22k
D202
RB706F-40
C22
1.5p(B)
C200
0.1u
C210
0.1u
C3
10p
C216
0.1u
C290
0.22u
R216
3.9k
Q204
DTA144EE
CD200
L79-1072-05
R12
2.7k
C75
3p(B)
R211
22k
C72
47p
L1
4.7u
R213
470
R226
5.6k
C201
0.01u
R17
270
R227
0
2SC4617(S)
Q201
C10 100p
R215
4.7k
R7
22k
C19
9p(B)
R19
22k
C206
1000p
D314
MA2S111
R231
120
R205
4.7k
L4
18n
C14
47p
D203
DAN222
D200
MA2S111
C37
47p
C209
0.1u
C203
1000p
C73
47p
R15
10
IC1
ADF4111BCP7
1
2
3
4
5
6
AVDD
7AVDD
8
RFEin
9
DGND
10 DGND
11
12
13
14
15 MUXOUT
16
17
18
19
20
L8
10n
2SK1824
Q203
2SJ243
Q202
C4
0.01u
L3
3.3n
R214
330k
R221
3.3k
C16
47p
R228
220
C218
47p
R3
0
R23
4.7k
C202
0.022u
C21
0.022u
C217
68p
R18
270
C28
5p(B)
R224
3.9k
R220
330k
X200
L77-1957-05
59.395MHz
R53
0
C13
100p
C2
100p
D204
MA2S111
C29
47p
C7
47p
2SC5108(Y)
Q14
C17
8p(B)
C18
100p
2SC5108(Y)
Q205
C213
100p
R204
100k
IC200
TA31136FN
1
2
3
4
5
6
7
8
9AFOUT
10 QUAD
11 IFOUT
12 RSSI
13 N-DET
14 N-REC
15 GND
16 MIXIN
C204
0.1u
C15
47p
C228
0.01u
C30
0.1u35
R203
68k
C220
0.01u
R217
180k
R230
560k
R2
100
R207
0
C74
47p
R210
3.3k
R6
22k
C27
2p(B)
R5
10k
D4
HVC131
C20
100p
R212
22k
C215
0.1u
D201
DAN222
L6
18n
C12 100p
R8 10
C211
220p
C25
1.5u16
C219
0.033u
Q1
DTA144EE
C226
470p
C208
1800p
R22
10k
L9
R21
680
R206
1.5k
L202
1.5u
CF201
L72-1014-05
C718
18p
C9
100p
R200
820k
2SC5108(Y)
Q15
L200
Q200
HN1L02FU
R13
150k
TH200
100k
L2
2.7n
C26
3p(B)
C227
0.01u
R10 10
R225
10
R209
22k
R219
15k
R24
4.7k
R14
10
R223
470k
C5
10p
L201
1u
R16
820
C222
0.1u
C719
22p
C23
3p(B)
D2
HVC131
R218
8.2k
CF200
L72-1013-05
C721
1000p
R208
22k
R9 10
C221
10u6.3
C6
1000p
C24
0.1u35
R11
1k
C212
220p
D3
HVC131
C8
47p
C207
0.1u
C1
100p
X1
L77-1952-05
16.8MHz
Vc
GND OUT
Vcc
C11 100p
R51
0
Q2
DTC144EE
D1
HVC131
C205
0.01u
R222
2.7k
C214
15u6.3
LD
PCK
PLE
RSSI
NARROW
AUDIO OUT
WIDE
ASQL
CV
W/N(L:WIDE,H:NARROW)
SPOUT
SQL CONTROL
SQL CONTROL
SQL NOISE AMP
AF MUTE
W/N
SW / RX
W/N FILTER
SHIFT
IF AMP
FM IF
SYSTEM
FILTER
SHIFT
FILTER
SHIFT
PLL SYSTEM
IC1
FIN FILTER
SHIFT SW
FIN FILTER
SHIFT SW
T/R SHIFT
T/R SHIFT PLL IC
F_IN AMP
T/R SHIFT
T/R
SHIFT
FIN FILTER
SHIFT SW
5T
APCSW
DSW
MOD
5C
TCXO
TV
APC/TV2
5R
ASQL
CPU_DGND
B
5M
DMUTE
RXD1
5RC
MIC
T/R
TXD
RXD
5CNS
THP/VCOADJ
5R
5C
T/R
W/N
NOISE
SW
DMUTE
CONTROL
5R
PROTECTOR
D3
TV
W/N
DT
5T
APCSW
DSW
MOD
TMP
CPGND
AGND
AGND
RFinB
RFinA
DVDD
DVDD
VP
Rset
CP
CE
CLK
DATA
LE
OSCIN
OSCOUT
MIXOUT
VCC
IFIN
DEC
FILOUT
FILIN
TXD
5M
MIC
CPU_DGND
5CNS
APC/TV2
B
RXD1
RXD
SPOUT
TV
R:5.01V
T:8.19V
R:0V
T:1.11V
R:0V
T:1.51V
R:5.01V
T:5.19V
R:1.35V
T:0.21V
R:0.72V
T:0.20V
W:4.21V
N:0V
R:4.21V
T:0V
W:0V
N:4.95V
R:0V
T:5.12V
R:2.78V
T:4.73V
R:2.27V
T:2.11V
R:0.39V
T:0.58V
R:0V
T:0.17V
R:5.02V
T:5.18V
R:4.89V
T:0.17V
R:1.15V
T:1.25V
R:1.15V
T:0.28V
R:0V
T:0.2V
R:0.99V
T:1.20V
R:4.95V
T:5.13V
R:4.47V
T:0.16V
R:0.71V
T:0.15V
TX-RX UNIT (X57-6940-10)

SCHEMATIC DIAGRAM TK-3180
57
ADACABAAZ
X57-694 6/8
R255
100k
C45
9p(B)
C60
100p
L20
270n
C256
3.5p(B)
C244
2p(B)
R239
100k
L19
270n
R47
470k
R33
180
L17
15n
C59
100p
C68 470p
C47
2p(B)
R248
68
R240
150k
L220
560n
C233
470p
L18
22n
C237
470p
D7
1SV325
R37
4.7k
C251
3.5p(B)
C271
1u
C53
100p
R241
100k
L10
1.8u
C64
100p
R46
4.7k
R244
1M
R42 330
C50
2p(B)
R246
1M
L13
1.8u
2SJ347
Q9
C266
470p
C238
6p
C65
7p
R31
47k
C243
0.01u
3SK318
Q206
C230
27p
C56
100p
L213
C250
470p
3SK318
Q207
C260
1p(B)
C41
82p
C265
470p
R44
47
C78
100p
TC2
10p
C61
100p
C70
470p
D208
HVC369B
C57
0.5p
(B)
C252
33p
R245
1M
R242
180k
D206
HVC369B
R38
100
2SC5108(Y)
Q10
L207
18n
L210
8.2n
L214
220n
2SC5108(Y)
Q13
C236
0.01u
C270
470p
R232
220
L24
22n
L203
C273
470p
L12
C246
10p
C253
470p
C49
2p(B)
C79
2200p
C63
10u6.3
L204
270n
L21
3.3u
C264
4.7u6.3
L206
18n
C66
10p
R43
2.2k
C234
0.1u
R35
10
C48
0.75p(B)
L25
22n
C242
470p
R249
220
C71
7p
D100
HSC277
2SK508NV(K52)
Q6
C263
4p(B)
C241
10p
C44
13p
R39
4.7k
C240
2p(B)
R41 10k
C248
470p
TC1
10p
R253
100k
R237
150
D205
HSC277
R243
0
C245
470p
R30
47k
C43
1u
R45
0
R34
150
C229
C32
100p
C231
C46
4p(B)
C54
6p(B)
R29
180k
R251
100k
C232
0.01u
C62
100p
D18
MA2S111
C33
100p
C38
56p
R36
150k
C255
0.75p
(B)
L212
8.2n
C69
470p
R32
10
R40 6.8k
2SK1830
Q11
C239
9p(B)
C274
470p
D17
1SV278
C235
0.01u
L208
22n
L14
3.3u
C258
470p
D207
HVC369B
C247
4p(B)
L11
3.3u
C275
470p
C269
470p
C55
4p(B)
R233
4.7k
2SJ347
Q8
C67
33p
R236
680
D9
1SV325
L22
3.3u
D11
1SV325
R254
68k
L211
8.2n
L23
C58
0.5p(B)
C52
4p(B)
C51
5p(B)
C257
33p
R234
47
C262
33p
D13
1SV325
T/R(H:Rx,L:Tx)
MIXER
RF BPF TUNING
D206-208
TMP
RXD
5M
B
APC/TV2
MIC
RXD1
CPU_DGND
5R
SPOUT
5CNS
TXD
TV
5C
T/R
MOD
DSW
APCSW
5T
DC SW / RX VCO
RIPPLE FILTER
DC SW / RX VCO
VCO RX
FREQUENCY
CONTROL /
RX VCO
D7,11 CURRENT
STEERING
DC SW / TX VCO
TX/RX RF SW
RF AMP
RF BUFFER AMP
VCO TX
RF AMP
D9,13
FREQUENCY
CONTROL /
TX VCO
MODULATOR
TX/RX
RF SW
2SK508NV(K52)
Q7
XF200
L71-0622-05
59.85MHz
B
MIC
APC/TV2
SPOUT
RXD
CPU_DGND
5CNS
RXD1
5M
TXD
2SC4617(S)
Q12
4p(B)
4p(B)
C261
470p
5T
TMP
DSW
APCSW
R:0V
T:4.22V
R:4.08V
T:0V
R:4.20V
T:4.36V
R:4.84V
T:0V
R:4.75V
T:0.15V
R:4.75V
T:0.5V
R:4.73V
T:0.16V
R:1.21V
T:0.16V
R:2.83V
T:0.16V
R:3.04V
T:0.16V
R:4.48V
T:0.16V R:4.71V
T:0.16V R:1.95V
T:0.16V
R:0.91V
T:0.16V
R:2.03V
T:2.28V
R:2.77V
T:0V
TX-RX UNIT (X57-6940-10)

TK-3180 SCHEMATIC DIAGRAM
58
AE AF AG AH AI
X57-694 7/8
-t
C116
470p
R145
1k
D605
1SS373
R130
0.39
FMMT717
Q622
L103
12n
C133
470p
C132
100p
R147
100k
C693
0.47u
R138
150k
(D)
R104
47k
R102
22k
C689
0.01u
R141
10k
C692
47p
C287
9p(B)
C286
100p
C123
6.8u10
L216
8.2n
R101
4.7k
R705
15k
C105
7p
R714
100k
R116
10k
R134
0
R133
150k
(D)
L102
R762
4.7k
C122
470p
C279
1.5p(B)
C698
0.1u
C285
470p
R109
18
R256
1M
R126
47
L100
18n
D607
015AZ2.4-X
C121
1u
C691
0.47u
R100
33k(D)
C111
0.1u
R716
100k
R761
2.2k
IC100
TA75W01FU
1OUT1
2IN1-
3IN1+
4VEE 5
6
7
8
C101
470p
C138
470p
L215
8.2n
C727
0.1u
2SC4617(S)
Q615
D608
015AZ6.8
C695
0.1u
R135
1k
R119
47
C716
0.1u
R139
150k(D)
R707
1.8k
R132
150k
(D)
C103
470p
R709
100k
C681
1000p
R122
270
R105
10
C104
470p
R708
1k
C119
10p
D103
HZU3BLL
C126
470p
C284
3p(B)
C687
10u6.3
R744
4.7k
R125
0.39
2SK3391
Q102
2SC5108(Y)
Q100
2SK1824
Q108
C696
0.01u
L601
C688
0.47u
C127
470p
R745
82k
D210
HVC369B
R154
0
L105
C128
470p
R715
2.7k
C715
0.1u
R703
47k
R742
8.2k
C100
470p
R144
1M
R713
1k
L101
18n
R710
1k
Q616
UPA672T
C144
470p
D209
HVC369B
C690
47p
2SK1830
Q624
C131
470p
C699
10u16
R706
15k
R123
560
Q617
UPA672T
R113
8.2k
C113
470p
R106
330
R115
330
D108
HZU2ALL
D606
015AZ6.8
2SJ347
Q614
C109
470p
2SK1830
Q623
2SJ243
Q609
R120
0
C694
1500p
R143
0
C720
470p C129
18p
2SB1132(Q,R)
Q613
C117
0.1u
C728
1u
Q611
HN1L02FU
RD07MVS1
Q105
Q106
DTC114EE
R158
0
CP600
47k*2
R153
39k
C732
470p
R258
1M
R108
330
R711
47k
2SK3077
Q101
C120
10p
R788
47k
R112
10k
R128
100k(D)
R152
0
C118
33p
R127
0.39
2SC4617(S)
Q612
R111
100
R712
100k
R257
1M
R760
100k
D604
015AZ6.8
R704
470
2SC4738(GR)
Q104
R702
47k
L106
22n
C281
33p
R157
0
R693
4.7k
C107
470p
R124
0
2SK1824
Q107
C125
470p
D212
HVC369B
C277
33p
R110
330
R142
47k
C106
470p
TH100
100k
C280
470p
C282
1p(B)
C114
10p
R140
150k(D)
R766
2.2k
D614
DAN222
C276
2.5p(B)
C697
0.1u
R103
8.2k
R767
470k
L104
15n
L217
33n
R117
47k
R146
100k
R137
150k
(D)
R107
22
TXO
AO
5UC
OPT6
TCONT
AM
INH
SSW
5M
RF AMP
PRE-DRIVE AMP
TX DRIVE AMP
COMPARATOR(APC)
APC SW
MIC
DSW
APCSW
TMP
5T
TXD
5CNS
APC/TV2
RXD1
SPOUT
5M
B
CPU_DGND
RXD
MIC
TXD
RXD1
RXD
CPU_DGND
5CNS
5M
AFGND
APC SW
TX FINAL AMP
APC SW
APC SW
OP SW
OP SW
5UC SW
5UC SW
5UC SW
SP CONTROL
SP CONTROL
SPCONTROL
MICSHIFT SW
MIC
SHIFT
CONTROL
AF MUTE
AF MUTE
SP CONTROL
SP CONTROL
SP CONTROL
MIC
SHIFT
CONTROL
MIC
SHIFT
CONTROL
APC PROTECT
APC SW
D209,210,212
RF BPF TUNING
5T
B
SPOUT
IN2+
IN2-
OUT-B
VCC
R:1.52V
T:4.63V
R:1.52V
T:4.63V
R:0V
T:3.02V
R:0V
T:0.79V
R:0V
T:4.76V
R:0V
T:0.41V
R:0V
T:1.60V
R:0V
T:5.16V
L:1.19V
H:1.48V
R:0V
T:2.23V
L:1.74V
H:2.14V
L:2.10V
H:2.57V
R:0V
T:2.62V
R:6.97V
T:2.77V
R:0V
T:2.80V
R:0V
T:5.18V
R:7.07V
T:1.52V
R:0.23V
T:1.54V
R:7.17V
T:0.26V
R:0V
T:5.16V
R:0V
T:2.58V
R:0V
T:0.24V
R:0.67V
T:0.24V
R:4.94V
T:0.16V
R:4.37V
T:0.16V
E:4.94V
I:0V
E:0V
I:5V
E:0V
I:5V
TX-RX UNIT (X57-6940-10)

SCHEMATIC DIAGRAM TK-3180
59
X57-694 8/8
7
6
5
4
3
2
1
ANAMALAKAJ
L604
L610
IC609
TDA7053AT
1NC1
2VC1
3NC2
4VI<1>
5VP
6VI<2>
7SGND
8VC2 9
10
11
12
13
14
15
16
C157
7p(B)
L111
4T
L218
8.2n
C153
5p(B)
R768
100
C142
33.0p
R719 100
L611
D613
DA221
R718 100
C136
0.01u
D214
HVC131
L606
R720
100
D213
HVC131
L108
C706 47p
C704 47p
C135
470p
L109
220n
L615
C151
3p(B)
R155
82k
R149
270
C707 47p
L612
C155
6p(B)
C156
2p(B)
R721
10k
R722
470k
C708 47p
C150
470p
L607
C140
1u
D612
015AZ6.8
D609
DA221
D107
HVC131
CN602
E40-5856-05
1
2
3
4
5
6
7
8
9
10
11
12
13
14
D610
DA221
L603
D611
NNCD6.8G
L605
C149
100p
C294
20p
F601
F53-0315-05
C159
4p(B)
C702 47p
R764
0
C712
1000p
L107
6T
D106
HVC131
L113
4T
C137
47.0p
C143
0.01u
R781
0
R717
100
R755
0
R150
0
C152
100p
C141
18.0p
C709 47p
C154
1.5p(B)
C711
1000p
SP
C705 47p
C736 47p
L602
C139
0.1u
C763
470p
C283
5p(B)
C161
7.0p
2SK1824
Q618
C700 47p
C710 47p
R148
270
L112
4T
L110
4T
R723
47
C703
47p
R765
0
C451
4.7u
F602
F53-0315-05
CN600
E40-6389-05
26
SB2
R796
0
C450
4.7u
CN603
E23-1263-05
RXEI
RXEO
TXO
RXI
RXO
TXI
TCONT
STON
5A
DI/ANI
INH
OPT1
OPT5
OPT3
OPT4
OPT2
RSSI
TXD1
MANDN
OPT6
SB2
TXI
RXEI
RXEO
OPT2
TCONT
DI/ANI
5A
AO
AI
OPT1
OPT3
OPT4
OPT5
TXD1
MANDN
ME
PTT
PF
L609
L608
ANT
CN13
RXD1
RXEO
INH
OPT1
OPT2
RXEI
RXD
5A
GND
OPT5
TXD
TXD1
OPT6
TXI
MDSW
SB2
RXO
RXI
STON
DI/A
TXO
OPT3
TCNT
GND
OPT4
RSSI
CONNECTOR
UNIVERSAL
RXD
RXD1
TXD
CPU_DGND
5CNS
5M
AFGND
STRIP LINE
AF POWER AMP
SP CONTROL
SSW CONTROL
PTT PF TXD RXD CONTROL
RXD CONTROL TXD CONTROL
MANDOWN
CONTROL
ANT SW
D106,107
D213,214
ANT SW
5T
OUT2+
PGND2
NC3
OUT2-
OUT1-
PGND1
NC4
OUT1+ NC
RXD
TXD
5CNS
E
OPT
PF
PTT
ME
EMC
MSW
SP-
SP+
SSW
2
1
4
3
6
5
8
7
10
9
12
11
14
13
16
15
18
17
20
19
22
21
24
23
25
DI/ANI
OPT3
OPT1
TXD1
RXD1
OPT4
NC
OPT5
USEL
AGND
DGND
AO
AI
5A
AGND
STON
MAN DOWN
TCONT
OPT2
INH
RXEO
TXO
TXI
RXEI
OPT6
C289
4p(B)
R:0V
T:1.89V
R:0V
T:1.50V
R:2.40V
T:0V
R:2.40V
T:0V
TX-RX UNIT (X57-6940-10)
Note : The components marked with a dot (•) are parts of layer 1.

D
A
-t
-t
C640 4.7u
C292
0.01u
C116
470p
R202
220k
R656
56k
R784
47k
R414
10k
R255
100k
C406 470p
L27
10n
R145
1k
D605
1SS373
R4
10
R615
47k
D400
B30-2278-05
D406
MA2S111
C45
9p(B)
CP512
1k*2
R422
4.7k
C660
0.1u
C60
100p
D500
MA2S111
L604
L20
270n
R684 0
C739
47p
R130
0.39
C35
47p
C256
3.5p(B)
A[1]
C31
47p
PTT
C244
2p(B) L610
IC609
TDA7053AT
1NC1
2VC1
3NC2
4VI<1>
5VP
6VI<2>
7SGND
8VC2 9
10
11
12
13
14
15
16
D[7]
R20
22k
R786
5.6k(D)
R729
1k
D202
RB706F-40
C157
7p(B)
FMMT717
Q622
C22
1.5p(B)
R405
100k
L103
12n
R787
10k(D)
CP514
1k*2
C636
0.1u
R750
82k
C200
0.1u
R754
4.7k
C210
0.1u
R239
100k
L19
270n
C3
10p
CP400
47k*2
R47
470k
A[2]
C133
470p
C132
100p
C713
1000p
R689
0
C216
0.1u
C625
0.1u
R147
100k
C290
0.22u
C405
470p
C693
0.47u
R138
150k
(D)
A[17]
R104
47k
R33
180
L17
15n
R102
22k
R666
1M
OPT3
A[12]
R668
150k
R216
3.9k
R773
82k
C59
100p
CP602
1k*2
L111
4T
L218
8.2n
C689
0.01u
Q204
DTA144EE
R141
10k
R792
22k
C153
5p(B)
CP505
1k*2
R734
1k
R612
10k
C692
47p
C287
9p(B)
C619
560p
D600
RB706F-40
C286
100p
C614
470p
R730
1k
CD200
L79-1072-05
C123
6.8u10
L216
8.2n
F400
C68 470p
R12
2.7k
R101
4.7k
R705
15k
C47
2p(B)
R248
68
C75
3p(B)
R211
22k
C613 0.1u
R240
150k
L220
560n
C514
0.01u
2SC4649(N,P)
Q621
C72
47p
L1
4.7u
R213
470
C233
470p
R226
5.6k
C105
7p
R714
100k
WR
R116
10k
R134
0
R514 4.7k
A[8]
C743 47p
R133
150k
(D)
L102
C685
0.1u
IC604
TC75W51FK
1
2
3
445
6
7
8
8
C628
0.1u
C201
0.01u
A[13]
L18
22n
C237
470p
R762
4.7k
C122
470p
A[6]
C516
0.01u
WR
R522
5.1k(D)
R768
100
C142
33.0p
D7
1SV325
R510 47k
A[10]
C751 47p
C279
1.5p(B)
R519
470k
2SC4738(GR)
Q606
C698
0.1u
R628 0
C285
470p
R677
22k
2SJ347
Q405
D[0]
R601
390k
R775
56k
C673
0.1u
R17
270
R109
18
R256
1M
R126
47
R37
4.7k
C749 47p
R227
0
C676
47p
L100
18n
C620
0.1u
2SC4617(S)
Q201
C717
0.1u
R629 0
A[0]
D607
015AZ2.4-X
C418
1000p
C517 0.1u
C121
1u
2SA1955(A)
Q408
A[8]
C251
3.5p(B)
C10 100p
R215
4.7k
C271
1u
R517
1k
C414
470p
D[3]
R7
22k
R524
0
C19
9p(B)
R19
22k
L501
C53
100p
R731
1k
R719 100
C691
0.47u
R603
0
R100
33k(D)
C632
1u
R683
150k
C446
470p
C111
0.1u
R241
100k
L10
1.8u
C206
1000p
R716
100k
C610
0.01u
R761
2.2k
D314
MA2S111
C64
100p
R769
1k
R231
120
R518
10k
OPT1
IC100
TA75W01FU
1OUT1
2IN1-
3IN1+
4VEE 5
6
7
8
C101
470p
R205
4.7k
C641 4.7u
L4
18n
R46
4.7k
R648
100k
L611
C138
470p
CP522
100*2
C14
47p
R700
180k
R758 47k
D613
DA221
R718 100
L215
8.2n
R732
1k
R244
1M
R675
1M
CP606
1k*2
C136
0.01u
R42 330
D203
DAN222
D200
MA2S111
C37
47p
C727
0.1u
C209
0.1u
2SC4617(S)
Q615
A[5]
D608
015AZ6.8
R641
27k
C695
0.1u
R627
680k
C50
2p(B)
R246
1M
PF
C506
1u
R135
1k
C445
47p
C509
27p
R119
47
R508
47k
Q602
DTA114EE
D214
HVC131
R406
220k
C674
0.1u
L606
R403
560
RD
R724
1k
CP508
1k*2
L13
1.8u
C616
470p
C203
1000p
CP510
1k*2
C73
47p
2SJ347
Q9
OPT6
R15
10
R638
10k
IC1
ADF4111BCP7
1
2
3
4
5
6
AVDD
7AVDD
8
RFEin
9
DGND
10 DGND
11
12
13
14
15 MUXOUT
16
17
18
19
20
A[3]
C683
0.012u
C500
22u6.3
L8
10n
2SK1824
Q203
C266
470p
C651
0.1u
IC607
AQUA-L
1
AGNDIN
2
TXIN
3
TXINO
4
LIMLV
5
EXTLIMIN
6
MOD
7VDD
8DTRLOADN
9STD
10
TCLK/DTRDO
11
TDATA/DTRCLK
12 DI/O
13
RDF/FD
14
SCLK
15
DIR
16 XOUT
17
18
19
20
21
22
23
24
25
26
27
28
29
30
31
32
IC608
TC75W51FK
1
2
3
445
6
7
8
8
C612
0.1u
C238
6p
2SJ243
Q202
C65
7p
C437
100p
C716
0.1u
R139
150k(D)
R31
47k
C4
0.01u
R772
0
A[6]
R707
1.8k
R132
150k
(D)
L3
3.3n
CP501
1k*2
R427
47k
R528 470k
C243
0.01u
A[15]
D403
1SS301
R214
330k
R221
3.3k
R747
0
R720
100
OPT2
C648
1000p
3SK318
Q206
C103
470p
C16
47p
R738
120k
R739
180k
R605
39k
R228
220
C666
0.1u
C633
0.01u
C218
47p
R709
100k
C744 47p
D213
HVC131
D[2]
L108
C681
1000p
A[9]
C706 47p
A[0]
A[11]
R3
0
C704 47p
D408
MA2S111
R741
12k
C435
0.22u
C420
0.1u
C135
470p
R411
470k (D)
ME
R652
10k
Q400
UMG9N
C230
27p
R23
4.7k
CN501
J19-5386-05
C730
3300p
R122
270
C202
0.022u
C618
10u6.3
C56
100p
C21
0.022u
R105
10
C407
470p
R408
470k
L213
C250
470p
L109
220n
2SA1955(A)
Q403
C104
470p
R708
1k
C217
68p
C413
470p
R400
0
C419
1u
3SK318
Q207
L615
R728 1k
R18
270
C119
10p
C28
5p(B)
D103
HZU3BLL
R224
3.9k
C126
470p
R658
47k
C738
330p
R410
10k
1
2
3
445
6
7
8
8
C151
3p(B)
C284
3p(B)
C687
10u6.3
R744
4.7k
R220
330k
C260
1p(B)
PLE
X200
L77-1957-05
59.395MHz
R701
22k
R695
10k
R53
0
C41
82p
IC600
TC75W51FK
1
2
3
445
6
7
8
8
C659
0.1u
A[10]
R125
0.39
C672
1000p
D603
RB706F-40
C615
100p
2SK3391
Q102
2SC5108(Y)
Q100
C404 470p
C13
100p
2SK1824
Q108
C447
4700p
R676
270k
C678 0.1u
IC505
TC7W53FK
1
2
3
4
5A
6CH1
7CH0
8VCC
C2
100p
C265
470p
R155
82k
R149
270
D204
MA2S111
C696
0.01u
D[1]
L601
R44
47
C707 47p
C29
47p
C78
100p
R680
270k
R526
0
R650
4.7k
C658
0.1u
TC2
10p
C7
47p
C688
0.47u
L612
C61
100p
2SC5108(Y)
Q14
C70
470p
C17
8p(B)
C18
100p
R669
120k
IC606
TC7W53FK
1
CoMMoN
2
INH
3
VEE
4
GND 5
A
6
CH1
7
CH0
8
VCC
2SC5108(Y)
Q205
C213
100p
D208
HVC369B
C155
6p(B)
C156
2p(B)
C57
0.5p
(B)
AM
C127
470p
C252
33p
CP607
100*2
R682
2.7k
R745
82k
D210
HVC369B
OPT5
R697
470k
R625
4.7k
R771
1k
Q404
DTC144EE
R204
100k
R613
100k
C752
5p(B)
R409
470k
A[2]
R245
1M
R242
180k
R721
10k
MANDN
R154
0
R636
4.7k
R654
68k
D206
HVC369B
A[4]
A[5]
2SJ243
Q619
R38
100
C638
1000p
L105
RSSI
C684 1000p
IC200
TA31136FN
1
2
3
4
5
6
7
8
9AFOUT
10 QUAD
11 IFOUT
12 RSSI
13 N-DET
14 N-REC
15 GND
16 MIXIN
R626
180k
A[11]
C432
10u10
2SC5108(Y)
Q10
C508 1u
X600
3.6864MHz
L77-1965-05
R722
470k
L207
18n
C686
0.068u
L210
8.2n
C128
470p
R790
0
R614
68k
R715
2.7k
C611
100p
C204
0.1u
L214
220n
2SC5108(Y)
Q13
C617
2.2u6.3
C715
0.1u
C236
0.01u
C627
0.01u
R703
47k
C708 47p
C150
470p
2SK1830
Q407
CP521
1k*2
R600
680k
C759
0.012u
R742
8.2k
IC504
AT 24256N10SI27
1A0
2A1
3NC
4GND 5
6
7
8
R740
12k
C270
470p
C677
2200p
C427
1u
R232
220
C15
47p
C228
0.01u
CP504
1k*2
C741
47p
L24
22n
L203
C273
470p
D402
1SR154-400
R699
330k
L607
C140
1u
L12
A[18]
C246
10p
C30
0.1u35
C253
470p
C100
470p
C49
2p(B)
R425
47k
C79
2200p
D612
015AZ6.8
C63
10u6.3
RD
IC403
XC6204B502MR
1
VIN
2
VSS
3
CE 4
NC
5
VoUT
L204
270n
IC605
M62364FP
1VIN1
2VOUT1
3VOUT2
4VIN2
5VDD
6LD
7CLK
8DI
9VIN3
10 VOUT3
11 VOUT4
12 VIN4 13
14
15
16
17
18
19
20
21
22
23
24
R144
1M
D609
DA221
R713
1k
L101
18n
D107
HVC131
C667
47p
CN602
E40-5856-05
1
2
3
4
5
6
7
8
9
10
11
12
13
14
C631
0.1u
L21
3.3u
R710
1k
D610
DA221
R203
68k
C714
1000p
Q616
UPA672T
C220
0.01u
D[4]
R619
180k
C144
470p
R217
180k
D209
HVC369B
D[6]
A[15]
C729
270p
C421
0.22u
R230
560k
D[6]
R618
0
R780
10k
C264
4.7u6.3
R419
1M
L206
18n
C690
47p
R2
100
R412
470k(D)
R504
0
R655
6.8k
C66
10p
A[16]
R674
0
A[12]
CP518
47k*2
2SK1830
Q624
C131
470p
R673
0
C416
1000p
R43
2.2k
R698
1M
R207
0
C443
1u
C234
0.1u
R35
10
A[14]
CP401
47k*2
R776
47k
D602
RB706F-40
C505
1u
C48
0.75p(B)
L25
22n
C242
470p
R249
220
C71
7p
C503
1u
C74
47p
D100
HSC277
R210
3.3k
L603
D611
NNCD6.8G
C630
270p
2SK508NV(K52)
Q6
C263
4p(B)
C241
10p
1
2
3
4
5
6
7
8
9
10
11
12
13
14
15
16
17
18
19
20
21
22
23
24
25
26
27
28
29
30
31
32
33
34
35
36
37
38
RXD1
39
40
41
42
43
44
45
46
47
48
49
50
51
52
53
54
55
56
57
58
59
60
61
62
63
64
65
BTSE/VOX
66
67
68
69
70
71
72
73
74
75
76
77
78
79
80
81
82
83
84
85
86
87
88
89
90
91
92
93
94
95
96
97
98
99
100
101
102
103 SSW
104 D7
105 D6
106 D5
107 D4
108 D3
109 D2
110 D1
111 D0
112 DT
113 CK
114 WN
115 OPT1
116 OPT2
117 OPT3
118 OPT4
119 OPT5
120 BATTSEL/VOX
121 THP/VCOADJ
122 VOL
123 PF
124 ASQ
125 RSSI
126 BATTLVL
127 AGND
128 LSDIN
L605
C699
10u16
R407
680k
C725
3900p
C44
13p
R6
22k
R706
15k
C27
2p(B)
C652
68p
R39
4.7k
R123
560
C511
27p
C149
100p
C294
20p
C240
2p(B)
F601
F53-0315-05
C159
4p(B)
R777
10
R41 10k
IC602
TC75W51FK
1
2
3
445
6
7
8
8
C604
68p
R5
10k
C248
470p
TC1
10p
R500
0
Q617
UPA672T
2SJ243
Q608
C662
1000p
R113
8.2k
D4
HVC131
C754
0.1u
C650
0.1u
R253
100k
C113
470p
C20
100p
2SK1830
Q402
R106
330
PCK
C702 47p
CN400
E40-5823-05
1
2
3
4
5
6
7
8
9
10
R515 47k
R764
0
R212
22k
R430
10k
IC401
TK11250CUCB
1
2
3
4VIN
VoUT
5
C215
0.1u
R115
330
D108
HZU2ALL
CP603
1k*2
D201
DAN222
C622
5600p
R737
4.7k
R237
150
C712
1000p
L6
18n
D606
015AZ6.8
D205
HSC277
R679
0
2SJ347
Q614
R726
330
D502
1SS388 R243
0
C12 100p
R8 10
C245
470p
R30
47k
C211
220p
CN500
E40-6413-05
1
2
3
4
5
6
7
8
9
10
11
12
13
14
15
16
17
18
19
20
C25
1.5u16
R623
100k
C219
0.033u
L600
C668
12p
C43
1u
C755
4700p
R513 1k
Q1
DTA144EE
C507
1u
C603
4700p
C109
470p
L503
R664
120k
L107
6T
R692
82k
D106
HVC131
R45
0
R521
2.7k(D)
R34
150
C226
470p
C208
1800p
R22
10k
C661
0.1u
C229
R681
1k
C32
100p
C675
0.1u
L113
4T
C742
47p
2SK1830
Q623
2SJ243
Q609
R120
0
C694
1500p
C137
47.0p
C653
0.1u
R523
0
A[7]
D[2]
R143
0
CSO
C720
470p
L9
R21
680
R691
10k
C143
0.01u
R781
0
SSM3K15TE
Q502
C231
R206
1.5k
C46
4p(B)
C54
6p(B)
L202
1.5u
CF201
L72-1014-05
C679
0.1u
D[5]
C409 470p
C605
68p
R717
100
R735
47k
C129
18p
C433
470p
2SB1132(Q,R)
Q613
A[3]
C670
0.1u
C718
18p
C117
0.1u
D501
1SS388
R29
180k
R404
10k
C663
1u
C426
100p
R251
100k
C232
0.01u
CP519
10k*2
C728
1u
5UC
R755
0
R402
820
C62
100p
R511
0
C442
0.22u
C429
1u
D18
MA2S111
C33
100p
A[14]
Q611
HN1L02FU
C757
4700p
C38
56p
S400
ORG
R36
150k
C756
0.1u
C431
470p
A[1]
RD07MVS1
Q105
C255
0.75p
(B)
C9
100p
C748 47p
R200
820k
Q106
DTC114EE
CP500
1k*2
2SJ347
Q409
D[0]
R150
0
C152
100p
R507
470k
2SC5108(Y)
Q15
L212
8.2n
R748
100k
STSW
A[9]
L200
R694
100k
R158
0
Q200
HN1L02FU
CP507
1k*2
R13
150k
TH200
100k
CP502
1k*2
C69
470p
A[17]
R686
820k
R32
10
IC406
TK11250CUCB
1
NP
2
GND
3
CoNT
4VIN
VoUT
5
R40 6.8k
CP600
47k*2
L2
2.7n
R153
39k
C732
470p
R417
680k
A[16]
C26
3p(B)
C515
15p(G)
C441
1u
CP513
1k*2
2SK1830
Q11
R258
1M
R108
330
IC500
AT29C040A-90TI
1
2
3
4
5
6
7
8
9
10
11
12
13
14
15
16
17
A3
18
A2
19
A1
20
A0
21
Io0
22
Io1
23
Io2
24
GND
25
Io3
26
Io4
27
Io5
28
Io6
29
Io7
30
CE
31
A10
32
oE
2SA1955(A)
Q406
C227
0.01u
C239
9p(B)
A[7]
R711
47k
R10 10
C141
18.0p
2SK3077
Q101
R631
470k
C274
470p
R225
10
C709 47p
D17
1SV278
R672
220k
C745 47p
R209
22k
C411 470p
C235
0.01u
C120
10p
R788
47k
R112
10k
R643
100k
R219
15k
R794
0
R24
4.7k
R14
10
C740
47p
D601
RB706F-40
R128
100k(D)
C428
470p
R223
470k
R671
100k
R152
0
IC402
XC6204B502MR
1
VIN
2
VSS
3
CE 4
5
C118
33p
R527 47k
L208
22n
D[1]
X501
L77-1802-05
C154
1.5p(B)
C711
1000p
R127
0.39
2SC4617(S)
Q612
C5
10p
C747 47p
C635
100p
C654
0.1u
SP
L500
C608
0.1u
L14
3.3u
R111
100
D[3]
SSM3K15TE
Q401
CP601
1k*2
R690
0
L502
C258
470p
C436
0.01u
D207
HVC369B
R712
100k
C621
0.01u
L201
1u
R642
4.7k
R16
820
C510
4p
R525
1k
CP515
1k*2
CP516
10k*2
R257
1M
D405
RB521S-30
R760
100k
D604
015AZ6.8
IC400
XC61CC5602NR
1
VoUT
2
VIN
4VSS
3NC
C222
0.1u
R616
100k
C247
4p(B)
C705 47p
C736 47p
C719
22p
R770
1k
A[4]
L11
3.3u
R725
330
L602
R752
0
C425
1u
CP605
330*2
CP608
100*2
C410
470p
R704
470
CP506
1k*2
C275
470p
C23
3p(B)
C655
0.1u
R606
180k
Q620
DTA144TE
C746 47p
R415
15k
C269
470p
C680
0.1u
C657
33p
R421
1k
C55
4p(B)
D[4]
D2
HVC131
CN502
R218
8.2k
R233
4.7k
C139
0.1u
SSW
2SC4738(GR)
Q104
R702
47k
C609
0.01u
L106
22n
C512
0.01u
2SJ347
Q8
C67
33p
R520
10k
R783
68k
R644
10k
CF200
L72-1013-05
R687
1M
R418
470k
R505
47k
C721
1000p
R785
12k(D)
R208
22k
R753
10k
C281
33p
C645 0.1u
R609
100k
R9 10
R236
680
IC404
TC75S51FE
1
IN+
2
VSS
3
IN-
4oUT
5VDD
C665
0.022u
R157
0
R633
1M
D9
1SV325
R693
4.7k
C763
470p
C107
470p
Q605
RN4910
CP509
1k*2
R124
0
2SK1824
Q107
D[5]
R667
390k
CP604
330*2
C221
10u6.3
C6
1000p
L22
3.3u
R659
0
C422
1u
C24
0.1u35
C283
5p(B)
C415
4.7u
R696
180k
D11
1SV325
C161
7.0p
C401
470p
A[18]
C753
5p(B)
C125
470p
D212
HVC369B
R423
10k
C277
33p
R110
330
2SK1824
Q618
R142
47k
C602
0.1u
C106
470p
C669
1000p
C750 47p
D404
MA2S111
R416
0
CP517
1k*2
R11
1k
R254
68k
R733
1k
R516
1k
L211
8.2n
TH100
100k
R617
68k
C212
220p
L23
R604
180k
C502
22u6.3
C280
470p
D3
HVC131
R782
0
C682
0.015u
C8
47p
R426
47k
C207
0.1u
C282
1p(B)
C1
100p
CP503
1k*2
C434
100p
D[7]
C114
10p
R140
150k(D)
R637
3.3k
R645
4.7k
R635
4.7k
X500
L77-1958-05
C601
22p
R766
2.2k
C656
0.22u
D614
DAN222
X1
L77-1952-05
16.8MHz
Vc
GND OUT
Vcc
L400
2SA1832(GR)
Q607
C276
2.5p(B)
CN503
C697
0.1u
C58
0.5p(B)
R103
8.2k
C734
22p
CSO
R509
47k
C737
4.7u
C402
470p
C11 100p
R688
27k
R670 0
R51
0
Q2
DTC144EE
OPT4
R512
47k
R424
10k
C700 47p
R767
470k
R506
47k
2SJ243
Q610
R624
0
D1
HVC131
C52
4p(B)
C600
0.1u
L104
15n
C51
5p(B)
C257
33p
C710 47p
R234
47
C262
33p
CP511
330*2
C408 470p
IC405
S-80942CNNBG9C
1
VSS
2
VDD
4
oUT
3
CD
D13
1SV325
C518
1u
R148
270
L217
33n
IC503
RV5C386A
132KOUT
2SCL
3SDA
4INTRB
5VSS 6
7
8
9
10
R117
47k
L112
4T
R736
4.7k
R607
22k
L110
4T
R723
47
C205
0.01u
R146
100k
R657
560k
R222
2.7k
C214
15u6.3
C412
470p
R685
4.7k
A[13]
C646 4.7u
C423
10u10
R428
120k
R137
150k
(D)
R107
22
C703
47p
EN1
EN2
EN3
EN4
LD
EN1
EN2
EN4
EN3
R765
0
C451
4.7u
F602
F53-0315-05
CN600
E40-6389-05
26
SB2
R796
0
C450
4.7u
5A
TXD1
SB2
IC601
TC75W51FK
1
2
3
445
6
7
8
8
DTRLOAD
STD
DI/O
TDATA ( 1 0 )
STON
STSW
TXO
TXI
AO
LD
PCK
PLE
5UC
OPT6
CN603
E23-1263-05
RXEI
RXEO
TXO
RXI
RXO
TXI
TCONT
STON
5A
DI/ANI
INH
OPT1
OPT5
OPT3
OPT4
OPT2
RSSI
TXD1
MANDN
OPT6
SB2
TXI
RXEI
RXEO
OPT2
TCONT
DI/ANI
5A
AO
AI
OPT1
OPT3
OPT4
OPT5
TXD1
MANDN
TCONT
AI
ME
STSW
RXO
RXEI
RXEO
RXI
AM
INH
SSW
RSSI
DI/ANI
ME
PTT
PF
DIR(14)
STD
DIR(14)
DI/O
TDATA(10)
DTRLOAD
TCLK/DTRDO
RFD/FD(12)
TCLK/DTRDO
RFD/FD(12)
L609
L608
C642
0.047u
R660
0
R663
10k
C647
0.012u
R661
330k
C644
0.012u
NARROW
DGND
DGND
+B
LR
EN3
BATT
DEO
DI9
EN1
AUX_Key
AUDIO OUT
LSD BUFFER
TO TCXO
WIDE
VR/SW:R31-0617-05
5M
ANT
5M
T/R(H:Rx,L:Tx)
VOX
BATT
EN4
5CNS
SB1
5T
ASQL
EXTLIMIN
5M
CV
EN2
MIC AMP / VOX
5R
TUNE
HSD BPF / HSD COMP
LSD LPF
LG
CH_SW:S60-0415-05
VOL
CN13
DET
W/N(L:WIDE,H:NARROW)
5A
5C
RXD1
RXEO
INH
OPT1
OPT2
RXEI
RXD
5A
GND
OPT5
TXD
TXD1
OPT6
TXI
MDSW
SB2
RXO
RXI
STON
DI/A
TXO
OPT3
TCNT
GND
OPT4
RSSI
LSD LPF / V REF
CPU_VCC
XIN
XOUT
LSDO
BEET SHIFT SW
EEPROM
AF BUFFER
AF
BUFFER
CONTROL
DETECTOR
CPU_DGND
FILTERO
MOD
BEEP
AF SW
SPOUT
SQL CONTROL
SQL CONTROL
SQL NOISE AMP
AF MUTE
W/N
SW / RX
W/N FILTER
SHIFT
IF AMP
FM IF
SYSTEM
MIXER
RF BPF TUNING
D206-208
FILTER
SHIFT
FILTER
SHIFT
PLL SYSTEM
IC1
FIN FILTER
SHIFT SW
FIN FILTER
SHIFT SW
T/R SHIFT
T/R SHIFT PLL IC
F_IN AMP
T/R SHIFT
T/R
SHIFT
FIN FILTER
SHIFT SW
RF AMP
PRE-DRIVE AMP
TX DRIVE AMP
COMPARATOR(APC)
APC SW
CONNECTOR
UNIVERSAL
MIC
5T
APCSW
DSW
MOD
5C
TCXO
TMP
BEEP
BSHIFT
HSDIN
DMUTE
VOX
MMUTE
RTDT
INTRA
CPU_DGND
5RC
HSDOUT
THP/VCOADJ
LSDIN
ASQL
DSTB
T/R
LSW
5M_CHARG
5CNS
5R
RXD
B
TXD
RXD1
AM2
APC/TV2
MIC
5M
DT
CLK
MMUTE SW
MIC.AGC
MIC.AGC
DETECTOR
DETECTOR
TV
5C
DSW
APCSW
5T
TV
TCXO
RXAFI(25)
MMUTE
APCSW
5T
5C
DSWDSW
5C
APCSW
MMUTE
5T
VOX
5C
5T
5M
RXD
LSDIN
AM2
LSW
DMUTE
MIC
5R
RXD1
T/R
THP/VCOADJ
APC/TV2
5CNS
TXD
HSDOUT
B
ASQL
5RC
APC/TV2
5R
ASQL
CPU_DGND
B
5M
DMUTE
RXD1
5RC
MIC
T/R
TXD
RXD
5CNS
THP/VCOADJ
SPOUTSPOUT
RXD
5M
5R
B
APC/TV2
MIC
RXD1
CPU_DGND
5R
SPOUT
5CNS
TXD
TV
5C 5C
T/RT/R
MOD
DSW
APCSW
5T
DSW
APCSW
TMP
5T
TXD
5CNS
APC/TV2
RXD1
SPOUT
5M
B
CPU_DGND
RXD
MIC
RXD
TXD
RXD1 RXD1
RXD
TXD
CPU_DGND CPU_DGND
5CNS5CNS
5M5M
AFGNDAFGND
SAVE
VOL
MIC
5M_CHARG
CPU_DGND
B
CLK
LCDRS
SBC
PTT
DT
5R
5TC
LEDR
5CNS
SPSTB
KI1
KI2
LEDG
SAVE
CPU_VCC
CPU_VCC
5RC
RESET
PSW
INT
5M
S_DETS_DET
CPU_VCC
CPU_DGND
CPU_DGND
5M_CHARG
INTRA DSTB
CLK
KI2
LEDR
LEDG
KI1
SBC
5TC
KI1
LEDR
SPSTB
SBC
5R
MIC
VOL
B
DT
LEDG
CLK
5CNS
KI2
LSDIN
STRIP LINE
VOLTAGE DETECTOR / INT
VOLTAGE REGULATOR / 5V
VOLTAGE REGULATOR / 5V
VOLTAGE REGULATOR / 5V
5T CONTROL
VOLTAGE DETECTOR / RESET
VOLTAGE REGULATOR / 5V
FLASH MEMORY
RTC PROCESSOR
S DETECTOR
D/A CONVERTER
AUDIO
PROCESSOR
AF POWER AMP
DC SW / RX VCO
RIPPLE FILTER
DC SW / RX VCO
VCO RX
FREQUENCY
CONTROL /
RX VCO
D7,11 CURRENT
STEERING
DC SW / TX VCO
TX/RX RF SW
RF AMP
RF BUFFER AMP
VCO TX
APC SW
TX FINAL AMP
APC SW
APC SW
W/N
NOISE
SW
RF AMP
LED SW /
GREEN or RED
LED
RED & GREEN
POWER SW
SBC SW
SB2 SW
5R SW
5R SW
5T SW
5M SW
5M SW
POWER SW
CONTROL
5M CONTROL
D406
SAVE SW
INT SW
LIMIT SW
BEEP SW
SIDE TONE SW
SIDE TONE SW
AF SW
OP SW
OP SW
5UC SW
5UC SW
5UC SW
SP CONTROL
SP CONTROL
SPCONTROL
MICSHIFT SW
MIC
SHIFT
CONTROL
AF MUTE
AF MUTE
SP CONTROL
SP CONTROL
SP CONTROL
SP CONTROL
MIC
SHIFT
CONTROL
MIC
SHIFT
CONTROL
SSW CONTROL
PTT PF TXD RXD CONTROL
RXD CONTROL TXD CONTROL
MANDOWN
CONTROL
D9,13
FREQUENCY
CONTROL /
TX VCO
MODULATOR
APC PROTECT
ANT SW
D106,107
D213,214
ANT SW
DMUTE
CONTROL
APC SW
TX/RX
RF SW
D209,210,212
RF BPF TUNING
5R
PROTECTOR
REVERSE
PROTECTION
BATT
LEVEL
CONTROL
D404
5M PROTECTOR
5T CONTROL
RTC BATT CONTROL
D500-502
5T5T
IC400
D3
TV
B
SPOUT
INT
BATT_LEVEL
BATT_LEVEL
W/N W/N
W/NW/N
LSW
SPSTB
DT DT
TO DISPLAY UNIT CN509
TX-RX UNIT(X57-6940-10)
5M_CHARG
CLK
SBC
LEDG
LEDR
MIC
KI1
5TC
5R
SPSTB
B
VOL
5CNS
DT
KI2
LCDRS
PTT
BATT_LEVEL
5C
5T
INT
PSW
5RC
RESET
5M
XOUT
DGND
XIN
VCC1
NMI
PSW
INT
INTRA
SHIFT/MODEL
BEEP
SPSTB
VCO ADJ
LEDR
LEDG
DSTB
LSDO
KEY1
KEY2
TXD1
VCC1
VREF
AVC C
SBC
5RC
5TC
APC/TV2
HSDO
STSW
RTCL/EEPCL
HSDIN
MAN-DN IN
RTDT/EEPDAT
BYTE
CNVSS
DMUTE
AM2
RESET
DGND
MMUTE
AUX
TXD
RXD
AFDAT
AFDIO
AFDIR
DTRLOAD
AFSTD
LSW
RDY
ALE
HOLD
HLDA
EN4
EN3
EN2
EN1
BCLK
RD
BHE
WR
APCSW
DSW
5UC
CoMMoN
INH
VEE
GND
KI1
SB2
MIC
DGND
ME
LCDRS
DATA
LCDRST
AGND
SPSTB
5M
KI2
CLK
PTT
LCDCS
A11
A9
A8
A13
A14
A17
WE
VCC
A18
A16
A15
A12
A7
A6
A5
A4
NC
VoUT
NP
GND
CoNT
5M
CPU_DGND
RXD
LSDIN
AM2
LSW
DMUTE
INTRA
MIC
5R
RXD1
T/R
THP/VCOADJ
APC/TV2
CLK
5CNS
TXD
DSTB
HSDOUT
DT
B
ASQL
5M_CHARG
5RC
W/N
SDA
SCL
WP
VCC
INTRA
CLKC
OSCOUT
OSCIN
VDD
VIN5
VOUT5
VOUT6
VIN6
DO
VDAref
RESET
GND
VIN7
VOUT7
VOUT8
VIN8
5C
5T
APCSW
TV
DSW
RXAFI(25)
MMUTE
TCXO
MOD
BEEP
FILTERO
B
LSW
5R
APC/TV2
RXD
5M
AM2
MIC
HSDOUT
THP/VCOADJ
ASQL
5RC
T/R
LSDIN
DMUTE
RXD1
TXD
5CNS
CPU_DGND
W/N
CLK
DT
RXAF
RXAFIN
EXPOUT
FILTERO
RXINO
RXIN
AGND
XIN
VSS
AMP3P
AMP3N
AMP3O
AMP4P
AMP4N
AMP4O
DTRAIN
RXD
5M
B
T/R
APC/TV2
MIC
RXD1
CPU_DGND
DMUTE
ASQL
5R
SPOUT
5CNS
THP/VCOADJ
TXD
5RC
DT
MOD
DSW
TV
APCSW
TCXO
5T
5C
5T
APCSW
DSW
MOD
TMP
CPGND
AGND
AGND
RFinB
RFinA
DVDD
DVDD
VP
Rset
CP
CE
CLK
DATA
LE
OSCIN
OSCOUT
MIXOUT
VCC
IFIN
DEC
FILOUT
FILIN
TXD
5M
MIC
CPU_DGND
5CNS
APC/TV2
B
RXD1
RXD
SPOUT
TV
2SK508NV(K52)
Q7
XF200
L71-0622-05
59.85MHz
B
MIC
APC/TV2
SPOUT
RXD
CPU_DGND
5CNS
RXD1
5M
TXD
IN2+
IN2-
OUT-B
VCC OUT2+
PGND2
NC3
OUT2-
OUT1-
PGND1
NC4
OUT1+ NC
RXD
TXD
5CNS
E
OPT
PF
PTT
ME
EMC
MSW
SP-
SP+
SSW
2
1
4
3
6
5
8
7
10
9
12
11
14
13
16
15
18
17
20
19
22
21
24
23
25
LCDRST
LCDCS
CS0
A19
A18
A17
A16
A15
A14
A13
A12
A11
A10
A9
UL
PLE
PCK
NC
OPT6
VCC2
A8
DGND
A7
A6
A5
A4
A3
A2
A1
A0
PTT
AFRTM
TCLK/DTRDO
SAVE
T/R
AM1
LCDRS
IC502
30625MGP-169GP
MICROPROCESSOR
IC603
TC75W51FK
TUNE
2SC4617(S)
Q12
4p(B)
4p(B)
DI/ANI
OPT3
OPT1
TXD1
RXD1
OPT4
NC
OPT5
USEL
AGND
DGND
AO
AI
5A
AGND
STON
MAN DOWN
TCONT
OPT2
INH
RXEO
TXO
TXI
RXEI
OPT6
CPU_VCC
LSDO
BEEP
XOUT
XIN
BSHIFT
HSDIN
RTDT
C261
470p
5T
TMP
DSW
APCSW
C289
4p(B)
7.5V
R:7.47V
T:7.43V
R:6.78V
T:6.76V
R:0V
T:0.21V
R:4.79V
T:5.15V
R:4.98V
T:5.16V
R:4.43V
T:5.09V R:0V
T:0.20V
R:4.76V
T:0.20V
R:5.04V
T:5.20V
R:0V
T:5.14V
R:0V
T:5.12V R:4.98V
T:0.20V
R:4.97V
T:5.09V
R:4.96V
T:0.20V
R:5.00V
T:4.41V
R:3.66V
T:3.72V
R:6.37V
T:0.2V
R:0.1V
T:6.21V
R:7.48V
T:7.44V
R:7.49V
T:7.45V
R:5.02V
T:5.19V
R:4.99V
T:5.16V
R:0V
T:0.2V
R:4.30V
T:4.47V
R:4.47V
T:4.59V
R:4.81V
T:4.91V
R:0V
T:0.2V
R:4.99V
T:5.14V
R:0V
T:0.2V
R:0V
T:0.2V
R:7.49V
T:7.46V
R:0.1V
T:0V
R:2.47V
T:2.47V
R:0V
T:0V
R:5.01V
T:8.19V
R:0V
T:1.11V
R:0V
T:1.51V
R:5.01V
T:5.19V
R:1.35V
T:0.21V
R:0.72V
T:0.20V
W:4.21V
N:0V
R:4.21V
T:0V
W:0V
N:4.95V
R:0V
T:5.12V
R:2.78V
T:4.73V
R:2.27V
T:2.11V
R:0.39V
T:0.58V
R:0V
T:0.17V
R:5.02V
T:5.18V
R:4.89V
T:0.17V
R:1.15V
T:1.25V
R:1.15V
T:0.28V
R:0V
T:0.2V
R:0.99V
T:1.20V
R:4.95V
T:5.13V
R:0V
T:4.22V
R:4.08V
T:0V
R:4.20V
T:4.36V
R:4.84V
T:0V
R:4.47V
T:0.16V
R:4.75V
T:0.15V
R:0.71V
T:0.15V
R:4.75V
T:0.5V
R:4.73V
T:0.16V
R:1.21V
T:0.16V
R:2.83V
T:0.16V
R:3.04V
T:0.16V
R:4.48V
T:0.16V R:4.71V
T:0.16V R:1.95V
T:0.16V
R:0.91V
T:0.16V R:1.52V
T:4.63V
R:1.52V
T:4.63V
R:2.03V
T:2.28V
R:0V
T:3.02V
R:0V
T:0.79V
R:2.77V
T:0V
R:0V
T:4.76V
R:0V
T:0.41V
R:0V
T:1.60V
R:0V
T:5.16V
L:1.19V
H:1.48V
R:0V
T:2.23V
L:1.74V
H:2.14V
L:2.10V
H:2.57V
R:0V
T:2.62V
R:0V
T:1.89V
R:0V
T:1.50V
R:6.97V
T:2.77V
R:0V
T:2.80V
R:0V
T:5.18V
R:7.07V
T:1.52V
R:0.23V
T:1.54V
R:7.17V
T:0.26V
R:0V
T:5.16V
R:0V
T:2.58V
R:0V
T:0.24V
R:0.67V
T:0.24V
R:2.40V
T:0V
R:2.40V
T:0V
R:4.94V
T:0.16V
R:4.37V
T:0.16V
E:4.94V
I:0V
E:0V
I:5V
R:0V
T:2.66V
R:2.52V
T:2.66V
R:4.97V
T:0.17V
R:4.94V
T:5.12V
R:2.45V
T:2.59V
R:4.98V
T:5.12V
R:2.47V
T:2.61V
R:5.02V
T:5.17V
R:0V
T:0.2V
R:8.03V
T:5.17V
R:2.50V
T:2.64V
R:0V
T:5.10V
R:2.51V
T:0V
E:0V
I:5V

TK-3180
60
IC607
AUDIO
PROCESSOR
AQUA-L
STD
DI/O
RDF/FD
TCLK/DTRDO
DEO
I
C
AT2
9
-
9
PROTECT
PROTECT
PROTECT
SP
SSW
SP+
SP-
MSW
EMC
ME
PTT
PF
OPT
E
5CNS
TXD
RXD
NC
UNIVERSAL CONNECTOR
TEMP
COMP
D604
015AZ6.8
Q505
2SJ144
(Y)
SW
SW
SW
MSW
SSW
Q616
UPA672T
Q614
2SJ347
Q617
UPA672T
D605
1SS373
AM1
AF
PA
SW
Q618
2SK1824
SSW
PROTECT
TX-RX UNIT
AVR
IC609
TDA7053AT AVR
SW
Q400
UMG9N
Q501: 2SC4617(S)
Q502: 2SB1132(Q,R)
AM1
AF
MIC
D611
NNCD6.8G
LEDG
BUSY
BACK
LIGHT
D400
B30-2278-05
LCD ASSY
PROTECT
D609/610
DA221x2
BUFF
AMP
D/A
TV1
IC603: TC75W51FK(1/2)
AF
FC BUFF
AMP
BUFF
AMP
IC605
M62364FP
IC601
TC75W51FK
IC600
TC75W51FK(2/2)
D608
015AZ6.8
Q612,615: 2SC4617(S)
Q613: 2SB1132(Q,R)
D607: 015AZ2.4-X
C
H
D
M
A
D5
0
1
S
5M
DTRLOADN
TDATA/DTRCLK
SCLK
DIR
LSDIN
SW
IC606
TC7W53FK
Q608
2SJ243
Q619
2SJ243
5RC
AM2
Q605
RN4910(2/2)
HSDO
DC SW
DC SW
DC SW
W/N
BEEP
SW
SW
Q620
DTA144TA
STSW
AI
X600
3.6864MHz
MIC
AMP
MMUTE
AGC
SW
SW
SW
LPF
Q610
2SJ243
Q606
2SC4738(GR)
Q607
2SA1832(GR)
D601,602
RB706F
IC608
TC75W51FK(1/2)
VOX
AMP
VOX
DET VOX
IC608
TC75W51FK(2/2)
D603
RB706F
OPT6
AO
Q611
HN1L02FU
Q609
2SJ243
COMPA
RATOR
HSDI
IC604
TC75W51FK
(1/2)
IC604
TC75W51FK
(2/2)
Q602
DTA114EE
LSW
BUFF
AMP
IC601
TC75W51FK
(2/2)
Vref
2.5V
Q605
RN4910
(1/2)
IC602
TC75W51FK(2/2)
IC602
TC75W51FK(1/2)
SUM
AMP
LPF
LSDO
SB2
DI9
OPT1
NC
DGND
TXD1
OPT5
AO
RXD1
USEL
5A
AI
AGND
OPT3
OPT4
AGND
INH
RXEO
TXO
OPT2
STON
MANDOWN
TXI
DI/ANI
TCONT
RXEI
OPT6
SB2
5UC
AUX
Q622: FMMT717
Q623: 2SK1830
Q624: 2SK1830
DC
SW
DC
SW
5CNS
D612
015AZ6.8
PROTECT
SELECT VCO ADJ
RXDI
MANDOWN
D613: DA221
D606: 015AZ6.8
TCONT
TX
LEDR
AVR
SB2
5M
LEVEL
CONV
LCDRST
LCDCS
DATA
CLK
LCDRS
SHIFT
REGISTER
PROTECT
D522
DA221
16key
KI1 KI2
DISPLAY UNIT
PTT
SW2
SW1
SIDE KEY SECTION
MIC
DIS-
CHARGE
IC501: XC6201P352MR
+B
S400
IC500
BU2099FV
V
PLL
M
D
TCXO
Q12
2SC4617(S)
5C
T/R T/R
SW
RIPPLE
FILTER
Q8,9
2SJ347x2
Q11
2SK1830
VCXO
X1
16.8MHz DT
PCK
PLE
IC1
A
D
LOOP
FILTER
TC7
5
DET
NOISE
DET
ASQ
PROTECT5RC
NOISE
AMP
D202
RB706F-40
Q201
2SC4617 (T
A
D200
MA2S111
BLOCK DIAGRAM

TK-3180
61
BLOCK DIAGRAM
DSTB
TXD 1
LSDO
PLE
5RC
5TC
AFDAT
PCK
SAVE
BEEP
AFDIR
W/N
SBC
APC/TV2
HSDO
STSW
DMUTE
AM2
VOL
RXD 1
ASQ
LSDIN
UL
RSSI
PF
HSDI
AUX
MAN-DN IN
RXD
AFSTD
AFRTM
SSW
BATTSEL/VOX
VOX
THP/VCO ADJ
PTT
IC502
M30625MGP-***GP
MICROPROCESSOR
A0
A2
A3
A4
A5
A6
A7
A8
A9
A10
A11
A12
A13
A14
A15
A16
A17
A18
D0
D2
D3
D4
D5
D6
D7
WR
RD
CSO
IC500
AT29C040A
-90TI
SW
PROTECT AVR
AVR
EN1~4
X500
11.0952MHz
Q621
2SC4649(N,P) Q401
SSM3K15TE
DC
SW
TOP PANEL
E2PROM
D404
MA2S111
INT
RST RESET
AVR
DC SW
DC SW
BUFF
PROTECT
INT
IC400
XC61CC5602NR
D402
1SR154-400
IC403
XC6204B502MR
IC402
XC6204B502MR
IC405
S-80942CNNBG9C
Q409
2SJ347
F400
FUSE
BATT
7.5V
+
–
+B
5M
5C
5R
5RC
5T
5TC
SHIFT/MODEL
SAVE
IC404
TC75S51FE
Q406
2SA1955(A)
Q404
DTC144EE
Q405
2SJ347
IC504
AT24256N10SI27
PSW
BATTLVL
VOL
5M
SB1
DC SW
DC SW
SB2
Q402
2SK1830
Q403
2SA1955(A)
SBC
SBC
SBC AVR
SBC
5CNS
5A
SB2 DC SW
SB2
DC SW SBC
Q502
SSM3K15TE
Q407: 2SK1830
Q408: 2SA1955(A)
SPSTB
VCOADJ
LEDR
REDG
MMUTE
TXD
DTRLOADN
LSW
APCSW
DSW
5UC
BSTE/VOXSW
OPT 4
OPT 5
T/R
AM1
DT
CK
SHIFT/MODEL
AFDIO
OPT1
OPT2
OPT3
OPT6
TCLK/DTRDO
RTCCHARGE
IC503
RV5C386A
D500
MA2S111
D501,502
1SS388
SCL
SDA
INTRA
5M
IC406
TK11250CUCB
IC401
TK11250CUCB
RSSI
BPF
BPF
LPF
TUNE TUNE
TV1 TV1
5R
D206,207,208
HVC369Bx3
D209,210
HVC369Bx2
+B
RF
AMP
DRIVE
AMP
DRIVE
AMP
FINAL
AMP
5T
LPF
Q105
RD07MVS1
Q102
2SK3391
Q101
2SK3077
5T
Q100
2SC5108(Y)
VCO
PLL
UL
MD
L111,112,113
RF SW
TV2
L217
L210,211,212
K : 450~520MHz
HPF
L215,216
(S)
E
R
x
2
0
D1,2
HVC131x2
H
zDT
PCK
PLE
IC1
ADF4111BCP7
LOOP
FILTER
T/R
SW
5T
5R
D100,205
HSC277x2
BUFF
AMP
BUFF
AMP
Q10
2SC5108(Y)
Q13
2SC5108(Y)
RFSW
D3,4
HVC131x2
BUFF
AMP
BUFF
AMP
BPF
BPF L3,L6
L2,L4
Q15
2SC5108(Y)
Q14
2SC5108(Y)
DET
AMP
IC600
TC75W51FK(1/2)
DET
N
OISE
AMP
NOISE
AMP
DMUTE W/N SW
Q202
2SJ243
Q201
SC4617
IC200
(TA31136FN)
MUTE
Q203
2SK1824
Q1
DTA144EE
Q2
DTC144EE
T/R
T/R
SW
ANT
SW
5T
D106,D107
D213,D214
HVC131x4
DC
SW
DSW
Q104
2SC4738(GR)
DC
SW
DC
SW
APCSW
Q106
DTC114EE
Q108
2SK1824
PROTECT
APCSW
CURR
DET
Q107
2SK1824
IC100
TA75W01FU
APC/TV2
RF
AMP
Q207
3SK318
Q206
3SK318
1st
MIXER
IC200
TA31136FN
FM IF
SYSTEM IF AMP MCF
Q205
2SC5108(Y)
XF200
59.85MHz
RF SW RF SW
SW
W/N
CF200
455kHz GF(N)
CF201
455kHz GFW)
D203
DAN222
D201
DAN222
Q200
HN1L02FU
W/N
SW
Q204
DTA144EE
CD200
455kHz
X200
59.395MHz
Q6,Q7: 2SK508NV(K52)x2
D7,11 (RX): 1SV325x2
D9,13 (TX): 1SV325x2
D17: 1SV278

TK-3180
62
C287 C275 C250 C228 C292
C214
FM IF
SYSTEM
C636 C666 C698
AQUA
Q207 Q206 Q205
XF200
IC200
FM IF
SYSTEM
IC200
IC600 IC606
1
6
CN601
IC607
AQUA
IC607
IC605 IC609
500mV
IC605 IC608 IC605 IC600
–119.0dBm –119.0dBm –114.5dBm –106.5dBm –117.5dBm –102.5dBm 239mVrms
218mVrms
383mVrms
383mVrms 409mVrms 20mVrms
381mVrms 110mVrms239mVrms
RF (Center frequency)
RF (Center frequency)
IF1 (59.85MHz)
IF2
(455kHz)
AF (1kHz)
AF (1kHz)
C728 C685 C43
C66
D205
C67 C71 C101
C107
VCO
VCO
PLL RXLO
Q13 Q100
D100
Q101 Q102 Q105
C113 C125 C149
7.5mVrms
(at MIC terminal)
8.6mVrms
58mVrms 291mVrms
136mVrms 188mVrms
203mVrms
15.2dBm16.4dBm12.5dBm7.0dBm3.3dBm188mVrms
5.0W
To make measurements in the AF section, connect the AC level meter.
(ANT input : –53dB, 1kHz FM, 3kHz DEV (Wide))
In the RF section, use a 1000pF coupling capacitor.
(The display shows the SSG input value required to obtain
12dB SINAD without local level.)
AG is set to the MIC input becomes 3kHz DEV
at 1kHz MOD (Wide).
To make measurements in the AF section,
connect the AC level meter.
In the RF section, use a 1000pF coupling capacitor.
Receiver Section
Transmitter Section
LEVEL DIAGRAM

TK-3180
63
OPTIONAL ACCESSORIES
KNB-31A (Ni-Cd 7.2V 1700mAh)
KNB-32N (Ni-MH 7.2V 2500mAh)
■ External view
+S T –
+S
Discharge terminal side
Rear charge terminal side
–
+S T –
+S
Discharge terminal side
Rear charge terminal side
–
150kΩ
20kΩ
±0.8%
+S T –
+S
Discharge terminal side
Rear charge terminal side
–
47kΩ
10kΩ
±0.5%
KSC-32 (Rapid charger)
■ External view
KNB-33L (Li-ion 7.4V 1700mAh)
■ External view
■ KNB-31A Internal wiring
■ KNB-32N Internal wiring
■ Internal wiring

TK-3180
KENWOOD CORPORATION
2967-3, Ishikawa-machi, Hachioji-shi, Tokyo, 192-8525 Japan
KENWOOD U.S.A. CORPORATION
P. O. BOX 22745, 2201 East Dominguez Street, Long Beach, CA 90801-5745, U.S.A.
KENWOOD ELECTRONICS CANADA INC.
6070 Kestrel Road, Mississauga, Ontario, Canada L5T 1S8
KENWOOD ELECTRONICS DEUTSCHLAND GMBH
Rembrücker Str. 15, 63150 Heusenstamm, Germany
KENWOOD ELECTRONICS BELGIUM N.V.
Leuvensesteenweg 248 J, 1800 Vilvoorde, Belgium
KENWOOD ELECTRONICS FRANCE S.A.
13, Boulevard Ney, 75018 Paris, France
KENWOOD ELECTRONICS U.K. LIMITED
KENWOOD House, Dwight Road, Watford, Herts., WD18 9EB United Kingdom
KENWOOD ELECTRONICS EUROPE B.V.
Amsterdamseweg 37, 1422 AC Uithoorn, The Netherlands
KENWOOD ELECTRONICS ITALIA S.p.A.
Via G. Sirtori, 7/9 20129 Milano, Italy
KENWOOD IBERICA S.A.
Bolivia, 239-08020 Barcelona, Spain
KENWOOD ELECTRONICS AUSTRALIA PTY. LTD.
(A.C.N. 001 499 074)
16 Giffnock Avenue, Centrecourt Estate, North Ryde, N.S.W. 2113 Australia
KENWOOD ELECTRONICS (HONG KONG) LTD.
Unit 3712-3724, Level 37, Tower one Metroplaza, 223 Hing Fong Road, Kwai Fong, N.T., Hong Kong
KENWOOD ELECTRONICS SINGAPORE PTE LTD.
1 Genting Lane #07-00 Kenwood Building, Singapore 349544
GENERAL
Frequency range ....................................... 450~520MHz
Number of channels .................................. Zone : Max. 128 per radio Ch/GID : Max. 250 per zones
(Max. 512 [Conv. Ch’s + GID’s] total per radio)
Channel spacing ........................................ Wide : 25kHz Narrow : 12.5kHz
Battery voltage .......................................... 7.5V DC ±20%
Battery life (5-5-90 duty cycle)/Approx. hours
KNB-31A (1700mAh) ............................. 9
KNB-32N (2500mAh) ............................. 14
KNB-33L (1700mAh) .............................. 10
Operating temperature range.................... –22°F~+140°F (–30°C~+60°C)
Frequency stability .................................... ±0.00025% (–22°F~+140°F)
Antenna impedance .................................. 50Ω
Channel frequency spread ........................ 70MHz
Dimensions (W x H x D) ............................ 2-5/16 x 5-6/16 x 1-5/16 in. (58 x 136 x 33 mm) with KNB-33L battery
(Projections not included) 2-5/16 x 5-6/16 x 1-9/16 in. (58 x 136 x 39.5 mm) with KNB-31A or 32N battery
Weight (net) .............................................. 14.1 oz. (400 g) with battery (KNB-33L), antenna (KRA-23) and beltclip (KBH-11)
RECEIVER (Measurements made per EIA/TIA-603)
Sensitivity (12dB SINAD) ........................... Wide : 0.25µVNarrow : 0.28µV
Selectivity .................................................. Wide : 70dB Narrow : 63dB
Intermodulation distortion ......................... W/N : 70dB (±50, 100kHz)
Spurious response .................................... 70dB
Audio output (8Ω impedance) ................... 500mW with less than 3% distortion
TRANSMITTER (Measurements made per EIA/TIA-603)
RF power output ....................................... HI : 5W LO : 1W
Spurious response .................................... 70dB
Modulation ................................................ Wide : 16K0F3E Narrow : 11K0F3E
FM hum & noise ....................................... Wide : 45dB Narrow : 40dB
Audio distortion ......................................... W/N : 3%
SPECIFICATIONS