TK 880H(Sup) B51 8582 00
TK-880H(Sup)-B51-8582-00 TK-880H(Sup)-B51-8582-00
User Manual: TK-880H(Sup)-B51-8582-00
Open the PDF directly: View PDF
.
Page Count: 70
- GENERAL
- OPERATING FEATURES
- REALIGNMENT
- INSTALLATION
- CIRCUIT DESCRIPTION
- SEMICONDUCTOR DATA
- DESCRIPTION OF COMPONENTS
- PARTS LIST
- EXPLODED VIEW
- PACKING
- ADJUSTMENT
- PC BOARD VIEWS
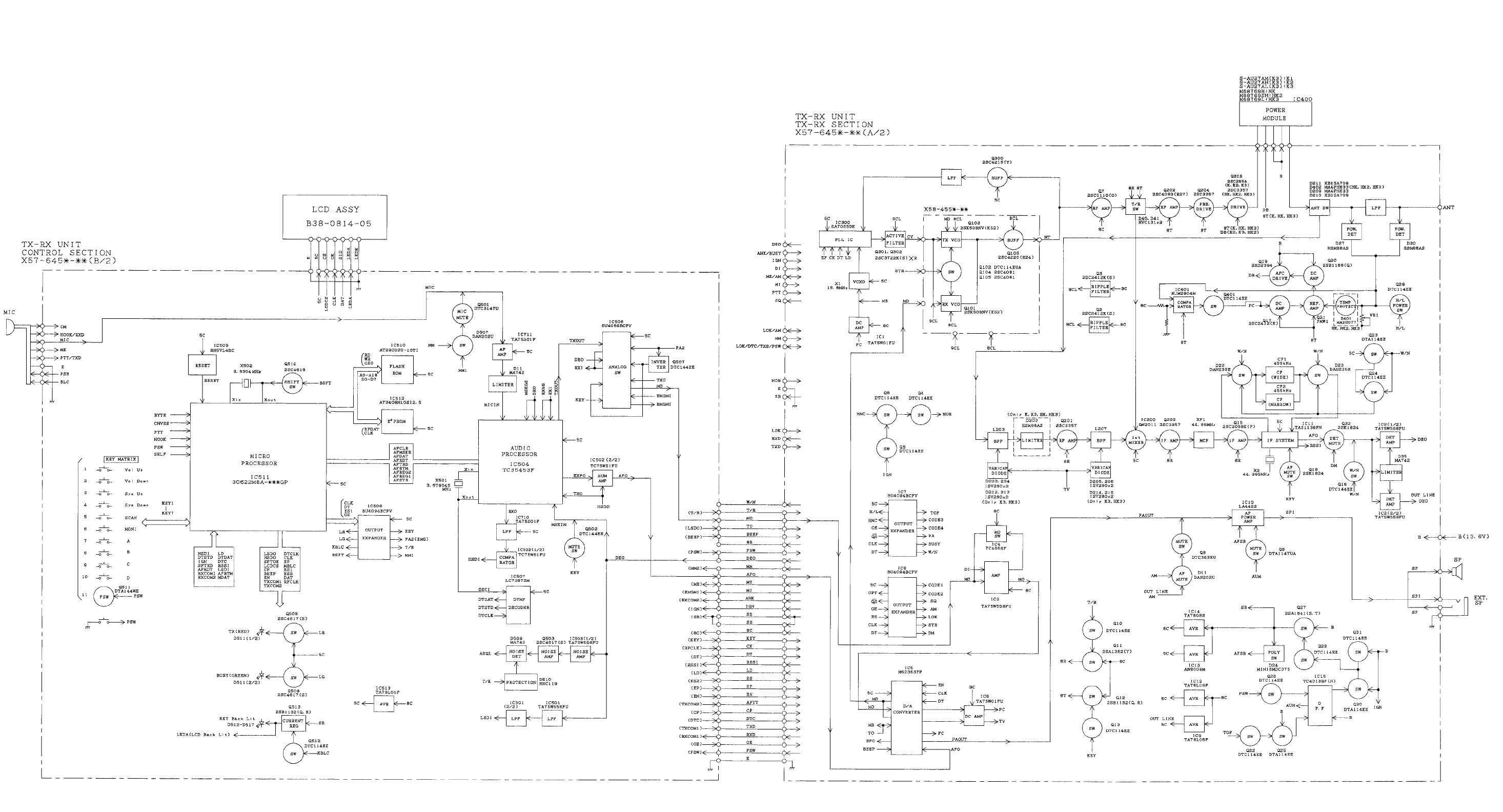
- PLL/VCO UNIT (X58-5440-XX)
- TX-RX UNIT (X57-6450-XX) (A/2) Component side view
- TX-RX UNIT (X57-6450-XX) (A/2) Foil side view
- TX-RX UNIT (X57-6450-XX) (A/2) Component side view + Foil side
- TX-RX UNIT (X57-6450-XX) (B/2) Component side view
- TX-RX UNIT (X57-6450-XX) (B/2) Foil side view
- TX-RX UNIT (X57-6450-XX) (B/2) Component side view + Foil side
- SCHEMATIC DIAGRAMS
- BLOCK DIAGRAM
- LEVEL DIAGRAM
- TERMINAL FUNCTION
- SPECIFICATIONS

© 2001-5 PRINTED IN JAPAN
B51-8582-00 (N) 1370
UHF FM TRANSCEIVER
TK-880/H
SERVICE MANUAL
GENERAL ................................................................. 2
OPERATING FEATURES ......................................... 3
REALIGNMENT...................................................... 15
INSTALLATION...................................................... 20
CIRCUIT DESCRIPTION......................................... 28
SEMICONDUCTOR DATA..................................... 33
DESCRIPTION OF COMPONENTS ....................... 35
PARTS LIST ............................................................ 37
EXPLODED VIEW .................................................. 48
PACKING ................................................................ 49
ADJUSTMENT ....................................................... 50
PC BOARD VIEWS
PLL/VCO (X58-4550-XX) .................................. 58
TX-RX UNIT (X57-6450-XX) (A/2) ................... 59
TX-RX UNIT (X57-6450-XX) (B/2).................... 65
SCHEMATIC DIAGRAM ........................................ 69
BLOCK DIAGRAM.................................................. 77
LEVEL DIAGRAM................................................... 80
TERMINAL FUNCTION ......................................... 82
SPECIFICATIONS................................................... 83
CONTENTS
Microphone
(T91-0621-05)
Cabinet (Top)
(A01-2165-13)
Panel assy
(A62-0991-03)
Key top
(K29-5284-02)
SUPPLEMENT
This service manual applied to products with 30200001 or subsequent serial numbers.
In terms of the products with the serial numbers earier than 30200001, refer to the TK-880/H
service manual as per part No. B51-8462-10.

2
TK-880/H
GENERAL
INTRODUCTION
SCOPE OF THIS MANUAL
This manual is intended for use by experienced techni-
cians familiar with similar types of commercial grade com-
munications equipment. It contains all required service in-
formation for the equipment and is current as of this publi-
cation date. Changes which may occur after publication are
covered by either Service Bulletins or Manual Revisions,
which are issued as required.
ORDERING REPLACEMENT PARTS
When ordering replacement parts or equipment informa-
tion, the full part identification number should be included.
This applies to all parts : components, kits, and chassis. If
the part number is not known, include the chassis or kit
number of which it is a part and a sufficient description of
the required component, for proper identification.
PERSONNEL SAFETY
The following precautions are recommended for person-
nel safety :
• DO NOT transmit if someone is within two feet (0.6
meter) of the antenna.
• DO NOT transmit until all RF connectors are secure and
any open connectors are properly terminated.
• SHUT OFF this equipment when near electrical blasting
caps or while in an explosive atmosphere.
• All equipment should be properly grounded before
power-up for safe operation.
• This equipment should be serviced by only qualified
technicians.
PRE-INSTALLATION CONSIDERNATIONS
1. UNPACKING
Unpack the radio from its shipping container and check
for accessory items. If any item is missing, please contact
KENWOOD immediately.
2. LICENSING REQUIREMENTS
Federal regulations require a station license for each ra-
dio installation (mobile or base) be obtained by the equip-
ment owner. The licensee is responsible for ensuring trans-
mitter power, frequency, and deviation are within the limits
permitted by the station license.
Transmitter adjustments may be performed only by a li-
censed technician holding an FCC first, second or general
class commercial radiotelephone operator’s license. There
is no license required to install or operate the radio.
3. PRE-INSTALLATION CHECKOUT
3-1. Introduction
Each radio is adjusted and tested before shipment. How-
ever, it is recommended that receiver and transmitter op-
eration be checked for proper operation before installation.
3-2. Testing
The radio should be tested complete with all cabling and
accessories as they will be connected in the final installa-
tion. Transmitter frequency, deviation, and power output
should be checked, as should receiver sensitivity, squelch
operation, and audio output. QT equipment operation
should be verified.
4. PLANNING THE INSTALLATION
4-1. General
Inspect the vehicle and determine how and where the
radio antenna and accessories will be mounted.
Plan cable runs for protection against pinching or crush-
ing wiring, and radio installation to prevent overheating.
4-2. Antenna
The favored location for an antenna is in the center of a
large, flat conductive area, usually at the roof center. The
trunk lid is preferred, bond the trunk lid and vehicle chassis
using ground straps to ensure the lid is at chassis ground.
4-3. Radio
The universal mount bracket allows the radio to be
mounted in a variety of ways. Be sure the mounting surface
is adequate to support the radio’s weight. Allow sufficient
space around the radio for air cooling. Position the radio
close enough to the vehicle operator to permit easy access
to the controls when driving.
4-4. DC Power and wiring
1. This radio may be installed in negative ground electrical
systems only. Reverse polarity will cause the cable fuse
to blow. Check the vehicle ground polarity before installa-
tion to prevent wasted time and effort.
2. You must connect the positive power lead directly to
the positive terminal of the vehicle battery. Never
connect the lead to any other positive power source,
such as a cigarette lighter jack or fuse terminals.
CAUTION
If DC power is to be controlled by the vehicle ignition
switch, a switching relay should be used to switch the posi-
tive power lead. The vehicle ignition switch then controls
DC to the relay coil.
3. You must also connect the ground lead directly to
the negative terminal of the vehicle battery.
4. The cable provided with the radio is sufficient to handle
the maximum radio current demand. If the cable must be
extended, be sure the additional wire is sufficient for the
current to be carried and length of the added lead.

3
TK-880/H
5. INSTALLATION PLANNING – CONTROL STATIONS
5-1. Antenna system
Control station. The antenna system selection depends
on many factors and is beyond the scope of this manual.
Your KENWOOD dealer can help you select an antenna sys-
tem that will best serve your particular needs.
5-2. Radio location
Select a convenient location for your control station radio
which is as close as practical to the antenna cable entry
point. Secondly, use your system’s power supply (which
supplies the voltage and current required for your system).
Make sure sufficient air can flow around the radio and power
supply to allow adequate cooling.
SERVICE
This radio is designed for easy servicing. Refer to the
schematic diagrams, printed circuit board views, and align-
ment procedures contained in this manual.
Note
When you modify your radio as described in system set-
up, take the following precaution.
The rating of pin 7 (SB) of the accessory connector cable
(KCT-19) on the rear of the radio is 13.6V (1A). Insert a 1A
fuse if you use the SB pin for external equipment.
Accessory connector
cable (KCT-19)
If you do not intend to use the 3.5-mm jack for the exter-
nal speaker, fit the supplied speaker-jack cap (B09-0235-05)
to stop dust and sand getting in.
GENERAL / OPERATING FEATURES
Speaker-jack cap
(B09-0235-05)
1. Operation Features
The TK-880/880H is a UHF FM radio designed to operate
in both trunking format (LTR model) and conventional for-
mat (Conventional model). The programmable features are
summarized.
Model Trunking format Trunking mode
Conventional format Conventional mode
1-1. Trunking Format
This format can handle up to 32 systems with up to 250
groups in each system. The transceiver can be used in both
trunked mode and conventional mode. Systems, groups,
and their functions are programmed.
1-2. Conventional Format
This format can handle up to 250 groups with 250 chan-
nels in each group. The transceiver can be used only in con-
ventional mode. Groups, channels, and their functions are
programmed.
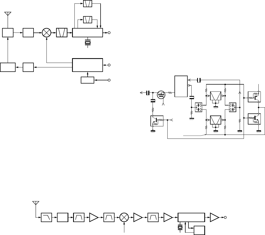
2. Transceiver Controls and Indicators (Fig. 1)
2-1. Front Panel Controls
All the keys on the front panel are momentary-type push
buttons. The functions of these keys are explained below.
•POWER key
Transceiver POWER key. When the power is switched
off, all the parameters, such as the system and group in
trunking format, and the group and channel in conventional
format, are stored in memory. When the power is switched
on again, the transceiver returns to the previous conditions.
•SYSTEM UP/DOWN key
(Trunking format, programmable)
•GROUP UP/DOWN key
(Conventional format, programmable)
•SCAN key (Programmable)
•MONITOR key (Programmable)
•A, B, C and D key (Programmable)
•VOLUME UP/DOWN key (Programmable)
•BUSY/TX LED
The BUSY indicator (Green LED) shows that the channel
is in use. The TX indicator (Red LED) shows that you are
transmitting.
1
3+
–
7
6
13
15
4
TK-880/H
2-2. Programmable Keys
The FPU (KPG-49D) enables programmable keys to se-
lect the following functions.
■Conventional format
AUX-A, AUX-B (Only when voice scrambler is not se-
lected), Channel down, Channel up, DTMF ID (BOT), DTMF
ID (EOT), Display character, Emergency (Only foot key),
Function, Group down, Group up, Home channel, Horn alert,
Key lock, Memory (RCL/STO), Memory (RCL), Memory
(STO), Monitor A, Monitor B, Monitor C, Monitor D, Opera-
tor selectable tone, Public address, Redial, Scan, Scan del/
add, Scrambler (Only when voice scrambler is selected),
Talk around, Volume down, Volume up and None.
■Trunking format
Auto tel, AUX-A, AUX-B (Only when voice scrambler is
not selected), DTMF ID (BOT), DTMF ID (EOT), Display char-
acter, Emergency (Only foot key), Function, Group down,
Group up, Home group, Horn alert, Key lock, Memory (RCL/
STO), Memory (RCL), Memory (STO), Monitor A, Monitor B,
Monitor C, Monitor D, Public address, Redial, Scan, Scan
del/add, Scan temporary delete, Scrambler (Only when
voice scrambler is selected), System down, System up, TEL
disconnect, Volume down, Volume up and None.
These functions the FPU programs to the function keys
and described in the following sections.
•Auto TEL (Trunking format)
Automatically connects available repeaters that are con-
nected to telephone circuits when operating as LTR system.
The time allocated to search for available repeaters is 60
seconds, after which connection failure occurs, a DTMF
tone is output and the function terminates.
If connection to an available circuit is made, only ID 253,
EOT or hang-up time-out can terminate the function.
•AUX-A
If this key is pressed, “AUX” icon lights on the LCD and
AUX port which is inside of the transceiver turns to the high
level. If pressed again, the “AUX” icon goes off and the
AUX ports turns to the lower level.
•AUX-B
This function can be programmed when the voice scram-
bler board is not installed.
If this key is pressed, an underscore (“_”) appears at the
extreme right of the LCD and AUX port which is inside of the
transceiver turns to the active level. If pressed again, the
underscore disappears and the AUX ports turns to the
deactive level.
•Channel up/down (Conventional format)
When the key is pressed each time, the channel number
to be selected is incremented/decremented and repeats if
held for one second or longer. This key works as the voice
scrambler code selector in the voice scrambler code select
mode.
OPERATING FEATURES
•DTMF ID (BOT)
In conventional mode, if you press this key, a predeter-
mined DTMF ID (Begin of TX) will be sent automatically.
•DTMF ID (EOT)
In conventional mode, if you press this key, a predeter-
mined DTMF ID (End of TX) will be sent automatically.
•Display character
This key switches the LCD display between the system
and group number in trunking format and the group and
channel name in conventional format.
•Emergency
Pressing this key for longer than the programmed “Emer-
gency Key Delay Time” causes the transceiver to enter the
emergency mode. The transceiver jumps to the pro-
grammed “Emergency system and group in trunking format
and the group and channel in conventional format” and
transmits for the programmed “Active Time”.
The transceiver disables mic mute while transmitting.
After finishing transmission, the transceiver receivers for
the programmed “Interval Time”. The transceiver mutes
the speaker while receiving. Following the above sequence,
the transceiver continues to transmit and receive.
•Function
Pressing this key causes the transceiver to display
“FCN”. Then, pressing a microphone DTMF key causes the
corresponding programmed function to start. This key may
be convenient when using many functions with the micro-
phone 12-key keypad.
•Group up/down
When the key is pressed each time, the group number to
be selected is incremented/decremented and repeats if held
for one second or longer.
•Home channel (Conventional format)
Press this key once, the channel switches to the pre-pro-
grammed home channel.
•Home group (Trunking format)
Each pressing of the key selects a preset system/group.
•Horn alert
If you are called from the base station using 2-tone/DTMF
while you are away from your transceiver, you will be
alerted by the vehicle horn or some other type of external
alert. To turn the horn alert function on , press this key. A
confirmation tone sounds, and the display shows “HA” on
the sub LCD.
If this key is pressed again, the horn alert function is
turned off.
•Key lock
Pressing this key causes the transceiver to accept entry
of only the [Function], [Key lock], [PTT], [Monitor A], [Moni-
tor B], [Monitor C], [Monitor D], and [Emergency] keys.

5
TK-880/H
•Message mode
Press this key to enter the message mode. (See “Alpha-
numeric Two-way Paging Function” for details)
•Memory
This key allows DTMF memory data to be recalled; up to
32 memories each with a memory dial of up to 16 digits and
an A/N of up to 10 digits per memory.
•Monitor
Used to release signalling or squelch when operating as a
conventional. It is also used to reset option signalling.
•Operator selectable tone (Conventional format)
This key switches the pre-set decode QT/DQT and en-
code QT/DQT to OST (Operator Selectable Tone) tone pair.
Press this key, the transceiver enters to OST select
mode. In this mode, the display shows “OFF” and the op-
erator can select one of the OST tone pair using the group
up/down key. The display shows “TONE**” and tone
pair No. ** is selected.
Press OST key again, the transceiver exits from the OST
select mode, and returns to the group/channel mode with
the handset indicator ( ). The handset indicator ( ) means
that the OST tone pair is selected. OST tone pair number or
OFF can be memorized for each channel.
16 kinds of tone pair for OST can be programmed by
KPG-49D. OST is useful to access the repeater with same
radio frequency and different tone (QT/DQT).
•Public address
Public address amplifies the microphone audio, and out-
puts it through a PA speaker. PA is activated by pressing
this key. A confirmation tone sounds, and the display shows
“PUBLIC ADRS”. PA can be activated at anytime (scanning
or non-scanning).
The RADIO continues to scan & receive calls while in PA
mode. Pressing PTT activates PA, and will override an in-
coming call at anytime; however, no RADIO transmission
takes place.
If this key is pressed again, a confirmation tone will
sound, the display will return to the normal channel or SCAN
display, and the PA function will turn off.
•Redial
If you press this key when the system/group (Trunking
format) or group/channel (Conventional format) is displayed,
the last transmitted DTMF code will appear on the display.
Pressing the PTT switch at this time will transmit the dis-
played DTMF code.
•Scan
Press this key starts scanning. Pressing this key stops
scanning.
•Scan del/add
1) Trunking format
Used to select whether system scan routines are used
during system scan. Each pressing of the key (to ON)
toggles between lockout and lock. The scan routine is
started when on lock. The DEL indicator flashes when the
system is on lockout.
2) Conventional format
This key switches the currently displayed channel be-
tween “Delete” and “Add”.
The “Add” channel contained in the scan sequence, and
“Delete” channel is not contained. In the scan mode, this
key switches the channnel delete or add temporarily.
•Scan temporary delete (Trunking format)
This key is temporarily deleted a system being scanned.
If you press this key when scan is stopped (when a call is
being received from another station), the system is tempo-
rarily deleted and scanning restarts.
This key operates even when “Scan Type” is set to “List
Type System Scan”.
•Scrambler
If a scrambler code (1 to 16) has been set in the FPU, an
underscore (“_”) appears at the extreme right of the LCD
display when scrambler is active. Pressing this key changes
on/off of scramble operation. Press this key for 2 seconds
to enter scrambler code selection mode.
•Send GPS (Optional)
Pressing this key causes the transceiver to send a single
GPS data. (GPS receiver must be installed.)
•System up/down (Trunking format)
When the key is pressed each time, the system number
to be selected is incremented/decremented and repeats if
held for one second or longer.
•Talk around (Conventional format)
Press this key, the transceiver uses the receive fre-
quency and the tone for transmission.
The operator can call the other party directory (without
repeater). Press this key again, the talk around function
goes off.
•Telephone disconnect (Trunking format)
Pressing this key ends an RIC connection (disconnects
the telephone line).
•Volume up/down
When the key is pressed, the volume level is increased/
decreased and repeats if held for 200ms or longer.
•None
Sounds error operation beep, and no action will occur.
Use this function when the transceiver is required to be
more simple operated.
OPERATING FEATURES

6
TK-880/H
2-3. Front Panel Displays and Indicators
1Sub display
Displays the system, channel and group numbers. Also
displays various functions, such as TA.
2P (Priority) indicator
The P indicator ( ) appears when a selected channel is
programmed as priority, in conventional operation.
3MON (Monitor) indicator
The MON indicator appears when the button pro-
grammed as MONITOR is pressed.
4SVC (Service) indictor
This icon is not used this transceiver.
5SCN (Scan) indicator
The SCN indicator appears when using scan mode.
6AUX (Auxiliary) indicator
appears when the auxiliary function is activated (ON) by
pressing the AUX-A key.
OPERATING FEATURES
7Handset indicator
The handset indicator ( ) appears when the selected
group is programmed as telephone IDs (Trunking format).
In conventional format, the handset indicator ( ) appears
when the OST tone pair is selected.
8MAIL indicator
Flashes when a status message (FleetSync™) is re-
ceived. Lights when a status message is stored in the stack
memory.
9Alphanumeric display
The twelve-character dot matrix alphanumeric display
shows the system/group numbers. You can program sys-
tem/group names with up to ten characters in place of these
numbers. The left display is used as a delete indicator ( )
and the right is used for the selective call (*) or scrambler
(_) function. The delete indicator shows the systems
locked out of the scanning sequence. Selective call and
scrambler are optional functions that can be programmed.
Dispalys received messages when using FleetSync™.
10 A,B,C,D key
These keys are programmable function (PF) keys.
MODULAR
MIC JACK MONITOR SCAN
POWER
BUSY/
TX LED VOLUME
UP
VOLUME
DOWN
SYSTEM UP
(Trunking Format)
GROUP UP
(Conventional Format)
SYSTEM DOWN
(Trunking Format)
GROUP DOWN
(Conventional Format)
12 3
10
9
4 5 6 7 8
3. Scan Operating
3-1. Trunking Format
■System scan
System scan can be selected with the “Scan” key by pro-
gramming the scan feature. When the “Scan” key is
pressed and the “SCN” mark appears, scan mode in en-
tered. Scanning starts from the system following the cur-
rently displayed system. When a call is received, scanning
stops, and the system and group are displayed.
When programming key is touched during scanning, the
scan stops and the revert system or group can be changed.
Scanning resumes one second after the key is released.
There are two types of system scan.
•Fix system scan
All the set systems except locked-out ones are scanned.
If the Del/Add feature is assigned to the programmable key,
it can be controlled from the front panel.
•List type system scan
A scan list can be set for each system.
The list to be scanned can be changed by changing the
display system.
If many systems have been set, the scan speed can be
increased by narrowing the systems to be scanned with
scan lists.
Fig. 1

7
TK-880/H
■System lockout
The system lockout feature is used to lock systems out
of the scan sequence, and can be selected by programming
in the following two ways;
•Fixed lockout
The system to be locked out is selected by programming.
When a locked system is selected, the Delete ( ) indicator
appears on the left of the SYSTEM indicator. The revert sys-
tem is scanned even if it is locked out. If there is a locked
system, the Delete ( ) indicator flashes during fixed scan-
ning.
•User selectable lockout
If the scan lockout feature is programmed to a key, the
user can lock systems out of the scan sequence with the
key. To lock a system out of the scan sequence, press the
key when the system is displayed. The Delete ( ) indicator
is displayed on the left of the SYSTEM indicator.
To unlock a system, select the system and press the key.
The Delete ( ) indicator disappears to indicate that the sys-
tem has returned to the scan sequence. The revert system
is scanned even if it is locked out. If there a locked system,
the Delete ( ) indicator flashes during fixed scanning. If all
systems are locked out, the scan stops and only the revert
system is received.
■Drop-out delay time (Scan resume time)
If a call is received during scan, the scan stops. The scan
resume time can be programmed as 0 to 300 seconds in
one-second increments. The default value is 3 seconds.
■Dwell time
The dwell time is the time after transmission ends until
the scan resumes in scan mode. It can be set 0 to 300 sec-
onds by programming. The default value is 3 seconds.
■System/group revert
System/group revert can be programmed for one of the
following;
•Last called revert
The system or group changes to the revert system or
group when a call is received with the system or group be-
ing scanned.
•Last used revert
If a system/group call is received during scanning and the
PTT button is pressed for transmission and response within
the drop out delay time, the system or group is assigned as
the new revert system or group.
•Selected revert
If the system/group was changed while scanning, the
newly selected system/group.
OPERATING FEATURES
•Selected + Talkback revert
If the system/group was changed while scanning, the
newly selected system/group. The transceiver “talks back”
on the current receive group.
■Scan massage wait
The time for staying with the home repeater that re-
ceives a signal during system scan and monitoring data
messages can be programmed. If there is no signal from
the home repeater, the system is scanned for about 50ms.
If there is a signal, three data messages are monitored.
Normally, three data messages are monitored for each sys-
tem, and it can be increased in multiples of three data mes-
sages per line to up to eight lines.
If the repeater data message indicates that there is no
call, data monitoring is terminated and the home repeater of
the next system is scanned.
■Group scan operation
Group scan can be programmed for each group. In addi-
tion to the ID codes of the selected group, the ID codes of
the other groups that are permitted for group scan are de-
coded. (The two fixed ID and block decode codes are al-
ways decoded.)
If, during group scanning, a call is received with one of
the selectable group ID codes for which group scan is en-
abled, the group display indicates the group number that the
call came in with. That group then becomes the new se-
lected group. Group scan resumes after the specified drop-
out delay time or dwell time shared by the system scan
elapses.
■In conventional system
If QT or DQT is set for the channel, the channels, includ-
ing signalling, are scanned.
In case of the priority group is set in conventional sys-
tem, if a group scan (including group scan during a system
scan) temporarily stops (receiving) in a group that does not
have priority, a look back is performed to the priority group.
Look back is performed according to the look back time A
and B settings. If a call is received on the priority group,
reception immediately switches to the priority group.
3-2. Conventional Format
■Scan types
•Single group scan
You can scan all valid (ADD) channels in the displayed
group that can be selected with the group up/down key.
•Multiple group scan
You can scan all valid (ADD) channels in the all valid
(ADD) group.
8
TK-880/H
■SCAN start condition
One or more non-priority channels must be added to all
channels that can be scanned. The transceiver must be in
normal receive mode (PTT off).
When you activate the key programmed to the scan func-
tion, the scan starts. The scan icon “SCN” lights and “–
SCAN–” or revert channel (programmable) is indicated on
alphanumeric display.
■Scan stop condition
The scan stops temporarily if the following conditions are
satisfied.
1) A carrier is detected, then signalling matches on chan-
nels for which receive the signalling is set by the pro-
gramming software.
2) A carrier is detected on the channels for which receiving
signalling is not set by the programming software or
when the monitor (signalling cancel) function is activated.
■Scan channel types
1) Priority channel is the most important channel for the
scan, and always detects a signal during scan and when
the scan stops temporarily.
2) Non-priority channels detects a signal during scan. For
the channels that can be selected with the group or chan-
nel up/down key when the scan does not occur, adds an
indicator “▼” lights.
■Priority channel setting
A priority channel can be set as follows with the program-
ming software (KPG-49D).
1) Specify a priority channel as a fixed priority channel.
2) Make a selected channel, a priority channel.
■Scan type according to the priority channel
1) When no priority channel is set : Only the non-priority
channels are scanned.
If a non-priority channel stops temporarily, it stops until
there is no signal on the channel.
2) When priority channel is set : Either priority channel is
scanned.
If a non-priority channel stops temporarily, a priority chan-
nel signal is detected at certain intervals.
If a priority channel stops temporarily, it stops until there
is no signal on the priority channel.
■Revert channel
The revert channel is used to transmit during scanning
and set by the programming software (KPG-49D).
1) Priority
The transceiver reverts to the priority channel.
2) Priority + talkback
The transceiver reverts to the priority channel.
If you press PTT during a resume timer (dropout delay
time, TX dwell time) or calling, you can transmit on cur-
rent channel to answer to the call however revert channel
is set to priority channel.
After resume time, scan re-starts and transmission chan-
nel is return to priority channel.
3) Selected channel
The transceiver reverts to the channel before scanning or
the channel that you changed during scan.
4) Last called channel
The transceiver reverts to the last called channel during
the scan.
5) Last used channel
The transceiver reverts to the last used (transmitted)
channel during scan. “Last used” revert channel in-
cludes talkback function.
6) Selected + talkback
The transceiver reverts to the channel before scanning or
the channel that you changed during scan.
■Scan end
When you reactivate the key programmed to the scan
function during scan mode, the scan ends.
The scan icon “SCN” and “–SCAN–” or revert channel
(programmable) display goes off.
■Temporarily delete/add
It is possible to delete or add channel temporarily during
scan. When scan stops on unnecessary channel for ex-
ample by interference of the other party, activate the delete/
add function (for example press the key), then that channel
is deleted temporarily and scan re-start immediately.
When you would like to add the deleted channel tempo-
rarily to scan sequence, select the desired (deleted) channel
during scan, activate the delete/add function (for example
press the key) before scan re-start.
That channel is added temporarily to scan sequence. The
temporary deleted or added channels are returns to pre-set
delete/add, when the transceiver exits from scan mode.
4. Details of Features
4-1. Common Trunking format and Conventional Format
■Time-out timer
The time-out timer can be programmed in 15 seconds
increments from 15 seconds to 10 minutes. If the transmit-
ter is keyed continuously for longer than the programmed
time, the transmitter is disabled and a warning tone sounds
while the PTT button is held down. The alert tone stops
when the PTT button is released.
OPERATING FEATURES

9
TK-880/H
■Sub LCD display
You can use 3-digit the display to display the system
number, channel number or group number. It is useful
when the main (12-digit) display indicates system, group or
channel name or other functions.
■Selective call alert LED
You can select whether or not the LED on the transceiver
flashes in an orange color when selective call was occurred.
■PTT ID
PTT ID provides a DTMF or MSK (FleetSync™ : Fleet-ID)
ANI to be sent with every time PTT (beginning of transmis-
sion, end of transmission, or both).
You can program PTT ID for each group. You can pro-
gram a PTT ID as “on” or “off” when “DTMF” is selected
for the PTT ID type. You can program a PTT ID as “own”,
“sel” or “off” when “MSK” is selected for the PTT ID type.
The contents of ID are programmed for each transceiver.
The timing that the transceiver sends ID is program-
mable.
BOT : DTMF ID (BOT)/MSK ID is sent on beginning of
transmission.
EOT : DTMF ID (EOT)/MSK ID is sent on end of transmis-
sion.
Both : DTMF ID (BOT)/MSK ID is sent on beginning of
transmission and DTMF ID (EOT)/MSK ID is sent on end
of transmission.
■Radio password
When the password is set in the transceiver, user can not
use the transceiver unless enter the correct password.
This code can be up to 6 digits from 0 to 9 and input with
the key, and "S" key.
■Off hook decode
If the Off hook decode function has been enabled, re-
moving and replacing the microphone on the hook has no
effect for decoding QT/DQT and option signalling.
■Timed power off
This function works as “Automatic Power Switch Off”.
Timed power off timer starts from the ignition-off. After
the timer expires, the radio will automatically turn off. The
timer will be reset if the ignition is turned on and off.
This function requires ignition-sense. Connect the igni-
tion-line to the 9-pin connector which is located at the rear of
the radio.
After the timer expires, press the power switch to turn
on the radio.
OPERATING FEATURES
■Horn alert
In trunking format, horn alert can be set to on or off for
each group. If horn alert has been set to YES for a group and
DEC ID/QT/DQT matches, the horn alert, HOR. is turned on
and off. The group for which the optional signalling is set
works by ANDing the decode ID/QT/DQT with the optional
signalling.
In conventional format, if you are called from the base
station using 2-tone/DTMF while you are away from your
transceiver, you will be alerted by the vehicle horn or some
other type of external alert. To turn horn alert function on,
press the [Horn Alert] key.
Either continuous or non-continuous operation can be set
by the FPU. The horn alert port is enabled or disabled as
follows;
Off hook horn alert
Hook off Hook on
Enable Yes Yes
Disable No Yes
■Pulse
The horn alert port, HOR, is turned on and off as follows;
The timing when the fixed LTR ID matches is as follows
(trunking format);
■Continuous
Horn alert can be reset by setting an expiration time from
the FPU, pressing the AUX-A key, or setting off hook.
■Data TX with QT/DQT
Whether programmed QT/DQT is modulated or not with
a data transmission except for Selcall. A radio unit can re-
ceive a data message regardless of QT/DQT if the receiving
unit is not scanning.
0.5s 0.5s 0.5s 0.5s 0.5s
HOR
1s 0.5s 1s

10
TK-880/H
OPERATING FEATURES
4-2. Trunking Format
■Call indicator
The call indicator can be programmed for each group. In
trunked system, it can be set to respond to a selectable de-
code ID or one of two fixed IDs, except block IDs. When a
call is received with a selectable decode ID, the call indicator
flashes. When a call is received with a fixed ID, the call
indicator lights continuously.
On a conventional system, the call indicator can be pro-
grammed to light for each QT or DQT code. It keeps flash-
ing while a call is being received. It is turned off by pressing
any front panel key.
■Free system ringback
This feature is available only when a telephone intercon-
nected ID code is selected. If a busy tone sounds when the
PTT button is pressed, the transceiver enters this mode au-
tomatically.
When the PTT button is released, a beep sounds for
400ms to indicate that the mode has been entered. If the
scan is on, it is resumed (the "SCN" mark goes on). When
any repeater becomes available, a ringing tone sounds and
this mode ends.
The mode is terminated when the system, group, scan,
PTT, key is changed.
■System search
This feature can be programmed to automatically access
other programmed systems when the selected system can-
not be accessed. If an intercept tone sounds when the PTT
button is pressed after setting the mode, the transceiver
has entered the mode.
If the group ID is a telephone interconnect ID, the trans-
ceiver then attempts to access, in succession, other sys-
tems that have a telephone interconnect ID in the revert
group location. If the group ID is a dispatch ID, the trans-
ceiver attempts to access other systems that have a dis-
patch ID programmed in the revert group location.
If there is no system to be accessed, an intercept tone
sounds, the mode is terminated, and the transceiver returns
to the first system. If the access is successful, the mode is
terminated, and the searched system becomes the new se-
lected system (If during scanning, the scan stops).
■Transpond
This feature can be programmed to turn on and off for
each group. If the ID of the group for which transpond is
enabled is received, two data messages (transmit ID and
turn-off code) are automatically transmitted if the PTT but-
ton is not pressed as a response within the time set (0 to
300 seconds in 1-second increments). If the PTT button is
pressed within the time, the transpond is not preformed.
■Transmit inhibit
The transceiver can be programmed with a transmit in-
hibit block of ID codes. If an ID code within this block is
decoded the preset time before the PTT button is pressed,
transmission is inhibited. The BUSY indicator lights and a
busy tone sounds until the PTT button is released to indicate
that transmission is not possible (except clear-to talk mode).
Transmission with the group for which the encode ID is
not set is inhibited, and the busy tone is output while the
PTT button is held down, regardless of the clear-to talk set-
ting.
■Auto TEL
A telephone interconnect call can be made by simply
pressing the key by assigning this feature to the key. This
feature accesses the TEL channel of the available system
automatically.
When the key is pressed, a queue tone is output, and the
“AUTO TEL” appears on the alphanumeric display along
with a flashing handset indicator ( ) to indicate that this
mode has been entered. If the TEL ID is set for the revert
system, the TEL channel of that system is accessed. If all
TEL channels are busy, an attempt is made to access the
TEL channels of another system in which the TEL ID code
has been programmed. It is repeated for 60 seconds until
the access succeeds. If the access succeeds, a dial tone
returns from the repeater. If the key is pressed again when
the queue tone is sounding, this mode is canceled.
If the access fails after 60 seconds, a deny tone is output
and this mode is terminated. When the talk ends, the revert
system/group returns. When the scan mode is effective,
the scan resumes. The Auto TEL feature can be pro-
grammed to turn on or off for each system.
■ARQ mode
It affects Trunking mode only. Automatic Repeat
reQuest (ARQ) mode is a manner to minimize the air traffic
of data communication. Also, it enables to occupy the
trunking repeater channel fot the data communication pe-
riod.
4-3. Conventional Format
■“TOT” pre-alert
The transceiver has “TOT” pre-alert timer. This param-
eter selects the time at which the transceiver generates
“TOT” pre-alert tone before “TOT” is expired.
“TOT” will be expired when the selected time passes
from a TOT pre-alert tone.
■“TOT” re-key time
The transceiver has “TOT” re-key timer. This timer is the
time you can not transmit after “TOT” exceeded. After
“TOT” re-key time expired you can transmit again.

11
TK-880/H
OPERATING FEATURES
■“TOT” reset time
The transceiver has “TOT” reset timer. This timer is the
minimum wait time allowed during a transmission that will
reset the “TOT” count.
“TOT” reset time causes the “TOT” to continue even
after PTT is released unless the “TOT” reset timer has ex-
pired.
■OST (Operator Selectable Tone)
The transceiver is capable to have “OST” function and 16
tone pair (QT/DQT) with max 10-digit name for each tone
pair.
■“OST” back up
The transceiver is programmable the selected “OST”
code is memorized or not. If you set to Disable (no memo-
rized), the “OST” function always starts at “off”.
■Direct “OST”
It is possible to call “OST” number directory using key-
pad. In this case, keypad is used for “OST”, then auto
“PTT” store and send functions by keypad are not usable.
■Clear to transpond
The transceiver waits the transpond of 2-tone /DTMF if
channel is busy until channel open. This feature prevents
the interference to other party.
5. Option Signalling
5-1. DTMF/2-Tone
Built-in DTMF decoder is available for option signalling.
Built-in 2-tone decoder is available for option signalling.
It is possible to use individual call, group call, D.B.D.
(Dead Beat Disable). D.B.D. is used with DTMF only.
If the option signalling matches, a predetermined action
will occur.
If option signalling matches on a group/channel which is
set up with option signalling, the option signalling indicator
(*) will flash and option signalling will be released. The
transpond or alert tone will sound.
If the selective call alert LED is set up, the orange LED
will flash.
While option signalling matches (or if option signalling is
deactivated when you are transmitting), you can mute or
unmute ID/QT/DQT/Carrier.
■AND/OR
You can select AND or OR for option signalling match
conditions.
Alert/Transpond
AND QT/DQT/ID+DTMF (2-tone); Option matches = Action
OR QT/DQT/ID+DTMF (2-tone); Option matches = Action
AF mute open
AND QT/DQT/ID+DTMF (2-tone); Option matches = Action
OR QT/DQT/ID; Signalling only matches = Action
With OR set up, alert/transpond will not function with
only DTMF (Trunking format).
With OR set up, AF mute will not release when only
DTMF matches.
With a conventional channel not set up with QT or DQT,
only the carrier is considered when signalling matches.
■Auto Reset
If option signalling matches a group set up with option
signalling, option signalling is released. After matching op-
tion signalling, option signalling will temporarily reset auto-
matically.
■Dead Beat Disable
If the D.B.D. code matches, a predetermined action will
occur. Whether option signalling is activated or not, when
D.B.D. matches on any channel, the transceiver will become
TX inhibited or TX/RX inhibited. While D.B.D. is active, if the
D.B.D. code + “#” code is received, D.B.D. will disactivate.
When D.B.D. matches, transpond will function. Alert will
not be output, and option signalling match icon will not ap-
pear.
5-2. MSK
Built-in MSK (FleetSync™ : Fleet-ID) decoder is available
for option signalling. When the group ID/Carrier matches,
squelch remains muted while the station waits for reception
of proper MSK signal. When MSK signal matches, squelch
unmutes.
■ AND/OR
AND : QT/DQT/ID + MSK to unmute. MSK matches =
alert tone
OR : QT/DQT/ID to unmute. MSK matches = alert tone
6.
Alphanumeric Two-way Paging Function
(FleetSync™)
■General
The Alphanumeric Two-way Paging Function
(FleetSync™) is a KENWOOD proprietary protocol. It en-
ables a variety of paging functions.
■ID Construction
A radio unit ID is defined by a combination of 3-digit Fleet
and 4-digit ID numbers. Each radio unit must be assigned its
own Fleet and ID numbers.
■PTT ID
A pre-programmed unique ID (own) can be sent at the
beginning of transmission and/or the end of transmission to
identify which radio unit is on air.
When selecting (sel) for MSK ID, the radio calls the spe-
cific Fleet user the same as selective call.
12
TK-880/H
■Selective Call (SELCALL)
This is a voice call to a particular individual or group of
stations.
•Example of call types;
[100][ALL ] : <Group Call>
All the units whose fleet number is “100” are called.
[100][1000] : <Individual Call>
The unit, whose the fleet number is “100” and ID num-
ber is “1000”, is called.
[ALL][ALL ] : <Broadcast Call>
All the units are called.
[ALL][1000] : <Supervisor Call>
All ID “1000” are called regardless of their fleet number.
•Unit ID encode block
Encode ID Block can be set to limit manual dial ID. The
radio unit will not accept an ID other than these IDs which
are entered from the keypad. If Inter-fleet Call is enabled,
block ID setting affects each fleet group.
■Status Message
Using a 2-digit number, you can send and receive a Sta-
tus message which may be decided in your talk group. Each
Status may be displayed with 16 alphanumeric characters if
programmed in the radio. A maximum of 9 received mes-
sages can be stored in the stack memory, and it can be re-
viewed after reception. If the message memory becomes
full, the oldest one will be erased. The stack memory will be
cleared by turning radio power off.
•Status 80~99 (Special)
Status numbers from 80 to 99 are reserved for special
purposes. Entering these statuses from the DTMF keypad
can be inhibited.
Please notice that the following status numbers are used
for special purposes;
80~87 : Reserved for future use.
88 : Terminates to emergency mode.
89 : Request for horn alert.
90 : Remote stun on. Disable the received radio unit’s
TX.
91 : Remote stun on. Disable the received radio unit’s
TX/RX.
92 : Cancel remote stun. Enable the received radio unit’s
TX/RX.
93 : Acknowledgement status sent when the radio unit is
in stun mode (TX disabled).
94 : Acknowledgement status sent when the radio unit is
in stun mode (TX/RX disabled).
95~97 : Reserved for future use.
98 : Man down emergency status (For portable).
99 : Emergency status.
Note : Remote stun works with DTMF D.B.D. function also.
•Automatic status response
If you pre-select a status number and leave the radio in
the Status Mode, it can automatically respond with the se-
lected status number upon request from the base station.
(The request function is initiated by serial control on the
base station (Optional).)
■Short Messase (Optional)
A maximum of 48 characters can be sent (External equip-
ment is required). Received Short Messages will be dis-
played in the same manner as a Status Message. A maxi-
mum of 4 received messages can be stored in the stack
memory. In the Stack Mode, 3-digit LCD indicates the re-
ceived Short Message as “M01”~”M04".
■Long Message (Optional)
A maximum of 1024 characters can be sent (External
equipment is required). Received Long Message will not be
displayed or stacked in the radio memory but is output
through the COM (Data) port.
■Emergency Function
Emergency status 99 will be sent at the beginning of
each emergency transmission.
•Emergency status response
Either “Horn” or “Alert” can be selected for the called
radio unit’s response to reception of status 99 which is used
as an emergency status.
■Other Functions
•Manual dial
Fleet, ID and Status numbers can be entered from DTMF
keypad. (DTMF microphopne is required.)
•FleetSync™ baud rate
MSK data baud rate setting. The same rate must be set
as a communication partner.
1200bps :
Data communication is made in 1200bps. The communi-
cation area is much wider than 2400bps. Recommended
for repeater operation.
2400bps :
Data communication is made in 2400bps. The communi-
cation area is narrower than 1200bps, but it will decrease
the data traffic. Data rate 2400bps may not work prop-
erly depending on the repeater’s characteristic.
•Message mode timer
Message Mode Timer is a delay timer returning from
message/stack mode to Normal mode.
•Status/short/long message on data group/channel
Status/Short/Long Message transmission is made
whether on the Data System/Group in trunking format and
on the Data Group/Channel in conventional format.
OPERATING FEATURES
13
TK-880/H
•Status/short/unit ID message serial output
(Option)
Whether a received Status/Short message or PTT ID is
output or not from serial port.
•Caller ID display
PTT ID is displayed on LCD.
•Call alert (Continuous)
The radio can provide the alert tone repeatedly until next
operation.
•PTT ID sidetone
This function allows a single beep sound after the PTT ID
(MSK) for FleetSync™ signalling is encoded.
•Caller ID stack
The radio stores the last 3 received caller IDs to volatile
memory.
■GPS Report (Optional)
ANMEA-0183 GPS unit must be installed.
•GPS report mode
GPS data can be sent automatically or upon request.
Manually sending GPS data works regardless of this setting.
Auto : GPS data is sent both automatically and by re-
quest. GPS Auto TX Interval and GPS Time Mark must be
adjusted if required.
Poll : GPS data is sent upon request from dispatcher.
•GPS report interval
Interval time between automatic GPS data transmis-
sions.
•GPS time mark (Per mobile)
The amount of time from the 0 (zero) minute of the stan-
dardized GPS UTC time to starting the first transmission of
GPS data. It must be set to a different value for each radio
unit to avoid a transmission crash.
•Send GPS
Pressing this key causes the transceiver to send a single
GPS data.
•GPS report on data group/channel
GPS data transmission is made on the Data System/
Group in trunking format and on the Data Group/Channel in
conventional format.
•Received GPS data output
Any selected sentence can be output through the radio
serial port (COM1 or COM0).
1) MAP HEADER NMEA1 ($GPGGA), NMEA2 ($GPGLL),
NMEA3 ($GPRMC)
NMEA-0183 standard command. This should be set ac-
cording to your PC application.
2) MAP HEADER KW1 ($PKLDS)
This is a Kenwood original sentence which consists of
“$GPGLL + Fleet + ID + Status”. This item should be set
according to your PC application.
3) MAP HEADER KW2 ($PKLID)
This is a Kenwood original sentence which consists of
“Fleet + ID”. This should be set according to your PC
application.
■Parameters
•GTC count
Number of Go To data Channel messages to be sent be-
fore transmitting a data message if it is being made on Data
System/ Group. If a radio unit receives a GTC message, it
will move to the Data System/Group of the current system.
Increase this item to make sure the called radio unit moves
to the Data System/Group in trunking format and the Data
Group/Channel in conventional format.
•Random access (Contention)
When a channel (or all the repeater channels for Trunking
mode) is busy, radio unit will not transmit (depending on its
Busy Channel Lockout setting in conventional mode). As
soon as a channel is cleared, some transmissions may
crash. Random access is used to avoid this by employing a
random transmission sequence.
•Number of retries
Number of Retries is the maximum number of retry
transmission when no acknowledgement is received in the
Maximum ACK Wait Time. Increase this item to improve
data communication reliability.
•TX busy wait time
TX Busy Wait Time is the maximum amount of time be-
fore giving up the data transmission when the channel (or all
the repeater channels for Trunking mode) is busy. Also, this
timer affects if it expires during Random Access period.
•Maximum ACK wait time
Maximum ACK Wait Time is the maximum amount of
time to wait for an acknowledgement from the called radio
unit. It is used as an interval time of retries. It must be set
greater than the ACK Delay Time of the called radio unit.
OPERATING FEATURES
14
TK-880/H
•ACK delay time
ACK Delay Time is the amount of time from the end of
receiving a data to the beginning of sending an
acknowledgement. It should be adjusted as the repeater’s
hang-up delay time. Also, it must be set less than the Maxi-
mum ACK Wait Time of the calling radio unit.
•TX delay time (RX capture)
TX Delay Time is the amount of unmodulated transmis-
sion to let the called unit stop scanning or exit its battery
save mode. It is used only when starting a data communica-
tion sequence.
•Data TX modulation delay time
Data TX Modulation Delay Time is the amount of time
from the beginning of transmission to the beginning of a
data modulation. It is used every time data is transmitted.
It must be set to more than 300ms if data communication is
made in Trunking Mode.
7. Audible User Feedback Tones
The transceiver outputs various combinations of tones to
notify the user of the transceiver operating state. The main
tones are listed below.
The high tone is 1477Hz, the mid tone is 941Hz, and the
low tone is 770Hz.
■Power On Tone
This tone is output when the transceiver is turned on.
(The high tone is output for 500ms.)
■Alert Tone
This tone is output when the transceiver is TX inhibition
for TOT, battery warning and PLL unlocked. It is output until
the PTT button is released.
■DBD On Tone
When a D.B.D. code is received, transpond tone sounds.
■DBD Off Tone
When a D.B.D. release code is received, transpond tone
sounds.
■Password Agreement Tone
When the correct password is entered, the tone sounds.
The optional feature’s control tone can be set to yes or no.
■PTT Release Tone
When you release the PTT switch, the PTT release tone
sounds.
■Busy Tone
Sounds in LTR mode, when you cannot use a repeater
(system busy or TX inhibit). Sounds in conventional mode,
when busy channel lockout is functioning. You can select
yes or no for the optional feature’s warning tone.
■Group Call Tone
Sounds when a group call with the correct DTMF/2-tone
option signalling is received, repeats 7 times. You can se-
lect yes or no for the optional feature’s warning tone.
■Individual Call Tone
Sounds when an individual call with the correct DTMF/2-
tone option signalling is received. You can select yes or no
for the optional feature’s warning tone.
■Key Press Tone [A]
Sounds when a key is pressed. For toggle keys, sounds
when toggle function is turned on (key press tone [B]
sounds when it is turned off). You can select yes or no for
the optional feature’s control tone.
■Key Press Tone [B]
Sounds when a key is pressed. For toggle keys, sounds
when the toggle function is turned off (key press tone [A]
sounds when it is turned on). You can select yes or no for
the optional feature’s control tone.
■Key Press Tone [C]
Sounds when a key is pressed. Also sounds when stor-
ing data, adding a DTMF code to memory, and when chang-
ing test mode settings. You can select yes or no for the
optional feature’s control tone.
■Key Input Error Tone
Sounds when a key is pressed but that key cannot be
used. You can select yes or no for the optional feature’s
warning tone.
■Roll Over Tone
Sounds in Trunking format at the smallest system/group.
Sounds in Conventional format at the smallest group/chan-
nel. You can select yes or no for the optional feature’s con-
trol tone.
■Transpond Tone
Sounds when an individual call with the correct LTR/
DTMF/2-tone option signalling is received. For group calls,
only the group tone will sound, not the transpond tone.
■Intercept Tone (Trunking Format)
This tone indicates that the transceiver is out of range. It
indicates that the PTT button is pressed, and transmission
has started, but the repeater cannot be connected and talk-
ing is not possible. It is output until the PTT button is re-
leased. (The mid tone and low tone are output alternately in
200ms intervals.)
OPERATING FEATURES

15
TK-880/H
■Delay Tone (Trunking Format)
This tone is output when the PTT button is pressed and
the repeater is accessed three times or more to indicate
connection with the repeater is delayed. This tone is the
same as the busy tone. (It is not output of clear to talk has
been set to yes.)
■Proceed Tone (Trunking Format)
This tone is output when the PTT button is pressed,
transmission starts, and the repeater is connected to indi-
cate that the user can talk if the clear to talk function has
been set. (The high tone is output for 100ms.)
■Queue Tone (Trunking Format)
This tone is output until the auto TEL function is set and
the TEL channel is accepted successfully. (The mid tone on
for 50ms, off for 50ms, and on for 50ms in 1 second inter-
vals.)
■Deny Tone (Trunking Format)
This tone is output if the auto TEL function is set, the
queue tone is output, but the TEL channel cannot be ac-
cessed within 60 seconds. It is similar to the intercept tone.
(The mid tone and low tone are output alternately in 150ms
intervals.)
■Free System Ringback Mode Tone, System
Search Mode Tone (Trunking Format)
This tone indicates that the transceiver is free system
ringback mode or system search mode. (The mid tone is
output for 400ms.)
■Ringing Tone (Trunking Format)
This tone indicates that the transceiver can use the re-
peater in free system ringback mode. (The mid tone and no
tone are output eight cycles alternately in 50ms intervals.)
■System Search Tone (Trunking Mode)
Sounds when the system changes during system search.
You can select yes or no for the optional feature's warning
tone.
■System Search End Tone (Trunking Mode)
Sounds when a possible connection to a repeater in sys-
tem search is not mode. You can select yes or no for the
optional feature’s warning tone.
■Pre Alert Tone (Conventional Format)
Sounds prior to the TOT TX inhibit activation. If TOT pre
alert is set, the tone sounds at the amount of time pro-
grammed, before the TOT expires (TOT time – TOT pre alert
time = Pre alert tone sounding time). You can select yes or
no for the optional feature’s warning tone.
1. Modes
User mode
Panel test mode
PC mode
Firmware program-
ming mode
Panel tuning mode
Data program-
ming mode
PC test mode PC tuning mode
Self programming mode
(Conventional format)
Clone mode
Mode Function
User mode For normal use.
Panel test mode Used by the dealer to check the funda-
ment characteristics.
Panel tuning mode Used by the dealer to tune the radio.
PC mode Used for communication between the
radio and PC (IBM compatible).
Data programming Used to read and write frequency data
mode and other features to and from the radio.
PC test mode Used to check the radio using the PC.
This feature is included in the FPU.
See panel tuning.
Firmware program- Used when changing the main program
ming mode of the flash memory.
Clone mode Used to transfer programming data from
one radio to another.
Self programming Frequency, signalling and features write
mode (Conventional to the radio.
format)
2. How to Enter Each Mode
Mode Operation
User mode Power ON
Panel test mode [A]+Power ON (Two seconds)
PC mode Received commands from PC
Panel tuning mode [Panel test mode]+[SCN]
Firmware programming mode
[SCN]+Power ON (Two seconds)
Clone mode [C]+Power ON (Two seconds)
Self programming mode [D]+Power ON (Two seconds)
(Conventional format)
3. Panel Test Mode
Setting method refer to ADJUSTMENT.
4. Panel Tuning Mode
Setting method refer to ADJUSTMENT.
OPERATING FEATURES / REALIGNMENT

16
TK-880/H
REALIGNMENT
5. PC Mode
5-1. Preface
The TK-880/880H transceiver is programmed by using a
personal computer, programming interface (KPG-46) and
programming software (KPG-49D).
The programming software can be used with an IBM PC
or compatible. Figure 1 shows the setup of an IBM PC for
programming.
5-2. Connection Procedure
1. Connect the TK-880/880H to the personal computer with
the interface cable.
2. When the Power switch on, user mode can be entered
immediately. When PC sends command the radio enter
PC mode, and “PROGRAM” is displayed on the LCD.
When data transmitting from transceiver, the red LED is
blinking.
When data receiving to transceiver, the green LED is
blinking.
Notes :
• The data stored in the personal computer must match
model type, when it is written into the flash memory.
• Change the TK-880/880H to PC mode, then attach the
interface cable.
5-3. KPG-46 Description
(PC programming interface cable : Option)
The KPG-46 is required to interface the TK-880/880H to
the computer. It has a circuit in its D-subconnector (25-pin)
case that converts the RS-232C logic level to the TTL level.
The KPG-46 connects the modular microphone jack of
the TK-880/880H to the computers RS-232C serial port.
5-4. Programming Software Description
The KPG-49D programming disk is supplied in 3-1/2" disk
format. The software on this disk allows a user to program
TK-880/880H radio via programming interface cable (KPG-
46).
Fig. 1
KPG-46
KPG-49D
TK-880/880H
IBM-PC
5-5. Programming With IBM PC
If data is transferred to the transceiver from an IBM PC
with the KPG-49D, the destination data (basic radio informa-
tion) for each set can be modified. Normally, it is not neces-
sary to modify the destination data because their values are
determined automatically when the frequency range (fre-
quency type) is set.
The values should be modified only if necessary.
Data can be programmed into the flash memory in RS-
232C format via the modular microphone jack.
KPG-49D instruction manual parts No. : B62-1096-XX.
6. Firmware Programming Mode
6-1. Preface
Flash memory is mounted on the TK-880/880H. This al-
lows the TK-880/880H to be upgraded when new features
are released in the future. (For details on how to obtain the
firmware, contact Customer Service.)
6-2. Connection Procedure
Connect the TK-880/880H to the personal computer (IBM
PC or compatible) with the interface cable (KPG-46). (Con-
nection is the same as in the PC Mode.)
6-3. Programming
1. Start up the programming software (KPG-49D), select
“firmware program” in the “Program” item, and press
the Return key on the personal computer. This starts up
the firmware programmer.
2. The top screen is displayed. Press any key to advance to
the next screen.
3. Set the communications speed (normally, 57600 bps)
and communications port in the Setup item.
4. Set the firmware to be updated by File select (=F1).
5. Turn the TK-880/880H Power ON with the [SCN] switch
held down. Hold the switch down for two seconds until
the display changes to “PROG 57600”. When “PROG
57600” appears, release your finger from the switch.
6. Check the connection between the TK-880/880H and the
personal computer, and make sure that the TK-880/880H
is in the Program mode.
7. Press F10 on the personal computer. A window opens
on the display to indicate progress of writing. When the
TK-880/880H starts to receive data, the [P] icon is blink-
ing.
8. If writing ends successfully, the LED on the TK-880/880H
lights and the checksum is displayed.
9. If you want to continue programming other TK-880/880H,
repeat steps 5 to 8.

17
TK-880/H
REALIGNMENT
Notes :
• To start the Firmware Programmer from KPG-49D, the
FPRO path must be set up by KPG-49D setup.
• This mode cannot be entered if the Firmware program-
ming mode is set to Disable in the Programming soft-
ware (KPG-49D).
• When programming the firmware, it is recommend to
copy the data from the floppy disk to your hard disk be-
fore update the radio firmware.
Directly copying from the floppy disk to the radio may not
work because the access speed is too slow.
6-4. Function
1. If you press the [MON] switch while “PROG 57600” is
displayed, the checksum is displayed. If you press the
[MON] switch again while the checksum is displayed,
“PROG 57600” is redisplayed.
2. If you press the [D] switch while “PROG 57600” is dis-
played, the display changes to “PROG 19200” to indicate
that the write speed is low speed (19200 bps). If you
press the [D] switch again while “PROG 19200” is dis-
played, the display changes to “PROG 38400”, and the
write speed becomes the middle speed (38400 bps). If
you press the [D] switch again while “PROG 38400” is
displayed, the display returns to “PROG 57600”.
Note :
Normally, write in the high-speed mode.
7. Clone Mode
Programming data can be transferred from one radio to
another by connecting them via their modular microphone
jacks. The operation is as follows (the transmit radio is the
master and the receive radio is a slave).
1. Turn the master TK-880/880H power ON with the [C] key
held down. If the password is set to the TK-880/880H,
the TK-880/880H displays “CLONE LOCK”. If the pass-
word is not set, the TK-880/880H displays “CLONE
MODE”.
2. When “CLONE LOCK” is displayed, only the [System up/
down] key (Trunking format), the [Group up/down] key
(Conventional format) and [SCN], and [0] to [9] keys can
be accepted. When you enter the correct password, and
“CLONE MODE” is displayed, the TK-880/880H can be
used as the cloning master. The following describes how
to enter the password.
3. How to enter the password with the microphone keypad.
If you press a key while “CLONE LOCK” is displayed, the
number that was pressed is displayed on the TK-880/
880H. Each press of the key shifts the display in order to
the left. When you enter the password and press the
[SCN] key, “CLONE MODE” is displayed if the entered
password is correct. If the password is incorrect,
“CLONE LOCK” is redisplayed.
How to enter the password with the [System up/down]
key (Trunking format), the [Group up/down] key (Conven-
tional format);
If the [System up/down] key (Trunking format), the
[Group up/down] key (Conventional format) is pressed
while “CLONE LOCK” is displayed, numbers (0 to 9) are
displayed flashing. When you press the [SCN] key, the
currently selected number is determined, and the display
shifts to the left. If you press the [SCN] key after entering
the password in this procedure, “CLONE MODE” is dis-
played if the entered password is correct. If the pass-
word is incorrect, “CLONE LOCK” is redisplayed.
4. Power on the slave TK-880/880H.
5. Connect the cloning cable (No. E30-3382-05) to the
modular microphone jacks on the master and slave.
6. Press the [S] key on the master while the master displays
“CLONE MODE”. The data of the master is sent to the
slave. While the slave is receiving the data, “PRO-
GRAM” is displayed. When cloning of data is completed,
the mater displays “END”, and the slave automatically
operates in the User mode. The slave can then be oper-
ated by the same program as the master.
7. The other slave can be continuously cloned. When the
[S] key on the master is pressed while the master dis-
plays “END”, the master displays “CLONE MODE”.
Carry out the operation in step 4 to 6.
Note :
Only the same models can be cloned together.
Cloning cable
(E30-3382-05)
Fig. 2

18
TK-880/H
REALIGNMENT
Fig. 3
8. Self Programming Mode
Write mode for frequency data and signalling etc. Mainly
used by the person maintaining the user equipment.
8-1. Enter to the Self Programming Mode
Delete R614 (SELF, Figure 3) in the TX-RX unit (B/2) and
turn the power switch on while pressing the [D] key. When
enter the self programming mode, “SELF PROG” is dis-
played.
Note :
This mode (self programming mode) cannot be set when
it has been disabled with the FPU.
9. Channel Setting Mode
Each channel can be setup in its action mode by using
the panel keys.
• Pressing [MON] while “SELF PROG” is displayed will
change to channel setting mode.
• Press [C] to select a setup item, then press [GRP up/
down] to change the selection.
• By pressing [B], the displayed information is stored in
memory, and the next item appears. By pressing [C], the
displayed information is not stored in memory, and the
next item appears.
• Press [MON] to return to the original display (“SELF
PROG”).
9-1. Flow Chart
Self programming
mode
[MON]
[MON] Channel setting
mode Channel selection Group selection
[B]
[D]
[D]
OFF QT
OFF
[D] [S]
[D]
DQT N DQT I
[C]
[MON]
[MON]
[MON]
[MON]
[MON]
[MON]
[MON]
[MON]
[MON]
RX frequency
[B]/[C]
[B]/[C]
[B]/[C]
[B]/[C]
[B]/[C]
[B]/[C]
[B]/[C]
[B]/[C]
[B]/[C]
RX signalling
TX freuency
TX signalling
Scan delete/add
Busy channel
lockout yes/no
RF power high/low
Beat shift yes/no
Wide/Narrow
[D]
[D]
OFF QT
OFF
[D] [S]
[D]
DQT N DQT I
The setup items fro channel setting mode are listed be-
low.
Setup function Display Remarks
(3 character)
Channel selection
CH or GRP
RX frequency RXF [D] : Switches frequency on/off
[A] : Changes the step value
between 5kHz, 6.25kHz, 7.5kHz,
and 1MHz
RX signalling RXS [D] : Switches between off, QT,
and DQT.
[A] : Switches between 1 step
and standard
[SCN] : Switches between DQT
normal and invert
TX frequency TXF Same as RX frequency
TX signalling TXS Same as RX signalling
Scan del/add SCN Delete/Add
Busy channel lockout
BSY Yes/No
RF power PWR High/Low
Beat shift SFT Yes/No
Wide/Narrow W/N Wide/Narrow
IC512
IC511
R614
TX-RX unit (B/2)
Foil side

19
TK-880/H
REALIGNMENT
10. Function Setting Mode
All channels can be set up together in the action mode by
using the panel keys.
• Pressing [D] while “SELF PROG” is displayed will change
to function setting mode.
• Press [C] to select a setup item, then press [GRP up/
down] to change selection.
• By pressing [B], the displayed information is stored in
memory and the next item appears. By pressing [C], the
displayed information is not stored and the next item ap-
pears.
• Press [D] to return to the original display (“SELF PROG”).
The setup items for function setting mode are listed be-
low.
Setup function Display Remarks
(3 character)
[A] A Various key functions
[B] B Various key functions
[C] C Various key functions
[D] D Various key functions
[SCN] SCN Various key functions
[MON] MON Various key functions
[FOOT] FSW Various key functions
[Grp Up] UP Various key functions
[Grp Down] DN Various key functions
[Vol Up] V UP Various key functions
[Vol Down] V DN Various key functions
T.O.T TOT All TOT settings are turned on
or off.
On : TOT [60s]/Pre-alert [10s]/
Rekey time [5s]/Reset time [5s]
Off : TOT [600s]/Pre-alert [Off]/
Rekey time [Off]/Reset time [Off]
Beep BEP All beep settings are turned on
or off.
On : Power on tone [On]/Control
tone [On]/Warning tone [On]
Off : Power on tone [Off]/Control
tone [Off]/Warning tone [Off]
Off hook decode H_D Enable/Disable
Off hook scan H_S Enable/Disable
Off hook horn alert
H_H Enable/Disable
Self programming mode
[D]
Function setting mode
[A] key function
[B]/[C]
[B]/[C]
[B]/[C]
[B]/[C]
[B]/[C]
[B]/[C]
[B]/[C]
[B]/[C]
[B]/[C]
[B]/[C]
[B]/[C]
[B]/[C]
[B]/[C]
[B]/[C]
[B]/[C]
[B]/[C]
[B] key function
[C] key function
[D] key function
[SCN] key function
[MON] key function
[FOOT] key function
[Grp Up] key function
[Grp Down] key function
[Vol Up] key function
[Vol Down] key function
T.O.T on/off
Beep on/off
Off hook decode enable/disable
Off hook scan enable/disable
Off hook horn alert enable/disable
[D]
[D]
[D]
[D]
[D]
[D]
[D]
[D]
[D]
[D]
[D]
[D]
[D]
[D]
[D]
[D]
10-1. Flow Chart
11. Memory Reset Mode
You can clear all settings you made in self programming
mode, or you can return to the original display.
• Press [SCN] while “SELF PROG” is displayed will change
the display to “CLEAR NO?”.
• Press [GRP up/down] to change the display between
“CLEAR NO?” and “CLEAR YES?”.
• When “CLEAR YES?” is displayed, pressing [SCN] will
set all data to default, and “ALL CLEAR” will appear on
the display. Press [SCN] again to display “SELF PROG”.
• When “CLEAR NO?” is displayed, pressing [SCN] will
cancel the reset, and “SELF PROG” will be displayed.

20
TK-880/H
INSTALLATION
1. Accessory Connection Cable
(KCT-19 : Option)
The KCT-19 is an accessory connection cable for con-
necting external equipment. The connector has 15 pins and
the necessary signal lines are selected for use.
1-1. Installing the KCT-19 in the transceiver
1. Remove the upper and lower halves of the transceiver
case, and lift the DC cord bushing (
1
) from the chassis.
2. Remove the pad as shown in Figure 1 (
2
).
3. Insert the KCT-19 cable (
3
) into the chassis (
4
).
The wire harness band (
5
) must be inside the chassis.
4. Replace the DC cord bushing (
6
).
5. Connect the KCT-19 to the TX-RX unit (A/2) as shown in
Figure 2 (
7
).
6. Connect the KCT-19 to the external accessory by insert-
ing the crimp terminal (
8
) into the square plug (
9
),
both of which are supplied with the KCT-19.
1
3
13
15 12
Crimp terminal
(E23-0613-05)
B
E
C
B
D
CN6
CN2
CN4
CN3
D
E
B
C
A
Contact
Square plug
(E09-1571-05)
3
4
6
7
8
9
5
CN1
1
2
Fig. 1
Fig. 2
1-2. KCT-19 Accessory Port Function
No. (A)
No. (B,C,D,E)
Name Function
Note
1 D-2 AHK External hook input *1
BUSY System busy output
2 D-5 ME Microphone ground *1
AM Speaker audio mute input
3 D-3 IGN Ignition sense input
4 D-1 DEO Receiver detector output
5 D-6 MI External microphone input *1
TXS Transmitter sense output
6 B-2 E Ground
7 B-3 SB Switched B+, DC 13.6V output.
Maximum 0.75A
8 D-7 PTT External PTT input, active low.
During DTC is low, it works as
DATA PTT.
9 D-4 DI Data modulation input
10 B-1 HOR Horn alert/call output
11 D-8 SQ
Squelch detect output (Conventional)/
Logic squelch output (LTR).
12 C-1 SP Speaker audio output.
13 E-1
CN2
LOK Link complete pulse output. *1
and *2
CN4
CN2
AM Speaker mute input.
14 E-2
CN4
RXD Serial control data input *2
CN2
MM MIC mute input, active high.
15 E-3
CN4
TXD Serial control data output. *2
CN2
DTC Data control channel signal input,
*1 Data channel : Low
LOK Link complete pulse output..
TXS Transmitter sense output,
Active high
FSW Foot switch input, active low
Note
*1 : The functions of A-1, A-2, A-5, A-13 (when connector E is con-
nected to CN2), and A-15 (when connector E is connected to
CN2) are changed as described in the jumper chart.
*2 : The functions of A-13, A-14 and A-15 are changed if the con-
nector E is connected to CN2 or CN4 of the radio.
No. CN2 CN4
E-1 LOK/AM LOK
E-2 MM RXD
E-3 LOK/DTC/TXS/FSW TXD
· Connect CN6 of the radio to connector C of the KCT-19 instead of
to the internal speaker connector, if use external speaker.

21
TK-880/H
R6
R5
R84
R12
R167
R24
R94
R168
R13
R51
R18
R64
INSTALLATION
1-3. Data Equipment Connection
The jumpers must be set to either one for each function.
Otherwise, the radio will not work properly.
AHK/BUSY
R64 (0Ω) R18 (0Ω) Function
Yes No BUSY System busy output indicates if no
repeater channel is available in the
currently selected LTR system
when PTT is pressed, active low
: Default
No Yes AHK MIC hook input.
ME/AM
R12 (0Ω)
R167 (0Ω)
Function
Yes No AM Speaker mute input, active high
: Default
No Yes ME MIC ground.
MI/TXS
R94 (0Ω) R24 (0Ω) Function
Yes No TXS Transmitter sense output, active
high : Default
No Yes MI Internal MIC input.
LOK/AM
R5 (0Ω) R6 (0Ω) Function
Yes No AM Audio mute signal input.
No Yes LOK
Link complete pulse output : Default
DTC/LOK/TXS/FSW
R168 R84 R51 R13 Function
(0Ω)(0Ω)(0Ω)(0Ω)
No No No Yes LOK Link complete pulse output.
Yes No No No DTC Data control channel signal input,
Data channel : low (Default)
No No Yes No TXS Transmitter sense output,
active high
No Yes No No FSW Foot switch input, active low
TX-RX unit (A/2)
Foil side view
2. Accessory Terminal
2-1. Terminal Function
Connector
Pin Pin I/O Function
No. No. name
CN1 1 DEO O Detect signal output. (Output level :
(DO) 250mVrms; standard modulation)
2 AHK I External hook signal input.
(AH) “COM2” port must be select “AUX
HOOK/PTT” / “DATA PTT” function
in the KPG-49D.
On hook : L, Off hook : H
BUSY O System busy signal output for
trunking system. No vacant repeater
: L, Vacant repeater : H
RXD2 I Serial data input 2.
“COM2” port must be select
“REM” / “DATA” / “DATA+GPS”
function in the KPG-49D.
3
IGN (IG)
I Ignition input for KCT-18.
4 DI I External modulation signal input.
5 ME – MIC earth.
AM I Audio mute signal input.
6 MI I Internal MIC input.
TXS O Signal indicating whether the
transceiver is transmitting or not.
TX : H, Another : L
7 PTT I External PTT signal input.
(PT) “COM2” port must be select
“AUX HOOK/PTT” / “DATA PTT”
function in the KPG-49D.
TX : L, Another : H
TXD2 O Serial data output 2.
“COM2” port must be select
“REM” / “DATA” / “DATA+GPS”
function in the KPG-49D.
TX-RX unit (A/2)
Component side view
Note : The following parts are not installed at the time of
shipping; R5,R13,R18,R24,R51,R84,R167

22
TK-880/H
INSTALLATION
Connector
Pin Pin I/O Function
No. No. name
8 SQ O Squelch signal output. Signal logic
type can select “Carrier operate
relay” or “Tone operate relay”.
Active logic level or type can select
in the KPG-49D.
CN2 1 AM I Audio mute signal input.
LOK O Access logic signal output. Active
level or type can be selectable in the
KPG-49D.
2 MM I MIC mute input.
3 DTC I Data control channel signal input.
Data channel : L, Normal channel : H
TXS O Signal indicating whether the trans-
ceiver is transmitting or not.
TX : H, Another : L
FSW I Foot switch signal input.
Foot sw on : L, Foot sw off : H
LOK O Access logic signal output.
Active level or type can be
selectable in the KPG-49D.
CN3 1 HOR O Horn alert signal output. Signal
output for horn relay drive (open
collector). L level during horn drive :
Max. sink current 100mA.
2 E – Earth.
3 SB O Power output after power switch
(DC 13.6V±15%, 0.75A max.).
CN4 1 LOK O Access logic signal output.
Active level or type can be
selectable in the KPG-49D.
2 RXD1 I Serial data input 1.
“COM1” port must be select “REM”
/ “DATA” / “GPS” / “DATA+GPS”
function in the KPG-49D.
3 TXD1 O Serial data output 1.
“COM1” port must be select “REM”
/ “DATA” / “GPS” / “DATA+GPS”
function in the KPG-49D.
CN5 1 PA O Relay for PA function in KAP-1
control signal. PA on : H, PA off : L
2 SPO O Audio signal input from KAP-1.
3 SPI I Audio signal output to KAP-1.
CN6 1 SP O Output for internal/external speaker.
2 E – Earth.
3. Optional Board Terminal
Terminal is for mounting the option board are provided at
the TX-RX unit (A/2) and TX-RX unit (B/2). The table below
shows the correspondence between the board and termi-
nals. Disconnect R529 and R571 in TX-RX unit (B/2) when
the scrambler board is attached.
The table below shown the differences between the
schematic terminals and the PC board terminals.
Schematic diagram PC board view
Name I/O Function Name Unit
SB – Switched B+, DC 13.6V SB
TX-RX (A/2)
output. Maximum 0.75A
5C – 5C 5C
TX-RX (A/2)
GND – Earth E
TX-RX (A/2)
DEO O Detect signal output (Output DEO
TX-RX (A/2)
level : 250mVrms; standard
modulation)
RXAI I RX audio input RXAI
TX-RX (B/2)
RXAO O RX audio output RXAO
TX-RX (B/2)
TXAI I TX audio input TXAI
TX-RX (B/2)
TXAO O TX audio output TXAO
TX-RX (B/2)
LOK O Access logic signal output. LOK
TX-RX (A/2)
Active level or type can be
selectable in the KPG-49D.
OPT O Option board select. Please OP
TX-RX (A/2)
(EMG) select option board type in the
KPG-49D.
OP1 O Option code 1 (for voice C1
TX-RX (A/2)
scrambler code 1)
OP2 O Option code 1 (for voice C2
TX-RX (A/2)
scrambler code 2)
OP3 O Option code 1 (for voice C3
TX-RX (A/2)
scrambler code 3)
OP4 O Option code 1 (for voice C4
TX-RX (A/2)
scrambler code 4)
SQ O Squelch signal output. Signal SQ
TX-RX (A/2)
logic type can select “Carrier
operate relay” or “Tone operate
relay”. Active logic level or type
can select in the KPG-49D.
TXD1 O Serial data output 1 TD1
TX-RX (A/2)
RXD1 I Serial data input 1 RD1
TX-RX (A/2)
TXD2 O Serial data output 2 TD2
TX-RX (A/2)
RXD2 I Serial data input 2 RD2
TX-RX (A/2)
RSSI O
Receive signal strength indication
RSSI
TX-RX (A/2)
PTT I PTT PTT
TX-RX (B/2)
MPTT I MIC PTT MPTT
TX-RX (B/2)
FSW I Foot switch input FW
TX-RX (A/2)
ST I Side-tone input ST
TX-RX (A/2)

23
TK-880/H
ST
RSSI
SB
E
LOK
C3
C1
C2
FW
OP
SQ
C45C
RD2
RD1
TD2
TD1
DEO
R571
R529
MPTT
PTT
RXAI
RXAO
TXAI
TXAO
TX-RX unit (A/2)
Foil side view
INSTALLATION
4. Ignition Sense Cable (KCT-18 : Option)
The KCT-18 is an optional cable for enabling the ignition
function. The ignition function lets you turn the power to the
transceiver on and off with the car ignition key.
If you use the Horn Alert function or the Manual Relay
function, you can turn the function off while driving with the
ignition key.
4-1. Connecting the KCT-18 to the Transceiver
1. Install the KCT-19 in the transceiver. (See the KCT-19
section.)
2. Insert the KCT-18 lead terminal (
2
) into pin 3 of the
square plug (
1
) supplied with the KCT-19, then insert
the square plug into the KCT-19 connector (
3
).
1
3
6
13
15
KCT-18
KCT-19
Contact
3
2
1
Fig. 3
4-2. Modifying the Transceiver
Modify the transceiver as follows to turn the power or
the Horn Alert or Manual Relay function on and off with the
ignition key.
1. Remove the lower half of the transceiver case.
2. Set jumper resistors (0Ω) R151 and R152 of the TX-RX
unit (A/2) as shown in Table 1.
Operation when KCT-18 isconnected R151 R152
KCT-18 cannot be connected Enable Enable
Power on/off and Horn Alert or Disable Enable
AUX-A on/off
Horn Alert or AUX-A on/off, Timed power off
Enable Disable
Power cannot be turned on Disable Disable
Table 1 R151 and R152 setup chart
TX-RX UNIT
(A/2)
ANT
KCT-19 CN7
R151
R152
Fig. 4
TX-RX unit (B/2)
Foil side view
TX-RX unit (A/2)
Component side view

24
TK-880/H
INSTALLATION
5. Connection Cable (KCT-29 : Option)
The KCT-29 connection cable kit is used to connect the
TK-880/880H transceiver to the KPG-1A Modem GPS Re-
ceiver or the KPG-1B Modem GPS Controller.
5-1. Installing the KCT-29 in the transceiver
1. Remove the upper cover from the transceiver.
2. Lift the DC cord bushing (
1
) from the chassis.
3. Remove the pad as shown in Figure 5 (
2
).
4. Insert the KCT-29 cable (
3
) into the chassis (
4
). The
wire harness band (
5
) must be inside the chassis.
5. Replace the DC cord bushing (
6
).
6. Connect the KCT-29 to the TX-RX unit (A/2) as shown in
Figure 6 (
7
).
KCT-29
B
D
C
CN2
CN3
CN4
C
D
B
A
3
4
6
7
5
CN1
B
1
2
Fig. 5
Fig. 6
6. Interface Cable (KCT-31 : Option)
The KCT-31 is a RS-232C interface cable for LMR mobile
radios, TK-880/880H.
The 9-pin (D-sub) connector is connected to an external
RS-232C terminal. The other end of the cable is connected
to the internal connector of LMR mobile radio.
Note : You cannot write a firmware with the KCT-31.
6-1. Features
• This KCT-31 has a RS-232C-TTL level interface circuit.
• This KCT-31 does not require an external power supply.
• This KCT-31 can be used up to 9600 bps.
• Compatible with an ER terminal of DTE that has the volt-
age 6V or more.
6-2. Terminal function (D-sub connector)
Pin No. I/O Port name Function
1 I CD Carrier detect
2 I RD Receive data
3 O SD Transmit data
4 O ER Data terminal ready
5 – SG Signal ground
6 I DR Data set ready
7 O RS Request to send
8 I CS Clear to send
9 – CI Ring indicator
15
69

25
TK-880/H
INSTALLATION
Red
Black
Yellow
Green
A
B
C
ABC
COM1 No Yes Yes
COM2 Yes Yes No
2. Make sure the unit’s power is turned off.
3. Remove the upper case of the transceiver and lift the DC
cable bushing (
1
) from the chassis.
4. Remove the pad as shown in Figure 8 (
2
).
5. Insert the KCT-31 cable (
3
) into the chassis (
4
).
The write retaining band (
5
) must be inside the chassis.
6. Replace the DC cable bushing (
6
).
7. Connect the KCT-31 to the TX-RX unit (A/2) as shown in
Figure 9 (
7
).
8. Replace the upper case.
1
2
A
B
3
4
6
5
CN6
CN1
CN2
CN4
CN3
A
B
7
CN6
CN1
CN2
CN4
CN3
B
C
When the COM2 is used.When the COM1 is used.
6-3. Installing the KCT-31 in the transceiver
Note :
When the COM1 is used, A connector is unused.
When the COM2 is used, C connector is unused.
1. Bind the unused connecor to the cable with a retaining
band as shown.
When the COM1 is used. When the COM2 is used.
Red
Black
Yellow
Green
A
B
C
Fig. 7
Fig. 8
Fig. 9
Note :
· The modification must be applied to the TK-880/880H
transceivers with a serial number of 30200000 or smaller
when using a COM2 port. Replace the 47kΩ (R675) chip
resistor on the TX-RX unit (B/2) with a 4.7kΩ resistor.
Original New
47kΩ (RK73GB1J473J) →4.7kΩ (RK73GB1J472J)
· Enable the serial port function on the terminal.
· Refer to the service manual of each radio or the help file
that came with the FPU (Field Programming Unit) for de-
tails.

26
TK-880/H
INSTALLATION
4
3
2
1
W1
W2
CN1
CN2
KCT-19
Cushion
(G13-1710-04)
CN3
CN5
1
CN3
Fig. 10
7. PA/HA Unit (KAP-1 : Option)
7-1. Installing the KAP-1 in the Transceiver
The Horn Alert (max. 2A drive) and Public Address func-
tions are enabled by inserting the KAP-1 W1 (3P; white/
black/red) into CN3 on the TX-RX unit (A/2), inserting W2
(3P; green) into CN5 on the TX-RX unit (A/2), and connecting
the KCT-19 (option) to CN2 and CN3 of the KAP-1.
•Installation procedure
1. Open the upper case of the transceiver.
2. Insert the two cables (
1
) with connectors from the
KAP-1 switch unit into the connectors on the transceiver.
3. Secure the switch unit board to the chassis with a screw
(
3
). The notch (
2
) in the board must be placed at the
front left side.
4. Attach the cushion on the top of the KAP-1 switch unit.
8. Fitting the Control Panel Upside Down
The TK-880/880H control panel can be fitted upside
down, so the transceiver can be mounted with its internal
speaker (in the upper half of the case) facing down in your
car.
1. Remove the control panel and the TX-RX unit (B/2) con-
trol section. (Fig. 11)
Fig. 11
2. Fold the flat cable (
1
) in the opposite direction (
2
).
3. Rotate the control section (
3
) 180 degrees (
4
).
4. Insert the flat cable into the control section connector,
CN502 (
5
).
5. Mount the control section on the transceiver (
6
).
CN502
1
2
3
4
5
6
Fig. 12

27
TK-880/H
INSTALLATION
9. External Speaker
9-1. KES-3 : Option
The KES-3 is an external speaker for the 3.5-mm-diam-
eter speaker jack.
•Connection procedure
1. Connect the KES-3 to the 3.5-mm-diameter speaker jack
on the rear of the transceiver.
KES-3
Fig. 14
9-2. KES-4 : Option
The KES-4 is an external speaker used with the acces-
sory connection cable.
•Connection procedure
1. Install the KCT-19 in the transceiver. (See the KCT-19
section.)
2. Insert the crimp terminal into the square plug supplied
with the KCT-19.
3. Connect CN5 of the transceiver to connector C of the
KCT-19 instead of to the internal speaker connector.
KES-4
1
36
13
15
12
Crimp terminal
(E23-0613-05)
Black lead
Black/White lead
Fig. 15
6. Rotate the control panel 180 degrees and mount it on the
transceiver. Refit the two halves of the case to complete
installation. (Fig. 13)
Fig. 13
Note : When installing KES-4, you must use an optional
cable, KCT-19. Do not connect the KES-4 to 3.5mm
speaker jack. The performance may be degrade.

28
TK-880/H
Frequency Configuration
The TX-RX unit (A/2) incorporates a VCO, based on a frac-
tional N type PLL synthesizer system, that allows a channel
step of 5, 6.25kHz to be selected. The incoming signal from
the antenna is mixed with a first local oscillation frequency
to produce a first intermediate frequency of 44.85MHz.
The signal is then mixed with a second local oscillation
frequency of 44.395MHz to produce a second intermediate
frequency of 455kHz. This is called a double-conversion
system. The TX-RX unit (A/2) contains a wide/narrow MCF
and CFs. The transmit signal is produced by the PLL circuit
for direction oscillation and division. The signal output from
the VCO is amplified by a straight amplifier and transmitted.
Fig. 1 Frequency configuration
Receiver System
■Outline
The incoming signal from the antenna passes through a
low-pass filter and a transmission/reception selection diode
switch (TK-880 : D209, D210, D211, TK-880H : D402, D210,
D211) and goes to the front end of the receiver. The front-
end filter is a variable BPF consisting of two two-pole helical
resonators and eight varicap diodes (K3,HK3 : D203~D206,
D212~D215, K,K2,HK,HK2 : D203~D206) to eliminate un-
wanted out-of-band signal components. The low-noise am-
plifier (LNA) (Q201) uses a bipolar transistor to achieve wide-
band and low-distortion amplification.
The signal passes through a BPF and is down-converted
with the first local signal by IC200, then converted to the
first IF signal of 44.85MHz. The first local signal passes
through an LPF and an attenuator to eliminate unwanted
harmonics components and implement the optimum input
level to the mixer, then enters IC200. A DBM is used as a
mixer to achieve a high potential.
The signal output from the mixer is amplified by an inter-
mediate frequency amplifier and input to two MCFs (XF1).
The signal is amplified by another intermediate amplifier and
goes to the FM IF IC (IC11). The first intermediate fre-
quency signal is mixed with the second local signal of
44.395MHz to produce the second IF signal of 455kHz.
The unwanted near-by signal components are then elimi-
nated by a wide ceramic filter (CF1) or a narrow ceramic fil-
ter (CF2) and the resulting signal goes back to the FM IF IC.
The signal is quadrature-detected in the IC to produce an
audio signal, which is amplified by a DET amplifier (IC2) and
output to the TX-RX unit (B/2).
■Wide/Narrow Changeover Circuit
The W/N port (pin 11) of the shift register (IC7) is used to
switch between ceramic filters. When the W/N port is high,
Q24 turns on and the ceramic filter SW diode (D22, D23)
CF1 turns on to receive a Wide signal. At the same time,
Q16 turns on and one of the filters is selected so that the
wide and narrow audio output levels are equal.
When the W/N port is low, Q23 turns on and the ceramic
filter SW diode (D22, D23) CF2 turns on to receive a Narrow
signal.
Fig. 2 Receiver system
Fig. 3 Wide/Narrow changeover circuit
CIRCUIT DESCRIPTION
ANT
SW
RX
AMP
1st
MIX
TX
AMP
POWER
AMP
CF 455kHz
(Wide)
CF 455kHz
(Narrow)
MCF
44.85MHz
+–MIX/IF/DET
405.15~
445.15MHz : K,HK
440.15~
467.15MHz : K2,HK2
355.15~
385.15MHz : K3,HK3
PLL/VCO
VCXO
16.8MHz
450~490MHz : K,HK
485~512MHz : K2,HK2
400~430MHz : K3,HK3
450~490MHz : K,HK
485~512MHz : K2,HK2
400~430MHz : K3,HK3
44.395MHz
AFO
MD
MB
LPF
ANT
L203
BPF
L207
BPF
Q201
AMP
Q15
AMP
IC2
AMP
IC200
MIX
XF1
BPF
D402,211
D209,210
ANT
SW +–
Q203
AMP
CF1/
CF2
IC11
MIX,IF,DET
X2
2nd
local OSC
1st local
OSC (HT)
DEO
CF1
(Wide)
CF2
(Narrow)
IFI
MXO
IC11
IF system
AFO
DET
OUT
C107
C100
C108
R114
R123
R133
R126 R125
R130
R131
+
+
Q16
DM
Q32 R121
W/N
IC7 11pin
Wide : H
Narrow : L
C118
D22 D23
Q23
5C
Q24
Wide : L
Narrow : H

29
TK-880/H
■AF Signal System
The detection signal (DEO) from the TX-RX unit (A/2)
goes to the audio processor (IC504) of the TX-RX unit (B/2).
The signal passes through a filter in the audio processor to
adjust the gain, and is output to IC502. IC502 sums the AF
signal and the DTMF signal and returns the resulting signal
to the TX-RX unit (A/2). The signal (AFO) sent to the TX-RX
unit (A/2) is input to the D/A converter (IC5). The AFO out-
put level is adjusted by the D/A converter. The signal output
from the D/A converter is added with the BEEP signal (BPO)
and the resulting signal is input to the audio power amplifier
(IC10). The AF signal from IC10 switches between the inter-
nal speaker and speaker jack (J1) output.
■Squelch Circuit
The detection output from the FM IF IC (IC11) is ampli-
fied by IC2 and the signal (DEO) is sent to the TX-RX unit (B/
2). The signal passes through a high-pass filter and a noise
amplifier (Q503) in the TX-RX unit (B/2) to detect noise. A
voltage is applied to the CPU (IC511). The CPU controls
squelch according to the voltage (ASQ) level. The signal
from the RSSI pin of IC11 is monitored. The electric field
strength of the receive signal can be known before the ASQ
voltage is input to the CPU, and the scan stop speed is im-
proved.
Transmitter System
■Outline
The transmitter circuit produces and amplifies the de-
sired frequency directly. It FM-modulates the carrier signal
by means of a varicap diode.
■VCO/PLL Circuit
The TK-880/880H has a VCO for the transmitter and a
VCO for the receiver in a sub-unit (A1). They are housed in a
solid shielded case and connected to the TX-RX unit (A/2)
through CN101. One of the VCOs is selected with an ST
signal. A filtered low-noise power supply is used for the
VCOs and varicap diodes.
The VCO for the transmitter is described below. It is de-
signed so that Q103 turns on with a prescribed frequency
when a reverse bias is applied to D102 and D104 by using
the control voltage (CV) through CN101. The control voltage
is changed by turning the trimmer capacitor (TC109). The
output from Q103 is applied to the buffer amplifier (Q106) to
generate a VCO output signal. This signal is used as a drive
input signal or a local signal of the first mixer. Since a signal
output from Q106 is input to the PLL IC, it passes through
CN101 and buffer amplifier (Q300) and goes to the PLL IC
(IC300). The modulation signal from CN101 is applied to
D105 and passes through C112 and C113 to modulate the
carrier.
The PLL IC uses a fractional N type synthesizer to im-
prove the C/N ratio and lock-up speed. The VCO output sig-
nal input to the pin 5 of the PLL IC is divided to produce a
comparison frequency according to a channel step. This sig-
nal is compared with the reference frequency which is out-
put from the VCXO (X1). VCXO provides 16.8MHz, 2.5ppm
(–30 to +60°C) and guarantees stable performance when
the temperature changes. The output signal from the phase
comparator passes through a charge pump in the PLL IC and
an external active LPF (Q301, Q302) to generate a DC VCO
control voltage CV. Serial data (DT, CK, EP) are output from
the CPU (IC511) and shift register (IC8) in the TX-RX unit (B/
2) to control the PLL IC. The PLL lock status is always moni-
tored by the CPU.
FIg. 4 AF signal system
IC2
AMP
IC503
AMP
Q503
NOISE AMP
D509IC11 IC511
DEO
RSSI
HPF DET
CPU
IF
SYSTEM
TX-RX UNIT (B/2)
Fig. 5 Squelch circuit
Fig. 6 Transmitter system
CIRCUIT DESCRIPTION
IC504 IC3 Q103IC711MIC
AF AMP
TA75S01F
MIC KEY
INPUT
AF AMP,
IDC, LPF
TC35453F
IC511
CPU
30622M8A
-***GP
SUM AMP
TA75W558FU
X1
VCXO
16.8MHz
VCO
2SK508NV
(K53)
IC300
PLL
SA7025DK
Q106
RF AMP
2SC4226
(R24)
Q300
BUFFER
2SC4215
(Y)
Q202
RF AMP
2SC4093
(R27)
Q204
RF AMP
2SC3357
Q205
ANT
RF AMP
2SC2954
: K,K2,K3
2SC3357
: HK,HK2,HK3
IC400
POWER AMP
S-AU27AM(K3) : K
S-AU27AH(K3) : K2
S-AU27AL(K3) : K3
M68769H : HK
M68769SH : HK2
M68769L : HK3
Q7
BUFFER
2SC5110
(O)
AUDIO
PROCE.
SUM
AMP
D/A
CONV.
IC504 IC504 IC5
AF PA
IC10 SP
DTMF BPO
AFO
DEO
TX-RX UNIT (B/2)

30
TK-880/H
■Unlock Circuit
During reception, the TR signal goes high, the KEY signal
goes low, and Q10 turns on. Q11 turns on and a voltage is
applied to the collector (8R). During transmission, the TR
signal goes low, the KEY signal goes high and Q13 turns on.
Q12 turns on and a voltage is applied to 8T.
The CPU in the TX-RX unit (B/2) monitors the PLL (IC300)
LD signal directly. When the PLL is unlocked during trans-
mission, the PLL LD signal goes low. The CPU detects this
signal and makes the KEY signal low. When the KEY signal
goes low, no voltage is applied to 8T, and no signal is trans-
mitted.
Q17 turns the PC signal on or off using 8T so that the
circuit works only during transmission. With stability at low
power in mind, Q29 turns off to optimize the detection volt-
age.
The APC circuit is configured to protect overcurrent of
the power module due to fluctuations of the load at the an-
tenna end and to stabilize transmission output at voltage
and temperature variations.
Control Circuit
The CPU carries out the following tasks:
1) Controls the shift register (IC7, IC8, IC508) AF MUTE,
WIDE/NARROW, T/R KEY outputs.
2) Adjusts the AF signal level of the audio processor (IC504)
and turns the filter select compounder on or off.
3) Controls the DTMF decoder (IC507).
4) Controls the LCD assembly display data.
5) Controls the PLL (IC300).
6) Controls the D/A converter (IC5) and adjusts the volume,
modulation and transmission power.
IC508
SHIFT
REG.
IC511
CPU
Q10
SW
Q11
SW
IC300
PLL
Q13
SW
Q12
SW
LD
TX-RX UNIT (B/2)
TR
8C
8R 8T
KEY
PLL lock
: LD “H”
Fig. 7 Unlock circuit
■Power Amplifier Circuit
The transmit output signal from the VCO is amplified to a
specified level of the power module (IC400) by the drive
block (Q202, Q204, Q205). The amplified signal passes
through the transmission/reception selection diode (D209)
and goes to a low-pass filter. The low-pass filter removes
unwanted high-frequency harmonic components, and the
resulting signal is goes the antenna terminal.
■APC Circuit
The automatic transmission power control (APC) circuit
detects part of a power module output with a diode (D27,
D30) and applies a voltage to Q21. Q21 compares the APC
control voltage (PC) generated by the D/A converter (IC5)
and DC amplifier (IC6) with the detection output voltage to
control Q19 and Q20, generates DB voltage from B voltage,
and stabilizes transmission output.
Fig. 8 APC circuit
IC5
D/A
converter
IC300
PLL
IC7
Shift
register
IC8
Shift
register
IC508
Shift
register
DT
RFCK
ES
EN
OE
CS
CK
DT
ACK
SD
CP
EP
AFCLR
AFMSKE
AFDAT
AFRDT
AFTRD
AFRTM
AFSTB
IC504
Audio
processor
IC507
DTMF
DECO.
IC511
CPU
TX-RX UNIT (A/2)
LCD ASSY
Fig. 9 Control circuit
■Memory Circuit
The transceiver has a 2M-bit (256k x 8) flash ROM
(IC510) and an 8k-bit EEPROM (IC512). The flash ROM con-
tains firmware programs, data and user data which is pro-
grammed with the FPU. The EEPROM contains adjustment
data. The CPU (IC511) controls the flash ROM through an
external address bus and an external data bus. The CPU
controls the EEPROM through two serial data lines.
SCL
SDA
IC511
CPU
ADDRESS BUS
DATA BUS
IC510
FLASH
ROM
IC512
EEPROM
Fig. 10 Memory circuit
CIRCUIT DESCRIPTION
RF
AMP
Q202,204
RF
AMP
Q205
POWER
AMP
IC400
APC
DRIVER
Q19
DB
+B
VR1
Q20
PRI
DRIVER
DC
AMP
IC6
PC
SW
Q17
ANT
SW
D209
LPF
ANT
Q29
POWER
DET
D27,30
Q21
APC
CONTROL
H/L
SW
H/L
IC7 5pin
25W (High power)
: “H”
8T
(TX : 8V)
TX :
PC SW ON
D15
PC
IC5
23pin
(K2,K3,HK2)
D401
HK,HK2,HK3
TEMP
PROTECT

31
TK-880/H
■Display Circuit
The CPU (IC511) controls the shift register (IC508) and
display LEDs. When the LG line goes high when the trans-
ceiver is busy, Q508 turns on and the green LED on D511
lights. In transmit mode, the LR line goes high, Q509 turns
on and the red light lights. Backlighting LEDs for the key
operation unit (D512~D517) and LCD are provided.
When the KBLC line goes high, Q512 turns on, then
Q513 turns on, and the key illumination LED lights. A volt-
age is applied to the LEDA line to turn on the LCD backlight.
■Key Matrix Circuit
The TK-880/880H front panel has ten keys. Each of them
is connected to a cross point of a matrix of the KEY1 to KEY7
ports of the microprocessor. The KEY5 to KEY7 ports are
always high, while the KEY1 to KEY4 ports are always low.
The microprocessor monitors the status of the KEY1 to
KEY7 ports. If the state of one of the ports changes, the
microprocessor assumes that the key at the matrix point
corresponding to that port has been pressed. Unused
points (KEY1 to KEY7) are also used for foot switch (FSW)
input.
Q512
SW
Q508
SW
Q509
SW
Q513
SW
KBLC
LG
LR
IC508
Shift
register
D511
GRN
RED
D512~517
LEDA
Fig. 11 Display circuit
MO is summed with the external pin DI line by the sum-
ming amplifier (IC3) and the resulting signal goes to the D/A
converter (IC5). The D/A converter (IC5) adjusts the MO
level and the balance between the MO and TO levels. Part
of a TO signal is summed with an output signal from pin 3
(MO) of IC5 and the resulting signal goes to the MD pin of
the VCO. This signal is applied to a varicap diode in the VCO
for direct FM modulation.
IC511
CPU
KEY7
KEY6
KEY5
KEY4
KEY3
KEY2
KEY1
MONI A
D SCAN SYS
DOWN
SYS
UP
BC
VOL
UP
VOL
DOWN
FSW
Q511
Fig. 12 Key matrix circuit
■Encode
The QT, DQT, and LTR signals are output from LSDO of
the CPU (IC511) and go to the D/A converter (IC5) of the TX-
RX unit (A/2). The DTMF signal is output from HSDO of the
CPU and goes to the audio processor (IC504). An MSK sig-
nal is output from the audio processor according to the data
(AFDAT) from the CPU. The signal is summed with a MIC/
MSK signal by the audio processor (IC504), and the resulting
signal passes through an analog switch (IC506) and goes to
the TX-RX unit (A/2) (MO).
X1
VCXO
IC5
D/A
A1
VCO
IC3
SUM
AMP
IC506
Analog
SW
IC504
Audio
processor
IC300
PLL
MB
MD
MO
TO
HT
DI
MIC
TX-RX UNIT (A/2)
AFDAT
LSDO
HSDO
IC511
CPU
■Decode
The signal (DEO) detected by the TX-RX unit (A/2) passes
through two low-pass filters of IC501, goes to LSDI of the
CPU (IC511) to decode QT, DQT, and LTR. The DTMF signal
is decoded by a dedicated IC (IC507) and the resulting signal
is sent to the CPU (IC511) as serial data (STD).
IC511
CPU
IC501(2/2)
LPF
IC501(1/2)
LPF
LSDI
IC507
DTMF
DECO.
STD
DEO
■D/A Converter
The D/A converter (IC5) is used to adjust TONE and MO
modulation, beep, AF volume, TV voltage, FC reference volt-
age, and PC POWER CONTROL voltage level.
Adjustment values are sent from the CPU as serial data.
The D/A converter has a resolution of 256 and the following
relationship is valid:
D/A output = (Vin – VDAref) / 256 x n + VDAref
Vin: Analog input
VDAref: D/A reference voltage
n: Serial data value from the microprocessor (CPU)
CIRCUIT DESCRIPTION
Fig. 13 Encode
Fig. 14 Decode

32
TK-880/H
CIRCUIT DESCRIPTION
■Horn Control
The horn switch, consisting of Q4, Q5, and Q6, controls
the horn relay. It is supplied by the dealer to provide the
external horn alert function.
Q5 disables horn alert, turning on when its base is high,
to inhibit the function. Normally, the output from IC7 is low,
and Q6 is off; the base of Q4 is about 0V and Q4 is off.
When horn alert is enabled, the output from IC7 goes high
and Q6 turns on. The base current flows through R58 to Q4
to turn Q4 on. Q4 can sink a maximum of 100mA. If the
operational KAP-1 is used, it can drive up to 2A.
■PA Switch
If the optional KAP-1 is used, the PA (Public Address)
function becomes available. In this case, the signal flow
changes as follows;
“PA2” Q507 SW.A SW.B SW.D Public address
L L L H H OFF
HHH L L ON
Power Supply Circuit
When the POWER switch on the TX-RX unit (B/2) is
pressed, the PSW signal goes low. This signal is inverted by
Q26 and sent to a flip-flop IC (IC15). This IC outputs a con-
trol signal when the PSW goes low. When the power turns
on, pin 1 of IC15 outputs a low signal and Q30 turns on. The
base of Q28 goes high, Q28 turns on, SB SW (Q27) turns on
and power (SB) is supplied to the set.
This circuit has an over-voltage protection circuit. If a DC
voltage of 20 V or higher is applied to the power cable, D34
turns on and a voltage is applied to the base of Q31. This
voltage turns Q31 on and turns Q28 and SBSW off. This
circuit has a TIMED POWER OFF (TOF) function which can
be programmed by software.
It is controlled through pin 6 of IC7. When the TOF line
goes high, Q22 turns on and then Q25 turns on. Pin 6 of
IC15 goes high, then pin 1 goes high to turn Q27 off.
Q27
SW
Q28
SW
Q30
SW Q25
SW
Q22
SW
Q26
INV.
IC15
F. F.
Q31
SW
D24
SW
R152
R151
IGN
SB +B
PSW
TOF
IC7
6pin
Fig. 17 Power supply circuit
Fig. 15 Horn control
Fig. 16 PA switch
8C HOR
D7
Q4
Q6
R58
Q5
R2 R50
R152
+B
IC7
Shift
register
HNC
IGN
SW.D
SW.B
SW.A
TXOUT
MSKGS
RXIN
IC504
Audio
processor
RXOUT
IC506
Analog
SW
MO
47K
Q507
5C
“PA2”

33
TK-880/H
SEMICONDUCTOR DATA
■Terminal function
Pin No. Name I/O Function
1 LSDOUT O Low speed data output.
2 HSDOUT O High speed data output.
3 HSDIN I High speed data input.
4 DTMSTD I DTMF decode IC data detect input.
5 SELF I Self programming mode input.
6 BYTE I +5V.
7 CNVSS I GND.
8 SFTOE O Shift register output enable.
9 LCDCS O LCD driver chip select output.
10 RESET I Microcomputer reset input.
11 XOUT – 9.8304MHz (System clock).
12 VSS – GND.
13 XIN – 9.8304MHz (System clock).
14 VCC – +5V.
15 IGN I Ignition input.
16 AFTRD I MSK modulation data output timing
pulse input.
17 AFRTM I MSK demodulation data input tim-
ing pulse input.
18 MICDAT O MIC key data output.
19 CP O PLL IC clock output.
20 BEEP O Beep data output.
21 AFRDT I MSK demodulation data input.
22 AFREG1 O
AF IC register switching data output 1.
23 AFREG2 O
AF IC register switching data output 2.
24 EEPDAT O EEPROM data output.
25 EN O D/A converter IC data strobe output.
26 AFCLR O MSK flame reset output.
27 RXCOM2 I External hook input / External serial
interface input.
28 TXCOM2 I/O External PTT input / External serial
interface output.
29 TXCOM1 O External serial interface output.
30 RXCOM1 I External serial interface input.
31 LD I PLL unlock detect input.
32 AFMSKE O MSK modulation enable.
(Enable active “H”)
33 TXD O Serial interface output.
34 HOOK I Hook input / Serial interface input.
35 AFDAT O MSK data output.
Pin No. Name I/O Function
36 RFCLK O
Common clock output. (TX-RX unit A/2)
37 RDY – Not used.
38 ALE – Not used.
39 HOLD – Not used.
40 HLDA – Not used.
41 BLCK – Not used.
42 RD – Flash memory RD bus.
43 BHE – Not used.
44 WR – Flash memory WR bus.
45 DTMCLK O DTMF decode IC clock output.
46 CNTCLK O
Common clock output. (TX-RX unit B/2)
47 EP O PLL IC data strobe output.
48 CSO O Flash memory chip enable.
49 A19 – Not used.
50~59 A18~A9 – Flash memory address bus.
60 VCC – +5V.
61 A8 – Flash memory address bus.
62 VSS – GND.
63~70 A7~A0 – Flash memory address bus.
71~74 KEY1~KEY4 I/O Key matrix data input/output 1~4.
75 MINDAT O Common data output.
76~78 KEY5~KEY7 I Key matrix data input 5~7.
79~86 D7~D0 – Flash memory data bus.
87 DTMDAT I DTMF decode IC data input.
88 AUXDTC I External DTC input.
89 MICBLC O MIC back light control output.
90 POWSW I Power switch input.
91 ANLSQL I Squelch level input.
92 PTT I PTT switch input.
93 RSSI I Received signal strength indicator
input.
94 AVSS – GND.
95 LSDIN I Low speed data input.
96 VREF – +5V.
97 AVCC – +5V.
98 ES1 O Shift register data strobe output.
(TX-RX unit B/2)
99 ES2 O Shift register data strobe output.
(TX-RX unit A/2)
100 AFSTB O AF IC data strobe output.
Microprocessor : 30622M8A-4F9GP (TX-RX Unit (B/2) IC511)

34
TK-880/H
SEMICONDUCTOR DATA
Shift Register : BU4094BCFV
■Terminal function (TX-RX unit (B/2) IC508)
Pin No.
Port Name Function
1 ES ES1 Strobe
2 DT DAT Data
3 CK Clock
4 Q1 LEDR Red LED. H : ON, L : OFF
5 Q2 LEDG Green LED. H : ON, L : OFF
6 Q3 KEYBLT Key back light. H : ON, L : OFF
7 Q4 MMUTE MIC mute. H: Mute, L : Unmute
8 VSS GND
9NC
10 NC
11 Q8 PA2 Public address 2. H : ON, L : OFF
12 Q7 BSHIFT Beat shift. H : ON, L : OFF
13 Q6 KEY TX power switching. H : TX, L : RX
14 Q5 T/R TX/RX switching. H : RX, L : TX
15 OE Output enable
16 VDC +5V
■Terminal function (TX-RX unit (A/2) IC8)
Pin No.
Port Name Function
1 STB ES Strobe
2 SI DT DATA
3 CLK CK Clock
4 Q1 AM1 Audio mute 1. H : Mute, L : Unmute
5 Q2 LOK Link complete.
(Programmable active H/L)
6 Q3 STR VCO shift switching. H : TX, L : RX
7 Q4 DM Dead mute. H : RX, L : TX
8 VSS GND
9 QS IC7 data output
10 NC
11 Q8 SQ External squelch.
(Programmable active H/L)
12 Q7 CODE2 Option board data 2. H : ON, L : OFF
13 Q6 CODE1 Option board data 1. H : ON, L : OFF
14 Q5 OPT Option board control.
H : ON, L : OFF / Auxiliary B.
(Programmable active H/L)
15 OE Output
16 VDC +5V.
■Terminal function (TX-RX unit (A/2) IC7)
Pin No.
Port Name Function
1 STB ES Strobe
2 SI DT Data
3 CLK CK Clock
4 Q1 HORN Horn alert. H : ON, L : OFF /
Auxiliary A. H : ON, L : OFF
5Q2HL
RF power switching. H : High, L : Low
6 Q3 TIMOFF Timed power off. H : Power off
7 Q4 CODE3 Option board data 1. H : ON, L : OFF
8 VSS GND
9NC
10 NC
11 Q8 W/N Wide/Narrow switching.
H : Wide, L : Narrow
12 Q7 BUSY Trunked system busy.
H : Not busy, L : Busy
13 Q6 PA1 Public address 1. H : ON, L : OFF
14 Q5 CODE4 Option board data 1. H : ON, L : OFF
15 OE Output enable
16 VDC +5V

35
TK-880/H
DESCRIPTION OF COMPONENTS
TX-RX Unit (X57-6450-XX) (A/2)
-10 : K -11 : K2 -12 : K3 -13 : HK -14 : HK2 -15 : HK3
Ref. No. Use / Function Operation / Condition
IC1 DC amp FC, TCXO control
IC2 DET amp External DEO, internal DEO
IC3
Amp/Summing amp
DI / DI and MO addtion
IC4 Analog switch DI switch
IC5 A/D converter PC, TV, FC, AFO, BEEP, TO, MO
control
IC6 DC amp PC, TV
IC7 Shift register HNC, H/L, TOF, CODE3, CODE4,
PA, BUSY, W/N control
IC8 Shift register AM, LOK, STR, DM, OPT, CODE1,
CODE2, SQ control
IC9 5V AVR External 5C
IC10 AF power amp
IC11 FM IF DET Quadrature detector, 2nd mixer,
OSC, IF amplifier, RSSI
IC12 5V AVR 5C
IC13 9V AVR 9C
IC14 8V AVR 8C
IC15 Flip-flop Power control
IC200 Mixer DBM
IC300 PLL Reference 16.8MHz.
PLL lock : LD “H”
IC400 Power module RF power 25W
IC401 TX power amp
Q1 DC switch R17 connection and, PTT “H” time
DI off
Q2 Ripple filter 8CL
Q3 Ripple filter 9CL
Q4 HOR switch IGN
Q5 HOR SW control IGN
Q6 HOR SW control HNC “H” time on
Q7 Buffer amp HT
Q8 AF mute AM “H” time on
Q9 AF mute Power off time on
Q10 8R SW control TR “H” time on
Q11 8R switch Q10 on time on
Q12 8T switch Q13 on time on
Q13 8T SW control KEY “H” time on
Q15 IF amp 44.85MHz
Q16 AF switch Wide time on
Q17 PC switch TX (8T) time on
Q18 DET mute KEY “H” time on
Q19 APC APC driver
Ref. No. Use / Function Operation / Condition
Q20 APC APC pre-driver
Q21 APC control
Q22 TOF switch TOF “H” time on
Q23 W/N switch Wide time off
Q24 W/N switch Wide time on
Q25 TOF switch Q22 on time on
Q26 Inverter Power switch “L” time on
Q27 SB switch Q28 on time on
Q28 SB SW control Q30 on and Q31 off time on
Q29 H/L switch High power time “H”
Q30 SB SW control Power on time on
Q31 SB SW control DC 20V and over time on
Q32 DET mute TX time on
Q201 RF amp Low noise amplifier
Q202 RF amp TX drive first
Q203 Pre IF amp 44.85MHz
Q204 RF amp TX drive
Q205 RF amp TX drive last
Q300 Buffer amp PLL
Q301,302
Active filter
Q401 Short protection
Q402 W/N switch Wide time off
Q403 W/N switch Wide time on
D1~6 Protection
D7 HOR protection
D8,9 Protection
D11 AF mute
D12~14 Protection
D16
Reverse protection
D17 Protection
D20
Reverse protection
IGN
D21 Protection 5V (IGN)
D22,23 W/N CF change
D24 Over current
protection
D26
Reverse protection
D27 Power detection
D28 Protection
D30 Power detection
D31
Reverse protection
D32 Surge absorption B
D34 Protection DC 20V and over time on
D35 Charge DEO
D37
Reverse protection
D40,41 RF switch

36
TK-880/H
Ref. No. Use / Function Operation / Condition
D200 Over voltage
protection
D203~206
Vari-cap tune
D207
Usable temperature
range
D209 ANT swtich TX time on
D210,211
ANT switch
D212~215
Vari-cap tune
D401
Temperature protection
D402 ANT switch TX time on
D406
Temperature protection
TX-RX Unit (X57-6450-XX) (B/2)
-10 : K -11 : K2 -12 : K3 -13 : HK -14 : HK2 -15 : HK3
Ref. No. Use / Function Operation / Condition
IC501
LPF, amplification
LSD
IC502 Amplification AF, HSD
IC503
Reference voltage/
ASQ
Buffer amp
IC504 Audio processor Compander, MIC amplifier, ALC,
Modem, AF filter, IDC
IC506 Analog switch MO, DEO, EMG, MI switch
IC507 DTMF decoder DTMF detection
IC508 Shift register LR, LG, KBLC, MM1, T/R, KEY,
BSFT, PA2 output
IC509 Reset Power on time “L” output
IC510 Flash ROM
IC511 CPU
IC512 EEPROM
IC513 5V AVR 5C (TX-RX unit B/2)
IC710 Buffer amp HSD
IC711 Buffer amp MIC
Q501 MIC mute
MM “H” and MM1 “H” time mute on
Q502 AF mute KEY “H” time mute on
Q503 Noise amp
Q507 Inverter PA2 H/L switch
Q508 LED switch
LG “H” time on, Busy time green on
Q509 LED switch LR “H” time on, TX time red on
Q510
Clock switch shift
BSFT “H” time clock shift on
Q511 FSW swtich FSW “L” time foot switch on
Q512
Key backlight switch
KBLC “H” time on
Q513
Key backlight switch
KBLC “H” time key backlight on
Q515
Keybacklight switch
DESCRIPTION OF COMPONENTS
Ref. No. Use / Function Operation / Condition
D501 Surge absorption BLC
D502 Over current PSB
protection
D503 Surge absorption CM
D504 Surge absorption PTT/TXD
D505 Surge absorption HOOK/RXD
D507 MIC mute MM/MM1
D508 Limiter MIC
D509 Limiter ASQ
D510 Reverse current C575 charge
protection
D511 BUSY/TX LED Busy time green on, TX time red on
D512~517
Key backlight KBLC “H” time on
D518
Current regulation
Key backlight
D520 Discharge Speed up
VCO Unit (X58-4550-XX)
-10 : K,HK -11 : K2,HK2 -12 : K3,HK3
Ref. No. Use / Function Operation / Condition
Q101 Oscillator RX
Q102 Inverter TX (ST “H”) time on
Q103 Oscillator TX
Q104 TX/RX switch TX (ST “H”) time on
Q105 TX/RX switch Q102 off time on
Q106 Buffer amp
D101 RX VCO
D102 TX VCO
D103 RX VCO
D104 TX VCO
D105 Modulation

37
TK-880/H
PARTS LIST
2nd Word G H J K L
ppm/°C±30 ±60 ±120 ±250 ±500
Example : CC45TH = –470 ± 60ppm/°C
Multiplier
2nd number
1st number
2 2 0 = 22pF
CAPACITORS CC 45 TH 1H 220 J
12 3 4 56
1 = Type … ceramic, electrolytic, etc. 4 = Voltage rating
2 = Shape … round, square, ect. 5 = Value
3 = Temp. coefficient 6 = Tolerance
• Temperature coefficient
1st Word C L P R S T U
Color* Black Red Orange Yellow Green Blue Violet
ppm/°C 0 –80 –150 –220 –330 –470 –750
• Tolerance (More than 10pF)
Code C D G J K M X Z P No code
(%) ±0.25 ±0.5 ±2±5±10 ±20 +40 +80 +100 More than 10µF – 10 ~ +50
–20 –20 –0 Less than 4.7µF –10 ~ +75
• Voltage rating
ABCDEFGHJKV
0 1.0 1.25 1.6 2.0 2.5 3.15 4.0 5.0 6.3 8.0 –
1 10 12.5 16 20 25 31.5 40 50 63 80 35
2 100 125 160 200 250 315 400 500 630 800 –
3 1000 1250 1600 2000 2500 3150 4000 5000 6300 8000 –
• Chip capacitors
(EX) C C 7 3 F S L 1 H 0 0 0 J
12345 6 7
(Chip) (CH, RH, UJ, SL)
(EX) C K 7 3 F F 1 H 0 0 0 Z
12345 6 7
(Chip) (B, F)
RESISTORS
• Chip resistor (Carbon)
(EX) R D 7 3 E B 2 B 0 0 0 J
12345 6 7
(Chip) (B,F)
• Carbon resistor (Normal type)
(EX) R D 1 4 B B 2 C 0 0 0 J
12345 6 7
1 = Type … ceramic, electrolytic, etc. 5 = Voltage rating
2 = Shape … round, square, ect. 6 = Value
3 = Dimension 7 = Tolerance
4 = Temp. coefficient
• Capacitor value
010 = 1pF
100 = 10pF
101 = 100pF
102 = 1000pF = 0.001µF
103 = 0.01µF
(Less than 10pF)
Code B C D F G
(pF) ±0.1 ±0.25 ±0.5 ±1±2
1st word
2nd word
Refer to the table above.
Dimension (Chip capacitors)
Dimension code L W T
Empty 5.6 ± 0.5 5.0 ± 0.5 Less than 2.0
A 4.5 ± 0.5 3.2 ± 0.4 Less than 2.0
B 4.5 ± 0.5 2.0 ± 0.3 Less than 2.0
C 4.5 ± 0.5 1.25 ± 0.2 Less than 1.25
D 3.2 ± 0.4 2.5 ± 0.3 Less than 1.5
E 3.2 ± 0.2 1.6 ± 0.2 Less than 1.25
F 2.0 ± 0.3 1.25 ± 0.2 Less than 1.25
G 1.6 ± 0.2 0.8 ± 0.2 Less than 1.0
H 1.0 ± 0.05 0.5 ± 0.05 0.5 ± 0.05
Dimension
Dimension (Chip resistor)
Dimension code L W T
E 3.2 ± 0.2 1.6 ± 0.2 1.0
F 2.0 ± 0.3 1.25 ± 0.2 1.0
G 1.6 ± 0.2 0.8 ± 0.2 0.5 ± 0.1
H 1.0 ± 0.05 0.5 ± 0.05 0.35 ± 0.05
Rating wattage
Code Wattage Code Wattage Code Wattage
1J 1/16W 2C 1/6W 3A 1W
2A 1/10W 2E 1/4W 3D 2W
2B 1/8W 2H 1/2W
1 = Type
2 = Shape
3 = Dimension
4 = Temp. coefficient
5 = Voltage rating
6 = Value
7 = Tolerance
CC45 Color*
T
W
L

TK-880/H
PARTS LIST
38
*New Parts. indicates safety critical components.
Parts without Parts No. are not supplied.
Les articles non mentionnes dans le Parts No. ne sont pas fournis.
Teile ohne Parts No. werden nicht geliefert.
L: Scandinavia K: USA P: Canada
Y: PX (Far East, Hawaii) T: England E: Europe
Y: AAFES (Europe) X: Australia M: Other Areas
TK-880/H
TX-RX UNIT (X57-6450-XX)
New
Desti-
parts
nation
Ref. No.
Address
Parts No. Description
New
Desti-
parts
nation
Ref. No.
Address
Parts No. Description
1 1A A01-2165-13 CABINET TOP
2 2A A01-2166-13 CABINET BOTTOM
33A✽A62-0991-03 PANEL ASSY
5 1D B09-0235-05 CAP ACC
6 2B B38-0814-05 LCD ASSY
7 2D B62-1549-00 INSTRUCTION MANUAL
81C✽B72-1485-14 MODEL NAME PLATE K2
81C✽B72-1627-24 MODEL NAME PLATE HK
81C✽B72-1675-14 MODEL NAME PLATE HK2
81C✽B72-1676-24 MODEL NAME PLATE HK3
81C✽B72-2018-04 MODEL NAME PLATE K
81C✽B72-2019-04 MODEL NAME PLATE K3
10 1C E30-2145-15 ANTENNA CABLE
11 1D E30-3339-05 DC CORD ACC
12 1C E30-3340-05 DC CORD RADIO
13 2B E37-0789-05 FLAT CABLE CONT-TX/RX
14 1B E37-0790-25 LEAD WIRE WITH CONNECTOR (SP)
15 2B F12-0435-04 CONDUCTIVE SHEET K3,HK3
16 2B F20-1192-04 INSULATING SHEET
17 1D F51-0016-05 FUSE (6✽30) 10A K,K2,K3
17 1D F51-0017-05 FUSE (6✽30) 15A HK,HK2
17 1D F51-0017-05 FUSE (6✽30) 15A HK3
19 1C G02-0791-04 FLAT SPRING AF,APC,AVR
20 1B ✽G02-0841-14 FLAT SPRING
21 1B,1C G10-1221-04 FIBROUS SHEET SIDE
22 1B ✽G10-1222-14 FIBROUS SHEET UP,DOWN
23
1A,2A,2B
G10-1223-14 FIBROUS SHEET SHELD CASE
24 1C G13-1468-04 CUSHION DC CORD
-✽G13-1839-04 CUSHION SHIELD
25 1B G13-1873-04 CUSHION SP
26 2C G53-0796-04 PACKING PHONE JACK
28 3D H10-6618-12 POLYSTYRENE FOAMED FIXTURE (F) K,K2,K3
29 2E H10-6619-12 POLYSTYRENE FOAMED FIXTURE (B) K,K2,K3
29 2E H10-6628-02 POLYSTYRENE FOAMED FIXTURE (B) HK,HK2
29 2E H10-6628-02 POLYSTYRENE FOAMED FIXTURE (B) HK3
28 3D H10-6629-02 POLYSTYRENE FOAMED FIXTURE (F) HK,HK2
28 3D H10-6629-02 POLYSTYRENE FOAMED FIXTURE (F) HK3
30 1D H12-1391-03 INNER PACKING CASE
31 1D,2E H25-0720-04 PROTECTION BAG (200X350)
32 3E H52-1373-02 ITEM CARTON CASE K,K2,K3
32 3E H52-1482-02 ITEM CARTON CASE HK,HK2
32 3E H52-1482-02 ITEM CARTON CASE HK3
34 3D J19-1584-05 HOLDER ACC
35 1D J29-0627-23 BRACKET ACC
37 2B K29-5284-02 KEY TOP
A 1A,2A N33-2606-45 OVAL HEAD MACHINE SCREW
B 2C N67-3008-46 PAN HEAD SEMS SCREW W
C
1B,1C,2B
N87-2606-46 BRAZIER HEAD TAPTITE SCREW
D 2B N87-2612-46 BRAZIER HEAD TAPTITE SCREW
39 2D N99-0395-05 SCREW SET
41 1B T07-0246-05 SPEAKER
TK-880/880H 42 1D T91-0621-05 MICROPHONE
D511 B30-2151-05 LED (RED/GREEN)
D512-517 B30-2171-05 LED (D)
C1-15 CK73GB1H102K CHIP C 1000PF K
C16 C92-0507-05 CHIP-TAN 4.7UF 6.3WV
C18 C92-0507-05 CHIP-TAN 4.7UF 6.3WV
C19 CC73GCH1H100D CHIP C 10PF D
C20 CK73GB1E103K CHIP C 0.010UF K
C21,22 CK73GB1H102K CHIP C 1000PF K
C23 C92-0507-05 CHIP-TAN 4.7UF 6.3WV
C24 CK73GB1H102K CHIP C 1000PF K
C25 C92-0507-05 CHIP-TAN 4.7UF 6.3WV
C27 CK73GB1H102K CHIP C 1000PF K
C28 CC73GCH1H470J CHIP C 47PF J
C29 C92-0628-05 CHIP-TAN 10UF 10WV
C30 CK73GB1H102K CHIP C 1000PF K
C31 C92-0628-05 CHIP-TAN 10UF 10WV
C32 CC73GCH1H220J CHIP C 22PF J
C33 CK73GB1E103K CHIP C 0.010UF K
C34 C92-0694-05 CHIP-TAN 10UF 16WV
C35 CK73GB1E103K CHIP C 0.010UF K
C36 C92-0628-05 CHIP-TAN 10UF 10WV
C37 C92-1341-05 ELECTRO 100UF 16WV
C38 C92-0694-05 CHIP-TAN 10UF 16WV
C39 CK73GB1E103K CHIP C 0.010UF K
C40 CK73GB1H102K CHIP C 1000PF K
C41 C92-1341-05 ELECTRO 100UF 16WV
C42 C92-0546-05 CHIP-TAN 68UF 6.3WV
C43 CK73GB1E103K CHIP C 0.010UF K
C44 CK73GB1H102K CHIP C 1000PF K
C45 C92-0507-05 CHIP-TAN 4.7UF 6.3WV
C46 C92-0004-05 CHIP-TAN 1.0UF 16WV
C47 CK73GB1H102K CHIP C 1000PF K
C48 CK73FF1C105Z CHIP C 1.0UF Z
C49 CK73GB1H102K CHIP C 1000PF K
C51,52 CK73GB1H102K CHIP C 1000PF K
C54 CK73GB1C104K CHIP C 0.10UF K
C55 CC73GCH1H020C CHIP C 2.0PF C K,K2,HK
C55 CC73GCH1H020C CHIP C 2.0PF C HK2
C55 CC73GCH1H050C CHIP C 5.0PF C K3,HK3
C56 CK73GB1H471K CHIP C 470PF K
C57 CK73GB1E103K CHIP C 0.010UF K
C58 CC73GCH1H221J CHIP C 220PF J HK2
C58 CK73GB1H471K CHIP C 470PF K K,K2,K3
C58 CK73GB1H471K CHIP C 470PF K HK,HK3
C59 CK73GB1H102K CHIP C 1000PF K
C60 CK73GB1H471K CHIP C 470PF K
C61 CK73GB1E103K CHIP C 0.010UF K
C62 CC73GCH1H020C CHIP C 2.0PF C
TX-RX UNIT (X57-6450-XX) -10 : K -11 : K2
-12 : K3 -13 : HK -14 : HK2 -15 : HK3

TK-880/H
PARTS LIST
39
Ref. No.
Address
Parts No. Description Ref. No.
Address
Parts No. Description
New
Desti-
parts
nation
New
Desti-
parts
nation
C63 CK73FB1E103K CHIP C 0.010UF K
C64 CK73GB1E103K CHIP C 0.010UF K
C65 CK73GB1C104K CHIP C 0.10UF K
C66 CC73GCH1H470J CHIP C 47PF J
C67 CK73GB1H471K CHIP C 470PF K
C68 CK73GB1C104K CHIP C 0.10UF K
C69 CC73GCH1H060D CHIP C 6.0PF D HK
C69 CC73GCH1H151J CHIP C 150PF J K,K2,K3
C69 CC73GCH1H151J CHIP C 150PF J HK2,HK3
C70 C92-0719-05 CHIP-TAN 47UF 25WV
C71 CK73GB1C104K CHIP C 0.10UF K
C72,73 CK73GB1H102K CHIP C 1000PF K
C74 C92-0719-05 CHIP-TAN 47UF 25WV
C75 C92-0044-05 CHIP-ELE 47UF 10WV
C76 CK73GB1H102K CHIP C 1000PF K
C77 C92-0719-05 CHIP-TAN 47UF 25WV
C78 CK73GB1E103K CHIP C 0.010UF K
C79 C92-0722-05 CHIP-ELE 470UF 16WV
C80 CK73GB1C104K CHIP C 0.10UF K
C84 CC73GCH1H100D CHIP C 10PF D
C88 CK73GB1E103K CHIP C 0.010UF K
C89 CK73GB1H471K CHIP C 470PF K
C90 CK73GB1H102K CHIP C 1000PF K
C91,92 CK73GB1E103K CHIP C 0.010UF K
C93 CK73GB1H102K CHIP C 1000PF K
C94 CK73GB1H471K CHIP C 470PF K
C96 CC73GCH1H180J CHIP C 18PF J
C97 CK73GB1H102K CHIP C 1000PF K
C98 CC73GCH1H150J CHIP C 15PF J
C99 CK73GB1H102K CHIP C 1000PF K
C100 C92-0628-05 CHIP-TAN 10UF 10WV
C101 CK73GB1H102K CHIP C 1000PF K
C102 CC73GCH1H270J CHIP C 27PF J
C103 CK73GB1C104K CHIP C 0.10UF K
C104 CK73GB1E103K CHIP C 0.010UF K
C105,106 C92-0516-05 CHIP-TAN 4.7UF 16WV
C107 C92-0628-05 CHIP-TAN 10UF 10WV
C108 CK73GB1C104K CHIP C 0.10UF K
C109 CK73GB1H471K CHIP C 470PF K
C110 C92-0523-05 CHIP-ELE 10UF 16WV HK2,HK3
C111,112 CK73GB1H471K CHIP C 470PF K
C113 CK73GB1E103K CHIP C 0.010UF K
C114 C92-0543-05 CHIP-TAN 3.3UF 10WV
C115 CK73GB1H102K CHIP C 1000PF K
C116 C92-0712-05 CHIP-TAN 22UF 6.3WV
C117 CK73GB1E103K CHIP C 0.010UF K
C118 CK73GB1C104K CHIP C 0.10UF K
C119 C92-0543-05 CHIP-TAN 3.3UF 10WV
C120 CK73GB1H102K CHIP C 1000PF K
C121 C92-0628-05 CHIP-TAN 10UF 10WV
C123 CK73GB1C104K CHIP C 0.10UF K
C124 CK73FB1E103K CHIP C 0.010UF K
C125 CK73GB1H471K CHIP C 470PF K
C126 CK73GB1C104K CHIP C 0.10UF K
C127 CK73GB1E103K CHIP C 0.010UF K
C128 CK73FB1H471K CHIP C 470PF K
C129 CK73GB1E103K CHIP C 0.010UF K
C130 CK73GB1H102K CHIP C 1000PF K
C131 CK73GB1H471K CHIP C 470PF K
C132 CK73GB1C104K CHIP C 0.10UF K
C133 C92-0720-05 CHIP-ELE 100UF 25WV
C134 CK73FB1E224K CHIP C 0.22UF K
C135 CC73GCH1H221J CHIP C 220PF J HK2
C135 CK73GB1H102K CHIP C 1000PF K K,K2,K3
C135 CK73GB1H102K CHIP C 1000PF K HK,HK3
C136 CK73FB1E224K CHIP C 0.22UF K
C137 CK73GB1H471K CHIP C 470PF K
C138 CC73FCH1H0R5B CHIP C 0.5PF B
C139 CC73FCH1H020B CHIP C 2.0PF B
C140-143 CK73GB1H471K CHIP C 470PF K
C144 CK73GB1H102K CHIP C 1000PF K
C145,146 CK73GB1H471K CHIP C 470PF K
C147 CC73FCH1H0R5B CHIP C 0.5PF B
C148 CC73GCH1H221J CHIP C 220PF J HK2
C148 CK73GB1H102K CHIP C 1000PF K K,K2,K3
C148 CK73GB1H102K CHIP C 1000PF K HK,HK3
C149 CC73FCH1H020B CHIP C 2.0PF B
C150 CC73GCH1H220J CHIP C 22PF J
C151 CK73GB1H102K CHIP C 1000PF K
C152 C92-0777-05 CHIP-ELE 1000UF 25WV
C153,154 CK73GB1E103K CHIP C 0.010UF K
C155 CK73GB1H102K CHIP C 1000PF K
C156,157 CK73GB1E103K CHIP C 0.010UF K
C158,159 CC73GCH1H050C CHIP C 5.0PF C K,K2,HK
C158,159 CC73GCH1H050C CHIP C 5.0PF C HK2
C158,159 CC73GCH1H070D CHIP C 7.0PF D K3,HK3
C160 CK73GB1C104K CHIP C 0.10UF K
C161 CC73GCH1H101J CHIP C 100PF J
C162 C92-0585-05 CHIP-TAN 4.7UF 16WV
C164,165 CK73GB1H471K CHIP C 470PF K
C166 CK73GB1C104K CHIP C 0.10UF K
C167 CC73GCH1H100D CHIP C 10PF D
C173 C92-0004-05 CHIP-TAN 1.0UF 16WV K,K3
C173 C92-0513-05 CHIP-TAN 3.3UF 6.3WV K2,HK
C173 C92-0565-05 CHIP-TAN 6.8UF 10WV HK2,HK3
C174 C92-0038-05 CHIP-ELE 22UF 16WV
C175 CK73GB1H102K CHIP C 1000PF K
C178,179 CC73GCH1H220J CHIP C 22PF J
C195-198 CK73GB1H102K CHIP C 1000PF K
C200 CK73GB1H102K CHIP C 1000PF K
C201 CC73FCH1H120J CHIP C 12PF J K2,HK
C204 CK73GB1H102K CHIP C 1000PF K
C205,206 CC73GCH1H101J CHIP C 100PF J
C207 CC73GCH1H100C CHIP C 10PF C K,HK
C207 CC73GCH1H150J CHIP C 15PF J K2,K3
C207 CC73GCH1H150J CHIP C 15PF J HK2,HK3
C209 CC73GCH1H030C CHIP C 3.0PF C K2,HK2
C209 CC73GCH1H040C CHIP C 4.0PF C K,HK
C210 CC73GCH1H050C CHIP C 5.0PF C K2,HK2
C210 CC73GCH1H070D CHIP C 7.0PF D K,HK
C211,212 CK73GB1H471K CHIP C 470PF K
C213 CC73GCH1H050C CHIP C 5.0PF C K2,HK2
C213,214 CC73GCH1H070D CHIP C 7.0PF D K,HK
C214 CC73GCH1H060D CHIP C 6.0PF D K3,HK3
C214 CC73GCH1H150J CHIP C 15PF J K2,HK2
C215 CK73GB1H471K CHIP C 470PF K
C216 CK73GB1E103K CHIP C 0.010UF K
C217 CK73GB1H102K CHIP C 1000PF K
C218 CK73GB1H471K CHIP C 470PF K
C220,221 CK73GB1H471K CHIP C 470PF K
TX-RX UNIT (X57-6450-XX)

TK-880/H
PARTS LIST
40
Ref. No.
Address
Parts No. Description Ref. No.
Address
Parts No. Description
New
Desti-
parts
nation
New
Desti-
parts
nation
C222-224 CC73GCH1H070D CHIP C 7.0PF D HK
C222,223 CC73GCH1H050C CHIP C 5.0PF C K2,HK2
C222,223 CC73GCH1H070D CHIP C 7.0PF D K
C225 CC73GCH1H101J CHIP C 100PF J K,K3,HK
C225 CC73GCH1H101J CHIP C 100PF J HK3
C227 CK73GB1H471K CHIP C 470PF K
C229 CK73GB1H471K CHIP C 470PF K
C230,231 CK73GB1C104K CHIP C 0.10UF K
C233 CK73GB1E103K CHIP C 0.010UF K
C234 CC73GCH1H050C CHIP C 5.0PF C K2,HK
C234 CK73GB1H471K CHIP C 470PF K K,K3
C234 CK73GB1H471K CHIP C 470PF K HK2,HK3
C235 CC73GCH1H020C CHIP C 2.0PF C K,K3
C235 CC73GCH1H020C CHIP C 2.0PF C HK2,HK3
C236 CK73GB1H471K CHIP C 470PF K
C237 CK73GB1H103K CHIP C 0.010UF K
C239-241 CK73GB1E103K CHIP C 0.010UF K
C243 CK73GB1E103K CHIP C 0.010UF K
C244 CK73GB1H471K CHIP C 470PF K
C245 CC73GCH1H050C CHIP C 5.0PF C K,K2,HK
C245 CC73GCH1H050C CHIP C 5.0PF C HK2
C245 CC73GCH1H100D CHIP C 10PF D K3,HK3
C246 CK73GB1H471K CHIP C 470PF K HK2
C246-250 CK73GB1H471K CHIP C 470PF K K,K2,K3
C246-250 CK73GB1H471K CHIP C 470PF K HK,HK3
C247 CC73GCH1H221J CHIP C 220PF J HK2
C248-250 CK73GB1H471K CHIP C 470PF K HK2
C251 CC73GCH1H050C CHIP C 5.0PF C HK2
C251 CC73GCH1H070D CHIP C 7.0PF D K,K2,HK
C251 CC73GCH1H100D CHIP C 10PF D K3,HK3
C252 CK73GB1H471K CHIP C 470PF K
C253 CK73FF1C105Z CHIP C 1.0UF Z
C254 CC73FCH1H220J CHIP C 22PF J K,K3,HK
C254 CC73FCH1H220J CHIP C 22PF J HK2,HK3
C255,256 CK73GB1H471K CHIP C 470PF K
C257 C92-0719-05 CHIP C 47UF 25WV
C258 CK73GB1C104K CHIP C 0.10UF K
C260 CK73GB1H471K CHIP C 470PF K
C261 CK73GB1C104K CHIP C 0.10UF K
C262 C92-0719-05 CHIP C 47UF 25WV
C263 CK73GB1H471K CHIP C 470PF K
C264 CK73GB1C104K CHIP C 0.10UF K
C265 C93-0556-05 CHIP C 6.0PF D K3,HK3
C265,266 C93-0552-05 CHIP C 2.0PF C K
C266 C93-0550-05 CHIP C 1.0PF C K2
C266 C93-0552-05 CHIP C 2.0PF C HK
C267 C93-0603-05 CHIP C 1000PF K
C268 CC73FCH1H020C CHIP C 2.0PF C K2,HK2
C268 CC73FCH1H040C CHIP C 4.0PF C K,K3
C268 CC73FCH1H040C CHIP C 4.0PF C HK,HK3
C269 C93-0554-05 CHIP C 4.0PF C K2,HK2
C269 C93-0555-05 CHIP C 5.0PF C K,HK3
C269 C93-0556-05 CHIP C 6.0PF D HK
C269 C93-0557-05 CHIP C 7.0PF D K3
C270 C93-0550-05 CHIP C 1.0PF C K,K2,HK
C270 C93-0551-05 CHIP C 1.5PF C HK3
C271 C93-0553-05 CHIP C 3.0PF C HK2
C271 C93-0557-05 CHIP C 7.0PF D HK3
C272 C93-0552-05 CHIP C 2.0PF C HK2
C272 C93-0555-05 CHIP C 5.0PF C K2
C272 C93-0556-05 CHIP C 6.0PF D HK
C272 C93-0558-05 CHIP C 8.0PF D K
C272 C93-0561-05 CHIP C 12PF J K3
C273 C93-0553-05 CHIP C 3.0PF C HK
C273 C93-0554-05 CHIP C 4.0PF C K2
C273 C93-0554-05 CHIP C 4.0PF C HK2,HK3
C273 C93-0555-05 CHIP C 5.0PF C K
C273 C93-0557-05 CHIP C 7.0PF D K3
C275 CC73GCH1H040C CHIP C 4.0PF C
C277 CC73GCH1H020C CHIP C 2.0PF C K2,HK2
C277 CC73GCH1H040C CHIP C 4.0PF C K,HK
C279 CK73GB1E103K CHIP C 0.010UF K
C280 CK73GB1H102K CHIP C 1000PF K K,K2,HK
C280 CK73GB1H102K CHIP C 1000PF K HK2
C280 CK73GB1H821K CHIP C 820PF K K3,HK3
C281 CC73GCH1H020C CHIP C 2.0PF C K2,HK2
C281 CC73GCH1H030C CHIP C 3.0PF C HK
C281 CC73GCH1H040C CHIP C 4.0PF C K
C282,283 CK73GB1H471K CHIP C 470PF K
C284-286 CC73GCH1H101J CHIP C 100PF J
C287 CK73GB1H471K CHIP C 470PF K
C290 CC73GCH1H030C CHIP C 3.0PF C K2,HK2
C293-295 CC73GCH1H220J CHIP C 22PF J
C296 C92-0555-05 CHIP-TAN 0.047UF 35WV
C299 CC73FCH1H040C CHIP C 4.0PF C K2
C303 C92-0565-05 CHIP-TAN 6.8UF 10WV
C304-306 CK73GB1H102K CHIP C 1000PF K
C307 CC73GCH1H100D CHIP C 10PF D
C309 CC73GCH1H180J CHIP C 18PF J
C311 CC73GCH1H100D CHIP C 10PF D
C312 CC73GCH1H040C CHIP C 4.0PF C
C313 CK73GB1H102K CHIP C 1000PF K
C314 C92-0555-05 CHIP-TAN 0.047UF 35WV
C315 CK73GB1C104K CHIP C 0.10UF K
C316 CK73GB1A224K CHIP C 0.22UF K
C317 CK73GB1H102K CHIP C 1000PF K
C318,319 CK73GB1C104K CHIP C 0.10UF K
C320 C92-0514-05 CHIP-TAN 2.2UF 10WV
C321 CC73GCH1H060D CHIP C 6.0PF D
C322 C92-0514-05 CHIP-TAN 2.2UF 10WV
C325 C92-0002-05 CHIP-TAN 0.22UF 35WV
C326 CK73FB1C154K CHIP C 0.15UF K
C330,331 CC73GCH1H020C CHIP C 2.0PF C
C400 CC73FCH1H050C CHIP C 5.0PF C HK
C400 CC73FCH1H1R5C CHIP C 1.5PF C HK2
C414 CK73GB1H471K CHIP C 470PF K K,K3,HK
C414 CK73GB1H471K CHIP C 470PF K HK3
C416,417 CK73GB1H102K CHIP C 1000PF K HK,HK2
C416,417 CK73GB1H102K CHIP C 1000PF K HK3
C417 CK73GB1H102K CHIP C 1000PF K K,K2,K3
C418 C93-0550-05 CHIP C 1.0PF C HK
C419 CC73GCH1H220J CHIP C 22PF J
C421,422 CK73GB1H102K CHIP C 1000PF K HK,HK2
C421,422 CK73GB1H102K CHIP C 1000PF K HK3
C422 CK73GB1H102K CHIP C 1000PF K K,K2,K3
C423 C92-0628-05 CHIP-TAN 10UF 10WV
C427 C93-0554-05 CHIP C 4.0PF C HK2
C427,428 C93-0550-05 CHIP C 1.0PF C HK3
C428 C93-0550-05 CHIP C 1.0PF C HK2
C429 C92-0628-05 CHIP-TAN 10UF 10WV
TX-RX UNIT (X57-6450-XX)

TK-880/H
PARTS LIST
41
Ref. No.
Address
Parts No. Description Ref. No.
Address
Parts No. Description
New
Desti-
parts
nation
New
Desti-
parts
nation
C432 CK73FB1E103K CHIP C 0.010UF K HK,HK2
C432 CK73FB1E103K CHIP C 0.010UF K HK3
C434 CK73GB1H471K CHIP C 470PF K K,HK
C434 CK73GB1H471K CHIP C 470PF K HK3
C435 CC73FCH1H220J CHIP C 22PF J K2,K3
C435 CC73FCH1H220J CHIP C 22PF J HK3
C443-448 CC73GCH1H220J CHIP C 22PF J
C460 CK73GB1C104K CHIP C 0.10UF K
C501 CK73GB1H471K CHIP C 470PF K
C502 CC73GCH1H221J CHIP C 220PF J
C503,504 CK73GB1H471K CHIP C 470PF K
C505 CK73GB1C683K CHIP C 0.068UF K
C506 CK73GB1E123K CHIP C 0.012UF K
C508 CK73GB1C104K CHIP C 0.10UF K
C509 CK73GB1H222K CHIP C 2200PF K
C510 C92-0507-05 CHIP-TAN 4.7UF 6.3WV
C511 CK73GB1H103K CHIP C 0.010UF K
C512 CK73GB1H471K CHIP C 470PF K
C513 CK73GB1H102K CHIP C 1000PF K
C514 CK73GB1H152K CHIP C 1500PF K
C515 CK73GB1C104K CHIP C 0.10UF K
C516,517 CK73GB1H103K CHIP C 0.010UF K
C518 CK73GB1H102K CHIP C 1000PF K
C519 C92-0507-05 CHIP-TAN 4.7UF 6.3WV
C520 CC73GCH1H121J CHIP C 120PF J
C521,522 CK73GB1C104K CHIP C 0.10UF K
C523 CK73GB1H103K CHIP C 0.010UF K
C524 CK73GB1C104K CHIP C 0.10UF K
C525 CK73GB1H103K CHIP C 0.010UF K
C526 CK73GB1C104K CHIP C 0.10UF K
C527 CK73GB1C333K CHIP C 0.033UF K
C528 CK73GB1H102K CHIP C 1000PF K
C529 CK73GB1H562J CHIP C 5600PF J
C531 CK73GB1H562J CHIP C 5600PF J
C533 CK73GB1H562J CHIP C 5600PF J
C535 CK73GB1H102K CHIP C 1000PF K
C536 CC73GCH1H030C CHIP C 3.0PF C
C537 CK73GB1H272K CHIP C 2700PF K
C539 CK73GB1H272K CHIP C 2700PF K
C540 CC73GCH1H271J CHIP C 270PF J
C541 CC73GCH1H151J CHIP C 150PF J
C542 CC73GCH1H271J CHIP C 270PF J
C543 CK73GB1H272K CHIP C 2700PF K
C544 CC73GCH1H030C CHIP C 3.0PF C
C545 CK73GB1H102K CHIP C 1000PF K
C546 CK73GB1H122K CHIP C 1200PF K
C547 CK73GB1H102K CHIP C 1000PF K
C548 C92-0712-05 CHIP-TAN 22UF 6.3WV
C549,550 CK73GB1C104K CHIP C 0.10UF K
C552 CK73GB1C333K CHIP C 0.033UF K
C553 CK73GB1H472K CHIP C 4700PF K
C554-558 CK73GB1C104K CHIP C 0.10UF K
C559 CK73GB1H102K CHIP C 1000PF K
C560 C92-0507-05 CHIP-TAN 4.7UF 6.3WV
C561 CK73GB1H102K CHIP C 1000PF K
C562,563 CK73GB1H472K CHIP C 4700PF K
C564 CK73GB1E223K CHIP C 0.022UF K
C565 CK73GB1H102K CHIP C 1000PF K
C566 CC73GCH1H101J CHIP C 100PF J
C567 CK73GB1C473J CHIP C 0.047UF J
C568 C92-0712-05 CHIP-TAN 22UF 6.3WV
C569 CC73GCH1H470J CHIP C 47PF J
C570,571 CK73GB1C104K CHIP C 0.10UF K
C572 CK73FB1H563K CHIP C 0.056UF K
C574 CK73GB1C104K CHIP C 0.10UF K
C575 CK73FB1C334K CHIP C 0.33UF K
C576 CK73GB1C473K CHIP C 0.047UF K
C577 CK73GB1C104K CHIP C 0.10UF K
C578 CK73GB1H103K CHIP C 0.010UF K
C579 CK73GB1H472K CHIP C 4700PF K
C580 CK73GB1H102K CHIP C 1000PF K
C581 CK73GB1H103K CHIP C 0.010UF K
C582,583 CK73GB1C104K CHIP C 0.10UF K
C584 CK73GB1H471K CHIP C 470PF K
C592 CK73GB1C104K CHIP C 0.10UF K
C593 CK73GB1H103K CHIP C 0.010UF K
C594,595 CC73GCH1H270J CHIP C 27PF J
C596 CC73GCH1H680J CHIP C 68PF J
C597 CK73GB1H103K CHIP C 0.010UF K
C598,599 CC73GCH1H101J CHIP C 100PF J
C600,601 CK73GB1H102K CHIP C 1000PF K
C602 CK73GB1H103K CHIP C 0.010UF K
C603 CK73GB1C104K CHIP C 0.10UF K
C604 C92-0560-05 CHIP-TAN 10UF 6.3WV
C605 CK73GB1C104K CHIP C 0.10UF K
C606 CK73GB1H332K CHIP C 3300PF K
C607 CK73GB1H103K CHIP C 0.010UF K
C608 CK73GB1H392K CHIP C 3900PF K
C609,610 CK73GB1H103K CHIP C 0.010UF K
C613 C92-0606-05 CHIP-TAN 4.7UF 10WV
C614 CK73GB1H102K CHIP C 1000PF K
C616 CK73GB1H102K CHIP C 1000PF K
C617 CC73GCH1H101J CHIP C 100PF J
C620 CC73GCH1H101J CHIP C 100PF J
C622,623 CK73GB1H102K CHIP C 1000PF K
C624 CC73GCH1H101J CHIP C 100PF J
C625 CK73GB1H102K CHIP C 1000PF K
C626 CC73GCH1H101J CHIP C 100PF J
C627 CK73GB1H102K CHIP C 1000PF K
C628 CC73GCH1H101J CHIP C 100PF J
C629 CK73GB1C104K CHIP C 0.10UF K
C630 CK73GB1H102K CHIP C 1000PF K
C631-634 CC73GCH1H101J CHIP C 100PF J
C710 CK73GB1C104K CHIP C 0.10UF K
C711,712 CK73GB1H222K CHIP C 2200PF K
C713 CK73GB1H102K CHIP C 1000PF K
C714 CC73GCH1H331J CHIP C 330PF J
C715 CK73GB1H102K CHIP C 1000PF K
C718 C92-0712-05 CHIP-TAN 22UF 6.3WV
C720 CC73GCH1H470J CHIP C 47PF J
C722,723 CC73GCH1H221J CHIP C 220PF J
C726 CK73GB1C104K CHIP C 0.10UF K
C728 C92-0772-05 CHIP-TAN 10UF 6.3WV
CN1 E40-5737-05 PIN ASSY
CN2 E40-5738-05 PIN ASSY
CN3 E40-3247-05 PIN ASSY
CN4 E40-5738-05 PIN ASSY
CN5 E40-3247-05 PIN ASSY
CN6 E40-3246-05 PIN ASSY
TX-RX UNIT (X57-6450-XX)

TK-880/H
PARTS LIST
42
Ref. No.
Address
Parts No. Description Ref. No.
Address
Parts No. Description
New
Desti-
parts
nation
New
Desti-
parts
nation
CN7 E40-5982-05 FLAT CABLE CONNECTOR
CN501 E40-5823-05 FLAT CABLE CONNECTOR
CN502 E40-5982-05 FLAT CABLE CONNECTOR
J1 2C E11-0442-05 3.5D PHONE JACK (3P)
J501 1B E08-0877-05 MODULAR JACK
- J31-0543-05 COLLAR (LH-5-1.5)
CF1 L72-0372-05 CERAMIC FILTER
CF2 L72-0376-05 CERAMIC FILTER
L1 L40-1005-34 SMALL FIXED INDUCTOR (10UH)
L2 L92-0138-05 FERRITE CHIP
L3 L40-1081-44 SMALL FIXED INDUCTOR (100.0NH) K,K2,HK
L3 L40-1081-44 SMALL FIXED INDUCTOR (100.0NH) HK2
L3,4 L40-8275-44 SMALL FIXED INDUCTOR (82.0NH) K3,HK3
L4 L40-8261-44 SMALL FIXED INDUCTOR (8.2NH) HK
L4 L40-8275-44 SMALL FIXED INDUCTOR (82.0NH) K
L4 L40-8275-44 SMALL FIXED INDUCTOR (82.0NH) K2,HK2
L5 L40-1092-34 SMALL FIXED INDUCTOR
L6 L34-4459-05 COIL
L7 L40-8281-37 SMALL FIXED INDUCTOR (0.820UH)
L8 L92-0138-05 FERRITE CHIP
L9 L40-1875-44 SMALL FIXED INDUCTOR (18.0NH)
L10 L92-0191-05 FERRITE CHIP
L200 L40-1875-54 SMALL FIXED INDUCTOR (18NH) HK
L200 L40-2775-54 SMALL FIXED INDUCTOR (27NH) K2
L203 L79-1169-05 HELICAL BLOCK K2,HK2
L203 L79-1585-05 HELICAL BLOCK K,HK
L203 L79-1591-05 HELICAL BLOCK K3,HK3
L205 L40-1071-34 SMALL FIXED INDUCTOR (10NH)
L206 L40-1571-34 SMALL FIXED INDUCTOR (15NH)
L207 L79-1169-05 HELICAL BLOCK K2,HK2
L207 L79-1585-05 HELICAL BLOCK K,HK
L207 L79-1591-05 HELICAL BLOCK K3,HK3
L208 L40-2275-92 SMALL FIXED INDUCTOR (22NH) K3,HK
L208 L40-2275-92 SMALL FIXED INDUCTOR (22NH) HK3
L209 L40-6861-44 SMALL FIXED INDUCTOR (6.8NH) HK
L210-212 L39-1272-05 TOROIDAL COIL
L213 L40-1581-37 SMALL FIXED INDUCTOR (0.150UH)
L214 L40-1071-34 SMALL FIXED INDUCTOR (10NH) K
L214 L40-1571-34 SMALL FIXED INDUCTOR (15NH) K3,HK2
L214 L40-1571-34 SMALL FIXED INDUCTOR (15NH) HK3
L216-218 L40-1571-34 SMALL FIXED INDUCTOR (15NH) K2
L216,217 L40-1571-34 SMALL FIXED INDUCTOR (15NH) K,K3,HK
L216,217 L40-1571-34 SMALL FIXED INDUCTOR (15NH) HK2,HK3
L218 L40-2771-34 SMALL FIXED INDUCTOR (27NH) HK2
L218 L40-6871-34 SMALL FIXED INDUCTOR (68NH) K,K3
L218 L40-6871-34 SMALL FIXED INDUCTOR (68NH) HK,HK3
L219 L40-1071-34 SMALL FIXED INDUCTOR (10NH) K,K3,HK
L219 L40-1071-34 SMALL FIXED INDUCTOR (10NH) HK3
L219 L40-1571-34 SMALL FIXED INDUCTOR (15NH) HK2
L220 L34-4478-05 AIR-CORE COIL
L221 L34-1185-05 AIR-CORE COIL
L222 L34-1039-05 AIR-CORE COIL
L223 L34-0908-05 AIR-CORE COIL
L224 L34-1039-05 AIR-CORE COIL
L225 L92-0179-05 FERRITE CHIP
L302 L92-0148-05 FERRITE CHIP
L303 L40-2275-34 SMALL FIXED INDUCTOR (22NH)
L305,306 L40-1275-36 SMALL FIXED INDUCTOR (12NH)
L400,401 L92-0179-05 FERRITE CHIP
L501-508 L92-0138-05 FERRITE CHIP
X1 L77-1777-05 TCXO (16.8M)
X2 L77-1762-05 CRYSTAL RESONATOR (44.395MHZ)
X501 L77-1708-05 CRYSTAL RESONATOR (3.579545MHZ)
X502 L78-0462-05 RESONATOR (9.8304M)
XF1 L71-0572-05 MCF (44.85MHZ)
CP501 R90-0724-05 MULTI-COMP 1K X4
R1 RK73GB1J102J CHIP R 1.0K J 1/16W
R2 R92-1252-05 CHIP R 0 OHM
R3,4 RK73GB1J102J CHIP R 1.0K J 1/16W
R6,7 R92-1252-05 CHIP R 0 OHM
R8 RK73GB1J102J CHIP R 1.0K J 1/16W
R9 R92-1252-05 CHIP R 0 OHM
R10,11 RK73GB1J102J CHIP R 1.0K J 1/16W
R12 R92-1252-05 CHIP R 0 OHM
R14 RK73GB1J473J CHIP R 47K J 1/16W
R15 RK73GB1J103J CHIP R 10K J 1/16W
R16 RK73GB1J184J CHIP R 180K J 1/16W
R17 R92-1252-05 CHIP R 0 OHM
R19 RK73GB1J153J CHIP R 15K J 1/16W
R20 RK73GB1J104J CHIP R 100K J 1/16W
R21 RK73GB1J563J CHIP R 56K J 1/16W
R22 RK73GB1J104J CHIP R 100K J 1/16W
R23 RK73GB1J184J CHIP R 180K J 1/16W
R25 RK73GB1J394J CHIP R 390K J 1/16W
R26 RK73GB1J104J CHIP R 100K J 1/16W
R27 RK73GB1J473J CHIP R 47K J 1/16W
R28 R92-1252-05 CHIP R 0 OHM
R29 RK73GB1J220J CHIP R 22 J 1/16W
R30 RK73GB1J224J CHIP R 220K J 1/16W
R31 RK73GB1J104J CHIP R 100K J 1/16W
R32 RK73GB1J474J CHIP R 470K J 1/16W
R33 RK73GB1J562J CHIP R 5.6K J 1/16W
R34 R92-1252-05 CHIP R 0 OHM
R35 RK73GB1J223J CHIP R 22K J 1/16W
R36 RK73GB1J103J CHIP R 10K J 1/16W
R37 R92-1252-05 CHIP R 0 OHM
R39 RK73GB1J101J CHIP R 100 J 1/16W
R40 RK73GB1J152J CHIP R 1.5K J 1/16W
R41 RK73GB1J122J CHIP R 1.2K J 1/16W
R42 RK73GB1J104J CHIP R 100K J 1/16W
R44 RK73GB1J154J CHIP R 150K J 1/16W
R45 RK73GB1J104J CHIP R 100K J 1/16W
R46 RK73GB1J103J CHIP R 10K J 1/16W
R47 RK73GB1J473J CHIP R 47K J 1/16W
R48 RK73GB1J471J CHIP R 470 J 1/16W
R49 RK73GB1J391J CHIP R 390 J 1/16W
R50 RK73GB1J103J CHIP R 10K J 1/16W
R52 R92-1252-05 CHIP R 0 OHM
R53 RK73GB1J274J CHIP R 270K J 1/16W
R54 RK73GB1J104J CHIP R 100K J 1/16W
R56 RK73GB1J103J CHIP R 10K J 1/16W
R57 RK73GB1J473J CHIP R 47K J 1/16W
R58 RK73GB1J102J CHIP R 1.0K J 1/16W
R59 R92-1252-05 CHIP R 0 OHM
R60 RK73GB1J472J CHIP R 4.7K J 1/16W
R61 RK73GB1J822J CHIP R 8.2K J 1/16W
R62 RK73GB1J101J CHIP R 100 J 1/16W K3,HK3
R62 RK73GB1J221J CHIP R 220 J 1/16W K,K2,HK
TX-RX UNIT (X57-6450-XX)

TK-880/H
PARTS LIST
43
Ref. No.
Address
Parts No. Description Ref. No.
Address
Parts No. Description
New
Desti-
parts
nation
New
Desti-
parts
nation
R62 RK73GB1J221J CHIP R 220 J 1/16W HK2
R63-65 R92-1252-05 CHIP R 0 OHM
R66 RK73GB1J392J CHIP R 3.9K J 1/16W
R67 RK73GB1J470J CHIP R 47 J 1/16W K3,HK3
R67,68 RK73GB1J101J CHIP R 100 J 1/16W K,K2,HK
R67,68 RK73GB1J101J CHIP R 100 J 1/16W HK2
R68 RK73GB1J101J CHIP R 100 J 1/16W K3,HK3
R69 RK73GB1J222J CHIP R 2.2K J 1/16W
R70-73 R92-1252-05 CHIP R 0 OHM
R74 RK73GB1J473J CHIP R 47K J 1/16W
R75 RK73GB1J221J CHIP R 220 J 1/16W
R76 RK73GB1J153J CHIP R 15K J 1/16W
R77 RK73GB1J333J CHIP R 33K J 1/16W
R79 R92-1252-05 CHIP R 0 OHM
R80 RK73GB1J473J CHIP R 47K J 1/16W
R85 RK73GB1J821J CHIP R 820 J 1/16W
R86 R92-1252-05 CHIP R 0 OHM
R89 R92-1252-05 CHIP R 0 OHM
R90 RK73GB1J2R2J CHIP R 2.2 J 1/16W
R91 RK73GB1J472J CHIP R 4.7K J 1/16W
R94 R92-1252-05 CHIP R 0 OHM
R96 RK73GB1J331J CHIP R 330 J 1/16W
R97,98 RK73GB1J473J CHIP R 47K J 1/16W
R99 RK73GB1J152J CHIP R 1.5K J 1/16W
R100 RK73GB1J331J CHIP R 330 J 1/16W
R104 R92-1252-05 CHIP R 0 OHM
R106 R92-1252-05 CHIP R 0 OHM
R107 RK73GB1J473J CHIP R 47K J 1/16W
R109 R92-0670-05 CHIP R 0 OHM
R110 RK73GB1J470J CHIP R 47 J 1/16W
R111,112 RK73GB1J472J CHIP R 4.7K J 1/16W
R113 R92-1252-05 CHIP R 0 OHM
R114 RK73GB1J392J CHIP R 3.9K J 1/16W
R115 R92-1252-05 CHIP R 0 OHM
R116 RK73GB1J473J CHIP R 47K J 1/16W
R119 RK73GB1J103J CHIP R 10K J 1/16W
R120 RK73GB1J102J CHIP R 1.0K J 1/16W HK2,HK3
R120,121 RK73GB1J472J CHIP R 4.7K J 1/16W K,K2,K3
R120,121 RK73GB1J472J CHIP R 4.7K J 1/16W HK
R121 RK73GB1J472J CHIP R 4.7K J 1/16W HK2,HK3
R122 RK73GB1J221J CHIP R 220 J 1/16W HK2,HK3
R122 RK73GB1J392J CHIP R 3.9K J 1/16W K,K2,K3
R122 RK73GB1J392J CHIP R 3.9K J 1/16W HK
R123 RK73GB1J153J CHIP R 15K J 1/16W
R124-126 RK73GB1J223J CHIP R 22K J 1/16W
R127 RK73FB2A272J CHIP R 2.7K J 1/10W HK2
R127 RK73FB2A273J CHIP R 27K J 1/10W K,K2,K3
R127 RK73FB2A273J CHIP R 27K J 1/10W HK,HK3
R128 RK73GB1J223J CHIP R 22K J 1/16W
R129 RK73GB1J100J CHIP R 10 J 1/16W
R130,131 RK73GB1J223J CHIP R 22K J 1/16W
R132 RK73GB1J104J CHIP R 100K J 1/16W
R133 RK73GB1J153J CHIP R 15K J 1/16W
R134 RK73GB1J473J CHIP R 47K J 1/16W
R135 R92-1214-05 CHIP R 120 J 1/2W HK,HK2
R135 R92-1214-05 CHIP R 120 J 1/2W HK3
R135 R92-1261-05 CHIP R 150 J 1/2W K,K2,K3
R137 RK73GB1J473J CHIP R 47K J 1/16W
R138 RK73FB2A100J CHIP R 10 J 1/10W
R139 R92-0670-05 CHIP R 0 OHM K,K2,K3
R140 R92-1252-05 CHIP R 0 OHM
R141 RK73GB1J104J CHIP R 100K J 1/16W
R142 R92-0699-05 CHIP R 10 J 1/2W
R143 RK73GB1J102J CHIP R 1.0K J 1/16W
R144 RK73GB1J223J CHIP R 22K J 1/16W
R145 RK73GB1J104J CHIP R 100K J 1/16W
R146 R92-1215-05 CHIP R 470 J 1/2W
R147 RK73FB2A223J CHIP R 22K J 1/10W
R148 RK73FB2A472J CHIP R 4.7K J 1/10W
R149 RK73FB2A103J CHIP R 10K J 1/10W
R150 R92-0670-05 CHIP R 0 OHM
R151-153 R92-1252-05 CHIP R 0 OHM
R154 RK73GB1J103J CHIP R 10K J 1/16W
R155 RK73GB1J333J CHIP R 33K J 1/16W
R156 RK73GB1J471J CHIP R 470 J 1/16W
R157 RK73GB1J101J CHIP R 100 J 1/16W
R158,159 RK73FB2A562J CHIP R 5.6K J 1/10W
R162 RK73GB1J122J CHIP R 1.2K J 1/16W
R163 RK73GB1J104J CHIP R 100K J 1/16W
R164 RK73GB1J474J CHIP R 470K J 1/16W
R165 R92-0670-05 CHIP R 0 OHM
R168 R92-1252-05 CHIP R 0 OHM
R169 RK73GB1J104J CHIP R 100K J 1/16W
R170 R92-1252-05 CHIP R 0 OHM
R176 R92-0670-05 CHIP R 0 OHM
R181,182 R92-0679-05 CHIP R 0 OHM
R200 R92-0670-05 CHIP R 0 OHM K,K2,K3
R200 R92-0670-05 CHIP R 0 OHM HK,HK3
R200-202 R92-0670-05 CHIP R 0 OHM HK2
R202 RK73FB2A4R7J CHIP R 4.7 J 1/10W K,K3
R202 RK73FB2A4R7J CHIP R 4.7 J 1/10W HK3
R203 RK73FB2A102J CHIP R 1.0K J 1/10W K,K3,HK
R203 RK73FB2A102J CHIP R 1.0K J 1/10W HK3
R203 RK73FB2A271J CHIP R 270 J 1/10W K2,HK2
R204,205 RK73FB2A100J CHIP R 10 J 1/10W K,K3,HK
R204,205 RK73FB2A100J CHIP R 10 J 1/10W HK3
R204,205 RK73FB2A390J CHIP R 39 J 1/10W K2,HK2
R206 RK73FB2A102J CHIP R 1.0K J 1/10W K,K2,K3
R206 RK73FB2A102J CHIP R 1.0K J 1/10W HK3
R206 RK73FB2A271J CHIP R 270 J 1/10W K2,HK2
R209,210 RK73GB1J104J CHIP R 100K J 1/16W
R211 RK73GB1J332J CHIP R 3.3K J 1/16W
R212,213 RK73GB1J102J CHIP R 1.0K J 1/16W
R214 RK73GB1J101J CHIP R 100 J 1/16W K,HK
R214 RK73GB1J151J CHIP R 150 J 1/16W K3,HK3
R214 RK73GB1J470J CHIP R 47 J 1/16W K2,HK2
R215 RK73GB1J100J CHIP R 10 J 1/16W
R217,218 RK73GB1J104J CHIP R 100K J 1/16W
R220 RK73GB1J271J CHIP R 270 J 1/16W
R221 RK73GB1J222J CHIP R 2.2K J 1/16W
R223 RK73GB1J102J CHIP R 1.0K J 1/16W
R224,225 R92-1252-05 CHIP R 0 OHM
R226 RK73GB1J682J CHIP R 6.8K J 1/16W
R227 R92-1252-05 CHIP R 0 OHM K,K2,K3
R227 R92-1252-05 CHIP R 0 OHM HK2,HK3
R228 RK73GB1J102J CHIP R 1.0K J 1/16W
R229 RK73GB1J222J CHIP R 2.2K J 1/16W
R230 RK73GB1J682J CHIP R 6.8K J 1/16W
R231 RK73GB1J103J CHIP R 10K J 1/16W
R232 R92-1252-05 CHIP R 0 OHM
TX-RX UNIT (X57-6450-XX)

TK-880/H
PARTS LIST
44
Ref. No.
Address
Parts No. Description Ref. No.
Address
Parts No. Description
New
Desti-
parts
nation
New
Desti-
parts
nation
R233 RK73GB1J470J CHIP R 47 J 1/16W
R234 RK73GB1J270J CHIP R 27 J 1/16W
R235 RK73GB1J152J CHIP R 1.5K J 1/16W
R236 RK73GB1J101J CHIP R 100 J 1/16W
R237 RK73GB1J471J CHIP R 470 J 1/16W
R238 RK73GB1J221J CHIP R 220 J 1/16W
R239 RK73GB1J100J CHIP R 10 J 1/16W
R240 RK73GB1J222J CHIP R 2.2K J 1/16W
R241 RK73GB1J100J CHIP R 10 J 1/16W
R242 RK73GB1J681J CHIP R 680 J 1/16W
R243 RK73GB1J331J CHIP R 330 J 1/16W
R244 RK73GB1J152J CHIP R 1.5K J 1/16W
R245 R92-0685-05 CHIP R 22 J 1/2W K2,K3
R245 R92-0685-05 CHIP R 22 J 1/2W HK2
R250 R92-1252-05 CHIP R 0 OHM
R251 RK73GB1J474J CHIP R 470K J 1/16W
R252 R92-0685-05 CHIP R 22 J 1/2W HK,HK3
R252 R92-1212-05 CHIP R 27 J 1/2W K
R255,256 R92-1252-05 CHIP R 0 OHM K2,K3
R255,256 R92-1252-05 CHIP R 0 OHM HK2
R260 R92-0670-05 CHIP R 0 OHM K2
R300 RK73GB1J560J CHIP R 56 J 1/16W
R301-303 RK73GB1J102J CHIP R 1.0K J 1/16W
R304 R92-1252-05 CHIP R 0 OHM
R305 RK73GB1J103J CHIP R 10K J 1/16W
R306 RK73GB1J471J CHIP R 470 J 1/16W
R307 R92-1252-05 CHIP R 0 OHM
R308 RK73GB1J101J CHIP R 100 J 1/16W
R309 RK73GB1J683J CHIP R 68K J 1/16W
R310 RK73GB1J103J CHIP R 10K J 1/16W
R311 RK73GB1J271J CHIP R 270 J 1/16W
R312 RK73GB1J102J CHIP R 1.0K J 1/16W
R313 RK73GB1J103J CHIP R 10K J 1/16W
R314 RK73GB1J123J CHIP R 12K J 1/16W K,HK
R314 RK73GB1J153J CHIP R 15K J 1/16W K2,HK2
R314 RK73GB1J273J CHIP R 27K J 1/16W K3,HK3
R315 RK73GB1J222J CHIP R 2.2K J 1/16W
R316,317 R92-1252-05 CHIP R 0 OHM
R318 RK73GB1J221J CHIP R 220 J 1/16W
R319 RK73GB1J102J CHIP R 1.0K J 1/16W
R320 R92-1252-05 CHIP R 0 OHM
R400 R92-0670-05 CHIP R 0 OHM K2,K3
R400 R92-0670-05 CHIP R 0 OHM HK2
R400-402 R92-0670-05 CHIP R 0 OHM K,HK
R400-402 R92-0670-05 CHIP R 0 OHM HK3
R402 R92-0670-05 CHIP R 0 OHM K2,K3
R402 R92-0670-05 CHIP R 0 OHM HK2
R403 R92-1252-05 CHIP R 0 OHM
R406 RK73GB1J394J CHIP R 390K J 1/16W
R408 R92-1252-05 CHIP R 0 OHM
R411 RK73GB1J472J CHIP R 4.7K J 1/16W
R413 RK73GB1J473J CHIP R 47K J 1/16W
R414 R92-1252-05 CHIP R 0 OHM
R415 RK73GB1J103J CHIP R 10K J 1/16W
R416 RK73GB1J822J CHIP R 8.2K J 1/16W
R417 RK73GB1J122J CHIP R 1.2K J 1/16W
R418 RK73GB1J473J CHIP R 47K J 1/16W
R419 R92-1252-05 CHIP R 0 OHM
R420,421 R92-0670-05 CHIP R 0 OHM
R422 R92-1252-05 CHIP R 0 OHM K,K2,K3
R422 R92-1252-05 CHIP R 0 OHM HK
R425 R92-1252-05 CHIP R 0 OHM K2,HK
R450 R92-0670-05 CHIP R 0 OHM
R501 RK73GB1J472J CHIP R 4.7K J 1/16W
R502 RK73GB1J184J CHIP R 180K J 1/16W
R503 RK73GB1J223J CHIP R 22K J 1/16W
R504 RK73GB1J184J CHIP R 180K J 1/16W
R505 RK73GB1J102J CHIP R 1.0K J 1/16W
R506 R92-1252-05 CHIP R 0 OHM
R507,508 RK73GB1J154J CHIP R 150K J 1/16W
R509 RK73GB1J103J CHIP R 10K J 1/16W
R510 RK73GB1J105J CHIP R 1.0M J 1/16W
R511 RK73GB1J102J CHIP R 1.0K J 1/16W
R512 RK73GB1J122J CHIP R 1.2K J 1/16W
R513 R92-1252-05 CHIP R 0 OHM
R514 RK73GB1J102J CHIP R 1.0K J 1/16W
R515 RN73GH1J913D CHIP R 91K D 1/16W
R516 RK73GB1J102J CHIP R 1.0K J 1/16W
R517 RK73GB1J103J CHIP R 10K J 1/16W
R518 RN73GH1J333D CHIP R 33K D 1/16W
R519 RN73GH1J913D CHIP R 91K D 1/16W
R520 RN73GH1J683D CHIP R 68K D 1/16W
R521 RK73GB1J105J CHIP R 1.0M J 1/16W
R522 RN73GH1J913D CHIP R 91K D 1/16W
R523 RK73GB1J154J CHIP R 150K J 1/16W
R524 RN73GH1J274D CHIP R 270K D 1/16W
R525 RK73GB1J334J CHIP R 330K J 1/16W
R526 RK73GB1J154J CHIP R 150K J 1/16W
R527 RK73GB1J103J CHIP R 10K J 1/16W
R528 RK73GB1J153J CHIP R 15K J 1/16W
R529 R92-1252-05 CHIP R 0 OHM
R530 RK73GB1J394J CHIP R 390K J 1/16W
R531 RK73GB1J473J CHIP R 47K J 1/16W
R532 RK73GB1J334J CHIP R 330K J 1/16W
R533 R92-1252-05 CHIP R 0 OHM
R535 RK73GB1J155J CHIP R 1.5M J 1/16W
R536 RN73GH1J682D CHIP R 6.8K D 1/16W
R537,538 RK73GB1J473J CHIP R 47K J 1/16W
R540 RK73GB1J474J CHIP R 470K J 1/16W
R541 RK73GB1J274J CHIP R 270K J 1/16W
R542 RN73GH1J683D CHIP R 68K D 1/16W
R544 RK73GB1J101J CHIP R 100 J 1/16W
R545 RK73GB1J182J CHIP R 1.8K J 1/16W
R546 RK73GB1J224J CHIP R 220K J 1/16W
R547 RK73GB1J103J CHIP R 10K J 1/16W
R548 RK73GB1J183J CHIP R 18K J 1/16W
R550 RN73GH1J682D CHIP R 6.8K D 1/16W
R551 RK73GB1J223J CHIP R 22K J 1/16W
R552 RK73GB1J334J CHIP R 330K J 1/16W
R553 RK73GB1J102J CHIP R 1.0K J 1/16W
R554 RK73GB1J332J CHIP R 3.3K J 1/16W
R555 RK73GB1J394J CHIP R 390K J 1/16W
R556 RK73GB1J223J CHIP R 22K J 1/16W
R558 R92-1252-05 CHIP R 0 OHM
R562 RK73GB1J273J CHIP R 27K J 1/16W
R564 R92-1252-05 CHIP R 0 OHM
R566 RK73GB1J470J CHIP R 47 J 1/16W
R567 RK73GB1J220J CHIP R 22 J 1/16W
R568 RK73GB1J473J CHIP R 47K J 1/16W
R569 RK73GB1J333J CHIP R 33K J 1/16W
TX-RX UNIT (X57-6450-XX)

TK-880/H
PARTS LIST
45
R571,572 R92-1252-05 CHIP R 0 OHM
R573 RK73GB1J104J CHIP R 100K J 1/16W
R574 RK73GB1J473J CHIP R 47K J 1/16W
R575 RK73GB1J103J CHIP R 10K J 1/16W
R576 RK73GB1J473J CHIP R 47K J 1/16W
R577 RK73GB1J153J CHIP R 15K J 1/16W
R579 R92-1252-05 CHIP R 0 OHM
R580 RK73GB1J103J CHIP R 10K J 1/16W
R581 RK73GB1J472J CHIP R 4.7K J 1/16W
R582 R92-1252-05 CHIP R 0 OHM
R584 R92-1252-05 CHIP R 0 OHM
R585,586 RK73GB1J473J CHIP R 47K J 1/16W
R587 R92-1252-05 CHIP R 0 OHM
R588 RK73GB1J473J CHIP R 47K J 1/16W
R589 R92-1368-05 CHIP R 0 OHM
R590-600 RK73HB1J102J CHIP R 1.0K J 1/16W
R601-603 R92-1368-05 CHIP R 0 OHM
R608-610 RK73HB1J102J CHIP R 1.0K J 1/16W
R611 R92-1252-05 CHIP R 0 OHM
R612 RK73GB1J224J CHIP R 220K J 1/16W
R613 RK73HB1J102J CHIP R 1.0K J 1/16W
R614 R92-1252-05 CHIP R 0 OHM
R615 RK73HB1J102J CHIP R 1.0K J 1/16W
R616 RK73GB1J473J CHIP R 47K J 1/16W
R617,618 RK73HB1J102J CHIP R 1.0K J 1/16W
R619 R92-1252-05 CHIP R 0 OHM
R620 RK73HB1J102J CHIP R 1.0K J 1/16W
R621 R92-1252-05 CHIP R 0 OHM
R622,623 RK73HB1J102J CHIP R 1.0K J 1/16W
R624 R92-1252-05 CHIP R 0 OHM
R625-627 RK73HB1J102J CHIP R 1.0K J 1/16W
R628,629 R92-1368-05 CHIP R 0 OHM
R630 RK73HB1J102J CHIP R 1.0K J 1/16W
R631 R92-1368-05 CHIP R 0 OHM
R632 RK73HB1J102J CHIP R 1.0K J 1/16W
R633 R92-1368-05 CHIP R 0 OHM
R634 RK73HB1J102J CHIP R 1.0K J 1/16W
R635 R92-1368-05 CHIP R 0 OHM
R636,637 RK73HB1J102J CHIP R 1.0K J 1/16W
R638 R92-1368-05 CHIP R 0 OHM
R639 RK73HB1J102J CHIP R 1.0K J 1/16W
R640 R92-1368-05 CHIP R 0 OHM
R641 RK73HB1J102J CHIP R 1.0K J 1/16W
R642 R92-1368-05 CHIP R 0 OHM
R643 RK73HB1J102J CHIP R 1.0K J 1/16W
R644 R92-1368-05 CHIP R 0 OHM
R645 RK73GB1J472J CHIP R 4.7K J 1/16W
R646,647 RK73HB1J102J CHIP R 1.0K J 1/16W
R649 RK73HB1J102J CHIP R 1.0K J 1/16W
R650-652 R92-1368-05 CHIP R 0 OHM
R653,654 RK73HB1J102J CHIP R 1.0K J 1/16W
R655-657 R92-1368-05 CHIP R 0 OHM
R658 RK73HB1J472J CHIP R 4.7K J 1/16W
R659-666 R92-1368-05 CHIP R 0 OHM
R667,668 RK73GB1J181J CHIP R 180 J 1/16W
R670 RK73GB1J473J CHIP R 47K J 1/16W
R672,673 RK73GB1J473J CHIP R 47K J 1/16W
R674 RK73FB2A222J CHIP R 2.2K J 1/10W
R675 RK73GB1J472J CHIP R 4.7K J 1/16W
R676 RK73GB1J103J CHIP R 10K J 1/16W
R677 RK73GB1J223J CHIP R 22K J 1/16W
R678 RK73GB1J103J CHIP R 10K J 1/16W
R679 RK73FB2A390J CHIP R 39 J 1/10W
R680 RK73FB2A222J CHIP R 2.2K J 1/10W
R682 RK73GB1J473J CHIP R 47K J 1/16W
R683 RK73GB1J103J CHIP R 10K J 1/16W
R701 RK73GB1J102J CHIP R 1.0K J 1/16W
R702 RK73GB1J101J CHIP R 100 J 1/16W
R705,706 RK73GB1J473J CHIP R 47K J 1/16W
R710,711 RK73GB1J104J CHIP R 100K J 1/16W
R712,713 RK73GB1J473J CHIP R 47K J 1/16W
R714 RK73GB1J103J CHIP R 10K J 1/16W
R716 RK73GB1J472J CHIP R 4.7K J 1/16W
R718 RK73GB1J154J CHIP R 150K J 1/16W
R719 RK73GB1J103J CHIP R 10K J 1/16W
R720 RK73GB1J683J CHIP R 68K J 1/16W
R721 RK73GB1J334J CHIP R 330K J 1/16W
R722 RK73FB2A680J CHIP R 68 J 1/10W
R723 R92-1252-05 CHIP R 0 OHM
R724 RK73GB1J562J CHIP R 5.6K J 1/16W
R725 RK73GB1J332J CHIP R 3.3K J 1/16W
R726,727 R92-1252-05 CHIP R 0 OHM
VR1 R32-0656-05 SEMI FIXED VARIABLE RESISTOR HK,HK2
VR1 R32-0656-05 SEMI FIXED VARIABLE RESISTOR HK3
VR1 R32-0668-05 SEMI FIXED VARIABLE RESISTOR K,K2,K3
D1-6 HSB123 DIODE
D7 02DZ20(Y,Z) ZENER DIODE
D8,9 HSB123 DIODE
D11 DAN202U DIODE
D12-14 HSB123 DIODE
D16 1SS355 DIODE
D17 HSB123 DIODE
D20 1SS355 DIODE
D21 02DZ5.6(X,Y) ZENER DIODE
D22,23 DAN235E DIODE
D24 MINISMDC075-02 VARISTOR
D26 1SS355 DIODE
D27 HSM88AS DIODE
D28 02DZ15(X,Y) ZENER DIODE
D30 HSM88AS DIODE
D31 1SS355 DIODE
D32 22ZR-10D SURGE ABSORBER
D34 02DZ18(X,Y) ZENER DIODE
D35 MA742 DIODE
D37 DSA3A1 DIODE
D40,41 HVC131 DIODE
D200 HSM88AS DIODE K,K3,HK
D200 HSM88AS DIODE HK3
D203-206 1SV280 VARIABLE CAPACITANCE DIODE
D207 DA204U DIODE
D209 MA4PH633 DIODE
D210,211 XB15A709 DIODE
D212-215 1SV280 VARIABLE CAPACITANCE DIODE K3,HK3
D401 MA2S077 DIODE HK,HK2
D401 MA2S077 DIODE HK3
D402 MA4PH633 DIODE HK,HK2
D402 MA4PH633 DIODE HK3
D406 DA221 DIODE HK2,HK3
D501 HSB123 DIODE
D502 MINISMDC075-02 VARISTOR
Ref. No.
Address
Parts No. Description Ref. No.
Address
Parts No. Description
New
Desti-
parts
nation
New
Desti-
parts
nation
TX-RX UNIT (X57-6450-XX)

TK-880/H
PARTS LIST
46
TX-RX UNIT (X57-6450-XX)
PLL/VCO (X58-4550-XX)
Ref. No.
Address
Parts No. Description Ref. No.
Address
Parts No. Description
New
Desti-
parts
nation
New
Desti-
parts
nation
D503-505 HSB123 DIODE
D507 DAN202U DIODE
D508,509 MA742 DIODE
D510 HSC119 DIODE
D518 02DZ9.1(X,Y) ZENER DIODE
D520 MA2S111 DIODE
IC1 TA75W01FU MOS IC
IC2,3 TA75W558FU MOS IC
IC4 TC4S66F MOS IC
IC5 M62363FP MOS IC
IC6 TA75W01FU MOS IC
IC7,8 BU4094BCFV MOS IC
IC9 TA78L05F MOS IC
IC10 LA4422 BI-POLAR IC
IC11 TA31136FN MOS IC
IC12 TA78L05F MOS IC
IC13 AN8009M MOS IC
IC14 TA7808S MOS IC
IC15 TC4013BF(N) MOS IC
IC200 GN2011(Q) MOS IC
IC300 SA7025DK MOS IC
IC400 2C M68769H HYBRID IC HK
IC400 2C M68769L HYBRID IC HK3
IC400 2C M68769SH HYBRID IC HK2
IC400 2C S-AU27AH(K3) HYBRID IC K2
IC400 2C S-AU27AL(K3) HYBRID IC K3
IC400 2C S-AU27AM(K3) HYBRID IC K
IC401 NJM2904V MOS IC
IC501 TA75W558FU MOS IC
IC502 TC75W51FU MOS IC
IC503 TA75W558FU MOS IC
IC504 TC35453F MOS IC
IC506 BU4066BCFV MOS IC
IC507 LC73872M MOS IC
IC508 BU4094BCFV MOS IC
IC509 RH5VL42C MOS IC
IC510 AT29C020-90TI ROM IC
IC510 W29C020C90 SRAM IC
IC511 30622M8A-4F9GP MPU
IC512 AT2408N10SI2.5 ROM IC
IC513 TA78L05F MOS IC
IC710,711 TA75S01F MOS IC
Q1 2SK1824 FET
Q2,3 2SC2412K(S) TRANSISTOR
Q4 DTD114EK DIGITAL TRANSISTOR
Q5,6 DTC114EE DIGITAL TRANSISTOR
Q7 2SC5110(O) TRANSISTOR
Q8 DTC363EU DIGITAL TRANSISTOR
Q9 DTA114YUA DIGITAL TRANSISTOR
Q10 DTC114EE DIGITAL TRANSISTOR
Q11 2SA1362(Y) TRANSISTOR
Q12 2SB1132(Q,R) TRANSISTOR
Q13 DTC114EE DIGITAL TRANSISTOR
Q15 2SC2059K(P) TRANSISTOR
Q16 DTC144EE DIGITAL TRANSISTOR
Q17 2SC2412K(S) TRANSISTOR
Q18 2SK1824 FET
Q19 2SD2394 TRANSISTOR
Q20 2SB1188(Q) TRANSISTOR
Q21 FMW1 TRANSISTOR
Q22 DTC114EE DIGITAL TRANSISTOR
Q23 DTA114EE DIGITAL TRANSISTOR
Q24 DTC144EE DIGITAL TRANSISTOR
Q25,26 DTA114EE DIGITAL TRANSISTOR
Q27 2SA1641(S,T) TRANSISTOR
Q28,29 DTC114EE DIGITAL TRANSISTOR
Q30 DTA114EE DIGITAL TRANSISTOR
Q31 DTC114EE DIGITAL TRANSISTOR
Q32 2SK1824 FET
Q201 2SC3357 TRANSISTOR
Q202 2SC4093(R27) TRANSISTOR
Q203-205 2SC3357 TRANSISTOR K2,HK
Q203-205 2SC3357 TRANSISTOR HK2,HK3
Q203,204 2SC3357 TRANSISTOR K,K3
Q205 2SC2954 TRANSISTOR K,K3
Q300 2SC4215(Y) TRANSISTOR
Q301,302 2SC3722K(S) TRANSISTOR
Q401-403 DTC114EE DIGITAL TRANSISTOR
Q501 DTC314TU DIGITAL TRANSISTOR
Q502 DTC144EE DIGITAL TRANSISTOR
Q503 2SC4617(S) TRANSISTOR
Q507 DTC144EE DIGITAL TRANSISTOR
Q508,509 2SC4617(S) TRANSISTOR
Q510 2SC4619 TRANSISTOR
Q511 DTA144WE DIGITAL TRANSISTOR
Q512 DTC114EE DIGITAL TRANSISTOR
Q513 2SC2873(Y) TRANSISTOR
Q515 DTC114EE DIGITAL TRANSISTOR
C102 CK73GB1H471K CHIP C 470PF K
C104 CC73GCH1H060B CHIP C 6.0PF B K2,HK2
C104 CC73GCH1H080B CHIP C 8.0PF B K,HK
C104,105 CC73GCH1H130J CHIP C 13PF J K3,HK3
C105 CC73GCH1H050B CHIP C 5.0PF B K2,HK2
C105 CC73GCH1H060B CHIP C 6.0PF B K,HK
C107 CC73GCH1H040B CHIP C 4.0PF B K2,HK2
C107 CC73GCH1H050B CHIP C 5.0PF B K,HK
C107 CC73GCH1H100D CHIP C 10PF D K3,HK3
C108 CC73GCH1HR75B CHIP C 0.75PF B
C110 CC73GCH1H040B CHIP C 4.0PF B K,K3,HK
C110 CC73GCH1H040B CHIP C 4.0PF B HK3
C110,111 CC73GCH1H040B CHIP C 4.0PF B K2,HK2
C111 CC73GCH1H030B CHIP C 3.0PF B K,HK
C111 CC73GCH1H050B CHIP C 5.0PF B K3,HK3
C112 CC73GCH1H010B CHIP C 1.0PF B K,K2,HK
C112 CC73GCH1H010B CHIP C 1.0PF B HK2
C112,113 CC73GCH1H010B CHIP C 1.0PF B K3,HK3
C113 CC73GCH1H1R5B CHIP C 1.5PF B K,K2,HK
C113 CC73GCH1H1R5B CHIP C 1.5PF B HK2
C114 CC73GCH1H030B CHIP C 3.0PF B K,HK
C114 CC73GCH1H040B CHIP C 4.0PF B K3,HK3
C114 CC73GCH1H2R5B CHIP C 2.5PF B K2,HK2
C115 CC73GCH1H020B CHIP C 2.0PF B K2,HK2
C115 CC73GCH1H040B CHIP C 4.0PF B K,HK
C115,116 CC73GCH1H100C CHIP C 10PF C K3,HK3
C116 CC73GCH1H040B CHIP C 4.0PF B K2,HK2
C116 CC73GCH1H050B CHIP C 5.0PF B K,HK
PLL/VCO (X58-4550-XX)
-10 : K,HK -11 : K2,HK2 -12 : K3,HK3

TK-880/H
PARTS LIST
47
PLL/VCO (X58-4550-XX)
Ref. No.
Address
Parts No. Description Ref. No.
Address
Parts No. Description
New
Desti-
parts
nation
New
Desti-
parts
nation
C117 CK73GB1H471K CHIP C 470PF K
C118 CC73GCH1H020B CHIP C 2.0PF B K2,HK2
C118 CC73GCH1H070B CHIP C 7.0PF B K3,HK3
C118 CC73GCH1H090D CHIP C 9.0PF D K,HK
C119,120 CK73GB1H471K CHIP C 470PF K
C121 CC73GCH1H050B CHIP C 5.0PF B K3,HK3
C121 CC73GCH1H080B CHIP C 8.0PF B K2,HK2
C121 CC73GCH1H090B CHIP C 9.0PF B K,HK
C122 CC73GCH1H0R5C CHIP C 0.5PF C
C123 CK73GB1H471K CHIP C 470PF K
C124 CC73GCH1HR75B CHIP C 0.75PF B K2,K3
C124 CC73GCH1HR75B CHIP C 0.75PF B HK2,HK3
C124 CC73GCH1H0R5C CHIP C 0.5PF C K,HK
C125 CC73GCH1H040C CHIP C 4.0PF C
C126,127 CK73GB1H471K CHIP C 470PF K
C128 CK73FB1E104K CHIP C 0.10UF K
C129 CK73GB1H471K CHIP C 470PF K
TC106 C05-0384-05 CERAMIC TRIMMER CAP (10P)
TC109 C05-0384-05 CERAMIC TRIMMER CAP (10P)
CN101 E40-5699-05 PIN ASSY
- F10-2279-04 SHIELDING CASE
L101-104 L40-1595-34 SMALL FIXED INDUCTOR (1.5UH)
L105 L34-4574-05 AIR-CORE COIL
L106 L34-4573-05 AIR-CORE COIL
L107,108 L40-1098-76 SMALL FIXED INDUCTOR (1UH)
L109,110 L40-1595-34 SMALL FIXED INDUCTOR (1.5UH)
L111 L33-0751-05 SMALL FIXED INDUCTOR
R101 RK73GB1J101J CHIP R 100 J 1/16W K,HK
R101,102 RK73GB1J101J CHIP R 100 J 1/16W K2,K3
R101,102 RK73GB1J101J CHIP R 100 J 1/16W HK2,HK3
R102 R92-1252-05 CHIP R 0 OHM K,HK
R103 RK73GB1J102J CHIP R 1.0K J 1/16W K3,HK3
R103 RK73GB1J683J CHIP R 68K J 1/16W K,K2
R103 RK73GB1J683J CHIP R 68K J 1/16W HK,HK2
R104 RK73GB1J101J CHIP R 100 J 1/16W K,K3
R104 RK73GB1J101J CHIP R 100 J 1/16W HK,HK3
R104 RK73GB1J151J CHIP R 150 J 1/16W K2,HK2
R105 RK73GB1J154J CHIP R 150K J 1/16W
R106 RK73GB1J100J CHIP R 10 J 1/16W K3,HK3
R106 RK73GB1J101J CHIP R 100 J 1/16W K,HK
R106 RK73GB1J151J CHIP R 150 J 1/16W K2,HK2
R107-110 RK73GB1J103J CHIP R 10K J 1/16W
R111 RK73GB1J470J CHIP R 47 J 1/16W
R112 RK73GB1J151J CHIP R 150 J 1/16W K,HK
R112,113 RK73GB1J151J CHIP R 150 J 1/16W K2,HK2
R112,113 RK73GB1J181J CHIP R 180 J 1/16W K3,HK3
R113 RK73GB1J181J CHIP R 180 J 1/16W K,HK
R114 RK73GB1J470J CHIP R 47 J 1/16W
R115 RK73GB1J103J CHIP R 10K J 1/16W
R116 RK73GB1J392J CHIP R 3.9K J 1/16W
R117 RK73GB1J101J CHIP R 100 J 1/16W
R118 R92-1252-05 CHIP R 0 OHM
D101-104 1SV283 VARIABLE CAPACITANCE DIODE
D105 1SV214 VARIABLE CAPACITANCE DIODE
Q101 2SK508NV(K52) FET
Q102 DTC114EUA DIGITAL TRANSISTOR
Q103 2SK508NV(K52) FET
Q104,105 ✽2SC4081 TRANSISTOR
Q106 2SC4226(R24) TRANSISTOR

48
TK-880/H
EXPLODED VIEW
Parts with the exploded numbers larger than 700 are not supplied.
1
2
ABC
10
12
24
8
21
IC400
26
J1
23
13
2
23
3
37
6
J501
22x2
21
20 (K,K2,K3,HK)
20 (HK2,HK3)
20 (K2,HK,HK3)
1
23
16
41
14
19x2
25
Cx2
701
702
B
B
Cx2
Dx11
704
Ax2
C
C
703
703
A
A
TX-RX unit (B/2)
TX-RX unit (A/2)
15 (K3,HK3)
A M2.6 x 6 (OC) BLK : N33-2606-45
B M x 8 : N67-3008-46
C M2.6 x 6 (Br-Tap) : N87-2606-46
D M2.6 x 12 (Br-Tap) : N87-2612-46

49
TK-880/H
PACKING
Parts with the exploded numbers larger than 700 are not supplied.
DE
1
2
3
11 DC cord
(E30-3339-05)
42 Microphone
(T91-0621-05) 31 Protection bag
(H25-0720-04)
17 Fuse
(F51-0016-05) : TK-880
(F51-0017-05) : TK-880H
5 Cap
(B09-0235-05)
35 Bracket
(J29-0627-23)
30 Inner packing case
(H12-1391-03)
34 Holder
(J19-1584-05)
39 Screw set
(N99-0395-05)
705 Warranty card
7 Instruction manual
(B62-1549-00)
28 Polystyrene foamed fixture
(H10-6618-12) : TK-880
(H10-6629-02) : TK-880H
32 Item carton case
(H52-1373-02) : TK-880
(H52-1482-02) : TK-880H
29 Polystyrene foamed fixture
(H10-6619-12) : TK-880
(H10-6628-02) : TK-880H
31 Protection bag
(H25-0720-04)

50
TK-880/H
ADJUSTMENT
Test Mode
■Test Mode Operating Features
This transceiver has a test mode.
To enter test mode,
press [A] key and turn power on. Hold [A] key until test
channel No. and test signalling No. appears on LCD.
Test mode can be inhibited by programming. To exit test
mode, switch the power on again. The following functions
are available in test mode.
• Controls (“FCN” appears)
[PTT] Used when making a transmission.
[MON] Monitor on and off.
[SCN] MSK 1200 bps and 2400 bps.
[A] Function off.
[B] Compander function on and off.
[C] Beat shift on and off.
[D] Function off.
[System Up/Down] Changes channel
(Trunking format)
[Group Up/Down] Changes channel
(Conventional format)
[Volume Up/Down] Volume up/down.
• Controls ("FCN" not appears)
[PTT] Used when making a transmission.
[MON] Monitor on and off.
[SCN] Sets to the tuning mode.
[A] Function on.
[B] RF power high and low.
[C] Changes signalling.
[D] Changes wide and narrow
[System Up/Down] Changes channel
(Trunking format)
[Group Up/Down] Changes channel
(Conventional format)
[Volume Up/Down] Volume up/down.
Note : If a [SCN], [A], [B], [C] key is pressed during transmis-
sion, the DTMF corresponding to the key that was pressed
is sent.
• LCD indicator
“SCN” Unused
“” Lights at compander on.
“AUX” Unused.
“P” Lights at RF power low.
“MON” Lights at monitor on.
“SVC” Unused.
“” Lights at MSK 2400 bps.
• LED indicator
Red LED Lights during transmission.
Green LED Lights when there is a carrier.
• Sub LCD indicator
“FCN” Appears at function on.
“n” Appears at narrow on.
■Frequency and Signalling
The set has been adjusted for the frequencies shown in
the following table. When required, re-adjust them follow-
ing the adjustment procedure to obtain the frequencies you
want in actual operation.
• Frequency (MHz)
Channel K,HK K2,HK2 K3,HK3
No. RX TX RX TX RX TX
1
470.05000 470.10000 498.55000 498.60000 418.05000 418.10000
2
450.05000 450.10000 485.05000 485.10000 400.05000 400.10000
3
489.95000 489.90000 511.95000 511.90000 429.95000 429.90000
4
470.00000 470.00000 491.00000 491.00000 418.00000 418.00000
5
470.20000 470.20000 491.20000 491.20000 418.20000 418.20000
6
470.40000 470.40000 491.40000 491.40000 418.40000 418.40000
7~16 – –
• Signalling
Signalling No. RX TX
1 None None
2 None 100Hz square
3 LTR data LTR data
4 QT 67.0Hz QT 67.0Hz
5 QT 151.4Hz QT 151.4Hz
6 QT 210.7Hz QT 210.7Hz
7 QT 250.3Hz QT 250.3Hz
8 DQT D023N DQT D023N
9 DQT D754I DQT D754I
10 DTMF DEC, (159D) DTMF ENC, (159D)
11 None DTMF tone 9
12 2-tone 321.7/928.1Hz None
13 Single tone 1200Hz Single tone 1200Hz
14 None MSK
15 MSK code MSK code
• Preparations for tuning the transceiver
Before attempting to tune the transceiver, connect the
unit to a suitable power supply.
Whenever the transmitter is turned, the unit must be
connected to a suitable dummy load (i.e. power meter).
The speaker output connector must be terminated with a
4Ω dummy load and connected to an AC voltmeter and an
audio distortion meter or a SINAD measurement meter at all
times during tuning.
• Transceiver tuning
(To place transceiver in tuning mode)
Channel appears on LCD. Set channel according to tun-
ing requirements.
LCD display (Test mode)
11
–
Channel No. Signalling No.

51
TK-880/H
FREQ 256
Frequency adj.
Display
Function name
HPOW 256
Hi power
L HPOW 256
Hi power (Low)
L2 HPOW 256
Hi power (Low2)
[A]
[A] [A] [A] [A] [A]
[C]
[C]
[C]
[C]
[C]
[C]
[C]
[C]
[C]
[C]
[C]
[C]
[C]
[C]
[C]
[C]
[C]
C HPOW 256
Hi power (Cen) [C]
H2 HPOW 256
Hi power (Hi2) [C]
H HPOW 256
Hi power (Hi)
LPOW 256
Low power
L LPOW 256
Low power (Low)
L2 LPOW 256
Low power (Low2)
[A]
[A] [A] [A] [A] [A]
[C]
[C] [C]
[C]
C LPOW 256
Low power (Cen) [C]
H2 LPOW 256
Low power (Hi2) [C]
H LPOW 256
Low power (Hi)
MAX 256
Max deviation (Wide)
L MAX 256
Max deviation (W,L)
n MAX 256
Max deviation (Narrow) [A]
[A] [A] [A]
[C]
[C] [C]
C MAX 256
Max deviation (W,C) [C]
H MAX 256
Max deviation (W,H)
[D]
WIDENARROW
BAL 256
DQT balance (Wide)
L BAL 256
DQT balance (W,L)
n BAL 256
DQT balance (Narrow) [A]
[A] [A] [A]
[C]
[C] [C]
C BAL 256
DQT balance (W,C) [C]
H BAL 256
DQT balance (W,H)
[D]
FQT 256
Fine QT (Wide)
L FQT 256
Fine QT (W,L)
n FQT 256
Fine QT (Narrow) [A]
[A] [A] [A]
[C]
[C] [C]
C FQT 256
Fine QT (W,C) [C]
H FQT 256
Fine QT (W,H)
[D]
FDQT 256
Fine DQT (Wide)
L FDQT 256
Fine DQT (W,L)
n FDQT 256
Fine DQT (Narrow) [A]
[A] [A] [A]
[C]
[C] [C]
C FDQT 256
Fine DQT (W,C) [C]
H FDQT 256
Fine DQT (W,H)
[D]
FLTR 256
Fine LTR (Wide)
L FLTR 256
Fine LTR (W,L)
n FLTR 256
Fine LTR (Narrow) [A]
[A] [A] [A]
[C]
[C] [C]
C FLTR 256
Fine LTR (W,C) [C]
H FLTR 256
Fine LTR (W,H)
SENS 256
Seisitivity
L SENS 256
Sensitivity (Low)
[A]
[A] [A] [A]
[C]
[C] [C]
C SENS 256
Sensitivity (Cen) [C]
H SENS 256
Sensitivity (Hi)
[D]
[C] [C]
DTMF 256
DTMF deviation (Wide)
n DTMF 256
DTMF deviation (Narrow)
[D]
[C] [C]
FMSK 256
MSK deviation (Wide)
n FMSK 256
MSK deviation (Narrow)
[D]
[C] [C]
[C]
[C]
TONE 256
Tone deviation (Wide)
n TONE 256
Tone deviation (Narrow)
[D]
SQL 256
Squelch (Wide)
n SQL 256
Squelch (Narrow)
[D]
WIDENARROW
FREQ 1
Adjustment item Adjustment (1~256)
Press [SCN], now in tuning mode. Use [B] button to
write tuning data through tuning modes, and [System Up/
Down] : Trunking format, [Group Up/Down] : Conventional
format to adjust tuning requirements (1 to 256 appears on
LCD).
Use [C] button to select the adjustment item through tun-
ing modes. Use [A] button to adjust 3-point or 5-point tun-
ing, and use [D] button to switch between wide/narrow.
■Tuning Mode
ADJUSTMENT
LCD display (Tuning mode)

52
TK-880/H
Test Equipment Required for Alignment
Test Equipment Major Specifications
1. Standard Signal Generator Frequency Range 400 to 520MHz
(SSG) Modulation Frequency modulation and external modulation
Output –127dBm/0.1µV to greater than –7dBm/100mV
2. Power Meter Input Impedance 50Ω
Operation Frequency 400 to 520MHz or more
Measurement Capability Vicinity of 100W
3. Deviation Meter Frequency Range 400 to 520MHz
4. Digital Volt Meter Measuring Range 1 to 20V DC
(DVM) Accuracy High input impedance for minimum circuit loading
5. Oscilloscope DC through 30MHz
6. High Sensitivity Frequency Range 10Hz to 1000MHz
Frequency Counter Frequency Stability 0.2ppm or less
7. Ammeter 20A
8. AF Volt Meter Frequency Range 50Hz to 10kHz
(AF VTVM) Voltage Range 1mV to 20V
9. Audio Generator (AG) Frequency Range 20Hz to 20kHz or more
Output 0 to 1V
10. Distortion Meter Capability 3% or less at 1kHz
Input Level 50mV to 10Vrms
11. 4Ω Dummy Load Approx. 4Ω, 10W
12. Regulated Power Supply 13.6V, approx. 20A (adjustable from 9 to 17V)
Useful if ammeter requipped
ADJUSTMENT
Lead wire +
MIC Shiel wire –
1
8
Tuning cable (E30-3383-05)
Adapter cable (E30-3383-05) is required for
injecting an audio if PC tuning is used.
See "PC Mode" section for the connection.
MIC connector
(Front view)
1 : BLC
2 : PSB
3 : E
4 : PTT
5 : ME
6 : MIC
7 : HOOK
8 : CM
Test cable for microphone input (E30-3360-08)

53
TK-880/H
ADJUSTMENT
Adjustment Location
■Switch
MODULAR
MIC JACK MONITOR SCAN
POWER
BUSY/
TX LED VOLUME
UP
VOLUME
DOWN
SYSTEM UP
(Trunking Format)
GROUP UP
(Conventional Format)
SYSTEM DOWN
(Trunking Format)
GROUP DOWN
(Conventional Format)
SUB
DISPLAY
MONITOR
PRIORITY
SERVICE
AUXILIAY
HANDSET
SCAN MAIL
PROGRAMMABLE
FUNCTION KEYS
ALPHANUMERIC
DISPLAY
■Adjustment Point
■Note
• Flash memory
The firmware program (User mode, Test mode, Tuning
mode, etc.) and the data programmed by the FPU (KPG-49D)
for the flash memory, is stored in memory. When parts are
changed, program the data again.
• EEPROM
The tuning data (Deviation, Squelch, etc.) for the
EEPROM, is stored in memory. When parts are changed,
readjust the transceiver.
Measurement
Test-
equipment Unit Terminal
Adjustment
Unit Parts Method Specifications/RemarksConditionItem
1. PLL lock 1) Set test mode DVM TX-RX TP1 PLL TC106 1.5V : K,HK ±0.1V
voltage CH : CH3 - Sig1
Power meter
(A/2) 2.5V : K2,HK2
PTT : ON (Transmit) F. conter TC109 3.5V : K3,HK3
2) CH : CH2 - Sig1 Check 8.0V or less
PTT : ON (Transmit)
Common Section
L6
VR1
TX-RX UNIT (A/2)
PLL/VCO
TC106
TP1
TC109
Repair Jig (Chassis)
Use jig (Part No. : A10-4010-02) for repairing the TK-880/
880H. The jig facilitates the voltage check when the voltage
on the component side TX-RX unit (A/2) is checked during
repairs.

ADJUSTMENT
Measurement
Test-
equipment Unit Terminal
Adjustment
Unit Parts Method Specifications/RemarksConditionItem
54
TK-880/H
Receiver Section
1.
Discriminator
1) Set test mode SSG Rear ANT TX-RX L6
AF output maximum. Maximum point +0mV, –20mV.
CH : CH1 - Sig1 - Narrow panel (A/2)
SSG output : –53dBm AF VTVM ACC
AF : 0.45V/4Ω
Oscilloscope
(EXT.SP)
2. Sensitivity 1) Set test mode SSG ANT Adjust for
Select “SENS” in tuning mode.
maximum SINAD.
“L SENS” AF VTVM ACC
SSG freq’ Distortion (EXT.SP)
K : 450.050MHz meter
K2 : 485.050MHz
Oscilloscope
K3 : 400.050MHz AG
SSG output :
–118dBm/0.31µV
SSG MOD : 3kHz
AF output : 1V/4Ω
2) “C SENS” Adjust for
SSG freq’ maximum SINAD.
K : 470.050MHz
K2 : 498.550MHz
K3 : 418.050MHz
3) “H SENS” Adjust for
SSG freq’ maximum SINAD.
K : 489.950MHz
K2 : 511.950MHz
K3 : 429.950MHz
3. Squelch 1) Set test mode Squelch closed
Select “SQL” in tuning mode.
once.
SSG freq’ Then squelch must
K : 470.050MHz be opened.
K2 : 498.550MHz
K3 : 418.050MHz
SSG output : Value when 2dB
is subtracted from the
sensitivity value of 12dB
SINAD.
SSG MOD : 3kHz (Wide)
1.5kHz (Narrow)
4. Squelch 1) Set test mode Check Squelch must be opened.
check CH : CH1 - Sig1 (Wide/Narrow)
SSG output :
12dB SINAD level
2) SSG output : OFF Squelch must be closed.
(Wide/Narrow)
5. QT check 1) Set test mode
CH : CH1 - Sig5
SSG MOD
INT : 1kHz
EXT : 151.4Hz
SSG system MOD DEV
: ±3.75kHz
SSG output :
10dB SINAD level
2) CH : CH1 - Sig4 Check Squelch must be closed.
CH1 - Sig6
CH1 - Sig7

55
ADJUSTMENT
Measurement
Test-
equipment Unit Terminal
Adjustment
Unit Parts Method Specifications/RemarksConditionItem
TK-880/H
Transmitter Section
1. Frequency 1) Set test mode
Power meter
Rear ANT Check K,HK : 470.100MHz±100Hz
Select “FREQ” in tuning mode.
F. counter panel K2,HK2 : 498.600MHz±100Hz
PTT : ON K3,HK3 : 418.100MHz±100Hz
2. Power 1) Maximum power TX-RX VR1 26.0W : K,K2,K3 ±0.5W : K,K2,K3
output Set test mode (A/2)
40.0W : HK,HK2,HK3
±2.0W : HK,HK2,HK3
Select “H POW” in tuning mode.
“H HPOW 256” : K,K2,K3
“C HPOW240” : HK
“C HPOW230” : HK2
“C HPOW245” : HK3
PTT : ON
3. High power/ 1) Set test mode 25.0W : K,K2,K3 ±1.0W : K,K2,K3
High power
Select “H POW” in tuning mode.
40.0W : HK,HK2,HK3
±5.0W : HK,HK2,HK3
check (HK, “L HPOW”
HK2,HK3) PTT : ON
2) “L2 HPOW”
PTT : ON
3) “C HPOW”
PTT : ON
4) “H2 HPOW”
PTT : ON
5) “H HPOW”
PTT : ON
4. Low power 1) Set test mode
Power meter
5.0W : K,K2,K3 ±0.5W : K,K2,K3
Select “L POW” in tuning mode.
10.0W : HK,HK2,HK3
±1.0W : HK,HK2,HK3
“L LPOW”
PTT : ON
2) “L2 LPOW”
PTT : ON
3) “C LPOW”
PTT : ON
4) “H2 LPOW”
PTT : ON
5) “H LPOW”
PTT : ON
5. Power check 1) Set test mode
Power meter
ANT Check 25W±1W, 7A or less
CH : CH1 - Sig1 : K,K2,K3
CH2 - Sig1 Ammeter DC IN 40W±2W, 12A or less
CH3 - Sig1 : HK,HK2,Hk3
PTT : ON

ADJUSTMENT
Measurement
Test-
equipment Unit Terminal
Adjustment
Unit Parts Method Specifications/RemarksConditionItem
56
TK-880/H
6. Modulation 1) Set test mode
Power meter
Rear ANT Make the de- (Wide/Narrow)
balanced MIC input : OFF Deviation panel modulation
Select “BAL” in tuning mode. meter waveform neat.
“L BAL”
Oscilloscope
Deviation meter filter
LPF : 15kHz AF VTVM Front MIC
HPF : OFF AG panel
De-emphasis : OFF
2) “C BAL”
PTT : ON
3) “H BAL”
PTT : ON
7. Maximum 1) Set test mode 3.8kHz (Wide) ±50Hz (Wide/Narrow)
deviation Connect AG to the MIC 1.75kHz (Narrow)
terminal. (According to the
Select “MAX” in tuning mode.
larger +, –)
“L MAX”
AG : 1kHz/50mV
Deviation meter filter
LPF : 15kHz
HPF : OFF
De-emphasis : OFF
PTT : ON
2) “C MAX”
PTT : ON
3) “H MAX”
PTT : ON
8. MIC 1) Set test mode Check ±3kHz±0.2kHz (Wide)
seisitivity CH : CH1 - Sig1 ±1.5kHz±0.05kHz (Narrow)
check AG : 1kHz/5mV
PTT : ON
9. QT deviation 1) Set test mode 0.75kHz (Wide) ±50Hz (Wide/Narrow)
Select “FQT” in tuning mode. 0.35kHz (Narrow)
“L FQT”
Deviation meter filter
LPF : 3kHz
HPF : OFF
PTT : ON
2) “C FQT”
PTT : ON
3) “H FQT”
PTT : ON
10. DQT 1) Set test mode 0.75kHz (Wide) ±50Hz (Wide/Narrow)
deviation
Select “F DQT” in tuning mode.
0.35kHz (Narrow)
“L FDQT”
Deviation meter filter
LPF : 3kHz
HPF : OFF
PTT : ON
2) “C FDQT”
PTT : ON
3) “H FDQT”
PTT : ON

57
ADJUSTMENT
Measurement
Test-
equipment Unit Terminal
Adjustment
Unit Parts Method Specifications/RemarksConditionItem
TK-880/H
11. Fine LTR 1) Set test mode
Power meter
Rear ANT 1.0kHz (Wide) ±50Hz (Wide/Narrow)
Select “FLTR” in tuning mode.
Deviation panel 0.75kHz (Narrow)
“L FLTR” meter
deviation meter filter
Oscilloscope
LPF : 3kHz
HPF : OFF AF VTVM Front MIC
PTT : ON AG panel
2) “C FLTR”
PTT : ON
3) “H FLTR”
PTT : ON
12. DTMF 1) Set test mode 3.0kHz (Wide) ±0.2kHz (Wide)
deviation
Select “DTMF” in tuning mode.
1.5kHz (Narrow) ±0.1kHz (Narrow)
Deviation meter filter
LPF : 15kHz
HPF : OFF
PTT : ON
13. MSK 1) Set test mode 3.0kHz (Wide) ±0.1kHz (Wide/Narrow)
deviation
Select “FMSK” in tuning mode.
1.5kHz (Narrow)
Deviation meter filter
LPF : 15kHz
HPF : OFF
PTT : ON
14. TONE 1) Set test mode 3.0kHz (Wide) ±0.1kHz (Wide/Narrow)
deviation
Select “TONE” in tuning mode.
1.5kHz (Narrow)
Deviation meter filter
LPF : 15kHz
HPF : OFF
PTT : ON

58
EC
ADB
1
3
5
7
2
4
6
PC BOARD VIEWS TK-880/H
PLL/VCO UNIT (X58-4550-XX) -10 : K,HK -11 : K2,HK2 -12 : K3,HK3
Component side view
PLL/VCO UNIT (X58-4550-XX) -10 : K,HK -11 : K2,HK2 -12 : K3,HK3
Foil side view
Component side
Foil side
CV
MD
8CL
9CL
E
HT
ST
CN101
J72-0618-02
G
S
D
G
S
D
C107
C114
C121
C118
C111
C123
D105
C120
R116
C110
C108
R101
R102
TC106
L101
TC109
R117
R106
R105
C113
C124
L111
R112 R113
L102
C112
C127
D101
D102
D103
D104
L108
C128
Q101
Q103
L103
L104
C102
C126
C117
C119
R110
C125
R107
C115
C104
C105
R103
R108
R104
C116
L110
L109
C122
R115
R109
R114
R111
C129
R118
L107
Q102
Q104
Q105 Q106
L105
L106
CN101
ST
HT
E
9CL
8CL
MD
CV
J72-0618-02
G
S
D
G
S
D
C107
C114
C121
C118
C111
C123
D105
C120
R116
C110
C108
R101 R102
TC106
L101
TC109
R117
R106
R105
C113
C124
L111
R112R113
L102
C112
C127
D101 D102
D103 D104
L108
C128
Q101
Q103
L103
L104
C102
C126
C117
C119
R110
C125
R107
C115
C104
C105
R103
R108
R104
C116
L110
L109
C122
R115
R109
R114
R111
C129
R118
L107
Q102
Q104
Q105 Q106
L105
L106

ABCD E F G H I J K L M N O P Q R S
1
2
3
4
5
6
7
8
9
10
11
12
13
14
C273
C271
D211
R115
R422
R127
R122
R417
R420
D203
D204
L8
C204
R209
R210
R309
R320
R310
R312
R311R315
R313
R314
R111
L5
CF2 (G)
D8
D13
R4
1
3
1
TXD1
RXD1
LOK
8
SQ
PTT
MI/TXS
ME/AM
DI
IGN
AHK/BUSY
DEO
R3
R2
R1
C9
C7
C6
C5
C3
C2
C1
C13
C8
C4
RSSI
D9
D12
D14
R305
R129
R114
R121
R300
IC300
1
1011
20
R303
R302
R301
R225
R218
R68L2
R217
R227
R220
R224
R229
R234
R221
R228
R230
R232
R233
R250
Q203
B
C
E
D214
D205
D206 C207C209
C212
C161
C326
C316
C317
C321
C312 C311
C309
C307
C306
C305
C216
C325
C314
L302
C318
C319
C100
C16
R16
Q302
Q301
C277
C281
C230
C239
C237
C241
C243
C280
C59
L209 C290
L208
R201
C201
R202
L200
VR1
L224
C272
C269
C266
C427
C140
C422
C416 C97
C131
C423
C112
C109
C129
C125
C293
C295
C132
C294
C444
IC14 Q19
D32
C152
R176
CN6
CN5
E
SP 1
2
3
10
SPO
PA
SPI
1
1
B
I G O C E
C90
C68
C79
C77
IC10
C70
C75
Q9
D24
Q6
Q5
Q4
C74
R77
C48
C71C65
R70
CN2
R58
R50
R76
R98
Q10
C419
Q21
Q17
1
34
5
L222
L223
L221
C270
C267
R149 R120
R113
R112
R415 R416
D401
C432
R139
C211
C210
C213
C214
C220
C222
C221
C223
C233
C231
L213
C224 C218
D213
D212
TV
L203
L207
D215
TP1
TP2
TP4
L211
++
++
R318
R317
R316
R319
R306 R307
C322 C320
C313
C315
R308
L303
Q300
A1 : X58-4550
ST
HT
E
9CL
8CL
MD
CV
D406
5 4 3 2 1
C447
C445
C446
C262
C257 R450
R200
L220
C443
C93
R135
R418 R419
Q401
+
IC401
1
4 5
8
C303
C331 C330
L306 L305
+
C304
R304
R89 XF1
C94
C98 C96
C99
C91
C102
R110
R119
L6
Q16
C178
C448
+
+
+
+
C174
C133
+
+
C45
+
+
+
C107
C101
Q32
D
G
S
TP3 IC11
1
89
16
X2
CF1 (F)
R47
R48
R49
IC5
1
12 13
24
+
D11 C54
R60
R99
R97 R91
C173
+
Q13
C106
C105
R80
R74
C63
Q8
ST
C40
R57
SQ2
CN1
ER8
R7
R6
C12
C11
C14
E
C3
C1 C2 FW
OP SQ
C4 5C RD2
RD1 TD2
TD1
DEO
IC9
I
G
O
+ +
+
++
D37
+B +
J1
EXT. SP
R85
D16
C15
CN3
D7
C10
3
1
LOK/DTC/TXS/FSW
MM
LOK/AM
3
1
SB
E
HOR
CN4
E
IC400
J72-0802-12 A/2
TK-880/H PC BOARD VIEW
59
TX-RX UNIT (X57-6450-XX) (A/2) Component side view
-10 : K -11 : K2 -12 : K3 -13 : HK -14 : HK2 -15 : HK3
Component side
Foil side
Pattern 1
Pattern 2
Pattern 3
Pattern 4
Ref No. Address
IC5 10M
IC9 10O
IC10 8R
IC11 12J
IC14 6O
IC300 10H
IC400 2I
IC401 7G
Q4 11R
Q5 10S
Ref No. Address
Q6 10R
Q8 9O
Q9 9Q
Q10 7M
Q13 7M
Q16 11J
Q17 6G
Q19 4O
Q21 7F
Q32 11J
Ref No. Address
Q203 13E
Q300 9F
Q301 11G
Q302 11F
Q401 7H
D7 11R
D8 13L
D9 12M
D11 9M
D12 12M
Ref No. Address
D13 13M
D14 12N
D16 9R
D24 10R
D32 5O
D37 6P
D203 9B
D204 9C
D205 11B
D206 11C
Ref No. Address
D211 6E
D212 9C
D213 8B
D214 11B
D215 12C
D401 6E
D406 6F

S
RQP
O
NMLK
J
IHGF
E
D
CB
A
1
2
3
4
5
6
7
8
9
10
11
12
13
14
J72-0802-12 A/2
R181
R182
R109
R106
R148
C195
C197
C143
C126
C130
C120
C78
C121
C119
C196
C198 C89
C151
C80
C76
C73
C136
C123
C134
R150
Q27
R146
B
E
C
R128
R152
R151
R155
Q30
Q25
Q22
Q26 Q31
Q28
R156
R143
R153
R154
R141
R9
R10
R11
C175
R12
R94
R168
D6
1
33
RSSI
D2
D3
D4
D1
D5
D17
R59
R134
C31
C18
C61
IC12
O
G
I
C429
IC3
1
4 5
8
C46
C21
C20
C23
C166
C108
C104
C113
C100
C114
C103
C92
C84
C39
C164
C229
1
34
6
IC200
R96
C157
C156
C155
C154 C153
L7
C118
C28
R30
R37
R133
R126
R123
R124
R251
R125 Q24
Q23
L1
C32
R35
R170
R403
R62
R67
R69
R61
R66
R215
R214
R212
C215
Q201 E
C
B
C217
C225
C51 C55
R79
C60
C58
C69C460
C41
C279
C37
C67 C52 C62
L3
L4
L9
D22
Q18
D
G
S
R73
R32
R25
R15
C167 R72
R157
R71
R63
R65
R44
R17
R39
R36
R406
R33
C142
C144
C137
D21
D20
D31
D34
D28
C179
C110 C115
C150
C284
C258
C256
C285
C261
C260
C286
C263
C264
C268
C200
C138
C428
C147
C139
C141
C149
C296
C146
L10
D210
D27
D30
C124
C418
C128
L225
L400
L401
R138
R142
R205
R402
R400
R256
R241
R169
R162
R158
R421
R54
R53
R45
R42
R41
R240
R243
R244
R242
R237
R236
R226
R223
R235
C246
C245
C244
C235
C236
C234
C240
C414
L216
L217
R255
C434
R245
R204
R260
C254
L218
C88
Q11
SP
PA
R90
D26
R86
R116
R144
R137
R145
R140
R132
C127
C162 ++
C72
SB
HOR
IC15
1
7 8
14
PSW LOK E
CN7
C3
C1C2FW
OP
SQ
C45CRD2
RD1TD2
TD1
DEO
+
+
+
+
+
C36
C29
C24
R408
R411
R413
R414
R20 R14
R21
R23
C19 C22
IC41
34
5
Q1 Q402
Q403
D
G
S
SB
+
+
+C111
Q20
B
C
E
IC13
TR
I
G
O
8R
Q12
B
C
E
DT
ES
IC7
1
89
16
IC8
1
89
16
CK
C42 +
R64
R22R31
D35
R19
IC2
1
4 5
8+
C160
DM
R163
R131
DEO
R130
D23
BP
BPO
W/N
C116
+
C117
5C
8C
8T C417
L219
C299
R203
R252
R206
C400
C255
C248 C247
C253
C252
C250
C251
C249
IC400
DB
1 2 3 4 5
R401
C435
Q205
E
C
B
Q204
Q202
E
C
B
D207
C421
R28 R27
R34
R26
R75
R164 R165
R29
LD
+
QAD
KEY R107
R104
Q15
TP3 OUT IN
X1
CP
DT
EP
MB
C27 C30
C25
+
IC11
45
8
R238
R231
R425
R239
C287 R52
C265
D209
D402
Q29
H/L
IC61
1
4
2 3
4
5
8
C44
9C
L214
C56
C66
C64
C158
C159
C57
D40
D41
Q7
C38
C35
C43
C165
R46
+
9C
Q3
+
+
8C
Q2
R40 C33
C34 +TP4 L212
L210
R56
C47
C49 TP1
C283
C282
C206 C275
C205 R213
L206
+C145 C148
R147 R159
C135
ANTE ANT
TV
D200
L205
R211
TP2
C227
ST
HT
E
9CL
8CL
MD
CV
W/N
T/R
MO
TO
BEEP
8R
PSW
DEO
MM
AFO
ME
MI
AHK
IGN
SB
SB
8C
KEY
CK
DT
RSSI
LD
ES
EP
EN
APTT
CP
DTC
TXD
RXD
OE
FSW
E
PC BOARD VIEW TK-880/H
62
TX-RX UNIT (X57-6450-XX) (A/2) Foil side view
-10 : K -11 : K2 -12 : K3 -13 : HK -14 : HK2 -15 : HK3
Component side
Foil side
Pattern 1
Pattern 2
Pattern 3
Pattern 4
Ref No. Address
IC1 9M
IC2 13G
IC3 10E
IC4 8E
IC6 6M
IC7 9G
IC8 10G
IC12 9H
IC13 6G
IC15 10D
IC200 12Q
Ref No. Address
IC400 2K
Q1 8E
Q2 12N
Q3 11N
Q7 9O
Q11 7G
Q12 7H
Q15 12K
Q18 11J
Q20 5G
Q22 10C
Ref No. Address
Q23 10J
Q24 10J
Q25 10C
Q26 10C
Q27 7D
Q28 8D
Q29 6N
Q30 8C
Q31 8C
Q201 10Q
Q202 7M
Ref No. Address
Q204 7L
Q205 7J
Q402 8E
Q403 8E
D1 13D
D2 13C
D3 13C
D4 13C
D5 13E
D6 12C
D17 13D
Ref No. Address
D20 8C
D21 8C
D22 11I
D23 11H
D26 8D
D27 6P
D28 8C
D30 6R
D31 8C
D34 8C
D35 12F
Ref No. Address
D40 9N
D41 9N
D200 9R
D207 7L
D209 5N
D210 6O
D402 5N

ABCD E F G H I J K L M N O P Q R S
1
2
3
4
5
6
7
8
9
10
11
12
13
14
R181
R182
R109
R106
R148
C195
C197
C143
C126
C130
C120
C78
C121
C119
C196 C198
C89
C151
C80
C76
C73
C136
C123
C134
R150
Q27
R146
B
E
C
R128
R152
R151
R155
Q30
Q25
Q22
Q26 Q31
Q28
R156
R143
R153
R154
R141
R9
R10
R11
C175
R12
R94
R168
D6
1
33
D2
D3
D4
D1
D5
D17
R59
R134
C31
C18
C61
IC12
O
G
I
C429
IC3
1
4 5
8
C46
C21
C20
C23
C166
C108
C104
C113
C100
C114
C103
C92
C84
C39
C164
C229
1
34
6
IC200
R96
C157
C156
C155
C154 C153
L7
C118
C28
R30
R37
R133
R126
R123
R124
R251
R125 Q24
Q23
L1
C32
R35
R170
R403
R62
R67
R69
R61
R66
R215
R214
R212
C215
Q201 E
C
B
C217
C225
C51 C55
R79
C60
C58
C69
C460
C41
C279
C37
C67 C52 C62
L3
L4
L9
D22
Q18
D
G
S
R73
R32
R25
R15
C167 R72
R157
R71
R63
R65
R44
R17
R39
R36
R406
R33
C142
C144
C137
D21
D20
D31
D34
D28
C179
C110 C115
C150
C284
C258
C256
C285
C261
C260
C286
C263
C264
C268
C200
C138
C428
C147
C139
C141
C149
C296
C146
L10
D210
D27
D30
C124
C418
C128
L225
L400
L401
R138
R142
R205
R402
R400
R256
R241
R169
R162
R158
R421
R54
R53
R45
R42
R41
R240
R243
R244
R242
R237
R236
R226
R223
R235
C246
C245
C244
C235
C236
C234
C240
C414
L216
L217
R255
C434
R245
R204
R260
C254
L218
C88
Q11
SP
R90
D26
R86
R116
R144
R137
R145
R140
R132
C127
C162
+
+
C72
IC15
1
78
14
PSW
LOK
CN7
+
+
+
+
+
C36
C29
C24
R408
R411
R413
R414
R20
R14
R21 R23
C19
C22
IC4
1
3 4
5
Q1
Q402
Q403
DG
S
SB
+
+
+
C111
Q20
B
C
E
IC13
TR
I
G
O
8R
Q12
B
C
E
DT
ES
IC7
1
8 9
16
IC8
1
8 9
16
CK
C42
+
R64
R22 R31
D35
R19
IC21
45
8
+
C160
DM
R163
R131
DEO
R130
D23
BP
BPO
W/N
C116 +
C117
5C
8C
8T
C417
L219
C299
R203
R252
R206
C400
C255
C248
C247
C253
C252
C250
C251
C249
IC400
DB
12345
R401
C435
Q205
E
C
B
Q204
Q202
E
C
B
D207
C421
R28
R27
R34
R26
R75
R164
R165
R29
LD
+
QAD KEY
R107
R104
Q15
OUT
IN
X1
CP
DT
EP
MB
C27
C30
C25 +
IC1
1
4 5
8
R238
R231
R425
R239
C287
R52
C265
D209
D402
Q29
H/L
IC6
1
1
4
23
4
5
8
C44
9C
L214
C56
C66
C64
C158
C159
C57
D40
D41
Q7
C38
C35
C43
C165
R46
+
9C
Q3
+
+
8C
Q2
R40C33
C34
+
L212
L210
R56
C47
C49
C283
C282
C206
C275
C205
R213
L206
+
C145C148
R147
R159
C135
ANTE
ANT
D200
L205
R211
C227
ST
HT
E
9CL
8CL
MD
CV
E
FSW
OE
RXD
TXD
DTC
CP
APTT
EN
EP
ES
LD
RSSI
DT
CK
KEY
8C
SB
SB
IGN
AHK
MI
ME
AFO
MM
DEO
PSW
8R
BEEP
TO
MO
T/R
W/N
C273
C271
D211
R115
R422
R127
R122
R417
R420
D203
D204
L8
C204
R209
R210
R309
R320
R310
R312
R311R315
R313
R314
R111
L5
CF2 (G)
D8
D13
R4
1
3
1
TXD1
RXD1
LOK
8
SQ
PTT
MI/TXS
ME/AM
DI
IGN
AHK/BUSY
DEO
R3
R2
R1
C9
C7
C6
C5
C3
C2
C1
C13
C8
C4
RSSI
D9
D12
D14
R305
R129
R114
R121
R300
IC300
1
1011
20
R303
R302
R301
R225
R218
R68
L2
R217
R227
R220
R224
R229
R234
R221
R228
R230
R232
R233
R250
Q203
B
C
E
D214
D205
D206 C207C209
C212
C161
C326
C316
C317
C321
C312
C311
C309
C307
C306
C305
C216
C325
C314
L302
C318
C319
C100
C16
R16
Q302
Q301
C277
C281
C230
C239
C237
C241
C243
C280
C59
L209 C290
L208
R201
C201
R202
L200
VR1
L224
C272
C269
C266
C427
C140
C422
C416 C97
C131
C423
C112
C109
C129
C125
C293
C295
C132
C294
C444
IC14 Q19
D32
C152
R176
CN6
CN5
E
SP 1
2
3
10
SPO
PA
SPI
1
1
B
I G O C E
C90
C68
C79
C77
IC10
C70
C75
Q9
D24
Q6
Q5
Q4
C74
R77
C48
C71C65
R70
CN2
R58
R50
R76
R98
Q10
C419
Q21
Q17
1
34
5
L222
L223
L221
C270
C267
R149 R120
R113
R112
R415 R416
D401
C432
R139
C211
C210
C213
C214
C220
C222
C221
C223
C233
C231
L213
C224 C218
D213
D212
TV
L203
L207
D215
TP1
TP2
TP4
L211
++
++
R318
R317
R316
R319
R306 R307
C322 C320
C313
C315
R308
L303
Q300
A1 : X58-4550
D406
C447
C445
C446
C262
C257 R450
R200
L220
C443
C93
R135
R418 R419
Q401
+
IC401
1
4 5
8
C303
C331 C330
L306 L305
+
C304
R304
R89 XF1
C94
C98 C96
C99
C91
C102
R110
R119
L6
Q16
C178
C448
+
+
+
+
C174
C133
+
+
C45
+
+
+
C107
C101
Q32
D
G
S
TP3
IC11
1
89
16
X2
CF1 (F)
R47
R48
R49
IC5
1
12 13
24
+
D11 C54
R60
R99
R97 R91
C173
+
Q13
C106
C105
R80
R74
C63
Q8
ST
C40
R57
SQ2
CN1
ER8
R7
R6
C12
C11
C14
E
C3
C1 C2 FW
OP SQ
C4 5C RD2
RD1 TD2
TD1
DEO
IC9
I
G
O
++
+
++
D37
+B +
J1
EXT. SP
R85
D16
C15
CN3
D7
C10
3
1
LOK/DTC/TXS/FSW
MM
LOK/AM
3
1
SB
E
HOR
CN4
E
J72-0802-12 A/2
TK-880/H PC BOARD VIEW
63
TX-RX UNIT (X57-6450-XX) (A/2) Component side view + Foil side
-10 : K -11 : K2 -12 : K3 -13 : HK -14 : HK2 -15 : HK3
Component side
Foil side
Pattern 1
Pattern 2
Pattern 3
Pattern 4
Connect 1 and 4
Ref No. Address
IC1 9G
IC2 13M
IC3 10O
IC4 8O
IC5 10M
IC6 6G
IC7 9M
IC8 10M
IC9 10O
IC10 8R
IC11 12J
IC12 9L
IC13 6M
Ref No. Address
IC14 6O
IC15 10P
IC200 12C
IC300 10H
IC400 2I
IC401 7G
Q1 8O
Q2 12F
Q3 11F
Q4 11R
Q5 10S
Q6 10R
Q7 9E
Ref No. Address
Q8 9O
Q9 9Q
Q10 7M
Q11 7M
Q12 7L
Q13 7M
Q15 12I
Q16 11J
Q17 6G
Q18 11J
Q19 4O
Q20 5M
Q21 7F
Ref No. Address
Q22 10Q
Q23 10J
Q24 10J
Q25 10Q
Q26 10Q
Q27 7P
Q28 8P
Q29 6F
Q30 8Q
Q31 8Q
Q32 11J
Q201 10C
Q202 7G
Ref No. Address
Q203 13E
Q204 7H
Q205 7J
Q300 9F
Q301 11G
Q302 11F
Q401 7H
Q402 8O
Q403 8O
D1 13P
D2 13Q
D3 13Q
D4 13Q
Ref No. Address
D5 13O
D6 12Q
D7 11R
D8 13L
D9 12M
D11 9M
D12 12M
D13 13M
D14 12N
D16 9R
D17 13P
D20 8Q
D21 8Q
Ref No. Address
D22 11K
D23 11L
D24 10R
D26 8P
D27 6D
D28 8Q
D30 6B
D31 8Q
D32 5O
D34 8Q
D35 12N
D37 6P
D40 9F
Ref No. Address
D41 9F
D200 9B
D203 9B
D204 9C
D205 11B
D206 11C
D207 7H
D209 5F
D210 6E
D211 6E
D212 9C
D213 8B
D214 11B
D215 12C
D401 6E
D402 5F
D406 6F

S
RQP
O
NMLK
J
IHGF
E
D
CB
A
1
2
3
4
5
6
7
8
9
10
11
12
13
14
D512
PSW
D511
C600
J72-0802-12 B/2
Q511
J501
CM MIC PTT/
TXD PSB
HOOK/
RXD ME E BLC
VOL
UP
VOL
DN
D513
AMON
R525
R532
R504
R554
R541
R553
R569
R568
R573
R711
R712
R501
R511
R509
R530
R587
IC510
1
1617
32
R503
R527R528 C520
C509
C505
C559
C564
C542
C555
C523
C553
C519
D509
L503 C711
C508
C522
C584
C561
IC509
O
G
I
C713
R526
R710 R514 R517
R531 R572
R510
C712
R714
R726
R502
R552
R551
C527
C506
C513
C710 C518
C511 C714
C547
C540
C535
C574
IC501
IC502
IC503
IC710
1
1
1
3 4
5
4
4
5
5
8
8
1
4 5
8
R713
C575
+
R545
R548
Q5 03
D514
B
C510 +
D510
C524
R507
R508 R523
C
D515
D520
R612 C593
C583
C592
R682
IC508
1
8 9
16 L507
DSCN
D516
SYS
DN
SYS
UP
D517
J72-0802-12 B/2
C501
C502
C726
C503 C578
C577
C554 C556
C560
C562
C563
C549 C550
C582
C528
C607
C601
R505 R723
R506 R513
R702
L502
R701
R512
D507
Q501
Q512
Q515
D518
Q513
B
C
ER516
R724
R679
R683
R725
R575
R567 R579
R720
R719
R571
R718
R721
C576
C715
C622
C569
C572
C567
C628
C626
C624
C620
C617
C616
C632
C579
C606C581
C630
C627
C723
D508
C728
C566
C568
C557
C720
C558
C722
R538
R537
R533
R524
R515
R519 R535 R540 R546
R547
R727
R582
R580
R672
R678
R677
L505
C594R624
C595
C718
C597
L504
L506
R645
R581
R576 R716 1
33
E
FSW
OE
RXD
TXD
DTC
CP
APTT
EN
EP
ES
LD
RSSI
DT
CK
KEY
8C
SB
SB
IGN
AHK
MI
ME
AFO
MM
DEO
PSW
8R
BEEP
TO
MO
T/R
W/N
R558
R556
R574
R529
C504
C512
C598
C536
C525
C517
C526
C521
C571
C580
C629
1
E
5C
CS
CK
SID
NC
NC
LEDA
LEDK
NC
10 C634
C604
IC513
O
G
I
C613
C631
C605
L508
Q507
C529 C537
C539
C543
C545
C541
C546
C544
CP501
C599
D501
D502
IC507
IC711
1
1
34
5
7 8
14
C614
D505
D504
D503
L501
MUTE
SPO
GND Q508
Q509
R668
R667
R722
R680
R674
MPTT
PTT GND
R544
X501
SB
R577
R566 R555
+
+
+
R562
IC504
1
11
1222
23
33
34 44 R522 R536
R550
R542 R564
R521
R518
R520
C514
C533
C531 C552
C515
C516
RXAI
RXAO
C548
C565 C570
C625
C623
C608
C610 R676
R621
R619
R616
R614
R611
R670
R675 R706
R705
C633
C602 C609
+
Q
502
TXAI
TXAO
IC506
1
78
14
R673
CN501
++
CN502
IC512
1
45
8
X502
+
IC511
125
26
5051 75
76
100
R585
R586
R588
R584
C603
C596
Q510
R602 R603
R601
R600
R598 R599
R597
R595
R593
R592
R591
R646
R643
R641 R639
R637
R634
R630
R626
R623
R620
R617
R613
R609
R636
R632
R627
R625
R622
R618
R615
R610
R608
R589
R590
R596
R594
R654
R653
R651
R652
R664 R665
R628
R629
R631 R633
R638
R642
R666
R644
R640
R635
R663
R661
R659
R657
R655
R662
R660
R658
R656
R650 R649
R647
PC BOARD VIEWS TK-880/H
65 66
TX-RX UNIT (X57-6450-XX) (B/2) -10 : K -11 : K2 -12 : K3 -13 : HK -14 : HK2 -15 : HK3 Component side view
TX-RX UNIT (X57-6450-XX) (B/2) -10 : K -11 : K2 -12 : K3 -13 : HK -14 : HK2 -15 : HK3 Foil side view
Component side
Foil side
Pattern 1
Pattern 2
Pattern 3
Pattern 4
Component side
Foil side
Pattern 1
Pattern 2
Pattern 3
Pattern 4
Ref No. Address
IC501 2G
IC502 2J
IC503 4G
Ref No. Address
IC508 2L
IC509 4L
IC510 3O
Ref No. Address
IC710 2I
Q503 3H
Q511 3C
Ref No. Address
D509 3I
D510 3I
D511 2C
Ref No. Address
D512 2E
D513 5E
D514 5I
Ref No. Address
D515 5M
D516 5R
D517 2R
Ref No. Address
D520 4L
Ref No. Address
IC504 11F
IC506 11I
IC507 9E
Ref No. Address
IC511 10P
IC512 11N
IC513 10L
Ref No. Address
IC711 8F
Q501 10B
Q502 11H
Ref No. Address
Q507 11I
Q508 11C
Q509 11C
Ref No. Address
Q510 9R
Q512 11A
Q513 11B
Ref No. Address
Q515 12A
D501 8C
D502 9D
Ref No. Address
D503 10A
D504 9C
D505 9A
Ref No. Address
D507 10A
D508 9G
D518 12A

ABCD E F G H I J K L M N O P Q R S
1
2
3
4
5
6
7
8
9
10
11
12
13
14
C501
C502
C726
C503 C578
C577
C554 C556
C560
C562
C563
C549 C550
C582
C528
C607
C601
R505 R723
R506 R513
R702
L502 R701 R512D507
Q501
Q512 Q515
D518
Q513 B
C
E
R516
R724 R679
R683
R725
R575
R567
R579
R720
R719
R571
R718
R721
C576
C715
C622
C569
C572
C567
C628
C626
C624
C620
C617
C616
C632
C579
C606 C581
C630
C627
C723
D508
C728
C566
C568 C557
C720
C558
C722
R538
R537
R533
R524
R515
R519
R535
R540
R546
R547
R727
R582
R580
R672
R678
R677
L505
C594 R624
C595
C718
C597
L504
L506
R645
R581
R576
R716
1
33
E
FSW
OE
RXD
TXD
DTC
CP
APTT
EN
EP
ES
LD
RSSI
DT
CK
KEY
8C
SB
SB
IGN
AHK
MI
ME
AFO
MM
DEO
PSW
8R
BEEP
TO
MO
T/R
W/N
R558
R556
R574
R529
C504
C512
C598
C536
C525
C517
C526
C521
C571
C580
C629
1
E
5C
CS
CK
SID
NC
NC
LEDA
LEDK
NC
10
C634
C604
IC513
O
G
I
C613
C631
C605
L508
Q507
C529
C537
C539
C543
C545
C541
C546
C544
CP501
C599
D501
D502
IC507
IC711
1
1
3 4
5
78
14
C614
D505
D504
D503
L501
MUTE
SPO
GND Q508
Q509
R668
R667
R722
R680
R674
MPTT
PTT GND
R544
X501
SB
R577
R566 R555
+
+
+
R562
IC504
1
11
1222
23
33
34 44 R522
R536
R550
R542 R564
R521
R518
R520
C514
C533
C531 C552
C515
C516
RXAI
RXAO
C548
C565 C570
C625
C623
C608
C610 R676
R621
R619
R616
R614
R611
R670
R675 R706
R705
C633
C602 C609
+
Q
502
TXAI
TXAO
IC506
1
78
14
R673
CN501
++
CN502
IC512
1
45
8
X502
+
IC511
125
26
5051 75
76
100
R585
R586
R588
R584
C603
C596
Q510
R602 R603
R601
R600
R598 R599
R597
R595
R593
R592 R591
R646
R643 R641
R639 R637
R634
R630
R626
R623
R620
R617
R613
R609
R636
R632
R627
R625
R622
R618
R615
R610
R608
R589
R590
R596
R594
R654
R653
R651
R652
R664 R665
R628
R629
R631 R633
R638
R642
R666
R644
R640
R635
R663
R661
R659
R657
R655
R662 R660
R658
R656
R650 R649
R647
D512
PSW
D511
C600
J72-0802-12 B/2
Q511
J501
CM MIC PTT/
TXD PSB
HOOK/
RXD ME E BLC
VOL
UP
VOL
DN
D513
A
MON
R525
R532
R504
R554
R541
R553
R569
R568
R573
R711
R712
R501
R511
R509
R530
R587
IC510
1
1617
32
R503
R527R528 C520
C509
C505
C559
C564
C542
C555
C523
C553
C519
D509
L503 C711
C508
C522
C584
C561
IC509
O
G
I
C713
R526
R710 R514 R517
R531 R572
R510
C712
R714
R726
R502
R552
R551
C527
C506
C513
C710 C518
C511 C714
C547
C540
C535
C574
IC501
IC502
IC503
IC710
1
1
1
3 4
5
4
4
5
5
8
8
1
4 5
8
R713
C575
+
R545
R548
Q 50 3
D514
B
C510 +
D510
C524
R507
R508 R523
C
D515
D520
R612 C593
C583
C592
R682
IC508
1
8 9
16 L507
DSCN
D516
SYS
DN
SYS
UP
D517
TK-880/H PC BOARD VIEW
67 68
TX-RX UNIT (X57-6450-XX) (B/2) -10 : K -11 : K2 -12 : K3 -13 : HK -14 : HK2 -15 : HK3 Component side view + Foil side
Component side
Foil side
Pattern 1
Pattern 2
Pattern 3
Pattern 4
Connect 1 and 4
Ref No. Address
IC501 3G
IC502 3J
IC503 4H
IC504 4G
IC506 4J
IC507 5E
Ref No. Address
IC508 3M
IC509 4L
IC510 4P
IC511 4Q
IC512 3O
IC513 4L
Ref No. Address
IC710 3I
IC711 6G
Q501 4B
Q502 4I
Q503 4H
Q507 3J
Ref No. Address
Q508 4C
Q509 3C
Q510 5S
Q511 4C
Q512 3B
Q513 3B
Ref No. Address
Q515 3A
D501 6D
D502 5D
D503 5B
D504 5C
D505 5B
Ref No. Address
D507 4B
D508 5G
D509 4I
D510 4I
D511 3C
D512 2E
Ref No. Address
D513 5E
D514 6I
D515 6N
D516 5R
D517 2R
D518 2B
Ref No. Address
D520 5L
2SD2394 DTA114EE
DTA144WE
DTC114EE
DTC144EE
DTD114EK
2SA1362
2SC2059K
2SB1132
2SB1188
2SC2873
2SA1641 FMW1 2SC4093 2SC4081 DTC314TU
DTC363EU DTC114EUA LA4422 TA75W558FU DAN202U TA78L05F
DA204U
DA221
DTA114YUA
HSM88AS
MA742 2SK508NV 2SK1824 TC4013BF BU4066BCFV M62363FP TC4S66F AN8009M W29C020C90 AT29C020-90TI S-AU27AH
S-AU27AL
S-AU27AM
AT2408N10SI2.5
TC35453F GN2011 SA7025DK RH5VL42C BU4094BCFV TA7808S NJM2904V TA75W01FU
TC75W51FU TA75S01F TA31136FN LC73872M M68769H
M68769L
M68769SH
2SC2412K
2SC3722K
2SC4215
2SC4226
2SC4617
2SC4619
2SC5110
5
3
211
2
3
4
VIN
VREF
GND
30622M8A-4F9GP
2SC2954
2SC3357

TRPNLJHFDB SQ
OMKIGECA
1
3
5
7
2
4
6
SCHEMATIC DIAGRAM TK-880/H
Note : Components marked with a dot (·) are parts of patterun 1.
72

73
ACEGI K MOQS
BDF H J L N P R T
1
3
5
7
2
4
6
TK-880/H SCHEMATIC DIAGRAM Note : Components marked with a dot (·)
are parts of patterun 1.

TK-880/H TK-880/H TK-880/H
BLOCK DIAGRAM
79

TK-880/H TK-880/H
8180
LEVEL DIAGRAM
Receiver Section
Transmitter Section

82
TK-880/H
TERMINAL FUNCTION
CN7 (TX-RX Unit A/2) ←→ CN502 (TX-RX Unit B/2)
Pin No.
Name Function
1 W/N Wide/Narrow switch input. H : Wide
2 T/R TX/RX switch input. H : Receive
3 MO Modulation signal input.
4 TO Low speed data signal input.
5 BEEP Beep input.
6 8R NC (8V)
7 PSW Power switch.
8 DEO Receive signal output.
9 MM MIC mute. H : MIC mute
10 AFO Receive signal input.
11 ME MIC ground.
12 MI Internal MIC output.
13 AHK Hook signal output. H : Off hook
14 IGN Ignition output.
15 SB 13.6V output.
16 SB 13.6V output.
17 8C 8V output.
18 KEY TX/Lock detection input.
19 CK Shift register clock input.
20 DT PLL/Shift register/DA converter input.
21 RSSI RSSI signal output.
22 LD PLL unlock detection output.
23 ES Shift register enable input.
24 EP PLL enable signal input.
25 EN DA converter enable signal input.
26 APTT PTT signal output.
27 CP PLL clock.
28 DTC Data control signal output.
29 TXD Serial data
30 RXD Serial data.
31 OE Serial data.
32 FSW Foot switch output.
33 E Ground.
CN101 (VCO)
←→
TX-RX Unit (A/2)
Pin No.
Name Function
1 ST Switched transmit input. H : Transmit
2 HT Signal output.
3 E Ground.
4 9CL 9V input.
5 8CL 8V input.
6 MD Modulation output.
7 CV Control voltage input.
CN501 (TX-RX Unit B/2)
Pin No.
Name Function
1 E Ground.
2 5C Logic power (5V).
3 CS Chip selector signal. L : Option
4 CK Serial clock signal.
5 SID Serial data input.
6 (NC) Unused terminal.
7 (NC) Unused terminal.
8 LED(A) LED anode terminal.
9 LED(K) LED cathode terminal.
10 NC Unused terminal.
J501 (TX-RX Unit B/2)
Pin No.
Name Function
1 BLC MIC backlight control.
2 PSB 13.6V.
3 E Ground.
4 PTT/TXD PTT.
5 ME MIC ground.
6 MIC MIC signal input.
7 HOOK/RXD Hook detection
8 CM MIC data detection.
83
TK-880/H
SPECIFICATIONS
GENERAL
Frequency Range ................................ K,HK : 450 to 490MHz K2,HK2 : 485 to 512MHz K3,HK3 : 400 to 430MHz
Number of Channels ........................... Maximum 600 channels (LTR model), Maximum 250 channels (Conventional model)
Channel Spacing ................................. 25/12.5kHz (PLL channel step 5kHz/6.25kHz)
Input Voltage ....................................... 13.6V DC negative ground
Current Drain ...................................... 0.4A on standby
1.0A on receive
TK-880 : 8A on transmit TK-880H : 12A on transmit
Temperature Range ............................ –30°C to +60°C (–22°F to +140°F)
Dimensions & Weight ........................ TK-880 : 140 (5.51) W x 40 (1.58) H x 145 (5.73) D mm (inch), 0.94kg (2.07 lbs)
TK-880H : 140 (5.51) W x 40 (1.58) H x 173 (6.84) D mm (inch), 1.05kg (2.31 lbs)
RECEIVER (Measurements made per EIA standard EIA/TIA-204-D)
RF Input Impedance ........................... 50Ω
Sensitivity (EIA 12dB SINAD) ............. 0.25µV
Selectivity ........................................... Wide : 80dB Narrow : 67dB
Intermodulation................................... Wide : 75dB Narrow : 65dB
Spurious and Image Rejection............ 85dB
Audio Power Output ........................... 4W at 4Ω less than 5% distortion
Frequency Stability ............................. ±2.5ppm from –30°C to +60°C
Channel Frequency Spread ................ 40/27/30MHz
TRANSMITTER (Measurements made per EIA standard EIA-152-C)
RF Power Output ................................ TK-880 : 25W TK-880H : 40W
Spurious and Harmonics..................... 70dB
Modulation .......................................... Wide : 16K0F3E Narrow : 11K0F3E
FM Noise ............................................ Wide : 50dB Narrow : 45dB
Microphone Impedance ...................... 600Ω
Audio Distortion .................................. 10% or less at 1kHz
Frequency Stability ............................. ±2.5ppm from –30°C to +60°C
Channel Frequency Spread ................ 40/27/30MHz
Specifications are for K (U.S.A) models only.

KENWOOD CORPORATION
14-6, Dogenzaka 1-chome, Shibuya-ku, Tokyo 150-8501, Japan
KENWOOD SERVICE CORPORATION
P.O. BOX 22745, 2201 East Dominguez Street, Long Beach, CA 90801-5745, U.S.A.
KENWOOD ELECTRONICS CANADA INC.
6070 Kestrel Road, Mississauga, Ontario, Canada L5T 1S8
KENWOOD ELECTRONICS DEUTSCHLAND GMBH
Rembrücker Str. 15, 63150 Heusenstamm, Germany
KENWOOD ELECTRONICS BELGIUM N.V.
Mechelsesteenweg 418 B-1930 Zaventem, Belgium
KENWOOD ELECTRONICS FRANCE S.A.
13, Boulevard Ney, 75018 Paris, France
KENWOOD ELECTRONICS U.K. LIMITED
KENWOOD House, Dwight Road, Watford, Herts., WD1 8EB United Kingdom
KENWOOD ELECTRONICS EUROPE B.V.
Amsterdamseweg 37, 1422 AC Uithoorn, The Netherlands
KENWOOD ELECTRONICS ITALIA S.p.A.
Via G. Sirtori, 7/9 20129 Milano, Italy
KENWOOD IBERICA S.A.
Bolivia, 239-08020 Barcelona, Spain
KENWOOD ELECTRONICS AUSTRALIA PTY. LTD.
(A.C.N. 001 499 074)
16 Giffnock Avenue, Centrecourt Estate, North Ryde, N.S.W. 2113 Australia
KENWOOD ELECTRONICS (HONG KONG) LTD.
Unit 3712-3724, Level 37, Tower one Metroplaza, 223 Hing Fong Road, Kwai Fong, N.T., Hong Kong
KENWOOD ELECTRONICS TECHNOLOGIES(S) PTE LTD.
Sales Marketing Division
1 Ang Mo Kio Street 63, Singapore 569110
TK-880/H