TM 9 6115 464 34 GENERATOR SET, DIESEL ENGINE DRIVEN, TACTICAL SKID MTD., 15 KW, 3 PHASE, 4 WIRE 120/208 AND 240/416 VOLTS DOD MEP 004A UTILITY CLASS 50/60 HERTZ (NSN 00 118 1241) 103A PRECISE (6115 124
TM-9-6115-464-34 TM-9-6115-464-34 Military Generators == MEP 004A
User Manual: TM-9-6115-464-34 GENERATOR SET, DIESEL ENGINE DRIVEN, TACTICAL SKID MTD., 15 KW, 3 PHASE, 4 WIRE 120/208 AND 240/416 VOLTS DOD MEP-004A UTILITY CLASS 50/60 HERTZ (NSN 6115-00-118-1241) DOD MEP 103A PRECISE CLASS 50/60 HERTZ (6115-00-118-124 Military Generators == MEP 113A
Open the PDF directly: View PDF
.
Page Count: 493 [warning: Documents this large are best viewed by clicking the View PDF Link!]
- TABLE OF CONTENTS
- LOI
- LOT
- LAST CHANGE
- WARNING
- CHAPTER
- CHAPTER 1
- CHAPTER 2
- CHAPTER 3
- PARA 3-1
- PARA 3-4
- PARA 3-6
- PARA 3-7
- PARA 3-15
- PARA 3-16
- PARA 3-20
- PARA 3-22
- PARA 3-23
- PARA 3-24
- PARA 3-29
- PARA 3-30
- PARA 3-31
- PARA 3-32
- PARA 3-37
- PARA 3-38
- PARA 3-39
- PARA 3-41
- PARA 3-42
- PARA 3-43
- PARA 3-45
- PARA 3-46
- PARA 3-47
- PARA 3-49
- PARA 3-50
- PARA 3-51
- PARA 3-52
- PARA 3-54
- PARA 3-55
- PARA 3-56
- PARA 3-57
- PARA 3-59
- PARA 3-63
- PARA 3-64
- PARA 3-65
- PARA 3-66
- PARA 3-70
- PARA 3-71
- PARA 3-72
- PARA 3-75
- PARA 3-77
- PARA 3-81
- PARA 3-83
- PARA 3-84
- PARA 3-86
- PARA 3-87
- PARA 3-88
- PARA 3-89
- PARA 3-90
- PARA 3-91
- PARA 3-92
- PARA 3-95
- PARA 3-98
- PARA 3-99
- PARA 3-100
- PARA 3-101
- PARA 3-102
- CHAPTER 4
- CHAPTER 5
- FIGURES
- FIGURE 2-1
- FIGURE 2-2
- FIGURE 3-1
- FIGURE 3-2
- FIGURE 3-3
- FIGURE 3-4
- FIGURE 3-5
- FIGURE 3-6
- FIGURE 3-7
- FIGURE 3-8
- FIGURE 3-9
- FIGURE 3-10
- FIGURE 3-11
- FIGURE 3-12
- FIGURE 3-13
- FIGURE 3-14
- FIGURE 3-15
- FIGURE 3-16
- FIGURE 3-17
- FIGURE 3-18
- FIGURE 3-19
- FIGURE 3-20
- FIGURE 3-21
- FIGURE 3-22
- FIGURE 3-23
- FIGURE 3-24
- FIGURE 3-25
- FIGURE 3-26
- FIGURE 3-27
- FIGURE 3-28
- FIGURE 3-29
- FIGURE 3-30
- FIGURE 3-31
- FIGURE 3-32
- FIGURE 3-33
- FIGURE 3-34
- FIGURE 3-35
- FIGURE 3-36
- FIGURE 3-37
- FIGURE 3-38
- FIGURE 3-39
- FIGURE 3-40
- FIGURE 3-41
- FIGURE 3-42
- FIGURE 3-43
- FIGURE 3-44
- FIGURE 3-45
- FIGURE 3-46
- FIGURE 3-47
- FIGURE 3-48
- FIGURE 3-49
- FIGURE 3-50
- FIGURE 3-51
- FIGURE 3-52
- FIGURE 3-53
- FIGURE 3-54
- FIGURE 3-55
- FIGURE 3-56
- FIGURE 3-57
- FIGURE 3-58
- FIGURE 3-59
- FIGURE 3-60
- FIGURE 3-61
- FIGURE 3-62
- FIGURE 3-63
- FIGURE 3-64
- FIGURE 3-65
- FIGURE 3-66
- FIGURE 3-67
- FIGURE 3-68
- FIGURE 3-69
- FIGURE 3-70
- FIGURE 3-71
- FIGURE 3-72
- FIGURE 3-73
- FIGURE 3-74
- FIGURE 3-75
- FIGURE 3-76
- FIGURE 3-77
- FIGURE 3-78
- FIGURE 3-79
- FIGURE 3-80
- FIGURE 3-81
- FIGURE 3-82
- FIGURE 3-83
- FIGURE 3-84
- FIGURE 3-85
- FIGURE 3-86
- FIGURE 3-87
- FIGURE 3-88
- FIGURE 3-89
- FIGURE 3-90
- FIGURE 3-91
- FIGURE 3-92
- FIGURE 3-93
- FIGURE 3-94
- FIGURE 3-95
- FIGURE 3-96
- FIGURE 3-97
- FIGURE 3-98
- FIGURE 3-99
- FIGURE 3-100
- FIGURE 3-101
- FIGURE 3-102
- FIGURE 3-103
- FIGURE 3-104
- FIGURE 3-105
- FIGURE 3-106
- FIGURE 3-107
- FIGURE 3-108
- FIGURE 3-109
- FIGURE 3-110
- FIGURE 3-111
- FIGURE 3-112
- FIGURE 3-113
- FIGURE 3-114
- FIGURE 3-115
- FIGURE 3-116
- FIGURE 3-117
- FIGURE 3-118
- FIGURE 3-119
- FIGURE 3-120
- FIGURE 3-121
- FIGURE 3-122
- FIGURE 3-123
- FIGURE 3-124
- FIGURE 3-125
- FIGURE 3-126
- FIGURE 3-127
- FIGURE 3-128
- FIGURE 3-129
- FIGURE 3-130
- FIGURE 3-131
- FIGURE 3-132
- FIGURE 3-133
- FIGURE 3-134
- FIGURE 3-135
- FIGURE 3-136
- FIGURE 3-137
- FIGURE 3-138
- FIGURE 3-139
- FIGURE 3-140
- FIGURE 3-141
- FIGURE 3-142
- FIGURE 3-143
- FIGURE 3-144
- FIGURE 3-145
- FIGURE 3-146
- FIGURE 3-147
- FIGURE 3-148
- FIGURE 3-149
- FIGURE 3-150
- FIGURE 3-151
- FIGURE 3-152
- FIGURE 4-1
- FIGURE 5-1
- FIGURE 5-2
- FIGURE 5-3
- FIGURE 5-4
- FIGURE 5-5
- FIGURE 5-6
- FIGURE 5-7
- FIGURE 5-8
- FIGURE 5-9
- FIGURE 5-10
- FIGURE 5-11
- FIGURE 5-12
- FIGURE 5-13
- FIGURE 5-14
- FIGURE 5-15
- FIGURE 5-16
- FIGURE 5-17
- FIGURE 5-18
- FIGURE 5-19
- FIGURE 5-20
- FIGURE 5-21
- FIGURE 5-22
- FIGURE 5-23
- FIGURE 5-24
- FIGURE 5-25
- FIGURE 5-26
- FIGURE 5-27
- FIGURE 5-28
- FIGURE 5-29
- FIGURE 5-30
- FIGURE 5-31
- FIGURE 5-32
- FIGURE 5-33
- FIGURE 5-34
- FIGURE 5-35
- FIGURE 5-36
- FIGURE 5-37
- TABLES
- APPENDICES
- PAGES
- PAGE i
- PAGE ii
- PAGE IV
- PAGE VIII
- PAGE IX
- PAGE 1-1
- PAGE 1-2
- PAGE 1-14
- PAGE 2-1
- PAGE 2-4
- PAGE 2-14
- PAGE 2-15
- PAGE 2-20
- PAGE 3-1
- PAGE 3-3
- PAGE 3-8
- PAGE 3-9
- PAGE 3-10
- PAGE 3-17
- PAGE 3-19
- PAGE 3-22
- PAGE 3-24
- PAGE 3-25
- PAGE 3-26
- PAGE 3-27
- PAGE 3-29
- PAGE 3-30
- PAGE 3-31
- PAGE 3-35
- PAGE 3-37
- PAGE 3-40
- PAGE 3-44
- PAGE 3-46
- PAGE 3-48
- PAGE 3-50
- PAGE 3-58
- PAGE 3-62
- PAGE 3-63
- PAGE 3-65
- PAGE 3-67
- PAGE 3-69
- PAGE 3-71
- PAGE 3-73
- PAGE 3-74
- PAGE 3-76
- PAGE 3-77
- PAGE 3-79
- PAGE 3-82
- PAGE 3-86
- PAGE 3-88
- PAGE 3-90
- PAGE 3-91
- PAGE 3-92
- PAGE 3-96
- PAGE 3-98
- PAGE 3-99
- PAGE 3-101
- PAGE 3-102
- PAGE 3-103
- PAGE 3-105
- PAGE 3-107
- PAGE 3-108
- PAGE 3-111
- PAGE 3-114
- PAGE 3-115
- PAGE 3-116
- PAGE 3-118
- PAGE 3-119
- PAGE 3-122
- PAGE 3-123
- PAGE 3-129
- PAGE 3-131
- PAGE 3-134
- PAGE 3-135
- PAGE 3-136
- PAGE 3-140
- PAGE 3-142
- PAGE 3-147
- PAGE 3-149
- PAGE 3-150
- PAGE 3-151
- PAGE 3-153
- PAGE 3-154
- PAGE 3-156
- PAGE 3-159
- PAGE 3-161
- PAGE 3-165
- PAGE 3-168
- PAGE 3-170
- PAGE 3-171
- PAGE 3-172
- PAGE 3-173
- PAGE 3-177
- PAGE 3-178
- PAGE 3-179
- PAGE 3-180
- PAGE 3-182
- PAGE 3-183
- PAGE 3-184
- PAGE 3-185
- PAGE 3-186
- PAGE 3-188
- PAGE 3-189
- PAGE 3-190
- PAGE 3-193
- PAGE 3-200
- PAGE 3-202
- PAGE 3-204
- PAGE 3-205
- PAGE 3-206
- PAGE 3-207
- PAGE 3-208
- PAGE 3-210
- PAGE 3-215
- PAGE 3-218
- PAGE 3-221
- PAGE 3-224
- PAGE 3-225
- PAGE 3-230
- PAGE 3-232
- PAGE 3-233
- PAGE 3-234
- PAGE 3-235
- PAGE 3-237
- PAGE 3-238
- PAGE 3-240
- PAGE 3-242
- PAGE 3-243
- PAGE 3-244
- PAGE 3-245
- PAGE 3-246
- PAGE 3-249
- PAGE 3-250
- PAGE 3-253
- PAGE 3-257
- PAGE 3-259
- PAGE 3-260
- PAGE 3-261
- PAGE 3-263
- PAGE 3-266
- PAGE 3-267
- PAGE 3-269
- PAGE 3-271
- PAGE 3-274
- PAGE 3-278
- PAGE 3-279
- PAGE 3-280
- PAGE 3-284
- PAGE 3-286
- PAGE 3-289
- PAGE 3-290
- PAGE 3-291
- PAGE 3-293
- PAGE 3-294
- PAGE 3-298
- PAGE 3-300
- PAGE 3-303
- PAGE 3-304
- PAGE 3-306
- PAGE 3-307
- PAGE 3-311
- PAGE 3-313
- PAGE 3-315
- PAGE 3-316
- PAGE 3-317
- PAGE 3-318
- PAGE 3-320
- PAGE 3-321
- PAGE 4-1
- PAGE 4-2
- PAGE 4-4
- PAGE 4-5
- PAGE 4-6
- PAGE 4-14
- PAGE 5-1
- PAGE 5-7
- PAGE 5-8
- PAGE 5-11
- PAGE 5-15
- PAGE 5-16
- PAGE 5-17
- PAGE 5-18
- PAGE 5-22
- PAGE 5-24
- PAGE 5-25
- PAGE 5-27
- PAGE 5-28
- PAGE 5-29
- PAGE 5-31
- PAGE 5-32
- PAGE 5-34
- PAGE 5-38
- PAGE 5-40
- PAGE 5-41
- PAGE 5-43
- PAGE 5-44
- PAGE 5-46
- PAGE 5-47
- PAGE 5-48
- PAGE 5-50
- PAGE 5-51
- PAGE 5-53
- PAGE 5-54
- PAGE 5-57
- PAGE 5-58
- PAGE 5-59
- PAGE 5-60
- PAGE 5-62
- PAGE 5-63
- PAGE 5-65
- PAGE 5-68
- PAGE 5-69
- PAGE 5-75
- PAGE 5-76
- PAGE 5-77
- PAGE 5-78
- PAGE B-1

ARMY
*TM 9-6115-464-34
AIR FORCE
TO-35C2-3-445-2
NAVYNAVFAC P-8-624-34
TECHNICAL MANUAL
DIRECT AND GENERAL SUPPORT AND DEPOT LEVEL
MAINTENANCE MANUAL
GENERATOR SET, DIESEL ENGINE DRIVEN, TACTICAL
Skid MTD., 15 KW, 3 PHASE, 4 WIRE, 120/208 AND
240/416 VOLTS
MEP-004A
MEP-103A
MEP-113A
DOD MODELS
MEP-005AWF
MEP-005AWE
MEP-004ALM
MEP-005AWM
MEP-015ASK
DOD MODELS CLASS
HERTZ
UTILITY
50/60
PRECISE
50/60
PRECISE
INCLUDING OPTIONAL KITS
WINTERIZATION KIT, FUEL BURNING
WINTERIZATION KIT, ELECTRIC
LOAD BANK KIT
WHEEL MOUNTING KIT
APPLICATIONS KIT
ACOUSTIC SUPPRESSION KIT
NSN
6115-00-118-1241
6115-00-118-1245
6115-00-118-1244
NSN
6115-00-463-9083
6115-00-463-9085
6115-00-291-9201
6115-00-463-9094
6115-01-096-9015
6115-01-233-8274
DISTRIBUTION STATEMENT A. Approved for public release, distribution is unlimited.
*This manual supersedes TM 5-6115-464-34/TO 35C2-3-455-2/TM 07523A-34, dated
31 January 1975.
HEADQUARTERS, DEPARTMENTS OF THE ARMY,
AIR FORCE AND NAVY
18 JANUARY 1994
NOMENCLATURE

ARMY TM 9-6115-464-34
AIR FORCE TO 35C2-3-445-2
NAVY NAVFAC P-8-624-34
WARNING
All specific cautions and warnings contained in this manual shall be strictly adhered to. Otherwise,
severe injury, death and/or damage to the equipment may result.
HIGH VOLTAGE
is produced when this generator set is in operation.
DEATH
or severe burns may result if personnel fail to observe safety precautions. Do not operate this
generator set until the ground terminal stud has been connected to a suitable ground. Disconnect
the battery ground cable before removing and installing components on the engine or in the
electrical control panel system. Do not attempt to service or otherwise make any adjustments,
connections or reconnection of wires or cables until generator set is shut-down and completely
deenergized.
DANGEROUS GASES
Batteries generate explosive gas during charging; therefore, utilize extreme caution, do not smoke,
or use open flame in vicinity when servicing batteries. Exhaust discharge contains noxious and
deadly fumes. Do not operate generator sets in enclosed areas unless exhaust discharge is
properly vented to the outside. When filling fuel tank, maintain metal-to-metal contact between
filler nozzle and fuel tank. Do not smoke or use an open flame in the vicinity. Use extreme care,
should a selenium rectifier malfunction, to avoid inhalation of poisonous fumes.
LIQUIDS UNDER PRESSURE
are generated as a result of the generator set. Do not expose any part of the body to a high
pressure leak in the fuel or hydraulic system of the generator set. Relieve pressure from radiator
before removing radiator cap.
NOISE
operating level of this generator can cause hearing damage. Ear protectors, as recommended by
the medical or safety officer, must be worn when working near this set.
LIFTING
Do not allow personnel under or near generator set or equipment used in conjunction with
generator set when hoisting or lifting. Death or severe injury may result.
a

ARMY TM 9-6115-464-34
AIR FORCE 35C2-3-445-2
NAVY NAVFAC P-8-624-34
WARNING
DRILLING
When drilling holes in skid base, do not allow drill bit to enter fuel tank. Death or serious injury may
result.
HEAT
Do not allow personnel to open or close exhaust discharge door when unit is hot. Serious burns or
personal injury may result.
CAUTION
DAMAGE
to the equipment may result if personnel fail to observe the cautions contained in this manual. If
generator set is shutdown by the operation of a safety device, do not attempt to operate the unit
until the cause has been determined and eliminated.
WARNING
Hot refueling of generators while they are operating poses a safety hazard and should not be
attempted. Hot engine surfaces and sparks produced from the engine and generator circuitry are
possible sources of ignition. Severe injury, death to personnel and/or damage to the equipemnt
may result.
WARNING
Generator maintenance solvents (Methyl Ethyl Ketone and dry cleaning solvent) may prosent fire
and chemical hazards if used without proper precautions. Observe manufacturer’s warning labels
and the warnings and cautions in this manual. Ensure sufficient ventilation exists, protective
equipment is used, and sources of ignition are removed.
AIR UNDER PRESSURE
Objects propelled by compressed air are may produce severe personal injury. When used for
cleaning and drying, compressed air shall not exceed 30 psig and be used with adequate chip
guards and eye protection.
b

* ARMYTM 9-6115 464 34
AIR FORCE TO 35C2-3-445-2
NAVY NAVFAC P-8-624-34
C1
CHANGE HEADQUARTERS, DEPARTMENTS OF
THE ARMY, THE AIR FORCE, AND THE NAVY
NO 1 WASHINGTON D. C., 31 MARCH 1997
DIRECT AND GENERAL SUPPORT AND DEPOT LEVEL MAINTENANCE MANUAL
GENERATOR SET, DIESEL ENGINE DRIVEN, TACTICAL
SKID MTD., 15 KW, 3 PHASE, 4 WIRE, 120/208 AND 240/416 VOLTS
DOD MODELS CLASS HERTZ NSN
MEP-004A UTILITY 50160 6115--118-1241
MEP-103A PRECISE 50/60 6115-00-118-1245
MEP-113A PRECISE 400 611500-118-1244
DOD MODELS NOMENCLATURE NSN
MEP-005AWF WINTERIZATION KIT, FUEL BURNING 6115-00-463-9083
MEP-005AWE WINTERIZATION KIT, ELECTRIC 6115-00-463-9085
MEP-004ALM LOAD BANK KIT 6115-00-291-9201
MEP-005AWM WHEEL MOUNTING KIT 61150-463-9094
APPUCATIONS KIT 61151-096-9015
MEP-015ASK ACOUSTIC SUPPRESSION KIT 6115-01-233-8274
DISTRIBUTION STATEMENT A: Approved for public release; distribution is unlimited
TM 9-6115-464-34/T.O 35C2-3-445-2/NAVFAC P-8-624-34, dated 18 January 1994, is changed as follows:
1 Remove and insert pages as indicated below. New or changed text material is indicated by a vertical bar in the
margin. An illustration change is indicated by a miniature pointing hand.
Remove pages Insert pages
i and ii i and ii
1-13 and 1-14 1-13 and 1-14
3-59 and 3-60 3-59 and 3-60
3-111 and 3-112 3-111 and 3-112
3-309 and 3-3110 3-309 and 3-310
------------------------ 3-310.1/ (3-310.2 blank)
A-1 and A-2 A-1 and A-2
2. Retain this sheet in front of manual for reference purposes.


ARMY TM 9-6115 464 34
AIR FORCE TO 35C2-3-445-2
NAVY NAVFAC P-8-624-34
TECHNICAL MANUAL HEADQUARTERS, DEPARTMENTS OF
THE ARMY, THE AIR FORCE, AND THE NAVY
WASHINGTON D.C., 18 JANUARY1994
Technical Manual
DIRECT AND GENERAL SUPPORT AND DEPOT LEVEL MAINTENANCE MANUAL
GENERATOR SET, DIESEL ENGINE DRIVEN, TACTICAL
SKID MTD, 15 KW, 3 PHASE, 4 WIRE, 120/208 AND 240/416 VOLTS
DOD MODELS CLASS HERTZ NSN
MEP-004A UTIUTY 50/60 6115-00-118-1241
MEP-103A PRECISE 50/60 6115-00-118-1245
MEP-113A PRECISE 400 6115-00-118-1244
INCLUDING OPTIONAL KITS
DOD MODELS NOMENCLATURE NSN
MEP-005AWF WINTERIZATION KIT, FUEL BURNING 6115-00-463-9083
MEP-00AWE WINTERIZATION KIT, ELECTRIC 6115-00-463-9085
MEP-004ALM LOAD BANK KIT 6115-00-291-9201
MEP-005AWM WHEEL MOUNTING KIT 6115-00-463-9094
APPLICATIONS KIT 6115-01-096-9015
MEP-O15ASK ACOUSTIC SUPPRESSION KIT 6115-01-233-8274
REPORTING ERRORS AND RECOMMENDING IMPROVEMENTS
You can help improve this manual. If you find any mistakes or if you know of a way to improve the procedures, please let
us know. Mail your letter or DA Form 2028 (Recommended Changes to Publications and Blank Forms), or DA Form
2028-2 located in the back of this manual directly to: Commander, US Army Aviation and Troop Command, ATTN:
AMSAT-I-MP, 4300 Goodfellow Blvd., St. Louis, MO 63120-1798. A reply will be furnished directly to you.
For AIR FORCE, Submit AFTO Form 22 directly to: COMMANDER, SACRAMENTO AIR LOGISTICS CENTER, ATTN:
TILBA MCCLELLAN AFB, CA 956-5990.
For Navy, mail comments to the Commander, Naval Construction Battalion Center, ATTN: Code 157411, Bldg. 1443, Port
Hueneme, CA 93043-5000.
DISTRIBUTION STATEMENT A. Approved for public release, distribution is unlimited.
*This manual supersedes TM 5-6115-464-34/TO 35C2-3-455-2/rM 07523A-34, dated 31 January 1975.
Change 1 I
TABLE OF CONTENTS
Page
LIST OF ILLUSTRATIONS . . . . . . . . . . . . . . . . . . . . . . . . . . . . . . . . . . . . . . . . . . . . . . . iv
LIST OF TABLES . . . . . . . . . . . . . . . . . . . . . . . . . . . . . . . . . . . . . . . . . . . . . . . . . . . . . . . viii
HOW TO USE THIS MANUAL . . . . . . . . . . . . . . . . . . . . . . . . . . . . . . . . . . . . . . . . . . . . ix
CHAPTER 1.
INTRODUCTION . . . . . . . . . . . . . . . . . . . . . . . . . . . . . . . . . . . . . . . . . . . . . . . . . . . . . . . 1-1
Section I. GENERAL INFORMATION . . . . . . . . . . . . . . . . . . . . . . . . . . . . . . . . . . . . . . . . . . . . . . . 1-1
Section Il. EQUIPMENT DESCRIPTION AND DATA . . . . . . . . . . . . . . . . . . . . . . . . . . . . . . . . . . 1-2
CHAPTER 2. GENERAL MAINTENANCE INSTRUCTIONS . . . . . . . . . . . . . . . . . . . . . . . . . . . . . . 2-1
Section I. REPAIR PARTS, SPECIAL TOOLS AND EQUIPMENT . . . . . . . . . . . . . . . . . . . . . . 2-1
Section Il. TROUBLESHOOTING . . . . . . . . . . . . . . . . . . . . . . . . . . . . . . . . . . . . . . . . . . . . . . . . . . . 2-4
Section Ill. REMOVAL AND INSTALLATION OF MAJOR COMPONENTS . . . . . . . . . . . . . . . . 2-15
CHAPTER 3. ENGINE AND GENERATOR REPAIR INSTRUCTIONS . . . . . . . . . . . . . . . . . . . . . . 3-1
Section I. MAINTENANCE OF ENGINEELECTRICAL SYSTEM . . . . . . . . . . . . . . . . . . . . . . . 3-1
Section Il. MAINTENANCE OF ENGINE FUEL SYSTEM . . . . . . . . . . . . . . . . . . . . . . . . . . . . . . 3-40
Section Ill. MAINTENANCE OF ENGINECOOLING SYSTEM . . . . . . . . . . . . . . . . . . . . . . . . . . 3-69
Section IV. MAINTENANCE OF ENGINE LUBRICATION SYSTEM . . . . . . . . . . . . . . . . . . . . . . 3-76
Section V. MAINTENANCE OF HYDRAULIC SYSTEM(ELECTRO-HYDRAULIC
GOVERNOR EQUIPPED PRECISE SETS ONLY) . . . . . . . . . . . . . . . . . . . . . . . . 3-82
Section VI. MAINTENANCE OF INTAKE AND EXHAUST SYSTEMS AND BREATHER . . . . 3-101
Section VII. MAINTENANCE OF ENGINE ASSEMBLY . . . . . . . . . . . . . . . . . . . . . . . . . . . . . . . . . 3-101
Section VIII. MAINTENANCE OF GENERATOR SET CONTROLS . . . . . . . . . . . . . . . . . . . . . . . . 3-131
Section IX. MAINTENANCE OF INTERCONNECTING WIRING HARNESSES . . . . . . . . . . . . 3-193
Section X. MAINTENANCE OF CONVENIENCE AND PARALLELING RECEPTACLES
AND WIRING HARNESS . . . . . . . . . . . . . . . . . . . . . . . . . . . . . . . . . . . . . . . . . . . . . 3-210
Section Xl. MAINTENANCE OF LOAD CONNECTION GROUP . . . . . . . . . . . . . . . . . . . . . . . . . 3-210
Section XII. MAINTENANCE OF RELAY TABLE COMPONENTS . . . . . . . . . . . . . . . . . . . . . . . . 3-237
Section XIII. MAINTENANCE OF GENERATOR ASSEMBLIES . . . . . . . . . . . . . . . . . . . . . . . . . . . 3-286
Section XIV. MAINTENANCE OF ELECTROMAGNETIC INTERFERENCE SUPPRESSION
. . . . . . . . . . . . . . . . . . . . . . . . . . . . . . . . . . . . . . . . . . . . . . . . . . . . .
3-311
Section XV. MAINTENANCE OF HOUSING ASSEMBLY . . . . . . . . . . . . . . . . . . . . . . . . . . . . . . . . 3-313
ii
ARMY TM 9-6115-464-34
NAVY FORCE 35C2-3-445-2
NAVY NAVFAC P-8-624-34
Section XVI.
Section XVll.
CHAPTER
Section
Section
CHAPTER
Section
Section
Section
Section
Section
Section
APPENDIX
4.
I.
II.
5.
I.
Il.
Ill.
IV.
V.
VI.
A
ARMY TM9-6115-464-34
AIR FORCE TO 35C2-3-445-2
NAVY NAVFAC P-8-624-34
TABLE OF CONTENTS (Cont.)
MAINTENANCE OF LIFTING FRAME . . . . . . . . . . . . . . . . . . . . . . . . . . . . . . . . . . . . .
MAINTENANCE OF SKID BASE ASSEMBLY . . . . . . . . . . . . . . . . . . . . . . . . . . . . . . .
GENERATOR SET TESTS AFTER OVERHAUL REPAIR INSTRUCTIONS . . . . .
INSPECTION . . . . . . . . . . . . . . . . . . . . . . . . . . . . . . . . . . . . . . . . . . . . . . . . . . . . . . . . . .
OPERATING TESTS . . . . . . . . . . . . . . . . . . . . . . . .
. . . . . . . . . . . . . . . . . . . . . . . . . . . .
REPAIR INSTRUCTIONS FOR MATERIAL USED IN CONJUNCTION
WITH THE GENERATOR SET . . . . . . . . . . . . . . . . . . . . . . . . . . . . . . . . . . . . . . . . .
FUEL BURNING WINTERIZATION KIT . . . . . . . . .
. . . . . . . . . . . . . . . . . . . . . . . . . . .
ELECTRIC WINTERIZATION KIT . . . . . . . . . . . . . . .
. . . . . . . . . . . . . . . . . . . . . . . . . .
WHEEL MOUNTING KIT . . . . . . . . . . . . . . . . . . . . . . . . . . . . . . . . . . . . . . . . . . . . . . . .
LOAD BANK . . . . . . . . . . . . . . . . . . . . . . . . . . . . . . . . . . . . . . . . . . . . . . . . . . . . . . . . . . .
APPLICATIONS KIT . . . . . . . . . . . . . . . . . . . . . . . . . .
. . . . . . . . . . . . . . . . . . . . . . . . . . .
ACOUSTIC SUPPRESSION KIT . . . . . . . . . . . . . . . .
. . . . . . . . . . . . . . . . . . . . . . . . . .
REFERENCES
Page
3-315
3-320
4-1
4-1
4-2
5-1
5-1
5-16
5-27
5-32
5-47
5-65
iii
ARMY TM 9-6115-464-34
AIR FORCE 35C2-3-445-2
NAVY NAVFAC P-8-624-34
LIST OF ILLUSTRATIONS
Figure
2-1.
2-2.
2-3.
3-2.
3-3.
3-4.
3-5.
3-6.
3-8.
3-9.
3-10.
3-11.
3-12.
3-13.
3-14.
3-15.
3-16.
3-17.
3-18.
3-19.
3-20.
3-21.
3-22.
3-23.
3-24.
3-25.
3-26.
3-27.
3-28.
3-29.
3-30.
3-31.
3-32.
3-33.
3-34.
3-35.
3-36.
3-37.
3-38.
3-39.
3-40.
3-41
3-42.
iv
Title Page
Breakout Cable . . . . . . . . . . . . . . . . . . . . . . . . . . . . . . . . . . . . . . . . . . . . . . . . . . . . . . . . . . . . . . . . B-1
Engine assembly, removal and installation . . . . . . . . . . . . . . . . . . . . . . . . . . . . . . . . . . . . . . . . . 2-14
Generator assembly, removal and installation . . . . . . . . . . . . . . . . . . . . . . . . . . . . . . . . . . . . . . 2-20
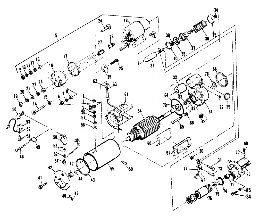
Starter assembly exploded view . . . . . . . . . . . . . . . . . . . . . . . . . . . . . . . . . . . . . . . . . . . . . . . . . 3-3
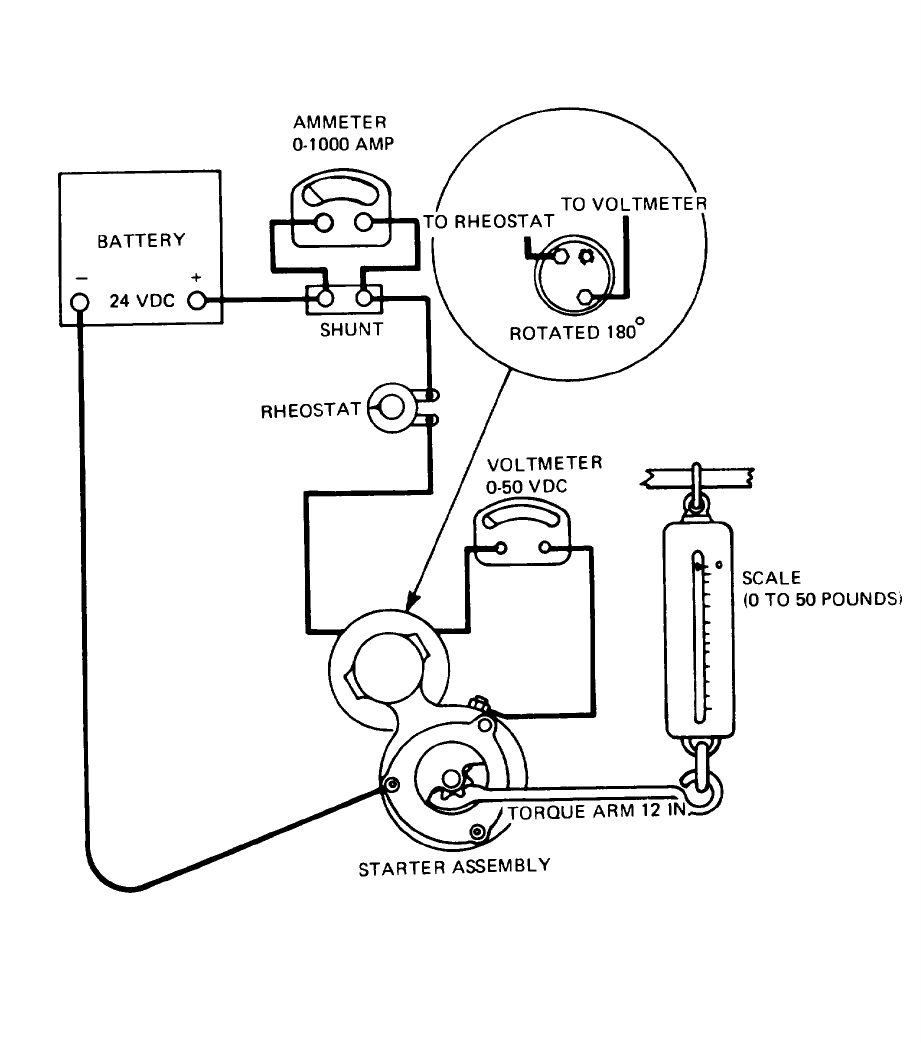
Starter assembly motoring test circuit . . . . . . . . . . . . . . . . . . . . . . . . . . . . . . . . . . . . . . . . . . . . . 3-8
Starter assembly stalled torque setup . . . . . . . . . . . . . . . . . . . . . . . . . . . . . . . . . . . . . . . . . . . . . 3-9
Starter assembly, exploded view (effective with Serial No. RZ60001) . . . . . . . . . . . . . . . . . . 3-10
Alternator assembly, exploded view . . . . . . . . . . . . . . . . . . . . . . . . . . . . . . . . . . . . . . . . . . . . . . . 3-17
Rotor assembly current draw test circuit . . . . . . . . . . . . . . . . . . . . . . . . . . . . . . . . . . . . . . . . . . . 3-19
Alternator test leads installation . . . . . . . . . . . . . . . . . . . . . . . . . . . . . . . . . . . . . . . . . . . . . . . . . . 3-22
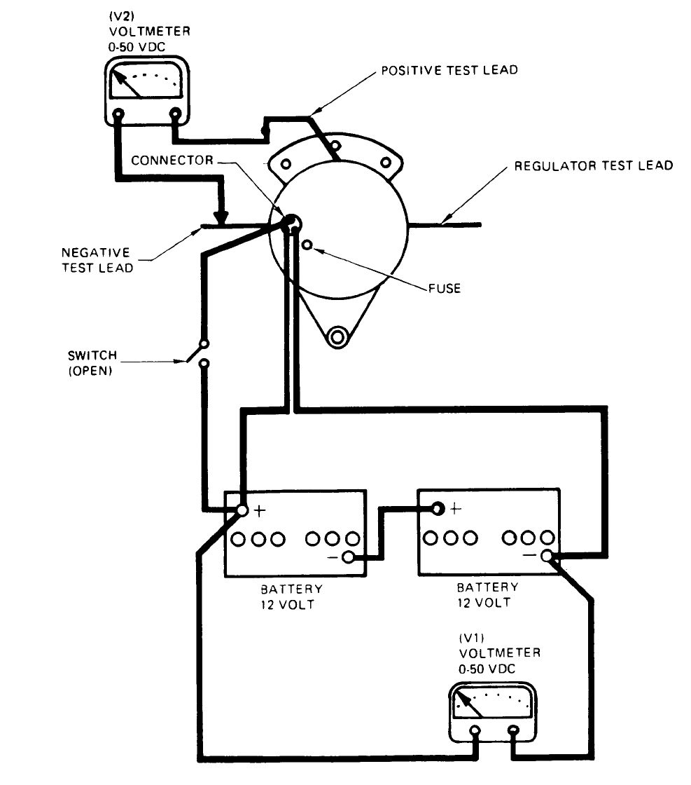
Total circuit voltage test . . . . . . . . . . . . . . . . . . . . . . . . . . . . . . . . . . . . . . . . . . . . . . . . . . . . . . . . . 3-24
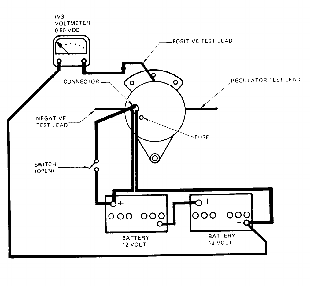
Altemator positive output circuit test . . . . . . . . . . . . . . . . . . . . . . . . . . . . . . . . . . . . . . . . . . . . . . 3-25
Altemator negative output circuit test . . . . . . . . . . . . . . . . . . . . . . . . . . . . . . . . . . . . . . . . . . . . . . 3-26
Excitation voltage test . . . . . . . . . . . . . . . . . . . . . . . . . . . . . . . . . . . . . . . . . . . . . . . . . . . . . . . . . . . 3-27
Faulty voltage regulator circuit test . . . . . . . . . . . . . . . . . . . . . . . . . . . . . . . . . . . . . . . . . . . . . . . . 3-29
Field current test . . . . . . . . . . . . . . . . . . . . . . . . . . . . . . . . . . . . . . . . . . . . . . . . . . . . . . . . . . . . . . . 3-30
Output and voltage protector test . . . . . . . . . . . . . . . . . . . . . . . . . . . . . . . . . . . . . . . . . . . . . . . . . 3-31
Speed switch, exploded view . . . . . . . . . . . . . . . . . . . . . . . . . . . . . . . . . . . . . . . . . . . . . . . . . . . . 3-35
Speed switch test points . . . . . . . . . . . . . . . . . . . . . . . . . . . . . . . . . . . . . . . . . . . . . . . . . . . . . . . . . 3-37
Engine wiring harness assembly drawing no. 72-2267 . . . . . . . . . . . . . . . . . . . . . . . . . . . . . . 3-40
Main fuel tank, (Metal) removal and installation . . . . . . . . . . . . . . . . . . . . . . . . . . . . . . . . . . . . . 3-44
Main fuel tank (Plastic) Removal and Installation . . . . . . . . . . . . . . . . . . . . . . . . . . . . . . . . . . . 3-46
Fuel injection pump, removal and installation . . . . . . . . . . . . . . . . . . . . . . . . . . . . . . . . . . . . . . . 3-48
Fuel injection pump, exploded view . . . . . . . . . . . . . . . . . . . . . . . . . . . . . . . . . . . . . . . . . . . . . . . 3-50
Adjusting fuel injection Pump roller-to-roller dimension . . . . . . . . . . . . . . . . . . . . . . . . . . . . . . 3-58
Throttle linkage adjustment . . . . . . . . . . . . . . . . . . . . . . . . . . . . . . . . . . . . . . . . . . . . . . . . . . . . . . 3-62
SoIenoid armature adjustments . . . . . . . . . . . . . . . . . . . . . . . . . . . . . . . . . . . . . . . . . . . . . . . . . . 3-63
Fuel injection nozzle holder exploded view . . . . . . . . . . . . . . . . . . . . . . . . . . . . . . . . . . . . . . . . 3-67
Shutter control assembly, exploded view . . . . . . . . . . . . . . . . . . . . . . . . . . . . . . . . . . . . . . . . . . 3-69
Shutter assembly, exploded view . . . . . . . . . . . . . . . . . . . . . . . . . . . . . . . . . . . . . . . . . . . . . . . . . 3-71
Water pump assembly, exploded view... . . . . . . . . . . . . . . . . . . . . . . . . . . . . . . . . . . . . . . . . . . 3-73
Checking impeller to cover plate clearance . . . . . . . . . . . . . . . . . . . . . . . . . . . . . . . . . . . . . . . . 3-74
Oil pan assembly . . . . . . . . . . . . . . . . . . . . . . . . . . . . . . . . . . . . . . . . . . . . . . . . . . . . . . . . . . . . . . . 3-76
Oil pump assembly exploded view . . . . . . . . . . . . . . . . . . . . . . . . . . . . . . . . . . . . . . . . . . . . . . . 3-77
Oil pump assembly dimension . . . . . . . . . . . . . . . . . . . . . . . . . . . . . . . . . . . . . . . . . . . . . . . . . . . 3-79
Hydraulic sump, removal and installation (Electro-
hydraulic govemor equipped precise sets only) . . . . . . . . . . . . . . . . . . . . . . . . . . . . . . . . . . . 3-82
Hydraulic pump assembly, exploded view (Electro-
hydraulic govemor equipped precise sets only) . . . . . . . . . . . . . . . . . . . . . . . . . . . . . . . . . . . 3-86
Hydraulic system filter assembly, exploded view
(Electro-hydraulic governor equipped precise sets only) . . . . . . . . . . . . . . . . . . . . . . . . . . . 3-88
Hydraulic actuator unit, installation and removal
(Electro-hydraulic governor equipped precise sets only) . . . . . . . . . . . . . . . . . . . . . . . . . . . 3-90
Hydraulic actuator unit, exploded view (Electro-
hydraulic governor equipped precise sets only) . . . . . . . . . . . . . . . . . . . . . . . . . . . . . . . . . . . 3-91
Transducer and armature core schematic diagram . . . . . . . . . . . . . . . . . . . . . . . . . . . . . . . . . . 3-92
Hydraulic actuator unit test(Electro-hydrautic governor equipped precise sets only) . . . . 3-96
Hydraulic actuator tests, schematic diagram (Electro-
hydraulic governor equipped precise sets only) . . . . . . . . . . . . . . . . . . . . . . . . . . . . . . . . . . . 3-98
Engine front support, removal and installation . . . . . . . . . . . . . . . . . . . . . . . . . . . . . . . . . . . . . . 3-102
Flywheel and flywheel housing, exploded view . . . . . . . . . . . . . . . . . . . . . . . . . . . . . . . . . . . . . 3-103
3-7.
3-1.
ARMY TM 9-6115-464-34
AIR FORCE TO 35C2-3-445-2
NAVY NAVFAC P-8-624-34
LIST OF ILLUSTRATIONS (Cont.)
Figure
3-43.
3-44.
3-45.
3-47.
3-48.
3-49.
3-50.
3-51.
3-52.
3-53.
3-54.
3-55.
3-56.
3-57.
3-58.
3-59.
3-60.
3-61.
3-62.
3-63.
3-64.
3-65.
3-66.
3-67.
3-68.
3-69.
3-70.
3-71.
3-72.
3-73.
3-74.
3-75.
3-76.
3-77.
3-78.
3-79.
3-80.
3-81.
3-82
3-83.
3-84.
3-85.
3-86.
3-87.
3-88.
3-89.
3-90.
3-91.
Title Page
Checking flywheel concentricity and alignment . . . . . . . . . . . . . . . . . . . . . . . . . . . . . . . . . . . . . 3-105
Timing gears and cover, exploded view . . . . . . . . . . . . . . . . . . . . . . . . . . . . . . . . . . . . . . . . . . . . 3-107
Timing gear relationships . . . . . . . . . . . . . . . . . . . . . . . . . . . . . . . . . . . . . . . . . . . . . . . . . . . . . . . . 3-108
Cylinder head and rocker arm assembly, exploded view . . . . . . . . . . . . . . . . . . . . . . . . . . . . . 3-111
Rocker arm mounting blocks installation . . . . . . . . . . . . . . . . . . . . . . . . . . . . . . . . . . . . . . . . . . . 3-115
Rocker arm shaft positioning . . . . . . . . . . . . . . . . . . . . . . . . . . . . . . . . . . . . . . . . . . . . . . . . . . . . . 3-114
Cylinder head nut tightening sequence . . . . . . . . . . . . . . . . . . . . . . . . . . . . . . . . . . . . . . . . . . . . 3-116
Camshaft, exploded view . . . . . . . . . . . . . . . . . . . . . . . . . . . . . . . . . . . . . . . . . . . . . . . . . . . . . . . . 3-118
Dimensional inspection of camshaft . . . . . . . . . . . . . . . . . . . . . . . . . . . . . . . . . . . . . . . . . . . . . . . 3-119
Crankhaft, connecting rods and pistons, exploded view . . . . . . . . . . . . . . . . . . . . . . . . . . . . . 3-122
Cylinder block, exploded view . . . . . . . . . . . . . . . . . . . . . . . . . . . . . . . . . . . . . . . . . . . . . . . . . . . 3-129
Frequency meter and transducer test setup . . . . . . . . . . . . . . . . . . . . . . . . . . . . . . . . . . . . . . . . 3-131
Thermal watt converter test circuit schematic . . . . . . . . . . . . . . . . . . . . . . . . . . . . . . . . . . . . . . . 3-131
Control cubicle housing, exploded view . . . . . . . . . . . . . . . . . . . . . . . . . . . . . . . . . . . . . . . . . . . . 3-134
Control cubicle relay assembly exploded view . . . . . . . . . . . . . . . . . . . . . . . . . . . . . . . . . . . . . 3-135
Control cubicle reiay assembly schematic diagram . . . . . . . . . . . . . . . . . . . . . . . . . . . . . . . . . . 3-136
Control cubicle wiring harness,drawing no. 69-677 . . . . . . . . . . . . . . . . . . . . . . . . . . . . . . . . . 3-142
Fault locating indicator, exploded view . . . . . . . . . . . . . . . . . . . . . . . . . . . . . . . . . . . . . . . . . . . . 3-147
Fault locating indicator schematic diagram . . . . . . . . . . . . . . . . . . . . . . . . . . . . . . . . . . . . . . . . .3-149
Fault locating indicatorcomponent board assembly . . . . . . . . . . . . . . . . . . . . . . . . . . . . . . . . . 3-150
Fault locating indicator wiring harness, drawing no. 72-2247 . . . . . . . . . . . . . . . . . . . . . . . . . 3-151
Load measuring unit, exploded view . . . . . . . . . . . . . . . . . . . . . . . . . . . . . . . . . . . . . . . . . . . . . . 3-153
Load measuring unit wiring harness, drawing no. 69-511 . . . . . . . . . . . . . . . . . . . . . . . . . . . . 3-154
Load measuring unit component test and replacement diagram . . . . . . . . . . . . . . . . . . . . . . 3-156
Load measuring unit test circuit and test data relationship . . . . . . . . . . . . . . . . . . . . . . . . . . . 3-159
Electro-hydraulic governor control unit, exploded view . . . . . . . . . . . . . . . . . . . . . . . . . . . . . . 3-161
50/60 Hz governor control unit wiring harness, drawing no. 69-731 . . . . . . . . . . . . . . . . . . . 3-165
400 Hz electro-hydraulic governor control unit wiring harness, drawing no. 69-814 . . . . . 3-168
Electro-hydraulic governor control unit printed circuit board . . . . . . . . . . . . . . . . . . . . . . . . . . 3-170
50/60 Hz governor control unit wiring diagram, drawing no. 69-730 . . . . . . . . . . . . . . . . . . . 3-171
400 Hz electro-hydraulic governor control unit wiring diagram,drawing no. 69-833 . . . . . 3-172
50/60 Hz governor control unit schematic diagram, drawing no. 69-729 . . . . . . . . . . . . . . . 3-173
400 Hz electro-hydraulic governor control unit schematic diagram, drawing no. 69-812 . 3-173
Positioning of unpotted electro-hydraulic governor control unit during testing. . . . . . . . . . . 3-177
Electro-hydraulic governor control unit magnetic bias test circuit . . . . . . . . . . . . . . . . . . . . . 3-177
Electro-hydraulic governor control unit frequency sensing test circuit . . . . . . . . . . . . . . . . . . 3-178
Electro-hydraulic governor control unit rectifier bridge and feedback winding test circuit . 3-179
Electro-hydraulic governor control unit parallel winding test circuit . . . . . . . . . . . . . . . . . . . . 3-180
Approximate position of controls for connecting hydraulic actuator . . . . . . . . . . . . . . . . . . . . 3-182
Approximate position of controls for connecting hydraulic actuator
(effective with Serial No. RZ60001) . . . . . . . . . . . . . . . . . . . . . . . . . . . . . . . . . . . . . . . . . . . . . . 3-183
Electro-hydraulic governor control unit control panel . . . . . . . . . . . . . . . . . . . . . . . . . . . . . . . . 3-184
Tactical relay assembly to special relay assembly wiring harness drawing no. 72-2224 3-185
Functional theory of operation . . . . . . . . . . . . . . . . . . . . . . . . . . . . . . . . 3-188
Governor control unit removal and installation . . . . . . . . . . . . . . . . . . . . . . . . . . . . . . . . . . . . . . 3-189
Actuator removal and installation . . . . . . . . . . . . . . . . . . . . . . . . . . . . . . . . . . . . . . . . . . . . . . . . . 3-193
Magnetic pickup removal and installation . . . . . . . . . . . . . . . . . . . . . . . . . . . . . . . . . . . . . . . . . . 3-184
Special relay assembly to static exciter assembly wiring harness, drawing no. 72-2220 3-186
Load measuring unit to tactical relay assembly wiring harness, drawing no. 72-2234 . . . . 3-188
Governor control unit to hydraulic actuator unit wiring harness, drawing no. 72-2223
(Electro-hydraulic governor equipped precise sets only) . . . . . . . . . . . . . . . . . . . . . . . . . . . 3-188
v
3-46.
LIST OF ILLUSTRATIONS (Cont.)
Title Page
Figure
3-92.
3-93.
3-94.
3-95.
3-96.
3-97.
3-98.
3-99.
3-100.
3-101.
3-102.
3-103.
3-104.
3-105.
3-106.
3-107.
3-108.
3-109.
3-110.
3-111.
3-112.
3-113.
3-114.
3-115.
3-116.
3-117.
3-118.
3-119.
3-120.
3-121.
3-122.
3-123.
3-124.
3-125.
3-126.
3-127.
3-128.
3-129.
3-130.
3-131.
3-132.
3-133.
400 Hz electric governor system wiring harness assembly,
Drawing No. 84-704 (sheet 1 of 2) . . . . . . . . . . . . . . . . . . . . . . . . . . . . . . . . . . . . . . . . . . . . . .
AC power control wiring harness, drawing no. 72-2259 . . . . . . . . . . . . . . . . . . . . . . . . . . . . . .
Exciter control wiring harness, drawing no. 73-2288 . . . . . . . . . . . . . . . . . . . . . . . . . . . . . . . .
Special relay assembly to fault locating indicator wiring harness, drawing no. 76-2247 . .
Special relay assembly to control cubicle wiring harness, drawing no. 72-2248 . . . . . . . . .
Precise relay assembly to governor control unit wiring harness, drawing no. 72-2245
(Electro-hydraulic governor equipped precise sets only) . . . . . . . . . . . . . . . . . . . . . . . . . . .
Special relay assembly to precise relay assembly wiring harness, drawing no. 72-2238
Convenience and paralleling receptacles wiring harness, drawing no. 72-2286 . . . . . . . . .
Main load contactor (type A) exploded view . . . . . . . . . . . . . . . . . . . . . . . . . . . . . . . . . . . . . . . .
Main load contactor Type B . . . . . . . . . . . . . . . . . . . . . . . . . . . . . . . . . . . . . . . . . . . . . . . . . . . . . .
Actuator assembly adjustment points (Type A) . . . . . . . . . . . . . . . . . . . . . . . . . . . . . . . . . . . . .
Main contact preload check points (Type A) . . . . . . . . . . . . . . . . . . . . . . . . . . . . . . . . . . . . . . . .
Main load contactor adjustments . . . . . . . . . . . . . . . . . . . . . . . . . . . . . . . . . . . . . . . . . . . . . . . . .
Main load contactor schematic diagram, contactor to load terminals wiring harness,
drawing no. 72-2290. and contactor to reconnection board wiring harness,
drawing no. 72-2225 . . . . . . . . . . . . . . . . . . . . . . . . . . . . . . . . . . . . . . . . . . . . . . . . . . . . . . . . . .
Load terminal board assembly, exploded view . . . . . . . . . . . . . . . . . . . . . . . . . . . . . . . . . . . . . .
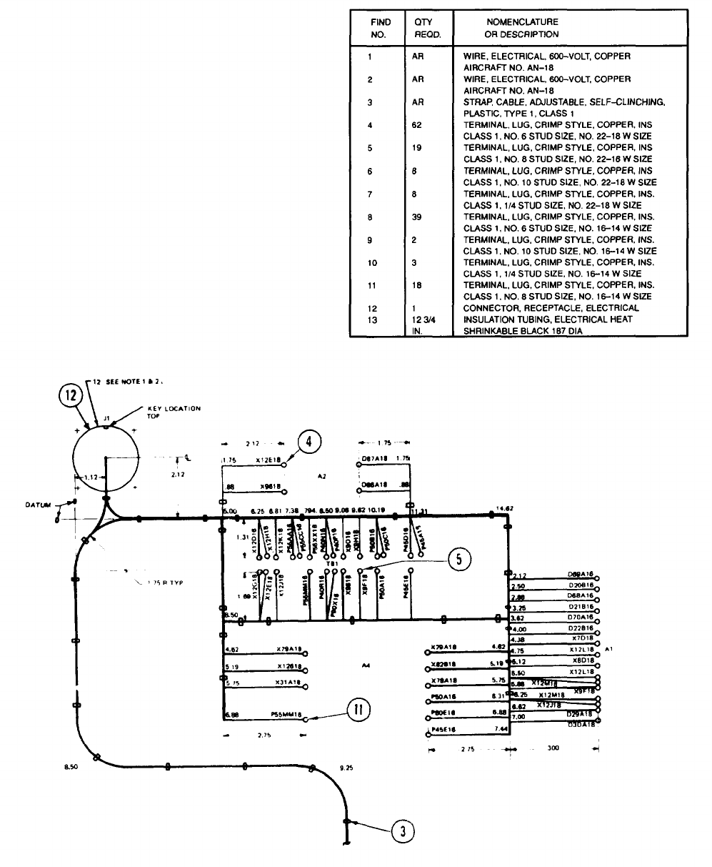
Routing of generator leads through current transformers . . . . . . . . . . . . . . . . . . . . . . . . . . . . .
Current transformers, removal and installation . . . . . . . . . . . . . . . . . . . . . . . . . . . . . . . . . . . . . .
Current transformers test points . . . . . . . . . . . . . . . . . . . . . . . . . . . . . . . . . . . . . . . . . . . . . . . . . .
Electromagnetic interference capacitors . . . . . . . . . . . . . . . . . . . . . . . . . . . . . . . . . . . . . . . . . . .
Tactical relay assembly, exploded view . . . . . . . . . . . . . . . . . . . . . . . . . . . . . . . . . . . . . . . . . . . .
Tactical relay assembly wiring harness, drawing no. 72-2243 . . . . . . . . . . . . . . . . . . . . . . . .
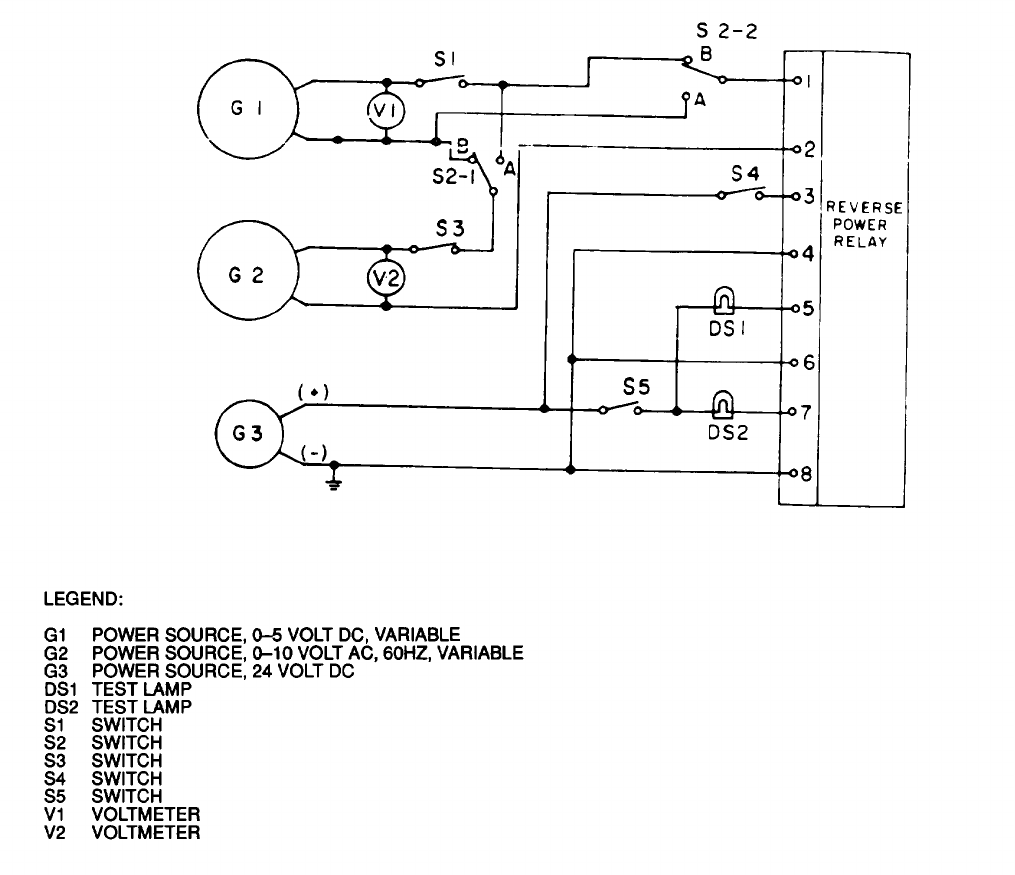
Reverse power relay test circuit . . . . . . . . . . . . . . . . . . . . . . . . . . . . . . . . . . . . . . . . . . . . . . . . . .
Overvoltage relay test circuit . . . . . . . . . . . . . . . . . . . . . . . . . . . . . . . . . . . . . . . . . . . . . . . . . . . . .
Short circuit relay test circuit . . . . . . . . . . . . . . . . . . . . . . . . . . . . . . . . . . . . . . . . . . . . . . . . . . . . .
Overload protective device test circuit . . . . . . . . . . . . . . . . . . . . . . . . . . . . . . . . . . . . . . . . . . . . .
Tactical relay resistor assembly schematic diagram . . . . . . . . . . . . . . . . . . . . . . . . . . . . . . . . .
Tactical relay resistor assembly, exploded view . . . . . . . . . . . . . . . . . . . . . . . . . . . . . . . . . . . . .
Special relay assembly, exploded view . . . . . . . . . . . . . . . . . . . . . . . . . . . . . . . . . . . . . . . . . . . .
Special relay assembly, wiring harness, drawing no. 72-2239 . . . . . . . . . . . . . . . . . . . . . . . .
DC relay assembly schematic diagram . . . . . . . . . . . . . . . . . . . . . . . . . . . . . . . . . . . . . . . . . . . .
DC relay assembly, exploded view . . . . . . . . . . . . . . . . . . . . . . . . . . . . . . . . . . . . . . . . . . . . . . . .
Precise relay assembly, exploded view . . . . . . . . . . . . . . . . . . . . . . . . . . . . . . . . . . . . . . . . . . . .
Undervoltage relay test circuit . . . . . . . . . . . . . . . . . . . . . . . . . . . . . . . . . . . . . . . . . . . . . . . . . . . .
Under frequency relay test circuit . . . . . . . . . . . . . . . . . . . . . . . . . . . . . . . . . . . . . . . . . . . . . . . . .
Permissive paralleling relay test circuit . . . . . . . . . . . . . . . . . . . . . . . . . . . . . . . . . . . . . . . . . . . .
Electronic components assembly . . . . . . . . . . . . . . . . . . . . . . . . . . . . . . . . . . . . . . . . . . . . . . . . .
50/60 Hz precise relay assembly wiring harness, drawing no. 72-2242 . . . . . . . . . . . . . . . .
400 Hz precise relay assembly wiring harness. drawing no. 72-2260 . . . . . . . . . . . . . . . . . .
Static exciter and voltage regulator assembly, exploded view . . . . . . . . . . . . . . . . . . . . . . . . .
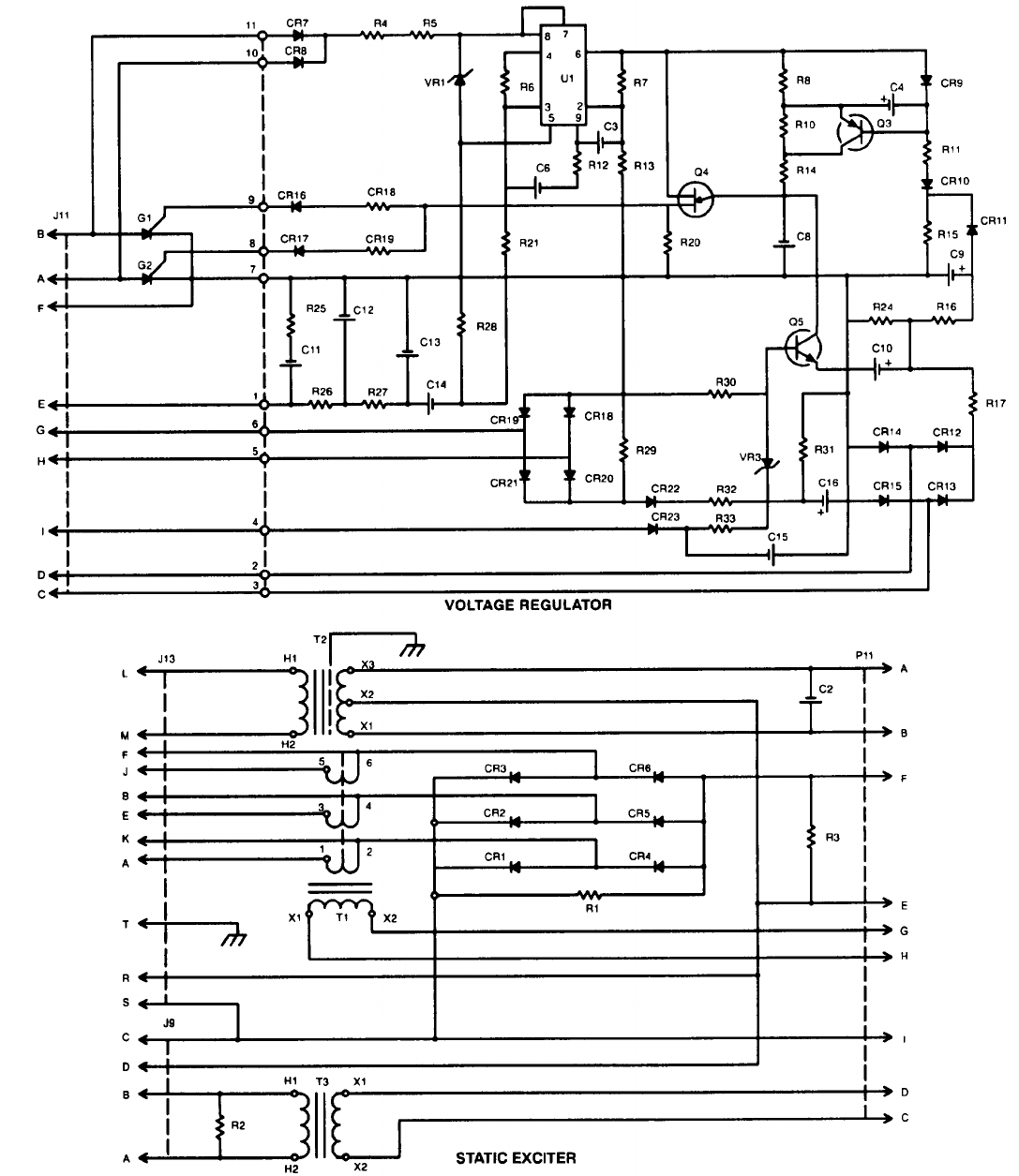
50/60 Hz static exciter and voltage regulator assembly schematic diagram,
drawing no. 72-2629 . . . . . . . . . . . . . . . . . . . . . . . . . . . . . . . . . . . . . . . . . . . . . . . . . . . . . . . . . .
400 Hz static exciter and voltage regulator assembly schematic diagram,
drawing no. 72-2630 . . . . . . . . . . . . . . . . . . . . . . . . . . . . . . . . . . . . . . . . . . . . . . . . . . . . . . . . . .
Static exciter wiring harness, drawing no. 72-2628 and voltage regulator wiring
harness, drawing no. 72-2627 and static exciter connection wiring diagram,
drawing no. 72-2631 . . . . . . . . . . . . . . . . . . . . . . . . . . . . . . . . . . . . . . . . . . . . . . . . . . . . . . . . . .
3-200
3-202
3-204
3-205
3-206
3-207
3-208
3-210
3-215
3-218
3-221
3-232
3-224
3-225
3-230
3-232
3-233
3-234
3-235
3-238
3-240
3-242
3-243
3-244
3-245
3-246
3-249
3-250
3-253
3-257
3-259
3-260
3-261
3-261
3-263
3-266
3-267
3-269
3-271
3-274
3-279
3-280
vi
ARMY TM 9-6115-464-34
AIR FORCE 35C2-3-445-2
NAVY NAVFAC P-8-624-34
ARMY TM 9-6115-464-34
AIR FORCE TO 35C2-3-445-2
NAVY NAVFAC P-8-624-34
LIST OF ILLUSTRATIONS (Cont.)
Figure
3-134.
3-135.
3-136.
3-137.
3-138.
3-139.
3-140.
3-141.
3-142.
3-143.
3-144.
3-145.
3-146.
3-147.
3-148.
3-149.
3-150.
3-151.
3-152.
4-1.
5-1.
5-2.
5-3.
5-4.
5-5.
5-6.
5-7.
5-8.
5-9.
5-10.
5-11.
5-12.
5-13.
5-14.
5-15.
5-16.
5-17.
5-18.
5-19.
5-20.
5-21.
5-22.
5-23.
5-24.
5-25.
5-26
5-27.
5-28.
Title Page
Static exciter and voltage regulator assembly sensing circuit bench test . . . . . . . . . . . . . . .
Static exciter and voltage regulator assembly power circuit bend test . . . . . . . . . . . . . . . .
Generator assembly, exploded view . . . . . . . . . . . . . . . . . . . . . . . . . . . . . . . . . . . . . . . . . . .
Securing generator rotor to stator . . . . . . . . . . . . . . . . . . . . . . . . . . . . . . . . . . . . . . . . . . . . . . . . .
End bell assembly, exploded view . . . . . . . . . . . . . . . . . . . . . . . . . . . . . . . . . . . . . . . . . . . . . . . .
Generator rotor and balance assembly, exploded view . . . . . . . . . . . . . . . . . . . . . . . . . . . . . .
Lead block assembly, exploded view . . . . . . . . . . . . . . . . . . . . . . . . . . . . . . . . . . . . . . . . . . . . . .
Generator stator assembly, exploded view . . . . . . . . . . . . . . . . . . . . . . . . . . . . . . . . . . . . . . . . .
50/60 Hz generator stator winding procedures . . . . . . . . . . . . . . . . . . . . . . . . . . . . . . . . . . . . . .
400 Hz generator stator winding procedures . . . . . . . . . . . . . . . . . . . . . . . . . . . . . . . . . . . . . . .
50/60 Hz generator rewind procedures . . . . . . . . . . . . . . . . . . . . . . . . . . . . . . . . . . . . . . . . . . . .
400 Hz generator rotor winding procedures . . . . . . . . . . . . . . . . . . . . . . . . . . . . . . . . . . . . . . . .
Generator exciter stator winding procedures . . . . . . . . . . . . . . . . . . . . . . . . . . . . . . . . . . . . . . .
Generator exciter rotor winding procedures . . . . . . . . . . . . . . . . . . . . . . . . . . . . . . . . . . . . . . . .
Interference Suppression Components . . . . . . . . . . . . . . . . . . . . . . . . . . . . . . . . . . . . . . . . . . . .
Relay table assembly, exploded view . . . . . . . . . . . . . . . . . . . . . . . . . . . . . . . . . . . . . . . . . . . . .
Relay table assembly, exploded view effective on generator sets
serial numbers KZ00001 and up . . . . . . . . . . . . . . . . . . . . . . . . . . . . . . . . . . . . . . . . . . . . . . . .
Lifting frame, exploded view . . . . . . . . . . . . . . . . . . . . . . . . . . . . . . . . . . . . . . . . . . . . . . . . . . . . .
Skid base assembly, exploded vie w.-.. . . . . . . . . . . . . . . . . . . . . . . . . . . . . . . . . . . . . . . . . . . .
Overshoot and undershoot chart recording . . . . . . . . . . . . . . . . . . . . . . . . . . . . . . . . . . . . . . . . .
Fuel buming heater control assembly . . . . . . . . . . . . . . . . . . . . . . . . . . . . . . . . . . . . . . . . . . . . .
Fuel buming heater control assembly wiring diagram, drawing no. 72-2863 . . . . . . . . . . . .
Fuel buming heater assembly, exploded view . . . . . . . . . . . . . . . . . . . . . . . . . . . . . . . . . . . . . .
Coolant pump test diagram . . . . . . . . . . . . . . . . . . . . . . . . . . . . . . . . . . . . . . . . . . . . . . . . . . . . . .
Fuel buming winterization kit wiring harness, drawing no. 72-2856 . . . . . . . . . . . . . . . . . . .
Fuel buming winterization heater control assembly to special relay assembly wiring . . . . .
harness, drawing no. 72-2875 . . . . . . . . . . . . . . . . . . . . . . . . . . . . . . . . . . . . . . . . . . .
Electric winterization kit heater control assembly exploded view . . . . . . . . . . . . . . . . . . . . . .
Transformer test points . . . . . . . . . . . . . . . . . . . . . . . . . . . . . . . . . . . . . . . . . . . . . . . . . . . . . . . . . .
Electric winterization kit control assembly wiring harness, drawing no. 70-1233 . . . . . . . .
Coolant pump and motor assembly, exploded view . . . . . . . . . . . . . . . . . . . . . . . . . . . . . . . . .
Electric wintenzation kit wiring hamess, drawing no. 72-2855 . . . . . . . . . . . . . . . . . . . . . . . .
Wheel mounting kit installation . . . . . . . . . . . . . . . . . . . . . . . . . . . . . . . . . . . . . . . . . . . . . . . . . . .
Wheel mounting kit, exploded view . . . . . . . . . . . . . . . . . . . . . . . . . . . . . . . . . . . . . . . . . . . . . . .
Load bank control box assembly exploded view. . . . . . . . . . . . . . . . . . . . . . . . . . . . . . . . . . . .
Control box assembly wiring, drawing no. 72-2868 . . . . . . . . . . . . . . . . . . . . . . . . .
Control box assembly branched wiring harness, drawing no. 72-2828 . . . . . . . . . . . . . . . . .
Load bank housing, exploded view . . . . . . . . . . . . . . . . . . . . . . . . . . . . . . . . . . . . . . . . . . . . . . .
Load bank wiring harness, drawing no. 72-2823 . . . . . . . . . . . . . . . . . . . . . . . . . . . . . . . . . . . .
Top load bank wiring harness, drawing no. 72-2822 . . . . . . . . . . . . . . . . . . . . . . . . . . . . . . . .
Bottom load bank wiring harness, drawing no. 72-2825 . . . . . . . . . . . . . . . . . . . . . . . . . . . . -
Load bank power wiring harness, drawing no. 72-2829 . . . . . . . . . . . . . . . . . . . . . . . . . . . . .
Load bank signal wiring hamess, drawing no. 72-2830 . . . . . . . . . . . . . . . . . . . . . . . . . . . . . .
Plate and sleeve assembly removal . . . . . . . . . . . . . . . . . . . . . . . . . . . . . . . . . . . . . . . . . . . . . . .
Plate and sleeve assembly storage . . . . . . . . . . . . . . . . . . . . . . . . . . . . . . . . . . . . . . . . . . . . . . .
Applications kit cable harness assembly installation (right side) . . . . . . . . . . . . . . . . . . . . . .
Load Terminal Board Stud Assembly . . . . . . . . . . . . . . . . . . . . . . . . . . . . . . . . . . . . . . . . . . . . . .
Applications kit cable harness assembly installation (leftside) . . . . . . . . . . . . . . . . . . . . . . . .
Applications kit components . . . . . . . . . . . . . . . . . . . . . . . . . . . . . . . . . . . . . . . . . . . . . . . . . . . . .
3-284
3-284
3-286
3-289
3-290
3-291
3-293
3-294
3-298
3-300
3-303
3-304
3-306
3-307
3-311
3-316
3-317
3-318
3-321
4-14
5-7
5-8
5-11
5-15
5-16
5-17
5-22
5-24
5-25
5-28
5-29
5-31
5-34
5-38
5-40
5-41
5-43
5-44
5-46
5-48
5-50
5-51
5-54
5-55
5-57
5-58
5-59
5-60
vii
ARMY TM 9-6115-464-34
AIR FORCE 35C2-3-445-2
NAVY NAVFAC P-8-624-34
Figure
5-29.
5-30.
5-31.
5-32.
5-33.
5-34.
5-35.
5-36.
5-37.
Table
LIST OF ILLUSTRATIONS (Cont.)
Title
Page
Remote functions assembly . . . . . . . . . . . . . . . . . . . . . . . . . . . . . . . . . . . . . . . . . . . . . . . . . . . . . .
Wiring harness assembly diagram . . . . . . . . . . . . . . . . . . . . . . . . . . . . . . . . . . . . . . . . . . . . . . . .
Relay Socke tAssembly . . . . . . . . . . . . . . . . . . . . . . . . . . . . . . . . . . . . . . . . . . . . . . . . . . . . . . . . .
Applications kit cable harness diagram . . . . . . . . . . . . . . . . . . . . . . . . . . . . . . . . . . . . . . . . . . . .
Applications kit electrical schematic diagram . . . . . . . . . . . . . . . . . . . . . . . . . . . . . . . . . . . . . . .
Roof stiffeners, sealing angle, oil drain, isolators,
bottom panel tray assembly, and trailer brackets . . . . . . . . . . . . . . . . . . . . . . . . . . . . . . . . . .
Hole locations on skid base assembly . . . . . . . . . . . . . . . . . . . . . . . . . . . . . . . . . . . . . . . . . . . . .
Mounting hardware and hole location for side panel assembly . . . . . . . . . . . . . . . . . . . . . . . .
Acoustic suppression kit major components . . . . . . . . . . . . . . . . . . . . . . . . . . . . . . . . . . . . . . . .
LIST OF TABLES
5-62
5-63
5-65
5-68
5-69
5-75
5-76
5-77
5-78
Title
Page
Fits and tolerances . . . . . . . . . . . . . . . . . . . . . . . . . . . . . . . . . . . . . . . . . . . . . . . . . . . . . . . . . . . . . 1-14
Tools and support equipment . . . . . . . . . . . . . . . . . . . . . . . . . . . . . . . . . . . . . . . . . . . . . . . . . . . . 2-1
Troubleshooting . . . . . . . . . . . . . . . . . . . . . . . . . . . . . . . . . . . . . . . . . . . . . . . . . . . . . . . . . . . . . . . . 2-4
Fuel delivery . . . . . . . . . . . . . . . . . . . . . . . . . . . . . . . . . . . . . . . . . . . . . . . . . . . . . . . . . . . . . . . . . . . 3-65
Hydrautic actuator test values . . . . . . . . . . . . . . . . . . . . . . . . . . . . . . . . . . . . . . . . . . . . . . . . . . . . 3-99
Undersized bearing journal dimensions . . . . . . . . . . . . . . . . . . . . . . . . . . . . . . . . . . . . . . . . . . . . 3-123
Component board test values . . . . . . . . . . . . . . . . . . . . . . . . . . . . . . . . . . . . . . . . . . . . . . . . . . . . 3-140
50/60 Hz governor control unit resistance test values. . . . . . . . . . . . . . . . . . . . . . . . . . . . . . . . 3-165
400 Hz Electro-hydraulic governor control unit resistance test values . . . . . . . . . . . . . . . . . 3-165
Electric governor malfunction testing . . . . . . . . . . . . . . . . . . . . . . . . . . . . . . . . . . . . . . . . . . . . . . 3-190
Static exciter and voltage regulator resistor and capacitor values . . . . . . . . . . . . . . . . . . . . . 3-278
Operating tests . . . . . . . . . . . . . . . . . . . . . . . . . . . . . . . . . . . . . . . . . . . . . . . . . . . . . . . . . . . . . . . . . 4-4
Engine Generator Set classification chart . . . . . . . . . . . . . . . . . . . . . . . . . . . . . . . . . . . . . . . . . . 4-5
Electrical performance characteristic parameters AC precise (Class 1) . . . . . . . . . . . . . . . . 4-6
Fuel burning winterization kit troubleshooting chart . . . . . . . . . . . . . . . . . . . . . . . . . . . . . . . . . . 5-1
Electrical winterization kit troubleshooting chart . . . . . . . . . . . . . . . . . . . . . . . . . . . . . . . . . . . . . 5-18
Applications kit troubleshooting chart . . . . . . . . . . . . . . . . . . . . . . . . . . . . . . . . . . . . . . . . . . . . . . 5-53
Cable harness assembly wiring list . . . . . . . . . . . . . . . . . . . . . . . . . . . . . . . . . . . . . . . . . . . . . . . 5-66
1-1.
2-1.
2-2.
3-1.
3-2.
3-3.
3-4.
3-5.
3-6.
3-7.
3-8.
4-1.
4-2.
4-3.
5-1.
5-2.
5-3.
5-4.
viii
ARMY TM 9-6115-464-34
AIR FORCE TO 35C2-3-445-2
NAVY NAVFAC P-8-624-34
HOW TO USE THIS MANUAL
This manual provides information for use in operating and maintaining the generator set. Maintaining the
generator set includes observation of symptoms of trouble, troubleshooting procedures, and maintenance
procedures to correct a malfunction.
You must familiarize yourself with the maintenance procedures before beginning the maintenance tasks.
To help you become familiar with this manual as quickly as possible, spend some time looking through the
pages. The manual has a new look that is very different from the look of the manuals you’ve been using. You’ll
find that it’s a lot easier to use and you’ll be able to find what you’re looking for a lot faster. We eliminated many
words and put in illustrations to show you how to maintain or service those item(s) and component(s) that are
the responsibility of the (Direct and General Support) and Depot Level Maintenance technician. The following
instructions provide a general description of the entire manual, special features and characteristics, and
detailed information on how to use this manual.
MANUAL CONTENT
1.
a.
b.
c.
d.
e.
f.
g.
h.
2.
a.
This manual consists of the following:
Cover page index
Warning pages
Table of contents
How to use this manual
Chapters 1 through 5
Appendix A
Index
Wiring diagrams and schematics
Further explanation of the manual contents follows.
Chapter 1. Introduction. Contains general information, equipment description and data, regarding the
complete generator set.
b. Chapter 2. Operating Instructions. Contains maintenance instructions and troubleshooting procedures.
c. Chapter 3. Engine and Generator Repair Instructions. Contains detailed repair procedures for the Direct
and General Support and Depot Level Maintenance.
d. Chapter 4. Generator set test after Overhaul Repair Instructions. Contains inspection procedures,
operrating tests for the Generator Set after it has been overhauled.
e. Chapter 5. Repair Instructions for Auxiliary Equipment. Contains troubleshooting procedures for optional
kits. Each kit has procedures for removal, disassembly, cleaning, inspection, and repair.
f. Appendix A contains references to all forms and publications referred to in this manual.
g. An Index lists all subjects in the manual in alphabetical order.
ix
ARMY TM 9-6115-464-34
AIR FORCE 35C2-2445-2
NAVY NAVFAC P-8-624-34
h. Wiring diagrams and schematics located in the manual, are valuable aids in troubleshooting. An
explanation of their use follows:
(1) Some of the wiring diagrams are too large for all the information to be included on a single sheet.
These are separated into more than one sheet. The sheets are numbered accordingly.
(2) individual wire numbers are shown at each item location. There is also a symbol that indicates where
that wire terminates. Some wires continue to another sheet; they are indicated as to the sheet it is continued to
or from.
(3) Both the ac and the dc systems are shown. All of the schematics are titled to aid in the identification
of functions.
(4) Further wire aids are included in some troubleshooting malfunctions and some maintenance
functions. These are all reflected in the schematics.
3. The intent of this new format is to provide you with a manual that will let you do your job quickly, easily and
with a minimum of confusion. The maintenance tasks in chapter 3 are arranged in modules. Each module
contains all the information you need to do a complete task. The illustrations associated with the task will be on
the same page or a facing page where possible, making it easy for you to match the illustrations with the text.
x
ARMY TM 9-6115-464-34
AIR FORCE TO 35C2-3-445-2
NAVY NAVFAC P-8-624-34
CHAPTER 1
INTRODUCTION
Section I. GENERAL INFORMATION
1-1. SCOPE.
a. This manual contains instructions for the use of (direct and general support) and depot maintenance
personnel responsible for maintaining the 15 KW Diesel Engine Generator Sets, Models MEP-004A,
MEP-103A, and MEP–113A. The maintenance information provided herein is normally beyond the scope of the
tools, equipment, personnel and supplies available at the operator and unit levels. This manual must be used in
conjunction with the operator and unit manual for complete maintenance instructions for the generator sets.
NOTE
Accomplishment of actions /tasks at designated maintenance levels as directed in this
manual does not apply to the Air Force. Air Force users shall accomplish maintenance
at user level consistent with their capability in accordance with policies established by
AFR 66-1.
b. Appendix A contains a list of publications applicable to this manual.
1-2. LIMITED APPLICABILITY.
Some portions of this publication are not applicable to all services. These portions are prefixed to indicate
service(s) to which they pertain: (A) for Army, (F) for Air Force, and (N) for Navy.
1-3. MAINTENANCE FORMS AND RECORDS.
NOTE
This manual is used by Army, Air Force, and Navy personnel. Use of forms as directed
in this manual will be accomplished only by personnel of that service to which such
forms apply.
a. (A) Maintenance forms and records used by Army personnel are prescribed by DA PAM 738-750.
b. (F) Maintenance forms and records used by Air Force personnel are prescribed in AFR-66-1 and the
applicable TO 00-20 Series Technical Orders.
c. (N) Navy users should refer to their service peculiar directives to determine applicable maintenance
forms and records to be used.
1-4. REPORTING OF ERRORS. Reporting of errors, omissions, and recommendations for improvement of
this publication by the user is encouraged. Reports should be submitted as follows:
a. (A) Army- Mail your letter, DA Form 2028 (Recommended Changes to Publications and Blank Forms), or
DA Form 2028-2 located in the back of this manual direct to Commander, U.S. Army Aviation and Troop
Command, ATTN: AMSAT-I-MTS, 4300 Goodfellow Boulevard, St. Louis, MO 63120-1798.
b. (F) Air Force - AFTO Form 22 directly to Commander, Sacramento Air Logistics Center, SM-ALC-TILBA,
McClellan Air Force Base, CA 95652-5990 in accordance with TO-00-5-1.
c. (N) Navy - By letter directly to Commander, Officer, Naval Construction Battalion Center, ATTN: Code
157411 Building 1443, Port Hueneme, CA 93043-5000.
1-1
ARMY TM 9-6115-464-34
AIR FORCE TO 35C2-3-445-2
NAVY NAVFAC P-8-624-34
1-5. DESTRUCTION OF MATERIAL TO PREVENT ENEMY USE.
Destruction of the generator set to prevent enemy use will be in accordance with the requirements of TM
750-244-3 (Procedures for Destruction of Equipment to Prevent Enemy Use) for U.S. Army.
1-6. SHIPMENT AND STORAGE.
a. (F) Preparation for shipment and storage of the generator set for US Air Force will be in accordance with
TO 35-1-4.
b. (A) Shipment and storage for US Army and the US Marine Corps will be in accordance with TB
740-97-2.
1-7. EQUIPMENT IMPROVEMENT RECOMMENDATIONS (EIRs)
a. (A) EIRs can and must be submitted by anyone who is aware of an unsatisfactory condition with the
equipment design or use. It is not necessary to show a new design or list a better way to perform a procedure,
just simply tell why the design is unfavorable or why the procedure is difficult. EIRs maybe submitted on SF
368. Mail directly to US Army Avaition and Troop Command, ATTN: AMSAT-I-MDO, 4300 Goodfellow Blvd, St.
Louis, MO 63120-1798.
1-8. LEVELS OF MAINTENANCE.
The user shall refer to the Maintenance Allocation Chart (MAC) of TM 9-6115-464-12 (appx B) for tasks
and categories of maintenance to be performed.
Section Il. EQUIPMENT DESCRIPTION AND DATA
1-9. DESCRIPTION.
The generator set is a fully enclosed, self-contained, skid mounted, portable unit. It is equipped with
controls, instruments, and accessories which enable it to be operated as a single unit or in parallel with two or
more units of the same size, class, and mode. In addition, the generator sets will accept and operate with fuel
and electric winterization kits, load bank kit, wheel mounting kit, automatic transfer panel kits, a remote control
box, and an application kit. For a more detailed description of the generator sets, refer to the Operator and Unit
Maintenance Manual. A more detailed description of specific components and assemblies is found in the
applicable maintenance paragraphs of this manual.
1-2

ARMY TM 9-6115-464-34
AIR FORCE TO 35C2-3-445-2
NAVY NAVFAC P-8-624-34
1-10. TABULATED DATA.
a. General. This paragraph contains all maintenance data pertinent to (Direct and General Support), and
Depot maintenance personnel. For additional tabulated data, refer to the Operator and Unit Maintenance
Manual.
b. Engine Classification and Rating.
Model . . . . . . . . . . . . . . . . . . . . . . . . . . . . . . . . . . . . . . . . . . . . . . . . . . . . . . . . . . . . . . . . . . . .
Installation drawing
. . . . . . . . . . . . . . . . . . . . . . . . . . . . . . . . . . . . . . . . . . . . . . . . . . . . . . . .
Bore and Stroke . . . . . . . . . . . . . . . . . . . . . . . . . . . . . . . . . . . . . . . . . . . . . . . . . . . . . . . . . . . . . . . . . ..
Number of cylinders . . . . . .
. . . . . . . . . . . . . . . . . . . . . . . . . . . . . . . . . . . . . . . . . . . . . . . . . .
Piston displacement (cu. in.) . . . . . . . . . . . . . . . . . . . . . . . . . . . . . . . . . . . . . . . . . . . . . . . . .
Dry weight (approx) . . . . . . . . . . . . . . . . . . . . . . . . . . . . . . . . . . . . . . . . . . . . . . . . . . . . . .
Lubricating oil capacity (with filters)
. . . . . . . . . . . . . . . . . . . . . . . . . . . . . . . . . . . . . . . . . .
Low idle recommendations . . . . . . . . . . . . . . . . . . . . . . . . . . . . . . . . . . . . . . . . . . . . .. . . . . . .
Fuel consumption (gals/hr):
1500 rpm (50 HZ, 12.5 KW) . . . . . . . . . . . . . . . . . . . . . . . . . . . . . . . . . . . . . . . . . . . . . . . . . . . . . . ..
1800 rpm (60HZ,15KW) . . . . . . . . . . . . . . . . . . . . . . . . . . . . . . . . . . . . . . . . . . . . . . . . .
2000 rpm(400HZ, 15 KW). . . . . . . . . . . . . . . . . . . . . . . . . . . . . . . . . . . . . . . . . . . .. . . . .
Heat rejection to coolant (BTU/MIN):
1500 rpm (50HZ,12.5KW) . . . . . . . . . . . . . .
. . . . . . . . . . . . . . . . . . . . . . . . . . . . . . . . . .
1800 rpm (60HZ,15KW) . . . . . . . . . . . . . . . .
. . . . . . . . . . . . . . . . . . . . . . . . . . . . . . . . . .
2000 rpm (400HZ, 15 KW) . . . . . . . . . . . . . . . . . . . . . . . . . . . . . . . . . . . . . . . . . . . . . . . .
Air consumption (CFM):
1500 rpm (50HZ,12.5KW) . . . . . . . . . . . . . . . . . . . . . . . . . . . . . . . . . . . . . . . . . . . . . . . .
1800 rpm (60HZ,15KW) . . . . . . . . . . . . . . . . . . . . . . . . . . . . . . . . . . . . . . . . . .
2000 rpm (400HZ,15KW) . . . . . . . . . . . . . . . . . . . . . . . . . . . . . . . . . . . . . . . . . . . . . . . . .
Water pump delivery(GPM):
1500 rpm (50HZ,12.5KW) . . . . . . . . . . . . . . . . . . . . . .
. . . . . . . . . . . . . . . . . . . . . . . . . .
1800 rpm (60HZ,15KW) . . . . . . . . . . . . . . . . . . . . . . . . . . . . . . . . . . . . . . . . . . . . . . . . . . . . . . . . . .
2000 rpm (400HZ,15KW) . . . . . . . . . . . . . . . . . . . . . . . . . . . . . . . . . . . . . . . . . . . . . . . . . . . . . . . .
Crankcase:
Material . . . . . . . . . . . . . . . . . . . . . . . . . . . . . . . . . . . . . . . . . . . . . . . . . . . . . . . .
How cast . . . . . . . . . . . . . . . . . . . . . . . . . . . . . . . . . . . . . . . . . . . . . . . . . . . . . . . . . . . . . . . . . . . . . .
Crankshaft:
Material . . . . . . . . . . . . . . . . . . . . . . . . . . . . . . . . . . . . . . . . . . . . . . . . . . . . . . . . . . . . . . . . . . . . . . . . .
Number of bearings..
. . . . . . . . . . . . . . . . . . . . . . . . . . . . . . . . . . . . . . . . . . . . . . . . . . . . .
Bearing diameter . . . . . . . . . . . . . . . . . . . . . . . . . . . . . . . . . . .
. . . . . . . . . . . . . . . . . . . . . .
Bearing lengths:
Front . . . . . . . . . . . . . . . . .
. . . . . . . . . . . . . . . . . . . . . . . . . . . . . . . . . . . . . . . . . . . . . .
Center . . . . . . . . . . . . . . . . . . . . . . . .
. . . . . . . . . . . . . . . . . . . . . . . . . . . . . . . . . . . . . . . . ...
Rear . . . . . . . . . . . . . . . . . . . . . . . . . .
. . . . . . . . . . . . . . . . . . . . . . . . . . . . . . . . . . . . . . . . ..
Intermediate . . . . . . . . . . . . . . . . . . . . . . . . . . . . . . . . . .
. . . . . . . . . . . . . . . . . . . . . . . . . . . . . . .
Connecting rod:
Material . . . . . . . . . . . . . . . . . . . . . . . . . . . . . . . . . . . . . . . . . . . . . . . . . . . . . . . . . . . . . . .
Bearing diameter . . . . . . . . . . . . . . . . . . . . . . . . . . . . . . . . . . . . . . . . . . . . . . . . . .
Bearing length . . . . . . . . . . . . . . . . . . . . . . . . . . . . . . . . . . . . . . . . . . . . . . . . . . . . . . . . . . . . .
Rod length (c to c) . . . . . . . . . . . . . . . . . . . . . . . . . . . . .
. . . . . . . . . . . . . . . . . . . . . . . . .
. . . . . . .
D198ERX51
40-A-8875
3-3/4 x 4-1/2 inch
4
1
772 pounds
8 quarts
1100 to 1200 rpm
1.15
1.50
1.60
806
981
1,040
76.8
90.8
100.5
16
19.5
22
Alloy cast iron
Integral with block
Special steel, hardened
bearing surfaces
5
2-7/8 inches
1-1/32 inches
2-1/8 inches
1-1/32 inches
1-1/32 inches
Heat treated steel
2-3/8 inches
1-11/64 inches
8 inches
1-3

ARMY TM 9-6115-464-34
AIR FORCE TO 35C2-3-445-2
NAVY NAVFAC P-8-624-34
Piston and piston pin:
Piston material . . . . . . . . . . . . . . . . . . . . . . . . . . . . . . . . . . . . . . . . . . . . . . . . . . . . . . . . . . . Heat treated aluminum
alloy
Pin material . . . . . . . . . . . . . . . . . . . . . . . . . . . . . . . . . . . . . . . . . . . . . . . . . . . . . . . . . . . . . . . . . . . . . . . Alloy steel
Pin type . . . . . . . . . . . . . . . . . . . . . . . . . . . . . . . . . . . . . . . . . . . . . . . . . . . . . . . . . . . . . . . . . Full floating
Camshaft:
Number of bearings . . . . . . . . . . . . . . . . . . . . . . . . . . . . . . . . . . . . . . . . . . . . . . . . . . . . . . . . . . . . . . 4
Bearing diameter . . . . . . . . . . . . . . . . . . . . . . . . . . . . . . . . . . . . . . . . . . . . . . . . . . . . . . . . . 2-1/16 inches
Bearing lengths:
Front . . . . . . . . . . . . . . . . . . . . . . . . . . . . . . . . . . . . . . . . . . . . . . . . . . . . . . . . . . . . . . . . . . . . 1-1/16 inches
Intermediate . . . . . . . . . . . . . . . . . . . . . . . . . . . . . . . . . . . . . . . . . . . . . . . . . . . . . . . . . . . . . 13/16 inch
Rear . . . . . . . . . . . . . . . . . . . . . . . . . . . . . . . . . . . . . . . . . . . . . . . . . . . . . . . . . . . . . . . . . . . . 1-1/16 inches
Cylinder head:
Material . . . . . . . . . . . . . . . . . . . . . . . . . . . . . . . . . . . . . . . . . . . . . . . . . . . . . . . . . . . . . . . . . . . . . . . . . . .Alloy casting
Type . . . . . . . . . . . . . . . . . . . . . . . . . . . . . . . . . . . . . . . . . . . . . . . . . . . . . . . . . . . . . . . . . . . . . . . . . . . . . . . .One piece casting
Valve arrangement . . . . . . . . . . . . . . . . . . . . . . . . . . . . . . . . . . . . . . . . . . . . . . . . . . . . . . . . Overhead
(E-l-l-E-E-l-l-E)
Valve material (intake and exhaust)
. . . . . . . . . . . . . . . . . . . . . . . . . . . . . . . . . . . . . . . . . . .
High alloy forging
c. Starter Assembly Classification and Rating.
Stailed current . . . . . . . . . . . . . . . . . . . . . . . . . . . . . . . . . . . . . . . . . . . . . . . . . . . . . . . . . . . . . 500 amps(max)
Stalled torque . . . . . . . . . . . . . . . . . . . . . . . . . . . . . . . . . . . . . . . . . . . . . . . . . . . . . . . . . . . . . . 18 lbs.-ft. (min)
Duty classification . . . . . . . . . . . . . . . . . . . . . . . . . . . . . . . . . . . . . . . . . . . . . . . . . . . . . . . . . . 15 sec on-15 sec off(2
starting cycle sper
minute)
Drive type . . . . . . . . . . . . . . . . . . . . . . . . . . . . . . . . . . . . . . . . . . . . . . . . . . . . . . . . . . . . . . . . . . . . . . .Positive indexing with
overrun clutch
d. Fuel injector Pump Classification and Rating.
Manufacturer . . . . . . . . . . . . . . . . . . . . . . . . . . . . . . . . . . . . . . . . . . . . . . . . . . . . . . . . . . . . . . . . . Hartford Machine Screw
Co. Div. of Standard
Screw Co., lnc.
Model . . . . . . . . . . . . . . . . . . . . . . . . . . . . . . . . . . . . . . . . . . . . . . . . . . . . . . . . . . . . . . . . . . . . . DBGFC433X1LK
Line pressure . . . . . . . . . . . . . . . . . . . . . . . . . . . . . . . . . . . . . . . . . . . . . . . . . . . . . . . . . . . . . . 2500 to 2950psig
Transfer pump pressure . . . . . . . . . . . . . . . . . . . . . . . . . . . . . . . . . . . . . . . . . . . . . . . . . . . . . 130 psig(max)
Transfer pump lift . . . . . . . . . . . . . . . . . . . . . . . . . . . . . . . . . . . . . . . . . . . . . . . . . . . . . . . . . . . . 15 inches HG (min)
Delivery variation between cylinders at full load . . . . . . . . . . . . . . . . . . . . . . . . . . . . . . . . 5% (max)
1-4
Full load rpm. . . . . . . . . . . . . . . . . . . . . . . . . . . . . . . . . . . . . . . . . . . . . .. . . . .. . 1800
e. Static Exciter and Voltage Regulator Assembly Classification and Rating.
Type . . . . . . . . . . . . . . . . . . . . . . . . . . . . . . . . . . . . . . . . . . . . . . . . . . . . . . . . . . . . . . . . . . . . . .
Voltage regulation:
MEP-004A . . . . . . . . . . . . . . . . . . . . . . . . . . . . . . . . . . . . . . . . . . . . . . . . . . . . . . . . . . . .
MEP-103A . . . . . . . . . . . . . . . . . . . . . . . . . . . . . . . . . . . . . . . . . . . . . . . . . . . . . . . . . . . . . .
MEP-113A . . . . . . . . . . . . . . . . . . . . . . . . . . . . . . . . . . . . . . . . . . . . . . .
. . . . . . . . . . . . . . . . . . . . . .
Voltage stability:
Short term:
MEP-004A . . . . . . . . . . . . . . . . . . . . . . . . . . . . . . . . . . . . . . . . . . . . . . . . . . . .
MEP-103A . . . . . . . . . . . . . . . . . . . . . . . . . . . . . . . . . . . . . . . . . . . . . . . . . . . . . . . . . . . .. . . . . . . .
MEP–113A . . . . . . . . . . . . . . . . . . . . . . . . . . . . . . . . . . . . . . . . . . . . . . . . . . . . . . . . . . . . . . . . . .
Long term:
MEP-004A . . . . . . . . . . . . . . . . . . . . . . . . . . . . . . . . . . . . . . . . . . . . . . . . . . . . . . .. .
MEP-103A . . . . . . . . . . . . . . . . . . . . . . . . . . . . . . . . . . . . . . . . . . . . . . . . . . . . . . . . . . . . .
MEP-113A . . . . . . . . . . . . . . . . . . . . . . . . . . . . . . . . . . . . . . . . . . . . . . . . . . . . . . . . . . . . .
Voltage drift (8 hour period,with temperature variation of up to 60°F) (15.5°C)
. . . . .
Transient performance:
Resumption of steady state:
MEP-004A . . . . . . . . . . . . . . . . . . . . . . . . . . . . . . . . . . . . . . . . . . . . . . .
MEP-103A. . . . . . . . . . . . . . . . . . . . . . . . . . . . . . . . . . . . . . . . . . . . . . . . . . . . . . . . . . . . . . . . . . . .
MEP-113A . . . . . . . . . . . . . . . . . . . . . . . . . . . . . . . . . . . . . . . . . . . . . . . . . . . . . . . . . . . . . .
Overshoot/undershoot
MEP-004A . . . . . . . . . . . . . . . . . . . . . . . . . . . . . . . . . . . . . . . . . . . . . . . . . . . . . . . . . . . . .
MEP-103A . . . . . . . . . . . . . . . . . . . . . . . . . . . . . . . . . . . . . . . . . . . . . . . . . . . . . . . . . . . . .
MEP-113A . . . . . . . . . . . . . . . . . . . . . . . . . . . . . . . . . . . . . . . . . . . . . . . . . . . . . . . . . . . . .
DOD Drawing Numbers:
50/60 Hz . . . . . . . . . . . . . . . . . . . . . . . . . . .. . . . . . . . . . . . . . .
. . . . . . . . . . . . . . . . . . . . . . . . . . . . . . . .
400Hz . . . . . . . . . . . . . . . . . . . . . . . . . . . . . . . . . . . . . . . . . . . . . . . . . . . . . . . . . . . . . ..
Type . . . . . . . . . . . . . . . . . . . . . . . . . . . . . . . . . . . . . . . . . . . .
Input volts . . . . . . . . . . . . . . . . . . . . . . . . . . . . . . . . . . . . . . . . . . . . . .
Frequency regulation . . . . . . . . . . . . . . . . . . . . . . . . . . . . . . . . . . . . . . . . . . . . . . . . . . . . . . .
Power dissipation . . . . . . . . . . . . . . . . . . . . . . . . . . . . . . . . . . . . . . . . . . . . . . . . . . . . . . . . . .
Enclosure . . . . . . . . . . . . . . . . . . . . . . . . . . . . . . . . . . . . . . . . . . . . . . . . . . . . . . . . . . . . . . . . . . . . . . . . . . ...
Solid state
3 percent of rated voltage
1 percent of rated voltage
1 percent of rated voltage
Within 2 percent of rated
voltage
Within 1 percent of rated
voltage
Within 1 percent of rated
voltage
Within 4 percent of rated
voltage
Within 2 percent of rated
voltage
Within 2 percent of rated
voltage
1 percent
Within 3 sec.
Within 0.5 sec.
Within 0.5 sec.
20 percent rated voltage
15 percent rated voltage
12 percent rated voltage
69-784-2
69-784-1
Solid state
24 Vdc and 120 Vac
0.25 percent
115 watts (max)
Water-proof, wax-filled
casing
1-5
ARMY TM 9-6115-464-34
AIR FORCE TO 35C2-3-445-2
NAVY NAVFAC P-8-624-34
f. Electro-hydraulic Governor Control Unit Classification and Rating.

ARMY TM 9-6115-464-34
AIR FORCE TO 35C2-3-445-2
NAVY NAVFAC P-8-624-34
1-6

ARMY TM 9-6115-464-34
AIR FORCE TO 35C2-3-445-2
NAVY NAVFAC P-8-624-34
j. Underfrequency Relay Classification and Rating.
DOD drawing number:
50/60 Hz. . . . . . . . . . . . . . . . . . . . . . . . . . . . . . . . . . . . . . . . . . . . . . . . . . . . . . . . . . . . . ...
400 Hz . . . . . . . . . . . . . . . . . . . . . . . . . . . . . . . . . . . . . . . . . . . . . . . . . . . . . . . . . . . . . . . . . .
Input voltage (nominal) . . . . . . . . . . . . . . . . . . . . . . . . . . . . . . . . . . . . . . . . . . . . . ... ....
Trip frequency:
400 Hz . . . . . . . . . . . . . . . . . . . . . . . . . . . . . . . . . . . . . . . . . . . . . . . . . . . . . . . . . . . . . . . . . .
60 HZ . . . . . . . . . . . . . . . . . . . . . . . . . . . . . . . . . .
. . . . . . . . . . . . . . . . . . . . . . . . . . . . . . . . .
50 Hz . . . . . . . . . . . . . . . . . . . . . . . . . . . . . . . . . . . . . . . . . . . . . . . . . . . . . . . . . . . . . . . . . . .
Voltage input limits . . . . . . . . . . . . . . . . . . . . . . . . . . . . . . . . . . . . . . . . . . . . . . . . . . . . . . .
Temperature range . . . . . . . . . . . . . . . . . . . . . . . . . . . . . . . . . . . . . . . . . . . . . . . . . . . . . . . .
Trip frequency variation over temperature range . . . . . . . . . . . . . . . . . . . . . . . . . . . . . . . .
k. Short Circuit Relay Classification and Rating.
DOD drawing number . . . . . . . . . . . . . . . . . . . . . . . . . . . . . . . . . . . . . . . . . . . . . . . . . . . . . . .
Trip voltage . . . . . . . . . . . . . . . . . . . . . . . . . . . . . . . . . . . . . . . . . . . . . . . . . . . . . . . . . . . . ..
Contact rating . . . . . . . . . . . . . . . . . . . . . . . . . . . . . . . . . . . . . . . . . . . . . . . . . . . . . . . . . . ...
Frequency range . . . . . . . . . . . . . . . . . . . . . . . . . . . . . . . . . . . . . . . . . . . . . . . . . . . . . . . . . . .
Temperature range . . . . . . . . . . . . . . . . . . . . . . . . . . . . . . . . . . . . . . . . . . . . . . . . . . . . . . . . .
Trip variation over temperature range . . . . . . . . . . . . . . . . . . . . . . . . . . . . . . . . . . . . . . . . .
l. Reverse Power Relay Classification and Rating.
DOD drawing number . . . . . . . . . . . . . . . . . . . . . . . . . . . . . . . . . . . . . . . . . . . . . . . . . . . . . . .
DC input voltage . . . . . . . . . . . . . . . . . . . . . . . . . . . . . . . . . . . . . . . . . . . . . . . . . . . . . . . . . . .
AC superimposition . . . . . . . . . . . . . . . . . . . . . . . . . . . . . . . . . . . . . . . . . . . . . . . . . . . . . . . . .
Reverse polarity . . . . . . . . . . . . . . . . . . . . . . . . . . . . . . . . . . . . . . . . . . . . . . . . . . . . . .
Temperature range . . . . . . . . . . . . . . . . . . . . . . . . . . . . . . . . . . . . . . . . . . . . . . . . . . .
Variations in trip voltage over temperature range
. . . . . . . . . . . . . . . . . . . . . . . . . . . . . . .
Contact rating . . . . . . . . . . . . . . . . . . . . . . . . . . . . . . . . . . . . . . . ... . . ........
m. Permissive Paralleling Relay Classification and Rating.
DOD drawing number . . . . . . . . . . . . . . . . . . . . . . . . . . . . . . . . . . . . . . . . . . . . . . . . . . . . . . .
Input power . . . . . . . . . . . . . . . . . . . .. . . . . . . . . . . . . . . . . . . . . . . . . . . . . . . . . . . . . . . . . . . . . .. .
Actuation point. . . . . . . . . . . . . . . . . . . . . . . . . . . . . . . . . . . . . . . . . . . . . . . . . . . . . . . . . . . . . . .. . .....
Frequency range . . . . . . . . . . . . . . . . . . . . . . . . . . . . . . . . . . . . . . . . . . . . . . . . . . . . . . . . . . . . . . . . . .
Temperature range . . . . . . . . . . . . . . . . . . . . . . . . . . . . . . . . . . . . . . . . . . . . . . . . .
Variation of actuation point over temperature range . . . . . . . . . . . . . . . . . . . . . . . . . . . . .
Contact rating . . . . . . . . . . . . . . . . . . . . . .. . . . . . . . . . . . . . . . . . . . . . . . . . . . . . . . . . . . . . . . . . . . . . .
70-1119
70-1141
120 Vac
370±5Hz
48±3Hz
43±3Hz
± 10 percent
-65°F(-58.5°C)
to-170°F(76.7°C)
±2Hz
72-2256
10±Vac(any phase to
neutral)
10 amp, 28Vdc
50 Hz to 450 Hz
-65°F(-58.5°C)
to 170°F(76.7°C)
5 percent maximum
72-2255
0 to 10 Vdc
Up to 20 Vac
20 percent (approximate)
-65°F(-58.8°C)
to 170°F(76.7°C)
±3 Vdc (max)
10 amp, 28 Vdc, resistive
70-1118
24 Vdc
8±1 Vac (falling)
50 Hz to 400 Hz
-65°F(-58.8°C) to
170°F (76.7°C)
Less than 1 Vac
10 amp, 28 Vdc,
resistive
1-7

ARMY TM 9-6115-464-34
AIR FORCE TO 35C2-3-445-2
NAVY NAVFAC P-8-624-34
1-8

ARMY TM 9-6115-464-34
AIR FORCE TO 35C2-3-445-2
NAVY NAVFAC P-8-624-34
1-9

ARMY TM 9-6115-464-34
AIR FORCE TO 35C2-3-445-2
NAVY NAVFAC P-8-624-34
t. 50/60 Hz Generator Repair and Replacement Standards.
Rotor:
Number of coils . . . . . . . . . . . . . . . . . . . . . . . . . . . . . . . . . . . . . . . . . . . . . . . . . . . . . . . . . . . 4
Turns per coil . . . . . . . . . . . . . . . . . . . . . . . . . . . . . . . . . . . . . . . . . . . . . . . . . . . . . . . . . . . . 335
Wires per turn . . . .
. . . . . . . . . . . . . . . . . . . . . . . . . . . . . . . . . . . . . . . . . . . . . . . . . . . . . . .
2
Wire size . . . . . . . . . . . . . . . . . . . . . . . . . . . . . . . . . . . . . . . . . . . . . . . . . . . . . . . . . . . . . . . . #15 Rd.
Number of slots
. . . . . . . . . . . . . . . . . . . . . . . . . . . . . . . . . . . . . . . . . . . . . . . . . . . . . . . . . . .
8
Coils per slot . . . . . . . . . . . . . . . . . . . . . . . . . . . . . . . . . . . . . . . . . . . . . . . . . . . . . . . . . . . . 2
Turns per coil . . . . . . . . . . . . . . . . . . . . . . . . . . . . . . . . . . . . . . . . . . . . . . . . . . . . . . . . . . . . 710
Coil connection . . . . . . . . . . . . . . . . . . . . . . . . . . . . . . . . . . . . . . . . . . . . . . . . . . . . . . . . Series
Field volts . . . . . . . . . . . . . . . . . . . . . . . . . . . . . . . . . . . . . . . . . . . . . . . . . . . . . . . . . . . . . . . . 53
Total resistance. . . . . . . . . . . . . . . . . . . . . . . . . . . . . . . . . . . . . . . . . . . . . . . . . . . . . . . . . . . 3.31 ohms
Pole length . . . . . . . . . . . . . . . . . . . . . . . . . . . . . . . . . . . . . . . . . . . . . . . . . . . . . . . . . . . . . . . 3.25 inches
Insulating materials
. . . . . . . . . . . . . . . . . . . . . . . . . . . . . . . . . . . . . . . . . . . . . . . . . . . . . . .
Varnish, type M, Grade
CL155, MIL-I-24092
Dripping compound . . . . . . . . . . . . . . . . . . . . . . . . . . . . . . . . . . . . . . . . . . . . . . . . . . . . . . . Varnish, fungus-
resistant, MIL-V-173
Stator
Number of poles . . . . . . . . . . . . . . . . . . . . . . . . . . . . . . . . . . . . . . . . . . . . . . . . . . . . . . . . . . 4
Number of slots. . . . . . . . . . . . . . . . . . . . . . . . . . . . . . . . . . . . . . . . . . . . . . . . . . . . . . . . . . . 54
Number of coils. . . . . . . . . . . . . . . . . . . . . . . . . . . . . . . . . . . . . . . . . . . . . . . . . . . . . . . . . . . 54
Turns pe rcoil
. . . . . . . . . . . . . . . . . . . . . . . . . . . . . . . . . . . . . . . . . . . . . . . . . . . . . . . . . . . .
7
Coils per slot . . . . . . . . . . . . . . . . . . . . . . . . . . . . . . . . . . . . . . . . . . . . . . . . . . . . . . . . . . . . 1
Turns per slot . . . . . . . . . . . . . . . . . . . . . . . . . . . . . . . . . . . . . . . . . . . . . . . . . . . . . . . . . . . . 7
Wires per turn . . . . . . . . . . . . . . . . . . . . . . . . . . . . . . . . . . . . . . . . . . . . . . . . . . . . . . . . . . . . 3
Wires pe rslot . . . . . . . . . . . . . . . . . . . . . . . . . . . . . . . . . . . . . . . . . . . ..3
Pitch of coils . . . . . . . . . . . . . . . . . . . . . . . . . . . . . . . . . . . . . . . . . . . . . . . . . . . . . . . . . . . . . 1 and 12
Grouping of coils . . . . . . . . . . . . . . . . . . . . . . . . . . . . . . . . . . . . . . . . . . . . . . . . . . . . . . . . . . 12 groupsof 2
6 groups of 5
Wire size . . . . . . . . . . . . . . . . . . . . . . . . . . . . . . . . . . . . . . . . . . . . . . . . . . . . . . . . . . . . . . . . #16 Rd.
Gap bore . . . . . . . . . . . . . . . . . . . . . . . . . . . . . . . . . . . . . . . . . . . . . . . . . . . . . . . . . . . . . . . . 11.0 inches
Skew at gap . . . . . . . . . . . . . . . . . . . . . . . . . . . . . . . . . . . . . . . . . . . . . . . . . . . . . . . . . . . . . . 0.64 inches
Insulating materials:
Slot insulators . . . . . . . . . . . . . . . . . . . . . . . . . . . . . . . . . . . . . . . . . . . . . . . . . . . . . . . . . . . . 54
Phase insulators . . . . . . . . . . . . . . . . . . . . . . . . . . . . . . . . . . . . . . . . . . . . . . . . . . . . . . . . . . 12
Varnish . . . . . . . . . . . . . . . . . . . . . . . . . . . . . . . . . . . . . . . . . . . . . . . . . . . . . . . . . . . . . . . . . . Type M, Grade CL155,
MIL-V-173.
u. 50/60 Hz Generator Repair and Replacement Standards (cont):
Dipping compound . . . . . . . . . . . . . . . . . . . . . . . . . . . . . . . . . . . . . . . . . . . . . . . . . . . . . . . . . Varnish, fungus-resis-
tant, MIL-V-173
1-10

ARMY TM 9-6115-464-34
AIR FORCE TO 35C2-3-445-2
NAVY NAVFAC P-8-624-34
1-11

ARMY TM 9-6115-464-34
AIR FORCE TO 35C2-3-445-2
NAVY NAVFAC P-8-624-34
1-12

ARMY TM 9-6115-464-34
AIR FORCE TO 35C2-3-445-2
NAVY NAVFAC P-8-624-34
1-13

ARMY TM 9-6115 464 34
AIR FORCE TO 35C2-3-445-2
NAVY NAVFAC P-8-624-34
Table 1-1. FITS AND TOLERANCES
Mfg’s Tolerances Desired Clearance Maximum Maximum
Component Allowable Allowable
Minimum Maximum Minimum Maximum Wear Clearance
CYLINDER BLOCK: 3.7490 3.7510
Cylinder bore dia. 3.7505 3.7515 0.0050
Cylinder bore dia.(Bohn) 0.0005
Cylinder bore out of round 0.0005 0.0030
Cylinder bore taper 3.0665 3.0670 0.0020
Main brg. bore - less brgs. 2.1870 2.1880
Camshaft brg. bore - less brgs. 2.0000 2.0005
Oil pump bore 0.7494 0.7500
Valve tappet bore 0.003
Warpage 0.0005
Milling
CRANKSHAFT: 2.8734 2.8744
Main brg. journal dia. 0.0003 0.0030
Main brg. journal out of round 0.0003 0.0020
Main brg. journal taper 0.0020 0.0015
Main brg. run-out at center 2.3730 2.3740 0.0030
Conn. rod journal dia. 0.0003 0.0020
Conn. rod journal out of round 0.0003 0.0020
Conn. rod journal taper 0.1400 0.1700 0.0015
Fillet radii 0.0009 0.0034
Crankshaft main brg. clearance 0.0050 0.0100 0.0070
Crankshaft thrust clearance 4.3100 4.3150 0.0150
Seal surface dia.- rear 1.8740 1.8750 0.0150
Seal surface dia. - front 0.0150
CONN.ECTING ROD: 7.9980 8.0020
Length - c to c 2.5260 2.5270
Bearing bore - less bearings 0.0010 0.0030
Br to crankshaft clearance 0.0050 0.0120 0.0050
Conn. rod side clearance 0.0200
Piston pin bushing bore - less 1.4370 1.4380
bushing 1.2503 1.2508
Piston pin bushing bore 0.0015
CAMSHAFT: 2.0530 2.0540
Bearing journal dia. 1.6890 1.7250 0.0020
Lobe dia. meter - base to tip 0.0010 0.0100
Journal run-out in vee blocks 0.0015 0.0035 0.0040
Bearing clearance 0.0015 0.0055 0.0060
End thrust 0.0120
Back lash camshaft to crank 0.001 0.003
gear
PISTON:
Clearance in cyl. bore (pull on 5 lb. 8 lb.
1/2 x 0.0050 ribbon) -
Clearance in cyl. bore (pull
on1/2 x 0.005 ribbon bore) 3.7445 3.7455
Piston pin bore 1.2500 1.2502 0.0010
Width of ring groove - top -
Keystone 1/8 nom.
Width of ring groove - 2nd &
3rd comp 0.0975 0.0990 0.0050
Width of ring groove - top -
oil control 0.1880 0.1895 0.0050
Width of ring groove - lower
oil control 0.1880 0.1890 0.0050
PISTON PIN:
Length 3.0350 3.0400 ’
Diameter 1.2498 1.2499 0.0020
Clearance in piston 0.0000 0.0005 0.0020
Clearance in connecting rod 0.0005 0.0012 0.0050
1-14 Change 1

ARMY TM 9-6115-464-34
AIR FORCE TO 35C2-3-445-2
NAVY NAVFAC P-8-624-34
Table 1-1. FITS AND TOLERANCES (CONTINUED)
Mfg’s. Tolerances Desired Clearance Maximum Maximum
Component Allowable Allowable
Minimum Maximum Minimum Maximum Wear Clearance
PISTON RING:
Clearance in groove – top Keystone Taper
Clearance in groove – 2nd &
3rd comp. 0.0040 0.0060 0.0080
Clearance in groove – oil
control 0.0015 0.0030 0.0080
Gap 0.0100 0.0200 0.0400
VALVE, INTAKE:
Head diameter 1.6825 1.6925
Stem diameter 0.3725 0.3735
Stem to guide clearance 0.0025
0.0005 0.0025 0.0050
Stem to rocker arm clearance
– hot
0.0150
Seat diameter in head 1.6470 1.6530
Seat width in head 7/64
1/8
Top of valve recessed below
cyl. hd deck 0.0210
Valve seat angle
30°
VALVE, EXHAUST:
Head diameter 1.4950 1.5050
Stem diameter
0.3725 0.3732 0.0025
Stem to guide clearance 0.0015 0.0035 0.0060
Stem to rocker arm clearance
- hot
0.0150
Seat diameter in head 1.4510 1.4560
Seat width in head 7/64
1/8
Top of valve recessed below
cyl. hd deck 0.0210
Valve seat angle
45°
VALVE GUIDE:
Length 2.0325
2.9524
Outside diameter
0.6265 0.6270
Bore diameter - intake -
ream
0.3740 0.3750 0.0030
Bore diameter – exhaust –
ream 0.3750 0.3760 0.0030
Depth below cyl. head deck 1.3700 1.3800
TAPPET, VALVE LIFTER
(PUSH ROD):
Body diameter 0.7485 0.7490
Overall length 2.2450 0.0030
2.2550
Clearance m bore (block) 0.0005 0.0015 0.0050
VALVE SPRINGS - INTAKE
& EXHAUST:
Free Iength 1.7960 1.8360
Total coils 6-1/4
Diameter wire 0.1770
Outside diameter
1.2920 1.3020
Test load at 1.4920 inches
(Ibs)
72
82
Test load at 1.0820 inches
(lb)
163 180
1-15

ARMY TM 9-6115-464-34
AIR FORCE TO 35C2-3-445-2
NAVY NAVFAC P-8-624-34
Table 1-1. FITS AND TOLERANCES (CONTINUED)
Mfg’s. Tolerances Desired Clearance
Component
Maximum Maximum
Allowable Allowable
Minimum Maximum Minimum Maximum Wear
CIearance
OIL PUMP BODY:
Shaft bore diameter – main
0.6255 0.6265 0.0030
Shaft bore diameter - idler
0.6255 0.6265 0.0030
Pump gear bore diameter
1.5005 1.5015 0.0050
Pump gear bore depth 1.5640 1.5650 0.0040
Mounting flange & top of
drive flange
4.83375 4.85373 0.010
SHAFTS:
Length – main 9.2400
Length – idler 9.2500
2.7450 2.7550
Diameter - main
0.6240 0.6245 0.0020
Diameter – idler 0.6240 0.6245
Shaft clearance in body
0.0020
0.0010 0.0025 0.0030 0.0060
GEARS:
Outside diameter – both 1.4975 1.4985
Length – both 1.5610 0.0020
1.5620
Clearance in body bore 0.0020 0.0040 0.0070
End clearance to body
0.0020 0.0040
Backlash, drive gear to cam-
0.0080
0.0060 0.0120 0.0200
FLYWHEEL:
Clutch face run out at 6 in. rad.
0.0080
Pilot bore eccentricity 0.0050
FLYWHEEL HOUSING:
Clutch attaching face deviation 0.0080
Clutch housing ore
eccentricity 0.0050
ROCKER ARM MECHANISM:
Rocker shaft length – 4 cyl. 19.4900 19.5100
Rocker shaft diameter 0.8590 0.8600 0.0030
Rocker arm bore diameter 0.8625 0.8635 0.0030
Rocker arm clearance on
shaft
0.0025 0.0045 0.0120
Tappet adjusting screw torque
310
STARTER:
Commutator diameter
1.6470
FUEL PUMP:
Throttle shaft and linkage hook 0.210 0.225 0.217
Impeller to cover plate 0.010
CYLINDER HEAD:
Warpage longitudinally)
0.005
Warpage laterally)
0.003
GENERATOR ASSEMBLIES:
Bearing housing, ID 3.19492 3.19502
Bearing adapter, OD 1.3780 1.3784
FUEL BURNING
WINTERIZATION KIT:
Heater assembly, metering
orifice pin hole diameter
0.012 0.012
Adapter face (parallel)
Adapter bore diameter
0.001
0.315 0.318
1-16

ARMY TM 9-6115-464-34
AIR FORCE TO 35C2-3-445-2
NAVY NAVFAC P-8-624-34
Table 1-1. FITS AND TOLERANCES (CONTINUED)
Mfg’s. Tolerances Desired Clearance Maximum Maximum
Component
Allowable Allowable
Minimum Maximum Minimum Maximum Wear Clearance
FUEL BURNING
WINTERIZATION KIT
Adapter face (parallel with
rotor side of adapter)
0.001
Pump, cam ring to rotor
clearance 0.002
FUEL PUMP:
Roller to roller dimension 1.9635 1.9645
Transfer pump blades
0.538
(determine wear by
measuring length)
MAIN BEARING:
Clearance 0.0009 0.0034
1-17/(1-18 blank)
(CONT)

ARMY TM 9-6115-464-34
AIR FORCE TO 35C2-3-445-2
NAVY NAVFAC P-8-624-34
CHAPTER 2
GENERAL MAINTENANCE INSTRUCTIONS
Section I. REPAIR PARTS, SPECIAL TOOLS, AND EQUIPMENT
2-1. TOOLS AND SUPPORT EQUIPMENT.
There are no special tools or support equipment required to perform any level of maintenance on generator
set Models MEP-004A, MEP-103A, and MEP-113A. Table 2-1 contains a list of recommended tools and
support equipment normally required to maintain the generator sets at the (direct and general support) and
depot maintenance levels. References or illustrations indicating the need or use of these or similar tools areas
listed in the table.
2-2. DIRECT SUPPORT, GENERAL SUPPORT, AND DEPOT MAINTENANCE REPAIR PARTS.
Direct support, general support and depot maintenance repair parts are listed and illustrated in the, Unit,
(Direct and General Support) and Depot Maintenance Repair Parts and Special Tools List).
2-3. FABRICATED TOOLS AND EQUIPMENT.
A breakdown cable is required to troubleshoot the electric governor system of MEP-113A. The breakout
cable is used to gain access to the Governor Control Unit’s MS3106R20-29 connector. Appendix B gives
fabrication instructions for the breakout cable.
Table 2-1. TOOLS AND SUPPORT EQUIPMENT
Reference
Item
FSN or Part No. Figure
Para.
Use
Torch outfit, cutting
3433-00-357-6311 or 3-98
Removing extensively damaged
and welding (Tool equal housing components
Set L/W67706)
Oscilloscope
6625-00-643-1740 or 3-92
Testing voltage regulators
equal
Hoist, chain, 3 ton
3950-00–292-9879 or
2-12
2-6, 2-7
Removing and installing engine
equal and generator assemblies
Trestle, hoist, port–
3950-00-449-7005 or
2-2,2-3 2-6, 2-7
Removing and installing engine
able, 5 ton equal and generator assemblies
Multimeter, split
6625-00-892-1497 or 3-95
Testing resistance of generator
core equal assembly windings
Multimeter, digital
6625-00-495-3513 3-65
Troubleshooting electric governor
system (MEP-113A only).
Ohmmeter
6625-00-643-1030 or
3-95
Testing continuity of generator
equal assembly components
Puller attachment
(component of
5120-00-711-6753 or 3-95
Removing generator bearing
puller kit equal
5180-701-8046)
Solder outfit, electric
3439-00-853-8760 or 3-95
Soldering electrical leads to
equal
generator assembly rectifiers
Test stand, actuator
4940-00-152-2107 or
3-43
Testing performance of hydraulic
equal actuator
2-1

Table 2-1. TOOLS AND SUPPORT EQUIPMENT (CONTINUED)
Reference
Item
FSN or Part No.
Figure Para. Use
Test gauge and hose
4910-00-799-7616 or
3-41 Testing hydraulic pump assembly
assy equal
Tachometer,
6680-00-892-1510 or
3-7
Testing speed switch elements trip
stroboscopic equal
Test stand, ignition
4910-00-912-3960 or
3-7
Testing of speed switch
magneto equal
Gauge, thickness
5210-00-221-1999 or
Adjusting main load
equal contactor
Test set, armature
6625-00-233-1459 or
3-4
Testing starter assembly
equal armature
Tool kit, diesel
4910-00-317-8265 or 3-23
Repair of fuel injection
injector repair equal nozzle holder
Grinding kit, valve
4910-00-473-6437 or 3-52
Regrinding cylinder head
equal assembly valve seat
Wrench, torque
5120-00-542-5577 or 3-54
Tightening cylinder head nuts
equal
Grinding machine,
valve face 4910-00-540-4679 or 3-54
Refacing valves
equal
Lifter, valve spring
5120-00-239-8686 or 3-54
Removing and installing valve
equal springs
Remover and replacer
5120-00-219-8404 or 3-54
Removing and installing valve
valve guide equal guides
Caliper, micrometer,
5210-00-243-2933 or 3-56
Checking piston pins,
outside, 1 inch to 2
equal
3-55
inch camshaft and crankshaft
for wear
Indicator, connecting
4910-00-733-2487 or 3-57
Checking connecting rod
rod alignment equal alignment
Wrench, torque
5120-00-640-6364 or 3-56
Tightening connecting rod
equal
bearing cap screws
Gauge set, telescoping
5210-00-473-9350 or 3-57
Checking taper and out-of-
equal roundness of cylinder bores
Gauge, thickness
5210-00-517-8097 or 3-56
Checking thickness of piston
equal rings
Compressor, piston
5120-00-116-7676 or 3-57
Installing piston into
ring
equal cylinder bores
Expander, piston ring
5120-00-393-0549 or 3-57
Installing rings on pistons
equal
2-2
ARMY TM 9-6115-464-34
AIR FORCE 35C2-3-445-2
NAVY NAVFAC P-8-624-34
seat
3-84

ARMY TM 9-6115-464-34
AIR FORCE TO 35C2-3-445-2
NAVY NAVFAC P-8-624-34
Table 2-1. TOOLS AND SUPPORT EQUIPMENT (CONTINUED)
Reference
Item
FSN or Part No. Figure
Para.
Use
Caliper, micrometer
5210-00-255-7564 or
3-57
Checking main bearings
equal
Caliper, micrometer
5210-00-221-1934 or
3-57
Checking crankshaft main
equal
bearing journals for wear
Wrench, torque,
5120-542-4489 or equal
3-22
Maintenance of fuel
0-150 in-lb
injection pump
Wrench, torque,
5120-821-3441 or equal
3-22
Maintenance of fuel
100-700 in-lb
injection pump
Dial Indicator
3-22
Checking of fuel
injection pump
Oven
3-95
Used for rotor and stator
disassembly
Ring groove tool
3-56
Used for cleaning piston
ring grooves
Shop equipment,
electrical
4940-00-294-9517 or
5-30
Used to install acoustic
equal suppression kit
Installation tool, 4940-268
5-30
Used to install acoustic
hex, 5/16 inch suppression kit
Sling, lifting
1670-00-622-3632 or
5-30
Used to install acoustic
equal suppression kit
Strap, lifting 4940-407
5-29
Used to install acoustic
suppression kit
Cable, breakout N/A 2-1 Used for troubleshooting.
2-3

ARMY TM 9-6115-464-34
AIR FORCE 35C2-3-445-2
NAVY NAVFAC P-8-624-34
Section II. TROUBLESHOOTING
2-4. GENERAL.
This section provides information useful in diagnosing and correcting unsatisfactory operation or failure of
the generator sets and their components. Malfunctions which may occur are listed in table 2-2. Each
malfunction is followed by test or inspections and corrective actions. The corresponding listing of corrective
actions contains references to applicable maintenance paragraphs for correction of the malfunction.
NOTE
Refer to Operator and Unit Maintenance Manual for troubleshooting information
applicable to lower levels of maintenance.
Table 2-2 below contains information for locating and correcting operating troubles that may develop in the
generator set. Each malfunction listed for a component, a unit, or a system is followed by a troubleshooting
procedure that may help you determine what caused the trouble. Corrective action is provided to help you
remedy the problem.
Table 2-2. TROUBLESHOOTING
MALFUNCTION
TEST OR INSPECTION
CORRECTIVE ACTION
1. ENGINE FAILS TO CRANK
Step 1. Defective cranking relay K3 (34, figure 3-119).
Replace defective cranking relay (para. 3-90).
Step 2. Defective reverse polarity diode (CR3) (see figure 3-121).
Replace reverse polarity diode (para. 3-90).
Step 3. Defective starter solenoid (7 figure 3-1).
Repair or replace starter solenoid (para. 3-4).
Step 4. Defective starter motor (figure 3-1).
Repair or replace starter motor (para. 3-4).
Step 5. Defective starter drive assembly (figure 3-1).
Repair or replace starter drive assembly (para. 3-4).
2. ENGINE CRANKS BUT FAILS TO START.
Step 1. Defective fuel nozzle assembly (figure 3-25).
Clean, adjust, repair, or replace fuel nozzle assemble (para. 3-23).
2-4

ARMY TM 9-6115-464-34
AIR FORCE TO 35C2-3-445-2
NAVY NAVFAC P-8-624-34
Table 2-2. TROUBLESHOOTING (CONTINUED)
MALFUNCTION
TEST OR INSPECTION
CORRECTIVE ACTION
Step 2. Defective speed switch (figure 3-15).
Repair or replace speed switch (para. 3-7).
Step 3. Defective fuel injection pump (figure 3-21).
Repair or replace fuel injection pump (para. 3-22).
Step 4. Governor actuator improperly positioned.
Check governor (para. 3-64, electro-hydraulic governor or 3-65, electric governor
equipped with precise sets).
3. ENGINE CRANKS BUT STOPS WHEN START-RUN-STOP SWITCH IS RELEASED.
Step 1. Defective relay (K1).
Replace relay K1
Step 2. Defective relay (K2).
Replace relay K2
Step 3. Defective relay (K8).
Replace relay K8
(para. 3-59).
(para. 3-89).
(para. 3-90).
NOTE
See DC schematic diagram on left engine cover door for location of relays.
4. ENGINE MISSES OR RUNS ERRATICALLY.
Step 1. Dirty or defective fuel injection nozzle holder (figure 3-25).
Clean, repair or replace fuel injection nozzle holders (para. 3-23).
Step 2. Fuel injection pump out of time or defective (figure 3-21).
Correct timing, repair or replace fuel injection pump (para. 3-22).
Step 3. Burned or sticking valves (26 and 27, figure 3-46).
Repair or replace valves (para. 3-54).
Step 4. Defective head gasket (11, figure 3-46).
Replace head gasket (para. 3-54).
2-5

ARMY TM 9-6115-464-34
AIR FORCE 35C2-3-445-2
NAVY NAVFAC P-8-624-34
Table 2-2. TROUBLESHOOTING (CONTINUED)
MALFUNCTION
TEST OR INSPECTION
CORRECTIVE ACTION
Step 5. Improper governor adjustment.
Adjust governor (para. 3-64, Electro-hydraulic governor, or 3-65, electric governor
equipped precise sets).
5. ENGINE STOPS SUDDENLY.
Step 1. Defective fuel injection pump (Figure 3-21).
Repair or replace fuel injection pump (para 3-22).
Step 2. Defective speed switch (figure 3-15).
Repair or replace speed switch (para 3-7).
Step 3. Defective protective relay assembly (24, figure 3-119).
Test and replace relay assembly (para. 3-90).
6. ENGINE LACKS POWER.
Step 1. Defective fuel injection pump (figure 3-21).
Repair or replace fuel injection pump (para 3-22).
Step 2. Dirty or defective fuel injection nozzles (figure 3-23).
Clean, repair or replace fuel injection nozzles (para. 3-23).
Step 3. Burned or sticking valves (26 and 27, figure 3-46).
Repair or replace valves (para. 3-54).
Step 4. Weak or broken valve springs (24 and 25, figure 3-46).
Replace valve springs (para. 3-54).
Step 5. Worn or broken piston rings (20, figure 3-52).
Replace piston rings (para. 3-56).
Step 6. Hydraulic actuator unit defective or out of adjustment (Electro-hydraulic governor equipped
precise sets only) (figure 3-36).
Adjust or repair hydraulic actuator unit (para. 3-43).
2-6

ARMY TM 9-6115-464-34
AIR FORCE TO 35C2-3-445-2
NAVY NAVFAC P-8-624-34
Table 2-2. TROUBLESHOOTING (CONTINUED)
MALFUNCTION
TEST OR INSPECTION
CORRECTIVE ACTION
Step 7. Defective hydraulic pump (Electro-hydraulic governor equipped precise sets only) (figure 3-34).
Test and repair hydraulic pump (para. 3-41).
Step 8. Defective cylinder head gasket (11, figure 3-46).
Replace defective cylinder head gasket (para. 3-54).
Step 9. Improper governor adjustment.
Adjust governor (para. 3-64, Electro-hydraulic governor, or 3-65, electric governor
equipped precise sets).
7. ENGINE WILL NOT IDLE SMOOTHLY.
Step 1. Burned or sticking valves (26 and 27, figure 3-46).
Repair or replace valves (para. 3-54).
Step 2. Weak or broken valve springs (24 and 25, figure 3-46).
Replace valve springs (para. 3-54).
Step 3. Fuel injection nozzles out of adjustment, dirty or defective (figure 3-25).
Clean, adjust or replace fuel injection nozzles (para. 3-23).
Step 4. Defective camshaft (figure 3-50).
Replace camshaft (para. 3-55).
Step 5. Fuel injection pump defective or out of time (figure 3-21).
Adjust, repair, or replace fuel injection pump (para. 3-22).
8. ENGINE OVERHEATS.
Step 1. Defective shutter control or linkage (figure 3-26).
Replace shutter control linkage (para. 3-30).
Step 2. Defective water pump assembly (figure 3-28).
Repair or replace water pump assembly (para. 3-32).
Step 3. Clogged or defective radiator.
Clean, repair or replace radiator (para. 3-29).
2-7

ARMY TM 9-6115-464-34
AIR FORCE 35C2-3-445-2
NAVY NAVFAC P-8-624-34
Table 2-2. TROUBLESHOOTING (CONTINUED)
MALFUNCTION
TEST OR INSPECTION
CORRECTIVE ACTION
Step 4. Oil pump defective.
Repair or replace oil pump (para. 3-39).
9. ENGINE KNOCKS.
Step 1. Fuel injection nozzle sticking (figure 3-25).
Clean, repair or replace fuel injection nozzles (para. 3-23).
Step 2. Fuel injection pump timing advanced (figure 3-21).
Adjust fuel injection pump timing (para. 3-22).
Step 3. Main bearings worn (figure 3-52).
Replace main bearings (para. 3-56).
Step 4. Connecting rod bearings or wrist pins worn (figure 3-52).
Replace connecting rod bearings or wrist pins (para. 3-56).
Step 5. Worn timing gear train (figure 3-44)
Replace timing gears (para. 3-51).
Step 6. Loose flywheel (figure 3-42).
Tighten flywheel mounting hardware (para. 3-51).
Step 7. Loose generator coupling.
Tighten generator coupling (para. 2-6).
Step 8. Incorrect valve adjustment.
Check valve adjustment. (Operator/Crew and Unit Maintenance Manual).
10. ENGINE EXHAUST SMOKE IS EXCESSIVE.
Step 1. Fuel injection nozzle holders out of adjustment, dirty, or defective (figure 3-25).
Clean, adjust, or replace fuel injection nozzles (para. 3-23).
Step 2. Worn, broken or stuck piston rings (20, figure 3-52).
Replace piston rings (para. 3-56).
2-8

ARMY TM 9-6115-464-34
AIR FORCE TO 35C2-3-445-2
NAVY NAVFAC P-8-624-34
Table 2-2. TROUBLESHOOTING (CONTINUED)
MALFUNCTION
TEST OR INSPECTION
CORRECTIVE ACTION
Step 3. Worn valve guides or seals (figure 3-46).
Replace valve guides and seals (para. 3-54).
Step 4. Burned valves (figure 3-46).
Replace or repair burned valves (para. 3-54).
Step 5. Defective head gasket (11, figure 3-46).
Replace defective head gasket (para. 3-54).
11. ENGINE OIL CONSUMPTION EXCESSIVE.
Step 1. Leaking seals (figure 3-44).
Check crankshaft seals in timing gear cover. Check bell housing for dripping oil. Replace
seals as necessary (para 3-50, 3-51).
Step 2. Sticking, dirty or defective oil pump pressure relief valve (figure 3-31).
Clean, repair or replace oil pump pressure relief valve (para. 3-38).
Step 3. Worn, broken or stuck piston rings (20, figure 3-52).
Replace piston rings (para. 3-56).
Step 4. Worn valve guides, valve stems, or valve stem seals (figure 3-46).
Replace valve guides, valves and seals (para. 3-54).
Step 5. Oil return passages clogged (figure 3-53).
Clean oil passages (para. 3-57).
12. ENGINE OIL PRESSURE LOW.
Step 1. Dirty, sticking or defective oil pump pressure relief valve (4, figure 3-31).
Clean, repair or replace defective oil pump pressure relief valve (para. 3-39).
Step 2. Main bearings worn (figure 3-52).
Replace main bearings (para. 3-56).
Step 3. Defective oil pump (figure 3-31).
Repair or replace oil pump (para. 3-39).
2-9

ARMY TM 9-6115-464-34
AIR FORCE 35C2-3-445-2
NAVY NAVFAC P-8-624-34
Table 2-2. TROUBLESHOOTING (CONTINUED)
MALFUNCTION
TEST OR INSPECTION
CORRECTIVE ACTION
Step 4. Worn camshaft bearings (figure 3-53).
Replace camshaft bearings (para. 3-55).
13. BATTERY CHARGING AMMETER SHOWS NO CHARGE WHEN BATTERIES ARE LOW.
Step 1. Battery changing alternator voltage regulator out of adjustment or defective.
Adjust or replace battery charging alternator voltage regulator and cover assembly
(para.3-6).
Step 2. Defective alternator rotor (figure 3-4).
Repair or replace alternator (para. 3-6).
Step 3. Worn alternator brushes (figure 3-4).
Replace alternator brushes (para. 3-6).
Step 4. Defective diode rectifier assembly (figure 3-4).
Replace diode rectifier and plate assembly.
14. GENERATOR FAILS TO BUILDUP RATED VOLTAGE OR VOLTAGE GOES TO 0 WHEN START-
RUN-STOP SWITCH IS RELEASED.
Step 1. Defective voltage regulator assembly (figure 3-130).
Test and repair regulator (para. 3-92).
15. GENERATOR NO-LOAD TERMINAL VOLTAGE TOO LOW OR TOO HIGH.
Step 1. Defective voltage regulator (figure 3-130).
Test and repair voltage regulator (para 3-92).
16. GENERATOR TERMINAL VOLTAGE UNSTABLE.
Step 1. Defective voltage regulator (figure 3-130).
Test and repair voltage regulator (para. 3-92).
17. MAIN LOAD CONTACTOR FAILS TO CLOSE.
Step 1. Defective main load contactor (figure 3-100).
Repair or replace load contactor (para. 3-64).
2-10

ARMY TM 9-6115-464-34
AIR FORCE TO 35C2-3-445-2
NAVY NAVFAC P-8-624-34
Table 2-2. TROUBLESHOOTING (CONTINUED)
MALFUNCTION
TEST OR INSPECTION
CORRECTIVE ACTION
Step 2. Defective undervoltage, short circuit (K-13) or overload relay (K-14).
Replace defective relay assembly (para. 3-89).
NOTE
See DC schematic diagram on left engine cover door for location of relays.
Step 3. Defective contactor switch S3.
Step 4.
Step 5.
Step 6.
Step 7.
Step 8.
Step 9.
Check switch S3. Replace if defective.
Defective main load contactor (figure 3-100).
Repair or replace main load contactor (para 3-84).
Defective short circuit relay K13.
Check relay K13. Replace if defective (para. 3-89).
Defective overload reload relay K14.
Check relay K14. Replace if defective (para. 3-89).
Defective reverse power relay K15.
Check relay K15. Replace if defective (para. 3-89).
Defective undervoltage relay K11 (Precise sets only).
Check relay K11. Replace if defective (para. 3-91).
Defective under-frequency relay K12.
Check relay K12. Replace if defective (para. 3-91).
Step 10. Defective permissive paralleling relay K16.
Check relay K16. Replace if defective (para. 3-91).
NOTE
See DC schematic diagram on left engine cover door for location of relays.
18. GENERATOR TERMINAL VOLTAGE DROPS WHEN LOAD IS APPLIED.
Step 1. Defective voltage regulator assembly (figure 3-130).
Repair voltage regulator assembly (para. 3-92).
2-11

ARMY TM 9-6115-464-34
AIR FORCE 35C2-3-445-2
NAVY NAVFAC P-8-624-34
Table 2-2. TROUBLESHOOTING (CONTINUED)
MALFUNCTION
TEST OR INSPECTION
CORRECTIVE ACTION
Step 2. Loose electrical connection (figure 3-130).
Check and tighten electrical connection.
19. POOR VOLTAGE REGULATION.
Step 1. Operations switch set to parallel operation.
Place switch to single unit position (para. 3-59).
Step 2. Defective voltage regulator (figure 3-130).
Repair voltage regulator assembly (para. 3-92).
Step 3. Defective current transformer CT4, CT5 OR CT6 (figure 3-108).
Replace current transformer assembly (para. 3-86).
20. GENERATORS DO NOT PARALLEL PROPERLY.
Step 1. Governor control unit defective or out of adjustment (Precise).
Align or replace governor control unit (para. 3-64, elecro–hydraulic governor, or 3-65,
electric governor equipped precise sets).
Step 2. Improper speed droop or voltage droop adjustment (Utility).
Check and adjust voltage and speed droop as necessary (para. 3-22).
21. FREQUENCY METER DOES NOT REGISTER.
Step 1. Defective control cubicle wiring harness assembly (figure 3-59).
Repair or replace control cubicle wiring harness assembly (para. 3-59).
Step 2. Defective frequency converter or frequency meter.
Test or replace frequency converter and frequency meter (para. 3-59).
22. AC AMMETER FAILS TO REGISTER.
Step 1. Defective control cubicle wiring harness assemlby (figure 3-59).
Repair or replace control cubicle wiring harness assembly (para 3-59).
Step 2. Defective volts–amps transfer switch.
Replace volts-amp transfer switch (para. 3-59).
2-12

ARMY TM 9-6115-464-34
AIR FORCE TO 35C2-3-445-2
NAVY NAVFAC P-8-624-34
Table 2-2. TROUBLESHOOTING (CONTINUED)
MALFUNCTION
TEST OR INSPECTION
CORRECTIVE ACTION
Step 3. Defective ac ammeter.
Replace ac ammeter (para. 3-59).
Step 4. Defective current transformer CT1, CT2, OR CT3 (10, figure 3-108).
Test and replace defective transformers (para. 3-86).
23. WATT METER FAILS TO REGISTER.
Step 1. Defective control cubicle wiring harness assembly (figure 3-59).
Repair or replace control cubicle wiring harness assembly (para. 3-59).
Step 2. Defective thermal watt converter or watt meter.
Replace thermal watt converter and watt meter (para. 3-59).
24. FREQUENCY DRlFTS.
Step 1. Governor control unit out of alignment (Precise sets only).
Align governor control unit (para. 3-64, electro–hydraulic governor or 3-85, electric
governor equipped precise sets).
Step 2. Engine runs erratically.
See Malfunction 4 of this table.
2-13

ARMY TM 9-6115-464-34
AIR FORCE TO 35C2-3-445-2
NAVY NAVFAC P-8-624-34
Section Ill. REMOVAL AND INSTALLATION OF MAJOR COMPONENTS
2-5. GENERAL.
a. The engine and generator are rigidly bolted together at the engine flywheel housing. This assembly is
mounted on the skid base at three points, the front engine trunnion and the two generator feet. Rotation and
cooling of the generator is accomplished by a blower and coupling disc assembly which is bolted to the engine
flywheel. This arrangement allows the engine and generator to be removed as an assembly or independently of
each other.
b. To remove the engine, it is first necessary to remove the radiator and shell assembly and disassemble the
front housing assembly, rear housing assembly, and relay table (including relay table components, see Section
XII, Chapter 3). Engine accessories may either be removed or remain on the engine during removal.
c. To remove the generator, remove the rear housing assembly with cooling grille as a single unit. The relay
table with the two side brackets can be removed as a unit by removing four bolts at base of side brackets and
disconnecting wiring harness. Prior to loosening the bolts which couple the generator housing to the engine
flywheel housing, the engine supporting bracket must be installed between the engine rear lifting bracket and
the center support assembly.
d. In rare cases, it maybe beneficial to remove the engine and generator as an assembly. To accomplish
this, the housing assembly must be disassembled completely (a combination of the disassembly of
sub-paragraphs b. and c. above) and the center support assembly removed. The lifting mechanism must be so
arranged as to support both the engine and the generator to avoid undue stress on the engine-generator
coupling.
2-6. ENGINE ASSEMBLY REMOVAL AND INSTALLATION.
a. Removal.
(1) Refer to the operator and unit maintenance manual TM 9-6115-464-34, sections 8,9 and 10 and
accomplish the following.
(a)
(b)
(c)
(d)
(e)
(f)
(g)
(h)
Drain engine lubricating and cooling systems.
WARNING
To avoid short circuits which could damage equipment or injure personnel, always
disconnect negative battery cable before performing maintenance on the electrical
system. Failure to observe this warning could result in servere personnel injury or
death by electrocution.
Remove radiator, radiator hoses, shell assembly, and shutter assembly.
Remove front housing, doors and top panel.
Disconnect fuel lines to fuel strainer, filter assembly, secondary fuel filter, and remove day tank.
Drain hydraulic sump and disconnect hydraulic lines to hydraulic pump assembly (precisegenerator
sets only).
Tag and disconnect electrical leads to engine accessories and remove any clamps securing leads
to engine.
Remove air cleaner assembly and muffler.
Disconnect starting aid tube assembly from engine intake manifold.
2-15

ARMY TM 9-6115-464-34
AIR FORCE 35C2-3-445-2
NAVY NAVFAC P-8-624-34
(i) lf winterization kits are installed, tag and disconnect electrical Ieads to engine sensors and
(2)
(3)
(4)
(5)
(6)
(7)
(8)
(9)
disconnect coolant lines from engine oil pan.
CAUTION
Do not use a lifting device of less than 1000 lb. capacity. Failure to observe this caution
could result in damage to the equipment.
Attach a suitable lifting device to engine lifting brackets.
Disconnect engine crankcase oil drain tube from fitting in skid base.
Remove screw (1, figure 2-1), Iockwasher (2), and access cover (3).
Remove screws (4), Iockwashers (5) and air inlet screen (6).
Remove screws (7) and lockwashers (8), Iockplate (9) and pressure plate (10).
CAUTION
Take slack from hoisting sling prior to loosening generator and engine coupling bolts.
Failure to observe this caution could result in damage to the equipment .
Remove screws (11) and Iockwasher (12).
Remove bolts (13) and Iockwashers (14).
CAUTION
Make a final, thorough check to ascertain that the engine is completely disconnected
from the generator set prior to attempting to hoist it clear. Failure to observe this
caution could result in damage to the equipment.
Carefully move the engine up and forward until generator coupling disc clears engine flywheel
housing.
CAUTION
Do not use a lifting device of less than 1000 lb. capacity. Failure to observe this
caution could result in damage to the equipment.
b. Installation.
(1) To install engine, use a suitable lifting device to lift engine by the hooks located on the engine.
(2) Carefully lower the engine (15, figure 2-1) until generator coupling and engine flywheel housing
alignment matches.
(3) .Alignment pins with 5/8 inch headless bolt should be screwed into holes in the flywheel to facilitate
alignment.
(4) Tighten down engine bolts Iecated in front of the engine to secure alignment. Torque according to
paragraph 1-10y
(5) Install Iockwashers (14), and bolts (13).
(6) Install Iockwashers (12), and screws (11).
(7) Install pressure plate (10), Iockplate (9), Iockwashers (8), and screws (7).
(8) Install air inlet screen (6), Iockwashers (5), and screws (4).
2-16

ARMY TM 9-6115-464-34
AIR FORCE TO 35C2-3-445-2
NAVY NAVFAC P-8-624-34
(9)
(10)
(11)
(12)
Install access cover (3), Iockwashers (2), and screw (1).
Connect engine crankcase oil drain tube to fitting on skid base.
Remove lifting device from hook located on the engine.
Refer to the operator and unit maintenance manual TM 9-6115-464-12, sections 8,9 and 10 and
accomplish the following:
(a)
(b)
(c)
(d)
(e)
(f)
(g)
(h)
(i)
Install winterization kits and connect electrical leads to engine sensors and connect coolant lines to
engine oil pan.
Connect starting aid tube assembly to engine intake manifold.
Install air cleaner assembly and muffler.
Connect electrical leads to engine accessories and install clamps.
Connect hydraulic lines to hydraulic pump assembly and fill jydralic sump (precise generator sets
only).
Connect day tank, secondary fuel filter, filter assembly and connect fuel lines to fuel strainer.
Install top panel, doors and front housing.
Install radiator, radiator hoses, shell assembly and shutter assembly.
Fill engine and lubrication systems.
2-7. GENERATOR ASSEMBLY.
a. Removal.
(1) Refer to the Operator and Unit Maintenance Manual and accomplish the following:
(a)
(b)
(2)
(3)
(4)
(5)
(6)
(7)
(8)
Remove rear housing assembly, doors, top panel, and grille.
Tag and disconnect wiring harness from control cubicle and relay table components.
NOTE
Record location and position of wiring harness support clamps prior to removal to
facilitate installation.
Tag and disconnect generator leads to voltage reconnection board.
NOTE
Record routing of generator leads through current transformers to facilitate installation.
Tag and disconnect electrical leads between voltage reconnection board and load terminal board.
Remove voltage reconnection board (see the Operator and Unit Maintenance Manual TM
9-6115-464-12, para. 4-71).
Remove main load contactor and special relay assembly (paragraphs 3-84 and 3-90).
Remove nuts (1, figure 2-2) Iockwashers (2), flat washers (3) and screws (4) to remove rear housing
support (5).
Remove screws (6), lockwashers (7) and flat washers (8).
Remove screw (9), Iockwasher (10), flat washer (11) and standoff (12) to remove top relay table (13).
2-17

ARMY TM 9-6115-464-34
AIR FORCE 35C2-3-445-2
NAVY NAVFAC P-8-624-34
(9)
(10)
(11)
(12)
(13)
(14)
(15)
(16)
(17)
(18)
Remove nuts (14), Iockwashers (15), screws
(18).
(16) and flat washers (17) to remove right relay table
Remove nuts (19), Iockwashers (20), screws (21) and flat washers (22) to remove left relay table
(23).
Remove screw (24), Iockwasher (25) and access cover (26).
Remove screws (27), Iockwashers (28), and air inlet screen (29).
Install engine support bracket (30), flat washer (31), Iockwasher (32) and nut (33).
Remove screws (34), Iockplates (35) and pressure plates (36).
Remove eyebolt (37), from generator set tool box and install into generator.
CAUTION
Do not use a lifting device of less than 1000 lb. capacity. Failure to observe this caution
could result in damage to the equipment.
Attach a lifting device to generator lifting eyebolt.
Remove screws (38), Iockwashers (39), nuts (40), Iockwashers (41), screws (42) and flat washers
(43).
Carefully lift generator while moving it to the rear until coupling disc clears engine flywheel housing.
CAUTION
Do not use a lifting device of less than 1000 lb. capacity. Failure to observe this
caution could result in damage to the equipment.
b. Installation.
(1)
(2)
(3)
(4)
(5)
(6)
(7)
(8)
(9)
(10)
(11)
(12)
Attach a lifting device to generator lifting eye bolt.
Carefully lift generator and lower it ilntiel coupling disc engages engine flywheel housing.
Install flatwashers (43, figure 2-2) screws (42) and torque screw to 200-220 ft-lb, Iockwasher (41),
nut (40) and torque to 200-220 ft-lb, Iockwashers (39), and screw (38).
Remove eyebolt (37), from generator and install into generator set tool box.
Install pressure plates (36), Iockplates (35), and screws (34). Torque Iockplate attaching screws (34)
to 120 ft-lb.
Remove nut (33), Iockwasher (32), and flat washer (31) from engine support bracket (30).
Install air inlet screen (29), Iockwashers (28), and screws (27).
Install access cover (26), Iockwasher (25), and screw (24).
Position left relay table (23), to install flat washers (22), screws (21), Iockwashers (20), and nuts (19).
Position right relay table (18), to install flat washers (17), screws (16), Iockwashers (15) and nuts
(14).
Position top relay table (13), to install standoff (12), flat washers (11) Iockwashers (10), and screw
(9).
Install flat washers (8), Iockwashers (7), and screws (6).
2-18
ARMY TM 9-6115-464-34
AIR FORCE TO 35C2-3-445-2
NAVY NAVFAC P-8-624-34
(13) Position rear housing support (5), to install screws (4), fltat washers (3), Iockwashers (2), and nuts
(1).
(14) Install main load contactor and special relay assembly (paragraphs 3-84 and 3-90).
(15) Install voltage reconnection board (See the Operator and Unit Maintenance Manual TM
9-6115-464-12, paragraph 4-71).
(16) Connect electrical leads between voltage reconnection board and terminal board. Remove tags.
(17) Connect generator leads to voltage reconnection board.
(18) Refer to the Operator and Unit Maintenance Manual and accomplish the following:
(a) Connect wiring harness to control cubicle and relay table components.
(b) Install rear housing assembly, doors, top panel, and grille
2-19

ARMY TM 9-6115-464-34
AIR FORCE TO 35C2-3-445-2
NAVY NAVFAC P-8-624-34
CHAPTER 3
ENGINE AND GENERATOR REPAIR INSTRUCTIONS
Section I. MAINTENANCE OF ENGINE ELECTRICAL SYSTEM
3-1. GENERAL.
The engine electrical system consists of a starting circuit, a battery charging circuit, and protective and
monitoring devices. Electrical power for cranking the engine is supplied by two 12 volt, 100 amp-hour lead-acid
type batteries connected in series. A slave receptacle facilitates external connection to the batteries. The starter
assembly is a 24 volt, heavy duty unit consisting of a starting motor, a solenoid, and a drive assembly. The
battery charging alternator with integral voltage regulator and diode rectifier recharges and maintains the
batteries in a fully charged condition after starting.
3-2. BATTERIES.
Refer to the Operator and Unit Maintenance Manual for battery maintenance procedures.
3-3. SLAVE RECEPTACLE.
Refer to the Operator and Unit Maintenance Manual for slave receptacle maintenance procedures.
3-4. STARTER ASSEMBLY.
a. Removal. Refer to the Operator and Unit Maintenance Manual for starter removal procedures.
b.Disassembly.
(1)
(2)
(3)
(4)
(5)
(6)
(7)
(8)
(9)
(10)
(11)
(12)
(13)
(14)
(15)
Remove nut (1, figure 3-1), Iockwasher (2) and terminal lead (3).
Remove screws (4) to remove solenoid assembly (5) from starter assembly.
Remove nut (6), flat washer (7), and insulating washer (8).
Remove nut (9), Iockwasher (10), nut (11), flat washer (12) and insulating washer (13).
Remove screws (14) and flat washers (15) to remove cover (16) and gasket (17) from frame
assembly (18). Discard gasket.
Remove nuts (19), Iockwashers (20), nuts (21), flat washers (22), and insulating washers (23) to
remove terminal studs (24 and 25) and contact strip (26).
Remove spring (27) and contact assembly (28).
Remove plug (29), retaining ring (30), pin (31) and boot clamp (32) to remove plunger (33).
Remove retaining ring (34) to remove spring retainer (35), spring (36), boot (37), spring retainer (38),
washer (39), and retaining ring (40) from plunger (33).
Remove bolts (41) to remove commutator end frame (42), packing (43) and spacer washer (44).
Remove plug (45) and oil wick (46).
Do not remove bushing (47) unless inspection reveals defective parts.
Remove pin (48) to remove brush spring (49) and brushholders (50).
Remove screws (51), electrical leads (52) and brushes (53) from brushholders (50).
CAUTION
Use care when removing armature to prevent damage to windings. Failure to observe
this caution could result in equipment damage.
Slide armature (54) from housing (55).
3-1

ARMY TM 9-6115-464-34
AIR FORCE TO 35C2-3-445-2
NAVY NAVFAC P-8-624-34
(16)
(17)
(18)
(19)
(20)
(21)
(22)
(23)
(24)
(25)
(26)
Remove nut (56), flat washer (57), and insulating washer (58).
Remove screws (59) to remove pole shoes (60), field coil assembly (61) and insulator (62).
Remove and discard o-ring (63) and packing (64).
Remove screws (65) and Iockwashers (66) to remove drive housing (67) and gasket (68). Discard
gasket.
Remove plug (69) and oil wick (70).
Do not remove bushing (71) unless inspection reveals defects.
Remove plug (72) to remove pivot pin (73).
Remove retaining ring (74) and retainer (75).
Rotate clutch assembly (76) counterclockwise to remove from shaft of armature (54).
Remove shift lever (77), but do not remove bushings (78 and 79) or guide pin (80) from shifter
housing (81 ) unless inspection reveals defects.
Remove bushing (82) and o-ring (83).
c. Cleaning, Inspection, and Repair.
WARNING
Solvent, Dry Cleaning P-D-680, Type II is flammable and moderately toxic to skin,
eyes and respiratory tract. Eye and skin protection required. Good general ventilation
is normally adequate. Failure to observe this warning could result in servere
personnel injury.
(1)
(2)
(3)
(4)
3-2
WARNING
Compressed air used for cleaning and drying purposes can create airborne particles
that may enter the eyes. Pressure shall not exceed 30 psig and use only with
adequate chip guards and chipping goggles. Failure to observe this warning could
result in servere personnel injury.
CAUTION
Do not use dry cleaning solvent to clean electrical parts. Failure to observe this
caution could result in equipment damage.
Clean all metal non-electrical parts in solvent P-D-680 Type II and dry thoroughly with filtered
compressed air.
CAUTION
When cleaning field coils, use extreme care to avoid damaging protective insulation.
Failure to observe this caution could result in equipment damage.
Clean field coils with a clean, lint-free cloth lightly moistened with solvent P-D-680 Type II and dry
thoroughly with filtered compressed air.
Remove loose particles from armature with filtered compressed air and wipe clean with a cloth lightly
moistened with an approved solvent. Clean commutator lightly with No. 00 grit sand paper. Remove
all traces of dust with low pressure compressed air.
Clean non-metallic washers, insulators, and seals with a clean, lint-free cloth lightly moistened with
solvent P-D-680 Type Il.
1 Nut
2 Lockwasher
3 Terminal lead
4 Screw
5 Solenoid assembly
6 Nut
7. Flat washer
8. Insulating washer
9. Nut
10. Lockwasher
11. Nut
12. Flat washer
13. Insulating washer
14. Screw
15. Flat washer
16. Cover
17. Gasket
18. Frame assembly
19. Nuts
20. Lockwasher
21. Nut
22. Flat washer
23. Insulating washer
24. Terminal stud
25. Terminal stud
26. Contact strip
27. Spring
28. Contact assembly
29. Plug
30. Retaining ring
32. Boot clamp
33. Plunger
34. Retaining ring
35. Spring retainer
36. Spring
37. Boot
38. Spring retainer
39. Washer
40. Retaining ring
41. Bolt
42. Commutator end frame
43. Packing
44. Spacer washer
45. Plug
46. Oil wick
47. Bushing
48. Pin
49. Brush spring
50. Brushholder
51. Screw
52. Electrical lead
53. Brush
54. Armature
55. Housing
57. Flat washer
58. Insulating washer
59. Screw
60. Pole shoe
61. Field coil assembly
62. Insulator
63. O-ring
64. Packing
65. Screw
66. Lockwasher
67. Drive housing
68. Gasket
69. Plug
70. Oil wick
71. Bushing
72. Plug
73. Pivot Pin
74. Retaining ring
75. Retainer
76. Clutch assembly
77. Shift lever
78. Bushing
79. Bushing
80. Guide pin
81. Shifter housing
82. Bushing
83. O-ring
Figure 3–1. Starter Assembly, Exploded View (Sheet 2 of 2)
3-4
ARMY TM 9-6115-464-34
AIR FORCE TO 35C2-3-445-2
NAVY NAVFAC P-8-624-34
31. Pin
56. Nut

ARMY TM 9-6115-464-34
AIR FORCE TO 35C2-3-445-2
NAVY NAVFAC P-8-624-34
CAUTION
Do not allow solvent to contact brushes. Failure to observe this caution could result in
equipment damage.
(5) Clean brushes with a clean, lint-free cloth.
(6) Inspect housings and frames for cracks, corrosion, and distortion. Replace defective parts.
(7) Inspect bushings for wear, galling, and scores. Replace defective parts.
(8) Test armature for grounding as follows:
(a) Connect one lead of a test light to the armature core.
(b) Touch the other test lead to each commutator riser.
(c) If test light glows, armature is grounded and must be replaced.
(9) Test armature for short circuits as follows:
(a) Place armature on a growler fixture.
(b) Activate the fixture and slowly rotate armature while touching armature lightly with a steel strip.
(c) Strip will vibrate against armature over a shorted area.
(d) Replace armature if a short is indicated.
(10) Turn down armature if scored or out of round. Undercut mica to a depth of 0.025 to 0.032 inch below
surface of commutator. Use care to avoid widening commutator slots.
NOTE
Check diameter of commutator after removing material. Diameter shall not be less than
1.6470 inches.
(11) Use an ohmmeter to check field coils for insulation breakdown as follows:
(a) Attach one lead to field housing and the other lead to field coil terminal.
(b) Replace field coil if a reading of less than 1 megohm is indicated.
(12) Inspect drive assembly for badly worn or broken teeth. Check internal spline for wear and damage.
Check spring for cracks, breaks, and distortion. Replace drive assembly if defective.
(13) Inspect brushholders and support for cracks, corrosion, and other damage. Replace defective parts.
(14) Measure brush length. Replace brushes if length is 5/16 inch or less.
(15) Test brush spring tension with a spring tester. Tension shall be 36 ounces to 40 ounces. Replace
brush springs if tension is less than specified.
(16) Inspect all threaded parts for crossed, stripped or peened threads. Replace damaged parts.
(17) Using an ohmmeter, test for continuity across terminals of solenoid frame assembly. There shall be
no sign of open circuit.
(18) Check solenoid frame assembly for grounding by touching one lead of ohmmeter to either lead and
the other to the frame casing. There shall be no sign of continuity.
(19) Smooth scratches, burrs, and nicks on any machined surfaces using a fine file. Remove all filings
before reassembly.
3-5
ARMY TM 9-6115-464-34
AIR FORCE TO 35C2-3-445-2
NAVY NAVFAC P-8-624-34
(21) Remove minor rough spots, scores, and scratches from bushings using fine crows cloth or a fine
stone dipped in cleaning solvent. Wash the bushings thoroughly in cleaning solvent to remove all grit
and metal particles.
d. Assembly.
(1) Assemble starter assembly in reverse order of removal procedures using new gaskets.
(2) If brushes were replaced, run in new brushes as follows:
(a)
(b)
(c)
Cover armature commutator with a piece of No. 00 grit sandpaper.
Temporarily install brushes and commutator end frame and run in brushes.
Disassemble, remove sandpaper, and clean armature commutator and brushholder assembly with
filtered compressed air.
e. Testing.
(1) Test overrun clutch as follows:
(a) Rotate drive gear back and forth. Gear should turn freely in direction of motor rotation and rotate
armature shaft in other direction.
(b) If gear turns armature shaft in both directions, the overrun clutch is binding and must be replaced.
(c) If gear does not rotate armature shaft in either direction, the overrun clutch is slipping and must be
replaced.
(2) Test starter solenoid assembly as follows:
(a)
(b)
(c)
(d)
(e)
(f)
(9)
Remove terminal lead (3, figure 3-1).
Apply 24 Vdc between the negative terminal and the small terminal of the solenoid assembly.
Solenoid actuation will be indicated by an audible “click” and rearward movement of the drive gear.
Remove 24 Vdc from solenoid assembly terminals.
The drive gear should move forward with an audible click.
Replace solenoid assembly if it fails to function properly.
Install terminal lead.
(3) Conduct starter assembly motoring test as follows:
(a)
(b)
(c)
(d)
(e)
(f)
(9)
(h)
3-6
Remove terminal lead (3, figure 3-1).
Install starter assembly into motoring test circuit shown in figure 3-2.
Adjust rheostat until voltmeter indicates 22,5 volts.
Check indications of ammeter and tachometer.
Ammeter should indicate 56 amperes maximum with starter turning at 9300 rpm.
If current and speed are low, disassemble starter and check for high resistance at internal
connections.
If current is high and rpm low, disassemble and inspect armature shaft and bushings for wear or
misalignment.
Do not install terminal lead (3, figure 3-1) until stalled torque testis completed.

ARMY TM 9-6115-464-34
AIR FORCE TO 35C2-3-445-2
NAVY NAVFAC P-8-624-34
f. Installation. Refer to the Operator and Unit Maintenance Manual for starter assembly installation
procedures.
3-5. STARTER ASSEMBLY. (Effective with serial numbers RZ60001 and up and KZ00001 thru KZ01226).
a. Removal. Refer to the Operator and Unit Maintenance Manual for starter removal procedures.
b.Disassembly.
(1) Remove nut (1, figure 3-4), lockwasher (2), nut (3) and Iockwasher (4).
(2) Loosen clamp (5) and remove screws (6) to remove solenoid assembly (7) from starter assembly.
(3) Remove boot (8) and clamp (5).
c. SoIenoid disassemble.
(1) Remove nuts (9), Iockwashers (10), nuts (11), flat washers (12), insulating washers (13) and
connector (14).
(2) Remove screws (15) and flat washers (16) to remove cover (17) and gasket (18) from solenoid frame
assembly (19).
(3) Remove terminal studs (20 and 21) and terminal clip (22) from cover (17). Remove spring (23) and
contact (24).
d. Starter Disassembly.
(1) Remove inspection plug (25) and gasket (26). Remove adjusting nut (27) to remove plunger.
(2) Remove snap ring (29), o-ring (30), spring retainer, spring (32), o-ring (33), spring retainer
and washer (35) from plunger (28).
(3) Remove screws (36) and Iockwashers (37) to remove commutator end frame (38), o-ring (39) and
space washer (40).
(4) Do not remove bushing (41) unless inspection reveals damaged parts.
(5) Remove pins (42) to remove brush springs (43) and brushholders (44).
(6) Remove screws (45), electrical leads (46) and brushes (47) from brushholders (44).
(7) Remove screws (48), Iockwashers (49), and nuts (50) to remove brush supports (51).
(8) Remove screws (52) to remove drive housing (53) and o-ring (54).
(4) Conduct starter assembly stalled torque test as follows:
CAUTION
(a)
(b)
(c)
(d)
(e)
(f)
Rheostat must have a minimum capacity of 1000 amperes. Failure to observe this
caution could result in equipment damage
Install starter assembly in test setup shown in figure 3-3.
Adjust rheostat until voltmeter indicates 14 Vdc.
Ammeter should indicate 540 amperes maximum at a minimum torque of 26 ft-lb indicated on
scale.
If both current and torque are low, disassemble the starter and check for poor internal connections
or improper brush contact. Both of these conditions would result in high internal resistance.
High current and low torque may be caused by defective armature or field coil assembly.
Remove starter assembly from test setup and install terminal lead (3, figure 3-1).
3-7
ARMY TM 9-6115-464-34
AIR FORCE TO 35C2-3-445-2
NAVY NAVFAC P-8-624-34
1. Nut
2. Lockwasher
3. Nut
4. Lockwasher
5. Clamp
6. Screw
7. Solenoid Assembly
8. Boot
9. Nut
10. Lockwasher
11. Nut
12. Flat washer
13. Insulating washer
14. Connector
15. Screw
16. Flat washer
17. Cover
18. Gasket
19. Solenoid frame assy
20. Terminal stud
21. Terminal stud
22. Terminal clip
23. Spring
24. Contact
25. Inspection plug
26. Gasket
27. Adjusting nut
28. Plunger
29. Snap ring
30. O-ring
31. Spring retainer
32. Spring
33. O-ring
34. Spring retainer
35. Washer
36. Screw
37. Lockwasher
38. Commutator end frame
39. O-ring
40. Space washer
41. Bushing
42. Pin
43. Brush spring
44. Brushholder
45. Screw
46. Electrical lead
47. Brush
48. Screw
49. Lockwasher
50. Nut
51. Brush support
52. Screw
53. Drive housing
54. O-ring
55. Plug
56. Wick
57. Bushing
58. Washer
59. Snap ring
60. Lever shaft
61. Lever
62. Motor drive
63. Brake washer
64. Screw
65. Lockwasher
66. Lever housing
67. O-ring
68. Plug
69. Wick
70. Bushing
71. O-ring
72. Space washer
73. Armature
74. Field frame
75. Nut
76. Washer
77. Insulating washer
78. Screw
79. Pole shoe
80. Field coil
81. Insulator
82. O-ring
83. Insulation
(9)
(10)
(11)
(12)
(13)
(14)
(15)
Figure 3-4. Starter Assembly, Exploded View (Effective with Serial No. RZ60001) (Sheet 2 of 2)
Remove plug (55) and wick (56).
Do not remove bushing (57) unless inspection reveals damage.
Remove drive end washer (58).
Remove snap ring (59), lever shaft (60), lever (61), motor drive (62), and brake washer (63).
Remove screws (64) and Iockwashers (65) to remove lever housing (66) and o-ring (67).
Remove plug (68) and wick (69).
Remove bushing (70) o-ring (71) and spacer washer (72).
3-11

ARMY TM 9-6115-464-34
AIR FORCE TO 35C2-3-445-2
NAVY NAVFAC P-8-624-34
(16)
(17)
(18)
(19)
CAUTION
Use care when removing armature to prevent damage to windings. Failure to observe
this caution could result in equipment damage.
Slide armature (73) from field frame (74).
Remove nut (75), washer (76) and insulating washer (77).
Remove screws (78) to remove pole shoes (79), field coil (80) and insulator (81). Remove o-ring
(82).
Inspect field coil insulation (83). Replace if damage is evident.
WARNING
Solvent, Dry Cleaning P-D-680, Type II is flammable and moderately toxic to skin,
eyes and respiratory tract. Eye and skin protection required. Good general ventilation
is normally adequate. Failure to observe this warning could result in servere
personnel injury.
WARNING
Compressed air used for cleaning and drying purposes can create airborne particles
that may enter the eyes. Pressure shall not exceed 30 psig and use only with adequate
chip guards and chipping goggles. Failure to observe this warning could result in
servere personnel injury.
(1) Clean all metal non-electrical parts in solvent P-D-680 Type II and dry thoroughly with filtered
compressed air.
CAUTION
Do not use dry cleaning solvent to clean electrical parts. Failure to observe this
caution could result in equipment damage.
CAUTION
When cleaning field coils, use extreme care to avoid damaging protective insulation.
Failure to observe this caution could result in equipment damage.
(2) Clean field coils with a clean, lint-free cloth lightly moistened with solvent P-D-680 Type II and dry
thoroughly with filtered compressed air.
(3) Remove loose particles from armature with filtered compressed air and wipe clean with a cloth lightly
moistened with solvent P-D-680 Type II. Clean commutator lightly with No. 00 grit sandpaper.
Remove all traces of dust with low pressure compressed air.
(4) Clean non-metallic washers, insulators, and seals with a clean, Iint-free cloth lightly moistened with
solvent P-D-680 Type Il.
CAUTION
Do not allow solvent to contact brushes. Failure to observe this caution could result in
equipment damage.
(5) Clean brushes with a clean, Iint-free cloth.
3-12
e. Cleaning, Inspection and Repair
ARMY TM 9-6115-454-34
AIR FORCE TO 35C2-3-445-2
NAVY NAVFAC P-8-624-34
(6) Inspect housing and frames for cracks, corrosion, and distortion. Replace defective parts.
(7) Inspect bushings for wear, galling, and scores. Replace defective parts.
(8) Test armature for grounding as follows:
(a) Connect one lead of a test light to the armature core.
(b) Touch the other test lead to each commutator riser.
(c) If test light glows, armature is grounded and must be replaced.
(9) Test armature for short circuits as follows:
(a) Place armature on a growler fixture.
(b) Activate the fixture and slowly rotate armature while touching armature Iightly with a steel strip.
(c) Strip will vibrat agains armature over a shorted area.
(d) Replace armature if a short is indicated.
(10) Turn down armature if scored or out of round. Under cut mica to a depth of 0.025 to 0.032 inch below
surface of commutator. Use care to avoid widening commutator slots.
NOTE
Check diameter of commutator after removing material. Diameter shall not be less than
1.6470 inches.
(11) Use an ohmmeter to check field coils for insulation breakdown as follows:
(a) Attach one lead to field housing and the other lead to field coil terminal.
(b) Replace field coil if a reading of less than 1 megohm is indicated.
(12)
(13)
(14)
(15)
(16)
(17)
(18)
(19)
(20)
(21)
Inspect drive assembly for badly worn or broken teeth. Check internal spline for wear and damage.
Replace drive assembly if defective.
Inspect brushholders and support for cracks, corrosion. and other damage. Replace defective parts.
Measure brush length. Replace brushes if length is 5/16 inch or less.
Test brush spring tension with a spring tester. Tension shall be 36 ounces to 40 ounces. Replace
brush springs if tension is less than specified.
Inspect all threaded parts for crossed, stripped or penned threads. Replace damaged parts.
Using an ohmmeter, test for continuity across terminals of solenoid frame assembly. There shall be
no sign of open circuit.
Check solenoid frame assembly for grounding by touching one lead of ohmmeter to either lead and
the other to the frame casing. There shall be no sign of continuity.
Smooth scratches, burrs, and nicks on any machined surfaces using a fine file. Remove all fillings
before reassembly.
Repair minor thread damage using thread chasers, taps and dies. Clean threads to remove metal
particles.
Remove minor rough spots, scores, and scratches from bushings using fine crocus cloth or a fine
stone dipped in cleaning solvent. Wash the bushings thoroughly in cleaning solvent to remove all grit
and metal particles.
3-13

ARMY TM 9-6115-464-34
AIR FORCE TO 36C2-3-445-2
NAVY NAVFAC P-8-624-34
f. Assembly.
(1) Assemble starter and solenoid in reverse order of disassembly procedures using new gaskets and
o-rings. Inspect all insulating washers and bushings. Replace if defective.
(2) If brushes were replaced, run in new brushes as follows:
(a) Cover armature commutator with a piece of No. 00 grit sandpaper.
(b) Temporarily install brushes and commutator end frame and run in brushes.
(c) Disassemble, remove sandpaper, and clean armature commutator and brushholder assembly with
filtered compressed air.
g. Testing.
(1) Test starter solenoid assembly as follows:
(a) Remove connector (14, Figure 3-4).
(b) Apply 24 Vdc between the negative terminal and the small terminal of the solenoid assembly.
(c) Solenoid actuation will be indicated by an audible “click” and rearward movement of the drive gear.
(d) Remove 24 Vdc from solenoid assembly terminals.
(e) The drive gear should move forward with an audible click.
(f) Replace solenoid assembly if it fails to function properly.
(g) Install connector.
(2) Conduct starter assembly motoring test as follows:
(a) Remove connector (14, Figure 3-4).
(b) Install starter assembly into motoring test circuit shown in figure 3-2.
(c) Adjust rheostat until voltmeter indicates 22.5 volts.
(d) Check indications of ammeter and tachometer.
(e) Ammeter should indicate 58 amperes maximum with starter turning at 9300 rpm.
(f) If current and speed are low, disassemble starter and check for high resistance at internal
connection.
(g) If current is high and rpm low, disassemble and inspect armature shaft and bushings for wear or
misalignment.
(h) Do not install connector (14, Figure 3-4) until stalled torque test is completed.
(3) Conduct starter assembly stalled torque, test as follows:
CAUTION
Rheostat must have a minimum capacity of 1000 amperes. Failure to observe this
caution could result in equipment damage.
(a) Install starter assembly in test setup shown in figure 3-3.
(b) Adjust rheostat until voltmeter indicates 14 Vdc.
3-14

ARMY TM 9-6115-464-34
AIR FORCE TO 35C2-3-445-2
NAVY NAVFAC P-8-624-34
(c) Ammeter should indicate 540 amperes maximum at a minimum torque of 26 ft-lb indicated on
scale.
(d) If both current and torque are low, disassemble the starter and check for poor internal connections
or improper brush contact. Both of these conditions would result in high internal resistance.
(e) High current and low torque may be caused by defective armature or field coil assembly.
(f) Remove starter assembly from test setup and install connector (14, Figure 3-4).
h. Installation. Refer to the Operator and Unit Maintenance Manual for starter installation procedures.
3-6. BATTERY CHARGING ALTERNATOR.
a. Removal. Refer to the Operator and Unit Maintenance Manual for battery charging alternator removal
procedures.
b. Disassemblv.
(1) Remove screws (1, figure 3-5) and carefully pull regulator and cover assembly (2) away from
alternator.
(2) Tag and disconnect electrical leads to completely separate regulator and cover assembly from
alternator.
(3) Unsolder blue and brown leads from fuse holder (3). Remove nut (4), fuse holder (3) and washer (5)
from cover assembly (2).
(4) Remove fuse holder cap (6) and fuse (7).
(5) Remove screws (8) and cover band (9).
(6) Remove thru bolts (10) and remove head assembly (11).
(7) Remove nuts (12 and 13), Iockwasher (14) and lead (15).
(8) Remove screws (16), Iockwashers (17), insulating plate (18), brushholder (19) and brush and spring
assembly (20).
(9) Remove nuts (21, 22, and 23), Iockwasher (24), screw (25) and flat washers (26) to remove
capacitor and clamp assembly (27).
NOTE
If capacitor and clamp assembly (28) was not removed and tagged when performing
step 3-6b. (2) above, remove and tag at this time.
(10) Remove nuts (29 and 30), flat washers (31, 32,33 and 34). Remove rear part of insulating bushings
(36, 37,38, and 39), and remove rectifier and stator assembly (40) from head assembly (11).
(11) Unsolder leads and remove negative plate and rectifier assembly (41) and positive plate and rectifier
assembly (42) from stator (43). Remove front part of insulating bushings (36, 37, 38 and 39) and
studs (35).
(12) Clamp pulley in a soft-jawed vise and remove nut (44).
(13) Remove assembly from vise and remove pulley (45) and fan (46).
NOTE
Use of a puller maybe necessary if pulley sticks to rotor shaft.
3-15

ARMY TM 9-6115-464-34
AIR FORCE TO 35C2-3-445-2
NAVY NAVFAC P-8-624-34
(14) Pry woodruff key (47) from keyway in rotor shaft and remove spacer (48).
(15) Support head assembly (49) and using a center punch in the indentation in the end of the rotor shaft,
drive the rotor assembly (50) out of the head assembly (49).
(16) Remove snap ring (51) and bearing (52) and o-ring (55).
NOTE
It maybe necessary to press or drive the bearing (52) out of the head assembly (49).
(17) Use a bearing puller to remove rear bearing (53) from rotor assembly (50).
(18) Remove cover (54) and o-ring (55).
c.Cleaning lnspection. and Repair
WARNING
Solvent, Dry Cleaning P-D-680, Type II is flammable and moderately toxic to skin,
eyes and respiratory tract. Eye and skin protection required. Good general ventilation
is normally adequate. Failure to observe this warning could result in servere
personnel injury
WARNING
Compressed air used for cleaning and drying purposes can create airborne particles
that may enter the eyes. Pressure shall not exceed 30 psig and use only with adequate
chip guards and chipping goggles. Failure to observe this warning could result in
servere personnel injury
(1) Clean all non-electrical parts (housing fan, bearings, etc.) in solvent P-D-680 Type II and dry with
filtered compressed air.
(2) Clean all electrical parts with a soft bristled brush and filtered compressed air.
(3) Inspect plate and rectifier assemblies for cracks, corrosion, and evidence of shorting or other
damage.
(4) Using an ohmmeter or similar testing device, test positive diode rectifier assembly as follows:
(a) Connect positive lead of tester to heat sink and touch negative lead to lead of each diode. Tester
should indicate open circuit at each diode.
(b) Connect negative Iead to heat sink and touch positive lead to each diode lead. Tester should
indicate continuity at each diode.
(c) Replace positive diode rectifier assembly if any of the diodes fail to test correctly.
(5) Test negative diode rectifier assembly as follows:
(a) Connect negative lead of tester to heat sink and touch positive lead to lead of each diode. Tester
should indicate open circuit at each diode.
(b) Connect positive lead of tester to heat sink and touch negative lead to lead of each diode. Tester
should indicate continuity at each diode.
(c) Replace negative diode rectifier assembly if any diode fails to test correctly.
(6) Visually inspect stator assembly for rub marks on the interior diameter, evidence of burned or shorted
windings, and other damage.
3-16
ARMY TM 9-6115-464-34
AIR FORCE TO 35C2-3-445-2
NAVY NAVFAC P-8-624-34
1. Screw
2. Regulator and cover assembly
3. Fuse holder
4. Nut
5. Washer
6. Cap
7. Fuse
8. Screw
9. Cover band
10. Thru bolts
11. Head assembly (slip ring end)
12. Nut
13. Nut
14. Lockwasher
15. Brush lead
16. Screw
17. Lockwasher
18. Insulating plate
19. Brushholder
20. Brush and spring assembly
21. Nut
22. Nut
23. Nut
24. Lockwasher
25. Screw
26. Flat washer
27. Capacitor and clamp assembly
28.
29.
30.
31.
32.
34.
35.
36.
37.
38.
39.
40.
41.
42.
43.
44.
45.
46.
47.
48.
49.
50.
51.
52.
53.
54.
55.
Capacitor and clamp assembly
Nut
Flat washer
Flat washer
Flat washer
Flat washer
Stud
Insulating bushing
Insulating bushing
Insulating bushing
Insulating bushing
Rectifier and stator assembly
Negative plate and rectifier assembly
Positive plate and rectifier assembly
Stator assembly
Nut
Pulley
Fan
Woodruff key
Spacer
Head assembly (drive end)
Rotor assembly
Snap ring
Bearing (front)
Bearing (rear)
Cover
O-ring
Figure 3-5. Alternator Assembly, Exploded View (Sheet 2 of 2)
(7) Using an ohmmeter, check continuity of each phase of stator assembly. Replace stator assembly if
ohmmeter indicates open circuit of one or more phase.
(8) Visually inspect rotor assembly for rub marks and burns or other evidence of shorting. Inspect shaft
for worn key slot and bearing surfaces.
(9) Test rotor assembly as follows:
(a)
(b)
(c)
(d)
(e)
(10)
(11)
(12)
(13)
3-18
Install rotor assembly in test setup shown in figure 3-6.
Adjust rheostat until voltmeter indicates 20 Vdc.
Ammeter should indicate 2.8 to 3.0 amperes at 70° to 80°F (21.1 ° to 26.7°C).
High current reading on ammeter indicates low resistance, or a shorted rotor warning.
Using an ohmmeter, check resistance across slip rings. Resistance should be 7.5 to 8.0 ohms at an
ambient temperature of 70° to 80‘F (21.10 to 26.7°C).
Replace rotor assembly if inspection and test requirements are not met.
Inspect voltage regulator connector, cover assembly, and voltage adjust for cracks, corrosion, and
evidence of shorting or other damage.
Inspect fuse holder for cracks, corrosion, and other damage. Check fuse for burned out condition.
Check fuse for continuity if in doubt.
Inspect brush assembly for corrosion and excessive wear.
33.
Nut

ARMY TM 9-6115-464-34
AIR FORCE TO 35C2-3-445-2
NAVY NAVFAC P-8-624-34
NOTE
The brushes are excessively worn if 3/16 inch or less extends beyond the bottom of
the holder.
(14) Check brush spring tension. A force of 4 to 6 ounces should move brush against spring.
(15) Using an ohmmeter, test brushholder assembly as follows:
(a) Attach one test lead to brushholder and touch other lead to each terminal and each brush. There
should be no indication of continuity between brushholder and any terminal or brush.
(b) Check for continuity between each terminal and its respective brush.
(16) Replace brushholder assembly if inspection and test requirements are not met.
(17) Inspect pulley for excessive wear at pulley groove, cracks, corrosion. and other damage.
(18) Inspect fan for cracks, corrosion, bent blades and other damage.
(19) Inspect bearings for pitting, excessive wear, and other damage.
(20) Inspect head assemblies (11 and 49) for cracks, breaks, and corrosion.
(21) Inspect all threads for crossing, stripping, and peening.
d. Assembly.
(1)
(2)
(3)
(4)
(5)
(6)
(7)
(8)
(9)
Install positive diode rectifier assembly (42, figure3-5) and negative diode rectifier assembly (41)
onto stator assembly (43) and solder diode leads.
Using a driver which exerts pressure on the outer race only, install front bearing (52) into front head
(49) and secure with snap ring (51).
Install cover (54) and support rear bearing area of rotor assembly (50) on a suitable press and fit
assembled front head and bearing over rotor shaft. Using a driver which exerts pressure on the inner
race only, press front head down until front bearing contacts cover (54) on rotor shaft.
Support front of rotor assembly shaft on a suitable press. Using a driver which contacts the inner
race only, press rear bearing (53) onto rotor shaft until it contacts shoulder on shaft. Remove rotor
assembly from press.
Install spacer (48), woodruff key (47), fan (46), pulley (45), and nut (44). Torque nut to 35 to 50 ft-lbs.
Fit front part of insulating bushings (36, 37,38, and 39) over rectifier studs.
Position stator and rectifier assembly (40) into rear head assembly (11).
Install rear part of insulating bushings (36, 37,38 and 39) and washers (31, 32,33, and 34).
Install brushholder (19), insulating plate (18), Iockwashers (17) and screws (16).
NOTE
Insure that the contour of the brushes correspond to the contour of the commutator
when installing brushes in the brushholder.
(10) Install brush and spring assemblies (20) in brushholder (19).
(11) Insert a wire of sufficient stiffness in the access hole provided (point A, figure 3-5), to hold the
brushes (20) depressed into the brushholder (19).
(12) Install the rotor (50) with assembled front head (49) into rear head (11), assembled together with
rectifier and stator assembly (40).
(13) Install thru bolts (10).
3-20
ARMY TM 9-6115-464-34
AIR FORCE TO 35C2-3-445-2
NAVY NAVFAC P-8-624-34
(14) Remove wire, inserted in step 3-6d. (11).
NOTE
Perform steps in paragraph 3-6e(1) before proceeding with assembly.
(15) Install capacitor and clamp assembly (27), screw (25), washers (26), Iockwasher (24) and nut (23).
Install nuts (22 and 21).
(16) Install capacitor and clamp assembly (28) and brush lead (15).
(17) Install ventilated cover band (9) with screws (8).
(18) Install all electrical Ieads that were tagged and disconnected during disassembly in step 3-6b. (2).
(See figure 3-5.)
(19) Install washer (5), fuse holder (3), and nut (4). Resolder leads to fuse holder.
(20) Install fuse (7) and cap (6).
NOTE
Install test leads as indicated in e. (2) below.
NOTE
Complete testing of alternator sub-paragraph e. (2) below prior to completing assembly.
e. Testing.
(1) Manufacture test leads as follows:
(a) From No. 8 or No. 10 insulated wire, cut three lengths, one 10 inches long and two 5 inches long.
(b) Strip both ends of all three leads and tin with solder.
(c) Attach a 1/4 inch ring terminal to one end of the 10 inch lead.
(d) Attach a No. 10 ring terminal to one end of each 5 inch lead.
(2) Install test leads as follows:
(a) Attach test leads as shown in figure 3-7. Pass the free end of each lead through the ventilated
band cover (9, figure 3-5).
(b) Install regulator and cover assembly (2) and secure with screws (1).
3-21

ARMY TM 9-6115-464-34
AIR FORCE TO 35C2-3-445-2
NAVY NAVFAC P-8-624-34
Figure 3-7. Alternator Test Leads Installation
(3) Check alternator total circuit voltage as follows:
(a)
(b)
(c)
(d)
Install alternator in test circuit as shown in figure 3-6.
NOTE
The test circuit is identical to the alternator installation circuit. If an operational
generator set is available, the alternator maybe installed on it for testing. (Refer to the
Operator and Unit Maintenance Manual for installation instructions.
With switch open, compare voltage readings at V1 and V2. The readings should be identical.
NOTE
While checking voltage at V2, check to see if the reading varies when the cable or the
connector plug on the alternator cover assembly is disturbed. This could indicate
inadequate test connections which must be corrected before proceeding with the tests,
If voltage at V2 is low or zero, the alternator positive and negative output circuits must be tested as
indicated in steps (4) and (5) below.
If voltage readings at V1 and V2 are identical, proceed with alternator output and voltage protector
test in step (10) below.
(4) Test alternator positive output circuit as follows:
(a) Check voltage at V3 as shown in figure 3-9.
3-22
ARMY TM 9-6115-464-34
AIR FORCE TO 35C2-3-445-2
NAVY NAVFAC P-8-624-34
(b) If voltage is zero, check fuse (11, figure 3-5).
(c) If voltage is greater than zero, but below voltage VI in figure 3-8, check for poor circuit conditions
between battery positive terminal and alternator positive output terminal.
(d) Correct any discrepancies before proceeding with operational tests.
(e) If voltage indicated is equal to voltage V1, test alternator negative output circuit as directed in step
(5) below.
(5) Test alternator output circuit as follows:
(a) Check voltage V4 as indicated in figure 3-10.
(b) lf voltage is below voltage at V1 (figure 3-8), check for inadequate circuit conditions between
battery negative terminal and alternator negative output terminal.
(c) Correct any discrepancies before conducting operational tests.
(6) Conduct excitation voltage test as follows:
(a) With voltmeter connected as in figure 3-11, close switch.
(b) Voltmeter should indicate 3.5 ± 0.2 Vdc.
(c) lf voltmeter indicates zero volts, test voltage regulator as directed instep (8) below.
(d) lf voltmeter indication is greater than 3.7 Vdc, test for open circuit of alternator field (rotor) as
directed in step (9) below.
(e) lf voltmeter indication is as specified, proceed with voltage regulator, alternator output, and voltage
protector test as outlined in step (10) below.
(7) Test for faulty alternator voltage regulator as follows:
(a)
(b)
(c)
(d)
(e)
(f)
(g)
(h)
(i)
Remove screws (1, figure 3–5) and cover assembly (2).
Disconnect voltage regulator by disconnecting and tagging the red, green and black leads.
Disconnect and tag the blue and yellow output leads.
Install a jumper from the GND terminal to brush terminal as shown in figure 3-12.
Install alternator in test circuit as shown in figure 3-12.
NOTE
A means of rotating the alternator at 2000 to 3000 RPM must be provided. This test
can be performed with the alternator installed on an operational generator set, and
operating the set at rated frequency.
With the alternator rotating at 2500 RPM the voltmeter should indicate 24 to 28 volts and the
ammeter should indicate 32 to 35 amperes.
If the alternator tests satisfactorily, this indicates that the voltage regulator was faulty.
If the alternator does not test satisfactorily, this indicates that the voltage regulator is good and the
trouble is in the alternator.
If the regulator is faulty, remove the jumper (figure 3-12) and install a new regulator and cover
assembly using the tagged leads on the old cover assembly as a guide when making connections.
(8) Conduct field current test as follows:
3-23

ARMY TM 9-6115-464-34
AIR FORCE TO 35C2-3-445-2
NAVY NAVFAC P-8-624-34
CAUTION
Rheostat must be set in maximum resistance position to protect the ammeter in the
event the field circuit is short circuited. Failure to observe this caution could result in
equipment damage.
(a) Install alternator in test circuit as shown in figure 3-13.
(b) Slowly reduce field rheostat resistance while observing ammeter and voltmeter.
(c) When field rheostat reaches zero ohms, ammeter should indicate 3.0 to 3.5 amperes with voltmeter
indicating 24 Vdc.
(d) If current is not as specified, check for poor connections and inadequate brush contact.
(9) Conduct alternator output and voltage protector test as follows:
(a)
(b)
(c)
(d)
(e)
(f)
(g)
(h)
(i)
Install alternator in test circuit shown in figure 3-14.
NOTE
If alternator is not installed on generator set for this test, a means of rotating the
alternator at 2,000 to 3,000 RPM must be provided.
Adjust the drive device to provide 2500 RPM.
Note the voltmeter indication. Nominal voltage should be 28 Vdc ± 0.3 Vdc.
If voltage is not as specified, adjust the voltage regulator rheostat on the alternator rear cover.
Close switch (S2) to put carbon pile load on the batteries.
Check ammeter and voltmeter indications. Nominal current output should be 20-25 amperes with
charging voltage exceeding 25.0 Vdc.
CAUTION
Open switch (S2) immediately after current test to avoid discharging the batteries.
If nominal voltage cannot be obtained, disassemble alternator and correct difficulty.
Remove alternator from test circuit, remove rear cover assembly and disconnect test leads.
Reinstall rear cover assembly and fuse.
f. Installation. Refer to Operator and Unit Maintenance Manual for battery charging alternator installation
instructions.
3-28

ARMY TM 9-6115-464-34
AIR FORCE TO 35C2-3-445-2
NAVY NAVFAC P-8-624-34
3-7. SPEED SWITCH.
a. General.
(1)
(2)
(3)
(4)
(5)
The speed switch provides sequenced control of circuits during engine startup, and protection
against engine overspeed during operation. Three sets of contact elements, S9-1, S9-2, and S9-3,
contained in the speed switch, are set to open, close, or transfer at certain engine speeds. The
speed switch drive gear is designed to drive the speed switch at one-half engine speed.
At an engine speed of 580 to 620 rpm (accelerating) element S9-1 transfers two sets of contacts,
energizing the field flash circuit and de-energizing the crank relay to stop the starting motor.
On tactical precise sets, when the engine reaches the speed range of 1180 to 1220 rpm (50/60 Hz),
1650 to 1700 rpm (400 Hz), element S9-2 closes, energizing the electro–hydraulic governor which
takes over control of engine speed.
Speed switch element S9-3 consists of two sets of contacts which are set to transfer at an engine
speed of 2425 ± 25 rpm to shut down the engine and prevent damage to the equipment. Shutdown is
achieved by de-energizing the stop-run relay and the fuel solenoid, cutting off fuel to the engine.
Elements S9-1 and S9-2 reset at 100 rpm (decreasing) below actuation speed. Element S9-3 is
manually reset by a pushbutton on the speed switch housing.
Figure 3-14. Output and Voltage Protector Test.
3-31

ARMY TM 9-6115-464-34
AIR FORCE TO 35C2-3-445-2
NAVY NAVFAC P-8-624-34
b. Removal. Refer to Operator and Unit Maintenance Manual for speed switch removal instructions.
NOTE
Two different types of switch, one electronic, the other mechanical, are used
interchangeably in the sets. Determine which type you are removing by referring to
figure 3-15 sheets 1 and 2 and proceed accordingly.
c. Disassembly (Electronic Type).
(1) Remove screws (1, figure 3-15, sheet 1) to remove rotor assembly (2) from electronics assembly
(12).
(2) Remove rotor cap (3), cotter pin (4), and rotor (5).
(3) Remove retaining rings (6 and 7), bearing (8), shaft (9) and base (10).
d. Disassemblv (Mechanical Type)
(1) Cut Iockwire on speed switch.
(2) Remove screw (1, figure 3-15, sheet 2), Lockwire (2), washer(3), to remove rotor assembly (4)
from cap and cover assembly (10).
(3) Remove counterweight (5), spacer (6), packing (7), and retaining ring (9) from body assembly (8).
e. Cleaning, Inspection, Repair and Assembly (Electronic Type).
Refer to figure 3-15, sheet 1.
CAUTION
Do not submerge the electronics assembly (12) and base assembly (11) in cleaning
solvent. Failure to observe this caution could result in equipment damage.
(1)
(2)
(3)
(4)
(5)
(6)
WARNING
Solvent, Dry Cleaning P-D-680, Type II is flammable and moderately toxic to skin,
eyes and respiratory tract. Eye and skin protection required. Good general ventilation
is normally adequate. Failure to observe this warning could result in servere personel
injury.
Wipe the exterior of the electronics assembly (12) and base assembly (11) with a clean rag, lightly
moistened with solvent P-D-680 Type Il.
Clean all other parts with P-D-680 Type II and dry thoroughly.
Inspect base, rotor cap, electronics and base assemblies for cracks, corrosion, or other damage.
Check rotor and shaft for cracks, corrosion, or other damage.
Check the bearing (8) for excessive wear.
Replace any worn or defective parts.
f. Assembly (Electronic Type)
(1) Position base (10, figure 3-15 sheet 1) to install shaft (9), bearing (8), retaining rings (7 and 6).
(2) Install rotor (5), cotter pin (4), and rotor cap (3).
(3) Install rotor assembly (2), and screws (1) onto electronics assembly (12).
Refer to figure 3-15, sheet 2.
(1) If either the rotor assembly, the body assembly or the spacer are damaged or defective, replace
defective part.
3-32
g. Cleaning, Inspection, Repair and Assembly (Mechanical Type).

ARMY TM 9-6115-464-34
AIR FORCE TO 35C2-3-445-2
NAVY NAVFAC P-8-624-34
(2) Refasten with lockwire after readjustment.
(h). Assembly (Mechancial Type
(1) Position body assembly (8, figure 3-15 sheet 2 ), to install retaining ring (9), packing (7), spacer (6),
and counterweight (5).
(2) Position cap and cover assembly (10), to install rotor assembly (4), washer (3), and Iockwire (2), and
screw (1).
(3) Install lockwire on to speed switch.
i. Test Equipment (Electronical Type).
The following test equipment will be required to properly test the speed
switch.
(1) Tachometer test stand or speed switch tester with 0.187 tach takeoff fitting, capable of operation up
to 1225 rpm.
(2) 24 Vdc power supply.
(3) VOM suitable for measuring continuity and 24 volts dc.
(4) Mating connector and cable for MS3102R-18-1P connector.
j. Testing (Electronic Type).
Refer to figure 3-16, sheet 1 for schematic diagram of pins to be used during
test, and perform the following procedures.
(1) Screw the tachometer fitting onto the test stand.
(2) Attach the connector and cable to J37 of the speed switch.
(3) Connect 24 volts dc to pins E, G and I with the polarity indicated in the test circuit.
(4) Using the VOM, test for the conditions listed below:
Element No. 1:
Pins A & B . . . . . . . . . . . continuity
Pins A & C. . . . . . . . . . . open circuit
Element No. 2:
Pin D . . . . . . . . . . . . . . .
0 volts dc to ground
Element No. 3:
Pins F & J . . . . . . . . . . . open circuit
Pin H . . . . . . . . . . . . . . .
24 volts dc to ground
(5) Connect the VOM to read continuity between pins A and B.
(6) Slowly bring up shaft speed of the tester. At 290 to 310 rpm Element No. 1 should trip causing an
open circuit to appear between pins A and B.
(7) After Element 1 has tripped, check with the VOM for continuity between pins A and C.
(8) Proper tripping of Element No. 1 is indicated by meeting the conditions of steps (4), (6) and (7).
(9) Connect the VOM to read voltage on pin D with respect to ground.
(10) Slowly increase the tester shaft speed while monitoring the VOM. When Element No. 2 trips, the
reading will go from 0 volts to 24 volts. Trip speed for Element No. 2 (50/60 Hz) is 590 to 610 rpm.
Trip speed for Element No. 2 (400 Hz) is 825 to 850 rpm.
(11) Continue increasing shaft speed while monitoring pin H for voltage. It should be at 24 volts, dropping
to 0 volts when the third element trips. Trip speed for Element No. 3 is 1200 to 1225 rpm.
3-33
ARMY TM 9-6115-464-34
AIR FORCE TO 35C2-3-445-2
NAVY NAVFAC P-8-624-34
(12) After Element No. 3 has tripped, connect the VOM between pins F and J to check for continuity.
Continuity should exist after Element No. 3 has tripped.
(13) Slowly decrease shaft speed while monitoring pin D with the VOM for voltage. There should be 24
volts present, dropping to 0 volts when Element No. 2 resets. “Reset speed” for Element No. 2
should be no more than 100 RPM below the trip speed noted in step (10).
(14) Continue decreasing shaft speed while measuring for continuity between pins A and C with the VOM.
Continuity should exist between these two pins until Element No. 1 resets, then an open circuit
should exist. Reset speed for Element No. 1 should be no more than 100 rpm below the trip speed
noted in step (6).
(15) Decrease shaft speed to 0 rpm. Monitor pin H for voltage with the VOM. Element No. 3 should still
remain in the tripped condition, resulting in 0 volts on pin H, and continuity between pins F and J.
(16) Depress and release the reset switch, S1, on the speed switch. Pin H should now read 24 volts on
the VOM, and an open circuit should exist between pins F and J.
NOTE
There are no repair or adjustment procedures for the electronics and base assemblies.
If this portion of the speed switch is malfunctioning, replace both assemblies as a unit.
k. Testing (Mechanical Type).
(1)
(2)
(3)
(4)
(5)
(6)
Connect a variable speed drive device to the speed switch drive. The drive device must have a
tachometer in order to determine the speed of the device in rpm’s.
With an ohmmeter on the R1 scale, reading from the speed switch connector, check for the contact
conditions of elements S9-1, S9-2, and S9-3 illustrated in figure 3-16, sheet 2.
When contact conditions are verified, as shown in figure 3-16 sheet 2, start variable drive and
gradually increase speed, with ohmmeter connected to pins B and A. At a speed of 290 rpm the
ohmmeter should indicate that contact A-B opens. Hold the variable speed drive at that speed and
transfer the ohmmeter leads to pins A and C. The ohmmeter should indicate a closed contact.
Leave the ohmmeter leads connected to pins A and C and gradually reduce speed. In the range of
190 to 210 rpm, the contacts of element S9-1 should reset to the condition illustrated in figure 3-16,
sheet 2. To verify operation of element S9-1 contacts A and C, increase drive speed gradually and
observe that the contacts close in the 290 to 310 rpm range.
Connect ohmmeter leads across pins D and E and verify an open circuit. Increase drive speed and
observe that element S9-2 (contacts D and E) closes in the speed range of 590 to 610 rpm (Mode l),
825 to 850 rpm (Mode II). Gradually reduce speed to 490 minimum rpm (Mode l), 725 minimum rpm
(Mode II). Observe that element S9-2 resets to the condition shown in figure 3-16, sheet 2.
Connect ohmmeter across pins H and G and verify a closed circuit. Increase drive speed gradually.
The contacts should open at a speed of 1200 to 1225 rpm. Hold drive speed and read contacts F
and J. Meter should indicate a closed circuit. Reduce drive speed to less than 1000 rpm, press the
manual reset switch and observe with the meter that element S9-3 contacts reset to the condition
shown in figure 3-16, sheet 2.
3-34

ARMY TM 9-6115-464-34
AIR FORCE TO 35C2-3-445-2
NAVY NAVFAC P-8-624-34
Figure 3-15. Speed Switch, Exploded View (Mechanical Switch) (Sheet 2 of 2)
NOTE
To obtain the required performance characteristics during tests (3) through (6),
adjustments can be made. By loosening screws (1, figure 3-15, sheet 2) and rotating
the cap and cover assembly relative to the body assembly, the trip points of all those
elements can be raised or lowered. In addition, the trip speed of each individual
element can be raised or lowered by removing access screws as shown in figure 3-16
sheet 2 and turning appropriate set screw located beneath cover screws with a 1/16
inch allen wrench.
I. Installation. Refer to Operator and Unit Maintenance Manual and install speed switch in reverse order of
removal.
3-36

ARMY TM 9-6115-464-34
AIR FORCE TO 36C2-3-445-2
NAVY NAVFAC P-8-624-34
Figure 3-16. Speed Switch Test Points (Mechanical Switch) (Sheet 2 of 2)
3-38

ARMY TM 9-6115-464-34
AIR FORCE TO 35C2-3-445-2
NAVY NAVFAC P-8-624-34
3-8. COOLANT TEMPERATURE TRANSMllTER.
Refer to the Operator and Unit Maintenance Manual for coolant temperature transmitter maintenance
procedures.
3-9. OVERTEMPERATURE SWITCH.
Refer to the Operator and Unit Maintenance Manual for overtemperature switch maintenance procedures.
3-10. OIL PRESSURE TRANSMllTER.
Refer to the Operator and Unit Maintenance Manual for oil pressure transmitter maintenance procedures.
3-11. LOW OIL PRESSURE SWITCH.
Refer to the Operator and Unit Maintenance Manual for low oil pressure switch maintenance procedures.
3-12. DAY TANK FUEL LEVEL AND LOW FUEL CUTOFF SWITCH.
Refer to the Operator and Unit Maintenance Manual for day tank fuel level and low fuel cut off switch
maintenance procedures.
3-13. FUEL SOLENOID VALVE.
Refer to the Operator and Unit Maintenance Manual for fuel solenoid valve maintenance procedures.
3-14. ENGINE WIRING HARNESS ASSEMBLY.
a.Removal. Refer to the Operator and Unit Maintenance Manual for engine wiring harness removal
instructions.
b.Cleaning Inspection and Repair. Refer to the Operator and Unit Maintenance Manual for engine wiring
harness cleaning, inspection, and repair procedures.
layout, identification, and material requirements and Appendix A for detailed soldering and replacement
procedures.
Refer to the Operator and Unit Maintenance Manual for engine wiring harness installation
procedures.
Section Il. MAINTENANCE OF ENGINE FUEL SYSTEM
3-15. GENERAL.
Fuel for generator set operation is supplied from either the integral main fuel tank or an auxiliary source as
determined by the fuel selector valve. Fuel is pumped through the strainer and filter assembly and fuel solenoid
valve into the day tank by two electrically driven fuel transfer pumps. The day tank fuel level and low fuel cutoff
switch controls the operation of the fuel transfer pumps and the fuel solenoid valve. Fuel from the day tank is
drawn through the secondary fuel filter assembly by the fuel injection pump. This single cylinder, opposed
plunger, inlet metering type pump forces a metered amount of fuel under high pressure and in timed sequence
to the fuel injection nozzle holders in the engine cylinder head. The nozzle holders spray a metered amount of
fuel into each combustion chamber. Unused fuel is returned to the day tank through the fuel return line.
3-39
c. Rebuild. If the wiring harness has sustained damage and requires repair or rebuild, refer to figure 3-17 for

ARMY TM 9-6115-464-34
AIR FORCE TO 35C2-3-445-2
NAVY NAVFAC P-8-624-34
Figure 3-17. Engine Wiring Harness Assembly, Drawing No. 72-2267 (Sheet 2 of 2)
3-41

ARMY TM 9-6115-464-34
AIR FORCE TO 35C2-3-445-2
NAVY NAVFAC P-8-624-34
3-16. MAIN FUEL TANK (METAL).
a. Removal.
(1) Refer to the Operator and Unit Manual and accomplish the following:
(a) Drain the main fuel tank assembly.
(b) Disconnect fuel lines and fittings from main fuel tank.
(c) Disconnect fuel vent system from main fuel tank.
(d) Disconnect engine wiring harness from fuel level gauge.
(e) Remove left and right ventilation doors, ventilation louver panel, and Iower cover panels from rear
of generator set housing.
(2) .Remove nut (1, figure 3-18), lockwasher (2), screw (3), clamps (4), filler neck (5), and hose (6).
(3) Remove screws (7), lockwasher (8), adapter (9), and gasket (10).
(4) Remove locknut (11), and flatwasher (12), from strap (13).
(5) Remove screws (14), Iockwasher (15), fuel level switch (16), and fuel Ievel switch gasket (17).
Replace gasket if damaged.
(6) Remove cap (18) and drain valve (19) from metal fuel tank (20).
b. Cleaning, Inspection, and Repair.
(1)
(2)
(3)
(4)
(5)
(6)
(7)
(8)
(9)
3-42
WARNING
Solvent, Dry Cleaning P-D-680, Type II is flammable and moderately toxic to skin,
eyes and respiratory tract. Eye and skin protection required. Good general ventilation
is normally adequate. Failure to observe this warning could result in servere personel
injury.
Clean exterior surfaces of fuel tank and other non-electrical parts with dry cleaning solvent (Federal
Specification P-D-680).
Flush interior of fuel tank with an approved solvent.
Inspect fuel tank assembly for cracked or broken welds, dents, leaks, and other damage.
Test fuel level sensor in accordance with instructions provided in Operator and Unit Maintenance
Manual.
Check filler hose for damage or deterioration.
Check all threads for crossing, stripping, and peening.
WARNING
Steam clean interior of fuel tank for a minimum of 2 hours to remove residual vapors
before attempting to repair welds. Serious injury or death may result from failure to
observe this warning. Failure to observe this warning could result in servere personel
injury.
Repair cracked or broken welds and leaks by welding. Refer to Appendix A for detailed instructions.
Repair damaged threads with a thread chaser.
Replace any parts which are extensively damaged.

ARMY TM 9-6115-464-34
AIR FORCE TO 35C2-3-445-2
NAVY NAVFAC P-8-624-34
c. Installation.
NOTE
Install filler neck hose with vent holes to top and outboard.
(1) Position metal fuel tank (20, figure 3-18) to install drain valve (19) and cap (18).
(2) Install new fuel level switch gasket (17), fuel level switch (16), lockwasher (15), and screws (14).
(3) Position strap (13), to install flatwasher (12), and locknut (11).
(4) Install gasket (10), adapter (9), Iockwasher (8) and screws (7).
(5) Install hose (6), filler neck (5), clamps (4), screws (3), Iockwasher (2) and nut (1).
(6) Refer to the Operator and Unit Maintenance Manual and accomplish the following:
(a) Install Iower cover panels, ventilation louver panel, and right and left ventilation doors to generator
set housing.
(b) Connect engine wiring harness to fuel level gauge.
(c) Connect fuel vent system to main fuel tank.
(d) Connect fuel lines and fittings to main fuel tank:
(e) Fill the main fuel tank assembly.
3-17. MAIN FUEL TANK (PLASTIC).
a. Removal.
(1) Refer to the Operator and Unit Manual and accomplish the following:
(a) Drain the main fuel tank assembly.
(b) Disconnect fuel lines and fittings from main fuel tank.
(c) Disconnect fuel vent system from main fuel tank.
(d) Disconnect engine wiring harness from fuel level gauge.
(e) Remove left and right ventilation doors, ventilation louver panel, and lower cover panels from rear
of generator set housing.
(2) Remove nut (1, figure 3-19), lockwasher (2), screw (3), clamps (4), filler neck (5), and hose (6).
(3) Remove locknut (7), flat washer (8), from strap (9).
(4) Remove screws (10), Iockwasher (11), ground wire assembly (12), fuel level switch (13), and fuel
level switch gasket (14). Replace gasket if damaged.
(5) Remove cap (15) and drain valve (16) from plastic fuel tank (17).
b. Cleaning, Inspection, and Repair.
WARNING
Solvent, Dry Cleaning P-D-880, Type II is flammable and moderately toxic to skin,
eyes and respiratory tract. Eye and skin protection required. Good general ventilation
is normally adequate. Failure to observe this warning could result in servere personel
injury.
3-43

(1)
(2)
(3)
(4)
(5)
(6)
(7)
(8)
(9)
ARMY TM 9-6115-464-34
AIR FORCE TO 35C2-3-445-2
NAVY NAVFAC P-8-624-34
Clean exterior surfaces of fuel tank and other nonelectrical parts with dry cleaning solvent (Federal
Specification P-D-680).
Flush interior of fuel tank with an approved solvent.
Inspect fuel tank assembly for cracked or broken welds, dents, leaks, and other damage.
Test fuel level sensor in accordance with instructions provided in Operator and Unit Maintenance
Manual.
Check filler hose for damage or deterioration.
Check all threads for crossing, stripping, and peening.
WARNING
Steam clean interior of fuel tank for a minimum of 2 hours to remove residual vapors
before attempting to repair welds. Serious injury or death may result from failure to
observe this warning. Failure to observe this warning could result in servere personel
injury.
Repair cracks or leaks by using Epoxy. Refer to appendix Din TM 9-6115-464-12 for detailed
instructions.
Repair damaged threads with a thread chaser.
Replace any parts which are extensively damaged.
c.
Installion.
(1) Position plastic fuel tank (17, figure 3-19) to install drain valve (16) and cap (15).
(2) Install new fuel level switch gasket (14), fuel level switch (13), ground wire assembly (12),
Iockwasher (11) and screws (10).
(3) Position strap (9), to install flat washer (8), and locknut (7).
(4) Install hose (6), filler neck (5), clamps (4), screws (3), lockwasher (2), and nut (1).
(5) Refer to the Operator and Unit Maintenance Manual and accomplish the following:
(a) Install lower cover panels, ventilation louver panel, and right and left ventilation doors to generator
set housing.
(b) Connect enging wiring harness to fuel level gauge.
(c) Connect fuel vent system to main fuel tank.
(d) Connect fuel lines and fittings to main fuel tank.
(e) Fill the main fuel tank assembly.
NOTE
Install filler neck hose with vent holes to top and outboard.
3-18. FUEL TRANSFER PUMPS.
Refer to the Operator and Unit Maintenance Manual for fuel transfer pumps maintenance procedures.
3-19. FUEL STRAINER AND FILTER ASSEMBLY.
Refer to the Operator and Unit Maintenance Manual for fuel strainer and filter assembly maintenance
procedures.
3-45

ARMY TM 9-6115-464-34
AIR FORCE TO 35C2-3-445-2
NAVY NAVFAC P-8-624-34
Figure 3-19. Main Fuel Tank (Plastic), Removal and Installation
3-20. DAY TANK ASSEMBLY.
a. Removal. Refer to the Operator and Unit Maintenance Manual for day tank assembly removal
instructions.
b. Cleaning, Inspection, and Repair.
WARNING
Solvent, Dry Cleaning P-D-880, Type II is flammable and moderately toxic to skin,
eyes and respiratory tract. Eye and skin protection required. Good general ventilation
is normally adequate. Failure to observe this warning could result in servere personel
injury.
3-46

ARMY TM 9-6115-464-34
AIR FORCE TO 35C2-3-445-2
NAVY NAVFAC P-8-624-34
WARNING
Compressed air used for cleaning and drying purposes can create airborne particles
that may enter the eyes. Pressure shall not exceed 30 psig and use only with adequate
chip guards and chipping goggles. Failure to observe this warning could result in
servere personel injury.
(1) Clean exterior surfaces with dry cleaning solvent (Federal Specification P-D-680) and dry with
filtered compressed air.
(2) Flush interior of day tank with an approved solvent.
(3) Inspect day tank assembly for cracked or broken welds, dents, and damaged threads.
(4) Check interior of tank for scale formation and hardened sediment deposits.
(5) Test for leaks as follows:
(a) Plug all openings except one.
(b) Install a fitting and attach a compressed air line to the unplugged opening.
(c) Submerge day tank in a container of water and apply 5 psig air pressure.
(d) Check for bubble formations which will indicate leakage.
WARNING
Steam clean interior of day tank a minimum of two hours to dissipate residual fuel
vapors before attempting to repair welds. Serious injury or death may result from
failure to observe this warning. Failure to observe this warning could result in servere
personel injury.
(6) Repair cracked or broken welds and leaks by welding.
(7) Repair damaged threads with a thread chaser.
c. Installation. Refer to the Operator and Unit Maintenance Manual for day tank installation instructions.
3-21. SECONDARY FUEL FILTER ASSEMBLY.
Refer to the Operator and Unit Maintenance Manual for secondary fuel filter assembly maintenance
procedures.
3-22. FUEL INJECTION PUMP ASSEMBLY.
a. General. The Roosa Master Fuel Injection Pump is mounted on the timing gear case and is gear driven
through an idler gear arrangement by the crankcase gear. The end thrust of the fuel injection pump gear and
shaft is controlled by a spring loaded thrust button located in the inspection cover on the timing gear housing
cover. It is advisable when removing or installing the fuel injection pump that the gear housing inspection cover
be removed from the timing gear cover to relieve the spring tension of the thrust button. The fuel injection pump
attaching flange holes are elongated to permit accurate adjustment of the fuel pump timing.
b. Removal.
CAUTION
Thoroughly clean the fuel injection pump prior to removal. Cap or plug all fittings and
lines to prevent dirt from entering the pump and fuel system. Failure to observe this
caution could result in equipment damage.
3-47

ARMY TM 9-6115464-34
AIR FORCE TO 35C2-3-445-2
NAVY NAVFAC P-6-624-34
(1) Refer to the Operator and Unit Maintenance Manual and drain the day tank assembly.
(2) Disconnect injector return lines (1 and 2, figure 3-20) and remove tee (3).
(3) On precise sets, remove self-locking nut (4) and screw (5) to disconnect hydraulic actuator linkage
(6). On utility sets disconnect the manual speed control.
NOTE
When fuel pump is removed from the engine for repair, the throttle lever should be tied
in the wide open position while it is in transit or storage. This prevents the governor
weights from dislodging inside the pump housing.
(4) Disconnect inlet fuel line (7) and remove elbow (8).
(5) Refer to the Operator and Unit Maintenance Manual and disconnect fuel injector lines.
(6) Remove screws (9), timing Iine cover (10), and gasket (11).
(7) Using a suitable wrench on the crankshaft pulley, bar the engine over in the direction of rotation until
the timing line on the governor retainer hub aligns with the timing line on the pump cam.
(8) Remove nuts (12) and Iockwashers (13).
CAUTION
Do not allow the pump to “cock” as it is removed, as damage to the pilot tube will result.
(9) Carefully slide fuel injection pump (14) from the timing gear housing.
c. Disassembly.
Disassemble the fuel injection pump in the ascending sequence of item numbers assigned
to figure 3–21 while observing the following:
(1)
(2)
(3)
(4)
(5)
(6)
(7)
(8)
(9)
NOTE
Place all parts in a pan containing clean oil. Discard all o-rings and gaskets.
CAUTION
Never clamp the pump in a vice without using the fixture. Failure to observe this
caution could result in equipment damage.
Mount the pump in holding fixture and secure.
Remove three screws (1) and remove cover containing solenoid.
Rotate shut-off lever (21 ) to full shutoff position; place a screwdriver between housing and linkage
hook (50) and pry off shutoff cam (25). Discard shutoff cam.
Partially withdraw throttle shaft assembly (26) and lift out throttle shaft lever (45), spacers and
damper barrel assembly (88).
Remove throttle shaft assembly and shutoff shaft assembly (24).
Loosen end plate sleeve.
Remove screws (63), Iockwashers (64), flat washers (65), and transfer pump and plate (66).
Remove thrust plate (67).
Remove the pressure regulating sleeve (55) from end plate (66). Slide off filter element (57). Remove
adjusting plug (54). Shake out the regulating spring (60) and piston (61). Reverse the assembly and
remove the regulating piston seal (62).
3-49

ARMY TM 9-6115-464-34
AIR FORCE TO 35C2-3-445-2
NAVY NAVFAC P-6-624-34
Figure 3-21. Fuel Injection Pump, Exploded View (Sheet 2 of 7)
Figure 3–21. Fuel Injection Pump, Exploded View (Sheet 3 of 7)
3-51

ARMY TM 9-6115-464-34
AIR FORCE TO 35C2-3-445-2
NAVY NAVFAC P-6-624-34
Figure 3–21. Fuel Injection Pump, Exploded View (Sheet 4 of 7)
Figure 3-21. Fuel Injection Pump, Exploded View (Sheet 5 of 7)
3-52

ARMY TM 9-6115-464-34
AIR FORCE TO 35C2-3-445-2
NAVY NAVFAC P-6-624-34
Figure 3–21. Fuel Injection Pump, Exploded View (Sheet 6 of 7)
Figure 3-21. Fuel Injection Pump, Exploded View (Sheet 7 of 7)
3-53

ARMY TM 9-6115-464-34
AIR FORCE TO 35C2-3-445-2
NAVY NAVFAC P-8-624-34
(10)
(11)
(12)
(13)
(14)
(15)
(16)
(17)
(18)
(19)
(20)
(21)
(22)
(23)
(24)
(25)
To disassemble transfer pump, lift out transfer pump seal (68), liner (72), blades (71), and springs
(70).
Remove the speed droop adjusting cap assembly (73) by pulling it from control rod guide (75).
Remove and discard control spring pin (78).
Discard seals (74 and 77), control rod guide (75) and washer (76).
CAUTION
Use care not to bend control rod. Failure to observe this caution could result in
equipment damage.
Disengage governor spring (80) from the governor arm (86), then remove the governor spring and
control rod assembly (79).
Remove the metering valve (93) and arm assembly (91 ) from the hydraulic head.
Remove head locking screws (136 and 137) from the pump housing (152).
Invert pump and holding fixture as a unit and remove head locating screw (1 06), advance screw hole
plug (103). Remove the advance spring and power piston plugs (96 and 108). Using the cam
advance screw removal bushing, part number 15500, and the Bristol socket cam advance screw
wrench, part number 15499, remove the cam advance screw (105).
NOTE
The sides of the housing just above the advance bears a “C” denoting clockwise pump
rotation as viewed from the drive end. The power side of the piston is located on the
‘C” side of a clockwise rotation pump.
Invert the holding fixture in the vise. Grasp the hydraulic head firmly in both hands and withdraw with
a slight rotary motion. Use caution not to drop the governor weights (113).
To disassemble the governor, invert the hydraulic head and rotor assembly and let the governor
weights (113), governor thrust sleeve (114) and governor thrust sleeve washer (115) fall into your
hand.
Place the hydraulic head assembly on pump holding fixture so that the governor weight retainer (1 19)
engages the bar on the fixture.
Remove pivot shaft nut (81 ) and seal (83) from one side of pivot shaft (85). Slide pivot shaft out one
side of the housing and lift out governor arm (86).
Using a 5/32 inch Allen wrench, loosen the delivery valve retainer screw (130) and remove it.
Lift head and rotor assembly and shake delivery valve stop (131), spring (132), and delivery valve
(133) into the hand. If delivery valve sticks, remove using extractor. Discard delivery stop.
Using a small–bladed screwdriver or a dull scribe, disengage and remove the rotor retainer snap ring
(116). This releases the rotor retainers which should now be moved outward as far as possible to
clear the rotor.
CAUTION
When the rotor retainers are removed, the rotor is no longer retained in the head.
Failure to observe this caution could result in equipment damage.
Gently lift the hydraulic head off the distributor rotor (135). Invert the hydraulic head and shake out
the rotor retainers (117).
3-54

(26)
(27)
(28)
ARMY TM 9-6115-464-34
AIR FORCE TO 35C2-3-445-2
NAVY NAVFAC P-8-624-34
Lift off the cam ring (121 ). Check and record the roller-to-roller dimension as instructed in the
assembly procedures. This dimension should be 1.9640 ± 0.0005 inches. Remove rollers (125),
shoes (126), plungers (127), and leaf springs (124). Discard spring screws (123).
CAUTION
Do not handle rotor shank. Failure to observe this caution could result in equipment
damage.
Remove governor weight retainer snap ring (118) with snap ring pliers.
The flexible retaining ring (120) should be replaced whenever the pump is disassembled. Insert the
snap ring plier, in the closed position, under the edge of the retaining ring between only two of the
rivets. Spread the pliers while applying pressure in an upward direction. A slight twisting motion will
snap the ring off the rivet. Repeat the process until the retaining ring is free from all rivets. Discard
the retaining ring.
d. Cleaning. Inspection. and Repair.
(1)
(2)
(3)
(4)
(5)
(6)
(7)
(8)
(9)
Inspect all springs, bores, grooves, and seal seats for wear, breakage, or damage. Repair or replace
as necessary.
Carefully inspect transfer pump blades for chipping on any edges, pitting, imbedded foreign particles,
or wear on the rounded ends. Visually check flat surfaces for scores. Determine blade wear by
measuring the length (0.538 inches minimum).
CAUTION
Do not handle the rotor shank. Do not force the plungers into their bore. Failure to
observe this caution could result in equipment damage.
While holding the rotor under fuel, insert the plungers into their bore. With thumb and forefinger over
the guide slots, tilt the rotor from side to side several times to insure complete freedom of movement
of the plungers. Interchanging or reversing their individual positions may be necessary, as these are
mated parts. Replace defective parts. If plungers are not visibly damaged, clean them with a soft
brush and a lacquer removing solvent such as lacquer thinner or acetone.
Examine the radii of the rotor which is contacted by the leaf springs, and the weight retainer for wear.
Check all slots, charging and discharge parts of the hydraulic head for chipping or erosion of edges.
Check the rotor shank for scratches.
NOTE
The rotor and hydraulic head are matched parts and shall be replaced as a unit.
Check the vent wire in the hydraulic head air bleed passage for freedom of movement. If the wire is
free, flush the head and blow out all passages with clean, dry compressed air. If the wire is stuck,
replace it after thoroughly cleaning the passages.
Check each cam roller for freedom of rotation in its shoe. Check each shoe for chipping or wear on
the surface contacted by the leaf spring.
Check the leaf springs for cracks, nicks, chipping, or distortion. Check for damage and wear along
rotor radii contact points and steps which retain roller shoes.
Examine the retainer sockets of governor weight retainer and the pivot point of each governor weight
for evidence of wear or damage. Replace the flexible snap ring (120) of the weight retainer.
Inspect the pivot points of the governor arm (86) pivot shaft for wear. Check the governor arm tabs at
the point which contacts the thrust sleeve. If either tab is worn flat, replace the governor arm.
3-55

ARMY TM 9-6115-464-34
AIR FORCE TO 35C2-3-446-2
NAVY NAVFAC P-8-624-34
(10)
(11)
(12)
(13)
(14)
(15)
Examine the junction points of the metering valve pin hole in the linkage hook, throttle lever, shutoff
cam, and shutoff lever for looseness and burrs.
Check the metering valve body for wear. Ascertain that the metering valve arm is well seated and
there is no radial movement of the arm on the valve. Check the metering valve arm pin for wear or
looseness.
Carefully inspect the bore and edges of all flat surfaces of the cam. If evidence of spatting or flaking
out exists, replace the cam.
NOTE
Since only the working portions of the cam lobes on the bore are ground, the tool
marks between lobes should not be considered as damage. The cam finish is mottled
from heat treatment rather than operation.
Visually inspect the drive shaft for undue wear or cracking. Check the diameter where the thrust
sleeve slides for scores. Check for smoothness of seal grooves. They must be absolutely smooth.
Check the regulating piston for freedom of movement in the end plate sleeve. Check all threads for
damage. The filter element should bear no evidence of damage. Clean all dirt or rust from the
element.
CAUTION
Check for tightness of the orifice plate. Replace adjusting plug if plate is loose. Failure
to observe this caution could result in equipment damage.
Check that the damper piston (87) moves freely in the damper barrel (88). Inspect for chipping of
piston or scratches to the piston and damper barrel bore. The bleed orifice should allow free flow
when the piston is inserted. Replace components as necessary.
e. Assemblv.
NOTE
All parts should be flushed in clean oil as they are assembled. Replace all seals and
gaskets.
CAUTION
Install piston seal dry. Do not use grease. Failure to observe this caution could result
in equipment damage.
(1) Insert regulating piston seal (62) into the lower end of the regulating sleeve assembly (55) far
enough to expose retaining ring groove. Install retaining ring (59).
(2) Install regulating piston (61) and spring (60) into the sleeve making sure that the piston slides to the
bottom of the sleeve bore without binding.
(3) Install end plate adjusting plug (54) into the sleeve until all threads are just below port “A”.
CAUTION
Do not exceed this position as excessive transfer pump pressure could occur. Failure
to observe this caution could result in equipment damage.
(4) Insert regulating sleeve assembly into the bore in end plate (66).
(5) Fit the transfer pump thrust plate (67) on the end plate (66).
3-56

ARMY TM 9-6115-464-34
AIR FORCE TO 35C2-3-445-2
NAVY NAVFAC P-8-624-34
NOTE
The thrust plate may be reversed if one side appears worn or scratched. A small
amount of grease may be used to hold the thrust plate in place,
CAUTION
Do not use force when inserting rotor. Binding may be caused by the presence of
foreign particles. If rotor binds, withdraw it, rinse the rotor and hydraulic head in clean
fuel and attempt to assemble again. Failure to observe this caution could result in
equipment damage.
(6) Immerse rotor (135) and hydraulic head (134) in clean oil and assemble with a slight rotary motion.
(7) Install delivery valve (133) making sure that it moves freely in its bore. Install spring (132) and stop
(131). Install screw (130) and torque to 85-90 inch-pounds.
NOTE
The screw (130) has one end which is relieved to clear the delivery stop. Be sure that
this end faces the stop.
(8) Place the hydraulic head and rotor in the holding fixture. Insert plungers (127) into the rotor bores.
Install shoes (126), rollers (125) and leaf springs (124).
(9) Adjust roller-to-roller dimension as follows: (See figure 3-22.)
(a) Apply clean, dry air at 30 to 100 pounds per square inch by means of a suitable fitting to any one of
the head outlets.
(b) Rotate the rotor until the rollers are pushed to their extreme outward position.
(c) Using a 1 inch to 2 inch micrometer, measure the roller-to-roller dimension. If roller-to-roller
dimension is not 1.964
±
0.0005 inch, adjust screw (123, figure 3–21 ).
NOTE
Turning screw clockwise increases the roller–to–roller dimension. Turning screw
counterclockwise reduces roller-to-roller dimension.
(10) Place the cam ring (121, figure 3-21) atop the hydraulic head, making sure that the rotation arrow
points clockwise.
(11) Place the governor weight retainer (119) over the drive of the distributor rotor. Make sure that the
assembly marks on the weight retainer and the rotor align with each other. Install retaining ring (118).
CAUTION
Use care when inverting the hydraulic head, as the rotor is not retained and could
easily fall out. Failure to observe this caution could result in equipment damage.
(12) Invert the hydraulic head in the holding fixture so that the governor weight retainer engages the bar.
(13) Lift the hydraulic head slightly so that its inside face aligns with the rotor end and install retainers
(117). Install retaining ring (116).
(14) Insert the transfer pump liner (72) into the hydraulic head so that the large slot is in line with the head
locating screw hole and the letter “C”, which signifies pump rotation, is up. This will correctly position
the liner locating slot to accept the end plate locating pin.
3-57

ARMY TM 9-6115-464-34
AIR FORCE TO 35C2-3-445-2
NAVY NAVFAC P-8-624-34
Figure 3-22. Adjusting Fuel Injection Pump Roller-to-Roller Dimension
(15) Carefully insert the transfer pump blades (71) and springs (70) taking care not to cock them. Rotate
the liner several times to check for freedom of movement. Return the liner to the correct position.
(16) Install transfer pump seal (68).
(17) Slip the head and rotor assembly, drive end up, into the holding fixture. Place the six governor
weights (113) in their sockets with the slots facing the bore of the assembly. Place the thrust sleeve
washer (115) against the thrust sleeve (114) so that the camfered edge faces the sleeve. Insert the
forefinger into the bore of the sleeve and washer, holding them together, and insert them into the
slots of the governor weights by tilting the weights slightly back. The two slots on the thrust sleeve
flange should face up. Sight across the tops of the assembled weights to ascertain correct
positioning. One weight higher than others indicates incorrect assembly of the thrust washer.
(18) Place the governor arm (86) in position with the fork for the governor linkage hook facing the end
plate. Insert pivot shaft (85) with the knife edge facing the end plate and assemble the two seals (83
and 84) and nuts (81 and 82). Tighten the nuts simultaneously to a torque of 20 to 25 inch-pounds.
(19) install a new seal (122) on the hydraulic head. Rotate the cam ring so that the unthreaded hole is in
line with the metering valve bore to insure proper positioning of the cam. Apply a light film of clean
grease around the inside edge of the housing (152).
CAUTION
Do not use force. If the hydraulic head should cock during insertion, withdraw and start
over. Failure to observe this caution could result in equipment damage.
(20) Grasp the hydraulic head firmly in both hands and insert it into the housing with a slight rotary
motion.
3-58

ARMY TM 9-6115 464 34
AIR FORCE TO 35C2-3-445-2
NAVY NAVFAC P-8-624-34
NOTE
Make sure that the assembly is wrung into position past the hydraulic head seal (122). Failure to do this
may result in leakage.
(21) Rotate the hydraulic head until the head locking screw holes are aligned. Install head locking screws (136 and
137) finger tight.
(22) Invert the pump and holding fixture in the vise so that the bottom faces up.
(23) Install seals (107) and head locating screw (106).
(24) Install seals on piston plugs (96 and 108).
(25) Install piston ring seal (110) and piston ring (109).
(26) Install cam advance screw (105) using tool number 15500 and 15499 and torque to 400 inch- pounds. Install seal
(104) and plug (103).
(27) Using the piston ring installing tool (part number 16199), slide power piston plug (108) over piston (111).
(28) Install spring (99), shim (100), piston (101), and slide washer (102) into plug (96). Install seal (98) onto plug (96).
(29) Install plugs (96 and 108) with their assembled parts into the housing and torque to 215 to 265 inch-pounds.
NOTE
Make sure that the power piston plug is on the right side of the pump as viewed from the transfer pump
end.
(30) Torque plug (103) to 75-100 inch-pounds
(31) Torque head locating screw (106) to 300 inch-pounds
(32) Torque head locking screws (136 and 137) to 180-220 inch-pounds
(33) Invert the pump and holding fixture in the vise
CAUTION
Never sand or polish off the special treatment on the valve. Failure to observe this caution could result in
equipment damage.
(34) Install the metering valve (93) and shims (95) into its bore. Depress and rotate the valve several times to insure
freedom of movement. If valve sticks, lap it carefully in dean oil.
(35) Metering Valve Setup:
(a) Install No.shim and No.16575 spacer on metering valve.
(b) Thread control rod guide No. 20223 into pump (finger tight).
(c) Check clearance between valve and control rod guide. Add shim No. 16576 through 16583 (as required) to
control clearance between 0.002 in. and 0.005 in. maximum.
(36) Pull back on the governor linkage hook (50) stretching the spring just enough to Connect the hook correctly to the
fork on the governor arm (86). Position the other end over the pin on the metering valve arm (91). Check all
governor parts again for freedom of movement
(37) With the end plate (66) removed, install the speed droop control rod though threaded hole from inside of pump
housing.
Change 1 3-59
ARMY TM 9-6115-464-34
AIR FORCE TO 35C2-3-4452
NAVY NAVFAC P-8-624-34
(38)
(39)
(40)
(41)
(42)
(43)
(44)
(45)
(46)
(47)
(48)
(49)
(50)
(51)
Slide speed droop guide (75) with seal (77), assembled over end of rod (79) and thread into the
housing. Tighten securely.
Insert control spring pin (78) into hole at end of rod (79).
Assemble seal (74) to groove at end of guide (75) and install speed droop cap assembly (73) over
seal.
Install end plate (66), making sure that guide pin (69) enters the slot in the transfer pump liner (72). -
Install flat washers (65), Iockwashers (64), and screws (63) and torque to 25 to 30 inch-pounds.
Thread five full turns of spring (80) onto speed droop control rod (79). Slide the free end of the spring
over the formed ends of the governor arm (86) with the bent-in ends of the spring between the two
tabs.
NOTE
The apparent looseness in the governor parts is normal. Lost motion is immediately
taken up as soon as the pump actuates.
Assemble the throttle shaft assembly (26) with lever (35) installed partially into position through the
housing. Slide the spacer bushing (44) and the throttle shaft lever (45) over the throttle shaft so that
the projection on the throttle shaft lever bore engages the keyway on the shaft. Position the throttle
lever so that its forward tab straddles the linkage hook tab. Apply a light coat of grease to the throttle
and shut off seals (41 and 42). Assemble the shutoff shaft assembly (24) from the opposite side of
the housing with a slight rotary motion. Locate and secure shutoff cam (25).
Rotate the shaft until a click is heard. This is the governor arm (86) engaging the governor thrust
sleeve.
With the throttle shaft in the wide open position, check the clearance between the rear of the throttle
shaft (B) and the vertical tab (A) on the linkage hook. This clearance should be 0.210 to 0.225 inch.
(See figure 3-23.)
NOTE
Adjustment of this clearance is made by changing the effective length of the linkage
hook.
With adjusting screw (C) tight, apply pressure to tab (A). At the same time, rotate one or two
complete revolutions to assure that the linkage is in the full forward position. Loosen adjusting screw
(C) and slide the linkage to the full forward position. Insert linkage gauge No. 18914 between the
vertical tab (A) and the shutoff shaft (B). Slide the linkage hook until the face of the tab is flush
against the gauge. Tighten adjusting screw (C) and remove gauge. Check the adjustment and reset
if necessary.
Check all governor parts for freedom of movement.
Assemble frame assembly (16, figure 3-21), spring sleeve (14), spring (13) and arm assembly (15).
Adjust armature as illustrated in figure 3-24.
Install new insulating tubes (11 and 12, figure 3-21) and secure frame to cover (4) with insulating
washers (10), contact washers (9), and lock-nuts (8).
Install new gasket (6) to cover (4) and secure cover to pump with flat washers (3), lock-washers (2)
and screws (1).
3-60

-
ARMY TM 9-6115-34
AIR FORCE TO 35C2-3-445-2
NAVY NAVFAC P-8-624-34
Figure 3-23. Throttle Linkage Adjustment
f. Fuel Inject Pump Bench Test.
(1) General. The bench test procedure is based on the following renditions:
(a) Injection lines are 3/32 inch ID by 30 inches long.
(b) Fuel readings are based on fuel with a viscosity of 34-36 SSU at 100°F.
(c) Fuel temperature at 110° to 115°F.
(d) Nozzles, part number 12SD12, adjusted to opening pressure of 2500 psi (170 ATS).
(2) Test procedure.
(a)
(b)
Mount pump securely in diesel injector test stand using a suitable adapter. The drive adapter,
usually with a ball bearing, supports the shaft. This pump must be tested with an intermediate
support bearing. Install high pressure injection lines using new gaskets. Leave fuel line connector
screws at pump and injection line nuts at the nozzles loose. Install fuel inlet and return lines. Install
transfer pump pressure gauge with a shutoff valve as close to the transfer pump as possible.
NOTE
Transfer pump pressure gauge must be isolated by shutoff valve at the fuel injection
pump when checking fuel delivery and advance movement.
Set counter and tachometer switches to clockwise position.
-
3-61

ARMY TM 9-6115-464-34
AIR FORCE TO 35C2-3-445-2
NAVY NAVFAC P-8-624-34
NOTE
Pump runs at half the engine speed.
(c) Start the test stand at lowest speed and check for clockwise rotation. Move throttle to full-load
position. When transfer pump picks up suction, allow fuel to bleed for several seconds from
loosened connector screws and injection line nuts, then tighten securely.
WARNING
Compressed air used for cleaning and drying purposes can create airborne particles
that may enter the eyes. Pressure shall not exceed 30 psig and use only with adequate
chip guards and chipping goggles. Failure to observe this warning could result in
servere personal injury.
(d) Operate pump at 500 rpm for 10 minutes. Dry off completely with compressed air.
Observe for leaks and correct as necessary. Back out high idle stop screw.
NOTE
The inlet to the fuel transfer pump should never be pressurized during bench testing.
(e) Close valve in supply Iinetransfer pump must pull at least 18 inches of mercury at 200 rpm. If it
does not, check for air leaks on suction side or malfunction of end plate and transfer pump parts.
(f) Fill graduates to bleed air from test stand and to wet glass.
3-62

ARMY TM 9-6115-464-34
AIR FORCE TO 35C2-3-445-2
NAVY NAVFAC P-8-624-34
Table 3-1. FUEL DELlVERY
PUMP RPM
DELlVERY
PRESSURE
MAX VAR BETWEEN
(mm3/stroke)
PSIG
CYLINDERS
900 58-59 70-75
3
750
55-58
4
927 (high idle) 15-20
(g) Observe return oil. Return should be at rate of 100-450 cc/minute at 35 psi transfer pump
pressure.
CAUTION
Under no circumstances should 130 psi be exceeded, as the pump will be damaged.
Failure to observe this caution could result in equipment damage.
(h) Operate pump at 900 rpm, with wide open throttle and observe transfer pump pressure. Pressure
should be 70 to 75 psig. If it is not, use a hex key wrench and adjust pressure regulating spring by
1/4 turns, clockwise to raise pressure – counterclockwise to lower pressure.
(i) Perform automatic advance check as follows:
NOTE
Each mark on the timing window is 2 pump degrees.
1.
Check at 250 to 400 rpm for one degree cam movement.
2.
Drain burettes for 30 seconds minimum.
3. Check at 450 to 550 rpm for 3-1/2 degree cam movement.
(j) Perform speed droop adjustment as follows: (See table 3-1.)
1.
At 900 rpm and wide open throttle, adjust high idle screw temporarily for 15-20 mm3 delivery per
stroke.
2. Raise pump speed to 927 rpm and turn the droop adjustment cap assembly clockwise as viewed
from the transfer pump end of injection pump to obtain a delivery of 15-20 mm3 per stroke.
3.
Lower pump speed to 900 rpm and check full load delivery rate. If 58-59 mm3 delivery rate is
not realized, repeat steps 1. and 2. above until 58-59 mm3 is obtained.
4. When step 3. requirements are met, lock the high idle adjusting screw.
5. If fuel pump is to be used for 400 HZ application, reset high idle speed screw to 1,125 rpm.
(k) Check delivery at 750 rpm. If delivery is not 55-58 mm3 per stroke, repeat step (j) above until it is.
(1) Raise pump speed to 950 rpm and check for a delivery rate of 5 mm3 maximum.
(m) Lower pump speed to 900 rpm and reenergize the solenoid. Check for 5 mm3 maximum delivery
rate.
(n) At the same speed, energize the solenoid and check the manual shutoff for the same delivery rate
of 5 mm3 maximum.
3-64
ARMY TM 9-6115-464-34
AIR FORCE TO 35C2-3-445-2
NAVY NAVFAC P-8-624-34
(o) At a pump speed of 200 rpm, repeat steps (n) and (o). Delivery shall be 2 mm3 maximum.
(p) Check minimum cranking speed delivery as follows:
1. Check transfer pump for 8 psig minimum and close the shutoff valve to gauge.
2. Check for 35 mm3 per stroke, minimum, at 75 rpm.
(q) Remove pump from test stand.
g. Installation.
(1) Remove fuel injector nozzle from No. 1 cylinder.
(2) Turn the engine over until the 20 degree before top dead center (BTDC) mark on the flywheel is lined
up with the timing mark on the flywheel housing, and No. 1 cylinder is on compression stroke.
(3) Remove the timing hole cover on the injection pump and rotate the pump shaft until the timing marks
line up.
NOTE
The pump shaft should never be turned backwards to align internal timing marks.
(4) Install pump on engine and install attaching hardware.
(5) Recheck flywheel timing marks then rotate the fuel pump body until the pump timing marks are
exactly in line. Tighten pump attaching nuts to 35 to 40 ft-lb.
NOTE
After fuel injection pump is installed, rotate engine 180 degrees backwards. Then
rotate engine in correct rotation until 20° BTD timing marks on the flywheel appears in
flywheel timing hole and recheck pump timing marks.
(6) Install pump timing hole cover.
(7) Install fuel Injection lines.
NOTE
New injection pumps received from supply have a high idle adjustment of 1,860 rpm for
60 HZ applications. Installation on 400 HZ generator sets requires resetting the high
idle adjustment screw (29, figure 3-21 ) to 2,250 rpm Adjustment is accomplished using
an engine speed tachometer, with actuator linkage (6, figure 3-20) disconnected, the
shutoff lever (21, figure 3-21 ) in the on-fuel condition, then manually operating the
throttle lever (35, figure 3-21 ) against high idle stop.
NOTE
When replacing the fuel lines, always use new gaskets.
(8) Connect throttle linkage and stop control.
(9) Connect fuel supply and return lines.
(10) Replace No. 1 fuel injection nozzle in No. 1 cylinder.
(11) Bleed the air from the fuel system.
3-65

ARMY TM 9-6115-464-34
AIR FORCE TO 35C2-3-445-2
NAVY NAVFAC P-8-624-34
3-23. FUEL INJECTION NOZZLE HOLDERS AND LINES.
a. Removal. Refer to the Operator and Unit Maintenance Manual for fuel injection nozzle holders and lines
removal instructions.
b. Disassembly.
(1) Unscrew spray cap (1, figure 3-25) and remove pintle holder (2) and pintle (3).
(2) Remove cap (4) and washer (5).
(3) Remove lock nut (6), adjusting screw (7), and washer (8) to remove spring (9) and spindle (10) from
body (11).
c. Cleaning and Inspection.
WARNING
Solvent, MIL-C-38736 is flammable and highly toxic to skin, eyes and respiratory tract.
Eye and skin protection required. Good general ventilation is normally adequate.
Failure to observe this warning could result in servere personal injury.
(1) Soak nozzle holder parts in solvent, Methy Ethyl Ketone (MEK), and dry with a clean, lint-free cloth.
(2) Soak nozzle holder parts in a container of clean fuel and dry with a clean, lint-free cloth.
(3) Inspect pintle, pintle holder and spray cap for cracks, corrosion, erosion from fuel flow and other
damage.
(4) Check body, spindle, and cap for cracks, corrosion, breaks, and other damage.
(5) Check spring for fretting, cracks, breaks, corrosion, and distortion.
(6) Check all threaded parts for cross, stripped, or otherwise damaged threads.
d. Repair. Repair nozzle holder by replacing defective parts.
e. Assembly.
(1) Install spindle (10, figure 3-25) and spring (9) into body (11).
(2) Install washer (8), adjusting screw (7) and locknut (6).
(3) Insert pintle (3) into pintle holder (2).
(4) Position pintle holder in body and secure with spray cap (1).
(5) Do not install washer (5) and cap (4) until after adjustment.
f. Testing and Adjustment.
(1) Install repaired nozzle holder on a standard static fuel nozzle testing fixture.
(2) Tighten adjusting screw all the way down.
(3) Apply fuel at 2500-2950 psig and slowly loosen adjusting screw until nozzle begins to open.
(4) Tighten locknut while holding adjusting screw with screwdriver.
(5) Lower fuel pressure. Nozzle holder assembly shall close.
(6) Slowly increase fuel pressure. Nozzle holder shall open at 2500-2950 psig.
3-66

ARMY TM 9-6115-464-34
AIR FORCE TO 35C2-3-445-2
NAVY NAVFAC P-8-624-34
Figure 3-25. Fuel Injection Nozzle Holder, Exploded View
(7) Observe fuel spray. Fuel spray shall be even and smooth. Spray cone shall be same thickness at a
distance of 5 inches. There shall be no signs of leakage.
(8) Remove fuel pressure and remove nozzle holder from testing fixture.
(9) Install washer (5, figure 3-25) and cap (4).
g. Installation. Refer to the Operator and Unit Maintenance Manual for fuel injection nozzle holder and lines
installation procedures.
3-24. FUEL LINES.
Refer to the Operator and Unit Maintenance Manual for fuel lines maintenance instructions.
3-25. START AID ASSEMBLY.
Refer to the Operator and Unit Maintenance Manual for start aid assembly maintenance instructions.
3-67

ARMY TM 9-6115-464-34
AIR FORCE TO 35C2-3-445-2
NAVY NAVFAC P-8-624-34
Section Ill. MAINTENANCE OF ENGINE COOLING SYSTEM
3-26. GENERAL.
The engine cooling system is a circulating pressure type system. It consists of a radiator, a belt driven
cooling fan and centrifugal water pump, a coolant control thermostat, a thermostatically controlled shutter
assembly, and a protective grille. The water pump receives coolant from the lower radiator hose and circulates
it through the engine cylinder block and cylinder head. As it circulates through the engine, the coolant absorbs
heat generated by engine operation. When the engine reaches normal operating temperature, the coolant
control thermostat opens and the coolant returns to the radiator through the upper radiator hose. As the heated
coolant circulates through the radiator, the cooling fan blows air through the radiator air passages which
dissipates the heat. The shutter assembly blocks the flow of cooling air until the coolant in the radiator reaches
normal engine operating temperature.
3-27. GRILLE.
Refer to the Operator and Unit Maintenance Manual for grille maintenance instructions.
3-28. SHUTTER CONTROL ASSEMBLY.
a. Removal. Refer to the Operator and Unit Maintenance Manual for shutter control assembly removal
instructions.
b. Disassembly.
(1) Remove screws (1, figure 3-26) and Iockwashers (2) to remove housing (3), gasket (4), thermostat
(5), nut (6) and piston (7). Discard gasket.
(2) Remove and discard packing (8).
(3) Remove retaining rings (9) and loosen setscrews (10) to remove shaft assembly (11). Do not
disassemble setscrews (12), cam (13) and shaft (14) unless inspection reveals damage.
(4) Remove bushings (15).
(5) Remove retaining rings (16) to remove shaft (17), lever (18) and bushings (19).
(6) Remove retaining ring (20) to remove actuator pin (21) with assembled parts.
(7) Remove retainer (22), spring (23) and washers (24, 25, and 26) from actuator pin.
(8) Remove nut (27), spring (28), screw (29), and flat washer (30) to remove manual control arm (31)
from flange (32).
c. Cleaning,. lnspect, and Repair.
WARNING
Solvent, Dry Cleaning P-D-680, Type II is flammable and moderately toxic to skin,
eyes and respiratory tract. Eye and skin protection required. Good general ventilation
is normally adequate. Failure to observe this warning could result in severe personal
injury.
(1) Clean all parts with dry cleaning solvent (Federal Specification P-D-680) and dry thoroughly.
(2) Visually inspect housing and flange for cracks, breaks, corrosion, and other damage.
(3) Inspect shafts and pin for scores, deep water patterns and other damage.
(4) Inspect manual control arm for cracks, corrosion and excessive wear.
(5) Check springs for cracks, corrosion, breaks, chaffing and distortion.
(6) Inspect lever for cracks, corrosion, and excessive wear.
3-68

ARMY TM 9-6115-464-34
AIR FORCE TO 35C2-3-445-2
NAVY NAVFAC P-8-624-34
(7) Inspect bushings for scores and excessive wear.
(8) Refer to the Operator and Unit Maintenance Manual and test thermostat.
(9) Replace any damaged or defective parts.
d. Assembly.
(1) Position flange (32, figure 3-26) to install manual control are (31), flat washer (30), screw (29),
spring (28) and nut (27).
(2) Install washers (26, 25, and 24) onto actuator pin, spring (23), and retainer (22).
(3) Install actuator pin (21), with assembled parts, and retaining ring (20).
(4) Install bushings (19), lever (18), shaft (17), and retaining rings (16)
(5) Install bushings (15).
(6) If removed, install shaft (14), cam (13), setscrews (12). Position shaft assembly (11) and tighten
setscrews (10), and install retaining rings (9).
(7) Install new packing (8)
(8) Install piston (7), nut (6), thermostat (5), new gasket (4), onto housing (3), with Iockwashers (2) and
screws (1).
e. Installation. Refer to the Operator and Unit Maintenance Manual for shutter control installation
procedures.
3-29. RADIATOR.
a. Removal. Refer to the Operator and Unit Maintenance Manual for radiator removal procedures.
b. Cleaning, lnspection, and Repair.
WARNING
Always wear protective glasses when using compressed air to clean radiator air
passages. Injury to the eyes may result from failure to observe this warning. Failure to
observe this warning could result in servere personal injury.
(1) Clean foreign particles from radiator core air passages with filtered compressed air.
(2) Clean exterior surface of radiator with dry cleaning solvent (Federal Specification P-D-680).
(3) Visually inspect radiator for excessive corrosion, cracked or broken brazing, and bent cooling fan.
(4) Check interior of radiator for rust and scale deposits.
(5) Test radiator for leaks as follows:
(a) Provide an air line fitting at one of the radiator openings. Seal all other openings.
(b) Attach an air line to the fitting and submerge the radiator in a container of water.
(c) Pressurize the radiator to 10 to 15 psig and check for air bubbles which will indicate leakage.
(6) Repair radiator as follows:
(a) Straighten bent cooling fins.
(b) Remove light corrosion with number 00 grit abrasive paper.
(c) Repair leaks and cracked or broken brazing by brazing or soldering.
3-70

ARMY TM 9-6115-464-34
AIR FORCE TO 35C2-3-445-2
NAVY NAVFAC P-8-624-34
(7) Replace radiator if damaged beyond repair.
3-30. SHUTTER ASSEMBLY.
a. Removal. Refer to the Operator and Unit Maintenance Manual for shutter removal instructions.
b. Disassembly.
(1) Remove spring (1, figure 3-27).
(2) Remove cotter pin (2) to remove retainer (3) and spring (4).
(3) Remove retainer (5) to remove control Iever( 6).
(4) Remove any damaged or deteriorated seals (7) from vanes of shutter (8).
Figure 3-27. Shutter Assembly, Exploded View
3-71

ARMY TM 9-6115-464-34
AIR FORCE TO 35C2-3-445-2
NAVY NAVFAC P-8-624-34
c. Cleaning, Inspection, and Repair.
(1)
(2)
(3)
(4)
(5)
(6)
(7)
(8)
WARNING
Solvent, Dry Cleaning P-D-680, Type II is flammable and moderately toxic to skin,
eyes and respiratory tract. Eye and skin protection required. Good general ventilation
is normally adequate. Failure to observe this warning could cause servere personal
injury.
Clean all parts in dry cleaning solvent (Federal Specification P-D-680) and dry thoroughly.
Visually inspect springs for cracks, breaks, and distortion.
Inspect control lever for cracks, bends, and excessive wear.
Inspect seals for damage and deterioration.
Inspect shutter for bent or damaged vanes and support brackets, defective paint and other dam-
age.
Straighten bent control rod.
Remove defective paint, treat, and repaint.
Replace any parts damaged beyond repair.
d. Assmbly.
(1) Position Shutter (8, figure 3-27) to install new seal (7).
(2) Install control lever (6) and retainer(5).
(3) Install spring (4), retainer (3) and cotter pin (2).
(4 Install spring (1).
e. Installation Refer to the Operator and Unit Manual for shutter assembly installation procedures.
3-31. COOLING FAN.
Refer to the Operator and Unit Maintenance Manual for cooling fan maintenance procedures.
3-32. WATER PUMP.
a. Refer to the Operator and Unit Maintenance Manual for cooling fan maintenance procedures.
b. Disassembly.
(1)
(2)
(3)
(4)
(5)
(6)
Using a suitable puller, remove pulley hub (1, figure 3-28).
Remove retaining ring (2).
Remove screws (3 and 4), Iockwasher (5) and bracket (6) to remove cover plate (7) and gasket (8).
Support front end of pump in bed of arbor press and press shaft bearing and flinger assembly (9)
from impeller (1 0), seal assembly (11), and pump body (1 2).
NOTE
Shaft, bearing and flinger assembly (9) is a unit. Do not attempt to disassemble.
Press seal assembly (11) from pump body. Discard seal.
Disconnect water inlet housing (15) by removing screw (13) and Iockwasher (14). Discard gasket
(16).
3-72

ARMY TM 9-6115-464-34
AIR FORCE TO 35C2-3-445-2
NAVY NAVFAC P-8-624-34
Figure 3-28. Water Pump Assembly, Exploded View
(1)
(2)
(3)
(4)
(5)
(6)
(7)
(8)
WARNING
Solvent, Dry Cleaning P-D-880, Type II is flammable and moderately toxic to skin,
eyes and respiratory tract. Eye and skin protection required. Good general ventilation
is normally adequate. Failure to observe this warning could cause servere personal
injury.
Clean all parts in dry cleaning solvent (Federal Specification P-D-680) and dry thoroughly.
Visually inspect cooling fan pulley for cracks, corrosion, and excessive wear.
Check pulley hub for cracks, corrosion, and other damage.
Inspect cover plate for cracks, corrosion, and rub marks on inner face.
Inspect pump body for cracks, breaks, and excessive wear.
Inspect shaft and bearing assembly for deep wear patterns, scores, pitting and other damage. Rotate
bearing on shaft. If bearing is binding or feels rough, the shaft and bearing assembly must be
replaced.
Check impeller for erosion, cracking, and other damage.
Replace any damaged or defective parts.
3-73
c. Cleaning, Inspection and Repair

ARMY TM 9-6115-464-34
AIR FORCE TO 35C2-3-445-2
NAVY NAVFAC P-8-624-34
d. Asssembly.
CAUTION
When installing seal, press on outer flange to avoid damaging the seal. Failure to
observe this caution could result in equipment damage.
(1) Press replacement seal (11) into pump body (12).
CAUTION
When installing shaft and bearing assembly, press on outer bearing face and not on
end of shaft. Failure to observe this caution could result in equipment damage.
(2) Press shaft, bearing and flinger assembly (9) into pump body and install retaining ring (2).
(3) Support pump on outer end of shaft and press impeller (10) onto shaft, bearing and flinger assembly
to obtain 0.010 inch clearance between impeller and cover plate (figure 3-29).
(4) Install gasket (8) and cover plate (7) and secure with screws (3). Install bracket (6) with screw (4)
and washer (5).
(5) Press pulley hub (1) onto shaft (9) until shaft is flush with front of pulley.
(6) Install water inlet housing (15) and new gasket (16) with screws (13) and Iockwasher (14).
e. Installation. Refer to the Operator and Unit Maintenance Manual for water pump installation procedures.
Figure 3-29. Checking Impeller to Cover Plate Clearance
3-74

ARMY TM 9-6115-464-34
AIR FORCE TO 35C2-3-445-2
NAVY NAVFAC P-8-624-34
3-33. COOLANT THERMOSTAT AND HOUSING.
Refer to the Operator and Unit Maintenance Manual for coolant thermostat and housing maintenance
procedures.
Section IV. MAINTENANCE OF ENGINE LUBRICATION SYSTEM
3-34. GENERAL.
The engine oil pan serves as a reservoir for lubricating oil. It is equipped with a bayonet type gauge for
checking the oil level in the pan. Oil is drawn into a gear type, positive displacement pump through a screen
which prevents the entry of coarse abrasives. The oil pump forces the oil through a full flow type oil filter, which
removes minute abrasives. From the oil filter the oil flows into the header, a drilled passage in the cylinder
block, from which it is distributed to the internal engine components. A pressure transmitter measures oil
pressure in the header and transmits it electrically to the oil pressure gauge. Header oil pressure is also
measured by a low oil pressure switch which shuts down the engine if oil pressure falls to a dangerously low
level.
3-35. LUBRICATION OIL FILTER.
Refer to the Operator and Unit Maintenance Manual for lubrication oil filter maintenance procedures.
3-36. OIL LEVEL GAUGE.
Refer to the Operator and Unit Maintenance Manual for oil level gauge maintenance procedures.
3-37. OIL PAN ASSEMBLY.
a. Removal.
(1) If generator set has winterization kits installed, refer to Operator and Unit Maintenance Manual and
remove kits.
(2) Remove oil level gauge (1, figure 3-30).
(3) Remove elbow (7) from oil pan.
(4) Remove screws (2) and Iockwashers (3) to lower oil pan (4) and remove gaskets (5), and seals (6).
Discard seals and gaskets. Refer to paragraph 3-38 and remove oil pump assembly. Remove oil
pan.
b. Cleaning. Inspection, and Repair.
WARNING
Solvent, Dry Cleaning P–D-880, Type II is flammable and moderately toxic to skin,
eyes and respiratory tract. Eye and skin protection required. Good general ventilation
is normally adequate. Failure to observe this warning could cause servere personal
injury.
(1) Scrape gasket remains from oil pan and cylinder block mating surfaces.
WARNING
Compressed air used for cleaning and drying purposes can create airborne particles
that may enter the eyes. Pressure shall not exceed 30 psig and use only with adequate
chip guards and chipping goggles. Failure to observe this warning could cause
servere personal injury.
(2) Clean all parts with dry cleaning solvent (Federal Specification P-D-680) and a stiff bristle brush.
Dry thoroughly with filtered, compressed air.
3-75

ARMY TM 9-6115-464-34
AIR FORCE TO 35C2-3-445-2
NAVY NAVFAC P-8-624-34
(3)
(4)
(5)
(6)
(7)
(8)
(9)
Scrape gasket remains from oil pan and cylinder block mating surfaces.
Inspect and replace oil level gauge in accordance with instructions provided in the Operator and Unit
Maintenance Manual.
Inspect oil pan for cracks, dents, broken welds and leaks.
Check all threads for crossing, stripping and peening.
Repair cracks and broken welds in oil pan by welding.
Repair minor thread damage with a thread chaser.
Replace any parts damaged beyond repair.
c. Installation. Using new gaskets and seals, apply sealant (such as MILSpecA46102A) to dry gasket.
(1) Refer to paragraph 3-38 and install oil pump assembly. Install new seals (6, figure 3-30) new
gaskets (5), oil pan (4), Iockwashers (3) and screws (2).
(2) Install elbow (7) onto oil pan.
(3) Install oil level gauge (1).
(4) If winterization kits were removed, refer to Operator and Unit Maintenance Manual for installation
procedures.
Figure 3-30. Oil Pan Assembly
3-76

ARMY TM 9-6115-464-34
AIR FORCE TO 35C2-3-445-2
NAVY NAVFAC P-8-624-34
3-38. OIL PUMP ASSEMBLY.
a. Removal.
(1) Lower oil pan assembly (paragraph 3-37).
(2) Remove screws (1, figure 3-31) and Iockwashers (2) to remove oil pump.
b. Disassembly.
(1) Remove oil pickup screen (3).
(2) Remove pressure relief valve (4), Iockwasher (55) and seal (6). Discard seal.
CAUTION
Spring is under tension. Use care when removing roll pin. Failure to observe this
caution could cause damage to the equipment.
(3) Remove roll pin (7) and withdraw retainer (8), spring (9) and plunger (10) from valve body (11).
(4) Using a suitable puller, remove gear (12).
(5) Remove screws (13 and 15) and Iockwashers (14 and 16) to remove cover plate (17).
(6) Remove driven gear (18).
(7) Withdraw drive gear (19) and drive shaft (20) as a unit. Press gear from shaft.
(8) Press shaft (21) from pump body (22).
c. Cleaning, Inspection, and Repair.
(1) Clean all parts in dry cleaning solvent (Federal Specification P-D-680) and dry thoroughly.
(2) Inspect spring (9, figure3-31) for cracks, breaks and distortion.
(3) Inspect plunger (10) and bore of valve body (11) for scores, scratches, and deep wear patterns.
Check that plunger moves freely in valve body.
(4) Check gear (12) for chipped or broken teeth, excessive wear, or other damage.
(5) Inspect cover plate for cracks and warpage. Check inner face for deep wear marks or scores from
contact with gears.
(6) Inspect gears (18 and 19) for chipped or broken teeth, excessive wear or other damage.
(7) Inspect shafts (20 and 21) for cracks, scores and deep wear patterns. Check that shaft (20) rotates
freely in pump body. Check that gear (18) rotates freely on shaft (21).
(8) Inspect pump body (22) for cracks, breaks and other damage.
(9) Check all threads for crossing, stripping or peening.
(10) Inspect screen (3) for rips, tears, breaks and clogging.
(11) Repair minor thread damage with a thread chaser.
(12) Remove minor nicks and burrs with crocus cloth and oil. Clean the part in dry cleaning solvent and
dry thoroughly with filtered compressed air.
(13) Replace any parts worn or damaged beyond repair.
3-77

ARMY TM 9-6115-464-34
AIR FORCE TO 35C2-3-445-2
NAVY NAVFAC P-8-624-34
d. Assembly.
(1) Press drive gear (19, figure 3-31) onto shaft (20).
(2) Insert shaft into pump body (22) and press gear (12) onto shaft until a dimension of 4.84375 ± 0.010
inches is obtained between the mounting flange and the top of the drive flange (figure 3-32). For
type 1 dimensions use 4.220 +/– .010M
(3) Press shaft (21, figure 3-31) into pump body and install driven gear (18).
(4) Install cover plate (17) and secure with Iockwashers (16 and 14) and screws (15 and 13).
(5) Insert plunger (10) into valve body (11). Install spring (9) and retainer(8) and secure with roll pin (7).
(6) Install new seal (6), Iockwasher (5) and pressure relief valve (4).
(7) Check that drive shaft rotates freely. If shaft binds, disassemble pump and ascertain cause before
installing.
(8) Install pickup screen (3) and tighten.
NOTE
Pickup screen must be in the horizontal position when the pump is installed in the
engine.
e. Installation.
(1) Install oil pump, making sure that drive gear mates correctly with speed switch drive assembly.
(2) Install oil pan (paragraph 3-37).
3-79

ARMY TM 9-6115-464-34
AIR FORCE TO 35C2-3-445-2
NAVY NAVFAC P-8-624-34
Section V. MAINTENANCE OF HYDRAULIC SYSTEM
(ELECTRO-HYDRAULIC GOVERNOR EQUIPPED PRECISE SETS ONLY)
3-39. GENERAL.
The hydraulic system provides a means of precise frequency control on all MEP-103A and some
MEP-113A precise generator sets. The system consists of a sump, a replaceable element type filter, a gear
type positive displacement pump and a hydraulic actuator unit. The hydraulic pump draws oil from the sump
and forces it through the filter. From the filter, the oil flows to the hydraulic actuator unit. An electrically
controlled set of valves alters the path of the oil which determines the positioning of the governor control
linkage. The position of the governor control linkage determines the fuel pump governor setting, which sets
engine speed. Changes in engine speed causes a corresponding increase or decrease in generator output
frequency.
3-40. HYDRAULIC SUMP.
a. Removal.
(1) Refer to the Operator and Unit Maintenance Manual and drain the hydraulic sump.
(2) Disconnect hydraulic lines (1, figure 3-33).
(3) Remove nuts (2), Iockwashers (3) and screws (4) to remove hydraulic sump (5).
(4) Remove cap and dipstick assembly (6) and elbows (7) from sump.
Cleaning, Inspection, and Repair
WARNING
Solvent, Dry Cleaning P–D-680, Type II is flammable and moderately toxic to skin,
eyes and respiratory tract. Eye and skin protection required. Good general ventilation
is normally adequate. Failure to observe this warning could cause servere personal
injury.
WARNING
Compressed air used for cleaning and drying purposes can create airborne particles
that may enter the eyes. Pressure shall not exceed 30 psig and use only with adequate
chip guards and chipping goggles. Failure to observe this warning could cause
servere personal injury.
(1) Clean all parts in solvent P-D-680 Type II and dry thoroughly with filtered compressed air.
(2) Flush interior of sump with an approved solvent and dry thoroughly.
(3) Visually inspect hydraulic sump for cracked or broken welds, defective paint, illegible markings, and
dents.
(4) Inspect cap and dipstick assembly for corrosion, bent dipstick, and other damage.
(5) Check all threads for crossing, stripping, and peening.
3-81

ARMY TM 9-6115-464-34
AIR FORCE TO 35C2-3-445-2
NAVY NAVFAC P-8-624-34
(6) Test hydraulic sump for leaks as follows:
(a) Securely install cap and dipstick assembly.
(b) Install a plug in outlet connection.
(c) install a fitting in inlet opening and connect an air line.
(d) Submerge hydraulic sump in a container of water and pressurize at 10 to 15 psig air pressure.
(e) Check for air bubble formations which will indicate leaks.
(f) Remove hydraulic sump from container. Release air pressure. Thoroughly dry exterior prior to
removing cap and dipstick assembly, plug, or fitting to prevent entry of water into hydraulic sump.
CAUTION
Steam clean the interior of the sump for a period of 2 hours to remove residual vapors
prior to welding. Failure to observe this caution could result in equipment damage.
(7) Repair leaks and cracked or broken welds by welding.
(8) Test repairs as outlined in step (6) above.
(9) Remove defective paint, treat, and repaint.
(10) Markings shall be in accordance with using service requirements.
(11) Repair minor thread damage with a thread chaser.
(12) Replace any excessively damaged parts.
c. Installation.
(1) Install elbows (7, figure 3-33).
(2) Install cap and dipstick assembly (6) in hydraulic sump (5) and secure with screws (4), Iockwashers
(3) and nuts (2).
(3) Connect hydraulic lines (1).
3-41. HYDRAULIC PUMP ASSEMBLY.
a. Removal.
(1) Refer to the Operator and Unit Maintenance Manual and drain the hydraulic sump.
(2) Remove hydraulic lines and fittings from hydraulic pump assembly.
(3) Remove Iockwires (1, figure 3-34), screws (2) and flat washers (3) to remove hydraulic pump
assembly and gasket (4). Discard gasket.
b. Disassembly.
(1) Remove cotter pin (5), castellated nut (6), driver gear (7), woodruff key (8) and adapter (9).
(2) Remove locknut (10), pressure setscrew (11), flat washer (12), sealing washer (13), pressure valve
block (14), o-ring (15), valve plug (16), spring (17) and flange eyelet (18).
(3) Remove screws (19) and seal plate (20).
(4) Remove screws (21), dowel pin (22), cover (23), needle bearing (24), o-ring (25) and idler gear
(26).
(5) Remove drive shaft and gear assembly (27), plate and seal assembly (28), check valve (29), needle
bearing (30) from body (31).
3-83

ARMY TM 9-6115-464-34
AIR FORCE TO 35C2-3-445-2
NAVY NAVFAC P-8-624-34
c. Cleaning, Inspection, and Repair.
(1)
(2)
(3)
(4)
(5)
(6)
(7)
(8)
(9)
(10)
WARNING
Solvent, Dry Cleaning P-D-680, Type II is flammable and moderately toxic to skin,
eyes and respiratory tract. Eye and skin protection required. Good general ventilation
is normally adequate. Failure to observe this warning could result in servere personal
injury or death.
Clean all parts in dry cleaning solvent (Federal Specification P-D-680) and dry thoroughly.
Inspect drive gear for cracks and worn, chipped, or broken teeth.
Inspect adapter for deep wear marks, cracks, and galling.
Inspect pressure valve block and valve plug for corrosion, wear and galling.
Check spring for chaffing, cracks, and distortion.
Inspect flange eyelet and valve seat for wear, cracks, and galling.
Inspect drive shaft and gear assembly and idler gear for cracks, deep wear patterns, and other
damage.
Inspect body and cover for cracks, corrosion, deep wear patterns in gear bores.
Replace all bearings, seals, gaskets, and o-rings at each overhaul.
Replace any damaged parts.
d. ASSembly.
(1) Position body (31), and install needle bearing (30), check valve (29), plate and seal assembly (28)
and drive shaft and gear assembly (27).
(2) Install idler gear (26), new O-ring (25), needle bearing (24), cover (23), dowel pin (22) and screws
(21).
(3) Install seal plate (20) and screws (19).
(4) Install flange eyelet (18), spring (17), valve plug (16), new o-ring (15), pressure valve block (14),
sealing washer (13), flat washer (12), pressure setscrew (11 ) and locknut (1 O).
(5) Install adapter (9), woodruff key (8), drive gear (7), castellated nut (6) and cotter pin (5).
e. Testing.
(1) Install hydraulic pump assembly on a suitable test stand and provide a means of rotating at
approximately 600 RPM.
(2) Connect a hydraulic line to pump assembly inlet.
(3) Connect a hydraulic line equipped with a pressure gauge, and a restriction valve to the pump
assembly outlet.
(4) Operate pump at approximately 600 RPM.
(5) Close restriction valve until pressure gauge reads 320 +10 PSI. If 320 ± 10 PSI is not obtainable,
loosen locknut and adjust pressure relief valve screw until 320 ± 10 PSI is reached.
(6) Slowly close the restriction valve while observing the pressure gauge. The pressure should drop. If
not, continue to adjust pressure relief valve screw until pressure does drop.
(7) Loosen locknut and adjust pressure setscrew (11, figure 3-34) until pressure gauge indicates 320
± 10 psig.
3-84
ARMY TM 9-6115-464-34
AIR FORCE TO 35C2-3-445-2
NAVY NAVFAC P-8-624-34
(8) Tighten locknut and remove hydraulic pump assembly from test hookup.
f. Installation.
(1) Install hydraulic pump assembly with gasket (4), flat washers (3), screws (2) and Iockwires (1).
(2) Install hydraulic lines and fittings onto hydraulic pump assembly.
(3) Refer to Operator and Unit Maintenance Manual to fill the hydraulic sump
3-85

ARMY TM 9-6115-464-34
AIR FORCE TO 35C2-3-445-2
NAVY NAVFAC P-8-624-34
3-42. HYDRAULIC SYSTEM FILTER ASSEMBLY.
a. Removal.
(1) Disconnect hydraulic lines (1, figure 3-35), and drain hydraulic fluid into a suitable container.
(2) Remove nuts (2), Iockwashers (3) and screws (4) to remove filter assembly.
(3) Do not remove screws (5), Iockwashers (6), nuts (7) and mounting bracket (8) unless inspection
reveals damage.
b. Disassembly.
(1) Remove Iockwire (9) and unscrew housing (10).
(2) Remove and discard filter element (11), backup ring (12), packing (13) and backup ring (14).
(3) Remove elbows (15), o-rings (16), washers (17) and nuts (18) from head assembly (19). Discard
o-rings.
(4) Do not remove pressure relief valve (20).
c.
Cleaning,
Inspection, and Repair.
(1)
(2)
(3)
(4)
(5)
(6)
Clean all parts in dry cleaning solvent (Federal Specification P-D-680) and dry thoroughly with
filtered compressed air.
Visually inspect mounting bracket for cracks, breaks and corrosion.
Inspect housing for cracks, corrosion, and other damage.
Inspect head assembly for cracks, breaks, and corrosion. Check parts for deposits of foreign
material. Remove any deposits found.
Check all threads for crossing, stripping, and peening. Repair minor thread damage with a thread
chaser.
Replace any damaged or defective parts.
d. Assembly.
NOTE
Soak replacement filter element in oil conforming to Military Specification MIL-H-5606
to remove trapped air before installing.
(1) If removed, install pressure relief valve (20).
(2) Position head assembly (19), to install nuts (18), washers (17), new o-rings (16), and elbows (15).
(3) Install backup ring (14), packing (13), backup ring (12) and new filter element (11).
(4) Install housing (10) and Iock wire (9).
e. Installation.
(1) If removed, install mounting bracket (8, figure 3-35), nuts (7), Iockwashers (6) and screws (5).
(2) Position filter assembly to install screws (4), Iockwashers (3), and nuts (2).
(3) Connect hydraulic lines (1), and fill with hydraulic fluid.
3-87
ARMY TM 9-6115-464-34
AIR FORCE TO 35C2-3-445-2
NAVY NAVFAC P-8-624-34
3-43 HYDRAULIC ACTUATOR UNIT.
a. Removal.
(1) Refer to the Operator and Unit Maintenance Manual and drain the hydraulic tank.
(2) Disconnect electrical connectors (1 and 2, figure 3-36) and hydraulic lines (3 and 4).
(3) Remove nut (5) and bolt (6).
(4) Do not remove nut (7), screw (8), rod ends (9), locknut (10), and threaded rod (11) unless inspection
reveals damage.
(5) Remove bolts (12) and Iockwashers (13) to remove actuator unit (14).
b. Disassemblv.
(1)
(2)
(3)
(4)
(5)
(6)
(7)
(8)
(9)
(10)
(11)
(12)
(13)
(14)
(15)
(16)
(17)
NOTE
Test hydraulic actuator unit in accordance with subparagraph f. below prior to disassembly.
Remove elbow (1, figure 3-37), adapter (2), and o-ring (3).
Remove elbow (4), adapter (5), filter assembly (6), and o-ring (7).
Remove screw (8) and Iockwasher (9).
Loosen setscrew (1 O) and remove link(11 ).
Remove transducer slug (12).
Remove retaining ring (13), washer (14), o-ring (15), collar (16), and quad-ring collar (17). Discard
o-rings.
Remove clevis (18), retaining ring (19), washer (20), o-ring (21), collar (22) and quad-ring collar
(23). Discard o-ring.
Remove piston (24).
Remove setscrew (25), screw (26), and Iockwasher (27) to remove electrical connector (28) and split
spacer (29).
Remove transducer (30).
Do not remove roll pin (31) unless damage is present.
Remove plugs (32) and o-rings (33). Discard o-rings.
Remove screws (34) and Iockwashers (35) to remove electrical connector (36) and gasket (37).
Discard gasket.
Remove screws (38) and Iockwashers (39) to remove cover (40) and gasket (41). Discard gasket.
Remove screws (42) and Iockwashers (43) to remove armature core (44) from valve block (45).
Remove valve needles (46), top orifices (47), o-rings (48), valves (49), spacers (50), bottom orifices
(51) and o-rings (52). Discard o-rings.
Remove screws (53) and Iockwashers (54) to remove adapters (55) with attached parts and pin
springs (56).
3-89

ARMY TM 9-6115-464-34
AIR FORCE TO 35C2-3-445-2
NAVY NAVFAC P-8-624-34
2.
3.
4.
5.
6.
7.
8.
9.
10.
11.
12.
13.
14.
15.
16.
17.
18.
19.
20.
21.
22.
23.
24.
25.
26.
27.
28.
29.
30.
31.
32.
33.
34.
35.
Elbow
Adapter
O-ring
Elbow
Adapter
Filter assembly
O-ring
Screw
Lockwasher
Setscrew
Link
Transducer slug
Retaining ring
Washer
O-ring
Collar
Quad ring collar
Clevis
Retaining ring
Washer
O-ring
Collar
Quad ring collar
Piston
Setscrew
Screw
Lockwasher
Electrical connector
Split spacer
Transducer
Roll pin
Plug
O-ring
Screw
Lockwasher
36.
37.
38.
39.
40.
41.
42.
43.
44.
45.
46.
47.
48.
49.
50.
51.
52.
53.
54.
55.
56.
57.
58.
59.
60.
61.
62.
63.
64.
65.
66.
67.
68.
69.
Electrical connector
Gasket
Screw
Lockwasher
Cover
Gasket
Screws
Lockwasher
Armature mounting (core)
Valve block
Valve needle
Top orifice
O-ring
Valve
Spacer
Bottom orifice
O-ring
Screw
Lockwasher
Adapter
Pin spring
Screw
Lockwasher
Nut
Mounting plate
Screw
Lockwasher
Nut
Armature
Lock nut
Setscrew
Screw
Lockwasher
Coil
Figure 3-37. Hydraulic Actuator Unit, Exploded View (Sheet 2 of 2)
(Electro-Hydraulic Governor Equipped Precise Sets Only)
Figure 3–38. Transducer and Armature Coil Schematic Diagram
1.
3-92

ARMY TM 9-6115-464-34
AIR FORCE TO 35C2-3-445-2
NAVY NAVFAC P-8-624-34
(18) Remove screws (57), lockwashers (58), and nuts (59) to remove mounting plates (60).
(19) Remove screws (61), Iockwashers (62), and nuts (63) to remove armature (64). Remove locknuts
(65) and setscrews (66) from armature.
(20) Remove screws (67) and Iockwashers (68) to remove coils (69).
c. Cleaning, Inspection, and Repair.
(1)
(2)
(3)
(4)
(5)
(6)
(7)
(8)
(9)
(10)
(11)
(12)
(13)
WARNING
Solvent, Dry Cleaning P–D-880, Type II is flammable and moderately toxic to skin,
eyes and respiratory tract. Eye and skin protection required. Good general ventilation
is normally adequate. Failure to observe this warning could cause servere personal
injury or death.
WARNING
Compressed air used for cleaning and drying purposes can create airborne particles
that may enter the eyes. Pressure shall not exceed 30 psig and use only with adequate
chip guards and chipping goggles. Failure to observe this warning could cause
servere personal injury or death.
Clean all non-electrical parts in dry cleaning solvent (Federal Specification P-D-880) and dry
thoroughly with filtered compressed air.
Clean all electrical parts with a clean, lint-free cloth lightly moistened with an approved solvent.
Visually inspect collars, piston, and bore in valve block for nicks, burrs, scores, and other damage.
Insert piston into valve block bore to ascertain that it moves freely.
Inspect transducer slug and bore of transducer for nicks, burrs, scratches, and other damage.
Remove minor nicks and burrs from transducer slug with crocus cloth.
Inspect transducer for burns, discoloration, and other indications of electrical malfunction. Check
continuity of transducer using figure 3-38 as a guide.
Inspect electrical connectors for cracks, bent or broken pins, and other damage.
Inspect armature cores for cracks, corrosion, and burns or other indications of electrical malfunction.
Check continuity of cores using figure 3-38 as a guide.
Inspect cover and valve block for cracks, corrosion, and other damage.
Check all threads for crossing, stripping, and peening. Repair minor thread damage with a thread
chaser.
Inspect top and bottom orifices, spacer for nicks and burrs. Inspect three cornered valve for nicks
and burrs on vertical edges that could cause binding; depth of needle hole should be at least 0.125
inch. Inspect bottom face of valve (opposite needle hole) for grooving. The valve may be polished to
remove grooves. After polishing the bottom face, the overall length of the valve must be at least
0.240 inch, if not, replace the valve.
Inspect needles for burrs and any wear indications. Check for straightness by rolling large diameter
end with finger slowly on a known flat surface; observe small diameter end while rolling, it must not
move up and down which indicates a bent needle. A bent needle, new or used, must be replaced as
the pressures at Al and A2 ports will vary and be difficult to adjust for correct values.
Replace any damaged or defective parts.
3-93
ARMY TM 9-6115-464-34
AIR FORCE TO 36C2-3-445-2
NAVY NAVFAC P-8-624-34
d. Assembly.
(1) Install coils (69, figure 3-37), Iockwashers (68), and screws (67).
(2) Position armature (64), to install setscrews (66), and locknuts (65). Install armature (64), nuts (63),
Iockwashers (62) and screws (61).
(3) Install mounting plates (60), nuts (59), Iockwashers (58), and screws (57).
(4) Install pin springs (56), with attaching parts, position adapters (55), to install Iockwashers (54) and
screws (53).
(5) Install new o-rings (52), bottom orifices (51), spacers (50), valves (49) with the holes in the up
position to accept needles, new o-rings (48), top orifices (47) and valve needles (46).
(6) Position valve blick (45), to install armature core (44), Iockwashers (43) and screws (42).
(7) Install new gasket (41), cover (40), Iockwashers (39) and screws (38).
(8) Install new gasket (37), electrical connector, with Iockwashers (35) and screws (34)
(9) Install new o-rings (33) and plugs (32).
(10) If removed, install roll pin (31).
(11) install transducer (30) to 0.125 inches below outside edge of valve block, and secure with setscrew
(25).
(12) Install split spacer (29), electrical connector (28), lockwasher (27) and screw (26).
(13) Install piston (24).
(14) install quad-ring collar (23), collar (22), new o-ring (21), washer (20), retaining ring (19) and clevis
(18).
(15) Install quad-ring collar (17), collar (16), new o-ring (15), washer (14) and retaining ring (13).
(16) Install transduce slug (12).
(17) Install link (11), and tighten setscrew (10).
(18) Install Iockwasher (9) and screw (8).
(19) Install new o-ring (7), filter assembly (6), adapter (5) and elbow (4).
(20) Install new o-ring (3), adapter (2) and elbow (1)
e. Testing with test stand.
(1) Install hydraulic actuator unit in test stand as follows: (See figure 3-39.)
(a) Connect hydraulic fluid supply from test stand gauge (G3) to actuator inlet port (P).
(b) Connect hydraulic fluid return Iine to actuator port (R).
(c) Connect test stand gauge (G1) to actuator unit test point (A1).
(d) Connect test stand gauge (G2) to actuator test point (A2).
(e) Connect connectors (P3) and (P4) of test stand electrical cable assemblies to actuator unit
connectors (J6 and J4) respectively.
(2) Start the test stand.
(3) Beginning at position 1, rotate switch (S3) to each position and compare the readings with those of
table 3-2.
3-94

(4)
(5)
(6)
(7)
(8)
(9)
ARMY TM 9-6115-464-34
AIR FORCE TO 35C2-3-445-2
NAVY NAVFAC P-8-624-34
Place test stand switch (S2) in the off position to turn off hydraulic fluid pump.
Place the actuator unit piston in the full fuel position and check indication on test stand meter (M1).
Indication should be less than 3 volts.
Place the actuator unit piston in the no fuel position and check indication on test stand meter (M1).
Indication should be approximately 48-55 volts.
Slowly, at an even rate, move the hydraulic actuator unit piston from the no fuel to the full fuel
position while observing test stand meter (M1). The indication on meter should decrease, at an even
rate, from approximately 50 volts to less than 3 volts. The indication should not change directions.
Shut off test stand and remove the hydraulic actuator unit.
If unit failed to meet test requirements, disassemble and ascertain cause. Retest prior to installation.
f. Test without test stand.
(1) Actuator Valve and Piston Test.
(a)
(b)
(c)
(d)
(e)
(f)
(9)
(h)
(i)
See figure 3-40 to perform the valve and piston test.
Connect dc power supply (ps) and switch (S1 ) to J6 as illustrated. Connect voltmeter (Ml ) with
resistor (R1) to pins A and B of J4.
Attach gage G1 and G2 as shown. Connect hydraulic power source (310-320 psi, 2 gpm) and
gage G3 and provide a return line from port R to the hydraulic sump.
To adjust the valves, remove the large round cover and replace it with a similar diameter collar
which will allow access to the adjustment screws and jam nuts. This is necessary to contain the
hydraulic fluid which is ported within this cover.
With hydraulic power but no electric power applied, adjust the valve with Allen set screw to yield
200 psi ± 10 psi at A1 port (gage G1) and 150 psi ± 10 psi at A2 port (gage G2). (See figure 3-40).
CAUTION
Avoid overadjusting to prevent pressures or forces which could bend valve push rods.
Failure to observe this caution could result in equipment damage.
After adjusting, lock Allen adjusting screws with jam nuts, and install cover.
Set S1 to the center position (solenoid coils in series). Apply 350 ± 20 ma through the coils.
Pressures at A1 and A2 ports shall remain the same (step e above).
Set switch S1 to connect power (PS) to coil L2 and apply 700 ma ± 40 ma. Pressure at A1 port
(gage G1) shall be 310 to 400 psi. pressure at A2 port (gage G2) shall be O to 20 psi.
Set switch S1 to connect power (PS) to coil L1 and apply 700 ma ± 40 ma. Pressure at A1 port
(gage G1) shall be 0 to 40 psi and pressure at A2 port (gage G2) shall be 310 to 400 psi.
(2) Throttle Position Transducer Test.
(a)
(b)
With voltmeter (M1), resistor (R1) and 120 ± 1%, 60 Hz) power source connected as shown in figure
3-40, move piston to fully open throttle position.
With the transducer body locked in place by its set screw, loosen the transducer core set screw and
move the core relative to the body until a minimum voltage (0.5 to 2.5 volts) is obtained on the
transducer secondary, as indicated on M1.
3-95

ARMY TM 9-6115-464-34
AIR FORCE TO 35C2-3-445-2
NAVY NAVFAC P-8-624-34
(c)
(d)
(e)
(f)
Move the piston gradually towards the fully closed throttle position. The transducer secondary
voltage, indicated by meter M1 shall increase in a linear manner to a maximum of 48 to 55 volts.
Repeat these adjustments until the transducer secondary voltage increases linearly from the lowest
possible value to a maximum value over the entire 1.0 inch displacement of the piston.
When final adjustment is made lock the transducer core in place with the transducer core set
screw.
Remove the gages, meter, and power supplies.
9. Installation and Final Adjustment.
(1) Position actuator unit (14, figure 3-36) to install Iockwashers (13), and bolts (12).
(2) If removed, install threaded rod (11), locknut (10), rod ends (9), screws (8) and nut (7)
(3) Install bolt (6) and nut (5).
(4) Connect hydraulic lines (4 and 3) and electrical connectors (2 and 1).
(5) Refer to the Operator and Unit Maintenance Manual and fill the hydraulic tank.
NOTE
Leave governor linkage loose to accommodate adjustments.
(6) Place the generator set START-RUN- STOP switch in the RUN position.
CAUTION
Do not attempt to start the generator set. Failure to observe this caution could result in
equipment damage.
(7) Place the generator set BATTLE SHORT switch in the override (ON) position.
(8) Beginning at the full counterclockwise position, rotate the fuel injection pump shutoff lever in the
clockwise direction until a slight resistance is felt. Hold the shutoff lever in this position.
NOTE
This resistance is the fuel injection pump governor linkage hook engaging the metering
valve arm.
(9) Move the hydraulic actuator unit piston to the extended position for 69-600-3, retracted position for
69-600-2 (refer to table 3-2).
(10) Adjust the hydraulic actuator governor linkage until it fits between the actuator unit piston clevis and
the fuel injection pump shutoff lever.
(11) Return the generator set START-RUN-STOP switch to the STOP position and the BATTLE SHORT
switch to the OFF position.
3-97
ARMY TM 9-6115-484-34
AIR FORCE TO 35C2-3-445-2
NAVY NAVFAC P-8-624-34
Section VI MAINTENANCE OF INTAKE AND EXHAUST SYSTEMS AND BREATHER
344. GENERAL.
a. The intake system consists of a dry type air cleaner assembly with a reusable type filter element. The
assembly removes dust and dirt from the engine combustion air. It is equipped with a restriction transducer. The
restriction transducer measures vacuum in the air cleaner housing. When the filter element becomes sufficiently
clogged that the vacuum begins to impair engine performance, the restriction transducer transmits an electrical —
impulse to the air cleaner condition indicator on the engine control panel.
b. The exhaust system consists of a muffler assembly. The system muffles the noise of engine operation
and provides a means of expelling exhaust fumes from the generator set. The exhaust pipe end of the muffler
assembly is fitted with a rain cap which prevents the entry of foreign material when the engine is not operating.
c. The breather system provides an escape for gases which accumulate in the engine crankcase during
engine operation. The gases pass through the breather which traps oil vapors, and is drawn into the engine air
cleaner housing through the breather tube.
3-45. AIR CLEANER ASSEMBLY.
Refer to the Operator and Unit Maintenance Manual for air cleaner assembly maintenance procedures.
3-46. EXHAUST PIPE AND MUFFLER.
Refer to the Operator and Unit Maintenance Manual for exhaust pipe and muffler maintenance procedures.
3-47. BREATHER AND BREATHER TUBE.
Refer to the Operator and Unit Maintenance Manual for breather and breather tube removal procedure.
Section VII. MAINTENANCE OF ENGINE ASSEMBLY
3-48. GENERAL.
a. The engine assembly is a four cylinder, four cycle, fuel injected, compression ignition, liquid cooled diesel
engine. The assembly consists of the cylinder head, rocker arm assembly, timing gears and housing, camshaft,
flywheel and flywheel housing, main bearings and crankshaft, piston and connecting rod assembly, and cylinder
block.
b. The cylinder head is a one piece casting and is detachable. Valve seats are part of the casting, but valve
guides are removable.
c. The rocker arm assembly is mounted on the cylinder head. It functions to open and close the valves.
d. The timing gears determine the sequence of valve opening and fuel injection. The gears are enclosed in a
housing, the cover of which contains the front crankcase oil seal.
e. The cam shaft actuates the rocker arm assembly which operates the valves. It is driven by a gear which
meshes with the crankshaft gear.
f. The flywheel is made of cast iron. It is machined to accommodate the coupling disc of the generator
assembly. The flywheel is attached to the crankshaft by six bolts, one of which is off center. This permits the
flywheel to be installed in only one position for timing purposes. The flywheel housing serves as a cover for the
rear of the cylinder block and oil pan and as a partial enclosure for the flywheel. It provides the mounting for the
starter assembly and also contains the rear crankshaft seal.
g. The crankshaft has five main bearing journals and four connecting rod bearing journals. This arrangement
places each connecting rod journal between two main bearing journals. All bearing journals are surface
hardened and are drilled for oil passages.
3-100

ARMY TM 9-6115-464-34
AIR FORCE TO 35C2-3-445-2
NAVY NAVFAC P-8-624-34
h. The connecting rods are heavy alloy steel forgings with precision type bearings for the crankshaft and
bronze bushings for the full floating piston pin. The pistons are made of aluminum and are the solid type (no
saw slots or splits in the skirt). Each piston is fitted with five rings. The top three rings are compression type and
the fourth ring from the top is an oil control ring. The fifth ring is an oil scrapper ring.
i. The cylinder block and crankcase are cast as a single unit giving ridged support for the crankshaft. Cooling
is obtained by water jacketing the entire length of the block. When installed in the generator set, the block is
supported by the front engine support with rear support supplied through ridged coupling to the generator
assembly housing.
3-49. ENGINE FRONT SUPPORT.
a. Removal.
NOTE
If engine is not removed from the generator set, block the front of the engine prior to
removing the front engine support.
(1) Remove nut (1, figure 3-41), Iockwasher (2), ring (3), and crankshaft (4).
(2) Remove front engine support from crankshaft by removing bolt and Iockwasher.
b. Cleaning, Inspection, and Repair.
WARNING
Solvent, Dry Cleaning P-D-880, Type H is flammable and moderately toxic to skin,
eyes and respiratory tract. Eye and skin protection required. Good general ventilation
is normally adequate. Failure to observe this warning could result in servere personal
injury or death.
(1)
(2)
(3)
(4)
(5)
(6)
WARNING
Compressed air used for cleaning and drying purposes can create airborne particles
that may enter the eyes. Pressure shall not exceed 30 psig and use only with adequate
chip guards and chipping goggles. Failure to observe this warning could result in
servere personal injury or death.
Clean all parts in a dry cleaning solvent (Federal Specification P-D-880) and dry thoroughly with
filtered compressed air. Remove caked grease deposits with a stiff bristle brush.
Inspect engine front support for cracks, corrosion, and excessive wear. Check inner surfaces for
scores, ridging, and other damage.
Check crankshaft pulley for corrosion, cracks, and step wear in v-belt groove.
Check all threads for crossing, stripping, and peening.
Repair minor thread damage with a thread chaser.
Replace any parts damaged beyond repair.
c. Installation.
(1) Install lockwasher (7, figure 3-41), bolt (6), to crankshaft to install engine front support (5)
(2) Install crankshaft (4), ring (3), Iockwaser (2) and nut (1).
3-101

ARMY TM 9-6115-464-34
AIR FORCE TO 35C2-3-445-2
NAVY NAVFAC P-8-624-34
Figure 3-41. Engine Front Support, Removal and Installation
3-50. FLYWHEEL AND FLYWHEEL HOUSING.
a. Removal.
(1) Remove oil pan assembly (paragraph 3-37).
(2) Remove screws (1, figure 3-42) to remove flywheel (2) and ring gear (3) as an assembly. Do not
remove ring gear unless it is badly damaged and replacement is necessary.
(3) Remove nuts (4), Iockwashers (5), screws (6), Iockwasher (7), screw (8) and lockwasher (9) to
remove flywheel housing (10) and gasket (11). Discard gasket.
(4) Using a suitable press, remove oil seal (12) from flywheel housing and discard.
3-102

ARMY TM 9-6115-464-34
AIR FORCE TO 35C2-3-445-2
NAVY NAVFAC P-8-624-34
Figure 3-42. Flywheel and Flywheel Housing, Exploded View
b. Cleaning, Inspection. and Repair.
WARNING
Solvent, Dry Cleaning P–D–680, Type II is flammable and moderately toxic to skin,
eyes and respiratory tract. Eye and skin protection required. Good general ventilation
is normally adequate. Failure to observe this warning could result in servere personal
injury or death.
(1) Clean all parts in dry cleaning solvent (Federal Specification P-D-680) and dry thoroughly. Remove
caked grease deposits with a stiff bristle brush.
(2) Inspect flywheel for cracks, nicks, and burrs. Remove minor nicks and burrs with crocus cloth.
NOTE
Rinse flywheel in dry cleaning fluid after dressing with crocus cloth. Crocus cloth
contains ferrous oxide which will accelerate rusting of cast iron parts.
(3) Inspect ring gear for cracks, chipped or broken teeth and other damage. If ring gear is badly
damaged, replace as follows:
(a) Heat flywheel and ring gear in an oven at 450°F (232.2 °C) for two hours.
3-103

ARMY TM 9-6115-464-34
AIR FORCE TO 35C2-3-445-2
NAVY NAVFAC P-8-624-34
WARNING
Wear heat resistant gloves when handling heated flywheel to avoid serious burns.
Failure to observe this warning could result in servere personal injury or death.
(b) Remove flywheel and ring gear and lightly tap ring gear to separate.
(c) Heat replacement ring gear as in step (3) (a) above while freezing flywheel.
CAUTION
Wear heat resistant gloves when handling frozen flywheel and heated ring gear.
Failure to observe this caution could result in equipment damage.
(d) Quickly install heated ring gear onto frozen flywheel.
(4) Inspect flywheel housing for cracks, excessive corrosion, and defective paint.
(5) Repair cracks in flywheel housing by welding.
(6) Remove corrosion from flywheel housing with No. 00 grit abrasive paper soaked in oil. Clean
flywheel housing with dry cleaning solvent after removing corrosion.
(7) Repair defective paint by removing. Treat and paint.
(8) Replace oil seal each time flywheel housing is removed.
c. lnstallation.
NOTE
One flywheel bolt is off center to insure proper alignment.
(1) Using a suitable press, install new oil seal (12, figure 3-42) to flywheel housing.
(2) Install gasket (11), flywheel housing (10), with Iockwashers (9), screw (8), Iockwasher (7), screws (6),
Iockwashers (5) and nut (4).
(3) Install ring gear(3), as an assembly onto flywheel (2) with screws (l).
(4) Install oil pan assembly (paragraph 3-37).
d. Testing.
(1) Turn crankshaft to dead center (DC) position.
(2) Attach a dial indicator to flywheel housing and position so that foot rides on inner face of pilot bore
(see figure 3-43).
(3) Set dial indicator pointer to zero position.
(4) Slowly rotate crankshaft one complete revolution.
(5) Concentricity of pilot bore shall not vary 0.005 inch total reading.
(6) Position dial indicators that foot rides on outer face of flywheel (see figure 3-43).
(7) Set dial indicator pointer to the “zero” position.
(8) Slowly rotate crankshaft one complete revolution.
(9) Alignment of flywheel shall not vary more than 0.005 inch total reading.
(10) Replace flywheel if the above test requirements cannot be met.
3-104

ARMY TM 9-6115-464-34
AIR FORCE TO 35C2-3-445-2
NAVY NAVFAC P-8-624-34
Figure 3-43. Checking Flywheel Concentricity and Alignment
3-51. TIMING GEARS AND COVER.
a. Removal and Disassembly.
(1)
(2)
(3)
(4)
(5)
(6)
(7)
(8)
(9)
Remove the hydraulic pump assembly (paragraph 3-41).
Remove the fuel injector nozzle from No. 1 cylinder.
Turn the engine over until the 20 degree before top dead center (BDC) mark on the engine flywheel
is aligned with the timing mark on the flywheel housing and No. 1 cylinder is on compression stroke.
Remove the front engine support (paragraph 3-49).
Remove screws (1, figure 3-44) and Iockwashers (2) to remove fuel pump thrust plate (3), gasket
(4), thrust button (5) and spring (6). Discard gasket.
Remove screws (7, 9, 11, and 13), screws (15), and Iockwashers (8, 10, 12, 14, and 16) to remove
timing gear cover (17) and gasket (18). Discard gasket.
Press seal (19) from cover and discard.
Remove nut (20) and Iockwasher (21) to remove fuel pump drive gear (22).
Remove screw (23) and washer (34) to remove idler assembly (25).
3-105

ARMY TM 9-6115-464-34
AIR FORCE TO 35C2-3-445-2
NAVY NAVFAC P-8-624-34
(10) If inspection indicates that idler bearings must be replaced, disassemble idler as follows:
(a) Remove bearings (26) and press races (27) from gear (29).
NOTE
Each bearing and race is a matched set and must be replaced as such.
(b) Remove ring (28) from gear.
(11) Do not remove idler shaft (30) from cylinder block unless inspection reveals damage.
(12) Remove screws (31) and Iockwashers (32) to remove housing (33) and gasket (34). Discard gasket.
b. Cleaning, Inspection, and Repair.
WARNING
Solvent, DryCleaning P-D-680, Type II is flammable and moderately toxic to skin,
eyes and respiratory tract. Eye and skin protection required. Good general ventilation
is normally adequate. Failure to observe this warning could cause servere personal
injury or death.
(1) Clean all parts with dry cleaning solvent (Federal Specification P-D-680) and dry thoroughly.
(2) Visually inspect timing gear cover for cracks, corrosion, and other damage,
(3) Inspect gears for cracked, chipped or broken teeth and excessive wear.
(4) Inspect bearings for pitting and excessive wear.
(5) Inspect thrust plate for cracks and deep wear patterns.
(6) Inspect idler shaft for cracks, wear, and other damage.
(7) Inspect threads for crossing, stripping, and peening.
(8) Replace seal at each overhaul.
(9) Replace any damaged or worn parts.
c. Assembly and Installation.
(1) Using new gasket, install housing (33) and secure with Iockwashers (32) and screws (31).
(2) If shaft (30) was removed, press replacement into timing gear housing.
(3) If bearings were replaced, assemble idler assembly as follows:
(a) Install ring (28) into gear (29).
(b) Press races (27) into gear until they seat against ring.
(c) Install bearings (26).
(4) Check that 20 degree (BDC) mark on flywheel is still aligned with timing mark on flywheel housing.
(5) Install idler assembly and secure with washer (24) and screw (23). Torque idler shaft screw to 24-27
ft-lb.
(6) Install fuel pump drive gear (22) insuring that the proper timing has been maintained (see paragraph
3-22). Secure gear with Iockwasher (21) and nut (20). Torque drive gear nut to 35-40 ft-lb.
(7) Press replacement seal (19, figure 3-44) into cover.
3-106
ARMY TM 9-6115-464-34
AIR FORCE TO 36C2-3-446-2
NAVY NAVFAC P-8-624-34
(8) Install gasket (18) and cover (17) and secure with Iockwashers (8, 10,12,14, and 16), screw (15)
and screws (7, 9, 11, and 13).
(9) Install spring (6), thrust button (5), gasket (4), and thrust plate (3) and secure with Iockwashers (2)
and screws (1).
(10) Install hydraulic pump assembly (paragraph 3-41).
(11) Install front engine support (paragraph 3-41).
(12) Install injector in No. 1 cylinder and tighten sufficiently to stop all leakage.
3-108

ARMY TM 9-6115-464-34
AIR FORCE TO 35C2-3-445-2
NAVY NAVFAC P-8-624-34
3-52. INTAKE MANIFOLD.
Refer to the Operator and Unit Maintenance Manual for intake manifold maintenance procedure.
3-53. EXHAUST MANIFOLD.
Refer to the Operator and Unit Maintenance Manual for exhaust manifold maintenance procedure.
3-54. CYLINDER HEAD AND ROCKER ARM ASSEMBLY.
a. Removal.
(1) Refer to the Operator and Unit Maintenance Manual and remove the air cleaner assembly, muffler
and exhaust pipe assembly, intake manifold, exhaust manifold, coolant control thermostat, and
injector nozzle holder assemblies.
(2) Remove nuts (1, figure 3-46) and Iockwashers (2) to remove lifting eyes (3).
(3) Remove nuts (4) and washers (5) to remove rocker arm assembly (6) and push rods (7).
(4) Remove nuts (8) and washers (9).
CAUTION
Tap cylinder head lightly with a soft hammer to loosen it. Do not pry on contact
surfaces. Failure to observe this caution could result in equipment damage. Failure to
observe this caution could cause damage to the equipment.
(5) Lift cylinder head (10) from engine.
(6) Remove and discard gasket (11).
b. Disassembly.
(1) Remove retaining rings (12) to remove mounting blocks (13, 14, and 15), spacers (16), rocker arm
(17) and springs (18) from shaft (20).
NOTE
Record position and quantity of spacers (16) to facilitate assembly.
(2) Remove adjustment screws (19).
(3) Do not remove plugs (21).
(4) Using a valve spring depressor, depress valve springs and remove locks (22 and 23).
(5) Release valve springs and remove spring seats (24 and 25), valve springs (26 and 27), exhaust
valves (28) and intake valves (29).
(6) Remove and discard bonnets (30).
(7) Do not remove valve guides (31 and 32) plugs (33), studs (34), seal (35) fuel injector sleeves (36),
and valve tappet (37) unless inspection reveals damage.
(8) Remove side plates (18, figure 3-53) from cylinder block (16).
3-110

ARMY TM 9-6115-464-34
AIR FORCE 35C2-3-445-2
NAVY NAVFAC P-8-624-34
c. Cleaning, Inspection, and Repair.
WARNING
Solvent, Dry Cleaning P-D-680, Type II is flammable and moderately toxic to skin,
eyes and respiratory tract. Eye and skin protection required. Good general ventilation
is normally adequate. Failure to obsever this warning could cause servere personal
injury or death.
(1)
(2)
(3)
(4)
(5)
(6)
(7)
(8)
(9)
WARNING
Compressed air used for cleaning and drying purposes can create airborne particles
that may enter the eyes. Pressure shall not exceed 30 psig and use only with adequate
chip guards and chipping goggles. Failure to obsever this warning could cause
servere personal injury or death.
Clean all parts in dry cleaning solvent (Federal Specification P-D-680) and dry thoroughly with
filtered compressed air.
Scrape carbon deposits from valves and cylinder head.
Visually inspect rocker arms for cracks, corrosion, and excessive wear. Check that oil holes are
open.
Inspect rocker arm shafts for cracks, deep wear patterns, nicks, and burrs. Remove minor nicks and
burrs with oil soaked crocus cloth. Clean polished shaft in dry cleaning solvent to remove abrasive
particles.
Inspect blocks for cracks, nicks, burrs, and excessive wear. Remove nicks and burrs from outer
surfaces with fine abrasive paper or stone.
Inspect springs for cracks, breaks, chaffing and distortion.
Inspect push rods for cracks, bends, excessive wear, nicks and scratches. Polish push rods with
crocus cloth to remove minor defects.
Inspect valve guides for excessive wear. Bore diameter of exhaust valve guide shall be 0.3750 to
0.3790 inch. Bore diameter of intake valve guide shall be 0.3740 to O. 3780 inch.
Replace worn valve guides as follows:
(a) Use a 5/8 inch drift with a 3/8 inch pilot and drive out valve guides.
(b) Drive replacement valve guides to a depth of 1.3700 to 1.3800 inches blow cylinder head deck.
(c) Ream bore diameter of intake valve guides to 0.3740 to 0.3750 inch.
(d) Ream bore diameter of exhaust valve guides to 0.3750 to 0.3760 inch.
(10)
(11)
(12)
Inspect valve springs for cracks, breaks, and distortion. Using a spring tester, compress valve spring
to a length of 1.4920 inches. Test load shall be 72 to 82 pounds. Compress spring to a length of
1.0820 inches. Test load shall be 80 to 86 pounds.
Inspect cylinder head for cracks, breaks, and broken studs. Remove broken studs by center
punching, drilling, and using an easy out.
Check cylinder head for warping using a straightedge and feeler gauge. Check lengthwise and
between each cylinder crosswise. Warpage shall not exceed 0.003 inch laterally and 0.005 inch
longitudinally. Cylinder head may be milled to remove minor warpage.
3-112

ARMY TM 9-6115-464-34
AIR FORCE TO 35C2-3-445-2
NAVY NAVFAC P-8-624-34
(13) Perform magnetic particle inspection in accordance with established procedures.
(14) Inspect valve seats of cylinder head. If they are pitted or if new valve guides were installed, the valve
seats must be refinished, using a tool with a 3/8 inch pilot. Both intake and exhaust valve seats
should be refinished on an angle of 30 degrees for intake valves and 45 degrees for exhaust valves.
NOTE
Use a vibrating angle grinder type tool. The large diameter and surface area of the
valve seats makes obtaining a proper finish with a reamer type tool extremely difficult.
(15) Inspect valves for bent or broken stems, cracks, and pitting of sealing surface. Using a micrometer,
check valve stem diameter to determine wear. Stem diameter of intake valves shall be 0.3725 to
0.3735 inch. Stem diameter of exhaust valves shall be 0.3740 to 0.3750 inch.
(16) Check all threads for crossing, stripping, and peening. Repair minor thread damage with a thread
chaser.
(17) Repair slightly damaged valves as follows:
(a) Polish stems with crocus cloth to remove minor nicks and scratches.
(b) Reface slightly pitted valves on a valve grinding machine. See table 1-1 for valve seat width.
(18) If valves and valve seats have been refinished or if contact surfaces are only slightly pitted, lap each
valve into its seat as follows:
(a) Install a light coil spring with enough tension to hold valve off its seat.
(b) Lubricate valve stem and guide.
(c) Apply a thin coating of coarse grinding compound to the valve face.
(d) Insert valve into valve guide and attach a hand grinding tool.
CAUTION
Avoid continuous round and round motion which could cut grooves in valve face and
seat. Failure to observe this caution could result in equipment damage.
(e) Rotate valve back and forth while applying firm pressure on the grinding tool.
(f) Release pressure on grinding tool, allowing coil spring to lift valve from its seat.
(9) Rotate valve 15° to 20° and repeat the grinding process,
(h) Periodically clean valve and seat to check progress.
(i) Replenish grinding compound and continue grinding until the valve seat and valve surfaces are in
contact.
(j) Remove valve. Clean valve and valve seat to remove all traces of coarse grinding compound.
(k) Apply a thin coating of fine grinding compound to face of valve.
(1) Install valve into cylinder head and repeat grinding process until a bright, silver-like band of uniform
width appears on both valve and seat.
(m) Remove valve. Clean valve and valve seat to remove all traces of grinding compound. Dry valve
and valve seat thoroughly.
3-113

ARMY TM 9-6115-464-34
AIR FORCE 35C2-3-445-2
NAVY NAVFAC P-8-624-34
(n) Make ten or twelve pencil marks, equally spaced, across valve seat.
(o) Install valve, press firmly, and rotate approximately one quarter of a turn.
(P) Remove valve and observe pencil marks. If marks are rubbed out, valve is seating properly. If all
pencil marks are not rubbed out, repeat grinding process.
CAUTION
Mark each valve to insure that it will be installed in the seat into which it was ground.
Failure to observe this caution could result in equipment damage.
(q) Repeat grinding process for each valve.
d. Assembly.
(1) Lubricate stem of intake valves (29) and exhaust valves (28) and insert into valve guides (31 and
32).
(2) Install bonnets (30), valve springs (26 and 27), spring seats (24 and 25) and locks (22 and 23).
NOTE
Bonnets are installed on intake valves only.
(3) Assemble rocker arm assembly as follows:
(a) Install adjusting screws (19) into rocker arms (17).
(b) Assemble springs (18), rocker arms (17), spacers (16) and mounting blocks (13,14, 15, and 22)
onto rocker arm shaft (20). Make sure that mounting blocks and spacers are correctly installed
(figure 3-47) and that oil holes in rocker arm shaft are correctly positioned (figure 3-48).
(c) Install retaining rings (12).
e. Installation.
(1) Install cylinder head and rocker arm assembly in reverse order of removal procedures.
(2) Tighten nuts to 75 Ibs.-ft. torque following the sequence of figure 3-49.
(3) Repeat the sequence, tightening each nut to 125 Ibs.–ft. torque.
(4) Again repeat the sequence, tightening each nut to a final torque of 160 Ibs.-ft. for 9/16 in. DIA stubs
and 175 Ibs.-ft. for 5/8 in. DIA studs, as specifies in paragraph 1-6v.
NOTE
Nuts must be retorqued after 1 hour operation.
(5) Refer to the Operator and Unit Maintenance Manual and adjust the valve tappet clearance to a
“HOT” setting of 0.015 inch.
3-114

ARMY TM 9-6115-464-34
AIR FORCE 35C2-3-445-2
NAVY NAVFAC P-8-624-34
Figure 3-49. Cylinder Head Nut Tightening Sequence
3-55. CAMSHAFT
a. Removal.
(1) Remove oil pan (paragraph 3-37).
(2) Remove oil pump assembly (paragraph 3-38).
(3) Remove timing gear cover (paragraph 3-51).
(4) Remove rocker arm assembly and push rods (paragraph 3-54).
(5) Rotate engine crankshaft until screws (1, figure 3-50) are visible through holes in camshaft drive
gear.
(6) Refer to the Operator and Unit Maintenance Manual and remove the fuel filter assemblies.
NOTE
Rotate crankshaft as necessary to lift valve tappets. Use tapered wooden dowels or
magnets to hold tappets in topmost position.
(7) Remove screws (1) and Iockwashers (2) to remove camshaft (5).
(8) Remove valve tappets (35, figure 3-46).
3-116

ARMY TM 9-6115-464-34
AIR FORCE TO 35C2-3-445-2
NAVY NAVFAC P-8-624-34
b. Disassembly.
(1) Remove nut (3, figure 3–50) and support drive gear (4) on arbor press.
(2) Press shaft (5) out of gear and remove key (6) and thrust plate (7).
c. Cleaning,
Inspection, and Repair.
(1)
(2)
(3)
(4)
(5)
(6)
(a)
(b)
(c)
(d)
(e)
(f)
(7)
(8)
(9)
(10)
WARNING
Solvent, Dry Cleaning P-D-680, Type II is flammable and moderately toxic to skin,
eyes and respiratory tract. Eye and skin protection required. Good general ventilation
is normally adequate. Failure to observe this warning could result in personal injury or
death.
WARNING
Compressed air used for cleaning and drying purposes can create airborne particles
that may enter the eyes. Pressure shall not exceed 30 psig and use only with adequate
chip guards and chipping goggles. Failure to observe this warning could result in
personal injury or death.
Clean all parts in dry cleaning solvent (Federal Specification P-D-680) and dry thoroughly with
filtered compressed air.
Visually inspect drive gear for cracks and chipped, broken, or worn teeth.
Check thrust plate for cracks, breaks, and excessive wear.
Using a micrometer, dimensionally inspect camshaft in accordance with figure 3-51.
Inspect camshaft lobes and bearing journals for wear, scoring, and scratching. Polish minor nicks,
scores, and scratches with crocus cloth. Clean to remove abrasive residue.
Check camshaft bearing runout as follows:
Place camshaft in a set of vee blocks.
Position a dial indicator so that the foot rides on one of the bearing journals.
Set indicator pointer to the “zero” position.
Slowly rotate camshaft one complete revolution while observing dial indicator.
Runout shall not exceed 0.0040 inch total indicator reading.
Repeat the check for each bearing journal.
If runout of any bearing exceeds limit specified total (step 6(e) above), replace camshaft and
bearings.
Perform magnetic particle inspection on camshaft and drive gear in accordance with established
procedures.
Check all threads for crossing, stripping, and peening. Repair minor thread damage using a thread
chaser.
Measure and record diameter of camshaft bearings in cylinder block. Subtract camshaft bearing
journals dimensions from the corresponding bearing inner diameter. The difference shall not be less
than 0.0015 inch or greater than 0.0035 inch.
3-117

ARMY TM 9-6115-464-34
AIR FORCE TO 35C2-3-445-2
NAVY NAVFAC P-8-624-34
Figure 3-51 .Dimensional Inspection of Camshaft
(11) If dimension obtained in step (8) indicates excessive wear, replace camshaft bearings as follows:
(a) Using a suitable press, remove camshaft bearings from cylinder block.
CAUTION
Make sure that the replacement bearings are installed so that oil holes match with oil
ports in cylinder block. Failure to observe this caution could result in equipment
damage.
(b) Press replacement bearings into cylinder block.
d. Assembly.
(1) Install thrust plate (7, figure 3–50), key (6) and press shaft (5) into gear.
(2) Install support drive gear (4) onto arbor press with nut (3).
(3) Torque nut (3) to 130 ft-lbs.
e. Installation.
CAUTION
Make sure that timing mark on camshaft drive gear mates with timing mark on
crankshaft gear. Failure to observe this caution could result in equipment damage.
NOTE
Valve tappets must be in the UP position to install camshaft.
(1) Refer to figure 3-45 to insure proper timing of camshaft gear to crankshaft gear is obtained.
(2) Install valve tappets (35, figure 3-46).
3-119

ARMY TM 9-6115-464-34
AIR FORCE 35C2-3-445-2
NAVY NAVFAC P-8-624-34
(3) Install camshaft (5, figure 3-50) with Iockwashers (2) and screws (1).
(4) Refer to the Operator and Unit Maintenance Manual to install fuel filter assemblies,
(5) Install rocker arm assembly and push rods (paragraph 3-54).
(6) Install timing gear cover (paragraph 3-51).
(7) Install oil pump assembly (paragraph 3-38).
(8) Install oil pan (paragraph 3-37).
(9) Check camshaft end thrust as follows:
(a) Attach a dial indicator to the cylinder block and position so that the foot contacts the end of the
camshaft.
(b) Press camshaft as far into the cylinder block as it will go.
(c) Se tdial indicator to ’’zero” position.
(d) Move camshaft as far forward as it will go.
(e) Check indicator reading. Reading shall not exceed 0.0120.
(f) If reading exceeds specified limit, remove camshaft and replace thrust plate.
(10) Check backlash between camshaft drive gear and crankshaft gear. Backlash shall be 0.0010 to
0.0030. If backlash is not within specified limits, both camshaft drive gear and crankshaft gear must
be replaced.
3-56. CRANKSHAFT, CONNECTING RODS, AND PISTONS.
a. Removal.
(1) Remove oil pump assembly (paragraph 3-38).
(2) Remove flywheel and flywheel housing (paragraph 3-50).
(3) Remove cylinder head and rocker arm assembly (paragraph 3-54).
(4) Using a ridge cutter, remove the ridge from the top of each cylinder.
(5) Remove screws (1, figure 3-52) and connecting rod bearing caps (2) and lower half of connecting
rod bearing insert (3).
(6) Using a wooden dowel, push pistons and connecting rods out top of cylinder block.
NOTE
Rotate crankshaft to simplify removal if necessary.
(7) Remove upper half of connecting rod bearing insert.
CAUTION
Keep connecting rod bearing caps with the connecting rod from which they were
removed. Failure to observe this caution could result in equipment damage.
(8) Remove screws (4) and Iockwashers (5) to remove main bearing caps (6) and lower half of main
bearing inserts (7).
(9) Remove screws (8) and Iockwashers (9) to remove main bearing cap (10) and lower half of center
main bearing insert (11).
(10) Lift crankshaft (12) from cylinder block and remove upper half of main bearing inserts.
3-120

ARMY TM 9-6115-464-34
AIR FORCE TO 35C2-3-445-2
NAVY NAVFAC P-8-624-34
CAUTION
Conspicuously mark each main bearing cap as to position to aid at assembly. Failure
to observe this caution could result in equipment damage.
b. Disassembly.
(1) Do not remove crankshaft gear (13) and woodruff key (14) unless inspection reveals damage and
replacement is necessary.
(2) Remove retaining ring (15) and piston pin (16) to remove piston assembly (17) from connecting rod
(18).
(3) Do not remove bushing (19) unless inspection reveals damage and replacement is necessary.
(4) Remove compression rings (21), scraper rings (22) and oil control ring (23) from piston (24). Discard
piston rings.
3-121

ARMY TM 9-6115-464-34
AIR FORCE TO 35C2-3-445-2
NAVY NAVFAC P-8-624-34
c. Cleaning, Inspection, and Repair.
(1)
(2)
(3)
(4)
(5)
(6)
WARNING
Solvent, Dry Cleaning P-D-680, Type II is flammable and moderately toxic to skin,
eyes and respiratory tract. Eye and skin protection required. Good general ventilation
is normally adequate. Failure to observe this warning could result in personal injury or
death.
WARNING
Compressed air used for cleaning and drying purposes can create airborne particles
that may enter the eyes. Pressure shall not exceed 30 psig and use only with adequate
chip guards and chipping goggles. Failure to observe this warning could result in
personal injury or death.
Clean all parts in dry cleaning solvent (Federal Specification P–D-880) and dry with filtered
compressed air.
Clean all oil passages in crankshaft and connecting rods with a wire brush.
CAUTION
Use care to avoid damaging ring groove in pistons. Failure to observe this caution
could result in equipment damage.
Scrape carbon deposit from top and ring groove of piston.
Inspect crankshaft for cracks, nicks and scratches on bearing journals or other damage. Remove
minor nicks and scratches from bearing journals with crocus cloth. Clean to remove abrasive
residue.
Perform magnetic particle inspection of crankshaft in accordance with established procedures.
Remove minor nicks, burrs, and scratches from crankshaft bearing journals by polishing with crocus
cloth.
CAUTION
When regrinding crankshaft, it is imperative that the 5/32 inch radius from journal to
cheek be maintained. Crankshaft breakage may result from improper grinding of this
fillet. Failure to observe this caution could result in equipment damage.
Table 3-3. (UNDERSIZED BEARING JOURNALS)
Crankshaft journal diameter (In.)
Bearing
Size Main Bearing Connecting rod
Standard
2.8734/2.8744 2.3730/2.3740
0.020 inch
2.8534/2.8544 2.3530/2.3540
0.040 inch
2.8334/2.8344 2.3330/2.3340
0.060 inch
2.8134/2.8144 2.3130/2.3140
3-123

ARMY TM 9-6115-464-34
AIR FORCE 35C2-3-445-2
NAVY NAVFAC P-8-624-34
(7) If necessary, regrind crankshaft bearing journals to accept undersized bearings in accordance with
Table 3–3.
(8) inspect crankshaft gear for cracks and chipped, broken or excessive worn teeth.
(9) lf replacement of crankshaft gear is necessary, proceed as follows:
(a) Support crankshaft gear in arbor press and press crankshaft and woodruff key from gear.
(b) Heat replacement gear in an oven at 450°F. (232.2 °C.) for approximately one hour.
(c) Install woodruff key into crankshaft.
CAUTION
Wear heavy heat resistive asbestos gloves to avoid serious burns when handling
heated gear. Failure to observe this caution could result in equipment damage.
(d) Remove gear from oven and assemble onto crankshaft.
(e) Using a driver with an inside diameter of 2 inches, quickly drive gear into position,
(f) Allow crankshaft and gear to cool.
(10) Inspect connecting rod for cracks, breaks and excessively worn or damaged bushing.
(11) Check piston pin for nicks, burrs, cracks, and excessive wear.
(12) Remove minor nicks and burrs from piston by polishing with crocus cloth. Clean to remove abrasive
residue.
(13) If necessary, replace both piston pin and bushing.
NOTE
If new piston pin and bushing are used, check connecting rod alignment on a standard
aligning fixture.
(14) Inspect piston for deep scores and scratches and other damage.
(15) Insert each piston into its cylinder bore with a piece of 1/2 x 0.0050 feeler ribbon. A force of 5 to 8
pounds should be required to remove each ribbon. Replace all pistons if any are not within the
required limits.
NOTE
Cylinder bores may be rebored to accept oversized pistons (paragraph 3-55).
(16) Fit each piston ring into place into its cylinder bore and using a feeler gauge, measure gap
dimension. Gap shall be 0.0100 to 0.0200 inch. If gap is under 0.0100 inch, file as follows:
(a) Hold a file in a vise.
(b) Grasp piston ring in both hands.
(c) Insert file into ring gap and move ring down the entire length of the file. Be sure to apply equal
pressure on the ring.
(17) Roll each ring all the way around its piston groove to check clearance. If clearance is insufficient, lap
the sides of the ring on a piece of No. 000 grit emery cloth laid on a flat surface.
3-124

ARMY TM 9-6115-464-34
AIR FORCE TO 35C2-3-445-2
NAVY NAVFAC P-8-624-34
d. AssembIy.
(1) Using a piston ring expander install oil control ring (23, figure 3-52), scraper ring (22) and
compression rings (21 ) onto pistons (24).
NOTE
If replacement piston rings have dots on the rings, the rings should be installed with the
dots toward the piston head.
(2) Apply a light coat of engine oil to the bushing (19) and connecting rod (18) and press the bushing
into the connecting rod.
(3) Fit piston assemblies (17) onto connecting rods (18) and insert piston pins (16). Install retaining rings
(15).
e. Installation.
NOTE
Prior to installation of piston assemblies inspect cylinder block (paragraph 3-57),
camshaft (paragraph 3–55) and cylinder head (paragraph 3-54) prior to installation of
the piston, connecting rods and crankshaft.
(1) Install upper half of main bearings (7 and 11, figure 3-52) into cylinder block.
NOTE
Some of the bearings partially cover oil holes.
(2) Carefully place crankshaft (12) into position.
(3) Place a short strip of plastic gauge on each main bearing journal.
(4) Install lower half of main bearings, main bearing caps (6 and 10), Iockwashers (5 and 9) and screws
(4 and 8).
(5) lighten screws (4) to 100 ft.-lbs. torque. Tighten screws (8) to 130 ft.-lbs. torque.
(6) Remove main bearing cap and lower half of main bearings. Check plastic gauge against standard to
determine main bearing clearance. Clearance shall be 0.0009 to 0.0034 inch.
(7) If clearance is not within specified limits, grind crankshaft and install with undersized bearings
(paragraph c (7) above).
(8) When bearing clearances have been established, install lower half of main bearings and main
bearing caps ((5) above).
NOTE
Apply a liberal coating of engine lubricating oil to inner surface of main bearings prior to
installation.
(9) Use a feeler gauge to check crankshaft end thrust clearance on center main bearing. End thrust
clearance shall be 0.0050 to 0.0100 inch.
(10) If end thrust clearance is not as specified, remove center main bearing and polish sides on a piece of
crocus cloth. Clean to remove abrasive residue and apply a liberal coating of engine lubricating oil
before installation.
3-125

ARMY TM 9-6115-464-34
AIR FORCE 35C2-3-445-2
NAVY NAVFAC P-8-624-34
(11) Apply a liberal coating of engine Iubricating oil to cylinder bores, pistons, piston rings and piston pins.
NOTE
Proper position of the oil ring gap is with the gap aligned with either piston pin hole.
(12) Position piston rings so that no two gaps are aligned.
CAUTION
Use care to insure that connecting rod is properly aligned with crankshaft connecting
rod bearing journal and that the precombustion chamber is away from the camshaft
side of the engine. Failure to observe this caution could result in equipment damage.
(13) With piston rings compressed, use a hammer handle or wooden dowel to force piston down into
cylinder bore.
(14) When entire piston is in cylinder bore, insert upper half of connecting rod bearing (3, figure 3-52)
and pull connecting rod down to crankshaft.
(15) Place a short strip of plastic gauge on crankshaft and install lower half of connecting rod bearing,
connecting rod bearing cap (2) and screws (1). Tighten screws to 70 Ib-ft torque.
(16) Remove screws and connecting rod bearing cap to remove plastic gauge.
(17) Check plastic gauge against standard to determine bearing clearance. Clearance shall be 0.0010 to
0.0030 inch.
(18) When clearance is established, install lower bearing half, bearing cap and screws (step 16, above).
(19) Install timing gear housing and assembly.
(20) Install cylinder head and rocker arm assembly (paragraph 3-54).
(21) Install flywheel and flywheel housing (paragraph 3-50).
(22) Install oil pump assembly (paragraph 3-38).
3-57. CYLINDER BLOCK ASSEMBLY.
a. Removal and Disassembly.
(1) Remove engine assembly (paragraph 2-6).
(2) Remove timing gears and cover (paragraph 3-51).
(3) Remove flywheel and flywheel housing (paragraph 3-50).
(4) Remove cylinder head and rocker arm assembly (paragraph 3-54).
(5) Remove camshaft and bearings (paragraph 3-55).
(6) Remove timing gear housing (paragraph 3-51).
(7) Remove crankshaft, connecting rods, and pistons (paragraph 3-56).
(8) Remove plugs (1 and 2, figure 3-53).
(9) Do not remove oil filler neck and captive cap assembly (3) or stud (4) unless inspection reveals
damage.
(10) Do not remove studs (5 and 6) or guide pin (7) unless inspection reveals damage.
(11) Do not remove studs (8) and guide pin (9) unless inspection reveals damage.
(12) Do not remove studs (10, 11, 12 and 13) or guide pin (14) unless inspection reveals damage.
3-126
ARMY TM 9-6115-464-34
AIR FORCE TO 35C2-3-445-2
NAVY NAVFAC P-8-624-34
(13) Do not remove plug (15) from cylinder block (16) unless replacement is necessary.
b. Cleaning, Inspection, and Repair.
(1)
(2)
(3)
(4)
(5)
(6)
(7)
(8)
(9)
(lo)
(11)
(12)
(13)
(14)
(15)
(16)
(17)
(18)
(19)
Clean sludge and dirt deposits from cylinder block with dry cleaning solvent. If necessary, block
should be steam cleaned.
Clean all oil and water passages.
Scrape carbon deposits from top of block.
Remove gasket remains from all mating surfaces.
Perform magnetic particle inspection of cylinder block in accordance with MIL-I-6868.
Inspect cylinder bores for scores and scratches. Minor scratches and scores may be removed by
honing. If necessary, cylinder bores maybe rebored to accept up to 0.060 inch oversized pistons.
Check cylinder bores for excessive wear. Diameter shall be 3.7490 to 3.7510 inches.
Inspect cylinder bores for out-of-roundness. Each cylinder shall not be out-of-round by more than
0.0005 inch.
Check cylinder bore taper. Taper shall be 0.0005 inch maximum.
Non conformity to dimension specified in steps (7) through (9) above requires that cylinders be bored
to accept oversized pistons.
Temporarily install main bearing caps and check main bearing bore diameter. Diameter shall be
3.0665 to 3.0670 inches.
Check camshaft bearing bore diameter. Diameter shall be 2.1870 to 2.1880 inches.
Visually inspect main bearing and camshaft bearing bore diameters for nicks and scratches. Remove
nicks and scratches with oil-soaked abrasive paper.
Check oil pump bore diameter. Diameter shall be 2.0000 to 2.0005 inches.
Inspect oil pump bore for nicks and scratches. Remove minor nicks and scratches by polishing with
crocus cloth.
Inspect for broken or damaged studs. If any studs are broken too short to allow removal, center
punch, drill, and use an easy out.
Inspect all gasket surfaces for nicks, burrs, and scratches. Remove nicks, burrs, and scratches with
oil-soaked abrasive paper.
Use a straight edge and check the block lengthwise, across each end and between cylinder bores for
warping. Warpage shall not exceed 0.0003 inch. Remove studs and guide pins and mill to a
maximum of 0.0005 inch top of block to correct a slight warpage. If cylinder block is warped
sufficiently that milling would radically affect engine performance, replace block.
Check all internal threads for crossing, stripping, and peening. Clean or repair minor thread damage.
Repair extensively damaged threads by reaming, tapping and installing inserts.
c. Assembly and Installation.
(1) Prior to installation, mask all openings. Treat and paint.
(2) If removed, position cylinder block (16), and install plug (15).
(3) If removed, install guide pin (14), and studs (13, 12,11, 10).
(4) If removed, install guide pin (9) and studs(8).
(5) If removed, install guide pin (7) and studs (6 and 5).
3-127
ARMY TM 9-6115-464-34
AIR FORCE 35C2-3-445-2
NAVY NAVFAC P-8-624-34
(6)
(7)
(8)
(9)
(lo)
(11)
(12)
(13)
(14)
If removed, install stud (4) and oil filler neck and cap assembly (3).
Install plugs (2 and 1, figure 3-53).
Install crankshaft, connecting rods and pistons (paragraph 3-56).
Install timing gear housing (paragraph 3-51).
Install camshaft and bearings (paragraph 3-55).
Install cylinder head and rocker arm assembly (paragraph 3-54).
Install flywheel and flywheel housing (paragraph 3-50).
Install timing gears and cover (paragrahp 3-51).
Install engine assembly (paragraph 2-6.
3-128

ARMY TM 9-6115-464-34
AIR FORCE 35C2-3-445-2
NAVY NAVFAC P-8-624-34
Section Vlll. MAINTENANCE OF GENERATOR SET CONTROLS
3-58. GENERAL.
This section contains maintenance instructions for the generator set controls. The control cubicle assembly and
sensing monitors contain the controls, instruments and indicators for controlling and monitoring the operation of
the generator set. Precise models of the generator set incorporate a governor control unit which signals the
actuator unit to change the fuel injection pump governor setting which controls engine speed and, thus,
generator frequency. This function is assumed by the manual speed control on utility models. The
interconnecting wiring harnesses provide electrical connection between major assemblies and the control
cubicle and fault locating indicator.
3-59. CONTROL CUBICLE ASSEMBLY.
a. Frequency Meter and Transducer.
(1)
(2)
(3)
(4)
(5)
(6)
(7)
(8)
Refer to the Operator and Unit Maintenance Manual and remove, clean, and inspect frequency
meter and transducer.
Install frequency meter and transducer in a test setup as shown in figure 3-54.
NOTE
Test frequency meter must have an accuracy of 0.05 percent.
Activate sinusoidal source and adjust its output as indicated by the test frequency meter to the lowest
frequency indication on the frequency meter being tested (388 Hz for a 400 Hz frequency meter and
48 Hz for a 50/60 Hz frequency meter).
Rotate adjusting screw of frequency meter being tested until its indication exactly matches that of the
test frequency meter.
If the frequency meter being tested cannot be properly adjusted, replace it and the frequency
transducer.
When frequency meter being tested has been properly adjusted, slowly increase the sinusoidal
source frequency to the highest value of the frequency meter being tested (412 Hz for a 400 Hz
frequency meter and 62 Hz for a 50/60 Hz frequency meter).
If at any point the indication of the frequency meter being tested varies more than 0.25 percent from
that of the test frequency meter, replace both transducer and frequency meter being tested.
Refer to the Operator and Unit Maintenance Manual and install frequency meter and transducer.
b. Kilowatt Meter
and Thermal Converter.
(1) Refer to the Operator and Unit Maintenance Manual and remove, clean, and inspect kilowatt meter
and thermal converter.
(2) Test ac kilowatt meter and converter as follows:
(a) Connect a calibrated kilowatt meter and a suitable variable load to the generator set load terminal
board.
(b) Refer to the Operator and Unit Maintenance Manual and start the generator set.
3-130
ARMY TM 9-6115-46-34
AIR FORCE 35C2—3-445-2
NAVY NAVFAC P-8-624-34
(c) Vary the load while comparing the generator set kilowatt meter reading to that of the calibrated
kilowatt meter.
(d) If readings vary more than 1.33 percent, install thermal watt converter in a test setup using figure
3-55 as a guide.
(e) Adjust all auto transformers to the minimum position.
(f) Close switch S-1 and open switches S-2 and S-3.
(9) Energize Power source G-1 and adjust autotransformer T1 until 1 ampere is indicated on ammeter
(h) Check indication of voltmeter V-1. Indication shall be 6.66 ± 0.04 millivolts.
(i) Close switch S2 and adjust auto transformer T2 until 1 ampere is indicated on ammeter A2.
(j) Check indication of voltmeter. Indication shall be 13.33 ±0.07 millivolts.
(k) Close switch S3 and adjust auto transformer T3 until 1 ampere is indicated on ammeter A3.
(l) Again check voltmeter indication. indication shall be 20.00+ 0.1 millivolts.
(m) Replace thermal watt converter if it fails to perform as indicated.
(n) If thermal watt converter performs as indicated, replace meter.
(o) Refer to the Operator and Unit Maintenance Manual and install thermal watt converter.
c. AC Current Meter.
(1) Refer to the Operator and Unit Maintenance Manual for AC current meter adjustment, removal,
cleaning, inspection, and installation procedures.
(2) Test AC ammeter as follows:
(a) Connect a calibrated test ammeter in series with the generator set current meter.
(b) Connect a variable load to the generator set load terminal board.
(c) Refer to the Operator and Unit Maintenance Manual and start the generator set.
(d) Vary the load while comparing the indication of the generator set current meter to that of the
calibrated test ammeter.
(e) Replace generator set current meter if its indication varies more than 2 percent of full scale value
from the indication of the test ammeter.
d. Control Cubicle Relay Assembly.
(1) Removal.
(a) Tag and disconnect electrical leads to relay assembly.
(b) Remove nut and captive washer assemblies (1, figure 3-56) to remove relay assembly (2).
(2) Disassembly.
NOTE
Test relay assembly as outlined in subparagraph d. (5) below prior to disassembly.
(a) Identify any parts removed to facilitate assembly.
(b) Disassemble relay assembly only as is necessary to replace damaged or defective parts.
(c) Remove nut and captive washer assembly (1 and 2, figure 3-57), screw (3) and terminal board (4).
3-132

ARMY TM 9-6115-464-34
AIR FORCE TO 35C2-3-445-2
NAVY NAVFAC P-8-624-34
(d) Remove nut (5), Iockwasher (6), flatwasher (7), screw (8), relay (9) k6, and spacer.
(e) Remove relay (11) k1.
(f) Remove rectifier (CR1).
(g) Remove resistor (R10).
(h) Remove printed circuit board (14).
(3) Cleaning, Inspection, and Repair.
(a) Clean relay assembly with filtered compressed air and a soft bristled brush.
(b) Visually inspect terminal boards for cracks, burns, and corroded or damaged terminals.
(c) Inspect relays (K1 and K6) for cracks, corrosion, and evidence of shorting.
(d) Inspect resistor (R10) for burns, damaged leads and insecure mounting.
(e) Inspect silicone rectifier (CR1) for cracks, burns, and evidence of shorting.
(f) Inspect printed circuit for cold solder joints, evidence of component overheating, and damage to
the polyurethane coating.
NOTE
Prior to coating, deaerate resin by evacuating at room temperature to 5 to 10 Hg
absolute to remove air bubbles.
(g) Check all components for illegible markings.
(h) If any circuit board component must be replaced or encapsulating coating repaired or replaced,
refer to Appendix A references for detailed procedures. Repair/replace encapsulation by applying a
0.007 inch (minimum) coating of polyurethane resin (Scotchcoat 221, Minnesota Mining and Mfg.
Co. or equal).
CAUTION
Solder joints and components leads shall not protrude more than 0.094 inch beyond
surface of printed circuit board. Failure to observe this caution could result in damage
to the equipment.
WARNING
Avoid breathing fumes generated by soldering. Eye protection is required. Failure to
observe this warning could result in servere personal injury or death.
(i) Solder in accordance with requirement 5, MIL-STD-454.
(4) Assembly.
(a) Install printed circuit board (14).
(b) Install resistor (13) (CR1).
(c) Install rectifier (12) (CR1).
(d) Install relay (11) K1.
(e) Install spacte (10), relaly (9) K6, screw (8), flatwasher (7), lockwasher (6) and nut(5).
(f) Install terminal board (4), screw (3), nut and captive washer assembly (2 and 1).
3-133

ARMY TM 9-6115-464-34
AIR FORCE 35C2-3-445-2
NAVY NAVFAC P-6-624-34
(5) Testing.
(a)
(b)
Using an ohmmeter or similar device, check relay assembly continuity using figure 3-58 as a guide.
CAUTION
Make sure that power supply leads are properly connected. Damage to the relay
assembly will result if leads are connected to the wrong terminals. Failure to observe
this caution could result in damage to the equipment.
Connect a 120 Vac, 60 Hz power supply to terminals 4 and 12. Using a suitable voltmeter, measure
voltage at terminals 6 and 10. Voltage shall be 120 Vac. If voltage is not as specified, relay (K6) is
defective. Check for open circuit across 10 and 5 and 6 and 11. There shall be no sign of continuity.
Figure 3-58. Control Cubicle Relay Assembly, Schematic Diagram
(c) If relay (K6) fails to function properly, proceed as follows:
1.
Remove 120 Vac power.
2.
Remove resin from back of relay (K6).
3. Apply 120 Vac power across terminals 4 and 12 and check voltage across relay (K6) coil.
Voltage shall be 18 to 24 Vdc.
4.
If voltage is not as specified, remove 120 Vac and check resistance across resistor (R10).
Resistance shall be 150 ±10 ohms. If resistance is not as specified, replace resistor.
5.
If resistance is as specified, rectifier (CR1) is defective and must be replaced.
(d) Connect a 24 Vdc source across terminals 8 and 2 and check for continuity across terminals 7 and
9 and for open circuit across terminals 1 and 3. Replace relay (K1) if continuity is not as specified.
(6) Installation.
(a) Install relay assembly (2, figure 3-56), nut and capive washer assemblies (1).
(b) Connect electrical leads to relay assembly.
3-136

ARMY TM 9-6115-464-34
AIR FORCE TO 35C2-3-445-2
NAVY NAVFAC P-8-24-34
e. Control Cubicle Terrminal Board.
(1) Removal.
(a) Tag and disconnect electrical leads to terminal board.
(b) Remove nut and captive washer assemblies (3, figure 3-56) and screw (4) to remove terminal
board (5).
(c) Remove screws (6) and jumpers (7) only if inspection indicates replacement is necessary.
(2) Cleaning, Inspection, and Repair.
(a)
(b)
(c)
(d)
(e)
WARNING
Solvent, Dry Cleaning P–D-680, Type II is flammable and moderately toxic to skin,
eyes and respiratory tract. Eye and skin protection required. Good general ventilation
is normally adequate. Failure to observe this warning could result in servere personal
injury or death.
Clean terminal board with a clean, lint–free cloth lightly moistened with solvent P–D- 680 Type Il.
Visually inspect terminal board for cracks, burns, and corrosion. Check insulating material for
cracks, breaks, and other damage.
Using an ohmmeter, check jumpers for continuity.
Check all threads for crossing, stripping, and peening.
Replace any damaged or defective parts.
(3) Installation.
(a) If removed, install jumpers (7, figure 3-56), and screws (6).
(b) Install terminal board (5), screw (4), nut and captive washer assemblies(3).
(c) Connect electrical leads to terminal board.
f. Control Cubicle Wiring Harness.
(1) Refer to the Operator and Unit Maintenance Manual for wiring harness removal, cleaning, inspection,
and repair procedures.
(2) If the wiring harness has sustained damage and requires repair, or rebuild, refer to figure NO TAG for
layout, identification and material requirements and Appendix A for detailed soldering and
replacement procedures.
(3) Refer to the Operator and Unit Maintenance Manual for wiring harness installation procedures.
g. Control Cubicle Housing Assembly.
(1) Removal. Remove screws (8, figure 3-56) and Iockwashers (9) to remove control cubicle housing
assembly from generator set.
(2) Disassembly.
(a) Remove pin (10) to remove fastener (11) and seal (12).
(b) Remove nut (13), door holder (14), fiat washer (15) and screw (16).
(c) Remove nut and captive washer assemblies (17) and screws (18) to remove panel (19).
(d) Remove pivot pin (20) and hinge (21) from housing (22) only if replacement is necessary.
(3) Cleaning, Inspection, and Repair.
3-137

ARMY TM 9-6115-464-34
AIR FORCE 35C2-3-445-2
NAVY NAVFAC P-8-624-34
(a) Clean all parts in dry cleaning solvent (Federal Specification P-D-680) and dry with filtered
compressed air.
(b) Visually inspect housing for cracks, dents, and defective paint. Check hinge for cracks, excessive
wear, and cracked or broken welds.
(c) Inspect panel for cracks, dents, warping, defective paint and illegible marking. Check fasteners for
wear, damaged or deteriorated seals, and damaged pins.
(d) Check all threaded parts for crossed, stripped, and peened threads.
(e) Repair dents and warping by straightening.
(f) Remove defective paint and repaint,
(9) Replace any parts worn or damaged beyond repair.
(4) Assembly.
(a) Position housing (22), to install hinge (21) and pivot pin (20).
(b) Install panel (19), screws (18), nut and captive washer assemblies (17).
(c) Install screws (16), flat washers (15), door holder (14) and nut (13).
(d) Install seal (12), fastener(n) and pin (10).
(5) Installation. Install control cubicle housing onto generator set with Iockwashers (9) and screws (8).
h. Refer to the Operator and Unit Maintenance Manual for maintenance procedures of the remainder of the
controls in the control cubicle assembly.
3-60. FAULT LOCATING INDICATOR.
a. Removal.
(1) Disconnect wiring harness from back of fault locating indicator.
(2) Remove screws (1, figure 3-60) and Iockwashers (2) to remove fault locating indicator from
generator set.
b. Disassembly.
(1) Remove screw and captive washer assemblies (3) and cover plate (4).
(2) Remove screw and captive washer assemblies (5) and carefully pull indicator panel assembly (6)
away from housing. Tag and disconnect electrical leads.
(3) Disassemble panel assembly (items 7 through 24) only as is necessary for replacement of damaged
or defective components.
(4) Remove screw and captive washer assemblies (25) to remove cover plate assembly (26). Tag and
disconnect electrical leads.
(5) Disassemble cover plate assembly (items 27 through 32) only as is necessary for testing and
replacement of components.
(6) Remove screw and captive washer assemblies (33) to remove wiring harness (34) from housing
(35).
3-138

ARMY TM 9-6115-464-34
AIR FORCE TO 35C2-3-445-2
NAVY NAVFAC P-8-624-34
c. Cleaning, Inspection, and Repair.
WARNING
Solvent, Dry Cleaning P-D-680, Type II is flammable and moderately toxic to skin,
eyes and respiratory tract. Eye and skin protection required. Good general ventilation
is normally adequate. Failure to observe this warning could result in servere personal
injury or death.
WARNING
Compressed air used for cleaning and drying purposes can create airborne particles
that may enter the eyes. Pressure shall not exceed 30 psig and use only with adequate
chip guards and chipping goggles. Failure to observe this warning could result in
servere personal injury or death.
(1) Clean all metallic, non-electrical parts with dry cleaning solvent (Federal Specification P-D-680)
and dry with filtered compressed air.
(2) Clean electrical components with filtered compressed air and a soft bristle brush. If necessary,
electrical components may be cleaned with a clean, lint–free cloth moistened with an approved
solvent.
(3) Visually inspect housing and cover plates for cracks, corrosion, warping, and other damage.
(4) Inspect panel assembly as follows:
(a) Check panel for cracks, corrosion, warping, illegible markings and other damage.
(b) Inspect indicator lights for cracked, or damaged lens, defective lamp, and corroded or damaged
base.
(c) Inspect fuse holder assembly for cracked or damaged cap, defective fuse, and burned, cracked, or
corroded fuse holder.
(d) Inspect, test, or reset switch for cracks, corrosion, and evidence of shorting.
(e) Check continuity of test or reset switch using figure 3-61 as a guide.
(5) Inspect component board assembly for burned components, damaged wires and cracked or broken
board.
(6) Test individual components of component board using figures 3-61 and 3-62 and table 3-4 as a
guide.
NOTE
Disconnect one lead to component being tested to avoid erroneous test readings.
(7) If any circuit board component must be replaced or encapsulating coating repaired or replaced, refer
to Appendix A references for detailed procedures. Repair/replace encapsulation by applying a 0.007
inch (minimum) coating of polyurethane resin (Scotchcoat 221, Minnesota Mining and Mfg. Co., or
equal).
NOTE
Prior to coating, deaerate resin by evacuating at room temperature to between 5 and
10 Hg absolute to remove air bubbles.
3-139

ARMY TM 9-6115-464-34
AIR FORCE 35C2-3-445-2
NAVY NAVFAC P-8-624-34
Table 3-4. COMPONENT BOARD TEST VALUES
(8)
(9)
(l0)
(11)
(12)
Use an ohmmeter to test resistance of relay K1 (figure 3-61). Resistance shall be 300 ± 30 ohms.
Replace relay if defective.
Visually inspect fault locating wiring harness connector for cracks, corrosion, and loose or damaged
pins.
Check individual wires for corroded or damaged terminals, burned insulation and other damage.
Check individual wires for continuity using figure 3-63 as a guide.
If the wiring harness has sustained damage and requires repair or rebuild, refer to figure 3-63 for
layout, identification, and material requirements and Appendix A for detailed soldering and
replacement procedures.
d. Assembly.
(1)
(2)
(3)
(4)
(5)
(6)
Position housing (35) to install wiring harness (34), screw and captive washer assemblies (33).
If removed, assembly cover plate assembly (items 32 through 27) for replacement of damaged parts
as needed.
Install cover plate assembly (26), screw and captive washer assemblies (25). Connect electrical
leads and untag.
If removed, assemble panel assembly (items 24 through 7) for replacement of damaged or defective
components as needed.
Connect electrical leads and untag. Carefully push indicator panel assembly (6) onto housing and
install screw and captive washer assemblies (5).
Install cover plate (4), screw and captive washer assemblies (3).
3-140

ARMY TM 9-6115-464-34
AIR FORCE TO 35C2-3-445-2
NAVY NAVFAC P-8-624-34
WIRE FROM TO
MARKING
NO STATION
LUG FIND
STATION
LUG FIND WIRE FIND CUT
MARKING
NO NO NO NO NO.
LENGTH IN
COLOR
(REF)
D20B16 J1-1
A1-L1 81
21.5
BLACK
D21B16
J2-2
A1-L2 8 1
22
D22B16 J1-3
A1-L3 81
22.5
D24A16
M8-(-)
10
S8-41
81 8
D24B10
J1-D
-M8-(-)
10
1
38
D29A18
A1-(+) 4M7-(+) 72
53.5
D30A18
A1-(-) 4M7-(-) 72
52.5
D68A16
A1-S2 8
S8-33
81
48.5
D69A16
A1-S1
8
S8-32
81
54
D70A16
A1-S3 8
S8-34
81
48.5
D83A18 S8-31
8
M8(+)
10
1 7
D84A18
S8-11
4M9(-) 72
10
D85A18
S8-21
4M9-(+) 72
11
D86A18
A2-(+) 4M6-(+) 72
44.5
D87A18
A2-(-) 4M6-(-) 72
47.5
E35A18
J1-Y -M4-(-) 72
32
RED
E36A18
J1-Z -M4-(-) 72
33
E37A18
J1-X -M3-(-) 62
34
E38A18
J1-W -M2-(-) 62
39
E39A18
J1-V -M1-(-) 62
42
K32A18 J1-N
-R1-N 52
29.5
BLACK
K33A18
J1-N -
R1-R
52
30
BLACK
K34A18
J1-T R1-L 52
31
BLACK
L23A18 DS1-2
4
S4-2
4 2
22.5
RED
L23B18
DS1-2
4
DS2-2
42
10
RED
L23C18
DS2-2
4
DS3-2
4 2
17
RED
L25A18
J1-J S6-3
42
34.5
BLACK
L26A18
J1-K -
S6-6
42
33.5
BLACK
L34A18
S7-12
4
DS7-2
1/4 STRIP
2
10
RED
Figure 3-59. Control Cubicle Wiring Harness (Sheet 1 of 6) Drawing No. 69-677
3-141

ARMY TM 9-6115-464-34
AIR FORCE 35C2-3-445-2
NAVY NAVFAC P-8-624-34
WIRE
FROM TO
MARKING
NO STATION
LUG FIND
STATION
LUG FIND WIRE FIND CUT
MARKING
NO NO NO NO NO.
LENGTH IN
COLOR
(REF)
L92A18 S6-2
4
DS4-2
42
10
BLACK
L93A18
S6-5
4
DS5-2
428BLACK
L93B18
J1-B
DS5-2
42
32.5
BLACK
P40N16
J1-V -TB1-5
11
1
12
RED
P40P16
J1-U
-TB1-5
11
1
12
P40R16
TB1-5
11
S2-11
8 1
42.5
P40S16
S2-2
8
S2-11
8 1 7
P40T16 S2-5
8
S2-2
8 1 6
P40U16
S2-5
4
S4-1
4 2
14
P40V16 S4-1
4
DS8-3
1/4 STRIP
2
10
P40W18
DS7-3
1/4 STRIP
DS6-3 l/4 STRIP
2
16.5
P40X18
TB1-5
11
DS8-3
1/4 STRIP
2
52
P43A16
S7-5
8
S2-12
8 1
22
RED
P44A16 S1-1
8
S7-4
8 1
23
P44B16
J1-G
-
S7-4
8 1
37
P45A16
TB1-10
11
S2-3
8 1
45
P45B16 S2-3
8
S7-8
8 1
22
P45C16
S7-8
8
S7-11
8 1 7
P45D16 J1-R
TB1-10
11
1
14.5
P45E16
TB1-10
11
A4-7
11
1
11
P46A16
J1-X -
S1-2
8 1
34
P47A16
S2-6
8
S7-9
8 1
22.5
P47B16
J1-E
S7-9
8 1
38
P50A16
TB1-8
11
A4-9
11
1
12
P50B16
J1-W -TB1-8
11
1
13
P50C16
TB1-8
11
S3-2
81
38
P50D16
M1-(+) 9
S3-2
81
23
P50E18
M1-(+) 6M2-(+) 62 7
P50F18
M3-(+) 6M2-(+) 62
25
P50G18
M5-(+) 4M3-(+) 6 2
6.5
P55AA16
J1-F TB1-3
11
1
10
P55CC18
TB1-3 5
DS1-1
4 2
47
Figure 3-59. Control Cubicle Wiring Harness (Sheet 2 of 6) Drawing No. 69-677
3-142

ARMY TM 9-6115-464-34
AIR FORCE TO 35C2-3-445-2
NAVY NAVFAC P-8-624-34
WIRE
MARKING
NO
P55DD18
P55EE18
P55FF18
P55GG18
P55HH18
P55KK16
P55MM16
P55XX18
P56A16
P56B16
P57A16
P57C16
P62D16
P80E16
P199A18
P198A18
X7D18
X8D18
X9D18
X9F18
x9G18
X194A18
X195A18
X197A18
X9H18
X12D16
X12E18
X12G18
X12H18
X12J18
X12K18
FROM TO
STATION
LUG FIND
STATION
LUG FIND WIRE FIND CUT
MARKING
NO NO NO NO NO.
LENGTH IN
COLOR
(REF)
DS1-1
4
DS2-1
4 2
9.5
DS2-1
4
DS3-1
4 2
17
M5-(-) 4
DS3-1
4 2
30
M5-(-) 4
DS6-1
1/4 STRIP
2
14
DS6-1 1/4 STRIP DS7-1 1/4 STRIP
2
16.5
J1-P
M1-CASE 91
42
A4-2
11
TB1-4
11
1
10.5
TB1-4 5
DS8-1
1/’4 STRIP
2
50
S3-3
8
S3-6
81 7
J1-K -
S3-3
81
31
-——-
S7-2
8
S3-5
81
19
J1-T
S7-2
81
38
J1-H
S7-3
81
38.5
J1-M -A4-8
11
1
25
J1-A
DS6-2
1/4 STRIP
2
32
J1-C
DS8-2
1/4 STRIP
2
40
J1-E
-A1-V1 4 2
23.5
BLACK
J1-F
-A1-V2 42
23.5
J1-Z
TB1-6
11
1
12
TB1-7 5A1-V3 42
12
A2-2 4TB1-6 52
12.5
J1-P
S6-11
4 2
36
J1-F
S6-10
42
36
J1-N
-
S6-8
42
36
TB1-7 5R2-L
1/4 STRIP
2
43
BLACK
J1-Y -
TB1-1
11
19
A2-1
4TB1-1 52
10
TB1-1
5A4-5 52
7.5
TB1-1
5
S5-4
4 2
36
TB1-2 5A1-U3 42
15
TB1-2 5
S8-17
42
38
Figure 3-59. Control Cubicle Wiring Harness (Sheet 3 of 6) Drawing No. 69-677
3-143

ARMY TM 9-6115-464-34
AIR FORCE 35C2-3-446-2
NAVY NAVFAC P-8--624-34
WIRE FROM TO
MARKING
NO STATION
LUG FIND
STATION
LUG FIND WIRE FIND CUT
MARKING
NO NO NO NO NO.
LENGTH IN
COLOR
(REF)
X12L18
A1-N1 4A1-N1 42
5.5
X14D18
J1-G
-
DS4-1
42
31
X14E18 S8-12
4
DS4-1
42
18
X14F18
S8-12
4
S8-24
42
4.5
X15D18
J1-H -
DS5-1
42
33.5
X15E18 S8-22
4
DS5-1
4 2
20
X16D18
J1-1 S8-13
4 2
34
S29A18 J1-S
-A4-12 5 2
23
X31A18 J1-0
A4-4 5 2
14
X78A18
A4-10 5
S5-3
4 2
51.5
X79A10
A4-6 5
S5-6
4 2
40
X82A18
S5-1
4R2-M
5/8 STRIP
2
14
X82B18
A4-11
5
S5-1
4 2
50
X90A18 J1-U
-
S5-2
4 2
32
X90B18
S6-7
4
S5-2
42
11.5
X91A18
J1-L -
S5-5
4 2
32.5
Figure 3-59. Control Cubicle Wiring Harness (Sheet 4 of 6) Drawing No. 69-677
3-144

ARMY TM 9-6115-464-34
AIR FORCE TO 35C2-3-445-2
NAVY NAVFAC P-8-624-34
Figure 3-59. Control Cubicle Wiring Harness (Sheet 5 of 6) Drawing No. 69-677
3-145

ARMY TM 9-6115-464-34
AIR FORCE 35C2-3-445-2
NAVY NAVFAC P-8-624-34
Figure 3–59. Control Cubicle Wiring Harness (Sheet 6 of 6) Drawing No. 69-677
3-146
ARMY TM 9-6115-464-34
AIR FORCE 35C2-3-445-2
NAVY NAVFAC P-8-624-34
1. Screw and assembled washer
2. Lockwasher
3. Screw and captive washer assy
4. Cover plate
5. Screw and captive washer assy
6. Indicator panel assembly
7. Nut
8. Indicator light assembly
9. Lens
10. Lamp
11. Base
12. Nut
13. Tooth Iockwasher
14. Test or reset switch
15. Capacitor
16. Nut
17. Positioning washer
18. Nut
19. Tooth Iockwasher
20. Fuse holder assembly
21. Cap
22. Fuse
23. Fuse holder
24. Panel
25. Screw and captive washer assy
26. Cover plate assy
27. Screw and captive washer assy
28. Screw
29. Lockwasher
30. Relay
31. Component board assembly
32. Cover plate
33. Screw and captive washer assy
34. Wiring harness
35. Housing
Figure 3-60. Fault Locating Indicator, Exploded View (Sheet 2 of 2)
e. Testing.
(1) Refer to figure 3-61 and connect the positive lead of a 24 Vdc source to pin A of connector J12.
(2) Connect the negative lead to pin B.
(3) Place test or reset switch in the TEST or RESET position. All indicator lights shall illuminate.
(4) Release test or reset switch. All indicator lights shall go dark.
(5) Install a jumper between connector pins C and D. Low oil pressure indicator light shall illuminate.
(6) Remove jumper from pin D. Low oil pressure indicator light shall remain lit.
(7) Connect jumper between connector pins C and E and reset test or reset switch.
(8) Low oil pressure indicator light shall go dark and overspeed indicator light shall illuminate.
(9) Repeat steps (5) through (8) for connector pins F through N.
(10) If any indicator light fails to function properly, disassemble fault locating indicator and test that portion
pertinent to the malfunctioning light.
f. Installation.
(1) Install fault locating indicator onto generator set with Iockwashers (2, figure 3-60), and screws (l).
(2) Connect wiring harness to back of fault locating indicator.
3-61. MANUAL SPEED CONTROL.
Refer to the Operator and Unit Maintenance Manual for manual speed control maintenance instructions.
3-62. DC CONTROL CIRCUIT BREAKER.
Refer to the Operator and Unit Maintenance Manual for dc control circuit breaker maintenance instructions.
3-148

ARMY TM 9-6115-464-34
AIR FORCE 35C2-3-445-2
NAVY NAVFAC P-8-624-34
3-63. LOAD MEASURING UNIT.
a. Removal. Refer to the Operator and Unit Maintenance Manual for load measuring unit removal
instructions.
NOTE
Disassemble load measuring unit only as is necessary for inspection, testing, and
replacement of components.
b. Disassembly
(1) Remove nut (1, figure 3-64), Iockwashers (2), flatwasher (3) to remove cover(4).
(2) Remove screws (5), and Iockwashers (6) to remove connector (7).
(3) Remove nut (8), lockwasher (9), flatwasher (10), screw (11), and connector bracket (12).
(4) Remove nut (13), lockwasher (14), flatwasher (15), insulating washer (16), load resistor (17),
insulating washer (18) and screw (19).
(5) Remove screw (20), lockwasher (21), flatwasher (22), spacer sleeve (23), insulating washer (24),
transformer (25), diode (26) from base (27).
c. Cleaning and Inspection
(1)
(2)
(3)
(4)
(5)
(6)
(7)
(8)
WARNING
Solvent, Dry Cleaning P–D-680, Type II is flammable and moderately toxic to skin,
eyes and respiratory tract. Eye and skin protection required. Good general ventilation
is normally adequate. Failure to observe this warning could result in servere personal
injury or death.
WARNING
Compressed air used for cleaning and drying purposes can create airborne particles
that may enter the eyes. Pressure shall not exceed 30 psig and use only with adequate
chip guards and chipping goggles. Failure to observe this warning could result in
servere personal injury or death.
Clean all non-electrical metal parts in dry cleaning solvent (Federal Specification P-D-680) and dry
with filtered compressed air.
Clean electrical components with filtered compressed air and a soft bristle brush.
Visually inspect cover connector bracket and base for cracks, corrosion, dents, and other damage.
Inspect load resistor for cracks, corrosion, burns, and evidence of overheating.
Inspect diodes for burns and other damage.
Inspect electrical connector for bent or broken pins, burns, cracks, and other damage.
Check all wiring for burned insulation, bare wires, broken or loose connections and other damage.
If the wiring harness has sustained damage and requires repair or rebuild, refer to figure 3-65 for
layout, identification and material requirements and Appendix A for detailed soldering and
replacement procedures.
3-152
ARMY TM 9-6115-464-34
AIR FORCE TO 35C2-3-445-2
NAVY NAVFAC P-8-624-34
d. Testing and Repair.
NOTE
Disconnect leads to components prior to testing to avoid erroneous readings.
(1) Test individual components using figure 3-66 as a guide and perform the following steps:
(a) Using a VOM, check for continuity between the following test points of transformer T1, figure 3-66:
TP1 and TP2, TP8 and TP9, TP15 and TP16, TP5 and TP6, TP6 and TP7, TP5 and TP7, TP12
and TP13, TP13 and TP14, TP12 and TP14, TP19 and TP20, TP20 and TP21, and TP19 and
TP21.
(b) If continuity is not indicated in all of the above checks and open circuit exists in the transformer
windings, replace transformer (25, figure 3-64).
NOTE
Continuity of secondary windings of transformer T1 can be checked by using pins K
and A, L and B, and M and C of plug P7 if desired. This method could show continuity
if the connector P7 is faulty, even though the transformer has an open winding.
(c) Using a VOM, check for open circuit indications (infinity) between the following test points of
transformer T1, figure 4-13; TP1 and TP5, TP1 and TP6, TP1 and TP7, TP2 and TP5, TP2 and
TP6, TP2 and TP7, TP8 and TP12, TP8 and TP13, TP8 and TP14, TP9 and TP12, TP9 and TP13,
TP9 and TP14, TP15 and TP19, TP15 and TP20, TP15 and TP21, TP16 and TP19, TP16 and
TP20,TP16 and TP21, TP7 and TP12,TP14 and TP19, TP2 and TP8, TP9 and TP15.
(d) If continuity is indicated in any of the above checks, replace the transformer (25, figure 3-64).
(e) Using a VOM, check diodes (1 through 6, figure 3-66). Check diode CR1 by placing the positive
probe of the VOM on TP3 and the negative probe on TP5. The VOM should indicate continuity.
Reverse the probes: the VOM should indicate open circuit. If the diode fails either of these tests,
replace the diode (26, figure 3-64).
(f) Check the remaining diodes, CR2 through CR6 using the same procedure. Replace any diodes
(2)
(3)
(4)
(5)
(6)
(7)
(8)
(9)
found to be defective.
Install load measuring unit in the test circuit shown in figure 3-67.
Remove load measuring unit cover.
Adjust load bank R1 so that it will apply no load to power source G1.
Activate power source and adjust to obtain a reading of 208 Vac on voltmeter M1.
Adjust load measuring unit load resistor (17, figure 3-64) to obtain a reading of 0.0 to 0.4 Vdc on
voltmeter M2 (figure 3-67).
Place load bank on the line and check reading of voltmeters M2 and M3. Readings shall be 9.6 ± 0.2
Vdc and 5.4 Vac respectively.
Slowly adjust load bank from zero to full load while observing voltmeter M2 and M3. Indication of
voltmeter M2 shall vary from 0.0 to 9.6 ± 0.2 Vdc as indication of voltmeter M3 varies from 0.2 ± 0.2
to 5.6 Vac (figure 3-67).
If necessary, adjust load measuring unit load resistor (17, figure 3-64) to obtain the relationship
shown in figure 3-67.
3-155

ARMY TM 9-6115-464-34
AIR FORCE 35C2-3-445-2
NAVY NAVFAC P-8-624-34
LEGEND
CR1 — Diode
CR2 — Diode
CR3 — Diode
CR4 — Diode
CR5 — Diode
CR6 — Diode
T1 — Transformer
J16— Plug (Mating plug to P16 of wiring harness)
R1 — Resistor
1 through 21 are connections and test points for Diodes CR1 through CR6 and Transformer T1
NOTE
J16-N is positive 9.9 VDC in reference to J16-S with 100% rated load applied.
Figure 3-66. Load Measuring Unit Component Test and Replacement Diagram
3-156

(10)
(11)
(12)
ARMY TM 9-6115-464-34
AIR FORCE TO 35C2-3-445-2
NAVY NAVFAC P-8-624-34
If adjustment does not give the proper relationship or if relationship varies outside of acceptability
limits at any point, replace load measuring unit load resistor.
Deactivate power source and remove load measuring unit from test circuit.
Install load measuring unit cover (figure 3-64).
e. Assembly.
(1) Position base (27, figure 3-84), to install diode (26), transformer (25), insulation washer (24), spacer
sleeve (23), flatwasher (22), Iockwasher (21) and screw (20).
(2) Install screw (19), insulating washer (18), load resistor (17), insulating washer, flatwasher (15),
Iockwasher (14) and nut (13).
(3) Install connector bracket (12), screw (11), flatwasher (10), lockwasher (9), and nut (8).
(4) Install connector (7), Iockwasher (6), and screws (5).
(5) Install cover (4), with flatwasher (3), Iockwasher (2) and nut (1).
f. Installation. Refer to the Operator and Unit Maintenance Manual for load measuring unit installation
instructions.
3-64. ELECTRO-HYDRAULIC GOVERNOR CONTROL UNIT.
a. General.
(1)
(2)
(3)
(4)
(5)
(6)
The electro-hydraulic governing system is a speed (frequency) sensing system used to maintain
prime mover speed constant and therefore generator output frequency, during periods of unchanging
load and when load additions or deletions occur.
The system consists of a control unit, load measuring unit and hydraulic throttle actuating unit.
The control unit inputs are the generator output voltage, and a dc voltage (O-9.8 Vdc) proportional to
the generator load, supplied by the load measuring unit. The generator voltage input is applied to a
frequency sensing network and reference voltage network. The differential output of these two
networks determines the control current of two magnetic amplifiers whose outputs drive separate
coils of the hydraulic actuators pilot valve. The actuator pilot valve positions the actuator power
piston which is connected to the input arm of the fuel injection pump. The actuators hydraulic system
is comprised of a reservoir, engine driven pump (300-320 psi, 2 gpm), cooler and filter.
Any deviation of engine speed, reflected as a change in frequency at the input of the governor,
produces a change in the magnitude and direction of magnetic amplifier control field current. This
change in control field current will increase the strength of one coil of the pilot valve while decreasing
the strength of the other. The resultant difference repositions the pilot valve in turn repositioning the
power piston which changes the output of the fuel injection pump, changing engine speed and
consequently restoring generator frequency to its nominal value.
The load measuring units (LMU) input to the governor control provides for automatic load sharing
when two or more sets are operated in parallel. Each set is equipped with an LMU.
If the load added to the system is not equally divided, the LMU inputs to their respective governors
will differ. The resulting difference acting through additional windings of each sets governor (which
are connected in parallel) will reposition each sets actuator power piston such that fuel flow in the
more lightly loaded set is increased. Since the power input of each prime mover has been
readjusted, equal division of true power (Kw) occurs with no deviation in frequency of any set.
b. MaIfunction. The following procedures are to be performed in the generator set unless otherwise
specified.
3-157
(1)
(2)
(3)
(4)
(5)
(6)
If the FL-NL or NL - FL transient exceeds 1-1/2 percent of rated speed and/or does not
reestablish stable engine operating conditions within one second, realign the control unit in
accordance with paragraph 3-64j. Also follow this procedure if the engine speed hunts. If the set
cannot be stabilized, check sockets A and B of plug P-21 (figure 3-97) for 24 Vdc (A is positive).
If the engine speed increases to above nominal operating speed, check sockets A and B of P-17
(figure 3–97) for 120 Vac. If it is missing, troubleshoot the generator set wiring. Refer to schematic
and troubleshooting diagram plates located on inside of left and right engine compartment doors
(figure 3-97). If it is present, check the resistance of the frequency adjusting circuit consisting of R4
(250 ohms) rheostat R1 frequency adjust (500 ohms) and R6 (250 ohms) fixed resistor. Measure the
total circuit resistance across N and T of harness plug PI 7 (figure 3-97). The circuit resistance
should be 1000 ohms (5 percent tolerance). After testing for correct total resistance, test the
operation of the frequency adjust rheostat by connecting an ohmmeter across pins M and T and
revolving the frequency adjust rheostat through its entire travel. The resistance should vary from 750
ohms to 250 ohms. Repeat this procedure using the ohmmeter across pins M and N of the harness
plug. If the problem persists, check sockets A and B of plug P-21 (figure 3-97) for 24 Vdc (A is
positive).
If the engine speed remains below the nominal operating speed, adjust RI. If there is no
improvement, check the resistance of the frequency adjust circuit. Disconnect P–17 and check the
resistance of the frequency adjust circuit consisting of R4 (250 ohms) fixed resistor, RI frequency
adjust rheostat (500 ohms) and R5 (250 ohms, 5 percent) fixed resistor. Measure the total circuit
resistance across N and T of harness plug P-17. The circuit resistance should be 1000 ohms (5
percent tolerance). After testing for correct total resistance, test the operation of the frequency adjust
potentiometer by connecting an ohmmeter across pins M and T and revolving the travel. The
resistance should vary from 750 ohms to 250 ohms. Repeat this procedure using the ohmmeter
across pins M and N of the harness plug. Disconnect actuator electrical connector before making this
measurement. Push actuator piston all the way down and adjust engine speed with manual throttle.
If this value resistance is measured, check sockets A and Bat plug P–21 for 24 Vdc (A is positive).
If the set is operating at a constant load and voltage and during an eight–hour period the change in
ambient temperature does not exceed 60°F, the set frequency should not drift beyond 1/2 of one
percent of rated frequency. The above requirement assumes that the set temperatures were
stabilized at the initial and final ambient temperatures.
NOTE
If the drift in paragraph (4) is excessive, realign the control unit following the procedure
outlined in paragraph 3-64j.
At constant ambient temperature, constant load, constant voltage and constant barometric pressure,
the set frequency should remain within a bandwidth of 1 percent of rated frequency for a period of 4
hours. If this bandwidth has been exceeded, realign the control unit in accordance with paragraph
3-64j.
If the preceding solutions to the specific problem do not resolve the problems, replace and repair the
control unit, actuator (paragraph 3-43) or load measuring unit (paragraph 3–63) as required.
c. Removal.
(1) Tag and disconnect electrical connectors to governor control unit.
(2) Remove nuts (1, figure 3-68), Iockwashers (2), nuts (3), Iockwashers (4) and bracket (5), threaded
rod (6) and lift governor control unit from mounting bracket.
3-158
ARMY TM 9-6115-464-34
AIR FORCE 35C2-3-445-2
NAVY NAVFAC P-8-624-34

ARMY TM 9-6115-464-34
AIR FORCE TO 35C2-3-445-2
NAVY NAVFAC P-8-624-34
LEGEND:
G1 POWER SOURCE, 208 VAC, 3 PHASE, 47-430 HZ
M1 VOLTMETER, 0-250 VAC
M2 VOLTMETER, 0-10 VDC
M3 VOLTMETER, 0-10 VAC
R1 LOAD BANK
R2 LOAD RESISTOR, 7.5 OHM, 10 WATT
R3 LOAD RESISTOR, 7.5 OHM, 10 WATT
R4 LOAD RESISTOR, 7.5 OHM, 10 WATT
T1 TRANSFORMER
T2 TRANSFORMER
T3 TRANSFORMER
Figure 3-67. Load Measuring Unit Test Circuit and Test Data Relationship
3-159

ARMY TM 9-6115-464-34
AIR FORCE 35C2-3-445-2
NAVY NAVFAC P-8-624-34
d. Disassembly.
(1) Disassemble governor control unit (7 through 58) only as is necessary for inspection, testing, and
replacement of parts.
NOTE
Disassembly and repair of the electric governor control unit at the field level is
restricted to removal of the cover, connectors, potentiometers and test jacks. Further
disassembly requires unpotting which can be performed by depot maintenance
personnel only.
(2) Remove screws (7) and Iockwashers (8) and carefully Iift cover and situate at angle to prevent potting
compound from contacting variable resistors and connectors.
CAUTION
Flash point of potting compound is 515°F (268. 3°C). Do not allow oven to reach this
temperature. The melting temperature of patting compound is 165°F (73.8°C). Failure
to observe this caution could result in damage to the equipment.
(3) Place governor control unit in an oven and bake at + 180°F to 185° (+82.2°C to +85°C) for 11 to 12
hours.
WARNING
Wear protective glasses and heat resistant gloves when removing governor control
unit. Hot potting compound will cause severe burns should it come in contact with the
skin. Failure to observe this warning could result in servere personal injury or death.
(4) Remove governor control unit from oven.
(5) Slowly lift cover (54) with attached parts and printed circuit board (57) from housing (58).
(6) Place printed circuit board on a drain board and allow to cool.
(7) Remove screws (38, 42, 46, and 50) and Iockwashers (39, 43,47, and 51) and attaching con-
nectors (41, 45, 49, and 53), gaskets (40, 44, 48, and 52) and cover (54).
(8) Disassemble remaining components mounted on cover in accordance with index numbers 9 through
37.
e. Cleaning, Inspection, and Repair.
WARNING
Solvent, Dry Cleaning P-D-680, Type II is flammable and moderately toxic to skin,
eyes and respiratory tract. Eye and skin protection required. Good general ventilation
is normally adequate. Failure to observe this warning could result in servere personal
injury or death.
WARNING
Compressed air used for cleaning and drying purposes can create airborne particles
that may enter the eyes. Pressure shall not exceed 30 psig and use only with adequate
chip guards and chipping goggles. Failure to observe this warning could result in
servere personal injury or death.
3-160
ARMY TM 9-6115-464-34
AIR FORCE 35C2-3-445-2
NAVY NAVFAC P-8-624-34
1. Screw
2. Lockwasher
3. Nut
4. Lockwasher
5. Bracket
6. Threaded rod
7. Screw
8. Lockwasher
9. Nut
10. Nut
11. Tooth Iockwasher
12. Potentiometer (R18)
13. Nut
14. Nut
15. Tooth Iockwasher
16. Potentiometer (R16)
17. Nut
18. Nut
19. Tooth Iockwasher
20. Potentiometer (R15)
21. Nut
22. Nut
23. Tooth Iockwasher
24. Potentiometer (R15)
25. Nut
26. Nut
27. Tooth Iockwasher
28. Potentiometer (R11)
29. Nut
30. Nut
31.
32.
33.
34.
35.
36.
37.
38.
39.
40.
41.
42.
43.
44.
45.
46.
47.
48.
49.
50.
51.
52.
53.
55.
56.
57.
58.
Tooth Iockwasher
Potentiometer (R12)
Spacer
Sealing washers
Nut
Tooth Iockwasher
Test jack
Screw
Lockwasher
Gasket
Electrical connector (P2)
Screw
Lockwasher
Gasket
Electrical connector (P5)
Screw
Lockwasher
Gasket
Electrical connector (J3)
Screw
Lockwasher
Gasket
Electrical connector (P1)
Cover
Nameplate
Gasket
Printed circuit board assembly
Housing
Figure 3-68. Electro-Hydraulic Governor Control Unit, Exploded View (Sheet 2 of 2)
(1) Clean housing and cover with dry cleaning solvent (Federal Specification P-D-680) and dry with
filtered compressed air.
(2) Clean electrical components with a clean, lint-free cloth lightly moistened with an approved solvent.
(3) Visually inspect cover and housing for cracks, dents, defective paint and other damage.
(4) Inspect potentiometers for cracks, burns, and other damage.
(5) Inspect electrical connectors for bent or broken pins, cracks, burns, and other damage.
(6) Inspect printed circuit board assembly for cracks, breaks, burned or damaged components and cold
solder joints.
(7) Inspect all wiring for burned, chaffed, or damaged insulation and loose connections.
(8) Repair housing and cover as follows:
(a) Straighten dents and warping.
(b) Remove defective paint and corrosion. Treat and paint.
3-162
54.

ARMY TM 9-6115-464-34
AIR FORCE TO 35C2-3-445-2
NAVY NAVFAC P-8-624-34
(9)
(10)
(11)
Repair wiring harness as follows: If the wiring harness has sustained damage and requires repair or
rebuild, refer to figures 3-69 (50/60 Hz) or 3–70 (400 Hz) as required for layout identification and
material requirements and Appendix A for detailed soldering and replacement procedures.
Test and replace printed circuit board components using figures 3-71, 3–72, 3-73,3-74, and 3-75
as appropriate.
If any soldered component on the printed circuit board must be replaced, refer to Appendix A for
detailed soldering and replacement procedures.
f. Assembly.
(1) Assemble governor control unit in reverse order of removal procedures using figure 3-68 as a guide.
NOTE
Prior to installing assembled governor control unit in housing and pouring potting
compound, perform tests (subparagraph g.) below.
(2) After completing assembly, repeat tests g.(2), (3), (4) (checks only) (5) and (6).
(3) After final assembly, use an ohmmeter to check for open circuit between each pin on all connectors
and each test point and the governor control unit housing. There shall be no sign of continuity.
g. Testing.
CAUTION
Unpotted governor control unit printed circuit board must be positioned as specified in
step (1) below. Failure to observe this caution could result in damage to the
equipment.
(1) Position governor control unit printed circuit board as shown in figure 3-76.
(2) Perform resistance test as follows:
(a) Turn potentiometers (R11, R12, R14, R15, R16 and R18, figure 3-68) to the full clockwise position.
(b) Preset adjustable resistors (R2 and R10, figure 3-71) to mid-range.
(c) Using an ohmmeter, check resistance of points in table 3-5 for specified values (400 Hz resistance
test values are given in table 3-6).
NOTE
Observe polarity of connections specified in the table. Return potentiometer to
clockwise position after each check.
(3) Perform magnetic amplifier bias test as follows:
(a)
(b)
(c)
(d)
Install governor control unit in test circuit illustrated
NOTE
in figure 3-77.
Frequency of power source (G1) must conform to frequency of governor control unit
being tested (50/60 Hz or 400 Hz).
Turn potentiometers R11, R12, R14, R15, R16, and R18 to full clockwise position.
Adjust R11 and R12 to obtain a balanced reading of 450 milliamperes on M2 and M3.
Turn R12 to full clockwise. Reading of M2 and M3 shall be O to 300 milliamperes and shall be
balanced within 50 milliamperes.
3-163

ARMY TM 9-6115-464-34
AIR FORCE 35C2-3-445-2
NAVY NAVFAC P-8-624-34
(e) Turn R12 to full counterclockwise position. Reading of M2 and M3 shall be 600-1000 milliamperes
and be balanced within 50 milliamperes.
(f) Adjust R11 and R12 as in step (c) above and Iock for remainder of test.
(4) Perform frequency sensing test as follows:
(a) Install the governor control unit in test circuit as shown in figure 3-78.
(b) Apply 57.5 to 62.5 Hz, 120 ±2 volts ac to P1-A and P1-B (375 to 425 Hz for 400 Hz units).
(c) Adjust Rb so the resistance between P1-M and P.-T is 250 ohms.
(d) Reduce the frequency of the applied 120 ±2 volt supply until M2 and M3 balance. The frequency
shall be 57-58 Hz (375 to 425 Hz on 400 Hz sets).
(e) Adjust Rb so the resistance between P1-M and P1-N is 250 ohms.
(f) Increase the frequency of the applied 120 ±2 volt supply until M2 and M3 balance. The frequency
shall be 64-65 Hz (420-425 Hz on 400 Hz units).
(5) Perform rectifier bridge and feedback winding test as follows.
(a) Install governor control unit in test circuit as shown in figure 3-79.
(b) Turn R14 and R15 to full counterclockwise position.
(c) M5 shall indicate -5 to -7 milliamperes.
(d) Adjust R14 clockwise until indication of M2 and M3 are balanced.
(e) Place SW1 in the LOW position. M3 shall indicate 600 to 840 milliamperes. M3 shall indicate 0 to
300 milliamperes. M5 shall indicate less than 0 to + 1.5 milliamperes.
(f) Place SW1 in the HIGH position. M2 shall indicate 0 to 300 milliamperes. M3 shall indicate 600 to
840 milliamperes. M5 shall indicate less than 0 to –1.5 milliamperes.
(6) Perform parallel winding test as follows:
(a) Install governor control unit in test circuit as shown in figure.
(b) M2 shall indicate 0 to 300 milliamperes. M3 shall indicate 600 to 840 milliamperes.
(c) Reverse polarity of connections to pins J1-E and J1-G.
(d) M2 shall indicate 600 to 840 milliamperes. M3 shall indicate 0 to 300 milliamperes.
h. Potting.
(1) Check all connections and if any have been bored for test purposes, or if any defected components
have been replaced, the effected area and components must be coated with polyurethane resin to
prevent oxidation or other corrosion. The coating must be of a minimum thickness of 0.007 inch and
air bubble entry into the applied polyurethane must be controlled so that the legibility of component
coding and identification is not impaired.
(2) Check connections of printed circuit board to cover.
3-164

ARMY TM 9-6115-464-34
AIR FORCE TO 35C2-3-445-2
NAVY NAVFAC P-8-624-34
Table 3-5. 50/60 Hz Governor Control Unit Resistance Test Values
P1
POTENTIOMETER NOMINAL ALLOWABLE RESISTANCE
CONNECTION
(T-N) (T+)
M-N (M+)
(M+)
F-N (F+)
(F+)
(F+)
E-G (E+)
R-G (R+)
F-G (F+)
J–H (J+)
T-P (T+)
(T+)
U-S (U+)
POSITION RESISTANCE (OHMS)
5100
2180
R18 counterclockwise 12,180
6000
R16 counterclockwise 31,000
R15 counterclockwise 6500
5500
120
650
Less than 0.2 ohm
2200
R14 counterclockwise 2600
525
RANGE (OHMS)
3400-6800
1950-2400
11,000-13,000
5000-7000
30,000-32,000
5500-7500
4500-6500
100-140
500-750
1400-3000
1800-3400
450-600
Table 3-6. 400 Hz Electro-Hydraulic Governor Control Unit Resistance Test Values
PIPOTENTIOMETER NOMINAL ALLOWABLE RESISTANCE
CONNECTION POSITION RESISTANCE (OHMS) RANGE (OHMS)
(T-N) (T+)
M-N (M+)
(M+)
F–N (F+)
(F+)
(F+)
E-G (E+)
R-G (R+)
F-G (F+)
J-H (J+)
T–P (T+)
(T+)
U–S (U+)
4850
1400
R18 counterclockwise 11,480
4160
R16 counterclockwise 29,160
R15 counterclockwise 4660
5500
120
650
Less than 0.2 ohm
1950
R14 counterclockwise 2150
520
3400-6300
1200-1700
10,000-12,000
3500-5500
27,000-31,000
4000-5500
4500-6500
100-140
550-750
1400-2500
1500-2800
450-600
3-165

ARMY TM 9-6115-464-34
AIR FORCE TO 35C2-3-445-2
NAVY NAVFAC P-8-624-34
NOTES:
INSTALL CABLE STRAPS, FIND NO. 7, AT 1.5 INTER-
VALS AND AT EACH CABLE BREAKOUT.
1.
2.
3.
4.
5.
6.
7.
8.
CRIMP STYLE TERMINALS, FIND NO. 5, SHALL BE
IN ACCORDANCE WITH MIL-STD-454, REQUIRE-
MENT 19.
CONDUCTOR ENDS WITHOUT TERMINALS OR CON-
NECTORS SHALL BE STRIPPED .25 INCH AND TINN–
ED IN ACCORDANCE WITH MIL-STD-454, REQUIRE-
MENT NO. 5.
SODER ALL CONNECTORS IN ACCORDANCE WITH
MIL-STD-454, REQUIREMENT NO. 5
EACH WIRE SHALL BE PERMANENTLY AND
LEGIBLY IDENTIFIED AT EACH END OF THE WIRE.
INSTALL INSULATION SLEEVING, FIND NO. 8 OVER
EACH SOLDER CONNECTION TO CONNECTORS
(FIND NO. 1,2,3 AND 4) AND HEAT SHRINK TO A
FIRM FIT. SLEEVING SHALL EXTEND OVER WIRE
INSULATION AT A MINIMUM OF .25 IN.
REFERENCES:
FOR ELECTRICAL WIRING DIAGRAM, SEE
DRAWING 69-730
FOR ELECTRICAL SCHEMATIC DIAGRAM, SEE
DRAWING 69-729
FOR INTERPRETATION OF:
REFERENCE DESIGNATIONS FOR ELEC-
TRICAL AND ELECTRONICS AND
EQUIPMENTS, SEE ANS Y32.16
DIMENSIONING AND TOLERANC–
ING, SEE ANS Y14.5
Figure 3-69. 50/60 Hz Governor Control Unit Wiring Harness, Drawing No. 69–731 (Sheet 2 of 2)
3-167

ARMY TM 9-6115-464-34
AIR FORCE TO 35C2-3-445-2
NAVY NAVFAC P-8-624-34
Figure 3-70. 400 Hz Electro-Hydraulic Governor Control Unit Wiring Harness, Drawing No. 69-814
(Sheet 2 of 2)
3-169

ARMY TM 9-6115-464-34
AIR FORCE 35C2-3-445-2
NAVY NAVFAC P-8-624-34
1. Power transformer (T1)
2. Filter reactor (L2)
3. Filter reactor (L1)
4. Fixed capacitor (C7)
5. Resistor R23)
6. Resistor (R5)
7. Power transistor (Q1)
6. Power transistor (Q2)
9. Reactor
10. Transformer (T2)
11. Silicone rectifier (CR5)
12. Silicone rectifier (CR6)
13. Silicone rectifier (CR4)
14. Silicone rectifier (CR3)
15. Fixed capacitor (C9)
16, Resistor (R20)
17. Resistor (R22)
18. Magamp (AR1)
19. Silicone rectifier (CR7)
20. Silicone rectifier (CR9)
21. Resistor (R37) (50/60 Hz)
22. Silicone rectifier (CR8)
23. Silicone rectifier (CR10)
24. Panel assembly
25. Adjustable resistor (R10) (50/60 Hz only)
26. Silicone rectifier (CR15)
27. Silicone rectifier (CR16)
28. Silicone rectifier (CR17) 44. Resistor (R4)
29. Silicone rectifier (CR18) 45. Capacitor (C5)
30. Silicone rectifier (CR11)
31. Silicone rectifier (CR12)
32. Silicone rectifier (CR13)
33. Silicone rectifier (CR14)
34. Fixed capacitor (C6)
35. Selenium rectifier (CR12)
36. Power resistor (R1)
37. Adjustable resistor (R2)
38. Power resistor (R1A)
39. Fixed capacitor Cr) (400 Hz unit only)
40. Fixed capacitor (C3)
41. Printed circuit board
42. Fixed capacitor (C2)
Figure 3-71. Electro-Hydraulic Governor Control Unit Printed Circuit Board
3-170
43. Resistor (R8)

ARMY TM 9-6115-464-34
AIR FORCE TO 35C2-3-445-2
NAVY NAVFAC P-8-624-34
ELEC REF
DESIG
AR1
C2
C3,
C4
C5
C6
C8
C9
CR2
CR3-CR18
J3
L1
L2
L3
P1
P2
Q1,Q2
A1
A2
DESCRIPTION
MAGAMP
CAPACITOR, FIXED
CAPACITOR, FIXED
CAPACITOR, FIXED
CAPACITOR, FIXED
CAPACITOR, FIXED
CAPACITOR, FIXED
CAPACITOR, FIXED
SELENIUM RECTIFIER
RECTIFIER, SILICON
CONNECTOR, RECEPTACLE
FILTER REACTOR
FILTER REACTOR
FILTER REACTOR
CONNECTOR, RECEPTACLE
CONNECTOR, RECEPTACLE
CONNECTOR, RECEPTACLE
TRANSISTOR, POWER
PRINTED WIRING BOARD ASSY
PANEL ASSEMBLY
ELEC REF
DESIG
R1, R1A
R4, R8
R22. R37
R5
R2,R10
R11
R12
R14
R15
R16
R18
R20
R23
T1
T2
TP1-TP4
TPA-TPD
DESCRIPTION
RESISTOR, POWER
RESISTOR
RESISTOR
RESISTOR,ADJUSTABLE
RESISTOR,VARIABLE
RESISTOR,VARIABLE
RESISTOR,VARIABLE
RESISTOR,VARIABLE
RESISTOR,VARIABLE
RESISTOR,VARIABLE
RESISTOR,MIL-R-26/4
RESISTOR
POWER TRANSFORMER
TRANSFORMER
CONNECTOR TEST JACK
NOTES:
1. REFERENCES:
FOR CONTROL UNIT ASSEMBLY, SEE DWG 69-700. 3. WIRE NUMBERS ARE FOR REFERENCE ONLY:
FOR SCHEMATIC DIAGRAM, SEE DWG 69-728. A. DATA FOR WIRE NO. 1 THRU 28,31 THRU 55,
FOR WIRING HARNESS, SEE DWG 69-814. AND 57 THRU 61: SEE DWG 68-731.
B. DATA FOR WIRE NO. 28,30 AND 56: SEE DWG
2. FOR INTERPRETATION OF: 69-700.
REFERENCE DESIGNATIONS FOR ELECTRICAL C. DATA FOR NO. 62 THRU 66: SEE DWG NO. 69-736.
AND ELECTRONICS PARTS AND EQUIPMENTS,
SEE ANS Y32.16.
Figure 3-72. 50/60 Hz Governor Control Unit Wiring Diagram, DWG No. 69-730
3-171

ARMY TM 9-6115-464-34
AIR FORCE TO 35C2-3-445-2
NAVY NAVFAC P-8-624-34
1.
2.
3.
4.
5.
6.
NOTES:
EXACT VALUES DETERMINED DURING TEST, SEE
TEST PROCEDURES DWG 69-737.
NOMINAL VALUES:
C3=8µF
C4=4µF
CB SHALL BE 30µF TO 120µF NON- POLARIZED,
TANTALUM. EXACT VALUE DEPENDS ON
GOVERNOR APPLICATION.
THROTTLE CLOSED BY CURRENT INCREASE IN
COIL A-B, OPEN THROTTLE DECREASES
OUTPUT OF TRANSDUCER.
ACTUATOR PISTON ATTACHED TO ENGINE
THROTTLE.
REFERENCES:
FOR CONTROL UNIT ASSEMBLY, SEE DWG
69-700
FOR WIRING DIAGRAM, SEE DWG 69-730
FOR WIRING HARNESS, SEE DWG 69-731
ALL COMPONENTS SHOWN OUTSIDE THE
DOTTED LINES ARE FOR REFERENCE ONLY.
Figure 3-74. 50/60 Hz Governor Control Unit Schematic Diagram, Drawing No. 69-729 (Sheet 1 of 2)
3-173

ARMY TM 9-6115-464-34
AIR FORCE 35C2-3-445-2
NAVY NAVFAC P-8-624-34
Figure 3-74, 50/60 Hz Governor Control Unit Schematic Diagram, Drawing No. 69-729 (Sheet 2 of 2)
3-174

ARMY TM 9-6115-464-34
AIR FORCE TO 35C2-3-445-2
NAVY NAVFAC P-8-624-34
NOTES:
1. EXACT VALUES DETERMINED DURING TEST,
SEE TEST PROCEDURES DWG 69-815.
NOMINAL VALUES: C3=8µF
2. CB SHALL BE 30µF TO 120µF NON–
POLARIZED, TANTALUM. EXACT VALUE
DEPENDS ON GOVERNOR APPLICATION.
3. THROTTLE CLOSED BY CURRENT INCREASE
IN COIL A–B, OPEN THROTTLE DECREASES
OUTPUT OF TRANSDUCER.
4. ACTUATOR PISTON ATTACHED TO ENGINE
THROTTLE.
5. REFERENCES:
FOR CONTROL UNIT ASSEMBLY, SEE DWG 69-800
FOR WIRING DIAGRAM, SEE DWG 69-813
FOR WIRING HARNESS, SEE DWG 69-814
6. FOR INTERPRETATION OF:
REFERENCE DESIGNATIONS FOR ELECTRICAL
AND ELECTRONICS PARTS AND EQUIPMENTS,
SEE ANS Y32.16 GRAPHIC SYMBOLS FOR
ELECTRICAL AND ELECTRONICS DIAGRAMS, SEE
ANS Y32.2
7. ALL COMPONENTS SHOWN OUTSIDE THE
DOTTED LINES ARE FOR REFERENCE ONLY.
Figure 3–75. 400 Hz Electro-Hydraulic Governor Control Unit Schematic Diagram, Drawing No. 69-612
(Sheet 1 of 2)
3-175

ARMY TM 9-6115-464-34
AIR FORCE 35C2-3-445-2
NAVY NAVFAC P-8-624-34
Figure 3-75. 400 Hz Electro-Hydraulic Governor Control Unit Schematic Diagram, Drawing No. 69-812
(Sheet 2 of 2)
3-176

ARMY TM 9-6115-464-34
AIR FORCE 35C2-3-445-2
NAVY NAVFAC P-8-624-34
(3)
(4)
(5)
(6)
(7)
Figure 3-78. Electro-Hydraulic Governor Control Unit Frequency Sensing Test Circuit
Place the container in a temperature controlled oven. Set the oven temperature at +180 to + 185°F
(+82.2°C to +85°C) and allow the container to soak 11 to 12 hours or until potting compound is
completely melted.
Prior to installing the printed circuit board, remove the container from the oven and make sure that
insulation paper is positioned next to the container shell.
Using heavy gloves and safety glasses, slowly lower the printed circuit board into the potting
compound.
WARNING
Use care not to splash hot potting compound on operating personnel. It can cause
severe injury. Failure to observe this warning could result in servere personal injury or
death.
Position the printed circuit board and allow compound to cool.
When compound has cooled and is substantially solid, install top cover and hardware.
(1) Refer to figure 3-81 for approximate position of controls when connecting linkage. Use figure 3-82
for generators with serial No RZ0001.
3-178
i. Installation

ARMY TM 9-6115-464-34
AIR FORCE 35C2-3-445-2
NAVY NAVFAC P-8-624-34
Figure 3-80. Electro-Hydraulic Governor Control Unit Parallel Winding Test Circuit
(2) Position governor control unit to install threaded rod (6, figure 3-68), bracket (5), Iockwashers (4),
nuts (3), Iockwashers (2) and nuts (1).
(3) Connect electrical connectors to governor control unit and untag.
NOTE
Desired speeds must be obtained by trial and error adjustments of linkage, position of
control arm and performing the alignment procedures in paragraph 3-64j.
j. Alignment Procedure. See figure 3-83 for identification of controls and perform the following procedures.
(1) Set R11, R14, R16 and R18 rheostats at mid-point.
(2) Set R15 full counterclockwise.
(3) Set R12 approximately 3/4 turn counterclockwise.
(4) Refer to Unit Maintenance Manual and start engine. If engine oscillates rapidly, adjust R16 and R18
until operation is stable.
(5) Once set has been stabilized, adjust R1 rheostat on control panel to obtain 60 Hz or 400 Hz.
(6) Connect a dc voltmeter with 0-10 volt range across test points 3 and 4. Test point 4 is positive.
Adjust R14 until voltage across test points 3 and 4 is zero at no load.
3-180
ARMY TM 9-6115-464-34
AIR FORCE TO 35C2-3-445-2
NAVY NAVFAC P-8-624-34
(7) Connect dc voltmeter across test points 1 and 2. Test point 1 is positive. Adjust R11 for zero volts at
60 Hz or 400 Hz at no load. Repeat adjustment until voltage across test points 1 and 2 and 3 and 4
is zero and frequency is 60 Hz or 400 Hz.
NOTE
If test points 1 and 2 cannot be zeroed, they must be reduced to a minimum,
(8) Adjust R12 to give approximately 5 volts across test points A and B.
(9) Adjust R15 for optimum transient performance. Fully clockwise position is maximum load
measurement gain.
(10) Set R18 and R16 for stabilized performance at all load conditions. For optimum performance R18
should be set as far counterclockwise as possible without causing an oscillation for any setting of
R15.
(11) Increasing the load measurement gain R15 (turning in a clockwise direction) will improve transient
performance; therefore, it should be adjusted as high as possible. The adjustment of R18, R16, and
R15 are interdependent. For any position of R18, there is an optimum position for R16. Therefore, to
improve transient performance, increase the frequency gain by turning R18 clockwise. If a hunt
develops, readjust R16 for stability. If no hunt develops, apply and reject load to check for stability
under transient conditions.
3-181

ARMY TM 9-6115-464-34
AIR FORCE TO 35C2-3-445-2
NAVY NAVFAC P-8-624-34
NOTES:
1. ALL SOLDERED CONNECTIONS SHALL BE IN AC-
CORDANCE WITH MIL-STD454, REQUIREMENT 5.
2. INSTALL STRAPS, FIND NO. 4 AT 3.0 MAX. INTERVALS.
3. WIRE MARKING TO BE IN ACCORDANCE WITH
MIL-W-5088 EXCEPT THAT LENGTH BETWEEN
GROUPS OF NUMBERS SHALL NOT EXCEED 6
INCHES
4. INSTALL END SEAL PLUGS, FIND NO. 5 ON UNUS-
ED HOLES OF CONNECTORS FIND NO. 1 AND 2.
5. INTERPRET DRAWING PER MIL-STD-100.
6. REFERENCES:
a) FOR ELECTRICAL WIRING DIAGRAM, SEE
DRAWING 72-2205
b) FOR SCHEMATIC DIAGRAM, SEE DRAWING
72-2295 AND 72-2277.
Figure 3-84. Tactical Relay Assembly to Special Relay Assembly Wiring Harness, Drawing No. 72-2224
3-185
ARMY TM 9-6115-464-34
AIR FORCE 35C2-3-445-2
NAVY NAVFAC P-8-624-34
3-65. ELECTRIC GOVERNOR CONTROL UNIT (MEP-113A).
a. General.
(1) The electric governing system is a speed (frequency) sensing system used to maintain constant
engine speed and generator output frequency during periods of unchanging load and when load
additions or deletions occur. The system consists of a control unit, magnetic pickup and an electric
throttle actuating unit. The engine speed signal is obtained from a magnetic pickup mounted in the
flywheel housing in close proximity to the flywheel ring gear. The frequency of the pickup signal is
proportional to engine speed. Figure 3-85 shows the functional theory of operation.
(2) The control unit has four distinct circuits: pickup signal amplifier, frequency reference oscillator,
phase comparator and output circuit.
(a)
(b)
(c)
The frequency reference oscillator is voltage controlled. The frequency setting is adjusted by
applying zero to 10 volts at the frequency reference oscillator input. The internal frequency adjust
provides this voltage setting when the control unit is in operation. The reference oscillator does not
maintain a constant frequency. It deviates from its nominal frequency as the engine speed changes
during load changes. The reference oscillator is forced by the phase comparator to track the
amplified pickup signal representing engine speed. The voltage representing speed error is the
amount of voltage required to drive the reference oscillator off frequency in proportion to the engine
speed deviation.
The phase comparator circuit receives signals from the pickup signal amplifier and the reference
frequency oscillator and compares the difference in frequency. The phase comparator measures
the amount the engine signal is ahead or behind the reference oscillator signal. Its voltage output is
used to force the reference oscillator to the same frequency as the signal from the engine. The
phase comparator output is proportional to the speed error. The gain control is used to couple the
phase comparator output to the reference oscillator. By increasing the coupling, a small voltage
change from the phase comparator represents a large frequency change and vice-versa.
The output circuit allows governing by introducing a temporary drop during a load change for
stability purposes. It has an adjustable means to control the magnitude and time constant of the
drop to match the dynamic characteristics of the engine. The output current switching portion of the
circuit provides current to drive the actuator. The output transistor is switched on and off at a
frequency of 200 Hz. This is above the natural frequency of the actuator. The actuator responds to
the average current from the transistor and moves in proportion to position the engine throttle. The
output transistor is switched on and off to reduce power dissipation.
b. Malfunction.
The following procedures are to be performed with the governor control unit in the generator set.
(1) Connect the breakout cable (7, figure 3-86) as follows: Disconnect P17 (6) from J17(1), connect
P17A(7) to J17(1), connect J17A(7) to P17(6).
(2) Using a digital voltmeter, make the voltage readings in table 3-7 at the breakout cable plug. All
readings are measured between the terminal and ground. Terminals F, G, H and T are ground.
c. Removal.
(1) Disconnect electrical connector P17 (1, figure 3-86).
(2) Remove 4 hex head screws (2), Iockwashers (3) and nuts (4).
(3) Remove the governor control unit (5).
d. Installation
(1) Position governor control unit (5, figure 3-86).
3-186

ARMY TM 9-6115-464-34
AIR FORCE TO 35C2-3-445-2
NAVY NAVFAC P-8-624-34
(2) Install nuts (4), Iockwashers (3), 4 hex head screws (2).
(3) Connect electrical connector P17 (1).
e. Adjustment Procedure
(1)
(2)
(3)
(4)
(5)
(6)
(7)
(8)
(9)
(10)
(11)
(12)
Disconnect the actuator linkage rod from the engine fuel shutoff lever.
Place the generator set START-RUN- STOP switch (located on the generator set control panel) in
the RUN position.
Place the generator set BATTLE SHORT SWITCH (located on the generator set control panel) in the
ON (override) position.
Beginning at the fully counterclockwise position, rotate the engine fuel shutoff lever in a clockwise
direction until a slight resistance is felt: hold the lever in this position.
NOTE
This resistance is the fuel injection pump’s internal governor linkage hook engaging the
metering valve arm.
Move the actuator lever to the “full fuel” position. This is the direction against the spring resistance
(fully counterclockwise).
Measure the center to center distance between the hole in the fuel shutoff lever and the hole in the
actuator lever. Adjust the rod ends on the threaded linkage rod so that the center to center distance
of the rod ends is the same or slightly longer than that measured between the fuel shutoff lever and
the actuator lever. (The 3.75 dimension is only approximate. If the linkage is too short, the actuator
lever will attain its “no fuel” position (full clockwise) before the fuel shutoff lever reaches its “no fuel”
position; the fuel shutoff lever will never reach “no fuel”. If the linkage is too long, the actuator lever
will reach its “full fuel” (full counterclockwise) before the fuel shutoff lever reaches its "fuII fuel”
position; full load will not be reached). It maybe necessary to readjust the position of the fuel shutoff
lever and/or the actuator lever to accommodate the center to center distance of the rod ends and to
assure complete fuel shutoff and full load operation. Fuel shutoff and actuator lever adjustments are
covered under replacement procedures. Tighten the nuts on the linkage rod against the rod ends to
maintain proper spacing.
Return the generator set START-RUN- STOP switch to the STOP position and the BATTLE SHORT
switch to the OFF position.
Reconnect the actuator linkage rod end to the engine fuel shutoff lever.
Adjust the control unit gain control to its approximate mid–range position.
Adjust the control unit stability control to its fully counterclockwise position.
Adjust the generator set frequency adjust potentiometer (pot) (located on the generator set control
panel) to mid-range.
Using a small screwdriver, slowly turn the control unit frequency adjust potentiometer (located on the
left side vertical face of the control unit) to the fully counterclockwise position (turn opposite increase
arrow). This may require up to 22 turns. The generator set will now be operating at the lowest
possible engine governed speed.
3-187

ARMY TM 9-6115-464-34
AIR FORCE 35C2-3-445-2
NAVY NAVFAC P-8-624-34
Table 3-7. Electric Governor Malfunction Testing
PROBABLE CAUSE OF
TERMINAL
NORMAL
NON-NORMAL READING CORRECTIVE ACTION
S
1.0 volt AC-RMS
1. Defective magnetic pickup.
minimum while cranking. 2. Gap too large between
magnetic pickup and gear
teeth.
3. Improper or defective wiring
to the magnetic pickup.
1. Replace magnetic pickup.
2. Readjust magnetic pickup.
3. Replace wiring harness.
K
10.1±.20 volts DC while 1. DC power not connected or
energized (Internal low battery voltage.
regulated D.C. supply). 2. Frequency trim potentiometer
shorted, grounded or
miswired.
3. Wiring error.
4. Defective control unit.
L
Above 5.1 volts DC while 1. Frequency adjust set too low.
running. (inverse speed
error signal). 2. Defective control unit.
Above 5.1 volts is under
speed signal. Below 5.1
volts is over speed signal.
On speed will indicate a
steady 5.1 volts.
N
8.5 to 9.5 volts DC while 1. Battery voltage maybe too
cranking. (Proportional
low while cranking.
actuator voltage). 2. Defective control unit.
R
2.5 volts DC maximum 1. Output transistor open (defec–
while cranking. (Tran- tive control unit).
sister voltage).
2. Defective actuator.
3. Error in wiring to actuator.
(13)
(14)
1. Connect DC power supply;
replace DC battery.
2. Replace control unit.
3. Replace wiring harness.
4. Replace control unit.
1. Turn frequency adjust
screw clockwise.
2. Replace control unit.
1. Charge DC battery; replace
DC battery.
2. Replace control unit.
1. Replace control unit.
2. Replace actuator.
3. Replace wiring harness.
NOTE
Two people will be required to adjust the control unit. Ensure that the actuator linkage
rod and all levers are securely fastened and move freely (without binding) before
operating the engine. Manually overcome the actuator until adjustment of the control
unit is completed and the governor is in control. Adjustment of the control unit will be
made with the engine operating in a no–load condition.
Start the engine, manually operating the fuel shutoff lever.
Turn the control unit frequency adjust screw clockwise until the proper engine speed is obtained.
Several turns may be required. The generator set frequency adjust pot should now have sufficient
adjustment travel to cause the generator set frequency meter to indicate beyond both of its extreme
limits (388-412 Hz).
3-190

ARMY TM 9-6115-464-34
AIR FORCE TO 35C2-3-445-2
NAVY NAVFAC P-8-624-34
(15) If the engine is unstable as indicated by continuous movement of the actuator lever, turn the control
unit gain control counterclockwise until stability is obtained as indicated by a stationary actuator
lever. Readjust the control unit frequency adjust screw to the proper engine speed.
(16) Turn the control unit gain control clockwise until the engine becomes just unstable; back the gain
control counterclockwise until the engine is again stable.
(17) Turn the control unit stability control clockwise until the engine becomes just unstable; back the
stability control counterclockwise until the engine is again stable.
NOTE
The governor is now set to a nominally good operating point.
(18) Adjust control unit gain, stability and frequency under various load conditions and load changes to
obtain the desired governing characteristics.
(19) When the electric governor system is properly adjusted, the locknuts on the control unit gain and
stability controls should be tightened.
3-66. ACTUATOR UNIT.
a. Removal
(1) Disconnect electrical connector P22, (1, figure 3-87).
(2) Disconnect the actuator lever (2) from the actuator linkage rod (3) by removing the hex head cap
screw (4), flatwasher (5) and the self–locking nut (6).
NOTE
It maybe necessary to remove the actuator bracket to gain access to the hardware
securing the actuator to the actuator bracket. If this is not necessary, proceed to
paragraph (3). If removal is required, then proceed as follows:
(a) Loosen the drive belt of the engine alternator.
(b) Remove the two hex head screws (7), Iockwashers (8), and spacers (9) securing the actuator
bracket (10) to the engine through the alternator mounting bracket (11).
(3) Disconnect the actuator (12) from the actuator bracket (10) by removing two hex head screws (13),
flatwashers (14), lock-spring washers (15) and nuts (16). Remove the actuator.
b. Testing.
(1) Using an ohmmeter, check for continuity between pins A and B and pins C and D. Replace actuator if
there is no continuity.
(2) Check for short circuit between each pin on the connector and the housing. Replace actuator if any
pin is shorted to case.
c. InstaIlation.
(1) Position the actuator level (2, figure 3-88) roughly horizontal by loosening the nut on the splined
shaft end of the actuator lever, rotating the lever and tightening the nut.
(2) Align the actuator with the two holes in the actuator bracket (10), secure the actuator to the actuator
bracket with two hex head screws (13), flatwashers (14), lock-spring washers (15) and nuts (16).
3-191

ARMY TM 9-6115-464-34
AIR FORCE 35C2-3-445-2
NAVY NAVFAC P-8-624-34
NOTE
If the actuator bracket has not been removed, proceed with paragraph (3). If the
bracket must be installed, proceed as follows:
(a) Insert the spacers (9) through the alternator mounting bracket (11).
(b) Secure the actuator bracket (10) to the engine by inserting the two hex head screws (7) (with
Iockwashers (8) already mounted) into the appropriate holes in the actuator bracket, through the
spacers and into the threaded holes in the engine; tighten the two screws.
(c) Adjust the drive belt of the engine alternator to the required tension and secure the alternator.
(3) Attach the actuator lever(2) to the actuator linkage rod (3) with the hex head cap screw (4), two
flatwashers (5) and the self-locking nut (6).
(4) Connect electrical connector P22 (1).
3-67. ELECTRIC GOVERNOR MAGNETIC PICKUP.
a. Removal.
(1) Disconnect electrical connector P23 (1, figure 3-88),
(2) Loosen locknut (2) and unscrew the threaded magnetic pickup (3) from the flywheel housing (4).
Remove the magnetic pickup.
(1) Using an ohmmeter, test for continuity between pins A and Bon the connector.
(2) If the circuit is open discard the magnetic pickup.
(1) Rotate the engine until the top land of one gear tooth is in line with the center of the threaded hole in
the flywheel housing.
(2) Replace the magnetic pickup (3) into the threaded hole in the flywheel housing (4) until the tip
contacts the top of the gear tooth. Back the magnetic pickup out one-half to three-quarters turn and
secure with the locknut (2) provided.
(3) Connect electrical connector P23 (1).
Section IX. MAINTENANCE OF INTERCONNECTING WIRING HARNESSES
3-68. GENERAL.
The interconnecting wiring harnesses provide electrical interconnection between generator set control
devices and the control cubicle assembly. Each interconnecting wiring harness consists of connectors,
terminals, and wires. The wires of each harness are strapped together to conserve space, prevent unnecessary
movement, and provide ease of removal and installation. Wiring harnesses which are internal to an assembly
are not covered in this section. Refer to the maintenance paragraph for the assembly for internal wiring harness
repair procedures.
3-192
b. Testing
c. Installation
ARMY TM 9-6115-464-34
AIR FORCE TO 35C2-3-445-2
NAVY NAVFAC P-8-624-34
3-69. TACTICAL RELAY ASSEMBLY TO SPECIAL RELAY ASSEMBLY WIRING HARNESS.
a. Refer to the Operator and Unit Maintenance Manual for removal, cleaning, inspection, and repair
procedures of tactical relay assembly to special relay assembly wiring harness.
b. If the wiring harness has sustained damage and requires repair or rebuild, refer to figure 3-84 for layout,
identification, and material requirements and Appendix A for detailed soldering and replacement procedures.
c. Refer to the Operator and Unit Maintenance Manual for installation instructions.
3-70. SPECIAL RELAY ASSEMBLY TO STATIC EXCITER WIRING HARNESS.
a. Refer to the Operator and Unit Maintenance Manual for special relay assembly to static exciter wiring
harness removal, cleaning, inspection, and repair instructions.
b. If the wiring harness has sustained damage and requires repair or rebuild, refer to figure 3-89 for layout,
identification, and material requirements and Appendix A for detailed soldering and replacement procedures.
c. Refer to the Operator and Unit Maintenance Manual for wiring harness installation procedures.
3-71. LOAD MEASURING UNIT TO TACTICAL RELAY ASSEMBLY WIRING HARNESS.
a. Refer to the Operator and Unit Maintenance Manual for load measuring unit to tactical relay assembly
wiring harness removal, cleaning, inspection, and repair instructions.
b. If the wiring harness has sustained damage and requires repair or rebuild, refer to figure 3-90 for layout,
identification, and material requirements and Appendix A for detailed soldering and replacement procedures.
c. Refer to the Operator and Unit Maintenance Manual for wiring harness installation instructions.
3-72. GOVERNOR CONTROL UNIT TO HYDRAULIC ACTUATOR UNIT WIRING HARNESS.
(ELECTRO-HYDRAULIC GOVERNOR EQUIPPED PRECISE SETS ONLY)
a. Refer to the Operator and Unit Maintenance Manual for governor control unit to hydraulic actuator unit
wiring harness removal, cleaning, inspection, and repair instructions.
b. If the wiring harness has sustained damage and requires repair or rebuild, refer to figure 3–91 for layout,
identification, and material requirements and Appendix A for detailed soldering and replacement procedures.
c. Refer to the Operator and Unit Maintenance Manual for installation instructions.
3-73. AC POWER CONTROL WIRING HARNESS.
a. Refer to the Operator and Unit Maintenance Manual for ac power control wiring harness removal,
cleaning, inspection, and repair instructions.
b. If the wiring harness has sustained damage and requires repair or rebuild, refer to figure 3–93 for layout,
identification, and material requirements and Appendix A for detailed soldering and replacement procedures.
c. Refer to the Operator and Unit Maintenance Manual for wiring harness installation instructions.
3-74. EXCITER CONTROL WIRING HARNESS.
a. Refer to the Operator and Unit Maintenance Manual for exciter control wiring harness removal, cleaning,
inspection, and repair instructions.
b. If the wiring harness has sustained damage and requires repair or rebuild, refer to figure 3-94 for layout,
identification, and material requirements and Appendix A for detailed soldering and replacement procedures.
c. Refer to the Operator and Unit Maintenance Manual for wiring harness installation procedures.
3-195
ARMY TM 9-6115-464-34
AIR FORCE 35C2-445-2
NAVY NAVFAC P-8-624-34
3-75. SPECIAL RELAY ASSEMBLY TO FAULT LOCATING INDICATOR WIRING HARNESS.
a. Refer to the Operator and Unit Maintenance Manual for special relay assembly to fault locating indicator
wiring harness removal, cleaning, inspection, and repair procedures.
b. If the wiring harness has sustained damage and requires repair or rebuilding, refer to figure 3-95 for
layout, identification, and material requirements and Appendix A for detailed soldering and replacement
procedures.
c. Refer to the Operator and Unit Maintenance Manual for wiring harness installation instructions.
3-76. SPECIAL RELAY ASSEMBLY TO CONTROL CUBICLE ASSEMBLY WIRING HARNESS.
a. Refer to the Operator and Unit Maintenance Manual for special relay assembly to control cubicle
assembly wiring harness removal, cleaning, inspection, and repair procedures.
b. If the wiring harness has sustained damage and requires repair or rebuild, refer to figure 3-96 for layout,
identification, and material requirements and Appendix A for detailed soldering and replacement procedures.
c. Refer to the Operator and Unit Maintenance Manual for wiring harness installation instructions.
3-77. PRECISE RELAY ASSEMBLY TO GOVERNOR CONTROL UNIT WIRING HARNESS.
(ELECTRO-HYDRAULIC GOVERNOR EQUIPPED PRECISE SETS ONLY).
a. Refer to the Operator and Unit Maintenance Manual for precise relay assembly to governor control unit
wiring harness removal, cleaning, inspection, and repair instructions.
b. If the wiring harness has sustained damage and requires repair or rebuild, refer to figure 3-97 for layout,
identification, and material requirements and Appendix A for detailed soldering and replacement procedures.
c. Refer to the Operator and Unit Maintenance Manual for wiring harness installation instructions.
3-78. SPECIAL RELAY ASSEMBLY TO PRECISE RELAY ASSEMBLY WIRING HARNESS.
a. Refer to the Operator and Unit Maintenance Manual for special relay assembly to precise relay assembly
wiring harness removal, cleaning, inspection, and repair instructions.
b. If the wiring harness has sustained damage, and requires repair or rebuild, refer to figure 3-98 for layout,
identification, and material requirements and Appendix A for detailed soldering and replacement procedures.
C. Refer to the Operator and Unit Maintenance Manual for wiring harness installation instructions.
3-196

ARMY TM 9-6115-464-34
AIR FORCE TO 35C2-3-445-2
NAVY NAVFAC P-8-624-34
1.
2.
3.
4.
5.
6.
NOTES:
ALL SOLDERED CONNECTIONS SHALL BE IN AC-
CORDANCE WITH MIL-STD-454, REQUIREMENT 5.
INSTALL STRAPS, FIND NO. 5 AT 3.0 MAX.
INTERVALS.
WIRE MARKING TO BE IN ACCORDANCE WITH
MIL-W–5088 EXCEPT THAT LENGTH BETWEEN
GROUPS OF NUMBERS SHALL NOT EXCEED 6
INSTALL END SEAL PLUGS, FIND NO. 4 ON UNUS-
ED HOLES OF CONNECTORS FIND NO. 1 AND 2.
INTERPRET DRAWING PER MIL-STD-100.
REFERENCES:
a) FOR ELECTRICAL WIRING DIAGRAM, SEE
DRAWING 72–2205.
b)
-
FOR SCHEMATIC DIAGRAM, SEE DRAWING
72-2200 AND 72–2269 FOR PRECISE, 72-2295
AND 72-2277 FOR UTILITY
Figure 3-89. Special Relay Assembly to Static Exciter Assembly Wiring Harness, Drawing No. 72-2220
3-197
INCHES

ARMY TM 9-6115-464-34
AIR FORCE 35C2-3-445-2
NAVY NAVFAC P-8-624-34
NOTES:
1. ALL SOLDERED CONNECTIONS SHALL BE IN AC-
CORDANCE WITH MIL-STD-454, REQUIREMENT 5.
2.
3.
4.
5.
INSTALL STRAPS, FIND NO. 3 AT 3.0 MAX.
INTERVALS AND AT EACH CABLE BREAK-OUT.
WIRE MARKING TO BE IN ACCORDANCE WITH
MIL–W–5088 EXCEPT THAT LENGTH BETWEEN
GROUPS OF NUMBERS SHALL NOT EXCEED 6
INSTALL END SEAL PLUGS, FIND NO. 4 ON UNUS-
ED HOLES OF CONNECTORS FIND NO. 1.
INTERPRET DRAWING PER MlL–STD-100.
6. REFERENCES:
a) FOR ELECTRICAL WIRING DIAGRAM, SEE
DRAWING 72–2205.
b) FOR SCHEMATIC DIAGRAM, SEE DRAWING
72-2200 AND 72-2269.
Figure 3-90. Load Measuring Unit to Tactical Relay Assembly Wiring Harness, Drawing No. 72-2234
3-198
INCHES.

ARMY TM 9-6115-464-34
AIR FORCE TO 35C2-3-445-2
NAVY NAVFAC P-8-824-34
NOTES:
1. ALL CONDUCTORS SHALL BE STRIPPED .50+ .12 AND
TINNED BEFORE ASSEMBLY USING SOLDER, FIND
7.
8.
9.
BAND MARKER, FIND NO. 2, SHALL “30554/8> 2005”
IN ACCORDANCE WITH MIL-STD-130.
FOR INTERPRETATION OF:
NO 12.
ELECTRICAL CONNECTIONS SHALL BE SOLDERED
IN ACCORDANCE WITH MIL-STD-454. REQUIRE-
MENT 5, USING SOLDER, FIND NO. 12.
WIRE MARKING SHALL BE IN ACCORDANCE WITH
MIL-W-5068 EXCEPT THAT INTERVALS SHALL NOT
DRAWING, SEE DOD-STD-1C0
FILL COMPLETE INSIDE AREA OF CONNECTOR
EXTENSION, FIND NO. 5 WITH POTTING COM-
POUND. FIND NO. 15.
2.
3.
4.
5.
6.
10. CONNECTOR, FIND NO. 11, SHALL BE IN ACCORDANCE
WITH MS3106R, INSERT ARRANGEMENT 105L-45.
11. SEAL UNUSED HOLES IN GROMMETS OF CONNEC-
TORS, FIND NO. 1 AND 10, WITH PLUGS, FIND NO. 16.
12. THE CONNECTORS OF WIRE NUMBERS 13, 14, 15
and 21 SHALL BE TWISTED TOGETHER AND
SOLDERED. THE CONNECTION SHALL BE WITH
HEAT SHRUNK INSULATION SLEEVING, FIND NO.
17. THIS CONNECTION SHALL BE POSITIONED TO
CLEAR THE PRINTED WIRING BOARD ASSEMBLY,
FIND NO. 3, PRIOR TO POTTING IN ACCORDANCE
WITH NOTE 9.
EXCEED 6.00.
TIEDOWN STRAPS. FIND NO. 13, SHALL BE LOCATED
APPROXIMATELY 3.00 APART AND ALL
BREAKOUTS.
CONNECTORS FIND NO. 1,4,10, 11, SHALL BE
MARKED WITH REFERENCE DESIGNATIONS
SHOWN IN ACCORDANCE WITH MIL-STD-130, US-
ING .25 HIGH CHARACTERS.
EXTENSION, FIND NO. 5, SHALL BE MARKED “A31”
IN ACCORDANCE WITH MIL-STD-130, USING .25
HIGH CHARACTERS.
Figure 3-92.400 Hz Electric Governor System Wiring Harness Assembly Drawing No. 84-704
(Sheet 2 of 2)
3-201

ARMY TM 9-6115-464-34
AIR FORCE 35C2-3-445-2
NAVY NAVFAC P-8-624-34
NOTES:
1. ALL SOLDERED CONNECTIONS SHALL BE
IN ACCORDANCE WITH MIL-STD-454,
REQUIREMENT 5.
2. INSTALL STRAPS, FIND NO. 9, AT 3.0
MAXIMUM INTERVALS AND AT
EACH CABLE BREAK-OUT.
3. WIRE MARKING TO BE IN ACCORDANCE
WITH MIL-W-5088 EXCEPT THAT
LENGTH BETWEEN GROUPS OF
NUMBERS SHALL NOT EXCEED 6 INCHES.
4. CRIMPED TERMINALS SHALL MEET THE
PERFORMANCE REQUIREMENTS OF
MIL-T-7928.
5. INSTALL END SEAL PLUGS, FIIND NO. 2 IN
UNUSED HOLES OF
CONNECTOR, FIND NOS 1 AND 3.
6. INTERPRET DRAWING PER MIL-STD-100.
7. REFERENCES
a) FOR WIRING DIAGRAM, SEE DRAWING 72-2205.
b) FOR SCHEMATIC DIAGRAM, SEE DRAWING 72-2200 AND 72-2269.
Figure 3-93. AC Power Control Wiring Harness, Drawing No. 72-2259 (Sheet 1 of 2)
3-202

ARMY TM 9-6115-464-34
AIR FORCE TO 35C2-3-445-2
NAVY NAVFAC P-8-624-34
Figure 3-93. AC Power Control Wiring Harness, Drawing No. 72-2259 (Sheet 2 of 2)
3-203

ARMY TM 9-6115-464-34
AIR FORCE 35C2-3-445-2
NAVY NAVFAC P-8-624-34
Figure 3-94. Exciter Control Wiring Harness, Drawing No. 73-2288
NOTES:
1. SOLDERING SHALL BE IN ACCORDANCE WITH MIL-STD-454, REQUIREMENT 5.
2. INSTALL STRAP, FIND NO. 8, AT 3.00 MAXIMUM INTERVALS AND AT EACH CABLE BREAK-OUT.
3. WIRE MARKING TO BE IN ACCORDANCE WITH MIL-W-5088 EXCEPT THAT LENGTH BETWEEN
GROUPS OF NUMBERS SHALL EXCEED 6,00 INCHES.
4. CRIMPED TERMINAL SHALL MEET THE PERFORMANCE REQUIREMENTS OF MIL-T-7928.
5. INSTALL END SEAL PLUGS, FIND NO. 2, IN UNUSED HOLES OF CONNECTOR,
FIND NO. 1.
6. FOR INTERPRETATION OF REFERENCE DESIGNATIONS FOR ELECTRICAL
AND ELECTRONIC PARTS AND EQUIPMENT, SEE ANSY 32.16.
7. REFERENCES:
a. FOR WIRING DIAGRAM SEE DRAWING 72-2205.
b. FOR SCHEMATIC DIAGRAM SEE DRAWINGS: 72-2200 AND 72-2269 FOR PRECISE,
72-2277 AND 72-2295 FOR UTILITY.
3-204

ARMY TM 9-6115-464-34
AIR FORCE TO 35C2-3-445-2
NAVY NAVFAC P-8-624-34
NOTES:
1. ALL SOLDERED CONNECTIONS SHALL BE IN ACCORDANCE WITH MIL-STD-454,
REQUIREMENT 5.
2. INSTALL STRAPS, FIND NO. 4, AT 3.0 MAX INTERVALS.
3. WIRE MARKING TO BE IN ACCORDANCE WITH MIL-W-5088 EXCEPT THAT LENGTH
BETWEEN GROUPS OF NUMBERS SHALL NOT EXCEED 6 INCHES.
4. INSTALL END SEAL PLUGS, FIND NO. 5 IN UNUSED HOLES OF CONNECTOR
FIND NO. 1 AND 2.
5. INTERPRET DRAWING PER MIL-STD-100.
6. REFERENCES:
a) FOR WIRING DIAGRAM, SEE DRAWING 72-2205
b) FOR SCHEMATIC DIAGRAM, SEE DRAWINGS 72-2200
FOR PRECISE UNITS, 72-2200 AND 72-2269
FOR UTILITY UNITS, 72-2295 AND 72-2277
Figure 3-95. Special Relay Assembly to Fault Locating Indicator Wiring Harness, Drawing No. 76-2247
3-205
ARMY TM 9-6115-464-34
AIR FORCE TO 35C2-3-445-2
NAVY NAVFAC P-8-624-34
Section X. MAINTENANCE OF CONVENIENCE AND PARALLELING RECEPTACLES
AND WIRING HARNESS
3-79. GENERAL.
a. All models of the generator set are equipped with a 125 volt, 15 amp convenience receptacle. The
receptacle is equipped with a spring loaded weather cover and protected by a 15 amp circuit breaker.
b. The paralleling receptacles permit interconnection of the voltage regulator assemblies of two or more
generator sets for parallel operation. They are part of the convenience and paralleling receptacles wiring
harness.
3-80. CONVENIENCE RECEPTACLE AND CIRCUIT BREAKER.
Refer to the Operator and Unit Maintenance Manual for convenience receptacle and circuit breaker
maintenance instructions.
3-81. CONVENIENCE AND PARALLELING RECEPTACLES WIRING HARNESS.
a. Refer to the Operator and Unit Maintenance Manual for convenience and paralleling receptacles wiring
removal, cleaning, inspection, and repair instructions.
b. If the wiring harness has sustained damage and requires repair or rebuild, refer to figure 3–99 for layout,
identification, and material requirements and Appendix A for detailed soldering and replacement procedures.
c. Refer to the Operator and Unit Maintenance Manual for installation instructions for the wiring harness.
Section Xl. MAINTENANCE OF LOAD CONNECTION GROUP
3-82. GENERAL.
a. The load connection group consists of the voltage reconnection board, the main load contactor, the load
terminal board, the current transformers and the electromagnetic interference capacitor assembly.
b. The voltage reconnection board consists of a stationary terminal board and a movable link–type board. It
provides a means of connecting the two coils of each phase of the generator assembly to provide all specified
output voltages. Simultaneously, it reconnects all other circuits necessary to convert the generator set from
120/208 to 240/416 Vac operation.
c. The voltage reconnection board is connected to the load terminal board through a three-pole
three-phase main load contactor. This contactor is controlled by the circuit breaker switch of the control cubicle
assembly. The main load contacts will automatically open when any of the protective devices actuate or when
the START–RUN-STOP switch is placed in the STOP position.
d. One lead of each of the two coils of each generator phase is connected directly to the voltage
reconnection board. The remaining two leads of each phase pass through a three-window current transformer.
The proportional current induced in the transformer is used by the static exciter and voltage regulator assembly
as a current boost. The leads then pass through a second three-window transformer. The proportional current
induced in this transformer is used in the load measuring unit and the ammeter and watt-meter circuit of the
control cubicle. The leads of two of the generator phases then pass through a single-window crosscurrent
transformer. The current induced in the crosscurrent transformer is used for reactive power compensation
during parallel operation. Local voltage sensing and adjustment are accomplished across a single coil of the
remaining phase.
3-209

ARMY TM 9-6115-464-34
AIR FORCE TO 35C2-3-445-2
NAVY NAVFAC P-8-624-34
e. There is a bypass capacitor connected from each of the output terminals to ground in order to prevent
electromagnetic interference. The capacitors are mounted on a bracket just below the load terminal board.
3-83. VOLTAGE RECONNECTION BOARD ASSEMBLY.
Refer to the Operator and Unit Maintenance Manual for voltage reconnection board assembly removal,
maintenance, and installation procedures.
3-84. MAIN LOAD CONTACTOR.
Two types of contractors are used interchangeably. The following material covers both types. Determine
which type is to be repaired by referring to the applicable text and illustrations to follow and proceed
accordingly.
a. Removal (Type A).
(1) Remove screws (1, figure 3-100), Iockwashers (2), and flat washers (3) to remove terminal covers
(4).
(2) Tag and disconnect electrical leads to terminals.
(3) Disconnect wiring harness connector from main load contactor connector.
(4) Remove nuts (5) and screws (6) to remove main load contactor.
b. Removal (TypeB).
(1) Remove screws (3, figure 3-101), Iockwashers (4), and flat washers (5) to remove shields (6).
(2) Tag and disconnect electrical leads to terminals.
(3) Disconnect wiring harness connector from main load contactor connector.
(4) Remove four nuts and screws to remove contactor subassembly (7).
c. Disassemb
Iy Type A.
WARNING
Solvent, Dry Cleaning P–D-680, Type II is flammable and moderately toxic to skin,
eyes and respiratory tract. Eye and skin protection required. Good general ventilation
is normally adequate. Failure to observe this warning could result in servere personal
injury or death.
WARNING
Compressed air used for cleaning and drying purposes can create airborne particles
that may enter the eyes. Pressure shall not exceed 30 psig and use only the adequate
chip guards and chipping goggles. Failure to observe this warning could result in
servere personal injury or death.
(1) (Type A). Thoroughly clean the exterior of the contactor with a clean, lint-free cloth moistened with
solvent P-D-680 Type Il. Blow dust and dirt from crevices with compressed air.
(2) Remove Screws (7, figure 3-100), and Iockwashers (8),
(3) Remove screws (9), Iockwashers (10), flatwashers (11), cover assembly (12), base gasket (13), and
receptacle gasket (14) from housing (15).
(4) Remove screws (16), Iockwashers (17), flatwashers (18), chamber base (19), arc chamber gasket
(20).
3-211
ARMY TM 9-6115-464-34
AIR FORCE 35C2-3-445-2
NAVY NAVFAC P-8-624-34
(5)
(6)
(7)
(8)
(9)
(lo)
(11)
(12)
(13)
(14)
(16)
(17)
(18)
(19)
(20)
(21)
Remove nut (21) Iockwasher (22), and main contactor assemblies (23),
Remove retaining ring (24), main contactor operator (31), shim (26), locating bushing (27), contact
spring (28), shim (29) and shim (30) from bridge assembly (25).
Remove nut (39), Iockwasher (40), terminal washer (41).
Remove screw (42), Iockwasher (43), adjusting bushing (44), and actuator& connector assembly
(45).
Remove nut (35), Iockwasher (36), flatwasher (37), and connector assembly (38).
Remove arc chute (32), grommet (33), and arc chute spacer (34) from main base (46)
Remove screw (47), Iockwasher (48), auxiliary contact assembly (54) from connector& wire
assembly (55).
Remove screw (49), Iockwasher (50), Iockwasher (51), cable clamp (52) and auxiliary contact
assemably (53 and 54).
Remove nut (56), Iockwasher (57), flat washer (58), screw (59) to remove bracket assembly (60).
Remove screws (61), Iockwashers (62) and economizing switch (63).
Remove screws (64), Iockwasher (65), flat washer (66) and switch bracket (67).
Remove nut (68), Iockwasher (69), guide rod (70), nut (71), Iockwasher (72), auxiliary operator (73),
and return spring (74).
Remove nut (75), Iockwasher (76) and terminal (77).
Remove spacer (78), core and rod (79).
Remove screw (80), Iockwasher (81) and flatwasher (82).
Remove core and frame (83), coil washer (84), coil (85) and end plate (86).
NOTE
Observe the following precautions before disassembling type B contactor, figure
3-101.
1.
Do not loosen or remove screws (51) or (74). Keeping the relationship of base (37), frame (76)
and frames (80) and (81) intact facilitates re-assembly.
2.
When disassembling movable contact assemblies (items 39,40,41,49,48,45,43, 53), note
arrangement of metallic washers (53) on each stud (70) and rod (68) (contacts A, B and C) so
that they can be reassembled in the same order.
d. Disassembly Type B.
(1) Remove identification plate (1, Figure 3-101).
(2) Remove wiring diagram plate (2).
(3) Remove screw (3), Iockwasher (4), flatwasher (5) and shield (6).
(4) Remove contactor subassy (7).
(5) Remove screw (8), Iockwasher (9).
(6) Remove screw (10), Iockwasher (11) and screw (12).
(7) Remove screws (13), lockwasher (14), from cover (15).
(8) Remove Switch-Connector assy (16), Aux switch (17 and 18).
3-212
ARMY TM 9-6115-464—34
AIR FORCE TO 35C2-3-445-2
NAVY NAVFAC P-8-624-34
(9) Remove connector (19) and gasket (20).
(10) Remove locking spacer (21), Iockwasher (22), flatwasher (23), Chamber (24), and gasket (25).
(11) Remove nut (26), lockwasher (27), flatwasher (28), and base assembly (29).
(12) Remove flatwasher (32 and 33), nut (34), insert (36) from base (37).
(13) Remove nut (39), Iockwasher (40), flatwasher (41), spacer (42), bushings (43 and 44) and bridge
assembly (45).
(14) Remove spring (48), bushing (49), arc-chute (50).
(15) Remove screw (51), Iockwasher (52), metallic washer (53), insulation (54), and detent (55).
(16) Remove solenoid assembly (64), moveable core-rod assembly (65), core assembly (69), frame
assemby (73), and micro switch assembly (84).
e. Cleaning Inspection and Repair (Type A.)
(1)
(2)
(3)
(4)
(5)
(6)
(7)
(8)
(9)
(10)
(11)
(12)
(13)
(14)
(15)
(16)
Clean all parts with a clean lint-free cloth moistened with solvent P-D-680 Type Il.
Check terminal covers (4) and housing (15) for cracks, breaks, and other damage.
Inspect chamber base (19), main base (46), and main contact operator (31) for cracks, breaks, and
other damage.
Inspect bridge assembly (25) for pitting, corrosion, and other damage.
Inspect contact assembly (38) for burns, corrosion, melting and other damage.
Inspect auxiliary operator (73) for cracks.
Check core and rod (79), core and frame (83), bracket assembly (60), and end plate (86) for cracks,
breaks, and other damage.
Check coil (85) for swelling of encapsulated materials, burns, and evidence of corrosion. Using an
ohmmeter, check coil for continuity.
Check economizing switch (63) for cracks, corrosion, burns, and evidence of shorting.
Check contacts of contact assemblies (53 and 54) for corrosion, pitting, burns, and other damage.
Check connector and wire assembly for cracks, stripped or otherwise damaged threads, burned or
chaffed insulation, bare wires and other damage. Refer to Appendix A references to solder or repair
wire and connector damage.
Check all threads for crossing, stripping, peening, and other damage.
Discard gaskets (20, 14, and 13) and spacer (78).
Repair minor threat damage to parts using thread chaser. Discard hardware with thread damage.
Remove minor pitting from contact surfaces of bridge assemblies with fine grit abrasive paper or a
fine file. Replace bridge assemblies if deeply pitted.
Replace any parts found defective or damaged beyond repair.
3-213
ARMY TM 9-6115-464—34
AIR FORCE 35C2-3-445-2
NAVY NAVFAC P-8-624-34
e. Cleaning Inspection and Repair (Type A and B.)
(1) Clean all components with cloth dampened in cleaning solvent, Federal Specification P-D-680.
(2) Inspect all components for insecure mounting, loose electrical connections, cracks, corrosion and
evidence of shorting or other damage.
(3) Replace any parts found defective or damaged beyond repair.
f. Assembly (Type A).
(1)
(2)
(3)
(4)
(5)
(6)
(7)
(8)
(9)
Assemble core and frame (83), coil washer (84), and coil (85).
Install end plate (86) and loosely install flat washers (82), Iockwashers (81) and screws (80).
Secure terminals (77) to auxiliary operator (73) with Iockwashers (76) and nuts (75).
Install adhesive back spacer (78) (adhesive side up) over core and rod (79).
Secure core and rod to auxiliary operator with nut (71) and Iockwasher (72).
Insert guide rods (70) through auxiliary operator (73) and install return springs (74).
Thread guide rods into core and frame (83) until a sufficient length extends out the bottom to loosely
install Iockwashers (69) and nuts (68).
Install the economizing switch (63) onto bracket (67) and secure with Iockwashers (62) and screws
(61).
Loosely secure bracket (67) to core and frame (83) with flat washers (66), Iockwashers (65) and
screws (64).
(10) Fit bracket (60) over economizing switch and secure to auxiliary operator (73) with screw (59), flat
washer (58), Iockwasher (57), and nut (56).
(11) Adjust assembled actuator assembly as follows: (See figure 3-102)
(a)
(b)
(c)
(d)
(e)
(f)
(12)
(13)
(14)
(15)
Install a suitable clamp across points (A) and (B) of actuator assembly. Tighten clamp sufficiently to
insure that no air gap exists at points (C) and (D).
Tighten loosely installed screws (1).
Remove clamp.
Insert a 0.150 ± 0.010 inch feeler gauge into the movable core gap.
Adjust guide rods (2) until the gauge is snug throughout the perimeter.
Secure the adjustment by tightening loosely installed nuts (3).
Install contact assemblies (54 and 53, figure 3-100) and cable clamp (52) and secure with flat
washer (51), Iockwasher (50), screw (49), Iockwashers (48), and screws (47).
Secure contact assemblies (38) to main base (46) with flat washers (37), Iockwashers (36), and nuts
(35). Install terminal washers (41), Iockwashers (40) and nuts (39).
Install grommets (33), spacers (34), and arc chutes (32).
Install shims (30 and 29), springs (28), bushings (27), and shims (26) onto bridge assemblies (25).
Secure bridge assemblies to main contact operator (31) with retaining rings (24).
3-214

ARMY TM 9-6115-464-34
AIR FORCE 35C2—34-445-2
NAVY NAVFAC P-8-624-34
Figure 3-100. Main Load Contactor (Type A), Exploded View (Sheet 2 of 3)
3-216

ARMY TM 9-6115-464-34
AIR FORCE TO 35C2-3-445-2
NAVY NAVFAC P-8-624-34
Figure 3-100. Main Load Contactor (Type A), Exploded View (Sheet 3 of 3)
3-217

ARMY TM 9-6115-464-34
AIR FORCE TO 35C2-3-445-2
NAVY NAVFAC P-8-624-34
Figure 3-101. Main Load Contactor (Sheet 2 of 3)
3-219

Figure 3-101. Main Load Contactor (Sheet 3 of 3)
3-220
ARMY TM 9-6115-464-34
AIR FORCE 35C2-3-445-2
NAVY NAVFAC P-8-624-34

ARMY TM 9-6115-464-34
AIR FORCE 35C2-3-445-2
NAVY NAVFAC P-8-624-34
Figure 3-103. Main Contact Preload Check Points
(16) Check preload of each contact as follows: (See figure 3-103.)
NOTE
(Type A)
Preload is checked by the initial breakaway of retaining ring (point (B)).
(a) Using a force gauge, check each individual contact at its edge (point (A)). Preload should be 1.5 to
2.5 pounds.
(b) If preload is not as specified, add or subtract shims (26, 29, and 30, figure 3-100).
(17)
(18)
Install actuator and connector assembly (45, figure 3-1 00) onto main base (46) and secure with
bushing (44), Iockwashers (43) and screws (42).
Install main contact assembly (23) and secure with Iockwashers (22) and nuts (21). Adjust contact
over travel as follows: (See figure 3–104.)
(a) Attach an ohmmeter to terminals A1-A2 and C1-C2.
(b) Insert a 0.035 inch feeler gauge into core gap (point A).
(c) Energize coil by applying 24 Vdc across connector pins A and B (See figure 3-105).
(d) Adjust carrier bushing at point (B) (Figure 3-104) until continuity is indicated at terminals A1-A2
and C1-C2.
(e) Secure adjustment by tightening nuts (1).
(f) Recheck for continuity at a clearance of 0.035 inch and for open circuit at 0.040 inch.
(19) Adjust economizing switch as follows: (See figure 3-104).
3-222
ARMY TM 9-6115-464-34
AIR FORCE TO 35C2-3-445-2
NAVY NAVFAC P-8-624-34
(a) Move loosely installed bracket (3) to transfer switch.
(b) Check that the switch button is fully depressed, and allow 0.0l inch clearance between the switch
button and the top operator (point (C)).
(c) lnsert a 0.010 inch feeler gauge into the core gap (point (A)).
(d) Apply 24 Vdc to connector pins A and B (See figure 3-105).
(e) Bend the tab (point D, figure 3-104) of bracket toward the switch until the switch actuates.
(f) Remove 24 Vdc, and then apply it again to insure that the switch actuates properly.
(9) Remove 24 Vdc and replace 0.010 inch feeler gauge with 0.018 inch feeler gauge.
(h) Apply 24 Vdc again to check that the switch does not transfer.
(i) Readjust if necessary.
(20) Adjust auxiliary contacts as follows: (See figure 3-104.)
(a)
(b)
(c)
(d)
(e)
(f)
(9)
(h)
(i)
Loosen nuts (4) and position lift comb (5) so that the deflection on the guide leaf springs (6) is
nearly equal in the energized and deenergized positions.
Secure adjustment by tightening nuts (4).
Insert a 0.018 inch feeler gauge between the guide rod head and the operator (point E).
Using an ohmmeter to determine continuity, adjust the stationary contacts of the normally closed
contacts until they just touch the movable contacts (see figure 3-105) for contact positions).
Replace the 0.018 inch feeler gauge with a 0.025 inch feeler gauge and recheck for open circuit of
normally closed contacts. Readjust if necessary.
Insert 0.018 inch feeler gauge in core gap.
Apply 24 Vdc to connector pins A and B.
Using an ohmmeter to determine continuity, adjust the stationary contacts of the normally open
contacts.
Replace the 0.018 inch feeler gauge with a 0.025 inch feeler gauge by removing and reapplying 24
Vdc. Recheck for open circuit of normally open contacts. Readjust if necessary.
(21) Install chamber base (19, figure 3-100) and gasket (20) and secure with flat washers (18),
Iockwashers (17) and screws (16).
(22) Install cover assembly (12) with receptacle gasket (14) and base gasket (13) onto housing (15) and
secure with flat washers (11), Iockwashers (10), screws (9), Iockwashers (8), and screws (7).
g. Assembly (Type B). See figure 3–101 and reassemble the main load contactor in reverse order of dis-
assembly, observing the following:
(1) Actuator Assembly.
(a) Leave screws (82) loose.
(b) Place a clamp across frame (76) and frame core-assembly (72). Tighten clamp until the inner
surfaces of (72) and (76) are parallel and 56.3 mm apart.
(c) Fasten screws (82).
(d) Remove clamp.
3-223

ARMY TM 9-6115-464-34
AIR FORCE 35C2-3-445-2
NAVY NAVFAC P-8-624-34
Figure 3–105. Main Load Contactor Schematic Diagram, Contactor to Load Terminals Wiring Harness, Dwg.
No. 72–2290, and Contactor to Reconnection Board wiring Harness, Dwg. No. 72-2225 sheet 2 of 3)
3-226

ARMY TM 9-6115-46444
AIR FORCE TO 35C2-3-445-2
NAVY NAVFAC P-6-624-34
NOTES:
1.
3.
4.
5.
6.
INTERPRET DRAWING PER MlL-STD–100.
ALL SOLDERED CONNECTIONS SHALL BE
IN ACCORDANCE WITH MIL-STD-454,
REQUIREMENT 5.
INSTALL STRAPS, FIND NO. 5, AT 3.0
MAXIMUM INTERVALS AND AT EACH
CABLE BREAKOUT.
WIRE MARKING TO BE IN ACCORDANCE
WITH MIL-W-5088 EXCEPT THAT LENGTH
BETWEEN GROUPS OF NUMBERS SHALL
NOT EXCEED 6 INCHES.
CRIMPED TERMINAL SHALL MEET THE
PERFORMANCE REQUIREMENTS OF
MIL–T–7928.
REFERENCES:
a. FOR WIRING DIAGRAM SEE 72-2205.
b. FOR SCHEMATIC DIAGRAM SEE
72-2200 AND 72-2269 FOR PRECISE
AND 72-2295 AND 72-2277 FOR
UTILITY.
Figure 3-105. Main Load Contactor Schematic Diagram, Contactor to Load Terminals Wiring Harness, Dwg.
No. 72-2290, and Contactor to Reconnection Board wiring Harness, Dwg. No. 72-2225 (sheet 3 of 3)
3-227
ARMY TM 9-6115-464-34
AIR FORCE 35C2-3-445-2
NAVY NAVFAC P-8-624-34
(2) Economizing Switch.
(a) Apply 24 Vdc to connector pins A and B (See figure 3-105).
(b) Adjust placement of switch (88, figure 3-101) on bracket (89) so that green button of switch is
actuated by operator (57).
(c) Check that the switch button is fully depressed, and allow 0.010 inch clearance between the switch
button and the operator.
(d) Remove 24 Vdc. White button of switch should be actuated by Iower tab of operator. If not, bend
tab to actuate switch.
(e) Repeat steps (a), (c) and (d) to check switch operation.
(3) Auxiliary Contacts.
(a)
(b)
(c)
(d)
(e)
(f)
(g)
(h)
(i)
These contacts should be adjusted so that the deflection on the guide leaf springs is nearly equal in
the energized and de-energized positions. Adjust screws (60) and nuts (62) to accomplish this.
With feeler gauge, measure any gap between operator (71 ) and detent (55), on both sides.
Insert a feeler gauge equal to the measured value plus 0.018 inch between (71) and (55), on both
sides.
Using an ohmmeter to determine continuity, adjust the stationary contacts of the normally closed
contacts until they just touch the movable contacts (see figure 3–105 for contact positions).
Replace the feeler gauges with a feeler gauge equal to the measured value plus 0.025 inch and
recheck for open circuit of normally closet contacts. Readjust if necessary.
Insert 0.018 inch feeler gauge between operator (71) and frame (76).
Apply 24 Vdc to connector pins A and B.
Using an ohmmeter to determine continuity, adjust the stationary contacts of the normally open
contacts.
Replace the 0.018 inch feeler gauge with a 0.025 inch feeler gauge by removing and reapplying 24
Vdc. Recheck for open circuit of normally open contacts. Readjust if necessary.
(4) Contact Overtravel.
(a) Tighten nuts (39) until Iockwashers (40) are flat.
(b) Attach an ohmmeter to terminals A1-A2.
(c) Insert a 0.035 inch feeler gauge between operator and frame (76).
(d) Energize coil by applying 24 Vdc across connector pins A and B (See figure 3-105).
(e) Check for continuity at a clearance of 0.035 inch and for open circuit at 0.040 inch.
(f) If these requirements are not met, select the proper thickness of washer (53, figure 3-101) until
they are met.
(g) Repeat steps (b) through (f) for terminals B1-B2 and C1-C2.
(5) Preload of Contacts.
(a) Using a force gauge, check each individual contact at its edge. Preload should be 1.5 to 2.5
pounds.
3-228
ARMY TM 9-6115-464-34
AIR FORCE TO 35C2-3-445-2
NAVY NAVFAC P-8-624-34
(b) If preload is not as specified, replace spring (48) with a known good spring.
h. Installation. (Type A and Type B). Install main load contactor in reverse order of Removal procedures
given in paragraph a.
3-229

ARMY TM 9-6115-464-34
AIR FORCE TO 35C2-3-445-2
NAVY NAVFAC P-8-624-34
3-85. LOAD TERMINAL BOARD ASSEMBLY.
a. Removal.
WARNING
Lethal voltages are present at the load terminal board when the generator set is in
operation. Do not attempt to perform maintenance on the load terminal board while the
generator set is in operation. Serious electrical shock or death may result from failure
to observe this warning.
(1) Tag and disconnect electrical leads to load terminal board assembly.
(2) Remove screws (1, figure 3-106), Iockwashers (2) and plastic shield (3).
(3) Remove stand-off (4) and Iockwashers (5) to remove load connection terminal board assembly (6).
b. DisassembIy. Remove nut (7, figure 3-106), nut (8), stud (9) and board (10).
c. Cleaning, Inspection, and Repair.
(1) Clean load terminal board with filtered compressed air and a soft bristle brush.
(2) If necessary, wipe load terminal board assembly with a clean, lint–free cloth moistened with an
approved solvent.
(3) Inspect load terminal board for warping, cracks, damaged threads, corroded terminals, and burns.
(4) Replace any damaged or defective parts.
d. Assembly. Position board (10, figure 3-106) to install stud (9), nut (8), and nut (7).
d. Installation.
(1) Position load terminal board assembly (6, figure 3-106) to install Iockwashers (5) and standoff (4).
(2) Install plastic sheild (3), Iockwashers (2) and screws (1).
(3) Connect electrical leads to load terminal baard assembly.
3-86. CURRENT TRANSFORMER ASSEMBLIES.
a. Removal.
(1)
(2)
(3)
(4)
(5)
(6)
(7)
Tag and disconnect electrical leads from transformer winding terminals.
Tag generator leads and record their routing through transformer windows (noting polarity) as shown
in figure 3-107; then disconnect and remove them.
Remove nuts (1, figure 3-108), Iockwashers (2), screws (3) and current boost transformer (4).
Do not remove screw and washer assemblies (5), flat washers (6) and mounting brackets (7) unless
inspection reveals damage and replacement is necessary.
Remove screw and washer assemblies (8), flat washers (9) and instrumentation transformer (10).
Remove nuts (11), screws (12), Iockwashers (13), and cross-current compensation transformer (14).
Do not remove screw and washer assemblies (15), flat washers (16) and mounting brackets (17)
unless inspection reveals damage and replacement is necessary.
3-231

ARMY TM 9-6115-464-34
AIR FORCE TO 35C2-3-445-2
NAVY NAVFAC P-8-624-34
Figure 3–108. Transformer assemblies, Removal and Installation
b. Cleaning. Inspection. and Test
ing.
(1) Clean transformer assemblies with a clean, lint-free cloth moistened with an approved solvent and
dry thoroughly.
(2) Inspect transformer assemblies for cracks, corroded terminals, and evidence of shorting.
(3) Test current boost transformer as follows:
(a) Using an ohmmeter, check resistance between terminals A1 and A2, B1 and 62, and C1 and C2,
figure 3-109. Resistance shall be 0.19 ohm in each case.
(b) Apply 7V-60 Hz to secondary winding. Excitation current shall be 0.075 amp (maximum).
(4) Test instrumentation transformer as follows:
(a) Using an ohmmeter, check resistance between terminals A1 and A2, B1 and B2, C1 and C2 (figure
3-102). Resistance shall be 0.11 ohm in each case.
(b) Apply 10V-60 Hz to secondary winding. Excitation current shall be 0.050 amp (maximum).
(5) Test cross-current compensation transformer as follows:
(a) Using an ohmmeter, check resistance between terminals. Resistance shall be 0.3 ohm.
(b) Apply 10V-60 Hz to secondary winding. Excitation current shall be 0.050 amp (maximum).
(6) Replace defective or damaged transformers.
3-233

ARMY TM 9-6115-454-34
AIR FORCE 35C2-3-445-2
NAVY NAVFAC P-8-624-34
(1)
(2)
(3)
(4)
(5)
(6)
(7)
If removed, install mounting brackets (17, figure 3–108) flat washers (16), screw and washer
assemblies (15).
Install cross-current compensation transformer (14), Iockwashers (13), screws (12), and nuts (11).
Install instrumentation transformer (10), flat washers (9) screw and washer assemblies (8).
If removed, install mounting bracket (7), flat washers (6) screw and washer assemblies (5).
Install current boot transformer (4), screws (3), Iockwashers (2) and nuts (1).
Route generator leads through transformer windows (noting polarity) as shown in figure 3-107; then
connect the wires and remove tags.
Connect electrical leads to transfer winding terminals.
Figure 3-109. Current Transformer Test Point
3-234

ARMY TM 9-6115-464-34
AIR FORCE TO 35C2-3-445-2
NAVY NAVFAC P-8-624-34
Figure 3–110. Electromagnetic Interference Capacitors
3-87. ELECTROMAGNETIC INTERFERENCE CAPACITORS
a. Removal
(1) Disconnect capacitor leads from terminal.
(2) Loosen and remove two capacitor bracket bolts (1, figure 3-110), and two lockwashers (2) from
chassis.
(3) Remove capacitor bracket (3).
(4) Loosen and remove two capacitor bolts (4), nuts (5), and four washers (6) and remove four
capacitors (7).
b. Cleaning,Inspe
ction and Testing.
WARNING
Solvent, Dry Cleaning P-D-680, Type II is flammable and moderately toxic to skin,
eyes and respiratory tract. Eye and skin protection required. Good general ventilation
is normally adequate. Failure to observe this warning could result in servere personal
injury or death.
(1) Clean capacitor assembly with a clean, lint free cloth moistened with solvent P-D-680 Type II and
dry thoroughly.
(2) Inspect capacitor assembly for cracks, corroded terminals, and evidence of shorting.
(3) Test capacitors as follows:
Test the capacitors for leaks and shorts on a capacitor tester, replace defective capacitors. If test
equipment is not available and interference is indicated, isolate the cause of interference by the
trial and error method of replacing each capacitor in turn until the cause of interference is located
and eliminated.
3-235

ARMY TM 9-6116-464-34
AIR FORCE 35C2-3-445-2
NAVY NAVFAC P-6-624-34
c. Installation.
(1) Install four capacitors (7, figure 3-110), four washers (6), nuts (5) and two capacitors bolts (4) and
tighten.
(2) Install capacitor bracket (3).
(3) Position chassis to install two Iockwashers (2), two capacitor bracket bolts (1) and tighten.
Section X11. MAINTENANCE OF RELAY TABLE COMPONENTS
3-88. GENERAL.
The relay table components consist of the tactical relay assembly, the special relay assembly, and the
precise relay assembly. The tactical relay assembly, which is common to all three models, contains relays to
shutdown the generator set in the event of overvoltage, short circuit, overload, and reverse power. It also
houses the current transformer load resistors. The special relay assembly, also common to all three models,
contains the relays for the remainder of the protective devices and the paralleling controls for the voltage
regulator. The precise relay assembly is used only on the 50/60 Hz and 400 Hz precise models. It contains the
paralleling controls for the governor control unit and the fixed resistors of the frequency adjustment system. The
50/60 Hz model of the precise relay assembly also contains a frequency selector switch which changes its
operation from 50 to 60 Hz.
3-89. TACTICAL RELAY ASSEMBLY.
WARNING
Do not attempt to perform maintenance on the tactical relay assembly while the
generator set is operating. Severe electrical shock or death may result from failure to
observe this warning.
a. Removal.
(1) Disconnect electrical connectors to the tactical relay assembly.
(2) Remove screws (1, figure 3-111) and Iockwashers (2) to remove relay assembly from generator set.
NOTE
Tag and disconnect electrical leads to each component prior to disassembly.
b.Disassembly.
(1) Remove screw (1, figure 3-111), and Iockwasher (2).
(2) Remove screw (3), and cover(4).
(3) Remove nut & captive washer assembly (5), screw (6) and tactical relay resistor assembly. (7).
(4) Remove nut & captive washer assemlby (8), screw (9), terminal board assembly (10) and terminal
jumper (11).
(5) Remove screw & captive washer assembly (12), reverse power relay (13), overvoltage relay (14) and
short circuit relay (15).
(6) Remove screw and captive washer assembly (16) and overload protective device (17).
3-236

ARMY TM 9-6115-484-34
AIR FORCE TO 35C2-3-445-2
NAVY NAVFAC P-8-624-34
(7) Remove nut & captive washer assembly (18), flatwashers (19), ground screw (20), nut (21), screw&
captive washer assembly (22), nut (23), screw & captive washer assembly (24), and wiring harness
assembly (25), from Chassis (26).
c. Cleaning, lnspection, and Repa
ir.
WARNING
Compressed air used for cleaning and drying purposes can create airborne particles
that may enter the eyes. Pressure shall not exceed 30 psig and use only with adequate
chip guards and chipping goggles. Failure to observe this warning could result in
servere personal injury or death.
WARNING
Solvent, Dry Cleaning P-D-680, Type II is flammable and moderately toxic to skin,
eyes and respiratory tract. Eye and skin protection required. Good general ventilation
is normally adequate. Failure to observe this warning could result in servere personal
injury or death.
(1) Clean tactical relay assembly with filtered compressed air and a soft bristle brush. If necessary, dirt
deposits may be removed with a clean, lint-free cloth moistened with solvent P–D-680 Type Il. Dry
thoroughly after cleaning with solvent.
3-237
2)
(3)
(4)
(5)
(6)
(7)
(8)
(9)
(a)
(b)
(c)
(d)
(e)
(f)
(9)
(h)
(i)
(j)
ARMY TM 9-6115-464-34
AIR FORCE TO 35C2-3-445-2
NAVY NAVFAC P-8-624-34
Inspect cover and chassis for cracks, corrosion, warping, dents, and defective paint.
Inspect relays for cracked casing, corroded terminals and evidence of shorting or overheating.
Inspect overload protective device for cracked casing, corroded terminals, and evidence of shorting
or overheating.
Inspect tactical relay resistor assembly for burns, cracked or damaged components, and evidence of
shorting.
Inspect terminal board assembly for cracks, corroded terminals and terminal jumpers, and evidence
of shorting.
Inspect wiring harness assembly for excessive wear, cracks, stripped threads, damaged or loose
pins in connectors, and burned wires indicating shorts. Check individual wires for continuity using
figure 3-112 as a guide.
Check all threads for crossing, stripping, and peening.
Test reverse power relay as follows:
Install reverse power relay in test circuit shown in figure 3-113.
Place all switches in the open position and activate power source G1. Adjust output until voltmeter
V1 indicates 3 volts.
Place switch S2 in position B and activate power source G3.
Place switches S1, S4, and S5 in the closed position.
Test lamp DS2 shall illuminate.
Activate power source G2 and adjust output until voltmeter V2 indicates 5 volts.
Adjust output of power source G1 until voltmeter V1 indicates less than 1 volt.
Position switch S2 in A position and switch S3 in closed position.
Slowly increase output of power source G1 until test lamp DS2 extinguishes and test lamp DS1
illuminates.
Check indication of voltmeter V1. Indication shall be 1 to 3 volts.
(10) Test over voltage relay as follows:
(a)
(b)
(c)
(d)
(e)
(f)
(9)
Install relay in test circuit shown on figure 3–114.
Activate power source G1 and adjust voltage to 120 Vac at 50 Hz.
Activate power source G2 and close switch S2.
Test lamp DS1 shall illuminate and test lamp DS2 shall remain extinguished.
Vary frequency output of power source G1 from 50 to 450 Hz. There shall be no change in test
lamp illumination.
Slowly increase output voltage of power source G1 to 149 Vac. Vary frequency from 350 to 450 Hz.
DS1 shall remain illuminated and DS2 shall extinguish.
Slowly increase output voltage of power source G1 to 154 Vac. Vary output frequency from 50 to
100 Hz. DS1 shall remain illuminated and DS2 shall remain extinguished.
3-239

ARMY TM 9-6115-464-34
AIR FORCE 35C2-3-445-2
NAVY NAVFAC P-8-624-34
1.
2.
3.
4.
NOTES:
ALL SOLDERED CONNECTIONS SHALL BE
IN ACCORDANCE WITH MIL-STD-454.
REQUIREMENT 5.
CUT INSULATION SLEEVING, FIND NO. 8,
INTO 32 PIECES .750 INCHES LONG AND
INSTALL OVER WIRES AND PINS, AFTER
SOLDERING, TO THE CONNECTORS,
FIND NOS. 2 AND 3. THEN APPLY HEAT
OF 400°F FOR 2-3 SEC. FOR PROPER
SHRINKAGE.
INSTALL STRAPS, FIND NO. 7, AT 3.0 MAX
INTERVALS AND AT EACH CABLE
BREAK-OUT.
WIRE MARKING TO BE IN ACCORDANCE
WITH MIL-W-5088 EXCEPT THAT LENGTH
BETWEEN GROUPS OF NUMBERS SHALL
NOT EXCEED 6 INCHES.
5. CRIMPED TERMINAL SHALL MEET THE
PERFORMANCE REQUIREMENTS OF
MIL-T-7928.
6. INTERPRET DRAWING PER MIL-STD-100.
7.
REFERENCES:
a) FOR WIRING DIAGRAM, SEE DRAWING
72-2205.
b) FOR SCHEMATIC DIAGRAMS, SEE
DRAWINGS 72-2200 AND 72-2269.
72-2295 AND 72-2277 FOR UTILITY.
72-2200 AND 72-2269 FOR PRECISE.
Figure 3-112. Tactical Relay Assembly Wiring Harness, Drawing No. 72-2243 (Sheet 1 of 2)
3-240

ARMY TM 9-6115-464-34
AIR FORCE TO 35C2-3-445-2
NAVY NAVFAC P-8-624-34
Figure 3-112. Tactical Relay Assembly Wiring Harness, Drawing No. 72–2243 (Sheet 2 of 2)
3-241

ARMY TM 9-6115-464-34
AIR FORCE TO 35C2-3-445-2
NAVY NAVFAC P-8-624-34
Figure 3-114. Overvoltage Relay Test Circuit
(h) Set output frequency of power source G1 to 50 Hz. Slowly increase output voltage to 156 volts.
DS1 shall extinguish and DS2 shall illuminate. Momentarily open switch S1 and allow relay to reset.
(i) Repeat step (h) for frequencies of 60,70 and 100 Hz.
(j) Set output frequency of power source G1 to 350 Hz. Increase output voltage to 151 volts ac. DS1
shall extinguish and DS2 shall illuminate. Momentarily open switch S1 and allow relay to reset.
(k) Repeat step (j) for frequencies of 400 and 450 Hz.
(11) Test short circuit relay as follows:
(a) Install short circuit relay in test circuit shown in figure 3-115.
(b) Activate power sources G1 and G2.
(c) Place switch S2 in the A position and close S1.
(d) Slowly increase output voltage of power source G1. Test lamp DS1 shall illuminate.
(e) Observe voltmeter V1 while continuing to increase voltage. At a voltage of 24 ± 1 Vac. test lamp
DS1 shall extinguish and DS2 shall illuminate.
(f) Return output voltage of G1 below 24 Vac and open A allowing the relay to reset.
3-243

(g)
(h)
(i)
(j)
(k)
Figure 3-115. Short Circuit Relay Test Circuit
Place switch S2 in B position and dose switch S1.
Repeat steps (d) through (f).
Place switch S2 in C position and dose switch S1.
Repeat steps (d) through (f).
The voltage at which relay trips in step (e), (h) and (j) shall be within 1 volt.
(12) Test overload protective device as follows:
(a)
(b)
(c)
(d)
(e)
(f)
Install over load protective device in test circuit shown in figure 3-116.
Activate generator G2 and power source G1 and dose switch S1. Test lamp DS1 shall illuminate.
Adjust auto transformers T1, T2 and T3 until ammeters A1, A2, and S3 indicate 0.75 amperes
each.
Adjust auto transformer T1 until ammeter Al indicates 0.975 amperes. After 8 ± 2 minutes, test
lamp DS1 shall extinguish and test lamp DS2 shall illuminate.
Adjust auto transformer T1 until ammeter Al again indicates 0.75 amperes. Test lamp DS2 shall
extinguish and test lamp DS1 shall illuminate.
Repeat steps (d) and (e) for auto transformers T2, and T3. Result shall be the same as for T1.
(13) Replace any relay or protective device found to be defective.
(14) Test tactical relay resistor assembly as follows:
(a) Ccmnect one lead of an ohmmeter to terminal number (4, figure 3-117).
3-244
ARMY TM 9-6115-464-34
AIR FORCE 35C2-3-445-2
NAVY NAVFAC P-8-624-34

ARMY TM 9-6115-464-34
AIR FORCE 35C2-3-445-2
NAVY NAVFAC P-8-624-34
(b)
(c)
(15)
(16)
Figure 3–117. Tactical Relay Resistor Assembly Schematic Diagram
Touch other lead to terminals 3,2, and 1.
Ohmmeter should indicate 7.5 ohms in each case.
Replace defective components of tactical relay resistor assembly using figure 3-118 as a guide.
If the wiring harness has sustained damage and requires repair or rebuild, refer to figure 3-112 for
layout, identification, and material requirements and Appendix A for detailed soldering and
replacement procedures.
d. Assembly.
(1) Position relay assembly to install Iockwashers (2, figure 3-111) and screws (1).
(2) Connect electrical leads to tactical relay assembly.
e.
Installation.
(1) Position chassis (26, figure 3-111), to install wiring harness (25), screw& captive washer assembly
(24), nut (23), screw & captive washer assembly (22), nut (21), ground screw (20), flatwashers (19),
nut & captive washer assembly (18).
(2) Install overload protective device (17), and screw& captive washer assembly (16).
(3) Install short circuit relaly (15), over–voltage relay (14), reverse power relay (13), and screw& captive
washer assembly (12).
(4) Install terminal jumper (11), terminal board assembly (10), screw (9), nut & captive washer assembly
(8).
(5) Install tactical relay resistor assembly (7), screw (6), nut & captive washer assembly (5).
(6) Install cover(4) with screw (3).
(7) Install Iockwasher (2) and screw (1).
3-246

ARMY TM 9-6115-464-34
AIR FORCE TO 35C2-3-445-2
NAVY NAVFAC P-8-624-34
3-90. SPECIAL RELAY ASSEMBLY.
WARNING
Do not attempt to perform maintenance on the special relay assembly while the
generator set is operating. Severe electrical shock or death may result from failure to
observe this warning.
(1) Tag and disconnect electrical connectors to special relay assembly,
(2) Remove screws (1, figure 3-119) and Iockwashers (2) to remove special relay assembly.
NOTE
Disassemble special relay assembly only as required for inspection, testing, and
replacement of components.
b. Disassembly.
(1) Remove screw &captive washer assembly (3, figure 3-119), cover (4) from chassis (46).
(2) Remove locking nut(5), nut(6), tooth Iockwasher (7) and potentiometer (8).
(3) Remove nut (9) and screw &captive washer assembly (10).
(4) Remove nut (11), screw&captive washer assembly (12) and wiring harness assembly.
(5) Remove nut (14), screw & captive washer assembly (15) and shorting plug (16).
(6) Remove nut (17), screw and captive washer assembly (18) and protective cap assembly (19).
(7) Remove nut & captive washer assembly (20), flat washer (21), and screw (22).
(8) Remove nut & captive washer assembly (23) and dc relay assembly (24)
(9) Remove nut & captive washer assembly (25), screw (26) and instrument shunt (27).
(10) Remove nut &captive washer assembly (28), screw (29) and special current transformer (30).
(11) Remove nut (31), Iockwasher (32), screw (33), cranking relay (34).
(12) Remove nut & captive washer assembly (35), screw (36) and terminal board assembly (37).
(13) Remove nut (38), screw & captive washer assembly (39), resistor (40) and resistor bracket assembly
(41).
(14) Remove nut & captive washer assembly (42), screw (43), terminal board assembly (44) and terminal
jumper (45).
(15) Remove resistor (47), bracket assembly (48), nut (49) and screw& captive washer assembly (50).
c. Cleaning, Inspect
ion. and Repair.
WARNING
Compressed air used for cleaning and drying purposes can create airborne particles
that may enter the eyes. Pressure shall not exceed 30 psig and use only with adequate
chip guards and chipping goggles. Failure to observe this warning could result in
servere personal injury or death.
3-247
a.Removal.

ARMY TM 9-6115-464-34
AIR FORCE 35C2-3-445-2
NAVY NAVFAC P-8-624-34
WARNING
(1)
(2)
(3)
(4)
(5)
(6)
(7)
(8)
(9)
(10)
(11)
(12)
(13)
(a)
(b)
(c)
(d)
(14)
(15)
Solvent, Dry Cleaning P-D-680, Type II is flammable and moderately toxic to skin,
eyes and respiratory tract. Eye and skin protection required. Good general ventilation
is normally adequate. Failure to observe this warning could result in servere personal
injury or death.
Clean special relay components with filtered compressed air and a soft bristle brush. If necessary,
dirt deposits may be removed with a clean, lint–free cloth moistened with solvent P-D-680 Type II in
paragraph 3-90c(1).
Inspect potentiometer for cracked casing, corroded terminals and burns or other indication or
shorting.
Inspect wiring harness assembly for cracked or deteriorated insulation, damaged or loose connector
pins, and burned areas indicating shorting.
Inspect protective caps for cracks, excessive wear, broken chain and other damage.
Inspect components of DC relay assembly for cracks, burns, corrosion, and evidence of shorting or
overheating.
Inspect instrument shunt for burns, corrosion, and evidence of shorting.
Inspect special current transformer for corroded terminals and burns or other evidence of shorting.
Inspect cranking relay K3 for cracked casing, corroded terminals, and evidence of shorting.
Inspect terminal boards for cracks, burns, corroded terminals and terminal jumpers and other
damage.
Inspect resistor for burns, corroded terminals and other damage.
Inspect chassis and cover for cracks, warping, and illegible markings.
Check all threads for crossing, stripping, and peening.
Using an ohmmeter, test potentiometer as follows:
Connect ohmmeter leads between center terminal and either outer terminal.
Slowly, at an even rate, rotate adjustment from full counterclockwise to full clockwise position.
Ohmmeter indication shall change at an even rate from 0 to 12 ohms.
Replace potentiometer if ohmmeter indicates discontinuity at any point or if rate of change is
erratic.
Test wiring harness assembly wires for continuity using figure 3-120 as a guide.
If wiring, wiring harness has sustained damage and requires repair or rebuild, refer to figure 3-120
for layout, identification and material requirements and Appendix A for detailed soldering and
replacement procedures.
3-248

ARMY TM 9-6115-464-34
AIR FORCE TO 35C2-3-445-2
NAVY NAVFAC P-8-624-4
Figure 3-118. Tactical Relay Resistor Assembly, Exploded View
(16) Test dc relay assembly as follows:
(a)
(b)
(c)
(d)
(e)
(f)
(g)
(h)
(i)
(j)
(k)
(l)
(m)
Apply 24 Vdc to terminals 6 and 15 (figure 3-121).
Use an ohmmeter to check for continuity across terminals 5 and 17.
Check for open circuit across terminals 4 and 16.
Install a jumper between terminals 9 and 6.
Apply 24 Vdc to terminals 12 and 15 with 12 positive.
Check for continuity between terminals 5 and 17 and for open curcuit between terminals 4 and 16.
Install a jumper between terminals 23 and 6.
Apply 24 Vdcto terminals 21 and 15 with 21 positive.
Check for continuity between terminals 5 and 17 and for open curcuit between terminals 4 and 16.
Apply 24 Vdc to terminals 13 and 15.
Check for continuity between terminals 1 and 14 and between terminals 2 and 15. Check for open
curcuit between terminals 3 and 15.
Apply 120V AC to terminals 18 and 22. Use an ohmmeter check for resistance of 2,500 ohms
between terminals 19 and 20 and 7 and 8.
Check resistors R3, R6, and R9 for correct values given in figure 3-121.
(17) Replace defective dc relay assembly components (iterns 1 through 21, figure 3-122).
3-249
ARMY TM 9-6115-464-34
AIR FORCE TO 35C2-3-445-2
NAVY NAVFAC P-8-624-34
1.
Screw
2. Lockwasher
3. Screw & captive washer assy
4. Cover
5. Locking nut
6. Nut
7. Tooth Iockwasher
8. Potentiometer
9. Nut
10. Screw & captive washer assy
11. Nut
12. Screw & captive washer assy
13. Wiring harness assy
14. Nut
15. Screw & captive washer assy
16. Shorting plug
17. Nut
18. Screw & captive washer assy
19. Protective cap assy
20. Nut & captive washer assy
21. Flat washer
22. Screw
23. Nut and captive washer assy
24. DC relay assy
25. Nut & captive washer assy
26.
27.
28.
29.
30.
31.
32.
33.
34.
35.
36.
37.
38.
39.
40.
41.
42.
43.
44.
45.
46.
47.
48.
49.
50.
Screw
Instrument shunt
Nut captive washer assy
Screw
Special current transformer
Nut
Lockwasher
Screw
Cranking relay
Nut & captive washer assy
Screw
Terminal board assy
Nut
Screw & captive washer assy
Resistor
Resistor bracket assy
Nut & captive washer assy
Screw
Terminal board assy
Terminal jumper
Chassis
Resistor
Bracket assy
nut
Screw & captive washer assy
Figure 3-119. Special Relay Assembly, Exploded View (Sheet 2 of 2)
(18) If any dc relay assembly component must be replaced or encapsulating coating repaired or replaced,
refer to Appendix A references for detailed procedures. Repair/replace encapsulating by applying a
0.007 inch (min) coating of polyurethane resin (Scotchcast 221, Minnesota Mining and Mfg. Co. or
equal).
(19) Replace any damaged or defective parts.
d. Assembly.
(1) Install screw and captive washer assembly (50, figure 3-119), nut (49), bracket assembly (48) and
resistor (47).
(2) Install terminal jumper (45), terminal board assembly (44), screw (43) and nut & captive washer
assembly (42).
(3) Install resistor bracket assembly (41), resistor (40), screw & captive washer assembly (39), and nut
(38).
(4) Install terminal board assembly (37), screw (36), nut & captive washer assembly (35).
(5) Install cranking relaly (34), screw (33), Iockwasher (32), and nut (31).
(6) Install special current transformer (30), screw (29), nut & captive washer assembly (28).
(7) Install instrument shunt (27), screw (26), nut & captive washer assembly (25).
(8) Install dc relaly assembly (24), and nut & captive washer assembly (23).
(9) Install screw (22), flat washer (21), and nut &captive washer assembly (20).
(10) Install protective cap assembly (19), screw & captive washer assembly (18) and nut (17).
(11) Install shorting plug (16), screw&captive washer assembly (15), and nut (14).
(12) Install wiring harness assembly (13), screw &captive washer assembly (12), and nut (11).
3-251

ARMY TM 9-6115-464-34
AIR FORCE 35C2-3-445-2
NAVY NAVFAC P-8-624-34
(13) Install screw & captive washer assembly (10), and nut (9).
(14) Install potentiometer (8), tooth Iockwasher (7), nut (6) and locking nut (5).
(15) Position chassis (46) to install cover (4), and screw & captive washer assembly (3)
e. Installation.
(1) Position special relay assembly to install Iockwashers (2, figure 3-119) and screws (l).
(2) Connect electrical connectors to special relay assembly.
3-91. PRECISE RELAY ASSEMBLY.
WARNING
Do not attempt to perform maintenance on the precise relay assembly while the
generator is operating. Severe electrical shock may result from failure to observe this
warning.
a. Removal.
(1) Disconnect electrical connectors to precise relay assembly.
(2) Remove screws (1, figure 3-123) and Iockwashers (2) to remove precise relay assembly from
generator set.
NOTE
Disassemble only as required to clean, inspect, test, or replace parts.
b. Disassembly.
(1)
(2)
(3)
(4)
(5)
(6)
(7)
(8)
(9)
(10)
Remove screw & captive washer assembly (3, figure 3–1 23) and cover (4).
Remove locknuts (5), nut (6), tooth lockwasher (7) and rheostat (8).
Remove nut (9), tooth Iockwasher (10), positioning washer (11), and switch (12).
Remove nut & captive washer assembly (13), flat washer (14), nut & captive washer assembly (15),
and screw (16).
Remove nut (17), screw & captive washer assembly (18) and wiring harness (19).
Remove screw and captive washer assembly (20) and under voltage relay (21).
Remove nut (22), screw & captive washer assembly (23) and electronic components assembly (24).
Remove nut & captive washer assembly (25), screw (26), terminal board assembly (27) and terminal
jumper (28).
Remove screw & captive washer assembly (29) and under frequency relay (30).
Remove screw & captive washer assembly (31), permissive paralleling relay (32) and chassis (33).
NOTE
Switch and attaching hardware (items 21 through 24) are found only on the 50/60 Hz
precise relay assembly.
3-252

ARMY TM 9-6115-464-34
AIR FORCE 35C2-3-445-2
NAVY NAVFAC P-8-624-34
Figure 3-120. Special Relay Assembly Wiring Harness, Drawing No. 72-2239 (Sheet 2 of 4)
3-254

ARMY TM 9-6115-464-34
AIR FORCE TO 35C2-3-445-2
NAVY NAVFAC P-8-624-34
Figure 3-120. Special Relay Assembly Wiring Harness, Drawing No. 72-2239 (Sheet 3 of 4)
3-255

ARMY TM 9-6115-464-34
AIR FORCE 35C2-3-445-2
NAVY NAVFAC P8-624-34
Figure 3-120. Special Relay Assembly Wiring Harness, Drawing No. 72-2239 (Sheet 4 of 4)
3-256

ARMY TM 9-6115-464-34
AIR FORCE TO 35C2-3-445-2
NAVY NAVFAC P-8-624-34
(1)
(2)
(3)
(4)
(5)
WARNING
Compressed air used for cleaning and drying purposes can create airborne particles
that may enter the eyes. Pressure shall not exceed 30 psig and use only the adequate
chip guards and chipping goggles. Failure to observe this warning could result in
servere personal injury or death.
WARNING
Solvent, Dry Cleaning P-D-680, Type II is flammable and moderately toxic to skin,
eyes and respiratory tract. Eye and skin protection required. Good general ventilation
is normally adequate. Failure to observe this warning could result in servere personal
injury or death.
Clean precise relay assembly with filtered compressed air and a soft bristle brush. If necessary,
caked deposits may be removed with a clean, lint–free cloth moistened with solvent P-D-680 Type
Il. Dry thoroughly after cleaning with solvent.
Visually inspect cover and chassis for cracks, corrosion, warping, defective paint and illegible
markings.
Inspect wiring harness for damaged wires and connectors for bent or broken connector pins and
burned areas indicating shorts.
Inspect switch (50/60 Hz only) for cracked casing, burns, corroded terminals and other damage.
Inspect relays for cracked casing, corroded terminals, and evidence of shorting or other damage.
3-257
Figure 3-121. DC Relay Assembly Schematic Diagram
c. Cleaning, Inspection, and Repair.
ARMY TM 9-6115-464-34
AIR FORCE 35C2-3-445-2
NAVY NAVFAC P-8-624-34
(6) Inspect resistors and capacitors of electronic components assembly for insecure mounting and burns
or other evidence of shorting.
(7) Inspect terminal board assembly for cracks, corroded terminals, damaged terminal jumpers and
evidence of shorting.
(8) Test under voltage relay as follows:
(a)
(b)
(c)
(d)
(e)
(f)
(g)
(h)
(i)
(j)
(k)
(l)
Install relay in test circuit shown in figure 3-124.
Activate power source G1 and adjust output voltage to 120 Vac at 50 HZ.
Activate power source G2.
Close switches S1 and S2.
Test lamp DSI shall illuminate, and test lamp DS2 shall remain extinguished.
Vary output frequency of power source G1 from 50 to 450 HZ. There shall be no change in test
lamp illumination.
Slowly decrease output voltage of power source G1 to 100 Vac. Vary output frequency from 350 to
450 Hz. Test lamp DSI shall remain illuminated and test lamp DS2 shall remain extinguished.
Slowly decrease output voltage of power source G1 to 95 Vac. Vary frequency from 50 to 100 HZ.
DS1 shall remain illuminated and DS2 shall remain extinguished.
Set output frequency of power source G1 to 50 Hz. Slowly decrease output voltage of power
source G1 to 90 Vac. Test lamp DS1 shall extinguish and test lamp DS2 shall illuminate. Set output
frequency above 95 Vac and momentarily open switches S1 and allow relay to reset.
Repeat steps (i) for frequencies of 60,70, and 100 Hz.
Set output frequency of power source G1 to 350 Hz. Slowly decrease output voltage to 90 Vac.
DS1 shall extinguish and DS2 shall illuminate. Return output frequency to 120 Vac and
momentarily open switch S1, allowing relay to reset.
Repeat step (k) for output frequency of 400 and 450 Hz.
(9) Test under frequency relay as follows:
(a) Install relay in test circuit shown in figure 3-125.
(b) Activate power source G1 and G2 and adjust output frequency to 50 Hz (400 Hz for 400 Hz units).
(c) Close switch S1. Test lamp DS1 shall illuminate and DS2 shall remain extinguished.
(d) Lower output frequency of power source G1 until test lamps transfer. Test lamp shall transfer at 46
± 1 Hz (370 Hz for 400 Hz units).
3-258
ARMY TM 9-6115-464-34
AIR FORCE 35C2-3-445-2
NAVY NAVFAC P-8-624-34
(e) Slowly raise output frequency of power source GI until test lamps transfer. Test lamps shall transfer
at 46 ± 1 Hz (375 Hz for 400 Hz units).
(f) Adjust output voltage of power source G1 to 132 Vac. Check for test lamp transfer points. Transfer
points shall be within 1 Hz of those of steps (d) and (e).
(g) Adjust output voltage of power source G1 to 108 Vac. Check for test lamp transfer points. Transfer
points shall be within 1 Hz of those of steps (d) and (e).
(h) Open switch S1 and repeat steps (d) through (g). Transfer points shall be 55 ± 1 Hz and 58 ± 1 Hz
(380 ± Hz and 385 ± 2 for 400 Hz units).
(10) Test permissive paralleling relay as follows:
(a)
(b)
(c)
(d)
(e)
(f)
(g)
(h)
(i)
(j)
(k)
(l)
Install permissive paralleling relay into test circuit shown in figure 3–126.
Check that switch (S1) is open, then energize power sources G1 and G2.
Adjust power source G1 to obtain reading of 15 Vac on voltmeter (M1).
Adjust power source G1 to obtain reading of 50 Hz on frequency meter (M2).
Close switch (S1) and observe test lamp (DS1) and (DS2). DS1 shall be dark and DS2 shall be
illuminated.
Slowly reduce the voltage of power source G1 until the relay drops out (DS1 extinguishes and DS2
illuminates). Drop out shall occur at 8 ± 1 Vac.
Slowly increase the voltage of power supply G1 until relay pickup occurs (DS1 illuminates and DS2
extinguishes). Pick up shall occur at a voltage not greater than 1 Vac greater than drop out.
Open switch (S1) and adjust frequency of power source G1 to 60 Hz.
Repeat steps (e) through (g) above. Relay drop out and pick up shall occur at the same voltages.
Open switch (S1) and adjust the frequency of power source G1 to 400 Hz.
Repeat steps (e) through (g) above. Relay drop out and pick up shall occur at the same voltages.
Increase the voltage of power source G1 to 300 Vac for 2 seconds. There shall be no damage as a
result of this test.
(11) Replace relays which fail to perform as specified.
(12) Test electronic components assembly as follows: (See schematic diagram in figure 3-127).
(a) Check resistance across terminals 1 and 2 and across terminals 3 and 4. Resistance should be as
specified. If it is not, replace the defective resistors as necessary.
(b) Test capacitor (terminals 5 and 6). Replace, if defective.
(13) Replace defective components of electronic components assembly using figure 3-127 as a guide,
and Appendix A references for detailed soldering and replacement procedures.
(14) If the wiring harness has sustained damage and requires repair or rebuild, refer to figure 3-128
(50/60 Hz) or 3-129 (400 Hz) for layout, identification and material requirements and Appendix A for
detailed soldering and replacement procedures.
3-262

ARMY TM 9-6115-464-34
AIR FORCE TO 35C2-3-445-2
NAVY NAVFAC P-8-624-34
Figure 3–1 26. Permissive Paralleling Relay Test Circuit
(15) Check individual wires for continuity. Replace defective wires using wire conforming to Military
Specification MIL-W–5086, Type Il. Use figures 3-128 or 3-129 as a guide.
d. Assembly..
(1)
(2)
(3)
(4)
(5)
(6)
(7)
(8)
(9)
(10)
Position chassis (33, figure 3-123) to install permissive paralleling relay (32) and screw & captive
washer assembly (31).
Install under frequency relay (30), screw & captive washer assembly (29).
Install terminal jumper (28), terminal board assembly (27), screw (26), nut & captive washer
assembly (25).
Install electronic components assembly (24), screw & captive washer assembly (23) and nut (22).
Install under voltage relay (21), screw& captive washer assembly (20).
Install wiring harness (19), screw & captive washer assembly (18), and nut (17).
Install screw (16), nut & captive washer assembly (15), flatwasher (14), nut & captive washer
assembly (13).
Install switch (12), positioning washer (11), tooth Iockwasher (10) and nut (9).
Install rheostat (8), tooth Iockwasher (7), nut (6), and locknut (5).
Install cover (4), screw & captive washer assembly (3).
e. Installation.
(1) Position precise relay assembly to install Iockwashers (2, figure 3-123) and screws (1).
(2) Connect electrical connectors to precise relay assembly.
3-263

ARMY TM 9-6115-464-34
AIR FORCE 35C2-3-445-2
NAVY NAVFAC P-8-624-34
3-92. STATIC EXCITER AND VOLTAGE REGULATOR ASSEMBLY.
a. General. The static exciter and voltage regulator assembly provide excitation and voltage regulation for
the generator output voltage and compares it to a reference voltage which is established by the voltage adjust
rheostat on the generator set control cubicle. If difference exists, an error signal is sent to the static exciter.
Excitation current supplied by the current transformer assembly is altered by the error signal until generator
output voltage equals the reference voltage.
WARNING
Do not attempt to perform maintenance on the static exciter and voltage regulator
assembly while the generator set is operating. Severe electrical shock or death may
result from failure to observe this warning.
b. Removal.
(1) Disconnect electrical connectors to static exciter and voltage regulator assembly.
(2) Remove screws (1, figure 3-130) and Iockwasher (2) to remove static exciter and voltage regulator
assembly from generator set.
NOTE
Disassemble static exciter and voltage regulator assembly only as required to clean,
inspect, test and replace components.
c. Disassemblv. .
(1)
(2)
(3)
(4)
(5)
(6)
(7)
(8)
(9)
(10)
(11)
(12)
(13)
(14)
Remove screw (3, figure 3-130), on chassis cover (4) from chassis (68).
Remove nut and captive washer assembly (5), flat washer (6), screw (7) to remove heat sink
assembly (8).
Remove nut and captive washer assembly (9) and screw (10).
Remove wire (11), terminal lug (12), and semiconductor (13) as one assembly. Remove
semiconductor (14).
Remove nut and captive washer assembly (15), screws (16), heat sink (17) and heat sink support
(18).
Remove nut and captive washer assembly (19), screw (20), and terminal board (21).
Remove nut and captive washer assembly (22), screw (23), and transformer (24).
Remove nuts (25 and 26), screw (27), capacitor (28), Iockwasher (29) and bracket (30).
Remove nut & captive washer assembly (31), terminal (32), and nut& captive washer assembly (33).
Remove nut & captive washer assembly (34), screw (35), and transformer (36).
Remove screw (37), and voltage regulator assembly (38) from chassis (68).
Remove nut & captive washer assembly (39), screw (40), mounting bracket (41) and capacitor C2
(42).
Remove nut & captive washer assembly (43), screw (44) and transformer (45).
Remove nut & captive washer assembly (46), screw (47), nut& captive washer assembly (48),
Washer (49), screw (50), mica washer (51), mounting bracket (52), resistors R1 and R2 (53 and 54).
3-264

ARMY TM 9-5115-454-34
AIR FORCE TO 35C2—3-445-2
NAVY NAVFAC P-8-62-434
(15)
(16)
(17)
(18)
(19)
(20)
(21)
(22)
(23)
(24)
(25)
(26)
Remove nut & captive washer assembly (55), screw (56), resistor bracket (57) and resistor R3 (58).
Remove nut & captive washer assembly (59), screw (60), and cable clamp (61).
Remove nut & captive washer assembly (62), screw (63), and cable clamp (64).
Remove nut & captive washer assembly (65), screw (66), and wiring harness (67).
Remove nut & captive washer assembly (69), screw (70), nut (71), Iockwasher (72), diode CR1 (73),
and heat sink (74).
Remove nut & captive washer assembly (75), screw (76), Remove wiring harness (77), tiedown
strap wire (78), wire (79), and shrink tubing (80) as one assembly.
Remove nut & captive washer assembly (81), screw (82), capacitor C14 (83), Remove nut & captive
washer assembly (84), screw (85) and capacitor C13 (86).
NOTE
Resistor R23, capacitor C7, resistor R22, capacitor C5 and resistor R9 are on 400 Hz
generator sets only. Capacitor C10 and C12 are on 50/60 Hz generator sets only.
Melt solder as necessary and remove R24 (87), R16 (88), R21 (89), R28 (90), R31 (92), R30 (94),
R11 (95), R6 (97), R10 (98), R12 (101), R14 (105), R34 (106), R5 (111), R4 (112), R23 (113), R18
(117), R22 (118), R19 (122), R20 (124), R9 (127), R29 (128), R25 (129), R33 (131), R15 (133), R32
(134), R17 (135), R26 (147), R27 (148), R13 (149), R8 (151).
Melt solder as necessary and remove capacitors C16 (91 ), C4 (100), C6 (99), C3 (102), C8 (110), C7
(114), C15 (119), C5 (125), C9 (136), C11 (146), C10 (152), C12 (153).
Melt solder as necessary and remove diodes CR11 (93), and diodes (96), (109), (115), (116), (121),
(123), (126), (130), (132), (137 thru 145), and (150).
Melt solder as necessary and remove transistors (103), (107), (108), (120).
Melt solder as necessary and remove integrated circuit (104).
NOTE
Tag and disconnect electrical leads to each component before removing.
d. Cleaning. lnspection, and Repair.
(1) Clean static exciter and voltage regulator assembly with filtered compressed air and a soft bristle
brush. If necessary, caked deposits maybe removed with a clean. lint–free cloth moistened with an
approved cleaning solvent. Dry thoroughly if cleaning solvent is used.
(2) Inspect cover and chassis for cracks, corrosion, warping, and other damage.
(3) Inspect heat sink assembly for cracks, corrosion, and signs of overheating or shorting.
(4) Using an ohmmeter, test semiconductors as follows:
(a) Using an ohmmeter, check resistance through semiconductor in both directions.
3-265

ARMY TM 9-6115-464-34
AIR FORCE TO 35C2-3-445-2
NAVY NAVFAC P-8-624-34
NOTES:
1.
2.
3.
4.
ALL SOLDERED CONNECTIONS SHALL BE 5. CRIMPED TERMINALS SHALL MEET THE
IN ACCORDANCE WITH MIL-STD-454, PERFORMANCE REQUIREMENTS OF MIL-T–7928.
REQUIREMENT 5.
6. INTERPRET DRAWING PER MIL-STD-1OO.
CUT INSULATION SLEEVING (FIND #9) INTO 7. REFERENCES
38 PIECES, .750 INCHES LONG AND a) FOR WIRING DIAGRAM, SEE DRAWING
INSTALL OVER WIRES AND PINS, AFTER
72–2205.
SOLDERING, TO THE CONNECTORS b) FOR SCHEMATIC DIAGRAM, SEE
(FIND #2 AND #3). THEN APPLY HEAT OF
DRAWING 72–2200 AND 72-2269.
400°FOR 3-5 SEC. FOR PROPER
SHRINKAGE.
INSTALL STRAPS, FIND NO. 7 AT 3.0
MAX INTERVALS AND AT EACH CABLE
BREAK-OUT.
WIRE MARKING TO BE IN ACCORD–
ANCE WITH MIL-W-5088 EXCEPT
THAT LENGTH BETWEEN GROUPS OF
NUMBERS SHALL NOT EXCEED 6 INCHES.
Figure 3-128. 50/60 Hz Precise Relay Assembly Wiring Harness, Drawing No. 72-2242 (Sheet 1 of 2)
3-267

ARMY TM 9-6115-464-34
AIR FORCE 35C2-3-445-2
NAVY NAVFAC P-8-624-34
Figure 3-128. 50/60 Hz Precise Relay Assembly Wiring Harness, Drawing No. 72-2242 (Sheet 2 of 2)
3-268

ARMY TM 9-6115-464-34
AIR FORCE TO 35C2-3-445-2
NAVY NAVFAC P-8-624-34
NOTES:
ALL SOLDERED CONNECTIONS SHALL BE IN ACCORDANCE
WITH MIL-STD-454, REQUIREMENT 5.
AFTER SOLDERING, INSTALL INSULATION SLEEVING,
FIND NO. 9, .5 LONG, OVER EACH CONTACT OF
1.
2.
3.
4.
5.
6.
7.
CONNECTOR FIND NO. 2 AND 3.
INSTALL STRAPS, FIND NO. 7 AT3.0 MAX
INTERVALS AND AT EACH CABLE BREAK-OUT.
WIRE MARKING TO BE IN ACCORDANCE WITH
MIL–W-5088 EXCEPT THAT LENGTH BETWEEN
GROUPS OF NUMBERS SHALL NOT EXCEED
6 INCHES.
CRIMPED TERMINALS SHALL MEET THE PERFORMANCE
REQUIREMENTS OF MIL–T-7928.
INTERPRET DRAWING PER MlL-STD-100.
REFERENCES
a) FOR WIRING DIAGRAM, SEE DRAWING 72-2205.
b) FOR SCHEMATIC DIAGRAM, SEE DRAWING 72-2200 AND
72–2269.
Figure 3-129. 400Hz Precise Relay Assembly Wiring Harness, Drawing No. 72–2260 (Sheet 1 of 2)
3-269

ARMY TM 9-6115-464-34
AIR FORCE 35C2-3-445-2
NAVY NAVFAC P-8-624-34
Figure 3-129. 400Hz Precise Relay Assembly Wiring Harness, Drawing No. 72-2260 (Sheet 2 of 2)
3-270

ARMY TM 9-6115-464-34
AIR FORCE 35C2-3-445-2
NAVY NAVFAC P-8-624-34
Figure 3-130. Static Exciter and Voltage Regulator Assembly, Exploded View (Sheet 2 of 3)
3-272
ARMY TM 9-6115-464-34
AIR FORCE TO 35C2-3-445-2
NAVY NAVFAC P-8-624-34
1.
Screw
2. Lockwasher
3. Screw
4. Chassis cover
5. Nut & captive washer assy
6.
Flat washer
7.
Screw
8. Heat sink assy
9. Nut & captive washer assy
10. Screw
11. Wire
12. Terminal lug
13. Semiconductor
14. Semiconductor
15. Nut & captive washer assy
16. Screw
17. Heat sink
18.
19.
20.
21.
22.
23.
24.
25.
26.
27.
28.
29.
30.
31.
32.
33.
34.
35.
36.
37.
38.
39.
40.
41.
42.
43.
44.
45.
46.
47.
48.
49.
50.
51.
52.
Heat sink support
Nut & captive washer assy
Screw
Terminal board
Nut & captive washer assy
Screw
Transformer
Nut
Nut
Screw
Capacitor
Lockwasher
Bracket
Nut & captive washer assy
Terminal
Nut & captive washer assy
Nut & captive washer assy
Screw
Transformer
Screw
Voltage regulator assy
Nut & captive washer assy
Screw
Mounting bracket
Capacitor C2
Nut & captive washer assy
Screw
Transformer
Nut & captive washer assy
Screw
Nut & captive washer assy
Washer
Screw
Mica washer
Mounting bracket
53.
54.
55.
56.
57.
58.
59.
60.
61.
62.
63.
65.
66.
67.
68.
69.
70.
71.
72.
73.
74.
75.
76.
77.
78.
79.
81.
82.
83.
84.
85.
86.
87.
88.
89.
90.
91.
92.
93.
94.
95.
96.
97.
98.
99.
100.
101.
102.
103.
104.
105.
106.
Resistor R1
Resistor R2
Nut & captive washer assy
Screw
Resistor bracket
Resistor R3
Nut & captive washer assy
Screw
Cable clamp
Nut & captive washer assy
Screw
Cable clamp
Nut & captive washer assy
Screw
Wiring harness
Chassis
Nut & captive washer assy
Screw
Nut
Lockwasher
Diode CR1
Heat sink
Nut & captive washer assy
Screw
Wiring harness
Tie down strap wire
Wire
Shrink tubing
Nut & captive washer assy
Screw
Capacitor C14
Nut & captive washer assy
Screw
Capacitor C13
Resistor R24
Resistor R16
Resistor R21
Resistor R28
Capacitor C16
Resistor R31
Diode CR11
Resistor R30
Resistor R11
Zener diode
Resistor R6
Resistor R10
Capacitor C6
Capacitor C4
Resistor R12
Capacitor C3
Transistor
Integrated circuit
Resistor R14
Resistor
107. Transistor
108.
109.
110.
111.
112.
113.
114.
115.
116.
117.
118.
119.
120.
121.
122.
123.
124.
125.
126.
127.
128.
129.
130.
131.
132.
133.
134.
135.
136.
137.
138.
139.
140.
141.
142.
143.
144.
145.
146.
147.
148.
149.
150.
151.
152.
153.
154.
155.
Transistor
Zener diode
Capacitor C8
Resistor R5
Resistor A4
Resistor R23 (400 Hz only)
Capacitor C7 (400 Hz only)
Diode
Diode
Resistor R18
Resistor R22 (400 Hz only)
Capacitor C15
Transistor
Diode
Resistor R19
Diode
Resistor R20
Capacitor C5 (400 Hz only)
Zener Diode
Resistor R9 (400 Hz only)
Resistor R29
Resistor R25
Diode
Resistor R33
Diode
Resistor R15
Resistor R32
Resistor R17
Capacitor C9
Diode
Diode
Diode
Diode
Diode
Diode
Diode
Diode
Diode
Capacitor C11
Resistor R26
Resistor R27
Resistor R13
Diode
Resistor R8
Capacitor C10 (50/60 Hz
only)
Capacitor C12 (50/60 HZ
only)
Mounting bracket
Printed circuit board
Figure 3-130. Static Exciter and Voltage Regulator Assembly, Exploded View (Sheet 3 of 3)
80.
3-273
64.

ARMY TM 9-6115-464-34
AIR FORCE TO 35C2-3-445-2
NAVY NAVFAC P-8-624-34
(b) One direction shall give an indication of less than 100 ohms. The other direction shall give an
indication of one megohm or more. There shall be no indication of discontinuity in either direction.
(c) Replace defective semiconductors.
(5) Inspect terminal board assembly for cracks, burns, and corroded terminals. Replace defective
terminal board assembly.
(6) Inspect transformers for cracks, corrosion, and evidence of shorting or overheating. Check continuity
of coils using an ohmmeter. There shall be no sign of open circuit.
(7) Replace defective transformers.
(8) Inspect voltage regulator assembly for burned or damaged components.
(9) Electrically check voltage regulator assembly components using figure 3-131 or 3-132 as a guide.
Refer to table 3–7 for capacitance and resistance value of components.
(10) If any voltage regulator components must be replaced or encapsulating coating repaired or replaced,
refer to Appendix A references for detailed procedures. Repair/replace encapsulation by applying
0.020 inch (min) coating of polyurethane resin (scotchcast 221, Minnesota Mining and Mfg. Co. or
equal).
(11) Inspect wiring harness for damaged connectors and terminals, burns, broken wires, and other
damage.
(12) Check individual wires for continuity using figure 3–133 as a guide.
(13) If the wiring harness has sustained damage and requires repair or rebuild, refer to figure 3-133 for
layout, identification and material requirements and Appendix A references for detailed soldering and
replacement procedures.
e. Assembly.
(1) Position and resolder wiring for resistors R24 (87), R16 (88), R21 (89), R28 (90), R31 (92), R30
(94), R11 (95), R6 (97), R10 (98), R12 (101), R14 (105), R34 (106), R5 (111), R4 (112), R23 (113),
R18 (117), R22 (118), R19 (122), R20 (124), R9 (127), R29 (128), R25 (129), R33 (131), R15 (133),
R32 (134), R17 (135), R26 (147), R27 (148), R13 (149), R8 (151).
(2) Position and resolder wiring for capacitors C16 (91), C4 (100), C6 (99), C3 (102), C8 (110), C7
(114), C15 (119), C5 (125), C9 (136), C11 (146), C10 (152), C12 (153).
(3) Position and resolder wiring for diodes CR11 (93), and diodes (96), (109), (115), (116), (121), (123),
(126), (130), (132), (137 thru 145), and (150).
(4) Position and resolder wiring for transistors (103), (107), (108), (120).
(5) Position and resolder wiring for integrated circuit (104).
(6) Install capacitor C13 (86), screw (85), nut and captive washer assembly (84), capacitor C14 (83),
screw (82) and nut captive washer assembly (81).
(7) Install shrink tubing (80), wire (79), wire tiedown strap (78), wiring harness (77), screw (76) and nut
and captive washer assembly (75).
(8) Install heat sink (74), diode CR1 (73), Iockwasher (72), nut (71), screws (70), nut and captive washer
assembly (69).
(9) Install wiring harness (67), screw (66), and nut and captive washer assembly (65).
(10) Install cable clamp (64), screw (63), and nut captive washer assembly (62).
3-275
(11) Install cable clamp (61), screw (60), and nut and captive washer assembly (59).
(12) Install resistor R3 (58), mounting bracket (57), screw (56), and nut and captive washer assembly
(55).
(13) Install resistor R2 and R1 (54 and 53), mounting bracket (52), mica washer (51), screw (50), washers
(49), nut and captive washer assembly (48), screw (47), nut and captive washer assembly (46).
(14) Install transformer (45), screw (44), and nut and captive washer assembly (43).
(15) Install capacitor C2 (42), mounting bracket (41), screw (40), and nut and captive washer assembly
(39).
(16) Install voltage regulator assembly (38), and screw (37) on chassis (68).
(17) Install transformer (36), screw (35), and nut and captive washer assembly (34).
(18) Install terminals (32), and nut and captive washer assemblies (33 and 31).
(19) Install bracket (30), Iockwasher (29), capacitor (28), screw (27), and nuts (26 and 25).
(20) Install transformer (24), screw (23), and nut and captive washer assembly (22).
(21) Install terminal board (21), screw (20), and nut and captive washer assembly (19).
(22) Install heat sink support (18), heat sink (17), screws (16), and nut and captive washer assembly (15).
(23) Install semiconductor (14), semiconductor, terminal lug (12) and wire (11).
(24) Install screw (10), and nut and captive washer assembly (9).
(25) Install heat sink assembly (8), and secure with screw (7), flat washer (6) and nut and captive washer
assembly (5).
f. Testing.
(1) Perform sensing circuit bench test as follows:
NOTE
The chassis cover (4, figure 3-130) must be removed to perform the bench test.
(a) Connect static exciter and voltage regulator assembly into test circuit shown in figure 3-134.
(b) Adjust power source until V1 shows 95 Vac (any frequency between 50 and 400 Hz).
(c) Check for 22 Vdc across R15 (connect voltmeter V2, positive side to cathode of CR11, and
negative side to heat sink where CR4-CR6 are mounted).
(2) Conduct power circuit bench test as follows:
(a) Install static exciter and voltage regulator assembly into test circuit shown in figure 3-135.
(b) Adjust power source to 208 Vac at the rated frequency for the unit as indicated on voltmeter V1.
(c) For 400 Hz units only apply 50-75 Vac, 400 Hz to terminals A and B of connector J9.
(d) Voltmeter V2 should indicate 48 Vdc.
(3) Conduct boost circuit bench test as follows:
3-276
ARMY TM 9-6115-464-34
AIR FORCE 35C2-3-445-2
NAVY NAVFAC P-8-624-34

(a)
(b)
(c)
(d)
ARMY TM 9-6115-464-34
AIR FORCE TO 35C2-3-445-2
NAVY NAVFAC P-8-624-34
With chassis cover (4, figure 3-130) removed, connect positive lead of voltmeter to heat sink where
CR1-CR3 are mounted. Connect negative lead to heat sink where CR4-CR6 are mounted. (See
item 17, figure 3–130).
Apply 12 Vac (any frequency between 50 and 400 Hz) to pins A and B of connector J13.
Voltmeter connected across heat sinks should indicate 9.3 Vdc.
Remove 12 Vac from pins A and B and connect to E and F, then to J and K. In each case, voltmeter
should indicate 9.3 Vdc.
(4) If the requirements of any test are not met, check components using figure 3-131 or 3-132 and table
3-8 as a guide to locate the malfunction. Correct before installing the static exciter and voltage
regulator assembly.
g. Installation.
(1) Position static exciter and voltage regulator to install Iockwasher (2, figure 3-130) and screws (1).
(2) Connect electrical connectors to static exicter and voltage regulator.
3-93. RELAY TABLE COMPONENTS ADJUSTMENTS.
a. General.
After maintenance has been performed on any of the relay table components, the appropriate
adjustments shall be performed.
b. Voltage
Adjustment.
(1) Position voltage adjustment rheostat R2 on generator set control cubicle to the approximate
midpoint.
(2) Refer to the Operator and Unit Maintenance Manual and start the generator set.
(3) Adjust voltage rheostat R2 to obtain generator assembly rated voltage at generator set load terminal
board.
c. Paralleling Adjustments.
(1)
(2)
(3)
(4)
(5)
(6)
(7)
Refer to the Operator and Unit Maintenance Manual and connect a rated load to the generator set
load terminal board.
Start the generator set and operate at full rated load.
Install the shorting plug in the paralleling receptacle.
Place the operations switch on the generator set control cubicle in the PARALLEL position.
Adjust reactive current adjust potentiometer R29 of the special relay assembly to provide a special
droop of 3 percent.
Adjust the load sharing adjust rheostat (R28) of the precise relay assembly until 4 to 6 VDC appear
across pins A and B of the paralleling receptacle. Insure that the positive lead of the meter is
connected to pin A. Repeat same procedure for all other generator sets to be paralleled. Voltage
readings must be identical on all generator sets to be paralleled to insure load sharing. Failure to
make this adjustment will result in load rejection and/or safety system shutdown.
NOTE
Step (6) pertains to precise generator sets only.
Refer to the Operator and Unit Maintenance Manual and shut down the generator set.
3-277

ARMY TM 9-6115-464-34
AIR FORCE 35C2-3-445-2
NAVY NAVFAC P-8-624-34
Table 3-8. STATIC EXCITER AND VOLTAGE REGULATOR RESISTOR
AND CAPACITOR VALUES
VALUES
COMPONENT
50/60 Hz 400 Hz
Resistor R1
10 ohm, 55 watt 10 ohm, 55 watt
Resistor R2
510 ohm, 55 watt 510 ohm, 55 watt
Capacitor C2 20 MFD, 400 volt 5 MFD, 400 volt
Resistor R3
510 ohm, 26 watt 510 ohm, 26 watt
Capacitor C14 2.2 MFD, 200 volt 2.2 MFD, 200 volt
Capacitor C13 3.3 MFD, 200 volt 3.3 MFD, 200 volt
Resistor R24
2.4Kohm, 2 watt 2.4K ohm, 2 watt
Resistor R16
15.K ohm 1/8 watt 1.5K ohm, 1/8 watt
Resistor R21
470K ohm 1/4 watt 470K ohm, 1/4 watt
Resistor R28
47K ohm, 1/4 watt 47K ohm, 1/4 watt
Capacitor C16 22 MFD, 15 volt 22 MFD, 15 volt
Resistor R31
3.9K ohm, 1/4 watt 3.9K ohm, 1/4 watt
Resistor R30
33K ohm, 1/4 watt 33K ohm, 1/4 watt
Resistor R11
4.99K ohm, 1/8 watt 4.99K ohm, 1/8 watt
Resistor R6
32.4K ohm, 1/8 watt 32.4K ohm, 1/8 watt
Resistor R10
20K ohm, 1/8 watt 30K ohm, 1/8 watt
Capacitor C4 .68 MFD, 50 volt
Capacitor C6 0.22 MFD, 50 volt 0.22 MFD, 50 volt
Resistor R12
2.2M ohm, 1/4 watt 2.2M ohm, 1/4 watt
Capacitor C3 0.0001 MFD, 200 Volt 0.0001 mfd, 200 volt
Resistor R14 470 ohm, 1/2 watt 470 ohm, 1/2 watt
Resistor R7
49.9K ohm, 1/8 watt 49.9K ohm, 1/8 watt
Capacitor C8 0.33 MFD, 50 volt 0.1 mfd, 50 volt
Resistor R5
750 ohm, 2 watt 750 ohm, 2 watt
Resistor R4
750 ohm, 2 watt 750 ohm, 2 watt
Resistor R23
100 ohm, 1/4 watt
Capacitor C7 0.047 mfd, 50 volt
Resistor R18
10 ohm, 1/4 watt 10 ohm, 1/4 watt
Resistor R22
2.2K ohm, 1/4 watt
Capacitor C15 2.2 MFD, 200 volt 2.2 mfd, 200 volt
Resistor R19
10 ohm, 1/4 watt 10 ohm, 1/4 watt
Resistor R20
39 ohm, 1/4 watt 39 ohm, 1/4 watt
Capacitor C5 0.10 mfd, 20 volt
Resistor R9
10K ohm, 1 watt
Resistor R29
1K ohm, 1 watt
1K ohm, 1 watt
Resistor R25
150 ohm, 2 watt 150 ohm, 2 watt
Resistor R33
33K ohm, 1/4 watt 33K ohm, 1/4 watt
Resistor R15
49.9K ohm, 1/8 watt 49.9K ohm, 1/8 watt
Resistor R32
2.7K ohm, 1 watt 2.7K ohm, 1 watt
Resistor R17 5.1 K ohm, 2 watt
5.1 K ohm, 2 watt
Capacitor C9 4.7 MFD, 50 volt 4.7 mfd, 50 volt
Capacitor C11
0.1 MFD, 200 volt 0.1 mfd, 200 volt
Resistor R26
18K ohm, 1 watt 5.1 K ohm, 1 watt
Resistor R27
10K ohm, 1 watt 10K ohm, 1 watt
Resistor R13
20K ohm, 1/8 watt 20K ohm, 1/8 watt
Resistor R8
100 ohm, 1/4 watt 100 ohm, 1/4 watt
Capacitor C10 4.7 MFD, 50 volt
Capacitor C12 3.3 MFD, 200 volt
Capacitor C3 .01 MFD, 500 Volt AC/DC
Capacitor C4 .01 MFD, 500 Volt AC/DC
Capacitor C5 .01 MFD, 500 Volt AC/DC
Capacitor C6 .01 MFD, 500 Volt AC/DC
3-278

ARMY TM 9-6115-464-34
AIR FORCE 35C2-3-445-2
NAVY NAVFAC P-8-624-34
NOTES:
1.
2.
3.
4.
ALL SOLDERED CONNECTIONS SHALL BE
5.
IN ACCORDANCE WITH MIL-STD-454,
6.
REQUIREMENT 5.
CUT INSULATION SLEEVING, FIND NO. 7,
7.
INTO 24 PIECES, .750 INCHES LONG AND
INSTALL OVER WIRES AND PINS, AFTER
8.
SOLDERING, TO THE CONNECTORS, FIND
NOS. 3,2, AND 1. THEN APPLY HEAT OF
400° F FOR 3-5 SEC. FOR PROPER
9.
SHRINKAGE.
INSTALL STRAPS, FIND NO. 9, AT
APPROXIMATELY 2.5 INTERVALS AND AT
EACH WIRE BREAKOUT.
WIRE MARKING TO BE IN ACCORDANCE
WITH MIL-W-5088 EXCEPT THAT LENGTH
BETWEEN GROUPS OF NUMBERS SHALL
NOT EXCEED 6 INCHES.
INTERPRET DRAWING PER MIL-STD-100.
CRIMPED TERMINAL SHALL MEET THE
PERFORMANCE REQUIREMENTS OF MIL-T-7928.
INSTALL END SEAL PLUGS, FIND NO. 8, IN UNUSED HOLES
OF CONNECTORS, FIND NOS. 1,2, AND 3.
REF: CONNECTION DIAGRAM 72-2631
SCHEMATIC DIAGRAM 72-2630
AND 72-2629
ALL WIRES WITHOUT TERMINAL LUGS
SHALL BE STRIPPED .25 FROM THE END
AND TINNED IN ACCORDANCE WITH
MIL-STD-454, REQUIREMENT 5.
A. Static Exciter Wiring Harness (Sheet 1 of 2)
Figure 3-133. Static Exciter Wiring Harness, Dwg. No. 72–2628, Voltage Regulator Wiring Harness,
Dwg. No. 72–2627, and Static Exciter Connection Wiring Diagram, Dwg. No. 2-2631 (Sheet 1 of 4)
3-280

ARMY TM 9-6115-464-34
AIR FORCE TO 35C2-3-445-2
NAVY NAVFAC P-8-624-34
B. Static Exciter Wiring (Sheet 2 of 2)
Figure 3-133. Static Exciter Wiring Harness, Dwg. No. 72-2628, Voltage Regulator Wiring Harness,
Dwg. No. 72-2627, and Static Exciter Connection Wiring Diagram, Dwg. No. 72-2631 (Sheet 2 of 4)
3-281

1.
2.
3.
4.
5.
6.
ALL SOLDERED CONNECTIONS SHALL BE
IN ACCORDANCE WITH MIL-STD-454,
REQUIREMENT 5.
CUT INSULATION SLEEVING, FIND NO. 5,
INTO 9 PIECES, .750 INCHES LONG AND
INSTALL OVER WIRES AND PINS. AFTER
SOLDERING, TO THE CONNECTOR, FIND
NO. 1. THEN APPLY HEAT OF 400°F FOR
3-5 SEC. FOR PROPER SHRINKAGE.
INSTALL STRAPS, FIND NO. 4, AT 3.00 MAX
INTERVALS AND AT EACH CABLE
BREAK-OUT.
WIRE MARKING TO BE IN ACCORDANCE
WITH MlL-W-5088 EXCEPT THAT LENGTH
BETWEEN GROUPS OF NUMBERS SHALL
NOT EXCEED 6 INCHES.
CRIMPED TERMINALS SHALL MEET THE
PERFORMANCE REQUIREMENTS OF
MIL-T-7928.
REFERENCES:
A. CONNECTION DIAGRAM: SEE 72-2631.
B. SCHEMATIC DIAGRAM: 72-2629, FOR 50/60 Hz.
Figure 3-133. Static Exciter Wiring Harness, Dwg. No. 72-2628, Voltage Regulator Wiring Harness,
Dwg. No. 72-2627, and Static Exciter Connection Wiring Diagram, Dwg. No. 2-2631 (Sheet 3 of 4)
3-282
ARMY TM 9-6115-464-34
AIR FORCE 35C2-3-445-2
NAVY NAVFAC P-8-624-34
72-2630, FOR 400Hz
NOTES:

ARMY TM 9-6115-464-34
AIR FORCE TO 35C2-3-445-2
NAVY NAVFAC P-8-624-34
Figure 3–133. Static Exciter Wiring Harness, Dwg. No. 72–2628, Voltage Regulator Wiring Harness,
Dwg. No. 72-2627, and Static Exciter Connection Wiring Diagram, Dwg, No. 72-2631 (Sheet 4 of 4)
3-283

ARMYTM 9-6115-464-34
AIR FORCE TO 35C2-3-445-2
NAVY NAVFAC P-8-624-34
Section XIII. MAINTENANCE OF GENERATOR ASSEMBLIES
3-94. GENERAL.
This section contains maintenance procedures for the generator assemblies. There are two types of
generators used in the generator set. The 50/60 Hz generator is used in both the 50/60 Hz utility, and 50/60 Hz
precise generator sets. The 400 Hz generator is used only in the 400 Hz precise generator set. Both generators
are drip-proof, rotating-field, synchronous, brushless, fan cooled units. Mounting for the generator is provided
by the generator feet bolted to the skid base and the housing bolted to the engine flywheel housing. Rotational
power is provided by the blower and coupling assembly which is bolted to the generator rotor shaft and the
engine flywheel.
3-95. GENERATOR MAINTENANCE INSTRUCTIONS.
a. Removal. Refer to paragraph 2–7a. for generator removal procedure.
b. Disassembly
(1) Disassemble generator by following the ascending sequence of index numbers assigned to figure
3-136 only as required to replace damaged or defective components.
(2) Remove screw (1, figure 3-136) and Iockwashers (2) to remove drip cover (3).
(3) Remove screws (4) and Iockwashers (5) to remove screen guard (6).
(4) Remove screws (7) and Iockwashers (8) to remove lead block assembly (9) and gasket (10).
NOTE
Tag electrical leads to insure proper positioning at installation. loosen clamping screws
to relieve tension on the leads.
(5) Remove screws (11) and Iockwashers (12) to remove screen guard (13).
(6) Remove screws (14) and Iockwashers (15) to remove cover plate (16).
(7) Remove plug (17), screw (18) and Iockwasher (19).
(8) Remove screws (18) and Iockwashers (21). Using a suitable puller, remove bearing housing (22).
(9) Thread five turns of screw (18) into rotor shaft and, using a suitable puller, remove bearing (23).
(10) Support bearing on the head of a suitable press and press out adapter (24).
(11) Remove the lifting eye bolt from the generator stator.
(12) Cut a sufficient length of 1/2 inch bar stock steel to fit across the diameter of the coupling disc end of
the generator assembly.
Drilling operations create metal chips which may enter the eye. Wearing of goggles is
required. Failure to observe this warning could result in servere personal injury or
death.
(13) Center punch and drill a 1-inch hole through the center of the bar stock.
3-285
WARNING

ARMY TM 9-6115-464-34
AIR FORCE TO 35C2-3-445-2
NAVY NAVFAC P-8-624-34
1.
Screw
2. Lockwasher
3. Drip cover
4. Screw
5. Lockwasher
6. Screen guard
7. Screw
8. Lockwasher
9. Lead block assy
10. Gasket
11. Screw
12. Lockwasher
13. Screen Guard
14. Screw
15. Lockwasher
16. Cover plate
17. Plug
18. Screw
19. Lockwasher
20.
21.
22.
23.
24.
25.
26.
27.
28.
29.
30.
31.
32.
33.
34.
35.
36.
37.
38.
Screw
Lockwasher
Bearing housing
Bearing
Adapter
Rotor and balance assy
Stator assy
Screw
Lock plate
Pressure plate
Coupling disc
Blower
Screw
Lockwasher
End bell assembly
Screw
Data plate
Gasket
Lifting eye
Figure 3-136. Generator Assembly, Exploded View (Sheet 2 of 2)
(14) Secure the bar stock to the rotor assembly using the generator lifting eye (see figure 3-137).
(15) Locate and center punch a hole at each end of the bar stock in line with the generator housing
mounting holes.
(16) Remove the generator lifting eye and the steel bar.
(17) Drill a 5/8 inch hole at each center punched position.
(18) Secure the steel bar to the stator (generator housing) with two of the screws used to secure the
generator to the engine flywheel housing.
(19) Install the generator lifting eye bolt.
(20) Using a suitable lifting device, lift the generator by the eye bolt and stand it on its end bell.
NOTE
Use block as necessary to hold the generator in the upright position.
NOTE
If the alternator assembly is to be sent to higher level, the rotor assembly must be
secured in the stator assembly to prevent damage while in transit. The bar stock steel
illustrated in figure 3-137 can be used for this purpose.
(21) Remove the two screws securing the steel bar to the stator.
CAUTION
Use extreme care when lifting rotor and balance assembly from the stator assembly.
Failure to observe this caution could result damage to the equipment.
(22) Using a suitable lifting device, remove rotor and balance assembly (25, figure 3-136) from stator
assembly (26) and position on a support.
3-287

ARMY TM 9-6115-464-34
AIR FORCE 35C2-3-445-2
NAVY NAVFAC P-8-624-34
(23) Remove Iifting eye bolt and steel bar.
NOTE
If a steel bar is not available, carefully stand generator on end and remove rotor.
(24) Remove screws (27) to remove lock plate (28), pressure plate (29), coupling disc (30), blower wheel
(31) from rotor and balance assembly (25).
(25) Remove screws (32) and Iockwashers (33) to remove end bell assembly (34) from stator (26).
NOTE
Feed leads to stator through end bell as it is removed.
(26) Do not remove screws (35) or data plate (36) unless damage is present.
(27) Remove gasket (37).
(28) If inspection reveals damage to end bell assembly, remove screws and Iockwashers to remove
exciter stator from end bell (figure 3-138).
(29) If inspection reveals damage to rotor and balance assembly, disassemble as follows:
NOTE
Disassembly of the 400 Hz and the 50/60 Hz generator rotor and balance assembly
are identical as shown in figure 3–139, even though only the 50/60 Hz rotor is shown.
(a) Remove screws (1, figure 3-139) and Iockwashers (2) to disconnect electrical leads (3) and lug (4).
(b) Remove screws (5), flat washers (6) and cable clamps (7).
(c) Remove screws (8) and balance weights (9).
NOTE
Balance weights are tach welded in position. Use a chisel to break them loose.
(d) Remove screws (10) and Iockwashers (11) to remove exciter rotor (12).
(e) Do not remove diodes (13) unless inspection reveals damage.
(f) Remove screws (14) and balance weights (15).
NOTE
Balance weights are tach welded in position. Use a chisel to break them loose.
(g) Place rotor assembly in an oven and bake at 356°F (180°C) for 3.0 to 3.5 hours.
WARNING
Wear heat resistant gloves when handling heated rotor assembly. Failure to observe
this warning could result in servere personal injury or death.
CAUTION
Do not allow press to exert pressure on rotor core winding as damage may result.
Failure to observe this caution could result in equipment damage.
(h) Remove rotor assembly from oven and press shaft (16) and key (17) from rotor core (18).
3-288

ARMY TM 9-6115-464-34
AIR FORCE 35C2-3-445-2
NAVY NAVFAC P-8-624-34
Figure 3-139. Generator Rotor and Balance Assembly, Exploded View (Sheet 2 of 2)
3-292

ARMY TM 9-6115-464-34
AIR FORCE TO 35C2-3-445-2
NAVY NAVFAC P-8-624-34
Figure 3–140. Lead Block Assembly, Exploded View
(30) If inspection reveals damage to the lead block assembly, disassemble as follows:
(a) Remove nuts (1, figure 3-140), Iockwashers (2) and screws (3).
(b) Separate pressure plates (4) and blocks (5, 6, and 7).
(31) If inspection reveals damage to stator assembly, disassemble as follows:
(a)
(b)
(c)
Remove screws (1, figure 3–141) and Iockwashers (2) to remove ring (3). (400 Hz generator sets
only.)
Remove screws (4) and Iockwashers (5) to remove lead bushing (6).
Unscrew eye bolt (7) from frame assembly (8).
NOTE
Do not attempt to disassemble frame assembly.
c. Cleaning, Inspection, and Repair.
WARNING
Use solvent in a well ventilated area. Avoid inhaling solvent fumes. Do not allow
solvent to come into contact with the skin. Failure to observe this warning could result
in servere personal injury or death.
(1) Clean all generator parts using an approved solvent. Do not dip parts into solvent.
3-293

ARMY TM 9-6115-464-34
AIR FORCE TO 35C2-3-445-2
NAVY NAVFAC P-8-624-34
(2) Ultra sonic cleaning may be used if available. Consult manufacturer’s recommendations for cleaning
solutions and procedures to be used.
(3) After cleaning, dry rotor and balance assembly, stator assembly, and exciter stator by baking in an
oven at 200°F (93°C) for approximately 3 hours. After drying, apply a light coating of oil (Military
Specification MIL-I-9870) or corrosion preventive compound (Military Specification MlL-C–4339) to
all ferrous-metal surfaces to prevent rusting.
(4) Dry all other parts with a clean, lint-free cloth.
(5) Inspect all electrical leads for a damaged or deteriorated insulation and evidence of shorting. Check
each electrical lead for continuity.
(6) Inspect blower and coupling disc for wear, cracks, breaks, or other damage.
(7) Inspect bearing kit for cracked or damaged housing. Check bearing for wear, pitting, and corrosion.
Check bearing adapter for wear and corrosion.
(8) Measure inside diameter of bearing housing. Diameter shall be 3.19492 to 3.19502 inches.
(9) Measure outer diameter of bearing adapter. Diameter shall be 1.3780 to 1.3784 inches.
(10) Inspect rotor shaft for discoloration or other evidence of overheating. If it is suspected that rotor shaft
is weakened, disassemble rotor assembly (paragraph b. (19) above) and perform magnetic particle
inspection in accordance with Military Specification MIL-I-6868.
(11) Inspect rotor and exciter cores for evidence of shorting and overheating. Check windings for physical
damage.
(12) Inspect rectifiers for evidence of shorting and overheating.
(13) Inspect end bell assembly for cracks, corrosion, and other damage. Inspect exciter stator for
evidence of shorting and overheating. Check windings for physical damage.
(14) Inspect lead block assembly for cracks, corrosion, and other damage.
(15) Inspect stator assembly for cracks, corrosion, and other damage. Check windings for evidence of
shorting or other physical damage.
WARNING
When making electrical checks, take precautions to avoid accidental contact with
conductors carrying high voltage. Make certain that test leads are properly connected.
Failure to observe this warning could result in servere personal injury or death.
CAUTION
Make sure that component being tested is electrically isolated from all other
components. Failure to observe this caution could result in damage to the equipment.
(16) Using tester, ground check rotor core by applying 300 Vac at 60 Hz RMS for 1 second between heat
sink and rotor shaft. There shall be no evidence of dielectric breakdown.
(17) Using a double bridge, measure resistance of rotor core. Resistance shall be 0.2154 to 0.2486 ohms
at 77°F (25°C).
(18) Install rotor and balance assembly and dymetric balance machine and check for static and dynamic
balance. Unbalance shall not exceed 0.5 inch-ounce in either balance plane. Balance rotor and
balance assembly as outlined in step (25) below.
3-295
ARMY TM 9-6115-464-34
AIR FORCE 35C2-3-445-2
NAVY NAVFAC P-8-624-34
(19)
(20)
(21)
(22)
(23)
(24)
(25)
(26)
(27)
(28)
Install blower and coupling disc assembly on a dymetric balance machine and check both static and
dynamic balance. Unbalance shall not exceed 0.5 inch-ounce in either plane. Balance blower and
coupling disc assembly as outlined in step (26) below.
Use a double bridge to measure resistance of each phase of exciter rotor. Resistance of each phase
shall be 0.1473 to 0.1627 ohm at 77°F (25°C). Difference between phase reading shall not exceed 2
percent.
Using 374 megger, ground test exciter by applying 300 Vac at 60 Hz RMS for 1 second between one
terminal and ground (frame). There shall be no evidence of dielectric breakdown.
Using a double bridge measure resistance between terminals of exciter stator, Resistance shall be
4.50 to 5.50 ohms at 77°F (25°C).
Using 374 megger tester, ground test stator assembly by applying 750 Vac at 60 Hz RMS for one
second between all leads (tied together) and the frame. Apply 500 Vac at 60 Hz RMS for one second
between phases with neutral open. There shall be no indication of dielectric breakdown in either test.
Use semiconductor test set to test rectifiers for inverse current leakage at peak recurrent voltage of
600 volts. Leakage shall not exceed 20.0 milliamperes at 77°F (25°C). Check forward voltage drop.
Voltage drop shall not exceed 1.2 volts at 77°F (25°C ).
If rotor and balance assembly is out of balance, add or subtract balance weights until remaining
unbalance in both balance planes does not exceed 0.5 ounce-inch. Once rotor and balance
assembly is balanced, tach weld balance weights and attaching screw.
If blower and coupling disc assembly is out of balance, correct by machining material from inner
diameter of blower as required. Remaining unbalance shall not exceed 0.5 inch-ounce in both
balance plans.
If damage to the stator windings is discovered during inspection and test, rewind using figure 3-142
(figure 3-143 for 400 Hz) as a guide.
After rewinding, vacuum impregnate the stator assembly as follows:
(a) Place wound stator in an oven at 300°F (-0, +15°F (149°C) for 120 ± 10 minutes.
(b) Transfer stator to vacuum tank.
NOTE
Do not allow temperature of stator to drop below 125°F.
(c) Evacuate tank to a maximum of 50 mm Hg absolute and hold for 10 minutes (minimum).
(d) Without breaking the vacuum, introduce varnish (Military Specification MIL-I-24092, Type M, Class
155) to a sufficient depth to completely cover the stator. Hold vacuum for 5 minutes (minimum).
(e) Break vacuum and hold at atmospheric pressure for 5 minutes (minimum).
(f) Return varnish to storage tank and allow the stator to drain.
(g) Place the impregnated stator in an oven at 300°F, -0°F, +15°F, (149°C) for 120 ± 10 minutes.
(29) If damage to rotor core windings is discovered at inspection and test, rewind in accordance with
figure 3-144 (figure 3–145 for 400 Hz).
3-296

ARMY TM 9-6115-464-34
AIR FORCE TO 35C2-3-445-2
NAVY NAVFAC P-8-624-34
(30) Impregnate the wound rotor as follows:
(a)
(b)
(c)
(d)
(e)
(f)
(g)
(h)
(i)
Mark all fit surfaces to prevent the resin from adhering.
Preheat the wound core for 2 hours (minimum) at 302°F (150°C) (minimum).
Allow the core to cool in ambient surroundings to 104°F (40°C) (maximum).
Place the core in the vacuum tank and evacuate to 1 to 5 mm Hg and hold for 15 minutes.
Without breaking the vacuum, admit the resin into the tank to a sufficient depth to cover the core.
Hold the vacuum for a minimum of 5 minutes.
Break the vacuum and pressurize the tank to 85 to 90 psig. Hold for a minimum of 30 minutes.
Reduce the pressure to zero, then increase as necessary to remove the resin from the tank.
Drain the core for a minimum of 30 minutes.
Place the core in an oven and heat to a temperature of 302°F (150°C). Cure at this temperature for
a minimum of 16 hours.
(31) It damage to the exciter stator is discovered at inspection and test, rewind in accordance with figure
3-146.
(32) Vacuum impregnate bobbins in accordance with stop (28) above prior to installing on laminations.
(33) If damage to the exciter rotor is noted at inspection and test, rewind in accordance with figure 3-147.
(34) After winding the rotor, vacuum pressure impregnate as directed in step (30) above.
(35) Replace all worn or damaged parts and parts which fail to meet inspection requirements.
d. Assembly.
(1) Assemble stator assembly as follows:
(a) Screw eye bolt (4, figure 3-141) into frame assembly (5).
(b) Install lead bushing (3) and secure with Iockwashers (2) and screws (1). Torque screws to 17 Ibs-ft.
(2) Assemble lead block assembly as follows:
(a) Assemble blocks (5 and 6, figure 3-140) and pressure plates (4).
(b) Install with screws (3), Iockwashers (2) and nuts (1). Do not tighten.
(3) Assemble rotor and balance assembly as follows:
(a) Heat rotor core (18, figure 3-139) in an oven for 3.0 to 3.5 hours at 356.0°F (180.0°C).
(b) Install key (17) into slot of rotor shaft (16).
WARNING
Wear heat resistant gloves when handling heated rotor. Serious burns may result from
failure to observe this warning.
3-297

ARMY TM 9-6115-464-34
AIR FORCE TO 35C2-3-445-2
NAVY NAVFAC P-8-624-34
Figure 3-142. 50/60 Hz Generator Stator Winding Procedures (Sheet 2 of 2)
3-299

ARMY TM 9-6115-4-34
AIR FORCE TO 35C2—3-445-2
NAVY NAVFAC P-8-624-34
Figure 3-143. 400 Hz Generator Stator Winding Procedures (Sheet 2 of 3)
3-301

Figure 3-143. 400 Hz Generator Stator Winding Procedures (Sheet 3 of 3)
3-302
ARMY TM 9-6115-464-34
AIR FORCE 35C2-3-445-2
NAVY NAVFAC P-8-624-34

ARMY TM 9-6115-464-34
AIR FORCE TO 35C2-3-445-2
NAVY NAVFAC P-8-624-34
3.
4.
5.
6.
7.
8.
9.
10.
INTERPRET DRAWING PER MlL-STD-100.
STACK LAMINATIONS, FIND NOS. 1 AND 2,
ON I.D. UNDER 2.5 ± 10% TONS.
BRAZE CAGE ROD, FIND NO. 3, TO
LAMINATIONS, FIND NO. 1, IN
ACCORDANCE WITH MIL–B-7883. TYPE 1,
GRADE B, BRAZING FLUX SHALL BE IN
ACCORDANCE WITH AWS TYPE 3A.
ONE COIL SPACER SHALL BE USED AT
EACH OF EIGHT PLACES.
APPLY 4 LAYERS OF TAPE, FIND NO. 8, TO
SECURE CABLE STUDS.
APPLY 2 1/2 LAYERS OF TAPE, FIND NO.
12, TO ROD, FIND NO. 4.
VACUUM–PRESSURE IMPREGNATE IN
ACCORDANCE WITH 72–2487.
CLEAN CABLE STUDS AFTER
IMPREGNATION.
TORQUE CAP SCREWS, FIND NO. 5, TO
17–FT–LB ± 10% WHILE THE
LAMINATIONS ARE UNDER PRESSURE.
GROUND INSULATION: GREATER THAN
200 MEGOHMS.
HIGH POTENTIAL: 1500 VOLTS.
Figure 3-144. 50/60 Hz Generator, Rewinding Procedures
3-303
1.
2.

ARMY TM 9-6115-464-34
AIR FORCE 35C2-3-445-2
NAVY NAVFAC P-8-624-34
NOTES:
1.
2.
3.
4.
5.
6.
LOCATE HEAD STUD AS SHOWN, 45° ± 5°
FROM ROTOR RETWIST.
SOLDERING SHALL BE IN ACCORDANCE
WITH MIL-STD-454, REQUIREMENT 5.
BAND COIL EXTENSIONS AT EACH BEND
WITH TAPE, FIND NO. 4.
BAND OUTSIDE CIRCUMFERENCE OF
WINDING WITH 9 LAYERS OF TAPE, FIND
NO. 16, AS SHOWN, UNDER 33 LBS ± 10°.
VACUUM-PRESSURE IMPREGNATE IN
ACCORDANCE WITH 72-2487.
INTERPRET DRAWING PER MlL-STD-100.
Figure 3-145. 400 Hz Generator Rotor Winding Procedures
3-304

ARMY TM 9-6115-464-34
AIR FORCE TO 35C2-3-445-2
NAVY NAVFAC P-8-624-34
(c)
(d)
(e)
(f)
(g)
(h)
(i)
(j)
(k)
(l)
(m)
(n)
(o)
(p)
(q)
(r)
(s)
CAUTION
Do not use press which contacts core windings. Press only on core laminations.
Failure to observe this caution could result in damage to the equipment.
Remove heated rotor core from oven and press onto rotor shaft until firmly seated against shoulder.
Do not allow key to project more than 0.12 inch on either side of rotor.
Insure exciter rotor is positioned so that lead holes are equal distant on each side of lead slot in
rotor shaft.
Feed field leads from generator field (18) through exciter rotor (12).
Mount exciter rotor (12) onto rotor shaft and secure with Iockwashers (11) and screws (10). Torque
screws to 60 pounds-inch.
NOTE
Remove only one diode at a time (Figure 3-139 sheet 2 of 2).
Install rectifiers (13) and torque to 28 pounds-inch. Connect leads to rectifiers and solder in
accordance with established procedures.
install cable clamps (7), Iockwashers (6), and screws (5).
Connect electrical leads (3) and secure with Iockwashers (2) and screws(1).
Install lug (4) on electrical lead (3).
Temporarily install balance weights (15 and 9) and screws (14 and 8).
Balance rotor and balance assembly (paragraph c. (25) above).
Remove screws, Iockwashers, and weights.
Coat screws with Loctite, Grade C (no known government specification) and allow to dry.
Install balance weights, Iockwashers, and screws. Torque screws to 31 lb-ft.
Tach weld screws and single hole weights to prevent movement.
Install blower wheel (31, figure 3–136), coupling disc (30, figure 3–136), pressure plate (29), lock
plate (28) with screws (27).
Torque screw to 75 Ibs–ft and bend lock tab of lock plate (28) against flat of screw.
Using 5/8 in. bolts and nuts, temporarily fasten coupling disc to blower.
(4) Assemble end bell assembly as follows:
(a) Assemble exciter stator (figure 3-138) to end bell. Insuring electrical leads are lined with lead
opening.
(b) Secure with Iockwashers and screws.
(5) Assemble generator assembly as follows:
(a) Secure end bell assembly (34, figure 3-136) to stator (26) using Iockwashers (33) and screws (32).
Torque screws to 31 ft-lbs.
(b) Feed electrical leads through gasket (10) and insert them through loosely assembled lead block
(9).
3-305

ARMY TM 9-6115-464—34
AIR FORCE 35C2-3-44-2
NAVY NAVFAC P-8-624-34
2.
4.
6.
7.
8.
10.
NOTES:
2.
3.
4.
5.
6.
7.
8.
9.
10.
11.
12.
Bobbin, wound
Wire
Insulation sleeving
Insulating compound
Lamination, stator
Screw, cap
Nut, self-locking
Bobbin (not wound)
Wire
Yard, cord
INTERPRET DRAWING PER MIL-STD-100.
SOLDERING SHALL BE IN ACCORDANCE WITH MIL-STD-454. REQUIREMENTS.
STACK LAMINATIONS, FIND NO .5, UNDER 3 TONS ± 10%.
TORQUE CAP SCREWS, FIND NO. 6, TO 16+1 FT-LBS, WHILE LAMINATIONS ARE
UNDER PRESSURE.
AFTER ASSEMBLY, SPRAY WITH ONE COAT OF VARNISH IN ACCORDANCE
WITH MIL-V-173.
SLEEVING, FIND NO. 3, SHALL BE SUFFICIENT TO COVERED SOLDERED
CONNECTIONS.
MARK:
30554-72-2430
MFG: (CODE IDENT NO.)
IN ACCORDANCE WITH MIL-M-13231 , GROUP 1,2, OR 3 CHARACTERS SHALL BE
.12 MIN. HIGH AND LOCATED AS SHOWN.
GROUND INSULATION: GREATER THAN 1000 MEGOHMS. HIGH POTENTIAL: 1500 VOLTS.
WIND BOBBIN, FIND NO. 8, WITH 200 TURNS OF WIRE, FIND NO. 9.
APPLY A MINIMUM OF 2 LAYERS OF TAPE, FIND NO. 10, WITH OVERLAPPING.
OUTSIDE SURFACE OF WINDINGS SHALL BE LESS THAN OUTSIDE FLANGES OF BOBBIN.
BENCH TEST RESISTANCE: .61 OHMS.
Figure 3-146. Generator Exciter Stator Winding Procedures
(Sheet 1 of 2)
3-306
1.
1.
3.
5.
9.

ARMY TM 9-6115-464-34
AIR FORCE TO 35C2-3-445-2
NAVY NAVFAC P-8-624-34
Figure 3-147. Generator Exciter Rotor Winding Procedures (Sheet 2 of 2)
3-309

ARMY TM 9-6115 464 34
AIR FORCE TO 35C2-3-445-2
NAVY NAVFAC P-8-624-34
(c) Pull all slack from the leads and tighten the clamping screws of lead block.
(d) Secure lead block and gasket to end bell assembly using lockwashers (8) and
(e) Using a suitable lifting device stand the stator assembly on the end bell
NOTE
Use blocking as necessary to maintain stator in the vertical position.
(f) Remove the lifting eye bolt from the stator and install it in the coupling disc end.
CAUTION
Use extreme care when installing rotor to avoid damage to the generator wind Failure to observe this
caution could result in equipment damage.
(g) Using a suitable lifting device, install the rotor (25) into the stator (26).
(h) Temporarily secure rotor to stator as in disassembly (see figure 3-137).
(i) Carefully set the stator on its mounting feet.
(j) Press new bearing (23) onto adapter (24).
(k) Install bearing and adapter and secure with a flat washer and screw (18).
(I) Remove screw and replace flat washer with lockwasher (19). Torque screw;
(m) Install bearing housing (22) and secure with lockwashers (21) and screws (2) 31 ft-lbs.
NOTE
Center bearing housing in end bell prior to torquing screws.
(n) Install screen guard (13) and secure with lockwashers (12) and screws (11).
(o) Install cover (16) and secure with lockwashers (15) and screws (14).
(p) Install cover (17) into bearing housing.
(q) Install screen guard (6) and secure with lockwashers (5) and screws (4).
(r) Install drip cover (3) and secure with lockwashers (2) and screws (1).
(s) Remove steel bar securing rotor to stator and install lifting eye bolt on generator.
e. Testing. Perform winding resistance test, high potential test, and insulation resistant equipment and procedures
specified in Military Standard MIL-STD-705.
f. Installation. Refer to paragraph 2-7c for generator installation procedures.
3-96.1. The field flash circuit consists of the following components:
Speedswitch Exciter
K5 Relay (located on A5 board) Field Windings
Current Limiting Resistor Associated Wiring
3-310 Change 1

ARMY TM 9-6115 464 34
AIR FORCE TO 35C2-3-445-2
NAVY NAVFAC P-8-624-34
a. Testing Exciter Stator (On Equipment Test). Locate and disconnect exciter stator winding resistance using
ohmmeter. On the 15 kW and 30 kW generator sets, leads F1 and F2 are located on the terminal board near the static
exciter/voltage regulator control box. Check across leads F1 and F2 for resistance. A normal resistance reading of 1 to 4
ohms should be found. If the resistance of the exciter winding is not as specified, refer to the applicable section of the TM
for replacement/repair of the exciter stator winding.
b. Equipment Test of Field Flash Circuit Assuming the exciter stator winding resistance is correct (within 1 to 4 ohms)
Connect a DC voltmeter (0 to 30 volts) to the two wires that are disconnected from the exciter stator windings. NOTE :
DO NOT reconnect the wires to leads F1 and F2 at this time.
c. Remove Connector P37 from speed switch. Place a jumper between pins A and C on P37. Momentarily,
approximately 10 to 15 seconds, place the START-STOP-RUN switch in the START position and observe the DC
voltmeter. If the voltmeter indicates approximately 24 volts, the probable cause of the field flash is the speed switch. If a
DC voltmeter is not available, proceed to step d.
d. Remove Connector P3 from the speed switch. Place a jumper between pins A and C of socket J3 on the special
relay box for approximately 24 volts DC. If a DC voltage is not present, the problem may be the wiring between the speed
switch and the special relay box, the K5 relay, or current limiting resistor (R35) inside the special relay box (15kW and 30
kW generator sets only). If a DC voltage is present, replace Connector P3 on socket J3 and proceed to the next step.
e. Remove Connector P9 from the static exciter/voltage regulator control box. Momentarily, hold the START-STOP-
RUN switch in the START position and check between pins C and D of P9 for approximately 24 volts DC. If a DC voltage
is not present, the problem may be the wiring between the special relay box and the static exciter/voltage regulator control
box. If a DC voltage is present, replace Connector P9 on-socket J9 and’ proceed to the next step.
f. Remove Connector P13 from the static exciter/voltage regulator control box. Momentarily, hold the START-
STOP-RUN switch in the START position and check between pins S and R of J13 on the control box for approximately 24
volts DC. If a DC voltage is not present, the problem may be any one of the following items within the control box:
(1) Broken wire within the control box.
(2) Current limiting resistor R219 sets.
(3) Current limiting resistor R17 sets.
g. Reconnect the wires previously removed from the exciter field winding, F1 and F2.
Section XIV. MAINTENANCE OF ELECTROMAGNETIC INTERFERENCE SUPPRESSION COMPONENTS
3-96. TESTNG FOR ELECTROMAGNETIC INTERFERENCE.
If electromagnetic interference is suspected, unit shall be tested in accordance with MIL-STD-461.
Change 1 3-310.1/(3-310.2 blank)

ARMY TM 9-6115-464-34
AIR FORCE TO 35C2-3-445-2
NAVY NAVFAC P-8-824-34
3-97. REPLACEMENT OF INTERFERENCE SUPPRESSION COMPONENTS.
a. Refer to the Operator and Unit Maintenance Manual to replace fuel transfer pumps.
b. To replace capacitors at load terminal:
(1) Remove screws (1, figure 3–148) and disconnect and tag electrical leads.
(2) Remove nuts (2), screws (3), capacitors (4) and Iockwashers (5) from bracket (6).
(3) Reassemble in reverse order using new capacitors,
c. Refer to figure 3-130 to replace capacitors in static exciter.
Figure 3-148. Interference Suppression Components
3-311

ARMY TM 9-6115 464 34
AIR FORCE TO 35C2-3-445-2
NAVY NAVFAC P-8-624-34
c. Cleaning. Inspection. and Repair
WARNING
Solvent, Dry Cleaning P-D-680, Type II is flammable and moderately toxic to skin, eyes and respiratory
tract. Eye and skin protection required. Good general ventilation is normally adequate. Failure to
observer this warning could cause severe personal injury or death.
WARNING
Compressed air used for cleaning and drying purposes can create airborne particles that may enter the
eyes. Pressure shall not exceed 30 psig and use only with adequate chip guards and chipping goggles.
Failure to observer this warning could cause severe personal injury or death.
(1) Clean all parts in dry cleaning solvent (Federal Specification P-D-680) and dry thoroughly with filtered compressed
air.
(2) Scrape carbon deposits from valves and Cylinder head.
(3) Visually inspect rocker arms for cracks, corrosion, and excessive wear. Check that oil holes are open.
(4) Inspect rocker arm shafts for cracks, deep wear patterns, nicks, and burrs. Remove minor nicks and burrs with oil
soaked crocus cloth. Clean polished shaft in dry cleaning solvent to remove abrasive particles.
(5) Inspect blocks for cracks, nicks, burrs, and excessive wear. Remove nicks and burrs from outer surfaces with fine
abrasive paper or stone.
(6) Inspect springs for cracks, breaks, chaffing and distortion.
(7) Inspect push rods for cracks, bends, excessive wear, nicks and scratches. Polish push rods with crocus cloth to
remove minor defects.
(8) Inspect valve guides for excessive wear. Bore diameter of exhaust valve guide shall be 0.3750 to 0.3790 inch.
Bore diameter of intake valve guide shall be 0.3740 to 0. 3780 inch.
(9) Replace worn valve guides as follows:
(a) Use a 5/8 inch drift with a 3/8 inch pilot and drive out valve guides.
(b) Drive replacement valve guides to a depth of 1.3700 to 1.3800 inches blow Cylinder head deck
(c) Ream bore diameter of intake valve guides to 0.3740 to 0.3750 inch.
(d) Ream bore diameter of exhaust valve guides to 0.3750 to 0.3760 inch.
(10) Inspect valve springs for cracks, breaks, and distortion. Using a spring tester, compress spring to a length of
1.0820 inches. Test load shall be 163 to 180 pounds.
(11) Inspect Cylinder head for cracks, breaks, and broken studs. Remove broken studs by center punching, drilling,
and using an easy out.
(12) Check Cylinder head for warping using a straight edge and feeler gauge. Check lengthwise and between each
Cylinder crosswise. Warpage shall not exceed 0.003 inch laterally and 0.005 inch longitudinally. Cylinder head
may be milled to remove minor warpage.
3-112 Change 1

ARMY TM 9-6115-464-34
AIR FORCE TO 35C2-3-445-2
NAVY NAVFAC P-8-624-34
c. Cleaning, Inspection, and Repair.
WARNING
Solvent, Dry Cleaning P-D-680, Type II is flammable and moderately toxic to skin,
eyes and respiratory tract. Eye and skin protection required. Good general ventilation
is normally adequate. Failure to observe this warning could result in servere personal
injury or death.
(1) Clean relay table parts in dry cleaning solvent (Federal specification P-D-680) and dry thoroughly.
(2) Inspect relay table for breaks, cracks, and other damage.
(3) Check ail parts for defective paint.
(4) Check all threads for crossing, stripping, and peening.
(5) Repair cracks, breaks, and defective welds by welding.
(6) Replace any parts damaged beyond repair.
(7) Remove defective paint and corrosion. Treat and paint in accordance with service requirements.
d. Installation.
(1)
(2)
(3)
(4)
(5)
(6)
(7)
(8)
(9)
Position left side relay table (31, figure 3–149), to install screw (30), flatwasher (29), Iockwasher (28)
and nut (27).
Position rear housing (24), to install screw (23), flatwasher (22), Iockwasher (21) and nut (20).
Position right side relay table (26), to install screw (19),flatwasher(18), Iockwasher (17) and nut
(16).
Install fuel line (15).
Position spacer (14), to install flatwasher (13), Iockwasher (12), and screw (11).
Position top relay table (25), to install flatwasher (10), Iockwasher (9), and screw (8).
Install terminal block (7), and screws (6 and 5).
Install nut (4), clamp (3), Iockwasher (2) and screw (1).
Refer to the Operator and Unit Maintenance Manual and install housing assembly doors, covers, and
panels.
e. Installation for KZ00001 and up serial numbers
(1)
(2)
(3)
(4)
(5)
(6)
Position top relay table (21, figure 3-1 50) to install screws (32), flatwashers (31), Iockwashers (30)
and nut (29).
Install grommet (28).
Position Ieft side relay table (27), screw (26), flatwasher (25), Iockwasher (24) and nut (23).
Install rear housing (20), screw (19), flatwasher (18), lockwasher (17) and bolt (16).
Position right side relay table (22), to install screws (15), flatwasher (14), Iockwasher (13) and nut
(12).
Install fuel line (11).
3-313

ARMY TM 9-6115-464-34
AIR FORCE 35C2-3-445-2
NAVY NAVFAC P-8-824-34
(7) Install flatwasher (10), Iockwasher (9), and screw (8).
(8) Install terminal block (7), screw (6) and screw (5).
(9) Install nut (4), clamp (3), Iockwasher (2) and screw (1).
Section XVI. MAINTENANCE OF LIFTING FRAME
3-100. GENERAL
The lifting frame is securely attached to the skid base. It is equipped with lifting clevises at the top of each
side for lifting equipment attachment. In addition, the lifting frame provides support for the center of the housing
assembly and serves as a mounting point for the hydraulic sump and the day tank assembly. During generator
assembly removal, the lifting frame provides support for the rear of the engine assembly.
3-101. LIFTING FRAME MAINTENANCE.
a. Removal.
(1) Remove housing assembly doors and panels as required for lifting frame removal (paragraph 3-99).
(2) Remove hydraulic sump (paragraph 3-41).
(3) Remove fuel lines and fittings (paragraph 3-24) and day tank assembly (paragraph 3-20).
(4) Remove main fuel tank filler neck (paragraph 3-16).
(5) Remove nut (1, figure 3-151), Iockwasher (2), screw (3), and flat washer (4).
(6) Remove nut (5), Iockwasher (6), spacer (7), screw (8) and flatwasher (9).
(7) Remove nut (10), Iockwasher (11), screw (12), flatwasher (13), top support (15) and right support
(16).
(8) Remove nut (17), Iockwasher (18), screw (19), flat washer (20) and bracket (21).
(9) Remove clevis assembly (22).
(10) Remove nut (28), lockwasher (29), hex nut (30), screw (31) and flat washer (32).
NOTE
It is not necessary to completely disassemble the lifting frame to replace a single part
Only those parts requiring repair or replacement need be removed.
b. Cleaning, Inspection, and Repair.
WARNING
Solvent, Dry Cleaning P-D-680, Type II is flammable and moderately toxic to skin,
eyes and respiratory tract. Eye and skin protection required. Good general ventilation
is normally adequate. Failure to observe this warning could result in servere personal
injury or death.
(1) Clean all parts in dry cleaning solvent (Federal Specification P-D-680) and dry thoroughly.
(2) Inspect supports, lifting clevises and brackets for cracks, corrosion, breaks, defective paint, and
other damage.
(3) Inspect lifting clevises, brackets, and pins for excessive wear.
3-314
ARMY TM 9-6115-464-34
AIR FORCE TO 35C2-3-445-2
NAVY NAVFAC P-8-624-34
(4) Check all threads for crossing, stripping, and other damage.
(5) Repair cracks and breaks in supports by welding.
(6) Remove corrosion and defective paint. Treat and paint in accordance with service requirements.
(7) Replace all parts worn or damaged beyond repair.
c. Installation.
(1) Install the housing assembly doors, covers, and panels, the hydraulic sump, the fuel lines and
fittings, the day tank assembly, and the main fuel tank filler neck removed in steps a. (1) through (4)
above.
(2) Install flatwasher (32, figure 3-151), screw (31), hex nut (30), Iockwasher (29), and nut (28).
(3) Install clevis assembly (22).
(4) Install bracket (21), flatwasher (20), screw (19), Iockwasher (18) and nut (17).
(5) Install right support (16), top support (15), with flatwashers (13), screws (12), Iockwasher (11) and
nut (10).
(6) Install flatwasher (9), screw (8), spacer (7), Iockwasher (6), and nut (5).
(7) Install flatwasher (4), screw (3), Iockwasher (2), and nut (1).
3-315
ARMY TM 9-6115-464-34
AIR FORCE TO 35C2-3-445-2
NAVY NAVFAC P-8-624-34
Section XVII. MAINTENANCE OF SKID BASE ASSEMBLY
3-102. GENERAL
The skid base assembly provides the mounting points for the engine assembly, the generator assembly, and
the enclosure assembly. It contains the main fuel tank and the tool box. The generator set ground point is also
contained in the skid base assembly. The skid base is also drilled to accept attachment of the wheel mounting
kit. A metal sheet near the bottom of the skid base prevents the entry of debris. Drain holes are provided to
prevent the accumulation of spilled liquids on the sheet.
3-103. SKID BASE ASSEMBLY MAINTENANCE.
a. Removal.
(1) Refer to the Operator and Unit Maintenance Manual and remove the housing assembly.
(2) Remove the relatable assembly (paragraph 3-99).
(3) Remove engine assembly (paragraph 2-6).
(4) Remove generator assembly (paragraph 2-7).
(5) Remove main fuel tank (paragraph 3-16).
(6) Remove the lifting frame (paragraph 3-101).
b. Disassembly.
NOTE
It is not necessary to completely disassemble the skid base assembly to replace a
single part. Only those parts requiring repair or replacement need be removed.
(1) Remove self-locking nut (1, figure 3-152), flatwasher (2), nut (3) and ground terminal stud (4).
(2) Remove nut (5), Iockwasher (6), screw (7) and tool box (8).
(3) Remove screw (9), Iockwasher (10), panel blank (11) from skid base (12).
c. Cleaning, Inspection, and Repair.
(1) Clean all parts with dry cleaning solvent (Federal Specification P-D-680) and dry thoroughly. If
necessary, use a stiff bristle brush to remove caked deposits.
(2) Visually inspect skid base for cracks, corrosion, defective paint and defective welds.
(3) Inspect tool box for cracks, corrosion, damaged latch and hinge, and defective paint. Replace tool
box if damaged beyond repair.
(4) Inspect ground terminal stud for burns, corrosion, damaged threads or other damage. Replace if
defects are noted.
(5) Repair cracks and defective welds in skid base by welding. File repairs to provide a smooth finish.
(6) Remove corrosion and defective paint. Treat and repaint in accordance with service requirements.
NOTE
Clean paint from ground terminal stud mounting to provide effective ground.
3-319
ARMY TM 9-6115-464-34
AIR FORCE 35C2-3-445-2
NAVY NAVFAC P-8-624-34
d. Assembly.
(1) Position skid base (12, figure 3-152) to install panel blank (11), Iockwasher
(10) and screw (9).
(2) Install tool box (8), screw (7), Iockwasher (6), and nut (5).
(3) Install ground terminal stud (4), nut (3), flatwasher (2) and self-locking nut (1).
e. Installation.
(1) Install the lifting frame (paragraph 3-101).
(2) Install main fuel tank (paragraph 3-16).
(3) Install generator assembly (paragraph 2-7).
(4) Install engine assembly (paragraph 2-6).
(5) Install the relay table assembly (paragraph 3-99).
(6) Refer to the Operator and Unit Maintenance Manual and Install the housing assembly.
3-320
ARMY TM 9-6115-464-34
AIR FORCE TO 35C2-445-2
NAVY NAVFAC P-8-624-34
CHAPTER 4
GENERATOR SET TESTS AFTER OVERHAUL REPAIR INSTRUCTIONS
Section I. INSPECTION
4-1. GENERAL.
a. The activity performing the repair or overhaul is responsible for the performance of all applicable tests and
inspections specified herein. Activities performing maintenance on any portion of the generator set must
perform those tests and inspections required by the applicable component or system repair instruction.
b. A thorough inspection of the generator set shall be conducted to insure that workmanship and materials
are satisfactory.
c. The inspection shall be conducted each time the generator set is overhauled or rebuilt.
4-2. HOUSING AND FRAME INSPECTION.
a. Check that lifting eyes are installed and firmly secured.
b. Check that drain holes are open to prevent moisture accumulation.
c. Insure that exposed parts are properly treated to resist corrosion.
d. Open and close panel doors, engine area doors, and generator area doors to insure proper installation
and freedom of motion.
e. Inspect movable door gasketing to insure that it is weatherproof.
f. Check that all caps and covers are equipped with ties, chains, or other ties to prevent loss.
4-3. ENGINE INSPECTION.
a. Check mounting bolts of all components and accessories to insure that they are firmly secured.
b. Check designation and data plates for legibility.
c. Insure that fuel and hydraulic oil lines are protected from damage due to vibration.
4-4. GENERATOR INSPECTION.
a. Insure that generator leads are properly identified and protected from damage due to vibration.
b. Insure that inspection openings are protected by screening or protective plates.
c. Check that the engine generator screws are firmly secured. See paragraph 1-10v, for proper torque
values.
4-5. ELECTRICAL ACCESSORIES INSPECTION.
a. Check all cable and harness assemblies for secure fastenings and protection against chafing and
vibration.
b. Insure that all cable and harness connectors are firmly secured in their proper place.
4-1
ARMY TM 9-6115-464-34
AIR FORCE TO 35C2-3-445-2
NAVY NAVFAC P-8-624-34
Section Il. OPERATING TESTS
4-6. GENERAL.
a. The tests described in this section require generator set operation and provide verification of generator
set performance characteristics.
NOTE
All tests shall be conducted with the 240/416 volt connections, unless otherwise
specified. All tests that are applicable, will be conducted on both Mode I and Mode II
generator sets. Mode I tests shall be conducted at 60 Hz only unless otherwise
specified.
b. Unless otherwise specified, all test instrumentation will be in accordance with Military Standardization
Handbook MIL-HDBK-705 and Military Standard MIL-STD-705.
c. Temperatures will be measured by means of appropriately located thermocouples and properly calibrated
read out devices. Thermocouples will be insulated from contact with other metals, as practical. Temperatures
will be recorded in degrees Fahrenheit or Centigrade, depending on the instrument scale, but will be converted
to degrees Fahrenheit in all cases. Barometric pressures will be measured by a mercurial barometer which will
be corrected for the temperature of the scale, the mercury, for vapor pressure and for the location of the
barometer with regard to altitude and latitude. Aneroid barometers will not be used.
d. Operation procedures required in support of the individual tests specified herein shall be performed as in
the Operator and Unit Maintenance Manual.
e. All test results for generator set overhaul, shall be logged on the appropriate forms as required.
f. Perform the operating tests as indicated in table 4-1.
4-7. DIRECTION OF ROTATION CONTROLS.
With the generator set running at a rated load, rotate the following controls and verify their proper operation.
a. Frequency Adjust Control. On Class 1 sets clockwise rotation of the frequency adjust control rheostat
must cause set frequency to increase as indicated on the frequency meter. On Class 2 sets counterclockwise
rotation of manual speed control must increase frequency.
b. Voltage Adjust Control. Clockwise rotation of the voltage adjust control must cause set voltage to increase
as indicated on the voltmeter.
c. Governor Paralleling Control (Class 1 Sets Only). Counterclockwise rotation of the governor paralleling
control must cause an increase in the signal appearing at the paralleling receptacles.
d. Voltage Regulator Paralleling Control. Clockwise rotation of the voltage regulator paralleling control must
cause that set to increase its share of the total reactive Kva.
4-8. REVERSE POWER PROTECTIVE DEVICE TEST
a. Operate two generator sets in parallel at no load, with contractors closed.
b. Lower speed of set being tested until the main contactor opens.
c. Record the value on the kilowatt meter of the other set at the moment the contactor opens. The load
contactor of the set under test must open when power flow into the generator exceeds 20 percent of the rated
value.
4-2

ARMY TM 9-6115-464-34
AIR FORCE TO 35C2-445-2
NAVY NAVFAC P-8-624-34
4-9. LOW FUEL PROTECTIVE DEVICE.
a. Disconnect cable to the day tank fuel solenoid valve.
b. Operate generator set at full load.
c. The low fuel protective device must operate when the fuel in the day tank falls to a point at which there is
only enough to operate the set at rated load for one minute.
4-10. PARALLEL OPERATION PROVISIONS.
a. For Class 1 (Precise) Sets (REAL POWER):
(1) Remove the shorting plug.
(2) With rated (15 kw) load on the generator set, measure the dc voltage across pins A and 8 of one of
the paralleling receptacles (J45, J46 or J47). Adjust R28 (located in the precise relay box) until
correct *VDC is indicated. Ensure that correct pin * is positive.
b. For Class 1 (Precise) Sets (Reactive Power):
(1) Remove shorting plug.
(2) With rated (15 kW) load applied at .8 PF, and the operation switch in the parallel position, measure
the ac voltage across pins C and D of one of the paralleling receptacles (J45, J46, or J47). Adjust
R29 (located on the special relay box) until 6 volts ac is achieved.
c. For Class 2 (Utility) Sets (Real Power), adjust governor droop as follows:
(1) Start and run engine until it reaches operating temperature.
(2) With rated (15 kW) load applied and the engine operating at rated speed, droop may be determined
by removing load and noting no-load frequency.
(3) Adjust the knurled knob, located at the rear of the fuel pump, until the difference in frequency
between no-load and full load is 3 percent. Note the increase of hertz when load is removed. At 60
Hz, droop should be 1.8 Hz, and at 400 Hz, droop should be 12.0 Hz.
d. For Class 2 (Utility) Sets (Reactive Power):
(1) Start and run engine until it reaches operating temperature.
(2) Install shorting plug
(3) With rated (15 kW) load applied at .8 PF and the generator operating at rated voltage; voltage droop
may be determined by removing the load and noting the difference between full-load and no-load
voltage.
(4) Adjust R29 (located on the special relay box) until the difference in voltage between no-load and full
load is 3 percent. Note the increase of volts when load is removed. At 120 volts, droop should be 3.6
volts.
4-3

ARMY TM 9-6115-464-34
AIR FORCE TO 35C2-3-445-2
NAVY NAVFAC P-8-624-34
Table 4-1. OPERATING TESTS
CAUTION
Prior to performing any of the operating tests listed in table 4-1, insure that the
generator set is serviced with the correct fuel, oil, and coolant as listed on the
data plate. Failure to observe this caution could result in damage to the equipment.
4-4

ARMY TM 9-6115-464-34
AIR FORCE TO 35C2-445-2
NAVY NAVFAC P-8-624-34
Table 4-2. ENGINE GENERATOR SET CLASSIFICATION
SPECIAL
COMMON OUTPUT GOVERNING
COMPONENT
CLASS MODE NAME FREQUENCY
SYSTEM COMPLEMENT
MODEL
1I
Tactical 50/60 Hz
Electro- Electric governor control MEP103A
Precise Hydraulic, with
unit, hydraulic actuator,
backup manual hydraulic pump and
governor sump, precise relay
assembly, special relay
assembly, tactical relay
assembly
2
I
Tactical
50/60 Hz
Mechanical Tactical relay assembly,
MEP004A
Utility (droop Type)
special relay assembly
1
II
Tactical 400 Hz
Electro- Electric governor control
MEP113A
Precise Hydraulic, with unit, hydraulic actuator,
backup manual hydraulic pump and
governor sump, tactical relay
assembly, special relay
assembly
1
II
Tactical
400 Hz Electric, with Electric governor control MEP113A
Precise
backup manual unit, electric actuator,
governor magnetic pickup, tactical
relay assembly, special
relay assembly
4-5

ARMY TM 9-6115-464-34
AIR FORCE TO 35C2-3-445-2
NAVY NAVFAC P-8-624-34
Table 4-3. ELECTRICAL PERFORMANCE CHARACTERISTIC
PARAMETERS AC PRECISE (CLASS 1)
TEST METHOD
CHARACTERISTIC PARAMETER
VALUE
MIL-STD-705
a. Voltage characteristics
1. Regulation (%) 1
608.1
2. Steady-state-stability (variation) (bandwidth %)
(a) Short term (30 seconds) 1
608.1
(b) Long term (4 hours) 2
608.2
3. Transient performance
(a) Application of rated load
(1) Dip (%)
a. 60 HZ
15
619.2
b. 400 HZ
12
619.2
(2) Recovery (seconds)
0.5 619.2
(b) Rejection of rated load
(1) Rise (%)
a. 60 Hz
15
619.2
b. 400 Hz
12
619.2
(2) Recovery (seconds)
0.5 619.2
(c) Application of simulated motor load (twice
rated current)
(1) Dip (%)
a. 60 Hz
30 619.1
b. 400 Hz
25 619.1
(2) Recovery to 95% of rated voltage (seconds)
0.7 619.1
(See Note 1)
4. Waveform
(a) Maximum deviation factor (%) 5
601.1
(b) Maximum individual harmonic (%) 2601.4
5. Voltage unbalance with unbalanced load (%) (Note 2) 5
620.2
6. Phase balance voltage (%) 1
508.1
7. Voltage adjustment range
(a) 50 Hz (120/208 volts) 190 to213 volts
50 Hz (240/416 volts) 380 to 426 volts
511.1
(b) 60 Hz (120/208 volts)
197 to 240 volts
60 Hz (240/41 6 volts)
395 to 480 volts
511.1
(c) 400 Hz (120/208 volts)
197 to 229 volts
400 Hz (240/416 volts) 395 to 458 volts
511.1
4-6

ARMY TM 9-6115-464-34
AIR FORCE TO 35C2-445--2
NAVY NAVFAC P-8-624-34
Table 4-3. ELECTRICAL PERFORMANCE CHARACTERISTIC PARAMETERS
AC PRECISE (CLASS 1) (CONTINUED)
TEST METHOD
CHARACTERISTIC PARAMETER
VALUE
MIL-STD-705
b. Frequency characteristics
1. Regulation (%)
0.25
608.1
2. Steady–state-stability (variation (bandwidth %)
(a) Short term (30 seconds)
0.5
608.1
(b) Long term (4 hours) 1
608.2
3. Transient performance
(a) Application of rated load
(1) Undershoot (%)
1.5 608.1
(2) Recovery (seconds) 1
608.1
(b) Rejection of rated load
(1) Overshoot (%)
1.5 608.1
(2) Recovery (seconds) 1
608.1
4. Frequency adjustment range (Hz)
(a) 50 Hz
±2
511.2
(b) 60 Hz
±2
511.2
(c) 400 Hz
+20
+20–10
511.2
NOTE
1. The voltage shall stabilize at or above this voltage.
2. The generator set connected for three phase output and supplying a single phase, unity Power factor
load connected line-to-line, with no other load on the set. The load current to be 25 percent of the rated
full load current of the set.
4-11. MALFUNCTION INDICATOR TEST.
a. The malfunction indicator system is electrically isolated and independent of the protection system. Testing
of the indicators can be accomplished at the same time that the protective devices are tested in tests 6, 9, 10,
11, 12, 14, 15, 16, 17 and 18 of table 4-1.
b. In the event that one of the indicator circuits does not work, verify that the lamp is functional by operating
the test and reset switch on the fault indicator panel.
4-12. PHASE BALANCE TEST VOLTAGE.
a. General. Polyphase electrical equipment may not operate properly or may be damaged if the phase
voltages of a polyphase generator differ greatly from each other. Also, large differences between the phase
voltages of a polyphase generator may be an indication that the generator set has been improperly manu–
factured or damaged.
b. Apparatus. A frequency meter (or tachometer as described and illustrated in MIL–HDBK–705. Method
104, or 109.1 and an rms indicating ac voltmeter having an accuracy of ± 0.1% of the reading shall be required
to perform both procedures. A means of separately exciting the generator is required since procedure II is
performed.
4-7
ARMY TM 9-6115-464-34
AIR FORCE TO 35C2-3-445-2
NAVY NAVFAC P-8-624-34
c. Generator With Separate Excitation.
(1) Preparation for test.
(a) Completely isolate the generator windings (armature coils and field windings).
(b) Connect the frequency meter to one of the armature coils of the generator.
(c) Provide separate excitation for the exciter field.
(2) Test.
(a) Start and operate the generatorat rated frequency and at no load.
(b) Adjust the excitation so that anyone of the coil voltages is at rated value.
(c) Read and record the generator frequency (speed) and the voltage of each armature coil.
d. Generator With Separate Excitation:
(1) Determine from the data obtained in 4-13d. (2) the maximum and minimum armature coil voltages.
(2) The voltage unbalance is the difference between the maximum and minimum armature coil voltages.
To express this in percent divide this difference by rated armature coil voltage and multiply by 100.
Voltage Unbalance (Coil), in percent=
V max–V min
X 100
V Rated
(3) Compare the results of step (2) above with the requirements.
4-13. REGULATOR RANGE TEST
a. General. The voltage adjust device associated with the voltage regulator provided with the generator set
must have adjustment capable of varying the regulated voltage throughout the limits and under the various load
conditions and temperature ranges without causing the voltage droop of the set to exceed specification limits.
The voltage adjust device also must be capable in some cases of providing an operating voltage other than
rated voltage for special types of equipment and to compensate for external line drop.
b. Apparatus. Instrumentation for measuring load conditions, ambient temperature, and the generator field
(or exciter field) voltage and current shall be as described and illustrated in MIL-HDBK-705.
(1) Preparation for test.
(a) Connect the load and field instrumentation in accordance with the applicable figure of
MIL-HDBK-705, Method 205.1, Paragraph 205.1.10 for one voltage and frequency.
c. Procedure for Test.
4-8
ARMY TM 9-6115-464-34
AIR FORCE TO 35C2-445-2
NAVY NAVFAC P-8-624-34
(2) Test.
(a) Start and operate the generator set and allow the set to stabilize at rated load, rated voltage and
rated frequency. During this period record all instrument readings including thermal instrumentation
at minimum intervals of 10 minutes. If necessary, adjustments to the load, voltage and frequency
may be made to maintain rated load at rated voltage and frequency. Adjustments to the voltage and
frequency may be made to maintain rated load at rated voltage and frequency. Adjustments to the
voltage and frequency shall be limited to those adjustments available to the operator, specifically
adjustments to the voltage or frequency adjust devices. On sets utilizing a droop type speed control
system as the prime speed control, the speed and droop portions of the control may be adjusted.
No other adjustments to the voltage and frequency control systems shall be made. Adjustments to
load, voltage or frequency controls shall be recorded on the data sheet at the time of adjustment.
Stabilization shall be considered to have occurred when four consecutive voltage and current
readings of the generator (or exciter) field either remain unchanged or have only minor variations
about an equilibrium condition with no evident continued increase or decrease in value after the
last adjustment to the load, voltage, or frequency has been made.
(b) No further adjustments shall be made to any set control for the remainder of this test except the
control panel voltage adjust device.
(c) Record all instrument readings.
(d) Remove load.
(e) Record all instrument readings (after transients have subsided).
(f) Adjust the terminal voltage to the maximum specified value.
(g) Record all instrument readings.
NOTE
At voltages above rated values, the generator will be supplying less than rated current,
and at voltages below rated values, the generator will be supplying greater than rated
current. Caution should be taken to avoid damage to instrumentation and load banks.
(h) Apply rated load (rated kw at rated power factor).
(i) Record all instrument readings (after transients have subsided).
(j) Remove load and adjust voltage to the maximum attainable value or to a value just prior to
actuation of the overvoltage protection device.
NOTE
The output voltage may exceed the rating of connected equipment.
(k) Record all instrument readings (after transients have subsided).
(l) Apply rated load.
(m) Record all instrument readings (after transients have subsided).
(n) Adjust voltage to the minimum specified value at rated load.
(o) Record all instrument readings (after transients have subsided).
(p) Remove load.
(q) Record all instrument readings (after transients have subsided).
4-9

ARMY TM 9-6115-464-34
AIR FORCE TO 35C2-3-445-2
NAVY NAVFAC P-8-624-34
(r) Adjust voltage to the minimum attainable value or a value just prior to activation of the undervoltage
protection device.
(s) Record all instrument readings (after transients have subsided).
(t) Repeat steps (a) through (s) above for all other voltage connection(s).
d. Sample Calculations. Regulation (droop) is defined for the the purposes of this method as the no-land value
minus the rated load value divided by the rated load value the quantity expressed in percent.
%
Regulation =
(No–Load Voltage) – (Rated-Load Voltage) x 100
(Rated–Load Voltage)
e. Results. The data sheets shall indicate the voltage regulation as a percent of rated voltage within the
specified limits at the minimum and maximum specified voltages and the regulation as a percent of rated
voltage at the extremes, the maximum and minimum voltages attainable and the actuation of the protection
devices (if applicable). Compare these results with the requirements of table 4-1.
4-14. FREQUENCY AND VOLTAGE REGULATION, STABILITY, AND TRANSIENT RESPONSE TEST
(SHORT-TERM).
a. General. The frequency regulation (sometimes referred to as droop) of a generator set is the maximum
difference between the no load value of frequency and the value at any load up to and including rated load.
This difference is expressed as a percentage of the rated frequency of the generator set. The voltage regulation
is expressed similarly except that the rms value of voltage is used.
Frequency stability describes the tendency of the frequency to remain at a constant value. Generally, the
instantaneous value of frequency is not constant but varies randomly above and below a mean value. Stability
may be described as either short-term or long–term depending upon the length of time that the frequency is
observed. Another term, bandwidth, describes the limits of these variations. Bandwidth is expressed as a
percentage of the rated frequency of the generator set. Voltage stability is described similarly.
Frequency transient response describes the reaction of the frequency to a sudden change in some
condition; such as, a load change on a generator set. This response consists of the amount of excursion
beyond the mean of the new operating band, and the recovery time. The recovery time is the interval beginning
at the point where the frequency leaves the original prescribed operating band and ending at the point where it
enters and remains within the new prescribed operating band. The amount of surge is expressed as a
percentage of the rated frequency of the generator set. The recovery time is expressed in seconds. The voltage
transient response is described similarly.
b. Apparatus.
Instrumentation for measuring load conditions, field voltage and current, and ambient
temperature shall be as described and illustrated in MIL-HDBK-705. In addition, recording meter(s) for
recording voltage and frequency shall be required.
4-10
ARMY TM 9-6115-464-34
AIR FORCE TO 35C2-445-2
NAVY NAVFAC P-8-624-34
c. Procedure.
(1) Preparation for test.
(a)
(b)
Connect the load and field instrumentation in accordance with the applicable figure of
MIL-HDBK-705, Method 205.1, paragraphs 205.1.10, for one voltage and frequency. Connect the
signal input of the recording meter(s) to the convenience receptacle of the set or to the generator
coil which is used as the voltage sensing input to the voltage regulator. (Power the recording
meter(s) from the commercial utility.)
Set the recording meter chart speed(s) to a minimum of 5 inches per hour. The following items shall
be recorded on both the data sheets and recording chart(s):
1. The date
2. The serial number(s) of the recording meter(s)
3. Generator set identification
4. The recording chart speed(s)
5. The data reading number
(c) Place all instrumentation referred to in paragraph 4-15b. in operation.
(2) Test.
(a) Start and operate the generator set and allow the set to stabilize at rated load, rated voltage and
rated frequency. During this period operate the recording meter(s) at a chart speed of not less than
6 inches per hour, and record all instrument readings including thermal instrumentation at minimum
intervals of 10 minutes. If necessary, adjustments to the load, voltage and frequency may be made
to maintain rated load at rated voltage and frequency. Adjustments to the voltage and frequency
shall be limited to those adjustments available to the operator, specifically adjustments to the
voltage or frequency adjust devices. On sets utilizing a droop-type speed control droop portions of
the control may be adjusted. No other adjustments to the voltage and frequency control systems
shall be made. Adjustments to load, voltage or frequency controls shall be recorded on both the
data sheet and the recording chart(s) at the time of an adjustment. Stabilization shall be considered
to have occurred when four consecutive voltage and current recorded readings of the generator (or
exciter) field either remain unchanged or have only minor variations about an equilibrium condition
with no evident continued increase or decrease in value after the last adjustment to the load,
voltage or frequency has been made.
(b) After stabilization has occurred, drop the load to no load and reapply rated load a number of times
(three should be sufficient) to assure that the no load and rated load voltage and frequency values
are repeatable and that the frequency and voltage regulation is within the limits specified in the
procurement document. If any adjustments are necessary, paragraph (a) above must be repeated.
Reapply rated load.
4-11

ARMY TM 9-6115-464-34
AIR FORCE TO 35C2-3-445-2
NAVY NAVFAC P-8-624-34
(c) The recording meter chart speed(s) shall be 12 inches per minute throughout the remainder
of this test. At each of the following load conditions (one step) operate the set for a minimum of 40
seconds (or the short-term stability period plus the allowable recovery time as specified in the
procurement document). During each load condition read and record all instrument readings except
thermal instrumentation (for three-phase sets it is not necessary to record line-to-line voltages).
Each load condition shall be applied to the generator set in one step at the end of the short-term
stability period for the previous load condition. The load conditions are:
1. Rated load
2. No load
3. Rated load
4. No load
5. Rated load
6. No load
7. Rated load
8. No load
9. 3/4 rated load
10. No load
11. 3/4 rated load
12. No load
13. 3/4 rated load
14. No load
15. 1/2 rated load
16. No load
17. 1/2 rated load
18. No load
19. 1/2 rated load
20. No load
21. 1/4 rated load
22. No load
23. 1/4 rated load
24. No load
25. 1/4 rated load
26. No load
27. Rated load
28. No load
29. Rated load
30. No load
31. Rated load
32. No load
(d) Repeat (a) through (c) for all voltage connection(s) and frequency(ies).
d. Results.
(1) Prepare a chart giving for each load change the momentary overshoot or undershoot and the
recovery time. For each constant load, give the maximum voltage variation.
(2) Referring to figure 4-1 begin by determining the observed (B) and steady-state (D) voltage
bandwidths.
(a) Mark numerically the stabilizations occurring after each load change, starting with the stabilization
obtained before the first load change.
(b) Determine the observed voltage bandwidth (B) by marking the maximum trace excursion and
minimum trace excursion in the stabilized portion. Draw two lines parallel to the axis of chart
movement, one each passing through these maximum and minimum trace excursions respectively.
(c) Draw a line (C) parallel to and equidistant from the edges of the observed voltage bandwidth.
Determined in (b) above.
(d) Using the rated voltage of the generator and given requirements of table 4-1, calculate the
steady-state voltage bandwidth (D). Draw this steady-state voltage bandwidth as two parallel lines,
parallel to and equidistant from the median (C) at the observed voltage bandwidth.
4-12

ARMY TM 9-6115-464-34
AIR FORCE TO 35C2-445-2
NAVY NAVFAC P-8-624-34
(3) To determine the maximum voltage variation at constant load:
(a) One-half the observed voltage bandwidth (B) is the plus or minus value of voltage deviation at
constant load.
(b) Divide each of the values obtained in (a) by the rated voltage of the generator and multiply by 100
to convert to percentage.
(4) To determine the maximum overshoot and undershoot at each load step, and express this as a
percentage of its rated voltage, proceed as follows:
(a) From the meter recording charts, determine the maximum amount that the voltage trace goes
beyond the line (3) of the observed voltage band following the load change. See figure 4-1 for
illustration of overshoot and undershoot.
(b) Divide the result obtained in (a) by rated voltage (as given on the generator nameplate), then
multiply by 100 to convert to percentage.
CAUTION
Do not use the constant operating voltage at each load as the divisor in the
computation. Use only the rated voltage of the generator. Failure to observe this
caution could result in damage to the equipment.
(5) To determine the time required to restore stable voltage conditions after each load change (recovery
time):
(a) The prescribed steady state voltage bandwidth, extended to the point at which the voltage trace
leaves the prescribed steady state band, shall be considered as the time at which the transient
conditions begin. The point at which the voltage trace enters and remains within the prescribed
band after a load change shall be considered as the point at which stabilization begins.
(b) Measure the distance (in inches) on the chart from the point where the voltage trace leaves the
prescribed steady state band to the point where it re-enters and remains within the prescribed
voltage band for the next load condition.
(c) Divide this distance by the chart speed (in inches per second). This will give the voltage recovery
time, in seconds.
(6) Determine the voltage regulation for all load changes (e. g. rated load to no load, 1/2 rated load to no
load to 1/4 load, etc.) as follows:
(a) Using the indicating voltmeter readings subtract the load value of voltage from the no load value for
each load change (e. g. step (a) to step (b)). (For voltage regulators utilizing single-phase voltage
sensing, the value of voltage in the sensed phase only shall be used in the above calculations. For
voltage regulators utilizing multi-phase voltage sensing the average value of the sensed voltage
shall be used.)
4-13

ARMY TM 9-6115-464-34
AIR FORCE TO 35C2-3-445-2
NAVY NAVFAC P-8-624-34
Trace and definitions apply to either voltage or
frequency.
NOTE
Chart marked at start of test.
A Actual instrument trace of function.
B Observed steady–state band (two lines
parallel to the axis of chart movement
one each passing through the center
points of maximum and minimum trace
excursion respectively during the short-
term stability sample period, TS).
C Mean of observed band.
CL Mean value at selected load.
CN Mean value at no load.
D Prescribed steady-state band.
E Point at which trace initially leaves
prescribed load band under condition
of decrease in load.
F Point at which trace enters and remains
within prescribed no load band.
G Point at which trace initially leaves
prescribed no load band.
,H Point at which trace enters and remains
within prescribed load band.
R Regulation between any two loads.
S Surge after a load charge.
SO Overshoot
SU Undershoot
TFL Observed recovery time, no load to load.
TFN Observed recovery time, load to no load.
TG Maximum allowable recovery time.
TGL Maximum allowable recovery time,
no load to load.
TGN Maximum allowable recovery time, load
to no load
TS Prescribed short-term sample time for
determining stability.
Figure 4-1. Overshoot and Undershoot Chart Recording
4-14

ARMY TM 9-6115-464-34
AIR FORCE TO 35C2-445-2
NAVY NAVFAC P-8-624-34
(b) Convert each of the values obtained in (a) above to a percentage of rated voltage by dividing by
the rated voltage and multiplying by 100. This is the voltage regulation expressed in percent.
(c) Repeat paragraph 4-15d. (1) above substituting frequency for voltage.
(d) Compare the results tabulated in paragraphs 4-15d. (1) and 4-15d. (6) (c) with the requirements of
Table 4-1.
4-15. FREQUENCY ADJUST RANGE TEST
a. General. It is necessary that the frequency of a generator set be adjustable to provide rated frequency at
various load conditions as required in certain applications and to synchronize two or more generator sets for
parallel operation.
b. Apparatus. Instrumentation for measuring load conditions, field voltage and current, and ambient
temperature shall be as described and illustrated in MIL–HDBK-705.
c. Procedure.
(1) Preparation for Test. Connect the load and field instrumentation in accordance with the applicable
figure of MIL–HDBK–705, method 205.1, paragraph 205.1.10.
(2) Test.
(a) Start and operate the generator set and allow it to stabilize at rated load, rated voltage and rated
frequency.
During this period, readings of the load and field instrumentation shall be recorded at minimum
intervals of 10 minutes. If necessary, adjustments to the load, voltage and frequency may be made
to maintain rated load at rated voltage and rated frequency. However, adjustments available to the
operator, specifically adjustments to voltage and frequency adjust devices. Adjustments to the load,
voltage or frequency shall be noted on the stabilization data sheet. Stabilization will be considered
to have occurred when four consecutive voltage and current readings of the exciter field either
remain unchanged or have only minor variations about an equilibrium condition with no evident
continued increase or decrease in value after the last load, voltage or frequency adjustment has
been made.
(b) No further adjustments shall be made to any set control for the remainder of this test except for the
control panel frequency adjust device.
(c) For each of the conditions in the following steps allow approximately 2 minutes between each
adjustment and the subsequent instrument readings.
(d) Adjust the generator set frequency for the specified
record all instrument readings.
(e) Adjust the generator set frequency for the specified
record all instrument readings.
(f) Reduce the load to zero.
maximum frequency at rated load. Read and
minimum frequency at rated load. Read and
(9) Adjust the generator set frequency for the maximum attainable frequency. Read and record all
instrument readings. If the over frequency or overspeed protection device actuates, read and
record all instrument readings just prior to the point of actuation and note on the data sheet that the
protection device actuated.
4-15
ARMY TM 9-6115-464-34
AIR FORCE TO 35C2-3-445-2
NAVY NAVFAC P-8-624-34
(h)
(i)
NOTE
This step is not applicable to generator sets having governors that utilize a threaded
shaft and lock nut(s) or other mechanical means as a method of operator speed
adjustment.
Adjust the generator set frequency for the minimum attainable frequency. Read and record all
instrument readings.
NOTE
This step is not applicable to generator sets having governors that utilize a threaded
shaft and lock (nuts) or other operator speed alignment.
Repeat 4-16c (1) and 4-16c. (2) (a) through (f) for each frequency.
d. Results. The data sheet shall show the maximum and minimum frequencies attained at rated 109d, the
maximum and minimum attainable frequencies at no load and actuation of the protection devices (if applicable).
Compare these results with the requirements of table 4-1.
4-16. OVERSPEED PROTECTIVE DEVICE TEST
a. General. To assure that adequate protection is afforded the generator set against overspeeding, the
overspeed protective device must operate properly.
b. Apparatus. A frequency meter or tachometer as described and illustrated in MIL-HDBK–705, Methods
104.1 or 109.1 shall be required.
c. Procedure.
(1) Preparation for Test. Connect the frequency meter in accordance with the applicable figure of
MIL-HDBK-705, Method 205.1, Paragraph 205.1.9 or utilize the tachometer in accordance with the
manufacturer’s instructions. Electronic governor and throttle stops must be deactivated.
(2) Test.
(a) Start and operate the generator set at rated speed (frequency), rated voltage and no load.
(b) Slowly increase the engine speed until the overspeed protective device actuates. Record the speed
of the generator set at this point, and the malfunction indicator light indication.
CAUTION
Do not operate the set in excess of 125 percent of rated speed or as otherwise limited
the equipment.
(c) Attempt to start the set. Record if starting is achieved. If the set did not start, reset the overspeed
protective device.
(d) Compare the test results with requirement of table 4-1.
4-16
in the procurement document. Failure to observe this caution could result in damage to

ARMY TM 9-6115-464-34
AIR FORCE TO 35C2-445-2
NAVY NAVFAC P-8-624-34
4-17. CIRCUIT INTERRUPTER TEST (SHORT CIRCUIT).
a. General. A circuit interrupter is connected between the generator voltage reconnection system and the
generator set output terminals to disconnect the generator output from the load and also to protect the
generator from a short circuit. The circuit interrupter is operated from a current sensor external to the
interrupter.
b. Apparatus. Instrumentation for measuring load conditions shall be as described and illustrated in
MIL–HDBK-705. In addition, a non-inductive shunt, a short-circuiting switch, galvanometers matching networks,
an oscillograph as described and illustrated in MIL-HDBK–705, Method 106.1, paragraph 106.1.3 and
galvanometers having a flat frequency response (flat within plus or minus five percent) from DC to 3,000 hertz
will be required.
c. Procedure.
(1) Preparation for Test.
(a) Connect the load and instrumentation in accordance with the applicable figure of MIL-HDBK-705,
Method 205.1, paragraph 205.1.10 for one voltage and frequency.
(b) Connect the shunt, galvanometers matching network, oscillograph, and short-circuiting switch as
illustrated in figure 512.1.1.
(2) Test.
(a) Start and operate the generator set at rated voltage, rated frequency and rated load.
(b) Set the oscillograph time marker to a minimum of 0.01 seconds or use a 60 hertz timing trace set
the chart speed such that the individual peaks of the current waveform are clearly visible and adjust
the peak-to-peak rated current amplitude to a minimum of 0.5 inch for approximately 12
millimeters).
(c) Prior to closing the short-circuiting switch, record a portion of the steady state load for calibration.
With the same load conditions record all instrument readings.
(d) With oscillograph still recording the steady state current, close the short-circuiting switch.
CAUTION
If the circuit interrupter fails to operate within the specified time, remove the short
circuit to prevent damage. Note the failure to operate on the data sheet. Failure to
observe this caution could result in damage to the equipment.
(e) The generator set contains a short-circuit malfunction indicator, check and record its indication.
(f) Repeat steps (a) thru (e) above for each possible short circuit condition (L1-L0,L2-L3,L1-L2-L3
etc.).
(g) Repeat steps (a) through (f) above for both voltage connections if applicable.
d. Results
(1) From the oscillograms taken in 4-18c (2) (d), determine the time between the indicated closure of
the short-circuiting switch and the opening of the circuit interrupter. See figure512. 1.-II.
4-17

ARMY TM 9-6115-464-34
AIR FORCE TO 35C2-3-445-2
NAVY NAVFAC P-8-624-34
(2) Calculate the short-circuit current using the peak-to-peak amplitudes of the current trace and the
steady state ammeter reading prior to application of the short circuit. See figure 512.1-11.
(3) Tabulate the above results and the malfunction indicator indication for each line connection at each
voltage connection and compare the results with the requirement in table 4-1.
4-18. CIRCUIT INTERRUPTER TEST (OVERLOAD CURRENT)
a. General. A circuit interrupter is connected between the generator voltage reconnection system and the
generator output terminals to disconnect the generator output from the load and to protect the generator from a
sustained overload current. The circuit interrupter is operated from a current sensor external to the interrupter.
b. Apparatus. Instrumentation for measuring load conditions and field voltage and current shall be as
described and illustrated in MIL-HDBK-705. In addition, a stopwatch or an oscillograph with galvanometers
matching network and a non-inductive shunt as described and illustrated in MIL-HDBK-705, Method 106.1,
paragraph 106.1.3 and galvanometers having a flat frequency respond (within plus or minus 5%) from dc to
3000 Hz.
c. Procedure.
(1) Preparation for test. Connect the load and field instrumentation in accordance with the applicable
figure of MIL–HDBK–705, Method 205.1, paragraph 205.1.10 for one voltage and frequency.
CAUTION
(a)
(b)
(c)
(d)
If the circuit interrupter fails to operate within the time specified in table 4-1 at any time
during the performance of this method, manually open the circuit interrupter and
reduce the load impedance to rated value before reclosing the circuit interrupter.
Record on the data sheet the failure of the interrupter to operate and the total elapsed
time the overload was on the set. Failure to observe this caution could result in
damage to the equipment
Start and operate the generator set at rated voltage, rated frequency and rated load.
Allow the generator set to stabilize at rated load, voltage and frequency. During this period,
readings of the load and field instrumentation shall be recorded at minimum intervals of 10 minutes.
If necessary, adjustments to the load, voltage and frequency maybe made to maintain rated load at
rated voltage and frequency. Adjustment to the load, voltage or frequency shall be noted on the
data sheet. Stabilization will be considered to have occurred when four consecutive voltage and
current readings of the exciter field either remain unchanged or have only minor variations about an
equilibrium condition with no evident continued increase or decrease in value after the last load,
voltage or frequency adjustment has been made.
In one step, increase the load current to the overload current value specified in table 4-1 (the
increase in current may be accomplished by any practical means, e. g. reactively or using reduced
voltage levels).
NOTE
The frequency shall be maintained at rated conditions, the load current shall be kept
constant and the load current shall be balanced equally among the phases.
Simultaneously with the load current increase, start the stop watch.
Record all load instrumentation and the time, in seconds, required for the circuit interrupter to
operate.
4-18

ARMY TM 9-6115-464-34
AIR FORCE TO 35C2-445-2
NAVY NAVFAC P-8-624-34
(e) The generator set contains an overload malfunction indicator. Check and record its indication.
(f) Allow the generator set to cool at rated load for a minimum of 15 minutes.
(9) Repeat steps (c) thru (f) except that the load current is increased to the overload current value in
Phase A only. Phases B and C remain at the rated load current value.
(h) Repeat step (g) except that the load is increased to the overload current value in phase B only.
Phases A and C remain at the rated load value of current.
(i) Repeat step (g) except that the load is increased to the overload current value in phase C only.
Phases A and B remain at the rated load value of current.
d. Results. The data sheets shall show, as a minimum, whether or not the circuit interrupter operated, the
time(s) required for the interrupter to operate, the indication of the malfunction indicator, the overload
condition(s) and the stabilization data. Compare the time(s) requirements of table 4-1.
4-19. CIRCUIT INTERRUPTER TEST (OVER VOLTAGE AND UNDER VOLTAGE).
a. General TO protect the load from generator malfunction (e. g., overvoltage or undervoltage) a circuit
interrupter is connected between the generator voltage reconnection system and the generator output
terminals. A voltage sensing circuit operates the circuit interrupter if an overvoltage or undervoltage condition
occurs and thus protects the load from a generator malfunction.
b. Apparatus.
Instrumentation for measuring voltage and frequency shall be as described and illustrated in
MIL–HDBK–705. Resistor(s), galvanometers matching networks, an oscillogram (as described and illustrated in
MIL-HDBK-705, Method 106.1, paragraph 106.1.3) and galvanometers having a minimum flat frequency
response (flat within plus or minus 5 percent) from DC to 3000 Hertz and the voltage divider transformer
network will be required.
c. Procedure
I. (Overvoltage).
(1) Preparation for test.
(a) Locate and disconnect the input circuit to the input terminals of the overvoltage protective sensing
circuit and connect the apparatus as illustrated in figure 512.3–I for one voltage connection.
(b) Connect the frequency meter to the output terminals of the generator set.
(2) Test.
(a) Start and operate the set at rated frequency and no load.
(b) Close the switch (see figure 512. 3-I) and use resistance, RI to adjust the voltage to the
overvoltage value specified in table 4-1. The set has provisions for shutdown upon an overvoltage
condition. It will be necessary to temporarily deactivate this provision to permit adjustment of the
overvoltage value. This may be done by activation of the “protective bypass” (Battle Short) switch.
Do not deactivate the circuit interrupter trip circuitry.
(c) Open the switch, reset the overvoltage circuit and adjust the resistance, R2, until voltmeter No. 2
reads rated voltage.
(d) Repeat (b) and (c) to assure that the specified overvoltage and rated voltage settings are correct.
(e) Set the oscillograph chart speed such that the individual waveform peaks are clearly visible. Set the
timing lines to a minimum of 0.01 seconds per line or use a 60 Hertz time trace. Adjust the trace
peak-to-peak amplitude to a minimum of one inch (or 25 millimeters).
4-19
ARMY TM 9-6115-464-34
AIR FORCE TO 35C2-3-445-2
NAVY NAVFAC P-8-624-34
(f) Read and record both voltmeter readings.
(g) With the oscillograph recording and the circuit interrupter closed, close the switch. (See figure
512.3-I.
(h) Reactivate the shutdown provision if used.
(i) The generator set contains an ovewoltage malfunction indicator; check and record its indication.
(j) Record whether or not the set shuts down.
(k) Open the switch, reset the ovewoltage circuit if necessary, restart the set if required, and close the
circuit interrupter.
(1) Repeat steps (e) thru (k) above two additional times.
d. Procedure II (Undervoltage).
(1) Preparation for test.
(a) Locate the input terminals of the undervoltage sensing circuit and connect the apparatus as
illustrated in figure 512.3–I.
(b) Repeat step (b) of para. 4-20c. (1) (b).
(2) Test.
(a)
(b)
(c)
(d)
(e)
(f)
(9)
(h)
(i)
Start and operate the set at rated frequency and no load.
Close the switch (see figure 512.3–I) and use the resistance, R1, to adjust the voltage to the rated
value.
Open the switch and adjust the resistance, R2, until Voltmeter No. 2 reads the undervoltage value
specified in table 4-1. This test shall be repeated for each undervoltage value.
Repeat steps (b) and (c) above to assure that the specified undervoltage and rated voltage settings
are correct.
Set the oscillograph chart speed such that the individual waveform peaks are clearly visible. Set the
timing lines to a minimum of 0.01 seconds per line or use a 60 Hertz timing trace. With the switch
open, adjust the trace peak–to-peak amplitude to a minimum of one inch (or 25 millimeters).
With the set operating and the circuit interrupter and the switch open, read and record both
voltmeter readings.
Close the switch and circuit interrupter.
With the oscillograph recording, open the switch.
After allowing sufficient time for the circuit interrupter to operate, check and record the indication of
the undervoltage malfunction indicator.
(j) Close the switch and close the circuit interrupter.
(k) Repeat steps (e) thru (j) above two additional times.
(l) Repeat (a) thru (k) for the other undervoltage value specified in para. 4-1.
4-20

ARMY TM 9-6115-464-34
AIR FORCE TO 35C2-445-2
NAVY NAVFAC P-8-624-34
e. Results.
(1) From the oscillograms made in 4-20c, determine and tabulate the time between the application of
the overvoltage and operation of the circuit interrupter for each application of overvoltage.
(2) From the oscillograms made in 4-20d. determine and tabulate the time between the application of
the undervoltage and the operation of the circuit interrupter for each application of undervoltage.
(3) Compare these results with the requirements of table 4-1.
4-20. LOW OIL PRESSURE PROTECTIVE DEVICE TEST.
a. General. Since generator sets frequently operate unattended for tong periods, the engine is equipped with
a low oil pressure protective device. This device shuts down the engine when the oil pressure drops below the
safe limit.
b. Apparatus. The following equipment shall be required to perform this test.
Oil pressure gauge (±1%)
Flexible oil line (or copper tubing)
Regulating valves
Brass fittings.
c. Procedure.
(1) Preparation for test. With the set not operating, remove the protective device tap from the engine
block and reconnect as shown in figure 515.1–I with the protective device and oil pressure gauge in
approximately the same horizontal plane as the protective device tap located on the engine.
(2) Test.
(a) With the bleeder valve closed and the shut-off valve in the oil pressure line open, start and operate
the set at rated speed (use the set instrumentation) and at no load.
(b) Open the bleeder valve slightly to purge air from the system.
(c) Close the bleeder valve and record the oil pressure as indicated on the external gauge.
(d) Almost completely close the shut-off valve.
(e) Slowly open the bleeder valve until the low oil pressure protective device shuts down the engine.
Record the reading of the oil pressure gauge at the point of set shutdown (see figure 515.1-II).
(f) Record operation of the malfunction indicator light.
d. Results. Compare the value of shutdown pressure with the requirement of table 4-1.
4-21. OVERTEMPERATURE PROTECTIVE DEVICE TEST
a. General. The overtemperature device must be capable of protecting the engine in the set against
overheating for any reason.
b. Apparatus Instrumentation for measuring load conditions and set and ambient temperatures shall be as
described and illustrated in MIL-HDBK-705, Method 205.1, Paragraph 205.1.10.
4-21

ARMY TM 9-6115-464-34
AIR FORCE TO 35C2-3-445-2
NAVY NAVFAC P-8-624-34
c. Procedure.
(1) Preparation for test.
(a) Connect the load instrumentation in accordance with the applicable figure of MIL-HDBK-705,
Method 205.1, Paragraph 205.1.10.
(b) Install a thermocouple to measure the same temperature as seen by the protective device sensor.
(2) Test.
(a) Start ando perate the generator set at rated voitage, rated frequency (speed), and rated load.
(b) Block the cooling air to the generator set by any suitable means.
(c) Continuously monitor the temperature seen by the thermocouple installed in paragraph 4-22c. (1)
(b) above. Record the temperature at which the overtemperature protective device actuates.
Record the temperature at which the coolant temperature indicator illuminates.
CAUTION
If the engine fails to shutdown when the temperature exceeds the maximum trip value
specified in table 4-1, the test shall be immediately discontinued. Failure to observe
this caution could result in equipment damage.
d. Results. Compare the results with the requirement of table 4-1.
4-22. PHASE SEQUENCE TEST (ROTATION)
a. General. Unless the phase sequence (rotation) of the load terminals of a three-phase generator set is
correct, serious damage or injury could be done to connected equipment and to personnel as a result of
reversed motor rotation or excessive current surges.
b. Apparatus. A phase sequence (rotation) indicator as described and illustrated in MIL-HDBK-705, Method
116.1 or a three–phase motor whose direction of operation in relation to phase sequence is known shall be
required.
c. Procedure.
(1) Connect the generator set load terminals to the applicable test apparatus for one of the set
three–phase voltage connections. Recheck the connections to insure that L1, L2 and L3 of the
generator set are connected to L1, L2 and L3 of the test apparatus respectively.
(2) Start and operate the generator set at rated voltage and frequency. The set indicating instruments
shall be sufficient indication of output voltage and frequency.
(3) Close the circuit interrupter and determine the direction of phase sequence (rotation) by observing
the indicator, or by noting the direction of rotation if a three-phase motor is used. Record results.
(4) Check the phase sequence (rotation) of the power output of each power receptacle on the generator
set by connecting the applicable test apparatus to the receptacle and repeating steps (1) thru (3)
above.
(5) Repeat steps (a) thru (d) above for all other three-phase voltage output connections of the generator
set.
d. Results. The phase sequence (rotation) as indicated by the test shall be checked against the
requirements of table 4-1.
4-22

ARMY TM 9-6115-464-34
AIR FORCE TO 35C2-445-2
NAVY NAVFAC P-8-624-34
4-23. MAXIMUM POWER TEST.
a. General. The maximum power of a generator set is a function of the ambient conditions (temperature and
altitude) and the mechanical condition of the engine at any particular time.
b. Apparatus. Instrumentation for measuring load conditions, field voltage and current, pressure and
temperatures shall be as described and illustrated in MIL-HDBK-705.
CAUTION
This procedure subjects the generator set to a severe overload which may be
damaging if maintained for too long a period of time. Failure to observe this caution
could result in equipment damage.
(1) Preparation for test.
(a) Connect the load and instrumentation in accordance with the applicable figure of MIL-HDBK-705,
Method 205.1, paragraph 205.1.10 for one voltage and frequency.
(b) Install appropriate thermocouples to measure the following temperatures:
1. Engine coolant (engine outlet and inlet)
2. Exhaust gas(es) (the exhaust manifolds
shall be drilled and tapped as close as
possible to the combustion chamber(s).
3. Lubricating oil sump.
4. Engine combustion air in (located at
the inlet of the intake manifold).
(c) Install appropriate pressure instrumentation to measure the following items:
1. Exhaust pressure (combined exhaust
gases in exhaust manifold).
2. Intake air manifold pressure (between
air filters and manifold).
(d) Obtain and record the barometric and water vapor pressures (see MIL-HDBK-705,
Method 220. 2).
(e) Bypass the set circuit interrupter.
(f) Connect the set to a source of fuel containing a specified fuel required by the procurement
document.
4-23

ARMY TM 9-6115-464-34
AIR FORCE TO 35C2-3-445-2
NAVY NAVFAC P-8-624-34
(2) Test.
(a) Start and operate the generator set and allow it to stabilize at rated load, rated voltage and rated
frequency (speed). During this period, readings of all instruments including thermal instrumentation
shall be recorded at minimum intervals of 10 minutes. If necessary, adjustments to the load, voltage
and rated frequency. However, adjustments to the voltage and frequency shall be limited to those
adjustments available to the operator, specifically adjustments to the voltage or frequency adjust
devices. On generator sets utilizing a droop-type speed control system as the prime speed control,
the speed and droop portions of the control maybe adjusted. No other adjustments to the voltage
and frequency control systems shall be made. Adjustments to the load, voltage or frequency
controls shall be recorded on both the data sheet, and recording chart(s). Stabilization will be
considered to have occurred when four consecutive voltage and current recordings of the exciter
field either remain unchanged or have only minor variations about an equilibrium condition with no
evident continued increase or decrease in value after the last adjustment to the load, voltage or
frequency has been made.
(b) Perform this test using resistive load only. Remove reactive load after stabilization.
(c) For Class II Sets:
Alternately increase the load, voltage and frequency in small increments until the fuel system
controls are in the maximum fuel position as permitted by the governor control linkage and the
voltage and frequency are within 1 percent of their rated values.
NOTE
Small increments should be taken to avoid passing the maximum power at the rated
voltage and frequency point and to avoid racing or bogging the engine.
2.
Hold the conditions in step (1) above for two minutes. However, if the voltage and frequency
cannot be maintained within 1 percent of their rated values, the load must be adjusted to the
point at which the voltage and frequency can be maintained within 1 percent of the rated value
for two minutes.
CAUTION
It may be necessary to reduce the load to a value below the rated kilowatt load for a
short period of time to prevent serious overheating or damage to the generator set if
the conditions can not be readily attained. (Monitor instrumentation.) Failure to
observe this caution could result in equipment damage.
3.
At the end of the two minute interval record all instrument readings including thermal
instrumentation.
4.
Reduce the load to approximately rated kilowatt load and allow the generator set to cool for
approximately 5 to 10 minutes.
5.
Repeat steps (1) through (4) above until three valid sets of maximum power data are obtained.
(d) For Class I Sets:
1.
Repeat step (c) above but do not adjust the frequency.
2.
Repeat steps (a) through (c) above as applicable for all other voltage connections and
frequencies.
4-24
1.

ARMY TM 9-6115-464-34
AIR FORCE TO 35C2-445-2
NAVY NAVFAC P-8-624-34
(e) Results.
1.
Average the three valid power readings. This average is the observed maximum power value.
2.
Correct the observed maximum power value to standard conditions using the procedure in
MIL–HDBK-705, Method 220.2, paragraph 220.2.3. This is the corrected maximum power value.
3. Compare these results with the requirements of table 4-1.
4-24. UNDER FREQUENCY PROTECTIVE DEVICE TEST
a. General. For generators that power certain types of equipment, it is extremely important that the circuit
interrupter open when the frequency fails appreciably below rated value. Severe damage may otherwise result
to the powered equipment. To insure that the circuit interrupter will open at or before the critical frequency
value, the generators are equipped with an underfrequency protective device. The device on this generator
operates electrically. Although the under frequency protective device must be capable of functioning at any
voltage throughout the specified voltage operating range, it is necessary only to perform the test at the specified
maximum, at rated, and at minimum voltage limits.
b. Apparatus Instrumentation for measuring load conditions shall be as described and illustrated in method
205.1. paragraph 205.1.10 of MILL-HDBK-7050.
c. Procedu
re.
(1) Preparation for test. Connect a voltmeter and frequency meter to the generator set terminals, ahead
of the circuit interrupter, and the remainder of the apparatus as shown in the applicable figure of
paragraph 205.1.10 of MIL-HDBK-705.
(2) Test.
(a) Operate the generator at rated speed and voltage, and at no load since the generator is equipped
with an electrical-type underfrequency protective device, this test shall be repeated with the
voltage adjusted to maximum and minimum voltage for the specified voltage operating range.
(b) With the circuit interrupter closed, slowly decrease the operating speed until the protective device
causes the circuit interrupter to open. The electric governor must be deactivated to sufficiently
decrease the speed on Class 1, precise sets.
(c) Record the speed.
(d) Repeat the test while rapidly decreasing the operating speed. Again record the speed.
(e) Operate the generator at rated speed and voltage, and at rated load.
(f) Repeat steps (b), (c) and (d).
d. Results. Compare the test value of frequency with that given in table 4-1.
4-25/(4-26 blank)

REPAIR INSTRUCTIONS
Section 1.
5-1. GENERAL.
ARMY TM 9-6115-464-34
AIR FORCE TO 35C2-3-445-2
NAVY NAVFAC P-8-624-34
CHAPTER 5
FOR MATERIAL USED IN CONJUNCTION WITH THE
GENERATOR SET
FUEL BURNING WINTERIZATION KIT
The fuel burning winterization kit is used to preheat engine coolant and lubricating oil to facilitate starting at
ambient temperatures between –25°F (-31. 7° C) and -65° F (-53. 9° C). It consists of a heater and coolant
pump assembly, a heater control assembly, coolant circulating lines and fittings and wiring harness. Fuel for
heating the coolant is supplied from the generator set main fuel tank by the fuel transfer pumps. Electrical
power for coolant pump operation is supplied from the generator set batteries.
5-2. TROUBLESHOOTING.
Table 5-1 contains a listing of malfunctions which is useful in diagnosing and correcting unsatisfactory
operation or failure of the fuel burning winterization kit. Each malfunction is followed by an numerical listing of
probable causes of the malfunction. The corresponding listing of corrective actions contains references to the
applicable maintenance paragraph for correcting the cause of each malfunction.
NOTE
Refer to the Operator and Unit Maintenance Manual for troubleshooting information
applicable to lower levels of maintenance.
Table 5-1. FUEL BURNING WINTERIZATION KIT TROUBLESHOOTING CHART
MALFUNCTION
TEST OR INSPECTION
CORRECTIVE ACTION
1. PRESS-TO-TEST LAMP DOES NOT ILLUMINATE
Step 1. Faulty circuit breaker.
Replace circuit breaker (para. 5-3).
Step 2. Open circuit.
Check circuit.
2. SWITCH ON, NOTHING HAPPENS
Step 1. Faulty circuit breaker.
Replace circuit breaker (para. 5-3).
Step 2. Open circuit.
Check circuit.
5-1

ARMY TM 9-6115-464-34
AIR FORCE TO 35C2-3-445-2
NAVY NAVFAC P-8-624-34
Table 5-1. FUEL BURNING WINTERIZATION KIT TROUBLESHOOTING CHART (Continued)
MALFUNCTION
TEST OR INSPECTION
CORRECTIVE ACTION
3. SWITCH ON, HEATER WILL NOT IGNITE; BLOWER OPERATES
Step 1. Defective igniter.
Replace igniter (para. 5-4).
Step 2. Metering orifice clogged.
Clean orifice (para. 5-4).
Step 3. Pressure regulator solenoid closed.
Check regulator valve. Replace if defective (para. 5-4).
4. FAN RUNS WITH SWITCH OFF
Step 1. Broken quartz rod.
Replace rod (para.
5-4).
Step 2. Flame switch out of adjustment.
Adjust flame switch (para 5-4).
5. HEATER STARTS, THEN GOES OUT.
Step 1.
Step 2.
Faulty micro switch.
Replace switch (para. 5-4).
Overheats, trips limit switch.
Check fuel regulator delivery rate. Adjust as required (para. 5-4).
6. CIRCUIT BREAKER OPENS
Short circuit.
Disconnect basic components, one at a time to isolate short (para. 5-4),
then check wiring (para. 5-6).
7. FAILURE TO SHUT OFF
Step 1. Fuel regulator valve stuck open.
Replace valve (para. 5-4).
Step 2. Flame switch stuck open.
Adjust or replace (para 5-4).
5-2

ARMY TM 9-6115-464-34
AIR FORCE TO 35C2-3-445-2
NAVY NAVFAC P-8-624-34
Table 5-1. FUEL BURNING WINTERIZATION KIT TROUBLESHOOTING CHART (Continued)
MALFUNCTION
TEST OR INSPECTION
CORRECTIVE ACTION
8. SURGING COMBUSTION
Fuel regulator operating erratically.
Check fuel rate and replace valve if necessary (para. 5-4).
9. COOLANT PUMP FAILS TO RECIRCULATE LIQUID
Step 1. Faulty coolant pump.
Repair or replace pump (para. 5-4).
Step 2. Clogged coolant line.
Unclog or replace coolant line (para. 5-4).
10. COOLANT PUMP TURNS OVER BUT FAILS TO DELIVER FLUID
Step 1. Pump passages or blade slots plugged with foreign matter.
Repair or replace pump (para. 5-4).
Step 2. Defective motor.
Replace motor (para. 5-4).
11. ERRATIC OR REDUCED OUTPUT
Step 1. Air leak.
Check tubing connections for leaks (para 5-5).
Step 2. Reduced voltage.
Check voltage input to motor (para 5-4).
Step 3. Motor lag, low RPM.
Check motor brushes for excessive wear (para. 5-4).
Step 4. Scored cam ring bore.
Replace the cam ring (para. 5-4).
Step 5. Foreign matter in pump blade slots.
Remove pump from motor; disassemble and clean pump and filter (para 5-4).
5-3

ARMY TM 9-6115-464-34
AIR FORCE TO 35C2-3-445-2
NAVY NAVFAC P-8-624-34
Table 5-1. FUEL BURNING WINTERIZATION KIT TROUBLESHOOTING CHART (Continued)
MALFUNCTION
TEST OR INSPECTION
CORRECTIVE ACTION
12. LEAKAGE
Step 1. Face of steel cage scored or damaged seal O-ring.
Disassemble and inspect seal cage face and O-ring. Refinish or replace as required
(para. 5-4).
Step 2. Seal face of adapter scored.
Disassemble and inspect seal face. Refinish or replace the adapter (para 5-4).
13. MOTOR FAILURE
Step 1. Worn brushes.
Remove and replace (para 5-4).
Step 2. Worn bearings. Burned armature.
Remove and replace (para. 5-4). Replace motor (para 5-4).
5-4

ARMY TM 9-6115-464-34
AIR FORCE TO 35C2-3-445-2
NAVY NAVFAC P-8-624-34
5-3. HEATER CONTROL ASSEMBLY.
a. Removal. Refer to the Operator and Unit Maintenance Manual for heater control assembly removal
instructions.
b Disassembly.
(1) Tag all electrical leads before disconnecting.
(2) Remove screws (1, figure 5-1), and remove panel assembly (9), from housing (21).
(3) Remove nut (2), tooth lockwasher (3), on-off switch (15), and key washer (11).
(4) Remove nut (4), Iockwasher (5), and circuit breaker (16).
(5) Remove lens (6), lamp (7), nut (8), lockwasher (10) and indicator light base (17) from panel (9).
(6) Remove screw (13) from housing (14).
(7) Remove nut (18), screw (19), and connector, from housing (21).
c. Cleaning, Inspection, and Repair.
(1)
(2)
(3)
(4)
(5)
(6)
(7)
(8)
(9)
(10)
WARNING
Compressed air used for cleaning and drying purposes can create airborne particles
that may enter the eyes. Pressure shall not exceed 30 psig and use only with adequate
chip guards and chipping goggles. Failure to observe this warning could result in
serious personal injury or death.
WARNING
Solvent, Dry Cleaning P–D-680, Type II is flammable and moderately toxic to skin,
eyes and respiratory tract. Eye and skin protection required. Good general ventilation
is normally adequate. Failure to observe this warning could result in serious personal
injury or death.
Clean all electrical parts with filtered compressed air and a soft bristle brush. If necessary, caked
deposits may be removed with a clean, lint-free cloth moistened with solvent P-D-680 Type Il.
Clean all non-electrical parts with a clean, lint–free cloth moistened with dry cleaning solvent
(Federal Specification P-D-680).
Inspect ON-OFF switch for cracked casing, corrosion, and burns or other evidence of shorting.
Place switch in the ON position and check for continuity, using an ohmmeter. Ohmmeter shall
indicate continuity. Check for open circuit with switch in the OFF position. Ohmmeter shall indicate
open circuit.
Inspect circuit breaker for cracked casing, corrosion, and burns or other indications of shorting.
Using an ohmmeter, check for open circuit across circuit breaker terminals. Ohmmeter shall indicate
open circuit. Depress circuit breaker button. Ohmmeter shall indicate continuity.
Inspect indicator light lens for cracked or broken glass, corrosion, and other damage.
Inspect lamp for cracked or broken glass, burned out filament and corrosion.
Check indicator light base for cracks, corrosion, and burns.
Inspect wiring harness for damaged connectors, wires, and terminals. Check individual wires for
continuity using figure 5-2 as a guide.
5-5
ARMY TM 9-6116-464-34
AIR FORCE TO 35C2-3-445-2
NAVY NAVFAC P-8-624-34
(11) Replace damaged connectors and terminals by unsoldering and removing electrical leads. Install
replacement part, make mechanical connection and solder in accordance with established
procedure.
(12) Replace defective wires using wire conforming to Military Specification MIL-W-5086, Type Il.
(13) Inspect housing for cracks, warping, and corrosion.
(14) Inspect all threads for crossing, stripping, and other damage.
(15) Replace all damaged or defective parts.
d. Assembly.
(1) Install connector (20, figure 5-1), screws (19), nuts (18) on housing (21).
(2) Install screws (13) in housing (14).
(3) Install indicator light base (17), tooth lockwasher (10), nut (8), lamp (7), and lens (6) on panel
assembly (9).
(4) Install circuit breaker (16), Iockwasher (5) and nut (4).
(5) Install key washer (11), on-off switch (15), tooth Iockwasher (3) and nut (2).
(6) Position panel assembly (9), and install screws (1).
e. Installation. Refer to the Operator and Unit Maintenance Manual for fuel burning winterization heater
control assembly installation instructions.
5-6
ARMY TM 9-6115-464-34
AIR FORCE TO 35C2-3-445-2
NAVY NAVFAC P-8-624-34
5-4. HEATER ASSEMBLY.
a. Removal. Refer to the Operator and Unit Maintenance Manual for heater assembly removal instructions.
NOTE
It is not necessary to completely disassemble the heater assembly to replace a single
part. Only those parts requiring repair or replacement need be removed.
b. Disassembly
(1) Tag or otherwise identify electrical leads as they are disconnected to facilitate installation.
(2) Remove cover (1, figure 5-3).
(3) Remove screw (2), and receptacle assembly (3).
(4) Remove screw (4), and terminal board assembly (5).
(5) Remove screw (6), and limit switch (7).
(6) Remove frame assembly (8), adjusting screw (9), spring (10), tension spring (11), and spring pad
(12). Carefully remove quartz rod (13), screw (14) and switch (15).
(7) Remove screws (16), and separate assembled heat exchanger (75) and burner casing.
(8) Remove drain plug (17) from heat exchanger.
(9)
(l0)
(11)
(12)
(13)
(14)
(15)
(16)
(17)
(18)
(19)
(20)
(21)
(22)
(23)
(24)
Remove igniter assembly (18) and gasket (19).
Remove fuel tube assembly (20), metering orifice (21), metering orifice assembly (22), filter body
(23), gasket (24) and sintered filter (25).
Remove screw (26), screw (27), and remove bracket (28), and fuel regulator value assembly (29).
Remove screw (30), setscrews (31 and 32), and fuel preheater (33).
Remove screw (34), screw (35), air inlet cover (36).
Remove clamps (37), and (40), and remove hose (41)
Remove burner casing (38), and casing grommet (39).
Remove plug (42), spring (43), ball (44), elbow (45), and screw (46) from port plate (47).
Conspicuously mark port plate (47, figure 5-3) and cam ring (49) to insure that they will be installed
properly.
Remove O-ring (48), cam ring (49), setscrew (50), vane (51), rotor (52), O-ring (53), adapter (54),
O-ring (55), seal cage (56), seal washer (57), and spring (58).
Remove setscrew (60) and combustion fan (61).
Remove screws (59), and (63), and remove inlet plate (62) and combustion air inlet (64) from motor
(67)
Remove brush cap (65) and brush spring (66) from motor (67).
Remove screw (68), vaporizer retainer (69) and vaporizer (70).
Remove elbow (71), burner assembly (72). Remove burner assembly.
If necessary, remove screw (73), and nameplate (74).
5-9

ARMY TM 9-6115-464-34
AIR FORCE TO 35C2-3-445-2
NAVY NAVFAC P-6-624-34
c. Cleaning, lnspection, and Repair.
(1)
(2)
(3)
(4)
(5)
(6)
(7)
(8)
(9)
(10)
(11)
(12)
(13)
(14)
(15)
(16)
(17)
(18)
(19)
(20)
Clean all electrical parts with filtered compressed air and a soft bristle brush. If necessary, remove
caked deposits with an approved cleaning solvent. Do not dip electrical parts in cleaning water.
Clean all non-electrical parts with dry cleaning solvent (Federal Specification P-D-680) and dry
thoroughly.
Inspect receptacle assembly for cracks, burned or damaged insulation, loose connections and bent
or broken terminals. Check for continuity between wires and terminal pins with an ohmmeter.
Inspect fuel tube for cracks and other damage.
Inspect metering orifice for damaged threads and obstruction at pin holes. Pin hole diameter is 0.012
inch.
Inspect regulator valve for cracks, leaks, or damaged threads.
Check flame switch for distorted or broken springs, loose pivot points, stripped threads, and cracked
or damaged insulation. Check flame switch for continuity.
Inspect igniter for a broken coil or shorts. Check resistance. Resistance must be one ohm with igniter
cold.
Inspect quartz rod and heat exchanger for damage, warping, or burned condition.
Inspect air inlet cover for dents. Inspect blower casting for damaged blades, cracks, and breaks.
Inspect heater casting for defective threads, or burned or damaged condition.
Inspect sintered filter for clogged or damaged condition.
Inspect motor assembly for damaged threads, burned or frayed leads and worn brushes.
Inspect adapter for damaged or scored face, warping and for motor shaft bore wear. Face of adapter
must be parallel within 0.001 inch. Adapter bore diameter must be 0.315 to 0.318 inch. Adapter face
must be parallel with rotor side of adapter within 0.001 inch per inch.
Inspect rotor and rotor blades for nicks, scratches and excessive wear.
Inspect seal cage for scored or damaged face and for wear. Remove all imperfections by lapping, or
replace seal cage.
Inspect cam ring and port plate for damaged, scored, or warping. Replace defective cam ring or port
plate.
Replace all gaskets, seal rings, motor brushes and vaporizer at each overhaul.
Replace all parts that do not meet inspection requirements.
Seal faces of adapter and seal cage maybe dressed to remove minor nicks, scratches or scoring
using crocus cloth (Federal Specification P-C-458). Remove only material necessary to clean seal
face.
5-10

ARMY TM 9-6115-464-34
AIR FORCE TO 35C2-3-445-2
NAVY NAVFAC P-8-624-34
Figure 5-3. Fuel Burning Heater Assembly, Exploded View (Sheet 2 of 2)
5-12

ARMY TM 9-6115-464-34
AIR FORCE TO 35C2-3-445-2
NAVY NAVFAC P-8-624-34
d. Assembly.
Assemble the fuel burning heater assembly in reverse order of disassembly procedures while
observing the following:
(1)
(2)
(3)
(4)
(5)
(6)
(7)
(8)
(9)
(10)
Exercise care in replacing quartz rod (13, figure 5-3) as it is easily broken if dropped. After
installation, gently move rod up and down to make sure it moves freely in its stainless steel tube.
Also make sure at least 1/32 inch extends out of tube when rod is resting on bottom.
Assemble motor assembly (67), combustion air inlet (64), inlet plate (62) and combustion fan (61)
before installing burner assembly.
Make sure lead wire from motor assembly is on side of blower opposite nameplate (74) before
drawing it through casing grommet (39).
Make sure all wire leads are connected to their respective terminals as tagged during disassembly.
NOTE
Coolant pump cannot be assembled completely and installed as a separate unit. It
must be assembled as it is installed on short shaft end of motor. Test motor and pump
(paragraph e.(3) before completing heater assembly.
Install seal spring (58) and seal washer (57) over end of motor shaft. Place o-ring (55) in seal cage
(56), then install seal cage over end of motor shaft with seal face facing forward.
Install adapter (54) over motor shaft and align holes with tapped holes in motor.
Install pump rotor (52) on motor shaft and temporarily tighten rotor setscrew (50). Place o-ring (53)
in groove of adapter (54). Place cam ring in position aligning scribe mark. With motor shaft end play
taken up in direction of pump, make certain there is at least 0.002–inch clearance between outer
face of cam ring and rotor. Move rotor back and forth as necessary to produce this clearance, then
tighten setscrew.
NOTE
Make sure that adapter and cam ring are tightly compressed together when deter-
mining 0.002 inch clearance, otherwise a false reading will be obtained.
Install pump vane (51) in rotor slots making sure that grooves in vanes face toward the direction of
rotation. Pump rotates counterclockwise when viewing end of port plate (47).
Place o-ring (48) in groove of port plate (47), then position plate against cam ring (49). Align scribe
marks and secure with four setscrews (46).
Test heater assembly. Plug threaded ports with caps if pump is not to be assembled in heater
immediately.
5-13

ARMY TM 9-6115-464-34
AIR FORCE TO 35C2-3-445-2
NAVY NAVFAC P-8-624-34
e. Test
ing and Adjustment.
(1) Flame Switch Adjustment. Refer to the Operator and Unit Maintenance Manual for flame switch
adjustment procedures.
(2) Fuel Regulator Valve Adjustment. Refer to the Operator and Unit Maintenance Manual for fuel
regulator valve adjustment procedures.
(3) Coolant Pump Testing. After coolant pump has been overhauled, it shall be tested as follows:
(a) Install pump and motor assembly into test setup shown in figure 5-4.
(b) Turn power switch ON and run-in unit for approximately 15 minutes on 24 volts dc.
(c) Close valve in outlet line. (Make certain the discharge pressure does not exceed a maximum of
30–35 psi when closing this valve.) Open and close valve a few times to check consistency of valve
performance.
(d) To check pump for rated flow and pressure, adjust valve in discharge line until a reading of 2 psi is
obtained on the pressure gauge. Using a suitable timer, check for rated flow of 80 gph minimum at
2 psi discharge pressure. Amperage draw should not exceed 6 amperes during this test. Observe
smoothness of operation of both pump and motor. Seal leakage of 1 cc per hour is maximum when
pump is operating at 2 psi discharge.
(e) Turn power supply OFF, then remove motor and pump assembly from test setup.
f. Installation. Refer to the Operator and Unit Maintenance Manual for fuel burning heater installation
procedures.
5-5. COOLANT LINES AND FITTINGS.
Refer to the Operator and Unit Maintenance Manual for coolant lines and fittings repair instructions.
5-6. WIRING HARNESS ASSEMBLIES.
a. Refer to the Operator and Unit Maintenance Manual for wiring harness removal, cleaning, and repair
instructions.
b. If the wiring harnesses have sustained damage and require repair or rebuild, refer to figure 5-5 or 5-6 as
required for layout, identification of material requirements and Appendix A reference for detailed soldering and
replacement procedures.
c. Refer to the Operator and Unit Maintenance Manual for wiring harness installation procedures.
5-14

ARMY TM 9-6115-464-34
AIR FORCE TO 35C2-3-445-2
NAVY NAVFAC P-8-624-34
Section Il. ELECTRIC WINTERIZATION KIT
5-7. GENERAL.
The electric winterization kit is used to maintain the engine coolant and lubricating oil at normal operating
temperature in situations which require immediate starting of the generator set. It will function effectively down
to an ambient temperature of -65°F (–53. 9°C). The kit consists of a heater assembly, a heater control
assembly, and interconnecting coolant lines and fittings and wiring harnesses. Power for operation of the kit
may be obtained from any 208 to 240 volt, 50/60 Hz or 400 Hz, single phase source.
5-8. TROUBLESHOOTING.
Table 5-2 contains a numerical list of malfunctions which is useful in diagnosing and correcting unsatis-
factory operation or failure of the electric winterization kit. Each numbered malfunction is followed by an
numerical listing of probable causes of the malfunction. The corresponding listing of corrective actions contains
references to the applicable maintenance paragraphs for correcting the cause of the malfunction.
NOTE
Refer to the Operator and Unit Maintenance Manual for troubleshooting information
applicable to lower levels of maintenance.
Table 5-2. ELECTRIC WINTERIZATION KIT TROUBLESHOOTING CHART
MALFUNCTION
TEST OR INSPECTION
CORRECTIVE ACTION
1. HEATER ON INDICATOR LIGHT DOES NOT ILLUMINATE WITH SWITCH IN ON POSITION.
Step 1. Defective fuse.
Replace fuse (para. 5-9).
Step 2. Defective switch.
Replace switch (para. 5-9).
Step 3. Defective circuit breaker.
Replace circuit breaker (para. 5-9).
Step 4. Defective lamp.
Replace lamp (para. 5-9).
Step 5. Defective semi-conductor.
Replace semi-conductors (para. 5-9).
Step 6. Defective transformer.
Replace transformer (para. 5-9).
5-18

ARMY TM 9-6115-464-34
AIR FORCE TO 35C2-3-445-2
NAVY NAVFAC P-8-624-34
Table 5-2. ELECTRIC WINTERIZATION KIT TROUBLESHOOTING CHART (Continued)
MALFUNCTION
TEST OR INSPECTION
CORRECTIVE ACTION
2. POWER ON INDICATOR LIGHT DOES NOT ILLUMINATE WITH SWITCH IN ON POSITION.
Step 1. See Malfunction 1 of this table.
Step 2. Defective thermostat.
Replace thermostat (para. 5-10).
3. HEATER ELEMENT DOES NOT HEAT UP
Step 1. Defective wiring harness.
Replace wiring harness (para. 5-13).
Step 2. Defective heater element.
Replace heater element (para. 5-10).
Step 3. Defective power relay.
Replace power relay (para. 5-9).
4. PUMP DOES NOT CIRCULATE COOLANT
Step 1. Defective fuse.
Replace fuse (para 5-9).
Step 2. Defective switch.
Replace switch (para 5-9).
Step 3. Defective circuit breaker.
Replace circuit breaker (para. 5-9).
Step 4. Defective semi-conductor.
Replace semi-conductors (para 5-9).
Step 5. Defective motor assembly.
Replace motor assembly (para 5-11).
Step 6. Defective pump.
Repair or replace pump (para. 5-11).
5-19

ARMY TM 9-6115-464-34
AIR FORCE TO 35C2-3-445-2
NAVY NAVFAC P-8-624-34
5-9. HEATER CONTROL ASSEMBLY.
a. Removal. Refer to the Operator and Unit Maintenance Manual for heater control assembly removal
instructions.
b.Disassembly.
(1)
(2)
(3)
(4)
(5)
(6)
(7)
(8)
(9)
(10)
(11)
(12)
(13)
(14)
NOTE
Disassemble heater control assembly only as required to clean, inspect, test and
replace components.
Tag all electrical leads before disconnecting.
Remove screws (1, figure 5-7), Iockwashers (2), and pull the panel (22) away from the Chassis (60),
as far as electrical connections will allow.
Remove nut (3), tooth Iockwasher (4), positioning washer (5), nut (6) and switch (7).
Remove nut (8), tooth Iockwasher (9), and circuit breaker (10).
Remove fuseholder (11), fuse (12), nut (13), tooth Iockwasher (14) and fuse holder (15).
Remove lens (16), lamp (17), nut (18), indicator light base (19), nut (20), tooth Iockwasher (21).
Remove screw and captive washer assembly (23) and cover (24).
Remove screw and captive washer assembly (25), nut and captive washer assembly (26), screw and
captive washer assemblies (27 and 28) and cushion clamp (29).
Remove nut (30), flat washer (31), tooth Iockwasher (32), and semiconductor (33).
Remove nut (34), flatwasher (35), Iockwasher (36) and semiconductor (37).
Remove nut (38), flat washer (39), shoulder washer (40), screw & captive washer assembly (41),
heat sink (42), shoulder washer (43), split grommet (44) and heat sink bracket (45).
Remove screw and captive washer assembly (46), protective cap and chain (47), nut (48), screw and
captive washer assembly (49), nut (50), and wiring harness (51).
Remove nut (52), shoulder washer (53), screw (54), power relay (55) and relaly insulator (56).
Remove nut (57), screw and captive washer assembly (58), and transformer (59), from chassis (60).
c. Cleaning. Inspection, and Repair.
WARNING
Compressed air used for cleaning and drying purpcses can create airborne particles
that may enter the eyes. Pressure shall not exceed 30 psig and use only with adequate
chip guards and chipping goggles. Failure to observe this warning could result in
servere personal injury or death.
WARNING
Solvent, Dry Cleaning P-D-680, Type II is flammable and moderately toxic to skin,
eyes and respiratory tract. Eyes and skin protection required. Good general ventilation
is normally adequate. Failure to observe this warning could result in servere personal
injury or death.
5-20
ARMY TM 9-6115-464-34
AIR FORCE TO 35C2-3-445-2
NAVY NAVFAC P-8-624-34
(1)
(2)
(3)
(4)
(5)
(6)
(7)
(8)
(9)
Clean all electrical parts with filtered compressed air and a soft bristle brush. If necessary, caked
deposits may be removed with a clean, lint-free cloth moistened with solvent P-D-680 Type Il. Do
not dip electrical parts in cleaning solvent.
Clean non-electrical parts with a clean, lint–free cloth moistened with dry cleaning solvent
(P-D-680) and dry thoroughly.
Visually inspect switch for cracked casing, corrosion, and burns or other evidence of shorting. Check
switch continuity.
Inspect circuit breaker for cracked casing, corrosion, and burns or other evidence of shorting. Check
circuit breaker continuity using an ohmmeter. Replace circuit breaker if defective.
Inspect fuse holder for cracks, corrosion, stripped threads and burns or other evidence of shorting.
Replace if defects are noted.
Inspect indicator light for cracked or broken lens, damaged or defective lamp, cracks, corrosion, and
burns. Replace any defective parts.
Inspect power relay for cracks, corrosion, and burns or other evidence of shorting. Using an
ohmmeter, check power relay coil resistance. Resistance shall be 30-45 ohms at 77°F (25°C).
Replace power relay if damaged or defective.
Inspect transformer for corrosion, cracks, and burns or other evidence of overheating.
Using figure 5-8 as a guide, test transformer as follows:
(a) Using an ohmmeter, check resistance of windings. Winding 1-2 shall indicate 6.77 ± 0.677 ohms.
Winding 3–5 shall indicate 0.108 ± 0.0108 ohm.
(b) Apply 230 Vac, RMS to winding 1-2 with all secondaries open circuit. Exciting current shall be less
than 0.04 amp RMS (0.01 amp RMS for 400 Hz).
(c) Apply 253 Vac RMS to winding 1-2 with all secondaries open circuit. Exciting current shall be less
than 0.065 amp RMS (0.016 amp for 400 Hz).
(d) Apply 230 Vac RMS to winding 1-2 with all secondaries open circuit. Voltage across winding 3-4
shall be 14.8 ± 0.148 volts RMS. Voltage across winding 3-5 shall be 29.6+ 0.296 volts RMS.
(e) Replace transformer if damaged or defective.
(10) Use a semiconductor test set to check semiconductors for inverse current leakage at peak recurrent
inverse voltage of 600 volts. Leakage shall not exceed 20.0 milliamperes at 77°’F (25°C). Check
forward voltage drop. Voltage drop shall not exceed 1.2 volts at 77° F (25° C). Replace defective
semiconductors.
(11) Inspect heat sink and bracket for cracks, corrosion and evidence of overheating.
(12) Inspect wiring harness for loose or damaged connector pins, damaged terminals, worn or chaffed
insulation, and burned areas indicating shorting. Check individual wires for continuity using figure
5-9 as a guide.
(13) If the wiring harness has sustained damage and requires repair or rebuild refer to figure 5-9 for
layout, identification of material requirements and Appendix A references or detailed soldering and
replacement procedures.
(14) Inspect chassis and cover for cracks, corrosion, warping and other damage. Replace parts damaged
beyond repair.
(15) Inspect hardware for crossed, stripped, and peened threads.
5-21

ARMY TM 9-6115-464-34
AIR FORCE TO 35C2-3-445-2
NAVY NAVFAC P-8-624-34
Figure 5-7. Electric Winterization Kit Heater Control Assembly, Exploded View (Sheet 2 of 2)
5-23

ARMY TM 9-6115-464-34
AIR FORCE TO 35C2-3-445-2
NAVY NAVFAC P-8-624-34
d. Assembly.
(1)
(2)
(3)
(4)
(5)
(6)
(7)
(8)
(9)
(lo)
(11)
(12)
(13)
(14)
(15)
Install transformer (59, figure 5-7), screw and captive washer assembly (58) and nut (57), on chassis
(60).
Install relay insulator (56), power relay (55), screw (54), shoulder washer (53) and nut (52).
Position wiring harness (51), and install attaching screw and cpative washer assemblies (46 and 49)
and nuts 48 and 50). Install protective cap chain (47).
Install split gormmet (44) in heat sink bracket (45).
Postion heat sink bracket (45) in chassis (60) and install attaching screw and captive washer
assembly (25).
Position heat sinks (42) and install shoulder washers (43), screw and captive washer assemblies
(41), shoulder washer (40), flat washer (39) and nut (38).
Install semiconductors (37 and 33), Iockwasher (36) and tooth Iockwasher (32), flat washers (35 and
31) and nuts (34 and 30).
Install cushion clamp (29), screw and captive washer assemblies (28 and 27), nut and captive
washer assembly (26), and screw and captive washer assembly (25).
Install cover (24) and screw and captive washer assembly (23).
Install nut (20), tooth Iockwasher (21), indicator light base (19), nut (18), lamp (17) and lens (16) on
panel (22).
Install fuseholder (15), tooth Iockwasher (14), nut (13), fuse (12) and fuseholder cap (11).
Install circuit breaker (10), tooth Iockwasher (9), and nut (8) on panel (22).
Install switch (7), nut (6), positioning washer (5), tooth Iockwasher (4) and nut (3) on panel (22).
Install panel (22) on chassis (60) and secure with Iockwashers (2) and screws (1).
Connect electrical leads.
e. Installation. Refer to the Operator and Unit Maintenance Manual for electric winterization kit heater control
assembly installation instructions.
Figure 5-8. Transformer Test Points
5-24

ARMY TM 9-6115-464-34
AIR FORCE TO 35C2-3-445-2
NAVY NAVFAC P-8-624-34
WIRE SIZE LENGTH COLOR FROM END PREP TO END
NO.
REF. REF.
PREP PREP
X9EA12C
12
21.00 BLK MKG
J49-A
SOLDER CB301–A
(5)
X1OEA16C
16
20.50
CB301-B
(4)
K301–A2 SOLDER
X1OEB16C 7.50
CB301-B
(4) S301–1
(3)
X11EA16C
16
10.00
J19-L
SOLDER
K301-A1
SOLDER
X12EA12N
12
14.50
J49-B
SOLDER
S301-8
(13)
X13EB16N
16
13.50
J19-B S301-7
(3)
X14EB16C
16
18.50
J19-M
SOLDER
S301–2
(3)
X14EA16C
16
8.50
S301-2
(3) F301
SOLDER
X301A16 12.50
T301-3
(4) CR301
SOLDER
X302A16
14.50
T301–5
(4)
CR304 SOLDER
P90A16 13.50
J19-J
SOLDER
E301 (3)
P90C16 24.50 E302
(3)
DS302-1 SOLDER
P90D16
18.50
E303
(3)
S301–5
(3)
P91A16
12.50
J19 K
SOLDER E304
(3)
P91C16
13.00
DS302-2
SOLDER
S301-3
(3)
P91D16 25.50
DS301-3
SOLDER E306
(3)
P91E16 25.50 E305
(3)
DS302-3
SOLDER
P91F16
19.50
E305
(3)
S301–3
(3)
P99B16 20.50 K301–X2 SOLDER
DS301-2
SOLDER
P99A16 12.00 BLK MKG
S301-4
(3)
DS301-2
SOLDER
V64F16 13.50 RED MKG
J19-H
SOLDER
S301-6
(3)
V65F16 10.00 RED MKG
J19-A
SOLDER K301–X1 SOLDER
V65G16
16
20.50 RED MKG
K301-X1
SOLDER
DS301–1
SOLDER
X13EA16N
16
17.50 BLK MKG
T301-2
(4)
S301-7
(3)
X12EB16N
16
21.50 BLK MKG
K301-B2
SOLDER
S301-8
(3)
X15EA16N
16 11.00
BLK MKG
K301-B1 SOLDER
J19-C
SOLDER
X16EA16C
16 20.50 BLK MKG
F301
SOLDER T301-1
(4)
Figure 5-9. Electric Winterization Kit Heater Control Assembly, Wiring Harness (Sheet 1 of 2) Drawing No.
70-1233
5-25

Figure 5-9. Electric Winterization Kit Heater Control Assembly, Wiring Harness (Sheet 2 of 2) Drawing No.
70-1233
5-26
ARMY TM 9-6115-464-34
AIR FORCE TO 35C2-3-445-2
NAVY NAVFAC P-8-624-34

ARMY TM 9-6115-464-34
AIR FORCE TO 35C2-3-445-2
NAVY NAVFAC P-8-624-34
5-10. HEATER ASSEMBLY.
Refer to the Operator and Unit Maintenance Manual for electric winterization kit heater assembly
maintenance instructions.
5-11. COOLANT PUMP AND MOTOR ASSEMBLY.
a. Removal. Refer to the Operator and Unit Maintenance Manual for coolant pump and motor assembly
removal procedures.
b.Disassembly.
(1) Remove plug (1, figure 5-10), spring (2), and ball (3).
(2) Remove screws (4), port plate (5), O-ring (6), and cam ring (7).
NOTE
Conspicuously mark port plate (5) and cam ring (7) to insure that they will be installed
properly during assembly.
(3) Remove setscrew (8), vane (9), rotor (10), and O-ring (11).
(4) Remove adapter (12), O-ring (13), seal cage (14), seal washer (15), and seal spring (16).
(5) Remove cap (17), and brush assembly (18) from motor assembly (19).
c. Cleaning. Inspectlon. and Repair.
WARNING
Solvent, Dry Cleaning P-D-680, Type II is flammable and moderately toxic to skin,
eyes and respiratory tract. Eyes and skin protection required. Good general ventilation
is normally adequate. Failure to observe this warning could result in servere personal
injury or death.
(1) Clean motor assembly with a clean lint-free cloth moistened with solvent P-D-680 Type Il.
(2) Wash all parts in dry cleaning solvent (Federal Specification P-D-880) and dry thoroughly.
(3) Inspect and repair pump parts as outlined in paragraph 5-4c. (15) through c. (20).
d. Assemb!y. Assemble coolant pump and motor assembly procedures while observing the following:
(1)
(2)
(3)
(4)
(5)
Install seal spring (16) and seal washer (15) over end of motor shaft. Place o-ring (13) in seal cage
(14), then install seal cage over end of motor shaft with seal face facing forward.
Install adapter (12) over motor shaft and align holes with tapped holes in motor.
Install pump rotor (10) on motor shaft and temporarily tighten rotor setscrew (8). Place cam ring (7)
in position aligning scribe marks.
With motor shaft end play taken up in direction of pump, make certain there is at least 0.002 inch
clearances between outer face of cam ring and rotor. Loosen setscrew and position rotor if
necessary. Remove cam ring.
Install pump vanes (9) into rotor making sure that the grooves in the vane face the direction of
rotation.
NOTE
Pump rotates counterclockwise when viewed from the port plate end.
5-27

ARMY TM 9-6115-464-34
AIR FORCE TO 35C2-3-445-2
NAVY NAVFAC P-8-624-34
(6) Place o-ring (6) into groove of port plate (5), then position port plate against cam ring (7). Align
scribe marks and secure with screws (4).
(7) Install ball (3), spring (2), and plug (1).
e. Testing. Test coolant pump and motor assembly as directed in paragraph 5-4(e) (3).
5-12. COOLANT LINES AND FlTTINGS.
Refer to the Operator and Unit Maintenance Manual for electric winterization kit coolant lines and fittings
maintenance instructions.
Figure 5-10. Coolant Pump and Motor Assembly, Exploded View
5-13. WIRING HARNESS.
a. Refer to the Operator and Unit Maintenance Manual for wiring harness removal, cleaning, inspection, and
repair procedures.
b. If the wiring harness has sustained damage and requires repair or rebuild, refer to figure 5-11 for layout,
identification of material requirements and Appendix A reference for detailed soldering and replacement
procedures.
c. Refer to Operator and Unit Maintenance Manual for wiring harness installation procedures.
5-28

ARMY TM 9-6115-464-34
AIR FORCE TO 35C2-3-445-2
NAVY NAVFAC P-8-624-34
Section Ill. WHEEL MOUNTING KIT
5-14. GENERAL.
The wheel mounting kit provides added mobility for the generator set. It consists of a front and a rear axle
assembly. The front axle assembly is equipped with a tow bar, pintle and safety chains. A lock holds the tow bar
in the vertical position when not in use. A mechanical parking brake locks the wheels of the rear axle assembly
against rotation. It is actuated by a hand lever located at the right rear of the generator set. The wheel mounting
kit provides 8 inches of ground clearance for the generator set.
5-15. WHEEL MOUNTING KIT INSTALLATION AND REMOVAL.
a. Installation
WARNING
Do not use hoisting equipment with maximum capacity less than 5000 pounds. Do not
allow generator set to swing while suspended. Failure to observe this warning could
result in servere personal injury or death.
WARNING
Do not allow any part of the body to get under the generator set. Serious injury or
death may result from failure to observe this warning. Failure to observe this warning
could result in servere personal injury or death.
CAUTION
Use a minimum bridle of 5 feet on the hoisting sling to avoid undue side pressure on
the lifting frame. Failure to observe this caution could result in equipment damage.
(1) Using suitable hoisting equipment, raise the generator set sufficiently to clear axle assemblies.
(2) Position axle assemblies under generator set.
(3) Lower the generator set until it is just touching axle assemblies.
(4) Install attaching hardware as shown in figure 5-12.
(5) Lower generator set until it is supported on the axle assemblies and remove hoisting equipment.
b. Removal. Remove wheel mounting kit in reverse order of installation procedures.
5-16. WHEELS AND TIRES.
Refer to the Operator and Unit Maintenance Manual for wheels and tires maintenance instructions and
alignment procedures.
5-17. WHEEL BEARINGS.
Refer to the Operator and Unit Maintenance Manual for wheel bearing maintenance instructions.
5-30

ARMY TM 9-6115-464-34
AIR FORCE TO 35C2-3-445-2
NAVY NAVFAC P-8-624-34
Figure 5-12. Wheel Mounting Kit Installation
5-18. AXLE ASSEMBLIES.
a. Removal. Refer to paragraph 5-15 for axle assembly removal instructions.
b. Disassembly.
(1)
(2)
(3)
(4)
(5)
(6)
(7)
(8)
(9)
NOTE
Disassemble wheel mounting kit only as necessary to replace defective parts.
Refer to the Operator and Unit Maintenance Manual and remove the wheels, tires brakes, and wheel
bearings.
Remove nut (1, figure 5-13), rod (2), bolt (3), Iockwasher (4), nut (5), spacer (6), cotter pin (7),
washer (8), pin (9), hand lever assembly (10), and yoke (11).
Remove cotter pin (12), yoke pin (13), and yoke (14).
Remove nut (15), Iockwasher (16), bolt (17), pin (18), level (19), grease fitting (20), and bearing
block (21).
Remove nut (22), rod (23), pin (24), and yoke (25).
Remove pin (26), yoke (27), pin (28), lever (29), and cross shaft (30).
Remove nut (31), Iockwasher (32), bolt (33), and lever (34).
Remove nut (35), Iockwasher (36), bolt (37), backing plate (38) and rear axle (39).
Remove cotter pin (40), nut (41), bolt (42).
5-31

ARMY TM 9-6115-464-34
AIR FORCE TO 35C2-3-445-2
NAVY NAVFAC P-8-624-34
(10)
(11)
(12)
(13)
(14)
(15)
(16)
(17)
(18)
Remove cotter pin (46), nut (47), bolt (48), and tie rod end (49), nuts (44 and 45), tube (43) and
grease fitting (50).
Remove grease fitting (51), roll pin (52), king pin (53), spindle & knuckle (54).
Remove tie rod end (55), and grease fitting (56).
Remove cotter pin (57), pin (58), spacer washer (59), tow bar assembly (60) and center arm (61).
Remove cotter pin (65), roll pin (62), spring (63), latch (64) hinge pin (66), tow bar (67), front axle
(68), safety chain (69), and spindle and knuckle (70).
Remove camshaft (71), hold-down spring (72), return spring (73), brake shoe (74), from brake drum
(75).
Remove nuts (76 and 77), Iockwashers (78 and 79), screw (80), grease cap (81), cotter pin (82),
castellated nut (83), key washer (84), wheel half (85), tire (86), wheel half (87), studs (88), and (89),
outer bearing (90), bearing race (91), hub (92), bearing race (93), inner bearing (94), and grease
seal (95).
Remove nut (96), Iockwasher (97), flatwasher (98), capscrew (99), beveled washer (100).
Remove blind rivet (101) and ID plate (102).
(1)
(2)
(3)
(4)
(5)
(6)
(7)
(8)
(9)
(10)
(11)
(12)
WARNING
Solvent, Dry Cleaning P–D-680, Type II is flammable and moderately toxic to skin,
eyes and respiratory tract. Eyes and skin protection required. Good general ventilation
is normally adequate. Failure to observe this warning could result in servere personal
injury or death.
Clean all parts in dry cleaning solvent (Federal Specification P–D-680) and dry thoroughly.
Inspect axle, tow bar, cross shaft and tube for wear, corrosion, defective paint, and other damage.
Inspect all moving parts for cracks, corrosion, and deep wear patterns. Replace any defective parts.
Inspect safety chains for cracked or broken links. Repair damaged links by welding.
Check all threads for crossing, stripping. and peening.
Replace any damaged or defective parts.
Refer to the Operator and Unit Maintenance Manual for troubleshooting and inspection procedures
to determine which parts need replacement.
NOTE
If king pins are excessively worn, perform the following procedures.
Jack the front end of the generator up and place a suitable support under the front axle.
Remove the grease cap (81, figure 5-13), cotter pin (82), castellated nut (83), key washer (84) and
remove the wheel, tire, and hub as an assembly.
Remove roll pin (52) and king pin (53).
Install a new king pin and roll pin and install the wheel in reverse order of removal.
Refer to Operator and Unit Maintenance Manual and check wheel alignment.
5-32
c. Cleaning, Inspection, and Repair

ARMY TM 9-6115-464-34
AIR FORCE TO 35C2-3-445-2
NAVY NAVFAC P-8-624-34
d.Assembly.
(1)
(2)
(3)
(4)
(5)
(6)
(7)
(8)
(9)
(10)
(11)
(12)
(13)
(14)
(15)
(16)
(17)
Position ID plate (102, figure 5-13) and secure with rivets (101).
Install beveled washer (100), capscrew (99), flatwasher (98), Iockwasher (97) and nut (96).
Install grease seal (95), inner bearing (94), bearing race (93), hub (92), bearing race (91), outer
bearing (90), studs (89), and (88), wheel half (87), into tire (86), wheel half (85), key washer (84),
castellated nut (83), cotter pin (82), grease cap (81), screw (80), Iockwashers (79 and 78), nuts (77
and 76).
Install brake drum (75), brake shoe (74), return spring (73), hold-down spring (72) and camshaft
(71).
Install sprindle and knuckle (70), safety chain (69), front axle (68), tow bar (67), hinge pin (66), latch
(64), spring (63), roll pin (62) and cotter pin (65).
Install center arm (61), tow bar (60), spacer washer (59), pin (58), cotter pin (57).
Install grease fitting (56), and tie rod end (55).
Install spindle and knuckle (54), king pin (53), roll pin (52), grease fitting (51).
Install grease fitting (50), nuts (44 and 45), tube (43), tie rod end (49), bolt (48), nut (47), and cotter
pin (46).
Install bolt (42), nut (41), and cotter pin (40).
Install rear axle (39), backing plate (38), bolt (37), Iockwasher (36), and nut (35).
Install lever (34), bolt (33), Iockwasher (32) and nut (31).
Install cross shaft (30), lever (29), pin (28), yoke (27), and pin (26).
Install yoke (25), pin (24), rod (23), and nut (22).
Install bearing block (21), grease fitting (20), lever (19), pin (18), bolt (17), Iockwasher (16), and nut
(15).
Install yoke (14), yoke (13), and cotter pin (12).
Install yoke (11), hand lever assembly (10), pin (9), washer (8), cotter pin (7), spacer (6), nut (5),
Iockwasher (4), bolt (3), rod (2) and nut (1).
e. Installation. Refer to paragraph 5-15 for wheel mounting kit installation procedures.
5-33

ARMY TM 9-6115-464-34
AIR FORCE TO 35C2-3-445-2
NAVY NAVFAC P-8-624-34
Figure 5-13. Wheel Mounting Kit, Exploded View (Sheet 2 of 2)
5-35

ARMY TM 9-6115-464-34
AIR FORCE TO 35C2-3-445-2
NAVY NAVFAC P-8-624-34
Section IV. LOAD BANK
5-19. GENERAL.
The load bank is used to apply up to 50 percent of the generator rated load to prevent carbon buildup in the
engine due to light loads. It is a balanced three phase, air cooled, resistive load which maybe operated at
either 120/208 or 240/416 volts. Generator load is selected through the load selector switch in increments of
12.5 percent rated generator load.
5-20. CONTROL BOX ASSEMBLY.
a. Removal. Refer to the Operator and Unit Maintenance Manual for control box assembly removal
procedures.
b. Disassembly.
(1) Remove load selector switch, circuit breaker, and indicator light as instructed in the Operator and
Unit Maintenance Manual.
(2) Remove screw and captive washer assemlby (1, figure 5-14), and backup plate (2).
(3) Remove nut (3), screw & captive washer assembly (4), and branched wiring harness (5).
(4) Remove nut (6), screw & captive washer assembly (7), and branched wiring harness (12).
(5) Remove protective cap (8).
(6) Remove nut (9), and screw & captive washer assembly (10).
(7) Remove protective cap (11).
(8) Remove screw & captive washer (13), and load sensing module (14).
(9) Remove nut (15), tooth Iockwasher (16), mode selector switch (17), and nut (18).
(10) Remove nut (19), screw & captive washer (20), transformer (21), and chassis (22).
c. Cleaning, Inspection. and Repa
ir.
WARNING
Compressed air used for cleaning and drying purposes can create airborne particles
that may enter the eyes. Pressure shall not exceed 30 psig and use only with adequate
chip guards and chipping goggles. Failure to observe this warning could result in
servere personal injury or death.
WARNING
Solvent, Dry Cleaning P–D-680, Type II is flammable and moderately toxic to skin,
eyes and respiratory tract. Eyes and skin protection required. Good general ventilation
is normally adequate. Failure to observe this warning could result in servere personal
injury or death.
(1) Clean all electrical parts with filtered compressed air and a soft bristle brush. If necessary, remove
caked deposits with a clean, lint-free cloth moistened with solvent P-D-680 Type Il.
(2) Clean chassis and back plate with dry cleaning solvent (Federal Specification P-D-680) and dry
thoroughly.
(3) Inspect load sensing module for cracks, corroded terminals, and burns or other evidence of shorting.
5-36
ARMY TM 9-6115-464-34
AIR FORCE TO 35C2-3-445-2
NAVY NAVFAC P-8-624-34
(4)
(5)
(6)
(7)
(8)
(9)
(10)
Inspect mode selector switch for cracks, corrosion and other damage. Check switch continuity using
an ohmmeter.
Inspect transformer for cracks, corrosion and burns or other evidence of shorting. Using an
ohmmeter, check transformer coils for continuity.
Refer to the Operator and Unit Maintenance Manual for wiring harness cleaning, inspection, and
repair procedures.
If the wiring harnesses have sustained damage and require repair or rebuild, refer to figures 5-15,
5-16 or 5-17 as required, for layout, identification of material requirements and Appendix A
reference for detailed soldering and replacement procedures.
Inspect back plate and chassis for cracks, corrosion, warping and other damage.
Check all hardware for crossed, stripped, and otherwise damaged threads.
Replace all defective parts and parts damaged beyond repair.
d. Assembly.
(1) Install chassis (22, figure 5-14), transformer (21), screw & captive washer (20), and nut (19).
(2) Install nut (18), mode selector switch (17), tooth Iockwasher (16) and nut (15).
(3) Install load sensing module (14), and screw &captive washer (13).
(4) Install protective cap (11).
(5) Install screw & captive washer (10) and nut (9).
(6) Install protective (8).
(7) Position branched wiring harness (12) to install screw & captive washer assembly (7) and nut (6).
(8) Install branced wiring harness (5), screw & captive washer assembly (4), and nut (3).
(9) Install backup plate (2), screw and captive washer (1).
e.
Installation. Refer to the Operator and Unit Maintenance Manual for load bank control box assembly
installation procedures.
5-37

ARMY TM 9-6115-464-34
AIR FORCE TO 35C2-3-445-2
NAVY NAVFAC P-8-624-34
5-21. LOAD BANK HOUSING.
a. Removal. Refer to the Operator and Unit Maintenance Manual for load bank housing removal
instructions.
b. Disassembly.
(1) Remove control box assembly (paragraph 5-20),
(2) Remove heater strips, thermostat and terminal board as outlined in the Operator and Unit
Maintenance Manual.
(3) Remove nut (1, figure 5-17), screw and captive washer assembly (2), and protective cap (3).
(4) Remove nut (4), screw and captive washer assembly (5), top load bank wiring harness (7).
(5) Remove split grommet (9), load bank wiring harness (6), and bottom load bank wiring harness (8)
from housing assembly (10).
c. Cleaning, lnspection, and
Repair.
(1) Clean housing in dry cleaning solvent (Federal Specification P-D-680) and dry with compressed air.
(2) Refer to the Operator and Unit Maintenance Manual for wiring harness cleaning, inspection, and
repair procedures.
(3) If the wiring harnesses have sustained damage and require repair or rebuild, refer to figures 5-18,
5-19, or 5-20 as required, for layout, identification of material requirements and Appendix A
references for detailed soldering and replacement procedures.
(4) Inspect housing assembly for cracks, breaks, warping and other damage. Replace housing assembly
if damaged beyond repair.
d. Assembly.
(1) Position housing assembly (10, figure 5-17), to install bottom load bank wiring harness (8), and
load bank wiring harness (6), with grommets (9).
(2) Install top load bank wiring harness (7), screw and captive washer assembly (5), and nut (4).
(3) Install protective cap (3), screw and captive washer assembly (2), and nut (1).
(4) Install heater strips, thermostat and terminal board as outlined in the Operator and Unit Maintenance
Manual.
(5) Install control box assembly (paragraph 5-20).
e. InstaIlation. Refer to the Operator and Unit Maintenance Manual for load bank housing installation
instructions.
5-22. WIRING HARNESSES.
a. Refer to the Operator and Unit Maintenance Manual for wiring harness removal, cleaning, inspection, and
repair procedures.
b. If the wiring harness has sustained damage and requires repair or rebuild, refer to figure 5-21 or 5-22 for
layout, identification, and material requirements and Appendix A for detailed soldering and replacement
procedures.
c. Refer to the Operator and Unit Maintenance Manual for wiring harness installation instructions.
5-39

ARMY TM 9-6115-464-34
AIR FORCE TO 35C2-3-445-2
NAVY NAVFAC P-8-624-34
Figure 5-16. Control Box Assembly Branched Wiring Harness (Sheet 2 of 2), Drawing 72-2828
5-42

ARMY TM 9-6115-464-34
AIR FORCE TO 35C2-3-445-2
NAVY NAVFAC P-8-624-34
Figure 5-18. Load Bank Wiring Harness (Sheet 2 of 2), Drawing No. 72-2823
5-45

ARMY TM 9-6115-464-34
AIR FORCE TO 35C2-3-445-2
NAVY NAVFAC P-8-624-34
Figure 5-20. Bottom Load Bank Wiring Harness (Sheet 2 of 2), Drawing No. 72-2825
5-49

ARMY TM 9-6115-464-34
AIR FORCE TO 35C2-3-445-2
NAVY NAVFAC P-8-624-34
Section V. APPLICATIONS KIT
5-23. GENERAL.
The applications kit provides the MEP–113A generator set with remote control of the emergency stop and
battle short capabilities, and remote low fuel monitoring. The kit consists of a connector plate, remote housing
assembly, cable harness assembly, and electrical tiedown straps.
NOTE
Remove the application kit before generator set is forwarded for depot maintenance.
Application kit must be retained for installation on replacement generator set.
5-24. TROUBLESHOOTING.
Table 5-3 contains a list of malfunctions which is useful in diagnosing and correcting unsatisfactory
operation or failure of the applications kit. Each malfunction is followed by a listing of probable causes. The
corresponding listing of corrective actions references the applicable maintenance paragraph for the necessary
procedures.
NOTE
Refer to the Operator and Unit Maintenance Manual for troubleshooting information
applicable to lower levels of maintenance.
5-25. APPLICATIONS KIT INSTALLATION AND REMOVAL.
a. Installation.
WARNING
Before maintenance, shut down AC power. Shut down DC power by removing the
generator set battery cable from the negative terminal (–). High voltage will cause
death and/or burns. Open all doors and allow generator set to cool. Excessive heat will
also cause burns.
(1) Connector Plate.
(a)
(b)
(c)
(d)
Remove plug and sleeve assembly (1, figure 5-23) by removing six capscrews (2) and
Iockwashers (3) securing plate to generator housing. (Refer to the Operator and Unit Maintenance
Manual for procedures.)
Remove four corner capscrews and Iockwashers from cover plate leaving two center capscrews
securely fastened to plate.
NOTE
Place the four capscrews and Iockwashers in the marked bag supplied with the
applications kit and store in the generator set tool stowage compartment.
Mount plate and sleeve assembly (1, figure 5-24) over cover plate (2). Secure using four
capscrews (3), Iockwashers (4), and spacers (5) provided with applications kit.
Feed cable harness assembly (1, figure 5-25), attached to connector plate assembly (2), through
the opening made by the removal of plate and sleeve assembly.
5-52

ARMY TM 9-6115-464-34
AIR FORCE TO 35C2-3-445--2
NAVY NAVFAC P-8-624-34
Table 5-3. APPLICATIONS KIT TROUBLESHOOTING CHART
MALFUNCTION
TEST OR INSPECTION
CORRECTIVE ACTION
1. REMOTE LOW FUEL MONITOR NOT FUNCTIONING
Step 1. Defective printed circuit band (PCB) inside remote housing (11, figure 5-29).
Replace remote functions assembly (para 5-27).
Step 2. Defective cable assembly (figure 5-27).
Repair cable assembly (para 5-26)
Step 3. Defective K3 relay on remote housing (figure 5-31).
Replace remote functions assembly (para 5-27).
Step 4. Defective relay wire harness or relay socket (figure 5-29).
Replace remote functions assembly (para 5-27).
2. GENERATOR SET DOES NOT RESPOND TO REMOTE STOP SIGNAL
Step 1. Defective cable assembly (figure 5-27).
Repair cable assembly (para 5-26).
Step 2. Defective relay K2 on remote housing (figure 5-31).
Replace remote functions assembly (para 5-27).
Step 3. Defective relay socket harness or relay socket (figure 5-29).
Replace remote functions assembly (para 5-27).
3. GENERATOR SET DOES NOT RESPOND TO REMOTE BATTLE SHORT SIGNAL
Step 1. Defective cable assembly (figure 5-27).
Repair cable assembly (para 5-26).
Step 2. Defective relay K1 on remote housing (figure 5-31).
Replace remote functions assembly (para 5-27).
Step 3. Defective relay wire harness or relay socket (figure 5-29).
Replace remote functions assembly (para 5-27).
5-53

ARMY TM 9-6115-464-34
AIR FORCE TO 35C2-3-445-2
NAVY NAVFAC P-8-624-34
NOTES
Insure the dust rover retaining chain (figure 5-25) on connector J1 is mounted on the
lower right hand mounting screw of connector. A third lockwasher is added between
the mounting nut and ground lug on connector mounting screw.
(e) Mount connector plate using six capscrews (3) and Iockwashers (4) removed from plate and sleeve
assembly.
Figure 5-23. Plate and Sleeve Assembly Removal
5-54
ARMY TM 9-6115-464-34
AIR FORCE TO 35C2-3-445-2
NAVY NAVFAC P-8-624-34
(c)
(1)
(2)
(3)
(4)
(5)
(6)
(7)
(8)
(9)
(d)
(e)
(f)
(g)
(h)
(i)
(j)
(k)
Tag load cables for identification purposes.
Using a small crescent wrench remove six hex terminal studs and retainers.
Beginning from L1 load terminal, install one flat washer, terminal lug, the other flat washer, lock
washer and hex nut onto load terminal. Insure the terminal lug is oriented as in figure 5-26.
Tighten the hex nut securely.
Repeat Steps (3) and (4) for the remaining terminal lugs.
Remove tags from load terminal cables.
Reinstall load terminal board using the six hex terminal studs with wrench retaining lead
assembly attached to the middle left stud.
Tighten load terminal clamping nut.
Reinstall load terminal cover using the six screws and Iockwashers and replace plastic shield
(Refer to figures 3-106, 5-25, 5-26, and table 5-4).
Route remaining eleven No. 16 AWG wires between top of load measurement unit and bottom of
mounting shelf (refer to figure 5-25).
Locate three wires (P18A16N, P18B16N, and P18C16N) with a ring type terminal lug. Route the
wire downward between load terminal board assembly and tactical relay assembly to generator set
chassis grounding stud (13, figure 5-25). Remove ground stud nut, place ring type terminal over
stud on the inside of generator set. Replace nut and tighten securely.
Remove rubber grommet from hole in mounting shelf. Route the remaining eight wires over the top
of the tactical relay assembly and up through the hole in the mounting shelf. Split the rubber
grommet and replace it.
Position cable branch consisting of four wires ending in screw connectors P4 and J3 (5 and 6,
figure 5-25) rearward on the relay table top between main lead contactor and the special relay
assy. Disconnect main load contactor connector.
Route single wire ending in screw in screw-type connector P7 (2) to connecting point J29 (3) on
top of special relay assembly. Remove dust cover and connect P7 to J29.
Locate single wire harness branch PI2A16, ending in a three way adapter with two six inch wires,
P12B16 and P12C16 attached to it. Route the wire over the special relay assembly, down the
opposite side of generator, behind the engine starter assembly. Follow the same path as the
existing wire to the fuel sensor (1, figure 5-27) located on top of fuel tank. Disconnect the existing
wire (6) to the fuel sensor and connect to cable harness wire P12C16. Connect cable harness wire
P12B16 (2) to fuel level sensor. Double excess the existing wire back and tie all wires together in
several places with tie-down straps provided with application kit.
Route two remaining wires ending in the screw– type connectors P6 and J5 (15 & 17, figure 5-25)
into engine compartment following path of existing wires to the engine speed switch. Disconnect
existing speed switch plug (14, figure 5-25) from its connector (16) and connect cable harness
connector (17) in its place. Connect existing plug (14) to remaining cable harness connector (15).
Tie all cable harness branches to existing generator set wiring bundles using tie-down straps
provided in applications kit.
5-56

Figure 5-26. Load Terminal Board Stud Assembly
b. Test.
(1) Remote Battle Short Function.
(a)
(b)
(c)
(d)
(e)
(f)
NOTE
Refer to the Operator and Unit Maintenance Manual for generator set controls and
switches.
Close DC circuit breaker.
Place START–RUN-STOP switch in RUN position.
Place BATTLE SHORT switch in ON position.
NOTE
The electric fuel pumps should immediately start to run making a steady clicking
sound.
Connect test lead from positive terminal of generator set battery to pin D of connector J1 (8, figure
5-26).
Connect test lead from negative terminal of generator set battery to pin K of connector J1 (8).
NOTE
The AC circuit breaker indicator light should light and the electric fuel pumps should
continue to run.
Open AC circuit breaker switch.
NOTE
The AC circuit breaker indicator light should stay lit and the electric fuel pumps should
continue to run.
5-58
ARMY TM 9-6115-464-34
AIR FORCE TO 35C2-3-445-2
NAVY NAVFAC P-8-624-34

ARMY TM 9-6115-464-34
AIR FORCE TO 35C2-3-445-2
NAVY NAVFAC P-8-624-34
1. Fuel Level Sensor
2. Connector P10
3. Connector P11
4. Connector J9
5. Connector P9
6. Connector P5
7. Fuel Level Sensor Wire (from P2)
8. Connector J8
9. Connector J10
Figure 5-27. Applications Kit Cable Harness Assembly Installation (Left Side)
5-59
ARMY TM 9-6115-464-34
AIR FORCE TO 35C2-3-445-2
NAVY NAVFAC P-8-624-34
(9)
Place BATTLE SHORT switch in OFF position.
NOTE
The AC circuit breaker indicator light should stay lit and the electric fuel pumps should
continue to run, indicating that the REMOTE BATTLE SHORT is operational.
(2) Remote stop function.
(a)
(b)
(c)
(d)
NOTE
This test should be conducted immediately after testing the remote battIe short
function. Test leads and generator set controls and switches should not be changed.
The circuit breaker indicator light must be lit and the fuel pumps must be operating
before continuing this test.
Connect another test lead from negative terminal of generator set battery to pin J of connector J1
(8).
Connect another test lead from positive terminal of generator set battery to pin H of connector J1
(8).
NOTE
The AC circuit breaker indicator light should go out and the fuel pumps should stop
operating, indicating that the REMOTE STOP is operational.
Disconnect test leads from connector J1 and generator set battery.
Return START-RUN-STOP switch to STOP position.
(3) Low Fuel Monitoring Function.
(a)
(b)
(c)
(d)
(e)
NOTE
If generator set main fuel tank has never been filled, disconnect fuel level sensor
electrical connector and ground this connector lead to generator set chassis before
conducting this test.
Disconnect fuel level sensor electrical connector (2, figure 5-27) at main fuel tank.
Place START–RUN-STOP switch in RUN position.
Place BATTLE SHORT switch in ON position. Fuel pumps start to run, fuel gauge should register
FULL.
Connect test leads of ohmmeter to pins E and M on connector J1 (8, figure 5-25). Ohmmeter
should indicate continuity.
Ground fuel level sensor connector to generator set chassis. Ohmmeter should read infinity (i.e.,
open circuit) and FUEL LEVEL gauge should indicate EMPTY.
NOTE
This test indicates that the low fuel monitoring function is operational.
5-61

ARMY TM 9-6115-464-34
AIR FORCE TO 35C2-3-445-2
NAVY NAVFAC P-8-624-34
5-26. CABLE HARNESS ASSEMBLY.
a. Test
(1) Set multimeter on ohms scale.
(2) Test each point on cable assembly.
NOTE
Use Table 5-4 and figures 5-32 and 5-33 as guides.
b. Repair. Replace wires, terminals, and connectors by unsoldering connections, installing replacement
parts, and soldering connections.
5-27. REMOVAL/INSTALLATION REMOTE FUNCTIONS ASSEMBLY.
a. Removal (figure 5-31)
(1) Open left rear access cover.
(2) Disconnect P2(5) from remote functions assembly.
(3) Remove two hex head screws (1) and washers (2).
(4) Remove remote functions assembly,
b. Installation.
(1) Position remote functions assembly.
(2) Install washers (2) and two hex head screws (1).
(3) Connect P2(5) to remote functions assembly.
(4) Close left rear access cover.
5-64

ARMY TM
9-6115-464-34
AIR FORCE TO 35C2-3-445-2
NAVY NAYFAC P-8-624-34
Table 5-4. CABLE HARNESS ASSEMBLY WIRING LIST- Continued
Wire
From
To
No.
Function
JIA
L1
X1A6A One phase of generator voltage
JIB
L2
X2A6B One phase of generator voltage
JIC
Gnd P18A16N Generator chassis ground
JID
P2L P16A16 Remote control panel launching station
JIE
P21
P13A16 Remote control panel launching station
JIF
Gnd P18B16N Generator chassis ground
JIG
Gnd P18C16N Generator chassis ground
JIH
P2B
P6A16 Remote control panel launching station
JIJ
P2C
P7A16 Remote control panel launching station
J1K
P2K P15A16
Remote control panel launching station
J1L
Not used
JIM
P2J
P14A16
Remote control panel launching station
JIN
Not used
JIP
Gnd
Ground to J1 housing
JIQ
LO
X4A6N
Neutral for three phase generator voltage
JIR
L3
X3A6C
One phase of generator voltage
P2A
P6H
P5A16 Generator speed switch
P2B
JIH
P6A16
Remote control panel launching station
P2C
JIJ
P7AI16
Remote control panel launching station
P2D J5H P8A16
Generator set wire harness (P37)
P2E P7E P9A16
Generator ground on Special Relay Assembly
P2F P4A
P1OA16 Main load contractors (CB1 )
P2G
P4J
P11A16
Main load contractors (CB1 )
P2H P11A
P12A16 Fuei level sensor
(J8)
P21
JIE
P13A16
Remote control panel launching station
P2J
JIM
P14A16
Remote control panel launching station
P2K
JIK
P15A16
Remote control panel Launching station
P2L
JID
P16A16
Remote control panel launching station
P2M J3J P11B16 Generator set wire harness (P41)
5-66

ARMY TM 9-6115-464-34
AIR FORCE TO 35C2-3-445-2
NAVY NAVFAC P-8-624-34
Section VI. ACOUSTIC SUPPRESSION KIT
5-28. GENERAL
The acoustic suppression kit provides the ability to lower the noise level of the generator set to 70 dB(A) at 7
meters. It consists of panels, doors, and components that rover or replace original components of the
generator set. The generator set is operated and maintained in the same manner; however, access to
components and operation will change slightly due to configuration changes.
Remember that the overall weight and cube of the generator set will increase with the acoustic suppression
kit installed. (Refer to TM 9-8115-464-12, para 1-10.) Inspect the components of the acoustic suppression kit
upon delivery for bends, cracks, dents, missing components, or other damage.
5-29. ACOUSTIC SUPPRESSION KIT INSTALLATION AND REMOVAL.
NOTE
Do not allow components with rubber seals to slide on surfaces. Damage to rubber seals will result.
a. Prepare generator set for installation of acoustic suppression kit.
(1)
WARNING
Do not use hoisting equipment with maximum capacity less than 5,000 pounds. Do not
allow generator set to swing while suspended. Do not allow personnel under generator
set or components of acoustic suppression kit when hoisted or lifted. Death or severe
injury may result.
CAUTION
Use a minimum bridle of 5 feet on the hoisting sling to avoid undue side pressure on
the lifting frame. Failure to observe this caution could result equipment damage.
NOTE
If generator set is trailer–mounted, generator set must be removed from trailer, and
rubber isolators supplied with kit placed between the generator set and trailer mounting
surface. When installing the generator set, attach anti-rotation clip, and attach the
mounting bolts. Bolts should be torqued to 5 ft- lb (6.80 Nm) and jam nuts installed.
(Jam nuts are common hardware items.) Once the acoustic suppression kit is installed,
gen set will require 1 inch ground clearance. Do not skid gen set with acoustic
suppression kit installed. Do not forklift unless both side panel skirts are in the raised
position. If generator set is trailer-mounted, the trailer brackets supplied with kit must
be installed. The brackets allow for the extended length when the acoustic suppression
kit is installed.
Refer to operator and unit maintenance manual, paragraph 4-135, and remove the following: battery
box doors, radiator grill, side doors, louver doors under control panel, control panel doors, and both
front and rear top covers.
5-70

ARMY TM 9-6115-464-34
AIR FORCE TO 35C2-3-445-2
NAVY NAVFAC P-8-624-34
NOTE
Remove all data plates and schematics from generator panels. Remove generator set
data plate, and using data plate as a pattern for the rivet holes, mount data plate on
right side of control panel. Mount data plates and schematics on rings supplied with
acoustic suppression kit, and place behind document box mounted on rear panel. Data
plates and schematics should be on separate rings. Reinstall radiator mounting bolts
after removing radiator grill. One capscrew in top left rear door hinge cannot be
removed. Install hex nut on this capscrew to prevent rattles.
NOTE
Some original hardware will be used to mount the acoustic suppression kit. Store all
components removed and not used from the generator set and acoustic suppression
kit in accordance with local SOP. If acoustic suppression kit is to be removed, original
generator components must be reinstalled.
(2) Refer to operator and unit maintenance manual, paragraph 4-103, and remove the roll pin and rain
cap from the exhaust flange.
WARNING
Disconnect batteries prior to removing the ground stud. Death or serious injury could
result.
WARNING
Fuel tank is behind skid. Do not allow drill bit to enter fuel tank. Death or serious injury
could result.
(3) Locate left rear tiedown on skid base. Remove ground stud. Measure 5-1/8 inches down from lip of
skid base, and 3-5/8 inches from vertical lip of skid base. Center punch where two lines meet. Refer
to figure 5-35. Using ground stud as a guide, drill two holes in skid base. Install ground stud in holes.
Remove ground plate and install under ground stud. (Refer to figure 5-34.) It maybe necessary to
remove wire ties from the ground wire wiring harness to attach the ground wire to the ground stud.
NOTE
To remove the acoustic suppression kit from shipping container, refer to steps (25) thru
(14) and step (8) of paragraph b in reverse order. Ensure all components are removed
from shipping container.
b. Install acoustic suppression kit on generator set.
CAUTION
I
Location of first hole is critical. Read steps(1) thru (4) and study figure 5-35 carefully
before marking and drilling first hole. Failure to observe this caution could result in
equipment damage.
(1) Using template supplied with acoustic suppression kit in vertical position, mark rear of skid base in
two positions. (Refer to figure 5-35.)
(2) Using template in horizontal position, mark rear of skid base in two positions. (Refer to figure 5-35.)
(3) After making four marks, draw a vertical and horizontal line through the marks. (Refer to figure
5-35.)
5-71

ARMY TM 9-6115-464-34
AIR FORCE TO 35C2-3-445-2
NAVY NAYFAC P-8-624-34
(4)
(5)
(6)
(7)
(8)
(9)
(l0)
(11)
(12)
(13)
(14)
(15)
(16)
(17)
Where lines cross, drill a 1 /2–inch hole. (Refer to figure 5-36.)
NOTE
D
O
not tighten capscrews in step 5.
Position mounting member on skid base, and install the capscrew, flatwashers, Iockwasher, and nut.
Position the mounting member until it is parallel to the top of the skid base. Mounting member’s top
surface should be 7/8 inch lower than top of skid base. (Refer to figure 5-36.) Use a C-clamp to hold
mounting member in position.
Measure mounting member along skid, and using mounting member as a template, drill end hole,
and install capscrew, washers, Iockwasher, and nut. Measurement from top of mounting member to
top of skid base bar must be 7/8 inch before holes are drilled. (Refer to figure 5-35.)
Drill holes and install remaining capscrews, flatwashers, Iockwashers, and nuts on mounting
member. Heads of capscrews must be outside of skid. (Due to location of tool box, one capscrew
must have head positioned in tool box.) (Refer to figure 5-36.) This capscrew is longer than other
capscrews. Do not tighten capscrews.
Repeat steps (1) thru (5) for mounting member on other skid.
Remove oil drain plug. Install fitting, hose, and clamp supplied with acoustic suppression kit.
Position roof stiffeners and sealing angle on generator set. Install hexhead capscrews and
Iockwashers to secure roof stiffeners. Do not tighten cap-crews on sealing angle. (Refer to figure
5-34.)
NOTE
Lifting clevises must be in raised position prior to installing side paneIs. Ensure rubber
mounting pads remain in position when installing side panels.
NOTE
Bottom tray assembly will only go onto unit one way. Note location of weld nuts in
relation to fork Iift tunnels. Bottom tray assembly must be cleaned and rubber seal
greased with GAA prior to installing.
Using a suitable lifting device, raise generator set and place 6“x6” blocks under skids. Lower
generator set onto blocks.
Grease inside of generator set skids with grease (GAA).
Using a suitable lifting device, raise generator set, remove 6“x6” blocks, and place 2“x4” blocks
under skids of generator set. Lower generator set onto 2“x4” blocks. Ensure blocks are under skids
only. Do not remove tension from lifting device.
Slide bottom tray under generator set. Ensure weld nuts are positioned in down position. Weld nuts
should be centered on fork lift tunnel holes.
Raise bottom tray assembly, and install keepers, washers, and capscrews to secure one side of
bottom tray assembly. (Refer to figure 5-34.)
Raise generator set, and remove 2“x4” blocks. Place a 1 “x4” block under bottom tray assembly on
other side and slowly lower generator set to push bottom tray assembly into position. Rubber must
not bend or be allowed to tear loose when generator set is lowered.
5-72

ARMY TM 9-6115464-34
AIR FORCE TO 35C2-3-445-2
NAVY NAVFAC P-8-624-34
(18)
(19)
(20)
(21)
(22)
(23)
(24)
(25)
(26)
(27)
Install keepers, washers, and capscrews to secure the bottom tray assembly. (Refer to figure 5-34.)
Raise generator set, and remove 1“x4” block. Lower generator set and remove lifting device.
CAUTION
Do not allow side panel to fall from mounting members or set side panels on threaded
studs. Failure to observe this caution could result in equipment damage.
Raise side panel skirt 90° and remove from side panel assembly. Remove screws, capscrews,
washers, keepers, and remove upper side panel skirt. (Refer to figure 5-37.) Attach lifting sling, and
carefully raise and position side panel assembly on mounting member.
Install three rubber washers, three flatwashers, and three locking nuts supplied with kit in bottom of
side panel. Ensure rubber flaps are flat against radiator and are pointed forward. Remove plastic
plug and feed oil drain hose through side panel hole. (Refer to figure 5-36.)
Remove lifting sling from side panel.
Repeat steps (20) thru (22) to install other side panel.
CAUTION
Do not allow front lower panel to drop or set on ground.
result if caution is not observed.
Damage to brackets could
Position front lower panel assembly on generator set. Ensure top rubber flap is in raised position on
radiator shell lip. Remove plastic plugs from rotolock holes. Align male and female rotolocks and,
using hex tool, turn rotolocks to secure the front lower panel assembly. (Refer to figure 5-37.) Install
plastic plugs. Ensure mounting zee is below bottom tray assembly.
Attach lifting strap to front top panel, and raise front top panel assembly on side panels. Ensure
alignment pins fit in holes for proper alignment. Remove plastic plugs from rotolock holes. Align male
and female rotolocks and, using hex tool, turn rotolock to secure the front top panel assembly.
Remove lifting strap. (Refer to figure 5-37.) Install plastic plugs.
Position exhaust extension on engine exhaust. Install and tighten clamp to secure the exhaust
extension. Exhaust extension opening must be pointed down and must not interfere with other
components later.
CAUTION
Do not allow rear panel assembly to drop or set on ground. Damage to brackets could
result if caution is not observed.
Attach lifting strap on rear panel assembly, and position rear panel assembly on generator set.
Ensure alignment pins are in holes for proper alignment. Remove plastic plugs from rotolock holes.
Align male and female rotolocks and, using hex tool, turn rotolocks to secure the rear panel
assembly. Remove lifting strap. (Refer to figure 5-37.) Install plastic plugs. Ensure mounting zee is
below bottom tray assembly.
NOTE
Ensure lifting clevises are in the raised position before installing the roof panel assembly.
5-73
ARMY TM 9-6115-464-34
AIR FORCE TO 35C2-3-445-2
NAVY NAVFAC P-8-624-34
(28) Attach lifting sling to roof panel assembly, and position on generator set. Ensure alignment pins are
in holes. It may be necessary to use C-clamps to pull the side panels into position using the lifting
clevis as an anchor for the C-clamp. Remove plastic plugs from rotolock holes. Align male and
female rotolocks and, using hex tool, turn rotolocks to secure the roof panel assembly. Remove the
lifting sling. (Refer to figure 5-37.) Install plastic plugs. Install two socket head capscrews to secure
roof panel assembly.
(29) Slide sealing angle into position, and tighten capscrews.
(30) Tighten capscrews securing mounting members.
(31) Attach lifting sling to inlet turn assembly, and position on roof assembly. Remove the lifting sling.
Remove plastic plugs from rotolock holes. Align male and female rotolocks and, using hex tool, turn
rotolocks to secure the inlet turn assembly. (Refer to figure 5-37.) Install plastic plugs.
(32) Attach lifting sling to discharge turn assembly, and position on roof assembly. Remove the lifting
sling. Remove plastic plugs from rotolock holes. Align male and female rotolocks and, using hex tool,
turn rotolocks to secure the discharge turn assembly. (Refer to figure 5-37.) Install plastic plugs.
NOTE
Keepers, washers, and capscrews must be moved to end panels to secure side panel skirts.
(33) Position upper side panel skirt on side panels and install screws, keepers, washers, and capscrews.
(34) Install side panel skirts on slip-joint hinge and secure with keepers.
(35) Lower side panel skirts.
(36) Ensure inlet door, discharge door, control panel access door, and access doors are closed.
(37) Reconnect battery cables.
NOTE
When bottom panel tray assembly is installed, generator set will require one inch
clearance. Stones, debris, or other material may damage bottom tray assembly.
Generator set may not be skidded with bottom panel tray installed.
c. Remove acoustic suppression kit from generator set by reversing installation procedures.
d. If generator set is to be trailer mounted, the following must be performed.
(1) Raise side panel skirts, and install ground wire. Install anti-rotation clips and fiber washers on
capscrews, and install capscrews. Lower side panel skirts.
(2) Glue isolators on skid base or surface of trailer. (Refer to figure 5-34.)
(3) Lower generator set onto trailer. Attach ground wire to trailer.
(4) Install washers and nuts on capscrews to secure generator set.
NOTE
Do not overtighten nuts. Tighten to 5 ft-lb torque (6.80 Nm). Install jam nuts.
(5) Remove hex nuts, capscrews, and locking pins from trailer platform.
(6) Position trailer brackets, and install capscrews, hex nuts, and locking pins on trailer brackets.
5-74

ARMY TM 9-6115 464 34
AIR FORCE TO 35C2-3-445-2
NAVY NAVFAC P-8-624-34
APPENDIX A
REFERENCES
This Appendix contains a list of reference manuals that may be used in conjunction with this TM in the operation and
maintenance of the 15 KW DOD Generator Set. Those manuals not coded are applicable for use by all services. The
manuals are coded (A), for Army use (F) Air Force use, and (N) Navy use.
A-1. FIRE PROTECTION
TB 5-4200-200-10 Hand Portable Fire Extinguishers Approved for Army Users
A-2. LUBRICATION
C9100-IL Identification List for Fuels, Lubricants, Oils and Waxes
LO 9-6115 464-12 (A) Lubrication Order
LO 07523A-12 (M)
A-3. PAINTING
T.O 35-1-3 (F) Painting and Marking of USAF Aerospace Ground Equipment
TM 9-0139 (A) Painting Instructions for Field Use
A-4. RADIO SUPPRESSION
TO 31-1-141-13 (F) Basic Electronics Technology
FM 11-65 (A) Radio Interference Suppression
A-5. MAINTENANCE.
T.O 00-25-234 (F) General Shop Practice Requirements for the Repair, Maintenance and
Test of Electric Wiring
T.O.1-1 A-14 (F) Installation Practices for Aircraft Electric and Electronic Wiring
NAVWEPS 01 -1 A-505 (N)
TM 55-1500-323-24 (A)
T.O.35-1-11 (F) Unit, Intermedia.te and Depot Level Maintenance for FSC 6115
Non-Airborne Equipment
T.O.35-1-12 (F) Components and Procedures for Cleaning Aerospace Ground
Equipment
T.O.35-1-26 (F) Repair/Replacement Criteria for FSC 6115 Aerospace Ground
Equipment
T.O.35-1-524 (F) USAF Equipment Registration Number System Applicable to FSC 6115
Equipment
Deleted
TM 9-2610-200-14 (A) Care and Maintenance of Pneumatic Tires and Inner Tubes
T.O.36Y32-1-142 (F) Measurements and Instrumentations
TB 750-651 (A) Use of Anti-freeze Solutions and Cleaning Compounds in Engine
Cooling Systems
TM 738-750 (A) The Army Maintenance Management Systems (TAMMS)
TM 9-6115-464-12 (A) Operator and Unit Maintenance Manual
TO 35C2-3-445-1 (F)
NAVFAC P-8-624-12 (Nt
TM 07523A-12 (M)
Change 1 A-1

ARMY TM 9-6115 464 34
AIR FORCE TO 35C2-3-445-2
NAVY NAVFAC P-8-624-34
A-5 MAINTENANCE (CONT)
TM 9-611 5 24P (A) Unit, DS, GS and Depot Maintenance Repair Parts and
TO 35C2-3-445-1 (F) Special Tools List
NAVFAC P-8-624-24P (N)
SL-4-07532A
TM 9-6140-200-14 (A) Operator’s and Unit, Intermedia.te Direct Support, and Intermedia.te
General Support Maintenance Manual for Lead Acid Batteries
T.O 36Y4-1-194 (F) Batteries, Lead Acid Type
T.O 34Y19-1-111 (F) Electric Motor and Generator Repair
TM 5-764 (A)
Deleted
A-6 SHIPMENT AND STORAGE
T.O 35-1-4 (F) Processing and Inspection of Aerospace Ground Equipment for Storage
and Shipment
T.O 38-1-5 (F) Processing and Inspection of Non-Mounted, Non-Aircraft Gasoline and
Diesel Engine for Storage and Shipment
TB 740-97-2 (A) Preservation of USAMEC Mechanical Equipment for Shipment and
Storage
AR 750-1 (A) Administrative Storage of Equipment
A-7 DESTRUCTION OF MATERIAL
TM 750-244-3 (A) Procedures for Destruction of Equipment to Prevent Enemy Use
A-8 Deleted
*U.S. GOVERN.MENT PRINTING OFFICE: 1997 - 554-024/60178
A-2 Change 1

ARMY TM 9-6115-464-34
AIR FORCE 35C2-3-445-2
NAVY NAVFAC P-8-624-34
Figure 2-1. Breakout Cable (Sheet 1 of 2)
B-2

ARMY TM 9-6115-464-34
AIR FORCE TO 35C2-3-445--2
NAVY NAVFAC P-8-624-34
Figure 2-1 Breakout Cable (Sheet 2 of 2)
B-3/(B-4 blank)

ARMY TM 9-6115-464-34
AIR FORCE TO 35C2-3-445-2
NAVY NAVFAC P-8-624-34
ALPHABETICAL INDEX
Subject
A
Paragraph
AC POWER CONTROL WIRING HARNESS, 3-195
ACOUSTIC SUPPRESSION KIT INSTALLATION AND
REMOVAL, 5-70
ACTUATOR UNIT, 3-191
AIR CLEANER ASSEMBLY, 3-100
APPLICATIONS KIT INSTALLATION AND
REMOVAL, 5-52
AXLE ASSEMBLIES, 5-31
B
BATTERIES, 3-1
BATTERY CHARGING ALTERNATOR, 3-15
BREATHER AND BREATHER TUBE, 3-100
C
CABLE HARNESS ASSEMBLY, 5-64
CAMSHAFT, 3-116
CIRCUIT INTERRUPTER TEST (OVER VOLTAGE
AND UNDER VOLTAGE), 4-19
CIRCUIT INTERRUPTER TEST (OVERLOAD
CURRENT), 4-18
CIRCUIT INTERRUPTER TEST (SHORT CIRCUIT),
4-17
CONTROL BOX ASSEMBLY, 5-36
CONTROL CUBICLE ASSEMBLY, 3-130
CONVENIENCE AND PARALLELING
RECEPTACLES WIRING HARNESS, 3-209
CONVENIENCE RECEPTACLE AND CIRCUIT
BREAKER, 3-209
COOLANT THERMOSTAT AND HOUSING, 3-75
COOLANT LINES AND FlTTINGS, 5-14,5-28
Subject Paragraph
COOLANT PUMP AND MOTOR ASSEMBLY, 5-27
COOLANT TEMPERATURE TRANSMlTTER, 3-39
COOLING FAN, 3-72
CRANKSHAFT, CONNECTING RODS AND
PISTONS, 3-120
CURRENT TRANSFORMER ASSEMBLIES, 3-231
CYLINDER BLOCK ASSEMBLY, 3-126
CYLINDER HEAD AND ROCKER ARM ASSEMBLY,
3-110
D
DAY TANK ASSEMBLY, 3-46
DAY TANK FUEL LEVEL AND LOW CUTOFF
SWITCH, 3-39
DC CONTROL CIRCUIT BREAKER, 3-148
DESCRIPTION, 1-2
DESTRUCTION OF MATERIAL TO PREVENT
ENEMY USE, 1-2
DIRECT AND GENERAL SUPPORT AND DEPOT
MAIN. REPAIR PARTS, 2-1
DIRECTION OF ROTATION CONTROLS, 4-2
ELECTRIC GOVERNOR CONTROL UNIT
(MEP-113A), 3-186
ELECTRIC GOVERNOR MAGNETIC PICKUP,
3-192
ELECTRICAL ACCESSORIES INSPECTION, 4-1
ELECTRO-HYDRAULIC GOVERNOR CONTROL
UNIT, 3-157
ELECTROMAGNETIC INTERFERENCE
CAPACITORS, 3-235
ENGINE ASSEMBLY REMOVAL AND
INSTALLATION, 2-15
Index-1
ARMY TM 9-6115-464-34
AIR FORCE TO 35C2-3-445-2
NAVY NAVFAC P-8-624-34
ALPHABETICAL INDEX (CONT)
Subject
Paragraph
ENGINE FRONT SUPPORT, 3-101
ENGINE INSPECTION, 4-1
ENGINE WIRING HARNESS ASSEMBLY, 3-39
EQUIPMENT IMPROVEMENT
RECOMMENDATIONS, 1-2
EXCITER CONTROL WIRING HARNESS, 3-195
EXHAUST MANIFOLD, 3-110
EXHAUST PIPE AND MUFFLER, 3-100
F
FABRICATED TOOLS AND EQUIPMENT, 2-1
FAULT LOCATING INDICATOR, 3-138
FLYWHEEL AND FLYWHEEL HOUSING, 3-102
FREQUENCY ADJUST RANGE TEST, 4-15
FREQUENCY AND VOLTAGE REGULATION,
STABILITY, AND TRANSIENT RESPONSE
TEST (SHORT-TERM), 4-10
FUEL INJECTION NOZZLE HOLDERS AND LINES,
3-66
FUEL INJECTION PUMP ASSEMBLY, 3-47
FUEL LINES, 3-67
FUEL SOLENOID VALVE, 3-39
FUEL STRAINER AND FILTER ASSEMBLY, 3-45
FUEL TRANSFER PUMPS, 3-45
G
GENERAL, 2-4, 2-15, 3-1, 3-39, 3-88, 3-75, 3-81,
3-100, 3-130, 3-192, 3-209, 3-236, 3-285, 3-312,
3-314, 3-319, 4-1, 4-2, 5-1, 5-18, 5-30, 5-36,
5-52, 5-70
GENERATOR ASSEMBLY, 2-17
GENERATOR INSPECTION, 4-1
Subject Paragraph
GENERATOR MAINTENANCE INSTRUCTIONS,
3-285
GOVERNOR CONTROL UNIT TO HYDRAULIC
ACTUATOR UNIT WIRING HARNESS.
(ELETRO-HYDRAULIC GOVERNOR
EQUIPPED PRECISE SETS ONLY), 3-195
GRILLE, 3-68
H
HEATER ASSEMBLY, 5-9,5-27
HEATER CONTROL ASSEMBLY, 5-5, 5-20
HOUSING AND FRAME INSPECTION, 4-1
HYDRAULIC ACTUATOR UNIT, 3-89
HYDRAULIC PUMP ASSEMBLY, 3-83
HYDRAULIC SUMP, 3-81
HYDRAULIC SYSTEM FILTER ASSEMBLY, 3-87
I
INTAKE MANIFOLD, 3-110
L
LEVELS OF MAINTENANCE, 1-2
LIFTING FRAME MAINTENANCE, 3-314
LIMITED APPLICABILITY, 1-1
LOAD BANK HOUSING, 5-39
LOAD MEASURING UNIT, 3-152
LOAD MEASURING UNIT TO TACTICAL RELAY
ASSEMBLY WIRING HARNESS, 3-195
LOAD TERMINAL BOARD ASSEMBLY, 3-231
LOW FUEL PROTECTIVE DEVICE, 4-3
LOW OIL PRESSURE PROTECTIVE DEVICE
TEST, 4-21
Index-2
ARMY TM 9-6115-464-34
AIR FORCE TO 35C2-3-445-2
NAVY NAVFAC P-8-624-34
ALPHABETICAL INDEX (CONT)
Subject
Paragraph
LOW OIL PRESSURE SWITCH, 3-39
LUBRICATION OIL FILTER, 3-75
M
MAIN FUEL TANK (METAL), 3-42
MAIN FUEL TANK (PLASTIC), 3-43
MAIN LOAD CONTACTOR, 3-211
MAINTENANCE FORMS AND RECORDS, 1-1
MALFUNCTION INDICATOR TEST, 4-7
MANUAL SPEED CONTROL, 3-148
MAXIMUM POWER TEST, 4-23
0
OIL LEVEL GAUGE, 3-75
OIL PAN ASSEMBLY, 3-75
OIL PRESSURE TRANSMITTER, 3-39
OIL PUMP ASSEMBLY, 3-77
OVERSPEED PROTECTIVE DEVICE TEST, 4-16
OVERTEMPERATURE PROTECTIVE DEVICE
TEST, 4-21
OVERTEMPERATURE SWITCH, 3-39
P
PARALLEL OPERATION PROVISIONS, 4-3
PHASE BALANCE TEST VOLTAGE, 4-7
PHASE SEQUENCE TEST (ROTATION), 4-22
PLRECISE RELAY ASSEMBLY TO GOVERNOR
CONTROL UNIT WIRING
HARNESS. (ELECTRO-HYDRAULIC
GOVERNOR EQUIPPED PRECISE SETS
ONLY), 3-196
PRECISE RELAY ASSEMBLY, 3-252
Subject
RADIATOR, 3-70
Paragraph
REGULATOR RANGE TEST, 4-8
RELAY TABLE COMPONENTS ADJUSTMENTS,
3-277
RELAY TABLY MAINTENANCE, 3-312
REMOVAL/INSTALLATION REMOTE FUNCTIONS
ASSEMBLY, 5-64
REPLACEMENT OF INTERFERENCE
SUPPRESSION COMPONENTS, 3-311
REPORTING OF ERRORS, 1-1
REVERSE POWER PROTECTIVE DEVICE TEST,
4-2
s
SCOPE, 1-1
SECONDARY FUEL FILTER ASSEMBLY, 3-47
SHIPMENT AND STORAGE, 1-2
SHUTTER ASSEMBLY, 3-71
SHUTTER CONTROL ASSEMBLY, 3-68
SKID BASE ASSEMBLY MAINTENANCE, 3-319
SLAVE RECEPTACLE, 3-1
SPECIAL RELAY ASSEMBLY, 3-247
SPECIAL RELAY ASSEMBLY TO CONTROL
CUBICLE ASSEMBLY WIRING HARNESS,
3-196
SPECIAL RELAY ASSEMBLY TO FAULT
LOCATING INDICATOR WIRING HARNESS,
3-196
SPECIAL RELAY ASSEMBLY TO PRECISE RELAY
ASSEMBLY WIRING HARNESS, 3-196
SPECIAL RELAY ASSEMBLY TO STATIC EXCITER
WIRING HARNESS, 3-195
SPEED SWITCH, 3-31
Index-3
R
ARMY TM 9-6115-464-34
AIR FORCE TO 35C2-3-445-2
NAVY NAVFAC P-8-624-34

ARMY TM 9-6115-464-34
AIR FORCE TO-35C2-3-445-2
NAVY NAVFAC P-8-624-34
By Order of the Secretaries of the Army, Air Force, and Navy:
GORDON R. SULLIVAN
General, United States Army
Official:
Chief of Staff
MILTON H. HAMILTON
Administrative Assistant to the
Secretary of the Army
06362
MERRILL A. McPEAK
General, USAF
Chief of Staff
Official:
RONALD W. YATES
General, USAF
Commander, Air Force Materiel Command
DAVID E. BOTTORFF
Rear Admiral, CEC, US Navy
Commander
Navy Facilities Engineering
Command
DISTRIBUTION:
To be distributed in accordance with DA Form 12-25-E, block no. 6195, requirements for
TM 9-6115-464-34.
* U.S. GOVERNMENT PRINTING OFFICE: 1994 555-028/00108

PIN: 072239-001


































































































































