TMS9914A_data Sheet_Jun89 TMS9914A Data Sheet Jun89
User Manual: TMS9914A_dataSheet_Jun89
Open the PDF directly: View PDF
.
Page Count: 80
- 000
- 001
- 002
- 003
- 004
- 1-01
- 1-02
- 1-03
- 2-01
- 2-02
- 2-03
- 2-04
- 2-05
- 2-06
- 2-07
- 2-08
- 2-09
- 2-10
- 2-11
- 2-12
- 2-13
- 2-14
- 2-15
- 2-16
- 3-01
- 3-02
- 3-03
- 3-04
- 3-05
- 3-06
- 3-07
- 3-08
- 3-09
- 3-10
- 3-11
- 3-12
- 3-13
- 3-14
- 3-15
- 3-16
- 3-17
- 3-18
- 3-19
- 4-01
- 4-02
- 4-03
- 4-04
- 4-05
- 4-06
- 4-07
- 4-08
- 4-09
- 4-10
- 5-01
- 5-02
- A-01
- B-01
- B-02
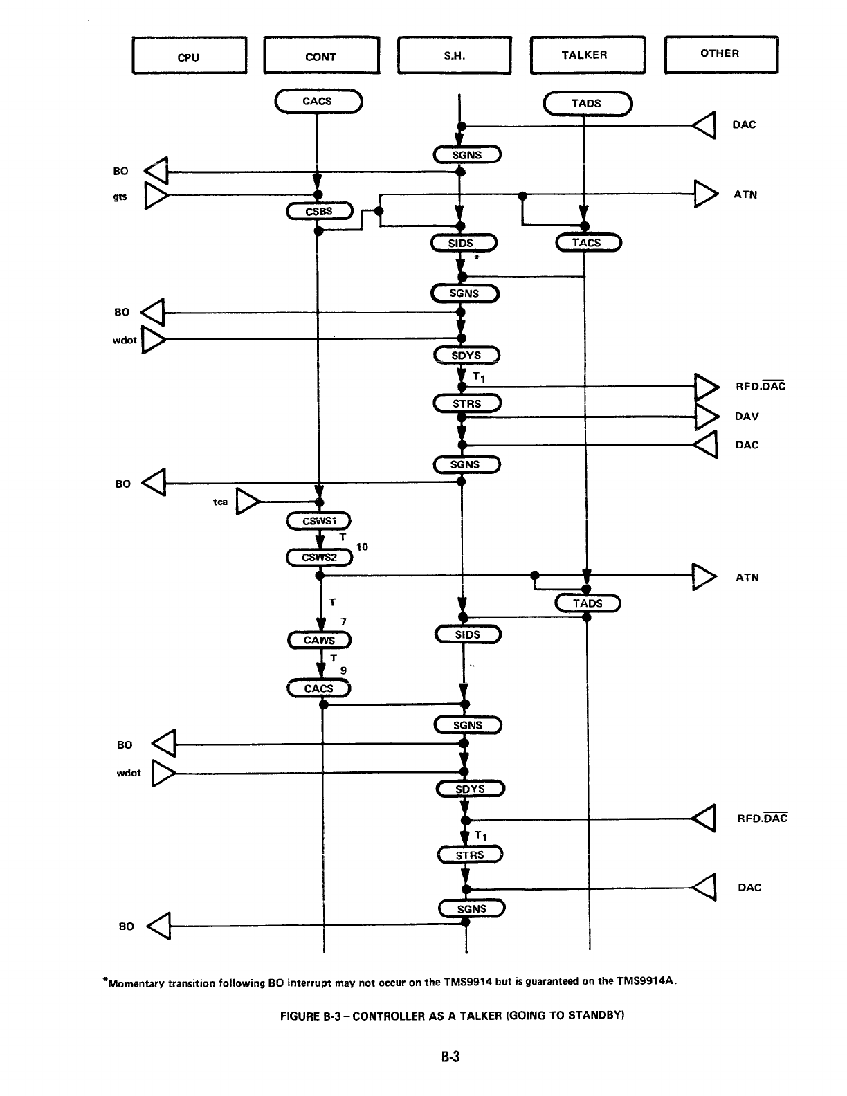
- B-03
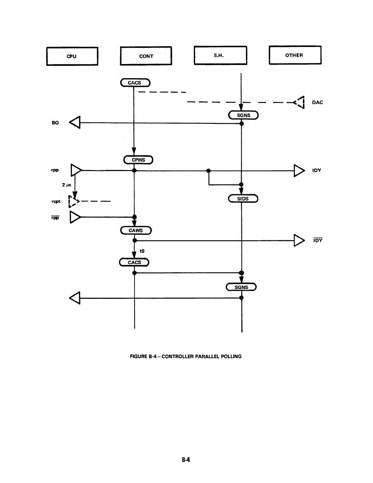
- B-04
- C-01
- C-02
- C-03
- C-04
- C-05
- C-06
- C-07
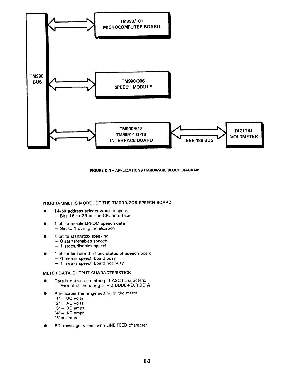
- D-01
- D-02
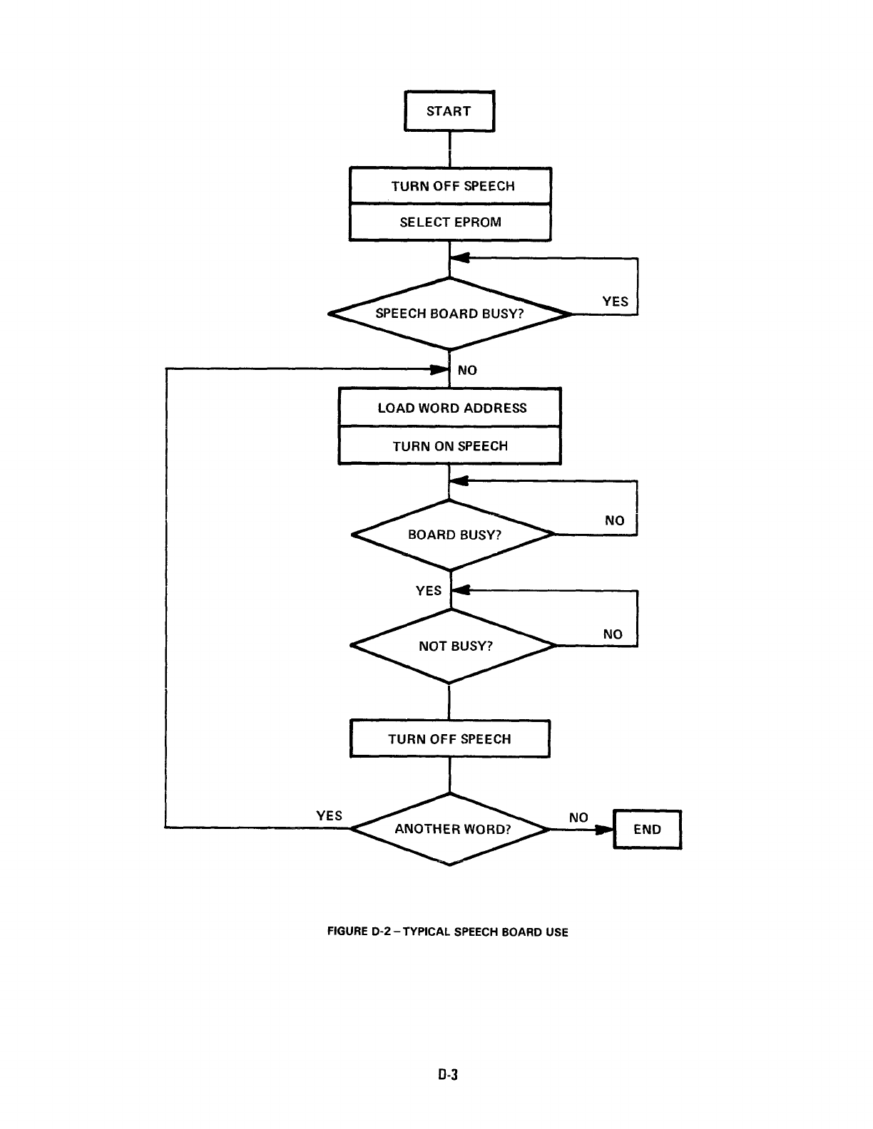
- D-03
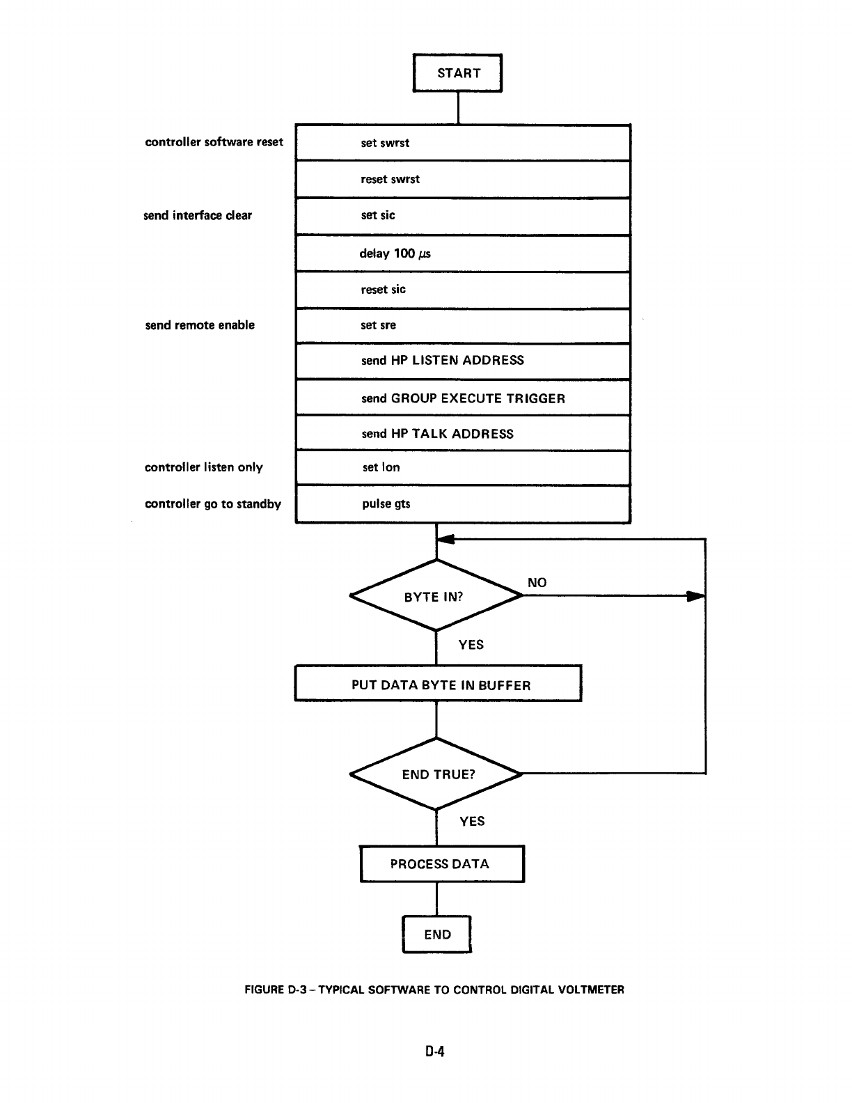
- D-04
- D-05
- D-06
- D-07
- D-08
- D-09
- D-10
- D-11
- D-12
- xBack















































































