Ryobi Saw TS1344L TS1342L
User Manual: Ryobi Saw TS1344L
Open the PDF directly: View PDF
.
Page Count: 6
RYOBI
10 in. COMPOUND MITER SAW
MODEL NO. TS1342L
REPAIR SHEET

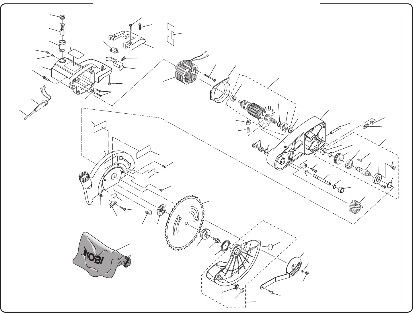
RYOBI 10 in. COMPOUND MITER SAW – MODEL NUMBER TS1342L
2
1
2
34
5
6
7
9
8
10
11
12
13
14
15
16
17
18
19
20
22 23
24
28
25
26
27
29
30
31
32
33
34
35
36
37
38
39
40
41
42
43
21
44
45
46
47
48
49
50
51
52
53
54
55
56
57
58
59
60
61
62
63
64
65
66
67
68
69
70
71
72
73
74
76
75
77
78
FIGURE A

RYOBI 10 in. COMPOUND MITER SAW – MODEL NUMBER TS1342L
3
The model number will be found on a label attached to the motor housing. Always mention the model number in all correspondence
regarding your MITER SAW or when ordering repair parts.
1 089100212007 Power Cord ................................................................ 1
2 588004100 Bend Relief ................................................................. 1
3 A19003050302 Screw (M5 x 30 mm) .................................................. 4
4 580309000 Motor Housing ........................................................... 1
5 A18003050054 Fixed Screw (M5 x 5 mm) .......................................... 2
6 A95001050060 Fixed Screw (M5 x 6 mm) .......................................... 2
7 528312100 Brush Holder .............................................................. 2
8 089100212903 Warning Label ............................................................ 1
9 089100207107 Brush Assembly ......................................................... 2
10 528311004 Brush Cap .................................................................. 2
11 580302000 Switch ........................................................................ 1
12 A10003040307 Screw (M4 x 30 mm, Pan Hd.) ................................... 2
13 A10003040250 Screw (M4 x 25 mm, Pan Hd.) ................................... 2
14 089100212902 Hang Tag Label (French & Spanish) .......................... 1
15 580311000 Handle Cover ............................................................. 1
16 511313000 Compression Spring .................................................. 1
17 580312000 Switch Actuator ......................................................... 1
18 A30003004005 Hex Nut (M4) .............................................................. 4
19 A90003040125 Screw (M4 x 12 mm, Pan Hd.) ................................... 2
20 578313006 Cord Clamp ................................................................ 1
21 9053n02200 Field Assembly ........................................................... 1
22 A90101050603 Screw (M5 x 60 mm, Pan Hd.) ................................... 2
23 580314000 Baffle .......................................................................... 1
24 A50006080049 Ball Bearing (608) ....................................................... 1
25 A46000150008 C-ring ......................................................................... 1
26 A50060020056 Ball Bearing (6002) ..................................................... 1
27 9053d01000 Armature Assembly (Inc. Key Nos. 24-26) ................. 1
28 A63030001240 O-Ring ........................................................................ 1
29 A30003010007 Hex Nut (M10) ............................................................ 1
30 A18003100206 Fixed Screw (M10 x 20 mm) ...................................... 1
31 A30003012194 Lock Nut (M12) ........................................................... 2
32 A36031226023 Washer (M12) ............................................................. 1
33 089100212006 Arm ............................................................................. 1
34 588026106 Spindle Lock Pin ........................................................ 1
35 A47000040006 E-Ring ........................................................................ 1
36 588027005 Compression Spring .................................................. 1
37 089100212703 Output Spindle Assembly (Inc. Key Nos. 38-46) ....... 1
38 588031004 Screw (M5 x 10 mm) .................................................. 2
39 A63020000428 O-ring ......................................................................... 1
40 A50060040052 Ball Bearing (6004Z/RS) ............................................. 1
41 089100207059 Gear Shaft .................................................................. 1
KEY PART
NO. NUMBER DESCRIPTION QTY.
FIGURE A PARTS LIST
42 A45204040180 Parallel Key ................................................................ 1
43 588029007 Lock Ring ................................................................... 1
44 089100207062 Gear ......................................................................... 1
45 A46000150008 C-Ring ........................................................................ 1
46 A50060000027 Ball Bearing (6000ZZ) ................................................ 1
47 089100207025 Tension Spring ........................................................... 1
48 588023001 Stop Pin Cap .............................................................. 1
49 A63000000051 O-Ring ........................................................................ 1
50 089100212008 Stop Pin ..................................................................... 1
51 A90003040167 Screw (M4 x 16 mm, Pan Hd.) ................................... 1
52 588021203 Stopper ...................................................................... 1
53 A47000060002 E-Clip ......................................................................... 1
54 089100207029 Retaining Spring Holder ............................................. 1
55 A35010616105 Washer (M6) ............................................................... 1
56 A31703006004 Lock Nut (M6) ............................................................. 1
57 589015108 Shoulder Screw .......................................................... 1
58 089100212704 Lower Blade Guard Assembly
(Inc. Key Nos. 59-61) ................................................. 1
59 089100207097 No Hands Warning Label ........................................... 1
60 538417000 Retaining Ring ........................................................... 1
61 089100207103 Roller .......................................................................... 1
62 589021300 Torsion Spring ............................................................ 1
63 503412000 Blade Bolt .................................................................. 1
64 089100212004 Laser Guide ................................................................ 1
65 089100207045 Blade .......................................................................... 1
66 588035105 Inner Blade Washer .................................................... 1
67 A19001040091 Screw (M4 x 9 mm, Pan Hd.) ..................................... 1
68 A10003050106 Screw (M5 x 10 mm, Pan Hd.) ................................... 4
69 089100212900 Data Label .................................................................. 1
70 089100212707 Upper Blade Guard Assembly
(Inc. Key Nos. 71-76) ................................................. 1
71 A31703004006 Lock Nut (M4) ............................................................. 1
72 589032207 Stopper ...................................................................... 1
73 A10003040152 Screw (M4 x 15 mm, Pan Hd.) ................................... 1
74 089100207051 Warning Label ............................................................ 1
75 089100207040 Warning Label (Upper Guard) .................................... 1
76 089100207044 Logo Label (Upper Guard) ......................................... 1
77 581410003 Screw ......................................................................... 1
78 089100207055 Dust Bag .................................................................... 1
79 089100212701 Motor Housing Assembly
(Inc. Key Nos. 1-13 and 15-22) .................................. 1
KEY PART
NO. NUMBER DESCRIPTION QTY.

RYOBI 10 in. COMPOUND MITER SAW – MODEL NUMBER TS1342L
4
1
2
3
4
5
6
5
7
8
9
10
11
12
13
14
15
16
17
18
19
9
43
20
21
22 23
5
6
5
7
24
25
39
40
38 11
37
44
41 36
34
35
34
33
32
31
30
29
28
5
7
27
26
42
FIGURE B

RYOBI 10 in. COMPOUND MITER SAW – MODEL NUMBER TS1342L
5
The model number will be found on a label attached to the motor housing. Always mention the model number in all correspondence
regarding your MITER SAW or when ordering repair parts.
1 A36030814204 Spring Washer (M8) .........................................4
2 A07103080457 Screw (M8 x 45 mm, Cap Soc. Hd.)................4
3 089100207024 Bevel Lock Knob .............................................1
4 A35031030300 Washer (M10) ..................................................1
5 A35030410018 Washer (M4) ....................................................5
6 089100207112 Pointer .............................................................2
7 A10003040107 Screw (M4 x 10 mm, Pan Hd.) ........................3
8 588058200 Lock Bolt .........................................................1
9 A36031018255 Spring Washer (M10) .......................................3
10 089100212706 Pivot Support Assembly
(Inc. Key Nos. 11-16) .......................................1
11 A49010020056 Rivet (Ø2.5 x 5 mm) .........................................6
12 089100212005 Bevel Scale .....................................................1
13 089100207050 Pivot Support ..................................................1
14 089100207023 Support Bracket Assembly .............................1
15 589011308 Washer ............................................................1
16 589010200 Pivot Shaft .......................................................1
17 A30003006003 Hex Nut (M6) ...................................................2
18 578206000 Bolt (M6 x 16 mm, Hex Hd.) ............................2
19 A16003040083 Screw (M4 x 8 mm, Flat Hd.) ...........................4
20 089100207036 Throat Plate (Table Insert)................................1
21 089100208008 Miter Table .......................................................1
22 089100207018 Fence ..............................................................1
23 089100207030 Safety Guard ...................................................1
KEY PART
NO. NUMBER DESCRIPTION QTY.
FIGURE B PARTS LIST
KEY PART
NO. NUMBER DESCRIPTION QTY.
24 A19003040093 Screw (M4 x 9 mm, Pan Hd.) ..........................2
25 503118000 Grommet .........................................................1
26 089100212700 Work Clamp Assembly ....................................1
27 518105400 Lock Plate .......................................................1
28 089100307006 Pointer .............................................................1
29 089100210036 Miter Lock Handle ...........................................1
30 A36030612157 Spring Washer (M6) ........................................2
31 A07003060257 Cap Screw (M6 x 25 mm) ................................2
32 518104200 Control Arm .....................................................1
33 A31703010008 Lock Nut (M10) ................................................1
34 A35031025153 Washer (M10) ..................................................2
35 A36131020100 Spring Washer (M10) .......................................1
36 089100210001 Base ................................................................1
37 089100212001 Miter Scale ......................................................1
38 089100210009 Wear Pad .........................................................5
39 089100207097 “No Hands Zone” Label ..................................2
40 588071004 “No Hands Zone” Boundary Line ....................2
41 089100212705 Base Assembly
(Inc. Key Nos. 11 and 36-40) ..........................1
42 518106300 Table Spindle ...................................................1
43 A07003100256 Cap Screw (M10 x 25 mm) ..............................2
44 089100207113 Blade Wrench (M35 x 115 mm) .......................1
987000329 Operator’s Manual
10-16-09
(REV:03)

RYOBI 10 in. COMPOUND MITER SAW – MODEL NUMBER TS1342L
6
WIRING DIAGRAM
WHITE LEAD
WHITE LEAD
POWER CORD
BLACK LEAD
YELLOW LEAD
YELLOW LEAD
YELLOW
LEAD
BROWN
LEAD
MOTOR
BRUSHES
SWITCH